CC13xx, CC26xx SimpleLink Wireless MCU (Rev. F) Technical Reference Manual
User Manual:
Open the PDF directly: View PDF
.
Page Count: 1723 [warning: Documents this large are best viewed by clicking the View PDF Link!]
- Table of Contents
- Revision History: SWCU117F
- Revision History: SWCU117E
- Preface
- 1 Architectural Overview
- 1.1 Target Applications
- 1.2 Overview
- 1.3 Functional Overview
- 1.3.1 ARM Cortex-M3
- 1.3.2 On-chip Memory
- 1.3.3 Radio
- 1.3.4 Advanced Encryption Standard (AES) Engine With 128-bit Key Support
- 1.3.5 General-Purpose Timers
- 1.3.6 Direct Memory Access
- 1.3.7 System Control and Clock
- 1.3.8 Serial Communication Peripherals
- 1.3.9 Programmable I/Os
- 1.3.10 Sensor Controller
- 1.3.11 Random Number Generator
- 1.3.12 cJTAG and JTAG
- 1.3.13 Power Supply System
- 2 The ARM® Cortex®-M3 Processor
- 2.1 The Cortex-M3 Processor Introduction
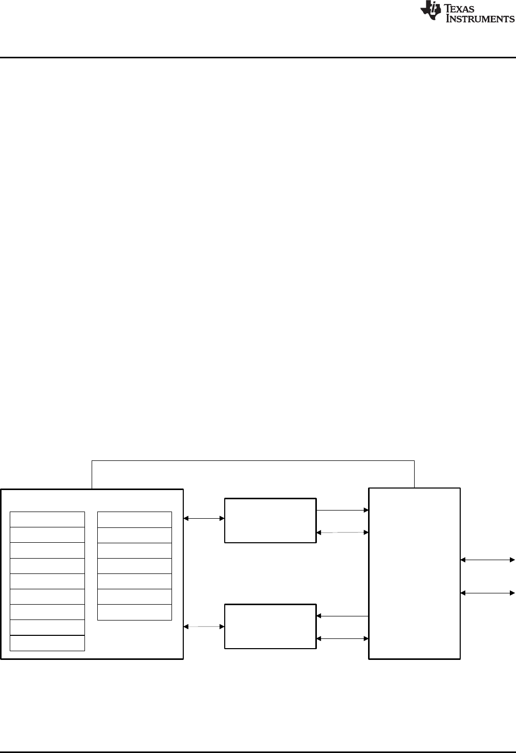
- 2.2 Block Diagram
- 2.3 Overview
- 2.4 Programming Model
- 2.5 Cortex-M3 Core Registers
- 2.5.1 Core Register Map
- 2.5.2 Core Register Descriptions
- 2.5.2.1 Cortex General-Purpose Register 0 (R0)
- 2.5.2.2 Cortex General-Purpose Register 1 (R1)
- 2.5.2.3 Cortex General-Purpose Register 2 (R2)
- 2.5.2.4 Cortex General-Purpose Register 3 (R3)
- 2.5.2.5 Cortex General-Purpose Register 4 (R4)
- 2.5.2.6 Cortex General-Purpose Register 5 (R5)
- 2.5.2.7 Cortex General-Purpose Register 6 (R6)
- 2.5.2.8 Cortex General-Purpose Register 7 (R7)
- 2.5.2.9 Cortex General-Purpose Register 8 (R8)
- 2.5.2.10 Cortex General-Purpose Register 9 (R9)
- 2.5.2.11 Cortex General-Purpose Register 10 (R10)
- 2.5.2.12 Cortex General-Purpose Register 11 (R11)
- 2.5.2.13 Cortex General-Purpose Register 12 (R12)
- 2.5.2.14 Stack Pointer (SP)
- 2.5.2.15 Link Register (LR)
- 2.5.2.16 Program Counter (PC)
- 2.5.2.17 Program Status Register (PSR)
- 2.5.2.18 Priority Mask Register (PRIMASK)
- 2.5.2.19 Fault Mask Register (FAULTMASK)
- 2.5.2.20 Base Priority Mask Register (BASEPRI)
- 2.5.2.21 Control Register (CONTROL)
- 2.6 Instruction Set Summary
- 2.7 Cortex-M3 Processor Registers
- 2.7.1 CPU_DWT Registers
- 2.7.1.1 CTRL Register (Offset = 0h) [reset = 40000000h]
- 2.7.1.2 CYCCNT Register (Offset = 4h) [reset = 0h]
- 2.7.1.3 CPICNT Register (Offset = 8h) [reset = X]
- 2.7.1.4 EXCCNT Register (Offset = Ch) [reset = X]
- 2.7.1.5 SLEEPCNT Register (Offset = 10h) [reset = X]
- 2.7.1.6 LSUCNT Register (Offset = 14h) [reset = X]
- 2.7.1.7 FOLDCNT Register (Offset = 18h) [reset = X]
- 2.7.1.8 PCSR Register (Offset = 1Ch) [reset = X]
- 2.7.1.9 COMP0 Register (Offset = 20h) [reset = X]
- 2.7.1.10 MASK0 Register (Offset = 24h) [reset = X]
- 2.7.1.11 FUNCTION0 Register (Offset = 28h) [reset = 0h]
- 2.7.1.12 COMP1 Register (Offset = 30h) [reset = X]
- 2.7.1.13 MASK1 Register (Offset = 34h) [reset = X]
- 2.7.1.14 FUNCTION1 Register (Offset = 38h) [reset = 200h]
- 2.7.1.15 COMP2 Register (Offset = 40h) [reset = X]
- 2.7.1.16 MASK2 Register (Offset = 44h) [reset = X]
- 2.7.1.17 FUNCTION2 Register (Offset = 48h) [reset = 0h]
- 2.7.1.18 COMP3 Register (Offset = 50h) [reset = X]
- 2.7.1.19 MASK3 Register (Offset = 54h) [reset = X]
- 2.7.1.20 FUNCTION3 Register (Offset = 58h) [reset = 0h]
- 2.7.2 CPU_FPB Registers
- 2.7.2.1 CTRL Register (Offset = 0h) [reset = 260h]
- 2.7.2.2 REMAP Register (Offset = 4h) [reset = X]
- 2.7.2.3 COMP0 Register (Offset = 8h) [reset = 0h]
- 2.7.2.4 COMP1 Register (Offset = Ch) [reset = 0h]
- 2.7.2.5 COMP2 Register (Offset = 10h) [reset = 0h]
- 2.7.2.6 COMP3 Register (Offset = 14h) [reset = 0h]
- 2.7.2.7 COMP4 Register (Offset = 18h) [reset = 0h]
- 2.7.2.8 COMP5 Register (Offset = 1Ch) [reset = 0h]
- 2.7.2.9 COMP6 Register (Offset = 20h) [reset = 0h]
- 2.7.2.10 COMP7 Register (Offset = 24h) [reset = 0h]
- 2.7.3 CPU_ITM Registers
- 2.7.3.1 STIM0 Register (Offset = 0h) [reset = X]
- 2.7.3.2 STIM1 Register (Offset = 4h) [reset = X]
- 2.7.3.3 STIM2 Register (Offset = 8h) [reset = X]
- 2.7.3.4 STIM3 Register (Offset = Ch) [reset = X]
- 2.7.3.5 STIM4 Register (Offset = 10h) [reset = X]
- 2.7.3.6 STIM5 Register (Offset = 14h) [reset = X]
- 2.7.3.7 STIM6 Register (Offset = 18h) [reset = X]
- 2.7.3.8 STIM7 Register (Offset = 1Ch) [reset = X]
- 2.7.3.9 STIM8 Register (Offset = 20h) [reset = X]
- 2.7.3.10 STIM9 Register (Offset = 24h) [reset = X]
- 2.7.3.11 STIM10 Register (Offset = 28h) [reset = X]
- 2.7.3.12 STIM11 Register (Offset = 2Ch) [reset = X]
- 2.7.3.13 STIM12 Register (Offset = 30h) [reset = X]
- 2.7.3.14 STIM13 Register (Offset = 34h) [reset = X]
- 2.7.3.15 STIM14 Register (Offset = 38h) [reset = X]
- 2.7.3.16 STIM15 Register (Offset = 3Ch) [reset = X]
- 2.7.3.17 STIM16 Register (Offset = 40h) [reset = X]
- 2.7.3.18 STIM17 Register (Offset = 44h) [reset = X]
- 2.7.3.19 STIM18 Register (Offset = 48h) [reset = X]
- 2.7.3.20 STIM19 Register (Offset = 4Ch) [reset = X]
- 2.7.3.21 STIM20 Register (Offset = 50h) [reset = X]
- 2.7.3.22 STIM21 Register (Offset = 54h) [reset = X]
- 2.7.3.23 STIM22 Register (Offset = 58h) [reset = X]
- 2.7.3.24 STIM23 Register (Offset = 5Ch) [reset = X]
- 2.7.3.25 STIM24 Register (Offset = 60h) [reset = X]
- 2.7.3.26 STIM25 Register (Offset = 64h) [reset = X]
- 2.7.3.27 STIM26 Register (Offset = 68h) [reset = X]
- 2.7.3.28 STIM27 Register (Offset = 6Ch) [reset = X]
- 2.7.3.29 STIM28 Register (Offset = 70h) [reset = X]
- 2.7.3.30 STIM29 Register (Offset = 74h) [reset = X]
- 2.7.3.31 STIM30 Register (Offset = 78h) [reset = X]
- 2.7.3.32 STIM31 Register (Offset = 7Ch) [reset = X]
- 2.7.3.33 TER Register (Offset = E00h) [reset = 0h]
- 2.7.3.34 TPR Register (Offset = E40h) [reset = 0h]
- 2.7.3.35 TCR Register (Offset = E80h) [reset = 0h]
- 2.7.3.36 LAR Register (Offset = FB0h) [reset = 0h]
- 2.7.3.37 LSR Register (Offset = FB4h) [reset = 3h]
- 2.7.4 CPU_SCS Registers
- 2.7.4.1 ICTR Register (Offset = 4h) [reset = 1h]
- 2.7.4.2 ACTLR Register (Offset = 8h) [reset = 0h]
- 2.7.4.3 STCSR Register (Offset = 10h) [reset = 4h]
- 2.7.4.4 STRVR Register (Offset = 14h) [reset = X]
- 2.7.4.5 STCVR Register (Offset = 18h) [reset = X]
- 2.7.4.6 STCR Register (Offset = 1Ch) [reset = C0075300h]
- 2.7.4.7 NVIC_ISER0 Register (Offset = 100h) [reset = 0h]
- 2.7.4.8 NVIC_ISER1 Register (Offset = 104h) [reset = 0h]
- 2.7.4.9 NVIC_ICER0 Register (Offset = 180h) [reset = 0h]
- 2.7.4.10 NVIC_ICER1 Register (Offset = 184h) [reset = 0h]
- 2.7.4.11 NVIC_ISPR0 Register (Offset = 200h) [reset = 0h]
- 2.7.4.12 NVIC_ISPR1 Register (Offset = 204h) [reset = 0h]
- 2.7.4.13 NVIC_ICPR0 Register (Offset = 280h) [reset = 0h]
- 2.7.4.14 NVIC_ICPR1 Register (Offset = 284h) [reset = 0h]
- 2.7.4.15 NVIC_IABR0 Register (Offset = 300h) [reset = 0h]
- 2.7.4.16 NVIC_IABR1 Register (Offset = 304h) [reset = 0h]
- 2.7.4.17 NVIC_IPR0 Register (Offset = 400h) [reset = 0h]
- 2.7.4.18 NVIC_IPR1 Register (Offset = 404h) [reset = 0h]
- 2.7.4.19 NVIC_IPR2 Register (Offset = 408h) [reset = 0h]
- 2.7.4.20 NVIC_IPR3 Register (Offset = 40Ch) [reset = 0h]
- 2.7.4.21 NVIC_IPR4 Register (Offset = 410h) [reset = 0h]
- 2.7.4.22 NVIC_IPR5 Register (Offset = 414h) [reset = 0h]
- 2.7.4.23 NVIC_IPR6 Register (Offset = 418h) [reset = 0h]
- 2.7.4.24 NVIC_IPR7 Register (Offset = 41Ch) [reset = 0h]
- 2.7.4.25 NVIC_IPR8 Register (Offset = 420h) [reset = 0h]
- 2.7.4.26 CPUID Register (Offset = D00h) [reset = 412FC231h]
- 2.7.4.27 ICSR Register (Offset = D04h) [reset = X]
- 2.7.4.28 VTOR Register (Offset = D08h) [reset = 0h]
- 2.7.4.29 AIRCR Register (Offset = D0Ch) [reset = FA050000h]
- 2.7.4.30 SCR Register (Offset = D10h) [reset = 0h]
- 2.7.4.31 CCR Register (Offset = D14h) [reset = 200h]
- 2.7.4.32 SHPR1 Register (Offset = D18h) [reset = 0h]
- 2.7.4.33 SHPR2 Register (Offset = D1Ch) [reset = 0h]
- 2.7.4.34 SHPR3 Register (Offset = D20h) [reset = 0h]
- 2.7.4.35 SHCSR Register (Offset = D24h) [reset = 0h]
- 2.7.4.36 CFSR Register (Offset = D28h) [reset = 0h]
- 2.7.4.37 HFSR Register (Offset = D2Ch) [reset = 0h]
- 2.7.4.38 DFSR Register (Offset = D30h) [reset = 0h]
- 2.7.4.39 MMFAR Register (Offset = D34h) [reset = X]
- 2.7.4.40 BFAR Register (Offset = D38h) [reset = X]
- 2.7.4.41 AFSR Register (Offset = D3Ch) [reset = 0h]
- 2.7.4.42 ID_PFR0 Register (Offset = D40h) [reset = 30h]
- 2.7.4.43 ID_PFR1 Register (Offset = D44h) [reset = 200h]
- 2.7.4.44 ID_DFR0 Register (Offset = D48h) [reset = 00100000h]
- 2.7.4.45 ID_AFR0 Register (Offset = D4Ch) [reset = 0h]
- 2.7.4.46 ID_MMFR0 Register (Offset = D50h) [reset = 00100030h]
- 2.7.4.47 ID_MMFR1 Register (Offset = D54h) [reset = 0h]
- 2.7.4.48 ID_MMFR2 Register (Offset = D58h) [reset = 01000000h]
- 2.7.4.49 ID_MMFR3 Register (Offset = D5Ch) [reset = 0h]
- 2.7.4.50 ID_ISAR0 Register (Offset = D60h) [reset = 01101110h]
- 2.7.4.51 ID_ISAR1 Register (Offset = D64h) [reset = 02111000h]
- 2.7.4.52 ID_ISAR2 Register (Offset = D68h) [reset = 21112231h]
- 2.7.4.53 ID_ISAR3 Register (Offset = D6Ch) [reset = 01111110h]
- 2.7.4.54 ID_ISAR4 Register (Offset = D70h) [reset = 01310132h]
- 2.7.4.55 CPACR Register (Offset = D88h) [reset = 0h]
- 2.7.4.56 DHCSR Register (Offset = DF0h) [reset = X]
- 2.7.4.57 DCRSR Register (Offset = DF4h) [reset = X]
- 2.7.4.58 DCRDR Register (Offset = DF8h) [reset = X]
- 2.7.4.59 DEMCR Register (Offset = DFCh) [reset = 0h]
- 2.7.4.60 STIR Register (Offset = F00h) [reset = X]
- 2.7.5 CPU_TPIU Registers
- 2.7.5.1 SSPSR Register (Offset = 0h) [reset = Bh]
- 2.7.5.2 CSPSR Register (Offset = 4h) [reset = 1h]
- 2.7.5.3 ACPR Register (Offset = 10h) [reset = 0h]
- 2.7.5.4 SPPR Register (Offset = F0h) [reset = 1h]
- 2.7.5.5 FFSR Register (Offset = 300h) [reset = 8h]
- 2.7.5.6 FFCR Register (Offset = 304h) [reset = 102h]
- 2.7.5.7 FSCR Register (Offset = 308h) [reset = 0h]
- 2.7.5.8 CLAIMMASK Register (Offset = FA0h) [reset = Fh]
- 2.7.5.9 CLAIMSET Register (Offset = FA0h) [reset = Fh]
- 2.7.5.10 CLAIMTAG Register (Offset = FA4h) [reset = 0h]
- 2.7.5.11 CLAIMCLR Register (Offset = FA4h) [reset = 0h]
- 2.7.5.12 DEVID Register (Offset = FC8h) [reset = CA0h]
- 2.7.1 CPU_DWT Registers
- 3 ARM® Cortex®-M3 Peripherals
- 4 Interrupts and Events
- 4.1 Exception Model
- 4.2 Fault Handling
- 4.3 Event Fabric
- 4.4 AON Event Fabric
- 4.5 MCU Event Fabric
- 4.6 Memory Map
- 4.7 Interrupts and Events Registers
- 4.7.1 AON_EVENT Registers
- 4.7.2 EVENT Registers
- 4.7.2.1 CPUIRQSEL0 Register (Offset = 0h) [reset = 4h]
- 4.7.2.2 CPUIRQSEL1 Register (Offset = 4h) [reset = 9h]
- 4.7.2.3 CPUIRQSEL2 Register (Offset = 8h) [reset = 1Eh]
- 4.7.2.4 CPUIRQSEL3 Register (Offset = Ch) [reset = 38h]
- 4.7.2.5 CPUIRQSEL4 Register (Offset = 10h) [reset = 7h]
- 4.7.2.6 CPUIRQSEL5 Register (Offset = 14h) [reset = 24h]
- 4.7.2.7 CPUIRQSEL6 Register (Offset = 18h) [reset = 1Ch]
- 4.7.2.8 CPUIRQSEL7 Register (Offset = 1Ch) [reset = 22h]
- 4.7.2.9 CPUIRQSEL8 Register (Offset = 20h) [reset = 23h]
- 4.7.2.10 CPUIRQSEL9 Register (Offset = 24h) [reset = 1Bh]
- 4.7.2.11 CPUIRQSEL10 Register (Offset = 28h) [reset = 1Ah]
- 4.7.2.12 CPUIRQSEL11 Register (Offset = 2Ch) [reset = 19h]
- 4.7.2.13 CPUIRQSEL12 Register (Offset = 30h) [reset = 8h]
- 4.7.2.14 CPUIRQSEL13 Register (Offset = 34h) [reset = 1Dh]
- 4.7.2.15 CPUIRQSEL14 Register (Offset = 38h) [reset = 18h]
- 4.7.2.16 CPUIRQSEL15 Register (Offset = 3Ch) [reset = 10h]
- 4.7.2.17 CPUIRQSEL16 Register (Offset = 40h) [reset = 11h]
- 4.7.2.18 CPUIRQSEL17 Register (Offset = 44h) [reset = 12h]
- 4.7.2.19 CPUIRQSEL18 Register (Offset = 48h) [reset = 13h]
- 4.7.2.20 CPUIRQSEL19 Register (Offset = 4Ch) [reset = Ch]
- 4.7.2.21 CPUIRQSEL20 Register (Offset = 50h) [reset = Dh]
- 4.7.2.22 CPUIRQSEL21 Register (Offset = 54h) [reset = Eh]
- 4.7.2.23 CPUIRQSEL22 Register (Offset = 58h) [reset = Fh]
- 4.7.2.24 CPUIRQSEL23 Register (Offset = 5Ch) [reset = 5Dh]
- 4.7.2.25 CPUIRQSEL24 Register (Offset = 60h) [reset = 27h]
- 4.7.2.26 CPUIRQSEL25 Register (Offset = 64h) [reset = 26h]
- 4.7.2.27 CPUIRQSEL26 Register (Offset = 68h) [reset = 15h]
- 4.7.2.28 CPUIRQSEL27 Register (Offset = 6Ch) [reset = 64h]
- 4.7.2.29 CPUIRQSEL28 Register (Offset = 70h) [reset = Bh]
- 4.7.2.30 CPUIRQSEL29 Register (Offset = 74h) [reset = 1h]
- 4.7.2.31 CPUIRQSEL30 Register (Offset = 78h) [reset = 0h]
- 4.7.2.32 CPUIRQSEL31 Register (Offset = 7Ch) [reset = 6Ah]
- 4.7.2.33 CPUIRQSEL32 Register (Offset = 80h) [reset = 73h]
- 4.7.2.34 CPUIRQSEL33 Register (Offset = 84h) [reset = 68h]
- 4.7.2.35 RFCSEL0 Register (Offset = 100h) [reset = 3Dh]
- 4.7.2.36 RFCSEL1 Register (Offset = 104h) [reset = 3Eh]
- 4.7.2.37 RFCSEL2 Register (Offset = 108h) [reset = 3Fh]
- 4.7.2.38 RFCSEL3 Register (Offset = 10Ch) [reset = 40h]
- 4.7.2.39 RFCSEL4 Register (Offset = 110h) [reset = 41h]
- 4.7.2.40 RFCSEL5 Register (Offset = 114h) [reset = 42h]
- 4.7.2.41 RFCSEL6 Register (Offset = 118h) [reset = 43h]
- 4.7.2.42 RFCSEL7 Register (Offset = 11Ch) [reset = 44h]
- 4.7.2.43 RFCSEL8 Register (Offset = 120h) [reset = 77h]
- 4.7.2.44 RFCSEL9 Register (Offset = 124h) [reset = 2h]
- 4.7.2.45 GPT0ACAPTSEL Register (Offset = 200h) [reset = 55h]
- 4.7.2.46 GPT0BCAPTSEL Register (Offset = 204h) [reset = 56h]
- 4.7.2.47 GPT1ACAPTSEL Register (Offset = 300h) [reset = 57h]
- 4.7.2.48 GPT1BCAPTSEL Register (Offset = 304h) [reset = 58h]
- 4.7.2.49 GPT2ACAPTSEL Register (Offset = 400h) [reset = 59h]
- 4.7.2.50 GPT2BCAPTSEL Register (Offset = 404h) [reset = 5Ah]
- 4.7.2.51 UDMACH1SSEL Register (Offset = 508h) [reset = 31h]
- 4.7.2.52 UDMACH1BSEL Register (Offset = 50Ch) [reset = 30h]
- 4.7.2.53 UDMACH2SSEL Register (Offset = 510h) [reset = 33h]
- 4.7.2.54 UDMACH2BSEL Register (Offset = 514h) [reset = 32h]
- 4.7.2.55 UDMACH3SSEL Register (Offset = 518h) [reset = 29h]
- 4.7.2.56 UDMACH3BSEL Register (Offset = 51Ch) [reset = 28h]
- 4.7.2.57 UDMACH4SSEL Register (Offset = 520h) [reset = 2Bh]
- 4.7.2.58 UDMACH4BSEL Register (Offset = 524h) [reset = 2Ah]
- 4.7.2.59 UDMACH5SSEL Register (Offset = 528h) [reset = 3Ah]
- 4.7.2.60 UDMACH5BSEL Register (Offset = 52Ch) [reset = 39h]
- 4.7.2.61 UDMACH6SSEL Register (Offset = 530h) [reset = 3Ch]
- 4.7.2.62 UDMACH6BSEL Register (Offset = 534h) [reset = 3Bh]
- 4.7.2.63 UDMACH7SSEL Register (Offset = 538h) [reset = 75h]
- 4.7.2.64 UDMACH7BSEL Register (Offset = 53Ch) [reset = 76h]
- 4.7.2.65 UDMACH8SSEL Register (Offset = 540h) [reset = 74h]
- 4.7.2.66 UDMACH8BSEL Register (Offset = 544h) [reset = 74h]
- 4.7.2.67 UDMACH9SSEL Register (Offset = 548h) [reset = 45h]
- 4.7.2.68 UDMACH9BSEL Register (Offset = 54Ch) [reset = 4Dh]
- 4.7.2.69 UDMACH10SSEL Register (Offset = 550h) [reset = 46h]
- 4.7.2.70 UDMACH10BSEL Register (Offset = 554h) [reset = 4Eh]
- 4.7.2.71 UDMACH11SSEL Register (Offset = 558h) [reset = 47h]
- 4.7.2.72 UDMACH11BSEL Register (Offset = 55Ch) [reset = 4Fh]
- 4.7.2.73 UDMACH12SSEL Register (Offset = 560h) [reset = 48h]
- 4.7.2.74 UDMACH12BSEL Register (Offset = 564h) [reset = 50h]
- 4.7.2.75 UDMACH13BSEL Register (Offset = 56Ch) [reset = 3h]
- 4.7.2.76 UDMACH14BSEL Register (Offset = 574h) [reset = 1h]
- 4.7.2.77 UDMACH15BSEL Register (Offset = 57Ch) [reset = 7h]
- 4.7.2.78 UDMACH16SSEL Register (Offset = 580h) [reset = 2Dh]
- 4.7.2.79 UDMACH16BSEL Register (Offset = 584h) [reset = 2Ch]
- 4.7.2.80 UDMACH17SSEL Register (Offset = 588h) [reset = 2Fh]
- 4.7.2.81 UDMACH17BSEL Register (Offset = 58Ch) [reset = 2Eh]
- 4.7.2.82 UDMACH21SSEL Register (Offset = 5A8h) [reset = 64h]
- 4.7.2.83 UDMACH21BSEL Register (Offset = 5ACh) [reset = 64h]
- 4.7.2.84 UDMACH22SSEL Register (Offset = 5B0h) [reset = 65h]
- 4.7.2.85 UDMACH22BSEL Register (Offset = 5B4h) [reset = 65h]
- 4.7.2.86 UDMACH23SSEL Register (Offset = 5B8h) [reset = 66h]
- 4.7.2.87 UDMACH23BSEL Register (Offset = 5BCh) [reset = 66h]
- 4.7.2.88 UDMACH24SSEL Register (Offset = 5C0h) [reset = 67h]
- 4.7.2.89 UDMACH24BSEL Register (Offset = 5C4h) [reset = 67h]
- 4.7.2.90 GPT3ACAPTSEL Register (Offset = 600h) [reset = 5Bh]
- 4.7.2.91 GPT3BCAPTSEL Register (Offset = 604h) [reset = 5Ch]
- 4.7.2.92 AUXSEL0 Register (Offset = 700h) [reset = 10h]
- 4.7.2.93 CM3NMISEL0 Register (Offset = 800h) [reset = 63h]
- 4.7.2.94 I2SSTMPSEL0 Register (Offset = 900h) [reset = 5Fh]
- 4.7.2.95 FRZSEL0 Register (Offset = A00h) [reset = 78h]
- 4.7.2.96 SWEV Register (Offset = F00h) [reset = 0h]
- 5 JTAG Interface
- 6 Power, Reset, and Clock Management
- 6.1 Introduction
- 6.2 System CPU Mode
- 6.3 Supply System
- 6.4 Digital Power Partitioning
- 6.5 Clock Management
- 6.6 Power Modes
- 6.7 Reset
- 6.8 PRCM Registers
- 6.8.1 CC13xx DDI_0_OSC Registers
- 6.8.1.1 DDI_0_OSC Registers
- 6.8.1.1.1 CTL0 Register (Offset = 0h) [reset = 0h]
- 6.8.1.1.2 CTL1 Register (Offset = 4h) [reset = 0h]
- 6.8.1.1.3 RADCEXTCFG Register (Offset = 8h) [reset = 0h]
- 6.8.1.1.4 AMPCOMPCTL Register (Offset = Ch) [reset = 0h]
- 6.8.1.1.5 AMPCOMPTH1 Register (Offset = 10h) [reset = 0h]
- 6.8.1.1.6 AMPCOMPTH2 Register (Offset = 14h) [reset = 0h]
- 6.8.1.1.7 ANABYPASSVAL1 Register (Offset = 18h) [reset = 0h]
- 6.8.1.1.8 ANABYPASSVAL2 Register (Offset = 1Ch) [reset = 0h]
- 6.8.1.1.9 ATESTCTL Register (Offset = 20h) [reset = 0h]
- 6.8.1.1.10 ADCDOUBLERNANOAMPCTL Register (Offset = 24h) [reset = 0h]
- 6.8.1.1.11 XOSCHFCTL Register (Offset = 28h) [reset = 0h]
- 6.8.1.1.12 LFOSCCTL Register (Offset = 2Ch) [reset = 0h]
- 6.8.1.1.13 RCOSCHFCTL Register (Offset = 30h) [reset = 0h]
- 6.8.1.1.14 STAT0 Register (Offset = 34h) [reset = 0h]
- 6.8.1.1.15 STAT1 Register (Offset = 38h) [reset = 0h]
- 6.8.1.1.16 STAT2 Register (Offset = 3Ch) [reset = 0h]
- 6.8.1.1 DDI_0_OSC Registers
- 6.8.2 CC26xx PRCM Registers
- 6.8.2.1 DDI_0_OSC Registers
- 6.8.2.1.1 CTL0 Register (Offset = 0h) [reset = 0h]
- 6.8.2.1.2 CTL1 Register (Offset = 4h) [reset = 0h]
- 6.8.2.1.3 RADCEXTCFG Register (Offset = 8h) [reset = 0h]
- 6.8.2.1.4 AMPCOMPCTL Register (Offset = Ch) [reset = 0h]
- 6.8.2.1.5 AMPCOMPTH1 Register (Offset = 10h) [reset = 0h]
- 6.8.2.1.6 AMPCOMPTH2 Register (Offset = 14h) [reset = 0h]
- 6.8.2.1.7 ANABYPASSVAL1 Register (Offset = 18h) [reset = 0h]
- 6.8.2.1.8 ANABYPASSVAL2 Register (Offset = 1Ch) [reset = 0h]
- 6.8.2.1.9 ATESTCTL Register (Offset = 20h) [reset = 0h]
- 6.8.2.1.10 ADCDOUBLERNANOAMPCTL Register (Offset = 24h) [reset = 0h]
- 6.8.2.1.11 XOSCHFCTL Register (Offset = 28h) [reset = 0h]
- 6.8.2.1.12 LFOSCCTL Register (Offset = 2Ch) [reset = 0h]
- 6.8.2.1.13 RCOSCHFCTL Register (Offset = 30h) [reset = 0h]
- 6.8.2.1.14 STAT0 Register (Offset = 34h) [reset = 0h]
- 6.8.2.1.15 STAT1 Register (Offset = 38h) [reset = 0h]
- 6.8.2.1.16 STAT2 Register (Offset = 3Ch) [reset = 0h]
- 6.8.2.2 AON_SYSCTL Registers
- 6.8.2.3 AON_WUC Registers
- 6.8.2.3.1 MCUCLK Register (Offset = 0h) [reset = 0h]
- 6.8.2.3.2 AUXCLK Register (Offset = 4h) [reset = 1h]
- 6.8.2.3.3 MCUCFG Register (Offset = 8h) [reset = Fh]
- 6.8.2.3.4 AUXCFG Register (Offset = Ch) [reset = 1h]
- 6.8.2.3.5 AUXCTL Register (Offset = 10h) [reset = 0h]
- 6.8.2.3.6 PWRSTAT Register (Offset = 14h) [reset = 03800000h]
- 6.8.2.3.7 SHUTDOWN Register (Offset = 18h) [reset = 0h]
- 6.8.2.3.8 CTL0 Register (Offset = 20h) [reset = 0h]
- 6.8.2.3.9 CTL1 Register (Offset = 24h) [reset = 0h]
- 6.8.2.3.10 RECHARGECFG Register (Offset = 30h) [reset = 0h]
- 6.8.2.3.11 RECHARGESTAT Register (Offset = 34h) [reset = 0h]
- 6.8.2.3.12 OSCCFG Register (Offset = 38h) [reset = 0h]
- 6.8.2.3.13 JTAGCFG Register (Offset = 40h) [reset = 100h]
- 6.8.2.3.14 JTAGUSERCODE Register (Offset = 44h) [reset = 0B99A02Fh]
- 6.8.2.4 PRCM Registers
- 6.8.2.4.1 INFRCLKDIVR Register (Offset = 0h) [reset = 0h]
- 6.8.2.4.2 INFRCLKDIVS Register (Offset = 4h) [reset = 0h]
- 6.8.2.4.3 INFRCLKDIVDS Register (Offset = 8h) [reset = 0h]
- 6.8.2.4.4 VDCTL Register (Offset = Ch) [reset = 0h]
- 6.8.2.4.5 CLKLOADCTL Register (Offset = 28h) [reset = 2h]
- 6.8.2.4.6 RFCCLKG Register (Offset = 2Ch) [reset = 1h]
- 6.8.2.4.7 VIMSCLKG Register (Offset = 30h) [reset = 3h]
- 6.8.2.4.8 SECDMACLKGR Register (Offset = 3Ch) [reset = 0h]
- 6.8.2.4.9 SECDMACLKGS Register (Offset = 40h) [reset = 0h]
- 6.8.2.4.10 SECDMACLKGDS Register (Offset = 44h) [reset = 0h]
- 6.8.2.4.11 GPIOCLKGR Register (Offset = 48h) [reset = 0h]
- 6.8.2.4.12 GPIOCLKGS Register (Offset = 4Ch) [reset = 0h]
- 6.8.2.4.13 GPIOCLKGDS Register (Offset = 50h) [reset = 0h]
- 6.8.2.4.14 GPTCLKGR Register (Offset = 54h) [reset = 0h]
- 6.8.2.4.15 GPTCLKGS Register (Offset = 58h) [reset = 0h]
- 6.8.2.4.16 GPTCLKGDS Register (Offset = 5Ch) [reset = 0h]
- 6.8.2.4.17 I2CCLKGR Register (Offset = 60h) [reset = 0h]
- 6.8.2.4.18 I2CCLKGS Register (Offset = 64h) [reset = 0h]
- 6.8.2.4.19 I2CCLKGDS Register (Offset = 68h) [reset = 0h]
- 6.8.2.4.20 UARTCLKGR Register (Offset = 6Ch) [reset = 0h]
- 6.8.2.4.21 UARTCLKGS Register (Offset = 70h) [reset = 0h]
- 6.8.2.4.22 UARTCLKGDS Register (Offset = 74h) [reset = 0h]
- 6.8.2.4.23 SSICLKGR Register (Offset = 78h) [reset = 0h]
- 6.8.2.4.24 SSICLKGS Register (Offset = 7Ch) [reset = 0h]
- 6.8.2.4.25 SSICLKGDS Register (Offset = 80h) [reset = 0h]
- 6.8.2.4.26 I2SCLKGR Register (Offset = 84h) [reset = 0h]
- 6.8.2.4.27 I2SCLKGS Register (Offset = 88h) [reset = 0h]
- 6.8.2.4.28 I2SCLKGDS Register (Offset = 8Ch) [reset = 0h]
- 6.8.2.4.29 CPUCLKDIV Register (Offset = B8h) [reset = 0h]
- 6.8.2.4.30 I2SBCLKSEL Register (Offset = C8h) [reset = 0h]
- 6.8.2.4.31 GPTCLKDIV Register (Offset = CCh) [reset = 0h]
- 6.8.2.4.32 I2SCLKCTL Register (Offset = D0h) [reset = 0h]
- 6.8.2.4.33 I2SMCLKDIV Register (Offset = D4h) [reset = 0h]
- 6.8.2.4.34 I2SBCLKDIV Register (Offset = D8h) [reset = 0h]
- 6.8.2.4.35 I2SWCLKDIV Register (Offset = DCh) [reset = 0h]
- 6.8.2.4.36 SWRESET Register (Offset = 10Ch) [reset = 0h]
- 6.8.2.4.37 WARMRESET Register (Offset = 110h) [reset = 0h]
- 6.8.2.4.38 PDCTL0 Register (Offset = 12Ch) [reset = 0h]
- 6.8.2.4.39 PDCTL0RFC Register (Offset = 130h) [reset = 0h]
- 6.8.2.4.40 PDCTL0SERIAL Register (Offset = 134h) [reset = 0h]
- 6.8.2.4.41 PDCTL0PERIPH Register (Offset = 138h) [reset = 0h]
- 6.8.2.4.42 PDSTAT0 Register (Offset = 140h) [reset = 0h]
- 6.8.2.4.43 PDSTAT0RFC Register (Offset = 144h) [reset = 0h]
- 6.8.2.4.44 PDSTAT0SERIAL Register (Offset = 148h) [reset = 0h]
- 6.8.2.4.45 PDSTAT0PERIPH Register (Offset = 14Ch) [reset = 0h]
- 6.8.2.4.46 PDCTL1 Register (Offset = 17Ch) [reset = Ah]
- 6.8.2.4.47 PDCTL1CPU Register (Offset = 184h) [reset = 1h]
- 6.8.2.4.48 PDCTL1RFC Register (Offset = 188h) [reset = 0h]
- 6.8.2.4.49 PDCTL1VIMS Register (Offset = 18Ch) [reset = 1h]
- 6.8.2.4.50 PDSTAT1 Register (Offset = 194h) [reset = 1Ah]
- 6.8.2.4.51 PDSTAT1BUS Register (Offset = 198h) [reset = 1h]
- 6.8.2.4.52 PDSTAT1RFC Register (Offset = 19Ch) [reset = 0h]
- 6.8.2.4.53 PDSTAT1CPU Register (Offset = 1A0h) [reset = 1h]
- 6.8.2.4.54 PDSTAT1VIMS Register (Offset = 1A4h) [reset = 1h]
- 6.8.2.4.55 RFCMODESEL Register (Offset = 1D0h) [reset = 0h]
- 6.8.2.4.56 PWRPROFSTAT Register (Offset = 1E0h) [reset = 1h]
- 6.8.2.4.57 RAMRETEN Register (Offset = 224h) [reset = 3h]
- 6.8.2.1 DDI_0_OSC Registers
- 6.8.1 CC13xx DDI_0_OSC Registers
- 7 Versatile Instruction Memory System (VIMS)
- 7.1 VIMS Overview
- 7.2 VIMS Configurations
- 7.3 VIMS Software Remarks
- 7.4 ROM
- 7.5 FLASH
- 7.6 Power Management Requirements
- 7.7 ROM Functions
- 7.8 SRAM
- 7.9 VIMS Registers
- 7.9.1 FLASH Registers
- 7.9.1.1 STAT Register (Offset = 1Ch) [reset = 0h]
- 7.9.1.2 CFG Register (Offset = 24h) [reset = 0h]
- 7.9.1.3 SYSCODE_START Register (Offset = 28h) [reset = 0h]
- 7.9.1.4 FLASH_SIZE Register (Offset = 2Ch) [reset = 0h]
- 7.9.1.5 FWLOCK Register (Offset = 3Ch) [reset = 0h]
- 7.9.1.6 FWFLAG Register (Offset = 40h) [reset = 0h]
- 7.9.1.7 EFUSE Register (Offset = 1000h) [reset = 0h]
- 7.9.1.8 EFUSEADDR Register (Offset = 1004h) [reset = 0h]
- 7.9.1.9 DATAUPPER Register (Offset = 1008h) [reset = 0h]
- 7.9.1.10 DATALOWER Register (Offset = 100Ch) [reset = 0h]
- 7.9.1.11 EFUSECFG Register (Offset = 1010h) [reset = 1h]
- 7.9.1.12 EFUSESTAT Register (Offset = 1014h) [reset = 1h]
- 7.9.1.13 ACC Register (Offset = 1018h) [reset = 0h]
- 7.9.1.14 BOUNDARY Register (Offset = 101Ch) [reset = 0h]
- 7.9.1.15 EFUSEFLAG Register (Offset = 1020h) [reset = 0h]
- 7.9.1.16 EFUSEKEY Register (Offset = 1024h) [reset = 0h]
- 7.9.1.17 EFUSERELEASE Register (Offset = 1028h) [reset = X]
- 7.9.1.18 EFUSEPINS Register (Offset = 102Ch) [reset = X]
- 7.9.1.19 EFUSECRA Register (Offset = 1030h) [reset = 0h]
- 7.9.1.20 EFUSEREAD Register (Offset = 1034h) [reset = 0h]
- 7.9.1.21 EFUSEPROGRAM Register (Offset = 1038h) [reset = 0h]
- 7.9.1.22 EFUSEERROR Register (Offset = 103Ch) [reset = 0h]
- 7.9.1.23 SINGLEBIT Register (Offset = 1040h) [reset = 0h]
- 7.9.1.24 TWOBIT Register (Offset = 1044h) [reset = 0h]
- 7.9.1.25 SELFTESTCYC Register (Offset = 1048h) [reset = 0h]
- 7.9.1.26 SELFTESTSIGN Register (Offset = 104Ch) [reset = 0h]
- 7.9.1.27 FRDCTL Register (Offset = 2000h) [reset = 200h]
- 7.9.1.28 FSPRD Register (Offset = 2004h) [reset = 0h]
- 7.9.1.29 FEDACCTL1 Register (Offset = 2008h) [reset = 0h]
- 7.9.1.30 FEDACSTAT Register (Offset = 201Ch) [reset = 0h]
- 7.9.1.31 FBPROT Register (Offset = 2030h) [reset = 0h]
- 7.9.1.32 FBSE Register (Offset = 2034h) [reset = 0h]
- 7.9.1.33 FBBUSY Register (Offset = 2038h) [reset = FEh]
- 7.9.1.34 FBAC Register (Offset = 203Ch) [reset = Fh]
- 7.9.1.35 FBFALLBACK Register (Offset = 2040h) [reset = 0505FFFFh]
- 7.9.1.36 FBPRDY Register (Offset = 2044h) [reset = 00FF00FEh]
- 7.9.1.37 FPAC1 Register (Offset = 2048h) [reset = 02082081h]
- 7.9.1.38 FPAC2 Register (Offset = 204Ch) [reset = 0h]
- 7.9.1.39 FMAC Register (Offset = 2050h) [reset = 0h]
- 7.9.1.40 FMSTAT Register (Offset = 2054h) [reset = 0h]
- 7.9.1.41 FLOCK Register (Offset = 2064h) [reset = 55AAh]
- 7.9.1.42 FVREADCT Register (Offset = 2080h) [reset = 8h]
- 7.9.1.43 FVHVCT1 Register (Offset = 2084h) [reset = 00840088h]
- 7.9.1.44 FVHVCT2 Register (Offset = 2088h) [reset = 00A20000h]
- 7.9.1.45 FVHVCT3 Register (Offset = 208Ch) [reset = 000F0000h]
- 7.9.1.46 FVNVCT Register (Offset = 2090h) [reset = 800h]
- 7.9.1.47 FVSLP Register (Offset = 2094h) [reset = 8000h]
- 7.9.1.48 FVWLCT Register (Offset = 2098h) [reset = 8h]
- 7.9.1.49 FEFUSECTL Register (Offset = 209Ch) [reset = 0701010Ah]
- 7.9.1.50 FEFUSESTAT Register (Offset = 20A0h) [reset = 0h]
- 7.9.1.51 FEFUSEDATA Register (Offset = 20A4h) [reset = 0h]
- 7.9.1.52 FSEQPMP Register (Offset = 20A8h) [reset = 85080000h]
- 7.9.1.53 FBSTROBES Register (Offset = 2100h) [reset = 104h]
- 7.9.1.54 FPSTROBES Register (Offset = 2104h) [reset = 103h]
- 7.9.1.55 FBMODE Register (Offset = 2108h) [reset = 0h]
- 7.9.1.56 FTCR Register (Offset = 210Ch) [reset = 0h]
- 7.9.1.57 FADDR Register (Offset = 2110h) [reset = 0h]
- 7.9.1.58 FTCTL Register (Offset = 211Ch) [reset = 0h]
- 7.9.1.59 FWPWRITE0 Register (Offset = 2120h) [reset = FFFFFFFFh]
- 7.9.1.60 FWPWRITE1 Register (Offset = 2124h) [reset = FFFFFFFFh]
- 7.9.1.61 FWPWRITE2 Register (Offset = 2128h) [reset = FFFFFFFFh]
- 7.9.1.62 FWPWRITE3 Register (Offset = 212Ch) [reset = FFFFFFFFh]
- 7.9.1.63 FWPWRITE4 Register (Offset = 2130h) [reset = FFFFFFFFh]
- 7.9.1.64 FWPWRITE5 Register (Offset = 2134h) [reset = FFFFFFFFh]
- 7.9.1.65 FWPWRITE6 Register (Offset = 2138h) [reset = FFFFFFFFh]
- 7.9.1.66 FWPWRITE7 Register (Offset = 213Ch) [reset = FFFFFFFFh]
- 7.9.1.67 FWPWRITE_ECC Register (Offset = 2140h) [reset = FFFFFFFFh]
- 7.9.1.68 FSWSTAT Register (Offset = 2144h) [reset = 1h]
- 7.9.1.69 FSM_GLBCTL Register (Offset = 2200h) [reset = 1h]
- 7.9.1.70 FSM_STATE Register (Offset = 2204h) [reset = C00h]
- 7.9.1.71 FSM_STAT Register (Offset = 2208h) [reset = 4h]
- 7.9.1.72 FSM_CMD Register (Offset = 220Ch) [reset = 0h]
- 7.9.1.73 FSM_PE_OSU Register (Offset = 2210h) [reset = 0h]
- 7.9.1.74 FSM_VSTAT Register (Offset = 2214h) [reset = 3000h]
- 7.9.1.75 FSM_PE_VSU Register (Offset = 2218h) [reset = 0h]
- 7.9.1.76 FSM_CMP_VSU Register (Offset = 221Ch) [reset = 0h]
- 7.9.1.77 FSM_EX_VAL Register (Offset = 2220h) [reset = 301h]
- 7.9.1.78 FSM_RD_H Register (Offset = 2224h) [reset = 5Ah]
- 7.9.1.79 FSM_P_OH Register (Offset = 2228h) [reset = 100h]
- 7.9.1.80 FSM_ERA_OH Register (Offset = 222Ch) [reset = 1h]
- 7.9.1.81 FSM_SAV_PPUL Register (Offset = 2230h) [reset = 0h]
- 7.9.1.82 FSM_PE_VH Register (Offset = 2234h) [reset = 100h]
- 7.9.1.83 FSM_PRG_PW Register (Offset = 2240h) [reset = 0h]
- 7.9.1.84 FSM_ERA_PW Register (Offset = 2244h) [reset = 0h]
- 7.9.1.85 FSM_SAV_ERA_PUL Register (Offset = 2254h) [reset = 0h]
- 7.9.1.86 FSM_TIMER Register (Offset = 2258h) [reset = 0h]
- 7.9.1.87 FSM_MODE Register (Offset = 225Ch) [reset = 0h]
- 7.9.1.88 FSM_PGM Register (Offset = 2260h) [reset = 0h]
- 7.9.1.89 FSM_ERA Register (Offset = 2264h) [reset = 0h]
- 7.9.1.90 FSM_PRG_PUL Register (Offset = 2268h) [reset = 00040032h]
- 7.9.1.91 FSM_ERA_PUL Register (Offset = 226Ch) [reset = 00040BB8h]
- 7.9.1.92 FSM_STEP_SIZE Register (Offset = 2270h) [reset = 0h]
- 7.9.1.93 FSM_PUL_CNTR Register (Offset = 2274h) [reset = 0h]
- 7.9.1.94 FSM_EC_STEP_HEIGHT Register (Offset = 2278h) [reset = 0h]
- 7.9.1.95 FSM_ST_MACHINE Register (Offset = 227Ch) [reset = 00800500h]
- 7.9.1.96 FSM_FLES Register (Offset = 2280h) [reset = 0h]
- 7.9.1.97 FSM_WR_ENA Register (Offset = 2288h) [reset = 2h]
- 7.9.1.98 FSM_ACC_PP Register (Offset = 228Ch) [reset = 0h]
- 7.9.1.99 FSM_ACC_EP Register (Offset = 2290h) [reset = 0h]
- 7.9.1.100 FSM_ADDR Register (Offset = 22A0h) [reset = 0h]
- 7.9.1.101 FSM_SECTOR Register (Offset = 22A4h) [reset = FFFF0000h]
- 7.9.1.102 FMC_REV_ID Register (Offset = 22A8h) [reset = X]
- 7.9.1.103 FSM_ERR_ADDR Register (Offset = 22ACh) [reset = 0h]
- 7.9.1.104 FSM_PGM_MAXPUL Register (Offset = 22B0h) [reset = 0h]
- 7.9.1.105 FSM_EXECUTE Register (Offset = 22B4h) [reset = 000A000Ah]
- 7.9.1.106 FSM_SECTOR1 Register (Offset = 22C0h) [reset = FFFFFFFFh]
- 7.9.1.107 FSM_SECTOR2 Register (Offset = 22C4h) [reset = 0h]
- 7.9.1.108 FSM_BSLE0 Register (Offset = 22E0h) [reset = 0h]
- 7.9.1.109 FSM_BSLE1 Register (Offset = 22E4h) [reset = 0h]
- 7.9.1.110 FSM_BSLP0 Register (Offset = 22F0h) [reset = 0h]
- 7.9.1.111 FSM_BSLP1 Register (Offset = 22F4h) [reset = 0h]
- 7.9.1.112 FCFG_BANK Register (Offset = 2400h) [reset = 401h]
- 7.9.1.113 FCFG_WRAPPER Register (Offset = 2404h) [reset = 50009007h]
- 7.9.1.114 FCFG_BNK_TYPE Register (Offset = 2408h) [reset = 3h]
- 7.9.1.115 FCFG_B0_START Register (Offset = 2410h) [reset = 02000000h]
- 7.9.1.116 FCFG_B1_START Register (Offset = 2414h) [reset = 0h]
- 7.9.1.117 FCFG_B2_START Register (Offset = 2418h) [reset = 0h]
- 7.9.1.118 FCFG_B3_START Register (Offset = 241Ch) [reset = 0h]
- 7.9.1.119 FCFG_B4_START Register (Offset = 2420h) [reset = 0h]
- 7.9.1.120 FCFG_B5_START Register (Offset = 2424h) [reset = 0h]
- 7.9.1.121 FCFG_B6_START Register (Offset = 2428h) [reset = 0h]
- 7.9.1.122 FCFG_B7_START Register (Offset = 242Ch) [reset = 0h]
- 7.9.1.123 FCFG_B0_SSIZE0 Register (Offset = 2430h) [reset = 00200004h]
- 7.9.2 VIMS Registers
- 7.9.1 FLASH Registers
- 8 Bootloader
- 8.1 Bootloader Functionality
- 8.2 Bootloader Interfaces
- 8.2.1 Packet Handling
- 8.2.2 Transport Layer
- 8.2.3 Serial Bus Commands
- 8.2.3.1 COMMAND_PING
- 8.2.3.2 COMMAND_DOWNLOAD
- 8.2.3.3 COMMAND_SEND_DATA
- 8.2.3.4 COMMAND_SECTOR_ERASE
- 8.2.3.5 COMMAND_GET_STATUS
- 8.2.3.6 COMMAND_RESET
- 8.2.3.7 COMMAND_GET_CHIP_ID
- 8.2.3.8 COMMAND_CRC32
- 8.2.3.9 COMMAND_BANK_ERASE
- 8.2.3.10 COMMAND_MEMORY_READ
- 8.2.3.11 COMMAND_MEMORY_WRITE
- 8.2.3.12 COMMAND_SET_CCFG
- 9 Device Configuration
- 9.1 Customer Configuration (CCFG)
- 9.1.1 CCFG Registers
- 9.1.1.1 EXT_LF_CLK Register (Offset = FA8h) [reset = FFFFFFFFh]
- 9.1.1.2 MODE_CONF_1 Register (Offset = FACh) [reset = FFFBFFFFh]
- 9.1.1.3 SIZE_AND_DIS_FLAGS Register (Offset = FB0h) [reset = FFFFFFFFh]
- 9.1.1.4 MODE_CONF Register (Offset = FB4h) [reset = FFFFFFFFh]
- 9.1.1.5 VOLT_LOAD_0 Register (Offset = FB8h) [reset = FFFFFFFFh]
- 9.1.1.6 VOLT_LOAD_1 Register (Offset = FBCh) [reset = FFFFFFFFh]
- 9.1.1.7 RTC_OFFSET Register (Offset = FC0h) [reset = FFFFFFFFh]
- 9.1.1.8 FREQ_OFFSET Register (Offset = FC4h) [reset = FFFFFFFFh]
- 9.1.1.9 IEEE_MAC_0 Register (Offset = FC8h) [reset = FFFFFFFFh]
- 9.1.1.10 IEEE_MAC_1 Register (Offset = FCCh) [reset = FFFFFFFFh]
- 9.1.1.11 IEEE_BLE_0 Register (Offset = FD0h) [reset = FFFFFFFFh]
- 9.1.1.12 IEEE_BLE_1 Register (Offset = FD4h) [reset = FFFFFFFFh]
- 9.1.1.13 BL_CONFIG Register (Offset = FD8h) [reset = C5FFFFFFh]
- 9.1.1.14 ERASE_CONF Register (Offset = FDCh) [reset = FFFFFFFFh]
- 9.1.1.15 CCFG_TI_OPTIONS Register (Offset = FE0h) [reset = FFFFFFC5h]
- 9.1.1.16 CCFG_TAP_DAP_0 Register (Offset = FE4h) [reset = FFC5C5C5h]
- 9.1.1.17 CCFG_TAP_DAP_1 Register (Offset = FE8h) [reset = FFC5C5C5h]
- 9.1.1.18 IMAGE_VALID_CONF Register (Offset = FECh) [reset = FFFFFFFFh]
- 9.1.1.19 CCFG_PROT_31_0 Register (Offset = FF0h) [reset = FFFFFFFFh]
- 9.1.1.20 CCFG_PROT_63_32 Register (Offset = FF4h) [reset = FFFFFFFFh]
- 9.1.1.21 CCFG_PROT_95_64 Register (Offset = FF8h) [reset = FFFFFFFFh]
- 9.1.1.22 CCFG_PROT_127_96 Register (Offset = FFCh) [reset = FFFFFFFFh]
- 9.1.1 CCFG Registers
- 9.2 Factory Configuration (FCFG)
- 9.2.1 CC13xx Factory Configuration (FCFG) Registers
- 9.2.1.1 FCFG1 Registers
- 9.2.1.1.1 MISC_CONF_1 Register (Offset = A0h) [reset = X]
- 9.2.1.1.2 MISC_CONF_2 Register (Offset = A4h) [reset = X]
- 9.2.1.1.3 CONFIG_RF_FRONTEND_DIV5 Register (Offset = C4h) [reset = X]
- 9.2.1.1.4 CONFIG_RF_FRONTEND_DIV6 Register (Offset = C8h) [reset = X]
- 9.2.1.1.5 CONFIG_RF_FRONTEND_DIV10 Register (Offset = CCh) [reset = X]
- 9.2.1.1.6 CONFIG_RF_FRONTEND_DIV12 Register (Offset = D0h) [reset = X]
- 9.2.1.1.7 CONFIG_RF_FRONTEND_DIV15 Register (Offset = D4h) [reset = X]
- 9.2.1.1.8 CONFIG_RF_FRONTEND_DIV30 Register (Offset = D8h) [reset = X]
- 9.2.1.1.9 CONFIG_SYNTH_DIV5 Register (Offset = DCh) [reset = X]
- 9.2.1.1.10 CONFIG_SYNTH_DIV6 Register (Offset = E0h) [reset = X]
- 9.2.1.1.11 CONFIG_SYNTH_DIV10 Register (Offset = E4h) [reset = X]
- 9.2.1.1.12 CONFIG_SYNTH_DIV12 Register (Offset = E8h) [reset = X]
- 9.2.1.1.13 CONFIG_SYNTH_DIV15 Register (Offset = ECh) [reset = X]
- 9.2.1.1.14 CONFIG_SYNTH_DIV30 Register (Offset = F0h) [reset = X]
- 9.2.1.1.15 CONFIG_MISC_ADC_DIV5 Register (Offset = F4h) [reset = X]
- 9.2.1.1.16 CONFIG_MISC_ADC_DIV6 Register (Offset = F8h) [reset = X]
- 9.2.1.1.17 CONFIG_MISC_ADC_DIV10 Register (Offset = FCh) [reset = X]
- 9.2.1.1.18 CONFIG_MISC_ADC_DIV12 Register (Offset = 100h) [reset = X]
- 9.2.1.1.19 CONFIG_MISC_ADC_DIV15 Register (Offset = 104h) [reset = X]
- 9.2.1.1.20 CONFIG_MISC_ADC_DIV30 Register (Offset = 108h) [reset = X]
- 9.2.1.1.21 SHDW_DIE_ID_0 Register (Offset = 118h) [reset = X]
- 9.2.1.1.22 SHDW_DIE_ID_1 Register (Offset = 11Ch) [reset = X]
- 9.2.1.1.23 SHDW_DIE_ID_2 Register (Offset = 120h) [reset = X]
- 9.2.1.1.24 SHDW_DIE_ID_3 Register (Offset = 124h) [reset = X]
- 9.2.1.1.25 SHDW_OSC_BIAS_LDO_TRIM Register (Offset = 138h) [reset = X]
- 9.2.1.1.26 SHDW_ANA_TRIM Register (Offset = 13Ch) [reset = X]
- 9.2.1.1.27 FLASH_NUMBER Register (Offset = 164h) [reset = X]
- 9.2.1.1.28 FLASH_COORDINATE Register (Offset = 16Ch) [reset = X]
- 9.2.1.1.29 FLASH_E_P Register (Offset = 170h) [reset = 17331A33h]
- 9.2.1.1.30 FLASH_C_E_P_R Register (Offset = 174h) [reset = 0A0A2000h]
- 9.2.1.1.31 FLASH_P_R_PV Register (Offset = 178h) [reset = 026E0200h]
- 9.2.1.1.32 FLASH_EH_SEQ Register (Offset = 17Ch) [reset = 0200F000h]
- 9.2.1.1.33 FLASH_VHV_E Register (Offset = 180h) [reset = 1h]
- 9.2.1.1.34 FLASH_PP Register (Offset = 184h) [reset = X]
- 9.2.1.1.35 FLASH_PROG_EP Register (Offset = 188h) [reset = 0FA00010h]
- 9.2.1.1.36 FLASH_ERA_PW Register (Offset = 18Ch) [reset = FA0h]
- 9.2.1.1.37 FLASH_VHV Register (Offset = 190h) [reset = X]
- 9.2.1.1.38 FLASH_VHV_PV Register (Offset = 194h) [reset = X]
- 9.2.1.1.39 FLASH_V Register (Offset = 198h) [reset = X]
- 9.2.1.1.40 USER_ID Register (Offset = 294h) [reset = X]
- 9.2.1.1.41 FLASH_OTP_DATA3 Register (Offset = 2B0h) [reset = X]
- 9.2.1.1.42 ANA2_TRIM Register (Offset = 2B4h) [reset = X]
- 9.2.1.1.43 LDO_TRIM Register (Offset = 2B8h) [reset = X]
- 9.2.1.1.44 MAC_BLE_0 Register (Offset = 2E8h) [reset = X]
- 9.2.1.1.45 MAC_BLE_1 Register (Offset = 2ECh) [reset = X]
- 9.2.1.1.46 MAC_15_4_0 Register (Offset = 2F0h) [reset = X]
- 9.2.1.1.47 MAC_15_4_1 Register (Offset = 2F4h) [reset = X]
- 9.2.1.1.48 FLASH_OTP_DATA4 Register (Offset = 308h) [reset = 98989F9Fh]
- 9.2.1.1.49 MISC_TRIM Register (Offset = 30Ch) [reset = FFFFFF33h]
- 9.2.1.1.50 RCOSC_HF_TEMPCOMP Register (Offset = 310h) [reset = 3h]
- 9.2.1.1.51 ICEPICK_DEVICE_ID Register (Offset = 318h) [reset = 2B9BE02Fh]
- 9.2.1.1.52 FCFG1_REVISION Register (Offset = 31Ch) [reset = 26h]
- 9.2.1.1.53 MISC_OTP_DATA Register (Offset = 320h) [reset = X]
- 9.2.1.1.54 IOCONF Register (Offset = 344h) [reset = X]
- 9.2.1.1.55 CONFIG_IF_ADC Register (Offset = 34Ch) [reset = X]
- 9.2.1.1.56 CONFIG_OSC_TOP Register (Offset = 350h) [reset = X]
- 9.2.1.1.57 CONFIG_RF_FRONTEND Register (Offset = 354h) [reset = X]
- 9.2.1.1.58 CONFIG_SYNTH Register (Offset = 358h) [reset = X]
- 9.2.1.1.59 SOC_ADC_ABS_GAIN Register (Offset = 35Ch) [reset = X]
- 9.2.1.1.60 SOC_ADC_REL_GAIN Register (Offset = 360h) [reset = X]
- 9.2.1.1.61 SOC_ADC_OFFSET_INT Register (Offset = 368h) [reset = X]
- 9.2.1.1.62 SOC_ADC_REF_TRIM_AND_OFFSET_EXT Register (Offset = 36Ch) [reset = X]
- 9.2.1.1.63 AMPCOMP_TH1 Register (Offset = 370h) [reset = FF7B828Eh]
- 9.2.1.1.64 AMPCOMP_TH2 Register (Offset = 374h) [reset = 6B8B0303h]
- 9.2.1.1.65 AMPCOMP_CTRL1 Register (Offset = 378h) [reset = FF183F47h]
- 9.2.1.1.66 ANABYPASS_VALUE2 Register (Offset = 37Ch) [reset = FFFFC3FFh]
- 9.2.1.1.67 CONFIG_MISC_ADC Register (Offset = 380h) [reset = X]
- 9.2.1.1.68 VOLT_TRIM Register (Offset = 388h) [reset = X]
- 9.2.1.1.69 OSC_CONF Register (Offset = 38Ch) [reset = X]
- 9.2.1.1.70 FREQ_OFFSET Register (Offset = 390h) [reset = X]
- 9.2.1.1.71 CAP_TRIM Register (Offset = 394h) [reset = FFFFFFFFh]
- 9.2.1.1.72 MISC_OTP_DATA_1 Register (Offset = 398h) [reset = E00403F8h]
- 9.2.1.1.73 PWD_CURR_20C Register (Offset = 39Ch) [reset = 080BA608h]
- 9.2.1.1.74 PWD_CURR_35C Register (Offset = 3A0h) [reset = 0C10A50Ah]
- 9.2.1.1.75 PWD_CURR_50C Register (Offset = 3A4h) [reset = 1218A20Dh]
- 9.2.1.1.76 PWD_CURR_65C Register (Offset = 3A8h) [reset = 1C259C14h]
- 9.2.1.1.77 PWD_CURR_80C Register (Offset = 3ACh) [reset = 2E3B9021h]
- 9.2.1.1.78 PWD_CURR_95C Register (Offset = 3B0h) [reset = 4C627A3Bh]
- 9.2.1.1.79 PWD_CURR_110C Register (Offset = 3B4h) [reset = 789E706Bh]
- 9.2.1.1.80 PWD_CURR_125C Register (Offset = 3B8h) [reset = ADE1809Ah]
- 9.2.1.1 FCFG1 Registers
- 9.2.2 CC26xx Factory Configuration (FCFG) Registers
- 9.2.2.1 FCFG1 Registers
- 9.2.2.1.1 MISC_CONF_1 Register (Offset = A0h) [reset = X]
- 9.2.2.1.2 MISC_CONF_2 Register (Offset = A4h) [reset = X]
- 9.2.2.1.3 CONFIG_RF_FRONTEND_DIV5 Register (Offset = C4h) [reset = FFFFFFFFh]
- 9.2.2.1.4 CONFIG_RF_FRONTEND_DIV6 Register (Offset = C8h) [reset = FFFFFFFFh]
- 9.2.2.1.5 CONFIG_RF_FRONTEND_DIV10 Register (Offset = CCh) [reset = FFFFFFFFh]
- 9.2.2.1.6 CONFIG_RF_FRONTEND_DIV12 Register (Offset = D0h) [reset = FFFFFFFFh]
- 9.2.2.1.7 CONFIG_RF_FRONTEND_DIV15 Register (Offset = D4h) [reset = FFFFFFFFh]
- 9.2.2.1.8 CONFIG_RF_FRONTEND_DIV30 Register (Offset = D8h) [reset = FFFFFFFFh]
- 9.2.2.1.9 CONFIG_SYNTH_DIV5 Register (Offset = DCh) [reset = FFFFFFFFh]
- 9.2.2.1.10 CONFIG_SYNTH_DIV6 Register (Offset = E0h) [reset = FFFFFFFFh]
- 9.2.2.1.11 CONFIG_SYNTH_DIV10 Register (Offset = E4h) [reset = FFFFFFFFh]
- 9.2.2.1.12 CONFIG_SYNTH_DIV12 Register (Offset = E8h) [reset = FFFFFFFFh]
- 9.2.2.1.13 CONFIG_SYNTH_DIV15 Register (Offset = ECh) [reset = FFFFFFFFh]
- 9.2.2.1.14 CONFIG_SYNTH_DIV30 Register (Offset = F0h) [reset = FFFFFFFFh]
- 9.2.2.1.15 CONFIG_MISC_ADC_DIV5 Register (Offset = F4h) [reset = FFFFFFFFh]
- 9.2.2.1.16 CONFIG_MISC_ADC_DIV6 Register (Offset = F8h) [reset = FFFFFFFFh]
- 9.2.2.1.17 CONFIG_MISC_ADC_DIV10 Register (Offset = FCh) [reset = FFFFFFFFh]
- 9.2.2.1.18 CONFIG_MISC_ADC_DIV12 Register (Offset = 100h) [reset = FFFFFFFFh]
- 9.2.2.1.19 CONFIG_MISC_ADC_DIV15 Register (Offset = 104h) [reset = FFFFFFFFh]
- 9.2.2.1.20 CONFIG_MISC_ADC_DIV30 Register (Offset = 108h) [reset = FFFFFFFFh]
- 9.2.2.1.21 SHDW_DIE_ID_0 Register (Offset = 118h) [reset = X]
- 9.2.2.1.22 SHDW_DIE_ID_1 Register (Offset = 11Ch) [reset = X]
- 9.2.2.1.23 SHDW_DIE_ID_2 Register (Offset = 120h) [reset = X]
- 9.2.2.1.24 SHDW_DIE_ID_3 Register (Offset = 124h) [reset = X]
- 9.2.2.1.25 SHDW_OSC_BIAS_LDO_TRIM Register (Offset = 138h) [reset = X]
- 9.2.2.1.26 SHDW_ANA_TRIM Register (Offset = 13Ch) [reset = X]
- 9.2.2.1.27 FLASH_NUMBER Register (Offset = 164h) [reset = X]
- 9.2.2.1.28 FLASH_COORDINATE Register (Offset = 16Ch) [reset = X]
- 9.2.2.1.29 FLASH_E_P Register (Offset = 170h) [reset = 17331A33h]
- 9.2.2.1.30 FLASH_C_E_P_R Register (Offset = 174h) [reset = 0A0A2000h]
- 9.2.2.1.31 FLASH_P_R_PV Register (Offset = 178h) [reset = 026E0200h]
- 9.2.2.1.32 FLASH_EH_SEQ Register (Offset = 17Ch) [reset = 0200F000h]
- 9.2.2.1.33 FLASH_VHV_E Register (Offset = 180h) [reset = 1h]
- 9.2.2.1.34 FLASH_PP Register (Offset = 184h) [reset = X]
- 9.2.2.1.35 FLASH_PROG_EP Register (Offset = 188h) [reset = 0FA00010h]
- 9.2.2.1.36 FLASH_ERA_PW Register (Offset = 18Ch) [reset = FA0h]
- 9.2.2.1.37 FLASH_VHV Register (Offset = 190h) [reset = X]
- 9.2.2.1.38 FLASH_VHV_PV Register (Offset = 194h) [reset = X]
- 9.2.2.1.39 FLASH_V Register (Offset = 198h) [reset = X]
- 9.2.2.1.40 USER_ID Register (Offset = 294h) [reset = X]
- 9.2.2.1.41 FLASH_OTP_DATA3 Register (Offset = 2B0h) [reset = X]
- 9.2.2.1.42 ANA2_TRIM Register (Offset = 2B4h) [reset = X]
- 9.2.2.1.43 LDO_TRIM Register (Offset = 2B8h) [reset = X]
- 9.2.2.1.44 MAC_BLE_0 Register (Offset = 2E8h) [reset = X]
- 9.2.2.1.45 MAC_BLE_1 Register (Offset = 2ECh) [reset = X]
- 9.2.2.1.46 MAC_15_4_0 Register (Offset = 2F0h) [reset = X]
- 9.2.2.1.47 MAC_15_4_1 Register (Offset = 2F4h) [reset = X]
- 9.2.2.1.48 FLASH_OTP_DATA4 Register (Offset = 308h) [reset = 98989F9Fh]
- 9.2.2.1.49 MISC_TRIM Register (Offset = 30Ch) [reset = FFFFFF33h]
- 9.2.2.1.50 RCOSC_HF_TEMPCOMP Register (Offset = 310h) [reset = 3h]
- 9.2.2.1.51 ICEPICK_DEVICE_ID Register (Offset = 318h) [reset = 8B99A02Fh]
- 9.2.2.1.52 FCFG1_REVISION Register (Offset = 31Ch) [reset = 25h]
- 9.2.2.1.53 MISC_OTP_DATA Register (Offset = 320h) [reset = X]
- 9.2.2.1.54 IOCONF Register (Offset = 344h) [reset = X]
- 9.2.2.1.55 CONFIG_IF_ADC Register (Offset = 34Ch) [reset = X]
- 9.2.2.1.56 CONFIG_OSC_TOP Register (Offset = 350h) [reset = X]
- 9.2.2.1.57 CONFIG_RF_FRONTEND Register (Offset = 354h) [reset = X]
- 9.2.2.1.58 CONFIG_SYNTH Register (Offset = 358h) [reset = X]
- 9.2.2.1.59 SOC_ADC_ABS_GAIN Register (Offset = 35Ch) [reset = X]
- 9.2.2.1.60 SOC_ADC_REL_GAIN Register (Offset = 360h) [reset = X]
- 9.2.2.1.61 SOC_ADC_OFFSET_INT Register (Offset = 368h) [reset = X]
- 9.2.2.1.62 SOC_ADC_REF_TRIM_AND_OFFSET_EXT Register (Offset = 36Ch) [reset = X]
- 9.2.2.1.63 AMPCOMP_TH1 Register (Offset = 370h) [reset = FF7B828Eh]
- 9.2.2.1.64 AMPCOMP_TH2 Register (Offset = 374h) [reset = 6B8B0303h]
- 9.2.2.1.65 AMPCOMP_CTRL1 Register (Offset = 378h) [reset = FF183F47h]
- 9.2.2.1.66 ANABYPASS_VALUE2 Register (Offset = 37Ch) [reset = FFFFC3FFh]
- 9.2.2.1.67 CONFIG_MISC_ADC Register (Offset = 380h) [reset = X]
- 9.2.2.1.68 VOLT_TRIM Register (Offset = 388h) [reset = X]
- 9.2.2.1.69 OSC_CONF Register (Offset = 38Ch) [reset = X]
- 9.2.2.1.70 FREQ_OFFSET Register (Offset = 390h) [reset = X]
- 9.2.2.1.71 CAP_TRIM Register (Offset = 394h) [reset = FFFFFFFFh]
- 9.2.2.1.72 MISC_OTP_DATA_1 Register (Offset = 398h) [reset = E00403F8h]
- 9.2.2.1.73 PWD_CURR_20C Register (Offset = 39Ch) [reset = 080BA608h]
- 9.2.2.1.74 PWD_CURR_35C Register (Offset = 3A0h) [reset = 0C10A50Ah]
- 9.2.2.1.75 PWD_CURR_50C Register (Offset = 3A4h) [reset = 1218A20Dh]
- 9.2.2.1.76 PWD_CURR_65C Register (Offset = 3A8h) [reset = 1C259C14h]
- 9.2.2.1.77 PWD_CURR_80C Register (Offset = 3ACh) [reset = 2E3B9021h]
- 9.2.2.1.78 PWD_CURR_95C Register (Offset = 3B0h) [reset = 4C627A3Bh]
- 9.2.2.1.79 PWD_CURR_110C Register (Offset = 3B4h) [reset = 789E706Bh]
- 9.2.2.1.80 PWD_CURR_125C Register (Offset = 3B8h) [reset = ADE1809Ah]
- 9.2.2.1 FCFG1 Registers
- 9.2.1 CC13xx Factory Configuration (FCFG) Registers
- 9.1 Customer Configuration (CCFG)
- 10 Cryptography
- 10.1 AES Cryptoprocessor Overview
- 10.1.1 Functional Description
- 10.1.2 Power Management and Sleep Modes
- 10.1.3 Hardware Description
- 10.1.4 Module Description
- 10.1.5 Performance
- 10.1.6 Programming Guidelines
- 10.1.7 Conventions and Compliances
- 10.1.8 CRYPTO Registers
- 10.1.8.1 DMACH0CTL Register (Offset = 0h) [reset = 0h]
- 10.1.8.2 DMACH0EXTADDR Register (Offset = 4h) [reset = 0h]
- 10.1.8.3 DMACH0LEN Register (Offset = Ch) [reset = 0h]
- 10.1.8.4 DMASTAT Register (Offset = 18h) [reset = 0h]
- 10.1.8.5 DMASWRESET Register (Offset = 1Ch) [reset = 0h]
- 10.1.8.6 DMACH1CTL Register (Offset = 20h) [reset = 0h]
- 10.1.8.7 DMACH1EXTADDR Register (Offset = 24h) [reset = 0h]
- 10.1.8.8 DMACH1LEN Register (Offset = 2Ch) [reset = 0h]
- 10.1.8.9 DMABUSCFG Register (Offset = 78h) [reset = 2400h]
- 10.1.8.10 DMAPORTERR Register (Offset = 7Ch) [reset = 0h]
- 10.1.8.11 DMAHWVER Register (Offset = FCh) [reset = 01012ED1h]
- 10.1.8.12 KEYWRITEAREA Register (Offset = 400h) [reset = 0h]
- 10.1.8.13 KEYWRITTENAREA Register (Offset = 404h) [reset = 0h]
- 10.1.8.14 KEYSIZE Register (Offset = 408h) [reset = 1h]
- 10.1.8.15 KEYREADAREA Register (Offset = 40Ch) [reset = 8h]
- 10.1.8.16 AESKEY2_0 to AESKEY2_3 Register (Offset = 500h to 50Ch) [reset = 0h]
- 10.1.8.17 AESKEY3_0 to AESKEY3_3 Register (Offset = 510h to 51Ch) [reset = 0h]
- 10.1.8.18 AESIV_0 to AESIV_3 Register (Offset = 540h to 54Ch) [reset = 0h]
- 10.1.8.19 AESCTL Register (Offset = 550h) [reset = 80000000h]
- 10.1.8.20 AESDATALEN0 Register (Offset = 554h) [reset = 0h]
- 10.1.8.21 AESDATALEN1 Register (Offset = 558h) [reset = 0h]
- 10.1.8.22 AESAUTHLEN Register (Offset = 55Ch) [reset = 0h]
- 10.1.8.23 AESDATAOUT0 Register (Offset = 560h) [reset = 0h]
- 10.1.8.24 AESDATAIN0 Register (Offset = 560h) [reset = 0h]
- 10.1.8.25 AESDATAOUT1 Register (Offset = 564h) [reset = 0h]
- 10.1.8.26 AESDATAIN1 Register (Offset = 564h) [reset = 0h]
- 10.1.8.27 AESDATAOUT2 Register (Offset = 568h) [reset = 0h]
- 10.1.8.28 AESDATAIN2 Register (Offset = 568h) [reset = 0h]
- 10.1.8.29 AESDATAOUT3 Register (Offset = 56Ch) [reset = 0h]
- 10.1.8.30 AESDATAIN3 Register (Offset = 56Ch) [reset = 0h]
- 10.1.8.31 AESTAGOUT_0 to AESTAGOUT_3 Register (Offset = 570h to 57Ch) [reset = 0h]
- 10.1.8.32 ALGSEL Register (Offset = 700h) [reset = 0h]
- 10.1.8.33 DMAPROTCTL Register (Offset = 704h) [reset = 0h]
- 10.1.8.34 SWRESET Register (Offset = 740h) [reset = 0h]
- 10.1.8.35 IRQTYPE Register (Offset = 780h) [reset = 0h]
- 10.1.8.36 IRQEN Register (Offset = 784h) [reset = 0h]
- 10.1.8.37 IRQCLR Register (Offset = 788h) [reset = 0h]
- 10.1.8.38 IRQSET Register (Offset = 78Ch) [reset = 0h]
- 10.1.8.39 IRQSTAT Register (Offset = 790h) [reset = 0h]
- 10.1.8.40 HWVER Register (Offset = 7FCh) [reset = 91118778h]
- 10.1 AES Cryptoprocessor Overview
- 11 I/O Control
- 11.1 Introduction
- 11.2 IOC Overview
- 11.3 I/O Mapping and Configuration
- 11.4 Edge Detection on Pin (DIO)
- 11.5 AON IOC State Latching When Powering Off the MCU Domain
- 11.6 Unused I/O Pins
- 11.7 GPIO
- 11.8 I/O Pin Mapping
- 11.9 Peripheral PORTIDs
- 11.10 I/O Pin
- 11.11 Digital Input/Output Power Domains
- 11.12 I/O Control Registers
- 11.12.1 AON_IOC Registers
- 11.12.2 GPIO Registers
- 11.12.2.1 DOUT3_0 Register (Offset = 0h) [reset = 0h]
- 11.12.2.2 DOUT7_4 Register (Offset = 4h) [reset = 0h]
- 11.12.2.3 DOUT11_8 Register (Offset = 8h) [reset = 0h]
- 11.12.2.4 DOUT15_12 Register (Offset = Ch) [reset = 0h]
- 11.12.2.5 DOUT19_16 Register (Offset = 10h) [reset = 0h]
- 11.12.2.6 DOUT23_20 Register (Offset = 14h) [reset = 0h]
- 11.12.2.7 DOUT27_24 Register (Offset = 18h) [reset = 0h]
- 11.12.2.8 DOUT31_28 Register (Offset = 1Ch) [reset = 0h]
- 11.12.2.9 DOUT31_0 Register (Offset = 80h) [reset = 0h]
- 11.12.2.10 DOUTSET31_0 Register (Offset = 90h) [reset = 0h]
- 11.12.2.11 DOUTCLR31_0 Register (Offset = A0h) [reset = 0h]
- 11.12.2.12 DOUTTGL31_0 Register (Offset = B0h) [reset = 0h]
- 11.12.2.13 DIN31_0 Register (Offset = C0h) [reset = 0h]
- 11.12.2.14 DOE31_0 Register (Offset = D0h) [reset = 0h]
- 11.12.2.15 EVFLAGS31_0 Register (Offset = E0h) [reset = 0h]
- 11.12.3 IOC Registers
- 11.12.3.1 IOCFG0 Register (Offset = 0h) [reset = 6000h]
- 11.12.3.2 IOCFG1 Register (Offset = 4h) [reset = 6000h]
- 11.12.3.3 IOCFG2 Register (Offset = 8h) [reset = 6000h]
- 11.12.3.4 IOCFG3 Register (Offset = Ch) [reset = 6000h]
- 11.12.3.5 IOCFG4 Register (Offset = 10h) [reset = 6000h]
- 11.12.3.6 IOCFG5 Register (Offset = 14h) [reset = 6000h]
- 11.12.3.7 IOCFG6 Register (Offset = 18h) [reset = 6000h]
- 11.12.3.8 IOCFG7 Register (Offset = 1Ch) [reset = 6000h]
- 11.12.3.9 IOCFG8 Register (Offset = 20h) [reset = 6000h]
- 11.12.3.10 IOCFG9 Register (Offset = 24h) [reset = 6000h]
- 11.12.3.11 IOCFG10 Register (Offset = 28h) [reset = 6000h]
- 11.12.3.12 IOCFG11 Register (Offset = 2Ch) [reset = 6000h]
- 11.12.3.13 IOCFG12 Register (Offset = 30h) [reset = 6000h]
- 11.12.3.14 IOCFG13 Register (Offset = 34h) [reset = 6000h]
- 11.12.3.15 IOCFG14 Register (Offset = 38h) [reset = 6000h]
- 11.12.3.16 IOCFG15 Register (Offset = 3Ch) [reset = 6000h]
- 11.12.3.17 IOCFG16 Register (Offset = 40h) [reset = 00086000h]
- 11.12.3.18 IOCFG17 Register (Offset = 44h) [reset = 00106000h]
- 11.12.3.19 IOCFG18 Register (Offset = 48h) [reset = 6000h]
- 11.12.3.20 IOCFG19 Register (Offset = 4Ch) [reset = 6000h]
- 11.12.3.21 IOCFG20 Register (Offset = 50h) [reset = 6000h]
- 11.12.3.22 IOCFG21 Register (Offset = 54h) [reset = 6000h]
- 11.12.3.23 IOCFG22 Register (Offset = 58h) [reset = 6000h]
- 11.12.3.24 IOCFG23 Register (Offset = 5Ch) [reset = 6000h]
- 11.12.3.25 IOCFG24 Register (Offset = 60h) [reset = 6000h]
- 11.12.3.26 IOCFG25 Register (Offset = 64h) [reset = 6000h]
- 11.12.3.27 IOCFG26 Register (Offset = 68h) [reset = 6000h]
- 11.12.3.28 IOCFG27 Register (Offset = 6Ch) [reset = 6000h]
- 11.12.3.29 IOCFG28 Register (Offset = 70h) [reset = 6000h]
- 11.12.3.30 IOCFG29 Register (Offset = 74h) [reset = 6000h]
- 11.12.3.31 IOCFG30 Register (Offset = 78h) [reset = 6000h]
- 11.12.3.32 IOCFG31 Register (Offset = 7Ch) [reset = 6000h]
- 12 Micro Direct Memory Access (µDMA)
- 12.1 μDMA Introduction
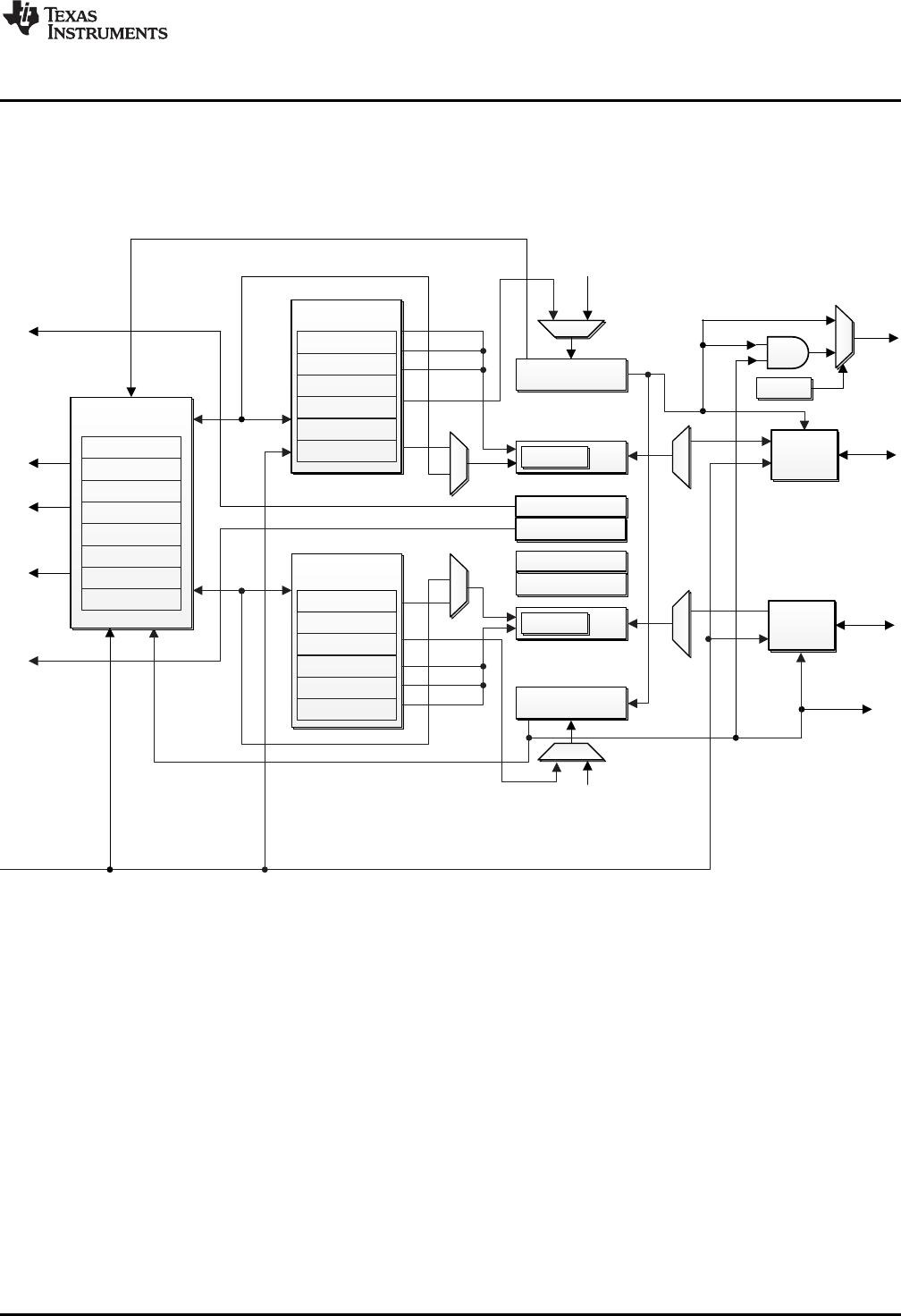
- 12.2 Block Diagram
- 12.3 Functional Description
- 12.4 Initialization and Configuration
- 12.5 µDMA Registers
- 12.5.1 UDMA Registers
- 12.5.1.1 STATUS Register (Offset = 0h) [reset = 001F0000h]
- 12.5.1.2 CFG Register (Offset = 4h) [reset = 0h]
- 12.5.1.3 CTRL Register (Offset = 8h) [reset = 0h]
- 12.5.1.4 ALTCTRL Register (Offset = Ch) [reset = 200h]
- 12.5.1.5 WAITONREQ Register (Offset = 10h) [reset = FFFF1EFFh]
- 12.5.1.6 SOFTREQ Register (Offset = 14h) [reset = 0h]
- 12.5.1.7 SETBURST Register (Offset = 18h) [reset = 0h]
- 12.5.1.8 CLEARBURST Register (Offset = 1Ch) [reset = 0h]
- 12.5.1.9 SETREQMASK Register (Offset = 20h) [reset = 0h]
- 12.5.1.10 CLEARREQMASK Register (Offset = 24h) [reset = 0h]
- 12.5.1.11 SETCHANNELEN Register (Offset = 28h) [reset = 0h]
- 12.5.1.12 CLEARCHANNELEN Register (Offset = 2Ch) [reset = 0h]
- 12.5.1.13 SETCHNLPRIALT Register (Offset = 30h) [reset = 0h]
- 12.5.1.14 CLEARCHNLPRIALT Register (Offset = 34h) [reset = 0h]
- 12.5.1.15 SETCHNLPRIORITY Register (Offset = 38h) [reset = 0h]
- 12.5.1.16 CLEARCHNLPRIORITY Register (Offset = 3Ch) [reset = 0h]
- 12.5.1.17 ERROR Register (Offset = 4Ch) [reset = 0h]
- 12.5.1.18 REQDONE Register (Offset = 504h) [reset = 0h]
- 12.5.1.19 DONEMASK Register (Offset = 520h) [reset = 0h]
- 12.5.1 UDMA Registers
- 13 Timers
- 13.1 General-purpose Timers
- 13.2 Block Diagram
- 13.3 Functional Description
- 13.4 Initialization and Configuration
- 13.5 General-purpose Timer Registers
- 13.5.1 GPT Registers
- 13.5.1.1 CFG Register (Offset = 0h) [reset = 0h]
- 13.5.1.2 TAMR Register (Offset = 4h) [reset = 0h]
- 13.5.1.3 TBMR Register (Offset = 8h) [reset = 0h]
- 13.5.1.4 CTL Register (Offset = Ch) [reset = 0h]
- 13.5.1.5 SYNC Register (Offset = 10h) [reset = 0h]
- 13.5.1.6 IMR Register (Offset = 18h) [reset = 0h]
- 13.5.1.7 RIS Register (Offset = 1Ch) [reset = 0h]
- 13.5.1.8 MIS Register (Offset = 20h) [reset = 0h]
- 13.5.1.9 ICLR Register (Offset = 24h) [reset = 0h]
- 13.5.1.10 TAILR Register (Offset = 28h) [reset = FFFFFFFFh]
- 13.5.1.11 TBILR Register (Offset = 2Ch) [reset = FFFFh]
- 13.5.1.12 TAMATCHR Register (Offset = 30h) [reset = FFFFFFFFh]
- 13.5.1.13 TBMATCHR Register (Offset = 34h) [reset = FFFFh]
- 13.5.1.14 TAPR Register (Offset = 38h) [reset = 0h]
- 13.5.1.15 TBPR Register (Offset = 3Ch) [reset = 0h]
- 13.5.1.16 TAPMR Register (Offset = 40h) [reset = 0h]
- 13.5.1.17 TBPMR Register (Offset = 44h) [reset = 0h]
- 13.5.1.18 TAR Register (Offset = 48h) [reset = FFFFFFFFh]
- 13.5.1.19 TBR Register (Offset = 4Ch) [reset = FFFFh]
- 13.5.1.20 TAV Register (Offset = 50h) [reset = FFFFFFFFh]
- 13.5.1.21 TBV Register (Offset = 54h) [reset = FFFFh]
- 13.5.1.22 TAPS Register (Offset = 5Ch) [reset = 0h]
- 13.5.1.23 TBPS Register (Offset = 60h) [reset = 0h]
- 13.5.1.24 TAPV Register (Offset = 64h) [reset = 0h]
- 13.5.1.25 TBPV Register (Offset = 68h) [reset = 0h]
- 13.5.1.26 DMAEV Register (Offset = 6Ch) [reset = 0h]
- 13.5.1.27 VERSION Register (Offset = FB0h) [reset = 400h]
- 13.5.1.28 ANDCCP Register (Offset = FB4h) [reset = 0h]
- 13.5.1 GPT Registers
- 14 Real-Time Clock
- 14.1 Introduction
- 14.2 Functional Specifications
- 14.3 RTC Registers
- 14.4 Real-Time Clock Registers
- 14.4.1 AON_RTC Registers
- 14.4.1.1 CTL Register (Offset = 0h) [reset = 0h]
- 14.4.1.2 EVFLAGS Register (Offset = 4h) [reset = 0h]
- 14.4.1.3 SEC Register (Offset = 8h) [reset = 0h]
- 14.4.1.4 SUBSEC Register (Offset = Ch) [reset = 0h]
- 14.4.1.5 SUBSECINC Register (Offset = 10h) [reset = 00800000h]
- 14.4.1.6 CHCTL Register (Offset = 14h) [reset = 0h]
- 14.4.1.7 CH0CMP Register (Offset = 18h) [reset = 0h]
- 14.4.1.8 CH1CMP Register (Offset = 1Ch) [reset = 0h]
- 14.4.1.9 CH2CMP Register (Offset = 20h) [reset = 0h]
- 14.4.1.10 CH2CMPINC Register (Offset = 24h) [reset = 0h]
- 14.4.1.11 CH1CAPT Register (Offset = 28h) [reset = 0h]
- 14.4.1.12 SYNC Register (Offset = 2Ch) [reset = 0h]
- 14.4.1 AON_RTC Registers
- 15 Watchdog Timer
- 15.1 WDT Introduction
- 15.2 WDT Functional Description
- 15.3 WDT Initialization and Configuration
- 15.3.1 WDT Registers
- 15.3.1.1 LOAD Register (Offset = 0h) [reset = FFFFFFFFh]
- 15.3.1.2 VALUE Register (Offset = 4h) [reset = FFFFFFFFh]
- 15.3.1.3 CTL Register (Offset = 8h) [reset = 0h]
- 15.3.1.4 ICR Register (Offset = Ch) [reset = 0h]
- 15.3.1.5 RIS Register (Offset = 10h) [reset = 0h]
- 15.3.1.6 MIS Register (Offset = 14h) [reset = 0h]
- 15.3.1.7 TEST Register (Offset = 418h) [reset = 0h]
- 15.3.1.8 INT_CAUS Register (Offset = 41Ch) [reset = 0h]
- 15.3.1.9 LOCK Register (Offset = C00h) [reset = 0h]
- 15.3.1 WDT Registers
- 16 Random Number Generator
- 16.1 Overview
- 16.2 Block Diagram
- 16.3 TRNG Software Reset
- 16.4 Interrupt Requests
- 16.5 TRNG Operation Description
- 16.6 TRNG Low-level Programing Guide
- 16.6.1 Initialization
- 16.6.2 TRNG Registers
- 16.6.2.1 OUT0 Register (Offset = 0h) [reset = 0h]
- 16.6.2.2 OUT1 Register (Offset = 4h) [reset = 0h]
- 16.6.2.3 IRQFLAGSTAT Register (Offset = 8h) [reset = 0h]
- 16.6.2.4 IRQFLAGMASK Register (Offset = Ch) [reset = 0h]
- 16.6.2.5 IRQFLAGCLR Register (Offset = 10h) [reset = 0h]
- 16.6.2.6 CTL Register (Offset = 14h) [reset = 0h]
- 16.6.2.7 CFG0 Register (Offset = 18h) [reset = 0h]
- 16.6.2.8 ALARMCNT Register (Offset = 1Ch) [reset = FFh]
- 16.6.2.9 FROEN Register (Offset = 20h) [reset = 00FFFFFFh]
- 16.6.2.10 FRODETUNE Register (Offset = 24h) [reset = 0h]
- 16.6.2.11 ALARMMASK Register (Offset = 28h) [reset = 0h]
- 16.6.2.12 ALARMSTOP Register (Offset = 2Ch) [reset = 0h]
- 16.6.2.13 LFSR0 Register (Offset = 30h) [reset = 0h]
- 16.6.2.14 LFSR1 Register (Offset = 34h) [reset = 0h]
- 16.6.2.15 LFSR2 Register (Offset = 38h) [reset = 0h]
- 16.6.2.16 HWOPT Register (Offset = 78h) [reset = 600h]
- 16.6.2.17 HWVER0 Register (Offset = 7Ch) [reset = 0200B44Bh]
- 16.6.2.18 IRQSTATMASK Register (Offset = 1FD8h) [reset = 0h]
- 16.6.2.19 HWVER1 Register (Offset = 1FE0h) [reset = 20h]
- 16.6.2.20 IRQSET Register (Offset = 1FECh) [reset = 0h]
- 16.6.2.21 SWRESET Register (Offset = 1FF0h) [reset = 0h]
- 16.6.2.22 IRQSTAT Register (Offset = 1FF8h) [reset = 0h]
- 17 AUX – Sensor Controller with Digital and Analog Peripherals
- 17.1 Introduction
- 17.2 Memory Mapping
- 17.3 I/O Mapping
- 17.4 Modules
- 17.4.1 Sensor Controller
- 17.4.2 GPIO Control
- 17.4.3 AUX Timers
- 17.4.4 Time-to-Digital Converter
- 17.4.5 Semaphores
- 17.4.6 Oscillator Configuration Interface (DDI)
- 17.4.7 Analog MUX
- 17.4.8 ADC
- 17.4.8.1 Introduction
- 17.4.8.2 ADC Reference
- 17.4.8.3 Sample Mode and Sample Duration
- 17.4.8.4 Input Signal Scaling
- 17.4.8.5 ADC Enable
- 17.4.8.6 Digital Core
- 17.4.8.7 ADC Core Clock
- 17.4.8.8 Sampling
- 17.4.8.9 FIFO
- 17.4.8.10 Interrupts and Events
- 17.4.8.11 DMA Usage
- 17.4.8.12 Usage Example – Single Shot ADC Measurement
- 17.5 Power Management
- 17.6 Clock Management
- 17.7 AUX – Sensor Controller Registers
- 17.7.1 ADI_4_AUX Registers
- 17.7.1.1 MUX0 Register (Offset = 0h) [reset = 0h]
- 17.7.1.2 MUX1 Register (Offset = 1h) [reset = 0h]
- 17.7.1.3 MUX2 Register (Offset = 2h) [reset = 0h]
- 17.7.1.4 MUX3 Register (Offset = 3h) [reset = 0h]
- 17.7.1.5 ISRC Register (Offset = 4h) [reset = 0h]
- 17.7.1.6 COMP Register (Offset = 5h) [reset = 0h]
- 17.7.1.7 MUX4 Register (Offset = 7h) [reset = 0h]
- 17.7.1.8 ADC0 Register (Offset = 8h) [reset = 0h]
- 17.7.1.9 ADC1 Register (Offset = 9h) [reset = 0h]
- 17.7.1.10 ADCREF0 Register (Offset = Ah) [reset = 0h]
- 17.7.1.11 ADCREF1 Register (Offset = Bh) [reset = 0h]
- 17.7.2 AUX_AIODIO Registers
- 17.7.2.1 GPIODOUT Register (Offset = 0h) [reset = 0h]
- 17.7.2.2 IOMODE Register (Offset = 4h) [reset = 0h]
- 17.7.2.3 GPIODIN Register (Offset = 8h) [reset = 0h]
- 17.7.2.4 GPIODOUTSET Register (Offset = Ch) [reset = 0h]
- 17.7.2.5 GPIODOUTCLR Register (Offset = 10h) [reset = 0h]
- 17.7.2.6 GPIODOUTTGL Register (Offset = 14h) [reset = 0h]
- 17.7.2.7 GPIODIE Register (Offset = 18h) [reset = 0h]
- 17.7.3 AUX_EVCTL Registers
- 17.7.3.1 VECCFG0 Register (Offset = 0h) [reset = 0h]
- 17.7.3.2 VECCFG1 Register (Offset = 4h) [reset = 0h]
- 17.7.3.3 SCEWEVSEL Register (Offset = 8h) [reset = 0h]
- 17.7.3.4 EVTOAONFLAGS Register (Offset = Ch) [reset = 0h]
- 17.7.3.5 EVTOAONPOL Register (Offset = 10h) [reset = 0h]
- 17.7.3.6 DMACTL Register (Offset = 14h) [reset = 0h]
- 17.7.3.7 SWEVSET Register (Offset = 18h) [reset = 0h]
- 17.7.3.8 EVSTAT0 Register (Offset = 1Ch) [reset = 0h]
- 17.7.3.9 EVSTAT1 Register (Offset = 20h) [reset = 0h]
- 17.7.3.10 EVTOMCUPOL Register (Offset = 24h) [reset = 0h]
- 17.7.3.11 EVTOMCUFLAGS Register (Offset = 28h) [reset = 0h]
- 17.7.3.12 COMBEVTOMCUMASK Register (Offset = 2Ch) [reset = 0h]
- 17.7.3.13 VECFLAGS Register (Offset = 34h) [reset = 0h]
- 17.7.3.14 EVTOMCUFLAGSCLR Register (Offset = 38h) [reset = 0h]
- 17.7.3.15 EVTOAONFLAGSCLR Register (Offset = 3Ch) [reset = 0h]
- 17.7.3.16 VECFLAGSCLR Register (Offset = 40h) [reset = 0h]
- 17.7.4 AUX_SMPH Registers
- 17.7.4.1 SMPH0 Register (Offset = 0h) [reset = 1h]
- 17.7.4.2 SMPH1 Register (Offset = 4h) [reset = 1h]
- 17.7.4.3 SMPH2 Register (Offset = 8h) [reset = 1h]
- 17.7.4.4 SMPH3 Register (Offset = Ch) [reset = 1h]
- 17.7.4.5 SMPH4 Register (Offset = 10h) [reset = 1h]
- 17.7.4.6 SMPH5 Register (Offset = 14h) [reset = 1h]
- 17.7.4.7 SMPH6 Register (Offset = 18h) [reset = 1h]
- 17.7.4.8 SMPH7 Register (Offset = 1Ch) [reset = 1h]
- 17.7.4.9 AUTOTAKE Register (Offset = 20h) [reset = 0h]
- 17.7.5 AUX_TDC Registers
- 17.7.5.1 CTL Register (Offset = 0h) [reset = 0h]
- 17.7.5.2 STAT Register (Offset = 4h) [reset = 6h]
- 17.7.5.3 RESULT Register (Offset = 8h) [reset = 2h]
- 17.7.5.4 SATCFG Register (Offset = Ch) [reset = Fh]
- 17.7.5.5 TRIGSRC Register (Offset = 10h) [reset = 0h]
- 17.7.5.6 TRIGCNT Register (Offset = 14h) [reset = 0h]
- 17.7.5.7 TRIGCNTLOAD Register (Offset = 18h) [reset = 0h]
- 17.7.5.8 TRIGCNTCFG Register (Offset = 1Ch) [reset = 0h]
- 17.7.5.9 PRECTL Register (Offset = 20h) [reset = 1Fh]
- 17.7.5.10 PRECNT Register (Offset = 24h) [reset = 0h]
- 17.7.6 AUX_TIMER Registers
- 17.7.6.1 T0CFG Register (Offset = 0h) [reset = 0h]
- 17.7.6.2 T1CFG Register (Offset = 4h) [reset = 0h]
- 17.7.6.3 T0CTL Register (Offset = 8h) [reset = 0h]
- 17.7.6.4 T0TARGET Register (Offset = Ch) [reset = 0h]
- 17.7.6.5 T1TARGET Register (Offset = 10h) [reset = 0h]
- 17.7.6.6 T1CTL Register (Offset = 14h) [reset = 0h]
- 17.7.7 AUX_WUC Registers
- 17.7.7.1 MODCLKEN0 Register (Offset = 0h) [reset = 0h]
- 17.7.7.2 PWROFFREQ Register (Offset = 4h) [reset = 0h]
- 17.7.7.3 PWRDWNREQ Register (Offset = 8h) [reset = 0h]
- 17.7.7.4 PWRDWNACK Register (Offset = Ch) [reset = 0h]
- 17.7.7.5 CLKLFREQ Register (Offset = 10h) [reset = 0h]
- 17.7.7.6 CLKLFACK Register (Offset = 14h) [reset = 0h]
- 17.7.7.7 WUEVFLAGS Register (Offset = 28h) [reset = 0h]
- 17.7.7.8 WUEVCLR Register (Offset = 2Ch) [reset = 0h]
- 17.7.7.9 ADCCLKCTL Register (Offset = 30h) [reset = 0h]
- 17.7.7.10 TDCCLKCTL Register (Offset = 34h) [reset = 0h]
- 17.7.7.11 REFCLKCTL Register (Offset = 38h) [reset = 0h]
- 17.7.7.12 RTCSUBSECINC0 Register (Offset = 3Ch) [reset = 0h]
- 17.7.7.13 RTCSUBSECINC1 Register (Offset = 40h) [reset = 0h]
- 17.7.7.14 RTCSUBSECINCCTL Register (Offset = 44h) [reset = 0h]
- 17.7.7.15 MCUBUSCTL Register (Offset = 48h) [reset = 0h]
- 17.7.7.16 MCUBUSSTAT Register (Offset = 4Ch) [reset = 0h]
- 17.7.7.17 AONCTLSTAT Register (Offset = 50h) [reset = 0h]
- 17.7.7.18 AUXIOLATCH Register (Offset = 54h) [reset = 0h]
- 17.7.7.19 MODCLKEN1 Register (Offset = 5Ch) [reset = 0h]
- 17.7.8 AUX_ANAIF Registers
- 17.7.1 ADI_4_AUX Registers
- 18 Battery Monitor and Temperature Sensor
- 18.1 Introduction
- 18.2 Functional Description
- 18.3 BATMON Registers
- 18.3.1 AON_BATMON Registers
- 18.3.1.1 CTL Register (Offset = 0h) [reset = 0h]
- 18.3.1.2 MEASCFG Register (Offset = 4h) [reset = 0h]
- 18.3.1.3 TEMPP0 Register (Offset = Ch) [reset = 0h]
- 18.3.1.4 TEMPP1 Register (Offset = 10h) [reset = 0h]
- 18.3.1.5 TEMPP2 Register (Offset = 14h) [reset = 0h]
- 18.3.1.6 BATMONP0 Register (Offset = 18h) [reset = 0h]
- 18.3.1.7 BATMONP1 Register (Offset = 1Ch) [reset = 0h]
- 18.3.1.8 IOSTRP0 Register (Offset = 20h) [reset = 28h]
- 18.3.1.9 FLASHPUMPP0 Register (Offset = 24h) [reset = 0h]
- 18.3.1.10 BAT Register (Offset = 28h) [reset = 0h]
- 18.3.1.11 BATUPD Register (Offset = 2Ch) [reset = 0h]
- 18.3.1.12 TEMP Register (Offset = 30h) [reset = 0h]
- 18.3.1.13 TEMPUPD Register (Offset = 34h) [reset = 0h]
- 18.3.1 AON_BATMON Registers
- 19 Universal Asynchronous Receivers and Transmitters (UARTS)
- 19.1 Universal Asynchronous Receiver/Transmitter
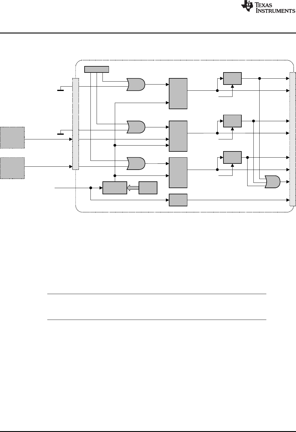
- 19.2 Block Diagram
- 19.3 Signal Description
- 19.4 Functional Description
- 19.5 Interface to DMA
- 19.6 Initialization and Configuration
- 19.6.1 UART Registers
- 19.6.1.1 DR Register (Offset = 0h) [reset = X]
- 19.6.1.2 RSR Register (Offset = 4h) [reset = 0h]
- 19.6.1.3 ECR Register (Offset = 4h) [reset = 0h]
- 19.6.1.4 FR Register (Offset = 18h) [reset = X]
- 19.6.1.5 IBRD Register (Offset = 24h) [reset = 0h]
- 19.6.1.6 FBRD Register (Offset = 28h) [reset = 0h]
- 19.6.1.7 LCRH Register (Offset = 2Ch) [reset = 0h]
- 19.6.1.8 CTL Register (Offset = 30h) [reset = 300h]
- 19.6.1.9 IFLS Register (Offset = 34h) [reset = 12h]
- 19.6.1.10 IMSC Register (Offset = 38h) [reset = 0h]
- 19.6.1.11 RIS Register (Offset = 3Ch) [reset = X]
- 19.6.1.12 MIS Register (Offset = 40h) [reset = 0h]
- 19.6.1.13 ICR Register (Offset = 44h) [reset = X]
- 19.6.1.14 DMACTL Register (Offset = 48h) [reset = 0h]
- 19.6.1 UART Registers
- 20 Synchronous Serial Interface (SSI)
- 20.1 Synchronous Serial Interface
- 20.2 Block Diagram
- 20.3 Signal Description
- 20.4 Functional Description
- 20.4.1 Bit Rate Generation
- 20.4.2 FIFO Operation
- 20.4.3 Interrupts
- 20.4.4 Frame Formats
- 20.4.4.1 Texas Instruments Synchronous Serial Frame Format
- 20.4.4.2 Motorola SPI Frame Format
- 20.4.4.3 Motorola SPI Frame Format With SPO = 0 and SPH = 0
- 20.4.4.4 Motorola SPI Frame Format With SPO = 0 and SPH = 1
- 20.4.4.5 Motorola SPI Frame Format With SPO = 1 and SPH = 0
- 20.4.4.6 Motorola SPI Frame Format With SPO = 1 and SPH = 1
- 20.4.4.7 MICROWIRE Frame Format
- 20.5 DMA Operation
- 20.6 Initialization and Configuration
- 20.6.1 SSI Registers
- 20.6.1.1 CR0 Register (Offset = 0h) [reset = 0h]
- 20.6.1.2 CR1 Register (Offset = 4h) [reset = 0h]
- 20.6.1.3 DR Register (Offset = 8h) [reset = X]
- 20.6.1.4 SR Register (Offset = Ch) [reset = 3h]
- 20.6.1.5 CPSR Register (Offset = 10h) [reset = 0h]
- 20.6.1.6 IMSC Register (Offset = 14h) [reset = 0h]
- 20.6.1.7 RIS Register (Offset = 18h) [reset = 8h]
- 20.6.1.8 MIS Register (Offset = 1Ch) [reset = 0h]
- 20.6.1.9 ICR Register (Offset = 20h) [reset = 0h]
- 20.6.1.10 DMACR Register (Offset = 24h) [reset = 0h]
- 20.6.1 SSI Registers
- 21 Inter-Integrated Circuit (I2C) Interface
- 21.1 Inter-Integrated Circuit Interface
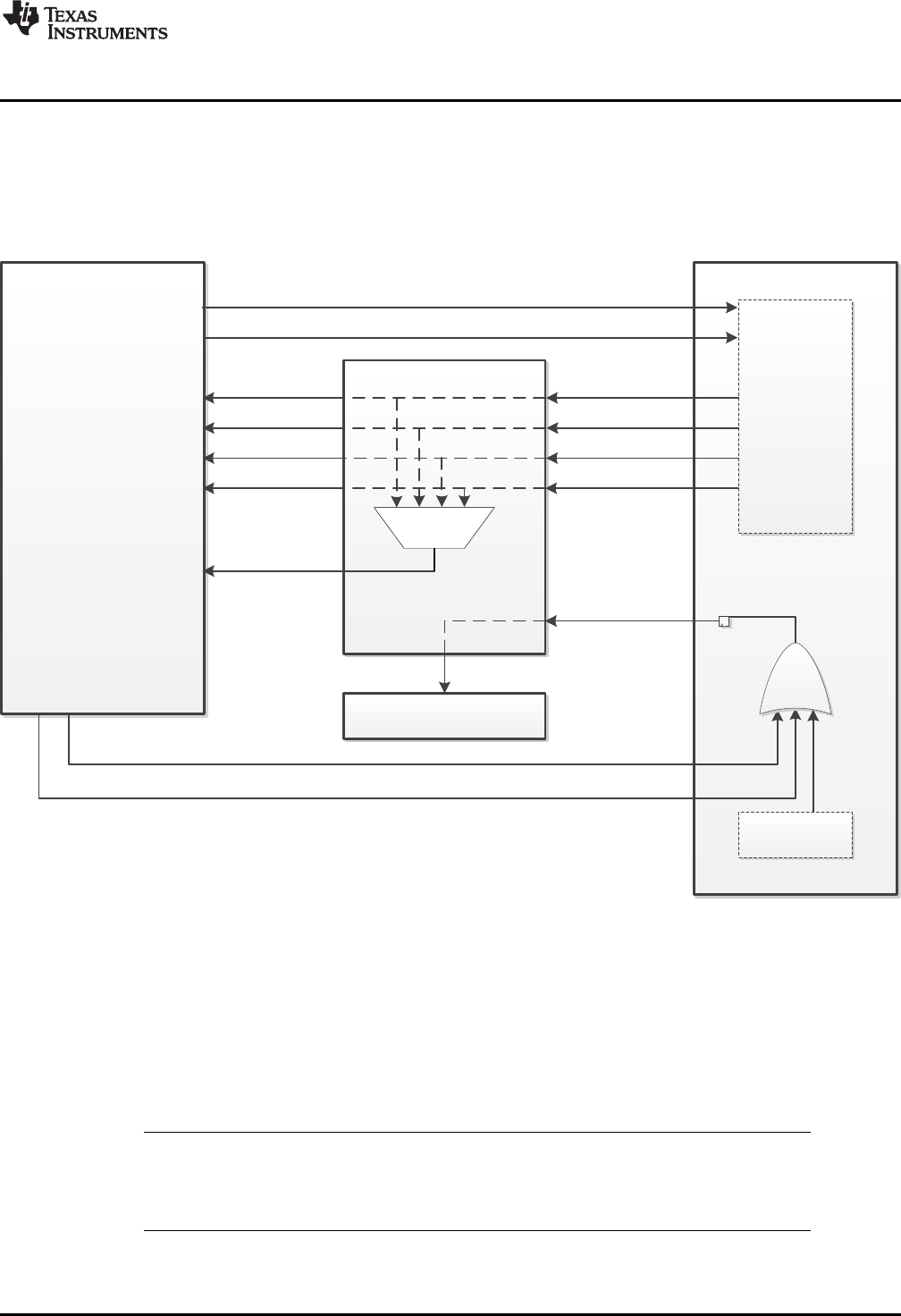
- 21.2 Block Diagram
- 21.3 Functional Description
- 21.4 Initialization and Configuration
- 21.4.1 I2C Registers
- 21.4.1.1 SOAR Register (Offset = 0h) [reset = 0h]
- 21.4.1.2 SSTAT Register (Offset = 4h) [reset = 0h]
- 21.4.1.3 SCTL Register (Offset = 4h) [reset = 0h]
- 21.4.1.4 SDR Register (Offset = 8h) [reset = 0h]
- 21.4.1.5 SIMR Register (Offset = Ch) [reset = 0h]
- 21.4.1.6 SRIS Register (Offset = 10h) [reset = 0h]
- 21.4.1.7 SMIS Register (Offset = 14h) [reset = 0h]
- 21.4.1.8 SICR Register (Offset = 18h) [reset = 0h]
- 21.4.1.9 MSA Register (Offset = 800h) [reset = 0h]
- 21.4.1.10 MSTAT Register (Offset = 804h) [reset = 20h]
- 21.4.1.11 MCTRL Register (Offset = 804h) [reset = 0h]
- 21.4.1.12 MDR Register (Offset = 808h) [reset = 0h]
- 21.4.1.13 MTPR Register (Offset = 80Ch) [reset = 1h]
- 21.4.1.14 MIMR Register (Offset = 810h) [reset = 0h]
- 21.4.1.15 MRIS Register (Offset = 814h) [reset = 0h]
- 21.4.1.16 MMIS Register (Offset = 818h) [reset = 0h]
- 21.4.1.17 MICR Register (Offset = 81Ch) [reset = 0h]
- 21.4.1.18 MCR Register (Offset = 820h) [reset = 0h]
- 21.4.1 I2C Registers
- 22 Integrated Interchip Sound (I2S) Module
- 22.1 Introduction
- 22.2 Digital Audio Interface
- 22.3 Frame Configuration
- 22.4 Pin Configuration
- 22.5 Clock Configuration
- 22.6 Serial Interface Formats
- 22.7 Memory Interface
- 22.8 Samplestamp Generator
- 22.9 Usage
- 22.9.1 Start-up Sequence
- 22.9.2 Termination Sequence
- 22.9.3 I2S Registers
- 22.9.3.1 AIFWCLKSRC Register (Offset = 0h) [reset = 0h]
- 22.9.3.2 AIFDMACFG Register (Offset = 4h) [reset = 0h]
- 22.9.3.3 AIFDIRCFG Register (Offset = 8h) [reset = 0h]
- 22.9.3.4 AIFFMTCFG Register (Offset = Ch) [reset = 170h]
- 22.9.3.5 AIFWMASK0 Register (Offset = 10h) [reset = 3h]
- 22.9.3.6 AIFWMASK1 Register (Offset = 14h) [reset = 3h]
- 22.9.3.7 AIFWMASK2 Register (Offset = 18h) [reset = 3h]
- 22.9.3.8 AIFPWMVALUE Register (Offset = 1Ch) [reset = 0h]
- 22.9.3.9 AIFINPTRNEXT Register (Offset = 20h) [reset = 0h]
- 22.9.3.10 AIFINPTR Register (Offset = 24h) [reset = 0h]
- 22.9.3.11 AIFOUTPTRNEXT Register (Offset = 28h) [reset = 0h]
- 22.9.3.12 AIFOUTPTR Register (Offset = 2Ch) [reset = 0h]
- 22.9.3.13 STMPCTL Register (Offset = 34h) [reset = 0h]
- 22.9.3.14 STMPXCNTCAPT0 Register (Offset = 38h) [reset = 0h]
- 22.9.3.15 STMPXPER Register (Offset = 3Ch) [reset = 0h]
- 22.9.3.16 STMPWCNTCAPT0 Register (Offset = 40h) [reset = 0h]
- 22.9.3.17 STMPWPER Register (Offset = 44h) [reset = 0h]
- 22.9.3.18 STMPINTRIG Register (Offset = 48h) [reset = 0h]
- 22.9.3.19 STMPOUTTRIG Register (Offset = 4Ch) [reset = 0h]
- 22.9.3.20 STMPWSET Register (Offset = 50h) [reset = 0h]
- 22.9.3.21 STMPWADD Register (Offset = 54h) [reset = 0h]
- 22.9.3.22 STMPXPERMIN Register (Offset = 58h) [reset = FFFFh]
- 22.9.3.23 STMPWCNT Register (Offset = 5Ch) [reset = 0h]
- 22.9.3.24 STMPXCNT Register (Offset = 60h) [reset = 0h]
- 22.9.3.25 STMPXCNTCAPT1 Register (Offset = 64h) [reset = 0h]
- 22.9.3.26 STMPWCNTCAPT1 Register (Offset = 68h) [reset = 0h]
- 22.9.3.27 IRQMASK Register (Offset = 70h) [reset = 0h]
- 22.9.3.28 IRQFLAGS Register (Offset = 74h) [reset = 0h]
- 22.9.3.29 IRQSET Register (Offset = 78h) [reset = 0h]
- 22.9.3.30 IRQCLR Register (Offset = 7Ch) [reset = 0h]
- 23 Radio
- 23.1 RF Core
- 23.2 Radio Doorbell
- 23.3 RF Core HAL
- 23.3.1 Hardware Support
- 23.3.2 Firmware Support
- 23.3.3 Command Definitions
- 23.3.3.1 Protocol-independent Radio Operation Commands
- 23.3.3.1.1 CMD_NOP: No Operation Command
- 23.3.3.1.2 CMD_RADIO_SETUP: Set Up Radio Settings Command
- 23.3.3.1.3 CMD_FS_POWERUP: Power Up Frequency Synthesizer
- 23.3.3.1.4 CMD_FS_POWERDOWN: Power Down Frequency Synthesizer
- 23.3.3.1.5 CMD_FS: Frequency Synthesizer Controls Command
- 23.3.3.1.6 CMD_FS_OFF: Turn Off Frequency Synthesizer
- 23.3.3.1.7 CMD_RX_TEST: Receiver Test Command
- 23.3.3.1.8 CMD_TX_TEST: Transmitter Test Command
- 23.3.3.1.9 CMD_SYNC_STOP_RAT: Synchronize and Stop Radio Timer Command
- 23.3.3.1.10 CMD_SYNC_START_RAT: Synchronously Start Radio Timer Command
- 23.3.3.1.11 CMD_COUNT: Counter Command
- 23.3.3.1.12 CMD_SCH_IMM: Run Immediate Command as Radio Operation
- 23.3.3.1.13 CMD_COUNT_BRANCH: Counter Command With Branch of Command Chain
- 23.3.3.1.14 CMD_PATTERN_CHECK: Check a Value in Memory Against a Pattern
- 23.3.3.1 Protocol-independent Radio Operation Commands
- 23.3.4 Protocol-Independent Direct and Immediate Commands
- 23.3.4.1 CMD_ABORT: ABORT Command
- 23.3.4.2 CMD_STOP: Stop Command
- 23.3.4.3 CMD_GET_RSSI: Read RSSI Command
- 23.3.4.4 CMD_UPDATE_RADIO_SETUP: Update Radio Settings Command
- 23.3.4.5 CMD_TRIGGER: Generate Command Trigger
- 23.3.4.6 CMD_GET_FW_INFO: Request Information on the Firmware Being Run
- 23.3.4.7 CMD_START_RAT: Asynchronously Start Radio Timer Command
- 23.3.4.8 CMD_PING: Respond With Interrupt
- 23.3.4.9 CMD_READ_RFREG: Read RF Core Register
- 23.3.4.10 CMD_SET_RAT_CMP: Set RAT Channel to Compare Mode
- 23.3.4.11 CMD_SET_RAT_CPT: Set RAT Channel to Capture Mode
- 23.3.4.12 CMD_DISABLE_RAT_CH: Disable RAT Channel
- 23.3.4.13 CMD_SET_RAT_OUTPUT: Set RAT Output to a Specified Mode
- 23.3.4.14 CMD_ARM_RAT_CH: Arm RAT Channel
- 23.3.4.15 CMD_DISARM_RAT_CH: Disarm RAT Channel
- 23.3.4.16 CMD_SET_TX_POWER: Set Transmit Power
- 23.3.4.17 CMD_UPDATE_FS: Set New Synthesizer Frequency Without Recalibration
- 23.3.4.18 CMD_BUS_REQUEST: Request System BUS Available for RF Core
- 23.3.5 Immediate Commands for Data Queue Manipulation
- 23.4 Data Queue Usage
- 23.4.1 Operations on Data Queues Available Only for Internal Radio CPU Operations
- 23.4.1.1 PROC_ALLOCATE_TX: Allocate TX Entry for Reading
- 23.4.1.2 PROC_FREE_DATA_ENTRY: Free Allocated Data Entry
- 23.4.1.3 PROC_FINISH_DATA_ENTRY: Finish Use of First Data Entry From Queue
- 23.4.1.4 PROC_ALLOCATE_RX: Allocate RX Buffer for Storing Data
- 23.4.1.5 PROC_FINISH_RX: Commit Received Data to RX Data Entry
- 23.4.2 Radio CPU Usage Model
- 23.4.1 Operations on Data Queues Available Only for Internal Radio CPU Operations
- 23.5 IEEE 802.15.4
- 23.5.1 IEEE 802.15.4 Commands
- 23.5.2 Interrupts
- 23.5.3 Data Handling
- 23.5.4 Radio Operation Commands
- 23.5.5 Immediate Commands
- 23.6 Bluetooth low energy
- 23.6.1 Bluetooth low energy Commands
- 23.6.2 Interrupts
- 23.6.3 Data Handling
- 23.6.4 Radio Operation Command Descriptions
- 23.6.5 Immediate Commands
- 23.7 Proprietary Radio
- 23.7.1 Packet Formats
- 23.7.2 Commands
- 23.7.3 Interrupts
- 23.7.4 Data Handling
- 23.7.5 Radio Operation Command Descriptions
- 23.7.6 Immediate Commands
- 23.8 Radio Registers
- 23.8.1 RFC_RAT Registers
- 23.8.1.1 RATCNT Register (Offset = 4h) [reset = 0h]
- 23.8.1.2 RATCH0VAL Register (Offset = 80h) [reset = 0h]
- 23.8.1.3 RATCH1VAL Register (Offset = 84h) [reset = 0h]
- 23.8.1.4 RATCH2VAL Register (Offset = 88h) [reset = 0h]
- 23.8.1.5 RATCH3VAL Register (Offset = 8Ch) [reset = 0h]
- 23.8.1.6 RATCH4VAL Register (Offset = 90h) [reset = 0h]
- 23.8.1.7 RATCH5VAL Register (Offset = 94h) [reset = 0h]
- 23.8.1.8 RATCH6VAL Register (Offset = 98h) [reset = 0h]
- 23.8.1.9 RATCH7VAL Register (Offset = 9Ch) [reset = 0h]
- 23.8.2 RFC_DBELL Registers
- 23.8.2.1 CMDR Register (Offset = 0h) [reset = 0h]
- 23.8.2.2 CMDSTA Register (Offset = 4h) [reset = 0h]
- 23.8.2.3 RFHWIFG Register (Offset = 8h) [reset = 0h]
- 23.8.2.4 RFHWIEN Register (Offset = Ch) [reset = 0h]
- 23.8.2.5 RFCPEIFG Register (Offset = 10h) [reset = 0h]
- 23.8.2.6 RFCPEIEN Register (Offset = 14h) [reset = FFFFFFFFh]
- 23.8.2.7 RFCPEISL Register (Offset = 18h) [reset = FFFF0000h]
- 23.8.2.8 RFACKIFG Register (Offset = 1Ch) [reset = 0h]
- 23.8.2.9 SYSGPOCTL Register (Offset = 20h) [reset = 0h]
- 23.8.3 RFC_PWR Registers
- 23.8.1 RFC_RAT Registers
- Important Notice

CC13xx, CC26xx SimpleLink™ Wireless MCU
Technical Reference Manual
Literature Number: SWCU117F
February 2015–Revised June 2016

2SWCU117F–February 2015–Revised June 2016
Submit Documentation Feedback
Copyright © 2015–2016, Texas Instruments Incorporated
Contents
Contents
Revision History: SWCU117F........................................................................................................ 10
Revision History: SWCU117E........................................................................................................ 10
Preface....................................................................................................................................... 11
1 Architectural Overview........................................................................................................ 13
1.1 Target Applications......................................................................................................... 14
1.2 Overview..................................................................................................................... 14
1.3 Functional Overview ....................................................................................................... 16
1.3.1 ARM Cortex-M3 ................................................................................................... 16
1.3.2 On-chip Memory................................................................................................... 17
1.3.3 Radio................................................................................................................ 18
1.3.4 Advanced Encryption Standard (AES) Engine With 128-bit Key Support ................................. 18
1.3.5 General-Purpose Timers ......................................................................................... 19
1.3.6 Direct Memory Access............................................................................................ 19
1.3.7 System Control and Clock ....................................................................................... 20
1.3.8 Serial Communication Peripherals.............................................................................. 20
1.3.9 Programmable I/Os ............................................................................................... 23
1.3.10 Sensor Controller ................................................................................................ 23
1.3.11 Random Number Generator .................................................................................... 24
1.3.12 cJTAG and JTAG ................................................................................................ 24
1.3.13 Power Supply System ........................................................................................... 25
2 The ARM®Cortex®-M3 Processor.......................................................................................... 27
2.1 The Cortex-M3 Processor Introduction.................................................................................. 28
2.2 Block Diagram .............................................................................................................. 28
2.3 Overview..................................................................................................................... 29
2.3.1 System-level Interface ............................................................................................ 29
2.3.2 Integrated Configurable Debug.................................................................................. 29
2.3.3 Trace Port Interface Unit ......................................................................................... 30
2.3.4 Cortex-M3 System Component Details......................................................................... 30
2.4 Programming Model ....................................................................................................... 30
2.4.1 Processor Mode and Privilege Levels for Software Execution .............................................. 31
2.4.2 Stacks............................................................................................................... 31
2.4.3 Exceptions and Interrupts ........................................................................................ 31
2.4.4 Data Types......................................................................................................... 31
2.5 Cortex-M3 Core Registers ................................................................................................ 32
2.5.1 Core Register Map ................................................................................................ 33
2.5.2 Core Register Descriptions ...................................................................................... 33
2.6 Instruction Set Summary .................................................................................................. 46
2.7 Cortex-M3 Processor Registers .......................................................................................... 50
2.7.1 CPU_DWT Registers ............................................................................................. 50
2.7.2 CPU_FPB Registers .............................................................................................. 75
2.7.3 CPU_ITM Registers............................................................................................... 85
2.7.4 CPU_SCS Registers ............................................................................................ 125
2.7.5 CPU_TPIU Registers............................................................................................ 204
3 ARM®Cortex®-M3 Peripherals ............................................................................................ 217

www.ti.com
3
SWCU117F–February 2015–Revised June 2016
Submit Documentation Feedback Copyright © 2015–2016, Texas Instruments Incorporated
Contents
3.1 Cortex-M3 Peripherals Introduction .................................................................................... 218
3.2 Functional Description.................................................................................................... 218
3.2.1 SysTick............................................................................................................ 219
3.2.2 NVIC............................................................................................................... 219
3.2.3 SCB................................................................................................................ 220
3.2.4 ITM................................................................................................................. 221
3.2.5 FPB ................................................................................................................ 221
3.2.6 TPIU ............................................................................................................... 221
3.2.7 DWT ............................................................................................................... 222
3.2.8 Cortex-M3 Memory .............................................................................................. 223
4 Interrupts and Events........................................................................................................ 225
4.1 Exception Model .......................................................................................................... 226
4.1.1 Exception States ................................................................................................. 226
4.1.2 Exception Types ................................................................................................. 227
4.1.3 Exception Handlers.............................................................................................. 229
4.1.4 Vector Table...................................................................................................... 229
4.1.5 Exception Priorities .............................................................................................. 231
4.1.6 Interrupt Priority Grouping ...................................................................................... 231
4.1.7 Exception Entry and Return .................................................................................... 232
4.2 Fault Handling............................................................................................................. 233
4.2.1 Fault Types ....................................................................................................... 233
4.2.2 Fault Escalation and Hard Faults.............................................................................. 234
4.2.3 Fault Status Registers and Fault Address Registers........................................................ 235
4.2.4 Lockup............................................................................................................. 235
4.3 Event Fabric ............................................................................................................... 236
4.3.1 Introduction ....................................................................................................... 236
4.3.2 Event Fabric Overview .......................................................................................... 237
4.4 AON Event Fabric ........................................................................................................ 237
4.4.1 Common Input Event List....................................................................................... 238
4.4.2 Event Subscribers ............................................................................................... 238
4.5 MCU Event Fabric ........................................................................................................ 239
4.5.1 Common Input Event List....................................................................................... 239
4.5.2 Event Subscribers ............................................................................................... 243
4.6 Memory Map .............................................................................................................. 244
4.7 Interrupts and Events Registers ........................................................................................ 245
4.7.1 AON_EVENT Registers......................................................................................... 245
4.7.2 EVENT Registers ................................................................................................ 268
5 JTAG Interface ................................................................................................................. 387
5.1 Top Level Debug System................................................................................................ 388
5.2 cJTAG ...................................................................................................................... 390
5.2.1 JTAG Commands................................................................................................ 392
5.2.2 Programming Sequences....................................................................................... 394
5.3 ICEPick..................................................................................................................... 395
5.3.1 Secondary TAPs ................................................................................................. 395
5.3.2 ICEPick Registers ............................................................................................... 397
5.3.3 ROUTER Scan Chain ........................................................................................... 400
5.3.4 TAP Routing Registers ......................................................................................... 401
5.4 ICEMelter .................................................................................................................. 405
5.5 Serial Wire Viewer (SWV) ............................................................................................... 405
5.6 Halt In Boot (HIB) ......................................................................................................... 406
5.7 Debug and Shutdown .................................................................................................... 406
5.8 Debug Features Supported Through WUC TAP ..................................................................... 406
5.9 Profiler Register........................................................................................................... 408

www.ti.com
4SWCU117F–February 2015–Revised June 2016
Submit Documentation Feedback
Copyright © 2015–2016, Texas Instruments Incorporated
Contents
6 Power, Reset, and Clock Management................................................................................. 409
6.1 Introduction ................................................................................................................ 410
6.2 System CPU Mode ....................................................................................................... 411
6.3 Supply System ............................................................................................................ 412
6.3.1 Internal DC-DC Converter and Global LDO.................................................................. 413
6.3.2 External Regulator Mode ....................................................................................... 413
6.4 Digital Power Partitioning ................................................................................................ 414
6.4.1 MCU_VD.......................................................................................................... 415
6.4.2 AON_VD .......................................................................................................... 415
6.5 Clock Management ....................................................................................................... 415
6.5.1 System Clocks ................................................................................................... 415
6.5.2 Clocks in MCU_VD .............................................................................................. 418
6.5.3 Clocks in AON_VD .............................................................................................. 420
6.6 Power Modes.............................................................................................................. 421
6.6.1 Start-up State..................................................................................................... 422
6.6.2 Active Mode ...................................................................................................... 422
6.6.3 Idle Mode ......................................................................................................... 423
6.6.4 Standby Mode.................................................................................................... 423
6.6.5 Shutdown Mode.................................................................................................. 425
6.7 Reset ....................................................................................................................... 425
6.7.1 System Resets ................................................................................................... 425
6.7.2 Warm Reset ...................................................................................................... 426
6.7.3 Software-Initiated Reset of MCU_VD ......................................................................... 427
6.7.4 Reset of the MCU_VD Power Domains and Modules ...................................................... 427
6.7.5 Reset of AON_VD ............................................................................................... 427
6.7.6 Reset of AUX_PD................................................................................................ 427
6.8 PRCM Registers .......................................................................................................... 428
6.8.1 CC13xx DDI_0_OSC Registers................................................................................ 428
6.8.2 CC26xx PRCM Registers....................................................................................... 448
7 Versatile Instruction Memory System (VIMS)........................................................................ 549
7.1 VIMS Overview ........................................................................................................... 550
7.2 VIMS Configurations ..................................................................................................... 551
7.2.1 VIMS Modes...................................................................................................... 551
7.2.2 VIMS Flash Line Buffering...................................................................................... 554
7.2.3 VIMS Arbitration.................................................................................................. 554
7.2.4 VIMS Cache TAG Prefetch..................................................................................... 554
7.3 VIMS Software Remarks................................................................................................. 555
7.3.1 Flash Program or Update....................................................................................... 555
7.3.2 VIMS Retention .................................................................................................. 555
7.4 ROM ........................................................................................................................ 556
7.5 FLASH...................................................................................................................... 556
7.5.1 FLASH Memory Protection ..................................................................................... 556
7.5.2 Memory Programming .......................................................................................... 557
7.5.3 FLASH Memory Programming ................................................................................. 557
7.6 Power Management Requirements .................................................................................... 557
7.7 ROM Functions ........................................................................................................... 559
7.8 SRAM ...................................................................................................................... 560
7.9 VIMS Registers ........................................................................................................... 561
7.9.1 FLASH Registers ................................................................................................ 561
7.9.2 VIMS Registers .................................................................................................. 687
8 Bootloader....................................................................................................................... 690
8.1 Bootloader Functionality ................................................................................................. 691

www.ti.com
5
SWCU117F–February 2015–Revised June 2016
Submit Documentation Feedback Copyright © 2015–2016, Texas Instruments Incorporated
Contents
8.1.1 Bootloader Disabling ............................................................................................ 691
8.1.2 Bootloader Backdoor ............................................................................................ 691
8.2 Bootloader Interfaces..................................................................................................... 691
8.2.1 Packet Handling.................................................................................................. 692
8.2.2 Transport Layer .................................................................................................. 693
8.2.3 Serial Bus Commands .......................................................................................... 695
9 Device Configuration......................................................................................................... 705
9.1 Customer Configuration (CCFG) ....................................................................................... 706
9.1.1 CCFG Registers ................................................................................................. 707
9.2 Factory Configuration (FCFG) .......................................................................................... 735
9.2.1 CC13xx Factory Configuration (FCFG) Registers........................................................... 736
9.2.2 CC26xx Factory Configuration (FCFG) Registers........................................................... 820
10 Cryptography ................................................................................................................... 904
10.1 AES Cryptoprocessor Overview ........................................................................................ 905
10.1.1 Functional Description ......................................................................................... 905
10.1.2 Power Management and Sleep Modes ...................................................................... 906
10.1.3 Hardware Description .......................................................................................... 906
10.1.4 Module Description ............................................................................................. 907
10.1.5 Performance..................................................................................................... 918
10.1.6 Programming Guidelines ...................................................................................... 919
10.1.7 Conventions and Compliances ............................................................................... 930
10.1.8 CRYPTO Registers............................................................................................. 932
11 I/O Control ....................................................................................................................... 976
11.1 Introduction ................................................................................................................ 977
11.2 IOC Overview ............................................................................................................. 977
11.3 I/O Mapping and Configuration ......................................................................................... 978
11.3.1 Basic I/O Mapping .............................................................................................. 978
11.3.2 MAP AUXIO From the Sensor Controller to DIO Pin ...................................................... 978
11.3.3 Map 32-kHz System Clock (LF Clock) to DIO/PIN ......................................................... 979
11.4 Edge Detection on Pin (DIO)............................................................................................ 979
11.4.1 Configure DIO as GPIO Input to Generate Interrupt on EDGE DETECT ............................... 979
11.5 AON IOC State Latching When Powering Off the MCU Domain .................................................. 979
11.6 Unused I/O Pins........................................................................................................... 980
11.7 GPIO........................................................................................................................ 980
11.8 I/O Pin Mapping........................................................................................................... 981
11.9 Peripheral PORTIDs...................................................................................................... 982
11.10 I/O Pin...................................................................................................................... 982
11.10.1 Physical Pin .................................................................................................... 982
11.10.2 Pin Configuration .............................................................................................. 983
11.11 Digital Input/Output Power Domains................................................................................... 984
11.12 I/O Control Registers..................................................................................................... 985
11.12.1 AON_IOC Registers .......................................................................................... 985
11.12.2 GPIO Registers................................................................................................ 991
11.12.3 IOC Registers ................................................................................................ 1013
12 Micro Direct Memory Access (µDMA) ................................................................................ 1143
12.1 μDMA Introduction ...................................................................................................... 1144
12.2 Block Diagram ........................................................................................................... 1145
12.3 Functional Description .................................................................................................. 1145
12.3.1 Channel Assignments ........................................................................................ 1146
12.3.2 Priority .......................................................................................................... 1147
12.3.3 Arbitration Size ................................................................................................ 1147
12.3.4 Request Types ................................................................................................ 1147

www.ti.com
6SWCU117F–February 2015–Revised June 2016
Submit Documentation Feedback
Copyright © 2015–2016, Texas Instruments Incorporated
Contents
12.3.5 Channel Configuration........................................................................................ 1148
12.3.6 Transfer Modes................................................................................................ 1150
12.3.7 Transfer Size and Increments ............................................................................... 1157
12.3.8 Peripheral Interface ........................................................................................... 1157
12.3.9 Software Request ............................................................................................. 1157
12.3.10 Interrupts and Errors ........................................................................................ 1158
12.4 Initialization and Configuration......................................................................................... 1158
12.4.1 Module Initialization ........................................................................................... 1158
12.4.2 Configuring a Memory-to-Memory Transfer ............................................................... 1159
12.5 µDMA Registers ......................................................................................................... 1160
12.5.1 UDMA Registers............................................................................................... 1160
13 Timers ........................................................................................................................... 1181
13.1 General-purpose Timers ............................................................................................... 1182
13.2 Block Diagram ........................................................................................................... 1183
13.3 Functional Description .................................................................................................. 1183
13.3.1 GPTM Reset Conditions ..................................................................................... 1184
13.3.2 Timer Modes................................................................................................... 1184
13.3.3 Wait-for-Trigger Mode ........................................................................................ 1191
13.3.4 Synchronizing GPT Blocks................................................................................... 1192
13.3.5 Accessing Concatenated 16- and 32-Bit GPTM Register Values ...................................... 1192
13.4 Initialization and Configuration......................................................................................... 1193
13.4.1 One-shot and Periodic Timer Modes ....................................................................... 1193
13.4.2 Input Edge-count Mode....................................................................................... 1194
13.4.3 Input Edge-timing Mode ...................................................................................... 1194
13.4.4 PWM Mode..................................................................................................... 1195
13.4.5 Producing DMA Trigger Events ............................................................................. 1195
13.5 General-purpose Timer Registers..................................................................................... 1196
13.5.1 GPT Registers ................................................................................................. 1196
14 Real-Time Clock.............................................................................................................. 1230
14.1 Introduction............................................................................................................... 1231
14.2 Functional Specifications............................................................................................... 1231
14.2.1 Functional Overview .......................................................................................... 1231
14.2.2 Free-Running Counter........................................................................................ 1231
14.2.3 Channels ....................................................................................................... 1231
14.2.4 Events .......................................................................................................... 1232
14.3 RTC Registers ........................................................................................................... 1232
14.3.1 Register Access ............................................................................................... 1232
14.3.2 Entering Sleep and Wakeup From Sleep ................................................................. 1233
14.3.3 AON_RTC:SYNC Register................................................................................... 1233
14.4 Real-Time Clock Registers............................................................................................. 1234
14.4.1 AON_RTC Registers.......................................................................................... 1234
15 Watchdog Timer.............................................................................................................. 1248
15.1 WDT Introduction........................................................................................................ 1249
15.2 WDT Functional Description ........................................................................................... 1249
15.3 WDT Initialization and Configuration.................................................................................. 1250
15.3.1 WDT Registers ................................................................................................ 1251
16 Random Number Generator.............................................................................................. 1261
16.1 Overview.................................................................................................................. 1262
16.2 Block Diagram ........................................................................................................... 1262
16.3 TRNG Software Reset.................................................................................................. 1263
16.4 Interrupt Requests....................................................................................................... 1263
16.5 TRNG Operation Description .......................................................................................... 1264

www.ti.com
7
SWCU117F–February 2015–Revised June 2016
Submit Documentation Feedback Copyright © 2015–2016, Texas Instruments Incorporated
Contents
16.5.1 TRNG Shutdown .............................................................................................. 1264
16.5.2 TRNG Alarms.................................................................................................. 1265
16.5.3 TRNG Entropy ................................................................................................. 1265
16.6 TRNG Low-level Programing Guide .................................................................................. 1266
16.6.1 Initialization..................................................................................................... 1266
16.6.2 TRNG Registers............................................................................................... 1269
17 AUX – Sensor Controller with Digital and Analog Peripherals .............................................. 1292
17.1 Introduction............................................................................................................... 1293
17.1.1 AUX Hardware Overview..................................................................................... 1294
17.2 Memory Mapping........................................................................................................ 1295
17.2.1 Alias of Commonly Used Registers......................................................................... 1295
17.3 I/O Mapping .............................................................................................................. 1297
17.4 Modules................................................................................................................... 1298
17.4.1 Sensor Controller.............................................................................................. 1298
17.4.2 GPIO Control .................................................................................................. 1308
17.4.3 AUX Timers .................................................................................................... 1310
17.4.4 Time-to-Digital Converter..................................................................................... 1311
17.4.5 Semaphores ................................................................................................... 1313
17.4.6 Oscillator Configuration Interface (DDI) .................................................................... 1313
17.4.7 Analog MUX ................................................................................................... 1313
17.4.8 ADC ............................................................................................................. 1314
17.5 Power Management..................................................................................................... 1317
17.5.1 Start-up ......................................................................................................... 1318
17.5.2 Power Mode Management ................................................................................... 1318
17.5.3 Wake-up Events............................................................................................... 1319
17.5.4 MCU Bus Connection......................................................................................... 1320
17.6 Clock Management ..................................................................................................... 1320
17.6.1 System Clocks................................................................................................. 1320
17.6.2 Sensor Controller Clock ...................................................................................... 1321
17.6.3 Peripheral Clocks ............................................................................................. 1321
17.7 AUX – Sensor Controller Registers................................................................................... 1322
17.7.1 ADI_4_AUX Registers ........................................................................................ 1322
17.7.2 AUX_AIODIO Registers ...................................................................................... 1333
17.7.3 AUX_EVCTL Registers....................................................................................... 1341
17.7.4 AUX_SMPH Registers........................................................................................ 1362
17.7.5 AUX_TDC Registers.......................................................................................... 1371
17.7.6 AUX_TIMER Registers ....................................................................................... 1384
17.7.7 AUX_WUC Registers ......................................................................................... 1392
17.7.8 AUX_ANAIF Registers ....................................................................................... 1413
18 Battery Monitor and Temperature Sensor........................................................................... 1420
18.1 Introduction............................................................................................................... 1421
18.2 Functional Description .................................................................................................. 1421
18.3 BATMON Registers ..................................................................................................... 1422
18.3.1 AON_BATMON Registers.................................................................................... 1422
19 Universal Asynchronous Receivers and Transmitters (UARTS) ............................................ 1436
19.1 Universal Asynchronous Receiver/Transmitter...................................................................... 1437
19.2 Block Diagram ........................................................................................................... 1438
19.3 Signal Description ....................................................................................................... 1438
19.4 Functional Description ................................................................................................. 1438
19.4.1 Transmit and Receive Logic ................................................................................. 1439
19.4.2 Baud-rate Generation......................................................................................... 1439
19.4.3 Data Transmission ............................................................................................ 1439
19.4.4 Modem Handshake Support ................................................................................. 1440

www.ti.com
8SWCU117F–February 2015–Revised June 2016
Submit Documentation Feedback
Copyright © 2015–2016, Texas Instruments Incorporated
Contents
19.4.5 FIFO Operation................................................................................................ 1441
19.4.6 Interrupts ....................................................................................................... 1441
19.4.7 Loopback Operation .......................................................................................... 1442
19.5 Interface to DMA ........................................................................................................ 1442
19.6 Initialization and Configuration......................................................................................... 1443
19.6.1 UART Registers ............................................................................................... 1445
20 Synchronous Serial Interface (SSI).................................................................................... 1467
20.1 Synchronous Serial Interface .......................................................................................... 1468
20.2 Block Diagram ........................................................................................................... 1469
20.3 Signal Description ....................................................................................................... 1470
20.4 Functional Description .................................................................................................. 1470
20.4.1 Bit Rate Generation........................................................................................... 1470
20.4.2 FIFO Operation................................................................................................ 1470
20.4.3 Interrupts ....................................................................................................... 1471
20.4.4 Frame Formats ................................................................................................ 1472
20.5 DMA Operation .......................................................................................................... 1479
20.6 Initialization and Configuration......................................................................................... 1479
20.6.1 SSI Registers .................................................................................................. 1481
21 Inter-Integrated Circuit (I2C) Interface ................................................................................ 1493
21.1 Inter-Integrated Circuit Interface....................................................................................... 1494
21.2 Block Diagram ........................................................................................................... 1494
21.3 Functional Description .................................................................................................. 1495
21.3.1 I2C Bus Functional Overview ................................................................................ 1495
21.3.2 Available Speed Modes ...................................................................................... 1497
21.3.3 Interrupts ....................................................................................................... 1498
21.3.4 Loopback Operation .......................................................................................... 1498
21.3.5 Command Sequence Flow Charts .......................................................................... 1498
21.4 Initialization and Configuration......................................................................................... 1506
21.4.1 I2C Registers .................................................................................................. 1507
22 Integrated Interchip Sound (I2S) Module ............................................................................ 1527
22.1 Introduction .............................................................................................................. 1528
22.2 Digital Audio Interface .................................................................................................. 1528
22.3 Frame Configuration .................................................................................................... 1529
22.4 Pin Configuration ........................................................................................................ 1529
22.5 Clock Configuration ..................................................................................................... 1529
22.5.1 WCLK, BCLK, and MCLK Division Ratio................................................................... 1530
22.6 Serial Interface Formats................................................................................................ 1530
22.6.1 I2S............................................................................................................... 1530
22.6.2 Left Justified (LJF) ............................................................................................ 1531
22.6.3 Right Justified (RJF) .......................................................................................... 1531
22.6.4 DSP ............................................................................................................. 1532
22.7 Memory Interface........................................................................................................ 1533
22.7.1 Word Lengths.................................................................................................. 1533
22.7.2 Audio Channels................................................................................................ 1533
22.7.3 Memory Buffers and Pointers................................................................................ 1534
22.8 Samplestamp Generator ............................................................................................... 1534
22.8.1 Counters and Registers ...................................................................................... 1535
22.8.2 Starting Input and Output Pins .............................................................................. 1536
22.8.3 Samplestamp Capturing...................................................................................... 1536
22.9 Usage ..................................................................................................................... 1537
22.9.1 Start-up Sequence ............................................................................................ 1537
22.9.2 Termination Sequence ....................................................................................... 1538

www.ti.com
9
SWCU117F–February 2015–Revised June 2016
Submit Documentation Feedback Copyright © 2015–2016, Texas Instruments Incorporated
Contents
22.9.3 I2S Registers .................................................................................................. 1539
23 Radio............................................................................................................................. 1570
23.1 RF Core................................................................................................................... 1571
23.1.1 High-level Description and Overview ....................................................................... 1571
23.2 Radio Doorbell........................................................................................................... 1572
23.2.1 Command and Status Register and Events ............................................................... 1573
23.2.2 RF Core Interrupts ............................................................................................ 1573
23.2.3 Radio Timer .................................................................................................... 1574
23.3 RF Core HAL ............................................................................................................ 1576
23.3.1 Hardware Support............................................................................................. 1576
23.3.2 Firmware Support ............................................................................................. 1576
23.3.3 Command Definitions......................................................................................... 1589
23.3.4 Protocol-Independent Direct and Immediate Commands................................................ 1603
23.3.5 Immediate Commands for Data Queue Manipulation .................................................... 1611
23.4 Data Queue Usage...................................................................................................... 1614
23.4.1 Operations on Data Queues Available Only for Internal Radio CPU Operations..................... 1614
23.4.2 Radio CPU Usage Model .................................................................................... 1617
23.5 IEEE 802.15.4 ........................................................................................................... 1618
23.5.1 IEEE 802.15.4 Commands................................................................................... 1618
23.5.2 Interrupts ....................................................................................................... 1626
23.5.3 Data Handling.................................................................................................. 1626
23.5.4 Radio Operation Commands ................................................................................ 1627
23.5.5 Immediate Commands ....................................................................................... 1639
23.6 Bluetooth low energy ................................................................................................... 1641
23.6.1 Bluetooth low energy Commands .......................................................................... 1641
23.6.2 Interrupts ....................................................................................................... 1650
23.6.3 Data Handling.................................................................................................. 1651
23.6.4 Radio Operation Command Descriptions .................................................................. 1652
23.6.5 Immediate Commands ....................................................................................... 1674
23.7 Proprietary Radio........................................................................................................ 1675
23.7.1 Packet Formats................................................................................................ 1675
23.7.2 Commands..................................................................................................... 1675
23.7.3 Interrupts ....................................................................................................... 1682
23.7.4 Data Handling.................................................................................................. 1683
23.7.5 Radio Operation Command Descriptions .................................................................. 1684
23.7.6 Immediate Commands ....................................................................................... 1696
23.8 Radio Registers.......................................................................................................... 1697
23.8.1 RFC_RAT Registers .......................................................................................... 1697
23.8.2 RFC_DBELL Registers....................................................................................... 1706
23.8.3 RFC_PWR Registers ......................................................................................... 1721

Revision History: SWCU117F
www.ti.com
10 SWCU117F–February 2015–Revised June 2016
Submit Documentation Feedback
Copyright © 2015–2016, Texas Instruments Incorporated
Revision History
Revision History: SWCU117F
NOTE: Page numbers for previous revisions may differ from page numbers in the current version.
Changes from June 7, 2016 to June 14, 2016 ................................................................................................................. Page
• Updated technical description in JTAG Interface chapter, section ICEMelter.................................................. 387
Revision History: SWCU117E
Changes from September 30, 2015 to June 7, 2016 ....................................................................................................... Page
• Added CC1350 device .................................................................................................................. 11
• Added minor update of register description throughout the document ........................................................... 13
• Added to Section 1.1,Target Applications ........................................................................................... 14
• Added the Defined CCFG Field IDs and Field Values table back into Chapter 8,Bootloader............................... 704
• Updated technical description in Chapter 18,Battery Monitor and Temperature Sensor................................... 1421
• Added CMD_PROP_RX_SNIFF and CMD_PROP_RX_ADV_SNIFF to Table 23-131 ..................................... 1675
• Added CMD_PROP_RX_SNIFF to Table 23-135 ................................................................................ 1677
• Added CMD_PROP_RX_ADV_SNIFF to Table 23-136 ......................................................................... 1678
• Added CMD_PROP_RX_SNIFF and CMD_PROP_RX_ADV_SNIFF to Table 23-141 ..................................... 1681
• Changed Section 23.7.5.5,Carrier-Sense Operation (CC13xx Only) ......................................................... 1693
• Added Section 23.7.5.5.3,Sniff Mode Receiver Commands, CMD_PROP_RX_SNIFF and
CMD_PROP_RX_ADV_SNIFF ..................................................................................................... 1695

11
SWCU117F–February 2015–Revised June 2016
Submit Documentation Feedback Copyright © 2015–2016, Texas Instruments Incorporated
Read This First
Preface
SWCU117F–February 2015–Revised June 2016
Read This First
Trademarks
SimpleLink is a trademark of Texas Instruments. ARM7, CoreSight are trademarks of ARM Limited. ARM,
Cortex, Thumb, AMBA, PrimeCell are registered trademarks of ARM Limited. Bluetooth is a registered
trademark of Bluetooth SIG, Inc. Motorola is a trademark of Motorola Trademark Holdings, LLC. All other
trademarks are the property of their respective owners.
About This Document
This technical reference manual provides information on how to use the CC26xx and the CC13xx
SimpleLink™ ultra-low-power wireless microcontroller (MCU) devices. The CC26xx and the CC13xx
families share the same MCU architecture and most of the peripherals. The radio in the CC26xx device
operates in the 2.4-GHz ISM frequency band while the radio in the CC1310 device is designed for use in
the Sub-1-GHz frequency bands. The CC1350 device is a dual-band wireless MCU and can operate both
in the Sub-1-GHz and 2.4-GHz bands. This document covers the whole family of devices, so refer to the
individual device data sheets for supported modules and features.
Audience
This manual is intended for system software developers, hardware designers, and application developers.
About This Manual
This document is organized into sections that correspond to each major feature; it explains the features
and functionality of each module, and it also explains how to use them. For each feature, references are
given to the documentation for the driver of the corresponding operating systems. This document does not
contain performance characteristics of the device or modules, which are gathered in the corresponding
device data sheets.
Related Documentation
The following related documents are available on the CC26xx product pages at www.ti.com:
• CC2620 Data Sheet and Errata (CC2620 Technical Documents)
• CC2630 Data Sheet and Errata (CC2630 Technical Documents)
• CC2640 Data Sheet and Errata (CC2640 Technical Documents)
• CC2650 Data Sheet and Errata (CC2650 Technical Documents)
• CC1310 Data Sheet and Errata (CC1310 Technical Documents)
• CC1350 Data Sheet and Errata (CC1350 Technical Documents)
This list of documents was current as of publication date. Check the website for additional documentation,
application notes, and white papers.
Devices
The CC26xx and the CC13xx family of devices include both 2.4-GHz (CC26xx and CC1350) and
Sub-1-GHz (CC13xx) radios and a variety of different memory sizes, peripherals and package options. All
devices are centered around an ARM®Cortex®-M series processor that handles the application layer and
protocol stack, as well as an autonomous radio core centered around an ARM Cortex-M0 processor that
handles all the low-level radio control and processing. Network processor options are available.
The availability of a wide range of different radio and MCU system combinations makes these device
families very well suited for almost any low-power RF node implementation.

Related Documentation
www.ti.com
12 SWCU117F–February 2015–Revised June 2016
Submit Documentation Feedback
Copyright © 2015–2016, Texas Instruments Incorporated
Read This First
Feedback
Help us meet your expectations:
We are always exploring ways to develop our service and improve our quality to fit your needs. Please
contact your TI representative and take a few minutes to provide general suggestions, give document
feedback, or submit an error.
Thank you.
Community Resources
All technical support is channeled through the TI Product Information Centers (PIC) - www.ti.com/support.
To send an E-mail request, please enter your contact information, along with your request at the following
link – PIC request form.
The following link connects to TI community resources. Linked contents are provided "AS IS" by the
respective contributors. They do not constitute TI specifications and do not necessarily reflect TI's views;
see TI's Terms of Use.
TI Embedded Processors Wiki – Texas Instruments Embedded Processors Wiki
TI BLE Wiki – Texas Instruments Bluetooth®Smart Wiki
Established to assist developers using the many Embedded Processors from TI to get started, help each
other innovate, and foster the growth of general knowledge about the hardware and software surrounding
these devices.
Register, Field, and Bit Calls
The naming convention applied for a call consists of:
• For a register call: <Module name>.<Register name>; for example: UART.UASR
• For a bit field call:
–<Module name>.<Register name>[End:Start] <Field name> field; for example, UART.UASR[4:0]
SPEED bit field
–<Field name> field <Module name>.<Register name>[End:Start]; for example, SPEED bit field
UART.UASR[4:0]
• For a bit call:
–<Module name>.<Register name>[pos] <Bit name> bit; for example, UART.UASR[5]
BIT_BY_CHAR bit
–<Bit name> bit <Module name>.<Register name>[pos]; for example, BIT_BY_CHAR bit
UART.UASR[5]

13
SWCU117F–February 2015–Revised June 2016
Submit Documentation Feedback Copyright © 2015–2016, Texas Instruments Incorporated
Architectural Overview
Chapter 1
SWCU117F–February 2015–Revised June 2016
Architectural Overview
The CC26xx and CC13xx SimpleLink™ ultra-low-power wireless MCU platforms provide solutions for a
wide range of applications. To help the user develop these applications, this user's guide focuses on the
use of the different building blocks of the devices. For detailed device descriptions, complete feature lists,
and performance numbers, see the data sheet for the specific device. The following subsections provide
easy access to relevant information and guide the reader to the different chapters in this document.
The CC26xx and CC13xx SimpleLink ultra-low-power wireless MCU platform system-on-chips (SoCs) are
optimized for ultra-low power, while providing fast and capable MCU systems to enable short processing
times and high integration. The combination of an ARM®Cortex®-M3 processing core of up to 48 MHz,
flash memory, and a wide selection of peripherals makes the CC26xx and CC13xx device families ideal
for single-chip implementation or network processor implementations of lower power RF nodes.
Topic ........................................................................................................................... Page
1.1 Target Applications ............................................................................................ 14
1.2 Overview........................................................................................................... 14
1.3 Functional Overview........................................................................................... 16

Target Applications
www.ti.com
14 SWCU117F–February 2015–Revised June 2016
Submit Documentation Feedback
Copyright © 2015–2016, Texas Instruments Incorporated
Architectural Overview
1.1 Target Applications
The CC26xx and CC13xx SimpleLink ultra-low-power wireless MCU platforms are positioned for low-
power wireless applications such as:
• Consumer electronics
• Mobile phone accessories
• Sports and fitness equipment
• HID applications
• Home and building automation
• Lighting control
• Alarm and security
• Electronic shelf labeling
• Proximity tags
• Medical
• Remote controls
• Smart metering
• Asset tracking
• Wireless sensor networks
1.2 Overview
Figure 1-1 shows the building blocks of the CC26xx and CC13xx devices.
Figure 1-1. CC26xx and CC13xx Block Diagram

www.ti.com
Overview
15
SWCU117F–February 2015–Revised June 2016
Submit Documentation Feedback Copyright © 2015–2016, Texas Instruments Incorporated
Architectural Overview
The CC26xx and CC13xx devices have the following features:
• Cortex-M3 processor core
– 48-MHz RC oscillator and 24-MHz xtal oscillator with an internal doubler
– 32-kHz xtal oscillator, 32-kHz RC oscillator or low-power 24-MHz xtal derivate clock for timing
maintenance while in low-power modes
– ARM Cortex SysTick timer
– Nested vectored interrupt controller (NVIC)
• On-chip memory
– Flash with 8KB of 4-way set-associative cache RAM for speed and low power
– System RAM with configurable retention in 4-KB blocks
• Power management
– Wide supply voltage range
– Efficient on-chip DC-DC converter for reduced power consumption
– High granularity clock gating and power gating of device parts
– Flexible frequency of operation
• Flexible low-power modes allowing low energy consumption in duty cycled applications
• Sensor interface
– Autonomous, intelligent sensor interface that can wake up independently of the main CPU system
to perform sensor readings, collect data, and determine if the main CPU must be woken
– 12-bit analog-to-digital converter (ADC) with eight analog input channels
– Low-power analog comparator
– SPI or I2C master bit-banged
• Advanced serial integration
– Universal asynchronous receiver/transmitter (UART)
– Inter-integrated circuit (I2C) module
– Synchronous serial interface modules (SSIs)
– Audio interface I2S module
• System integration
– Direct memory access (DMA) controller
– Four 32-bit timers (up to eight 16-bit) with pulse width modulation (PWM) capability and
synchronization
– 32-kHz real-time clock (RTC)
– Watchdog timer
– On-chip temperature and supply voltage sensing
– GPIO with normal or high-drive capabilities
– GPIOs with analog capability for ADC and comparator
– Fully flexible digital pin muxing allows use as GPIO or any peripheral function
• IEEE 1149.7 compliant 2-pin cJTAG with legacy 1149.1 JTAG support
• 4-mm × 4-mm, 5-mm × 5-mm, and 7-mm × 7-mm VQFN packages (5-mm × 5-mm not available for the
CC1350 device)
For applications requiring extreme conservation of power, the CC26xx and CC13xx devices feature a
power-management system to efficiently power down the CC26xx or CC13xx devices to a low-power state
during extended periods of inactivity. A power-up and power-down sequencer, a 32-bit sleep timer (an
RTC), with interrupt and 20KB of RAM with retention in all power modes positions the CC26xx and
CC13xx microcontroller perfectly for battery applications.

Functional Overview
www.ti.com
16 SWCU117F–February 2015–Revised June 2016
Submit Documentation Feedback
Copyright © 2015–2016, Texas Instruments Incorporated
Architectural Overview
In addition, the CC26xx and CC13xx microcontroller offers the advantages of the widely available
development tools of ARM, SoC infrastructure IP applications, and a large user community. Additionally,
the microcontroller uses ARM Thumb®-compatible Thumb-2 instruction set to reduce memory
requirements and, thereby, cost.
TI offers a complete solution to get to market quickly, with evaluation and development boards, white
papers and application notes, an easy-to-use peripheral driver library, and a strong support, sales, and
distributor network.
1.3 Functional Overview
The following subsections provide an overview of the features of the CC26xx and CC13xx microcontroller.
1.3.1 ARM Cortex-M3
The following subsections provide an overview of the Cortex-M3 processor core and instruction set, the
integrated system timer (SysTick), and the NVIC.
1.3.1.1 Processor Core
The CC26xx and CC13xx devices are designed around a Cortex-M3 processor core. The Cortex-M3
processor provides the core for a high-performance, low-cost platform that meets the needs of minimal
memory implementation, reduced pin count, and low power consumption, while delivering outstanding
computational performance and exceptional system response to interrupts.
Features of the processor core are as follows:
• 32-bit Cortex-M3 architecture optimized for small-footprint embedded applications
• Outstanding processing performance combined with fast interrupt handling
• Thumb-2 mixed 16- and 32-bit instruction set delivers the high performance expected of a 32-bit ARM
core in a compact memory size, usually associated with 8- and 16-bit devices, typically in the range of
a few kilobytes of memory for microcontroller-class applications.
– Single-cycle multiply instruction and hardware divide
– Atomic bit manipulation (bit-banding), delivering maximum memory use and streamlined peripheral
control
– Unaligned data access, enabling efficient packing of data into memory
• Fast code execution permits slower processor clock or increases sleep mode time
• Harvard architecture characterized by separate buses for instruction and data
• Efficient processor core, system, and memories
• Hardware division and fast multiplier
• Deterministic, high-performance interrupt handling for time-critical applications
• Enhanced system debug with extensive breakpoint capabilities and debugging through power modes
• Compact JTAG interface reduces the number of pins required for debugging
• Ultra-low-power consumption with integrated sleep modes
• Up to 48-MHz operation

www.ti.com
Functional Overview
17
SWCU117F–February 2015–Revised June 2016
Submit Documentation Feedback Copyright © 2015–2016, Texas Instruments Incorporated
Architectural Overview
1.3.1.2 System Timer (SysTick)
Cortex-M3 includes an integrated system timer (SysTick). SysTick provides a simple, 24-bit, clear-on-
write, decrementing, wrap-on-zero counter with a flexible control mechanism. The counter can be used in
several different ways; for example:
• An RTOS tick timer that fires at a programmable rate (for example, 100 Hz) and invokes a SysTick
routine
• A high-speed alarm timer using system clock 11
• A variable rate alarm or signal timer—the duration is range-dependent on the reference clock used and
the dynamic range of the counter
• A simple counter used to measure time to completion and time used
• An internal clock-source control based on missing or meeting durations
1.3.1.3 Nested Vector Interrupt Controller (NVIC)
The CC26xx and CC13xx device controller includes the ARM NVIC. The NVIC and Cortex-M3 prioritize
and handle all exceptions in handler mode. The processor state is automatically stored to the stack on an
exception and automatically restored from the stack at the end of the interrupt service routine (ISR). The
interrupt vector is fetched in parallel to state saving, thus enabling efficient interrupt entry. The processor
supports tail-chaining, that is, back-to-back interrupts can be performed without the overhead of state
saving and restoration. Software can set eight priority levels on seven exceptions (system handlers) and
can set CC26xx and CC13xx device interrupts.
Features of the NVIC are as follows:
• Deterministic, fast interrupt processing
– Always 12 cycles, or just 6 cycles with tail-chaining
• External nonmaskable interrupt (NMI) signal available for immediate execution of NMI handler for
safety-critical applications
• Dynamically reprioritizable interrupts
• Exceptional interrupt handling through hardware implementation of required register manipulations
1.3.1.4 System Control Block
The system control block (SCB) provides system implementation information and system control
(configuration, control, and reporting of system exceptions).
1.3.2 On-chip Memory
The following subsections describe the on-chip memory modules.
1.3.2.1 SRAM
The CC26xx and CC13xx devices provide low leakage on-chip SRAM with optional retention in all power
modes. Retention can be configured per block, and the device contains two blocks of 6KB and two blocks
of 4KB. Additionally, the flash cache RAM can be reconfigured to operate as normal system RAM.
Because read-modify-write (RMW) operations are very time consuming, ARM has introduced bit-banding
technology in the Cortex-M3 processor. With a bit-band-enabled processor, certain regions in the memory
map (SRAM and peripheral space) can use address aliases to access individual bits in a single, atomic
operation.
Data can be transferred to and from the SRAM using the micro DMA (µDMA) controller.

Functional Overview
www.ti.com
18 SWCU117F–February 2015–Revised June 2016
Submit Documentation Feedback
Copyright © 2015–2016, Texas Instruments Incorporated
Architectural Overview
1.3.2.2 Flash Memory
The flash block provides an in-circuit, programmable, nonvolatile program memory for the device. The
flash memory is organized as a set of 4-KB pages that can be individually erased. Erasing a block causes
the entire contents of the block to be reset to all 1s. These pages can be individually protected. Read-only
blocks cannot be erased or programmed, protecting the contents of those blocks from being modified. In
addition to holding program code and constants, the nonvolatile memory allows the application to save
data that must be preserved so that it is available after restarting the device. Using this feature lets the
user use saved network-specific data to avoid the need for a full start-up and network find-and-join
process.
1.3.2.3 ROM
The ROM is preprogrammed with a boot sequence, device driver functions, low-level protocol stack
components, and a serial bootloader (SPI or UART).
1.3.3 Radio
The CC26xx device family provides a highly integrated low-power 2.4-GHz radio transceiver with support
for multiple modulations and packet formats. The CC13xx provides similar functionality optimized for the
Sub-1-GHz bands (CC1310) and also allows limited operation in the 2.4-GHz band (CC1350). The radio
subsystem provides an interface between the MCU and the radio, which makes it possible to issue
commands, read status, and automate and sequence radio events.
1.3.4 Advanced Encryption Standard (AES) Engine With 128-bit Key Support
The security core of the CC26xx and CC13xx devices features an AES module with 128-bit key support,
local key storage, and DMA capability.
Features of the AES engine are as follows:
• CCM, CTR, CBC-MAC, and ECB modes of operation
• 118-Mbps throughput
• Secure key storage memory
• Low latency

www.ti.com
Functional Overview
19
SWCU117F–February 2015–Revised June 2016
Submit Documentation Feedback Copyright © 2015–2016, Texas Instruments Incorporated
Architectural Overview
1.3.5 General-Purpose Timers
General-purpose timers can be used to count or time external events that drive the timer-input pins. Each
16- or 32-bit GPTM block provides two 16-bit timers or counters that can be configured to operate
independently as timers or event counters, or configured to operate as one 32-bit timer.
The general-purpose timer module (GPTM) contains four 16- or 32-bit GPTM blocks with the following
functional options:
• 16- or 32-bit operating modes:
– 16- or 32-bit programmable one-shot timer
– 16- or 32-bit programmable periodic timer
– 16-bit general-purpose timer with an 8-bit prescaler
– 16-bit input-edge count- or time-capture modes with an 8-bit prescaler
– 16-bit PWM mode with an 8-bit prescaler and software-programmable output inversion of the PWM
signal
• Count up or down
• Four 32-bit counters or up to eight 16-bit counters
• Up to eight capture/compare pins
• Up to four PWM pins (one PWM pin per 32-bit timer)
• Daisy-chaining of timer modules allows a single timer to initiate multiple timing events
• Timer synchronization allows selected timers to start counting on the same clock cycle
• User-enabled stalling when the microcontroller asserts CPU halt flag during debug
• Ability to determine the elapsed time between the assertion of the timer interrupt and entry into the ISR
• Efficient transfers using the µDMA controller
1.3.5.1 Watchdog Timer
The watchdog timer is used to regain control when the system fails because of a software error or an
external device fails to respond properly. The watchdog timer can generate an interrupt or a reset when a
predefined time-out value is reached.
1.3.5.2 Always-on Domain
The AON domain contains circuitry that is always enabled, except for the shutdown mode (where the
digital supply is off). This domain includes the following:
• The RTC can be used to wake the CC26xx and CC13xx devices from any state where it is active. The
RTC contains three match registers and one compare register. With software support, the RTC can be
used for clock and calendar operation. The RTC is clocked from the 32-kHz RC oscillator or the
32-kHz crystal oscillator.
• The battery monitor and temperature sensors are accessible by software. The battery monitor and
temperature sensors provide continuous monitoring of battery state as well as coarse temperature.
1.3.6 Direct Memory Access
The CC26xx and CC13xx microcontroller includes a DMA controller, known as μDMA. The μDMA
controller provides a way to offload data transfer tasks from the Cortex-M3 processor, allowing more
efficient use of the processor and the available bus bandwidth. The μDMA controller can perform transfers
between memory and peripherals. Channels in the μDMA are dedicated for each supported on-chip
module and can be programmed to automatically perform transfers between peripherals and memory,
because the peripheral is ready to transfer more data.

Functional Overview
www.ti.com
20 SWCU117F–February 2015–Revised June 2016
Submit Documentation Feedback
Copyright © 2015–2016, Texas Instruments Incorporated
Architectural Overview
1.3.7 System Control and Clock
System control determines the overall operation of the CC26xx and CC13xx devices. System control
provides information about the CC26xx and CC13xx devices, controls power-saving features, controls the
clocking of the CC26xx and CC13xx devices and individual peripherals, and handles reset detection and
reporting.
• Power control:
– On-chip fixed DC-DC converter and low drop-out (LDO) voltage regulators
– Handles the power-up sequencing, power-down sequencing, and control for the core digital-logic
and analog circuits
– Low-power options for the CC26xx microcontroller
– Low-power options for on-chip modules:
• Software controls shutdown of individual peripherals and memory
• 20KB of RAM and configuration registers are retained in all power modes
– Control-pin option for control of external DC-DC regulator
– Configurable wake up from sleep timer or any GPIO interrupt
– Voltage supervision circuitry
• Multiple clock sources for microcontroller system clock:
– RC oscillator (HSRCOSC):
• On-chip resource providing a 48-MHz frequency
• The 24-MHz crystal oscillator (HSXOSC) is a frequency-accurate clock source from an external
crystal connected across the X24M_P input and X24M_N output pins.
• The internal 32-kHz RC oscillator is an on-chip resource providing a 32-kHz frequency, used
during power-saving modes and for RTC.
• The 32.768-kHz crystal oscillator is a frequency-accurate clock source from an external crystal
connected across the X32K_Q1 input and X32K_Q2 output pins
• Ideal for accurate RTC operation or synchronous network timing
• An external 32.768-kHz clock signal can be supplied by using one of the DIO pins as clock
input.
– CPU and periphery clock division options
1.3.8 Serial Communication Peripherals
The CC26xx and CC13xx devices support both asynchronous and synchronous serial communication
including:
• UART
• I2C
• I2S
• SSI (SPI)
The following subsections provide more detail on each of the communication functions.

www.ti.com
Functional Overview
21
SWCU117F–February 2015–Revised June 2016
Submit Documentation Feedback Copyright © 2015–2016, Texas Instruments Incorporated
Architectural Overview
1.3.8.1 UART
A UART is an integrated circuit used for RS-232C serial communications. A UART contains a transmitter
(parallel-to-serial converter) and a receiver (serial-to-parallel converter); each is clocked separately.
The CC26xx and CC13xx microcontroller includes one fully programmable UART. The UART can
generate individually masked interrupts from the receive (RX), transmit (TX), modem flow control, and
error conditions. The module generates one combined interrupt when any of the interrupts are asserted
and are unmasked.
The UART has the following features:
• Programmable baud-rate generator allows speeds up to 3 Mbps
• Separate 32 × 8 TX FIFOs and 32 × 16 RX FIFOs reduce CPU interrupt service loading
• Programmable FIFO length, including 1-byte deep operation that provides conventional double-
buffered interface
• FIFO trigger levels of 1/8, 1/4, 1/2, 3/4, and 7/8
• Standard asynchronous communication bits for start, stop, and parity
• Line-break generation and detection
• Fully programmable serial interface characteristics:
– 5, 6, 7, or 8 data bits
– Even, odd, stick, or no-parity bit generation and detection
– One or two stop-bit generation
• Full modem-handshake support
• Programmable hardware flow control
• Standard FIFO-level interrupts
• Efficient transfers using the µDMA controller:
– Separate channels for TX and RX
– Receive single request asserted when data is in the FIFO; burst request asserted at programmed
FIFO level
– Transmit single request asserted when there is space in the FIFO; burst request asserted at
programmed FIFO level
1.3.8.2 I2C
The I2C bus provides bidirectional data transfer through a 2-wire design (a serial data line SDA and a
serial clock line SCL). The I2C bus interfaces to external I2C devices such as serial memory (RAMs and
ROMs), networking devices, LCDs, tone generators, and so on. The I2C bus may also be used for system
testing and diagnostic purposes in product development and manufacturing.
Each device on the I2C bus can be designated as a master or a slave. Each I2C module supports both
sending and receiving data (as either a master or a slave) and can operate simultaneously (as both a
master and a slave). Both the I2C master and slave can generate interrupts.
The CC26xx and CC13xx microcontrollers include an I2C module with the following features:
• Devices on the I2C bus can be designated as either a master or a slave:
– Supports both transmitting and receiving data as either a master or a slave
– Supports simultaneous master and slave operation
• Four I2C modes:
– Master transmit
– Master receive
– Slave transmit
– Slave receive

Functional Overview
www.ti.com
22 SWCU117F–February 2015–Revised June 2016
Submit Documentation Feedback
Copyright © 2015–2016, Texas Instruments Incorporated
Architectural Overview
• Two transmission speeds:
– Standard (100 kbps)
– Fast (400 kbps)
• Clock low time-out interrupt
• Master and slave interrupt generation:
– Master generates interrupts when a TX or RX operation completes (or aborts due to an error)
– Slave generates interrupts when data is transferred or requested by a master or when a START or
STOP condition is detected
– Master with arbitration and clock synchronization, multimaster support, and 7-bit addressing mode
1.3.8.3 I2S
An I2S module enables the CC26xx and CC13xx devices to communicate with external devices like
CODECs, DAC/ADCs, or DSPs. The CC26xx and CC13xx devices only support audio streaming formats
like I2S, RJF, LJF, and DSP; the CC26xx and CC13xx devices do not support configuration of external
devices. The CC26xx and CC13xx devices support both external and internally generated bit clock and
word clock (BCLK and WCLK).
1.3.8.4 SSI
An SSI module is a 4-wire bidirectional communications interface that converts data between parallel and
serial. The SSI performs serial-to-parallel conversion on data received from a peripheral device and
performs parallel-to-serial conversion on data transmitted to a peripheral device. The SSI can be
configured as either a master or slave device. As a slave device, the SSI can be configured to disable its
output, which allows coupling of a master device with multiple slave devices. The TX and RX paths are
buffered with separate internal FIFOs.
The SSI also includes a programmable bit rate clock divider and prescaler to generate the output serial
clock derived from the input clock of the SSI. Bit rates are generated based on the input clock, and the
maximum bit rate is determined by the connected peripheral.
The CC26xx and CC13xx devices include two SSI modules with the following features:
• Programmable interface operation for Freescale SPI, MICROWIRE, or TI synchronous serial interfaces
• Master or slave operation
• Programmable clock bit rate and prescaler
• Separate TX and RX FIFOs, each 16 bits wide and 8 locations deep
• Programmable data-frame size from 4 bits to 16 bits
• Internal loopback test mode for diagnostic and debug testing
• Standard FIFO-based interrupts and EoT interrupt
• Efficient transfers using the µDMA controller:
– Separate channels for TX and RX
– Receive single request asserted when data is in the FIFO; burst request is asserted when FIFO
contains four entries
– Transmit single request asserted when there is space in the FIFO; burst request is asserted when
FIFO contains four entries

www.ti.com
Functional Overview
23
SWCU117F–February 2015–Revised June 2016
Submit Documentation Feedback Copyright © 2015–2016, Texas Instruments Incorporated
Architectural Overview
1.3.9 Programmable I/Os
I/O pins offer flexibility for a variety of connections. The CC26xx and CC13xx devices support highly
configurable I/O pins that can be muxed to any digital peripheral through the I/O Controller.
NOTE: Analog functionality, Sensor Controller connections, and high drive strength is limited to
certain pins. Refer to Chapter 11,I/O Control for details.
• Up to 31 GPIOs, depending on configuration
• Up to five 8-mA drive strength pins
• Fully flexible digital pin muxing allows use as GPIO or any of several peripheral functions
• Programmable control for GPIO interrupts:
– Interrupt generation masking per pin
– Edge-triggered on rising or falling
• Bit masking in read and write operations through address lines
• Can initiate a μDMA transfer
• Pin state can be retained during all sleep modes
• Pins configured as digital inputs are Schmitt-triggered
• Programmable control for GPIO pad configuration:
– Weak pullup or pulldown resistors
– Digital input enables
1.3.10 Sensor Controller
The sensor controller contains circuitry that can be selectively enabled in the power-down mode. The
peripherals in this domain may be controlled by the sensor controller, which is a proprietary power-
optimized CPU (sensor controller engine), or directly from the main CPU. The sensor controller engine
CPU can read and monitor sensors or perform other tasks autonomously, thereby reducing power
consumption and offloading the main CPU.
The sensor controller is set up using a PC-based configuration tool, and typical use cases may be (but not
limited to) the following:
• Analog sensors using integrated ADC
• Digital sensors using GPIO with bit-banged I2C and SPI
• Capacitive sensing
• Waveform generation
• Keyboard scan
• Quadrature decoder for polling rotation sensors
• Oscillator calibration
The peripherals in the sensor interface include the following:
• Analog comparator
The ultra-low-power analog comparator can wake the CC26xx and CC13xx devices from any active
state. A configurable internal reference can be used with the comparator. The output of the
comparator can also trigger an interrupt or trigger the ADC.
• Capacitive sensing
Capacitive sensing is not a stand-alone module in the CC26xx and CC13xx devices; rather, the
functionality is achieved through the use of a constant current source, a time to digital converter,
and a comparator. The analog comparator in this block can also be used as a higher-accuracy
alternative to the ultra-low-power comparator. The sensor controller takes care of baseline tracking,
hysteresis, filtering, and other related functions.

Functional Overview
www.ti.com
24 SWCU117F–February 2015–Revised June 2016
Submit Documentation Feedback
Copyright © 2015–2016, Texas Instruments Incorporated
Architectural Overview
• ADC
The ADC is a 12-bit, 200-ksamples/s ADC with 8 inputs and a built-in voltage reference. The ADC
can be triggered by many different sources including timers, I/O pins, software, the analog
comparator, and the RTC.
An ADC is a peripheral that converts a continuous analog voltage to a discrete digital number. The
ADC module features 12-bit conversion resolution and supports eight input channels plus an
internal division of the battery voltage and a temperature sensor.
• Low-power SPI-I2C digital sensor interface
The sensor controller also includes a low-power SPI-I2C digital sensor interface by using bit-
banging from the sensor controller engine, which can be used to periodically check digital sensors
and wake up the CC26xx and CC13xx devices when certain criteria are met.
The analog modules can be connected to up to 8 different I/Os.
1.3.11 Random Number Generator
The random number generator generates true random numbers for backoff calculations or security keys.
1.3.12 cJTAG and JTAG
The Joint Test Action Group (JTAG) port is an IEEE standard that defines a test access port (TAP) and
boundary scan architecture for digital integrated circuits. The JTAG port also provides a standardized
serial interface for controlling the associated test logic. The TAP, Instruction Register (IR), and Data
Registers (DR) can be used to test the interconnections of assembled printed circuit boards (PCBs) and
obtain manufacturing information on the components. The JTAG port also provides a means of accessing
and controlling design-for-test features such as I/O pin observation and control, scan testing, and
debugging. The compact JTAG (cJTAG) interface has the following features:
• IEEE 1149.1-1990-compatible TAP controller
• IEEE 1149.7 cJTAG interface
• ICEPick JTAG router
• Four-bit IR chain for storing JTAG instructions
• IEEE standard instructions: BYPASS, IDCODE, SAMPLE and PRELOAD, EXTEST and INTEST
• ARM additional instructions: APACC, DPACC, and ABORT

DC/DC Converter
Global LDO
Digital LDO
Micro LDO
POR / BOD / Misc
IOs
RF LDOs
Oscillators
AON_VD
MCU_VD
VDDS
VDDS_DCDC
IOs
VDDS2
IOs
VDDR
VDDR_RF
DCDC_SW
VDD
DCOUPL
VDDS3
www.ti.com
Functional Overview
25
SWCU117F–February 2015–Revised June 2016
Submit Documentation Feedback Copyright © 2015–2016, Texas Instruments Incorporated
Architectural Overview
1.3.13 Power Supply System
1.3.13.1 Supply System
There are several voltage levels in use on the CC26xx and CC13xx device family. Figure 1-2 shows an
overview of the supply system.
Figure 1-2. CC26xx and CC13xx Supply System
1.3.13.1.1 VDDS
The battery voltage on the CC26xx and CC13xx device family is called VDDS (supply). This supply has
the highest potential in the system and typically is the only one provided by the user.

Functional Overview
www.ti.com
26 SWCU117F–February 2015–Revised June 2016
Submit Documentation Feedback
Copyright © 2015–2016, Texas Instruments Incorporated
Architectural Overview
1.3.13.1.2 VDDR
The two VDDR (regulated) pins are normally powered from one of the internal regualtors. For lowest
power it is recommended to use the internal DCDC regulator, see the reference designs and
Section 1.3.13.2,DC-DC Converter, for further details on this configuration.
Using the Global LDO is also an option. In this case the two VDDR pins must be tied together. VDDR
should in this case have a 10 uF decoupling cap, whereas VDDR_RF should have the decoupling
recommended in the various reference designs. In this setup, VDDS_DCDC should be tied to VDDS and
DCDC_SW should be left floating.
1.3.13.1.3 Digital Core Supply
The digital core of the CC26xx and CC13xx devices is supplied by a 1.28-V regulator connected to VDDR.
The output of this regulator requires an external decoupling capacitor for proper operation; this capacitor
must be connected to the DCOUPL pin.
NOTE: The DCOUPL pin cannot be used to supply external circuitry.
When the system is in power down, a small low-power regulator (micro LDO) with limited current capacity
supplies the digital domain to ensure enabled modules still have power.
1.3.13.1.4 Other Internal Supplies
Several other modules in the device (such as the frequency synthesizer, RF power amplifier, and so forth)
have separate internal regulators running at either 1.4-V (analog modules) or 1.28-V (digital modules).
These regulators are powered up or down automatically by firmware when needed.
1.3.13.2 DC-DC Converter
The on-chip buck-mode DC-DC converter provides a simple way to reduce the power consumption of the
device. The DC-DC converter is integrated into the supply system and handles bias and clocks
automatically through the system controller.
The DC-DC converter is controlled through the AON_SYSCTL:PWRCTL register.
To enable the DC-DC converter when the system is active, the AON_SYSCTL:PWRCTL.DCDC_ACTIVE
bit must be set. The DC-DC converter is also used periodically when the device is in Standby mode to
maintain voltage on the VDDR domain.
The output voltage of the DCDC regulator is typically trimmed to 1.68 V, but there are use cases where
other voltage levels are used. The voltage levels are controlled automatically by the device and cannot be
changed by the user.
NOTE: The DCDC regulator output cannot be used to supply external circuitry.
1.3.13.3 External Regulator Mode (1.8-V Supply Voltage Mode)
The CC26xx and CC13xx devices can be used in 1.8-V systems in a special power supply setup called
External Regulator Mode. In this setup the VDDS and VDDR pins are tied together and the DCDC
regulator is disabled. The VDDS_DCDC and DCDC_SW pins must be connected to ground. Additionally
appropriate registers in CCFG must be configured. It is possible to check that the device has booted
properly into external regulator mode by reading the AON_SYSCTL:PWRCTL.EXT_REG_MODE register
field.

27
SWCU117F–February 2015–Revised June 2016
Submit Documentation Feedback Copyright © 2015–2016, Texas Instruments Incorporated
The ARM®Cortex®-M3 Processor
Chapter 2
SWCU117F–February 2015–Revised June 2016
The ARM®Cortex®-M3 Processor
The CC26xx and CC13xx family of microcontrollers builds on the ARM®Cortex®-M3 core to bring high-
performance 32-bit computing to cost-sensitive embedded microcontroller applications, such as factory
automation and control, industrial control power devices, building and home automation, and stepper
motor control.
This chapter provides information on the CC26xx and CC13xx implementation of the Cortex-M3
processor.
For technical details on the instruction set, see Cortex-M3/M4F Instruction Set Technical User's Manual.
Topic ........................................................................................................................... Page
2.1 The Cortex-M3 Processor Introduction ................................................................. 28
2.2 Block Diagram ................................................................................................... 28
2.3 Overview........................................................................................................... 29
2.4 Programming Model ........................................................................................... 30
2.5 Cortex-M3 Core Registers ................................................................................... 32
2.6 Instruction Set Summary..................................................................................... 46
2.7 Cortex-M3 Processor Registers ........................................................................... 50

The Cortex-M3 Processor Introduction
www.ti.com
28 SWCU117F–February 2015–Revised June 2016
Submit Documentation Feedback
Copyright © 2015–2016, Texas Instruments Incorporated
The ARM®Cortex®-M3 Processor
2.1 The Cortex-M3 Processor Introduction
The Cortex-M3 processor provides a high-performance, low-cost platform that meets the system
requirements of minimal memory implementation, reduced pin count, and low-power consumption. The
following features are included:
• 32-bit Cortex-M3 architecture optimized for small-footprint, embedded applications
• Outstanding processing performance combined with fast interrupt handling
• ARM Thumb®-2 mixed 16- and 32-bit instruction set delivers the high performance expected of a 32-bit
ARM core in a compact memory size usually associated with 8- and 16-bit devices, typically in the
range of a few kilobytes of memory for microcontroller-class applications:
– Single-cycle multiply instruction and hardware divide
– Atomic bit manipulation (bit-banding), delivering maximum memory use and streamlined peripheral
control
– Unaligned data access, enabling efficient packing of data into memory
• Fast code execution permits slower processor clock or increases sleep mode time
• Harvard architecture characterized by separate buses for instruction and data
• Efficient processor core, system, and memories
• Hardware division and fast digital signal processing oriented multiply accumulate
• Saturating arithmetic for signal processing
• Deterministic, high-performance interrupt handling for time-critical applications
• Enhanced system debug with extensive breakpoint and trace capabilities
• Full debug with data matching for watchpoint generation
– DWT
– JTAG debug port
– FPB
• Migration from the ARM7™ processor family for better performance and power efficiency
• Standard trace support
– ITM
– TPIU with asynchronous serial wire output (SWO)
• Optimized for single-cycle flash memory use
• Ultra-low-power consumption with integrated sleep modes
• 48-MHz operation
2.2 Block Diagram
Figure 2-1 shows the core processor unit (CPU) block diagram. The Cortex-M3 processor is built on a
high-performance processor core with a 3-stage pipeline Harvard architecture, thus it is ideal for
demanding embedded applications. The processor delivers exceptional power efficiency through an
efficient instruction set and extensively optimized design, which provides high-end processing hardware.
The instruction set includes a range of single-cycle and SIMD multiplication and multiply-with-accumulate
capabilities, saturating arithmetic, and dedicated hardware division.
To facilitate the design of cost-sensitive devices, the Cortex-M3 processor implements tightly coupled
system components that reduce processor area while significantly improving interrupt handling and
system-debug capabilities. The Cortex-M3 processor implements a version of the Thumb instruction set
based on Thumb-2 technology; thus ensuring high code density and reduced program-memory
requirements. The Cortex-M3 instruction set provides the exceptional performance expected of a modern
32-bit architecture, with the high code density of 8-bit and 16-bit microcontrollers.

t tInterrupts
Serial Wire
Viewer (SWV)
Serial Wire JTAG
Debug Port
Bus Matrix
Debug
Access Port
NVIC
CM3 Core
Flash Patch
and
Breakpoint
Data
Watchpoint
and Trace
Instrumentation
Trace Macrocell
Advance
Peripheral Bus
tSleept
tDebugt
tI-code Bust
tD-code Bust
tSystem Bust
ROM
Table
Trace Port
Interface
Unit
Trace Clock
Trace Data
CPU_TIPROP_TRACECLKMUX
Register
To IOC
Instructions Data
www.ti.com
Overview
29
SWCU117F–February 2015–Revised June 2016
Submit Documentation Feedback Copyright © 2015–2016, Texas Instruments Incorporated
The ARM®Cortex®-M3 Processor
The Cortex-M3 processor closely integrates a nested vector interrupt controller (NVIC) to deliver fast
execution of interrupt service routines (ISRs) thereby dramatically reducing interrupt latency. The
hardware stacking of registers and the ability to suspend load-multiple and store-multiple operations
further reduces interrupt latency. Interrupt handlers do not require any assembler stubs, thus removing
code overhead from the ISRs. Tail-chaining optimization also significantly reduces the overhead when
switching from one ISR to another. To optimize low-power designs, the NVIC integrates with the sleep
modes, including deep-sleep mode, which enables the entire device to be rapidly powered down.
Figure 2-1. CPU Block Diagram
2.3 Overview
2.3.1 System-level Interface
The Cortex-M3 processor provides multiple interfaces using AMBA®technology to provide high-speed,
low-latency memory accesses. The core supports unaligned data accesses and implements atomic bit
manipulation that enables faster peripheral controls, system spinlocks, and thread-safe Boolean data
handling.
2.3.2 Integrated Configurable Debug
The Cortex-M3 processor implements a complete hardware-debug solution through a Serial Wire or JTAG
Debug Port (SWJ-DP) module. SWJ-DP provides a high system visibility of the processor and memory
through a traditional JTAG port. See Chapter 5,JTAG Interface, and the ARM®Debug Interface V5
Architecture Specification for details on SWJ-DP.
For system trace, the processor integrates an instrumentation trace macrocell (ITM) alongside data
watchpoints and a profiling unit. To enable simple and cost-effective profiling of the system trace events, a
serial wire viewer (SWV) can export a stream of software-generated messages, data trace, and profiling
information through one pin.

Debug ATB
Slave Port Asynchronous FIFO Trace Out
(Serializer)
APB
Interface
ATB
Interface
APB Slave
Port
Serial Wire
Viewer (SWV)
Trace Clock
Trace Data
CPU_TIPROP_TRACECLKMUX
Register
To IOC
Overview
www.ti.com
30 SWCU117F–February 2015–Revised June 2016
Submit Documentation Feedback
Copyright © 2015–2016, Texas Instruments Incorporated
The ARM®Cortex®-M3 Processor
The flash patch and breakpoint unit (FPB) provides up to eight hardware-breakpoint comparators that
debuggers can use. The comparators in the FPB also provide remap functions of up to eight words in the
program code in the CODE memory region. Remap functions enable patching of applications stored in a
read-only area of flash memory into another area of on-chip SRAM or flash memory. If a patch is required,
the application programs the FPB to remap a number of addresses. When those addresses are accessed,
the accesses are redirected to a remap table specified in the FPB configuration.
For more information on the Cortex-M3 debug capabilities, see the ARM®Debug Interface V5 Architecture
Specification.
2.3.3 Trace Port Interface Unit
Figure 2-2 shows the trace port interface unit (TPIU) block diagram. The TPIU acts as a bridge between
the Cortex-M3 trace data from the ITM, and an off-chip trace port analyzer.
Figure 2-2. TPIU Block Diagram
See CM3_TIPROP for more information.
2.3.4 Cortex-M3 System Component Details
The Cortex-M3 includes the following system components:
•SysTick: A 24-bit count-down timer that can be used as a real-time operating system (RTOS) tick
timer or as a simple counter (see Section 3.2.1,SysTick)
•Nested Vectored Interrupt Controller: An embedded interrupt controller (INTC) that supports low-
latency interrupt processing (see Section 3.2.2,NVIC)
•System Control Block: The programming model interface to the processor, which provides system
implementation information and system control, including configuration, control, and reporting of
system exceptions (see Section 3.2.3,SCB). Key control and status features of the processor are
managed centrally in SCB within the system control space (SCS).
2.4 Programming Model
This section describes the Cortex-M3 programming model. For more information about the processor
modes and privilege levels for software execution and stacks and for descriptions of the individual core
registers, see Section 2.5,Coretex-M3 Core Registers.

www.ti.com
Programming Model
31
SWCU117F–February 2015–Revised June 2016
Submit Documentation Feedback Copyright © 2015–2016, Texas Instruments Incorporated
The ARM®Cortex®-M3 Processor
2.4.1 Processor Mode and Privilege Levels for Software Execution
The Cortex-M3 processor has two modes of operation:
• Thread mode executes application software. The processor enters thread mode when it comes out of
reset.
• Handler mode handles exceptions. When the processor completes exception processing, it returns to
thread mode.
In addition, the Cortex-M3 processor has two privilege levels, unprivileged and privileged.
• In unprivileged mode, software has the following restrictions:
– Limited access to the MSR and MRS instructions and no use of the CPS instruction
– No access to the system timer, NVIC, or SCB
• In privileged mode, software can use all the instructions and has access to all resources in the
processor.
In thread mode, the CONTROL register (see Table 2-24) controls whether software execution is privileged
or unprivileged. In handler mode, software execution is always privileged.
Only privileged software can write to the CONTROL register to change the privilege level for software
execution in thread mode. Unprivileged software can use the SVC instruction to make a supervisor call to
transfer control to privileged software.
2.4.2 Stacks
The Cortex-M3 processor uses a full descending stack, meaning that the stack pointer indicates the last
stacked item on the memory. When the processor pushes a new item onto the stack, it decrements the
stack pointer and then writes the item to the new memory location. The processor implements two stacks,
the main stack and the process stack, with a pointer for each held in independent registers (see the SP
register in Table 2-16).
In thread mode, the CONTROL register (see Table 2-24) controls whether the processor uses the main
stack or the process stack. In handler mode, the processor always uses the main stack. Table 2-1 lists the
options for processor operations.
(1) See the CONTROL register (Table 2-24).
Table 2-1. Summary of Processor Mode, Privilege Level, and Stack Use
Processor Mode Use Privilege Level Stack Used
Thread Applications Privileged or unprivileged (1) Main stack or process stack
Handler Exception handlers Always privileged Main stack
2.4.3 Exceptions and Interrupts
An exception changes the normal flow of software control. The support for interrupts and system
exceptions is implemented by using the built-in NVIC, which supports up to 240 external interrupt inputs.
Besides the external interrupts, the Cortex-M3 also services 16 predefined exception sources including
Reset, NMI, and so on. The processor and the NVIC prioritize and handle all exceptions. The processor
uses handler mode to handle all exceptions, except for reset. Software configures the actual priorities
assigned to NVIC external interrupt inputs through registers.
2.4.4 Data Types
The Cortex-M3 processor supports 32-bit words, 16-bit halfwords, and 8-bit bytes. The processor also
supports 64-bit data transfer instructions. All instruction and data memory accesses are little endian. For
more information, see Cortex-M3/M4F Instruction Set Technical User's Manual.

LR (R14)
PC (R15)
R5
R6
R7
R0
R1
R3
R4
R2
R10
R11
R12
R8
R9
Low registers
High registers
MSPPSP
PSR
PRIMASK
FAULTMASK
BASEPRI
CONTROL
General-purpose registers
Stack pointer
Link register
Program counter
Program status register
Exception mask registers
Control register
Special registers
See Note.
SP (R13)
Cortex-M3 Core Registers
www.ti.com
32 SWCU117F–February 2015–Revised June 2016
Submit Documentation Feedback
Copyright © 2015–2016, Texas Instruments Incorporated
The ARM®Cortex®-M3 Processor
2.5 Cortex-M3 Core Registers
Figure 2-3 shows the Cortex-M3 register set. Table 2-2 lists the core registers. The core registers are not
memory mapped and are accessed by register name, so the base address is N/A (not applicable) and
there is no offset.
Figure 2-3. Cortex-M3 Register Set
Note: Banked version of SP

www.ti.com
Cortex-M3 Core Registers
33
SWCU117F–February 2015–Revised June 2016
Submit Documentation Feedback Copyright © 2015–2016, Texas Instruments Incorporated
The ARM®Cortex®-M3 Processor
2.5.1 Core Register Map
Table 2-2. Processor Register Map
Name Type Reset Description Link
R0 R/W — Cortex general-purpose register 0 See Section 2.5.2.1.
R1 R/W — Cortex general-purpose register 1 See Section 2.5.2.2.
R2 R/W — Cortex general-purpose register 2 See Section 2.5.2.3.
R3 R/W — Cortex general-purpose register 3 See Section 2.5.2.4.
R4 R/W — Cortex general-purpose register 4 See Section 2.5.2.5.
R5 R/W — Cortex general-purpose register 5 See Section 2.5.2.6.
R6 R/W — Cortex general-purpose register 6 See Section 2.5.2.7.
R7 R/W — Cortex general-purpose register 7 See Section 2.5.2.8.
R8 R/W — Cortex general-purpose register 8 See Section 2.5.2.9.
R9 R/W — Cortex general-purpose register 9 See Section 2.5.2.10.
R10 R/W — Cortex general-purpose register 10 See Section 2.5.2.11.
R11 R/W — Cortex general-purpose register 11 See Section 2.5.2.12.
R12 R/W — Cortex general-purpose register 12 See Section 2.5.2.13.
SP R/W – Stack pointer See Section 2.5.2.14.
LR R/W 0xFFFF FFFF Link register See Section 2.5.2.15.
PC R/W — Program counter See Section 2.5.2.16.
PSR R/W 0x0100 0000 Program status register See Section 2.5.2.17.
PRIMASK R/W 0x0000 0000 Priority mask register See Section 2.5.2.18.
FAULTMASK R/W 0x0000 0000 Fault mask register See Section 2.5.2.19.
BASEPRI R/W 0x0000 0000 Base priority mask register See Section 2.5.2.20.
CONTROL R/W 0x0000 0000 Control register See Section 2.5.2.21.
2.5.2 Core Register Descriptions
This section lists and describes the Cortex-M3 registers, in the order listed in Figure 2-3. The core
registers are not memory mapped and are accessed by register name rather than offset.
See CM3_TIPROP for more information.
NOTE: The register type shown in the register descriptions refers to type during program
execution in thread mode and handler mode. Debug access can differ.
2.5.2.1 Cortex General-Purpose Register 0 (R0)
Table 2-3. Cortex General-Purpose Register 0 (R0)
Address Offset Reset –
Physical Address Instance
Description The R0 registers are 32-bit general-purpose registers for data operations and can be accessed from
either privileged or unprivileged mode.
Type R/W
31 30 29 28 27 26 25 24 23 22 21 20 19 18 17 16 15 14 13 12 11 10 9 8 7 6 5 4 3 2 1 0
DATA
Bits Field Name Description Type Reset
31-0 DATA Register data R/W —

Cortex-M3 Core Registers
www.ti.com
34 SWCU117F–February 2015–Revised June 2016
Submit Documentation Feedback
Copyright © 2015–2016, Texas Instruments Incorporated
2.5.2.2 Cortex General-Purpose Register 1 (R1)
Table 2-4. Cortex General-Purpose Register 1 (R1)
Address Offset Reset –
Physical Address Instance
Description The R1 registers are 32-bit general-purpose registers for data operations and can be accessed from
either privileged or unprivileged mode.
Type R/W
31 30 29 28 27 26 25 24 23 22 21 20 19 18 17 16 15 14 13 12 11 10 9 8 7 6 5 4 3 2 1 0
DATA
Bits Field Name Description Type Reset
31–0 DATA Register data R/W —
2.5.2.3 Cortex General-Purpose Register 2 (R2)
Table 2-5. Cortex General-Purpose Register 2 (R2)
Address Offset Reset –
Physical Address Instance
Description The R2 registers are 32-bit general-purpose registers for data operations and can be accessed from
either privileged or unprivileged mode.
Type R/W
31 30 29 28 27 26 25 24 23 22 21 20 19 18 17 16 15 14 13 12 11 10 9 8 7 6 5 4 3 2 1 0
DATA
Bits Field Name Description Type Reset
31–0 DATA Register data R/W —
2.5.2.4 Cortex General-Purpose Register 3 (R3)
Table 2-6. Cortex General-Purpose Register 3 (R3)
Address Offset Reset –
Physical Address Instance
Description The R3 registers are 32-bit general-purpose registers for data operations and can be accessed from
either privileged or unprivileged mode.
Type R/W
31 30 29 28 27 26 25 24 23 22 21 20 19 18 17 16 15 14 13 12 11 10 9 8 7 6 5 4 3 2 1 0
DATA
Bits Field Name Description Type Reset
31–0 DATA Register data R/W —

www.ti.com
Cortex-M3 Core Registers
35
SWCU117F–February 2015–Revised June 2016
Submit Documentation Feedback Copyright © 2015–2016, Texas Instruments Incorporated
2.5.2.5 Cortex General-Purpose Register 4 (R4)
Table 2-7. Cortex General-Purpose Register 4 (R4)
Address Offset Reset –
Physical Address Instance
Description The R4 registers are 32-bit general-purpose registers for data operations and can be accessed from
either privileged or unprivileged mode.
Type R/W
31 30 29 28 27 26 25 24 23 22 21 20 19 18 17 16 15 14 13 12 11 10 9 8 7 6 5 4 3 2 1 0
DATA
Bits Field Name Description Type Reset
31–0 DATA Register data R/W —
2.5.2.6 Cortex General-Purpose Register 5 (R5)
Table 2-8. Cortex General-Purpose Register 5 (R5)
Address Offset Reset –
Physical Address Instance
Description The R5 registers are 32-bit general-purpose registers for data operations and can be accessed from
either privileged or unprivileged mode.
Type R/W
31 30 29 28 27 26 25 24 23 22 21 20 19 18 17 16 15 14 13 12 11 10 9 8 7 6 5 4 3 2 1 0
DATA
Bits Field Name Description Type Reset
31–0 DATA Register data R/W —
2.5.2.7 Cortex General-Purpose Register 6 (R6)
Table 2-9. Cortex General-Purpose Register 6 (R6)
Address Offset Reset –
Physical Address Instance
Description The R6 registers are 32-bit general-purpose registers for data operations and can be accessed from
either privileged or unprivileged mode.
Type R/W
31 30 29 28 27 26 25 24 23 22 21 20 19 18 17 16 15 14 13 12 11 10 9 8 7 6 5 4 3 2 1 0
DATA
Bits Field Name Description Type Reset
31–0 DATA Register data R/W —

Cortex-M3 Core Registers
www.ti.com
36 SWCU117F–February 2015–Revised June 2016
Submit Documentation Feedback
Copyright © 2015–2016, Texas Instruments Incorporated
2.5.2.8 Cortex General-Purpose Register 7 (R7)
Table 2-10. Cortex General-Purpose Register 7 (R7)
Address Offset Reset –
Physical Address Instance
Description The R7 registers are 32-bit general-purpose registers for data operations and can be accessed from
either privileged or unprivileged mode.
Type R/W
31 30 29 28 27 26 25 24 23 22 21 20 19 18 17 16 15 14 13 12 11 10 9 8 7 6 5 4 3 2 1 0
DATA
Bits Field Name Description Type Reset
31–0 DATA Register data R/W —
2.5.2.9 Cortex General-Purpose Register 8 (R8)
Table 2-11. Cortex General-Purpose Register 8 (R8)
Address Offset Reset –
Physical Address Instance
Description The R8 registers are 32-bit general-purpose registers for data operations and can be accessed from
either privileged or unprivileged mode.
Type R/W
31 30 29 28 27 26 25 24 23 22 21 20 19 18 17 16 15 14 13 12 11 10 9 8 7 6 5 4 3 2 1 0
DATA
Bits Field Name Description Type Reset
31–0 DATA Register data R/W —
2.5.2.10 Cortex General-Purpose Register 9 (R9)
Table 2-12. Cortex General-Purpose Register 9 (R9)
Address Offset Reset –
Physical Address Instance
Description The R9 registers are 32-bit general-purpose registers for data operations and can be accessed from
either privileged or unprivileged mode.
Type R/W
31 30 29 28 27 26 25 24 23 22 21 20 19 18 17 16 15 14 13 12 11 10 9 8 7 6 5 4 3 2 1 0
DATA
Bits Field Name Description Type Reset
31–0 DATA Register data R/W —

www.ti.com
Cortex-M3 Core Registers
37
SWCU117F–February 2015–Revised June 2016
Submit Documentation Feedback Copyright © 2015–2016, Texas Instruments Incorporated
2.5.2.11 Cortex General-Purpose Register 10 (R10)
Table 2-13. Cortex General-Purpose Register 10 (R10)
Address Offset Reset –
Physical Address Instance
Description The R10 registers are 32-bit general-purpose registers for data operations and can be accessed from
either privileged or unprivileged mode.
Type R/W
31 30 29 28 27 26 25 24 23 22 21 20 19 18 17 16 15 14 13 12 11 10 9 8 7 6 5 4 3 2 1 0
DATA
Bits Field Name Description Type Reset
31–0 DATA Register data R/W —
2.5.2.12 Cortex General-Purpose Register 11 (R11)
Table 2-14. Cortex General-Purpose Register 11 (R11)
Address Offset Reset –
Physical Address Instance
Description The R11 registers are 32-bit general-purpose registers for data operations and can be accessed from
either privileged or unprivileged mode.
Type R/W
31 30 29 28 27 26 25 24 23 22 21 20 19 18 17 16 15 14 13 12 11 10 9 8 7 6 5 4 3 2 1 0
DATA
Bits Field Name Description Type Reset
31–0 DATA Register data R/W —
2.5.2.13 Cortex General-Purpose Register 12 (R12)
Table 2-15. Cortex General-Purpose Register 12 (R12)
Address Offset Reset –
Physical Address Instance
Description The R12 registers are 32-bit general-purpose registers for data operations and can be accessed from
either privileged or unprivileged mode.
Type R/W
31 30 29 28 27 26 25 24 23 22 21 20 19 18 17 16 15 14 13 12 11 10 9 8 7 6 5 4 3 2 1 0
DATA
Bits Field Name Description Type Reset
31–0 DATA Register data R/W —

Cortex-M3 Core Registers
www.ti.com
38 SWCU117F–February 2015–Revised June 2016
Submit Documentation Feedback
Copyright © 2015–2016, Texas Instruments Incorporated
2.5.2.14 Stack Pointer (SP)
Table 2-16. Stack Pointer (SP)
Address Offset Reset –
Physical Address Instance
Description
The Stack Pointer (SP) is register R13. In thread mode, the function of this register changes depending on the ASP bit in the Control
Register (CONTROL) register. When the ASP bit is clear, this register is the Main Stack Pointer (MSP). When the ASP bit is set, this
register is the Process Stack Pointer (PSP). On reset, the ASP bit is clear, and the processor loads the MSP with the value from address
0x0000 0000. The MSP can only be accessed in privileged mode; the PSP can be accessed in either privileged or unprivileged mode.
Type R/W
31 30 29 28 27 26 25 24 23 22 21 20 19 18 17 16 15 14 13 12 11 10 9 8 7 6 5 4 3 2 1 0
SP
Bits Field Name Description Type Reset
31–0 SP This field is the address of the stack pointer. R/W —
2.5.2.15 Link Register (LR)
Table 2-17. Link Register (LR)
Address Offset Reset 0xFFFF FFFF
Physical Address Instance
Description
The Link Register (LR) is register R14, and it stores the return information for subroutines, function calls, and exceptions. LR can be
accessed from either privileged or unprivileged mode.
EXC_RETURN is loaded into LR on exception entry. See Table 4-3,Exception Return Behavior, for the values and description.
Type R/W
31 30 29 28 27 26 25 24 23 22 21 20 19 18 17 16 15 14 13 12 11 10 9 8 7 6 5 4 3 2 1 0
LINK
Bits Field Name Description Type Reset
31–0 LINK This field is the return address. R/W 0xFFFF FFFF

www.ti.com
Cortex-M3 Core Registers
39
SWCU117F–February 2015–Revised June 2016
Submit Documentation Feedback Copyright © 2015–2016, Texas Instruments Incorporated
2.5.2.16 Program Counter (PC)
Table 2-18. Program Counter (PC)
Address Offset Reset –
Physical Address Instance
Description
The Program Counter (PC) is register R15, and it contains the current program address. On reset, the processor loads the PC with the
value of the reset vector, which is at address 0x0000 0004. Bit 0 of the reset vector is loaded into the THUMB bit of the EPSR register at
reset and must be 1. The PC register can be accessed in either privileged or unprivileged mode
Type R/W
31 30 29 28 27 26 25 24 23 22 21 20 19 18 17 16 15 14 13 12 11 10 9 8 7 6 5 4 3 2 1 0
PC
Bits Field Name Description Type Reset
31–0 PC This field is the current program address. R/W —
2.5.2.17 Program Status Register (PSR)
(1) Reads of the EPSR bits directly using the MSR instruction return 0, and the processor ignores writes to these bits.
(2) The processor ignores writes to the IPSR bits.
Table 2-19. PSR Combinations
Register Type Combination
PSR R/W (1) (2) APSR, EPSR, and IPSR
IEPSR RO EPSR and IPSR
IAPSR R/W APSR and IPSR
EAPSR R/W APSR and EPSR

Cortex-M3 Core Registers
www.ti.com
40 SWCU117F–February 2015–Revised June 2016
Submit Documentation Feedback
Copyright © 2015–2016, Texas Instruments Incorporated
Table 2-20. Program Status Register (PSR) or (xPSR)
Address Offset Reset 0x0100 0000
Physical Address Instance
Description
Also referred to as xPSR
The Program Status Register (PSR) has three functions, and the register bits are assigned to the different functions:
• Application Program Status Register (APSR), bits 31–27
• Execution Program Status Register (EPSR), bits 26–24, 15–10
• Interrupt Program Status Register (IPSR), bits 6–0
The PSR, IPSR, and EPSR registers can be accessed only in privileged mode; the APSR register can be accessed in privileged or
unprivileged mode.
APSR contains the current state of the condition flags from previous instruction executions.
EPSR contains the Thumb state bit and the execution state bits for the if-then (IT) instruction or the interruptible-continuable instruction (ICI)
field for an interrupted load multiple or store multiple instruction. Attempts to read the EPSR directly through application software using the
MSR instruction always return 0. Attempts to write the EPSR using the MSR instruction in application software are always ignored. Fault
handlers can examine the EPSR value in the stacked PSR to determine the operation that faulted (see Section 4.1.7,Exception Entry and
Return).
IPSR contains the exception type number of the current ISR.
These registers can be accessed individually or as a combination of any two or all three registers, using the register name as an argument
to the MSR or MRS instructions. For example, all of the registers can be read using PSR with the MRS instruction, or APSR only can be
written to using APSR with the MSR instruction. Table 2-20 shows the possible register combinations for the PSR. See the MRS and MSR
instruction descriptions in Cortex-M3/M4F Instruction Set Technical User's Manual for more information about how to access the program
status registers.
Type R/W
31 30 29 28 27 26 25 24 23 22 21 20 19 18 17 16 15 14 13 12 11 10 9 8 7 6 5 4 3 2 1 0
N Z C V Q ICI / IT
THUMB
RESERVED ICI / IT
RESERVED
ISRNUM
Bits Field Name Description Type Reset
31 N APSR Negative or Less Flag R/W 0
Value Description
1 The previous operation result was negative or less
than.
0 The previous operation result was positive, zero,
greater than, or equal
The value of this bit is meaningful only when accessing PSR or
APSR.
30 Z APSR Zero Flag R/W 0
Value Description
1 The previous operation result was zero.
0 The previous operation result was nonzero.
The value of this bit is meaningful only when accessing PSR or
APSR.
29 C APSR Carry or Borrow Flag R/W 0
Value Description
1 The previous add operation resulted in a carry bit or
the previous subtract operation did not result in a
borrow bit.
0 The previous add operation did not result in a carry
bit or the previous subtract operation resulted in a
borrow bit.
The value of this bit is meaningful only when accessing PSR or
APSR.

www.ti.com
Cortex-M3 Core Registers
41
SWCU117F–February 2015–Revised June 2016
Submit Documentation Feedback Copyright © 2015–2016, Texas Instruments Incorporated
Bits Field Name Description Type Reset
28 V APSR Overflow Flag R/W 0
Value Description
1 The previous operation resulted in an overflow.
0 The previous operation did not result in an overflow.
The value of this bit is meaningful only when accessing PSR or
APSR.
27 Q APSR Sticky Overflow and Saturation Flag R/W 0
Value Description
1 Overflow or saturation has occurred. (set by SSAT
or USAT instructions).
0 Overflow or saturation has not occurred since reset
or since the bit was last cleared.
The value of this bit is meaningful only when accessing PSR or
APSR.
This flag is sticky, in that, when set by an instruction it remains set
until explicitly cleared using an MSR instruction.
26–25 ICI / IT EPSR ICI / IT status
These bits, along with bits 15:10, contain the ICI field for an
interrupted load multiple or store multiple instruction or the
execution state bits of the IT instruction. When EPSR holds the ICI
execution state, bits 26:25 are 0. The If-Then block contains up to
four instructions following an IT instruction. Each instruction in the
block is conditional. The conditions for the instructions are either all
the same, or some can be the inverse of others. See the Cortex™-
M3 Instruction Set Technical User's Manual for more information.
The value of this field is meaningful only when accessing PSR or
EPSR.
RO 0x0
24 THUMB EPSR Thumb state
This bit indicates the Thumb state and must always be set. The
following can clear the THUMB bit:
• The BLX, BX and POP{PC} instructions
• Restoration from the stacked xPSR value on an exception return
• Bit 0 of the vector value on an exception entry or reset
Attempting to execute instructions when this bit is clear results in a
fault or lockup. For more information, see Section 4.2.4,Lockup.
The value of this bit is meaningful only when accessing PSR or
EPSR.
RO 1
23–16 RESERVED Reserved RO 0x00
15–10 ICI / IT EPSR ICI / IT status
These bits, along with bits 26:25, contain the ICI field for an
interrupted load multiple or store multiple instruction or the
execution state bits of the IT instruction. When an interrupt occurs
during the execution of an LDM, STM, PUSH, or POP instruction,
the processor stops the load multiple or store multiple instruction
operation temporarily and stores the next register operand in the
multiple operation to bits 15:12. After servicing the interrupt, the
processor returns to the register pointed to by bits 15:12 and
resumes execution of the multiple load or store instruction. When
EPSR holds the ICI execution state, bits 11:10 are 0. The If-Then
block contains up to four instructions following a 16-bit IT
instruction. Each instruction in the block is conditional. The
conditions for the instructions are either all the same, or some can
be the inverse of others. See Cortex-M3/M4F Instruction Set
Technical User's Manual for more information. The value of this field
is meaningful only when accessing PSR or EPSR.
RO 0x0
9–7 RESERVED Software must not rely on the value of a reserved bit. To provide
compatibility with future products, the value of a reserved bit must
be preserved across a read-modify-write operation.
RO 0x0
6–0 ISRNUM IPSR ISR Number
This field contains the exception type number of the current ISR. RO 0x00
Value Description
0x00 Thread mode

Cortex-M3 Core Registers
www.ti.com
42 SWCU117F–February 2015–Revised June 2016
Submit Documentation Feedback
Copyright © 2015–2016, Texas Instruments Incorporated
Bits Field Name Description Type Reset
0x01 Reserved
0x02 NMI
0x03 Hard fault
0x04 Memory management fault
0x05 Bus fault
0x06 Usage fault
0x07–0x0A Reserved
0x0B SVCall
0x0C Reserved for debug
0x0D Reserved
0x0E PendSV
0x0F SysTick
0x10 Interrupt vector 0
0x11 Interrupt vector 1
... ...
0x31 Interrupt vector 33
0x32-0x7F Reserved
For more information, see Section 4.1.2,Exception Types.
The value of this field is meaningful only when accessing PSR or
IPSR.

www.ti.com
Cortex-M3 Core Registers
43
SWCU117F–February 2015–Revised June 2016
Submit Documentation Feedback Copyright © 2015–2016, Texas Instruments Incorporated
2.5.2.18 Priority Mask Register (PRIMASK)
Table 2-21. Priority Mask Register (PRIMASK)
Address Offset Reset 0x0000 0000
Physical Address Instance
Description
The Priority Mask (PRIMASK) register prevents activation of all exceptions with programmable priority. Reset, nonmaskable interrupt (NMI),
and hard fault are the only exceptions with fixed priority. Exceptions must be disabled when they might impact the timing of critical tasks.
This register is accessible only in privileged mode. The MSR and MRS instructions are used to access the PRIMASK register, and the CPS
instruction may be used to change the value of the PRIMASK register. For more information on these instructions, see Cortex-M3/M4F
Instruction Set Technical User's Manual . For more information on exception priority levels, see Section 4.1.2,Exception Types.
Type R/W
31 30 29 28 27 26 25 24 23 22 21 20 19 18 17 16 15 14 13 12 11 10 9 8 7 6 5 4 3 2 1 0
RESERVED
PRIMASK
Bits Field Name Description Type Reset
31–1 RESERVED Software must not rely on the value of a reserved bit. To provide
compatibility with future products, the value of a reserved bit must
be preserved across a read-modify-write operation.
RO 0x0000 000
0 PRIMASK Priority Mask R/W 0
Value Description
1 Prevents the activation of all exceptions with configurable
priority
0 No effect

Cortex-M3 Core Registers
www.ti.com
44 SWCU117F–February 2015–Revised June 2016
Submit Documentation Feedback
Copyright © 2015–2016, Texas Instruments Incorporated
2.5.2.19 Fault Mask Register (FAULTMASK)
Table 2-22. Fault Mask Register (FAULTMASK)
Address Offset Reset 0x0000 0000
Physical Address Instance
Description
The Fault Mask FAULTMASK register prevents activation of all exceptions except for the NMI. Exceptions must be disabled when they
might impact the timing of critical tasks. This register is accessible only in privileged mode. The MSR and MRS instructions are used to
access the FAULTMASK register, and the CPS instruction may be used to change the value of the FAULTMASK register. See Cortex-
M3/M4F Instruction Set Technical User's Manual for more information on these instructions. For more information on exception priority
levels, see Section 4.1.2,Exception Types.
Type R/W
31 30 29 28 27 26 25 24 23 22 21 20 19 18 17 16 15 14 13 12 11 10 9 8 7 6 5 4 3 2 1 0
RESERVED
FAULTMASK
Bits Field Name Description Type Reset
31–1 RESERVED Reserved RO 0x0000 000
0 FAULTMASK Fault Mask R/W 0
Value Description
1 Prevents the activation of all exceptions except for NMI
0 No effect
The processor clears the FAULTMASK bit on exit from any
exception handler except the NMI handler.

www.ti.com
Cortex-M3 Core Registers
45
SWCU117F–February 2015–Revised June 2016
Submit Documentation Feedback Copyright © 2015–2016, Texas Instruments Incorporated
2.5.2.20 Base Priority Mask Register (BASEPRI)
Table 2-23. Base Priority Mask Register (BASEPRI)
Address Offset Reset 0x0000 0000
Physical Address Instance
Description
The Base Priority Mask BASEPRI register defines the minimum priority for exception processing. When BASEPRI is set to a nonzero value,
it prevents the activation of all exceptions with the same or lower priority level as the BASEPRI value. Exceptions must be disabled when
they might impact the timing of critical tasks. This register is accessible only in privileged mode. For more information on exception priority
levels, see Section 4.1.2,Exception Types.
Type R/W
31 30 29 28 27 26 25 24 23 22 21 20 19 18 17 16 15 14 13 12 11 10 9 8 7 6 5 4 3 2 1 0
RESERVED BASEPRI RESERVED
Bits Field Name Description Type Reset
31–8 RESERVED Reserved RO 0x0000 00
7–5 BASEPRI Base Priority
Any exception that has a programmable priority level with the same
or lower priority as the value of this field is masked. The PRIMASK
register can be used to mask all exceptions with programmable
priority levels. Higher priority exceptions have lower priority levels.
R/W 0x0
Value Description
0x0 All exceptions are unmasked.
0x1 All exceptions with priority levels 1–7 are masked.
0x2 All exceptions with priority levels 2–7 are masked.
0x3 All exceptions with priority levels 3–7 are masked.
0x4 All exceptions with priority levels 4–7 are masked.
0x5 All exceptions with priority levels 5–7 are masked.
0x6 All exceptions with priority levels 6 and 7 are masked.
0x7 All exceptions with priority level 7 are masked.
4–0 RESERVED Reserved RO 0x0

Instruction Set Summary
www.ti.com
46 SWCU117F–February 2015–Revised June 2016
Submit Documentation Feedback
Copyright © 2015–2016, Texas Instruments Incorporated
2.5.2.21 Control Register (CONTROL)
Table 2-24. Control Register (CONTROL)
Address Offset Reset 0x0000 0000
Physical Address Instance
Description
The CONTROL register controls the stack used and the privilege level for software execution when the processor is in thread mode. This
register is accessible only in privileged mode.
Handler mode always uses MSP, so the processor ignores explicit writes to the ASP bit of the CONTROL register when in handler mode.
The exception entry and return mechanisms automatically update the CONTROL register based on the EXC_RETURN value (see
Table 4-3). In an OS environment, threads running in thread mode must use the process stack and the kernel and exception handlers must
use the main stack. By default, thread mode uses MSP. To switch the stack pointer used in thread mode to PSP, either use the MSR
instruction to set the ASP bit, as detailed in the Cortex-M3/M4F Instruction Set Technical User's Manual, or perform an exception return to
thread mode with the appropriate EXC_RETURN value, as shown in Table 4-3.
When changing the stack pointer, software must use an ISB instruction immediately after the MSR instruction, ensuring that instructions
after the ISB instruction executes use the new stack pointer. See the Cortex-M3/M4F Instruction Set Technical User's Manual.
Type R/W
31 30 29 28 27 26 25 24 23 22 21 20 19 18 17 16 15 14 13 12 11 10 9 8 7 6 5 4 3 2 1 0
RESERVED
ASP
TMPL
Bits Field Name Description Type Reset
31–2 RESERVED Reserved RO 0x0000 000
1 ASP Active Stack Pointer R/W 0
Value Description
1 PSP is the current stack pointer.
0 MSP is the current stack pointer.
In handler mode, this bit reads as zero and ignores writes. The
Cortex-M3 updates this bit automatically on exception return.
0 TMPL Thread Mode Privilege Level R/W 0
Value Description
1 Unprivileged software can be executed in thread mode.
0 Only privileged software can be executed in thread mode.
2.6 Instruction Set Summary
The processor implements a version of the Thumb instruction set. Table 2-25 lists the supported
instructions.
NOTE: In Table 2-25:
• Angle brackets, <>, enclose alternative forms of the operand.
• Braces, {}, enclose optional operands.
• The Operands column is not exhaustive.
• Op2 is a flexible second operand that can be either a register or a constant.
• Most instructions can use an optional condition code suffix.
For more information on the instructions and operands, see the instruction
descriptions in the Cortex-M3/M4F Instruction Set Technical User's Manual.
NOTE: Table 2-25 is copied from the Cortex™-M3 Instruction Set Technical User's Manual.
Changes made in the manual must be made in Table 2-25.

www.ti.com
Instruction Set Summary
47
SWCU117F–February 2015–Revised June 2016
Submit Documentation Feedback
Copyright © 2015–2016, Texas Instruments Incorporated
Table 2-25. Cortex-M3 Instruction Summary
Mnemonic Operands Brief Description Flags
ADC, ADCS {Rd,} Rn, Op2 Add with carry N, Z, C, V
ADD, ADDS {Rd,} Rn, Op2 Add N, Z, C, V
ADD, ADDW {Rd,} Rn , #imm12 Add N, Z, C, V
ADR Rd, label Load PC-relative address –
AND, ANDS {Rd,} Rn, Op2 Logical AND N, Z, C
ASR, ASRS Rd, Rm, <Rs|#n> Arithmetic shift right N, Z, C
B label Branch –
BFC Rd, #lsb, #width Bit field clear –
BFI Rd, Rn, #lsb, #width Bit field insert –
BIC, BICS {Rd,} Rn, Op2 Bit clear N, Z, C
BKPT #imm Breakpoint –
BL label Branch with link –
BLX Rm Branch indirect with link –
BX Rm Branch indirect –
CBNZ Rn, label Compare and branch if nonzero –
CBZ Rn, label Compare and branch if zero –
CLREX – Clear exclusive –
CLZ Rd, Rm Count leading zeros –
CMN Rn, Op2 Compare negative N, Z, C, V
CMP Rn, Op2 Compare N, Z, C, V
CPSID I Change processor state, disable
interrupts –
CPSIE I Change processor state, enable
interrupts –
DMB –Data memory barrier –
DSB –Data synchronization barrier –
EOR, EORS {Rd,} Rn, Op2 Exclusive OR N, Z, C
ISB –Instruction synchronization barrier –
IT –If‑Then condition block –
LDM Rn{!}, reglist Load multiple registers, increment after –
LDMDB, LDMEA Rn{!}, reglist Load multiple registers, decrement
before –
LDMFD, LDMIA Rn{!}, reglist Load multiple registers, increment after –
LDR Rt, [Rn, #offset] Load register with word –
LDRB, LDRBT Rt, [Rn, #offset] Load register with byte –
LDRD Rt, Rt2, [Rn, #offset] Load register with 2 bytes –
LDREX Rt, [Rn, #offset] Load register exclusive –
LDREXB Rt, [Rn] Load register exclusive with byte –
LDREXH Rt, [Rn] Load register exclusive with halfword –
LDRH, LDRHT Rt, [Rn, #offset] Load register with halfword –
LDRSB, LDRSBT Rt, [Rn, #offset] Load register with signed byte –
LDRSH, LDRSHT Rt, [Rn, #offset] Load register with signed halfword –
LDRT Rt, [Rn, #offset] Load register with word –
LSL, LSLS Rd, Rm, <Rs|#n> Logical shift left N, Z, C
LSR, LSRS Rd, Rm, <Rs|#n> Logical shift right N, Z, C
MLA Rd, Rn, Rm, Ra Multiply with accumulate, 32-bit result –
MLS Rd, Rn, Rm, Ra Multiply and subtract, 32-bit result –
MOV, MOVS Rd, Op2 Move N, Z, C
MOV, MOVW Rd, #imm16 Move 16-bit constant N, Z, C

Instruction Set Summary
www.ti.com
48 SWCU117F–February 2015–Revised June 2016
Submit Documentation Feedback
Copyright © 2015–2016, Texas Instruments Incorporated
Table 2-25. Cortex-M3 Instruction Summary (continued)
Mnemonic Operands Brief Description Flags
MOVT Rd, #imm16 Move top –
MRS Rd, spec_reg Move from special register to general
register –
MSR spec_reg, Rm Move from general register to special
register N, Z, C, V
MUL, MULS {Rd,} Rn, Rm Multiply, 32-bit result N, Z
MVN, MVNS Rd, Op2 Move NOT N, Z, C
NOP – No operation –
ORN, ORNS {Rd,} Rn, Op2 Logical OR NOT N, Z, C
ORR, ORRS {Rd,} Rn, Op2 Logical OR N, Z, C
POP reglist Pop registers from stack –
PUSH reglist Push registers onto stack –
RBIT Rd, Rn Reverse bits –
REV Rd, Rn Reverse byte order in a word –
REV16 Rd, Rn Reverse byte order in each halfword –
REVSH Rd, Rn Reverse byte order in bottom halfword
and sign extend –
ROR, RORS Rd, Rm, <Rs|#n> Rotate right N, Z, C
RRX, RRXS Rd, Rm Rotate right with extend N, Z, C
RSB, RSBS {Rd,} Rn, Op2 Reverse subtract N, Z, C, V
SBC, SBCS {Rd,} Rn, Op2 Subtract with carry N, Z, C, V
SBFX Rd, Rn, #lsb, #width Signed bit field extract –
SDIV {Rd,} Rn, Rm Signed divide –
SEV – Send event –
SMLAL RdLo, RdHi, Rn, Rm Signed multiply with accumulate (32 ×
32 + 64), 64-bit result –
SMULL RdLo, RdHi, Rn, Rm Signed multiply (32 × 32), 64-bit result –
SSAT Rd, #n, Rm {,shift #s} Signed saturate Q
STM Rn{!}, reglist Store multiple registers, increment after –
STMDB, STMEA Rn{!}, reglist Store multiple registers, decrement
before –
STMFD, STMIA Rn{!}, reglist Store multiple registers, increment after –
STR Rt, [Rn {, #offset}] Store register word –
STRB, STRBT Rt, [Rn {, #offset}] Store register byte –
STRD Rt, Rt2, [Rn {, #offset}] Store register two words –
STREX Rt, Rt, [Rn {, #offset}] Store register exclusive –
STREXB Rd, Rt, [Rn] Store register exclusive byte –
STREXH Rd, Rt, [Rn] Store register exclusive halfword –
STRH, STRHT Rt, [Rn {, #offset}] Store register halfword –
STRSB, STRSBT Rt, [Rn {, #offset}] Store register signed byte –
STRSH, STRSHT Rt, [Rn {, #offset}] Store register signed halfword –
STRT Rt, [Rn {, #offset}] Store register word –
SUB, SUBS {Rd,} Rn, Op2 Subtract N, Z, C, V
SUB, SUBW {Rd,} Rn, #imm12 Subtract 12-bit constant N, Z, C, V
SVC #imm Supervisor call –
SXTB {Rd,} Rm {,ROR #n} Sign extend a byte –
SXTH {Rd,} Rm {,ROR #n} Sign extend a halfword –
TBB [Rn, Rm] Table branch byte –
TBH [Rn, Rm, LSL #1] Table branch halfword –

www.ti.com
Instruction Set Summary
49
SWCU117F–February 2015–Revised June 2016
Submit Documentation Feedback Copyright © 2015–2016, Texas Instruments Incorporated
Table 2-25. Cortex-M3 Instruction Summary (continued)
Mnemonic Operands Brief Description Flags
TEQ Rn, Op2 Test equivalence N, Z, C
TST Rn, Op2 Test N, Z, C
UBFX Rd, Rn, #lsb, #width Unsigned bit field extract –
UDIV {Rd,} Rn, Rm Unsigned divide –
UMLAL RdLo, RdHi, Rn, Rm Unsigned multiply with accumulate (32 ×
32 + 32 + 32), 64-bit result –
UMULL RdLo, RdHi, Rn, Rm Unsigned multiply (32 × 2), 64-bit result –
USAT Rd, #n, Rm {,shift #s} Unsigned saturate Q
UXTB {Rd,} Rm, {,ROR #n} Zero extend a byte –
UXTH {Rd,} Rm, {,ROR #n} Zero extend a halfword –
USAT Rd, #n, Rm {,shift #s} Unsigned saturate Q
UXTB {Rd,} Rm {,ROR #n} Zero extend a byte –
UXTH {Rd,} Rm {,ROR #n} Zero extend a halfword –
WFE – Wait for event –
WFI – Wait for interrupt –

Cortex-M3 Processor Registers
www.ti.com
50 SWCU117F–February 2015–Revised June 2016
Submit Documentation Feedback
Copyright © 2015–2016, Texas Instruments Incorporated
2.7 Cortex-M3 Processor Registers
2.7.1 CPU_DWT Registers
Table 2-26 lists the memory-mapped registers for the CPU_DWT. All register offset addresses not listed in
Table 2-26 should be considered as reserved locations and the register contents should not be modified.
Table 2-26. CPU_DWT Registers
Offset Acronym Register Name Section
0h CTRL Control Section 2.7.1.1
4h CYCCNT Current PC Sampler Cycle Count Section 2.7.1.2
8h CPICNT CPI Count Section 2.7.1.3
Ch EXCCNT Exception Overhead Count Section 2.7.1.4
10h SLEEPCNT Sleep Count Section 2.7.1.5
14h LSUCNT LSU Count Section 2.7.1.6
18h FOLDCNT Fold Count Section 2.7.1.7
1Ch PCSR Program Counter Sample Section 2.7.1.8
20h COMP0 Comparator 0 Section 2.7.1.9
24h MASK0 Mask 0 Section 2.7.1.10
28h FUNCTION0 Function 0 Section 2.7.1.11
30h COMP1 Comparator 1 Section 2.7.1.12
34h MASK1 Mask 1 Section 2.7.1.13
38h FUNCTION1 Function 1 Section 2.7.1.14
40h COMP2 Comparator 2 Section 2.7.1.15
44h MASK2 Mask 2 Section 2.7.1.16
48h FUNCTION2 Function 2 Section 2.7.1.17
50h COMP3 Comparator 3 Section 2.7.1.18
54h MASK3 Mask 3 Section 2.7.1.19
58h FUNCTION3 Function 3 Section 2.7.1.20

www.ti.com
Cortex-M3 Processor Registers
51
SWCU117F–February 2015–Revised June 2016
Submit Documentation Feedback Copyright © 2015–2016, Texas Instruments Incorporated
2.7.1.1 CTRL Register (Offset = 0h) [reset = 40000000h]
CTRL is shown in Figure 2-4 and described in Table 2-27.
Return to Summary Table.
Control
Use the DWT Control Register to enable the DWT unit.
Figure 2-4. CTRL Register
31 30 29 28 27 26 25 24
RESERVED NOCYCCNT NOPRFCNT
R/W-10h R/W-0h R/W-0h
23 22 21 20 19 18 17 16
RESERVED CYCEVTENA FOLDEVTENA LSUEVTENA SLEEPEVTEN
AEXCEVTENA CPIEVTENA EXCTRCENA
R/W-0h R/W-0h R/W-0h R/W-0h R/W-0h R/W-0h R/W-0h R/W-0h
15 14 13 12 11 10 9 8
RESERVED PCSAMPLEEN
ASYNCTAP CYCTAP POSTCNT
R/W-0h R/W-0h R/W-0h R/W-0h R/W-0h
76543210
POSTCNT POSTPRESET CYCCNTENA
R/W-0h R/W-0h R/W-0h
Table 2-27. CTRL Register Field Descriptions
Bit Field Type Reset Description
31-26 RESERVED R/W 10h Software should not rely on the value of a reserved. Writing any
other value than the reset value may result in undefined behavior.
25 NOCYCCNT R/W 0h When set, CYCCNT is not supported.
24 NOPRFCNT R/W 0h When set, FOLDCNT, LSUCNT, SLEEPCNT, EXCCNT, and
CPICNT are not supported.
23 RESERVED R/W 0h Software should not rely on the value of a reserved. Writing any
other value than the reset value may result in undefined behavior.
22 CYCEVTENA R/W 0h Enables Cycle count event. Emits an event when the POSTCNT
counter triggers it. See CYCTAP and POSTPRESET for details. This
event is only emitted if PCSAMPLEENA is disabled.
PCSAMPLEENA overrides the setting of this bit.
0: Cycle count events disabled
1: Cycle count events enabled
21 FOLDEVTENA R/W 0h Enables Folded instruction count event. Emits an event when
FOLDCNT overflows (every 256 cycles of folded instructions). A
folded instruction is one that does not incur even one cycle to
execute. For example, an IT instruction is folded away and so does
not use up one cycle.
0: Folded instruction count events disabled.
1: Folded instruction count events enabled.
20 LSUEVTENA R/W 0h Enables LSU count event. Emits an event when LSUCNT overflows
(every 256 cycles of LSU operation). LSU counts include all LSU
costs after the initial cycle for the instruction.
0: LSU count events disabled.
1: LSU count events enabled.
19 SLEEPEVTENA R/W 0h Enables Sleep count event. Emits an event when SLEEPCNT
overflows (every 256 cycles that the processor is sleeping).
0: Sleep count events disabled.
1: Sleep count events enabled.
18 EXCEVTENA R/W 0h Enables Interrupt overhead event. Emits an event when EXCCNT
overflows (every 256 cycles of interrupt overhead).
0x0: Interrupt overhead event disabled.
0x1: Interrupt overhead event enabled.

Cortex-M3 Processor Registers
www.ti.com
52 SWCU117F–February 2015–Revised June 2016
Submit Documentation Feedback
Copyright © 2015–2016, Texas Instruments Incorporated
Table 2-27. CTRL Register Field Descriptions (continued)
Bit Field Type Reset Description
17 CPIEVTENA R/W 0h Enables CPI count event. Emits an event when CPICNT overflows
(every 256 cycles of multi-cycle instructions).
0: CPI counter events disabled.
1: CPI counter events enabled.
16 EXCTRCENA R/W 0h Enables Interrupt event tracing.
0: Interrupt event trace disabled.
1: Interrupt event trace enabled.
15-13 RESERVED R/W 0h Software should not rely on the value of a reserved. Writing any
other value than the reset value may result in undefined behavior.
12 PCSAMPLEENA R/W 0h Enables PC Sampling event. A PC sample event is emitted when the
POSTCNT counter triggers it. See CYCTAP and POSTPRESET for
details. Enabling this bit overrides CYCEVTENA.
0: PC Sampling event disabled.
1: Sampling event enabled.
11-10 SYNCTAP R/W 0h Selects a synchronization packet rate. CYCCNTENA and
CPU_ITM:TCR.SYNCENA must also be enabled for this feature.
Synchronization packets (if enabled) are generated on tap transitions
(0 to1 or 1 to 0).
0h = Disabled. No synchronization packets
1h = Tap at bit 24 of CYCCNT
2h = Tap at bit 26 of CYCCNT
3h = Tap at bit 28 of CYCCNT
9 CYCTAP R/W 0h Selects a tap on CYCCNT. These are spaced at bits [6] and [10].
When the selected bit in CYCCNT changes from 0 to 1 or 1 to 0, it
emits into the POSTCNT, post-scalar counter. That counter then
counts down. On a bit change when post-scalar is 0, it triggers an
event for PC sampling or cycle count event (see details in
CYCEVTENA).
0h = Selects bit [6] to tap
1h = Selects bit [10] to tap
8-5 POSTCNT R/W 0h Post-scalar counter for CYCTAP. When the selected tapped bit
changes from 0 to 1 or 1 to 0, the post scalar counter is down-
counted when not 0. If 0, it triggers an event for PCSAMPLEENA or
CYCEVTENA use. It also reloads with the value from
POSTPRESET.
4-1 POSTPRESET R/W 0h Reload value for post-scalar counter POSTCNT. When 0, events are
triggered on each tap change (a power of 2). If this field has a non-0
value, it forms a count-down value, to be reloaded into POSTCNT
each time it reaches 0. For example, a value 1 in this register means
an event is formed every other tap change.
0 CYCCNTENA R/W 0h Enable CYCCNT, allowing it to increment and generate
synchronization and count events. If NOCYCCNT = 1, this bit reads
zero and ignore writes.

www.ti.com
Cortex-M3 Processor Registers
53
SWCU117F–February 2015–Revised June 2016
Submit Documentation Feedback Copyright © 2015–2016, Texas Instruments Incorporated
2.7.1.2 CYCCNT Register (Offset = 4h) [reset = 0h]
CYCCNT is shown in Figure 2-5 and described in Table 2-28.
Return to Summary Table.
Current PC Sampler Cycle Count
This register is used to count the number of core cycles. This counter can measure elapsed execution
time. This is a free-running counter (this counter will not advance in power modes where free-running
clock to CPU stops). The counter has three functions:
1: When CTRL.PCSAMPLEENA = 1, the PC is sampled and emitted when the selected tapped bit
changes value (0 to 1 or 1 to 0) and any post-scalar value counts to 0.
2: When CTRL.CYCEVTENA = 1 , (and CTRL.PCSAMPLEENA = 0), an event is emitted when the
selected tapped bit changes value (0 to 1 or 1 to 0) and any post-scalar value counts to 0.
3: Applications and debuggers can use the counter to measure elapsed execution time. By subtracting a
start and an end time, an application can measure time between in-core clocks (other than when Halted in
debug). This is valid to 232 core clock cycles (for example, almost 89.5 seconds at 48MHz).
Figure 2-5. CYCCNT Register
31 30 29 28 27 26 25 24 23 22 21 20 19 18 17 16 15 14 13 12 11 10 9 8 7 6 5 4 3 2 1 0
CYCCNT
R/W-0h
Table 2-28. CYCCNT Register Field Descriptions
Bit Field Type Reset Description
31-0 CYCCNT R/W 0h Current PC Sampler Cycle Counter count value. When enabled, this
counter counts the number of core cycles, except when the core is
halted. The cycle counter is a free running counter, counting
upwards (this counter will not advance in power modes where free-
running clock to CPU stops). It wraps around to 0 on overflow. The
debugger must initialize this to 0 when first enabling.

Cortex-M3 Processor Registers
www.ti.com
54 SWCU117F–February 2015–Revised June 2016
Submit Documentation Feedback
Copyright © 2015–2016, Texas Instruments Incorporated
2.7.1.3 CPICNT Register (Offset = 8h) [reset = X]
CPICNT is shown in Figure 2-6 and described in Table 2-29.
Return to Summary Table.
CPI Count
This register is used to count the total number of instruction cycles beyond the first cycle.
Figure 2-6. CPICNT Register
31 30 29 28 27 26 25 24 23 22 21 20 19 18 17 16 15 14 13 12 11 10 9 8 7 6 5 4 3 2 1 0
RESERVED CPICNT
R/W-0h R/W-X
Table 2-29. CPICNT Register Field Descriptions
Bit Field Type Reset Description
31-8 RESERVED R/W 0h Software should not rely on the value of a reserved. Writing any
other value than the reset value may result in undefined behavior.
7-0 CPICNT R/W X Current CPI counter value. Increments on the additional cycles (the
first cycle is not counted) required to execute all instructions except
those recorded by LSUCNT. This counter also increments on all
instruction fetch stalls. If CTRL.CPIEVTENA is set, an event is
emitted when the counter overflows. This counter initializes to 0
when it is enabled using CTRL.CPIEVTENA.

www.ti.com
Cortex-M3 Processor Registers
55
SWCU117F–February 2015–Revised June 2016
Submit Documentation Feedback Copyright © 2015–2016, Texas Instruments Incorporated
2.7.1.4 EXCCNT Register (Offset = Ch) [reset = X]
EXCCNT is shown in Figure 2-7 and described in Table 2-30.
Return to Summary Table.
Exception Overhead Count
This register is used to count the total cycles spent in interrupt processing.
Figure 2-7. EXCCNT Register
31 30 29 28 27 26 25 24 23 22 21 20 19 18 17 16 15 14 13 12 11 10 9 8 7 6 5 4 3 2 1 0
RESERVED EXCCNT
R/W-0h R/W-X
Table 2-30. EXCCNT Register Field Descriptions
Bit Field Type Reset Description
31-8 RESERVED R/W 0h Software should not rely on the value of a reserved. Writing any
other value than the reset value may result in undefined behavior.
7-0 EXCCNT R/W X Current interrupt overhead counter value. Counts the total cycles
spent in interrupt processing (for example entry stacking, return
unstacking, pre-emption). An event is emitted on counter overflow
(every 256 cycles). This counter initializes to 0 when it is enabled
using CTRL.EXCEVTENA.

Cortex-M3 Processor Registers
www.ti.com
56 SWCU117F–February 2015–Revised June 2016
Submit Documentation Feedback
Copyright © 2015–2016, Texas Instruments Incorporated
2.7.1.5 SLEEPCNT Register (Offset = 10h) [reset = X]
SLEEPCNT is shown in Figure 2-8 and described in Table 2-31.
Return to Summary Table.
Sleep Count
This register is used to count the total number of cycles during which the processor is sleeping.
Figure 2-8. SLEEPCNT Register
31 30 29 28 27 26 25 24 23 22 21 20 19 18 17 16 15 14 13 12 11 10 9 8 7 6 5 4 3 2 1 0
RESERVED SLEEPCNT
R/W-0h R/W-X
Table 2-31. SLEEPCNT Register Field Descriptions
Bit Field Type Reset Description
31-8 RESERVED R/W 0h Software should not rely on the value of a reserved. Writing any
other value than the reset value may result in undefined behavior.
7-0 SLEEPCNT R/W X Sleep counter. Counts the number of cycles during which the
processor is sleeping. An event is emitted on counter overflow (every
256 cycles). This counter initializes to 0 when it is enabled using
CTRL.SLEEPEVTENA. Note that the sleep counter is clocked using
CPU's free-running clock. In some power modes the free-running
clock to CPU is gated to minimize power consumption. This means
that the sleep counter will be invalid in these power modes.

www.ti.com
Cortex-M3 Processor Registers
57
SWCU117F–February 2015–Revised June 2016
Submit Documentation Feedback Copyright © 2015–2016, Texas Instruments Incorporated
2.7.1.6 LSUCNT Register (Offset = 14h) [reset = X]
LSUCNT is shown in Figure 2-9 and described in Table 2-32.
Return to Summary Table.
LSU Count
This register is used to count the total number of cycles during which the processor is processing an LSU
operation beyond the first cycle.
Figure 2-9. LSUCNT Register
31 30 29 28 27 26 25 24 23 22 21 20 19 18 17 16 15 14 13 12 11 10 9 8 7 6 5 4 3 2 1 0
RESERVED LSUCNT
R/W-0h R/W-X
Table 2-32. LSUCNT Register Field Descriptions
Bit Field Type Reset Description
31-8 RESERVED R/W 0h Software should not rely on the value of a reserved. Writing any
other value than the reset value may result in undefined behavior.
7-0 LSUCNT R/W X LSU counter. This counts the total number of cycles that the
processor is processing an LSU operation. The initial execution cost
of the instruction is not counted. For example, an LDR that takes two
cycles to complete increments this counter one cycle. Equivalently,
an LDR that stalls for two cycles (i.e. takes four cycles to execute),
increments this counter three times. An event is emitted on counter
overflow (every 256 cycles). This counter initializes to 0 when it is
enabled using CTRL.LSUEVTENA.

Cortex-M3 Processor Registers
www.ti.com
58 SWCU117F–February 2015–Revised June 2016
Submit Documentation Feedback
Copyright © 2015–2016, Texas Instruments Incorporated
2.7.1.7 FOLDCNT Register (Offset = 18h) [reset = X]
FOLDCNT is shown in Figure 2-10 and described in Table 2-33.
Return to Summary Table.
Fold Count
This register is used to count the total number of folded instructions. The counter increments on each
instruction which takes 0 cycles.
Figure 2-10. FOLDCNT Register
31 30 29 28 27 26 25 24 23 22 21 20 19 18 17 16 15 14 13 12 11 10 9 8 7 6 5 4 3 2 1 0
RESERVED FOLDCNT
R/W-0h R/W-X
Table 2-33. FOLDCNT Register Field Descriptions
Bit Field Type Reset Description
31-8 RESERVED R/W 0h Software should not rely on the value of a reserved. Writing any
other value than the reset value may result in undefined behavior.
7-0 FOLDCNT R/W X This counts the total number folded instructions. This counter
initializes to 0 when it is enabled using CTRL.FOLDEVTENA.

www.ti.com
Cortex-M3 Processor Registers
59
SWCU117F–February 2015–Revised June 2016
Submit Documentation Feedback Copyright © 2015–2016, Texas Instruments Incorporated
2.7.1.8 PCSR Register (Offset = 1Ch) [reset = X]
PCSR is shown in Figure 2-11 and described in Table 2-34.
Return to Summary Table.
Program Counter Sample
This register is used to enable coarse-grained software profiling using a debug agent, without changing
the currently executing code. If the core is not in debug state, the value returned is the instruction address
of a recently executed instruction. If the core is in debug state, the value returned is 0xFFFFFFFF.
Figure 2-11. PCSR Register
31 30 29 28 27 26 25 24 23 22 21 20 19 18 17 16 15 14 13 12 11 10 9 8 7 6 5 4 3 2 1 0
EIASAMPLE
R-X
Table 2-34. PCSR Register Field Descriptions
Bit Field Type Reset Description
31-0 EIASAMPLE R X Execution instruction address sample, or 0xFFFFFFFF if the core is
halted.

Cortex-M3 Processor Registers
www.ti.com
60 SWCU117F–February 2015–Revised June 2016
Submit Documentation Feedback
Copyright © 2015–2016, Texas Instruments Incorporated
2.7.1.9 COMP0 Register (Offset = 20h) [reset = X]
COMP0 is shown in Figure 2-12 and described in Table 2-35.
Return to Summary Table.
Comparator 0
This register is used to write the reference value for comparator 0.
Figure 2-12. COMP0 Register
31 30 29 28 27 26 25 24 23 22 21 20 19 18 17 16 15 14 13 12 11 10 9 8 7 6 5 4 3 2 1 0
COMP
R/W-X
Table 2-35. COMP0 Register Field Descriptions
Bit Field Type Reset Description
31-0 COMP R/W X Reference value to compare against PC or the data address as
given by FUNCTION0. Comparator 0 can also compare against the
value of the PC Sampler Counter (CYCCNT).

www.ti.com
Cortex-M3 Processor Registers
61
SWCU117F–February 2015–Revised June 2016
Submit Documentation Feedback Copyright © 2015–2016, Texas Instruments Incorporated
2.7.1.10 MASK0 Register (Offset = 24h) [reset = X]
MASK0 is shown in Figure 2-13 and described in Table 2-36.
Return to Summary Table.
Mask 0
Use the DWT Mask Registers 0 to apply a mask to data addresses when matching against COMP0.
Figure 2-13. MASK0 Register
31 30 29 28 27 26 25 24 23 22 21 20 19 18 17 16 15 14 13 12 11 10 9 8 7 6 5 4 3 2 1 0
RESERVED MASK
R/W-0h R/W-X
Table 2-36. MASK0 Register Field Descriptions
Bit Field Type Reset Description
31-4 RESERVED R/W 0h Software should not rely on the value of a reserved. Writing any
other value than the reset value may result in undefined behavior.
3-0 MASK R/W X Mask on data address when matching against COMP0. This is the
size of the ignore mask. That is, DWT matching is performed
as:(ADDR ANDed with (0xFFFF left bit-shifted by MASK)) ==
COMP0. However, the actual comparison is slightly more complex to
enable matching an address wherever it appears on a bus. So, if
COMP0 is 3, this matches a word access of 0, because 3 would be
within the word.

Cortex-M3 Processor Registers
www.ti.com
62 SWCU117F–February 2015–Revised June 2016
Submit Documentation Feedback
Copyright © 2015–2016, Texas Instruments Incorporated
2.7.1.11 FUNCTION0 Register (Offset = 28h) [reset = 0h]
FUNCTION0 is shown in Figure 2-14 and described in Table 2-37.
Return to Summary Table.
Function 0
Use the DWT Function Registers 0 to control the operation of the comparator 0. This comparator can:
1. Match against either the PC or the data address. This is controlled by CYCMATCH. This function is
only available for comparator 0 (COMP0).
2. Emit data or PC couples, trigger the ETM, or generate a watchpoint depending on the operation defined
by FUNCTION.
Figure 2-14. FUNCTION0 Register
31 30 29 28 27 26 25 24
RESERVED MATCHED
R-0h R/W-0h
23 22 21 20 19 18 17 16
RESERVED
R-0h
15 14 13 12 11 10 9 8
RESERVED
R-0h
76543210
CYCMATCH RESERVED EMITRANGE RESERVED FUNCTION
R/W-0h R-0h R/W-0h R-0h R/W-0h
Table 2-37. FUNCTION0 Register Field Descriptions
Bit Field Type Reset Description
31-25 RESERVED R 0h Software should not rely on the value of a reserved. Writing any
other value than the reset value may result in undefined behavior.
24 MATCHED R/W 0h This bit is set when the comparator matches, and indicates that the
operation defined by FUNCTION has occurred since this bit was last
read. This bit is cleared on read.
23-8 RESERVED R 0h Software should not rely on the value of a reserved. Writing any
other value than the reset value may result in undefined behavior.
7 CYCMATCH R/W 0h This bit is only available in comparator 0. When set, COMP0 will
compare against the cycle counter (CYCCNT).
6 RESERVED R 0h Software should not rely on the value of a reserved. Writing any
other value than the reset value may result in undefined behavior.
5 EMITRANGE R/W 0h Emit range field. This bit permits emitting offset when range match
occurs. PC sampling is not supported when emit range is enabled.
This field only applies for: FUNCTION = 1, 2, 3, 12, 13, 14, and 15.
4 RESERVED R 0h Software should not rely on the value of a reserved. Writing any
other value than the reset value may result in undefined behavior.

www.ti.com
Cortex-M3 Processor Registers
63
SWCU117F–February 2015–Revised June 2016
Submit Documentation Feedback Copyright © 2015–2016, Texas Instruments Incorporated
Table 2-37. FUNCTION0 Register Field Descriptions (continued)
Bit Field Type Reset Description
3-0 FUNCTION R/W 0h Function settings.
0x0: Disabled
0x1: EMITRANGE = 0, sample and emit PC through ITM.
EMITRANGE = 1, emit address offset through ITM
0x2: EMITRANGE = 0, emit data through ITM on read and write.
EMITRANGE = 1, emit data and address offset through ITM on read
or write.
0x3: EMITRANGE = 0, sample PC and data value through ITM on
read or write. EMITRANGE = 1, emit address offset and data value
through ITM on read or write.
0x4: Watchpoint on PC match.
0x5: Watchpoint on read.
0x6: Watchpoint on write.
0x7: Watchpoint on read or write.
0x8: ETM trigger on PC match
0x9: ETM trigger on read
0xA: ETM trigger on write
0xB: ETM trigger on read or write
0xC: EMITRANGE = 0, sample data for read transfers. EMITRANGE
= 1, sample Daddr (lower 16 bits) for read transfers
0xD: EMITRANGE = 0, sample data for write transfers. EMITRANGE
= 1, sample Daddr (lower 16 bits) for write transfers
0xE: EMITRANGE = 0, sample PC + data for read transfers.
EMITRANGE = 1, sample Daddr (lower 16 bits) + data for read
transfers
0xF: EMITRANGE = 0, sample PC + data for write transfers.
EMITRANGE = 1, sample Daddr (lower 16 bits) + data for write
transfers
Note 1: If the ETM is not fitted, then ETM trigger is not possible.
Note 2: Data value is only sampled for accesses that do not fault
(MPU or bus fault). The PC is sampled irrespective of any faults. The
PC is only sampled for the first address of a burst.
Note 3: PC match is not recommended for watchpoints because it
stops after the instruction. It mainly guards and triggers the ETM.

Cortex-M3 Processor Registers
www.ti.com
64 SWCU117F–February 2015–Revised June 2016
Submit Documentation Feedback
Copyright © 2015–2016, Texas Instruments Incorporated
2.7.1.12 COMP1 Register (Offset = 30h) [reset = X]
COMP1 is shown in Figure 2-15 and described in Table 2-38.
Return to Summary Table.
Comparator 1
This register is used to write the reference value for comparator 1.
Figure 2-15. COMP1 Register
31 30 29 28 27 26 25 24 23 22 21 20 19 18 17 16 15 14 13 12 11 10 9 8 7 6 5 4 3 2 1 0
COMP
R/W-X
Table 2-38. COMP1 Register Field Descriptions
Bit Field Type Reset Description
31-0 COMP R/W X Reference value to compare against PC or the data address as
given by FUNCTION1.
Comparator 1 can also compare data values. So this register can
contain reference values for data matching.

www.ti.com
Cortex-M3 Processor Registers
65
SWCU117F–February 2015–Revised June 2016
Submit Documentation Feedback Copyright © 2015–2016, Texas Instruments Incorporated
2.7.1.13 MASK1 Register (Offset = 34h) [reset = X]
MASK1 is shown in Figure 2-16 and described in Table 2-39.
Return to Summary Table.
Mask 1
Use the DWT Mask Registers 1 to apply a mask to data addresses when matching against COMP1.
Figure 2-16. MASK1 Register
31 30 29 28 27 26 25 24 23 22 21 20 19 18 17 16 15 14 13 12 11 10 9 8 7 6 5 4 3 2 1 0
RESERVED MASK
R/W-0h R/W-X
Table 2-39. MASK1 Register Field Descriptions
Bit Field Type Reset Description
31-4 RESERVED R/W 0h Software should not rely on the value of a reserved. Writing any
other value than the reset value may result in undefined behavior.
3-0 MASK R/W X Mask on data address when matching against COMP1. This is the
size of the ignore mask. That is, DWT matching is performed
as:(ADDR ANDed with (0xFFFF left bit-shifted by MASK)) ==
COMP1. However, the actual comparison is slightly more complex to
enable matching an address wherever it appears on a bus. So, if
COMP1 is 3, this matches a word access of 0, because 3 would be
within the word.

Cortex-M3 Processor Registers
www.ti.com
66 SWCU117F–February 2015–Revised June 2016
Submit Documentation Feedback
Copyright © 2015–2016, Texas Instruments Incorporated
2.7.1.14 FUNCTION1 Register (Offset = 38h) [reset = 200h]
FUNCTION1 is shown in Figure 2-17 and described in Table 2-40.
Return to Summary Table.
Function 1
Use the DWT Function Registers 1 to control the operation of the comparator 1. This comparator can:
1. Perform data value comparisons if associated address comparators have performed an address match.
This function is only available for comparator 1 (COMP1).
2. Emit data or PC couples, trigger the ETM, or generate a watchpoint depending on the operation defined
by FUNCTION.
Figure 2-17. FUNCTION1 Register
31 30 29 28 27 26 25 24
RESERVED MATCHED
R-0h R/W-0h
23 22 21 20 19 18 17 16
RESERVED DATAVADDR1
R-0h R/W-0h
15 14 13 12 11 10 9 8
DATAVADDR0 DATAVSIZE LNK1ENA DATAVMATCH
R/W-0h R/W-0h R-1h R/W-0h
76543210
RESERVED EMITRANGE RESERVED FUNCTION
R-0h R/W-0h R-0h R/W-0h
Table 2-40. FUNCTION1 Register Field Descriptions
Bit Field Type Reset Description
31-25 RESERVED R 0h Software should not rely on the value of a reserved. Writing any
other value than the reset value may result in undefined behavior.
24 MATCHED R/W 0h This bit is set when the comparator matches, and indicates that the
operation defined by FUNCTION has occurred since this bit was last
read. This bit is cleared on read.
23-20 RESERVED R 0h Software should not rely on the value of a reserved. Writing any
other value than the reset value may result in undefined behavior.
19-16 DATAVADDR1 R/W 0h Identity of a second linked address comparator for data value
matching when DATAVMATCH == 1 and LNK1ENA == 1.
15-12 DATAVADDR0 R/W 0h Identity of a linked address comparator for data value matching
when DATAVMATCH == 1.
11-10 DATAVSIZE R/W 0h Defines the size of the data in the COMP1 register that is to be
matched:
0x0: Byte
0x1: Halfword
0x2: Word
0x3: Unpredictable.
9 LNK1ENA R 1h Read only bit-field only supported in comparator 1.
0: DATAVADDR1 not supported
1: DATAVADDR1 supported (enabled)
8 DATAVMATCH R/W 0h Data match feature:
0: Perform address comparison
1: Perform data value compare. The comparators given by
DATAVADDR0 and DATAVADDR1 provide the address for the data
comparison. The FUNCTION setting for the comparators given by
DATAVADDR0 and DATAVADDR1 are overridden and those
comparators only provide the address match for the data
comparison.
This bit is only available in comparator 1.

www.ti.com
Cortex-M3 Processor Registers
67
SWCU117F–February 2015–Revised June 2016
Submit Documentation Feedback Copyright © 2015–2016, Texas Instruments Incorporated
Table 2-40. FUNCTION1 Register Field Descriptions (continued)
Bit Field Type Reset Description
7-6 RESERVED R 0h Software should not rely on the value of a reserved. Writing any
other value than the reset value may result in undefined behavior.
5 EMITRANGE R/W 0h Emit range field. This bit permits emitting offset when range match
occurs. PC sampling is not supported when emit range is enabled.
This field only applies for: FUNCTION = 1, 2, 3, 12, 13, 14, and 15.
4 RESERVED R 0h Software should not rely on the value of a reserved. Writing any
other value than the reset value may result in undefined behavior.
3-0 FUNCTION R/W 0h Function settings:
0x0: Disabled
0x1: EMITRANGE = 0, sample and emit PC through ITM.
EMITRANGE = 1, emit address offset through ITM
0x2: EMITRANGE = 0, emit data through ITM on read and write.
EMITRANGE = 1, emit data and address offset through ITM on read
or write.
0x3: EMITRANGE = 0, sample PC and data value through ITM on
read or write. EMITRANGE = 1, emit address offset and data value
through ITM on read or write.
0x4: Watchpoint on PC match.
0x5: Watchpoint on read.
0x6: Watchpoint on write.
0x7: Watchpoint on read or write.
0x8: ETM trigger on PC match
0x9: ETM trigger on read
0xA: ETM trigger on write
0xB: ETM trigger on read or write
0xC: EMITRANGE = 0, sample data for read transfers. EMITRANGE
= 1, sample Daddr (lower 16 bits) for read transfers
0xD: EMITRANGE = 0, sample data for write transfers. EMITRANGE
= 1, sample Daddr (lower 16 bits) for write transfers
0xE: EMITRANGE = 0, sample PC + data for read transfers.
EMITRANGE = 1, sample Daddr (lower 16 bits) + data for read
transfers
0xF: EMITRANGE = 0, sample PC + data for write transfers.
EMITRANGE = 1, sample Daddr (lower 16 bits) + data for write
transfers
Note 1: If the ETM is not fitted, then ETM trigger is not possible.
Note 2: Data value is only sampled for accesses that do not fault
(MPU or bus fault). The PC is sampled irrespective of any faults. The
PC is only sampled for the first address of a burst.
Note 3: FUNCTION is overridden for comparators given by
DATAVADDR0 and DATAVADDR1 if DATAVMATCH is also set.
The comparators given by DATAVADDR0 and DATAVADDR1 can
then only perform address comparator matches for comparator 1
data matches.
Note 4: If the data matching functionality is not included during
implementation it is not possible to set DATAVADDR0,
DATAVADDR1, or DATAVMATCH. This means that the data
matching functionality is not available in the implementation. Test the
availability of data matching by writing and reading DATAVMATCH.
If it is not settable then data matching is unavailable.
Note 5: PC match is not recommended for watchpoints because it
stops after the instruction. It mainly guards and triggers the ETM.

Cortex-M3 Processor Registers
www.ti.com
68 SWCU117F–February 2015–Revised June 2016
Submit Documentation Feedback
Copyright © 2015–2016, Texas Instruments Incorporated
2.7.1.15 COMP2 Register (Offset = 40h) [reset = X]
COMP2 is shown in Figure 2-18 and described in Table 2-41.
Return to Summary Table.
Comparator 2
This register is used to write the reference value for comparator 2.
Figure 2-18. COMP2 Register
31 30 29 28 27 26 25 24 23 22 21 20 19 18 17 16 15 14 13 12 11 10 9 8 7 6 5 4 3 2 1 0
COMP
R/W-X
Table 2-41. COMP2 Register Field Descriptions
Bit Field Type Reset Description
31-0 COMP R/W X Reference value to compare against PC or the data address as
given by FUNCTION2.

www.ti.com
Cortex-M3 Processor Registers
69
SWCU117F–February 2015–Revised June 2016
Submit Documentation Feedback Copyright © 2015–2016, Texas Instruments Incorporated
2.7.1.16 MASK2 Register (Offset = 44h) [reset = X]
MASK2 is shown in Figure 2-19 and described in Table 2-42.
Return to Summary Table.
Mask 2
Use the DWT Mask Registers 2 to apply a mask to data addresses when matching against COMP2.
Figure 2-19. MASK2 Register
31 30 29 28 27 26 25 24 23 22 21 20 19 18 17 16 15 14 13 12 11 10 9 8 7 6 5 4 3 2 1 0
RESERVED MASK
R/W-0h R/W-X
Table 2-42. MASK2 Register Field Descriptions
Bit Field Type Reset Description
31-4 RESERVED R/W 0h Software should not rely on the value of a reserved. Writing any
other value than the reset value may result in undefined behavior.
3-0 MASK R/W X Mask on data address when matching against COMP2. This is the
size of the ignore mask. That is, DWT matching is performed
as:(ADDR ANDed with (0xFFFF left bit-shifted by MASK)) ==
COMP2. However, the actual comparison is slightly more complex to
enable matching an address wherever it appears on a bus. So, if
COMP2 is 3, this matches a word access of 0, because 3 would be
within the word.

Cortex-M3 Processor Registers
www.ti.com
70 SWCU117F–February 2015–Revised June 2016
Submit Documentation Feedback
Copyright © 2015–2016, Texas Instruments Incorporated
2.7.1.17 FUNCTION2 Register (Offset = 48h) [reset = 0h]
FUNCTION2 is shown in Figure 2-20 and described in Table 2-43.
Return to Summary Table.
Function 2
Use the DWT Function Registers 2 to control the operation of the comparator 2. This comparator can emit
data or PC couples, trigger the ETM, or generate a watchpoint depending on the operation defined by
FUNCTION.
Figure 2-20. FUNCTION2 Register
31 30 29 28 27 26 25 24
RESERVED MATCHED
R/W-0h R/W-0h
23 22 21 20 19 18 17 16
RESERVED
R-0h
15 14 13 12 11 10 9 8
RESERVED
R-0h
76543210
RESERVED EMITRANGE RESERVED FUNCTION
R-0h R/W-0h R-0h R/W-0h
Table 2-43. FUNCTION2 Register Field Descriptions
Bit Field Type Reset Description
31-25 RESERVED R/W 0h Software should not rely on the value of a reserved. Writing any
other value than the reset value may result in undefined behavior.
24 MATCHED R/W 0h This bit is set when the comparator matches, and indicates that the
operation defined by FUNCTION has occurred since this bit was last
read. This bit is cleared on read.
23-6 RESERVED R 0h Software should not rely on the value of a reserved. Writing any
other value than the reset value may result in undefined behavior.
5 EMITRANGE R/W 0h Emit range field. This bit permits emitting offset when range match
occurs. PC sampling is not supported when emit range is enabled.
This field only applies for: FUNCTION = 1, 2, 3, 12, 13, 14, and 15.
4 RESERVED R 0h Software should not rely on the value of a reserved. Writing any
other value than the reset value may result in undefined behavior.

www.ti.com
Cortex-M3 Processor Registers
71
SWCU117F–February 2015–Revised June 2016
Submit Documentation Feedback Copyright © 2015–2016, Texas Instruments Incorporated
Table 2-43. FUNCTION2 Register Field Descriptions (continued)
Bit Field Type Reset Description
3-0 FUNCTION R/W 0h Function settings.
0x0: Disabled
0x1: EMITRANGE = 0, sample and emit PC through ITM.
EMITRANGE = 1, emit address offset through ITM
0x2: EMITRANGE = 0, emit data through ITM on read and write.
EMITRANGE = 1, emit data and address offset through ITM on read
or write.
0x3: EMITRANGE = 0, sample PC and data value through ITM on
read or write. EMITRANGE = 1, emit address offset and data value
through ITM on read or write.
0x4: Watchpoint on PC match.
0x5: Watchpoint on read.
0x6: Watchpoint on write.
0x7: Watchpoint on read or write.
0x8: ETM trigger on PC match
0x9: ETM trigger on read
0xA: ETM trigger on write
0xB: ETM trigger on read or write
0xC: EMITRANGE = 0, sample data for read transfers. EMITRANGE
= 1, sample Daddr (lower 16 bits) for read transfers
0xD: EMITRANGE = 0, sample data for write transfers. EMITRANGE
= 1, sample Daddr (lower 16 bits) for write transfers
0xE: EMITRANGE = 0, sample PC + data for read transfers.
EMITRANGE = 1, sample Daddr (lower 16 bits) + data for read
transfers
0xF: EMITRANGE = 0, sample PC + data for write transfers.
EMITRANGE = 1, sample Daddr (lower 16 bits) + data for write
transfers
Note 1: If the ETM is not fitted, then ETM trigger is not possible.
Note 2: Data value is only sampled for accesses that do not fault
(MPU or bus fault). The PC is sampled irrespective of any faults. The
PC is only sampled for the first address of a burst.
Note 3: PC match is not recommended for watchpoints because it
stops after the instruction. It mainly guards and triggers the ETM.

Cortex-M3 Processor Registers
www.ti.com
72 SWCU117F–February 2015–Revised June 2016
Submit Documentation Feedback
Copyright © 2015–2016, Texas Instruments Incorporated
2.7.1.18 COMP3 Register (Offset = 50h) [reset = X]
COMP3 is shown in Figure 2-21 and described in Table 2-44.
Return to Summary Table.
Comparator 3
This register is used to write the reference value for comparator 3.
Figure 2-21. COMP3 Register
31 30 29 28 27 26 25 24 23 22 21 20 19 18 17 16 15 14 13 12 11 10 9 8 7 6 5 4 3 2 1 0
COMP
R/W-X
Table 2-44. COMP3 Register Field Descriptions
Bit Field Type Reset Description
31-0 COMP R/W X Reference value to compare against PC or the data address as
given by FUNCTION3.

www.ti.com
Cortex-M3 Processor Registers
73
SWCU117F–February 2015–Revised June 2016
Submit Documentation Feedback Copyright © 2015–2016, Texas Instruments Incorporated
2.7.1.19 MASK3 Register (Offset = 54h) [reset = X]
MASK3 is shown in Figure 2-22 and described in Table 2-45.
Return to Summary Table.
Mask 3
Use the DWT Mask Registers 3 to apply a mask to data addresses when matching against COMP3.
Figure 2-22. MASK3 Register
31 30 29 28 27 26 25 24 23 22 21 20 19 18 17 16 15 14 13 12 11 10 9 8 7 6 5 4 3 2 1 0
RESERVED MASK
R/W-0h R/W-X
Table 2-45. MASK3 Register Field Descriptions
Bit Field Type Reset Description
31-4 RESERVED R/W 0h Software should not rely on the value of a reserved. Writing any
other value than the reset value may result in undefined behavior.
3-0 MASK R/W X Mask on data address when matching against COMP3. This is the
size of the ignore mask. That is, DWT matching is performed
as:(ADDR ANDed with (0xFFFF left bit-shifted by MASK)) ==
COMP3. However, the actual comparison is slightly more complex to
enable matching an address wherever it appears on a bus. So, if
COMP3 is 3, this matches a word access of 0, because 3 would be
within the word.

Cortex-M3 Processor Registers
www.ti.com
74 SWCU117F–February 2015–Revised June 2016
Submit Documentation Feedback
Copyright © 2015–2016, Texas Instruments Incorporated
2.7.1.20 FUNCTION3 Register (Offset = 58h) [reset = 0h]
FUNCTION3 is shown in Figure 2-23 and described in Table 2-46.
Return to Summary Table.
Function 3
Use the DWT Function Registers 3 to control the operation of the comparator 3. This comparator can emit
data or PC couples, trigger the ETM, or generate a watchpoint depending on the operation defined by
FUNCTION.
Figure 2-23. FUNCTION3 Register
31 30 29 28 27 26 25 24
RESERVED MATCHED
R/W-0h R/W-0h
23 22 21 20 19 18 17 16
RESERVED
R/W-0h
15 14 13 12 11 10 9 8
RESERVED
R/W-0h
76543210
RESERVED EMITRANGE RESERVED FUNCTION
R/W-0h R/W-0h R/W-0h R/W-0h
Table 2-46. FUNCTION3 Register Field Descriptions
Bit Field Type Reset Description
31-25 RESERVED R/W 0h Software should not rely on the value of a reserved. Writing any
other value than the reset value may result in undefined behavior.
24 MATCHED R/W 0h This bit is set when the comparator matches, and indicates that the
operation defined by FUNCTION has occurred since this bit was last
read. This bit is cleared on read.
23-6 RESERVED R/W 0h Software should not rely on the value of a reserved. Writing any
other value than the reset value may result in undefined behavior.
5 EMITRANGE R/W 0h Emit range field. This bit permits emitting offset when range match
occurs. PC sampling is not supported when emit range is enabled.
This field only applies for: FUNCTION = 1, 2, 3, 12, 13, 14, and 15.
4 RESERVED R/W 0h Software should not rely on the value of a reserved. Writing any
other value than the reset value may result in undefined behavior.

www.ti.com
Cortex-M3 Processor Registers
75
SWCU117F–February 2015–Revised June 2016
Submit Documentation Feedback Copyright © 2015–2016, Texas Instruments Incorporated
Table 2-46. FUNCTION3 Register Field Descriptions (continued)
Bit Field Type Reset Description
3-0 FUNCTION R/W 0h Function settings.
0x0: Disabled
0x1: EMITRANGE = 0, sample and emit PC through ITM.
EMITRANGE = 1, emit address offset through ITM
0x2: EMITRANGE = 0, emit data through ITM on read and write.
EMITRANGE = 1, emit data and address offset through ITM on read
or write.
0x3: EMITRANGE = 0, sample PC and data value through ITM on
read or write. EMITRANGE = 1, emit address offset and data value
through ITM on read or write.
0x4: Watchpoint on PC match.
0x5: Watchpoint on read.
0x6: Watchpoint on write.
0x7: Watchpoint on read or write.
0x8: ETM trigger on PC match
0x9: ETM trigger on read
0xA: ETM trigger on write
0xB: ETM trigger on read or write
0xC: EMITRANGE = 0, sample data for read transfers. EMITRANGE
= 1, sample Daddr (lower 16 bits) for read transfers
0xD: EMITRANGE = 0, sample data for write transfers. EMITRANGE
= 1, sample Daddr (lower 16 bits) for write transfers
0xE: EMITRANGE = 0, sample PC + data for read transfers.
EMITRANGE = 1, sample Daddr (lower 16 bits) + data for read
transfers
0xF: EMITRANGE = 0, sample PC + data for write transfers.
EMITRANGE = 1, sample Daddr (lower 16 bits) + data for write
transfers
Note 1: If the ETM is not fitted, then ETM trigger is not possible.
Note 2: Data value is only sampled for accesses that do not fault
(MPU or bus fault). The PC is sampled irrespective of any faults. The
PC is only sampled for the first address of a burst.
Note 3: PC match is not recommended for watchpoints because it
stops after the instruction. It mainly guards and triggers the ETM.
2.7.2 CPU_FPB Registers
Table 2-47 lists the memory-mapped registers for the CPU_FPB. All register offset addresses not listed in
Table 2-47 should be considered as reserved locations and the register contents should not be modified.
Table 2-47. CPU_FPB Registers
Offset Acronym Register Name Section
0h CTRL Control Section 2.7.2.1
4h REMAP Remap Section 2.7.2.2
8h COMP0 Comparator 0 Section 2.7.2.3
Ch COMP1 Comparator 1 Section 2.7.2.4
10h COMP2 Comparator 2 Section 2.7.2.5
14h COMP3 Comparator 3 Section 2.7.2.6
18h COMP4 Comparator 4 Section 2.7.2.7
1Ch COMP5 Comparator 5 Section 2.7.2.8
20h COMP6 Comparator 6 Section 2.7.2.9
24h COMP7 Comparator 7 Section 2.7.2.10

Cortex-M3 Processor Registers
www.ti.com
76 SWCU117F–February 2015–Revised June 2016
Submit Documentation Feedback
Copyright © 2015–2016, Texas Instruments Incorporated
2.7.2.1 CTRL Register (Offset = 0h) [reset = 260h]
CTRL is shown in Figure 2-24 and described in Table 2-48.
Return to Summary Table.
Control
This register is used to enable the flash patch block.
Figure 2-24. CTRL Register
31 30 29 28 27 26 25 24
RESERVED
R-0h
23 22 21 20 19 18 17 16
RESERVED
R-0h
15 14 13 12 11 10 9 8
RESERVED NUM_CODE2 NUM_LIT
R-0h R-0h R-2h
76543210
NUM_CODE1 RESERVED KEY ENABLE
R-6h R-0h W-0h R/W-0h
Table 2-48. CTRL Register Field Descriptions
Bit Field Type Reset Description
31-14 RESERVED R 0h Software should not rely on the value of a reserved. Writing any
other value than the reset value may result in undefined behavior.
13-12 NUM_CODE2 R 0h Number of full banks of code comparators, sixteen comparators per
bank. Where less than sixteen code comparators are provided, the
bank count is zero, and the number present indicated by
NUM_CODE1. This read only field contains 3'b000 to indicate 0
banks for Cortex-M processor.
11-8 NUM_LIT R 2h Number of literal slots field.
0x0: No literal slots
0x2: Two literal slots
7-4 NUM_CODE1 R 6h Number of code slots field.
0x0: No code slots
0x2: Two code slots
0x6: Six code slots
3-2 RESERVED R 0h Software should not rely on the value of a reserved. Writing any
other value than the reset value may result in undefined behavior.
1 KEY W 0h Key field. In order to write to this register, this bit-field must be
written to '1'. This bit always reads 0.
0 ENABLE R/W 0h Flash patch unit enable bit
0x0: Flash patch unit disabled
0x1: Flash patch unit enabled

www.ti.com
Cortex-M3 Processor Registers
77
SWCU117F–February 2015–Revised June 2016
Submit Documentation Feedback Copyright © 2015–2016, Texas Instruments Incorporated
2.7.2.2 REMAP Register (Offset = 4h) [reset = X]
REMAP is shown in Figure 2-25 and described in Table 2-49.
Return to Summary Table.
Remap
This register provides the remap base address location where a matched addresses are remapped. The
three most significant bits and the five least significant bits of the remap base address are hard-coded to
3'b001 and 5'b00000 respectively. The remap base address must be in system space and is it required to
be 8-word aligned, with one word allocated to each of the eight FPB comparators.
Figure 2-25. REMAP Register
31 30 29 28 27 26 25 24 23 22 21 20 19 18 17 16
RESERVED REMAP
R-1h R/W-X
15 14 13 12 11 10 9 8 7 6 5 4 3 2 1 0
REMAP RESERVED
R/W-X R-0h
Table 2-49. REMAP Register Field Descriptions
Bit Field Type Reset Description
31-29 RESERVED R 1h This field always reads 3'b001. Writing to this field is ignored.
28-5 REMAP R/W X Remap base address field.
4-0 RESERVED R 0h This field always reads 0. Writing to this field is ignored.

Cortex-M3 Processor Registers
www.ti.com
78 SWCU117F–February 2015–Revised June 2016
Submit Documentation Feedback
Copyright © 2015–2016, Texas Instruments Incorporated
2.7.2.3 COMP0 Register (Offset = 8h) [reset = 0h]
COMP0 is shown in Figure 2-26 and described in Table 2-50.
Return to Summary Table.
Comparator 0
Figure 2-26. COMP0 Register
31 30 29 28 27 26 25 24
REPLACE RESERVED COMP
R/W-0h R/W-0h R/W-0h
23 22 21 20 19 18 17 16
COMP
R/W-0h
15 14 13 12 11 10 9 8
COMP
R/W-0h
76543210
COMP RESERVED ENABLE
R/W-0h R/W-0h R/W-0h
Table 2-50. COMP0 Register Field Descriptions
Bit Field Type Reset Description
31-30 REPLACE R/W 0h This selects what happens when the COMP address is matched.
Address remapping only takes place for the 0x0 setting.
0x0: Remap to remap address. See REMAP.REMAP
0x1: Set BKPT on lower halfword, upper is unaffected
0x2: Set BKPT on upper halfword, lower is unaffected
0x3: Set BKPT on both lower and upper halfwords.
29 RESERVED R/W 0h Software should not rely on the value of a reserved. Writing any
other value than the reset value may result in undefined behavior.
28-2 COMP R/W 0h Comparison address.
1 RESERVED R/W 0h Software should not rely on the value of a reserved. Writing any
other value than the reset value may result in undefined behavior.
0 ENABLE R/W 0h Compare and remap enable comparator 0. CTRL.ENABLE must also
be set to enable comparisons.
0x0: Compare and remap for comparator 0 disabled
0x1: Compare and remap for comparator 0 enabled

www.ti.com
Cortex-M3 Processor Registers
79
SWCU117F–February 2015–Revised June 2016
Submit Documentation Feedback Copyright © 2015–2016, Texas Instruments Incorporated
2.7.2.4 COMP1 Register (Offset = Ch) [reset = 0h]
COMP1 is shown in Figure 2-27 and described in Table 2-51.
Return to Summary Table.
Comparator 1
Figure 2-27. COMP1 Register
31 30 29 28 27 26 25 24
REPLACE RESERVED COMP
R/W-0h R/W-0h R/W-0h
23 22 21 20 19 18 17 16
COMP
R/W-0h
15 14 13 12 11 10 9 8
COMP
R/W-0h
76543210
COMP RESERVED ENABLE
R/W-0h R/W-0h R/W-0h
Table 2-51. COMP1 Register Field Descriptions
Bit Field Type Reset Description
31-30 REPLACE R/W 0h This selects what happens when the COMP address is matched.
Address remapping only takes place for the 0x0 setting.
0x0: Remap to remap address. See REMAP.REMAP
0x1: Set BKPT on lower halfword, upper is unaffected
0x2: Set BKPT on upper halfword, lower is unaffected
0x3: Set BKPT on both lower and upper halfwords.
29 RESERVED R/W 0h Software should not rely on the value of a reserved. Writing any
other value than the reset value may result in undefined behavior.
28-2 COMP R/W 0h Comparison address.
1 RESERVED R/W 0h Software should not rely on the value of a reserved. Writing any
other value than the reset value may result in undefined behavior.
0 ENABLE R/W 0h Compare and remap enable comparator 1. CTRL.ENABLE must also
be set to enable comparisons.
0x0: Compare and remap for comparator 1 disabled
0x1: Compare and remap for comparator 1 enabled

Cortex-M3 Processor Registers
www.ti.com
80 SWCU117F–February 2015–Revised June 2016
Submit Documentation Feedback
Copyright © 2015–2016, Texas Instruments Incorporated
2.7.2.5 COMP2 Register (Offset = 10h) [reset = 0h]
COMP2 is shown in Figure 2-28 and described in Table 2-52.
Return to Summary Table.
Comparator 2
Figure 2-28. COMP2 Register
31 30 29 28 27 26 25 24
REPLACE RESERVED COMP
R/W-0h R/W-0h R/W-0h
23 22 21 20 19 18 17 16
COMP
R/W-0h
15 14 13 12 11 10 9 8
COMP
R/W-0h
76543210
COMP RESERVED ENABLE
R/W-0h R/W-0h R/W-0h
Table 2-52. COMP2 Register Field Descriptions
Bit Field Type Reset Description
31-30 REPLACE R/W 0h This selects what happens when the COMP address is matched.
Address remapping only takes place for the 0x0 setting.
0x0: Remap to remap address. See REMAP.REMAP
0x1: Set BKPT on lower halfword, upper is unaffected
0x2: Set BKPT on upper halfword, lower is unaffected
0x3: Set BKPT on both lower and upper halfwords.
29 RESERVED R/W 0h Software should not rely on the value of a reserved. Writing any
other value than the reset value may result in undefined behavior.
28-2 COMP R/W 0h Comparison address.
1 RESERVED R/W 0h Software should not rely on the value of a reserved. Writing any
other value than the reset value may result in undefined behavior.
0 ENABLE R/W 0h Compare and remap enable comparator 2. CTRL.ENABLE must also
be set to enable comparisons.
0x0: Compare and remap for comparator 2 disabled
0x1: Compare and remap for comparator 2 enabled

www.ti.com
Cortex-M3 Processor Registers
81
SWCU117F–February 2015–Revised June 2016
Submit Documentation Feedback Copyright © 2015–2016, Texas Instruments Incorporated
2.7.2.6 COMP3 Register (Offset = 14h) [reset = 0h]
COMP3 is shown in Figure 2-29 and described in Table 2-53.
Return to Summary Table.
Comparator 3
Figure 2-29. COMP3 Register
31 30 29 28 27 26 25 24
REPLACE RESERVED COMP
R/W-0h R/W-0h R/W-0h
23 22 21 20 19 18 17 16
COMP
R/W-0h
15 14 13 12 11 10 9 8
COMP
R/W-0h
76543210
COMP RESERVED ENABLE
R/W-0h R/W-0h R/W-0h
Table 2-53. COMP3 Register Field Descriptions
Bit Field Type Reset Description
31-30 REPLACE R/W 0h This selects what happens when the COMP address is matched.
Address remapping only takes place for the 0x0 setting.
0x0: Remap to remap address. See REMAP.REMAP
0x1: Set BKPT on lower halfword, upper is unaffected
0x2: Set BKPT on upper halfword, lower is unaffected
0x3: Set BKPT on both lower and upper halfwords.
29 RESERVED R/W 0h Software should not rely on the value of a reserved. Writing any
other value than the reset value may result in undefined behavior.
28-2 COMP R/W 0h Comparison address.
1 RESERVED R/W 0h Software should not rely on the value of a reserved. Writing any
other value than the reset value may result in undefined behavior.
0 ENABLE R/W 0h Compare and remap enable comparator 3. CTRL.ENABLE must also
be set to enable comparisons.
0x0: Compare and remap for comparator 3 disabled
0x1: Compare and remap for comparator 3 enabled

Cortex-M3 Processor Registers
www.ti.com
82 SWCU117F–February 2015–Revised June 2016
Submit Documentation Feedback
Copyright © 2015–2016, Texas Instruments Incorporated
2.7.2.7 COMP4 Register (Offset = 18h) [reset = 0h]
COMP4 is shown in Figure 2-30 and described in Table 2-54.
Return to Summary Table.
Comparator 4
Figure 2-30. COMP4 Register
31 30 29 28 27 26 25 24
REPLACE RESERVED COMP
R/W-0h R/W-0h R/W-0h
23 22 21 20 19 18 17 16
COMP
R/W-0h
15 14 13 12 11 10 9 8
COMP
R/W-0h
76543210
COMP RESERVED ENABLE
R/W-0h R/W-0h R/W-0h
Table 2-54. COMP4 Register Field Descriptions
Bit Field Type Reset Description
31-30 REPLACE R/W 0h This selects what happens when the COMP address is matched.
Address remapping only takes place for the 0x0 setting.
0x0: Remap to remap address. See REMAP.REMAP
0x1: Set BKPT on lower halfword, upper is unaffected
0x2: Set BKPT on upper halfword, lower is unaffected
0x3: Set BKPT on both lower and upper halfwords.
29 RESERVED R/W 0h Software should not rely on the value of a reserved. Writing any
other value than the reset value may result in undefined behavior.
28-2 COMP R/W 0h Comparison address.
1 RESERVED R/W 0h Software should not rely on the value of a reserved. Writing any
other value than the reset value may result in undefined behavior.
0 ENABLE R/W 0h Compare and remap enable comparator 4. CTRL.ENABLE must also
be set to enable comparisons.
0x0: Compare and remap for comparator 4 disabled
0x1: Compare and remap for comparator 4 enabled

www.ti.com
Cortex-M3 Processor Registers
83
SWCU117F–February 2015–Revised June 2016
Submit Documentation Feedback Copyright © 2015–2016, Texas Instruments Incorporated
2.7.2.8 COMP5 Register (Offset = 1Ch) [reset = 0h]
COMP5 is shown in Figure 2-31 and described in Table 2-55.
Return to Summary Table.
Comparator 5
Figure 2-31. COMP5 Register
31 30 29 28 27 26 25 24
REPLACE RESERVED COMP
R/W-0h R/W-0h R/W-0h
23 22 21 20 19 18 17 16
COMP
R/W-0h
15 14 13 12 11 10 9 8
COMP
R/W-0h
76543210
COMP RESERVED ENABLE
R/W-0h R/W-0h R/W-0h
Table 2-55. COMP5 Register Field Descriptions
Bit Field Type Reset Description
31-30 REPLACE R/W 0h This selects what happens when the COMP address is matched.
Address remapping only takes place for the 0x0 setting.
0x0: Remap to remap address. See REMAP.REMAP
0x1: Set BKPT on lower halfword, upper is unaffected
0x2: Set BKPT on upper halfword, lower is unaffected
0x3: Set BKPT on both lower and upper halfwords.
29 RESERVED R/W 0h Software should not rely on the value of a reserved. Writing any
other value than the reset value may result in undefined behavior.
28-2 COMP R/W 0h Comparison address.
1 RESERVED R/W 0h Software should not rely on the value of a reserved. Writing any
other value than the reset value may result in undefined behavior.
0 ENABLE R/W 0h Compare and remap enable comparator 5. CTRL.ENABLE must also
be set to enable comparisons.
0x0: Compare and remap for comparator 5 disabled
0x1: Compare and remap for comparator 5 enabled

Cortex-M3 Processor Registers
www.ti.com
84 SWCU117F–February 2015–Revised June 2016
Submit Documentation Feedback
Copyright © 2015–2016, Texas Instruments Incorporated
2.7.2.9 COMP6 Register (Offset = 20h) [reset = 0h]
COMP6 is shown in Figure 2-32 and described in Table 2-56.
Return to Summary Table.
Comparator 6
Figure 2-32. COMP6 Register
31 30 29 28 27 26 25 24
REPLACE RESERVED COMP
R/W-0h R/W-0h R/W-0h
23 22 21 20 19 18 17 16
COMP
R/W-0h
15 14 13 12 11 10 9 8
COMP
R/W-0h
76543210
COMP RESERVED ENABLE
R/W-0h R/W-0h R/W-0h
Table 2-56. COMP6 Register Field Descriptions
Bit Field Type Reset Description
31-30 REPLACE R/W 0h This selects what happens when the COMP address is matched.
Comparator 6 is a literal comparator and the only supported setting
is 0x0. Other settings will be ignored.
0x0: Remap to remap address. See REMAP.REMAP
0x1: Set BKPT on lower halfword, upper is unaffected
0x2: Set BKPT on upper halfword, lower is unaffected
0x3: Set BKPT on both lower and upper halfwords.
29 RESERVED R/W 0h Software should not rely on the value of a reserved. Writing any
other value than the reset value may result in undefined behavior.
28-2 COMP R/W 0h Comparison address.
1 RESERVED R/W 0h Software should not rely on the value of a reserved. Writing any
other value than the reset value may result in undefined behavior.
0 ENABLE R/W 0h Compare and remap enable comparator 6. CTRL.ENABLE must also
be set to enable comparisons.
0x0: Compare and remap for comparator 6 disabled
0x1: Compare and remap for comparator 6 enabled

www.ti.com
Cortex-M3 Processor Registers
85
SWCU117F–February 2015–Revised June 2016
Submit Documentation Feedback Copyright © 2015–2016, Texas Instruments Incorporated
2.7.2.10 COMP7 Register (Offset = 24h) [reset = 0h]
COMP7 is shown in Figure 2-33 and described in Table 2-57.
Return to Summary Table.
Comparator 7
Figure 2-33. COMP7 Register
31 30 29 28 27 26 25 24
REPLACE RESERVED COMP
R/W-0h R/W-0h R/W-0h
23 22 21 20 19 18 17 16
COMP
R/W-0h
15 14 13 12 11 10 9 8
COMP
R/W-0h
76543210
COMP RESERVED ENABLE
R/W-0h R/W-0h R/W-0h
Table 2-57. COMP7 Register Field Descriptions
Bit Field Type Reset Description
31-30 REPLACE R/W 0h This selects what happens when the COMP address is matched.
Comparator 7 is a literal comparator and the only supported setting
is 0x0. Other settings will be ignored.
0x0: Remap to remap address. See REMAP.REMAP
0x1: Set BKPT on lower halfword, upper is unaffected
0x2: Set BKPT on upper halfword, lower is unaffected
0x3: Set BKPT on both lower and upper halfwords.
29 RESERVED R/W 0h Software should not rely on the value of a reserved. Writing any
other value than the reset value may result in undefined behavior.
28-2 COMP R/W 0h Comparison address.
1 RESERVED R/W 0h Software should not rely on the value of a reserved. Writing any
other value than the reset value may result in undefined behavior.
0 ENABLE R/W 0h Compare and remap enable comparator 7. CTRL.ENABLE must also
be set to enable comparisons.
0x0: Compare and remap for comparator 7 disabled
0x1: Compare and remap for comparator 7 enabled
2.7.3 CPU_ITM Registers
Table 2-58 lists the memory-mapped registers for the CPU_ITM. All register offset addresses not listed in
Table 2-58 should be considered as reserved locations and the register contents should not be modified.
Table 2-58. CPU_ITM Registers
Offset Acronym Register Name Section
0h STIM0 Stimulus Port 0 Section 2.7.3.1
4h STIM1 Stimulus Port 1 Section 2.7.3.2
8h STIM2 Stimulus Port 2 Section 2.7.3.3
Ch STIM3 Stimulus Port 3 Section 2.7.3.4
10h STIM4 Stimulus Port 4 Section 2.7.3.5
14h STIM5 Stimulus Port 5 Section 2.7.3.6
18h STIM6 Stimulus Port 6 Section 2.7.3.7
1Ch STIM7 Stimulus Port 7 Section 2.7.3.8

Cortex-M3 Processor Registers
www.ti.com
86 SWCU117F–February 2015–Revised June 2016
Submit Documentation Feedback
Copyright © 2015–2016, Texas Instruments Incorporated
Table 2-58. CPU_ITM Registers (continued)
Offset Acronym Register Name Section
20h STIM8 Stimulus Port 8 Section 2.7.3.9
24h STIM9 Stimulus Port 9 Section 2.7.3.10
28h STIM10 Stimulus Port 10 Section 2.7.3.11
2Ch STIM11 Stimulus Port 11 Section 2.7.3.12
30h STIM12 Stimulus Port 12 Section 2.7.3.13
34h STIM13 Stimulus Port 13 Section 2.7.3.14
38h STIM14 Stimulus Port 14 Section 2.7.3.15
3Ch STIM15 Stimulus Port 15 Section 2.7.3.16
40h STIM16 Stimulus Port 16 Section 2.7.3.17
44h STIM17 Stimulus Port 17 Section 2.7.3.18
48h STIM18 Stimulus Port 18 Section 2.7.3.19
4Ch STIM19 Stimulus Port 19 Section 2.7.3.20
50h STIM20 Stimulus Port 20 Section 2.7.3.21
54h STIM21 Stimulus Port 21 Section 2.7.3.22
58h STIM22 Stimulus Port 22 Section 2.7.3.23
5Ch STIM23 Stimulus Port 23 Section 2.7.3.24
60h STIM24 Stimulus Port 24 Section 2.7.3.25
64h STIM25 Stimulus Port 25 Section 2.7.3.26
68h STIM26 Stimulus Port 26 Section 2.7.3.27
6Ch STIM27 Stimulus Port 27 Section 2.7.3.28
70h STIM28 Stimulus Port 28 Section 2.7.3.29
74h STIM29 Stimulus Port 29 Section 2.7.3.30
78h STIM30 Stimulus Port 30 Section 2.7.3.31
7Ch STIM31 Stimulus Port 31 Section 2.7.3.32
E00h TER Trace Enable Section 2.7.3.33
E40h TPR Trace Privilege Section 2.7.3.34
E80h TCR Trace Control Section 2.7.3.35
FB0h LAR Lock Access Section 2.7.3.36
FB4h LSR Lock Status Section 2.7.3.37

www.ti.com
Cortex-M3 Processor Registers
87
SWCU117F–February 2015–Revised June 2016
Submit Documentation Feedback Copyright © 2015–2016, Texas Instruments Incorporated
2.7.3.1 STIM0 Register (Offset = 0h) [reset = X]
STIM0 is shown in Figure 2-34 and described in Table 2-59.
Return to Summary Table.
Stimulus Port 0
Figure 2-34. STIM0 Register
31 30 29 28 27 26 25 24 23 22 21 20 19 18 17 16 15 14 13 12 11 10 9 8 7 6 5 4 3 2 1 0
STIM0
R/W-X
Table 2-59. STIM0 Register Field Descriptions
Bit Field Type Reset Description
31-0 STIM0 R/W X A write to this location causes data to be written into the FIFO if
TER.STIMENA0 is set. Reading from the stimulus port returns the
FIFO status in bit [0]: 0 = full, 1 = not full. The polled FIFO interface
does not provide an atomic read-modify-write, so it's users
responsibility to ensure exclusive read-modify-write if this ITM port is
used concurrently by interrupts or other threads.

Cortex-M3 Processor Registers
www.ti.com
88 SWCU117F–February 2015–Revised June 2016
Submit Documentation Feedback
Copyright © 2015–2016, Texas Instruments Incorporated
2.7.3.2 STIM1 Register (Offset = 4h) [reset = X]
STIM1 is shown in Figure 2-35 and described in Table 2-60.
Return to Summary Table.
Stimulus Port 1
Figure 2-35. STIM1 Register
31 30 29 28 27 26 25 24 23 22 21 20 19 18 17 16 15 14 13 12 11 10 9 8 7 6 5 4 3 2 1 0
STIM1
R/W-X
Table 2-60. STIM1 Register Field Descriptions
Bit Field Type Reset Description
31-0 STIM1 R/W X A write to this location causes data to be written into the FIFO if
TER.STIMENA1 is set. Reading from the stimulus port returns the
FIFO status in bit [0]: 0 = full, 1 = not full. The polled FIFO interface
does not provide an atomic read-modify-write, so it's users
responsibility to ensure exclusive read-modify-write if this ITM port is
used concurrently by interrupts or other threads.

www.ti.com
Cortex-M3 Processor Registers
89
SWCU117F–February 2015–Revised June 2016
Submit Documentation Feedback Copyright © 2015–2016, Texas Instruments Incorporated
2.7.3.3 STIM2 Register (Offset = 8h) [reset = X]
STIM2 is shown in Figure 2-36 and described in Table 2-61.
Return to Summary Table.
Stimulus Port 2
Figure 2-36. STIM2 Register
31 30 29 28 27 26 25 24 23 22 21 20 19 18 17 16 15 14 13 12 11 10 9 8 7 6 5 4 3 2 1 0
STIM2
R/W-X
Table 2-61. STIM2 Register Field Descriptions
Bit Field Type Reset Description
31-0 STIM2 R/W X A write to this location causes data to be written into the FIFO if
TER.STIMENA2 is set. Reading from the stimulus port returns the
FIFO status in bit [0]: 0 = full, 1 = not full. The polled FIFO interface
does not provide an atomic read-modify-write, so it's users
responsibility to ensure exclusive read-modify-write if this ITM port is
used concurrently by interrupts or other threads.

Cortex-M3 Processor Registers
www.ti.com
90 SWCU117F–February 2015–Revised June 2016
Submit Documentation Feedback
Copyright © 2015–2016, Texas Instruments Incorporated
2.7.3.4 STIM3 Register (Offset = Ch) [reset = X]
STIM3 is shown in Figure 2-37 and described in Table 2-62.
Return to Summary Table.
Stimulus Port 3
Figure 2-37. STIM3 Register
31 30 29 28 27 26 25 24 23 22 21 20 19 18 17 16 15 14 13 12 11 10 9 8 7 6 5 4 3 2 1 0
STIM3
R/W-X
Table 2-62. STIM3 Register Field Descriptions
Bit Field Type Reset Description
31-0 STIM3 R/W X A write to this location causes data to be written into the FIFO if
TER.STIMENA3 is set. Reading from the stimulus port returns the
FIFO status in bit [0]: 0 = full, 1 = not full. The polled FIFO interface
does not provide an atomic read-modify-write, so it's users
responsibility to ensure exclusive read-modify-write if this ITM port is
used concurrently by interrupts or other threads.

www.ti.com
Cortex-M3 Processor Registers
91
SWCU117F–February 2015–Revised June 2016
Submit Documentation Feedback Copyright © 2015–2016, Texas Instruments Incorporated
2.7.3.5 STIM4 Register (Offset = 10h) [reset = X]
STIM4 is shown in Figure 2-38 and described in Table 2-63.
Return to Summary Table.
Stimulus Port 4
Figure 2-38. STIM4 Register
31 30 29 28 27 26 25 24 23 22 21 20 19 18 17 16 15 14 13 12 11 10 9 8 7 6 5 4 3 2 1 0
STIM4
R/W-X
Table 2-63. STIM4 Register Field Descriptions
Bit Field Type Reset Description
31-0 STIM4 R/W X A write to this location causes data to be written into the FIFO if
TER.STIMENA4 is set. Reading from the stimulus port returns the
FIFO status in bit [0]: 0 = full, 1 = not full. The polled FIFO interface
does not provide an atomic read-modify-write, so it's users
responsibility to ensure exclusive read-modify-write if this ITM port is
used concurrently by interrupts or other threads.

Cortex-M3 Processor Registers
www.ti.com
92 SWCU117F–February 2015–Revised June 2016
Submit Documentation Feedback
Copyright © 2015–2016, Texas Instruments Incorporated
2.7.3.6 STIM5 Register (Offset = 14h) [reset = X]
STIM5 is shown in Figure 2-39 and described in Table 2-64.
Return to Summary Table.
Stimulus Port 5
Figure 2-39. STIM5 Register
31 30 29 28 27 26 25 24 23 22 21 20 19 18 17 16 15 14 13 12 11 10 9 8 7 6 5 4 3 2 1 0
STIM5
R/W-X
Table 2-64. STIM5 Register Field Descriptions
Bit Field Type Reset Description
31-0 STIM5 R/W X A write to this location causes data to be written into the FIFO if
TER.STIMENA5 is set. Reading from the stimulus port returns the
FIFO status in bit [0]: 0 = full, 1 = not full. The polled FIFO interface
does not provide an atomic read-modify-write, so it's users
responsibility to ensure exclusive read-modify-write if this ITM port is
used concurrently by interrupts or other threads.

www.ti.com
Cortex-M3 Processor Registers
93
SWCU117F–February 2015–Revised June 2016
Submit Documentation Feedback Copyright © 2015–2016, Texas Instruments Incorporated
2.7.3.7 STIM6 Register (Offset = 18h) [reset = X]
STIM6 is shown in Figure 2-40 and described in Table 2-65.
Return to Summary Table.
Stimulus Port 6
Figure 2-40. STIM6 Register
31 30 29 28 27 26 25 24 23 22 21 20 19 18 17 16 15 14 13 12 11 10 9 8 7 6 5 4 3 2 1 0
STIM6
R/W-X
Table 2-65. STIM6 Register Field Descriptions
Bit Field Type Reset Description
31-0 STIM6 R/W X A write to this location causes data to be written into the FIFO if
TER.STIMENA6 is set. Reading from the stimulus port returns the
FIFO status in bit [0]: 0 = full, 1 = not full. The polled FIFO interface
does not provide an atomic read-modify-write, so it's users
responsibility to ensure exclusive read-modify-write if this ITM port is
used concurrently by interrupts or other threads.

Cortex-M3 Processor Registers
www.ti.com
94 SWCU117F–February 2015–Revised June 2016
Submit Documentation Feedback
Copyright © 2015–2016, Texas Instruments Incorporated
2.7.3.8 STIM7 Register (Offset = 1Ch) [reset = X]
STIM7 is shown in Figure 2-41 and described in Table 2-66.
Return to Summary Table.
Stimulus Port 7
Figure 2-41. STIM7 Register
31 30 29 28 27 26 25 24 23 22 21 20 19 18 17 16 15 14 13 12 11 10 9 8 7 6 5 4 3 2 1 0
STIM7
R/W-X
Table 2-66. STIM7 Register Field Descriptions
Bit Field Type Reset Description
31-0 STIM7 R/W X A write to this location causes data to be written into the FIFO if
TER.STIMENA7 is set. Reading from the stimulus port returns the
FIFO status in bit [0]: 0 = full, 1 = not full. The polled FIFO interface
does not provide an atomic read-modify-write, so it's users
responsibility to ensure exclusive read-modify-write if this ITM port is
used concurrently by interrupts or other threads.

www.ti.com
Cortex-M3 Processor Registers
95
SWCU117F–February 2015–Revised June 2016
Submit Documentation Feedback Copyright © 2015–2016, Texas Instruments Incorporated
2.7.3.9 STIM8 Register (Offset = 20h) [reset = X]
STIM8 is shown in Figure 2-42 and described in Table 2-67.
Return to Summary Table.
Stimulus Port 8
Figure 2-42. STIM8 Register
31 30 29 28 27 26 25 24 23 22 21 20 19 18 17 16 15 14 13 12 11 10 9 8 7 6 5 4 3 2 1 0
STIM8
R/W-X
Table 2-67. STIM8 Register Field Descriptions
Bit Field Type Reset Description
31-0 STIM8 R/W X A write to this location causes data to be written into the FIFO if
TER.STIMENA8 is set. Reading from the stimulus port returns the
FIFO status in bit [0]: 0 = full, 1 = not full. The polled FIFO interface
does not provide an atomic read-modify-write, so it's users
responsibility to ensure exclusive read-modify-write if this ITM port is
used concurrently by interrupts or other threads.

Cortex-M3 Processor Registers
www.ti.com
96 SWCU117F–February 2015–Revised June 2016
Submit Documentation Feedback
Copyright © 2015–2016, Texas Instruments Incorporated
2.7.3.10 STIM9 Register (Offset = 24h) [reset = X]
STIM9 is shown in Figure 2-43 and described in Table 2-68.
Return to Summary Table.
Stimulus Port 9
Figure 2-43. STIM9 Register
31 30 29 28 27 26 25 24 23 22 21 20 19 18 17 16 15 14 13 12 11 10 9 8 7 6 5 4 3 2 1 0
STIM9
R/W-X
Table 2-68. STIM9 Register Field Descriptions
Bit Field Type Reset Description
31-0 STIM9 R/W X A write to this location causes data to be written into the FIFO if
TER.STIMENA9 is set. Reading from the stimulus port returns the
FIFO status in bit [0]: 0 = full, 1 = not full. The polled FIFO interface
does not provide an atomic read-modify-write, so it's users
responsibility to ensure exclusive read-modify-write if this ITM port is
used concurrently by interrupts or other threads.

www.ti.com
Cortex-M3 Processor Registers
97
SWCU117F–February 2015–Revised June 2016
Submit Documentation Feedback Copyright © 2015–2016, Texas Instruments Incorporated
2.7.3.11 STIM10 Register (Offset = 28h) [reset = X]
STIM10 is shown in Figure 2-44 and described in Table 2-69.
Return to Summary Table.
Stimulus Port 10
Figure 2-44. STIM10 Register
31 30 29 28 27 26 25 24 23 22 21 20 19 18 17 16 15 14 13 12 11 10 9 8 7 6 5 4 3 2 1 0
STIM10
R/W-X
Table 2-69. STIM10 Register Field Descriptions
Bit Field Type Reset Description
31-0 STIM10 R/W X A write to this location causes data to be written into the FIFO if
TER.STIMENA10 is set. Reading from the stimulus port returns the
FIFO status in bit [0]: 0 = full, 1 = not full. The polled FIFO interface
does not provide an atomic read-modify-write, so it's users
responsibility to ensure exclusive read-modify-write if this ITM port is
used concurrently by interrupts or other threads.

Cortex-M3 Processor Registers
www.ti.com
98 SWCU117F–February 2015–Revised June 2016
Submit Documentation Feedback
Copyright © 2015–2016, Texas Instruments Incorporated
2.7.3.12 STIM11 Register (Offset = 2Ch) [reset = X]
STIM11 is shown in Figure 2-45 and described in Table 2-70.
Return to Summary Table.
Stimulus Port 11
Figure 2-45. STIM11 Register
31 30 29 28 27 26 25 24 23 22 21 20 19 18 17 16 15 14 13 12 11 10 9 8 7 6 5 4 3 2 1 0
STIM11
R/W-X
Table 2-70. STIM11 Register Field Descriptions
Bit Field Type Reset Description
31-0 STIM11 R/W X A write to this location causes data to be written into the FIFO if
TER.STIMENA11 is set. Reading from the stimulus port returns the
FIFO status in bit [0]: 0 = full, 1 = not full. The polled FIFO interface
does not provide an atomic read-modify-write, so it's users
responsibility to ensure exclusive read-modify-write if this ITM port is
used concurrently by interrupts or other threads.

www.ti.com
Cortex-M3 Processor Registers
99
SWCU117F–February 2015–Revised June 2016
Submit Documentation Feedback Copyright © 2015–2016, Texas Instruments Incorporated
2.7.3.13 STIM12 Register (Offset = 30h) [reset = X]
STIM12 is shown in Figure 2-46 and described in Table 2-71.
Return to Summary Table.
Stimulus Port 12
Figure 2-46. STIM12 Register
31 30 29 28 27 26 25 24 23 22 21 20 19 18 17 16 15 14 13 12 11 10 9 8 7 6 5 4 3 2 1 0
STIM12
R/W-X
Table 2-71. STIM12 Register Field Descriptions
Bit Field Type Reset Description
31-0 STIM12 R/W X A write to this location causes data to be written into the FIFO if
TER.STIMENA12 is set. Reading from the stimulus port returns the
FIFO status in bit [0]: 0 = full, 1 = not full. The polled FIFO interface
does not provide an atomic read-modify-write, so it's users
responsibility to ensure exclusive read-modify-write if this ITM port is
used concurrently by interrupts or other threads.

Cortex-M3 Processor Registers
www.ti.com
100 SWCU117F–February 2015–Revised June 2016
Submit Documentation Feedback
Copyright © 2015–2016, Texas Instruments Incorporated
2.7.3.14 STIM13 Register (Offset = 34h) [reset = X]
STIM13 is shown in Figure 2-47 and described in Table 2-72.
Return to Summary Table.
Stimulus Port 13
Figure 2-47. STIM13 Register
31 30 29 28 27 26 25 24 23 22 21 20 19 18 17 16 15 14 13 12 11 10 9 8 7 6 5 4 3 2 1 0
STIM13
R/W-X
Table 2-72. STIM13 Register Field Descriptions
Bit Field Type Reset Description
31-0 STIM13 R/W X A write to this location causes data to be written into the FIFO if
TER.STIMENA13 is set. Reading from the stimulus port returns the
FIFO status in bit [0]: 0 = full, 1 = not full. The polled FIFO interface
does not provide an atomic read-modify-write, so it's users
responsibility to ensure exclusive read-modify-write if this ITM port is
used concurrently by interrupts or other threads.

www.ti.com
Cortex-M3 Processor Registers
101
SWCU117F–February 2015–Revised June 2016
Submit Documentation Feedback Copyright © 2015–2016, Texas Instruments Incorporated
2.7.3.15 STIM14 Register (Offset = 38h) [reset = X]
STIM14 is shown in Figure 2-48 and described in Table 2-73.
Return to Summary Table.
Stimulus Port 14
Figure 2-48. STIM14 Register
31 30 29 28 27 26 25 24 23 22 21 20 19 18 17 16 15 14 13 12 11 10 9 8 7 6 5 4 3 2 1 0
STIM14
R/W-X
Table 2-73. STIM14 Register Field Descriptions
Bit Field Type Reset Description
31-0 STIM14 R/W X A write to this location causes data to be written into the FIFO if
TER.STIMENA14 is set. Reading from the stimulus port returns the
FIFO status in bit [0]: 0 = full, 1 = not full. The polled FIFO interface
does not provide an atomic read-modify-write, so it's users
responsibility to ensure exclusive read-modify-write if this ITM port is
used concurrently by interrupts or other threads.

Cortex-M3 Processor Registers
www.ti.com
102 SWCU117F–February 2015–Revised June 2016
Submit Documentation Feedback
Copyright © 2015–2016, Texas Instruments Incorporated
2.7.3.16 STIM15 Register (Offset = 3Ch) [reset = X]
STIM15 is shown in Figure 2-49 and described in Table 2-74.
Return to Summary Table.
Stimulus Port 15
Figure 2-49. STIM15 Register
31 30 29 28 27 26 25 24 23 22 21 20 19 18 17 16 15 14 13 12 11 10 9 8 7 6 5 4 3 2 1 0
STIM15
R/W-X
Table 2-74. STIM15 Register Field Descriptions
Bit Field Type Reset Description
31-0 STIM15 R/W X A write to this location causes data to be written into the FIFO if
TER.STIMENA15 is set. Reading from the stimulus port returns the
FIFO status in bit [0]: 0 = full, 1 = not full. The polled FIFO interface
does not provide an atomic read-modify-write, so it's users
responsibility to ensure exclusive read-modify-write if this ITM port is
used concurrently by interrupts or other threads.

www.ti.com
Cortex-M3 Processor Registers
103
SWCU117F–February 2015–Revised June 2016
Submit Documentation Feedback Copyright © 2015–2016, Texas Instruments Incorporated
2.7.3.17 STIM16 Register (Offset = 40h) [reset = X]
STIM16 is shown in Figure 2-50 and described in Table 2-75.
Return to Summary Table.
Stimulus Port 16
Figure 2-50. STIM16 Register
31 30 29 28 27 26 25 24 23 22 21 20 19 18 17 16 15 14 13 12 11 10 9 8 7 6 5 4 3 2 1 0
STIM16
R/W-X
Table 2-75. STIM16 Register Field Descriptions
Bit Field Type Reset Description
31-0 STIM16 R/W X A write to this location causes data to be written into the FIFO if
TER.STIMENA16 is set. Reading from the stimulus port returns the
FIFO status in bit [0]: 0 = full, 1 = not full. The polled FIFO interface
does not provide an atomic read-modify-write, so it's users
responsibility to ensure exclusive read-modify-write if this ITM port is
used concurrently by interrupts or other threads.

Cortex-M3 Processor Registers
www.ti.com
104 SWCU117F–February 2015–Revised June 2016
Submit Documentation Feedback
Copyright © 2015–2016, Texas Instruments Incorporated
2.7.3.18 STIM17 Register (Offset = 44h) [reset = X]
STIM17 is shown in Figure 2-51 and described in Table 2-76.
Return to Summary Table.
Stimulus Port 17
Figure 2-51. STIM17 Register
31 30 29 28 27 26 25 24 23 22 21 20 19 18 17 16 15 14 13 12 11 10 9 8 7 6 5 4 3 2 1 0
STIM17
R/W-X
Table 2-76. STIM17 Register Field Descriptions
Bit Field Type Reset Description
31-0 STIM17 R/W X A write to this location causes data to be written into the FIFO if
TER.STIMENA17 is set. Reading from the stimulus port returns the
FIFO status in bit [0]: 0 = full, 1 = not full. The polled FIFO interface
does not provide an atomic read-modify-write, so it's users
responsibility to ensure exclusive read-modify-write if this ITM port is
used concurrently by interrupts or other threads.

www.ti.com
Cortex-M3 Processor Registers
105
SWCU117F–February 2015–Revised June 2016
Submit Documentation Feedback Copyright © 2015–2016, Texas Instruments Incorporated
2.7.3.19 STIM18 Register (Offset = 48h) [reset = X]
STIM18 is shown in Figure 2-52 and described in Table 2-77.
Return to Summary Table.
Stimulus Port 18
Figure 2-52. STIM18 Register
31 30 29 28 27 26 25 24 23 22 21 20 19 18 17 16 15 14 13 12 11 10 9 8 7 6 5 4 3 2 1 0
STIM18
R/W-X
Table 2-77. STIM18 Register Field Descriptions
Bit Field Type Reset Description
31-0 STIM18 R/W X A write to this location causes data to be written into the FIFO if
TER.STIMENA18 is set. Reading from the stimulus port returns the
FIFO status in bit [0]: 0 = full, 1 = not full. The polled FIFO interface
does not provide an atomic read-modify-write, so it's users
responsibility to ensure exclusive read-modify-write if this ITM port is
used concurrently by interrupts or other threads.

Cortex-M3 Processor Registers
www.ti.com
106 SWCU117F–February 2015–Revised June 2016
Submit Documentation Feedback
Copyright © 2015–2016, Texas Instruments Incorporated
2.7.3.20 STIM19 Register (Offset = 4Ch) [reset = X]
STIM19 is shown in Figure 2-53 and described in Table 2-78.
Return to Summary Table.
Stimulus Port 19
Figure 2-53. STIM19 Register
31 30 29 28 27 26 25 24 23 22 21 20 19 18 17 16 15 14 13 12 11 10 9 8 7 6 5 4 3 2 1 0
STIM19
R/W-X
Table 2-78. STIM19 Register Field Descriptions
Bit Field Type Reset Description
31-0 STIM19 R/W X A write to this location causes data to be written into the FIFO if
TER.STIMENA19 is set. Reading from the stimulus port returns the
FIFO status in bit [0]: 0 = full, 1 = not full. The polled FIFO interface
does not provide an atomic read-modify-write, so it's users
responsibility to ensure exclusive read-modify-write if this ITM port is
used concurrently by interrupts or other threads.

www.ti.com
Cortex-M3 Processor Registers
107
SWCU117F–February 2015–Revised June 2016
Submit Documentation Feedback Copyright © 2015–2016, Texas Instruments Incorporated
2.7.3.21 STIM20 Register (Offset = 50h) [reset = X]
STIM20 is shown in Figure 2-54 and described in Table 2-79.
Return to Summary Table.
Stimulus Port 20
Figure 2-54. STIM20 Register
31 30 29 28 27 26 25 24 23 22 21 20 19 18 17 16 15 14 13 12 11 10 9 8 7 6 5 4 3 2 1 0
STIM20
R/W-X
Table 2-79. STIM20 Register Field Descriptions
Bit Field Type Reset Description
31-0 STIM20 R/W X A write to this location causes data to be written into the FIFO if
TER.STIMENA20 is set. Reading from the stimulus port returns the
FIFO status in bit [0]: 0 = full, 1 = not full. The polled FIFO interface
does not provide an atomic read-modify-write, so it's users
responsibility to ensure exclusive read-modify-write if this ITM port is
used concurrently by interrupts or other threads.

Cortex-M3 Processor Registers
www.ti.com
108 SWCU117F–February 2015–Revised June 2016
Submit Documentation Feedback
Copyright © 2015–2016, Texas Instruments Incorporated
2.7.3.22 STIM21 Register (Offset = 54h) [reset = X]
STIM21 is shown in Figure 2-55 and described in Table 2-80.
Return to Summary Table.
Stimulus Port 21
Figure 2-55. STIM21 Register
31 30 29 28 27 26 25 24 23 22 21 20 19 18 17 16 15 14 13 12 11 10 9 8 7 6 5 4 3 2 1 0
STIM21
R/W-X
Table 2-80. STIM21 Register Field Descriptions
Bit Field Type Reset Description
31-0 STIM21 R/W X A write to this location causes data to be written into the FIFO if
TER.STIMENA21 is set. Reading from the stimulus port returns the
FIFO status in bit [0]: 0 = full, 1 = not full. The polled FIFO interface
does not provide an atomic read-modify-write, so it's users
responsibility to ensure exclusive read-modify-write if this ITM port is
used concurrently by interrupts or other threads.

www.ti.com
Cortex-M3 Processor Registers
109
SWCU117F–February 2015–Revised June 2016
Submit Documentation Feedback Copyright © 2015–2016, Texas Instruments Incorporated
2.7.3.23 STIM22 Register (Offset = 58h) [reset = X]
STIM22 is shown in Figure 2-56 and described in Table 2-81.
Return to Summary Table.
Stimulus Port 22
Figure 2-56. STIM22 Register
31 30 29 28 27 26 25 24 23 22 21 20 19 18 17 16 15 14 13 12 11 10 9 8 7 6 5 4 3 2 1 0
STIM22
R/W-X
Table 2-81. STIM22 Register Field Descriptions
Bit Field Type Reset Description
31-0 STIM22 R/W X A write to this location causes data to be written into the FIFO if
TER.STIMENA22 is set. Reading from the stimulus port returns the
FIFO status in bit [0]: 0 = full, 1 = not full. The polled FIFO interface
does not provide an atomic read-modify-write, so it's users
responsibility to ensure exclusive read-modify-write if this ITM port is
used concurrently by interrupts or other threads.

Cortex-M3 Processor Registers
www.ti.com
110 SWCU117F–February 2015–Revised June 2016
Submit Documentation Feedback
Copyright © 2015–2016, Texas Instruments Incorporated
2.7.3.24 STIM23 Register (Offset = 5Ch) [reset = X]
STIM23 is shown in Figure 2-57 and described in Table 2-82.
Return to Summary Table.
Stimulus Port 23
Figure 2-57. STIM23 Register
31 30 29 28 27 26 25 24 23 22 21 20 19 18 17 16 15 14 13 12 11 10 9 8 7 6 5 4 3 2 1 0
STIM23
R/W-X
Table 2-82. STIM23 Register Field Descriptions
Bit Field Type Reset Description
31-0 STIM23 R/W X A write to this location causes data to be written into the FIFO if
TER.STIMENA23 is set. Reading from the stimulus port returns the
FIFO status in bit [0]: 0 = full, 1 = not full. The polled FIFO interface
does not provide an atomic read-modify-write, so it's users
responsibility to ensure exclusive read-modify-write if this ITM port is
used concurrently by interrupts or other threads.

www.ti.com
Cortex-M3 Processor Registers
111
SWCU117F–February 2015–Revised June 2016
Submit Documentation Feedback Copyright © 2015–2016, Texas Instruments Incorporated
2.7.3.25 STIM24 Register (Offset = 60h) [reset = X]
STIM24 is shown in Figure 2-58 and described in Table 2-83.
Return to Summary Table.
Stimulus Port 24
Figure 2-58. STIM24 Register
31 30 29 28 27 26 25 24 23 22 21 20 19 18 17 16 15 14 13 12 11 10 9 8 7 6 5 4 3 2 1 0
STIM24
R/W-X
Table 2-83. STIM24 Register Field Descriptions
Bit Field Type Reset Description
31-0 STIM24 R/W X A write to this location causes data to be written into the FIFO if
TER.STIMENA24 is set. Reading from the stimulus port returns the
FIFO status in bit [0]: 0 = full, 1 = not full. The polled FIFO interface
does not provide an atomic read-modify-write, so it's users
responsibility to ensure exclusive read-modify-write if this ITM port is
used concurrently by interrupts or other threads.

Cortex-M3 Processor Registers
www.ti.com
112 SWCU117F–February 2015–Revised June 2016
Submit Documentation Feedback
Copyright © 2015–2016, Texas Instruments Incorporated
2.7.3.26 STIM25 Register (Offset = 64h) [reset = X]
STIM25 is shown in Figure 2-59 and described in Table 2-84.
Return to Summary Table.
Stimulus Port 25
Figure 2-59. STIM25 Register
31 30 29 28 27 26 25 24 23 22 21 20 19 18 17 16 15 14 13 12 11 10 9 8 7 6 5 4 3 2 1 0
STIM25
R/W-X
Table 2-84. STIM25 Register Field Descriptions
Bit Field Type Reset Description
31-0 STIM25 R/W X A write to this location causes data to be written into the FIFO if
TER.STIMENA25 is set. Reading from the stimulus port returns the
FIFO status in bit [0]: 0 = full, 1 = not full. The polled FIFO interface
does not provide an atomic read-modify-write, so it's users
responsibility to ensure exclusive read-modify-write if this ITM port is
used concurrently by interrupts or other threads.

www.ti.com
Cortex-M3 Processor Registers
113
SWCU117F–February 2015–Revised June 2016
Submit Documentation Feedback Copyright © 2015–2016, Texas Instruments Incorporated
2.7.3.27 STIM26 Register (Offset = 68h) [reset = X]
STIM26 is shown in Figure 2-60 and described in Table 2-85.
Return to Summary Table.
Stimulus Port 26
Figure 2-60. STIM26 Register
31 30 29 28 27 26 25 24 23 22 21 20 19 18 17 16 15 14 13 12 11 10 9 8 7 6 5 4 3 2 1 0
STIM26
R/W-X
Table 2-85. STIM26 Register Field Descriptions
Bit Field Type Reset Description
31-0 STIM26 R/W X A write to this location causes data to be written into the FIFO if
TER.STIMENA26 is set. Reading from the stimulus port returns the
FIFO status in bit [0]: 0 = full, 1 = not full. The polled FIFO interface
does not provide an atomic read-modify-write, so it's users
responsibility to ensure exclusive read-modify-write if this ITM port is
used concurrently by interrupts or other threads.

Cortex-M3 Processor Registers
www.ti.com
114 SWCU117F–February 2015–Revised June 2016
Submit Documentation Feedback
Copyright © 2015–2016, Texas Instruments Incorporated
2.7.3.28 STIM27 Register (Offset = 6Ch) [reset = X]
STIM27 is shown in Figure 2-61 and described in Table 2-86.
Return to Summary Table.
Stimulus Port 27
Figure 2-61. STIM27 Register
31 30 29 28 27 26 25 24 23 22 21 20 19 18 17 16 15 14 13 12 11 10 9 8 7 6 5 4 3 2 1 0
STIM27
R/W-X
Table 2-86. STIM27 Register Field Descriptions
Bit Field Type Reset Description
31-0 STIM27 R/W X A write to this location causes data to be written into the FIFO if
TER.STIMENA27 is set. Reading from the stimulus port returns the
FIFO status in bit [0]: 0 = full, 1 = not full. The polled FIFO interface
does not provide an atomic read-modify-write, so it's users
responsibility to ensure exclusive read-modify-write if this ITM port is
used concurrently by interrupts or other threads.

www.ti.com
Cortex-M3 Processor Registers
115
SWCU117F–February 2015–Revised June 2016
Submit Documentation Feedback Copyright © 2015–2016, Texas Instruments Incorporated
2.7.3.29 STIM28 Register (Offset = 70h) [reset = X]
STIM28 is shown in Figure 2-62 and described in Table 2-87.
Return to Summary Table.
Stimulus Port 28
Figure 2-62. STIM28 Register
31 30 29 28 27 26 25 24 23 22 21 20 19 18 17 16 15 14 13 12 11 10 9 8 7 6 5 4 3 2 1 0
STIM28
R/W-X
Table 2-87. STIM28 Register Field Descriptions
Bit Field Type Reset Description
31-0 STIM28 R/W X A write to this location causes data to be written into the FIFO if
TER.STIMENA28 is set. Reading from the stimulus port returns the
FIFO status in bit [0]: 0 = full, 1 = not full. The polled FIFO interface
does not provide an atomic read-modify-write, so it's users
responsibility to ensure exclusive read-modify-write if this ITM port is
used concurrently by interrupts or other threads.

Cortex-M3 Processor Registers
www.ti.com
116 SWCU117F–February 2015–Revised June 2016
Submit Documentation Feedback
Copyright © 2015–2016, Texas Instruments Incorporated
2.7.3.30 STIM29 Register (Offset = 74h) [reset = X]
STIM29 is shown in Figure 2-63 and described in Table 2-88.
Return to Summary Table.
Stimulus Port 29
Figure 2-63. STIM29 Register
31 30 29 28 27 26 25 24 23 22 21 20 19 18 17 16 15 14 13 12 11 10 9 8 7 6 5 4 3 2 1 0
STIM29
R/W-X
Table 2-88. STIM29 Register Field Descriptions
Bit Field Type Reset Description
31-0 STIM29 R/W X A write to this location causes data to be written into the FIFO if
TER.STIMENA29 is set. Reading from the stimulus port returns the
FIFO status in bit [0]: 0 = full, 1 = not full. The polled FIFO interface
does not provide an atomic read-modify-write, so it's users
responsibility to ensure exclusive read-modify-write if this ITM port is
used concurrently by interrupts or other threads.

www.ti.com
Cortex-M3 Processor Registers
117
SWCU117F–February 2015–Revised June 2016
Submit Documentation Feedback Copyright © 2015–2016, Texas Instruments Incorporated
2.7.3.31 STIM30 Register (Offset = 78h) [reset = X]
STIM30 is shown in Figure 2-64 and described in Table 2-89.
Return to Summary Table.
Stimulus Port 30
Figure 2-64. STIM30 Register
31 30 29 28 27 26 25 24 23 22 21 20 19 18 17 16 15 14 13 12 11 10 9 8 7 6 5 4 3 2 1 0
STIM30
R/W-X
Table 2-89. STIM30 Register Field Descriptions
Bit Field Type Reset Description
31-0 STIM30 R/W X A write to this location causes data to be written into the FIFO if
TER.STIMENA30 is set. Reading from the stimulus port returns the
FIFO status in bit [0]: 0 = full, 1 = not full. The polled FIFO interface
does not provide an atomic read-modify-write, so it's users
responsibility to ensure exclusive read-modify-write if this ITM port is
used concurrently by interrupts or other threads.

Cortex-M3 Processor Registers
www.ti.com
118 SWCU117F–February 2015–Revised June 2016
Submit Documentation Feedback
Copyright © 2015–2016, Texas Instruments Incorporated
2.7.3.32 STIM31 Register (Offset = 7Ch) [reset = X]
STIM31 is shown in Figure 2-65 and described in Table 2-90.
Return to Summary Table.
Stimulus Port 31
Figure 2-65. STIM31 Register
31 30 29 28 27 26 25 24 23 22 21 20 19 18 17 16 15 14 13 12 11 10 9 8 7 6 5 4 3 2 1 0
STIM31
R/W-X
Table 2-90. STIM31 Register Field Descriptions
Bit Field Type Reset Description
31-0 STIM31 R/W X A write to this location causes data to be written into the FIFO if
TER.STIMENA31 is set. Reading from the stimulus port returns the
FIFO status in bit [0]: 0 = full, 1 = not full. The polled FIFO interface
does not provide an atomic read-modify-write, so it's users
responsibility to ensure exclusive read-modify-write if this ITM port is
used concurrently by interrupts or other threads.

www.ti.com
Cortex-M3 Processor Registers
119
SWCU117F–February 2015–Revised June 2016
Submit Documentation Feedback Copyright © 2015–2016, Texas Instruments Incorporated
2.7.3.33 TER Register (Offset = E00h) [reset = 0h]
TER is shown in Figure 2-66 and described in Table 2-91.
Return to Summary Table.
Trace Enable
Use the Trace Enable Register to generate trace data by writing to the corresponding stimulus port. Note:
Privileged writes are accepted to this register if TCR.ITMENA is set. User writes are accepted to this
register if TCR.ITMENA is set and the appropriate privilege mask is cleared. Privileged access to the
stimulus ports enables an RTOS kernel to guarantee instrumentation slots or bandwidth as required.
Figure 2-66. TER Register
31 30 29 28 27 26 25 24
STIMENA31 STIMENA30 STIMENA29 STIMENA28 STIMENA27 STIMENA26 STIMENA25 STIMENA24
R/W-0h R/W-0h R/W-0h R/W-0h R/W-0h R/W-0h R/W-0h R/W-0h
23 22 21 20 19 18 17 16
STIMENA23 STIMENA22 STIMENA21 STIMENA20 STIMENA19 STIMENA18 STIMENA17 STIMENA16
R/W-0h R/W-0h R/W-0h R/W-0h R/W-0h R/W-0h R/W-0h R/W-0h
15 14 13 12 11 10 9 8
STIMENA15 STIMENA14 STIMENA13 STIMENA12 STIMENA11 STIMENA10 STIMENA9 STIMENA8
R/W-0h R/W-0h R/W-0h R/W-0h R/W-0h R/W-0h R/W-0h R/W-0h
76543210
STIMENA7 STIMENA6 STIMENA5 STIMENA4 STIMENA3 STIMENA2 STIMENA1 STIMENA0
R/W-0h R/W-0h R/W-0h R/W-0h R/W-0h R/W-0h R/W-0h R/W-0h
Table 2-91. TER Register Field Descriptions
Bit Field Type Reset Description
31 STIMENA31 R/W 0h Bit mask to enable tracing on ITM stimulus port 31.
30 STIMENA30 R/W 0h Bit mask to enable tracing on ITM stimulus port 30.
29 STIMENA29 R/W 0h Bit mask to enable tracing on ITM stimulus port 29.
28 STIMENA28 R/W 0h Bit mask to enable tracing on ITM stimulus port 28.
27 STIMENA27 R/W 0h Bit mask to enable tracing on ITM stimulus port 27.
26 STIMENA26 R/W 0h Bit mask to enable tracing on ITM stimulus port 26.
25 STIMENA25 R/W 0h Bit mask to enable tracing on ITM stimulus port 25.
24 STIMENA24 R/W 0h Bit mask to enable tracing on ITM stimulus port 24.
23 STIMENA23 R/W 0h Bit mask to enable tracing on ITM stimulus port 23.
22 STIMENA22 R/W 0h Bit mask to enable tracing on ITM stimulus port 22.
21 STIMENA21 R/W 0h Bit mask to enable tracing on ITM stimulus port 21.
20 STIMENA20 R/W 0h Bit mask to enable tracing on ITM stimulus port 20.
19 STIMENA19 R/W 0h Bit mask to enable tracing on ITM stimulus port 19.
18 STIMENA18 R/W 0h Bit mask to enable tracing on ITM stimulus port 18.
17 STIMENA17 R/W 0h Bit mask to enable tracing on ITM stimulus port 17.
16 STIMENA16 R/W 0h Bit mask to enable tracing on ITM stimulus port 16.
15 STIMENA15 R/W 0h Bit mask to enable tracing on ITM stimulus port 15.
14 STIMENA14 R/W 0h Bit mask to enable tracing on ITM stimulus port 14.
13 STIMENA13 R/W 0h Bit mask to enable tracing on ITM stimulus port 13.
12 STIMENA12 R/W 0h Bit mask to enable tracing on ITM stimulus port 12.
11 STIMENA11 R/W 0h Bit mask to enable tracing on ITM stimulus port 11.

Cortex-M3 Processor Registers
www.ti.com
120 SWCU117F–February 2015–Revised June 2016
Submit Documentation Feedback
Copyright © 2015–2016, Texas Instruments Incorporated
Table 2-91. TER Register Field Descriptions (continued)
Bit Field Type Reset Description
10 STIMENA10 R/W 0h Bit mask to enable tracing on ITM stimulus port 10.
9 STIMENA9 R/W 0h Bit mask to enable tracing on ITM stimulus port 9.
8 STIMENA8 R/W 0h Bit mask to enable tracing on ITM stimulus port 8.
7 STIMENA7 R/W 0h Bit mask to enable tracing on ITM stimulus port 7.
6 STIMENA6 R/W 0h Bit mask to enable tracing on ITM stimulus port 6.
5 STIMENA5 R/W 0h Bit mask to enable tracing on ITM stimulus port 5.
4 STIMENA4 R/W 0h Bit mask to enable tracing on ITM stimulus port 4.
3 STIMENA3 R/W 0h Bit mask to enable tracing on ITM stimulus port 3.
2 STIMENA2 R/W 0h Bit mask to enable tracing on ITM stimulus port 2.
1 STIMENA1 R/W 0h Bit mask to enable tracing on ITM stimulus port 1.
0 STIMENA0 R/W 0h Bit mask to enable tracing on ITM stimulus port 0.

www.ti.com
Cortex-M3 Processor Registers
121
SWCU117F–February 2015–Revised June 2016
Submit Documentation Feedback Copyright © 2015–2016, Texas Instruments Incorporated
2.7.3.34 TPR Register (Offset = E40h) [reset = 0h]
TPR is shown in Figure 2-67 and described in Table 2-92.
Return to Summary Table.
Trace Privilege
This register is used to enable an operating system to control which stimulus ports are accessible by user
code. This register can only be used in privileged mode.
Figure 2-67. TPR Register
31 30 29 28 27 26 25 24 23 22 21 20 19 18 17 16
RESERVED
R/W-0h
15 14 13 12 11 10 9 8 7 6 5 4 3 2 1 0
RESERVED PRIVMASK
R/W-0h R/W-0h
Table 2-92. TPR Register Field Descriptions
Bit Field Type Reset Description
31-4 RESERVED R/W 0h Software should not rely on the value of a reserved. Writing any
other value than the reset value may result in undefined behavior.
3-0 PRIVMASK R/W 0h Bit mask to enable unprivileged (User) access to ITM stimulus ports:
Bit [0] enables stimulus ports 0, 1, ..., and 7.
Bit [1] enables stimulus ports 8, 9, ..., and 15.
Bit [2] enables stimulus ports 16, 17, ..., and 23.
Bit [3] enables stimulus ports 24, 25, ..., and 31.
0: User access allowed to stimulus ports
1: Privileged access only to stimulus ports

Cortex-M3 Processor Registers
www.ti.com
122 SWCU117F–February 2015–Revised June 2016
Submit Documentation Feedback
Copyright © 2015–2016, Texas Instruments Incorporated
2.7.3.35 TCR Register (Offset = E80h) [reset = 0h]
TCR is shown in Figure 2-68 and described in Table 2-93.
Return to Summary Table.
Trace Control
Use this register to configure and control ITM transfers. This register can only be written in privilege mode.
DWT is not enabled in the ITM block. However, DWT stimulus entry into the FIFO is controlled by
DWTENA. If DWT requires timestamping, the TSENA bit must be set.
Figure 2-68. TCR Register
31 30 29 28 27 26 25 24
RESERVED
R/W-0h
23 22 21 20 19 18 17 16
BUSY ATBID
R/W-0h R/W-0h
15 14 13 12 11 10 9 8
RESERVED TSPRESCALE
R/W-0h R/W-0h
76543210
RESERVED SWOENA DWTENA SYNCENA TSENA ITMENA
R/W-0h R/W-0h R/W-0h R/W-0h R/W-0h R/W-0h
Table 2-93. TCR Register Field Descriptions
Bit Field Type Reset Description
31-24 RESERVED R/W 0h Software should not rely on the value of a reserved. Writing any
other value than the reset value may result in undefined behavior.
23 BUSY R/W 0h Set when ITM events present and being drained.
22-16 ATBID R/W 0h Trace Bus ID for CoreSight system. Optional identifier for multi-
source trace stream formatting. If multi-source trace is in use, this
field must be written with a non-zero value.
15-10 RESERVED R/W 0h Software should not rely on the value of a reserved. Writing any
other value than the reset value may result in undefined behavior.
9-8 TSPRESCALE R/W 0h Timestamp prescaler
0h = No prescaling
1h = Divide by 4
2h = Divide by 16
3h = Divide by 64
7-5 RESERVED R/W 0h Software should not rely on the value of a reserved. Writing any
other value than the reset value may result in undefined behavior.
4 SWOENA R/W 0h Enables asynchronous clocking of the timestamp counter (when
TSENA = 1). If TSENA = 0, writing this bit to 1 does not enable
asynchronous clocking of the timestamp counter.
0x0: Mode disabled. Timestamp counter uses system clock from the
core and counts continuously.
0x1: Timestamp counter uses lineout (data related) clock from TPIU
interface. The timestamp counter is held in reset while the output line
is idle.
3 DWTENA R/W 0h Enables the DWT stimulus (hardware event packet emission to the
TPIU from the DWT)
2 SYNCENA R/W 0h Enables synchronization packet transmission for a synchronous
TPIU.
CPU_DWT:CTRL.SYNCTAP must be configured for the correct
synchronization speed.

www.ti.com
Cortex-M3 Processor Registers
123
SWCU117F–February 2015–Revised June 2016
Submit Documentation Feedback Copyright © 2015–2016, Texas Instruments Incorporated
Table 2-93. TCR Register Field Descriptions (continued)
Bit Field Type Reset Description
1 TSENA R/W 0h Enables differential timestamps. Differential timestamps are emitted
when a packet is written to the FIFO with a non-zero timestamp
counter, and when the timestamp counter overflows. Timestamps
are emitted during idle times after a fixed number of two million
cycles. This provides a time reference for packets and inter-packet
gaps. If SWOENA (bit [4]) is set, timestamps are triggered by activity
on the internal trace bus only. In this case there is no regular
timestamp output when the ITM is idle.
0 ITMENA R/W 0h Enables ITM. This is the master enable, and must be set before ITM
Stimulus and Trace Enable registers can be written.

Cortex-M3 Processor Registers
www.ti.com
124 SWCU117F–February 2015–Revised June 2016
Submit Documentation Feedback
Copyright © 2015–2016, Texas Instruments Incorporated
2.7.3.36 LAR Register (Offset = FB0h) [reset = 0h]
LAR is shown in Figure 2-69 and described in Table 2-94.
Return to Summary Table.
Lock Access
This register is used to prevent write accesses to the Control Registers: TER, TPR and TCR.
Figure 2-69. LAR Register
31 30 29 28 27 26 25 24 23 22 21 20 19 18 17 16 15 14 13 12 11 10 9 8 7 6 5 4 3 2 1 0
LOCK_ACCESS
W-0h
Table 2-94. LAR Register Field Descriptions
Bit Field Type Reset Description
31-0 LOCK_ACCESS W 0h A privileged write of 0xC5ACCE55 enables more write access to
Control Registers TER, TPR and TCR. An invalid write removes
write access.

www.ti.com
Cortex-M3 Processor Registers
125
SWCU117F–February 2015–Revised June 2016
Submit Documentation Feedback Copyright © 2015–2016, Texas Instruments Incorporated
2.7.3.37 LSR Register (Offset = FB4h) [reset = 3h]
LSR is shown in Figure 2-70 and described in Table 2-95.
Return to Summary Table.
Lock Status
Use this register to enable write accesses to the Control Register.
Figure 2-70. LSR Register
31 30 29 28 27 26 25 24
RESERVED
R-0h
23 22 21 20 19 18 17 16
RESERVED
R-0h
15 14 13 12 11 10 9 8
RESERVED
R-0h
76543210
RESERVED BYTEACC ACCESS PRESENT
R-0h R-0h R-1h R-1h
Table 2-95. LSR Register Field Descriptions
Bit Field Type Reset Description
31-3 RESERVED R 0h Software should not rely on the value of a reserved. Writing any
other value than the reset value may result in undefined behavior.
2 BYTEACC R 0h Reads 0 which means 8-bit lock access is not be implemented.
1 ACCESS R 1h Write access to component is blocked. All writes are ignored, reads
are permitted.
0 PRESENT R 1h Indicates that a lock mechanism exists for this component.
2.7.4 CPU_SCS Registers
Table 2-96 lists the memory-mapped registers for the CPU_SCS. All register offset addresses not listed in
Table 2-96 should be considered as reserved locations and the register contents should not be modified.
Table 2-96. CPU_SCS Registers
Offset Acronym Register Name Section
4h ICTR Interrupt Control Type Section 2.7.4.1
8h ACTLR Auxiliary Control Section 2.7.4.2
10h STCSR SysTick Control and Status Section 2.7.4.3
14h STRVR SysTick Reload Value Section 2.7.4.4
18h STCVR SysTick Current Value Section 2.7.4.5
1Ch STCR SysTick Calibration Value Section 2.7.4.6
100h NVIC_ISER0 Irq 0 to 31 Set Enable Section 2.7.4.7
104h NVIC_ISER1 Irq 32 to 63 Set Enable Section 2.7.4.8
180h NVIC_ICER0 Irq 0 to 31 Clear Enable Section 2.7.4.9
184h NVIC_ICER1 Irq 32 to 63 Clear Enable Section 2.7.4.10
200h NVIC_ISPR0 Irq 0 to 31 Set Pending Section 2.7.4.11
204h NVIC_ISPR1 Irq 32 to 63 Set Pending Section 2.7.4.12
280h NVIC_ICPR0 Irq 0 to 31 Clear Pending Section 2.7.4.13
284h NVIC_ICPR1 Irq 32 to 63 Clear Pending Section 2.7.4.14

Cortex-M3 Processor Registers
www.ti.com
126 SWCU117F–February 2015–Revised June 2016
Submit Documentation Feedback
Copyright © 2015–2016, Texas Instruments Incorporated
Table 2-96. CPU_SCS Registers (continued)
Offset Acronym Register Name Section
300h NVIC_IABR0 Irq 0 to 31 Active Bit Section 2.7.4.15
304h NVIC_IABR1 Irq 32 to 63 Active Bit Section 2.7.4.16
400h NVIC_IPR0 Irq 0 to 3 Priority Section 2.7.4.17
404h NVIC_IPR1 Irq 4 to 7 Priority Section 2.7.4.18
408h NVIC_IPR2 Irq 8 to 11 Priority Section 2.7.4.19
40Ch NVIC_IPR3 Irq 12 to 15 Priority Section 2.7.4.20
410h NVIC_IPR4 Irq 16 to 19 Priority Section 2.7.4.21
414h NVIC_IPR5 Irq 20 to 23 Priority Section 2.7.4.22
418h NVIC_IPR6 Irq 24 to 27 Priority Section 2.7.4.23
41Ch NVIC_IPR7 Irq 28 to 31 Priority Section 2.7.4.24
420h NVIC_IPR8 Irq 32 to 35 Priority Section 2.7.4.25
D00h CPUID CPUID Base Section 2.7.4.26
D04h ICSR Interrupt Control State Section 2.7.4.27
D08h VTOR Vector Table Offset Section 2.7.4.28
D0Ch AIRCR Application Interrupt/Reset Control Section 2.7.4.29
D10h SCR System Control Section 2.7.4.30
D14h CCR Configuration Control Section 2.7.4.31
D18h SHPR1 System Handlers 4-7 Priority Section 2.7.4.32
D1Ch SHPR2 System Handlers 8-11 Priority Section 2.7.4.33
D20h SHPR3 System Handlers 12-15 Priority Section 2.7.4.34
D24h SHCSR System Handler Control and State Section 2.7.4.35
D28h CFSR Configurable Fault Status Section 2.7.4.36
D2Ch HFSR Hard Fault Status Section 2.7.4.37
D30h DFSR Debug Fault Status Section 2.7.4.38
D34h MMFAR Mem Manage Fault Address Section 2.7.4.39
D38h BFAR Bus Fault Address Section 2.7.4.40
D3Ch AFSR Auxiliary Fault Status Section 2.7.4.41
D40h ID_PFR0 Processor Feature 0 Section 2.7.4.42
D44h ID_PFR1 Processor Feature 1 Section 2.7.4.43
D48h ID_DFR0 Debug Feature 0 Section 2.7.4.44
D4Ch ID_AFR0 Auxiliary Feature 0 Section 2.7.4.45
D50h ID_MMFR0 Memory Model Feature 0 Section 2.7.4.46
D54h ID_MMFR1 Memory Model Feature 1 Section 2.7.4.47
D58h ID_MMFR2 Memory Model Feature 2 Section 2.7.4.48
D5Ch ID_MMFR3 Memory Model Feature 3 Section 2.7.4.49
D60h ID_ISAR0 ISA Feature 0 Section 2.7.4.50
D64h ID_ISAR1 ISA Feature 1 Section 2.7.4.51
D68h ID_ISAR2 ISA Feature 2 Section 2.7.4.52
D6Ch ID_ISAR3 ISA Feature 3 Section 2.7.4.53
D70h ID_ISAR4 ISA Feature 4 Section 2.7.4.54
D88h CPACR Coprocessor Access Control Section 2.7.4.55
DF0h DHCSR Debug Halting Control and Status Section 2.7.4.56
DF4h DCRSR Deubg Core Register Selector Section 2.7.4.57
DF8h DCRDR Debug Core Register Data Section 2.7.4.58
DFCh DEMCR Debug Exception and Monitor Control Section 2.7.4.59
F00h STIR Software Trigger Interrupt Section 2.7.4.60

www.ti.com
Cortex-M3 Processor Registers
127
SWCU117F–February 2015–Revised June 2016
Submit Documentation Feedback Copyright © 2015–2016, Texas Instruments Incorporated
2.7.4.1 ICTR Register (Offset = 4h) [reset = 1h]
ICTR is shown in Figure 2-71 and described in Table 2-97.
Return to Summary Table.
Interrupt Control Type
Read this register to see the number of interrupt lines that the NVIC supports.
Figure 2-71. ICTR Register
31 30 29 28 27 26 25 24
RESERVED
R-0h
23 22 21 20 19 18 17 16
RESERVED
R-0h
15 14 13 12 11 10 9 8
RESERVED
R-0h
76543210
RESERVED INTLINESNUM
R-0h R-1h
Table 2-97. ICTR Register Field Descriptions
Bit Field Type Reset Description
31-3 RESERVED R 0h Software should not rely on the value of a reserved. Writing any
other value than the reset value may result in undefined behavior.
2-0 INTLINESNUM R 1h Total number of interrupt lines in groups of 32.
0: 0...32
1: 33...64
2: 65...96
3: 97...128
4: 129...160
5: 161...192
6: 193...224
7: 225...256

Cortex-M3 Processor Registers
www.ti.com
128 SWCU117F–February 2015–Revised June 2016
Submit Documentation Feedback
Copyright © 2015–2016, Texas Instruments Incorporated
2.7.4.2 ACTLR Register (Offset = 8h) [reset = 0h]
ACTLR is shown in Figure 2-72 and described in Table 2-98.
Return to Summary Table.
Auxiliary Control
This register is used to disable certain aspects of functionality within the processor
Figure 2-72. ACTLR Register
31 30 29 28 27 26 25 24
RESERVED
R/W-0h
23 22 21 20 19 18 17 16
RESERVED
R/W-0h
15 14 13 12 11 10 9 8
RESERVED
R/W-0h
76543210
RESERVED DISFOLD DISDEFWBUF DISMCYCINT
R/W-0h R/W-0h R/W-0h R/W-0h
Table 2-98. ACTLR Register Field Descriptions
Bit Field Type Reset Description
31-3 RESERVED R/W 0h Software should not rely on the value of a reserved. Writing any
other value than the reset value may result in undefined behavior.
2 DISFOLD R/W 0h Disables folding of IT instruction.
1 DISDEFWBUF R/W 0h Disables write buffer use during default memory map accesses. This
causes all bus faults to be precise bus faults but decreases the
performance of the processor because the stores to memory have to
complete before the next instruction can be executed.
0 DISMCYCINT R/W 0h Disables interruption of multi-cycle instructions. This increases the
interrupt latency of the processor becuase LDM/STM completes
before interrupt stacking occurs.

www.ti.com
Cortex-M3 Processor Registers
129
SWCU117F–February 2015–Revised June 2016
Submit Documentation Feedback Copyright © 2015–2016, Texas Instruments Incorporated
2.7.4.3 STCSR Register (Offset = 10h) [reset = 4h]
STCSR is shown in Figure 2-73 and described in Table 2-99.
Return to Summary Table.
SysTick Control and Status
This register enables the SysTick features and returns status flags related to SysTick.
Figure 2-73. STCSR Register
31 30 29 28 27 26 25 24
RESERVED
R-0h
23 22 21 20 19 18 17 16
RESERVED COUNTFLAG
R-0h R-0h
15 14 13 12 11 10 9 8
RESERVED
R-0h
76543210
RESERVED CLKSOURCE TICKINT ENABLE
R-0h R-1h R/W-0h R/W-0h
Table 2-99. STCSR Register Field Descriptions
Bit Field Type Reset Description
31-17 RESERVED R 0h Software should not rely on the value of a reserved. Writing any
other value than the reset value may result in undefined behavior.
16 COUNTFLAG R 0h Returns 1 if timer counted to 0 since last time this was read. Clears
on read by application of any part of the SysTick Control and Status
Register. If read by the debugger using the DAP, this bit is cleared
on read-only if the MasterType bit in the **AHB-AP** Control
Register is set to 0. Otherwise, COUNTFLAG is not changed by the
debugger read.
15-3 RESERVED R 0h Software should not rely on the value of a reserved. Writing any
other value than the reset value may result in undefined behavior.
2 CLKSOURCE R 1h Clock source:
0: External reference clock.
1: Core clock
External clock is not available in this device. Writes to this field will
be ignored.
1 TICKINT R/W 0h 0: Counting down to zero does not pend the SysTick handler.
Software can use COUNTFLAG to determine if the SysTick handler
has ever counted to zero.
1: Counting down to zero pends the SysTick handler.
0 ENABLE R/W 0h Enable SysTick counter
0: Counter disabled
1: Counter operates in a multi-shot way. That is, counter loads with
the Reload value STRVR.RELOAD and then begins counting down.
On reaching 0, it sets COUNTFLAG to 1 and optionally pends the
SysTick handler, based on TICKINT. It then loads STRVR.RELOAD
again, and begins counting.

Cortex-M3 Processor Registers
www.ti.com
130 SWCU117F–February 2015–Revised June 2016
Submit Documentation Feedback
Copyright © 2015–2016, Texas Instruments Incorporated
2.7.4.4 STRVR Register (Offset = 14h) [reset = X]
STRVR is shown in Figure 2-74 and described in Table 2-100.
Return to Summary Table.
SysTick Reload Value
This register is used to specify the start value to load into the current value register STCVR.CURRENT
when the counter reaches 0. It can be any value between 1 and 0x00FFFFFF. A start value of 0 is
possible, but has no effect because the SysTick interrupt and STCSR.COUNTFLAG are activated when
counting from 1 to 0.
Figure 2-74. STRVR Register
31 30 29 28 27 26 25 24 23 22 21 20 19 18 17 16 15 14 13 12 11 10 9 8 7 6 5 4 3 2 1 0
RESERVED RELOAD
R/W-0h R/W-X
Table 2-100. STRVR Register Field Descriptions
Bit Field Type Reset Description
31-24 RESERVED R/W 0h Software should not rely on the value of a reserved. Writing any
other value than the reset value may result in undefined behavior.
23-0 RELOAD R/W X Value to load into the SysTick Current Value Register
STCVR.CURRENT when the counter reaches 0.

www.ti.com
Cortex-M3 Processor Registers
131
SWCU117F–February 2015–Revised June 2016
Submit Documentation Feedback Copyright © 2015–2016, Texas Instruments Incorporated
2.7.4.5 STCVR Register (Offset = 18h) [reset = X]
STCVR is shown in Figure 2-75 and described in Table 2-101.
Return to Summary Table.
SysTick Current Value
Read from this register returns the current value of SysTick counter. Writing to this register resets the
SysTick counter (as well as STCSR.COUNTFLAG).
Figure 2-75. STCVR Register
31 30 29 28 27 26 25 24 23 22 21 20 19 18 17 16 15 14 13 12 11 10 9 8 7 6 5 4 3 2 1 0
RESERVED CURRENT
R/W-0h R/W-X
Table 2-101. STCVR Register Field Descriptions
Bit Field Type Reset Description
31-24 RESERVED R/W 0h Software should not rely on the value of a reserved. Writing any
other value than the reset value may result in undefined behavior.
23-0 CURRENT R/W X Current value at the time the register is accessed. No read-modify-
write protection is provided, so change with care. Writing to it with
any value clears the register to 0. Clearing this register also clears
STCSR.COUNTFLAG.

Cortex-M3 Processor Registers
www.ti.com
132 SWCU117F–February 2015–Revised June 2016
Submit Documentation Feedback
Copyright © 2015–2016, Texas Instruments Incorporated
2.7.4.6 STCR Register (Offset = 1Ch) [reset = C0075300h]
STCR is shown in Figure 2-76 and described in Table 2-102.
Return to Summary Table.
SysTick Calibration Value
Used to enable software to scale to any required speed using divide and multiply.
Figure 2-76. STCR Register
31 30 29 28 27 26 25 24
NOREF SKEW RESERVED
R-1h R-1h R-0h
23 22 21 20 19 18 17 16
TENMS
R-00075300h
15 14 13 12 11 10 9 8
TENMS
R-00075300h
76543210
TENMS
R-00075300h
Table 2-102. STCR Register Field Descriptions
Bit Field Type Reset Description
31 NOREF R 1h Reads as one. Indicates that no separate reference clock is
provided.
30 SKEW R 1h Reads as one. The calibration value is not exactly 10ms because of
clock frequency. This could affect its suitability as a software real
time clock.
29-24 RESERVED R 0h Software should not rely on the value of a reserved. Writing any
other value than the reset value may result in undefined behavior.
23-0 TENMS R 00075300h An optional Reload value to be used for 10ms (100Hz) timing,
subject to system clock skew errors. The value read is valid only
when core clock is at 48MHz.

www.ti.com
Cortex-M3 Processor Registers
133
SWCU117F–February 2015–Revised June 2016
Submit Documentation Feedback Copyright © 2015–2016, Texas Instruments Incorporated
2.7.4.7 NVIC_ISER0 Register (Offset = 100h) [reset = 0h]
NVIC_ISER0 is shown in Figure 2-77 and described in Table 2-103.
Return to Summary Table.
Irq 0 to 31 Set Enable
This register is used to enable interrupts and determine which interrupts are currently enabled.
Figure 2-77. NVIC_ISER0 Register
31 30 29 28 27 26 25 24
SETENA31 SETENA30 SETENA29 SETENA28 SETENA27 SETENA26 SETENA25 SETENA24
R/W-0h R/W-0h R/W-0h R/W-0h R/W-0h R/W-0h R/W-0h R/W-0h
23 22 21 20 19 18 17 16
SETENA23 SETENA22 SETENA21 SETENA20 SETENA19 SETENA18 SETENA17 SETENA16
R/W-0h R/W-0h R/W-0h R/W-0h R/W-0h R/W-0h R/W-0h R/W-0h
15 14 13 12 11 10 9 8
SETENA15 SETENA14 SETENA13 SETENA12 SETENA11 SETENA10 SETENA9 SETENA8
R/W-0h R/W-0h R/W-0h R/W-0h R/W-0h R/W-0h R/W-0h R/W-0h
76543210
SETENA7 SETENA6 SETENA5 SETENA4 SETENA3 SETENA2 SETENA1 SETENA0
R/W-0h R/W-0h R/W-0h R/W-0h R/W-0h R/W-0h R/W-0h R/W-0h
Table 2-103. NVIC_ISER0 Register Field Descriptions
Bit Field Type Reset Description
31 SETENA31 R/W 0h Writing 0 to this bit has no effect, writing 1 to this bit enables the
interrupt number 31 (See EVENT:CPUIRQSEL31.EV for details).
Reading the bit returns its current enable state.
30 SETENA30 R/W 0h Writing 0 to this bit has no effect, writing 1 to this bit enables the
interrupt number 30 (See EVENT:CPUIRQSEL30.EV for details).
Reading the bit returns its current enable state.
29 SETENA29 R/W 0h Writing 0 to this bit has no effect, writing 1 to this bit enables the
interrupt number 29 (See EVENT:CPUIRQSEL29.EV for details).
Reading the bit returns its current enable state.
28 SETENA28 R/W 0h Writing 0 to this bit has no effect, writing 1 to this bit enables the
interrupt number 28 (See EVENT:CPUIRQSEL28.EV for details).
Reading the bit returns its current enable state.
27 SETENA27 R/W 0h Writing 0 to this bit has no effect, writing 1 to this bit enables the
interrupt number 27 (See EVENT:CPUIRQSEL27.EV for details).
Reading the bit returns its current enable state.
26 SETENA26 R/W 0h Writing 0 to this bit has no effect, writing 1 to this bit enables the
interrupt number 26 (See EVENT:CPUIRQSEL26.EV for details).
Reading the bit returns its current enable state.
25 SETENA25 R/W 0h Writing 0 to this bit has no effect, writing 1 to this bit enables the
interrupt number 25 (See EVENT:CPUIRQSEL25.EV for details).
Reading the bit returns its current enable state.
24 SETENA24 R/W 0h Writing 0 to this bit has no effect, writing 1 to this bit enables the
interrupt number 24 (See EVENT:CPUIRQSEL24.EV for details).
Reading the bit returns its current enable state.
23 SETENA23 R/W 0h Writing 0 to this bit has no effect, writing 1 to this bit enables the
interrupt number 23 (See EVENT:CPUIRQSEL23.EV for details).
Reading the bit returns its current enable state.
22 SETENA22 R/W 0h Writing 0 to this bit has no effect, writing 1 to this bit enables the
interrupt number 22 (See EVENT:CPUIRQSEL22.EV for details).
Reading the bit returns its current enable state.

Cortex-M3 Processor Registers
www.ti.com
134 SWCU117F–February 2015–Revised June 2016
Submit Documentation Feedback
Copyright © 2015–2016, Texas Instruments Incorporated
Table 2-103. NVIC_ISER0 Register Field Descriptions (continued)
Bit Field Type Reset Description
21 SETENA21 R/W 0h Writing 0 to this bit has no effect, writing 1 to this bit enables the
interrupt number 21 (See EVENT:CPUIRQSEL21.EV for details).
Reading the bit returns its current enable state.
20 SETENA20 R/W 0h Writing 0 to this bit has no effect, writing 1 to this bit enables the
interrupt number 20 (See EVENT:CPUIRQSEL20.EV for details).
Reading the bit returns its current enable state.
19 SETENA19 R/W 0h Writing 0 to this bit has no effect, writing 1 to this bit enables the
interrupt number 19 (See EVENT:CPUIRQSEL19.EV for details).
Reading the bit returns its current enable state.
18 SETENA18 R/W 0h Writing 0 to this bit has no effect, writing 1 to this bit enables the
interrupt number 18 (See EVENT:CPUIRQSEL18.EV for details).
Reading the bit returns its current enable state.
17 SETENA17 R/W 0h Writing 0 to this bit has no effect, writing 1 to this bit enables the
interrupt number 17 (See EVENT:CPUIRQSEL17.EV for details).
Reading the bit returns its current enable state.
16 SETENA16 R/W 0h Writing 0 to this bit has no effect, writing 1 to this bit enables the
interrupt number 16 (See EVENT:CPUIRQSEL16.EV for details).
Reading the bit returns its current enable state.
15 SETENA15 R/W 0h Writing 0 to this bit has no effect, writing 1 to this bit enables the
interrupt number 15 (See EVENT:CPUIRQSEL15.EV for details).
Reading the bit returns its current enable state.
14 SETENA14 R/W 0h Writing 0 to this bit has no effect, writing 1 to this bit enables the
interrupt number 14 (See EVENT:CPUIRQSEL14.EV for details).
Reading the bit returns its current enable state.
13 SETENA13 R/W 0h Writing 0 to this bit has no effect, writing 1 to this bit enables the
interrupt number 13 (See EVENT:CPUIRQSEL13.EV for details).
Reading the bit returns its current enable state.
12 SETENA12 R/W 0h Writing 0 to this bit has no effect, writing 1 to this bit enables the
interrupt number 12 (See EVENT:CPUIRQSEL12.EV for details).
Reading the bit returns its current enable state.
11 SETENA11 R/W 0h Writing 0 to this bit has no effect, writing 1 to this bit enables the
interrupt number 11 (See EVENT:CPUIRQSEL11.EV for details).
Reading the bit returns its current enable state.
10 SETENA10 R/W 0h Writing 0 to this bit has no effect, writing 1 to this bit enables the
interrupt number 10 (See EVENT:CPUIRQSEL10.EV for details).
Reading the bit returns its current enable state.
9 SETENA9 R/W 0h Writing 0 to this bit has no effect, writing 1 to this bit enables the
interrupt number 9 (See EVENT:CPUIRQSEL9.EV for details).
Reading the bit returns its current enable state.
8 SETENA8 R/W 0h Writing 0 to this bit has no effect, writing 1 to this bit enables the
interrupt number 8 (See EVENT:CPUIRQSEL8.EV for details).
Reading the bit returns its current enable state.
7 SETENA7 R/W 0h Writing 0 to this bit has no effect, writing 1 to this bit enables the
interrupt number 7 (See EVENT:CPUIRQSEL7.EV for details).
Reading the bit returns its current enable state.
6 SETENA6 R/W 0h Writing 0 to this bit has no effect, writing 1 to this bit enables the
interrupt number 6 (See EVENT:CPUIRQSEL6.EV for details).
Reading the bit returns its current enable state.
5 SETENA5 R/W 0h Writing 0 to this bit has no effect, writing 1 to this bit enables the
interrupt number 5 (See EVENT:CPUIRQSEL5.EV for details).
Reading the bit returns its current enable state.
4 SETENA4 R/W 0h Writing 0 to this bit has no effect, writing 1 to this bit enables the
interrupt number 4 (See EVENT:CPUIRQSEL4.EV for details).
Reading the bit returns its current enable state.

www.ti.com
Cortex-M3 Processor Registers
135
SWCU117F–February 2015–Revised June 2016
Submit Documentation Feedback Copyright © 2015–2016, Texas Instruments Incorporated
Table 2-103. NVIC_ISER0 Register Field Descriptions (continued)
Bit Field Type Reset Description
3 SETENA3 R/W 0h Writing 0 to this bit has no effect, writing 1 to this bit enables the
interrupt number 3 (See EVENT:CPUIRQSEL3.EV for details).
Reading the bit returns its current enable state.
2 SETENA2 R/W 0h Writing 0 to this bit has no effect, writing 1 to this bit enables the
interrupt number 2 (See EVENT:CPUIRQSEL2.EV for details).
Reading the bit returns its current enable state.
1 SETENA1 R/W 0h Writing 0 to this bit has no effect, writing 1 to this bit enables the
interrupt number 1 (See EVENT:CPUIRQSEL1.EV for details).
Reading the bit returns its current enable state.
0 SETENA0 R/W 0h Writing 0 to this bit has no effect, writing 1 to this bit enables the
interrupt number 0 (See EVENT:CPUIRQSEL0.EV for details).
Reading the bit returns its current enable state.

Cortex-M3 Processor Registers
www.ti.com
136 SWCU117F–February 2015–Revised June 2016
Submit Documentation Feedback
Copyright © 2015–2016, Texas Instruments Incorporated
2.7.4.8 NVIC_ISER1 Register (Offset = 104h) [reset = 0h]
NVIC_ISER1 is shown in Figure 2-78 and described in Table 2-104.
Return to Summary Table.
Irq 32 to 63 Set Enable
This register is used to enable interrupts and determine which interrupts are currently enabled.
Figure 2-78. NVIC_ISER1 Register
31 30 29 28 27 26 25 24
RESERVED
R/W-0h
23 22 21 20 19 18 17 16
RESERVED
R/W-0h
15 14 13 12 11 10 9 8
RESERVED
R/W-0h
76543210
RESERVED SETENA33 SETENA32
R/W-0h R/W-0h R/W-0h
Table 2-104. NVIC_ISER1 Register Field Descriptions
Bit Field Type Reset Description
31-2 RESERVED R/W 0h Software should not rely on the value of a reserved. Writing any
other value than the reset value may result in undefined behavior.
1 SETENA33 R/W 0h Writing 0 to this bit has no effect, writing 1 to this bit enables the
interrupt number 33 (See EVENT:CPUIRQSEL33.EV for details).
Reading the bit returns its current enable state.
0 SETENA32 R/W 0h Writing 0 to this bit has no effect, writing 1 to this bit enables the
interrupt number 32 (See EVENT:CPUIRQSEL32.EV for details).
Reading the bit returns its current enable state.

www.ti.com
Cortex-M3 Processor Registers
137
SWCU117F–February 2015–Revised June 2016
Submit Documentation Feedback Copyright © 2015–2016, Texas Instruments Incorporated
2.7.4.9 NVIC_ICER0 Register (Offset = 180h) [reset = 0h]
NVIC_ICER0 is shown in Figure 2-79 and described in Table 2-105.
Return to Summary Table.
Irq 0 to 31 Clear Enable
This register is used to disable interrupts and determine which interrupts are currently enabled.
Figure 2-79. NVIC_ICER0 Register
31 30 29 28 27 26 25 24
CLRENA31 CLRENA30 CLRENA29 CLRENA28 CLRENA27 CLRENA26 CLRENA25 CLRENA24
R/W-0h R/W-0h R/W-0h R/W-0h R/W-0h R/W-0h R/W-0h R/W-0h
23 22 21 20 19 18 17 16
CLRENA23 CLRENA22 CLRENA21 CLRENA20 CLRENA19 CLRENA18 CLRENA17 CLRENA16
R/W-0h R/W-0h R/W-0h R/W-0h R/W-0h R/W-0h R/W-0h R/W-0h
15 14 13 12 11 10 9 8
CLRENA15 CLRENA14 CLRENA13 CLRENA12 CLRENA11 CLRENA10 CLRENA9 CLRENA8
R/W-0h R/W-0h R/W-0h R/W-0h R/W-0h R/W-0h R/W-0h R/W-0h
76543210
CLRENA7 CLRENA6 CLRENA5 CLRENA4 CLRENA3 CLRENA2 CLRENA1 CLRENA0
R/W-0h R/W-0h R/W-0h R/W-0h R/W-0h R/W-0h R/W-0h R/W-0h
Table 2-105. NVIC_ICER0 Register Field Descriptions
Bit Field Type Reset Description
31 CLRENA31 R/W 0h Writing 0 to this bit has no effect, writing 1 to this bit disables the
interrupt number 31 (See EVENT:CPUIRQSEL31.EV for details).
Reading the bit returns its current enable state.
30 CLRENA30 R/W 0h Writing 0 to this bit has no effect, writing 1 to this bit disables the
interrupt number 30 (See EVENT:CPUIRQSEL30.EV for details).
Reading the bit returns its current enable state.
29 CLRENA29 R/W 0h Writing 0 to this bit has no effect, writing 1 to this bit disables the
interrupt number 29 (See EVENT:CPUIRQSEL29.EV for details).
Reading the bit returns its current enable state.
28 CLRENA28 R/W 0h Writing 0 to this bit has no effect, writing 1 to this bit disables the
interrupt number 28 (See EVENT:CPUIRQSEL28.EV for details).
Reading the bit returns its current enable state.
27 CLRENA27 R/W 0h Writing 0 to this bit has no effect, writing 1 to this bit disables the
interrupt number 27 (See EVENT:CPUIRQSEL27.EV for details).
Reading the bit returns its current enable state.
26 CLRENA26 R/W 0h Writing 0 to this bit has no effect, writing 1 to this bit disables the
interrupt number 26 (See EVENT:CPUIRQSEL26.EV for details).
Reading the bit returns its current enable state.
25 CLRENA25 R/W 0h Writing 0 to this bit has no effect, writing 1 to this bit disables the
interrupt number 25 (See EVENT:CPUIRQSEL25.EV for details).
Reading the bit returns its current enable state.
24 CLRENA24 R/W 0h Writing 0 to this bit has no effect, writing 1 to this bit disables the
interrupt number 24 (See EVENT:CPUIRQSEL24.EV for details).
Reading the bit returns its current enable state.
23 CLRENA23 R/W 0h Writing 0 to this bit has no effect, writing 1 to this bit disables the
interrupt number 23 (See EVENT:CPUIRQSEL23.EV for details).
Reading the bit returns its current enable state.
22 CLRENA22 R/W 0h Writing 0 to this bit has no effect, writing 1 to this bit disables the
interrupt number 22 (See EVENT:CPUIRQSEL22.EV for details).
Reading the bit returns its current enable state.

Cortex-M3 Processor Registers
www.ti.com
138 SWCU117F–February 2015–Revised June 2016
Submit Documentation Feedback
Copyright © 2015–2016, Texas Instruments Incorporated
Table 2-105. NVIC_ICER0 Register Field Descriptions (continued)
Bit Field Type Reset Description
21 CLRENA21 R/W 0h Writing 0 to this bit has no effect, writing 1 to this bit disables the
interrupt number 21 (See EVENT:CPUIRQSEL21.EV for details).
Reading the bit returns its current enable state.
20 CLRENA20 R/W 0h Writing 0 to this bit has no effect, writing 1 to this bit disables the
interrupt number 20 (See EVENT:CPUIRQSEL20.EV for details).
Reading the bit returns its current enable state.
19 CLRENA19 R/W 0h Writing 0 to this bit has no effect, writing 1 to this bit disables the
interrupt number 19 (See EVENT:CPUIRQSEL19.EV for details).
Reading the bit returns its current enable state.
18 CLRENA18 R/W 0h Writing 0 to this bit has no effect, writing 1 to this bit disables the
interrupt number 18 (See EVENT:CPUIRQSEL18.EV for details).
Reading the bit returns its current enable state.
17 CLRENA17 R/W 0h Writing 0 to this bit has no effect, writing 1 to this bit disables the
interrupt number 17 (See EVENT:CPUIRQSEL17.EV for details).
Reading the bit returns its current enable state.
16 CLRENA16 R/W 0h Writing 0 to this bit has no effect, writing 1 to this bit disables the
interrupt number 16 (See EVENT:CPUIRQSEL16.EV for details).
Reading the bit returns its current enable state.
15 CLRENA15 R/W 0h Writing 0 to this bit has no effect, writing 1 to this bit disables the
interrupt number 15 (See EVENT:CPUIRQSEL15.EV for details).
Reading the bit returns its current enable state.
14 CLRENA14 R/W 0h Writing 0 to this bit has no effect, writing 1 to this bit disables the
interrupt number 14 (See EVENT:CPUIRQSEL14.EV for details).
Reading the bit returns its current enable state.
13 CLRENA13 R/W 0h Writing 0 to this bit has no effect, writing 1 to this bit disables the
interrupt number 13 (See EVENT:CPUIRQSEL13.EV for details).
Reading the bit returns its current enable state.
12 CLRENA12 R/W 0h Writing 0 to this bit has no effect, writing 1 to this bit disables the
interrupt number 12 (See EVENT:CPUIRQSEL12.EV for details).
Reading the bit returns its current enable state.
11 CLRENA11 R/W 0h Writing 0 to this bit has no effect, writing 1 to this bit disables the
interrupt number 11 (See EVENT:CPUIRQSEL11.EV for details).
Reading the bit returns its current enable state.
10 CLRENA10 R/W 0h Writing 0 to this bit has no effect, writing 1 to this bit disables the
interrupt number 10 (See EVENT:CPUIRQSEL10.EV for details).
Reading the bit returns its current enable state.
9 CLRENA9 R/W 0h Writing 0 to this bit has no effect, writing 1 to this bit disables the
interrupt number 9 (See EVENT:CPUIRQSEL9.EV for details).
Reading the bit returns its current enable state.
8 CLRENA8 R/W 0h Writing 0 to this bit has no effect, writing 1 to this bit disables the
interrupt number 8 (See EVENT:CPUIRQSEL8.EV for details).
Reading the bit returns its current enable state.
7 CLRENA7 R/W 0h Writing 0 to this bit has no effect, writing 1 to this bit disables the
interrupt number 7 (See EVENT:CPUIRQSEL7.EV for details).
Reading the bit returns its current enable state.
6 CLRENA6 R/W 0h Writing 0 to this bit has no effect, writing 1 to this bit disables the
interrupt number 6 (See EVENT:CPUIRQSEL6.EV for details).
Reading the bit returns its current enable state.
5 CLRENA5 R/W 0h Writing 0 to this bit has no effect, writing 1 to this bit disables the
interrupt number 5 (See EVENT:CPUIRQSEL5.EV for details).
Reading the bit returns its current enable state.
4 CLRENA4 R/W 0h Writing 0 to this bit has no effect, writing 1 to this bit disables the
interrupt number 4 (See EVENT:CPUIRQSEL4.EV for details).
Reading the bit returns its current enable state.

www.ti.com
Cortex-M3 Processor Registers
139
SWCU117F–February 2015–Revised June 2016
Submit Documentation Feedback Copyright © 2015–2016, Texas Instruments Incorporated
Table 2-105. NVIC_ICER0 Register Field Descriptions (continued)
Bit Field Type Reset Description
3 CLRENA3 R/W 0h Writing 0 to this bit has no effect, writing 1 to this bit disables the
interrupt number 3 (See EVENT:CPUIRQSEL3.EV for details).
Reading the bit returns its current enable state.
2 CLRENA2 R/W 0h Writing 0 to this bit has no effect, writing 1 to this bit disables the
interrupt number 2 (See EVENT:CPUIRQSEL2.EV for details).
Reading the bit returns its current enable state.
1 CLRENA1 R/W 0h Writing 0 to this bit has no effect, writing 1 to this bit disables the
interrupt number 1 (See EVENT:CPUIRQSEL1.EV for details).
Reading the bit returns its current enable state.
0 CLRENA0 R/W 0h Writing 0 to this bit has no effect, writing 1 to this bit disables the
interrupt number 0 (See EVENT:CPUIRQSEL0.EV for details).
Reading the bit returns its current enable state.

Cortex-M3 Processor Registers
www.ti.com
140 SWCU117F–February 2015–Revised June 2016
Submit Documentation Feedback
Copyright © 2015–2016, Texas Instruments Incorporated
2.7.4.10 NVIC_ICER1 Register (Offset = 184h) [reset = 0h]
NVIC_ICER1 is shown in Figure 2-80 and described in Table 2-106.
Return to Summary Table.
Irq 32 to 63 Clear Enable
This register is used to disable interrupts and determine which interrupts are currently enabled.
Figure 2-80. NVIC_ICER1 Register
31 30 29 28 27 26 25 24
RESERVED
R/W-0h
23 22 21 20 19 18 17 16
RESERVED
R/W-0h
15 14 13 12 11 10 9 8
RESERVED
R/W-0h
76543210
RESERVED CLRENA33 CLRENA32
R/W-0h R/W-0h R/W-0h
Table 2-106. NVIC_ICER1 Register Field Descriptions
Bit Field Type Reset Description
31-2 RESERVED R/W 0h Software should not rely on the value of a reserved. Writing any
other value than the reset value may result in undefined behavior.
1 CLRENA33 R/W 0h Writing 0 to this bit has no effect, writing 1 to this bit disables the
interrupt number 33 (See EVENT:CPUIRQSEL33.EV for details).
Reading the bit returns its current enable state.
0 CLRENA32 R/W 0h Writing 0 to this bit has no effect, writing 1 to this bit disables the
interrupt number 32 (See EVENT:CPUIRQSEL32.EV for details).
Reading the bit returns its current enable state.

www.ti.com
Cortex-M3 Processor Registers
141
SWCU117F–February 2015–Revised June 2016
Submit Documentation Feedback Copyright © 2015–2016, Texas Instruments Incorporated
2.7.4.11 NVIC_ISPR0 Register (Offset = 200h) [reset = 0h]
NVIC_ISPR0 is shown in Figure 2-81 and described in Table 2-107.
Return to Summary Table.
Irq 0 to 31 Set Pending
This register is used to force interrupts into the pending state and determine which interrupts are currently
pending.
Figure 2-81. NVIC_ISPR0 Register
31 30 29 28 27 26 25 24
SETPEND31 SETPEND30 SETPEND29 SETPEND28 SETPEND27 SETPEND26 SETPEND25 SETPEND24
R/W-0h R/W-0h R/W-0h R/W-0h R/W-0h R/W-0h R/W-0h R/W-0h
23 22 21 20 19 18 17 16
SETPEND23 SETPEND22 SETPEND21 SETPEND20 SETPEND19 SETPEND18 SETPEND17 SETPEND16
R/W-0h R/W-0h R/W-0h R/W-0h R/W-0h R/W-0h R/W-0h R/W-0h
15 14 13 12 11 10 9 8
SETPEND15 SETPEND14 SETPEND13 SETPEND12 SETPEND11 SETPEND10 SETPEND9 SETPEND8
R/W-0h R/W-0h R/W-0h R/W-0h R/W-0h R/W-0h R/W-0h R/W-0h
76543210
SETPEND7 SETPEND6 SETPEND5 SETPEND4 SETPEND3 SETPEND2 SETPEND1 SETPEND0
R/W-0h R/W-0h R/W-0h R/W-0h R/W-0h R/W-0h R/W-0h R/W-0h
Table 2-107. NVIC_ISPR0 Register Field Descriptions
Bit Field Type Reset Description
31 SETPEND31 R/W 0h Writing 0 to this bit has no effect, writing 1 to this bit pends the
interrupt number 31 (See EVENT:CPUIRQSEL31.EV for details).
Reading the bit returns its current state.
30 SETPEND30 R/W 0h Writing 0 to this bit has no effect, writing 1 to this bit pends the
interrupt number 30 (See EVENT:CPUIRQSEL30.EV for details).
Reading the bit returns its current state.
29 SETPEND29 R/W 0h Writing 0 to this bit has no effect, writing 1 to this bit pends the
interrupt number 29 (See EVENT:CPUIRQSEL29.EV for details).
Reading the bit returns its current state.
28 SETPEND28 R/W 0h Writing 0 to this bit has no effect, writing 1 to this bit pends the
interrupt number 28 (See EVENT:CPUIRQSEL28.EV for details).
Reading the bit returns its current state.
27 SETPEND27 R/W 0h Writing 0 to this bit has no effect, writing 1 to this bit pends the
interrupt number 27 (See EVENT:CPUIRQSEL27.EV for details).
Reading the bit returns its current state.
26 SETPEND26 R/W 0h Writing 0 to this bit has no effect, writing 1 to this bit pends the
interrupt number 26 (See EVENT:CPUIRQSEL26.EV for details).
Reading the bit returns its current state.
25 SETPEND25 R/W 0h Writing 0 to this bit has no effect, writing 1 to this bit pends the
interrupt number 25 (See EVENT:CPUIRQSEL25.EV for details).
Reading the bit returns its current state.
24 SETPEND24 R/W 0h Writing 0 to this bit has no effect, writing 1 to this bit pends the
interrupt number 24 (See EVENT:CPUIRQSEL24.EV for details).
Reading the bit returns its current state.
23 SETPEND23 R/W 0h Writing 0 to this bit has no effect, writing 1 to this bit pends the
interrupt number 23 (See EVENT:CPUIRQSEL23.EV for details).
Reading the bit returns its current state.
22 SETPEND22 R/W 0h Writing 0 to this bit has no effect, writing 1 to this bit pends the
interrupt number 22 (See EVENT:CPUIRQSEL22.EV for details).
Reading the bit returns its current state.

Cortex-M3 Processor Registers
www.ti.com
142 SWCU117F–February 2015–Revised June 2016
Submit Documentation Feedback
Copyright © 2015–2016, Texas Instruments Incorporated
Table 2-107. NVIC_ISPR0 Register Field Descriptions (continued)
Bit Field Type Reset Description
21 SETPEND21 R/W 0h Writing 0 to this bit has no effect, writing 1 to this bit pends the
interrupt number 21 (See EVENT:CPUIRQSEL21.EV for details).
Reading the bit returns its current state.
20 SETPEND20 R/W 0h Writing 0 to this bit has no effect, writing 1 to this bit pends the
interrupt number 20 (See EVENT:CPUIRQSEL20.EV for details).
Reading the bit returns its current state.
19 SETPEND19 R/W 0h Writing 0 to this bit has no effect, writing 1 to this bit pends the
interrupt number 19 (See EVENT:CPUIRQSEL19.EV for details).
Reading the bit returns its current state.
18 SETPEND18 R/W 0h Writing 0 to this bit has no effect, writing 1 to this bit pends the
interrupt number 18 (See EVENT:CPUIRQSEL18.EV for details).
Reading the bit returns its current state.
17 SETPEND17 R/W 0h Writing 0 to this bit has no effect, writing 1 to this bit pends the
interrupt number 17 (See EVENT:CPUIRQSEL17.EV for details).
Reading the bit returns its current state.
16 SETPEND16 R/W 0h Writing 0 to this bit has no effect, writing 1 to this bit pends the
interrupt number 16 (See EVENT:CPUIRQSEL16.EV for details).
Reading the bit returns its current state.
15 SETPEND15 R/W 0h Writing 0 to this bit has no effect, writing 1 to this bit pends the
interrupt number 15 (See EVENT:CPUIRQSEL15.EV for details).
Reading the bit returns its current state.
14 SETPEND14 R/W 0h Writing 0 to this bit has no effect, writing 1 to this bit pends the
interrupt number 14 (See EVENT:CPUIRQSEL14.EV for details).
Reading the bit returns its current state.
13 SETPEND13 R/W 0h Writing 0 to this bit has no effect, writing 1 to this bit pends the
interrupt number 13 (See EVENT:CPUIRQSEL13.EV for details).
Reading the bit returns its current state.
12 SETPEND12 R/W 0h Writing 0 to this bit has no effect, writing 1 to this bit pends the
interrupt number 12 (See EVENT:CPUIRQSEL12.EV for details).
Reading the bit returns its current state.
11 SETPEND11 R/W 0h Writing 0 to this bit has no effect, writing 1 to this bit pends the
interrupt number 11 (See EVENT:CPUIRQSEL11.EV for details).
Reading the bit returns its current state.
10 SETPEND10 R/W 0h Writing 0 to this bit has no effect, writing 1 to this bit pends the
interrupt number 10 (See EVENT:CPUIRQSEL10.EV for details).
Reading the bit returns its current state.
9 SETPEND9 R/W 0h Writing 0 to this bit has no effect, writing 1 to this bit pends the
interrupt number 9 (See EVENT:CPUIRQSEL9.EV for details).
Reading the bit returns its current state.
8 SETPEND8 R/W 0h Writing 0 to this bit has no effect, writing 1 to this bit pends the
interrupt number 8 (See EVENT:CPUIRQSEL8.EV for details).
Reading the bit returns its current state.
7 SETPEND7 R/W 0h Writing 0 to this bit has no effect, writing 1 to this bit pends the
interrupt number 7 (See EVENT:CPUIRQSEL7.EV for details).
Reading the bit returns its current state.
6 SETPEND6 R/W 0h Writing 0 to this bit has no effect, writing 1 to this bit pends the
interrupt number 6 (See EVENT:CPUIRQSEL6.EV for details).
Reading the bit returns its current state.
5 SETPEND5 R/W 0h Writing 0 to this bit has no effect, writing 1 to this bit pends the
interrupt number 5 (See EVENT:CPUIRQSEL5.EV for details).
Reading the bit returns its current state.
4 SETPEND4 R/W 0h Writing 0 to this bit has no effect, writing 1 to this bit pends the
interrupt number 4 (See EVENT:CPUIRQSEL4.EV for details).
Reading the bit returns its current state.

www.ti.com
Cortex-M3 Processor Registers
143
SWCU117F–February 2015–Revised June 2016
Submit Documentation Feedback Copyright © 2015–2016, Texas Instruments Incorporated
Table 2-107. NVIC_ISPR0 Register Field Descriptions (continued)
Bit Field Type Reset Description
3 SETPEND3 R/W 0h Writing 0 to this bit has no effect, writing 1 to this bit pends the
interrupt number 3 (See EVENT:CPUIRQSEL3.EV for details).
Reading the bit returns its current state.
2 SETPEND2 R/W 0h Writing 0 to this bit has no effect, writing 1 to this bit pends the
interrupt number 2 (See EVENT:CPUIRQSEL2.EV for details).
Reading the bit returns its current state.
1 SETPEND1 R/W 0h Writing 0 to this bit has no effect, writing 1 to this bit pends the
interrupt number 1 (See EVENT:CPUIRQSEL1.EV for details).
Reading the bit returns its current state.
0 SETPEND0 R/W 0h Writing 0 to this bit has no effect, writing 1 to this bit pends the
interrupt number 0 (See EVENT:CPUIRQSEL0.EV for details).
Reading the bit returns its current state.

Cortex-M3 Processor Registers
www.ti.com
144 SWCU117F–February 2015–Revised June 2016
Submit Documentation Feedback
Copyright © 2015–2016, Texas Instruments Incorporated
2.7.4.12 NVIC_ISPR1 Register (Offset = 204h) [reset = 0h]
NVIC_ISPR1 is shown in Figure 2-82 and described in Table 2-108.
Return to Summary Table.
Irq 32 to 63 Set Pending
This register is used to force interrupts into the pending state and determine which interrupts are currently
pending.
Figure 2-82. NVIC_ISPR1 Register
31 30 29 28 27 26 25 24
RESERVED
R/W-0h
23 22 21 20 19 18 17 16
RESERVED
R/W-0h
15 14 13 12 11 10 9 8
RESERVED
R/W-0h
76543210
RESERVED SETPEND33 SETPEND32
R/W-0h R/W-0h R/W-0h
Table 2-108. NVIC_ISPR1 Register Field Descriptions
Bit Field Type Reset Description
31-2 RESERVED R/W 0h Software should not rely on the value of a reserved. Writing any
other value than the reset value may result in undefined behavior.
1 SETPEND33 R/W 0h Writing 0 to this bit has no effect, writing 1 to this bit pends the
interrupt number 33 (See EVENT:CPUIRQSEL33.EV for details).
Reading the bit returns its current state.
0 SETPEND32 R/W 0h Writing 0 to this bit has no effect, writing 1 to this bit pends the
interrupt number 32 (See EVENT:CPUIRQSEL32.EV for details).
Reading the bit returns its current state.

www.ti.com
Cortex-M3 Processor Registers
145
SWCU117F–February 2015–Revised June 2016
Submit Documentation Feedback Copyright © 2015–2016, Texas Instruments Incorporated
2.7.4.13 NVIC_ICPR0 Register (Offset = 280h) [reset = 0h]
NVIC_ICPR0 is shown in Figure 2-83 and described in Table 2-109.
Return to Summary Table.
Irq 0 to 31 Clear Pending
This register is used to clear pending interrupts and determine which interrupts are currently pending.
Figure 2-83. NVIC_ICPR0 Register
31 30 29 28 27 26 25 24
CLRPEND31 CLRPEND30 CLRPEND29 CLRPEND28 CLRPEND27 CLRPEND26 CLRPEND25 CLRPEND24
R/W-0h R/W-0h R/W-0h R/W-0h R/W-0h R/W-0h R/W-0h R/W-0h
23 22 21 20 19 18 17 16
CLRPEND23 CLRPEND22 CLRPEND21 CLRPEND20 CLRPEND19 CLRPEND18 CLRPEND17 CLRPEND16
R/W-0h R/W-0h R/W-0h R/W-0h R/W-0h R/W-0h R/W-0h R/W-0h
15 14 13 12 11 10 9 8
CLRPEND15 CLRPEND14 CLRPEND13 CLRPEND12 CLRPEND11 CLRPEND10 CLRPEND9 CLRPEND8
R/W-0h R/W-0h R/W-0h R/W-0h R/W-0h R/W-0h R/W-0h R/W-0h
76543210
CLRPEND7 CLRPEND6 CLRPEND5 CLRPEND4 CLRPEND3 CLRPEND2 CLRPEND1 CLRPEND0
R/W-0h R/W-0h R/W-0h R/W-0h R/W-0h R/W-0h R/W-0h R/W-0h
Table 2-109. NVIC_ICPR0 Register Field Descriptions
Bit Field Type Reset Description
31 CLRPEND31 R/W 0h Writing 0 to this bit has no effect, writing 1 to this bit clears the
corresponding pending interrupt 31 (See EVENT:CPUIRQSEL31.EV
for details). Reading the bit returns its current state.
30 CLRPEND30 R/W 0h Writing 0 to this bit has no effect, writing 1 to this bit clears the
corresponding pending interrupt 30 (See EVENT:CPUIRQSEL30.EV
for details). Reading the bit returns its current state.
29 CLRPEND29 R/W 0h Writing 0 to this bit has no effect, writing 1 to this bit clears the
corresponding pending interrupt 29 (See EVENT:CPUIRQSEL29.EV
for details). Reading the bit returns its current state.
28 CLRPEND28 R/W 0h Writing 0 to this bit has no effect, writing 1 to this bit clears the
corresponding pending interrupt 28 (See EVENT:CPUIRQSEL28.EV
for details). Reading the bit returns its current state.
27 CLRPEND27 R/W 0h Writing 0 to this bit has no effect, writing 1 to this bit clears the
corresponding pending interrupt 27 (See EVENT:CPUIRQSEL27.EV
for details). Reading the bit returns its current state.
26 CLRPEND26 R/W 0h Writing 0 to this bit has no effect, writing 1 to this bit clears the
corresponding pending interrupt 26 (See EVENT:CPUIRQSEL26.EV
for details). Reading the bit returns its current state.
25 CLRPEND25 R/W 0h Writing 0 to this bit has no effect, writing 1 to this bit clears the
corresponding pending interrupt 25 (See EVENT:CPUIRQSEL25.EV
for details). Reading the bit returns its current state.
24 CLRPEND24 R/W 0h Writing 0 to this bit has no effect, writing 1 to this bit clears the
corresponding pending interrupt 24 (See EVENT:CPUIRQSEL24.EV
for details). Reading the bit returns its current state.
23 CLRPEND23 R/W 0h Writing 0 to this bit has no effect, writing 1 to this bit clears the
corresponding pending interrupt 23 (See EVENT:CPUIRQSEL23.EV
for details). Reading the bit returns its current state.
22 CLRPEND22 R/W 0h Writing 0 to this bit has no effect, writing 1 to this bit clears the
corresponding pending interrupt 22 (See EVENT:CPUIRQSEL22.EV
for details). Reading the bit returns its current state.

Cortex-M3 Processor Registers
www.ti.com
146 SWCU117F–February 2015–Revised June 2016
Submit Documentation Feedback
Copyright © 2015–2016, Texas Instruments Incorporated
Table 2-109. NVIC_ICPR0 Register Field Descriptions (continued)
Bit Field Type Reset Description
21 CLRPEND21 R/W 0h Writing 0 to this bit has no effect, writing 1 to this bit clears the
corresponding pending interrupt 21 (See EVENT:CPUIRQSEL21.EV
for details). Reading the bit returns its current state.
20 CLRPEND20 R/W 0h Writing 0 to this bit has no effect, writing 1 to this bit clears the
corresponding pending interrupt 20 (See EVENT:CPUIRQSEL20.EV
for details). Reading the bit returns its current state.
19 CLRPEND19 R/W 0h Writing 0 to this bit has no effect, writing 1 to this bit clears the
corresponding pending interrupt 19 (See EVENT:CPUIRQSEL19.EV
for details). Reading the bit returns its current state.
18 CLRPEND18 R/W 0h Writing 0 to this bit has no effect, writing 1 to this bit clears the
corresponding pending interrupt 18 (See EVENT:CPUIRQSEL18.EV
for details). Reading the bit returns its current state.
17 CLRPEND17 R/W 0h Writing 0 to this bit has no effect, writing 1 to this bit clears the
corresponding pending interrupt 17 (See EVENT:CPUIRQSEL17.EV
for details). Reading the bit returns its current state.
16 CLRPEND16 R/W 0h Writing 0 to this bit has no effect, writing 1 to this bit clears the
corresponding pending interrupt 16 (See EVENT:CPUIRQSEL16.EV
for details). Reading the bit returns its current state.
15 CLRPEND15 R/W 0h Writing 0 to this bit has no effect, writing 1 to this bit clears the
corresponding pending interrupt 15 (See EVENT:CPUIRQSEL15.EV
for details). Reading the bit returns its current state.
14 CLRPEND14 R/W 0h Writing 0 to this bit has no effect, writing 1 to this bit clears the
corresponding pending interrupt 14 (See EVENT:CPUIRQSEL14.EV
for details). Reading the bit returns its current state.
13 CLRPEND13 R/W 0h Writing 0 to this bit has no effect, writing 1 to this bit clears the
corresponding pending interrupt 13 (See EVENT:CPUIRQSEL13.EV
for details). Reading the bit returns its current state.
12 CLRPEND12 R/W 0h Writing 0 to this bit has no effect, writing 1 to this bit clears the
corresponding pending interrupt 12 (See EVENT:CPUIRQSEL12.EV
for details). Reading the bit returns its current state.
11 CLRPEND11 R/W 0h Writing 0 to this bit has no effect, writing 1 to this bit clears the
corresponding pending interrupt 11 (See EVENT:CPUIRQSEL11.EV
for details). Reading the bit returns its current state.
10 CLRPEND10 R/W 0h Writing 0 to this bit has no effect, writing 1 to this bit clears the
corresponding pending interrupt 10 (See EVENT:CPUIRQSEL10.EV
for details). Reading the bit returns its current state.
9 CLRPEND9 R/W 0h Writing 0 to this bit has no effect, writing 1 to this bit clears the
corresponding pending interrupt 9 (See EVENT:CPUIRQSEL9.EV
for details). Reading the bit returns its current state.
8 CLRPEND8 R/W 0h Writing 0 to this bit has no effect, writing 1 to this bit clears the
corresponding pending interrupt 8 (See EVENT:CPUIRQSEL8.EV
for details). Reading the bit returns its current state.
7 CLRPEND7 R/W 0h Writing 0 to this bit has no effect, writing 1 to this bit clears the
corresponding pending interrupt 7 (See EVENT:CPUIRQSEL7.EV
for details). Reading the bit returns its current state.
6 CLRPEND6 R/W 0h Writing 0 to this bit has no effect, writing 1 to this bit clears the
corresponding pending interrupt 6 (See EVENT:CPUIRQSEL6.EV
for details). Reading the bit returns its current state.
5 CLRPEND5 R/W 0h Writing 0 to this bit has no effect, writing 1 to this bit clears the
corresponding pending interrupt 5 (See EVENT:CPUIRQSEL5.EV
for details). Reading the bit returns its current state.
4 CLRPEND4 R/W 0h Writing 0 to this bit has no effect, writing 1 to this bit clears the
corresponding pending interrupt 4 (See EVENT:CPUIRQSEL4.EV
for details). Reading the bit returns its current state.

www.ti.com
Cortex-M3 Processor Registers
147
SWCU117F–February 2015–Revised June 2016
Submit Documentation Feedback Copyright © 2015–2016, Texas Instruments Incorporated
Table 2-109. NVIC_ICPR0 Register Field Descriptions (continued)
Bit Field Type Reset Description
3 CLRPEND3 R/W 0h Writing 0 to this bit has no effect, writing 1 to this bit clears the
corresponding pending interrupt 3 (See EVENT:CPUIRQSEL3.EV
for details). Reading the bit returns its current state.
2 CLRPEND2 R/W 0h Writing 0 to this bit has no effect, writing 1 to this bit clears the
corresponding pending interrupt 2 (See EVENT:CPUIRQSEL2.EV
for details). Reading the bit returns its current state.
1 CLRPEND1 R/W 0h Writing 0 to this bit has no effect, writing 1 to this bit clears the
corresponding pending interrupt 1 (See EVENT:CPUIRQSEL1.EV
for details). Reading the bit returns its current state.
0 CLRPEND0 R/W 0h Writing 0 to this bit has no effect, writing 1 to this bit clears the
corresponding pending interrupt 0 (See EVENT:CPUIRQSEL0.EV
for details). Reading the bit returns its current state.

Cortex-M3 Processor Registers
www.ti.com
148 SWCU117F–February 2015–Revised June 2016
Submit Documentation Feedback
Copyright © 2015–2016, Texas Instruments Incorporated
2.7.4.14 NVIC_ICPR1 Register (Offset = 284h) [reset = 0h]
NVIC_ICPR1 is shown in Figure 2-84 and described in Table 2-110.
Return to Summary Table.
Irq 32 to 63 Clear Pending
This register is used to clear pending interrupts and determine which interrupts are currently pending.
Figure 2-84. NVIC_ICPR1 Register
31 30 29 28 27 26 25 24
RESERVED
R/W-0h
23 22 21 20 19 18 17 16
RESERVED
R/W-0h
15 14 13 12 11 10 9 8
RESERVED
R/W-0h
76543210
RESERVED CLRPEND33 CLRPEND32
R/W-0h R/W-0h R/W-0h
Table 2-110. NVIC_ICPR1 Register Field Descriptions
Bit Field Type Reset Description
31-2 RESERVED R/W 0h Software should not rely on the value of a reserved. Writing any
other value than the reset value may result in undefined behavior.
1 CLRPEND33 R/W 0h Writing 0 to this bit has no effect, writing 1 to this bit clears the
corresponding pending interrupt 33 (See EVENT:CPUIRQSEL33.EV
for details). Reading the bit returns its current state.
0 CLRPEND32 R/W 0h Writing 0 to this bit has no effect, writing 1 to this bit clears the
corresponding pending interrupt 32 (See EVENT:CPUIRQSEL32.EV
for details). Reading the bit returns its current state.

www.ti.com
Cortex-M3 Processor Registers
149
SWCU117F–February 2015–Revised June 2016
Submit Documentation Feedback Copyright © 2015–2016, Texas Instruments Incorporated
2.7.4.15 NVIC_IABR0 Register (Offset = 300h) [reset = 0h]
NVIC_IABR0 is shown in Figure 2-85 and described in Table 2-111.
Return to Summary Table.
Irq 0 to 31 Active Bit
This register is used to determine which interrupts are active. Each flag in the register corresponds to one
interrupt.
Figure 2-85. NVIC_IABR0 Register
31 30 29 28 27 26 25 24
ACTIVE31 ACTIVE30 ACTIVE29 ACTIVE28 ACTIVE27 ACTIVE26 ACTIVE25 ACTIVE24
R-0h R-0h R-0h R-0h R-0h R-0h R-0h R-0h
23 22 21 20 19 18 17 16
ACTIVE23 ACTIVE22 ACTIVE21 ACTIVE20 ACTIVE19 ACTIVE18 ACTIVE17 ACTIVE16
R-0h R-0h R-0h R-0h R-0h R-0h R-0h R-0h
15 14 13 12 11 10 9 8
ACTIVE15 ACTIVE14 ACTIVE13 ACTIVE12 ACTIVE11 ACTIVE10 ACTIVE9 ACTIVE8
R-0h R-0h R-0h R-0h R-0h R-0h R-0h R-0h
76543210
ACTIVE7 ACTIVE6 ACTIVE5 ACTIVE4 ACTIVE3 ACTIVE2 ACTIVE1 ACTIVE0
R-0h R-0h R-0h R-0h R-0h R-0h R-0h R-0h
Table 2-111. NVIC_IABR0 Register Field Descriptions
Bit Field Type Reset Description
31 ACTIVE31 R 0h Reading 0 from this bit implies that interrupt line 31 is not active.
Reading 1 from this bit implies that the interrupt line 31 is active (See
EVENT:CPUIRQSEL31.EV for details).
30 ACTIVE30 R 0h Reading 0 from this bit implies that interrupt line 30 is not active.
Reading 1 from this bit implies that the interrupt line 30 is active (See
EVENT:CPUIRQSEL30.EV for details).
29 ACTIVE29 R 0h Reading 0 from this bit implies that interrupt line 29 is not active.
Reading 1 from this bit implies that the interrupt line 29 is active (See
EVENT:CPUIRQSEL29.EV for details).
28 ACTIVE28 R 0h Reading 0 from this bit implies that interrupt line 28 is not active.
Reading 1 from this bit implies that the interrupt line 28 is active (See
EVENT:CPUIRQSEL28.EV for details).
27 ACTIVE27 R 0h Reading 0 from this bit implies that interrupt line 27 is not active.
Reading 1 from this bit implies that the interrupt line 27 is active (See
EVENT:CPUIRQSEL27.EV for details).
26 ACTIVE26 R 0h Reading 0 from this bit implies that interrupt line 26 is not active.
Reading 1 from this bit implies that the interrupt line 26 is active (See
EVENT:CPUIRQSEL26.EV for details).
25 ACTIVE25 R 0h Reading 0 from this bit implies that interrupt line 25 is not active.
Reading 1 from this bit implies that the interrupt line 25 is active (See
EVENT:CPUIRQSEL25.EV for details).
24 ACTIVE24 R 0h Reading 0 from this bit implies that interrupt line 24 is not active.
Reading 1 from this bit implies that the interrupt line 24 is active (See
EVENT:CPUIRQSEL24.EV for details).
23 ACTIVE23 R 0h Reading 0 from this bit implies that interrupt line 23 is not active.
Reading 1 from this bit implies that the interrupt line 23 is active (See
EVENT:CPUIRQSEL23.EV for details).
22 ACTIVE22 R 0h Reading 0 from this bit implies that interrupt line 22 is not active.
Reading 1 from this bit implies that the interrupt line 22 is active (See
EVENT:CPUIRQSEL22.EV for details).

Cortex-M3 Processor Registers
www.ti.com
150 SWCU117F–February 2015–Revised June 2016
Submit Documentation Feedback
Copyright © 2015–2016, Texas Instruments Incorporated
Table 2-111. NVIC_IABR0 Register Field Descriptions (continued)
Bit Field Type Reset Description
21 ACTIVE21 R 0h Reading 0 from this bit implies that interrupt line 21 is not active.
Reading 1 from this bit implies that the interrupt line 21 is active (See
EVENT:CPUIRQSEL21.EV for details).
20 ACTIVE20 R 0h Reading 0 from this bit implies that interrupt line 20 is not active.
Reading 1 from this bit implies that the interrupt line 20 is active (See
EVENT:CPUIRQSEL20.EV for details).
19 ACTIVE19 R 0h Reading 0 from this bit implies that interrupt line 19 is not active.
Reading 1 from this bit implies that the interrupt line 19 is active (See
EVENT:CPUIRQSEL19.EV for details).
18 ACTIVE18 R 0h Reading 0 from this bit implies that interrupt line 18 is not active.
Reading 1 from this bit implies that the interrupt line 18 is active (See
EVENT:CPUIRQSEL18.EV for details).
17 ACTIVE17 R 0h Reading 0 from this bit implies that interrupt line 17 is not active.
Reading 1 from this bit implies that the interrupt line 17 is active (See
EVENT:CPUIRQSEL17.EV for details).
16 ACTIVE16 R 0h Reading 0 from this bit implies that interrupt line 16 is not active.
Reading 1 from this bit implies that the interrupt line 16 is active (See
EVENT:CPUIRQSEL16.EV for details).
15 ACTIVE15 R 0h Reading 0 from this bit implies that interrupt line 15 is not active.
Reading 1 from this bit implies that the interrupt line 15 is active (See
EVENT:CPUIRQSEL15.EV for details).
14 ACTIVE14 R 0h Reading 0 from this bit implies that interrupt line 14 is not active.
Reading 1 from this bit implies that the interrupt line 14 is active (See
EVENT:CPUIRQSEL14.EV for details).
13 ACTIVE13 R 0h Reading 0 from this bit implies that interrupt line 13 is not active.
Reading 1 from this bit implies that the interrupt line 13 is active (See
EVENT:CPUIRQSEL13.EV for details).
12 ACTIVE12 R 0h Reading 0 from this bit implies that interrupt line 12 is not active.
Reading 1 from this bit implies that the interrupt line 12 is active (See
EVENT:CPUIRQSEL12.EV for details).
11 ACTIVE11 R 0h Reading 0 from this bit implies that interrupt line 11 is not active.
Reading 1 from this bit implies that the interrupt line 11 is active (See
EVENT:CPUIRQSEL11.EV for details).
10 ACTIVE10 R 0h Reading 0 from this bit implies that interrupt line 10 is not active.
Reading 1 from this bit implies that the interrupt line 10 is active (See
EVENT:CPUIRQSEL10.EV for details).
9 ACTIVE9 R 0h Reading 0 from this bit implies that interrupt line 9 is not active.
Reading 1 from this bit implies that the interrupt line 9 is active (See
EVENT:CPUIRQSEL9.EV for details).
8 ACTIVE8 R 0h Reading 0 from this bit implies that interrupt line 8 is not active.
Reading 1 from this bit implies that the interrupt line 8 is active (See
EVENT:CPUIRQSEL8.EV for details).
7 ACTIVE7 R 0h Reading 0 from this bit implies that interrupt line 7 is not active.
Reading 1 from this bit implies that the interrupt line 7 is active (See
EVENT:CPUIRQSEL7.EV for details).
6 ACTIVE6 R 0h Reading 0 from this bit implies that interrupt line 6 is not active.
Reading 1 from this bit implies that the interrupt line 6 is active (See
EVENT:CPUIRQSEL6.EV for details).
5 ACTIVE5 R 0h Reading 0 from this bit implies that interrupt line 5 is not active.
Reading 1 from this bit implies that the interrupt line 5 is active (See
EVENT:CPUIRQSEL5.EV for details).
4 ACTIVE4 R 0h Reading 0 from this bit implies that interrupt line 4 is not active.
Reading 1 from this bit implies that the interrupt line 4 is active (See
EVENT:CPUIRQSEL4.EV for details).

www.ti.com
Cortex-M3 Processor Registers
151
SWCU117F–February 2015–Revised June 2016
Submit Documentation Feedback Copyright © 2015–2016, Texas Instruments Incorporated
Table 2-111. NVIC_IABR0 Register Field Descriptions (continued)
Bit Field Type Reset Description
3 ACTIVE3 R 0h Reading 0 from this bit implies that interrupt line 3 is not active.
Reading 1 from this bit implies that the interrupt line 3 is active (See
EVENT:CPUIRQSEL3.EV for details).
2 ACTIVE2 R 0h Reading 0 from this bit implies that interrupt line 2 is not active.
Reading 1 from this bit implies that the interrupt line 2 is active (See
EVENT:CPUIRQSEL2.EV for details).
1 ACTIVE1 R 0h Reading 0 from this bit implies that interrupt line 1 is not active.
Reading 1 from this bit implies that the interrupt line 1 is active (See
EVENT:CPUIRQSEL1.EV for details).
0 ACTIVE0 R 0h Reading 0 from this bit implies that interrupt line 0 is not active.
Reading 1 from this bit implies that the interrupt line 0 is active (See
EVENT:CPUIRQSEL0.EV for details).

Cortex-M3 Processor Registers
www.ti.com
152 SWCU117F–February 2015–Revised June 2016
Submit Documentation Feedback
Copyright © 2015–2016, Texas Instruments Incorporated
2.7.4.16 NVIC_IABR1 Register (Offset = 304h) [reset = 0h]
NVIC_IABR1 is shown in Figure 2-86 and described in Table 2-112.
Return to Summary Table.
Irq 32 to 63 Active Bit
This register is used to determine which interrupts are active. Each flag in the register corresponds to one
interrupt.
Figure 2-86. NVIC_IABR1 Register
31 30 29 28 27 26 25 24
RESERVED
R-0h
23 22 21 20 19 18 17 16
RESERVED
R-0h
15 14 13 12 11 10 9 8
RESERVED
R-0h
76543210
RESERVED ACTIVE33 ACTIVE32
R-0h R-0h R-0h
Table 2-112. NVIC_IABR1 Register Field Descriptions
Bit Field Type Reset Description
31-2 RESERVED R 0h Software should not rely on the value of a reserved. Writing any
other value than the reset value may result in undefined behavior.
1 ACTIVE33 R 0h Reading 0 from this bit implies that interrupt line 33 is not active.
Reading 1 from this bit implies that the interrupt line 33 is active (See
EVENT:CPUIRQSEL33.EV for details).
0 ACTIVE32 R 0h Reading 0 from this bit implies that interrupt line 32 is not active.
Reading 1 from this bit implies that the interrupt line 32 is active (See
EVENT:CPUIRQSEL32.EV for details).

www.ti.com
Cortex-M3 Processor Registers
153
SWCU117F–February 2015–Revised June 2016
Submit Documentation Feedback Copyright © 2015–2016, Texas Instruments Incorporated
2.7.4.17 NVIC_IPR0 Register (Offset = 400h) [reset = 0h]
NVIC_IPR0 is shown in Figure 2-87 and described in Table 2-113.
Return to Summary Table.
Irq 0 to 3 Priority
This register is used to assign a priority from 0 to 255 to each of the available interrupts. 0 is the highest
priority, and 255 is the lowest. The interpretation of the Interrupt Priority Registers changes based on the
setting in AIRCR.PRIGROUP.
Figure 2-87. NVIC_IPR0 Register
31 30 29 28 27 26 25 24 23 22 21 20 19 18 17 16 15 14 13 12 11 10 9 8 7 6 5 4 3 2 1 0
PRI_3 PRI_2 PRI_1 PRI_0
R/W-0h R/W-0h R/W-0h R/W-0h
Table 2-113. NVIC_IPR0 Register Field Descriptions
Bit Field Type Reset Description
31-24 PRI_3 R/W 0h Priority of interrupt 3 (See EVENT:CPUIRQSEL3.EV for details).
23-16 PRI_2 R/W 0h Priority of interrupt 2 (See EVENT:CPUIRQSEL2.EV for details).
15-8 PRI_1 R/W 0h Priority of interrupt 1 (See EVENT:CPUIRQSEL1.EV for details).
7-0 PRI_0 R/W 0h Priority of interrupt 0 (See EVENT:CPUIRQSEL0.EV for details).

Cortex-M3 Processor Registers
www.ti.com
154 SWCU117F–February 2015–Revised June 2016
Submit Documentation Feedback
Copyright © 2015–2016, Texas Instruments Incorporated
2.7.4.18 NVIC_IPR1 Register (Offset = 404h) [reset = 0h]
NVIC_IPR1 is shown in Figure 2-88 and described in Table 2-114.
Return to Summary Table.
Irq 4 to 7 Priority
This register is used to assign a priority from 0 to 255 to each of the available interrupts. 0 is the highest
priority, and 255 is the lowest. The interpretation of the Interrupt Priority Registers changes based on the
setting in AIRCR.PRIGROUP.
Figure 2-88. NVIC_IPR1 Register
31 30 29 28 27 26 25 24 23 22 21 20 19 18 17 16 15 14 13 12 11 10 9 8 7 6 5 4 3 2 1 0
PRI_7 PRI_6 PRI_5 PRI_4
R/W-0h R/W-0h R/W-0h R/W-0h
Table 2-114. NVIC_IPR1 Register Field Descriptions
Bit Field Type Reset Description
31-24 PRI_7 R/W 0h Priority of interrupt 7 (See EVENT:CPUIRQSEL7.EV for details).
23-16 PRI_6 R/W 0h Priority of interrupt 6 (See EVENT:CPUIRQSEL6.EV for details).
15-8 PRI_5 R/W 0h Priority of interrupt 5 (See EVENT:CPUIRQSEL5.EV for details).
7-0 PRI_4 R/W 0h Priority of interrupt 4 (See EVENT:CPUIRQSEL4.EV for details).

www.ti.com
Cortex-M3 Processor Registers
155
SWCU117F–February 2015–Revised June 2016
Submit Documentation Feedback Copyright © 2015–2016, Texas Instruments Incorporated
2.7.4.19 NVIC_IPR2 Register (Offset = 408h) [reset = 0h]
NVIC_IPR2 is shown in Figure 2-89 and described in Table 2-115.
Return to Summary Table.
Irq 8 to 11 Priority
This register is used to assign a priority from 0 to 255 to each of the available interrupts. 0 is the highest
priority, and 255 is the lowest. The interpretation of the Interrupt Priority Registers changes based on the
setting in AIRCR.PRIGROUP.
Figure 2-89. NVIC_IPR2 Register
31 30 29 28 27 26 25 24 23 22 21 20 19 18 17 16 15 14 13 12 11 10 9 8 7 6 5 4 3 2 1 0
PRI_11 PRI_10 PRI_9 PRI_8
R/W-0h R/W-0h R/W-0h R/W-0h
Table 2-115. NVIC_IPR2 Register Field Descriptions
Bit Field Type Reset Description
31-24 PRI_11 R/W 0h Priority of interrupt 11 (See EVENT:CPUIRQSEL11.EV for details).
23-16 PRI_10 R/W 0h Priority of interrupt 10 (See EVENT:CPUIRQSEL10.EV for details).
15-8 PRI_9 R/W 0h Priority of interrupt 9 (See EVENT:CPUIRQSEL9.EV for details).
7-0 PRI_8 R/W 0h Priority of interrupt 8 (See EVENT:CPUIRQSEL8.EV for details).

Cortex-M3 Processor Registers
www.ti.com
156 SWCU117F–February 2015–Revised June 2016
Submit Documentation Feedback
Copyright © 2015–2016, Texas Instruments Incorporated
2.7.4.20 NVIC_IPR3 Register (Offset = 40Ch) [reset = 0h]
NVIC_IPR3 is shown in Figure 2-90 and described in Table 2-116.
Return to Summary Table.
Irq 12 to 15 Priority
This register is used to assign a priority from 0 to 255 to each of the available interrupts. 0 is the highest
priority, and 255 is the lowest. The interpretation of the Interrupt Priority Registers changes based on the
setting in AIRCR.PRIGROUP.
Figure 2-90. NVIC_IPR3 Register
31 30 29 28 27 26 25 24 23 22 21 20 19 18 17 16 15 14 13 12 11 10 9 8 7 6 5 4 3 2 1 0
PRI_15 PRI_14 PRI_13 PRI_12
R/W-0h R/W-0h R/W-0h R/W-0h
Table 2-116. NVIC_IPR3 Register Field Descriptions
Bit Field Type Reset Description
31-24 PRI_15 R/W 0h Priority of interrupt 15 (See EVENT:CPUIRQSEL15.EV for details).
23-16 PRI_14 R/W 0h Priority of interrupt 14 (See EVENT:CPUIRQSEL14.EV for details).
15-8 PRI_13 R/W 0h Priority of interrupt 13 (See EVENT:CPUIRQSEL13.EV for details).
7-0 PRI_12 R/W 0h Priority of interrupt 12 (See EVENT:CPUIRQSEL12.EV for details).

www.ti.com
Cortex-M3 Processor Registers
157
SWCU117F–February 2015–Revised June 2016
Submit Documentation Feedback Copyright © 2015–2016, Texas Instruments Incorporated
2.7.4.21 NVIC_IPR4 Register (Offset = 410h) [reset = 0h]
NVIC_IPR4 is shown in Figure 2-91 and described in Table 2-117.
Return to Summary Table.
Irq 16 to 19 Priority
This register is used to assign a priority from 0 to 255 to each of the available interrupts. 0 is the highest
priority, and 255 is the lowest. The interpretation of the Interrupt Priority Registers changes based on the
setting in AIRCR.PRIGROUP.
Figure 2-91. NVIC_IPR4 Register
31 30 29 28 27 26 25 24 23 22 21 20 19 18 17 16 15 14 13 12 11 10 9 8 7 6 5 4 3 2 1 0
PRI_19 PRI_18 PRI_17 PRI_16
R/W-0h R/W-0h R/W-0h R/W-0h
Table 2-117. NVIC_IPR4 Register Field Descriptions
Bit Field Type Reset Description
31-24 PRI_19 R/W 0h Priority of interrupt 19 (See EVENT:CPUIRQSEL19.EV for details).
23-16 PRI_18 R/W 0h Priority of interrupt 18 (See EVENT:CPUIRQSEL18.EV for details).
15-8 PRI_17 R/W 0h Priority of interrupt 17 (See EVENT:CPUIRQSEL17.EV for details).
7-0 PRI_16 R/W 0h Priority of interrupt 16 (See EVENT:CPUIRQSEL16.EV for details).

Cortex-M3 Processor Registers
www.ti.com
158 SWCU117F–February 2015–Revised June 2016
Submit Documentation Feedback
Copyright © 2015–2016, Texas Instruments Incorporated
2.7.4.22 NVIC_IPR5 Register (Offset = 414h) [reset = 0h]
NVIC_IPR5 is shown in Figure 2-92 and described in Table 2-118.
Return to Summary Table.
Irq 20 to 23 Priority
This register is used to assign a priority from 0 to 255 to each of the available interrupts. 0 is the highest
priority, and 255 is the lowest. The interpretation of the Interrupt Priority Registers changes based on the
setting in AIRCR.PRIGROUP.
Figure 2-92. NVIC_IPR5 Register
31 30 29 28 27 26 25 24 23 22 21 20 19 18 17 16 15 14 13 12 11 10 9 8 7 6 5 4 3 2 1 0
PRI_23 PRI_22 PRI_21 PRI_20
R/W-0h R/W-0h R/W-0h R/W-0h
Table 2-118. NVIC_IPR5 Register Field Descriptions
Bit Field Type Reset Description
31-24 PRI_23 R/W 0h Priority of interrupt 23 (See EVENT:CPUIRQSEL23.EV for details).
23-16 PRI_22 R/W 0h Priority of interrupt 22 (See EVENT:CPUIRQSEL22.EV for details).
15-8 PRI_21 R/W 0h Priority of interrupt 21 (See EVENT:CPUIRQSEL21.EV for details).
7-0 PRI_20 R/W 0h Priority of interrupt 20 (See EVENT:CPUIRQSEL20.EV for details).

www.ti.com
Cortex-M3 Processor Registers
159
SWCU117F–February 2015–Revised June 2016
Submit Documentation Feedback Copyright © 2015–2016, Texas Instruments Incorporated
2.7.4.23 NVIC_IPR6 Register (Offset = 418h) [reset = 0h]
NVIC_IPR6 is shown in Figure 2-93 and described in Table 2-119.
Return to Summary Table.
Irq 24 to 27 Priority
This register is used to assign a priority from 0 to 255 to each of the available interrupts. 0 is the highest
priority, and 255 is the lowest. The interpretation of the Interrupt Priority Registers changes based on the
setting in AIRCR.PRIGROUP.
Figure 2-93. NVIC_IPR6 Register
31 30 29 28 27 26 25 24 23 22 21 20 19 18 17 16 15 14 13 12 11 10 9 8 7 6 5 4 3 2 1 0
PRI_27 PRI_26 PRI_25 PRI_24
R/W-0h R/W-0h R/W-0h R/W-0h
Table 2-119. NVIC_IPR6 Register Field Descriptions
Bit Field Type Reset Description
31-24 PRI_27 R/W 0h Priority of interrupt 27 (See EVENT:CPUIRQSEL27.EV for details).
23-16 PRI_26 R/W 0h Priority of interrupt 26 (See EVENT:CPUIRQSEL26.EV for details).
15-8 PRI_25 R/W 0h Priority of interrupt 25 (See EVENT:CPUIRQSEL25.EV for details).
7-0 PRI_24 R/W 0h Priority of interrupt 24 (See EVENT:CPUIRQSEL24.EV for details).

Cortex-M3 Processor Registers
www.ti.com
160 SWCU117F–February 2015–Revised June 2016
Submit Documentation Feedback
Copyright © 2015–2016, Texas Instruments Incorporated
2.7.4.24 NVIC_IPR7 Register (Offset = 41Ch) [reset = 0h]
NVIC_IPR7 is shown in Figure 2-94 and described in Table 2-120.
Return to Summary Table.
Irq 28 to 31 Priority
This register is used to assign a priority from 0 to 255 to each of the available interrupts. 0 is the highest
priority, and 255 is the lowest. The interpretation of the Interrupt Priority Registers changes based on the
setting in AIRCR.PRIGROUP.
Figure 2-94. NVIC_IPR7 Register
31 30 29 28 27 26 25 24 23 22 21 20 19 18 17 16 15 14 13 12 11 10 9 8 7 6 5 4 3 2 1 0
PRI_31 PRI_30 PRI_29 PRI_28
R/W-0h R/W-0h R/W-0h R/W-0h
Table 2-120. NVIC_IPR7 Register Field Descriptions
Bit Field Type Reset Description
31-24 PRI_31 R/W 0h Priority of interrupt 31 (See EVENT:CPUIRQSEL31.EV for details).
23-16 PRI_30 R/W 0h Priority of interrupt 30 (See EVENT:CPUIRQSEL30.EV for details).
15-8 PRI_29 R/W 0h Priority of interrupt 29 (See EVENT:CPUIRQSEL29.EV for details).
7-0 PRI_28 R/W 0h Priority of interrupt 28 (See EVENT:CPUIRQSEL28.EV for details).

www.ti.com
Cortex-M3 Processor Registers
161
SWCU117F–February 2015–Revised June 2016
Submit Documentation Feedback Copyright © 2015–2016, Texas Instruments Incorporated
2.7.4.25 NVIC_IPR8 Register (Offset = 420h) [reset = 0h]
NVIC_IPR8 is shown in Figure 2-95 and described in Table 2-121.
Return to Summary Table.
Irq 32 to 35 Priority
This register is used to assign a priority from 0 to 255 to each of the available interrupts. 0 is the highest
priority, and 255 is the lowest. The interpretation of the Interrupt Priority Registers changes based on the
setting in AIRCR.PRIGROUP.
Figure 2-95. NVIC_IPR8 Register
31 30 29 28 27 26 25 24 23 22 21 20 19 18 17 16 15 14 13 12 11 10 9 8 7 6 5 4 3 2 1 0
RESERVED PRI_33 PRI_32
R/W-0h R/W-0h R/W-0h
Table 2-121. NVIC_IPR8 Register Field Descriptions
Bit Field Type Reset Description
31-16 RESERVED R/W 0h Software should not rely on the value of a reserved. Writing any
other value than the reset value may result in undefined behavior.
15-8 PRI_33 R/W 0h Priority of interrupt 33 (See EVENT:CPUIRQSEL33.EV for details).
7-0 PRI_32 R/W 0h Priority of interrupt 32 (See EVENT:CPUIRQSEL32.EV for details).

Cortex-M3 Processor Registers
www.ti.com
162 SWCU117F–February 2015–Revised June 2016
Submit Documentation Feedback
Copyright © 2015–2016, Texas Instruments Incorporated
2.7.4.26 CPUID Register (Offset = D00h) [reset = 412FC231h]
CPUID is shown in Figure 2-96 and described in Table 2-122.
Return to Summary Table.
CPUID Base
This register determines the ID number of the processor core, the version number of the processor core
and the implementation details of the processor core.
Figure 2-96. CPUID Register
31 30 29 28 27 26 25 24 23 22 21 20 19 18 17 16
IMPLEMENTER VARIANT CONSTANT
R-41h R-2h R-Fh
15 14 13 12 11 10 9 8 7 6 5 4 3 2 1 0
PARTNO REVISION
R-C23h R-1h
Table 2-122. CPUID Register Field Descriptions
Bit Field Type Reset Description
31-24 IMPLEMENTER R 41h Implementor code.
23-20 VARIANT R 2h Implementation defined variant number.
19-16 CONSTANT R Fh Reads as 0xF
15-4 PARTNO R C23h Number of processor within family.
3-0 REVISION R 1h Implementation defined revision number.

www.ti.com
Cortex-M3 Processor Registers
163
SWCU117F–February 2015–Revised June 2016
Submit Documentation Feedback Copyright © 2015–2016, Texas Instruments Incorporated
2.7.4.27 ICSR Register (Offset = D04h) [reset = X]
ICSR is shown in Figure 2-97 and described in Table 2-123.
Return to Summary Table.
Interrupt Control State
This register is used to set a pending Non-Maskable Interrupt (NMI), set or clear a pending SVC, set or
clear a pending SysTick, check for pending exceptions, check the vector number of the highest priority
pended exception, and check the vector number of the active exception.
Figure 2-97. ICSR Register
31 30 29 28 27 26 25 24
NMIPENDSET RESERVED PENDSVSET PENDSVCLR PENDSTSET PENDSTCLR RESERVED
R/W-0h R/W-0h R/W-0h W-X R/W-0h W-X R-0h
23 22 21 20 19 18 17 16
ISRPREEMPT ISRPENDING RESERVED VECTPENDING
R-0h R-0h R-0h R-0h
15 14 13 12 11 10 9 8
VECTPENDING RETTOBASE RESERVED VECTACTIVE
R-0h R-0h R-0h R-0h
76543210
VECTACTIVE
R-0h
Table 2-123. ICSR Register Field Descriptions
Bit Field Type Reset Description
31 NMIPENDSET R/W 0h Set pending NMI bit. Setting this bit pends and activates an NMI.
Because NMI is the highest-priority interrupt, it takes effect as soon
as it registers.
0: No action
1: Set pending NMI
30-29 RESERVED R/W 0h Software should not rely on the value of a reserved. Writing any
other value than the reset value may result in undefined behavior.
28 PENDSVSET R/W 0h Set pending pendSV bit.
0: No action
1: Set pending PendSV
27 PENDSVCLR W X Clear pending pendSV bit
0: No action
1: Clear pending pendSV
26 PENDSTSET R/W 0h Set a pending SysTick bit.
0: No action
1: Set pending SysTick
25 PENDSTCLR W X Clear pending SysTick bit
0: No action
1: Clear pending SysTick
24 RESERVED R 0h Software should not rely on the value of a reserved. Writing any
other value than the reset value may result in undefined behavior.
23 ISRPREEMPT R 0h This field can only be used at debug time. It indicates that a pending
interrupt is to be taken in the next running cycle. If
DHCSR.C_MASKINTS= 0, the interrupt is serviced.
0: A pending exception is not serviced.
1: A pending exception is serviced on exit from the debug halt state
22 ISRPENDING R 0h Interrupt pending flag. Excludes NMI and faults.
0x0: Interrupt not pending
0x1: Interrupt pending
21-18 RESERVED R 0h Software should not rely on the value of a reserved. Writing any
other value than the reset value may result in undefined behavior.

Cortex-M3 Processor Registers
www.ti.com
164 SWCU117F–February 2015–Revised June 2016
Submit Documentation Feedback
Copyright © 2015–2016, Texas Instruments Incorporated
Table 2-123. ICSR Register Field Descriptions (continued)
Bit Field Type Reset Description
17-12 VECTPENDING R 0h Pending ISR number field. This field contains the interrupt number of
the highest priority pending ISR.
11 RETTOBASE R 0h Indicates whether there are preempted active exceptions:
0: There are preempted active exceptions to execute
1: There are no active exceptions, or the currently-executing
exception is the only active exception.
10-9 RESERVED R 0h Software should not rely on the value of a reserved. Writing any
other value than the reset value may result in undefined behavior.
8-0 VECTACTIVE R 0h Active ISR number field. Reset clears this field.

www.ti.com
Cortex-M3 Processor Registers
165
SWCU117F–February 2015–Revised June 2016
Submit Documentation Feedback Copyright © 2015–2016, Texas Instruments Incorporated
2.7.4.28 VTOR Register (Offset = D08h) [reset = 0h]
VTOR is shown in Figure 2-98 and described in Table 2-124.
Return to Summary Table.
Vector Table Offset
This register is used to relocated the vector table base address. The vector table base offset determines
the offset from the bottom of the memory map. The two most significant bits and the seven least
significant bits of the vector table base offset must be 0. The portion of vector table base offset that is
allowed to change is TBLOFF.
Figure 2-98. VTOR Register
31 30 29 28 27 26 25 24
RESERVED TBLOFF
R/W-0h R/W-0h
23 22 21 20 19 18 17 16
TBLOFF
R/W-0h
15 14 13 12 11 10 9 8
TBLOFF
R/W-0h
76543210
TBLOFF RESERVED
R/W-0h R/W-0h
Table 2-124. VTOR Register Field Descriptions
Bit Field Type Reset Description
31-30 RESERVED R/W 0h Software should not rely on the value of a reserved. Writing any
other value than the reset value may result in undefined behavior.
29-7 TBLOFF R/W 0h Bits 29 down to 7 of the vector table base offset.
6-0 RESERVED R/W 0h Software should not rely on the value of a reserved. Writing any
other value than the reset value may result in undefined behavior.

Cortex-M3 Processor Registers
www.ti.com
166 SWCU117F–February 2015–Revised June 2016
Submit Documentation Feedback
Copyright © 2015–2016, Texas Instruments Incorporated
2.7.4.29 AIRCR Register (Offset = D0Ch) [reset = FA050000h]
AIRCR is shown in Figure 2-99 and described in Table 2-125.
Return to Summary Table.
Application Interrupt/Reset Control
This register is used to determine data endianness, clear all active state information for debug or to
recover from a hard failure, execute a system reset, alter the priority grouping position (binary point).
Figure 2-99. AIRCR Register
31 30 29 28 27 26 25 24
VECTKEY
R/W-FA05h
23 22 21 20 19 18 17 16
VECTKEY
R/W-FA05h
15 14 13 12 11 10 9 8
ENDIANESS RESERVED PRIGROUP
R-0h R-0h R/W-0h
76543210
RESERVED SYSRESETRE
QVECTCLRACTI
VE VECTRESET
R/W-0h W-0h W-0h W-0h
Table 2-125. AIRCR Register Field Descriptions
Bit Field Type Reset Description
31-16 VECTKEY R/W FA05h Register key. Writing to this register (AIRCR) requires 0x05FA in
VECTKEY. Otherwise the write value is ignored. Read always
returns 0xFA05.
15 ENDIANESS R 0h Data endianness bit
0h = Little endian
1h = Big endian
14-11 RESERVED R 0h Software should not rely on the value of a reserved. Writing any
other value than the reset value may result in undefined behavior.
10-8 PRIGROUP R/W 0h Interrupt priority grouping field. This field is a binary point position
indicator for creating subpriorities for exceptions that share the same
pre-emption level. It divides the PRI_n field in the Interrupt Priority
Registers (NVIC_IPR0, NVIC_IPR1,..., and NVIC_IPR8) into a pre-
emption level and a subpriority level. The binary point is a left-of
value. This means that the PRIGROUP value represents a point
starting at the left of the Least Significant Bit (LSB). The lowest value
might not be 0 depending on the number of bits allocated for
priorities, and implementation choices.
7-3 RESERVED R/W 0h Software should not rely on the value of a reserved. Writing any
other value than the reset value may result in undefined behavior.
2 SYSRESETREQ W 0h Requests a warm reset. Setting this bit does not prevent Halting
Debug from running.
1 VECTCLRACTIVE W 0h Clears all active state information for active NMI, fault, and
interrupts. It is the responsibility of the application to reinitialize the
stack. This bit is for returning to a known state during debug. The bit
self-clears. IPSR is not cleared by this operation. So, if used by an
application, it must only be used at the base level of activation, or
within a system handler whose active bit can be set.
0 VECTRESET W 0h System Reset bit. Resets the system, with the exception of debug
components. This bit is reserved for debug use and can be written to
1 only when the core is halted. The bit self-clears. Writing this bit to
1 while core is not halted may result in unpredictable behavior.

www.ti.com
Cortex-M3 Processor Registers
167
SWCU117F–February 2015–Revised June 2016
Submit Documentation Feedback Copyright © 2015–2016, Texas Instruments Incorporated
2.7.4.30 SCR Register (Offset = D10h) [reset = 0h]
SCR is shown in Figure 2-100 and described in Table 2-126.
Return to Summary Table.
System Control
This register is used for power-management functions, i.e., signaling to the system when the processor
can enter a low power state, controlling how the processor enters and exits low power states.
Figure 2-100. SCR Register
31 30 29 28 27 26 25 24
RESERVED
R/W-0h
23 22 21 20 19 18 17 16
RESERVED
R/W-0h
15 14 13 12 11 10 9 8
RESERVED
R/W-0h
76543210
RESERVED SEVONPEND RESERVED SLEEPDEEP SLEEPONEXIT RESERVED
R/W-0h R/W-0h R/W-0h R/W-0h R/W-0h R/W-0h
Table 2-126. SCR Register Field Descriptions
Bit Field Type Reset Description
31-5 RESERVED R/W 0h Software should not rely on the value of a reserved. Writing any
other value than the reset value may result in undefined behavior.
4 SEVONPEND R/W 0h Send Event on Pending bit:
0: Only enabled interrupts or events can wakeup the processor,
disabled interrupts are excluded
1: Enabled events and all interrupts, including disabled interrupts,
can wakeup the processor.
When an event or interrupt enters pending state, the event signal
wakes up the processor from WFE. If
the processor is not waiting for an event, the event is registered and
affects the next WFE.
The processor also wakes up on execution of an SEV instruction.
3 RESERVED R/W 0h Software should not rely on the value of a reserved. Writing any
other value than the reset value may result in undefined behavior.
2 SLEEPDEEP R/W 0h Controls whether the processor uses sleep or deep sleep as its low
power mode
0h = Sleep
1h = Deep sleep
1 SLEEPONEXIT R/W 0h Sleep on exit when returning from Handler mode to Thread mode.
Enables interrupt driven applications to avoid returning to empty
main application.
0: Do not sleep when returning to thread mode
1: Sleep on ISR exit
0 RESERVED R/W 0h Software should not rely on the value of a reserved. Writing any
other value than the reset value may result in undefined behavior.

Cortex-M3 Processor Registers
www.ti.com
168 SWCU117F–February 2015–Revised June 2016
Submit Documentation Feedback
Copyright © 2015–2016, Texas Instruments Incorporated
2.7.4.31 CCR Register (Offset = D14h) [reset = 200h]
CCR is shown in Figure 2-101 and described in Table 2-127.
Return to Summary Table.
Configuration Control
This register is used to enable NMI, HardFault and FAULTMASK to ignore bus fault, trap divide by zero
and unaligned accesses, enable user access to the Software Trigger Interrupt Register (STIR), control
entry to Thread Mode.
Figure 2-101. CCR Register
31 30 29 28 27 26 25 24
RESERVED
R/W-0h
23 22 21 20 19 18 17 16
RESERVED
R/W-0h
15 14 13 12 11 10 9 8
RESERVED STKALIGN BFHFNMIGN
R/W-0h R/W-1h R/W-0h
76543210
RESERVED DIV_0_TRP UNALIGN_TRP RESERVED USERSETMPE
ND NONBASETHR
EDENA
R/W-0h R/W-0h R/W-0h R/W-0h R/W-0h R/W-0h
Table 2-127. CCR Register Field Descriptions
Bit Field Type Reset Description
31-10 RESERVED R/W 0h Software should not rely on the value of a reserved. Writing any
other value than the reset value may result in undefined behavior.
9 STKALIGN R/W 1h Stack alignment bit.
0: Only 4-byte alignment is guaranteed for the SP used prior to the
exception on exception entry.
1: On exception entry, the SP used prior to the exception is adjusted
to be 8-byte aligned and the context to restore it is saved. The SP is
restored on the associated exception return.
8 BFHFNMIGN R/W 0h Enables handlers with priority -1 or -2 to ignore data BusFaults
caused by load and store instructions. This applies to the HardFault,
NMI, and FAULTMASK escalated handlers:
0: Data BusFaults caused by load and store instructions cause a
lock-up
1: Data BusFaults caused by load and store instructions are ignored.
Set this bit to 1 only when the handler and its data are in absolutely
safe memory. The normal use
of this bit is to probe system devices and bridges to detect problems.
7-5 RESERVED R/W 0h Software should not rely on the value of a reserved. Writing any
other value than the reset value may result in undefined behavior.
4 DIV_0_TRP R/W 0h Enables faulting or halting when the processor executes an SDIV or
UDIV instruction with a divisor of 0:
0: Do not trap divide by 0. In this mode, a divide by zero returns a
quotient of 0.
1: Trap divide by 0. The relevant Usage Fault Status Register bit is
CFSR.DIVBYZERO.
3 UNALIGN_TRP R/W 0h Enables unaligned access traps:
0: Do not trap unaligned halfword and word accesses
1: Trap unaligned halfword and word accesses. The relevant Usage
Fault Status Register bit is CFSR.UNALIGNED.
If this bit is set to 1, an unaligned access generates a UsageFault.
Unaligned LDM, STM, LDRD, and STRD instructions always fault
regardless of the value in UNALIGN_TRP.

www.ti.com
Cortex-M3 Processor Registers
169
SWCU117F–February 2015–Revised June 2016
Submit Documentation Feedback Copyright © 2015–2016, Texas Instruments Incorporated
Table 2-127. CCR Register Field Descriptions (continued)
Bit Field Type Reset Description
2 RESERVED R/W 0h Software should not rely on the value of a reserved. Writing any
other value than the reset value may result in undefined behavior.
1 USERSETMPEND R/W 0h Enables unprivileged software access to STIR:
0: User code is not allowed to write to the Software Trigger Interrupt
register (STIR).
1: User code can write the Software Trigger Interrupt register (STIR)
to trigger (pend) a Main exception, which is associated with the Main
stack pointer.
0 NONBASETHREDENA R/W 0h Indicates how the processor enters Thread mode:
0: Processor can enter Thread mode only when no exception is
active.
1: Processor can enter Thread mode from any level using the
appropriate return value (EXC_RETURN).
Exception returns occur when one of the following instructions loads
a value of 0xFXXXXXXX into the PC while in Handler mode:
- POP/LDM which includes loading the PC.
- LDR with PC as a destination.
- BX with any register.
The value written to the PC is intercepted and is referred to as the
EXC_RETURN value.

Cortex-M3 Processor Registers
www.ti.com
170 SWCU117F–February 2015–Revised June 2016
Submit Documentation Feedback
Copyright © 2015–2016, Texas Instruments Incorporated
2.7.4.32 SHPR1 Register (Offset = D18h) [reset = 0h]
SHPR1 is shown in Figure 2-102 and described in Table 2-128.
Return to Summary Table.
System Handlers 4-7 Priority
This register is used to prioritize the following system handlers: Memory manage, Bus fault, and Usage
fault. System Handlers are a special class of exception handler that can have their priority set to any of
the priority levels. Most can be masked on (enabled) or off (disabled). When disabled, the fault is always
treated as a Hard Fault.
Figure 2-102. SHPR1 Register
31 30 29 28 27 26 25 24 23 22 21 20 19 18 17 16 15 14 13 12 11 10 9 8 7 6 5 4 3 2 1 0
RESERVED PRI_6 PRI_5 PRI_4
R/W-0h R/W-0h R/W-0h R/W-0h
Table 2-128. SHPR1 Register Field Descriptions
Bit Field Type Reset Description
31-24 RESERVED R/W 0h Software should not rely on the value of a reserved. Writing any
other value than the reset value may result in undefined behavior.
23-16 PRI_6 R/W 0h Priority of system handler 6. UsageFault
15-8 PRI_5 R/W 0h Priority of system handler 5: BusFault
7-0 PRI_4 R/W 0h Priority of system handler 4: MemManage

www.ti.com
Cortex-M3 Processor Registers
171
SWCU117F–February 2015–Revised June 2016
Submit Documentation Feedback Copyright © 2015–2016, Texas Instruments Incorporated
2.7.4.33 SHPR2 Register (Offset = D1Ch) [reset = 0h]
SHPR2 is shown in Figure 2-103 and described in Table 2-129.
Return to Summary Table.
System Handlers 8-11 Priority
This register is used to prioritize the SVC handler. System Handlers are a special class of exception
handler that can have their priority set to any of the priority levels. Most can be masked on (enabled) or off
(disabled). When disabled, the fault is always treated as a Hard Fault.
Figure 2-103. SHPR2 Register
31 30 29 28 27 26 25 24 23 22 21 20 19 18 17 16 15 14 13 12 11 10 9 8 7 6 5 4 3 2 1 0
PRI_11 RESERVED
R/W-0h R/W-0h
Table 2-129. SHPR2 Register Field Descriptions
Bit Field Type Reset Description
31-24 PRI_11 R/W 0h Priority of system handler 11. SVCall
23-0 RESERVED R/W 0h Software should not rely on the value of a reserved. Writing any
other value than the reset value may result in undefined behavior.

Cortex-M3 Processor Registers
www.ti.com
172 SWCU117F–February 2015–Revised June 2016
Submit Documentation Feedback
Copyright © 2015–2016, Texas Instruments Incorporated
2.7.4.34 SHPR3 Register (Offset = D20h) [reset = 0h]
SHPR3 is shown in Figure 2-104 and described in Table 2-130.
Return to Summary Table.
System Handlers 12-15 Priority
This register is used to prioritize the following system handlers: SysTick, PendSV and Debug Monitor.
System Handlers are a special class of exception handler that can have their priority set to any of the
priority levels. Most can be masked on (enabled) or off (disabled). When disabled, the fault is always
treated as a Hard Fault.
Figure 2-104. SHPR3 Register
31 30 29 28 27 26 25 24 23 22 21 20 19 18 17 16 15 14 13 12 11 10 9 8 7 6 5 4 3 2 1 0
PRI_15 PRI_14 RESERVED PRI_12
R/W-0h R/W-0h R/W-0h R/W-0h
Table 2-130. SHPR3 Register Field Descriptions
Bit Field Type Reset Description
31-24 PRI_15 R/W 0h Priority of system handler 15. SysTick exception
23-16 PRI_14 R/W 0h Priority of system handler 14. Pend SV
15-8 RESERVED R/W 0h Software should not rely on the value of a reserved. Writing any
other value than the reset value may result in undefined behavior.
7-0 PRI_12 R/W 0h Priority of system handler 12. Debug Monitor

www.ti.com
Cortex-M3 Processor Registers
173
SWCU117F–February 2015–Revised June 2016
Submit Documentation Feedback Copyright © 2015–2016, Texas Instruments Incorporated
2.7.4.35 SHCSR Register (Offset = D24h) [reset = 0h]
SHCSR is shown in Figure 2-105 and described in Table 2-131.
Return to Summary Table.
System Handler Control and State
This register is used to enable or disable the system handlers, determine the pending status of bus fault,
mem manage fault, and SVC, determine the active status of the system handlers. If a fault condition
occurs while its fault handler is disabled, the fault escalates to a Hard Fault.
Figure 2-105. SHCSR Register
31 30 29 28 27 26 25 24
RESERVED
R/W-0h
23 22 21 20 19 18 17 16
RESERVED USGFAULTEN
ABUSFAULTEN
AMEMFAULTEN
A
R/W-0h R/W-0h R/W-0h R/W-0h
15 14 13 12 11 10 9 8
SVCALLPEND
ED BUSFAULTPE
NDED MEMFAULTPE
NDED USGFAULTPE
NDED SYSTICKACT PENDSVACT RESERVED MONITORACT
R-0h R-0h R-0h R-0h R-0h R-0h R-0h R-0h
76543210
SVCALLACT RESERVED USGFAULTAC
TRESERVED BUSFAULTAC
TMEMFAULTAC
T
R-0h R-0h R-0h R-0h R-0h R-0h
Table 2-131. SHCSR Register Field Descriptions
Bit Field Type Reset Description
31-19 RESERVED R/W 0h Software should not rely on the value of a reserved. Writing any
other value than the reset value may result in undefined behavior.
18 USGFAULTENA R/W 0h Usage fault system handler enable
0h = Exception disabled
1h = Exception enabled
17 BUSFAULTENA R/W 0h Bus fault system handler enable
0h = Exception disabled
1h = Exception enabled
16 MEMFAULTENA R/W 0h MemManage fault system handler enable
0h = Exception disabled
1h = Exception enabled
15 SVCALLPENDED R 0h SVCall pending
0h = Exception is not active
1h = Exception is pending.
14 BUSFAULTPENDED R 0h BusFault pending
0h = Exception is not active
1h = Exception is pending.
13 MEMFAULTPENDED R 0h MemManage exception pending
0h = Exception is not active
1h = Exception is pending.
12 USGFAULTPENDED R 0h Usage fault pending
0h = Exception is not active
1h = Exception is pending.

Cortex-M3 Processor Registers
www.ti.com
174 SWCU117F–February 2015–Revised June 2016
Submit Documentation Feedback
Copyright © 2015–2016, Texas Instruments Incorporated
Table 2-131. SHCSR Register Field Descriptions (continued)
Bit Field Type Reset Description
11 SYSTICKACT R 0h SysTick active flag.
0x0: Not active
0x1: Active
0h = Exception is not active
1h = Exception is active
10 PENDSVACT R 0h PendSV active
0x0: Not active
0x1: Active
9 RESERVED R 0h Software should not rely on the value of a reserved. Writing any
other value than the reset value may result in undefined behavior.
8 MONITORACT R 0h Debug monitor active
0h = Exception is not active
1h = Exception is active
7 SVCALLACT R 0h SVCall active
0h = Exception is not active
1h = Exception is active
6-4 RESERVED R 0h Software should not rely on the value of a reserved. Writing any
other value than the reset value may result in undefined behavior.
3 USGFAULTACT R 0h UsageFault exception active
0h = Exception is not active
1h = Exception is active
2 RESERVED R 0h Software should not rely on the value of a reserved. Writing any
other value than the reset value may result in undefined behavior.
1 BUSFAULTACT R 0h BusFault exception active
0h = Exception is not active
1h = Exception is active
0 MEMFAULTACT R 0h MemManage exception active
0h = Exception is not active
1h = Exception is active

www.ti.com
Cortex-M3 Processor Registers
175
SWCU117F–February 2015–Revised June 2016
Submit Documentation Feedback Copyright © 2015–2016, Texas Instruments Incorporated
2.7.4.36 CFSR Register (Offset = D28h) [reset = 0h]
CFSR is shown in Figure 2-106 and described in Table 2-132.
Return to Summary Table.
Configurable Fault Status
This register is used to obtain information about local faults. These registers include three subsections:
The first byte is Memory Manage Fault Status Register (MMFSR). The second byte is Bus Fault Status
Register (BFSR). The higher half-word is Usage Fault Status Register (UFSR). The flags in these registers
indicate the causes of local faults. Multiple flags can be set if more than one fault occurs. These register
are read/write-clear. This means that they can be read normally, but writing a 1 to any bit clears that bit.
The CFSR is byte accessible. CFSR or its subregisters can be accessed as follows:
The following accesses are possible to the CFSR register:
- access the complete register with a word access to 0xE000ED28.
- access the MMFSR with a byte access to 0xE000ED28
- access the MMFSR and BFSR with a halfword access to 0xE000ED28
- access the BFSR with a byte access to 0xE000ED29
- access the UFSR with a halfword access to 0xE000ED2A.
Figure 2-106. CFSR Register
31 30 29 28 27 26 25 24
RESERVED DIVBYZERO UNALIGNED
R/W-0h R/W-0h R/W-0h
23 22 21 20 19 18 17 16
RESERVED NOCP INVPC INVSTATE UNDEFINSTR
R/W-0h R/W-0h R/W-0h R/W-0h R/W-0h
15 14 13 12 11 10 9 8
BFARVALID RESERVED STKERR UNSTKERR IMPRECISERR PRECISERR IBUSERR
R/W-0h R/W-0h R/W-0h R/W-0h R/W-0h R/W-0h R/W-0h
76543210
MMARVALID RESERVED MSTKERR MUNSTKERR RESERVED DACCVIOL IACCVIOL
R/W-0h R/W-0h R/W-0h R/W-0h R/W-0h R/W-0h R/W-0h
Table 2-132. CFSR Register Field Descriptions
Bit Field Type Reset Description
31-26 RESERVED R/W 0h Software should not rely on the value of a reserved. Writing any
other value than the reset value may result in undefined behavior.
25 DIVBYZERO R/W 0h When CCR.DIV_0_TRP (see Configuration Control Register on page
8-26) is enabled and an SDIV or UDIV instruction is used with a
divisor of 0, this fault occurs The instruction is executed and the
return PC points to it. If CCR.DIV_0_TRP is not set, then the divide
returns a quotient of 0.
24 UNALIGNED R/W 0h When CCR.UNALIGN_TRP is enabled, and there is an attempt to
make an unaligned memory access, then this fault occurs. Unaligned
LDM/STM/LDRD/STRD instructions always fault irrespective of the
setting of CCR.UNALIGN_TRP.
23-20 RESERVED R/W 0h Software should not rely on the value of a reserved. Writing any
other value than the reset value may result in undefined behavior.
19 NOCP R/W 0h Attempt to use a coprocessor instruction. The processor does not
support coprocessor instructions.
18 INVPC R/W 0h Attempt to load EXC_RETURN into PC illegally. Invalid instruction,
invalid context, invalid value. The return PC points to the instruction
that tried to set the PC.

Cortex-M3 Processor Registers
www.ti.com
176 SWCU117F–February 2015–Revised June 2016
Submit Documentation Feedback
Copyright © 2015–2016, Texas Instruments Incorporated
Table 2-132. CFSR Register Field Descriptions (continued)
Bit Field Type Reset Description
17 INVSTATE R/W 0h Indicates an attempt to execute in an invalid EPSR state (e.g. after a
BX type instruction has changed state). This includes state change
after entry to or return from exception, as well as from inter-working
instructions. Return PC points to faulting instruction, with the invalid
state.
16 UNDEFINSTR R/W 0h This bit is set when the processor attempts to execute an undefined
instruction. This is an instruction that the processor cannot decode.
The return PC points to the undefined instruction.
15 BFARVALID R/W 0h This bit is set if the Bus Fault Address Register (BFAR) contains a
valid address. This is true after a bus fault where the address is
known. Other faults can clear this bit, such as a Mem Manage fault
occurring later. If a Bus fault occurs that is escalated to a Hard Fault
because of priority, the Hard Fault handler must clear this bit. This
prevents problems if returning to a stacked active Bus fault handler
whose BFAR value has been overwritten.
14-13 RESERVED R/W 0h Software should not rely on the value of a reserved. Writing any
other value than the reset value may result in undefined behavior.
12 STKERR R/W 0h Stacking from exception has caused one or more bus faults. The SP
is still adjusted and the values in the context area on the stack might
be incorrect. BFAR is not written.
11 UNSTKERR R/W 0h Unstack from exception return has caused one or more bus faults.
This is chained to the handler, so that the original return stack is still
present. SP is not adjusted from failing return and new save is not
performed. BFAR is not written.
10 IMPRECISERR R/W 0h Imprecise data bus error. It is a BusFault, but the Return PC is not
related to the causing instruction. This is not a synchronous fault.
So, if detected when the priority of the current activation is higher
than the Bus Fault, it only pends. Bus fault activates when returning
to a lower priority activation. If a precise fault occurs before returning
to a lower priority exception, the handler detects both
IMPRECISERR set and one of the precise fault status bits set at the
same time. BFAR is not written.
9 PRECISERR R/W 0h Precise data bus error return.
8 IBUSERR R/W 0h Instruction bus error flag. This flag is set by a prefetch error. The
fault stops on the instruction, so if the error occurs under a branch
shadow, no fault occurs. BFAR is not written.
7 MMARVALID R/W 0h Memory Manage Address Register (MMFAR) address valid flag. A
later-arriving fault, such as a bus fault, can clear a memory manage
fault.. If a MemManage fault occurs that is escalated to a Hard Fault
because of priority, the Hard Fault handler must clear this bit. This
prevents problems on return to a stacked active MemManage
handler whose MMFAR value has been overwritten.
6-5 RESERVED R/W 0h Software should not rely on the value of a reserved. Writing any
other value than the reset value may result in undefined behavior.
4 MSTKERR R/W 0h Stacking from exception has caused one or more access violations.
The SP is still adjusted and the values in the context area on the
stack might be incorrect. MMFAR is not written.
3 MUNSTKERR R/W 0h Unstack from exception return has caused one or more access
violations. This is chained to the handler, so that the original return
stack is still present. SP is not adjusted from failing return and new
save is not performed. MMFAR is not written.
2 RESERVED R/W 0h Software should not rely on the value of a reserved. Writing any
other value than the reset value may result in undefined behavior.
1 DACCVIOL R/W 0h Data access violation flag. Attempting to load or store at a location
that does not permit the operation sets this flag. The return PC
points to the faulting instruction. This error loads MMFAR with the
address of the attempted access.

www.ti.com
Cortex-M3 Processor Registers
177
SWCU117F–February 2015–Revised June 2016
Submit Documentation Feedback Copyright © 2015–2016, Texas Instruments Incorporated
Table 2-132. CFSR Register Field Descriptions (continued)
Bit Field Type Reset Description
0 IACCVIOL R/W 0h Instruction access violation flag. Attempting to fetch an instruction
from a location that does not permit execution sets this flag. This
occurs on any access to an XN region, even when the MPU is
disabled or not present. The return PC points to the faulting
instruction. MMFAR is not written.

Cortex-M3 Processor Registers
www.ti.com
178 SWCU117F–February 2015–Revised June 2016
Submit Documentation Feedback
Copyright © 2015–2016, Texas Instruments Incorporated
2.7.4.37 HFSR Register (Offset = D2Ch) [reset = 0h]
HFSR is shown in Figure 2-107 and described in Table 2-133.
Return to Summary Table.
Hard Fault Status
This register is used to obtain information about events that activate the Hard Fault handler. This register
is a write-clear register. This means that writing a 1 to a bit clears that bit.
Figure 2-107. HFSR Register
31 30 29 28 27 26 25 24
DEBUGEVT FORCED RESERVED
R/W1C-0h R/W1C-0h R/W-0h
23 22 21 20 19 18 17 16
RESERVED
R/W-0h
15 14 13 12 11 10 9 8
RESERVED
R/W-0h
76543210
RESERVED VECTTBL RESERVED
R/W-0h R/W1C-0h R/W-0h
Table 2-133. HFSR Register Field Descriptions
Bit Field Type Reset Description
31 DEBUGEVT R/W1C 0h This bit is set if there is a fault related to debug. This is only possible
when halting debug is not enabled. For monitor enabled debug, it
only happens for BKPT when the current priority is higher than the
monitor. When both halting and monitor debug are disabled, it only
happens for debug events that are not ignored (minimally, BKPT).
The Debug Fault Status Register is updated.
30 FORCED R/W1C 0h Hard Fault activated because a Configurable Fault was received and
cannot activate because of priority or because the Configurable Fault
is disabled. The Hard Fault handler then has to read the other fault
status registers to determine cause.
29-2 RESERVED R/W 0h Software should not rely on the value of a reserved. Writing any
other value than the reset value may result in undefined behavior.
1 VECTTBL R/W1C 0h This bit is set if there is a fault because of vector table read on
exception processing (Bus Fault). This case is always a Hard Fault.
The return PC points to the pre-empted instruction.
0 RESERVED R/W 0h Software should not rely on the value of a reserved. Writing any
other value than the reset value may result in undefined behavior.

www.ti.com
Cortex-M3 Processor Registers
179
SWCU117F–February 2015–Revised June 2016
Submit Documentation Feedback Copyright © 2015–2016, Texas Instruments Incorporated
2.7.4.38 DFSR Register (Offset = D30h) [reset = 0h]
DFSR is shown in Figure 2-108 and described in Table 2-134.
Return to Summary Table.
Debug Fault Status
This register is used to monitor external debug requests, vector catches, data watchpoint match, BKPT
instruction execution, halt requests. Multiple flags in the Debug Fault Status Register can be set when
multiple fault conditions occur. The register is read/write clear. This means that it can be read normally.
Writing a 1 to a bit clears that bit. Note that these bits are not set unless the event is caught. This means
that it causes a stop of some sort. If halting debug is enabled, these events stop the processor into debug.
If debug is disabled and the debug monitor is enabled, then this becomes a debug monitor handler call, if
priority permits. If debug and the monitor are both disabled, some of these events are Hard Faults, and
some are ignored.
Figure 2-108. DFSR Register
31 30 29 28 27 26 25 24
RESERVED
R/W-0h
23 22 21 20 19 18 17 16
RESERVED
R/W-0h
15 14 13 12 11 10 9 8
RESERVED
R/W-0h
76543210
RESERVED EXTERNAL VCATCH DWTTRAP BKPT HALTED
R/W-0h R/W-0h R/W-0h R/W-0h R/W-0h R/W-0h
Table 2-134. DFSR Register Field Descriptions
Bit Field Type Reset Description
31-5 RESERVED R/W 0h Software should not rely on the value of a reserved. Writing any
other value than the reset value may result in undefined behavior.
4 EXTERNAL R/W 0h External debug request flag. The processor stops on next instruction
boundary.
0x0: External debug request signal not asserted
0x1: External debug request signal asserted
3 VCATCH R/W 0h Vector catch flag. When this flag is set, a flag in one of the local fault
status registers is also set to indicate the type of fault.
0x0: No vector catch occurred
0x1: Vector catch occurred
2 DWTTRAP R/W 0h Data Watchpoint and Trace (DWT) flag. The processor stops at the
current instruction or at the next instruction.
0x0: No DWT match
0x1: DWT match
1 BKPT R/W 0h BKPT flag. The BKPT flag is set by a BKPT instruction in flash patch
code, and also by normal code. Return PC points to breakpoint
containing instruction.
0x0: No BKPT instruction execution
0x1: BKPT instruction execution
0 HALTED R/W 0h Halt request flag. The processor is halted on the next instruction.
0x0: No halt request
0x1: Halt requested by NVIC, including step

Cortex-M3 Processor Registers
www.ti.com
180 SWCU117F–February 2015–Revised June 2016
Submit Documentation Feedback
Copyright © 2015–2016, Texas Instruments Incorporated
2.7.4.39 MMFAR Register (Offset = D34h) [reset = X]
MMFAR is shown in Figure 2-109 and described in Table 2-135.
Return to Summary Table.
Mem Manage Fault Address
This register is used to read the address of the location that caused a Memory Manage Fault.
Figure 2-109. MMFAR Register
31 30 29 28 27 26 25 24 23 22 21 20 19 18 17 16 15 14 13 12 11 10 9 8 7 6 5 4 3 2 1 0
ADDRESS
R/W-X
Table 2-135. MMFAR Register Field Descriptions
Bit Field Type Reset Description
31-0 ADDRESS R/W X Mem Manage fault address field.
This field is the data address of a faulted load or store attempt.
When an unaligned access faults, the address is the actual address
that faulted. Because an access can be split into multiple parts, each
aligned, this address can be any offset in the range of the requested
size. Flags CFSR.IACCVIOL, CFSR.DACCVIOL
,CFSR.MUNSTKERR and CFSR.MSTKERR in combination with
CFSR.MMARVALIDindicate the cause of the fault.

www.ti.com
Cortex-M3 Processor Registers
181
SWCU117F–February 2015–Revised June 2016
Submit Documentation Feedback Copyright © 2015–2016, Texas Instruments Incorporated
2.7.4.40 BFAR Register (Offset = D38h) [reset = X]
BFAR is shown in Figure 2-110 and described in Table 2-136.
Return to Summary Table.
Bus Fault Address
This register is used to read the address of the location that generated a Bus Fault.
Figure 2-110. BFAR Register
31 30 29 28 27 26 25 24 23 22 21 20 19 18 17 16 15 14 13 12 11 10 9 8 7 6 5 4 3 2 1 0
ADDRESS
R/W-X
Table 2-136. BFAR Register Field Descriptions
Bit Field Type Reset Description
31-0 ADDRESS R/W X Bus fault address field. This field is the data address of a faulted
load or store attempt. When an unaligned access faults, the address
is the address requested by the instruction, even if that is not the
address that faulted.
Flags CFSR.IBUSERR, CFSR.PRECISERR, CFSR.IMPRECISERR,
CFSR.UNSTKERR and CFSR.STKERR in combination with
CFSR.BFARVALID indicate the cause of the fault.

Cortex-M3 Processor Registers
www.ti.com
182 SWCU117F–February 2015–Revised June 2016
Submit Documentation Feedback
Copyright © 2015–2016, Texas Instruments Incorporated
2.7.4.41 AFSR Register (Offset = D3Ch) [reset = 0h]
AFSR is shown in Figure 2-111 and described in Table 2-137.
Return to Summary Table.
Auxiliary Fault Status
This register is used to determine additional system fault information to software. Single-cycle high level
on an auxiliary faults is latched as one. The bit can only be cleared by writing a one to the corresponding
bit. Auxiliary fault inputs to the CPU are tied to 0.
Figure 2-111. AFSR Register
31 30 29 28 27 26 25 24 23 22 21 20 19 18 17 16 15 14 13 12 11 10 9 8 7 6 5 4 3 2 1 0
IMPDEF
R/W-0h
Table 2-137. AFSR Register Field Descriptions
Bit Field Type Reset Description
31-0 IMPDEF R/W 0h Implementation defined. The bits map directly onto the signal
assignment to the auxiliary fault inputs. Tied to 0

www.ti.com
Cortex-M3 Processor Registers
183
SWCU117F–February 2015–Revised June 2016
Submit Documentation Feedback Copyright © 2015–2016, Texas Instruments Incorporated
2.7.4.42 ID_PFR0 Register (Offset = D40h) [reset = 30h]
ID_PFR0 is shown in Figure 2-112 and described in Table 2-138.
Return to Summary Table.
Processor Feature 0
Figure 2-112. ID_PFR0 Register
31 30 29 28 27 26 25 24 23 22 21 20 19 18 17 16
RESERVED
R-0h
15 14 13 12 11 10 9 8 7 6 5 4 3 2 1 0
RESERVED STATE1 STATE0
R-0h R-3h R-0h
Table 2-138. ID_PFR0 Register Field Descriptions
Bit Field Type Reset Description
31-8 RESERVED R 0h Software should not rely on the value of a reserved. Writing any
other value than the reset value may result in undefined behavior.
7-4 STATE1 R 3h State1 (T-bit == 1)
0x0: N/A
0x1: N/A
0x2: Thumb-2 encoding with the 16-bit basic instructions plus 32-bit
Buncond/BL but no other 32-bit basic instructions (Note non-basic
32-bit instructions can be added using the appropriate instruction
attribute, but other 32-bit basic instructions cannot.)
0x3: Thumb-2 encoding with all Thumb-2 basic instructions
3-0 STATE0 R 0h State0 (T-bit == 0)
0x0: No ARM encoding
0x1: N/A

Cortex-M3 Processor Registers
www.ti.com
184 SWCU117F–February 2015–Revised June 2016
Submit Documentation Feedback
Copyright © 2015–2016, Texas Instruments Incorporated
2.7.4.43 ID_PFR1 Register (Offset = D44h) [reset = 200h]
ID_PFR1 is shown in Figure 2-113 and described in Table 2-139.
Return to Summary Table.
Processor Feature 1
Figure 2-113. ID_PFR1 Register
31 30 29 28 27 26 25 24
RESERVED
R-0h
23 22 21 20 19 18 17 16
RESERVED
R-0h
15 14 13 12 11 10 9 8
RESERVED MICROCONTROLLER_PROGRAMMERS_MODEL
R-0h R-2h
76543210
RESERVED
R-0h
Table 2-139. ID_PFR1 Register Field Descriptions
Bit Field Type Reset Description
31-12 RESERVED R 0h Software should not rely on the value of a reserved. Writing any
other value than the reset value may result in undefined behavior.
11-8 MICROCONTROLLER_P
ROGRAMMERS_MODEL R 2h Microcontroller programmer's model
0x0: Not supported
0x2: Two-stack support
7-0 RESERVED R 0h Software should not rely on the value of a reserved. Writing any
other value than the reset value may result in undefined behavior.

www.ti.com
Cortex-M3 Processor Registers
185
SWCU117F–February 2015–Revised June 2016
Submit Documentation Feedback Copyright © 2015–2016, Texas Instruments Incorporated
2.7.4.44 ID_DFR0 Register (Offset = D48h) [reset = 00100000h]
ID_DFR0 is shown in Figure 2-114 and described in Table 2-140.
Return to Summary Table.
Debug Feature 0
This register provides a high level view of the debug system. Further details are provided in the debug
infrastructure itself.
Figure 2-114. ID_DFR0 Register
31 30 29 28 27 26 25 24
RESERVED
R-0h
23 22 21 20 19 18 17 16
MICROCONTROLLER_DEBUG_MODEL RESERVED
R-1h R-0h
15 14 13 12 11 10 9 8
RESERVED
R-0h
76543210
RESERVED
R-0h
Table 2-140. ID_DFR0 Register Field Descriptions
Bit Field Type Reset Description
31-24 RESERVED R 0h Software should not rely on the value of a reserved. Writing any
other value than the reset value may result in undefined behavior.
23-20 MICROCONTROLLER_D
EBUG_MODEL R 1h Microcontroller Debug Model - memory mapped
0x0: Not supported
0x1: Microcontroller debug v1 (ITMv1 and DWTv1)
19-0 RESERVED R 0h Software should not rely on the value of a reserved. Writing any
other value than the reset value may result in undefined behavior.

Cortex-M3 Processor Registers
www.ti.com
186 SWCU117F–February 2015–Revised June 2016
Submit Documentation Feedback
Copyright © 2015–2016, Texas Instruments Incorporated
2.7.4.45 ID_AFR0 Register (Offset = D4Ch) [reset = 0h]
ID_AFR0 is shown in Figure 2-115 and described in Table 2-141.
Return to Summary Table.
Auxiliary Feature 0
This register provides some freedom for implementation defined features to be registered. Not used in
Cortex-M.
Figure 2-115. ID_AFR0 Register
31 30 29 28 27 26 25 24 23 22 21 20 19 18 17 16 15 14 13 12 11 10 9 8 7 6 5 4 3 2 1 0
RESERVED
R-0h
Table 2-141. ID_AFR0 Register Field Descriptions
Bit Field Type Reset Description
31-0 RESERVED R 0h Software should not rely on the value of a reserved. Writing any
other value than the reset value may result in undefined behavior.

www.ti.com
Cortex-M3 Processor Registers
187
SWCU117F–February 2015–Revised June 2016
Submit Documentation Feedback Copyright © 2015–2016, Texas Instruments Incorporated
2.7.4.46 ID_MMFR0 Register (Offset = D50h) [reset = 00100030h]
ID_MMFR0 is shown in Figure 2-116 and described in Table 2-142.
Return to Summary Table.
Memory Model Feature 0
General information on the memory model and memory management support.
Figure 2-116. ID_MMFR0 Register
31 30 29 28 27 26 25 24 23 22 21 20 19 18 17 16 15 14 13 12 11 10 9 8 7 6 5 4 3 2 1 0
RESERVED
R-00100030h
Table 2-142. ID_MMFR0 Register Field Descriptions
Bit Field Type Reset Description
31-0 RESERVED R 00100030h Software should not rely on the value of a reserved. Writing any
other value than the reset value may result in undefined behavior.

Cortex-M3 Processor Registers
www.ti.com
188 SWCU117F–February 2015–Revised June 2016
Submit Documentation Feedback
Copyright © 2015–2016, Texas Instruments Incorporated
2.7.4.47 ID_MMFR1 Register (Offset = D54h) [reset = 0h]
ID_MMFR1 is shown in Figure 2-117 and described in Table 2-143.
Return to Summary Table.
Memory Model Feature 1
General information on the memory model and memory management support.
Figure 2-117. ID_MMFR1 Register
31 30 29 28 27 26 25 24 23 22 21 20 19 18 17 16 15 14 13 12 11 10 9 8 7 6 5 4 3 2 1 0
RESERVED
R-0h
Table 2-143. ID_MMFR1 Register Field Descriptions
Bit Field Type Reset Description
31-0 RESERVED R 0h Software should not rely on the value of a reserved. Writing any
other value than the reset value may result in undefined behavior.

www.ti.com
Cortex-M3 Processor Registers
189
SWCU117F–February 2015–Revised June 2016
Submit Documentation Feedback Copyright © 2015–2016, Texas Instruments Incorporated
2.7.4.48 ID_MMFR2 Register (Offset = D58h) [reset = 01000000h]
ID_MMFR2 is shown in Figure 2-118 and described in Table 2-144.
Return to Summary Table.
Memory Model Feature 2
General information on the memory model and memory management support.
Figure 2-118. ID_MMFR2 Register
31 30 29 28 27 26 25 24
RESERVED WAIT_FOR_IN
TERRUPT_ST
ALLING
R-0h R-1h
23 22 21 20 19 18 17 16
RESERVED
R-0h
15 14 13 12 11 10 9 8
RESERVED
R-0h
76543210
RESERVED
R-0h
Table 2-144. ID_MMFR2 Register Field Descriptions
Bit Field Type Reset Description
31-25 RESERVED R 0h Software should not rely on the value of a reserved. Writing any
other value than the reset value may result in undefined behavior.
24 WAIT_FOR_INTERRUPT
_STALLING R 1h wait for interrupt stalling
0x0: Not supported
0x1: Wait for interrupt supported
23-0 RESERVED R 0h Software should not rely on the value of a reserved. Writing any
other value than the reset value may result in undefined behavior.

Cortex-M3 Processor Registers
www.ti.com
190 SWCU117F–February 2015–Revised June 2016
Submit Documentation Feedback
Copyright © 2015–2016, Texas Instruments Incorporated
2.7.4.49 ID_MMFR3 Register (Offset = D5Ch) [reset = 0h]
ID_MMFR3 is shown in Figure 2-119 and described in Table 2-145.
Return to Summary Table.
Memory Model Feature 3
General information on the memory model and memory management support.
Figure 2-119. ID_MMFR3 Register
31 30 29 28 27 26 25 24 23 22 21 20 19 18 17 16 15 14 13 12 11 10 9 8 7 6 5 4 3 2 1 0
RESERVED
R-0h
Table 2-145. ID_MMFR3 Register Field Descriptions
Bit Field Type Reset Description
31-0 RESERVED R 0h Software should not rely on the value of a reserved. Writing any
other value than the reset value may result in undefined behavior.

www.ti.com
Cortex-M3 Processor Registers
191
SWCU117F–February 2015–Revised June 2016
Submit Documentation Feedback Copyright © 2015–2016, Texas Instruments Incorporated
2.7.4.50 ID_ISAR0 Register (Offset = D60h) [reset = 01101110h]
ID_ISAR0 is shown in Figure 2-120 and described in Table 2-146.
Return to Summary Table.
ISA Feature 0
Information on the instruction set attributes register
Figure 2-120. ID_ISAR0 Register
31 30 29 28 27 26 25 24 23 22 21 20 19 18 17 16 15 14 13 12 11 10 9 8 7 6 5 4 3 2 1 0
RESERVED
R-01101110h
Table 2-146. ID_ISAR0 Register Field Descriptions
Bit Field Type Reset Description
31-0 RESERVED R 01101110h Software should not rely on the value of a reserved. Writing any
other value than the reset value may result in undefined behavior.

Cortex-M3 Processor Registers
www.ti.com
192 SWCU117F–February 2015–Revised June 2016
Submit Documentation Feedback
Copyright © 2015–2016, Texas Instruments Incorporated
2.7.4.51 ID_ISAR1 Register (Offset = D64h) [reset = 02111000h]
ID_ISAR1 is shown in Figure 2-121 and described in Table 2-147.
Return to Summary Table.
ISA Feature 1
Information on the instruction set attributes register
Figure 2-121. ID_ISAR1 Register
31 30 29 28 27 26 25 24 23 22 21 20 19 18 17 16 15 14 13 12 11 10 9 8 7 6 5 4 3 2 1 0
RESERVED
R-02111000h
Table 2-147. ID_ISAR1 Register Field Descriptions
Bit Field Type Reset Description
31-0 RESERVED R 02111000h Software should not rely on the value of a reserved. Writing any
other value than the reset value may result in undefined behavior.

www.ti.com
Cortex-M3 Processor Registers
193
SWCU117F–February 2015–Revised June 2016
Submit Documentation Feedback Copyright © 2015–2016, Texas Instruments Incorporated
2.7.4.52 ID_ISAR2 Register (Offset = D68h) [reset = 21112231h]
ID_ISAR2 is shown in Figure 2-122 and described in Table 2-148.
Return to Summary Table.
ISA Feature 2
Information on the instruction set attributes register
Figure 2-122. ID_ISAR2 Register
31 30 29 28 27 26 25 24 23 22 21 20 19 18 17 16 15 14 13 12 11 10 9 8 7 6 5 4 3 2 1 0
RESERVED
R-21112231h
Table 2-148. ID_ISAR2 Register Field Descriptions
Bit Field Type Reset Description
31-0 RESERVED R 21112231h Software should not rely on the value of a reserved. Writing any
other value than the reset value may result in undefined behavior.

Cortex-M3 Processor Registers
www.ti.com
194 SWCU117F–February 2015–Revised June 2016
Submit Documentation Feedback
Copyright © 2015–2016, Texas Instruments Incorporated
2.7.4.53 ID_ISAR3 Register (Offset = D6Ch) [reset = 01111110h]
ID_ISAR3 is shown in Figure 2-123 and described in Table 2-149.
Return to Summary Table.
ISA Feature 3
Information on the instruction set attributes register
Figure 2-123. ID_ISAR3 Register
31 30 29 28 27 26 25 24 23 22 21 20 19 18 17 16 15 14 13 12 11 10 9 8 7 6 5 4 3 2 1 0
RESERVED
R-01111110h
Table 2-149. ID_ISAR3 Register Field Descriptions
Bit Field Type Reset Description
31-0 RESERVED R 01111110h Software should not rely on the value of a reserved. Writing any
other value than the reset value may result in undefined behavior.

www.ti.com
Cortex-M3 Processor Registers
195
SWCU117F–February 2015–Revised June 2016
Submit Documentation Feedback Copyright © 2015–2016, Texas Instruments Incorporated
2.7.4.54 ID_ISAR4 Register (Offset = D70h) [reset = 01310132h]
ID_ISAR4 is shown in Figure 2-124 and described in Table 2-150.
Return to Summary Table.
ISA Feature 4
Information on the instruction set attributes register
Figure 2-124. ID_ISAR4 Register
31 30 29 28 27 26 25 24 23 22 21 20 19 18 17 16 15 14 13 12 11 10 9 8 7 6 5 4 3 2 1 0
RESERVED
R-01310132h
Table 2-150. ID_ISAR4 Register Field Descriptions
Bit Field Type Reset Description
31-0 RESERVED R 01310132h Software should not rely on the value of a reserved. Writing any
other value than the reset value may result in undefined behavior.

Cortex-M3 Processor Registers
www.ti.com
196 SWCU117F–February 2015–Revised June 2016
Submit Documentation Feedback
Copyright © 2015–2016, Texas Instruments Incorporated
2.7.4.55 CPACR Register (Offset = D88h) [reset = 0h]
CPACR is shown in Figure 2-125 and described in Table 2-151.
Return to Summary Table.
Coprocessor Access Control
This register specifies the access privileges for coprocessors.
Figure 2-125. CPACR Register
31 30 29 28 27 26 25 24 23 22 21 20 19 18 17 16 15 14 13 12 11 10 9 8 7 6 5 4 3 2 1 0
RESERVED
R/W-0h
Table 2-151. CPACR Register Field Descriptions
Bit Field Type Reset Description
31-0 RESERVED R/W 0h Software should not rely on the value of a reserved. Writing any
other value than the reset value may result in undefined behavior.

www.ti.com
Cortex-M3 Processor Registers
197
SWCU117F–February 2015–Revised June 2016
Submit Documentation Feedback Copyright © 2015–2016, Texas Instruments Incorporated
2.7.4.56 DHCSR Register (Offset = DF0h) [reset = X]
DHCSR is shown in Figure 2-126 and described in Table 2-152.
Return to Summary Table.
Debug Halting Control and Status
The purpose of this register is to provide status information about the state of the processor, enable core
debug, halt and step the processor. For writes, 0xA05F must be written to higher half-word of this register,
otherwise the write operation is ignored and no bits are written into the register. If not enabled for Halting
mode, C_DEBUGEN = 1, all other fields are disabled. This register is not reset on a core reset. It is reset
by a power-on reset. However, C_HALT always clears on a core reset. To halt on a reset, the following
bits must be enabled: DEMCR.VC_CORERESET and C_DEBUGEN. Note that writes to this register in
any size other than word are unpredictable. It is acceptable to read in any size, and it can be used to
avoid or intentionally change a sticky bit.
Behavior of the system when writing to this register while CPU is halted (i.e. C_DEBUGEN = 1 and
S_HALT= 1):
C_HALT=0, C_STEP=0, C_MASKINTS=0 Exit Debug state and start instruction execution. Exceptions
activate according to the exception configuration rules.
C_HALT=0, C_STEP=0, C_MASKINTS=1 Exit Debug state and start instruction execution. PendSV,
SysTick and external configurable interrupts are disabled, otherwise exceptions activate according to
standard configuration rules.
C_HALT=0, C_STEP=1, C_MASKINTS=0 Exit Debug state, step an instruction and halt. Exceptions
activate according to the exception configuration rules.
C_HALT=0, C_STEP=1, C_MASKINTS=1 Exit Debug state, step an instruction and halt. PendSV, SysTick
and external configurable interrupts are disabled, otherwise exceptions activate according to standard
configuration rules.
C_HALT=1, C_STEP=x, C_MASKINTS=x Remain in Debug state
Figure 2-126. DHCSR Register
31 30 29 28 27 26 25 24
RESERVED S_RESET_ST S_RETIRE_ST
R/W-0h R/W-0h R/W-0h
23 22 21 20 19 18 17 16
RESERVED S_LOCKUP S_SLEEP S_HALT S_REGRDY
R/W-0h R/W-0h R/W-0h R/W-0h R/W-X
15 14 13 12 11 10 9 8
RESERVED
R-0h
76543210
RESERVED C_SNAPSTALL RESERVED C_MASKINTS C_STEP C_HALT C_DEBUGEN
R-0h R/W-0h R/W-0h R/W-0h R/W-0h R/W-0h R/W-0h
Table 2-152. DHCSR Register Field Descriptions
Bit Field Type Reset Description
31-26 RESERVED R/W 0h Software should not rely on the value of a reserved.
When writing to this register, 0x28 must be written this bit-field,
otherwise the write operation is ignored and no bits are written into
the register.
25 S_RESET_ST R/W 0h Indicates that the core has been reset, or is now being reset, since
the last time this bit was read. This a sticky bit that clears on read.
So, reading twice and getting 1 then 0 means it was reset in the
past. Reading twice and getting 1 both times means that it is being
reset now (held in reset still).
When writing to this register, 0 must be written this bit-field,
otherwise the write operation is ignored and no bits are written into
the register.

Cortex-M3 Processor Registers
www.ti.com
198 SWCU117F–February 2015–Revised June 2016
Submit Documentation Feedback
Copyright © 2015–2016, Texas Instruments Incorporated
Table 2-152. DHCSR Register Field Descriptions (continued)
Bit Field Type Reset Description
24 S_RETIRE_ST R/W 0h Indicates that an instruction has completed since last read. This is a
sticky bit that clears on read. This determines if the core is stalled on
a load/store or fetch.
When writing to this register, 0 must be written this bit-field,
otherwise the write operation is ignored and no bits are written into
the register.
23-20 RESERVED R/W 0h Software should not rely on the value of a reserved.
When writing to this register, 0x5 must be written this bit-field,
otherwise the write operation is ignored and no bits are written into
the register.
19 S_LOCKUP R/W 0h Reads as one if the core is running (not halted) and a lockup
condition is present.
When writing to this register, 1 must be written this bit-field,
otherwise the write operation is ignored and no bits are written into
the register.
18 S_SLEEP R/W 0h Indicates that the core is sleeping (WFI, WFE, or **SLEEP-ON-
EXIT**). Must use C_HALT to gain control or wait for interrupt to
wake-up.
When writing to this register, 1 must be written this bit-field,
otherwise the write operation is ignored and no bits are written into
the register.
17 S_HALT R/W 0h The core is in debug state when this bit is set.
When writing to this register, 1 must be written this bit-field,
otherwise the write operation is ignored and no bits are written into
the register.
16 S_REGRDY R/W X Register Read/Write on the Debug Core Register Selector register is
available. Last transfer is complete.
When writing to this register, 1 must be written this bit-field,
otherwise the write operation is ignored and no bits are written into
the register.
15-6 RESERVED R 0h Software should not rely on the value of a reserved. Writing any
other value than the reset value may result in undefined behavior.
5 C_SNAPSTALL R/W 0h If the core is stalled on a load/store operation the stall ceases and
the instruction is forced to complete. This enables Halting debug to
gain control of the core. It can only be set if: C_DEBUGEN = 1 and
C_HALT = 1. The core reads S_RETIRE_ST as 0. This indicates
that no instruction has advanced. This prevents misuse. The bus
state is Unpredictable when this is used. S_RETIRE_ST can detect
core stalls on load/store operations.
4 RESERVED R/W 0h Software should not rely on the value of a reserved. Writing any
other value than the reset value may result in undefined behavior.
3 C_MASKINTS R/W 0h Mask interrupts when stepping or running in halted debug. This
masking does not affect NMI, fault exceptions and SVC caused by
execution of the instructions. This bit must only be modified when
the processor is halted (S_HALT == 1). C_MASKINTS must be set
or cleared before halt is released (i.e., the writes to set or clear
C_MASKINTS and to set or clear C_HALT must be separate).
Modifying C_MASKINTS while the system is running with halting
debug support enabled (C_DEBUGEN = 1, S_HALT = 0) may cause
unpredictable behavior.
2 C_STEP R/W 0h Steps the core in halted debug. When C_DEBUGEN = 0, this bit has
no effect. Must only be modified when the processor is halted
(S_HALT == 1).
Modifying C_STEP while the system is running with halting debug
support enabled (C_DEBUGEN = 1, S_HALT = 0) may cause
unpredictable behavior.
1 C_HALT R/W 0h Halts the core. This bit is set automatically when the core Halts. For
example Breakpoint. This bit clears on core reset.

www.ti.com
Cortex-M3 Processor Registers
199
SWCU117F–February 2015–Revised June 2016
Submit Documentation Feedback Copyright © 2015–2016, Texas Instruments Incorporated
Table 2-152. DHCSR Register Field Descriptions (continued)
Bit Field Type Reset Description
0 C_DEBUGEN R/W 0h Enables debug. This can only be written by AHB-AP and not by the
core. It is ignored when written by the core, which cannot set or clear
it. The core must write a 1 to it when writing C_HALT to halt itself.
The values of C_HALT, C_STEP and C_MASKINTS are ignored by
hardware when C_DEBUGEN = 0. The read values for C_HALT,
C_STEP and C_MASKINTS fields will be unknown to software when
C_DEBUGEN = 0.

Cortex-M3 Processor Registers
www.ti.com
200 SWCU117F–February 2015–Revised June 2016
Submit Documentation Feedback
Copyright © 2015–2016, Texas Instruments Incorporated
2.7.4.57 DCRSR Register (Offset = DF4h) [reset = X]
DCRSR is shown in Figure 2-127 and described in Table 2-153.
Return to Summary Table.
Deubg Core Register Selector
The purpose of this register is to select the processor register to transfer data to or from. This write-only
register generates a handshake to the core to transfer data to or from Debug Core Register Data Register
and the selected register. Until this core transaction is complete, DHCSR.S_REGRDY is 0. Note that
writes to this register in any size but word are Unpredictable.
Note that PSR registers are fully accessible this way, whereas some read as 0 when using MRS
instructions. Note that all bits can be written, but some combinations cause a fault when execution is
resumed.
Figure 2-127. DCRSR Register
31 30 29 28 27 26 25 24
RESERVED
W-X
23 22 21 20 19 18 17 16
RESERVED REGWNR
W-X W-X
15 14 13 12 11 10 9 8
RESERVED
W-X
76543210
RESERVED REGSEL
W-X W-X
Table 2-153. DCRSR Register Field Descriptions
Bit Field Type Reset Description
31-17 RESERVED W X Software should not rely on the value of a reserved. Write 0.
16 REGWNR W X 1: Write
0: Read
15-5 RESERVED W X Software should not rely on the value of a reserved. Write 0.
4-0 REGSEL W X Register select
0x00: R0
0x01: R1
0x02: R2
0x03: R3
0x04: R4
0x05: R5
0x06: R6
0x07: R7
0x08: R8
0x09: R9
0x0A: R10
0x0B: R11
0x0C: R12
0x0D: Current SP
0x0E: LR
0x0F: DebugReturnAddress
0x10: XPSR/flags, execution state information, and exception
number
0x11: MSP (Main SP)
0x12: PSP (Process SP)
0x14: CONTROL<<24 | FAULTMASK<<16 | BASEPRI<<8 |
PRIMASK

www.ti.com
Cortex-M3 Processor Registers
201
SWCU117F–February 2015–Revised June 2016
Submit Documentation Feedback Copyright © 2015–2016, Texas Instruments Incorporated
2.7.4.58 DCRDR Register (Offset = DF8h) [reset = X]
DCRDR is shown in Figure 2-128 and described in Table 2-154.
Return to Summary Table.
Debug Core Register Data
Figure 2-128. DCRDR Register
31 30 29 28 27 26 25 24 23 22 21 20 19 18 17 16 15 14 13 12 11 10 9 8 7 6 5 4 3 2 1 0
DCRDR
R/W-X
Table 2-154. DCRDR Register Field Descriptions
Bit Field Type Reset Description
31-0 DCRDR R/W X This register holds data for reading and writing registers to and from
the processor. This is the data value written to the register selected
by DCRSR. When the processor receives a request from DCRSR,
this register is read or written by the processor using a normal load-
store unit operation. If core register transfers are not being
performed, software-based debug monitors can use this register for
communication in non-halting debug. This enables flags and bits to
acknowledge state and indicate if commands have been accepted
to, replied to, or accepted and replied to.

Cortex-M3 Processor Registers
www.ti.com
202 SWCU117F–February 2015–Revised June 2016
Submit Documentation Feedback
Copyright © 2015–2016, Texas Instruments Incorporated
2.7.4.59 DEMCR Register (Offset = DFCh) [reset = 0h]
DEMCR is shown in Figure 2-129 and described in Table 2-155.
Return to Summary Table.
Debug Exception and Monitor Control
The purpose of this register is vector catching and debug monitor control. This register manages
exception behavior under debug. Vector catching is only available to halting debug. The upper halfword is
for monitor controls and the lower halfword is for halting exception support. This register is not reset on a
system reset. This register is reset by a power-on reset. The fields MON_EN, MON_PEND, MON_STEP
and MON_REQ are always cleared on a core reset. The debug monitor is enabled by software in the reset
handler or later, or by the **AHB-AP** port. Vector catching is semi-synchronous. When a matching event
is seen, a Halt is requested. Because the processor can only halt on an instruction boundary, it must wait
until the next instruction boundary. As a result, it stops on the first instruction of the exception handler.
However, two special cases exist when a vector catch has triggered: 1. If a fault is taken during a vector
read or stack push error the halt occurs on the corresponding fault handler for the vector error or stack
push. 2. If a late arriving interrupt detected during a vector read or stack push error it is not taken. That is,
an implementation that supports the late arrival optimization must suppress it in this case.
Figure 2-129. DEMCR Register
31 30 29 28 27 26 25 24
RESERVED TRCENA
R/W-0h R/W-0h
23 22 21 20 19 18 17 16
RESERVED MON_REQ MON_STEP MON_PEND MON_EN
R/W-0h R/W-0h R/W-0h R/W-0h R/W-0h
15 14 13 12 11 10 9 8
RESERVED VC_HARDERR VC_INTERR VC_BUSERR
R/W-0h R/W-0h R/W-0h R/W-0h
76543210
VC_STATERR VC_CHKERR VC_NOCPERR VC_MMERR RESERVED VC_CORERES
ET
R/W-0h R/W-0h R/W-0h R/W-0h R/W-0h R/W-0h
Table 2-155. DEMCR Register Field Descriptions
Bit Field Type Reset Description
31-25 RESERVED R/W 0h Software should not rely on the value of a reserved. Writing any
other value than the reset value may result in undefined behavior.
24 TRCENA R/W 0h This bit must be set to 1 to enable use of the trace and debug
blocks: DWT, ITM, ETM and TPIU. This enables control of power
usage unless tracing is required. The application can enable this, for
ITM use, or use by a debugger.
23-20 RESERVED R/W 0h Software should not rely on the value of a reserved. Writing any
other value than the reset value may result in undefined behavior.
19 MON_REQ R/W 0h This enables the monitor to identify how it wakes up. This bit clears
on a Core Reset.
0x0: Woken up by debug exception.
0x1: Woken up by MON_PEND
18 MON_STEP R/W 0h When MON_EN = 1, this steps the core. When MON_EN = 0, this bit
is ignored.
This is the equivalent to DHCSR.C_STEP. Interrupts are only
stepped according to the priority of the monitor and settings of
PRIMASK, FAULTMASK, or BASEPRI.
17 MON_PEND R/W 0h Pend the monitor to activate when priority permits. This can wake up
the monitor through the AHB-AP port. It is the equivalent to
DHCSR.C_HALT for Monitor debug. This register does not reset on
a system reset. It is only reset by a power-on reset. Software in the
reset handler or later, or by the DAP must enable the debug monitor.

www.ti.com
Cortex-M3 Processor Registers
203
SWCU117F–February 2015–Revised June 2016
Submit Documentation Feedback Copyright © 2015–2016, Texas Instruments Incorporated
Table 2-155. DEMCR Register Field Descriptions (continued)
Bit Field Type Reset Description
16 MON_EN R/W 0h Enable the debug monitor.
When enabled, the System handler priority register controls its
priority level. If disabled, then all debug events go to Hard fault.
DHCSR.C_DEBUGEN overrides this bit. Vector catching is semi-
synchronous. When a matching event is seen, a Halt is requested.
Because the processor can only halt on an instruction boundary, it
must wait until the next instruction boundary. As a result, it stops on
the first instruction of the exception handler. However, two special
cases exist when a vector catch has triggered: 1. If a fault is taken
during vectoring, vector read or stack push error, the halt occurs on
the corresponding fault handler, for the vector error or stack push. 2.
If a late arriving interrupt comes in during vectoring, it is not taken.
That is, an implementation that supports the late arrival optimization
must suppress it in this case.
15-11 RESERVED R/W 0h Software should not rely on the value of a reserved. Writing any
other value than the reset value may result in undefined behavior.
10 VC_HARDERR R/W 0h Debug trap on Hard Fault. Ignored when DHCSR.C_DEBUGEN is
cleared.
9 VC_INTERR R/W 0h Debug trap on a fault occurring during an exception entry or return
sequence. Ignored when DHCSR.C_DEBUGEN is cleared.
8 VC_BUSERR R/W 0h Debug Trap on normal Bus error. Ignored when
DHCSR.C_DEBUGEN is cleared.
7 VC_STATERR R/W 0h Debug trap on Usage Fault state errors. Ignored when
DHCSR.C_DEBUGEN is cleared.
6 VC_CHKERR R/W 0h Debug trap on Usage Fault enabled checking errors. Ignored when
DHCSR.C_DEBUGEN is cleared.
5 VC_NOCPERR R/W 0h Debug trap on a UsageFault access to a Coprocessor. Ignored when
DHCSR.C_DEBUGEN is cleared.
4 VC_MMERR R/W 0h Debug trap on Memory Management faults. Ignored when
DHCSR.C_DEBUGEN is cleared.
3-1 RESERVED R/W 0h Software should not rely on the value of a reserved. Writing any
other value than the reset value may result in undefined behavior.
0 VC_CORERESET R/W 0h Reset Vector Catch. Halt running system if Core reset occurs.
Ignored when DHCSR.C_DEBUGEN is cleared.

Cortex-M3 Processor Registers
www.ti.com
204 SWCU117F–February 2015–Revised June 2016
Submit Documentation Feedback
Copyright © 2015–2016, Texas Instruments Incorporated
2.7.4.60 STIR Register (Offset = F00h) [reset = X]
STIR is shown in Figure 2-130 and described in Table 2-156.
Return to Summary Table.
Software Trigger Interrupt
Figure 2-130. STIR Register
31 30 29 28 27 26 25 24 23 22 21 20 19 18 17 16 15 14 13 12 11 10 9 8 7 6 5 4 3 2 1 0
RESERVED INTID
W-0h W-X
Table 2-156. STIR Register Field Descriptions
Bit Field Type Reset Description
31-9 RESERVED W 0h Software should not rely on the value of a reserved. Write 0.
8-0 INTID W X Interrupt ID field. Writing a value to this bit-field is the same as
manually pending an interrupt by setting the corresponding interrupt
bit in an Interrupt Set Pending Register in NVIC_ISPR0 or
NVIC_ISPR1.
2.7.5 CPU_TPIU Registers
Table 2-157 lists the memory-mapped registers for the CPU_TPIU. All register offset addresses not listed
in Table 2-157 should be considered as reserved locations and the register contents should not be
modified.
Table 2-157. CPU_TPIU Registers
Offset Acronym Register Name Section
0h SSPSR Supported Sync Port Sizes Section 2.7.5.1
4h CSPSR Current Sync Port Size Section 2.7.5.2
10h ACPR Async Clock Prescaler Section 2.7.5.3
F0h SPPR Selected Pin Protocol Section 2.7.5.4
300h FFSR Formatter and Flush Status Section 2.7.5.5
304h FFCR Formatter and Flush Control Section 2.7.5.6
308h FSCR Formatter Synchronization Counter Section 2.7.5.7
FA0h CLAIMMASK Claim Tag Mask Section 2.7.5.8
FA0h CLAIMSET Claim Tag Set Section 2.7.5.9
FA4h CLAIMTAG Current Claim Tag Section 2.7.5.10
FA4h CLAIMCLR Claim Tag Clear Section 2.7.5.11
FC8h DEVID Device ID Section 2.7.5.12

www.ti.com
Cortex-M3 Processor Registers
205
SWCU117F–February 2015–Revised June 2016
Submit Documentation Feedback Copyright © 2015–2016, Texas Instruments Incorporated
2.7.5.1 SSPSR Register (Offset = 0h) [reset = Bh]
SSPSR is shown in Figure 2-131 and described in Table 2-158.
Return to Summary Table.
Supported Sync Port Sizes
This register represents a single port size that is supported on the device, that is, 4, 2 or 1. This is to
ensure that tools do not attempt to select a port width that an attached TPA cannot capture.
Figure 2-131. SSPSR Register
31 30 29 28 27 26 25 24
RESERVED
R-0h
23 22 21 20 19 18 17 16
RESERVED
R-0h
15 14 13 12 11 10 9 8
RESERVED
R-0h
76543210
RESERVED FOUR THREE TWO ONE
R-0h R-1h R-0h R-1h R-1h
Table 2-158. SSPSR Register Field Descriptions
Bit Field Type Reset Description
31-4 RESERVED R 0h Software should not rely on the value of a reserved. Writing any
other value than the reset value may result in undefined behavior.
3 FOUR R 1h 4-bit port size support
0x0: Not supported
0x1: Supported
2 THREE R 0h 3-bit port size support
0x0: Not supported
0x1: Supported
1 TWO R 1h 2-bit port size support
0x0: Not supported
0x1: Supported
0 ONE R 1h 1-bit port size support
0x0: Not supported
0x1: Supported

Cortex-M3 Processor Registers
www.ti.com
206 SWCU117F–February 2015–Revised June 2016
Submit Documentation Feedback
Copyright © 2015–2016, Texas Instruments Incorporated
2.7.5.2 CSPSR Register (Offset = 4h) [reset = 1h]
CSPSR is shown in Figure 2-132 and described in Table 2-159.
Return to Summary Table.
Current Sync Port Size
This register has the same format as SSPSR but only one bit can be set, and all others must be zero.
Writing values with more than one bit set, or setting a bit that is not indicated as supported can cause
Unpredictable behavior. On reset this defaults to the smallest possible port size, 1 bit.
Figure 2-132. CSPSR Register
31 30 29 28 27 26 25 24
RESERVED
R/W-0h
23 22 21 20 19 18 17 16
RESERVED
R/W-0h
15 14 13 12 11 10 9 8
RESERVED
R/W-0h
76543210
RESERVED FOUR THREE TWO ONE
R/W-0h R/W-0h R/W-0h R/W-0h R/W-1h
Table 2-159. CSPSR Register Field Descriptions
Bit Field Type Reset Description
31-4 RESERVED R/W 0h Software should not rely on the value of a reserved. Writing any
other value than the reset value may result in undefined behavior.
3 FOUR R/W 0h 4-bit port enable
Writing values with more than one bit set in CSPSR, or setting a bit
that is not indicated as supported in SSPSR can cause
Unpredictable behavior.
2 THREE R/W 0h 3-bit port enable
Writing values with more than one bit set in CSPSR, or setting a bit
that is not indicated as supported in SSPSR can cause
Unpredictable behavior.
1 TWO R/W 0h 2-bit port enable
Writing values with more than one bit set in CSPSR, or setting a bit
that is not indicated as supported in SSPSR can cause
Unpredictable behavior.
0 ONE R/W 1h 1-bit port enable
Writing values with more than one bit set in CSPSR, or setting a bit
that is not indicated as supported in SSPSR can cause
Unpredictable behavior.

www.ti.com
Cortex-M3 Processor Registers
207
SWCU117F–February 2015–Revised June 2016
Submit Documentation Feedback Copyright © 2015–2016, Texas Instruments Incorporated
2.7.5.3 ACPR Register (Offset = 10h) [reset = 0h]
ACPR is shown in Figure 2-133 and described in Table 2-160.
Return to Summary Table.
Async Clock Prescaler
This register scales the baud rate of the asynchronous output.
Figure 2-133. ACPR Register
31 30 29 28 27 26 25 24 23 22 21 20 19 18 17 16 15 14 13 12 11 10 9 8 7 6 5 4 3 2 1 0
RESERVED PRESCALER
R/W-0h R/W-0h
Table 2-160. ACPR Register Field Descriptions
Bit Field Type Reset Description
31-13 RESERVED R/W 0h Software should not rely on the value of a reserved. Writing any
other value than the reset value may result in undefined behavior.
12-0 PRESCALER R/W 0h Divisor for input trace clock is (PRESCALER + 1).

Cortex-M3 Processor Registers
www.ti.com
208 SWCU117F–February 2015–Revised June 2016
Submit Documentation Feedback
Copyright © 2015–2016, Texas Instruments Incorporated
2.7.5.4 SPPR Register (Offset = F0h) [reset = 1h]
SPPR is shown in Figure 2-134 and described in Table 2-161.
Return to Summary Table.
Selected Pin Protocol
This register selects the protocol to be used for trace output.
Note: If this register is changed while trace data is being output, data corruption occurs.
Figure 2-134. SPPR Register
31 30 29 28 27 26 25 24
RESERVED
R/W-0h
23 22 21 20 19 18 17 16
RESERVED
R/W-0h
15 14 13 12 11 10 9 8
RESERVED
R/W-0h
76543210
RESERVED PROTOCOL
R/W-0h R/W-1h
Table 2-161. SPPR Register Field Descriptions
Bit Field Type Reset Description
31-2 RESERVED R/W 0h Software should not rely on the value of a reserved. Writing any
other value than the reset value may result in undefined behavior.
1-0 PROTOCOL R/W 1h Trace output protocol
0h = TracePort mode
1h = SerialWire Output (Manchester). This is the reset value.
2h = SerialWire Output (NRZ)

www.ti.com
Cortex-M3 Processor Registers
209
SWCU117F–February 2015–Revised June 2016
Submit Documentation Feedback Copyright © 2015–2016, Texas Instruments Incorporated
2.7.5.5 FFSR Register (Offset = 300h) [reset = 8h]
FFSR is shown in Figure 2-135 and described in Table 2-162.
Return to Summary Table.
Formatter and Flush Status
Figure 2-135. FFSR Register
31 30 29 28 27 26 25 24
RESERVED
R-0h
23 22 21 20 19 18 17 16
RESERVED
R-0h
15 14 13 12 11 10 9 8
RESERVED
R-0h
76543210
RESERVED FTNONSTOP RESERVED
R-0h R-1h R-0h
Table 2-162. FFSR Register Field Descriptions
Bit Field Type Reset Description
31-4 RESERVED R 0h Software should not rely on the value of a reserved. Writing any
other value than the reset value may result in undefined behavior.
3 FTNONSTOP R 1h 0: Formatter can be stopped
1: Formatter cannot be stopped
2-0 RESERVED R 0h This field always reads as zero

Cortex-M3 Processor Registers
www.ti.com
210 SWCU117F–February 2015–Revised June 2016
Submit Documentation Feedback
Copyright © 2015–2016, Texas Instruments Incorporated
2.7.5.6 FFCR Register (Offset = 304h) [reset = 102h]
FFCR is shown in Figure 2-136 and described in Table 2-163.
Return to Summary Table.
Formatter and Flush Control
When one of the two single wire output (SWO) modes is selected, ENFCONT enables the formatter to be
bypassed. If the formatter is bypassed, only the ITM/DWT trace source (ATDATA2) passes through. The
TPIU accepts and discards data that is presented on the ETM port (ATDATA1). This function is intended
to be used when it is necessary to connect a device containing an ETM to a trace capture device that is
only able to capture Serial Wire Output (SWO) data. Enabling or disabling the formatter causes
momentary data corruption.
Note: If the selected pin protocol register (SPPR.PROTOCOL) is set to 0x00 (TracePort mode), this
register always reads 0x102, because the formatter is automatically enabled. If one of the serial wire
modes is then selected, the register reverts to its previously programmed value.
Figure 2-136. FFCR Register
31 30 29 28 27 26 25 24
RESERVED
R/W-0h
23 22 21 20 19 18 17 16
RESERVED
R/W-0h
15 14 13 12 11 10 9 8
RESERVED TRIGIN
R/W-0h R/W-1h
76543210
RESERVED ENFCONT RESERVED
R/W-0h R/W-1h R/W-0h
Table 2-163. FFCR Register Field Descriptions
Bit Field Type Reset Description
31-9 RESERVED R/W 0h Software should not rely on the value of a reserved. Writing any
other value than the reset value may result in undefined behavior.
8 TRIGIN R/W 1h Indicates that triggers are inserted when a trigger pin is asserted.
7-2 RESERVED R/W 0h Software should not rely on the value of a reserved. Writing any
other value than the reset value may result in undefined behavior.
1 ENFCONT R/W 1h Enable continuous formatting:
0: Continuous formatting disabled
1: Continuous formatting enabled
0 RESERVED R/W 0h Software should not rely on the value of a reserved. Writing any
other value than the reset value may result in undefined behavior.

www.ti.com
Cortex-M3 Processor Registers
211
SWCU117F–February 2015–Revised June 2016
Submit Documentation Feedback Copyright © 2015–2016, Texas Instruments Incorporated
2.7.5.7 FSCR Register (Offset = 308h) [reset = 0h]
FSCR is shown in Figure 2-137 and described in Table 2-164.
Return to Summary Table.
Formatter Synchronization Counter
Figure 2-137. FSCR Register
31 30 29 28 27 26 25 24 23 22 21 20 19 18 17 16 15 14 13 12 11 10 9 8 7 6 5 4 3 2 1 0
FSCR
R-0h
Table 2-164. FSCR Register Field Descriptions
Bit Field Type Reset Description
31-0 FSCR R 0h The global synchronization trigger is generated by the Program
Counter (PC) Sampler block. This means that there is no
synchronization counter in the TPIU.

Cortex-M3 Processor Registers
www.ti.com
212 SWCU117F–February 2015–Revised June 2016
Submit Documentation Feedback
Copyright © 2015–2016, Texas Instruments Incorporated
2.7.5.8 CLAIMMASK Register (Offset = FA0h) [reset = Fh]
CLAIMMASK is shown in Figure 2-138 and described in Table 2-165.
Return to Summary Table.
Claim Tag Mask
Figure 2-138. CLAIMMASK Register
31 30 29 28 27 26 25 24 23 22 21 20 19 18 17 16 15 14 13 12 11 10 9 8 7 6 5 4 3 2 1 0
CLAIMMASK
R-Fh
Table 2-165. CLAIMMASK Register Field Descriptions
Bit Field Type Reset Description
31-0 CLAIMMASK R Fh This register forms one half of the Claim Tag value. When reading
this register returns the number of bits that can be set (each bit is
considered separately):
0: This claim tag bit is not implemented
1: This claim tag bit is not implemented
The behavior when writing to this register is described in CLAIMSET.

www.ti.com
Cortex-M3 Processor Registers
213
SWCU117F–February 2015–Revised June 2016
Submit Documentation Feedback Copyright © 2015–2016, Texas Instruments Incorporated
2.7.5.9 CLAIMSET Register (Offset = FA0h) [reset = Fh]
CLAIMSET is shown in Figure 2-139 and described in Table 2-166.
Return to Summary Table.
Claim Tag Set
Figure 2-139. CLAIMSET Register
31 30 29 28 27 26 25 24 23 22 21 20 19 18 17 16 15 14 13 12 11 10 9 8 7 6 5 4 3 2 1 0
CLAIMSET
W-Fh
Table 2-166. CLAIMSET Register Field Descriptions
Bit Field Type Reset Description
31-0 CLAIMSET W Fh This register forms one half of the Claim Tag value. Writing to this
location allows individual bits to be set (each bit is considered
separately):
0: No effect
1: Set this bit in the claim tag
The behavior when reading from this location is described in
CLAIMMASK.

Cortex-M3 Processor Registers
www.ti.com
214 SWCU117F–February 2015–Revised June 2016
Submit Documentation Feedback
Copyright © 2015–2016, Texas Instruments Incorporated
2.7.5.10 CLAIMTAG Register (Offset = FA4h) [reset = 0h]
CLAIMTAG is shown in Figure 2-140 and described in Table 2-167.
Return to Summary Table.
Current Claim Tag
Figure 2-140. CLAIMTAG Register
31 30 29 28 27 26 25 24 23 22 21 20 19 18 17 16 15 14 13 12 11 10 9 8 7 6 5 4 3 2 1 0
CLAIMTAG
R-0h
Table 2-167. CLAIMTAG Register Field Descriptions
Bit Field Type Reset Description
31-0 CLAIMTAG R 0h This register forms one half of the Claim Tag value. Reading this
register returns the current Claim Tag value.
Reading CLAIMMASK determines how many bits from this register
must be used.
The behavior when writing to this register is described in CLAIMCLR.

www.ti.com
Cortex-M3 Processor Registers
215
SWCU117F–February 2015–Revised June 2016
Submit Documentation Feedback Copyright © 2015–2016, Texas Instruments Incorporated
2.7.5.11 CLAIMCLR Register (Offset = FA4h) [reset = 0h]
CLAIMCLR is shown in Figure 2-141 and described in Table 2-168.
Return to Summary Table.
Claim Tag Clear
Figure 2-141. CLAIMCLR Register
31 30 29 28 27 26 25 24 23 22 21 20 19 18 17 16 15 14 13 12 11 10 9 8 7 6 5 4 3 2 1 0
CLAIMCLR
W-0h
Table 2-168. CLAIMCLR Register Field Descriptions
Bit Field Type Reset Description
31-0 CLAIMCLR W 0h This register forms one half of the Claim Tag value. Writing to this
location enables individual bits to be cleared (each bit is considered
separately):
0: No effect
1: Clear this bit in the claim tag.
The behavior when reading from this location is described in
CLAIMTAG.

Cortex-M3 Processor Registers
www.ti.com
216 SWCU117F–February 2015–Revised June 2016
Submit Documentation Feedback
Copyright © 2015–2016, Texas Instruments Incorporated
2.7.5.12 DEVID Register (Offset = FC8h) [reset = CA0h]
DEVID is shown in Figure 2-142 and described in Table 2-169.
Return to Summary Table.
Device ID
Figure 2-142. DEVID Register
31 30 29 28 27 26 25 24 23 22 21 20 19 18 17 16 15 14 13 12 11 10 9 8 7 6 5 4 3 2 1 0
DEVID
R-CA0h
Table 2-169. DEVID Register Field Descriptions
Bit Field Type Reset Description
31-0 DEVID R CA0h This field returns: 0xCA1 if there is an ETM present. 0xCA0 if there
is no ETM present.

217
SWCU117F–February 2015–Revised June 2016
Submit Documentation Feedback Copyright © 2015–2016, Texas Instruments Incorporated
ARM®Cortex®-M3 Peripherals
Chapter 3
SWCU117F–February 2015–Revised June 2016
ARM®Cortex®-M3 Peripherals
This chapter describes the ARM®Cortex®-M3 peripherals.
Topic ........................................................................................................................... Page
3.1 Cortex-M3 Peripherals Introduction .................................................................... 218
3.2 Functional Description ...................................................................................... 218

Cortex-M3 Peripherals Introduction
www.ti.com
218 SWCU117F–February 2015–Revised June 2016
Submit Documentation Feedback
Copyright © 2015–2016, Texas Instruments Incorporated
ARM®Cortex®-M3 Peripherals
3.1 Cortex-M3 Peripherals Introduction
This chapter provides information on the CC26xx and CC13xx implementation of the Cortex-M3 processor
peripherals, including:
• System timer (SysTick) (see Section 3.2.1): Provides a simple, 24-bit clear-on-write, decrementing,
wrap-on-zero counter with a flexible control mechanism.
• Nested vectored interrupt controller (NVIC) (see Section 3.2.2):
– Facilitates low-latency exception and interrupt handling
– Works with system controller (see Chapter 6,Power, Reset, and Clock Management) to control
power management
– Implements system control registers
• Cortex-M3 system control block (SCB) (see Section 3.2.3): Provides system implementation
information and system control, including configuration, control, and reporting of system exceptions.
Table 3-1 lists the address map of the private peripheral bus (PPB). Some peripheral register regions are
split into two address regions, as indicated by two addresses listed.
Table 3-1. Core Peripheral Register Regions
ADDRESS CORE PERIPHERAL LINK
0xE000 E010 to 0xE000 E01C System timer (SysTick) See Section 3.2.1,SysTick.
0xE000 E100 to 0xE000 E420
0xE000 EF00 to 0xE000 EF00 Nested vectored interrupt controller
(NVIC) See Section 3.2.2,NVIC.
0xE000 E008 to 0xE000 E00F
0xE000 ED00 to 0xE000 ED3F System control block (SCB) See Section 3.2.3,SCB.
0xE000 1000 to 0xE000 1FFC Data watchpoint and trace (DWT) See Section 3.2.7,DWT.
0xE000 2000 to 0xE000 2FFC Flash patch and breakpoint (FPB) See Section 3.2.5,FPB.
0xE000 0000 to 0xE000 0FFC Instrumentation trace macrocell (ITM) See Section 3.2.4,ITM.
0xE00F F000 to 0xE00F FFFC ROM table
0xE004 0000 to 0xE004 0FFC Trace port interface unit (TPIU) See Section 3.2.6,TPIU.
0xE00F EFF8 to 0xE00F EFFC TIPROP
3.2 Functional Description
This chapter provides information on the CC13xx/CC26xx implementation of the Cortex-M3 processor
peripherals:
• System timer (SysTick)
• Nested vectored interrupt controller (NVIC)
• System control block (SCB)
• Data watchpoint and trace (DWT)
• Flash patch and breakpoint (FPB)
• Instrumentation trace macrocell (ITM)
• Trace port interface unit (TPIU)

www.ti.com
Functional Description
219
SWCU117F–February 2015–Revised June 2016
Submit Documentation Feedback Copyright © 2015–2016, Texas Instruments Incorporated
ARM®Cortex®-M3 Peripherals
3.2.1 SysTick
The Cortex-M3 processor includes an integrated system timer, SysTick, which provides a simple, 24-bit,
clear-on-write, decrementing, wrap-on-zero counter with a flexible control mechanism. The counter can be
used in several different ways. For example, the counter can be:
• An RTOS tick timer that fires at a programmable rate (for example, 100 Hz) and invokes a SysTick
routine
• A high-speed alarm timer using the system clock
• A variable-rate alarm or signal timer—the duration is range-dependent on the reference clock used and
the dynamic range of the counter
• A simple counter used to measure the time to completion and the time used
• An internal clock-source control based on missing and/or meeting durations—the Control and Status
Register (STCSR) COUNTFLAG bit can be used to determine if an action completed within a set
duration as part of a dynamic clock-management control loop
The timer consists of three registers:
• SysTick Control and Status Register (STCSR): A control and status counter to configure its clock,
enable the counter, enable the SysTick interrupt, and determine counter status (see Section 2.7.4.3,
STCSR Register (Offset = 10h) [reset = X])
• SysTick Reload Value Register (STRVR): The reload value for the counter, used to provide the wrap
value of the counter (see Section 2.7.4.4,STRVR Register (Offset = 14h) [reset = X])
• SysTick Current Value Register (STCVR): The current value of the counter (see Section 2.7.4.5,
STCVR Register (Offset = 18h) [reset = X])
When enabled, the timer counts down on each clock from the reload value to 0, reloads (wraps) to the
value in the STRVR register on the next clock edge, then decrements on subsequent clocks. Clearing the
STRVR register disables the counter on the next wrap. When the counter reaches 0, the COUNTFLAG
status bit is set. The COUNTFLAG bit clears on reads.
Writing to the STCVR register clears the register and the COUNTFLAG status bit. The write does not
trigger the SysTick exception logic. On a read, the current value is the value of the register at the time the
register is accessed.
The SysTick counter runs on the system clock. If this clock signal is stopped for low-power mode, the
SysTick counter stops. Ensure that software uses aligned word accesses to access the SysTick registers.
NOTE: When the processor is halted for debugging, the counter does not decrement.
3.2.2 NVIC
This section describes the NVIC and the registers it uses. The NVIC supports:
• 34 interrupt lines
• A programmable priority level of 0 to 7 for each interrupt. A higher level corresponds to a lower priority,
so level 0 is the highest interrupt priority.
• Low-latency exception and interrupt handling
• Level and pulse detection of interrupt signals
• Dynamic reprioritization of interrupts
• Grouping of priority values into group priority and sub-priority fields
• Interrupt tail chaining
• An external nonmaskable interrupt (NMI)
The processor automatically stacks its state on exception entry and unstacks this state on exception exit,
with no instruction overhead, providing low-latency exception handling.

Functional Description
www.ti.com
220 SWCU117F–February 2015–Revised June 2016
Submit Documentation Feedback
Copyright © 2015–2016, Texas Instruments Incorporated
ARM®Cortex®-M3 Peripherals
3.2.2.1 Level-sensitive and Pulse Interrupts
The processor supports both level-sensitive and pulse interrupts. Pulse interrupts are also described as
edge-triggered interrupts. A level-sensitive interrupt is held asserted until the peripheral deasserts the
interrupt signal. The interrupt sources in CC26xx and CC13xx are normally level. That is, they stay active
until the interrupt source is cleared in the peripheral. Typically this happens because the interrupt service
routine (ISR) accesses the peripheral, causing it to clear the interrupt request. To ensure the NVIC detects
the interrupt, the peripheral must assert the interrupt signal for at least one clock cycle.
When the processor enters the ISR, it automatically removes the pending state from the interrupt (see
Section 3.2.2.2,Hardware and Software Control of Interrupts). For a level-sensitive interrupt, if the signal
is not deasserted before the processor returns from the ISR, the interrupt becomes pending again, and the
processor must execute its ISR again. As a result, the peripheral can hold the interrupt signal asserted
until it no longer needs servicing.
3.2.2.2 Hardware and Software Control of Interrupts
The Cortex-M3 processor latches all interrupts. A peripheral interrupt becomes pending for one of the
following reasons:
• The NVIC detects that the interrupt signal is asserted and the interrupt is not active.
• The NVIC detects a rising edge on the interrupt signal.
• Software writes to the corresponding interrupt set-pending register bit, or to the Software Trigger
Interrupt Register (STIR) to make a software-generated interrupt pending (see the NVIC_ISPR0
SETPENDn register bit in Section 2.7.4.10,NVIC_ICER1 Register (Offset = 184h) [reset = 0h], or the
STIR INTID register field in Section 2.7.4.60,STIR Register (Offset = F00h) [reset = X]).
A pending interrupt remains pending until one of the following occurs:
• The processor enters the ISR for the interrupt, changing the state of the interrupt from pending to
active. Then:
– For a level-sensitive interrupt, when the processor returns from the ISR, the NVIC samples the
interrupt signal. If the signal is asserted, the state of the interrupt changes to pending, which might
cause the processor to immediately re-enter the ISR. Otherwise, the state of the interrupt changes
to inactive.
– For a pulse interrupt, the NVIC continues to monitor the interrupt signal, and if this is pulsed the
state of the interrupt changes to pending and active. In this case, when the processor returns from
the ISR the state of the interrupt changes to pending, which might cause the processor to
immediately re-enter the ISR. If the interrupt signal is not pulsed while the processor is in the ISR,
when the processor returns from the ISR the state of the interrupt changes to inactive.
• Software writes to the corresponding interrupt clear-pending register bit:
– For a level-sensitive interrupt, if the interrupt signal is still asserted, the state of the interrupt does
not change. Otherwise, the state of the interrupt changes to inactive.
– For a pulse interrupt, the state of the interrupt changes to inactive if the state was pending, or to
active if the state was active and pending.
3.2.3 SCB
The SCB provides system implementation information and system control, including configuration, control,
and reporting of the system exceptions.

www.ti.com
Functional Description
221
SWCU117F–February 2015–Revised June 2016
Submit Documentation Feedback Copyright © 2015–2016, Texas Instruments Incorporated
ARM®Cortex®-M3 Peripherals
3.2.4 ITM
The ITM is an application-driven trace source that supports printf() style debugging to trace operating
system and application events, and generates diagnostic system information. The ITM generates trace
information as packets. If multiple sources generate packets at the same time, the ITM arbitrates the order
in which packets are output. These sources in decreasing order of priority are the following:
•Software trace: Software can write directly to ITM stimulus registers to generate packets.
•Hardware trace: The DWT generates these packets, and the ITM outputs the packets.
•Time stamping: Timestamps are generated relative to packets. The ITM contains a 21-bit counter to
generate the timestamp. The Cortex-M3 clock or the bit-clock rate of the serial wire viewer (SWV)
output clocks the counter.
NOTE: ITM registers are fully accessible in privileged mode. In user mode, all registers can be
read, but only the Stimulus Registers and Trace Enable Registers can be written, and only
when the corresponding Trace Privilege Register bit is set. Invalid user mode writes to the
ITM registers are discarded.
3.2.5 FPB
The FPB implements hardware breakpoints and patches code and data from the Code space to the
System space.
A full FPB unit contains:
• Two literal comparators match against literal loads from the Code space, and remap to a
corresponding area in the System space.
• Six instruction comparators for matching against instruction fetches from the Code space, and remaps
to a corresponding area in the System space. Alternatively, the comparators can be individually
configured to return a Breakpoint (BKPT) instruction to the processor core on a match for hardware
breakpoint capability.
A reduced FPB unit contains:
• Two instruction comparators that can be configured individually to return a BKPT instruction to the
processor on a match, and to provide hardware breakpoint capability
The FPB contains a global enable and individual enables for the eight comparators. If the comparison for
an entry matches, the address is either:
• Remapped to the address set in the remap register plus an offset corresponding to the matched
comparator
or
• Remapped to a BKPT instruction if that feature is enabled
The comparison happens dynamically, but the result of the comparison occurs too late to stop the original
instruction fetch or literal load taking place from the Code space. The processor ignores this transaction,
however, and only the remapped transaction is used.
If the FPB supports only two breakpoints, then only comparators 0 and 1 are used, and the FPB does not
support flash patching.
3.2.6 TPIU
The Cortex-M3 TPIU acts as a bridge between the on-chip trace data from the embedded trace macrocell
(ETM) and the instrumentation trace macrocell (ITM), with separate IDs, to a data stream. The TPIU
encapsulates IDs where required, and the data stream is then captured by a trace port analyzer (TPA).
There are two configurations of the TPIU:
• A configuration that supports ITM debug trace
• A configuration that supports both ITM and ETM debug trace

Functional Description
www.ti.com
222 SWCU117F–February 2015–Revised June 2016
Submit Documentation Feedback
Copyright © 2015–2016, Texas Instruments Incorporated
ARM®Cortex®-M3 Peripherals
3.2.7 DWT
The DWT provides watchpoints, data tracing, and system profiling for the processor. A full DWT contains
four comparators that can be configured as any of the following:
• A hardware watchpoint
• An ETM trigger
• A PC sampler event trigger
• A data address sampler event trigger
The first comparator, DWT_COMP0, can also compare against the clock cycle counter, CYCCNT. The
second comparator, DWT_COMP1, can be used as a data comparator.
A reduced DWT contains one comparator that can be used as a watchpoint or as a trigger. A reduced
DWT does not support data matching.
The DWT contains counters for the following:
• Clock cycles (CYCCNT)
• Folded instructions
• Load store unit (LSU) operations
• Sleep cycles
• CPI (that is, all instruction cycles except for the first cycle)
• Interrupt overhead
The DWT generates PC samples at defined intervals and interrupt event information. The DWT can also
provide periodic requests for protocol synchronization to the ITM and the TPIU.

www.ti.com
Functional Description
223
SWCU117F–February 2015–Revised June 2016
Submit Documentation Feedback
Copyright © 2015–2016, Texas Instruments Incorporated
ARM®Cortex®-M3 Peripherals
3.2.8 Cortex-M3 Memory
Table 3-2. Memory Map
Module Module Name Base Address
AON_BATMON Always On Battery and Temperature Monitor 0x4009 5000
AON_EVENT Always On Event 0x4009 3000
AON_IOC Always On Input/Output Controller 0x4009 4000
AON_RTC Always On Real Time Clock 0x4009 2000
AON_SYSCTL Always On System Control 0x4009 0000
AON_WUC Always On Wake-up Controller 0x4009 1000
AUX_ADI4 AUX Analog/Digital Interface 4 0x400C B000
AUX_AIODIO0 AUX Analog/Digital Input/Output Control 0 0x400C 1000
AUX_AIODIO1 AUX Analog/Digital Input/Output Control 1 0x400C 2000
AUX_ANAIF AUX Analog Interface 0x400C 9000
AUX_DDI0_OSC AUX Digital/Digital Interface, Oscillator control 0x400C A000
AUX_EVCTL AUX Event Control 0x400C 5000
AUX_RAM AUX RAM 0x400E 0000
AUX_SCE AUX Sensor Control Engine 0x400E 1000
AUX_SMPH AUX Semaphores 0x400C 8000
AUX_TDCIF AUX Time-to Digital Converter Interface 0x400C 4000
AUX_TIMER AUX Timer 0x400C 7000
AUX_WUC AUX Wake-up Controller 0x400C 6000
CCFG Customer Configuration Area 0x5000 3000
CPU_DWT Cortex-M Data Watchpoint and Trace 0xE000 1000
CPU_FPB Cortex-M Flash Patch and Breakpoint 0xE000 2000
CPU_ITM Cortex-M Instrumentation Trace Macrocell 0xE000 0000
CPU_SCS Cortex-M System Control Space 0xE000 E000
CPU_TPIU Cortex-M Trace Port Interface Unit 0xE004 0000
FCFG1 Factory Configuration Area 1 0x5000 1000
FLASH Flash Controller 0x4003 0000
FLASHMEM On-Chip Flash 0x0000 0000
GPT0 General Purpose Timer 0 0x4001 0000
GPT1 General Purpose Timer 1 0x4001 1000
GPT2 General Purpose Timer 2 0x4001 2000
GPT3 General Purpose Timer 3 0x4001 3000
RFC_DBELL RF Core Doorbell 0x4004 1000
RFC_PWR RF Core Power 0x4004 0000
RFC_RAM RF Core RAM 0x2100 0000
RFC_RAT RF Core Radio Timer 0x4004 3000
CRYPTO Cryptography Engine 0x4002 4000
EVENT Event Fabric 0x4008 3000
GPIO General Purpose Input/Output 0x4002 2000
I2C0 I2C Master/Slave Serial Controller 0 0x4000 2000
I2S0 I2S Audio DMA 0 0x4002 1000
IOC Input/Output Controller 0x4008 1000
PRCM Power, Clock, and Reset Management 0x4008 2000
SMPH System CPU Semaphores 0x4008 4000
SRAM Low-Leakage RAM 0x2000 0000
SSI0 Synchronous Serial Interface 0 0x4000 0000
SSI1 Synchronous Serial Interface 1 0x4000 8000

Functional Description
www.ti.com
224 SWCU117F–February 2015–Revised June 2016
Submit Documentation Feedback
Copyright © 2015–2016, Texas Instruments Incorporated
ARM®Cortex®-M3 Peripherals
Table 3-2. Memory Map (continued)
Module Module Name Base Address
TRNG True Random Number Generator 0x4002 8000
UART0 Universal Asynchronous Receiver/Transmitter 0 0x4000 1000
UDMA0 Micro Direct Memory Access Controller 0 0x4002 0000
VIMS Versatile Instruction Memory System Control 0x4003 4000
WDT Watchdog Timer 0x4008 0000

225
SWCU117F–February 2015–Revised June 2016
Submit Documentation Feedback Copyright © 2015–2016, Texas Instruments Incorporated
Interrupts and Events
Chapter 4
SWCU117F–February 2015–Revised June 2016
Interrupts and Events
This chapter describes CC26xx and CC13xx interrupts and events.
Topic ........................................................................................................................... Page
4.1 Exception Model............................................................................................... 226
4.2 Fault Handling.................................................................................................. 233
4.3 Event Fabric..................................................................................................... 236
4.4 AON Event Fabric............................................................................................. 237
4.5 MCU Event Fabric............................................................................................. 239
4.6 Memory Map .................................................................................................... 244
4.7 Interrupts and Events Registers ......................................................................... 245

Exception Model
www.ti.com
226 SWCU117F–February 2015–Revised June 2016
Submit Documentation Feedback
Copyright © 2015–2016, Texas Instruments Incorporated
Interrupts and Events
4.1 Exception Model
The ARM®Cortex®-M3 processor and the nested vectored interrupt controller (NVIC) prioritize and handle
all exceptions in handler mode. The state of the processor is automatically stored to the stack on an
exception and automatically restored from the stack at the end of the interrupt service routine (ISR). The
vector is fetched in parallel to state saving, thus enabling efficient interrupt entry. The processor supports
tail-chaining, which enables performance of back-to-back interrupts without the overhead of state saving
and restoration.
Table 4-1 lists all exception types. Software can set eight priority levels on seven of these exceptions
(system handlers) as well as on CC26xx and CC13xx interrupts (listed in Table 4-8).
Priorities on the system handlers are set with the NVIC System Handler Priority n Registers
(CPU_SCS:SHPRn). Interrupts are enabled through the NVIC Interrupt Set Enable n Register
(CPU_SCS:NVIC_ISERn) and prioritized with the NVIC Interrupt Priority n Registers
(CPU_SCS:NVIC_IPRn). Priorities can be grouped by splitting priority levels into preemption priorities and
subpriorities. All the interrupt registers are described in Section 3.2.2, Cortex M3 Peripherals chapter.
Internally, the highest user programmable priority (0) is treated as third priority, after a reset, and a hard
fault, in that order.
NOTE: 0 is the default priority for all the programmable priorities.
CAUTION
After a write to clear an interrupt source, it may take several processor cycles
for the NVIC to detect the interrupt source deassertion. Thus, if the interrupt
clear is done as the last action in an interrupt handler, it is possible for the
interrupt handler to complete while the NVIC detects the interrupt as still
asserted, causing the interrupt handler to be re-entered errantly. This situation
can be avoided by either clearing the interrupt source at the beginning of the
interrupt handler or by performing a read or write after the write to clear the
interrupt source (and flush the write buffer).
For more information on exceptions and interrupts, see Section 3.2.2, Cortex M3 Peripherals chapter.
4.1.1 Exception States
Each exception is in one of the following states:
•Inactive: The exception is not active and not pending.
•Pending: The exception is waiting to be serviced by the processor. An interrupt request from a
peripheral or from software can change the state of the corresponding interrupt to pending.
•Active: An exception is being serviced by the processor but has not completed. An exception handler
can interrupt the execution of another exception handler. In this case, both exceptions are in the active
state.
•Active and Pending: The exception is being serviced by the processor, and there is a pending
exception from the same source.

www.ti.com
Exception Model
227
SWCU117F–February 2015–Revised June 2016
Submit Documentation Feedback
Copyright © 2015–2016, Texas Instruments Incorporated
Interrupts and Events
4.1.2 Exception Types
The exception types are:
•Reset: Reset is invoked on power up or a warm reset. The exception model treats reset as a special
form of exception. When reset is asserted, the operation of the processor stops, potentially at any point
in an instruction. When reset is deasserted, execution restarts from the address provided by the reset
entry in the vector table. Execution restarts as privileged execution in thread mode.
•Hard Fault: A hard fault is an exception that occurs because of an error during exception processing,
or because an exception cannot be managed by any other exception mechanism. Hard faults have a
fixed priority of –1, meaning they have higher priority than any exception with configurable priority.
•Bus Fault: A bus fault is an exception that occurs because of a memory-related fault for an instruction
or data memory transaction such as a prefetch fault or a memory access fault. This fault can be
enabled or disabled.
•Usage Fault: A usage fault is an exception that occurs because of a fault related to instruction
execution, such as the following:
– An undefined instruction
– An illegal unaligned access
– Invalid state on instruction execution
– An error on exception return
An unaligned address on a word or halfword memory access or division by 0 can cause a usage fault
when the core is properly configured.
•SVCall: A supervisor call (SVC) is an exception that is triggered by the SVC instruction. In an OS
environment, applications can use SVC instructions to access OS kernel functions and device drivers.
•Debug Monitor: This exception is caused by the debug monitor (when not halting). This exception is
active only when enabled. This exception does not activate if it is a lower priority than the current
activation.
•PendSV: PendSV is a pendable, interrupt-driven request for system-level service. In an OS
environment, use PendSV for context switching when no other exception is active. PendSV is triggered
using the Interrupt Control and State CPU_SCS:ICSR register.
•SysTick: A SysTick exception is generated by the system timer when it reaches 0 and is enabled to
generate an interrupt. Software can also generate a SysTick exception using the Interrupt Control and
State register, CPU_SCS:ICSR. In an OS environment, the processor can use this exception as
system tick.
•Interrupt (IRQ): An interrupt, or IRQ, is an exception signaled by a peripheral or generated by a
software request and fed through the NVIC (prioritized). All interrupts are asynchronous to instruction
execution. In the system, peripherals use interrupts to communicate with the processor. Table 4-8 lists
the interrupts on the CC26xx and CC13xx controller.
For an asynchronous exception, other than reset, the processor can execute another instruction between
when the exception is triggered and when the processor enters the exception handler.
Privileged software can disable the exceptions that Table 4-1 shows as having configurable priority(see
the CPU_SCS:SHCSR register in Section 2.7.4.35,SHCSR Register (Offset = D24h) [reset = X] and the
CPU_SCS:NVIC_ICER0 register in Section 2.7.4.9,NVIC_ICER0 Register (Offset = 180h) [reset = X]).
For more information about hard faults, bus faults, and usage faults, see Section 4.2, Fault Handling.
(1) 0 is the default priority for all the programmable priorities.
(2) See Section 4.1.4.
Table 4-1. Exception Types
Exception Type Vector Number Priority(1) Vector Address or
Offset(2) Activation
– 0 – 0x0000 0000 Stack top is loaded from
the first entry of the
vector table on reset.
Reset 1 –3 (highest) 0x0000 0004 Asynchronous
– – – – –

Exception Model
www.ti.com
228 SWCU117F–February 2015–Revised June 2016
Submit Documentation Feedback
Copyright © 2015–2016, Texas Instruments Incorporated
Interrupts and Events
Table 4-1. Exception Types (continued)
Exception Type Vector Number Priority(1) Vector Address or
Offset(2) Activation
(3) See CPU_SCS:SHPR 1 in Figure 2-102,SHPR1 Register (Offset = D18h) [reset = X].
(4) See the PRIn registers in Section 2.7.4,CPU_SCS Registers.
Hard fault 3 –1 0x0000 000C –
Bus fault 5 Programmable(3) 0x0000 0014
Synchronous when
precise and
asynchronous when
imprecise
Usage fault 6 Programmable 0x0000 0018 Synchronous
– 7 to 10 – – Reserved
SVCall 11 Programmable 0x0000 002C Synchronous
Debug monitor 12 Programmable 0x0000 0030 Synchronous
– 13 – – Reserved
PendSV 14 Programmable 0x0000 0038 Asynchronous
SysTick 15 Programmable 0x0000 003C Asynchronous
Interrupts 16 and above Programmable(4) 0x0000 0040 and above Asynchronous
Table 4-2. Interrupts
Vector Number Interrupt Number
(Bit in Interrupt Registers) Vector Address or Offset Description
0 to 15 – 0x0000 0000 to 0x0000 003C Processor exceptions
16 0 0x0000 0040 GPIO edge detect
17 1 0x0000 0044 I2C
18 2 0x0000 0048 RF Core and packet engine 1
19 3 0x0000 004C AON SPI slave
20 4 0x0000 0050 AON RTC
21 5 0x0000 0054 UART0
22 6 0x0000 0058 UART1
23 7 0x0000 005C SSI0
24 8 0x0000 0060 SSI1
25 9 0x0000 0064 RF Core and packet engine 2
26 10 0x0000 0068 RF Core hardware
27 11 0x0000 006C RF command acknowledge
28 12 0x0000 0070 I2S
29 13 0x0000 0074 Unassigned
30 14 0x0000 0078 Watchdog timer
31 15 0x0000 007C GPTimer 0A
32 16 0x0000 0080 GPTimer 0B
33 17 0x0000 0084 GPTimer 1A
34 18 0x0000 0088 GPTimer 1B
35 19 0x0000 008C GPTimer 2A
36 20 0x0000 0090 GPTimer 2B
37 21 0x0000 0094 GPTimer 3A
38 22 0x0000 0098 GPTimer 3B
39 23 0x0000 009C Crypto
40 24 0x0000 00A0 µDMA software defined
41 25 0x0000 00A4 µDMA error
42 26 0x0000 00A8 Flash
43 27 0x0000 00AC Software event 0

www.ti.com
Exception Model
229
SWCU117F–February 2015–Revised June 2016
Submit Documentation Feedback Copyright © 2015–2016, Texas Instruments Incorporated
Interrupts and Events
Table 4-2. Interrupts (continued)
Vector Number Interrupt Number
(Bit in Interrupt Registers) Vector Address or Offset Description
44 28 0x0000 00B0 AUX combined event
45 29 0x0000 00B4 AON programmable event
46 30 0x0000 00B8 Dynamic programmable event
47 31 0x0000 00BC AUX comparator A
48 32 0x0000 00C0 AUX ADC new sample available or ADC
DMA done, ADC underflow and overflow
49 33 0x0000 00C4 True random number generator
4.1.3 Exception Handlers
The processor handles exceptions using:
•Interrupt Service Routines (ISRs): Interrupts (IRQx) are the exceptions handled by ISRs.
•Fault Handlers: Hard fault, usage fault, and bus fault are fault exceptions handled by the fault
handlers.
•System Handlers: PendSV, SVCall, SysTick, and the fault exceptions are all system exceptions that
are handled by system handlers.
4.1.4 Vector Table
Figure 4-1 contains the reset value of the stack pointer and the start addresses, also called exception
vectors, for all exception handlers. The vector table is constructed using the vector address or offset listed
in Table 4-1.Figure 4-1 shows the order of the exception vectors in the vector table. The least significant
bit (LSB) of each vector must be 1, indicating that the exception handler is Thumb code.

Initial SP value
Reset
Hard fault
NMI
Reserved
Usage fault
Bus fault
0x0000
0x0004
0x0008
0x000C
0x0010
0x0014
0x0018
Reserved
SVCall
PendSV
Reserved for debug
Systick
IRQ0
Reserved
0x002C
0x0038
0x003C
0x0040
OffsetException number
2
3
4
5
6
11
12
14
15
16
18
13
7
10
1
Vector
.
.
.
8
9
IRQ1
IRQ2
0x0044
IRQ33
17 0x0048
0x004C
33
.
.
.
.
.
.
0x00C4
IRQ number
–14
–13
–12
–11
–10
–5
–2
–1
0
2
1
33
Exception Model
www.ti.com
230 SWCU117F–February 2015–Revised June 2016
Submit Documentation Feedback
Copyright © 2015–2016, Texas Instruments Incorporated
Interrupts and Events
Figure 4-1. Vector Table
On system reset, the vector table is fixed at address 0x0000 0000. Privileged software can write to the
Vector Table Offset Register (CPU_SCS:VTOR) to relocate the vector table start address to a different
memory location, in the range 0x0000 0200 to 0x3FFF FE00. When configuring the CPU_SCS:VTOR
register, the offset must be aligned on a 512-byte boundary.

www.ti.com
Exception Model
231
SWCU117F–February 2015–Revised June 2016
Submit Documentation Feedback Copyright © 2015–2016, Texas Instruments Incorporated
Interrupts and Events
4.1.5 Exception Priorities
As Table 4-1 shows, all exceptions have an associated priority, with a lower priority value indicating a
higher priority and configurable priorities for all exceptions except reset, and hard fault. If software does
not configure any priorities, then all exceptions with a configurable priority have a priority of 0. For
information about configuring exception priorities, see the System Handlers Priority Registers
(CPU_SCS:SHPRn) listed in Table 2-96 and the Interrupt Priority Registers (CPU_SCS:NVIC_IPRn) listed
in Table 2-96.
NOTE: Configurable priority values for the CC26xx and CC13xx implementation are in the range
from 0 to 7. This means that the Reset and Hard fault exceptions, with fixed negative priority
values, always have a higher priority than any other exception.
Assigning a higher priority value to IRQ[0] and a lower-priority value to IRQ[1], for example, means that
IRQ[1] has higher priority than IRQ[0]. If IRQ[1] and IRQ[0] are asserted, IRQ[1] is processed before
IRQ[0].
If multiple pending exceptions have the same priority, the pending exception with the lowest exception
number takes precedence. For example, if IRQ[0] and IRQ[1] are pending and have the same priority,
then IRQ[0] is processed before IRQ[1].
When the processor is executing an exception handler, the exception handler is preempted if a higher
priority exception occurs. If an exception occurs with the same priority as the exception being handled, the
handler is not preempted, irrespective of the exception number. However, the status of the new interrupt
changes to pending.
4.1.6 Interrupt Priority Grouping
To increase priority control in systems with interrupts, the NVIC supports priority grouping. This grouping
divides each interrupt priority register entry into two fields:
• An upper field that defines the group priority
• A lower field that defines a subpriority within the group
Only the group priority determines preemption of interrupt exceptions. When the processor is executing an
interrupt exception handler, another interrupt with the same group priority as the interrupt being handled
does not preempt the handler.
If multiple pending interrupts have the same group priority, the sub-priority field determines the order in
which they are processed. If multiple pending interrupts have the same group priority and subpriority, the
interrupt with the lowest IRQ number is processed first.
For information about splitting the interrupt priority fields into group priority and subpriority, see Application
Interrupt/Reset Control (CPU_SCS:AIRCR) in Section 2.7.4.29,AIRCR Register (Offset = D0Ch) [reset =
X].

Exception Model
www.ti.com
232 SWCU117F–February 2015–Revised June 2016
Submit Documentation Feedback
Copyright © 2015–2016, Texas Instruments Incorporated
Interrupts and Events
4.1.7 Exception Entry and Return
Descriptions of exception handling use the following terms:
•Preemption: When the processor is executing an exception handler, an exception can preempt the
exception handler if its priority is higher than the priority of the exception being handled. For more
information about preemption by an interrupt, see Section 4.1.6,Interrupt Priority Grouping. When one
exception preempts another, the exceptions are called nested exceptions. For more information, see
Section 4.1.7.1,Exception Entry.
•Return: Return occurs when the exception handler is completed, and there is no pending exception
with sufficient priority to be serviced and the completed exception handler was not handling a late-
arriving exception. The processor pops the stack and restores the processor state to the state it had
before the interrupt occurred. For more information, see Section 4.1.7.2,Exception Return.
•Tail Chaining: This mechanism speeds up exception servicing. When an exception handler
completes, if a pending exception meets the requirements for exception entry, the stack pop is skipped
and control transfers to the new exception handler.
•Late Arriving: This mechanism speeds up preemption. If a higher-priority exception occurs during
state saving for a previous exception, the processor switches to handle the higher-priority exception
and initiates the vector fetch for that exception. State saving is not affected by late arrival because the
state saved is the same for both exceptions. Therefore, the state saving continues uninterrupted. The
processor can accept a late-arriving exception until the first instruction of the exception handler of the
original exception enters the execute stage of the processor. When the late-arriving exception returns
from the exception handler, the normal tail-chaining rules apply.
4.1.7.1 Exception Entry
Exception entry occurs when there is a pending exception with sufficient priority and either the processor
is in thread mode or the new exception is of a higher priority than the exception being handled, in which
case the new exception preempts the original exception.
When one exception preempts another, the exceptions are nested.
Sufficient priority means the exception has more priority than any limits set by the mask registers (see
PRIMASK on Priority Mask Register, FAULTMASK on Fault Mask Register, and BASEPRI on Base
Priority Register). An exception with less priority than this is pending but is not handled by the processor.
When the processor takes an exception, unless the exception is a tail-chained or a late-arriving exception,
the processor pushes information onto the current stack (see Figure 4-2). This operation is referred to as
stacking and the structure of eight data words is referred to as stack frame.
Figure 4-2. Exception Stack Frame
Immediately after stacking, the stack pointer indicates the lowest address in the stack frame.
The stack frame includes the return address, which is the address of the next instruction in the interrupted
program. This value is restored to the PC at exception return so that the interrupted program resumes.
In parallel to the stacking operation, the processor performs a vector fetch that reads the exception
handler start address from the vector table. When stacking completes, the processor starts executing the
exception handler. At the same time, the processor writes an EXC_RETURN value to the LR, indicating
which stack pointer corresponds to the stack frame and what operation mode the processor was in before
the entry occurred.

www.ti.com
Fault Handling
233
SWCU117F–February 2015–Revised June 2016
Submit Documentation Feedback
Copyright © 2015–2016, Texas Instruments Incorporated
Interrupts and Events
If no higher priority exception occurs during exception entry, the processor starts executing the exception
handler and automatically changes the status of the corresponding pending interrupt to active.
If another higher priority exception occurs during exception entry, known as late arrival, the processor
starts executing the exception handler for this exception and does not change the pending status of the
earlier exception.
4.1.7.2 Exception Return
Exception return occurs when the processor is in handler mode and executes one of the following
instructions to load the EXC_RETURN value into the PC:
• An LDM or POP instruction that loads the PC
• A BX instruction using any register
• An LDR instruction with the PC as the destination
EXC_RETURN is the value loaded into the LR on exception entry. The exception mechanism relies on
this value to detect when the processor completes an exception handler. The lowest 4 bits of this value
provide information on the return stack and processor mode. Table 4-3 lists the EXC_RETURN values
with a description of the exception return behavior.
EXC_RETURN bits 31–4 are all set. When this value is loaded into the PC, it indicates to the processor
that the exception is complete, and the processor initiates the appropriate exception return sequence.
Table 4-3. Exception Return Behavior
EXC_RETURN[31:0] Description
0xFFFF FFF0 Reserved
0xFFFF FFF1 Return to handler mode
Exception return uses state from MSP
Execution uses MSP after return.
0xFFFF FFF2 to 0xFFFF FFF8 Reserved
0xFFFF FFF9 Return to thread mode: VTOR
Exception return uses state from MSP
Execution uses MSP after return.
0xFFFF FFFA to 0xFFFF FFFC Reserved
0xFFFF FFFD Return to thread mode
Exception return uses state from PSP
Execution uses PSP after return
0xFFFF FFFE to 0xFFFF FFFF Reserved
4.2 Fault Handling
Faults are a subset of the exceptions (see Section 4.1, Exception Model). The following conditions
generate a fault:
• A bus error on an instruction fetch or vector table load or a data access
• An internally detected error such as an undefined instruction or an attempt to change state with a BX
instruction
4.2.1 Fault Types
Table 4-4 lists the types of fault, the handler used for the fault, the corresponding fault status register, and
the register bit that indicates the fault has occurred. For more information about the fault status registers,
see CPU_SCS:CFSR in Section 2.7.4.36,CFSR Register (Offset = D28h) [reset = X].

Fault Handling
www.ti.com
234 SWCU117F–February 2015–Revised June 2016
Submit Documentation Feedback
Copyright © 2015–2016, Texas Instruments Incorporated
Interrupts and Events
(1) Trying to use an instruction set other than the Thumb instruction set, or returning to a non load-store-multiple instruction with ICI
continuation.
Table 4-4. Faults
Fault Handler Fault Status Register Bit Name
Bus error on a vector read Hard fault Hard Fault Status (HFSR) VECTTBL
Fault escalated to a hard fault Hard fault Hard Fault Status (HFSR) FORCED
Bus error during exception
stacking Bus fault Bus Fault Status (BFSR) STKERR
Bus error during exception
unstacking Bus fault Bus Fault Status (BFSR) UNSTEKRR
Bus error during instruction
prefetch Bus fault Bus Fault Status (BFSR) IBUSERR
Precise data bus error Bus fault Bus Fault Status (BFSR) PRECISERR
Imprecise data bus error Bus fault Bus Fault Status (BFSR) IMPRECISERR
Attempt to access a coprocessor Usage fault Usage Fault Status (UFSR) NOCP
Undefined instruction Usage fault Usage Fault Status (UFSR) UNDEFINSTR
Attempt to enter an invalid
instruction set state (1) Usage fault Usage Fault Status (UFSR) INVSTATE
Invalid EXC_RETURN value Usage fault Usage Fault Status (UFSR) INVPC
Illegal unaligned load or store Usage fault Usage Fault Status (UFSR) UNALIGNED
Divide by 0 Usage fault Usage Fault Status (UFSR) DIVBYZERO
4.2.2 Fault Escalation and Hard Faults
All fault exceptions except for hard fault have configurable exception priority (see CPU_SCS:SHPR1 in
Section 2.7.4.32,SHPR1 Register (Offset = D18h) [reset = X]). Software can disable execution of the
handlers for these faults (see CPU_SCS:SHCSR in Section 2.7.4.35,SHCSR Register (Offset = D24h)
[reset = X]).
Usually, the exception priority, together with the values of the exception mask registers, determines
whether the processor enters the fault handler, and whether a fault handler can preempt another fault
handler as described in Section 4.1, Exception Model.
In some situations, a fault with configurable priority is treated as a hard fault. This process is called priority
escalation, and the fault is described as escalated to hard fault. Escalation to hard fault occurs when:
• A fault handler causes the same kind of fault as the one it is servicing. This escalation to hard fault
occurs because a fault handler cannot preempt itself because it must have the same priority as the
current priority level.
• A fault handler causes a fault with the same or lower priority as the fault it is servicing. This situation
happens because the handler for the new fault cannot preempt the fault handler that is currently
executing.
• An exception handler causes a fault for which the priority is the same as or lower than the exception
that is currently executing.
• A fault occurs and the handler for that fault is not enabled.
NOTE: If a bus fault occurs during a stack push when entering a bus fault handler, the bus fault
does not escalate to a hard fault. Thus, if a corrupted stack causes a fault, the fault handler
executes even though the stack push for the handler failed. The fault handler operates but
the stack contents are corrupted.

www.ti.com
Fault Handling
235
SWCU117F–February 2015–Revised June 2016
Submit Documentation Feedback Copyright © 2015–2016, Texas Instruments Incorporated
Interrupts and Events
4.2.3 Fault Status Registers and Fault Address Registers
The fault status registers indicate the cause of a fault. For bus faults, the fault address register indicates
the address accessed by the operation that caused the fault, as shown in Table 4-5.
Table 4-5. Fault Status and Fault Address Registers
Handler Status Register Name Address Register Name Register Description
Hard fault Hard Fault Status (HFSR) – See Section 2.7.4.37,HFSR
Register (Offset = D2Ch) [reset = X]
Bus fault Bus Fault Status (BFSR) Bus Fault Address (BFAR) See Section 2.7.4.40,BFAR
Register (Offset = D38h) [reset = 0h]
Usage fault Usage Fault Status (UFSR) – –
4.2.4 Lockup
The processor enters a lockup state if a hard fault occurs when executing the hard fault handlers. In a
CC26xx and CC13xx device, a lockup state resets the system.

Event Fabric
Event Producers
(Peripherals) Event Consumers
(Peripherals)
Event bus
Selection Register
Subscriber X
Subscriber (X+1)
Subscriber input Subscriber output
Event Fabric
www.ti.com
236 SWCU117F–February 2015–Revised June 2016
Submit Documentation Feedback
Copyright © 2015–2016, Texas Instruments Incorporated
Interrupts and Events
4.3 Event Fabric
4.3.1 Introduction
The event fabric is a combinational router between event sources and event subscribers. The event inputs
are routed to a central event-bus where a subscriber can select the appropriate events and output those
as inputs to peripherals. Figure 4-3 shows the general concept of the event fabric. The event fabric is
strictly combinational logic. Because this chapter provides only a general overview of the event fabric and
the system CPU, NMI, and Freeze subscriber, refer to the specific peripheral chapters in this user's guide
to understand how to use and configure the events for the different subscribers and peripherals.
Most of the events (signals) are statically routed, meaning that only a small number of configurable output
lines go to the event subscribers. A configurable output line from a subscriber can choose from a list of
several input events available to the specific subscriber in question. Subscribers output event signaling
identical to input signaling. That is, events are simply passed through the event fabric as presented to the
input ports. Possible event types include system hardware interrupts, software programmable interrupts,
and DMA triggers. All event inputs are considered level-triggered events active high. Events like DMA
triggers may or may not be level-type signals.
Figure 4-3. Event Fabric Concept
Figure 4-3 shows a simple illustration of the event fabric concept. Clearly the event fabric is not a
peripheral in itself, but rather a block of routing between the peripherals and more. The lines that have
configurable inputs are controlled by selection registers that are connected to a mux, which forwards the
selected input in the subscriber to the peripherals.

MCU Event Fabric
AON Event Fabric
I2C
WIC
SSI0
SSI1
Crypto
UART0
WDT
IOC
Flash
AON
AON_SPIS
MSPIS
JTAG
MCU Event Bus
System
CPU
Radio
GPT[0-3]
uDMA
AUX
I2S
IOC
SPI?
RTC
AUX
JTAG
BATMON
AON Event Bus
WUC
RTC
EVENT_SW_EVENT
Legend
SubscriberEvent Fabric
Subscriber
Peripheral
Register System CPU
SEL
NMI
Radio
SEL
GPT[0-3]
SEL
DMA
SEL
AUX
SEL
I2S
SEL
WUC
SEL
MCU Event Fabric
SEL
RTC
SEL
Freeze
SEL
RTC, WDT, AUX
www.ti.com
Event Fabric
237
SWCU117F–February 2015–Revised June 2016
Submit Documentation Feedback Copyright © 2015–2016, Texas Instruments Incorporated
Interrupts and Events
4.3.2 Event Fabric Overview
There are two main event fabric blocks in the CC26xx and CC13xx family. One in the MCU power domain
(MCU event fabric) and the other in the AON power domain (AON event fabric). Figure 4-4 shows a
simplified overview of the two modules together. The MCU event fabric is one of the subscribers to the
AON event fabric.
Figure 4-4. Event Fabric Overview (Simplified)
4.3.2.1 Registers
The event fabric has two types of registers. The first type, a configuration register, is used to control and
report the selection settings for a subscriber output. For each subscriber output, an address is mapped for
a read register that contains a value representing the selection of the input event currently set for that
subscriber output. For nonconfigurable outputs, only a read-only register is implemented. A read to that
address returns the static, predefined value. The second type of register in the event fabric, of which there
is only one, is an operational register named SWEV. This register sets and clears any of the four software
events.
The AON event fabric is controlled through a series of registers residing in the MCU power domain. An
AON-MCU interface block in the AON domain shadows these registers, thereby providing them for the
AON block when the MCU is in power-down states.
4.4 AON Event Fabric
The AON event fabric resides in the AON power domain where the wake-up controller, the debug
subsystem, the AUX domain, and the real-time clock (RTC) reside.

WUC
MCUJTAG
Event Producers
(Peripherals)
AUX
Event bus
AON Event Fabric
www.ti.com
238 SWCU117F–February 2015–Revised June 2016
Submit Documentation Feedback
Copyright © 2015–2016, Texas Instruments Incorporated
Interrupts and Events
4.4.1 Common Input Event List
lists the input events for the AON event fabric. The sources for these events are considered level-triggered
active high.
4.4.2 Event Subscribers
There are three subscribers in the AON event fabric as can be seen in Figure 4-5. The first subscriber is
the MCU event fabric, which resides in the MCU power domain. The other two subscribers, the WUC and
RTC, both reside in the AON power domain and are presented in the following subsections.
4.4.2.1 Wake-up Controller (WUC)
The WUC receives output signals from the WUC subscriber in the AON event fabric where power-on
sequences can be triggered by configured input events from JTAG, AUX, or the MCU. JTAG has one
wake-up event going to the WUC, while the AUX domain has three programmable input events and the
MCU domain has four programmable input events. These specific input events are ORed together to form
a single input to the WUC, one from the MCU and one from the AUX. Figure 4-5 shows this configuration.
The inputs can be configured in the two selection registers AON_EVENT:AUXWUSEL and
AON_EVENT:MCUWUSEL. Any of the events listed in can be chosen as input by choosing the
appropriate event ID. By default, these IDs are set to 63 (NULL, no event), where the lines always stay
logic low.
Figure 4-5. WUC Subscriber in AON Event Fabric
4.4.2.2 Real-time Clock
The RTC has a programmable event, which can be configured in the RTCSEL register, and a fixed event
with ID 46 (Channel 2 clear – from AUX).

www.ti.com
MCU Event Fabric
239
SWCU117F–February 2015–Revised June 2016
Submit Documentation Feedback
Copyright © 2015–2016, Texas Instruments Incorporated
Interrupts and Events
4.4.2.3 MCU Event Fabric
Seven output events from the AON event fabric are routed as inputs to the MCU event fabric. These
events are:
1. AON programmable 0
2. AON programmable 1
3. AON programmable 2
4. AON edge detect
5. AON SPIS RTX
6. AON SPIS CS
7. AON RTC
There are three programmable lines from which any of the input events from Table 4-6 can be chosen.
This can be set in the CTRL_EVENT:MCU register.
4.5 MCU Event Fabric
The MCU event fabric resides in the MCU power domain and routes signals between most of the
peripherals and different internal blocks. Only a few of the subscribers in the MCU event fabric are
described in this section. For more information on the remaining subscribers, refer to the specific
peripheral chapters for the appropriate consumer (peripheral) for that specific subscriber.
4.5.1 Common Input Event List
Table 4-6 lists the input events for the MCU event fabric. The sources for these events are considered
level-triggered active high.
Table 4-6. MCU Event Fabric Input Events
Event Number Event Enumeration Description
0x0 NONE Always inactive
0x1 AON_PROG0 Event selected by AON_EVENT MCU event selector,
AON_EVENT:EVTOMCUSEL.AON_PROG0_EV
0x2 AON_PROG1 Event selected by AON_EVENT MCU event selector,
AON_EVENT:EVTOMCUSEL.AON_PROG1_EV
0x3 AON_PROG2 Event selected by AON_EVENT MCU event selector,
AON_EVENT:EVTOMCUSEL.AON_PROG2_EV
0x4 AON_GPIO_EDGE Edge detect event from IOC. Configured by the
IOC:IOCFGn.EDGE_IRQ_EN and IOC:IOCFGn.EDGE_DET settings
0x5 AON_SPIS_BYTE_DONE A complete byte transfer event from the SPIS. Equivalent to the
SPIS:GPFLAGS.BYTE_DONE flag
0x6 AON_SPIS_CS SPIS chip-select event. Equivalent to the SPIS:GPFLAGS.CS flag
0x7 AON_RTC_COMB Event from AON_RTC controlled by the
AON_RTC:CTL.COMB_EV_MASK setting
0x8 I2S_IRQ Interrupt event from I2S
0x9 I2C_IRQ Interrupt event from I2C
0xA AON_AUX_SWEV0 AUX software event 0, AUX_EVCTL:SWEVSET.SWEV0
0xB AUX_COMB AUX combined event, the corresponding flag register is here
AUX_EVCTL:EVTOMCUFLAGS.*
0xC GPT2A GPT2A interrupt event, controlled by GPT2:TAMR.*
0xD GPT2B GPT2B interrupt event, controlled by GPT2:TBMR.*
0xE GPT3A GPT3A interrupt event, controlled by GPT3:TAMR.*
0xF GPT3B GPT3B interrupt event, controlled by GPT3:TBMR.*
0x10 GPT0A GPT0A interrupt event, controlled by GPT0:TAMR.*
0x11 GPT0B GPT0B interrupt event, controlled by GPT0:TBMR.*
0x12 GPT1A GPT1A interrupt event, controlled by GPT1:TAMR.*

MCU Event Fabric
www.ti.com
240 SWCU117F–February 2015–Revised June 2016
Submit Documentation Feedback
Copyright © 2015–2016, Texas Instruments Incorporated
Interrupts and Events
Table 4-6. MCU Event Fabric Input Events (continued)
Event Number Event Enumeration Description
0x13 GPT1B GPT1B interrupt event, controlled by GPT1:TBMR.*
0x14 DMA_CH0_DONE DMA done for software-triggered UDMA channel 0, see
UDMA0:SOFTREQ.*
0x15 FLASH FLASH controller error event, the status flags are
FLASH:FEDACSTAT.FSM_DONE and FLASH:FEDACSTAT.RVF_INT
0x16 DMA_CH18_DONE DMA done for software-triggered UDMA channel 18, see
UDMA0:SOFTREQ.*
0x17 NOT_USED
0x18 WDT_IRQ Watchdog interrupt event, controlled by WDT:CTL.INTEN
0x19 RFC_CMD_ACK RFC Doorbell Command Acknowledgment interrupt, equivalent to
RFC_DBELL:RFACKIFG.ACKFLAG.
0x1A RFC_HW_COMB Combined RCF hardware interrupt, corresponding flag is here
RFC_DBELL:RFHWIFG.*
0x1B RFC_CPE_0 Combined interrupt for CPE-generated events. Corresponding flags are
here RFC_DBELL:RFCPEIFG.*. Only interrupts selected with CPE0 in
RFC_DBELL:RFCPEIFG.* can trigger a RFC_CPE_0 event.
0x1C AUX_SWEV0
AUX software event 0, triggered by AUX_EVCTL:SWEVSET.SWEV0,
also available as AUX_EVENT0 AON wake-up event.
MCU domain wake-up control AON_EVENT:MCUWUSEL.*
AUX domain wake-up control AON_EVENT:AUXWUSEL.*
0x1D AUX_SWEV1
AUX software event 1, triggered by AUX_EVCTL:SWEVSET.SWEV1,
also available as AUX_EVENT2 AON wake-up event.
MCU domain wake-up control AON_EVENT:MCUWUSEL.*
AUX domain wake-up control AON_EVENT:AUXWUSEL.*
0x1E RFC_CPE_1 Combined interrupt for CPE-generated events. Corresponding flags are
here RFC_DBELL:RFCPEIFG.*. Only interrupts selected with CPE1 in
RFC_DBELL:RFCPEIFG.* can trigger a RFC_CPE_1 event.
0x1F NOT_USED
0x20 NOT_USED
0x21 NOT_USED
0x22 SSI0_COMB SSI0 combined interrupt, interrupt flags are found here SSI0:MIS.*.
0x23 SSI1_COMB SSI0 combined interrupt, interrupt flags are found here SSI1:MIS.*.
0x24 UART0_COMB UART0 combined interrupt, interrupt flags are found here UART0:MIS.*.
0x25
0x26 DMA_ERR DMA bus error, corresponds to UDMA0:ERROR.STATUS
0x27 DMA_DONE_COMB Combined DMA done corresponding flags are here
UDMA0:REQDONE.*
0x28 SSI0_RX_DMABREQ SSI0 RX DMA burst request, controlled by SSI0:DMACR.RXDMAE
0x29 SSI0_RX_DMASREQ SSI0 RX DMA single request, controlled by SSI0:DMACR.RXDMAE
0x2A SSI0_TX_DMABREQ SSI0 TX DMA burst request, controlled by SSI0:DMACR.TXDMAE
0x2B SSI0_TX_DMASREQ SSI0 TX DMA single request, controlled by SSI0:DMACR.TXDMAE
0x2C SSI1_RX_DMABREQ SSI1 RX DMA burst request, controlled by SSI0:DMACR.RXDMAE
0x2D SSI1_RX_DMASREQ SSI1 RX DMA single request, controlled by SSI0:DMACR.RXDMAE
0x2E SSI1_TX_DMABREQ SSI1 TX DMA burst request, controlled by SSI0:DMACR.TXDMAE
0x2F SSI1_TX_DMASREQ SSI1 TX DMA single request, controlled by SSI0:DMACR.TXDMAE
0x30 UART0_RX_DMABREQ UART0 RX DMA burst request, controlled by
UART0:DMACTL.RXDMAE
0x31 UART0_RX_DMASREQ UART0 RX DMA single request, controlled by
UART0:DMACTL.RXDMAE
0x32 UART0_TX_DMABREQ UART0 TX DMA burst request, controlled by UART0:DMACTL.TXDMAE
0x33 UART0_TX_DMASREQ UART0 TX DMA single request, controlled by
UART0:DMACTL.TXDMAE
0x34 to 0x37 NOT_USED Always 0

www.ti.com
MCU Event Fabric
241
SWCU117F–February 2015–Revised June 2016
Submit Documentation Feedback
Copyright © 2015–2016, Texas Instruments Incorporated
Interrupts and Events
Table 4-6. MCU Event Fabric Input Events (continued)
Event Number Event Enumeration Description
0x38 SPIS_COMB SPIS combined event, the flags are found here SPIS:GPFLAGS.*
0x39 SPIS_RXF_DMABREQ SPIS RX FIFO DMA burst request, controlled by
SPIS:CFG.TR_DMA_REQ_TYPE
0x3A SPIS_RXF_DMASREQ SPIS RX FIFO DMA single request, controlled by
SPIS:CFG.TR_DMA_REQ_TYPE
0x3B SPIS_TXF_DMABREQ SPIS TX FIFO DMA burst request, controlled by
SPIS:CFG.TX_DMA_REQ_TYPE
0x3C SPIS_TXF_DMASREQ SPIS TX FIFO DMA single request, controlled by
SPIS:CFG.TX_DMA_REQ_TYPE
0x3D GPT0A_CMP GPT0A compare event. Configured by GPT0:TAMR.TCACT.
0x3E GPT0B_CMP GPT0B compare event. Configured by GPT0:TBMR.TCACT.
0x3F GPT1A_CMP GPT1A compare event. Configured by GPT1:TAMR.TCACT.
0x40 GPT1B_CMP GPT1B compare event. Configured by GPT1:TBMR.TCACT.
0x41 GPT2A_CMP GPT2A compare event. Configured by GPT2:TAMR.TCACT.
0x42 GPT2B_CMP GPT2B compare event. Configured by GPT2:TBMR.TCACT.
0x43 GPT3A_CMP GPT3A compare event. Configured by GPT3:TAMR.TCACT.
0x44 GPT3B_CMP GPT3B compare event. Configured by GPT3:TBMR.TCACT.
0x45 TIE_LOW Not used; tied to 0
0x46 TIE_LOW Not used; tied to 0
0x47 TIE_LOW Not used; tied to 0
0x48 TIE_LOW Not used; tied to 0
0x49 TIE_LOW Not used; tied to 0
0x4A TIE_LOW Not used; tied to 0
0x4B TIE_LOW Not used; tied to 0
0x4C TIE_LOW Not used; tied to 0
0x4D GPT0A_DMABREQ GPT 0A DMA trigger event. Configured by GPT0:DMAEV.*.
0x4E GPT0B_DMABREQ GPT 0B DMA trigger event. Configured by GPT0:DMAEV.*.
0x4F GPT1A_DMABREQ GPT 1A DMA trigger event. Configured by GPT1:DMAEV.*.
0x50 GPT1B_DMABREQ GPT 1B DMA trigger event. Configured by GPT1:DMAEV.*.
0x51 GPT2A_DMABREQ GPT 2A DMA trigger event. Configured by GPT2:DMAEV.*.
0x52 GPT2B_DMABREQ GPT 2B DMA trigger event. Configured by GPT2:DMAEV.*.
0x53 GPT3A_DMABREQ GPT 3A DMA trigger event. Configured by GPT3:DMAEV.*.
0x54 GPT3B_DMABREQ GPT 3B DMA trigger event. Configured by GPT3:DMAEV.*.
0x55 PORT_EVENT0 Port capture event from IOC, configured by IOC:IOCFGn.PORT_ID.
Events on ports configured with **ENUM** **PORT_EVENT0** are
routed here.
0x56 PORT_EVENT1 Port capture event from IOC, configured by IOC:IOCFGn.PORT_ID.
Events on ports configured with PORT_EVENT1 are routed here.
0x57 PORT_EVENT2 Port capture event from IOC, configured by IOC:IOCFGn.PORT_ID.
Events on ports configured with PORT_EVENT2 are routed here.
0x58 PORT_EVENT3 Port capture event from IOC, configured by IOC:IOCFGn.PORT_ID.
Events on ports configured with PORT_EVENT3 are routed here.
0x59 PORT_EVENT4 Port capture event from IOC, configured by IOC:IOCFGn.PORT_ID.
Events on ports configured with ENUM PORT_EVENT4 are routed here.
0x5A PORT_EVENT5 Port capture event from IOC, configured by IOC:IOCFGn.PORT_ID.
Events on ports configured with PORT_EVENT4 are routed here.
0x5B PORT_EVENT6 Port capture event from IOC, configured by IOC:IOCFGn.PORT_ID.
Events on ports configured with PORT_EVENT6 are routed here.
0x5C PORT_EVENT7 Port capture event from IOC, configured by IOC:IOCFGn.PORT_ID.
Events on ports configured with PORT_EVENT7 are routed here.

MCU Event Fabric
www.ti.com
242 SWCU117F–February 2015–Revised June 2016
Submit Documentation Feedback
Copyright © 2015–2016, Texas Instruments Incorporated
Interrupts and Events
Table 4-6. MCU Event Fabric Input Events (continued)
Event Number Event Enumeration Description
0x5D CRYPTO_RESULT_AVAIL_IRQ CRYPTO result available interrupt event, the corresponding flag is found
here CRYPTO:IRQSTAT.RESULT_AVAIL. Controlled by
CRYPTO:IRQSTAT.RESULT_AVAIL
0x5E CRYPTO_DMA_DONE_IRQ CRYPTO DMA input done event, the corresponding flag is
CRYPTO:IRQSTAT.DMA_IN_DONE. Controlled by
CRYPTO:IRQEN.DMA_IN_DONE
0x5F RFC_IN_EV4 RFC RAT event 4, configured by RFC_RAT:RATEV.OEVT4
0x60 RFC_IN_EV5 RFC RAT event 5, configured by RFC_RAT:RATEV.OEVT5
0x61 RFC_IN_EV6 RFC RAT event 6, configured by RFC_RAT:RATEV.OEVT6
0x62 RFC_IN_EV7 RFC RAT event 7, configured by RFC_RAT:RATEV.OEVT7
0x63 WDT_NMI WATCHDOG nonmaskable interrupt event, controlled by
WDT:CTL.INTTYPE
0x64 SWEV0 Software event 0, triggered by SWEV.SWEV0
0x65 SWEV1 Software event 1, triggered by SWEV.SWEV1
0x66 SWEV2 Software event 2, triggered by SWEV.SWEV2
0x67 SWEV3 Software event 3, triggered by SWEV.SWEV3
0x68 TRNG_IRQ TRNG Interrupt event, controlled by TRNG:IRQEN.EN
0x69 AUX_AON_WU_EV AON wake-up event, corresponds flags are here
AUX_EVCTL:EVTOMCUFLAGS.AON_WU_EV.
0x6A AUX_COMPA AUX COMP A event, corresponds to
AUX_EVCTL:EVTOMCUFLAGS.AUX_COMPA.
0x6B AUX_COMPB AUX COMP B event, corresponds to
AUX_EVCTL:EVTOMCUFLAGS.AUX_COMPB.
0x6C AUX_TDC_DONE AUX TDC measurement done event, corresponds to the flag
AUX_EVCTL:EVTOMCUFLAGS.TDC_DONE and the AUX_TDC status
AUX_TDC:STAT.DONE.
0x6D AUX_TIMER0_EV AUX TIMER 0 event, corresponds to
AUX_EVCTL:EVTOMCUFLAGS.TIMER0_EV.
0x6E AUX_TIMER1_EV AUX TIMER 1 event, corresponds to
AUX_EVCTL:EVTOMCUFLAGS.TIMER1_EV.
0x6F AUX_SMPH_AUTOTAKE_DONE Auto-take event from AUX semaphore, configured by
AUX_SMPH:AUTOTAKE.*.
0x70 AUX_ADC_DONE AUX ADC done, corresponds to
AUX_EVCTL:EVTOMCUFLAGS.ADC_DONE
0x71 AUX_ADC_FIFO_ALMOST_FULL AUX ADC FIFO watermark event, corresponds to
AUX_EVCTL:EVTOMCUFLAGS.ADC_FIFO_ALMOST_FULL
0x72 AUX_OBSMUX0 Loopback of OBSMUX0 through AUX, corresponds to
AUX_EVCTL:EVTOMCUFLAGS.OBSMUX0
0x73 AUX_ADC_IRQ AUX ADC interrupt event, corresponds to
AUX_EVCTL:EVTOMCUFLAGS.ADC_IRQ. Status flags are found here
AUX_EVCTL:EVTOMCUFLAGS.ADC*
0x74 AUX_SW_DMABREQ AUX observation loopback
0x75 AUX_DMASREQ DMA single request event from AUX, configured by
AUX_EVCTL:DMACTL.*
0x76 AUX_DMABREQ DMA burst request event from AUX, configured by
AUX_EVCTL:DMACTL.*
0x77 AON_RTC_UPD RTC periodic event controlled by AON_RTC:CTL.RTC_UPD_EN
0x78 CPU_HALTED CPU halted
0x78 ALWAYS_ACTIVE Always asserted (high)

www.ti.com
MCU Event Fabric
243
SWCU117F–February 2015–Revised June 2016
Submit Documentation Feedback Copyright © 2015–2016, Texas Instruments Incorporated
Interrupts and Events
4.5.2 Event Subscribers
There are eleven subscribers for the MCU event fabric. Most of these subscribers are different peripherals
that must be configured differently according to the purpose of those specific peripherals. The following
five subscribers are not described in this chapter, but rather in each of the corresponding peripheral
chapters:
• Radio (see Chapter 23,Radio)
• General-Purpose Timers (see Chapter 14,General-Purpose Timers)
• Micro Direct Memory Access (µDMA) (see Chapter 12,µDMA)
• Sensor Controllers with Digital and Analog Peripherals (AUX) (see Chapter 17,AUX – Sensor
Controller with Digital and Analog Peripherals)
• Integrated Interchip Sound (I2S) (see the Chapter 22,I2S)
The following three subscribers are described as they are related to the system CPU and CPU interrupts:
• System CPU
• Nonmaskable Interrupt (NMI) to System CPU
• Freeze
4.5.2.1 System CPU
Table 4-8 shows that the interrupts with vector number from 16 to 49 are sourced by the events routed in
the MCU event fabric to the system CPU. The event fabric routes all level interrupt events to the system
CPU. The event/interrupt called "AON programmable 0" can be configured in the AON event fabric.
EVENT:CPUIRQSEL29 is a read-only register for routing within the MCU event fabric and cannot be
configured, but the input event within the AON event fabric going to this line can be configured. One
dynamic event/interrupt called "Dynamic Programmable Event" has the valid selections as seen in
Table 4-8. The EVENT:CPUIRQSEL29 register is used to configure the input.
See the EVENT:CPUIRQSEL30 register (see Section 4.7.2.31,CPUIRQSEL29 Register (Offset = 74h)
[reset = X]).
4.5.2.2 NMI
The NMI subscriber has one nonconfigurable input that comes from the WDT. The read-only register
(CM3NMISEL0) shows the only valid input event.
4.5.2.3 Freeze
The CC26xx and CC13xx freeze subscriber passes the halted debug signal to peripherals such as the
General Purpose Timer, Sensor Controller with Digital and Analog Peripherals (AUX), Radio, and RTC.
When the system CPU halts, the connected peripherals that have freeze enabled also halt. The
programmable output can be set to static values of 0 or 1, and can also be set to pass the halted signal.
The possible events listed in Table 4-7 can be selected in the FRZSEL0 register.
Table 4-7. Freeze Subscriber Event Selection
Event Number Event Enumeration
0x0 NONE
0x78 CPU_HALTED
0x79 ALWAYS_ACTIVE

Memory Map
www.ti.com
244 SWCU117F–February 2015–Revised June 2016
Submit Documentation Feedback
Copyright © 2015–2016, Texas Instruments Incorporated
Interrupts and Events
4.6 Memory Map
Table 4-8. AON Events
Event No. Name Description
0x0 to 0x1F PAD0 to PAD31 Edge detect on PADn, n=0..31
0x20 PAD Edge detect on any PAD
0x23 to 0x25 RTC_CH0 to RTC_CH2 RTC channel n event, n=0..2
0x26 to 0x28 RTC_CH0_DLY to RTC_CH2_DLY RTC channel n - delayed event, n=0..2
0x29 RTC_COMB_DLY RTC combined delayed event
0x2A RTC_UPD RTC Update Tick
0x2B JTAG JTAG generated event
0x2C to 0x2E AUX_SWEV0 to AUX_SWEV2 AUX Software triggered event #n, n=0..2
0x2F AUX_COMPA Comparator A triggered
0x30 AUX_COMPB Comparator B triggered
0x31 AUX_ADC_DONE ADC conversion completed
0x32 AUX_TDC_DONE TDC completed or timed out
0x33 to 0x34 AUX_TIMER0_EV to AUX_TIMER1_EV AUX Timer n Event, n=0..1
0x35 BATMON_TEMP BATMON temperature update event
0x36 BATMON_VOLT BATMON voltage update event
0x37 AUX_COMPB_ASYNC Comparator B triggered
0x38 AUX_COMPB_ASYNC_N Comparator B not triggered
0x3F NONE No event

www.ti.com
Interrupts and Events Registers
245
SWCU117F–February 2015–Revised June 2016
Submit Documentation Feedback Copyright © 2015–2016, Texas Instruments Incorporated
Interrupts and Events
4.7 Interrupts and Events Registers
4.7.1 AON_EVENT Registers
Table 4-9 lists the memory-mapped registers for the AON_EVENT. All register offset addresses not listed
in Table 4-9 should be considered as reserved locations and the register contents should not be modified.
Table 4-9. AON_EVENT Registers
Offset Acronym Register Name Section
0h MCUWUSEL Wake-up Selector For MCU Section 4.7.1.1
4h AUXWUSEL Wake-up Selector For AUX Section 4.7.1.2
8h EVTOMCUSEL Event Selector For MCU Event Fabric Section 4.7.1.3
Ch RTCSEL RTC Capture Event Selector For AON_RTC Section 4.7.1.4

Interrupts and Events Registers
www.ti.com
246 SWCU117F–February 2015–Revised June 2016
Submit Documentation Feedback
Copyright © 2015–2016, Texas Instruments Incorporated
Interrupts and Events
4.7.1.1 MCUWUSEL Register (Offset = 0h) [reset = 3F3F3F3Fh]
MCUWUSEL is shown in Figure 4-6 and described in Table 4-10.
Return to Summary Table.
Wake-up Selector For MCU
This register contains pointers to 4 events which are routed to AON_WUC as wakeup sources for MCU.
AON_WUC will start a wakeup sequence for the MCU domain when either of the 4 selected events are
asserted. A wakeup sequence will guarantee that the MCU power switches are turned on, LDO resources
are available and SCLK_HF is available and selected as clock source for MCU.
Note: It is recommended ( or required when AON_WUC:MCUCLK.PWR_DWN_SRC=NONE) to also setup
a wakeup event here before MCU is requesting powerdown. ( PRCM requests uLDO, see conditions in
PRCM:VDCTL.ULDO ) as it will speed up the wakeup procedure.
Figure 4-6. MCUWUSEL Register
31 30 29 28 27 26 25 24
RESERVED WU3_EV
R-0h R/W-3Fh
23 22 21 20 19 18 17 16
RESERVED WU2_EV
R-0h R/W-3Fh
15 14 13 12 11 10 9 8
RESERVED WU1_EV
R-0h R/W-3Fh
76543210
RESERVED WU0_EV
R-0h R/W-3Fh
Table 4-10. MCUWUSEL Register Field Descriptions
Bit Field Type Reset Description
31-30 RESERVED R 0h Software should not rely on the value of a reserved. Writing any
other value than the reset value may result in undefined behavior.

www.ti.com
Interrupts and Events Registers
247
SWCU117F–February 2015–Revised June 2016
Submit Documentation Feedback Copyright © 2015–2016, Texas Instruments Incorporated
Interrupts and Events
Table 4-10. MCUWUSEL Register Field Descriptions (continued)
Bit Field Type Reset Description
29-24 WU3_EV R/W 3Fh MCU Wakeup Source #3
AON Event Source selecting 1 of 4 events routed to AON_WUC for
waking up the MCU domain from Power Off or Power Down.
Note:
0h = Edge detect on PAD0
1h = Edge detect on PAD1
2h = Edge detect on PAD2
3h = Edge detect on PAD3
4h = Edge detect on PAD4
5h = Edge detect on PAD5
6h = Edge detect on PAD6
7h = Edge detect on PAD7
8h = Edge detect on PAD8
9h = Edge detect on PAD9
Ah = Edge detect on PAD10
Bh = Edge detect on PAD11
Ch = Edge detect on PAD12
Dh = Edge detect on PAD13
Eh = Edge detect on PAD14
Fh = Edge detect on PAD15
10h = Edge detect on PAD16
11h = Edge detect on PAD17
12h = Edge detect on PAD18
13h = Edge detect on PAD19
14h = Edge detect on PAD20
15h = Edge detect on PAD21
16h = Edge detect on PAD22
17h = Edge detect on PAD23
18h = Edge detect on PAD24
19h = Edge detect on PAD25
1Ah = Edge detect on PAD26
1Bh = Edge detect on PAD27
1Ch = Edge detect on PAD28
1Dh = Edge detect on PAD29
1Eh = Edge detect on PAD30
1Fh = Edge detect on PAD31
20h = Edge detect on any PAD
23h = RTC channel 0 event
24h = RTC channel 1 event
25h = RTC channel 2 event
26h = RTC channel 0 - delayed event
27h = RTC channel 1 - delayed event
28h = RTC channel 2 - delayed event
29h = RTC combined delayed event
2Ah = RTC Update Tick (16 kHz signal, i.e. event line toggles value
every 32 kHz clock period)
2Bh = JTAG generated event
2Ch = AUX Software triggered event #0. Triggered by
AUX_EVCTL:SWEVSET.SWEV0
2Dh = AUX Software triggered event #1. Triggered by
AUX_EVCTL:SWEVSET.SWEV1
2Eh = AUX Software triggered event #2. Triggered by
AUX_EVCTL:SWEVSET.SWEV2
2Fh = Comparator A triggered
30h = Comparator B triggered
31h = ADC conversion completed
32h = TDC completed or timed out

Interrupts and Events Registers
www.ti.com
248 SWCU117F–February 2015–Revised June 2016
Submit Documentation Feedback
Copyright © 2015–2016, Texas Instruments Incorporated
Interrupts and Events
Table 4-10. MCUWUSEL Register Field Descriptions (continued)
Bit Field Type Reset Description
33h = AUX Timer 0 Event
34h = AUX Timer 1 Event
35h = BATMON temperature update event
36h = BATMON voltage update event
37h = Comparator B triggered. Asynchronous signal directly from the
AUX Comparator B as opposed to AUX_COMPB which is
synchronized in AUX
38h = Comparator B not triggered. Asynchronous signal directly from
AUX Comparator B (inverted) as opposed to AUX_COMPB which is
synchronized in AUX
3Fh = No event, always low
23-22 RESERVED R 0h Software should not rely on the value of a reserved. Writing any
other value than the reset value may result in undefined behavior.
21-16 WU2_EV R/W 3Fh MCU Wakeup Source #2
AON Event Source selecting 1 of 4 events routed to AON_WUC for
waking up the MCU domain from Power Off or Power Down.
Note:
0h = Edge detect on PAD0
1h = Edge detect on PAD1
2h = Edge detect on PAD2
3h = Edge detect on PAD3
4h = Edge detect on PAD4
5h = Edge detect on PAD5
6h = Edge detect on PAD6
7h = Edge detect on PAD7
8h = Edge detect on PAD8
9h = Edge detect on PAD9
Ah = Edge detect on PAD10
Bh = Edge detect on PAD11
Ch = Edge detect on PAD12
Dh = Edge detect on PAD13
Eh = Edge detect on PAD14
Fh = Edge detect on PAD15
10h = Edge detect on PAD16
11h = Edge detect on PAD17
12h = Edge detect on PAD18
13h = Edge detect on PAD19
14h = Edge detect on PAD20
15h = Edge detect on PAD21
16h = Edge detect on PAD22
17h = Edge detect on PAD23
18h = Edge detect on PAD24
19h = Edge detect on PAD25
1Ah = Edge detect on PAD26
1Bh = Edge detect on PAD27
1Ch = Edge detect on PAD28
1Dh = Edge detect on PAD29
1Eh = Edge detect on PAD30
1Fh = Edge detect on PAD31
20h = Edge detect on any PAD
23h = RTC channel 0 event
24h = RTC channel 1 event
25h = RTC channel 2 event
26h = RTC channel 0 - delayed event
27h = RTC channel 1 - delayed event
28h = RTC channel 2 - delayed event
29h = RTC combined delayed event

www.ti.com
Interrupts and Events Registers
249
SWCU117F–February 2015–Revised June 2016
Submit Documentation Feedback Copyright © 2015–2016, Texas Instruments Incorporated
Interrupts and Events
Table 4-10. MCUWUSEL Register Field Descriptions (continued)
Bit Field Type Reset Description
2Ah = RTC Update Tick (16 kHz signal, i.e. event line toggles value
every 32 kHz clock period)
2Bh = JTAG generated event
2Ch = AUX Software triggered event #0. Triggered by
AUX_EVCTL:SWEVSET.SWEV0
2Dh = AUX Software triggered event #1. Triggered by
AUX_EVCTL:SWEVSET.SWEV1
2Eh = AUX Software triggered event #2. Triggered by
AUX_EVCTL:SWEVSET.SWEV2
2Fh = Comparator A triggered
30h = Comparator B triggered
31h = ADC conversion completed
32h = TDC completed or timed out
33h = AUX Timer 0 Event
34h = AUX Timer 1 Event
35h = BATMON temperature update event
36h = BATMON voltage update event
37h = Comparator B triggered. Asynchronous signal directly from the
AUX Comparator B as opposed to AUX_COMPB which is
synchronized in AUX
38h = Comparator B not triggered. Asynchronous signal directly from
AUX Comparator B (inverted) as opposed to AUX_COMPB which is
synchronized in AUX
3Fh = No event, always low
15-14 RESERVED R 0h Software should not rely on the value of a reserved. Writing any
other value than the reset value may result in undefined behavior.

Interrupts and Events Registers
www.ti.com
250 SWCU117F–February 2015–Revised June 2016
Submit Documentation Feedback
Copyright © 2015–2016, Texas Instruments Incorporated
Interrupts and Events
Table 4-10. MCUWUSEL Register Field Descriptions (continued)
Bit Field Type Reset Description
13-8 WU1_EV R/W 3Fh MCU Wakeup Source #1
AON Event Source selecting 1 of 4 events routed to AON_WUC for
waking up the MCU domain from Power Off or Power Down.
Note:
0h = Edge detect on PAD0
1h = Edge detect on PAD1
2h = Edge detect on PAD2
3h = Edge detect on PAD3
4h = Edge detect on PAD4
5h = Edge detect on PAD5
6h = Edge detect on PAD6
7h = Edge detect on PAD7
8h = Edge detect on PAD8
9h = Edge detect on PAD9
Ah = Edge detect on PAD10
Bh = Edge detect on PAD11
Ch = Edge detect on PAD12
Dh = Edge detect on PAD13
Eh = Edge detect on PAD14
Fh = Edge detect on PAD15
10h = Edge detect on PAD16
11h = Edge detect on PAD17
12h = Edge detect on PAD18
13h = Edge detect on PAD19
14h = Edge detect on PAD20
15h = Edge detect on PAD21
16h = Edge detect on PAD22
17h = Edge detect on PAD23
18h = Edge detect on PAD24
19h = Edge detect on PAD25
1Ah = Edge detect on PAD26
1Bh = Edge detect on PAD27
1Ch = Edge detect on PAD28
1Dh = Edge detect on PAD29
1Eh = Edge detect on PAD30
1Fh = Edge detect on PAD31
20h = Edge detect on any PAD
23h = RTC channel 0 event
24h = RTC channel 1 event
25h = RTC channel 2 event
26h = RTC channel 0 - delayed event
27h = RTC channel 1 - delayed event
28h = RTC channel 2 - delayed event
29h = RTC combined delayed event
2Ah = RTC Update Tick (16 kHz signal, i.e. event line toggles value
every 32 kHz clock period)
2Bh = JTAG generated event
2Ch = AUX Software triggered event #0. Triggered by
AUX_EVCTL:SWEVSET.SWEV0
2Dh = AUX Software triggered event #1. Triggered by
AUX_EVCTL:SWEVSET.SWEV1
2Eh = AUX Software triggered event #2. Triggered by
AUX_EVCTL:SWEVSET.SWEV2
2Fh = Comparator A triggered
30h = Comparator B triggered
31h = ADC conversion completed
32h = TDC completed or timed out

www.ti.com
Interrupts and Events Registers
251
SWCU117F–February 2015–Revised June 2016
Submit Documentation Feedback Copyright © 2015–2016, Texas Instruments Incorporated
Interrupts and Events
Table 4-10. MCUWUSEL Register Field Descriptions (continued)
Bit Field Type Reset Description
33h = AUX Timer 0 Event
34h = AUX Timer 1 Event
35h = BATMON temperature update event
36h = BATMON voltage update event
37h = Comparator B triggered. Asynchronous signal directly from the
AUX Comparator B as opposed to AUX_COMPB which is
synchronized in AUX
38h = Comparator B not triggered. Asynchronous signal directly from
AUX Comparator B (inverted) as opposed to AUX_COMPB which is
synchronized in AUX
3Fh = No event, always low
7-6 RESERVED R 0h Software should not rely on the value of a reserved. Writing any
other value than the reset value may result in undefined behavior.
5-0 WU0_EV R/W 3Fh MCU Wakeup Source #0
AON Event Source selecting 1 of 4 events routed to AON_WUC for
waking up the MCU domain from Power Off or Power Down.
Note:
0h = Edge detect on PAD0
1h = Edge detect on PAD1
2h = Edge detect on PAD2
3h = Edge detect on PAD3
4h = Edge detect on PAD4
5h = Edge detect on PAD5
6h = Edge detect on PAD6
7h = Edge detect on PAD7
8h = Edge detect on PAD8
9h = Edge detect on PAD9
Ah = Edge detect on PAD10
Bh = Edge detect on PAD11
Ch = Edge detect on PAD12
Dh = Edge detect on PAD13
Eh = Edge detect on PAD14
Fh = Edge detect on PAD15
10h = Edge detect on PAD16
11h = Edge detect on PAD17
12h = Edge detect on PAD18
13h = Edge detect on PAD19
14h = Edge detect on PAD20
15h = Edge detect on PAD21
16h = Edge detect on PAD22
17h = Edge detect on PAD23
18h = Edge detect on PAD24
19h = Edge detect on PAD25
1Ah = Edge detect on PAD26
1Bh = Edge detect on PAD27
1Ch = Edge detect on PAD28
1Dh = Edge detect on PAD29
1Eh = Edge detect on PAD30
1Fh = Edge detect on PAD31
20h = Edge detect on any PAD
23h = RTC channel 0 event
24h = RTC channel 1 event
25h = RTC channel 2 event

Interrupts and Events Registers
www.ti.com
252 SWCU117F–February 2015–Revised June 2016
Submit Documentation Feedback
Copyright © 2015–2016, Texas Instruments Incorporated
Interrupts and Events
Table 4-10. MCUWUSEL Register Field Descriptions (continued)
Bit Field Type Reset Description
26h = RTC channel 0 - delayed event
27h = RTC channel 1 - delayed event
28h = RTC channel 2 - delayed event
29h = RTC combined delayed event
2Ah = RTC Update Tick (16 kHz signal, i.e. event line toggles value
every 32 kHz clock period)
2Bh = JTAG generated event
2Ch = AUX Software triggered event #0. Triggered by
AUX_EVCTL:SWEVSET.SWEV0
2Dh = AUX Software triggered event #1. Triggered by
AUX_EVCTL:SWEVSET.SWEV1
2Eh = AUX Software triggered event #2. Triggered by
AUX_EVCTL:SWEVSET.SWEV2
2Fh = Comparator A triggered
30h = Comparator B triggered
31h = ADC conversion completed
32h = TDC completed or timed out
33h = AUX Timer 0 Event
34h = AUX Timer 1 Event
35h = BATMON temperature update event
36h = BATMON voltage update event
37h = Comparator B triggered. Asynchronous signal directly from the
AUX Comparator B as opposed to AUX_COMPB which is
synchronized in AUX
38h = Comparator B not triggered. Asynchronous signal directly from
AUX Comparator B (inverted) as opposed to AUX_COMPB which is
synchronized in AUX
3Fh = No event, always low

www.ti.com
Interrupts and Events Registers
253
SWCU117F–February 2015–Revised June 2016
Submit Documentation Feedback Copyright © 2015–2016, Texas Instruments Incorporated
Interrupts and Events
4.7.1.2 AUXWUSEL Register (Offset = 4h) [reset = 003F3F3Fh]
AUXWUSEL is shown in Figure 4-7 and described in Table 4-11.
Return to Summary Table.
Wake-up Selector For AUX
This register contains pointers to 3 events which are routed to AON_WUC as wakeup sources for AUX.
AON_WUC will start a wakeup sequence for the AUX domain when either of the 3 selected events are
asserted. A wakeup sequence will guarantee that the AUX power switches are turned on, LDO resources
are available and SCLK_HF is available and selected as clock source for AUX.
Note: It is recommended ( or required when AON_WUC:AUXCLK.PWR_DWN_SRC=NONE) to also setup
a wakeup event here before AUX is requesting powerdown. ( AUX_WUC:PWRDWNREQ.REQ is
asserted] ) as it will speed up the wakeup procedure.
Figure 4-7. AUXWUSEL Register
31 30 29 28 27 26 25 24
RESERVED
R-0h
23 22 21 20 19 18 17 16
RESERVED WU2_EV
R-0h R/W-3Fh
15 14 13 12 11 10 9 8
RESERVED WU1_EV
R-0h R/W-3Fh
76543210
RESERVED WU0_EV
R-0h R/W-3Fh
Table 4-11. AUXWUSEL Register Field Descriptions
Bit Field Type Reset Description
31-22 RESERVED R 0h Software should not rely on the value of a reserved. Writing any
other value than the reset value may result in undefined behavior.

Interrupts and Events Registers
www.ti.com
254 SWCU117F–February 2015–Revised June 2016
Submit Documentation Feedback
Copyright © 2015–2016, Texas Instruments Incorporated
Interrupts and Events
Table 4-11. AUXWUSEL Register Field Descriptions (continued)
Bit Field Type Reset Description
21-16 WU2_EV R/W 3Fh AUX Wakeup Source #2
AON Event Source selecting 1 of 3 events routed to AON_WUC for
waking up the AUX domain from Power Off or Power Down.
Note:
0h = Edge detect on PAD0
1h = Edge detect on PAD1
2h = Edge detect on PAD2
3h = Edge detect on PAD3
4h = Edge detect on PAD4
5h = Edge detect on PAD5
6h = Edge detect on PAD6
7h = Edge detect on PAD7
8h = Edge detect on PAD8
9h = Edge detect on PAD9
Ah = Edge detect on PAD10
Bh = Edge detect on PAD11
Ch = Edge detect on PAD12
Dh = Edge detect on PAD13
Eh = Edge detect on PAD14
Fh = Edge detect on PAD15
10h = Edge detect on PAD16
11h = Edge detect on PAD17
12h = Edge detect on PAD18
13h = Edge detect on PAD19
14h = Edge detect on PAD20
15h = Edge detect on PAD21
16h = Edge detect on PAD22
17h = Edge detect on PAD23
18h = Edge detect on PAD24
19h = Edge detect on PAD25
1Ah = Edge detect on PAD26
1Bh = Edge detect on PAD27
1Ch = Edge detect on PAD28
1Dh = Edge detect on PAD29
1Eh = Edge detect on PAD30
1Fh = Edge detect on PAD31
20h = Edge detect on any PAD
23h = RTC channel 0 event
24h = RTC channel 1 event
25h = RTC channel 2 event
26h = RTC channel 0 - delayed event
27h = RTC channel 1 - delayed event
28h = RTC channel 2 - delayed event
29h = RTC combined delayed event
2Ah = RTC Update Tick (16 kHz signal, i.e. event line toggles value
every 32 kHz clock period)
2Bh = JTAG generated event
2Ch = AUX Software triggered event #0. Triggered by
AUX_EVCTL:SWEVSET.SWEV0
2Dh = AUX Software triggered event #1. Triggered by
AUX_EVCTL:SWEVSET.SWEV1
2Eh = AUX Software triggered event #2. Triggered by
AUX_EVCTL:SWEVSET.SWEV2
2Fh = Comparator A triggered
30h = Comparator B triggered
31h = ADC conversion completed
32h = TDC completed or timed out

www.ti.com
Interrupts and Events Registers
255
SWCU117F–February 2015–Revised June 2016
Submit Documentation Feedback Copyright © 2015–2016, Texas Instruments Incorporated
Interrupts and Events
Table 4-11. AUXWUSEL Register Field Descriptions (continued)
Bit Field Type Reset Description
33h = AUX Timer 0 Event
34h = AUX Timer 1 Event
35h = BATMON temperature update event
36h = BATMON voltage update event
37h = Comparator B triggered. Asynchronous signal directly from the
AUX Comparator B as opposed to AUX_COMPB which is
synchronized in AUX
38h = Comparator B not triggered. Asynchronous signal directly from
AUX Comparator B (inverted) as opposed to AUX_COMPB which is
synchronized in AUX
3Fh = No event, always low
15-14 RESERVED R 0h Software should not rely on the value of a reserved. Writing any
other value than the reset value may result in undefined behavior.
13-8 WU1_EV R/W 3Fh AUX Wakeup Source #1
AON Event Source selecting 1 of 3 events routed to AON_WUC for
waking up the AUX domain from Power Off or Power Down.
Note:
0h = Edge detect on PAD0
1h = Edge detect on PAD1
2h = Edge detect on PAD2
3h = Edge detect on PAD3
4h = Edge detect on PAD4
5h = Edge detect on PAD5
6h = Edge detect on PAD6
7h = Edge detect on PAD7
8h = Edge detect on PAD8
9h = Edge detect on PAD9
Ah = Edge detect on PAD10
Bh = Edge detect on PAD11
Ch = Edge detect on PAD12
Dh = Edge detect on PAD13
Eh = Edge detect on PAD14
Fh = Edge detect on PAD15
10h = Edge detect on PAD16
11h = Edge detect on PAD17
12h = Edge detect on PAD18
13h = Edge detect on PAD19
14h = Edge detect on PAD20
15h = Edge detect on PAD21
16h = Edge detect on PAD22
17h = Edge detect on PAD23
18h = Edge detect on PAD24
19h = Edge detect on PAD25
1Ah = Edge detect on PAD26
1Bh = Edge detect on PAD27
1Ch = Edge detect on PAD28
1Dh = Edge detect on PAD29
1Eh = Edge detect on PAD30
1Fh = Edge detect on PAD31
20h = Edge detect on any PAD
23h = RTC channel 0 event
24h = RTC channel 1 event
25h = RTC channel 2 event
26h = RTC channel 0 - delayed event
27h = RTC channel 1 - delayed event
28h = RTC channel 2 - delayed event
29h = RTC combined delayed event

Interrupts and Events Registers
www.ti.com
256 SWCU117F–February 2015–Revised June 2016
Submit Documentation Feedback
Copyright © 2015–2016, Texas Instruments Incorporated
Interrupts and Events
Table 4-11. AUXWUSEL Register Field Descriptions (continued)
Bit Field Type Reset Description
2Ah = RTC Update Tick (16 kHz signal, i.e. event line toggles value
every 32 kHz clock period)
2Bh = JTAG generated event
2Ch = AUX Software triggered event #0. Triggered by
AUX_EVCTL:SWEVSET.SWEV0
2Dh = AUX Software triggered event #1. Triggered by
AUX_EVCTL:SWEVSET.SWEV1
2Eh = AUX Software triggered event #2. Triggered by
AUX_EVCTL:SWEVSET.SWEV2
2Fh = Comparator A triggered
30h = Comparator B triggered
31h = ADC conversion completed
32h = TDC completed or timed out
33h = AUX Timer 0 Event
34h = AUX Timer 1 Event
35h = BATMON temperature update event
36h = BATMON voltage update event
37h = Comparator B triggered. Asynchronous signal directly from the
AUX Comparator B as opposed to AUX_COMPB which is
synchronized in AUX
38h = Comparator B not triggered. Asynchronous signal directly from
AUX Comparator B (inverted) as opposed to AUX_COMPB which is
synchronized in AUX
3Fh = No event, always low
7-6 RESERVED R 0h Software should not rely on the value of a reserved. Writing any
other value than the reset value may result in undefined behavior.

www.ti.com
Interrupts and Events Registers
257
SWCU117F–February 2015–Revised June 2016
Submit Documentation Feedback Copyright © 2015–2016, Texas Instruments Incorporated
Interrupts and Events
Table 4-11. AUXWUSEL Register Field Descriptions (continued)
Bit Field Type Reset Description
5-0 WU0_EV R/W 3Fh AUX Wakeup Source #0
AON Event Source selecting 1 of 3 events routed to AON_WUC for
waking up the AUX domain from Power Off or Power Down.
Note:
0h = Edge detect on PAD0
1h = Edge detect on PAD1
2h = Edge detect on PAD2
3h = Edge detect on PAD3
4h = Edge detect on PAD4
5h = Edge detect on PAD5
6h = Edge detect on PAD6
7h = Edge detect on PAD7
8h = Edge detect on PAD8
9h = Edge detect on PAD9
Ah = Edge detect on PAD10
Bh = Edge detect on PAD11
Ch = Edge detect on PAD12
Dh = Edge detect on PAD13
Eh = Edge detect on PAD14
Fh = Edge detect on PAD15
10h = Edge detect on PAD16
11h = Edge detect on PAD17
12h = Edge detect on PAD18
13h = Edge detect on PAD19
14h = Edge detect on PAD20
15h = Edge detect on PAD21
16h = Edge detect on PAD22
17h = Edge detect on PAD23
18h = Edge detect on PAD24
19h = Edge detect on PAD25
1Ah = Edge detect on PAD26
1Bh = Edge detect on PAD27
1Ch = Edge detect on PAD28
1Dh = Edge detect on PAD29
1Eh = Edge detect on PAD30
1Fh = Edge detect on PAD31
20h = Edge detect on any PAD
23h = RTC channel 0 event
24h = RTC channel 1 event
25h = RTC channel 2 event
26h = RTC channel 0 - delayed event
27h = RTC channel 1 - delayed event
28h = RTC channel 2 - delayed event
29h = RTC combined delayed event
2Ah = RTC Update Tick (16 kHz signal, i.e. event line toggles value
every 32 kHz clock period)
2Bh = JTAG generated event
2Ch = AUX Software triggered event #0. Triggered by
AUX_EVCTL:SWEVSET.SWEV0
2Dh = AUX Software triggered event #1. Triggered by
AUX_EVCTL:SWEVSET.SWEV1
2Eh = AUX Software triggered event #2. Triggered by
AUX_EVCTL:SWEVSET.SWEV2
2Fh = Comparator A triggered
30h = Comparator B triggered
31h = ADC conversion completed
32h = TDC completed or timed out

Interrupts and Events Registers
www.ti.com
258 SWCU117F–February 2015–Revised June 2016
Submit Documentation Feedback
Copyright © 2015–2016, Texas Instruments Incorporated
Interrupts and Events
Table 4-11. AUXWUSEL Register Field Descriptions (continued)
Bit Field Type Reset Description
33h = AUX Timer 0 Event
34h = AUX Timer 1 Event
35h = BATMON temperature update event
36h = BATMON voltage update event
37h = Comparator B triggered. Asynchronous signal directly from the
AUX Comparator B as opposed to AUX_COMPB which is
synchronized in AUX
38h = Comparator B not triggered. Asynchronous signal directly from
AUX Comparator B (inverted) as opposed to AUX_COMPB which is
synchronized in AUX
3Fh = No event, always low

www.ti.com
Interrupts and Events Registers
259
SWCU117F–February 2015–Revised June 2016
Submit Documentation Feedback Copyright © 2015–2016, Texas Instruments Incorporated
Interrupts and Events
4.7.1.3 EVTOMCUSEL Register (Offset = 8h) [reset = 002B2B2Bh]
EVTOMCUSEL is shown in Figure 4-8 and described in Table 4-12.
Return to Summary Table.
Event Selector For MCU Event Fabric
This register contains pointers for 3 AON events that are routed to the MCU Event Fabric EVENT
Figure 4-8. EVTOMCUSEL Register
31 30 29 28 27 26 25 24
RESERVED
R-0h
23 22 21 20 19 18 17 16
RESERVED AON_PROG2_EV
R-0h R/W-2Bh
15 14 13 12 11 10 9 8
RESERVED AON_PROG1_EV
R-0h R/W-2Bh
76543210
RESERVED AON_PROG0_EV
R-0h R/W-2Bh
Table 4-12. EVTOMCUSEL Register Field Descriptions
Bit Field Type Reset Description
31-22 RESERVED R 0h Software should not rely on the value of a reserved. Writing any
other value than the reset value may result in undefined behavior.

Interrupts and Events Registers
www.ti.com
260 SWCU117F–February 2015–Revised June 2016
Submit Documentation Feedback
Copyright © 2015–2016, Texas Instruments Incorporated
Interrupts and Events
Table 4-12. EVTOMCUSEL Register Field Descriptions (continued)
Bit Field Type Reset Description
21-16 AON_PROG2_EV R/W 2Bh Event selector for AON_PROG2 event.
AON Event Source id# selecting event routed to EVENT as
AON_PROG2 event.
0h = Edge detect on PAD0
1h = Edge detect on PAD1
2h = Edge detect on PAD2
3h = Edge detect on PAD3
4h = Edge detect on PAD4
5h = Edge detect on PAD5
6h = Edge detect on PAD6
7h = Edge detect on PAD7
8h = Edge detect on PAD8
9h = Edge detect on PAD9
Ah = Edge detect on PAD10
Bh = Edge detect on PAD11
Ch = Edge detect on PAD12
Dh = Edge detect on PAD13
Eh = Edge detect on PAD14
Fh = Edge detect on PAD15
10h = Edge detect on PAD16
11h = Edge detect on PAD17
12h = Edge detect on PAD18
13h = Edge detect on PAD19
14h = Edge detect on PAD20
15h = Edge detect on PAD21
16h = Edge detect on PAD22
17h = Edge detect on PAD23
18h = Edge detect on PAD24
19h = Edge detect on PAD25
1Ah = Edge detect on PAD26
1Bh = Edge detect on PAD27
1Ch = Edge detect on PAD28
1Dh = Edge detect on PAD29
1Eh = Edge detect on PAD30
1Fh = Edge detect on PAD31
20h = Edge detect on any PAD
23h = RTC channel 0 event
24h = RTC channel 1 event
25h = RTC channel 2 event
26h = RTC channel 0 - delayed event
27h = RTC channel 1 - delayed event
28h = RTC channel 2 - delayed event
29h = RTC combined delayed event
2Ah = RTC Update Tick (16 kHz signal, i.e. event line toggles value
every 32 kHz clock period)
2Bh = JTAG generated event
2Ch = AUX Software triggered event #0. Triggered by
AUX_EVCTL:SWEVSET.SWEV0
2Dh = AUX Software triggered event #1. Triggered by
AUX_EVCTL:SWEVSET.SWEV1
2Eh = AUX Software triggered event #2. Triggered by
AUX_EVCTL:SWEVSET.SWEV2
2Fh = Comparator A triggered
30h = Comparator B triggered
31h = ADC conversion completed
32h = TDC completed or timed out
33h = AUX Timer 0 Event

www.ti.com
Interrupts and Events Registers
261
SWCU117F–February 2015–Revised June 2016
Submit Documentation Feedback Copyright © 2015–2016, Texas Instruments Incorporated
Interrupts and Events
Table 4-12. EVTOMCUSEL Register Field Descriptions (continued)
Bit Field Type Reset Description
34h = AUX Timer 1 Event
35h = BATMON temperature update event
36h = BATMON voltage update event
37h = Comparator B triggered. Asynchronous signal directly from the
AUX Comparator B as opposed to AUX_COMPB which is
synchronized in AUX
38h = Comparator B not triggered. Asynchronous signal directly from
AUX Comparator B (inverted) as opposed to AUX_COMPB which is
synchronized in AUX
3Fh = No event, always low
15-14 RESERVED R 0h Software should not rely on the value of a reserved. Writing any
other value than the reset value may result in undefined behavior.
13-8 AON_PROG1_EV R/W 2Bh Event selector for AON_PROG1 event.
AON Event Source id# selecting event routed to EVENT as
AON_PROG1 event.
0h = Edge detect on PAD0
1h = Edge detect on PAD1
2h = Edge detect on PAD2
3h = Edge detect on PAD3
4h = Edge detect on PAD4
5h = Edge detect on PAD5
6h = Edge detect on PAD6
7h = Edge detect on PAD7
8h = Edge detect on PAD8
9h = Edge detect on PAD9
Ah = Edge detect on PAD10
Bh = Edge detect on PAD11
Ch = Edge detect on PAD12
Dh = Edge detect on PAD13
Eh = Edge detect on PAD14
Fh = Edge detect on PAD15
10h = Edge detect on PAD16
11h = Edge detect on PAD17
12h = Edge detect on PAD18
13h = Edge detect on PAD19
14h = Edge detect on PAD20
15h = Edge detect on PAD21
16h = Edge detect on PAD22
17h = Edge detect on PAD23
18h = Edge detect on PAD24
19h = Edge detect on PAD25
1Ah = Edge detect on PAD26
1Bh = Edge detect on PAD27
1Ch = Edge detect on PAD28
1Dh = Edge detect on PAD29
1Eh = Edge detect on PAD30
1Fh = Edge detect on PAD31
20h = Edge detect on any PAD
23h = RTC channel 0 event
24h = RTC channel 1 event
25h = RTC channel 2 event
26h = RTC channel 0 - delayed event
27h = RTC channel 1 - delayed event
28h = RTC channel 2 - delayed event
29h = RTC combined delayed event
2Ah = RTC Update Tick (16 kHz signal, i.e. event line toggles value
every 32 kHz clock period)

Interrupts and Events Registers
www.ti.com
262 SWCU117F–February 2015–Revised June 2016
Submit Documentation Feedback
Copyright © 2015–2016, Texas Instruments Incorporated
Interrupts and Events
Table 4-12. EVTOMCUSEL Register Field Descriptions (continued)
Bit Field Type Reset Description
2Bh = JTAG generated event
2Ch = AUX Software triggered event #0. Triggered by
AUX_EVCTL:SWEVSET.SWEV0
2Dh = AUX Software triggered event #1. Triggered by
AUX_EVCTL:SWEVSET.SWEV1
2Eh = AUX Software triggered event #2. Triggered by
AUX_EVCTL:SWEVSET.SWEV2
2Fh = Comparator A triggered
30h = Comparator B triggered
31h = ADC conversion completed
32h = TDC completed or timed out
33h = AUX Timer 0 Event
34h = AUX Timer 1 Event
35h = BATMON temperature update event
36h = BATMON voltage update event
37h = Comparator B triggered. Asynchronous signal directly from the
AUX Comparator B as opposed to AUX_COMPB which is
synchronized in AUX
38h = Comparator B not triggered. Asynchronous signal directly from
AUX Comparator B (inverted) as opposed to AUX_COMPB which is
synchronized in AUX
3Fh = No event, always low
7-6 RESERVED R 0h Software should not rely on the value of a reserved. Writing any
other value than the reset value may result in undefined behavior.

www.ti.com
Interrupts and Events Registers
263
SWCU117F–February 2015–Revised June 2016
Submit Documentation Feedback Copyright © 2015–2016, Texas Instruments Incorporated
Interrupts and Events
Table 4-12. EVTOMCUSEL Register Field Descriptions (continued)
Bit Field Type Reset Description
5-0 AON_PROG0_EV R/W 2Bh Event selector for AON_PROG0 event.
AON Event Source id# selecting event routed to EVENT as
AON_PROG0 event.
0h = Edge detect on PAD0
1h = Edge detect on PAD1
2h = Edge detect on PAD2
3h = Edge detect on PAD3
4h = Edge detect on PAD4
5h = Edge detect on PAD5
6h = Edge detect on PAD6
7h = Edge detect on PAD7
8h = Edge detect on PAD8
9h = Edge detect on PAD9
Ah = Edge detect on PAD10
Bh = Edge detect on PAD11
Ch = Edge detect on PAD12
Dh = Edge detect on PAD13
Eh = Edge detect on PAD14
Fh = Edge detect on PAD15
10h = Edge detect on PAD16
11h = Edge detect on PAD17
12h = Edge detect on PAD18
13h = Edge detect on PAD19
14h = Edge detect on PAD20
15h = Edge detect on PAD21
16h = Edge detect on PAD22
17h = Edge detect on PAD23
18h = Edge detect on PAD24
19h = Edge detect on PAD25
1Ah = Edge detect on PAD26
1Bh = Edge detect on PAD27
1Ch = Edge detect on PAD28
1Dh = Edge detect on PAD29
1Eh = Edge detect on PAD30
1Fh = Edge detect on PAD31
20h = Edge detect on any PAD
23h = RTC channel 0 event
24h = RTC channel 1 event
25h = RTC channel 2 event
26h = RTC channel 0 - delayed event
27h = RTC channel 1 - delayed event
28h = RTC channel 2 - delayed event
29h = RTC combined delayed event
2Ah = RTC Update Tick (16 kHz signal, i.e. event line toggles value
every 32 kHz clock period)
2Bh = JTAG generated event
2Ch = AUX Software triggered event #0. Triggered by
AUX_EVCTL:SWEVSET.SWEV0
2Dh = AUX Software triggered event #1. Triggered by
AUX_EVCTL:SWEVSET.SWEV1
2Eh = AUX Software triggered event #2. Triggered by
AUX_EVCTL:SWEVSET.SWEV2
2Fh = Comparator A triggered
30h = Comparator B triggered
31h = ADC conversion completed
32h = TDC completed or timed out
33h = AUX Timer 0 Event

Interrupts and Events Registers
www.ti.com
264 SWCU117F–February 2015–Revised June 2016
Submit Documentation Feedback
Copyright © 2015–2016, Texas Instruments Incorporated
Interrupts and Events
Table 4-12. EVTOMCUSEL Register Field Descriptions (continued)
Bit Field Type Reset Description
34h = AUX Timer 1 Event
35h = BATMON temperature update event
36h = BATMON voltage update event
37h = Comparator B triggered. Asynchronous signal directly from the
AUX Comparator B as opposed to AUX_COMPB which is
synchronized in AUX
38h = Comparator B not triggered. Asynchronous signal directly from
AUX Comparator B (inverted) as opposed to AUX_COMPB which is
synchronized in AUX
3Fh = No event, always low

www.ti.com
Interrupts and Events Registers
265
SWCU117F–February 2015–Revised June 2016
Submit Documentation Feedback Copyright © 2015–2016, Texas Instruments Incorporated
Interrupts and Events
4.7.1.4 RTCSEL Register (Offset = Ch) [reset = 3Fh]
RTCSEL is shown in Figure 4-9 and described in Table 4-13.
Return to Summary Table.
RTC Capture Event Selector For AON_RTC
This register contains a pointer to select an AON event for RTC capture. Please refer to
AON_RTC:CH1CAPT
Figure 4-9. RTCSEL Register
31 30 29 28 27 26 25 24 23 22 21 20 19 18 17 16
RESERVED
R-0h
15 14 13 12 11 10 9 8 7 6 5 4 3 2 1 0
RESERVED RTC_CH1_CAPT_EV
R-0h R/W-3Fh
Table 4-13. RTCSEL Register Field Descriptions
Bit Field Type Reset Description
31-6 RESERVED R 0h Software should not rely on the value of a reserved. Writing any
other value than the reset value may result in undefined behavior.

Interrupts and Events Registers
www.ti.com
266 SWCU117F–February 2015–Revised June 2016
Submit Documentation Feedback
Copyright © 2015–2016, Texas Instruments Incorporated
Interrupts and Events
Table 4-13. RTCSEL Register Field Descriptions (continued)
Bit Field Type Reset Description
5-0 RTC_CH1_CAPT_EV R/W 3Fh AON Event Source id# for RTCSEL event which is fed to AON_RTC.
Please refer to AON_RTC:CH1CAPT
0h = Edge detect on PAD0
1h = Edge detect on PAD1
2h = Edge detect on PAD2
3h = Edge detect on PAD3
4h = Edge detect on PAD4
5h = Edge detect on PAD5
6h = Edge detect on PAD6
7h = Edge detect on PAD7
8h = Edge detect on PAD8
9h = Edge detect on PAD9
Ah = Edge detect on PAD10
Bh = Edge detect on PAD11
Ch = Edge detect on PAD12
Dh = Edge detect on PAD13
Eh = Edge detect on PAD14
Fh = Edge detect on PAD15
10h = Edge detect on PAD16
11h = Edge detect on PAD17
12h = Edge detect on PAD18
13h = Edge detect on PAD19
14h = Edge detect on PAD20
15h = Edge detect on PAD21
16h = Edge detect on PAD22
17h = Edge detect on PAD23
18h = Edge detect on PAD24
19h = Edge detect on PAD25
1Ah = Edge detect on PAD26
1Bh = Edge detect on PAD27
1Ch = Edge detect on PAD28
1Dh = Edge detect on PAD29
1Eh = Edge detect on PAD30
1Fh = Edge detect on PAD31
20h = Edge detect on any PAD
23h = RTC channel 0 event
24h = RTC channel 1 event
25h = RTC channel 2 event
26h = RTC channel 0 - delayed event
27h = RTC channel 1 - delayed event
28h = RTC channel 2 - delayed event
29h = RTC combined delayed event
2Ah = RTC Update Tick (16 kHz signal, i.e. event line toggles value
every 32 kHz clock period)
2Bh = JTAG generated event
2Ch = AUX Software triggered event #0. Triggered by
AUX_EVCTL:SWEVSET.SWEV0
2Dh = AUX Software triggered event #1. Triggered by
AUX_EVCTL:SWEVSET.SWEV1
2Eh = AUX Software triggered event #2. Triggered by
AUX_EVCTL:SWEVSET.SWEV2
2Fh = Comparator A triggered
30h = Comparator B triggered
31h = ADC conversion completed
32h = TDC completed or timed out
33h = AUX Timer 0 Event
34h = AUX Timer 1 Event

www.ti.com
Interrupts and Events Registers
267
SWCU117F–February 2015–Revised June 2016
Submit Documentation Feedback Copyright © 2015–2016, Texas Instruments Incorporated
Interrupts and Events
Table 4-13. RTCSEL Register Field Descriptions (continued)
Bit Field Type Reset Description
35h = BATMON temperature update event
36h = BATMON voltage update event
37h = Comparator B triggered. Asynchronous signal directly from the
AUX Comparator B as opposed to AUX_COMPB which is
synchronized in AUX
38h = Comparator B not triggered. Asynchronous signal directly from
AUX Comparator B (inverted) as opposed to AUX_COMPB which is
synchronized in AUX
3Fh = No event, always low

Interrupts and Events Registers
www.ti.com
268 SWCU117F–February 2015–Revised June 2016
Submit Documentation Feedback
Copyright © 2015–2016, Texas Instruments Incorporated
Interrupts and Events
4.7.2 EVENT Registers
Table 4-14 lists the memory-mapped registers for the EVENT. All register offset addresses not listed in
Table 4-14 should be considered as reserved locations and the register contents should not be modified.
Table 4-14. EVENT Registers
Offset Acronym Register Name Section
0h CPUIRQSEL0 Output Selection for CPU Interrupt 0 Section 4.7.2.1
4h CPUIRQSEL1 Output Selection for CPU Interrupt 1 Section 4.7.2.2
8h CPUIRQSEL2 Output Selection for CPU Interrupt 2 Section 4.7.2.3
Ch CPUIRQSEL3 Output Selection for CPU Interrupt 3 Section 4.7.2.4
10h CPUIRQSEL4 Output Selection for CPU Interrupt 4 Section 4.7.2.5
14h CPUIRQSEL5 Output Selection for CPU Interrupt 5 Section 4.7.2.6
18h CPUIRQSEL6 Output Selection for CPU Interrupt 6 Section 4.7.2.7
1Ch CPUIRQSEL7 Output Selection for CPU Interrupt 7 Section 4.7.2.8
20h CPUIRQSEL8 Output Selection for CPU Interrupt 8 Section 4.7.2.9
24h CPUIRQSEL9 Output Selection for CPU Interrupt 9 Section 4.7.2.10
28h CPUIRQSEL10 Output Selection for CPU Interrupt 10 Section 4.7.2.11
2Ch CPUIRQSEL11 Output Selection for CPU Interrupt 11 Section 4.7.2.12
30h CPUIRQSEL12 Output Selection for CPU Interrupt 12 Section 4.7.2.13
34h CPUIRQSEL13 Output Selection for CPU Interrupt 13 Section 4.7.2.14
38h CPUIRQSEL14 Output Selection for CPU Interrupt 14 Section 4.7.2.15
3Ch CPUIRQSEL15 Output Selection for CPU Interrupt 15 Section 4.7.2.16
40h CPUIRQSEL16 Output Selection for CPU Interrupt 16 Section 4.7.2.17
44h CPUIRQSEL17 Output Selection for CPU Interrupt 17 Section 4.7.2.18
48h CPUIRQSEL18 Output Selection for CPU Interrupt 18 Section 4.7.2.19
4Ch CPUIRQSEL19 Output Selection for CPU Interrupt 19 Section 4.7.2.20
50h CPUIRQSEL20 Output Selection for CPU Interrupt 20 Section 4.7.2.21
54h CPUIRQSEL21 Output Selection for CPU Interrupt 21 Section 4.7.2.22
58h CPUIRQSEL22 Output Selection for CPU Interrupt 22 Section 4.7.2.23
5Ch CPUIRQSEL23 Output Selection for CPU Interrupt 23 Section 4.7.2.24
60h CPUIRQSEL24 Output Selection for CPU Interrupt 24 Section 4.7.2.25
64h CPUIRQSEL25 Output Selection for CPU Interrupt 25 Section 4.7.2.26
68h CPUIRQSEL26 Output Selection for CPU Interrupt 26 Section 4.7.2.27
6Ch CPUIRQSEL27 Output Selection for CPU Interrupt 27 Section 4.7.2.28
70h CPUIRQSEL28 Output Selection for CPU Interrupt 28 Section 4.7.2.29
74h CPUIRQSEL29 Output Selection for CPU Interrupt 29 Section 4.7.2.30
78h CPUIRQSEL30 Output Selection for CPU Interrupt 30 Section 4.7.2.31
7Ch CPUIRQSEL31 Output Selection for CPU Interrupt 31 Section 4.7.2.32
80h CPUIRQSEL32 Output Selection for CPU Interrupt 32 Section 4.7.2.33
84h CPUIRQSEL33 Output Selection for CPU Interrupt 33 Section 4.7.2.34
100h RFCSEL0 Output Selection for RFC Event 0 Section 4.7.2.35
104h RFCSEL1 Output Selection for RFC Event 1 Section 4.7.2.36
108h RFCSEL2 Output Selection for RFC Event 2 Section 4.7.2.37
10Ch RFCSEL3 Output Selection for RFC Event 3 Section 4.7.2.38
110h RFCSEL4 Output Selection for RFC Event 4 Section 4.7.2.39
114h RFCSEL5 Output Selection for RFC Event 5 Section 4.7.2.40
118h RFCSEL6 Output Selection for RFC Event 6 Section 4.7.2.41
11Ch RFCSEL7 Output Selection for RFC Event 7 Section 4.7.2.42
120h RFCSEL8 Output Selection for RFC Event 8 Section 4.7.2.43
124h RFCSEL9 Output Selection for RFC Event 9 Section 4.7.2.44

www.ti.com
Interrupts and Events Registers
269
SWCU117F–February 2015–Revised June 2016
Submit Documentation Feedback Copyright © 2015–2016, Texas Instruments Incorporated
Interrupts and Events
Table 4-14. EVENT Registers (continued)
Offset Acronym Register Name Section
200h GPT0ACAPTSEL Output Selection for GPT0 0 Section 4.7.2.45
204h GPT0BCAPTSEL Output Selection for GPT0 1 Section 4.7.2.46
300h GPT1ACAPTSEL Output Selection for GPT1 0 Section 4.7.2.47
304h GPT1BCAPTSEL Output Selection for GPT1 1 Section 4.7.2.48
400h GPT2ACAPTSEL Output Selection for GPT2 0 Section 4.7.2.49
404h GPT2BCAPTSEL Output Selection for GPT2 1 Section 4.7.2.50
508h UDMACH1SSEL Output Selection for DMA Channel 1 SREQ Section 4.7.2.51
50Ch UDMACH1BSEL Output Selection for DMA Channel 1 REQ Section 4.7.2.52
510h UDMACH2SSEL Output Selection for DMA Channel 2 SREQ Section 4.7.2.53
514h UDMACH2BSEL Output Selection for DMA Channel 2 REQ Section 4.7.2.54
518h UDMACH3SSEL Output Selection for DMA Channel 3 SREQ Section 4.7.2.55
51Ch UDMACH3BSEL Output Selection for DMA Channel 3 REQ Section 4.7.2.56
520h UDMACH4SSEL Output Selection for DMA Channel 4 SREQ Section 4.7.2.57
524h UDMACH4BSEL Output Selection for DMA Channel 4 REQ Section 4.7.2.58
528h UDMACH5SSEL Output Selection for DMA Channel 5 SREQ Section 4.7.2.59
52Ch UDMACH5BSEL Output Selection for DMA Channel 5 REQ Section 4.7.2.60
530h UDMACH6SSEL Output Selection for DMA Channel 6 SREQ Section 4.7.2.61
534h UDMACH6BSEL Output Selection for DMA Channel 6 REQ Section 4.7.2.62
538h UDMACH7SSEL Output Selection for DMA Channel 7 SREQ Section 4.7.2.63
53Ch UDMACH7BSEL Output Selection for DMA Channel 7 REQ Section 4.7.2.64
540h UDMACH8SSEL Output Selection for DMA Channel 8 SREQ Section 4.7.2.65
544h UDMACH8BSEL Output Selection for DMA Channel 8 REQ Section 4.7.2.66
548h UDMACH9SSEL Output Selection for DMA Channel 9 SREQ Section 4.7.2.67
54Ch UDMACH9BSEL Output Selection for DMA Channel 9 REQ Section 4.7.2.68
550h UDMACH10SSEL Output Selection for DMA Channel 10 SREQ Section 4.7.2.69
554h UDMACH10BSEL Output Selection for DMA Channel 10 REQ Section 4.7.2.70
558h UDMACH11SSEL Output Selection for DMA Channel 11 SREQ Section 4.7.2.71
55Ch UDMACH11BSEL Output Selection for DMA Channel 11 REQ Section 4.7.2.72
560h UDMACH12SSEL Output Selection for DMA Channel 12 SREQ Section 4.7.2.73
564h UDMACH12BSEL Output Selection for DMA Channel 12 REQ Section 4.7.2.74
56Ch UDMACH13BSEL Output Selection for DMA Channel 13 REQ Section 4.7.2.75
574h UDMACH14BSEL Output Selection for DMA Channel 14 REQ Section 4.7.2.76
57Ch UDMACH15BSEL Output Selection for DMA Channel 15 REQ Section 4.7.2.77
580h UDMACH16SSEL Output Selection for DMA Channel 16 SREQ Section 4.7.2.78
584h UDMACH16BSEL Output Selection for DMA Channel 16 REQ Section 4.7.2.79
588h UDMACH17SSEL Output Selection for DMA Channel 17 SREQ Section 4.7.2.80
58Ch UDMACH17BSEL Output Selection for DMA Channel 17 REQ Section 4.7.2.81
5A8h UDMACH21SSEL Output Selection for DMA Channel 21 SREQ Section 4.7.2.82
5ACh UDMACH21BSEL Output Selection for DMA Channel 21 REQ Section 4.7.2.83
5B0h UDMACH22SSEL Output Selection for DMA Channel 22 SREQ Section 4.7.2.84
5B4h UDMACH22BSEL Output Selection for DMA Channel 22 REQ Section 4.7.2.85
5B8h UDMACH23SSEL Output Selection for DMA Channel 23 SREQ Section 4.7.2.86
5BCh UDMACH23BSEL Output Selection for DMA Channel 23 REQ Section 4.7.2.87
5C0h UDMACH24SSEL Output Selection for DMA Channel 24 SREQ Section 4.7.2.88
5C4h UDMACH24BSEL Output Selection for DMA Channel 24 REQ Section 4.7.2.89
600h GPT3ACAPTSEL Output Selection for GPT3 0 Section 4.7.2.90
604h GPT3BCAPTSEL Output Selection for GPT3 1 Section 4.7.2.91

Interrupts and Events Registers
www.ti.com
270 SWCU117F–February 2015–Revised June 2016
Submit Documentation Feedback
Copyright © 2015–2016, Texas Instruments Incorporated
Interrupts and Events
Table 4-14. EVENT Registers (continued)
Offset Acronym Register Name Section
700h AUXSEL0 Output Selection for AUX Subscriber 0 Section 4.7.2.92
800h CM3NMISEL0 Output Selection for NMI Subscriber 0 Section 4.7.2.93
900h I2SSTMPSEL0 Output Selection for I2S Subscriber 0 Section 4.7.2.94
A00h FRZSEL0 Output Selection for FRZ Subscriber 0 Section 4.7.2.95
F00h SWEV Set or Clear Software Events Section 4.7.2.96

www.ti.com
Interrupts and Events Registers
271
SWCU117F–February 2015–Revised June 2016
Submit Documentation Feedback Copyright © 2015–2016, Texas Instruments Incorporated
Interrupts and Events
4.7.2.1 CPUIRQSEL0 Register (Offset = 0h) [reset = 4h]
CPUIRQSEL0 is shown in Figure 4-10 and described in Table 4-15.
Return to Summary Table.
Output Selection for CPU Interrupt 0
Figure 4-10. CPUIRQSEL0 Register
31 30 29 28 27 26 25 24 23 22 21 20 19 18 17 16 15 14 13 12 11 10 9 8 7 6 5 4 3 2 1 0
RESERVED EV
R-0h R-4h
Table 4-15. CPUIRQSEL0 Register Field Descriptions
Bit Field Type Reset Description
31-7 RESERVED R 0h Software should not rely on the value of a reserved. Writing any
other value than the reset value may result in undefined behavior.
6-0 EV R 4h Read only selection value
4h = Edge detect event from IOC. Configureded by the
IOC:IOCFGn.EDGE_IRQ_EN and IOC:IOCFGn.EDGE_DET settings

Interrupts and Events Registers
www.ti.com
272 SWCU117F–February 2015–Revised June 2016
Submit Documentation Feedback
Copyright © 2015–2016, Texas Instruments Incorporated
Interrupts and Events
4.7.2.2 CPUIRQSEL1 Register (Offset = 4h) [reset = 9h]
CPUIRQSEL1 is shown in Figure 4-11 and described in Table 4-16.
Return to Summary Table.
Output Selection for CPU Interrupt 1
Figure 4-11. CPUIRQSEL1 Register
31 30 29 28 27 26 25 24 23 22 21 20 19 18 17 16 15 14 13 12 11 10 9 8 7 6 5 4 3 2 1 0
RESERVED EV
R-0h R-9h
Table 4-16. CPUIRQSEL1 Register Field Descriptions
Bit Field Type Reset Description
31-7 RESERVED R 0h Software should not rely on the value of a reserved. Writing any
other value than the reset value may result in undefined behavior.
6-0 EV R 9h Read only selection value
9h = Interrupt event from I2C

www.ti.com
Interrupts and Events Registers
273
SWCU117F–February 2015–Revised June 2016
Submit Documentation Feedback Copyright © 2015–2016, Texas Instruments Incorporated
Interrupts and Events
4.7.2.3 CPUIRQSEL2 Register (Offset = 8h) [reset = 1Eh]
CPUIRQSEL2 is shown in Figure 4-12 and described in Table 4-17.
Return to Summary Table.
Output Selection for CPU Interrupt 2
Figure 4-12. CPUIRQSEL2 Register
31 30 29 28 27 26 25 24 23 22 21 20 19 18 17 16 15 14 13 12 11 10 9 8 7 6 5 4 3 2 1 0
RESERVED EV
R-0h R-1Eh
Table 4-17. CPUIRQSEL2 Register Field Descriptions
Bit Field Type Reset Description
31-7 RESERVED R 0h Software should not rely on the value of a reserved. Writing any
other value than the reset value may result in undefined behavior.
6-0 EV R 1Eh Read only selection value
1Eh = Combined Interrupt for CPE Generated events.
Corresponding flags are here RFC_DBELL:RFCPEIFG. Only
interrupts selected with CPE1 in RFC_DBELL:RFCPEIFG can trigger
a RFC_CPE_1 event

Interrupts and Events Registers
www.ti.com
274 SWCU117F–February 2015–Revised June 2016
Submit Documentation Feedback
Copyright © 2015–2016, Texas Instruments Incorporated
Interrupts and Events
4.7.2.4 CPUIRQSEL3 Register (Offset = Ch) [reset = 38h]
CPUIRQSEL3 is shown in Figure 4-13 and described in Table 4-18.
Return to Summary Table.
Output Selection for CPU Interrupt 3
Figure 4-13. CPUIRQSEL3 Register
31 30 29 28 27 26 25 24 23 22 21 20 19 18 17 16 15 14 13 12 11 10 9 8 7 6 5 4 3 2 1 0
RESERVED
R-38h
Table 4-18. CPUIRQSEL3 Register Field Descriptions
Bit Field Type Reset Description
31-0 RESERVED R 38h Software should not rely on the value of a reserved. Writing any
other value than the reset value may result in undefined behavior.

www.ti.com
Interrupts and Events Registers
275
SWCU117F–February 2015–Revised June 2016
Submit Documentation Feedback Copyright © 2015–2016, Texas Instruments Incorporated
Interrupts and Events
4.7.2.5 CPUIRQSEL4 Register (Offset = 10h) [reset = 7h]
CPUIRQSEL4 is shown in Figure 4-14 and described in Table 4-19.
Return to Summary Table.
Output Selection for CPU Interrupt 4
Figure 4-14. CPUIRQSEL4 Register
31 30 29 28 27 26 25 24 23 22 21 20 19 18 17 16 15 14 13 12 11 10 9 8 7 6 5 4 3 2 1 0
RESERVED EV
R-0h R-7h
Table 4-19. CPUIRQSEL4 Register Field Descriptions
Bit Field Type Reset Description
31-7 RESERVED R 0h Software should not rely on the value of a reserved. Writing any
other value than the reset value may result in undefined behavior.
6-0 EV R 7h Read only selection value
7h = Event from AON_RTC, controlled by the
AON_RTC:CTL.COMB_EV_MASK setting

Interrupts and Events Registers
www.ti.com
276 SWCU117F–February 2015–Revised June 2016
Submit Documentation Feedback
Copyright © 2015–2016, Texas Instruments Incorporated
Interrupts and Events
4.7.2.6 CPUIRQSEL5 Register (Offset = 14h) [reset = 24h]
CPUIRQSEL5 is shown in Figure 4-15 and described in Table 4-20.
Return to Summary Table.
Output Selection for CPU Interrupt 5
Figure 4-15. CPUIRQSEL5 Register
31 30 29 28 27 26 25 24 23 22 21 20 19 18 17 16 15 14 13 12 11 10 9 8 7 6 5 4 3 2 1 0
RESERVED EV
R-0h R-24h
Table 4-20. CPUIRQSEL5 Register Field Descriptions
Bit Field Type Reset Description
31-7 RESERVED R 0h Software should not rely on the value of a reserved. Writing any
other value than the reset value may result in undefined behavior.
6-0 EV R 24h Read only selection value
24h = UART0 combined interrupt, interrupt flags are found here
UART0:MIS

www.ti.com
Interrupts and Events Registers
277
SWCU117F–February 2015–Revised June 2016
Submit Documentation Feedback Copyright © 2015–2016, Texas Instruments Incorporated
Interrupts and Events
4.7.2.7 CPUIRQSEL6 Register (Offset = 18h) [reset = 1Ch]
CPUIRQSEL6 is shown in Figure 4-16 and described in Table 4-21.
Return to Summary Table.
Output Selection for CPU Interrupt 6
Figure 4-16. CPUIRQSEL6 Register
31 30 29 28 27 26 25 24 23 22 21 20 19 18 17 16 15 14 13 12 11 10 9 8 7 6 5 4 3 2 1 0
RESERVED EV
R-0h R-1Ch
Table 4-21. CPUIRQSEL6 Register Field Descriptions
Bit Field Type Reset Description
31-7 RESERVED R 0h Software should not rely on the value of a reserved. Writing any
other value than the reset value may result in undefined behavior.
6-0 EV R 1Ch Read only selection value
1Ch = AUX software event 0, triggered by
AUX_EVCTL:SWEVSET.SWEV0, also available as AUX_EVENT0
AON wake up event.
MCU domain wakeup control AON_EVENT:MCUWUSEL
AUX domain wakeup control AON_EVENT:AUXWUSEL

Interrupts and Events Registers
www.ti.com
278 SWCU117F–February 2015–Revised June 2016
Submit Documentation Feedback
Copyright © 2015–2016, Texas Instruments Incorporated
Interrupts and Events
4.7.2.8 CPUIRQSEL7 Register (Offset = 1Ch) [reset = 22h]
CPUIRQSEL7 is shown in Figure 4-17 and described in Table 4-22.
Return to Summary Table.
Output Selection for CPU Interrupt 7
Figure 4-17. CPUIRQSEL7 Register
31 30 29 28 27 26 25 24 23 22 21 20 19 18 17 16 15 14 13 12 11 10 9 8 7 6 5 4 3 2 1 0
RESERVED EV
R-0h R-22h
Table 4-22. CPUIRQSEL7 Register Field Descriptions
Bit Field Type Reset Description
31-7 RESERVED R 0h Software should not rely on the value of a reserved. Writing any
other value than the reset value may result in undefined behavior.
6-0 EV R 22h Read only selection value
22h = SSI0 combined interrupt, interrupt flags are found here
SSI0:MIS

www.ti.com
Interrupts and Events Registers
279
SWCU117F–February 2015–Revised June 2016
Submit Documentation Feedback Copyright © 2015–2016, Texas Instruments Incorporated
Interrupts and Events
4.7.2.9 CPUIRQSEL8 Register (Offset = 20h) [reset = 23h]
CPUIRQSEL8 is shown in Figure 4-18 and described in Table 4-23.
Return to Summary Table.
Output Selection for CPU Interrupt 8
Figure 4-18. CPUIRQSEL8 Register
31 30 29 28 27 26 25 24 23 22 21 20 19 18 17 16 15 14 13 12 11 10 9 8 7 6 5 4 3 2 1 0
RESERVED EV
R-0h R-23h
Table 4-23. CPUIRQSEL8 Register Field Descriptions
Bit Field Type Reset Description
31-7 RESERVED R 0h Software should not rely on the value of a reserved. Writing any
other value than the reset value may result in undefined behavior.
6-0 EV R 23h Read only selection value
23h = SSI0 combined interrupt, interrupt flags are found here
SSI1:MIS

Interrupts and Events Registers
www.ti.com
280 SWCU117F–February 2015–Revised June 2016
Submit Documentation Feedback
Copyright © 2015–2016, Texas Instruments Incorporated
Interrupts and Events
4.7.2.10 CPUIRQSEL9 Register (Offset = 24h) [reset = 1Bh]
CPUIRQSEL9 is shown in Figure 4-19 and described in Table 4-24.
Return to Summary Table.
Output Selection for CPU Interrupt 9
Figure 4-19. CPUIRQSEL9 Register
31 30 29 28 27 26 25 24 23 22 21 20 19 18 17 16 15 14 13 12 11 10 9 8 7 6 5 4 3 2 1 0
RESERVED EV
R-0h R-1Bh
Table 4-24. CPUIRQSEL9 Register Field Descriptions
Bit Field Type Reset Description
31-7 RESERVED R 0h Software should not rely on the value of a reserved. Writing any
other value than the reset value may result in undefined behavior.
6-0 EV R 1Bh Read only selection value
1Bh = Combined Interrupt for CPE Generated events.
Corresponding flags are here RFC_DBELL:RFCPEIFG. Only
interrupts selected with CPE0 in RFC_DBELL:RFCPEIFG can trigger
a RFC_CPE_0 event

www.ti.com
Interrupts and Events Registers
281
SWCU117F–February 2015–Revised June 2016
Submit Documentation Feedback Copyright © 2015–2016, Texas Instruments Incorporated
Interrupts and Events
4.7.2.11 CPUIRQSEL10 Register (Offset = 28h) [reset = 1Ah]
CPUIRQSEL10 is shown in Figure 4-20 and described in Table 4-25.
Return to Summary Table.
Output Selection for CPU Interrupt 10
Figure 4-20. CPUIRQSEL10 Register
31 30 29 28 27 26 25 24 23 22 21 20 19 18 17 16 15 14 13 12 11 10 9 8 7 6 5 4 3 2 1 0
RESERVED EV
R-0h R-1Ah
Table 4-25. CPUIRQSEL10 Register Field Descriptions
Bit Field Type Reset Description
31-7 RESERVED R 0h Software should not rely on the value of a reserved. Writing any
other value than the reset value may result in undefined behavior.
6-0 EV R 1Ah Read only selection value
1Ah = Combined RCF hardware interrupt, corresponding flag is here
RFC_DBELL:RFHWIFG

Interrupts and Events Registers
www.ti.com
282 SWCU117F–February 2015–Revised June 2016
Submit Documentation Feedback
Copyright © 2015–2016, Texas Instruments Incorporated
Interrupts and Events
4.7.2.12 CPUIRQSEL11 Register (Offset = 2Ch) [reset = 19h]
CPUIRQSEL11 is shown in Figure 4-21 and described in Table 4-26.
Return to Summary Table.
Output Selection for CPU Interrupt 11
Figure 4-21. CPUIRQSEL11 Register
31 30 29 28 27 26 25 24 23 22 21 20 19 18 17 16 15 14 13 12 11 10 9 8 7 6 5 4 3 2 1 0
RESERVED EV
R-0h R-19h
Table 4-26. CPUIRQSEL11 Register Field Descriptions
Bit Field Type Reset Description
31-7 RESERVED R 0h Software should not rely on the value of a reserved. Writing any
other value than the reset value may result in undefined behavior.
6-0 EV R 19h Read only selection value
19h = RFC Doorbell Command Acknowledgement Interrupt,
equvialent to RFC_DBELL:RFACKIFG.ACKFLAG

www.ti.com
Interrupts and Events Registers
283
SWCU117F–February 2015–Revised June 2016
Submit Documentation Feedback Copyright © 2015–2016, Texas Instruments Incorporated
Interrupts and Events
4.7.2.13 CPUIRQSEL12 Register (Offset = 30h) [reset = 8h]
CPUIRQSEL12 is shown in Figure 4-22 and described in Table 4-27.
Return to Summary Table.
Output Selection for CPU Interrupt 12
Figure 4-22. CPUIRQSEL12 Register
31 30 29 28 27 26 25 24 23 22 21 20 19 18 17 16 15 14 13 12 11 10 9 8 7 6 5 4 3 2 1 0
RESERVED EV
R-0h R-8h
Table 4-27. CPUIRQSEL12 Register Field Descriptions
Bit Field Type Reset Description
31-7 RESERVED R 0h Software should not rely on the value of a reserved. Writing any
other value than the reset value may result in undefined behavior.
6-0 EV R 8h Read only selection value
8h = Interrupt event from I2S

Interrupts and Events Registers
www.ti.com
284 SWCU117F–February 2015–Revised June 2016
Submit Documentation Feedback
Copyright © 2015–2016, Texas Instruments Incorporated
Interrupts and Events
4.7.2.14 CPUIRQSEL13 Register (Offset = 34h) [reset = 1Dh]
CPUIRQSEL13 is shown in Figure 4-23 and described in Table 4-28.
Return to Summary Table.
Output Selection for CPU Interrupt 13
Figure 4-23. CPUIRQSEL13 Register
31 30 29 28 27 26 25 24 23 22 21 20 19 18 17 16 15 14 13 12 11 10 9 8 7 6 5 4 3 2 1 0
RESERVED EV
R-0h R-1Dh
Table 4-28. CPUIRQSEL13 Register Field Descriptions
Bit Field Type Reset Description
31-7 RESERVED R 0h Software should not rely on the value of a reserved. Writing any
other value than the reset value may result in undefined behavior.
6-0 EV R 1Dh Read only selection value
1Dh = AUX software event 1, triggered by
AUX_EVCTL:SWEVSET.SWEV1, also available as AUX_EVENT2
AON wake up event.
MCU domain wakeup control AON_EVENT:MCUWUSEL
AUX domain wakeup control AON_EVENT:AUXWUSEL

www.ti.com
Interrupts and Events Registers
285
SWCU117F–February 2015–Revised June 2016
Submit Documentation Feedback Copyright © 2015–2016, Texas Instruments Incorporated
Interrupts and Events
4.7.2.15 CPUIRQSEL14 Register (Offset = 38h) [reset = 18h]
CPUIRQSEL14 is shown in Figure 4-24 and described in Table 4-29.
Return to Summary Table.
Output Selection for CPU Interrupt 14
Figure 4-24. CPUIRQSEL14 Register
31 30 29 28 27 26 25 24 23 22 21 20 19 18 17 16 15 14 13 12 11 10 9 8 7 6 5 4 3 2 1 0
RESERVED EV
R-0h R-18h
Table 4-29. CPUIRQSEL14 Register Field Descriptions
Bit Field Type Reset Description
31-7 RESERVED R 0h Software should not rely on the value of a reserved. Writing any
other value than the reset value may result in undefined behavior.
6-0 EV R 18h Read only selection value
18h = Watchdog interrupt event, controlled by WDT:CTL.INTEN

Interrupts and Events Registers
www.ti.com
286 SWCU117F–February 2015–Revised June 2016
Submit Documentation Feedback
Copyright © 2015–2016, Texas Instruments Incorporated
Interrupts and Events
4.7.2.16 CPUIRQSEL15 Register (Offset = 3Ch) [reset = 10h]
CPUIRQSEL15 is shown in Figure 4-25 and described in Table 4-30.
Return to Summary Table.
Output Selection for CPU Interrupt 15
Figure 4-25. CPUIRQSEL15 Register
31 30 29 28 27 26 25 24 23 22 21 20 19 18 17 16 15 14 13 12 11 10 9 8 7 6 5 4 3 2 1 0
RESERVED EV
R-0h R-10h
Table 4-30. CPUIRQSEL15 Register Field Descriptions
Bit Field Type Reset Description
31-7 RESERVED R 0h Software should not rely on the value of a reserved. Writing any
other value than the reset value may result in undefined behavior.
6-0 EV R 10h Read only selection value
10h = GPT0A interrupt event, controlled by GPT0:TAMR

www.ti.com
Interrupts and Events Registers
287
SWCU117F–February 2015–Revised June 2016
Submit Documentation Feedback Copyright © 2015–2016, Texas Instruments Incorporated
Interrupts and Events
4.7.2.17 CPUIRQSEL16 Register (Offset = 40h) [reset = 11h]
CPUIRQSEL16 is shown in Figure 4-26 and described in Table 4-31.
Return to Summary Table.
Output Selection for CPU Interrupt 16
Figure 4-26. CPUIRQSEL16 Register
31 30 29 28 27 26 25 24 23 22 21 20 19 18 17 16 15 14 13 12 11 10 9 8 7 6 5 4 3 2 1 0
RESERVED EV
R-0h R-11h
Table 4-31. CPUIRQSEL16 Register Field Descriptions
Bit Field Type Reset Description
31-7 RESERVED R 0h Software should not rely on the value of a reserved. Writing any
other value than the reset value may result in undefined behavior.
6-0 EV R 11h Read only selection value
11h = GPT0B interrupt event, controlled by GPT0:TBMR

Interrupts and Events Registers
www.ti.com
288 SWCU117F–February 2015–Revised June 2016
Submit Documentation Feedback
Copyright © 2015–2016, Texas Instruments Incorporated
Interrupts and Events
4.7.2.18 CPUIRQSEL17 Register (Offset = 44h) [reset = 12h]
CPUIRQSEL17 is shown in Figure 4-27 and described in Table 4-32.
Return to Summary Table.
Output Selection for CPU Interrupt 17
Figure 4-27. CPUIRQSEL17 Register
31 30 29 28 27 26 25 24 23 22 21 20 19 18 17 16 15 14 13 12 11 10 9 8 7 6 5 4 3 2 1 0
RESERVED EV
R-0h R-12h
Table 4-32. CPUIRQSEL17 Register Field Descriptions
Bit Field Type Reset Description
31-7 RESERVED R 0h Software should not rely on the value of a reserved. Writing any
other value than the reset value may result in undefined behavior.
6-0 EV R 12h Read only selection value
12h = GPT1A interrupt event, controlled by GPT1:TAMR

www.ti.com
Interrupts and Events Registers
289
SWCU117F–February 2015–Revised June 2016
Submit Documentation Feedback Copyright © 2015–2016, Texas Instruments Incorporated
Interrupts and Events
4.7.2.19 CPUIRQSEL18 Register (Offset = 48h) [reset = 13h]
CPUIRQSEL18 is shown in Figure 4-28 and described in Table 4-33.
Return to Summary Table.
Output Selection for CPU Interrupt 18
Figure 4-28. CPUIRQSEL18 Register
31 30 29 28 27 26 25 24 23 22 21 20 19 18 17 16 15 14 13 12 11 10 9 8 7 6 5 4 3 2 1 0
RESERVED EV
R-0h R-13h
Table 4-33. CPUIRQSEL18 Register Field Descriptions
Bit Field Type Reset Description
31-7 RESERVED R 0h Software should not rely on the value of a reserved. Writing any
other value than the reset value may result in undefined behavior.
6-0 EV R 13h Read only selection value
13h = GPT1B interrupt event, controlled by GPT1:TBMR

Interrupts and Events Registers
www.ti.com
290 SWCU117F–February 2015–Revised June 2016
Submit Documentation Feedback
Copyright © 2015–2016, Texas Instruments Incorporated
Interrupts and Events
4.7.2.20 CPUIRQSEL19 Register (Offset = 4Ch) [reset = Ch]
CPUIRQSEL19 is shown in Figure 4-29 and described in Table 4-34.
Return to Summary Table.
Output Selection for CPU Interrupt 19
Figure 4-29. CPUIRQSEL19 Register
31 30 29 28 27 26 25 24 23 22 21 20 19 18 17 16 15 14 13 12 11 10 9 8 7 6 5 4 3 2 1 0
RESERVED EV
R-0h R-Ch
Table 4-34. CPUIRQSEL19 Register Field Descriptions
Bit Field Type Reset Description
31-7 RESERVED R 0h Software should not rely on the value of a reserved. Writing any
other value than the reset value may result in undefined behavior.
6-0 EV R Ch Read only selection value
Ch = GPT2A interrupt event, controlled by GPT2:TAMR

www.ti.com
Interrupts and Events Registers
291
SWCU117F–February 2015–Revised June 2016
Submit Documentation Feedback Copyright © 2015–2016, Texas Instruments Incorporated
Interrupts and Events
4.7.2.21 CPUIRQSEL20 Register (Offset = 50h) [reset = Dh]
CPUIRQSEL20 is shown in Figure 4-30 and described in Table 4-35.
Return to Summary Table.
Output Selection for CPU Interrupt 20
Figure 4-30. CPUIRQSEL20 Register
31 30 29 28 27 26 25 24 23 22 21 20 19 18 17 16 15 14 13 12 11 10 9 8 7 6 5 4 3 2 1 0
RESERVED EV
R-0h R-Dh
Table 4-35. CPUIRQSEL20 Register Field Descriptions
Bit Field Type Reset Description
31-7 RESERVED R 0h Software should not rely on the value of a reserved. Writing any
other value than the reset value may result in undefined behavior.
6-0 EV R Dh Read only selection value
Dh = GPT2B interrupt event, controlled by GPT2:TBMR

Interrupts and Events Registers
www.ti.com
292 SWCU117F–February 2015–Revised June 2016
Submit Documentation Feedback
Copyright © 2015–2016, Texas Instruments Incorporated
Interrupts and Events
4.7.2.22 CPUIRQSEL21 Register (Offset = 54h) [reset = Eh]
CPUIRQSEL21 is shown in Figure 4-31 and described in Table 4-36.
Return to Summary Table.
Output Selection for CPU Interrupt 21
Figure 4-31. CPUIRQSEL21 Register
31 30 29 28 27 26 25 24 23 22 21 20 19 18 17 16 15 14 13 12 11 10 9 8 7 6 5 4 3 2 1 0
RESERVED EV
R-0h R-Eh
Table 4-36. CPUIRQSEL21 Register Field Descriptions
Bit Field Type Reset Description
31-7 RESERVED R 0h Software should not rely on the value of a reserved. Writing any
other value than the reset value may result in undefined behavior.
6-0 EV R Eh Read only selection value
Eh = GPT3A interrupt event, controlled by GPT3:TAMR

www.ti.com
Interrupts and Events Registers
293
SWCU117F–February 2015–Revised June 2016
Submit Documentation Feedback Copyright © 2015–2016, Texas Instruments Incorporated
Interrupts and Events
4.7.2.23 CPUIRQSEL22 Register (Offset = 58h) [reset = Fh]
CPUIRQSEL22 is shown in Figure 4-32 and described in Table 4-37.
Return to Summary Table.
Output Selection for CPU Interrupt 22
Figure 4-32. CPUIRQSEL22 Register
31 30 29 28 27 26 25 24 23 22 21 20 19 18 17 16 15 14 13 12 11 10 9 8 7 6 5 4 3 2 1 0
RESERVED EV
R-0h R-Fh
Table 4-37. CPUIRQSEL22 Register Field Descriptions
Bit Field Type Reset Description
31-7 RESERVED R 0h Software should not rely on the value of a reserved. Writing any
other value than the reset value may result in undefined behavior.
6-0 EV R Fh Read only selection value
Fh = GPT3B interrupt event, controlled by GPT3:TBMR

Interrupts and Events Registers
www.ti.com
294 SWCU117F–February 2015–Revised June 2016
Submit Documentation Feedback
Copyright © 2015–2016, Texas Instruments Incorporated
Interrupts and Events
4.7.2.24 CPUIRQSEL23 Register (Offset = 5Ch) [reset = 5Dh]
CPUIRQSEL23 is shown in Figure 4-33 and described in Table 4-38.
Return to Summary Table.
Output Selection for CPU Interrupt 23
Figure 4-33. CPUIRQSEL23 Register
31 30 29 28 27 26 25 24 23 22 21 20 19 18 17 16 15 14 13 12 11 10 9 8 7 6 5 4 3 2 1 0
RESERVED EV
R-0h R-5Dh
Table 4-38. CPUIRQSEL23 Register Field Descriptions
Bit Field Type Reset Description
31-7 RESERVED R 0h Software should not rely on the value of a reserved. Writing any
other value than the reset value may result in undefined behavior.
6-0 EV R 5Dh Read only selection value
5Dh = CRYPTO result available interupt event, the corresponding
flag is found here CRYPTO:IRQSTAT.RESULT_AVAIL. Controlled
by CRYPTO:IRQSTAT.RESULT_AVAIL

www.ti.com
Interrupts and Events Registers
295
SWCU117F–February 2015–Revised June 2016
Submit Documentation Feedback Copyright © 2015–2016, Texas Instruments Incorporated
Interrupts and Events
4.7.2.25 CPUIRQSEL24 Register (Offset = 60h) [reset = 27h]
CPUIRQSEL24 is shown in Figure 4-34 and described in Table 4-39.
Return to Summary Table.
Output Selection for CPU Interrupt 24
Figure 4-34. CPUIRQSEL24 Register
31 30 29 28 27 26 25 24 23 22 21 20 19 18 17 16 15 14 13 12 11 10 9 8 7 6 5 4 3 2 1 0
RESERVED EV
R-0h R-27h
Table 4-39. CPUIRQSEL24 Register Field Descriptions
Bit Field Type Reset Description
31-7 RESERVED R 0h Software should not rely on the value of a reserved. Writing any
other value than the reset value may result in undefined behavior.
6-0 EV R 27h Read only selection value
27h = Combined DMA done, corresponding flags are here
UDMA0:REQDONE

Interrupts and Events Registers
www.ti.com
296 SWCU117F–February 2015–Revised June 2016
Submit Documentation Feedback
Copyright © 2015–2016, Texas Instruments Incorporated
Interrupts and Events
4.7.2.26 CPUIRQSEL25 Register (Offset = 64h) [reset = 26h]
CPUIRQSEL25 is shown in Figure 4-35 and described in Table 4-40.
Return to Summary Table.
Output Selection for CPU Interrupt 25
Figure 4-35. CPUIRQSEL25 Register
31 30 29 28 27 26 25 24 23 22 21 20 19 18 17 16 15 14 13 12 11 10 9 8 7 6 5 4 3 2 1 0
RESERVED EV
R-0h R-26h
Table 4-40. CPUIRQSEL25 Register Field Descriptions
Bit Field Type Reset Description
31-7 RESERVED R 0h Software should not rely on the value of a reserved. Writing any
other value than the reset value may result in undefined behavior.
6-0 EV R 26h Read only selection value
26h = DMA bus error, corresponds to UDMA0:ERROR.STATUS

www.ti.com
Interrupts and Events Registers
297
SWCU117F–February 2015–Revised June 2016
Submit Documentation Feedback Copyright © 2015–2016, Texas Instruments Incorporated
Interrupts and Events
4.7.2.27 CPUIRQSEL26 Register (Offset = 68h) [reset = 15h]
CPUIRQSEL26 is shown in Figure 4-36 and described in Table 4-41.
Return to Summary Table.
Output Selection for CPU Interrupt 26
Figure 4-36. CPUIRQSEL26 Register
31 30 29 28 27 26 25 24 23 22 21 20 19 18 17 16 15 14 13 12 11 10 9 8 7 6 5 4 3 2 1 0
RESERVED EV
R-0h R-15h
Table 4-41. CPUIRQSEL26 Register Field Descriptions
Bit Field Type Reset Description
31-7 RESERVED R 0h Software should not rely on the value of a reserved. Writing any
other value than the reset value may result in undefined behavior.
6-0 EV R 15h Read only selection value
15h = FLASH controller error event, the status flags are
FLASH:FEDACSTAT.FSM_DONE and
FLASH:FEDACSTAT.RVF_INT

Interrupts and Events Registers
www.ti.com
298 SWCU117F–February 2015–Revised June 2016
Submit Documentation Feedback
Copyright © 2015–2016, Texas Instruments Incorporated
Interrupts and Events
4.7.2.28 CPUIRQSEL27 Register (Offset = 6Ch) [reset = 64h]
CPUIRQSEL27 is shown in Figure 4-37 and described in Table 4-42.
Return to Summary Table.
Output Selection for CPU Interrupt 27
Figure 4-37. CPUIRQSEL27 Register
31 30 29 28 27 26 25 24 23 22 21 20 19 18 17 16 15 14 13 12 11 10 9 8 7 6 5 4 3 2 1 0
RESERVED EV
R-0h R-64h
Table 4-42. CPUIRQSEL27 Register Field Descriptions
Bit Field Type Reset Description
31-7 RESERVED R 0h Software should not rely on the value of a reserved. Writing any
other value than the reset value may result in undefined behavior.
6-0 EV R 64h Read only selection value
64h = Software event 0, triggered by SWEV.SWEV0

www.ti.com
Interrupts and Events Registers
299
SWCU117F–February 2015–Revised June 2016
Submit Documentation Feedback Copyright © 2015–2016, Texas Instruments Incorporated
Interrupts and Events
4.7.2.29 CPUIRQSEL28 Register (Offset = 70h) [reset = Bh]
CPUIRQSEL28 is shown in Figure 4-38 and described in Table 4-43.
Return to Summary Table.
Output Selection for CPU Interrupt 28
Figure 4-38. CPUIRQSEL28 Register
31 30 29 28 27 26 25 24 23 22 21 20 19 18 17 16 15 14 13 12 11 10 9 8 7 6 5 4 3 2 1 0
RESERVED EV
R-0h R-Bh
Table 4-43. CPUIRQSEL28 Register Field Descriptions
Bit Field Type Reset Description
31-7 RESERVED R 0h Software should not rely on the value of a reserved. Writing any
other value than the reset value may result in undefined behavior.
6-0 EV R Bh Read only selection value
Bh = AUX combined event, the corresponding flag register is here
AUX_EVCTL:EVTOMCUFLAGS

Interrupts and Events Registers
www.ti.com
300 SWCU117F–February 2015–Revised June 2016
Submit Documentation Feedback
Copyright © 2015–2016, Texas Instruments Incorporated
Interrupts and Events
4.7.2.30 CPUIRQSEL29 Register (Offset = 74h) [reset = 1h]
CPUIRQSEL29 is shown in Figure 4-39 and described in Table 4-44.
Return to Summary Table.
Output Selection for CPU Interrupt 29
Figure 4-39. CPUIRQSEL29 Register
31 30 29 28 27 26 25 24 23 22 21 20 19 18 17 16 15 14 13 12 11 10 9 8 7 6 5 4 3 2 1 0
RESERVED EV
R-0h R-1h
Table 4-44. CPUIRQSEL29 Register Field Descriptions
Bit Field Type Reset Description
31-7 RESERVED R 0h Software should not rely on the value of a reserved. Writing any
other value than the reset value may result in undefined behavior.
6-0 EV R 1h Read only selection value
1h = AON programmable event 0. Event selected by AON_EVENT
MCU event selector,
AON_EVENT:EVTOMCUSEL.AON_PROG0_EV

www.ti.com
Interrupts and Events Registers
301
SWCU117F–February 2015–Revised June 2016
Submit Documentation Feedback Copyright © 2015–2016, Texas Instruments Incorporated
Interrupts and Events
4.7.2.31 CPUIRQSEL30 Register (Offset = 78h) [reset = 0h]
CPUIRQSEL30 is shown in Figure 4-40 and described in Table 4-45.
Return to Summary Table.
Output Selection for CPU Interrupt 30
Figure 4-40. CPUIRQSEL30 Register
31 30 29 28 27 26 25 24 23 22 21 20 19 18 17 16 15 14 13 12 11 10 9 8 7 6 5 4 3 2 1 0
RESERVED EV
R-0h R/W-0h
Table 4-45. CPUIRQSEL30 Register Field Descriptions
Bit Field Type Reset Description
31-7 RESERVED R 0h Software should not rely on the value of a reserved. Writing any
other value than the reset value may result in undefined behavior.
6-0 EV R/W 0h Read/write selection value
0h = Always inactive
2h = AON programmable event 1. Event selected by AON_EVENT
MCU event selector,
AON_EVENT:EVTOMCUSEL.AON_PROG1_EV
3h = AON programmable event 2. Event selected by AON_EVENT
MCU event selector,
AON_EVENT:EVTOMCUSEL.AON_PROG2_EV
8h = Interrupt event from I2S
Ah = AUX Software event 0, AUX_EVCTL:SWEVSET.SWEV0
14h = DMA done for software tiggered UDMA channel 0, see
UDMA0:SOFTREQ
16h = DMA done for software tiggered UDMA channel 18, see
UDMA0:SOFTREQ
5Eh = CRYPTO DMA input done event, the correspondingg flag is
CRYPTO:IRQSTAT.DMA_IN_DONE. Controlled by
CRYPTO:IRQEN.DMA_IN_DONE
5Fh = RFC RAT event 4, configured by RFC_RAT:RATEV.OEVT4
60h = RFC RAT event 5, configured by RFC_RAT:RATEV.OEVT5
69h = AON wakeup event, corresponds flags are here
AUX_EVCTL:EVTOMCUFLAGS.AON_WU_EV
6Bh = AUX Compare B event, corresponds to
AUX_EVCTL:EVTOMCUFLAGS.AUX_COMPB
6Ch = AUX TDC measurement done event, corresponds to the flag
AUX_EVCTL:EVTOMCUFLAGS.TDC_DONE and the AUX_TDC
status AUX_TDC:STAT.DONE
6Dh = AUX timer 0 event, corresponds to
AUX_EVCTL:EVTOMCUFLAGS.TIMER0_EV
6Eh = AUX timer 1 event, corresponds to
AUX_EVCTL:EVTOMCUFLAGS.TIMER1_EV
6Fh = Autotake event from AUX semaphore, configured by
AUX_SMPH:AUTOTAKE
70h = AUX ADC done, corresponds to
AUX_EVCTL:EVTOMCUFLAGS.ADC_DONE
71h = AUX ADC FIFO watermark event, corresponds to
AUX_EVCTL:EVTOMCUFLAGS.ADC_FIFO_ALMOST_FULL
72h = Loopback of OBSMUX0 through AUX, corresponds to
AUX_EVCTL:EVTOMCUFLAGS.OBSMUX0
77h = RTC periodic event controlled by
AON_RTC:CTL.RTC_UPD_EN
79h = Always asserted

Interrupts and Events Registers
www.ti.com
302 SWCU117F–February 2015–Revised June 2016
Submit Documentation Feedback
Copyright © 2015–2016, Texas Instruments Incorporated
Interrupts and Events
4.7.2.32 CPUIRQSEL31 Register (Offset = 7Ch) [reset = 6Ah]
CPUIRQSEL31 is shown in Figure 4-41 and described in Table 4-46.
Return to Summary Table.
Output Selection for CPU Interrupt 31
Figure 4-41. CPUIRQSEL31 Register
31 30 29 28 27 26 25 24 23 22 21 20 19 18 17 16 15 14 13 12 11 10 9 8 7 6 5 4 3 2 1 0
RESERVED EV
R-0h R-6Ah
Table 4-46. CPUIRQSEL31 Register Field Descriptions
Bit Field Type Reset Description
31-7 RESERVED R 0h Software should not rely on the value of a reserved. Writing any
other value than the reset value may result in undefined behavior.
6-0 EV R 6Ah Read only selection value
6Ah = AUX Compare A event, corresponds to
AUX_EVCTL:EVTOMCUFLAGS.AUX_COMPA

www.ti.com
Interrupts and Events Registers
303
SWCU117F–February 2015–Revised June 2016
Submit Documentation Feedback Copyright © 2015–2016, Texas Instruments Incorporated
Interrupts and Events
4.7.2.33 CPUIRQSEL32 Register (Offset = 80h) [reset = 73h]
CPUIRQSEL32 is shown in Figure 4-42 and described in Table 4-47.
Return to Summary Table.
Output Selection for CPU Interrupt 32
Figure 4-42. CPUIRQSEL32 Register
31 30 29 28 27 26 25 24 23 22 21 20 19 18 17 16 15 14 13 12 11 10 9 8 7 6 5 4 3 2 1 0
RESERVED EV
R-0h R-73h
Table 4-47. CPUIRQSEL32 Register Field Descriptions
Bit Field Type Reset Description
31-7 RESERVED R 0h Software should not rely on the value of a reserved. Writing any
other value than the reset value may result in undefined behavior.
6-0 EV R 73h Read only selection value
73h = AUX ADC interrupt event, corresponds to
AUX_EVCTL:EVTOMCUFLAGS.ADC_IRQ. Status flags are found
here AUX_EVCTL:EVTOMCUFLAGS

Interrupts and Events Registers
www.ti.com
304 SWCU117F–February 2015–Revised June 2016
Submit Documentation Feedback
Copyright © 2015–2016, Texas Instruments Incorporated
Interrupts and Events
4.7.2.34 CPUIRQSEL33 Register (Offset = 84h) [reset = 68h]
CPUIRQSEL33 is shown in Figure 4-43 and described in Table 4-48.
Return to Summary Table.
Output Selection for CPU Interrupt 33
Figure 4-43. CPUIRQSEL33 Register
31 30 29 28 27 26 25 24 23 22 21 20 19 18 17 16 15 14 13 12 11 10 9 8 7 6 5 4 3 2 1 0
RESERVED EV
R-0h R-68h
Table 4-48. CPUIRQSEL33 Register Field Descriptions
Bit Field Type Reset Description
31-7 RESERVED R 0h Software should not rely on the value of a reserved. Writing any
other value than the reset value may result in undefined behavior.
6-0 EV R 68h Read only selection value
68h = TRNG Interrupt event, controlled by TRNG:IRQEN.EN

www.ti.com
Interrupts and Events Registers
305
SWCU117F–February 2015–Revised June 2016
Submit Documentation Feedback Copyright © 2015–2016, Texas Instruments Incorporated
Interrupts and Events
4.7.2.35 RFCSEL0 Register (Offset = 100h) [reset = 3Dh]
RFCSEL0 is shown in Figure 4-44 and described in Table 4-49.
Return to Summary Table.
Output Selection for RFC Event 0
Figure 4-44. RFCSEL0 Register
31 30 29 28 27 26 25 24 23 22 21 20 19 18 17 16 15 14 13 12 11 10 9 8 7 6 5 4 3 2 1 0
RESERVED EV
R-0h R-3Dh
Table 4-49. RFCSEL0 Register Field Descriptions
Bit Field Type Reset Description
31-7 RESERVED R 0h Software should not rely on the value of a reserved. Writing any
other value than the reset value may result in undefined behavior.
6-0 EV R 3Dh Read only selection value
3Dh = GPT0A compare event. Configured by GPT0:TAMR.TCACT

Interrupts and Events Registers
www.ti.com
306 SWCU117F–February 2015–Revised June 2016
Submit Documentation Feedback
Copyright © 2015–2016, Texas Instruments Incorporated
Interrupts and Events
4.7.2.36 RFCSEL1 Register (Offset = 104h) [reset = 3Eh]
RFCSEL1 is shown in Figure 4-45 and described in Table 4-50.
Return to Summary Table.
Output Selection for RFC Event 1
Figure 4-45. RFCSEL1 Register
31 30 29 28 27 26 25 24 23 22 21 20 19 18 17 16 15 14 13 12 11 10 9 8 7 6 5 4 3 2 1 0
RESERVED EV
R-0h R-3Eh
Table 4-50. RFCSEL1 Register Field Descriptions
Bit Field Type Reset Description
31-7 RESERVED R 0h Software should not rely on the value of a reserved. Writing any
other value than the reset value may result in undefined behavior.
6-0 EV R 3Eh Read only selection value
3Eh = GPT0B compare event. Configured by GPT0:TBMR.TCACT

www.ti.com
Interrupts and Events Registers
307
SWCU117F–February 2015–Revised June 2016
Submit Documentation Feedback Copyright © 2015–2016, Texas Instruments Incorporated
Interrupts and Events
4.7.2.37 RFCSEL2 Register (Offset = 108h) [reset = 3Fh]
RFCSEL2 is shown in Figure 4-46 and described in Table 4-51.
Return to Summary Table.
Output Selection for RFC Event 2
Figure 4-46. RFCSEL2 Register
31 30 29 28 27 26 25 24 23 22 21 20 19 18 17 16 15 14 13 12 11 10 9 8 7 6 5 4 3 2 1 0
RESERVED EV
R-0h R-3Fh
Table 4-51. RFCSEL2 Register Field Descriptions
Bit Field Type Reset Description
31-7 RESERVED R 0h Software should not rely on the value of a reserved. Writing any
other value than the reset value may result in undefined behavior.
6-0 EV R 3Fh Read only selection value
3Fh = GPT1A compare event. Configured by GPT1:TAMR.TCACT

Interrupts and Events Registers
www.ti.com
308 SWCU117F–February 2015–Revised June 2016
Submit Documentation Feedback
Copyright © 2015–2016, Texas Instruments Incorporated
Interrupts and Events
4.7.2.38 RFCSEL3 Register (Offset = 10Ch) [reset = 40h]
RFCSEL3 is shown in Figure 4-47 and described in Table 4-52.
Return to Summary Table.
Output Selection for RFC Event 3
Figure 4-47. RFCSEL3 Register
31 30 29 28 27 26 25 24 23 22 21 20 19 18 17 16 15 14 13 12 11 10 9 8 7 6 5 4 3 2 1 0
RESERVED EV
R-0h R-40h
Table 4-52. RFCSEL3 Register Field Descriptions
Bit Field Type Reset Description
31-7 RESERVED R 0h Software should not rely on the value of a reserved. Writing any
other value than the reset value may result in undefined behavior.
6-0 EV R 40h Read only selection value
40h = GPT1B compare event. Configured by GPT1:TBMR.TCACT

www.ti.com
Interrupts and Events Registers
309
SWCU117F–February 2015–Revised June 2016
Submit Documentation Feedback Copyright © 2015–2016, Texas Instruments Incorporated
Interrupts and Events
4.7.2.39 RFCSEL4 Register (Offset = 110h) [reset = 41h]
RFCSEL4 is shown in Figure 4-48 and described in Table 4-53.
Return to Summary Table.
Output Selection for RFC Event 4
Figure 4-48. RFCSEL4 Register
31 30 29 28 27 26 25 24 23 22 21 20 19 18 17 16 15 14 13 12 11 10 9 8 7 6 5 4 3 2 1 0
RESERVED EV
R-0h R-41h
Table 4-53. RFCSEL4 Register Field Descriptions
Bit Field Type Reset Description
31-7 RESERVED R 0h Software should not rely on the value of a reserved. Writing any
other value than the reset value may result in undefined behavior.
6-0 EV R 41h Read only selection value
41h = GPT2A compare event. Configured by GPT2:TAMR.TCACT

Interrupts and Events Registers
www.ti.com
310 SWCU117F–February 2015–Revised June 2016
Submit Documentation Feedback
Copyright © 2015–2016, Texas Instruments Incorporated
Interrupts and Events
4.7.2.40 RFCSEL5 Register (Offset = 114h) [reset = 42h]
RFCSEL5 is shown in Figure 4-49 and described in Table 4-54.
Return to Summary Table.
Output Selection for RFC Event 5
Figure 4-49. RFCSEL5 Register
31 30 29 28 27 26 25 24 23 22 21 20 19 18 17 16 15 14 13 12 11 10 9 8 7 6 5 4 3 2 1 0
RESERVED EV
R-0h R-42h
Table 4-54. RFCSEL5 Register Field Descriptions
Bit Field Type Reset Description
31-7 RESERVED R 0h Software should not rely on the value of a reserved. Writing any
other value than the reset value may result in undefined behavior.
6-0 EV R 42h Read only selection value
42h = GPT2B compare event. Configured by GPT2:TBMR.TCACT

www.ti.com
Interrupts and Events Registers
311
SWCU117F–February 2015–Revised June 2016
Submit Documentation Feedback Copyright © 2015–2016, Texas Instruments Incorporated
Interrupts and Events
4.7.2.41 RFCSEL6 Register (Offset = 118h) [reset = 43h]
RFCSEL6 is shown in Figure 4-50 and described in Table 4-55.
Return to Summary Table.
Output Selection for RFC Event 6
Figure 4-50. RFCSEL6 Register
31 30 29 28 27 26 25 24 23 22 21 20 19 18 17 16 15 14 13 12 11 10 9 8 7 6 5 4 3 2 1 0
RESERVED EV
R-0h R-43h
Table 4-55. RFCSEL6 Register Field Descriptions
Bit Field Type Reset Description
31-7 RESERVED R 0h Software should not rely on the value of a reserved. Writing any
other value than the reset value may result in undefined behavior.
6-0 EV R 43h Read only selection value
43h = GPT3A compare event. Configured by GPT3:TAMR.TCACT

Interrupts and Events Registers
www.ti.com
312 SWCU117F–February 2015–Revised June 2016
Submit Documentation Feedback
Copyright © 2015–2016, Texas Instruments Incorporated
Interrupts and Events
4.7.2.42 RFCSEL7 Register (Offset = 11Ch) [reset = 44h]
RFCSEL7 is shown in Figure 4-51 and described in Table 4-56.
Return to Summary Table.
Output Selection for RFC Event 7
Figure 4-51. RFCSEL7 Register
31 30 29 28 27 26 25 24 23 22 21 20 19 18 17 16 15 14 13 12 11 10 9 8 7 6 5 4 3 2 1 0
RESERVED EV
R-0h R-44h
Table 4-56. RFCSEL7 Register Field Descriptions
Bit Field Type Reset Description
31-7 RESERVED R 0h Software should not rely on the value of a reserved. Writing any
other value than the reset value may result in undefined behavior.
6-0 EV R 44h Read only selection value
44h = GPT3B compare event. Configured by GPT3:TBMR.TCACT

www.ti.com
Interrupts and Events Registers
313
SWCU117F–February 2015–Revised June 2016
Submit Documentation Feedback Copyright © 2015–2016, Texas Instruments Incorporated
Interrupts and Events
4.7.2.43 RFCSEL8 Register (Offset = 120h) [reset = 77h]
RFCSEL8 is shown in Figure 4-52 and described in Table 4-57.
Return to Summary Table.
Output Selection for RFC Event 8
Figure 4-52. RFCSEL8 Register
31 30 29 28 27 26 25 24 23 22 21 20 19 18 17 16 15 14 13 12 11 10 9 8 7 6 5 4 3 2 1 0
RESERVED EV
R-0h R-77h
Table 4-57. RFCSEL8 Register Field Descriptions
Bit Field Type Reset Description
31-7 RESERVED R 0h Software should not rely on the value of a reserved. Writing any
other value than the reset value may result in undefined behavior.
6-0 EV R 77h Read only selection value
77h = RTC periodic event controlled by
AON_RTC:CTL.RTC_UPD_EN

Interrupts and Events Registers
www.ti.com
314 SWCU117F–February 2015–Revised June 2016
Submit Documentation Feedback
Copyright © 2015–2016, Texas Instruments Incorporated
Interrupts and Events
4.7.2.44 RFCSEL9 Register (Offset = 124h) [reset = 2h]
RFCSEL9 is shown in Figure 4-53 and described in Table 4-58.
Return to Summary Table.
Output Selection for RFC Event 9
Figure 4-53. RFCSEL9 Register
31 30 29 28 27 26 25 24 23 22 21 20 19 18 17 16 15 14 13 12 11 10 9 8 7 6 5 4 3 2 1 0
RESERVED EV
R-0h R/W-2h
Table 4-58. RFCSEL9 Register Field Descriptions
Bit Field Type Reset Description
31-7 RESERVED R 0h Software should not rely on the value of a reserved. Writing any
other value than the reset value may result in undefined behavior.

www.ti.com
Interrupts and Events Registers
315
SWCU117F–February 2015–Revised June 2016
Submit Documentation Feedback Copyright © 2015–2016, Texas Instruments Incorporated
Interrupts and Events
Table 4-58. RFCSEL9 Register Field Descriptions (continued)
Bit Field Type Reset Description
6-0 EV R/W 2h Read/write selection value
0h = Always inactive
1h = AON programmable event 0. Event selected by AON_EVENT
MCU event selector,
AON_EVENT:EVTOMCUSEL.AON_PROG0_EV
2h = AON programmable event 1. Event selected by AON_EVENT
MCU event selector,
AON_EVENT:EVTOMCUSEL.AON_PROG1_EV
8h = Interrupt event from I2S
Ah = AUX Software event 0, AUX_EVCTL:SWEVSET.SWEV0
18h = Watchdog interrupt event, controlled by WDT:CTL.INTEN
22h = SSI0 combined interrupt, interrupt flags are found here
SSI0:MIS
23h = SSI0 combined interrupt, interrupt flags are found here
SSI1:MIS
24h = UART0 combined interrupt, interrupt flags are found here
UART0:MIS
27h = Combined DMA done, corresponding flags are here
UDMA0:REQDONE
5Dh = CRYPTO result available interupt event, the corresponding
flag is found here CRYPTO:IRQSTAT.RESULT_AVAIL. Controlled
by CRYPTO:IRQSTAT.RESULT_AVAIL
64h = Software event 0, triggered by SWEV.SWEV0
65h = Software event 1, triggered by SWEV.SWEV1
69h = AON wakeup event, corresponds flags are here
AUX_EVCTL:EVTOMCUFLAGS.AON_WU_EV
6Ah = AUX Compare A event, corresponds to
AUX_EVCTL:EVTOMCUFLAGS.AUX_COMPA
6Bh = AUX Compare B event, corresponds to
AUX_EVCTL:EVTOMCUFLAGS.AUX_COMPB
6Ch = AUX TDC measurement done event, corresponds to the flag
AUX_EVCTL:EVTOMCUFLAGS.TDC_DONE and the AUX_TDC
status AUX_TDC:STAT.DONE
6Dh = AUX timer 0 event, corresponds to
AUX_EVCTL:EVTOMCUFLAGS.TIMER0_EV
6Eh = AUX timer 1 event, corresponds to
AUX_EVCTL:EVTOMCUFLAGS.TIMER1_EV
6Fh = Autotake event from AUX semaphore, configured by
AUX_SMPH:AUTOTAKE
70h = AUX ADC done, corresponds to
AUX_EVCTL:EVTOMCUFLAGS.ADC_DONE
71h = AUX ADC FIFO watermark event, corresponds to
AUX_EVCTL:EVTOMCUFLAGS.ADC_FIFO_ALMOST_FULL
72h = Loopback of OBSMUX0 through AUX, corresponds to
AUX_EVCTL:EVTOMCUFLAGS.OBSMUX0
73h = AUX ADC interrupt event, corresponds to
AUX_EVCTL:EVTOMCUFLAGS.ADC_IRQ. Status flags are found
here AUX_EVCTL:EVTOMCUFLAGS
79h = Always asserted

Interrupts and Events Registers
www.ti.com
316 SWCU117F–February 2015–Revised June 2016
Submit Documentation Feedback
Copyright © 2015–2016, Texas Instruments Incorporated
Interrupts and Events
4.7.2.45 GPT0ACAPTSEL Register (Offset = 200h) [reset = 55h]
GPT0ACAPTSEL is shown in Figure 4-54 and described in Table 4-59.
Return to Summary Table.
Output Selection for GPT0 0
Figure 4-54. GPT0ACAPTSEL Register
31 30 29 28 27 26 25 24 23 22 21 20 19 18 17 16 15 14 13 12 11 10 9 8 7 6 5 4 3 2 1 0
RESERVED EV
R-0h R/W-55h
Table 4-59. GPT0ACAPTSEL Register Field Descriptions
Bit Field Type Reset Description
31-7 RESERVED R 0h Software should not rely on the value of a reserved. Writing any
other value than the reset value may result in undefined behavior.

www.ti.com
Interrupts and Events Registers
317
SWCU117F–February 2015–Revised June 2016
Submit Documentation Feedback Copyright © 2015–2016, Texas Instruments Incorporated
Interrupts and Events
Table 4-59. GPT0ACAPTSEL Register Field Descriptions (continued)
Bit Field Type Reset Description
6-0 EV R/W 55h Read/write selection value
0h = Always inactive
4h = Edge detect event from IOC. Configureded by the
IOC:IOCFGn.EDGE_IRQ_EN and IOC:IOCFGn.EDGE_DET settings
7h = Event from AON_RTC, controlled by the
AON_RTC:CTL.COMB_EV_MASK setting
9h = Interrupt event from I2C
Bh = AUX combined event, the corresponding flag register is here
AUX_EVCTL:EVTOMCUFLAGS
15h = FLASH controller error event, the status flags are
FLASH:FEDACSTAT.FSM_DONE and
FLASH:FEDACSTAT.RVF_INT
19h = RFC Doorbell Command Acknowledgement Interrupt,
equvialent to RFC_DBELL:RFACKIFG.ACKFLAG
1Ah = Combined RCF hardware interrupt, corresponding flag is here
RFC_DBELL:RFHWIFG
1Bh = Combined Interrupt for CPE Generated events.
Corresponding flags are here RFC_DBELL:RFCPEIFG. Only
interrupts selected with CPE0 in RFC_DBELL:RFCPEIFG can trigger
a RFC_CPE_0 event
1Eh = Combined Interrupt for CPE Generated events.
Corresponding flags are here RFC_DBELL:RFCPEIFG. Only
interrupts selected with CPE1 in RFC_DBELL:RFCPEIFG can trigger
a RFC_CPE_1 event
22h = SSI0 combined interrupt, interrupt flags are found here
SSI0:MIS
23h = SSI0 combined interrupt, interrupt flags are found here
SSI1:MIS
24h = UART0 combined interrupt, interrupt flags are found here
UART0:MIS
3Dh = GPT0A compare event. Configured by GPT0:TAMR.TCACT
3Eh = GPT0B compare event. Configured by GPT0:TBMR.TCACT
3Fh = GPT1A compare event. Configured by GPT1:TAMR.TCACT
40h = GPT1B compare event. Configured by GPT1:TBMR.TCACT
41h = GPT2A compare event. Configured by GPT2:TAMR.TCACT
42h = GPT2B compare event. Configured by GPT2:TBMR.TCACT
43h = GPT3A compare event. Configured by GPT3:TAMR.TCACT
44h = GPT3B compare event. Configured by GPT3:TBMR.TCACT
55h = Port capture event from IOC, configured by
IOC:IOCFGn.PORT_ID. Events on ports configured with ENUM
PORT_EVENT0 wil be routed here.
56h = Port capture event from IOC, configured by
IOC:IOCFGn.PORT_ID. Events on ports configured with ENUM
PORT_EVENT1 wil be routed here.
5Fh = RFC RAT event 4, configured by RFC_RAT:RATEV.OEVT4
60h = RFC RAT event 5, configured by RFC_RAT:RATEV.OEVT5
69h = AON wakeup event, corresponds flags are here
AUX_EVCTL:EVTOMCUFLAGS.AON_WU_EV
6Ah = AUX Compare A event, corresponds to
AUX_EVCTL:EVTOMCUFLAGS.AUX_COMPA
6Bh = AUX Compare B event, corresponds to
AUX_EVCTL:EVTOMCUFLAGS.AUX_COMPB
6Ch = AUX TDC measurement done event, corresponds to the flag
AUX_EVCTL:EVTOMCUFLAGS.TDC_DONE and the AUX_TDC
status AUX_TDC:STAT.DONE
6Dh = AUX timer 0 event, corresponds to
AUX_EVCTL:EVTOMCUFLAGS.TIMER0_EV
6Eh = AUX timer 1 event, corresponds to
AUX_EVCTL:EVTOMCUFLAGS.TIMER1_EV
6Fh = Autotake event from AUX semaphore, configured by
AUX_SMPH:AUTOTAKE

Interrupts and Events Registers
www.ti.com
318 SWCU117F–February 2015–Revised June 2016
Submit Documentation Feedback
Copyright © 2015–2016, Texas Instruments Incorporated
Interrupts and Events
Table 4-59. GPT0ACAPTSEL Register Field Descriptions (continued)
Bit Field Type Reset Description
70h = AUX ADC done, corresponds to
AUX_EVCTL:EVTOMCUFLAGS.ADC_DONE
71h = AUX ADC FIFO watermark event, corresponds to
AUX_EVCTL:EVTOMCUFLAGS.ADC_FIFO_ALMOST_FULL
72h = Loopback of OBSMUX0 through AUX, corresponds to
AUX_EVCTL:EVTOMCUFLAGS.OBSMUX0
73h = AUX ADC interrupt event, corresponds to
AUX_EVCTL:EVTOMCUFLAGS.ADC_IRQ. Status flags are found
here AUX_EVCTL:EVTOMCUFLAGS
77h = RTC periodic event controlled by
AON_RTC:CTL.RTC_UPD_EN
79h = Always asserted

www.ti.com
Interrupts and Events Registers
319
SWCU117F–February 2015–Revised June 2016
Submit Documentation Feedback Copyright © 2015–2016, Texas Instruments Incorporated
Interrupts and Events
4.7.2.46 GPT0BCAPTSEL Register (Offset = 204h) [reset = 56h]
GPT0BCAPTSEL is shown in Figure 4-55 and described in Table 4-60.
Return to Summary Table.
Output Selection for GPT0 1
Figure 4-55. GPT0BCAPTSEL Register
31 30 29 28 27 26 25 24 23 22 21 20 19 18 17 16 15 14 13 12 11 10 9 8 7 6 5 4 3 2 1 0
RESERVED EV
R-0h R/W-56h
Table 4-60. GPT0BCAPTSEL Register Field Descriptions
Bit Field Type Reset Description
31-7 RESERVED R 0h Software should not rely on the value of a reserved. Writing any
other value than the reset value may result in undefined behavior.

Interrupts and Events Registers
www.ti.com
320 SWCU117F–February 2015–Revised June 2016
Submit Documentation Feedback
Copyright © 2015–2016, Texas Instruments Incorporated
Interrupts and Events
Table 4-60. GPT0BCAPTSEL Register Field Descriptions (continued)
Bit Field Type Reset Description
6-0 EV R/W 56h Read/write selection value
0h = Always inactive
4h = Edge detect event from IOC. Configureded by the
IOC:IOCFGn.EDGE_IRQ_EN and IOC:IOCFGn.EDGE_DET settings
7h = Event from AON_RTC, controlled by the
AON_RTC:CTL.COMB_EV_MASK setting
9h = Interrupt event from I2C
Bh = AUX combined event, the corresponding flag register is here
AUX_EVCTL:EVTOMCUFLAGS
15h = FLASH controller error event, the status flags are
FLASH:FEDACSTAT.FSM_DONE and
FLASH:FEDACSTAT.RVF_INT
19h = RFC Doorbell Command Acknowledgement Interrupt,
equvialent to RFC_DBELL:RFACKIFG.ACKFLAG
1Ah = Combined RCF hardware interrupt, corresponding flag is here
RFC_DBELL:RFHWIFG
1Bh = Combined Interrupt for CPE Generated events.
Corresponding flags are here RFC_DBELL:RFCPEIFG. Only
interrupts selected with CPE0 in RFC_DBELL:RFCPEIFG can trigger
a RFC_CPE_0 event
1Eh = Combined Interrupt for CPE Generated events.
Corresponding flags are here RFC_DBELL:RFCPEIFG. Only
interrupts selected with CPE1 in RFC_DBELL:RFCPEIFG can trigger
a RFC_CPE_1 event
22h = SSI0 combined interrupt, interrupt flags are found here
SSI0:MIS
23h = SSI0 combined interrupt, interrupt flags are found here
SSI1:MIS
24h = UART0 combined interrupt, interrupt flags are found here
UART0:MIS
3Dh = GPT0A compare event. Configured by GPT0:TAMR.TCACT
3Eh = GPT0B compare event. Configured by GPT0:TBMR.TCACT
3Fh = GPT1A compare event. Configured by GPT1:TAMR.TCACT
40h = GPT1B compare event. Configured by GPT1:TBMR.TCACT
41h = GPT2A compare event. Configured by GPT2:TAMR.TCACT
42h = GPT2B compare event. Configured by GPT2:TBMR.TCACT
43h = GPT3A compare event. Configured by GPT3:TAMR.TCACT
44h = GPT3B compare event. Configured by GPT3:TBMR.TCACT
55h = Port capture event from IOC, configured by
IOC:IOCFGn.PORT_ID. Events on ports configured with ENUM
PORT_EVENT0 wil be routed here.
56h = Port capture event from IOC, configured by
IOC:IOCFGn.PORT_ID. Events on ports configured with ENUM
PORT_EVENT1 wil be routed here.
5Fh = RFC RAT event 4, configured by RFC_RAT:RATEV.OEVT4
60h = RFC RAT event 5, configured by RFC_RAT:RATEV.OEVT5
69h = AON wakeup event, corresponds flags are here
AUX_EVCTL:EVTOMCUFLAGS.AON_WU_EV
6Ah = AUX Compare A event, corresponds to
AUX_EVCTL:EVTOMCUFLAGS.AUX_COMPA
6Bh = AUX Compare B event, corresponds to
AUX_EVCTL:EVTOMCUFLAGS.AUX_COMPB
6Ch = AUX TDC measurement done event, corresponds to the flag
AUX_EVCTL:EVTOMCUFLAGS.TDC_DONE and the AUX_TDC
status AUX_TDC:STAT.DONE
6Dh = AUX timer 0 event, corresponds to
AUX_EVCTL:EVTOMCUFLAGS.TIMER0_EV
6Eh = AUX timer 1 event, corresponds to
AUX_EVCTL:EVTOMCUFLAGS.TIMER1_EV
6Fh = Autotake event from AUX semaphore, configured by
AUX_SMPH:AUTOTAKE

www.ti.com
Interrupts and Events Registers
321
SWCU117F–February 2015–Revised June 2016
Submit Documentation Feedback Copyright © 2015–2016, Texas Instruments Incorporated
Interrupts and Events
Table 4-60. GPT0BCAPTSEL Register Field Descriptions (continued)
Bit Field Type Reset Description
70h = AUX ADC done, corresponds to
AUX_EVCTL:EVTOMCUFLAGS.ADC_DONE
71h = AUX ADC FIFO watermark event, corresponds to
AUX_EVCTL:EVTOMCUFLAGS.ADC_FIFO_ALMOST_FULL
72h = Loopback of OBSMUX0 through AUX, corresponds to
AUX_EVCTL:EVTOMCUFLAGS.OBSMUX0
73h = AUX ADC interrupt event, corresponds to
AUX_EVCTL:EVTOMCUFLAGS.ADC_IRQ. Status flags are found
here AUX_EVCTL:EVTOMCUFLAGS
77h = RTC periodic event controlled by
AON_RTC:CTL.RTC_UPD_EN
79h = Always asserted

Interrupts and Events Registers
www.ti.com
322 SWCU117F–February 2015–Revised June 2016
Submit Documentation Feedback
Copyright © 2015–2016, Texas Instruments Incorporated
Interrupts and Events
4.7.2.47 GPT1ACAPTSEL Register (Offset = 300h) [reset = 57h]
GPT1ACAPTSEL is shown in Figure 4-56 and described in Table 4-61.
Return to Summary Table.
Output Selection for GPT1 0
Figure 4-56. GPT1ACAPTSEL Register
31 30 29 28 27 26 25 24 23 22 21 20 19 18 17 16 15 14 13 12 11 10 9 8 7 6 5 4 3 2 1 0
RESERVED EV
R-0h R/W-57h
Table 4-61. GPT1ACAPTSEL Register Field Descriptions
Bit Field Type Reset Description
31-7 RESERVED R 0h Software should not rely on the value of a reserved. Writing any
other value than the reset value may result in undefined behavior.

www.ti.com
Interrupts and Events Registers
323
SWCU117F–February 2015–Revised June 2016
Submit Documentation Feedback Copyright © 2015–2016, Texas Instruments Incorporated
Interrupts and Events
Table 4-61. GPT1ACAPTSEL Register Field Descriptions (continued)
Bit Field Type Reset Description
6-0 EV R/W 57h Read/write selection value
0h = Always inactive
4h = Edge detect event from IOC. Configureded by the
IOC:IOCFGn.EDGE_IRQ_EN and IOC:IOCFGn.EDGE_DET settings
7h = Event from AON_RTC, controlled by the
AON_RTC:CTL.COMB_EV_MASK setting
9h = Interrupt event from I2C
Bh = AUX combined event, the corresponding flag register is here
AUX_EVCTL:EVTOMCUFLAGS
15h = FLASH controller error event, the status flags are
FLASH:FEDACSTAT.FSM_DONE and
FLASH:FEDACSTAT.RVF_INT
19h = RFC Doorbell Command Acknowledgement Interrupt,
equvialent to RFC_DBELL:RFACKIFG.ACKFLAG
1Ah = Combined RCF hardware interrupt, corresponding flag is here
RFC_DBELL:RFHWIFG
1Bh = Combined Interrupt for CPE Generated events.
Corresponding flags are here RFC_DBELL:RFCPEIFG. Only
interrupts selected with CPE0 in RFC_DBELL:RFCPEIFG can trigger
a RFC_CPE_0 event
1Eh = Combined Interrupt for CPE Generated events.
Corresponding flags are here RFC_DBELL:RFCPEIFG. Only
interrupts selected with CPE1 in RFC_DBELL:RFCPEIFG can trigger
a RFC_CPE_1 event
22h = SSI0 combined interrupt, interrupt flags are found here
SSI0:MIS
23h = SSI0 combined interrupt, interrupt flags are found here
SSI1:MIS
24h = UART0 combined interrupt, interrupt flags are found here
UART0:MIS
3Dh = GPT0A compare event. Configured by GPT0:TAMR.TCACT
3Eh = GPT0B compare event. Configured by GPT0:TBMR.TCACT
3Fh = GPT1A compare event. Configured by GPT1:TAMR.TCACT
40h = GPT1B compare event. Configured by GPT1:TBMR.TCACT
41h = GPT2A compare event. Configured by GPT2:TAMR.TCACT
42h = GPT2B compare event. Configured by GPT2:TBMR.TCACT
43h = GPT3A compare event. Configured by GPT3:TAMR.TCACT
44h = GPT3B compare event. Configured by GPT3:TBMR.TCACT
57h = Port capture event from IOC, configured by
IOC:IOCFGn.PORT_ID. Events on ports configured with ENUM
PORT_EVENT2 wil be routed here.
58h = Port capture event from IOC, configured by
IOC:IOCFGn.PORT_ID. Events on ports configured with ENUM
PORT_EVENT3 wil be routed here.
5Fh = RFC RAT event 4, configured by RFC_RAT:RATEV.OEVT4
60h = RFC RAT event 5, configured by RFC_RAT:RATEV.OEVT5
69h = AON wakeup event, corresponds flags are here
AUX_EVCTL:EVTOMCUFLAGS.AON_WU_EV
6Ah = AUX Compare A event, corresponds to
AUX_EVCTL:EVTOMCUFLAGS.AUX_COMPA
6Bh = AUX Compare B event, corresponds to
AUX_EVCTL:EVTOMCUFLAGS.AUX_COMPB
6Ch = AUX TDC measurement done event, corresponds to the flag
AUX_EVCTL:EVTOMCUFLAGS.TDC_DONE and the AUX_TDC
status AUX_TDC:STAT.DONE
6Dh = AUX timer 0 event, corresponds to
AUX_EVCTL:EVTOMCUFLAGS.TIMER0_EV
6Eh = AUX timer 1 event, corresponds to
AUX_EVCTL:EVTOMCUFLAGS.TIMER1_EV
6Fh = Autotake event from AUX semaphore, configured by
AUX_SMPH:AUTOTAKE

Interrupts and Events Registers
www.ti.com
324 SWCU117F–February 2015–Revised June 2016
Submit Documentation Feedback
Copyright © 2015–2016, Texas Instruments Incorporated
Interrupts and Events
Table 4-61. GPT1ACAPTSEL Register Field Descriptions (continued)
Bit Field Type Reset Description
70h = AUX ADC done, corresponds to
AUX_EVCTL:EVTOMCUFLAGS.ADC_DONE
71h = AUX ADC FIFO watermark event, corresponds to
AUX_EVCTL:EVTOMCUFLAGS.ADC_FIFO_ALMOST_FULL
72h = Loopback of OBSMUX0 through AUX, corresponds to
AUX_EVCTL:EVTOMCUFLAGS.OBSMUX0
73h = AUX ADC interrupt event, corresponds to
AUX_EVCTL:EVTOMCUFLAGS.ADC_IRQ. Status flags are found
here AUX_EVCTL:EVTOMCUFLAGS
77h = RTC periodic event controlled by
AON_RTC:CTL.RTC_UPD_EN
79h = Always asserted

www.ti.com
Interrupts and Events Registers
325
SWCU117F–February 2015–Revised June 2016
Submit Documentation Feedback Copyright © 2015–2016, Texas Instruments Incorporated
Interrupts and Events
4.7.2.48 GPT1BCAPTSEL Register (Offset = 304h) [reset = 58h]
GPT1BCAPTSEL is shown in Figure 4-57 and described in Table 4-62.
Return to Summary Table.
Output Selection for GPT1 1
Figure 4-57. GPT1BCAPTSEL Register
31 30 29 28 27 26 25 24 23 22 21 20 19 18 17 16 15 14 13 12 11 10 9 8 7 6 5 4 3 2 1 0
RESERVED EV
R-0h R/W-58h
Table 4-62. GPT1BCAPTSEL Register Field Descriptions
Bit Field Type Reset Description
31-7 RESERVED R 0h Software should not rely on the value of a reserved. Writing any
other value than the reset value may result in undefined behavior.

Interrupts and Events Registers
www.ti.com
326 SWCU117F–February 2015–Revised June 2016
Submit Documentation Feedback
Copyright © 2015–2016, Texas Instruments Incorporated
Interrupts and Events
Table 4-62. GPT1BCAPTSEL Register Field Descriptions (continued)
Bit Field Type Reset Description
6-0 EV R/W 58h Read/write selection value
0h = Always inactive
4h = Edge detect event from IOC. Configureded by the
IOC:IOCFGn.EDGE_IRQ_EN and IOC:IOCFGn.EDGE_DET settings
7h = Event from AON_RTC, controlled by the
AON_RTC:CTL.COMB_EV_MASK setting
9h = Interrupt event from I2C
Bh = AUX combined event, the corresponding flag register is here
AUX_EVCTL:EVTOMCUFLAGS
15h = FLASH controller error event, the status flags are
FLASH:FEDACSTAT.FSM_DONE and
FLASH:FEDACSTAT.RVF_INT
19h = RFC Doorbell Command Acknowledgement Interrupt,
equvialent to RFC_DBELL:RFACKIFG.ACKFLAG
1Ah = Combined RCF hardware interrupt, corresponding flag is here
RFC_DBELL:RFHWIFG
1Bh = Combined Interrupt for CPE Generated events.
Corresponding flags are here RFC_DBELL:RFCPEIFG. Only
interrupts selected with CPE0 in RFC_DBELL:RFCPEIFG can trigger
a RFC_CPE_0 event
1Eh = Combined Interrupt for CPE Generated events.
Corresponding flags are here RFC_DBELL:RFCPEIFG. Only
interrupts selected with CPE1 in RFC_DBELL:RFCPEIFG can trigger
a RFC_CPE_1 event
22h = SSI0 combined interrupt, interrupt flags are found here
SSI0:MIS
23h = SSI0 combined interrupt, interrupt flags are found here
SSI1:MIS
24h = UART0 combined interrupt, interrupt flags are found here
UART0:MIS
3Dh = GPT0A compare event. Configured by GPT0:TAMR.TCACT
3Eh = GPT0B compare event. Configured by GPT0:TBMR.TCACT
3Fh = GPT1A compare event. Configured by GPT1:TAMR.TCACT
40h = GPT1B compare event. Configured by GPT1:TBMR.TCACT
41h = GPT2A compare event. Configured by GPT2:TAMR.TCACT
42h = GPT2B compare event. Configured by GPT2:TBMR.TCACT
43h = GPT3A compare event. Configured by GPT3:TAMR.TCACT
44h = GPT3B compare event. Configured by GPT3:TBMR.TCACT
57h = Port capture event from IOC, configured by
IOC:IOCFGn.PORT_ID. Events on ports configured with ENUM
PORT_EVENT2 wil be routed here.
58h = Port capture event from IOC, configured by
IOC:IOCFGn.PORT_ID. Events on ports configured with ENUM
PORT_EVENT3 wil be routed here.
5Fh = RFC RAT event 4, configured by RFC_RAT:RATEV.OEVT4
60h = RFC RAT event 5, configured by RFC_RAT:RATEV.OEVT5
69h = AON wakeup event, corresponds flags are here
AUX_EVCTL:EVTOMCUFLAGS.AON_WU_EV
6Ah = AUX Compare A event, corresponds to
AUX_EVCTL:EVTOMCUFLAGS.AUX_COMPA
6Bh = AUX Compare B event, corresponds to
AUX_EVCTL:EVTOMCUFLAGS.AUX_COMPB
6Ch = AUX TDC measurement done event, corresponds to the flag
AUX_EVCTL:EVTOMCUFLAGS.TDC_DONE and the AUX_TDC
status AUX_TDC:STAT.DONE
6Dh = AUX timer 0 event, corresponds to
AUX_EVCTL:EVTOMCUFLAGS.TIMER0_EV
6Eh = AUX timer 1 event, corresponds to
AUX_EVCTL:EVTOMCUFLAGS.TIMER1_EV
6Fh = Autotake event from AUX semaphore, configured by
AUX_SMPH:AUTOTAKE

www.ti.com
Interrupts and Events Registers
327
SWCU117F–February 2015–Revised June 2016
Submit Documentation Feedback Copyright © 2015–2016, Texas Instruments Incorporated
Interrupts and Events
Table 4-62. GPT1BCAPTSEL Register Field Descriptions (continued)
Bit Field Type Reset Description
70h = AUX ADC done, corresponds to
AUX_EVCTL:EVTOMCUFLAGS.ADC_DONE
71h = AUX ADC FIFO watermark event, corresponds to
AUX_EVCTL:EVTOMCUFLAGS.ADC_FIFO_ALMOST_FULL
72h = Loopback of OBSMUX0 through AUX, corresponds to
AUX_EVCTL:EVTOMCUFLAGS.OBSMUX0
73h = AUX ADC interrupt event, corresponds to
AUX_EVCTL:EVTOMCUFLAGS.ADC_IRQ. Status flags are found
here AUX_EVCTL:EVTOMCUFLAGS
77h = RTC periodic event controlled by
AON_RTC:CTL.RTC_UPD_EN
79h = Always asserted

Interrupts and Events Registers
www.ti.com
328 SWCU117F–February 2015–Revised June 2016
Submit Documentation Feedback
Copyright © 2015–2016, Texas Instruments Incorporated
Interrupts and Events
4.7.2.49 GPT2ACAPTSEL Register (Offset = 400h) [reset = 59h]
GPT2ACAPTSEL is shown in Figure 4-58 and described in Table 4-63.
Return to Summary Table.
Output Selection for GPT2 0
Figure 4-58. GPT2ACAPTSEL Register
31 30 29 28 27 26 25 24 23 22 21 20 19 18 17 16 15 14 13 12 11 10 9 8 7 6 5 4 3 2 1 0
RESERVED EV
R-0h R/W-59h
Table 4-63. GPT2ACAPTSEL Register Field Descriptions
Bit Field Type Reset Description
31-7 RESERVED R 0h Software should not rely on the value of a reserved. Writing any
other value than the reset value may result in undefined behavior.

www.ti.com
Interrupts and Events Registers
329
SWCU117F–February 2015–Revised June 2016
Submit Documentation Feedback Copyright © 2015–2016, Texas Instruments Incorporated
Interrupts and Events
Table 4-63. GPT2ACAPTSEL Register Field Descriptions (continued)
Bit Field Type Reset Description
6-0 EV R/W 59h Read/write selection value
0h = Always inactive
4h = Edge detect event from IOC. Configureded by the
IOC:IOCFGn.EDGE_IRQ_EN and IOC:IOCFGn.EDGE_DET settings
7h = Event from AON_RTC, controlled by the
AON_RTC:CTL.COMB_EV_MASK setting
9h = Interrupt event from I2C
Bh = AUX combined event, the corresponding flag register is here
AUX_EVCTL:EVTOMCUFLAGS
15h = FLASH controller error event, the status flags are
FLASH:FEDACSTAT.FSM_DONE and
FLASH:FEDACSTAT.RVF_INT
19h = RFC Doorbell Command Acknowledgement Interrupt,
equvialent to RFC_DBELL:RFACKIFG.ACKFLAG
1Ah = Combined RCF hardware interrupt, corresponding flag is here
RFC_DBELL:RFHWIFG
1Bh = Combined Interrupt for CPE Generated events.
Corresponding flags are here RFC_DBELL:RFCPEIFG. Only
interrupts selected with CPE0 in RFC_DBELL:RFCPEIFG can trigger
a RFC_CPE_0 event
1Eh = Combined Interrupt for CPE Generated events.
Corresponding flags are here RFC_DBELL:RFCPEIFG. Only
interrupts selected with CPE1 in RFC_DBELL:RFCPEIFG can trigger
a RFC_CPE_1 event
22h = SSI0 combined interrupt, interrupt flags are found here
SSI0:MIS
23h = SSI0 combined interrupt, interrupt flags are found here
SSI1:MIS
24h = UART0 combined interrupt, interrupt flags are found here
UART0:MIS
3Dh = GPT0A compare event. Configured by GPT0:TAMR.TCACT
3Eh = GPT0B compare event. Configured by GPT0:TBMR.TCACT
3Fh = GPT1A compare event. Configured by GPT1:TAMR.TCACT
40h = GPT1B compare event. Configured by GPT1:TBMR.TCACT
41h = GPT2A compare event. Configured by GPT2:TAMR.TCACT
42h = GPT2B compare event. Configured by GPT2:TBMR.TCACT
43h = GPT3A compare event. Configured by GPT3:TAMR.TCACT
44h = GPT3B compare event. Configured by GPT3:TBMR.TCACT
59h = Port capture event from IOC, configured by
IOC:IOCFGn.PORT_ID. Events on ports configured with ENUM
PORT_EVENT4 wil be routed here.
5Ah = Port capture event from IOC, configured by
IOC:IOCFGn.PORT_ID. Events on ports configured with ENUM
PORT_EVENT4 wil be routed here.
61h = RFC RAT event 6, configured by RFC_RAT:RATEV.OEVT6
62h = RFC RAT event 7, configured by RFC_RAT:RATEV.OEVT7
69h = AON wakeup event, corresponds flags are here
AUX_EVCTL:EVTOMCUFLAGS.AON_WU_EV
6Ah = AUX Compare A event, corresponds to
AUX_EVCTL:EVTOMCUFLAGS.AUX_COMPA
6Bh = AUX Compare B event, corresponds to
AUX_EVCTL:EVTOMCUFLAGS.AUX_COMPB
6Ch = AUX TDC measurement done event, corresponds to the flag
AUX_EVCTL:EVTOMCUFLAGS.TDC_DONE and the AUX_TDC
status AUX_TDC:STAT.DONE
6Dh = AUX timer 0 event, corresponds to
AUX_EVCTL:EVTOMCUFLAGS.TIMER0_EV
6Eh = AUX timer 1 event, corresponds to
AUX_EVCTL:EVTOMCUFLAGS.TIMER1_EV
6Fh = Autotake event from AUX semaphore, configured by
AUX_SMPH:AUTOTAKE

Interrupts and Events Registers
www.ti.com
330 SWCU117F–February 2015–Revised June 2016
Submit Documentation Feedback
Copyright © 2015–2016, Texas Instruments Incorporated
Interrupts and Events
Table 4-63. GPT2ACAPTSEL Register Field Descriptions (continued)
Bit Field Type Reset Description
70h = AUX ADC done, corresponds to
AUX_EVCTL:EVTOMCUFLAGS.ADC_DONE
71h = AUX ADC FIFO watermark event, corresponds to
AUX_EVCTL:EVTOMCUFLAGS.ADC_FIFO_ALMOST_FULL
72h = Loopback of OBSMUX0 through AUX, corresponds to
AUX_EVCTL:EVTOMCUFLAGS.OBSMUX0
73h = AUX ADC interrupt event, corresponds to
AUX_EVCTL:EVTOMCUFLAGS.ADC_IRQ. Status flags are found
here AUX_EVCTL:EVTOMCUFLAGS
77h = RTC periodic event controlled by
AON_RTC:CTL.RTC_UPD_EN
79h = Always asserted

www.ti.com
Interrupts and Events Registers
331
SWCU117F–February 2015–Revised June 2016
Submit Documentation Feedback Copyright © 2015–2016, Texas Instruments Incorporated
Interrupts and Events
4.7.2.50 GPT2BCAPTSEL Register (Offset = 404h) [reset = 5Ah]
GPT2BCAPTSEL is shown in Figure 4-59 and described in Table 4-64.
Return to Summary Table.
Output Selection for GPT2 1
Figure 4-59. GPT2BCAPTSEL Register
31 30 29 28 27 26 25 24 23 22 21 20 19 18 17 16 15 14 13 12 11 10 9 8 7 6 5 4 3 2 1 0
RESERVED EV
R-0h R/W-5Ah
Table 4-64. GPT2BCAPTSEL Register Field Descriptions
Bit Field Type Reset Description
31-7 RESERVED R 0h Software should not rely on the value of a reserved. Writing any
other value than the reset value may result in undefined behavior.

Interrupts and Events Registers
www.ti.com
332 SWCU117F–February 2015–Revised June 2016
Submit Documentation Feedback
Copyright © 2015–2016, Texas Instruments Incorporated
Interrupts and Events
Table 4-64. GPT2BCAPTSEL Register Field Descriptions (continued)
Bit Field Type Reset Description
6-0 EV R/W 5Ah Read/write selection value
0h = Always inactive
4h = Edge detect event from IOC. Configureded by the
IOC:IOCFGn.EDGE_IRQ_EN and IOC:IOCFGn.EDGE_DET settings
7h = Event from AON_RTC, controlled by the
AON_RTC:CTL.COMB_EV_MASK setting
9h = Interrupt event from I2C
Bh = AUX combined event, the corresponding flag register is here
AUX_EVCTL:EVTOMCUFLAGS
15h = FLASH controller error event, the status flags are
FLASH:FEDACSTAT.FSM_DONE and
FLASH:FEDACSTAT.RVF_INT
19h = RFC Doorbell Command Acknowledgement Interrupt,
equvialent to RFC_DBELL:RFACKIFG.ACKFLAG
1Ah = Combined RCF hardware interrupt, corresponding flag is here
RFC_DBELL:RFHWIFG
1Bh = Combined Interrupt for CPE Generated events.
Corresponding flags are here RFC_DBELL:RFCPEIFG. Only
interrupts selected with CPE0 in RFC_DBELL:RFCPEIFG can trigger
a RFC_CPE_0 event
1Eh = Combined Interrupt for CPE Generated events.
Corresponding flags are here RFC_DBELL:RFCPEIFG. Only
interrupts selected with CPE1 in RFC_DBELL:RFCPEIFG can trigger
a RFC_CPE_1 event
22h = SSI0 combined interrupt, interrupt flags are found here
SSI0:MIS
23h = SSI0 combined interrupt, interrupt flags are found here
SSI1:MIS
24h = UART0 combined interrupt, interrupt flags are found here
UART0:MIS
3Dh = GPT0A compare event. Configured by GPT0:TAMR.TCACT
3Eh = GPT0B compare event. Configured by GPT0:TBMR.TCACT
3Fh = GPT1A compare event. Configured by GPT1:TAMR.TCACT
40h = GPT1B compare event. Configured by GPT1:TBMR.TCACT
41h = GPT2A compare event. Configured by GPT2:TAMR.TCACT
42h = GPT2B compare event. Configured by GPT2:TBMR.TCACT
43h = GPT3A compare event. Configured by GPT3:TAMR.TCACT
44h = GPT3B compare event. Configured by GPT3:TBMR.TCACT
59h = Port capture event from IOC, configured by
IOC:IOCFGn.PORT_ID. Events on ports configured with ENUM
PORT_EVENT4 wil be routed here.
5Ah = Port capture event from IOC, configured by
IOC:IOCFGn.PORT_ID. Events on ports configured with ENUM
PORT_EVENT4 wil be routed here.
61h = RFC RAT event 6, configured by RFC_RAT:RATEV.OEVT6
62h = RFC RAT event 7, configured by RFC_RAT:RATEV.OEVT7
69h = AON wakeup event, corresponds flags are here
AUX_EVCTL:EVTOMCUFLAGS.AON_WU_EV
6Ah = AUX Compare A event, corresponds to
AUX_EVCTL:EVTOMCUFLAGS.AUX_COMPA
6Bh = AUX Compare B event, corresponds to
AUX_EVCTL:EVTOMCUFLAGS.AUX_COMPB
6Ch = AUX TDC measurement done event, corresponds to the flag
AUX_EVCTL:EVTOMCUFLAGS.TDC_DONE and the AUX_TDC
status AUX_TDC:STAT.DONE
6Dh = AUX timer 0 event, corresponds to
AUX_EVCTL:EVTOMCUFLAGS.TIMER0_EV
6Eh = AUX timer 1 event, corresponds to
AUX_EVCTL:EVTOMCUFLAGS.TIMER1_EV
6Fh = Autotake event from AUX semaphore, configured by
AUX_SMPH:AUTOTAKE

www.ti.com
Interrupts and Events Registers
333
SWCU117F–February 2015–Revised June 2016
Submit Documentation Feedback Copyright © 2015–2016, Texas Instruments Incorporated
Interrupts and Events
Table 4-64. GPT2BCAPTSEL Register Field Descriptions (continued)
Bit Field Type Reset Description
70h = AUX ADC done, corresponds to
AUX_EVCTL:EVTOMCUFLAGS.ADC_DONE
71h = AUX ADC FIFO watermark event, corresponds to
AUX_EVCTL:EVTOMCUFLAGS.ADC_FIFO_ALMOST_FULL
72h = Loopback of OBSMUX0 through AUX, corresponds to
AUX_EVCTL:EVTOMCUFLAGS.OBSMUX0
73h = AUX ADC interrupt event, corresponds to
AUX_EVCTL:EVTOMCUFLAGS.ADC_IRQ. Status flags are found
here AUX_EVCTL:EVTOMCUFLAGS
77h = RTC periodic event controlled by
AON_RTC:CTL.RTC_UPD_EN
79h = Always asserted

Interrupts and Events Registers
www.ti.com
334 SWCU117F–February 2015–Revised June 2016
Submit Documentation Feedback
Copyright © 2015–2016, Texas Instruments Incorporated
Interrupts and Events
4.7.2.51 UDMACH1SSEL Register (Offset = 508h) [reset = 31h]
UDMACH1SSEL is shown in Figure 4-60 and described in Table 4-65.
Return to Summary Table.
Output Selection for DMA Channel 1 SREQ
Figure 4-60. UDMACH1SSEL Register
31 30 29 28 27 26 25 24 23 22 21 20 19 18 17 16 15 14 13 12 11 10 9 8 7 6 5 4 3 2 1 0
RESERVED EV
R-0h R-31h
Table 4-65. UDMACH1SSEL Register Field Descriptions
Bit Field Type Reset Description
31-7 RESERVED R 0h Software should not rely on the value of a reserved. Writing any
other value than the reset value may result in undefined behavior.
6-0 EV R 31h Read only selection value
31h = UART0 RX DMA single request, controlled by
UART0:DMACTL.RXDMAE

www.ti.com
Interrupts and Events Registers
335
SWCU117F–February 2015–Revised June 2016
Submit Documentation Feedback Copyright © 2015–2016, Texas Instruments Incorporated
Interrupts and Events
4.7.2.52 UDMACH1BSEL Register (Offset = 50Ch) [reset = 30h]
UDMACH1BSEL is shown in Figure 4-61 and described in Table 4-66.
Return to Summary Table.
Output Selection for DMA Channel 1 REQ
Figure 4-61. UDMACH1BSEL Register
31 30 29 28 27 26 25 24 23 22 21 20 19 18 17 16 15 14 13 12 11 10 9 8 7 6 5 4 3 2 1 0
RESERVED EV
R-0h R-30h
Table 4-66. UDMACH1BSEL Register Field Descriptions
Bit Field Type Reset Description
31-7 RESERVED R 0h Software should not rely on the value of a reserved. Writing any
other value than the reset value may result in undefined behavior.
6-0 EV R 30h Read only selection value
30h = UART0 RX DMA burst request, controlled by
UART0:DMACTL.RXDMAE

Interrupts and Events Registers
www.ti.com
336 SWCU117F–February 2015–Revised June 2016
Submit Documentation Feedback
Copyright © 2015–2016, Texas Instruments Incorporated
Interrupts and Events
4.7.2.53 UDMACH2SSEL Register (Offset = 510h) [reset = 33h]
UDMACH2SSEL is shown in Figure 4-62 and described in Table 4-67.
Return to Summary Table.
Output Selection for DMA Channel 2 SREQ
Figure 4-62. UDMACH2SSEL Register
31 30 29 28 27 26 25 24 23 22 21 20 19 18 17 16 15 14 13 12 11 10 9 8 7 6 5 4 3 2 1 0
RESERVED EV
R-0h R-33h
Table 4-67. UDMACH2SSEL Register Field Descriptions
Bit Field Type Reset Description
31-7 RESERVED R 0h Software should not rely on the value of a reserved. Writing any
other value than the reset value may result in undefined behavior.
6-0 EV R 33h Read only selection value
33h = UART0 TX DMA single request, controlled by
UART0:DMACTL.TXDMAE

www.ti.com
Interrupts and Events Registers
337
SWCU117F–February 2015–Revised June 2016
Submit Documentation Feedback Copyright © 2015–2016, Texas Instruments Incorporated
Interrupts and Events
4.7.2.54 UDMACH2BSEL Register (Offset = 514h) [reset = 32h]
UDMACH2BSEL is shown in Figure 4-63 and described in Table 4-68.
Return to Summary Table.
Output Selection for DMA Channel 2 REQ
Figure 4-63. UDMACH2BSEL Register
31 30 29 28 27 26 25 24 23 22 21 20 19 18 17 16 15 14 13 12 11 10 9 8 7 6 5 4 3 2 1 0
RESERVED EV
R-0h R-32h
Table 4-68. UDMACH2BSEL Register Field Descriptions
Bit Field Type Reset Description
31-7 RESERVED R 0h Software should not rely on the value of a reserved. Writing any
other value than the reset value may result in undefined behavior.
6-0 EV R 32h Read only selection value
32h = UART0 TX DMA burst request, controlled by
UART0:DMACTL.TXDMAE

Interrupts and Events Registers
www.ti.com
338 SWCU117F–February 2015–Revised June 2016
Submit Documentation Feedback
Copyright © 2015–2016, Texas Instruments Incorporated
Interrupts and Events
4.7.2.55 UDMACH3SSEL Register (Offset = 518h) [reset = 29h]
UDMACH3SSEL is shown in Figure 4-64 and described in Table 4-69.
Return to Summary Table.
Output Selection for DMA Channel 3 SREQ
Figure 4-64. UDMACH3SSEL Register
31 30 29 28 27 26 25 24 23 22 21 20 19 18 17 16 15 14 13 12 11 10 9 8 7 6 5 4 3 2 1 0
RESERVED EV
R-0h R-29h
Table 4-69. UDMACH3SSEL Register Field Descriptions
Bit Field Type Reset Description
31-7 RESERVED R 0h Software should not rely on the value of a reserved. Writing any
other value than the reset value may result in undefined behavior.
6-0 EV R 29h Read only selection value
29h = SSI0 RX DMA single request, controlled by
SSI0:DMACR.RXDMAE

www.ti.com
Interrupts and Events Registers
339
SWCU117F–February 2015–Revised June 2016
Submit Documentation Feedback Copyright © 2015–2016, Texas Instruments Incorporated
Interrupts and Events
4.7.2.56 UDMACH3BSEL Register (Offset = 51Ch) [reset = 28h]
UDMACH3BSEL is shown in Figure 4-65 and described in Table 4-70.
Return to Summary Table.
Output Selection for DMA Channel 3 REQ
Figure 4-65. UDMACH3BSEL Register
31 30 29 28 27 26 25 24 23 22 21 20 19 18 17 16 15 14 13 12 11 10 9 8 7 6 5 4 3 2 1 0
RESERVED EV
R-0h R-28h
Table 4-70. UDMACH3BSEL Register Field Descriptions
Bit Field Type Reset Description
31-7 RESERVED R 0h Software should not rely on the value of a reserved. Writing any
other value than the reset value may result in undefined behavior.
6-0 EV R 28h Read only selection value
28h = SSI0 RX DMA burst request , controlled by
SSI0:DMACR.RXDMAE

Interrupts and Events Registers
www.ti.com
340 SWCU117F–February 2015–Revised June 2016
Submit Documentation Feedback
Copyright © 2015–2016, Texas Instruments Incorporated
Interrupts and Events
4.7.2.57 UDMACH4SSEL Register (Offset = 520h) [reset = 2Bh]
UDMACH4SSEL is shown in Figure 4-66 and described in Table 4-71.
Return to Summary Table.
Output Selection for DMA Channel 4 SREQ
Figure 4-66. UDMACH4SSEL Register
31 30 29 28 27 26 25 24 23 22 21 20 19 18 17 16 15 14 13 12 11 10 9 8 7 6 5 4 3 2 1 0
RESERVED EV
R-0h R-2Bh
Table 4-71. UDMACH4SSEL Register Field Descriptions
Bit Field Type Reset Description
31-7 RESERVED R 0h Software should not rely on the value of a reserved. Writing any
other value than the reset value may result in undefined behavior.
6-0 EV R 2Bh Read only selection value
2Bh = SSI0 TX DMA single request, controlled by
SSI0:DMACR.TXDMAE

www.ti.com
Interrupts and Events Registers
341
SWCU117F–February 2015–Revised June 2016
Submit Documentation Feedback Copyright © 2015–2016, Texas Instruments Incorporated
Interrupts and Events
4.7.2.58 UDMACH4BSEL Register (Offset = 524h) [reset = 2Ah]
UDMACH4BSEL is shown in Figure 4-67 and described in Table 4-72.
Return to Summary Table.
Output Selection for DMA Channel 4 REQ
Figure 4-67. UDMACH4BSEL Register
31 30 29 28 27 26 25 24 23 22 21 20 19 18 17 16 15 14 13 12 11 10 9 8 7 6 5 4 3 2 1 0
RESERVED EV
R-0h R-2Ah
Table 4-72. UDMACH4BSEL Register Field Descriptions
Bit Field Type Reset Description
31-7 RESERVED R 0h Software should not rely on the value of a reserved. Writing any
other value than the reset value may result in undefined behavior.
6-0 EV R 2Ah Read only selection value
2Ah = SSI0 TX DMA burst request , controlled by
SSI0:DMACR.TXDMAE

Interrupts and Events Registers
www.ti.com
342 SWCU117F–February 2015–Revised June 2016
Submit Documentation Feedback
Copyright © 2015–2016, Texas Instruments Incorporated
Interrupts and Events
4.7.2.59 UDMACH5SSEL Register (Offset = 528h) [reset = 3Ah]
UDMACH5SSEL is shown in Figure 4-68 and described in Table 4-73.
Return to Summary Table.
Output Selection for DMA Channel 5 SREQ
Figure 4-68. UDMACH5SSEL Register
31 30 29 28 27 26 25 24 23 22 21 20 19 18 17 16 15 14 13 12 11 10 9 8 7 6 5 4 3 2 1 0
RESERVED
R-3Ah
Table 4-73. UDMACH5SSEL Register Field Descriptions
Bit Field Type Reset Description
31-0 RESERVED R 3Ah Software should not rely on the value of a reserved. Writing any
other value than the reset value may result in undefined behavior.

www.ti.com
Interrupts and Events Registers
343
SWCU117F–February 2015–Revised June 2016
Submit Documentation Feedback Copyright © 2015–2016, Texas Instruments Incorporated
Interrupts and Events
4.7.2.60 UDMACH5BSEL Register (Offset = 52Ch) [reset = 39h]
UDMACH5BSEL is shown in Figure 4-69 and described in Table 4-74.
Return to Summary Table.
Output Selection for DMA Channel 5 REQ
Figure 4-69. UDMACH5BSEL Register
31 30 29 28 27 26 25 24 23 22 21 20 19 18 17 16 15 14 13 12 11 10 9 8 7 6 5 4 3 2 1 0
RESERVED
R-39h
Table 4-74. UDMACH5BSEL Register Field Descriptions
Bit Field Type Reset Description
31-0 RESERVED R 39h Software should not rely on the value of a reserved. Writing any
other value than the reset value may result in undefined behavior.

Interrupts and Events Registers
www.ti.com
344 SWCU117F–February 2015–Revised June 2016
Submit Documentation Feedback
Copyright © 2015–2016, Texas Instruments Incorporated
Interrupts and Events
4.7.2.61 UDMACH6SSEL Register (Offset = 530h) [reset = 3Ch]
UDMACH6SSEL is shown in Figure 4-70 and described in Table 4-75.
Return to Summary Table.
Output Selection for DMA Channel 6 SREQ
Figure 4-70. UDMACH6SSEL Register
31 30 29 28 27 26 25 24 23 22 21 20 19 18 17 16 15 14 13 12 11 10 9 8 7 6 5 4 3 2 1 0
RESERVED
R-3Ch
Table 4-75. UDMACH6SSEL Register Field Descriptions
Bit Field Type Reset Description
31-0 RESERVED R 3Ch Software should not rely on the value of a reserved. Writing any
other value than the reset value may result in undefined behavior.

www.ti.com
Interrupts and Events Registers
345
SWCU117F–February 2015–Revised June 2016
Submit Documentation Feedback Copyright © 2015–2016, Texas Instruments Incorporated
Interrupts and Events
4.7.2.62 UDMACH6BSEL Register (Offset = 534h) [reset = 3Bh]
UDMACH6BSEL is shown in Figure 4-71 and described in Table 4-76.
Return to Summary Table.
Output Selection for DMA Channel 6 REQ
Figure 4-71. UDMACH6BSEL Register
31 30 29 28 27 26 25 24 23 22 21 20 19 18 17 16 15 14 13 12 11 10 9 8 7 6 5 4 3 2 1 0
RESERVED
R-3Bh
Table 4-76. UDMACH6BSEL Register Field Descriptions
Bit Field Type Reset Description
31-0 RESERVED R 3Bh Software should not rely on the value of a reserved. Writing any
other value than the reset value may result in undefined behavior.

Interrupts and Events Registers
www.ti.com
346 SWCU117F–February 2015–Revised June 2016
Submit Documentation Feedback
Copyright © 2015–2016, Texas Instruments Incorporated
Interrupts and Events
4.7.2.63 UDMACH7SSEL Register (Offset = 538h) [reset = 75h]
UDMACH7SSEL is shown in Figure 4-72 and described in Table 4-77.
Return to Summary Table.
Output Selection for DMA Channel 7 SREQ
Figure 4-72. UDMACH7SSEL Register
31 30 29 28 27 26 25 24 23 22 21 20 19 18 17 16 15 14 13 12 11 10 9 8 7 6 5 4 3 2 1 0
RESERVED EV
R-0h R-75h
Table 4-77. UDMACH7SSEL Register Field Descriptions
Bit Field Type Reset Description
31-7 RESERVED R 0h Software should not rely on the value of a reserved. Writing any
other value than the reset value may result in undefined behavior.
6-0 EV R 75h Read only selection value
75h = DMA single request event from AUX, configured by
AUX_EVCTL:DMACTL

www.ti.com
Interrupts and Events Registers
347
SWCU117F–February 2015–Revised June 2016
Submit Documentation Feedback Copyright © 2015–2016, Texas Instruments Incorporated
Interrupts and Events
4.7.2.64 UDMACH7BSEL Register (Offset = 53Ch) [reset = 76h]
UDMACH7BSEL is shown in Figure 4-73 and described in Table 4-78.
Return to Summary Table.
Output Selection for DMA Channel 7 REQ
Figure 4-73. UDMACH7BSEL Register
31 30 29 28 27 26 25 24 23 22 21 20 19 18 17 16 15 14 13 12 11 10 9 8 7 6 5 4 3 2 1 0
RESERVED EV
R-0h R-76h
Table 4-78. UDMACH7BSEL Register Field Descriptions
Bit Field Type Reset Description
31-7 RESERVED R 0h Software should not rely on the value of a reserved. Writing any
other value than the reset value may result in undefined behavior.
6-0 EV R 76h Read only selection value
76h = DMA burst request event from AUX, configured by
AUX_EVCTL:DMACTL

Interrupts and Events Registers
www.ti.com
348 SWCU117F–February 2015–Revised June 2016
Submit Documentation Feedback
Copyright © 2015–2016, Texas Instruments Incorporated
Interrupts and Events
4.7.2.65 UDMACH8SSEL Register (Offset = 540h) [reset = 74h]
UDMACH8SSEL is shown in Figure 4-74 and described in Table 4-79.
Return to Summary Table.
Output Selection for DMA Channel 8 SREQ
Single request is ignored for this channel
Figure 4-74. UDMACH8SSEL Register
31 30 29 28 27 26 25 24 23 22 21 20 19 18 17 16 15 14 13 12 11 10 9 8 7 6 5 4 3 2 1 0
RESERVED EV
R-0h R-74h
Table 4-79. UDMACH8SSEL Register Field Descriptions
Bit Field Type Reset Description
31-7 RESERVED R 0h Software should not rely on the value of a reserved. Writing any
other value than the reset value may result in undefined behavior.
6-0 EV R 74h Read only selection value
74h = AUX observation loopback

www.ti.com
Interrupts and Events Registers
349
SWCU117F–February 2015–Revised June 2016
Submit Documentation Feedback Copyright © 2015–2016, Texas Instruments Incorporated
Interrupts and Events
4.7.2.66 UDMACH8BSEL Register (Offset = 544h) [reset = 74h]
UDMACH8BSEL is shown in Figure 4-75 and described in Table 4-80.
Return to Summary Table.
Output Selection for DMA Channel 8 REQ
Figure 4-75. UDMACH8BSEL Register
31 30 29 28 27 26 25 24 23 22 21 20 19 18 17 16 15 14 13 12 11 10 9 8 7 6 5 4 3 2 1 0
RESERVED EV
R-0h R-74h
Table 4-80. UDMACH8BSEL Register Field Descriptions
Bit Field Type Reset Description
31-7 RESERVED R 0h Software should not rely on the value of a reserved. Writing any
other value than the reset value may result in undefined behavior.
6-0 EV R 74h Read only selection value
74h = AUX observation loopback

Interrupts and Events Registers
www.ti.com
350 SWCU117F–February 2015–Revised June 2016
Submit Documentation Feedback
Copyright © 2015–2016, Texas Instruments Incorporated
Interrupts and Events
4.7.2.67 UDMACH9SSEL Register (Offset = 548h) [reset = 45h]
UDMACH9SSEL is shown in Figure 4-76 and described in Table 4-81.
Return to Summary Table.
Output Selection for DMA Channel 9 SREQ
DMA_DONE for the corresponding DMA channel is available as interrupt on GPT0 as
GPT0:RIS.DMAARIS
Figure 4-76. UDMACH9SSEL Register
31 30 29 28 27 26 25 24 23 22 21 20 19 18 17 16 15 14 13 12 11 10 9 8 7 6 5 4 3 2 1 0
RESERVED EV
R-0h R/W-45h
Table 4-81. UDMACH9SSEL Register Field Descriptions
Bit Field Type Reset Description
31-7 RESERVED R 0h Software should not rely on the value of a reserved. Writing any
other value than the reset value may result in undefined behavior.
6-0 EV R/W 45h Read/write selection value
0h = Always inactive
45h = Not used tied to 0
4Dh = GPT0A DMA trigger event. Configured by GPT0:DMAEV
4Eh = GPT0B DMA trigger event. Configured by GPT0:DMAEV
4Fh = GPT1A DMA trigger event. Configured by GPT1:DMAEV
50h = GPT1B DMA trigger event. Configured by GPT1:DMAEV
51h = GPT2A DMA trigger event. Configured by GPT2:DMAEV
52h = GPT2B DMA trigger event. Configured by GPT2:DMAEV
53h = GPT3A DMA trigger event. Configured by GPT3:DMAEV
54h = GPT3B DMA trigger event. Configured by GPT3:DMAEV
79h = Always asserted

www.ti.com
Interrupts and Events Registers
351
SWCU117F–February 2015–Revised June 2016
Submit Documentation Feedback Copyright © 2015–2016, Texas Instruments Incorporated
Interrupts and Events
4.7.2.68 UDMACH9BSEL Register (Offset = 54Ch) [reset = 4Dh]
UDMACH9BSEL is shown in Figure 4-77 and described in Table 4-82.
Return to Summary Table.
Output Selection for DMA Channel 9 REQ
DMA_DONE for the corresponding DMA channel is available as interrupt on GPT0 as
GPT0:RIS.DMAARIS
Figure 4-77. UDMACH9BSEL Register
31 30 29 28 27 26 25 24 23 22 21 20 19 18 17 16 15 14 13 12 11 10 9 8 7 6 5 4 3 2 1 0
RESERVED EV
R-0h R/W-4Dh
Table 4-82. UDMACH9BSEL Register Field Descriptions
Bit Field Type Reset Description
31-7 RESERVED R 0h Software should not rely on the value of a reserved. Writing any
other value than the reset value may result in undefined behavior.
6-0 EV R/W 4Dh Read/write selection value
0h = Always inactive
4Dh = GPT0A DMA trigger event. Configured by GPT0:DMAEV
4Eh = GPT0B DMA trigger event. Configured by GPT0:DMAEV
4Fh = GPT1A DMA trigger event. Configured by GPT1:DMAEV
50h = GPT1B DMA trigger event. Configured by GPT1:DMAEV
51h = GPT2A DMA trigger event. Configured by GPT2:DMAEV
52h = GPT2B DMA trigger event. Configured by GPT2:DMAEV
53h = GPT3A DMA trigger event. Configured by GPT3:DMAEV
54h = GPT3B DMA trigger event. Configured by GPT3:DMAEV
79h = Always asserted

Interrupts and Events Registers
www.ti.com
352 SWCU117F–February 2015–Revised June 2016
Submit Documentation Feedback
Copyright © 2015–2016, Texas Instruments Incorporated
Interrupts and Events
4.7.2.69 UDMACH10SSEL Register (Offset = 550h) [reset = 46h]
UDMACH10SSEL is shown in Figure 4-78 and described in Table 4-83.
Return to Summary Table.
Output Selection for DMA Channel 10 SREQ
DMA_DONE for the corresponding DMA channel is available as interrupt on GPT0 as
GPT0:RIS.DMABRIS
Figure 4-78. UDMACH10SSEL Register
31 30 29 28 27 26 25 24 23 22 21 20 19 18 17 16 15 14 13 12 11 10 9 8 7 6 5 4 3 2 1 0
RESERVED EV
R-0h R/W-46h
Table 4-83. UDMACH10SSEL Register Field Descriptions
Bit Field Type Reset Description
31-7 RESERVED R 0h Software should not rely on the value of a reserved. Writing any
other value than the reset value may result in undefined behavior.
6-0 EV R/W 46h Read/write selection value
0h = Always inactive
46h = Not used tied to 0
4Dh = GPT0A DMA trigger event. Configured by GPT0:DMAEV
4Eh = GPT0B DMA trigger event. Configured by GPT0:DMAEV
4Fh = GPT1A DMA trigger event. Configured by GPT1:DMAEV
50h = GPT1B DMA trigger event. Configured by GPT1:DMAEV
51h = GPT2A DMA trigger event. Configured by GPT2:DMAEV
52h = GPT2B DMA trigger event. Configured by GPT2:DMAEV
53h = GPT3A DMA trigger event. Configured by GPT3:DMAEV
54h = GPT3B DMA trigger event. Configured by GPT3:DMAEV
79h = Always asserted

www.ti.com
Interrupts and Events Registers
353
SWCU117F–February 2015–Revised June 2016
Submit Documentation Feedback Copyright © 2015–2016, Texas Instruments Incorporated
Interrupts and Events
4.7.2.70 UDMACH10BSEL Register (Offset = 554h) [reset = 4Eh]
UDMACH10BSEL is shown in Figure 4-79 and described in Table 4-84.
Return to Summary Table.
Output Selection for DMA Channel 10 REQ
DMA_DONE for the corresponding DMA channel is available as interrupt on GPT0 as
GPT0:RIS.DMABRIS
Figure 4-79. UDMACH10BSEL Register
31 30 29 28 27 26 25 24 23 22 21 20 19 18 17 16 15 14 13 12 11 10 9 8 7 6 5 4 3 2 1 0
RESERVED EV
R-0h R/W-4Eh
Table 4-84. UDMACH10BSEL Register Field Descriptions
Bit Field Type Reset Description
31-7 RESERVED R 0h Software should not rely on the value of a reserved. Writing any
other value than the reset value may result in undefined behavior.
6-0 EV R/W 4Eh Read/write selection value
0h = Always inactive
4Dh = GPT0A DMA trigger event. Configured by GPT0:DMAEV
4Eh = GPT0B DMA trigger event. Configured by GPT0:DMAEV
4Fh = GPT1A DMA trigger event. Configured by GPT1:DMAEV
50h = GPT1B DMA trigger event. Configured by GPT1:DMAEV
51h = GPT2A DMA trigger event. Configured by GPT2:DMAEV
52h = GPT2B DMA trigger event. Configured by GPT2:DMAEV
53h = GPT3A DMA trigger event. Configured by GPT3:DMAEV
54h = GPT3B DMA trigger event. Configured by GPT3:DMAEV
79h = Always asserted

Interrupts and Events Registers
www.ti.com
354 SWCU117F–February 2015–Revised June 2016
Submit Documentation Feedback
Copyright © 2015–2016, Texas Instruments Incorporated
Interrupts and Events
4.7.2.71 UDMACH11SSEL Register (Offset = 558h) [reset = 47h]
UDMACH11SSEL is shown in Figure 4-80 and described in Table 4-85.
Return to Summary Table.
Output Selection for DMA Channel 11 SREQ
DMA_DONE for the corresponding DMA channel is available as interrupt on GPT1 as
GPT1:RIS.DMAARIS
Figure 4-80. UDMACH11SSEL Register
31 30 29 28 27 26 25 24 23 22 21 20 19 18 17 16 15 14 13 12 11 10 9 8 7 6 5 4 3 2 1 0
RESERVED EV
R-0h R/W-47h
Table 4-85. UDMACH11SSEL Register Field Descriptions
Bit Field Type Reset Description
31-7 RESERVED R 0h Software should not rely on the value of a reserved. Writing any
other value than the reset value may result in undefined behavior.
6-0 EV R/W 47h Read/write selection value
0h = Always inactive
47h = Not used tied to 0
4Dh = GPT0A DMA trigger event. Configured by GPT0:DMAEV
4Eh = GPT0B DMA trigger event. Configured by GPT0:DMAEV
4Fh = GPT1A DMA trigger event. Configured by GPT1:DMAEV
50h = GPT1B DMA trigger event. Configured by GPT1:DMAEV
51h = GPT2A DMA trigger event. Configured by GPT2:DMAEV
52h = GPT2B DMA trigger event. Configured by GPT2:DMAEV
53h = GPT3A DMA trigger event. Configured by GPT3:DMAEV
54h = GPT3B DMA trigger event. Configured by GPT3:DMAEV
79h = Always asserted

www.ti.com
Interrupts and Events Registers
355
SWCU117F–February 2015–Revised June 2016
Submit Documentation Feedback Copyright © 2015–2016, Texas Instruments Incorporated
Interrupts and Events
4.7.2.72 UDMACH11BSEL Register (Offset = 55Ch) [reset = 4Fh]
UDMACH11BSEL is shown in Figure 4-81 and described in Table 4-86.
Return to Summary Table.
Output Selection for DMA Channel 11 REQ
DMA_DONE for the corresponding DMA channel is available as interrupt on GPT1 as
GPT1:RIS.DMAARIS
Figure 4-81. UDMACH11BSEL Register
31 30 29 28 27 26 25 24 23 22 21 20 19 18 17 16 15 14 13 12 11 10 9 8 7 6 5 4 3 2 1 0
RESERVED EV
R-0h R/W-4Fh
Table 4-86. UDMACH11BSEL Register Field Descriptions
Bit Field Type Reset Description
31-7 RESERVED R 0h Software should not rely on the value of a reserved. Writing any
other value than the reset value may result in undefined behavior.
6-0 EV R/W 4Fh Read/write selection value
0h = Always inactive
4Dh = GPT0A DMA trigger event. Configured by GPT0:DMAEV
4Eh = GPT0B DMA trigger event. Configured by GPT0:DMAEV
4Fh = GPT1A DMA trigger event. Configured by GPT1:DMAEV
50h = GPT1B DMA trigger event. Configured by GPT1:DMAEV
51h = GPT2A DMA trigger event. Configured by GPT2:DMAEV
52h = GPT2B DMA trigger event. Configured by GPT2:DMAEV
53h = GPT3A DMA trigger event. Configured by GPT3:DMAEV
54h = GPT3B DMA trigger event. Configured by GPT3:DMAEV
79h = Always asserted

Interrupts and Events Registers
www.ti.com
356 SWCU117F–February 2015–Revised June 2016
Submit Documentation Feedback
Copyright © 2015–2016, Texas Instruments Incorporated
Interrupts and Events
4.7.2.73 UDMACH12SSEL Register (Offset = 560h) [reset = 48h]
UDMACH12SSEL is shown in Figure 4-82 and described in Table 4-87.
Return to Summary Table.
Output Selection for DMA Channel 12 SREQ
DMA_DONE for the corresponding DMA channel is available as interrupt on GPT1 as
GPT1:RIS.DMABRIS
Figure 4-82. UDMACH12SSEL Register
31 30 29 28 27 26 25 24 23 22 21 20 19 18 17 16 15 14 13 12 11 10 9 8 7 6 5 4 3 2 1 0
RESERVED EV
R-0h R/W-48h
Table 4-87. UDMACH12SSEL Register Field Descriptions
Bit Field Type Reset Description
31-7 RESERVED R 0h Software should not rely on the value of a reserved. Writing any
other value than the reset value may result in undefined behavior.
6-0 EV R/W 48h Read/write selection value
0h = Always inactive
48h = Not used tied to 0
4Dh = GPT0A DMA trigger event. Configured by GPT0:DMAEV
4Eh = GPT0B DMA trigger event. Configured by GPT0:DMAEV
4Fh = GPT1A DMA trigger event. Configured by GPT1:DMAEV
50h = GPT1B DMA trigger event. Configured by GPT1:DMAEV
51h = GPT2A DMA trigger event. Configured by GPT2:DMAEV
52h = GPT2B DMA trigger event. Configured by GPT2:DMAEV
53h = GPT3A DMA trigger event. Configured by GPT3:DMAEV
54h = GPT3B DMA trigger event. Configured by GPT3:DMAEV
79h = Always asserted

www.ti.com
Interrupts and Events Registers
357
SWCU117F–February 2015–Revised June 2016
Submit Documentation Feedback Copyright © 2015–2016, Texas Instruments Incorporated
Interrupts and Events
4.7.2.74 UDMACH12BSEL Register (Offset = 564h) [reset = 50h]
UDMACH12BSEL is shown in Figure 4-83 and described in Table 4-88.
Return to Summary Table.
Output Selection for DMA Channel 12 REQ
DMA_DONE for the corresponding DMA channel is available as interrupt on GPT1 as
GPT1:RIS.DMABRIS
Figure 4-83. UDMACH12BSEL Register
31 30 29 28 27 26 25 24 23 22 21 20 19 18 17 16 15 14 13 12 11 10 9 8 7 6 5 4 3 2 1 0
RESERVED EV
R-0h R/W-50h
Table 4-88. UDMACH12BSEL Register Field Descriptions
Bit Field Type Reset Description
31-7 RESERVED R 0h Software should not rely on the value of a reserved. Writing any
other value than the reset value may result in undefined behavior.
6-0 EV R/W 50h Read/write selection value
0h = Always inactive
4Dh = GPT0A DMA trigger event. Configured by GPT0:DMAEV
4Eh = GPT0B DMA trigger event. Configured by GPT0:DMAEV
4Fh = GPT1A DMA trigger event. Configured by GPT1:DMAEV
50h = GPT1B DMA trigger event. Configured by GPT1:DMAEV
51h = GPT2A DMA trigger event. Configured by GPT2:DMAEV
52h = GPT2B DMA trigger event. Configured by GPT2:DMAEV
53h = GPT3A DMA trigger event. Configured by GPT3:DMAEV
54h = GPT3B DMA trigger event. Configured by GPT3:DMAEV
79h = Always asserted

Interrupts and Events Registers
www.ti.com
358 SWCU117F–February 2015–Revised June 2016
Submit Documentation Feedback
Copyright © 2015–2016, Texas Instruments Incorporated
Interrupts and Events
4.7.2.75 UDMACH13BSEL Register (Offset = 56Ch) [reset = 3h]
UDMACH13BSEL is shown in Figure 4-84 and described in Table 4-89.
Return to Summary Table.
Output Selection for DMA Channel 13 REQ
Figure 4-84. UDMACH13BSEL Register
31 30 29 28 27 26 25 24 23 22 21 20 19 18 17 16 15 14 13 12 11 10 9 8 7 6 5 4 3 2 1 0
RESERVED EV
R-0h R-3h
Table 4-89. UDMACH13BSEL Register Field Descriptions
Bit Field Type Reset Description
31-7 RESERVED R 0h Software should not rely on the value of a reserved. Writing any
other value than the reset value may result in undefined behavior.
6-0 EV R 3h Read only selection value
3h = AON programmable event 2. Event selected by AON_EVENT
MCU event selector,
AON_EVENT:EVTOMCUSEL.AON_PROG2_EV

www.ti.com
Interrupts and Events Registers
359
SWCU117F–February 2015–Revised June 2016
Submit Documentation Feedback Copyright © 2015–2016, Texas Instruments Incorporated
Interrupts and Events
4.7.2.76 UDMACH14BSEL Register (Offset = 574h) [reset = 1h]
UDMACH14BSEL is shown in Figure 4-85 and described in Table 4-90.
Return to Summary Table.
Output Selection for DMA Channel 14 REQ
Figure 4-85. UDMACH14BSEL Register
31 30 29 28 27 26 25 24 23 22 21 20 19 18 17 16 15 14 13 12 11 10 9 8 7 6 5 4 3 2 1 0
RESERVED EV
R-0h R/W-1h
Table 4-90. UDMACH14BSEL Register Field Descriptions
Bit Field Type Reset Description
31-7 RESERVED R 0h Software should not rely on the value of a reserved. Writing any
other value than the reset value may result in undefined behavior.

Interrupts and Events Registers
www.ti.com
360 SWCU117F–February 2015–Revised June 2016
Submit Documentation Feedback
Copyright © 2015–2016, Texas Instruments Incorporated
Interrupts and Events
Table 4-90. UDMACH14BSEL Register Field Descriptions (continued)
Bit Field Type Reset Description
6-0 EV R/W 1h Read/write selection value
0h = Always inactive
1h = AON programmable event 0. Event selected by AON_EVENT
MCU event selector,
AON_EVENT:EVTOMCUSEL.AON_PROG0_EV
2h = AON programmable event 1. Event selected by AON_EVENT
MCU event selector,
AON_EVENT:EVTOMCUSEL.AON_PROG1_EV
3h = AON programmable event 2. Event selected by AON_EVENT
MCU event selector,
AON_EVENT:EVTOMCUSEL.AON_PROG2_EV
4h = Edge detect event from IOC. Configureded by the
IOC:IOCFGn.EDGE_IRQ_EN and IOC:IOCFGn.EDGE_DET settings
7h = Event from AON_RTC, controlled by the
AON_RTC:CTL.COMB_EV_MASK setting
8h = Interrupt event from I2S
9h = Interrupt event from I2C
Ah = AUX Software event 0, AUX_EVCTL:SWEVSET.SWEV0
Bh = AUX combined event, the corresponding flag register is here
AUX_EVCTL:EVTOMCUFLAGS
Ch = GPT2A interrupt event, controlled by GPT2:TAMR
Dh = GPT2B interrupt event, controlled by GPT2:TBMR
Eh = GPT3A interrupt event, controlled by GPT3:TAMR
Fh = GPT3B interrupt event, controlled by GPT3:TBMR
10h = GPT0A interrupt event, controlled by GPT0:TAMR
11h = GPT0B interrupt event, controlled by GPT0:TBMR
12h = GPT1A interrupt event, controlled by GPT1:TAMR
13h = GPT1B interrupt event, controlled by GPT1:TBMR
14h = DMA done for software tiggered UDMA channel 0, see
UDMA0:SOFTREQ
15h = FLASH controller error event, the status flags are
FLASH:FEDACSTAT.FSM_DONE and
FLASH:FEDACSTAT.RVF_INT
16h = DMA done for software tiggered UDMA channel 18, see
UDMA0:SOFTREQ
18h = Watchdog interrupt event, controlled by WDT:CTL.INTEN
19h = RFC Doorbell Command Acknowledgement Interrupt,
equvialent to RFC_DBELL:RFACKIFG.ACKFLAG
1Ah = Combined RCF hardware interrupt, corresponding flag is here
RFC_DBELL:RFHWIFG
1Bh = Combined Interrupt for CPE Generated events.
Corresponding flags are here RFC_DBELL:RFCPEIFG. Only
interrupts selected with CPE0 in RFC_DBELL:RFCPEIFG can trigger
a RFC_CPE_0 event
1Dh = AUX software event 1, triggered by
AUX_EVCTL:SWEVSET.SWEV1, also available as AUX_EVENT2
AON wake up event.
MCU domain wakeup control AON_EVENT:MCUWUSEL
AUX domain wakeup control AON_EVENT:AUXWUSEL
1Eh = Combined Interrupt for CPE Generated events.
Corresponding flags are here RFC_DBELL:RFCPEIFG. Only
interrupts selected with CPE1 in RFC_DBELL:RFCPEIFG can trigger
a RFC_CPE_1 event
22h = SSI0 combined interrupt, interrupt flags are found here
SSI0:MIS
23h = SSI0 combined interrupt, interrupt flags are found here
SSI1:MIS
24h = UART0 combined interrupt, interrupt flags are found here
UART0:MIS
26h = DMA bus error, corresponds to UDMA0:ERROR.STATUS
27h = Combined DMA done, corresponding flags are here

www.ti.com
Interrupts and Events Registers
361
SWCU117F–February 2015–Revised June 2016
Submit Documentation Feedback Copyright © 2015–2016, Texas Instruments Incorporated
Interrupts and Events
Table 4-90. UDMACH14BSEL Register Field Descriptions (continued)
Bit Field Type Reset Description
UDMA0:REQDONE
28h = SSI0 RX DMA burst request , controlled by
SSI0:DMACR.RXDMAE
29h = SSI0 RX DMA single request, controlled by
SSI0:DMACR.RXDMAE
2Ah = SSI0 TX DMA burst request , controlled by
SSI0:DMACR.TXDMAE
2Bh = SSI0 TX DMA single request, controlled by
SSI0:DMACR.TXDMAE
2Ch = SSI1 RX DMA burst request , controlled by
SSI0:DMACR.RXDMAE
2Dh = SSI1 RX DMA single request, controlled by
SSI0:DMACR.RXDMAE
2Eh = SSI1 TX DMA burst request , controlled by
SSI0:DMACR.TXDMAE
2Fh = SSI1 TX DMA single request, controlled by
SSI0:DMACR.TXDMAE
30h = UART0 RX DMA burst request, controlled by
UART0:DMACTL.RXDMAE
31h = UART0 RX DMA single request, controlled by
UART0:DMACTL.RXDMAE
32h = UART0 TX DMA burst request, controlled by
UART0:DMACTL.TXDMAE
33h = UART0 TX DMA single request, controlled by
UART0:DMACTL.TXDMAE
3Dh = GPT0A compare event. Configured by GPT0:TAMR.TCACT
3Eh = GPT0B compare event. Configured by GPT0:TBMR.TCACT
3Fh = GPT1A compare event. Configured by GPT1:TAMR.TCACT
40h = GPT1B compare event. Configured by GPT1:TBMR.TCACT
41h = GPT2A compare event. Configured by GPT2:TAMR.TCACT
42h = GPT2B compare event. Configured by GPT2:TBMR.TCACT
43h = GPT3A compare event. Configured by GPT3:TAMR.TCACT
44h = GPT3B compare event. Configured by GPT3:TBMR.TCACT
4Dh = GPT0A DMA trigger event. Configured by GPT0:DMAEV
4Eh = GPT0B DMA trigger event. Configured by GPT0:DMAEV
4Fh = GPT1A DMA trigger event. Configured by GPT1:DMAEV
50h = GPT1B DMA trigger event. Configured by GPT1:DMAEV
51h = GPT2A DMA trigger event. Configured by GPT2:DMAEV
52h = GPT2B DMA trigger event. Configured by GPT2:DMAEV
53h = GPT3A DMA trigger event. Configured by GPT3:DMAEV
54h = GPT3B DMA trigger event. Configured by GPT3:DMAEV
55h = Port capture event from IOC, configured by
IOC:IOCFGn.PORT_ID. Events on ports configured with ENUM
PORT_EVENT0 wil be routed here.
56h = Port capture event from IOC, configured by
IOC:IOCFGn.PORT_ID. Events on ports configured with ENUM
PORT_EVENT1 wil be routed here.
57h = Port capture event from IOC, configured by
IOC:IOCFGn.PORT_ID. Events on ports configured with ENUM
PORT_EVENT2 wil be routed here.
58h = Port capture event from IOC, configured by
IOC:IOCFGn.PORT_ID. Events on ports configured with ENUM
PORT_EVENT3 wil be routed here.
59h = Port capture event from IOC, configured by
IOC:IOCFGn.PORT_ID. Events on ports configured with ENUM
PORT_EVENT4 wil be routed here.
5Ah = Port capture event from IOC, configured by
IOC:IOCFGn.PORT_ID. Events on ports configured with ENUM
PORT_EVENT4 wil be routed here.
5Bh = Port capture event from IOC, configured by
IOC:IOCFGn.PORT_ID. Events on ports configured with ENUM

Interrupts and Events Registers
www.ti.com
362 SWCU117F–February 2015–Revised June 2016
Submit Documentation Feedback
Copyright © 2015–2016, Texas Instruments Incorporated
Interrupts and Events
Table 4-90. UDMACH14BSEL Register Field Descriptions (continued)
Bit Field Type Reset Description
PORT_EVENT6 wil be routed here.
5Ch = Port capture event from IOC, configured by
IOC:IOCFGn.PORT_ID. Events on ports configured with ENUM
PORT_EVENT7 wil be routed here.
5Dh = CRYPTO result available interupt event, the corresponding
flag is found here CRYPTO:IRQSTAT.RESULT_AVAIL. Controlled
by CRYPTO:IRQSTAT.RESULT_AVAIL
5Eh = CRYPTO DMA input done event, the correspondingg flag is
CRYPTO:IRQSTAT.DMA_IN_DONE. Controlled by
CRYPTO:IRQEN.DMA_IN_DONE
5Fh = RFC RAT event 4, configured by RFC_RAT:RATEV.OEVT4
60h = RFC RAT event 5, configured by RFC_RAT:RATEV.OEVT5
61h = RFC RAT event 6, configured by RFC_RAT:RATEV.OEVT6
62h = RFC RAT event 7, configured by RFC_RAT:RATEV.OEVT7
63h = Watchdog non maskable interrupt event, controlled by
WDT:CTL.INTTYPE
64h = Software event 0, triggered by SWEV.SWEV0
65h = Software event 1, triggered by SWEV.SWEV1
66h = Software event 2, triggered by SWEV.SWEV2
67h = Software event 3, triggered by SWEV.SWEV3
68h = TRNG Interrupt event, controlled by TRNG:IRQEN.EN
69h = AON wakeup event, corresponds flags are here
AUX_EVCTL:EVTOMCUFLAGS.AON_WU_EV
6Ah = AUX Compare A event, corresponds to
AUX_EVCTL:EVTOMCUFLAGS.AUX_COMPA
6Bh = AUX Compare B event, corresponds to
AUX_EVCTL:EVTOMCUFLAGS.AUX_COMPB
6Ch = AUX TDC measurement done event, corresponds to the flag
AUX_EVCTL:EVTOMCUFLAGS.TDC_DONE and the AUX_TDC
status AUX_TDC:STAT.DONE
6Dh = AUX timer 0 event, corresponds to
AUX_EVCTL:EVTOMCUFLAGS.TIMER0_EV
6Eh = AUX timer 1 event, corresponds to
AUX_EVCTL:EVTOMCUFLAGS.TIMER1_EV
6Fh = Autotake event from AUX semaphore, configured by
AUX_SMPH:AUTOTAKE
70h = AUX ADC done, corresponds to
AUX_EVCTL:EVTOMCUFLAGS.ADC_DONE
71h = AUX ADC FIFO watermark event, corresponds to
AUX_EVCTL:EVTOMCUFLAGS.ADC_FIFO_ALMOST_FULL
72h = Loopback of OBSMUX0 through AUX, corresponds to
AUX_EVCTL:EVTOMCUFLAGS.OBSMUX0
73h = AUX ADC interrupt event, corresponds to
AUX_EVCTL:EVTOMCUFLAGS.ADC_IRQ. Status flags are found
here AUX_EVCTL:EVTOMCUFLAGS
74h = AUX observation loopback
75h = DMA single request event from AUX, configured by
AUX_EVCTL:DMACTL
76h = DMA burst request event from AUX, configured by
AUX_EVCTL:DMACTL
77h = RTC periodic event controlled by
AON_RTC:CTL.RTC_UPD_EN
78h = CPU halted
79h = Always asserted

www.ti.com
Interrupts and Events Registers
363
SWCU117F–February 2015–Revised June 2016
Submit Documentation Feedback Copyright © 2015–2016, Texas Instruments Incorporated
Interrupts and Events
4.7.2.77 UDMACH15BSEL Register (Offset = 57Ch) [reset = 7h]
UDMACH15BSEL is shown in Figure 4-86 and described in Table 4-91.
Return to Summary Table.
Output Selection for DMA Channel 15 REQ
Figure 4-86. UDMACH15BSEL Register
31 30 29 28 27 26 25 24 23 22 21 20 19 18 17 16 15 14 13 12 11 10 9 8 7 6 5 4 3 2 1 0
RESERVED EV
R-0h R-7h
Table 4-91. UDMACH15BSEL Register Field Descriptions
Bit Field Type Reset Description
31-7 RESERVED R 0h Software should not rely on the value of a reserved. Writing any
other value than the reset value may result in undefined behavior.
6-0 EV R 7h Read only selection value
7h = Event from AON_RTC, controlled by the
AON_RTC:CTL.COMB_EV_MASK setting

Interrupts and Events Registers
www.ti.com
364 SWCU117F–February 2015–Revised June 2016
Submit Documentation Feedback
Copyright © 2015–2016, Texas Instruments Incorporated
Interrupts and Events
4.7.2.78 UDMACH16SSEL Register (Offset = 580h) [reset = 2Dh]
UDMACH16SSEL is shown in Figure 4-87 and described in Table 4-92.
Return to Summary Table.
Output Selection for DMA Channel 16 SREQ
Figure 4-87. UDMACH16SSEL Register
31 30 29 28 27 26 25 24 23 22 21 20 19 18 17 16 15 14 13 12 11 10 9 8 7 6 5 4 3 2 1 0
RESERVED EV
R-0h R-2Dh
Table 4-92. UDMACH16SSEL Register Field Descriptions
Bit Field Type Reset Description
31-7 RESERVED R 0h Software should not rely on the value of a reserved. Writing any
other value than the reset value may result in undefined behavior.
6-0 EV R 2Dh Read only selection value
2Dh = SSI1 RX DMA single request, controlled by
SSI0:DMACR.RXDMAE

www.ti.com
Interrupts and Events Registers
365
SWCU117F–February 2015–Revised June 2016
Submit Documentation Feedback Copyright © 2015–2016, Texas Instruments Incorporated
Interrupts and Events
4.7.2.79 UDMACH16BSEL Register (Offset = 584h) [reset = 2Ch]
UDMACH16BSEL is shown in Figure 4-88 and described in Table 4-93.
Return to Summary Table.
Output Selection for DMA Channel 16 REQ
Figure 4-88. UDMACH16BSEL Register
31 30 29 28 27 26 25 24 23 22 21 20 19 18 17 16 15 14 13 12 11 10 9 8 7 6 5 4 3 2 1 0
RESERVED EV
R-0h R-2Ch
Table 4-93. UDMACH16BSEL Register Field Descriptions
Bit Field Type Reset Description
31-7 RESERVED R 0h Software should not rely on the value of a reserved. Writing any
other value than the reset value may result in undefined behavior.
6-0 EV R 2Ch Read only selection value
2Ch = SSI1 RX DMA burst request , controlled by
SSI0:DMACR.RXDMAE

Interrupts and Events Registers
www.ti.com
366 SWCU117F–February 2015–Revised June 2016
Submit Documentation Feedback
Copyright © 2015–2016, Texas Instruments Incorporated
Interrupts and Events
4.7.2.80 UDMACH17SSEL Register (Offset = 588h) [reset = 2Fh]
UDMACH17SSEL is shown in Figure 4-89 and described in Table 4-94.
Return to Summary Table.
Output Selection for DMA Channel 17 SREQ
Figure 4-89. UDMACH17SSEL Register
31 30 29 28 27 26 25 24 23 22 21 20 19 18 17 16 15 14 13 12 11 10 9 8 7 6 5 4 3 2 1 0
RESERVED EV
R-0h R-2Fh
Table 4-94. UDMACH17SSEL Register Field Descriptions
Bit Field Type Reset Description
31-7 RESERVED R 0h Software should not rely on the value of a reserved. Writing any
other value than the reset value may result in undefined behavior.
6-0 EV R 2Fh Read only selection value
2Fh = SSI1 TX DMA single request, controlled by
SSI0:DMACR.TXDMAE

www.ti.com
Interrupts and Events Registers
367
SWCU117F–February 2015–Revised June 2016
Submit Documentation Feedback Copyright © 2015–2016, Texas Instruments Incorporated
Interrupts and Events
4.7.2.81 UDMACH17BSEL Register (Offset = 58Ch) [reset = 2Eh]
UDMACH17BSEL is shown in Figure 4-90 and described in Table 4-95.
Return to Summary Table.
Output Selection for DMA Channel 17 REQ
Figure 4-90. UDMACH17BSEL Register
31 30 29 28 27 26 25 24 23 22 21 20 19 18 17 16 15 14 13 12 11 10 9 8 7 6 5 4 3 2 1 0
RESERVED EV
R-0h R-2Eh
Table 4-95. UDMACH17BSEL Register Field Descriptions
Bit Field Type Reset Description
31-7 RESERVED R 0h Software should not rely on the value of a reserved. Writing any
other value than the reset value may result in undefined behavior.
6-0 EV R 2Eh Read only selection value
2Eh = SSI1 TX DMA burst request , controlled by
SSI0:DMACR.TXDMAE

Interrupts and Events Registers
www.ti.com
368 SWCU117F–February 2015–Revised June 2016
Submit Documentation Feedback
Copyright © 2015–2016, Texas Instruments Incorporated
Interrupts and Events
4.7.2.82 UDMACH21SSEL Register (Offset = 5A8h) [reset = 64h]
UDMACH21SSEL is shown in Figure 4-91 and described in Table 4-96.
Return to Summary Table.
Output Selection for DMA Channel 21 SREQ
Figure 4-91. UDMACH21SSEL Register
31 30 29 28 27 26 25 24 23 22 21 20 19 18 17 16 15 14 13 12 11 10 9 8 7 6 5 4 3 2 1 0
RESERVED EV
R-0h R-64h
Table 4-96. UDMACH21SSEL Register Field Descriptions
Bit Field Type Reset Description
31-7 RESERVED R 0h Software should not rely on the value of a reserved. Writing any
other value than the reset value may result in undefined behavior.
6-0 EV R 64h Read only selection value
64h = Software event 0, triggered by SWEV.SWEV0

www.ti.com
Interrupts and Events Registers
369
SWCU117F–February 2015–Revised June 2016
Submit Documentation Feedback Copyright © 2015–2016, Texas Instruments Incorporated
Interrupts and Events
4.7.2.83 UDMACH21BSEL Register (Offset = 5ACh) [reset = 64h]
UDMACH21BSEL is shown in Figure 4-92 and described in Table 4-97.
Return to Summary Table.
Output Selection for DMA Channel 21 REQ
Figure 4-92. UDMACH21BSEL Register
31 30 29 28 27 26 25 24 23 22 21 20 19 18 17 16 15 14 13 12 11 10 9 8 7 6 5 4 3 2 1 0
RESERVED EV
R-0h R-64h
Table 4-97. UDMACH21BSEL Register Field Descriptions
Bit Field Type Reset Description
31-7 RESERVED R 0h Software should not rely on the value of a reserved. Writing any
other value than the reset value may result in undefined behavior.
6-0 EV R 64h Read only selection value
64h = Software event 0, triggered by SWEV.SWEV0

Interrupts and Events Registers
www.ti.com
370 SWCU117F–February 2015–Revised June 2016
Submit Documentation Feedback
Copyright © 2015–2016, Texas Instruments Incorporated
Interrupts and Events
4.7.2.84 UDMACH22SSEL Register (Offset = 5B0h) [reset = 65h]
UDMACH22SSEL is shown in Figure 4-93 and described in Table 4-98.
Return to Summary Table.
Output Selection for DMA Channel 22 SREQ
Figure 4-93. UDMACH22SSEL Register
31 30 29 28 27 26 25 24 23 22 21 20 19 18 17 16 15 14 13 12 11 10 9 8 7 6 5 4 3 2 1 0
RESERVED EV
R-0h R-65h
Table 4-98. UDMACH22SSEL Register Field Descriptions
Bit Field Type Reset Description
31-7 RESERVED R 0h Software should not rely on the value of a reserved. Writing any
other value than the reset value may result in undefined behavior.
6-0 EV R 65h Read only selection value
65h = Software event 1, triggered by SWEV.SWEV1

www.ti.com
Interrupts and Events Registers
371
SWCU117F–February 2015–Revised June 2016
Submit Documentation Feedback Copyright © 2015–2016, Texas Instruments Incorporated
Interrupts and Events
4.7.2.85 UDMACH22BSEL Register (Offset = 5B4h) [reset = 65h]
UDMACH22BSEL is shown in Figure 4-94 and described in Table 4-99.
Return to Summary Table.
Output Selection for DMA Channel 22 REQ
Figure 4-94. UDMACH22BSEL Register
31 30 29 28 27 26 25 24 23 22 21 20 19 18 17 16 15 14 13 12 11 10 9 8 7 6 5 4 3 2 1 0
RESERVED EV
R-0h R-65h
Table 4-99. UDMACH22BSEL Register Field Descriptions
Bit Field Type Reset Description
31-7 RESERVED R 0h Software should not rely on the value of a reserved. Writing any
other value than the reset value may result in undefined behavior.
6-0 EV R 65h Read only selection value
65h = Software event 1, triggered by SWEV.SWEV1

Interrupts and Events Registers
www.ti.com
372 SWCU117F–February 2015–Revised June 2016
Submit Documentation Feedback
Copyright © 2015–2016, Texas Instruments Incorporated
Interrupts and Events
4.7.2.86 UDMACH23SSEL Register (Offset = 5B8h) [reset = 66h]
UDMACH23SSEL is shown in Figure 4-95 and described in Table 4-100.
Return to Summary Table.
Output Selection for DMA Channel 23 SREQ
Figure 4-95. UDMACH23SSEL Register
31 30 29 28 27 26 25 24 23 22 21 20 19 18 17 16 15 14 13 12 11 10 9 8 7 6 5 4 3 2 1 0
RESERVED EV
R-0h R-66h
Table 4-100. UDMACH23SSEL Register Field Descriptions
Bit Field Type Reset Description
31-7 RESERVED R 0h Software should not rely on the value of a reserved. Writing any
other value than the reset value may result in undefined behavior.
6-0 EV R 66h Read only selection value
66h = Software event 2, triggered by SWEV.SWEV2

www.ti.com
Interrupts and Events Registers
373
SWCU117F–February 2015–Revised June 2016
Submit Documentation Feedback Copyright © 2015–2016, Texas Instruments Incorporated
Interrupts and Events
4.7.2.87 UDMACH23BSEL Register (Offset = 5BCh) [reset = 66h]
UDMACH23BSEL is shown in Figure 4-96 and described in Table 4-101.
Return to Summary Table.
Output Selection for DMA Channel 23 REQ
Figure 4-96. UDMACH23BSEL Register
31 30 29 28 27 26 25 24 23 22 21 20 19 18 17 16 15 14 13 12 11 10 9 8 7 6 5 4 3 2 1 0
RESERVED EV
R-0h R-66h
Table 4-101. UDMACH23BSEL Register Field Descriptions
Bit Field Type Reset Description
31-7 RESERVED R 0h Software should not rely on the value of a reserved. Writing any
other value than the reset value may result in undefined behavior.
6-0 EV R 66h Read only selection value
66h = Software event 2, triggered by SWEV.SWEV2

Interrupts and Events Registers
www.ti.com
374 SWCU117F–February 2015–Revised June 2016
Submit Documentation Feedback
Copyright © 2015–2016, Texas Instruments Incorporated
Interrupts and Events
4.7.2.88 UDMACH24SSEL Register (Offset = 5C0h) [reset = 67h]
UDMACH24SSEL is shown in Figure 4-97 and described in Table 4-102.
Return to Summary Table.
Output Selection for DMA Channel 24 SREQ
Figure 4-97. UDMACH24SSEL Register
31 30 29 28 27 26 25 24 23 22 21 20 19 18 17 16 15 14 13 12 11 10 9 8 7 6 5 4 3 2 1 0
RESERVED EV
R-0h R-67h
Table 4-102. UDMACH24SSEL Register Field Descriptions
Bit Field Type Reset Description
31-7 RESERVED R 0h Software should not rely on the value of a reserved. Writing any
other value than the reset value may result in undefined behavior.
6-0 EV R 67h Read only selection value
67h = Software event 3, triggered by SWEV.SWEV3

www.ti.com
Interrupts and Events Registers
375
SWCU117F–February 2015–Revised June 2016
Submit Documentation Feedback Copyright © 2015–2016, Texas Instruments Incorporated
Interrupts and Events
4.7.2.89 UDMACH24BSEL Register (Offset = 5C4h) [reset = 67h]
UDMACH24BSEL is shown in Figure 4-98 and described in Table 4-103.
Return to Summary Table.
Output Selection for DMA Channel 24 REQ
Figure 4-98. UDMACH24BSEL Register
31 30 29 28 27 26 25 24 23 22 21 20 19 18 17 16 15 14 13 12 11 10 9 8 7 6 5 4 3 2 1 0
RESERVED EV
R-0h R-67h
Table 4-103. UDMACH24BSEL Register Field Descriptions
Bit Field Type Reset Description
31-7 RESERVED R 0h Software should not rely on the value of a reserved. Writing any
other value than the reset value may result in undefined behavior.
6-0 EV R 67h Read only selection value
67h = Software event 3, triggered by SWEV.SWEV3

Interrupts and Events Registers
www.ti.com
376 SWCU117F–February 2015–Revised June 2016
Submit Documentation Feedback
Copyright © 2015–2016, Texas Instruments Incorporated
Interrupts and Events
4.7.2.90 GPT3ACAPTSEL Register (Offset = 600h) [reset = 5Bh]
GPT3ACAPTSEL is shown in Figure 4-99 and described in Table 4-104.
Return to Summary Table.
Output Selection for GPT3 0
Figure 4-99. GPT3ACAPTSEL Register
31 30 29 28 27 26 25 24 23 22 21 20 19 18 17 16 15 14 13 12 11 10 9 8 7 6 5 4 3 2 1 0
RESERVED EV
R-0h R/W-5Bh
Table 4-104. GPT3ACAPTSEL Register Field Descriptions
Bit Field Type Reset Description
31-7 RESERVED R 0h Software should not rely on the value of a reserved. Writing any
other value than the reset value may result in undefined behavior.

www.ti.com
Interrupts and Events Registers
377
SWCU117F–February 2015–Revised June 2016
Submit Documentation Feedback Copyright © 2015–2016, Texas Instruments Incorporated
Interrupts and Events
Table 4-104. GPT3ACAPTSEL Register Field Descriptions (continued)
Bit Field Type Reset Description
6-0 EV R/W 5Bh Read/write selection value
0h = Always inactive
4h = Edge detect event from IOC. Configureded by the
IOC:IOCFGn.EDGE_IRQ_EN and IOC:IOCFGn.EDGE_DET settings
7h = Event from AON_RTC, controlled by the
AON_RTC:CTL.COMB_EV_MASK setting
Bh = AUX combined event, the corresponding flag register is here
AUX_EVCTL:EVTOMCUFLAGS
15h = FLASH controller error event, the status flags are
FLASH:FEDACSTAT.FSM_DONE and
FLASH:FEDACSTAT.RVF_INT
19h = RFC Doorbell Command Acknowledgement Interrupt,
equvialent to RFC_DBELL:RFACKIFG.ACKFLAG
1Ah = Combined RCF hardware interrupt, corresponding flag is here
RFC_DBELL:RFHWIFG
1Bh = Combined Interrupt for CPE Generated events.
Corresponding flags are here RFC_DBELL:RFCPEIFG. Only
interrupts selected with CPE0 in RFC_DBELL:RFCPEIFG can trigger
a RFC_CPE_0 event
1Eh = Combined Interrupt for CPE Generated events.
Corresponding flags are here RFC_DBELL:RFCPEIFG. Only
interrupts selected with CPE1 in RFC_DBELL:RFCPEIFG can trigger
a RFC_CPE_1 event
22h = SSI0 combined interrupt, interrupt flags are found here
SSI0:MIS
23h = SSI0 combined interrupt, interrupt flags are found here
SSI1:MIS
24h = UART0 combined interrupt, interrupt flags are found here
UART0:MIS
3Dh = GPT0A compare event. Configured by GPT0:TAMR.TCACT
3Eh = GPT0B compare event. Configured by GPT0:TBMR.TCACT
3Fh = GPT1A compare event. Configured by GPT1:TAMR.TCACT
40h = GPT1B compare event. Configured by GPT1:TBMR.TCACT
41h = GPT2A compare event. Configured by GPT2:TAMR.TCACT
42h = GPT2B compare event. Configured by GPT2:TBMR.TCACT
43h = GPT3A compare event. Configured by GPT3:TAMR.TCACT
44h = GPT3B compare event. Configured by GPT3:TBMR.TCACT
5Bh = Port capture event from IOC, configured by
IOC:IOCFGn.PORT_ID. Events on ports configured with ENUM
PORT_EVENT6 wil be routed here.
5Ch = Port capture event from IOC, configured by
IOC:IOCFGn.PORT_ID. Events on ports configured with ENUM
PORT_EVENT7 wil be routed here.
61h = RFC RAT event 6, configured by RFC_RAT:RATEV.OEVT6
62h = RFC RAT event 7, configured by RFC_RAT:RATEV.OEVT7
69h = AON wakeup event, corresponds flags are here
AUX_EVCTL:EVTOMCUFLAGS.AON_WU_EV
6Ah = AUX Compare A event, corresponds to
AUX_EVCTL:EVTOMCUFLAGS.AUX_COMPA
6Bh = AUX Compare B event, corresponds to
AUX_EVCTL:EVTOMCUFLAGS.AUX_COMPB
6Ch = AUX TDC measurement done event, corresponds to the flag
AUX_EVCTL:EVTOMCUFLAGS.TDC_DONE and the AUX_TDC
status AUX_TDC:STAT.DONE
6Dh = AUX timer 0 event, corresponds to
AUX_EVCTL:EVTOMCUFLAGS.TIMER0_EV
6Eh = AUX timer 1 event, corresponds to
AUX_EVCTL:EVTOMCUFLAGS.TIMER1_EV
6Fh = Autotake event from AUX semaphore, configured by
AUX_SMPH:AUTOTAKE
70h = AUX ADC done, corresponds to

Interrupts and Events Registers
www.ti.com
378 SWCU117F–February 2015–Revised June 2016
Submit Documentation Feedback
Copyright © 2015–2016, Texas Instruments Incorporated
Interrupts and Events
Table 4-104. GPT3ACAPTSEL Register Field Descriptions (continued)
Bit Field Type Reset Description
AUX_EVCTL:EVTOMCUFLAGS.ADC_DONE
71h = AUX ADC FIFO watermark event, corresponds to
AUX_EVCTL:EVTOMCUFLAGS.ADC_FIFO_ALMOST_FULL
72h = Loopback of OBSMUX0 through AUX, corresponds to
AUX_EVCTL:EVTOMCUFLAGS.OBSMUX0
73h = AUX ADC interrupt event, corresponds to
AUX_EVCTL:EVTOMCUFLAGS.ADC_IRQ. Status flags are found
here AUX_EVCTL:EVTOMCUFLAGS
77h = RTC periodic event controlled by
AON_RTC:CTL.RTC_UPD_EN
79h = Always asserted

www.ti.com
Interrupts and Events Registers
379
SWCU117F–February 2015–Revised June 2016
Submit Documentation Feedback Copyright © 2015–2016, Texas Instruments Incorporated
Interrupts and Events
4.7.2.91 GPT3BCAPTSEL Register (Offset = 604h) [reset = 5Ch]
GPT3BCAPTSEL is shown in Figure 4-100 and described in Table 4-105.
Return to Summary Table.
Output Selection for GPT3 1
Figure 4-100. GPT3BCAPTSEL Register
31 30 29 28 27 26 25 24 23 22 21 20 19 18 17 16 15 14 13 12 11 10 9 8 7 6 5 4 3 2 1 0
RESERVED EV
R-0h R/W-5Ch
Table 4-105. GPT3BCAPTSEL Register Field Descriptions
Bit Field Type Reset Description
31-7 RESERVED R 0h Software should not rely on the value of a reserved. Writing any
other value than the reset value may result in undefined behavior.

Interrupts and Events Registers
www.ti.com
380 SWCU117F–February 2015–Revised June 2016
Submit Documentation Feedback
Copyright © 2015–2016, Texas Instruments Incorporated
Interrupts and Events
Table 4-105. GPT3BCAPTSEL Register Field Descriptions (continued)
Bit Field Type Reset Description
6-0 EV R/W 5Ch Read/write selection value
0h = Always inactive
4h = Edge detect event from IOC. Configureded by the
IOC:IOCFGn.EDGE_IRQ_EN and IOC:IOCFGn.EDGE_DET settings
7h = Event from AON_RTC, controlled by the
AON_RTC:CTL.COMB_EV_MASK setting
Bh = AUX combined event, the corresponding flag register is here
AUX_EVCTL:EVTOMCUFLAGS
15h = FLASH controller error event, the status flags are
FLASH:FEDACSTAT.FSM_DONE and
FLASH:FEDACSTAT.RVF_INT
19h = RFC Doorbell Command Acknowledgement Interrupt,
equvialent to RFC_DBELL:RFACKIFG.ACKFLAG
1Ah = Combined RCF hardware interrupt, corresponding flag is here
RFC_DBELL:RFHWIFG
1Bh = Combined Interrupt for CPE Generated events.
Corresponding flags are here RFC_DBELL:RFCPEIFG. Only
interrupts selected with CPE0 in RFC_DBELL:RFCPEIFG can trigger
a RFC_CPE_0 event
1Eh = Combined Interrupt for CPE Generated events.
Corresponding flags are here RFC_DBELL:RFCPEIFG. Only
interrupts selected with CPE1 in RFC_DBELL:RFCPEIFG can trigger
a RFC_CPE_1 event
22h = SSI0 combined interrupt, interrupt flags are found here
SSI0:MIS
23h = SSI0 combined interrupt, interrupt flags are found here
SSI1:MIS
24h = UART0 combined interrupt, interrupt flags are found here
UART0:MIS
3Dh = GPT0A compare event. Configured by GPT0:TAMR.TCACT
3Eh = GPT0B compare event. Configured by GPT0:TBMR.TCACT
3Fh = GPT1A compare event. Configured by GPT1:TAMR.TCACT
40h = GPT1B compare event. Configured by GPT1:TBMR.TCACT
41h = GPT2A compare event. Configured by GPT2:TAMR.TCACT
42h = GPT2B compare event. Configured by GPT2:TBMR.TCACT
43h = GPT3A compare event. Configured by GPT3:TAMR.TCACT
44h = GPT3B compare event. Configured by GPT3:TBMR.TCACT
5Bh = Port capture event from IOC, configured by
IOC:IOCFGn.PORT_ID. Events on ports configured with ENUM
PORT_EVENT6 wil be routed here.
5Ch = Port capture event from IOC, configured by
IOC:IOCFGn.PORT_ID. Events on ports configured with ENUM
PORT_EVENT7 wil be routed here.
61h = RFC RAT event 6, configured by RFC_RAT:RATEV.OEVT6
62h = RFC RAT event 7, configured by RFC_RAT:RATEV.OEVT7
69h = AON wakeup event, corresponds flags are here
AUX_EVCTL:EVTOMCUFLAGS.AON_WU_EV
6Ah = AUX Compare A event, corresponds to
AUX_EVCTL:EVTOMCUFLAGS.AUX_COMPA
6Bh = AUX Compare B event, corresponds to
AUX_EVCTL:EVTOMCUFLAGS.AUX_COMPB
6Ch = AUX TDC measurement done event, corresponds to the flag
AUX_EVCTL:EVTOMCUFLAGS.TDC_DONE and the AUX_TDC
status AUX_TDC:STAT.DONE
6Dh = AUX timer 0 event, corresponds to
AUX_EVCTL:EVTOMCUFLAGS.TIMER0_EV
6Eh = AUX timer 1 event, corresponds to
AUX_EVCTL:EVTOMCUFLAGS.TIMER1_EV
6Fh = Autotake event from AUX semaphore, configured by
AUX_SMPH:AUTOTAKE
70h = AUX ADC done, corresponds to

www.ti.com
Interrupts and Events Registers
381
SWCU117F–February 2015–Revised June 2016
Submit Documentation Feedback Copyright © 2015–2016, Texas Instruments Incorporated
Interrupts and Events
Table 4-105. GPT3BCAPTSEL Register Field Descriptions (continued)
Bit Field Type Reset Description
AUX_EVCTL:EVTOMCUFLAGS.ADC_DONE
71h = AUX ADC FIFO watermark event, corresponds to
AUX_EVCTL:EVTOMCUFLAGS.ADC_FIFO_ALMOST_FULL
72h = Loopback of OBSMUX0 through AUX, corresponds to
AUX_EVCTL:EVTOMCUFLAGS.OBSMUX0
73h = AUX ADC interrupt event, corresponds to
AUX_EVCTL:EVTOMCUFLAGS.ADC_IRQ. Status flags are found
here AUX_EVCTL:EVTOMCUFLAGS
77h = RTC periodic event controlled by
AON_RTC:CTL.RTC_UPD_EN
79h = Always asserted

Interrupts and Events Registers
www.ti.com
382 SWCU117F–February 2015–Revised June 2016
Submit Documentation Feedback
Copyright © 2015–2016, Texas Instruments Incorporated
Interrupts and Events
4.7.2.92 AUXSEL0 Register (Offset = 700h) [reset = 10h]
AUXSEL0 is shown in Figure 4-101 and described in Table 4-106.
Return to Summary Table.
Output Selection for AUX Subscriber 0
Figure 4-101. AUXSEL0 Register
31 30 29 28 27 26 25 24 23 22 21 20 19 18 17 16 15 14 13 12 11 10 9 8 7 6 5 4 3 2 1 0
RESERVED EV
R-0h R/W-10h
Table 4-106. AUXSEL0 Register Field Descriptions
Bit Field Type Reset Description
31-7 RESERVED R 0h Software should not rely on the value of a reserved. Writing any
other value than the reset value may result in undefined behavior.
6-0 EV R/W 10h Read/write selection value
0h = Always inactive
Ch = GPT2A interrupt event, controlled by GPT2:TAMR
Dh = GPT2B interrupt event, controlled by GPT2:TBMR
Eh = GPT3A interrupt event, controlled by GPT3:TAMR
Fh = GPT3B interrupt event, controlled by GPT3:TBMR
10h = GPT0A interrupt event, controlled by GPT0:TAMR
11h = GPT0B interrupt event, controlled by GPT0:TBMR
12h = GPT1A interrupt event, controlled by GPT1:TAMR
13h = GPT1B interrupt event, controlled by GPT1:TBMR
79h = Always asserted

www.ti.com
Interrupts and Events Registers
383
SWCU117F–February 2015–Revised June 2016
Submit Documentation Feedback Copyright © 2015–2016, Texas Instruments Incorporated
Interrupts and Events
4.7.2.93 CM3NMISEL0 Register (Offset = 800h) [reset = 63h]
CM3NMISEL0 is shown in Figure 4-102 and described in Table 4-107.
Return to Summary Table.
Output Selection for NMI Subscriber 0
Figure 4-102. CM3NMISEL0 Register
31 30 29 28 27 26 25 24 23 22 21 20 19 18 17 16 15 14 13 12 11 10 9 8 7 6 5 4 3 2 1 0
RESERVED EV
R-0h R-63h
Table 4-107. CM3NMISEL0 Register Field Descriptions
Bit Field Type Reset Description
31-7 RESERVED R 0h Software should not rely on the value of a reserved. Writing any
other value than the reset value may result in undefined behavior.
6-0 EV R 63h Read only selection value
63h = Watchdog non maskable interrupt event, controlled by
WDT:CTL.INTTYPE

Interrupts and Events Registers
www.ti.com
384 SWCU117F–February 2015–Revised June 2016
Submit Documentation Feedback
Copyright © 2015–2016, Texas Instruments Incorporated
Interrupts and Events
4.7.2.94 I2SSTMPSEL0 Register (Offset = 900h) [reset = 5Fh]
I2SSTMPSEL0 is shown in Figure 4-103 and described in Table 4-108.
Return to Summary Table.
Output Selection for I2S Subscriber 0
Figure 4-103. I2SSTMPSEL0 Register
31 30 29 28 27 26 25 24 23 22 21 20 19 18 17 16 15 14 13 12 11 10 9 8 7 6 5 4 3 2 1 0
RESERVED EV
R-0h R/W-5Fh
Table 4-108. I2SSTMPSEL0 Register Field Descriptions
Bit Field Type Reset Description
31-7 RESERVED R 0h Software should not rely on the value of a reserved. Writing any
other value than the reset value may result in undefined behavior.
6-0 EV R/W 5Fh Read/write selection value
0h = Always inactive
5Fh = RFC RAT event 4, configured by RFC_RAT:RATEV.OEVT4
60h = RFC RAT event 5, configured by RFC_RAT:RATEV.OEVT5
61h = RFC RAT event 6, configured by RFC_RAT:RATEV.OEVT6
62h = RFC RAT event 7, configured by RFC_RAT:RATEV.OEVT7
79h = Always asserted

www.ti.com
Interrupts and Events Registers
385
SWCU117F–February 2015–Revised June 2016
Submit Documentation Feedback Copyright © 2015–2016, Texas Instruments Incorporated
Interrupts and Events
4.7.2.95 FRZSEL0 Register (Offset = A00h) [reset = 78h]
FRZSEL0 is shown in Figure 4-104 and described in Table 4-109.
Return to Summary Table.
Output Selection for FRZ Subscriber 0
Figure 4-104. FRZSEL0 Register
31 30 29 28 27 26 25 24 23 22 21 20 19 18 17 16 15 14 13 12 11 10 9 8 7 6 5 4 3 2 1 0
RESERVED EV
R-0h R/W-78h
Table 4-109. FRZSEL0 Register Field Descriptions
Bit Field Type Reset Description
31-7 RESERVED R 0h Software should not rely on the value of a reserved. Writing any
other value than the reset value may result in undefined behavior.
6-0 EV R/W 78h Read/write selection value
0h = Always inactive
78h = CPU halted
79h = Always asserted

Interrupts and Events Registers
www.ti.com
386 SWCU117F–February 2015–Revised June 2016
Submit Documentation Feedback
Copyright © 2015–2016, Texas Instruments Incorporated
Interrupts and Events
4.7.2.96 SWEV Register (Offset = F00h) [reset = 0h]
SWEV is shown in Figure 4-105 and described in Table 4-110.
Return to Summary Table.
Set or Clear Software Events
Figure 4-105. SWEV Register
31 30 29 28 27 26 25 24
RESERVED SWEV3
R-0h R/W-0h
23 22 21 20 19 18 17 16
RESERVED SWEV2
R-0h R/W-0h
15 14 13 12 11 10 9 8
RESERVED SWEV1
R-0h R/W-0h
76543210
RESERVED SWEV0
R-0h R/W-0h
Table 4-110. SWEV Register Field Descriptions
Bit Field Type Reset Description
31-25 RESERVED R 0h Software should not rely on the value of a reserved. Writing any
other value than the reset value may result in undefined behavior.
24 SWEV3 R/W 0h Writing "1" to this bit when the value is "0" triggers the Software 3
event.
23-17 RESERVED R 0h Software should not rely on the value of a reserved. Writing any
other value than the reset value may result in undefined behavior.
16 SWEV2 R/W 0h Writing "1" to this bit when the value is "0" triggers the Software 2
event.
15-9 RESERVED R 0h Software should not rely on the value of a reserved. Writing any
other value than the reset value may result in undefined behavior.
8 SWEV1 R/W 0h Writing "1" to this bit when the value is "0" triggers the Software 1
event.
7-1 RESERVED R 0h Software should not rely on the value of a reserved. Writing any
other value than the reset value may result in undefined behavior.
0 SWEV0 R/W 0h Writing "1" to this bit when the value is "0" triggers the Software 0
event.

387
SWCU117F–February 2015–Revised June 2016
Submit Documentation Feedback Copyright © 2015–2016, Texas Instruments Incorporated
JTAG Interface
Chapter 5
SWCU117F–February 2015–Revised June 2016
JTAG Interface
This chapter describes the cJTAG and JTAG interface for on-chip debug support.
Topic ........................................................................................................................... Page
5.1 Top Level Debug System................................................................................... 388
5.2 cJTAG............................................................................................................. 390
5.3 ICEPick ........................................................................................................... 395
5.4 ICEMelter......................................................................................................... 405
5.5 Serial Wire Viewer (SWV)................................................................................... 405
5.6 Halt In Boot (HIB).............................................................................................. 406
5.7 Debug and Shutdown........................................................................................ 406
5.8 Debug Features Supported Through WUC TAP.................................................... 406
5.9 Profiler Register ............................................................................................... 408

JTAG power domain Test TAP
PBIST2.0 TAP
WUC
TAP
PBIST1.0 TAP
CPU
I/O
ICEMelter
eFuse TAP
PRCM
TAP
cJTAG
ICEPick
TAP
TCK
TMS
TDO
I/O MUX
2/4pin
Global power reset clock control /status
TDI/DIO
1149.1
1149.1
1149.1
1149.1
Standby
Wakeup
TDI
MCU voltage domain
AON voltage domain
CPU /status
power reset clock control
TDO/DIO
Top Level Debug System
www.ti.com
388 SWCU117F–February 2015–Revised June 2016
Submit Documentation Feedback
Copyright © 2015–2016, Texas Instruments Incorporated
JTAG Interface
Table 5-1. References
ID Description
[1] IEEE Standard Test Access Port and Boundary Scan Architecture, IEEE Std 1149.1a
1993 and Supplement Std. 1149.1b 1994, The Institute of Electrical and Electronics
Engineers, Inc.
[2] IEEE 1149.7 Standard for Reduced-Pin and Enhanced-Functionality Test Access Port
and Boundary-Scan Architecture
5.1 Top Level Debug System
The debug subsystem in the CC26xx and CC13xx devices implements two IEEE standards for debug and
test purposes:
• IEEE standard 1149.1: Standard Test Access Port and Boundary Scan Architecture Test Access Port
(TAP) [1]. This standard is known by the acronym JTAG.
• Class 4 IEEE 1149.7: Standard for Reduced-pin and Enhanced-functionality Test Access Port and
Boundary-scan Architecture [2]. This is known by acronym cJTAG (compact JTAG). This standard
serializes the IEEE 1149.1 transactions using a variety of compression formats to reduce the number
of pins needed to implement a JTAG debug port.
The debug subsystem also implements a firewall for unauthorized access to debug/test ports. Figure 5-1
shows a block diagram of debug subsystem.
Figure 5-1. Top Level Debug System

Test Logic Reset
Run Test Idle
Select DR Scan
Capture DR
Shift DR
Exit 1 DR
Pause DR
Exit 2 DR
Update DR
Select IR Scan
Capture IR
Shift IR
Exit 1 IR
Pause IR
Exit 2 IR
Update IR
TMS=0
TMS=1
TMS=0
TMS=0
TMS=1
TMS=0
TMS=1
TMS=1
TMS=0
TMS=0
TMS=1
TMS=0
TMS=1
TMS=1
TMS=1
TMS=1
TMS=0
TMS=1 TMS=1
TMS=1
TMS=0
TMS=1 TMS=1 TMS=0
TMS=0
TMS=1
TMS=0
TMS=0
TMS=0
TMS=0
TMS=0
TMS=1
www.ti.com
Top Level Debug System
389
SWCU117F–February 2015–Revised June 2016
Submit Documentation Feedback Copyright © 2015–2016, Texas Instruments Incorporated
JTAG Interface
The IEEE 1149.1 TAP uses the following signals to support the operation:
•TCK (Test Clock): This signal synchronizes the internal state machine operations.
•TMS (Test Mode Select): This signal is sampled at the rising edge of TCK to determine the next state.
•TDI (Test Data In): This signal represents the data shifted into the test or programming logic of the
device. TDI is sampled at the rising edge of TCK when the internal state machine is in the correct
state.
•TDO (Test Data Out): This signal represents the data shifted out of the test or programming logic of
the device and is valid on the falling edge of TCK when the internal state machine is in the correct
state.
There is no dedicated I/O pin for TRST. The debug subsystem is reset with system-wide resets and
power-on reset.
The TAP controller, a state machine whose transitions are controlled by the TMS signal, controls the
behavior of the JTAG system. Figure 5-2 shows the state-transition diagram for JTAG.
Figure 5-2. JTAG State Machine
Every state has two exits, so all transitions can be controlled by the single TMS signal sampled on TCK.
The two main paths allow for setting or retrieving information from either a data register (DR) or the
instruction register (IR) of the device. The data register depends on the value loaded into the instruction
register.

Class 4
1149.1
Compliance
Class0
Mscan,
Oscan 0-7
Jscan 2
BDX CDX
Pwr Ctl
JScan3
MultiDrop
ExtCmds Delays
SScan 0-3
Jscan 0,1
Class 1
Class 2
Class 3
Class 5
cJTAG
www.ti.com
390 SWCU117F–February 2015–Revised June 2016
Submit Documentation Feedback
Copyright © 2015–2016, Texas Instruments Incorporated
JTAG Interface
5.2 cJTAG
This module implements IEEE 1149.7 compliant compact JTAG (cJTAG) adapter, which runs a 2-pin
communication protocol on top of a IEEE 1149.1 JTAG test access port (TAP). The 2-pin JTAG mode
using only TCK and TMS I/O pads is the default configuration after power up. The cJTAG configuration in
CC26xx and CC13xx devices implements a subset of class 4 feature scan modes. Class 4 inherits
features from classes 0, 1, 2, and 3 (except the features mentioned in Table 5-3.) Figure 5-3 shows
conceptual diagram of the cJTAG module.
Figure 5-3. cJTAG Conceptual Diagram
•Class 0: Strict compliance to IEEE 1149.1 specification with internal TAP selection
•Class 1: Adds cJTAG command protocol, some optional discrete commands
•Class 2: Adds serial select capability
•Class 3: Adds JTAG star configuration, controller IDs and scan selection directives
•Class 4: Adds advanced scan protocols
Table 5-2 lists the features in IEEE 1149.7 that are supported in CC26xx and CC13xx devices. The
cJTAG module in the CC26xx and CC13xx devices supports 12 scan formats. The scan formats use a
variety of compression protocols ranging from 1 to 4 clocks per bit to serialize each packet.
Table 5-2. IEEE 1149.7 Feature Subset
IEEE 1149.7 Feature Device Support Through
cJTAG Comment
Configuration
Class 4 TAP Yes Supports 2-pin operation
Class 5 TAP No Data and custom channels for
background data transfer
Optional components
FRST No Functional reset
TRST No Test reset
RDBK capability No Readback of register data
Aux pin functions Yes Reuse of TDI and TDO pins
TCKWID No Programmable TCK width
Power control Power down logic No Power down logic capability for
cJTAG module

www.ti.com
cJTAG
391
SWCU117F–February 2015–Revised June 2016
Submit Documentation Feedback Copyright © 2015–2016, Texas Instruments Incorporated
JTAG Interface
Table 5-2. IEEE 1149.7 Feature Subset (continued)
IEEE 1149.7 Feature Device Support Through
cJTAG Comment
Scan formats
JScan0 Yes Parallel mode
JScan1 Yes Parallel with firewall
JScan2 Yes Parallel with super bypass select
JScan3 Yes Parallel with register select
MScan No Multidevice mode, supports stalls
OScan0 Yes Supports stalls
OScan1 Yes Non-stall mode
OScan2 Yes Bidirectional transfers, pipelined
OScan3 Yes Host to target only, pipelined
OScan4 Yes Supports stalls
OScan5 Yes Pipelined
OScan6 Yes Bidirectional transfers, pipelined
OScan7 Yes Host to target only, pipelined
SScan0 No Segmented scan
SScan1 No Segmented scan, supports stalls
SScan2 No Segmented scan
SScan3 No Segmented scan, supports stalls
(1) TMS is present for the first packet of the shift.
Table 5-3. OScan Scan Packet Contents
Scan
Format Nonshift States Shift States
OScan0 nTDI TMS RDY TDO nTDI TMS RDY TDO
OScan1 nTDI TMS TDO nTDI TMS TDO
OScan2 TMS nTDI TMS TDO
OScan3 TMS nTDI TMS
OScan4 nTDI TMS RDY TDO nTDI RDY TDO
OScan5 nTDI TMS TDO nTDI TDO
OScan6 TMS nTDI TMS(1) TDO
OScan7 TMS nTDI

cJTAG
www.ti.com
392 SWCU117F–February 2015–Revised June 2016
Submit Documentation Feedback
Copyright © 2015–2016, Texas Instruments Incorporated
JTAG Interface
5.2.1 JTAG Commands
cJTAG commands are conveyed through benign JTAG scan activity.
The following are three basic steps:
1. Loading an inert opcode
2. Setting control level 2
3. Issue commands
Before cJTAG commands are issued, the controller must ensure the scan activity will not initiate any
unexpected actions in the device. To accomplish this, an inert opcode such as BYPASS or IDCODE must
be loaded into the instruction register. Normally bypass is used, because its value (all ones) is dictated by
the IEEE 1149.1 specification.
Command detection is enabled by performing two zero bit scans (ZBS), then a 1-bit shift. A ZBS is
defined as a scan sequence that traverses through the Capture DR state and eventually the Update DR
state without ever touching the Shift DR state. The scan sequence can enter Pause DR state for any
number of clocks, or skip the Pause DR state altogether. Each successive ZBS increments the control
level. The control level is locked when the first Shift DR state occurs.
When the control level is locked, commands are issued by pairs of DR scans, and sometimes a third DR
scan. The number of clocks spent in the Shift DR state is counted for each scan (from 0 to 31 clocks). The
first DR scan, command part 0 (CP0) forms the opcode of the command. The second DR scan, command
part 1 (CP1), provides additional information about the command. This may be more opcode bits or a data
field, depending upon the opcode.
There are three commands (SCNB, SCNS, and CIDA) that require a third DR scan, command part 2
(CP2), to transport data in or out of the device. Table 5-4 shows the commands.
Table 5-4. cJTAG Commands
OPCODE Instruction
00000
STMC Store Miscellaneous Control
Operand: bbbxy
bbb
0
State control
xy
0 NOP
1 ExitCmdLev (ECL)
2 Exit/suspend (SUSPEND = 1)
3 ZBS Inhibit (ZBSINH = 1)
1
Scan Control
x
0Scan Group Candidate (SGC)
SGC = y
1Conditional Group Member (CGM)
CGM = y
2
Ready Control
RDYC = xy
With a scan format other than the MScan scan format, the number of logic 1
RDY bits preceding the last bit of the SP payload is xy + 1
3
Delay control (DLYC)
DLYC = xy
xy
0 No DTS delay is added
1 Add one TCKC signal period
2 Add two TCKC signal periods
3 Add a variable number of TCKC signal periods
4-7 Reserved

www.ti.com
cJTAG
393
SWCU117F–February 2015–Revised June 2016
Submit Documentation Feedback
Copyright © 2015–2016, Texas Instruments Incorporated
JTAG Interface
Table 5-4. cJTAG Commands (continued)
OPCODE Instruction
00001
STC1 Store Conditional 1 bit
Operand: cbbbv
bbb
0
Sampling Edge (SEDGE)
Defines the TCKC signal edge used to sample the TMSC signal input
SEDGE==0: Sample the TMSC signal with the TCKC signal falling edge
SEDGE==1: Sample the TMSC signal with the TCKC signal rising edge
C
0 SEDGE = v
1 SEDGE = v if CGM == 1
1-7 Reserved
00010
STC2 Store Conditional 2 bit
Operand: cbbvv
bb
0-1 Reserved
2
Auxiliary Pin Function Control (APFC)
APFC==00: No change in the default pin function.
APFC==01: The pin function becomes the standard pin function.
APFC==1x: The pin function becomes the auxiliary pin function.
C
0 APFC = vv
1 APFC = vv if CGM == 1
3 Reserved
00011
STFMT Store Scan Format
Operand: nnnnn
nnnnn
0 JSCAN0
1 JSCAN1
2 JSCAN2
3 JSCAN3
4-7 Reserved
8 OSCAN0
9 OSCAN1
10 OSCAN2
11 OSCAN3
12 OSCAN4
13 OSCAN5
14 OSCAN6
15 OSCAN7
16-31 Reserved
00100
MSS Make Scan Selection
Operand: miiii
m
0SGC bit of the targeted controller is set
SGC bit of a nontargeted controller is cleared
1SGC bit of the targeted controller is set
SGC bit of a nontargeted controller is not affected
00101–00110 Reserved

cJTAG
www.ti.com
394 SWCU117F–February 2015–Revised June 2016
Submit Documentation Feedback
Copyright © 2015–2016, Texas Instruments Incorporated
JTAG Interface
Table 5-4. cJTAG Commands (continued)
OPCODE Instruction
00111
CCE Conditional Command Enable
Operand: miiii
m
0CGM bit of the targeted controller is set
CGM bit of a nontargeted controller is cleared
1CGM bit of the targeted controller is set
CGM bit of a nontargeted controller is not affected
01000
SCNB Scan Bit
Operand: yyyyy + CR Scan
yyyyy
00 SGC, Scan Group Candidate, write
01 CGM, Conditional Group Member, write
02-05 CNFG0-3, TAP.7 Controller class, read
06-31 Reserved
01001–11111 Reserved
5.2.1.1 Mandatory Commands
Three mandatory commands are used to manage command processing. These commands are
subcommands of STMC and are Exit Command Level, Suspend, and ZBSINH. The last two commands
can be used if the device uses ZBSs for its own purposes.
• Exit Command Level terminates command processing.
• Suspend inhibits command detection until a special sequence is detected.
• ZBSINH inhibits command detection until a reset occurs.
5.2.2 Programming Sequences
5.2.2.1 Opening Command Window
Before the cJTAG module accepts any commands, the control level must be set to 2 and locked.
1. Scan IR (bypass, end in Pause DR): Load benign opcode into the instruction register.
2. Goto Scan (through Update DR, end in Pause DR): This is the first ZBS.
3. Goto Scan (through Update DR, end in Pause DR): This is the second ZBS.
4. Scan DR (1 bit, end in Pause DR): This locks the control level at 2.
Opening the command window decouples the device TAP; the decoupling occurs when the second ZBS
occurs.
5.2.2.2 Changing to 4-pin Mode
When the command window is open, commands can be issued. To change to 4-pin mode, APFC must be
written to 1 (using STC2 command), which assumes the TAP state is starting from Pause DR.
1. Scan DR (2 bits of 1, end in Pause DR): Load CP0 with 2.
2. Goto Scan (Through Update DR to Pause DR): Complete CP0 by going through update.
3. Scan DR (9 bits of 1, end in Pause DR): Load CP1 with 9.
4. Goto Scan (Through Update DR to Pause DR): Complete CP1 by going through update.

www.ti.com
ICEPick
395
SWCU117F–February 2015–Revised June 2016
Submit Documentation Feedback
Copyright © 2015–2016, Texas Instruments Incorporated
JTAG Interface
5.2.2.3 Close Command Window
The command window can be closed by doing an IR scan, going to test logic reset, or by an ECL
command. The ECL command is a subcommand of the STMC (opcode 0) command. The ECL command
assumes the TAP state is starting from Pause DR.
1. Goto Scan (Through Update DR to Pause DR): Does a Zero Bit scan to load CP0 with 0.
2. Scan DR (1 bit, end in Pause DR): Load CP1 with 1.
3. Goto Scan (Through Update DR to Pause DR): Complete CP1 by going through update.
NOTE: When the command window is closed, the device TAP couples so any subsequent scans (IR
or DR) are issued to the device TAP.
5.3 ICEPick
ICEPick is the primary TAP in the chip. It acts as the IEEE 1149.1 JTAG-compliant top-level router for the
chip. Conceptually, ICEPick can be viewed as a bank of switches that can connect or isolate a module-
level TAPs to and from the higher level chip TAP. The module-level TAPs are called secondary TAPs,
while the primary TAP and external JTAG signals are called the master scan path. The ICEPick TAP
appears as the first TAP and only TAP in the scan path following a power on. None of the secondary
TAPs are selected or visible in the master scan path. From the perspective of the external JTAG interface,
secondary TAPs that are not selected appear to not exist. The ICEPick TAP has several scan paths of its
own to support secondary TAP selection, control, and status. ICEPick enables dynamic scan chain
management and can select one or several slave TAPs and link them in the scan chain.
A number of control bits are associated with each secondary TAP within ICEPick. Some of these bits
apply strictly to the TAP being managed by ICEPick, while others apply to the whole subsystem or power
domain in which the secondary TAP resides. These control bits deal with the TAP selection for inclusion in
the scan path, secondary TAP test reset management, and debug attention needed.
A number of status bits are associated with each secondary TAP within ICEPick. These status bits report
the accessibility, visibility, power, and clock states.
The communication protocol can be changed to 4-pin configuration after establishing connection between
debug application and on chip cJTAG TAP using 2-pin mode. When cJTAG switches to 4-pin mode, TDI
and TDO are mapped automatically to pins through IOC and this has precedence over any other function
that was mapped to corresponding pads before switching occurs. Switching from 4-pin to 2-pin mode is
also supported.
5.3.1 Secondary TAPs
Each secondary TAP has been assigned a number. The TAP numbering is linear and starts with 0. The
number assigned to a secondary TAP corresponds to its location within the secondary control and status
registers in ICEPick. The first selected TAP is the TAP with the lowest number, while the last selected
TAP is the TAP with the highest number. The ICEPick module has a firewall for unauthorized access of
slave TAPs. Table 5-5 lists the available TAPs, their corresponding order, and the availability of these
TAPs for end user. The open TAPs can be locked by writing to the corresponding field in the customer
configuration area.

ICEPick
www.ti.com
396 SWCU117F–February 2015–Revised June 2016
Submit Documentation Feedback
Copyright © 2015–2016, Texas Instruments Incorporated
JTAG Interface
(1) The test TAP is locked for all devices except CC1350 and CC2650. This TAP implements a profiler register that can be used to extract
runtime information about program execution and general chip status. The access to this TAP can be blocked by writing to the
corresponding field in the customer configuration area [see Section 9.1,Customer Configuration (CCFG)].
(2) Some of the registers in AON WUC TAP are open for end user. This includes registers for requesting chip erase, system reset, and MCU
reset.
(3) The access to debug port of the CPU can be blocked by writing to corresponding field in customer configuration area [see Section 9.1,
Customer Configuration (CCFG)].
Table 5-5. Slave TAP Order
Number Test TAP Name Description Availability for End User
Test Banks
0 TEST DFT functionalities and profiler See (1)
1 PBIST1.0 RAM BIST controller interface Locked
2 PBIST2.0 ROM BIST controller interface Locked
3 eFuse eFuse interface for SRAM repair Locked
4 PRCM PD override control/status in MCU VD Locked
5 AON WUC VD override control/status See (2)
Debug Banks
0 CM3 DAP for CM3 debug See (2)(3)
5.3.1.1 Slave DAP (CPU DAP)
The debug subsystem has only one slave DAP (CPU DAP). This debug port implements Serial Wire JTAG
Debug Port (SWJ-DP) interface, which allows external access to an Advanced High-performance Bus
Access Port (AHB-AP) interface for debug accesses in the CPU.
The SWJ-DP is a standard ARM CoreSight™ debug port that combines JTAG-DP and Serial Wire Debug
Port (SW-DP). Even though the SW-DP interface is supported by SWJ-DP, the CC26xx and CC13xx
devices do not use this mode. The key reason is that SW-DP becomes redundant for the design in the
presence of the 2-pin JTAG (1149.7) mode.
5.3.1.2 Ordering Slave TAPs and DAPs
• When a single secondary TAP is selected, it is effectively connected to the TDO of the ICEPick TAP.
• When one or more secondary TAPs are selected, they are linked from the lowest numbered TAP to the
highest numbered TAP.
• The lowest-numbered TAP selected is connected closest to the device-level TDI (except for ICEPick),
while the highest numbered TAP is connected closest to the device TDO.
• Any selected TAPs within the test bank are linked before any TAPs within the debug bank (for
example, DAP).

www.ti.com
ICEPick
397
SWCU117F–February 2015–Revised June 2016
Submit Documentation Feedback Copyright © 2015–2016, Texas Instruments Incorporated
JTAG Interface
5.3.2 ICEPick Registers
Table 5-6 lists the control and status registers in ICEPick.
Table 5-6. Register Summary
Register Abbreviation Width Number Description
Data Shift Register DSR 32 1 TAP Data Register
Instruction Register IR 6 1 TAP Instruction Register
Bypass Register Bypass 1 1 Used by the BYPASS instruction
Device Identification Register TAPID 32 1 Device ID used with IDCODE
User Code Register UC 32 1 User Code used with USERCODE
ICEPick Identification IPID 32 1 Version of ICEPick
Connect Connect 7 1 Connect code
Secondary Debug TAP Register
(SDTR) SDTR 24 1
One register exists for each debug
TAP instantiated. It is used to control
selection, power, reset, and the clock
associated with each TAP.
Secondary Test TAP Register
(STTR) STTR 24 6 One register exists for each test TAP
instantiated. It is used to control
selection of each TAP.
Reserved SUTR 24 1 Reserved
Linking Mode LMR 24 1 Specifies how ICEPick manages the
TAP selection.
ICEPick Control IPCR 24 1 General ICEPick control
5.3.2.1 IR Instructions
The ICEPick TAP supports the instructions listed in Table 5-7. All unused TAP controller instructions
default to the bypass register. Several instructions are reserved for extensions to the ICEPick opcodes.
Refer to for device identification register descriptions.
Table 5-7. Instruction Register Opcodes
IR ICEPick Instruction Access
000000, 111111 BYPASS Always-open
10 ROUTER Connected
100 IDCODE Always-open
101 ICEPICKCODE Always-open
111 CONNECT Always-open
1000 USERCODE Always-open
000001, 000011,
000110,
001001–111110 Reserved Reserved

Bit 31 28 27 12 11 1 0
TDI Version Part Number Manufacturer 1 TDO
Access R R R R
Reset VERSION[3:0] PARTNUM[15:0] 000 0001 0111b. 1
Bit 0
TDI Bypass TDO
Access R/W
Bit 5 0
TDI Instruction TDO
Access W
Reset IDCODE
Bit 31 8 7 6 5 1 0
TDI Bypass TDO
TDI Instruction Shift TDO
TDI Connection Shift TDO
TDI Router or ID Shift TDO
Access Broad side load and store, serial shift
Reset 0
ICEPick
www.ti.com
398 SWCU117F–February 2015–Revised June 2016
Submit Documentation Feedback
Copyright © 2015–2016, Texas Instruments Incorporated
JTAG Interface
5.3.2.2 Data Shift Register
Figure 5-4 is the register used to shift bits between the ICEPick TDI and TDO. This register is 32-bits
wide. The data shift register has multiple shift in points to facilitate shifts on the instruction path and
several of the data paths.
Figure 5-4. Data Shift Register
When asked to shift, 1 bit is shifted from each bit into the next lower bit. A new value is shifted in from TDI
while the least significant bit is shifted out to TDO. The shift register has several insertion points based on
the current TAP state or value in the instruction register.
5.3.2.3 Instruction Register
This register contains the current TAP instruction. The ICEPick IR is 6-bits wide.
Figure 5-5. Instruction Register
See Table 5-7 for valid IR opcodes.
5.3.2.4 Bypass Register
This register is a 1-bit register. Whatever value is scanned in TDI is preserved and scanned out of TDO
one TCK cycle later.
Figure 5-6. Bypass Register
5.3.2.5 Device Identification Register
This register allows the manufacturer, part number, and version of the device to be determined through
the TAP. The device identification register is scanned in response to the IDCODE instruction.
IDCODE has three fields: version, part number, and manufacturer.
Figure 5-7. Device Identification Register
The contents of this register are replicated to a device configuration area which is memory mapped. Refer
to FCFG1:ICEPICK_DEVICE_ID in Section 9.2.2.1.51 for details of this register.

Bit 31 24 23 20 19 16 15 4 3 0
TDI Version Test
TAPs
EMU
TAPs
ICEPick Type Capabilities TDO
Access R R R R R
Reset 0x41 6 1 0x1CC *
Bit 31 28 27 12 11 1 0
TDI Version Variant Number Reserved 1 TDO
Access R R R R
Reset VERSION[3:0] VARIANT[15:0] 0 1
www.ti.com
ICEPick
399
SWCU117F–February 2015–Revised June 2016
Submit Documentation Feedback Copyright © 2015–2016, Texas Instruments Incorporated
JTAG Interface
Table 5-8. Device Identification Register Description
Field Width Description
Version 4 Revision of the device
Part Number 16 Part number of the device
Manufacturer 11 TI’s JEDEC bank and company code: 00000010111b
0 1 This bit is always 1
5.3.2.6 User Code Register
The User Code Register helps to distinguish between the devices built from the same chip. The User
Code register value is set through eFuse. Each variant is uniquely identified by feature set or pinned out
interface.
The User Code Register is a 32-bit register that specifies the version and part number of the component.
The contents of this register is replicated to device configuration area that is memory mapped. Refer to
Figure 5-8 and Table 5-9 for details of this register.
Figure 5-8. User Code Register
Table 5-9. User Code Register Description
Field Width Description
Version 4 Revision of the device. This field must change each time
that the logic or mask set of the device is revised. The
initial value is 0.
Variant Number 16 Variant of chip. The decoding of this field is shown in
FCFG1:USER_ID
Reserved 11 0
0 1 Bit 0 is always 1
5.3.2.7 ICEPick Identification Register
This register indicates the features and version of the ICEPick module (do not confuse the ICEPick IR with
the device IR).
The ID register is a 32-bit register that specifies the version and features of the ICEPick module. See
Table 5-10 for a description of the ICEPick IR.
Figure 5-9. ICEPick Identification Register
Table 5-10. ICEPick Identification Register Description
Field Width Description
Version 8 Revision of ICEPick
Test TAPs 4 Number of Test TAPs
EMU TAPs 4 Number of EMU TAPs
ICEpick Type 12 An identifier of the ICEpick Type
This field is set to 0x1CC, which corresponds to Type C.
Capabilities 4 Reserved

Bit 31 30 28 27 24 23 0
TDI Write Enable /
Write Failure
Block Select Register Number Register Value TDO
Access R/W W W R/W
Bit 7 6 4 3 0
TDI Write Reserved ConnectKey TDO
Access W R R/W
Reset 0 0 b0110
ICEPick
www.ti.com
400 SWCU117F–February 2015–Revised June 2016
Submit Documentation Feedback
Copyright © 2015–2016, Texas Instruments Incorporated
JTAG Interface
5.3.2.8 Connect Register
This register guards the device from noise, hot connection of an emulator cable, or accidental scan by a
misconfigured scan controller. This register reduces the chances of accidentally engaging debug functions
due to noise or accidental scans. Refer to Figure 5-10 and Table 5-11 for more details.
Figure 5-10. Connect Register
Table 5-11. Connect Register
Bit Field Width Type Reset Description
7 Write Enable 1 W 0 Must be 1 to write the Connect Key. A value of 0 is a read.
When read, a value of 0 is returned.
6–4 Reserved 3 R 0 Reserved
3–0 ConnectKey 4 R/W 0110
When this field holds the key code of 1001, the scan controller
is considered to be connected. All other values are in the not-
connected state. In this state, only a limited number of IR
instructions are valid.
5.3.3 ROUTER Scan Chain
This register accesses all TAP linking and control registers. The scan chain is 32-bits long. Refer to
Table 5-12 for more information.
Figure 5-11. ROUTER DR Scan Chain
Table 5-12. ROUTER DR Scan Chain Description
Bit Field Width Type Reset Description
31 Write Enable 1 W 0
On scan-in:
0: Only a read is performed.
1: A write to the specified register is performed.
On scan-out:
If the previous scan resulted in a write to a ROUTER addressed
register, then when bit 31 is scanned out during the next trip
through the Shift DR state, it indicates whether the previous
write succeeded. If 1, the previous write failed. If 0, the previous
write was successful.
A write to a debug or test secondary TAP control and status
register may fail for a number of reasons including:
• ICEPick is in the disconnected state.
• The TapPresent bit is 0, which indicates that a TAP does
not exist at this location.
• The TapEnable bit is 0, which indicates that security or
other reasons are currently preventing access to this TAP.
• A previous programming of the ResetControl or
ReleaseFromWIR bits has not been processed yet.

www.ti.com
ICEPick
401
SWCU117F–February 2015–Revised June 2016
Submit Documentation Feedback Copyright © 2015–2016, Texas Instruments Incorporated
JTAG Interface
Table 5-12. ROUTER DR Scan Chain Description (continued)
Bit Field Width Type Reset Description
30–28 Block Select 3 R/W 000
Block select:
000: ICEPick Control (see Section 5.3.4.1,ICEPick Control
Block)
001: Test TAP Linking Control Block (see Section 5.3.4.2,Test
TAP Linking Block)
010: Debug TAP Linking Control Block (see Section 5.3.4.3,
Debug TAP Linking Block)
011–111: Reserved
27–24 Register Number 4 R/W 0000 This field specifies the register within the selected block (See
Table 5-13,Table 5-15, and Table 5-20)
23–0 Selected Register
Contents 24 – – Based on the values in Block Select and Register Number fields;
the corresponding register is mapped to this field.
During the Capture DR state, the Data Shift Register is inspected. The register specified by the Block and
Register fields is read and the value is placed in the lower 24 bits of the Data Shift Register.
NOTE: The current contents of the Data Shift register were those loaded by the previous scan.
The register specified in DR scan n 1 is read during scan n. Of course, if an intervening IR scan occurs,
the contents of the Data Shift Register are unpredictable, so a read of the register indicated in DR scan n
1 does not occur.
Sometimes an action on the destination register is still pending when the Update DR state is reached.
Some of the bits of the destination register may not be changed while the action is pending, such as the
reset controls signals have been written but not acted upon yet. Therefore, the new value indicated by this
write may not be applied to the register. If this happens, the write to the ICEPick register is suppressed
and the write-failure flag is set to 1. The write-failure bit is captured into the Data Shift Register at bit 31.
When the value has been captured, the WF flag is cleared.
If bit 31 indicates that a read must be performed, the ICEPick register specified is not touched at this
point. The ICEPick register contents remain undisturbed.
If the contents of the Data Shift Register remain constant until the next Capture DR state, then the
specified register is read at that point. An intervening IR scan disturbs the Data Shift Register contents
and as a consequence, it cannot be assured that the register specified will be read.
There is no address buffering within the ICEPick for the read block and register other than the Data Shift
Register. No extra storage is needed when the proper scan sequence is followed. Refer to Section 5.5,
Serial Wire Viewer (SWV) for the sequence.
5.3.4 TAP Routing Registers
This section describes the TAP routing registers that can be accessed using router scan.
5.3.4.1 ICEPick Control Block
The ICEPick Control Block implements the Table 5-13. Reads of unused registers return all 0s.
Table 5-13. Control Block Registers
Register Register Name
0x0 All0s
0x1 Control
0x2 Linking Mode
0x3–0xF Reserved

ICEPick
www.ti.com
402 SWCU117F–February 2015–Revised June 2016
Submit Documentation Feedback
Copyright © 2015–2016, Texas Instruments Incorporated
JTAG Interface
5.3.4.1.1 All0s Register
This register is a dummy register that returns 0 when read. Writes are ignored. There are not any side
effects to writing or reading this register.
Table 5-14. All0s Register
Bit Field Width Type Reset Description
23–0 Zero 24 R 0 Read zero
5.3.4.1.2 ICEPick Control Register
Table 5-15. ICEPick Control Register
Bit Field Width Type Reset Description
23–7 Reserved 17 R/W 0 Reserved
6 BlockSysReset 1 R/W 0 When 1, the device system reset signal is blocked.
5–1 Reserved 5 R/W 0 Reserved
0 SystemReset 1 R/W 0
Emulator controlled System Reset
This signal provides the scan controller with the ability to
assert the system warm reset. When a 1 is written, this
behaves as if the external chip warm reset signal had
been momentarily asserted. This signal does not reset
any emulation logic. This is a self-clearing bit. This is
cleared by the assertion of the reset requested.
Writing a 0 has no effect.
5.3.4.1.3 Linking Mode Register
Table 5-16. ICEPick Linking Mode Register
Bit Field Width Type Reset Description
23–4 Reserved 20 R/W 0x0 Reserved
3–1 TAPLinkMode 3 R/W 0 See Table 5-17
0 ActivateMode 1 R/W 0 When a 1 is written to this bit, the currently selected
TAPLinkMode is activated. ICEPick links the TAPs
according to these settings when the ICEPick TAP is
advanced to Run‑Test-Idle with any opcode in the IR.
Table 5-17. ICEPick TAP Link Mode
Value Mode Behavior
000 Always-first ICEPick TAP always exists and is linked as the TAP closest to TDI.
011 Disappear-forever When activated, the ICEPick TAP is no longer visible between the device
TDI and TDO. Only a power-on reset makes the TAP visible again.
001–010, 100–111 Reserved Reserved

www.ti.com
ICEPick
403
SWCU117F–February 2015–Revised June 2016
Submit Documentation Feedback Copyright © 2015–2016, Texas Instruments Incorporated
JTAG Interface
5.3.4.2 Test TAP Linking Block
The Test TAP Linking block contains the control and status registers shown in Table 5-18. These registers
are used in to select of secondary TAPs into the master scan path. Each TAP has its own Test TAP
Control and Status Register.
Table 5-18. Test TAP Linking Registers
Register Register Name
0x0 Secondary Test TAP 0 Register
0x1 Secondary Test TAP 1 Register
0x2 Secondary Test TAP 2 Register
0x3 Secondary Test TAP 3 Register
0x4 Secondary Test TAP 4 Register
0x5 Secondary Test TAP 5 Register
0x6–0xF Reserved
5.3.4.2.1 Secondary Test TAP Register
Table 5-19. STTR – Secondary Test TAP Register
Bit Field Width Type Reset Description
23–10 Reserved 14 R/W 0 Reserved
9 VisibleTAP 1 R – See Table 5-21.
8 SelectTAP 1 R/W 0 See Table 5-21.
7–2 Reserved 6 R 0
1 TapAccessible 1 R – See Table 5-21.
0 TapPresent 1 R – See Table 5-21.
5.3.4.3 Debug TAP Linking Block
The Debug TAP Linking block contains the control and status registers used in the selection of secondary
TAPs into the master scan path. The secondary debug tap has its own Debug TAP Control and Status
register. Refer to Table 5-20 for more details.
Table 5-20. Debug TAP Linking Registers
Register Register Name
0x0 Secondary Debug TAP 0 Register
0x1–0xF Reserved

ICEPick
www.ti.com
404 SWCU117F–February 2015–Revised June 2016
Submit Documentation Feedback
Copyright © 2015–2016, Texas Instruments Incorporated
JTAG Interface
5.3.4.3.1 Secondary Debug TAP Register
Table 5-21 shows the secondary debug TAP register (SDTR).
Table 5-21. Secondary Debug TAP Register (SDTR)
Bit Field Width Type Reset Description
23–21 Reserved 3 R/W 0 Reserved
20 InhibitSleep 1
W 0
When 0, this bit does not influence the clock and the power
settings to the module.
While this bit is 1, power or clock for the module of the TAP is
not allowed to be turned off once it is turned on.
If the target does not have power or clock when setting this bit,
InhibitSleep does not change the power/clock state until the
target is powered and clocked again.
R – The value read does not reflect the value written until the
power and clock controller has acted upon a change in the
written value.
19–18 Reserved 2 R – Reserved
17
InReset 1 R –
The InReset status and the ReleaseFromWIR control share the
same bit.
When 1, the module or modules controlled by the secondary
TAP is in the reset state.
When 0, the module or modules is not in reset.
ReleaseFromWIR W 0
The InReset status and the ReleaseFromWIR control share the
same bit.
When a 1 is written to this bit and the module is held in reset
due to the WaitInReset bit, the module reset is released. This
only occurs if WaitInReset is 1 and it is the only cause for
holding the module in reset. This is a self-clearing bit.
Writing a 0 has no effect.
16–14 ResetControl 3 R/W 0 Override the application controls of the functional warm reset to
a module. See Table 5-22.
13–10 Reserved 4 R/W 0 Reserved
9 VisibleTAP 1 R –
When 1, the TAP is currently selected and visible in the active
scan chain.
The VisibleTap bit indicates that the TAP, which was previously
selected with the SelectTap bit, is now part of the device
master scan path. The VisibleTap bit is set by ICEPick when
the Run‑Test‑Idle state has been reached.
8 SelectTAP 1 R/W 0
The SelectTap bit allows scan controller software to change
which secondary TAPs are included in the device level master
scan path. When this bit is set to 1, the TAP is selected for
inclusion in the master scan path when the TAP state
advances to the Run‑Test‑Idle state. When this bit is changed
to 0, the TAP is deselected from the master scan path when
the TAP state advances to the Run‑Test‑Idle state. Selection or
deselection occurs in the Run‑Test‑Idle state regardless of the
current IR instruction.
Writes to the SelectTap bit are blocked, and the bit is held at 0,
if TapPresent is 0.
7–4 Reserved 4 R/W 0 Reserved
3ForceActive
(ForcePowerAndClock) 1
W –
When ForceActive is 0, the module’s clock and power settings
follow the normal application settings unless one of the other
emulation controls is affecting the state. Setting the
ForceActive bit causes the power and clock held on and to be
turned on if necessary. In this sense, the ForceActive bit could
be named ForcePowerAndClock.
Clearing the ForceActive bit returns control of the power and
clock settings to the application. If the application controls
indicate that the power and clock must be off, the power and
clock to the module is turned off.
R – The value read does not reflect the value written until the
power and clock controller has acted upon a change in the
written value.
2 Reserved 1 R – Reserved

www.ti.com
ICEMelter
405
SWCU117F–February 2015–Revised June 2016
Submit Documentation Feedback Copyright © 2015–2016, Texas Instruments Incorporated
JTAG Interface
Table 5-21. Secondary Debug TAP Register (SDTR) (continued)
Bit Field Width Type Reset Description
1 TapAccessible 1 R – When 0, the TAP cannot be accessed due to security.
When 1, the TAP can be accessed.
0 TapPresent 1 R –
When 0, there is not a TAP assigned to this spot.
When 1, this TAP exists in the device.
If a TAP does not exist, the rest of the controls and status bits
in this register are considered to be nonoperational.
Table 5-22. Reset Control
Value Command Description
000 Normal Operation Reset operates under the normal control of the application or device
controls.
001 Wait in reset
(Extend reset)
The module or modules controlled by this secondary TAP remain in the
reset state when the reset has been asserted. This bit alone does not
reset the processor.
010 Reserved Reserved
011 Reserved Reserved
1xx Cancel Cancels reset command lockout
5.4 ICEMelter
ICEMelter wakes up the JTAG power domain, that contains ICEPick and cJTAG modules and monitors
the activities on the TCK-pin. When ICEMelter detects traffic on the TCK-pin (8 rising edges and 8 falling
edges on TCK), it sends a power-up request to the AON WUC that powers up the JTAG power domain.
The emulator must allow power-up time of at least 200 µ for JTAG power domain before sending
remaining commands to JTAG interface.
It is recommended that care is taken to avoid unintentional traffic on the TCK-pin. This can for example
happen if the TCK-pin is made accessible through a connector which is frequenctly connected and
disconnected, or is located on a pin row that is touched during regular use. Unintentional traffic on the
TCK-pin can cause the ICEMelter to power up the JTAG domain, which will add ~400uA to any device
mode (including Standby), and also set the Halt In Boot (HIB) flag. The HIB flag will halt the device on the
subsequent boot (such as after any system reset other than pin reset or POR, or when entering
Shutdown). Exiting Halt In Boot, clearing the HIB flag, and disabling the JTAG domain can only be done
by a pin reset, a POR, or by using the JTAG interface itself.
The TCK pin has an internal pullup designed to avoid intentional traffic due to noise, but it will not be
sufficient if there is risk of external activity on the TCK-pin caused by unintentional touching or shorting of
the pin. If it is not possible to guarantee that such activity does not happen, it is recommended that a
strong external pullup is used, or even shorting the pin to the supply voltage through a zero-ohm resistor.
The size of the pullup or whether the pin is shorted to the supply voltage, will be a tradeoff between
robustness against unintentional external activity and the need for an accessible debug port. If the TCK
pin is disabled by shorting it to the supply voltage, flash programming must be done using the bootloader.
5.5 Serial Wire Viewer (SWV)
The CPU uses the TPIU macro inside the processor to support the serial wire viewer (SWV) interface (a
single line interface).
The following sequence is needed to enable SWV output on the CPU.
1. Enable trace system by setting CPU_SCS:DEMCR.TRCENA (see Section 2.7.4.59,DEMCR Register
(Offset = DFCh) [reset = X]).
2. Unlock ITM configuration by writing to the Lock Access Register CPU_ITM:LAR (see Section 2.7.3.36,
LAR Register (Offset = FB0h) [reset = X]).
3. Enable ITM by setting CPU_ITM:TCR.ITMENA (see Section 2.7.3.35,TCR Register (Offset = E80h)
[reset = X]).

Halt In Boot (HIB)
www.ti.com
406 SWCU117F–February 2015–Revised June 2016
Submit Documentation Feedback
Copyright © 2015–2016, Texas Instruments Incorporated
JTAG Interface
4. Enable the desired stimulus port (0 to 31) in CPU_ITM:TER (see Section 2.7.3.33,TER Register
(Offset = E00h) [reset = X] ).
5. Change formatter configuration if needed CPU_TPIU:FFCR (see Section 2.7.5.6,FFCR Register
(Offset = 304h) [reset = X]).
6. Change the pin protocol if needed CPU_TPIU:SPPR (see Section 2.7.5.4,SPPR Register (Offset =
F0h) [reset = X]).
7. Set the baudrate in CPU_TPIU:ACPR (see Section 2.7.5.3,ACPR Register (Offset = 10h) [reset = X]).
8. The SWV can be mapped to DIO n by writing the corresponding port ID in the IOC:IOCFGn register
(see ) For more details, refer to Chapter 11,I/O Control).
Writes to the CPU_ITM:STIMn registers (assuming that they are enabled) trigger a transmit on SWV
output if the FIFO is not full.
5.6 Halt In Boot (HIB)
The CC26xx and CC13xx devices implement a mechanism to ensure that the external emulator can take
control of the device before it executes any application code. This mechanism is called halt in boot (HIB).
When HIB detects debug activity, the boot code stops in a wait for interrupt instruction (WFI) at the end of
its execution before jumping to the application code in Flash.
Detection of activities on the TCK pin (which powers up the JTAG power domain) is the condition for HIB
when next boot occurs. If JTAG power domain is turned off by entering the test logic reset (TLR) state
before a system reset occurs, the HIB conditions can be cleared. The HIB conditions are not cleared if
AON_WUC:SHUTDOWN.EN (see Section 6.8.2.3.7,SHUTDOWN Register (Offset = 18h) [reset = X]) is
written to 1.
To exit HIB, the external emulator must connect to the device and first HALT, then RESUME the CPU
through DAP. After resuming, the program execution continues from the application code.
5.7 Debug and Shutdown
The debugger cannot stay connected in shutdown mode because the power source for debug subsystem
turns off in this mode. This means that entering shutdown causes abrupt disconnection from the emulator.
To facilitate debugging of the shutdown scenarios, the CC26xx and CC13xx devices have the following
considerations:
• If a device is in shutdown mode, activity on TCK causes immediate wake up.
• If conditions for HIB are met while entering shutdown mode, the device wakes up as soon as it
reaches the shutdown state.
NOTE: If either of these considerations occur, the boot code (before handing control to the
application code) waits in a loop until an I/O wake-up event occurs.
5.8 Debug Features Supported Through WUC TAP
Table 5-23. Debug Features Supported Through WUC TAP
Command Control Bits Function
CHIP_ERASE_REQ IR 0x01,
Bit 1 in DR[7:0] Setting this bit (if it is followed by MCU VD Reset request through
WUC TAP) initiates chip erase.
MCU_VD_RESET_REQ IR 0x01,
Bit 5 in DR[7:0] Setting this bit requests reset of the entire MCU VD.
SHUTDOWN_W_JTAG IR 0x01,
Bit 6 in DR[7:0]
1: Entering shutdown is postponed until JTAG is disconnected.
0: Allows the device to enter shutdown without waiting for
disconnection from JTAG. Entering shutdown causes abrupt
disconnection from the emulator.
SYS_RESET_REQ IR 0x01,
Bit 7 in DR[7:0]
Setting this bit requests reset of the entire chip. The DEBUGEN bit
remains asserted after this reset, which ensures HIB after next
boot.

www.ti.com
Debug Features Supported Through WUC TAP
407
SWCU117F–February 2015–Revised June 2016
Submit Documentation Feedback Copyright © 2015–2016, Texas Instruments Incorporated
JTAG Interface
Table 5-23. Debug Features Supported Through WUC TAP (continued)
Command Control Bits Function
TMS_PAD_CFG IR 0x0C,
Bits [5:0] in DR[6:0] Strength and slew control setting for TMS pad.
MCU_VD_FORCE_ACTIVE IR 0x0C,
Bit 6 in DR[6:0] 1: If MCU VD is off, Force Active powers up the MCU VD.
0: The application controls the MCU VD.
JTAG_DO_NOT_PU IR 0x04,
Bit 0 in DR[6:0]
1: Prevent JTAG power domain from being powered up from the
ICEMelter.
0: ICEMelter powers up the JTAG power domain when wake-up
conditions are met.
JTAG_DO_NOT_RESET IR 0x04
Bit 4 in DR[6:0]
1: Do not reset WUC tap when the JTAG power domain is powered
down.
0: WUC is reset when the JTAG power domain is powered down.

Bit 77 0
TDI Chip Status TDO
Access R
Reset Unknown
Profiler Register
www.ti.com
408 SWCU117F–February 2015–Revised June 2016
Submit Documentation Feedback
Copyright © 2015–2016, Texas Instruments Incorporated
JTAG Interface
5.9 Profiler Register
This register can be used to extract runtime information from the chip with no intrusion to the code
execution. This register resides in the TEST TAP. Refer to Table 5-24 for more details
Figure 5-12. Profiler Register
Table 5-24. Profiler Register Fields
Bit Width Description
77–61 17 Reserved
60–59 2
Sleep state of the CPU:
00: Run mode
01: Sleep mode
1x: Deep sleep mode
58 1 1: Warm reset in progress
0: No warm reset active
57 1 Error in values of compressed program counter
1: The value returned in bits 56–36 cannot be trusted.
0: The value returned in bits 56–36 can be trusted.
56–36 21 Compressed current program counter in the CPU
35–30 6 Current interrupt number in the CPU
29–26 4 Reserved
25–24 2
Power domain state of the AUX:
00: Off
01:Power down
10: Reserved
11: Active
23 1 State of the sensor controller in the AUX power domain:
0: Suspend
1: Running
22–21 2
MCU_VD state:
00: Off
01: Power down
10: Reserved
11: Active
20 1 1: CPU power domain is on.
0: CPU power domain is off.
19 1 1: SERIAL power domain is on.
0: SERIAL power domain is off.
18 1 1: PERIPH power domain is on.
0: PERIPH power domain is off.
17 1 1: RFCORE power domain is on.
0: RFCORE power domain is off.
16 1 1: VIMS power domain is on.
0: VIMS power domain is off.
15–12 4
RF core state:
0x0 No information is yet available or RF core is powered off.
0x1 The RF core is powered but idle (no RF).
0x2 The RF synthesizer is active.
0x6 The RF synthesizer is active.
0xE The RF core is receiving a packet.
0xA The RF core is transmitting a packet.
Others: Reserved
11–0 12 Reserved

409
SWCU117F–February 2015–Revised June 2016
Submit Documentation Feedback Copyright © 2015–2016, Texas Instruments Incorporated
Power, Reset, and Clock Management
Chapter 6
SWCU117F–February 2015–Revised June 2016
Power, Reset, and Clock Management
This chapter details the flexible power management and clock control (PRCM) of the CC26xx and CC13xx
devices.
Topic ........................................................................................................................... Page
6.1 Introduction ..................................................................................................... 410
6.2 System CPU Mode............................................................................................ 411
6.3 Supply System ................................................................................................. 412
6.4 Digital Power Partitioning.................................................................................. 414
6.5 Clock Management ........................................................................................... 415
6.6 Power Modes ................................................................................................... 421
6.7 Reset .............................................................................................................. 425
6.8 PRCM Registers ............................................................................................... 428

Voltage domain (VD)
Voltage
regulator
Clock
Clock enable
Power domain (PD)
Clock gate Periphial
Power domain (PD)
Clock gate Periphial
Power domain (PD)
Clock gate Periphial
Introduction
www.ti.com
410 SWCU117F–February 2015–Revised June 2016
Submit Documentation Feedback
Copyright © 2015–2016, Texas Instruments Incorporated
Power, Reset, and Clock Management
6.1 Introduction
Power and clock management (PRCM) in the CC26xx and CC13xx devices is highly flexible to facilitate
low-power applications. The following sections describe details for clock and power control in addition to
covering reset features.
The features in this chapter are embedded and optimized in TI-RTOS. TI-RTOS users may regard this
chapter as informative only.
Figure 6-1. Hierarchy of Power Saving Features
Figure 6-1 shows the hierarchy of power-saving features in the CC26xx and CC13xx devices. Low-power
consumption and cycling time for a power-saving mode is inversely proportional. The power-saving mode
with the lowest-power consumption requires the longest time from initiation to power-saving mode, as well
as wake-up time back to active mode. Table 6-1 summarizes the power-saving features.
Table 6-1. Power Saving Features
Power Saving Feature Description
Clock gating Immediate response—no latency
Offers the least amount of power saved
Power domain off
(overrides clock gating) Power cycling down and up takes longer time than clock gating. Modules in power domains without
retention must be reinitialized before functionality can be resumed.
Voltage domain off Power cycling down and up takes a longer time than PD power off. All modules in the voltage
domain must be reinitialized before functionality can be resumed.
Voltage regulator off Power cycling down and up takes a longer time than VD power off. Chip loses all configurations and
boots at wakeup. Gives the least possible current consumption.

www.ti.com
System CPU Mode
411
SWCU117F–February 2015–Revised June 2016
Submit Documentation Feedback Copyright © 2015–2016, Texas Instruments Incorporated
Power, Reset, and Clock Management
Table 6-2 lists the four defined power modes for the power-saving features in TI-RTOS, as shown in
Table 6-1.Section 6.6,Power Modes discusses the power modes in detail.
Table 6-2. Power Modes in TI-RTOS
Power Mode Description
Active mode The system CPU is running.
Idle mode The power domain in which CPU resides is off.
Standby mode All power domains are powered off and voltage domains are supplied by the micro LDO.
Shutdown mode Only I/Os maintain their operation. All voltage regulators, voltage, and power domains are off.
6.2 System CPU Mode
The following chapter refers to the system CPU mode so it is important to understand what this means.
The system CPU has three different operation modes: run, mode, and deep sleep (see Table 6-3). Each
mode is used to gate internal clocks in the system CPU, in addition to peripheral clocks that may be gated
in accordance to the current system CPU mode. Deep sleep mode is, in some cases, one of several
requirements for powering down voltage and power domains.
Table 6-3. System CPU Modes
System CPU Mode Description
Run mode WFI and WFE both inactive, CPU_SCS:SCR.SLEEPDEEP is don’t care
Sleep mode WFI or WFE active and CPU_SCS:SCR.SLEEPDEEP = 0
Deep sleep mode WFI or WFE active and CPU_SCS:SCR.SLEEPDEEP = 1

MCU_VD
Voltage regulators
DC-DC converter
Global LDO Digital LDO
Micro LDO
AON_VD
AUX_PD
Voltage domain
Power domain
VDDS
VDDR
JTAG_PD
BUS_PD
VIMS_PD
CPU_PD
RFCORE_PD
SERIAL_PD
PERIPH_PD
MCU_AON
AON
VDD
MCU_AON is powered whenever MCU_VD is powered.
BUS_PD is HW controlled to be powered whenever
CPU_PD is powered. May be powered when CPU_PD
is off on demand from RFCORE FW.
VIMS_PD is HW controlled to be powered whenever
CPU_PD is powered. Also powered when BUS_PD is
powered in combination with
PRCM:PDCTL1.VIMS_MODE = 1.
CPU_PD is powered on by an enabled system CPU
interrupt.
CPU_PD is powered down on completion of setting
system CPU in deep sleep mode in combination with
PRCM:PDCTL1.CPU_ON = 0.
RFCORE_PD is SW-controlled by
PRCM:PDCTL0.RFC_ON and
PRCM:PDCTL1.RFC_ON.
Both of these bits must be cleared to power down
RFCORE_PD.
SERIAL_PD is SW-controlled by
PRCM:PDCTL0.SERIAL_ON.
PERIPH_PD is SW-controlled by
PRCM:PDCTL0.PERIPH_ON.
JTAG_PD is SW-controlled by
AON_WUC:JTAGCFG:JTAG_PD_FORCE_ON.
AUX_PD is powered on by
AON_WUC:AUXCTL.AUX_FORCE_ON = 1.
For power off see AUX section.
Modules in AON is always powered when CC26xx is
not in shutdown mode.
MCU_VD is controlled by AON_WUC:MCUCFG and
AON_EVENT:MCUWUSEL.
LDO selected by
PRCM:VDCTL.ULDO. Legend
Supply System
www.ti.com
412 SWCU117F–February 2015–Revised June 2016
Submit Documentation Feedback
Copyright © 2015–2016, Texas Instruments Incorporated
Power, Reset, and Clock Management
6.3 Supply System
The supply system of the CC26xx and CC13xx devices is complex and controlled by hardware. Figure 6-2
shows a simplified scheme with focus on parts that can be controlled by software. Registers that affect the
different voltage domains and power domains are highlighted in the figure. For example, register
PRCM:PDCTL0.SERIAL_ON controls the SERIAL power domain.
See Figure 6-3 for more details about voltage and power domains.
Figure 6-2. CC26xx and CC13xx Supply System

www.ti.com
Supply System
413
SWCU117F–February 2015–Revised June 2016
Submit Documentation Feedback Copyright © 2015–2016, Texas Instruments Incorporated
Power, Reset, and Clock Management
6.3.1 Internal DC-DC Converter and Global LDO
Normally, the VDDS supply pins of the CC26xx and CC13xx devices are powered from a 1.8-V to 3.8-V
supply (for example, batteries), and the VDDR supply pins are powered from the internal DC-DC
regulator.
Alternatively, the internal global LDO can be used instead of the DC-DC regulator, but this increases the
current consumption of the device. In this mode, disconnect DCDC_SW and connect VDDS_DCDC to the
VDDS supply. The Global LDO is connected internally to the VDDR pin, which must be connected
externally to the VDDR_RF pin. The Global LDO must be decoupled by a µF-sized capacitor on the VDDR
net.
6.3.2 External Regulator Mode
The CC26xx and CC13xx devices have an option to be supplied by an external regulator with a voltage
range of 1.65 V to 1.95 V. In this mode, the VDDS and VDDR pins are tied together. To enable external
regulator mode, the VDDS_DCDC pin and the DCDC_SW pins must be connected to ground, which
effectively disables both the internal Global LDO and the internal DC-DC regulator. Refer to the reference
design for a detailed description of connections and decoupling in the external regulator mode.

MCU_VD
CPU_PD
System CPU
JTAG DAP
DMA controller
CRYPTO core
True random number gen.
GPT [3:0]
GPIO
SSI1
I2S
PERIPH_PD
PRCM
Wakeup interrupt controller
Event fabric
I/O controller
Watchdog timer
AON interface
MCU_AON
BUS_PD
VIMS_PD
SERIAL_PD
RFCORE_PD
UART
SSI0
I C
2
FLASH
ROM
FLASH cache
OTP/EFUSE
Interconnect
System SRAM
Radio doorbell
Radio timer
Cortex-M0 CPU
RFCORE SRAM
ROM
Radio register banks
AON_VD
JTAG_PD
ICEPick JTAG router
IEEE1149.7 (cJTAG)
Sensor processor
Oscillator interface
I/O controller
Analog interface
TDC
Timers
AUX_PD
SC SRAM
I/O Controller
Edge detect
AON IO mux
I/O state holder
Power
SYS CTL
MCU Wakeup
AUX Wakeup
Event
Event fabric
Peripherals
RTC
AON
Voltage domain
Always-on logic
Power domain
Module with retention
Module no retention
Memory
Legend
Digital Power Partitioning
www.ti.com
414 SWCU117F–February 2015–Revised June 2016
Submit Documentation Feedback
Copyright © 2015–2016, Texas Instruments Incorporated
Power, Reset, and Clock Management
6.4 Digital Power Partitioning
The CC26xx and CC13xx devices have two voltage domains, MCU_VD and AON_VD. Both voltage
domains contain multiple power domains, *_PD. Each power domain contains digital modules. Figure 6-3
shows details of the power partitioning of the CC26xx and CC13xx devices.
Figure 6-3. Digital Power Partitioning in CC26xx and CC13xx

Clock mux
SCLK_LF
SCLK_HF
SCLK_LF_AUX
ACLK_ADC
ACLK_REF
ACLK_TDC
HF XTAL
oscillator
LF XTAL
oscillator
HF RC
oscillator
LF RC
oscillator
24 MHz
32.768 kHz
AON
I/O controller
External
32 kHz
48 MHz
32.768 kHz
48 MHz
32 kHz
32 kHz
/ 768
x 2
24 MHz
32.25 kHz
/ 2 24 MHz
www.ti.com
Digital Power Partitioning
415
SWCU117F–February 2015–Revised June 2016
Submit Documentation Feedback Copyright © 2015–2016, Texas Instruments Incorporated
Power, Reset, and Clock Management
6.4.1 MCU_VD
Figure 6-3 shows that the MCU voltage domain contains the CPU system divided into multiple power
domains. MCU_VD also includes always-on logic not encapsulated in a power domain, which is powered
whenever MCU_VD is powered. Figure 6-3 shows this logic as MCU_AON.
MCU_VD is powered up by any enabled wake-up source.
Requirements to power off MCU_VD are found in the register description of PRCM:VDCTL.MCU_VD (see
Section 6.8.2.4.4,VDCTL Register (Offset = Ch) [reset = X].
6.4.1.1 MCU_VD Power Domains
Figure 6-2 shows control of MCU_VD power domains and provides descriptions of the registers.
6.4.2 AON_VD
AON_VD contains two power domains and always-on logic marked AON in Figure 6-3.
Logic in AON is always powered when the CC26xx and CC13xx devices are not in shutdown mode.
6.4.2.1 AON_VD Power Domains
Figure 6-2 shows control of AON_VD power domains and provides descriptions of the registers.
6.5 Clock Management
6.5.1 System Clocks
Figure 6-4 and Table 6-4 show that the CC26xx and CC13xx devices have a flexible clock mux where
system clocks can be derived from several sources.
Figure 6-4. Clock Sources

Clock Management
www.ti.com
416 SWCU117F–February 2015–Revised June 2016
Submit Documentation Feedback
Copyright © 2015–2016, Texas Instruments Incorporated
Power, Reset, and Clock Management
6.5.1.1 Controlling the Oscillators
Figure 6-3 shows that the oscillator interface is located in AUX_PD.
For the system CPU to access the oscillator interface, perform the following steps:
• Power on AUX_PD by setting AON_WUC:AUXCTL.AUX_FORCE_ON = 1
• Ensure AUX_PD is powered up by checking the bit AON_WUC:PWRSTAT.AUX_PD_ON
• Turn on the oscillator interface clock in AUX_WUC:MODCLKEN0: AUX_DDI0_OSC = 1
Table 6-4. System Clocks
Clock Description Possible Sources
SCLK_LF
Low-frequency clock
Always used for AON
Available for MCU_VD and AUX_PD in
Standby
31.25 kHz derived from 24-MHz XTAL oscillator
32-kHz RC oscillator
32.768-kHz XTAL oscillator
31.25 kHz derived from 48-MHz RC oscillator
Selectable in DDI_0_OSC:CTL0.SCLK_LF_SRC_SEL
SCLK_HF
High-frequency clock
Used by MCU_VD in active and idle
modes
Used by AUX_PD in active mode
48 MHz derived from 48-MHz RC oscillator
48 MHz derived from 24-MHz XTAL oscillator (doubled
internally)
Selectable in DDI_0_OSC:CTL0.SCLK_HF_SRC_SEL
SCLK_LF_AUX Used for low-power comparator in
AUX_PD (COMP_B) Same as SCLK_LF
ACLK_ADC Used as clock source for ADC Same as SCLK_HF
ACLK_REF Used as a start or stop source for Time-
to-Digital Converter (TDC) Same sources as for SCLK_LF
Selectable in DDI_0_OSC:CTL0.SCLK_LF_SRC_SEL
ACLK_TDC Used as clock for TDC
48 MHz from RC oscillator
24 MHz from RC oscillator
24 MHz from XTAL oscillator
Selectable in DDI_0_OSC:CTL0.ACLK_TDC_SRC_SEL
NOTE: When the 24-MHz crystal oscillator is enabled (by selecting XOSCHF as source for
SCLK_HF), the XOSCHF must not be turned off, or SCLK_HF source must not be changed
to another source, before the XOSCHF is reported as stable and switched to. The XOSCHF
is stable when the DDI_0_OSC:STAT0.PENDINGSCLKHFSWITCHING is asserted after
starting the crystal. DriverLib API should be used to switch SCLK_HF source, and interrupts
must be disabled while doing so.

/ 1536
DDI_0_OSC:CTL0.SCLK_LF_SRC_SEL
/ 768
SCLK_LF
XTAL 24 MHz
RCOSC 48 MHz
RCOSC 32 kHz
XTAL 32.768 kHz
0
1
2
3
External 32 kHz
DDI_0_OSC:CTL0.XOSC_LF_DIG_BYPASS
0
1
0
1XTAL 24 MHz
RCOSC 48 MHz
SCLK_HF
DDI_0_OSC:CTL0.SCLK_HF_SRC_SEL
DDI_0_OSC:CTL0.ACLK_TDC_SRC_SEL
RCOSC 48 MHz 0
1
2
3
XTAL 24 MHz
Unused
ACLK_TDC
/ 1536
DDI_0_OSC:CTL0.SCLK_LF_SRC_SEL
/ 768XTAL 48 MHz
RCOSC 48 MHz
RCOSC 32 kHz
XTAL 32.768 kHz
0
1
2
3
ACLK_REF
ACLK_ADC
SCLK_LF_AUX
x 2
/ 2
www.ti.com
Clock Management
417
SWCU117F–February 2015–Revised June 2016
Submit Documentation Feedback Copyright © 2015–2016, Texas Instruments Incorporated
Power, Reset, and Clock Management
Figure 6-5. System Clock Muxing

Clock Management
www.ti.com
418 SWCU117F–February 2015–Revised June 2016
Submit Documentation Feedback
Copyright © 2015–2016, Texas Instruments Incorporated
Power, Reset, and Clock Management
6.5.2 Clocks in MCU_VD
AON_WUC supports MCU_VD with a clock that is divided and gated by PRCM before being distributed to
all modules in MCU_VD. Figure 6-6 shows the registers in PRCM that define division and gate control for
all module clocks. When no BUS transactions can occur, hardware automatically gates the SYSBUS
clock.
The following conditions must be true to gate the SYSBUS:
• System CPU in deep sleep mode
• PRCM:SECDMACLKGDS.DMA_CLK_EN = 0
• PRCM:SECDMACLKGDS.SEC_CLK_EN = 0
• RFCORE FW does not require bus access
The SYSBUS clock may run even when the system CPU is in deep sleep mode when either DMA, SEC,
or RFCORE needs an active interconnect.
MCU_AON has two clocks, an INFRASTRUCTURE clock that always runs and a PERBUSULL clock that
is identical to the INFRASTRUCTURE clock whenever the SYSBUS clock is running. When the SYSBUS
clock is gated, the PERBUSULL clock is automatically gated. INFRASTRUCTURE and PERBUSULL
clocks are automatically controlled to run at a maximum of half the clock frequency of SCLK_HF,
regardless of the settings in PRCM:INFCLKDIVR/S/DS.

Divider
Divide by 2
Clock gate
PRCM:RFCCLKG.CLK_EN
Conditional clock gate
Clock disabled when system CPU is in SLEEP or
DEEPSLEEP. Else clock is running.
Clock gate
PRCM:VIMSCLKG.CLK_EN
Conditional clock gate
SYSBUS clock always running except when all below is true:
- System CPU is in DEEPSLEEP
-PRCM:SECDMACLKGDS.DMA_CLK_EN = 0
-PRCM:SECDMACLKGDS.CRYPTO_CLK_EN = 0
- RFCORE FW do not require bus access
SYSBUS clock gated
Conditional clock gate
Controlled by system CPU mode and
PRCM:SECDMACLKGR/S/DS.DMA_CLK_EN
Conditional clock gate
Controlled by system CPU mode and
PRCM:SECDMACLKGR/S/DS.CRYPTO_CLK_EN
Conditional clock gate
Controlled by system CPU mode and
PRCM:SECDMACLKGR/S/DS.TRNG_CLK_EN
Conditional clock gate
Controlled by system CPU mode and
PRCM:GPTCLKGR/S/DS.CLK_EN
Conditional clock gate
Controlled by system CPU mode and
PRCM:GPIOCLKGR/S/DS.CLK_EN
Conditional clock gate
Controlled by system CPU mode and
PRCM:I2CCLKGR/S/DS.CLK_EN
Conditional clock gate
Controlled by system CPU mode and
PRCM:UARTCLKGR/S/DS.CLK_EN
Conditional clock gate
Controlled by system CPU mode and
PRCM:SSICLKGR/S/DS.CLK_EN
Conditional clock gate
Controlled by system CPU mode and
PRCM:I2SCLKGR/S/DS.CLK_EN
DMA controller
CRYPTO core
GPT [3:0]
GPIO
True random number gen.
SSI1
I2S
UART
SSI0
I C
2
SYSBUS clock
MCU clock
SCLK_HF in active and Idle modes. Selected by
AON_WUC:MCUCLK.PWR_DWN_SRC in standby mode.
0
1
Conditional divider
Controlled by system CPU mode and
PRCM:INFCLKDIVR/S/DS
If SCLK_HF sources MCU clock division ratio
is overridden to 2 if
PRCM:INFCLKDIVR/S/ DS = 1
0
AON interface
Watchdog timer
I/O controller
Wakeup interrupt controller
Event fabric
PERBUSULL clock
INFRASTRUCTURE clock
SCLK_LF
SCLK_HF
RFCORE_PD
VIMS_PD
CPU_PD
BUS_PD
PERIPH_PD
SERIAL_PD
MCU_AON
www.ti.com
Clock Management
419
SWCU117F–February 2015–Revised June 2016
Submit Documentation Feedback Copyright © 2015–2016, Texas Instruments Incorporated
Power, Reset, and Clock Management
Figure 6-6. Clocks in MCU_VD

Clock Management
www.ti.com
420 SWCU117F–February 2015–Revised June 2016
Submit Documentation Feedback
Copyright © 2015–2016, Texas Instruments Incorporated
Power, Reset, and Clock Management
6.5.2.1 Clock Gating
As seen in Figure 6-6, the peripheral modules have conditional clock gates that depend on the system
CPU mode. The clock of a module may be enabled or disabled when the system CPU mode changes.
Example:
• PRCM:I2CCLKGR.CLK_EN = 1
• PRCM:I2CCLKGS.CLK_EN = 0
• PRCM:I2CCLKGDS.CLK_EN = 1
These settings result in the I2C clock running when the system CPU is in run mode and deep sleep mode,
while the I2C clock is disabled when system CPU is in sleep mode.
NOTE: When set in deep sleep mode, the system CPU remains in sleep mode for a few clock
cycles during the transition. An application that requires a continuous module clock enables
all clock-gate registers for the module during the transition while the system CPU changes
modes.
Because power cycling of a power domain overrides clock gate registers, disabling the module clocks
before powering down a power domain is not required.
6.5.2.2 Scalar to GPTs
A scalar to GPTs is available to enable GPTs to count at a slower frequency than SYSBUS clock. The
setting in the PRCM:GPTCLKDIV register is valid for all GPTs in the system.
6.5.2.3 Scalar to WDT
There is a scalar with a fixed-division ratio of 32 of the MCU clock that is present. Regardless of the
settings in the PRCM:INFCLKDIVR, the PRCM:INFCLKDIVS, and the PRCM:INFCLKDIVDS registers, the
watchdog counts at a constant speed, as long as the MCU clock is not changing between the SCLK_HF
and SCLK_LF as a clock source.
6.5.3 Clocks in AON_VD
All modules in AON_VD run on SCLK_LF except AUX_PD. Clocks to AUX_PD are user configurable.

www.ti.com
Power Modes
421
SWCU117F–February 2015–Revised June 2016
Submit Documentation Feedback Copyright © 2015–2016, Texas Instruments Incorporated
Power, Reset, and Clock Management
6.6 Power Modes
The flexibility of the CC26xx and CC13xx power management allows many different configurations to
achieve a low-power application. This section describes the power modes, as defined by TI-RTOS, which
covers a range of power-saving modes from low-power savings with fast-cycling time to high-power
savings with long-cycling time.
Table 6-5 provides an overview of the power modes defined in TI-RTOS.
(1) See Figure 6-3 for modules with retention.
(2) Numbers include TI-RTOS overhead
(3) When an emulator/debugger is attached to the device, the wake up time is approximately 200 µs shorter as the system does not
enter true standby.
(4) Brown Out Detector is disabled between recharge periods in Standby.
Table 6-5. Power Modes as Defined in TI-RTOS
Mode Software Configurable Power Modes Reset Pin Held
Active Idle Standby Shutdown
System CPU Active Off Off Off Off
System SRAM On On Retained Off Off
Register retention(1) Full Full Partial No No
VIMS_PD (flash) On Available Off Off Off
RFCORE_PD
(radio) Available Available Off Off Off
SERIAL_PD Available Available Off Off Off
PERIPH_PD Available Available Off Off Off
Sensor controller Available Available Available Off Off
Supply system On On Duty-cycled Off Off
Current Application
dependent Application dependent ≈1 µA ≈0.1 µA ≈0.1 µA
Wakeup time to
CPU active(2) – 25 µs 300 µs(3) ≈1.5 ms ≈1.5 ms
High-speed clock XOSC_HF or
RCOSC_HF XOSC_HF or
RCOSC_HF Off Off Off
Low-speed clock XOSC_LF or
RCOSC_LF XOSC_LF or
RCOSC_LF XOSC_LF or
RCOSC_LF Off Off
Wakeup on RTC Available Available Available Off Off
Wakeup on pin
edge Available Available Available Available Off
Wakeup on reset
pin Available Available Available Available Available
Brown Out Detect
(BOD) Active Active Partial(4) Off N/A
Power On Reset
(POR) Active Active Active Active N/A

Power Modes
www.ti.com
422 SWCU117F–February 2015–Revised June 2016
Submit Documentation Feedback
Copyright © 2015–2016, Texas Instruments Incorporated
Power, Reset, and Clock Management
6.6.1 Start-up State
The CC26xx and CC13xx device state after a system reset, power on, or wake up from shutdown is as
follows:
• Global LDO is active
• Digital LDO is active
• AON_VD is powered
– AUX_PD is powered
– JTAG_PD is powered off
• MCU_VD is powered
– MCU_AON is powered
– CPU_PD is powered
• System CPU is in run mode
– BUS_PD is powered
• SYSBUS is clock running
– VIMS_PD is powered
• VIMS is clock running
– All other power domains are off
– All digital module clocks are disabled
6.6.2 Active Mode
Active mode is defined as any possible chip state where CPU_PD is powered, including BUS_PD and
VIMS_PD (see Figure 6-2).
In active mode, all modules are available and power consumption is highly application dependent.
Power saving features are:
• Enable the DC-DC converter
• Power only the necessary power domains
• Enable only the necessary module clocks
NOTE: Wake-up time for a power domain in the CC26xx and CC13xx devices requires
approximately 15 µs. Because clock gating in the CC26xx and CC13xx devices is efficient, it
may be more power efficient to disable all the clocks in a power domain and leave the
domain powered may be more power efficient than to power cycle it frequently.

www.ti.com
Power Modes
423
SWCU117F–February 2015–Revised June 2016
Submit Documentation Feedback
Copyright © 2015–2016, Texas Instruments Incorporated
Power, Reset, and Clock Management
6.6.3 Idle Mode
Idle mode is defined as any possible chip state where CPU_PD is powered off while any other module can
be powered. In idle mode, all modules are available and power consumption is highly application
dependent.
The CC26xx and CC13xx devices are put in idle mode with the following requirements:
• PRCM:PDCTL1.CPU_ON = 0
• CPU_SCS:SCR.SLEEPDEEP = 1
• WFI or WFE active
The CC26xx and CC13xx devices may wake up from any wakeup source.
6.6.4 Standby Mode
Standby mode is defined as all power domains in the MCU_VD voltage domain being powered off and the
micro LDO supplying AON_VD and MCU_VD (see Figure 6-2). Standby is the lowest power mode where
the CC26xx and CC13xx devices still have functionality other than maintaining I/O output pins (see
Table 6-6)
All parts in MCU_VD with retention, as shown in Figure 6-3, are retained in standby mode. All other logic
in MCU_VD must be reconfigured after wake up from Standby mode.
Sensor controller is available in autonomous mode when the CC26xx and CC13xx devices are in standby
mode.
Possible wake-up sources are events from I/O, JTAG, RTC, and the sensor processor.
The following are prerequisites for the CC26xx and CC13xx devices to enter standby mode:
• AUX_PD is powered down or powered off and disconnected from the system bus
• Request micro LDO to supply digital parts (see Figure 6-2)
• JTAG_PD is powered off
• The SCLK_HF clock is derived from the 48-MHz RC oscillator
• The SCLK_LF clock is derived from one of the following clock sources:
– 32-kHz RC oscillator
– 32.768-kHz crystal oscillator

Power Modes
www.ti.com
424 SWCU117F–February 2015–Revised June 2016
Submit Documentation Feedback
Copyright © 2015–2016, Texas Instruments Incorporated
Power, Reset, and Clock Management
Table 6-6. Example Sequence for Setting CC26xx and CC13xx in Standby Mode
Description Register Required Step
Allow for power down AON_WUC:CTL0.PWR_DWN_DIS No
(Default: Enabled)
Enable the DC-DC converter for
lower power AON_SYSCTL:PWRCTL.DCDC_ACTIVE No
(Default: Global LDO)
Set the HF clocks to correct source DDI_0_OSC:CTL0.SCLK_HF_SRC_SEL Yes
Set the LF clocks to correct source DDI_0_OSC:CTL0.SCLK_LF_SRC_SEL Yes
Configure recharge interval AON_WUC:RECHARGECFG Yes
Configure one or more wake-up
sources for MCU AON_EVENT:MCUWUSEL Yes
Configure power-down clock for MCU AON_WUC:MCUCLK.PWR_DWN_SRC No
(Default: No clock)
Configure power-down clock for AUX AON_WUC:AUXCLK.PWR_DWN_SRC No
(Default: No clock)
Configure system SRAM retention AON_WUC:MCUCFG.SRAM_RET_EN No
(Default: Retention
enabled)
Turn off JTAG AON_WUC:JTAGCFG:JTAG_PD_FORCE_ON Yes
Configure the wake-up source to
generate an event IOC:IOCFG / AON_RTC / AUX Yes
Request AUX_PD power down AUX_WUC:PWRDWNREQ.REQ Yes
Disconnect AUX from system bus AUX_WUC:MCUBUSCTL.DISCONNECT_REQ Yes
Latch I/O state AON_IOC:IOCLATCH.EN Yes
Turn off power domains and verify
they are turned off
PRCM.PDCTL0
PRCM.PDCTL1
PRCM.PDSTAT0
PRCM.PDSTAT1
Yes
Request digital supply to be Micro
LDO PRCM:VDCTL.ULDO Yes
Synchronize transactions to AON
domain AON_RTC.SYNC.WBUSY Yes
(Read register)
Set the system CPU SLEEPDEEP bit CPU_SCS:SCR.SLEEPDEEP Yes
Stop the system CPU to start the
power-down sequence WFI or WFE Yes

www.ti.com
Power Modes
425
SWCU117F–February 2015–Revised June 2016
Submit Documentation Feedback Copyright © 2015–2016, Texas Instruments Incorporated
Power, Reset, and Clock Management
6.6.5 Shutdown Mode
Shutdown mode is defined as having no active power regulator in the CC26xx and CC13xx devices.
Before putting the CC26xx and CC13xx devices in shutdown mode, I/O pins are latched to keep their
output values in shutdown. This is the only difference between holding the CC26xx and CC13xx devices in
reset with the reset pin and shutdown mode.
Only an enabled pin interrupt or reset pin can wake up the CC26xx and CC13xx devices from shutdown
mode.
Table 6-7. Example Sequence for Going to Shut Down
Description Register Required Step
Enable shutdown and latch I/Os AON_WUC:SHUTDOWN.EN Yes
Turn off JTAG AON_WUC:JTAGCFG.JTAG_PD_FORCE_ON Yes
Configure the wake-up pin IOC:IOCFGxx.WU_CFG Yes
Request AUX power down AUX_WUC:PWRDWNREQ.REQ Yes
Disconnect AUX from system bus AUX_WUC:MCUBUSCTL.DISCONNECT_REQ Yes
Request MCU_VD power off PRCM:VDCTL.MCU_VD Yes
Synchronize transactions to AON
domain AON_RTC.SYNC Yes (Read register)
Set the system CPU SLEEPDEEP
bit CPU_SCS:SCR.SLEEPDEEP Yes
Stop the system CPU to start the
power-down sequence WFI or WFE Yes
6.7 Reset
The CC26xx and CC13xx devices have several sources of reset; some are triggered due to errors or
unexpected behavior, while others are user initiated.
Resets may result in reset of the following:
• The entire chip
• A power domain
• A voltage domain
• One digital module for debug purposes
6.7.1 System Resets
A reset resulting in a complete power-up sequence and system CPU boot sequence is defined as a
system reset. The AON_SYSCTL:RESETCTL.RESET_SRC register is readable and always shows the
last source of a reset resulting in a system reset.
The following resets cannot be disabled and, when triggered, always result in a system reset:
• Power-on reset
• Pin reset
• VDDS failure
• VDDR failure
• VDD failure

Reset
www.ti.com
426 SWCU117F–February 2015–Revised June 2016
Submit Documentation Feedback
Copyright © 2015–2016, Texas Instruments Incorporated
Power, Reset, and Clock Management
6.7.1.1 Clock Loss Detection
When the clock loss feature is enabled with the DDI_0_OSC:CTL0.CLK_LOSS_EN and the
AON_SYSCTL:RESETCTL.CLK_LOSS_EN registers, a detected loss of SCLK_LF results in a system
reset. After recovery, the AON_SYSCTL:RESETCTL.RESET_SRC register shows clock loss as the
source of reset.
NOTE: The application must set both DDI_0_OSC:CTL0.CLK_LOSS_EN and the
AON_SYSCTL:RESETCTL.CLK_LOSS_EN in order to enable Clock Loss Detection, it is not
enabled after boot.
6.7.1.2 Software-initiated System Reset
Writing to the AON_SYSCTL:RESETCTL.SYSRESET register results in a system reset. After recovery,
the AON_SYSCTL:RESETCTL.RESET_SRC register shows SYSRESET as the source of reset.
6.7.1.3 Warm Reset Converted to System Reset
Warm reset can be programmed with the PRCM:WARMRESET.WR_TO_PINRESET register to result in a
system reset when any warm reset source is triggered (see Section 6.7.2,Warm Reset).
NOTE: TI strongly recommends enabling the Warm Reset Converted to System Reset feature.
6.7.2 Warm Reset
A reset that results in a reset of the MCU_VD and the system CPU bus part of AUX_PD, is defined as a
warm reset. A warm reset leaves all analog configurations unchanged, while the system CPU and all other
digital modules in MCU_VD are reset.
The following sources initiate a warm reset generation:
• The CPU_SCS:AIRCR.SYSRESETREQ register
• System CPU LOCKUP
• Watchdog time-out
When a warm reset source is triggered, MCU_VD is reset through a controlled sequence, returning
MCU_VD to the same state as when finishing a boot from system reset.
The PRCM:WARMRESET register has readable bits that indicate if the MCU_VD was reset due to a
system CPU LOCKUP event or a watchdog time-out.

www.ti.com
Reset
427
SWCU117F–February 2015–Revised June 2016
Submit Documentation Feedback Copyright © 2015–2016, Texas Instruments Incorporated
Power, Reset, and Clock Management
6.7.3 Software-Initiated Reset of MCU_VD
A feature to request a reset of MCU_VD is available. When writing the PRCM:SWRESET.MCU register,
AON_WUC does a controlled reset sequence of MCU_VD. This reset also clears the PRCM and other
logic in MCU_AON.
6.7.4 Reset of the MCU_VD Power Domains and Modules
Reset of logic in power domains are hardware controlled. A module without retention is reset when the
encapsulating power domain is power cycled. A module with retention resets when MCU_VD is power
cycled or reset.
6.7.5 Reset of AON_VD
AON_VD is reset by a system reset. See Section 6.7.1,System Resets, for details.
6.7.6 Reset of AUX_PD
Reset of AUX_PD can be done by writing to the AON_WUC:AUXCTL.RESET_REQ register.

PRCM Registers
www.ti.com
428 SWCU117F–February 2015–Revised June 2016
Submit Documentation Feedback
Copyright © 2015–2016, Texas Instruments Incorporated
Power, Reset, and Clock Management
6.8 PRCM Registers
6.8.1 CC13xx DDI_0_OSC Registers
6.8.1.1 DDI_0_OSC Registers
Table 6-25 lists the memory-mapped registers for the DDI_0_OSC. All register offset addresses not listed
in Table 6-25 should be considered as reserved locations and the register contents should not be
modified.
Table 6-8. DDI_0_OSC Registers
Offset Acronym Register Name Section
0h CTL0 Control 0 Section 6.8.2.1.1
4h CTL1 Control 1 Section 6.8.2.1.2
8h RADCEXTCFG RADC External Configuration Section 6.8.2.1.3
Ch AMPCOMPCTL Amplitude Compensation Control Section 6.8.2.1.4
10h AMPCOMPTH1 Amplitude Compensation Threashold 1 Section 6.8.2.1.5
14h AMPCOMPTH2 Amplitude Compensation Threashold 2 Section 6.8.2.1.6
18h ANABYPASSVAL1 Analog Bypass Values 1 Section 6.8.2.1.7
1Ch ANABYPASSVAL2 Internal Section 6.8.2.1.8
20h ATESTCTL Analog Test Control Section 6.8.2.1.9
24h ADCDOUBLERNANOAMPCTL ADC Doubler Nanoamp Control Section 6.8.2.1.10
28h XOSCHFCTL XOSCHF Control Section 6.8.2.1.11
2Ch LFOSCCTL Low Frequency Oscillator Control Section 6.8.2.1.12
30h RCOSCHFCTL RCOSCHF Control Section 6.8.2.1.13
34h STAT0 Status 0 Section 6.8.2.1.14
38h STAT1 Status 1 Section 6.8.2.1.15
3Ch STAT2 Status 2 Section 6.8.2.1.16

www.ti.com
PRCM Registers
429
SWCU117F–February 2015–Revised June 2016
Submit Documentation Feedback Copyright © 2015–2016, Texas Instruments Incorporated
Power, Reset, and Clock Management
6.8.1.1.1 CTL0 Register (Offset = 0h) [reset = 0h]
CTL0 is shown in Figure 6-23 and described in Table 6-26.
Return to Summary Table.
Control 0
Controls various clock source selects
Figure 6-7. CTL0 Register
31 30 29 28 27 26 25 24
XTAL_IS_24M RESERVED BYPASS_XOS
C_LF_CLK_QU
AL
BYPASS_RCO
SC_LF_CLK_Q
UAL
DOUBLER_START_DURATION DOUBLER_RE
SET_DURATIO
N
RESERVED
R/W-0h R/W-0h R/W-0h R/W-0h R/W-0h R/W-0h R/W-0h
23 22 21 20 19 18 17 16
RESERVED FORCE_KICKS
TART_EN RESERVED ALLOW_SCLK
_HF_SWITCHI
NG
R/W-0h R/W-0h R/W-0h R/W-0h
15 14 13 12 11 10 9 8
RESERVED HPOSC_MODE
_EN RESERVED RCOSC_LF_T
RIMMED XOSC_HF_PO
WER_MODE XOSC_LF_DIG
_BYPASS CLK_LOSS_EN ACLK_TDC_S
RC_SEL
R/W-0h R/W-0h R/W-0h R/W-0h R/W-0h R/W-0h R/W-0h R/W-0h
76543210
ACLK_TDC_S
RC_SEL ACLK_REF_SRC_SEL SPARE4 SCLK_LF_SRC_SEL SCLK_MF_SR
C_SEL SCLK_HF_SR
C_SEL
R/W-0h R/W-0h R/W-0h R/W-0h R/W-0h R/W-0h
Table 6-9. CTL0 Register Field Descriptions
Bit Field Type Reset Description
31 XTAL_IS_24M R/W 0h Set based on the accurate high frequency XTAL.
30 RESERVED R/W 0h Software should not rely on the value of a reserved. Writing any
other value than the reset value may result in undefined behavior.
29 BYPASS_XOSC_LF_CLK
_QUAL R/W 0h Internal. Only to be used through TI provided API.
28 BYPASS_RCOSC_LF_CL
K_QUAL R/W 0h Internal. Only to be used through TI provided API.
27-26 DOUBLER_START_DUR
ATION R/W 0h Internal. Only to be used through TI provided API.
25 DOUBLER_RESET_DUR
ATION R/W 0h Internal. Only to be used through TI provided API.
24-23 RESERVED R/W 0h Software should not rely on the value of a reserved. Writing any
other value than the reset value may result in undefined behavior.
22 FORCE_KICKSTART_EN R/W 0h Internal. Only to be used through TI provided API.
21-17 RESERVED R/W 0h Software should not rely on the value of a reserved. Writing any
other value than the reset value may result in undefined behavior.
16 ALLOW_SCLK_HF_SWIT
CHING R/W 0h 0: Default - Switching of HF clock source is disabled .
1: Allows swtiching of sclk_hf source.
Provided to prevent switching of the SCLK_HF source when running
from flash (a long period during switching could corrupt flash). When
sclk_hf switching is disabled, a new source can be started when
SCLK_HF_SRC_SEL is changed, but the switch will not occur until
this bit is set. This bit should be set to enable clock switching after
STAT0.PENDINGSCLKHFSWITCHING indicates the new HF clock
is ready. When switching completes (also indicated by
STAT0.PENDINGSCLKHFSWITCHING) sclk_hf switching should be
disabled to prevent flash corruption. Switching should not be enabled
when running from flash.

PRCM Registers
www.ti.com
430 SWCU117F–February 2015–Revised June 2016
Submit Documentation Feedback
Copyright © 2015–2016, Texas Instruments Incorporated
Power, Reset, and Clock Management
Table 6-9. CTL0 Register Field Descriptions (continued)
Bit Field Type Reset Description
15 RESERVED R/W 0h Software should not rely on the value of a reserved. Writing any
other value than the reset value may result in undefined behavior.
14 HPOSC_MODE_EN R/W 0h Internal. Only to be used through TI provided API.
13 RESERVED R/W 0h Software should not rely on the value of a reserved. Writing any
other value than the reset value may result in undefined behavior.
12 RCOSC_LF_TRIMMED R/W 0h Internal. Only to be used through TI provided API.
11 XOSC_HF_POWER_MO
DE R/W 0h Internal. Only to be used through TI provided API.
10 XOSC_LF_DIG_BYPASS R/W 0h Bypass XOSC_LF and use the digital input clock from AON for the
xosc_lf clock..
0: Use 32kHz XOSC as xosc_lf clock source
1: Use digital input (from AON) as xosc_lf clock source.
This bit will only have effect when SCLK_LF_SRC_SEL is selecting
the xosc_lf as the sclk_lf source. The muxing performed by this bit is
not glitch free. The following procedure should be followed when
changing this field to avoid glitches on sclk_lf..
1) Set SCLK_LF_SRC_SEL to select any source other than the
xosc_lf clock source.
2) Set or clear this bit to bypass or not bypass the xosc_lf.
3) Set SCLK_LF_SRC_SEL to use xosc_lf.
It is recommended that either the rcosc_hf or xosc_hf (whichever is
currently active) be selected as the source in step 1 above. This
provides a faster clock change.
9 CLK_LOSS_EN R/W 0h Enable clock loss circuit and hence the indicators to system
controller. Checks both SCLK_HF and SCLK_LF clock loss
indicators.
0: Disable
1: Enable
Clock loss detection should be disabled when changing the sclk_lf
source. STAT0.SCLK_LF_SRC can be polled to determine when a
change to a new sclk_lf source has completed.
8-7 ACLK_TDC_SRC_SEL R/W 0h Source select for aclk_tdc.
00: RCOSC_HF (48MHz)
01: RCOSC_HF (24MHz)
10: XOSC_HF (24MHz)
11: Not used
6-5 ACLK_REF_SRC_SEL R/W 0h Source select for aclk_ref
00: RCOSC_HF desirved (31.25kHz)
01: XOSC_HF derived (31.25kHz)
10: RCOSC_LF (32kHz)
11: XOSC_LF (32.768kHz)
4 SPARE4 R/W 0h Software should not rely on the value of a reserved. Writing any
other value than the reset value may result in undefined behavior.
3-2 SCLK_LF_SRC_SEL R/W 0h Source select for sclk_lf
0h = Low frequency clock derived from High Frequency RCOSC
1h = Low frequency clock derived from High Frequency XOSC
2h = Low frequency RCOSC
3h = Low frequency XOSC
1 SCLK_MF_SRC_SEL R/W 0h Internal. Only to be used through TI provided API.
0 SCLK_HF_SRC_SEL R/W 0h Source select for sclk_hf
0h = High frequency RCOSC clk
1h = High frequency XOSC clk

www.ti.com
PRCM Registers
431
SWCU117F–February 2015–Revised June 2016
Submit Documentation Feedback Copyright © 2015–2016, Texas Instruments Incorporated
Power, Reset, and Clock Management
6.8.1.1.2 CTL1 Register (Offset = 4h) [reset = 0h]
CTL1 is shown in Figure 6-24 and described in Table 6-27.
Return to Summary Table.
Control 1
This register contains various OSC_DIG configuration
Figure 6-8. CTL1 Register
31 30 29 28 27 26 25 24
RESERVED
R/W-0h
23 22 21 20 19 18 17 16
RESERVED RCOSCHFCTRIMFRACT RCOSCHFCTR
IMFRACT_EN SPARE2
R/W-0h R/W-0h R/W-0h R/W-0h
15 14 13 12 11 10 9 8
SPARE2
R/W-0h
76543210
SPARE2 XOSC_HF_FAST_START
R/W-0h R/W-0h
Table 6-10. CTL1 Register Field Descriptions
Bit Field Type Reset Description
31-23 RESERVED R/W 0h Software should not rely on the value of a reserved. Writing any
other value than the reset value may result in undefined behavior.
22-18 RCOSCHFCTRIMFRACT R/W 0h Internal. Only to be used through TI provided API.
17 RCOSCHFCTRIMFRACT
_EN R/W 0h Internal. Only to be used through TI provided API.
16-2 SPARE2 R/W 0h Software should not rely on the value of a reserved. Writing any
other value than the reset value may result in undefined behavior.
1-0 XOSC_HF_FAST_START R/W 0h Internal. Only to be used through TI provided API.

PRCM Registers
www.ti.com
432 SWCU117F–February 2015–Revised June 2016
Submit Documentation Feedback
Copyright © 2015–2016, Texas Instruments Incorporated
Power, Reset, and Clock Management
6.8.1.1.3 RADCEXTCFG Register (Offset = 8h) [reset = 0h]
RADCEXTCFG is shown in Figure 6-25 and described in Table 6-28.
Return to Summary Table.
RADC External Configuration
Figure 6-9. RADCEXTCFG Register
31 30 29 28 27 26 25 24
HPM_IBIAS_WAIT_CNT
R/W-0h
23 22 21 20 19 18 17 16
HPM_IBIAS_WAIT_CNT LPM_IBIAS_WAIT_CNT
R/W-0h R/W-0h
15 14 13 12 11 10 9 8
IDAC_STEP RADC_DAC_TH
R/W-0h R/W-0h
76543210
RADC_DAC_TH RADC_MODE_
IS_SAR RESERVED
R/W-0h R/W-0h R/W-0h
Table 6-11. RADCEXTCFG Register Field Descriptions
Bit Field Type Reset Description
31-22 HPM_IBIAS_WAIT_CNT R/W 0h Internal. Only to be used through TI provided API.
21-16 LPM_IBIAS_WAIT_CNT R/W 0h Internal. Only to be used through TI provided API.
15-12 IDAC_STEP R/W 0h Internal. Only to be used through TI provided API.
11-6 RADC_DAC_TH R/W 0h Internal. Only to be used through TI provided API.
5 RADC_MODE_IS_SAR R/W 0h Internal. Only to be used through TI provided API.
4-0 RESERVED R/W 0h Software should not rely on the value of a reserved. Writing any
other value than the reset value may result in undefined behavior.

www.ti.com
PRCM Registers
433
SWCU117F–February 2015–Revised June 2016
Submit Documentation Feedback Copyright © 2015–2016, Texas Instruments Incorporated
Power, Reset, and Clock Management
6.8.1.1.4 AMPCOMPCTL Register (Offset = Ch) [reset = 0h]
AMPCOMPCTL is shown in Figure 6-26 and described in Table 6-29.
Return to Summary Table.
Amplitude Compensation Control
Figure 6-10. AMPCOMPCTL Register
31 30 29 28 27 26 25 24
SPARE31 AMPCOMP_RE
Q_MODE AMPCOMP_FSM_UPDATE_RA
TE AMPCOMP_S
W_CTRL AMPCOMP_S
W_EN RESERVED
R/W-0h R/W-0h R/W-0h R/W-0h R/W-0h R/W-0h
23 22 21 20 19 18 17 16
IBIAS_OFFSET IBIAS_INIT
R/W-0h R/W-0h
15 14 13 12 11 10 9 8
LPM_IBIAS_WAIT_CNT_FINAL
R/W-0h
76543210
CAP_STEP IBIASCAP_HPTOLP_OL_CNT
R/W-0h R/W-0h
Table 6-12. AMPCOMPCTL Register Field Descriptions
Bit Field Type Reset Description
31 SPARE31 R/W 0h Software should not rely on the value of a reserved. Writing any
other value than the reset value may result in undefined behavior.
30 AMPCOMP_REQ_MODE R/W 0h Internal. Only to be used through TI provided API.
29-28 AMPCOMP_FSM_UPDAT
E_RATE R/W 0h Internal. Only to be used through TI provided API.
27 AMPCOMP_SW_CTRL R/W 0h Internal. Only to be used through TI provided API.
26 AMPCOMP_SW_EN R/W 0h Internal. Only to be used through TI provided API.
25-24 RESERVED R/W 0h Software should not rely on the value of a reserved. Writing any
other value than the reset value may result in undefined behavior.
23-20 IBIAS_OFFSET R/W 0h Internal. Only to be used through TI provided API.
19-16 IBIAS_INIT R/W 0h Internal. Only to be used through TI provided API.
15-8 LPM_IBIAS_WAIT_CNT_
FINAL R/W 0h Internal. Only to be used through TI provided API.
7-4 CAP_STEP R/W 0h Internal. Only to be used through TI provided API.
3-0 IBIASCAP_HPTOLP_OL_
CNT R/W 0h Internal. Only to be used through TI provided API.

PRCM Registers
www.ti.com
434 SWCU117F–February 2015–Revised June 2016
Submit Documentation Feedback
Copyright © 2015–2016, Texas Instruments Incorporated
Power, Reset, and Clock Management
6.8.1.1.5 AMPCOMPTH1 Register (Offset = 10h) [reset = 0h]
AMPCOMPTH1 is shown in Figure 6-27 and described in Table 6-30.
Return to Summary Table.
Amplitude Compensation Threashold 1
This register contains various threshhold values for amplitude compensation algorithm
Figure 6-11. AMPCOMPTH1 Register
31 30 29 28 27 26 25 24
SPARE24
R/W-0h
23 22 21 20 19 18 17 16
HPMRAMP3_LTH SPARE16
R/W-0h R/W-0h
15 14 13 12 11 10 9 8
HPMRAMP3_HTH IBIASCAP_LPTOHP_OL_CNT
R/W-0h R/W-0h
76543210
IBIASCAP_LPTOHP_OL_CNT HPMRAMP1_TH
R/W-0h R/W-0h
Table 6-13. AMPCOMPTH1 Register Field Descriptions
Bit Field Type Reset Description
31-24 SPARE24 R/W 0h Software should not rely on the value of a reserved. Writing any
other value than the reset value may result in undefined behavior.
23-18 HPMRAMP3_LTH R/W 0h Internal. Only to be used through TI provided API.
17-16 SPARE16 R/W 0h Software should not rely on the value of a reserved. Writing any
other value than the reset value may result in undefined behavior.
15-10 HPMRAMP3_HTH R/W 0h Internal. Only to be used through TI provided API.
9-6 IBIASCAP_LPTOHP_OL_
CNT R/W 0h Internal. Only to be used through TI provided API.
5-0 HPMRAMP1_TH R/W 0h Internal. Only to be used through TI provided API.

www.ti.com
PRCM Registers
435
SWCU117F–February 2015–Revised June 2016
Submit Documentation Feedback Copyright © 2015–2016, Texas Instruments Incorporated
Power, Reset, and Clock Management
6.8.1.1.6 AMPCOMPTH2 Register (Offset = 14h) [reset = 0h]
AMPCOMPTH2 is shown in Figure 6-28 and described in Table 6-31.
Return to Summary Table.
Amplitude Compensation Threashold 2
This register contains various threshhold values for amplitude compensation algorithm.
Figure 6-12. AMPCOMPTH2 Register
31 30 29 28 27 26 25 24
LPMUPDATE_LTH SPARE24
R/W-0h R/W-0h
23 22 21 20 19 18 17 16
LPMUPDATE_HTH SPARE16
R/W-0h R/W-0h
15 14 13 12 11 10 9 8
ADC_COMP_AMPTH_LPM SPARE8
R/W-0h R/W-0h
76543210
ADC_COMP_AMPTH_HPM SPARE0
R/W-0h R/W-0h
Table 6-14. AMPCOMPTH2 Register Field Descriptions
Bit Field Type Reset Description
31-26 LPMUPDATE_LTH R/W 0h Internal. Only to be used through TI provided API.
25-24 SPARE24 R/W 0h Software should not rely on the value of a reserved. Writing any
other value than the reset value may result in undefined behavior.
23-18 LPMUPDATE_HTH R/W 0h Internal. Only to be used through TI provided API.
17-16 SPARE16 R/W 0h Software should not rely on the value of a reserved. Writing any
other value than the reset value may result in undefined behavior.
15-10 ADC_COMP_AMPTH_LP
MR/W 0h Internal. Only to be used through TI provided API.
9-8 SPARE8 R/W 0h Software should not rely on the value of a reserved. Writing any
other value than the reset value may result in undefined behavior.
7-2 ADC_COMP_AMPTH_HP
MR/W 0h Internal. Only to be used through TI provided API.
1-0 SPARE0 R/W 0h Software should not rely on the value of a reserved. Writing any
other value than the reset value may result in undefined behavior.

PRCM Registers
www.ti.com
436 SWCU117F–February 2015–Revised June 2016
Submit Documentation Feedback
Copyright © 2015–2016, Texas Instruments Incorporated
Power, Reset, and Clock Management
6.8.1.1.7 ANABYPASSVAL1 Register (Offset = 18h) [reset = 0h]
ANABYPASSVAL1 is shown in Figure 6-29 and described in Table 6-32.
Return to Summary Table.
Analog Bypass Values 1
Figure 6-13. ANABYPASSVAL1 Register
31 30 29 28 27 26 25 24
RESERVED
R/W-0h
23 22 21 20 19 18 17 16
RESERVED XOSC_HF_ROW_Q12
R/W-0h R/W-0h
15 14 13 12 11 10 9 8
XOSC_HF_COLUMN_Q12
R/W-0h
76543210
XOSC_HF_COLUMN_Q12
R/W-0h
Table 6-15. ANABYPASSVAL1 Register Field Descriptions
Bit Field Type Reset Description
31-20 RESERVED R/W 0h Software should not rely on the value of a reserved. Writing any
other value than the reset value may result in undefined behavior.
19-16 XOSC_HF_ROW_Q12 R/W 0h Internal. Only to be used through TI provided API.
15-0 XOSC_HF_COLUMN_Q1
2R/W 0h Internal. Only to be used through TI provided API.

www.ti.com
PRCM Registers
437
SWCU117F–February 2015–Revised June 2016
Submit Documentation Feedback Copyright © 2015–2016, Texas Instruments Incorporated
Power, Reset, and Clock Management
6.8.1.1.8 ANABYPASSVAL2 Register (Offset = 1Ch) [reset = 0h]
ANABYPASSVAL2 is shown in Figure 6-30 and described in Table 6-33.
Return to Summary Table.
Internal. Only to be used through TI provided API.
Figure 6-14. ANABYPASSVAL2 Register
31 30 29 28 27 26 25 24 23 22 21 20 19 18 17 16
RESERVED
R/W-0h
15 14 13 12 11 10 9 8 7 6 5 4 3 2 1 0
RESERVED XOSC_HF_IBIASTHERM
R/W-0h R/W-0h
Table 6-16. ANABYPASSVAL2 Register Field Descriptions
Bit Field Type Reset Description
31-14 RESERVED R/W 0h Software should not rely on the value of a reserved. Writing any
other value than the reset value may result in undefined behavior.
13-0 XOSC_HF_IBIASTHERM R/W 0h Internal. Only to be used through TI provided API.

PRCM Registers
www.ti.com
438 SWCU117F–February 2015–Revised June 2016
Submit Documentation Feedback
Copyright © 2015–2016, Texas Instruments Incorporated
Power, Reset, and Clock Management
6.8.1.1.9 ATESTCTL Register (Offset = 20h) [reset = 0h]
ATESTCTL is shown in Figure 6-31 and described in Table 6-34.
Return to Summary Table.
Analog Test Control
Figure 6-15. ATESTCTL Register
31 30 29 28 27 26 25 24
SPARE30 SCLK_LF_AUX
_EN RESERVED
R/W-0h R/W-0h R/W-0h
23 22 21 20 19 18 17 16
RESERVED
R/W-0h
15 14 13 12 11 10 9 8
RESERVED
R/W-0h
76543210
RESERVED
R/W-0h
Table 6-17. ATESTCTL Register Field Descriptions
Bit Field Type Reset Description
31-30 SPARE30 R/W 0h Software should not rely on the value of a reserved. Writing any
other value than the reset value may result in undefined behavior.
29 SCLK_LF_AUX_EN R/W 0h Enable 32 kHz clock to AUX_COMPB.
28-0 RESERVED R/W 0h Software should not rely on the value of a reserved. Writing any
other value than the reset value may result in undefined behavior.

www.ti.com
PRCM Registers
439
SWCU117F–February 2015–Revised June 2016
Submit Documentation Feedback Copyright © 2015–2016, Texas Instruments Incorporated
Power, Reset, and Clock Management
6.8.1.1.10 ADCDOUBLERNANOAMPCTL Register (Offset = 24h) [reset = 0h]
ADCDOUBLERNANOAMPCTL is shown in Figure 6-32 and described in Table 6-35.
Return to Summary Table.
ADC Doubler Nanoamp Control
Figure 6-16. ADCDOUBLERNANOAMPCTL Register
31 30 29 28 27 26 25 24
RESERVED NANOAMP_BI
AS_ENABLE
R/W-0h R/W-0h
23 22 21 20 19 18 17 16
SPARE23 RESERVED
R/W-0h R/W-0h
15 14 13 12 11 10 9 8
RESERVED
R/W-0h
76543210
RESERVED ADC_SH_MOD
E_EN ADC_SH_VBU
F_EN RESERVED ADC_IREF_CTRL
R/W-0h R/W-0h R/W-0h R/W-0h R/W-0h
Table 6-18. ADCDOUBLERNANOAMPCTL Register Field Descriptions
Bit Field Type Reset Description
31-25 RESERVED R/W 0h Software should not rely on the value of a reserved. Writing any
other value than the reset value may result in undefined behavior.
24 NANOAMP_BIAS_ENABL
ER/W 0h Internal. Only to be used through TI provided API.
23 SPARE23 R/W 0h Software should not rely on the value of a reserved. Writing any
other value than the reset value may result in undefined behavior
22-6 RESERVED R/W 0h Software should not rely on the value of a reserved. Writing any
other value than the reset value may result in undefined behavior.
5 ADC_SH_MODE_EN R/W 0h Internal. Only to be used through TI provided API.
4 ADC_SH_VBUF_EN R/W 0h Internal. Only to be used through TI provided API.
3-2 RESERVED R/W 0h Software should not rely on the value of a reserved. Writing any
other value than the reset value may result in undefined behavior.
1-0 ADC_IREF_CTRL R/W 0h Internal. Only to be used through TI provided API.

PRCM Registers
www.ti.com
440 SWCU117F–February 2015–Revised June 2016
Submit Documentation Feedback
Copyright © 2015–2016, Texas Instruments Incorporated
Power, Reset, and Clock Management
6.8.1.1.11 XOSCHFCTL Register (Offset = 28h) [reset = 0h]
XOSCHFCTL is shown in Figure 6-33 and described in Table 6-36.
Return to Summary Table.
XOSCHF Control
Figure 6-17. XOSCHFCTL Register
31 30 29 28 27 26 25 24
RESERVED
R/W-0h
23 22 21 20 19 18 17 16
RESERVED
R/W-0h
15 14 13 12 11 10 9 8
RESERVED PEAK_DET_ITRIM
R/W-0h R/W-0h
76543210
RESERVED BYPASS RESERVED HP_BUF_ITRIM LP_BUF_ITRIM
R/W-0h R/W-0h R/W-0h R/W-0h R/W-0h
Table 6-19. XOSCHFCTL Register Field Descriptions
Bit Field Type Reset Description
31-10 RESERVED R/W 0h Software should not rely on the value of a reserved. Writing any
other value than the reset value may result in undefined behavior.
9-8 PEAK_DET_ITRIM R/W 0h Internal. Only to be used through TI provided API.
7 RESERVED R/W 0h Software should not rely on the value of a reserved. Writing any
other value than the reset value may result in undefined behavior.
6 BYPASS R/W 0h Internal. Only to be used through TI provided API.
5 RESERVED R/W 0h Software should not rely on the value of a reserved. Writing any
other value than the reset value may result in undefined behavior.
4-2 HP_BUF_ITRIM R/W 0h Internal. Only to be used through TI provided API.
1-0 LP_BUF_ITRIM R/W 0h Internal. Only to be used through TI provided API.

www.ti.com
PRCM Registers
441
SWCU117F–February 2015–Revised June 2016
Submit Documentation Feedback Copyright © 2015–2016, Texas Instruments Incorporated
Power, Reset, and Clock Management
6.8.1.1.12 LFOSCCTL Register (Offset = 2Ch) [reset = 0h]
LFOSCCTL is shown in Figure 6-34 and described in Table 6-37.
Return to Summary Table.
Low Frequency Oscillator Control
Figure 6-18. LFOSCCTL Register
31 30 29 28 27 26 25 24
RESERVED
R/W-0h
23 22 21 20 19 18 17 16
XOSCLF_REGULATOR_TRIM XOSCLF_CMIRRWR_RATIO RESERVED
R/W-0h R/W-0h R/W-0h
15 14 13 12 11 10 9 8
RESERVED RCOSCLF_RTUNE_TRIM
R/W-0h R/W-0h
76543210
RCOSCLF_CTUNE_TRIM
R/W-0h
Table 6-20. LFOSCCTL Register Field Descriptions
Bit Field Type Reset Description
31-24 RESERVED R/W 0h Software should not rely on the value of a reserved. Writing any
other value than the reset value may result in undefined behavior.
23-22 XOSCLF_REGULATOR_
TRIM R/W 0h Internal. Only to be used through TI provided API.
21-18 XOSCLF_CMIRRWR_RA
TIO R/W 0h Internal. Only to be used through TI provided API.
17-10 RESERVED R/W 0h Software should not rely on the value of a reserved. Writing any
other value than the reset value may result in undefined behavior.
9-8 RCOSCLF_RTUNE_TRIM R/W 0h Internal. Only to be used through TI provided API.
7-0 RCOSCLF_CTUNE_TRIM R/W 0h Internal. Only to be used through TI provided API.

PRCM Registers
www.ti.com
442 SWCU117F–February 2015–Revised June 2016
Submit Documentation Feedback
Copyright © 2015–2016, Texas Instruments Incorporated
Power, Reset, and Clock Management
6.8.1.1.13 RCOSCHFCTL Register (Offset = 30h) [reset = 0h]
RCOSCHFCTL is shown in Figure 6-35 and described in Table 6-38.
Return to Summary Table.
RCOSCHF Control
Figure 6-19. RCOSCHFCTL Register
31 30 29 28 27 26 25 24 23 22 21 20 19 18 17 16
RESERVED
R/W-0h
15 14 13 12 11 10 9 8 7 6 5 4 3 2 1 0
RCOSCHF_CTRIM RESERVED
R/W-0h R/W-0h
Table 6-21. RCOSCHFCTL Register Field Descriptions
Bit Field Type Reset Description
31-16 RESERVED R/W 0h Software should not rely on the value of a reserved. Writing any
other value than the reset value may result in undefined behavior.
15-8 RCOSCHF_CTRIM R/W 0h Internal. Only to be used through TI provided API.
7-0 RESERVED R/W 0h Software should not rely on the value of a reserved. Writing any
other value than the reset value may result in undefined behavior.

www.ti.com
PRCM Registers
443
SWCU117F–February 2015–Revised June 2016
Submit Documentation Feedback Copyright © 2015–2016, Texas Instruments Incorporated
Power, Reset, and Clock Management
6.8.1.1.14 STAT0 Register (Offset = 34h) [reset = 0h]
STAT0 is shown in Figure 6-36 and described in Table 6-39.
Return to Summary Table.
Status 0
This register contains status signals from OSC_DIG
Figure 6-20. STAT0 Register
31 30 29 28 27 26 25 24
SPARE31 SCLK_LF_SRC SCLK_HF_SR
CRESERVED
R-0h R-0h R-0h R-0h
23 22 21 20 19 18 17 16
RESERVED RCOSC_HF_E
NRCOSC_LF_E
NXOSC_LF_EN CLK_DCDC_R
DY CLK_DCDC_R
DY_ACK SCLK_HF_LOS
SSCLK_LF_LOS
S
R-0h R-0h R-0h R-0h R-0h R-0h R-0h R-0h
15 14 13 12 11 10 9 8
XOSC_HF_EN RESERVED XB_48M_CLK_
EN RESERVED XOSC_HF_LP_
BUF_EN XOSC_HF_HP
_BUF_EN RESERVED ADC_THMET
R-0h R-0h R-0h R-0h R-0h R-0h R-0h R-0h
76543210
ADC_DATA_R
EADY ADC_DATA PENDINGSCL
KHFSWITCHIN
G
R-0h R-0h R-0h
Table 6-22. STAT0 Register Field Descriptions
Bit Field Type Reset Description
31 SPARE31 R 0h Software should not rely on the value of a reserved. Writing any
other value than the reset value may result in undefined behavior.
30-29 SCLK_LF_SRC R 0h Indicates source for the sclk_lf
0h = Low frequency clock derived from High Frequency RCOSC
1h = Low frequency clock derived from High Frequency XOSC
2h = Low frequency RCOSC
3h = Low frequency XOSC
28 SCLK_HF_SRC R 0h Indicates source for the sclk_hf
0h = High frequency RCOSC clk
1h = High frequency XOSC
27-23 RESERVED R 0h Software should not rely on the value of a reserved. Writing any
other value than the reset value may result in undefined behavior.
22 RCOSC_HF_EN R 0h RCOSC_HF_EN
21 RCOSC_LF_EN R 0h RCOSC_LF_EN
20 XOSC_LF_EN R 0h XOSC_LF_EN
19 CLK_DCDC_RDY R 0h CLK_DCDC_RDY
18 CLK_DCDC_RDY_ACK R 0h CLK_DCDC_RDY_ACK
17 SCLK_HF_LOSS R 0h Indicates sclk_hf is lost
16 SCLK_LF_LOSS R 0h Indicates sclk_lf is lost
15 XOSC_HF_EN R 0h Indicates that XOSC_HF is enabled.
14 RESERVED R 0h Software should not rely on the value of a reserved. Writing any
other value than the reset value may result in undefined behavior.

PRCM Registers
www.ti.com
444 SWCU117F–February 2015–Revised June 2016
Submit Documentation Feedback
Copyright © 2015–2016, Texas Instruments Incorporated
Power, Reset, and Clock Management
Table 6-22. STAT0 Register Field Descriptions (continued)
Bit Field Type Reset Description
13 XB_48M_CLK_EN R 0h Indicates that the 48MHz clock from the DOUBLER is enabled.
It will be enabled if 24 or 48 MHz chrystal is used (enabled in
doulbler bypass for the 48MHz chrystal).
12 RESERVED R 0h Software should not rely on the value of a reserved. Writing any
other value than the reset value may result in undefined behavior.
11 XOSC_HF_LP_BUF_EN R 0h XOSC_HF_LP_BUF_EN
10 XOSC_HF_HP_BUF_EN R 0h XOSC_HF_HP_BUF_EN
9 RESERVED R 0h Software should not rely on the value of a reserved. Writing any
other value than the reset value may result in undefined behavior.
8 ADC_THMET R 0h ADC_THMET
7 ADC_DATA_READY R 0h indicates when adc_data is ready.
6-1 ADC_DATA R 0h adc_data
0 PENDINGSCLKHFSWITC
HING R 0h Indicates when sclk_hf is ready to be swtiched

www.ti.com
PRCM Registers
445
SWCU117F–February 2015–Revised June 2016
Submit Documentation Feedback Copyright © 2015–2016, Texas Instruments Incorporated
Power, Reset, and Clock Management
6.8.1.1.15 STAT1 Register (Offset = 38h) [reset = 0h]
STAT1 is shown in Figure 6-37 and described in Table 6-40.
Return to Summary Table.
Status 1
This register contains status signals from OSC_DIG
Figure 6-21. STAT1 Register
31 30 29 28 27 26 25 24
RAMPSTATE HPM_UPDATE_AMP
R-0h R-0h
23 22 21 20 19 18 17 16
HPM_UPDATE_AMP LPM_UPDATE_AMP
R-0h R-0h
15 14 13 12 11 10 9 8
FORCE_RCOS
C_HF SCLK_HF_EN SCLK_MF_EN ACLK_ADC_E
NACLK_TDC_E
NACLK_REF_EN CLK_CHP_EN CLK_DCDC_E
N
R-0h R-0h R-0h R-0h R-0h R-0h R-0h R-0h
76543210
SCLK_HF_GO
OD SCLK_MF_GO
OD SCLK_LF_GO
OD ACLK_ADC_G
OOD ACLK_TDC_G
OOD ACLK_REF_G
OOD CLK_CHP_GO
OD CLK_DCDC_G
OOD
R-0h R-0h R-0h R-0h R-0h R-0h R-0h R-0h
Table 6-23. STAT1 Register Field Descriptions
Bit Field Type Reset Description
31-28 RAMPSTATE R 0h AMPCOMP FSM State
0h = RESET
1h = INITIALIZATION
2h = HPM_RAMP1
3h = HPM_RAMP2
4h = HPM_RAMP3
5h = HPM_UPDATE
6h = IDAC_INCREMENT
7h = IBIAS_CAP_UPDATE
8h = IBIAS_DECREMENT_WITH_MEASURE
9h = LPM_UPDATE
Ah = IBIAS_INCREMENT
Bh = IDAC_DECREMENT_WITH_MEASURE
Ch = DUMMY_TO_INIT_1
Dh = FAST_START
Eh = FAST_START_SETTLE
27-22 HPM_UPDATE_AMP R 0h OSC amplitude during HPM_UPDATE state.
When amplitude compensation of XOSC_HF is enabled in high
performance mode, this value is the amplitude of the crystal
oscillations measured by the on-chip oscillator ADC, divided by 15
mV. For example, a value of 0x20 would indicate that the crystal's
amplitude is approximately 480 mV. To enable amplitude
compensation, AON_WUC OSCCFG must be set to a on-zero value.
21-16 LPM_UPDATE_AMP R 0h OSC amplitude during LPM_UPDATE state
When amplitude compensation of XOSC_HF is enabled in low power
mode, this value is the amplitude of the crystal oscillations measured
by the on-chip oscillator ADC, divided by 15 mV. For example, a
value of 0x20 would indicate that the crystal's amplitude is
approximately 480 mV. To enable amplitude compensation,
AON_WUC OSCCFG must be set to a on-zero value.
15 FORCE_RCOSC_HF R 0h force_rcosc_hf

PRCM Registers
www.ti.com
446 SWCU117F–February 2015–Revised June 2016
Submit Documentation Feedback
Copyright © 2015–2016, Texas Instruments Incorporated
Power, Reset, and Clock Management
Table 6-23. STAT1 Register Field Descriptions (continued)
Bit Field Type Reset Description
14 SCLK_HF_EN R 0h SCLK_HF_EN
13 SCLK_MF_EN R 0h SCLK_MF_EN
12 ACLK_ADC_EN R 0h ACLK_ADC_EN
11 ACLK_TDC_EN R 0h ACLK_TDC_EN
10 ACLK_REF_EN R 0h ACLK_REF_EN
9 CLK_CHP_EN R 0h CLK_CHP_EN
8 CLK_DCDC_EN R 0h CLK_DCDC_EN
7 SCLK_HF_GOOD R 0h SCLK_HF_GOOD
6 SCLK_MF_GOOD R 0h SCLK_MF_GOOD
5 SCLK_LF_GOOD R 0h SCLK_LF_GOOD
4 ACLK_ADC_GOOD R 0h ACLK_ADC_GOOD
3 ACLK_TDC_GOOD R 0h ACLK_TDC_GOOD
2 ACLK_REF_GOOD R 0h ACLK_REF_GOOD
1 CLK_CHP_GOOD R 0h CLK_CHP_GOOD
0 CLK_DCDC_GOOD R 0h CLK_DCDC_GOOD

www.ti.com
PRCM Registers
447
SWCU117F–February 2015–Revised June 2016
Submit Documentation Feedback Copyright © 2015–2016, Texas Instruments Incorporated
Power, Reset, and Clock Management
6.8.1.1.16 STAT2 Register (Offset = 3Ch) [reset = 0h]
STAT2 is shown in Figure 6-38 and described in Table 6-41.
Return to Summary Table.
Status 2
This register contains status signals from AMPCOMP FSM
Figure 6-22. STAT2 Register
31 30 29 28 27 26 25 24
ADC_DCBIAS HPM_RAMP1_
THMET HPM_RAMP2_
THMET
R-0h R-0h R-0h
23 22 21 20 19 18 17 16
HPM_RAMP3_
THMET RESERVED
R-0h R-0h
15 14 13 12 11 10 9 8
RAMPSTATE RESERVED
R-0h R-0h
76543210
RESERVED AMPCOMP_RE
QXOSC_HF_AM
PGOOD XOSC_HF_FR
EQGOOD XOSC_HF_RF
_FREQGOOD
R-0h R-0h R-0h R-0h R-0h
Table 6-24. STAT2 Register Field Descriptions
Bit Field Type Reset Description
31-26 ADC_DCBIAS R 0h DC Bias read by RADC during SAR mode
The vaue is an unsigned interger. It is used for debug only.
25 HPM_RAMP1_THMET R 0h Indication of threshhold is met for hpm_ramp1
24 HPM_RAMP2_THMET R 0h Indication of threshhold is met for hpm_ramp2
23 HPM_RAMP3_THMET R 0h Indication of threshhold is met for hpm_ramp3
22-16 RESERVED R 0h Software should not rely on the value of a reserved. Writing any
other value than the reset value may result in undefined behavior.
15-12 RAMPSTATE R 0h xosc_hf amplitude compensation FSM
This is identical to STAT1.RAMPSTATE. See that description for
encoding.
11-4 RESERVED R 0h Software should not rely on the value of a reserved. Writing any
other value than the reset value may result in undefined behavior.
3 AMPCOMP_REQ R 0h ampcomp_req
2 XOSC_HF_AMPGOOD R 0h amplitude of xosc_hf is within the required threshold (set by DDI).
Not used for anything just for debug/status
1 XOSC_HF_FREQGOOD R 0h frequency of xosc_hf is good to use for the digital clocks
0 XOSC_HF_RF_FREQGO
OD R 0h frequency of xosc_hf is within +/- 20 ppm and xosc_hf is good for
radio operations. Used for SW to start synthesizer.

PRCM Registers
www.ti.com
448 SWCU117F–February 2015–Revised June 2016
Submit Documentation Feedback
Copyright © 2015–2016, Texas Instruments Incorporated
Power, Reset, and Clock Management
6.8.2 CC26xx PRCM Registers
6.8.2.1 DDI_0_OSC Registers
Table 6-25 lists the memory-mapped registers for the DDI_0_OSC. All register offset addresses not listed
in Table 6-25 should be considered as reserved locations and the register contents should not be
modified.
Table 6-25. DDI_0_OSC Registers
Offset Acronym Register Name Section
0h CTL0 Control 0 Section 6.8.2.1.1
4h CTL1 Control 1 Section 6.8.2.1.2
8h RADCEXTCFG RADC External Configuration Section 6.8.2.1.3
Ch AMPCOMPCTL Amplitude Compensation Control Section 6.8.2.1.4
10h AMPCOMPTH1 Amplitude Compensation Threashold 1 Section 6.8.2.1.5
14h AMPCOMPTH2 Amplitude Compensation Threashold 2 Section 6.8.2.1.6
18h ANABYPASSVAL1 Analog Bypass Values 1 Section 6.8.2.1.7
1Ch ANABYPASSVAL2 Internal Section 6.8.2.1.8
20h ATESTCTL Analog Test Control Section 6.8.2.1.9
24h ADCDOUBLERNANOAMPCTL ADC Doubler Nanoamp Control Section 6.8.2.1.10
28h XOSCHFCTL XOSCHF Control Section 6.8.2.1.11
2Ch LFOSCCTL Low Frequency Oscillator Control Section 6.8.2.1.12
30h RCOSCHFCTL RCOSCHF Control Section 6.8.2.1.13
34h STAT0 Status 0 Section 6.8.2.1.14
38h STAT1 Status 1 Section 6.8.2.1.15
3Ch STAT2 Status 2 Section 6.8.2.1.16

www.ti.com
PRCM Registers
449
SWCU117F–February 2015–Revised June 2016
Submit Documentation Feedback Copyright © 2015–2016, Texas Instruments Incorporated
Power, Reset, and Clock Management
6.8.2.1.1 CTL0 Register (Offset = 0h) [reset = 0h]
CTL0 is shown in Figure 6-23 and described in Table 6-26.
Return to Summary Table.
Control 0
Controls various clock source selects
Figure 6-23. CTL0 Register
31 30 29 28 27 26 25 24
XTAL_IS_24M RESERVED BYPASS_XOS
C_LF_CLK_QU
AL
BYPASS_RCO
SC_LF_CLK_Q
UAL
DOUBLER_START_DURATION DOUBLER_RE
SET_DURATIO
N
RESERVED
R/W-0h R/W-0h R/W-0h R/W-0h R/W-0h R/W-0h R/W-0h
23 22 21 20 19 18 17 16
RESERVED FORCE_KICKS
TART_EN RESERVED ALLOW_SCLK
_HF_SWITCHI
NG
R/W-0h R/W-0h R/W-0h R/W-0h
15 14 13 12 11 10 9 8
RESERVED HPOSC_MODE
_EN RESERVED RCOSC_LF_T
RIMMED XOSC_HF_PO
WER_MODE XOSC_LF_DIG
_BYPASS CLK_LOSS_EN ACLK_TDC_S
RC_SEL
R/W-0h R/W-0h R/W-0h R/W-0h R/W-0h R/W-0h R/W-0h R/W-0h
76543210
ACLK_TDC_S
RC_SEL ACLK_REF_SRC_SEL SPARE4 SCLK_LF_SRC_SEL SCLK_MF_SR
C_SEL SCLK_HF_SR
C_SEL
R/W-0h R/W-0h R/W-0h R/W-0h R/W-0h R/W-0h
Table 6-26. CTL0 Register Field Descriptions
Bit Field Type Reset Description
31 XTAL_IS_24M R/W 0h Set based on the accurate high frequency XTAL.
30 RESERVED R/W 0h Software should not rely on the value of a reserved. Writing any
other value than the reset value may result in undefined behavior.
29 BYPASS_XOSC_LF_CLK
_QUAL R/W 0h Internal. Only to be used through TI provided API.
28 BYPASS_RCOSC_LF_CL
K_QUAL R/W 0h Internal. Only to be used through TI provided API.
27-26 DOUBLER_START_DUR
ATION R/W 0h Internal. Only to be used through TI provided API.
25 DOUBLER_RESET_DUR
ATION R/W 0h Internal. Only to be used through TI provided API.
24-23 RESERVED R/W 0h Software should not rely on the value of a reserved. Writing any
other value than the reset value may result in undefined behavior.
22 FORCE_KICKSTART_EN R/W 0h Internal. Only to be used through TI provided API.
21-17 RESERVED R/W 0h Software should not rely on the value of a reserved. Writing any
other value than the reset value may result in undefined behavior.
16 ALLOW_SCLK_HF_SWIT
CHING R/W 0h 0: Default - Switching of HF clock source is disabled .
1: Allows swtiching of sclk_hf source.
Provided to prevent switching of the SCLK_HF source when running
from flash (a long period during switching could corrupt flash). When
sclk_hf switching is disabled, a new source can be started when
SCLK_HF_SRC_SEL is changed, but the switch will not occur until
this bit is set. This bit should be set to enable clock switching after
STAT0.PENDINGSCLKHFSWITCHING indicates the new HF clock
is ready. When switching completes (also indicated by
STAT0.PENDINGSCLKHFSWITCHING) sclk_hf switching should be
disabled to prevent flash corruption. Switching should not be enabled
when running from flash.

PRCM Registers
www.ti.com
450 SWCU117F–February 2015–Revised June 2016
Submit Documentation Feedback
Copyright © 2015–2016, Texas Instruments Incorporated
Power, Reset, and Clock Management
Table 6-26. CTL0 Register Field Descriptions (continued)
Bit Field Type Reset Description
15 RESERVED R/W 0h Software should not rely on the value of a reserved. Writing any
other value than the reset value may result in undefined behavior.
14 HPOSC_MODE_EN R/W 0h Internal. Only to be used through TI provided API.
13 RESERVED R/W 0h Software should not rely on the value of a reserved. Writing any
other value than the reset value may result in undefined behavior.
12 RCOSC_LF_TRIMMED R/W 0h Internal. Only to be used through TI provided API.
11 XOSC_HF_POWER_MO
DE R/W 0h Internal. Only to be used through TI provided API.
10 XOSC_LF_DIG_BYPASS R/W 0h Bypass XOSC_LF and use the digital input clock from AON for the
xosc_lf clock..
0: Use 32kHz XOSC as xosc_lf clock source
1: Use digital input (from AON) as xosc_lf clock source.
This bit will only have effect when SCLK_LF_SRC_SEL is selecting
the xosc_lf as the sclk_lf source. The muxing performed by this bit is
not glitch free. The following procedure should be followed when
changing this field to avoid glitches on sclk_lf..
1) Set SCLK_LF_SRC_SEL to select any source other than the
xosc_lf clock source.
2) Set or clear this bit to bypass or not bypass the xosc_lf.
3) Set SCLK_LF_SRC_SEL to use xosc_lf.
It is recommended that either the rcosc_hf or xosc_hf (whichever is
currently active) be selected as the source in step 1 above. This
provides a faster clock change.
9 CLK_LOSS_EN R/W 0h Enable clock loss circuit and hence the indicators to system
controller. Checks both SCLK_HF and SCLK_LF clock loss
indicators.
0: Disable
1: Enable
Clock loss detection should be disabled when changing the sclk_lf
source. STAT0.SCLK_LF_SRC can be polled to determine when a
change to a new sclk_lf source has completed.
8-7 ACLK_TDC_SRC_SEL R/W 0h Source select for aclk_tdc.
00: RCOSC_HF (48MHz)
01: RCOSC_HF (24MHz)
10: XOSC_HF (24MHz)
11: Not used
6-5 ACLK_REF_SRC_SEL R/W 0h Source select for aclk_ref
00: RCOSC_HF desirved (31.25kHz)
01: XOSC_HF derived (31.25kHz)
10: RCOSC_LF (32kHz)
11: XOSC_LF (32.768kHz)
4 SPARE4 R/W 0h Software should not rely on the value of a reserved. Writing any
other value than the reset value may result in undefined behavior.
3-2 SCLK_LF_SRC_SEL R/W 0h Source select for sclk_lf
0h = Low frequency clock derived from High Frequency RCOSC
1h = Low frequency clock derived from High Frequency XOSC
2h = Low frequency RCOSC
3h = Low frequency XOSC
1 SCLK_MF_SRC_SEL R/W 0h Internal. Only to be used through TI provided API.
0 SCLK_HF_SRC_SEL R/W 0h Source select for sclk_hf
0h = High frequency RCOSC clk
1h = High frequency XOSC clk

www.ti.com
PRCM Registers
451
SWCU117F–February 2015–Revised June 2016
Submit Documentation Feedback Copyright © 2015–2016, Texas Instruments Incorporated
Power, Reset, and Clock Management
6.8.2.1.2 CTL1 Register (Offset = 4h) [reset = 0h]
CTL1 is shown in Figure 6-24 and described in Table 6-27.
Return to Summary Table.
Control 1
This register contains various OSC_DIG configuration
Figure 6-24. CTL1 Register
31 30 29 28 27 26 25 24
RESERVED
R/W-0h
23 22 21 20 19 18 17 16
RESERVED RCOSCHFCTRIMFRACT RCOSCHFCTR
IMFRACT_EN SPARE2
R/W-0h R/W-0h R/W-0h R/W-0h
15 14 13 12 11 10 9 8
SPARE2
R/W-0h
76543210
SPARE2 XOSC_HF_FAST_START
R/W-0h R/W-0h
Table 6-27. CTL1 Register Field Descriptions
Bit Field Type Reset Description
31-23 RESERVED R/W 0h Software should not rely on the value of a reserved. Writing any
other value than the reset value may result in undefined behavior.
22-18 RCOSCHFCTRIMFRACT R/W 0h Internal. Only to be used through TI provided API.
17 RCOSCHFCTRIMFRACT
_EN R/W 0h Internal. Only to be used through TI provided API.
16-2 SPARE2 R/W 0h Software should not rely on the value of a reserved. Writing any
other value than the reset value may result in undefined behavior.
1-0 XOSC_HF_FAST_START R/W 0h Internal. Only to be used through TI provided API.

PRCM Registers
www.ti.com
452 SWCU117F–February 2015–Revised June 2016
Submit Documentation Feedback
Copyright © 2015–2016, Texas Instruments Incorporated
Power, Reset, and Clock Management
6.8.2.1.3 RADCEXTCFG Register (Offset = 8h) [reset = 0h]
RADCEXTCFG is shown in Figure 6-25 and described in Table 6-28.
Return to Summary Table.
RADC External Configuration
Figure 6-25. RADCEXTCFG Register
31 30 29 28 27 26 25 24
HPM_IBIAS_WAIT_CNT
R/W-0h
23 22 21 20 19 18 17 16
HPM_IBIAS_WAIT_CNT LPM_IBIAS_WAIT_CNT
R/W-0h R/W-0h
15 14 13 12 11 10 9 8
IDAC_STEP RADC_DAC_TH
R/W-0h R/W-0h
76543210
RADC_DAC_TH RADC_MODE_
IS_SAR RESERVED
R/W-0h R/W-0h R/W-0h
Table 6-28. RADCEXTCFG Register Field Descriptions
Bit Field Type Reset Description
31-22 HPM_IBIAS_WAIT_CNT R/W 0h Internal. Only to be used through TI provided API.
21-16 LPM_IBIAS_WAIT_CNT R/W 0h Internal. Only to be used through TI provided API.
15-12 IDAC_STEP R/W 0h Internal. Only to be used through TI provided API.
11-6 RADC_DAC_TH R/W 0h Internal. Only to be used through TI provided API.
5 RADC_MODE_IS_SAR R/W 0h Internal. Only to be used through TI provided API.
4-0 RESERVED R/W 0h Software should not rely on the value of a reserved. Writing any
other value than the reset value may result in undefined behavior.

www.ti.com
PRCM Registers
453
SWCU117F–February 2015–Revised June 2016
Submit Documentation Feedback Copyright © 2015–2016, Texas Instruments Incorporated
Power, Reset, and Clock Management
6.8.2.1.4 AMPCOMPCTL Register (Offset = Ch) [reset = 0h]
AMPCOMPCTL is shown in Figure 6-26 and described in Table 6-29.
Return to Summary Table.
Amplitude Compensation Control
Figure 6-26. AMPCOMPCTL Register
31 30 29 28 27 26 25 24
SPARE31 AMPCOMP_RE
Q_MODE AMPCOMP_FSM_UPDATE_RA
TE AMPCOMP_S
W_CTRL AMPCOMP_S
W_EN RESERVED
R/W-0h R/W-0h R/W-0h R/W-0h R/W-0h R/W-0h
23 22 21 20 19 18 17 16
IBIAS_OFFSET IBIAS_INIT
R/W-0h R/W-0h
15 14 13 12 11 10 9 8
LPM_IBIAS_WAIT_CNT_FINAL
R/W-0h
76543210
CAP_STEP IBIASCAP_HPTOLP_OL_CNT
R/W-0h R/W-0h
Table 6-29. AMPCOMPCTL Register Field Descriptions
Bit Field Type Reset Description
31 SPARE31 R/W 0h Software should not rely on the value of a reserved. Writing any
other value than the reset value may result in undefined behavior.
30 AMPCOMP_REQ_MODE R/W 0h Internal. Only to be used through TI provided API.
29-28 AMPCOMP_FSM_UPDAT
E_RATE R/W 0h Internal. Only to be used through TI provided API.
27 AMPCOMP_SW_CTRL R/W 0h Internal. Only to be used through TI provided API.
26 AMPCOMP_SW_EN R/W 0h Internal. Only to be used through TI provided API.
25-24 RESERVED R/W 0h Software should not rely on the value of a reserved. Writing any
other value than the reset value may result in undefined behavior.
23-20 IBIAS_OFFSET R/W 0h Internal. Only to be used through TI provided API.
19-16 IBIAS_INIT R/W 0h Internal. Only to be used through TI provided API.
15-8 LPM_IBIAS_WAIT_CNT_
FINAL R/W 0h Internal. Only to be used through TI provided API.
7-4 CAP_STEP R/W 0h Internal. Only to be used through TI provided API.
3-0 IBIASCAP_HPTOLP_OL_
CNT R/W 0h Internal. Only to be used through TI provided API.

PRCM Registers
www.ti.com
454 SWCU117F–February 2015–Revised June 2016
Submit Documentation Feedback
Copyright © 2015–2016, Texas Instruments Incorporated
Power, Reset, and Clock Management
6.8.2.1.5 AMPCOMPTH1 Register (Offset = 10h) [reset = 0h]
AMPCOMPTH1 is shown in Figure 6-27 and described in Table 6-30.
Return to Summary Table.
Amplitude Compensation Threashold 1
This register contains various threshhold values for amplitude compensation algorithm
Figure 6-27. AMPCOMPTH1 Register
31 30 29 28 27 26 25 24
SPARE24
R/W-0h
23 22 21 20 19 18 17 16
HPMRAMP3_LTH SPARE16
R/W-0h R/W-0h
15 14 13 12 11 10 9 8
HPMRAMP3_HTH IBIASCAP_LPTOHP_OL_CNT
R/W-0h R/W-0h
76543210
IBIASCAP_LPTOHP_OL_CNT HPMRAMP1_TH
R/W-0h R/W-0h
Table 6-30. AMPCOMPTH1 Register Field Descriptions
Bit Field Type Reset Description
31-24 SPARE24 R/W 0h Software should not rely on the value of a reserved. Writing any
other value than the reset value may result in undefined behavior.
23-18 HPMRAMP3_LTH R/W 0h Internal. Only to be used through TI provided API.
17-16 SPARE16 R/W 0h Software should not rely on the value of a reserved. Writing any
other value than the reset value may result in undefined behavior.
15-10 HPMRAMP3_HTH R/W 0h Internal. Only to be used through TI provided API.
9-6 IBIASCAP_LPTOHP_OL_
CNT R/W 0h Internal. Only to be used through TI provided API.
5-0 HPMRAMP1_TH R/W 0h Internal. Only to be used through TI provided API.

www.ti.com
PRCM Registers
455
SWCU117F–February 2015–Revised June 2016
Submit Documentation Feedback Copyright © 2015–2016, Texas Instruments Incorporated
Power, Reset, and Clock Management
6.8.2.1.6 AMPCOMPTH2 Register (Offset = 14h) [reset = 0h]
AMPCOMPTH2 is shown in Figure 6-28 and described in Table 6-31.
Return to Summary Table.
Amplitude Compensation Threashold 2
This register contains various threshhold values for amplitude compensation algorithm.
Figure 6-28. AMPCOMPTH2 Register
31 30 29 28 27 26 25 24
LPMUPDATE_LTH SPARE24
R/W-0h R/W-0h
23 22 21 20 19 18 17 16
LPMUPDATE_HTH SPARE16
R/W-0h R/W-0h
15 14 13 12 11 10 9 8
ADC_COMP_AMPTH_LPM SPARE8
R/W-0h R/W-0h
76543210
ADC_COMP_AMPTH_HPM SPARE0
R/W-0h R/W-0h
Table 6-31. AMPCOMPTH2 Register Field Descriptions
Bit Field Type Reset Description
31-26 LPMUPDATE_LTH R/W 0h Internal. Only to be used through TI provided API.
25-24 SPARE24 R/W 0h Software should not rely on the value of a reserved. Writing any
other value than the reset value may result in undefined behavior.
23-18 LPMUPDATE_HTH R/W 0h Internal. Only to be used through TI provided API.
17-16 SPARE16 R/W 0h Software should not rely on the value of a reserved. Writing any
other value than the reset value may result in undefined behavior.
15-10 ADC_COMP_AMPTH_LP
MR/W 0h Internal. Only to be used through TI provided API.
9-8 SPARE8 R/W 0h Software should not rely on the value of a reserved. Writing any
other value than the reset value may result in undefined behavior.
7-2 ADC_COMP_AMPTH_HP
MR/W 0h Internal. Only to be used through TI provided API.
1-0 SPARE0 R/W 0h Software should not rely on the value of a reserved. Writing any
other value than the reset value may result in undefined behavior.

PRCM Registers
www.ti.com
456 SWCU117F–February 2015–Revised June 2016
Submit Documentation Feedback
Copyright © 2015–2016, Texas Instruments Incorporated
Power, Reset, and Clock Management
6.8.2.1.7 ANABYPASSVAL1 Register (Offset = 18h) [reset = 0h]
ANABYPASSVAL1 is shown in Figure 6-29 and described in Table 6-32.
Return to Summary Table.
Analog Bypass Values 1
Figure 6-29. ANABYPASSVAL1 Register
31 30 29 28 27 26 25 24
RESERVED
R/W-0h
23 22 21 20 19 18 17 16
RESERVED XOSC_HF_ROW_Q12
R/W-0h R/W-0h
15 14 13 12 11 10 9 8
XOSC_HF_COLUMN_Q12
R/W-0h
76543210
XOSC_HF_COLUMN_Q12
R/W-0h
Table 6-32. ANABYPASSVAL1 Register Field Descriptions
Bit Field Type Reset Description
31-20 RESERVED R/W 0h Software should not rely on the value of a reserved. Writing any
other value than the reset value may result in undefined behavior.
19-16 XOSC_HF_ROW_Q12 R/W 0h Internal. Only to be used through TI provided API.
15-0 XOSC_HF_COLUMN_Q1
2R/W 0h Internal. Only to be used through TI provided API.

www.ti.com
PRCM Registers
457
SWCU117F–February 2015–Revised June 2016
Submit Documentation Feedback Copyright © 2015–2016, Texas Instruments Incorporated
Power, Reset, and Clock Management
6.8.2.1.8 ANABYPASSVAL2 Register (Offset = 1Ch) [reset = 0h]
ANABYPASSVAL2 is shown in Figure 6-30 and described in Table 6-33.
Return to Summary Table.
Internal. Only to be used through TI provided API.
Figure 6-30. ANABYPASSVAL2 Register
31 30 29 28 27 26 25 24 23 22 21 20 19 18 17 16
RESERVED
R/W-0h
15 14 13 12 11 10 9 8 7 6 5 4 3 2 1 0
RESERVED XOSC_HF_IBIASTHERM
R/W-0h R/W-0h
Table 6-33. ANABYPASSVAL2 Register Field Descriptions
Bit Field Type Reset Description
31-14 RESERVED R/W 0h Software should not rely on the value of a reserved. Writing any
other value than the reset value may result in undefined behavior.
13-0 XOSC_HF_IBIASTHERM R/W 0h Internal. Only to be used through TI provided API.

PRCM Registers
www.ti.com
458 SWCU117F–February 2015–Revised June 2016
Submit Documentation Feedback
Copyright © 2015–2016, Texas Instruments Incorporated
Power, Reset, and Clock Management
6.8.2.1.9 ATESTCTL Register (Offset = 20h) [reset = 0h]
ATESTCTL is shown in Figure 6-31 and described in Table 6-34.
Return to Summary Table.
Analog Test Control
Figure 6-31. ATESTCTL Register
31 30 29 28 27 26 25 24
SPARE30 SCLK_LF_AUX
_EN RESERVED
R/W-0h R/W-0h R/W-0h
23 22 21 20 19 18 17 16
RESERVED
R/W-0h
15 14 13 12 11 10 9 8
RESERVED
R/W-0h
76543210
RESERVED
R/W-0h
Table 6-34. ATESTCTL Register Field Descriptions
Bit Field Type Reset Description
31-30 SPARE30 R/W 0h Software should not rely on the value of a reserved. Writing any
other value than the reset value may result in undefined behavior.
29 SCLK_LF_AUX_EN R/W 0h Enable 32 kHz clock to AUX_COMPB.
28-0 RESERVED R/W 0h Software should not rely on the value of a reserved. Writing any
other value than the reset value may result in undefined behavior.

www.ti.com
PRCM Registers
459
SWCU117F–February 2015–Revised June 2016
Submit Documentation Feedback Copyright © 2015–2016, Texas Instruments Incorporated
Power, Reset, and Clock Management
6.8.2.1.10 ADCDOUBLERNANOAMPCTL Register (Offset = 24h) [reset = 0h]
ADCDOUBLERNANOAMPCTL is shown in Figure 6-32 and described in Table 6-35.
Return to Summary Table.
ADC Doubler Nanoamp Control
Figure 6-32. ADCDOUBLERNANOAMPCTL Register
31 30 29 28 27 26 25 24
RESERVED NANOAMP_BI
AS_ENABLE
R/W-0h R/W-0h
23 22 21 20 19 18 17 16
SPARE23 RESERVED
R/W-0h R/W-0h
15 14 13 12 11 10 9 8
RESERVED
R/W-0h
76543210
RESERVED ADC_SH_MOD
E_EN ADC_SH_VBU
F_EN RESERVED ADC_IREF_CTRL
R/W-0h R/W-0h R/W-0h R/W-0h R/W-0h
Table 6-35. ADCDOUBLERNANOAMPCTL Register Field Descriptions
Bit Field Type Reset Description
31-25 RESERVED R/W 0h Software should not rely on the value of a reserved. Writing any
other value than the reset value may result in undefined behavior.
24 NANOAMP_BIAS_ENABL
ER/W 0h Internal. Only to be used through TI provided API.
23 SPARE23 R/W 0h Software should not rely on the value of a reserved. Writing any
other value than the reset value may result in undefined behavior
22-6 RESERVED R/W 0h Software should not rely on the value of a reserved. Writing any
other value than the reset value may result in undefined behavior.
5 ADC_SH_MODE_EN R/W 0h Internal. Only to be used through TI provided API.
4 ADC_SH_VBUF_EN R/W 0h Internal. Only to be used through TI provided API.
3-2 RESERVED R/W 0h Software should not rely on the value of a reserved. Writing any
other value than the reset value may result in undefined behavior.
1-0 ADC_IREF_CTRL R/W 0h Internal. Only to be used through TI provided API.

PRCM Registers
www.ti.com
460 SWCU117F–February 2015–Revised June 2016
Submit Documentation Feedback
Copyright © 2015–2016, Texas Instruments Incorporated
Power, Reset, and Clock Management
6.8.2.1.11 XOSCHFCTL Register (Offset = 28h) [reset = 0h]
XOSCHFCTL is shown in Figure 6-33 and described in Table 6-36.
Return to Summary Table.
XOSCHF Control
Figure 6-33. XOSCHFCTL Register
31 30 29 28 27 26 25 24
RESERVED
R/W-0h
23 22 21 20 19 18 17 16
RESERVED
R/W-0h
15 14 13 12 11 10 9 8
RESERVED PEAK_DET_ITRIM
R/W-0h R/W-0h
76543210
RESERVED BYPASS RESERVED HP_BUF_ITRIM LP_BUF_ITRIM
R/W-0h R/W-0h R/W-0h R/W-0h R/W-0h
Table 6-36. XOSCHFCTL Register Field Descriptions
Bit Field Type Reset Description
31-10 RESERVED R/W 0h Software should not rely on the value of a reserved. Writing any
other value than the reset value may result in undefined behavior.
9-8 PEAK_DET_ITRIM R/W 0h Internal. Only to be used through TI provided API.
7 RESERVED R/W 0h Software should not rely on the value of a reserved. Writing any
other value than the reset value may result in undefined behavior.
6 BYPASS R/W 0h Internal. Only to be used through TI provided API.
5 RESERVED R/W 0h Software should not rely on the value of a reserved. Writing any
other value than the reset value may result in undefined behavior.
4-2 HP_BUF_ITRIM R/W 0h Internal. Only to be used through TI provided API.
1-0 LP_BUF_ITRIM R/W 0h Internal. Only to be used through TI provided API.

www.ti.com
PRCM Registers
461
SWCU117F–February 2015–Revised June 2016
Submit Documentation Feedback Copyright © 2015–2016, Texas Instruments Incorporated
Power, Reset, and Clock Management
6.8.2.1.12 LFOSCCTL Register (Offset = 2Ch) [reset = 0h]
LFOSCCTL is shown in Figure 6-34 and described in Table 6-37.
Return to Summary Table.
Low Frequency Oscillator Control
Figure 6-34. LFOSCCTL Register
31 30 29 28 27 26 25 24
RESERVED
R/W-0h
23 22 21 20 19 18 17 16
XOSCLF_REGULATOR_TRIM XOSCLF_CMIRRWR_RATIO RESERVED
R/W-0h R/W-0h R/W-0h
15 14 13 12 11 10 9 8
RESERVED RCOSCLF_RTUNE_TRIM
R/W-0h R/W-0h
76543210
RCOSCLF_CTUNE_TRIM
R/W-0h
Table 6-37. LFOSCCTL Register Field Descriptions
Bit Field Type Reset Description
31-24 RESERVED R/W 0h Software should not rely on the value of a reserved. Writing any
other value than the reset value may result in undefined behavior.
23-22 XOSCLF_REGULATOR_
TRIM R/W 0h Internal. Only to be used through TI provided API.
21-18 XOSCLF_CMIRRWR_RA
TIO R/W 0h Internal. Only to be used through TI provided API.
17-10 RESERVED R/W 0h Software should not rely on the value of a reserved. Writing any
other value than the reset value may result in undefined behavior.
9-8 RCOSCLF_RTUNE_TRIM R/W 0h Internal. Only to be used through TI provided API.
7-0 RCOSCLF_CTUNE_TRIM R/W 0h Internal. Only to be used through TI provided API.

PRCM Registers
www.ti.com
462 SWCU117F–February 2015–Revised June 2016
Submit Documentation Feedback
Copyright © 2015–2016, Texas Instruments Incorporated
Power, Reset, and Clock Management
6.8.2.1.13 RCOSCHFCTL Register (Offset = 30h) [reset = 0h]
RCOSCHFCTL is shown in Figure 6-35 and described in Table 6-38.
Return to Summary Table.
RCOSCHF Control
Figure 6-35. RCOSCHFCTL Register
31 30 29 28 27 26 25 24 23 22 21 20 19 18 17 16
RESERVED
R/W-0h
15 14 13 12 11 10 9 8 7 6 5 4 3 2 1 0
RCOSCHF_CTRIM RESERVED
R/W-0h R/W-0h
Table 6-38. RCOSCHFCTL Register Field Descriptions
Bit Field Type Reset Description
31-16 RESERVED R/W 0h Software should not rely on the value of a reserved. Writing any
other value than the reset value may result in undefined behavior.
15-8 RCOSCHF_CTRIM R/W 0h Internal. Only to be used through TI provided API.
7-0 RESERVED R/W 0h Software should not rely on the value of a reserved. Writing any
other value than the reset value may result in undefined behavior.

www.ti.com
PRCM Registers
463
SWCU117F–February 2015–Revised June 2016
Submit Documentation Feedback Copyright © 2015–2016, Texas Instruments Incorporated
Power, Reset, and Clock Management
6.8.2.1.14 STAT0 Register (Offset = 34h) [reset = 0h]
STAT0 is shown in Figure 6-36 and described in Table 6-39.
Return to Summary Table.
Status 0
This register contains status signals from OSC_DIG
Figure 6-36. STAT0 Register
31 30 29 28 27 26 25 24
SPARE31 SCLK_LF_SRC SCLK_HF_SR
CRESERVED
R-0h R-0h R-0h R-0h
23 22 21 20 19 18 17 16
RESERVED RCOSC_HF_E
NRCOSC_LF_E
NXOSC_LF_EN CLK_DCDC_R
DY CLK_DCDC_R
DY_ACK SCLK_HF_LOS
SSCLK_LF_LOS
S
R-0h R-0h R-0h R-0h R-0h R-0h R-0h R-0h
15 14 13 12 11 10 9 8
XOSC_HF_EN RESERVED XB_48M_CLK_
EN RESERVED XOSC_HF_LP_
BUF_EN XOSC_HF_HP
_BUF_EN RESERVED ADC_THMET
R-0h R-0h R-0h R-0h R-0h R-0h R-0h R-0h
76543210
ADC_DATA_R
EADY ADC_DATA PENDINGSCL
KHFSWITCHIN
G
R-0h R-0h R-0h
Table 6-39. STAT0 Register Field Descriptions
Bit Field Type Reset Description
31 SPARE31 R 0h Software should not rely on the value of a reserved. Writing any
other value than the reset value may result in undefined behavior.
30-29 SCLK_LF_SRC R 0h Indicates source for the sclk_lf
0h = Low frequency clock derived from High Frequency RCOSC
1h = Low frequency clock derived from High Frequency XOSC
2h = Low frequency RCOSC
3h = Low frequency XOSC
28 SCLK_HF_SRC R 0h Indicates source for the sclk_hf
0h = High frequency RCOSC clk
1h = High frequency XOSC
27-23 RESERVED R 0h Software should not rely on the value of a reserved. Writing any
other value than the reset value may result in undefined behavior.
22 RCOSC_HF_EN R 0h RCOSC_HF_EN
21 RCOSC_LF_EN R 0h RCOSC_LF_EN
20 XOSC_LF_EN R 0h XOSC_LF_EN
19 CLK_DCDC_RDY R 0h CLK_DCDC_RDY
18 CLK_DCDC_RDY_ACK R 0h CLK_DCDC_RDY_ACK
17 SCLK_HF_LOSS R 0h Indicates sclk_hf is lost
16 SCLK_LF_LOSS R 0h Indicates sclk_lf is lost
15 XOSC_HF_EN R 0h Indicates that XOSC_HF is enabled.
14 RESERVED R 0h Software should not rely on the value of a reserved. Writing any
other value than the reset value may result in undefined behavior.

PRCM Registers
www.ti.com
464 SWCU117F–February 2015–Revised June 2016
Submit Documentation Feedback
Copyright © 2015–2016, Texas Instruments Incorporated
Power, Reset, and Clock Management
Table 6-39. STAT0 Register Field Descriptions (continued)
Bit Field Type Reset Description
13 XB_48M_CLK_EN R 0h Indicates that the 48MHz clock from the DOUBLER is enabled.
It will be enabled if 24 or 48 MHz chrystal is used (enabled in
doulbler bypass for the 48MHz chrystal).
12 RESERVED R 0h Software should not rely on the value of a reserved. Writing any
other value than the reset value may result in undefined behavior.
11 XOSC_HF_LP_BUF_EN R 0h XOSC_HF_LP_BUF_EN
10 XOSC_HF_HP_BUF_EN R 0h XOSC_HF_HP_BUF_EN
9 RESERVED R 0h Software should not rely on the value of a reserved. Writing any
other value than the reset value may result in undefined behavior.
8 ADC_THMET R 0h ADC_THMET
7 ADC_DATA_READY R 0h indicates when adc_data is ready.
6-1 ADC_DATA R 0h adc_data
0 PENDINGSCLKHFSWITC
HING R 0h Indicates when sclk_hf is ready to be swtiched

www.ti.com
PRCM Registers
465
SWCU117F–February 2015–Revised June 2016
Submit Documentation Feedback Copyright © 2015–2016, Texas Instruments Incorporated
Power, Reset, and Clock Management
6.8.2.1.15 STAT1 Register (Offset = 38h) [reset = 0h]
STAT1 is shown in Figure 6-37 and described in Table 6-40.
Return to Summary Table.
Status 1
This register contains status signals from OSC_DIG
Figure 6-37. STAT1 Register
31 30 29 28 27 26 25 24
RAMPSTATE HPM_UPDATE_AMP
R-0h R-0h
23 22 21 20 19 18 17 16
HPM_UPDATE_AMP LPM_UPDATE_AMP
R-0h R-0h
15 14 13 12 11 10 9 8
FORCE_RCOS
C_HF SCLK_HF_EN SCLK_MF_EN ACLK_ADC_E
NACLK_TDC_E
NACLK_REF_EN CLK_CHP_EN CLK_DCDC_E
N
R-0h R-0h R-0h R-0h R-0h R-0h R-0h R-0h
76543210
SCLK_HF_GO
OD SCLK_MF_GO
OD SCLK_LF_GO
OD ACLK_ADC_G
OOD ACLK_TDC_G
OOD ACLK_REF_G
OOD CLK_CHP_GO
OD CLK_DCDC_G
OOD
R-0h R-0h R-0h R-0h R-0h R-0h R-0h R-0h
Table 6-40. STAT1 Register Field Descriptions
Bit Field Type Reset Description
31-28 RAMPSTATE R 0h AMPCOMP FSM State
0h = RESET
1h = INITIALIZATION
2h = HPM_RAMP1
3h = HPM_RAMP2
4h = HPM_RAMP3
5h = HPM_UPDATE
6h = IDAC_INCREMENT
7h = IBIAS_CAP_UPDATE
8h = IBIAS_DECREMENT_WITH_MEASURE
9h = LPM_UPDATE
Ah = IBIAS_INCREMENT
Bh = IDAC_DECREMENT_WITH_MEASURE
Ch = DUMMY_TO_INIT_1
Dh = FAST_START
Eh = FAST_START_SETTLE
27-22 HPM_UPDATE_AMP R 0h OSC amplitude during HPM_UPDATE state.
When amplitude compensation of XOSC_HF is enabled in high
performance mode, this value is the amplitude of the crystal
oscillations measured by the on-chip oscillator ADC, divided by 15
mV. For example, a value of 0x20 would indicate that the crystal's
amplitude is approximately 480 mV. To enable amplitude
compensation, AON_WUC OSCCFG must be set to a non-zero
value.
21-16 LPM_UPDATE_AMP R 0h OSC amplitude during LPM_UPDATE state
When amplitude compensation of XOSC_HF is enabled in low power
mode, this value is the amplitude of the crystal oscillations measured
by the on-chip oscillator ADC, divided by 15 mV. For example, a
value of 0x20 would indicate that the crystal's amplitude is
approximately 480 mV. To enable amplitude compensation,
AON_WUC OSCCFG must be set to a non-zero value.
15 FORCE_RCOSC_HF R 0h force_rcosc_hf

PRCM Registers
www.ti.com
466 SWCU117F–February 2015–Revised June 2016
Submit Documentation Feedback
Copyright © 2015–2016, Texas Instruments Incorporated
Power, Reset, and Clock Management
Table 6-40. STAT1 Register Field Descriptions (continued)
Bit Field Type Reset Description
14 SCLK_HF_EN R 0h SCLK_HF_EN
13 SCLK_MF_EN R 0h SCLK_MF_EN
12 ACLK_ADC_EN R 0h ACLK_ADC_EN
11 ACLK_TDC_EN R 0h ACLK_TDC_EN
10 ACLK_REF_EN R 0h ACLK_REF_EN
9 CLK_CHP_EN R 0h CLK_CHP_EN
8 CLK_DCDC_EN R 0h CLK_DCDC_EN
7 SCLK_HF_GOOD R 0h SCLK_HF_GOOD
6 SCLK_MF_GOOD R 0h SCLK_MF_GOOD
5 SCLK_LF_GOOD R 0h SCLK_LF_GOOD
4 ACLK_ADC_GOOD R 0h ACLK_ADC_GOOD
3 ACLK_TDC_GOOD R 0h ACLK_TDC_GOOD
2 ACLK_REF_GOOD R 0h ACLK_REF_GOOD
1 CLK_CHP_GOOD R 0h CLK_CHP_GOOD
0 CLK_DCDC_GOOD R 0h CLK_DCDC_GOOD

www.ti.com
PRCM Registers
467
SWCU117F–February 2015–Revised June 2016
Submit Documentation Feedback Copyright © 2015–2016, Texas Instruments Incorporated
Power, Reset, and Clock Management
6.8.2.1.16 STAT2 Register (Offset = 3Ch) [reset = 0h]
STAT2 is shown in Figure 6-38 and described in Table 6-41.
Return to Summary Table.
Status 2
This register contains status signals from AMPCOMP FSM
Figure 6-38. STAT2 Register
31 30 29 28 27 26 25 24
ADC_DCBIAS HPM_RAMP1_
THMET HPM_RAMP2_
THMET
R-0h R-0h R-0h
23 22 21 20 19 18 17 16
HPM_RAMP3_
THMET RESERVED
R-0h R-0h
15 14 13 12 11 10 9 8
RAMPSTATE RESERVED
R-0h R-0h
76543210
RESERVED AMPCOMP_RE
QXOSC_HF_AM
PGOOD XOSC_HF_FR
EQGOOD XOSC_HF_RF
_FREQGOOD
R-0h R-0h R-0h R-0h R-0h
Table 6-41. STAT2 Register Field Descriptions
Bit Field Type Reset Description
31-26 ADC_DCBIAS R 0h DC Bias read by RADC during SAR mode
The vaue is an unsigned interger. It is used for debug only.
25 HPM_RAMP1_THMET R 0h Indication of threshhold is met for hpm_ramp1
24 HPM_RAMP2_THMET R 0h Indication of threshhold is met for hpm_ramp2
23 HPM_RAMP3_THMET R 0h Indication of threshhold is met for hpm_ramp3
22-16 RESERVED R 0h Software should not rely on the value of a reserved. Writing any
other value than the reset value may result in undefined behavior.
15-12 RAMPSTATE R 0h xosc_hf amplitude compensation FSM
This is identical to STAT1.RAMPSTATE. See that description for
encoding.
11-4 RESERVED R 0h Software should not rely on the value of a reserved. Writing any
other value than the reset value may result in undefined behavior.
3 AMPCOMP_REQ R 0h ampcomp_req
2 XOSC_HF_AMPGOOD R 0h amplitude of xosc_hf is within the required threshold (set by DDI).
Not used for anything just for debug/status
1 XOSC_HF_FREQGOOD R 0h frequency of xosc_hf is good to use for the digital clocks
0 XOSC_HF_RF_FREQGO
OD R 0h frequency of xosc_hf is within +/- 20 ppm and xosc_hf is good for
radio operations. Used for SW to start synthesizer.

PRCM Registers
www.ti.com
468 SWCU117F–February 2015–Revised June 2016
Submit Documentation Feedback
Copyright © 2015–2016, Texas Instruments Incorporated
Power, Reset, and Clock Management
6.8.2.2 AON_SYSCTL Registers
Table 6-42 lists the memory-mapped registers for the AON_SYSCTL. All register offset addresses not
listed in Table 6-42 should be considered as reserved locations and the register contents should not be
modified.
Table 6-42. AON_SYSCTL Registers
Offset Acronym Register Name Section
0h PWRCTL Power Management Section 6.8.2.2.1
4h RESETCTL Reset Management Section 6.8.2.2.2
8h SLEEPCTL Sleep Mode Section 6.8.2.2.3

www.ti.com
PRCM Registers
469
SWCU117F–February 2015–Revised June 2016
Submit Documentation Feedback Copyright © 2015–2016, Texas Instruments Incorporated
Power, Reset, and Clock Management
6.8.2.2.1 PWRCTL Register (Offset = 0h) [reset = 0h]
PWRCTL is shown in Figure 6-39 and described in Table 6-43.
Return to Summary Table.
Power Management
This register controls bitfields for setting low level power management features such as selection of
regulator for VDDR supply and control of IO ring where certain segments can be enabled / disabled.
Figure 6-39. PWRCTL Register
31 30 29 28 27 26 25 24
RESERVED
R/W-0h
23 22 21 20 19 18 17 16
RESERVED
R/W-0h
15 14 13 12 11 10 9 8
RESERVED
R/W-0h
76543210
RESERVED DCDC_ACTIVE EXT_REG_MO
DE DCDC_EN
R/W-0h R/W-0h R-0h R/W-0h
Table 6-43. PWRCTL Register Field Descriptions
Bit Field Type Reset Description
31-3 RESERVED R/W 0h Software should not rely on the value of a reserved. Writing any
other value than the reset value may result in undefined behavior.
2 DCDC_ACTIVE R/W 0h Select to use DCDC regulator for VDDR in active mode
0: Use GLDO for regulation of VDDRin active mode.
1: Use DCDC for regulation of VDDRin active mode.
1 EXT_REG_MODE R 0h Status of source for VDDRsupply:
0: DCDC/GLDO are generating VDDR
1: DCDC/GLDO are bypassed, external regulator supplies VDDR
0 DCDC_EN R/W 0h Select to use DCDC regulator during recharge of VDDR
0: Use GLDO for recharge of VDDR
1: Use DCDC for recharge of VDDR
Note: This bitfield should be set to the same as DCDC_ACTIVE

PRCM Registers
www.ti.com
470 SWCU117F–February 2015–Revised June 2016
Submit Documentation Feedback
Copyright © 2015–2016, Texas Instruments Incorporated
Power, Reset, and Clock Management
6.8.2.2.2 RESETCTL Register (Offset = 4h) [reset = E0h]
RESETCTL is shown in Figure 6-40 and described in Table 6-44.
Return to Summary Table.
Reset Management
This register contains bitfields releated to system reset such as reset source and reset request and control
of brown out resets.
Figure 6-40. RESETCTL Register
31 30 29 28 27 26 25 24
SYSRESET RESERVED BOOT_DET_1_
CLR BOOT_DET_0_
CLR
W-0h R-0h R/W-0h R/W-0h
23 22 21 20 19 18 17 16
RESERVED BOOT_DET_1_
SET BOOT_DET_0_
SET
R-0h R/W-0h R/W-0h
15 14 13 12 11 10 9 8
WU_FROM_SD GPIO_WU_FR
OM_SD BOOT_DET_1 BOOT_DET_0 VDDS_LOSS_
EN_OVR VDDR_LOSS_
EN_OVR VDD_LOSS_E
N_OVR RESERVED
R-0h R-0h R-0h R-0h R/W-0h R/W-0h R/W-0h R-0h
76543210
VDDS_LOSS_
EN VDDR_LOSS_
EN VDD_LOSS_E
NCLK_LOSS_EN RESET_SRC RESERVED
R/W-1h R/W-1h R/W-1h R/W-0h R-0h R-0h
Table 6-44. RESETCTL Register Field Descriptions
Bit Field Type Reset Description
31 SYSRESET W 0h Cold reset register. Writing 1 to this bitfield will reset the entire chip
and cause boot code to run again.
0: No effect
1: Generate system reset. Appears as SYSRESET in RESET_SRC.
30-26 RESERVED R 0h Software should not rely on the value of a reserved. Writing any
other value than the reset value may result in undefined behavior.
25 BOOT_DET_1_CLR R/W 0h Internal. Only to be used through TI provided API.
24 BOOT_DET_0_CLR R/W 0h Internal. Only to be used through TI provided API.
23-18 RESERVED R 0h Software should not rely on the value of a reserved. Writing any
other value than the reset value may result in undefined behavior.
17 BOOT_DET_1_SET R/W 0h Internal. Only to be used through TI provided API.
16 BOOT_DET_0_SET R/W 0h Internal. Only to be used through TI provided API.
15 WU_FROM_SD R 0h A Wakeup from SHUTDOWN on an IO event has occurred, or a
wakeup from SHUTDOWN has occurred as a result of the debugger
being attached.. (TCK pin being forced low)
Please refer to [IOC:IOCFGn,.WU_CFG] for configuring the IO's as
wakeup sources.
0: Wakeup occurred from cold reset or brown out as seen in
RESET_SRC
1: A wakeup has occurred from SHUTDOWN
Note: This flag can not be cleared and will therefor remain valid untill
poweroff/reset

www.ti.com
PRCM Registers
471
SWCU117F–February 2015–Revised June 2016
Submit Documentation Feedback Copyright © 2015–2016, Texas Instruments Incorporated
Power, Reset, and Clock Management
Table 6-44. RESETCTL Register Field Descriptions (continued)
Bit Field Type Reset Description
14 GPIO_WU_FROM_SD R 0h A wakeup from SHUTDOWN on an IO event has occurred
Please refer to [IOC:IOCFGn,.WU_CFG] for configuring the IO's as
wakeup sources.
0: The wakeup did not occur from SHUTDOWN on an IO event
1: A wakeup from SHUTDOWN occurred from an IO event
The case where WU_FROM_SD is asserted but this bitfield is not
asserted will only occur in a debug session. The boot code will not
proceed with wakeup from SHUTDOWN procedure until this bitfield
is asserted as well.
Note: This flag can not be cleared and will therefor remain valid untill
poweroff/reset
13 BOOT_DET_1 R 0h Internal. Only to be used through TI provided API.
12 BOOT_DET_0 R 0h Internal. Only to be used through TI provided API.
11 VDDS_LOSS_EN_OVR R/W 0h Override of VDDS_LOSS_EN
0: Brown out detect of VDDS is ignored, unless VDDS_LOSS_EN=1
1: Brown out detect of VDDS generates system reset (regardless of
VDDS_LOSS_EN)
This bit can be locked
10 VDDR_LOSS_EN_OVR R/W 0h Override of VDDR_LOSS_EN
0: Brown out detect of VDDR is ignored, unless VDDR_LOSS_EN=1
1: Brown out detect of VDDR generates system reset (regardless of
VDDR_LOSS_EN)
This bit can be locked
9 VDD_LOSS_EN_OVR R/W 0h Override of VDD_LOSS_EN
0: Brown out detect of VDD is ignored, unless VDD_LOSS_EN=1
1: Brown out detect of VDD generates system reset (regardless of
VDD_LOSS_EN)
This bit can be locked
8 RESERVED R 0h Software should not rely on the value of a reserved. Writing any
other value than the reset value may result in undefined behavior.
7 VDDS_LOSS_EN R/W 1h Controls reset generation in case VDDS is lost
0: Brown out detect of VDDS is ignored, unless
VDDS_LOSS_EN_OVR=1
1: Brown out detect of VDDS generates system reset
6 VDDR_LOSS_EN R/W 1h Controls reset generation in case VDDR is lost
0: Brown out detect of VDDR is ignored, unless
VDDR_LOSS_EN_OVR=1
1: Brown out detect of VDDR generates system reset
5 VDD_LOSS_EN R/W 1h Controls reset generation in case VDD is lost
0: Brown out detect of VDD is ignored, unless
VDD_LOSS_EN_OVR=1
1: Brown out detect of VDD generates system reset
4 CLK_LOSS_EN R/W 0h Controls reset generation in case SCLK_LF is lost. (provided that
clock loss detection is enabled by
DDI_0_OSC:CTL0.CLK_LOSS_EN)
Note: Clock loss reset generation must be disabled before SCLK_LF
clock source is changed in DDI_0_OSC:CTL0.SCLK_LF_SRC_SEL
and remain disabled untill the change is confirmed in
DDI_0_OSC:STAT0.SCLK_LF_SRC. Failure to do so may result in a
spurious system reset. Clock loss reset generation can be disabled
through this bitfield or by clearing
DDI_0_OSC:CTL0.CLK_LOSS_EN
0: Clock loss is ignored
1: Clock loss generates system reset

PRCM Registers
www.ti.com
472 SWCU117F–February 2015–Revised June 2016
Submit Documentation Feedback
Copyright © 2015–2016, Texas Instruments Incorporated
Power, Reset, and Clock Management
Table 6-44. RESETCTL Register Field Descriptions (continued)
Bit Field Type Reset Description
3-1 RESET_SRC R 0h Shows the source of the last system reset:
Occurrence of one of the reset sources may trigger several other
reset sources as essential parts of the system are undergoing reset.
This field will report the root cause of the reset (not the other resets
that are consequence of the system reset).
To support this feature the actual register is not captured before the
reset source being released. If a new reset source is triggered, in a
window of four 32 kHz periods after the previous has been released,
this register may indicate Power on reset as source.
0h = Power on reset
1h = Reset pin
2h = Brown out detect on VDDS
3h = Brown out detect on VDD
4h = Brown out detect on VDDR
5h = Clock loss detect
6h = Software reset via SYSRESET register
7h = Software reset via PRCM warm reset request
0 RESERVED R 0h Software should not rely on the value of a reserved. Writing any
other value than the reset value may result in undefined behavior.

www.ti.com
PRCM Registers
473
SWCU117F–February 2015–Revised June 2016
Submit Documentation Feedback Copyright © 2015–2016, Texas Instruments Incorporated
Power, Reset, and Clock Management
6.8.2.2.3 SLEEPCTL Register (Offset = 8h) [reset = 0h]
SLEEPCTL is shown in Figure 6-41 and described in Table 6-45.
Return to Summary Table.
Sleep Mode
This register is used to unfreeze the IO pad ring after waking up from SHUTDOWN
Figure 6-41. SLEEPCTL Register
31 30 29 28 27 26 25 24
RESERVED
R-0h
23 22 21 20 19 18 17 16
RESERVED
R-0h
15 14 13 12 11 10 9 8
RESERVED
R-0h
76543210
RESERVED IO_PAD_SLEE
P_DIS
R-0h R/W-0h
Table 6-45. SLEEPCTL Register Field Descriptions
Bit Field Type Reset Description
31-1 RESERVED R 0h Software should not rely on the value of a reserved. Writing any
other value than the reset value may result in undefined behavior.
0 IO_PAD_SLEEP_DIS R/W 0h Controls the I/O pad sleep mode. The boot code will set this bitfield
automatically unless waking up from a SHUTDOWN (
RESETCTL.WU_FROM_SD is set ).
0: I/O pad sleep mode is enabled, ie all pads are latched and can
not toggle.
1: I/O pad sleep mode is disabled
Application software may want to reconfigure the state for all IO's
before setting this bitfield upon waking up from a SHUTDOWN.
6.8.2.3 AON_WUC Registers
Table 6-46 lists the memory-mapped registers for the AON_WUC. All register offset addresses not listed
in Table 6-46 should be considered as reserved locations and the register contents should not be
modified.
Table 6-46. AON_WUC Registers
Offset Acronym Register Name Section
0h MCUCLK MCU Clock Management Section 6.8.2.3.1
4h AUXCLK AUX Clock Management Section 6.8.2.3.2
8h MCUCFG MCU Configuration Section 6.8.2.3.3
Ch AUXCFG AUX Configuration Section 6.8.2.3.4
10h AUXCTL AUX Control Section 6.8.2.3.5
14h PWRSTAT Power Status Section 6.8.2.3.6
18h SHUTDOWN Shutdown Control Section 6.8.2.3.7
20h CTL0 Control 0 Section 6.8.2.3.8
24h CTL1 Control 1 Section 6.8.2.3.9
30h RECHARGECFG Recharge Controller Configuration Section 6.8.2.3.10
34h RECHARGESTAT Recharge Controller Status Section 6.8.2.3.11

PRCM Registers
www.ti.com
474 SWCU117F–February 2015–Revised June 2016
Submit Documentation Feedback
Copyright © 2015–2016, Texas Instruments Incorporated
Power, Reset, and Clock Management
Table 6-46. AON_WUC Registers (continued)
Offset Acronym Register Name Section
38h OSCCFG Oscillator Configuration Section 6.8.2.3.12
40h JTAGCFG JTAG Configuration Section 6.8.2.3.13
44h JTAGUSERCODE JTAG USERCODE Section 6.8.2.3.14

www.ti.com
PRCM Registers
475
SWCU117F–February 2015–Revised June 2016
Submit Documentation Feedback Copyright © 2015–2016, Texas Instruments Incorporated
Power, Reset, and Clock Management
6.8.2.3.1 MCUCLK Register (Offset = 0h) [reset = 0h]
MCUCLK is shown in Figure 6-42 and described in Table 6-47.
Return to Summary Table.
MCU Clock Management
This register contains bitfields related to the MCU clock.
Figure 6-42. MCUCLK Register
31 30 29 28 27 26 25 24
RESERVED
R-0h
23 22 21 20 19 18 17 16
RESERVED
R-0h
15 14 13 12 11 10 9 8
RESERVED
R-0h
76543210
RESERVED RCOSC_HF_C
AL_DONE PWR_DWN_SRC
R-0h R/W-0h R/W-0h
Table 6-47. MCUCLK Register Field Descriptions
Bit Field Type Reset Description
31-3 RESERVED R 0h Software should not rely on the value of a reserved. Writing any
other value than the reset value may result in undefined behavior.
2 RCOSC_HF_CAL_DONE R/W 0h MCU bootcode will set this bit when RCOSC_HF is calibrated. The
FLASH can not be used until this bit is set.
1: RCOSC_HF is calibrated to 48 MHz, allowing FLASH to power
up.
0: RCOSC_HF is not yet calibrated, ie FLASH must not assume that
the SCLK_HF is safe
1-0 PWR_DWN_SRC R/W 0h Controls the clock source for the entire MCU domain while MCU is
requesting powerdown.
When MCU requests powerdown with SCLK_HF as source, then
WUC will switch over to this clock source during powerdown, and
automatically switch back to SCLK_HF when MCU is no longer
requesting powerdown and system is back in active mode.
0h = No clock in Powerdown
1h = Use SCLK_LF in Powerdown

PRCM Registers
www.ti.com
476 SWCU117F–February 2015–Revised June 2016
Submit Documentation Feedback
Copyright © 2015–2016, Texas Instruments Incorporated
Power, Reset, and Clock Management
6.8.2.3.2 AUXCLK Register (Offset = 4h) [reset = 1h]
AUXCLK is shown in Figure 6-43 and described in Table 6-48.
Return to Summary Table.
AUX Clock Management
This register contains bitfields that are relevant for setting up the clock to the AUX domain.
Figure 6-43. AUXCLK Register
31 30 29 28 27 26 25 24
RESERVED
R-0h
23 22 21 20 19 18 17 16
RESERVED
R-0h
15 14 13 12 11 10 9 8
RESERVED PWR_DWN_SRC SCLK_HF_DIV
R-0h R/W-0h R/W-0h
76543210
RESERVED SRC
R-0h R/W-1h
Table 6-48. AUXCLK Register Field Descriptions
Bit Field Type Reset Description
31-13 RESERVED R 0h Software should not rely on the value of a reserved. Writing any
other value than the reset value may result in undefined behavior.
12-11 PWR_DWN_SRC R/W 0h When AUX requests powerdown with SCLK_HF as source, then
WUC will switch over to this clock source during powerdown, and
automatically switch back to SCLK_HF when AUX system is back in
active mode
0h = No clock in Powerdown
1h = Use SCLK_LF in Powerdown
10-8 SCLK_HF_DIV R/W 0h Select the AUX clock divider for SCLK_HF
NB: It is not supported to change the AUX clock divider while
SCLK_HF is active source for AUX
0h = Divide by 2
1h = Divide by 4
2h = Divide by 8
3h = Divide by 16
4h = Divide by 32
5h = Divide by 64
6h = Divide by 128
7h = Divide by 256
7-3 RESERVED R 0h Software should not rely on the value of a reserved. Writing any
other value than the reset value may result in undefined behavior.
2-0 SRC R/W 1h Selects the clock source for AUX:
NB: Switching the clock source is guaranteed to be glitchless
1h = HF Clock (SCLK_HF)
4h = LF Clock (SCLK_LF)

www.ti.com
PRCM Registers
477
SWCU117F–February 2015–Revised June 2016
Submit Documentation Feedback Copyright © 2015–2016, Texas Instruments Incorporated
Power, Reset, and Clock Management
6.8.2.3.3 MCUCFG Register (Offset = 8h) [reset = Fh]
MCUCFG is shown in Figure 6-44 and described in Table 6-49.
Return to Summary Table.
MCU Configuration
This register contains power management related bitfields for the MCU domain.
Figure 6-44. MCUCFG Register
31 30 29 28 27 26 25 24
RESERVED
R-0h
23 22 21 20 19 18 17 16
RESERVED VIRT_OFF FIXED_WU_EN
R-0h R/W-0h R/W-0h
15 14 13 12 11 10 9 8
RESERVED
R-0h
76543210
RESERVED SRAM_RET_EN
R-0h R/W-Fh
Table 6-49. MCUCFG Register Field Descriptions
Bit Field Type Reset Description
31-18 RESERVED R 0h Software should not rely on the value of a reserved. Writing any
other value than the reset value may result in undefined behavior.
17 VIRT_OFF R/W 0h Internal. Only to be used through TI provided API.
16 FIXED_WU_EN R/W 0h Internal. Only to be used through TI provided API.
15-4 RESERVED R 0h Software should not rely on the value of a reserved. Writing any
other value than the reset value may result in undefined behavior.
3-0 SRAM_RET_EN R/W Fh MCU SRAM is partitioned into 4 banks . This register controls which
of the banks that has retention during MCU power off
0h = Retention is disabled
1h = Retention on for SRAM:BANK0
3h = Retention on for SRAM:BANK0 and SRAM:BANK1
7h = Retention on for SRAM:BANK0, SRAM:BANK1 and
SRAM:BANK2
Fh = Retention on for all banks (SRAM:BANK0, SRAM:BANK1
,SRAM:BANK2 and SRAM:BANK3)

PRCM Registers
www.ti.com
478 SWCU117F–February 2015–Revised June 2016
Submit Documentation Feedback
Copyright © 2015–2016, Texas Instruments Incorporated
Power, Reset, and Clock Management
6.8.2.3.4 AUXCFG Register (Offset = Ch) [reset = 1h]
AUXCFG is shown in Figure 6-45 and described in Table 6-50.
Return to Summary Table.
AUX Configuration
This register contains power management related signals for the AUX domain.
Figure 6-45. AUXCFG Register
31 30 29 28 27 26 25 24
RESERVED
R/W-0h
23 22 21 20 19 18 17 16
RESERVED
R/W-0h
15 14 13 12 11 10 9 8
RESERVED
R/W-0h
76543210
RESERVED RAM_RET_EN
R/W-0h R/W-1h
Table 6-50. AUXCFG Register Field Descriptions
Bit Field Type Reset Description
31-1 RESERVED R/W 0h Software should not rely on the value of a reserved. Writing any
other value than the reset value may result in undefined behavior.
0 RAM_RET_EN R/W 1h This bit controls retention mode for the AUX_RAM:BANK0:
0: Retention is disabled
1: Retention is enabled
NB: If retention is disabled, the AUX_RAM will be powered off when
it would otherwise be put in retention mode

www.ti.com
PRCM Registers
479
SWCU117F–February 2015–Revised June 2016
Submit Documentation Feedback Copyright © 2015–2016, Texas Instruments Incorporated
Power, Reset, and Clock Management
6.8.2.3.5 AUXCTL Register (Offset = 10h) [reset = 0h]
AUXCTL is shown in Figure 6-46 and described in Table 6-51.
Return to Summary Table.
AUX Control
This register contains events and control signals for the AUX domain.
Figure 6-46. AUXCTL Register
31 30 29 28 27 26 25 24
RESET_REQ RESERVED
R/W-0h R-0h
23 22 21 20 19 18 17 16
RESERVED
R-0h
15 14 13 12 11 10 9 8
RESERVED
R-0h
76543210
RESERVED SCE_RUN_EN SWEV AUX_FORCE_
ON
R-0h R/W-0h R/W-0h R/W-0h
Table 6-51. AUXCTL Register Field Descriptions
Bit Field Type Reset Description
31 RESET_REQ R/W 0h Reset request for AUX. Writing 1 to this register will assert reset to
AUX. The reset will be held until the bit is cleared again.
0: AUX reset pin will be deasserted
1: AUX reset pin will be asserted
30-3 RESERVED R 0h Software should not rely on the value of a reserved. Writing any
other value than the reset value may result in undefined behavior.
2 SCE_RUN_EN R/W 0h Enables (1) or disables (0) AUX_SCE execution. AUX_SCE
execution will begin when AUX Domain is powered and either this or
AUX_SCE:CTL.CLK_EN is set.
Setting this bit will assure that AUX_SCE execution starts as soon
as AUX power domain is woken up. ( AUX_SCE:CTL.CLK_EN will
be reset to 0 if AUX power domain has been off)
0: AUX_SCE execution will be disabled if AUX_SCE:CTL.CLK_EN is
0
1: AUX_SCE execution is enabled.
1 SWEV R/W 0h Writing 1 sets the software event to the AUX domain, which can be
read through AUX_WUC:WUEVFLAGS.AON_SW.
This event is normally cleared by AUX_SCE through the
AUX_WUC:WUEVCLR.AON_SW. It can also be cleared by writing 0
to this register.
Reading 0 means that there is no outstanding software event for
AUX.
Note that it can take up to 1,5 SCLK_LF clock cycles to clear the
event from AUX.
0 AUX_FORCE_ON R/W 0h Forces the AUX domain into active mode, overriding the requests
from AUX_WUC:PWROFFREQ, AUX_WUC:PWRDWNREQ and
AUX_WUC:MCUBUSCTL.
Note that an ongoing AUX_WUC:PWROFFREQ will complete before
this bit will set the AUX domain into active mode.
MCU must set this bit in order to access the AUX peripherals.
The AUX domain status can be read from PWRSTAT.AUX_PD_ON
0: AUX is allowed to Power Off, Power Down or Disconnect.
1: AUX Power OFF, Power Down or Disconnect requests will be
overruled

PRCM Registers
www.ti.com
480 SWCU117F–February 2015–Revised June 2016
Submit Documentation Feedback
Copyright © 2015–2016, Texas Instruments Incorporated
Power, Reset, and Clock Management
6.8.2.3.6 PWRSTAT Register (Offset = 14h) [reset = 03800000h]
PWRSTAT is shown in Figure 6-47 and described in Table 6-52.
Return to Summary Table.
Power Status
This register is used to monitor various power management related signals in AON. Most signals are for
test, calibration and debug purpose only, and others can be used to detect that AUX or JTAG domains are
powered up.
Figure 6-47. PWRSTAT Register
31 30 29 28 27 26 25 24
RESERVED
R/W-E000h
23 22 21 20 19 18 17 16
RESERVED
R/W-E000h
15 14 13 12 11 10 9 8
RESERVED AUX_PWR_D
WN RESERVED
R/W-E000h R-0h R-0h
76543210
RESERVED JTAG_PD_ON AUX_PD_ON MCU_PD_ON RESERVED AUX_BUS_CO
NNECTED AUX_RESET_
DONE RESERVED
R-0h R-0h R-0h R-0h R-0h R-0h R-0h R-0h
Table 6-52. PWRSTAT Register Field Descriptions
Bit Field Type Reset Description
31-10 RESERVED R/W E000h Software should not rely on the value of a reserved. Writing any
other value than the reset value may result in undefined behavior.
9 AUX_PWR_DWN R 0h Indicates the AUX powerdown state when AUX domain is powered
up.
0: Active mode
1: AUX Powerdown request has been granted
8-7 RESERVED R 0h Software should not rely on the value of a reserved. Writing any
other value than the reset value may result in undefined behavior.
6 JTAG_PD_ON R 0h Indicates JTAG power state:
0: JTAG is powered off
1: JTAG is powered on
5 AUX_PD_ON R 0h Indicates AUX power state:
0: AUX is not ready for use ( may be powered off or in power state
transition )
1: AUX is powered on, connected to bus and ready for use,
4 MCU_PD_ON R 0h Indicates MCU power state:
0: MCU Power sequencing is not yet finalized and MCU_AONIF
registers may not be reliable
1: MCU Power sequencing is finalized and all MCU_AONIF registers
are reliable
3 RESERVED R 0h Software should not rely on the value of a reserved. Writing any
other value than the reset value may result in undefined behavior.
2 AUX_BUS_CONNECTED R 0h Indicates that AUX Bus is connected:
0: AUX bus is not connected
1: AUX bus is connected ( idle_ack = 0 )
1 AUX_RESET_DONE R 0h Indicates Reset Done from AUX:
0: AUX is being reset
1: AUX reset is released
0 RESERVED R 0h Software should not rely on the value of a reserved. Writing any
other value than the reset value may result in undefined behavior.

www.ti.com
PRCM Registers
481
SWCU117F–February 2015–Revised June 2016
Submit Documentation Feedback Copyright © 2015–2016, Texas Instruments Incorporated
Power, Reset, and Clock Management
6.8.2.3.7 SHUTDOWN Register (Offset = 18h) [reset = 0h]
SHUTDOWN is shown in Figure 6-48 and described in Table 6-53.
Return to Summary Table.
Shutdown Control
This register contains bitfields required for entering shutdown mode
Figure 6-48. SHUTDOWN Register
31 30 29 28 27 26 25 24 23 22 21 20 19 18 17 16
RESERVED
R/W-0h
15 14 13 12 11 10 9 8 7 6 5 4 3 2 1 0
RESERVED EN
R/W-0h R/W-
0h
Table 6-53. SHUTDOWN Register Field Descriptions
Bit Field Type Reset Description
31-1 RESERVED R/W 0h Software should not rely on the value of a reserved. Writing any
other value than the reset value may result in undefined behavior.
0 EN R/W 0h Writing a 1 to this bit forces a shutdown request to be registered and
all I/O values to be latched - in the PAD ring, possibly enabling I/O
wakeup. Writing 0 will cancel a registered shutdown request and
open th I/O latches residing in the PAD ring.
A registered shutdown request takes effect the next time power
down conditions exists. At this time, the will not enter Powerdown
mode, but instead it will turn off all internal powersupplies, effectively
putting the device into Shutdown mode.

PRCM Registers
www.ti.com
482 SWCU117F–February 2015–Revised June 2016
Submit Documentation Feedback
Copyright © 2015–2016, Texas Instruments Incorporated
Power, Reset, and Clock Management
6.8.2.3.8 CTL0 Register (Offset = 20h) [reset = 0h]
CTL0 is shown in Figure 6-49 and described in Table 6-54.
Return to Summary Table.
Control 0
This register contains various chip level control and debug bitfields.
Figure 6-49. CTL0 Register
31 30 29 28 27 26 25 24
RESERVED
R-0h
23 22 21 20 19 18 17 16
RESERVED
R-0h
15 14 13 12 11 10 9 8
RESERVED PWR_DWN_DI
S
R-0h R/W-0h
76543210
RESERVED AUX_SRAM_E
RASE MCU_SRAM_E
RASE RESERVED
R/W-0h W-0h W-0h R-0h
Table 6-54. CTL0 Register Field Descriptions
Bit Field Type Reset Description
31-9 RESERVED R 0h Software should not rely on the value of a reserved. Writing any
other value than the reset value may result in undefined behavior.
8 PWR_DWN_DIS R/W 0h Controls whether MCU and AUX requesting to be powered off will
enable a transition to powerdown:
0: Enabled
1: Disabled
7-4 RESERVED R/W 0h Software should not rely on the value of a reserved. Writing any
other value than the reset value may result in undefined behavior.
3 AUX_SRAM_ERASE W 0h Internal. Only to be used through TI provided API.
2 MCU_SRAM_ERASE W 0h Internal. Only to be used through TI provided API.
1-0 RESERVED R 0h Software should not rely on the value of a reserved. Writing any
other value than the reset value may result in undefined behavior.

www.ti.com
PRCM Registers
483
SWCU117F–February 2015–Revised June 2016
Submit Documentation Feedback Copyright © 2015–2016, Texas Instruments Incorporated
Power, Reset, and Clock Management
6.8.2.3.9 CTL1 Register (Offset = 24h) [reset = 0h]
CTL1 is shown in Figure 6-50 and described in Table 6-55.
Return to Summary Table.
Control 1
This register contains various chip level control and debug bitfields.
Figure 6-50. CTL1 Register
31 30 29 28 27 26 25 24
RESERVED
R/W-0h
23 22 21 20 19 18 17 16
RESERVED
R/W-0h
15 14 13 12 11 10 9 8
RESERVED
R/W-0h
76543210
RESERVED MCU_RESET_
SRC MCU_WARM_
RESET
R/W-0h R/W1C-0h R/W1C-0h
Table 6-55. CTL1 Register Field Descriptions
Bit Field Type Reset Description
31-2 RESERVED R/W 0h Software should not rely on the value of a reserved. Writing any
other value than the reset value may result in undefined behavior.
1 MCU_RESET_SRC R/W1C 0h Indicates source of last MCU Voltage Domain warm reset request:
0: MCU SW reset
1: JTAG reset
This bit can only be cleared by writing a 1 to it
0 MCU_WARM_RESET R/W1C 0h Indicates type of last MCU Voltage Domain reset:
0: Last MCU reset was not a warm reset
1: Last MCU reset was a warm reset (requested from MCU or JTAG
as indicated in MCU_RESET_SRC)
This bit can only be cleared by writing a 1 to it

PRCM Registers
www.ti.com
484 SWCU117F–February 2015–Revised June 2016
Submit Documentation Feedback
Copyright © 2015–2016, Texas Instruments Incorporated
Power, Reset, and Clock Management
6.8.2.3.10 RECHARGECFG Register (Offset = 30h) [reset = 0h]
RECHARGECFG is shown in Figure 6-51 and described in Table 6-56.
Return to Summary Table.
Recharge Controller Configuration
This register sets all relevant patameters for controlling the recharge algorithm.
Figure 6-51. RECHARGECFG Register
31 30 29 28 27 26 25 24
ADAPTIVE_EN RESERVED
R/W-0h R-0h
23 22 21 20 19 18 17 16
C2 C1
R/W-0h R/W-0h
15 14 13 12 11 10 9 8
MAX_PER_M MAX_PER_E
R/W-0h R/W-0h
76543210
PER_M PER_E
R/W-0h R/W-0h
Table 6-56. RECHARGECFG Register Field Descriptions
Bit Field Type Reset Description
31 ADAPTIVE_EN R/W 0h Enable adaptive recharge
Note: Recharge can be turned completely of by setting
MAX_PER_E=7 and MAX_PER_M=31 and this bitfield to 0
30-24 RESERVED R 0h Software should not rely on the value of a reserved. Writing any
other value than the reset value may result in undefined behavior.
23-20 C2 R/W 0h Gain factor for adaptive recharge algorithm
period_new=period * ( 1+/-(2-C1+2-C2) )
Valid values for C2 is 2 to 10
Note: Rounding may cause adaptive recharge not to start for very
small values of both Gain and Initial period. Criteria for algorithm to
start is MAX(PERIOD*2-C1,PERIOD*2-C2) >= 1
19-16 C1 R/W 0h Gain factor for adaptive recharge algorithm
period_new=period * ( 1+/-(2-C1+2-C2) )
Valid values for C1 is 1 to 10
Note: Rounding may cause adaptive recharge not to start for very
small values of both Gain and Initial period. Criteria for algorithm to
start is MAX(PERIOD*2-C1,PERIOD*2-C2) >= 1
15-11 MAX_PER_M R/W 0h This register defines the maximum period that the recharge
algorithm can take, i.e. it defines the maximum number of cycles
between 2 recharges.
The maximum number of cycles is specified with a 5 bit mantissa
and 3 bit exponent:
MAXCYCLES=(MAX_PER_M*16+15)*2MAX_PER_E
This field sets the mantissa of MAXCYCLES
10-8 MAX_PER_E R/W 0h This register defines the maximum period that the recharge
algorithm can take, i.e. it defines the maximum number of cycles
between 2 recharges.
The maximum number of cycles is specified with a 5 bit mantissa
and 3 bit exponent:
MAXCYCLES=(MAX_PER_M*16+15)*2MAX_PER_E
This field sets the exponent MAXCYCLES

www.ti.com
PRCM Registers
485
SWCU117F–February 2015–Revised June 2016
Submit Documentation Feedback Copyright © 2015–2016, Texas Instruments Incorporated
Power, Reset, and Clock Management
Table 6-56. RECHARGECFG Register Field Descriptions (continued)
Bit Field Type Reset Description
7-3 PER_M R/W 0h Number of 32 KHz clocks between activation of recharge controller
For recharge algorithm, PERIOD is the initial period when entering
powerdown mode. The adaptive recharge algorithm will not change
this register
PERIOD will effectively be a 16 bit value coded in a 5 bit mantissa
and 3 bit exponent:
This field sets the Mantissa of the Period.
PERIOD=(PER_M*16+15)*2PER_E
2-0 PER_E R/W 0h Number of 32 KHz clocks between activation of recharge controller
For recharge algorithm, PERIOD is the initial period when entering
powerdown mode. The adaptive recharge algorithm will not change
this register
PERIOD will effectively be a 16 bit value coded in a 5 bit mantissa
and 3 bit exponent:
This field sets the Exponent of the Period.
PERIOD=(PER_M*16+15)*2PER_E

PRCM Registers
www.ti.com
486 SWCU117F–February 2015–Revised June 2016
Submit Documentation Feedback
Copyright © 2015–2016, Texas Instruments Incorporated
Power, Reset, and Clock Management
6.8.2.3.11 RECHARGESTAT Register (Offset = 34h) [reset = 0h]
RECHARGESTAT is shown in Figure 6-52 and described in Table 6-57.
Return to Summary Table.
Recharge Controller Status
This register controls various status registers which are updated during recharge. The register is mostly
intended for test and debug.
Figure 6-52. RECHARGESTAT Register
31 30 29 28 27 26 25 24 23 22 21 20 19 18 17 16
RESERVED VDDR_SMPLS
R-0h R-0h
15 14 13 12 11 10 9 8 7 6 5 4 3 2 1 0
MAX_USED_PER
R/W-0h
Table 6-57. RECHARGESTAT Register Field Descriptions
Bit Field Type Reset Description
31-20 RESERVED R 0h Software should not rely on the value of a reserved. Writing any
other value than the reset value may result in undefined behavior.
19-16 VDDR_SMPLS R 0h The last 4 VDDR samples, bit 0 being the newest.
The register is being updated in every recharge period with a shift
left, and bit 0 is updated with the last VDDR sample, ie a 1 is shiftet
in in case VDDR > VDDR_threshold just before recharge starts.
Otherwise a 0 will be shifted in.
15-0 MAX_USED_PER R/W 0h The maximum value of recharge period seen with VDDR>threshold.
The VDDR voltage is compared against the threshold voltage at just
before each recharge. If VDDR is above threshold,
MAX_USED_PER is updated with max ( current recharge peride
MAX_USED_PER ) This way MAX_USED_PER can track the
recharge period where VDDR is decharged to the threshold value.
We can therefore use the value as an indication of the leakage
current during recharge.
This bitfield is cleared to 0 when writing this register.

www.ti.com
PRCM Registers
487
SWCU117F–February 2015–Revised June 2016
Submit Documentation Feedback Copyright © 2015–2016, Texas Instruments Incorporated
Power, Reset, and Clock Management
6.8.2.3.12 OSCCFG Register (Offset = 38h) [reset = 0h]
OSCCFG is shown in Figure 6-53 and described in Table 6-58.
Return to Summary Table.
Oscillator Configuration
This register sets the period for Amplitude compensation requests sent to the oscillator control system.
The amplitude compensations is only applicable when XOSC_HF is running in low power mode.
Figure 6-53. OSCCFG Register
31 30 29 28 27 26 25 24 23 22 21 20 19 18 17 16
RESERVED
R-0h
15 14 13 12 11 10 9 8 7 6 5 4 3 2 1 0
RESERVED PER_M PER_E
R-0h R/W-0h R/W-0h
Table 6-58. OSCCFG Register Field Descriptions
Bit Field Type Reset Description
31-8 RESERVED R 0h Software should not rely on the value of a reserved. Writing any
other value than the reset value may result in undefined behavior.
7-3 PER_M R/W 0h Number of 32 KHz clocks between oscillator amplitude calibrations.
When this counter expires, an oscillator amplitude compensation is
triggered immediately in Active mode. When this counter expires in
Powerdown mode an internal flag is set such that the amplitude
compensation is postponed until the next recharge occurs.
The Period will effectively be a 16 bit value coded in a 5 bit mantissa
and 3 bit exponent
PERIOD=(PER_M*16+15)*2PER_E
This field sets the mantissa
Note: Oscillator amplitude calibration is turned of when both this
bitfield and PER_E are set to 0
2-0 PER_E R/W 0h Number of 32 KHz clocks between oscillator amplitude calibrations.
When this counter expires, an oscillator amplitude compensation is
triggered immediately in Active mode. When this counter expires in
Powerdown mode an internal flag is set such that the amplitude
compensation is postponed until the next recharge occurs.
The Period will effectively be a 16 bit value coded in a 5 bit mantissa
and 3 bit exponent
PERIOD=(PER_M*16+15)*2PER_E
This field sets the exponent
Note: Oscillator amplitude calibration is turned of when both PER_M
and this bitfield are set to 0

PRCM Registers
www.ti.com
488 SWCU117F–February 2015–Revised June 2016
Submit Documentation Feedback
Copyright © 2015–2016, Texas Instruments Incorporated
Power, Reset, and Clock Management
6.8.2.3.13 JTAGCFG Register (Offset = 40h) [reset = 100h]
JTAGCFG is shown in Figure 6-54 and described in Table 6-59.
Return to Summary Table.
JTAG Configuration
This register contains control for configuration of the JTAG domain,- hereunder access permissions for
each TAP.
Figure 6-54. JTAGCFG Register
31 30 29 28 27 26 25 24
RESERVED
R-0h
23 22 21 20 19 18 17 16
RESERVED
R-0h
15 14 13 12 11 10 9 8
RESERVED JTAG_PD_FO
RCE_ON
R-0h R/W-1h
76543210
RESERVED
R/W-0h
Table 6-59. JTAGCFG Register Field Descriptions
Bit Field Type Reset Description
31-9 RESERVED R 0h Software should not rely on the value of a reserved. Writing any
other value than the reset value may result in undefined behavior.
8 JTAG_PD_FORCE_ON R/W 1h Controls JTAG PowerDomain power state:
0: Controlled exclusively by debug subsystem. (JTAG Powerdomain
will be powered off unless a debugger is attached)
1: JTAG Power Domain is forced on, independent of debug
subsystem.
NB: The reset value causes JTAG Power Domain to be powered on
by default. Software must clear this bit to turn off the JTAG Power
Domain
7-0 RESERVED R/W 0h Software should not rely on the value of a reserved. Writing any
other value than the reset value may result in undefined behavior.

www.ti.com
PRCM Registers
489
SWCU117F–February 2015–Revised June 2016
Submit Documentation Feedback Copyright © 2015–2016, Texas Instruments Incorporated
Power, Reset, and Clock Management
6.8.2.3.14 JTAGUSERCODE Register (Offset = 44h) [reset = 0B99A02Fh]
JTAGUSERCODE is shown in Figure 6-55 and described in Table 6-60.
Return to Summary Table.
JTAG USERCODE
Boot code copies the JTAG USERCODE to this register from where it is forwarded to the debug
subsystem.
Figure 6-55. JTAGUSERCODE Register
31 30 29 28 27 26 25 24 23 22 21 20 19 18 17 16 15 14 13 12 11 10 9 8 7 6 5 4 3 2 1 0
USER_CODE
R/W-0B99A02Fh
Table 6-60. JTAGUSERCODE Register Field Descriptions
Bit Field Type Reset Description
31-0 USER_CODE R/W 0B99A02Fh 32-bit JTAG USERCODE register feeding main JTAG TAP
NB: This field can be locked
6.8.2.4 PRCM Registers
Table 6-61 lists the memory-mapped registers for the PRCM. All register offset addresses not listed in
Table 6-61 should be considered as reserved locations and the register contents should not be modified.
Table 6-61. PRCM Registers
Offset Acronym Register Name Section
0h INFRCLKDIVR Infrastructure Clock Division Factor For Run Mode Section 6.8.2.4.1
4h INFRCLKDIVS Infrastructure Clock Division Factor For Sleep Mode Section 6.8.2.4.2
8h INFRCLKDIVDS Infrastructure Clock Division Factor For DeepSleep
Mode Section 6.8.2.4.3
Ch VDCTL MCU Voltage Domain Control Section 6.8.2.4.4
28h CLKLOADCTL Clock Load Control Section 6.8.2.4.5
2Ch RFCCLKG RFC Clock Gate Section 6.8.2.4.6
30h VIMSCLKG VIMS Clock Gate Section 6.8.2.4.7
3Ch SECDMACLKGR TRNG, CRYPTO And UDMA Clock Gate For Run Mode Section 6.8.2.4.8
40h SECDMACLKGS TRNG, CRYPTO And UDMA Clock Gate For Sleep
Mode Section 6.8.2.4.9
44h SECDMACLKGDS TRNG, CRYPTO And UDMA Clock Gate For Deep
Sleep Mode Section 6.8.2.4.10
48h GPIOCLKGR GPIO Clock Gate For Run Mode Section 6.8.2.4.11
4Ch GPIOCLKGS GPIO Clock Gate For Sleep Mode Section 6.8.2.4.12
50h GPIOCLKGDS GPIO Clock Gate For Deep Sleep Mode Section 6.8.2.4.13
54h GPTCLKGR GPT Clock Gate For Run Mode Section 6.8.2.4.14
58h GPTCLKGS GPT Clock Gate For Sleep Mode Section 6.8.2.4.15
5Ch GPTCLKGDS GPT Clock Gate For Deep Sleep Mode Section 6.8.2.4.16
60h I2CCLKGR I2C Clock Gate For Run Mode Section 6.8.2.4.17
64h I2CCLKGS I2C Clock Gate For Sleep Mode Section 6.8.2.4.18
68h I2CCLKGDS I2C Clock Gate For Deep Sleep Mode Section 6.8.2.4.19
6Ch UARTCLKGR UART Clock Gate For Run Mode Section 6.8.2.4.20
70h UARTCLKGS UART Clock Gate For Sleep Mode Section 6.8.2.4.21
74h UARTCLKGDS UART Clock Gate For Deep Sleep Mode Section 6.8.2.4.22
78h SSICLKGR SSI Clock Gate For Run Mode Section 6.8.2.4.23
7Ch SSICLKGS SSI Clock Gate For Sleep Mode Section 6.8.2.4.24

PRCM Registers
www.ti.com
490 SWCU117F–February 2015–Revised June 2016
Submit Documentation Feedback
Copyright © 2015–2016, Texas Instruments Incorporated
Power, Reset, and Clock Management
Table 6-61. PRCM Registers (continued)
Offset Acronym Register Name Section
80h SSICLKGDS SSI Clock Gate For Deep Sleep Mode Section 6.8.2.4.25
84h I2SCLKGR I2S Clock Gate For Run Mode Section 6.8.2.4.26
88h I2SCLKGS I2S Clock Gate For Sleep Mode Section 6.8.2.4.27
8Ch I2SCLKGDS I2S Clock Gate For Deep Sleep Mode Section 6.8.2.4.28
B8h CPUCLKDIV Internal Section 6.8.2.4.29
C8h I2SBCLKSEL I2S Clock Control Section 6.8.2.4.30
CCh GPTCLKDIV GPT Scalar Section 6.8.2.4.31
D0h I2SCLKCTL I2S Clock Control Section 6.8.2.4.32
D4h I2SMCLKDIV MCLK Division Ratio Section 6.8.2.4.33
D8h I2SBCLKDIV BCLK Division Ratio Section 6.8.2.4.34
DCh I2SWCLKDIV WCLK Division Ratio Section 6.8.2.4.35
10Ch SWRESET SW Initiated Resets Section 6.8.2.4.36
110h WARMRESET WARM Reset Control And Status Section 6.8.2.4.37
12Ch PDCTL0 Power Domain Control Section 6.8.2.4.38
130h PDCTL0RFC RFC Power Domain Control Section 6.8.2.4.39
134h PDCTL0SERIAL SERIAL Power Domain Control Section 6.8.2.4.40
138h PDCTL0PERIPH PERIPH Power Domain Control Section 6.8.2.4.41
140h PDSTAT0 Power Domain Status Section 6.8.2.4.42
144h PDSTAT0RFC RFC Power Domain Status Section 6.8.2.4.43
148h PDSTAT0SERIAL SERIAL Power Domain Status Section 6.8.2.4.44
14Ch PDSTAT0PERIPH PERIPH Power Domain Status Section 6.8.2.4.45
17Ch PDCTL1 Power Domain Control Section 6.8.2.4.46
184h PDCTL1CPU CPU Power Domain Control Section 6.8.2.4.47
188h PDCTL1RFC RFC Power Domain Control Section 6.8.2.4.48
18Ch PDCTL1VIMS VIMS Power Domain Control Section 6.8.2.4.49
194h PDSTAT1 Power Domain Status Section 6.8.2.4.50
198h PDSTAT1BUS BUS Power Domain Status Section 6.8.2.4.51
19Ch PDSTAT1RFC RFC Power Domain Status Section 6.8.2.4.52
1A0h PDSTAT1CPU CPU Power Domain Status Section 6.8.2.4.53
1A4h PDSTAT1VIMS VIMS Power Domain Status Section 6.8.2.4.54
1D0h RFCMODESEL Selected RFC Mode Section 6.8.2.4.55
1E0h PWRPROFSTAT Power Profiler Register Section 6.8.2.4.56
224h RAMRETEN Memory Retention Control Section 6.8.2.4.57

www.ti.com
PRCM Registers
491
SWCU117F–February 2015–Revised June 2016
Submit Documentation Feedback Copyright © 2015–2016, Texas Instruments Incorporated
Power, Reset, and Clock Management
6.8.2.4.1 INFRCLKDIVR Register (Offset = 0h) [reset = 0h]
INFRCLKDIVR is shown in Figure 6-56 and described in Table 6-62.
Return to Summary Table.
Infrastructure Clock Division Factor For Run Mode
Figure 6-56. INFRCLKDIVR Register
31 30 29 28 27 26 25 24 23 22 21 20 19 18 17 16
RESERVED
R-0h
15 14 13 12 11 10 9 8 7 6 5 4 3 2 1 0
RESERVED RATIO
R-0h R/W-0h
Table 6-62. INFRCLKDIVR Register Field Descriptions
Bit Field Type Reset Description
31-2 RESERVED R 0h Software should not rely on the value of a reserved. Writing any
other value than the reset value may result in undefined behavior.
1-0 RATIO R/W 0h Division rate for clocks driving modules in the MCU_AON domain
when system CPU is in run mode. Division ratio affects both
infrastructure clock and perbusull clock.
0h = Divide by 1
1h = Divide by 2
2h = Divide by 8
3h = Divide by 32

PRCM Registers
www.ti.com
492 SWCU117F–February 2015–Revised June 2016
Submit Documentation Feedback
Copyright © 2015–2016, Texas Instruments Incorporated
Power, Reset, and Clock Management
6.8.2.4.2 INFRCLKDIVS Register (Offset = 4h) [reset = 0h]
INFRCLKDIVS is shown in Figure 6-57 and described in Table 6-63.
Return to Summary Table.
Infrastructure Clock Division Factor For Sleep Mode
Figure 6-57. INFRCLKDIVS Register
31 30 29 28 27 26 25 24 23 22 21 20 19 18 17 16
RESERVED
R-0h
15 14 13 12 11 10 9 8 7 6 5 4 3 2 1 0
RESERVED RATIO
R-0h R/W-0h
Table 6-63. INFRCLKDIVS Register Field Descriptions
Bit Field Type Reset Description
31-2 RESERVED R 0h Software should not rely on the value of a reserved. Writing any
other value than the reset value may result in undefined behavior.
1-0 RATIO R/W 0h Division rate for clocks driving modules in the MCU_AON domain
when system CPU is in sleep mode. Division ratio affects both
infrastructure clock and perbusull clock.
0h = Divide by 1
1h = Divide by 2
2h = Divide by 8
3h = Divide by 32

www.ti.com
PRCM Registers
493
SWCU117F–February 2015–Revised June 2016
Submit Documentation Feedback Copyright © 2015–2016, Texas Instruments Incorporated
Power, Reset, and Clock Management
6.8.2.4.3 INFRCLKDIVDS Register (Offset = 8h) [reset = 0h]
INFRCLKDIVDS is shown in Figure 6-58 and described in Table 6-64.
Return to Summary Table.
Infrastructure Clock Division Factor For DeepSleep Mode
Figure 6-58. INFRCLKDIVDS Register
31 30 29 28 27 26 25 24 23 22 21 20 19 18 17 16
RESERVED
R-0h
15 14 13 12 11 10 9 8 7 6 5 4 3 2 1 0
RESERVED RATIO
R-0h R/W-0h
Table 6-64. INFRCLKDIVDS Register Field Descriptions
Bit Field Type Reset Description
31-2 RESERVED R 0h Software should not rely on the value of a reserved. Writing any
other value than the reset value may result in undefined behavior.
1-0 RATIO R/W 0h Division rate for clocks driving modules in the MCU_AON domain
when system CPU is in seepsleep mode. Division ratio affects both
infrastructure clock and perbusull clock.
0h = Divide by 1
1h = Divide by 2
2h = Divide by 8
3h = Divide by 32

PRCM Registers
www.ti.com
494 SWCU117F–February 2015–Revised June 2016
Submit Documentation Feedback
Copyright © 2015–2016, Texas Instruments Incorporated
Power, Reset, and Clock Management
6.8.2.4.4 VDCTL Register (Offset = Ch) [reset = 0h]
VDCTL is shown in Figure 6-59 and described in Table 6-65.
Return to Summary Table.
MCU Voltage Domain Control
Figure 6-59. VDCTL Register
31 30 29 28 27 26 25 24
RESERVED
R/W-0h
23 22 21 20 19 18 17 16
RESERVED
R/W-0h
15 14 13 12 11 10 9 8
RESERVED
R/W-0h
76543210
RESERVED MCU_VD RESERVED ULDO
R/W-0h R/W-0h R/W-0h R/W-0h
Table 6-65. VDCTL Register Field Descriptions
Bit Field Type Reset Description
31-3 RESERVED R/W 0h Software should not rely on the value of a reserved. Writing any
other value than the reset value may result in undefined behavior.
2 MCU_VD R/W 0h Request WUC to power down the MCU voltage domain
0: No request
1: Assert request when possible. An asserted power down request
will result in a boot of the MCU system when powered up again.
The bit will have no effect before the following requirements are met:
1. PDCTL1.CPU_ON = 0
2. PDCTL1.VIMS_MODE = 0
3. SECDMACLKGDS.DMA_CLK_EN = 0 (Note: Setting must be
loaded with CLKLOADCTL.LOAD)
4. SECDMACLKGDS.CRYPTO_CLK_EN = 0 (Note: Setting must be
loaded with CLKLOADCTL.LOAD)
5. RFC do no request access to BUS
6. System CPU in deepsleep
1 RESERVED R/W 0h Software should not rely on the value of a reserved. Writing any
other value than the reset value may result in undefined behavior.
0 ULDO R/W 0h Request WUC to switch to uLDO.
0: No request
1: Assert request when possible
The bit will have no effect before the following requirements are met:
1. PDCTL1.CPU_ON = 0
2. PDCTL1.VIMS_MODE = 0
3. SECDMACLKGDS.DMA_CLK_EN = 0 (Note: Setting must be
loaded with CLKLOADCTL.LOAD)
4. SECDMACLKGDS.CRYPTO_CLK_EN = 0 (Note: Setting must be
loaded with CLKLOADCTL.LOAD)
5. RFC do no request access to BUS
6. System CPU in deepsleep

www.ti.com
PRCM Registers
495
SWCU117F–February 2015–Revised June 2016
Submit Documentation Feedback Copyright © 2015–2016, Texas Instruments Incorporated
Power, Reset, and Clock Management
6.8.2.4.5 CLKLOADCTL Register (Offset = 28h) [reset = 2h]
CLKLOADCTL is shown in Figure 6-60 and described in Table 6-66.
Return to Summary Table.
Clock Load Control
Figure 6-60. CLKLOADCTL Register
31 30 29 28 27 26 25 24
RESERVED
R-0h
23 22 21 20 19 18 17 16
RESERVED
R-0h
15 14 13 12 11 10 9 8
RESERVED
R-0h
76543210
RESERVED LOAD_DONE LOAD
R-0h R-1h W-0h
Table 6-66. CLKLOADCTL Register Field Descriptions
Bit Field Type Reset Description
31-2 RESERVED R 0h Software should not rely on the value of a reserved. Writing any
other value than the reset value may result in undefined behavior.
1 LOAD_DONE R 1h Status of LOAD.
Will be cleared to 0 when any of the registers requiring a LOAD is
written to, and be set to 1 when a LOAD is done.
Note that writing no change to a register will result in the
LOAD_DONE being cleared.
0 : One or more registers have been write accessed after last LOAD
1 : No registers are write accessed after last LOAD

PRCM Registers
www.ti.com
496 SWCU117F–February 2015–Revised June 2016
Submit Documentation Feedback
Copyright © 2015–2016, Texas Instruments Incorporated
Power, Reset, and Clock Management
Table 6-66. CLKLOADCTL Register Field Descriptions (continued)
Bit Field Type Reset Description
0 LOAD W 0h 0: No action
1: Load settings to CLKCTRL. Bit is HW cleared.
Multiple changes to settings may be done before LOAD is written
once so all changes takes place at the same time. LOAD can also
be done after single setting updates.
Registers that needs to be followed by LOAD before settings being
applied are:
- RFCCLKG
- VIMSCLKG
- SECDMACLKGR
- SECDMACLKGS
- SECDMACLKGDS
- GPIOCLKGR
- GPIOCLKGS
- GPIOCLKGDS
- GPTCLKGR
- GPTCLKGS
- GPTCLKGDS
- GPTCLKDIV
- I2CCLKGR
- I2CCLKGS
- I2CCLKGDS
- SSICLKGR
- SSICLKGS
- SSICLKGDS
- UARTCLKGR
- UARTCLKGS
- UARTCLKGDS
- I2SCLKGR
- I2SCLKGS
- I2SCLKGDS
- I2SBCLKSEL
- I2SCLKCTL
- I2SMCLKDIV
- I2SBCLKDIV
- I2SWCLKDIV

www.ti.com
PRCM Registers
497
SWCU117F–February 2015–Revised June 2016
Submit Documentation Feedback Copyright © 2015–2016, Texas Instruments Incorporated
Power, Reset, and Clock Management
6.8.2.4.6 RFCCLKG Register (Offset = 2Ch) [reset = 1h]
RFCCLKG is shown in Figure 6-61 and described in Table 6-67.
Return to Summary Table.
RFC Clock Gate
Figure 6-61. RFCCLKG Register
31 30 29 28 27 26 25 24
RESERVED
R-0h
23 22 21 20 19 18 17 16
RESERVED
R-0h
15 14 13 12 11 10 9 8
RESERVED
R-0h
76543210
RESERVED CLK_EN
R-0h R/W-1h
Table 6-67. RFCCLKG Register Field Descriptions
Bit Field Type Reset Description
31-1 RESERVED R 0h Software should not rely on the value of a reserved. Writing any
other value than the reset value may result in undefined behavior.
0 CLK_EN R/W 1h 0: Disable clock
1: Enable clock if RFC power domain is on
For changes to take effect, CLKLOADCTL.LOAD needs to be written

PRCM Registers
www.ti.com
498 SWCU117F–February 2015–Revised June 2016
Submit Documentation Feedback
Copyright © 2015–2016, Texas Instruments Incorporated
Power, Reset, and Clock Management
6.8.2.4.7 VIMSCLKG Register (Offset = 30h) [reset = 3h]
VIMSCLKG is shown in Figure 6-62 and described in Table 6-68.
Return to Summary Table.
VIMS Clock Gate
Figure 6-62. VIMSCLKG Register
31 30 29 28 27 26 25 24 23 22 21 20 19 18 17 16
RESERVED
R-0h
15 14 13 12 11 10 9 8 7 6 5 4 3 2 1 0
RESERVED CLK_EN
R-0h R/W-3h
Table 6-68. VIMSCLKG Register Field Descriptions
Bit Field Type Reset Description
31-2 RESERVED R 0h Software should not rely on the value of a reserved. Writing any
other value than the reset value may result in undefined behavior.
1-0 CLK_EN R/W 3h 00: Disable clock
01: Disable clock when SYSBUS clock is disabled
11: Enable clock
For changes to take effect, CLKLOADCTL.LOAD needs to be written

www.ti.com
PRCM Registers
499
SWCU117F–February 2015–Revised June 2016
Submit Documentation Feedback Copyright © 2015–2016, Texas Instruments Incorporated
Power, Reset, and Clock Management
6.8.2.4.8 SECDMACLKGR Register (Offset = 3Ch) [reset = 0h]
SECDMACLKGR is shown in Figure 6-63 and described in Table 6-69.
Return to Summary Table.
TRNG, CRYPTO And UDMA Clock Gate For Run Mode
Figure 6-63. SECDMACLKGR Register
31 30 29 28 27 26 25 24
RESERVED
R-0h
23 22 21 20 19 18 17 16
RESERVED
R-0h
15 14 13 12 11 10 9 8
RESERVED DMA_CLK_EN
R-0h R/W-0h
76543210
RESERVED TRNG_CLK_E
NCRYPTO_CLK
_EN
R-0h R/W-0h R/W-0h
Table 6-69. SECDMACLKGR Register Field Descriptions
Bit Field Type Reset Description
31-9 RESERVED R 0h Software should not rely on the value of a reserved. Writing any
other value than the reset value may result in undefined behavior.
8 DMA_CLK_EN R/W 0h 0: Disable clock
1: Enable clock
For changes to take effect, CLKLOADCTL.LOAD needs to be written
7-2 RESERVED R 0h Software should not rely on the value of a reserved. Writing any
other value than the reset value may result in undefined behavior.
1 TRNG_CLK_EN R/W 0h 0: Disable clock
1: Enable clock
For changes to take effect, CLKLOADCTL.LOAD needs to be written
0 CRYPTO_CLK_EN R/W 0h 0: Disable clock
1: Enable clock
For changes to take effect, CLKLOADCTL.LOAD needs to be written

PRCM Registers
www.ti.com
500 SWCU117F–February 2015–Revised June 2016
Submit Documentation Feedback
Copyright © 2015–2016, Texas Instruments Incorporated
Power, Reset, and Clock Management
6.8.2.4.9 SECDMACLKGS Register (Offset = 40h) [reset = 0h]
SECDMACLKGS is shown in Figure 6-64 and described in Table 6-70.
Return to Summary Table.
TRNG, CRYPTO And UDMA Clock Gate For Sleep Mode
Figure 6-64. SECDMACLKGS Register
31 30 29 28 27 26 25 24
RESERVED
R-0h
23 22 21 20 19 18 17 16
RESERVED
R-0h
15 14 13 12 11 10 9 8
RESERVED DMA_CLK_EN
R-0h R/W-0h
76543210
RESERVED TRNG_CLK_E
NCRYPTO_CLK
_EN
R-0h R/W-0h R/W-0h
Table 6-70. SECDMACLKGS Register Field Descriptions
Bit Field Type Reset Description
31-9 RESERVED R 0h Software should not rely on the value of a reserved. Writing any
other value than the reset value may result in undefined behavior.
8 DMA_CLK_EN R/W 0h 0: Disable clock
1: Enable clock
For changes to take effect, CLKLOADCTL.LOAD needs to be written
7-2 RESERVED R 0h Software should not rely on the value of a reserved. Writing any
other value than the reset value may result in undefined behavior.
1 TRNG_CLK_EN R/W 0h 0: Disable clock
1: Enable clock
For changes to take effect, CLKLOADCTL.LOAD needs to be written
0 CRYPTO_CLK_EN R/W 0h 0: Disable clock
1: Enable clock
For changes to take effect, CLKLOADCTL.LOAD needs to be written

www.ti.com
PRCM Registers
501
SWCU117F–February 2015–Revised June 2016
Submit Documentation Feedback Copyright © 2015–2016, Texas Instruments Incorporated
Power, Reset, and Clock Management
6.8.2.4.10 SECDMACLKGDS Register (Offset = 44h) [reset = 0h]
SECDMACLKGDS is shown in Figure 6-65 and described in Table 6-71.
Return to Summary Table.
TRNG, CRYPTO And UDMA Clock Gate For Deep Sleep Mode
Figure 6-65. SECDMACLKGDS Register
31 30 29 28 27 26 25 24
RESERVED
R-0h
23 22 21 20 19 18 17 16
RESERVED
R-0h
15 14 13 12 11 10 9 8
RESERVED DMA_CLK_EN
R-0h R/W-0h
76543210
RESERVED TRNG_CLK_E
NCRYPTO_CLK
_EN
R-0h R/W-0h R/W-0h
Table 6-71. SECDMACLKGDS Register Field Descriptions
Bit Field Type Reset Description
31-9 RESERVED R 0h Software should not rely on the value of a reserved. Writing any
other value than the reset value may result in undefined behavior.
8 DMA_CLK_EN R/W 0h 0: Disable clock
1: Enable clock
For changes to take effect, CLKLOADCTL.LOAD needs to be written
7-2 RESERVED R 0h Software should not rely on the value of a reserved. Writing any
other value than the reset value may result in undefined behavior.
1 TRNG_CLK_EN R/W 0h 0: Disable clock
1: Enable clock
For changes to take effect, CLKLOADCTL.LOAD needs to be written
0 CRYPTO_CLK_EN R/W 0h 0: Disable clock
1: Enable clock
For changes to take effect, CLKLOADCTL.LOAD needs to be written

PRCM Registers
www.ti.com
502 SWCU117F–February 2015–Revised June 2016
Submit Documentation Feedback
Copyright © 2015–2016, Texas Instruments Incorporated
Power, Reset, and Clock Management
6.8.2.4.11 GPIOCLKGR Register (Offset = 48h) [reset = 0h]
GPIOCLKGR is shown in Figure 6-66 and described in Table 6-72.
Return to Summary Table.
GPIO Clock Gate For Run Mode
Figure 6-66. GPIOCLKGR Register
31 30 29 28 27 26 25 24
RESERVED
R-0h
23 22 21 20 19 18 17 16
RESERVED
R-0h
15 14 13 12 11 10 9 8
RESERVED
R-0h
76543210
RESERVED CLK_EN
R-0h R/W-0h
Table 6-72. GPIOCLKGR Register Field Descriptions
Bit Field Type Reset Description
31-1 RESERVED R 0h Software should not rely on the value of a reserved. Writing any
other value than the reset value may result in undefined behavior.
0 CLK_EN R/W 0h 0: Disable clock
1: Enable clock
For changes to take effect, CLKLOADCTL.LOAD needs to be written

www.ti.com
PRCM Registers
503
SWCU117F–February 2015–Revised June 2016
Submit Documentation Feedback Copyright © 2015–2016, Texas Instruments Incorporated
Power, Reset, and Clock Management
6.8.2.4.12 GPIOCLKGS Register (Offset = 4Ch) [reset = 0h]
GPIOCLKGS is shown in Figure 6-67 and described in Table 6-73.
Return to Summary Table.
GPIO Clock Gate For Sleep Mode
Figure 6-67. GPIOCLKGS Register
31 30 29 28 27 26 25 24
RESERVED
R-0h
23 22 21 20 19 18 17 16
RESERVED
R-0h
15 14 13 12 11 10 9 8
RESERVED
R-0h
76543210
RESERVED CLK_EN
R-0h R/W-0h
Table 6-73. GPIOCLKGS Register Field Descriptions
Bit Field Type Reset Description
31-1 RESERVED R 0h Software should not rely on the value of a reserved. Writing any
other value than the reset value may result in undefined behavior.
0 CLK_EN R/W 0h 0: Disable clock
1: Enable clock
For changes to take effect, CLKLOADCTL.LOAD needs to be written

PRCM Registers
www.ti.com
504 SWCU117F–February 2015–Revised June 2016
Submit Documentation Feedback
Copyright © 2015–2016, Texas Instruments Incorporated
Power, Reset, and Clock Management
6.8.2.4.13 GPIOCLKGDS Register (Offset = 50h) [reset = 0h]
GPIOCLKGDS is shown in Figure 6-68 and described in Table 6-74.
Return to Summary Table.
GPIO Clock Gate For Deep Sleep Mode
Figure 6-68. GPIOCLKGDS Register
31 30 29 28 27 26 25 24
RESERVED
R-0h
23 22 21 20 19 18 17 16
RESERVED
R-0h
15 14 13 12 11 10 9 8
RESERVED
R-0h
76543210
RESERVED CLK_EN
R-0h R/W-0h
Table 6-74. GPIOCLKGDS Register Field Descriptions
Bit Field Type Reset Description
31-1 RESERVED R 0h Software should not rely on the value of a reserved. Writing any
other value than the reset value may result in undefined behavior.
0 CLK_EN R/W 0h 0: Disable clock
1: Enable clock
For changes to take effect, CLKLOADCTL.LOAD needs to be written

www.ti.com
PRCM Registers
505
SWCU117F–February 2015–Revised June 2016
Submit Documentation Feedback Copyright © 2015–2016, Texas Instruments Incorporated
Power, Reset, and Clock Management
6.8.2.4.14 GPTCLKGR Register (Offset = 54h) [reset = 0h]
GPTCLKGR is shown in Figure 6-69 and described in Table 6-75.
Return to Summary Table.
GPT Clock Gate For Run Mode
Figure 6-69. GPTCLKGR Register
31 30 29 28 27 26 25 24 23 22 21 20 19 18 17 16
RESERVED
R-0h
15 14 13 12 11 10 9 8 7 6 5 4 3 2 1 0
RESERVED CLK_EN
R-0h R/W-0h
Table 6-75. GPTCLKGR Register Field Descriptions
Bit Field Type Reset Description
31-4 RESERVED R 0h Software should not rely on the value of a reserved. Writing any
other value than the reset value may result in undefined behavior.
3-0 CLK_EN R/W 0h Each bit below has the following meaning:
0: Disable clock
1: Enable clock
ENUMs can be combined
For changes to take effect, CLKLOADCTL.LOAD needs to be written
1h = Enable clock for GPT0
2h = Enable clock for GPT1
4h = Enable clock for GPT2
8h = Enable clock for GPT3

PRCM Registers
www.ti.com
506 SWCU117F–February 2015–Revised June 2016
Submit Documentation Feedback
Copyright © 2015–2016, Texas Instruments Incorporated
Power, Reset, and Clock Management
6.8.2.4.15 GPTCLKGS Register (Offset = 58h) [reset = 0h]
GPTCLKGS is shown in Figure 6-70 and described in Table 6-76.
Return to Summary Table.
GPT Clock Gate For Sleep Mode
Figure 6-70. GPTCLKGS Register
31 30 29 28 27 26 25 24 23 22 21 20 19 18 17 16
RESERVED
R-0h
15 14 13 12 11 10 9 8 7 6 5 4 3 2 1 0
RESERVED CLK_EN
R-0h R/W-0h
Table 6-76. GPTCLKGS Register Field Descriptions
Bit Field Type Reset Description
31-4 RESERVED R 0h Software should not rely on the value of a reserved. Writing any
other value than the reset value may result in undefined behavior.
3-0 CLK_EN R/W 0h Each bit below has the following meaning:
0: Disable clock
1: Enable clock
ENUMs can be combined
For changes to take effect, CLKLOADCTL.LOAD needs to be written
1h = Enable clock for GPT0
2h = Enable clock for GPT1
4h = Enable clock for GPT2
8h = Enable clock for GPT3

www.ti.com
PRCM Registers
507
SWCU117F–February 2015–Revised June 2016
Submit Documentation Feedback Copyright © 2015–2016, Texas Instruments Incorporated
Power, Reset, and Clock Management
6.8.2.4.16 GPTCLKGDS Register (Offset = 5Ch) [reset = 0h]
GPTCLKGDS is shown in Figure 6-71 and described in Table 6-77.
Return to Summary Table.
GPT Clock Gate For Deep Sleep Mode
Figure 6-71. GPTCLKGDS Register
31 30 29 28 27 26 25 24 23 22 21 20 19 18 17 16
RESERVED
R-0h
15 14 13 12 11 10 9 8 7 6 5 4 3 2 1 0
RESERVED CLK_EN
R-0h R/W-0h
Table 6-77. GPTCLKGDS Register Field Descriptions
Bit Field Type Reset Description
31-4 RESERVED R 0h Software should not rely on the value of a reserved. Writing any
other value than the reset value may result in undefined behavior.
3-0 CLK_EN R/W 0h Each bit below has the following meaning:
0: Disable clock
1: Enable clock
ENUMs can be combined
For changes to take effect, CLKLOADCTL.LOAD needs to be written
1h = Enable clock for GPT0
2h = Enable clock for GPT1
4h = Enable clock for GPT2
8h = Enable clock for GPT3

PRCM Registers
www.ti.com
508 SWCU117F–February 2015–Revised June 2016
Submit Documentation Feedback
Copyright © 2015–2016, Texas Instruments Incorporated
Power, Reset, and Clock Management
6.8.2.4.17 I2CCLKGR Register (Offset = 60h) [reset = 0h]
I2CCLKGR is shown in Figure 6-72 and described in Table 6-78.
Return to Summary Table.
I2C Clock Gate For Run Mode
Figure 6-72. I2CCLKGR Register
31 30 29 28 27 26 25 24
RESERVED
R/W-0h
23 22 21 20 19 18 17 16
RESERVED
R/W-0h
15 14 13 12 11 10 9 8
RESERVED
R/W-0h
76543210
RESERVED CLK_EN
R/W-0h R/W-0h
Table 6-78. I2CCLKGR Register Field Descriptions
Bit Field Type Reset Description
31-1 RESERVED R/W 0h Software should not rely on the value of a reserved. Writing any
other value than the reset value may result in undefined behavior.
0 CLK_EN R/W 0h 0: Disable clock
1: Enable clock
For changes to take effect, CLKLOADCTL.LOAD needs to be written

www.ti.com
PRCM Registers
509
SWCU117F–February 2015–Revised June 2016
Submit Documentation Feedback Copyright © 2015–2016, Texas Instruments Incorporated
Power, Reset, and Clock Management
6.8.2.4.18 I2CCLKGS Register (Offset = 64h) [reset = 0h]
I2CCLKGS is shown in Figure 6-73 and described in Table 6-79.
Return to Summary Table.
I2C Clock Gate For Sleep Mode
Figure 6-73. I2CCLKGS Register
31 30 29 28 27 26 25 24
RESERVED
R/W-0h
23 22 21 20 19 18 17 16
RESERVED
R/W-0h
15 14 13 12 11 10 9 8
RESERVED
R/W-0h
76543210
RESERVED CLK_EN
R/W-0h R/W-0h
Table 6-79. I2CCLKGS Register Field Descriptions
Bit Field Type Reset Description
31-1 RESERVED R/W 0h Software should not rely on the value of a reserved. Writing any
other value than the reset value may result in undefined behavior.
0 CLK_EN R/W 0h 0: Disable clock
1: Enable clock
For changes to take effect, CLKLOADCTL.LOAD needs to be written

PRCM Registers
www.ti.com
510 SWCU117F–February 2015–Revised June 2016
Submit Documentation Feedback
Copyright © 2015–2016, Texas Instruments Incorporated
Power, Reset, and Clock Management
6.8.2.4.19 I2CCLKGDS Register (Offset = 68h) [reset = 0h]
I2CCLKGDS is shown in Figure 6-74 and described in Table 6-80.
Return to Summary Table.
I2C Clock Gate For Deep Sleep Mode
Figure 6-74. I2CCLKGDS Register
31 30 29 28 27 26 25 24
RESERVED
R/W-0h
23 22 21 20 19 18 17 16
RESERVED
R/W-0h
15 14 13 12 11 10 9 8
RESERVED
R/W-0h
76543210
RESERVED CLK_EN
R/W-0h R/W-0h
Table 6-80. I2CCLKGDS Register Field Descriptions
Bit Field Type Reset Description
31-1 RESERVED R/W 0h Software should not rely on the value of a reserved. Writing any
other value than the reset value may result in undefined behavior.
0 CLK_EN R/W 0h 0: Disable clock
1: Enable clock
For changes to take effect, CLKLOADCTL.LOAD needs to be written

www.ti.com
PRCM Registers
511
SWCU117F–February 2015–Revised June 2016
Submit Documentation Feedback Copyright © 2015–2016, Texas Instruments Incorporated
Power, Reset, and Clock Management
6.8.2.4.20 UARTCLKGR Register (Offset = 6Ch) [reset = 0h]
UARTCLKGR is shown in Figure 6-75 and described in Table 6-81.
Return to Summary Table.
UART Clock Gate For Run Mode
Figure 6-75. UARTCLKGR Register
31 30 29 28 27 26 25 24
RESERVED
R/W-0h
23 22 21 20 19 18 17 16
RESERVED
R/W-0h
15 14 13 12 11 10 9 8
RESERVED
R/W-0h
76543210
RESERVED CLK_EN
R/W-0h R/W-0h
Table 6-81. UARTCLKGR Register Field Descriptions
Bit Field Type Reset Description
31-1 RESERVED R/W 0h Software should not rely on the value of a reserved. Writing any
other value than the reset value may result in undefined behavior.
0 CLK_EN R/W 0h 0: Disable clock
1: Enable clock
For changes to take effect, CLKLOADCTL.LOAD needs to be written

PRCM Registers
www.ti.com
512 SWCU117F–February 2015–Revised June 2016
Submit Documentation Feedback
Copyright © 2015–2016, Texas Instruments Incorporated
Power, Reset, and Clock Management
6.8.2.4.21 UARTCLKGS Register (Offset = 70h) [reset = 0h]
UARTCLKGS is shown in Figure 6-76 and described in Table 6-82.
Return to Summary Table.
UART Clock Gate For Sleep Mode
Figure 6-76. UARTCLKGS Register
31 30 29 28 27 26 25 24
RESERVED
R/W-0h
23 22 21 20 19 18 17 16
RESERVED
R/W-0h
15 14 13 12 11 10 9 8
RESERVED
R/W-0h
76543210
RESERVED CLK_EN
R/W-0h R/W-0h
Table 6-82. UARTCLKGS Register Field Descriptions
Bit Field Type Reset Description
31-1 RESERVED R/W 0h Software should not rely on the value of a reserved. Writing any
other value than the reset value may result in undefined behavior.
0 CLK_EN R/W 0h 0: Disable clock
1: Enable clock
For changes to take effect, CLKLOADCTL.LOAD needs to be written

www.ti.com
PRCM Registers
513
SWCU117F–February 2015–Revised June 2016
Submit Documentation Feedback Copyright © 2015–2016, Texas Instruments Incorporated
Power, Reset, and Clock Management
6.8.2.4.22 UARTCLKGDS Register (Offset = 74h) [reset = 0h]
UARTCLKGDS is shown in Figure 6-77 and described in Table 6-83.
Return to Summary Table.
UART Clock Gate For Deep Sleep Mode
Figure 6-77. UARTCLKGDS Register
31 30 29 28 27 26 25 24
RESERVED
R/W-0h
23 22 21 20 19 18 17 16
RESERVED
R/W-0h
15 14 13 12 11 10 9 8
RESERVED
R/W-0h
76543210
RESERVED CLK_EN
R/W-0h R/W-0h
Table 6-83. UARTCLKGDS Register Field Descriptions
Bit Field Type Reset Description
31-1 RESERVED R/W 0h Software should not rely on the value of a reserved. Writing any
other value than the reset value may result in undefined behavior.
0 CLK_EN R/W 0h 0: Disable clock
1: Enable clock
For changes to take effect, CLKLOADCTL.LOAD needs to be written

PRCM Registers
www.ti.com
514 SWCU117F–February 2015–Revised June 2016
Submit Documentation Feedback
Copyright © 2015–2016, Texas Instruments Incorporated
Power, Reset, and Clock Management
6.8.2.4.23 SSICLKGR Register (Offset = 78h) [reset = 0h]
SSICLKGR is shown in Figure 6-78 and described in Table 6-84.
Return to Summary Table.
SSI Clock Gate For Run Mode
Figure 6-78. SSICLKGR Register
31 30 29 28 27 26 25 24 23 22 21 20 19 18 17 16
RESERVED
R-0h
15 14 13 12 11 10 9 8 7 6 5 4 3 2 1 0
RESERVED CLK_EN
R-0h R/W-0h
Table 6-84. SSICLKGR Register Field Descriptions
Bit Field Type Reset Description
31-2 RESERVED R 0h Software should not rely on the value of a reserved. Writing any
other value than the reset value may result in undefined behavior.
1-0 CLK_EN R/W 0h 0: Disable clock
1: Enable clock
For changes to take effect, CLKLOADCTL.LOAD needs to be written
1h = Enable clock for SSI0
2h = Enable clock for SSI1

www.ti.com
PRCM Registers
515
SWCU117F–February 2015–Revised June 2016
Submit Documentation Feedback Copyright © 2015–2016, Texas Instruments Incorporated
Power, Reset, and Clock Management
6.8.2.4.24 SSICLKGS Register (Offset = 7Ch) [reset = 0h]
SSICLKGS is shown in Figure 6-79 and described in Table 6-85.
Return to Summary Table.
SSI Clock Gate For Sleep Mode
Figure 6-79. SSICLKGS Register
31 30 29 28 27 26 25 24 23 22 21 20 19 18 17 16
RESERVED
R-0h
15 14 13 12 11 10 9 8 7 6 5 4 3 2 1 0
RESERVED CLK_EN
R-0h R/W-0h
Table 6-85. SSICLKGS Register Field Descriptions
Bit Field Type Reset Description
31-2 RESERVED R 0h Software should not rely on the value of a reserved. Writing any
other value than the reset value may result in undefined behavior.
1-0 CLK_EN R/W 0h 0: Disable clock
1: Enable clock
For changes to take effect, CLKLOADCTL.LOAD needs to be written
1h = Enable clock for SSI0
2h = Enable clock for SSI1

PRCM Registers
www.ti.com
516 SWCU117F–February 2015–Revised June 2016
Submit Documentation Feedback
Copyright © 2015–2016, Texas Instruments Incorporated
Power, Reset, and Clock Management
6.8.2.4.25 SSICLKGDS Register (Offset = 80h) [reset = 0h]
SSICLKGDS is shown in Figure 6-80 and described in Table 6-86.
Return to Summary Table.
SSI Clock Gate For Deep Sleep Mode
Figure 6-80. SSICLKGDS Register
31 30 29 28 27 26 25 24 23 22 21 20 19 18 17 16
RESERVED
R-0h
15 14 13 12 11 10 9 8 7 6 5 4 3 2 1 0
RESERVED CLK_EN
R-0h R/W-0h
Table 6-86. SSICLKGDS Register Field Descriptions
Bit Field Type Reset Description
31-2 RESERVED R 0h Software should not rely on the value of a reserved. Writing any
other value than the reset value may result in undefined behavior.
1-0 CLK_EN R/W 0h 0: Disable clock
1: Enable clock
For changes to take effect, CLKLOADCTL.LOAD needs to be written
1h = Enable clock for SSI0
2h = Enable clock for SSI1

www.ti.com
PRCM Registers
517
SWCU117F–February 2015–Revised June 2016
Submit Documentation Feedback Copyright © 2015–2016, Texas Instruments Incorporated
Power, Reset, and Clock Management
6.8.2.4.26 I2SCLKGR Register (Offset = 84h) [reset = 0h]
I2SCLKGR is shown in Figure 6-81 and described in Table 6-87.
Return to Summary Table.
I2S Clock Gate For Run Mode
Figure 6-81. I2SCLKGR Register
31 30 29 28 27 26 25 24
RESERVED
R-0h
23 22 21 20 19 18 17 16
RESERVED
R-0h
15 14 13 12 11 10 9 8
RESERVED
R-0h
76543210
RESERVED CLK_EN
R-0h R/W-0h
Table 6-87. I2SCLKGR Register Field Descriptions
Bit Field Type Reset Description
31-1 RESERVED R 0h Software should not rely on the value of a reserved. Writing any
other value than the reset value may result in undefined behavior.
0 CLK_EN R/W 0h 0: Disable clock
1: Enable clock
For changes to take effect, CLKLOADCTL.LOAD needs to be written

PRCM Registers
www.ti.com
518 SWCU117F–February 2015–Revised June 2016
Submit Documentation Feedback
Copyright © 2015–2016, Texas Instruments Incorporated
Power, Reset, and Clock Management
6.8.2.4.27 I2SCLKGS Register (Offset = 88h) [reset = 0h]
I2SCLKGS is shown in Figure 6-82 and described in Table 6-88.
Return to Summary Table.
I2S Clock Gate For Sleep Mode
Figure 6-82. I2SCLKGS Register
31 30 29 28 27 26 25 24
RESERVED
R-0h
23 22 21 20 19 18 17 16
RESERVED
R-0h
15 14 13 12 11 10 9 8
RESERVED
R-0h
76543210
RESERVED CLK_EN
R-0h R/W-0h
Table 6-88. I2SCLKGS Register Field Descriptions
Bit Field Type Reset Description
31-1 RESERVED R 0h Software should not rely on the value of a reserved. Writing any
other value than the reset value may result in undefined behavior.
0 CLK_EN R/W 0h 0: Disable clock
1: Enable clock
For changes to take effect, CLKLOADCTL.LOAD needs to be written

www.ti.com
PRCM Registers
519
SWCU117F–February 2015–Revised June 2016
Submit Documentation Feedback Copyright © 2015–2016, Texas Instruments Incorporated
Power, Reset, and Clock Management
6.8.2.4.28 I2SCLKGDS Register (Offset = 8Ch) [reset = 0h]
I2SCLKGDS is shown in Figure 6-83 and described in Table 6-89.
Return to Summary Table.
I2S Clock Gate For Deep Sleep Mode
Figure 6-83. I2SCLKGDS Register
31 30 29 28 27 26 25 24
RESERVED
R-0h
23 22 21 20 19 18 17 16
RESERVED
R-0h
15 14 13 12 11 10 9 8
RESERVED
R-0h
76543210
RESERVED CLK_EN
R-0h R/W-0h
Table 6-89. I2SCLKGDS Register Field Descriptions
Bit Field Type Reset Description
31-1 RESERVED R 0h Software should not rely on the value of a reserved. Writing any
other value than the reset value may result in undefined behavior.
0 CLK_EN R/W 0h 0: Disable clock
1: Enable clock
For changes to take effect, CLKLOADCTL.LOAD needs to be written

PRCM Registers
www.ti.com
520 SWCU117F–February 2015–Revised June 2016
Submit Documentation Feedback
Copyright © 2015–2016, Texas Instruments Incorporated
Power, Reset, and Clock Management
6.8.2.4.29 CPUCLKDIV Register (Offset = B8h) [reset = 0h]
CPUCLKDIV is shown in Figure 6-84 and described in Table 6-90.
Return to Summary Table.
Internal. Only to be used through TI provided API.
Figure 6-84. CPUCLKDIV Register
31 30 29 28 27 26 25 24
RESERVED
R-0h
23 22 21 20 19 18 17 16
RESERVED
R-0h
15 14 13 12 11 10 9 8
RESERVED
R-0h
76543210
RESERVED RATIO
R-0h R/W-0h
Table 6-90. CPUCLKDIV Register Field Descriptions
Bit Field Type Reset Description
31-1 RESERVED R 0h Internal. Only to be used through TI provided API.
0 RATIO R/W 0h Internal. Only to be used through TI provided API.

www.ti.com
PRCM Registers
521
SWCU117F–February 2015–Revised June 2016
Submit Documentation Feedback Copyright © 2015–2016, Texas Instruments Incorporated
Power, Reset, and Clock Management
6.8.2.4.30 I2SBCLKSEL Register (Offset = C8h) [reset = 0h]
I2SBCLKSEL is shown in Figure 6-85 and described in Table 6-91.
Return to Summary Table.
I2S Clock Control
Figure 6-85. I2SBCLKSEL Register
31 30 29 28 27 26 25 24 23 22 21 20 19 18 17 16
SPARE
R/W-0h
15 14 13 12 11 10 9 8 7 6 5 4 3 2 1 0
SPARE SRC
R/W-0h R/W-
0h
Table 6-91. I2SBCLKSEL Register Field Descriptions
Bit Field Type Reset Description
31-1 SPARE R/W 0h Software should not rely on the value of a reserved. Writing any
other value than the reset value may result in undefined behavior.
0 SRC R/W 0h BCLK source selector
0: Use external BCLK
1: Use internally generated clock
For changes to take effect, CLKLOADCTL.LOAD needs to be written

PRCM Registers
www.ti.com
522 SWCU117F–February 2015–Revised June 2016
Submit Documentation Feedback
Copyright © 2015–2016, Texas Instruments Incorporated
Power, Reset, and Clock Management
6.8.2.4.31 GPTCLKDIV Register (Offset = CCh) [reset = 0h]
GPTCLKDIV is shown in Figure 6-86 and described in Table 6-92.
Return to Summary Table.
GPT Scalar
Figure 6-86. GPTCLKDIV Register
31 30 29 28 27 26 25 24 23 22 21 20 19 18 17 16
RESERVED
R-0h
15 14 13 12 11 10 9 8 7 6 5 4 3 2 1 0
RESERVED RATIO
R-0h R/W-0h
Table 6-92. GPTCLKDIV Register Field Descriptions
Bit Field Type Reset Description
31-4 RESERVED R 0h Software should not rely on the value of a reserved. Writing any
other value than the reset value may result in undefined behavior.
3-0 RATIO R/W 0h Scalar used for GPTs. The division rate will be constant and ungated
for Run / Sleep / DeepSleep mode.
For changes to take effect, CLKLOADCTL.LOAD needs to be written
Other values are not supported.
0h = Divide by 1
1h = Divide by 2
2h = Divide by 4
3h = Divide by 8
4h = Divide by 16
5h = Divide by 32
6h = Divide by 64
7h = Divide by 128
8h = Divide by 256

www.ti.com
PRCM Registers
523
SWCU117F–February 2015–Revised June 2016
Submit Documentation Feedback Copyright © 2015–2016, Texas Instruments Incorporated
Power, Reset, and Clock Management
6.8.2.4.32 I2SCLKCTL Register (Offset = D0h) [reset = 0h]
I2SCLKCTL is shown in Figure 6-87 and described in Table 6-93.
Return to Summary Table.
I2S Clock Control
Figure 6-87. I2SCLKCTL Register
31 30 29 28 27 26 25 24
RESERVED
R-0h
23 22 21 20 19 18 17 16
RESERVED
R-0h
15 14 13 12 11 10 9 8
RESERVED
R-0h
76543210
RESERVED SMPL_ON_PO
SEDGE WCLK_PHASE EN
R-0h R/W-0h R/W-0h R/W-0h
Table 6-93. I2SCLKCTL Register Field Descriptions
Bit Field Type Reset Description
31-4 RESERVED R 0h Software should not rely on the value of a reserved. Writing any
other value than the reset value may result in undefined behavior.
3 SMPL_ON_POSEDGE R/W 0h On the I2S serial interface, data and WCLK is sampled and clocked
out on opposite edges of BCLK.
0 - data and WCLK are sampled on the negative edge and clocked
out on the positive edge.
1 - data and WCLK are sampled on the positive edge and clocked
out on the negative edge.
For changes to take effect, CLKLOADCTL.LOAD needs to be written
2-1 WCLK_PHASE R/W 0h Decides how the WCLK division ratio is calculated and used to
generate different duty cycles (See I2SWCLKDIV.WDIV).
0: Single phase
1: Dual phase
2: User Defined
3: Reserved/Undefined
For changes to take effect, CLKLOADCTL.LOAD needs to be written
0 EN R/W 0h 0: MCLK, BCLK and **WCLK** will be static low
1: Enables the generation of MCLK, BCLK and WCLK
For changes to take effect, CLKLOADCTL.LOAD needs to be written

PRCM Registers
www.ti.com
524 SWCU117F–February 2015–Revised June 2016
Submit Documentation Feedback
Copyright © 2015–2016, Texas Instruments Incorporated
Power, Reset, and Clock Management
6.8.2.4.33 I2SMCLKDIV Register (Offset = D4h) [reset = 0h]
I2SMCLKDIV is shown in Figure 6-88 and described in Table 6-94.
Return to Summary Table.
MCLK Division Ratio
Figure 6-88. I2SMCLKDIV Register
31 30 29 28 27 26 25 24 23 22 21 20 19 18 17 16 15 14 13 12 11 10 9 8 7 6 5 4 3 2 1 0
RESERVED MDIV
R-0h R/W-0h
Table 6-94. I2SMCLKDIV Register Field Descriptions
Bit Field Type Reset Description
31-10 RESERVED R 0h Software should not rely on the value of a reserved. Writing any
other value than the reset value may result in undefined behavior.
9-0 MDIV R/W 0h An unsigned factor of the division ratio used to generate MCLK [2-
1024]:
MCLK = MCUCLK/MDIV[Hz]
MCUCLK is 48MHz in normal mode. For powerdown mode the
frequency is defined by AON_WUC:MCUCLK.PWR_DWN_SRC
A value of 0 is interpreted as 1024.
A value of 1 is invalid.
If MDIV is odd the low phase of the clock is one MCUCLK period
longer than the high phase.
For changes to take effect, CLKLOADCTL.LOAD needs to be written

www.ti.com
PRCM Registers
525
SWCU117F–February 2015–Revised June 2016
Submit Documentation Feedback Copyright © 2015–2016, Texas Instruments Incorporated
Power, Reset, and Clock Management
6.8.2.4.34 I2SBCLKDIV Register (Offset = D8h) [reset = 0h]
I2SBCLKDIV is shown in Figure 6-89 and described in Table 6-95.
Return to Summary Table.
BCLK Division Ratio
Figure 6-89. I2SBCLKDIV Register
31 30 29 28 27 26 25 24 23 22 21 20 19 18 17 16 15 14 13 12 11 10 9 8 7 6 5 4 3 2 1 0
RESERVED BDIV
R-0h R/W-0h
Table 6-95. I2SBCLKDIV Register Field Descriptions
Bit Field Type Reset Description
31-10 RESERVED R 0h Software should not rely on the value of a reserved. Writing any
other value than the reset value may result in undefined behavior.
9-0 BDIV R/W 0h An unsigned factor of the division ratio used to generate I2S BCLK
[2-1024]:
BCLK = MCUCLK/BDIV[Hz]
MCUCLK is 48MHz in normal mode. For powerdown mode the
frequency is defined by AON_WUC:MCUCLK.PWR_DWN_SRC
A value of 0 is interpreted as 1024.
A value of 1 is invalid.
If BDIV is odd and I2SCLKCTL.SMPL_ON_POSEDGE = 0, the low
phase of the clock is one MCUCLK period longer than the high
phase.
If BDIV is odd and I2SCLKCTL.SMPL_ON_POSEDGE = 1 , the high
phase of the clock is one MCUCLK period longer than the low
phase.
For changes to take effect, CLKLOADCTL.LOAD needs to be written

PRCM Registers
www.ti.com
526 SWCU117F–February 2015–Revised June 2016
Submit Documentation Feedback
Copyright © 2015–2016, Texas Instruments Incorporated
Power, Reset, and Clock Management
6.8.2.4.35 I2SWCLKDIV Register (Offset = DCh) [reset = 0h]
I2SWCLKDIV is shown in Figure 6-90 and described in Table 6-96.
Return to Summary Table.
WCLK Division Ratio
Figure 6-90. I2SWCLKDIV Register
31 30 29 28 27 26 25 24 23 22 21 20 19 18 17 16 15 14 13 12 11 10 9 8 7 6 5 4 3 2 1 0
RESERVED WDIV
R-0h R/W-0h
Table 6-96. I2SWCLKDIV Register Field Descriptions
Bit Field Type Reset Description
31-16 RESERVED R 0h Software should not rely on the value of a reserved. Writing any
other value than the reset value may result in undefined behavior.
15-0 WDIV R/W 0h If I2SCLKCTL.WCLK_PHASE = 0, Single phase.
WCLK is high one BCLK period and low WDIV[9:0] (unsigned, [1-
1023]) BCLK periods.
WCLK = MCUCLK / BDIV*(WDIV[9:0] + 1) [Hz]
MCUCLK is 48MHz in normal mode. For powerdown mode the
frequency is defined by AON_WUC:MCUCLK.PWR_DWN_SRC
If I2SCLKCTL.WCLK_PHASE = 1, Dual phase.
Each phase on WCLK (50% duty cycle) is WDIV[9:0] (unsigned, [1-
1023]) BCLK periods.
WCLK = MCUCLK / BDIV*(2*WDIV[9:0]) [Hz]
If I2SCLKCTL.WCLK_PHASE = 2, User defined.
WCLK is high WDIV[7:0] (unsigned, [1-255]) BCLK periods and low
WDIV[15:8] (unsigned, [1-255]) BCLK periods.
WCLK = MCUCLK / (BDIV*(WDIV[7:0] + WDIV[15:8]) [Hz]
For changes to take effect, CLKLOADCTL.LOAD needs to be written

www.ti.com
PRCM Registers
527
SWCU117F–February 2015–Revised June 2016
Submit Documentation Feedback Copyright © 2015–2016, Texas Instruments Incorporated
Power, Reset, and Clock Management
6.8.2.4.36 SWRESET Register (Offset = 10Ch) [reset = 0h]
SWRESET is shown in Figure 6-91 and described in Table 6-97.
Return to Summary Table.
SW Initiated Resets
Figure 6-91. SWRESET Register
31 30 29 28 27 26 25 24
RESERVED
R-0h
23 22 21 20 19 18 17 16
RESERVED
R-0h
15 14 13 12 11 10 9 8
RESERVED
R-0h
76543210
RESERVED MCU RESERVED
R-0h W-0h W-0h
Table 6-97. SWRESET Register Field Descriptions
Bit Field Type Reset Description
31-3 RESERVED R 0h Software should not rely on the value of a reserved. Writing any
other value than the reset value may result in undefined behavior.
2 MCU W 0h Internal. Only to be used through TI provided API.
1-0 RESERVED W 0h Software should not rely on the value of a reserved. Writing any
other value than the reset value may result in undefined behavior.

PRCM Registers
www.ti.com
528 SWCU117F–February 2015–Revised June 2016
Submit Documentation Feedback
Copyright © 2015–2016, Texas Instruments Incorporated
Power, Reset, and Clock Management
6.8.2.4.37 WARMRESET Register (Offset = 110h) [reset = 0h]
WARMRESET is shown in Figure 6-92 and described in Table 6-98.
Return to Summary Table.
WARM Reset Control And Status
Figure 6-92. WARMRESET Register
31 30 29 28 27 26 25 24
RESERVED
R-0h
23 22 21 20 19 18 17 16
RESERVED
R-0h
15 14 13 12 11 10 9 8
RESERVED
R-0h
76543210
RESERVED WR_TO_PINR
ESET LOCKUP_STA
TWDT_STAT
R-0h R/W-0h R-0h R-0h
Table 6-98. WARMRESET Register Field Descriptions
Bit Field Type Reset Description
31-3 RESERVED R 0h Software should not rely on the value of a reserved. Writing any
other value than the reset value may result in undefined behavior.
2 WR_TO_PINRESET R/W 0h 0: No action
1: A warm system reset event triggered by the below listed sources
will result in an emulated pin reset.
Warm reset sources included:
ICEPick sysreset
System CPU reset request, CPU_SCS:AIRCR.SYSRESETREQ
System CPU Lockup
WDT timeout
An active ICEPick block system reset will gate all sources except
ICEPick sysreset
SW can read AON_SYSCTL:RESETCTL.RESET_SRC to find the
source of the last reset resulting in a full power up sequence.
WARMRESET in this register is set in the scenario that
WR_TO_PINRESET=1 and one of the above listed sources is
triggered.
1 LOCKUP_STAT R 0h 0: No registred event
1: A system CPU LOCKUP event has occured since last SW clear of
the register.
A read of this register clears both WDT_STAT and LOCKUP_STAT.
0 WDT_STAT R 0h 0: No registered event
1: A WDT event has occured since last SW clear of the register.
A read of this register clears both WDT_STAT and LOCKUP_STAT.

www.ti.com
PRCM Registers
529
SWCU117F–February 2015–Revised June 2016
Submit Documentation Feedback Copyright © 2015–2016, Texas Instruments Incorporated
Power, Reset, and Clock Management
6.8.2.4.38 PDCTL0 Register (Offset = 12Ch) [reset = 0h]
PDCTL0 is shown in Figure 6-93 and described in Table 6-99.
Return to Summary Table.
Power Domain Control
Figure 6-93. PDCTL0 Register
31 30 29 28 27 26 25 24
RESERVED
R-0h
23 22 21 20 19 18 17 16
RESERVED
R-0h
15 14 13 12 11 10 9 8
RESERVED
R-0h
76543210
RESERVED PERIPH_ON SERIAL_ON RFC_ON
R-0h R/W-0h R/W-0h R/W-0h
Table 6-99. PDCTL0 Register Field Descriptions
Bit Field Type Reset Description
31-3 RESERVED R 0h Software should not rely on the value of a reserved. Writing any
other value than the reset value may result in undefined behavior.
2 PERIPH_ON R/W 0h PERIPH Power domain.
0: PERIPH power domain is powered down
1: PERIPH power domain is powered up
1 SERIAL_ON R/W 0h SERIAL Power domain.
0: SERIAL power domain is powered down
1: SERIAL power domain is powered up
0 RFC_ON R/W 0h 0: RFC power domain powered off if also PDCTL1.RFC_ON = 0
1: RFC power domain powered on

PRCM Registers
www.ti.com
530 SWCU117F–February 2015–Revised June 2016
Submit Documentation Feedback
Copyright © 2015–2016, Texas Instruments Incorporated
Power, Reset, and Clock Management
6.8.2.4.39 PDCTL0RFC Register (Offset = 130h) [reset = 0h]
PDCTL0RFC is shown in Figure 6-94 and described in Table 6-100.
Return to Summary Table.
RFC Power Domain Control
Figure 6-94. PDCTL0RFC Register
31 30 29 28 27 26 25 24 23 22 21 20 19 18 17 16
RESERVED
R-0h
15 14 13 12 11 10 9 8 7 6 5 4 3 2 1 0
RESERVED ON
R-0h R/W-
0h
Table 6-100. PDCTL0RFC Register Field Descriptions
Bit Field Type Reset Description
31-1 RESERVED R 0h Software should not rely on the value of a reserved. Writing any
other value than the reset value may result in undefined behavior.
0 ON R/W 0h Alias for PDCTL0.RFC_ON

www.ti.com
PRCM Registers
531
SWCU117F–February 2015–Revised June 2016
Submit Documentation Feedback Copyright © 2015–2016, Texas Instruments Incorporated
Power, Reset, and Clock Management
6.8.2.4.40 PDCTL0SERIAL Register (Offset = 134h) [reset = 0h]
PDCTL0SERIAL is shown in Figure 6-95 and described in Table 6-101.
Return to Summary Table.
SERIAL Power Domain Control
Figure 6-95. PDCTL0SERIAL Register
31 30 29 28 27 26 25 24 23 22 21 20 19 18 17 16
RESERVED
R-0h
15 14 13 12 11 10 9 8 7 6 5 4 3 2 1 0
RESERVED ON
R-0h R/W-
0h
Table 6-101. PDCTL0SERIAL Register Field Descriptions
Bit Field Type Reset Description
31-1 RESERVED R 0h Software should not rely on the value of a reserved. Writing any
other value than the reset value may result in undefined behavior.
0 ON R/W 0h Alias for PDCTL0.SERIAL_ON

PRCM Registers
www.ti.com
532 SWCU117F–February 2015–Revised June 2016
Submit Documentation Feedback
Copyright © 2015–2016, Texas Instruments Incorporated
Power, Reset, and Clock Management
6.8.2.4.41 PDCTL0PERIPH Register (Offset = 138h) [reset = 0h]
PDCTL0PERIPH is shown in Figure 6-96 and described in Table 6-102.
Return to Summary Table.
PERIPH Power Domain Control
Figure 6-96. PDCTL0PERIPH Register
31 30 29 28 27 26 25 24 23 22 21 20 19 18 17 16
RESERVED
R-0h
15 14 13 12 11 10 9 8 7 6 5 4 3 2 1 0
RESERVED ON
R-0h R/W-
0h
Table 6-102. PDCTL0PERIPH Register Field Descriptions
Bit Field Type Reset Description
31-1 RESERVED R 0h Software should not rely on the value of a reserved. Writing any
other value than the reset value may result in undefined behavior.
0 ON R/W 0h Alias for PDCTL0.PERIPH_ON

www.ti.com
PRCM Registers
533
SWCU117F–February 2015–Revised June 2016
Submit Documentation Feedback Copyright © 2015–2016, Texas Instruments Incorporated
Power, Reset, and Clock Management
6.8.2.4.42 PDSTAT0 Register (Offset = 140h) [reset = 0h]
PDSTAT0 is shown in Figure 6-97 and described in Table 6-103.
Return to Summary Table.
Power Domain Status
Figure 6-97. PDSTAT0 Register
31 30 29 28 27 26 25 24
RESERVED
R-0h
23 22 21 20 19 18 17 16
RESERVED
R-0h
15 14 13 12 11 10 9 8
RESERVED
R-0h
76543210
RESERVED PERIPH_ON SERIAL_ON RFC_ON
R-0h R-0h R-0h R-0h
Table 6-103. PDSTAT0 Register Field Descriptions
Bit Field Type Reset Description
31-3 RESERVED R 0h Software should not rely on the value of a reserved. Writing any
other value than the reset value may result in undefined behavior.
2 PERIPH_ON R 0h PERIPH Power domain.
0: Domain may be powered down
1: Domain powered up (guaranteed)
1 SERIAL_ON R 0h SERIAL Power domain.
0: Domain may be powered down
1: Domain powered up (guaranteed)
0 RFC_ON R 0h RFC Power domain
0: Domain may be powered down
1: Domain powered up (guaranteed)

PRCM Registers
www.ti.com
534 SWCU117F–February 2015–Revised June 2016
Submit Documentation Feedback
Copyright © 2015–2016, Texas Instruments Incorporated
Power, Reset, and Clock Management
6.8.2.4.43 PDSTAT0RFC Register (Offset = 144h) [reset = 0h]
PDSTAT0RFC is shown in Figure 6-98 and described in Table 6-104.
Return to Summary Table.
RFC Power Domain Status
Figure 6-98. PDSTAT0RFC Register
31 30 29 28 27 26 25 24 23 22 21 20 19 18 17 16
RESERVED
R-0h
15 14 13 12 11 10 9 8 7 6 5 4 3 2 1 0
RESERVED ON
R-0h R-0h
Table 6-104. PDSTAT0RFC Register Field Descriptions
Bit Field Type Reset Description
31-1 RESERVED R 0h Software should not rely on the value of a reserved. Writing any
other value than the reset value may result in undefined behavior.
0 ON R 0h Alias for PDSTAT0.RFC_ON

www.ti.com
PRCM Registers
535
SWCU117F–February 2015–Revised June 2016
Submit Documentation Feedback Copyright © 2015–2016, Texas Instruments Incorporated
Power, Reset, and Clock Management
6.8.2.4.44 PDSTAT0SERIAL Register (Offset = 148h) [reset = 0h]
PDSTAT0SERIAL is shown in Figure 6-99 and described in Table 6-105.
Return to Summary Table.
SERIAL Power Domain Status
Figure 6-99. PDSTAT0SERIAL Register
31 30 29 28 27 26 25 24 23 22 21 20 19 18 17 16
RESERVED
R-0h
15 14 13 12 11 10 9 8 7 6 5 4 3 2 1 0
RESERVED ON
R-0h R-0h
Table 6-105. PDSTAT0SERIAL Register Field Descriptions
Bit Field Type Reset Description
31-1 RESERVED R 0h Software should not rely on the value of a reserved. Writing any
other value than the reset value may result in undefined behavior.
0 ON R 0h Alias for PDSTAT0.SERIAL_ON

PRCM Registers
www.ti.com
536 SWCU117F–February 2015–Revised June 2016
Submit Documentation Feedback
Copyright © 2015–2016, Texas Instruments Incorporated
Power, Reset, and Clock Management
6.8.2.4.45 PDSTAT0PERIPH Register (Offset = 14Ch) [reset = 0h]
PDSTAT0PERIPH is shown in Figure 6-100 and described in Table 6-106.
Return to Summary Table.
PERIPH Power Domain Status
Figure 6-100. PDSTAT0PERIPH Register
31 30 29 28 27 26 25 24 23 22 21 20 19 18 17 16
RESERVED
R-0h
15 14 13 12 11 10 9 8 7 6 5 4 3 2 1 0
RESERVED ON
R-0h R-0h
Table 6-106. PDSTAT0PERIPH Register Field Descriptions
Bit Field Type Reset Description
31-1 RESERVED R 0h Software should not rely on the value of a reserved. Writing any
other value than the reset value may result in undefined behavior.
0 ON R 0h Alias for PDSTAT0.PERIPH_ON

www.ti.com
PRCM Registers
537
SWCU117F–February 2015–Revised June 2016
Submit Documentation Feedback Copyright © 2015–2016, Texas Instruments Incorporated
Power, Reset, and Clock Management
6.8.2.4.46 PDCTL1 Register (Offset = 17Ch) [reset = Ah]
PDCTL1 is shown in Figure 6-101 and described in Table 6-107.
Return to Summary Table.
Power Domain Control
Figure 6-101. PDCTL1 Register
31 30 29 28 27 26 25 24
RESERVED
R-0h
23 22 21 20 19 18 17 16
RESERVED
R-0h
15 14 13 12 11 10 9 8
RESERVED
R-0h
76543210
RESERVED RESERVED VIMS_MODE RFC_ON CPU_ON RESERVED
R-0h R/W-0h R/W-1h R/W-0h R/W-1h R-0h
Table 6-107. PDCTL1 Register Field Descriptions
Bit Field Type Reset Description
31-5 RESERVED R 0h Software should not rely on the value of a reserved. Writing any
other value than the reset value may result in undefined behavior.
4 RESERVED R/W 0h Software should not rely on the value of a reserved. Writing any
other value than the reset value may result in undefined behavior.
3 VIMS_MODE R/W 1h 0: VIMS power domain is only powered when CPU power domain is
powered.
1: VIMS power domain is powered whenever the BUS power domain
is powered.
2 RFC_ON R/W 0h 0: RFC power domain powered off if also PDCTL0.RFC_ON = 0
1: RFC power domain powered on
Bit shall be used by RFC in autonomus mode but there is no HW
restrictions fom system CPU to access the bit.
1 CPU_ON R/W 1h 0: Causes a power down of the CPU power domain when system
CPU indicates it is idle.
1: Initiates power-on of the CPU power domain.
This bit is automatically set by a WIC power-on event.
0 RESERVED R 0h Software should not rely on the value of a reserved. Writing any
other value than the reset value may result in undefined behavior.

PRCM Registers
www.ti.com
538 SWCU117F–February 2015–Revised June 2016
Submit Documentation Feedback
Copyright © 2015–2016, Texas Instruments Incorporated
Power, Reset, and Clock Management
6.8.2.4.47 PDCTL1CPU Register (Offset = 184h) [reset = 1h]
PDCTL1CPU is shown in Figure 6-102 and described in Table 6-108.
Return to Summary Table.
CPU Power Domain Control
Figure 6-102. PDCTL1CPU Register
31 30 29 28 27 26 25 24 23 22 21 20 19 18 17 16
RESERVED
R-0h
15 14 13 12 11 10 9 8 7 6 5 4 3 2 1 0
RESERVED ON
R-0h R/W-
1h
Table 6-108. PDCTL1CPU Register Field Descriptions
Bit Field Type Reset Description
31-1 RESERVED R 0h Software should not rely on the value of a reserved. Writing any
other value than the reset value may result in undefined behavior.
0 ON R/W 1h This is an alias for PDCTL1.CPU_ON

www.ti.com
PRCM Registers
539
SWCU117F–February 2015–Revised June 2016
Submit Documentation Feedback Copyright © 2015–2016, Texas Instruments Incorporated
Power, Reset, and Clock Management
6.8.2.4.48 PDCTL1RFC Register (Offset = 188h) [reset = 0h]
PDCTL1RFC is shown in Figure 6-103 and described in Table 6-109.
Return to Summary Table.
RFC Power Domain Control
Figure 6-103. PDCTL1RFC Register
31 30 29 28 27 26 25 24 23 22 21 20 19 18 17 16
RESERVED
R-0h
15 14 13 12 11 10 9 8 7 6 5 4 3 2 1 0
RESERVED ON
R-0h R/W-
0h
Table 6-109. PDCTL1RFC Register Field Descriptions
Bit Field Type Reset Description
31-1 RESERVED R 0h Software should not rely on the value of a reserved. Writing any
other value than the reset value may result in undefined behavior.
0 ON R/W 0h This is an alias for PDCTL1.RFC_ON

PRCM Registers
www.ti.com
540 SWCU117F–February 2015–Revised June 2016
Submit Documentation Feedback
Copyright © 2015–2016, Texas Instruments Incorporated
Power, Reset, and Clock Management
6.8.2.4.49 PDCTL1VIMS Register (Offset = 18Ch) [reset = 1h]
PDCTL1VIMS is shown in Figure 6-104 and described in Table 6-110.
Return to Summary Table.
VIMS Power Domain Control
Figure 6-104. PDCTL1VIMS Register
31 30 29 28 27 26 25 24 23 22 21 20 19 18 17 16
RESERVED
R-0h
15 14 13 12 11 10 9 8 7 6 5 4 3 2 1 0
RESERVED ON
R-0h R/W-
1h
Table 6-110. PDCTL1VIMS Register Field Descriptions
Bit Field Type Reset Description
31-1 RESERVED R 0h Software should not rely on the value of a reserved. Writing any
other value than the reset value may result in undefined behavior.
0 ON R/W 1h This is an alias for PDCTL1.VIMS_MODE

www.ti.com
PRCM Registers
541
SWCU117F–February 2015–Revised June 2016
Submit Documentation Feedback Copyright © 2015–2016, Texas Instruments Incorporated
Power, Reset, and Clock Management
6.8.2.4.50 PDSTAT1 Register (Offset = 194h) [reset = 1Ah]
PDSTAT1 is shown in Figure 6-105 and described in Table 6-111.
Return to Summary Table.
Power Domain Status
Figure 6-105. PDSTAT1 Register
31 30 29 28 27 26 25 24
RESERVED
R-0h
23 22 21 20 19 18 17 16
RESERVED
R-0h
15 14 13 12 11 10 9 8
RESERVED
R-0h
76543210
RESERVED BUS_ON VIMS_MODE RFC_ON CPU_ON RESERVED
R-0h R-1h R-1h R-0h R-1h R-0h
Table 6-111. PDSTAT1 Register Field Descriptions
Bit Field Type Reset Description
31-5 RESERVED R 0h Software should not rely on the value of a reserved. Writing any
other value than the reset value may result in undefined behavior.
4 BUS_ON R 1h 0: BUS domain not accessible
1: BUS domain is currently accessible
3 VIMS_MODE R 1h 0: VIMS domain not accessible
1: VIMS domain is currently accessible
2 RFC_ON R 0h 0: RFC domain not accessible
1: RFC domain is currently accessible
1 CPU_ON R 1h 0: CPU and BUS domain not accessible
1: CPU and BUS domains are both currently accessible
0 RESERVED R 0h Software should not rely on the value of a reserved. Writing any
other value than the reset value may result in undefined behavior.

PRCM Registers
www.ti.com
542 SWCU117F–February 2015–Revised June 2016
Submit Documentation Feedback
Copyright © 2015–2016, Texas Instruments Incorporated
Power, Reset, and Clock Management
6.8.2.4.51 PDSTAT1BUS Register (Offset = 198h) [reset = 1h]
PDSTAT1BUS is shown in Figure 6-106 and described in Table 6-112.
Return to Summary Table.
BUS Power Domain Status
Figure 6-106. PDSTAT1BUS Register
31 30 29 28 27 26 25 24 23 22 21 20 19 18 17 16
RESERVED
R-0h
15 14 13 12 11 10 9 8 7 6 5 4 3 2 1 0
RESERVED ON
R-0h R-1h
Table 6-112. PDSTAT1BUS Register Field Descriptions
Bit Field Type Reset Description
31-1 RESERVED R 0h Software should not rely on the value of a reserved. Writing any
other value than the reset value may result in undefined behavior.
0 ON R 1h This is an alias for PDSTAT1.BUS_ON

www.ti.com
PRCM Registers
543
SWCU117F–February 2015–Revised June 2016
Submit Documentation Feedback Copyright © 2015–2016, Texas Instruments Incorporated
Power, Reset, and Clock Management
6.8.2.4.52 PDSTAT1RFC Register (Offset = 19Ch) [reset = 0h]
PDSTAT1RFC is shown in Figure 6-107 and described in Table 6-113.
Return to Summary Table.
RFC Power Domain Status
Figure 6-107. PDSTAT1RFC Register
31 30 29 28 27 26 25 24 23 22 21 20 19 18 17 16
RESERVED
R-0h
15 14 13 12 11 10 9 8 7 6 5 4 3 2 1 0
RESERVED ON
R-0h R-0h
Table 6-113. PDSTAT1RFC Register Field Descriptions
Bit Field Type Reset Description
31-1 RESERVED R 0h Software should not rely on the value of a reserved. Writing any
other value than the reset value may result in undefined behavior.
0 ON R 0h This is an alias for PDSTAT1.RFC_ON

PRCM Registers
www.ti.com
544 SWCU117F–February 2015–Revised June 2016
Submit Documentation Feedback
Copyright © 2015–2016, Texas Instruments Incorporated
Power, Reset, and Clock Management
6.8.2.4.53 PDSTAT1CPU Register (Offset = 1A0h) [reset = 1h]
PDSTAT1CPU is shown in Figure 6-108 and described in Table 6-114.
Return to Summary Table.
CPU Power Domain Status
Figure 6-108. PDSTAT1CPU Register
31 30 29 28 27 26 25 24 23 22 21 20 19 18 17 16
RESERVED
R-0h
15 14 13 12 11 10 9 8 7 6 5 4 3 2 1 0
RESERVED ON
R-0h R-1h
Table 6-114. PDSTAT1CPU Register Field Descriptions
Bit Field Type Reset Description
31-1 RESERVED R 0h Software should not rely on the value of a reserved. Writing any
other value than the reset value may result in undefined behavior.
0 ON R 1h This is an alias for PDSTAT1.CPU_ON

www.ti.com
PRCM Registers
545
SWCU117F–February 2015–Revised June 2016
Submit Documentation Feedback Copyright © 2015–2016, Texas Instruments Incorporated
Power, Reset, and Clock Management
6.8.2.4.54 PDSTAT1VIMS Register (Offset = 1A4h) [reset = 1h]
PDSTAT1VIMS is shown in Figure 6-109 and described in Table 6-115.
Return to Summary Table.
VIMS Power Domain Status
Figure 6-109. PDSTAT1VIMS Register
31 30 29 28 27 26 25 24 23 22 21 20 19 18 17 16
RESERVED
R-0h
15 14 13 12 11 10 9 8 7 6 5 4 3 2 1 0
RESERVED ON
R-0h R-1h
Table 6-115. PDSTAT1VIMS Register Field Descriptions
Bit Field Type Reset Description
31-1 RESERVED R 0h Software should not rely on the value of a reserved. Writing any
other value than the reset value may result in undefined behavior.
0 ON R 1h This is an alias for PDSTAT1.VIMS_MODE

PRCM Registers
www.ti.com
546 SWCU117F–February 2015–Revised June 2016
Submit Documentation Feedback
Copyright © 2015–2016, Texas Instruments Incorporated
Power, Reset, and Clock Management
6.8.2.4.55 RFCMODESEL Register (Offset = 1D0h) [reset = 0h]
RFCMODESEL is shown in Figure 6-110 and described in Table 6-116.
Return to Summary Table.
Selected RFC Mode
Figure 6-110. RFCMODESEL Register
31 30 29 28 27 26 25 24 23 22 21 20 19 18 17 16
RESERVED
R-0h
15 14 13 12 11 10 9 8 7 6 5 4 3 2 1 0
RESERVED CURR
R-0h R/W-0h
Table 6-116. RFCMODESEL Register Field Descriptions
Bit Field Type Reset Description
31-3 RESERVED R 0h Software should not rely on the value of a reserved. Writing any
other value than the reset value may result in undefined behavior.
2-0 CURR R/W 0h Written by MCU - Outputs to RFC. Only modes permitted by
RFCMODEHWOPT.AVAIL are writeable.
0h = Select Mode 0
1h = Select Mode 1
2h = Select Mode 2
3h = Select Mode 3
4h = Select Mode 4
5h = Select Mode 5
6h = Select Mode 6
7h = Select Mode 7

www.ti.com
PRCM Registers
547
SWCU117F–February 2015–Revised June 2016
Submit Documentation Feedback Copyright © 2015–2016, Texas Instruments Incorporated
Power, Reset, and Clock Management
6.8.2.4.56 PWRPROFSTAT Register (Offset = 1E0h) [reset = 1h]
PWRPROFSTAT is shown in Figure 6-111 and described in Table 6-117.
Return to Summary Table.
Power Profiler Register
Figure 6-111. PWRPROFSTAT Register
31 30 29 28 27 26 25 24 23 22 21 20 19 18 17 16 15 14 13 12 11 10 9 8 7 6 5 4 3 2 1 0
RESERVED VALUE
R-0h R/W-1h
Table 6-117. PWRPROFSTAT Register Field Descriptions
Bit Field Type Reset Description
31-8 RESERVED R 0h Software should not rely on the value of a reserved. Writing any
other value than the reset value may result in undefined behavior.
7-0 VALUE R/W 1h SW can use these bits to timestamp the application. These bits are
also available through the testtap and can thus be used by the
emulator to profile in real time.

PRCM Registers
www.ti.com
548 SWCU117F–February 2015–Revised June 2016
Submit Documentation Feedback
Copyright © 2015–2016, Texas Instruments Incorporated
Power, Reset, and Clock Management
6.8.2.4.57 RAMRETEN Register (Offset = 224h) [reset = 3h]
RAMRETEN is shown in Figure 6-112 and described in Table 6-118.
Return to Summary Table.
Memory Retention Control
Figure 6-112. RAMRETEN Register
31 30 29 28 27 26 25 24 23 22 21 20 19 18 17 16
RESERVED
R-0h
15 14 13 12 11 10 9 8 7 6 5 4 3 2 1 0
RESERVED RFC VIMS
R-0h R/W-
0h R/W-3h
Table 6-118. RAMRETEN Register Field Descriptions
Bit Field Type Reset Description
31-3 RESERVED R 0h Software should not rely on the value of a reserved. Writing any
other value than the reset value may result in undefined behavior.
2 RFC R/W 0h 0: Retention for RFC SRAM disabled
1: Retention for RFC SRAM enabled
1-0 VIMS R/W 3h 0: Memory retention disabled
1: Memory retention enabled
Bit 0: VIMS_TRAM
Bit 1: VIMS_CRAM
Legal modes depend on settings in VIMS:CTL.MODE
00: VIMS:CTL.MODE must be OFF before DEEPSLEEP is asserted
- must be set to CACHE or SPLIT mode after waking up again
01: VIMS:CTL.MODE must be GPRAM before DEEPSLEEP is
asserted. Must remain in GPRAM mode after wake up, alternatively
select OFF mode first and then CACHE or SPILT mode.
10: Illegal mode
11: No restrictions

549
SWCU117F–February 2015–Revised June 2016
Submit Documentation Feedback Copyright © 2015–2016, Texas Instruments Incorporated
Versatile Instruction Memory System (VIMS)
Chapter 7
SWCU117F–February 2015–Revised June 2016
Versatile Instruction Memory System (VIMS)
This chapter discusses the Versatile Instruction Memory System (VIMS) of the CC26xx and CC13xx
devices.
Topic ........................................................................................................................... Page
7.1 VIMS Overview ................................................................................................ 550
7.2 VIMS Configurations ......................................................................................... 551
7.3 VIMS Software Remarks .................................................................................... 555
7.4 ROM................................................................................................................ 556
7.5 FLASH............................................................................................................. 556
7.6 Power Management Requirements ..................................................................... 557
7.7 ROM Functions ................................................................................................ 559
7.8 SRAM.............................................................................................................. 560
7.9 VIMS Registers................................................................................................. 561

dcode
sysbus
decoder
bus
Cache
ROM
Flash
bus
icode
VIMS Overview
www.ti.com
550 SWCU117F–February 2015–Revised June 2016
Submit Documentation Feedback
Copyright © 2015–2016, Texas Instruments Incorporated
Versatile Instruction Memory System (VIMS)
7.1 VIMS Overview
The main instruction memories are encapsulated in a versatile instruction memory system (VIMS) module,
which includes the following memories:
• 128-KB Flash
• 8-KB RAM Cache or general-purpose RAM (GPRAM)
• 115-KB Boot ROM
Figure 7-1 shows an overview of the VIMS module.
Figure 7-1. VIMS Overview
The VIMS module forwards CPU accesses (icode/dcode) and system bus accesses to the addressed
memories; the VIMS module also arbitrates access between the CPU and the system bus.
The VIMS module runs on the 48-MHz system clock.
The flash memory is programmable from user software, from the debug interface, and from the ROM
bootloader. The RAM block can be used as a cache for the Flash block or as general purpose RAM.

GPRAM
ENABLED SPLIT
Reset
OFF
Invalidating
Invalidating
www.ti.com
VIMS Configurations
551
SWCU117F–February 2015–Revised June 2016
Submit Documentation Feedback Copyright © 2015–2016, Texas Instruments Incorporated
Versatile Instruction Memory System (VIMS)
7.2 VIMS Configurations
7.2.1 VIMS Modes
The VIMS cache RAM block and the Cache block can operate in the following modes:
• GPRAM
• CACHE
• OFF
The current mode is shown in the VIMS:STAT.* register, and mode switching is controlled through the
VIMS:CTL.MODE register. The mode transitions are shown in Figure 7-2. Lines in black are software
initiated changes through the VIMS:CTL.MODE register. Lines in brown are hardware initiated changes.
The invalidating state is a transition state controlled by hardware. Invalidation clears the entire content of
the RAM block and takes 1029 clock periods to perform.
Figure 7-2. VIMS Mode Switching Flowchart
Once a mode change is initiated, shown in the VIMS:STATUS.MODE_CHANGING register, the mode
change must complete before another mode change can be initiated. The VIMS:CTL.MODE register is
blocked for updates during a mode change.

GPRAM
ROM
FLASH
icode/dcode
SYSCODE and
USERCODE
address space
BROM
address space
sysbus
icode/dcode
sysbus
GPRAM
ROM
FLASH
GPRAM
address space
icode/dcode
SYSCODE and
USERCODE
address space
BROM
address space
sysbus
icode/dcode
sysbus
VIMS Configurations
www.ti.com
552 SWCU117F–February 2015–Revised June 2016
Submit Documentation Feedback
Copyright © 2015–2016, Texas Instruments Incorporated
Versatile Instruction Memory System (VIMS)
7.2.1.1 GPRAM Mode
In GPRAM mode, the RAM block functions as a general-purpose RAM. The Flash block has no cache
support, and all accesses to the flash are routed directly to the Flash block.
Figure 7-3. VIMS Module in GPRAM Mode
7.2.1.2 Off Mode
In off mode, the RAM block is disabled and cannot be accessed by the CPU or by the system bus. The
Flash block has no cache support, and all accesses to the flash are routed directly to the Flash block.
Figure 7-4. VIMS Module in Off Mode

CACHE
ROM
FLASH
SYSCODE
address space
icode/dcode
USERCODE
address space
sysbus
USERCODE and
SYSCODE
address space
BROM
address space
www.ti.com
VIMS Configurations
553
SWCU117F–February 2015–Revised June 2016
Submit Documentation Feedback Copyright © 2015–2016, Texas Instruments Incorporated
Versatile Instruction Memory System (VIMS)
7.2.1.3 Cache Mode
In cache mode, the RAM block functions as an 8K 4-way random replacement cache for the Flash block.
The GPRAM space is not available in cache mode. The cache support is only available for CPU accesses
to the flash SYSCODE address space. System bus accesses to the Flash block and CPU accesses to the
flash USERCODE address space are routed directly to the Flash block.
Figure 7-5. VIMS Module in Cache Mode
In cache mode, all CPU accesses to the flash SYSCODE address space are directed to the cache first.
The cache looks up the input address in the internal tag RAM to determine whether the access is a cache
hit or a cache miss.
In the case of a cache miss, the access is forwarded to the Flash block. The response from the Flash
block is routed back to the cache, then the cache is updated.
In the case of a cache hit, the data is fetched directly from the cache RAM.
The cache also contains a line buffer because the cache RAM word size is 64 bits. The objective of the
line buffer is to prevent refetching the 32-bit part of the data that has already been fetched (but not used)
in the previous access. The line buffer prevents both TAG and CACHE lookup if the data is already in the
line buffer.
The cache line buffer is cleared as a part of the invalidation scheme.

CACHE
ROM
FLASH
icode/dcode
sysbus
icode/dcode
sysbus
USERCODE and
SYSCODE
address space
BROM
address space
USERCODE and
SYSCODE
address space
VIMS Configurations
www.ti.com
554 SWCU117F–February 2015–Revised June 2016
Submit Documentation Feedback
Copyright © 2015–2016, Texas Instruments Incorporated
Versatile Instruction Memory System (VIMS)
7.2.1.4 Split Mode
In split mode, the RAM block functions as two 4K 4-way random replacement caches for Flash block. One
cache for the CPU accesses the Flash SYSCODE address space, and another cache for the CPU
accesses the Flash USERCODE address space. The GPRAM space is not available in split mode. Also,
all system bus accesses to the Flash block are routed directly to the Flash block.
Figure 7-6. VIMS Module in Split Mode
7.2.2 VIMS Flash Line Buffering
The VIMS module contains two flash line buffers because the flash word size is 64 bits.
• A line buffer is placed in the flash CPU bus path that is controlled by the VIMS:CTL.IDCODE_LB_DIS
register.
• A line buffer is placed in the flash system bus path that is controlled by the
VIMS:CTL.SYSBUS_LB_DIS register.
The objectives of the buffers are to prevent refetching the 32-bit part of the data that has already been
fetched (but not used) in a previous cycle. The status of the line buffers can be found in the
VIMS:STATUS.IDCODE_LB_DIS register and the VIMS:STATUS.SYSBUS_LB_DIS register.
7.2.3 VIMS Arbitration
The VIMS provides arbitration between the CPU bus and the system bus. The arbitration is configurable
between round-robin and static, through the VIMS:CTL.ARB_CFG register. The static arbitration is
enabled by default and gives the CPU priority over system bus accesses.
The system arbiter allows accesses to occur simultaneously, provided that the CPU bus and the system
bus have different target memories. If, for example, a CPU access causes a cache hit, a system bus
access can access the flash simultaneously.
7.2.4 VIMS Cache TAG Prefetch
The cache contains a TAG prefetch system that automatically prefetches the TAG data for the next 64-bit
address. This feature is controlled through the VIMS:CTL.PREF_EN register, and is only enabled if the
VIMS mode is set to cache mode. Any access using a prefetched TAG saves one CLK cycle in the access
because tag lookup can be skipped. A prefetch hit is defined as an access using prefetched TAG data and
data that is available in the cache.
TAG prefetch is mainly intended for performance optimization when the CPU is running at full speed. If the
CPU is not running at full speed, there is no performance optimization; therefore the TAG prefetch system
must be disabled.

OFF
SPLIT
pwr down
INIT
ENABLED
OFF
Mode 1
TAG and
cache
memory are
corrupted
ENABLED
or
SPLIT
INIT
www.ti.com
VIMS Software Remarks
555
SWCU117F–February 2015–Revised June 2016
Submit Documentation Feedback Copyright © 2015–2016, Texas Instruments Incorporated
Versatile Instruction Memory System (VIMS)
7.3 VIMS Software Remarks
When the flash is programmed or updated, or when the VIMS domain is entering power down special care
must be taken from the software side.
The following remarks are automatically taken care of when using in-built ROM functions and the standard
API functions. However, custom code must take the following remarks into account.
7.3.1 Flash Program or Update
Before updating the flash, the VIMS cache and line buffers must be invalidated and flushed to prevent old
data or instructions from being fetched from the cache or line buffers after a flash program or update.
Hence, the VIMS mode must be set to GPRAM or OFF mode before programming, and both VIMS flash
line buffers must be set to disabled.
7.3.2 VIMS Retention
The VIMS domain can be kept in retention, if needed, when the domain is entering power down. The
retention control has the option to specify which memories (internal TAG RAM or cache RAM) are kept in
retention together with VIMS logic.
NOTE: If the whole MCU domain is powered off, the VIMS domain does not support retention.
Table 7-1 specifies the valid retention combination for VIMS memory.
Table 7-1. Valid Retention Combination for VIMS Memory
Mode Retention Enabled Comment
TAG-RAM CACHE-RAM VIMS Logic
1 No No Yes Software must compensate for loss of data
in RAMs
2 No Yes Yes Works in GPRAM mode without software
intervention
3 Yes Yes Yes
7.3.2.1 Mode 1
Mode 1 is intended for use when the system is in off mode, cache mode.
When the cache is enabled (in cache mode), software must manually change the VIMS mode to off mode
before entering retention. When the system is taken out of retention, software must put VIMS back into
either cache mode, which invalidates the cache memories (see Figure 7-7).
Figure 7-7. Software Precautions With No RAM Retention
Mode 1 can also be used when the system is in GPRAM mode, but software must take into account that
the data in the GPRAM is lost when the system is set in retention.

DISABLED
pwr down
DISABLED
Mode 2
If switch to enabled is needed, the
following sequence is required:
OFF
SPLIT
INIT
ENABLED
INIT
TAG
memory is
corrupted
ROM
www.ti.com
556 SWCU117F–February 2015–Revised June 2016
Submit Documentation Feedback
Copyright © 2015–2016, Texas Instruments Incorporated
Versatile Instruction Memory System (VIMS)
7.3.2.2 Mode 2
Mode 2 is intended for systems where cache is in GPRAM mode. VIMS is retained with retention power to
the GPRAM.
NOTE: If software tries to put VIMS into enabled mode after retention, the system fails because the
TAG memory is corrupted.
The correct procedure is to put VIMS into off mode; then put VIMS into disabled mode (see Figure 7-8 for
more details).
Figure 7-8. GPRAM Retention
7.4 ROM
The ROM contains a serial bootloader with SPI and UART support (see Chapter 8,Bootloader), as well as
a Driver Library and an RF stack support. See Table 3-2,Memory Map, for details.
7.5 FLASH
The flash memory is organized as a set of 4-KB blocks that can be individually erased. An individual 32-bit
word can be programmed to change bits from 1 to 0. In addition, a write buffer provides the ability to
program 32 continuous words in flash memory in half the time of programming the words individually.
Erasing a block causes the entire contents of the block to be reset to all 1s. The 4-KB blocks are paired
with sets of 8-KB blocks that can be individually protected. The protection allows blocks to be marked as
read-only or execute-only, thus providing different levels of code protection. Read-only blocks cannot be
erased or programmed, which protects the contents of those blocks from being modified. Execute-only
blocks cannot be erased or programmed and can only be read by the controller instruction fetch
mechanism, which protects the contents of those blocks from being read by either the controller or a
debugger.
The Flash block is mainly clocked by the 48-MHz system clock.
7.5.1 FLASH Memory Protection
The FLASH memory can be read/write protected in 4-KB sectors by configuring the CCFG.

www.ti.com
FLASH
557
SWCU117F–February 2015–Revised June 2016
Submit Documentation Feedback Copyright © 2015–2016, Texas Instruments Incorporated
Versatile Instruction Memory System (VIMS)
7.5.2 Memory Programming
Memory programming is done using TI provided API. When calling the API functions, all interrupts should
be disabled to prevent any attempts to read the FLASH during the execution of these functions.
(1) Locked: Not writable and not erasable
(2) Free: Writable and erasable
(3) Fixed: The number of this type is fixed
(4) The Chip Erase function erases all sectors not locked by TI.
Table 7-2. CC26xx and CC13xx Memory Write/Erase Protection(1)(2)(3)
Memory Area
CC26xx and
CC13xx State
FCFG0
(Efuse) FCFG1
(ENGR) CCFG Ti locked
Sector Customer
Locked Customer Free
Unpacked die Write 1s
(no way back) Free Free None None All
Packed die Locked Free Free None None All
Engineering sample Locked Free Free None None All
Customer
development Locked Locked Free Fixed None Except TI locked
sectors
Customer delivery
case 1 Locked Locked Writable
(Not
erasable)(4) Fixed Can add locked
sectors(4) May be reduced(4)
Customer delivery
case 2 Locked Locked Locked(4) Fixed Fixed(4) Fixed(4)
7.5.3 FLASH Memory Programming
During a flash memory write or erase operation, the Flash memory must not be read. If instruction
execution is required during a flash memory operation, the executing code must be placed in SRAM (and
executed from SRAM) while the flash operation is in progress.
7.6 Power Management Requirements
The module implements the following power-reducing functionalities:
•Voltage Off: The module logic VDD is turned off. Pump and bank is kept in deep sleep. This mode
requires a reset and software configuration to become active.
•Power Off: This is the same state as Voltage Off with the only difference that module logic has
retention on all registers. From Power Off mode, the module can become active without any software
configurations.
•Deep Standby: Internal circuits are partly powered down. No internal configuration is required to
become active, but there is some delay due to voltage ramping and so on.
•Idle Reading: Use advanced power reduction features in the Pump and Bank to save power when no
active reading is going on. In this mode, switching to Active Read is done without any reduced read
latency.
•Reading: Flash is actively reading without any power reduction.

Flash Active
Flash Idle
Current Consumption
Deep Standby:
this mode is entered after
a programmed idle mode
timeout,
auto return to idle when reading
Oscillator Requirements
Pump/Bank Grace
Period
Read No Read
Flash_off_req_l = 1
Read
MMR Block
Flash_off_req_l = 0
Warm Reset
Retention mode by PRCM
Voltage off by PRCM
Power Off:
logical mode,
ready for
retention
Power Off (retention mode)
RESETVDDSZ asserted
VDD off to bank/pump.
Block Flash:
access during
oscillator
source change
Voltage Off,
reset asserted
None/uncalibrated Holes allowed Calibrated 48 MHz
mA
µA
nA
Power Management Requirements
www.ti.com
558 SWCU117F–February 2015–Revised June 2016
Submit Documentation Feedback
Copyright © 2015–2016, Texas Instruments Incorporated
Versatile Instruction Memory System (VIMS)
Methods for changing power mode:
• Leaving Voltage Off or Power Off can only be done from the system power management. Voltage Off
is like initial power on. Power Off requires a restore of retention, and internal sequencers must power
up and configure the bank and charge pump.
• Leaving Deep Standby can start from the following:
– PRCM
– By writing a register in the MMR
– By starting a read access to the flash
• Switching between Idle Reading and Reading is done automatically when a read has ended. The
switching can be disabled by a register setting.
• Switching from Idle Reading to any other mode is done by setting up a register with the target power
mode. After some time without read accesses, the module enters or prepares the selected mode. The
last step to achieve Power Off or Voltage Off is done by the system power management.
Figure 7-9. Flash Power States

www.ti.com
ROM Functions
559
SWCU117F–February 2015–Revised June 2016
Submit Documentation Feedback Copyright © 2015–2016, Texas Instruments Incorporated
Versatile Instruction Memory System (VIMS)
7.7 ROM Functions
Overview of memory contents:
• eFuse
– Contains mostly critical chip-trim items needed before bootloader starts
– Interfaced through the Flash module in the digital core
• Flash trim
• Ram repair
• Analog trim (band gap, brown-out, selected regulators, internal 48-MHz RC Oscillator)
• JTAG TAP/DAP lock
• CRC check (8 bits)
– The only critical item here is the JTAG TAP/DAP lock that is locked by default (if a fuse is blown).
• FCFG:
– Currently a separate Flash block
– All trims plus entire device configuration
• Flash trim to support erase/write
• Module trim (analog, RF+++)
• Chip configuration (ID, device type, package size, pinout++, production test data)
• Bootloader configuration
• Security
• TI FA Analysis option
• JTAG TAP/DAP lock override
• Bootloader enable
• Customer configuration (last page in flash):
– Bootloader disable
– JTAG DAP/TAP disable
– TI FA analysis disable
– Customer configuration area write or erase protection
– Other configuration not related to security
Configuration memory:
• RO
– OTP, 1-KB read interface (write through FMC)
• RO
– ENGR 1-KB read interface (write through FMC)
• CCFG
– FLASH sector 4-KB read interface (write through FMC)
• RO
– EFUSE, only accessible through MMR interface
The ROM is preprogrammed with a serial bootloader (SPI or UART). For applications that require in-field
programmability, the royalty-free bootloader acts as an application loader and supports in-field firmware
updates. The bootloader either executes automatically if no valid image has been written to the flash, or
the bootloader may be started through a configurable GPIO backdoor. The bootloader may not be called
from application code.

SRAM
www.ti.com
560 SWCU117F–February 2015–Revised June 2016
Submit Documentation Feedback
Copyright © 2015–2016, Texas Instruments Incorporated
Versatile Instruction Memory System (VIMS)
7.8 SRAM
The CC26xx and CC13xx devices provide a 20-KB single-cycle on-chip SRAM with full retention in all
power modes, except shutdown. Retention can be configured in 4-KB blocks to save power.
Because read-modify-write (RMW) operations are very time consuming, ARM has introduced bit-banding
technology in the Cortex-M3 processor. With a bit-band enabled processor, certain regions in the memory
map (SRAM and peripheral space) can use address aliases to access individual bits in one atomic
operation.
Data can also be transferred to and from the SRAM using the micro direct memory access controller
(μDMA). The Cortex-M0 in the RF Core also has access to the system RAM.

www.ti.com
VIMS Registers
561
SWCU117F–February 2015–Revised June 2016
Submit Documentation Feedback Copyright © 2015–2016, Texas Instruments Incorporated
Versatile Instruction Memory System (VIMS)
7.9 VIMS Registers
7.9.1 FLASH Registers
Table 7-3 lists the memory-mapped registers for the FLASH. All register offset addresses not listed in
Table 7-3 should be considered as reserved locations and the register contents should not be modified.
Table 7-3. FLASH Registers
Offset Acronym Register Name Section
1Ch STAT FMC and Efuse Status Section 7.9.1.1
24h CFG Internal Section 7.9.1.2
28h SYSCODE_START Internal Section 7.9.1.3
2Ch FLASH_SIZE Internal Section 7.9.1.4
3Ch FWLOCK Internal Section 7.9.1.5
40h FWFLAG Internal Section 7.9.1.6
1000h EFUSE Internal Section 7.9.1.7
1004h EFUSEADDR Internal Section 7.9.1.8
1008h DATAUPPER Internal Section 7.9.1.9
100Ch DATALOWER Internal Section 7.9.1.10
1010h EFUSECFG Internal Section 7.9.1.11
1014h EFUSESTAT Internal Section 7.9.1.12
1018h ACC Internal Section 7.9.1.13
101Ch BOUNDARY Internal Section 7.9.1.14
1020h EFUSEFLAG Internal Section 7.9.1.15
1024h EFUSEKEY Internal Section 7.9.1.16
1028h EFUSERELEASE Internal Section 7.9.1.17
102Ch EFUSEPINS Internal Section 7.9.1.18
1030h EFUSECRA Internal Section 7.9.1.19
1034h EFUSEREAD Internal Section 7.9.1.20
1038h EFUSEPROGRAM Internal Section 7.9.1.21
103Ch EFUSEERROR Internal Section 7.9.1.22
1040h SINGLEBIT Internal Section 7.9.1.23
1044h TWOBIT Internal Section 7.9.1.24
1048h SELFTESTCYC Internal Section 7.9.1.25
104Ch SELFTESTSIGN Internal Section 7.9.1.26
2000h FRDCTL Internal Section 7.9.1.27
2004h FSPRD Internal Section 7.9.1.28
2008h FEDACCTL1 Internal Section 7.9.1.29
201Ch FEDACSTAT Internal Section 7.9.1.30
2030h FBPROT Internal Section 7.9.1.31
2034h FBSE Internal Section 7.9.1.32
2038h FBBUSY Internal Section 7.9.1.33
203Ch FBAC Internal Section 7.9.1.34
2040h FBFALLBACK Internal Section 7.9.1.35
2044h FBPRDY Internal Section 7.9.1.36
2048h FPAC1 Internal Section 7.9.1.37
204Ch FPAC2 Internal Section 7.9.1.38
2050h FMAC Internal Section 7.9.1.39
2054h FMSTAT Internal Section 7.9.1.40
2064h FLOCK Internal Section 7.9.1.41
2080h FVREADCT Internal Section 7.9.1.42

VIMS Registers
www.ti.com
562 SWCU117F–February 2015–Revised June 2016
Submit Documentation Feedback
Copyright © 2015–2016, Texas Instruments Incorporated
Versatile Instruction Memory System (VIMS)
Table 7-3. FLASH Registers (continued)
Offset Acronym Register Name Section
2084h FVHVCT1 Internal Section 7.9.1.43
2088h FVHVCT2 Internal Section 7.9.1.44
208Ch FVHVCT3 Internal Section 7.9.1.45
2090h FVNVCT Internal Section 7.9.1.46
2094h FVSLP Internal Section 7.9.1.47
2098h FVWLCT Internal Section 7.9.1.48
209Ch FEFUSECTL Internal Section 7.9.1.49
20A0h FEFUSESTAT Internal Section 7.9.1.50
20A4h FEFUSEDATA Internal Section 7.9.1.51
20A8h FSEQPMP Internal Section 7.9.1.52
2100h FBSTROBES Internal Section 7.9.1.53
2104h FPSTROBES Internal Section 7.9.1.54
2108h FBMODE Internal Section 7.9.1.55
210Ch FTCR Internal Section 7.9.1.56
2110h FADDR Internal Section 7.9.1.57
211Ch FTCTL Internal Section 7.9.1.58
2120h FWPWRITE0 Internal Section 7.9.1.59
2124h FWPWRITE1 Internal Section 7.9.1.60
2128h FWPWRITE2 Internal Section 7.9.1.61
212Ch FWPWRITE3 Internal Section 7.9.1.62
2130h FWPWRITE4 Internal Section 7.9.1.63
2134h FWPWRITE5 Internal Section 7.9.1.64
2138h FWPWRITE6 Internal Section 7.9.1.65
213Ch FWPWRITE7 Internal Section 7.9.1.66
2140h FWPWRITE_ECC Internal Section 7.9.1.67
2144h FSWSTAT Internal Section 7.9.1.68
2200h FSM_GLBCTL Internal Section 7.9.1.69
2204h FSM_STATE Internal Section 7.9.1.70
2208h FSM_STAT Internal Section 7.9.1.71
220Ch FSM_CMD Internal Section 7.9.1.72
2210h FSM_PE_OSU Internal Section 7.9.1.73
2214h FSM_VSTAT Internal Section 7.9.1.74
2218h FSM_PE_VSU Internal Section 7.9.1.75
221Ch FSM_CMP_VSU Internal Section 7.9.1.76
2220h FSM_EX_VAL Internal Section 7.9.1.77
2224h FSM_RD_H Internal Section 7.9.1.78
2228h FSM_P_OH Internal Section 7.9.1.79
222Ch FSM_ERA_OH Internal Section 7.9.1.80
2230h FSM_SAV_PPUL Internal Section 7.9.1.81
2234h FSM_PE_VH Internal Section 7.9.1.82
2240h FSM_PRG_PW Internal Section 7.9.1.83
2244h FSM_ERA_PW Internal Section 7.9.1.84
2254h FSM_SAV_ERA_PUL Internal Section 7.9.1.85
2258h FSM_TIMER Internal Section 7.9.1.86
225Ch FSM_MODE Internal Section 7.9.1.87
2260h FSM_PGM Internal Section 7.9.1.88
2264h FSM_ERA Internal Section 7.9.1.89

www.ti.com
VIMS Registers
563
SWCU117F–February 2015–Revised June 2016
Submit Documentation Feedback Copyright © 2015–2016, Texas Instruments Incorporated
Versatile Instruction Memory System (VIMS)
Table 7-3. FLASH Registers (continued)
Offset Acronym Register Name Section
2268h FSM_PRG_PUL Internal Section 7.9.1.90
226Ch FSM_ERA_PUL Internal Section 7.9.1.91
2270h FSM_STEP_SIZE Internal Section 7.9.1.92
2274h FSM_PUL_CNTR Internal Section 7.9.1.93
2278h FSM_EC_STEP_HEIGHT Internal Section 7.9.1.94
227Ch FSM_ST_MACHINE Internal Section 7.9.1.95
2280h FSM_FLES Internal Section 7.9.1.96
2288h FSM_WR_ENA Internal Section 7.9.1.97
228Ch FSM_ACC_PP Internal Section 7.9.1.98
2290h FSM_ACC_EP Internal Section 7.9.1.99
22A0h FSM_ADDR Internal Section 7.9.1.100
22A4h FSM_SECTOR Internal Section 7.9.1.101
22A8h FMC_REV_ID Internal Section 7.9.1.102
22ACh FSM_ERR_ADDR Internal Section 7.9.1.103
22B0h FSM_PGM_MAXPUL Internal Section 7.9.1.104
22B4h FSM_EXECUTE Internal Section 7.9.1.105
22C0h FSM_SECTOR1 Internal Section 7.9.1.106
22C4h FSM_SECTOR2 Internal Section 7.9.1.107
22E0h FSM_BSLE0 Internal Section 7.9.1.108
22E4h FSM_BSLE1 Internal Section 7.9.1.109
22F0h FSM_BSLP0 Internal Section 7.9.1.110
22F4h FSM_BSLP1 Internal Section 7.9.1.111
2400h FCFG_BANK Internal Section 7.9.1.112
2404h FCFG_WRAPPER Internal Section 7.9.1.113
2408h FCFG_BNK_TYPE Internal Section 7.9.1.114
2410h FCFG_B0_START Internal Section 7.9.1.115
2414h FCFG_B1_START Internal Section 7.9.1.116
2418h FCFG_B2_START Internal Section 7.9.1.117
241Ch FCFG_B3_START Internal Section 7.9.1.118
2420h FCFG_B4_START Internal Section 7.9.1.119
2424h FCFG_B5_START Internal Section 7.9.1.120
2428h FCFG_B6_START Internal Section 7.9.1.121
242Ch FCFG_B7_START Internal Section 7.9.1.122
2430h FCFG_B0_SSIZE0 Internal Section 7.9.1.123

VIMS Registers
www.ti.com
564 SWCU117F–February 2015–Revised June 2016
Submit Documentation Feedback
Copyright © 2015–2016, Texas Instruments Incorporated
Versatile Instruction Memory System (VIMS)
7.9.1.1 STAT Register (Offset = 1Ch) [reset = 0h]
STAT is shown in Figure 7-10 and described in Table 7-4.
Return to Summary Table.
FMC and Efuse Status
Figure 7-10. STAT Register
31 30 29 28 27 26 25 24
RESERVED
R-0h
23 22 21 20 19 18 17 16
RESERVED
R-0h
15 14 13 12 11 10 9 8
EFUSE_BLAN
KEFUSE_TIMEO
UT EFUSE_CRC_
ERROR EFUSE_ERRCODE
R-0h R-0h R-0h R-0h
76543210
RESERVED SAMHOLD_DI
SBUSY POWER_MOD
E
R-0h R-0h R-0h R-0h
Table 7-4. STAT Register Field Descriptions
Bit Field Type Reset Description
31-16 RESERVED R 0h Software should not rely on the value of a reserved. Writing any
other value than the reset value may result in undefined behavior.
15 EFUSE_BLANK R 0h Efuse scanning detected if fuse ROM is blank:
0 : Not blank
1 : Blank
14 EFUSE_TIMEOUT R 0h Efuse scanning resulted in timeout error.
0 : No Timeout error
1 : Timeout Error
13 EFUSE_CRC_ERROR R 0h Efuse scanning resulted in scan chain CRC error.
0 : No CRC error
1 : CRC Error
12-8 EFUSE_ERRCODE R 0h Same as EFUSEERROR.CODE
7-3 RESERVED R 0h Software should not rely on the value of a reserved. Writing any
other value than the reset value may result in undefined behavior.
2 SAMHOLD_DIS R 0h Status indicator of flash sample and hold sequencing logic. This bit
will go to 1 some delay after CFG.DIS_IDLE is set to 1.
0: Not disabled
1: Sample and hold disabled and stable
1 BUSY R 0h Fast version of the FMC FMSTAT.BUSY bit.
This flag is valid immediately after the operation setting it
(FMSTAT.BUSY is delayed some cycles)
0 : Not busy
1 : Busy
0 POWER_MODE R 0h Power state of the flash sub-system.
0 : Active
1 : Low power

www.ti.com
VIMS Registers
565
SWCU117F–February 2015–Revised June 2016
Submit Documentation Feedback Copyright © 2015–2016, Texas Instruments Incorporated
Versatile Instruction Memory System (VIMS)
7.9.1.2 CFG Register (Offset = 24h) [reset = 0h]
CFG is shown in Figure 7-11 and described in Table 7-5.
Return to Summary Table.
Internal. Only to be used through TI provided API.
Figure 7-11. CFG Register
31 30 29 28 27 26 25 24
RESERVED
R/W-0h
23 22 21 20 19 18 17 16
RESERVED
R/W-0h
15 14 13 12 11 10 9 8
RESERVED STANDBY_MO
DE_SEL
R/W-0h R/W-0h
76543210
STANDBY_PW_SEL DIS_EFUSECL
KDIS_READACC
ESS ENABLE_SWIN
TF RESERVED DIS_STANDBY DIS_IDLE
R/W-0h R/W-0h R/W-0h R/W-0h R/W-0h R/W-0h R/W-0h
Table 7-5. CFG Register Field Descriptions
Bit Field Type Reset Description
31-9 RESERVED R/W 0h Internal. Only to be used through TI provided API.
8 STANDBY_MODE_SEL R/W 0h Internal. Only to be used through TI provided API.
7-6 STANDBY_PW_SEL R/W 0h Internal. Only to be used through TI provided API.
5 DIS_EFUSECLK R/W 0h Internal. Only to be used through TI provided API.
4 DIS_READACCESS R/W 0h Internal. Only to be used through TI provided API.
3 ENABLE_SWINTF R/W 0h Internal. Only to be used through TI provided API.
2 RESERVED R/W 0h Software should not rely on the value of a reserved. Writing any
other value than the reset value may result in undefined behavior.
1 DIS_STANDBY R/W 0h Internal. Only to be used through TI provided API.
0 DIS_IDLE R/W 0h Internal. Only to be used through TI provided API.

VIMS Registers
www.ti.com
566 SWCU117F–February 2015–Revised June 2016
Submit Documentation Feedback
Copyright © 2015–2016, Texas Instruments Incorporated
Versatile Instruction Memory System (VIMS)
7.9.1.3 SYSCODE_START Register (Offset = 28h) [reset = 0h]
SYSCODE_START is shown in Figure 7-12 and described in Table 7-6.
Return to Summary Table.
Internal. Only to be used through TI provided API.
Figure 7-12. SYSCODE_START Register
31 30 29 28 27 26 25 24 23 22 21 20 19 18 17 16
RESERVED
R-0h
15 14 13 12 11 10 9 8 7 6 5 4 3 2 1 0
RESERVED SYSCODE_START
R-0h R/W-0h
Table 7-6. SYSCODE_START Register Field Descriptions
Bit Field Type Reset Description
31-5 RESERVED R 0h Internal. Only to be used through TI provided API.
4-0 SYSCODE_START R/W 0h Internal. Only to be used through TI provided API.

www.ti.com
VIMS Registers
567
SWCU117F–February 2015–Revised June 2016
Submit Documentation Feedback Copyright © 2015–2016, Texas Instruments Incorporated
Versatile Instruction Memory System (VIMS)
7.9.1.4 FLASH_SIZE Register (Offset = 2Ch) [reset = 0h]
FLASH_SIZE is shown in Figure 7-13 and described in Table 7-7.
Return to Summary Table.
Internal. Only to be used through TI provided API.
Figure 7-13. FLASH_SIZE Register
31 30 29 28 27 26 25 24 23 22 21 20 19 18 17 16 15 14 13 12 11 10 9 8 7 6 5 4 3 2 1 0
RESERVED SECTORS
R-0h R/W-0h
Table 7-7. FLASH_SIZE Register Field Descriptions
Bit Field Type Reset Description
31-8 RESERVED R 0h Internal. Only to be used through TI provided API.
7-0 SECTORS R/W 0h Internal. Only to be used through TI provided API.

VIMS Registers
www.ti.com
568 SWCU117F–February 2015–Revised June 2016
Submit Documentation Feedback
Copyright © 2015–2016, Texas Instruments Incorporated
Versatile Instruction Memory System (VIMS)
7.9.1.5 FWLOCK Register (Offset = 3Ch) [reset = 0h]
FWLOCK is shown in Figure 7-14 and described in Table 7-8.
Return to Summary Table.
Internal. Only to be used through TI provided API.
Figure 7-14. FWLOCK Register
31 30 29 28 27 26 25 24 23 22 21 20 19 18 17 16
RESERVED
R-0h
15 14 13 12 11 10 9 8 7 6 5 4 3 2 1 0
RESERVED FWLOCK
R-0h R/W-0h
Table 7-8. FWLOCK Register Field Descriptions
Bit Field Type Reset Description
31-3 RESERVED R 0h Internal. Only to be used through TI provided API.
2-0 FWLOCK R/W 0h Internal. Only to be used through TI provided API.

www.ti.com
VIMS Registers
569
SWCU117F–February 2015–Revised June 2016
Submit Documentation Feedback Copyright © 2015–2016, Texas Instruments Incorporated
Versatile Instruction Memory System (VIMS)
7.9.1.6 FWFLAG Register (Offset = 40h) [reset = 0h]
FWFLAG is shown in Figure 7-15 and described in Table 7-9.
Return to Summary Table.
Internal. Only to be used through TI provided API.
Figure 7-15. FWFLAG Register
31 30 29 28 27 26 25 24 23 22 21 20 19 18 17 16
RESERVED
R-0h
15 14 13 12 11 10 9 8 7 6 5 4 3 2 1 0
RESERVED FWFLAG
R-0h R/W-0h
Table 7-9. FWFLAG Register Field Descriptions
Bit Field Type Reset Description
31-3 RESERVED R 0h Internal. Only to be used through TI provided API.
2-0 FWFLAG R/W 0h Internal. Only to be used through TI provided API.

VIMS Registers
www.ti.com
570 SWCU117F–February 2015–Revised June 2016
Submit Documentation Feedback
Copyright © 2015–2016, Texas Instruments Incorporated
Versatile Instruction Memory System (VIMS)
7.9.1.7 EFUSE Register (Offset = 1000h) [reset = 0h]
EFUSE is shown in Figure 7-16 and described in Table 7-10.
Return to Summary Table.
Internal. Only to be used through TI provided API.
Figure 7-16. EFUSE Register
31 30 29 28 27 26 25 24 23 22 21 20 19 18 17 16
RESERVED INSTRUCTION RESERVED
R-0h R/W-0h R-0h
15 14 13 12 11 10 9 8 7 6 5 4 3 2 1 0
DUMPWORD
R/W-0h
Table 7-10. EFUSE Register Field Descriptions
Bit Field Type Reset Description
31-29 RESERVED R 0h Internal. Only to be used through TI provided API.
28-24 INSTRUCTION R/W 0h Internal. Only to be used through TI provided API.
23-16 RESERVED R 0h Internal. Only to be used through TI provided API.
15-0 DUMPWORD R/W 0h Internal. Only to be used through TI provided API.

www.ti.com
VIMS Registers
571
SWCU117F–February 2015–Revised June 2016
Submit Documentation Feedback Copyright © 2015–2016, Texas Instruments Incorporated
Versatile Instruction Memory System (VIMS)
7.9.1.8 EFUSEADDR Register (Offset = 1004h) [reset = 0h]
EFUSEADDR is shown in Figure 7-17 and described in Table 7-11.
Return to Summary Table.
Internal. Only to be used through TI provided API.
Figure 7-17. EFUSEADDR Register
31 30 29 28 27 26 25 24 23 22 21 20 19 18 17 16 15 14 13 12 11 10 9 8 7 6 5 4 3 2 1 0
RESERVED BLOCK ROW
R-0h R/W-0h R/W-0h
Table 7-11. EFUSEADDR Register Field Descriptions
Bit Field Type Reset Description
31-16 RESERVED R 0h Internal. Only to be used through TI provided API.
15-11 BLOCK R/W 0h Internal. Only to be used through TI provided API.
10-0 ROW R/W 0h Internal. Only to be used through TI provided API.

VIMS Registers
www.ti.com
572 SWCU117F–February 2015–Revised June 2016
Submit Documentation Feedback
Copyright © 2015–2016, Texas Instruments Incorporated
Versatile Instruction Memory System (VIMS)
7.9.1.9 DATAUPPER Register (Offset = 1008h) [reset = 0h]
DATAUPPER is shown in Figure 7-18 and described in Table 7-12.
Return to Summary Table.
Internal. Only to be used through TI provided API.
Figure 7-18. DATAUPPER Register
31 30 29 28 27 26 25 24 23 22 21 20 19 18 17 16
RESERVED
R-0h
15 14 13 12 11 10 9 8 7 6 5 4 3 2 1 0
RESERVED SPARE P R EEN
R-0h R/W-0h R/W-
0h R/W-
0h R/W-
0h
Table 7-12. DATAUPPER Register Field Descriptions
Bit Field Type Reset Description
31-8 RESERVED R 0h Internal. Only to be used through TI provided API.
7-3 SPARE R/W 0h Internal. Only to be used through TI provided API.
2 P R/W 0h Internal. Only to be used through TI provided API.
1 R R/W 0h Internal. Only to be used through TI provided API.
0 EEN R/W 0h Internal. Only to be used through TI provided API.

www.ti.com
VIMS Registers
573
SWCU117F–February 2015–Revised June 2016
Submit Documentation Feedback Copyright © 2015–2016, Texas Instruments Incorporated
Versatile Instruction Memory System (VIMS)
7.9.1.10 DATALOWER Register (Offset = 100Ch) [reset = 0h]
DATALOWER is shown in Figure 7-19 and described in Table 7-13.
Return to Summary Table.
Internal. Only to be used through TI provided API.
Figure 7-19. DATALOWER Register
31 30 29 28 27 26 25 24 23 22 21 20 19 18 17 16 15 14 13 12 11 10 9 8 7 6 5 4 3 2 1 0
DATA
R/W-0h
Table 7-13. DATALOWER Register Field Descriptions
Bit Field Type Reset Description
31-0 DATA R/W 0h Internal. Only to be used through TI provided API.

VIMS Registers
www.ti.com
574 SWCU117F–February 2015–Revised June 2016
Submit Documentation Feedback
Copyright © 2015–2016, Texas Instruments Incorporated
Versatile Instruction Memory System (VIMS)
7.9.1.11 EFUSECFG Register (Offset = 1010h) [reset = 1h]
EFUSECFG is shown in Figure 7-20 and described in Table 7-14.
Return to Summary Table.
Internal. Only to be used through TI provided API.
Figure 7-20. EFUSECFG Register
31 30 29 28 27 26 25 24
RESERVED
R-0h
23 22 21 20 19 18 17 16
RESERVED
R-0h
15 14 13 12 11 10 9 8
RESERVED IDLEGATING
R-0h R/W-0h
76543210
RESERVED SLAVEPOWER RESERVED GATING
R-0h R/W-0h R-0h R/W-1h
Table 7-14. EFUSECFG Register Field Descriptions
Bit Field Type Reset Description
31-9 RESERVED R 0h Internal. Only to be used through TI provided API.
8 IDLEGATING R/W 0h Internal. Only to be used through TI provided API.
7-5 RESERVED R 0h Internal. Only to be used through TI provided API.
4-3 SLAVEPOWER R/W 0h Internal. Only to be used through TI provided API.
2-1 RESERVED R 0h Internal. Only to be used through TI provided API.
0 GATING R/W 1h Internal. Only to be used through TI provided API.

www.ti.com
VIMS Registers
575
SWCU117F–February 2015–Revised June 2016
Submit Documentation Feedback Copyright © 2015–2016, Texas Instruments Incorporated
Versatile Instruction Memory System (VIMS)
7.9.1.12 EFUSESTAT Register (Offset = 1014h) [reset = 1h]
EFUSESTAT is shown in Figure 7-21 and described in Table 7-15.
Return to Summary Table.
Internal. Only to be used through TI provided API.
Figure 7-21. EFUSESTAT Register
31 30 29 28 27 26 25 24
RESERVED
R-0h
23 22 21 20 19 18 17 16
RESERVED
R-0h
15 14 13 12 11 10 9 8
RESERVED
R-0h
76543210
RESERVED RESETDONE
R-0h R-1h
Table 7-15. EFUSESTAT Register Field Descriptions
Bit Field Type Reset Description
31-1 RESERVED R 0h Internal. Only to be used through TI provided API.
0 RESETDONE R 1h Internal. Only to be used through TI provided API.

VIMS Registers
www.ti.com
576 SWCU117F–February 2015–Revised June 2016
Submit Documentation Feedback
Copyright © 2015–2016, Texas Instruments Incorporated
Versatile Instruction Memory System (VIMS)
7.9.1.13 ACC Register (Offset = 1018h) [reset = 0h]
ACC is shown in Figure 7-22 and described in Table 7-16.
Return to Summary Table.
Internal. Only to be used through TI provided API.
Figure 7-22. ACC Register
31 30 29 28 27 26 25 24 23 22 21 20 19 18 17 16 15 14 13 12 11 10 9 8 7 6 5 4 3 2 1 0
RESERVED ACCUMULATOR
R-0h R-0h
Table 7-16. ACC Register Field Descriptions
Bit Field Type Reset Description
31-24 RESERVED R 0h Internal. Only to be used through TI provided API.
23-0 ACCUMULATOR R 0h Internal. Only to be used through TI provided API.

www.ti.com
VIMS Registers
577
SWCU117F–February 2015–Revised June 2016
Submit Documentation Feedback Copyright © 2015–2016, Texas Instruments Incorporated
Versatile Instruction Memory System (VIMS)
7.9.1.14 BOUNDARY Register (Offset = 101Ch) [reset = 0h]
BOUNDARY is shown in Figure 7-23 and described in Table 7-17.
Return to Summary Table.
Internal. Only to be used through TI provided API.
Figure 7-23. BOUNDARY Register
31 30 29 28 27 26 25 24
RESERVED
R-0h
23 22 21 20 19 18 17 16
DISROW0 SPARE EFC_SELF_TE
ST_ERROR EFC_INSTRUC
TION_INFO EFC_INSTRUC
TION_ERROR EFC_AUTOLO
AD_ERROR OUTPUTENABLE
R/W-0h R/W-0h R/W-0h R/W-0h R/W-0h R/W-0h R/W-0h
15 14 13 12 11 10 9 8
OUTPUTENABLE SYS_ECC_SEL
F_TEST_EN SYS_ECC_OV
ERRIDE_EN EFC_FDI SYS_DIEID_A
UTOLOAD_EN SYS_REPAIR_EN
R/W-0h R/W-0h R/W-0h R/W-0h R/W-0h R/W-0h
76543210
SYS_WS_READ_STATES INPUTENABLE
R/W-0h R/W-0h
Table 7-17. BOUNDARY Register Field Descriptions
Bit Field Type Reset Description
31-24 RESERVED R 0h Internal. Only to be used through TI provided API.
23 DISROW0 R/W 0h Internal. Only to be used through TI provided API.
22 SPARE R/W 0h Internal. Only to be used through TI provided API.
21 EFC_SELF_TEST_ERRO
RR/W 0h Internal. Only to be used through TI provided API.
20 EFC_INSTRUCTION_INF
OR/W 0h Internal. Only to be used through TI provided API.
19 EFC_INSTRUCTION_ER
ROR R/W 0h Internal. Only to be used through TI provided API.
18 EFC_AUTOLOAD_ERRO
RR/W 0h Internal. Only to be used through TI provided API.
17-14 OUTPUTENABLE R/W 0h Internal. Only to be used through TI provided API.
13 SYS_ECC_SELF_TEST_
EN R/W 0h Internal. Only to be used through TI provided API.
12 SYS_ECC_OVERRIDE_E
NR/W 0h Internal. Only to be used through TI provided API.
11 EFC_FDI R/W 0h Internal. Only to be used through TI provided API.
10 SYS_DIEID_AUTOLOAD_
EN R/W 0h Internal. Only to be used through TI provided API.
9-8 SYS_REPAIR_EN R/W 0h Internal. Only to be used through TI provided API.
7-4 SYS_WS_READ_STATE
SR/W 0h Internal. Only to be used through TI provided API.
3-0 INPUTENABLE R/W 0h Internal. Only to be used through TI provided API.

VIMS Registers
www.ti.com
578 SWCU117F–February 2015–Revised June 2016
Submit Documentation Feedback
Copyright © 2015–2016, Texas Instruments Incorporated
Versatile Instruction Memory System (VIMS)
7.9.1.15 EFUSEFLAG Register (Offset = 1020h) [reset = 0h]
EFUSEFLAG is shown in Figure 7-24 and described in Table 7-18.
Return to Summary Table.
Internal. Only to be used through TI provided API.
Figure 7-24. EFUSEFLAG Register
31 30 29 28 27 26 25 24 23 22 21 20 19 18 17 16
RESERVED
R-0h
15 14 13 12 11 10 9 8 7 6 5 4 3 2 1 0
RESERVED KEY
R-0h R-0h
Table 7-18. EFUSEFLAG Register Field Descriptions
Bit Field Type Reset Description
31-1 RESERVED R 0h Internal. Only to be used through TI provided API.
0 KEY R 0h Internal. Only to be used through TI provided API.

www.ti.com
VIMS Registers
579
SWCU117F–February 2015–Revised June 2016
Submit Documentation Feedback Copyright © 2015–2016, Texas Instruments Incorporated
Versatile Instruction Memory System (VIMS)
7.9.1.16 EFUSEKEY Register (Offset = 1024h) [reset = 0h]
EFUSEKEY is shown in Figure 7-25 and described in Table 7-19.
Return to Summary Table.
Internal. Only to be used through TI provided API.
Figure 7-25. EFUSEKEY Register
31 30 29 28 27 26 25 24 23 22 21 20 19 18 17 16 15 14 13 12 11 10 9 8 7 6 5 4 3 2 1 0
CODE
R/W-0h
Table 7-19. EFUSEKEY Register Field Descriptions
Bit Field Type Reset Description
31-0 CODE R/W 0h Internal. Only to be used through TI provided API.

VIMS Registers
www.ti.com
580 SWCU117F–February 2015–Revised June 2016
Submit Documentation Feedback
Copyright © 2015–2016, Texas Instruments Incorporated
Versatile Instruction Memory System (VIMS)
7.9.1.17 EFUSERELEASE Register (Offset = 1028h) [reset = X]
EFUSERELEASE is shown in Figure 7-26 and described in Table 7-20.
Return to Summary Table.
Internal. Only to be used through TI provided API.
Figure 7-26. EFUSERELEASE Register
31 30 29 28 27 26 25 24 23 22 21 20 19 18 17 16
ODPYEAR ODPMONTH ODPDAY
R-X R-X R-X
15 14 13 12 11 10 9 8 7 6 5 4 3 2 1 0
EFUSEYEAR EFUSEMONTH EFUSEDAY
R-X R-X R-X
Table 7-20. EFUSERELEASE Register Field Descriptions
Bit Field Type Reset Description
31-25 ODPYEAR R X Internal. Only to be used through TI provided API.
24-21 ODPMONTH R X Internal. Only to be used through TI provided API.
20-16 ODPDAY R X Internal. Only to be used through TI provided API.
15-9 EFUSEYEAR R X Internal. Only to be used through TI provided API.
8-5 EFUSEMONTH R X Internal. Only to be used through TI provided API.
4-0 EFUSEDAY R X Internal. Only to be used through TI provided API.

www.ti.com
VIMS Registers
581
SWCU117F–February 2015–Revised June 2016
Submit Documentation Feedback Copyright © 2015–2016, Texas Instruments Incorporated
Versatile Instruction Memory System (VIMS)
7.9.1.18 EFUSEPINS Register (Offset = 102Ch) [reset = X]
EFUSEPINS is shown in Figure 7-27 and described in Table 7-21.
Return to Summary Table.
Internal. Only to be used through TI provided API.
Figure 7-27. EFUSEPINS Register
31 30 29 28 27 26 25 24
RESERVED
R-0h
23 22 21 20 19 18 17 16
RESERVED
R-0h
15 14 13 12 11 10 9 8
EFC_SELF_TE
ST_DONE EFC_SELF_TE
ST_ERROR SYS_ECC_SEL
F_TEST_EN EFC_INSTRUC
TION_INFO EFC_INSTRUC
TION_ERROR EFC_AUTOLO
AD_ERROR SYS_ECC_OV
ERRIDE_EN EFC_READY
R-X R-X R-X R-X R-X R-X R-X R-X
76543210
EFC_FCLRZ SYS_DIEID_A
UTOLOAD_EN SYS_REPAIR_EN SYS_WS_READ_STATES
R-X R-X R-X R-X
Table 7-21. EFUSEPINS Register Field Descriptions
Bit Field Type Reset Description
31-16 RESERVED R 0h Internal. Only to be used through TI provided API.
15 EFC_SELF_TEST_DONE R X Internal. Only to be used through TI provided API.
14 EFC_SELF_TEST_ERRO
RR X Internal. Only to be used through TI provided API.
13 SYS_ECC_SELF_TEST_
EN R X Internal. Only to be used through TI provided API.
12 EFC_INSTRUCTION_INF
OR X Internal. Only to be used through TI provided API.
11 EFC_INSTRUCTION_ER
ROR R X Internal. Only to be used through TI provided API.
10 EFC_AUTOLOAD_ERRO
RR X Internal. Only to be used through TI provided API.
9 SYS_ECC_OVERRIDE_E
NR X Internal. Only to be used through TI provided API.
8 EFC_READY R X Internal. Only to be used through TI provided API.
7 EFC_FCLRZ R X Internal. Only to be used through TI provided API.
6 SYS_DIEID_AUTOLOAD_
EN R X Internal. Only to be used through TI provided API.
5-4 SYS_REPAIR_EN R X Internal. Only to be used through TI provided API.
3-0 SYS_WS_READ_STATE
SR X Internal. Only to be used through TI provided API.

VIMS Registers
www.ti.com
582 SWCU117F–February 2015–Revised June 2016
Submit Documentation Feedback
Copyright © 2015–2016, Texas Instruments Incorporated
Versatile Instruction Memory System (VIMS)
7.9.1.19 EFUSECRA Register (Offset = 1030h) [reset = 0h]
EFUSECRA is shown in Figure 7-28 and described in Table 7-22.
Return to Summary Table.
Internal. Only to be used through TI provided API.
Figure 7-28. EFUSECRA Register
31 30 29 28 27 26 25 24 23 22 21 20 19 18 17 16 15 14 13 12 11 10 9 8 7 6 5 4 3 2 1 0
RESERVED DATA
R-0h R/W-0h
Table 7-22. EFUSECRA Register Field Descriptions
Bit Field Type Reset Description
31-6 RESERVED R 0h Internal. Only to be used through TI provided API.
5-0 DATA R/W 0h Internal. Only to be used through TI provided API.

www.ti.com
VIMS Registers
583
SWCU117F–February 2015–Revised June 2016
Submit Documentation Feedback Copyright © 2015–2016, Texas Instruments Incorporated
Versatile Instruction Memory System (VIMS)
7.9.1.20 EFUSEREAD Register (Offset = 1034h) [reset = 0h]
EFUSEREAD is shown in Figure 7-29 and described in Table 7-23.
Return to Summary Table.
Internal. Only to be used through TI provided API.
Figure 7-29. EFUSEREAD Register
31 30 29 28 27 26 25 24
RESERVED
R-0h
23 22 21 20 19 18 17 16
RESERVED
R-0h
15 14 13 12 11 10 9 8
RESERVED DATABIT
R-0h R/W-0h
76543210
READCLOCK DEBUG SPARE MARGIN
R/W-0h R/W-0h R/W-0h R/W-0h
Table 7-23. EFUSEREAD Register Field Descriptions
Bit Field Type Reset Description
31-10 RESERVED R 0h Internal. Only to be used through TI provided API.
9-8 DATABIT R/W 0h Internal. Only to be used through TI provided API.
7-4 READCLOCK R/W 0h Internal. Only to be used through TI provided API.
3 DEBUG R/W 0h Internal. Only to be used through TI provided API.
2 SPARE R/W 0h Internal. Only to be used through TI provided API.
1-0 MARGIN R/W 0h Internal. Only to be used through TI provided API.

VIMS Registers
www.ti.com
584 SWCU117F–February 2015–Revised June 2016
Submit Documentation Feedback
Copyright © 2015–2016, Texas Instruments Incorporated
Versatile Instruction Memory System (VIMS)
7.9.1.21 EFUSEPROGRAM Register (Offset = 1038h) [reset = 0h]
EFUSEPROGRAM is shown in Figure 7-30 and described in Table 7-24.
Return to Summary Table.
Internal. Only to be used through TI provided API.
Figure 7-30. EFUSEPROGRAM Register
31 30 29 28 27 26 25 24
RESERVED COMPAREDIS
ABLE CLOCKSTALL
R-0h R/W-0h R/W-0h
23 22 21 20 19 18 17 16
CLOCKSTALL
R/W-0h
15 14 13 12 11 10 9 8
CLOCKSTALL VPPTOVDD ITERATIONS WRITECLOCK
R/W-0h R/W-0h R/W-0h R/W-0h
76543210
WRITECLOCK
R/W-0h
Table 7-24. EFUSEPROGRAM Register Field Descriptions
Bit Field Type Reset Description
31 RESERVED R 0h Internal. Only to be used through TI provided API.
30 COMPAREDISABLE R/W 0h Internal. Only to be used through TI provided API.
29-14 CLOCKSTALL R/W 0h Internal. Only to be used through TI provided API.
13 VPPTOVDD R/W 0h Internal. Only to be used through TI provided API.
12-9 ITERATIONS R/W 0h Internal. Only to be used through TI provided API.
8-0 WRITECLOCK R/W 0h Internal. Only to be used through TI provided API.

www.ti.com
VIMS Registers
585
SWCU117F–February 2015–Revised June 2016
Submit Documentation Feedback Copyright © 2015–2016, Texas Instruments Incorporated
Versatile Instruction Memory System (VIMS)
7.9.1.22 EFUSEERROR Register (Offset = 103Ch) [reset = 0h]
EFUSEERROR is shown in Figure 7-31 and described in Table 7-25.
Return to Summary Table.
Internal. Only to be used through TI provided API.
Figure 7-31. EFUSEERROR Register
31 30 29 28 27 26 25 24
RESERVED
R-0h
23 22 21 20 19 18 17 16
RESERVED
R-0h
15 14 13 12 11 10 9 8
RESERVED
R-0h
76543210
RESERVED DONE CODE
R-0h R/W-0h R/W-0h
Table 7-25. EFUSEERROR Register Field Descriptions
Bit Field Type Reset Description
31-6 RESERVED R 0h Internal. Only to be used through TI provided API.
5 DONE R/W 0h Internal. Only to be used through TI provided API.
4-0 CODE R/W 0h Internal. Only to be used through TI provided API.

VIMS Registers
www.ti.com
586 SWCU117F–February 2015–Revised June 2016
Submit Documentation Feedback
Copyright © 2015–2016, Texas Instruments Incorporated
Versatile Instruction Memory System (VIMS)
7.9.1.23 SINGLEBIT Register (Offset = 1040h) [reset = 0h]
SINGLEBIT is shown in Figure 7-32 and described in Table 7-26.
Return to Summary Table.
Internal. Only to be used through TI provided API.
Figure 7-32. SINGLEBIT Register
31 30 29 28 27 26 25 24
FROMN
R-0h
23 22 21 20 19 18 17 16
FROMN
R-0h
15 14 13 12 11 10 9 8
FROMN
R-0h
76543210
FROMN FROM0
R-0h R-0h
Table 7-26. SINGLEBIT Register Field Descriptions
Bit Field Type Reset Description
31-1 FROMN R 0h Internal. Only to be used through TI provided API.
0 FROM0 R 0h Internal. Only to be used through TI provided API.

www.ti.com
VIMS Registers
587
SWCU117F–February 2015–Revised June 2016
Submit Documentation Feedback Copyright © 2015–2016, Texas Instruments Incorporated
Versatile Instruction Memory System (VIMS)
7.9.1.24 TWOBIT Register (Offset = 1044h) [reset = 0h]
TWOBIT is shown in Figure 7-33 and described in Table 7-27.
Return to Summary Table.
Internal. Only to be used through TI provided API.
Figure 7-33. TWOBIT Register
31 30 29 28 27 26 25 24
FROMN
R-0h
23 22 21 20 19 18 17 16
FROMN
R-0h
15 14 13 12 11 10 9 8
FROMN
R-0h
76543210
FROMN FROM0
R-0h R-0h
Table 7-27. TWOBIT Register Field Descriptions
Bit Field Type Reset Description
31-1 FROMN R 0h Internal. Only to be used through TI provided API.
0 FROM0 R 0h Internal. Only to be used through TI provided API.

VIMS Registers
www.ti.com
588 SWCU117F–February 2015–Revised June 2016
Submit Documentation Feedback
Copyright © 2015–2016, Texas Instruments Incorporated
Versatile Instruction Memory System (VIMS)
7.9.1.25 SELFTESTCYC Register (Offset = 1048h) [reset = 0h]
SELFTESTCYC is shown in Figure 7-34 and described in Table 7-28.
Return to Summary Table.
Internal. Only to be used through TI provided API.
Figure 7-34. SELFTESTCYC Register
31 30 29 28 27 26 25 24 23 22 21 20 19 18 17 16 15 14 13 12 11 10 9 8 7 6 5 4 3 2 1 0
CYCLES
R/W-0h
Table 7-28. SELFTESTCYC Register Field Descriptions
Bit Field Type Reset Description
31-0 CYCLES R/W 0h Internal. Only to be used through TI provided API.

www.ti.com
VIMS Registers
589
SWCU117F–February 2015–Revised June 2016
Submit Documentation Feedback Copyright © 2015–2016, Texas Instruments Incorporated
Versatile Instruction Memory System (VIMS)
7.9.1.26 SELFTESTSIGN Register (Offset = 104Ch) [reset = 0h]
SELFTESTSIGN is shown in Figure 7-35 and described in Table 7-29.
Return to Summary Table.
Internal. Only to be used through TI provided API.
Figure 7-35. SELFTESTSIGN Register
31 30 29 28 27 26 25 24 23 22 21 20 19 18 17 16 15 14 13 12 11 10 9 8 7 6 5 4 3 2 1 0
SIGNATURE
R/W-0h
Table 7-29. SELFTESTSIGN Register Field Descriptions
Bit Field Type Reset Description
31-0 SIGNATURE R/W 0h Internal. Only to be used through TI provided API.

VIMS Registers
www.ti.com
590 SWCU117F–February 2015–Revised June 2016
Submit Documentation Feedback
Copyright © 2015–2016, Texas Instruments Incorporated
Versatile Instruction Memory System (VIMS)
7.9.1.27 FRDCTL Register (Offset = 2000h) [reset = 200h]
FRDCTL is shown in Figure 7-36 and described in Table 7-30.
Return to Summary Table.
Internal. Only to be used through TI provided API.
Figure 7-36. FRDCTL Register
31 30 29 28 27 26 25 24 23 22 21 20 19 18 17 16
RESERVED
R-0h
15 14 13 12 11 10 9 8 7 6 5 4 3 2 1 0
RESERVED RWAIT RM
R-0h R/W-2h R-0h
Table 7-30. FRDCTL Register Field Descriptions
Bit Field Type Reset Description
31-12 RESERVED R 0h Internal. Only to be used through TI provided API.
11-8 RWAIT R/W 2h Internal. Only to be used through TI provided API.
7-0 RM R 0h Internal. Only to be used through TI provided API.

www.ti.com
VIMS Registers
591
SWCU117F–February 2015–Revised June 2016
Submit Documentation Feedback Copyright © 2015–2016, Texas Instruments Incorporated
Versatile Instruction Memory System (VIMS)
7.9.1.28 FSPRD Register (Offset = 2004h) [reset = 0h]
FSPRD is shown in Figure 7-37 and described in Table 7-31.
Return to Summary Table.
Internal. Only to be used through TI provided API.
Figure 7-37. FSPRD Register
31 30 29 28 27 26 25 24 23 22 21 20 19 18 17 16
DIS_PREEMPT
R-0h
15 14 13 12 11 10 9 8 7 6 5 4 3 2 1 0
RMBSEM RESERVED RM1 RM0
R/W-0h R-0h R/W-
0h R/W-
0h
Table 7-31. FSPRD Register Field Descriptions
Bit Field Type Reset Description
31-16 DIS_PREEMPT R 0h Internal. Only to be used through TI provided API.
15-8 RMBSEM R/W 0h Internal. Only to be used through TI provided API.
7-2 RESERVED R 0h Internal. Only to be used through TI provided API.
1 RM1 R/W 0h Internal. Only to be used through TI provided API.
0 RM0 R/W 0h Internal. Only to be used through TI provided API.

VIMS Registers
www.ti.com
592 SWCU117F–February 2015–Revised June 2016
Submit Documentation Feedback
Copyright © 2015–2016, Texas Instruments Incorporated
Versatile Instruction Memory System (VIMS)
7.9.1.29 FEDACCTL1 Register (Offset = 2008h) [reset = 0h]
FEDACCTL1 is shown in Figure 7-38 and described in Table 7-32.
Return to Summary Table.
Internal. Only to be used through TI provided API.
Figure 7-38. FEDACCTL1 Register
31 30 29 28 27 26 25 24
RESERVED SUSP_IGNR
R-0h R/W-0h
23 22 21 20 19 18 17 16
EDACEN
R-0h
15 14 13 12 11 10 9 8
EDACEN
R-0h
76543210
EDACEN
R-0h
Table 7-32. FEDACCTL1 Register Field Descriptions
Bit Field Type Reset Description
31-25 RESERVED R 0h Internal. Only to be used through TI provided API.
24 SUSP_IGNR R/W 0h Internal. Only to be used through TI provided API.
23-0 EDACEN R 0h Internal. Only to be used through TI provided API.

www.ti.com
VIMS Registers
593
SWCU117F–February 2015–Revised June 2016
Submit Documentation Feedback Copyright © 2015–2016, Texas Instruments Incorporated
Versatile Instruction Memory System (VIMS)
7.9.1.30 FEDACSTAT Register (Offset = 201Ch) [reset = 0h]
FEDACSTAT is shown in Figure 7-39 and described in Table 7-33.
Return to Summary Table.
Internal. Only to be used through TI provided API.
Figure 7-39. FEDACSTAT Register
31 30 29 28 27 26 25 24
RESERVED RVF_INT FSM_DONE
R-0h R/W1C-0h R/W1C-0h
23 22 21 20 19 18 17 16
ERR_PRF_FLG
R-0h
15 14 13 12 11 10 9 8
ERR_PRF_FLG
R-0h
76543210
ERR_PRF_FLG
R-0h
Table 7-33. FEDACSTAT Register Field Descriptions
Bit Field Type Reset Description
31-26 RESERVED R 0h Internal. Only to be used through TI provided API.
25 RVF_INT R/W1C 0h Internal. Only to be used through TI provided API.
24 FSM_DONE R/W1C 0h Internal. Only to be used through TI provided API.
23-0 ERR_PRF_FLG R 0h Internal. Only to be used through TI provided API.

VIMS Registers
www.ti.com
594 SWCU117F–February 2015–Revised June 2016
Submit Documentation Feedback
Copyright © 2015–2016, Texas Instruments Incorporated
Versatile Instruction Memory System (VIMS)
7.9.1.31 FBPROT Register (Offset = 2030h) [reset = 0h]
FBPROT is shown in Figure 7-40 and described in Table 7-34.
Return to Summary Table.
Internal. Only to be used through TI provided API.
Figure 7-40. FBPROT Register
31 30 29 28 27 26 25 24
RESERVED
R-0h
23 22 21 20 19 18 17 16
RESERVED
R-0h
15 14 13 12 11 10 9 8
RESERVED
R-0h
76543210
RESERVED PROTL1DIS
R-0h R/W-0h
Table 7-34. FBPROT Register Field Descriptions
Bit Field Type Reset Description
31-1 RESERVED R 0h Internal. Only to be used through TI provided API.
0 PROTL1DIS R/W 0h Internal. Only to be used through TI provided API.

www.ti.com
VIMS Registers
595
SWCU117F–February 2015–Revised June 2016
Submit Documentation Feedback Copyright © 2015–2016, Texas Instruments Incorporated
Versatile Instruction Memory System (VIMS)
7.9.1.32 FBSE Register (Offset = 2034h) [reset = 0h]
FBSE is shown in Figure 7-41 and described in Table 7-35.
Return to Summary Table.
Internal. Only to be used through TI provided API.
Figure 7-41. FBSE Register
31 30 29 28 27 26 25 24 23 22 21 20 19 18 17 16 15 14 13 12 11 10 9 8 7 6 5 4 3 2 1 0
RESERVED BSE
R-0h R/W-0h
Table 7-35. FBSE Register Field Descriptions
Bit Field Type Reset Description
31-16 RESERVED R 0h Internal. Only to be used through TI provided API.
15-0 BSE R/W 0h Internal. Only to be used through TI provided API.

VIMS Registers
www.ti.com
596 SWCU117F–February 2015–Revised June 2016
Submit Documentation Feedback
Copyright © 2015–2016, Texas Instruments Incorporated
Versatile Instruction Memory System (VIMS)
7.9.1.33 FBBUSY Register (Offset = 2038h) [reset = FEh]
FBBUSY is shown in Figure 7-42 and described in Table 7-36.
Return to Summary Table.
Internal. Only to be used through TI provided API.
Figure 7-42. FBBUSY Register
31 30 29 28 27 26 25 24 23 22 21 20 19 18 17 16 15 14 13 12 11 10 9 8 7 6 5 4 3 2 1 0
RESERVED BUSY
R-0h R-FEh
Table 7-36. FBBUSY Register Field Descriptions
Bit Field Type Reset Description
31-8 RESERVED R 0h Internal. Only to be used through TI provided API.
7-0 BUSY R FEh Internal. Only to be used through TI provided API.

www.ti.com
VIMS Registers
597
SWCU117F–February 2015–Revised June 2016
Submit Documentation Feedback Copyright © 2015–2016, Texas Instruments Incorporated
Versatile Instruction Memory System (VIMS)
7.9.1.34 FBAC Register (Offset = 203Ch) [reset = Fh]
FBAC is shown in Figure 7-43 and described in Table 7-37.
Return to Summary Table.
Internal. Only to be used through TI provided API.
Figure 7-43. FBAC Register
31 30 29 28 27 26 25 24
RESERVED
R-0h
23 22 21 20 19 18 17 16
RESERVED OTPPROTDIS
R-0h R/W-0h
15 14 13 12 11 10 9 8
BAGP
R/W-0h
76543210
VREADS
R/W-Fh
Table 7-37. FBAC Register Field Descriptions
Bit Field Type Reset Description
31-17 RESERVED R 0h Internal. Only to be used through TI provided API.
16 OTPPROTDIS R/W 0h Internal. Only to be used through TI provided API.
15-8 BAGP R/W 0h Internal. Only to be used through TI provided API.
7-0 VREADS R/W Fh Internal. Only to be used through TI provided API.

VIMS Registers
www.ti.com
598 SWCU117F–February 2015–Revised June 2016
Submit Documentation Feedback
Copyright © 2015–2016, Texas Instruments Incorporated
Versatile Instruction Memory System (VIMS)
7.9.1.35 FBFALLBACK Register (Offset = 2040h) [reset = 0505FFFFh]
FBFALLBACK is shown in Figure 7-44 and described in Table 7-38.
Return to Summary Table.
Internal. Only to be used through TI provided API.
Figure 7-44. FBFALLBACK Register
31 30 29 28 27 26 25 24
RESERVED FSM_PWRSAV
R-0h R/W-5h
23 22 21 20 19 18 17 16
RESERVED REG_PWRSAV
R-0h R/W-5h
15 14 13 12 11 10 9 8
BANKPWR7 BANKPWR6 BANKPWR5 BANKPWR4
R/W-3h R/W-3h R/W-3h R/W-3h
76543210
BANKPWR3 BANKPWR2 BANKPWR1 BANKPWR0
R/W-3h R/W-3h R/W-3h R/W-3h
Table 7-38. FBFALLBACK Register Field Descriptions
Bit Field Type Reset Description
31-28 RESERVED R 0h Internal. Only to be used through TI provided API.
27-24 FSM_PWRSAV R/W 5h Internal. Only to be used through TI provided API.
23-20 RESERVED R 0h Internal. Only to be used through TI provided API.
19-16 REG_PWRSAV R/W 5h Internal. Only to be used through TI provided API.
15-14 BANKPWR7 R/W 3h Internal. Only to be used through TI provided API.
13-12 BANKPWR6 R/W 3h Internal. Only to be used through TI provided API.
11-10 BANKPWR5 R/W 3h Internal. Only to be used through TI provided API.
9-8 BANKPWR4 R/W 3h Internal. Only to be used through TI provided API.
7-6 BANKPWR3 R/W 3h Internal. Only to be used through TI provided API.
5-4 BANKPWR2 R/W 3h Internal. Only to be used through TI provided API.
3-2 BANKPWR1 R/W 3h Internal. Only to be used through TI provided API.
1-0 BANKPWR0 R/W 3h Internal. Only to be used through TI provided API.

www.ti.com
VIMS Registers
599
SWCU117F–February 2015–Revised June 2016
Submit Documentation Feedback Copyright © 2015–2016, Texas Instruments Incorporated
Versatile Instruction Memory System (VIMS)
7.9.1.36 FBPRDY Register (Offset = 2044h) [reset = 00FF00FEh]
FBPRDY is shown in Figure 7-45 and described in Table 7-39.
Return to Summary Table.
Internal. Only to be used through TI provided API.
Figure 7-45. FBPRDY Register
31 30 29 28 27 26 25 24
RESERVED
R-7Fh
23 22 21 20 19 18 17 16
RESERVED BANKBUSY
R-7Fh R-1h
15 14 13 12 11 10 9 8
PUMPRDY RESERVED
R-0h R-7Fh
76543210
RESERVED BANKRDY
R-7Fh R-0h
Table 7-39. FBPRDY Register Field Descriptions
Bit Field Type Reset Description
31-17 RESERVED R 7Fh Internal. Only to be used through TI provided API.
16 BANKBUSY R 1h Internal. Only to be used through TI provided API.
15 PUMPRDY R 0h Internal. Only to be used through TI provided API.
14-1 RESERVED R 7Fh Internal. Only to be used through TI provided API.
0 BANKRDY R 0h Internal. Only to be used through TI provided API.

VIMS Registers
www.ti.com
600 SWCU117F–February 2015–Revised June 2016
Submit Documentation Feedback
Copyright © 2015–2016, Texas Instruments Incorporated
Versatile Instruction Memory System (VIMS)
7.9.1.37 FPAC1 Register (Offset = 2048h) [reset = 02082081h]
FPAC1 is shown in Figure 7-46 and described in Table 7-40.
Return to Summary Table.
Internal. Only to be used through TI provided API.
Figure 7-46. FPAC1 Register
31 30 29 28 27 26 25 24
RESERVED PSLEEPTDIS
R-0h R/W-208h
23 22 21 20 19 18 17 16
PSLEEPTDIS
R/W-208h
15 14 13 12 11 10 9 8
PUMPRESET_PW
R/W-208h
76543210
PUMPRESET_PW RESERVED PUMPPWR
R/W-208h R-0h R/W-1h
Table 7-40. FPAC1 Register Field Descriptions
Bit Field Type Reset Description
31-28 RESERVED R 0h Internal. Only to be used through TI provided API.
27-16 PSLEEPTDIS R/W 208h Internal. Only to be used through TI provided API.
15-4 PUMPRESET_PW R/W 208h Internal. Only to be used through TI provided API.
3-2 RESERVED R 0h Internal. Only to be used through TI provided API.
1-0 PUMPPWR R/W 1h Internal. Only to be used through TI provided API.

www.ti.com
VIMS Registers
601
SWCU117F–February 2015–Revised June 2016
Submit Documentation Feedback Copyright © 2015–2016, Texas Instruments Incorporated
Versatile Instruction Memory System (VIMS)
7.9.1.38 FPAC2 Register (Offset = 204Ch) [reset = 0h]
FPAC2 is shown in Figure 7-47 and described in Table 7-41.
Return to Summary Table.
Internal. Only to be used through TI provided API.
Figure 7-47. FPAC2 Register
31 30 29 28 27 26 25 24 23 22 21 20 19 18 17 16 15 14 13 12 11 10 9 8 7 6 5 4 3 2 1 0
RESERVED PAGP
R-0h R/W-0h
Table 7-41. FPAC2 Register Field Descriptions
Bit Field Type Reset Description
31-16 RESERVED R 0h Internal. Only to be used through TI provided API.
15-0 PAGP R/W 0h Internal. Only to be used through TI provided API.

VIMS Registers
www.ti.com
602 SWCU117F–February 2015–Revised June 2016
Submit Documentation Feedback
Copyright © 2015–2016, Texas Instruments Incorporated
Versatile Instruction Memory System (VIMS)
7.9.1.39 FMAC Register (Offset = 2050h) [reset = 0h]
FMAC is shown in Figure 7-48 and described in Table 7-42.
Return to Summary Table.
Internal. Only to be used through TI provided API.
Figure 7-48. FMAC Register
31 30 29 28 27 26 25 24 23 22 21 20 19 18 17 16
RESERVED
R-0h
15 14 13 12 11 10 9 8 7 6 5 4 3 2 1 0
RESERVED BANK
R-0h R/W-0h
Table 7-42. FMAC Register Field Descriptions
Bit Field Type Reset Description
31-3 RESERVED R 0h Internal. Only to be used through TI provided API.
2-0 BANK R/W 0h Internal. Only to be used through TI provided API.

www.ti.com
VIMS Registers
603
SWCU117F–February 2015–Revised June 2016
Submit Documentation Feedback Copyright © 2015–2016, Texas Instruments Incorporated
Versatile Instruction Memory System (VIMS)
7.9.1.40 FMSTAT Register (Offset = 2054h) [reset = 0h]
FMSTAT is shown in Figure 7-49 and described in Table 7-43.
Return to Summary Table.
Internal. Only to be used through TI provided API.
Figure 7-49. FMSTAT Register
31 30 29 28 27 26 25 24
RESERVED
R-0h
23 22 21 20 19 18 17 16
RESERVED RVSUSP RDVER
R-0h R-0h R-0h
15 14 13 12 11 10 9 8
RVF ILA DBF PGV PCV EV CV BUSY
R-0h R-0h R-0h R-0h R-0h R-0h R-0h R-0h
76543210
ERS PGM INVDAT CSTAT VOLSTAT ESUSP PSUSP SLOCK
R-0h R-0h R-0h R-0h R-0h R-0h R-0h R-0h
Table 7-43. FMSTAT Register Field Descriptions
Bit Field Type Reset Description
31-18 RESERVED R 0h Internal. Only to be used through TI provided API.
17 RVSUSP R 0h Internal. Only to be used through TI provided API.
16 RDVER R 0h Internal. Only to be used through TI provided API.
15 RVF R 0h Internal. Only to be used through TI provided API.
14 ILA R 0h Internal. Only to be used through TI provided API.
13 DBF R 0h Internal. Only to be used through TI provided API.
12 PGV R 0h Internal. Only to be used through TI provided API.
11 PCV R 0h Internal. Only to be used through TI provided API.
10 EV R 0h Internal. Only to be used through TI provided API.
9 CV R 0h Internal. Only to be used through TI provided API.
8 BUSY R 0h Internal. Only to be used through TI provided API.
7 ERS R 0h Internal. Only to be used through TI provided API.
6 PGM R 0h Internal. Only to be used through TI provided API.
5 INVDAT R 0h Internal. Only to be used through TI provided API.
4 CSTAT R 0h Internal. Only to be used through TI provided API.
3 VOLSTAT R 0h Internal. Only to be used through TI provided API.
2 ESUSP R 0h Internal. Only to be used through TI provided API.
1 PSUSP R 0h Internal. Only to be used through TI provided API.
0 SLOCK R 0h Internal. Only to be used through TI provided API.

VIMS Registers
www.ti.com
604 SWCU117F–February 2015–Revised June 2016
Submit Documentation Feedback
Copyright © 2015–2016, Texas Instruments Incorporated
Versatile Instruction Memory System (VIMS)
7.9.1.41 FLOCK Register (Offset = 2064h) [reset = 55AAh]
FLOCK is shown in Figure 7-50 and described in Table 7-44.
Return to Summary Table.
Internal. Only to be used through TI provided API.
Figure 7-50. FLOCK Register
31 30 29 28 27 26 25 24 23 22 21 20 19 18 17 16 15 14 13 12 11 10 9 8 7 6 5 4 3 2 1 0
RESERVED ENCOM
R-0h R/W-55AAh
Table 7-44. FLOCK Register Field Descriptions
Bit Field Type Reset Description
31-16 RESERVED R 0h Internal. Only to be used through TI provided API.
15-0 ENCOM R/W 55AAh Internal. Only to be used through TI provided API.

www.ti.com
VIMS Registers
605
SWCU117F–February 2015–Revised June 2016
Submit Documentation Feedback Copyright © 2015–2016, Texas Instruments Incorporated
Versatile Instruction Memory System (VIMS)
7.9.1.42 FVREADCT Register (Offset = 2080h) [reset = 8h]
FVREADCT is shown in Figure 7-51 and described in Table 7-45.
Return to Summary Table.
Internal. Only to be used through TI provided API.
Figure 7-51. FVREADCT Register
31 30 29 28 27 26 25 24 23 22 21 20 19 18 17 16
RESERVED
R-0h
15 14 13 12 11 10 9 8 7 6 5 4 3 2 1 0
RESERVED VREADCT
R-0h R/W-8h
Table 7-45. FVREADCT Register Field Descriptions
Bit Field Type Reset Description
31-4 RESERVED R 0h Internal. Only to be used through TI provided API.
3-0 VREADCT R/W 8h Internal. Only to be used through TI provided API.

VIMS Registers
www.ti.com
606 SWCU117F–February 2015–Revised June 2016
Submit Documentation Feedback
Copyright © 2015–2016, Texas Instruments Incorporated
Versatile Instruction Memory System (VIMS)
7.9.1.43 FVHVCT1 Register (Offset = 2084h) [reset = 00840088h]
FVHVCT1 is shown in Figure 7-52 and described in Table 7-46.
Return to Summary Table.
Internal. Only to be used through TI provided API.
Figure 7-52. FVHVCT1 Register
31 30 29 28 27 26 25 24 23 22 21 20 19 18 17 16
RESERVED TRIM13_E VHVCT_E
R-0h R/W-8h R/W-4h
15 14 13 12 11 10 9 8 7 6 5 4 3 2 1 0
RESERVED TRIM13_PV VHVCT_PV
R-0h R/W-8h R/W-8h
Table 7-46. FVHVCT1 Register Field Descriptions
Bit Field Type Reset Description
31-24 RESERVED R 0h Internal. Only to be used through TI provided API.
23-20 TRIM13_E R/W 8h Internal. Only to be used through TI provided API.
19-16 VHVCT_E R/W 4h Internal. Only to be used through TI provided API.
15-8 RESERVED R 0h Internal. Only to be used through TI provided API.
7-4 TRIM13_PV R/W 8h Internal. Only to be used through TI provided API.
3-0 VHVCT_PV R/W 8h Internal. Only to be used through TI provided API.

www.ti.com
VIMS Registers
607
SWCU117F–February 2015–Revised June 2016
Submit Documentation Feedback Copyright © 2015–2016, Texas Instruments Incorporated
Versatile Instruction Memory System (VIMS)
7.9.1.44 FVHVCT2 Register (Offset = 2088h) [reset = 00A20000h]
FVHVCT2 is shown in Figure 7-53 and described in Table 7-47.
Return to Summary Table.
Internal. Only to be used through TI provided API.
Figure 7-53. FVHVCT2 Register
31 30 29 28 27 26 25 24 23 22 21 20 19 18 17 16
RESERVED TRIM13_P VHVCT_P
R-0h R/W-Ah R/W-2h
15 14 13 12 11 10 9 8 7 6 5 4 3 2 1 0
RESERVED
R-0h
Table 7-47. FVHVCT2 Register Field Descriptions
Bit Field Type Reset Description
31-24 RESERVED R 0h Internal. Only to be used through TI provided API.
23-20 TRIM13_P R/W Ah Internal. Only to be used through TI provided API.
19-16 VHVCT_P R/W 2h Internal. Only to be used through TI provided API.
15-0 RESERVED R 0h Internal. Only to be used through TI provided API.

VIMS Registers
www.ti.com
608 SWCU117F–February 2015–Revised June 2016
Submit Documentation Feedback
Copyright © 2015–2016, Texas Instruments Incorporated
Versatile Instruction Memory System (VIMS)
7.9.1.45 FVHVCT3 Register (Offset = 208Ch) [reset = 000F0000h]
FVHVCT3 is shown in Figure 7-54 and described in Table 7-48.
Return to Summary Table.
Internal. Only to be used through TI provided API.
Figure 7-54. FVHVCT3 Register
31 30 29 28 27 26 25 24 23 22 21 20 19 18 17 16
RESERVED WCT
R-0h R/W-Fh
15 14 13 12 11 10 9 8 7 6 5 4 3 2 1 0
RESERVED VHVCT_READ
R-0h R/W-0h
Table 7-48. FVHVCT3 Register Field Descriptions
Bit Field Type Reset Description
31-20 RESERVED R 0h Internal. Only to be used through TI provided API.
19-16 WCT R/W Fh Internal. Only to be used through TI provided API.
15-4 RESERVED R 0h Internal. Only to be used through TI provided API.
3-0 VHVCT_READ R/W 0h Internal. Only to be used through TI provided API.

www.ti.com
VIMS Registers
609
SWCU117F–February 2015–Revised June 2016
Submit Documentation Feedback Copyright © 2015–2016, Texas Instruments Incorporated
Versatile Instruction Memory System (VIMS)
7.9.1.46 FVNVCT Register (Offset = 2090h) [reset = 800h]
FVNVCT is shown in Figure 7-55 and described in Table 7-49.
Return to Summary Table.
Internal. Only to be used through TI provided API.
Figure 7-55. FVNVCT Register
31 30 29 28 27 26 25 24 23 22 21 20 19 18 17 16
RESERVED
R-0h
15 14 13 12 11 10 9 8 7 6 5 4 3 2 1 0
RESERVED VCG2P5CT RESERVED VIN_CT
R-0h R/W-8h R-0h R/W-0h
Table 7-49. FVNVCT Register Field Descriptions
Bit Field Type Reset Description
31-13 RESERVED R 0h Internal. Only to be used through TI provided API.
12-8 VCG2P5CT R/W 8h Internal. Only to be used through TI provided API.
7-5 RESERVED R 0h Internal. Only to be used through TI provided API.
4-0 VIN_CT R/W 0h Internal. Only to be used through TI provided API.

VIMS Registers
www.ti.com
610 SWCU117F–February 2015–Revised June 2016
Submit Documentation Feedback
Copyright © 2015–2016, Texas Instruments Incorporated
Versatile Instruction Memory System (VIMS)
7.9.1.47 FVSLP Register (Offset = 2094h) [reset = 8000h]
FVSLP is shown in Figure 7-56 and described in Table 7-50.
Return to Summary Table.
Internal. Only to be used through TI provided API.
Figure 7-56. FVSLP Register
31 30 29 28 27 26 25 24 23 22 21 20 19 18 17 16
RESERVED
R-0h
15 14 13 12 11 10 9 8 7 6 5 4 3 2 1 0
VSL_P RESERVED
R/W-8h R-0h
Table 7-50. FVSLP Register Field Descriptions
Bit Field Type Reset Description
31-16 RESERVED R 0h Internal. Only to be used through TI provided API.
15-12 VSL_P R/W 8h Internal. Only to be used through TI provided API.
11-0 RESERVED R 0h Internal. Only to be used through TI provided API.

www.ti.com
VIMS Registers
611
SWCU117F–February 2015–Revised June 2016
Submit Documentation Feedback Copyright © 2015–2016, Texas Instruments Incorporated
Versatile Instruction Memory System (VIMS)
7.9.1.48 FVWLCT Register (Offset = 2098h) [reset = 8h]
FVWLCT is shown in Figure 7-57 and described in Table 7-51.
Return to Summary Table.
Internal. Only to be used through TI provided API.
Figure 7-57. FVWLCT Register
31 30 29 28 27 26 25 24 23 22 21 20 19 18 17 16
RESERVED
R-0h
15 14 13 12 11 10 9 8 7 6 5 4 3 2 1 0
RESERVED VWLCT_P
R-0h R/W-8h
Table 7-51. FVWLCT Register Field Descriptions
Bit Field Type Reset Description
31-5 RESERVED R 0h Internal. Only to be used through TI provided API.
4-0 VWLCT_P R/W 8h Internal. Only to be used through TI provided API.

VIMS Registers
www.ti.com
612 SWCU117F–February 2015–Revised June 2016
Submit Documentation Feedback
Copyright © 2015–2016, Texas Instruments Incorporated
Versatile Instruction Memory System (VIMS)
7.9.1.49 FEFUSECTL Register (Offset = 209Ch) [reset = 0701010Ah]
FEFUSECTL is shown in Figure 7-58 and described in Table 7-52.
Return to Summary Table.
Internal. Only to be used through TI provided API.
Figure 7-58. FEFUSECTL Register
31 30 29 28 27 26 25 24
RESERVED CHAIN_SEL
R-0h R/W-7h
23 22 21 20 19 18 17 16
RESERVED WRITE_EN BP_SEL
R-0h R/W-0h R/W-1h
15 14 13 12 11 10 9 8
RESERVED EF_CLRZ
R-0h R/W-1h
76543210
RESERVED EF_TEST EFUSE_EN
R-0h R/W-0h R/W-Ah
Table 7-52. FEFUSECTL Register Field Descriptions
Bit Field Type Reset Description
31-27 RESERVED R 0h Internal. Only to be used through TI provided API.
26-24 CHAIN_SEL R/W 7h Internal. Only to be used through TI provided API.
23-18 RESERVED R 0h Internal. Only to be used through TI provided API.
17 WRITE_EN R/W 0h Internal. Only to be used through TI provided API.
16 BP_SEL R/W 1h Internal. Only to be used through TI provided API.
15-9 RESERVED R 0h Internal. Only to be used through TI provided API.
8 EF_CLRZ R/W 1h Internal. Only to be used through TI provided API.
7-5 RESERVED R 0h Internal. Only to be used through TI provided API.
4 EF_TEST R/W 0h Internal. Only to be used through TI provided API.
3-0 EFUSE_EN R/W Ah Internal. Only to be used through TI provided API.

www.ti.com
VIMS Registers
613
SWCU117F–February 2015–Revised June 2016
Submit Documentation Feedback Copyright © 2015–2016, Texas Instruments Incorporated
Versatile Instruction Memory System (VIMS)
7.9.1.50 FEFUSESTAT Register (Offset = 20A0h) [reset = 0h]
FEFUSESTAT is shown in Figure 7-59 and described in Table 7-53.
Return to Summary Table.
Internal. Only to be used through TI provided API.
Figure 7-59. FEFUSESTAT Register
31 30 29 28 27 26 25 24
RESERVED
R-0h
23 22 21 20 19 18 17 16
RESERVED
R-0h
15 14 13 12 11 10 9 8
RESERVED
R-0h
76543210
RESERVED SHIFT_DONE
R-0h R/W1C-0h
Table 7-53. FEFUSESTAT Register Field Descriptions
Bit Field Type Reset Description
31-1 RESERVED R 0h Internal. Only to be used through TI provided API.
0 SHIFT_DONE R/W1C 0h Internal. Only to be used through TI provided API.

VIMS Registers
www.ti.com
614 SWCU117F–February 2015–Revised June 2016
Submit Documentation Feedback
Copyright © 2015–2016, Texas Instruments Incorporated
Versatile Instruction Memory System (VIMS)
7.9.1.51 FEFUSEDATA Register (Offset = 20A4h) [reset = 0h]
FEFUSEDATA is shown in Figure 7-60 and described in Table 7-54.
Return to Summary Table.
Internal. Only to be used through TI provided API.
Figure 7-60. FEFUSEDATA Register
31 30 29 28 27 26 25 24 23 22 21 20 19 18 17 16 15 14 13 12 11 10 9 8 7 6 5 4 3 2 1 0
FEFUSEDATA
R/W-0h
Table 7-54. FEFUSEDATA Register Field Descriptions
Bit Field Type Reset Description
31-0 FEFUSEDATA R/W 0h Internal. Only to be used through TI provided API.

www.ti.com
VIMS Registers
615
SWCU117F–February 2015–Revised June 2016
Submit Documentation Feedback Copyright © 2015–2016, Texas Instruments Incorporated
Versatile Instruction Memory System (VIMS)
7.9.1.52 FSEQPMP Register (Offset = 20A8h) [reset = 85080000h]
FSEQPMP is shown in Figure 7-61 and described in Table 7-55.
Return to Summary Table.
Internal. Only to be used through TI provided API.
Figure 7-61. FSEQPMP Register
31 30 29 28 27 26 25 24
RESERVED TRIM_3P4
R/W-8h R/W-5h
23 22 21 20 19 18 17 16
RESERVED TRIM_1P7 TRIM_0P8
R-0h R/W-0h R/W-8h
15 14 13 12 11 10 9 8
RESERVED VIN_AT_X RESERVED VIN_BY_PASS
R-0h R/W-0h R-0h R/W-0h
76543210
SEQ_PUMP
R/W-0h
Table 7-55. FSEQPMP Register Field Descriptions
Bit Field Type Reset Description
31-28 RESERVED R/W 8h Internal. Only to be used through TI provided API.
27-24 TRIM_3P4 R/W 5h Internal. Only to be used through TI provided API.
23-22 RESERVED R 0h Internal. Only to be used through TI provided API.
21-20 TRIM_1P7 R/W 0h Internal. Only to be used through TI provided API.
19-16 TRIM_0P8 R/W 8h Internal. Only to be used through TI provided API.
15 RESERVED R 0h Internal. Only to be used through TI provided API.
14-12 VIN_AT_X R/W 0h Internal. Only to be used through TI provided API.
11-9 RESERVED R 0h Internal. Only to be used through TI provided API.
8 VIN_BY_PASS R/W 0h Internal. Only to be used through TI provided API.
7-0 SEQ_PUMP R/W 0h Internal. Only to be used through TI provided API.

VIMS Registers
www.ti.com
616 SWCU117F–February 2015–Revised June 2016
Submit Documentation Feedback
Copyright © 2015–2016, Texas Instruments Incorporated
Versatile Instruction Memory System (VIMS)
7.9.1.53 FBSTROBES Register (Offset = 2100h) [reset = 104h]
FBSTROBES is shown in Figure 7-62 and described in Table 7-56.
Return to Summary Table.
Internal. Only to be used through TI provided API.
Figure 7-62. FBSTROBES Register
31 30 29 28 27 26 25 24
RESERVED ECBIT
R-0h R/W-0h
23 22 21 20 19 18 17 16
RESERVED RWAIT2_FLCL
KRWAIT_FLCLK FLCLKEN
R-0h R/W-0h R/W-0h R/W-0h
15 14 13 12 11 10 9 8
RESERVED CTRLENZ
R-0h R/W-1h
76543210
RESERVED NOCOLRED PRECOL TI_OTP OTP TEZ RESERVED
R-0h R/W-0h R/W-0h R/W-0h R/W-0h R/W-1h R-0h
Table 7-56. FBSTROBES Register Field Descriptions
Bit Field Type Reset Description
31-25 RESERVED R 0h Internal. Only to be used through TI provided API.
24 ECBIT R/W 0h Internal. Only to be used through TI provided API.
23-19 RESERVED R 0h Internal. Only to be used through TI provided API.
18 RWAIT2_FLCLK R/W 0h Internal. Only to be used through TI provided API.
17 RWAIT_FLCLK R/W 0h Internal. Only to be used through TI provided API.
16 FLCLKEN R/W 0h Internal. Only to be used through TI provided API.
15-9 RESERVED R 0h Internal. Only to be used through TI provided API.
8 CTRLENZ R/W 1h Internal. Only to be used through TI provided API.
7 RESERVED R 0h Internal. Only to be used through TI provided API.
6 NOCOLRED R/W 0h Internal. Only to be used through TI provided API.
5 PRECOL R/W 0h Internal. Only to be used through TI provided API.
4 TI_OTP R/W 0h Internal. Only to be used through TI provided API.
3 OTP R/W 0h Internal. Only to be used through TI provided API.
2 TEZ R/W 1h Internal. Only to be used through TI provided API.
1-0 RESERVED R 0h Internal. Only to be used through TI provided API.

www.ti.com
VIMS Registers
617
SWCU117F–February 2015–Revised June 2016
Submit Documentation Feedback Copyright © 2015–2016, Texas Instruments Incorporated
Versatile Instruction Memory System (VIMS)
7.9.1.54 FPSTROBES Register (Offset = 2104h) [reset = 103h]
FPSTROBES is shown in Figure 7-63 and described in Table 7-57.
Return to Summary Table.
Internal. Only to be used through TI provided API.
Figure 7-63. FPSTROBES Register
31 30 29 28 27 26 25 24
RESERVED
R-0h
23 22 21 20 19 18 17 16
RESERVED
R-0h
15 14 13 12 11 10 9 8
RESERVED EXECUTEZ
R-0h R/W-1h
76543210
RESERVED V3PWRDNZ V5PWRDNZ
R-0h R/W-1h R/W-1h
Table 7-57. FPSTROBES Register Field Descriptions
Bit Field Type Reset Description
31-9 RESERVED R 0h Internal. Only to be used through TI provided API.
8 EXECUTEZ R/W 1h Internal. Only to be used through TI provided API.
7-2 RESERVED R 0h Internal. Only to be used through TI provided API.
1 V3PWRDNZ R/W 1h Internal. Only to be used through TI provided API.
0 V5PWRDNZ R/W 1h Internal. Only to be used through TI provided API.

VIMS Registers
www.ti.com
618 SWCU117F–February 2015–Revised June 2016
Submit Documentation Feedback
Copyright © 2015–2016, Texas Instruments Incorporated
Versatile Instruction Memory System (VIMS)
7.9.1.55 FBMODE Register (Offset = 2108h) [reset = 0h]
FBMODE is shown in Figure 7-64 and described in Table 7-58.
Return to Summary Table.
Internal. Only to be used through TI provided API.
Figure 7-64. FBMODE Register
31 30 29 28 27 26 25 24 23 22 21 20 19 18 17 16
RESERVED
R-0h
15 14 13 12 11 10 9 8 7 6 5 4 3 2 1 0
RESERVED MODE
R-0h R/W-0h
Table 7-58. FBMODE Register Field Descriptions
Bit Field Type Reset Description
31-3 RESERVED R 0h Internal. Only to be used through TI provided API.
2-0 MODE R/W 0h Internal. Only to be used through TI provided API.

www.ti.com
VIMS Registers
619
SWCU117F–February 2015–Revised June 2016
Submit Documentation Feedback Copyright © 2015–2016, Texas Instruments Incorporated
Versatile Instruction Memory System (VIMS)
7.9.1.56 FTCR Register (Offset = 210Ch) [reset = 0h]
FTCR is shown in Figure 7-65 and described in Table 7-59.
Return to Summary Table.
Internal. Only to be used through TI provided API.
Figure 7-65. FTCR Register
31 30 29 28 27 26 25 24 23 22 21 20 19 18 17 16 15 14 13 12 11 10 9 8 7 6 5 4 3 2 1 0
RESERVED TCR
R-0h R/W-0h
Table 7-59. FTCR Register Field Descriptions
Bit Field Type Reset Description
31-7 RESERVED R 0h Internal. Only to be used through TI provided API.
6-0 TCR R/W 0h Internal. Only to be used through TI provided API.

VIMS Registers
www.ti.com
620 SWCU117F–February 2015–Revised June 2016
Submit Documentation Feedback
Copyright © 2015–2016, Texas Instruments Incorporated
Versatile Instruction Memory System (VIMS)
7.9.1.57 FADDR Register (Offset = 2110h) [reset = 0h]
FADDR is shown in Figure 7-66 and described in Table 7-60.
Return to Summary Table.
Internal. Only to be used through TI provided API.
Figure 7-66. FADDR Register
31 30 29 28 27 26 25 24 23 22 21 20 19 18 17 16 15 14 13 12 11 10 9 8 7 6 5 4 3 2 1 0
FADDR
R/W-0h
Table 7-60. FADDR Register Field Descriptions
Bit Field Type Reset Description
31-0 FADDR R/W 0h Internal. Only to be used through TI provided API.

www.ti.com
VIMS Registers
621
SWCU117F–February 2015–Revised June 2016
Submit Documentation Feedback Copyright © 2015–2016, Texas Instruments Incorporated
Versatile Instruction Memory System (VIMS)
7.9.1.58 FTCTL Register (Offset = 211Ch) [reset = 0h]
FTCTL is shown in Figure 7-67 and described in Table 7-61.
Return to Summary Table.
Internal. Only to be used through TI provided API.
Figure 7-67. FTCTL Register
31 30 29 28 27 26 25 24
RESERVED
R-0h
23 22 21 20 19 18 17 16
RESERVED WDATA_BLK_
CLR
R-0h R/W-0h
15 14 13 12 11 10 9 8
RESERVED
R-0h
76543210
RESERVED TEST_EN RESERVED
R-0h R/W-0h R-0h
Table 7-61. FTCTL Register Field Descriptions
Bit Field Type Reset Description
31-17 RESERVED R 0h Internal. Only to be used through TI provided API.
16 WDATA_BLK_CLR R/W 0h Internal. Only to be used through TI provided API.
15-2 RESERVED R 0h Internal. Only to be used through TI provided API.
1 TEST_EN R/W 0h Internal. Only to be used through TI provided API.
0 RESERVED R 0h Internal. Only to be used through TI provided API.

VIMS Registers
www.ti.com
622 SWCU117F–February 2015–Revised June 2016
Submit Documentation Feedback
Copyright © 2015–2016, Texas Instruments Incorporated
Versatile Instruction Memory System (VIMS)
7.9.1.59 FWPWRITE0 Register (Offset = 2120h) [reset = FFFFFFFFh]
FWPWRITE0 is shown in Figure 7-68 and described in Table 7-62.
Return to Summary Table.
Internal. Only to be used through TI provided API.
Figure 7-68. FWPWRITE0 Register
31 30 29 28 27 26 25 24 23 22 21 20 19 18 17 16 15 14 13 12 11 10 9 8 7 6 5 4 3 2 1 0
FWPWRITE0
R/W-FFFFFFFFh
Table 7-62. FWPWRITE0 Register Field Descriptions
Bit Field Type Reset Description
31-0 FWPWRITE0 R/W FFFFFFFFh Internal. Only to be used through TI provided API.

www.ti.com
VIMS Registers
623
SWCU117F–February 2015–Revised June 2016
Submit Documentation Feedback Copyright © 2015–2016, Texas Instruments Incorporated
Versatile Instruction Memory System (VIMS)
7.9.1.60 FWPWRITE1 Register (Offset = 2124h) [reset = FFFFFFFFh]
FWPWRITE1 is shown in Figure 7-69 and described in Table 7-63.
Return to Summary Table.
Internal. Only to be used through TI provided API.
Figure 7-69. FWPWRITE1 Register
31 30 29 28 27 26 25 24 23 22 21 20 19 18 17 16 15 14 13 12 11 10 9 8 7 6 5 4 3 2 1 0
FWPWRITE1
R/W-FFFFFFFFh
Table 7-63. FWPWRITE1 Register Field Descriptions
Bit Field Type Reset Description
31-0 FWPWRITE1 R/W FFFFFFFFh Internal. Only to be used through TI provided API.

VIMS Registers
www.ti.com
624 SWCU117F–February 2015–Revised June 2016
Submit Documentation Feedback
Copyright © 2015–2016, Texas Instruments Incorporated
Versatile Instruction Memory System (VIMS)
7.9.1.61 FWPWRITE2 Register (Offset = 2128h) [reset = FFFFFFFFh]
FWPWRITE2 is shown in Figure 7-70 and described in Table 7-64.
Return to Summary Table.
Internal. Only to be used through TI provided API.
Figure 7-70. FWPWRITE2 Register
31 30 29 28 27 26 25 24 23 22 21 20 19 18 17 16 15 14 13 12 11 10 9 8 7 6 5 4 3 2 1 0
FWPWRITE2
R/W-FFFFFFFFh
Table 7-64. FWPWRITE2 Register Field Descriptions
Bit Field Type Reset Description
31-0 FWPWRITE2 R/W FFFFFFFFh Internal. Only to be used through TI provided API.

www.ti.com
VIMS Registers
625
SWCU117F–February 2015–Revised June 2016
Submit Documentation Feedback Copyright © 2015–2016, Texas Instruments Incorporated
Versatile Instruction Memory System (VIMS)
7.9.1.62 FWPWRITE3 Register (Offset = 212Ch) [reset = FFFFFFFFh]
FWPWRITE3 is shown in Figure 7-71 and described in Table 7-65.
Return to Summary Table.
Internal. Only to be used through TI provided API.
Figure 7-71. FWPWRITE3 Register
31 30 29 28 27 26 25 24 23 22 21 20 19 18 17 16 15 14 13 12 11 10 9 8 7 6 5 4 3 2 1 0
FWPWRITE3
R/W-FFFFFFFFh
Table 7-65. FWPWRITE3 Register Field Descriptions
Bit Field Type Reset Description
31-0 FWPWRITE3 R/W FFFFFFFFh Internal. Only to be used through TI provided API.

VIMS Registers
www.ti.com
626 SWCU117F–February 2015–Revised June 2016
Submit Documentation Feedback
Copyright © 2015–2016, Texas Instruments Incorporated
Versatile Instruction Memory System (VIMS)
7.9.1.63 FWPWRITE4 Register (Offset = 2130h) [reset = FFFFFFFFh]
FWPWRITE4 is shown in Figure 7-72 and described in Table 7-66.
Return to Summary Table.
Internal. Only to be used through TI provided API.
Figure 7-72. FWPWRITE4 Register
31 30 29 28 27 26 25 24 23 22 21 20 19 18 17 16 15 14 13 12 11 10 9 8 7 6 5 4 3 2 1 0
FWPWRITE4
R/W-FFFFFFFFh
Table 7-66. FWPWRITE4 Register Field Descriptions
Bit Field Type Reset Description
31-0 FWPWRITE4 R/W FFFFFFFFh Internal. Only to be used through TI provided API.

www.ti.com
VIMS Registers
627
SWCU117F–February 2015–Revised June 2016
Submit Documentation Feedback Copyright © 2015–2016, Texas Instruments Incorporated
Versatile Instruction Memory System (VIMS)
7.9.1.64 FWPWRITE5 Register (Offset = 2134h) [reset = FFFFFFFFh]
FWPWRITE5 is shown in Figure 7-73 and described in Table 7-67.
Return to Summary Table.
Internal. Only to be used through TI provided API.
Figure 7-73. FWPWRITE5 Register
31 30 29 28 27 26 25 24 23 22 21 20 19 18 17 16 15 14 13 12 11 10 9 8 7 6 5 4 3 2 1 0
FWPWRITE5
R/W-FFFFFFFFh
Table 7-67. FWPWRITE5 Register Field Descriptions
Bit Field Type Reset Description
31-0 FWPWRITE5 R/W FFFFFFFFh Internal. Only to be used through TI provided API.

VIMS Registers
www.ti.com
628 SWCU117F–February 2015–Revised June 2016
Submit Documentation Feedback
Copyright © 2015–2016, Texas Instruments Incorporated
Versatile Instruction Memory System (VIMS)
7.9.1.65 FWPWRITE6 Register (Offset = 2138h) [reset = FFFFFFFFh]
FWPWRITE6 is shown in Figure 7-74 and described in Table 7-68.
Return to Summary Table.
Internal. Only to be used through TI provided API.
Figure 7-74. FWPWRITE6 Register
31 30 29 28 27 26 25 24 23 22 21 20 19 18 17 16 15 14 13 12 11 10 9 8 7 6 5 4 3 2 1 0
FWPWRITE6
R/W-FFFFFFFFh
Table 7-68. FWPWRITE6 Register Field Descriptions
Bit Field Type Reset Description
31-0 FWPWRITE6 R/W FFFFFFFFh Internal. Only to be used through TI provided API.

www.ti.com
VIMS Registers
629
SWCU117F–February 2015–Revised June 2016
Submit Documentation Feedback Copyright © 2015–2016, Texas Instruments Incorporated
Versatile Instruction Memory System (VIMS)
7.9.1.66 FWPWRITE7 Register (Offset = 213Ch) [reset = FFFFFFFFh]
FWPWRITE7 is shown in Figure 7-75 and described in Table 7-69.
Return to Summary Table.
Internal. Only to be used through TI provided API.
Figure 7-75. FWPWRITE7 Register
31 30 29 28 27 26 25 24 23 22 21 20 19 18 17 16 15 14 13 12 11 10 9 8 7 6 5 4 3 2 1 0
FWPWRITE7
R/W-FFFFFFFFh
Table 7-69. FWPWRITE7 Register Field Descriptions
Bit Field Type Reset Description
31-0 FWPWRITE7 R/W FFFFFFFFh Internal. Only to be used through TI provided API.

VIMS Registers
www.ti.com
630 SWCU117F–February 2015–Revised June 2016
Submit Documentation Feedback
Copyright © 2015–2016, Texas Instruments Incorporated
Versatile Instruction Memory System (VIMS)
7.9.1.67 FWPWRITE_ECC Register (Offset = 2140h) [reset = FFFFFFFFh]
FWPWRITE_ECC is shown in Figure 7-76 and described in Table 7-70.
Return to Summary Table.
Internal. Only to be used through TI provided API.
Figure 7-76. FWPWRITE_ECC Register
31 30 29 28 27 26 25 24 23 22 21 20 19 18 17 16
ECCBYTES07_00 ECCBYTES15_08
R/W-FFh R/W-FFh
15 14 13 12 11 10 9 8 7 6 5 4 3 2 1 0
ECCBYTES23_16 ECCBYTES31_24
R/W-FFh R/W-FFh
Table 7-70. FWPWRITE_ECC Register Field Descriptions
Bit Field Type Reset Description
31-24 ECCBYTES07_00 R/W FFh Internal. Only to be used through TI provided API.
23-16 ECCBYTES15_08 R/W FFh Internal. Only to be used through TI provided API.
15-8 ECCBYTES23_16 R/W FFh Internal. Only to be used through TI provided API.
7-0 ECCBYTES31_24 R/W FFh Internal. Only to be used through TI provided API.

www.ti.com
VIMS Registers
631
SWCU117F–February 2015–Revised June 2016
Submit Documentation Feedback Copyright © 2015–2016, Texas Instruments Incorporated
Versatile Instruction Memory System (VIMS)
7.9.1.68 FSWSTAT Register (Offset = 2144h) [reset = 1h]
FSWSTAT is shown in Figure 7-77 and described in Table 7-71.
Return to Summary Table.
Internal. Only to be used through TI provided API.
Figure 7-77. FSWSTAT Register
31 30 29 28 27 26 25 24
RESERVED
R-0h
23 22 21 20 19 18 17 16
RESERVED
R-0h
15 14 13 12 11 10 9 8
RESERVED
R-0h
76543210
RESERVED SAFELV
R-0h R-1h
Table 7-71. FSWSTAT Register Field Descriptions
Bit Field Type Reset Description
31-1 RESERVED R 0h Internal. Only to be used through TI provided API.
0 SAFELV R 1h Internal. Only to be used through TI provided API.

VIMS Registers
www.ti.com
632 SWCU117F–February 2015–Revised June 2016
Submit Documentation Feedback
Copyright © 2015–2016, Texas Instruments Incorporated
Versatile Instruction Memory System (VIMS)
7.9.1.69 FSM_GLBCTL Register (Offset = 2200h) [reset = 1h]
FSM_GLBCTL is shown in Figure 7-78 and described in Table 7-72.
Return to Summary Table.
Internal. Only to be used through TI provided API.
Figure 7-78. FSM_GLBCTL Register
31 30 29 28 27 26 25 24
RESERVED
R-0h
23 22 21 20 19 18 17 16
RESERVED
R-0h
15 14 13 12 11 10 9 8
RESERVED
R-0h
76543210
RESERVED CLKSEL
R-0h R-1h
Table 7-72. FSM_GLBCTL Register Field Descriptions
Bit Field Type Reset Description
31-1 RESERVED R 0h Internal. Only to be used through TI provided API.
0 CLKSEL R 1h Internal. Only to be used through TI provided API.

www.ti.com
VIMS Registers
633
SWCU117F–February 2015–Revised June 2016
Submit Documentation Feedback Copyright © 2015–2016, Texas Instruments Incorporated
Versatile Instruction Memory System (VIMS)
7.9.1.70 FSM_STATE Register (Offset = 2204h) [reset = C00h]
FSM_STATE is shown in Figure 7-79 and described in Table 7-73.
Return to Summary Table.
Internal. Only to be used through TI provided API.
Figure 7-79. FSM_STATE Register
31 30 29 28 27 26 25 24
RESERVED
R-0h
23 22 21 20 19 18 17 16
RESERVED
R-0h
15 14 13 12 11 10 9 8
RESERVED CTRLENZ EXECUTEZ RESERVED FSM_ACT
R-0h R-1h R-1h R-0h R-0h
76543210
TIOTP_ACT OTP_ACT RESERVED
R-0h R-0h R-0h
Table 7-73. FSM_STATE Register Field Descriptions
Bit Field Type Reset Description
31-12 RESERVED R 0h Internal. Only to be used through TI provided API.
11 CTRLENZ R 1h Internal. Only to be used through TI provided API.
10 EXECUTEZ R 1h Internal. Only to be used through TI provided API.
9 RESERVED R 0h Internal. Only to be used through TI provided API.
8 FSM_ACT R 0h Internal. Only to be used through TI provided API.
7 TIOTP_ACT R 0h Internal. Only to be used through TI provided API.
6 OTP_ACT R 0h Internal. Only to be used through TI provided API.
5-0 RESERVED R 0h Internal. Only to be used through TI provided API.

VIMS Registers
www.ti.com
634 SWCU117F–February 2015–Revised June 2016
Submit Documentation Feedback
Copyright © 2015–2016, Texas Instruments Incorporated
Versatile Instruction Memory System (VIMS)
7.9.1.71 FSM_STAT Register (Offset = 2208h) [reset = 4h]
FSM_STAT is shown in Figure 7-80 and described in Table 7-74.
Return to Summary Table.
Internal. Only to be used through TI provided API.
Figure 7-80. FSM_STAT Register
31 30 29 28 27 26 25 24
RESERVED
R-0h
23 22 21 20 19 18 17 16
RESERVED
R-0h
15 14 13 12 11 10 9 8
RESERVED
R-0h
76543210
RESERVED NON_OP OVR_PUL_CN
TINV_DAT
R-0h R-1h R-0h R-0h
Table 7-74. FSM_STAT Register Field Descriptions
Bit Field Type Reset Description
31-3 RESERVED R 0h Internal. Only to be used through TI provided API.
2 NON_OP R 1h Internal. Only to be used through TI provided API.
1 OVR_PUL_CNT R 0h Internal. Only to be used through TI provided API.
0 INV_DAT R 0h Internal. Only to be used through TI provided API.

www.ti.com
VIMS Registers
635
SWCU117F–February 2015–Revised June 2016
Submit Documentation Feedback Copyright © 2015–2016, Texas Instruments Incorporated
Versatile Instruction Memory System (VIMS)
7.9.1.72 FSM_CMD Register (Offset = 220Ch) [reset = 0h]
FSM_CMD is shown in Figure 7-81 and described in Table 7-75.
Return to Summary Table.
Internal. Only to be used through TI provided API.
Figure 7-81. FSM_CMD Register
31 30 29 28 27 26 25 24 23 22 21 20 19 18 17 16 15 14 13 12 11 10 9 8 7 6 5 4 3 2 1 0
RESERVED FSMCMD
R-0h R/W-0h
Table 7-75. FSM_CMD Register Field Descriptions
Bit Field Type Reset Description
31-6 RESERVED R 0h Internal. Only to be used through TI provided API.
5-0 FSMCMD R/W 0h Internal. Only to be used through TI provided API.

VIMS Registers
www.ti.com
636 SWCU117F–February 2015–Revised June 2016
Submit Documentation Feedback
Copyright © 2015–2016, Texas Instruments Incorporated
Versatile Instruction Memory System (VIMS)
7.9.1.73 FSM_PE_OSU Register (Offset = 2210h) [reset = 0h]
FSM_PE_OSU is shown in Figure 7-82 and described in Table 7-76.
Return to Summary Table.
Internal. Only to be used through TI provided API.
Figure 7-82. FSM_PE_OSU Register
31 30 29 28 27 26 25 24 23 22 21 20 19 18 17 16 15 14 13 12 11 10 9 8 7 6 5 4 3 2 1 0
RESERVED PGM_OSU ERA_OSU
R-0h R/W-0h R/W-0h
Table 7-76. FSM_PE_OSU Register Field Descriptions
Bit Field Type Reset Description
31-16 RESERVED R 0h Internal. Only to be used through TI provided API.
15-8 PGM_OSU R/W 0h Internal. Only to be used through TI provided API.
7-0 ERA_OSU R/W 0h Internal. Only to be used through TI provided API.

www.ti.com
VIMS Registers
637
SWCU117F–February 2015–Revised June 2016
Submit Documentation Feedback Copyright © 2015–2016, Texas Instruments Incorporated
Versatile Instruction Memory System (VIMS)
7.9.1.74 FSM_VSTAT Register (Offset = 2214h) [reset = 3000h]
FSM_VSTAT is shown in Figure 7-83 and described in Table 7-77.
Return to Summary Table.
Internal. Only to be used through TI provided API.
Figure 7-83. FSM_VSTAT Register
31 30 29 28 27 26 25 24 23 22 21 20 19 18 17 16
RESERVED
R-0h
15 14 13 12 11 10 9 8 7 6 5 4 3 2 1 0
VSTAT_CNT RESERVED
R/W-3h R-0h
Table 7-77. FSM_VSTAT Register Field Descriptions
Bit Field Type Reset Description
31-16 RESERVED R 0h Internal. Only to be used through TI provided API.
15-12 VSTAT_CNT R/W 3h Internal. Only to be used through TI provided API.
11-0 RESERVED R 0h Internal. Only to be used through TI provided API.

VIMS Registers
www.ti.com
638 SWCU117F–February 2015–Revised June 2016
Submit Documentation Feedback
Copyright © 2015–2016, Texas Instruments Incorporated
Versatile Instruction Memory System (VIMS)
7.9.1.75 FSM_PE_VSU Register (Offset = 2218h) [reset = 0h]
FSM_PE_VSU is shown in Figure 7-84 and described in Table 7-78.
Return to Summary Table.
Internal. Only to be used through TI provided API.
Figure 7-84. FSM_PE_VSU Register
31 30 29 28 27 26 25 24 23 22 21 20 19 18 17 16 15 14 13 12 11 10 9 8 7 6 5 4 3 2 1 0
RESERVED PGM_VSU ERA_VSU
R-0h R/W-0h R/W-0h
Table 7-78. FSM_PE_VSU Register Field Descriptions
Bit Field Type Reset Description
31-16 RESERVED R 0h Internal. Only to be used through TI provided API.
15-8 PGM_VSU R/W 0h Internal. Only to be used through TI provided API.
7-0 ERA_VSU R/W 0h Internal. Only to be used through TI provided API.

www.ti.com
VIMS Registers
639
SWCU117F–February 2015–Revised June 2016
Submit Documentation Feedback Copyright © 2015–2016, Texas Instruments Incorporated
Versatile Instruction Memory System (VIMS)
7.9.1.76 FSM_CMP_VSU Register (Offset = 221Ch) [reset = 0h]
FSM_CMP_VSU is shown in Figure 7-85 and described in Table 7-79.
Return to Summary Table.
Internal. Only to be used through TI provided API.
Figure 7-85. FSM_CMP_VSU Register
31 30 29 28 27 26 25 24 23 22 21 20 19 18 17 16
RESERVED
R-0h
15 14 13 12 11 10 9 8 7 6 5 4 3 2 1 0
ADD_EXZ RESERVED
R/W-0h R-0h
Table 7-79. FSM_CMP_VSU Register Field Descriptions
Bit Field Type Reset Description
31-16 RESERVED R 0h Internal. Only to be used through TI provided API.
15-12 ADD_EXZ R/W 0h Internal. Only to be used through TI provided API.
11-0 RESERVED R 0h Internal. Only to be used through TI provided API.

VIMS Registers
www.ti.com
640 SWCU117F–February 2015–Revised June 2016
Submit Documentation Feedback
Copyright © 2015–2016, Texas Instruments Incorporated
Versatile Instruction Memory System (VIMS)
7.9.1.77 FSM_EX_VAL Register (Offset = 2220h) [reset = 301h]
FSM_EX_VAL is shown in Figure 7-86 and described in Table 7-80.
Return to Summary Table.
Internal. Only to be used through TI provided API.
Figure 7-86. FSM_EX_VAL Register
31 30 29 28 27 26 25 24 23 22 21 20 19 18 17 16 15 14 13 12 11 10 9 8 7 6 5 4 3 2 1 0
RESERVED REP_VSU EXE_VALD
R-0h R/W-3h R/W-1h
Table 7-80. FSM_EX_VAL Register Field Descriptions
Bit Field Type Reset Description
31-16 RESERVED R 0h Internal. Only to be used through TI provided API.
15-8 REP_VSU R/W 3h Internal. Only to be used through TI provided API.
7-0 EXE_VALD R/W 1h Internal. Only to be used through TI provided API.

www.ti.com
VIMS Registers
641
SWCU117F–February 2015–Revised June 2016
Submit Documentation Feedback Copyright © 2015–2016, Texas Instruments Incorporated
Versatile Instruction Memory System (VIMS)
7.9.1.78 FSM_RD_H Register (Offset = 2224h) [reset = 5Ah]
FSM_RD_H is shown in Figure 7-87 and described in Table 7-81.
Return to Summary Table.
Internal. Only to be used through TI provided API.
Figure 7-87. FSM_RD_H Register
31 30 29 28 27 26 25 24 23 22 21 20 19 18 17 16 15 14 13 12 11 10 9 8 7 6 5 4 3 2 1 0
RESERVED RD_H
R-0h R/W-5Ah
Table 7-81. FSM_RD_H Register Field Descriptions
Bit Field Type Reset Description
31-8 RESERVED R 0h Internal. Only to be used through TI provided API.
7-0 RD_H R/W 5Ah Internal. Only to be used through TI provided API.

VIMS Registers
www.ti.com
642 SWCU117F–February 2015–Revised June 2016
Submit Documentation Feedback
Copyright © 2015–2016, Texas Instruments Incorporated
Versatile Instruction Memory System (VIMS)
7.9.1.79 FSM_P_OH Register (Offset = 2228h) [reset = 100h]
FSM_P_OH is shown in Figure 7-88 and described in Table 7-82.
Return to Summary Table.
Internal. Only to be used through TI provided API.
Figure 7-88. FSM_P_OH Register
31 30 29 28 27 26 25 24 23 22 21 20 19 18 17 16 15 14 13 12 11 10 9 8 7 6 5 4 3 2 1 0
RESERVED PGM_OH RESERVED
R-0h R/W-1h R-0h
Table 7-82. FSM_P_OH Register Field Descriptions
Bit Field Type Reset Description
31-16 RESERVED R 0h Internal. Only to be used through TI provided API.
15-8 PGM_OH R/W 1h Internal. Only to be used through TI provided API.
7-0 RESERVED R 0h Internal. Only to be used through TI provided API.

www.ti.com
VIMS Registers
643
SWCU117F–February 2015–Revised June 2016
Submit Documentation Feedback Copyright © 2015–2016, Texas Instruments Incorporated
Versatile Instruction Memory System (VIMS)
7.9.1.80 FSM_ERA_OH Register (Offset = 222Ch) [reset = 1h]
FSM_ERA_OH is shown in Figure 7-89 and described in Table 7-83.
Return to Summary Table.
Internal. Only to be used through TI provided API.
Figure 7-89. FSM_ERA_OH Register
31 30 29 28 27 26 25 24 23 22 21 20 19 18 17 16 15 14 13 12 11 10 9 8 7 6 5 4 3 2 1 0
RESERVED ERA_OH
R-0h R/W-1h
Table 7-83. FSM_ERA_OH Register Field Descriptions
Bit Field Type Reset Description
31-16 RESERVED R 0h Internal. Only to be used through TI provided API.
15-0 ERA_OH R/W 1h Internal. Only to be used through TI provided API.

VIMS Registers
www.ti.com
644 SWCU117F–February 2015–Revised June 2016
Submit Documentation Feedback
Copyright © 2015–2016, Texas Instruments Incorporated
Versatile Instruction Memory System (VIMS)
7.9.1.81 FSM_SAV_PPUL Register (Offset = 2230h) [reset = 0h]
FSM_SAV_PPUL is shown in Figure 7-90 and described in Table 7-84.
Return to Summary Table.
Internal. Only to be used through TI provided API.
Figure 7-90. FSM_SAV_PPUL Register
31 30 29 28 27 26 25 24 23 22 21 20 19 18 17 16 15 14 13 12 11 10 9 8 7 6 5 4 3 2 1 0
RESERVED SAV_P_PUL
R-0h R-0h
Table 7-84. FSM_SAV_PPUL Register Field Descriptions
Bit Field Type Reset Description
31-12 RESERVED R 0h Internal. Only to be used through TI provided API.
11-0 SAV_P_PUL R 0h Internal. Only to be used through TI provided API.

www.ti.com
VIMS Registers
645
SWCU117F–February 2015–Revised June 2016
Submit Documentation Feedback Copyright © 2015–2016, Texas Instruments Incorporated
Versatile Instruction Memory System (VIMS)
7.9.1.82 FSM_PE_VH Register (Offset = 2234h) [reset = 100h]
FSM_PE_VH is shown in Figure 7-91 and described in Table 7-85.
Return to Summary Table.
Internal. Only to be used through TI provided API.
Figure 7-91. FSM_PE_VH Register
31 30 29 28 27 26 25 24 23 22 21 20 19 18 17 16 15 14 13 12 11 10 9 8 7 6 5 4 3 2 1 0
RESERVED PGM_VH ERA_VH
R-0h R/W-1h R-0h
Table 7-85. FSM_PE_VH Register Field Descriptions
Bit Field Type Reset Description
31-16 RESERVED R 0h Internal. Only to be used through TI provided API.
15-8 PGM_VH R/W 1h Internal. Only to be used through TI provided API.
7-0 ERA_VH R 0h Internal. Only to be used through TI provided API.

VIMS Registers
www.ti.com
646 SWCU117F–February 2015–Revised June 2016
Submit Documentation Feedback
Copyright © 2015–2016, Texas Instruments Incorporated
Versatile Instruction Memory System (VIMS)
7.9.1.83 FSM_PRG_PW Register (Offset = 2240h) [reset = 0h]
FSM_PRG_PW is shown in Figure 7-92 and described in Table 7-86.
Return to Summary Table.
Internal. Only to be used through TI provided API.
Figure 7-92. FSM_PRG_PW Register
31 30 29 28 27 26 25 24 23 22 21 20 19 18 17 16 15 14 13 12 11 10 9 8 7 6 5 4 3 2 1 0
RESERVED PROG_PUL_WIDTH
R-0h R/W-0h
Table 7-86. FSM_PRG_PW Register Field Descriptions
Bit Field Type Reset Description
31-16 RESERVED R 0h Internal. Only to be used through TI provided API.
15-0 PROG_PUL_WIDTH R/W 0h Internal. Only to be used through TI provided API.

www.ti.com
VIMS Registers
647
SWCU117F–February 2015–Revised June 2016
Submit Documentation Feedback Copyright © 2015–2016, Texas Instruments Incorporated
Versatile Instruction Memory System (VIMS)
7.9.1.84 FSM_ERA_PW Register (Offset = 2244h) [reset = 0h]
FSM_ERA_PW is shown in Figure 7-93 and described in Table 7-87.
Return to Summary Table.
Internal. Only to be used through TI provided API.
Figure 7-93. FSM_ERA_PW Register
31 30 29 28 27 26 25 24 23 22 21 20 19 18 17 16 15 14 13 12 11 10 9 8 7 6 5 4 3 2 1 0
FSM_ERA_PW
R/W-0h
Table 7-87. FSM_ERA_PW Register Field Descriptions
Bit Field Type Reset Description
31-0 FSM_ERA_PW R/W 0h Internal. Only to be used through TI provided API.

VIMS Registers
www.ti.com
648 SWCU117F–February 2015–Revised June 2016
Submit Documentation Feedback
Copyright © 2015–2016, Texas Instruments Incorporated
Versatile Instruction Memory System (VIMS)
7.9.1.85 FSM_SAV_ERA_PUL Register (Offset = 2254h) [reset = 0h]
FSM_SAV_ERA_PUL is shown in Figure 7-94 and described in Table 7-88.
Return to Summary Table.
Internal. Only to be used through TI provided API.
Figure 7-94. FSM_SAV_ERA_PUL Register
31 30 29 28 27 26 25 24 23 22 21 20 19 18 17 16 15 14 13 12 11 10 9 8 7 6 5 4 3 2 1 0
RESERVED SAV_ERA_PUL
R-0h R-0h
Table 7-88. FSM_SAV_ERA_PUL Register Field Descriptions
Bit Field Type Reset Description
31-12 RESERVED R 0h Internal. Only to be used through TI provided API.
11-0 SAV_ERA_PUL R 0h Internal. Only to be used through TI provided API.

www.ti.com
VIMS Registers
649
SWCU117F–February 2015–Revised June 2016
Submit Documentation Feedback Copyright © 2015–2016, Texas Instruments Incorporated
Versatile Instruction Memory System (VIMS)
7.9.1.86 FSM_TIMER Register (Offset = 2258h) [reset = 0h]
FSM_TIMER is shown in Figure 7-95 and described in Table 7-89.
Return to Summary Table.
Internal. Only to be used through TI provided API.
Figure 7-95. FSM_TIMER Register
31 30 29 28 27 26 25 24 23 22 21 20 19 18 17 16 15 14 13 12 11 10 9 8 7 6 5 4 3 2 1 0
FSM_TIMER
R-0h
Table 7-89. FSM_TIMER Register Field Descriptions
Bit Field Type Reset Description
31-0 FSM_TIMER R 0h Internal. Only to be used through TI provided API.

VIMS Registers
www.ti.com
650 SWCU117F–February 2015–Revised June 2016
Submit Documentation Feedback
Copyright © 2015–2016, Texas Instruments Incorporated
Versatile Instruction Memory System (VIMS)
7.9.1.87 FSM_MODE Register (Offset = 225Ch) [reset = 0h]
FSM_MODE is shown in Figure 7-96 and described in Table 7-90.
Return to Summary Table.
Internal. Only to be used through TI provided API.
Figure 7-96. FSM_MODE Register
31 30 29 28 27 26 25 24
RESERVED
R-0h
23 22 21 20 19 18 17 16
RESERVED RDV_SUBMODE PGM_SUBMODE
R-0h R-0h R-0h
15 14 13 12 11 10 9 8
ERA_SUBMODE SUBMODE SAV_PGM_CMD SAV_ERA_MO
DE
R-0h R-0h R-0h R-0h
76543210
SAV_ERA_MODE MODE CMD
R-0h R-0h R-0h
Table 7-90. FSM_MODE Register Field Descriptions
Bit Field Type Reset Description
31-20 RESERVED R 0h Internal. Only to be used through TI provided API.
19-18 RDV_SUBMODE R 0h Internal. Only to be used through TI provided API.
17-16 PGM_SUBMODE R 0h Internal. Only to be used through TI provided API.
15-14 ERA_SUBMODE R 0h Internal. Only to be used through TI provided API.
13-12 SUBMODE R 0h Internal. Only to be used through TI provided API.
11-9 SAV_PGM_CMD R 0h Internal. Only to be used through TI provided API.
8-6 SAV_ERA_MODE R 0h Internal. Only to be used through TI provided API.
5-3 MODE R 0h Internal. Only to be used through TI provided API.
2-0 CMD R 0h Internal. Only to be used through TI provided API.

www.ti.com
VIMS Registers
651
SWCU117F–February 2015–Revised June 2016
Submit Documentation Feedback Copyright © 2015–2016, Texas Instruments Incorporated
Versatile Instruction Memory System (VIMS)
7.9.1.88 FSM_PGM Register (Offset = 2260h) [reset = 0h]
FSM_PGM is shown in Figure 7-97 and described in Table 7-91.
Return to Summary Table.
Internal. Only to be used through TI provided API.
Figure 7-97. FSM_PGM Register
31 30 29 28 27 26 25 24 23 22 21 20 19 18 17 16
RESERVED PGM_BANK PGM_ADDR
R-0h R-0h R-0h
15 14 13 12 11 10 9 8 7 6 5 4 3 2 1 0
PGM_ADDR
R-0h
Table 7-91. FSM_PGM Register Field Descriptions
Bit Field Type Reset Description
31-26 RESERVED R 0h Internal. Only to be used through TI provided API.
25-23 PGM_BANK R 0h Internal. Only to be used through TI provided API.
22-0 PGM_ADDR R 0h Internal. Only to be used through TI provided API.

VIMS Registers
www.ti.com
652 SWCU117F–February 2015–Revised June 2016
Submit Documentation Feedback
Copyright © 2015–2016, Texas Instruments Incorporated
Versatile Instruction Memory System (VIMS)
7.9.1.89 FSM_ERA Register (Offset = 2264h) [reset = 0h]
FSM_ERA is shown in Figure 7-98 and described in Table 7-92.
Return to Summary Table.
Internal. Only to be used through TI provided API.
Figure 7-98. FSM_ERA Register
31 30 29 28 27 26 25 24 23 22 21 20 19 18 17 16
RESERVED ERA_BANK ERA_ADDR
R-0h R-0h R-0h
15 14 13 12 11 10 9 8 7 6 5 4 3 2 1 0
ERA_ADDR
R-0h
Table 7-92. FSM_ERA Register Field Descriptions
Bit Field Type Reset Description
31-26 RESERVED R 0h Internal. Only to be used through TI provided API.
25-23 ERA_BANK R 0h Internal. Only to be used through TI provided API.
22-0 ERA_ADDR R 0h Internal. Only to be used through TI provided API.

www.ti.com
VIMS Registers
653
SWCU117F–February 2015–Revised June 2016
Submit Documentation Feedback Copyright © 2015–2016, Texas Instruments Incorporated
Versatile Instruction Memory System (VIMS)
7.9.1.90 FSM_PRG_PUL Register (Offset = 2268h) [reset = 00040032h]
FSM_PRG_PUL is shown in Figure 7-99 and described in Table 7-93.
Return to Summary Table.
Internal. Only to be used through TI provided API.
Figure 7-99. FSM_PRG_PUL Register
31 30 29 28 27 26 25 24 23 22 21 20 19 18 17 16
RESERVED BEG_EC_LEVEL
R-0h R/W-4h
15 14 13 12 11 10 9 8 7 6 5 4 3 2 1 0
RESERVED MAX_PRG_PUL
R-0h R/W-32h
Table 7-93. FSM_PRG_PUL Register Field Descriptions
Bit Field Type Reset Description
31-20 RESERVED R 0h Internal. Only to be used through TI provided API.
19-16 BEG_EC_LEVEL R/W 4h Internal. Only to be used through TI provided API.
15-12 RESERVED R 0h Internal. Only to be used through TI provided API.
11-0 MAX_PRG_PUL R/W 32h Internal. Only to be used through TI provided API.

VIMS Registers
www.ti.com
654 SWCU117F–February 2015–Revised June 2016
Submit Documentation Feedback
Copyright © 2015–2016, Texas Instruments Incorporated
Versatile Instruction Memory System (VIMS)
7.9.1.91 FSM_ERA_PUL Register (Offset = 226Ch) [reset = 00040BB8h]
FSM_ERA_PUL is shown in Figure 7-100 and described in Table 7-94.
Return to Summary Table.
Internal. Only to be used through TI provided API.
Figure 7-100. FSM_ERA_PUL Register
31 30 29 28 27 26 25 24 23 22 21 20 19 18 17 16
RESERVED MAX_EC_LEVEL
R-0h R/W-4h
15 14 13 12 11 10 9 8 7 6 5 4 3 2 1 0
RESERVED MAX_ERA_PUL
R-0h R/W-BB8h
Table 7-94. FSM_ERA_PUL Register Field Descriptions
Bit Field Type Reset Description
31-20 RESERVED R 0h Internal. Only to be used through TI provided API.
19-16 MAX_EC_LEVEL R/W 4h Internal. Only to be used through TI provided API.
15-12 RESERVED R 0h Internal. Only to be used through TI provided API.
11-0 MAX_ERA_PUL R/W BB8h Internal. Only to be used through TI provided API.

www.ti.com
VIMS Registers
655
SWCU117F–February 2015–Revised June 2016
Submit Documentation Feedback Copyright © 2015–2016, Texas Instruments Incorporated
Versatile Instruction Memory System (VIMS)
7.9.1.92 FSM_STEP_SIZE Register (Offset = 2270h) [reset = 0h]
FSM_STEP_SIZE is shown in Figure 7-101 and described in Table 7-95.
Return to Summary Table.
Internal. Only to be used through TI provided API.
Figure 7-101. FSM_STEP_SIZE Register
31 30 29 28 27 26 25 24 23 22 21 20 19 18 17 16
RESERVED EC_STEP_SIZE
R-0h R/W-0h
15 14 13 12 11 10 9 8 7 6 5 4 3 2 1 0
RESERVED
R-0h
Table 7-95. FSM_STEP_SIZE Register Field Descriptions
Bit Field Type Reset Description
31-25 RESERVED R 0h Internal. Only to be used through TI provided API.
24-16 EC_STEP_SIZE R/W 0h Internal. Only to be used through TI provided API.
15-0 RESERVED R 0h Internal. Only to be used through TI provided API.

VIMS Registers
www.ti.com
656 SWCU117F–February 2015–Revised June 2016
Submit Documentation Feedback
Copyright © 2015–2016, Texas Instruments Incorporated
Versatile Instruction Memory System (VIMS)
7.9.1.93 FSM_PUL_CNTR Register (Offset = 2274h) [reset = 0h]
FSM_PUL_CNTR is shown in Figure 7-102 and described in Table 7-96.
Return to Summary Table.
Internal. Only to be used through TI provided API.
Figure 7-102. FSM_PUL_CNTR Register
31 30 29 28 27 26 25 24 23 22 21 20 19 18 17 16
RESERVED CUR_EC_LEVEL
R-0h R-0h
15 14 13 12 11 10 9 8 7 6 5 4 3 2 1 0
RESERVED PUL_CNTR
R-0h R-0h
Table 7-96. FSM_PUL_CNTR Register Field Descriptions
Bit Field Type Reset Description
31-25 RESERVED R 0h Internal. Only to be used through TI provided API.
24-16 CUR_EC_LEVEL R 0h Internal. Only to be used through TI provided API.
15-12 RESERVED R 0h Internal. Only to be used through TI provided API.
11-0 PUL_CNTR R 0h Internal. Only to be used through TI provided API.

www.ti.com
VIMS Registers
657
SWCU117F–February 2015–Revised June 2016
Submit Documentation Feedback Copyright © 2015–2016, Texas Instruments Incorporated
Versatile Instruction Memory System (VIMS)
7.9.1.94 FSM_EC_STEP_HEIGHT Register (Offset = 2278h) [reset = 0h]
FSM_EC_STEP_HEIGHT is shown in Figure 7-103 and described in Table 7-97.
Return to Summary Table.
Internal. Only to be used through TI provided API.
Figure 7-103. FSM_EC_STEP_HEIGHT Register
31 30 29 28 27 26 25 24
RESERVED
R-0h
23 22 21 20 19 18 17 16
RESERVED
R-0h
15 14 13 12 11 10 9 8
RESERVED
R-0h
76543210
RESERVED EC_STEP_HEIGHT
R-0h R/W-0h
Table 7-97. FSM_EC_STEP_HEIGHT Register Field Descriptions
Bit Field Type Reset Description
31-4 RESERVED R 0h Internal. Only to be used through TI provided API.
3-0 EC_STEP_HEIGHT R/W 0h Internal. Only to be used through TI provided API.

VIMS Registers
www.ti.com
658 SWCU117F–February 2015–Revised June 2016
Submit Documentation Feedback
Copyright © 2015–2016, Texas Instruments Incorporated
Versatile Instruction Memory System (VIMS)
7.9.1.95 FSM_ST_MACHINE Register (Offset = 227Ch) [reset = 00800500h]
FSM_ST_MACHINE is shown in Figure 7-104 and described in Table 7-98.
Return to Summary Table.
Internal. Only to be used through TI provided API.
Figure 7-104. FSM_ST_MACHINE Register
31 30 29 28 27 26 25 24
RESERVED
R-0h
23 22 21 20 19 18 17 16
DO_PRECOND FSM_INT_EN ALL_BANKS CMPV_ALLOW
ED RANDOM RV_SEC_EN RV_RES RV_INT_EN
R/W-1h R/W-0h R/W-0h R/W-0h R/W-0h R/W-0h R/W-0h R/W-0h
15 14 13 12 11 10 9 8
RESERVED ONE_TIME_G
OOD RESERVED DO_REDU_CO
LDBG_SHORT_ROW
R-0h R/W-0h R-0h R/W-0h R/W-Ah
76543210
DBG_SHORT_
ROW RESERVED PGM_SEC_CO
F_EN PREC_STOP_
EN DIS_TST_EN CMD_EN INV_DATA OVERRIDE
R/W-Ah R-0h R/W-0h R/W-0h R/W-0h R/W-0h R/W-0h R/W-0h
Table 7-98. FSM_ST_MACHINE Register Field Descriptions
Bit Field Type Reset Description
31-24 RESERVED R 0h Internal. Only to be used through TI provided API.
23 DO_PRECOND R/W 1h Internal. Only to be used through TI provided API.
22 FSM_INT_EN R/W 0h Internal. Only to be used through TI provided API.
21 ALL_BANKS R/W 0h Internal. Only to be used through TI provided API.
20 CMPV_ALLOWED R/W 0h Internal. Only to be used through TI provided API.
19 RANDOM R/W 0h Internal. Only to be used through TI provided API.
18 RV_SEC_EN R/W 0h Internal. Only to be used through TI provided API.
17 RV_RES R/W 0h Internal. Only to be used through TI provided API.
16 RV_INT_EN R/W 0h Internal. Only to be used through TI provided API.
15 RESERVED R 0h Internal. Only to be used through TI provided API.
14 ONE_TIME_GOOD R/W 0h Internal. Only to be used through TI provided API.
13-12 RESERVED R 0h Internal. Only to be used through TI provided API.
11 DO_REDU_COL R/W 0h Internal. Only to be used through TI provided API.
10-7 DBG_SHORT_ROW R/W Ah Internal. Only to be used through TI provided API.
6 RESERVED R 0h Internal. Only to be used through TI provided API.
5 PGM_SEC_COF_EN R/W 0h Internal. Only to be used through TI provided API.
4 PREC_STOP_EN R/W 0h Internal. Only to be used through TI provided API.
3 DIS_TST_EN R/W 0h Internal. Only to be used through TI provided API.
2 CMD_EN R/W 0h Internal. Only to be used through TI provided API.
1 INV_DATA R/W 0h Internal. Only to be used through TI provided API.
0 OVERRIDE R/W 0h Internal. Only to be used through TI provided API.

www.ti.com
VIMS Registers
659
SWCU117F–February 2015–Revised June 2016
Submit Documentation Feedback Copyright © 2015–2016, Texas Instruments Incorporated
Versatile Instruction Memory System (VIMS)
7.9.1.96 FSM_FLES Register (Offset = 2280h) [reset = 0h]
FSM_FLES is shown in Figure 7-105 and described in Table 7-99.
Return to Summary Table.
Internal. Only to be used through TI provided API.
Figure 7-105. FSM_FLES Register
31 30 29 28 27 26 25 24 23 22 21 20 19 18 17 16
RESERVED
R-0h
15 14 13 12 11 10 9 8 7 6 5 4 3 2 1 0
RESERVED BLK_TIOTP BLK_OTP
R-0h R/W-0h R/W-0h
Table 7-99. FSM_FLES Register Field Descriptions
Bit Field Type Reset Description
31-12 RESERVED R 0h Internal. Only to be used through TI provided API.
11-8 BLK_TIOTP R/W 0h Internal. Only to be used through TI provided API.
7-0 BLK_OTP R/W 0h Internal. Only to be used through TI provided API.

VIMS Registers
www.ti.com
660 SWCU117F–February 2015–Revised June 2016
Submit Documentation Feedback
Copyright © 2015–2016, Texas Instruments Incorporated
Versatile Instruction Memory System (VIMS)
7.9.1.97 FSM_WR_ENA Register (Offset = 2288h) [reset = 2h]
FSM_WR_ENA is shown in Figure 7-106 and described in Table 7-100.
Return to Summary Table.
Internal. Only to be used through TI provided API.
Figure 7-106. FSM_WR_ENA Register
31 30 29 28 27 26 25 24 23 22 21 20 19 18 17 16
RESERVED
R-0h
15 14 13 12 11 10 9 8 7 6 5 4 3 2 1 0
RESERVED WR_ENA
R-0h R/W-2h
Table 7-100. FSM_WR_ENA Register Field Descriptions
Bit Field Type Reset Description
31-3 RESERVED R 0h Internal. Only to be used through TI provided API.
2-0 WR_ENA R/W 2h Internal. Only to be used through TI provided API.

www.ti.com
VIMS Registers
661
SWCU117F–February 2015–Revised June 2016
Submit Documentation Feedback Copyright © 2015–2016, Texas Instruments Incorporated
Versatile Instruction Memory System (VIMS)
7.9.1.98 FSM_ACC_PP Register (Offset = 228Ch) [reset = 0h]
FSM_ACC_PP is shown in Figure 7-107 and described in Table 7-101.
Return to Summary Table.
Internal. Only to be used through TI provided API.
Figure 7-107. FSM_ACC_PP Register
31 30 29 28 27 26 25 24 23 22 21 20 19 18 17 16 15 14 13 12 11 10 9 8 7 6 5 4 3 2 1 0
FSM_ACC_PP
R-0h
Table 7-101. FSM_ACC_PP Register Field Descriptions
Bit Field Type Reset Description
31-0 FSM_ACC_PP R 0h Internal. Only to be used through TI provided API.

VIMS Registers
www.ti.com
662 SWCU117F–February 2015–Revised June 2016
Submit Documentation Feedback
Copyright © 2015–2016, Texas Instruments Incorporated
Versatile Instruction Memory System (VIMS)
7.9.1.99 FSM_ACC_EP Register (Offset = 2290h) [reset = 0h]
FSM_ACC_EP is shown in Figure 7-108 and described in Table 7-102.
Return to Summary Table.
Internal. Only to be used through TI provided API.
Figure 7-108. FSM_ACC_EP Register
31 30 29 28 27 26 25 24 23 22 21 20 19 18 17 16 15 14 13 12 11 10 9 8 7 6 5 4 3 2 1 0
RESERVED ACC_EP
R-0h R-0h
Table 7-102. FSM_ACC_EP Register Field Descriptions
Bit Field Type Reset Description
31-16 RESERVED R 0h Internal. Only to be used through TI provided API.
15-0 ACC_EP R 0h Internal. Only to be used through TI provided API.

www.ti.com
VIMS Registers
663
SWCU117F–February 2015–Revised June 2016
Submit Documentation Feedback Copyright © 2015–2016, Texas Instruments Incorporated
Versatile Instruction Memory System (VIMS)
7.9.1.100 FSM_ADDR Register (Offset = 22A0h) [reset = 0h]
FSM_ADDR is shown in Figure 7-109 and described in Table 7-103.
Return to Summary Table.
Internal. Only to be used through TI provided API.
Figure 7-109. FSM_ADDR Register
31 30 29 28 27 26 25 24
RESERVED BANK CUR_ADDR
R-0h R-0h R-0h
23 22 21 20 19 18 17 16
CUR_ADDR
R-0h
15 14 13 12 11 10 9 8
CUR_ADDR
R-0h
76543210
CUR_ADDR
R-0h
Table 7-103. FSM_ADDR Register Field Descriptions
Bit Field Type Reset Description
31 RESERVED R 0h Internal. Only to be used through TI provided API.
30-28 BANK R 0h Internal. Only to be used through TI provided API.
27-0 CUR_ADDR R 0h Internal. Only to be used through TI provided API.

VIMS Registers
www.ti.com
664 SWCU117F–February 2015–Revised June 2016
Submit Documentation Feedback
Copyright © 2015–2016, Texas Instruments Incorporated
Versatile Instruction Memory System (VIMS)
7.9.1.101 FSM_SECTOR Register (Offset = 22A4h) [reset = FFFF0000h]
FSM_SECTOR is shown in Figure 7-110 and described in Table 7-104.
Return to Summary Table.
Internal. Only to be used through TI provided API.
Figure 7-110. FSM_SECTOR Register
31 30 29 28 27 26 25 24 23 22 21 20 19 18 17 16
SECT_ERASED
R/W-FFFFh
15 14 13 12 11 10 9 8 7 6 5 4 3 2 1 0
FSM_SECTOR_EXTENSION SECTOR SEC_OUT
R-0h R-0h R-0h
Table 7-104. FSM_SECTOR Register Field Descriptions
Bit Field Type Reset Description
31-16 SECT_ERASED R/W FFFFh Internal. Only to be used through TI provided API.
15-8 FSM_SECTOR_EXTENSI
ON R 0h Internal. Only to be used through TI provided API.
7-4 SECTOR R 0h Internal. Only to be used through TI provided API.
3-0 SEC_OUT R 0h Internal. Only to be used through TI provided API.

www.ti.com
VIMS Registers
665
SWCU117F–February 2015–Revised June 2016
Submit Documentation Feedback Copyright © 2015–2016, Texas Instruments Incorporated
Versatile Instruction Memory System (VIMS)
7.9.1.102 FMC_REV_ID Register (Offset = 22A8h) [reset = X]
FMC_REV_ID is shown in Figure 7-111 and described in Table 7-105.
Return to Summary Table.
Internal. Only to be used through TI provided API.
Figure 7-111. FMC_REV_ID Register
31 30 29 28 27 26 25 24 23 22 21 20 19 18 17 16 15 14 13 12 11 10 9 8 7 6 5 4 3 2 1 0
MOD_VERSION CONFIG_CRC
R-X R-X
Table 7-105. FMC_REV_ID Register Field Descriptions
Bit Field Type Reset Description
31-12 MOD_VERSION R X Internal. Only to be used through TI provided API.
11-0 CONFIG_CRC R X Internal. Only to be used through TI provided API.

VIMS Registers
www.ti.com
666 SWCU117F–February 2015–Revised June 2016
Submit Documentation Feedback
Copyright © 2015–2016, Texas Instruments Incorporated
Versatile Instruction Memory System (VIMS)
7.9.1.103 FSM_ERR_ADDR Register (Offset = 22ACh) [reset = 0h]
FSM_ERR_ADDR is shown in Figure 7-112 and described in Table 7-106.
Return to Summary Table.
Internal. Only to be used through TI provided API.
Figure 7-112. FSM_ERR_ADDR Register
31 30 29 28 27 26 25 24 23 22 21 20 19 18 17 16
FSM_ERR_ADDR
R-0h
15 14 13 12 11 10 9 8 7 6 5 4 3 2 1 0
FSM_ERR_ADDR RESERVED FSM_ERR_BANK
R-0h R-0h R-0h
Table 7-106. FSM_ERR_ADDR Register Field Descriptions
Bit Field Type Reset Description
31-8 FSM_ERR_ADDR R 0h Internal. Only to be used through TI provided API.
7-4 RESERVED R 0h Internal. Only to be used through TI provided API.
3-0 FSM_ERR_BANK R 0h Internal. Only to be used through TI provided API.

www.ti.com
VIMS Registers
667
SWCU117F–February 2015–Revised June 2016
Submit Documentation Feedback Copyright © 2015–2016, Texas Instruments Incorporated
Versatile Instruction Memory System (VIMS)
7.9.1.104 FSM_PGM_MAXPUL Register (Offset = 22B0h) [reset = 0h]
FSM_PGM_MAXPUL is shown in Figure 7-113 and described in Table 7-107.
Return to Summary Table.
Internal. Only to be used through TI provided API.
Figure 7-113. FSM_PGM_MAXPUL Register
31 30 29 28 27 26 25 24 23 22 21 20 19 18 17 16
RESERVED
R-0h
15 14 13 12 11 10 9 8 7 6 5 4 3 2 1 0
RESERVED FSM_PGM_MAXPUL
R-0h R-0h
Table 7-107. FSM_PGM_MAXPUL Register Field Descriptions
Bit Field Type Reset Description
31-12 RESERVED R 0h Internal. Only to be used through TI provided API.
11-0 FSM_PGM_MAXPUL R 0h Internal. Only to be used through TI provided API.

VIMS Registers
www.ti.com
668 SWCU117F–February 2015–Revised June 2016
Submit Documentation Feedback
Copyright © 2015–2016, Texas Instruments Incorporated
Versatile Instruction Memory System (VIMS)
7.9.1.105 FSM_EXECUTE Register (Offset = 22B4h) [reset = 000A000Ah]
FSM_EXECUTE is shown in Figure 7-114 and described in Table 7-108.
Return to Summary Table.
Internal. Only to be used through TI provided API.
Figure 7-114. FSM_EXECUTE Register
31 30 29 28 27 26 25 24 23 22 21 20 19 18 17 16
RESERVED SUSPEND_NOW
R-0h R/W-Ah
15 14 13 12 11 10 9 8 7 6 5 4 3 2 1 0
RESERVED FSMEXECUTE
R-0h R/W-Ah
Table 7-108. FSM_EXECUTE Register Field Descriptions
Bit Field Type Reset Description
31-20 RESERVED R 0h Internal. Only to be used through TI provided API.
19-16 SUSPEND_NOW R/W Ah Internal. Only to be used through TI provided API.
15-5 RESERVED R 0h Internal. Only to be used through TI provided API.
4-0 FSMEXECUTE R/W Ah Internal. Only to be used through TI provided API.

www.ti.com
VIMS Registers
669
SWCU117F–February 2015–Revised June 2016
Submit Documentation Feedback Copyright © 2015–2016, Texas Instruments Incorporated
Versatile Instruction Memory System (VIMS)
7.9.1.106 FSM_SECTOR1 Register (Offset = 22C0h) [reset = FFFFFFFFh]
FSM_SECTOR1 is shown in Figure 7-115 and described in Table 7-109.
Return to Summary Table.
Internal. Only to be used through TI provided API.
Figure 7-115. FSM_SECTOR1 Register
31 30 29 28 27 26 25 24 23 22 21 20 19 18 17 16 15 14 13 12 11 10 9 8 7 6 5 4 3 2 1 0
FSM_SECTOR1
R/W-FFFFFFFFh
Table 7-109. FSM_SECTOR1 Register Field Descriptions
Bit Field Type Reset Description
31-0 FSM_SECTOR1 R/W FFFFFFFFh Internal. Only to be used through TI provided API.

VIMS Registers
www.ti.com
670 SWCU117F–February 2015–Revised June 2016
Submit Documentation Feedback
Copyright © 2015–2016, Texas Instruments Incorporated
Versatile Instruction Memory System (VIMS)
7.9.1.107 FSM_SECTOR2 Register (Offset = 22C4h) [reset = 0h]
FSM_SECTOR2 is shown in Figure 7-116 and described in Table 7-110.
Return to Summary Table.
Internal. Only to be used through TI provided API.
Figure 7-116. FSM_SECTOR2 Register
31 30 29 28 27 26 25 24 23 22 21 20 19 18 17 16 15 14 13 12 11 10 9 8 7 6 5 4 3 2 1 0
FSM_SECTOR2
R/W-0h
Table 7-110. FSM_SECTOR2 Register Field Descriptions
Bit Field Type Reset Description
31-0 FSM_SECTOR2 R/W 0h Internal. Only to be used through TI provided API.

www.ti.com
VIMS Registers
671
SWCU117F–February 2015–Revised June 2016
Submit Documentation Feedback Copyright © 2015–2016, Texas Instruments Incorporated
Versatile Instruction Memory System (VIMS)
7.9.1.108 FSM_BSLE0 Register (Offset = 22E0h) [reset = 0h]
FSM_BSLE0 is shown in Figure 7-117 and described in Table 7-111.
Return to Summary Table.
Internal. Only to be used through TI provided API.
Figure 7-117. FSM_BSLE0 Register
31 30 29 28 27 26 25 24 23 22 21 20 19 18 17 16 15 14 13 12 11 10 9 8 7 6 5 4 3 2 1 0
FSM_BSLE0
R/W-0h
Table 7-111. FSM_BSLE0 Register Field Descriptions
Bit Field Type Reset Description
31-0 FSM_BSLE0 R/W 0h Internal. Only to be used through TI provided API.

VIMS Registers
www.ti.com
672 SWCU117F–February 2015–Revised June 2016
Submit Documentation Feedback
Copyright © 2015–2016, Texas Instruments Incorporated
Versatile Instruction Memory System (VIMS)
7.9.1.109 FSM_BSLE1 Register (Offset = 22E4h) [reset = 0h]
FSM_BSLE1 is shown in Figure 7-118 and described in Table 7-112.
Return to Summary Table.
Internal. Only to be used through TI provided API.
Figure 7-118. FSM_BSLE1 Register
31 30 29 28 27 26 25 24 23 22 21 20 19 18 17 16 15 14 13 12 11 10 9 8 7 6 5 4 3 2 1 0
FSM_BSL1
R/W-0h
Table 7-112. FSM_BSLE1 Register Field Descriptions
Bit Field Type Reset Description
31-0 FSM_BSL1 R/W 0h Internal. Only to be used through TI provided API.

www.ti.com
VIMS Registers
673
SWCU117F–February 2015–Revised June 2016
Submit Documentation Feedback Copyright © 2015–2016, Texas Instruments Incorporated
Versatile Instruction Memory System (VIMS)
7.9.1.110 FSM_BSLP0 Register (Offset = 22F0h) [reset = 0h]
FSM_BSLP0 is shown in Figure 7-119 and described in Table 7-113.
Return to Summary Table.
Internal. Only to be used through TI provided API.
Figure 7-119. FSM_BSLP0 Register
31 30 29 28 27 26 25 24 23 22 21 20 19 18 17 16 15 14 13 12 11 10 9 8 7 6 5 4 3 2 1 0
FSM_BSLP0
R/W-0h
Table 7-113. FSM_BSLP0 Register Field Descriptions
Bit Field Type Reset Description
31-0 FSM_BSLP0 R/W 0h Internal. Only to be used through TI provided API.

VIMS Registers
www.ti.com
674 SWCU117F–February 2015–Revised June 2016
Submit Documentation Feedback
Copyright © 2015–2016, Texas Instruments Incorporated
Versatile Instruction Memory System (VIMS)
7.9.1.111 FSM_BSLP1 Register (Offset = 22F4h) [reset = 0h]
FSM_BSLP1 is shown in Figure 7-120 and described in Table 7-114.
Return to Summary Table.
Internal. Only to be used through TI provided API.
Figure 7-120. FSM_BSLP1 Register
31 30 29 28 27 26 25 24 23 22 21 20 19 18 17 16 15 14 13 12 11 10 9 8 7 6 5 4 3 2 1 0
FSM_BSL1
R/W-0h
Table 7-114. FSM_BSLP1 Register Field Descriptions
Bit Field Type Reset Description
31-0 FSM_BSL1 R/W 0h Internal. Only to be used through TI provided API.

www.ti.com
VIMS Registers
675
SWCU117F–February 2015–Revised June 2016
Submit Documentation Feedback Copyright © 2015–2016, Texas Instruments Incorporated
Versatile Instruction Memory System (VIMS)
7.9.1.112 FCFG_BANK Register (Offset = 2400h) [reset = 401h]
FCFG_BANK is shown in Figure 7-121 and described in Table 7-115.
Return to Summary Table.
Internal. Only to be used through TI provided API.
Figure 7-121. FCFG_BANK Register
31 30 29 28 27 26 25 24
EE_BANK_WIDTH
R-0h
23 22 21 20 19 18 17 16
EE_BANK_WIDTH EE_NUM_BANK
R-0h R-0h
15 14 13 12 11 10 9 8
MAIN_BANK_WIDTH
R-40h
76543210
MAIN_BANK_WIDTH MAIN_NUM_BANK
R-40h R-1h
Table 7-115. FCFG_BANK Register Field Descriptions
Bit Field Type Reset Description
31-20 EE_BANK_WIDTH R 0h Internal. Only to be used through TI provided API.
19-16 EE_NUM_BANK R 0h Internal. Only to be used through TI provided API.
15-4 MAIN_BANK_WIDTH R 40h Internal. Only to be used through TI provided API.
3-0 MAIN_NUM_BANK R 1h Internal. Only to be used through TI provided API.

VIMS Registers
www.ti.com
676 SWCU117F–February 2015–Revised June 2016
Submit Documentation Feedback
Copyright © 2015–2016, Texas Instruments Incorporated
Versatile Instruction Memory System (VIMS)
7.9.1.113 FCFG_WRAPPER Register (Offset = 2404h) [reset = 50009007h]
FCFG_WRAPPER is shown in Figure 7-122 and described in Table 7-116.
Return to Summary Table.
Internal. Only to be used through TI provided API.
Figure 7-122. FCFG_WRAPPER Register
31 30 29 28 27 26 25 24
FAMILY_TYPE
R-50h
23 22 21 20 19 18 17 16
RESERVED MEM_MAP CPU2
R-0h R-0h R-0h
15 14 13 12 11 10 9 8
EE_IN_MAIN ROM IFLUSH SIL3 ECCA
R-9h R-0h R-0h R-0h R-0h
76543210
AUTO_SUSP UERR CPU_TYPE1
R-0h R-0h R-7h
Table 7-116. FCFG_WRAPPER Register Field Descriptions
Bit Field Type Reset Description
31-24 FAMILY_TYPE R 50h Internal. Only to be used through TI provided API.
23-21 RESERVED R 0h Internal. Only to be used through TI provided API.
20 MEM_MAP R 0h Internal. Only to be used through TI provided API.
19-16 CPU2 R 0h Internal. Only to be used through TI provided API.
15-12 EE_IN_MAIN R 9h Internal. Only to be used through TI provided API.
11 ROM R 0h Internal. Only to be used through TI provided API.
10 IFLUSH R 0h Internal. Only to be used through TI provided API.
9 SIL3 R 0h Internal. Only to be used through TI provided API.
8 ECCA R 0h Internal. Only to be used through TI provided API.
7-6 AUTO_SUSP R 0h Internal. Only to be used through TI provided API.
5-4 UERR R 0h Internal. Only to be used through TI provided API.
3-0 CPU_TYPE1 R 7h Internal. Only to be used through TI provided API.

www.ti.com
VIMS Registers
677
SWCU117F–February 2015–Revised June 2016
Submit Documentation Feedback Copyright © 2015–2016, Texas Instruments Incorporated
Versatile Instruction Memory System (VIMS)
7.9.1.114 FCFG_BNK_TYPE Register (Offset = 2408h) [reset = 3h]
FCFG_BNK_TYPE is shown in Figure 7-123 and described in Table 7-117.
Return to Summary Table.
Internal. Only to be used through TI provided API.
Figure 7-123. FCFG_BNK_TYPE Register
31 30 29 28 27 26 25 24 23 22 21 20 19 18 17 16
B7_TYPE B6_TYPE B5_TYPE B4_TYPE
R-0h R-0h R-0h R-0h
15 14 13 12 11 10 9 8 7 6 5 4 3 2 1 0
B3_TYPE B2_TYPE B1_TYPE B0_TYPE
R-0h R-0h R-0h R-3h
Table 7-117. FCFG_BNK_TYPE Register Field Descriptions
Bit Field Type Reset Description
31-28 B7_TYPE R 0h Internal. Only to be used through TI provided API.
27-24 B6_TYPE R 0h Internal. Only to be used through TI provided API.
23-20 B5_TYPE R 0h Internal. Only to be used through TI provided API.
19-16 B4_TYPE R 0h Internal. Only to be used through TI provided API.
15-12 B3_TYPE R 0h Internal. Only to be used through TI provided API.
11-8 B2_TYPE R 0h Internal. Only to be used through TI provided API.
7-4 B1_TYPE R 0h Internal. Only to be used through TI provided API.
3-0 B0_TYPE R 3h Internal. Only to be used through TI provided API.

VIMS Registers
www.ti.com
678 SWCU117F–February 2015–Revised June 2016
Submit Documentation Feedback
Copyright © 2015–2016, Texas Instruments Incorporated
Versatile Instruction Memory System (VIMS)
7.9.1.115 FCFG_B0_START Register (Offset = 2410h) [reset = 02000000h]
FCFG_B0_START is shown in Figure 7-124 and described in Table 7-118.
Return to Summary Table.
Internal. Only to be used through TI provided API.
Figure 7-124. FCFG_B0_START Register
31 30 29 28 27 26 25 24
B0_MAX_SECTOR B0_MUX_FACTOR
R-0h R-2h
23 22 21 20 19 18 17 16
B0_START_ADDR
R-0h
15 14 13 12 11 10 9 8
B0_START_ADDR
R-0h
76543210
B0_START_ADDR
R-0h
Table 7-118. FCFG_B0_START Register Field Descriptions
Bit Field Type Reset Description
31-28 B0_MAX_SECTOR R 0h Internal. Only to be used through TI provided API.
27-24 B0_MUX_FACTOR R 2h Internal. Only to be used through TI provided API.
23-0 B0_START_ADDR R 0h Internal. Only to be used through TI provided API.

www.ti.com
VIMS Registers
679
SWCU117F–February 2015–Revised June 2016
Submit Documentation Feedback Copyright © 2015–2016, Texas Instruments Incorporated
Versatile Instruction Memory System (VIMS)
7.9.1.116 FCFG_B1_START Register (Offset = 2414h) [reset = 0h]
FCFG_B1_START is shown in Figure 7-125 and described in Table 7-119.
Return to Summary Table.
Internal. Only to be used through TI provided API.
Figure 7-125. FCFG_B1_START Register
31 30 29 28 27 26 25 24
B1_MAX_SECTOR B1_MUX_FACTOR
R-0h R-0h
23 22 21 20 19 18 17 16
B1_START_ADDR
R-0h
15 14 13 12 11 10 9 8
B1_START_ADDR
R-0h
76543210
B1_START_ADDR
R-0h
Table 7-119. FCFG_B1_START Register Field Descriptions
Bit Field Type Reset Description
31-28 B1_MAX_SECTOR R 0h Internal. Only to be used through TI provided API.
27-24 B1_MUX_FACTOR R 0h Internal. Only to be used through TI provided API.
23-0 B1_START_ADDR R 0h Internal. Only to be used through TI provided API.

VIMS Registers
www.ti.com
680 SWCU117F–February 2015–Revised June 2016
Submit Documentation Feedback
Copyright © 2015–2016, Texas Instruments Incorporated
Versatile Instruction Memory System (VIMS)
7.9.1.117 FCFG_B2_START Register (Offset = 2418h) [reset = 0h]
FCFG_B2_START is shown in Figure 7-126 and described in Table 7-120.
Return to Summary Table.
Internal. Only to be used through TI provided API.
Figure 7-126. FCFG_B2_START Register
31 30 29 28 27 26 25 24
B2_MAX_SECTOR B2_MUX_FACTOR
R-0h R-0h
23 22 21 20 19 18 17 16
B2_START_ADDR
R-0h
15 14 13 12 11 10 9 8
B2_START_ADDR
R-0h
76543210
B2_START_ADDR
R-0h
Table 7-120. FCFG_B2_START Register Field Descriptions
Bit Field Type Reset Description
31-28 B2_MAX_SECTOR R 0h Internal. Only to be used through TI provided API.
27-24 B2_MUX_FACTOR R 0h Internal. Only to be used through TI provided API.
23-0 B2_START_ADDR R 0h Internal. Only to be used through TI provided API.

www.ti.com
VIMS Registers
681
SWCU117F–February 2015–Revised June 2016
Submit Documentation Feedback Copyright © 2015–2016, Texas Instruments Incorporated
Versatile Instruction Memory System (VIMS)
7.9.1.118 FCFG_B3_START Register (Offset = 241Ch) [reset = 0h]
FCFG_B3_START is shown in Figure 7-127 and described in Table 7-121.
Return to Summary Table.
Internal. Only to be used through TI provided API.
Figure 7-127. FCFG_B3_START Register
31 30 29 28 27 26 25 24
B3_MAX_SECTOR B3_MUX_FACTOR
R-0h R-0h
23 22 21 20 19 18 17 16
B3_START_ADDR
R-0h
15 14 13 12 11 10 9 8
B3_START_ADDR
R-0h
76543210
B3_START_ADDR
R-0h
Table 7-121. FCFG_B3_START Register Field Descriptions
Bit Field Type Reset Description
31-28 B3_MAX_SECTOR R 0h Internal. Only to be used through TI provided API.
27-24 B3_MUX_FACTOR R 0h Internal. Only to be used through TI provided API.
23-0 B3_START_ADDR R 0h Internal. Only to be used through TI provided API.

VIMS Registers
www.ti.com
682 SWCU117F–February 2015–Revised June 2016
Submit Documentation Feedback
Copyright © 2015–2016, Texas Instruments Incorporated
Versatile Instruction Memory System (VIMS)
7.9.1.119 FCFG_B4_START Register (Offset = 2420h) [reset = 0h]
FCFG_B4_START is shown in Figure 7-128 and described in Table 7-122.
Return to Summary Table.
Internal. Only to be used through TI provided API.
Figure 7-128. FCFG_B4_START Register
31 30 29 28 27 26 25 24
B4_MAX_SECTOR B4_MUX_FACTOR
R-0h R-0h
23 22 21 20 19 18 17 16
B4_START_ADDR
R-0h
15 14 13 12 11 10 9 8
B4_START_ADDR
R-0h
76543210
B4_START_ADDR
R-0h
Table 7-122. FCFG_B4_START Register Field Descriptions
Bit Field Type Reset Description
31-28 B4_MAX_SECTOR R 0h Internal. Only to be used through TI provided API.
27-24 B4_MUX_FACTOR R 0h Internal. Only to be used through TI provided API.
23-0 B4_START_ADDR R 0h Internal. Only to be used through TI provided API.

www.ti.com
VIMS Registers
683
SWCU117F–February 2015–Revised June 2016
Submit Documentation Feedback Copyright © 2015–2016, Texas Instruments Incorporated
Versatile Instruction Memory System (VIMS)
7.9.1.120 FCFG_B5_START Register (Offset = 2424h) [reset = 0h]
FCFG_B5_START is shown in Figure 7-129 and described in Table 7-123.
Return to Summary Table.
Internal. Only to be used through TI provided API.
Figure 7-129. FCFG_B5_START Register
31 30 29 28 27 26 25 24
B5_MAX_SECTOR B5_MUX_FACTOR
R-0h R-0h
23 22 21 20 19 18 17 16
B5_START_ADDR
R-0h
15 14 13 12 11 10 9 8
B5_START_ADDR
R-0h
76543210
B5_START_ADDR
R-0h
Table 7-123. FCFG_B5_START Register Field Descriptions
Bit Field Type Reset Description
31-28 B5_MAX_SECTOR R 0h Internal. Only to be used through TI provided API.
27-24 B5_MUX_FACTOR R 0h Internal. Only to be used through TI provided API.
23-0 B5_START_ADDR R 0h Internal. Only to be used through TI provided API.

VIMS Registers
www.ti.com
684 SWCU117F–February 2015–Revised June 2016
Submit Documentation Feedback
Copyright © 2015–2016, Texas Instruments Incorporated
Versatile Instruction Memory System (VIMS)
7.9.1.121 FCFG_B6_START Register (Offset = 2428h) [reset = 0h]
FCFG_B6_START is shown in Figure 7-130 and described in Table 7-124.
Return to Summary Table.
Internal. Only to be used through TI provided API.
Figure 7-130. FCFG_B6_START Register
31 30 29 28 27 26 25 24
B6_MAX_SECTOR B6_MUX_FACTOR
R-0h R-0h
23 22 21 20 19 18 17 16
B6_START_ADDR
R-0h
15 14 13 12 11 10 9 8
B6_START_ADDR
R-0h
76543210
B6_START_ADDR
R-0h
Table 7-124. FCFG_B6_START Register Field Descriptions
Bit Field Type Reset Description
31-28 B6_MAX_SECTOR R 0h Internal. Only to be used through TI provided API.
27-24 B6_MUX_FACTOR R 0h Internal. Only to be used through TI provided API.
23-0 B6_START_ADDR R 0h Internal. Only to be used through TI provided API.

www.ti.com
VIMS Registers
685
SWCU117F–February 2015–Revised June 2016
Submit Documentation Feedback Copyright © 2015–2016, Texas Instruments Incorporated
Versatile Instruction Memory System (VIMS)
7.9.1.122 FCFG_B7_START Register (Offset = 242Ch) [reset = 0h]
FCFG_B7_START is shown in Figure 7-131 and described in Table 7-125.
Return to Summary Table.
Internal. Only to be used through TI provided API.
Figure 7-131. FCFG_B7_START Register
31 30 29 28 27 26 25 24
B7_MAX_SECTOR B7_MUX_FACTOR
R-0h R-0h
23 22 21 20 19 18 17 16
B7_START_ADDR
R-0h
15 14 13 12 11 10 9 8
B7_START_ADDR
R-0h
76543210
B7_START_ADDR
R-0h
Table 7-125. FCFG_B7_START Register Field Descriptions
Bit Field Type Reset Description
31-28 B7_MAX_SECTOR R 0h Internal. Only to be used through TI provided API.
27-24 B7_MUX_FACTOR R 0h Internal. Only to be used through TI provided API.
23-0 B7_START_ADDR R 0h Internal. Only to be used through TI provided API.

VIMS Registers
www.ti.com
686 SWCU117F–February 2015–Revised June 2016
Submit Documentation Feedback
Copyright © 2015–2016, Texas Instruments Incorporated
Versatile Instruction Memory System (VIMS)
7.9.1.123 FCFG_B0_SSIZE0 Register (Offset = 2430h) [reset = 00200004h]
FCFG_B0_SSIZE0 is shown in Figure 7-132 and described in Table 7-126.
Return to Summary Table.
Internal. Only to be used through TI provided API.
Figure 7-132. FCFG_B0_SSIZE0 Register
31 30 29 28 27 26 25 24 23 22 21 20 19 18 17 16
RESERVED B0_NUM_SECTORS
R-0h R-20h
15 14 13 12 11 10 9 8 7 6 5 4 3 2 1 0
RESERVED B0_SECT_SIZE
R-0h R-4h
Table 7-126. FCFG_B0_SSIZE0 Register Field Descriptions
Bit Field Type Reset Description
31-28 RESERVED R 0h Internal. Only to be used through TI provided API.
27-16 B0_NUM_SECTORS R 20h Internal. Only to be used through TI provided API.
15-4 RESERVED R 0h Internal. Only to be used through TI provided API.
3-0 B0_SECT_SIZE R 4h Internal. Only to be used through TI provided API.

www.ti.com
VIMS Registers
687
SWCU117F–February 2015–Revised June 2016
Submit Documentation Feedback Copyright © 2015–2016, Texas Instruments Incorporated
Versatile Instruction Memory System (VIMS)
7.9.2 VIMS Registers
Table 7-127 lists the memory-mapped registers for the VIMS. All register offset addresses not listed in
Table 7-127 should be considered as reserved locations and the register contents should not be modified.
Table 7-127. VIMS Registers
Offset Acronym Register Name Section
0h STAT Status Section 7.9.2.1
4h CTL Control Section 7.9.2.2

VIMS Registers
www.ti.com
688 SWCU117F–February 2015–Revised June 2016
Submit Documentation Feedback
Copyright © 2015–2016, Texas Instruments Incorporated
Versatile Instruction Memory System (VIMS)
7.9.2.1 STAT Register (Offset = 0h) [reset = 0h]
STAT is shown in Figure 7-133 and described in Table 7-128.
Return to Summary Table.
Status
Displays current VIMS mode and line buffer status
Figure 7-133. STAT Register
31 30 29 28 27 26 25 24
RESERVED
R-0h
23 22 21 20 19 18 17 16
RESERVED
R-0h
15 14 13 12 11 10 9 8
RESERVED
R-0h
76543210
RESERVED IDCODE_LB_D
IS SYSBUS_LB_D
IS MODE_CHAN
GING INV MODE
R-0h R-0h R-0h R-0h R-0h R-0h
Table 7-128. STAT Register Field Descriptions
Bit Field Type Reset Description
31-6 RESERVED R 0h Software should not rely on the value of a reserved. Writing any
other value than the reset value may result in undefined behavior.
5 IDCODE_LB_DIS R 0h Icode/Dcode flash line buffer status
0: Enabled or in transition to disabled
1: Disabled and flushed
4 SYSBUS_LB_DIS R 0h Sysbus flash line buffer control
0: Enabled or in transition to disabled
1: Disabled and flushed
3 MODE_CHANGING R 0h VIMS mode change status
0: VIMS is in the mode defined by MODE
1: VIMS is in the process of changing to the mode given in
CTL.MODE
2 INV R 0h This bit is set when invalidation of the cache memory is active /
ongoing
1-0 MODE R 0h Current VIMS mode
0h = GPRAM : VIMS GPRAM mode
1h = CACHE : VIMS Cache mode
3h = VIMS Off mode

www.ti.com
VIMS Registers
689
SWCU117F–February 2015–Revised June 2016
Submit Documentation Feedback Copyright © 2015–2016, Texas Instruments Incorporated
Versatile Instruction Memory System (VIMS)
7.9.2.2 CTL Register (Offset = 4h) [reset = 0h]
CTL is shown in Figure 7-134 and described in Table 7-129.
Return to Summary Table.
Control
Configure VIMS mode and line buffer settings
Figure 7-134. CTL Register
31 30 29 28 27 26 25 24
STATS_CLR STATS_EN DYN_CG_EN RESERVED
R/W-0h R/W-0h R/W-0h R-0h
23 22 21 20 19 18 17 16
RESERVED
R-0h
15 14 13 12 11 10 9 8
RESERVED
R-0h
76543210
RESERVED IDCODE_LB_D
IS SYSBUS_LB_D
IS ARB_CFG PREF_EN MODE
R-0h R/W-0h R/W-0h R/W-0h R/W-0h R/W-0h
Table 7-129. CTL Register Field Descriptions
Bit Field Type Reset Description
31 STATS_CLR R/W 0h Set this bit to clear statistic counters.
30 STATS_EN R/W 0h Set this bit to enable statistic counters.
29 DYN_CG_EN R/W 0h 0: The in-built clock gate functionality is bypassed.
1: The in-built clock gate functionality is enabled, automatically
gating the clock when not needed.
28-6 RESERVED R 0h Software should not rely on the value of a reserved. Writing any
other value than the reset value may result in undefined behavior.
5 IDCODE_LB_DIS R/W 0h Icode/Dcode flash line buffer control
0: Enable
1: Disable
4 SYSBUS_LB_DIS R/W 0h Sysbus flash line buffer control
0: Enable
1: Disable
3 ARB_CFG R/W 0h Icode/Dcode and sysbus arbitation scheme
0: Static arbitration (icode/docde > sysbus)
1: Round-robin arbitration
2 PREF_EN R/W 0h Tag prefetch control
0: Disabled
1: Enabled
1-0 MODE R/W 0h VIMS mode request.
Write accesses to this field will be blocked while
STAT.MODE_CHANGING is set to 1.
Note: Transaction from CACHE mode to GPRAM mode should be
done through OFF mode to minimize flash block delay.
0h = GPRAM : VIMS GPRAM mode
1h = CACHE : VIMS Cache mode
3h = VIMS Off mode

690 SWCU117F–February 2015–Revised June 2016
Submit Documentation Feedback
Copyright © 2015–2016, Texas Instruments Incorporated
Bootloader
Chapter 8
SWCU117F–February 2015–Revised June 2016
Bootloader
This section describes the CC26xx and CC13xx bootloader.
Topic ........................................................................................................................... Page
8.1 Bootloader Functionality ................................................................................... 691
8.2 Bootloader Interfaces........................................................................................ 691

www.ti.com
Bootloader Functionality
691
SWCU117F–February 2015–Revised June 2016
Submit Documentation Feedback Copyright © 2015–2016, Texas Instruments Incorporated
Bootloader
8.1 Bootloader Functionality
The CC26xx and CC13xx devices include a simple, ROM-based bootloader that can communicate with an
external device over the serial interfaces on the UART0 and SSI0 peripherals. The same communication
protocol is used on both serial interfaces. These peripherals are IPs from ARM.
The main purpose of the ROM bootloader is to support functionality for downloading a flash image.
8.1.1 Bootloader Disabling
The ROM bootloader supports commands that can read the flash image. Due to this read capability, a
secure measure for disabling the bootloader has been implemented. If the bootloader is disabled using the
CCFG BOOTLOADER_ENABLE parameter, the bootloader is unable to execute any commands, which
prevents attackers from using the bootloader if the Cortex-M3 program counter (PC) is forced to execute
from the bootloader code.
8.1.2 Bootloader Backdoor
To enter the ROM bootloader even when a valid image is in the flash, a bootloader backdoor is
implemented. The CCFG parameter BL_ENABLE can enable this backdoor. The backdoor functionality
uses a configurable I/O pin (CCFG parameter BL_PIN_NO) and a configurable I/O pin level (CCFG
parameter BL_LEVEL).
If backdoor functionality is enabled, externally applying a configurable signal level on a configurable I/O
pin can force a ROM bootloader entry upon reset. If the backdoor is enabled and a valid flash image is
present, start-up code checks the level of the I/O pin. If the configured I/O-pin level matches the
configured signal level, the ROM bootloader does not transfer control to the flash image.
If the backdoor pin configuration matches one of the UART0 or SSI0 pins, the external user must deassert
the backdoor signal before transmitting on the UART0 or SSI0 interface.
Table 9-14 lists the BL_BACKDOOR_CONFIG parameter layout in CCFG.
8.2 Bootloader Interfaces
The bootloader communicates with an external device over a 2-pin UART or a 4-pin SSI interface. The
communication protocol and transport layers are described in the following sections.

:Sender :Receiver
Send size of packet
Send byte 1
Send byte N
Wait for nonzero data,
read size
Get checksum
Get packet data
Calc packet checksum,
Signal result
Await ACK Send ACK
Send packet checksum
Bootloader Interfaces
www.ti.com
692 SWCU117F–February 2015–Revised June 2016
Submit Documentation Feedback
Copyright © 2015–2016, Texas Instruments Incorporated
Bootloader
8.2.1 Packet Handling
The bootloader uses well-defined packets to ensure reliable communications with the external
communicating program. All communications, with the exception of the UART automatic baud (see
Section 8.2.2.1), use these well-defined packets. The packets are always acknowledged or not
acknowledged by the communicating devices with defined ACK/NACK bytes.
The packets use the same format for receiving and sending packets. This format includes the method to
acknowledge successful or unsuccessful reception of a packet.
While the actual signaling on the serial ports is different, the packet format remains the same for
supported UART and SSI interfaces.
Packet send and packet receive must adhere to the simple protocol shown in Figure 8-1.
Figure 8-1. Sequence Diagram for Send and Receive Protocol
The following steps must be performed to successfully send a packet:
1. Send the size of the packet to be sent to the device. The size is always the size of the data + 2 with
truncation to 8 bits.
2. Send the checksum of the data buffer to ensure proper transmission of the command. The checksum
algorithm is a sum of the data bytes.
3. Send the actual data bytes.
4. Wait for a single-byte acknowledgment from the device that the data was properly received or that a
transmission error was detected.
To successfully receive a packet, the following steps must be performed:
1. Wait for nonzero data to be returned from the device. This is important as the device may send zero
bytes between a sent and a received data packet. The first nonzero byte received is the size of the
packet that is being received.
2. Read the next byte, which is the checksum for the packet.
3. Read the data bytes from the device. During the data phase, packet size minus 2 bytes is sent. For
example, if the packet size was 3, then there is only 1 byte of data to be received.
4. Calculate the checksum of the data bytes and verify it matches the checksum received in the packet.
5. Send an acknowledge or not-acknowledge to the device to indicate the successful or unsuccessful
reception of the packet.

0x06 0x03
0x84 0x48 0x6f 0x6c 0x61 0x00
0x00 0xcc
ACK
size checksum data
www.ti.com
Bootloader Interfaces
693
SWCU117F–February 2015–Revised June 2016
Submit Documentation Feedback Copyright © 2015–2016, Texas Instruments Incorporated
Bootloader
Acknowledge (ACK) bytes are sent out whenever a packet is successfully received and verified by the
receiver. A not-acknowledge (NAK) byte is sent out whenever a sent packet is detected to have an error,
usually as a result of a checksum error or just malformed data in the packet, which allows the sender to
retransmit the previous packet.
To illustrate packet handling, the basic packet format is shown in Figure 8-2.
In Figure 8-2, the top line shows the device that is transmitting data; the bottom line is the response from
the other device.
In this case, a 6-byte packet is sent with the data shown in Figure 8-2. This data results in a checksum of
0x48+0x6f+0x6c+0x61 which, when truncated to 8 bits, is 0x84. The first byte transmitted holds the size of
the packet in number of bytes. Then the checksum byte is transmitted. The next bytes to go out are the 4
data bytes in this packet. The transmitter is allowed to send zeros until a nonzero response is received,
that is necessary for SSI and is allowed by the UART. The receiver is allowed to return zeros until it is
ready to ACK or NAK the packet that is being sent. Neither device transfers a nonzero byte until it has
received a response after transmitting a packet.
Figure 8-2. Serial Bus Packet Format
8.2.1.1 Packet Acknowledge and Not-Acknowledge Bytes
Table 8-1 shows the defined values for packet acknowledge (ACK) and not-acknowledge (NAK) bytes.
Table 8-1. Protocol Acknowledge and Not-
Acknowledge Bytes
Protocol Byte Value
ACK 0xCC
NACK 0x33
8.2.2 Transport Layer
The bootloader supports updating through the UART0 and SSI0 ports, which are available on the CC26xx
and CC13xx devices. The SSI0 port has the advantage of supporting higher and more flexible data rates,
but it also requires more connections to the CC26xx and CC13xx devices. The UART0 has the
disadvantage of having slightly lower and possibly less flexible rates. However, the UART0 requires fewer
pins and can be easily implemented with any standard UART connection.

Bootloader Interfaces
www.ti.com
694 SWCU117F–February 2015–Revised June 2016
Submit Documentation Feedback
Copyright © 2015–2016, Texas Instruments Incorporated
Bootloader
Table 8-2 specifies which serial interface signals are configured to specific DIOs. These pins are fixed and
cannot be reconfigured.
Table 8-2. Configuration of Serial Interfaces
Signal VQFN48, 7 × 7 VQFN32, 5 × 5 VQFN32, 4 × 4
UART0 RX DIO2 DIO1 DIO1
UART0 TX DIO3 DIO0 DIO2
SSI0 Clk DIO10 DIO10 DIO8
SSI0 Fss DIO11 DIO9 DIO7
SSI0 RX DIO9 DIO11 DIO9
SSI0 TX DIO8 DIO12 DIO0
The bootloader initially configures only the input pins on the two serial interfaces. By default, all I/O pins
have their input buffers disabled, so the bootloader configures the required pins to be input pins so that
the bootloader interface is not accessible from a host before this point in time. For this initial configuration
of input pins, the firmware configures the IOC to route the input signals listed in Table 8-2 to their
corresponding peripheral signals.
The bootloader selects the interface that is the first to be accessed by the external device. Once selected,
the TX output pin for the selected interface is configured; the module on the inactive interface (UART0 or
SSI0) is disabled. To switch to the other interface, the CC26xx and CC13xx devices must be reset. The
delayed configuration of the TX pin imposes special consideration on an SSI0 master device regarding the
transfer of the first byte of the first packet. See Section 8.2.2.2.
8.2.2.1 UART Transport
The connections required to use the UART port are the following two pins: UART0 TX and UART0 RX.
The device communicating with the bootloader drives the UART0 RX pin on the CC26xx and CC13xx,
while the CC26xx and CC13xx devices drive the UART0 TX pin.
While the baud rate is flexible, the UART serial format is fixed at 8 data bits, no parity, and 1 stop bit. The
bootloader automatically detects the baud rate for communication. The only requirement is that the baud
rate must be no more than 1/16 of the frequency of the UART module clock in CC26xx and CC13xx
devices.
8.2.2.1.1 UART Baud Rate Automatic Detection
The bootloader provides a method to automatically detect the UART baud rate being used to
communicate with it.
To synchronize with the host, the bootloader must to receive 2 bytes with the value of 0x55. If
synchronization succeeds, the bootloader returns an acknowledge consisting of 2 bytes with the values of
0x00 and 0xCC.
If synchronization fails, the bootloader waits for synchronization attempts.
In the automatic-detection function, the UART0 RX pin is monitored for edges using GPIO interrupts.
When enough edges are detected, the bootloader determines the ratio of baud rate and frequency needed
to program the UART.
The UART module system clock must be at least 16 times the baud rate; thus, the maximum baud rate
can be no higher than 3 Mbaud (48 MHz divided by 16). The maximum baud rate is restricted to 1.6
Mbaud because of the firmware function that detects the transfer rate of the host.

www.ti.com
Bootloader Interfaces
695
SWCU117F–February 2015–Revised June 2016
Submit Documentation Feedback
Copyright © 2015–2016, Texas Instruments Incorporated
Bootloader
8.2.2.2 SSI Transport
The connections required to use the SSI port are the following four pins:
• SSI0 TX
• SSI0 RX
• SSI0 Clk
• SSI0 Fss
The device communicating with the bootloader drives the SSI0 RX, SSI0 Clk, and SSI0 Fss pins, while the
CC26xx and CC13xx devices drive the SSI0 TX pin.
The format used for SSI communications is the Motorola format with SPH set to 1 and SPO set to 1 (see
Figure 20-9 for more information on this format). The SSI interface has a hardware requirement that limits
the maximum rate of the SSI clock to be at most 1/12 the frequency of the SSI module clock
(48 MHz / 12 = 4 MHz).
The master must take special consideration (regarding the use of the SSI0 interface) due to the
functionality of not configuring any output pins before the external master device has selected a serial
interface.
NOTE: On the first packet transferred by the master, no data is received from the bootloader while
the bootloader clocks out the bits in the first byte of the packet.
When the bootloader detects that 1 byte has been received on SSI0 RX, the bootloader
configures the SSI0 TX output pin.
Before transmitting the next byte in the first packet, the master must include a small delay to
ensure that the bootloader has completed the configuration of the SSI0 TX output pin.
8.2.3 Serial Bus Commands
Table 8-3 lists the commands supported by the custom protocol on the UART0 and SSI0 bootloader
interfaces.
Each command is transferred within a protocol packet. The first 2 bytes within a packet are the size byte
followed by the checksum byte. The third byte holds the command value that identifies the command; the
values for all the supported commands are listed in the Command Value column of Table 8-3. The
remaining bytes within the packet are command parameters. See Section 8.2.3.1 through Section 8.2.3.12
for a complete description of the command byte and parameter bytes for each command.
Table 8-3. Supported Bootloader Commands
Command Command Value Bytes in Packet Description
COMMAND_PING 0x20 3 Receives an acknowledge from the bootloader
indicating that communication has been
established.
COMMAND_DOWNLOAD 0x21 11
Prepares flash programming. Specifies from where
to program data in flash and how many bytes will
be sent by the COMMAND_SEND_DATA
commands that follow.
COMMAND_GET_STATUS 0x23 3
Returns the status of the last command that was
issued. Typically, this command must be received
by the bootloader after every command is sent to
ensure that the previous command was successful.
See Table 8-4 for defined status values. The status
is returned within a protocol packet of 3 bytes.

Bootloader Interfaces
www.ti.com
696 SWCU117F–February 2015–Revised June 2016
Submit Documentation Feedback
Copyright © 2015–2016, Texas Instruments Incorporated
Bootloader
Table 8-3. Supported Bootloader Commands (continued)
Command Command Value Bytes in Packet Description
COMMAND_SEND_DATA 0x24 4 to 255
Transfers data and programs flash. Transferring
data which is programmed into flash following a
COMMAND_DOWNLOAD command or another
COMMAND_SEND_DATA command.
The number of data bytes to be programmed in
flash can be 1 to 252 (maximum data load in
packet).
If more data are downloaded by the
COMMAND_SEND_DATA commands than are
specified by the COMMAND_DOWNLOAD
command, an error status is generated.
COMMAND_RESET 0x25 3 Performs a system reset. See Section 6.7.1.2,
Software-initiated System Reset, for details.
COMMAND_SECTOR_ERASE 0x26 7
Erases one sector within the flash main bank. The
sector to erase is specified by the sector start
address. Only flash sectors not protected by write-
protect bits in FCFG1 and CCFG are erased.
If the top sector is selected (containing CCFG), the
content of CCFG will be reset to the same values
as when the devices was delivered from TI.
COMMAND_CRC32 0x27 15 Calculates CRC32 over a specified memory area.
The number of reads per memory location is
specified.
COMMAND_GET_CHIP_ID 0x28 3 Returns the 32-bit UserID from the AON_WUC
JTAGUSERCODE register with MSB first. The ID is
returned within a protocol packet.
COMMAND_MEMORY_READ 0x2A 9
Reads a specified number of elements with a
specified access width (8 bits or 32 bits) from a
specified memory-mapped start address. The
requested amount of data must be less than the
maximum size of a communication packet.
COMMAND_MEMORY_WRITE 0x2B 10 to 255
Writes the received data in accesses with a
specified width (8 or 32 bits) from a specified
memory-mapped start address. Data to be written
must be contained in same packet as the
command.
COMMAND_BANK_ERASE 0x2C 3
Performs an erase of all of the customer-accessible
flash sectors not protected by FCFG1 and CCFG
write-protect bits. No erase operation is performed
if the CCFG parameter BANK_ERASE_DIS is
cleared.
Because the top sector might be erased
(containing CCFG), the content of CCFG will be
reset to the same values as when the devices was
delivered from TI.
COMMAND_SET_CCFG 0x2D 11
Writes the CC26xx- and CC13xx-defined CCFG
fields to the flash CCFG area with the values
received in the data bytes of this command.
This command abstracts the user from detailed
knowledge concerning which physical addresses
within the flash CCFG holding the defined CCFG
fields.
The following subsections specify the individual bytes within the protocol packets for each command.

www.ti.com
Bootloader Interfaces
697
SWCU117F–February 2015–Revised June 2016
Submit Documentation Feedback Copyright © 2015–2016, Texas Instruments Incorporated
Bootloader
8.2.3.1 COMMAND_PING
The COMMAND_PING command receives an acknowledge from the bootloader, indicating that
communication has been established. This command is a single byte.
The format of the packet including the command is as follows:
unsigned char ucCommand[3];
ucCommand[0] = <size=3>;
ucCommand[1] = <checksum>;
ucCommand[2] = COMMAND_PING;
8.2.3.2 COMMAND_DOWNLOAD
The COMMAND_DOWNLOAD command is sent to the bootloader to indicate where to store data in flash
and how many bytes will be sent by the COMMAND_SEND_DATA commands that follow. The command
consists of two 32-bit values that are both transferred MSB first. The first 32-bit value is the address to
start programming data into, while the second is the 32-bit size of the data that will be sent. This
command must be followed by a COMMAND_GET_STATUS command to ensure that the program
address and program size are valid for the device. On the CC26xx and CC13xx devices, the flash starts at
address 0x0000 0000. The command does not perform any kind of erase operation; it only prepares for
the following flash programming performed by COMMAND_SEND_DATA commands. Required flash
erase can be done by the COMMAND_BANK_ERASE and COMMAND_SECTOR_ERASE commands.
The format of the packet including the command is as follows:
unsigned char ucCommand[11];
ucCommand[0] = <size=11>;
ucCommand[1] = <checksum>;
ucCommand[2] = COMMAND_DOWNLOAD;
ucCommand[3] = Program Address [31:24];
ucCommand[4] = Program Address [23:16];
ucCommand[5] = Program Address [15:8];
ucCommand[6] = Program Address [7:0];
ucCommand[7] = Program Size [31:24];
ucCommand[8] = Program Size [23:16];
ucCommand[9] = Program Size [15:8];
ucCommand[10] = Program Size [7:0];

Bootloader Interfaces
www.ti.com
698 SWCU117F–February 2015–Revised June 2016
Submit Documentation Feedback
Copyright © 2015–2016, Texas Instruments Incorporated
Bootloader
8.2.3.3 COMMAND_SEND_DATA
The COMMAND_SEND_DATA command must only follow a COMMAND_DOWNLOAD command or
another COMMAND_SEND_DATA command, if more data is needed. Consecutive
COMMAND_SEND_DATA commands automatically increment the address and continue programming
from the previous location.
The command terminates programming when the number of bytes indicated by the
COMMAND_DOWNLOAD command is received.
The bootloader sends the ACK in response to the command after the actual programming is complete.
Each time this function is called, enter a COMMAND_GET_STATUS command to ensure that the data
was successfully programmed into the flash. If the bootloader sends a NAK signal to this command, the
bootloader does not increment the current address, which allows for retransmission of the previous data.
The format of the packet including the command is as follows:
unsigned char ucCommand[4-255];
ucCommand[0] = <size>;
ucCommand[1] = <checksum>;
ucCommand[2] = COMMAND_SEND_DATA;
ucCommand[3] = Data byte to be programmed[0];
ucCommand[4] = Data byte to be programmed[1];
ucCommand[5] = Data byte to be programmed[2];
ucCommand[6] = Data byte to be programmed[3];
ucCommand[7] = Data byte to be programmed[4];
ucCommand[<size-1>] = Data byte to be programmed[<size-4>];
8.2.3.4 COMMAND_SECTOR_ERASE
The COMMAND_SECTOR_ERASE command erases a specified flash sector. One flash sector has the
size of 4KB.
The command consists of one 32-bit value that is transferred MSB first. The 32-bit value is the start
address of the flash sector to be erased.
The bootloader responds with an ACK signal to the host device after the actual erase operation is
performed.
On the CC26xx and CC13xx devices, the flash starts at address 0x0000 0000 and it has sectors of 4KB
each.
NOTE: Sectors protected by write-protect bits in FCFG1 and CCFG are not erased.
If the sector address of the top sector (including the CCFG area) is specified, the actual erase is followed
by CCFG values being programmed to the same values as the device had when it was delivered from TI.
The format of the packet including the command is as follows:
unsigned char ucCommand[7];
ucCommand[0]= <size=7>;
ucCommand[1]= <checksum>;
ucCommand[2]= COMMAND_ERASE;
ucCommand[3]= Sector Address [31:24];
ucCommand[4]= Sector Address [23:16];
ucCommand[5]= Sector Address [15: 8];
ucCommand[6]= Sector Address [ 7: 0];

www.ti.com
Bootloader Interfaces
699
SWCU117F–February 2015–Revised June 2016
Submit Documentation Feedback Copyright © 2015–2016, Texas Instruments Incorporated
Bootloader
8.2.3.5 COMMAND_GET_STATUS
The COMMAND_GET_STATUS command returns the status of the last command that was issued.
Typically, this command is received after every other command is sent to ensure that the previous
command was successful; or, if the command failed, to properly respond to a failure. The bootloader
responds by sending a 3-byte packet with the size byte, checksum byte, and 1 byte of the current-status
value.
The bootloader then waits for an ACK from the host as a confirmation that the packet was received.
The format of the packet including the command is as follows:
unsigned char ucCommand[3];
ucCommand[0] = <size=3>;
ucCommand[1] = <checksum>;
ucCommand[2] = COMMAND_GET_STATUS;
Table 8-4 lists the definitions for the possible status values that can be returned from the bootloader when
a COMMAND_GET_STATUS command is sent to the bootloader
Table 8-4. Defined Status Values
Status Definition Value Description
COMMAND_RET_SUCCESS 0x40 Status for successful command
COMMAND_RET_UNKNOWN_CMD 0x41 Status for unknown command
COMMAND_RET_INVALID_CMD 0x42 Status for invalid command (in other words,
incorrect packet size)
COMMAND_RET_INVALID_ADR 0x43 Status for invalid input address
COMMAND_RET_FLASH_FAIL 0x44 Status for failing flash erase or program operation
8.2.3.6 COMMAND_RESET
The COMMAND_RESET command tells the bootloader to perform a system reset. Use this command
after downloading a new flash image to the CC26xx and CC13xx devices to cause the new application to
start from a reset. The normal boot sequence occurs and the flash image runs as if from a hardware reset.
Also, use this command to reset the bootloader if a critical error occurs and the host device wants to
restart communication with the bootloader.
The bootloader responds with an ACK signal to the host device before actually executing the system
reset. This ACK signal informs the updating application that the command was received successfully and
the CC26xx and CC13xx devices are then reset.
The format of the packet including the command is as follows:
unsigned char ucCommand[3];
ucCommand[0] = <size=3>;
ucCommand[1] = <checksum>;
ucCommand[2] = COMMAND_RESET;

Bootloader Interfaces
www.ti.com
700 SWCU117F–February 2015–Revised June 2016
Submit Documentation Feedback
Copyright © 2015–2016, Texas Instruments Incorporated
Bootloader
8.2.3.7 COMMAND_GET_CHIP_ID
The COMMAND_GET_CHIP_ID command makes the bootloader return the value of the 32-bit user ID
from the AON_WUW JTAGUSERCODE register. The bootloader first responds by sending the ACK signal
in response to the command; then the bootloader sends a packet of 6 bytes with the size byte, the
checksum byte, and the 4 bytes (MSB first) holding the user ID.
The bootloader then waits for an ACK signal from the host as a confirmation that the packet was received.
The format of the command is as follows:
unsigned char ucCommand[3];
ucCommand[0] = <size=3>;
ucCommand[1] = <checksum>;
ucCommand[2] = COMMAND_GET_CHIP_ID;
8.2.3.8 COMMAND_CRC32
The COMMAND_CRC32 command checks a flash area using CRC32. The command consists of three
32-bit values that are all transferred MSB first. The first 32-bit value is the address in memory from where
the CRC32 calculation starts, the second 32-bit value is the number of bytes comprised by the CRC32
calculation, and the third 32-bit value is the number of read repeats for each data location. A read repeat
count of 0x0000 0000 causes the checksum to be generated by a read of all data locations only once. The
command sends the ACK signal in response to the command after the actual CRC32 calculation. The
result is finally returned as 4 bytes (MSB first) in a 6-byte packet. The bootloader then waits for an ACK
signal from the host as a confirmation that the packet was received. The second parameter that holds the
number of bytes must be higher than eight. If not, the returned checksum is 0xFFFF FFFF.
The format of the packet including the command is as follows:
unsigned char ucCommand[15];
ucCommand[0] = <size=15>;
ucCommand[1] = <checksum>;
ucCommand[2]= COMMAND_CRC32;
ucCommand[3]= Data Address [31:24];
ucCommand[4]= Data Address [23:16];
ucCommand[5]= Data Address [15: 8];
ucCommand[6]= Data Address [ 7: 0];
ucCommand[7]= Data Size [31:24];
ucCommand[8]= Data Size [23:16];
ucCommand[9]= Data Size [15: 8];
ucCommand[10]= Data Size [7: 0];
ucCommand[11]= Read Repeat Count [31:24];
ucCommand[12]= Read Repeat Count [23:16];
ucCommand[13]= Read Repeat Count [15: 8];
ucCommand[14]= Read Repeat Count [7: 0];

www.ti.com
Bootloader Interfaces
701
SWCU117F–February 2015–Revised June 2016
Submit Documentation Feedback Copyright © 2015–2016, Texas Instruments Incorporated
Bootloader
8.2.3.9 COMMAND_BANK_ERASE
The COMMAND_BANK_ERASE command does not perform any erase operation if the CCFG parameter
BANK_ERASE_DIS is cleared. When COMMAND_BANK_ERASE is not cleared, this command erases all
main bank flash sectors including CCFG not protected by write-protect bits in FCFG1 and CCFG.
The command sends the ACK in response to the command after the actual erase operation is performed.
If the sector address of the top sector (including the CCFG area) is specified, the actual erase is followed
by CCFG values being programmed to the same values as the device had when it was delivered from TI.
The format of the packet including the command is as follows:
unsigned char ucCommand[3];
ucCommand[0] = <size=3>;
ucCommand[1] = <checksum>;
ucCommand[2] = COMMAND_BANK_ERASE;
NOTE: The bank erase operation locks the flash module FSM. A reset must be issued if additional
flash-bank operations are to be followed.
8.2.3.10 COMMAND_MEMORY_READ
This command reads a specified number of elements with a specified access type (8- or 32 bits) from a
specified memory mapped start address and returns the read data in a separate communication packet.
The requested amount of data must be less than the max size of a communication packet. The specified
Access Type must be either 0 or 1. The value of 0 forces 8-bits read accesses. The value of 1 forces 32-
bits read accesses. The specified Number of Accesses gives the number of 8- or 32-bits read accesses.
Max value of Number of Accesses is 253 for Access Type = 0. Max value for Number of Accesses is 63
for Access Type = 1. The format of the packet including the command is as follows:
unsigned char ucCommand[9];
ucCommand[0] = <size=9>;
ucCommand[1] = <checksum>;
ucCommand[2] = COMMAND_MEMORY_READ;
ucCommand[3] = Memory Map Address [31:24];
ucCommand[4] = Memory Map Address [23:16];
ucCommand[5] = Memory Map Address [15:8];
ucCommand[6] = Memory Map Address [7:0];
ucCommand[7] = Access Type [7:0];
ucCommand[8] = Number of Accesses [7:0];

Bootloader Interfaces
www.ti.com
702 SWCU117F–February 2015–Revised June 2016
Submit Documentation Feedback
Copyright © 2015–2016, Texas Instruments Incorporated
Bootloader
8.2.3.11 COMMAND_MEMORY_WRITE
This command writes the received data in accesses with specified width (8- or 32 bits) from a specified
memory mapped start address. Data to be written must be contained in same packet as the command.
The access width is given by the specified Access Type. The Access Type must be either 0 or 1. The
value of 0 forces 8-bits write accesses. The value of 1 forces 32-bits write accesses. The number of data
bytes received is given by the packet size byte. Max number of data bytes for access width 0 is 247 and
244 for access width 1.
NOTE: This command will not succeed writing to any flash memory.
The format of the packet including the command is as follows:
unsigned char ucCommand[(from 9 to 255)];
ucCommand[0] = <size=(from 9 to 255)>;
ucCommand[1] = <checksum>;
ucCommand[2] = COMMAND_MEMORY_WRITE;
ucCommand[3] = Memory Map Address [31:24];
ucCommand[4] = Memory Map Address [23:16];
ucCommand[5] = Memory Map Address [15:8];
ucCommand[6] = Memory Map Address [7:0];
ucCommand[7] = Access Type [7:0];
ucCommand[8] = Data [7:0];
...
...
ucCommand[9 + (packet size - 9)] = Data [7:0] or Data[31:24];

www.ti.com
Bootloader Interfaces
703
SWCU117F–February 2015–Revised June 2016
Submit Documentation Feedback Copyright © 2015–2016, Texas Instruments Incorporated
Bootloader
8.2.3.12 COMMAND_SET_CCFG
The COMMAND_SET_CCFG command is sent to the bootloader to configure the defined fields in the
flash CCFG area that are read by the ROM boot FW. The command sends the ACK signal in response to
the command after the actual flash program operation is performed. This command does not execute any
erase operation before the write operation.
The command consists of two 32-bit values that are all transferred MSB first. The first 32-bit value is the
CCFG Field ID, which identifies the CCFG parameter to be written, and the second 32-bit value is the
Field Value to be programmed. The command handler masks out Field Value bits not corresponding to the
CCFG parameter size.
NOTE: The COMMAND_SET_CCFG command can only change CCFG parameter value bits from 1
to 0.
Attempting to change any bit from 0 to 1 results in an error status that can be observed by a
following COMMAND_GET_STATUS command.
The only way to change CCFG parameter value bits from 0 to 1 is by erasing the complete CCFG flash
sector. The command sends the ACK signal in response to the command after the actual flash
programming has terminated.
The programming operation fails if the CCFG area (flash top sector) is write-protected by the protect bit in
FCFG1 and/or CCFG itself.
The format of the packet including the command is as follows:
unsigned char ucCommand[11];
ucCommand[0] = <size=11>;
ucCommand[1] = <checksum>;
ucCommand[2] = COMMAND_SET_CCFG;
ucCommand[3] = Field Id[31:24];
ucCommand[4] = Field Id[23:16];
ucCommand[5] = Field Id[15:8];
ucCommand[6] = Field Id[7:0];
ucCommand[7] = Field Value[31:24];
ucCommand[8] = Field Value[23:16];
ucCommand[9] = Field Value[15:8];
ucCommand[10] = Field Value[7:0];

Bootloader Interfaces
www.ti.com
704 SWCU117F–February 2015–Revised June 2016
Submit Documentation Feedback
Copyright © 2015–2016, Texas Instruments Incorporated
Bootloader
Defined CCFG field IDs with corresponding field values are described in Table 8-5.
Table 8-5. Defined CCFG Field IDs and Field Values
Field ID Field Value Description
0: ID_SECTOR_PROT Bit[31:0] – Flash sector number of sector to
protect from program and erase
The sector write-protect bit in CCFG
corresponding to the specified sector
number is set to 0. This protects the sector
from being programmed and erased. First
flash sector has sector number 0.
This command also sets the sticky sector
protect bit in the flash wrapper registers.
Be aware if protecting sector 31, which is
the CCFG sector. If sector 31 is protected,
none of the other CCFG parameters can
be set.
1: ID_IMAGE_VALID Bit[31:0] - 0x00000000 For the boot sequence to transfer
execution control to a flash image, this
Field ID must be set to 0x0000 0000.
2: ID_TEST_TAP_LCK Bit[31:8] – Don’t care
Bit[7:0] – 0xC5 = TAP unlocked Any other value than 0xC5 forces a locked
TAP after a following boot sequence
3: ID_PRCM_TAP_LCK Bit[31:8] – Don’t care
Bit[7:0] – 0xC5 = TAP unlocked Any other value than 0xC5 forces a locked
TAP after a following boot sequence.
4: ID_CPU_DAP_LCK Bit[31:8] – Don’t care
Bit[7:0] – 0xC5 = DAP unlocked Any other value than 0xC5 forces a locked
DAP after a following boot sequence.
5: ID_WUC_TAP_LCK Bit[31:8] – Don’t care
Bit[7:0] – 0xC5 = TAP unlocked Any other value than 0xC5 forces a locked
TAP after a following boot sequence.
6: ID_PBIST1_TAP_LCK Bit[31:8] – Don’t care
Bit[7:0] – 0xC5 = TAP unlocked Any other value than 0xC5 forces a locked
TAP after a following boot sequence.
7: ID_PBIST2_TAP_LCK Bit[31:8] – Don’t care
Bit[7:0] – 0xC5 = TAP unlocked Any other value than 0xC5 forces a locked
TAP after a following boot sequence.
8: ID_BANK_ERASE_DIS Bit[31:1] – Don’t care
Bit[0] – 0 = Bank erase disable
If set to 0, the COMMAND_BANK_ERASE
bootloader command does not force any
erase operation.
9: ID_CHIP_ERASE_DIS Bit[31:1] – Don’t care
Bit[0] – 0 = Chip erase disable
If set to 0, the start-up sequence does not
perform any chip erase operation
regardless of the state of the
FLASHERASE bit in the AON WUC
STATUS register.
10: ID_TI_FA_ENABLE Bit[31:8] – Don’t care
Bit[7:0] – 0xC5 = TI FA enable Any value other than 0xC5 disables the TI
FA enable functionality in a following boot.
11: ID_BL_BACKDOOR_EN Bit[31:8] – Don’t care
Bit[7:0] – 0xC5 = Bootloader backdoor enable
Any other value than 0xC5 forces the
bootloader backdoor to be disabled in a
following boot sequence.
12: ID_BL_BACKDOOR_PIN Bit[31:8] – Don’t care
Bit[7:0] – Bootloader backdoor I/O pin number
If the pin number exceeds number of I/O
pins on the device, the highest I/O pin
number on the device is selected.
13: ID_BL_BACKDOOR_LEVEL Bit[31:1] – Don’t care
Bit[0] – Bootloader backdoor pin active level 0 = Active low
14: ID_BL_ENABLE Bit[31:8] – Don’t care
Bit[7:0] – Bootloader enable
Any value other than 0xC5 forces the
bootloader to ignore any received
command.

705
SWCU117F–February 2015–Revised June 2016
Submit Documentation Feedback Copyright © 2015–2016, Texas Instruments Incorporated
Device Configuration
Chapter 9
SWCU117F–February 2015–Revised June 2016
Device Configuration
This chapter describes the device configuration areas. The factory configuration (FCFG) and customer
configuration (CCFG) areas are located in flash. The FCFG is set by Texas Instruments during device
production and contains device-specific trim values and configuration. The CCFG must be set by the
application and contains configuration parameters for the ROM boot code, device hardware, and device
firmware.
Topic ........................................................................................................................... Page
9.1 Customer Configuration (CCFG) ........................................................................ 706
9.2 Factory Configuration (FCFG) ........................................................................... 735

Customer Configuration (CCFG)
www.ti.com
706 SWCU117F–February 2015–Revised June 2016
Submit Documentation Feedback
Copyright © 2015–2016, Texas Instruments Incorporated
Device Configuration
9.1 Customer Configuration (CCFG)
• Image valid bit (normally set by the programming tool)
• Failure analysis access configuration
• Custom MAC address
• Bootloader configuration
• TAP and DAP access configuration
• CC13xx only: Configure +14-dBm output power
In TI distributed software, the CCFG parameters are set at compile time in the ccfg.c file. The CCFG
settings are set by default to allow full debugging of the device. The CCFG settings are not recommended
for production.
CC13xx only; In order to enable +14-dBm output power the CCFG_FORCE_VDDR_HH define must be
set to 1 in ccfg.c distributed in cc13xxware by TI. If CCFG_FORCE_VDDR_HH is set to 0 the maximum
possible output power is +12.5 dBm.
The recommended way to configure a device for final production is as follows:
1. The BL_CONFIG:BOOTLOADER_ENABLE register and the BL_CONFIG:BL_ENABLE register must
be set to 0x00 to disallow access to Flash contents through the bootloader interface.
2. The CCFG_TI_OPTIONS:TI_FA_ENABLE register must be set to 0x00 to disallow failure analysis
access by TI.
3. The CCFG_TAP_DAP_0:PRCM_TAP_ENABLE register, the
CCFG_TAP_DAP_0:TEST_TAP_ENABLE register, and the CCFG_TAP_DAP_0:CPU_DAP_ENABLE
register must be set to set to 0x00 to disallow access to these module through JTAG.
4. The CCFG_TAP_DAP_1 register must be set to 0x0000 0000 to disallow access to these modules
through JTAG.
5. The IMAGE_VALID_CONF:IMAGE_VALID register must be set to 0x0000 0000 to pass control to the
programmed image in Flash at boot.
6. Optionally, the ERASE_CONF:CHIP_ERASE_DIS_N register can be set to 0x0 to disallow erasing of
the Flash.
7. Use the CCFG_PROT_n registers to write and erase protect the sectors of Flash that are not designed
to be updated in-system by the final product.
NOTE: Enabling some of the functionality in the ENABLE fields in CCFG are contingent on the
corresponding ENABLE field in FCFG that has been set to enabled by the TI production test.
This is the case for the CCFG_TAP_DAP_0:TEST_TAP_ENABLE register for example,
which is enabled in FCFG in some products in the family while it is not enabled in others. In
the products where the CCFG_TAP_DAP_0:TEST_TAP_ENABLE register is not enabled in
FCFG, the value in the corresponding CCFG field is ignored and the functionality is disabled.

www.ti.com
Customer Configuration (CCFG)
707
SWCU117F–February 2015–Revised June 2016
Submit Documentation Feedback Copyright © 2015–2016, Texas Instruments Incorporated
Device Configuration
9.1.1 CCFG Registers
Table 9-1 lists the memory-mapped registers for the CCFG. All register offset addresses not listed in
Table 9-1 should be considered as reserved locations and the register contents should not be modified.
Table 9-1. CCFG Registers
Offset Acronym Register Name Section
FA8h EXT_LF_CLK Extern LF clock configuration Section 9.1.1.1
FACh MODE_CONF_1 Mode Configuration 1 Section 9.1.1.2
FB0h SIZE_AND_DIS_FLAGS CCFG Size and Disable Flags Section 9.1.1.3
FB4h MODE_CONF Mode Configuration 0 Section 9.1.1.4
FB8h VOLT_LOAD_0 Voltage Load 0 Section 9.1.1.5
FBCh VOLT_LOAD_1 Voltage Load 1 Section 9.1.1.6
FC0h RTC_OFFSET Real Time Clock Offset Section 9.1.1.7
FC4h FREQ_OFFSET Frequency Offset Section 9.1.1.8
FC8h IEEE_MAC_0 IEEE MAC Address 0 Section 9.1.1.9
FCCh IEEE_MAC_1 IEEE MAC Address 1 Section 9.1.1.10
FD0h IEEE_BLE_0 IEEE BLE Address 0 Section 9.1.1.11
FD4h IEEE_BLE_1 IEEE BLE Address 1 Section 9.1.1.12
FD8h BL_CONFIG Bootloader Configuration Section 9.1.1.13
FDCh ERASE_CONF Erase Configuration Section 9.1.1.14
FE0h CCFG_TI_OPTIONS TI Options Section 9.1.1.15
FE4h CCFG_TAP_DAP_0 Test Access Points Enable 0 Section 9.1.1.16
FE8h CCFG_TAP_DAP_1 Test Access Points Enable 1 Section 9.1.1.17
FECh IMAGE_VALID_CONF Image Valid Section 9.1.1.18
FF0h CCFG_PROT_31_0 Protect Sectors 0-31 Section 9.1.1.19
FF4h CCFG_PROT_63_32 Protect Sectors 32-63 Section 9.1.1.20
FF8h CCFG_PROT_95_64 Protect Sectors 64-95 Section 9.1.1.21
FFCh CCFG_PROT_127_96 Protect Sectors 96-127 Section 9.1.1.22

Customer Configuration (CCFG)
www.ti.com
708 SWCU117F–February 2015–Revised June 2016
Submit Documentation Feedback
Copyright © 2015–2016, Texas Instruments Incorporated
Device Configuration
9.1.1.1 EXT_LF_CLK Register (Offset = FA8h) [reset = FFFFFFFFh]
EXT_LF_CLK is shown in Figure 9-1 and described in Table 9-2.
Return to Summary Table.
Extern LF clock configuration
Figure 9-1. EXT_LF_CLK Register
31 30 29 28 27 26 25 24 23 22 21 20 19 18 17 16 15 14 13 12 11 10 9 8 7 6 5 4 3 2 1 0
DIO RTC_INCREMENT
R-FFh R-00FFFFFFh
Table 9-2. EXT_LF_CLK Register Field Descriptions
Bit Field Type Reset Description
31-24 DIO R FFh Unsigned integer, selecting the DIO to supply external 32kHz clock
as SCLK_LF when MODE_CONF.SCLK_LF_OPTION is set to
EXTERNAL. The selected DIO will be marked as reserved by the pin
driver (TI-RTOS environment) and hence not selectable for other
usage.
23-0 RTC_INCREMENT R 00FFFFFFh Unsigned integer, defining the input frequency of the external clock
and is written to AON_RTC:SUBSECINC.VALUEINC. Defined as
follows: EXT_LF_CLK.RTC_INCREMENT =
238/InputClockFrequency in Hertz (e.g.:
RTC_INCREMENT=0x800000 for InputClockFrequency=32768 Hz)

www.ti.com
Customer Configuration (CCFG)
709
SWCU117F–February 2015–Revised June 2016
Submit Documentation Feedback Copyright © 2015–2016, Texas Instruments Incorporated
Device Configuration
9.1.1.2 MODE_CONF_1 Register (Offset = FACh) [reset = FFFBFFFFh]
MODE_CONF_1 is shown in Figure 9-2 and described in Table 9-3.
Return to Summary Table.
Mode Configuration 1
Figure 9-2. MODE_CONF_1 Register
31 30 29 28 27 26 25 24
RESERVED
R-FFh
23 22 21 20 19 18 17 16
ALT_DCDC_VMIN ALT_DCDC_DI
THER_EN ALT_DCDC_IPEAK
R-Fh R-1h R-3h
15 14 13 12 11 10 9 8
DELTA_IBIAS_INIT DELTA_IBIAS_OFFSET
R-Fh R-Fh
76543210
XOSC_MAX_START
R-FFh
Table 9-3. MODE_CONF_1 Register Field Descriptions
Bit Field Type Reset Description
31-24 RESERVED R FFh Software should not rely on the value of a reserved. Writing any
other value than the reset value may result in undefined behavior.
23-20 ALT_DCDC_VMIN R Fh Minimum voltage for when DC/DC should be used if alternate
DC/DC setting is enabled
(SIZE_AND_DIS_FLAGS.DIS_ALT_DCDC_SETTING=0).
Voltage = (28 + ALT_DCDC_VMIN) / 16.
0: 1.75V
1: 1.8125V
...
14: 2.625V
15: 2.6875V
NOTE! The DriverLib function
SysCtrl_DCDC_VoltageConditionalControl() must be called regularly
to apply this field (handled automatically if using TI RTOS!).
19 ALT_DCDC_DITHER_EN R 1h Enable DC/DC dithering if alternate DC/DC setting is enabled
(SIZE_AND_DIS_FLAGS.DIS_ALT_DCDC_SETTING=0).
0: Dither disable
1: Dither enable
18-16 ALT_DCDC_IPEAK R 3h Inductor peak current if alternate DC/DC setting is enabled
(SIZE_AND_DIS_FLAGS.DIS_ALT_DCDC_SETTING=0). Assuming
10uH external inductor!
Peak current = 31 + ( 4 * ALT_DCDC_IPEAK ) :
0: 31mA (min)
...
4: 47mA
...
7: 59mA (max)
15-12 DELTA_IBIAS_INIT R Fh Signed delta value for IBIAS_INIT. Delta value only applies if
SIZE_AND_DIS_FLAGS.DIS_XOSC_OVR=0.
See FCFG1:AMPCOMP_CTRL1.IBIAS_INIT
11-8 DELTA_IBIAS_OFFSET R Fh Signed delta value for IBIAS_OFFSET. Delta value only applies if
SIZE_AND_DIS_FLAGS.DIS_XOSC_OVR=0.
See FCFG1:AMPCOMP_CTRL1.IBIAS_OFFSET
7-0 XOSC_MAX_START R FFh Unsigned value of maximum XOSC startup time (worst case) in units
of 100us. Value only applies if
SIZE_AND_DIS_FLAGS.DIS_XOSC_OVR=0.

Customer Configuration (CCFG)
www.ti.com
710 SWCU117F–February 2015–Revised June 2016
Submit Documentation Feedback
Copyright © 2015–2016, Texas Instruments Incorporated
Device Configuration
9.1.1.3 SIZE_AND_DIS_FLAGS Register (Offset = FB0h) [reset = FFFFFFFFh]
SIZE_AND_DIS_FLAGS is shown in Figure 9-3 and described in Table 9-4.
Return to Summary Table.
CCFG Size and Disable Flags
Figure 9-3. SIZE_AND_DIS_FLAGS Register
31 30 29 28 27 26 25 24
SIZE_OF_CCFG
R-FFFFh
23 22 21 20 19 18 17 16
SIZE_OF_CCFG
R-FFFFh
15 14 13 12 11 10 9 8
DISABLE_FLAGS
R-FFFh
76543210
DISABLE_FLAGS DIS_TCXO DIS_GPRAM DIS_ALT_DCD
C_SETTING DIS_XOSC_OV
R
R-FFFh R-1h R-1h R-1h R-1h
Table 9-4. SIZE_AND_DIS_FLAGS Register Field Descriptions
Bit Field Type Reset Description
31-16 SIZE_OF_CCFG R FFFFh Total size of CCFG in bytes.
15-4 DISABLE_FLAGS R FFFh Reserved for future use. Software should not rely on the value of a
reserved. Writing any other value than the reset/default value may
result in undefined behavior.
3 DIS_TCXO R 1h Disable TCXO.
0: TCXO functionality enabled.
1: TCXO functionality disabled.
Note:
An external TCXO is required if DIS_TCXO = 0.
2 DIS_GPRAM R 1h Disable GPRAM (or use the 8K VIMS RAM as CACHE RAM).
0: GPRAM is enabled and hence CACHE disabled.
1: GPRAM is disabled and instead CACHE is enabled (default).
Notes:
- Disabling CACHE will reduce CPU execution speed (up to 60%).
- GPRAM is 8 K-bytes in size and located at 0x11000000-
0x11001FFF if enabled.
See:
VIMS:CTL.MODE
1 DIS_ALT_DCDC_SETTIN
GR 1h Disable alternate DC/DC settings.
0: Enable alternate DC/DC settings.
1: Disable alternate DC/DC settings.
See:
MODE_CONF_1.ALT_DCDC_VMIN
MODE_CONF_1.ALT_DCDC_DITHER_EN
MODE_CONF_1.ALT_DCDC_IPEAK
NOTE! The DriverLib function
SysCtrl_DCDC_VoltageConditionalControl() must be called regularly
to apply this field (handled automatically if using TI RTOS!).
0 DIS_XOSC_OVR R 1h Disable XOSC override functionality.
0: Enable XOSC override functionality.
1: Disable XOSC override functionality.
See:
MODE_CONF_1.DELTA_IBIAS_INIT
MODE_CONF_1.DELTA_IBIAS_OFFSET
MODE_CONF_1.XOSC_MAX_START

www.ti.com
Customer Configuration (CCFG)
711
SWCU117F–February 2015–Revised June 2016
Submit Documentation Feedback Copyright © 2015–2016, Texas Instruments Incorporated
Device Configuration
9.1.1.4 MODE_CONF Register (Offset = FB4h) [reset = FFFFFFFFh]
MODE_CONF is shown in Figure 9-4 and described in Table 9-5.
Return to Summary Table.
Mode Configuration 0
Figure 9-4. MODE_CONF Register
31 30 29 28 27 26 25 24
VDDR_TRIM_SLEEP_DELTA DCDC_RECHA
RGE DCDC_ACTIVE VDDR_EXT_L
OAD VDDS_BOD_L
EVEL
R-Fh R-1h R-1h R-1h R-1h
23 22 21 20 19 18 17 16
SCLK_LF_OPTION VDDR_TRIM_S
LEEP_TC RTC_COMP XOSC_FREQ XOSC_CAP_M
OD HF_COMP
R-3h R-1h R-1h R-3h R-1h R-1h
15 14 13 12 11 10 9 8
XOSC_CAPARRAY_DELTA
R-FFh
76543210
VDDR_CAP
R-FFh
Table 9-5. MODE_CONF Register Field Descriptions
Bit Field Type Reset Description
31-28 VDDR_TRIM_SLEEP_DE
LTA R Fh Signed delta value to apply to the
VDDR_TRIM_SLEEP target, minus one. See
FCFG1:VOLT_TRIM.VDDR_TRIM_SLEEP_H.
0x8 (-8) : Delta = -7
...
0xF (-1) : Delta = 0
0x0 (0) : Delta = +1
...
0x7 (7) : Delta = +8
27 DCDC_RECHARGE R 1h DC/DC during recharge in powerdown.
0: Use the DC/DC during recharge in powerdown.
1: Do not use the DC/DC during recharge in powerdown (default).
NOTE! The DriverLib function
SysCtrl_DCDC_VoltageConditionalControl() must be called regularly
to apply this field (handled automatically if using TI RTOS!).
26 DCDC_ACTIVE R 1h DC/DC in active mode.
0: Use the DC/DC during active mode.
1: Do not use the DC/DC during active mode (default).
NOTE! The DriverLib function
SysCtrl_DCDC_VoltageConditionalControl() must be called regularly
to apply this field (handled automatically if using TI RTOS!).
25 VDDR_EXT_LOAD R 1h Reserved for future use. Software should not rely on the value of a
reserved. Writing any other value than the reset/default value may
result in undefined behavior.
24 VDDS_BOD_LEVEL R 1h VDDS BOD level.
0: VDDS BOD level is 2.0V (necessary for external load mode, or for
maximum PA output power on CC13xx).
1: VDDS BOD level is 1.8V (or 1.65V for external regulator mode)
(default).

Customer Configuration (CCFG)
www.ti.com
712 SWCU117F–February 2015–Revised June 2016
Submit Documentation Feedback
Copyright © 2015–2016, Texas Instruments Incorporated
Device Configuration
Table 9-5. MODE_CONF Register Field Descriptions (continued)
Bit Field Type Reset Description
23-22 SCLK_LF_OPTION R 3h Select source for SCLK_LF.
0h = 31.25kHz clock derived from 24MHz XOSC (dividing by 768 in
HW). The RTC tick speed [AON_RTC.SUBSECINC.*] is updated to
0x8637BD, corresponding to a 31.25kHz clock (done in the
trimDevice() xxWare boot function). Standby power mode is not
supported when using this clock source.
1h = External low frequency clock on DIO defined by
EXT_LF_CLK.DIO. The RTC tick speed AON_RTC:SUBSECINC is
updated to EXT_LF_CLK.RTC_INCREMENT (done in the
trimDevice() xxWare boot function). External clock must always be
running when the chip is in standby for VDDR recharge timing.
2h = 32.768kHz low frequency XOSC
3h = Low frequency RCOSC (default)
21 VDDR_TRIM_SLEEP_TC R 1h 0x1: VDDR_TRIM_SLEEP_DELTA is not temperature compensated
0x0: RTOS/driver temperature compensates
VDDR_TRIM_SLEEP_DELTA every time standby mode is entered.
This improves low-temperature RCOSC_LF frequency stability in
standby mode.
When temperature compensation is performed, the delta is
calculates this way:
Delta = max (delta, min(8, floor(62-temp)/8))
Here, delta is given by VDDR_TRIM_SLEEP_DELTA, and temp is
the current temperature in degrees C.
20 RTC_COMP R 1h Reserved for future use. Software should not rely on the value of a
reserved. Writing any other value than the reset/default value may
result in undefined behavior.
19-18 XOSC_FREQ R 3h Reserved for future use. Software should not rely on the value of a
reserved. Writing any other value than the reset/default value may
result in undefined behavior.
1h = HPOSC
2h = 48M : 48 MHz XOSC_HF
3h = 24M : 24 MHz XOSC_HF
17 XOSC_CAP_MOD R 1h Enable modification (delta) to XOSC cap-array. Value specified in
XOSC_CAPARRAY_DELTA.
0: Apply cap-array delta
1: Do not apply cap-array delta (default)
16 HF_COMP R 1h Reserved for future use. Software should not rely on the value of a
reserved. Writing any other value than the reset/default value may
result in undefined behavior.
15-8 XOSC_CAPARRAY_DEL
TA R FFh Signed 8-bit value, directly modifying trimmed XOSC cap-array step
value. Enabled by XOSC_CAP_MOD.
7-0 VDDR_CAP R FFh Unsigned 8-bit integer, representing the minimum decoupling
capacitance (worst case) on VDDR, in units of 100nF. This should
take into account capacitor tolerance and voltage dependent
capacitance variation. This bit affects the recharge period calculation
when going into powerdown or standby.
NOTE! If using the following functions this field must be configured
(used by TI RTOS):
SysCtrlSetRechargeBeforePowerDown()
SysCtrlAdjustRechargeAfterPowerDown()

www.ti.com
Customer Configuration (CCFG)
713
SWCU117F–February 2015–Revised June 2016
Submit Documentation Feedback Copyright © 2015–2016, Texas Instruments Incorporated
Device Configuration
9.1.1.5 VOLT_LOAD_0 Register (Offset = FB8h) [reset = FFFFFFFFh]
VOLT_LOAD_0 is shown in Figure 9-5 and described in Table 9-6.
Return to Summary Table.
Voltage Load 0
Enabled by MODE_CONF.VDDR_EXT_LOAD.
Figure 9-5. VOLT_LOAD_0 Register
31 30 29 28 27 26 25 24 23 22 21 20 19 18 17 16
VDDR_EXT_TP45 VDDR_EXT_TP25
R-FFh R-FFh
15 14 13 12 11 10 9 8 7 6 5 4 3 2 1 0
VDDR_EXT_TP5 VDDR_EXT_TM15
R-FFh R-FFh
Table 9-6. VOLT_LOAD_0 Register Field Descriptions
Bit Field Type Reset Description
31-24 VDDR_EXT_TP45 R FFh Reserved for future use. Software should not rely on the value of a
reserved. Writing any other value than the reset/default value may
result in undefined behavior.
23-16 VDDR_EXT_TP25 R FFh Reserved for future use. Software should not rely on the value of a
reserved. Writing any other value than the reset/default value may
result in undefined behavior.
15-8 VDDR_EXT_TP5 R FFh Reserved for future use. Software should not rely on the value of a
reserved. Writing any other value than the reset/default value may
result in undefined behavior.
7-0 VDDR_EXT_TM15 R FFh Reserved for future use. Software should not rely on the value of a
reserved. Writing any other value than the reset/default value may
result in undefined behavior.

Customer Configuration (CCFG)
www.ti.com
714 SWCU117F–February 2015–Revised June 2016
Submit Documentation Feedback
Copyright © 2015–2016, Texas Instruments Incorporated
Device Configuration
9.1.1.6 VOLT_LOAD_1 Register (Offset = FBCh) [reset = FFFFFFFFh]
VOLT_LOAD_1 is shown in Figure 9-6 and described in Table 9-7.
Return to Summary Table.
Voltage Load 1
Enabled by MODE_CONF.VDDR_EXT_LOAD.
Figure 9-6. VOLT_LOAD_1 Register
31 30 29 28 27 26 25 24 23 22 21 20 19 18 17 16
VDDR_EXT_TP125 VDDR_EXT_TP105
R-FFh R-FFh
15 14 13 12 11 10 9 8 7 6 5 4 3 2 1 0
VDDR_EXT_TP85 VDDR_EXT_TP65
R-FFh R-FFh
Table 9-7. VOLT_LOAD_1 Register Field Descriptions
Bit Field Type Reset Description
31-24 VDDR_EXT_TP125 R FFh Reserved for future use. Software should not rely on the value of a
reserved. Writing any other value than the reset/default value may
result in undefined behavior.
23-16 VDDR_EXT_TP105 R FFh Reserved for future use. Software should not rely on the value of a
reserved. Writing any other value than the reset/default value may
result in undefined behavior.
15-8 VDDR_EXT_TP85 R FFh Reserved for future use. Software should not rely on the value of a
reserved. Writing any other value than the reset/default value may
result in undefined behavior.
7-0 VDDR_EXT_TP65 R FFh Reserved for future use. Software should not rely on the value of a
reserved. Writing any other value than the reset/default value may
result in undefined behavior.

www.ti.com
Customer Configuration (CCFG)
715
SWCU117F–February 2015–Revised June 2016
Submit Documentation Feedback Copyright © 2015–2016, Texas Instruments Incorporated
Device Configuration
9.1.1.7 RTC_OFFSET Register (Offset = FC0h) [reset = FFFFFFFFh]
RTC_OFFSET is shown in Figure 9-7 and described in Table 9-8.
Return to Summary Table.
Real Time Clock Offset
Enabled by MODE_CONF.RTC_COMP.
Figure 9-7. RTC_OFFSET Register
31 30 29 28 27 26 25 24 23 22 21 20 19 18 17 16
RTC_COMP_P0
R-FFFFh
15 14 13 12 11 10 9 8 7 6 5 4 3 2 1 0
RTC_COMP_P1 RTC_COMP_P2
R-FFh R-FFh
Table 9-8. RTC_OFFSET Register Field Descriptions
Bit Field Type Reset Description
31-16 RTC_COMP_P0 R FFFFh Reserved for future use. Software should not rely on the value of a
reserved. Writing any other value than the reset/default value may
result in undefined behavior.
15-8 RTC_COMP_P1 R FFh Reserved for future use. Software should not rely on the value of a
reserved. Writing any other value than the reset/default value may
result in undefined behavior.
7-0 RTC_COMP_P2 R FFh Reserved for future use. Software should not rely on the value of a
reserved. Writing any other value than the reset/default value may
result in undefined behavior.

Customer Configuration (CCFG)
www.ti.com
716 SWCU117F–February 2015–Revised June 2016
Submit Documentation Feedback
Copyright © 2015–2016, Texas Instruments Incorporated
Device Configuration
9.1.1.8 FREQ_OFFSET Register (Offset = FC4h) [reset = FFFFFFFFh]
FREQ_OFFSET is shown in Figure 9-8 and described in Table 9-9.
Return to Summary Table.
Frequency Offset
Figure 9-8. FREQ_OFFSET Register
31 30 29 28 27 26 25 24 23 22 21 20 19 18 17 16
HF_COMP_P0
R-FFFFh
15 14 13 12 11 10 9 8 7 6 5 4 3 2 1 0
HF_COMP_P1 HF_COMP_P2
R-FFh R-FFh
Table 9-9. FREQ_OFFSET Register Field Descriptions
Bit Field Type Reset Description
31-16 HF_COMP_P0 R FFFFh Reserved for future use. Software should not rely on the value of a
reserved. Writing any other value than the reset/default value may
result in undefined behavior.
15-8 HF_COMP_P1 R FFh Reserved for future use. Software should not rely on the value of a
reserved. Writing any other value than the reset/default value may
result in undefined behavior.
7-0 HF_COMP_P2 R FFh Reserved for future use. Software should not rely on the value of a
reserved. Writing any other value than the reset/default value may
result in undefined behavior.

www.ti.com
Customer Configuration (CCFG)
717
SWCU117F–February 2015–Revised June 2016
Submit Documentation Feedback Copyright © 2015–2016, Texas Instruments Incorporated
Device Configuration
9.1.1.9 IEEE_MAC_0 Register (Offset = FC8h) [reset = FFFFFFFFh]
IEEE_MAC_0 is shown in Figure 9-9 and described in Table 9-10.
Return to Summary Table.
IEEE MAC Address 0
Figure 9-9. IEEE_MAC_0 Register
31 30 29 28 27 26 25 24 23 22 21 20 19 18 17 16 15 14 13 12 11 10 9 8 7 6 5 4 3 2 1 0
ADDR
R-FFFFFFFFh
Table 9-10. IEEE_MAC_0 Register Field Descriptions
Bit Field Type Reset Description
31-0 ADDR R FFFFFFFFh Bits[31:0] of the 64-bits custom IEEE MAC address.
If different from 0xFFFFFFFF then the value of this field is applied
otherwise use value from FCFG.

Customer Configuration (CCFG)
www.ti.com
718 SWCU117F–February 2015–Revised June 2016
Submit Documentation Feedback
Copyright © 2015–2016, Texas Instruments Incorporated
Device Configuration
9.1.1.10 IEEE_MAC_1 Register (Offset = FCCh) [reset = FFFFFFFFh]
IEEE_MAC_1 is shown in Figure 9-10 and described in Table 9-11.
Return to Summary Table.
IEEE MAC Address 1
Figure 9-10. IEEE_MAC_1 Register
31 30 29 28 27 26 25 24 23 22 21 20 19 18 17 16 15 14 13 12 11 10 9 8 7 6 5 4 3 2 1 0
ADDR
R-FFFFFFFFh
Table 9-11. IEEE_MAC_1 Register Field Descriptions
Bit Field Type Reset Description
31-0 ADDR R FFFFFFFFh Bits[63:32] of the 64-bits custom IEEE MAC address.
If different from 0xFFFFFFFF then the value of this field is applied
otherwise use value from FCFG.

www.ti.com
Customer Configuration (CCFG)
719
SWCU117F–February 2015–Revised June 2016
Submit Documentation Feedback Copyright © 2015–2016, Texas Instruments Incorporated
Device Configuration
9.1.1.11 IEEE_BLE_0 Register (Offset = FD0h) [reset = FFFFFFFFh]
IEEE_BLE_0 is shown in Figure 9-11 and described in Table 9-12.
Return to Summary Table.
IEEE BLE Address 0
Figure 9-11. IEEE_BLE_0 Register
31 30 29 28 27 26 25 24 23 22 21 20 19 18 17 16 15 14 13 12 11 10 9 8 7 6 5 4 3 2 1 0
ADDR
R-FFFFFFFFh
Table 9-12. IEEE_BLE_0 Register Field Descriptions
Bit Field Type Reset Description
31-0 ADDR R FFFFFFFFh Bits[31:0] of the 64-bits custom IEEE BLE address.
If different from 0xFFFFFFFF then the value of this field is applied
otherwise use value from FCFG.

Customer Configuration (CCFG)
www.ti.com
720 SWCU117F–February 2015–Revised June 2016
Submit Documentation Feedback
Copyright © 2015–2016, Texas Instruments Incorporated
Device Configuration
9.1.1.12 IEEE_BLE_1 Register (Offset = FD4h) [reset = FFFFFFFFh]
IEEE_BLE_1 is shown in Figure 9-12 and described in Table 9-13.
Return to Summary Table.
IEEE BLE Address 1
Figure 9-12. IEEE_BLE_1 Register
31 30 29 28 27 26 25 24 23 22 21 20 19 18 17 16 15 14 13 12 11 10 9 8 7 6 5 4 3 2 1 0
ADDR
R-FFFFFFFFh
Table 9-13. IEEE_BLE_1 Register Field Descriptions
Bit Field Type Reset Description
31-0 ADDR R FFFFFFFFh Bits[63:32] of the 64-bits custom IEEE BLE address.
If different from 0xFFFFFFFF then the value of this field is applied
otherwise use value from FCFG.

www.ti.com
Customer Configuration (CCFG)
721
SWCU117F–February 2015–Revised June 2016
Submit Documentation Feedback Copyright © 2015–2016, Texas Instruments Incorporated
Device Configuration
9.1.1.13 BL_CONFIG Register (Offset = FD8h) [reset = C5FFFFFFh]
BL_CONFIG is shown in Figure 9-13 and described in Table 9-14.
Return to Summary Table.
Bootloader Configuration
Configures the functionality of the ROM boot loader.
If both the boot loader is enabled by the BOOTLOADER_ENABLE field and the boot loader backdoor is
enabled by the BL_ENABLE field it is possible to force entry of the ROM boot loader even if a valid image
is present in flash.
Figure 9-13. BL_CONFIG Register
31 30 29 28 27 26 25 24
BOOTLOADER_ENABLE
R-C5h
23 22 21 20 19 18 17 16
RESERVED BL_LEVEL
R-7Fh R-1h
15 14 13 12 11 10 9 8
BL_PIN_NUMBER
R-FFh
76543210
BL_ENABLE
R-FFh
Table 9-14. BL_CONFIG Register Field Descriptions
Bit Field Type Reset Description
31-24 BOOTLOADER_ENABLE R C5h Bootloader enable. Boot loader can be accessed if
IMAGE_VALID_CONF.IMAGE_VALID is non-zero or BL_ENABLE is
enabled (and conditions for boot loader backdoor are met).
0xC5: Boot loader is enabled.
Any other value: Boot loader is disabled.
23-17 RESERVED R 7Fh Software should not rely on the value of a reserved. Writing any
other value than the reset value may result in undefined behavior.
16 BL_LEVEL R 1h Sets the active level of the selected DIO number BL_PIN_NUMBER
if boot loader backdoor is enabled by the BL_ENABLE field.
0: Active low.
1: Active high.
15-8 BL_PIN_NUMBER R FFh DIO number that is level checked if the boot loader backdoor is
enabled by the BL_ENABLE field.
7-0 BL_ENABLE R FFh Enables the boot loader backdoor.
0xC5: Boot loader backdoor is enabled.
Any other value: Boot loader backdoor is disabled.
NOTE! Boot loader must be enabled (see BOOTLOADER_ENABLE)
if boot loader backdoor is enabled.

Customer Configuration (CCFG)
www.ti.com
722 SWCU117F–February 2015–Revised June 2016
Submit Documentation Feedback
Copyright © 2015–2016, Texas Instruments Incorporated
Device Configuration
9.1.1.14 ERASE_CONF Register (Offset = FDCh) [reset = FFFFFFFFh]
ERASE_CONF is shown in Figure 9-14 and described in Table 9-15.
Return to Summary Table.
Erase Configuration
Figure 9-14. ERASE_CONF Register
31 30 29 28 27 26 25 24
RESERVED
R-007FFFFFh
23 22 21 20 19 18 17 16
RESERVED
R-007FFFFFh
15 14 13 12 11 10 9 8
RESERVED CHIP_ERASE_
DIS_N
R-007FFFFFh R-1h
76543210
RESERVED BANK_ERASE
_DIS_N
R-7Fh R-1h
Table 9-15. ERASE_CONF Register Field Descriptions
Bit Field Type Reset Description
31-9 RESERVED R 007FFFFFh Software should not rely on the value of a reserved. Writing any
other value than the reset value may result in undefined behavior.
8 CHIP_ERASE_DIS_N R 1h Chip erase.
This bit controls if a chip erase requested through the JTAG WUC
TAP will be ignored in a following boot caused by a reset of the MCU
VD.
A successful chip erase operation will force the content of the flash
main bank back to the state as it was when delivered by TI.
0: Disable. Any chip erase request detected during boot will be
ignored.
1: Enable. Any chip erase request detected during boot will be
performed by the boot FW.
7-1 RESERVED R 7Fh Software should not rely on the value of a reserved. Writing any
other value than the reset value may result in undefined behavior.
0 BANK_ERASE_DIS_N R 1h Bank erase.
This bit controls if the ROM serial boot loader will accept a received
Bank Erase command (COMMAND_BANK_ERASE).
A successful Bank Erase operation will erase all main bank sectors
not protected by write protect configuration bits in CCFG.
0: Disable the boot loader bank erase function.
1: Enable the boot loader bank erase function.

www.ti.com
Customer Configuration (CCFG)
723
SWCU117F–February 2015–Revised June 2016
Submit Documentation Feedback Copyright © 2015–2016, Texas Instruments Incorporated
Device Configuration
9.1.1.15 CCFG_TI_OPTIONS Register (Offset = FE0h) [reset = FFFFFFC5h]
CCFG_TI_OPTIONS is shown in Figure 9-15 and described in Table 9-16.
Return to Summary Table.
TI Options
Figure 9-15. CCFG_TI_OPTIONS Register
31 30 29 28 27 26 25 24 23 22 21 20 19 18 17 16
RESERVED
R-00FFFFFFh
15 14 13 12 11 10 9 8 7 6 5 4 3 2 1 0
RESERVED TI_FA_ENABLE
R-00FFFFFFh R-C5h
Table 9-16. CCFG_TI_OPTIONS Register Field Descriptions
Bit Field Type Reset Description
31-8 RESERVED R 00FFFFFFh Software should not rely on the value of a reserved. Writing any
other value than the reset value may result in undefined behavior.
7-0 TI_FA_ENABLE R C5h TI Failure Analysis.
0xC5: Enable the functionality of unlocking the TI FA (TI Failure
Analysis) option with the unlock code.
All other values: Disable the functionality of unlocking the TI FA
option with the unlock code.

Customer Configuration (CCFG)
www.ti.com
724 SWCU117F–February 2015–Revised June 2016
Submit Documentation Feedback
Copyright © 2015–2016, Texas Instruments Incorporated
Device Configuration
9.1.1.16 CCFG_TAP_DAP_0 Register (Offset = FE4h) [reset = FFC5C5C5h]
CCFG_TAP_DAP_0 is shown in Figure 9-16 and described in Table 9-17.
Return to Summary Table.
Test Access Points Enable 0
Figure 9-16. CCFG_TAP_DAP_0 Register
31 30 29 28 27 26 25 24 23 22 21 20 19 18 17 16
RESERVED CPU_DAP_ENABLE
R-FFh R-C5h
15 14 13 12 11 10 9 8 7 6 5 4 3 2 1 0
PRCM_TAP_ENABLE TEST_TAP_ENABLE
R-C5h R-C5h
Table 9-17. CCFG_TAP_DAP_0 Register Field Descriptions
Bit Field Type Reset Description
31-24 RESERVED R FFh Software should not rely on the value of a reserved. Writing any
other value than the reset value may result in undefined behavior.
23-16 CPU_DAP_ENABLE R C5h Enable CPU DAP.
0xC5: Main CPU DAP access is enabled during power-up/system-
reset by ROM boot FW.
Any other value: Main CPU DAP access will remain disabled out of
power-up/system-reset.
15-8 PRCM_TAP_ENABLE R C5h Enable PRCM TAP.
0xC5: PRCM TAP access is enabled during power-up/system-reset
by ROM boot FW if enabled by corresponding configuration value in
FCFG1 defined by TI.
Any other value: PRCM TAP access will remain disabled out of
power-up/system-reset.
7-0 TEST_TAP_ENABLE R C5h Enable Test TAP.
0xC5: TEST TAP access is enabled during power-up/system-reset
by ROM boot FW if enabled by corresponding configuration value in
FCFG1 defined by TI.
Any other value: TEST TAP access will remain disabled out of
power-up/system-reset.

www.ti.com
Customer Configuration (CCFG)
725
SWCU117F–February 2015–Revised June 2016
Submit Documentation Feedback Copyright © 2015–2016, Texas Instruments Incorporated
Device Configuration
9.1.1.17 CCFG_TAP_DAP_1 Register (Offset = FE8h) [reset = FFC5C5C5h]
CCFG_TAP_DAP_1 is shown in Figure 9-17 and described in Table 9-18.
Return to Summary Table.
Test Access Points Enable 1
Figure 9-17. CCFG_TAP_DAP_1 Register
31 30 29 28 27 26 25 24 23 22 21 20 19 18 17 16
RESERVED PBIST2_TAP_ENABLE
R-FFh R-C5h
15 14 13 12 11 10 9 8 7 6 5 4 3 2 1 0
PBIST1_TAP_ENABLE WUC_TAP_ENABLE
R-C5h R-C5h
Table 9-18. CCFG_TAP_DAP_1 Register Field Descriptions
Bit Field Type Reset Description
31-24 RESERVED R FFh Software should not rely on the value of a reserved. Writing any
other value than the reset value may result in undefined behavior.
23-16 PBIST2_TAP_ENABLE R C5h Enable PBIST2 TAP.
0xC5: PBIST2 TAP access is enabled during power-up/system-reset
by ROM boot FW if enabled by corresponding configuration value in
FCFG1 defined by TI.
Any other value: PBIST2 TAP access will remain disabled out of
power-up/system-reset.
15-8 PBIST1_TAP_ENABLE R C5h Enable PBIST1 TAP.
0xC5: PBIST1 TAP access is enabled during power-up/system-reset
by ROM boot FW if enabled by corresponding configuration value in
FCFG1 defined by TI.
Any other value: PBIST1 TAP access will remain disabled out of
power-up/system-reset.
7-0 WUC_TAP_ENABLE R C5h Enable WUC TAP
0xC5: WUC TAP access is enabled during power-up/system-reset by
ROM boot FW if enabled by corresponding configuration value in
FCFG1 defined by TI.
Any other value: WUC TAP access will remain disabled out of
power-up/system-reset.

Customer Configuration (CCFG)
www.ti.com
726 SWCU117F–February 2015–Revised June 2016
Submit Documentation Feedback
Copyright © 2015–2016, Texas Instruments Incorporated
Device Configuration
9.1.1.18 IMAGE_VALID_CONF Register (Offset = FECh) [reset = FFFFFFFFh]
IMAGE_VALID_CONF is shown in Figure 9-18 and described in Table 9-19.
Return to Summary Table.
Image Valid
Figure 9-18. IMAGE_VALID_CONF Register
31 30 29 28 27 26 25 24 23 22 21 20 19 18 17 16 15 14 13 12 11 10 9 8 7 6 5 4 3 2 1 0
IMAGE_VALID
R-FFFFFFFFh
Table 9-19. IMAGE_VALID_CONF Register Field Descriptions
Bit Field Type Reset Description
31-0 IMAGE_VALID R FFFFFFFFh This field must have a value of 0x00000000 in order for enabling the
boot sequence to transfer control to a flash image.
A non-zero value forces the boot sequence to call the boot loader.

www.ti.com
Customer Configuration (CCFG)
727
SWCU117F–February 2015–Revised June 2016
Submit Documentation Feedback Copyright © 2015–2016, Texas Instruments Incorporated
Device Configuration
9.1.1.19 CCFG_PROT_31_0 Register (Offset = FF0h) [reset = FFFFFFFFh]
CCFG_PROT_31_0 is shown in Figure 9-19 and described in Table 9-20.
Return to Summary Table.
Protect Sectors 0-31
Each bit write protects one 4KB flash sector from being both programmed and erased. Bit must be set to 0
in order to enable sector write protect.
Figure 9-19. CCFG_PROT_31_0 Register
31 30 29 28 27 26 25 24
WRT_PROT_S
EC_31 WRT_PROT_S
EC_30 WRT_PROT_S
EC_29 WRT_PROT_S
EC_28 WRT_PROT_S
EC_27 WRT_PROT_S
EC_26 WRT_PROT_S
EC_25 WRT_PROT_S
EC_24
R-1h R-1h R-1h R-1h R-1h R-1h R-1h R-1h
23 22 21 20 19 18 17 16
WRT_PROT_S
EC_23 WRT_PROT_S
EC_22 WRT_PROT_S
EC_21 WRT_PROT_S
EC_20 WRT_PROT_S
EC_19 WRT_PROT_S
EC_18 WRT_PROT_S
EC_17 WRT_PROT_S
EC_16
R-1h R-1h R-1h R-1h R-1h R-1h R-1h R-1h
15 14 13 12 11 10 9 8
WRT_PROT_S
EC_15 WRT_PROT_S
EC_14 WRT_PROT_S
EC_13 WRT_PROT_S
EC_12 WRT_PROT_S
EC_11 WRT_PROT_S
EC_10 WRT_PROT_S
EC_9 WRT_PROT_S
EC_8
R-1h R-1h R-1h R-1h R-1h R-1h R-1h R-1h
76543210
WRT_PROT_S
EC_7 WRT_PROT_S
EC_6 WRT_PROT_S
EC_5 WRT_PROT_S
EC_4 WRT_PROT_S
EC_3 WRT_PROT_S
EC_2 WRT_PROT_S
EC_1 WRT_PROT_S
EC_0
R-1h R-1h R-1h R-1h R-1h R-1h R-1h R-1h
Table 9-20. CCFG_PROT_31_0 Register Field Descriptions
Bit Field Type Reset Description
31 WRT_PROT_SEC_31 R 1h 0: Sector protected
30 WRT_PROT_SEC_30 R 1h 0: Sector protected
29 WRT_PROT_SEC_29 R 1h 0: Sector protected
28 WRT_PROT_SEC_28 R 1h 0: Sector protected
27 WRT_PROT_SEC_27 R 1h 0: Sector protected
26 WRT_PROT_SEC_26 R 1h 0: Sector protected
25 WRT_PROT_SEC_25 R 1h 0: Sector protected
24 WRT_PROT_SEC_24 R 1h 0: Sector protected
23 WRT_PROT_SEC_23 R 1h 0: Sector protected
22 WRT_PROT_SEC_22 R 1h 0: Sector protected
21 WRT_PROT_SEC_21 R 1h 0: Sector protected
20 WRT_PROT_SEC_20 R 1h 0: Sector protected
19 WRT_PROT_SEC_19 R 1h 0: Sector protected
18 WRT_PROT_SEC_18 R 1h 0: Sector protected
17 WRT_PROT_SEC_17 R 1h 0: Sector protected
16 WRT_PROT_SEC_16 R 1h 0: Sector protected
15 WRT_PROT_SEC_15 R 1h 0: Sector protected
14 WRT_PROT_SEC_14 R 1h 0: Sector protected
13 WRT_PROT_SEC_13 R 1h 0: Sector protected
12 WRT_PROT_SEC_12 R 1h 0: Sector protected

Customer Configuration (CCFG)
www.ti.com
728 SWCU117F–February 2015–Revised June 2016
Submit Documentation Feedback
Copyright © 2015–2016, Texas Instruments Incorporated
Device Configuration
Table 9-20. CCFG_PROT_31_0 Register Field Descriptions (continued)
Bit Field Type Reset Description
11 WRT_PROT_SEC_11 R 1h 0: Sector protected
10 WRT_PROT_SEC_10 R 1h 0: Sector protected
9 WRT_PROT_SEC_9 R 1h 0: Sector protected
8 WRT_PROT_SEC_8 R 1h 0: Sector protected
7 WRT_PROT_SEC_7 R 1h 0: Sector protected
6 WRT_PROT_SEC_6 R 1h 0: Sector protected
5 WRT_PROT_SEC_5 R 1h 0: Sector protected
4 WRT_PROT_SEC_4 R 1h 0: Sector protected
3 WRT_PROT_SEC_3 R 1h 0: Sector protected
2 WRT_PROT_SEC_2 R 1h 0: Sector protected
1 WRT_PROT_SEC_1 R 1h 0: Sector protected
0 WRT_PROT_SEC_0 R 1h 0: Sector protected

www.ti.com
Customer Configuration (CCFG)
729
SWCU117F–February 2015–Revised June 2016
Submit Documentation Feedback Copyright © 2015–2016, Texas Instruments Incorporated
Device Configuration
9.1.1.20 CCFG_PROT_63_32 Register (Offset = FF4h) [reset = FFFFFFFFh]
CCFG_PROT_63_32 is shown in Figure 9-20 and described in Table 9-21.
Return to Summary Table.
Protect Sectors 32-63
Each bit write protects one 4KB flash sector from being both programmed and erased. Bit must be set to 0
in order to enable sector write protect. Not in use by CC26xx and CC13xx.
Figure 9-20. CCFG_PROT_63_32 Register
31 30 29 28 27 26 25 24
WRT_PROT_S
EC_63 WRT_PROT_S
EC_62 WRT_PROT_S
EC_61 WRT_PROT_S
EC_60 WRT_PROT_S
EC_59 WRT_PROT_S
EC_58 WRT_PROT_S
EC_57 WRT_PROT_S
EC_56
R-1h R-1h R-1h R-1h R-1h R-1h R-1h R-1h
23 22 21 20 19 18 17 16
WRT_PROT_S
EC_55 WRT_PROT_S
EC_54 WRT_PROT_S
EC_53 WRT_PROT_S
EC_52 WRT_PROT_S
EC_51 WRT_PROT_S
EC_50 WRT_PROT_S
EC_49 WRT_PROT_S
EC_48
R-1h R-1h R-1h R-1h R-1h R-1h R-1h R-1h
15 14 13 12 11 10 9 8
WRT_PROT_S
EC_47 WRT_PROT_S
EC_46 WRT_PROT_S
EC_45 WRT_PROT_S
EC_44 WRT_PROT_S
EC_43 WRT_PROT_S
EC_42 WRT_PROT_S
EC_41 WRT_PROT_S
EC_40
R-1h R-1h R-1h R-1h R-1h R-1h R-1h R-1h
76543210
WRT_PROT_S
EC_39 WRT_PROT_S
EC_38 WRT_PROT_S
EC_37 WRT_PROT_S
EC_36 WRT_PROT_S
EC_35 WRT_PROT_S
EC_34 WRT_PROT_S
EC_33 WRT_PROT_S
EC_32
R-1h R-1h R-1h R-1h R-1h R-1h R-1h R-1h
Table 9-21. CCFG_PROT_63_32 Register Field Descriptions
Bit Field Type Reset Description
31 WRT_PROT_SEC_63 R 1h 0: Sector protected
30 WRT_PROT_SEC_62 R 1h 0: Sector protected
29 WRT_PROT_SEC_61 R 1h 0: Sector protected
28 WRT_PROT_SEC_60 R 1h 0: Sector protected
27 WRT_PROT_SEC_59 R 1h 0: Sector protected
26 WRT_PROT_SEC_58 R 1h 0: Sector protected
25 WRT_PROT_SEC_57 R 1h 0: Sector protected
24 WRT_PROT_SEC_56 R 1h 0: Sector protected
23 WRT_PROT_SEC_55 R 1h 0: Sector protected
22 WRT_PROT_SEC_54 R 1h 0: Sector protected
21 WRT_PROT_SEC_53 R 1h 0: Sector protected
20 WRT_PROT_SEC_52 R 1h 0: Sector protected
19 WRT_PROT_SEC_51 R 1h 0: Sector protected
18 WRT_PROT_SEC_50 R 1h 0: Sector protected
17 WRT_PROT_SEC_49 R 1h 0: Sector protected
16 WRT_PROT_SEC_48 R 1h 0: Sector protected
15 WRT_PROT_SEC_47 R 1h 0: Sector protected
14 WRT_PROT_SEC_46 R 1h 0: Sector protected
13 WRT_PROT_SEC_45 R 1h 0: Sector protected
12 WRT_PROT_SEC_44 R 1h 0: Sector protected

Customer Configuration (CCFG)
www.ti.com
730 SWCU117F–February 2015–Revised June 2016
Submit Documentation Feedback
Copyright © 2015–2016, Texas Instruments Incorporated
Device Configuration
Table 9-21. CCFG_PROT_63_32 Register Field Descriptions (continued)
Bit Field Type Reset Description
11 WRT_PROT_SEC_43 R 1h 0: Sector protected
10 WRT_PROT_SEC_42 R 1h 0: Sector protected
9 WRT_PROT_SEC_41 R 1h 0: Sector protected
8 WRT_PROT_SEC_40 R 1h 0: Sector protected
7 WRT_PROT_SEC_39 R 1h 0: Sector protected
6 WRT_PROT_SEC_38 R 1h 0: Sector protected
5 WRT_PROT_SEC_37 R 1h 0: Sector protected
4 WRT_PROT_SEC_36 R 1h 0: Sector protected
3 WRT_PROT_SEC_35 R 1h 0: Sector protected
2 WRT_PROT_SEC_34 R 1h 0: Sector protected
1 WRT_PROT_SEC_33 R 1h 0: Sector protected
0 WRT_PROT_SEC_32 R 1h 0: Sector protected

www.ti.com
Customer Configuration (CCFG)
731
SWCU117F–February 2015–Revised June 2016
Submit Documentation Feedback Copyright © 2015–2016, Texas Instruments Incorporated
Device Configuration
9.1.1.21 CCFG_PROT_95_64 Register (Offset = FF8h) [reset = FFFFFFFFh]
CCFG_PROT_95_64 is shown in Figure 9-21 and described in Table 9-22.
Return to Summary Table.
Protect Sectors 64-95
Each bit write protects one flash sector from being both programmed and erased. Bit must be set to 0 in
order to enable sector write protect. Not in use by CC26xx and CC13xx.
Figure 9-21. CCFG_PROT_95_64 Register
31 30 29 28 27 26 25 24
WRT_PROT_S
EC_95 WRT_PROT_S
EC_94 WRT_PROT_S
EC_93 WRT_PROT_S
EC_92 WRT_PROT_S
EC_91 WRT_PROT_S
EC_90 WRT_PROT_S
EC_89 WRT_PROT_S
EC_88
R-1h R-1h R-1h R-1h R-1h R-1h R-1h R-1h
23 22 21 20 19 18 17 16
WRT_PROT_S
EC_87 WRT_PROT_S
EC_86 WRT_PROT_S
EC_85 WRT_PROT_S
EC_84 WRT_PROT_S
EC_83 WRT_PROT_S
EC_82 WRT_PROT_S
EC_81 WRT_PROT_S
EC_80
R-1h R-1h R-1h R-1h R-1h R-1h R-1h R-1h
15 14 13 12 11 10 9 8
WRT_PROT_S
EC_79 WRT_PROT_S
EC_78 WRT_PROT_S
EC_77 WRT_PROT_S
EC_76 WRT_PROT_S
EC_75 WRT_PROT_S
EC_74 WRT_PROT_S
EC_73 WRT_PROT_S
EC_72
R-1h R-1h R-1h R-1h R-1h R-1h R-1h R-1h
76543210
WRT_PROT_S
EC_71 WRT_PROT_S
EC_70 WRT_PROT_S
EC_69 WRT_PROT_S
EC_68 WRT_PROT_S
EC_67 WRT_PROT_S
EC_66 WRT_PROT_S
EC_65 WRT_PROT_S
EC_64
R-1h R-1h R-1h R-1h R-1h R-1h R-1h R-1h
Table 9-22. CCFG_PROT_95_64 Register Field Descriptions
Bit Field Type Reset Description
31 WRT_PROT_SEC_95 R 1h 0: Sector protected
30 WRT_PROT_SEC_94 R 1h 0: Sector protected
29 WRT_PROT_SEC_93 R 1h 0: Sector protected
28 WRT_PROT_SEC_92 R 1h 0: Sector protected
27 WRT_PROT_SEC_91 R 1h 0: Sector protected
26 WRT_PROT_SEC_90 R 1h 0: Sector protected
25 WRT_PROT_SEC_89 R 1h 0: Sector protected
24 WRT_PROT_SEC_88 R 1h 0: Sector protected
23 WRT_PROT_SEC_87 R 1h 0: Sector protected
22 WRT_PROT_SEC_86 R 1h 0: Sector protected
21 WRT_PROT_SEC_85 R 1h 0: Sector protected
20 WRT_PROT_SEC_84 R 1h 0: Sector protected
19 WRT_PROT_SEC_83 R 1h 0: Sector protected
18 WRT_PROT_SEC_82 R 1h 0: Sector protected
17 WRT_PROT_SEC_81 R 1h 0: Sector protected
16 WRT_PROT_SEC_80 R 1h 0: Sector protected
15 WRT_PROT_SEC_79 R 1h 0: Sector protected
14 WRT_PROT_SEC_78 R 1h 0: Sector protected
13 WRT_PROT_SEC_77 R 1h 0: Sector protected
12 WRT_PROT_SEC_76 R 1h 0: Sector protected

Customer Configuration (CCFG)
www.ti.com
732 SWCU117F–February 2015–Revised June 2016
Submit Documentation Feedback
Copyright © 2015–2016, Texas Instruments Incorporated
Device Configuration
Table 9-22. CCFG_PROT_95_64 Register Field Descriptions (continued)
Bit Field Type Reset Description
11 WRT_PROT_SEC_75 R 1h 0: Sector protected
10 WRT_PROT_SEC_74 R 1h 0: Sector protected
9 WRT_PROT_SEC_73 R 1h 0: Sector protected
8 WRT_PROT_SEC_72 R 1h 0: Sector protected
7 WRT_PROT_SEC_71 R 1h 0: Sector protected
6 WRT_PROT_SEC_70 R 1h 0: Sector protected
5 WRT_PROT_SEC_69 R 1h 0: Sector protected
4 WRT_PROT_SEC_68 R 1h 0: Sector protected
3 WRT_PROT_SEC_67 R 1h 0: Sector protected
2 WRT_PROT_SEC_66 R 1h 0: Sector protected
1 WRT_PROT_SEC_65 R 1h 0: Sector protected
0 WRT_PROT_SEC_64 R 1h 0: Sector protected

www.ti.com
Customer Configuration (CCFG)
733
SWCU117F–February 2015–Revised June 2016
Submit Documentation Feedback Copyright © 2015–2016, Texas Instruments Incorporated
Device Configuration
9.1.1.22 CCFG_PROT_127_96 Register (Offset = FFCh) [reset = FFFFFFFFh]
CCFG_PROT_127_96 is shown in Figure 9-22 and described in Table 9-23.
Return to Summary Table.
Protect Sectors 96-127
Each bit write protects one flash sector from being both programmed and erased. Bit must be set to 0 in
order to enable sector write protect. Not in use by CC26xx and CC13xx.
Figure 9-22. CCFG_PROT_127_96 Register
31 30 29 28 27 26 25 24
WRT_PROT_S
EC_127 WRT_PROT_S
EC_126 WRT_PROT_S
EC_125 WRT_PROT_S
EC_124 WRT_PROT_S
EC_123 WRT_PROT_S
EC_122 WRT_PROT_S
EC_121 WRT_PROT_S
EC_120
R-1h R-1h R-1h R-1h R-1h R-1h R-1h R-1h
23 22 21 20 19 18 17 16
WRT_PROT_S
EC_119 WRT_PROT_S
EC_118 WRT_PROT_S
EC_117 WRT_PROT_S
EC_116 WRT_PROT_S
EC_115 WRT_PROT_S
EC_114 WRT_PROT_S
EC_113 WRT_PROT_S
EC_112
R-1h R-1h R-1h R-1h R-1h R-1h R-1h R-1h
15 14 13 12 11 10 9 8
WRT_PROT_S
EC_111 WRT_PROT_S
EC_110 WRT_PROT_S
EC_109 WRT_PROT_S
EC_108 WRT_PROT_S
EC_107 WRT_PROT_S
EC_106 WRT_PROT_S
EC_105 WRT_PROT_S
EC_104
R-1h R-1h R-1h R-1h R-1h R-1h R-1h R-1h
76543210
WRT_PROT_S
EC_103 WRT_PROT_S
EC_102 WRT_PROT_S
EC_101 WRT_PROT_S
EC_100 WRT_PROT_S
EC_99 WRT_PROT_S
EC_98 WRT_PROT_S
EC_97 WRT_PROT_S
EC_96
R-1h R-1h R-1h R-1h R-1h R-1h R-1h R-1h
Table 9-23. CCFG_PROT_127_96 Register Field Descriptions
Bit Field Type Reset Description
31 WRT_PROT_SEC_127 R 1h 0: Sector protected
30 WRT_PROT_SEC_126 R 1h 0: Sector protected
29 WRT_PROT_SEC_125 R 1h 0: Sector protected
28 WRT_PROT_SEC_124 R 1h 0: Sector protected
27 WRT_PROT_SEC_123 R 1h 0: Sector protected
26 WRT_PROT_SEC_122 R 1h 0: Sector protected
25 WRT_PROT_SEC_121 R 1h 0: Sector protected
24 WRT_PROT_SEC_120 R 1h 0: Sector protected
23 WRT_PROT_SEC_119 R 1h 0: Sector protected
22 WRT_PROT_SEC_118 R 1h 0: Sector protected
21 WRT_PROT_SEC_117 R 1h 0: Sector protected
20 WRT_PROT_SEC_116 R 1h 0: Sector protected
19 WRT_PROT_SEC_115 R 1h 0: Sector protected
18 WRT_PROT_SEC_114 R 1h 0: Sector protected
17 WRT_PROT_SEC_113 R 1h 0: Sector protected
16 WRT_PROT_SEC_112 R 1h 0: Sector protected
15 WRT_PROT_SEC_111 R 1h 0: Sector protected
14 WRT_PROT_SEC_110 R 1h 0: Sector protected
13 WRT_PROT_SEC_109 R 1h 0: Sector protected
12 WRT_PROT_SEC_108 R 1h 0: Sector protected

Customer Configuration (CCFG)
www.ti.com
734 SWCU117F–February 2015–Revised June 2016
Submit Documentation Feedback
Copyright © 2015–2016, Texas Instruments Incorporated
Device Configuration
Table 9-23. CCFG_PROT_127_96 Register Field Descriptions (continued)
Bit Field Type Reset Description
11 WRT_PROT_SEC_107 R 1h 0: Sector protected
10 WRT_PROT_SEC_106 R 1h 0: Sector protected
9 WRT_PROT_SEC_105 R 1h 0: Sector protected
8 WRT_PROT_SEC_104 R 1h 0: Sector protected
7 WRT_PROT_SEC_103 R 1h 0: Sector protected
6 WRT_PROT_SEC_102 R 1h 0: Sector protected
5 WRT_PROT_SEC_101 R 1h 0: Sector protected
4 WRT_PROT_SEC_100 R 1h 0: Sector protected
3 WRT_PROT_SEC_99 R 1h 0: Sector protected
2 WRT_PROT_SEC_98 R 1h 0: Sector protected
1 WRT_PROT_SEC_97 R 1h 0: Sector protected
0 WRT_PROT_SEC_96 R 1h 0: Sector protected

www.ti.com
Factory Configuration (FCFG)
735
SWCU117F–February 2015–Revised June 2016
Submit Documentation Feedback Copyright © 2015–2016, Texas Instruments Incorporated
Device Configuration
9.2 Factory Configuration (FCFG)
The FCFG are programmed by the TI production test for each device. The FCFG contains device-specific
trim values and configuration. Most of the trim values are used by TI boot code, RF core, ROM code, or
are provided by TI software automatically.
Some of the more useful fields in FCFG are MAC_15_4_n fields, which give the preprogrammed IEEE
address of the chipset, and the MAC_BLE_n fields that give the Bluetooth Smart address of the chipset.

Factory Configuration (FCFG)
www.ti.com
736 SWCU117F–February 2015–Revised June 2016
Submit Documentation Feedback
Copyright © 2015–2016, Texas Instruments Incorporated
Device Configuration
9.2.1 CC13xx Factory Configuration (FCFG) Registers
9.2.1.1 FCFG1 Registers
Table 9-105 lists the memory-mapped registers for the FCFG1. All register offset addresses not listed in
Table 9-105 should be considered as reserved locations and the register contents should not be modified.
Table 9-24. FCFG1 Registers
Offset Acronym Register Name Section
A0h MISC_CONF_1 Misc configurations Section 9.2.2.1.1
A4h MISC_CONF_2 Internal Section 9.2.2.1.2
C4h CONFIG_RF_FRONTEND_DIV5 Internal Section 9.2.2.1.3
C8h CONFIG_RF_FRONTEND_DIV6 Internal Section 9.2.2.1.4
CCh CONFIG_RF_FRONTEND_DIV10 Internal Section 9.2.2.1.5
D0h CONFIG_RF_FRONTEND_DIV12 Internal Section 9.2.2.1.6
D4h CONFIG_RF_FRONTEND_DIV15 Internal Section 9.2.2.1.7
D8h CONFIG_RF_FRONTEND_DIV30 Internal Section 9.2.2.1.8
DCh CONFIG_SYNTH_DIV5 Internal Section 9.2.2.1.9
E0h CONFIG_SYNTH_DIV6 Internal Section 9.2.2.1.10
E4h CONFIG_SYNTH_DIV10 Internal Section 9.2.2.1.11
E8h CONFIG_SYNTH_DIV12 Internal Section 9.2.2.1.12
ECh CONFIG_SYNTH_DIV15 Internal Section 9.2.2.1.13
F0h CONFIG_SYNTH_DIV30 Internal Section 9.2.2.1.14
F4h CONFIG_MISC_ADC_DIV5 Internal Section 9.2.2.1.15
F8h CONFIG_MISC_ADC_DIV6 Internal Section 9.2.2.1.16
FCh CONFIG_MISC_ADC_DIV10 Internal Section 9.2.2.1.17
100h CONFIG_MISC_ADC_DIV12 Internal Section 9.2.2.1.18
104h CONFIG_MISC_ADC_DIV15 Internal Section 9.2.2.1.19
108h CONFIG_MISC_ADC_DIV30 Internal Section 9.2.2.1.20
118h SHDW_DIE_ID_0 Shadow of [JTAG_TAP::EFUSE:DIE_ID_0.*] Section 9.2.2.1.21
11Ch SHDW_DIE_ID_1 Shadow of [JTAG_TAP::EFUSE:DIE_ID_1.*] Section 9.2.2.1.22
120h SHDW_DIE_ID_2 Shadow of [JTAG_TAP::EFUSE:DIE_ID_2.*] Section 9.2.2.1.23
124h SHDW_DIE_ID_3 Shadow of [JTAG_TAP::EFUSE:DIE_ID_3.*] Section 9.2.2.1.24
138h SHDW_OSC_BIAS_LDO_TRIM Internal Section 9.2.2.1.25
13Ch SHDW_ANA_TRIM Internal Section 9.2.2.1.26
164h FLASH_NUMBER Section 9.2.2.1.27
16Ch FLASH_COORDINATE Section 9.2.2.1.28
170h FLASH_E_P Internal Section 9.2.2.1.29
174h FLASH_C_E_P_R Internal Section 9.2.2.1.30
178h FLASH_P_R_PV Internal Section 9.2.2.1.31
17Ch FLASH_EH_SEQ Internal Section 9.2.2.1.32
180h FLASH_VHV_E Internal Section 9.2.2.1.33
184h FLASH_PP Internal Section 9.2.2.1.34
188h FLASH_PROG_EP Internal Section 9.2.2.1.35
18Ch FLASH_ERA_PW Internal Section 9.2.2.1.36
190h FLASH_VHV Internal Section 9.2.2.1.37
194h FLASH_VHV_PV Internal Section 9.2.2.1.38
198h FLASH_V Internal Section 9.2.2.1.39
294h USER_ID User Identification. Section 9.2.2.1.40
2B0h FLASH_OTP_DATA3 Internal Section 9.2.2.1.41

www.ti.com
Factory Configuration (FCFG)
737
SWCU117F–February 2015–Revised June 2016
Submit Documentation Feedback Copyright © 2015–2016, Texas Instruments Incorporated
Device Configuration
Table 9-24. FCFG1 Registers (continued)
Offset Acronym Register Name Section
2B4h ANA2_TRIM Internal Section 9.2.2.1.42
2B8h LDO_TRIM Internal Section 9.2.2.1.43
2E8h MAC_BLE_0 MAC BLE Address 0 Section 9.2.2.1.44
2ECh MAC_BLE_1 MAC BLE Address 1 Section 9.2.2.1.45
2F0h MAC_15_4_0 MAC IEEE 802.15.4 Address 0 Section 9.2.2.1.46
2F4h MAC_15_4_1 MAC IEEE 802.15.4 Address 1 Section 9.2.2.1.47
308h FLASH_OTP_DATA4 Internal Section 9.2.2.1.48
30Ch MISC_TRIM Miscellaneous Trim Parameters Section 9.2.2.1.49
310h RCOSC_HF_TEMPCOMP Internal Section 9.2.2.1.50
318h ICEPICK_DEVICE_ID IcePick Device Identification Section 9.2.2.1.51
31Ch FCFG1_REVISION Factory Configuration (FCFG1) Revision Section 9.2.2.1.52
320h MISC_OTP_DATA Misc OTP Data Section 9.2.2.1.53
344h IOCONF IO Configuration Section 9.2.2.1.54
34Ch CONFIG_IF_ADC Internal Section 9.2.2.1.55
350h CONFIG_OSC_TOP Internal Section 9.2.2.1.56
354h CONFIG_RF_FRONTEND Internal Section 9.2.2.1.57
358h CONFIG_SYNTH Internal Section 9.2.2.1.58
35Ch SOC_ADC_ABS_GAIN AUX_ADC Gain in Absolute Reference Mode Section 9.2.2.1.59
360h SOC_ADC_REL_GAIN AUX_ADC Gain in Relative Reference Mode Section 9.2.2.1.60
368h SOC_ADC_OFFSET_INT AUX_ADC Temperature Offsets in Absolute Reference
Mode Section 9.2.2.1.61
36Ch SOC_ADC_REF_TRIM_AND_OFFSET_E
XT Internal Section 9.2.2.1.62
370h AMPCOMP_TH1 Internal Section 9.2.2.1.63
374h AMPCOMP_TH2 Internal Section 9.2.2.1.64
378h AMPCOMP_CTRL1 Internal Section 9.2.2.1.65
37Ch ANABYPASS_VALUE2 Internal Section 9.2.2.1.66
380h CONFIG_MISC_ADC Internal Section 9.2.2.1.67
388h VOLT_TRIM Internal Section 9.2.2.1.68
38Ch OSC_CONF OSC Configuration Section 9.2.2.1.69
390h FREQ_OFFSET Internal Section 9.2.2.1.70
394h CAP_TRIM Internal Section 9.2.2.1.71
398h MISC_OTP_DATA_1 Internal Section 9.2.2.1.72
39Ch PWD_CURR_20C Power Down Current Control 20C Section 9.2.2.1.73
3A0h PWD_CURR_35C Power Down Current Control 35C Section 9.2.2.1.74
3A4h PWD_CURR_50C Power Down Current Control 50C Section 9.2.2.1.75
3A8h PWD_CURR_65C Power Down Current Control 65C Section 9.2.2.1.76
3ACh PWD_CURR_80C Power Down Current Control 80C Section 9.2.2.1.77
3B0h PWD_CURR_95C Power Down Current Control 95C Section 9.2.2.1.78
3B4h PWD_CURR_110C Power Down Current Control 110C Section 9.2.2.1.79
3B8h PWD_CURR_125C Power Down Current Control 125C Section 9.2.2.1.80

Factory Configuration (FCFG)
www.ti.com
738 SWCU117F–February 2015–Revised June 2016
Submit Documentation Feedback
Copyright © 2015–2016, Texas Instruments Incorporated
Device Configuration
9.2.1.1.1 MISC_CONF_1 Register (Offset = A0h) [reset = X]
MISC_CONF_1 is shown in Figure 9-103 and described in Table 9-106.
Return to Summary Table.
Misc configurations
Figure 9-23. MISC_CONF_1 Register
31 30 29 28 27 26 25 24 23 22 21 20 19 18 17 16
RESERVED
R-00FFFFFFh
15 14 13 12 11 10 9 8 7 6 5 4 3 2 1 0
RESERVED DEVICE_MINOR_REV
R-00FFFFFFh R-X
Table 9-25. MISC_CONF_1 Register Field Descriptions
Bit Field Type Reset Description
31-8 RESERVED R 00FFFFFFh Software should not rely on the value of a reserved. Writing any
other value than the reset value may result in undefined behavior.
7-0 DEVICE_MINOR_REV R X HW minor revision number (a value of 0xFF shall be treated equally
to 0x00).
Any test of this field by SW should be implemented as a 'greater or
equal' comparison as signed integer.
Value may change without warning.

www.ti.com
Factory Configuration (FCFG)
739
SWCU117F–February 2015–Revised June 2016
Submit Documentation Feedback Copyright © 2015–2016, Texas Instruments Incorporated
Device Configuration
9.2.1.1.2 MISC_CONF_2 Register (Offset = A4h) [reset = X]
MISC_CONF_2 is shown in Figure 9-104 and described in Table 9-107.
Return to Summary Table.
Internal. Only to be used through TI provided API.
Figure 9-24. MISC_CONF_2 Register
31 30 29 28 27 26 25 24 23 22 21 20 19 18 17 16
RESERVED
R-00FFFFFFh
15 14 13 12 11 10 9 8 7 6 5 4 3 2 1 0
RESERVED HPOSC_COMP_P3
R-00FFFFFFh R-X
Table 9-26. MISC_CONF_2 Register Field Descriptions
Bit Field Type Reset Description
31-8 RESERVED R 00FFFFFFh Internal. Only to be used through TI provided API.
7-0 HPOSC_COMP_P3 R X Internal. Only to be used through TI provided API.
Default value holds log information from production test.

Factory Configuration (FCFG)
www.ti.com
740 SWCU117F–February 2015–Revised June 2016
Submit Documentation Feedback
Copyright © 2015–2016, Texas Instruments Incorporated
Device Configuration
9.2.1.1.3 CONFIG_RF_FRONTEND_DIV5 Register (Offset = C4h) [reset = X]
CONFIG_RF_FRONTEND_DIV5 is shown in Figure 9-105 and described in Table 9-108.
Return to Summary Table.
Internal. Only to be used through TI provided API.
Figure 9-25. CONFIG_RF_FRONTEND_DIV5 Register
31 30 29 28 27 26 25 24 23 22 21 20 19 18 17 16
IFAMP_IB LNA_IB IFAMP_TRIM CTL_PA0_TRIM
R-7h R-X R-0h R-X
15 14 13 12 11 10 9 8 7 6 5 4 3 2 1 0
CTL_PA0_TRI
MRESERVED RFLDO_TRIM_OUTPUT
R-X R-7Fh R-X
Table 9-27. CONFIG_RF_FRONTEND_DIV5 Register Field Descriptions
Bit Field Type Reset Description
31-28 IFAMP_IB R 7h Internal. Only to be used through TI provided API.
27-24 LNA_IB R X Internal. Only to be used through TI provided API.
Default value holds trim value from production test.
23-19 IFAMP_TRIM R 0h Internal. Only to be used through TI provided API.
18-14 CTL_PA0_TRIM R X Internal. Only to be used through TI provided API.
Default value holds trim value from production test.
13-7 RESERVED R 7Fh Internal. Only to be used through TI provided API.
6-0 RFLDO_TRIM_OUTPUT R X Internal. Only to be used through TI provided API.
Default value holds trim value from production test.

www.ti.com
Factory Configuration (FCFG)
741
SWCU117F–February 2015–Revised June 2016
Submit Documentation Feedback Copyright © 2015–2016, Texas Instruments Incorporated
Device Configuration
9.2.1.1.4 CONFIG_RF_FRONTEND_DIV6 Register (Offset = C8h) [reset = X]
CONFIG_RF_FRONTEND_DIV6 is shown in Figure 9-106 and described in Table 9-109.
Return to Summary Table.
Internal. Only to be used through TI provided API.
Figure 9-26. CONFIG_RF_FRONTEND_DIV6 Register
31 30 29 28 27 26 25 24 23 22 21 20 19 18 17 16
IFAMP_IB LNA_IB IFAMP_TRIM CTL_PA0_TRIM
R-7h R-X R-0h R-X
15 14 13 12 11 10 9 8 7 6 5 4 3 2 1 0
CTL_PA0_TRI
MRESERVED RFLDO_TRIM_OUTPUT
R-X R-7Fh R-X
Table 9-28. CONFIG_RF_FRONTEND_DIV6 Register Field Descriptions
Bit Field Type Reset Description
31-28 IFAMP_IB R 7h Internal. Only to be used through TI provided API.
27-24 LNA_IB R X Internal. Only to be used through TI provided API.
Default value holds trim value from production test.
23-19 IFAMP_TRIM R 0h Internal. Only to be used through TI provided API.
18-14 CTL_PA0_TRIM R X Internal. Only to be used through TI provided API.
Default value holds trim value from production test.
13-7 RESERVED R 7Fh Internal. Only to be used through TI provided API.
6-0 RFLDO_TRIM_OUTPUT R X Internal. Only to be used through TI provided API.
Default value holds trim value from production test.

Factory Configuration (FCFG)
www.ti.com
742 SWCU117F–February 2015–Revised June 2016
Submit Documentation Feedback
Copyright © 2015–2016, Texas Instruments Incorporated
Device Configuration
9.2.1.1.5 CONFIG_RF_FRONTEND_DIV10 Register (Offset = CCh) [reset = X]
CONFIG_RF_FRONTEND_DIV10 is shown in Figure 9-107 and described in Table 9-110.
Return to Summary Table.
Internal. Only to be used through TI provided API.
Figure 9-27. CONFIG_RF_FRONTEND_DIV10 Register
31 30 29 28 27 26 25 24 23 22 21 20 19 18 17 16
IFAMP_IB LNA_IB IFAMP_TRIM CTL_PA0_TRIM
R-7h R-X R-0h R-X
15 14 13 12 11 10 9 8 7 6 5 4 3 2 1 0
CTL_PA0_TRI
MRESERVED RFLDO_TRIM_OUTPUT
R-X R-7Fh R-X
Table 9-29. CONFIG_RF_FRONTEND_DIV10 Register Field Descriptions
Bit Field Type Reset Description
31-28 IFAMP_IB R 7h Internal. Only to be used through TI provided API.
27-24 LNA_IB R X Internal. Only to be used through TI provided API.
Default value holds trim value from production test.
23-19 IFAMP_TRIM R 0h Internal. Only to be used through TI provided API.
18-14 CTL_PA0_TRIM R X Internal. Only to be used through TI provided API.
Default value holds trim value from production test.
13-7 RESERVED R 7Fh Internal. Only to be used through TI provided API.
6-0 RFLDO_TRIM_OUTPUT R X Internal. Only to be used through TI provided API.
Default value holds trim value from production test.

www.ti.com
Factory Configuration (FCFG)
743
SWCU117F–February 2015–Revised June 2016
Submit Documentation Feedback Copyright © 2015–2016, Texas Instruments Incorporated
Device Configuration
9.2.1.1.6 CONFIG_RF_FRONTEND_DIV12 Register (Offset = D0h) [reset = X]
CONFIG_RF_FRONTEND_DIV12 is shown in Figure 9-108 and described in Table 9-111.
Return to Summary Table.
Internal. Only to be used through TI provided API.
Figure 9-28. CONFIG_RF_FRONTEND_DIV12 Register
31 30 29 28 27 26 25 24 23 22 21 20 19 18 17 16
IFAMP_IB LNA_IB IFAMP_TRIM CTL_PA0_TRIM
R-7h R-X R-0h R-X
15 14 13 12 11 10 9 8 7 6 5 4 3 2 1 0
CTL_PA0_TRI
MRESERVED RFLDO_TRIM_OUTPUT
R-X R-7Fh R-X
Table 9-30. CONFIG_RF_FRONTEND_DIV12 Register Field Descriptions
Bit Field Type Reset Description
31-28 IFAMP_IB R 7h Internal. Only to be used through TI provided API.
27-24 LNA_IB R X Internal. Only to be used through TI provided API.
Default value holds trim value from production test.
23-19 IFAMP_TRIM R 0h Internal. Only to be used through TI provided API.
18-14 CTL_PA0_TRIM R X Internal. Only to be used through TI provided API.
Default value holds trim value from production test.
13-7 RESERVED R 7Fh Internal. Only to be used through TI provided API.
6-0 RFLDO_TRIM_OUTPUT R X Internal. Only to be used through TI provided API.
Default value holds trim value from production test.

Factory Configuration (FCFG)
www.ti.com
744 SWCU117F–February 2015–Revised June 2016
Submit Documentation Feedback
Copyright © 2015–2016, Texas Instruments Incorporated
Device Configuration
9.2.1.1.7 CONFIG_RF_FRONTEND_DIV15 Register (Offset = D4h) [reset = X]
CONFIG_RF_FRONTEND_DIV15 is shown in Figure 9-109 and described in Table 9-112.
Return to Summary Table.
Internal. Only to be used through TI provided API.
Figure 9-29. CONFIG_RF_FRONTEND_DIV15 Register
31 30 29 28 27 26 25 24 23 22 21 20 19 18 17 16
IFAMP_IB LNA_IB IFAMP_TRIM CTL_PA0_TRIM
R-7h R-X R-0h R-X
15 14 13 12 11 10 9 8 7 6 5 4 3 2 1 0
CTL_PA0_TRI
MRESERVED RFLDO_TRIM_OUTPUT
R-X R-7Fh R-X
Table 9-31. CONFIG_RF_FRONTEND_DIV15 Register Field Descriptions
Bit Field Type Reset Description
31-28 IFAMP_IB R 7h Internal. Only to be used through TI provided API.
27-24 LNA_IB R X Internal. Only to be used through TI provided API.
Default value holds trim value from production test.
23-19 IFAMP_TRIM R 0h Internal. Only to be used through TI provided API.
18-14 CTL_PA0_TRIM R X Internal. Only to be used through TI provided API.
Default value holds trim value from production test.
13-7 RESERVED R 7Fh Internal. Only to be used through TI provided API.
6-0 RFLDO_TRIM_OUTPUT R X Internal. Only to be used through TI provided API.
Default value holds trim value from production test.

www.ti.com
Factory Configuration (FCFG)
745
SWCU117F–February 2015–Revised June 2016
Submit Documentation Feedback Copyright © 2015–2016, Texas Instruments Incorporated
Device Configuration
9.2.1.1.8 CONFIG_RF_FRONTEND_DIV30 Register (Offset = D8h) [reset = X]
CONFIG_RF_FRONTEND_DIV30 is shown in Figure 9-110 and described in Table 9-113.
Return to Summary Table.
Internal. Only to be used through TI provided API.
Figure 9-30. CONFIG_RF_FRONTEND_DIV30 Register
31 30 29 28 27 26 25 24 23 22 21 20 19 18 17 16
IFAMP_IB LNA_IB IFAMP_TRIM CTL_PA0_TRIM
R-7h R-X R-0h R-X
15 14 13 12 11 10 9 8 7 6 5 4 3 2 1 0
CTL_PA0_TRI
MRESERVED RFLDO_TRIM_OUTPUT
R-X R-7Fh R-X
Table 9-32. CONFIG_RF_FRONTEND_DIV30 Register Field Descriptions
Bit Field Type Reset Description
31-28 IFAMP_IB R 7h Internal. Only to be used through TI provided API.
27-24 LNA_IB R X Internal. Only to be used through TI provided API.
Default value holds trim value from production test.
23-19 IFAMP_TRIM R 0h Internal. Only to be used through TI provided API.
18-14 CTL_PA0_TRIM R X Internal. Only to be used through TI provided API.
Default value holds trim value from production test.
13-7 RESERVED R 7Fh Internal. Only to be used through TI provided API.
6-0 RFLDO_TRIM_OUTPUT R X Internal. Only to be used through TI provided API.
Default value holds trim value from production test.

Factory Configuration (FCFG)
www.ti.com
746 SWCU117F–February 2015–Revised June 2016
Submit Documentation Feedback
Copyright © 2015–2016, Texas Instruments Incorporated
Device Configuration
9.2.1.1.9 CONFIG_SYNTH_DIV5 Register (Offset = DCh) [reset = X]
CONFIG_SYNTH_DIV5 is shown in Figure 9-111 and described in Table 9-114.
Return to Summary Table.
Internal. Only to be used through TI provided API.
Figure 9-31. CONFIG_SYNTH_DIV5 Register
31 30 29 28 27 26 25 24
RESERVED DISABLE_COR
NER_CAP RFC_MDM_DEMIQMC0
R-7h R-X R-X
23 22 21 20 19 18 17 16
RFC_MDM_DEMIQMC0
R-X
15 14 13 12 11 10 9 8
RFC_MDM_DEMIQMC0 LDOVCO_TRIM_OUTPUT
R-X R-X
76543210
LDOVCO_TRIM_OUTPUT SLDO_TRIM_OUTPUT
R-X R-X
Table 9-33. CONFIG_SYNTH_DIV5 Register Field Descriptions
Bit Field Type Reset Description
31-29 RESERVED R 7h Internal. Only to be used through TI provided API.
28 DISABLE_CORNER_CAP R X Internal. Only to be used through TI provided API.
Default value holds trim value from production test.
27-12 RFC_MDM_DEMIQMC0 R X Trim value for RF Core.
Value is read by RF Core ROM FW during RF Core initialization.
Default value holds trim value from production test.
11-6 LDOVCO_TRIM_OUTPU
TR X Internal. Only to be used through TI provided API.
Default value holds trim value from production test.
5-0 SLDO_TRIM_OUTPUT R X Internal. Only to be used through TI provided API.
Default value holds trim value from production test.

www.ti.com
Factory Configuration (FCFG)
747
SWCU117F–February 2015–Revised June 2016
Submit Documentation Feedback Copyright © 2015–2016, Texas Instruments Incorporated
Device Configuration
9.2.1.1.10 CONFIG_SYNTH_DIV6 Register (Offset = E0h) [reset = X]
CONFIG_SYNTH_DIV6 is shown in Figure 9-112 and described in Table 9-115.
Return to Summary Table.
Internal. Only to be used through TI provided API.
Figure 9-32. CONFIG_SYNTH_DIV6 Register
31 30 29 28 27 26 25 24
RESERVED DISABLE_COR
NER_CAP RFC_MDM_DEMIQMC0
R-7h R-X R-X
23 22 21 20 19 18 17 16
RFC_MDM_DEMIQMC0
R-X
15 14 13 12 11 10 9 8
RFC_MDM_DEMIQMC0 LDOVCO_TRIM_OUTPUT
R-X R-X
76543210
LDOVCO_TRIM_OUTPUT SLDO_TRIM_OUTPUT
R-X R-X
Table 9-34. CONFIG_SYNTH_DIV6 Register Field Descriptions
Bit Field Type Reset Description
31-29 RESERVED R 7h Internal. Only to be used through TI provided API.
28 DISABLE_CORNER_CAP R X Internal. Only to be used through TI provided API.
Default value holds trim value from production test.
27-12 RFC_MDM_DEMIQMC0 R X Trim value for RF Core.
Value is read by RF Core ROM FW during RF Core initialization.
Default value holds trim value from production test.
11-6 LDOVCO_TRIM_OUTPU
TR X Internal. Only to be used through TI provided API.
Default value holds trim value from production test.
5-0 SLDO_TRIM_OUTPUT R X Internal. Only to be used through TI provided API.
Default value holds trim value from production test.

Factory Configuration (FCFG)
www.ti.com
748 SWCU117F–February 2015–Revised June 2016
Submit Documentation Feedback
Copyright © 2015–2016, Texas Instruments Incorporated
Device Configuration
9.2.1.1.11 CONFIG_SYNTH_DIV10 Register (Offset = E4h) [reset = X]
CONFIG_SYNTH_DIV10 is shown in Figure 9-113 and described in Table 9-116.
Return to Summary Table.
Internal. Only to be used through TI provided API.
Figure 9-33. CONFIG_SYNTH_DIV10 Register
31 30 29 28 27 26 25 24
RESERVED DISABLE_COR
NER_CAP RFC_MDM_DEMIQMC0
R-7h R-X R-X
23 22 21 20 19 18 17 16
RFC_MDM_DEMIQMC0
R-X
15 14 13 12 11 10 9 8
RFC_MDM_DEMIQMC0 LDOVCO_TRIM_OUTPUT
R-X R-X
76543210
LDOVCO_TRIM_OUTPUT SLDO_TRIM_OUTPUT
R-X R-X
Table 9-35. CONFIG_SYNTH_DIV10 Register Field Descriptions
Bit Field Type Reset Description
31-29 RESERVED R 7h Internal. Only to be used through TI provided API.
28 DISABLE_CORNER_CAP R X Internal. Only to be used through TI provided API.
Default value holds trim value from production test.
27-12 RFC_MDM_DEMIQMC0 R X Trim value for RF Core.
Value is read by RF Core ROM FW during RF Core initialization.
Default value holds trim value from production test.
11-6 LDOVCO_TRIM_OUTPU
TR X Internal. Only to be used through TI provided API.
Default value holds trim value from production test.
5-0 SLDO_TRIM_OUTPUT R X Internal. Only to be used through TI provided API.
Default value holds trim value from production test.

www.ti.com
Factory Configuration (FCFG)
749
SWCU117F–February 2015–Revised June 2016
Submit Documentation Feedback Copyright © 2015–2016, Texas Instruments Incorporated
Device Configuration
9.2.1.1.12 CONFIG_SYNTH_DIV12 Register (Offset = E8h) [reset = X]
CONFIG_SYNTH_DIV12 is shown in Figure 9-114 and described in Table 9-117.
Return to Summary Table.
Internal. Only to be used through TI provided API.
Figure 9-34. CONFIG_SYNTH_DIV12 Register
31 30 29 28 27 26 25 24
RESERVED DISABLE_COR
NER_CAP RFC_MDM_DEMIQMC0
R-7h R-X R-X
23 22 21 20 19 18 17 16
RFC_MDM_DEMIQMC0
R-X
15 14 13 12 11 10 9 8
RFC_MDM_DEMIQMC0 LDOVCO_TRIM_OUTPUT
R-X R-X
76543210
LDOVCO_TRIM_OUTPUT SLDO_TRIM_OUTPUT
R-X R-X
Table 9-36. CONFIG_SYNTH_DIV12 Register Field Descriptions
Bit Field Type Reset Description
31-29 RESERVED R 7h Internal. Only to be used through TI provided API.
28 DISABLE_CORNER_CAP R X Internal. Only to be used through TI provided API.
Default value holds trim value from production test.
27-12 RFC_MDM_DEMIQMC0 R X Trim value for RF Core.
Value is read by RF Core ROM FW during RF Core initialization.
Default value holds trim value from production test.
11-6 LDOVCO_TRIM_OUTPU
TR X Internal. Only to be used through TI provided API.
Default value holds trim value from production test.
5-0 SLDO_TRIM_OUTPUT R X Internal. Only to be used through TI provided API.
Default value holds trim value from production test.

Factory Configuration (FCFG)
www.ti.com
750 SWCU117F–February 2015–Revised June 2016
Submit Documentation Feedback
Copyright © 2015–2016, Texas Instruments Incorporated
Device Configuration
9.2.1.1.13 CONFIG_SYNTH_DIV15 Register (Offset = ECh) [reset = X]
CONFIG_SYNTH_DIV15 is shown in Figure 9-115 and described in Table 9-118.
Return to Summary Table.
Internal. Only to be used through TI provided API.
Figure 9-35. CONFIG_SYNTH_DIV15 Register
31 30 29 28 27 26 25 24
RESERVED DISABLE_COR
NER_CAP RFC_MDM_DEMIQMC0
R-7h R-X R-X
23 22 21 20 19 18 17 16
RFC_MDM_DEMIQMC0
R-X
15 14 13 12 11 10 9 8
RFC_MDM_DEMIQMC0 LDOVCO_TRIM_OUTPUT
R-X R-X
76543210
LDOVCO_TRIM_OUTPUT SLDO_TRIM_OUTPUT
R-X R-X
Table 9-37. CONFIG_SYNTH_DIV15 Register Field Descriptions
Bit Field Type Reset Description
31-29 RESERVED R 7h Internal. Only to be used through TI provided API.
28 DISABLE_CORNER_CAP R X Internal. Only to be used through TI provided API.
Default value holds trim value from production test.
27-12 RFC_MDM_DEMIQMC0 R X Trim value for RF Core.
Value is read by RF Core ROM FW during RF Core initialization.
Default value holds trim value from production test.
11-6 LDOVCO_TRIM_OUTPU
TR X Internal. Only to be used through TI provided API.
Default value holds trim value from production test.
5-0 SLDO_TRIM_OUTPUT R X Internal. Only to be used through TI provided API.
Default value holds trim value from production test.

www.ti.com
Factory Configuration (FCFG)
751
SWCU117F–February 2015–Revised June 2016
Submit Documentation Feedback Copyright © 2015–2016, Texas Instruments Incorporated
Device Configuration
9.2.1.1.14 CONFIG_SYNTH_DIV30 Register (Offset = F0h) [reset = X]
CONFIG_SYNTH_DIV30 is shown in Figure 9-116 and described in Table 9-119.
Return to Summary Table.
Internal. Only to be used through TI provided API.
Figure 9-36. CONFIG_SYNTH_DIV30 Register
31 30 29 28 27 26 25 24
RESERVED DISABLE_COR
NER_CAP RFC_MDM_DEMIQMC0
R-7h R-X R-X
23 22 21 20 19 18 17 16
RFC_MDM_DEMIQMC0
R-X
15 14 13 12 11 10 9 8
RFC_MDM_DEMIQMC0 LDOVCO_TRIM_OUTPUT
R-X R-X
76543210
LDOVCO_TRIM_OUTPUT SLDO_TRIM_OUTPUT
R-X R-X
Table 9-38. CONFIG_SYNTH_DIV30 Register Field Descriptions
Bit Field Type Reset Description
31-29 RESERVED R 7h Internal. Only to be used through TI provided API.
28 DISABLE_CORNER_CAP R X Internal. Only to be used through TI provided API.
Default value holds trim value from production test.
27-12 RFC_MDM_DEMIQMC0 R X Trim value for RF Core.
Value is read by RF Core ROM FW during RF Core initialization.
Default value holds trim value from production test.
11-6 LDOVCO_TRIM_OUTPU
TR X Internal. Only to be used through TI provided API.
Default value holds trim value from production test.
5-0 SLDO_TRIM_OUTPUT R X Internal. Only to be used through TI provided API.
Default value holds trim value from production test.

Factory Configuration (FCFG)
www.ti.com
752 SWCU117F–February 2015–Revised June 2016
Submit Documentation Feedback
Copyright © 2015–2016, Texas Instruments Incorporated
Device Configuration
9.2.1.1.15 CONFIG_MISC_ADC_DIV5 Register (Offset = F4h) [reset = X]
CONFIG_MISC_ADC_DIV5 is shown in Figure 9-117 and described in Table 9-120.
Return to Summary Table.
Internal. Only to be used through TI provided API.
Figure 9-37. CONFIG_MISC_ADC_DIV5 Register
31 30 29 28 27 26 25 24
RESERVED
R-3FFh
23 22 21 20 19 18 17 16
RESERVED MIN_ALLOWED_RTRIM RESERVED RSSI_OFFSET
R-3FFh R-X R-1h R-X
15 14 13 12 11 10 9 8
RSSI_OFFSET QUANTCTLTH
RES
R-X R-5h
76543210
QUANTCTLTHRES DACTRIM
R-5h R-Dh
Table 9-39. CONFIG_MISC_ADC_DIV5 Register Field Descriptions
Bit Field Type Reset Description
31-22 RESERVED R 3FFh Internal. Only to be used through TI provided API.
21-18 MIN_ALLOWED_RTRIM R X Internal. Only to be used through TI provided API.
Default value holds trim value from production test.
17 RESERVED R 1h Internal. Only to be used through TI provided API.
16-9 RSSI_OFFSET R X Internal. Only to be used through TI provided API.
Default value holds trim value from production test.
8-6 QUANTCTLTHRES R 5h Internal. Only to be used through TI provided API.
5-0 DACTRIM R Dh Internal. Only to be used through TI provided API.

www.ti.com
Factory Configuration (FCFG)
753
SWCU117F–February 2015–Revised June 2016
Submit Documentation Feedback Copyright © 2015–2016, Texas Instruments Incorporated
Device Configuration
9.2.1.1.16 CONFIG_MISC_ADC_DIV6 Register (Offset = F8h) [reset = X]
CONFIG_MISC_ADC_DIV6 is shown in Figure 9-118 and described in Table 9-121.
Return to Summary Table.
Internal. Only to be used through TI provided API.
Figure 9-38. CONFIG_MISC_ADC_DIV6 Register
31 30 29 28 27 26 25 24
RESERVED
R-3FFh
23 22 21 20 19 18 17 16
RESERVED MIN_ALLOWED_RTRIM RESERVED RSSI_OFFSET
R-3FFh R-X R-1h R-X
15 14 13 12 11 10 9 8
RSSI_OFFSET QUANTCTLTH
RES
R-X R-5h
76543210
QUANTCTLTHRES DACTRIM
R-5h R-Dh
Table 9-40. CONFIG_MISC_ADC_DIV6 Register Field Descriptions
Bit Field Type Reset Description
31-22 RESERVED R 3FFh Internal. Only to be used through TI provided API.
21-18 MIN_ALLOWED_RTRIM R X Internal. Only to be used through TI provided API.
Default value holds trim value from production test.
17 RESERVED R 1h Internal. Only to be used through TI provided API.
16-9 RSSI_OFFSET R X Internal. Only to be used through TI provided API.
Default value holds trim value from production test.
8-6 QUANTCTLTHRES R 5h Internal. Only to be used through TI provided API.
5-0 DACTRIM R Dh Internal. Only to be used through TI provided API.

Factory Configuration (FCFG)
www.ti.com
754 SWCU117F–February 2015–Revised June 2016
Submit Documentation Feedback
Copyright © 2015–2016, Texas Instruments Incorporated
Device Configuration
9.2.1.1.17 CONFIG_MISC_ADC_DIV10 Register (Offset = FCh) [reset = X]
CONFIG_MISC_ADC_DIV10 is shown in Figure 9-119 and described in Table 9-122.
Return to Summary Table.
Internal. Only to be used through TI provided API.
Figure 9-39. CONFIG_MISC_ADC_DIV10 Register
31 30 29 28 27 26 25 24
RESERVED
R-3FFh
23 22 21 20 19 18 17 16
RESERVED MIN_ALLOWED_RTRIM RESERVED RSSI_OFFSET
R-3FFh R-X R-1h R-X
15 14 13 12 11 10 9 8
RSSI_OFFSET QUANTCTLTH
RES
R-X R-5h
76543210
QUANTCTLTHRES DACTRIM
R-5h R-Dh
Table 9-41. CONFIG_MISC_ADC_DIV10 Register Field Descriptions
Bit Field Type Reset Description
31-22 RESERVED R 3FFh Internal. Only to be used through TI provided API.
21-18 MIN_ALLOWED_RTRIM R X Internal. Only to be used through TI provided API.
Default value holds trim value from production test.
17 RESERVED R 1h Internal. Only to be used through TI provided API.
16-9 RSSI_OFFSET R X Internal. Only to be used through TI provided API.
8-6 QUANTCTLTHRES R 5h Internal. Only to be used through TI provided API.
5-0 DACTRIM R Dh Internal. Only to be used through TI provided API.

www.ti.com
Factory Configuration (FCFG)
755
SWCU117F–February 2015–Revised June 2016
Submit Documentation Feedback Copyright © 2015–2016, Texas Instruments Incorporated
Device Configuration
9.2.1.1.18 CONFIG_MISC_ADC_DIV12 Register (Offset = 100h) [reset = X]
CONFIG_MISC_ADC_DIV12 is shown in Figure 9-120 and described in Table 9-123.
Return to Summary Table.
Internal. Only to be used through TI provided API.
Figure 9-40. CONFIG_MISC_ADC_DIV12 Register
31 30 29 28 27 26 25 24
RESERVED
R-3FFh
23 22 21 20 19 18 17 16
RESERVED MIN_ALLOWED_RTRIM RESERVED RSSI_OFFSET
R-3FFh R-X R-1h R-X
15 14 13 12 11 10 9 8
RSSI_OFFSET QUANTCTLTH
RES
R-X R-5h
76543210
QUANTCTLTHRES DACTRIM
R-5h R-Dh
Table 9-42. CONFIG_MISC_ADC_DIV12 Register Field Descriptions
Bit Field Type Reset Description
31-22 RESERVED R 3FFh Internal. Only to be used through TI provided API.
21-18 MIN_ALLOWED_RTRIM R X Internal. Only to be used through TI provided API.
Default value holds trim value from production test.
17 RESERVED R 1h Internal. Only to be used through TI provided API.
16-9 RSSI_OFFSET R X Internal. Only to be used through TI provided API.
Default value holds trim value from production test.
8-6 QUANTCTLTHRES R 5h Internal. Only to be used through TI provided API.
5-0 DACTRIM R Dh Internal. Only to be used through TI provided API.

Factory Configuration (FCFG)
www.ti.com
756 SWCU117F–February 2015–Revised June 2016
Submit Documentation Feedback
Copyright © 2015–2016, Texas Instruments Incorporated
Device Configuration
9.2.1.1.19 CONFIG_MISC_ADC_DIV15 Register (Offset = 104h) [reset = X]
CONFIG_MISC_ADC_DIV15 is shown in Figure 9-121 and described in Table 9-124.
Return to Summary Table.
Internal. Only to be used through TI provided API.
Figure 9-41. CONFIG_MISC_ADC_DIV15 Register
31 30 29 28 27 26 25 24
RESERVED
R-3FFh
23 22 21 20 19 18 17 16
RESERVED MIN_ALLOWED_RTRIM RESERVED RSSI_OFFSET
R-3FFh R-X R-1h R-X
15 14 13 12 11 10 9 8
RSSI_OFFSET QUANTCTLTH
RES
R-X R-5h
76543210
QUANTCTLTHRES DACTRIM
R-5h R-Dh
Table 9-43. CONFIG_MISC_ADC_DIV15 Register Field Descriptions
Bit Field Type Reset Description
31-22 RESERVED R 3FFh Internal. Only to be used through TI provided API.
21-18 MIN_ALLOWED_RTRIM R X Internal. Only to be used through TI provided API.
Default value holds trim value from production test.
17 RESERVED R 1h Internal. Only to be used through TI provided API.
16-9 RSSI_OFFSET R X Internal. Only to be used through TI provided API.
Default value holds trim value from production test.
8-6 QUANTCTLTHRES R 5h Internal. Only to be used through TI provided API.
5-0 DACTRIM R Dh Internal. Only to be used through TI provided API.

www.ti.com
Factory Configuration (FCFG)
757
SWCU117F–February 2015–Revised June 2016
Submit Documentation Feedback Copyright © 2015–2016, Texas Instruments Incorporated
Device Configuration
9.2.1.1.20 CONFIG_MISC_ADC_DIV30 Register (Offset = 108h) [reset = X]
CONFIG_MISC_ADC_DIV30 is shown in Figure 9-122 and described in Table 9-125.
Return to Summary Table.
Internal. Only to be used through TI provided API.
Figure 9-42. CONFIG_MISC_ADC_DIV30 Register
31 30 29 28 27 26 25 24
RESERVED
R-3FFh
23 22 21 20 19 18 17 16
RESERVED MIN_ALLOWED_RTRIM RESERVED RSSI_OFFSET
R-3FFh R-X R-1h R-X
15 14 13 12 11 10 9 8
RSSI_OFFSET QUANTCTLTH
RES
R-X R-5h
76543210
QUANTCTLTHRES DACTRIM
R-5h R-Dh
Table 9-44. CONFIG_MISC_ADC_DIV30 Register Field Descriptions
Bit Field Type Reset Description
31-22 RESERVED R 3FFh Internal. Only to be used through TI provided API.
21-18 MIN_ALLOWED_RTRIM R X Internal. Only to be used through TI provided API.
Default value holds trim value from production test.
17 RESERVED R 1h Internal. Only to be used through TI provided API.
16-9 RSSI_OFFSET R X Internal. Only to be used through TI provided API.
Default value holds trim value from production test.
8-6 QUANTCTLTHRES R 5h Internal. Only to be used through TI provided API.
5-0 DACTRIM R Dh Internal. Only to be used through TI provided API.

Factory Configuration (FCFG)
www.ti.com
758 SWCU117F–February 2015–Revised June 2016
Submit Documentation Feedback
Copyright © 2015–2016, Texas Instruments Incorporated
Device Configuration
9.2.1.1.21 SHDW_DIE_ID_0 Register (Offset = 118h) [reset = X]
SHDW_DIE_ID_0 is shown in Figure 9-123 and described in Table 9-126.
Return to Summary Table.
Shadow of the DIE_ID_0 register in eFuse
Figure 9-43. SHDW_DIE_ID_0 Register
31 30 29 28 27 26 25 24 23 22 21 20 19 18 17 16 15 14 13 12 11 10 9 8 7 6 5 4 3 2 1 0
ID_31_0
R-X
Table 9-45. SHDW_DIE_ID_0 Register Field Descriptions
Bit Field Type Reset Description
31-0 ID_31_0 R X Shadow of the DIE_ID_0 register in eFuse row number 3
Default value depends on eFuse value.

www.ti.com
Factory Configuration (FCFG)
759
SWCU117F–February 2015–Revised June 2016
Submit Documentation Feedback Copyright © 2015–2016, Texas Instruments Incorporated
Device Configuration
9.2.1.1.22 SHDW_DIE_ID_1 Register (Offset = 11Ch) [reset = X]
SHDW_DIE_ID_1 is shown in Figure 9-124 and described in Table 9-127.
Return to Summary Table.
Shadow of the DIE_ID_1 register in eFuse
Figure 9-44. SHDW_DIE_ID_1 Register
31 30 29 28 27 26 25 24 23 22 21 20 19 18 17 16 15 14 13 12 11 10 9 8 7 6 5 4 3 2 1 0
ID_63_32
R-X
Table 9-46. SHDW_DIE_ID_1 Register Field Descriptions
Bit Field Type Reset Description
31-0 ID_63_32 R X Shadow of the DIE_ID_1 register in eFuse row number 4
Default value depends on eFuse value.

Factory Configuration (FCFG)
www.ti.com
760 SWCU117F–February 2015–Revised June 2016
Submit Documentation Feedback
Copyright © 2015–2016, Texas Instruments Incorporated
Device Configuration
9.2.1.1.23 SHDW_DIE_ID_2 Register (Offset = 120h) [reset = X]
SHDW_DIE_ID_2 is shown in Figure 9-125 and described in Table 9-128.
Return to Summary Table.
Shadow of the DIE_ID_2 register in eFuse
Figure 9-45. SHDW_DIE_ID_2 Register
31 30 29 28 27 26 25 24 23 22 21 20 19 18 17 16 15 14 13 12 11 10 9 8 7 6 5 4 3 2 1 0
ID_95_64
R-X
Table 9-47. SHDW_DIE_ID_2 Register Field Descriptions
Bit Field Type Reset Description
31-0 ID_95_64 R X Shadow of the DIE_ID_2 register in eFuse row number 5
Default value depends on eFuse value.

www.ti.com
Factory Configuration (FCFG)
761
SWCU117F–February 2015–Revised June 2016
Submit Documentation Feedback Copyright © 2015–2016, Texas Instruments Incorporated
Device Configuration
9.2.1.1.24 SHDW_DIE_ID_3 Register (Offset = 124h) [reset = X]
SHDW_DIE_ID_3 is shown in Figure 9-126 and described in Table 9-129.
Return to Summary Table.
Shadow of the DIE_ID_3 register in eFuse
Figure 9-46. SHDW_DIE_ID_3 Register
31 30 29 28 27 26 25 24 23 22 21 20 19 18 17 16 15 14 13 12 11 10 9 8 7 6 5 4 3 2 1 0
ID_127_96
R-X
Table 9-48. SHDW_DIE_ID_3 Register Field Descriptions
Bit Field Type Reset Description
31-0 ID_127_96 R X Shadow of the DIE_ID_3 register in eFuse row number 6
Default value depends on eFuse value.

Factory Configuration (FCFG)
www.ti.com
762 SWCU117F–February 2015–Revised June 2016
Submit Documentation Feedback
Copyright © 2015–2016, Texas Instruments Incorporated
Device Configuration
9.2.1.1.25 SHDW_OSC_BIAS_LDO_TRIM Register (Offset = 138h) [reset = X]
SHDW_OSC_BIAS_LDO_TRIM is shown in Figure 9-127 and described in Table 9-130.
Return to Summary Table.
Internal. Only to be used through TI provided API.
Figure 9-47. SHDW_OSC_BIAS_LDO_TRIM Register
31 30 29 28 27 26 25 24
RESERVED SET_RCOSC_HF_COARSE_RE
SISTOR TRIMMAG
R-X R-X R-X
23 22 21 20 19 18 17 16
TRIMMAG TRIMIREF ITRIM_DIG_LDO
R-X R-X R-X
15 14 13 12 11 10 9 8
VTRIM_DIG VTRIM_COARSE
R-X R-X
76543210
RCOSCHF_CTRIM
R-X
Table 9-49. SHDW_OSC_BIAS_LDO_TRIM Register Field Descriptions
Bit Field Type Reset Description
31-29 RESERVED R X Internal. Only to be used through TI provided API.
Default value depends on eFuse value.
28-27 SET_RCOSC_HF_COAR
SE_RESISTOR R X Internal. Only to be used through TI provided API.
Default value depends on eFuse value.
26-23 TRIMMAG R X Internal. Only to be used through TI provided API.
Default value depends on eFuse value.
22-18 TRIMIREF R X Internal. Only to be used through TI provided API.
Default value depends on eFuse value.
17-16 ITRIM_DIG_LDO R X Internal. Only to be used through TI provided API.
Default value depends on eFuse value.
15-12 VTRIM_DIG R X Internal. Only to be used through TI provided API.
Default value depends on eFuse value.
11-8 VTRIM_COARSE R X Internal. Only to be used through TI provided API.
Default value depends on eFuse value.
7-0 RCOSCHF_CTRIM R X Internal. Only to be used through TI provided API.
Default value depends on eFuse value.

www.ti.com
Factory Configuration (FCFG)
763
SWCU117F–February 2015–Revised June 2016
Submit Documentation Feedback Copyright © 2015–2016, Texas Instruments Incorporated
Device Configuration
9.2.1.1.26 SHDW_ANA_TRIM Register (Offset = 13Ch) [reset = X]
SHDW_ANA_TRIM is shown in Figure 9-128 and described in Table 9-131.
Return to Summary Table.
Internal. Only to be used through TI provided API.
Figure 9-48. SHDW_ANA_TRIM Register
31 30 29 28 27 26 25 24
RESERVED BOD_BANDGAP_TRIM_CNF VDDR_ENABL
E_PG1
R-X R-X R-X
23 22 21 20 19 18 17 16
VDDR_OK_HY
SIPTAT_TRIM VDDR_TRIM
R-X R-X R-X
15 14 13 12 11 10 9 8
TRIMBOD_INTMODE TRIMBOD_EXTMODE
R-X R-X
76543210
TRIMBOD_EXTMODE TRIMTEMP
R-X R-X
Table 9-50. SHDW_ANA_TRIM Register Field Descriptions
Bit Field Type Reset Description
31-27 RESERVED R X Internal. Only to be used through TI provided API.
Default value depends on eFuse value.
26-25 BOD_BANDGAP_TRIM_
CNF R X Internal. Only to be used through TI provided API.
Default value depends on eFuse value.
24 VDDR_ENABLE_PG1 R X Internal. Only to be used through TI provided API.
Default value depends on eFuse value.
23 VDDR_OK_HYS R X Internal. Only to be used through TI provided API.
Default value depends on eFuse value.
22-21 IPTAT_TRIM R X Internal. Only to be used through TI provided API.
Default value depends on eFuse value.
20-16 VDDR_TRIM R X Internal. Only to be used through TI provided API.
Default value depends on eFuse value.
15-11 TRIMBOD_INTMODE R X Internal. Only to be used through TI provided API.
Default value depends on eFuse value.
10-6 TRIMBOD_EXTMODE R X Internal. Only to be used through TI provided API.
Default value depends on eFuse value.
5-0 TRIMTEMP R X Internal. Only to be used through TI provided API.
Default value depends on eFuse value.

Factory Configuration (FCFG)
www.ti.com
764 SWCU117F–February 2015–Revised June 2016
Submit Documentation Feedback
Copyright © 2015–2016, Texas Instruments Incorporated
Device Configuration
9.2.1.1.27 FLASH_NUMBER Register (Offset = 164h) [reset = X]
FLASH_NUMBER is shown in Figure 9-129 and described in Table 9-132.
Return to Summary Table.
Figure 9-49. FLASH_NUMBER Register
31 30 29 28 27 26 25 24 23 22 21 20 19 18 17 16 15 14 13 12 11 10 9 8 7 6 5 4 3 2 1 0
LOT_NUMBER
R-X
Table 9-51. FLASH_NUMBER Register Field Descriptions
Bit Field Type Reset Description
31-0 LOT_NUMBER R X Number of the manufacturing lot that produced this unit.
Default value holds log information from production test.

www.ti.com
Factory Configuration (FCFG)
765
SWCU117F–February 2015–Revised June 2016
Submit Documentation Feedback Copyright © 2015–2016, Texas Instruments Incorporated
Device Configuration
9.2.1.1.28 FLASH_COORDINATE Register (Offset = 16Ch) [reset = X]
FLASH_COORDINATE is shown in Figure 9-130 and described in Table 9-133.
Return to Summary Table.
Figure 9-50. FLASH_COORDINATE Register
31 30 29 28 27 26 25 24 23 22 21 20 19 18 17 16 15 14 13 12 11 10 9 8 7 6 5 4 3 2 1 0
XCOORDINATE YCOORDINATE
R-X R-X
Table 9-52. FLASH_COORDINATE Register Field Descriptions
Bit Field Type Reset Description
31-16 XCOORDINATE R X X coordinate of this unit on the wafer.
Default value holds log information from production test.
15-0 YCOORDINATE R X Y coordinate of this unit on the wafer.
Default value holds log information from production test.

Factory Configuration (FCFG)
www.ti.com
766 SWCU117F–February 2015–Revised June 2016
Submit Documentation Feedback
Copyright © 2015–2016, Texas Instruments Incorporated
Device Configuration
9.2.1.1.29 FLASH_E_P Register (Offset = 170h) [reset = 17331A33h]
FLASH_E_P is shown in Figure 9-131 and described in Table 9-134.
Return to Summary Table.
Internal. Only to be used through TI provided API.
Figure 9-51. FLASH_E_P Register
31 30 29 28 27 26 25 24 23 22 21 20 19 18 17 16 15 14 13 12 11 10 9 8 7 6 5 4 3 2 1 0
PSU ESU PVSU EVSU
R-17h R-33h R-1Ah R-33h
Table 9-53. FLASH_E_P Register Field Descriptions
Bit Field Type Reset Description
31-24 PSU R 17h Internal. Only to be used through TI provided API.
23-16 ESU R 33h Internal. Only to be used through TI provided API.
15-8 PVSU R 1Ah Internal. Only to be used through TI provided API.
7-0 EVSU R 33h Internal. Only to be used through TI provided API.

www.ti.com
Factory Configuration (FCFG)
767
SWCU117F–February 2015–Revised June 2016
Submit Documentation Feedback Copyright © 2015–2016, Texas Instruments Incorporated
Device Configuration
9.2.1.1.30 FLASH_C_E_P_R Register (Offset = 174h) [reset = 0A0A2000h]
FLASH_C_E_P_R is shown in Figure 9-132 and described in Table 9-135.
Return to Summary Table.
Internal. Only to be used through TI provided API.
Figure 9-52. FLASH_C_E_P_R Register
31 30 29 28 27 26 25 24 23 22 21 20 19 18 17 16
RVSU PV_ACCESS
R-Ah R-Ah
15 14 13 12 11 10 9 8 7 6 5 4 3 2 1 0
A_EXEZ_SETUP CVSU
R-2h R-0h
Table 9-54. FLASH_C_E_P_R Register Field Descriptions
Bit Field Type Reset Description
31-24 RVSU R Ah Internal. Only to be used through TI provided API.
23-16 PV_ACCESS R Ah Internal. Only to be used through TI provided API.
15-12 A_EXEZ_SETUP R 2h Internal. Only to be used through TI provided API.
11-0 CVSU R 0h Internal. Only to be used through TI provided API.

Factory Configuration (FCFG)
www.ti.com
768 SWCU117F–February 2015–Revised June 2016
Submit Documentation Feedback
Copyright © 2015–2016, Texas Instruments Incorporated
Device Configuration
9.2.1.1.31 FLASH_P_R_PV Register (Offset = 178h) [reset = 026E0200h]
FLASH_P_R_PV is shown in Figure 9-133 and described in Table 9-136.
Return to Summary Table.
Internal. Only to be used through TI provided API.
Figure 9-53. FLASH_P_R_PV Register
31 30 29 28 27 26 25 24 23 22 21 20 19 18 17 16 15 14 13 12 11 10 9 8 7 6 5 4 3 2 1 0
PH RH PVH PVH2
R-2h R-6Eh R-2h R-0h
Table 9-55. FLASH_P_R_PV Register Field Descriptions
Bit Field Type Reset Description
31-24 PH R 2h Internal. Only to be used through TI provided API.
23-16 RH R 6Eh Internal. Only to be used through TI provided API.
15-8 PVH R 2h Internal. Only to be used through TI provided API.
7-0 PVH2 R 0h Internal. Only to be used through TI provided API.

www.ti.com
Factory Configuration (FCFG)
769
SWCU117F–February 2015–Revised June 2016
Submit Documentation Feedback Copyright © 2015–2016, Texas Instruments Incorporated
Device Configuration
9.2.1.1.32 FLASH_EH_SEQ Register (Offset = 17Ch) [reset = 0200F000h]
FLASH_EH_SEQ is shown in Figure 9-134 and described in Table 9-137.
Return to Summary Table.
Internal. Only to be used through TI provided API.
Figure 9-54. FLASH_EH_SEQ Register
31 30 29 28 27 26 25 24 23 22 21 20 19 18 17 16
EH SEQ
R-2h R-0h
15 14 13 12 11 10 9 8 7 6 5 4 3 2 1 0
VSTAT SM_FREQUENCY
R-Fh R-0h
Table 9-56. FLASH_EH_SEQ Register Field Descriptions
Bit Field Type Reset Description
31-24 EH R 2h Internal. Only to be used through TI provided API.
23-16 SEQ R 0h Internal. Only to be used through TI provided API.
15-12 VSTAT R Fh Internal. Only to be used through TI provided API.
11-0 SM_FREQUENCY R 0h Internal. Only to be used through TI provided API.

Factory Configuration (FCFG)
www.ti.com
770 SWCU117F–February 2015–Revised June 2016
Submit Documentation Feedback
Copyright © 2015–2016, Texas Instruments Incorporated
Device Configuration
9.2.1.1.33 FLASH_VHV_E Register (Offset = 180h) [reset = 1h]
FLASH_VHV_E is shown in Figure 9-135 and described in Table 9-138.
Return to Summary Table.
Internal. Only to be used through TI provided API.
Figure 9-55. FLASH_VHV_E Register
31 30 29 28 27 26 25 24 23 22 21 20 19 18 17 16 15 14 13 12 11 10 9 8 7 6 5 4 3 2 1 0
VHV_E_START VHV_E_STEP_HIGHT
R-0h R-1h
Table 9-57. FLASH_VHV_E Register Field Descriptions
Bit Field Type Reset Description
31-16 VHV_E_START R 0h Internal. Only to be used through TI provided API.
15-0 VHV_E_STEP_HIGHT R 1h Internal. Only to be used through TI provided API.

www.ti.com
Factory Configuration (FCFG)
771
SWCU117F–February 2015–Revised June 2016
Submit Documentation Feedback Copyright © 2015–2016, Texas Instruments Incorporated
Device Configuration
9.2.1.1.34 FLASH_PP Register (Offset = 184h) [reset = X]
FLASH_PP is shown in Figure 9-136 and described in Table 9-139.
Return to Summary Table.
Internal. Only to be used through TI provided API.
Figure 9-56. FLASH_PP Register
31 30 29 28 27 26 25 24 23 22 21 20 19 18 17 16 15 14 13 12 11 10 9 8 7 6 5 4 3 2 1 0
PUMP_SU RESERVED MAX_PP
R-0h R-X R-14h
Table 9-58. FLASH_PP Register Field Descriptions
Bit Field Type Reset Description
31-24 PUMP_SU R 0h Internal. Only to be used through TI provided API.
23-16 RESERVED R X Internal. Only to be used through TI provided API.
Default value holds trim value from production test.
15-0 MAX_PP R 14h Internal. Only to be used through TI provided API.

Factory Configuration (FCFG)
www.ti.com
772 SWCU117F–February 2015–Revised June 2016
Submit Documentation Feedback
Copyright © 2015–2016, Texas Instruments Incorporated
Device Configuration
9.2.1.1.35 FLASH_PROG_EP Register (Offset = 188h) [reset = 0FA00010h]
FLASH_PROG_EP is shown in Figure 9-137 and described in Table 9-140.
Return to Summary Table.
Internal. Only to be used through TI provided API.
Figure 9-57. FLASH_PROG_EP Register
31 30 29 28 27 26 25 24 23 22 21 20 19 18 17 16 15 14 13 12 11 10 9 8 7 6 5 4 3 2 1 0
MAX_EP PROGRAM_PW
R-FA0h R-10h
Table 9-59. FLASH_PROG_EP Register Field Descriptions
Bit Field Type Reset Description
31-16 MAX_EP R FA0h Internal. Only to be used through TI provided API.
15-0 PROGRAM_PW R 10h Internal. Only to be used through TI provided API.

www.ti.com
Factory Configuration (FCFG)
773
SWCU117F–February 2015–Revised June 2016
Submit Documentation Feedback Copyright © 2015–2016, Texas Instruments Incorporated
Device Configuration
9.2.1.1.36 FLASH_ERA_PW Register (Offset = 18Ch) [reset = FA0h]
FLASH_ERA_PW is shown in Figure 9-138 and described in Table 9-141.
Return to Summary Table.
Internal. Only to be used through TI provided API.
Figure 9-58. FLASH_ERA_PW Register
31 30 29 28 27 26 25 24 23 22 21 20 19 18 17 16 15 14 13 12 11 10 9 8 7 6 5 4 3 2 1 0
ERASE_PW
R-FA0h
Table 9-60. FLASH_ERA_PW Register Field Descriptions
Bit Field Type Reset Description
31-0 ERASE_PW R FA0h Internal. Only to be used through TI provided API.

Factory Configuration (FCFG)
www.ti.com
774 SWCU117F–February 2015–Revised June 2016
Submit Documentation Feedback
Copyright © 2015–2016, Texas Instruments Incorporated
Device Configuration
9.2.1.1.37 FLASH_VHV Register (Offset = 190h) [reset = X]
FLASH_VHV is shown in Figure 9-139 and described in Table 9-142.
Return to Summary Table.
Internal. Only to be used through TI provided API.
Figure 9-59. FLASH_VHV Register
31 30 29 28 27 26 25 24 23 22 21 20 19 18 17 16
RESERVED TRIM13_P RESERVED VHV_P
R-0h R-X R-0h R-X
15 14 13 12 11 10 9 8 7 6 5 4 3 2 1 0
RESERVED TRIM13_E RESERVED VHV_E
R-0h R-X R-0h R-4h
Table 9-61. FLASH_VHV Register Field Descriptions
Bit Field Type Reset Description
31-28 RESERVED R 0h Internal. Only to be used through TI provided API.
27-24 TRIM13_P R X Internal. Only to be used through TI provided API.
Default value holds trim value from production test.
23-20 RESERVED R 0h Internal. Only to be used through TI provided API.
19-16 VHV_P R X Internal. Only to be used through TI provided API.
Default value holds trim value from production test.
15-12 RESERVED R 0h Internal. Only to be used through TI provided API.
11-8 TRIM13_E R X Internal. Only to be used through TI provided API.
Default value holds trim value from production test.
7-4 RESERVED R 0h Internal. Only to be used through TI provided API.
3-0 VHV_E R 4h Internal. Only to be used through TI provided API.

www.ti.com
Factory Configuration (FCFG)
775
SWCU117F–February 2015–Revised June 2016
Submit Documentation Feedback Copyright © 2015–2016, Texas Instruments Incorporated
Device Configuration
9.2.1.1.38 FLASH_VHV_PV Register (Offset = 194h) [reset = X]
FLASH_VHV_PV is shown in Figure 9-140 and described in Table 9-143.
Return to Summary Table.
Internal. Only to be used through TI provided API.
Figure 9-60. FLASH_VHV_PV Register
31 30 29 28 27 26 25 24 23 22 21 20 19 18 17 16
RESERVED TRIM13_PV RESERVED VHV_PV
R-0h R-X R-0h R-8h
15 14 13 12 11 10 9 8 7 6 5 4 3 2 1 0
VCG2P5 VINH
R-X R-1h
Table 9-62. FLASH_VHV_PV Register Field Descriptions
Bit Field Type Reset Description
31-28 RESERVED R 0h Internal. Only to be used through TI provided API.
27-24 TRIM13_PV R X Internal. Only to be used through TI provided API.
Default value holds trim value from production test.
23-20 RESERVED R 0h Internal. Only to be used through TI provided API.
19-16 VHV_PV R 8h Internal. Only to be used through TI provided API.
15-8 VCG2P5 R X Internal. Only to be used through TI provided API.
Default value holds trim value from production test.
7-0 VINH R 1h Internal. Only to be used through TI provided API.

Factory Configuration (FCFG)
www.ti.com
776 SWCU117F–February 2015–Revised June 2016
Submit Documentation Feedback
Copyright © 2015–2016, Texas Instruments Incorporated
Device Configuration
9.2.1.1.39 FLASH_V Register (Offset = 198h) [reset = X]
FLASH_V is shown in Figure 9-141 and described in Table 9-144.
Return to Summary Table.
Internal. Only to be used through TI provided API.
Figure 9-61. FLASH_V Register
31 30 29 28 27 26 25 24 23 22 21 20 19 18 17 16 15 14 13 12 11 10 9 8 7 6 5 4 3 2 1 0
VSL_P VWL_P V_READ RESERVED
R-X R-X R-X R-X
Table 9-63. FLASH_V Register Field Descriptions
Bit Field Type Reset Description
31-24 VSL_P R X Internal. Only to be used through TI provided API.
Default value holds trim value from production test.
23-16 VWL_P R X Internal. Only to be used through TI provided API.
Default value holds trim value from production test.
15-8 V_READ R X Internal. Only to be used through TI provided API.
Default value holds trim value from production test.
7-0 RESERVED R X Internal. Only to be used through TI provided API.
Default value holds trim value from production test.

www.ti.com
Factory Configuration (FCFG)
777
SWCU117F–February 2015–Revised June 2016
Submit Documentation Feedback Copyright © 2015–2016, Texas Instruments Incorporated
Device Configuration
9.2.1.1.40 USER_ID Register (Offset = 294h) [reset = X]
USER_ID is shown in Figure 9-142 and described in Table 9-145.
Return to Summary Table.
User Identification.
Reading this register or the ICEPICK_DEVICE_ID register is the only support way of identifying a device.
The value of this register will be written to AON_WUC:JTAGUSERCODE by boot FW while in safezone.
Figure 9-62. USER_ID Register
31 30 29 28 27 26 25 24 23 22 21 20 19 18 17 16
PG_REV VER RESERVED SEQUENCE PKG
R-X R-X R-X R-X R-X
15 14 13 12 11 10 9 8 7 6 5 4 3 2 1 0
PROTOCOL RESERVED
R-X R-X
Table 9-64. USER_ID Register Field Descriptions
Bit Field Type Reset Description
31-28 PG_REV R X Field used to distinguish revisions of the device.
Default value holds log information from production test.
27-26 VER R X Version number.
0x0: Bits [25:12] of this register has the stated meaning.
Any other setting indicate a different encoding of these bits.
Default value differs depending on partnumber.
25-23 RESERVED R X Software should not rely on the value of a reserved. Writing any
other value than the reset value may result in undefined behavior.
Default value differs depending on partnumber.
22-19 SEQUENCE R X Sequence.
Used to differentiate between marketing/orderable product where
other fields of USER_ID is the same (temp range, flash size, voltage
range etc)
Default value differs depending on partnumber.
18-16 PKG R X Package type.
0x0: 4x4mm
0x1: 5x5mm
0x2: 7x7mm
Others values are reserved for future use.
Default value differs depending on partnumber.
15-12 PROTOCOL R X Protocols supported.
0x1: BLE
0x2: RF4CE
0x4: Zigbee/6lowpan
0x8: Proprietary
More than one protocol can be supported on same device - values
above are then combined.
Default value differs depending on partnumber.
11-0 RESERVED R X Software should not rely on the value of a reserved. Writing any
other value than the reset value may result in undefined behavior.
Default value differs depending on partnumber.

Factory Configuration (FCFG)
www.ti.com
778 SWCU117F–February 2015–Revised June 2016
Submit Documentation Feedback
Copyright © 2015–2016, Texas Instruments Incorporated
Device Configuration
9.2.1.1.41 FLASH_OTP_DATA3 Register (Offset = 2B0h) [reset = X]
FLASH_OTP_DATA3 is shown in Figure 9-143 and described in Table 9-146.
Return to Summary Table.
Internal. Only to be used through TI provided API.
Figure 9-63. FLASH_OTP_DATA3 Register
31 30 29 28 27 26 25 24
EC_STEP_SIZE
R-0h
23 22 21 20 19 18 17 16
EC_STEP_SIZ
EDO_PRECOND MAX_EC_LEVEL TRIM_1P7
R-0h R-0h R-4h R-1h
15 14 13 12 11 10 9 8
FLASH_SIZE
R-X
76543210
WAIT_SYSCODE
R-3h
Table 9-65. FLASH_OTP_DATA3 Register Field Descriptions
Bit Field Type Reset Description
31-23 EC_STEP_SIZE R 0h Internal. Only to be used through TI provided API.
22 DO_PRECOND R 0h Internal. Only to be used through TI provided API.
21-18 MAX_EC_LEVEL R 4h Internal. Only to be used through TI provided API.
17-16 TRIM_1P7 R 1h Internal. Only to be used through TI provided API.
15-8 FLASH_SIZE R X Internal. Only to be used through TI provided API.
Default value differs depending on partnumber.
7-0 WAIT_SYSCODE R 3h Internal. Only to be used through TI provided API.

www.ti.com
Factory Configuration (FCFG)
779
SWCU117F–February 2015–Revised June 2016
Submit Documentation Feedback Copyright © 2015–2016, Texas Instruments Incorporated
Device Configuration
9.2.1.1.42 ANA2_TRIM Register (Offset = 2B4h) [reset = X]
ANA2_TRIM is shown in Figure 9-144 and described in Table 9-147.
Return to Summary Table.
Internal. Only to be used through TI provided API.
Figure 9-64. ANA2_TRIM Register
31 30 29 28 27 26 25 24
RCOSCHFCTR
IMFRACT_EN RCOSCHFCTRIMFRACT RESERVED SET_RCOSC_
HF_FINE_RESI
STOR
R-1h R-X R-1h R-X
23 22 21 20 19 18 17 16
SET_RCOSC_
HF_FINE_RESI
STOR
ATESTLF_UDI
GLDO_IBIAS_T
RIM
NANOAMP_RES_TRIM
R-X R-1h R-X
15 14 13 12 11 10 9 8
RESERVED DITHER_EN DCDC_IPEAK
R-Fh R-1h R-0h
76543210
DEAD_TIME_TRIM DCDC_LOW_EN_SEL DCDC_HIGH_EN_SEL
R-1h R-7h R-7h
Table 9-66. ANA2_TRIM Register Field Descriptions
Bit Field Type Reset Description
31 RCOSCHFCTRIMFRACT
_EN R 1h Internal. Only to be used through TI provided API.
30-26 RCOSCHFCTRIMFRACT R X Internal. Only to be used through TI provided API.
Default value holds trim value from production test.
25 RESERVED R 1h Internal. Only to be used through TI provided API.
24-23 SET_RCOSC_HF_FINE_
RESISTOR R X Internal. Only to be used through TI provided API.
Default value holds trim value from production test.
22 ATESTLF_UDIGLDO_IBI
AS_TRIM R 1h Internal. Only to be used through TI provided API.
21-16 NANOAMP_RES_TRIM R X Internal. Only to be used through TI provided API.
Default value holds trim value from production test.
15-12 RESERVED R Fh Internal. Only to be used through TI provided API.
11 DITHER_EN R 1h Internal. Only to be used through TI provided API.
10-8 DCDC_IPEAK R 0h Internal. Only to be used through TI provided API.
7-6 DEAD_TIME_TRIM R 1h Internal. Only to be used through TI provided API.
5-3 DCDC_LOW_EN_SEL R 7h Internal. Only to be used through TI provided API.
2-0 DCDC_HIGH_EN_SEL R 7h Internal. Only to be used through TI provided API.

Factory Configuration (FCFG)
www.ti.com
780 SWCU117F–February 2015–Revised June 2016
Submit Documentation Feedback
Copyright © 2015–2016, Texas Instruments Incorporated
Device Configuration
9.2.1.1.43 LDO_TRIM Register (Offset = 2B8h) [reset = X]
LDO_TRIM is shown in Figure 9-145 and described in Table 9-148.
Return to Summary Table.
Internal. Only to be used through TI provided API.
Figure 9-65. LDO_TRIM Register
31 30 29 28 27 26 25 24
RESERVED VDDR_TRIM_SLEEP
R-7h R-X
23 22 21 20 19 18 17 16
RESERVED GLDO_CURSRC
R-1Fh R-0h
15 14 13 12 11 10 9 8
RESERVED ITRIM_DIGLDO_LOAD ITRIM_UDIGLDO
R-7h R-0h R-0h
76543210
RESERVED VTRIM_DELTA
R-1Fh R-3h
Table 9-67. LDO_TRIM Register Field Descriptions
Bit Field Type Reset Description
31-29 RESERVED R 7h Internal. Only to be used through TI provided API.
28-24 VDDR_TRIM_SLEEP R X Internal. Only to be used through TI provided API.
Default value holds trim value from production test.
23-19 RESERVED R 1Fh Internal. Only to be used through TI provided API.
18-16 GLDO_CURSRC R 0h Internal. Only to be used through TI provided API.
15-13 RESERVED R 7h Internal. Only to be used through TI provided API.
12-11 ITRIM_DIGLDO_LOAD R 0h Internal. Only to be used through TI provided API.
10-8 ITRIM_UDIGLDO R 0h Internal. Only to be used through TI provided API.
7-3 RESERVED R 1Fh Internal. Only to be used through TI provided API.
2-0 VTRIM_DELTA R 3h Internal. Only to be used through TI provided API.

www.ti.com
Factory Configuration (FCFG)
781
SWCU117F–February 2015–Revised June 2016
Submit Documentation Feedback Copyright © 2015–2016, Texas Instruments Incorporated
Device Configuration
9.2.1.1.44 MAC_BLE_0 Register (Offset = 2E8h) [reset = X]
MAC_BLE_0 is shown in Figure 9-146 and described in Table 9-149.
Return to Summary Table.
MAC BLE Address 0
Figure 9-66. MAC_BLE_0 Register
31 30 29 28 27 26 25 24 23 22 21 20 19 18 17 16 15 14 13 12 11 10 9 8 7 6 5 4 3 2 1 0
ADDR_0_31
R-X
Table 9-68. MAC_BLE_0 Register Field Descriptions
Bit Field Type Reset Description
31-0 ADDR_0_31 R X The first 32-bits of the 64-bit MAC BLE address
Default value holds trim value from production test.

Factory Configuration (FCFG)
www.ti.com
782 SWCU117F–February 2015–Revised June 2016
Submit Documentation Feedback
Copyright © 2015–2016, Texas Instruments Incorporated
Device Configuration
9.2.1.1.45 MAC_BLE_1 Register (Offset = 2ECh) [reset = X]
MAC_BLE_1 is shown in Figure 9-147 and described in Table 9-150.
Return to Summary Table.
MAC BLE Address 1
Figure 9-67. MAC_BLE_1 Register
31 30 29 28 27 26 25 24 23 22 21 20 19 18 17 16 15 14 13 12 11 10 9 8 7 6 5 4 3 2 1 0
ADDR_32_63
R-X
Table 9-69. MAC_BLE_1 Register Field Descriptions
Bit Field Type Reset Description
31-0 ADDR_32_63 R X The last 32-bits of the 64-bit MAC BLE address
Default value holds trim value from production test.

www.ti.com
Factory Configuration (FCFG)
783
SWCU117F–February 2015–Revised June 2016
Submit Documentation Feedback Copyright © 2015–2016, Texas Instruments Incorporated
Device Configuration
9.2.1.1.46 MAC_15_4_0 Register (Offset = 2F0h) [reset = X]
MAC_15_4_0 is shown in Figure 9-148 and described in Table 9-151.
Return to Summary Table.
MAC IEEE 802.15.4 Address 0
Figure 9-68. MAC_15_4_0 Register
31 30 29 28 27 26 25 24 23 22 21 20 19 18 17 16 15 14 13 12 11 10 9 8 7 6 5 4 3 2 1 0
ADDR_0_31
R-X
Table 9-70. MAC_15_4_0 Register Field Descriptions
Bit Field Type Reset Description
31-0 ADDR_0_31 R X The first 32-bits of the 64-bit MAC 15.4 address
Default value holds trim value from production test.

Factory Configuration (FCFG)
www.ti.com
784 SWCU117F–February 2015–Revised June 2016
Submit Documentation Feedback
Copyright © 2015–2016, Texas Instruments Incorporated
Device Configuration
9.2.1.1.47 MAC_15_4_1 Register (Offset = 2F4h) [reset = X]
MAC_15_4_1 is shown in Figure 9-149 and described in Table 9-152.
Return to Summary Table.
MAC IEEE 802.15.4 Address 1
Figure 9-69. MAC_15_4_1 Register
31 30 29 28 27 26 25 24 23 22 21 20 19 18 17 16 15 14 13 12 11 10 9 8 7 6 5 4 3 2 1 0
ADDR_32_63
R-X
Table 9-71. MAC_15_4_1 Register Field Descriptions
Bit Field Type Reset Description
31-0 ADDR_32_63 R X The last 32-bits of the 64-bit MAC 15.4 address
Default value holds trim value from production test.

www.ti.com
Factory Configuration (FCFG)
785
SWCU117F–February 2015–Revised June 2016
Submit Documentation Feedback Copyright © 2015–2016, Texas Instruments Incorporated
Device Configuration
9.2.1.1.48 FLASH_OTP_DATA4 Register (Offset = 308h) [reset = 98989F9Fh]
FLASH_OTP_DATA4 is shown in Figure 9-150 and described in Table 9-153.
Return to Summary Table.
Internal. Only to be used through TI provided API.
Figure 9-70. FLASH_OTP_DATA4 Register
31 30 29 28 27 26 25 24
STANDBY_MO
DE_SEL_INT_
WRT
STANDBY_PW_SEL_INT_WRT DIS_STANDBY
_INT_WRT DIS_IDLE_INT
_WRT VIN_AT_X_INT_WRT
R-1h R-0h R-1h R-1h R-0h
23 22 21 20 19 18 17 16
STANDBY_MO
DE_SEL_EXT_
WRT
STANDBY_PW_SEL_EXT_WRT DIS_STANDBY
_EXT_WRT DIS_IDLE_EXT
_WRT VIN_AT_X_EXT_WRT
R-1h R-0h R-1h R-1h R-0h
15 14 13 12 11 10 9 8
STANDBY_MO
DE_SEL_INT_
RD
STANDBY_PW_SEL_INT_RD DIS_STANDBY
_INT_RD DIS_IDLE_INT
_RD VIN_AT_X_INT_RD
R-1h R-0h R-1h R-1h R-7h
76543210
STANDBY_MO
DE_SEL_EXT_
RD
STANDBY_PW_SEL_EXT_RD DIS_STANDBY
_EXT_RD DIS_IDLE_EXT
_RD VIN_AT_X_EXT_RD
R-1h R-0h R-1h R-1h R-7h
Table 9-72. FLASH_OTP_DATA4 Register Field Descriptions
Bit Field Type Reset Description
31 STANDBY_MODE_SEL_I
NT_WRT R 1h Internal. Only to be used through TI provided API.
30-29 STANDBY_PW_SEL_INT
_WRT R 0h Internal. Only to be used through TI provided API.
28 DIS_STANDBY_INT_WR
TR 1h Internal. Only to be used through TI provided API.
27 DIS_IDLE_INT_WRT R 1h Internal. Only to be used through TI provided API.
26-24 VIN_AT_X_INT_WRT R 0h Internal. Only to be used through TI provided API.
23 STANDBY_MODE_SEL_
EXT_WRT R 1h Internal. Only to be used through TI provided API.
22-21 STANDBY_PW_SEL_EXT
_WRT R 0h Internal. Only to be used through TI provided API.
20 DIS_STANDBY_EXT_WR
TR 1h Internal. Only to be used through TI provided API.
19 DIS_IDLE_EXT_WRT R 1h Internal. Only to be used through TI provided API.
18-16 VIN_AT_X_EXT_WRT R 0h Internal. Only to be used through TI provided API.
15 STANDBY_MODE_SEL_I
NT_RD R 1h Internal. Only to be used through TI provided API.
14-13 STANDBY_PW_SEL_INT
_RD R 0h Internal. Only to be used through TI provided API.
12 DIS_STANDBY_INT_RD R 1h Internal. Only to be used through TI provided API.
11 DIS_IDLE_INT_RD R 1h Internal. Only to be used through TI provided API.
10-8 VIN_AT_X_INT_RD R 7h Internal. Only to be used through TI provided API.

Factory Configuration (FCFG)
www.ti.com
786 SWCU117F–February 2015–Revised June 2016
Submit Documentation Feedback
Copyright © 2015–2016, Texas Instruments Incorporated
Device Configuration
Table 9-72. FLASH_OTP_DATA4 Register Field Descriptions (continued)
Bit Field Type Reset Description
7 STANDBY_MODE_SEL_
EXT_RD R 1h Internal. Only to be used through TI provided API.
6-5 STANDBY_PW_SEL_EXT
_RD R 0h Internal. Only to be used through TI provided API.
4 DIS_STANDBY_EXT_RD R 1h Internal. Only to be used through TI provided API.
3 DIS_IDLE_EXT_RD R 1h Internal. Only to be used through TI provided API.
2-0 VIN_AT_X_EXT_RD R 7h Internal. Only to be used through TI provided API.

www.ti.com
Factory Configuration (FCFG)
787
SWCU117F–February 2015–Revised June 2016
Submit Documentation Feedback Copyright © 2015–2016, Texas Instruments Incorporated
Device Configuration
9.2.1.1.49 MISC_TRIM Register (Offset = 30Ch) [reset = FFFFFF33h]
MISC_TRIM is shown in Figure 9-151 and described in Table 9-154.
Return to Summary Table.
Miscellaneous Trim Parameters
Figure 9-71. MISC_TRIM Register
31 30 29 28 27 26 25 24 23 22 21 20 19 18 17 16
RESERVED
R-00FFFFFFh
15 14 13 12 11 10 9 8 7 6 5 4 3 2 1 0
RESERVED TEMPVSLOPE
R-00FFFFFFh R-33h
Table 9-73. MISC_TRIM Register Field Descriptions
Bit Field Type Reset Description
31-8 RESERVED R 00FFFFFFh Software should not rely on the value of a reserved. Writing any
other value than the reset value may result in undefined behavior.
7-0 TEMPVSLOPE R 33h Signed byte value representing the TEMP slope with battery voltage,
in degrees C / V, with four fractional bits.

Factory Configuration (FCFG)
www.ti.com
788 SWCU117F–February 2015–Revised June 2016
Submit Documentation Feedback
Copyright © 2015–2016, Texas Instruments Incorporated
Device Configuration
9.2.1.1.50 RCOSC_HF_TEMPCOMP Register (Offset = 310h) [reset = 3h]
RCOSC_HF_TEMPCOMP is shown in Figure 9-152 and described in Table 9-155.
Return to Summary Table.
Internal. Only to be used through TI provided API.
Figure 9-72. RCOSC_HF_TEMPCOMP Register
31 30 29 28 27 26 25 24 23 22 21 20 19 18 17 16
FINE_RESISTOR CTRIM
R-0h R-0h
15 14 13 12 11 10 9 8 7 6 5 4 3 2 1 0
CTRIMFRACT_QUAD CTRIMFRACT_SLOPE
R-0h R-3h
Table 9-74. RCOSC_HF_TEMPCOMP Register Field Descriptions
Bit Field Type Reset Description
31-24 FINE_RESISTOR R 0h Internal. Only to be used through TI provided API.
23-16 CTRIM R 0h Internal. Only to be used through TI provided API.
15-8 CTRIMFRACT_QUAD R 0h Internal. Only to be used through TI provided API.
7-0 CTRIMFRACT_SLOPE R 3h Internal. Only to be used through TI provided API.

www.ti.com
Factory Configuration (FCFG)
789
SWCU117F–February 2015–Revised June 2016
Submit Documentation Feedback Copyright © 2015–2016, Texas Instruments Incorporated
Device Configuration
9.2.1.1.51 ICEPICK_DEVICE_ID Register (Offset = 318h) [reset = 2B9BE02Fh]
ICEPICK_DEVICE_ID is shown in Figure 9-153 and described in Table 9-156.
Return to Summary Table.
IcePick Device Identification
Reading this register or the USER_ID register is the only support way of identifying a device.
Figure 9-73. ICEPICK_DEVICE_ID Register
31 30 29 28 27 26 25 24 23 22 21 20 19 18 17 16
PG_REV WAFER_ID
R-2h R-B9BEh
15 14 13 12 11 10 9 8 7 6 5 4 3 2 1 0
WAFER_ID MANUFACTURER_ID
R-B9BEh R-2Fh
Table 9-75. ICEPICK_DEVICE_ID Register Field Descriptions
Bit Field Type Reset Description
31-28 PG_REV R 2h Field used to distinguish revisions of the device.
27-12 WAFER_ID R B9BEh Field used to identify silicon die.
11-0 MANUFACTURER_ID R 2Fh Manufacturer code.
0x02F: Texas Instruments

Factory Configuration (FCFG)
www.ti.com
790 SWCU117F–February 2015–Revised June 2016
Submit Documentation Feedback
Copyright © 2015–2016, Texas Instruments Incorporated
Device Configuration
9.2.1.1.52 FCFG1_REVISION Register (Offset = 31Ch) [reset = 26h]
FCFG1_REVISION is shown in Figure 9-154 and described in Table 9-157.
Return to Summary Table.
Factory Configuration (FCFG1) Revision
Figure 9-74. FCFG1_REVISION Register
31 30 29 28 27 26 25 24 23 22 21 20 19 18 17 16 15 14 13 12 11 10 9 8 7 6 5 4 3 2 1 0
REV
R-26h
Table 9-76. FCFG1_REVISION Register Field Descriptions
Bit Field Type Reset Description
31-0 REV R 26h The revision number of the FCFG1 layout. This value will be read by
application SW in order to determine which FCFG1 parameters that
have valid values. This revision number must be incremented by 1
before any devices are to be produced if the FCFG1 layout has
changed since the previous production of devices.
Value migth change without warning.

www.ti.com
Factory Configuration (FCFG)
791
SWCU117F–February 2015–Revised June 2016
Submit Documentation Feedback Copyright © 2015–2016, Texas Instruments Incorporated
Device Configuration
9.2.1.1.53 MISC_OTP_DATA Register (Offset = 320h) [reset = X]
MISC_OTP_DATA is shown in Figure 9-155 and described in Table 9-158.
Return to Summary Table.
Misc OTP Data
Figure 9-75. MISC_OTP_DATA Register
31 30 29 28 27 26 25 24
RCOSC_HF_ITUNE RCOSC_HF_CRIM
R-0h R-0h
23 22 21 20 19 18 17 16
RCOSC_HF_CRIM PER_M
R-0h R-1h
15 14 13 12 11 10 9 8
PER_M PER_E MIN_ALLOWED_RTRIM_DIV5
R-1h R-4h R-X
76543210
TEST_PROGRAM_REV
R-X
Table 9-77. MISC_OTP_DATA Register Field Descriptions
Bit Field Type Reset Description
31-28 RCOSC_HF_ITUNE R 0h Internal. Only to be used through TI provided API.
27-20 RCOSC_HF_CRIM R 0h Internal. Only to be used through TI provided API.
19-15 PER_M R 1h Internal. Only to be used through TI provided API.
14-12 PER_E R 4h Internal. Only to be used through TI provided API.
11-8 MIN_ALLOWED_RTRIM_
DIV5 R X Internal. Only to be used through TI provided API.
Default value holds trim value from production test.
7-0 TEST_PROGRAM_REV R X The revision of the test program used in the production process
when FCFG1 was programmed.
Value migth change without warning.
Default value holds log information from production test.

Factory Configuration (FCFG)
www.ti.com
792 SWCU117F–February 2015–Revised June 2016
Submit Documentation Feedback
Copyright © 2015–2016, Texas Instruments Incorporated
Device Configuration
9.2.1.1.54 IOCONF Register (Offset = 344h) [reset = X]
IOCONF is shown in Figure 9-156 and described in Table 9-159.
Return to Summary Table.
IO Configuration
Figure 9-76. IOCONF Register
31 30 29 28 27 26 25 24 23 22 21 20 19 18 17 16
RESERVED
R-01FFFFFEh
15 14 13 12 11 10 9 8 7 6 5 4 3 2 1 0
RESERVED GPIO_CNT
R-01FFFFFEh R-X
Table 9-78. IOCONF Register Field Descriptions
Bit Field Type Reset Description
31-7 RESERVED R 01FFFFFEh Software should not rely on the value of a reserved. Writing any
other value than the reset value may result in undefined behavior.
6-0 GPIO_CNT R X Number of available DIOs.
Default value differs depending on partnumber.

www.ti.com
Factory Configuration (FCFG)
793
SWCU117F–February 2015–Revised June 2016
Submit Documentation Feedback Copyright © 2015–2016, Texas Instruments Incorporated
Device Configuration
9.2.1.1.55 CONFIG_IF_ADC Register (Offset = 34Ch) [reset = X]
CONFIG_IF_ADC is shown in Figure 9-157 and described in Table 9-160.
Return to Summary Table.
Internal. Only to be used through TI provided API.
Figure 9-77. CONFIG_IF_ADC Register
31 30 29 28 27 26 25 24
FF2ADJ FF3ADJ
R-3h R-4h
23 22 21 20 19 18 17 16
INT3ADJ FF1ADJ
R-6h R-0h
15 14 13 12 11 10 9 8
AAFCAP INT2ADJ IFDIGLDO_TRIM_OUTPUT
R-3h R-Dh R-X
76543210
IFDIGLDO_TRIM_OUTPUT IFANALDO_TRIM_OUTPUT
R-X R-X
Table 9-79. CONFIG_IF_ADC Register Field Descriptions
Bit Field Type Reset Description
31-28 FF2ADJ R 3h Internal. Only to be used through TI provided API.
27-24 FF3ADJ R 4h Internal. Only to be used through TI provided API.
23-20 INT3ADJ R 6h Internal. Only to be used through TI provided API.
19-16 FF1ADJ R 0h Internal. Only to be used through TI provided API.
15-14 AAFCAP R 3h Internal. Only to be used through TI provided API.
13-10 INT2ADJ R Dh Internal. Only to be used through TI provided API.
9-5 IFDIGLDO_TRIM_OUTPU
TR X Internal. Only to be used through TI provided API.
Default value holds trim value from production test.
4-0 IFANALDO_TRIM_OUTP
UT R X Internal. Only to be used through TI provided API.
Default value holds trim value from production test.

Factory Configuration (FCFG)
www.ti.com
794 SWCU117F–February 2015–Revised June 2016
Submit Documentation Feedback
Copyright © 2015–2016, Texas Instruments Incorporated
Device Configuration
9.2.1.1.56 CONFIG_OSC_TOP Register (Offset = 350h) [reset = X]
CONFIG_OSC_TOP is shown in Figure 9-158 and described in Table 9-161.
Return to Summary Table.
Internal. Only to be used through TI provided API.
Figure 9-78. CONFIG_OSC_TOP Register
31 30 29 28 27 26 25 24
RESERVED XOSC_HF_ROW_Q12 XOSC_HF_COLUMN_Q12
R-3h R-Fh R-Fh
23 22 21 20 19 18 17 16
XOSC_HF_COLUMN_Q12
R-Fh
15 14 13 12 11 10 9 8
XOSC_HF_COLUMN_Q12 RCOSCLF_CTUNE_TRIM
R-Fh R-X
76543210
RCOSCLF_CTUNE_TRIM RCOSCLF_RTUNE_TRIM
R-X R-0h
Table 9-80. CONFIG_OSC_TOP Register Field Descriptions
Bit Field Type Reset Description
31-30 RESERVED R 3h Internal. Only to be used through TI provided API.
29-26 XOSC_HF_ROW_Q12 R Fh Internal. Only to be used through TI provided API.
25-10 XOSC_HF_COLUMN_Q1
2R Fh Internal. Only to be used through TI provided API.
9-2 RCOSCLF_CTUNE_TRIM R X Internal. Only to be used through TI provided API.
Default value holds trim value from production test.
1-0 RCOSCLF_RTUNE_TRIM R 0h Internal. Only to be used through TI provided API.

www.ti.com
Factory Configuration (FCFG)
795
SWCU117F–February 2015–Revised June 2016
Submit Documentation Feedback Copyright © 2015–2016, Texas Instruments Incorporated
Device Configuration
9.2.1.1.57 CONFIG_RF_FRONTEND Register (Offset = 354h) [reset = X]
CONFIG_RF_FRONTEND is shown in Figure 9-159 and described in Table 9-162.
Return to Summary Table.
Internal. Only to be used through TI provided API.
Figure 9-79. CONFIG_RF_FRONTEND Register
31 30 29 28 27 26 25 24
IFAMP_IB LNA_IB
R-7h R-X
23 22 21 20 19 18 17 16
IFAMP_TRIM CTL_PA0_TRIM
R-0h R-X
15 14 13 12 11 10 9 8
CTL_PA0_TRIM PATRIMCOMP
LETE_N RESERVED
R-X R-X R-3Fh
76543210
RESERVED RFLDO_TRIM_OUTPUT
R-3Fh R-X
Table 9-81. CONFIG_RF_FRONTEND Register Field Descriptions
Bit Field Type Reset Description
31-28 IFAMP_IB R 7h Internal. Only to be used through TI provided API.
27-24 LNA_IB R X Internal. Only to be used through TI provided API.
Default value holds trim value from production test.
23-19 IFAMP_TRIM R 0h Internal. Only to be used through TI provided API.
18-14 CTL_PA0_TRIM R X Internal. Only to be used through TI provided API.
Default value holds trim value from production test.
13 PATRIMCOMPLETE_N R X Internal. Only to be used through TI provided API.
Default value holds trim value from production test.
12-7 RESERVED R 3Fh Internal. Only to be used through TI provided API.
6-0 RFLDO_TRIM_OUTPUT R X Internal. Only to be used through TI provided API.
Default value holds trim value from production test.

Factory Configuration (FCFG)
www.ti.com
796 SWCU117F–February 2015–Revised June 2016
Submit Documentation Feedback
Copyright © 2015–2016, Texas Instruments Incorporated
Device Configuration
9.2.1.1.58 CONFIG_SYNTH Register (Offset = 358h) [reset = X]
CONFIG_SYNTH is shown in Figure 9-160 and described in Table 9-163.
Return to Summary Table.
Internal. Only to be used through TI provided API.
Figure 9-80. CONFIG_SYNTH Register
31 30 29 28 27 26 25 24
RESERVED DISABLE_COR
NER_CAP RFC_MDM_DEMIQMC0
R-7h R-X R-X
23 22 21 20 19 18 17 16
RFC_MDM_DEMIQMC0
R-X
15 14 13 12 11 10 9 8
RFC_MDM_DEMIQMC0 LDOVCO_TRIM_OUTPUT
R-X R-X
76543210
LDOVCO_TRIM_OUTPUT SLDO_TRIM_OUTPUT
R-X R-X
Table 9-82. CONFIG_SYNTH Register Field Descriptions
Bit Field Type Reset Description
31-29 RESERVED R 7h Internal. Only to be used through TI provided API.
28 DISABLE_CORNER_CAP R X Internal. Only to be used through TI provided API.
Default value holds trim value from production test.
27-12 RFC_MDM_DEMIQMC0 R X Trim value for RF Core.
Value is read by RF Core ROM FW during RF Core initialization only
on cc13xx.
Default value holds trim value from production test.
11-6 LDOVCO_TRIM_OUTPU
TR X Internal. Only to be used through TI provided API.
Default value holds trim value from production test.
5-0 SLDO_TRIM_OUTPUT R X Internal. Only to be used through TI provided API.
Default value holds trim value from production test.

www.ti.com
Factory Configuration (FCFG)
797
SWCU117F–February 2015–Revised June 2016
Submit Documentation Feedback Copyright © 2015–2016, Texas Instruments Incorporated
Device Configuration
9.2.1.1.59 SOC_ADC_ABS_GAIN Register (Offset = 35Ch) [reset = X]
SOC_ADC_ABS_GAIN is shown in Figure 9-161 and described in Table 9-164.
Return to Summary Table.
AUX_ADC Gain in Absolute Reference Mode
Figure 9-81. SOC_ADC_ABS_GAIN Register
31 30 29 28 27 26 25 24 23 22 21 20 19 18 17 16
RESERVED
R-FFFFh
15 14 13 12 11 10 9 8 7 6 5 4 3 2 1 0
SOC_ADC_ABS_GAIN_TEMP1
R-X
Table 9-83. SOC_ADC_ABS_GAIN Register Field Descriptions
Bit Field Type Reset Description
31-16 RESERVED R FFFFh Software should not rely on the value of a reserved. Writing any
other value than the reset value may result in undefined behavior.
15-0 SOC_ADC_ABS_GAIN_T
EMP1 R X SOC_ADC gain in absolute reference mode at temperature 1 (30C).
Calculated in production test..
Default value holds log information from production test.

Factory Configuration (FCFG)
www.ti.com
798 SWCU117F–February 2015–Revised June 2016
Submit Documentation Feedback
Copyright © 2015–2016, Texas Instruments Incorporated
Device Configuration
9.2.1.1.60 SOC_ADC_REL_GAIN Register (Offset = 360h) [reset = X]
SOC_ADC_REL_GAIN is shown in Figure 9-162 and described in Table 9-165.
Return to Summary Table.
AUX_ADC Gain in Relative Reference Mode
Figure 9-82. SOC_ADC_REL_GAIN Register
31 30 29 28 27 26 25 24 23 22 21 20 19 18 17 16
RESERVED
R-FFFFh
15 14 13 12 11 10 9 8 7 6 5 4 3 2 1 0
SOC_ADC_REL_GAIN_TEMP1
R-X
Table 9-84. SOC_ADC_REL_GAIN Register Field Descriptions
Bit Field Type Reset Description
31-16 RESERVED R FFFFh Software should not rely on the value of a reserved. Writing any
other value than the reset value may result in undefined behavior.
15-0 SOC_ADC_REL_GAIN_T
EMP1 R X SOC_ADC gain in relative reference mode at temperature 1 (30C).
Calculated in production test..
Default value holds trim value from production test.

www.ti.com
Factory Configuration (FCFG)
799
SWCU117F–February 2015–Revised June 2016
Submit Documentation Feedback Copyright © 2015–2016, Texas Instruments Incorporated
Device Configuration
9.2.1.1.61 SOC_ADC_OFFSET_INT Register (Offset = 368h) [reset = X]
SOC_ADC_OFFSET_INT is shown in Figure 9-163 and described in Table 9-166.
Return to Summary Table.
AUX_ADC Temperature Offsets in Absolute Reference Mode
Figure 9-83. SOC_ADC_OFFSET_INT Register
31 30 29 28 27 26 25 24 23 22 21 20 19 18 17 16
RESERVED SOC_ADC_REL_OFFSET_TEMP1
R-FFh R-X
15 14 13 12 11 10 9 8 7 6 5 4 3 2 1 0
RESERVED SOC_ADC_ABS_OFFSET_TEMP1
R-FFh R-X
Table 9-85. SOC_ADC_OFFSET_INT Register Field Descriptions
Bit Field Type Reset Description
31-24 RESERVED R FFh Software should not rely on the value of a reserved. Writing any
other value than the reset value may result in undefined behavior.
23-16 SOC_ADC_REL_OFFSET
_TEMP1 R X SOC_ADC offset in relative reference mode at temperature 1 (30C).
Signed 8-bit number. Calculated in production test..
Default value holds trim value from production test.
15-8 RESERVED R FFh Software should not rely on the value of a reserved. Writing any
other value than the reset value may result in undefined behavior.
7-0 SOC_ADC_ABS_OFFSE
T_TEMP1 R X SOC_ADC offset in absolute reference mode at temperature 1
(30C). Signed 8-bit number. Calculated in production test..
Default value holds trim value from production test.

Factory Configuration (FCFG)
www.ti.com
800 SWCU117F–February 2015–Revised June 2016
Submit Documentation Feedback
Copyright © 2015–2016, Texas Instruments Incorporated
Device Configuration
9.2.1.1.62 SOC_ADC_REF_TRIM_AND_OFFSET_EXT Register (Offset = 36Ch) [reset = X]
SOC_ADC_REF_TRIM_AND_OFFSET_EXT is shown in Figure 9-164 and described in Table 9-167.
Return to Summary Table.
Internal. Only to be used through TI provided API.
Figure 9-84. SOC_ADC_REF_TRIM_AND_OFFSET_EXT Register
31 30 29 28 27 26 25 24
RESERVED
R-03FFFFFEh
23 22 21 20 19 18 17 16
RESERVED
R-03FFFFFEh
15 14 13 12 11 10 9 8
RESERVED
R-03FFFFFEh
76543210
RESERVED SOC_ADC_REF_VOLTAGE_TRIM_TEMP1
R-03FFFFFEh R-X
Table 9-86. SOC_ADC_REF_TRIM_AND_OFFSET_EXT Register Field Descriptions
Bit Field Type Reset Description
31-6 RESERVED R 03FFFFFEh Software should not rely on the value of a reserved. Writing any
other value than the reset value may result in undefined behavior.
5-0 SOC_ADC_REF_VOLTA
GE_TRIM_TEMP1 R X Internal. Only to be used through TI provided API.
Default value holds trim value from production test.

www.ti.com
Factory Configuration (FCFG)
801
SWCU117F–February 2015–Revised June 2016
Submit Documentation Feedback Copyright © 2015–2016, Texas Instruments Incorporated
Device Configuration
9.2.1.1.63 AMPCOMP_TH1 Register (Offset = 370h) [reset = FF7B828Eh]
AMPCOMP_TH1 is shown in Figure 9-165 and described in Table 9-168.
Return to Summary Table.
Internal. Only to be used through TI provided API.
Figure 9-85. AMPCOMP_TH1 Register
31 30 29 28 27 26 25 24
RESERVED
R-FFh
23 22 21 20 19 18 17 16
HPMRAMP3_LTH RESERVED
R-1Eh R-3h
15 14 13 12 11 10 9 8
HPMRAMP3_HTH IBIASCAP_LPTOHP_OL_CNT
R-20h R-Ah
76543210
IBIASCAP_LPTOHP_OL_CNT HPMRAMP1_TH
R-Ah R-Eh
Table 9-87. AMPCOMP_TH1 Register Field Descriptions
Bit Field Type Reset Description
31-24 RESERVED R FFh Internal. Only to be used through TI provided API.
23-18 HPMRAMP3_LTH R 1Eh Internal. Only to be used through TI provided API.
17-16 RESERVED R 3h Internal. Only to be used through TI provided API.
15-10 HPMRAMP3_HTH R 20h Internal. Only to be used through TI provided API.
9-6 IBIASCAP_LPTOHP_OL_
CNT R Ah Internal. Only to be used through TI provided API.
5-0 HPMRAMP1_TH R Eh Internal. Only to be used through TI provided API.

Factory Configuration (FCFG)
www.ti.com
802 SWCU117F–February 2015–Revised June 2016
Submit Documentation Feedback
Copyright © 2015–2016, Texas Instruments Incorporated
Device Configuration
9.2.1.1.64 AMPCOMP_TH2 Register (Offset = 374h) [reset = 6B8B0303h]
AMPCOMP_TH2 is shown in Figure 9-166 and described in Table 9-169.
Return to Summary Table.
Internal. Only to be used through TI provided API.
Figure 9-86. AMPCOMP_TH2 Register
31 30 29 28 27 26 25 24
LPMUPDATE_LTH RESERVED
R-1Ah R-3h
23 22 21 20 19 18 17 16
LPMUPDATE_HTM RESERVED
R-22h R-3h
15 14 13 12 11 10 9 8
ADC_COMP_AMPTH_LPM RESERVED
R-0h R-3h
76543210
ADC_COMP_AMPTH_HPM RESERVED
R-0h R-3h
Table 9-88. AMPCOMP_TH2 Register Field Descriptions
Bit Field Type Reset Description
31-26 LPMUPDATE_LTH R 1Ah Internal. Only to be used through TI provided API.
25-24 RESERVED R 3h Internal. Only to be used through TI provided API.
23-18 LPMUPDATE_HTM R 22h Internal. Only to be used through TI provided API.
17-16 RESERVED R 3h Internal. Only to be used through TI provided API.
15-10 ADC_COMP_AMPTH_LP
MR 0h Internal. Only to be used through TI provided API.
9-8 RESERVED R 3h Internal. Only to be used through TI provided API.
7-2 ADC_COMP_AMPTH_HP
MR 0h Internal. Only to be used through TI provided API.
1-0 RESERVED R 3h Internal. Only to be used through TI provided API.

www.ti.com
Factory Configuration (FCFG)
803
SWCU117F–February 2015–Revised June 2016
Submit Documentation Feedback Copyright © 2015–2016, Texas Instruments Incorporated
Device Configuration
9.2.1.1.65 AMPCOMP_CTRL1 Register (Offset = 378h) [reset = FF183F47h]
AMPCOMP_CTRL1 is shown in Figure 9-167 and described in Table 9-170.
Return to Summary Table.
Internal. Only to be used through TI provided API.
Figure 9-87. AMPCOMP_CTRL1 Register
31 30 29 28 27 26 25 24
RESERVED AMPCOMP_RE
Q_MODE RESERVED
R-1h R-1h R-3Fh
23 22 21 20 19 18 17 16
IBIAS_OFFSET IBIAS_INIT
R-1h R-8h
15 14 13 12 11 10 9 8
LPM_IBIAS_WAIT_CNT_FINAL
R-3Fh
76543210
CAP_STEP IBIASCAP_HPTOLP_OL_CNT
R-4h R-7h
Table 9-89. AMPCOMP_CTRL1 Register Field Descriptions
Bit Field Type Reset Description
31 RESERVED R 1h Internal. Only to be used through TI provided API.
30 AMPCOMP_REQ_MODE R 1h Internal. Only to be used through TI provided API.
29-24 RESERVED R 3Fh Internal. Only to be used through TI provided API.
23-20 IBIAS_OFFSET R 1h Internal. Only to be used through TI provided API.
19-16 IBIAS_INIT R 8h Internal. Only to be used through TI provided API.
15-8 LPM_IBIAS_WAIT_CNT_
FINAL R 3Fh Internal. Only to be used through TI provided API.
7-4 CAP_STEP R 4h Internal. Only to be used through TI provided API.
3-0 IBIASCAP_HPTOLP_OL_
CNT R 7h Internal. Only to be used through TI provided API.

Factory Configuration (FCFG)
www.ti.com
804 SWCU117F–February 2015–Revised June 2016
Submit Documentation Feedback
Copyright © 2015–2016, Texas Instruments Incorporated
Device Configuration
9.2.1.1.66 ANABYPASS_VALUE2 Register (Offset = 37Ch) [reset = FFFFC3FFh]
ANABYPASS_VALUE2 is shown in Figure 9-168 and described in Table 9-171.
Return to Summary Table.
Internal. Only to be used through TI provided API.
Figure 9-88. ANABYPASS_VALUE2 Register
31 30 29 28 27 26 25 24 23 22 21 20 19 18 17 16
RESERVED
R-0003FFFFh
15 14 13 12 11 10 9 8 7 6 5 4 3 2 1 0
RESERVED XOSC_HF_IBIASTHERM
R-0003FFFFh R-3FFh
Table 9-90. ANABYPASS_VALUE2 Register Field Descriptions
Bit Field Type Reset Description
31-14 RESERVED R 0003FFFFh Internal. Only to be used through TI provided API.
13-0 XOSC_HF_IBIASTHERM R 3FFh Internal. Only to be used through TI provided API.

www.ti.com
Factory Configuration (FCFG)
805
SWCU117F–February 2015–Revised June 2016
Submit Documentation Feedback Copyright © 2015–2016, Texas Instruments Incorporated
Device Configuration
9.2.1.1.67 CONFIG_MISC_ADC Register (Offset = 380h) [reset = X]
CONFIG_MISC_ADC is shown in Figure 9-169 and described in Table 9-172.
Return to Summary Table.
Internal. Only to be used through TI provided API.
Figure 9-89. CONFIG_MISC_ADC Register
31 30 29 28 27 26 25 24
RESERVED
R-3FFh
23 22 21 20 19 18 17 16
RESERVED MIN_ALLOWED_RTRIM RSSITRIMCOM
PLETE_N RSSI_OFFSET
R-3FFh R-X R-X R-X
15 14 13 12 11 10 9 8
RSSI_OFFSET QUANTCTLTH
RES
R-X R-5h
76543210
QUANTCTLTHRES DACTRIM
R-5h R-Dh
Table 9-91. CONFIG_MISC_ADC Register Field Descriptions
Bit Field Type Reset Description
31-22 RESERVED R 3FFh Internal. Only to be used through TI provided API.
21-18 MIN_ALLOWED_RTRIM R X Internal. Only to be used through TI provided API.
Default value holds trim value from production test.
17 RSSITRIMCOMPLETE_N R X Internal. Only to be used through TI provided API.
Default value holds trim value from production test.
16-9 RSSI_OFFSET R X Internal. Only to be used through TI provided API.
Default value holds trim value from production test.
8-6 QUANTCTLTHRES R 5h Internal. Only to be used through TI provided API.
5-0 DACTRIM R Dh Internal. Only to be used through TI provided API.

Factory Configuration (FCFG)
www.ti.com
806 SWCU117F–February 2015–Revised June 2016
Submit Documentation Feedback
Copyright © 2015–2016, Texas Instruments Incorporated
Device Configuration
9.2.1.1.68 VOLT_TRIM Register (Offset = 388h) [reset = X]
VOLT_TRIM is shown in Figure 9-170 and described in Table 9-173.
Return to Summary Table.
Internal. Only to be used through TI provided API.
Figure 9-90. VOLT_TRIM Register
31 30 29 28 27 26 25 24
RESERVED VDDR_TRIM_HH
R-7h R-X
23 22 21 20 19 18 17 16
RESERVED VDDR_TRIM_H
R-7h R-X
15 14 13 12 11 10 9 8
RESERVED VDDR_TRIM_SLEEP_H
R-7h R-X
76543210
RESERVED TRIMBOD_H
R-7h R-X
Table 9-92. VOLT_TRIM Register Field Descriptions
Bit Field Type Reset Description
31-29 RESERVED R 7h Internal. Only to be used through TI provided API.
28-24 VDDR_TRIM_HH R X Internal. Only to be used through TI provided API.
Default value holds trim value from production test.
23-21 RESERVED R 7h Internal. Only to be used through TI provided API.
20-16 VDDR_TRIM_H R X Internal. Only to be used through TI provided API.
Default value holds trim value from production test.
15-13 RESERVED R 7h Internal. Only to be used through TI provided API.
12-8 VDDR_TRIM_SLEEP_H R X Internal. Only to be used through TI provided API.
Default value holds trim value from production test.
7-5 RESERVED R 7h Internal. Only to be used through TI provided API.
4-0 TRIMBOD_H R X Internal. Only to be used through TI provided API.
Default value holds trim value from production test.

www.ti.com
Factory Configuration (FCFG)
807
SWCU117F–February 2015–Revised June 2016
Submit Documentation Feedback Copyright © 2015–2016, Texas Instruments Incorporated
Device Configuration
9.2.1.1.69 OSC_CONF Register (Offset = 38Ch) [reset = X]
OSC_CONF is shown in Figure 9-171 and described in Table 9-174.
Return to Summary Table.
OSC Configuration
Figure 9-91. OSC_CONF Register
31 30 29 28 27 26 25 24
RESERVED ADC_SH_VBU
F_EN ADC_SH_MOD
E_EN ATESTLF_RC
OSCLF_IBIAS_
TRIM
XOSCLF_REGULATOR_TRIM XOSCLF_CMIR
RWR_RATIO
R-3h R-1h R-1h R-0h R-0h R-0h
23 22 21 20 19 18 17 16
XOSCLF_CMIRRWR_RATIO XOSC_HF_FAST_START XOSC_OPTIO
NHPOSC_OPTI
ON HPOSC_BIAS_
HOLD_MODE_
EN
R-0h R-1h R-X R-X R-1h
15 14 13 12 11 10 9 8
HPOSC_CURRMIRR_RATIO HPOSC_BIAS_RES_SET
R-X R-X
76543210
HPOSC_FILTE
R_EN HPOSC_BIAS_RECHARGE_DE
LAY RESERVED HPOSC_SERIES_CAP HPOSC_DIV3_
BYPASS
R-X R-X R-X R-X R-X
Table 9-93. OSC_CONF Register Field Descriptions
Bit Field Type Reset Description
31-30 RESERVED R 3h Software should not rely on the value of a reserved. Writing any
other value than the reset value may result in undefined behavior.
29 ADC_SH_VBUF_EN R 1h Trim value for
DDI_0_OSC:ADCDOUBLERNANOAMPCTL.ADC_SH_VBUF_EN.
28 ADC_SH_MODE_EN R 1h Trim value for
DDI_0_OSC:ADCDOUBLERNANOAMPCTL.ADC_SH_MODE_EN.
27 ATESTLF_RCOSCLF_IBI
AS_TRIM R 0h Trim value for
DDI_0_OSC:ATESTCTL.ATESTLF_RCOSCLF_IBIAS_TRIM.
26-25 XOSCLF_REGULATOR_
TRIM R 0h Trim value for
DDI_0_OSC:LFOSCCTL.XOSCLF_REGULATOR_TRIM.
24-21 XOSCLF_CMIRRWR_RA
TIO R 0h Trim value for
DDI_0_OSC:LFOSCCTL.XOSCLF_CMIRRWR_RATIO.
20-19 XOSC_HF_FAST_START R 1h Trim value for DDI_0_OSC:CTL1.XOSC_HF_FAST_START.
18 XOSC_OPTION R X 0: XOSC_HF unavailable (may not be bonded out)
1: XOSC_HF available (default)
Default value differs depending on partnumber.
17 HPOSC_OPTION R X Internal. Only to be used through TI provided API.
Default value differs depending on partnumber.
16 HPOSC_BIAS_HOLD_M
ODE_EN R 1h Internal. Only to be used through TI provided API.
15-12 HPOSC_CURRMIRR_RA
TIO R X Internal. Only to be used through TI provided API.
Default value holds trim value from production test.
11-8 HPOSC_BIAS_RES_SET R X Internal. Only to be used through TI provided API.
Default value holds trim value from production test.
7 HPOSC_FILTER_EN R X Internal. Only to be used through TI provided API.
Default value holds trim value from production test.

Factory Configuration (FCFG)
www.ti.com
808 SWCU117F–February 2015–Revised June 2016
Submit Documentation Feedback
Copyright © 2015–2016, Texas Instruments Incorporated
Device Configuration
Table 9-93. OSC_CONF Register Field Descriptions (continued)
Bit Field Type Reset Description
6-5 HPOSC_BIAS_RECHAR
GE_DELAY R X Internal. Only to be used through TI provided API.
Default value holds trim value from production test.
4-3 RESERVED R X Software should not rely on the value of a reserved. Writing any
other value than the reset value may result in undefined behavior.
Default value holds trim value from production test.
2-1 HPOSC_SERIES_CAP R X Internal. Only to be used through TI provided API.
Default value holds trim value from production test.
0 HPOSC_DIV3_BYPASS R X Internal. Only to be used through TI provided API.
Default value holds trim value from production test.

www.ti.com
Factory Configuration (FCFG)
809
SWCU117F–February 2015–Revised June 2016
Submit Documentation Feedback Copyright © 2015–2016, Texas Instruments Incorporated
Device Configuration
9.2.1.1.70 FREQ_OFFSET Register (Offset = 390h) [reset = X]
FREQ_OFFSET is shown in Figure 9-172 and described in Table 9-175.
Return to Summary Table.
Internal. Only to be used through TI provided API.
Figure 9-92. FREQ_OFFSET Register
31 30 29 28 27 26 25 24 23 22 21 20 19 18 17 16
HPOSC_COMP_P0
R-X
15 14 13 12 11 10 9 8 7 6 5 4 3 2 1 0
HPOSC_COMP_P1 HPOSC_COMP_P2
R-X R-X
Table 9-94. FREQ_OFFSET Register Field Descriptions
Bit Field Type Reset Description
31-16 HPOSC_COMP_P0 R X Internal. Only to be used through TI provided API.
Default value holds trim value from production test.
15-8 HPOSC_COMP_P1 R X Internal. Only to be used through TI provided API.
Default value holds trim value from production test.
7-0 HPOSC_COMP_P2 R X Internal. Only to be used through TI provided API.
Default value holds trim value from production test.

Factory Configuration (FCFG)
www.ti.com
810 SWCU117F–February 2015–Revised June 2016
Submit Documentation Feedback
Copyright © 2015–2016, Texas Instruments Incorporated
Device Configuration
9.2.1.1.71 CAP_TRIM Register (Offset = 394h) [reset = FFFFFFFFh]
CAP_TRIM is shown in Figure 9-173 and described in Table 9-176.
Return to Summary Table.
Internal. Only to be used through TI provided API.
Figure 9-93. CAP_TRIM Register
31 30 29 28 27 26 25 24 23 22 21 20 19 18 17 16
FLUX_CAP_0P28_TRIM
R-FFFFh
15 14 13 12 11 10 9 8 7 6 5 4 3 2 1 0
FLUX_CAP_0P4_TRIM
R-FFFFh
Table 9-95. CAP_TRIM Register Field Descriptions
Bit Field Type Reset Description
31-16 FLUX_CAP_0P28_TRIM R FFFFh Internal. Only to be used through TI provided API.
15-0 FLUX_CAP_0P4_TRIM R FFFFh Internal. Only to be used through TI provided API.

www.ti.com
Factory Configuration (FCFG)
811
SWCU117F–February 2015–Revised June 2016
Submit Documentation Feedback Copyright © 2015–2016, Texas Instruments Incorporated
Device Configuration
9.2.1.1.72 MISC_OTP_DATA_1 Register (Offset = 398h) [reset = E00403F8h]
MISC_OTP_DATA_1 is shown in Figure 9-174 and described in Table 9-177.
Return to Summary Table.
Internal. Only to be used through TI provided API.
Figure 9-94. MISC_OTP_DATA_1 Register
31 30 29 28 27 26 25 24
RESERVED PEAK_DET_ITRIM HP_BUF_ITRIM
R-7h R-0h R-0h
23 22 21 20 19 18 17 16
LP_BUF_ITRIM DBLR_LOOP_FILTER_RESET_
VOLTAGE HPM_IBIAS_WAIT_CNT
R-0h R-0h R-100h
15 14 13 12 11 10 9 8
HPM_IBIAS_WAIT_CNT LPM_IBIAS_WAIT_CNT
R-100h R-3Fh
76543210
LPM_IBIAS_WAIT_CNT IDAC_STEP
R-3Fh R-8h
Table 9-96. MISC_OTP_DATA_1 Register Field Descriptions
Bit Field Type Reset Description
31-29 RESERVED R 7h Internal. Only to be used through TI provided API.
28-27 PEAK_DET_ITRIM R 0h Internal. Only to be used through TI provided API.
26-24 HP_BUF_ITRIM R 0h Internal. Only to be used through TI provided API.
23-22 LP_BUF_ITRIM R 0h Internal. Only to be used through TI provided API.
21-20 DBLR_LOOP_FILTER_R
ESET_VOLTAGE R 0h Internal. Only to be used through TI provided API.
19-10 HPM_IBIAS_WAIT_CNT R 100h Internal. Only to be used through TI provided API.
9-4 LPM_IBIAS_WAIT_CNT R 3Fh Internal. Only to be used through TI provided API.
3-0 IDAC_STEP R 8h Internal. Only to be used through TI provided API.

Factory Configuration (FCFG)
www.ti.com
812 SWCU117F–February 2015–Revised June 2016
Submit Documentation Feedback
Copyright © 2015–2016, Texas Instruments Incorporated
Device Configuration
9.2.1.1.73 PWD_CURR_20C Register (Offset = 39Ch) [reset = 080BA608h]
PWD_CURR_20C is shown in Figure 9-175 and described in Table 9-178.
Return to Summary Table.
Power Down Current Control 20C
Figure 9-95. PWD_CURR_20C Register
31 30 29 28 27 26 25 24 23 22 21 20 19 18 17 16
DELTA_CACHE_REF DELTA_RFMEM_RET
R-8h R-Bh
15 14 13 12 11 10 9 8 7 6 5 4 3 2 1 0
DELTA_XOSC_LPM BASELINE
R-A6h R-8h
Table 9-97. PWD_CURR_20C Register Field Descriptions
Bit Field Type Reset Description
31-24 DELTA_CACHE_REF R 8h Additional maximum current, in units of 1uA, with cache retention
23-16 DELTA_RFMEM_RET R Bh Additional maximum current, in 1uA units, with RF memory retention
15-8 DELTA_XOSC_LPM R A6h Additional maximum current, in units of 1uA, with XOSC_HF on in
low-power mode
7-0 BASELINE R 8h Worst-case baseline maximum powerdown current, in units of 0.5uA

www.ti.com
Factory Configuration (FCFG)
813
SWCU117F–February 2015–Revised June 2016
Submit Documentation Feedback Copyright © 2015–2016, Texas Instruments Incorporated
Device Configuration
9.2.1.1.74 PWD_CURR_35C Register (Offset = 3A0h) [reset = 0C10A50Ah]
PWD_CURR_35C is shown in Figure 9-176 and described in Table 9-179.
Return to Summary Table.
Power Down Current Control 35C
Figure 9-96. PWD_CURR_35C Register
31 30 29 28 27 26 25 24 23 22 21 20 19 18 17 16
DELTA_CACHE_REF DELTA_RFMEM_RET
R-Ch R-10h
15 14 13 12 11 10 9 8 7 6 5 4 3 2 1 0
DELTA_XOSC_LPM BASELINE
R-A5h R-Ah
Table 9-98. PWD_CURR_35C Register Field Descriptions
Bit Field Type Reset Description
31-24 DELTA_CACHE_REF R Ch Additional maximum current, in units of 1uA, with cache retention
23-16 DELTA_RFMEM_RET R 10h Additional maximum current, in 1uA units, with RF memory retention
15-8 DELTA_XOSC_LPM R A5h Additional maximum current, in units of 1uA, with XOSC_HF on in
low-power mode
7-0 BASELINE R Ah Worst-case baseline maximum powerdown current, in units of 0.5uA

Factory Configuration (FCFG)
www.ti.com
814 SWCU117F–February 2015–Revised June 2016
Submit Documentation Feedback
Copyright © 2015–2016, Texas Instruments Incorporated
Device Configuration
9.2.1.1.75 PWD_CURR_50C Register (Offset = 3A4h) [reset = 1218A20Dh]
PWD_CURR_50C is shown in Figure 9-177 and described in Table 9-180.
Return to Summary Table.
Power Down Current Control 50C
Figure 9-97. PWD_CURR_50C Register
31 30 29 28 27 26 25 24 23 22 21 20 19 18 17 16
DELTA_CACHE_REF DELTA_RFMEM_RET
R-12h R-18h
15 14 13 12 11 10 9 8 7 6 5 4 3 2 1 0
DELTA_XOSC_LPM BASELINE
R-A2h R-Dh
Table 9-99. PWD_CURR_50C Register Field Descriptions
Bit Field Type Reset Description
31-24 DELTA_CACHE_REF R 12h Additional maximum current, in units of 1uA, with cache retention
23-16 DELTA_RFMEM_RET R 18h Additional maximum current, in 1uA units, with RF memory retention
15-8 DELTA_XOSC_LPM R A2h Additional maximum current, in units of 1uA, with XOSC_HF on in
low-power mode
7-0 BASELINE R Dh Worst-case baseline maximum powerdown current, in units of 0.5uA

www.ti.com
Factory Configuration (FCFG)
815
SWCU117F–February 2015–Revised June 2016
Submit Documentation Feedback Copyright © 2015–2016, Texas Instruments Incorporated
Device Configuration
9.2.1.1.76 PWD_CURR_65C Register (Offset = 3A8h) [reset = 1C259C14h]
PWD_CURR_65C is shown in Figure 9-178 and described in Table 9-181.
Return to Summary Table.
Power Down Current Control 65C
Figure 9-98. PWD_CURR_65C Register
31 30 29 28 27 26 25 24 23 22 21 20 19 18 17 16
DELTA_CACHE_REF DELTA_RFMEM_RET
R-1Ch R-25h
15 14 13 12 11 10 9 8 7 6 5 4 3 2 1 0
DELTA_XOSC_LPM BASELINE
R-9Ch R-14h
Table 9-100. PWD_CURR_65C Register Field Descriptions
Bit Field Type Reset Description
31-24 DELTA_CACHE_REF R 1Ch Additional maximum current, in units of 1uA, with cache retention
23-16 DELTA_RFMEM_RET R 25h Additional maximum current, in 1uA units, with RF memory retention
15-8 DELTA_XOSC_LPM R 9Ch Additional maximum current, in units of 1uA, with XOSC_HF on in
low-power mode
7-0 BASELINE R 14h Worst-case baseline maximum powerdown current, in units of 0.5uA

Factory Configuration (FCFG)
www.ti.com
816 SWCU117F–February 2015–Revised June 2016
Submit Documentation Feedback
Copyright © 2015–2016, Texas Instruments Incorporated
Device Configuration
9.2.1.1.77 PWD_CURR_80C Register (Offset = 3ACh) [reset = 2E3B9021h]
PWD_CURR_80C is shown in Figure 9-179 and described in Table 9-182.
Return to Summary Table.
Power Down Current Control 80C
Figure 9-99. PWD_CURR_80C Register
31 30 29 28 27 26 25 24 23 22 21 20 19 18 17 16
DELTA_CACHE_REF DELTA_RFMEM_RET
R-2Eh R-3Bh
15 14 13 12 11 10 9 8 7 6 5 4 3 2 1 0
DELTA_XOSC_LPM BASELINE
R-90h R-21h
Table 9-101. PWD_CURR_80C Register Field Descriptions
Bit Field Type Reset Description
31-24 DELTA_CACHE_REF R 2Eh Additional maximum current, in units of 1uA, with cache retention
23-16 DELTA_RFMEM_RET R 3Bh Additional maximum current, in 1uA units, with RF memory retention
15-8 DELTA_XOSC_LPM R 90h Additional maximum current, in units of 1uA, with XOSC_HF on in
low-power mode
7-0 BASELINE R 21h Worst-case baseline maximum powerdown current, in units of 0.5uA

www.ti.com
Factory Configuration (FCFG)
817
SWCU117F–February 2015–Revised June 2016
Submit Documentation Feedback Copyright © 2015–2016, Texas Instruments Incorporated
Device Configuration
9.2.1.1.78 PWD_CURR_95C Register (Offset = 3B0h) [reset = 4C627A3Bh]
PWD_CURR_95C is shown in Figure 9-180 and described in Table 9-183.
Return to Summary Table.
Power Down Current Control 95C
Figure 9-100. PWD_CURR_95C Register
31 30 29 28 27 26 25 24 23 22 21 20 19 18 17 16
DELTA_CACHE_REF DELTA_RFMEM_RET
R-4Ch R-62h
15 14 13 12 11 10 9 8 7 6 5 4 3 2 1 0
DELTA_XOSC_LPM BASELINE
R-7Ah R-3Bh
Table 9-102. PWD_CURR_95C Register Field Descriptions
Bit Field Type Reset Description
31-24 DELTA_CACHE_REF R 4Ch Additional maximum current, in units of 1uA, with cache retention
23-16 DELTA_RFMEM_RET R 62h Additional maximum current, in 1uA units, with RF memory retention
15-8 DELTA_XOSC_LPM R 7Ah Additional maximum current, in units of 1uA, with XOSC_HF on in
low-power mode
7-0 BASELINE R 3Bh Worst-case baseline maximum powerdown current, in units of 0.5uA

Factory Configuration (FCFG)
www.ti.com
818 SWCU117F–February 2015–Revised June 2016
Submit Documentation Feedback
Copyright © 2015–2016, Texas Instruments Incorporated
Device Configuration
9.2.1.1.79 PWD_CURR_110C Register (Offset = 3B4h) [reset = 789E706Bh]
PWD_CURR_110C is shown in Figure 9-181 and described in Table 9-184.
Return to Summary Table.
Power Down Current Control 110C
Figure 9-101. PWD_CURR_110C Register
31 30 29 28 27 26 25 24 23 22 21 20 19 18 17 16
DELTA_CACHE_REF DELTA_RFMEM_RET
R-78h R-9Eh
15 14 13 12 11 10 9 8 7 6 5 4 3 2 1 0
DELTA_XOSC_LPM BASELINE
R-70h R-6Bh
Table 9-103. PWD_CURR_110C Register Field Descriptions
Bit Field Type Reset Description
31-24 DELTA_CACHE_REF R 78h Additional maximum current, in units of 1uA, with cache retention
23-16 DELTA_RFMEM_RET R 9Eh Additional maximum current, in 1uA units, with RF memory retention
15-8 DELTA_XOSC_LPM R 70h Additional maximum current, in units of 1uA, with XOSC_HF on in
low-power mode
7-0 BASELINE R 6Bh Worst-case baseline maximum powerdown current, in units of 0.5uA

www.ti.com
Factory Configuration (FCFG)
819
SWCU117F–February 2015–Revised June 2016
Submit Documentation Feedback Copyright © 2015–2016, Texas Instruments Incorporated
Device Configuration
9.2.1.1.80 PWD_CURR_125C Register (Offset = 3B8h) [reset = ADE1809Ah]
PWD_CURR_125C is shown in Figure 9-182 and described in Table 9-185.
Return to Summary Table.
Power Down Current Control 125C
Figure 9-102. PWD_CURR_125C Register
31 30 29 28 27 26 25 24 23 22 21 20 19 18 17 16
DELTA_CACHE_REF DELTA_RFMEM_RET
R-ADh R-E1h
15 14 13 12 11 10 9 8 7 6 5 4 3 2 1 0
DELTA_XOSC_LPM BASELINE
R-80h R-9Ah
Table 9-104. PWD_CURR_125C Register Field Descriptions
Bit Field Type Reset Description
31-24 DELTA_CACHE_REF R ADh Additional maximum current, in units of 1uA, with cache retention
23-16 DELTA_RFMEM_RET R E1h Additional maximum current, in 1uA units, with RF memory retention
15-8 DELTA_XOSC_LPM R 80h Additional maximum current, in units of 1uA, with XOSC_HF on in
low-power mode
7-0 BASELINE R 9Ah Worst-case baseline maximum powerdown current, in units of 0.5uA

Factory Configuration (FCFG)
www.ti.com
820 SWCU117F–February 2015–Revised June 2016
Submit Documentation Feedback
Copyright © 2015–2016, Texas Instruments Incorporated
Device Configuration
9.2.2 CC26xx Factory Configuration (FCFG) Registers
9.2.2.1 FCFG1 Registers
Table 9-105 lists the memory-mapped registers for the FCFG1. All register offset addresses not listed in
Table 9-105 should be considered as reserved locations and the register contents should not be modified.
Table 9-105. FCFG1 Registers
Offset Acronym Register Name Section
A0h MISC_CONF_1 Misc configurations Section 9.2.2.1.1
A4h MISC_CONF_2 Internal Section 9.2.2.1.2
C4h CONFIG_RF_FRONTEND_DIV5 Internal Section 9.2.2.1.3
C8h CONFIG_RF_FRONTEND_DIV6 Internal Section 9.2.2.1.4
CCh CONFIG_RF_FRONTEND_DIV10 Internal Section 9.2.2.1.5
D0h CONFIG_RF_FRONTEND_DIV12 Internal Section 9.2.2.1.6
D4h CONFIG_RF_FRONTEND_DIV15 Internal Section 9.2.2.1.7
D8h CONFIG_RF_FRONTEND_DIV30 Internal Section 9.2.2.1.8
DCh CONFIG_SYNTH_DIV5 Internal Section 9.2.2.1.9
E0h CONFIG_SYNTH_DIV6 Internal Section 9.2.2.1.10
E4h CONFIG_SYNTH_DIV10 Internal Section 9.2.2.1.11
E8h CONFIG_SYNTH_DIV12 Internal Section 9.2.2.1.12
ECh CONFIG_SYNTH_DIV15 Internal Section 9.2.2.1.13
F0h CONFIG_SYNTH_DIV30 Internal Section 9.2.2.1.14
F4h CONFIG_MISC_ADC_DIV5 Internal Section 9.2.2.1.15
F8h CONFIG_MISC_ADC_DIV6 Internal Section 9.2.2.1.16
FCh CONFIG_MISC_ADC_DIV10 Internal Section 9.2.2.1.17
100h CONFIG_MISC_ADC_DIV12 Internal Section 9.2.2.1.18
104h CONFIG_MISC_ADC_DIV15 Internal Section 9.2.2.1.19
108h CONFIG_MISC_ADC_DIV30 Internal Section 9.2.2.1.20
118h SHDW_DIE_ID_0 Shadow of [JTAG_TAP::EFUSE:DIE_ID_0.*] Section 9.2.2.1.21
11Ch SHDW_DIE_ID_1 Shadow of [JTAG_TAP::EFUSE:DIE_ID_1.*] Section 9.2.2.1.22
120h SHDW_DIE_ID_2 Shadow of [JTAG_TAP::EFUSE:DIE_ID_2.*] Section 9.2.2.1.23
124h SHDW_DIE_ID_3 Shadow of [JTAG_TAP::EFUSE:DIE_ID_3.*] Section 9.2.2.1.24
138h SHDW_OSC_BIAS_LDO_TRIM Internal Section 9.2.2.1.25
13Ch SHDW_ANA_TRIM Internal Section 9.2.2.1.26
164h FLASH_NUMBER Section 9.2.2.1.27
16Ch FLASH_COORDINATE Section 9.2.2.1.28
170h FLASH_E_P Internal Section 9.2.2.1.29
174h FLASH_C_E_P_R Internal Section 9.2.2.1.30
178h FLASH_P_R_PV Internal Section 9.2.2.1.31
17Ch FLASH_EH_SEQ Internal Section 9.2.2.1.32
180h FLASH_VHV_E Internal Section 9.2.2.1.33
184h FLASH_PP Internal Section 9.2.2.1.34
188h FLASH_PROG_EP Internal Section 9.2.2.1.35
18Ch FLASH_ERA_PW Internal Section 9.2.2.1.36
190h FLASH_VHV Internal Section 9.2.2.1.37
194h FLASH_VHV_PV Internal Section 9.2.2.1.38
198h FLASH_V Internal Section 9.2.2.1.39
294h USER_ID User Identification. Section 9.2.2.1.40
2B0h FLASH_OTP_DATA3 Internal Section 9.2.2.1.41

www.ti.com
Factory Configuration (FCFG)
821
SWCU117F–February 2015–Revised June 2016
Submit Documentation Feedback Copyright © 2015–2016, Texas Instruments Incorporated
Device Configuration
Table 9-105. FCFG1 Registers (continued)
Offset Acronym Register Name Section
2B4h ANA2_TRIM Internal Section 9.2.2.1.42
2B8h LDO_TRIM Internal Section 9.2.2.1.43
2E8h MAC_BLE_0 MAC BLE Address 0 Section 9.2.2.1.44
2ECh MAC_BLE_1 MAC BLE Address 1 Section 9.2.2.1.45
2F0h MAC_15_4_0 MAC IEEE 802.15.4 Address 0 Section 9.2.2.1.46
2F4h MAC_15_4_1 MAC IEEE 802.15.4 Address 1 Section 9.2.2.1.47
308h FLASH_OTP_DATA4 Internal Section 9.2.2.1.48
30Ch MISC_TRIM Miscellaneous Trim Parameters Section 9.2.2.1.49
310h RCOSC_HF_TEMPCOMP Internal Section 9.2.2.1.50
318h ICEPICK_DEVICE_ID IcePick Device Identification Section 9.2.2.1.51
31Ch FCFG1_REVISION Factory Configuration (FCFG1) Revision Section 9.2.2.1.52
320h MISC_OTP_DATA Misc OTP Data Section 9.2.2.1.53
344h IOCONF IO Configuration Section 9.2.2.1.54
34Ch CONFIG_IF_ADC Internal Section 9.2.2.1.55
350h CONFIG_OSC_TOP Internal Section 9.2.2.1.56
354h CONFIG_RF_FRONTEND Internal Section 9.2.2.1.57
358h CONFIG_SYNTH Internal Section 9.2.2.1.58
35Ch SOC_ADC_ABS_GAIN AUX_ADC Gain in Absolute Reference Mode Section 9.2.2.1.59
360h SOC_ADC_REL_GAIN AUX_ADC Gain in Relative Reference Mode Section 9.2.2.1.60
368h SOC_ADC_OFFSET_INT AUX_ADC Temperature Offsets in Absolute Reference
Mode Section 9.2.2.1.61
36Ch SOC_ADC_REF_TRIM_AND_OFFSET_E
XT Internal Section 9.2.2.1.62
370h AMPCOMP_TH1 Internal Section 9.2.2.1.63
374h AMPCOMP_TH2 Internal Section 9.2.2.1.64
378h AMPCOMP_CTRL1 Internal Section 9.2.2.1.65
37Ch ANABYPASS_VALUE2 Internal Section 9.2.2.1.66
380h CONFIG_MISC_ADC Internal Section 9.2.2.1.67
388h VOLT_TRIM Internal Section 9.2.2.1.68
38Ch OSC_CONF OSC Configuration Section 9.2.2.1.69
390h FREQ_OFFSET Internal Section 9.2.2.1.70
394h CAP_TRIM Internal Section 9.2.2.1.71
398h MISC_OTP_DATA_1 Internal Section 9.2.2.1.72
39Ch PWD_CURR_20C Power Down Current Control 20C Section 9.2.2.1.73
3A0h PWD_CURR_35C Power Down Current Control 35C Section 9.2.2.1.74
3A4h PWD_CURR_50C Power Down Current Control 50C Section 9.2.2.1.75
3A8h PWD_CURR_65C Power Down Current Control 65C Section 9.2.2.1.76
3ACh PWD_CURR_80C Power Down Current Control 80C Section 9.2.2.1.77
3B0h PWD_CURR_95C Power Down Current Control 95C Section 9.2.2.1.78
3B4h PWD_CURR_110C Power Down Current Control 110C Section 9.2.2.1.79
3B8h PWD_CURR_125C Power Down Current Control 125C Section 9.2.2.1.80

Factory Configuration (FCFG)
www.ti.com
822 SWCU117F–February 2015–Revised June 2016
Submit Documentation Feedback
Copyright © 2015–2016, Texas Instruments Incorporated
Device Configuration
9.2.2.1.1 MISC_CONF_1 Register (Offset = A0h) [reset = X]
MISC_CONF_1 is shown in Figure 9-103 and described in Table 9-106.
Return to Summary Table.
Misc configurations
Figure 9-103. MISC_CONF_1 Register
31 30 29 28 27 26 25 24 23 22 21 20 19 18 17 16
RESERVED
R-00FFFFFFh
15 14 13 12 11 10 9 8 7 6 5 4 3 2 1 0
RESERVED DEVICE_MINOR_REV
R-00FFFFFFh R-X
Table 9-106. MISC_CONF_1 Register Field Descriptions
Bit Field Type Reset Description
31-8 RESERVED R 00FFFFFFh Software should not rely on the value of a reserved. Writing any
other value than the reset value may result in undefined behavior.
7-0 DEVICE_MINOR_REV R X HW minor revision number (a value of 0xFF shall be treated equally
to 0x00).
Any test of this field by SW should be implemented as a 'greater or
equal' comparison as signed integer.
Value may change without warning.

www.ti.com
Factory Configuration (FCFG)
823
SWCU117F–February 2015–Revised June 2016
Submit Documentation Feedback Copyright © 2015–2016, Texas Instruments Incorporated
Device Configuration
9.2.2.1.2 MISC_CONF_2 Register (Offset = A4h) [reset = X]
MISC_CONF_2 is shown in Figure 9-104 and described in Table 9-107.
Return to Summary Table.
Internal. Only to be used through TI provided API.
Figure 9-104. MISC_CONF_2 Register
31 30 29 28 27 26 25 24 23 22 21 20 19 18 17 16
RESERVED
R-00FFFFFFh
15 14 13 12 11 10 9 8 7 6 5 4 3 2 1 0
RESERVED HPOSC_COMP_P3
R-00FFFFFFh R-X
Table 9-107. MISC_CONF_2 Register Field Descriptions
Bit Field Type Reset Description
31-8 RESERVED R 00FFFFFFh Internal. Only to be used through TI provided API.
7-0 HPOSC_COMP_P3 R X Internal. Only to be used through TI provided API.
Default value holds log information from production test.

Factory Configuration (FCFG)
www.ti.com
824 SWCU117F–February 2015–Revised June 2016
Submit Documentation Feedback
Copyright © 2015–2016, Texas Instruments Incorporated
Device Configuration
9.2.2.1.3 CONFIG_RF_FRONTEND_DIV5 Register (Offset = C4h) [reset = FFFFFFFFh]
CONFIG_RF_FRONTEND_DIV5 is shown in Figure 9-105 and described in Table 9-108.
Return to Summary Table.
Internal. Only to be used through TI provided API.
Figure 9-105. CONFIG_RF_FRONTEND_DIV5 Register
31 30 29 28 27 26 25 24 23 22 21 20 19 18 17 16
IFAMP_IB LNA_IB IFAMP_TRIM CTL_PA0_TRIM
R-Fh R-Fh R-1Fh R-1Fh
15 14 13 12 11 10 9 8 7 6 5 4 3 2 1 0
CTL_PA0_TRI
MRESERVED RFLDO_TRIM_OUTPUT
R-1Fh R-7Fh R-7Fh
Table 9-108. CONFIG_RF_FRONTEND_DIV5 Register Field Descriptions
Bit Field Type Reset Description
31-28 IFAMP_IB R Fh Internal. Only to be used through TI provided API.
27-24 LNA_IB R Fh Internal. Only to be used through TI provided API.
23-19 IFAMP_TRIM R 1Fh Internal. Only to be used through TI provided API.
18-14 CTL_PA0_TRIM R 1Fh Internal. Only to be used through TI provided API.
13-7 RESERVED R 7Fh Internal. Only to be used through TI provided API.
6-0 RFLDO_TRIM_OUTPUT R 7Fh Internal. Only to be used through TI provided API.

www.ti.com
Factory Configuration (FCFG)
825
SWCU117F–February 2015–Revised June 2016
Submit Documentation Feedback Copyright © 2015–2016, Texas Instruments Incorporated
Device Configuration
9.2.2.1.4 CONFIG_RF_FRONTEND_DIV6 Register (Offset = C8h) [reset = FFFFFFFFh]
CONFIG_RF_FRONTEND_DIV6 is shown in Figure 9-106 and described in Table 9-109.
Return to Summary Table.
Internal. Only to be used through TI provided API.
Figure 9-106. CONFIG_RF_FRONTEND_DIV6 Register
31 30 29 28 27 26 25 24 23 22 21 20 19 18 17 16
IFAMP_IB LNA_IB IFAMP_TRIM CTL_PA0_TRIM
R-Fh R-Fh R-1Fh R-1Fh
15 14 13 12 11 10 9 8 7 6 5 4 3 2 1 0
CTL_PA0_TRI
MRESERVED RFLDO_TRIM_OUTPUT
R-1Fh R-7Fh R-7Fh
Table 9-109. CONFIG_RF_FRONTEND_DIV6 Register Field Descriptions
Bit Field Type Reset Description
31-28 IFAMP_IB R Fh Internal. Only to be used through TI provided API.
27-24 LNA_IB R Fh Internal. Only to be used through TI provided API.
23-19 IFAMP_TRIM R 1Fh Internal. Only to be used through TI provided API.
18-14 CTL_PA0_TRIM R 1Fh Internal. Only to be used through TI provided API.
13-7 RESERVED R 7Fh Internal. Only to be used through TI provided API.
6-0 RFLDO_TRIM_OUTPUT R 7Fh Internal. Only to be used through TI provided API.

Factory Configuration (FCFG)
www.ti.com
826 SWCU117F–February 2015–Revised June 2016
Submit Documentation Feedback
Copyright © 2015–2016, Texas Instruments Incorporated
Device Configuration
9.2.2.1.5 CONFIG_RF_FRONTEND_DIV10 Register (Offset = CCh) [reset = FFFFFFFFh]
CONFIG_RF_FRONTEND_DIV10 is shown in Figure 9-107 and described in Table 9-110.
Return to Summary Table.
Internal. Only to be used through TI provided API.
Figure 9-107. CONFIG_RF_FRONTEND_DIV10 Register
31 30 29 28 27 26 25 24 23 22 21 20 19 18 17 16
IFAMP_IB LNA_IB IFAMP_TRIM CTL_PA0_TRIM
R-Fh R-Fh R-1Fh R-1Fh
15 14 13 12 11 10 9 8 7 6 5 4 3 2 1 0
CTL_PA0_TRI
MRESERVED RFLDO_TRIM_OUTPUT
R-1Fh R-7Fh R-7Fh
Table 9-110. CONFIG_RF_FRONTEND_DIV10 Register Field Descriptions
Bit Field Type Reset Description
31-28 IFAMP_IB R Fh Internal. Only to be used through TI provided API.
27-24 LNA_IB R Fh Internal. Only to be used through TI provided API.
23-19 IFAMP_TRIM R 1Fh Internal. Only to be used through TI provided API.
18-14 CTL_PA0_TRIM R 1Fh Internal. Only to be used through TI provided API.
13-7 RESERVED R 7Fh Internal. Only to be used through TI provided API.
6-0 RFLDO_TRIM_OUTPUT R 7Fh Internal. Only to be used through TI provided API.

www.ti.com
Factory Configuration (FCFG)
827
SWCU117F–February 2015–Revised June 2016
Submit Documentation Feedback Copyright © 2015–2016, Texas Instruments Incorporated
Device Configuration
9.2.2.1.6 CONFIG_RF_FRONTEND_DIV12 Register (Offset = D0h) [reset = FFFFFFFFh]
CONFIG_RF_FRONTEND_DIV12 is shown in Figure 9-108 and described in Table 9-111.
Return to Summary Table.
Internal. Only to be used through TI provided API.
Figure 9-108. CONFIG_RF_FRONTEND_DIV12 Register
31 30 29 28 27 26 25 24 23 22 21 20 19 18 17 16
IFAMP_IB LNA_IB IFAMP_TRIM CTL_PA0_TRIM
R-Fh R-Fh R-1Fh R-1Fh
15 14 13 12 11 10 9 8 7 6 5 4 3 2 1 0
CTL_PA0_TRI
MRESERVED RFLDO_TRIM_OUTPUT
R-1Fh R-7Fh R-7Fh
Table 9-111. CONFIG_RF_FRONTEND_DIV12 Register Field Descriptions
Bit Field Type Reset Description
31-28 IFAMP_IB R Fh Internal. Only to be used through TI provided API.
27-24 LNA_IB R Fh Internal. Only to be used through TI provided API.
23-19 IFAMP_TRIM R 1Fh Internal. Only to be used through TI provided API.
18-14 CTL_PA0_TRIM R 1Fh Internal. Only to be used through TI provided API.
13-7 RESERVED R 7Fh Internal. Only to be used through TI provided API.
6-0 RFLDO_TRIM_OUTPUT R 7Fh Internal. Only to be used through TI provided API.

Factory Configuration (FCFG)
www.ti.com
828 SWCU117F–February 2015–Revised June 2016
Submit Documentation Feedback
Copyright © 2015–2016, Texas Instruments Incorporated
Device Configuration
9.2.2.1.7 CONFIG_RF_FRONTEND_DIV15 Register (Offset = D4h) [reset = FFFFFFFFh]
CONFIG_RF_FRONTEND_DIV15 is shown in Figure 9-109 and described in Table 9-112.
Return to Summary Table.
Internal. Only to be used through TI provided API.
Figure 9-109. CONFIG_RF_FRONTEND_DIV15 Register
31 30 29 28 27 26 25 24 23 22 21 20 19 18 17 16
IFAMP_IB LNA_IB IFAMP_TRIM CTL_PA0_TRIM
R-Fh R-Fh R-1Fh R-1Fh
15 14 13 12 11 10 9 8 7 6 5 4 3 2 1 0
CTL_PA0_TRI
MRESERVED RFLDO_TRIM_OUTPUT
R-1Fh R-7Fh R-7Fh
Table 9-112. CONFIG_RF_FRONTEND_DIV15 Register Field Descriptions
Bit Field Type Reset Description
31-28 IFAMP_IB R Fh Internal. Only to be used through TI provided API.
27-24 LNA_IB R Fh Internal. Only to be used through TI provided API.
23-19 IFAMP_TRIM R 1Fh Internal. Only to be used through TI provided API.
18-14 CTL_PA0_TRIM R 1Fh Internal. Only to be used through TI provided API.
13-7 RESERVED R 7Fh Internal. Only to be used through TI provided API.
6-0 RFLDO_TRIM_OUTPUT R 7Fh Internal. Only to be used through TI provided API.

www.ti.com
Factory Configuration (FCFG)
829
SWCU117F–February 2015–Revised June 2016
Submit Documentation Feedback Copyright © 2015–2016, Texas Instruments Incorporated
Device Configuration
9.2.2.1.8 CONFIG_RF_FRONTEND_DIV30 Register (Offset = D8h) [reset = FFFFFFFFh]
CONFIG_RF_FRONTEND_DIV30 is shown in Figure 9-110 and described in Table 9-113.
Return to Summary Table.
Internal. Only to be used through TI provided API.
Figure 9-110. CONFIG_RF_FRONTEND_DIV30 Register
31 30 29 28 27 26 25 24 23 22 21 20 19 18 17 16
IFAMP_IB LNA_IB IFAMP_TRIM CTL_PA0_TRIM
R-Fh R-Fh R-1Fh R-1Fh
15 14 13 12 11 10 9 8 7 6 5 4 3 2 1 0
CTL_PA0_TRI
MRESERVED RFLDO_TRIM_OUTPUT
R-1Fh R-7Fh R-7Fh
Table 9-113. CONFIG_RF_FRONTEND_DIV30 Register Field Descriptions
Bit Field Type Reset Description
31-28 IFAMP_IB R Fh Internal. Only to be used through TI provided API.
27-24 LNA_IB R Fh Internal. Only to be used through TI provided API.
23-19 IFAMP_TRIM R 1Fh Internal. Only to be used through TI provided API.
18-14 CTL_PA0_TRIM R 1Fh Internal. Only to be used through TI provided API.
13-7 RESERVED R 7Fh Internal. Only to be used through TI provided API.
6-0 RFLDO_TRIM_OUTPUT R 7Fh Internal. Only to be used through TI provided API.

Factory Configuration (FCFG)
www.ti.com
830 SWCU117F–February 2015–Revised June 2016
Submit Documentation Feedback
Copyright © 2015–2016, Texas Instruments Incorporated
Device Configuration
9.2.2.1.9 CONFIG_SYNTH_DIV5 Register (Offset = DCh) [reset = FFFFFFFFh]
CONFIG_SYNTH_DIV5 is shown in Figure 9-111 and described in Table 9-114.
Return to Summary Table.
Internal. Only to be used through TI provided API.
Figure 9-111. CONFIG_SYNTH_DIV5 Register
31 30 29 28 27 26 25 24 23 22 21 20 19 18 17 16
RESERVED RFC_MDM_DEMIQMC0
R-Fh R-FFFFh
15 14 13 12 11 10 9 8 7 6 5 4 3 2 1 0
RFC_MDM_DEMIQMC0 LDOVCO_TRIM_OUTPUT SLDO_TRIM_OUTPUT
R-FFFFh R-3Fh R-3Fh
Table 9-114. CONFIG_SYNTH_DIV5 Register Field Descriptions
Bit Field Type Reset Description
31-28 RESERVED R Fh Internal. Only to be used through TI provided API.
27-12 RFC_MDM_DEMIQMC0 R FFFFh Trim value for RF Core.
Value is read by RF Core ROM FW during RF Core initialization.
11-6 LDOVCO_TRIM_OUTPU
TR 3Fh Internal. Only to be used through TI provided API.
5-0 SLDO_TRIM_OUTPUT R 3Fh Internal. Only to be used through TI provided API.

www.ti.com
Factory Configuration (FCFG)
831
SWCU117F–February 2015–Revised June 2016
Submit Documentation Feedback Copyright © 2015–2016, Texas Instruments Incorporated
Device Configuration
9.2.2.1.10 CONFIG_SYNTH_DIV6 Register (Offset = E0h) [reset = FFFFFFFFh]
CONFIG_SYNTH_DIV6 is shown in Figure 9-112 and described in Table 9-115.
Return to Summary Table.
Internal. Only to be used through TI provided API.
Figure 9-112. CONFIG_SYNTH_DIV6 Register
31 30 29 28 27 26 25 24 23 22 21 20 19 18 17 16
RESERVED RFC_MDM_DEMIQMC0
R-Fh R-FFFFh
15 14 13 12 11 10 9 8 7 6 5 4 3 2 1 0
RFC_MDM_DEMIQMC0 LDOVCO_TRIM_OUTPUT SLDO_TRIM_OUTPUT
R-FFFFh R-3Fh R-3Fh
Table 9-115. CONFIG_SYNTH_DIV6 Register Field Descriptions
Bit Field Type Reset Description
31-28 RESERVED R Fh Internal. Only to be used through TI provided API.
27-12 RFC_MDM_DEMIQMC0 R FFFFh Trim value for RF Core.
Value is read by RF Core ROM FW during RF Core initialization.
11-6 LDOVCO_TRIM_OUTPU
TR 3Fh Internal. Only to be used through TI provided API.
5-0 SLDO_TRIM_OUTPUT R 3Fh Internal. Only to be used through TI provided API.

Factory Configuration (FCFG)
www.ti.com
832 SWCU117F–February 2015–Revised June 2016
Submit Documentation Feedback
Copyright © 2015–2016, Texas Instruments Incorporated
Device Configuration
9.2.2.1.11 CONFIG_SYNTH_DIV10 Register (Offset = E4h) [reset = FFFFFFFFh]
CONFIG_SYNTH_DIV10 is shown in Figure 9-113 and described in Table 9-116.
Return to Summary Table.
Internal. Only to be used through TI provided API.
Figure 9-113. CONFIG_SYNTH_DIV10 Register
31 30 29 28 27 26 25 24 23 22 21 20 19 18 17 16
RESERVED RFC_MDM_DEMIQMC0
R-Fh R-FFFFh
15 14 13 12 11 10 9 8 7 6 5 4 3 2 1 0
RFC_MDM_DEMIQMC0 LDOVCO_TRIM_OUTPUT SLDO_TRIM_OUTPUT
R-FFFFh R-3Fh R-3Fh
Table 9-116. CONFIG_SYNTH_DIV10 Register Field Descriptions
Bit Field Type Reset Description
31-28 RESERVED R Fh Internal. Only to be used through TI provided API.
27-12 RFC_MDM_DEMIQMC0 R FFFFh Trim value for RF Core.
Value is read by RF Core ROM FW during RF Core initialization.
11-6 LDOVCO_TRIM_OUTPU
TR 3Fh Internal. Only to be used through TI provided API.
5-0 SLDO_TRIM_OUTPUT R 3Fh Internal. Only to be used through TI provided API.

www.ti.com
Factory Configuration (FCFG)
833
SWCU117F–February 2015–Revised June 2016
Submit Documentation Feedback Copyright © 2015–2016, Texas Instruments Incorporated
Device Configuration
9.2.2.1.12 CONFIG_SYNTH_DIV12 Register (Offset = E8h) [reset = FFFFFFFFh]
CONFIG_SYNTH_DIV12 is shown in Figure 9-114 and described in Table 9-117.
Return to Summary Table.
Internal. Only to be used through TI provided API.
Figure 9-114. CONFIG_SYNTH_DIV12 Register
31 30 29 28 27 26 25 24 23 22 21 20 19 18 17 16
RESERVED RFC_MDM_DEMIQMC0
R-Fh R-FFFFh
15 14 13 12 11 10 9 8 7 6 5 4 3 2 1 0
RFC_MDM_DEMIQMC0 LDOVCO_TRIM_OUTPUT SLDO_TRIM_OUTPUT
R-FFFFh R-3Fh R-3Fh
Table 9-117. CONFIG_SYNTH_DIV12 Register Field Descriptions
Bit Field Type Reset Description
31-28 RESERVED R Fh Internal. Only to be used through TI provided API.
27-12 RFC_MDM_DEMIQMC0 R FFFFh Trim value for RF Core.
Value is read by RF Core ROM FW during RF Core initialization.
11-6 LDOVCO_TRIM_OUTPU
TR 3Fh Internal. Only to be used through TI provided API.
5-0 SLDO_TRIM_OUTPUT R 3Fh Internal. Only to be used through TI provided API.

Factory Configuration (FCFG)
www.ti.com
834 SWCU117F–February 2015–Revised June 2016
Submit Documentation Feedback
Copyright © 2015–2016, Texas Instruments Incorporated
Device Configuration
9.2.2.1.13 CONFIG_SYNTH_DIV15 Register (Offset = ECh) [reset = FFFFFFFFh]
CONFIG_SYNTH_DIV15 is shown in Figure 9-115 and described in Table 9-118.
Return to Summary Table.
Internal. Only to be used through TI provided API.
Figure 9-115. CONFIG_SYNTH_DIV15 Register
31 30 29 28 27 26 25 24 23 22 21 20 19 18 17 16
RESERVED RFC_MDM_DEMIQMC0
R-Fh R-FFFFh
15 14 13 12 11 10 9 8 7 6 5 4 3 2 1 0
RFC_MDM_DEMIQMC0 LDOVCO_TRIM_OUTPUT SLDO_TRIM_OUTPUT
R-FFFFh R-3Fh R-3Fh
Table 9-118. CONFIG_SYNTH_DIV15 Register Field Descriptions
Bit Field Type Reset Description
31-28 RESERVED R Fh Internal. Only to be used through TI provided API.
27-12 RFC_MDM_DEMIQMC0 R FFFFh Trim value for RF Core.
Value is read by RF Core ROM FW during RF Core initialization.
11-6 LDOVCO_TRIM_OUTPU
TR 3Fh Internal. Only to be used through TI provided API.
5-0 SLDO_TRIM_OUTPUT R 3Fh Internal. Only to be used through TI provided API.

www.ti.com
Factory Configuration (FCFG)
835
SWCU117F–February 2015–Revised June 2016
Submit Documentation Feedback Copyright © 2015–2016, Texas Instruments Incorporated
Device Configuration
9.2.2.1.14 CONFIG_SYNTH_DIV30 Register (Offset = F0h) [reset = FFFFFFFFh]
CONFIG_SYNTH_DIV30 is shown in Figure 9-116 and described in Table 9-119.
Return to Summary Table.
Internal. Only to be used through TI provided API.
Figure 9-116. CONFIG_SYNTH_DIV30 Register
31 30 29 28 27 26 25 24 23 22 21 20 19 18 17 16
RESERVED RFC_MDM_DEMIQMC0
R-Fh R-FFFFh
15 14 13 12 11 10 9 8 7 6 5 4 3 2 1 0
RFC_MDM_DEMIQMC0 LDOVCO_TRIM_OUTPUT SLDO_TRIM_OUTPUT
R-FFFFh R-3Fh R-3Fh
Table 9-119. CONFIG_SYNTH_DIV30 Register Field Descriptions
Bit Field Type Reset Description
31-28 RESERVED R Fh Internal. Only to be used through TI provided API.
27-12 RFC_MDM_DEMIQMC0 R FFFFh Trim value for RF Core.
Value is read by RF Core ROM FW during RF Core initialization.
11-6 LDOVCO_TRIM_OUTPU
TR 3Fh Internal. Only to be used through TI provided API.
5-0 SLDO_TRIM_OUTPUT R 3Fh Internal. Only to be used through TI provided API.

Factory Configuration (FCFG)
www.ti.com
836 SWCU117F–February 2015–Revised June 2016
Submit Documentation Feedback
Copyright © 2015–2016, Texas Instruments Incorporated
Device Configuration
9.2.2.1.15 CONFIG_MISC_ADC_DIV5 Register (Offset = F4h) [reset = FFFFFFFFh]
CONFIG_MISC_ADC_DIV5 is shown in Figure 9-117 and described in Table 9-120.
Return to Summary Table.
Internal. Only to be used through TI provided API.
Figure 9-117. CONFIG_MISC_ADC_DIV5 Register
31 30 29 28 27 26 25 24
RESERVED
R-7FFFh
23 22 21 20 19 18 17 16
RESERVED RSSI_OFFSET
R-7FFFh R-FFh
15 14 13 12 11 10 9 8
RSSI_OFFSET QUANTCTLTH
RES
R-FFh R-7h
76543210
QUANTCTLTHRES DACTRIM
R-7h R-3Fh
Table 9-120. CONFIG_MISC_ADC_DIV5 Register Field Descriptions
Bit Field Type Reset Description
31-17 RESERVED R 7FFFh Internal. Only to be used through TI provided API.
16-9 RSSI_OFFSET R FFh Internal. Only to be used through TI provided API.
8-6 QUANTCTLTHRES R 7h Internal. Only to be used through TI provided API.
5-0 DACTRIM R 3Fh Internal. Only to be used through TI provided API.

www.ti.com
Factory Configuration (FCFG)
837
SWCU117F–February 2015–Revised June 2016
Submit Documentation Feedback Copyright © 2015–2016, Texas Instruments Incorporated
Device Configuration
9.2.2.1.16 CONFIG_MISC_ADC_DIV6 Register (Offset = F8h) [reset = FFFFFFFFh]
CONFIG_MISC_ADC_DIV6 is shown in Figure 9-118 and described in Table 9-121.
Return to Summary Table.
Internal. Only to be used through TI provided API.
Figure 9-118. CONFIG_MISC_ADC_DIV6 Register
31 30 29 28 27 26 25 24
RESERVED
R-7FFFh
23 22 21 20 19 18 17 16
RESERVED RSSI_OFFSET
R-7FFFh R-FFh
15 14 13 12 11 10 9 8
RSSI_OFFSET QUANTCTLTH
RES
R-FFh R-7h
76543210
QUANTCTLTHRES DACTRIM
R-7h R-3Fh
Table 9-121. CONFIG_MISC_ADC_DIV6 Register Field Descriptions
Bit Field Type Reset Description
31-17 RESERVED R 7FFFh Internal. Only to be used through TI provided API.
16-9 RSSI_OFFSET R FFh Internal. Only to be used through TI provided API.
8-6 QUANTCTLTHRES R 7h Internal. Only to be used through TI provided API.
5-0 DACTRIM R 3Fh Internal. Only to be used through TI provided API.

Factory Configuration (FCFG)
www.ti.com
838 SWCU117F–February 2015–Revised June 2016
Submit Documentation Feedback
Copyright © 2015–2016, Texas Instruments Incorporated
Device Configuration
9.2.2.1.17 CONFIG_MISC_ADC_DIV10 Register (Offset = FCh) [reset = FFFFFFFFh]
CONFIG_MISC_ADC_DIV10 is shown in Figure 9-119 and described in Table 9-122.
Return to Summary Table.
Internal. Only to be used through TI provided API.
Figure 9-119. CONFIG_MISC_ADC_DIV10 Register
31 30 29 28 27 26 25 24
RESERVED
R-7FFFh
23 22 21 20 19 18 17 16
RESERVED RSSI_OFFSET
R-7FFFh R-FFh
15 14 13 12 11 10 9 8
RSSI_OFFSET QUANTCTLTH
RES
R-FFh R-7h
76543210
QUANTCTLTHRES DACTRIM
R-7h R-3Fh
Table 9-122. CONFIG_MISC_ADC_DIV10 Register Field Descriptions
Bit Field Type Reset Description
31-17 RESERVED R 7FFFh Internal. Only to be used through TI provided API.
16-9 RSSI_OFFSET R FFh Internal. Only to be used through TI provided API.
8-6 QUANTCTLTHRES R 7h Internal. Only to be used through TI provided API.
5-0 DACTRIM R 3Fh Internal. Only to be used through TI provided API.

www.ti.com
Factory Configuration (FCFG)
839
SWCU117F–February 2015–Revised June 2016
Submit Documentation Feedback Copyright © 2015–2016, Texas Instruments Incorporated
Device Configuration
9.2.2.1.18 CONFIG_MISC_ADC_DIV12 Register (Offset = 100h) [reset = FFFFFFFFh]
CONFIG_MISC_ADC_DIV12 is shown in Figure 9-120 and described in Table 9-123.
Return to Summary Table.
Internal. Only to be used through TI provided API.
Figure 9-120. CONFIG_MISC_ADC_DIV12 Register
31 30 29 28 27 26 25 24
RESERVED
R-7FFFh
23 22 21 20 19 18 17 16
RESERVED RSSI_OFFSET
R-7FFFh R-FFh
15 14 13 12 11 10 9 8
RSSI_OFFSET QUANTCTLTH
RES
R-FFh R-7h
76543210
QUANTCTLTHRES DACTRIM
R-7h R-3Fh
Table 9-123. CONFIG_MISC_ADC_DIV12 Register Field Descriptions
Bit Field Type Reset Description
31-17 RESERVED R 7FFFh Internal. Only to be used through TI provided API.
16-9 RSSI_OFFSET R FFh Internal. Only to be used through TI provided API.
8-6 QUANTCTLTHRES R 7h Internal. Only to be used through TI provided API.
5-0 DACTRIM R 3Fh Internal. Only to be used through TI provided API.

Factory Configuration (FCFG)
www.ti.com
840 SWCU117F–February 2015–Revised June 2016
Submit Documentation Feedback
Copyright © 2015–2016, Texas Instruments Incorporated
Device Configuration
9.2.2.1.19 CONFIG_MISC_ADC_DIV15 Register (Offset = 104h) [reset = FFFFFFFFh]
CONFIG_MISC_ADC_DIV15 is shown in Figure 9-121 and described in Table 9-124.
Return to Summary Table.
Internal. Only to be used through TI provided API.
Figure 9-121. CONFIG_MISC_ADC_DIV15 Register
31 30 29 28 27 26 25 24
RESERVED
R-7FFFh
23 22 21 20 19 18 17 16
RESERVED RSSI_OFFSET
R-7FFFh R-FFh
15 14 13 12 11 10 9 8
RSSI_OFFSET QUANTCTLTH
RES
R-FFh R-7h
76543210
QUANTCTLTHRES DACTRIM
R-7h R-3Fh
Table 9-124. CONFIG_MISC_ADC_DIV15 Register Field Descriptions
Bit Field Type Reset Description
31-17 RESERVED R 7FFFh Internal. Only to be used through TI provided API.
16-9 RSSI_OFFSET R FFh Internal. Only to be used through TI provided API.
8-6 QUANTCTLTHRES R 7h Internal. Only to be used through TI provided API.
5-0 DACTRIM R 3Fh Internal. Only to be used through TI provided API.

www.ti.com
Factory Configuration (FCFG)
841
SWCU117F–February 2015–Revised June 2016
Submit Documentation Feedback Copyright © 2015–2016, Texas Instruments Incorporated
Device Configuration
9.2.2.1.20 CONFIG_MISC_ADC_DIV30 Register (Offset = 108h) [reset = FFFFFFFFh]
CONFIG_MISC_ADC_DIV30 is shown in Figure 9-122 and described in Table 9-125.
Return to Summary Table.
Internal. Only to be used through TI provided API.
Figure 9-122. CONFIG_MISC_ADC_DIV30 Register
31 30 29 28 27 26 25 24
RESERVED
R-7FFFh
23 22 21 20 19 18 17 16
RESERVED RSSI_OFFSET
R-7FFFh R-FFh
15 14 13 12 11 10 9 8
RSSI_OFFSET QUANTCTLTH
RES
R-FFh R-7h
76543210
QUANTCTLTHRES DACTRIM
R-7h R-3Fh
Table 9-125. CONFIG_MISC_ADC_DIV30 Register Field Descriptions
Bit Field Type Reset Description
31-17 RESERVED R 7FFFh Internal. Only to be used through TI provided API.
16-9 RSSI_OFFSET R FFh Internal. Only to be used through TI provided API.
8-6 QUANTCTLTHRES R 7h Internal. Only to be used through TI provided API.
5-0 DACTRIM R 3Fh Internal. Only to be used through TI provided API.

Factory Configuration (FCFG)
www.ti.com
842 SWCU117F–February 2015–Revised June 2016
Submit Documentation Feedback
Copyright © 2015–2016, Texas Instruments Incorporated
Device Configuration
9.2.2.1.21 SHDW_DIE_ID_0 Register (Offset = 118h) [reset = X]
SHDW_DIE_ID_0 is shown in Figure 9-123 and described in Table 9-126.
Return to Summary Table.
Shadow of DIE_ID_0 register in eFuse
Figure 9-123. SHDW_DIE_ID_0 Register
31 30 29 28 27 26 25 24 23 22 21 20 19 18 17 16 15 14 13 12 11 10 9 8 7 6 5 4 3 2 1 0
ID_31_0
R-X
Table 9-126. SHDW_DIE_ID_0 Register Field Descriptions
Bit Field Type Reset Description
31-0 ID_31_0 R X Shadow of DIE_ID_0 register in eFuse row number 3
Default value depends on eFuse value.

www.ti.com
Factory Configuration (FCFG)
843
SWCU117F–February 2015–Revised June 2016
Submit Documentation Feedback Copyright © 2015–2016, Texas Instruments Incorporated
Device Configuration
9.2.2.1.22 SHDW_DIE_ID_1 Register (Offset = 11Ch) [reset = X]
SHDW_DIE_ID_1 is shown in Figure 9-124 and described in Table 9-127.
Return to Summary Table.
Shadow of DIE_ID_1 register in eFuse
Figure 9-124. SHDW_DIE_ID_1 Register
31 30 29 28 27 26 25 24 23 22 21 20 19 18 17 16 15 14 13 12 11 10 9 8 7 6 5 4 3 2 1 0
ID_63_32
R-X
Table 9-127. SHDW_DIE_ID_1 Register Field Descriptions
Bit Field Type Reset Description
31-0 ID_63_32 R X Shadow of DIE_ID_1 register in eFuse row number 4
Default value depends on eFuse value.

Factory Configuration (FCFG)
www.ti.com
844 SWCU117F–February 2015–Revised June 2016
Submit Documentation Feedback
Copyright © 2015–2016, Texas Instruments Incorporated
Device Configuration
9.2.2.1.23 SHDW_DIE_ID_2 Register (Offset = 120h) [reset = X]
SHDW_DIE_ID_2 is shown in Figure 9-125 and described in Table 9-128.
Return to Summary Table.
Shadow of DIE_ID_2 register in eFuse
Figure 9-125. SHDW_DIE_ID_2 Register
31 30 29 28 27 26 25 24 23 22 21 20 19 18 17 16 15 14 13 12 11 10 9 8 7 6 5 4 3 2 1 0
ID_95_64
R-X
Table 9-128. SHDW_DIE_ID_2 Register Field Descriptions
Bit Field Type Reset Description
31-0 ID_95_64 R X Shadow of DIE_ID_2 register in eFuse row number 5
Default value depends on eFuse value.

www.ti.com
Factory Configuration (FCFG)
845
SWCU117F–February 2015–Revised June 2016
Submit Documentation Feedback Copyright © 2015–2016, Texas Instruments Incorporated
Device Configuration
9.2.2.1.24 SHDW_DIE_ID_3 Register (Offset = 124h) [reset = X]
SHDW_DIE_ID_3 is shown in Figure 9-126 and described in Table 9-129.
Return to Summary Table.
Shadow of DIE_ID_3 register in eFuse
Figure 9-126. SHDW_DIE_ID_3 Register
31 30 29 28 27 26 25 24 23 22 21 20 19 18 17 16 15 14 13 12 11 10 9 8 7 6 5 4 3 2 1 0
ID_127_96
R-X
Table 9-129. SHDW_DIE_ID_3 Register Field Descriptions
Bit Field Type Reset Description
31-0 ID_127_96 R X Shadow of DIE_ID_3 register in eFuse row number 6
Default value depends on eFuse value.

Factory Configuration (FCFG)
www.ti.com
846 SWCU117F–February 2015–Revised June 2016
Submit Documentation Feedback
Copyright © 2015–2016, Texas Instruments Incorporated
Device Configuration
9.2.2.1.25 SHDW_OSC_BIAS_LDO_TRIM Register (Offset = 138h) [reset = X]
SHDW_OSC_BIAS_LDO_TRIM is shown in Figure 9-127 and described in Table 9-130.
Return to Summary Table.
Internal. Only to be used through TI provided API.
Figure 9-127. SHDW_OSC_BIAS_LDO_TRIM Register
31 30 29 28 27 26 25 24
RESERVED SET_RCOSC_HF_COARSE_RE
SISTOR TRIMMAG
R-X R-X R-X
23 22 21 20 19 18 17 16
TRIMMAG TRIMIREF ITRIM_DIG_LDO
R-X R-X R-X
15 14 13 12 11 10 9 8
VTRIM_DIG VTRIM_COARSE
R-X R-X
76543210
RCOSCHF_CTRIM
R-X
Table 9-130. SHDW_OSC_BIAS_LDO_TRIM Register Field Descriptions
Bit Field Type Reset Description
31-29 RESERVED R X Internal. Only to be used through TI provided API.
Default value depends on eFuse value.
28-27 SET_RCOSC_HF_COAR
SE_RESISTOR R X Internal. Only to be used through TI provided API.
Default value depends on eFuse value.
26-23 TRIMMAG R X Internal. Only to be used through TI provided API.
Default value depends on eFuse value.
22-18 TRIMIREF R X Internal. Only to be used through TI provided API.
Default value depends on eFuse value.
17-16 ITRIM_DIG_LDO R X Internal. Only to be used through TI provided API.
Default value depends on eFuse value.
15-12 VTRIM_DIG R X Internal. Only to be used through TI provided API.
Default value depends on eFuse value.
11-8 VTRIM_COARSE R X Internal. Only to be used through TI provided API.
Default value depends on eFuse value.
7-0 RCOSCHF_CTRIM R X Internal. Only to be used through TI provided API.
Default value depends on eFuse value.

www.ti.com
Factory Configuration (FCFG)
847
SWCU117F–February 2015–Revised June 2016
Submit Documentation Feedback Copyright © 2015–2016, Texas Instruments Incorporated
Device Configuration
9.2.2.1.26 SHDW_ANA_TRIM Register (Offset = 13Ch) [reset = X]
SHDW_ANA_TRIM is shown in Figure 9-128 and described in Table 9-131.
Return to Summary Table.
Internal. Only to be used through TI provided API.
Figure 9-128. SHDW_ANA_TRIM Register
31 30 29 28 27 26 25 24
RESERVED BOD_BANDGAP_TRIM_CNF VDDR_ENABL
E_PG1
R-X R-X R-X
23 22 21 20 19 18 17 16
VDDR_OK_HY
SIPTAT_TRIM VDDR_TRIM
R-X R-X R-X
15 14 13 12 11 10 9 8
TRIMBOD_INTMODE TRIMBOD_EXTMODE
R-X R-X
76543210
TRIMBOD_EXTMODE TRIMTEMP
R-X R-X
Table 9-131. SHDW_ANA_TRIM Register Field Descriptions
Bit Field Type Reset Description
31-27 RESERVED R X Internal. Only to be used through TI provided API.
Default value depends on eFuse value.
26-25 BOD_BANDGAP_TRIM_
CNF R X Internal. Only to be used through TI provided API.
Default value depends on eFuse value.
24 VDDR_ENABLE_PG1 R X Internal. Only to be used through TI provided API.
Default value depends on eFuse value.
23 VDDR_OK_HYS R X Internal. Only to be used through TI provided API.
Default value depends on eFuse value.
22-21 IPTAT_TRIM R X Internal. Only to be used through TI provided API.
Default value depends on eFuse value.
20-16 VDDR_TRIM R X Internal. Only to be used through TI provided API.
Default value depends on eFuse value.
15-11 TRIMBOD_INTMODE R X Internal. Only to be used through TI provided API.
Default value depends on eFuse value.
10-6 TRIMBOD_EXTMODE R X Internal. Only to be used through TI provided API.
Default value depends on eFuse value.
5-0 TRIMTEMP R X Internal. Only to be used through TI provided API.
Default value depends on eFuse value.

Factory Configuration (FCFG)
www.ti.com
848 SWCU117F–February 2015–Revised June 2016
Submit Documentation Feedback
Copyright © 2015–2016, Texas Instruments Incorporated
Device Configuration
9.2.2.1.27 FLASH_NUMBER Register (Offset = 164h) [reset = X]
FLASH_NUMBER is shown in Figure 9-129 and described in Table 9-132.
Return to Summary Table.
Figure 9-129. FLASH_NUMBER Register
31 30 29 28 27 26 25 24 23 22 21 20 19 18 17 16 15 14 13 12 11 10 9 8 7 6 5 4 3 2 1 0
LOT_NUMBER
R-X
Table 9-132. FLASH_NUMBER Register Field Descriptions
Bit Field Type Reset Description
31-0 LOT_NUMBER R X Number of the manufacturing lot that produced this unit.
Default value holds log information from production test.

www.ti.com
Factory Configuration (FCFG)
849
SWCU117F–February 2015–Revised June 2016
Submit Documentation Feedback Copyright © 2015–2016, Texas Instruments Incorporated
Device Configuration
9.2.2.1.28 FLASH_COORDINATE Register (Offset = 16Ch) [reset = X]
FLASH_COORDINATE is shown in Figure 9-130 and described in Table 9-133.
Return to Summary Table.
Figure 9-130. FLASH_COORDINATE Register
31 30 29 28 27 26 25 24 23 22 21 20 19 18 17 16 15 14 13 12 11 10 9 8 7 6 5 4 3 2 1 0
XCOORDINATE YCOORDINATE
R-X R-X
Table 9-133. FLASH_COORDINATE Register Field Descriptions
Bit Field Type Reset Description
31-16 XCOORDINATE R X X coordinate of this unit on the wafer.
Default value holds log information from production test.
15-0 YCOORDINATE R X Y coordinate of this unit on the wafer.
Default value holds log information from production test.

Factory Configuration (FCFG)
www.ti.com
850 SWCU117F–February 2015–Revised June 2016
Submit Documentation Feedback
Copyright © 2015–2016, Texas Instruments Incorporated
Device Configuration
9.2.2.1.29 FLASH_E_P Register (Offset = 170h) [reset = 17331A33h]
FLASH_E_P is shown in Figure 9-131 and described in Table 9-134.
Return to Summary Table.
Internal. Only to be used through TI provided API.
Figure 9-131. FLASH_E_P Register
31 30 29 28 27 26 25 24 23 22 21 20 19 18 17 16 15 14 13 12 11 10 9 8 7 6 5 4 3 2 1 0
PSU ESU PVSU EVSU
R-17h R-33h R-1Ah R-33h
Table 9-134. FLASH_E_P Register Field Descriptions
Bit Field Type Reset Description
31-24 PSU R 17h Internal. Only to be used through TI provided API.
23-16 ESU R 33h Internal. Only to be used through TI provided API.
15-8 PVSU R 1Ah Internal. Only to be used through TI provided API.
7-0 EVSU R 33h Internal. Only to be used through TI provided API.

www.ti.com
Factory Configuration (FCFG)
851
SWCU117F–February 2015–Revised June 2016
Submit Documentation Feedback Copyright © 2015–2016, Texas Instruments Incorporated
Device Configuration
9.2.2.1.30 FLASH_C_E_P_R Register (Offset = 174h) [reset = 0A0A2000h]
FLASH_C_E_P_R is shown in Figure 9-132 and described in Table 9-135.
Return to Summary Table.
Internal. Only to be used through TI provided API.
Figure 9-132. FLASH_C_E_P_R Register
31 30 29 28 27 26 25 24 23 22 21 20 19 18 17 16
RVSU PV_ACCESS
R-Ah R-Ah
15 14 13 12 11 10 9 8 7 6 5 4 3 2 1 0
A_EXEZ_SETUP CVSU
R-2h R-0h
Table 9-135. FLASH_C_E_P_R Register Field Descriptions
Bit Field Type Reset Description
31-24 RVSU R Ah Internal. Only to be used through TI provided API.
23-16 PV_ACCESS R Ah Internal. Only to be used through TI provided API.
15-12 A_EXEZ_SETUP R 2h Internal. Only to be used through TI provided API.
11-0 CVSU R 0h Internal. Only to be used through TI provided API.

Factory Configuration (FCFG)
www.ti.com
852 SWCU117F–February 2015–Revised June 2016
Submit Documentation Feedback
Copyright © 2015–2016, Texas Instruments Incorporated
Device Configuration
9.2.2.1.31 FLASH_P_R_PV Register (Offset = 178h) [reset = 026E0200h]
FLASH_P_R_PV is shown in Figure 9-133 and described in Table 9-136.
Return to Summary Table.
Internal. Only to be used through TI provided API.
Figure 9-133. FLASH_P_R_PV Register
31 30 29 28 27 26 25 24 23 22 21 20 19 18 17 16 15 14 13 12 11 10 9 8 7 6 5 4 3 2 1 0
PH RH PVH PVH2
R-2h R-6Eh R-2h R-0h
Table 9-136. FLASH_P_R_PV Register Field Descriptions
Bit Field Type Reset Description
31-24 PH R 2h Internal. Only to be used through TI provided API.
23-16 RH R 6Eh Internal. Only to be used through TI provided API.
15-8 PVH R 2h Internal. Only to be used through TI provided API.
7-0 PVH2 R 0h Internal. Only to be used through TI provided API.

www.ti.com
Factory Configuration (FCFG)
853
SWCU117F–February 2015–Revised June 2016
Submit Documentation Feedback Copyright © 2015–2016, Texas Instruments Incorporated
Device Configuration
9.2.2.1.32 FLASH_EH_SEQ Register (Offset = 17Ch) [reset = 0200F000h]
FLASH_EH_SEQ is shown in Figure 9-134 and described in Table 9-137.
Return to Summary Table.
Internal. Only to be used through TI provided API.
Figure 9-134. FLASH_EH_SEQ Register
31 30 29 28 27 26 25 24 23 22 21 20 19 18 17 16
EH SEQ
R-2h R-0h
15 14 13 12 11 10 9 8 7 6 5 4 3 2 1 0
VSTAT SM_FREQUENCY
R-Fh R-0h
Table 9-137. FLASH_EH_SEQ Register Field Descriptions
Bit Field Type Reset Description
31-24 EH R 2h Internal. Only to be used through TI provided API.
23-16 SEQ R 0h Internal. Only to be used through TI provided API.
15-12 VSTAT R Fh Internal. Only to be used through TI provided API.
11-0 SM_FREQUENCY R 0h Internal. Only to be used through TI provided API.

Factory Configuration (FCFG)
www.ti.com
854 SWCU117F–February 2015–Revised June 2016
Submit Documentation Feedback
Copyright © 2015–2016, Texas Instruments Incorporated
Device Configuration
9.2.2.1.33 FLASH_VHV_E Register (Offset = 180h) [reset = 1h]
FLASH_VHV_E is shown in Figure 9-135 and described in Table 9-138.
Return to Summary Table.
Internal. Only to be used through TI provided API.
Figure 9-135. FLASH_VHV_E Register
31 30 29 28 27 26 25 24 23 22 21 20 19 18 17 16 15 14 13 12 11 10 9 8 7 6 5 4 3 2 1 0
VHV_E_START VHV_E_STEP_HIGHT
R-0h R-1h
Table 9-138. FLASH_VHV_E Register Field Descriptions
Bit Field Type Reset Description
31-16 VHV_E_START R 0h Internal. Only to be used through TI provided API.
15-0 VHV_E_STEP_HIGHT R 1h Internal. Only to be used through TI provided API.

www.ti.com
Factory Configuration (FCFG)
855
SWCU117F–February 2015–Revised June 2016
Submit Documentation Feedback Copyright © 2015–2016, Texas Instruments Incorporated
Device Configuration
9.2.2.1.34 FLASH_PP Register (Offset = 184h) [reset = X]
FLASH_PP is shown in Figure 9-136 and described in Table 9-139.
Return to Summary Table.
Internal. Only to be used through TI provided API.
Figure 9-136. FLASH_PP Register
31 30 29 28 27 26 25 24 23 22 21 20 19 18 17 16 15 14 13 12 11 10 9 8 7 6 5 4 3 2 1 0
PUMP_SU RESERVED MAX_PP
R-0h R-X R-14h
Table 9-139. FLASH_PP Register Field Descriptions
Bit Field Type Reset Description
31-24 PUMP_SU R 0h Internal. Only to be used through TI provided API.
23-16 RESERVED R X Internal. Only to be used through TI provided API.
Default value holds trim value from production test.
15-0 MAX_PP R 14h Internal. Only to be used through TI provided API.

Factory Configuration (FCFG)
www.ti.com
856 SWCU117F–February 2015–Revised June 2016
Submit Documentation Feedback
Copyright © 2015–2016, Texas Instruments Incorporated
Device Configuration
9.2.2.1.35 FLASH_PROG_EP Register (Offset = 188h) [reset = 0FA00010h]
FLASH_PROG_EP is shown in Figure 9-137 and described in Table 9-140.
Return to Summary Table.
Internal. Only to be used through TI provided API.
Figure 9-137. FLASH_PROG_EP Register
31 30 29 28 27 26 25 24 23 22 21 20 19 18 17 16 15 14 13 12 11 10 9 8 7 6 5 4 3 2 1 0
MAX_EP PROGRAM_PW
R-FA0h R-10h
Table 9-140. FLASH_PROG_EP Register Field Descriptions
Bit Field Type Reset Description
31-16 MAX_EP R FA0h Internal. Only to be used through TI provided API.
15-0 PROGRAM_PW R 10h Internal. Only to be used through TI provided API.

www.ti.com
Factory Configuration (FCFG)
857
SWCU117F–February 2015–Revised June 2016
Submit Documentation Feedback Copyright © 2015–2016, Texas Instruments Incorporated
Device Configuration
9.2.2.1.36 FLASH_ERA_PW Register (Offset = 18Ch) [reset = FA0h]
FLASH_ERA_PW is shown in Figure 9-138 and described in Table 9-141.
Return to Summary Table.
Internal. Only to be used through TI provided API.
Figure 9-138. FLASH_ERA_PW Register
31 30 29 28 27 26 25 24 23 22 21 20 19 18 17 16 15 14 13 12 11 10 9 8 7 6 5 4 3 2 1 0
ERASE_PW
R-FA0h
Table 9-141. FLASH_ERA_PW Register Field Descriptions
Bit Field Type Reset Description
31-0 ERASE_PW R FA0h Internal. Only to be used through TI provided API.

Factory Configuration (FCFG)
www.ti.com
858 SWCU117F–February 2015–Revised June 2016
Submit Documentation Feedback
Copyright © 2015–2016, Texas Instruments Incorporated
Device Configuration
9.2.2.1.37 FLASH_VHV Register (Offset = 190h) [reset = X]
FLASH_VHV is shown in Figure 9-139 and described in Table 9-142.
Return to Summary Table.
Internal. Only to be used through TI provided API.
Figure 9-139. FLASH_VHV Register
31 30 29 28 27 26 25 24 23 22 21 20 19 18 17 16
RESERVED TRIM13_P RESERVED VHV_P
R-0h R-X R-0h R-X
15 14 13 12 11 10 9 8 7 6 5 4 3 2 1 0
RESERVED TRIM13_E RESERVED VHV_E
R-0h R-X R-0h R-4h
Table 9-142. FLASH_VHV Register Field Descriptions
Bit Field Type Reset Description
31-28 RESERVED R 0h Internal. Only to be used through TI provided API.
27-24 TRIM13_P R X Internal. Only to be used through TI provided API.
Default value holds trim value from production test.
23-20 RESERVED R 0h Internal. Only to be used through TI provided API.
19-16 VHV_P R X Internal. Only to be used through TI provided API.
Default value holds trim value from production test.
15-12 RESERVED R 0h Internal. Only to be used through TI provided API.
11-8 TRIM13_E R X Internal. Only to be used through TI provided API.
Default value holds trim value from production test.
7-4 RESERVED R 0h Internal. Only to be used through TI provided API.
3-0 VHV_E R 4h Internal. Only to be used through TI provided API.

www.ti.com
Factory Configuration (FCFG)
859
SWCU117F–February 2015–Revised June 2016
Submit Documentation Feedback Copyright © 2015–2016, Texas Instruments Incorporated
Device Configuration
9.2.2.1.38 FLASH_VHV_PV Register (Offset = 194h) [reset = X]
FLASH_VHV_PV is shown in Figure 9-140 and described in Table 9-143.
Return to Summary Table.
Internal. Only to be used through TI provided API.
Figure 9-140. FLASH_VHV_PV Register
31 30 29 28 27 26 25 24 23 22 21 20 19 18 17 16
RESERVED TRIM13_PV RESERVED VHV_PV
R-0h R-X R-0h R-8h
15 14 13 12 11 10 9 8 7 6 5 4 3 2 1 0
VCG2P5 VINH
R-X R-1h
Table 9-143. FLASH_VHV_PV Register Field Descriptions
Bit Field Type Reset Description
31-28 RESERVED R 0h Internal. Only to be used through TI provided API.
27-24 TRIM13_PV R X Internal. Only to be used through TI provided API.
Default value holds trim value from production test.
23-20 RESERVED R 0h Internal. Only to be used through TI provided API.
19-16 VHV_PV R 8h Internal. Only to be used through TI provided API.
15-8 VCG2P5 R X Internal. Only to be used through TI provided API.
Default value holds trim value from production test.
7-0 VINH R 1h Internal. Only to be used through TI provided API.

Factory Configuration (FCFG)
www.ti.com
860 SWCU117F–February 2015–Revised June 2016
Submit Documentation Feedback
Copyright © 2015–2016, Texas Instruments Incorporated
Device Configuration
9.2.2.1.39 FLASH_V Register (Offset = 198h) [reset = X]
FLASH_V is shown in Figure 9-141 and described in Table 9-144.
Return to Summary Table.
Internal. Only to be used through TI provided API.
Figure 9-141. FLASH_V Register
31 30 29 28 27 26 25 24 23 22 21 20 19 18 17 16 15 14 13 12 11 10 9 8 7 6 5 4 3 2 1 0
VSL_P VWL_P V_READ RESERVED
R-X R-X R-X R-X
Table 9-144. FLASH_V Register Field Descriptions
Bit Field Type Reset Description
31-24 VSL_P R X Internal. Only to be used through TI provided API.
Default value holds trim value from production test.
23-16 VWL_P R X Internal. Only to be used through TI provided API.
Default value holds trim value from production test.
15-8 V_READ R X Internal. Only to be used through TI provided API.
Default value holds trim value from production test.
7-0 RESERVED R X Internal. Only to be used through TI provided API.
Default value holds trim value from production test.

www.ti.com
Factory Configuration (FCFG)
861
SWCU117F–February 2015–Revised June 2016
Submit Documentation Feedback Copyright © 2015–2016, Texas Instruments Incorporated
Device Configuration
9.2.2.1.40 USER_ID Register (Offset = 294h) [reset = X]
USER_ID is shown in Figure 9-142 and described in Table 9-145.
Return to Summary Table.
User Identification.
Reading this register or the ICEPICK_DEVICE_ID register is the only support way of identifying a device.
The value of this register will be written to AON_WUC:JTAGUSERCODE by boot FW while in safezone.
Figure 9-142. USER_ID Register
31 30 29 28 27 26 25 24 23 22 21 20 19 18 17 16
PG_REV VER RESERVED SEQUENCE PKG
R-X R-X R-X R-X R-X
15 14 13 12 11 10 9 8 7 6 5 4 3 2 1 0
PROTOCOL RESERVED
R-X R-X
Table 9-145. USER_ID Register Field Descriptions
Bit Field Type Reset Description
31-28 PG_REV R X Field used to distinguish revisions of the device.
Default value holds log information from production test.
27-26 VER R X Version number.
0x0: Bits [25:12] of this register has the stated meaning.
Any other setting indicate a different encoding of these bits.
Default value differs depending on partnumber.
25-23 RESERVED R X Software should not rely on the value of a reserved. Writing any
other value than the reset value may result in undefined behavior.
Default value differs depending on partnumber.
22-19 SEQUENCE R X Sequence.
Used to differentiate between marketing/orderable product where
other fields of USER_ID is the same (temp range, flash size, voltage
range etc)
Default value differs depending on partnumber.
18-16 PKG R X Package type.
0x0: 4x4mm
0x1: 5x5mm
0x2: 7x7mm
Others values are reserved for future use.
Default value differs depending on partnumber.
15-12 PROTOCOL R X Protocols supported.
0x1: BLE
0x2: RF4CE
0x4: Zigbee/6lowpan
0x8: Proprietary
More than one protocol can be supported on same device - values
above are then combined.
Default value differs depending on partnumber.
11-0 RESERVED R X Software should not rely on the value of a reserved. Writing any
other value than the reset value may result in undefined behavior.
Default value differs depending on partnumber.

Factory Configuration (FCFG)
www.ti.com
862 SWCU117F–February 2015–Revised June 2016
Submit Documentation Feedback
Copyright © 2015–2016, Texas Instruments Incorporated
Device Configuration
9.2.2.1.41 FLASH_OTP_DATA3 Register (Offset = 2B0h) [reset = X]
FLASH_OTP_DATA3 is shown in Figure 9-143 and described in Table 9-146.
Return to Summary Table.
Internal. Only to be used through TI provided API.
Figure 9-143. FLASH_OTP_DATA3 Register
31 30 29 28 27 26 25 24
EC_STEP_SIZE
R-0h
23 22 21 20 19 18 17 16
EC_STEP_SIZ
EDO_PRECOND MAX_EC_LEVEL TRIM_1P7
R-0h R-0h R-4h R-1h
15 14 13 12 11 10 9 8
FLASH_SIZE
R-X
76543210
WAIT_SYSCODE
R-3h
Table 9-146. FLASH_OTP_DATA3 Register Field Descriptions
Bit Field Type Reset Description
31-23 EC_STEP_SIZE R 0h Internal. Only to be used through TI provided API.
22 DO_PRECOND R 0h Internal. Only to be used through TI provided API.
21-18 MAX_EC_LEVEL R 4h Internal. Only to be used through TI provided API.
17-16 TRIM_1P7 R 1h Internal. Only to be used through TI provided API.
15-8 FLASH_SIZE R X Internal. Only to be used through TI provided API.
Default value differs depending on partnumber.
7-0 WAIT_SYSCODE R 3h Internal. Only to be used through TI provided API.

www.ti.com
Factory Configuration (FCFG)
863
SWCU117F–February 2015–Revised June 2016
Submit Documentation Feedback Copyright © 2015–2016, Texas Instruments Incorporated
Device Configuration
9.2.2.1.42 ANA2_TRIM Register (Offset = 2B4h) [reset = X]
ANA2_TRIM is shown in Figure 9-144 and described in Table 9-147.
Return to Summary Table.
Internal. Only to be used through TI provided API.
Figure 9-144. ANA2_TRIM Register
31 30 29 28 27 26 25 24
RCOSCHFCTR
IMFRACT_EN RCOSCHFCTRIMFRACT RESERVED SET_RCOSC_
HF_FINE_RESI
STOR
R-1h R-X R-1h R-0h
23 22 21 20 19 18 17 16
SET_RCOSC_
HF_FINE_RESI
STOR
ATESTLF_UDI
GLDO_IBIAS_T
RIM
NANOAMP_RES_TRIM
R-0h R-1h R-X
15 14 13 12 11 10 9 8
RESERVED DITHER_EN DCDC_IPEAK
R-Fh R-0h R-4h
76543210
DEAD_TIME_TRIM DCDC_LOW_EN_SEL DCDC_HIGH_EN_SEL
R-1h R-7h R-7h
Table 9-147. ANA2_TRIM Register Field Descriptions
Bit Field Type Reset Description
31 RCOSCHFCTRIMFRACT
_EN R 1h Internal. Only to be used through TI provided API.
30-26 RCOSCHFCTRIMFRACT R X Internal. Only to be used through TI provided API.
Default value holds trim value from production test.
25 RESERVED R 1h Internal. Only to be used through TI provided API.
24-23 SET_RCOSC_HF_FINE_
RESISTOR R 0h Internal. Only to be used through TI provided API.
22 ATESTLF_UDIGLDO_IBI
AS_TRIM R 1h Internal. Only to be used through TI provided API.
21-16 NANOAMP_RES_TRIM R X Internal. Only to be used through TI provided API.
Default value holds trim value from production test.
15-12 RESERVED R Fh Internal. Only to be used through TI provided API.
11 DITHER_EN R 0h Internal. Only to be used through TI provided API.
10-8 DCDC_IPEAK R 4h Internal. Only to be used through TI provided API.
7-6 DEAD_TIME_TRIM R 1h Internal. Only to be used through TI provided API.
5-3 DCDC_LOW_EN_SEL R 7h Internal. Only to be used through TI provided API.
2-0 DCDC_HIGH_EN_SEL R 7h Internal. Only to be used through TI provided API.

Factory Configuration (FCFG)
www.ti.com
864 SWCU117F–February 2015–Revised June 2016
Submit Documentation Feedback
Copyright © 2015–2016, Texas Instruments Incorporated
Device Configuration
9.2.2.1.43 LDO_TRIM Register (Offset = 2B8h) [reset = X]
LDO_TRIM is shown in Figure 9-145 and described in Table 9-148.
Return to Summary Table.
Internal. Only to be used through TI provided API.
Figure 9-145. LDO_TRIM Register
31 30 29 28 27 26 25 24
RESERVED VDDR_TRIM_SLEEP
R-7h R-X
23 22 21 20 19 18 17 16
RESERVED GLDO_CURSRC
R-1Fh R-0h
15 14 13 12 11 10 9 8
RESERVED ITRIM_DIGLDO_LOAD ITRIM_UDIGLDO
R-7h R-0h R-0h
76543210
RESERVED VTRIM_DELTA
R-1Fh R-3h
Table 9-148. LDO_TRIM Register Field Descriptions
Bit Field Type Reset Description
31-29 RESERVED R 7h Internal. Only to be used through TI provided API.
28-24 VDDR_TRIM_SLEEP R X Internal. Only to be used through TI provided API.
Default value holds trim value from production test.
23-19 RESERVED R 1Fh Internal. Only to be used through TI provided API.
18-16 GLDO_CURSRC R 0h Internal. Only to be used through TI provided API.
15-13 RESERVED R 7h Internal. Only to be used through TI provided API.
12-11 ITRIM_DIGLDO_LOAD R 0h Internal. Only to be used through TI provided API.
10-8 ITRIM_UDIGLDO R 0h Internal. Only to be used through TI provided API.
7-3 RESERVED R 1Fh Internal. Only to be used through TI provided API.
2-0 VTRIM_DELTA R 3h Internal. Only to be used through TI provided API.

www.ti.com
Factory Configuration (FCFG)
865
SWCU117F–February 2015–Revised June 2016
Submit Documentation Feedback Copyright © 2015–2016, Texas Instruments Incorporated
Device Configuration
9.2.2.1.44 MAC_BLE_0 Register (Offset = 2E8h) [reset = X]
MAC_BLE_0 is shown in Figure 9-146 and described in Table 9-149.
Return to Summary Table.
MAC BLE Address 0
Figure 9-146. MAC_BLE_0 Register
31 30 29 28 27 26 25 24 23 22 21 20 19 18 17 16 15 14 13 12 11 10 9 8 7 6 5 4 3 2 1 0
ADDR_0_31
R-X
Table 9-149. MAC_BLE_0 Register Field Descriptions
Bit Field Type Reset Description
31-0 ADDR_0_31 R X The first 32-bits of the 64-bit MAC BLE address
Default value holds trim value from production test.

Factory Configuration (FCFG)
www.ti.com
866 SWCU117F–February 2015–Revised June 2016
Submit Documentation Feedback
Copyright © 2015–2016, Texas Instruments Incorporated
Device Configuration
9.2.2.1.45 MAC_BLE_1 Register (Offset = 2ECh) [reset = X]
MAC_BLE_1 is shown in Figure 9-147 and described in Table 9-150.
Return to Summary Table.
MAC BLE Address 1
Figure 9-147. MAC_BLE_1 Register
31 30 29 28 27 26 25 24 23 22 21 20 19 18 17 16 15 14 13 12 11 10 9 8 7 6 5 4 3 2 1 0
ADDR_32_63
R-X
Table 9-150. MAC_BLE_1 Register Field Descriptions
Bit Field Type Reset Description
31-0 ADDR_32_63 R X The last 32-bits of the 64-bit MAC BLE address
Default value holds trim value from production test.

www.ti.com
Factory Configuration (FCFG)
867
SWCU117F–February 2015–Revised June 2016
Submit Documentation Feedback Copyright © 2015–2016, Texas Instruments Incorporated
Device Configuration
9.2.2.1.46 MAC_15_4_0 Register (Offset = 2F0h) [reset = X]
MAC_15_4_0 is shown in Figure 9-148 and described in Table 9-151.
Return to Summary Table.
MAC IEEE 802.15.4 Address 0
Figure 9-148. MAC_15_4_0 Register
31 30 29 28 27 26 25 24 23 22 21 20 19 18 17 16 15 14 13 12 11 10 9 8 7 6 5 4 3 2 1 0
ADDR_0_31
R-X
Table 9-151. MAC_15_4_0 Register Field Descriptions
Bit Field Type Reset Description
31-0 ADDR_0_31 R X The first 32-bits of the 64-bit MAC 15.4 address
Default value holds trim value from production test.

Factory Configuration (FCFG)
www.ti.com
868 SWCU117F–February 2015–Revised June 2016
Submit Documentation Feedback
Copyright © 2015–2016, Texas Instruments Incorporated
Device Configuration
9.2.2.1.47 MAC_15_4_1 Register (Offset = 2F4h) [reset = X]
MAC_15_4_1 is shown in Figure 9-149 and described in Table 9-152.
Return to Summary Table.
MAC IEEE 802.15.4 Address 1
Figure 9-149. MAC_15_4_1 Register
31 30 29 28 27 26 25 24 23 22 21 20 19 18 17 16 15 14 13 12 11 10 9 8 7 6 5 4 3 2 1 0
ADDR_32_63
R-X
Table 9-152. MAC_15_4_1 Register Field Descriptions
Bit Field Type Reset Description
31-0 ADDR_32_63 R X The last 32-bits of the 64-bit MAC 15.4 address
Default value holds trim value from production test.

www.ti.com
Factory Configuration (FCFG)
869
SWCU117F–February 2015–Revised June 2016
Submit Documentation Feedback Copyright © 2015–2016, Texas Instruments Incorporated
Device Configuration
9.2.2.1.48 FLASH_OTP_DATA4 Register (Offset = 308h) [reset = 98989F9Fh]
FLASH_OTP_DATA4 is shown in Figure 9-150 and described in Table 9-153.
Return to Summary Table.
Internal. Only to be used through TI provided API.
Figure 9-150. FLASH_OTP_DATA4 Register
31 30 29 28 27 26 25 24
STANDBY_MO
DE_SEL_INT_
WRT
STANDBY_PW_SEL_INT_WRT DIS_STANDBY
_INT_WRT DIS_IDLE_INT
_WRT VIN_AT_X_INT_WRT
R-1h R-0h R-1h R-1h R-0h
23 22 21 20 19 18 17 16
STANDBY_MO
DE_SEL_EXT_
WRT
STANDBY_PW_SEL_EXT_WRT DIS_STANDBY
_EXT_WRT DIS_IDLE_EXT
_WRT VIN_AT_X_EXT_WRT
R-1h R-0h R-1h R-1h R-0h
15 14 13 12 11 10 9 8
STANDBY_MO
DE_SEL_INT_
RD
STANDBY_PW_SEL_INT_RD DIS_STANDBY
_INT_RD DIS_IDLE_INT
_RD VIN_AT_X_INT_RD
R-1h R-0h R-1h R-1h R-7h
76543210
STANDBY_MO
DE_SEL_EXT_
RD
STANDBY_PW_SEL_EXT_RD DIS_STANDBY
_EXT_RD DIS_IDLE_EXT
_RD VIN_AT_X_EXT_RD
R-1h R-0h R-1h R-1h R-7h
Table 9-153. FLASH_OTP_DATA4 Register Field Descriptions
Bit Field Type Reset Description
31 STANDBY_MODE_SEL_I
NT_WRT R 1h Internal. Only to be used through TI provided API.
30-29 STANDBY_PW_SEL_INT
_WRT R 0h Internal. Only to be used through TI provided API.
28 DIS_STANDBY_INT_WR
TR 1h Internal. Only to be used through TI provided API.
27 DIS_IDLE_INT_WRT R 1h Internal. Only to be used through TI provided API.
26-24 VIN_AT_X_INT_WRT R 0h Internal. Only to be used through TI provided API.
23 STANDBY_MODE_SEL_
EXT_WRT R 1h Internal. Only to be used through TI provided API.
22-21 STANDBY_PW_SEL_EXT
_WRT R 0h Internal. Only to be used through TI provided API.
20 DIS_STANDBY_EXT_WR
TR 1h Internal. Only to be used through TI provided API.
19 DIS_IDLE_EXT_WRT R 1h Internal. Only to be used through TI provided API.
18-16 VIN_AT_X_EXT_WRT R 0h Internal. Only to be used through TI provided API.
15 STANDBY_MODE_SEL_I
NT_RD R 1h Internal. Only to be used through TI provided API.
14-13 STANDBY_PW_SEL_INT
_RD R 0h Internal. Only to be used through TI provided API.
12 DIS_STANDBY_INT_RD R 1h Internal. Only to be used through TI provided API.
11 DIS_IDLE_INT_RD R 1h Internal. Only to be used through TI provided API.
10-8 VIN_AT_X_INT_RD R 7h Internal. Only to be used through TI provided API.

Factory Configuration (FCFG)
www.ti.com
870 SWCU117F–February 2015–Revised June 2016
Submit Documentation Feedback
Copyright © 2015–2016, Texas Instruments Incorporated
Device Configuration
Table 9-153. FLASH_OTP_DATA4 Register Field Descriptions (continued)
Bit Field Type Reset Description
7 STANDBY_MODE_SEL_
EXT_RD R 1h Internal. Only to be used through TI provided API.
6-5 STANDBY_PW_SEL_EXT
_RD R 0h Internal. Only to be used through TI provided API.
4 DIS_STANDBY_EXT_RD R 1h Internal. Only to be used through TI provided API.
3 DIS_IDLE_EXT_RD R 1h Internal. Only to be used through TI provided API.
2-0 VIN_AT_X_EXT_RD R 7h Internal. Only to be used through TI provided API.

www.ti.com
Factory Configuration (FCFG)
871
SWCU117F–February 2015–Revised June 2016
Submit Documentation Feedback Copyright © 2015–2016, Texas Instruments Incorporated
Device Configuration
9.2.2.1.49 MISC_TRIM Register (Offset = 30Ch) [reset = FFFFFF33h]
MISC_TRIM is shown in Figure 9-151 and described in Table 9-154.
Return to Summary Table.
Miscellaneous Trim Parameters
Figure 9-151. MISC_TRIM Register
31 30 29 28 27 26 25 24 23 22 21 20 19 18 17 16
RESERVED
R-00FFFFFFh
15 14 13 12 11 10 9 8 7 6 5 4 3 2 1 0
RESERVED TEMPVSLOPE
R-00FFFFFFh R-33h
Table 9-154. MISC_TRIM Register Field Descriptions
Bit Field Type Reset Description
31-8 RESERVED R 00FFFFFFh Software should not rely on the value of a reserved. Writing any
other value than the reset value may result in undefined behavior.
7-0 TEMPVSLOPE R 33h Signed byte value representing the TEMP slope with battery voltage,
in degrees C / V, with four fractional bits.

Factory Configuration (FCFG)
www.ti.com
872 SWCU117F–February 2015–Revised June 2016
Submit Documentation Feedback
Copyright © 2015–2016, Texas Instruments Incorporated
Device Configuration
9.2.2.1.50 RCOSC_HF_TEMPCOMP Register (Offset = 310h) [reset = 3h]
RCOSC_HF_TEMPCOMP is shown in Figure 9-152 and described in Table 9-155.
Return to Summary Table.
Internal. Only to be used through TI provided API.
Figure 9-152. RCOSC_HF_TEMPCOMP Register
31 30 29 28 27 26 25 24 23 22 21 20 19 18 17 16
FINE_RESISTOR CTRIM
R-0h R-0h
15 14 13 12 11 10 9 8 7 6 5 4 3 2 1 0
CTRIMFRACT_QUAD CTRIMFRACT_SLOPE
R-0h R-3h
Table 9-155. RCOSC_HF_TEMPCOMP Register Field Descriptions
Bit Field Type Reset Description
31-24 FINE_RESISTOR R 0h Internal. Only to be used through TI provided API.
23-16 CTRIM R 0h Internal. Only to be used through TI provided API.
15-8 CTRIMFRACT_QUAD R 0h Internal. Only to be used through TI provided API.
7-0 CTRIMFRACT_SLOPE R 3h Internal. Only to be used through TI provided API.

www.ti.com
Factory Configuration (FCFG)
873
SWCU117F–February 2015–Revised June 2016
Submit Documentation Feedback Copyright © 2015–2016, Texas Instruments Incorporated
Device Configuration
9.2.2.1.51 ICEPICK_DEVICE_ID Register (Offset = 318h) [reset = 8B99A02Fh]
ICEPICK_DEVICE_ID is shown in Figure 9-153 and described in Table 9-156.
Return to Summary Table.
IcePick Device Identification
Reading this register or the USER_ID register is the only support way of identifying a device.
Figure 9-153. ICEPICK_DEVICE_ID Register
31 30 29 28 27 26 25 24 23 22 21 20 19 18 17 16
PG_REV WAFER_ID
R-8h R-B99Ah
15 14 13 12 11 10 9 8 7 6 5 4 3 2 1 0
WAFER_ID MANUFACTURER_ID
R-B99Ah R-2Fh
Table 9-156. ICEPICK_DEVICE_ID Register Field Descriptions
Bit Field Type Reset Description
31-28 PG_REV R 8h Field used to distinguish revisions of the device.
27-12 WAFER_ID R B99Ah Field used to identify silicon die.
11-0 MANUFACTURER_ID R 2Fh Manufacturer code.
0x02F: Texas Instruments

Factory Configuration (FCFG)
www.ti.com
874 SWCU117F–February 2015–Revised June 2016
Submit Documentation Feedback
Copyright © 2015–2016, Texas Instruments Incorporated
Device Configuration
9.2.2.1.52 FCFG1_REVISION Register (Offset = 31Ch) [reset = 25h]
FCFG1_REVISION is shown in Figure 9-154 and described in Table 9-157.
Return to Summary Table.
Factory Configuration (FCFG1) Revision
Figure 9-154. FCFG1_REVISION Register
31 30 29 28 27 26 25 24 23 22 21 20 19 18 17 16 15 14 13 12 11 10 9 8 7 6 5 4 3 2 1 0
REV
R-25h
Table 9-157. FCFG1_REVISION Register Field Descriptions
Bit Field Type Reset Description
31-0 REV R 25h The revision number of the FCFG1 layout. This value will be read by
application SW in order to determine which FCFG1 parameters that
have valid values. This revision number must be incremented by 1
before any devices are to be produced if the FCFG1 layout has
changed since the previous production of devices.
Value migth change without warning.

www.ti.com
Factory Configuration (FCFG)
875
SWCU117F–February 2015–Revised June 2016
Submit Documentation Feedback Copyright © 2015–2016, Texas Instruments Incorporated
Device Configuration
9.2.2.1.53 MISC_OTP_DATA Register (Offset = 320h) [reset = X]
MISC_OTP_DATA is shown in Figure 9-155 and described in Table 9-158.
Return to Summary Table.
Misc OTP Data
Figure 9-155. MISC_OTP_DATA Register
31 30 29 28 27 26 25 24
RCOSC_HF_ITUNE RCOSC_HF_CRIM
R-0h R-0h
23 22 21 20 19 18 17 16
RCOSC_HF_CRIM PER_M
R-0h R-1h
15 14 13 12 11 10 9 8
PER_M PER_E PO_TAIL_RES_TRIM
R-1h R-4h R-6h
76543210
TEST_PROGRAM_REV
R-X
Table 9-158. MISC_OTP_DATA Register Field Descriptions
Bit Field Type Reset Description
31-28 RCOSC_HF_ITUNE R 0h Internal. Only to be used through TI provided API.
27-20 RCOSC_HF_CRIM R 0h Internal. Only to be used through TI provided API.
19-15 PER_M R 1h Internal. Only to be used through TI provided API.
14-12 PER_E R 4h Internal. Only to be used through TI provided API.
11-8 PO_TAIL_RES_TRIM R 6h Internal. Only to be used through TI provided API.
7-0 TEST_PROGRAM_REV R X The revision of the test program used in the production process
when FCFG1 was programmed.
Value migth change without warning.
Default value holds log information from production test.

Factory Configuration (FCFG)
www.ti.com
876 SWCU117F–February 2015–Revised June 2016
Submit Documentation Feedback
Copyright © 2015–2016, Texas Instruments Incorporated
Device Configuration
9.2.2.1.54 IOCONF Register (Offset = 344h) [reset = X]
IOCONF is shown in Figure 9-156 and described in Table 9-159.
Return to Summary Table.
IO Configuration
Figure 9-156. IOCONF Register
31 30 29 28 27 26 25 24 23 22 21 20 19 18 17 16
RESERVED
R-01FFFFFEh
15 14 13 12 11 10 9 8 7 6 5 4 3 2 1 0
RESERVED GPIO_CNT
R-01FFFFFEh R-X
Table 9-159. IOCONF Register Field Descriptions
Bit Field Type Reset Description
31-7 RESERVED R 01FFFFFEh Software should not rely on the value of a reserved. Writing any
other value than the reset value may result in undefined behavior.
6-0 GPIO_CNT R X Number of available DIOs.
Default value differs depending on partnumber.

www.ti.com
Factory Configuration (FCFG)
877
SWCU117F–February 2015–Revised June 2016
Submit Documentation Feedback Copyright © 2015–2016, Texas Instruments Incorporated
Device Configuration
9.2.2.1.55 CONFIG_IF_ADC Register (Offset = 34Ch) [reset = X]
CONFIG_IF_ADC is shown in Figure 9-157 and described in Table 9-160.
Return to Summary Table.
Internal. Only to be used through TI provided API.
Figure 9-157. CONFIG_IF_ADC Register
31 30 29 28 27 26 25 24
FF2ADJ FF3ADJ
R-3h R-4h
23 22 21 20 19 18 17 16
INT3ADJ FF1ADJ
R-6h R-0h
15 14 13 12 11 10 9 8
AAFCAP INT2ADJ IFDIGLDO_TRIM_OUTPUT
R-3h R-Dh R-X
76543210
IFDIGLDO_TRIM_OUTPUT IFANALDO_TRIM_OUTPUT
R-X R-X
Table 9-160. CONFIG_IF_ADC Register Field Descriptions
Bit Field Type Reset Description
31-28 FF2ADJ R 3h Internal. Only to be used through TI provided API.
27-24 FF3ADJ R 4h Internal. Only to be used through TI provided API.
23-20 INT3ADJ R 6h Internal. Only to be used through TI provided API.
19-16 FF1ADJ R 0h Internal. Only to be used through TI provided API.
15-14 AAFCAP R 3h Internal. Only to be used through TI provided API.
13-10 INT2ADJ R Dh Internal. Only to be used through TI provided API.
9-5 IFDIGLDO_TRIM_OUTPU
TR X Internal. Only to be used through TI provided API.
Default value holds trim value from production test.
4-0 IFANALDO_TRIM_OUTP
UT R X Internal. Only to be used through TI provided API.
Default value holds trim value from production test.

Factory Configuration (FCFG)
www.ti.com
878 SWCU117F–February 2015–Revised June 2016
Submit Documentation Feedback
Copyright © 2015–2016, Texas Instruments Incorporated
Device Configuration
9.2.2.1.56 CONFIG_OSC_TOP Register (Offset = 350h) [reset = X]
CONFIG_OSC_TOP is shown in Figure 9-158 and described in Table 9-161.
Return to Summary Table.
Internal. Only to be used through TI provided API.
Figure 9-158. CONFIG_OSC_TOP Register
31 30 29 28 27 26 25 24
RESERVED XOSC_HF_ROW_Q12 XOSC_HF_COLUMN_Q12
R-3h R-Fh R-3Fh
23 22 21 20 19 18 17 16
XOSC_HF_COLUMN_Q12
R-3Fh
15 14 13 12 11 10 9 8
XOSC_HF_COLUMN_Q12 RCOSCLF_CTUNE_TRIM
R-3Fh R-X
76543210
RCOSCLF_CTUNE_TRIM RCOSCLF_RTUNE_TRIM
R-X R-0h
Table 9-161. CONFIG_OSC_TOP Register Field Descriptions
Bit Field Type Reset Description
31-30 RESERVED R 3h Internal. Only to be used through TI provided API.
29-26 XOSC_HF_ROW_Q12 R Fh Internal. Only to be used through TI provided API.
25-10 XOSC_HF_COLUMN_Q1
2R 3Fh Internal. Only to be used through TI provided API.
9-2 RCOSCLF_CTUNE_TRIM R X Internal. Only to be used through TI provided API.
Default value holds trim value from production test.
1-0 RCOSCLF_RTUNE_TRIM R 0h Internal. Only to be used through TI provided API.

www.ti.com
Factory Configuration (FCFG)
879
SWCU117F–February 2015–Revised June 2016
Submit Documentation Feedback Copyright © 2015–2016, Texas Instruments Incorporated
Device Configuration
9.2.2.1.57 CONFIG_RF_FRONTEND Register (Offset = 354h) [reset = X]
CONFIG_RF_FRONTEND is shown in Figure 9-159 and described in Table 9-162.
Return to Summary Table.
Internal. Only to be used through TI provided API.
Figure 9-159. CONFIG_RF_FRONTEND Register
31 30 29 28 27 26 25 24
IFAMP_IB LNA_IB
R-7h R-X
23 22 21 20 19 18 17 16
IFAMP_TRIM CTL_PA0_TRIM
R-0h R-X
15 14 13 12 11 10 9 8
CTL_PA0_TRIM PATRIMCOMP
LETE_N RESERVED
R-X R-X R-3Fh
76543210
RESERVED RFLDO_TRIM_OUTPUT
R-3Fh R-X
Table 9-162. CONFIG_RF_FRONTEND Register Field Descriptions
Bit Field Type Reset Description
31-28 IFAMP_IB R 7h Internal. Only to be used through TI provided API.
27-24 LNA_IB R X Internal. Only to be used through TI provided API.
Default value holds trim value from production test.
23-19 IFAMP_TRIM R 0h Internal. Only to be used through TI provided API.
18-14 CTL_PA0_TRIM R X Internal. Only to be used through TI provided API.
Default value holds trim value from production test.
13 PATRIMCOMPLETE_N R X Internal. Only to be used through TI provided API.
Default value holds trim value from production test.
12-7 RESERVED R 3Fh Internal. Only to be used through TI provided API.
6-0 RFLDO_TRIM_OUTPUT R X Internal. Only to be used through TI provided API.
Default value holds trim value from production test.

Factory Configuration (FCFG)
www.ti.com
880 SWCU117F–February 2015–Revised June 2016
Submit Documentation Feedback
Copyright © 2015–2016, Texas Instruments Incorporated
Device Configuration
9.2.2.1.58 CONFIG_SYNTH Register (Offset = 358h) [reset = X]
CONFIG_SYNTH is shown in Figure 9-160 and described in Table 9-163.
Return to Summary Table.
Internal. Only to be used through TI provided API.
Figure 9-160. CONFIG_SYNTH Register
31 30 29 28 27 26 25 24 23 22 21 20 19 18 17 16
RESERVED RFC_MDM_DEMIQMC0
R-Fh R-FFFFh
15 14 13 12 11 10 9 8 7 6 5 4 3 2 1 0
RFC_MDM_DEMIQMC0 LDOVCO_TRIM_OUTPUT SLDO_TRIM_OUTPUT
R-FFFFh R-X R-X
Table 9-163. CONFIG_SYNTH Register Field Descriptions
Bit Field Type Reset Description
31-28 RESERVED R Fh Internal. Only to be used through TI provided API.
27-12 RFC_MDM_DEMIQMC0 R FFFFh Internal. Only to be used through TI provided API.
11-6 LDOVCO_TRIM_OUTPU
TR X Internal. Only to be used through TI provided API.
Default value holds trim value from production test.
5-0 SLDO_TRIM_OUTPUT R X Internal. Only to be used through TI provided API.
Default value holds trim value from production test.

www.ti.com
Factory Configuration (FCFG)
881
SWCU117F–February 2015–Revised June 2016
Submit Documentation Feedback Copyright © 2015–2016, Texas Instruments Incorporated
Device Configuration
9.2.2.1.59 SOC_ADC_ABS_GAIN Register (Offset = 35Ch) [reset = X]
SOC_ADC_ABS_GAIN is shown in Figure 9-161 and described in Table 9-164.
Return to Summary Table.
AUX_ADC Gain in Absolute Reference Mode
Figure 9-161. SOC_ADC_ABS_GAIN Register
31 30 29 28 27 26 25 24 23 22 21 20 19 18 17 16
RESERVED
R-X
15 14 13 12 11 10 9 8 7 6 5 4 3 2 1 0
SOC_ADC_ABS_GAIN_TEMP1
R-X
Table 9-164. SOC_ADC_ABS_GAIN Register Field Descriptions
Bit Field Type Reset Description
31-16 RESERVED R X Software should not rely on the value of a reserved. Writing any
other value than the reset value may result in undefined behavior.
Default value holds log information from production test.
15-0 SOC_ADC_ABS_GAIN_T
EMP1 R X SOC_ADC gain in absolute reference mode at temperature 1 (30C).
Calculated in production test..
Default value holds log information from production test.

Factory Configuration (FCFG)
www.ti.com
882 SWCU117F–February 2015–Revised June 2016
Submit Documentation Feedback
Copyright © 2015–2016, Texas Instruments Incorporated
Device Configuration
9.2.2.1.60 SOC_ADC_REL_GAIN Register (Offset = 360h) [reset = X]
SOC_ADC_REL_GAIN is shown in Figure 9-162 and described in Table 9-165.
Return to Summary Table.
AUX_ADC Gain in Relative Reference Mode
Figure 9-162. SOC_ADC_REL_GAIN Register
31 30 29 28 27 26 25 24 23 22 21 20 19 18 17 16
RESERVED
R-X
15 14 13 12 11 10 9 8 7 6 5 4 3 2 1 0
SOC_ADC_REL_GAIN_TEMP1
R-X
Table 9-165. SOC_ADC_REL_GAIN Register Field Descriptions
Bit Field Type Reset Description
31-16 RESERVED R X Software should not rely on the value of a reserved. Writing any
other value than the reset value may result in undefined behavior.
Default value holds trim value from production test.
15-0 SOC_ADC_REL_GAIN_T
EMP1 R X SOC_ADC gain in relative reference mode at temperature 1 (30C).
Calculated in production test..
Default value holds trim value from production test.

www.ti.com
Factory Configuration (FCFG)
883
SWCU117F–February 2015–Revised June 2016
Submit Documentation Feedback Copyright © 2015–2016, Texas Instruments Incorporated
Device Configuration
9.2.2.1.61 SOC_ADC_OFFSET_INT Register (Offset = 368h) [reset = X]
SOC_ADC_OFFSET_INT is shown in Figure 9-163 and described in Table 9-166.
Return to Summary Table.
AUX_ADC Temperature Offsets in Absolute Reference Mode
Figure 9-163. SOC_ADC_OFFSET_INT Register
31 30 29 28 27 26 25 24 23 22 21 20 19 18 17 16
RESERVED SOC_ADC_REL_OFFSET_TEMP1
R-X R-X
15 14 13 12 11 10 9 8 7 6 5 4 3 2 1 0
RESERVED SOC_ADC_ABS_OFFSET_TEMP1
R-X R-X
Table 9-166. SOC_ADC_OFFSET_INT Register Field Descriptions
Bit Field Type Reset Description
31-24 RESERVED R X Software should not rely on the value of a reserved. Writing any
other value than the reset value may result in undefined behavior.
Default value holds trim value from production test.
23-16 SOC_ADC_REL_OFFSET
_TEMP1 R X SOC_ADC offset in relative reference mode at temperature 1 (30C).
Signed 8-bit number. Calculated in production test..
Default value holds trim value from production test.
15-8 RESERVED R X Software should not rely on the value of a reserved. Writing any
other value than the reset value may result in undefined behavior.
Default value holds trim value from production test.
7-0 SOC_ADC_ABS_OFFSE
T_TEMP1 R X SOC_ADC offset in absolute reference mode at temperature 1
(30C). Signed 8-bit number. Calculated in production test..
Default value holds trim value from production test.

Factory Configuration (FCFG)
www.ti.com
884 SWCU117F–February 2015–Revised June 2016
Submit Documentation Feedback
Copyright © 2015–2016, Texas Instruments Incorporated
Device Configuration
9.2.2.1.62 SOC_ADC_REF_TRIM_AND_OFFSET_EXT Register (Offset = 36Ch) [reset = X]
SOC_ADC_REF_TRIM_AND_OFFSET_EXT is shown in Figure 9-164 and described in Table 9-167.
Return to Summary Table.
Internal. Only to be used through TI provided API.
Figure 9-164. SOC_ADC_REF_TRIM_AND_OFFSET_EXT Register
31 30 29 28 27 26 25 24
RESERVED
R-302h
23 22 21 20 19 18 17 16
RESERVED
R-302h
15 14 13 12 11 10 9 8
RESERVED
R-302h
76543210
RESERVED SOC_ADC_REF_VOLTAGE_TRIM_TEMP1
R-302h R-X
Table 9-167. SOC_ADC_REF_TRIM_AND_OFFSET_EXT Register Field Descriptions
Bit Field Type Reset Description
31-6 RESERVED R 302h Software should not rely on the value of a reserved. Writing any
other value than the reset value may result in undefined behavior.
5-0 SOC_ADC_REF_VOLTA
GE_TRIM_TEMP1 R X Internal. Only to be used through TI provided API.
Default value holds trim value from production test.

www.ti.com
Factory Configuration (FCFG)
885
SWCU117F–February 2015–Revised June 2016
Submit Documentation Feedback Copyright © 2015–2016, Texas Instruments Incorporated
Device Configuration
9.2.2.1.63 AMPCOMP_TH1 Register (Offset = 370h) [reset = FF7B828Eh]
AMPCOMP_TH1 is shown in Figure 9-165 and described in Table 9-168.
Return to Summary Table.
Internal. Only to be used through TI provided API.
Figure 9-165. AMPCOMP_TH1 Register
31 30 29 28 27 26 25 24
RESERVED
R-FFh
23 22 21 20 19 18 17 16
HPMRAMP3_LTH RESERVED
R-1Eh R-3h
15 14 13 12 11 10 9 8
HPMRAMP3_HTH IBIASCAP_LPTOHP_OL_CNT
R-20h R-Ah
76543210
IBIASCAP_LPTOHP_OL_CNT HPMRAMP1_TH
R-Ah R-Eh
Table 9-168. AMPCOMP_TH1 Register Field Descriptions
Bit Field Type Reset Description
31-24 RESERVED R FFh Internal. Only to be used through TI provided API.
23-18 HPMRAMP3_LTH R 1Eh Internal. Only to be used through TI provided API.
17-16 RESERVED R 3h Internal. Only to be used through TI provided API.
15-10 HPMRAMP3_HTH R 20h Internal. Only to be used through TI provided API.
9-6 IBIASCAP_LPTOHP_OL_
CNT R Ah Internal. Only to be used through TI provided API.
5-0 HPMRAMP1_TH R Eh Internal. Only to be used through TI provided API.

Factory Configuration (FCFG)
www.ti.com
886 SWCU117F–February 2015–Revised June 2016
Submit Documentation Feedback
Copyright © 2015–2016, Texas Instruments Incorporated
Device Configuration
9.2.2.1.64 AMPCOMP_TH2 Register (Offset = 374h) [reset = 6B8B0303h]
AMPCOMP_TH2 is shown in Figure 9-166 and described in Table 9-169.
Return to Summary Table.
Internal. Only to be used through TI provided API.
Figure 9-166. AMPCOMP_TH2 Register
31 30 29 28 27 26 25 24
LPMUPDATE_LTH RESERVED
R-1Ah R-3h
23 22 21 20 19 18 17 16
LPMUPDATE_HTM RESERVED
R-22h R-3h
15 14 13 12 11 10 9 8
ADC_COMP_AMPTH_LPM RESERVED
R-0h R-3h
76543210
ADC_COMP_AMPTH_HPM RESERVED
R-0h R-3h
Table 9-169. AMPCOMP_TH2 Register Field Descriptions
Bit Field Type Reset Description
31-26 LPMUPDATE_LTH R 1Ah Internal. Only to be used through TI provided API.
25-24 RESERVED R 3h Internal. Only to be used through TI provided API.
23-18 LPMUPDATE_HTM R 22h Internal. Only to be used through TI provided API.
17-16 RESERVED R 3h Internal. Only to be used through TI provided API.
15-10 ADC_COMP_AMPTH_LP
MR 0h Internal. Only to be used through TI provided API.
9-8 RESERVED R 3h Internal. Only to be used through TI provided API.
7-2 ADC_COMP_AMPTH_HP
MR 0h Internal. Only to be used through TI provided API.
1-0 RESERVED R 3h Internal. Only to be used through TI provided API.

www.ti.com
Factory Configuration (FCFG)
887
SWCU117F–February 2015–Revised June 2016
Submit Documentation Feedback Copyright © 2015–2016, Texas Instruments Incorporated
Device Configuration
9.2.2.1.65 AMPCOMP_CTRL1 Register (Offset = 378h) [reset = FF183F47h]
AMPCOMP_CTRL1 is shown in Figure 9-167 and described in Table 9-170.
Return to Summary Table.
Internal. Only to be used through TI provided API.
Figure 9-167. AMPCOMP_CTRL1 Register
31 30 29 28 27 26 25 24
RESERVED AMPCOMP_RE
Q_MODE RESERVED
R-1h R-1h R-3Fh
23 22 21 20 19 18 17 16
IBIAS_OFFSET IBIAS_INIT
R-1h R-8h
15 14 13 12 11 10 9 8
LPM_IBIAS_WAIT_CNT_FINAL
R-3Fh
76543210
CAP_STEP IBIASCAP_HPTOLP_OL_CNT
R-4h R-7h
Table 9-170. AMPCOMP_CTRL1 Register Field Descriptions
Bit Field Type Reset Description
31 RESERVED R 1h Internal. Only to be used through TI provided API.
30 AMPCOMP_REQ_MODE R 1h Internal. Only to be used through TI provided API.
29-24 RESERVED R 3Fh Internal. Only to be used through TI provided API.
23-20 IBIAS_OFFSET R 1h Internal. Only to be used through TI provided API.
19-16 IBIAS_INIT R 8h Internal. Only to be used through TI provided API.
15-8 LPM_IBIAS_WAIT_CNT_
FINAL R 3Fh Internal. Only to be used through TI provided API.
7-4 CAP_STEP R 4h Internal. Only to be used through TI provided API.
3-0 IBIASCAP_HPTOLP_OL_
CNT R 7h Internal. Only to be used through TI provided API.

Factory Configuration (FCFG)
www.ti.com
888 SWCU117F–February 2015–Revised June 2016
Submit Documentation Feedback
Copyright © 2015–2016, Texas Instruments Incorporated
Device Configuration
9.2.2.1.66 ANABYPASS_VALUE2 Register (Offset = 37Ch) [reset = FFFFC3FFh]
ANABYPASS_VALUE2 is shown in Figure 9-168 and described in Table 9-171.
Return to Summary Table.
Internal. Only to be used through TI provided API.
Figure 9-168. ANABYPASS_VALUE2 Register
31 30 29 28 27 26 25 24 23 22 21 20 19 18 17 16
RESERVED
R-0003FFFFh
15 14 13 12 11 10 9 8 7 6 5 4 3 2 1 0
RESERVED XOSC_HF_IBIASTHERM
R-0003FFFFh R-3FFh
Table 9-171. ANABYPASS_VALUE2 Register Field Descriptions
Bit Field Type Reset Description
31-14 RESERVED R 0003FFFFh Internal. Only to be used through TI provided API.
13-0 XOSC_HF_IBIASTHERM R 3FFh Internal. Only to be used through TI provided API.

www.ti.com
Factory Configuration (FCFG)
889
SWCU117F–February 2015–Revised June 2016
Submit Documentation Feedback Copyright © 2015–2016, Texas Instruments Incorporated
Device Configuration
9.2.2.1.67 CONFIG_MISC_ADC Register (Offset = 380h) [reset = X]
CONFIG_MISC_ADC is shown in Figure 9-169 and described in Table 9-172.
Return to Summary Table.
Internal. Only to be used through TI provided API.
Figure 9-169. CONFIG_MISC_ADC Register
31 30 29 28 27 26 25 24
RESERVED
R-3FFFh
23 22 21 20 19 18 17 16
RESERVED RSSITRIMCOM
PLETE_N RSSI_OFFSET
R-3FFFh R-X R-X
15 14 13 12 11 10 9 8
RSSI_OFFSET QUANTCTLTH
RES
R-X R-5h
76543210
QUANTCTLTHRES DACTRIM
R-5h R-Dh
Table 9-172. CONFIG_MISC_ADC Register Field Descriptions
Bit Field Type Reset Description
31-18 RESERVED R 3FFFh Internal. Only to be used through TI provided API.
17 RSSITRIMCOMPLETE_N R X Internal. Only to be used through TI provided API.
Default value holds trim value from production test.
16-9 RSSI_OFFSET R X Internal. Only to be used through TI provided API.
Default value holds trim value from production test.
8-6 QUANTCTLTHRES R 5h Internal. Only to be used through TI provided API.
5-0 DACTRIM R Dh Internal. Only to be used through TI provided API.

Factory Configuration (FCFG)
www.ti.com
890 SWCU117F–February 2015–Revised June 2016
Submit Documentation Feedback
Copyright © 2015–2016, Texas Instruments Incorporated
Device Configuration
9.2.2.1.68 VOLT_TRIM Register (Offset = 388h) [reset = X]
VOLT_TRIM is shown in Figure 9-170 and described in Table 9-173.
Return to Summary Table.
Internal. Only to be used through TI provided API.
Figure 9-170. VOLT_TRIM Register
31 30 29 28 27 26 25 24
RESERVED VDDR_TRIM_HH
R-7h R-1Fh
23 22 21 20 19 18 17 16
RESERVED VDDR_TRIM_H
R-7h R-1Fh
15 14 13 12 11 10 9 8
RESERVED VDDR_TRIM_SLEEP_H
R-7h R-1Fh
76543210
RESERVED TRIMBOD_H
R-7h R-X
Table 9-173. VOLT_TRIM Register Field Descriptions
Bit Field Type Reset Description
31-29 RESERVED R 7h Internal. Only to be used through TI provided API.
28-24 VDDR_TRIM_HH R 1Fh Internal. Only to be used through TI provided API.
23-21 RESERVED R 7h Internal. Only to be used through TI provided API.
20-16 VDDR_TRIM_H R 1Fh Internal. Only to be used through TI provided API.
15-13 RESERVED R 7h Internal. Only to be used through TI provided API.
12-8 VDDR_TRIM_SLEEP_H R 1Fh Internal. Only to be used through TI provided API.
7-5 RESERVED R 7h Internal. Only to be used through TI provided API.
4-0 TRIMBOD_H R X Internal. Only to be used through TI provided API.
Default value holds trim value from production test.

www.ti.com
Factory Configuration (FCFG)
891
SWCU117F–February 2015–Revised June 2016
Submit Documentation Feedback Copyright © 2015–2016, Texas Instruments Incorporated
Device Configuration
9.2.2.1.69 OSC_CONF Register (Offset = 38Ch) [reset = X]
OSC_CONF is shown in Figure 9-171 and described in Table 9-174.
Return to Summary Table.
OSC Configuration
Figure 9-171. OSC_CONF Register
31 30 29 28 27 26 25 24
RESERVED ADC_SH_VBU
F_EN ADC_SH_MOD
E_EN ATESTLF_RC
OSCLF_IBIAS_
TRIM
XOSCLF_REGULATOR_TRIM XOSCLF_CMIR
RWR_RATIO
R-3h R-1h R-1h R-0h R-0h R-0h
23 22 21 20 19 18 17 16
XOSCLF_CMIRRWR_RATIO XOSC_HF_FAST_START XOSC_OPTIO
NHPOSC_OPTI
ON HPOSC_BIAS_
HOLD_MODE_
EN
R-0h R-1h R-X R-X R-0h
15 14 13 12 11 10 9 8
HPOSC_CURRMIRR_RATIO HPOSC_BIAS_RES_SET
R-X R-X
76543210
HPOSC_FILTE
R_EN HPOSC_BIAS_RECHARGE_DE
LAY RESERVED HPOSC_SERIES_CAP HPOSC_DIV3_
BYPASS
R-X R-X R-X R-X R-X
Table 9-174. OSC_CONF Register Field Descriptions
Bit Field Type Reset Description
31-30 RESERVED R 3h Software should not rely on the value of a reserved. Writing any
other value than the reset value may result in undefined behavior.
29 ADC_SH_VBUF_EN R 1h Trim value for
DDI_0_OSC:ADCDOUBLERNANOAMPCTL.ADC_SH_VBUF_EN.
28 ADC_SH_MODE_EN R 1h Trim value for
DDI_0_OSC:ADCDOUBLERNANOAMPCTL.ADC_SH_MODE_EN.
27 ATESTLF_RCOSCLF_IBI
AS_TRIM R 0h Trim value for
DDI_0_OSC:ATESTCTL.ATESTLF_RCOSCLF_IBIAS_TRIM.
26-25 XOSCLF_REGULATOR_
TRIM R 0h Trim value for
DDI_0_OSC:LFOSCCTL.XOSCLF_REGULATOR_TRIM.
24-21 XOSCLF_CMIRRWR_RA
TIO R 0h Trim value for
DDI_0_OSC:LFOSCCTL.XOSCLF_CMIRRWR_RATIO.
20-19 XOSC_HF_FAST_START R 1h Trim value for DDI_0_OSC:CTL1.XOSC_HF_FAST_START.
18 XOSC_OPTION R X 0: XOSC_HF unavailable (may not be bonded out)
1: XOSC_HF available (default)
Default value differs depending on partnumber.
17 HPOSC_OPTION R X Internal. Only to be used through TI provided API.
Default value differs depending on partnumber.
16 HPOSC_BIAS_HOLD_M
ODE_EN R 0h Internal. Only to be used through TI provided API.
15-12 HPOSC_CURRMIRR_RA
TIO R X Internal. Only to be used through TI provided API.
Default value holds trim value from production test.
11-8 HPOSC_BIAS_RES_SET R X Internal. Only to be used through TI provided API.
Default value holds trim value from production test.
7 HPOSC_FILTER_EN R X Internal. Only to be used through TI provided API.
Default value holds trim value from production test.

Factory Configuration (FCFG)
www.ti.com
892 SWCU117F–February 2015–Revised June 2016
Submit Documentation Feedback
Copyright © 2015–2016, Texas Instruments Incorporated
Device Configuration
Table 9-174. OSC_CONF Register Field Descriptions (continued)
Bit Field Type Reset Description
6-5 HPOSC_BIAS_RECHAR
GE_DELAY R X Internal. Only to be used through TI provided API.
Default value holds trim value from production test.
4-3 RESERVED R X Software should not rely on the value of a reserved. Writing any
other value than the reset value may result in undefined behavior.
Default value holds trim value from production test.
2-1 HPOSC_SERIES_CAP R X Internal. Only to be used through TI provided API.
Default value holds trim value from production test.
0 HPOSC_DIV3_BYPASS R X Internal. Only to be used through TI provided API.
Default value holds trim value from production test.

www.ti.com
Factory Configuration (FCFG)
893
SWCU117F–February 2015–Revised June 2016
Submit Documentation Feedback Copyright © 2015–2016, Texas Instruments Incorporated
Device Configuration
9.2.2.1.70 FREQ_OFFSET Register (Offset = 390h) [reset = X]
FREQ_OFFSET is shown in Figure 9-172 and described in Table 9-175.
Return to Summary Table.
Internal. Only to be used through TI provided API.
Figure 9-172. FREQ_OFFSET Register
31 30 29 28 27 26 25 24 23 22 21 20 19 18 17 16
HPOSC_COMP_P0
R-X
15 14 13 12 11 10 9 8 7 6 5 4 3 2 1 0
HPOSC_COMP_P1 HPOSC_COMP_P2
R-X R-X
Table 9-175. FREQ_OFFSET Register Field Descriptions
Bit Field Type Reset Description
31-16 HPOSC_COMP_P0 R X Internal. Only to be used through TI provided API.
Default value holds trim value from production test.
15-8 HPOSC_COMP_P1 R X Internal. Only to be used through TI provided API.
Default value holds trim value from production test.
7-0 HPOSC_COMP_P2 R X Internal. Only to be used through TI provided API.
Default value holds trim value from production test.

Factory Configuration (FCFG)
www.ti.com
894 SWCU117F–February 2015–Revised June 2016
Submit Documentation Feedback
Copyright © 2015–2016, Texas Instruments Incorporated
Device Configuration
9.2.2.1.71 CAP_TRIM Register (Offset = 394h) [reset = FFFFFFFFh]
CAP_TRIM is shown in Figure 9-173 and described in Table 9-176.
Return to Summary Table.
Internal. Only to be used through TI provided API.
Figure 9-173. CAP_TRIM Register
31 30 29 28 27 26 25 24 23 22 21 20 19 18 17 16
FLUX_CAP_0P28_TRIM
R-FFFFh
15 14 13 12 11 10 9 8 7 6 5 4 3 2 1 0
FLUX_CAP_0P4_TRIM
R-FFFFh
Table 9-176. CAP_TRIM Register Field Descriptions
Bit Field Type Reset Description
31-16 FLUX_CAP_0P28_TRIM R FFFFh Internal. Only to be used through TI provided API.
15-0 FLUX_CAP_0P4_TRIM R FFFFh Internal. Only to be used through TI provided API.

www.ti.com
Factory Configuration (FCFG)
895
SWCU117F–February 2015–Revised June 2016
Submit Documentation Feedback Copyright © 2015–2016, Texas Instruments Incorporated
Device Configuration
9.2.2.1.72 MISC_OTP_DATA_1 Register (Offset = 398h) [reset = E00403F8h]
MISC_OTP_DATA_1 is shown in Figure 9-174 and described in Table 9-177.
Return to Summary Table.
Internal. Only to be used through TI provided API.
Figure 9-174. MISC_OTP_DATA_1 Register
31 30 29 28 27 26 25 24
RESERVED PEAK_DET_ITRIM HP_BUF_ITRIM
R-7h R-0h R-0h
23 22 21 20 19 18 17 16
LP_BUF_ITRIM DBLR_LOOP_FILTER_RESET_
VOLTAGE HPM_IBIAS_WAIT_CNT
R-0h R-0h R-100h
15 14 13 12 11 10 9 8
HPM_IBIAS_WAIT_CNT LPM_IBIAS_WAIT_CNT
R-100h R-3Fh
76543210
LPM_IBIAS_WAIT_CNT IDAC_STEP
R-3Fh R-8h
Table 9-177. MISC_OTP_DATA_1 Register Field Descriptions
Bit Field Type Reset Description
31-29 RESERVED R 7h Internal. Only to be used through TI provided API.
28-27 PEAK_DET_ITRIM R 0h Internal. Only to be used through TI provided API.
26-24 HP_BUF_ITRIM R 0h Internal. Only to be used through TI provided API.
23-22 LP_BUF_ITRIM R 0h Internal. Only to be used through TI provided API.
21-20 DBLR_LOOP_FILTER_R
ESET_VOLTAGE R 0h Internal. Only to be used through TI provided API.
19-10 HPM_IBIAS_WAIT_CNT R 100h Internal. Only to be used through TI provided API.
9-4 LPM_IBIAS_WAIT_CNT R 3Fh Internal. Only to be used through TI provided API.
3-0 IDAC_STEP R 8h Internal. Only to be used through TI provided API.

Factory Configuration (FCFG)
www.ti.com
896 SWCU117F–February 2015–Revised June 2016
Submit Documentation Feedback
Copyright © 2015–2016, Texas Instruments Incorporated
Device Configuration
9.2.2.1.73 PWD_CURR_20C Register (Offset = 39Ch) [reset = 080BA608h]
PWD_CURR_20C is shown in Figure 9-175 and described in Table 9-178.
Return to Summary Table.
Power Down Current Control 20C
Figure 9-175. PWD_CURR_20C Register
31 30 29 28 27 26 25 24 23 22 21 20 19 18 17 16
DELTA_CACHE_REF DELTA_RFMEM_RET
R-8h R-Bh
15 14 13 12 11 10 9 8 7 6 5 4 3 2 1 0
DELTA_XOSC_LPM BASELINE
R-A6h R-8h
Table 9-178. PWD_CURR_20C Register Field Descriptions
Bit Field Type Reset Description
31-24 DELTA_CACHE_REF R 8h Additional maximum current, in units of 1uA, with cache retention
23-16 DELTA_RFMEM_RET R Bh Additional maximum current, in 1uA units, with RF memory retention
15-8 DELTA_XOSC_LPM R A6h Additional maximum current, in units of 1uA, with XOSC_HF on in
low-power mode
7-0 BASELINE R 8h Worst-case baseline maximum powerdown current, in units of 0.5uA

www.ti.com
Factory Configuration (FCFG)
897
SWCU117F–February 2015–Revised June 2016
Submit Documentation Feedback Copyright © 2015–2016, Texas Instruments Incorporated
Device Configuration
9.2.2.1.74 PWD_CURR_35C Register (Offset = 3A0h) [reset = 0C10A50Ah]
PWD_CURR_35C is shown in Figure 9-176 and described in Table 9-179.
Return to Summary Table.
Power Down Current Control 35C
Figure 9-176. PWD_CURR_35C Register
31 30 29 28 27 26 25 24 23 22 21 20 19 18 17 16
DELTA_CACHE_REF DELTA_RFMEM_RET
R-Ch R-10h
15 14 13 12 11 10 9 8 7 6 5 4 3 2 1 0
DELTA_XOSC_LPM BASELINE
R-A5h R-Ah
Table 9-179. PWD_CURR_35C Register Field Descriptions
Bit Field Type Reset Description
31-24 DELTA_CACHE_REF R Ch Additional maximum current, in units of 1uA, with cache retention
23-16 DELTA_RFMEM_RET R 10h Additional maximum current, in 1uA units, with RF memory retention
15-8 DELTA_XOSC_LPM R A5h Additional maximum current, in units of 1uA, with XOSC_HF on in
low-power mode
7-0 BASELINE R Ah Worst-case baseline maximum powerdown current, in units of 0.5uA

Factory Configuration (FCFG)
www.ti.com
898 SWCU117F–February 2015–Revised June 2016
Submit Documentation Feedback
Copyright © 2015–2016, Texas Instruments Incorporated
Device Configuration
9.2.2.1.75 PWD_CURR_50C Register (Offset = 3A4h) [reset = 1218A20Dh]
PWD_CURR_50C is shown in Figure 9-177 and described in Table 9-180.
Return to Summary Table.
Power Down Current Control 50C
Figure 9-177. PWD_CURR_50C Register
31 30 29 28 27 26 25 24 23 22 21 20 19 18 17 16
DELTA_CACHE_REF DELTA_RFMEM_RET
R-12h R-18h
15 14 13 12 11 10 9 8 7 6 5 4 3 2 1 0
DELTA_XOSC_LPM BASELINE
R-A2h R-Dh
Table 9-180. PWD_CURR_50C Register Field Descriptions
Bit Field Type Reset Description
31-24 DELTA_CACHE_REF R 12h Additional maximum current, in units of 1uA, with cache retention
23-16 DELTA_RFMEM_RET R 18h Additional maximum current, in 1uA units, with RF memory retention
15-8 DELTA_XOSC_LPM R A2h Additional maximum current, in units of 1uA, with XOSC_HF on in
low-power mode
7-0 BASELINE R Dh Worst-case baseline maximum powerdown current, in units of 0.5uA

www.ti.com
Factory Configuration (FCFG)
899
SWCU117F–February 2015–Revised June 2016
Submit Documentation Feedback Copyright © 2015–2016, Texas Instruments Incorporated
Device Configuration
9.2.2.1.76 PWD_CURR_65C Register (Offset = 3A8h) [reset = 1C259C14h]
PWD_CURR_65C is shown in Figure 9-178 and described in Table 9-181.
Return to Summary Table.
Power Down Current Control 65C
Figure 9-178. PWD_CURR_65C Register
31 30 29 28 27 26 25 24 23 22 21 20 19 18 17 16
DELTA_CACHE_REF DELTA_RFMEM_RET
R-1Ch R-25h
15 14 13 12 11 10 9 8 7 6 5 4 3 2 1 0
DELTA_XOSC_LPM BASELINE
R-9Ch R-14h
Table 9-181. PWD_CURR_65C Register Field Descriptions
Bit Field Type Reset Description
31-24 DELTA_CACHE_REF R 1Ch Additional maximum current, in units of 1uA, with cache retention
23-16 DELTA_RFMEM_RET R 25h Additional maximum current, in 1uA units, with RF memory retention
15-8 DELTA_XOSC_LPM R 9Ch Additional maximum current, in units of 1uA, with XOSC_HF on in
low-power mode
7-0 BASELINE R 14h Worst-case baseline maximum powerdown current, in units of 0.5uA

Factory Configuration (FCFG)
www.ti.com
900 SWCU117F–February 2015–Revised June 2016
Submit Documentation Feedback
Copyright © 2015–2016, Texas Instruments Incorporated
Device Configuration
9.2.2.1.77 PWD_CURR_80C Register (Offset = 3ACh) [reset = 2E3B9021h]
PWD_CURR_80C is shown in Figure 9-179 and described in Table 9-182.
Return to Summary Table.
Power Down Current Control 80C
Figure 9-179. PWD_CURR_80C Register
31 30 29 28 27 26 25 24 23 22 21 20 19 18 17 16
DELTA_CACHE_REF DELTA_RFMEM_RET
R-2Eh R-3Bh
15 14 13 12 11 10 9 8 7 6 5 4 3 2 1 0
DELTA_XOSC_LPM BASELINE
R-90h R-21h
Table 9-182. PWD_CURR_80C Register Field Descriptions
Bit Field Type Reset Description
31-24 DELTA_CACHE_REF R 2Eh Additional maximum current, in units of 1uA, with cache retention
23-16 DELTA_RFMEM_RET R 3Bh Additional maximum current, in 1uA units, with RF memory retention
15-8 DELTA_XOSC_LPM R 90h Additional maximum current, in units of 1uA, with XOSC_HF on in
low-power mode
7-0 BASELINE R 21h Worst-case baseline maximum powerdown current, in units of 0.5uA

www.ti.com
Factory Configuration (FCFG)
901
SWCU117F–February 2015–Revised June 2016
Submit Documentation Feedback Copyright © 2015–2016, Texas Instruments Incorporated
Device Configuration
9.2.2.1.78 PWD_CURR_95C Register (Offset = 3B0h) [reset = 4C627A3Bh]
PWD_CURR_95C is shown in Figure 9-180 and described in Table 9-183.
Return to Summary Table.
Power Down Current Control 95C
Figure 9-180. PWD_CURR_95C Register
31 30 29 28 27 26 25 24 23 22 21 20 19 18 17 16
DELTA_CACHE_REF DELTA_RFMEM_RET
R-4Ch R-62h
15 14 13 12 11 10 9 8 7 6 5 4 3 2 1 0
DELTA_XOSC_LPM BASELINE
R-7Ah R-3Bh
Table 9-183. PWD_CURR_95C Register Field Descriptions
Bit Field Type Reset Description
31-24 DELTA_CACHE_REF R 4Ch Additional maximum current, in units of 1uA, with cache retention
23-16 DELTA_RFMEM_RET R 62h Additional maximum current, in 1uA units, with RF memory retention
15-8 DELTA_XOSC_LPM R 7Ah Additional maximum current, in units of 1uA, with XOSC_HF on in
low-power mode
7-0 BASELINE R 3Bh Worst-case baseline maximum powerdown current, in units of 0.5uA

Factory Configuration (FCFG)
www.ti.com
902 SWCU117F–February 2015–Revised June 2016
Submit Documentation Feedback
Copyright © 2015–2016, Texas Instruments Incorporated
Device Configuration
9.2.2.1.79 PWD_CURR_110C Register (Offset = 3B4h) [reset = 789E706Bh]
PWD_CURR_110C is shown in Figure 9-181 and described in Table 9-184.
Return to Summary Table.
Power Down Current Control 110C
Figure 9-181. PWD_CURR_110C Register
31 30 29 28 27 26 25 24 23 22 21 20 19 18 17 16
DELTA_CACHE_REF DELTA_RFMEM_RET
R-78h R-9Eh
15 14 13 12 11 10 9 8 7 6 5 4 3 2 1 0
DELTA_XOSC_LPM BASELINE
R-70h R-6Bh
Table 9-184. PWD_CURR_110C Register Field Descriptions
Bit Field Type Reset Description
31-24 DELTA_CACHE_REF R 78h Additional maximum current, in units of 1uA, with cache retention
23-16 DELTA_RFMEM_RET R 9Eh Additional maximum current, in 1uA units, with RF memory retention
15-8 DELTA_XOSC_LPM R 70h Additional maximum current, in units of 1uA, with XOSC_HF on in
low-power mode
7-0 BASELINE R 6Bh Worst-case baseline maximum powerdown current, in units of 0.5uA

www.ti.com
Factory Configuration (FCFG)
903
SWCU117F–February 2015–Revised June 2016
Submit Documentation Feedback Copyright © 2015–2016, Texas Instruments Incorporated
Device Configuration
9.2.2.1.80 PWD_CURR_125C Register (Offset = 3B8h) [reset = ADE1809Ah]
PWD_CURR_125C is shown in Figure 9-182 and described in Table 9-185.
Return to Summary Table.
Power Down Current Control 125C
Figure 9-182. PWD_CURR_125C Register
31 30 29 28 27 26 25 24 23 22 21 20 19 18 17 16
DELTA_CACHE_REF DELTA_RFMEM_RET
R-ADh R-E1h
15 14 13 12 11 10 9 8 7 6 5 4 3 2 1 0
DELTA_XOSC_LPM BASELINE
R-80h R-9Ah
Table 9-185. PWD_CURR_125C Register Field Descriptions
Bit Field Type Reset Description
31-24 DELTA_CACHE_REF R ADh Additional maximum current, in units of 1uA, with cache retention
23-16 DELTA_RFMEM_RET R E1h Additional maximum current, in 1uA units, with RF memory retention
15-8 DELTA_XOSC_LPM R 80h Additional maximum current, in units of 1uA, with XOSC_HF on in
low-power mode
7-0 BASELINE R 9Ah Worst-case baseline maximum powerdown current, in units of 0.5uA

904 SWCU117F–February 2015–Revised June 2016
Submit Documentation Feedback
Copyright © 2015–2016, Texas Instruments Incorporated
Cryptography
Chapter 10
SWCU117F–February 2015–Revised June 2016
Cryptography
The security core of the CC26xx and CC13xx features an advanced encryption standard (AES) module
with 128-bit key support, local key storage, and DMA capability. This chapter provides the description and
information for configuring the AES engine.
Topic ........................................................................................................................... Page
10.1 AES Cryptoprocessor Overview ......................................................................... 905

www.ti.com
AES Cryptoprocessor Overview
905
SWCU117F–February 2015–Revised June 2016
Submit Documentation Feedback Copyright © 2015–2016, Texas Instruments Incorporated
Cryptography
10.1 AES Cryptoprocessor Overview
The AES security module provides hardware-accelerated data encryption and decryption operations
based on a binary key. The module supports a 128-bit key in hardware for encryption and decryption and
uses symmetric algorithm, meaning that the encryption and decryption keys are identical. Encryption
converts plain text data to an unintelligible form called cipher text. Decrypting cipher text converts
previously encrypted data back into its original plain text form.
The main features of the AES module are:
• Support and availability of the following operating modes:
– Electronic code book mode (ECB)
– Cipher block chaining mode (CBC)
– Cipher block chaining message authentication code (CBC-MAC)
– Counter mode (CTR)
– Counter mode with CBC-MAC (CCM)
• Key size: 128 bits
• Support for CBC-MAC authentication modes
• Key scheduling in hardware
• Support for μDMA transfers
• Fully synchronous design
ECB, CBC, CTR, and CCM modes require reading and writing of data. CBC-MAC requires only reading of
the data from an external source. The CCM modes of operation returns an authentication result. This
result can either be DMAed out with a separate DMA operation, or read through the slave interface. For all
modes, there is an option to provide the data through the slave interface instead of using DMA. The AES
engine is forced to use keys from the key store module for its operations. A key is provided to the AES
engine by triggering the key store module to read an AES key from the key store memory, and to write it
to the AES key registers. The AES engine automatically pads or masks misaligned last data blocks with
zeroes for AES CBC-MAC and CCM (including misaligned AAD data). For AES CTR mode, misaligned
last data blocks are internally masked to support nonblock size input data.
10.1.1 Functional Description
The AES engine is directly connected to the context and data registers so that it can immediately start
processing when all data is available. The AES engine also interfaces to the I/O-control FSM and μDMA
request interface. AES comprises the following major functional blocks:
• Global control FSM and μDMA interface
• Register interface module
• The AES engine
The AES engine, which is the major top-level component, comprises the following functional blocks:
• Mode-control FSM: manages the data flow to and from the AES engine and starts each encryption and
decryption operation.
• Feedback modes: the logic that implements the various feedback modes supported by AES.
• AES key scheduler: generates AES encryption and decryption (round) keys
• AES encryption core: the AES encryption algorithm
• AES decryption core: the AES decryption algorithm
• Substitution-boxes (S-boxes): contain AES S-Box GF(28) implementations.
The supported key length is 128-bit, which requires 10 rounds or 32 clock cycles, because {number of
clock cycles} = 2 + 3 × {number of rounds}. While one data block processes, the next block can be
preloaded immediately. When a block is preloaded, the previous block must finish before additional data
can be loaded. Therefore, once the pipeline is full, sequential data blocks can be passed every 32 clock
cycles.

AES Cryptoprocessor Overview
www.ti.com
906 SWCU117F–February 2015–Revised June 2016
Submit Documentation Feedback
Copyright © 2015–2016, Texas Instruments Incorporated
Cryptography
10.1.1.1 Debug Capabilities
The AES module provides the following status registers to monitor operations of the engine:
• DMA status and port-error status registers
• Interrupt status registers in the master control module
• Key-store module status register
10.1.1.2 Exception Handling
The AES module can detect AHB master bus errors and abort the DMA operation. The AES key-store
module can detect key-load errors and does not store the bad key in that case. In both cases, the status
register in the master control module indicates the error.
10.1.2 Power Management and Sleep Modes
There is no retention logic for cryptography registers. The clocks can be enabled or gated by the following
PRCM registers:
• SECDMACLKGR.CRYPTO_CLK_EN bit while in run mode
• SECDMASCLKG.CRYPTO_CLK_EN bit while in sleep mode
• SECDMACLKGDS.CRYPTO_CLK_EN bit while in deepsleep mode
The cryptography module is enabled and disabled by the SECDMAHWOPT.CRYPTO_EN bit.
To save power, the application can disable the clock to the AES module when not in use. The AES is
clock-gated in sleep mode by setting the SECDMACLKGS register CRYPTO_CLK_EN bit. The AES can
also be clock-gated in run mode by setting the SECDMACLKGR register CRYPTO_CLK_EN bit.
10.1.3 Hardware Description
10.1.3.1 AHB Slave Bus
Internal registers of the AES module are accessed by the slave interface. The AHB slave interface
accepts 8-, 16-, and 32-bit transfers. However, the AES module accepts only 32-bit single access.
As each transfer is checked for multiple error conditions depending on the address, size, and type of the
transfer, these checks are performed on registered signals to improve timing on the input signals.
Therefore, one wait cycle must be inserted for each transfer. If an ERROR response occurs, h_ready_out
must be taken low one cycle after reception of the address. This results in the following timing:
• Write transfers take two clock cycles.
• Read transfers take three clock cycles.
The AHB slave handles only the little-endian transfers, and for register access only 32-bit single accesses
are allowed.
10.1.3.2 AHB Master Bus
The module is configured by the DMA configuration DMABUSCFG register (refer to Section 10.1.8.9,
DMABUSCFG Register (Offset = 78h) [reset = X]) and performs single 8-bit or 32-bit nonsequential single
transfers by default. Transfer addresses and length parameters of the DMA transfer are byte aligned.
When the AES module requests a DMA transfer, the AHB master asserts and signals to indicate to the
arbiter that it requires the bus. This signal stays asserted until the address phase of the last transfer of the
DMA and no new DMA transfers are requested.
When no DMA transfers are requested, the AHB master performs IDLE transfers. If the AHB master is
already granted and gets the DMA request, the first write transfer is an IDLE transfer. The last transfer is
always an IDLE transfer.

www.ti.com
AES Cryptoprocessor Overview
907
SWCU117F–February 2015–Revised June 2016
Submit Documentation Feedback
Copyright © 2015–2016, Texas Instruments Incorporated
Cryptography
If the AHB_MST1_LOCK_EN bit is asserted, the AHB master asserts a lock signal to indicate the AHB is
performing a number of indivisible transfers. The arbiter does not grant any other AHB master access to
the bus when the first transfer of the sequence of locked transfers has commenced. The AHB master
inserts an IDLE transfer after each block sequence.
The AHB master can handle big- and little-endian transfers. The AES module is little endian-oriented
internally. However, when connected to a big-endian AHB system, a conversion from big to little endian
can be done in the AHB master interface. By default, a little endian-oriented AHB-host system is assumed.
When the AHB system is big endian-oriented, the AHB_MST1_BIGEND bit must be set to 1.
NOTE: The CC26xx and CC13xx devices do not support burst or nonsequential transfers through
internal interconnect. The DMABUSCFG register must not be changed for proper operation.
10.1.3.3 Interrupts
The AES module has two interrupt outputs; both are driven from the master control module and are
controlled by the respective registers (see Section 10.1.4.4.3,Software Reset).
To enable interrupts for the AES engine, thr IRQTYPE.EN bit must be set and the interrupt source must
be configured in the IRQEN register.
The IRQCLR register is available to clear an interrupt output and error-status bit. The IRQSET register
provides the software a way to test the interrupt connections and must be used for debugging only.
The IRQSTAT register provides the status of the two interrupts along with error status messages. The
error status bits are asserted once they are detected, and typically the value of DMA_BUS_ERR and
KEY_ST_WR_ERR signals are valid after the RESULT_AVAIL bit is asserted. The KEY_ST_RD_ERR bit
is valid after triggering the key store module to read a key from memory and providing it to the AES
engine.
An interrupt RESULT_AVAIL is activated when an operation that uses DMA is finished. The signal asserts
when both the DMA and internal module are in the idle state.
Another interrupt DMA_IN_DONE is activated when only the input DMA is finished and is intended for
debugging.
NOTE: Interrupt outputs are not triggered for operations where the DMA is not used.
10.1.4 Module Description
10.1.4.1 Introduction
This section describes some accessible registers, internal interfaces, and module functionality. The
registers and functionality are discussed for each submodule. For complete information on the module
registers, see Section 10.1.8,CRYPTO Registers.
10.1.4.2 Module Memory Map
Table 10-1. Detailed Memory Map
Physical Address Register Name Type Reset Value Remark Link
DMA Controller Registers
0x4002 4000 DMACH0CTL R/W 0x0000 0000 Channel 0 control
register Section 10.1.8.1
0x4002 4004 DMACH0EXTADDR R/W 0x0000 0000 Channel 0 external
address Section 10.1.8.2
0x4002 400C DMACH0LEN R/W 0x0000 0000 Channel 0 DMA
length Section 10.1.8.3
0x4002 4018 DMASTAT R 0x0000 0000 DMAC status Section 10.1.8.4

AES Cryptoprocessor Overview
www.ti.com
908 SWCU117F–February 2015–Revised June 2016
Submit Documentation Feedback
Copyright © 2015–2016, Texas Instruments Incorporated
Cryptography
Table 10-1. Detailed Memory Map (continued)
Physical Address Register Name Type Reset Value Remark Link
0x4002 401C DMASWRESET W 0x0000 0000 DMAC software
reset Section 10.1.8.5
0x4002 4020 DMACH1CTL R/W 0x0000 0000 Channel 1 control
register Section 10.1.8.6
0x4002 4024 DMACH1EXTADDR R/W 0x0000 0000 Channel 1 external
address Section 10.1.8.7
0x4002 402C DMACH1LEN R/W 0x0000 0000 Channel 1 DMA
length Section 10.1.8.8
0x4002 4078 DMABUSCFG R/W 0x0000 6000 Master run-time
parameters Section 10.1.8.9
0x4002 407C DMAPORTERR R 0x0000 0000 Port-error raw-status
register Section 10.1.8.10
0x4002 40F8 DMAHWOPT R 0x0000 0202 DMAC-options
register
0x4002 40FC DMAHWVER R 0x0101 2ED1 DMAC-version
register Section 10.1.8.11
Key-Storage Registers
0x4002 4400 KEYWRITEAREA R/W 0x0000 0000 Writer-area register Section 10.1.8.12
0x4002 4404 KEYWRITTENAREA R/W 0x0000 0000 Written-area register Section 10.1.8.13
0x4002 4408 KEYSIZE R/W 0x0000 0001 Key-size register Section 10.1.8.14
0x4002 440C KEYREADAREA R/W 0x0000 0008 Read-area register Section 10.1.8.15
AES Engine Registers
0x4002 4500 to
0x4002 450C AESKEY2_0 to AESKEY2_3 W 0x0000 0000 Clear/wipe
AESKEY2__0 to
AESKEY2__3
register
Section 10.1.8.16
0x4002 4510 to
0x4002 451C AESKEY3_0 to AESKEY3_3 W 0x0000 0000 Clear/wipe
AESKEY3__0 to
AESKEY3__3
register
Section 10.1.8.17
0x4002 4540 to
0x4002 454C AESIV_0 to AESIV_3 R/W 0x0000 0000 AES IV (LSW) Section 10.1.8.18
0x4002 4550 AESCTL R/W 0x8000 0000 I/O and control mode Section 10.1.8.19
0x4002 4554 AESDATALEN0 W 0x0000 0000 Crypto data length
(LSW) Section 10.1.8.20
0x4002 4558 AESDATALEN1 W 0x0000 0000 Crypto data length
(MSW) Section 10.1.8.21
0x4002 455C AESAUTHLEN W 0x0000 0000 AAD data length Section 10.1.8.22
0x4002 4560 AESDATAIN0 W 0x0000 0000 Data input (LSW) Section 10.1.8.24
0x4002 4560 AESDATAOUT0 R 0x0000 0000 Data output (LSW) Section 10.1.8.23
0x4002 4564 AESDATAIN1 W 0x0000 0000 Data input Section 10.1.8.26
0x4002 4564 AESDATAOUT1 R 0x0000 0000 Data output Section 10.1.8.25
0x4002 4568 AESDATAIN2 W 0x0000 0000 Data input Section 10.1.8.28
0x4002 4568 AESDATAOUT2 R 0x0000 0000 Data output Section 10.1.8.27
0x4002 456C AESDATAIN3 W 0x0000 0000 Data input (MSW) Section 10.1.8.30
0x4002 456C AESDATAOUT3 R 0x0000 0000 Data output (MSW) Section 10.1.8.29
0x4002 4570 to
0x4002 4057C AESTAGOUT_0 to
AESTAGOUT_3 W 0x0000 0000 Tag output (LSW) Section 10.1.8.31
Master-Control Registers
0x4002 4700 ALGSEL R/W 0x0000 0000 Algorithm selection Section 10.1.8.32
0x4002 4704 DMAPROTCTL R/W 0x0000 0000 Enable privileged
access on master Section 10.1.8.33
0x4002 4740 SWRESET W 0x0000 0000 Master-control
software reset Section 10.1.8.34

EIP-209 DMA Controller
Channel 0
(Inbound)
external DMA port
Control registers
EIP-101m
Bus master adapter
(AHB)
Port control
DMA req/ack
DMA src addr
DMA dest addr
DMA length
Peripheral req/
ack/burst_size
TCM
DMA active
transfer
Crypto engine module
TCM slave
ext DMA
params
req/
ack
conf./
status
Port error
ext DMA
params
Arbiter
Peripheral req/
ack/burst_size
Master control
EIP-101
Bus slave adapter
(AHB)
status
Channel 1
(Outbound)
Block/channel
done
ack
Block/channel
done
Crypto engine Key store
conf./
status
Interrupts
www.ti.com
AES Cryptoprocessor Overview
909
SWCU117F–February 2015–Revised June 2016
Submit Documentation Feedback Copyright © 2015–2016, Texas Instruments Incorporated
Cryptography
Table 10-1. Detailed Memory Map (continued)
Physical Address Register Name Type Reset Value Remark Link
0x4002 4780 IRQTYPE R/W 0x0000 0000 Interrupt-
configuration register Section 10.1.8.35
0x4002 4784 IRQEN R/W 0x0000 0000 Interrupt-enabling
register Section 10.1.8.36
0x4002 4788 IRQCLR W 0x0000 0000 Interrupt-clear
register Section 10.1.8.37
0x4002 478C IRQSET W 0x0000 0000 Interrupt-set register Section 10.1.8.38
0x4002 4790 IRQSTAT R 0x0000 0000 Interrupt-status
register Section 10.1.8.39
0x4002 47F8 HWOPT R 0x0201 0093 Type and options
register
0x4002 47FC HWVER R 0x9110 8778 Version register Section 10.1.8.40
Unspecified addresses are reserved and must not be written and ignored on a read.
10.1.4.3 DMA Controller
Figure 10-1 shows the DMA controller (DMAC) and its integration in the AES module.
Figure 10-1. DMA Controller and Integration

AES Cryptoprocessor Overview
www.ti.com
910 SWCU117F–February 2015–Revised June 2016
Submit Documentation Feedback
Copyright © 2015–2016, Texas Instruments Incorporated
Cryptography
The DMAC of the AES module controls the data transfer requests to the AHB master adapter, which
transfers data to and from the AES engines and key store area.
The required parameters for proper functioning of the AHB master interface port are defined in the
DMABUSCFG register. The default configuration of this register configures fixed-length transfers and a
maximum burst size of 4 bytes. As a result, only nonsequential single transfers are performed on the AHB
bus.
The DMASTAT and DMAPORTERR registers provide the actual state of each DMA channel and individual
AHB port errors. A port error aborts operations on all serviced channels and prevents further transfers
using that port, until the error is cleared by writing to the DMASWRESET register.
If the address and lengths are 32-bit aligned, the master does only NONSEQ- and SINGLE-type transfers
with a size of 4 bytes.
The DMAC splits channel DMA operation into small DMA transfers. The size of small DMA transfers is
determined by the target internal module, and equals the block size of the cryptographic operation.
The DMAC has the following features:
• Two channels (one inbound and one outbound) that can be enabled at the same time
• A maximum size of the DMA operation, controlled by a 16-bit long register
• An arbiter to schedule channel accesses to the external AHB port
• Functionality to capture external bus errors
The DMAC consists of two DMA channels with programmable priority: one is programmable to move input
data and keys from the external memory to the AES module, and another is programmable to move result
data from the AES module to the external memory. Access to the channels of the AHB master port is
handled by the arbiter module.
Channel control registers are used for channel enabling and priority selection. When a channel is
disabled, it becomes inactive only when all ongoing requests are finished.
NOTE: All the channel control registers (DMACHxCTL, DMACHxEXTADDR, and DMACHxLEN)
must be programmed by the host to start a new DMA operation.
The DMAC transfers data between a source address and destination address. Starting at a nonword-
aligned boundary, byte transfers are generated until a word boundary is reached. From then onward, word
transfers are generated as long as data is available. If the transfer does not finish on word-aligned
address, the remaining transfers are again byte transfers.
NOTE: No halfword transfers are generated.
When the AHB_MST1_INCR_EN bit is set to 1, defined-length bursts and single transfers are generated
by default. The maximum size depends on the programmed burst size.
The DMAC registers are mapped to the external register map. To start the operation, the host must
program the mode of the DMAC and parameters of the operation. These parameters involve direction
(read, write, or read-and-write), length (1 to 65535 bytes), external source address (for reading), and
external destination address (for writing). For details of the registers, refer to Section 10.1.8,CRYPTO
Registers.
NOTE: The internal destination is programmed using a dedicated algorithm selection register in
master control module. The burst size is provided to the DMAC based on the setting of that
register.

www.ti.com
AES Cryptoprocessor Overview
911
SWCU117F–February 2015–Revised June 2016
Submit Documentation Feedback Copyright © 2015–2016, Texas Instruments Incorporated
Cryptography
10.1.4.3.1 Internal Operation
The DMAC operates with the AHB master adapter that has two ports. One port is an external AHB port
used to perform read and write operations to the external AHB subsystem. This port can address the
complete 32-bit address range. The second port is an internal TCM port (master TCM) used to perform
read and write operations to the internal modules of the crypto core AES engine and key store.
Assignment of the internal modules for DMA operation must be selected in the master control module (see
to Section 10.1.4.4.1.1,Algorithm Select); therefore, an internal address is not needed in the DMAC.
The data path from the TCM port of the AHB master module to the internal modules is located outside of
the DMAC. The DMAC only observes the number of transferred words to determine when the requested
DMA operation is finished for the corresponding channel.
The key store is a 32-bit block of memory with a depth of 32 words, surrounded by control logic. When the
AES module is configured to write keys to this key-store module through DMA, the key store internally
manages access to the key store RAM based on its register settings (including generation of the key store
RAM addresses). The AES module supports only DMA write operations to the key store.
The AES engine has a 32-bit write interface for input data to be encrypted or decrypted, and a 32-bit read
interface for result data and tag. The write interface of the AES module collects 32-bit data into a 128-bit
input block (AES block size). When a full block is received, the AES calculation for the received block is
started. When receiving the last word of the last block, the DMAC and master controller generate a "data
done" signal to the crypto engine. The mode, message length, and optional parameters are programmed
using the target interface.
On the TCM side, the key store module immediately accepts all data without delay cycles, while the crypto
modules operate on a data block boundary. On the TCM side, the key-store module immediately accepts
all data without delay cycles, while the crypto module operates on a data block boundary (the processing
of which takes a number of clock cycles). Special handshake signals are used between the DMAC and
crypto modules:
• A data input request is sent to the DMA inbound channel (channel 0) when the crypto module can
accept the next data block.
• A data output request is sent to the DMA output channel (channel 1) when the crypto module has the
next block of data or tag available, after processing or hash module has a digest available.
• Both channels send an acknowledge when the DMA operation starts, channel transfer completes,
when a block has been transmitted and the channel transfer completes, or when all data is transmitted.
10.1.4.3.2 Supported DMA Operations
With each data request from the crypto engine, the DMAC requests a transfer from the AHB master. The
transfer size is at most the block size of the corresponding algorithm. This block size depends on the
selected algorithm in the master control module.
Table 10-2 provides a summary of the supported DMAC operations. The module refers to the selected
module in the master control module. TAG enable indicates whether the TAG bit is set in the master
control configuration register.
(1) TAG is transferred through the slave interface or transferred with a separate DMA.
(2) Data is transferred through another DMA, that has been executed before.
Table 10-2. Supported DMAC Operations
Module Incoming Data Stream (for Channel 0) Outcoming Data Stream (for Channel 1)
Source Destination Source Destination
Key store External memory location Key store RAM – –
Crypto
RAM (Authentication data only) AES See(1) See(1)
External memory location AES AES External memory location
See(2) See(2) AES (TAG enabled) External memory location

AES Cryptoprocessor Overview
www.ti.com
912 SWCU117F–February 2015–Revised June 2016
Submit Documentation Feedback
Copyright © 2015–2016, Texas Instruments Incorporated
Cryptography
10.1.4.4 Master Control and Select
The master control module synchronizes the DMA operations and the cryptographic module handshake
signals. In this module, the crypto algorithm is selected and the DMA burst sizes are defined. When the
complete encryption operation completes, an interrupt is asserted.
NOTE: For authentication operations, the interrupt is asserted only if the authentication result is
available.
The AES module also provides an interrupt to indicate that the input DMA transfer is complete. This
interrupt is primarily used to determine the end of an AAD data DMA transfer (AES-CCM), which is
typically set up as separate input data transfer.
10.1.4.4.1 Algorithm Select
This algorithm-selection register configures the internal destination of the DMAC.
10.1.4.4.1.1 Algorithm Select
Table 10-3 summarizes the allowed bit combinations of the ALGSEL register.
Table 10-3. Valid Combinations for ALGSEL Flags
Operation Flags
KEY STORE AES TAG
Key store is loaded through the DMA. 1 0 0
AES data is loaded through the DMA and
encrypted and decrypted data are read through
the DMA (encryption and decryption) or AES
data is loaded through the DMA and result tag
is read through the slave interface
(authentication-only operations).
0 1 0
AES data is loaded through the DMA, result tag
is read through the DMA (authentication-only
operations). 0 1 1
10.1.4.4.2 Master PROT Enable
10.1.4.4.2.1 Master PROT-Privileged Access-Enable
The DMAPORTCTL register selects the AHB transfer protection control for DMA transfers, using the key
store as destination.
10.1.4.4.3 Software Reset
Refer to Section 10.1.6.4.1,Soft Reset, for more details on the soft reset procedure.
To perform a software reset of the AES module, write 1 to the RESET bit in the SWRESET register. When
the software reset completes, the RESET bit in the SWRESET register is automatically reset. Software
must ensure that the software reset completes before starting any operations.
In the DMA control module, software reset is used to reset the DMAC to stop all transfers and clear the
DMAPORTERR register. After the software reset is performed, all channels are disabled and no new
requests are performed by the channels. The DMAC waits for the existing (active) requests to finish, then
sets the DMAC status registers.

www.ti.com
AES Cryptoprocessor Overview
913
SWCU117F–February 2015–Revised June 2016
Submit Documentation Feedback Copyright © 2015–2016, Texas Instruments Incorporated
Cryptography
10.1.4.5 AES Engine
The composition of the AES core is the following:
• The main data path operates on the input block, performing the required substitution, shift, and mix
operations.
• The key scheduler generates the round keys. A new subkey is generated and XORed with the data
each round.
The AES key scheduler generates the round keys. During each round, a new subkey is generated from
the input key to be XORed with the data. Round keys are generated on-the-fly and parallel to data
processing to minimize register requirements. For encryption operations, the key sequencer transfers the
initial key data to the AES core. For decryption operations, the key scheduler must provide the final
subkey to the AES core so it can generate the subkeys in reverse order.
The AES core operates on the input block and performs the required substitution, shift, and mix
operations. For each round, the encryption core receives the proper round key from the AES key
scheduler. A fundamental component of the AES algorithm is the S-box. The S-box provides a unique
8-bit output for each 8-bit input.
The architecture of the AES decryption core is generally the same as the architecture of the encryption
core. One difference is that the generation of round keys for decryption requires an initial conversion of the
input key (always supplied by the host in the form of an encryption key) to the corresponding decryption
key. This conversion is done by performing a dummy encryption operation and storing the final round key
as a decryption key. The key scheduler is then reversed to generate the round keys for the decryption
operation. Consequently, for each sequence of decryption operations under the same key, a single
throughput reduction equal to the time to encrypt a single block occurs. When a decryption key is
generated, subsequent decryption operations with the same key use this generated decryption key
directly.

AES Cryptoprocessor Overview
www.ti.com
914 SWCU117F–February 2015–Revised June 2016
Submit Documentation Feedback
Copyright © 2015–2016, Texas Instruments Incorporated
Cryptography
10.1.4.5.1 Second Key Registers (Internal, But Clearable)
The following registers shown in Table 10-4 and Table 10-5 are not accessible through the host for
reading and writing. These registers are used to store internally calculated key information and
intermediate results. However, when the host performs a write to the any of the respective AESKEY2__0
to AESKEY2__3 or
AESKEY3__0 to AESKEY3__3 addresses, respectively, the whole 128-bit AESKEY2__0 to AESKEY2__3
or
AESKEY3__0 to AESKEY3__3 register is cleared to zeroes.
The intermediate authentication result for CCM is stored in the AESKEY3__0 to AESKEY3__3 register.
Table 10-4. AES_KEY
AESKEY2__0 - AESKEY2__3 (Write Only), 32-bit Address Offset: 0x500 - 0x50C in 0x4-byte increments
31 30 29 28 27 26 25 24 23 22 21 20 19 18 17 16 15 14 13 12 11 10 9 8 7 6 5 4 3 2 1 0
AESKEY2__0 - AESKEY2__3[31:0]
AESKEY2__0 - AESKEY2__3[63:32]
AESKEY2__0 - AESKEY2__3[95:64]
AESKEY2__0 - AESKEY2__3[127:96]
0 0 0 0 0 0 0 0 0 0 0 0 0 0 0 0 0 0 0 0 0 0 0 0 0 0 0 0 0 0 0 0
Table 10-5. AES_KEY
AESKEY3__0 - AESKEY3__3 (Write Only), 32-bit Address Offset: 0x510 - 0x51C in 0x4-byte increments
31 30 29 28 27 26 25 24 23 22 21 20 19 18 17 16 15 14 13 12 11 10 9 8 7 6 5 4 3 2 1 0
AESKEY3__0 - AESKEY3__3[31:0] / AESKEY2__0 - AESKEY2__3[159:128]
AESKEY3__0 - AESKEY3__3[63:32] / AESKEY2__0 - AESKEY2__3[191:160]
AESKEY3__0 - AESKEY3__3[95:64] / AESKEY2__0 - AESKEY2__3[223:192]
AESKEY3__0 - AESKEY3__3[127:96] / AESKEY2__0 - AESKEY2__3[255:224]
0 0 0 0 0 0 0 0 0 0 0 0 0 0 0 0 0 0 0 0 0 0 0 0 0 0 0 0 0 0 0 0
For CCM:
Bit Field Name Function
255:0 – This register is used to store intermediate
values.
For CBC-MAC:
Bit Field Name Function
255:0 Zeroes This register must remain zero.
Reusing the AES_KEYn registers is allowed for sequential operations; however for CBC-MAC,
intermediate values must be cleared when programming the respective mode and length parameters.
If a CBC-MAC operation is started without loading a new key (through the key store), and the previous
operation was not a CBC-MAC operation, both AESKEY2__0 to AESKEY2__3 and
AESKEY3__0 to AESKEY3__3 register locations must be written before starting the CBC-MAC operation,
which is required to clear these two key registers.
10.1.4.5.2 AES Initialization Vector (IV) Registers
Table 10-6 shows the AES Initialization Vector registers that are used to provide and read the IV from the
AES engine.

www.ti.com
AES Cryptoprocessor Overview
915
SWCU117F–February 2015–Revised June 2016
Submit Documentation Feedback Copyright © 2015–2016, Texas Instruments Incorporated
Cryptography
Table 10-6. AES Initialization Vector Registers
AES_IV_0, (Read/Write), 32-bit Address Offset: 0x540
AES_IV_1, (Read/Write), 32-bit Address Offset: 0x544
AES_IV_2, (Read/Write), 32-bit Address Offset: 0x548
AES_IV_3, (Read/Write), 32-bit Address Offset: 0x54C
31 30 29 28 27 26 25 24 23 22 21 20 19 18 17 16 15 14 13 12 11 10 9 8 7 6 5 4 3 2 1 0
AES_IV[31:0] AES_IV[63:32] AES_IV[95:64] AES_IV[127:96]
0 0 0 0 0 0 0 0 0 0 0 0 0 0 0 0 0 0 0 0 0 0 0 0 0 0 0 0 0 0 0 0
Initialization Vector, used for regular non-ECB modes (CBC/CTR):
Bit Name Description
127:0 AES_IV For regular AES operations (CBC and CTR), these registers must be written with a
new 128-bit IV.
After an operation, these registers contain the latest 128-bit result IV, generated by the
crypto core.
If CTR mode is selected, this value is incremented with 0x1 (after first use) when a
new data block is submitted to the engine.
Initialization Vector, used for CCM:
Bit Name Description
127:0 A0 For CCM, this field must be written with value A0. This value is the concatenation of:
A0-flags (5 bits of zero and 3 bits L), nonce and counter value.
L must be a copy from the L value of the AESCTL register. This L indicates the width
of the nonce and counter.
The loaded counter must be initialized to zero.
The total width of A0 is 128 bits.
Initialization Vector, used for CBC-MAC:
Bit Name Description
127:0 Zeroes For CBC-MAC this register must be written with zeroes at the start of each operation.
After an operation, these registers contain the 128-bit TAG output, generated by the
crypto core.
10.1.4.5.3 AES I/O Buffer Control, Mode, and Length Registers
The I/O buffer and mode-control register (AESCTL) specifies the mode of operation for the AES engine.
NOTE: Internal operation of the AES module can be interrupted by setting all mode bits to 0 and
writing zeroes to the length registers (AESDATALEN0, AESDATALEN1, and
AESAUTHLEN).
The length registers write the length values to the AES module. While processing, the length values
decrement to 0. If both lengths are 0, the data stream is finished and a new context is requested. For
basic AES modes (ECB, CBC, and CTR), a crypto length of 0 can be written if multiple streams must be
processed with the same key. Writing a 0 length results in continued data requests until a new context is
written. For the other modes (CBC-MAC and CCM), no new data requests are done if the length
decrements to or equals zero.
TI recommends writing a new length per packet. If the length registers decrement to 0, no new data is
processed until a new context or length value is written.
When writing a new mode without writing the length registers, the values of the length register from the
previous context are reused.

AES Cryptoprocessor Overview
www.ti.com
916 SWCU117F–February 2015–Revised June 2016
Submit Documentation Feedback
Copyright © 2015–2016, Texas Instruments Incorporated
10.1.4.5.4 Data Input and Output Registers
The AESDATAINn and AESDATAOUTn data registers are typically accessed through DMA and not with
host writes and reads. However, for debugging purposes, the Data Input and Output Registers can be
accessed through host write and read operations. The registers buffer the input and output data blocks to
and from the crypto core.
NOTE: The data input buffer AESDATAINn and data output buffer AESDATAOUTn are mapped to
the same address locations.
Writes (both DMA and host) to these addresses load the input buffer, while reads pull from the output
buffer. Therefore, for write access, the data input buffer is written; for read access, the data output buffer
is read. The data input buffer must be written before starting an operation. The data output buffer contains
valid data when an operation completes. Therefore, any 128-bit data block can be split over multiple 32-bit
word transfers; these transfers can be mixed with other host transfers over the external interface.
For normal operations, this register is not used, because data input and output is transferred from and to
the AES core through DMA. For a host write operation, these registers must be written with the 128-bit
input block for the next AES operation. Writing at a word-aligned offset within this address range stores
the word (4 bytes) of data into the corresponding position of 4-word deep (16 bytes = 128-bit AES block)
data-input buffer. This buffer is used for the next AES operation. If the last data block is not completely
filled with valid data, it can write only the words with valid data. Finally, the AES operation is triggered by
writing the AESCTL.INPUT_RDY register bit.
For a host read operation, this register contains the 128-bit output block from the latest AES operation.
Reading from a word-aligned offset within this address range reads one word (4 bytes) of data out of the
4-word deep (16 bytes = 128-bits AES block) data output buffer. The words (four words, one full block)
must be read before the core moves the next block to the data output buffer. To empty the data output
buffer, the AESCTL.OUTPUT_RDY bit must be written.
For the modes with authentication (CBC-MAC and CCM), the invalid (message) bytes/words can be
written with any data.
NOTE: AES typically operates on a 128-bit block with multiple input data. The CTR and CCM modes
form an exception. The last block of a CTR-mode message may contain less than 128 bits
(refer to [NIST 800-38A]): 0 < n < = 128 bits. For CCM, the last block of both AAD and
message data may contain less than 128 bits (refer to [NIST 800-38D]). The AES module
automatically pads or masks misaligned ending data blocks with zeroes for CCM and
CBC-MAC. For CTR mode, the remaining data in an unaligned data block is ignored. The
AAD or authentication-only data is not copied to the output buffer but is only used for
authentication.
Table 10-7. Input/Output Block Format Per Operating Mode
Operation Data Input Buffer Data Output Buffer
ECB/CBC encrypt 128-bit plaintext block 128-bit ciphertext block
ECB/CBC decrypt 128-bit ciphertext block 128-bit plaintext block
CTR encrypt n-bit plaintext block n-bit ciphertext block
CTR decrypt n-bit ciphertext block n-bit plaintext block
CCM AAD data n-bit plaintext block no output data
CCM encrypt data n-bit plaintext block n-bit ciphertext block
CCM decrypt data n-bit ciphertext block n-bit plaintext block
CBC-MAC data n-bit plaintext block no output data

www.ti.com
AES Cryptoprocessor Overview
917
SWCU117F–February 2015–Revised June 2016
Submit Documentation Feedback Copyright © 2015–2016, Texas Instruments Incorporated
10.1.4.5.5 TAG Registers
Table 10-8 shows the TAG registers that buffer the TAG from the AES module and can be accessed
through DMA or directly with host reads. The TAG registers are shared with the intermediate
authentication result registers, but cannot be read until the processing is finished. While processing, a
read from these registers returns zeroes. If an operation does not return a TAG, reading from these
registers returns an initialization vector (IV). If an operation returns a TAG plus an IV and both must be
read by the host, the host must first read the TAG followed by the IV. Reading these in reverse order
returns the IV twice.
For a host-read operation, these registers contain the last 128-bit TAG output of the AES core. The TAG
is available until the next context is written. This register only contains valid data if the TAG is available,
and when the SAVED_CONETXT_RDY bit in the AESCTL register is set. During processing or for
operations and modes that do not return a TAG, reads from this register return data from the IV register.
Table 10-8. AES Tag Output Register
AESTAGOUT__0 - AESTAGOUT__3, (Read Only), 32-bit Address Offset: 0x570 -0x57C in 0x4 byte increments
31 30 29 28 27 26 25 24 23 22 21 20 19 18 17 16 15 14 13 12 11 10 9 8 7 6 5 4 3 2 1 0
AES_TAG[31:0] AES_TAG[63:32] AES_TAG[95:64] AES_TAG[127:96]
0 0 0 0 0 0 0 0 0 0 0 0 0 0 0 0 0 0 0 0 0 0 0 0 0 0 0 0 0 0 0 0
For CCM, CBC-MAC:
Bit Field Name Description
31:0 TAG This register contains the authentication TAG for the
combined and authentication-only modes.
10.1.4.6 Key Area Registers
The local-key storage module is directly connected to 1-KB memory. The module can store up to eight
AES keys and has eight 128-bit entries. The key size is programmed in the key store module. The key
material in the key store is not accessible through read operations through the AHB master and slave
interfaces.
Keys can only be written to the key store through DMA. Once a DMA operation for a key read is started,
all received data is written to the key store module. Keys that are stored in the key store memory can only
be transferred to the AES key registers and are not accessible for any other purpose.
10.1.4.6.1 Key Write Area Register
The Key Write Area register defines where the keys must be written in the key store RAM. After writing the
Key Write Area register, the key store module is ready to receive the keys using a DMA operation. If the
key data transfer triggered an error in the key store, the error is available in the interrupt status register,
IRQSTAT, after the DMA is finished. The key store write-error, KEY_ST_WR_ERR, is asserted when the
programmed or selected area is not completely written. This error is also asserted when the DMA
operation writes to RAM areas that are not selected.
10.1.4.6.2 Key Written Area Register
The Key Written Area register shows which areas of the key store RAM contain valid written keys.
When a new key must be written to the key store on a location that is already occupied by a valid key, this
key area must be cleared first. Clear the key area by writing this register before the new key is written to
the key store memory.
Trying to write to a key area that already contains a valid key is not allowed and results in an error.

Start of the
operation
DMA- and key
material set up
Set-up and initialization 1st
block
2nd
block . . . last
block
Finali
zation
All data processed
Result is available
First block processed
Data processingFull processing
AES Cryptoprocessor Overview
www.ti.com
918 SWCU117F–February 2015–Revised June 2016
Submit Documentation Feedback
Copyright © 2015–2016, Texas Instruments Incorporated
10.1.4.6.3 Key Size Register
The Key Size register defines the size of the keys that are written with DMA. The Key Size register must
be configured before writing to the KEYWRITEAREA register.
10.1.4.6.4 Key Read Area Register
The Key Read Area register selects the key store RAM area from where the key must be read that is used
for an AES operation. The operation starts directly after writing this register. When the operation is
finished, the status of the key store read operation is available in the IRQSTAT interrupt status register.
Key store read error asserts when a RAM area is selected that does not contain a valid written key.
10.1.5 Performance
10.1.5.1 Introduction
The processing steps of the AES module are the basis for the performance calculations. The following
three major steps are identified for crypto operations using DMA:
1. Initialization (setup and initialization of the engines, DMA, and so forth)
2. Data processing for the complete message
3. Finalization (reading out the result, status checking)
The orange sections (full processing) of Figure 10-2, are covered by Step 1 and Step 3. Step 1 and Step 3
are under control of the host CPU, and therefore dependent on the performance of the host. Step 2 is
covered by the green section (data processing), and is fully handled by the hardware, which is not
dependent on the performance of the host CPU.
Figure 10-2. Symmetric Crypto Processing Steps
The full processing part is required once per processing command, and precedes the processing of the
first data block. The data processing blocks depend on the amount of data to be processed by the
command. The finalization is required when the operation produces a result digest or TAG.
The number of required blocks is determined by the block size requirements of the algorithms selected by
the command. The AES block size is 128 bits.
For longer data streams, the data processing time approaches the theoretical maximum throughput. For
operations that use the slave interface as alternative for the DMA, the performance depends on the
performance of the host CPU.

www.ti.com
AES Cryptoprocessor Overview
919
SWCU117F–February 2015–Revised June 2016
Submit Documentation Feedback Copyright © 2015–2016, Texas Instruments Incorporated
10.1.5.2 Performance
Table 10-9 shows the performance of the AES module running at 200 MHz for DMA-based cryptographic
operations.
(1) The performance assumes full programming of the engine, loading keys, and setting up the DMA engine through the DMA slave.
If the context is reused (mode or keys), the performance is increased. The maximum number of cycles overhead per packet is
from 100 to 150 for the various modes and algorithms.
Table 10-9. Performance Table for DMA-Based Operations
Performance in Mbps
Crypto Mode Raw Engine
Performance 1 Block Packet
Performance(1) 20-Block
Performance(1) 100-Block
Performance(1)
AES-128 (1 block = 128 bits)
AES-128-ECB 492 111 420 476
AES-128-CBC 483 104 408 466
AES-128-CTR 492 104 415 474
The engine performance depends heavily on the number of blocks processed per operation. Processing a
single block results in the minimum engine performance; in this case, the configuration overhead is the
most significant (assuming the engine is fully reconfigured for each operation). Therefore, processing
multiple blocks per operation results in a significantly higher performance.
10.1.6 Programming Guidelines
This section describes the low-level programming sequences for configuring and using the AES module
for the supported-use cases.
10.1.6.1 One-time Initialization After a Reset
The purpose of the initialization is to set the AES module into the initial mode common to all used
operations. Perform the following initialization steps after a hardware reset:
1. Read out and check that the AES module version and configuration matches the expected hardware
configuration.
2. Program the DMAC run-time parameters in the DMABUSCFG register with the desired values common
for all DMA operations.
3. Initialize the desired interrupt type (level), and enable the interrupt output signal RESULT_AVAIL in the
master control module.

AES Cryptoprocessor Overview
www.ti.com
920 SWCU117F–February 2015–Revised June 2016
Submit Documentation Feedback
Copyright © 2015–2016, Texas Instruments Incorporated
10.1.6.2 DMAC and Master Control
This section contains general guidelines on how to program the DMAC to perform a specific operation.
10.1.6.2.1 Regular Use
The following registers must be programmed to configure the DMA channels:
• Clear any outstanding interrupts and error flags if possible (see Section 10.1.8.37,IRQCLR Register
(Offset = 788h) [reset = X]).
• The master control module algorithm-selection register must be programmed to allow a DMA operation
on the required internal module, which enables the DMA/AHB Master clock, and keeps it enabled until
the clock is disabled by the host (see Section 10.1.8.32ALGSEL Register (Offset = 700h) [reset = X]).
• Channel control registers with channel bits enabled (see Section 10.1.8.1,DMACH0CTL Register
(Offset = 0h) [reset = X] and Section 10.1.8.6,DMACH1CTL Register (Offset = 20h) [reset = X]).
• Channel external address registers (see Section 10.1.8.2,DMACH0EXTADDR Register (Offset = 4h)
[reset = X] and Section 10.1.8.7,DMACH1EXTADDR Register (Offset = 24h) [reset = X] ).
• Channel DMA length registers. Writing this register starts the DMA operation on the corresponding
channel (see Section 10.1.8.3,DMACH0LEN Register (Offset = Ch) [reset = X] and Section 10.1.8.8,
DMACH1LEN Register (Offset = 2Ch) [reset = X]).
• Completion of the operation is indicated by the result available interrupt output or the corresponding
status register. Clear the interrupt after handling the interrupt (see Section 10.1.8.39,IRQSTAT
Register (Offset = 790h) [reset = X] and Section 10.1.8.37,IRQCLR Register (Offset = 788h) [reset =
X]).
• Master control module algorithm selection register must be cleared to zero to switch off the DMA/AHB
Master clock (see Section 10.1.8.32,ALGSEL Register (Offset = 700h) [reset = X]).
NOTE: The IRQSTAT register must be checked for possible errors if bus errors can occur in the
system, which is typically valid in a debugging phase, or in systems where bus errors can
occur during a DMA operation.
10.1.6.2.2 Interrupting DMA Transfers
If the host wants to stop a DMA transfer to abort the operation, the host can disable a channel using the
DMACHnCTL registers. Once the EN bit of this register is set to 0, no new DMA transfer is requested by
this channel and the current active transfer is finished. Alternatively, all active channels can be stopped by
activating the DMAC soft reset with the DMASWRESET register.
NOTE: When stopping the DMAC, the host must stop all active channels.
The state of the DMAC channel must be checked using the DMASTAT register. When the CHx_ACTIVE
bit of this register for the disabled channel is set to 0, the DMAC channel stops.
To stop the DMAC in combination with the AES engine, the AES engine must be set in idle mode first,
which is done by writing zeroes to the length registers, followed by disabling all modes in the AESCTL
register.
Stopping the DMAC channels might leave the master control module in an unfinished state, due to
pending events from the engines that will never occur. Therefore, to correctly recover the engine, the
master control soft reset must be issued by the SWRESET register after all active DMAC channels are
stopped.

www.ti.com
AES Cryptoprocessor Overview
921
SWCU117F–February 2015–Revised June 2016
Submit Documentation Feedback Copyright © 2015–2016, Texas Instruments Incorporated
10.1.6.2.3 Interrupts, Hardware, and Software Synchronization
This section describes the important relation of the RESULT_AVAIL interrupt activation and the data
writing completion of the DMAC inside the crypto core.
The RESULT_AVAIL interrupt is activated when the AHB master finishes the data write transfer from the
crypto core and the internal operation is completed. However, that does not ensure that data has been
written to the external memory, due to latency from the AHB master to the destination (typically a
memory). This latency might occur in the AHB bus subsystem outside of the crypto core, as this system
possibly contains bridges.
NOTE: If this latency can occur, the host must ensure (using a time-out or other synchronization
mechanisms) that external memory reads are only performed after all memory write
operations are finished.
10.1.6.3 Encryption and Decryption
The crypto engine (AES) transfers data over the following interfaces:
• AES accepts input data from two sources: AHB slave interface and DMA. Within one operation, it is
possible to combine data from these two sources: write data from the slave interface, and write data
from the DMA to complete the operation.
• Input IV and length must be supplied using the AHB slave interface. The output IV can be read using
the slave interface only.
• Result data must be read using the same interface as the input data: either using the slave interface or
DMA.
• The result tag for operations with authentication can be read using the slave interface or DMA.

AES Cryptoprocessor Overview
www.ti.com
922 SWCU117F–February 2015–Revised June 2016
Submit Documentation Feedback
Copyright © 2015–2016, Texas Instruments Incorporated
10.1.6.3.1 Key Store
Before any encryption or decryption operation starts, the key store module must have at least one key
loaded and available for crypto operations. Keys can only be loaded from external memory using a DMA
operation. DMAC channel 0 (inbound) is used for this purpose.
10.1.6.3.1.1 Load Keys From External Memory
The following software example in pseudocode describes the actions that are typically executed by the
host software to load one or more keys into the key store module.
// configure master control module
write ALGSEL 0x0000_0001 // enable DMA path to the key store module
write IRQCLR 0x0000_0001 // clear any outstanding events
// configure key store module (area, size)
write KEYSIZE 0x0000_0001 // 128-bit key size
write KEYWRITEAREA 0x0000_0001 // enable keys to write (e.g. Key 0)
// configure DMAC
write DMACH0CTL 0x0000_00001 // enable DMA channel 0
write DMACH0EXTADDR <ext_memory_address> // base address of the key in ext.
memory
write DMACH0LEN <length> // total key length in bytes (e.g. 16 for 1 x 128-bit
// key)
// wait for completion
wait IRQSTAT[0]==’1’ // wait for operation completed
check IRQSTAT[31:30] == ‘00’ // check for absence of errors in DMA and key
store
write IRQCLR 0x0000_0001 // acknowledge the interrupt
write ALGSEL 0x0000_0000 // disable master control/DMA clock
// check status
check KEYWRITTENAREA 0x0000_00001 // check that Key 0 was written
// end of algorithm
10.1.6.3.2 Basic AES Modes
10.1.6.3.2.1 AES-ECB
For AES-ECB operations, the following configuration parameters are required:
• Key from the key store module
• Control register settings (mode, direction, key size)
• Length of the data
The length field can have any value. If a data stream is finished and the next data stream uses the same
key and control, only the length field has to be written with a new value. The length field may also be 0, for
continued processing.

www.ti.com
AES Cryptoprocessor Overview
923
SWCU117F–February 2015–Revised June 2016
Submit Documentation Feedback Copyright © 2015–2016, Texas Instruments Incorporated
10.1.6.3.2.2 AES-CBC
For AES-CBC operations, the following configuration parameters are required:
• Key from the key store module
• IV from the slave interface
• Control register settings (mode, direction, key size)
• Length of the data
The length field can have any value. If a data stream is finished and the next data stream uses the same
key and control, it is allowed to write only the IV and length field with a new value. The length field may
also be 0, for continued processing.
If the result IV must be read by the host, the SAVE_CONTEXT bit must be set to 1 after processing the
programmed number of bytes.
10.1.6.3.2.3 AES-CTR
For AES-CTR operations, the following configuration parameters are required:
• Key from the key store module
• IV from the slave interface, including initial counter value (usually 0x0000 0001)
• Control register settings (mode, direction, key size)
• Length of the data (may be nonblock size aligned)
The length field can have any value. If a data stream is finished and the next data stream uses the same
key and control, only the IV and length field are allowed to written with a new value. The length field can
be 0, resulting in continued processing.
If the result IV must be read by the host, the save_context bit must be set to 1 after processing the
programmed number of bytes.

AES Cryptoprocessor Overview
www.ti.com
924 SWCU117F–February 2015–Revised June 2016
Submit Documentation Feedback
Copyright © 2015–2016, Texas Instruments Incorporated
10.1.6.3.2.4 Programming Sequence With DMA Data
The following software example in pseudocode describes the actions that are typically executed by the
host software to encrypt (using a basic AES mode) a message, stored in external memory, and place an
encrypted result into a preallocated area in the external memory.
// configure the master control module
write ALGSEL 0x0000_0002 // enable the DMA path to the AES engine
write IRQCLR 0x0000_0001 // clear any outstanding events
// configure the key store to provide pre-loaded AES key
write KEYREADAREA 0x0000_0000 // load the key from ram area 0 (NOTE: The key
// must be pre-loaded to this area)
wait KEYREADAREA[31]==’0’ // wait until the key is loaded to the AES module
check IRQSTAT[29] = ‘0’ // check that the key is loaded without errors
// Write the IV for non-ECB modes
// The IV must be written with the same conventions as the data (refer to
6.4.1 in IP docs)
if ((not ECB mode) and (not IV reuse)) then:
// write the initialization vector when a new IV is required
write AESIV_0
...
write AESIV_3
endif
// configure AES engine
write AESCTL = 0b0010_0000_0000_0000_
0000_0000_0010_1100 // program AES-CBC-128 encryption and save IV
write AESDATALEN0 // write length of the message (lo)
write AESDATALEN1 // write length of the message (hi)
write DMACH0CTL 0x0000_00001 // enable DMA channel 0// configure DMAC
write DMACH0EXTADDR <address> // base address of the input data in ext. memory
write DMACH0LEN <length> // input data length in bytes, equal to the message
// length (may be non-block size aligned)
write DMACH1CTL 0x0000_00001 // enable DMA channel 1
write DMACH1EXTADDR <address> // base address of the output data buffer
write DMACH1LEN <length> // output data length in bytes, equal to the result
// data length (may be non-block size aligned)
// wait for completion
wait IRQSTAT[0]==’1’ // wait for operation completed
check IRQSTAT[31] == ‘0’ // check for absence of errors
write AESALGSEL 0x0000_0000 // disable master control/DMA clock
if (not ECB mode) then: // only if the IV needs to be re-used/read
wait AESCTL[30]==’1’ // wait for SAVED_CONTEXT_RDY bit [30]
read AESIV_0
...
read AESIV_3 // this read clears the SAVED_CONTEXT_RDY flag
endif
// end of algorithm

www.ti.com
AES Cryptoprocessor Overview
925
SWCU117F–February 2015–Revised June 2016
Submit Documentation Feedback Copyright © 2015–2016, Texas Instruments Incorporated
10.1.6.3.3 CBC-MAC
For CBC-MAC operations, the following configuration parameters are required:
• Key from the key store module
• IV must be written with zeroes
• Control register settings (mode, direction, key size)
• Length of the authenticated data (may be nonblock size aligned)
The input data can end misaligned for CBC-MAC operations. If this is the case, the crypto core internally
pads the last input data block.
The length field can have any value. If a data stream is finished and the next data stream uses the same
key and control, writing only a part of the next context is not allowed. A new data stream must always
write the complete context. The length field must never be written with zeroes.

AES Cryptoprocessor Overview
www.ti.com
926 SWCU117F–February 2015–Revised June 2016
Submit Documentation Feedback
Copyright © 2015–2016, Texas Instruments Incorporated
10.1.6.3.3.1 Programming Sequence
The following software example in pseudocode describes the actions that are typically executed by the
host software to authenticate a message, stored in external memory, with AES-CBC-MAC mode. The
result TAG is read using the slave interface.
The following sequence processes a packet of at least 1 input data byte.
// configure the master control module
write ALGSEL 0x0000_0002 // enable the DMA path to the AES engine
write IRQCLR 0x0000_0001 // clear any outstanding events
// configure the key store to provide a pre-loaded AES key
write KEYREADAREA 0x0000_0000 // load the key from ram area 0 (NOTE: The key
// must be pre-loaded to this area)
wait KEYREADAREA[31]==’0’ // wait until the key is loaded to the AES module
check IRQSTAT[29] = ‘0’// check that the key is loaded without errors
// write the initialization vector
write AESIV_0
...
write AESIV_3
// configure the AES engine
write AESCTL = 0b0010_0000_0000_0000_
1000_0000_0100_1100 // program AES-CBC-MAC-128 authentication
write AESDATALEN0 // write length of the crypto block (lo)
write AESDATALEN1 // write the length of the crypto block (hi)
// (may be non-block size aligned)
/write DMACH0CTL 0x0000_00001 // enable DMA channel 0/ configure DMAC
write DMACH0EXTADDR <address> // base address of the input data in ext. memory
write DMACH0LEN <length> // input data length in bytes, equal to the message
// length len({aad data, pad, crypto_data, pad})
// (may be non-block size aligned)
// wait for completion
wait IRQSTAT[0]==’1’ // wait for operation completed
check IRQSTAT[31]==‘0’ // check for the absence of errors
write ALGSEL 0x0000_0000 // disable master control/DMA clock
// read tag
wait AESCTL[30]==’1’ // wait for the SAVED_CONTEXT_RDY bit [30]
read AESTAGOUT__0 -
AESTAGOUT__3 // this read clears the SAVED_CONTEXT_RDY flag
// end of algorithm

www.ti.com
AES Cryptoprocessor Overview
927
SWCU117F–February 2015–Revised June 2016
Submit Documentation Feedback Copyright © 2015–2016, Texas Instruments Incorporated
10.1.6.3.4 AES-CCM
For AES-CCM operations, the following configuration parameters are required:
• Key from the key store module
• The IV must be written with the flags for the cryptographic operation and the NONCE bytes, for both
authentication and encryption (see Section 10.1.4.5.2,AES Initialization Vector (IV) Registers)
• Control register settings (mode, direction, key size)
• Length of the crypto data (may be nonblock size aligned)
• Length of the AAD data; must be less than 216 – 28bytes (may be nonblock size-aligned)
CCM-L must be 001, 011, or 111, representing a crypto data length field of 2, 4, or 8 bytes, respectively.
CCM-M can be set to any value and has no effect on the processing. The host must select the valid TAG
bytes from the 128-bit TAG.
The AAD and cryptographic data may end misaligned. In this case, the crypto core pads both data types
to a 128-bit boundary with zeroes. Padding is done as follows: the AAD and crypto data padding satisfy
the bit string, 0n, with 0 ≤n≤127, such that the input data block length including padding is 128-bit
aligned. The AAD data must be transferred to the AES engine with a separate DMA operation (it may not
be combined with the payload data) or using slave transfers.
The context length field can have any value. If a data stream is done and the next data stream uses the
same key and control, only the IV and length fields can be written with a new value. The user cannot write
both length fields with zeroes.
The result TAG is typically read using the slave interface, but can also be written to an external memory
location using a separate DMA operation.
10.1.6.3.4.1 Programming Sequence
The following software example in pseudocode describes the actions that are typically executed by the
host software to encrypt and authenticate a message (AAD and payload data), stored in external memory,
with AES-CCM mode. The encrypted result is placed into a pre-allocated area in external memory. The
result TAG is read using the slave interface.
The following sequence processes a packet of at least one byte of AAD data and at least 1 crypto data
byte.
// configure the master control module
write ALGSEL 0x0000_0002 // enable the DMA path to the AES engine
write IRQCLR 0x0000_0001 // clear any outstanding events
// configure the key store to provide pre-loaded AES key
write KEYREADAREA 0x0000_0000 // load the key from ram area 0 (NOTE: The key
// must be pre-loaded to this area)
wait KEYREADAREA[31]==’0’ // wait until the key is loaded to the AES module
check IRQSTAT[29] = ‘0’// check that the key is loaded without errors
// write the initialization vector
write AESIV_0
...
write AESIV_3
// configure the AES engine
write AESCTL = 0b0010_0000_0101_1100_
0000_0000_0100_1100 // program AES-CCM-128 encryption (M=1, L=3)
write AESDATALEN0// write the length of the crypto block (lo)
write AESDATALEN1// write the length of the crypto block (hi)
// (may be non-block size aligned)

AES Cryptoprocessor Overview
www.ti.com
928 SWCU117F–February 2015–Revised June 2016
Submit Documentation Feedback
Copyright © 2015–2016, Texas Instruments Incorporated
write AESAUTHLEN // write the length of the AAD data block
// (may be non-block size aligned)
// configure DMAC to fetch the AAD data
write DMACH0CTL 0x0000_00001 // enable DMA channel 0
write DMACH0EXTADDR <address> // base address of the AAD input data in ext.
memory
write DMACH0LEN <length> // AAD data length in bytes, equal to the AAD
// length len({aad data})
// (may be non-block size aligned)
// wait for completion of the AAD data transfer
wait IRQSTAT[1]==’1’// wait for DMA_IN_DONE
check IRQSTAT[31]==‘0’// check for the absence of errors
// configure DMAC
write DMACH0CTL 0x0000_00001 // enable DMA channel 0
write DMACH0EXTADDR <address> // base address of the payload data in ext.
memory
write DMACH0LEN <length> // payload data length in bytes, equal to the message
// length len({crypto_data})
write DMACH1CTL 0x0000_00001 // enable DMA channel 1
write DMACH1EXTADDR <address> // base address of the output data buffer
write DMACH1LEN <length> // output data length in bytes, equal to the result
// data length len({crypto data})
// wait for completion
wait IRQSTAT[0]==’1’// wait for operation completed
check IRQSTAT[31]==‘0’// check for the absence of errors
write ALGSEL 0x0000_0000 // disable the master control/DMA clock
// read tag
wait AESCTL[30]==’1‘ // wait for the SAVED_CONTEXT_RDY bit [30]
read AESTAGOUT__0 -
AESTAGOUT__3 // this read clears the ‘saved_context_ready’ flag
// end of algorithm

www.ti.com
AES Cryptoprocessor Overview
929
SWCU117F–February 2015–Revised June 2016
Submit Documentation Feedback Copyright © 2015–2016, Texas Instruments Incorporated
10.1.6.4 Exceptions Handling
10.1.6.4.1 Soft Reset
If required, the AES module can be forced to abort its current active operation and go into idle state using
the soft reset.
The idle state means the following:
• The DMAC is not actively performing DMA operations.
• The cryptographic modules are in idle state.
• The key store module does not have any keys loaded.
• The master control module is in idle state.
• A soft reset must be executed in the following order:
– If DMA is used and in operation, it must be stopped.
– The master control module must be reset through the SWRESET register.
• Write the mode and length registers for the crypto core with zeroes.
The mode and length registers are:
– AESCTL
– AESDATALEN0
– AESDATALEN1
– AESAUTHLEN
10.1.6.4.2 External Port Errors
The AHB master interface and the DMAC inside the crypto core can detect AHB port errors received
through the AHB_ERR signal.
In this situation, the DMAC disables all channels so that no new transfers are requested, while the error is
captured in the status registers. The DMAPORTERR register contains information about the active
channel when the AHB port error occurred. The DMAC indicates the channel completion to the master
control module. The recovery procedure is as follows:
• Issue a soft reset to the DMAC using the DMASWRESET register to clear the DMAPORTERR register
and initialize the channels to their default state
• Issue a soft reset to the master control module to clear its intermediate state.
10.1.6.4.3 Key Store Errors
Key store error generation is implemented for debugging purposes. In normal or specified operation, the
crypto core key store writes and reads must not trigger any errors. A bus error is the only exceptional case
that can result in a key store write error.
The key store module checks that the keys are properly written to the key store RAM. When a key write
error occurs, the KEY_ST_WR_ERR flag is asserted in the IRQSTAT register. In this case, the key is not
stored. The host must check the status of the KEY_ST_WR_ERR flag and ensure that the corresponding
RAM area is not used for AES operations.
If, due to software malfunction, the host tries to use a key from a nonwritten RAM area, the key store
module generates a read error. In this case, the KEY_ST_RD_ERR flag is asserted in the IRQSTAT
register. The host must check the status of this flag and ensure that all remaining steps for the AES
operation are not performed.
NOTE: In case of a read error, the key store writes a key with all bytes set to 0 to the AES engine.

AES Cryptoprocessor Overview
www.ti.com
930 SWCU117F–February 2015–Revised June 2016
Submit Documentation Feedback
Copyright © 2015–2016, Texas Instruments Incorporated
10.1.7 Conventions and Compliances
10.1.7.1 Conventions Used in This Manual
10.1.7.1.1 Acronyms
AES Advanced Encryption Standard
AES-CCM AES Counter with CBC-MAC
AHB Advanced High-speed Bus
AMBA Advanced Microcontroller Bus Architecture
CBC Cipher Block Chaining
CCM Counter with CBC-MAC
CM Crypto Module
CTR Counter Mode
DMAC DMA Controller
DPRAM Dual port Random Access Memory
ECB Electronic Code Book
EIP Embedded Intellectual Property
FIFO First In First Out
FIPS Federal Information Processing Standard
GB Gigabyte
Gbit Gigabit
Gbps Gigabits per second
HMAC Hashed MAC
HW Hardware
ICM Integer Counter Mode
IETF Internet Engineering Task Force
IP Internet Protocol or Intellectual Property
IV Initialization Vector
KB Kilobyte
kbit Kilobit
kbps Kilobits per second
LSB Least Significant Bit
LSW Least Significant Word
MAC Message Authentication Code
MB Megabyte
Mbit Megabit
Mbps Megabits per second
ME Mobile Equipment
MSB Most Significant Bit
MSW Most Significant Word
OS Operating System
RFC Request for Comments
SPRAM Single Port Random Access Memory
SRAM Static Random Access Memory
TCM Tightly Coupled Memory (memory interface protocol)

www.ti.com
AES Cryptoprocessor Overview
931
SWCU117F–February 2015–Revised June 2016
Submit Documentation Feedback Copyright © 2015–2016, Texas Instruments Incorporated
10.1.7.1.2 Terminology
This manual makes frequent use of certain terms. These terms refer to structures that the crypto core
uses for operations.
External memory: A memory that is externally attached to the crypto core AHB master port, and only
accessible using DMAC operations
Slave interface (host processor bus): Interface of the crypto core that is used by the host processor to
read or write registers of the engine
Tag or digest: Two interchangeable terms that indicate the result of an authentication operation. Term
digest is used for regular hash operations, while tag is used for authenticated encryption operations (AES-
CCM).
Crypto context: A collection of parameters that define the crypto operation: mode, key, IV, and so forth
10.1.7.1.3 Formulas and Nomenclature
This document contains formulas and nomenclature for different data types. The presentation of syntax is
given as follows:
(1) 31:0 indicates a size of 32 bits with most significant bit 31 and least significant bit 0. 11:3 indicates a size of 9 bits with most
significant bit 11 and least significant bit 3.
0x00 or 0h Hexadecimal value
0b Binary value
0d Decimal value
0 Digital logic 0 or LOW
1 Digital logic 1 or HIGH
bit Binary digit
8 bits 1 byte
16 bits Half word
32 bits Word
64 bits Dual-word
128 bits Quad-word
MOD Modulo
REM Remainder
A & B A Logical AND B
A OR B A Logical OR B
NOR Logical NOR
NOT A Logical NOT
A NOR B A logical NOR B
AB A logic exclusive OR B or XOR
XNOR logic exclusive NOR
NAND Logical NAND
DIV Integer division
|| Concatenation
[n:m] Size of a register or signal in bits where n > m2(1)
10.1.7.2 Compliance
AES encryption in ECB and CBC modes complies with FIPS-197.

AES Cryptoprocessor Overview
www.ti.com
932 SWCU117F–February 2015–Revised June 2016
Submit Documentation Feedback
Copyright © 2015–2016, Texas Instruments Incorporated
10.1.8 CRYPTO Registers
Table 10-10 lists the memory-mapped registers for the CRYPTO. All register offset addresses not listed in
Table 10-10 should be considered as reserved locations and the register contents should not be modified.
Table 10-10. CRYPTO Registers
Offset Acronym Register Name Section
0h DMACH0CTL DMA Channel 0 Control Section 10.1.8.1
4h DMACH0EXTADDR DMA Channel 0 External Address Section 10.1.8.2
Ch DMACH0LEN DMA Channel 0 Length Section 10.1.8.3
18h DMASTAT DMA Controller Status Section 10.1.8.4
1Ch DMASWRESET DMA Controller Software Reset Section 10.1.8.5
20h DMACH1CTL DMA Channel 1 Control Section 10.1.8.6
24h DMACH1EXTADDR DMA Channel 1 External Address Section 10.1.8.7
2Ch DMACH1LEN DMA Channel 1 Length Section 10.1.8.8
78h DMABUSCFG DMA Controller Master Configuration Section 10.1.8.9
7Ch DMAPORTERR DMA Controller Port Error Section 10.1.8.10
FCh DMAHWVER DMA Controller Version Section 10.1.8.11
400h KEYWRITEAREA Key Write Area Section 10.1.8.12
404h KEYWRITTENAREA Key Written Area Status Section 10.1.8.13
408h KEYSIZE Key Size Section 10.1.8.14
40Ch KEYREADAREA Key Read Area Section 10.1.8.15
500h to 50Ch AESKEY2_0 to AESKEY2_3 Clear AES_KEY2/GHASH Key Section 10.1.8.16
510h to 51Ch AESKEY3_0 to AESKEY3_3 Clear AES_KEY3 Section 10.1.8.17
540h to 54Ch AESIV_0 to AESIV_3 AES Initialization Vector Section 10.1.8.18
550h AESCTL AES Input/Output Buffer Control Section 10.1.8.19
554h AESDATALEN0 Crypto Data Length LSW Section 10.1.8.20
558h AESDATALEN1 Crypto Data Length MSW Section 10.1.8.21
55Ch AESAUTHLEN AES Authentication Length Section 10.1.8.22
560h AESDATAOUT0 Data Input/Output Section 10.1.8.23
560h AESDATAIN0 AES Data Input/Output 0 Section 10.1.8.24
564h AESDATAOUT1 AES Data Input/Output 3 Section 10.1.8.25
564h AESDATAIN1 AES Data Input/Output 1 Section 10.1.8.26
568h AESDATAOUT2 AES Data Input/Output 2 Section 10.1.8.27
568h AESDATAIN2 AES Data Input/Output 2 Section 10.1.8.28
56Ch AESDATAOUT3 AES Data Input/Output 3 Section 10.1.8.29
56Ch AESDATAIN3 Data Input/Output Section 10.1.8.30
570h to 57Ch AESTAGOUT_0 to AESTAGOUT_3 AES Tag Output Section 10.1.8.31
700h ALGSEL Master Algorithm Select Section 10.1.8.32
704h DMAPROTCTL Master Protection Control Section 10.1.8.33
740h SWRESET Software Reset Section 10.1.8.34
780h IRQTYPE Interrupt Configuration Section 10.1.8.35
784h IRQEN Interrupt Enable Section 10.1.8.36
788h IRQCLR Interrupt Clear Section 10.1.8.37
78Ch IRQSET Interrupt Set Section 10.1.8.38
790h IRQSTAT Interrupt Status Section 10.1.8.39
7FCh HWVER CTRL Module Version Section 10.1.8.40

www.ti.com
AES Cryptoprocessor Overview
933
SWCU117F–February 2015–Revised June 2016
Submit Documentation Feedback Copyright © 2015–2016, Texas Instruments Incorporated
10.1.8.1 DMACH0CTL Register (Offset = 0h) [reset = 0h]
DMACH0CTL is shown in Figure 10-3 and described in Table 10-11.
Return to Summary Table.
DMA Channel 0 Control
Figure 10-3. DMACH0CTL Register
31 30 29 28 27 26 25 24
RESERVED
R/W-0h
23 22 21 20 19 18 17 16
RESERVED
R/W-0h
15 14 13 12 11 10 9 8
RESERVED
R/W-0h
76543210
RESERVED PRIO EN
R/W-0h R/W-0h R/W-0h
Table 10-11. DMACH0CTL Register Field Descriptions
Bit Field Type Reset Description
31-2 RESERVED R/W 0h Software should not rely on the value of a reserved. Writing any
other value than the reset value may result in undefined behavior.
1 PRIO R/W 0h Channel priority:
A channel with high priority will be served before a channel with low
priority in cases with simultaneous access requests. If both channels
have the same priority access of the channels to the external port is
arbitrated using a Round Robin scheme.
0h = Priority low
1h = Priority high
0 EN R/W 0h DMA Channel 0 Control
0h = Channel disabled
1h = Channel enabled

AES Cryptoprocessor Overview
www.ti.com
934 SWCU117F–February 2015–Revised June 2016
Submit Documentation Feedback
Copyright © 2015–2016, Texas Instruments Incorporated
10.1.8.2 DMACH0EXTADDR Register (Offset = 4h) [reset = 0h]
DMACH0EXTADDR is shown in Figure 10-4 and described in Table 10-12.
Return to Summary Table.
DMA Channel 0 External Address
Figure 10-4. DMACH0EXTADDR Register
31 30 29 28 27 26 25 24 23 22 21 20 19 18 17 16 15 14 13 12 11 10 9 8 7 6 5 4 3 2 1 0
ADDR
R/W-0h
Table 10-12. DMACH0EXTADDR Register Field Descriptions
Bit Field Type Reset Description
31-0 ADDR R/W 0h Channel external address value.
Holds the last updated external address after being sent to the
master interface.

www.ti.com
AES Cryptoprocessor Overview
935
SWCU117F–February 2015–Revised June 2016
Submit Documentation Feedback Copyright © 2015–2016, Texas Instruments Incorporated
10.1.8.3 DMACH0LEN Register (Offset = Ch) [reset = 0h]
DMACH0LEN is shown in Figure 10-5 and described in Table 10-13.
Return to Summary Table.
DMA Channel 0 Length
Figure 10-5. DMACH0LEN Register
31 30 29 28 27 26 25 24 23 22 21 20 19 18 17 16 15 14 13 12 11 10 9 8 7 6 5 4 3 2 1 0
RESERVED LEN
R/W-0h R/W-0h
Table 10-13. DMACH0LEN Register Field Descriptions
Bit Field Type Reset Description
31-16 RESERVED R/W 0h Software should not rely on the value of a reserved. Writing any
other value than the reset value may result in undefined behavior.
15-0 LEN R/W 0h DMA transfer length in bytes.
During configuration, this register contains the DMA transfer length
in bytes. During operation, it contains the last updated value of the
DMA transfer length after being sent to the master interface.
Note: Writing a non-zero value to this register field starts the transfer
if the channel is enabled by setting DMACH0CTL.EN.

AES Cryptoprocessor Overview
www.ti.com
936 SWCU117F–February 2015–Revised June 2016
Submit Documentation Feedback
Copyright © 2015–2016, Texas Instruments Incorporated
10.1.8.4 DMASTAT Register (Offset = 18h) [reset = 0h]
DMASTAT is shown in Figure 10-6 and described in Table 10-14.
Return to Summary Table.
DMA Controller Status
Figure 10-6. DMASTAT Register
31 30 29 28 27 26 25 24
RESERVED
R-0h
23 22 21 20 19 18 17 16
RESERVED PORT_ERR RESERVED
R-0h R-0h R-0h
15 14 13 12 11 10 9 8
RESERVED
R-0h
76543210
RESERVED CH1_ACTIVE CH0_ACTIVE
R-0h R-0h R-0h
Table 10-14. DMASTAT Register Field Descriptions
Bit Field Type Reset Description
31-18 RESERVED R 0h Software should not rely on the value of a reserved. Writing any
other value than the reset value may result in undefined behavior.
17 PORT_ERR R 0h Reflects possible transfer errors on the AHB port.
16-2 RESERVED R 0h Software should not rely on the value of a reserved. Writing any
other value than the reset value may result in undefined behavior.
1 CH1_ACTIVE R 0h This register field indicates if DMA channel 1 is active or not.
0: Not active
1: Active
0 CH0_ACTIVE R 0h This register field indicates if DMA channel 0 is active or not.
0: Not active
1: Active

www.ti.com
AES Cryptoprocessor Overview
937
SWCU117F–February 2015–Revised June 2016
Submit Documentation Feedback Copyright © 2015–2016, Texas Instruments Incorporated
10.1.8.5 DMASWRESET Register (Offset = 1Ch) [reset = 0h]
DMASWRESET is shown in Figure 10-7 and described in Table 10-15.
Return to Summary Table.
DMA Controller Software Reset
Figure 10-7. DMASWRESET Register
31 30 29 28 27 26 25 24
RESERVED
W-0h
23 22 21 20 19 18 17 16
RESERVED
W-0h
15 14 13 12 11 10 9 8
RESERVED
W-0h
76543210
RESERVED RESET
W-0h W0C-0h
Table 10-15. DMASWRESET Register Field Descriptions
Bit Field Type Reset Description
31-1 RESERVED W 0h Software should not rely on the value of a reserved. Writing any
other value than the reset value may result in undefined behavior.
0 RESET W0C 0h Software reset enable
0: Disable
1: Enable (self-cleared to zero).
Note: Completion of the software reset must be checked in
DMASTAT.CH0_ACTIVE and DMASTAT.CH1_ACTIVE.

AES Cryptoprocessor Overview
www.ti.com
938 SWCU117F–February 2015–Revised June 2016
Submit Documentation Feedback
Copyright © 2015–2016, Texas Instruments Incorporated
10.1.8.6 DMACH1CTL Register (Offset = 20h) [reset = 0h]
DMACH1CTL is shown in Figure 10-8 and described in Table 10-16.
Return to Summary Table.
DMA Channel 1 Control
Figure 10-8. DMACH1CTL Register
31 30 29 28 27 26 25 24
RESERVED
R/W-0h
23 22 21 20 19 18 17 16
RESERVED
R/W-0h
15 14 13 12 11 10 9 8
RESERVED
R/W-0h
76543210
RESERVED PRIO EN
R/W-0h R/W-0h R/W-0h
Table 10-16. DMACH1CTL Register Field Descriptions
Bit Field Type Reset Description
31-2 RESERVED R/W 0h Software should not rely on the value of a reserved. Writing any
other value than the reset value may result in undefined behavior.
1 PRIO R/W 0h Channel priority:
A channel with high priority will be served before a channel with low
priority in cases with simultaneous access requests. If both channels
have the same priority access of the channels to the external port is
arbitrated using a Round Robin scheme.
0h = Priority low
1h = Priority high
0 EN R/W 0h Channel enable:
Note: Disabling an active channel will interrupt the DMA operation.
The ongoing block transfer will be completed, but no new transfers
will be requested.
0h = Channel disabled
1h = Channel enabled

www.ti.com
AES Cryptoprocessor Overview
939
SWCU117F–February 2015–Revised June 2016
Submit Documentation Feedback Copyright © 2015–2016, Texas Instruments Incorporated
10.1.8.7 DMACH1EXTADDR Register (Offset = 24h) [reset = 0h]
DMACH1EXTADDR is shown in Figure 10-9 and described in Table 10-17.
Return to Summary Table.
DMA Channel 1 External Address
Figure 10-9. DMACH1EXTADDR Register
31 30 29 28 27 26 25 24 23 22 21 20 19 18 17 16 15 14 13 12 11 10 9 8 7 6 5 4 3 2 1 0
ADDR
R/W-0h
Table 10-17. DMACH1EXTADDR Register Field Descriptions
Bit Field Type Reset Description
31-0 ADDR R/W 0h Channel external address value.
Holds the last updated external address after being sent to the
master interface.

AES Cryptoprocessor Overview
www.ti.com
940 SWCU117F–February 2015–Revised June 2016
Submit Documentation Feedback
Copyright © 2015–2016, Texas Instruments Incorporated
10.1.8.8 DMACH1LEN Register (Offset = 2Ch) [reset = 0h]
DMACH1LEN is shown in Figure 10-10 and described in Table 10-18.
Return to Summary Table.
DMA Channel 1 Length
Figure 10-10. DMACH1LEN Register
31 30 29 28 27 26 25 24 23 22 21 20 19 18 17 16 15 14 13 12 11 10 9 8 7 6 5 4 3 2 1 0
RESERVED LEN
R/W-0h R/W-0h
Table 10-18. DMACH1LEN Register Field Descriptions
Bit Field Type Reset Description
31-16 RESERVED R/W 0h Software should not rely on the value of a reserved. Writing any
other value than the reset value may result in undefined behavior.
15-0 LEN R/W 0h DMA transfer length in bytes.
During configuration, this register contains the DMA transfer length
in bytes. During operation, it contains the last updated value of the
DMA transfer length after being sent to the master interface.
Note: Writing a non-zero value to this register field starts the transfer
if the channel is enabled by setting DMACH1CTL.EN.

www.ti.com
AES Cryptoprocessor Overview
941
SWCU117F–February 2015–Revised June 2016
Submit Documentation Feedback Copyright © 2015–2016, Texas Instruments Incorporated
10.1.8.9 DMABUSCFG Register (Offset = 78h) [reset = 2400h]
DMABUSCFG is shown in Figure 10-11 and described in Table 10-19.
Return to Summary Table.
DMA Controller Master Configuration
Figure 10-11. DMABUSCFG Register
31 30 29 28 27 26 25 24
RESERVED
R/W-0h
23 22 21 20 19 18 17 16
RESERVED
R/W-0h
15 14 13 12 11 10 9 8
AHB_MST1_BURST_SIZE AHB_MST1_ID
LE_EN AHB_MST1_IN
CR_EN AHB_MST1_L
OCK_EN AHB_MST1_BI
GEND
R/W-2h R/W-0h R/W-1h R/W-0h R/W-0h
76543210
RESERVED
R/W-0h
Table 10-19. DMABUSCFG Register Field Descriptions
Bit Field Type Reset Description
31-16 RESERVED R/W 0h Software should not rely on the value of a reserved. Writing any
other value than the reset value may result in undefined behavior.
15-12 AHB_MST1_BURST_SIZ
ER/W 2h Maximum burst size that can be performed on the AHB bus
2h = 4_BYTE : 4 bytes
3h = 8_BYTE : 8 bytes
4h = 16_BYTE : 16 bytes
5h = 32_BYTE : 32 bytes
6h = 64_BYTE : 64 bytes
11 AHB_MST1_IDLE_EN R/W 0h Idle transfer insertion between consecutive burst transfers on AHB
0h = Do not insert idle transfers.
1h = Idle transfer insertion enabled
10 AHB_MST1_INCR_EN R/W 1h Burst length type of AHB transfer
0h = Unspecified length burst transfers
1h = Fixed length bursts or single transfers
9 AHB_MST1_LOCK_EN R/W 0h Locked transform on AHB
0h = Transfers are not locked
1h = Transfers are locked
8 AHB_MST1_BIGEND R/W 0h Endianess for the AHB master
0h = Little Endian
1h = Big Endian
7-0 RESERVED R/W 0h Software should not rely on the value of a reserved. Writing any
other value than the reset value may result in undefined behavior.

AES Cryptoprocessor Overview
www.ti.com
942 SWCU117F–February 2015–Revised June 2016
Submit Documentation Feedback
Copyright © 2015–2016, Texas Instruments Incorporated
10.1.8.10 DMAPORTERR Register (Offset = 7Ch) [reset = 0h]
DMAPORTERR is shown in Figure 10-12 and described in Table 10-20.
Return to Summary Table.
DMA Controller Port Error
Figure 10-12. DMAPORTERR Register
31 30 29 28 27 26 25 24
RESERVED
R-0h
23 22 21 20 19 18 17 16
RESERVED
R-0h
15 14 13 12 11 10 9 8
RESERVED AHB_ERR RESERVED LAST_CH RESERVED
R-0h R-0h R-0h R-0h R-0h
76543210
RESERVED
R-0h
Table 10-20. DMAPORTERR Register Field Descriptions
Bit Field Type Reset Description
31-13 RESERVED R 0h Software should not rely on the value of a reserved. Writing any
other value than the reset value may result in undefined behavior.
12 AHB_ERR R 0h A 1 indicates that the Crypto peripheral has detected an AHB bus
error
11-10 RESERVED R 0h Software should not rely on the value of a reserved. Writing any
other value than the reset value may result in undefined behavior.
9 LAST_CH R 0h Indicates which channel was serviced last (channel 0 or channel 1)
by the AHB master port.
8-0 RESERVED R 0h Software should not rely on the value of a reserved. Writing any
other value than the reset value may result in undefined behavior.

www.ti.com
AES Cryptoprocessor Overview
943
SWCU117F–February 2015–Revised June 2016
Submit Documentation Feedback Copyright © 2015–2016, Texas Instruments Incorporated
10.1.8.11 DMAHWVER Register (Offset = FCh) [reset = 01012ED1h]
DMAHWVER is shown in Figure 10-13 and described in Table 10-21.
Return to Summary Table.
DMA Controller Version
Figure 10-13. DMAHWVER Register
31 30 29 28 27 26 25 24 23 22 21 20 19 18 17 16
RESERVED HW_MAJOR_VER HW_MINOR_VER HW_PATCH_LVL
R-0h R-1h R-0h R-1h
15 14 13 12 11 10 9 8 7 6 5 4 3 2 1 0
VER_NUM_COMPL VER_NUM
R-2Eh R-D1h
Table 10-21. DMAHWVER Register Field Descriptions
Bit Field Type Reset Description
31-28 RESERVED R 0h Software should not rely on the value of a reserved. Writing any
other value than the reset value may result in undefined behavior.
27-24 HW_MAJOR_VER R 1h Major version number
23-20 HW_MINOR_VER R 0h Minor version number
19-16 HW_PATCH_LVL R 1h Patch level.
15-8 VER_NUM_COMPL R 2Eh Bit-by-bit complement of the VER_NUM field bits.
7-0 VER_NUM R D1h Version number of the DMA Controller (209)

AES Cryptoprocessor Overview
www.ti.com
944 SWCU117F–February 2015–Revised June 2016
Submit Documentation Feedback
Copyright © 2015–2016, Texas Instruments Incorporated
10.1.8.12 KEYWRITEAREA Register (Offset = 400h) [reset = 0h]
KEYWRITEAREA is shown in Figure 10-14 and described in Table 10-22.
Return to Summary Table.
Key Write Area
Figure 10-14. KEYWRITEAREA Register
31 30 29 28 27 26 25 24
RESERVED
R/W-0h
23 22 21 20 19 18 17 16
RESERVED
R/W-0h
15 14 13 12 11 10 9 8
RESERVED
R/W-0h
76543210
RAM_AREA7 RAM_AREA6 RAM_AREA5 RAM_AREA4 RAM_AREA3 RAM_AREA2 RAM_AREA1 RAM_AREA0
R/W-0h R/W-0h R/W-0h R/W-0h R/W-0h R/W-0h R/W-0h R/W-0h
Table 10-22. KEYWRITEAREA Register Field Descriptions
Bit Field Type Reset Description
31-8 RESERVED R/W 0h Software should not rely on the value of a reserved. Writing any
other value than the reset value may result in undefined behavior.
7 RAM_AREA7 R/W 0h Represents an area of 128 bits.
Select the key store RAM area(s) where the key(s) needs to be
written.
Writing to multiple RAM locations is only possible when the selected
RAM areas are sequential.
0h = This RAM area is not selected to be written
1h = This RAM area is selected to be written
6 RAM_AREA6 R/W 0h Represents an area of 128 bits.
Select the key store RAM area(s) where the key(s) needs to be
written.
Writing to multiple RAM locations is only possible when the selected
RAM areas are sequential.
0h = This RAM area is not selected to be written
1h = This RAM area is selected to be written
5 RAM_AREA5 R/W 0h Represents an area of 128 bits.
Select the key store RAM area(s) where the key(s) needs to be
written.
Writing to multiple RAM locations is only possible when the selected
RAM areas are sequential.
0h = This RAM area is not selected to be written
1h = This RAM area is selected to be written
4 RAM_AREA4 R/W 0h Represents an area of 128 bits.
Select the key store RAM area(s) where the key(s) needs to be
written.
Writing to multiple RAM locations is only possible when the selected
RAM areas are sequential.
0h = This RAM area is not selected to be written
1h = This RAM area is selected to be written

www.ti.com
AES Cryptoprocessor Overview
945
SWCU117F–February 2015–Revised June 2016
Submit Documentation Feedback Copyright © 2015–2016, Texas Instruments Incorporated
Table 10-22. KEYWRITEAREA Register Field Descriptions (continued)
Bit Field Type Reset Description
3 RAM_AREA3 R/W 0h Represents an area of 128 bits.
Select the key store RAM area(s) where the key(s) needs to be
written.
Writing to multiple RAM locations is only possible when the selected
RAM areas are sequential.
0h = This RAM area is not selected to be written
1h = This RAM area is selected to be written
2 RAM_AREA2 R/W 0h Represents an area of 128 bits.
Select the key store RAM area(s) where the key(s) needs to be
written.
Writing to multiple RAM locations is only possible when the selected
RAM areas are sequential.
0h = This RAM area is not selected to be written
1h = This RAM area is selected to be written
1 RAM_AREA1 R/W 0h Represents an area of 128 bits.
Select the key store RAM area(s) where the key(s) needs to be
written.
Writing to multiple RAM locations is only possible when the selected
RAM areas are sequential.
0h = This RAM area is not selected to be written
1h = This RAM area is selected to be written
0 RAM_AREA0 R/W 0h Represents an area of 128 bits.
Select the key store RAM area(s) where the key(s) needs to be
written.
Writing to multiple RAM locations is only possible when the selected
RAM areas are sequential.
0h = This RAM area is not selected to be written
1h = This RAM area is selected to be written

AES Cryptoprocessor Overview
www.ti.com
946 SWCU117F–February 2015–Revised June 2016
Submit Documentation Feedback
Copyright © 2015–2016, Texas Instruments Incorporated
10.1.8.13 KEYWRITTENAREA Register (Offset = 404h) [reset = 0h]
KEYWRITTENAREA is shown in Figure 10-15 and described in Table 10-23.
Return to Summary Table.
Key Written Area Status
This register shows which areas of the key store RAM contain valid written keys.
When a new key needs to be written to the key store, on a location that is already occupied by a valid key,
this key area must be cleared first. This can be done by writing this register before the new key is written
to the key store memory.
Attempting to write to a key area that already contains a valid key is not allowed and will result in an error.
Figure 10-15. KEYWRITTENAREA Register
31 30 29 28 27 26 25 24
RESERVED
R/W-0h
23 22 21 20 19 18 17 16
RESERVED
R/W-0h
15 14 13 12 11 10 9 8
RESERVED
R/W-0h
76543210
RAM_AREA_W
RITTEN7 RAM_AREA_W
RITTEN6 RAM_AREA_W
RITTEN5 RAM_AREA_W
RITTEN4 RAM_AREA_W
RITTEN3 RAM_AREA_W
RITTEN2 RAM_AREA_W
RITTEN1 RAM_AREA_W
RITTEN0
R/W1C-0h R/W1C-0h R/W1C-0h R/W1C-0h R/W1C-0h R/W1C-0h R/W1C-0h R/W1C-0h
Table 10-23. KEYWRITTENAREA Register Field Descriptions
Bit Field Type Reset Description
31-8 RESERVED R/W 0h Software should not rely on the value of a reserved. Writing any
other value than the reset value may result in undefined behavior.
7 RAM_AREA_WRITTEN7 R/W1C 0h On read this bit returns the key area written status.
This bit can be reset by writing a 1.
Note: This register will be reset on a soft reset initiated by writing to
DMASWRESET.RESET. After a soft reset, all keys must be rewritten
to the key store memory.
0h = This RAM area is not written with valid key information
1h = This RAM area is written with valid key information
6 RAM_AREA_WRITTEN6 R/W1C 0h On read this bit returns the key area written status.
This bit can be reset by writing a 1.
Note: This register will be reset on a soft reset initiated by writing to
DMASWRESET.RESET. After a soft reset, all keys must be rewritten
to the key store memory.
0h = This RAM area is not written with valid key information
1h = This RAM area is written with valid key information
5 RAM_AREA_WRITTEN5 R/W1C 0h On read this bit returns the key area written status.
This bit can be reset by writing a 1.
Note: This register will be reset on a soft reset initiated by writing to
DMASWRESET.RESET. After a soft reset, all keys must be rewritten
to the key store memory.
0h = This RAM area is not written with valid key information
1h = This RAM area is written with valid key information
4 RAM_AREA_WRITTEN4 R/W1C 0h On read this bit returns the key area written status.
This bit can be reset by writing a 1.
Note: This register will be reset on a soft reset initiated by writing to
DMASWRESET.RESET. After a soft reset, all keys must be rewritten
to the key store memory.
0h = This RAM area is not written with valid key information
1h = This RAM area is written with valid key information

www.ti.com
AES Cryptoprocessor Overview
947
SWCU117F–February 2015–Revised June 2016
Submit Documentation Feedback Copyright © 2015–2016, Texas Instruments Incorporated
Table 10-23. KEYWRITTENAREA Register Field Descriptions (continued)
Bit Field Type Reset Description
3 RAM_AREA_WRITTEN3 R/W1C 0h On read this bit returns the key area written status.
This bit can be reset by writing a 1.
Note: This register will be reset on a soft reset initiated by writing to
DMASWRESET.RESET. After a soft reset, all keys must be rewritten
to the key store memory.
0h = This RAM area is not written with valid key information
1h = This RAM area is written with valid key information
2 RAM_AREA_WRITTEN2 R/W1C 0h On read this bit returns the key area written status.
This bit can be reset by writing a 1.
Note: This register will be reset on a soft reset initiated by writing to
DMASWRESET.RESET. After a soft reset, all keys must be rewritten
to the key store memory.
0h = This RAM area is not written with valid key information
1h = This RAM area is written with valid key information
1 RAM_AREA_WRITTEN1 R/W1C 0h On read this bit returns the key area written status.
This bit can be reset by writing a 1.
Note: This register will be reset on a soft reset initiated by writing to
DMASWRESET.RESET. After a soft reset, all keys must be rewritten
to the key store memory.
0h = This RAM area is not written with valid key information
1h = This RAM area is written with valid key information
0 RAM_AREA_WRITTEN0 R/W1C 0h On read this bit returns the key area written status.
This bit can be reset by writing a 1.
Note: This register will be reset on a soft reset initiated by writing to
DMASWRESET.RESET. After a soft reset, all keys must be rewritten
to the key store memory.
0h = This RAM area is not written with valid key information
1h = This RAM area is written with valid key information

AES Cryptoprocessor Overview
www.ti.com
948 SWCU117F–February 2015–Revised June 2016
Submit Documentation Feedback
Copyright © 2015–2016, Texas Instruments Incorporated
10.1.8.14 KEYSIZE Register (Offset = 408h) [reset = 1h]
KEYSIZE is shown in Figure 10-16 and described in Table 10-24.
Return to Summary Table.
Key Size
This register defines the size of the keys that are written with DMA.
Figure 10-16. KEYSIZE Register
31 30 29 28 27 26 25 24 23 22 21 20 19 18 17 16
RESERVED
R/W-0h
15 14 13 12 11 10 9 8 7 6 5 4 3 2 1 0
RESERVED SIZE
R/W-0h R/W-1h
Table 10-24. KEYSIZE Register Field Descriptions
Bit Field Type Reset Description
31-2 RESERVED R/W 0h Software should not rely on the value of a reserved. Writing any
other value than the reset value may result in undefined behavior.
1-0 SIZE R/W 1h Key size
When writing to this register, KEYWRITTENAREA will be reset.
Note: For the Crypto peripheral this field is fixed to 128 bits. For
software compatibility KEYWRITTENAREA will be reset when writing
to this register.
1h = 128_BIT : 128 bits
2h = 192_BIT : Not supported
3h = 256_BIT : Not supported

www.ti.com
AES Cryptoprocessor Overview
949
SWCU117F–February 2015–Revised June 2016
Submit Documentation Feedback Copyright © 2015–2016, Texas Instruments Incorporated
10.1.8.15 KEYREADAREA Register (Offset = 40Ch) [reset = 8h]
KEYREADAREA is shown in Figure 10-17 and described in Table 10-25.
Return to Summary Table.
Key Read Area
Figure 10-17. KEYREADAREA Register
31 30 29 28 27 26 25 24
BUSY RESERVED
R-0h R/W-0h
23 22 21 20 19 18 17 16
RESERVED
R/W-0h
15 14 13 12 11 10 9 8
RESERVED
R/W-0h
76543210
RESERVED RAM_AREA
R/W-0h R/W-8h
Table 10-25. KEYREADAREA Register Field Descriptions
Bit Field Type Reset Description
31 BUSY R 0h Key store operation busy status flag (read only)
0: operation is completed.
1: operation is not completed and the key store is busy.
30-4 RESERVED R/W 0h Software should not rely on the value of a reserved. Writing any
other value than the reset value may result in undefined behavior.
3-0 RAM_AREA R/W 8h Selects the area of the key store RAM from where the key needs to
be read that will be written to the AES engine.
Only RAM areas that contain valid written keys can be selected.
0h = RAM Area 0
1h = RAM Area 1
2h = RAM Area 2
3h = RAM Area 3
4h = RAM Area 4
5h = RAM Area 5
6h = RAM Area 6
7h = RAM Area 7
8h = No RAM

AES Cryptoprocessor Overview
www.ti.com
950 SWCU117F–February 2015–Revised June 2016
Submit Documentation Feedback
Copyright © 2015–2016, Texas Instruments Incorporated
10.1.8.16 AESKEY2_0 to AESKEY2_3 Register (Offset = 500h to 50Ch) [reset = 0h]
AESKEY2_0 to AESKEY2_3 is shown in Figure 10-18 and described in Table 10-26.
Return to Summary Table.
Clear AES_KEY2/GHASH Key
Figure 10-18. AESKEY2_0 to AESKEY2_3 Register
31 30 29 28 27 26 25 24 23 22 21 20 19 18 17 16 15 14 13 12 11 10 9 8 7 6 5 4 3 2 1 0
KEY2
W-0h
Table 10-26. AESKEY2_0 to AESKEY2_3 Register Field Descriptions
Bit Field Type Reset Description
31-0 KEY2 W 0h AESKEY2.* bits 31+x:0+x or AES_GHASH_H.* bits 31+x:0+x, where
x = 0, 32, 64, 96 ordered from the LSW entry of this 4-deep register
array.
The interpretation of this field depends on the crypto operation
mode.

www.ti.com
AES Cryptoprocessor Overview
951
SWCU117F–February 2015–Revised June 2016
Submit Documentation Feedback Copyright © 2015–2016, Texas Instruments Incorporated
10.1.8.17 AESKEY3_0 to AESKEY3_3 Register (Offset = 510h to 51Ch) [reset = 0h]
AESKEY3_0 to AESKEY3_3 is shown in Figure 10-19 and described in Table 10-27.
Return to Summary Table.
Clear AES_KEY3
Figure 10-19. AESKEY3_0 to AESKEY3_3 Register
31 30 29 28 27 26 25 24 23 22 21 20 19 18 17 16 15 14 13 12 11 10 9 8 7 6 5 4 3 2 1 0
KEY3
W-0h
Table 10-27. AESKEY3_0 to AESKEY3_3 Register Field Descriptions
Bit Field Type Reset Description
31-0 KEY3 W 0h AESKEY3.* bits 31+x:0+x or AESKEY2.* bits 159+x:128+x, where x
= 0, 32, 64, 96 ordered from the LSW entry of this 4-deep register
arrary.
The interpretation of this field depends on the crypto operation
mode.

AES Cryptoprocessor Overview
www.ti.com
952 SWCU117F–February 2015–Revised June 2016
Submit Documentation Feedback
Copyright © 2015–2016, Texas Instruments Incorporated
10.1.8.18 AESIV_0 to AESIV_3 Register (Offset = 540h to 54Ch) [reset = 0h]
AESIV_0 to AESIV_3 is shown in Figure 10-20 and described in Table 10-28.
Return to Summary Table.
AES Initialization Vector
Figure 10-20. AESIV_0 to AESIV_3 Register
31 30 29 28 27 26 25 24 23 22 21 20 19 18 17 16 15 14 13 12 11 10 9 8 7 6 5 4 3 2 1 0
IV
R/W-0h
Table 10-28. AESIV_0 to AESIV_3 Register Field Descriptions
Bit Field Type Reset Description
31-0 IV R/W 0h The interpretation of this field depends on the crypto operation
mode.

www.ti.com
AES Cryptoprocessor Overview
953
SWCU117F–February 2015–Revised June 2016
Submit Documentation Feedback Copyright © 2015–2016, Texas Instruments Incorporated
10.1.8.19 AESCTL Register (Offset = 550h) [reset = 80000000h]
AESCTL is shown in Figure 10-21 and described in Table 10-29.
Return to Summary Table.
AES Input/Output Buffer Control
Figure 10-21. AESCTL Register
31 30 29 28 27 26 25 24
CONTEXT_RD
YSAVED_CONT
EXT_RDY SAVE_CONTE
XT RESERVED CCM_M
R-1h R/W-0h R/W-0h R/W-0h R/W-0h
23 22 21 20 19 18 17 16
CCM_M CCM_L CCM RESERVED
R/W-0h R/W-0h R/W-0h R/W-0h
15 14 13 12 11 10 9 8
CBC_MAC RESERVED CTR_WIDTH
R/W-0h R/W-0h R/W-0h
76543210
CTR_WIDTH CTR CBC KEY_SIZE DIR INPUT_RDY OUTPUT_RDY
R/W-0h R/W-0h R/W-0h R-0h R/W-0h R/W-0h R/W-0h
Table 10-29. AESCTL Register Field Descriptions
Bit Field Type Reset Description
31 CONTEXT_RDY R 1h If 1, this status bit indicates that the context data registers can be
overwritten and the Host is permitted to write the next context.
Writing a context means writing either a mode, the crypto length or
AESDATALEN1.LEN_MSW, AESDATALEN0.LEN_LSW length
registers
30 SAVED_CONTEXT_RDY R/W 0h If read as 1, this status bit indicates that an AES authentication TAG
and/or IV block(s) is/are available for the Host to retrieve. This bit is
only asserted if SAVE_CONTEXT is set to 1. The bit is mutually
exclusive with CONTEXT_RDY.
Writing 1 clears the bit to zero, indicating the Crypto peripheral can
start its next operation. This bit is also cleared when the 4th word of
the output TAG and/or IV is read.
Note: All other mode bit writes will be ignored when this mode bit is
written with 1.
Note: This bit is controlled automatically by the Crypto peripheral for
TAG read DMA operations.
For typical use, this bit does NOT need to be written, but is used for
status reading only. In this case, this status bit is automatically
maintained by the Crypto peripheral.
29 SAVE_CONTEXT R/W 0h IV must be read before the AES engine can start a new operation.
28-25 RESERVED R/W 0h Software should not rely on the value of a reserved. Writing any
other value than the reset value may result in undefined behavior.
24-22 CCM_M R/W 0h Defines M that indicates the length of the authentication field for
CCM operations
the authentication field length equals two times the value of CCM_M
plus one.
Note: The Crypto peripheral always returns a 128-bit authentication
field, of which the M least significant bytes are valid. All values are
supported.
21-19 CCM_L R/W 0h Defines L that indicates the width of the length field for CCM
operations
the length field in bytes equals the value of CMM_L plus one. All
values are supported.

AES Cryptoprocessor Overview
www.ti.com
954 SWCU117F–February 2015–Revised June 2016
Submit Documentation Feedback
Copyright © 2015–2016, Texas Instruments Incorporated
Table 10-29. AESCTL Register Field Descriptions (continued)
Bit Field Type Reset Description
18 CCM R/W 0h AES-CCM mode enable.
AES-CCM is a combined mode, using AES for both authentication
and encryption.
Note: Selecting AES-CCM mode requires writing of
AESDATALEN1.LEN_MSW and AESDATALEN0.LEN_LSW after all
other registers.
Note: The CTR mode bit in this register must also be set to 1 to
enable AES-CTR
selecting other AES modes than CTR mode is invalid.
17-16 RESERVED R/W 0h Software should not rely on the value of a reserved. Writing any
other value than the reset value may result in undefined behavior.
15 CBC_MAC R/W 0h MAC mode enable.
The DIR bit must be set to 1 for this mode.
Selecting this mode requires writing the AESDATALEN1.LEN_MSW
and AESDATALEN0.LEN_LSW registers after all other registers.
14-9 RESERVED R/W 0h Software should not rely on the value of a reserved. Writing any
other value than the reset value may result in undefined behavior.
8-7 CTR_WIDTH R/W 0h Specifies the counter width for AES-CTR mode
0h = 32_BIT : 32 bits
1h = 64_BIT : 64 bits
2h = 96_BIT : 96 bits
3h = 128_BIT : 128 bits
6 CTR R/W 0h AES-CTR mode enable
This bit must also be set for CCM, when encryption/decryption is
required.
5 CBC R/W 0h CBC mode enable
4-3 KEY_SIZE R 0h This field specifies the key size.
The key size is automatically configured when a new key is loaded
via the key store module.
00 = N/A - reserved
01 = 128 bits
10 = N/A - reserved
11 = N/A - reserved
For the Crypto peripheral this field is fixed to 128 bits.
2 DIR R/W 0h Direction.
0 : Decrypt operation is performed.
1 : Encrypt operation is performed.
This bit must be written with a 1 when CBC-MAC is selected.
1 INPUT_RDY R/W 0h If read as 1, this status bit indicates that the 16-byte AES input buffer
is empty. The Host is permitted to write the next block of data.
Writing a 0 clears the bit to zero and indicates that the AES engine
can use the provided input data block.
Writing a 1 to this bit will be ignored.
Note: For DMA operations, this bit is automatically controlled by the
Crypto peripheral.
After reset, this bit is 0. After writing a context (note 1), this bit will
become 1.
For typical use, this bit does NOT need to be written, but is used for
status reading only. In this case, this status bit is automatically
maintained by the Crypto peripheral.
0 OUTPUT_RDY R/W 0h If read as 1, this status bit indicates that an AES output block is
available to be retrieved by the Host.
Writing a 0 clears the bit to zero and indicates that output data is
read by the Host. The AES engine can provide a next output data
block.
Writing a 1 to this bit will be ignored.
Note: For DMA operations, this bit is automatically controlled by the
Crypto peripheral.
For typical use, this bit does NOT need to be written, but is used for
status reading only. In this case, this status bit is automatically
maintained by the Crypto peripheral.

www.ti.com
AES Cryptoprocessor Overview
955
SWCU117F–February 2015–Revised June 2016
Submit Documentation Feedback Copyright © 2015–2016, Texas Instruments Incorporated
10.1.8.20 AESDATALEN0 Register (Offset = 554h) [reset = 0h]
AESDATALEN0 is shown in Figure 10-22 and described in Table 10-30.
Return to Summary Table.
Crypto Data Length LSW
Figure 10-22. AESDATALEN0 Register
31 30 29 28 27 26 25 24 23 22 21 20 19 18 17 16 15 14 13 12 11 10 9 8 7 6 5 4 3 2 1 0
LEN_LSW
W-0h
Table 10-30. AESDATALEN0 Register Field Descriptions
Bit Field Type Reset Description
31-0 LEN_LSW W 0h Used to write the Length values to the Crypto peripheral.
This register contains bits [31:0] of the combined data length.

AES Cryptoprocessor Overview
www.ti.com
956 SWCU117F–February 2015–Revised June 2016
Submit Documentation Feedback
Copyright © 2015–2016, Texas Instruments Incorporated
10.1.8.21 AESDATALEN1 Register (Offset = 558h) [reset = 0h]
AESDATALEN1 is shown in Figure 10-23 and described in Table 10-31.
Return to Summary Table.
Crypto Data Length MSW
Figure 10-23. AESDATALEN1 Register
31 30 29 28 27 26 25 24 23 22 21 20 19 18 17 16
RESERVED LEN_MSW
W-0h W-0h
15 14 13 12 11 10 9 8 7 6 5 4 3 2 1 0
LEN_MSW
W-0h
Table 10-31. AESDATALEN1 Register Field Descriptions
Bit Field Type Reset Description
31-29 RESERVED W 0h Software should not rely on the value of a reserved. Writing any
other value than the reset value may result in undefined behavior.
28-0 LEN_MSW W 0h Bits [60:32] of the combined data length.
Bits [60:0] of the crypto length registers AESDATALEN1 and
AESDATALEN0 store the cryptographic data length in bytes for all
modes. Once processing with this context is started, this length
decrements to zero. Data lengths up to (261 - 1) bytes are allowed.
For GCM, any value up to 236 - 32 bytes can be used. This is
because a 32-bit counter mode is used
the maximum number of 128-bit blocks is 232 - 2, resulting in a
maximum number of bytes of 236 - 32.
Writing to this register triggers the engine to start using this context.
This is valid for all modes except GCM and CCM.
Note: For the combined modes (GCM and CCM), this length does
not include the authentication only data
the authentication length is specified in the AESAUTHLEN.LEN.
All modes must have a length > 0. For the combined modes, it is
allowed to have one of the lengths equal to zero.
For the basic encryption modes (ECB/CBC/CTR) it is allowed to
program zero to the length field
in that case the length is assumed infinite.
All data must be byte (8-bit) aligned for stream cipher modes
bit aligned data streams are not supported by the Crypto peripheral.
For block cipher modes, the data length must be programmed in
multiples of the block cipher size, 16 bytes.

www.ti.com
AES Cryptoprocessor Overview
957
SWCU117F–February 2015–Revised June 2016
Submit Documentation Feedback Copyright © 2015–2016, Texas Instruments Incorporated
10.1.8.22 AESAUTHLEN Register (Offset = 55Ch) [reset = 0h]
AESAUTHLEN is shown in Figure 10-24 and described in Table 10-32.
Return to Summary Table.
AES Authentication Length
Figure 10-24. AESAUTHLEN Register
31 30 29 28 27 26 25 24 23 22 21 20 19 18 17 16 15 14 13 12 11 10 9 8 7 6 5 4 3 2 1 0
LEN
W-0h
Table 10-32. AESAUTHLEN Register Field Descriptions
Bit Field Type Reset Description
31-0 LEN W 0h Authentication data length in bytes for combined mode, CCM only.
Supported AAD-lengths for CCM are from 0 to (216 - 28) bytes.
Once processing with this context is started, this length decrements
to zero.
Writing this register triggers the engine to start using this context for
CCM.

AES Cryptoprocessor Overview
www.ti.com
958 SWCU117F–February 2015–Revised June 2016
Submit Documentation Feedback
Copyright © 2015–2016, Texas Instruments Incorporated
10.1.8.23 AESDATAOUT0 Register (Offset = 560h) [reset = 0h]
AESDATAOUT0 is shown in Figure 10-25 and described in Table 10-33.
Return to Summary Table.
Data Input/Output
Figure 10-25. AESDATAOUT0 Register
31 30 29 28 27 26 25 24 23 22 21 20 19 18 17 16 15 14 13 12 11 10 9 8 7 6 5 4 3 2 1 0
DATA
R-0h
Table 10-33. AESDATAOUT0 Register Field Descriptions
Bit Field Type Reset Description
31-0 DATA R 0h Data register 0 for output block data from the Crypto peripheral.
These bits = AES Output Data[31:0] of {127:0]
For normal operations, this register is not used, since data input and
output is transferred from and to the AES engine via DMA.
For a Host read operation, these registers contain the 128-bit output
block from the latest AES operation. Reading from a word-aligned
offset within this address range will read one word (4 bytes) of data
out the 4-word deep (16 bytes = 128-bits AES block) data output
buffer. The words (4 words, one full block) should be read before the
core will move the next block to the data output buffer. To empty the
data output buffer, AESCTL.OUTPUT_RDY must be written.
For the modes with authentication (CBC-MAC, GCM and CCM), the
invalid (message) bytes/words can be written with any data.
Note: The AAD / authentication only data is not copied to the output
buffer but only used for authentication.

www.ti.com
AES Cryptoprocessor Overview
959
SWCU117F–February 2015–Revised June 2016
Submit Documentation Feedback Copyright © 2015–2016, Texas Instruments Incorporated
10.1.8.24 AESDATAIN0 Register (Offset = 560h) [reset = 0h]
AESDATAIN0 is shown in Figure 10-26 and described in Table 10-34.
Return to Summary Table.
AES Data Input/Output 0
Figure 10-26. AESDATAIN0 Register
31 30 29 28 27 26 25 24 23 22 21 20 19 18 17 16 15 14 13 12 11 10 9 8 7 6 5 4 3 2 1 0
DATA
W-0h
Table 10-34. AESDATAIN0 Register Field Descriptions
Bit Field Type Reset Description
31-0 DATA W 0h Data registers for input block data to the Crypto peripheral.
These bits = AES Input Data[31:0] of [127:0]
For normal operations, this register is not used, since data input and
output is transferred from and to the AES engine via DMA.
For a Host write operation, these registers must be written with the
128-bit input block for the next AES operation. Writing at a word-
aligned offset within this address range will store the word (4 bytes)
of data into the corresponding position of 4-word deep (16 bytes =
128-bit AES block) data input buffer. This buffer is used for the next
AES operation. If the last data block is not completely filled with valid
data (see notes below), it is allowed to write only the words with valid
data. Next AES operation is triggered by writing to
AESCTL.INPUT_RDY.
Note: AES typically operates on 128 bits block multiple input data.
The CTR, GCM and CCM modes form an exception. The last block
of a CTR-mode message may contain less than 128 bits (refer to
[NIST 800-38A]): 0 < n <= 128 bits. For GCM/CCM, the last block of
both AAD and message data may contain less than 128 bits (refer to
[NIST 800-38D]). The Crypto peripheral automatically pads or masks
misaligned ending data blocks with zeroes for GCM, CCM and CBC-
MAC. For CTR mode, the remaining data in an unaligned data block
is ignored.

AES Cryptoprocessor Overview
www.ti.com
960 SWCU117F–February 2015–Revised June 2016
Submit Documentation Feedback
Copyright © 2015–2016, Texas Instruments Incorporated
10.1.8.25 AESDATAOUT1 Register (Offset = 564h) [reset = 0h]
AESDATAOUT1 is shown in Figure 10-27 and described in Table 10-35.
Return to Summary Table.
AES Data Input/Output 3
Figure 10-27. AESDATAOUT1 Register
31 30 29 28 27 26 25 24 23 22 21 20 19 18 17 16 15 14 13 12 11 10 9 8 7 6 5 4 3 2 1 0
DATA
R-0h
Table 10-35. AESDATAOUT1 Register Field Descriptions
Bit Field Type Reset Description
31-0 DATA R 0h Data registers for output block data from the Crypto peripheral.
These bits = AES Output Data[63:32] of [127:0]
For normal operations, this register is not used, since data input and
output is transferred from and to the AES engine via DMA.
For a Host read operation, these registers contain the 128-bit output
block from the latest AES operation. Reading from a word-aligned
offset within this address range will read one word (4 bytes) of data
out the 4-word deep (16 bytes = 128-bits AES block) data output
buffer. The words (4 words, one full block) should be read before the
core will move the next block to the data output buffer. To empty the
data output buffer, AESCTL.OUTPUT_RDY must be written.
For the modes with authentication (CBC-MAC, GCM and CCM), the
invalid (message) bytes/words can be written with any data.
Note: The AAD / authentication only data is not copied to the output
buffer but only used for authentication.

www.ti.com
AES Cryptoprocessor Overview
961
SWCU117F–February 2015–Revised June 2016
Submit Documentation Feedback Copyright © 2015–2016, Texas Instruments Incorporated
10.1.8.26 AESDATAIN1 Register (Offset = 564h) [reset = 0h]
AESDATAIN1 is shown in Figure 10-28 and described in Table 10-36.
Return to Summary Table.
AES Data Input/Output 1
Figure 10-28. AESDATAIN1 Register
31 30 29 28 27 26 25 24 23 22 21 20 19 18 17 16 15 14 13 12 11 10 9 8 7 6 5 4 3 2 1 0
DATA
W-0h
Table 10-36. AESDATAIN1 Register Field Descriptions
Bit Field Type Reset Description
31-0 DATA W 0h Data registers for input block data to the Crypto peripheral.
These bits = AES Input Data[63:32] of [127:0]
For normal operations, this register is not used, since data input and
output is transferred from and to the AES engine via DMA.
For a Host write operation, these registers must be written with the
128-bit input block for the next AES operation. Writing at a word-
aligned offset within this address range will store the word (4 bytes)
of data into the corresponding position of 4-word deep (16 bytes =
128-bit AES block) data input buffer. This buffer is used for the next
AES operation. If the last data block is not completely filled with valid
data (see notes below), it is allowed to write only the words with valid
data. Next AES operation is triggered by writing to
AESCTL.INPUT_RDY.
Note: AES typically operates on 128 bits block multiple input data.
The CTR, GCM and CCM modes form an exception. The last block
of a CTR-mode message may contain less than 128 bits (refer to
[NIST 800-38A]): 0 < n <= 128 bits. For GCM/CCM, the last block of
both AAD and message data may contain less than 128 bits (refer to
[NIST 800-38D]). The Crypto peripheral automatically pads or masks
misaligned ending data blocks with zeroes for GCM, CCM and CBC-
MAC. For CTR mode, the remaining data in an unaligned data block
is ignored.

AES Cryptoprocessor Overview
www.ti.com
962 SWCU117F–February 2015–Revised June 2016
Submit Documentation Feedback
Copyright © 2015–2016, Texas Instruments Incorporated
10.1.8.27 AESDATAOUT2 Register (Offset = 568h) [reset = 0h]
AESDATAOUT2 is shown in Figure 10-29 and described in Table 10-37.
Return to Summary Table.
AES Data Input/Output 2
Figure 10-29. AESDATAOUT2 Register
31 30 29 28 27 26 25 24 23 22 21 20 19 18 17 16 15 14 13 12 11 10 9 8 7 6 5 4 3 2 1 0
DATA
R-0h
Table 10-37. AESDATAOUT2 Register Field Descriptions
Bit Field Type Reset Description
31-0 DATA R 0h Data registers for output block data from the Crypto peripheral.
These bits = AES Output Data[95:64] of [127:0]
For normal operations, this register is not used, since data input and
output is transferred from and to the AES engine via DMA.
For a Host read operation, these registers contain the 128-bit output
block from the latest AES operation. Reading from a word-aligned
offset within this address range will read one word (4 bytes) of data
out the 4-word deep (16 bytes = 128-bits AES block) data output
buffer. The words (4 words, one full block) should be read before the
core will move the next block to the data output buffer. To empty the
data output buffer, AESCTL.OUTPUT_RDY must be written.
For the modes with authentication (CBC-MAC, GCM and CCM), the
invalid (message) bytes/words can be written with any data.
Note: The AAD / authentication only data is not copied to the output
buffer but only used for authentication.

www.ti.com
AES Cryptoprocessor Overview
963
SWCU117F–February 2015–Revised June 2016
Submit Documentation Feedback Copyright © 2015–2016, Texas Instruments Incorporated
10.1.8.28 AESDATAIN2 Register (Offset = 568h) [reset = 0h]
AESDATAIN2 is shown in Figure 10-30 and described in Table 10-38.
Return to Summary Table.
AES Data Input/Output 2
Figure 10-30. AESDATAIN2 Register
31 30 29 28 27 26 25 24 23 22 21 20 19 18 17 16 15 14 13 12 11 10 9 8 7 6 5 4 3 2 1 0
DATA
W-0h
Table 10-38. AESDATAIN2 Register Field Descriptions
Bit Field Type Reset Description
31-0 DATA W 0h Data registers for input block data to the Crypto peripheral.
These bits = AES Input Data[95:64] of [127:0]
For normal operations, this register is not used, since data input and
output is transferred from and to the AES engine via DMA.
For a Host write operation, these registers must be written with the
128-bit input block for the next AES operation. Writing at a word-
aligned offset within this address range will store the word (4 bytes)
of data into the corresponding position of 4-word deep (16 bytes =
128-bit AES block) data input buffer. This buffer is used for the next
AES operation. If the last data block is not completely filled with valid
data (see notes below), it is allowed to write only the words with valid
data. Next AES operation is triggered by writing to
AESCTL.INPUT_RDY.
Note: AES typically operates on 128 bits block multiple input data.
The CTR, GCM and CCM modes form an exception. The last block
of a CTR-mode message may contain less than 128 bits (refer to
[NIST 800-38A]): 0 < n <= 128 bits. For GCM/CCM, the last block of
both AAD and message data may contain less than 128 bits (refer to
[NIST 800-38D]). The Crypto peripheral automatically pads or masks
misaligned ending data blocks with zeroes for GCM, CCM and CBC-
MAC. For CTR mode, the remaining data in an unaligned data block
is ignored.

AES Cryptoprocessor Overview
www.ti.com
964 SWCU117F–February 2015–Revised June 2016
Submit Documentation Feedback
Copyright © 2015–2016, Texas Instruments Incorporated
10.1.8.29 AESDATAOUT3 Register (Offset = 56Ch) [reset = 0h]
AESDATAOUT3 is shown in Figure 10-31 and described in Table 10-39.
Return to Summary Table.
AES Data Input/Output 3
Figure 10-31. AESDATAOUT3 Register
31 30 29 28 27 26 25 24 23 22 21 20 19 18 17 16 15 14 13 12 11 10 9 8 7 6 5 4 3 2 1 0
DATA
R-0h
Table 10-39. AESDATAOUT3 Register Field Descriptions
Bit Field Type Reset Description
31-0 DATA R 0h Data registers for output block data from the Crypto peripheral.
These bits = AES Output Data[127:96] of [127:0]
For normal operations, this register is not used, since data input and
output is transferred from and to the AES engine via DMA.
For a Host read operation, these registers contain the 128-bit output
block from the latest AES operation. Reading from a word-aligned
offset within this address range will read one word (4 bytes) of data
out the 4-word deep (16 bytes = 128-bits AES block) data output
buffer. The words (4 words, one full block) should be read before the
core will move the next block to the data output buffer. To empty the
data output buffer, AESCTL.OUTPUT_RDY must be written.
For the modes with authentication (CBC-MAC, GCM and CCM), the
invalid (message) bytes/words can be written with any data.
Note: The AAD / authentication only data is not copied to the output
buffer but only used for authentication.

www.ti.com
AES Cryptoprocessor Overview
965
SWCU117F–February 2015–Revised June 2016
Submit Documentation Feedback Copyright © 2015–2016, Texas Instruments Incorporated
10.1.8.30 AESDATAIN3 Register (Offset = 56Ch) [reset = 0h]
AESDATAIN3 is shown in Figure 10-32 and described in Table 10-40.
Return to Summary Table.
Data Input/Output
Figure 10-32. AESDATAIN3 Register
31 30 29 28 27 26 25 24 23 22 21 20 19 18 17 16 15 14 13 12 11 10 9 8 7 6 5 4 3 2 1 0
DATA
W-0h
Table 10-40. AESDATAIN3 Register Field Descriptions
Bit Field Type Reset Description
31-0 DATA W 0h Data registers for input block data to the Crypto peripheral.
These bits = AES Input Data[127:96] of [127:0]
For normal operations, this register is not used, since data input and
output is transferred from and to the AES engine via DMA.
For a Host write operation, these registers must be written with the
128-bit input block for the next AES operation. Writing at a word-
aligned offset within this address range will store the word (4 bytes)
of data into the corresponding position of 4-word deep (16 bytes =
128-bit AES block) data input buffer. This buffer is used for the next
AES operation. If the last data block is not completely filled with valid
data (see notes below), it is allowed to write only the words with valid
data. Next AES operation is triggered by writing to
AESCTL.INPUT_RDY.
Note: AES typically operates on 128 bits block multiple input data.
The CTR, GCM and CCM modes form an exception. The last block
of a CTR-mode message may contain less than 128 bits (refer to
[NIST 800-38A]): 0 < n <= 128 bits. For GCM/CCM, the last block of
both AAD and message data may contain less than 128 bits (refer to
[NIST 800-38D]). The Crypto peripheral automatically pads or masks
misaligned ending data blocks with zeroes for GCM, CCM and CBC-
MAC. For CTR mode, the remaining data in an unaligned data block
is ignored.

AES Cryptoprocessor Overview
www.ti.com
966 SWCU117F–February 2015–Revised June 2016
Submit Documentation Feedback
Copyright © 2015–2016, Texas Instruments Incorporated
10.1.8.31 AESTAGOUT_0 to AESTAGOUT_3 Register (Offset = 570h to 57Ch) [reset = 0h]
AESTAGOUT_0 to AESTAGOUT_3 is shown in Figure 10-33 and described in Table 10-41.
Return to Summary Table.
AES Tag Output
Figure 10-33. AESTAGOUT_0 to AESTAGOUT_3 Register
31 30 29 28 27 26 25 24 23 22 21 20 19 18 17 16 15 14 13 12 11 10 9 8 7 6 5 4 3 2 1 0
TAG
R-0h
Table 10-41. AESTAGOUT_0 to AESTAGOUT_3 Register Field Descriptions
Bit Field Type Reset Description
31-0 TAG R 0h This register contains the authentication TAG for the combined and
authentication-only modes.

www.ti.com
AES Cryptoprocessor Overview
967
SWCU117F–February 2015–Revised June 2016
Submit Documentation Feedback Copyright © 2015–2016, Texas Instruments Incorporated
10.1.8.32 ALGSEL Register (Offset = 700h) [reset = 0h]
ALGSEL is shown in Figure 10-34 and described in Table 10-42.
Return to Summary Table.
Master Algorithm Select
This register configures the internal destination of the DMA controller.
Figure 10-34. ALGSEL Register
31 30 29 28 27 26 25 24
TAG RESERVED
R/W-0h R/W-0h
23 22 21 20 19 18 17 16
RESERVED
R/W-0h
15 14 13 12 11 10 9 8
RESERVED
R/W-0h
76543210
RESERVED AES KEY_STORE
R/W-0h R/W-0h R/W-0h
Table 10-42. ALGSEL Register Field Descriptions
Bit Field Type Reset Description
31 TAG R/W 0h If this bit is cleared to 0, the DMA operation involves only data.
If this bit is set, the DMA operation includes a TAG (Authentication
Result / Digest).
30-2 RESERVED R/W 0h Software should not rely on the value of a reserved. Writing any
other value than the reset value may result in undefined behavior.
1 AES R/W 0h If set to 1, the AES data is loaded via DMA
Both Read and Write maximum transfer size to DMA engine is set to
16 bytes
0 KEY_STORE R/W 0h If set to 1, selects the Key Store to be loaded via DMA.
The maximum transfer size to DMA engine is set to 32 bytes
(however transfers of 16, 24 and 32 bytes are allowed)

AES Cryptoprocessor Overview
www.ti.com
968 SWCU117F–February 2015–Revised June 2016
Submit Documentation Feedback
Copyright © 2015–2016, Texas Instruments Incorporated
10.1.8.33 DMAPROTCTL Register (Offset = 704h) [reset = 0h]
DMAPROTCTL is shown in Figure 10-35 and described in Table 10-43.
Return to Summary Table.
Master Protection Control
Figure 10-35. DMAPROTCTL Register
31 30 29 28 27 26 25 24 23 22 21 20 19 18 17 16
RESERVED
R/W-0h
15 14 13 12 11 10 9 8 7 6 5 4 3 2 1 0
RESERVED EN
R/W-0h R/W-
0h
Table 10-43. DMAPROTCTL Register Field Descriptions
Bit Field Type Reset Description
31-1 RESERVED R/W 0h Software should not rely on the value of a reserved. Writing any
other value than the reset value may result in undefined behavior.
0 EN R/W 0h Select AHB transfer protection control for DMA transfers using the
key store area as destination.
0 : transfers use 'USER' type access.
1 : transfers use 'PRIVILEGED' type access.

www.ti.com
AES Cryptoprocessor Overview
969
SWCU117F–February 2015–Revised June 2016
Submit Documentation Feedback Copyright © 2015–2016, Texas Instruments Incorporated
10.1.8.34 SWRESET Register (Offset = 740h) [reset = 0h]
SWRESET is shown in Figure 10-36 and described in Table 10-44.
Return to Summary Table.
Software Reset
Figure 10-36. SWRESET Register
31 30 29 28 27 26 25 24
RESERVED
R/W-0h
23 22 21 20 19 18 17 16
RESERVED
R/W-0h
15 14 13 12 11 10 9 8
RESERVED
R/W-0h
76543210
RESERVED RESET
R/W-0h R/W1C-0h
Table 10-44. SWRESET Register Field Descriptions
Bit Field Type Reset Description
31-1 RESERVED R/W 0h Software should not rely on the value of a reserved. Writing any
other value than the reset value may result in undefined behavior.
0 RESET R/W1C 0h If this bit is set to 1, the following modules are reset:
- Master control internal state is reset. That includes interrupt, error
status register and result available interrupt generation FSM.
- Key store module state is reset. That includes clearing the Written
Area flags
therefore the keys must be reloaded to the key store module.
Writing 0 has no effect.
The bit is self cleared after executing the reset.

AES Cryptoprocessor Overview
www.ti.com
970 SWCU117F–February 2015–Revised June 2016
Submit Documentation Feedback
Copyright © 2015–2016, Texas Instruments Incorporated
10.1.8.35 IRQTYPE Register (Offset = 780h) [reset = 0h]
IRQTYPE is shown in Figure 10-37 and described in Table 10-45.
Return to Summary Table.
Interrupt Configuration
Figure 10-37. IRQTYPE Register
31 30 29 28 27 26 25 24 23 22 21 20 19 18 17 16
RESERVED
R/W-0h
15 14 13 12 11 10 9 8 7 6 5 4 3 2 1 0
RESERVED IEN
R/W-0h R/W-
0h
Table 10-45. IRQTYPE Register Field Descriptions
Bit Field Type Reset Description
31-1 RESERVED R/W 0h Software should not rely on the value of a reserved. Writing any
other value than the reset value may result in undefined behavior.
0 IEN R/W 0h Interrupt enable. This bit must be set to 1 to enable interrupts from
the Crypto peripheral.
0 : All interrupts are disabled enabled.
1 : All interrupts are enabled.

www.ti.com
AES Cryptoprocessor Overview
971
SWCU117F–February 2015–Revised June 2016
Submit Documentation Feedback Copyright © 2015–2016, Texas Instruments Incorporated
10.1.8.36 IRQEN Register (Offset = 784h) [reset = 0h]
IRQEN is shown in Figure 10-38 and described in Table 10-46.
Return to Summary Table.
Interrupt Enable
Figure 10-38. IRQEN Register
31 30 29 28 27 26 25 24
RESERVED
R/W-0h
23 22 21 20 19 18 17 16
RESERVED
R/W-0h
15 14 13 12 11 10 9 8
RESERVED
R/W-0h
76543210
RESERVED DMA_IN_DON
ERESULT_AVAI
L
R/W-0h R/W-0h R/W-0h
Table 10-46. IRQEN Register Field Descriptions
Bit Field Type Reset Description
31-2 RESERVED R/W 0h Software should not rely on the value of a reserved. Writing any
other value than the reset value may result in undefined behavior.
1 DMA_IN_DONE R/W 0h This bit enables IRQSTAT.DMA_IN_DONE as source for IRQ.
0 RESULT_AVAIL R/W 0h This bit enables IRQSTAT.RESULT_AVAIL as source for IRQ.

AES Cryptoprocessor Overview
www.ti.com
972 SWCU117F–February 2015–Revised June 2016
Submit Documentation Feedback
Copyright © 2015–2016, Texas Instruments Incorporated
10.1.8.37 IRQCLR Register (Offset = 788h) [reset = 0h]
IRQCLR is shown in Figure 10-39 and described in Table 10-47.
Return to Summary Table.
Interrupt Clear
Figure 10-39. IRQCLR Register
31 30 29 28 27 26 25 24
DMA_BUS_ER
RKEY_ST_WR_
ERR KEY_ST_RD_E
RR RESERVED
W-0h W-0h W-0h W-0h
23 22 21 20 19 18 17 16
RESERVED
W-0h
15 14 13 12 11 10 9 8
RESERVED
W-0h
76543210
RESERVED DMA_IN_DON
ERESULT_AVAI
L
W-0h W-0h W-0h
Table 10-47. IRQCLR Register Field Descriptions
Bit Field Type Reset Description
31 DMA_BUS_ERR W 0h If 1 is written to this bit, IRQSTAT.DMA_BUS_ERR is cleared.
30 KEY_ST_WR_ERR W 0h If 1 is written to this bit, IRQSTAT.KEY_ST_WR_ERR is cleared.
29 KEY_ST_RD_ERR W 0h If 1 is written to this bit, IRQSTAT.KEY_ST_RD_ERR is cleared.
28-2 RESERVED W 0h Software should not rely on the value of a reserved. Writing any
other value than the reset value may result in undefined behavior.
1 DMA_IN_DONE W 0h If 1 is written to this bit, IRQSTAT.DMA_IN_DONE is cleared.
0 RESULT_AVAIL W 0h If 1 is written to this bit, IRQSTAT.RESULT_AVAIL is cleared.

www.ti.com
AES Cryptoprocessor Overview
973
SWCU117F–February 2015–Revised June 2016
Submit Documentation Feedback Copyright © 2015–2016, Texas Instruments Incorporated
10.1.8.38 IRQSET Register (Offset = 78Ch) [reset = 0h]
IRQSET is shown in Figure 10-40 and described in Table 10-48.
Return to Summary Table.
Interrupt Set
Figure 10-40. IRQSET Register
31 30 29 28 27 26 25 24
RESERVED
W-0h
23 22 21 20 19 18 17 16
RESERVED
W-0h
15 14 13 12 11 10 9 8
RESERVED
W-0h
76543210
RESERVED DMA_IN_DON
ERESULT_AVAI
L
W-0h W-0h W-0h
Table 10-48. IRQSET Register Field Descriptions
Bit Field Type Reset Description
31-2 RESERVED W 0h Software should not rely on the value of a reserved. Writing any
other value than the reset value may result in undefined behavior.
1 DMA_IN_DONE W 0h If 1 is written to this bit, IRQSTAT.DMA_IN_DONE is set.
Writing 0 has no effect.
0 RESULT_AVAIL W 0h If 1 is written to this bit, IRQSTAT.RESULT_AVAIL is set.
Writing 0 has no effect.

AES Cryptoprocessor Overview
www.ti.com
974 SWCU117F–February 2015–Revised June 2016
Submit Documentation Feedback
Copyright © 2015–2016, Texas Instruments Incorporated
10.1.8.39 IRQSTAT Register (Offset = 790h) [reset = 0h]
IRQSTAT is shown in Figure 10-41 and described in Table 10-49.
Return to Summary Table.
Interrupt Status
Figure 10-41. IRQSTAT Register
31 30 29 28 27 26 25 24
DMA_BUS_ER
RKEY_ST_WR_
ERR KEY_ST_RD_E
RR RESERVED
R-0h R-0h R-0h R-0h
23 22 21 20 19 18 17 16
RESERVED
R-0h
15 14 13 12 11 10 9 8
RESERVED
R-0h
76543210
RESERVED DMA_IN_DON
ERESULT_AVAI
L
R-0h R-0h R-0h
Table 10-49. IRQSTAT Register Field Descriptions
Bit Field Type Reset Description
31 DMA_BUS_ERR R 0h This bit is set when a DMA bus error is detected during a DMA
operation. The value of this register is held until it is cleared via
IRQCLR.DMA_BUS_ERR
Note: This error is asserted if an error is detected on the AHB master
interface during a DMA operation.
Note: This is not an interrupt source.
30 KEY_ST_WR_ERR R 0h This bit is set when a write error is detected during the DMA write
operation to the key store memory. The value of this register is held
until it is cleared via IRQCLR.KEY_ST_WR_ERR
Note: This error is asserted if a DMA operation does not cover a full
key area or more areas are written than expected.
Note: This is not an interrupt source.
29 KEY_ST_RD_ERR R 0h This bit will be set when a read error is detected during the read of a
key from the key store, while copying it to the AES engine. The value
of this register is held until it is cleared via
IRQCLR.KEY_ST_RD_ERR.
Note: This error is asserted if a key location is selected in the key
store that is not available.
Note: This is not an interrupt source.
28-2 RESERVED R 0h Software should not rely on the value of a reserved. Writing any
other value than the reset value may result in undefined behavior.
1 DMA_IN_DONE R 0h This bit returns the status of DMA data in done interrupt.
0 RESULT_AVAIL R 0h This bit is set high when the Crypto peripheral has a result available.

www.ti.com
AES Cryptoprocessor Overview
975
SWCU117F–February 2015–Revised June 2016
Submit Documentation Feedback Copyright © 2015–2016, Texas Instruments Incorporated
10.1.8.40 HWVER Register (Offset = 7FCh) [reset = 91118778h]
HWVER is shown in Figure 10-42 and described in Table 10-50.
Return to Summary Table.
CTRL Module Version
Figure 10-42. HWVER Register
31 30 29 28 27 26 25 24 23 22 21 20 19 18 17 16
RESERVED HW_MAJOR_VER HW_MINOR_VER HW_PATCH_LVL
R-9h R-1h R-1h R-1h
15 14 13 12 11 10 9 8 7 6 5 4 3 2 1 0
VER_NUM_COMPL VER_NUM
R-87h R-78h
Table 10-50. HWVER Register Field Descriptions
Bit Field Type Reset Description
31-28 RESERVED R 9h Software should not rely on the value of a reserved. Writing any
other value than the reset value may result in undefined behavior.
27-24 HW_MAJOR_VER R 1h Major version number
23-20 HW_MINOR_VER R 1h Minor version number
19-16 HW_PATCH_LVL R 1h Patch level, starts at 0 at first delivery of this version.
15-8 VER_NUM_COMPL R 87h These bits simply contain the complement of VER_NUM (0x87),
used by a driver to ascertain that the Crypto peripheral register is
indeed read.
7-0 VER_NUM R 78h The version number for the Crypto peripheral, this field contains the
value 120 (decimal) or 0x78.

976 SWCU117F–February 2015–Revised June 2016
Submit Documentation Feedback
Copyright © 2015–2016, Texas Instruments Incorporated
I/O Control
Chapter 11
SWCU117F–February 2015–Revised June 2016
I/O Control
This chapter describes the input/output controller (IOC) and the general-purpose inputs and outputs
(GPIOs). The IOC design provides a flexible configuration, as most of the peripheral ports can be mapped
to any of the physical I/O pads (I/O at die boundary). The CC26xx and CC13xx chameleon device series
has up to 31 I/O pins configurable as GPIO or to a peripheral function.
Topic ........................................................................................................................... Page
11.1 Introduction ..................................................................................................... 977
11.2 IOC Overview ................................................................................................... 977
11.3 I/O Mapping and Configuration........................................................................... 978
11.4 Edge Detection on Pin (DIO) .............................................................................. 979
11.5 AON IOC State Latching When Powering Off the MCU Domain ............................. 979
11.6 Unused I/O Pins ............................................................................................... 980
11.7 GPIO ............................................................................................................... 980
11.8 I/O Pin Mapping................................................................................................ 981
11.9 Peripheral PORTIDs .......................................................................................... 982
11.10 I/O Pin............................................................................................................ 982
11.11 Digital Input/Output Power Domains.................................................................. 984
11.12 I/O Control Registers ....................................................................................... 985

Pins
MCU IOC
AON PERIPH
Peripherals
Edge
Detect di
oe_n
do
MCU Latch
AUX
Latch
GPIO
AON Event
MUX
CFG
AON/AUX MUX
AON Peripherals
MCU Event AON
AUX
MCU
TMS Pin TMS CTRL
DEBUG SS AON BATMON
bmon_level
Latch
MCU AONIFcfg
AON IOC
...
AUX
di
do
oe_n
ie
IRQ
di
do
oe_n
Pinconfig
pin_ctrl
www.ti.com
Introduction
977
SWCU117F–February 2015–Revised June 2016
Submit Documentation Feedback Copyright © 2015–2016, Texas Instruments Incorporated
I/O Control
11.1 Introduction
The I/O controller configures pins and map peripheral signals to physical pins (DIOx) on the CC26xx and
CC13xx packages. This chapter explains the IOC implementation and gives a few examples on how to
map peripheral functions to pins chosen by the user.
Several similar terms that can cause confusion follow:
• Pins are, in this context, defined as everything from the physical metals pads on the outside of the
package, to the last internal analog stage that drives and sense input signals on these lines (see
Figure 11-2.
• PORTID is the number for a peripheral function.
• GPIO is a peripheral function with the PORTID of 0x0.
• DIO (DIO0 to DIO31) are the logic names for the different I/O pins on the specific package.
Table 11-2 provides the mappings between DIO and pin for the different packages. Eight of these
DIOs also have analog capabilities.
11.2 IOC Overview
Figure 11-1 shows a general overview.
The IOC module consists of two main submodules:
• Microcontroller unit IOC (MCU IOC) configures the peripheral ports to the user-defined pins.
• Always-on IOC (AON IOC) module handles SPI-S, JTAG, 32-kHz clock, AON Peripheral, and AUX
signals.
The always-on peripherals (RTC, Battery Monitor and internal temperature sensor) can operate even
when the MCU IOC is powered down, but they are clocked from the 32-kHz Low Frequency Clock
(SCLK_LF, see Section 6.5,Clock Management, for more details), except for the SPI-S module that runs
at an externally supplied clock (SCK). This allows the device to operate at very low-power levels while still
maintaining active operation of these peripheral functions. When configured correctly, the AON IOC
ensures that output levels of all the I/Os remain unchanged when the MCU power domain, which includes
the MCU IOC, is powered down (for more details see Section 11.5,AON IOC State Latching When
Powering Off the MCU Domain).
Figure 11-1. IOC Overview (Simplified)

I/O Mapping and Configuration
www.ti.com
978 SWCU117F–February 2015–Revised June 2016
Submit Documentation Feedback
Copyright © 2015–2016, Texas Instruments Incorporated
I/O Control
11.3 I/O Mapping and Configuration
The MCU IOC can map a number of peripheral modules such as GPIO, SSI (SPI), UART, I2C, and I2S to
any of the available I/Os. The peripherals AUX and JTAG are limited to specific I/O pins. Each type of
peripheral signal has a unique PORTID that can be assigned to selected I/O pins (referenced as DIOs).
lists of all the available PORTIDs.
11.3.1 Basic I/O Mapping
To map a peripheral function to DIOn, where n can range from 0 to a maximum of 31, the PORTID and
pin configuration must be set in the corresponding IOC:IOCFGn register. To select what kind of function
the pin must be routed, choose the PORTID number for the desired peripheral function and write the
PORTID number to the IOC:IOCFGn.PORTID bit field.
The function can be set by using the following driver library function:
IOCPortConfigureSet(DIOn, PORTID, PIN-CONFIG);
See Section 11.6,Unused I/O Pins to see the kind of configurations that can be set in PIN-CONFIG.
11.3.2 MAP AUXIO From the Sensor Controller to DIO Pin
There are up to 16 signals (AUXIO0 to AUXIO15) in the sensor controller domain (AUX). These signals
can be routed to specific pins given in Table 11-2. AUXIO0 to AUXIO7 have analog capability, but can
also be used as digital I/Os, while AUXIO8 to AUXIO15 are digital only. The signals routed from the
sensor controller domain (AUX) are configured differently than GPIO and other peripheral functions. This
section does not cover the use of all the capabilities of the sensor controller (see Chapter 17,Sensor
Controller chapter, for more details).
In this example, AUXIO1 is mapped to DIO29 on the 7 × 7 package type and set up as a digital input. The
pin number and DIO number differs for different package types. The module must be powered, and the
clock to the specific module within the AUX domain must be enabled (AIODIO1 for AUXIO0 to AUXIO7).
1. Set the IOC:IOCFG29 PORTID bit field to 0x08 (AUX_I/O) to route AUXIO1 to DIO29.
2. The I/O signals in the AUX domain have their own open-source or open-drain configuration, which
must be set in the AUX_AIODIO:IOMODE register in the AUX domain. Set AUX_AIODIO:IOMODE.IO1
to 0x01 to enable AUXIO1 as a digital input.
3. Enable the digital input buffer for AUXIO1 by setting the IO7_0 bit field to 0x02 in the
AUX_AIODIO0:GPIODIE register.
4. The AUX latch is set to static configuration by default (values from AUXIOs are latched). Release the
latch and set in transparent mode by writing 0x01 to the AUX_WUC:AUXIOLATCH register.
11.3.2.1 Control External LNA/PA (Range Extender) With I/Os
There are four logic RF-Core internal output signals called RF Core Data Out n, where n goes from 0 to 3.
These signals can be mapped to DIOs. By default, RF Core Data Out 0 is set to go high when the LNA
must be enabled, and RF Core Data Out 1 is set high when the PA must be enabled. Table 11-1
describes the signals. The signals can be mapped to any DIO by setting the relevant PORTID in the
designated IOCFGn register.
Table 11-1. RF Core Data Signals for PA and LNA
Port Name PORTID RF Core Signal Description
RFC_GPO0 0x2F RF Core Data Out 0 LNA enable
RFC_GPO1 0x30 RF Core Data Out 1 PA enable
RFC_GPO2 0x31 RF Core Data Out 2 TX start
RFC_GPO3 0x32 RF Core Data Out 3 Synth calibration running

www.ti.com
I/O Mapping and Configuration
979
SWCU117F–February 2015–Revised June 2016
Submit Documentation Feedback Copyright © 2015–2016, Texas Instruments Incorporated
I/O Control
11.3.3 Map 32-kHz System Clock (LF Clock) to DIO/PIN
The AON IOC contains the output enable control for the 32-kHz LF system clock output, and the clock
signal has its own PORTID called AON_CLK32K (0x7). This makes it easy to output the clock signal to a
pin. Map the clock to a chosen DIO, and enable the clock output by setting the
AON_IOC:CLK32KCTL.OE_N to 0x0. The following two driverlib calls achieve the same result:
IOCPortConfigureSet(IOIDn, IOC_PORT_AON_CLK32K, IOC_STD_OUTPUT);
AONIOC32kHzOutputEnable();
This outputs the LF system clock signal in all power modes except for shutdown.
11.4 Edge Detection on Pin (DIO)
The AON IOC supports detection of positive and/or negative edges on the digital I/Os and provides the
resulting events to the AON event fabric. The edge-detect event can be cleared by both the MCU GPIO
and the AUX. The edge detect event can also be cleared from MCU IOC by doing a disable or enable
cycle of the edge configuration. The MCU GPIO has a separate clear line to each edge detection cell,
while the AUX uses a single line to clear all events on pins connected to the AUX. When clearing from
AUX, all events related to AUX I/Os are cleared.
The EDGE DETECT block uses an edge-detect cell for each I/O. Each detection cell can flag edge-
detected and trigger an interrupt signal. The interrupt signals from all cells are ORed together to form a
single interrupt line toward the AON event fabric.
The AON IOC can also generate an interrupt event when any programmable subset of the input I/Os
generates an event. The registers controlling the edge-detect circuit reside in the MCU IOC, but the values
for the configuration are latched in the MCU latch in the AON IOC.
11.4.1 Configure DIO as GPIO Input to Generate Interrupt on EDGE DETECT
Interrupt and edge detect event generation from DIOs is configured through the IOC:IOCFGn
EDGE_IRQ_EN and EDGE_DET bit fields. The DIO must be configured as a GPIO input. A GPIO edge-
detect event is sent to the CPU interrupt IRQ0 (vector number 16). This interrupt must be enabled to call
the GPIO interrupt handler. In this interrupt handler, the event source must be cleared by clearing the
relevant GPIO:EVFLAGS31 event register DIOn bit. Reading this register returns 1 for triggered events
and 0 for non-triggered events. The event is cleared from the MCU IOC by toggling the enabled
EDGE_DET configuration. The event is cleared when the active-edge configuration is disabled and
IOC:IOCFGn.EDGE_DET set to 0.
11.5 AON IOC State Latching When Powering Off the MCU Domain
The I/O configurations and states can be retained when the MCU and/or AUX domain is powered off.
Before powering down the MCU domain, the pin configuration and output values from MCU peripherals
mapped to pins (DIOs) through the MCU IOC must be latched in AON IOC. This is done by disabling the
transparent mode in the AON_IOC:IOLATCH register. Before enabling the transparent mode after MCU is
powered up again, the MCU IOC configuration must be reconfigured to the state it was in before power
down.
If the sensor controller application is using I/Os and simultaneously power cycling the AUX power domain,
the I/O signals must be latched (static configuration). There are latches in AON that latch the signals
coming from AUX to the GPIO pins. The AUX_WUC:AUXIOLATCH register controls this latch. The reset
state of this register is that the latches are closed (in other words, not transparent). Before any IOs can be
used, this latch must be opened by writing 0x1 to the AUX_WUC:AUXIOLATCH register. The latches must
be closed again before powering off the AUX domain. There are more constraints and reliability issues to
consider before powering off a domain; (for more details, refer to Section 17.5,Power Management).

Unused I/O Pins
www.ti.com
980 SWCU117F–February 2015–Revised June 2016
Submit Documentation Feedback
Copyright © 2015–2016, Texas Instruments Incorporated
I/O Control
11.6 Unused I/O Pins
By default, the I/O driver (output) and input buffer (input) are disabled at power on or reset, and thus the
I/O pin can safely be left unconnected (floating).
If the I/O pin is tri-stated and connected to a node with a different voltage potential; there might be a small
leakage current going through the pin. The same applies to an I/O pin configured as input, where the pin
is connected to a voltage source (for example VDD / 2). The input is then an undefined value of either
0 or 1.
11.7 GPIO
The MCU GPIO is a general-purpose input/output that drives a number of physical I/O pads. GPIO
supports up to 31 programmable I/O pins. These pins are configured by the IOC module. To modify a
single GPIO output value, use the GPIO:DOUTn registers (see Section 11.12.2,GPIO Registers). To set
up DIO1 as a GPIO output and toggle the bit, use the following procedure.
1. Map DIO1 as a GPIO output by setting the IOC:IOCFG1.PORT_ID register to 0 (GPIO PORDTID).
2. Ensure DIO1 is set as output by clearing the IOC:IOCFG1.IE bit. More port configurations can also be
set in the IOC:IOCFG1 register; see Section 11.10.2 Pin Configuration, for more details.
3. Set the data output enable bit for DIO1 in GPIO:DOE31_0.DIO1 by issuing a read-modify-write
operation.
4. Toggle the DIO1 output by issuing an XOR operation on the GPIO:DOUT3_0:DIO1 bit with 0x100.
5. Call the following driver library functions:
IOCPinTypeGpioOutput(0x1);
GPIOPinToggle(0x1);

www.ti.com
I/O Pin Mapping
981
SWCU117F–February 2015–Revised June 2016
Submit Documentation Feedback Copyright © 2015–2016, Texas Instruments Incorporated
I/O Control
11.8 I/O Pin Mapping
Table 11-2 shows the I/O pin mapping for different package types.
(1) CC13xx does not have DIO0.
Table 11-2. CC26xx and CC13xx Chameleon Family Pin Mapping
Package Type Sensor Controller
RGZ RHB RSM Analog
Capable AUX IO
Pin DIO Pin DIO Pin DIO Drive Strength JTAG
43 30 27 14 yes 0 2 mA / 4 mA
42 29 26 13 yes 1 2 mA / 4 mA
41 28 25 12 yes 2 2 mA / 4 mA
40 27 24 11 26 9 yes 3 2 mA / 4 mA
39 26 22 9 25 8 yes 4 2 mA / 4 mA
38 25 23 10 24 7 yes 5 2 mA / 4 mA
37 24 21 8 23 6 yes 6 2 mA / 4 mA
36 23 20 7 22 5 yes 7 2 mA / 4 mA
32 22 2 mA / 4 mA
31 21 2 mA / 4 mA
30 20 2 mA / 4 mA
29 19 2 mA / 4 mA
28 18 2 mA / 4 mA
27 17 16 6 16 4 2 mA / 4 mA / 8 mA TDI
26 16 15 5 15 3 2 mA / 4 mA / 8 mA TDO
25 14 14 TCKC
24 13 13 TMSC
21 15 2 mA / 4 mA
20 14 2 mA / 4 mA
19 13 2 mA / 4 mA
18 12 2 mA / 4 mA
17 11 2 mA / 4 mA
16 10 2 mA / 4 mA
15 9 2 mA / 4 mA
14 8 2 mA / 4 mA
12 7 10 4 10 2 8 2 mA / 4 mA / 8 mA
11 6 9 3 9 1 9 2 mA / 4 mA / 8 mA
10 5 8 2 8 0 10 2 mA / 4 mA / 8 mA
9 4 7 1 11 2 mA / 4 mA
8 3 6 0 12 2 mA / 4 mA
7 2 13 2 mA / 4 mA
6 1 14 2 mA / 4 mA
5 0 (1) 15 2 mA / 4 mA

Peripheral PORTIDs
www.ti.com
982 SWCU117F–February 2015–Revised June 2016
Submit Documentation Feedback
Copyright © 2015–2016, Texas Instruments Incorporated
I/O Control
11.9 Peripheral PORTIDs
Table 11-3 lists the different PORTID signals.
Table 11-3. CC26xx and CC13xx Chameleon Family PORTIDs
ID Port Name Port Description ID Port Name Port Description
0 GPIO Default GPIO usage 27 MCU_GPTM_GPTM4 GMTM timer pin GPTM4
1 AON_SCS AON SPI-S SCS pin 28 MCU_GPTM_GPTM5 GMTM timer pin GPTM5
2 AON_SCK AON SPI-S SCK pin 29 MCU_GPTM_GPTM6 GMTM timer pin GPTM6
3 AON_SDI AON SPI-S SDI pin 30 MCU_GPTM_GPTM7 GMTM timer pin GPTM7
4 AON_SDO AON SPI-S SDO pin 31 Reserved
5–6 Reserved 32 MCU_CM3_SWV CM3 SWV
7 AON_CLK32K AON 32-kHz clock pin 33 MCU_SSI1_RX SSI 1 Rx pin
8 AUX_IO AUX I/O pin 34 MCU_SSI1_TX SSI 1 Tx pin
9 MCU_SSI0_RX SSI 0 Rx pin 35 MCU_SSI1_FSS SSI 1 FSS pin
10 MCU_SSI0_TX SSI 0 Tx pin 36 MCU_SSI1_CLK SSI 1 CLK pin
11 MCU_SSI0_FSS SSI 0 FSS pin 37 MCU_I2S_AD0 I2S Data 0 pin
12 MCU_SSI0_CLK SSI 0 CLK pin 38 MCU_I2S_AD1 I2S Data 1 pin
13 MCU_I2C_MSSDA I2C Data 39 MCU_I2S_WCLK I2S WCLK pin
14 MCU_I2C_MSSCL I2C Clock 40 MCU_I2S_BCLK I2S BCLK pin
15 MCU_UART0_RX UART 0 Rx pin 41 MCU_I2S_MCLK I2S MCLK pin
16 MCU_UART0_TX UART 0 Tx pin 42–45 Reserved
17 MCU_UART0_CTS UART 0 CTS pin 46 RF Core internal signal
18 MCU_UART0_RTS UART 0 RTS pin 47 RFC_GPO0
19–22 Reserved 48 RFC_GPO1
23 MCU_GPTM_GPTM0 GMTM timer pin GPTM0 49 RFC_GPO2
24 MCU_GPTM_GPTM1 GMTM timer pin GPTM2 50 RFC_GPO3
25 MCU_GPTM_GPTM2 GMTM timer pin GPTM3 51–56 RF Core internal signals
26 MCU_GPTM_GPTM3 GMTM timer pin GPTM4
11.10 I/O Pin
This section discusses specific physical details and configuration possibilities for the I/O pins on the
CC26xx and CC13xx devices.
11.10.1 Physical Pin
The digital I/O driver and receiver is a wide-supply voltage range, bidirectional buffer combining an output
buffer, an input buffer with optional hysteresis, and optional pullup and pulldown circuitry. The I/O has
limited power-management features, including support for wakeup from sleep with core power gated. The
sink and source capability of the pins are symmetrical, as shown in Figure 11-2, which gives a rough
overview of the analog pin stage. Pullup and pulldown resistances are given in the data sheet.

Vio
Pin (DIOx)
Pullup enable
Output enable (OE)
Output
Pulldown enable
Input enable (IE)
Input
www.ti.com
I/O Pin
983
SWCU117F–February 2015–Revised June 2016
Submit Documentation Feedback Copyright © 2015–2016, Texas Instruments Incorporated
I/O Control
Figure 11-2. Generic I/O Pin (Simplified)
11.10.2 Pin Configuration
The IOC lets software configure the pins based on the application requirements. The software can
configure different characteristic settings for any or all of the I/O pins. All of the following features, except
for output driver (output enable set in the GPIO:DOE31_0 register), are controlled in the IOC:IOCFGn
registers:
•Drive Strength (IOC:IOCFGn.IOSTR)
Configures the drive strength and maximum current of an I/O pin. All I/O pins support 2 mA and 4 mA,
while five pins support up to 8 mA. By setting IOC:IOCFGn.IOSTR to 0x0, the drive strength is
automatically updated based upon inputs from the battery monitor, BATMON, to maintain the set drive
strength level at different battery voltages.
•Pull (IOC:IOCFGn.PULL_CTL)
Configures a weak pull on an I/O pin. The following can be set: pullup, pulldown, or no pull. See the
data sheet for specific pullup and pulldown resistance.
•Slew Control (IOC:IOCFGn.SLEW_RED)
Sets high or low slew rate on an I/O pin.
•Hysteresis (IOC:IOCFGn.HYST_EN)
Enables or disables input hysteresis on an I/O pin.
•Open-Source or Open-Drain Configuration (IOC:IOCFGn.IOMODE)
Configures the pin as normal, open source, or open drain; all of these can be set to either inverted or
normal (noninverted).
•Interrupt and Edge Detection (IOC:IOCFGn.EDGE_IRQ_EN and IOC:IOCFGn.EDGE_DET)
Enables interrupt triggered by edge detection on I/O pin. Different edge detection modes are
supported, and the possible modes are rising edge, falling edge, trigger on both rising and falling, or no
edge detection.
•Input Driver (IOC:IOCFGn.IE)
Enables or disables the I/O input driver.
•Output Driver (Depends on specific peripheral mapped to pin)
Enables or disables the I/O output driver.

Digital Input/Output Power Domains
www.ti.com
984 SWCU117F–February 2015–Revised June 2016
Submit Documentation Feedback
Copyright © 2015–2016, Texas Instruments Incorporated
I/O Control
11.11 Digital Input/Output Power Domains
The DIO pins are separated into 3 different voltage domains (only 2 are available on the RSM and RHB
packages). These power domains are powered by VDDS, VDDS2 and VDDS3 separately and can have
individual voltage levels (refer to the datasheet for details). VDDS is also the main power supply to the
device, in addition to powering a set of pins, which means that for example POR is based on the voltage
on this pin. Note that there is a limitation on VDDS2/3 when using JTAG as noted in the datasheet.
VDDS_DCDC must always be tied to VDDS.
Table 11-4. CC26xx and CC13xx DIO Power Domains
RSM RHB RGZ
DIO VDDS VDDS2 VDDS VDDS2 VDDS VDDS2 VDDS3
TMSC X X X
TCKC X X X
Reset X X X
DIO0 X X X
DIO1 X X X
DIO2 X X X
DIO3 X X X
DIO4 X X X
DIO5 X X X
DIO6 X X X
DIO7 X X X
DIO8 X X X
DIO9 X X X
DIO10 X X
DIO11 X X
DIO12 X X
DIO13 X X
DIO14 X X
DIO15 X
DIO16 X
DIO17 X
DIO18 X
DIO19 X
DIO20 X
DIO21 X
DIO22 X
DIO23 X
DIO24 X
DIO25 X
DIO26 X
DIO27 X
DIO28 X
DIO29 X
DIO30 X

www.ti.com
I/O Control Registers
985
SWCU117F–February 2015–Revised June 2016
Submit Documentation Feedback Copyright © 2015–2016, Texas Instruments Incorporated
I/O Control
11.12 I/O Control Registers
11.12.1 AON_IOC Registers
Table 11-5 lists the memory-mapped registers for the AON_IOC. All register offset addresses not listed in
Table 11-5 should be considered as reserved locations and the register contents should not be modified.
Table 11-5. AON_IOC Registers
Offset Acronym Register Name Section
0h IOSTRMIN Internal Section 11.12.1.1
4h IOSTRMED Internal Section 11.12.1.2
8h IOSTRMAX Internal Section 11.12.1.3
Ch IOCLATCH IO Latch Control Section 11.12.1.4
10h CLK32KCTL SCLK_LF External Output Control Section 11.12.1.5

I/O Control Registers
www.ti.com
986 SWCU117F–February 2015–Revised June 2016
Submit Documentation Feedback
Copyright © 2015–2016, Texas Instruments Incorporated
I/O Control
11.12.1.1 IOSTRMIN Register (Offset = 0h) [reset = 3h]
IOSTRMIN is shown in Figure 11-3 and described in Table 11-6.
Return to Summary Table.
Internal. Only to be used through TI provided API.
Figure 11-3. IOSTRMIN Register
31 30 29 28 27 26 25 24 23 22 21 20 19 18 17 16
RESERVED
R-0h
15 14 13 12 11 10 9 8 7 6 5 4 3 2 1 0
RESERVED GRAY_CODE
R-0h R/W-3h
Table 11-6. IOSTRMIN Register Field Descriptions
Bit Field Type Reset Description
31-3 RESERVED R 0h Internal. Only to be used through TI provided API.
2-0 GRAY_CODE R/W 3h Internal. Only to be used through TI provided API.

www.ti.com
I/O Control Registers
987
SWCU117F–February 2015–Revised June 2016
Submit Documentation Feedback Copyright © 2015–2016, Texas Instruments Incorporated
I/O Control
11.12.1.2 IOSTRMED Register (Offset = 4h) [reset = 6h]
IOSTRMED is shown in Figure 11-4 and described in Table 11-7.
Return to Summary Table.
Internal. Only to be used through TI provided API.
Figure 11-4. IOSTRMED Register
31 30 29 28 27 26 25 24 23 22 21 20 19 18 17 16
RESERVED
R-0h
15 14 13 12 11 10 9 8 7 6 5 4 3 2 1 0
RESERVED GRAY_CODE
R-0h R/W-6h
Table 11-7. IOSTRMED Register Field Descriptions
Bit Field Type Reset Description
31-3 RESERVED R 0h Internal. Only to be used through TI provided API.
2-0 GRAY_CODE R/W 6h Internal. Only to be used through TI provided API.

I/O Control Registers
www.ti.com
988 SWCU117F–February 2015–Revised June 2016
Submit Documentation Feedback
Copyright © 2015–2016, Texas Instruments Incorporated
I/O Control
11.12.1.3 IOSTRMAX Register (Offset = 8h) [reset = 5h]
IOSTRMAX is shown in Figure 11-5 and described in Table 11-8.
Return to Summary Table.
Internal. Only to be used through TI provided API.
Figure 11-5. IOSTRMAX Register
31 30 29 28 27 26 25 24 23 22 21 20 19 18 17 16
RESERVED
R-0h
15 14 13 12 11 10 9 8 7 6 5 4 3 2 1 0
RESERVED GRAY_CODE
R-0h R/W-5h
Table 11-8. IOSTRMAX Register Field Descriptions
Bit Field Type Reset Description
31-3 RESERVED R 0h Internal. Only to be used through TI provided API.
2-0 GRAY_CODE R/W 5h Internal. Only to be used through TI provided API.

www.ti.com
I/O Control Registers
989
SWCU117F–February 2015–Revised June 2016
Submit Documentation Feedback Copyright © 2015–2016, Texas Instruments Incorporated
I/O Control
11.12.1.4 IOCLATCH Register (Offset = Ch) [reset = 1h]
IOCLATCH is shown in Figure 11-6 and described in Table 11-9.
Return to Summary Table.
IO Latch Control
Controls transparency of all latches holding I/O or configuration state from the MCU IOC
Figure 11-6. IOCLATCH Register
31 30 29 28 27 26 25 24 23 22 21 20 19 18 17 16
RESERVED
R-0h
15 14 13 12 11 10 9 8 7 6 5 4 3 2 1 0
RESERVED EN
R-0h R/W-
1h
Table 11-9. IOCLATCH Register Field Descriptions
Bit Field Type Reset Description
31-1 RESERVED R 0h Software should not rely on the value of a reserved. Writing any
other value than the reset value may result in undefined behavior.
0 EN R/W 1h Controls latches between MCU IOC and AON_IOC.
The latches are transparent by default.
They must be closed prior to power off the domain(s) controlling the
IOs in order to preserve IO values on external pins.
0h = Latches are static, meaning the current value on the IO pin is
frozen by latches and kept even if GPIO module or a peripheral
module is turned off
1h = Latches are transparent, meaning the value of the IO is directly
controlled by the GPIO or peripheral value

I/O Control Registers
www.ti.com
990 SWCU117F–February 2015–Revised June 2016
Submit Documentation Feedback
Copyright © 2015–2016, Texas Instruments Incorporated
I/O Control
11.12.1.5 CLK32KCTL Register (Offset = 10h) [reset = 1h]
CLK32KCTL is shown in Figure 11-7 and described in Table 11-10.
Return to Summary Table.
SCLK_LF External Output Control
Figure 11-7. CLK32KCTL Register
31 30 29 28 27 26 25 24
RESERVED
R-0h
23 22 21 20 19 18 17 16
RESERVED
R-0h
15 14 13 12 11 10 9 8
RESERVED
R-0h
76543210
RESERVED OE_N
R-0h R/W-1h
Table 11-10. CLK32KCTL Register Field Descriptions
Bit Field Type Reset Description
31-1 RESERVED R 0h Software should not rely on the value of a reserved. Writing any
other value than the reset value may result in undefined behavior.
0 OE_N R/W 1h 0: Output enable active. SCLK_LF output on IO pin that has
PORT_ID (e.g. IOC:IOCFG0.PORT_ID) set to AON_CLK32K.
1: Output enable not active

www.ti.com
I/O Control Registers
991
SWCU117F–February 2015–Revised June 2016
Submit Documentation Feedback Copyright © 2015–2016, Texas Instruments Incorporated
I/O Control
11.12.2 GPIO Registers
Table 11-11 lists the memory-mapped registers for the GPIO. All register offset addresses not listed in
Table 11-11 should be considered as reserved locations and the register contents should not be modified.
Table 11-11. GPIO Registers
Offset Acronym Register Name Section
0h DOUT3_0 Data Out 0 to 3 Section 11.12.2.1
4h DOUT7_4 Data Out 4 to 7 Section 11.12.2.2
8h DOUT11_8 Data Out 8 to 11 Section 11.12.2.3
Ch DOUT15_12 Data Out 12 to 15 Section 11.12.2.4
10h DOUT19_16 Data Out 16 to 19 Section 11.12.2.5
14h DOUT23_20 Data Out 20 to 23 Section 11.12.2.6
18h DOUT27_24 Data Out 24 to 27 Section 11.12.2.7
1Ch DOUT31_28 Data Out 28 to 31 Section 11.12.2.8
80h DOUT31_0 Data Output for DIO 0 to 31 Section 11.12.2.9
90h DOUTSET31_0 Data Out Set Section 11.12.2.10
A0h DOUTCLR31_0 Data Out Clear Section 11.12.2.11
B0h DOUTTGL31_0 Data Out Toggle Section 11.12.2.12
C0h DIN31_0 Data Input from DIO 0 to 31 Section 11.12.2.13
D0h DOE31_0 Data Output Enable for DIO 0 to 31 Section 11.12.2.14
E0h EVFLAGS31_0 Event Register for DIO 0 to 31 Section 11.12.2.15

I/O Control Registers
www.ti.com
992 SWCU117F–February 2015–Revised June 2016
Submit Documentation Feedback
Copyright © 2015–2016, Texas Instruments Incorporated
I/O Control
11.12.2.1 DOUT3_0 Register (Offset = 0h) [reset = 0h]
DOUT3_0 is shown in Figure 11-8 and described in Table 11-12.
Return to Summary Table.
Data Out 0 to 3
Alias register for byte access to each bit in DOUT31_0
Figure 11-8. DOUT3_0 Register
31 30 29 28 27 26 25 24
RESERVED DIO3
R-0h W-0h
23 22 21 20 19 18 17 16
RESERVED DIO2
R-0h W-0h
15 14 13 12 11 10 9 8
RESERVED DIO1
R-0h W-0h
76543210
RESERVED DIO0
R-0h W-0h
Table 11-12. DOUT3_0 Register Field Descriptions
Bit Field Type Reset Description
31-25 RESERVED R 0h Software should not rely on the value of a reserved. Writing any
other value than the reset value may result in undefined behavior.
24 DIO3 W 0h Sets the state of the pin that is configured as DIO#3, if the
corresponding DOE31_0 bitfield is set.
23-17 RESERVED R 0h Software should not rely on the value of a reserved. Writing any
other value than the reset value may result in undefined behavior.
16 DIO2 W 0h Sets the state of the pin that is configured as DIO#2, if the
corresponding DOE31_0 bitfield is set.
15-9 RESERVED R 0h Software should not rely on the value of a reserved. Writing any
other value than the reset value may result in undefined behavior.
8 DIO1 W 0h Sets the state of the pin that is configured as DIO#1, if the
corresponding DOE31_0 bitfield is set.
7-1 RESERVED R 0h Software should not rely on the value of a reserved. Writing any
other value than the reset value may result in undefined behavior.
0 DIO0 W 0h Sets the state of the pin that is configured as DIO#0, if the
corresponding DOE31_0 bitfield is set.

www.ti.com
I/O Control Registers
993
SWCU117F–February 2015–Revised June 2016
Submit Documentation Feedback Copyright © 2015–2016, Texas Instruments Incorporated
I/O Control
11.12.2.2 DOUT7_4 Register (Offset = 4h) [reset = 0h]
DOUT7_4 is shown in Figure 11-9 and described in Table 11-13.
Return to Summary Table.
Data Out 4 to 7
Alias register for byte access to each bit in DOUT31_0
Figure 11-9. DOUT7_4 Register
31 30 29 28 27 26 25 24
RESERVED DIO7
R-0h W-0h
23 22 21 20 19 18 17 16
RESERVED DIO6
R-0h W-0h
15 14 13 12 11 10 9 8
RESERVED DIO5
R-0h W-0h
76543210
RESERVED DIO4
R-0h W-0h
Table 11-13. DOUT7_4 Register Field Descriptions
Bit Field Type Reset Description
31-25 RESERVED R 0h Software should not rely on the value of a reserved. Writing any
other value than the reset value may result in undefined behavior.
24 DIO7 W 0h Sets the state of the pin that is configured as DIO#7, if the
corresponding DOE31_0 bitfield is set.
23-17 RESERVED R 0h Software should not rely on the value of a reserved. Writing any
other value than the reset value may result in undefined behavior.
16 DIO6 W 0h Sets the state of the pin that is configured as DIO#6, if the
corresponding DOE31_0 bitfield is set.
15-9 RESERVED R 0h Software should not rely on the value of a reserved. Writing any
other value than the reset value may result in undefined behavior.
8 DIO5 W 0h Sets the state of the pin that is configured as DIO#5, if the
corresponding DOE31_0 bitfield is set.
7-1 RESERVED R 0h Software should not rely on the value of a reserved. Writing any
other value than the reset value may result in undefined behavior.
0 DIO4 W 0h Sets the state of the pin that is configured as DIO#4, if the
corresponding DOE31_0 bitfield is set.

I/O Control Registers
www.ti.com
994 SWCU117F–February 2015–Revised June 2016
Submit Documentation Feedback
Copyright © 2015–2016, Texas Instruments Incorporated
I/O Control
11.12.2.3 DOUT11_8 Register (Offset = 8h) [reset = 0h]
DOUT11_8 is shown in Figure 11-10 and described in Table 11-14.
Return to Summary Table.
Data Out 8 to 11
Alias register for byte access to each bit in DOUT31_0
Figure 11-10. DOUT11_8 Register
31 30 29 28 27 26 25 24
RESERVED DIO11
R-0h W-0h
23 22 21 20 19 18 17 16
RESERVED DIO10
R-0h W-0h
15 14 13 12 11 10 9 8
RESERVED DIO9
R-0h W-0h
76543210
RESERVED DIO8
R-0h W-0h
Table 11-14. DOUT11_8 Register Field Descriptions
Bit Field Type Reset Description
31-25 RESERVED R 0h Software should not rely on the value of a reserved. Writing any
other value than the reset value may result in undefined behavior.
24 DIO11 W 0h Sets the state of the pin that is configured as DIO#11, if the
corresponding DOE31_0 bitfield is set.
23-17 RESERVED R 0h Software should not rely on the value of a reserved. Writing any
other value than the reset value may result in undefined behavior.
16 DIO10 W 0h Sets the state of the pin that is configured as DIO#10, if the
corresponding DOE31_0 bitfield is set.
15-9 RESERVED R 0h Software should not rely on the value of a reserved. Writing any
other value than the reset value may result in undefined behavior.
8 DIO9 W 0h Sets the state of the pin that is configured as DIO#9, if the
corresponding DOE31_0 bitfield is set.
7-1 RESERVED R 0h Software should not rely on the value of a reserved. Writing any
other value than the reset value may result in undefined behavior.
0 DIO8 W 0h Sets the state of the pin that is configured as DIO#8, if the
corresponding DOE31_0 bitfield is set.

www.ti.com
I/O Control Registers
995
SWCU117F–February 2015–Revised June 2016
Submit Documentation Feedback Copyright © 2015–2016, Texas Instruments Incorporated
I/O Control
11.12.2.4 DOUT15_12 Register (Offset = Ch) [reset = 0h]
DOUT15_12 is shown in Figure 11-11 and described in Table 11-15.
Return to Summary Table.
Data Out 12 to 15
Alias register for byte access to each bit in DOUT31_0
Figure 11-11. DOUT15_12 Register
31 30 29 28 27 26 25 24
RESERVED DIO15
R-0h W-0h
23 22 21 20 19 18 17 16
RESERVED DIO14
R-0h W-0h
15 14 13 12 11 10 9 8
RESERVED DIO13
R-0h W-0h
76543210
RESERVED DIO12
R-0h W-0h
Table 11-15. DOUT15_12 Register Field Descriptions
Bit Field Type Reset Description
31-25 RESERVED R 0h Software should not rely on the value of a reserved. Writing any
other value than the reset value may result in undefined behavior.
24 DIO15 W 0h Sets the state of the pin that is configured as DIO#15, if the
corresponding DOE31_0 bitfield is set.
23-17 RESERVED R 0h Software should not rely on the value of a reserved. Writing any
other value than the reset value may result in undefined behavior.
16 DIO14 W 0h Sets the state of the pin that is configured as DIO#14, if the
corresponding DOE31_0 bitfield is set.
15-9 RESERVED R 0h Software should not rely on the value of a reserved. Writing any
other value than the reset value may result in undefined behavior.
8 DIO13 W 0h Sets the state of the pin that is configured as DIO#13, if the
corresponding DOE31_0 bitfield is set.
7-1 RESERVED R 0h Software should not rely on the value of a reserved. Writing any
other value than the reset value may result in undefined behavior.
0 DIO12 W 0h Sets the state of the pin that is configured as DIO#12, if the
corresponding DOE31_0 bitfield is set.

I/O Control Registers
www.ti.com
996 SWCU117F–February 2015–Revised June 2016
Submit Documentation Feedback
Copyright © 2015–2016, Texas Instruments Incorporated
I/O Control
11.12.2.5 DOUT19_16 Register (Offset = 10h) [reset = 0h]
DOUT19_16 is shown in Figure 11-12 and described in Table 11-16.
Return to Summary Table.
Data Out 16 to 19
Alias register for byte access to each bit in DOUT31_0
Figure 11-12. DOUT19_16 Register
31 30 29 28 27 26 25 24
RESERVED DIO19
R-0h W-0h
23 22 21 20 19 18 17 16
RESERVED DIO18
R-0h W-0h
15 14 13 12 11 10 9 8
RESERVED DIO17
R-0h W-0h
76543210
RESERVED DIO16
R-0h W-0h
Table 11-16. DOUT19_16 Register Field Descriptions
Bit Field Type Reset Description
31-25 RESERVED R 0h Software should not rely on the value of a reserved. Writing any
other value than the reset value may result in undefined behavior.
24 DIO19 W 0h Sets the state of the pin that is configured as DIO#19, if the
corresponding DOE31_0 bitfield is set.
23-17 RESERVED R 0h Software should not rely on the value of a reserved. Writing any
other value than the reset value may result in undefined behavior.
16 DIO18 W 0h Sets the state of the pin that is configured as DIO#18, if the
corresponding DOE31_0 bitfield is set.
15-9 RESERVED R 0h Software should not rely on the value of a reserved. Writing any
other value than the reset value may result in undefined behavior.
8 DIO17 W 0h Sets the state of the pin that is configured as DIO#17, if the
corresponding DOE31_0 bitfield is set.
7-1 RESERVED R 0h Software should not rely on the value of a reserved. Writing any
other value than the reset value may result in undefined behavior.
0 DIO16 W 0h Sets the state of the pin that is configured as DIO#16, if the
corresponding DOE31_0 bitfield is set.

www.ti.com
I/O Control Registers
997
SWCU117F–February 2015–Revised June 2016
Submit Documentation Feedback Copyright © 2015–2016, Texas Instruments Incorporated
I/O Control
11.12.2.6 DOUT23_20 Register (Offset = 14h) [reset = 0h]
DOUT23_20 is shown in Figure 11-13 and described in Table 11-17.
Return to Summary Table.
Data Out 20 to 23
Alias register for byte access to each bit in DOUT31_0
Figure 11-13. DOUT23_20 Register
31 30 29 28 27 26 25 24
RESERVED DIO23
R-0h W-0h
23 22 21 20 19 18 17 16
RESERVED DIO22
R-0h W-0h
15 14 13 12 11 10 9 8
RESERVED DIO21
R-0h W-0h
76543210
RESERVED DIO20
R-0h W-0h
Table 11-17. DOUT23_20 Register Field Descriptions
Bit Field Type Reset Description
31-25 RESERVED R 0h Software should not rely on the value of a reserved. Writing any
other value than the reset value may result in undefined behavior.
24 DIO23 W 0h Sets the state of the pin that is configured as DIO#23, if the
corresponding DOE31_0 bitfield is set.
23-17 RESERVED R 0h Software should not rely on the value of a reserved. Writing any
other value than the reset value may result in undefined behavior.
16 DIO22 W 0h Sets the state of the pin that is configured as DIO#22, if the
corresponding DOE31_0 bitfield is set.
15-9 RESERVED R 0h Software should not rely on the value of a reserved. Writing any
other value than the reset value may result in undefined behavior.
8 DIO21 W 0h Sets the state of the pin that is configured as DIO#21, if the
corresponding DOE31_0 bitfield is set.
7-1 RESERVED R 0h Software should not rely on the value of a reserved. Writing any
other value than the reset value may result in undefined behavior.
0 DIO20 W 0h Sets the state of the pin that is configured as DIO#20, if the
corresponding DOE31_0 bitfield is set.

I/O Control Registers
www.ti.com
998 SWCU117F–February 2015–Revised June 2016
Submit Documentation Feedback
Copyright © 2015–2016, Texas Instruments Incorporated
I/O Control
11.12.2.7 DOUT27_24 Register (Offset = 18h) [reset = 0h]
DOUT27_24 is shown in Figure 11-14 and described in Table 11-18.
Return to Summary Table.
Data Out 24 to 27
Alias register for byte access to each bit in DOUT31_0
Figure 11-14. DOUT27_24 Register
31 30 29 28 27 26 25 24
RESERVED DIO27
R-0h W-0h
23 22 21 20 19 18 17 16
RESERVED DIO26
R-0h W-0h
15 14 13 12 11 10 9 8
RESERVED DIO25
R-0h W-0h
76543210
RESERVED DIO24
R-0h W-0h
Table 11-18. DOUT27_24 Register Field Descriptions
Bit Field Type Reset Description
31-25 RESERVED R 0h Software should not rely on the value of a reserved. Writing any
other value than the reset value may result in undefined behavior.
24 DIO27 W 0h Sets the state of the pin that is configured as DIO#27, if the
corresponding DOE31_0 bitfield is set.
23-17 RESERVED R 0h Software should not rely on the value of a reserved. Writing any
other value than the reset value may result in undefined behavior.
16 DIO26 W 0h Sets the state of the pin that is configured as DIO#26, if the
corresponding DOE31_0 bitfield is set.
15-9 RESERVED R 0h Software should not rely on the value of a reserved. Writing any
other value than the reset value may result in undefined behavior.
8 DIO25 W 0h Sets the state of the pin that is configured as DIO#25, if the
corresponding DOE31_0 bitfield is set.
7-1 RESERVED R 0h Software should not rely on the value of a reserved. Writing any
other value than the reset value may result in undefined behavior.
0 DIO24 W 0h Sets the state of the pin that is configured as DIO#24, if the
corresponding DOE31_0 bitfield is set.

www.ti.com
I/O Control Registers
999
SWCU117F–February 2015–Revised June 2016
Submit Documentation Feedback Copyright © 2015–2016, Texas Instruments Incorporated
I/O Control
11.12.2.8 DOUT31_28 Register (Offset = 1Ch) [reset = 0h]
DOUT31_28 is shown in Figure 11-15 and described in Table 11-19.
Return to Summary Table.
Data Out 28 to 31
Alias register for byte access to each bit in DOUT31_0
Figure 11-15. DOUT31_28 Register
31 30 29 28 27 26 25 24
RESERVED DIO31
R-0h W-0h
23 22 21 20 19 18 17 16
RESERVED DIO30
R-0h W-0h
15 14 13 12 11 10 9 8
RESERVED DIO29
R-0h W-0h
76543210
RESERVED DIO28
R-0h W-0h
Table 11-19. DOUT31_28 Register Field Descriptions
Bit Field Type Reset Description
31-25 RESERVED R 0h Software should not rely on the value of a reserved. Writing any
other value than the reset value may result in undefined behavior.
24 DIO31 W 0h Sets the state of the pin that is configured as DIO#31, if the
corresponding DOE31_0 bitfield is set.
23-17 RESERVED R 0h Software should not rely on the value of a reserved. Writing any
other value than the reset value may result in undefined behavior.
16 DIO30 W 0h Sets the state of the pin that is configured as DIO#30, if the
corresponding DOE31_0 bitfield is set.
15-9 RESERVED R 0h Software should not rely on the value of a reserved. Writing any
other value than the reset value may result in undefined behavior.
8 DIO29 W 0h Sets the state of the pin that is configured as DIO#29, if the
corresponding DOE31_0 bitfield is set.
7-1 RESERVED R 0h Software should not rely on the value of a reserved. Writing any
other value than the reset value may result in undefined behavior.
0 DIO28 W 0h Sets the state of the pin that is configured as DIO#28, if the
corresponding DOE31_0 bitfield is set.

I/O Control Registers
www.ti.com
1000 SWCU117F–February 2015–Revised June 2016
Submit Documentation Feedback
Copyright © 2015–2016, Texas Instruments Incorporated
I/O Control
11.12.2.9 DOUT31_0 Register (Offset = 80h) [reset = 0h]
DOUT31_0 is shown in Figure 11-16 and described in Table 11-20.
Return to Summary Table.
Data Output for DIO 0 to 31
Figure 11-16. DOUT31_0 Register
31 30 29 28 27 26 25 24
DIO31 DIO30 DIO29 DIO28 DIO27 DIO26 DIO25 DIO24
R/W-0h R/W-0h R/W-0h R/W-0h R/W-0h R/W-0h R/W-0h R/W-0h
23 22 21 20 19 18 17 16
DIO23 DIO22 DIO21 DIO20 DIO19 DIO18 DIO17 DIO16
R/W-0h R/W-0h R/W-0h R/W-0h R/W-0h R/W-0h R/W-0h R/W-0h
15 14 13 12 11 10 9 8
DIO15 DIO14 DIO13 DIO12 DIO11 DIO10 DIO9 DIO8
R/W-0h R/W-0h R/W-0h R/W-0h R/W-0h R/W-0h R/W-0h R/W-0h
76543210
DIO7 DIO6 DIO5 DIO4 DIO3 DIO2 DIO1 DIO0
R/W-0h R/W-0h R/W-0h R/W-0h R/W-0h R/W-0h R/W-0h R/W-0h
Table 11-20. DOUT31_0 Register Field Descriptions
Bit Field Type Reset Description
31 DIO31 R/W 0h Data output for DIO 31
30 DIO30 R/W 0h Data output for DIO 30
29 DIO29 R/W 0h Data output for DIO 29
28 DIO28 R/W 0h Data output for DIO 28
27 DIO27 R/W 0h Data output for DIO 27
26 DIO26 R/W 0h Data output for DIO 26
25 DIO25 R/W 0h Data output for DIO 25
24 DIO24 R/W 0h Data output for DIO 24
23 DIO23 R/W 0h Data output for DIO 23
22 DIO22 R/W 0h Data output for DIO 22
21 DIO21 R/W 0h Data output for DIO 21
20 DIO20 R/W 0h Data output for DIO 20
19 DIO19 R/W 0h Data output for DIO 19
18 DIO18 R/W 0h Data output for DIO 18
17 DIO17 R/W 0h Data output for DIO 17
16 DIO16 R/W 0h Data output for DIO 16
15 DIO15 R/W 0h Data output for DIO 15
14 DIO14 R/W 0h Data output for DIO 14
13 DIO13 R/W 0h Data output for DIO 13
12 DIO12 R/W 0h Data output for DIO 12
11 DIO11 R/W 0h Data output for DIO 11
10 DIO10 R/W 0h Data output for DIO 10
9 DIO9 R/W 0h Data output for DIO 9
8 DIO8 R/W 0h Data output for DIO 8

www.ti.com
I/O Control Registers
1001
SWCU117F–February 2015–Revised June 2016
Submit Documentation Feedback Copyright © 2015–2016, Texas Instruments Incorporated
I/O Control
Table 11-20. DOUT31_0 Register Field Descriptions (continued)
Bit Field Type Reset Description
7 DIO7 R/W 0h Data output for DIO 7
6 DIO6 R/W 0h Data output for DIO 6
5 DIO5 R/W 0h Data output for DIO 5
4 DIO4 R/W 0h Data output for DIO 4
3 DIO3 R/W 0h Data output for DIO 3
2 DIO2 R/W 0h Data output for DIO 2
1 DIO1 R/W 0h Data output for DIO 1
0 DIO0 R/W 0h Data output for DIO 0

I/O Control Registers
www.ti.com
1002 SWCU117F–February 2015–Revised June 2016
Submit Documentation Feedback
Copyright © 2015–2016, Texas Instruments Incorporated
I/O Control
11.12.2.10 DOUTSET31_0 Register (Offset = 90h) [reset = 0h]
DOUTSET31_0 is shown in Figure 11-17 and described in Table 11-21.
Return to Summary Table.
Data Out Set
Writing 1 to a bit position sets the corresponding bit in the DOUT31_0 register
Figure 11-17. DOUTSET31_0 Register
31 30 29 28 27 26 25 24
DIO31 DIO30 DIO29 DIO28 DIO27 DIO26 DIO25 DIO24
W1S-0h W1S-0h W1S-0h W1S-0h W1S-0h W1S-0h W1S-0h W1S-0h
23 22 21 20 19 18 17 16
DIO23 DIO22 DIO21 DIO20 DIO19 DIO18 DIO17 DIO16
W1S-0h W1S-0h W1S-0h W1S-0h W1S-0h W1S-0h W1S-0h W1S-0h
15 14 13 12 11 10 9 8
DIO15 DIO14 DIO13 DIO12 DIO11 DIO10 DIO9 DIO8
W1S-0h W1S-0h W1S-0h W1S-0h W1S-0h W1S-0h W1S-0h W1S-0h
76543210
DIO7 DIO6 DIO5 DIO4 DIO3 DIO2 DIO1 DIO0
W1S-0h W1S-0h W1S-0h W1S-0h W1S-0h W1S-0h W1S-0h W1S-0h
Table 11-21. DOUTSET31_0 Register Field Descriptions
Bit Field Type Reset Description
31 DIO31 W1S 0h Set bit 31
30 DIO30 W1S 0h Set bit 30
29 DIO29 W1S 0h Set bit 29
28 DIO28 W1S 0h Set bit 28
27 DIO27 W1S 0h Set bit 27
26 DIO26 W1S 0h Set bit 26
25 DIO25 W1S 0h Set bit 25
24 DIO24 W1S 0h Set bit 24
23 DIO23 W1S 0h Set bit 23
22 DIO22 W1S 0h Set bit 22
21 DIO21 W1S 0h Set bit 21
20 DIO20 W1S 0h Set bit 20
19 DIO19 W1S 0h Set bit 19
18 DIO18 W1S 0h Set bit 18
17 DIO17 W1S 0h Set bit 17
16 DIO16 W1S 0h Set bit 16
15 DIO15 W1S 0h Set bit 15
14 DIO14 W1S 0h Set bit 14
13 DIO13 W1S 0h Set bit 13
12 DIO12 W1S 0h Set bit 12
11 DIO11 W1S 0h Set bit 11
10 DIO10 W1S 0h Set bit 10
9 DIO9 W1S 0h Set bit 9

www.ti.com
I/O Control Registers
1003
SWCU117F–February 2015–Revised June 2016
Submit Documentation Feedback Copyright © 2015–2016, Texas Instruments Incorporated
I/O Control
Table 11-21. DOUTSET31_0 Register Field Descriptions (continued)
Bit Field Type Reset Description
8 DIO8 W1S 0h Set bit 8
7 DIO7 W1S 0h Set bit 7
6 DIO6 W1S 0h Set bit 6
5 DIO5 W1S 0h Set bit 5
4 DIO4 W1S 0h Set bit 4
3 DIO3 W1S 0h Set bit 3
2 DIO2 W1S 0h Set bit 2
1 DIO1 W1S 0h Set bit 1
0 DIO0 W1S 0h Set bit 0

I/O Control Registers
www.ti.com
1004 SWCU117F–February 2015–Revised June 2016
Submit Documentation Feedback
Copyright © 2015–2016, Texas Instruments Incorporated
I/O Control
11.12.2.11 DOUTCLR31_0 Register (Offset = A0h) [reset = 0h]
DOUTCLR31_0 is shown in Figure 11-18 and described in Table 11-22.
Return to Summary Table.
Data Out Clear
Writing 1 to a bit position clears the corresponding bit in the DOUT31_0 register
Figure 11-18. DOUTCLR31_0 Register
31 30 29 28 27 26 25 24
DIO31 DIO30 DIO29 DIO28 DIO27 DIO26 DIO25 DIO24
W1C-0h W1C-0h W1C-0h W1C-0h W1C-0h W1C-0h W1C-0h W1C-0h
23 22 21 20 19 18 17 16
DIO23 DIO22 DIO21 DIO20 DIO19 DIO18 DIO17 DIO16
W1C-0h W1C-0h W1C-0h W1C-0h W1C-0h W1C-0h W1C-0h W1C-0h
15 14 13 12 11 10 9 8
DIO15 DIO14 DIO13 DIO12 DIO11 DIO10 DIO9 DIO8
W1C-0h W1C-0h W1C-0h W1C-0h W1C-0h W1C-0h W1C-0h W1C-0h
76543210
DIO7 DIO6 DIO5 DIO4 DIO3 DIO2 DIO1 DIO0
W1C-0h W1C-0h W1C-0h W1C-0h W1C-0h W1C-0h W1C-0h W1C-0h
Table 11-22. DOUTCLR31_0 Register Field Descriptions
Bit Field Type Reset Description
31 DIO31 W1C 0h Clears bit 31
30 DIO30 W1C 0h Clears bit 30
29 DIO29 W1C 0h Clears bit 29
28 DIO28 W1C 0h Clears bit 28
27 DIO27 W1C 0h Clears bit 27
26 DIO26 W1C 0h Clears bit 26
25 DIO25 W1C 0h Clears bit 25
24 DIO24 W1C 0h Clears bit 24
23 DIO23 W1C 0h Clears bit 23
22 DIO22 W1C 0h Clears bit 22
21 DIO21 W1C 0h Clears bit 21
20 DIO20 W1C 0h Clears bit 20
19 DIO19 W1C 0h Clears bit 19
18 DIO18 W1C 0h Clears bit 18
17 DIO17 W1C 0h Clears bit 17
16 DIO16 W1C 0h Clears bit 16
15 DIO15 W1C 0h Clears bit 15
14 DIO14 W1C 0h Clears bit 14
13 DIO13 W1C 0h Clears bit 13
12 DIO12 W1C 0h Clears bit 12
11 DIO11 W1C 0h Clears bit 11
10 DIO10 W1C 0h Clears bit 10
9 DIO9 W1C 0h Clears bit 9

www.ti.com
I/O Control Registers
1005
SWCU117F–February 2015–Revised June 2016
Submit Documentation Feedback Copyright © 2015–2016, Texas Instruments Incorporated
I/O Control
Table 11-22. DOUTCLR31_0 Register Field Descriptions (continued)
Bit Field Type Reset Description
8 DIO8 W1C 0h Clears bit 8
7 DIO7 W1C 0h Clears bit 7
6 DIO6 W1C 0h Clears bit 6
5 DIO5 W1C 0h Clears bit 5
4 DIO4 W1C 0h Clears bit 4
3 DIO3 W1C 0h Clears bit 3
2 DIO2 W1C 0h Clears bit 2
1 DIO1 W1C 0h Clears bit 1
0 DIO0 W1C 0h Clears bit 0

I/O Control Registers
www.ti.com
1006 SWCU117F–February 2015–Revised June 2016
Submit Documentation Feedback
Copyright © 2015–2016, Texas Instruments Incorporated
I/O Control
11.12.2.12 DOUTTGL31_0 Register (Offset = B0h) [reset = 0h]
DOUTTGL31_0 is shown in Figure 11-19 and described in Table 11-23.
Return to Summary Table.
Data Out Toggle
Writing 1 to a bit position will invert the corresponding DIO output.
Figure 11-19. DOUTTGL31_0 Register
31 30 29 28 27 26 25 24
DIO31 DIO30 DIO29 DIO28 DIO27 DIO26 DIO25 DIO24
R/W-0h R/W-0h R/W-0h R/W-0h R/W-0h R/W-0h R/W-0h R/W-0h
23 22 21 20 19 18 17 16
DIO23 DIO22 DIO21 DIO20 DIO19 DIO18 DIO17 DIO16
R/W-0h R/W-0h R/W-0h R/W-0h R/W-0h R/W-0h R/W-0h R/W-0h
15 14 13 12 11 10 9 8
DIO15 DIO14 DIO13 DIO12 DIO11 DIO10 DIO9 DIO8
R/W-0h R/W-0h R/W-0h R/W-0h R/W-0h R/W-0h R/W-0h R/W-0h
76543210
DIO7 DIO6 DIO5 DIO4 DIO3 DIO2 DIO1 DIO0
R/W-0h R/W-0h R/W-0h R/W-0h R/W-0h R/W-0h R/W-0h R/W-0h
Table 11-23. DOUTTGL31_0 Register Field Descriptions
Bit Field Type Reset Description
31 DIO31 R/W 0h Toggles bit 31
30 DIO30 R/W 0h Toggles bit 30
29 DIO29 R/W 0h Toggles bit 29
28 DIO28 R/W 0h Toggles bit 28
27 DIO27 R/W 0h Toggles bit 27
26 DIO26 R/W 0h Toggles bit 26
25 DIO25 R/W 0h Toggles bit 25
24 DIO24 R/W 0h Toggles bit 24
23 DIO23 R/W 0h Toggles bit 23
22 DIO22 R/W 0h Toggles bit 22
21 DIO21 R/W 0h Toggles bit 21
20 DIO20 R/W 0h Toggles bit 20
19 DIO19 R/W 0h Toggles bit 19
18 DIO18 R/W 0h Toggles bit 18
17 DIO17 R/W 0h Toggles bit 17
16 DIO16 R/W 0h Toggles bit 16
15 DIO15 R/W 0h Toggles bit 15
14 DIO14 R/W 0h Toggles bit 14
13 DIO13 R/W 0h Toggles bit 13
12 DIO12 R/W 0h Toggles bit 12
11 DIO11 R/W 0h Toggles bit 11
10 DIO10 R/W 0h Toggles bit 10
9 DIO9 R/W 0h Toggles bit 9

www.ti.com
I/O Control Registers
1007
SWCU117F–February 2015–Revised June 2016
Submit Documentation Feedback Copyright © 2015–2016, Texas Instruments Incorporated
I/O Control
Table 11-23. DOUTTGL31_0 Register Field Descriptions (continued)
Bit Field Type Reset Description
8 DIO8 R/W 0h Toggles bit 8
7 DIO7 R/W 0h Toggles bit 7
6 DIO6 R/W 0h Toggles bit 6
5 DIO5 R/W 0h Toggles bit 5
4 DIO4 R/W 0h Toggles bit 4
3 DIO3 R/W 0h Toggles bit 3
2 DIO2 R/W 0h Toggles bit 2
1 DIO1 R/W 0h Toggles bit 1
0 DIO0 R/W 0h Toggles bit 0

I/O Control Registers
www.ti.com
1008 SWCU117F–February 2015–Revised June 2016
Submit Documentation Feedback
Copyright © 2015–2016, Texas Instruments Incorporated
I/O Control
11.12.2.13 DIN31_0 Register (Offset = C0h) [reset = 0h]
DIN31_0 is shown in Figure 11-20 and described in Table 11-24.
Return to Summary Table.
Data Input from DIO 0 to 31
Figure 11-20. DIN31_0 Register
31 30 29 28 27 26 25 24
DIO31 DIO30 DIO29 DIO28 DIO27 DIO26 DIO25 DIO24
R-0h R-0h R-0h R-0h R-0h R-0h R-0h R-0h
23 22 21 20 19 18 17 16
DIO23 DIO22 DIO21 DIO20 DIO19 DIO18 DIO17 DIO16
R-0h R-0h R-0h R-0h R-0h R-0h R-0h R-0h
15 14 13 12 11 10 9 8
DIO15 DIO14 DIO13 DIO12 DIO11 DIO10 DIO9 DIO8
R-0h R-0h R-0h R-0h R-0h R-0h R-0h R-0h
76543210
DIO7 DIO6 DIO5 DIO4 DIO3 DIO2 DIO1 DIO0
R-0h R-0h R-0h R-0h R-0h R-0h R-0h R-0h
Table 11-24. DIN31_0 Register Field Descriptions
Bit Field Type Reset Description
31 DIO31 R 0h Data input from DIO 31
30 DIO30 R 0h Data input from DIO 30
29 DIO29 R 0h Data input from DIO 29
28 DIO28 R 0h Data input from DIO 28
27 DIO27 R 0h Data input from DIO 27
26 DIO26 R 0h Data input from DIO 26
25 DIO25 R 0h Data input from DIO 25
24 DIO24 R 0h Data input from DIO 24
23 DIO23 R 0h Data input from DIO 23
22 DIO22 R 0h Data input from DIO 22
21 DIO21 R 0h Data input from DIO 21
20 DIO20 R 0h Data input from DIO 20
19 DIO19 R 0h Data input from DIO 19
18 DIO18 R 0h Data input from DIO 18
17 DIO17 R 0h Data input from DIO 17
16 DIO16 R 0h Data input from DIO 16
15 DIO15 R 0h Data input from DIO 15
14 DIO14 R 0h Data input from DIO 14
13 DIO13 R 0h Data input from DIO 13
12 DIO12 R 0h Data input from DIO 12
11 DIO11 R 0h Data input from DIO 11
10 DIO10 R 0h Data input from DIO 10
9 DIO9 R 0h Data input from DIO 9
8 DIO8 R 0h Data input from DIO 8

www.ti.com
I/O Control Registers
1009
SWCU117F–February 2015–Revised June 2016
Submit Documentation Feedback Copyright © 2015–2016, Texas Instruments Incorporated
I/O Control
Table 11-24. DIN31_0 Register Field Descriptions (continued)
Bit Field Type Reset Description
7 DIO7 R 0h Data input from DIO 7
6 DIO6 R 0h Data input from DIO 6
5 DIO5 R 0h Data input from DIO 5
4 DIO4 R 0h Data input from DIO 4
3 DIO3 R 0h Data input from DIO 3
2 DIO2 R 0h Data input from DIO 2
1 DIO1 R 0h Data input from DIO 1
0 DIO0 R 0h Data input from DIO 0

I/O Control Registers
www.ti.com
1010 SWCU117F–February 2015–Revised June 2016
Submit Documentation Feedback
Copyright © 2015–2016, Texas Instruments Incorporated
I/O Control
11.12.2.14 DOE31_0 Register (Offset = D0h) [reset = 0h]
DOE31_0 is shown in Figure 11-21 and described in Table 11-25.
Return to Summary Table.
Data Output Enable for DIO 0 to 31
Figure 11-21. DOE31_0 Register
31 30 29 28 27 26 25 24
DIO31 DIO30 DIO29 DIO28 DIO27 DIO26 DIO25 DIO24
R/W-0h R/W-0h R/W-0h R/W-0h R/W-0h R/W-0h R/W-0h R/W-0h
23 22 21 20 19 18 17 16
DIO23 DIO22 DIO21 DIO20 DIO19 DIO18 DIO17 DIO16
R/W-0h R/W-0h R/W-0h R/W-0h R/W-0h R/W-0h R/W-0h R/W-0h
15 14 13 12 11 10 9 8
DIO15 DIO14 DIO13 DIO12 DIO11 DIO10 DIO9 DIO8
R/W-0h R/W-0h R/W-0h R/W-0h R/W-0h R/W-0h R/W-0h R/W-0h
76543210
DIO7 DIO6 DIO5 DIO4 DIO3 DIO2 DIO1 DIO0
R/W-0h R/W-0h R/W-0h R/W-0h R/W-0h R/W-0h R/W-0h R/W-0h
Table 11-25. DOE31_0 Register Field Descriptions
Bit Field Type Reset Description
31 DIO31 R/W 0h Data output enable for DIO 31
30 DIO30 R/W 0h Data output enable for DIO 30
29 DIO29 R/W 0h Data output enable for DIO 29
28 DIO28 R/W 0h Data output enable for DIO 28
27 DIO27 R/W 0h Data output enable for DIO 27
26 DIO26 R/W 0h Data output enable for DIO 26
25 DIO25 R/W 0h Data output enable for DIO 25
24 DIO24 R/W 0h Data output enable for DIO 24
23 DIO23 R/W 0h Data output enable for DIO 23
22 DIO22 R/W 0h Data output enable for DIO 22
21 DIO21 R/W 0h Data output enable for DIO 21
20 DIO20 R/W 0h Data output enable for DIO 20
19 DIO19 R/W 0h Data output enable for DIO 19
18 DIO18 R/W 0h Data output enable for DIO 18
17 DIO17 R/W 0h Data output enable for DIO 17
16 DIO16 R/W 0h Data output enable for DIO 16
15 DIO15 R/W 0h Data output enable for DIO 15
14 DIO14 R/W 0h Data output enable for DIO 14
13 DIO13 R/W 0h Data output enable for DIO 13
12 DIO12 R/W 0h Data output enable for DIO 12
11 DIO11 R/W 0h Data output enable for DIO 11
10 DIO10 R/W 0h Data output enable for DIO 10
9 DIO9 R/W 0h Data output enable for DIO 9
8 DIO8 R/W 0h Data output enable for DIO 8

www.ti.com
I/O Control Registers
1011
SWCU117F–February 2015–Revised June 2016
Submit Documentation Feedback Copyright © 2015–2016, Texas Instruments Incorporated
I/O Control
Table 11-25. DOE31_0 Register Field Descriptions (continued)
Bit Field Type Reset Description
7 DIO7 R/W 0h Data output enable for DIO 7
6 DIO6 R/W 0h Data output enable for DIO 6
5 DIO5 R/W 0h Data output enable for DIO 5
4 DIO4 R/W 0h Data output enable for DIO 4
3 DIO3 R/W 0h Data output enable for DIO 3
2 DIO2 R/W 0h Data output enable for DIO 2
1 DIO1 R/W 0h Data output enable for DIO 1
0 DIO0 R/W 0h Data output enable for DIO 0

I/O Control Registers
www.ti.com
1012 SWCU117F–February 2015–Revised June 2016
Submit Documentation Feedback
Copyright © 2015–2016, Texas Instruments Incorporated
I/O Control
11.12.2.15 EVFLAGS31_0 Register (Offset = E0h) [reset = 0h]
EVFLAGS31_0 is shown in Figure 11-22 and described in Table 11-26.
Return to Summary Table.
Event Register for DIO 0 to 31
Reading this registers will return 1 for triggered event and 0 for non-triggered events.
Writing a 1 to a bit field will clear the event.
The configuration of events is done inside MCU IOC, e.g. events for DIO #0 is configured in
IOC:IOCFG0.EDGE_DET and IOC:IOCFG0.EDGE_IRQ_EN.
Figure 11-22. EVFLAGS31_0 Register
31 30 29 28 27 26 25 24
DIO31 DIO30 DIO29 DIO28 DIO27 DIO26 DIO25 DIO24
R/W1C-0h R/W1C-0h R/W1C-0h R/W1C-0h R/W1C-0h R/W1C-0h R/W1C-0h R/W1C-0h
23 22 21 20 19 18 17 16
DIO23 DIO22 DIO21 DIO20 DIO19 DIO18 DIO17 DIO16
R/W1C-0h R/W1C-0h R/W1C-0h R/W1C-0h R/W1C-0h R/W1C-0h R/W1C-0h R/W1C-0h
15 14 13 12 11 10 9 8
DIO15 DIO14 DIO13 DIO12 DIO11 DIO10 DIO9 DIO8
R/W1C-0h R/W1C-0h R/W1C-0h R/W1C-0h R/W1C-0h R/W1C-0h R/W1C-0h R/W1C-0h
76543210
DIO7 DIO6 DIO5 DIO4 DIO3 DIO2 DIO1 DIO0
R/W1C-0h R/W1C-0h R/W1C-0h R/W1C-0h R/W1C-0h R/W1C-0h R/W1C-0h R/W1C-0h
Table 11-26. EVFLAGS31_0 Register Field Descriptions
Bit Field Type Reset Description
31 DIO31 R/W1C 0h Event for DIO 31
30 DIO30 R/W1C 0h Event for DIO 30
29 DIO29 R/W1C 0h Event for DIO 29
28 DIO28 R/W1C 0h Event for DIO 28
27 DIO27 R/W1C 0h Event for DIO 27
26 DIO26 R/W1C 0h Event for DIO 26
25 DIO25 R/W1C 0h Event for DIO 25
24 DIO24 R/W1C 0h Event for DIO 24
23 DIO23 R/W1C 0h Event for DIO 23
22 DIO22 R/W1C 0h Event for DIO 22
21 DIO21 R/W1C 0h Event for DIO 21
20 DIO20 R/W1C 0h Event for DIO 20
19 DIO19 R/W1C 0h Event for DIO 19
18 DIO18 R/W1C 0h Event for DIO 18
17 DIO17 R/W1C 0h Event for DIO 17
16 DIO16 R/W1C 0h Event for DIO 16
15 DIO15 R/W1C 0h Event for DIO 15
14 DIO14 R/W1C 0h Event for DIO 14
13 DIO13 R/W1C 0h Event for DIO 13
12 DIO12 R/W1C 0h Event for DIO 12
11 DIO11 R/W1C 0h Event for DIO 11

www.ti.com
I/O Control Registers
1013
SWCU117F–February 2015–Revised June 2016
Submit Documentation Feedback Copyright © 2015–2016, Texas Instruments Incorporated
I/O Control
Table 11-26. EVFLAGS31_0 Register Field Descriptions (continued)
Bit Field Type Reset Description
10 DIO10 R/W1C 0h Event for DIO 10
9 DIO9 R/W1C 0h Event for DIO 9
8 DIO8 R/W1C 0h Event for DIO 8
7 DIO7 R/W1C 0h Event for DIO 7
6 DIO6 R/W1C 0h Event for DIO 6
5 DIO5 R/W1C 0h Event for DIO 5
4 DIO4 R/W1C 0h Event for DIO 4
3 DIO3 R/W1C 0h Event for DIO 3
2 DIO2 R/W1C 0h Event for DIO 2
1 DIO1 R/W1C 0h Event for DIO 1
0 DIO0 R/W1C 0h Event for DIO 0
11.12.3 IOC Registers
Table 11-27 lists the memory-mapped registers for the IOC. All register offset addresses not listed in
Table 11-27 should be considered as reserved locations and the register contents should not be modified.
Table 11-27. IOC Registers
Offset Acronym Register Name Section
0h IOCFG0 Configuration of DIO0 Section 11.12.3.1
4h IOCFG1 Configuration of DIO1 Section 11.12.3.2
8h IOCFG2 Configuration of DIO2 Section 11.12.3.3
Ch IOCFG3 Configuration of DIO3 Section 11.12.3.4
10h IOCFG4 Configuration of DIO4 Section 11.12.3.5
14h IOCFG5 Configuration of DIO5 Section 11.12.3.6
18h IOCFG6 Configuration of DIO6 Section 11.12.3.7
1Ch IOCFG7 Configuration of DIO7 Section 11.12.3.8
20h IOCFG8 Configuration of DIO8 Section 11.12.3.9
24h IOCFG9 Configuration of DIO9 Section 11.12.3.10
28h IOCFG10 Configuration of DIO10 Section 11.12.3.11
2Ch IOCFG11 Configuration of DIO11 Section 11.12.3.12
30h IOCFG12 Configuration of DIO12 Section 11.12.3.13
34h IOCFG13 Configuration of DIO13 Section 11.12.3.14
38h IOCFG14 Configuration of DIO14 Section 11.12.3.15
3Ch IOCFG15 Configuration of DIO15 Section 11.12.3.16
40h IOCFG16 Configuration of DIO16 Section 11.12.3.17
44h IOCFG17 Configuration of DIO17 Section 11.12.3.18
48h IOCFG18 Configuration of DIO18 Section 11.12.3.19
4Ch IOCFG19 Configuration of DIO19 Section 11.12.3.20
50h IOCFG20 Configuration of DIO20 Section 11.12.3.21
54h IOCFG21 Configuration of DIO21 Section 11.12.3.22
58h IOCFG22 Configuration of DIO22 Section 11.12.3.23
5Ch IOCFG23 Configuration of DIO23 Section 11.12.3.24
60h IOCFG24 Configuration of DIO24 Section 11.12.3.25
64h IOCFG25 Configuration of DIO25 Section 11.12.3.26
68h IOCFG26 Configuration of DIO26 Section 11.12.3.27

I/O Control Registers
www.ti.com
1014 SWCU117F–February 2015–Revised June 2016
Submit Documentation Feedback
Copyright © 2015–2016, Texas Instruments Incorporated
I/O Control
Table 11-27. IOC Registers (continued)
Offset Acronym Register Name Section
6Ch IOCFG27 Configuration of DIO27 Section 11.12.3.28
70h IOCFG28 Configuration of DIO28 Section 11.12.3.29
74h IOCFG29 Configuration of DIO29 Section 11.12.3.30
78h IOCFG30 Configuration of DIO30 Section 11.12.3.31
7Ch IOCFG31 Configuration of DIO31 Section 11.12.3.32

www.ti.com
I/O Control Registers
1015
SWCU117F–February 2015–Revised June 2016
Submit Documentation Feedback Copyright © 2015–2016, Texas Instruments Incorporated
I/O Control
11.12.3.1 IOCFG0 Register (Offset = 0h) [reset = 6000h]
IOCFG0 is shown in Figure 11-23 and described in Table 11-28.
Return to Summary Table.
Configuration of DIO0
Figure 11-23. IOCFG0 Register
31 30 29 28 27 26 25 24
RESERVED HYST_EN IE WU_CFG IOMODE
R-0h R/W-0h R/W-0h R/W-0h R/W-0h
23 22 21 20 19 18 17 16
RESERVED EDGE_IRQ_EN EDGE_DET
R/W-0h R/W-0h R/W-0h
15 14 13 12 11 10 9 8
RESERVED PULL_CTL SLEW_RED IOCURR IOSTR
R-0h R/W-3h R/W-0h R/W-0h R/W-0h
76543210
RESERVED PORT_ID
R-0h R/W-0h
Table 11-28. IOCFG0 Register Field Descriptions
Bit Field Type Reset Description
31 RESERVED R 0h Software should not rely on the value of a reserved. Writing any
other value than the reset value may result in undefined behavior.
30 HYST_EN R/W 0h 0: Input hysteresis disable
1: Input hysteresis enable
29 IE R/W 0h 0: Input disabled
1: Input enabled
Note: If IO is configured for AUX ie. PORT_ID = 0x08, the enable will
be ignored.
28-27 WU_CFG R/W 0h If DIO is configured GPIO or non-AON peripheral signals, i.e.
PORT_ID 0x00 or >0x08:
00: No wake-up
01: No wake-up
10: Wakes up from shutdown if this pad is going low.
11: Wakes up from shutdown if this pad is going high.
If IO is configured for AON peripheral signals or AUX ie. PORT_ID
0x01-0x08, this register only sets wakeup enable or not.
00, 01: Wakeup disabled
10, 11: Wakeup enabled
Polarity is controlled from AON registers.
Note:When the MSB is set, the IOC will deactivate the output enable
for the DIO.

I/O Control Registers
www.ti.com
1016 SWCU117F–February 2015–Revised June 2016
Submit Documentation Feedback
Copyright © 2015–2016, Texas Instruments Incorporated
I/O Control
Table 11-28. IOCFG0 Register Field Descriptions (continued)
Bit Field Type Reset Description
26-24 IOMODE R/W 0h IO Mode
N/A for IO configured for AON periph. signals and AUX ie. PORT_ID
0x01-0x08
AUX has its own open_source/drain configuration.
0x2: Reserved. Undefined behavior.
0x3: Reserved. Undefined behavior.
0h = NORMAL : Normal input / output
1h = INV : Inverted input / ouput
4h = OPENDR : Open Drain,
Normal input / output
5h = OPENDR_INV : Open Drain
Inverted input / output
6h = OPENSRC : Open Source
Normal input / outut
7h = OPENSRC_INV : Open Source
Inverted input/output
23-19 RESERVED R/W 0h Software should not rely on the value of a reserved. Writing any
other value than the reset value may result in undefined behavior.
18 EDGE_IRQ_EN R/W 0h 0: No interrupt generation
1: Enable interrupt generation for this IO (Only effective if
EDGE_DET is enabled)
17-16 EDGE_DET R/W 0h Enable generation of edge detection events on this IO
0h = NONE : No edge detection
1h = Negative edge detection
2h = Positive edge detection
3h = Positive and negative edge detection
15 RESERVED R 0h Software should not rely on the value of a reserved. Writing any
other value than the reset value may result in undefined behavior.
14-13 PULL_CTL R/W 3h Pull control
1h = DWN : Pull down
2h = UP : Pull up
3h = DIS : No pull
12 SLEW_RED R/W 0h 0: Normal slew rate
1: Enables reduced slew rate in output driver.
11-10 IOCURR R/W 0h Selects IO current mode of this IO.
0h = 2MA : Low-Current (LC) mode: Min 2 mA when IOSTR is set to
AUTO
1h = 4MA : High-Current (HC) mode: Min 4 mA when IOSTR is set
to AUTO
2h = 4_8MA : Extended-Current (EC) mode: Min 8 mA for double
drive strength IOs (min 4 mA for normal IOs) when IOSTR is set to
AUTO
9-8 IOSTR R/W 0h Select source for drive strength control of this IO.
This setting controls the drive strength of the Low-Current (LC)
mode. Higher drive strength can be selected in IOCURR
0h = Automatic drive strength, controlled by AON BATMON based
on battery voltage. (min 2 mA @VDDS)
1h = Minimum drive strength, controlled by AON_IOC:IOSTRMIN
(min 2 mA @3.3V with default values)
2h = MED : Medium drive strength, controlled by
AON_IOC:IOSTRMED (min 2 mA @2.5V with default values)
3h = Maximum drive strength, controlled by AON_IOC:IOSTRMAX
(min 2 mA @1.8V with default values)
7-6 RESERVED R 0h Software should not rely on the value of a reserved. Writing any
other value than the reset value may result in undefined behavior.

www.ti.com
I/O Control Registers
1017
SWCU117F–February 2015–Revised June 2016
Submit Documentation Feedback Copyright © 2015–2016, Texas Instruments Incorporated
I/O Control
Table 11-28. IOCFG0 Register Field Descriptions (continued)
Bit Field Type Reset Description
5-0 PORT_ID R/W 0h Selects usage for DIO0
0h = General Purpose IO
7h = AON 32 KHz clock (SCLK_LF)
8h = AUX IO
9h = SSI0_RX : SSI0 RX
Ah = SSI0_TX : SSI0 TX
Bh = SSI0_FSS : SSI0 FSS
Ch = SSI0_CLK : SSI0 CLK
Dh = I2C_MSSDA : I2C Data
Eh = I2C_MSSCL : I2C Clock
Fh = UART0_RX : UART0 RX
10h = UART0_TX : UART0 TX
11h = UART0_CTS : UART0 CTS
12h = UART0_RTS : UART0 RTS
17h = PORT_EVENT0 : PORT EVENT 0
Can be used as a general purpose IO event by selecting it via
registers in the EVENT module, e.g. EVENT:GPT0ACAPTSEL.EV,
EVENT:UDMACH14BSEL.EV, etc
18h = PORT_EVENT1 : PORT EVENT 1
Can be used as a general purpose IO event by selecting it via
registers in the EVENT module, e.g. EVENT:GPT0ACAPTSEL.EV,
EVENT:UDMACH14BSEL.EV, etc
19h = PORT_EVENT2 : PORT EVENT 2
Can be used as a general purpose IO event by selecting it via
registers in the EVENT module, e.g. EVENT:GPT0ACAPTSEL.EV,
EVENT:UDMACH14BSEL.EV, etc
1Ah = PORT_EVENT3 : PORT EVENT 3
Can be used as a general purpose IO event by selecting it via
registers in the EVENT module, e.g. EVENT:GPT0ACAPTSEL.EV,
EVENT:UDMACH14BSEL.EV, etc
1Bh = PORT_EVENT4 : PORT EVENT 4
Can be used as a general purpose IO event by selecting it via
registers in the EVENT module, e.g. EVENT:GPT0ACAPTSEL.EV,
EVENT:UDMACH14BSEL.EV, etc
1Ch = PORT_EVENT5 : PORT EVENT 5
Can be used as a general purpose IO event by selecting it via
registers in the EVENT module, e.g. EVENT:GPT0ACAPTSEL.EV,
EVENT:UDMACH14BSEL.EV, etc
1Dh = PORT_EVENT6 : PORT EVENT 6
Can be used as a general purpose IO event by selecting it via
registers in the EVENT module, e.g. EVENT:GPT0ACAPTSEL.EV,
EVENT:UDMACH14BSEL.EV, etc
1Eh = PORT_EVENT7 : PORT EVENT 7
Can be used as a general purpose IO event by selecting it via
registers in the EVENT module, e.g. EVENT:GPT0ACAPTSEL.EV,
EVENT:UDMACH14BSEL.EV, etc
20h = CPU_SWV : CPU SWV
21h = SSI1_RX : SSI1 RX
22h = SSI1_TX : SSI1 TX
23h = SSI1_FSS : SSI1 FSS
24h = SSI1_CLK : SSI1 CLK
25h = I2S_AD0 : I2S Data 0
26h = I2S_AD1 : I2S Data 1
27h = I2S_WCLK : I2S WCLK
28h = I2S_BCLK : I2S BCLK
29h = I2S_MCLK : I2S MCLK
2Eh = RF Core Trace
2Fh = RF Core Data Out 0

I/O Control Registers
www.ti.com
1018 SWCU117F–February 2015–Revised June 2016
Submit Documentation Feedback
Copyright © 2015–2016, Texas Instruments Incorporated
I/O Control
Table 11-28. IOCFG0 Register Field Descriptions (continued)
Bit Field Type Reset Description
30h = RF Core Data Out 1
31h = RF Core Data Out 2
32h = RF Core Data Out 3
33h = RF Core Data In 0
34h = RF Core Data In 1
35h = RF Core SMI Data Link Out
36h = RF Core SMI Data Link In
37h = RF Core SMI Command Link Out
38h = RF Core SMI Command Link In

www.ti.com
I/O Control Registers
1019
SWCU117F–February 2015–Revised June 2016
Submit Documentation Feedback Copyright © 2015–2016, Texas Instruments Incorporated
I/O Control
11.12.3.2 IOCFG1 Register (Offset = 4h) [reset = 6000h]
IOCFG1 is shown in Figure 11-24 and described in Table 11-29.
Return to Summary Table.
Configuration of DIO1
Figure 11-24. IOCFG1 Register
31 30 29 28 27 26 25 24
RESERVED HYST_EN IE WU_CFG IOMODE
R-0h R/W-0h R/W-0h R/W-0h R/W-0h
23 22 21 20 19 18 17 16
RESERVED EDGE_IRQ_EN EDGE_DET
R/W-0h R/W-0h R/W-0h
15 14 13 12 11 10 9 8
RESERVED PULL_CTL SLEW_RED IOCURR IOSTR
R-0h R/W-3h R/W-0h R/W-0h R/W-0h
76543210
RESERVED PORT_ID
R-0h R/W-0h
Table 11-29. IOCFG1 Register Field Descriptions
Bit Field Type Reset Description
31 RESERVED R 0h Software should not rely on the value of a reserved. Writing any
other value than the reset value may result in undefined behavior.
30 HYST_EN R/W 0h 0: Input hysteresis disable
1: Input hysteresis enable
29 IE R/W 0h 0: Input disabled
1: Input enabled
Note: If IO is configured for AUX ie. PORT_ID = 0x08, the enable will
be ignored.
28-27 WU_CFG R/W 0h If DIO is configured GPIO or non-AON peripheral signals, i.e.
PORT_ID 0x00 or >0x08:
00: No wake-up
01: No wake-up
10: Wakes up from shutdown if this pad is going low.
11: Wakes up from shutdown if this pad is going high.
If IO is configured for AON peripheral signals or AUX ie. PORT_ID
0x01-0x08, this register only sets wakeup enable or not.
00, 01: Wakeup disabled
10, 11: Wakeup enabled
Polarity is controlled from AON registers.
Note:When the MSB is set, the IOC will deactivate the output enable
for the DIO.

I/O Control Registers
www.ti.com
1020 SWCU117F–February 2015–Revised June 2016
Submit Documentation Feedback
Copyright © 2015–2016, Texas Instruments Incorporated
I/O Control
Table 11-29. IOCFG1 Register Field Descriptions (continued)
Bit Field Type Reset Description
26-24 IOMODE R/W 0h IO Mode
N/A for IO configured for AON periph. signals and AUX ie. PORT_ID
0x01-0x08
AUX has its own open_source/drain configuration.
0x2: Reserved. Undefined behavior.
0x3: Reserved. Undefined behavior.
0h = NORMAL : Normal input / output
1h = INV : Inverted input / ouput
4h = OPENDR : Open Drain,
Normal input / output
5h = OPENDR_INV : Open Drain
Inverted input / output
6h = OPENSRC : Open Source
Normal input / output
7h = OPENSRC_INV : Open Source
Inverted input / output
23-19 RESERVED R/W 0h Software should not rely on the value of a reserved. Writing any
other value than the reset value may result in undefined behavior.
18 EDGE_IRQ_EN R/W 0h 0: No interrupt generation
1: Enable interrupt generation for this IO (Only effective if
EDGE_DET is enabled)
17-16 EDGE_DET R/W 0h Enable generation of edge detection events on this IO
0h = NONE : No edge detection
1h = Negative edge detection
2h = Positive edge detection
3h = Positive and negative edge detection
15 RESERVED R 0h Software should not rely on the value of a reserved. Writing any
other value than the reset value may result in undefined behavior.
14-13 PULL_CTL R/W 3h Pull control
1h = DWN : Pull down
2h = UP : Pull up
3h = DIS : No pull
12 SLEW_RED R/W 0h 0: Normal slew rate
1: Enables reduced slew rate in output driver.
11-10 IOCURR R/W 0h Selects IO current mode of this IO.
0h = 2MA : Low-Current (LC) mode: Min 2 mA when IOSTR is set to
AUTO
1h = 4MA : High-Current (HC) mode: Min 4 mA when IOSTR is set
to AUTO
2h = 4_8MA : Extended-Current (EC) mode: Min 8 mA for double
drive strength IOs (min 4 mA for normal IOs) when IOSTR is set to
AUTO
9-8 IOSTR R/W 0h Select source for drive strength control of this IO.
This setting controls the drive strength of the Low-Current (LC)
mode. Higher drive strength can be selected in IOCURR
0h = Automatic drive strength, controlled by AON BATMON based
on battery voltage. (min 2 mA @VDDS)
1h = Minimum drive strength, controlled by AON_IOC:IOSTRMIN
(min 2 mA @3.3V with default values)
2h = MED : Medium drive strength, controlled by
AON_IOC:IOSTRMED (min 2 mA @2.5V with default values)
3h = Maximum drive strength, controlled by AON_IOC:IOSTRMAX
(min 2 mA @1.8V with default values)
7-6 RESERVED R 0h Software should not rely on the value of a reserved. Writing any
other value than the reset value may result in undefined behavior.

www.ti.com
I/O Control Registers
1021
SWCU117F–February 2015–Revised June 2016
Submit Documentation Feedback Copyright © 2015–2016, Texas Instruments Incorporated
I/O Control
Table 11-29. IOCFG1 Register Field Descriptions (continued)
Bit Field Type Reset Description
5-0 PORT_ID R/W 0h Selects usage for DIO1
0h = General Purpose IO
7h = AON 32 KHz clock (SCLK_LF)
8h = AUX IO
9h = SSI0_RX : SSI0 RX
Ah = SSI0_TX : SSI0 TX
Bh = SSI0_FSS : SSI0 FSS
Ch = SSI0_CLK : SSI0 CLK
Dh = I2C_MSSDA : I2C Data
Eh = I2C_MSSCL : I2C Clock
Fh = UART0_RX : UART0 RX
10h = UART0_TX : UART0 TX
11h = UART0_CTS : UART0 CTS
12h = UART0_RTS : UART0 RTS
17h = PORT_EVENT0 : PORT EVENT 0
Can be used as a general purpose IO event by selecting it via
registers in the EVENT module, e.g. EVENT:GPT0ACAPTSEL.EV,
EVENT:UDMACH14BSEL.EV, etc
18h = PORT_EVENT1 : PORT EVENT 1
Can be used as a general purpose IO event by selecting it via
registers in the EVENT module, e.g. EVENT:GPT0ACAPTSEL.EV,
EVENT:UDMACH14BSEL.EV, etc
19h = PORT_EVENT2 : PORT EVENT 2
Can be used as a general purpose IO event by selecting it via
registers in the EVENT module, e.g. EVENT:GPT0ACAPTSEL.EV,
EVENT:UDMACH14BSEL.EV, etc
1Ah = PORT_EVENT3 : PORT EVENT 3
Can be used as a general purpose IO event by selecting it via
registers in the EVENT module, e.g. EVENT:GPT0ACAPTSEL.EV,
EVENT:UDMACH14BSEL.EV, etc
1Bh = PORT_EVENT4 : PORT EVENT 4
Can be used as a general purpose IO event by selecting it via
registers in the EVENT module, e.g. EVENT:GPT0ACAPTSEL.EV,
EVENT:UDMACH14BSEL.EV, etc
1Ch = PORT_EVENT5 : PORT EVENT 5
Can be used as a general purpose IO event by selecting it via
registers in the EVENT module, e.g. EVENT:GPT0ACAPTSEL.EV,
EVENT:UDMACH14BSEL.EV, etc
1Dh = PORT_EVENT6 : PORT EVENT 6
Can be used as a general purpose IO event by selecting it via
registers in the EVENT module, e.g. EVENT:GPT0ACAPTSEL.EV,
EVENT:UDMACH14BSEL.EV, etc
1Eh = PORT_EVENT7 : PORT EVENT 7
Can be used as a general purpose IO event by selecting it via
registers in the EVENT module, e.g. EVENT:GPT0ACAPTSEL.EV,
EVENT:UDMACH14BSEL.EV, etc
20h = CPU_SWV : CPU SWV
21h = SSI1_RX : SSI1 RX
22h = SSI1_TX : SSI1 TX
23h = SSI1_FSS : SSI1 FSS
24h = SSI1_CLK : SSI1 CLK
25h = I2S_AD0 : I2S Data 0
26h = I2S_AD1 : I2S Data 1
27h = I2S_WCLK : I2S WCLK
28h = I2S_BCLK : I2S BCLK
29h = I2S_MCLK : I2S MCLK
2Eh = RF Core Trace
2Fh = RF Core Data Out 0

I/O Control Registers
www.ti.com
1022 SWCU117F–February 2015–Revised June 2016
Submit Documentation Feedback
Copyright © 2015–2016, Texas Instruments Incorporated
I/O Control
Table 11-29. IOCFG1 Register Field Descriptions (continued)
Bit Field Type Reset Description
30h = RF Core Data Out 1
31h = RF Core Data Out 2
32h = RF Core Data Out 3
33h = RF Core Data In 0
34h = RF Core Data In 1
35h = RF Core SMI Data Link Out
36h = RF Core SMI Data Link In
37h = RF Core SMI Command Link Out
38h = RF Core SMI Command Link In

www.ti.com
I/O Control Registers
1023
SWCU117F–February 2015–Revised June 2016
Submit Documentation Feedback Copyright © 2015–2016, Texas Instruments Incorporated
I/O Control
11.12.3.3 IOCFG2 Register (Offset = 8h) [reset = 6000h]
IOCFG2 is shown in Figure 11-25 and described in Table 11-30.
Return to Summary Table.
Configuration of DIO2
Figure 11-25. IOCFG2 Register
31 30 29 28 27 26 25 24
RESERVED HYST_EN IE WU_CFG IOMODE
R-0h R/W-0h R/W-0h R/W-0h R/W-0h
23 22 21 20 19 18 17 16
RESERVED EDGE_IRQ_EN EDGE_DET
R/W-0h R/W-0h R/W-0h
15 14 13 12 11 10 9 8
RESERVED PULL_CTL SLEW_RED IOCURR IOSTR
R-0h R/W-3h R/W-0h R/W-0h R/W-0h
76543210
RESERVED PORT_ID
R-0h R/W-0h
Table 11-30. IOCFG2 Register Field Descriptions
Bit Field Type Reset Description
31 RESERVED R 0h Software should not rely on the value of a reserved. Writing any
other value than the reset value may result in undefined behavior.
30 HYST_EN R/W 0h 0: Input hysteresis disable
1: Input hysteresis enable
29 IE R/W 0h 0: Input disabled
1: Input enabled
Note: If IO is configured for AUX ie. PORT_ID = 0x08, the enable will
be ignored.
28-27 WU_CFG R/W 0h If DIO is configured GPIO or non-AON peripheral signals, i.e.
PORT_ID 0x00 or >0x08:
00: No wake-up
01: No wake-up
10: Wakes up from shutdown if this pad is going low.
11: Wakes up from shutdown if this pad is going high.
If IO is configured for AON peripheral signals or AUX ie. PORT_ID
0x01-0x08, this register only sets wakeup enable or not.
00, 01: Wakeup disabled
10, 11: Wakeup enabled
Polarity is controlled from AON registers.
Note:When the MSB is set, the IOC will deactivate the output enable
for the DIO.

I/O Control Registers
www.ti.com
1024 SWCU117F–February 2015–Revised June 2016
Submit Documentation Feedback
Copyright © 2015–2016, Texas Instruments Incorporated
I/O Control
Table 11-30. IOCFG2 Register Field Descriptions (continued)
Bit Field Type Reset Description
26-24 IOMODE R/W 0h IO Mode
N/A for IO configured for AON periph. signals and AUX ie. PORT_ID
0x01-0x08
AUX has its own open_source/drain configuration.
0x2: Reserved. Undefined behavior.
0x3: Reserved. Undefined behavior.
0h = NORMAL : Normal input / output
1h = INV : Inverted input / ouput
4h = OPENDR : Open Drain,
Normal input / output
5h = OPENDR_INV : Open Drain
Inverted input / output
6h = OPENSRC : Open Source
Normal input / output
7h = OPENSRC_INV : Open Source
Inverted input / output
23-19 RESERVED R/W 0h Software should not rely on the value of a reserved. Writing any
other value than the reset value may result in undefined behavior.
18 EDGE_IRQ_EN R/W 0h 0: No interrupt generation
1: Enable interrupt generation for this IO (Only effective if
EDGE_DET is enabled)
17-16 EDGE_DET R/W 0h Enable generation of edge detection events on this IO
0h = NONE : No edge detection
1h = Negative edge detection
2h = Positive edge detection
3h = Positive and negative edge detection
15 RESERVED R 0h Software should not rely on the value of a reserved. Writing any
other value than the reset value may result in undefined behavior.
14-13 PULL_CTL R/W 3h Pull control
1h = DWN : Pull down
2h = UP : Pull up
3h = DIS : No pull
12 SLEW_RED R/W 0h 0: Normal slew rate
1: Enables reduced slew rate in output driver.
11-10 IOCURR R/W 0h Selects IO current mode of this IO.
0h = 2MA : Low-Current (LC) mode: Min 2 mA when IOSTR is set to
AUTO
1h = 4MA : High-Current (HC) mode: Min 4 mA when IOSTR is set
to AUTO
2h = 4_8MA : Extended-Current (EC) mode: Min 8 mA for double
drive strength IOs (min 4 mA for normal IOs) when IOSTR is set to
AUTO
9-8 IOSTR R/W 0h Select source for drive strength control of this IO.
This setting controls the drive strength of the Low-Current (LC)
mode. Higher drive strength can be selected in IOCURR
0h = Automatic drive strength, controlled by AON BATMON based
on battery voltage. (min 2 mA @VDDS)
1h = Minimum drive strength, controlled by AON_IOC:IOSTRMIN
(min 2 mA @3.3V with default values)
2h = MED : Medium drive strength, controlled by
AON_IOC:IOSTRMED (min 2 mA @2.5V with default values)
3h = Maximum drive strength, controlled by AON_IOC:IOSTRMAX
(min 2 mA @1.8V with default values)
7-6 RESERVED R 0h Software should not rely on the value of a reserved. Writing any
other value than the reset value may result in undefined behavior.

www.ti.com
I/O Control Registers
1025
SWCU117F–February 2015–Revised June 2016
Submit Documentation Feedback Copyright © 2015–2016, Texas Instruments Incorporated
I/O Control
Table 11-30. IOCFG2 Register Field Descriptions (continued)
Bit Field Type Reset Description
5-0 PORT_ID R/W 0h Selects usage for DIO2
0h = General Purpose IO
7h = AON 32 KHz clock (SCLK_LF)
8h = AUX IO
9h = SSI0_RX : SSI0 RX
Ah = SSI0_TX : SSI0 TX
Bh = SSI0_FSS : SSI0 FSS
Ch = SSI0_CLK : SSI0 CLK
Dh = I2C_MSSDA : I2C Data
Eh = I2C_MSSCL : I2C Clock
Fh = UART0_RX : UART0 RX
10h = UART0_TX : UART0 TX
11h = UART0_CTS : UART0 CTS
12h = UART0_RTS : UART0 RTS
17h = PORT_EVENT0 : PORT EVENT 0
Can be used as a general purpose IO event by selecting it via
registers in the EVENT module, e.g. EVENT:GPT0ACAPTSEL.EV,
EVENT:UDMACH14BSEL.EV, etc
18h = PORT_EVENT1 : PORT EVENT 1
Can be used as a general purpose IO event by selecting it via
registers in the EVENT module, e.g. EVENT:GPT0ACAPTSEL.EV,
EVENT:UDMACH14BSEL.EV, etc
19h = PORT_EVENT2 : PORT EVENT 2
Can be used as a general purpose IO event by selecting it via
registers in the EVENT module, e.g. EVENT:GPT0ACAPTSEL.EV,
EVENT:UDMACH14BSEL.EV, etc
1Ah = PORT_EVENT3 : PORT EVENT 3
Can be used as a general purpose IO event by selecting it via
registers in the EVENT module, e.g. EVENT:GPT0ACAPTSEL.EV,
EVENT:UDMACH14BSEL.EV, etc
1Bh = PORT_EVENT4 : PORT EVENT 4
Can be used as a general purpose IO event by selecting it via
registers in the EVENT module, e.g. EVENT:GPT0ACAPTSEL.EV,
EVENT:UDMACH14BSEL.EV, etc
1Ch = PORT_EVENT5 : PORT EVENT 5
Can be used as a general purpose IO event by selecting it via
registers in the EVENT module, e.g. EVENT:GPT0ACAPTSEL.EV,
EVENT:UDMACH14BSEL.EV, etc
1Dh = PORT_EVENT6 : PORT EVENT 6
Can be used as a general purpose IO event by selecting it via
registers in the EVENT module, e.g. EVENT:GPT0ACAPTSEL.EV,
EVENT:UDMACH14BSEL.EV, etc
1Eh = PORT_EVENT7 : PORT EVENT 7
Can be used as a general purpose IO event by selecting it via
registers in the EVENT module, e.g. EVENT:GPT0ACAPTSEL.EV,
EVENT:UDMACH14BSEL.EV, etc
20h = CPU_SWV : CPU SWV
21h = SSI1_RX : SSI1 RX
22h = SSI1_TX : SSI1 TX
23h = SSI1_FSS : SSI1 FSS
24h = SSI1_CLK : SSI1 CLK
25h = I2S_AD0 : I2S Data 0
26h = I2S_AD1 : I2S Data 1
27h = I2S_WCLK : I2S WCLK
28h = I2S_BCLK : I2S BCLK
29h = I2S_MCLK : I2S MCLK
2Eh = RF Core Trace
2Fh = RF Core Data Out 0

I/O Control Registers
www.ti.com
1026 SWCU117F–February 2015–Revised June 2016
Submit Documentation Feedback
Copyright © 2015–2016, Texas Instruments Incorporated
I/O Control
Table 11-30. IOCFG2 Register Field Descriptions (continued)
Bit Field Type Reset Description
30h = RF Core Data Out 1
31h = RF Core Data Out 2
32h = RF Core Data Out 3
33h = RF Core Data In 0
34h = RF Core Data In 1
35h = RF Core SMI Data Link Out
36h = RF Core SMI Data Link In
37h = RF Core SMI Command Link Out
38h = RF Core SMI Command Link In

www.ti.com
I/O Control Registers
1027
SWCU117F–February 2015–Revised June 2016
Submit Documentation Feedback Copyright © 2015–2016, Texas Instruments Incorporated
I/O Control
11.12.3.4 IOCFG3 Register (Offset = Ch) [reset = 6000h]
IOCFG3 is shown in Figure 11-26 and described in Table 11-31.
Return to Summary Table.
Configuration of DIO3
Figure 11-26. IOCFG3 Register
31 30 29 28 27 26 25 24
RESERVED HYST_EN IE WU_CFG IOMODE
R-0h R/W-0h R/W-0h R/W-0h R/W-0h
23 22 21 20 19 18 17 16
RESERVED EDGE_IRQ_EN EDGE_DET
R/W-0h R/W-0h R/W-0h
15 14 13 12 11 10 9 8
RESERVED PULL_CTL SLEW_RED IOCURR IOSTR
R-0h R/W-3h R/W-0h R/W-0h R/W-0h
76543210
RESERVED PORT_ID
R-0h R/W-0h
Table 11-31. IOCFG3 Register Field Descriptions
Bit Field Type Reset Description
31 RESERVED R 0h Software should not rely on the value of a reserved. Writing any
other value than the reset value may result in undefined behavior.
30 HYST_EN R/W 0h 0: Input hysteresis disable
1: Input hysteresis enable
29 IE R/W 0h 0: Input disabled
1: Input enabled
Note: If IO is configured for AUX ie. PORT_ID = 0x08, the enable will
be ignored.
28-27 WU_CFG R/W 0h If DIO is configured GPIO or non-AON peripheral signals, i.e.
PORT_ID 0x00 or >0x08:
00: No wake-up
01: No wake-up
10: Wakes up from shutdown if this pad is going low.
11: Wakes up from shutdown if this pad is going high.
If IO is configured for AON peripheral signals or AUX ie. PORT_ID
0x01-0x08, this register only sets wakeup enable or not.
00, 01: Wakeup disabled
10, 11: Wakeup enabled
Polarity is controlled from AON registers.
Note:When the MSB is set, the IOC will deactivate the output enable
for the DIO.

I/O Control Registers
www.ti.com
1028 SWCU117F–February 2015–Revised June 2016
Submit Documentation Feedback
Copyright © 2015–2016, Texas Instruments Incorporated
I/O Control
Table 11-31. IOCFG3 Register Field Descriptions (continued)
Bit Field Type Reset Description
26-24 IOMODE R/W 0h IO Mode
N/A for IO configured for AON periph. signals and AUX ie. PORT_ID
0x01-0x08
AUX has its own open_source/drain configuration.
0x2: Reserved. Undefined behavior.
0x3: Reserved. Undefined behavior.
0h = NORMAL : Normal input / output
1h = INV : Inverted input / ouput
4h = OPENDR : Open Drain,
Normal input / output
5h = OPENDR_INV : Open Drain
Inverted input / output
6h = OPENSRC : Open Source
Normal input / output
7h = OPENSRC_INV : Open Source
Inverted input / output
23-19 RESERVED R/W 0h Software should not rely on the value of a reserved. Writing any
other value than the reset value may result in undefined behavior.
18 EDGE_IRQ_EN R/W 0h 0: No interrupt generation
1: Enable interrupt generation for this IO (Only effective if
EDGE_DET is enabled)
17-16 EDGE_DET R/W 0h Enable generation of edge detection events on this IO
0h = NONE : No edge detection
1h = Negative edge detection
2h = Positive edge detection
3h = Positive and negative edge detection
15 RESERVED R 0h Software should not rely on the value of a reserved. Writing any
other value than the reset value may result in undefined behavior.
14-13 PULL_CTL R/W 3h Pull control
1h = DWN : Pull down
2h = UP : Pull up
3h = DIS : No pull
12 SLEW_RED R/W 0h 0: Normal slew rate
1: Enables reduced slew rate in output driver.
11-10 IOCURR R/W 0h Selects IO current mode of this IO.
0h = 2MA : Low-Current (LC) mode: Min 2 mA when IOSTR is set to
AUTO
1h = 4MA : High-Current (HC) mode: Min 4 mA when IOSTR is set
to AUTO
2h = 4_8MA : Extended-Current (EC) mode: Min 8 mA for double
drive strength IOs (min 4 mA for normal IOs) when IOSTR is set to
AUTO
9-8 IOSTR R/W 0h Select source for drive strength control of this IO.
This setting controls the drive strength of the Low-Current (LC)
mode. Higher drive strength can be selected in IOCURR
0h = Automatic drive strength, controlled by AON BATMON based
on battery voltage. (min 2 mA @VDDS)
1h = Minimum drive strength, controlled by AON_IOC:IOSTRMIN
(min 2 mA @3.3V with default values)
2h = MED : Medium drive strength, controlled by
AON_IOC:IOSTRMED (min 2 mA @2.5V with default values)
3h = Maximum drive strength, controlled by AON_IOC:IOSTRMAX
(min 2 mA @1.8V with default values)
7-6 RESERVED R 0h Software should not rely on the value of a reserved. Writing any
other value than the reset value may result in undefined behavior.

www.ti.com
I/O Control Registers
1029
SWCU117F–February 2015–Revised June 2016
Submit Documentation Feedback Copyright © 2015–2016, Texas Instruments Incorporated
I/O Control
Table 11-31. IOCFG3 Register Field Descriptions (continued)
Bit Field Type Reset Description
5-0 PORT_ID R/W 0h Selects usage for DIO3
0h = General Purpose IO
7h = AON 32 KHz clock (SCLK_LF)
8h = AUX IO
9h = SSI0_RX : SSI0 RX
Ah = SSI0_TX : SSI0 TX
Bh = SSI0_FSS : SSI0 FSS
Ch = SSI0_CLK : SSI0 CLK
Dh = I2C_MSSDA : I2C Data
Eh = I2C_MSSCL : I2C Clock
Fh = UART0_RX : UART0 RX
10h = UART0_TX : UART0 TX
11h = UART0_CTS : UART0 CTS
12h = UART0_RTS : UART0 RTS
17h = PORT_EVENT0 : PORT EVENT 0
Can be used as a general purpose IO event by selecting it via
registers in the EVENT module, e.g. EVENT:GPT0ACAPTSEL.EV,
EVENT:UDMACH14BSEL.EV, etc
18h = PORT_EVENT1 : PORT EVENT 1
Can be used as a general purpose IO event by selecting it via
registers in the EVENT module, e.g. EVENT:GPT0ACAPTSEL.EV,
EVENT:UDMACH14BSEL.EV, etc
19h = PORT_EVENT2 : PORT EVENT 2
Can be used as a general purpose IO event by selecting it via
registers in the EVENT module, e.g. EVENT:GPT0ACAPTSEL.EV,
EVENT:UDMACH14BSEL.EV, etc
1Ah = PORT_EVENT3 : PORT EVENT 3
Can be used as a general purpose IO event by selecting it via
registers in the EVENT module, e.g. EVENT:GPT0ACAPTSEL.EV,
EVENT:UDMACH14BSEL.EV, etc
1Bh = PORT_EVENT4 : PORT EVENT 4
Can be used as a general purpose IO event by selecting it via
registers in the EVENT module, e.g. EVENT:GPT0ACAPTSEL.EV,
EVENT:UDMACH14BSEL.EV, etc
1Ch = PORT_EVENT5 : PORT EVENT 5
Can be used as a general purpose IO event by selecting it via
registers in the EVENT module, e.g. EVENT:GPT0ACAPTSEL.EV,
EVENT:UDMACH14BSEL.EV, etc
1Dh = PORT_EVENT6 : PORT EVENT 6
Can be used as a general purpose IO event by selecting it via
registers in the EVENT module, e.g. EVENT:GPT0ACAPTSEL.EV,
EVENT:UDMACH14BSEL.EV, etc
1Eh = PORT_EVENT7 : PORT EVENT 7
Can be used as a general purpose IO event by selecting it via
registers in the EVENT module, e.g. EVENT:GPT0ACAPTSEL.EV,
EVENT:UDMACH14BSEL.EV, etc
20h = CPU_SWV : CPU SWV
21h = SSI1_RX : SSI1 RX
22h = SSI1_TX : SSI1 TX
23h = SSI1_FSS : SSI1 FSS
24h = SSI1_CLK : SSI1 CLK
25h = I2S_AD0 : I2S Data 0
26h = I2S_AD1 : I2S Data 1
27h = I2S_WCLK : I2S WCLK
28h = I2S_BCLK : I2S BCLK
29h = I2S_MCLK : I2S MCLK
2Eh = RF Core Trace
2Fh = RF Core Data Out 0

I/O Control Registers
www.ti.com
1030 SWCU117F–February 2015–Revised June 2016
Submit Documentation Feedback
Copyright © 2015–2016, Texas Instruments Incorporated
I/O Control
Table 11-31. IOCFG3 Register Field Descriptions (continued)
Bit Field Type Reset Description
30h = RF Core Data Out 1
31h = RF Core Data Out 2
32h = RF Core Data Out 3
33h = RF Core Data In 0
34h = RF Core Data In 1
35h = RF Core SMI Data Link Out
36h = RF Core SMI Data Link In
37h = RF Core SMI Command Link Out
38h = RF Core SMI Command Link In

www.ti.com
I/O Control Registers
1031
SWCU117F–February 2015–Revised June 2016
Submit Documentation Feedback Copyright © 2015–2016, Texas Instruments Incorporated
I/O Control
11.12.3.5 IOCFG4 Register (Offset = 10h) [reset = 6000h]
IOCFG4 is shown in Figure 11-27 and described in Table 11-32.
Return to Summary Table.
Configuration of DIO4
Figure 11-27. IOCFG4 Register
31 30 29 28 27 26 25 24
RESERVED HYST_EN IE WU_CFG IOMODE
R-0h R/W-0h R/W-0h R/W-0h R/W-0h
23 22 21 20 19 18 17 16
RESERVED EDGE_IRQ_EN EDGE_DET
R/W-0h R/W-0h R/W-0h
15 14 13 12 11 10 9 8
RESERVED PULL_CTL SLEW_RED IOCURR IOSTR
R-0h R/W-3h R/W-0h R/W-0h R/W-0h
76543210
RESERVED PORT_ID
R-0h R/W-0h
Table 11-32. IOCFG4 Register Field Descriptions
Bit Field Type Reset Description
31 RESERVED R 0h Software should not rely on the value of a reserved. Writing any
other value than the reset value may result in undefined behavior.
30 HYST_EN R/W 0h 0: Input hysteresis disable
1: Input hysteresis enable
29 IE R/W 0h 0: Input disabled
1: Input enabled
Note: If IO is configured for AUX ie. PORT_ID = 0x08, the enable will
be ignored.
28-27 WU_CFG R/W 0h If DIO is configured GPIO or non-AON peripheral signals, i.e.
PORT_ID 0x00 or >0x08:
00: No wake-up
01: No wake-up
10: Wakes up from shutdown if this pad is going low.
11: Wakes up from shutdown if this pad is going high.
If IO is configured for AON peripheral signals or AUX ie. PORT_ID
0x01-0x08, this register only sets wakeup enable or not.
00, 01: Wakeup disabled
10, 11: Wakeup enabled
Polarity is controlled from AON registers.
Note:When the MSB is set, the IOC will deactivate the output enable
for the DIO.

I/O Control Registers
www.ti.com
1032 SWCU117F–February 2015–Revised June 2016
Submit Documentation Feedback
Copyright © 2015–2016, Texas Instruments Incorporated
I/O Control
Table 11-32. IOCFG4 Register Field Descriptions (continued)
Bit Field Type Reset Description
26-24 IOMODE R/W 0h IO Mode
N/A for IO configured for AON periph. signals and AUX ie. PORT_ID
0x01-0x08
AUX has its own open_source/drain configuration.
0x2: Reserved. Undefined behavior.
0x3: Reserved. Undefined behavior.
0h = NORMAL : Normal input / output
1h = INV : Inverted input / ouput
4h = OPENDR : Open Drain,
Normal input / output
5h = OPENDR_INV : Open Drain
Inverted input / output
6h = OPENSRC : Open Source
Normal input / output
7h = OPENSRC_INV : Open Source
Inverted input / output
23-19 RESERVED R/W 0h Software should not rely on the value of a reserved. Writing any
other value than the reset value may result in undefined behavior.
18 EDGE_IRQ_EN R/W 0h 0: No interrupt generation
1: Enable interrupt generation for this IO (Only effective if
EDGE_DET is enabled)
17-16 EDGE_DET R/W 0h Enable generation of edge detection events on this IO
0h = NONE : No edge detection
1h = Negative edge detection
2h = Positive edge detection
3h = Positive and negative edge detection
15 RESERVED R 0h Software should not rely on the value of a reserved. Writing any
other value than the reset value may result in undefined behavior.
14-13 PULL_CTL R/W 3h Pull control
1h = DWN : Pull down
2h = UP : Pull up
3h = DIS : No pull
12 SLEW_RED R/W 0h 0: Normal slew rate
1: Enables reduced slew rate in output driver.
11-10 IOCURR R/W 0h Selects IO current mode of this IO.
0h = 2MA : Low-Current (LC) mode: Min 2 mA when IOSTR is set to
AUTO
1h = 4MA : High-Current (HC) mode: Min 4 mA when IOSTR is set
to AUTO
2h = 4_8MA : Extended-Current (EC) mode: Min 8 mA for double
drive strength IOs (min 4 mA for normal IOs) when IOSTR is set to
AUTO
9-8 IOSTR R/W 0h Select source for drive strength control of this IO.
This setting controls the drive strength of the Low-Current (LC)
mode. Higher drive strength can be selected in IOCURR
0h = Automatic drive strength, controlled by AON BATMON based
on battery voltage. (min 2 mA @VDDS)
1h = Minimum drive strength, controlled by AON_IOC:IOSTRMIN
(min 2 mA @3.3V with default values)
2h = MED : Medium drive strength, controlled by
AON_IOC:IOSTRMED (min 2 mA @2.5V with default values)
3h = Maximum drive strength, controlled by AON_IOC:IOSTRMAX
(min 2 mA @1.8V with default values)
7-6 RESERVED R 0h Software should not rely on the value of a reserved. Writing any
other value than the reset value may result in undefined behavior.

www.ti.com
I/O Control Registers
1033
SWCU117F–February 2015–Revised June 2016
Submit Documentation Feedback Copyright © 2015–2016, Texas Instruments Incorporated
I/O Control
Table 11-32. IOCFG4 Register Field Descriptions (continued)
Bit Field Type Reset Description
5-0 PORT_ID R/W 0h Selects usage for DIO4
0h = General Purpose IO
7h = AON 32 KHz clock (SCLK_LF)
8h = AUX IO
9h = SSI0_RX : SSI0 RX
Ah = SSI0_TX : SSI0 TX
Bh = SSI0_FSS : SSI0 FSS
Ch = SSI0_CLK : SSI0 CLK
Dh = I2C_MSSDA : I2C Data
Eh = I2C_MSSCL : I2C Clock
Fh = UART0_RX : UART0 RX
10h = UART0_TX : UART0 TX
11h = UART0_CTS : UART0 CTS
12h = UART0_RTS : UART0 RTS
17h = PORT_EVENT0 : PORT EVENT 0
Can be used as a general purpose IO event by selecting it via
registers in the EVENT module, e.g. EVENT:GPT0ACAPTSEL.EV,
EVENT:UDMACH14BSEL.EV, etc
18h = PORT_EVENT1 : PORT EVENT 1
Can be used as a general purpose IO event by selecting it via
registers in the EVENT module, e.g. EVENT:GPT0ACAPTSEL.EV,
EVENT:UDMACH14BSEL.EV, etc
19h = PORT_EVENT2 : PORT EVENT 2
Can be used as a general purpose IO event by selecting it via
registers in the EVENT module, e.g. EVENT:GPT0ACAPTSEL.EV,
EVENT:UDMACH14BSEL.EV, etc
1Ah = PORT_EVENT3 : PORT EVENT 3
Can be used as a general purpose IO event by selecting it via
registers in the EVENT module, e.g. EVENT:GPT0ACAPTSEL.EV,
EVENT:UDMACH14BSEL.EV, etc
1Bh = PORT_EVENT4 : PORT EVENT 4
Can be used as a general purpose IO event by selecting it via
registers in the EVENT module, e.g. EVENT:GPT0ACAPTSEL.EV,
EVENT:UDMACH14BSEL.EV, etc
1Ch = PORT_EVENT5 : PORT EVENT 5
Can be used as a general purpose IO event by selecting it via
registers in the EVENT module, e.g. EVENT:GPT0ACAPTSEL.EV,
EVENT:UDMACH14BSEL.EV, etc
1Dh = PORT_EVENT6 : PORT EVENT 6
Can be used as a general purpose IO event by selecting it via
registers in the EVENT module, e.g. EVENT:GPT0ACAPTSEL.EV,
EVENT:UDMACH14BSEL.EV, etc
1Eh = PORT_EVENT7 : PORT EVENT 7
Can be used as a general purpose IO event by selecting it via
registers in the EVENT module, e.g. EVENT:GPT0ACAPTSEL.EV,
EVENT:UDMACH14BSEL.EV, etc
20h = CPU_SWV : CPU SWV
21h = SSI1_RX : SSI1 RX
22h = SSI1_TX : SSI1 TX
23h = SSI1_FSS : SSI1 FSS
24h = SSI1_CLK : SSI1 CLK
25h = I2S_AD0 : I2S Data 0
26h = I2S_AD1 : I2S Data 1
27h = I2S_WCLK : I2S WCLK
28h = I2S_BCLK : I2S BCLK
29h = I2S_MCLK : I2S MCLK
2Eh = RF Core Trace
2Fh = RF Core Data Out 0

I/O Control Registers
www.ti.com
1034 SWCU117F–February 2015–Revised June 2016
Submit Documentation Feedback
Copyright © 2015–2016, Texas Instruments Incorporated
I/O Control
Table 11-32. IOCFG4 Register Field Descriptions (continued)
Bit Field Type Reset Description
30h = RF Core Data Out 1
31h = RF Core Data Out 2
32h = RF Core Data Out 3
33h = RF Core Data In 0
34h = RF Core Data In 1
35h = RF Core SMI Data Link Out
36h = RF Core SMI Data Link In
37h = RF Core SMI Command Link Out
38h = RF Core SMI Command Link In

www.ti.com
I/O Control Registers
1035
SWCU117F–February 2015–Revised June 2016
Submit Documentation Feedback Copyright © 2015–2016, Texas Instruments Incorporated
I/O Control
11.12.3.6 IOCFG5 Register (Offset = 14h) [reset = 6000h]
IOCFG5 is shown in Figure 11-28 and described in Table 11-33.
Return to Summary Table.
Configuration of DIO5
Figure 11-28. IOCFG5 Register
31 30 29 28 27 26 25 24
RESERVED HYST_EN IE WU_CFG IOMODE
R-0h R/W-0h R/W-0h R/W-0h R/W-0h
23 22 21 20 19 18 17 16
RESERVED EDGE_IRQ_EN EDGE_DET
R/W-0h R/W-0h R/W-0h
15 14 13 12 11 10 9 8
RESERVED PULL_CTL SLEW_RED IOCURR IOSTR
R-0h R/W-3h R/W-0h R/W-0h R/W-0h
76543210
RESERVED PORT_ID
R-0h R/W-0h
Table 11-33. IOCFG5 Register Field Descriptions
Bit Field Type Reset Description
31 RESERVED R 0h Software should not rely on the value of a reserved. Writing any
other value than the reset value may result in undefined behavior.
30 HYST_EN R/W 0h 0: Input hysteresis disable
1: Input hysteresis enable
29 IE R/W 0h 0: Input disabled
1: Input enabled
Note: If IO is configured for AUX ie. PORT_ID = 0x08, the enable will
be ignored.
28-27 WU_CFG R/W 0h If DIO is configured GPIO or non-AON peripheral signals, i.e.
PORT_ID 0x00 or >0x08:
00: No wake-up
01: No wake-up
10: Wakes up from shutdown if this pad is going low.
11: Wakes up from shutdown if this pad is going high.
If IO is configured for AON peripheral signals or AUX ie. PORT_ID
0x01-0x08, this register only sets wakeup enable or not.
00, 01: Wakeup disabled
10, 11: Wakeup enabled
Polarity is controlled from AON registers.
Note:When the MSB is set, the IOC will deactivate the output enable
for the DIO.

I/O Control Registers
www.ti.com
1036 SWCU117F–February 2015–Revised June 2016
Submit Documentation Feedback
Copyright © 2015–2016, Texas Instruments Incorporated
I/O Control
Table 11-33. IOCFG5 Register Field Descriptions (continued)
Bit Field Type Reset Description
26-24 IOMODE R/W 0h IO Mode
N/A for IO configured for AON periph. signals and AUX ie. PORT_ID
0x01-0x08
AUX has its own open_source/drain configuration.
0x2: Reserved. Undefined behavior.
0x3: Reserved. Undefined behavior.
0h = NORMAL : Normal input / output
1h = INV : Inverted input / ouput
4h = OPENDR : Open Drain,
Normal input / output
5h = OPENDR_INV : Open Drain
Inverted input / output
6h = OPENSRC : Open Source
Normal input / output
7h = OPENSRC_INV : Open Source
Inverted input / output
23-19 RESERVED R/W 0h Software should not rely on the value of a reserved. Writing any
other value than the reset value may result in undefined behavior.
18 EDGE_IRQ_EN R/W 0h 0: No interrupt generation
1: Enable interrupt generation for this IO (Only effective if
EDGE_DET is enabled)
17-16 EDGE_DET R/W 0h Enable generation of edge detection events on this IO
0h = NONE : No edge detection
1h = Negative edge detection
2h = Positive edge detection
3h = Positive and negative edge detection
15 RESERVED R 0h Software should not rely on the value of a reserved. Writing any
other value than the reset value may result in undefined behavior.
14-13 PULL_CTL R/W 3h Pull control
1h = DWN : Pull down
2h = UP : Pull up
3h = DIS : No pull
12 SLEW_RED R/W 0h 0: Normal slew rate
1: Enables reduced slew rate in output driver.
11-10 IOCURR R/W 0h Selects IO current mode of this IO.
0h = 2MA : Low-Current (LC) mode: Min 2 mA when IOSTR is set to
AUTO
1h = 4MA : High-Current (HC) mode: Min 4 mA when IOSTR is set
to AUTO
2h = 4_8MA : Extended-Current (EC) mode: Min 8 mA for double
drive strength IOs (min 4 mA for normal IOs) when IOSTR is set to
AUTO
9-8 IOSTR R/W 0h Select source for drive strength control of this IO.
This setting controls the drive strength of the Low-Current (LC)
mode. Higher drive strength can be selected in IOCURR
0h = Automatic drive strength, controlled by AON BATMON based
on battery voltage. (min 2 mA @VDDS)
1h = Minimum drive strength, controlled by AON_IOC:IOSTRMIN
(min 2 mA @3.3V with default values)
2h = MED : Medium drive strength, controlled by
AON_IOC:IOSTRMED (min 2 mA @2.5V with default values)
3h = Maximum drive strength, controlled by AON_IOC:IOSTRMAX
(min 2 mA @1.8V with default values)
7-6 RESERVED R 0h Software should not rely on the value of a reserved. Writing any
other value than the reset value may result in undefined behavior.

www.ti.com
I/O Control Registers
1037
SWCU117F–February 2015–Revised June 2016
Submit Documentation Feedback Copyright © 2015–2016, Texas Instruments Incorporated
I/O Control
Table 11-33. IOCFG5 Register Field Descriptions (continued)
Bit Field Type Reset Description
5-0 PORT_ID R/W 0h Selects usage for DIO5
0h = General Purpose IO
7h = AON 32 KHz clock (SCLK_LF)
8h = AUX IO
9h = SSI0_RX : SSI0 RX
Ah = SSI0_TX : SSI0 TX
Bh = SSI0_FSS : SSI0 FSS
Ch = SSI0_CLK : SSI0 CLK
Dh = I2C_MSSDA : I2C Data
Eh = I2C_MSSCL : I2C Clock
Fh = UART0_RX : UART0 RX
10h = UART0_TX : UART0 TX
11h = UART0_CTS : UART0 CTS
12h = UART0_RTS : UART0 RTS
17h = PORT_EVENT0 : PORT EVENT 0
Can be used as a general purpose IO event by selecting it via
registers in the EVENT module, e.g. EVENT:GPT0ACAPTSEL.EV,
EVENT:UDMACH14BSEL.EV, etc
18h = PORT_EVENT1 : PORT EVENT 1
Can be used as a general purpose IO event by selecting it via
registers in the EVENT module, e.g. EVENT:GPT0ACAPTSEL.EV,
EVENT:UDMACH14BSEL.EV, etc
19h = PORT_EVENT2 : PORT EVENT 2
Can be used as a general purpose IO event by selecting it via
registers in the EVENT module, e.g. EVENT:GPT0ACAPTSEL.EV,
EVENT:UDMACH14BSEL.EV, etc
1Ah = PORT_EVENT3 : PORT EVENT 3
Can be used as a general purpose IO event by selecting it via
registers in the EVENT module, e.g. EVENT:GPT0ACAPTSEL.EV,
EVENT:UDMACH14BSEL.EV, etc
1Bh = PORT_EVENT4 : PORT EVENT 4
Can be used as a general purpose IO event by selecting it via
registers in the EVENT module, e.g. EVENT:GPT0ACAPTSEL.EV,
EVENT:UDMACH14BSEL.EV, etc
1Ch = PORT_EVENT5 : PORT EVENT 5
Can be used as a general purpose IO event by selecting it via
registers in the EVENT module, e.g. EVENT:GPT0ACAPTSEL.EV,
EVENT:UDMACH14BSEL.EV, etc
1Dh = PORT_EVENT6 : PORT EVENT 6
Can be used as a general purpose IO event by selecting it via
registers in the EVENT module, e.g. EVENT:GPT0ACAPTSEL.EV,
EVENT:UDMACH14BSEL.EV, etc
1Eh = PORT_EVENT7 : PORT EVENT 7
Can be used as a general purpose IO event by selecting it via
registers in the EVENT module, e.g. EVENT:GPT0ACAPTSEL.EV,
EVENT:UDMACH14BSEL.EV, etc
20h = CPU_SWV : CPU SWV
21h = SSI1_RX : SSI1 RX
22h = SSI1_TX : SSI1 TX
23h = SSI1_FSS : SSI1 FSS
24h = SSI1_CLK : SSI1 CLK
25h = I2S_AD0 : I2S Data 0
26h = I2S_AD1 : I2S Data 1
27h = I2S_WCLK : I2S WCLK
28h = I2S_BCLK : I2S BCLK
29h = I2S_MCLK : I2S MCLK
2Eh = RF Core Trace
2Fh = RF Core Data Out 0

I/O Control Registers
www.ti.com
1038 SWCU117F–February 2015–Revised June 2016
Submit Documentation Feedback
Copyright © 2015–2016, Texas Instruments Incorporated
I/O Control
Table 11-33. IOCFG5 Register Field Descriptions (continued)
Bit Field Type Reset Description
30h = RF Core Data Out 1
31h = RF Core Data Out 2
32h = RF Core Data Out 3
33h = RF Core Data In 0
34h = RF Core Data In 1
35h = RF Core SMI Data Link Out
36h = RF Core SMI Data Link In
37h = RF Core SMI Command Link Out
38h = RF Core SMI Command Link In

www.ti.com
I/O Control Registers
1039
SWCU117F–February 2015–Revised June 2016
Submit Documentation Feedback Copyright © 2015–2016, Texas Instruments Incorporated
I/O Control
11.12.3.7 IOCFG6 Register (Offset = 18h) [reset = 6000h]
IOCFG6 is shown in Figure 11-29 and described in Table 11-34.
Return to Summary Table.
Configuration of DIO6
Figure 11-29. IOCFG6 Register
31 30 29 28 27 26 25 24
RESERVED HYST_EN IE WU_CFG IOMODE
R-0h R/W-0h R/W-0h R/W-0h R/W-0h
23 22 21 20 19 18 17 16
RESERVED EDGE_IRQ_EN EDGE_DET
R/W-0h R/W-0h R/W-0h
15 14 13 12 11 10 9 8
RESERVED PULL_CTL SLEW_RED IOCURR IOSTR
R-0h R/W-3h R/W-0h R/W-0h R/W-0h
76543210
RESERVED PORT_ID
R-0h R/W-0h
Table 11-34. IOCFG6 Register Field Descriptions
Bit Field Type Reset Description
31 RESERVED R 0h Software should not rely on the value of a reserved. Writing any
other value than the reset value may result in undefined behavior.
30 HYST_EN R/W 0h 0: Input hysteresis disable
1: Input hysteresis enable
29 IE R/W 0h 0: Input disabled
1: Input enabled
Note: If IO is configured for AUX ie. PORT_ID = 0x08, the enable will
be ignored.
28-27 WU_CFG R/W 0h If DIO is configured GPIO or non-AON peripheral signals, i.e.
PORT_ID 0x00 or >0x08:
00: No wake-up
01: No wake-up
10: Wakes up from shutdown if this pad is going low.
11: Wakes up from shutdown if this pad is going high.
If IO is configured for AON peripheral signals or AUX ie. PORT_ID
0x01-0x08, this register only sets wakeup enable or not.
00, 01: Wakeup disabled
10, 11: Wakeup enabled
Polarity is controlled from AON registers.
Note:When the MSB is set, the IOC will deactivate the output enable
for the DIO.

I/O Control Registers
www.ti.com
1040 SWCU117F–February 2015–Revised June 2016
Submit Documentation Feedback
Copyright © 2015–2016, Texas Instruments Incorporated
I/O Control
Table 11-34. IOCFG6 Register Field Descriptions (continued)
Bit Field Type Reset Description
26-24 IOMODE R/W 0h IO Mode
N/A for IO configured for AON periph. signals and AUX ie. PORT_ID
0x01-0x08
AUX has its own open_source/drain configuration.
0x2: Reserved. Undefined behavior.
0x3: Reserved. Undefined behavior.
0h = NORMAL : Normal input / output
1h = INV : Inverted input / ouput
4h = OPENDR : Open Drain,
Normal input / output
5h = OPENDR_INV : Open Drain
Inverted input / output
6h = OPENSRC : Open Source
Normal input / output
7h = OPENSRC_INV : Open Source
Inverted input / output
23-19 RESERVED R/W 0h Software should not rely on the value of a reserved. Writing any
other value than the reset value may result in undefined behavior.
18 EDGE_IRQ_EN R/W 0h 0: No interrupt generation
1: Enable interrupt generation for this IO (Only effective if
EDGE_DET is enabled)
17-16 EDGE_DET R/W 0h Enable generation of edge detection events on this IO
0h = NONE : No edge detection
1h = Negative edge detection
2h = Positive edge detection
3h = Positive and negative edge detection
15 RESERVED R 0h Software should not rely on the value of a reserved. Writing any
other value than the reset value may result in undefined behavior.
14-13 PULL_CTL R/W 3h Pull control
1h = DWN : Pull down
2h = UP : Pull up
3h = DIS : No pull
12 SLEW_RED R/W 0h 0: Normal slew rate
1: Enables reduced slew rate in output driver.
11-10 IOCURR R/W 0h Selects IO current mode of this IO.
0h = 2MA : Low-Current (LC) mode: Min 2 mA when IOSTR is set to
AUTO
1h = 4MA : High-Current (HC) mode: Min 4 mA when IOSTR is set
to AUTO
2h = 4_8MA : Extended-Current (EC) mode: Min 8 mA for double
drive strength IOs (min 4 mA for normal IOs) when IOSTR is set to
AUTO
9-8 IOSTR R/W 0h Select source for drive strength control of this IO.
This setting controls the drive strength of the Low-Current (LC)
mode. Higher drive strength can be selected in IOCURR
0h = Automatic drive strength, controlled by AON BATMON based
on battery voltage. (min 2 mA @VDDS)
1h = Minimum drive strength, controlled by AON_IOC:IOSTRMIN
(min 2 mA @3.3V with default values)
2h = MED : Medium drive strength, controlled by
AON_IOC:IOSTRMED (min 2 mA @2.5V with default values)
3h = Maximum drive strength, controlled by AON_IOC:IOSTRMAX
(min 2 mA @1.8V with default values)
7-6 RESERVED R 0h Software should not rely on the value of a reserved. Writing any
other value than the reset value may result in undefined behavior.

www.ti.com
I/O Control Registers
1041
SWCU117F–February 2015–Revised June 2016
Submit Documentation Feedback Copyright © 2015–2016, Texas Instruments Incorporated
I/O Control
Table 11-34. IOCFG6 Register Field Descriptions (continued)
Bit Field Type Reset Description
5-0 PORT_ID R/W 0h Selects usage for DIO6
0h = General Purpose IO
7h = AON 32 KHz clock (SCLK_LF)
8h = AUX IO
9h = SSI0_RX : SSI0 RX
Ah = SSI0_TX : SSI0 TX
Bh = SSI0_FSS : SSI0 FSS
Ch = SSI0_CLK : SSI0 CLK
Dh = I2C_MSSDA : I2C Data
Eh = I2C_MSSCL : I2C Clock
Fh = UART0_RX : UART0 RX
10h = UART0_TX : UART0 TX
11h = UART0_CTS : UART0 CTS
12h = UART0_RTS : UART0 RTS
17h = PORT_EVENT0 : PORT EVENT 0
Can be used as a general purpose IO event by selecting it via
registers in the EVENT module, e.g. EVENT:GPT0ACAPTSEL.EV,
EVENT:UDMACH14BSEL.EV, etc
18h = PORT_EVENT1 : PORT EVENT 1
Can be used as a general purpose IO event by selecting it via
registers in the EVENT module, e.g. EVENT:GPT0ACAPTSEL.EV,
EVENT:UDMACH14BSEL.EV, etc
19h = PORT_EVENT2 : PORT EVENT 2
Can be used as a general purpose IO event by selecting it via
registers in the EVENT module, e.g. EVENT:GPT0ACAPTSEL.EV,
EVENT:UDMACH14BSEL.EV, etc
1Ah = PORT_EVENT3 : PORT EVENT 3
Can be used as a general purpose IO event by selecting it via
registers in the EVENT module, e.g. EVENT:GPT0ACAPTSEL.EV,
EVENT:UDMACH14BSEL.EV, etc
1Bh = PORT_EVENT4 : PORT EVENT 4
Can be used as a general purpose IO event by selecting it via
registers in the EVENT module, e.g. EVENT:GPT0ACAPTSEL.EV,
EVENT:UDMACH14BSEL.EV, etc
1Ch = PORT_EVENT5 : PORT EVENT 5
Can be used as a general purpose IO event by selecting it via
registers in the EVENT module, e.g. EVENT:GPT0ACAPTSEL.EV,
EVENT:UDMACH14BSEL.EV, etc
1Dh = PORT_EVENT6 : PORT EVENT 6
Can be used as a general purpose IO event by selecting it via
registers in the EVENT module, e.g. EVENT:GPT0ACAPTSEL.EV,
EVENT:UDMACH14BSEL.EV, etc
1Eh = PORT_EVENT7 : PORT EVENT 7
Can be used as a general purpose IO event by selecting it via
registers in the EVENT module, e.g. EVENT:GPT0ACAPTSEL.EV,
EVENT:UDMACH14BSEL.EV, etc
20h = CPU_SWV : CPU SWV
21h = SSI1_RX : SSI1 RX
22h = SSI1_TX : SSI1 TX
23h = SSI1_FSS : SSI1 FSS
24h = SSI1_CLK : SSI1 CLK
25h = I2S_AD0 : I2S Data 0
26h = I2S_AD1 : I2S Data 1
27h = I2S_WCLK : I2S WCLK
28h = I2S_BCLK : I2S BCLK
29h = I2S_MCLK : I2S MCLK
2Eh = RF Core Trace
2Fh = RF Core Data Out 0

I/O Control Registers
www.ti.com
1042 SWCU117F–February 2015–Revised June 2016
Submit Documentation Feedback
Copyright © 2015–2016, Texas Instruments Incorporated
I/O Control
Table 11-34. IOCFG6 Register Field Descriptions (continued)
Bit Field Type Reset Description
30h = RF Core Data Out 1
31h = RF Core Data Out 2
32h = RF Core Data Out 3
33h = RF Core Data In 0
34h = RF Core Data In 1
35h = RF Core SMI Data Link Out
36h = RF Core SMI Data Link In
37h = RF Core SMI Command Link Out
38h = RF Core SMI Command Link In

www.ti.com
I/O Control Registers
1043
SWCU117F–February 2015–Revised June 2016
Submit Documentation Feedback Copyright © 2015–2016, Texas Instruments Incorporated
I/O Control
11.12.3.8 IOCFG7 Register (Offset = 1Ch) [reset = 6000h]
IOCFG7 is shown in Figure 11-30 and described in Table 11-35.
Return to Summary Table.
Configuration of DIO7
Figure 11-30. IOCFG7 Register
31 30 29 28 27 26 25 24
RESERVED HYST_EN IE WU_CFG IOMODE
R-0h R/W-0h R/W-0h R/W-0h R/W-0h
23 22 21 20 19 18 17 16
RESERVED EDGE_IRQ_EN EDGE_DET
R/W-0h R/W-0h R/W-0h
15 14 13 12 11 10 9 8
RESERVED PULL_CTL SLEW_RED IOCURR IOSTR
R-0h R/W-3h R/W-0h R/W-0h R/W-0h
76543210
RESERVED PORT_ID
R-0h R/W-0h
Table 11-35. IOCFG7 Register Field Descriptions
Bit Field Type Reset Description
31 RESERVED R 0h Software should not rely on the value of a reserved. Writing any
other value than the reset value may result in undefined behavior.
30 HYST_EN R/W 0h 0: Input hysteresis disable
1: Input hysteresis enable
29 IE R/W 0h 0: Input disabled
1: Input enabled
Note: If IO is configured for AUX ie. PORT_ID = 0x08, the enable will
be ignored.
28-27 WU_CFG R/W 0h If DIO is configured GPIO or non-AON peripheral signals, i.e.
PORT_ID 0x00 or >0x08:
00: No wake-up
01: No wake-up
10: Wakes up from shutdown if this pad is going low.
11: Wakes up from shutdown if this pad is going high.
If IO is configured for AON peripheral signals or AUX ie. PORT_ID
0x01-0x08, this register only sets wakeup enable or not.
00, 01: Wakeup disabled
10, 11: Wakeup enabled
Polarity is controlled from AON registers.
Note:When the MSB is set, the IOC will deactivate the output enable
for the DIO.

I/O Control Registers
www.ti.com
1044 SWCU117F–February 2015–Revised June 2016
Submit Documentation Feedback
Copyright © 2015–2016, Texas Instruments Incorporated
I/O Control
Table 11-35. IOCFG7 Register Field Descriptions (continued)
Bit Field Type Reset Description
26-24 IOMODE R/W 0h IO Mode
N/A for IO configured for AON periph. signals and AUX ie. PORT_ID
0x01-0x08
AUX has its own open_source/drain configuration.
0x2: Reserved. Undefined behavior.
0x3: Reserved. Undefined behavior.
0h = NORMAL : Normal input / output
1h = INV : Inverted input / ouput
4h = OPENDR : Open Drain,
Normal input / output
5h = OPENDR_INV : Open Drain
Inverted input / output
6h = OPENSRC : Open Source
Normal input / output
7h = OPENSRC_INV : Open Source
Inverted input / output
23-19 RESERVED R/W 0h Software should not rely on the value of a reserved. Writing any
other value than the reset value may result in undefined behavior.
18 EDGE_IRQ_EN R/W 0h 0: No interrupt generation
1: Enable interrupt generation for this IO (Only effective if
EDGE_DET is enabled)
17-16 EDGE_DET R/W 0h Enable generation of edge detection events on this IO
0h = NONE : No edge detection
1h = Negative edge detection
2h = Positive edge detection
3h = Positive and negative edge detection
15 RESERVED R 0h Software should not rely on the value of a reserved. Writing any
other value than the reset value may result in undefined behavior.
14-13 PULL_CTL R/W 3h Pull control
1h = DWN : Pull down
2h = UP : Pull up
3h = DIS : No pull
12 SLEW_RED R/W 0h 0: Normal slew rate
1: Enables reduced slew rate in output driver.
11-10 IOCURR R/W 0h Selects IO current mode of this IO.
0h = 2MA : Low-Current (LC) mode: Min 2 mA when IOSTR is set to
AUTO
1h = 4MA : High-Current (HC) mode: Min 4 mA when IOSTR is set
to AUTO
2h = 4_8MA : Extended-Current (EC) mode: Min 8 mA for double
drive strength IOs (min 4 mA for normal IOs) when IOSTR is set to
AUTO
9-8 IOSTR R/W 0h Select source for drive strength control of this IO.
This setting controls the drive strength of the Low-Current (LC)
mode. Higher drive strength can be selected in IOCURR
0h = Automatic drive strength, controlled by AON BATMON based
on battery voltage. (min 2 mA @VDDS)
1h = Minimum drive strength, controlled by AON_IOC:IOSTRMIN
(min 2 mA @3.3V with default values)
2h = MED : Medium drive strength, controlled by
AON_IOC:IOSTRMED (min 2 mA @2.5V with default values)
3h = Maximum drive strength, controlled by AON_IOC:IOSTRMAX
(min 2 mA @1.8V with default values)
7-6 RESERVED R 0h Software should not rely on the value of a reserved. Writing any
other value than the reset value may result in undefined behavior.

www.ti.com
I/O Control Registers
1045
SWCU117F–February 2015–Revised June 2016
Submit Documentation Feedback Copyright © 2015–2016, Texas Instruments Incorporated
I/O Control
Table 11-35. IOCFG7 Register Field Descriptions (continued)
Bit Field Type Reset Description
5-0 PORT_ID R/W 0h Selects usage for DIO7
0h = General Purpose IO
7h = AON 32 KHz clock (SCLK_LF)
8h = AUX IO
9h = SSI0_RX : SSI0 RX
Ah = SSI0_TX : SSI0 TX
Bh = SSI0_FSS : SSI0 FSS
Ch = SSI0_CLK : SSI0 CLK
Dh = I2C_MSSDA : I2C Data
Eh = I2C_MSSCL : I2C Clock
Fh = UART0_RX : UART0 RX
10h = UART0_TX : UART0 TX
11h = UART0_CTS : UART0 CTS
12h = UART0_RTS : UART0 RTS
17h = PORT_EVENT0 : PORT EVENT 0
Can be used as a general purpose IO event by selecting it via
registers in the EVENT module, e.g. EVENT:GPT0ACAPTSEL.EV,
EVENT:UDMACH14BSEL.EV, etc
18h = PORT_EVENT1 : PORT EVENT 1
Can be used as a general purpose IO event by selecting it via
registers in the EVENT module, e.g. EVENT:GPT0ACAPTSEL.EV,
EVENT:UDMACH14BSEL.EV, etc
19h = PORT_EVENT2 : PORT EVENT 2
Can be used as a general purpose IO event by selecting it via
registers in the EVENT module, e.g. EVENT:GPT0ACAPTSEL.EV,
EVENT:UDMACH14BSEL.EV, etc
1Ah = PORT_EVENT3 : PORT EVENT 3
Can be used as a general purpose IO event by selecting it via
registers in the EVENT module, e.g. EVENT:GPT0ACAPTSEL.EV,
EVENT:UDMACH14BSEL.EV, etc
1Bh = PORT_EVENT4 : PORT EVENT 4
Can be used as a general purpose IO event by selecting it via
registers in the EVENT module, e.g. EVENT:GPT0ACAPTSEL.EV,
EVENT:UDMACH14BSEL.EV, etc
1Ch = PORT_EVENT5 : PORT EVENT 5
Can be used as a general purpose IO event by selecting it via
registers in the EVENT module, e.g. EVENT:GPT0ACAPTSEL.EV,
EVENT:UDMACH14BSEL.EV, etc
1Dh = PORT_EVENT6 : PORT EVENT 6
Can be used as a general purpose IO event by selecting it via
registers in the EVENT module, e.g. EVENT:GPT0ACAPTSEL.EV,
EVENT:UDMACH14BSEL.EV, etc
1Eh = PORT_EVENT7 : PORT EVENT 7
Can be used as a general purpose IO event by selecting it via
registers in the EVENT module, e.g. EVENT:GPT0ACAPTSEL.EV,
EVENT:UDMACH14BSEL.EV, etc
20h = CPU_SWV : CPU SWV
21h = SSI1_RX : SSI1 RX
22h = SSI1_TX : SSI1 TX
23h = SSI1_FSS : SSI1 FSS
24h = SSI1_CLK : SSI1 CLK
25h = I2S_AD0 : I2S Data 0
26h = I2S_AD1 : I2S Data 1
27h = I2S_WCLK : I2S WCLK
28h = I2S_BCLK : I2S BCLK
29h = I2S_MCLK : I2S MCLK
2Eh = RF Core Trace
2Fh = RF Core Data Out 0

I/O Control Registers
www.ti.com
1046 SWCU117F–February 2015–Revised June 2016
Submit Documentation Feedback
Copyright © 2015–2016, Texas Instruments Incorporated
I/O Control
Table 11-35. IOCFG7 Register Field Descriptions (continued)
Bit Field Type Reset Description
30h = RF Core Data Out 1
31h = RF Core Data Out 2
32h = RF Core Data Out 3
33h = RF Core Data In 0
34h = RF Core Data In 1
35h = RF Core SMI Data Link Out
36h = RF Core SMI Data Link In
37h = RF Core SMI Command Link Out
38h = RF Core SMI Command Link In

www.ti.com
I/O Control Registers
1047
SWCU117F–February 2015–Revised June 2016
Submit Documentation Feedback Copyright © 2015–2016, Texas Instruments Incorporated
I/O Control
11.12.3.9 IOCFG8 Register (Offset = 20h) [reset = 6000h]
IOCFG8 is shown in Figure 11-31 and described in Table 11-36.
Return to Summary Table.
Configuration of DIO8
Figure 11-31. IOCFG8 Register
31 30 29 28 27 26 25 24
RESERVED HYST_EN IE WU_CFG IOMODE
R-0h R/W-0h R/W-0h R/W-0h R/W-0h
23 22 21 20 19 18 17 16
RESERVED EDGE_IRQ_EN EDGE_DET
R/W-0h R/W-0h R/W-0h
15 14 13 12 11 10 9 8
RESERVED PULL_CTL SLEW_RED IOCURR IOSTR
R-0h R/W-3h R/W-0h R/W-0h R/W-0h
76543210
RESERVED PORT_ID
R-0h R/W-0h
Table 11-36. IOCFG8 Register Field Descriptions
Bit Field Type Reset Description
31 RESERVED R 0h Software should not rely on the value of a reserved. Writing any
other value than the reset value may result in undefined behavior.
30 HYST_EN R/W 0h 0: Input hysteresis disable
1: Input hysteresis enable
29 IE R/W 0h 0: Input disabled
1: Input enabled
Note: If IO is configured for AUX ie. PORT_ID = 0x08, the enable will
be ignored.
28-27 WU_CFG R/W 0h If DIO is configured GPIO or non-AON peripheral signals, i.e.
PORT_ID 0x00 or >0x08:
00: No wake-up
01: No wake-up
10: Wakes up from shutdown if this pad is going low.
11: Wakes up from shutdown if this pad is going high.
If IO is configured for AON peripheral signals or AUX ie. PORT_ID
0x01-0x08, this register only sets wakeup enable or not.
00, 01: Wakeup disabled
10, 11: Wakeup enabled
Polarity is controlled from AON registers.
Note:When the MSB is set, the IOC will deactivate the output enable
for the DIO.

I/O Control Registers
www.ti.com
1048 SWCU117F–February 2015–Revised June 2016
Submit Documentation Feedback
Copyright © 2015–2016, Texas Instruments Incorporated
I/O Control
Table 11-36. IOCFG8 Register Field Descriptions (continued)
Bit Field Type Reset Description
26-24 IOMODE R/W 0h IO Mode
N/A for IO configured for AON periph. signals and AUX ie. PORT_ID
0x01-0x08
AUX has its own open_source/drain configuration.
0x2: Reserved. Undefined behavior.
0x3: Reserved. Undefined behavior.
0h = NORMAL : Normal input / output
1h = INV : Inverted input / ouput
4h = OPENDR : Open Drain,
Normal input / output
5h = OPENDR_INV : Open Drain
Inverted input / output
6h = OPENSRC : Open Source
Normal input / output
7h = OPENSRC_INV : Open Source
Inverted input / output
23-19 RESERVED R/W 0h Software should not rely on the value of a reserved. Writing any
other value than the reset value may result in undefined behavior.
18 EDGE_IRQ_EN R/W 0h 0: No interrupt generation
1: Enable interrupt generation for this IO (Only effective if
EDGE_DET is enabled)
17-16 EDGE_DET R/W 0h Enable generation of edge detection events on this IO
0h = NONE : No edge detection
1h = Negative edge detection
2h = Positive edge detection
3h = Positive and negative edge detection
15 RESERVED R 0h Software should not rely on the value of a reserved. Writing any
other value than the reset value may result in undefined behavior.
14-13 PULL_CTL R/W 3h Pull control
1h = DWN : Pull down
2h = UP : Pull up
3h = DIS : No pull
12 SLEW_RED R/W 0h 0: Normal slew rate
1: Enables reduced slew rate in output driver.
11-10 IOCURR R/W 0h Selects IO current mode of this IO.
0h = 2MA : Low-Current (LC) mode: Min 2 mA when IOSTR is set to
AUTO
1h = 4MA : High-Current (HC) mode: Min 4 mA when IOSTR is set
to AUTO
2h = 4_8MA : Extended-Current (EC) mode: Min 8 mA for double
drive strength IOs (min 4 mA for normal IOs) when IOSTR is set to
AUTO
9-8 IOSTR R/W 0h Select source for drive strength control of this IO.
This setting controls the drive strength of the Low-Current (LC)
mode. Higher drive strength can be selected in IOCURR
0h = Automatic drive strength, controlled by AON BATMON based
on battery voltage. (min 2 mA @VDDS)
1h = Minimum drive strength, controlled by AON_IOC:IOSTRMIN
(min 2 mA @3.3V with default values)
2h = MED : Medium drive strength, controlled by
AON_IOC:IOSTRMED (min 2 mA @2.5V with default values)
3h = Maximum drive strength, controlled by AON_IOC:IOSTRMAX
(min 2 mA @1.8V with default values)
7-6 RESERVED R 0h Software should not rely on the value of a reserved. Writing any
other value than the reset value may result in undefined behavior.

www.ti.com
I/O Control Registers
1049
SWCU117F–February 2015–Revised June 2016
Submit Documentation Feedback Copyright © 2015–2016, Texas Instruments Incorporated
I/O Control
Table 11-36. IOCFG8 Register Field Descriptions (continued)
Bit Field Type Reset Description
5-0 PORT_ID R/W 0h Selects usage for DIO8
0h = General Purpose IO
7h = AON 32 KHz clock (SCLK_LF)
8h = AUX IO
9h = SSI0_RX : SSI0 RX
Ah = SSI0_TX : SSI0 TX
Bh = SSI0_FSS : SSI0 FSS
Ch = SSI0_CLK : SSI0 CLK
Dh = I2C_MSSDA : I2C Data
Eh = I2C_MSSCL : I2C Clock
Fh = UART0_RX : UART0 RX
10h = UART0_TX : UART0 TX
11h = UART0_CTS : UART0 CTS
12h = UART0_RTS : UART0 RTS
17h = PORT_EVENT0 : PORT EVENT 0
Can be used as a general purpose IO event by selecting it via
registers in the EVENT module, e.g. EVENT:GPT0ACAPTSEL.EV,
EVENT:UDMACH14BSEL.EV, etc
18h = PORT_EVENT1 : PORT EVENT 1
Can be used as a general purpose IO event by selecting it via
registers in the EVENT module, e.g. EVENT:GPT0ACAPTSEL.EV,
EVENT:UDMACH14BSEL.EV, etc
19h = PORT_EVENT2 : PORT EVENT 2
Can be used as a general purpose IO event by selecting it via
registers in the EVENT module, e.g. EVENT:GPT0ACAPTSEL.EV,
EVENT:UDMACH14BSEL.EV, etc
1Ah = PORT_EVENT3 : PORT EVENT 3
Can be used as a general purpose IO event by selecting it via
registers in the EVENT module, e.g. EVENT:GPT0ACAPTSEL.EV,
EVENT:UDMACH14BSEL.EV, etc
1Bh = PORT_EVENT4 : PORT EVENT 4
Can be used as a general purpose IO event by selecting it via
registers in the EVENT module, e.g. EVENT:GPT0ACAPTSEL.EV,
EVENT:UDMACH14BSEL.EV, etc
1Ch = PORT_EVENT5 : PORT EVENT 5
Can be used as a general purpose IO event by selecting it via
registers in the EVENT module, e.g. EVENT:GPT0ACAPTSEL.EV,
EVENT:UDMACH14BSEL.EV, etc
1Dh = PORT_EVENT6 : PORT EVENT 6
Can be used as a general purpose IO event by selecting it via
registers in the EVENT module, e.g. EVENT:GPT0ACAPTSEL.EV,
EVENT:UDMACH14BSEL.EV, etc
1Eh = PORT_EVENT7 : PORT EVENT 7
Can be used as a general purpose IO event by selecting it via
registers in the EVENT module, e.g. EVENT:GPT0ACAPTSEL.EV,
EVENT:UDMACH14BSEL.EV, etc
20h = CPU_SWV : CPU SWV
21h = SSI1_RX : SSI1 RX
22h = SSI1_TX : SSI1 TX
23h = SSI1_FSS : SSI1 FSS
24h = SSI1_CLK : SSI1 CLK
25h = I2S_AD0 : I2S Data 0
26h = I2S_AD1 : I2S Data 1
27h = I2S_WCLK : I2S WCLK
28h = I2S_BCLK : I2S BCLK
29h = I2S_MCLK : I2S MCLK
2Eh = RF Core Trace
2Fh = RF Core Data Out 0

I/O Control Registers
www.ti.com
1050 SWCU117F–February 2015–Revised June 2016
Submit Documentation Feedback
Copyright © 2015–2016, Texas Instruments Incorporated
I/O Control
Table 11-36. IOCFG8 Register Field Descriptions (continued)
Bit Field Type Reset Description
30h = RF Core Data Out 1
31h = RF Core Data Out 2
32h = RF Core Data Out 3
33h = RF Core Data In 0
34h = RF Core Data In 1
35h = RF Core SMI Data Link Out
36h = RF Core SMI Data Link In
37h = RF Core SMI Command Link Out
38h = RF Core SMI Command Link In

www.ti.com
I/O Control Registers
1051
SWCU117F–February 2015–Revised June 2016
Submit Documentation Feedback Copyright © 2015–2016, Texas Instruments Incorporated
I/O Control
11.12.3.10 IOCFG9 Register (Offset = 24h) [reset = 6000h]
IOCFG9 is shown in Figure 11-32 and described in Table 11-37.
Return to Summary Table.
Configuration of DIO9
Figure 11-32. IOCFG9 Register
31 30 29 28 27 26 25 24
RESERVED HYST_EN IE WU_CFG IOMODE
R-0h R/W-0h R/W-0h R/W-0h R/W-0h
23 22 21 20 19 18 17 16
RESERVED EDGE_IRQ_EN EDGE_DET
R/W-0h R/W-0h R/W-0h
15 14 13 12 11 10 9 8
RESERVED PULL_CTL SLEW_RED IOCURR IOSTR
R-0h R/W-3h R/W-0h R/W-0h R/W-0h
76543210
RESERVED PORT_ID
R-0h R/W-0h
Table 11-37. IOCFG9 Register Field Descriptions
Bit Field Type Reset Description
31 RESERVED R 0h Software should not rely on the value of a reserved. Writing any
other value than the reset value may result in undefined behavior.
30 HYST_EN R/W 0h 0: Input hysteresis disable
1: Input hysteresis enable
29 IE R/W 0h 0: Input disabled
1: Input enabled
Note: If IO is configured for AUX ie. PORT_ID = 0x08, the enable will
be ignored.
28-27 WU_CFG R/W 0h If DIO is configured GPIO or non-AON peripheral signals, i.e.
PORT_ID 0x00 or >0x08:
00: No wake-up
01: No wake-up
10: Wakes up from shutdown if this pad is going low.
11: Wakes up from shutdown if this pad is going high.
If IO is configured for AON peripheral signals or AUX ie. PORT_ID
0x01-0x08, this register only sets wakeup enable or not.
00, 01: Wakeup disabled
10, 11: Wakeup enabled
Polarity is controlled from AON registers.
Note:When the MSB is set, the IOC will deactivate the output enable
for the DIO.

I/O Control Registers
www.ti.com
1052 SWCU117F–February 2015–Revised June 2016
Submit Documentation Feedback
Copyright © 2015–2016, Texas Instruments Incorporated
I/O Control
Table 11-37. IOCFG9 Register Field Descriptions (continued)
Bit Field Type Reset Description
26-24 IOMODE R/W 0h IO Mode
N/A for IO configured for AON periph. signals and AUX ie. PORT_ID
0x01-0x08
AUX has its own open_source/drain configuration.
0x2: Reserved. Undefined behavior.
0x3: Reserved. Undefined behavior.
0h = NORMAL : Normal input / output
1h = INV : Inverted input / ouput
4h = OPENDR : Open Drain,
Normal input / output
5h = OPENDR_INV : Open Drain
Inverted input / output
6h = OPENSRC : Open Source
Normal input / output
7h = OPENSRC_INV : Open Source
Inverted input / output
23-19 RESERVED R/W 0h Software should not rely on the value of a reserved. Writing any
other value than the reset value may result in undefined behavior.
18 EDGE_IRQ_EN R/W 0h 0: No interrupt generation
1: Enable interrupt generation for this IO (Only effective if
EDGE_DET is enabled)
17-16 EDGE_DET R/W 0h Enable generation of edge detection events on this IO
0h = NONE : No edge detection
1h = Negative edge detection
2h = Positive edge detection
3h = Positive and negative edge detection
15 RESERVED R 0h Software should not rely on the value of a reserved. Writing any
other value than the reset value may result in undefined behavior.
14-13 PULL_CTL R/W 3h Pull control
1h = DWN : Pull down
2h = UP : Pull up
3h = DIS : No pull
12 SLEW_RED R/W 0h 0: Normal slew rate
1: Enables reduced slew rate in output driver.
11-10 IOCURR R/W 0h Selects IO current mode of this IO.
0h = 2MA : Low-Current (LC) mode: Min 2 mA when IOSTR is set to
AUTO
1h = 4MA : High-Current (HC) mode: Min 4 mA when IOSTR is set
to AUTO
2h = 4_8MA : Extended-Current (EC) mode: Min 8 mA for double
drive strength IOs (min 4 mA for normal IOs) when IOSTR is set to
AUTO
9-8 IOSTR R/W 0h Select source for drive strength control of this IO.
This setting controls the drive strength of the Low-Current (LC)
mode. Higher drive strength can be selected in IOCURR
0h = Automatic drive strength, controlled by AON BATMON based
on battery voltage. (min 2 mA @VDDS)
1h = Minimum drive strength, controlled by AON_IOC:IOSTRMIN
(min 2 mA @3.3V with default values)
2h = MED : Medium drive strength, controlled by
AON_IOC:IOSTRMED (min 2 mA @2.5V with default values)
3h = Maximum drive strength, controlled by AON_IOC:IOSTRMAX
(min 2 mA @1.8V with default values)
7-6 RESERVED R 0h Software should not rely on the value of a reserved. Writing any
other value than the reset value may result in undefined behavior.

www.ti.com
I/O Control Registers
1053
SWCU117F–February 2015–Revised June 2016
Submit Documentation Feedback Copyright © 2015–2016, Texas Instruments Incorporated
I/O Control
Table 11-37. IOCFG9 Register Field Descriptions (continued)
Bit Field Type Reset Description
5-0 PORT_ID R/W 0h Selects usage for DIO9
0h = General Purpose IO
7h = AON 32 KHz clock (SCLK_LF)
8h = AUX IO
9h = SSI0_RX : SSI0 RX
Ah = SSI0_TX : SSI0 TX
Bh = SSI0_FSS : SSI0 FSS
Ch = SSI0_CLK : SSI0 CLK
Dh = I2C_MSSDA : I2C Data
Eh = I2C_MSSCL : I2C Clock
Fh = UART0_RX : UART0 RX
10h = UART0_TX : UART0 TX
11h = UART0_CTS : UART0 CTS
12h = UART0_RTS : UART0 RTS
17h = PORT_EVENT0 : PORT EVENT 0
Can be used as a general purpose IO event by selecting it via
registers in the EVENT module, e.g. EVENT:GPT0ACAPTSEL.EV,
EVENT:UDMACH14BSEL.EV, etc
18h = PORT_EVENT1 : PORT EVENT 1
Can be used as a general purpose IO event by selecting it via
registers in the EVENT module, e.g. EVENT:GPT0ACAPTSEL.EV,
EVENT:UDMACH14BSEL.EV, etc
19h = PORT_EVENT2 : PORT EVENT 2
Can be used as a general purpose IO event by selecting it via
registers in the EVENT module, e.g. EVENT:GPT0ACAPTSEL.EV,
EVENT:UDMACH14BSEL.EV, etc
1Ah = PORT_EVENT3 : PORT EVENT 3
Can be used as a general purpose IO event by selecting it via
registers in the EVENT module, e.g. EVENT:GPT0ACAPTSEL.EV,
EVENT:UDMACH14BSEL.EV, etc
1Bh = PORT_EVENT4 : PORT EVENT 4
Can be used as a general purpose IO event by selecting it via
registers in the EVENT module, e.g. EVENT:GPT0ACAPTSEL.EV,
EVENT:UDMACH14BSEL.EV, etc
1Ch = PORT_EVENT5 : PORT EVENT 5
Can be used as a general purpose IO event by selecting it via
registers in the EVENT module, e.g. EVENT:GPT0ACAPTSEL.EV,
EVENT:UDMACH14BSEL.EV, etc
1Dh = PORT_EVENT6 : PORT EVENT 6
Can be used as a general purpose IO event by selecting it via
registers in the EVENT module, e.g. EVENT:GPT0ACAPTSEL.EV,
EVENT:UDMACH14BSEL.EV, etc
1Eh = PORT_EVENT7 : PORT EVENT 7
Can be used as a general purpose IO event by selecting it via
registers in the EVENT module, e.g. EVENT:GPT0ACAPTSEL.EV,
EVENT:UDMACH14BSEL.EV, etc
20h = CPU_SWV : CPU SWV
21h = SSI1_RX : SSI1 RX
22h = SSI1_TX : SSI1 TX
23h = SSI1_FSS : SSI1 FSS
24h = SSI1_CLK : SSI1 CLK
25h = I2S_AD0 : I2S Data 0
26h = I2S_AD1 : I2S Data 1
27h = I2S_WCLK : I2S WCLK
28h = I2S_BCLK : I2S BCLK
29h = I2S_MCLK : I2S MCLK
2Eh = RF Core Trace
2Fh = RF Core Data Out 0

I/O Control Registers
www.ti.com
1054 SWCU117F–February 2015–Revised June 2016
Submit Documentation Feedback
Copyright © 2015–2016, Texas Instruments Incorporated
I/O Control
Table 11-37. IOCFG9 Register Field Descriptions (continued)
Bit Field Type Reset Description
30h = RF Core Data Out 1
31h = RF Core Data Out 2
32h = RF Core Data Out 3
33h = RF Core Data In 0
34h = RF Core Data In 1
35h = RF Core SMI Data Link Out
36h = RF Core SMI Data Link In
37h = RF Core SMI Command Link Out
38h = RF Core SMI Command Link In

www.ti.com
I/O Control Registers
1055
SWCU117F–February 2015–Revised June 2016
Submit Documentation Feedback Copyright © 2015–2016, Texas Instruments Incorporated
I/O Control
11.12.3.11 IOCFG10 Register (Offset = 28h) [reset = 6000h]
IOCFG10 is shown in Figure 11-33 and described in Table 11-38.
Return to Summary Table.
Configuration of DIO10
Figure 11-33. IOCFG10 Register
31 30 29 28 27 26 25 24
RESERVED HYST_EN IE WU_CFG IOMODE
R-0h R/W-0h R/W-0h R/W-0h R/W-0h
23 22 21 20 19 18 17 16
RESERVED EDGE_IRQ_EN EDGE_DET
R/W-0h R/W-0h R/W-0h
15 14 13 12 11 10 9 8
RESERVED PULL_CTL SLEW_RED IOCURR IOSTR
R-0h R/W-3h R/W-0h R/W-0h R/W-0h
76543210
RESERVED PORT_ID
R-0h R/W-0h
Table 11-38. IOCFG10 Register Field Descriptions
Bit Field Type Reset Description
31 RESERVED R 0h Software should not rely on the value of a reserved. Writing any
other value than the reset value may result in undefined behavior.
30 HYST_EN R/W 0h 0: Input hysteresis disable
1: Input hysteresis enable
29 IE R/W 0h 0: Input disabled
1: Input enabled
Note: If IO is configured for AUX ie. PORT_ID = 0x08, the enable will
be ignored.
28-27 WU_CFG R/W 0h If DIO is configured GPIO or non-AON peripheral signals, i.e.
PORT_ID 0x00 or >0x08:
00: No wake-up
01: No wake-up
10: Wakes up from shutdown if this pad is going low.
11: Wakes up from shutdown if this pad is going high.
If IO is configured for AON peripheral signals or AUX ie. PORT_ID
0x01-0x08, this register only sets wakeup enable or not.
00, 01: Wakeup disabled
10, 11: Wakeup enabled
Polarity is controlled from AON registers.
Note:When the MSB is set, the IOC will deactivate the output enable
for the DIO.

I/O Control Registers
www.ti.com
1056 SWCU117F–February 2015–Revised June 2016
Submit Documentation Feedback
Copyright © 2015–2016, Texas Instruments Incorporated
I/O Control
Table 11-38. IOCFG10 Register Field Descriptions (continued)
Bit Field Type Reset Description
26-24 IOMODE R/W 0h IO Mode
N/A for IO configured for AON periph. signals and AUX ie. PORT_ID
0x01-0x08
AUX has its own open_source/drain configuration.
0x2: Reserved. Undefined behavior.
0x3: Reserved. Undefined behavior.
0h = NORMAL : Normal input / output
1h = INV : Inverted input / ouput
4h = OPENDR : Open Drain,
Normal input / output
5h = OPENDR_INV : Open Drain
Inverted input / output
6h = OPENSRC : Open Source
Normal input / output
7h = OPENSRC_INV : Open Source
Inverted input / output
23-19 RESERVED R/W 0h Software should not rely on the value of a reserved. Writing any
other value than the reset value may result in undefined behavior.
18 EDGE_IRQ_EN R/W 0h 0: No interrupt generation
1: Enable interrupt generation for this IO (Only effective if
EDGE_DET is enabled)
17-16 EDGE_DET R/W 0h Enable generation of edge detection events on this IO
0h = NONE : No edge detection
1h = Negative edge detection
2h = Positive edge detection
3h = Positive and negative edge detection
15 RESERVED R 0h Software should not rely on the value of a reserved. Writing any
other value than the reset value may result in undefined behavior.
14-13 PULL_CTL R/W 3h Pull control
1h = DWN : Pull down
2h = UP : Pull up
3h = DIS : No pull
12 SLEW_RED R/W 0h 0: Normal slew rate
1: Enables reduced slew rate in output driver.
11-10 IOCURR R/W 0h Selects IO current mode of this IO.
0h = 2MA : Low-Current (LC) mode: Min 2 mA when IOSTR is set to
AUTO
1h = 4MA : High-Current (HC) mode: Min 4 mA when IOSTR is set
to AUTO
2h = 4_8MA : Extended-Current (EC) mode: Min 8 mA for double
drive strength IOs (min 4 mA for normal IOs) when IOSTR is set to
AUTO
9-8 IOSTR R/W 0h Select source for drive strength control of this IO.
This setting controls the drive strength of the Low-Current (LC)
mode. Higher drive strength can be selected in IOCURR
0h = Automatic drive strength, controlled by AON BATMON based
on battery voltage. (min 2 mA @VDDS)
1h = Minimum drive strength, controlled by AON_IOC:IOSTRMIN
(min 2 mA @3.3V with default values)
2h = MED : Medium drive strength, controlled by
AON_IOC:IOSTRMED (min 2 mA @2.5V with default values)
3h = Maximum drive strength, controlled by AON_IOC:IOSTRMAX
(min 2 mA @1.8V with default values)
7-6 RESERVED R 0h Software should not rely on the value of a reserved. Writing any
other value than the reset value may result in undefined behavior.

www.ti.com
I/O Control Registers
1057
SWCU117F–February 2015–Revised June 2016
Submit Documentation Feedback Copyright © 2015–2016, Texas Instruments Incorporated
I/O Control
Table 11-38. IOCFG10 Register Field Descriptions (continued)
Bit Field Type Reset Description
5-0 PORT_ID R/W 0h Selects usage for DIO10
0h = General Purpose IO
7h = AON 32 KHz clock (SCLK_LF)
8h = AUX IO
9h = SSI0_RX : SSI0 RX
Ah = SSI0_TX : SSI0 TX
Bh = SSI0_FSS : SSI0 FSS
Ch = SSI0_CLK : SSI0 CLK
Dh = I2C_MSSDA : I2C Data
Eh = I2C_MSSCL : I2C Clock
Fh = UART0_RX : UART0 RX
10h = UART0_TX : UART0 TX
11h = UART0_CTS : UART0 CTS
12h = UART0_RTS : UART0 RTS
17h = PORT_EVENT0 : PORT EVENT 0
Can be used as a general purpose IO event by selecting it via
registers in the EVENT module, e.g. EVENT:GPT0ACAPTSEL.EV,
EVENT:UDMACH14BSEL.EV, etc
18h = PORT_EVENT1 : PORT EVENT 1
Can be used as a general purpose IO event by selecting it via
registers in the EVENT module, e.g. EVENT:GPT0ACAPTSEL.EV,
EVENT:UDMACH14BSEL.EV, etc
19h = PORT_EVENT2 : PORT EVENT 2
Can be used as a general purpose IO event by selecting it via
registers in the EVENT module, e.g. EVENT:GPT0ACAPTSEL.EV,
EVENT:UDMACH14BSEL.EV, etc
1Ah = PORT_EVENT3 : PORT EVENT 3
Can be used as a general purpose IO event by selecting it via
registers in the EVENT module, e.g. EVENT:GPT0ACAPTSEL.EV,
EVENT:UDMACH14BSEL.EV, etc
1Bh = PORT_EVENT4 : PORT EVENT 4
Can be used as a general purpose IO event by selecting it via
registers in the EVENT module, e.g. EVENT:GPT0ACAPTSEL.EV,
EVENT:UDMACH14BSEL.EV, etc
1Ch = PORT_EVENT5 : PORT EVENT 5
Can be used as a general purpose IO event by selecting it via
registers in the EVENT module, e.g. EVENT:GPT0ACAPTSEL.EV,
EVENT:UDMACH14BSEL.EV, etc
1Dh = PORT_EVENT6 : PORT EVENT 6
Can be used as a general purpose IO event by selecting it via
registers in the EVENT module, e.g. EVENT:GPT0ACAPTSEL.EV,
EVENT:UDMACH14BSEL.EV, etc
1Eh = PORT_EVENT7 : PORT EVENT 7
Can be used as a general purpose IO event by selecting it via
registers in the EVENT module, e.g. EVENT:GPT0ACAPTSEL.EV,
EVENT:UDMACH14BSEL.EV, etc
20h = CPU_SWV : CPU SWV
21h = SSI1_RX : SSI1 RX
22h = SSI1_TX : SSI1 TX
23h = SSI1_FSS : SSI1 FSS
24h = SSI1_CLK : SSI1 CLK
25h = I2S_AD0 : I2S Data 0
26h = I2S_AD1 : I2S Data 1
27h = I2S_WCLK : I2S WCLK
28h = I2S_BCLK : I2S BCLK
29h = I2S_MCLK : I2S MCLK
2Eh = RF Core Trace
2Fh = RF Core Data Out 0

I/O Control Registers
www.ti.com
1058 SWCU117F–February 2015–Revised June 2016
Submit Documentation Feedback
Copyright © 2015–2016, Texas Instruments Incorporated
I/O Control
Table 11-38. IOCFG10 Register Field Descriptions (continued)
Bit Field Type Reset Description
30h = RF Core Data Out 1
31h = RF Core Data Out 2
32h = RF Core Data Out 3
33h = RF Core Data In 0
34h = RF Core Data In 1
35h = RF Core SMI Data Link Out
36h = RF Core SMI Data Link In
37h = RF Core SMI Command Link Out
38h = RF Core SMI Command Link In

www.ti.com
I/O Control Registers
1059
SWCU117F–February 2015–Revised June 2016
Submit Documentation Feedback Copyright © 2015–2016, Texas Instruments Incorporated
I/O Control
11.12.3.12 IOCFG11 Register (Offset = 2Ch) [reset = 6000h]
IOCFG11 is shown in Figure 11-34 and described in Table 11-39.
Return to Summary Table.
Configuration of DIO11
Figure 11-34. IOCFG11 Register
31 30 29 28 27 26 25 24
RESERVED HYST_EN IE WU_CFG IOMODE
R-0h R/W-0h R/W-0h R/W-0h R/W-0h
23 22 21 20 19 18 17 16
RESERVED EDGE_IRQ_EN EDGE_DET
R/W-0h R/W-0h R/W-0h
15 14 13 12 11 10 9 8
RESERVED PULL_CTL SLEW_RED IOCURR IOSTR
R-0h R/W-3h R/W-0h R/W-0h R/W-0h
76543210
RESERVED PORT_ID
R-0h R/W-0h
Table 11-39. IOCFG11 Register Field Descriptions
Bit Field Type Reset Description
31 RESERVED R 0h Software should not rely on the value of a reserved. Writing any
other value than the reset value may result in undefined behavior.
30 HYST_EN R/W 0h 0: Input hysteresis disable
1: Input hysteresis enable
29 IE R/W 0h 0: Input disabled
1: Input enabled
Note: If IO is configured for AUX ie. PORT_ID = 0x08, the enable will
be ignored.
28-27 WU_CFG R/W 0h If DIO is configured GPIO or non-AON peripheral signals, i.e.
PORT_ID 0x00 or >0x08:
00: No wake-up
01: No wake-up
10: Wakes up from shutdown if this pad is going low.
11: Wakes up from shutdown if this pad is going high.
If IO is configured for AON peripheral signals or AUX ie. PORT_ID
0x01-0x08, this register only sets wakeup enable or not.
00, 01: Wakeup disabled
10, 11: Wakeup enabled
Polarity is controlled from AON registers.
Note:When the MSB is set, the IOC will deactivate the output enable
for the DIO.

I/O Control Registers
www.ti.com
1060 SWCU117F–February 2015–Revised June 2016
Submit Documentation Feedback
Copyright © 2015–2016, Texas Instruments Incorporated
I/O Control
Table 11-39. IOCFG11 Register Field Descriptions (continued)
Bit Field Type Reset Description
26-24 IOMODE R/W 0h IO Mode
N/A for IO configured for AON periph. signals and AUX ie. PORT_ID
0x01-0x08
AUX has its own open_source/drain configuration.
0x2: Reserved. Undefined behavior.
0x3: Reserved. Undefined behavior.
0h = NORMAL : Normal input / output
1h = INV : Inverted input / ouput
4h = OPENDR : Open Drain,
Normal input / output
5h = OPENDR_INV : Open Drain
Inverted input / output
6h = OPENSRC : Open Source
Normal input / output
7h = OPENSRC_INV : Open Source
Inverted input / output
23-19 RESERVED R/W 0h Software should not rely on the value of a reserved. Writing any
other value than the reset value may result in undefined behavior.
18 EDGE_IRQ_EN R/W 0h 0: No interrupt generation
1: Enable interrupt generation for this IO (Only effective if
EDGE_DET is enabled)
17-16 EDGE_DET R/W 0h Enable generation of edge detection events on this IO
0h = NONE : No edge detection
1h = Negative edge detection
2h = Positive edge detection
3h = Positive and negative edge detection
15 RESERVED R 0h Software should not rely on the value of a reserved. Writing any
other value than the reset value may result in undefined behavior.
14-13 PULL_CTL R/W 3h Pull control
1h = DWN : Pull down
2h = UP : Pull up
3h = DIS : No pull
12 SLEW_RED R/W 0h 0: Normal slew rate
1: Enables reduced slew rate in output driver.
11-10 IOCURR R/W 0h Selects IO current mode of this IO.
0h = 2MA : Low-Current (LC) mode: Min 2 mA when IOSTR is set to
AUTO
1h = 4MA : High-Current (HC) mode: Min 4 mA when IOSTR is set
to AUTO
2h = 4_8MA : Extended-Current (EC) mode: Min 8 mA for double
drive strength IOs (min 4 mA for normal IOs) when IOSTR is set to
AUTO
9-8 IOSTR R/W 0h Select source for drive strength control of this IO.
This setting controls the drive strength of the Low-Current (LC)
mode. Higher drive strength can be selected in IOCURR
0h = Automatic drive strength, controlled by AON BATMON based
on battery voltage. (min 2 mA @VDDS)
1h = Minimum drive strength, controlled by AON_IOC:IOSTRMIN
(min 2 mA @3.3V with default values)
2h = MED : Medium drive strength, controlled by
AON_IOC:IOSTRMED (min 2 mA @2.5V with default values)
3h = Maximum drive strength, controlled by AON_IOC:IOSTRMAX
(min 2 mA @1.8V with default values)
7-6 RESERVED R 0h Software should not rely on the value of a reserved. Writing any
other value than the reset value may result in undefined behavior.

www.ti.com
I/O Control Registers
1061
SWCU117F–February 2015–Revised June 2016
Submit Documentation Feedback Copyright © 2015–2016, Texas Instruments Incorporated
I/O Control
Table 11-39. IOCFG11 Register Field Descriptions (continued)
Bit Field Type Reset Description
5-0 PORT_ID R/W 0h Selects usage for DIO11
0h = General Purpose IO
7h = AON 32 KHz clock (SCLK_LF)
8h = AUX IO
9h = SSI0_RX : SSI0 RX
Ah = SSI0_TX : SSI0 TX
Bh = SSI0_FSS : SSI0 FSS
Ch = SSI0_CLK : SSI0 CLK
Dh = I2C_MSSDA : I2C Data
Eh = I2C_MSSCL : I2C Clock
Fh = UART0_RX : UART0 RX
10h = UART0_TX : UART0 TX
11h = UART0_CTS : UART0 CTS
12h = UART0_RTS : UART0 RTS
17h = PORT_EVENT0 : PORT EVENT 0
Can be used as a general purpose IO event by selecting it via
registers in the EVENT module, e.g. EVENT:GPT0ACAPTSEL.EV,
EVENT:UDMACH14BSEL.EV, etc
18h = PORT_EVENT1 : PORT EVENT 1
Can be used as a general purpose IO event by selecting it via
registers in the EVENT module, e.g. EVENT:GPT0ACAPTSEL.EV,
EVENT:UDMACH14BSEL.EV, etc
19h = PORT_EVENT2 : PORT EVENT 2
Can be used as a general purpose IO event by selecting it via
registers in the EVENT module, e.g. EVENT:GPT0ACAPTSEL.EV,
EVENT:UDMACH14BSEL.EV, etc
1Ah = PORT_EVENT3 : PORT EVENT 3
Can be used as a general purpose IO event by selecting it via
registers in the EVENT module, e.g. EVENT:GPT0ACAPTSEL.EV,
EVENT:UDMACH14BSEL.EV, etc
1Bh = PORT_EVENT4 : PORT EVENT 4
Can be used as a general purpose IO event by selecting it via
registers in the EVENT module, e.g. EVENT:GPT0ACAPTSEL.EV,
EVENT:UDMACH14BSEL.EV, etc
1Ch = PORT_EVENT5 : PORT EVENT 5
Can be used as a general purpose IO event by selecting it via
registers in the EVENT module, e.g. EVENT:GPT0ACAPTSEL.EV,
EVENT:UDMACH14BSEL.EV, etc
1Dh = PORT_EVENT6 : PORT EVENT 6
Can be used as a general purpose IO event by selecting it via
registers in the EVENT module, e.g. EVENT:GPT0ACAPTSEL.EV,
EVENT:UDMACH14BSEL.EV, etc
1Eh = PORT_EVENT7 : PORT EVENT 7
Can be used as a general purpose IO event by selecting it via
registers in the EVENT module, e.g. EVENT:GPT0ACAPTSEL.EV,
EVENT:UDMACH14BSEL.EV, etc
20h = CPU_SWV : CPU SWV
21h = SSI1_RX : SSI1 RX
22h = SSI1_TX : SSI1 TX
23h = SSI1_FSS : SSI1 FSS
24h = SSI1_CLK : SSI1 CLK
25h = I2S_AD0 : I2S Data 0
26h = I2S_AD1 : I2S Data 1
27h = I2S_WCLK : I2S WCLK
28h = I2S_BCLK : I2S BCLK
29h = I2S_MCLK : I2S MCLK
2Eh = RF Core Trace
2Fh = RF Core Data Out 0

I/O Control Registers
www.ti.com
1062 SWCU117F–February 2015–Revised June 2016
Submit Documentation Feedback
Copyright © 2015–2016, Texas Instruments Incorporated
I/O Control
Table 11-39. IOCFG11 Register Field Descriptions (continued)
Bit Field Type Reset Description
30h = RF Core Data Out 1
31h = RF Core Data Out 2
32h = RF Core Data Out 3
33h = RF Core Data In 0
34h = RF Core Data In 1
35h = RF Core SMI Data Link Out
36h = RF Core SMI Data Link In
37h = RF Core SMI Command Link Out
38h = RF Core SMI Command Link In

www.ti.com
I/O Control Registers
1063
SWCU117F–February 2015–Revised June 2016
Submit Documentation Feedback Copyright © 2015–2016, Texas Instruments Incorporated
I/O Control
11.12.3.13 IOCFG12 Register (Offset = 30h) [reset = 6000h]
IOCFG12 is shown in Figure 11-35 and described in Table 11-40.
Return to Summary Table.
Configuration of DIO12
Figure 11-35. IOCFG12 Register
31 30 29 28 27 26 25 24
RESERVED HYST_EN IE WU_CFG IOMODE
R-0h R/W-0h R/W-0h R/W-0h R/W-0h
23 22 21 20 19 18 17 16
RESERVED EDGE_IRQ_EN EDGE_DET
R/W-0h R/W-0h R/W-0h
15 14 13 12 11 10 9 8
RESERVED PULL_CTL SLEW_RED IOCURR IOSTR
R-0h R/W-3h R/W-0h R/W-0h R/W-0h
76543210
RESERVED PORT_ID
R-0h R/W-0h
Table 11-40. IOCFG12 Register Field Descriptions
Bit Field Type Reset Description
31 RESERVED R 0h Software should not rely on the value of a reserved. Writing any
other value than the reset value may result in undefined behavior.
30 HYST_EN R/W 0h 0: Input hysteresis disable
1: Input hysteresis enable
29 IE R/W 0h 0: Input disabled
1: Input enabled
Note: If IO is configured for AUX ie. PORT_ID = 0x08, the enable will
be ignored.
28-27 WU_CFG R/W 0h If DIO is configured GPIO or non-AON peripheral signals, i.e.
PORT_ID 0x00 or >0x08:
00: No wake-up
01: No wake-up
10: Wakes up from shutdown if this pad is going low.
11: Wakes up from shutdown if this pad is going high.
If IO is configured for AON peripheral signals or AUX ie. PORT_ID
0x01-0x08, this register only sets wakeup enable or not.
00, 01: Wakeup disabled
10, 11: Wakeup enabled
Polarity is controlled from AON registers.
Note:When the MSB is set, the IOC will deactivate the output enable
for the DIO.

I/O Control Registers
www.ti.com
1064 SWCU117F–February 2015–Revised June 2016
Submit Documentation Feedback
Copyright © 2015–2016, Texas Instruments Incorporated
I/O Control
Table 11-40. IOCFG12 Register Field Descriptions (continued)
Bit Field Type Reset Description
26-24 IOMODE R/W 0h IO Mode
N/A for IO configured for AON periph. signals and AUX ie. PORT_ID
0x01-0x08
AUX has its own open_source/drain configuration.
0x2: Reserved. Undefined behavior.
0x3: Reserved. Undefined behavior.
0h = NORMAL : Normal input / output
1h = INV : Inverted input / ouput
4h = OPENDR : Open Drain,
Normal input / output
5h = OPENDR_INV : Open Drain
Inverted input / output
6h = OPENSRC : Open Source
Normal input / output
7h = OPENSRC_INV : Open Source
Inverted input / output
23-19 RESERVED R/W 0h Software should not rely on the value of a reserved. Writing any
other value than the reset value may result in undefined behavior.
18 EDGE_IRQ_EN R/W 0h 0: No interrupt generation
1: Enable interrupt generation for this IO (Only effective if
EDGE_DET is enabled)
17-16 EDGE_DET R/W 0h Enable generation of edge detection events on this IO
0h = NONE : No edge detection
1h = Negative edge detection
2h = Positive edge detection
3h = Positive and negative edge detection
15 RESERVED R 0h Software should not rely on the value of a reserved. Writing any
other value than the reset value may result in undefined behavior.
14-13 PULL_CTL R/W 3h Pull control
1h = DWN : Pull down
2h = UP : Pull up
3h = DIS : No pull
12 SLEW_RED R/W 0h 0: Normal slew rate
1: Enables reduced slew rate in output driver.
11-10 IOCURR R/W 0h Selects IO current mode of this IO.
0h = 2MA : Low-Current (LC) mode: Min 2 mA when IOSTR is set to
AUTO
1h = 4MA : High-Current (HC) mode: Min 4 mA when IOSTR is set
to AUTO
2h = 4_8MA : Extended-Current (EC) mode: Min 8 mA for double
drive strength IOs (min 4 mA for normal IOs) when IOSTR is set to
AUTO
9-8 IOSTR R/W 0h Select source for drive strength control of this IO.
This setting controls the drive strength of the Low-Current (LC)
mode. Higher drive strength can be selected in IOCURR
0h = Automatic drive strength, controlled by AON BATMON based
on battery voltage. (min 2 mA @VDDS)
1h = Minimum drive strength, controlled by AON_IOC:IOSTRMIN
(min 2 mA @3.3V with default values)
2h = MED : Medium drive strength, controlled by
AON_IOC:IOSTRMED (min 2 mA @2.5V with default values)
3h = Maximum drive strength, controlled by AON_IOC:IOSTRMAX
(min 2 mA @1.8V with default values)
7-6 RESERVED R 0h Software should not rely on the value of a reserved. Writing any
other value than the reset value may result in undefined behavior.

www.ti.com
I/O Control Registers
1065
SWCU117F–February 2015–Revised June 2016
Submit Documentation Feedback Copyright © 2015–2016, Texas Instruments Incorporated
I/O Control
Table 11-40. IOCFG12 Register Field Descriptions (continued)
Bit Field Type Reset Description
5-0 PORT_ID R/W 0h Selects usage for DIO12
0h = General Purpose IO
7h = AON 32 KHz clock (SCLK_LF)
8h = AUX IO
9h = SSI0_RX : SSI0 RX
Ah = SSI0_TX : SSI0 TX
Bh = SSI0_FSS : SSI0 FSS
Ch = SSI0_CLK : SSI0 CLK
Dh = I2C_MSSDA : I2C Data
Eh = I2C_MSSCL : I2C Clock
Fh = UART0_RX : UART0 RX
10h = UART0_TX : UART0 TX
11h = UART0_CTS : UART0 CTS
12h = UART0_RTS : UART0 RTS
17h = PORT_EVENT0 : PORT EVENT 0
Can be used as a general purpose IO event by selecting it via
registers in the EVENT module, e.g. EVENT:GPT0ACAPTSEL.EV,
EVENT:UDMACH14BSEL.EV, etc
18h = PORT_EVENT1 : PORT EVENT 1
Can be used as a general purpose IO event by selecting it via
registers in the EVENT module, e.g. EVENT:GPT0ACAPTSEL.EV,
EVENT:UDMACH14BSEL.EV, etc
19h = PORT_EVENT2 : PORT EVENT 2
Can be used as a general purpose IO event by selecting it via
registers in the EVENT module, e.g. EVENT:GPT0ACAPTSEL.EV,
EVENT:UDMACH14BSEL.EV, etc
1Ah = PORT_EVENT3 : PORT EVENT 3
Can be used as a general purpose IO event by selecting it via
registers in the EVENT module, e.g. EVENT:GPT0ACAPTSEL.EV,
EVENT:UDMACH14BSEL.EV, etc
1Bh = PORT_EVENT4 : PORT EVENT 4
Can be used as a general purpose IO event by selecting it via
registers in the EVENT module, e.g. EVENT:GPT0ACAPTSEL.EV,
EVENT:UDMACH14BSEL.EV, etc
1Ch = PORT_EVENT5 : PORT EVENT 5
Can be used as a general purpose IO event by selecting it via
registers in the EVENT module, e.g. EVENT:GPT0ACAPTSEL.EV,
EVENT:UDMACH14BSEL.EV, etc
1Dh = PORT_EVENT6 : PORT EVENT 6
Can be used as a general purpose IO event by selecting it via
registers in the EVENT module, e.g. EVENT:GPT0ACAPTSEL.EV,
EVENT:UDMACH14BSEL.EV, etc
1Eh = PORT_EVENT7 : PORT EVENT 7
Can be used as a general purpose IO event by selecting it via
registers in the EVENT module, e.g. EVENT:GPT0ACAPTSEL.EV,
EVENT:UDMACH14BSEL.EV, etc
20h = CPU_SWV : CPU SWV
21h = SSI1_RX : SSI1 RX
22h = SSI1_TX : SSI1 TX
23h = SSI1_FSS : SSI1 FSS
24h = SSI1_CLK : SSI1 CLK
25h = I2S_AD0 : I2S Data 0
26h = I2S_AD1 : I2S Data 1
27h = I2S_WCLK : I2S WCLK
28h = I2S_BCLK : I2S BCLK
29h = I2S_MCLK : I2S MCLK
2Eh = RF Core Trace
2Fh = RF Core Data Out 0

I/O Control Registers
www.ti.com
1066 SWCU117F–February 2015–Revised June 2016
Submit Documentation Feedback
Copyright © 2015–2016, Texas Instruments Incorporated
I/O Control
Table 11-40. IOCFG12 Register Field Descriptions (continued)
Bit Field Type Reset Description
30h = RF Core Data Out 1
31h = RF Core Data Out 2
32h = RF Core Data Out 3
33h = RF Core Data In 0
34h = RF Core Data In 1
35h = RF Core SMI Data Link Out
36h = RF Core SMI Data Link In
37h = RF Core SMI Command Link Out
38h = RF Core SMI Command Link In

www.ti.com
I/O Control Registers
1067
SWCU117F–February 2015–Revised June 2016
Submit Documentation Feedback Copyright © 2015–2016, Texas Instruments Incorporated
I/O Control
11.12.3.14 IOCFG13 Register (Offset = 34h) [reset = 6000h]
IOCFG13 is shown in Figure 11-36 and described in Table 11-41.
Return to Summary Table.
Configuration of DIO13
Figure 11-36. IOCFG13 Register
31 30 29 28 27 26 25 24
RESERVED HYST_EN IE WU_CFG IOMODE
R-0h R/W-0h R/W-0h R/W-0h R/W-0h
23 22 21 20 19 18 17 16
RESERVED EDGE_IRQ_EN EDGE_DET
R/W-0h R/W-0h R/W-0h
15 14 13 12 11 10 9 8
RESERVED PULL_CTL SLEW_RED IOCURR IOSTR
R-0h R/W-3h R/W-0h R/W-0h R/W-0h
76543210
RESERVED PORT_ID
R-0h R/W-0h
Table 11-41. IOCFG13 Register Field Descriptions
Bit Field Type Reset Description
31 RESERVED R 0h Software should not rely on the value of a reserved. Writing any
other value than the reset value may result in undefined behavior.
30 HYST_EN R/W 0h 0: Input hysteresis disable
1: Input hysteresis enable
29 IE R/W 0h 0: Input disabled
1: Input enabled
Note: If IO is configured for AUX ie. PORT_ID = 0x08, the enable will
be ignored.
28-27 WU_CFG R/W 0h If DIO is configured GPIO or non-AON peripheral signals, i.e.
PORT_ID 0x00 or >0x08:
00: No wake-up
01: No wake-up
10: Wakes up from shutdown if this pad is going low.
11: Wakes up from shutdown if this pad is going high.
If IO is configured for AON peripheral signals or AUX ie. PORT_ID
0x01-0x08, this register only sets wakeup enable or not.
00, 01: Wakeup disabled
10, 11: Wakeup enabled
Polarity is controlled from AON registers.
Note:When the MSB is set, the IOC will deactivate the output enable
for the DIO.

I/O Control Registers
www.ti.com
1068 SWCU117F–February 2015–Revised June 2016
Submit Documentation Feedback
Copyright © 2015–2016, Texas Instruments Incorporated
I/O Control
Table 11-41. IOCFG13 Register Field Descriptions (continued)
Bit Field Type Reset Description
26-24 IOMODE R/W 0h IO Mode
N/A for IO configured for AON periph. signals and AUX ie. PORT_ID
0x01-0x08
AUX has its own open_source/drain configuration.
0x2: Reserved. Undefined behavior.
0x3: Reserved. Undefined behavior.
0h = NORMAL : Normal input / output
1h = INV : Inverted input / ouput
4h = OPENDR : Open Drain,
Normal input / output
5h = OPENDR_INV : Open Drain
Inverted input / output
6h = OPENSRC : Open Source
Normal input / output
7h = OPENSRC_INV : Open Source
Inverted input / output
23-19 RESERVED R/W 0h Software should not rely on the value of a reserved. Writing any
other value than the reset value may result in undefined behavior.
18 EDGE_IRQ_EN R/W 0h 0: No interrupt generation
1: Enable interrupt generation for this IO (Only effective if
EDGE_DET is enabled)
17-16 EDGE_DET R/W 0h Enable generation of edge detection events on this IO
0h = NONE : No edge detection
1h = Negative edge detection
2h = Positive edge detection
3h = Positive and negative edge detection
15 RESERVED R 0h Software should not rely on the value of a reserved. Writing any
other value than the reset value may result in undefined behavior.
14-13 PULL_CTL R/W 3h Pull control
1h = DWN : Pull down
2h = UP : Pull up
3h = DIS : No pull
12 SLEW_RED R/W 0h 0: Normal slew rate
1: Enables reduced slew rate in output driver.
11-10 IOCURR R/W 0h Selects IO current mode of this IO.
0h = 2MA : Low-Current (LC) mode: Min 2 mA when IOSTR is set to
AUTO
1h = 4MA : High-Current (HC) mode: Min 4 mA when IOSTR is set
to AUTO
2h = 4_8MA : Extended-Current (EC) mode: Min 8 mA for double
drive strength IOs (min 4 mA for normal IOs) when IOSTR is set to
AUTO
9-8 IOSTR R/W 0h Select source for drive strength control of this IO.
This setting controls the drive strength of the Low-Current (LC)
mode. Higher drive strength can be selected in IOCURR
0h = Automatic drive strength, controlled by AON BATMON based
on battery voltage. (min 2 mA @VDDS)
1h = Minimum drive strength, controlled by AON_IOC:IOSTRMIN
(min 2 mA @3.3V with default values)
2h = MED : Medium drive strength, controlled by
AON_IOC:IOSTRMED (min 2 mA @2.5V with default values)
3h = Maximum drive strength, controlled by AON_IOC:IOSTRMAX
(min 2 mA @1.8V with default values)
7-6 RESERVED R 0h Software should not rely on the value of a reserved. Writing any
other value than the reset value may result in undefined behavior.

www.ti.com
I/O Control Registers
1069
SWCU117F–February 2015–Revised June 2016
Submit Documentation Feedback Copyright © 2015–2016, Texas Instruments Incorporated
I/O Control
Table 11-41. IOCFG13 Register Field Descriptions (continued)
Bit Field Type Reset Description
5-0 PORT_ID R/W 0h Selects usage for DIO13
0h = General Purpose IO
7h = AON 32 KHz clock (SCLK_LF)
8h = AUX IO
9h = SSI0_RX : SSI0 RX
Ah = SSI0_TX : SSI0 TX
Bh = SSI0_FSS : SSI0 FSS
Ch = SSI0_CLK : SSI0 CLK
Dh = I2C_MSSDA : I2C Data
Eh = I2C_MSSCL : I2C Clock
Fh = UART0_RX : UART0 RX
10h = UART0_TX : UART0 TX
11h = UART0_CTS : UART0 CTS
12h = UART0_RTS : UART0 RTS
17h = PORT_EVENT0 : PORT EVENT 0
Can be used as a general purpose IO event by selecting it via
registers in the EVENT module, e.g. EVENT:GPT0ACAPTSEL.EV,
EVENT:UDMACH14BSEL.EV, etc
18h = PORT_EVENT1 : PORT EVENT 1
Can be used as a general purpose IO event by selecting it via
registers in the EVENT module, e.g. EVENT:GPT0ACAPTSEL.EV,
EVENT:UDMACH14BSEL.EV, etc
19h = PORT_EVENT2 : PORT EVENT 2
Can be used as a general purpose IO event by selecting it via
registers in the EVENT module, e.g. EVENT:GPT0ACAPTSEL.EV,
EVENT:UDMACH14BSEL.EV, etc
1Ah = PORT_EVENT3 : PORT EVENT 3
Can be used as a general purpose IO event by selecting it via
registers in the EVENT module, e.g. EVENT:GPT0ACAPTSEL.EV,
EVENT:UDMACH14BSEL.EV, etc
1Bh = PORT_EVENT4 : PORT EVENT 4
Can be used as a general purpose IO event by selecting it via
registers in the EVENT module, e.g. EVENT:GPT0ACAPTSEL.EV,
EVENT:UDMACH14BSEL.EV, etc
1Ch = PORT_EVENT5 : PORT EVENT 5
Can be used as a general purpose IO event by selecting it via
registers in the EVENT module, e.g. EVENT:GPT0ACAPTSEL.EV,
EVENT:UDMACH14BSEL.EV, etc
1Dh = PORT_EVENT6 : PORT EVENT 6
Can be used as a general purpose IO event by selecting it via
registers in the EVENT module, e.g. EVENT:GPT0ACAPTSEL.EV,
EVENT:UDMACH14BSEL.EV, etc
1Eh = PORT_EVENT7 : PORT EVENT 7
Can be used as a general purpose IO event by selecting it via
registers in the EVENT module, e.g. EVENT:GPT0ACAPTSEL.EV,
EVENT:UDMACH14BSEL.EV, etc
20h = CPU_SWV : CPU SWV
21h = SSI1_RX : SSI1 RX
22h = SSI1_TX : SSI1 TX
23h = SSI1_FSS : SSI1 FSS
24h = SSI1_CLK : SSI1 CLK
25h = I2S_AD0 : I2S Data 0
26h = I2S_AD1 : I2S Data 1
27h = I2S_WCLK : I2S WCLK
28h = I2S_BCLK : I2S BCLK
29h = I2S_MCLK : I2S MCLK
2Eh = RF Core Trace
2Fh = RF Core Data Out 0

I/O Control Registers
www.ti.com
1070 SWCU117F–February 2015–Revised June 2016
Submit Documentation Feedback
Copyright © 2015–2016, Texas Instruments Incorporated
I/O Control
Table 11-41. IOCFG13 Register Field Descriptions (continued)
Bit Field Type Reset Description
30h = RF Core Data Out 1
31h = RF Core Data Out 2
32h = RF Core Data Out 3
33h = RF Core Data In 0
34h = RF Core Data In 1
35h = RF Core SMI Data Link Out
36h = RF Core SMI Data Link In
37h = RF Core SMI Command Link Out
38h = RF Core SMI Command Link In

www.ti.com
I/O Control Registers
1071
SWCU117F–February 2015–Revised June 2016
Submit Documentation Feedback Copyright © 2015–2016, Texas Instruments Incorporated
I/O Control
11.12.3.15 IOCFG14 Register (Offset = 38h) [reset = 6000h]
IOCFG14 is shown in Figure 11-37 and described in Table 11-42.
Return to Summary Table.
Configuration of DIO14
Figure 11-37. IOCFG14 Register
31 30 29 28 27 26 25 24
RESERVED HYST_EN IE WU_CFG IOMODE
R-0h R/W-0h R/W-0h R/W-0h R/W-0h
23 22 21 20 19 18 17 16
RESERVED EDGE_IRQ_EN EDGE_DET
R/W-0h R/W-0h R/W-0h
15 14 13 12 11 10 9 8
RESERVED PULL_CTL SLEW_RED IOCURR IOSTR
R-0h R/W-3h R/W-0h R/W-0h R/W-0h
76543210
RESERVED PORT_ID
R-0h R/W-0h
Table 11-42. IOCFG14 Register Field Descriptions
Bit Field Type Reset Description
31 RESERVED R 0h Software should not rely on the value of a reserved. Writing any
other value than the reset value may result in undefined behavior.
30 HYST_EN R/W 0h 0: Input hysteresis disable
1: Input hysteresis enable
29 IE R/W 0h 0: Input disabled
1: Input enabled
Note: If IO is configured for AUX ie. PORT_ID = 0x08, the enable will
be ignored.
28-27 WU_CFG R/W 0h If DIO is configured GPIO or non-AON peripheral signals, i.e.
PORT_ID 0x00 or >0x08:
00: No wake-up
01: No wake-up
10: Wakes up from shutdown if this pad is going low.
11: Wakes up from shutdown if this pad is going high.
If IO is configured for AON peripheral signals or AUX ie. PORT_ID
0x01-0x08, this register only sets wakeup enable or not.
00, 01: Wakeup disabled
10, 11: Wakeup enabled
Polarity is controlled from AON registers.
Note:When the MSB is set, the IOC will deactivate the output enable
for the DIO.

I/O Control Registers
www.ti.com
1072 SWCU117F–February 2015–Revised June 2016
Submit Documentation Feedback
Copyright © 2015–2016, Texas Instruments Incorporated
I/O Control
Table 11-42. IOCFG14 Register Field Descriptions (continued)
Bit Field Type Reset Description
26-24 IOMODE R/W 0h IO Mode
N/A for IO configured for AON periph. signals and AUX ie. PORT_ID
0x01-0x08
AUX has its own open_source/drain configuration.
0x2: Reserved. Undefined behavior.
0x3: Reserved. Undefined behavior.
0h = NORMAL : Normal input / output
1h = INV : Inverted input / ouput
4h = OPENDR : Open Drain,
Normal input / output
5h = OPENDR_INV : Open Drain
Inverted input / output
6h = OPENSRC : Open Source
Normal input / output
7h = OPENSRC_INV : Open Source
Inverted input / output
23-19 RESERVED R/W 0h Software should not rely on the value of a reserved. Writing any
other value than the reset value may result in undefined behavior.
18 EDGE_IRQ_EN R/W 0h 0: No interrupt generation
1: Enable interrupt generation for this IO (Only effective if
EDGE_DET is enabled)
17-16 EDGE_DET R/W 0h Enable generation of edge detection events on this IO
0h = NONE : No edge detection
1h = Negative edge detection
2h = Positive edge detection
3h = Positive and negative edge detection
15 RESERVED R 0h Software should not rely on the value of a reserved. Writing any
other value than the reset value may result in undefined behavior.
14-13 PULL_CTL R/W 3h Pull control
1h = DWN : Pull down
2h = UP : Pull up
3h = DIS : No pull
12 SLEW_RED R/W 0h 0: Normal slew rate
1: Enables reduced slew rate in output driver.
11-10 IOCURR R/W 0h Selects IO current mode of this IO.
0h = 2MA : Low-Current (LC) mode: Min 2 mA when IOSTR is set to
AUTO
1h = 4MA : High-Current (HC) mode: Min 4 mA when IOSTR is set
to AUTO
2h = 4_8MA : Extended-Current (EC) mode: Min 8 mA for double
drive strength IOs (min 4 mA for normal IOs) when IOSTR is set to
AUTO
9-8 IOSTR R/W 0h Select source for drive strength control of this IO.
This setting controls the drive strength of the Low-Current (LC)
mode. Higher drive strength can be selected in IOCURR
0h = Automatic drive strength, controlled by AON BATMON based
on battery voltage. (min 2 mA @VDDS)
1h = Minimum drive strength, controlled by AON_IOC:IOSTRMIN
(min 2 mA @3.3V with default values)
2h = MED : Medium drive strength, controlled by
AON_IOC:IOSTRMED (min 2 mA @2.5V with default values)
3h = Maximum drive strength, controlled by AON_IOC:IOSTRMAX
(min 2 mA @1.8V with default values)
7-6 RESERVED R 0h Software should not rely on the value of a reserved. Writing any
other value than the reset value may result in undefined behavior.

www.ti.com
I/O Control Registers
1073
SWCU117F–February 2015–Revised June 2016
Submit Documentation Feedback Copyright © 2015–2016, Texas Instruments Incorporated
I/O Control
Table 11-42. IOCFG14 Register Field Descriptions (continued)
Bit Field Type Reset Description
5-0 PORT_ID R/W 0h Selects usage for DIO14
0h = General Purpose IO
7h = AON 32 KHz clock (SCLK_LF)
8h = AUX IO
9h = SSI0_RX : SSI0 RX
Ah = SSI0_TX : SSI0 TX
Bh = SSI0_FSS : SSI0 FSS
Ch = SSI0_CLK : SSI0 CLK
Dh = I2C_MSSDA : I2C Data
Eh = I2C_MSSCL : I2C Clock
Fh = UART0_RX : UART0 RX
10h = UART0_TX : UART0 TX
11h = UART0_CTS : UART0 CTS
12h = UART0_RTS : UART0 RTS
17h = PORT_EVENT0 : PORT EVENT 0
Can be used as a general purpose IO event by selecting it via
registers in the EVENT module, e.g. EVENT:GPT0ACAPTSEL.EV,
EVENT:UDMACH14BSEL.EV, etc
18h = PORT_EVENT1 : PORT EVENT 1
Can be used as a general purpose IO event by selecting it via
registers in the EVENT module, e.g. EVENT:GPT0ACAPTSEL.EV,
EVENT:UDMACH14BSEL.EV, etc
19h = PORT_EVENT2 : PORT EVENT 2
Can be used as a general purpose IO event by selecting it via
registers in the EVENT module, e.g. EVENT:GPT0ACAPTSEL.EV,
EVENT:UDMACH14BSEL.EV, etc
1Ah = PORT_EVENT3 : PORT EVENT 3
Can be used as a general purpose IO event by selecting it via
registers in the EVENT module, e.g. EVENT:GPT0ACAPTSEL.EV,
EVENT:UDMACH14BSEL.EV, etc
1Bh = PORT_EVENT4 : PORT EVENT 4
Can be used as a general purpose IO event by selecting it via
registers in the EVENT module, e.g. EVENT:GPT0ACAPTSEL.EV,
EVENT:UDMACH14BSEL.EV, etc
1Ch = PORT_EVENT5 : PORT EVENT 5
Can be used as a general purpose IO event by selecting it via
registers in the EVENT module, e.g. EVENT:GPT0ACAPTSEL.EV,
EVENT:UDMACH14BSEL.EV, etc
1Dh = PORT_EVENT6 : PORT EVENT 6
Can be used as a general purpose IO event by selecting it via
registers in the EVENT module, e.g. EVENT:GPT0ACAPTSEL.EV,
EVENT:UDMACH14BSEL.EV, etc
1Eh = PORT_EVENT7 : PORT EVENT 7
Can be used as a general purpose IO event by selecting it via
registers in the EVENT module, e.g. EVENT:GPT0ACAPTSEL.EV,
EVENT:UDMACH14BSEL.EV, etc
20h = CPU_SWV : CPU SWV
21h = SSI1_RX : SSI1 RX
22h = SSI1_TX : SSI1 TX
23h = SSI1_FSS : SSI1 FSS
24h = SSI1_CLK : SSI1 CLK
25h = I2S_AD0 : I2S Data 0
26h = I2S_AD1 : I2S Data 1
27h = I2S_WCLK : I2S WCLK
28h = I2S_BCLK : I2S BCLK
29h = I2S_MCLK : I2S MCLK
2Eh = RF Core Trace
2Fh = RF Core Data Out 0

I/O Control Registers
www.ti.com
1074 SWCU117F–February 2015–Revised June 2016
Submit Documentation Feedback
Copyright © 2015–2016, Texas Instruments Incorporated
I/O Control
Table 11-42. IOCFG14 Register Field Descriptions (continued)
Bit Field Type Reset Description
30h = RF Core Data Out 1
31h = RF Core Data Out 2
32h = RF Core Data Out 3
33h = RF Core Data In 0
34h = RF Core Data In 1
35h = RF Core SMI Data Link Out
36h = RF Core SMI Data Link In
37h = RF Core SMI Command Link Out
38h = RF Core SMI Command Link In

www.ti.com
I/O Control Registers
1075
SWCU117F–February 2015–Revised June 2016
Submit Documentation Feedback Copyright © 2015–2016, Texas Instruments Incorporated
I/O Control
11.12.3.16 IOCFG15 Register (Offset = 3Ch) [reset = 6000h]
IOCFG15 is shown in Figure 11-38 and described in Table 11-43.
Return to Summary Table.
Configuration of DIO15
Figure 11-38. IOCFG15 Register
31 30 29 28 27 26 25 24
RESERVED HYST_EN IE WU_CFG IOMODE
R-0h R/W-0h R/W-0h R/W-0h R/W-0h
23 22 21 20 19 18 17 16
RESERVED EDGE_IRQ_EN EDGE_DET
R/W-0h R/W-0h R/W-0h
15 14 13 12 11 10 9 8
RESERVED PULL_CTL SLEW_RED IOCURR IOSTR
R-0h R/W-3h R/W-0h R/W-0h R/W-0h
76543210
RESERVED PORT_ID
R-0h R/W-0h
Table 11-43. IOCFG15 Register Field Descriptions
Bit Field Type Reset Description
31 RESERVED R 0h Software should not rely on the value of a reserved. Writing any
other value than the reset value may result in undefined behavior.
30 HYST_EN R/W 0h 0: Input hysteresis disable
1: Input hysteresis enable
29 IE R/W 0h 0: Input disabled
1: Input enabled
Note: If IO is configured for AUX ie. PORT_ID = 0x08, the enable will
be ignored.
28-27 WU_CFG R/W 0h If DIO is configured GPIO or non-AON peripheral signals, i.e.
PORT_ID 0x00 or >0x08:
00: No wake-up
01: No wake-up
10: Wakes up from shutdown if this pad is going low.
11: Wakes up from shutdown if this pad is going high.
If IO is configured for AON peripheral signals or AUX ie. PORT_ID
0x01-0x08, this register only sets wakeup enable or not.
00, 01: Wakeup disabled
10, 11: Wakeup enabled
Polarity is controlled from AON registers.
Note:When the MSB is set, the IOC will deactivate the output enable
for the DIO.

I/O Control Registers
www.ti.com
1076 SWCU117F–February 2015–Revised June 2016
Submit Documentation Feedback
Copyright © 2015–2016, Texas Instruments Incorporated
I/O Control
Table 11-43. IOCFG15 Register Field Descriptions (continued)
Bit Field Type Reset Description
26-24 IOMODE R/W 0h IO Mode
N/A for IO configured for AON periph. signals and AUX ie. PORT_ID
0x01-0x08
AUX has its own open_source/drain configuration.
0x2: Reserved. Undefined behavior.
0x3: Reserved. Undefined behavior.
0h = NORMAL : Normal input / output
1h = INV : Inverted input / ouput
4h = OPENDR : Open Drain,
Normal input / output
5h = OPENDR_INV : Open Drain
Inverted input / output
6h = OPENSRC : Open Source
Normal input / output
7h = OPENSRC_INV : Open Source
Inverted input / output
23-19 RESERVED R/W 0h Software should not rely on the value of a reserved. Writing any
other value than the reset value may result in undefined behavior.
18 EDGE_IRQ_EN R/W 0h 0: No interrupt generation
1: Enable interrupt generation for this IO (Only effective if
EDGE_DET is enabled)
17-16 EDGE_DET R/W 0h Enable generation of edge detection events on this IO
0h = NONE : No edge detection
1h = Negative edge detection
2h = Positive edge detection
3h = Positive and negative edge detection
15 RESERVED R 0h Software should not rely on the value of a reserved. Writing any
other value than the reset value may result in undefined behavior.
14-13 PULL_CTL R/W 3h Pull control
1h = DWN : Pull down
2h = UP : Pull up
3h = DIS : No pull
12 SLEW_RED R/W 0h 0: Normal slew rate
1: Enables reduced slew rate in output driver.
11-10 IOCURR R/W 0h Selects IO current mode of this IO.
0h = 2MA : Low-Current (LC) mode: Min 2 mA when IOSTR is set to
AUTO
1h = 4MA : High-Current (HC) mode: Min 4 mA when IOSTR is set
to AUTO
2h = 4_8MA : Extended-Current (EC) mode: Min 8 mA for double
drive strength IOs (min 4 mA for normal IOs) when IOSTR is set to
AUTO
9-8 IOSTR R/W 0h Select source for drive strength control of this IO.
This setting controls the drive strength of the Low-Current (LC)
mode. Higher drive strength can be selected in IOCURR
0h = Automatic drive strength, controlled by AON BATMON based
on battery voltage. (min 2 mA @VDDS)
1h = Minimum drive strength, controlled by AON_IOC:IOSTRMIN
(min 2 mA @3.3V with default values)
2h = MED : Medium drive strength, controlled by
AON_IOC:IOSTRMED (min 2 mA @2.5V with default values)
3h = Maximum drive strength, controlled by AON_IOC:IOSTRMAX
(min 2 mA @1.8V with default values)
7-6 RESERVED R 0h Software should not rely on the value of a reserved. Writing any
other value than the reset value may result in undefined behavior.

www.ti.com
I/O Control Registers
1077
SWCU117F–February 2015–Revised June 2016
Submit Documentation Feedback Copyright © 2015–2016, Texas Instruments Incorporated
I/O Control
Table 11-43. IOCFG15 Register Field Descriptions (continued)
Bit Field Type Reset Description
5-0 PORT_ID R/W 0h Selects usage for DIO15
0h = General Purpose IO
7h = AON 32 KHz clock (SCLK_LF)
8h = AUX IO
9h = SSI0_RX : SSI0 RX
Ah = SSI0_TX : SSI0 TX
Bh = SSI0_FSS : SSI0 FSS
Ch = SSI0_CLK : SSI0 CLK
Dh = I2C_MSSDA : I2C Data
Eh = I2C_MSSCL : I2C Clock
Fh = UART0_RX : UART0 RX
10h = UART0_TX : UART0 TX
11h = UART0_CTS : UART0 CTS
12h = UART0_RTS : UART0 RTS
17h = PORT_EVENT0 : PORT EVENT 0
Can be used as a general purpose IO event by selecting it via
registers in the EVENT module, e.g. EVENT:GPT0ACAPTSEL.EV,
EVENT:UDMACH14BSEL.EV, etc
18h = PORT_EVENT1 : PORT EVENT 1
Can be used as a general purpose IO event by selecting it via
registers in the EVENT module, e.g. EVENT:GPT0ACAPTSEL.EV,
EVENT:UDMACH14BSEL.EV, etc
19h = PORT_EVENT2 : PORT EVENT 2
Can be used as a general purpose IO event by selecting it via
registers in the EVENT module, e.g. EVENT:GPT0ACAPTSEL.EV,
EVENT:UDMACH14BSEL.EV, etc
1Ah = PORT_EVENT3 : PORT EVENT 3
Can be used as a general purpose IO event by selecting it via
registers in the EVENT module, e.g. EVENT:GPT0ACAPTSEL.EV,
EVENT:UDMACH14BSEL.EV, etc
1Bh = PORT_EVENT4 : PORT EVENT 4
Can be used as a general purpose IO event by selecting it via
registers in the EVENT module, e.g. EVENT:GPT0ACAPTSEL.EV,
EVENT:UDMACH14BSEL.EV, etc
1Ch = PORT_EVENT5 : PORT EVENT 5
Can be used as a general purpose IO event by selecting it via
registers in the EVENT module, e.g. EVENT:GPT0ACAPTSEL.EV,
EVENT:UDMACH14BSEL.EV, etc
1Dh = PORT_EVENT6 : PORT EVENT 6
Can be used as a general purpose IO event by selecting it via
registers in the EVENT module, e.g. EVENT:GPT0ACAPTSEL.EV,
EVENT:UDMACH14BSEL.EV, etc
1Eh = PORT_EVENT7 : PORT EVENT 7
Can be used as a general purpose IO event by selecting it via
registers in the EVENT module, e.g. EVENT:GPT0ACAPTSEL.EV,
EVENT:UDMACH14BSEL.EV, etc
20h = CPU_SWV : CPU SWV
21h = SSI1_RX : SSI1 RX
22h = SSI1_TX : SSI1 TX
23h = SSI1_FSS : SSI1 FSS
24h = SSI1_CLK : SSI1 CLK
25h = I2S_AD0 : I2S Data 0
26h = I2S_AD1 : I2S Data 1
27h = I2S_WCLK : I2S WCLK
28h = I2S_BCLK : I2S BCLK
29h = I2S_MCLK : I2S MCLK
2Eh = RF Core Trace
2Fh = RF Core Data Out 0

I/O Control Registers
www.ti.com
1078 SWCU117F–February 2015–Revised June 2016
Submit Documentation Feedback
Copyright © 2015–2016, Texas Instruments Incorporated
I/O Control
Table 11-43. IOCFG15 Register Field Descriptions (continued)
Bit Field Type Reset Description
30h = RF Core Data Out 1
31h = RF Core Data Out 2
32h = RF Core Data Out 3
33h = RF Core Data In 0
34h = RF Core Data In 1
35h = RF Core SMI Data Link Out
36h = RF Core SMI Data Link In
37h = RF Core SMI Command Link Out
38h = RF Core SMI Command Link In

www.ti.com
I/O Control Registers
1079
SWCU117F–February 2015–Revised June 2016
Submit Documentation Feedback Copyright © 2015–2016, Texas Instruments Incorporated
I/O Control
11.12.3.17 IOCFG16 Register (Offset = 40h) [reset = 00086000h]
IOCFG16 is shown in Figure 11-39 and described in Table 11-44.
Return to Summary Table.
Configuration of DIO16
Figure 11-39. IOCFG16 Register
31 30 29 28 27 26 25 24
RESERVED HYST_EN IE WU_CFG IOMODE
R-0h R/W-0h R/W-0h R/W-0h R/W-0h
23 22 21 20 19 18 17 16
RESERVED EDGE_IRQ_EN EDGE_DET
R/W-1h R/W-0h R/W-0h
15 14 13 12 11 10 9 8
RESERVED PULL_CTL SLEW_RED IOCURR IOSTR
R-0h R/W-3h R/W-0h R/W-0h R/W-0h
76543210
RESERVED PORT_ID
R-0h R/W-0h
Table 11-44. IOCFG16 Register Field Descriptions
Bit Field Type Reset Description
31 RESERVED R 0h Software should not rely on the value of a reserved. Writing any
other value than the reset value may result in undefined behavior.
30 HYST_EN R/W 0h 0: Input hysteresis disable
1: Input hysteresis enable
29 IE R/W 0h 0: Input disabled
1: Input enabled
Note: If IO is configured for AUX ie. PORT_ID = 0x08, the enable will
be ignored.
28-27 WU_CFG R/W 0h If DIO is configured GPIO or non-AON peripheral signals, i.e.
PORT_ID 0x00 or >0x08:
00: No wake-up
01: No wake-up
10: Wakes up from shutdown if this pad is going low.
11: Wakes up from shutdown if this pad is going high.
If IO is configured for AON peripheral signals or AUX ie. PORT_ID
0x01-0x08, this register only sets wakeup enable or not.
00, 01: Wakeup disabled
10, 11: Wakeup enabled
Polarity is controlled from AON registers.
Note:When the MSB is set, the IOC will deactivate the output enable
for the DIO.

I/O Control Registers
www.ti.com
1080 SWCU117F–February 2015–Revised June 2016
Submit Documentation Feedback
Copyright © 2015–2016, Texas Instruments Incorporated
I/O Control
Table 11-44. IOCFG16 Register Field Descriptions (continued)
Bit Field Type Reset Description
26-24 IOMODE R/W 0h IO Mode
N/A for IO configured for AON periph. signals and AUX ie. PORT_ID
0x01-0x08
AUX has its own open_source/drain configuration.
0x2: Reserved. Undefined behavior.
0x3: Reserved. Undefined behavior.
0h = NORMAL : Normal input / output
1h = INV : Inverted input / ouput
4h = OPENDR : Open Drain,
Normal input / output
5h = OPENDR_INV : Open Drain
Inverted input / output
6h = OPENSRC : Open Source
Normal input / output
7h = OPENSRC_INV : Open Source
Inverted input / output
23-19 RESERVED R/W 1h Software should not rely on the value of a reserved. Writing any
other value than the reset value may result in undefined behavior.
18 EDGE_IRQ_EN R/W 0h 0: No interrupt generation
1: Enable interrupt generation for this IO (Only effective if
EDGE_DET is enabled)
17-16 EDGE_DET R/W 0h Enable generation of edge detection events on this IO
0h = NONE : No edge detection
1h = Negative edge detection
2h = Positive edge detection
3h = Positive and negative edge detection
15 RESERVED R 0h Software should not rely on the value of a reserved. Writing any
other value than the reset value may result in undefined behavior.
14-13 PULL_CTL R/W 3h Pull control
1h = DWN : Pull down
2h = UP : Pull up
3h = DIS : No pull
12 SLEW_RED R/W 0h 0: Normal slew rate
1: Enables reduced slew rate in output driver.
11-10 IOCURR R/W 0h Selects IO current mode of this IO.
0h = 2MA : Low-Current (LC) mode: Min 2 mA when IOSTR is set to
AUTO
1h = 4MA : High-Current (HC) mode: Min 4 mA when IOSTR is set
to AUTO
2h = 4_8MA : Extended-Current (EC) mode: Min 8 mA for double
drive strength IOs (min 4 mA for normal IOs) when IOSTR is set to
AUTO
9-8 IOSTR R/W 0h Select source for drive strength control of this IO.
This setting controls the drive strength of the Low-Current (LC)
mode. Higher drive strength can be selected in IOCURR
0h = Automatic drive strength, controlled by AON BATMON based
on battery voltage. (min 2 mA @VDDS)
1h = Minimum drive strength, controlled by AON_IOC:IOSTRMIN
(min 2 mA @3.3V with default values)
2h = MED : Medium drive strength, controlled by
AON_IOC:IOSTRMED (min 2 mA @2.5V with default values)
3h = Maximum drive strength, controlled by AON_IOC:IOSTRMAX
(min 2 mA @1.8V with default values)
7-6 RESERVED R 0h Software should not rely on the value of a reserved. Writing any
other value than the reset value may result in undefined behavior.

www.ti.com
I/O Control Registers
1081
SWCU117F–February 2015–Revised June 2016
Submit Documentation Feedback Copyright © 2015–2016, Texas Instruments Incorporated
I/O Control
Table 11-44. IOCFG16 Register Field Descriptions (continued)
Bit Field Type Reset Description
5-0 PORT_ID R/W 0h Selects usage for DIO16
0h = General Purpose IO
7h = AON 32 KHz clock (SCLK_LF)
8h = AUX IO
9h = SSI0_RX : SSI0 RX
Ah = SSI0_TX : SSI0 TX
Bh = SSI0_FSS : SSI0 FSS
Ch = SSI0_CLK : SSI0 CLK
Dh = I2C_MSSDA : I2C Data
Eh = I2C_MSSCL : I2C Clock
Fh = UART0_RX : UART0 RX
10h = UART0_TX : UART0 TX
11h = UART0_CTS : UART0 CTS
12h = UART0_RTS : UART0 RTS
17h = PORT_EVENT0 : PORT EVENT 0
Can be used as a general purpose IO event by selecting it via
registers in the EVENT module, e.g. EVENT:GPT0ACAPTSEL.EV,
EVENT:UDMACH14BSEL.EV, etc
18h = PORT_EVENT1 : PORT EVENT 1
Can be used as a general purpose IO event by selecting it via
registers in the EVENT module, e.g. EVENT:GPT0ACAPTSEL.EV,
EVENT:UDMACH14BSEL.EV, etc
19h = PORT_EVENT2 : PORT EVENT 2
Can be used as a general purpose IO event by selecting it via
registers in the EVENT module, e.g. EVENT:GPT0ACAPTSEL.EV,
EVENT:UDMACH14BSEL.EV, etc
1Ah = PORT_EVENT3 : PORT EVENT 3
Can be used as a general purpose IO event by selecting it via
registers in the EVENT module, e.g. EVENT:GPT0ACAPTSEL.EV,
EVENT:UDMACH14BSEL.EV, etc
1Bh = PORT_EVENT4 : PORT EVENT 4
Can be used as a general purpose IO event by selecting it via
registers in the EVENT module, e.g. EVENT:GPT0ACAPTSEL.EV,
EVENT:UDMACH14BSEL.EV, etc
1Ch = PORT_EVENT5 : PORT EVENT 5
Can be used as a general purpose IO event by selecting it via
registers in the EVENT module, e.g. EVENT:GPT0ACAPTSEL.EV,
EVENT:UDMACH14BSEL.EV, etc
1Dh = PORT_EVENT6 : PORT EVENT 6
Can be used as a general purpose IO event by selecting it via
registers in the EVENT module, e.g. EVENT:GPT0ACAPTSEL.EV,
EVENT:UDMACH14BSEL.EV, etc
1Eh = PORT_EVENT7 : PORT EVENT 7
Can be used as a general purpose IO event by selecting it via
registers in the EVENT module, e.g. EVENT:GPT0ACAPTSEL.EV,
EVENT:UDMACH14BSEL.EV, etc
20h = CPU_SWV : CPU SWV
21h = SSI1_RX : SSI1 RX
22h = SSI1_TX : SSI1 TX
23h = SSI1_FSS : SSI1 FSS
24h = SSI1_CLK : SSI1 CLK
25h = I2S_AD0 : I2S Data 0
26h = I2S_AD1 : I2S Data 1
27h = I2S_WCLK : I2S WCLK
28h = I2S_BCLK : I2S BCLK
29h = I2S_MCLK : I2S MCLK
2Eh = RF Core Trace
2Fh = RF Core Data Out 0

I/O Control Registers
www.ti.com
1082 SWCU117F–February 2015–Revised June 2016
Submit Documentation Feedback
Copyright © 2015–2016, Texas Instruments Incorporated
I/O Control
Table 11-44. IOCFG16 Register Field Descriptions (continued)
Bit Field Type Reset Description
30h = RF Core Data Out 1
31h = RF Core Data Out 2
32h = RF Core Data Out 3
33h = RF Core Data In 0
34h = RF Core Data In 1
35h = RF Core SMI Data Link Out
36h = RF Core SMI Data Link In
37h = RF Core SMI Command Link Out
38h = RF Core SMI Command Link In

www.ti.com
I/O Control Registers
1083
SWCU117F–February 2015–Revised June 2016
Submit Documentation Feedback Copyright © 2015–2016, Texas Instruments Incorporated
I/O Control
11.12.3.18 IOCFG17 Register (Offset = 44h) [reset = 00106000h]
IOCFG17 is shown in Figure 11-40 and described in Table 11-45.
Return to Summary Table.
Configuration of DIO17
Figure 11-40. IOCFG17 Register
31 30 29 28 27 26 25 24
RESERVED HYST_EN IE WU_CFG IOMODE
R-0h R/W-0h R/W-0h R/W-0h R/W-0h
23 22 21 20 19 18 17 16
RESERVED EDGE_IRQ_EN EDGE_DET
R/W-2h R/W-0h R/W-0h
15 14 13 12 11 10 9 8
RESERVED PULL_CTL SLEW_RED IOCURR IOSTR
R-0h R/W-3h R/W-0h R/W-0h R/W-0h
76543210
RESERVED PORT_ID
R-0h R/W-0h
Table 11-45. IOCFG17 Register Field Descriptions
Bit Field Type Reset Description
31 RESERVED R 0h Software should not rely on the value of a reserved. Writing any
other value than the reset value may result in undefined behavior.
30 HYST_EN R/W 0h 0: Input hysteresis disable
1: Input hysteresis enable
29 IE R/W 0h 0: Input disabled
1: Input enabled
Note: If IO is configured for AUX ie. PORT_ID = 0x08, the enable will
be ignored.
28-27 WU_CFG R/W 0h If DIO is configured GPIO or non-AON peripheral signals, i.e.
PORT_ID 0x00 or >0x08:
00: No wake-up
01: No wake-up
10: Wakes up from shutdown if this pad is going low.
11: Wakes up from shutdown if this pad is going high.
If IO is configured for AON peripheral signals or AUX ie. PORT_ID
0x01-0x08, this register only sets wakeup enable or not.
00, 01: Wakeup disabled
10, 11: Wakeup enabled
Polarity is controlled from AON registers.
Note:When the MSB is set, the IOC will deactivate the output enable
for the DIO.

I/O Control Registers
www.ti.com
1084 SWCU117F–February 2015–Revised June 2016
Submit Documentation Feedback
Copyright © 2015–2016, Texas Instruments Incorporated
I/O Control
Table 11-45. IOCFG17 Register Field Descriptions (continued)
Bit Field Type Reset Description
26-24 IOMODE R/W 0h IO Mode
N/A for IO configured for AON periph. signals and AUX ie. PORT_ID
0x01-0x08
AUX has its own open_source/drain configuration.
0x2: Reserved. Undefined behavior.
0x3: Reserved. Undefined behavior.
0h = NORMAL : Normal input / output
1h = INV : Inverted input / ouput
4h = OPENDR : Open Drain,
Normal input / output
5h = OPENDR_INV : Open Drain
Inverted input / output
6h = OPENSRC : Open Source
Normal input / output
7h = OPENSRC_INV : Open Source
Inverted input / output
23-19 RESERVED R/W 2h Software should not rely on the value of a reserved. Writing any
other value than the reset value may result in undefined behavior.
18 EDGE_IRQ_EN R/W 0h 0: No interrupt generation
1: Enable interrupt generation for this IO (Only effective if
EDGE_DET is enabled)
17-16 EDGE_DET R/W 0h Enable generation of edge detection events on this IO
0h = NONE : No edge detection
1h = Negative edge detection
2h = Positive edge detection
3h = Positive and negative edge detection
15 RESERVED R 0h Software should not rely on the value of a reserved. Writing any
other value than the reset value may result in undefined behavior.
14-13 PULL_CTL R/W 3h Pull control
1h = DWN : Pull down
2h = UP : Pull up
3h = DIS : No pull
12 SLEW_RED R/W 0h 0: Normal slew rate
1: Enables reduced slew rate in output driver.
11-10 IOCURR R/W 0h Selects IO current mode of this IO.
0h = 2MA : Low-Current (LC) mode: Min 2 mA when IOSTR is set to
AUTO
1h = 4MA : High-Current (HC) mode: Min 4 mA when IOSTR is set
to AUTO
2h = 4_8MA : Extended-Current (EC) mode: Min 8 mA for double
drive strength IOs (min 4 mA for normal IOs) when IOSTR is set to
AUTO
9-8 IOSTR R/W 0h Select source for drive strength control of this IO.
This setting controls the drive strength of the Low-Current (LC)
mode. Higher drive strength can be selected in IOCURR
0h = Automatic drive strength, controlled by AON BATMON based
on battery voltage. (min 2 mA @VDDS)
1h = Minimum drive strength, controlled by AON_IOC:IOSTRMIN
(min 2 mA @3.3V with default values)
2h = MED : Medium drive strength, controlled by
AON_IOC:IOSTRMED (min 2 mA @2.5V with default values)
3h = Maximum drive strength, controlled by AON_IOC:IOSTRMAX
(min 2 mA @1.8V with default values)
7-6 RESERVED R 0h Software should not rely on the value of a reserved. Writing any
other value than the reset value may result in undefined behavior.

www.ti.com
I/O Control Registers
1085
SWCU117F–February 2015–Revised June 2016
Submit Documentation Feedback Copyright © 2015–2016, Texas Instruments Incorporated
I/O Control
Table 11-45. IOCFG17 Register Field Descriptions (continued)
Bit Field Type Reset Description
5-0 PORT_ID R/W 0h Selects usage for DIO17
0h = General Purpose IO
7h = AON 32 KHz clock (SCLK_LF)
8h = AUX IO
9h = SSI0_RX : SSI0 RX
Ah = SSI0_TX : SSI0 TX
Bh = SSI0_FSS : SSI0 FSS
Ch = SSI0_CLK : SSI0 CLK
Dh = I2C_MSSDA : I2C Data
Eh = I2C_MSSCL : I2C Clock
Fh = UART0_RX : UART0 RX
10h = UART0_TX : UART0 TX
11h = UART0_CTS : UART0 CTS
12h = UART0_RTS : UART0 RTS
17h = PORT_EVENT0 : PORT EVENT 0
Can be used as a general purpose IO event by selecting it via
registers in the EVENT module, e.g. EVENT:GPT0ACAPTSEL.EV,
EVENT:UDMACH14BSEL.EV, etc
18h = PORT_EVENT1 : PORT EVENT 1
Can be used as a general purpose IO event by selecting it via
registers in the EVENT module, e.g. EVENT:GPT0ACAPTSEL.EV,
EVENT:UDMACH14BSEL.EV, etc
19h = PORT_EVENT2 : PORT EVENT 2
Can be used as a general purpose IO event by selecting it via
registers in the EVENT module, e.g. EVENT:GPT0ACAPTSEL.EV,
EVENT:UDMACH14BSEL.EV, etc
1Ah = PORT_EVENT3 : PORT EVENT 3
Can be used as a general purpose IO event by selecting it via
registers in the EVENT module, e.g. EVENT:GPT0ACAPTSEL.EV,
EVENT:UDMACH14BSEL.EV, etc
1Bh = PORT_EVENT4 : PORT EVENT 4
Can be used as a general purpose IO event by selecting it via
registers in the EVENT module, e.g. EVENT:GPT0ACAPTSEL.EV,
EVENT:UDMACH14BSEL.EV, etc
1Ch = PORT_EVENT5 : PORT EVENT 5
Can be used as a general purpose IO event by selecting it via
registers in the EVENT module, e.g. EVENT:GPT0ACAPTSEL.EV,
EVENT:UDMACH14BSEL.EV, etc
1Dh = PORT_EVENT6 : PORT EVENT 6
Can be used as a general purpose IO event by selecting it via
registers in the EVENT module, e.g. EVENT:GPT0ACAPTSEL.EV,
EVENT:UDMACH14BSEL.EV, etc
1Eh = PORT_EVENT7 : PORT EVENT 7
Can be used as a general purpose IO event by selecting it via
registers in the EVENT module, e.g. EVENT:GPT0ACAPTSEL.EV,
EVENT:UDMACH14BSEL.EV, etc
20h = CPU_SWV : CPU SWV
21h = SSI1_RX : SSI1 RX
22h = SSI1_TX : SSI1 TX
23h = SSI1_FSS : SSI1 FSS
24h = SSI1_CLK : SSI1 CLK
25h = I2S_AD0 : I2S Data 0
26h = I2S_AD1 : I2S Data 1
27h = I2S_WCLK : I2S WCLK
28h = I2S_BCLK : I2S BCLK
29h = I2S_MCLK : I2S MCLK
2Eh = RF Core Trace
2Fh = RF Core Data Out 0

I/O Control Registers
www.ti.com
1086 SWCU117F–February 2015–Revised June 2016
Submit Documentation Feedback
Copyright © 2015–2016, Texas Instruments Incorporated
I/O Control
Table 11-45. IOCFG17 Register Field Descriptions (continued)
Bit Field Type Reset Description
30h = RF Core Data Out 1
31h = RF Core Data Out 2
32h = RF Core Data Out 3
33h = RF Core Data In 0
34h = RF Core Data In 1
35h = RF Core SMI Data Link Out
36h = RF Core SMI Data Link In
37h = RF Core SMI Command Link Out
38h = RF Core SMI Command Link In

www.ti.com
I/O Control Registers
1087
SWCU117F–February 2015–Revised June 2016
Submit Documentation Feedback Copyright © 2015–2016, Texas Instruments Incorporated
I/O Control
11.12.3.19 IOCFG18 Register (Offset = 48h) [reset = 6000h]
IOCFG18 is shown in Figure 11-41 and described in Table 11-46.
Return to Summary Table.
Configuration of DIO18
Figure 11-41. IOCFG18 Register
31 30 29 28 27 26 25 24
RESERVED HYST_EN IE WU_CFG IOMODE
R-0h R/W-0h R/W-0h R/W-0h R/W-0h
23 22 21 20 19 18 17 16
RESERVED EDGE_IRQ_EN EDGE_DET
R/W-0h R/W-0h R/W-0h
15 14 13 12 11 10 9 8
RESERVED PULL_CTL SLEW_RED IOCURR IOSTR
R-0h R/W-3h R/W-0h R/W-0h R/W-0h
76543210
RESERVED PORT_ID
R-0h R/W-0h
Table 11-46. IOCFG18 Register Field Descriptions
Bit Field Type Reset Description
31 RESERVED R 0h Software should not rely on the value of a reserved. Writing any
other value than the reset value may result in undefined behavior.
30 HYST_EN R/W 0h 0: Input hysteresis disable
1: Input hysteresis enable
29 IE R/W 0h 0: Input disabled
1: Input enabled
Note: If IO is configured for AUX ie. PORT_ID = 0x08, the enable will
be ignored.
28-27 WU_CFG R/W 0h If DIO is configured GPIO or non-AON peripheral signals, i.e.
PORT_ID 0x00 or >0x08:
00: No wake-up
01: No wake-up
10: Wakes up from shutdown if this pad is going low.
11: Wakes up from shutdown if this pad is going high.
If IO is configured for AON peripheral signals or AUX ie. PORT_ID
0x01-0x08, this register only sets wakeup enable or not.
00, 01: Wakeup disabled
10, 11: Wakeup enabled
Polarity is controlled from AON registers.
Note:When the MSB is set, the IOC will deactivate the output enable
for the DIO.

I/O Control Registers
www.ti.com
1088 SWCU117F–February 2015–Revised June 2016
Submit Documentation Feedback
Copyright © 2015–2016, Texas Instruments Incorporated
I/O Control
Table 11-46. IOCFG18 Register Field Descriptions (continued)
Bit Field Type Reset Description
26-24 IOMODE R/W 0h IO Mode
N/A for IO configured for AON periph. signals and AUX ie. PORT_ID
0x01-0x08
AUX has its own open_source/drain configuration.
0x2: Reserved. Undefined behavior.
0x3: Reserved. Undefined behavior.
0h = NORMAL : Normal input / output
1h = INV : Inverted input / ouput
4h = OPENDR : Open Drain,
Normal input / output
5h = OPENDR_INV : Open Drain
Inverted input / output
6h = OPENSRC : Open Source
Normal input / output
7h = OPENSRC_INV : Open Source
Inverted input / output
23-19 RESERVED R/W 0h Software should not rely on the value of a reserved. Writing any
other value than the reset value may result in undefined behavior.
18 EDGE_IRQ_EN R/W 0h 0: No interrupt generation
1: Enable interrupt generation for this IO (Only effective if
EDGE_DET is enabled)
17-16 EDGE_DET R/W 0h Enable generation of edge detection events on this IO
0h = NONE : No edge detection
1h = Negative edge detection
2h = Positive edge detection
3h = Positive and negative edge detection
15 RESERVED R 0h Software should not rely on the value of a reserved. Writing any
other value than the reset value may result in undefined behavior.
14-13 PULL_CTL R/W 3h Pull control
1h = DWN : Pull down
2h = UP : Pull up
3h = DIS : No pull
12 SLEW_RED R/W 0h 0: Normal slew rate
1: Enables reduced slew rate in output driver.
11-10 IOCURR R/W 0h Selects IO current mode of this IO.
0h = 2MA : Low-Current (LC) mode: Min 2 mA when IOSTR is set to
AUTO
1h = 4MA : High-Current (HC) mode: Min 4 mA when IOSTR is set
to AUTO
2h = 4_8MA : Extended-Current (EC) mode: Min 8 mA for double
drive strength IOs (min 4 mA for normal IOs) when IOSTR is set to
AUTO
9-8 IOSTR R/W 0h Select source for drive strength control of this IO.
This setting controls the drive strength of the Low-Current (LC)
mode. Higher drive strength can be selected in IOCURR
0h = Automatic drive strength, controlled by AON BATMON based
on battery voltage. (min 2 mA @VDDS)
1h = Minimum drive strength, controlled by AON_IOC:IOSTRMIN
(min 2 mA @3.3V with default values)
2h = MED : Medium drive strength, controlled by
AON_IOC:IOSTRMED (min 2 mA @2.5V with default values)
3h = Maximum drive strength, controlled by AON_IOC:IOSTRMAX
(min 2 mA @1.8V with default values)
7-6 RESERVED R 0h Software should not rely on the value of a reserved. Writing any
other value than the reset value may result in undefined behavior.

www.ti.com
I/O Control Registers
1089
SWCU117F–February 2015–Revised June 2016
Submit Documentation Feedback Copyright © 2015–2016, Texas Instruments Incorporated
I/O Control
Table 11-46. IOCFG18 Register Field Descriptions (continued)
Bit Field Type Reset Description
5-0 PORT_ID R/W 0h Selects usage for DIO18
0h = General Purpose IO
7h = AON 32 KHz clock (SCLK_LF)
8h = AUX IO
9h = SSI0_RX : SSI0 RX
Ah = SSI0_TX : SSI0 TX
Bh = SSI0_FSS : SSI0 FSS
Ch = SSI0_CLK : SSI0 CLK
Dh = I2C_MSSDA : I2C Data
Eh = I2C_MSSCL : I2C Clock
Fh = UART0_RX : UART0 RX
10h = UART0_TX : UART0 TX
11h = UART0_CTS : UART0 CTS
12h = UART0_RTS : UART0 RTS
17h = PORT_EVENT0 : PORT EVENT 0
Can be used as a general purpose IO event by selecting it via
registers in the EVENT module, e.g. EVENT:GPT0ACAPTSEL.EV,
EVENT:UDMACH14BSEL.EV, etc
18h = PORT_EVENT1 : PORT EVENT 1
Can be used as a general purpose IO event by selecting it via
registers in the EVENT module, e.g. EVENT:GPT0ACAPTSEL.EV,
EVENT:UDMACH14BSEL.EV, etc
19h = PORT_EVENT2 : PORT EVENT 2
Can be used as a general purpose IO event by selecting it via
registers in the EVENT module, e.g. EVENT:GPT0ACAPTSEL.EV,
EVENT:UDMACH14BSEL.EV, etc
1Ah = PORT_EVENT3 : PORT EVENT 3
Can be used as a general purpose IO event by selecting it via
registers in the EVENT module, e.g. EVENT:GPT0ACAPTSEL.EV,
EVENT:UDMACH14BSEL.EV, etc
1Bh = PORT_EVENT4 : PORT EVENT 4
Can be used as a general purpose IO event by selecting it via
registers in the EVENT module, e.g. EVENT:GPT0ACAPTSEL.EV,
EVENT:UDMACH14BSEL.EV, etc
1Ch = PORT_EVENT5 : PORT EVENT 5
Can be used as a general purpose IO event by selecting it via
registers in the EVENT module, e.g. EVENT:GPT0ACAPTSEL.EV,
EVENT:UDMACH14BSEL.EV, etc
1Dh = PORT_EVENT6 : PORT EVENT 6
Can be used as a general purpose IO event by selecting it via
registers in the EVENT module, e.g. EVENT:GPT0ACAPTSEL.EV,
EVENT:UDMACH14BSEL.EV, etc
1Eh = PORT_EVENT7 : PORT EVENT 7
Can be used as a general purpose IO event by selecting it via
registers in the EVENT module, e.g. EVENT:GPT0ACAPTSEL.EV,
EVENT:UDMACH14BSEL.EV, etc
20h = CPU_SWV : CPU SWV
21h = SSI1_RX : SSI1 RX
22h = SSI1_TX : SSI1 TX
23h = SSI1_FSS : SSI1 FSS
24h = SSI1_CLK : SSI1 CLK
25h = I2S_AD0 : I2S Data 0
26h = I2S_AD1 : I2S Data 1
27h = I2S_WCLK : I2S WCLK
28h = I2S_BCLK : I2S BCLK
29h = I2S_MCLK : I2S MCLK
2Eh = RF Core Trace
2Fh = RF Core Data Out 0

I/O Control Registers
www.ti.com
1090 SWCU117F–February 2015–Revised June 2016
Submit Documentation Feedback
Copyright © 2015–2016, Texas Instruments Incorporated
I/O Control
Table 11-46. IOCFG18 Register Field Descriptions (continued)
Bit Field Type Reset Description
30h = RF Core Data Out 1
31h = RF Core Data Out 2
32h = RF Core Data Out 3
33h = RF Core Data In 0
34h = RF Core Data In 1
35h = RF Core SMI Data Link Out
36h = RF Core SMI Data Link In
37h = RF Core SMI Command Link Out
38h = RF Core SMI Command Link In

www.ti.com
I/O Control Registers
1091
SWCU117F–February 2015–Revised June 2016
Submit Documentation Feedback Copyright © 2015–2016, Texas Instruments Incorporated
I/O Control
11.12.3.20 IOCFG19 Register (Offset = 4Ch) [reset = 6000h]
IOCFG19 is shown in Figure 11-42 and described in Table 11-47.
Return to Summary Table.
Configuration of DIO19
Figure 11-42. IOCFG19 Register
31 30 29 28 27 26 25 24
RESERVED HYST_EN IE WU_CFG IOMODE
R-0h R/W-0h R/W-0h R/W-0h R/W-0h
23 22 21 20 19 18 17 16
RESERVED EDGE_IRQ_EN EDGE_DET
R/W-0h R/W-0h R/W-0h
15 14 13 12 11 10 9 8
RESERVED PULL_CTL SLEW_RED IOCURR IOSTR
R-0h R/W-3h R/W-0h R/W-0h R/W-0h
76543210
RESERVED PORT_ID
R-0h R/W-0h
Table 11-47. IOCFG19 Register Field Descriptions
Bit Field Type Reset Description
31 RESERVED R 0h Software should not rely on the value of a reserved. Writing any
other value than the reset value may result in undefined behavior.
30 HYST_EN R/W 0h 0: Input hysteresis disable
1: Input hysteresis enable
29 IE R/W 0h 0: Input disabled
1: Input enabled
Note: If IO is configured for AUX ie. PORT_ID = 0x08, the enable will
be ignored.
28-27 WU_CFG R/W 0h If DIO is configured GPIO or non-AON peripheral signals, i.e.
PORT_ID 0x00 or >0x08:
00: No wake-up
01: No wake-up
10: Wakes up from shutdown if this pad is going low.
11: Wakes up from shutdown if this pad is going high.
If IO is configured for AON peripheral signals or AUX ie. PORT_ID
0x01-0x08, this register only sets wakeup enable or not.
00, 01: Wakeup disabled
10, 11: Wakeup enabled
Polarity is controlled from AON registers.
Note:When the MSB is set, the IOC will deactivate the output enable
for the DIO.

I/O Control Registers
www.ti.com
1092 SWCU117F–February 2015–Revised June 2016
Submit Documentation Feedback
Copyright © 2015–2016, Texas Instruments Incorporated
I/O Control
Table 11-47. IOCFG19 Register Field Descriptions (continued)
Bit Field Type Reset Description
26-24 IOMODE R/W 0h IO Mode
N/A for IO configured for AON periph. signals and AUX ie. PORT_ID
0x01-0x08
AUX has its own open_source/drain configuration.
0x2: Reserved. Undefined behavior.
0x3: Reserved. Undefined behavior.
0h = NORMAL : Normal input / output
1h = INV : Inverted input / ouput
4h = OPENDR : Open Drain,
Normal input / output
5h = OPENDR_INV : Open Drain
Inverted input / output
6h = OPENSRC : Open Source
Normal input / output
7h = OPENSRC_INV : Open Source
Inverted input / output
23-19 RESERVED R/W 0h Software should not rely on the value of a reserved. Writing any
other value than the reset value may result in undefined behavior.
18 EDGE_IRQ_EN R/W 0h 0: No interrupt generation
1: Enable interrupt generation for this IO (Only effective if
EDGE_DET is enabled)
17-16 EDGE_DET R/W 0h Enable generation of edge detection events on this IO
0h = NONE : No edge detection
1h = Negative edge detection
2h = Positive edge detection
3h = Positive and negative edge detection
15 RESERVED R 0h Software should not rely on the value of a reserved. Writing any
other value than the reset value may result in undefined behavior.
14-13 PULL_CTL R/W 3h Pull control
1h = DWN : Pull down
2h = UP : Pull up
3h = DIS : No pull
12 SLEW_RED R/W 0h 0: Normal slew rate
1: Enables reduced slew rate in output driver.
11-10 IOCURR R/W 0h Selects IO current mode of this IO.
0h = 2MA : Low-Current (LC) mode: Min 2 mA when IOSTR is set to
AUTO
1h = 4MA : High-Current (HC) mode: Min 4 mA when IOSTR is set
to AUTO
2h = 4_8MA : Extended-Current (EC) mode: Min 8 mA for double
drive strength IOs (min 4 mA for normal IOs) when IOSTR is set to
AUTO
9-8 IOSTR R/W 0h Select source for drive strength control of this IO.
This setting controls the drive strength of the Low-Current (LC)
mode. Higher drive strength can be selected in IOCURR
0h = Automatic drive strength, controlled by AON BATMON based
on battery voltage. (min 2 mA @VDDS)
1h = Minimum drive strength, controlled by AON_IOC:IOSTRMIN
(min 2 mA @3.3V with default values)
2h = MED : Medium drive strength, controlled by
AON_IOC:IOSTRMED (min 2 mA @2.5V with default values)
3h = Maximum drive strength, controlled by AON_IOC:IOSTRMAX
(min 2 mA @1.8V with default values)
7-6 RESERVED R 0h Software should not rely on the value of a reserved. Writing any
other value than the reset value may result in undefined behavior.

www.ti.com
I/O Control Registers
1093
SWCU117F–February 2015–Revised June 2016
Submit Documentation Feedback Copyright © 2015–2016, Texas Instruments Incorporated
I/O Control
Table 11-47. IOCFG19 Register Field Descriptions (continued)
Bit Field Type Reset Description
5-0 PORT_ID R/W 0h Selects usage for DIO19
0h = General Purpose IO
7h = AON 32 KHz clock (SCLK_LF)
8h = AUX IO
9h = SSI0_RX : SSI0 RX
Ah = SSI0_TX : SSI0 TX
Bh = SSI0_FSS : SSI0 FSS
Ch = SSI0_CLK : SSI0 CLK
Dh = I2C_MSSDA : I2C Data
Eh = I2C_MSSCL : I2C Clock
Fh = UART0_RX : UART0 RX
10h = UART0_TX : UART0 TX
11h = UART0_CTS : UART0 CTS
12h = UART0_RTS : UART0 RTS
17h = PORT_EVENT0 : PORT EVENT 0
Can be used as a general purpose IO event by selecting it via
registers in the EVENT module, e.g. EVENT:GPT0ACAPTSEL.EV,
EVENT:UDMACH14BSEL.EV, etc
18h = PORT_EVENT1 : PORT EVENT 1
Can be used as a general purpose IO event by selecting it via
registers in the EVENT module, e.g. EVENT:GPT0ACAPTSEL.EV,
EVENT:UDMACH14BSEL.EV, etc
19h = PORT_EVENT2 : PORT EVENT 2
Can be used as a general purpose IO event by selecting it via
registers in the EVENT module, e.g. EVENT:GPT0ACAPTSEL.EV,
EVENT:UDMACH14BSEL.EV, etc
1Ah = PORT_EVENT3 : PORT EVENT 3
Can be used as a general purpose IO event by selecting it via
registers in the EVENT module, e.g. EVENT:GPT0ACAPTSEL.EV,
EVENT:UDMACH14BSEL.EV, etc
1Bh = PORT_EVENT4 : PORT EVENT 4
Can be used as a general purpose IO event by selecting it via
registers in the EVENT module, e.g. EVENT:GPT0ACAPTSEL.EV,
EVENT:UDMACH14BSEL.EV, etc
1Ch = PORT_EVENT5 : PORT EVENT 5
Can be used as a general purpose IO event by selecting it via
registers in the EVENT module, e.g. EVENT:GPT0ACAPTSEL.EV,
EVENT:UDMACH14BSEL.EV, etc
1Dh = PORT_EVENT6 : PORT EVENT 6
Can be used as a general purpose IO event by selecting it via
registers in the EVENT module, e.g. EVENT:GPT0ACAPTSEL.EV,
EVENT:UDMACH14BSEL.EV, etc
1Eh = PORT_EVENT7 : PORT EVENT 7
Can be used as a general purpose IO event by selecting it via
registers in the EVENT module, e.g. EVENT:GPT0ACAPTSEL.EV,
EVENT:UDMACH14BSEL.EV, etc
20h = CPU_SWV : CPU SWV
21h = SSI1_RX : SSI1 RX
22h = SSI1_TX : SSI1 TX
23h = SSI1_FSS : SSI1 FSS
24h = SSI1_CLK : SSI1 CLK
25h = I2S_AD0 : I2S Data 0
26h = I2S_AD1 : I2S Data 1
27h = I2S_WCLK : I2S WCLK
28h = I2S_BCLK : I2S BCLK
29h = I2S_MCLK : I2S MCLK
2Eh = RF Core Trace
2Fh = RF Core Data Out 0

I/O Control Registers
www.ti.com
1094 SWCU117F–February 2015–Revised June 2016
Submit Documentation Feedback
Copyright © 2015–2016, Texas Instruments Incorporated
I/O Control
Table 11-47. IOCFG19 Register Field Descriptions (continued)
Bit Field Type Reset Description
30h = RF Core Data Out 1
31h = RF Core Data Out 2
32h = RF Core Data Out 3
33h = RF Core Data In 0
34h = RF Core Data In 1
35h = RF Core SMI Data Link Out
36h = RF Core SMI Data Link In
37h = RF Core SMI Command Link Out
38h = RF Core SMI Command Link In

www.ti.com
I/O Control Registers
1095
SWCU117F–February 2015–Revised June 2016
Submit Documentation Feedback Copyright © 2015–2016, Texas Instruments Incorporated
I/O Control
11.12.3.21 IOCFG20 Register (Offset = 50h) [reset = 6000h]
IOCFG20 is shown in Figure 11-43 and described in Table 11-48.
Return to Summary Table.
Configuration of DIO20
Figure 11-43. IOCFG20 Register
31 30 29 28 27 26 25 24
RESERVED HYST_EN IE WU_CFG IOMODE
R-0h R/W-0h R/W-0h R/W-0h R/W-0h
23 22 21 20 19 18 17 16
RESERVED EDGE_IRQ_EN EDGE_DET
R/W-0h R/W-0h R/W-0h
15 14 13 12 11 10 9 8
RESERVED PULL_CTL SLEW_RED IOCURR IOSTR
R-0h R/W-3h R/W-0h R/W-0h R/W-0h
76543210
RESERVED PORT_ID
R-0h R/W-0h
Table 11-48. IOCFG20 Register Field Descriptions
Bit Field Type Reset Description
31 RESERVED R 0h Software should not rely on the value of a reserved. Writing any
other value than the reset value may result in undefined behavior.
30 HYST_EN R/W 0h 0: Input hysteresis disable
1: Input hysteresis enable
29 IE R/W 0h 0: Input disabled
1: Input enabled
Note: If IO is configured for AUX ie. PORT_ID = 0x08, the enable will
be ignored.
28-27 WU_CFG R/W 0h If DIO is configured GPIO or non-AON peripheral signals, i.e.
PORT_ID 0x00 or >0x08:
00: No wake-up
01: No wake-up
10: Wakes up from shutdown if this pad is going low.
11: Wakes up from shutdown if this pad is going high.
If IO is configured for AON peripheral signals or AUX ie. PORT_ID
0x01-0x08, this register only sets wakeup enable or not.
00, 01: Wakeup disabled
10, 11: Wakeup enabled
Polarity is controlled from AON registers.
Note:When the MSB is set, the IOC will deactivate the output enable
for the DIO.

I/O Control Registers
www.ti.com
1096 SWCU117F–February 2015–Revised June 2016
Submit Documentation Feedback
Copyright © 2015–2016, Texas Instruments Incorporated
I/O Control
Table 11-48. IOCFG20 Register Field Descriptions (continued)
Bit Field Type Reset Description
26-24 IOMODE R/W 0h IO Mode
N/A for IO configured for AON periph. signals and AUX ie. PORT_ID
0x01-0x08
AUX has its own open_source/drain configuration.
0x2: Reserved. Undefined behavior.
0x3: Reserved. Undefined behavior.
0h = NORMAL : Normal input / output
1h = INV : Inverted input / ouput
4h = OPENDR : Open Drain,
Normal input / output
5h = OPENDR_INV : Open Drain
Inverted input / output
6h = OPENSRC : Open Source
Normal input / output
7h = OPENSRC_INV : Open Source
Inverted input / output
23-19 RESERVED R/W 0h Software should not rely on the value of a reserved. Writing any
other value than the reset value may result in undefined behavior.
18 EDGE_IRQ_EN R/W 0h 0: No interrupt generation
1: Enable interrupt generation for this IO (Only effective if
EDGE_DET is enabled)
17-16 EDGE_DET R/W 0h Enable generation of edge detection events on this IO
0h = NONE : No edge detection
1h = Negative edge detection
2h = Positive edge detection
3h = Positive and negative edge detection
15 RESERVED R 0h Software should not rely on the value of a reserved. Writing any
other value than the reset value may result in undefined behavior.
14-13 PULL_CTL R/W 3h Pull control
1h = DWN : Pull down
2h = UP : Pull up
3h = DIS : No pull
12 SLEW_RED R/W 0h 0: Normal slew rate
1: Enables reduced slew rate in output driver.
11-10 IOCURR R/W 0h Selects IO current mode of this IO.
0h = 2MA : Low-Current (LC) mode: Min 2 mA when IOSTR is set to
AUTO
1h = 4MA : High-Current (HC) mode: Min 4 mA when IOSTR is set
to AUTO
2h = 4_8MA : Extended-Current (EC) mode: Min 8 mA for double
drive strength IOs (min 4 mA for normal IOs) when IOSTR is set to
AUTO
9-8 IOSTR R/W 0h Select source for drive strength control of this IO.
This setting controls the drive strength of the Low-Current (LC)
mode. Higher drive strength can be selected in IOCURR
0h = Automatic drive strength, controlled by AON BATMON based
on battery voltage. (min 2 mA @VDDS)
1h = Minimum drive strength, controlled by AON_IOC:IOSTRMIN
(min 2 mA @3.3V with default values)
2h = MED : Medium drive strength, controlled by
AON_IOC:IOSTRMED (min 2 mA @2.5V with default values)
3h = Maximum drive strength, controlled by AON_IOC:IOSTRMAX
(min 2 mA @1.8V with default values)
7-6 RESERVED R 0h Software should not rely on the value of a reserved. Writing any
other value than the reset value may result in undefined behavior.

www.ti.com
I/O Control Registers
1097
SWCU117F–February 2015–Revised June 2016
Submit Documentation Feedback Copyright © 2015–2016, Texas Instruments Incorporated
I/O Control
Table 11-48. IOCFG20 Register Field Descriptions (continued)
Bit Field Type Reset Description
5-0 PORT_ID R/W 0h Selects usage for DIO20
0h = General Purpose IO
7h = AON 32 KHz clock (SCLK_LF)
8h = AUX IO
9h = SSI0_RX : SSI0 RX
Ah = SSI0_TX : SSI0 TX
Bh = SSI0_FSS : SSI0 FSS
Ch = SSI0_CLK : SSI0 CLK
Dh = I2C_MSSDA : I2C Data
Eh = I2C_MSSCL : I2C Clock
Fh = UART0_RX : UART0 RX
10h = UART0_TX : UART0 TX
11h = UART0_CTS : UART0 CTS
12h = UART0_RTS : UART0 RTS
17h = PORT_EVENT0 : PORT EVENT 0
Can be used as a general purpose IO event by selecting it via
registers in the EVENT module, e.g. EVENT:GPT0ACAPTSEL.EV,
EVENT:UDMACH14BSEL.EV, etc
18h = PORT_EVENT1 : PORT EVENT 1
Can be used as a general purpose IO event by selecting it via
registers in the EVENT module, e.g. EVENT:GPT0ACAPTSEL.EV,
EVENT:UDMACH14BSEL.EV, etc
19h = PORT_EVENT2 : PORT EVENT 2
Can be used as a general purpose IO event by selecting it via
registers in the EVENT module, e.g. EVENT:GPT0ACAPTSEL.EV,
EVENT:UDMACH14BSEL.EV, etc
1Ah = PORT_EVENT3 : PORT EVENT 3
Can be used as a general purpose IO event by selecting it via
registers in the EVENT module, e.g. EVENT:GPT0ACAPTSEL.EV,
EVENT:UDMACH14BSEL.EV, etc
1Bh = PORT_EVENT4 : PORT EVENT 4
Can be used as a general purpose IO event by selecting it via
registers in the EVENT module, e.g. EVENT:GPT0ACAPTSEL.EV,
EVENT:UDMACH14BSEL.EV, etc
1Ch = PORT_EVENT5 : PORT EVENT 5
Can be used as a general purpose IO event by selecting it via
registers in the EVENT module, e.g. EVENT:GPT0ACAPTSEL.EV,
EVENT:UDMACH14BSEL.EV, etc
1Dh = PORT_EVENT6 : PORT EVENT 6
Can be used as a general purpose IO event by selecting it via
registers in the EVENT module, e.g. EVENT:GPT0ACAPTSEL.EV,
EVENT:UDMACH14BSEL.EV, etc
1Eh = PORT_EVENT7 : PORT EVENT 7
Can be used as a general purpose IO event by selecting it via
registers in the EVENT module, e.g. EVENT:GPT0ACAPTSEL.EV,
EVENT:UDMACH14BSEL.EV, etc
20h = CPU_SWV : CPU SWV
21h = SSI1_RX : SSI1 RX
22h = SSI1_TX : SSI1 TX
23h = SSI1_FSS : SSI1 FSS
24h = SSI1_CLK : SSI1 CLK
25h = I2S_AD0 : I2S Data 0
26h = I2S_AD1 : I2S Data 1
27h = I2S_WCLK : I2S WCLK
28h = I2S_BCLK : I2S BCLK
29h = I2S_MCLK : I2S MCLK
2Eh = RF Core Trace
2Fh = RF Core Data Out 0

I/O Control Registers
www.ti.com
1098 SWCU117F–February 2015–Revised June 2016
Submit Documentation Feedback
Copyright © 2015–2016, Texas Instruments Incorporated
I/O Control
Table 11-48. IOCFG20 Register Field Descriptions (continued)
Bit Field Type Reset Description
30h = RF Core Data Out 1
31h = RF Core Data Out 2
32h = RF Core Data Out 3
33h = RF Core Data In 0
34h = RF Core Data In 1
35h = RF Core SMI Data Link Out
36h = RF Core SMI Data Link In
37h = RF Core SMI Command Link Out
38h = RF Core SMI Command Link In

www.ti.com
I/O Control Registers
1099
SWCU117F–February 2015–Revised June 2016
Submit Documentation Feedback Copyright © 2015–2016, Texas Instruments Incorporated
I/O Control
11.12.3.22 IOCFG21 Register (Offset = 54h) [reset = 6000h]
IOCFG21 is shown in Figure 11-44 and described in Table 11-49.
Return to Summary Table.
Configuration of DIO21
Figure 11-44. IOCFG21 Register
31 30 29 28 27 26 25 24
RESERVED HYST_EN IE WU_CFG IOMODE
R-0h R/W-0h R/W-0h R/W-0h R/W-0h
23 22 21 20 19 18 17 16
RESERVED EDGE_IRQ_EN EDGE_DET
R/W-0h R/W-0h R/W-0h
15 14 13 12 11 10 9 8
RESERVED PULL_CTL SLEW_RED IOCURR IOSTR
R-0h R/W-3h R/W-0h R/W-0h R/W-0h
76543210
RESERVED PORT_ID
R-0h R/W-0h
Table 11-49. IOCFG21 Register Field Descriptions
Bit Field Type Reset Description
31 RESERVED R 0h Software should not rely on the value of a reserved. Writing any
other value than the reset value may result in undefined behavior.
30 HYST_EN R/W 0h 0: Input hysteresis disable
1: Input hysteresis enable
29 IE R/W 0h 0: Input disabled
1: Input enabled
Note: If IO is configured for AUX ie. PORT_ID = 0x08, the enable will
be ignored.
28-27 WU_CFG R/W 0h If DIO is configured GPIO or non-AON peripheral signals, i.e.
PORT_ID 0x00 or >0x08:
00: No wake-up
01: No wake-up
10: Wakes up from shutdown if this pad is going low.
11: Wakes up from shutdown if this pad is going high.
If IO is configured for AON peripheral signals or AUX ie. PORT_ID
0x01-0x08, this register only sets wakeup enable or not.
00, 01: Wakeup disabled
10, 11: Wakeup enabled
Polarity is controlled from AON registers.
Note:When the MSB is set, the IOC will deactivate the output enable
for the DIO.

I/O Control Registers
www.ti.com
1100 SWCU117F–February 2015–Revised June 2016
Submit Documentation Feedback
Copyright © 2015–2016, Texas Instruments Incorporated
I/O Control
Table 11-49. IOCFG21 Register Field Descriptions (continued)
Bit Field Type Reset Description
26-24 IOMODE R/W 0h IO Mode
N/A for IO configured for AON periph. signals and AUX ie. PORT_ID
0x01-0x08
AUX has its own open_source/drain configuration.
0x2: Reserved. Undefined behavior.
0x3: Reserved. Undefined behavior.
0h = NORMAL : Normal input / output
1h = INV : Inverted input / ouput
4h = OPENDR : Open Drain,
Normal input / output
5h = OPENDR_INV : Open Drain
Inverted input / output
6h = OPENSRC : Open Source
Normal input / output
7h = OPENSRC_INV : Open Source
Inverted input / output
23-19 RESERVED R/W 0h Software should not rely on the value of a reserved. Writing any
other value than the reset value may result in undefined behavior.
18 EDGE_IRQ_EN R/W 0h 0: No interrupt generation
1: Enable interrupt generation for this IO (Only effective if
EDGE_DET is enabled)
17-16 EDGE_DET R/W 0h Enable generation of edge detection events on this IO
0h = NONE : No edge detection
1h = Negative edge detection
2h = Positive edge detection
3h = Positive and negative edge detection
15 RESERVED R 0h Software should not rely on the value of a reserved. Writing any
other value than the reset value may result in undefined behavior.
14-13 PULL_CTL R/W 3h Pull control
1h = DWN : Pull down
2h = UP : Pull up
3h = DIS : No pull
12 SLEW_RED R/W 0h 0: Normal slew rate
1: Enables reduced slew rate in output driver.
11-10 IOCURR R/W 0h Selects IO current mode of this IO.
0h = 2MA : Low-Current (LC) mode: Min 2 mA when IOSTR is set to
AUTO
1h = 4MA : High-Current (HC) mode: Min 4 mA when IOSTR is set
to AUTO
2h = 4_8MA : Extended-Current (EC) mode: Min 8 mA for double
drive strength IOs (min 4 mA for normal IOs) when IOSTR is set to
AUTO
9-8 IOSTR R/W 0h Select source for drive strength control of this IO.
This setting controls the drive strength of the Low-Current (LC)
mode. Higher drive strength can be selected in IOCURR
0h = Automatic drive strength, controlled by AON BATMON based
on battery voltage. (min 2 mA @VDDS)
1h = Minimum drive strength, controlled by AON_IOC:IOSTRMIN
(min 2 mA @3.3V with default values)
2h = MED : Medium drive strength, controlled by
AON_IOC:IOSTRMED (min 2 mA @2.5V with default values)
3h = Maximum drive strength, controlled by AON_IOC:IOSTRMAX
(min 2 mA @1.8V with default values)
7-6 RESERVED R 0h Software should not rely on the value of a reserved. Writing any
other value than the reset value may result in undefined behavior.

www.ti.com
I/O Control Registers
1101
SWCU117F–February 2015–Revised June 2016
Submit Documentation Feedback Copyright © 2015–2016, Texas Instruments Incorporated
I/O Control
Table 11-49. IOCFG21 Register Field Descriptions (continued)
Bit Field Type Reset Description
5-0 PORT_ID R/W 0h Selects usage for DIO21
0h = General Purpose IO
7h = AON 32 KHz clock (SCLK_LF)
8h = AUX IO
9h = SSI0_RX : SSI0 RX
Ah = SSI0_TX : SSI0 TX
Bh = SSI0_FSS : SSI0 FSS
Ch = SSI0_CLK : SSI0 CLK
Dh = I2C_MSSDA : I2C Data
Eh = I2C_MSSCL : I2C Clock
Fh = UART0_RX : UART0 RX
10h = UART0_TX : UART0 TX
11h = UART0_CTS : UART0 CTS
12h = UART0_RTS : UART0 RTS
17h = PORT_EVENT0 : PORT EVENT 0
Can be used as a general purpose IO event by selecting it via
registers in the EVENT module, e.g. EVENT:GPT0ACAPTSEL.EV,
EVENT:UDMACH14BSEL.EV, etc
18h = PORT_EVENT1 : PORT EVENT 1
Can be used as a general purpose IO event by selecting it via
registers in the EVENT module, e.g. EVENT:GPT0ACAPTSEL.EV,
EVENT:UDMACH14BSEL.EV, etc
19h = PORT_EVENT2 : PORT EVENT 2
Can be used as a general purpose IO event by selecting it via
registers in the EVENT module, e.g. EVENT:GPT0ACAPTSEL.EV,
EVENT:UDMACH14BSEL.EV, etc
1Ah = PORT_EVENT3 : PORT EVENT 3
Can be used as a general purpose IO event by selecting it via
registers in the EVENT module, e.g. EVENT:GPT0ACAPTSEL.EV,
EVENT:UDMACH14BSEL.EV, etc
1Bh = PORT_EVENT4 : PORT EVENT 4
Can be used as a general purpose IO event by selecting it via
registers in the EVENT module, e.g. EVENT:GPT0ACAPTSEL.EV,
EVENT:UDMACH14BSEL.EV, etc
1Ch = PORT_EVENT5 : PORT EVENT 5
Can be used as a general purpose IO event by selecting it via
registers in the EVENT module, e.g. EVENT:GPT0ACAPTSEL.EV,
EVENT:UDMACH14BSEL.EV, etc
1Dh = PORT_EVENT6 : PORT EVENT 6
Can be used as a general purpose IO event by selecting it via
registers in the EVENT module, e.g. EVENT:GPT0ACAPTSEL.EV,
EVENT:UDMACH14BSEL.EV, etc
1Eh = PORT_EVENT7 : PORT EVENT 7
Can be used as a general purpose IO event by selecting it via
registers in the EVENT module, e.g. EVENT:GPT0ACAPTSEL.EV,
EVENT:UDMACH14BSEL.EV, etc
20h = CPU_SWV : CPU SWV
21h = SSI1_RX : SSI1 RX
22h = SSI1_TX : SSI1 TX
23h = SSI1_FSS : SSI1 FSS
24h = SSI1_CLK : SSI1 CLK
25h = I2S_AD0 : I2S Data 0
26h = I2S_AD1 : I2S Data 1
27h = I2S_WCLK : I2S WCLK
28h = I2S_BCLK : I2S BCLK
29h = I2S_MCLK : I2S MCLK
2Eh = RF Core Trace
2Fh = RF Core Data Out 0

I/O Control Registers
www.ti.com
1102 SWCU117F–February 2015–Revised June 2016
Submit Documentation Feedback
Copyright © 2015–2016, Texas Instruments Incorporated
I/O Control
Table 11-49. IOCFG21 Register Field Descriptions (continued)
Bit Field Type Reset Description
30h = RF Core Data Out 1
31h = RF Core Data Out 2
32h = RF Core Data Out 3
33h = RF Core Data In 0
34h = RF Core Data In 1
35h = RF Core SMI Data Link Out
36h = RF Core SMI Data Link In
37h = RF Core SMI Command Link Out
38h = RF Core SMI Command Link In

www.ti.com
I/O Control Registers
1103
SWCU117F–February 2015–Revised June 2016
Submit Documentation Feedback Copyright © 2015–2016, Texas Instruments Incorporated
I/O Control
11.12.3.23 IOCFG22 Register (Offset = 58h) [reset = 6000h]
IOCFG22 is shown in Figure 11-45 and described in Table 11-50.
Return to Summary Table.
Configuration of DIO22
Figure 11-45. IOCFG22 Register
31 30 29 28 27 26 25 24
RESERVED HYST_EN IE WU_CFG IOMODE
R-0h R/W-0h R/W-0h R/W-0h R/W-0h
23 22 21 20 19 18 17 16
RESERVED EDGE_IRQ_EN EDGE_DET
R/W-0h R/W-0h R/W-0h
15 14 13 12 11 10 9 8
RESERVED PULL_CTL SLEW_RED IOCURR IOSTR
R-0h R/W-3h R/W-0h R/W-0h R/W-0h
76543210
RESERVED PORT_ID
R-0h R/W-0h
Table 11-50. IOCFG22 Register Field Descriptions
Bit Field Type Reset Description
31 RESERVED R 0h Software should not rely on the value of a reserved. Writing any
other value than the reset value may result in undefined behavior.
30 HYST_EN R/W 0h 0: Input hysteresis disable
1: Input hysteresis enable
29 IE R/W 0h 0: Input disabled
1: Input enabled
Note: If IO is configured for AUX ie. PORT_ID = 0x08, the enable will
be ignored.
28-27 WU_CFG R/W 0h If DIO is configured GPIO or non-AON peripheral signals, i.e.
PORT_ID 0x00 or >0x08:
00: No wake-up
01: No wake-up
10: Wakes up from shutdown if this pad is going low.
11: Wakes up from shutdown if this pad is going high.
If IO is configured for AON peripheral signals or AUX ie. PORT_ID
0x01-0x08, this register only sets wakeup enable or not.
00, 01: Wakeup disabled
10, 11: Wakeup enabled
Polarity is controlled from AON registers.
Note:When the MSB is set, the IOC will deactivate the output enable
for the DIO.

I/O Control Registers
www.ti.com
1104 SWCU117F–February 2015–Revised June 2016
Submit Documentation Feedback
Copyright © 2015–2016, Texas Instruments Incorporated
I/O Control
Table 11-50. IOCFG22 Register Field Descriptions (continued)
Bit Field Type Reset Description
26-24 IOMODE R/W 0h IO Mode
N/A for IO configured for AON periph. signals and AUX ie. PORT_ID
0x01-0x08
AUX has its own open_source/drain configuration.
0x2: Reserved. Undefined behavior.
0x3: Reserved. Undefined behavior.
0h = NORMAL : Normal input / output
1h = INV : Inverted input / ouput
4h = OPENDR : Open Drain,
Normal input / output
5h = OPENDR_INV : Open Drain
Inverted input / output
6h = OPENSRC : Open Source
Normal input / output
7h = OPENSRC_INV : Open Source
Inverted input / output
23-19 RESERVED R/W 0h Software should not rely on the value of a reserved. Writing any
other value than the reset value may result in undefined behavior.
18 EDGE_IRQ_EN R/W 0h 0: No interrupt generation
1: Enable interrupt generation for this IO (Only effective if
EDGE_DET is enabled)
17-16 EDGE_DET R/W 0h Enable generation of edge detection events on this IO
0h = NONE : No edge detection
1h = Negative edge detection
2h = Positive edge detection
3h = Positive and negative edge detection
15 RESERVED R 0h Software should not rely on the value of a reserved. Writing any
other value than the reset value may result in undefined behavior.
14-13 PULL_CTL R/W 3h Pull control
1h = DWN : Pull down
2h = UP : Pull up
3h = DIS : No pull
12 SLEW_RED R/W 0h 0: Normal slew rate
1: Enables reduced slew rate in output driver.
11-10 IOCURR R/W 0h Selects IO current mode of this IO.
0h = 2MA : Low-Current (LC) mode: Min 2 mA when IOSTR is set to
AUTO
1h = 4MA : High-Current (HC) mode: Min 4 mA when IOSTR is set
to AUTO
2h = 4_8MA : Extended-Current (EC) mode: Min 8 mA for double
drive strength IOs (min 4 mA for normal IOs) when IOSTR is set to
AUTO
9-8 IOSTR R/W 0h Select source for drive strength control of this IO.
This setting controls the drive strength of the Low-Current (LC)
mode. Higher drive strength can be selected in IOCURR
0h = Automatic drive strength, controlled by AON BATMON based
on battery voltage. (min 2 mA @VDDS)
1h = Minimum drive strength, controlled by AON_IOC:IOSTRMIN
(min 2 mA @3.3V with default values)
2h = MED : Medium drive strength, controlled by
AON_IOC:IOSTRMED (min 2 mA @2.5V with default values)
3h = Maximum drive strength, controlled by AON_IOC:IOSTRMAX
(min 2 mA @1.8V with default values)
7-6 RESERVED R 0h Software should not rely on the value of a reserved. Writing any
other value than the reset value may result in undefined behavior.

www.ti.com
I/O Control Registers
1105
SWCU117F–February 2015–Revised June 2016
Submit Documentation Feedback Copyright © 2015–2016, Texas Instruments Incorporated
I/O Control
Table 11-50. IOCFG22 Register Field Descriptions (continued)
Bit Field Type Reset Description
5-0 PORT_ID R/W 0h Selects usage for DIO22
0h = General Purpose IO
7h = AON 32 KHz clock (SCLK_LF)
8h = AUX IO
9h = SSI0_RX : SSI0 RX
Ah = SSI0_TX : SSI0 TX
Bh = SSI0_FSS : SSI0 FSS
Ch = SSI0_CLK : SSI0 CLK
Dh = I2C_MSSDA : I2C Data
Eh = I2C_MSSCL : I2C Clock
Fh = UART0_RX : UART0 RX
10h = UART0_TX : UART0 TX
11h = UART0_CTS : UART0 CTS
12h = UART0_RTS : UART0 RTS
17h = PORT_EVENT0 : PORT EVENT 0
Can be used as a general purpose IO event by selecting it via
registers in the EVENT module, e.g. EVENT:GPT0ACAPTSEL.EV,
EVENT:UDMACH14BSEL.EV, etc
18h = PORT_EVENT1 : PORT EVENT 1
Can be used as a general purpose IO event by selecting it via
registers in the EVENT module, e.g. EVENT:GPT0ACAPTSEL.EV,
EVENT:UDMACH14BSEL.EV, etc
19h = PORT_EVENT2 : PORT EVENT 2
Can be used as a general purpose IO event by selecting it via
registers in the EVENT module, e.g. EVENT:GPT0ACAPTSEL.EV,
EVENT:UDMACH14BSEL.EV, etc
1Ah = PORT_EVENT3 : PORT EVENT 3
Can be used as a general purpose IO event by selecting it via
registers in the EVENT module, e.g. EVENT:GPT0ACAPTSEL.EV,
EVENT:UDMACH14BSEL.EV, etc
1Bh = PORT_EVENT4 : PORT EVENT 4
Can be used as a general purpose IO event by selecting it via
registers in the EVENT module, e.g. EVENT:GPT0ACAPTSEL.EV,
EVENT:UDMACH14BSEL.EV, etc
1Ch = PORT_EVENT5 : PORT EVENT 5
Can be used as a general purpose IO event by selecting it via
registers in the EVENT module, e.g. EVENT:GPT0ACAPTSEL.EV,
EVENT:UDMACH14BSEL.EV, etc
1Dh = PORT_EVENT6 : PORT EVENT 6
Can be used as a general purpose IO event by selecting it via
registers in the EVENT module, e.g. EVENT:GPT0ACAPTSEL.EV,
EVENT:UDMACH14BSEL.EV, etc
1Eh = PORT_EVENT7 : PORT EVENT 7
Can be used as a general purpose IO event by selecting it via
registers in the EVENT module, e.g. EVENT:GPT0ACAPTSEL.EV,
EVENT:UDMACH14BSEL.EV, etc
20h = CPU_SWV : CPU SWV
21h = SSI1_RX : SSI1 RX
22h = SSI1_TX : SSI1 TX
23h = SSI1_FSS : SSI1 FSS
24h = SSI1_CLK : SSI1 CLK
25h = I2S_AD0 : I2S Data 0
26h = I2S_AD1 : I2S Data 1
27h = I2S_WCLK : I2S WCLK
28h = I2S_BCLK : I2S BCLK
29h = I2S_MCLK : I2S MCLK
2Eh = RF Core Trace
2Fh = RF Core Data Out 0

I/O Control Registers
www.ti.com
1106 SWCU117F–February 2015–Revised June 2016
Submit Documentation Feedback
Copyright © 2015–2016, Texas Instruments Incorporated
I/O Control
Table 11-50. IOCFG22 Register Field Descriptions (continued)
Bit Field Type Reset Description
30h = RF Core Data Out 1
31h = RF Core Data Out 2
32h = RF Core Data Out 3
33h = RF Core Data In 0
34h = RF Core Data In 1
35h = RF Core SMI Data Link Out
36h = RF Core SMI Data Link In
37h = RF Core SMI Command Link Out
38h = RF Core SMI Command Link In

www.ti.com
I/O Control Registers
1107
SWCU117F–February 2015–Revised June 2016
Submit Documentation Feedback Copyright © 2015–2016, Texas Instruments Incorporated
I/O Control
11.12.3.24 IOCFG23 Register (Offset = 5Ch) [reset = 6000h]
IOCFG23 is shown in Figure 11-46 and described in Table 11-51.
Return to Summary Table.
Configuration of DIO23
Figure 11-46. IOCFG23 Register
31 30 29 28 27 26 25 24
RESERVED HYST_EN IE WU_CFG IOMODE
R-0h R/W-0h R/W-0h R/W-0h R/W-0h
23 22 21 20 19 18 17 16
RESERVED EDGE_IRQ_EN EDGE_DET
R/W-0h R/W-0h R/W-0h
15 14 13 12 11 10 9 8
RESERVED PULL_CTL SLEW_RED IOCURR IOSTR
R-0h R/W-3h R/W-0h R/W-0h R/W-0h
76543210
RESERVED PORT_ID
R-0h R/W-0h
Table 11-51. IOCFG23 Register Field Descriptions
Bit Field Type Reset Description
31 RESERVED R 0h Software should not rely on the value of a reserved. Writing any
other value than the reset value may result in undefined behavior.
30 HYST_EN R/W 0h 0: Input hysteresis disable
1: Input hysteresis enable
29 IE R/W 0h 0: Input disabled
1: Input enabled
Note: If IO is configured for AUX ie. PORT_ID = 0x08, the enable will
be ignored.
28-27 WU_CFG R/W 0h If DIO is configured GPIO or non-AON peripheral signals, i.e.
PORT_ID 0x00 or >0x08:
00: No wake-up
01: No wake-up
10: Wakes up from shutdown if this pad is going low.
11: Wakes up from shutdown if this pad is going high.
If IO is configured for AON peripheral signals or AUX ie. PORT_ID
0x01-0x08, this register only sets wakeup enable or not.
00, 01: Wakeup disabled
10, 11: Wakeup enabled
Polarity is controlled from AON registers.
Note:When the MSB is set, the IOC will deactivate the output enable
for the DIO.

I/O Control Registers
www.ti.com
1108 SWCU117F–February 2015–Revised June 2016
Submit Documentation Feedback
Copyright © 2015–2016, Texas Instruments Incorporated
I/O Control
Table 11-51. IOCFG23 Register Field Descriptions (continued)
Bit Field Type Reset Description
26-24 IOMODE R/W 0h IO Mode
N/A for IO configured for AON periph. signals and AUX ie. PORT_ID
0x01-0x08
AUX has its own open_source/drain configuration.
0x2: Reserved. Undefined behavior.
0x3: Reserved. Undefined behavior.
0h = NORMAL : Normal input / output
1h = INV : Inverted input / ouput
4h = OPENDR : Open Drain,
Normal input / output
5h = OPENDR_INV : Open Drain
Inverted input / output
6h = OPENSRC : Open Source
Normal input / output
7h = OPENSRC_INV : Open Source
Inverted input / output
23-19 RESERVED R/W 0h Software should not rely on the value of a reserved. Writing any
other value than the reset value may result in undefined behavior.
18 EDGE_IRQ_EN R/W 0h 0: No interrupt generation
1: Enable interrupt generation for this IO (Only effective if
EDGE_DET is enabled)
17-16 EDGE_DET R/W 0h Enable generation of edge detection events on this IO
0h = NONE : No edge detection
1h = Negative edge detection
2h = Positive edge detection
3h = Positive and negative edge detection
15 RESERVED R 0h Software should not rely on the value of a reserved. Writing any
other value than the reset value may result in undefined behavior.
14-13 PULL_CTL R/W 3h Pull control
1h = DWN : Pull down
2h = UP : Pull up
3h = DIS : No pull
12 SLEW_RED R/W 0h 0: Normal slew rate
1: Enables reduced slew rate in output driver.
11-10 IOCURR R/W 0h Selects IO current mode of this IO.
0h = 2MA : Low-Current (LC) mode: Min 2 mA when IOSTR is set to
AUTO
1h = 4MA : High-Current (HC) mode: Min 4 mA when IOSTR is set
to AUTO
2h = 4_8MA : Extended-Current (EC) mode: Min 8 mA for double
drive strength IOs (min 4 mA for normal IOs) when IOSTR is set to
AUTO
9-8 IOSTR R/W 0h Select source for drive strength control of this IO.
This setting controls the drive strength of the Low-Current (LC)
mode. Higher drive strength can be selected in IOCURR
0h = Automatic drive strength, controlled by AON BATMON based
on battery voltage. (min 2 mA @VDDS)
1h = Minimum drive strength, controlled by AON_IOC:IOSTRMIN
(min 2 mA @3.3V with default values)
2h = MED : Medium drive strength, controlled by
AON_IOC:IOSTRMED (min 2 mA @2.5V with default values)
3h = Maximum drive strength, controlled by AON_IOC:IOSTRMAX
(min 2 mA @1.8V with default values)
7-6 RESERVED R 0h Software should not rely on the value of a reserved. Writing any
other value than the reset value may result in undefined behavior.

www.ti.com
I/O Control Registers
1109
SWCU117F–February 2015–Revised June 2016
Submit Documentation Feedback Copyright © 2015–2016, Texas Instruments Incorporated
I/O Control
Table 11-51. IOCFG23 Register Field Descriptions (continued)
Bit Field Type Reset Description
5-0 PORT_ID R/W 0h Selects usage for DIO23
0h = General Purpose IO
7h = AON 32 KHz clock (SCLK_LF)
8h = AUX IO
9h = SSI0_RX : SSI0 RX
Ah = SSI0_TX : SSI0 TX
Bh = SSI0_FSS : SSI0 FSS
Ch = SSI0_CLK : SSI0 CLK
Dh = I2C_MSSDA : I2C Data
Eh = I2C_MSSCL : I2C Clock
Fh = UART0_RX : UART0 RX
10h = UART0_TX : UART0 TX
11h = UART0_CTS : UART0 CTS
12h = UART0_RTS : UART0 RTS
17h = PORT_EVENT0 : PORT EVENT 0
Can be used as a general purpose IO event by selecting it via
registers in the EVENT module, e.g. EVENT:GPT0ACAPTSEL.EV,
EVENT:UDMACH14BSEL.EV, etc
18h = PORT_EVENT1 : PORT EVENT 1
Can be used as a general purpose IO event by selecting it via
registers in the EVENT module, e.g. EVENT:GPT0ACAPTSEL.EV,
EVENT:UDMACH14BSEL.EV, etc
19h = PORT_EVENT2 : PORT EVENT 2
Can be used as a general purpose IO event by selecting it via
registers in the EVENT module, e.g. EVENT:GPT0ACAPTSEL.EV,
EVENT:UDMACH14BSEL.EV, etc
1Ah = PORT_EVENT3 : PORT EVENT 3
Can be used as a general purpose IO event by selecting it via
registers in the EVENT module, e.g. EVENT:GPT0ACAPTSEL.EV,
EVENT:UDMACH14BSEL.EV, etc
1Bh = PORT_EVENT4 : PORT EVENT 4
Can be used as a general purpose IO event by selecting it via
registers in the EVENT module, e.g. EVENT:GPT0ACAPTSEL.EV,
EVENT:UDMACH14BSEL.EV, etc
1Ch = PORT_EVENT5 : PORT EVENT 5
Can be used as a general purpose IO event by selecting it via
registers in the EVENT module, e.g. EVENT:GPT0ACAPTSEL.EV,
EVENT:UDMACH14BSEL.EV, etc
1Dh = PORT_EVENT6 : PORT EVENT 6
Can be used as a general purpose IO event by selecting it via
registers in the EVENT module, e.g. EVENT:GPT0ACAPTSEL.EV,
EVENT:UDMACH14BSEL.EV, etc
1Eh = PORT_EVENT7 : PORT EVENT 7
Can be used as a general purpose IO event by selecting it via
registers in the EVENT module, e.g. EVENT:GPT0ACAPTSEL.EV,
EVENT:UDMACH14BSEL.EV, etc
20h = CPU_SWV : CPU SWV
21h = SSI1_RX : SSI1 RX
22h = SSI1_TX : SSI1 TX
23h = SSI1_FSS : SSI1 FSS
24h = SSI1_CLK : SSI1 CLK
25h = I2S_AD0 : I2S Data 0
26h = I2S_AD1 : I2S Data 1
27h = I2S_WCLK : I2S WCLK
28h = I2S_BCLK : I2S BCLK
29h = I2S_MCLK : I2S MCLK
2Eh = RF Core Trace
2Fh = RF Core Data Out 0

I/O Control Registers
www.ti.com
1110 SWCU117F–February 2015–Revised June 2016
Submit Documentation Feedback
Copyright © 2015–2016, Texas Instruments Incorporated
I/O Control
Table 11-51. IOCFG23 Register Field Descriptions (continued)
Bit Field Type Reset Description
30h = RF Core Data Out 1
31h = RF Core Data Out 2
32h = RF Core Data Out 3
33h = RF Core Data In 0
34h = RF Core Data In 1
35h = RF Core SMI Data Link Out
36h = RF Core SMI Data Link In
37h = RF Core SMI Command Link Out
38h = RF Core SMI Command Link In

www.ti.com
I/O Control Registers
1111
SWCU117F–February 2015–Revised June 2016
Submit Documentation Feedback Copyright © 2015–2016, Texas Instruments Incorporated
I/O Control
11.12.3.25 IOCFG24 Register (Offset = 60h) [reset = 6000h]
IOCFG24 is shown in Figure 11-47 and described in Table 11-52.
Return to Summary Table.
Configuration of DIO24
Figure 11-47. IOCFG24 Register
31 30 29 28 27 26 25 24
RESERVED HYST_EN IE WU_CFG IOMODE
R-0h R/W-0h R/W-0h R/W-0h R/W-0h
23 22 21 20 19 18 17 16
RESERVED EDGE_IRQ_EN EDGE_DET
R/W-0h R/W-0h R/W-0h
15 14 13 12 11 10 9 8
RESERVED PULL_CTL SLEW_RED IOCURR IOSTR
R-0h R/W-3h R/W-0h R/W-0h R/W-0h
76543210
RESERVED PORT_ID
R-0h R/W-0h
Table 11-52. IOCFG24 Register Field Descriptions
Bit Field Type Reset Description
31 RESERVED R 0h Software should not rely on the value of a reserved. Writing any
other value than the reset value may result in undefined behavior.
30 HYST_EN R/W 0h 0: Input hysteresis disable
1: Input hysteresis enable
29 IE R/W 0h 0: Input disabled
1: Input enabled
Note: If IO is configured for AUX ie. PORT_ID = 0x08, the enable will
be ignored.
28-27 WU_CFG R/W 0h If DIO is configured GPIO or non-AON peripheral signals, i.e.
PORT_ID 0x00 or >0x08:
00: No wake-up
01: No wake-up
10: Wakes up from shutdown if this pad is going low.
11: Wakes up from shutdown if this pad is going high.
If IO is configured for AON peripheral signals or AUX ie. PORT_ID
0x01-0x08, this register only sets wakeup enable or not.
00, 01: Wakeup disabled
10, 11: Wakeup enabled
Polarity is controlled from AON registers.
Note:When the MSB is set, the IOC will deactivate the output enable
for the DIO.

I/O Control Registers
www.ti.com
1112 SWCU117F–February 2015–Revised June 2016
Submit Documentation Feedback
Copyright © 2015–2016, Texas Instruments Incorporated
I/O Control
Table 11-52. IOCFG24 Register Field Descriptions (continued)
Bit Field Type Reset Description
26-24 IOMODE R/W 0h IO Mode
N/A for IO configured for AON periph. signals and AUX ie. PORT_ID
0x01-0x08
AUX has its own open_source/drain configuration.
0x2: Reserved. Undefined behavior.
0x3: Reserved. Undefined behavior.
0h = NORMAL : Normal input / output
1h = INV : Inverted input / ouput
4h = OPENDR : Open Drain,
Normal input / output
5h = OPENDR_INV : Open Drain
Inverted input / output
6h = OPENSRC : Open Source
Normal input / output
7h = OPENSRC_INV : Open Source
Inverted input / output
23-19 RESERVED R/W 0h Software should not rely on the value of a reserved. Writing any
other value than the reset value may result in undefined behavior.
18 EDGE_IRQ_EN R/W 0h 0: No interrupt generation
1: Enable interrupt generation for this IO (Only effective if
EDGE_DET is enabled)
17-16 EDGE_DET R/W 0h Enable generation of edge detection events on this IO
0h = NONE : No edge detection
1h = Negative edge detection
2h = Positive edge detection
3h = Positive and negative edge detection
15 RESERVED R 0h Software should not rely on the value of a reserved. Writing any
other value than the reset value may result in undefined behavior.
14-13 PULL_CTL R/W 3h Pull control
1h = DWN : Pull down
2h = UP : Pull up
3h = DIS : No pull
12 SLEW_RED R/W 0h 0: Normal slew rate
1: Enables reduced slew rate in output driver.
11-10 IOCURR R/W 0h Selects IO current mode of this IO.
0h = 2MA : Low-Current (LC) mode: Min 2 mA when IOSTR is set to
AUTO
1h = 4MA : High-Current (HC) mode: Min 4 mA when IOSTR is set
to AUTO
2h = 4_8MA : Extended-Current (EC) mode: Min 8 mA for double
drive strength IOs (min 4 mA for normal IOs) when IOSTR is set to
AUTO
9-8 IOSTR R/W 0h Select source for drive strength control of this IO.
This setting controls the drive strength of the Low-Current (LC)
mode. Higher drive strength can be selected in IOCURR
0h = Automatic drive strength, controlled by AON BATMON based
on battery voltage. (min 2 mA @VDDS)
1h = Minimum drive strength, controlled by AON_IOC:IOSTRMIN
(min 2 mA @3.3V with default values)
2h = MED : Medium drive strength, controlled by
AON_IOC:IOSTRMED (min 2 mA @2.5V with default values)
3h = Maximum drive strength, controlled by AON_IOC:IOSTRMAX
(min 2 mA @1.8V with default values)
7-6 RESERVED R 0h Software should not rely on the value of a reserved. Writing any
other value than the reset value may result in undefined behavior.

www.ti.com
I/O Control Registers
1113
SWCU117F–February 2015–Revised June 2016
Submit Documentation Feedback Copyright © 2015–2016, Texas Instruments Incorporated
I/O Control
Table 11-52. IOCFG24 Register Field Descriptions (continued)
Bit Field Type Reset Description
5-0 PORT_ID R/W 0h Selects usage for DIO24
0h = General Purpose IO
7h = AON 32 KHz clock (SCLK_LF)
8h = AUX IO
9h = SSI0_RX : SSI0 RX
Ah = SSI0_TX : SSI0 TX
Bh = SSI0_FSS : SSI0 FSS
Ch = SSI0_CLK : SSI0 CLK
Dh = I2C_MSSDA : I2C Data
Eh = I2C_MSSCL : I2C Clock
Fh = UART0_RX : UART0 RX
10h = UART0_TX : UART0 TX
11h = UART0_CTS : UART0 CTS
12h = UART0_RTS : UART0 RTS
17h = PORT_EVENT0 : PORT EVENT 0
Can be used as a general purpose IO event by selecting it via
registers in the EVENT module, e.g. EVENT:GPT0ACAPTSEL.EV,
EVENT:UDMACH14BSEL.EV, etc
18h = PORT_EVENT1 : PORT EVENT 1
Can be used as a general purpose IO event by selecting it via
registers in the EVENT module, e.g. EVENT:GPT0ACAPTSEL.EV,
EVENT:UDMACH14BSEL.EV, etc
19h = PORT_EVENT2 : PORT EVENT 2
Can be used as a general purpose IO event by selecting it via
registers in the EVENT module, e.g. EVENT:GPT0ACAPTSEL.EV,
EVENT:UDMACH14BSEL.EV, etc
1Ah = PORT_EVENT3 : PORT EVENT 3
Can be used as a general purpose IO event by selecting it via
registers in the EVENT module, e.g. EVENT:GPT0ACAPTSEL.EV,
EVENT:UDMACH14BSEL.EV, etc
1Bh = PORT_EVENT4 : PORT EVENT 4
Can be used as a general purpose IO event by selecting it via
registers in the EVENT module, e.g. EVENT:GPT0ACAPTSEL.EV,
EVENT:UDMACH14BSEL.EV, etc
1Ch = PORT_EVENT5 : PORT EVENT 5
Can be used as a general purpose IO event by selecting it via
registers in the EVENT module, e.g. EVENT:GPT0ACAPTSEL.EV,
EVENT:UDMACH14BSEL.EV, etc
1Dh = PORT_EVENT6 : PORT EVENT 6
Can be used as a general purpose IO event by selecting it via
registers in the EVENT module, e.g. EVENT:GPT0ACAPTSEL.EV,
EVENT:UDMACH14BSEL.EV, etc
1Eh = PORT_EVENT7 : PORT EVENT 7
Can be used as a general purpose IO event by selecting it via
registers in the EVENT module, e.g. EVENT:GPT0ACAPTSEL.EV,
EVENT:UDMACH14BSEL.EV, etc
20h = CPU_SWV : CPU SWV
21h = SSI1_RX : SSI1 RX
22h = SSI1_TX : SSI1 TX
23h = SSI1_FSS : SSI1 FSS
24h = SSI1_CLK : SSI1 CLK
25h = I2S_AD0 : I2S Data 0
26h = I2S_AD1 : I2S Data 1
27h = I2S_WCLK : I2S WCLK
28h = I2S_BCLK : I2S BCLK
29h = I2S_MCLK : I2S MCLK
2Eh = RF Core Trace
2Fh = RF Core Data Out 0

I/O Control Registers
www.ti.com
1114 SWCU117F–February 2015–Revised June 2016
Submit Documentation Feedback
Copyright © 2015–2016, Texas Instruments Incorporated
I/O Control
Table 11-52. IOCFG24 Register Field Descriptions (continued)
Bit Field Type Reset Description
30h = RF Core Data Out 1
31h = RF Core Data Out 2
32h = RF Core Data Out 3
33h = RF Core Data In 0
34h = RF Core Data In 1
35h = RF Core SMI Data Link Out
36h = RF Core SMI Data Link In
37h = RF Core SMI Command Link Out
38h = RF Core SMI Command Link In

www.ti.com
I/O Control Registers
1115
SWCU117F–February 2015–Revised June 2016
Submit Documentation Feedback Copyright © 2015–2016, Texas Instruments Incorporated
I/O Control
11.12.3.26 IOCFG25 Register (Offset = 64h) [reset = 6000h]
IOCFG25 is shown in Figure 11-48 and described in Table 11-53.
Return to Summary Table.
Configuration of DIO25
Figure 11-48. IOCFG25 Register
31 30 29 28 27 26 25 24
RESERVED HYST_EN IE WU_CFG IOMODE
R-0h R/W-0h R/W-0h R/W-0h R/W-0h
23 22 21 20 19 18 17 16
RESERVED EDGE_IRQ_EN EDGE_DET
R/W-0h R/W-0h R/W-0h
15 14 13 12 11 10 9 8
RESERVED PULL_CTL SLEW_RED IOCURR IOSTR
R-0h R/W-3h R/W-0h R/W-0h R/W-0h
76543210
RESERVED PORT_ID
R-0h R/W-0h
Table 11-53. IOCFG25 Register Field Descriptions
Bit Field Type Reset Description
31 RESERVED R 0h Software should not rely on the value of a reserved. Writing any
other value than the reset value may result in undefined behavior.
30 HYST_EN R/W 0h 0: Input hysteresis disable
1: Input hysteresis enable
29 IE R/W 0h 0: Input disabled
1: Input enabled
Note: If IO is configured for AUX ie. PORT_ID = 0x08, the enable will
be ignored.
28-27 WU_CFG R/W 0h If DIO is configured GPIO or non-AON peripheral signals, i.e.
PORT_ID 0x00 or >0x08:
00: No wake-up
01: No wake-up
10: Wakes up from shutdown if this pad is going low.
11: Wakes up from shutdown if this pad is going high.
If IO is configured for AON peripheral signals or AUX ie. PORT_ID
0x01-0x08, this register only sets wakeup enable or not.
00, 01: Wakeup disabled
10, 11: Wakeup enabled
Polarity is controlled from AON registers.
Note:When the MSB is set, the IOC will deactivate the output enable
for the DIO.

I/O Control Registers
www.ti.com
1116 SWCU117F–February 2015–Revised June 2016
Submit Documentation Feedback
Copyright © 2015–2016, Texas Instruments Incorporated
I/O Control
Table 11-53. IOCFG25 Register Field Descriptions (continued)
Bit Field Type Reset Description
26-24 IOMODE R/W 0h IO Mode
N/A for IO configured for AON periph. signals and AUX ie. PORT_ID
0x01-0x08
AUX has its own open_source/drain configuration.
0x2: Reserved. Undefined behavior.
0x3: Reserved. Undefined behavior.
0h = NORMAL : Normal input / output
1h = INV : Inverted input / ouput
4h = OPENDR : Open Drain,
Normal input / output
5h = OPENDR_INV : Open Drain
Inverted input / output
6h = OPENSRC : Open Source
Normal input / output
7h = OPENSRC_INV : Open Source
Inverted input / output
23-19 RESERVED R/W 0h Software should not rely on the value of a reserved. Writing any
other value than the reset value may result in undefined behavior.
18 EDGE_IRQ_EN R/W 0h 0: No interrupt generation
1: Enable interrupt generation for this IO (Only effective if
EDGE_DET is enabled)
17-16 EDGE_DET R/W 0h Enable generation of edge detection events on this IO
0h = NONE : No edge detection
1h = Negative edge detection
2h = Positive edge detection
3h = Positive and negative edge detection
15 RESERVED R 0h Software should not rely on the value of a reserved. Writing any
other value than the reset value may result in undefined behavior.
14-13 PULL_CTL R/W 3h Pull control
1h = DWN : Pull down
2h = UP : Pull up
3h = DIS : No pull
12 SLEW_RED R/W 0h 0: Normal slew rate
1: Enables reduced slew rate in output driver.
11-10 IOCURR R/W 0h Selects IO current mode of this IO.
0h = 2MA : Low-Current (LC) mode: Min 2 mA when IOSTR is set to
AUTO
1h = 4MA : High-Current (HC) mode: Min 4 mA when IOSTR is set
to AUTO
2h = 4_8MA : Extended-Current (EC) mode: Min 8 mA for double
drive strength IOs (min 4 mA for normal IOs) when IOSTR is set to
AUTO
9-8 IOSTR R/W 0h Select source for drive strength control of this IO.
This setting controls the drive strength of the Low-Current (LC)
mode. Higher drive strength can be selected in IOCURR
0h = Automatic drive strength, controlled by AON BATMON based
on battery voltage. (min 2 mA @VDDS)
1h = Minimum drive strength, controlled by AON_IOC:IOSTRMIN
(min 2 mA @3.3V with default values)
2h = MED : Medium drive strength, controlled by
AON_IOC:IOSTRMED (min 2 mA @2.5V with default values)
3h = Maximum drive strength, controlled by AON_IOC:IOSTRMAX
(min 2 mA @1.8V with default values)
7-6 RESERVED R 0h Software should not rely on the value of a reserved. Writing any
other value than the reset value may result in undefined behavior.

www.ti.com
I/O Control Registers
1117
SWCU117F–February 2015–Revised June 2016
Submit Documentation Feedback Copyright © 2015–2016, Texas Instruments Incorporated
I/O Control
Table 11-53. IOCFG25 Register Field Descriptions (continued)
Bit Field Type Reset Description
5-0 PORT_ID R/W 0h Selects usage for DIO25
0h = General Purpose IO
7h = AON 32 KHz clock (SCLK_LF)
8h = AUX IO
9h = SSI0_RX : SSI0 RX
Ah = SSI0_TX : SSI0 TX
Bh = SSI0_FSS : SSI0 FSS
Ch = SSI0_CLK : SSI0 CLK
Dh = I2C_MSSDA : I2C Data
Eh = I2C_MSSCL : I2C Clock
Fh = UART0_RX : UART0 RX
10h = UART0_TX : UART0 TX
11h = UART0_CTS : UART0 CTS
12h = UART0_RTS : UART0 RTS
17h = PORT_EVENT0 : PORT EVENT 0
Can be used as a general purpose IO event by selecting it via
registers in the EVENT module, e.g. EVENT:GPT0ACAPTSEL.EV,
EVENT:UDMACH14BSEL.EV, etc
18h = PORT_EVENT1 : PORT EVENT 1
Can be used as a general purpose IO event by selecting it via
registers in the EVENT module, e.g. EVENT:GPT0ACAPTSEL.EV,
EVENT:UDMACH14BSEL.EV, etc
19h = PORT_EVENT2 : PORT EVENT 2
Can be used as a general purpose IO event by selecting it via
registers in the EVENT module, e.g. EVENT:GPT0ACAPTSEL.EV,
EVENT:UDMACH14BSEL.EV, etc
1Ah = PORT_EVENT3 : PORT EVENT 3
Can be used as a general purpose IO event by selecting it via
registers in the EVENT module, e.g. EVENT:GPT0ACAPTSEL.EV,
EVENT:UDMACH14BSEL.EV, etc
1Bh = PORT_EVENT4 : PORT EVENT 4
Can be used as a general purpose IO event by selecting it via
registers in the EVENT module, e.g. EVENT:GPT0ACAPTSEL.EV,
EVENT:UDMACH14BSEL.EV, etc
1Ch = PORT_EVENT5 : PORT EVENT 5
Can be used as a general purpose IO event by selecting it via
registers in the EVENT module, e.g. EVENT:GPT0ACAPTSEL.EV,
EVENT:UDMACH14BSEL.EV, etc
1Dh = PORT_EVENT6 : PORT EVENT 6
Can be used as a general purpose IO event by selecting it via
registers in the EVENT module, e.g. EVENT:GPT0ACAPTSEL.EV,
EVENT:UDMACH14BSEL.EV, etc
1Eh = PORT_EVENT7 : PORT EVENT 7
Can be used as a general purpose IO event by selecting it via
registers in the EVENT module, e.g. EVENT:GPT0ACAPTSEL.EV,
EVENT:UDMACH14BSEL.EV, etc
20h = CPU_SWV : CPU SWV
21h = SSI1_RX : SSI1 RX
22h = SSI1_TX : SSI1 TX
23h = SSI1_FSS : SSI1 FSS
24h = SSI1_CLK : SSI1 CLK
25h = I2S_AD0 : I2S Data 0
26h = I2S_AD1 : I2S Data 1
27h = I2S_WCLK : I2S WCLK
28h = I2S_BCLK : I2S BCLK
29h = I2S_MCLK : I2S MCLK
2Eh = RF Core Trace
2Fh = RF Core Data Out 0

I/O Control Registers
www.ti.com
1118 SWCU117F–February 2015–Revised June 2016
Submit Documentation Feedback
Copyright © 2015–2016, Texas Instruments Incorporated
I/O Control
Table 11-53. IOCFG25 Register Field Descriptions (continued)
Bit Field Type Reset Description
30h = RF Core Data Out 1
31h = RF Core Data Out 2
32h = RF Core Data Out 3
33h = RF Core Data In 0
34h = RF Core Data In 1
35h = RF Core SMI Data Link Out
36h = RF Core SMI Data Link In
37h = RF Core SMI Command Link Out
38h = RF Core SMI Command Link In

www.ti.com
I/O Control Registers
1119
SWCU117F–February 2015–Revised June 2016
Submit Documentation Feedback Copyright © 2015–2016, Texas Instruments Incorporated
I/O Control
11.12.3.27 IOCFG26 Register (Offset = 68h) [reset = 6000h]
IOCFG26 is shown in Figure 11-49 and described in Table 11-54.
Return to Summary Table.
Configuration of DIO26
Figure 11-49. IOCFG26 Register
31 30 29 28 27 26 25 24
RESERVED HYST_EN IE WU_CFG IOMODE
R-0h R/W-0h R/W-0h R/W-0h R/W-0h
23 22 21 20 19 18 17 16
RESERVED EDGE_IRQ_EN EDGE_DET
R/W-0h R/W-0h R/W-0h
15 14 13 12 11 10 9 8
RESERVED PULL_CTL SLEW_RED IOCURR IOSTR
R-0h R/W-3h R/W-0h R/W-0h R/W-0h
76543210
RESERVED PORT_ID
R-0h R/W-0h
Table 11-54. IOCFG26 Register Field Descriptions
Bit Field Type Reset Description
31 RESERVED R 0h Software should not rely on the value of a reserved. Writing any
other value than the reset value may result in undefined behavior.
30 HYST_EN R/W 0h 0: Input hysteresis disable
1: Input hysteresis enable
29 IE R/W 0h 0: Input disabled
1: Input enabled
Note: If IO is configured for AUX ie. PORT_ID = 0x08, the enable will
be ignored.
28-27 WU_CFG R/W 0h If DIO is configured GPIO or non-AON peripheral signals, i.e.
PORT_ID 0x00 or >0x08:
00: No wake-up
01: No wake-up
10: Wakes up from shutdown if this pad is going low.
11: Wakes up from shutdown if this pad is going high.
If IO is configured for AON peripheral signals or AUX ie. PORT_ID
0x01-0x08, this register only sets wakeup enable or not.
00, 01: Wakeup disabled
10, 11: Wakeup enabled
Polarity is controlled from AON registers.
Note:When the MSB is set, the IOC will deactivate the output enable
for the DIO.

I/O Control Registers
www.ti.com
1120 SWCU117F–February 2015–Revised June 2016
Submit Documentation Feedback
Copyright © 2015–2016, Texas Instruments Incorporated
I/O Control
Table 11-54. IOCFG26 Register Field Descriptions (continued)
Bit Field Type Reset Description
26-24 IOMODE R/W 0h IO Mode
N/A for IO configured for AON periph. signals and AUX ie. PORT_ID
0x01-0x08
AUX has its own open_source/drain configuration.
0x2: Reserved. Undefined behavior.
0x3: Reserved. Undefined behavior.
0h = NORMAL : Normal input / output
1h = INV : Inverted input / ouput
4h = OPENDR : Open Drain,
Normal input / output
5h = OPENDR_INV : Open Drain
Inverted input / output
6h = OPENSRC : Open Source
Normal input / output
7h = OPENSRC_INV : Open Source
Inverted input / output
23-19 RESERVED R/W 0h Software should not rely on the value of a reserved. Writing any
other value than the reset value may result in undefined behavior.
18 EDGE_IRQ_EN R/W 0h 0: No interrupt generation
1: Enable interrupt generation for this IO (Only effective if
EDGE_DET is enabled)
17-16 EDGE_DET R/W 0h Enable generation of edge detection events on this IO
0h = NONE : No edge detection
1h = Negative edge detection
2h = Positive edge detection
3h = Positive and negative edge detection
15 RESERVED R 0h Software should not rely on the value of a reserved. Writing any
other value than the reset value may result in undefined behavior.
14-13 PULL_CTL R/W 3h Pull control
1h = DWN : Pull down
2h = UP : Pull up
3h = DIS : No pull
12 SLEW_RED R/W 0h 0: Normal slew rate
1: Enables reduced slew rate in output driver.
11-10 IOCURR R/W 0h Selects IO current mode of this IO.
0h = 2MA : Low-Current (LC) mode: Min 2 mA when IOSTR is set to
AUTO
1h = 4MA : High-Current (HC) mode: Min 4 mA when IOSTR is set
to AUTO
2h = 4_8MA : Extended-Current (EC) mode: Min 8 mA for double
drive strength IOs (min 4 mA for normal IOs) when IOSTR is set to
AUTO
9-8 IOSTR R/W 0h Select source for drive strength control of this IO.
This setting controls the drive strength of the Low-Current (LC)
mode. Higher drive strength can be selected in IOCURR
0h = Automatic drive strength, controlled by AON BATMON based
on battery voltage. (min 2 mA @VDDS)
1h = Minimum drive strength, controlled by AON_IOC:IOSTRMIN
(min 2 mA @3.3V with default values)
2h = MED : Medium drive strength, controlled by
AON_IOC:IOSTRMED (min 2 mA @2.5V with default values)
3h = Maximum drive strength, controlled by AON_IOC:IOSTRMAX
(min 2 mA @1.8V with default values)
7-6 RESERVED R 0h Software should not rely on the value of a reserved. Writing any
other value than the reset value may result in undefined behavior.

www.ti.com
I/O Control Registers
1121
SWCU117F–February 2015–Revised June 2016
Submit Documentation Feedback Copyright © 2015–2016, Texas Instruments Incorporated
I/O Control
Table 11-54. IOCFG26 Register Field Descriptions (continued)
Bit Field Type Reset Description
5-0 PORT_ID R/W 0h Selects usage for DIO26
0h = General Purpose IO
7h = AON 32 KHz clock (SCLK_LF)
8h = AUX IO
9h = SSI0_RX : SSI0 RX
Ah = SSI0_TX : SSI0 TX
Bh = SSI0_FSS : SSI0 FSS
Ch = SSI0_CLK : SSI0 CLK
Dh = I2C_MSSDA : I2C Data
Eh = I2C_MSSCL : I2C Clock
Fh = UART0_RX : UART0 RX
10h = UART0_TX : UART0 TX
11h = UART0_CTS : UART0 CTS
12h = UART0_RTS : UART0 RTS
17h = PORT_EVENT0 : PORT EVENT 0
Can be used as a general purpose IO event by selecting it via
registers in the EVENT module, e.g. EVENT:GPT0ACAPTSEL.EV,
EVENT:UDMACH14BSEL.EV, etc
18h = PORT_EVENT1 : PORT EVENT 1
Can be used as a general purpose IO event by selecting it via
registers in the EVENT module, e.g. EVENT:GPT0ACAPTSEL.EV,
EVENT:UDMACH14BSEL.EV, etc
19h = PORT_EVENT2 : PORT EVENT 2
Can be used as a general purpose IO event by selecting it via
registers in the EVENT module, e.g. EVENT:GPT0ACAPTSEL.EV,
EVENT:UDMACH14BSEL.EV, etc
1Ah = PORT_EVENT3 : PORT EVENT 3
Can be used as a general purpose IO event by selecting it via
registers in the EVENT module, e.g. EVENT:GPT0ACAPTSEL.EV,
EVENT:UDMACH14BSEL.EV, etc
1Bh = PORT_EVENT4 : PORT EVENT 4
Can be used as a general purpose IO event by selecting it via
registers in the EVENT module, e.g. EVENT:GPT0ACAPTSEL.EV,
EVENT:UDMACH14BSEL.EV, etc
1Ch = PORT_EVENT5 : PORT EVENT 5
Can be used as a general purpose IO event by selecting it via
registers in the EVENT module, e.g. EVENT:GPT0ACAPTSEL.EV,
EVENT:UDMACH14BSEL.EV, etc
1Dh = PORT_EVENT6 : PORT EVENT 6
Can be used as a general purpose IO event by selecting it via
registers in the EVENT module, e.g. EVENT:GPT0ACAPTSEL.EV,
EVENT:UDMACH14BSEL.EV, etc
1Eh = PORT_EVENT7 : PORT EVENT 7
Can be used as a general purpose IO event by selecting it via
registers in the EVENT module, e.g. EVENT:GPT0ACAPTSEL.EV,
EVENT:UDMACH14BSEL.EV, etc
20h = CPU_SWV : CPU SWV
21h = SSI1_RX : SSI1 RX
22h = SSI1_TX : SSI1 TX
23h = SSI1_FSS : SSI1 FSS
24h = SSI1_CLK : SSI1 CLK
25h = I2S_AD0 : I2S Data 0
26h = I2S_AD1 : I2S Data 1
27h = I2S_WCLK : I2S WCLK
28h = I2S_BCLK : I2S BCLK
29h = I2S_MCLK : I2S MCLK
2Eh = RF Core Trace
2Fh = RF Core Data Out 0

I/O Control Registers
www.ti.com
1122 SWCU117F–February 2015–Revised June 2016
Submit Documentation Feedback
Copyright © 2015–2016, Texas Instruments Incorporated
I/O Control
Table 11-54. IOCFG26 Register Field Descriptions (continued)
Bit Field Type Reset Description
30h = RF Core Data Out 1
31h = RF Core Data Out 2
32h = RF Core Data Out 3
33h = RF Core Data In 0
34h = RF Core Data In 1
35h = RF Core SMI Data Link Out
36h = RF Core SMI Data Link In
37h = RF Core SMI Command Link Out
38h = RF Core SMI Command Link In

www.ti.com
I/O Control Registers
1123
SWCU117F–February 2015–Revised June 2016
Submit Documentation Feedback Copyright © 2015–2016, Texas Instruments Incorporated
I/O Control
11.12.3.28 IOCFG27 Register (Offset = 6Ch) [reset = 6000h]
IOCFG27 is shown in Figure 11-50 and described in Table 11-55.
Return to Summary Table.
Configuration of DIO27
Figure 11-50. IOCFG27 Register
31 30 29 28 27 26 25 24
RESERVED HYST_EN IE WU_CFG IOMODE
R-0h R/W-0h R/W-0h R/W-0h R/W-0h
23 22 21 20 19 18 17 16
RESERVED EDGE_IRQ_EN EDGE_DET
R/W-0h R/W-0h R/W-0h
15 14 13 12 11 10 9 8
RESERVED PULL_CTL SLEW_RED IOCURR IOSTR
R-0h R/W-3h R/W-0h R/W-0h R/W-0h
76543210
RESERVED PORT_ID
R-0h R/W-0h
Table 11-55. IOCFG27 Register Field Descriptions
Bit Field Type Reset Description
31 RESERVED R 0h Software should not rely on the value of a reserved. Writing any
other value than the reset value may result in undefined behavior.
30 HYST_EN R/W 0h 0: Input hysteresis disable
1: Input hysteresis enable
29 IE R/W 0h 0: Input disabled
1: Input enabled
Note: If IO is configured for AUX ie. PORT_ID = 0x08, the enable will
be ignored.
28-27 WU_CFG R/W 0h If DIO is configured GPIO or non-AON peripheral signals, i.e.
PORT_ID 0x00 or >0x08:
00: No wake-up
01: No wake-up
10: Wakes up from shutdown if this pad is going low.
11: Wakes up from shutdown if this pad is going high.
If IO is configured for AON peripheral signals or AUX ie. PORT_ID
0x01-0x08, this register only sets wakeup enable or not.
00, 01: Wakeup disabled
10, 11: Wakeup enabled
Polarity is controlled from AON registers.
Note:When the MSB is set, the IOC will deactivate the output enable
for the DIO.

I/O Control Registers
www.ti.com
1124 SWCU117F–February 2015–Revised June 2016
Submit Documentation Feedback
Copyright © 2015–2016, Texas Instruments Incorporated
I/O Control
Table 11-55. IOCFG27 Register Field Descriptions (continued)
Bit Field Type Reset Description
26-24 IOMODE R/W 0h IO Mode
N/A for IO configured for AON periph. signals and AUX ie. PORT_ID
0x01-0x08
AUX has its own open_source/drain configuration.
0x2: Reserved. Undefined behavior.
0x3: Reserved. Undefined behavior.
0h = NORMAL : Normal input / output
1h = INV : Inverted input / ouput
4h = OPENDR : Open Drain,
Normal input / output
5h = OPENDR_INV : Open Drain
Inverted input / output
6h = OPENSRC : Open Source
Normal input / output
7h = OPENSRC_INV : Open Source
Inverted input / output
23-19 RESERVED R/W 0h Software should not rely on the value of a reserved. Writing any
other value than the reset value may result in undefined behavior.
18 EDGE_IRQ_EN R/W 0h 0: No interrupt generation
1: Enable interrupt generation for this IO (Only effective if
EDGE_DET is enabled)
17-16 EDGE_DET R/W 0h Enable generation of edge detection events on this IO
0h = NONE : No edge detection
1h = Negative edge detection
2h = Positive edge detection
3h = Positive and negative edge detection
15 RESERVED R 0h Software should not rely on the value of a reserved. Writing any
other value than the reset value may result in undefined behavior.
14-13 PULL_CTL R/W 3h Pull control
1h = DWN : Pull down
2h = UP : Pull up
3h = DIS : No pull
12 SLEW_RED R/W 0h 0: Normal slew rate
1: Enables reduced slew rate in output driver.
11-10 IOCURR R/W 0h Selects IO current mode of this IO.
0h = 2MA : Low-Current (LC) mode: Min 2 mA when IOSTR is set to
AUTO
1h = 4MA : High-Current (HC) mode: Min 4 mA when IOSTR is set
to AUTO
2h = 4_8MA : Extended-Current (EC) mode: Min 8 mA for double
drive strength IOs (min 4 mA for normal IOs) when IOSTR is set to
AUTO
9-8 IOSTR R/W 0h Select source for drive strength control of this IO.
This setting controls the drive strength of the Low-Current (LC)
mode. Higher drive strength can be selected in IOCURR
0h = Automatic drive strength, controlled by AON BATMON based
on battery voltage. (min 2 mA @VDDS)
1h = Minimum drive strength, controlled by AON_IOC:IOSTRMIN
(min 2 mA @3.3V with default values)
2h = MED : Medium drive strength, controlled by
AON_IOC:IOSTRMED (min 2 mA @2.5V with default values)
3h = Maximum drive strength, controlled by AON_IOC:IOSTRMAX
(min 2 mA @1.8V with default values)
7-6 RESERVED R 0h Software should not rely on the value of a reserved. Writing any
other value than the reset value may result in undefined behavior.

www.ti.com
I/O Control Registers
1125
SWCU117F–February 2015–Revised June 2016
Submit Documentation Feedback Copyright © 2015–2016, Texas Instruments Incorporated
I/O Control
Table 11-55. IOCFG27 Register Field Descriptions (continued)
Bit Field Type Reset Description
5-0 PORT_ID R/W 0h Selects usage for DIO27
0h = General Purpose IO
7h = AON 32 KHz clock (SCLK_LF)
8h = AUX IO
9h = SSI0_RX : SSI0 RX
Ah = SSI0_TX : SSI0 TX
Bh = SSI0_FSS : SSI0 FSS
Ch = SSI0_CLK : SSI0 CLK
Dh = I2C_MSSDA : I2C Data
Eh = I2C_MSSCL : I2C Clock
Fh = UART0_RX : UART0 RX
10h = UART0_TX : UART0 TX
11h = UART0_CTS : UART0 CTS
12h = UART0_RTS : UART0 RTS
17h = PORT_EVENT0 : PORT EVENT 0
Can be used as a general purpose IO event by selecting it via
registers in the EVENT module, e.g. EVENT:GPT0ACAPTSEL.EV,
EVENT:UDMACH14BSEL.EV, etc
18h = PORT_EVENT1 : PORT EVENT 1
Can be used as a general purpose IO event by selecting it via
registers in the EVENT module, e.g. EVENT:GPT0ACAPTSEL.EV,
EVENT:UDMACH14BSEL.EV, etc
19h = PORT_EVENT2 : PORT EVENT 2
Can be used as a general purpose IO event by selecting it via
registers in the EVENT module, e.g. EVENT:GPT0ACAPTSEL.EV,
EVENT:UDMACH14BSEL.EV, etc
1Ah = PORT_EVENT3 : PORT EVENT 3
Can be used as a general purpose IO event by selecting it via
registers in the EVENT module, e.g. EVENT:GPT0ACAPTSEL.EV,
EVENT:UDMACH14BSEL.EV, etc
1Bh = PORT_EVENT4 : PORT EVENT 4
Can be used as a general purpose IO event by selecting it via
registers in the EVENT module, e.g. EVENT:GPT0ACAPTSEL.EV,
EVENT:UDMACH14BSEL.EV, etc
1Ch = PORT_EVENT5 : PORT EVENT 5
Can be used as a general purpose IO event by selecting it via
registers in the EVENT module, e.g. EVENT:GPT0ACAPTSEL.EV,
EVENT:UDMACH14BSEL.EV, etc
1Dh = PORT_EVENT6 : PORT EVENT 6
Can be used as a general purpose IO event by selecting it via
registers in the EVENT module, e.g. EVENT:GPT0ACAPTSEL.EV,
EVENT:UDMACH14BSEL.EV, etc
1Eh = PORT_EVENT7 : PORT EVENT 7
Can be used as a general purpose IO event by selecting it via
registers in the EVENT module, e.g. EVENT:GPT0ACAPTSEL.EV,
EVENT:UDMACH14BSEL.EV, etc
20h = CPU_SWV : CPU SWV
21h = SSI1_RX : SSI1 RX
22h = SSI1_TX : SSI1 TX
23h = SSI1_FSS : SSI1 FSS
24h = SSI1_CLK : SSI1 CLK
25h = I2S_AD0 : I2S Data 0
26h = I2S_AD1 : I2S Data 1
27h = I2S_WCLK : I2S WCLK
28h = I2S_BCLK : I2S BCLK
29h = I2S_MCLK : I2S MCLK
2Eh = RF Core Trace
2Fh = RF Core Data Out 0

I/O Control Registers
www.ti.com
1126 SWCU117F–February 2015–Revised June 2016
Submit Documentation Feedback
Copyright © 2015–2016, Texas Instruments Incorporated
I/O Control
Table 11-55. IOCFG27 Register Field Descriptions (continued)
Bit Field Type Reset Description
30h = RF Core Data Out 1
31h = RF Core Data Out 2
32h = RF Core Data Out 3
33h = RF Core Data In 0
34h = RF Core Data In 1
35h = RF Core SMI Data Link Out
36h = RF Core SMI Data Link In
37h = RF Core SMI Command Link Out
38h = RF Core SMI Command Link In

www.ti.com
I/O Control Registers
1127
SWCU117F–February 2015–Revised June 2016
Submit Documentation Feedback Copyright © 2015–2016, Texas Instruments Incorporated
I/O Control
11.12.3.29 IOCFG28 Register (Offset = 70h) [reset = 6000h]
IOCFG28 is shown in Figure 11-51 and described in Table 11-56.
Return to Summary Table.
Configuration of DIO28
Figure 11-51. IOCFG28 Register
31 30 29 28 27 26 25 24
RESERVED HYST_EN IE WU_CFG IOMODE
R-0h R/W-0h R/W-0h R/W-0h R/W-0h
23 22 21 20 19 18 17 16
RESERVED EDGE_IRQ_EN EDGE_DET
R/W-0h R/W-0h R/W-0h
15 14 13 12 11 10 9 8
RESERVED PULL_CTL SLEW_RED IOCURR IOSTR
R-0h R/W-3h R/W-0h R/W-0h R/W-0h
76543210
RESERVED PORT_ID
R-0h R/W-0h
Table 11-56. IOCFG28 Register Field Descriptions
Bit Field Type Reset Description
31 RESERVED R 0h Software should not rely on the value of a reserved. Writing any
other value than the reset value may result in undefined behavior.
30 HYST_EN R/W 0h 0: Input hysteresis disable
1: Input hysteresis enable
29 IE R/W 0h 0: Input disabled
1: Input enabled
Note: If IO is configured for AUX ie. PORT_ID = 0x08, the enable will
be ignored.
28-27 WU_CFG R/W 0h If DIO is configured GPIO or non-AON peripheral signals, i.e.
PORT_ID 0x00 or >0x08:
00: No wake-up
01: No wake-up
10: Wakes up from shutdown if this pad is going low.
11: Wakes up from shutdown if this pad is going high.
If IO is configured for AON peripheral signals or AUX ie. PORT_ID
0x01-0x08, this register only sets wakeup enable or not.
00, 01: Wakeup disabled
10, 11: Wakeup enabled
Polarity is controlled from AON registers.
Note:When the MSB is set, the IOC will deactivate the output enable
for the DIO.

I/O Control Registers
www.ti.com
1128 SWCU117F–February 2015–Revised June 2016
Submit Documentation Feedback
Copyright © 2015–2016, Texas Instruments Incorporated
I/O Control
Table 11-56. IOCFG28 Register Field Descriptions (continued)
Bit Field Type Reset Description
26-24 IOMODE R/W 0h IO Mode
N/A for IO configured for AON periph. signals and AUX ie. PORT_ID
0x01-0x08
AUX has its own open_source/drain configuration.
0x2: Reserved. Undefined behavior.
0x3: Reserved. Undefined behavior.
0h = NORMAL : Normal input / output
1h = INV : Inverted input / ouput
4h = OPENDR : Open Drain,
Normal input / output
5h = OPENDR_INV : Open Drain
Inverted input / output
6h = OPENSRC : Open Source
Normal input / output
7h = OPENSRC_INV : Open Source
Inverted input / output
23-19 RESERVED R/W 0h Software should not rely on the value of a reserved. Writing any
other value than the reset value may result in undefined behavior.
18 EDGE_IRQ_EN R/W 0h 0: No interrupt generation
1: Enable interrupt generation for this IO (Only effective if
EDGE_DET is enabled)
17-16 EDGE_DET R/W 0h Enable generation of edge detection events on this IO
0h = NONE : No edge detection
1h = Negative edge detection
2h = Positive edge detection
3h = Positive and negative edge detection
15 RESERVED R 0h Software should not rely on the value of a reserved. Writing any
other value than the reset value may result in undefined behavior.
14-13 PULL_CTL R/W 3h Pull control
1h = DWN : Pull down
2h = UP : Pull up
3h = DIS : No pull
12 SLEW_RED R/W 0h 0: Normal slew rate
1: Enables reduced slew rate in output driver.
11-10 IOCURR R/W 0h Selects IO current mode of this IO.
0h = 2MA : Low-Current (LC) mode: Min 2 mA when IOSTR is set to
AUTO
1h = 4MA : High-Current (HC) mode: Min 4 mA when IOSTR is set
to AUTO
2h = 4_8MA : Extended-Current (EC) mode: Min 8 mA for double
drive strength IOs (min 4 mA for normal IOs) when IOSTR is set to
AUTO
9-8 IOSTR R/W 0h Select source for drive strength control of this IO.
This setting controls the drive strength of the Low-Current (LC)
mode. Higher drive strength can be selected in IOCURR
0h = Automatic drive strength, controlled by AON BATMON based
on battery voltage. (min 2 mA @VDDS)
1h = Minimum drive strength, controlled by AON_IOC:IOSTRMIN
(min 2 mA @3.3V with default values)
2h = MED : Medium drive strength, controlled by
AON_IOC:IOSTRMED (min 2 mA @2.5V with default values)
3h = Maximum drive strength, controlled by AON_IOC:IOSTRMAX
(min 2 mA @1.8V with default values)
7-6 RESERVED R 0h Software should not rely on the value of a reserved. Writing any
other value than the reset value may result in undefined behavior.

www.ti.com
I/O Control Registers
1129
SWCU117F–February 2015–Revised June 2016
Submit Documentation Feedback Copyright © 2015–2016, Texas Instruments Incorporated
I/O Control
Table 11-56. IOCFG28 Register Field Descriptions (continued)
Bit Field Type Reset Description
5-0 PORT_ID R/W 0h Selects usage for DIO28
0h = General Purpose IO
7h = AON 32 KHz clock (SCLK_LF)
8h = AUX IO
9h = SSI0_RX : SSI0 RX
Ah = SSI0_TX : SSI0 TX
Bh = SSI0_FSS : SSI0 FSS
Ch = SSI0_CLK : SSI0 CLK
Dh = I2C_MSSDA : I2C Data
Eh = I2C_MSSCL : I2C Clock
Fh = UART0_RX : UART0 RX
10h = UART0_TX : UART0 TX
11h = UART0_CTS : UART0 CTS
12h = UART0_RTS : UART0 RTS
17h = PORT_EVENT0 : PORT EVENT 0
Can be used as a general purpose IO event by selecting it via
registers in the EVENT module, e.g. EVENT:GPT0ACAPTSEL.EV,
EVENT:UDMACH14BSEL.EV, etc
18h = PORT_EVENT1 : PORT EVENT 1
Can be used as a general purpose IO event by selecting it via
registers in the EVENT module, e.g. EVENT:GPT0ACAPTSEL.EV,
EVENT:UDMACH14BSEL.EV, etc
19h = PORT_EVENT2 : PORT EVENT 2
Can be used as a general purpose IO event by selecting it via
registers in the EVENT module, e.g. EVENT:GPT0ACAPTSEL.EV,
EVENT:UDMACH14BSEL.EV, etc
1Ah = PORT_EVENT3 : PORT EVENT 3
Can be used as a general purpose IO event by selecting it via
registers in the EVENT module, e.g. EVENT:GPT0ACAPTSEL.EV,
EVENT:UDMACH14BSEL.EV, etc
1Bh = PORT_EVENT4 : PORT EVENT 4
Can be used as a general purpose IO event by selecting it via
registers in the EVENT module, e.g. EVENT:GPT0ACAPTSEL.EV,
EVENT:UDMACH14BSEL.EV, etc
1Ch = PORT_EVENT5 : PORT EVENT 5
Can be used as a general purpose IO event by selecting it via
registers in the EVENT module, e.g. EVENT:GPT0ACAPTSEL.EV,
EVENT:UDMACH14BSEL.EV, etc
1Dh = PORT_EVENT6 : PORT EVENT 6
Can be used as a general purpose IO event by selecting it via
registers in the EVENT module, e.g. EVENT:GPT0ACAPTSEL.EV,
EVENT:UDMACH14BSEL.EV, etc
1Eh = PORT_EVENT7 : PORT EVENT 7
Can be used as a general purpose IO event by selecting it via
registers in the EVENT module, e.g. EVENT:GPT0ACAPTSEL.EV,
EVENT:UDMACH14BSEL.EV, etc
20h = CPU_SWV : CPU SWV
21h = SSI1_RX : SSI1 RX
22h = SSI1_TX : SSI1 TX
23h = SSI1_FSS : SSI1 FSS
24h = SSI1_CLK : SSI1 CLK
25h = I2S_AD0 : I2S Data 0
26h = I2S_AD1 : I2S Data 1
27h = I2S_WCLK : I2S WCLK
28h = I2S_BCLK : I2S BCLK
29h = I2S_MCLK : I2S MCLK
2Eh = RF Core Trace
2Fh = RF Core Data Out 0

I/O Control Registers
www.ti.com
1130 SWCU117F–February 2015–Revised June 2016
Submit Documentation Feedback
Copyright © 2015–2016, Texas Instruments Incorporated
I/O Control
Table 11-56. IOCFG28 Register Field Descriptions (continued)
Bit Field Type Reset Description
30h = RF Core Data Out 1
31h = RF Core Data Out 2
32h = RF Core Data Out 3
33h = RF Core Data In 0
34h = RF Core Data In 1
35h = RF Core SMI Data Link Out
36h = RF Core SMI Data Link In
37h = RF Core SMI Command Link Out
38h = RF Core SMI Command Link In

www.ti.com
I/O Control Registers
1131
SWCU117F–February 2015–Revised June 2016
Submit Documentation Feedback Copyright © 2015–2016, Texas Instruments Incorporated
I/O Control
11.12.3.30 IOCFG29 Register (Offset = 74h) [reset = 6000h]
IOCFG29 is shown in Figure 11-52 and described in Table 11-57.
Return to Summary Table.
Configuration of DIO29
Figure 11-52. IOCFG29 Register
31 30 29 28 27 26 25 24
RESERVED HYST_EN IE WU_CFG IOMODE
R-0h R/W-0h R/W-0h R/W-0h R/W-0h
23 22 21 20 19 18 17 16
RESERVED EDGE_IRQ_EN EDGE_DET
R/W-0h R/W-0h R/W-0h
15 14 13 12 11 10 9 8
RESERVED PULL_CTL SLEW_RED IOCURR IOSTR
R-0h R/W-3h R/W-0h R/W-0h R/W-0h
76543210
RESERVED PORT_ID
R-0h R/W-0h
Table 11-57. IOCFG29 Register Field Descriptions
Bit Field Type Reset Description
31 RESERVED R 0h Software should not rely on the value of a reserved. Writing any
other value than the reset value may result in undefined behavior.
30 HYST_EN R/W 0h 0: Input hysteresis disable
1: Input hysteresis enable
29 IE R/W 0h 0: Input disabled
1: Input enabled
Note: If IO is configured for AUX ie. PORT_ID = 0x08, the enable will
be ignored.
28-27 WU_CFG R/W 0h If DIO is configured GPIO or non-AON peripheral signals, i.e.
PORT_ID 0x00 or >0x08:
00: No wake-up
01: No wake-up
10: Wakes up from shutdown if this pad is going low.
11: Wakes up from shutdown if this pad is going high.
If IO is configured for AON peripheral signals or AUX ie. PORT_ID
0x01-0x08, this register only sets wakeup enable or not.
00, 01: Wakeup disabled
10, 11: Wakeup enabled
Polarity is controlled from AON registers.
Note:When the MSB is set, the IOC will deactivate the output enable
for the DIO.

I/O Control Registers
www.ti.com
1132 SWCU117F–February 2015–Revised June 2016
Submit Documentation Feedback
Copyright © 2015–2016, Texas Instruments Incorporated
I/O Control
Table 11-57. IOCFG29 Register Field Descriptions (continued)
Bit Field Type Reset Description
26-24 IOMODE R/W 0h IO Mode
N/A for IO configured for AON periph. signals and AUX ie. PORT_ID
0x01-0x08
AUX has its own open_source/drain configuration.
0x2: Reserved. Undefined behavior.
0x3: Reserved. Undefined behavior.
0h = NORMAL : Normal input / output
1h = INV : Inverted input / ouput
4h = OPENDR : Open Drain,
Normal input / output
5h = OPENDR_INV : Open Drain
Inverted input / output
6h = OPENSRC : Open Source
Normal input / output
7h = OPENSRC_INV : Open Source
Inverted input / output
23-19 RESERVED R/W 0h Software should not rely on the value of a reserved. Writing any
other value than the reset value may result in undefined behavior.
18 EDGE_IRQ_EN R/W 0h 0: No interrupt generation
1: Enable interrupt generation for this IO (Only effective if
EDGE_DET is enabled)
17-16 EDGE_DET R/W 0h Enable generation of edge detection events on this IO
0h = NONE : No edge detection
1h = Negative edge detection
2h = Positive edge detection
3h = Positive and negative edge detection
15 RESERVED R 0h Software should not rely on the value of a reserved. Writing any
other value than the reset value may result in undefined behavior.
14-13 PULL_CTL R/W 3h Pull control
1h = DWN : Pull down
2h = UP : Pull up
3h = DIS : No pull
12 SLEW_RED R/W 0h 0: Normal slew rate
1: Enables reduced slew rate in output driver.
11-10 IOCURR R/W 0h Selects IO current mode of this IO.
0h = 2MA : Low-Current (LC) mode: Min 2 mA when IOSTR is set to
AUTO
1h = 4MA : High-Current (HC) mode: Min 4 mA when IOSTR is set
to AUTO
2h = 4_8MA : Extended-Current (EC) mode: Min 8 mA for double
drive strength IOs (min 4 mA for normal IOs) when IOSTR is set to
AUTO
9-8 IOSTR R/W 0h Select source for drive strength control of this IO.
This setting controls the drive strength of the Low-Current (LC)
mode. Higher drive strength can be selected in IOCURR
0h = Automatic drive strength, controlled by AON BATMON based
on battery voltage. (min 2 mA @VDDS)
1h = Minimum drive strength, controlled by AON_IOC:IOSTRMIN
(min 2 mA @3.3V with default values)
2h = MED : Medium drive strength, controlled by
AON_IOC:IOSTRMED (min 2 mA @2.5V with default values)
3h = Maximum drive strength, controlled by AON_IOC:IOSTRMAX
(min 2 mA @1.8V with default values)
7-6 RESERVED R 0h Software should not rely on the value of a reserved. Writing any
other value than the reset value may result in undefined behavior.

www.ti.com
I/O Control Registers
1133
SWCU117F–February 2015–Revised June 2016
Submit Documentation Feedback Copyright © 2015–2016, Texas Instruments Incorporated
I/O Control
Table 11-57. IOCFG29 Register Field Descriptions (continued)
Bit Field Type Reset Description
5-0 PORT_ID R/W 0h Selects usage for DIO29
0h = General Purpose IO
7h = AON 32 KHz clock (SCLK_LF)
8h = AUX IO
9h = SSI0_RX : SSI0 RX
Ah = SSI0_TX : SSI0 TX
Bh = SSI0_FSS : SSI0 FSS
Ch = SSI0_CLK : SSI0 CLK
Dh = I2C_MSSDA : I2C Data
Eh = I2C_MSSCL : I2C Clock
Fh = UART0_RX : UART0 RX
10h = UART0_TX : UART0 TX
11h = UART0_CTS : UART0 CTS
12h = UART0_RTS : UART0 RTS
17h = PORT_EVENT0 : PORT EVENT 0
Can be used as a general purpose IO event by selecting it via
registers in the EVENT module, e.g. EVENT:GPT0ACAPTSEL.EV,
EVENT:UDMACH14BSEL.EV, etc
18h = PORT_EVENT1 : PORT EVENT 1
Can be used as a general purpose IO event by selecting it via
registers in the EVENT module, e.g. EVENT:GPT0ACAPTSEL.EV,
EVENT:UDMACH14BSEL.EV, etc
19h = PORT_EVENT2 : PORT EVENT 2
Can be used as a general purpose IO event by selecting it via
registers in the EVENT module, e.g. EVENT:GPT0ACAPTSEL.EV,
EVENT:UDMACH14BSEL.EV, etc
1Ah = PORT_EVENT3 : PORT EVENT 3
Can be used as a general purpose IO event by selecting it via
registers in the EVENT module, e.g. EVENT:GPT0ACAPTSEL.EV,
EVENT:UDMACH14BSEL.EV, etc
1Bh = PORT_EVENT4 : PORT EVENT 4
Can be used as a general purpose IO event by selecting it via
registers in the EVENT module, e.g. EVENT:GPT0ACAPTSEL.EV,
EVENT:UDMACH14BSEL.EV, etc
1Ch = PORT_EVENT5 : PORT EVENT 5
Can be used as a general purpose IO event by selecting it via
registers in the EVENT module, e.g. EVENT:GPT0ACAPTSEL.EV,
EVENT:UDMACH14BSEL.EV, etc
1Dh = PORT_EVENT6 : PORT EVENT 6
Can be used as a general purpose IO event by selecting it via
registers in the EVENT module, e.g. EVENT:GPT0ACAPTSEL.EV,
EVENT:UDMACH14BSEL.EV, etc
1Eh = PORT_EVENT7 : PORT EVENT 7
Can be used as a general purpose IO event by selecting it via
registers in the EVENT module, e.g. EVENT:GPT0ACAPTSEL.EV,
EVENT:UDMACH14BSEL.EV, etc
20h = CPU_SWV : CPU SWV
21h = SSI1_RX : SSI1 RX
22h = SSI1_TX : SSI1 TX
23h = SSI1_FSS : SSI1 FSS
24h = SSI1_CLK : SSI1 CLK
25h = I2S_AD0 : I2S Data 0
26h = I2S_AD1 : I2S Data 1
27h = I2S_WCLK : I2S WCLK
28h = I2S_BCLK : I2S BCLK
29h = I2S_MCLK : I2S MCLK
2Eh = RF Core Trace
2Fh = RF Core Data Out 0

I/O Control Registers
www.ti.com
1134 SWCU117F–February 2015–Revised June 2016
Submit Documentation Feedback
Copyright © 2015–2016, Texas Instruments Incorporated
I/O Control
Table 11-57. IOCFG29 Register Field Descriptions (continued)
Bit Field Type Reset Description
30h = RF Core Data Out 1
31h = RF Core Data Out 2
32h = RF Core Data Out 3
33h = RF Core Data In 0
34h = RF Core Data In 1
35h = RF Core SMI Data Link Out
36h = RF Core SMI Data Link In
37h = RF Core SMI Command Link Out
38h = RF Core SMI Command Link In

www.ti.com
I/O Control Registers
1135
SWCU117F–February 2015–Revised June 2016
Submit Documentation Feedback Copyright © 2015–2016, Texas Instruments Incorporated
I/O Control
11.12.3.31 IOCFG30 Register (Offset = 78h) [reset = 6000h]
IOCFG30 is shown in Figure 11-53 and described in Table 11-58.
Return to Summary Table.
Configuration of DIO30
Figure 11-53. IOCFG30 Register
31 30 29 28 27 26 25 24
RESERVED HYST_EN IE WU_CFG IOMODE
R-0h R/W-0h R/W-0h R/W-0h R/W-0h
23 22 21 20 19 18 17 16
RESERVED EDGE_IRQ_EN EDGE_DET
R/W-0h R/W-0h R/W-0h
15 14 13 12 11 10 9 8
RESERVED PULL_CTL SLEW_RED IOCURR IOSTR
R-0h R/W-3h R/W-0h R/W-0h R/W-0h
76543210
RESERVED PORT_ID
R-0h R/W-0h
Table 11-58. IOCFG30 Register Field Descriptions
Bit Field Type Reset Description
31 RESERVED R 0h Software should not rely on the value of a reserved. Writing any
other value than the reset value may result in undefined behavior.
30 HYST_EN R/W 0h 0: Input hysteresis disable
1: Input hysteresis enable
29 IE R/W 0h 0: Input disabled
1: Input enabled
Note: If IO is configured for AUX ie. PORT_ID = 0x08, the enable will
be ignored.
28-27 WU_CFG R/W 0h If DIO is configured GPIO or non-AON peripheral signals, i.e.
PORT_ID 0x00 or >0x08:
00: No wake-up
01: No wake-up
10: Wakes up from shutdown if this pad is going low.
11: Wakes up from shutdown if this pad is going high.
If IO is configured for AON peripheral signals or AUX ie. PORT_ID
0x01-0x08, this register only sets wakeup enable or not.
00, 01: Wakeup disabled
10, 11: Wakeup enabled
Polarity is controlled from AON registers.
Note:When the MSB is set, the IOC will deactivate the output enable
for the DIO.

I/O Control Registers
www.ti.com
1136 SWCU117F–February 2015–Revised June 2016
Submit Documentation Feedback
Copyright © 2015–2016, Texas Instruments Incorporated
I/O Control
Table 11-58. IOCFG30 Register Field Descriptions (continued)
Bit Field Type Reset Description
26-24 IOMODE R/W 0h IO Mode
N/A for IO configured for AON periph. signals and AUX ie. PORT_ID
0x01-0x08
AUX has its own open_source/drain configuration.
0x2: Reserved. Undefined behavior.
0x3: Reserved. Undefined behavior.
0h = NORMAL : Normal input / output
1h = INV : Inverted input / ouput
4h = OPENDR : Open Drain,
Normal input / output
5h = OPENDR_INV : Open Drain
Inverted input / output
6h = OPENSRC : Open Source
Normal input / output
7h = OPENSRC_INV : Open Source
Inverted input / output
23-19 RESERVED R/W 0h Software should not rely on the value of a reserved. Writing any
other value than the reset value may result in undefined behavior.
18 EDGE_IRQ_EN R/W 0h 0: No interrupt generation
1: Enable interrupt generation for this IO (Only effective if
EDGE_DET is enabled)
17-16 EDGE_DET R/W 0h Enable generation of edge detection events on this IO
0h = NONE : No edge detection
1h = Negative edge detection
2h = Positive edge detection
3h = Positive and negative edge detection
15 RESERVED R 0h Software should not rely on the value of a reserved. Writing any
other value than the reset value may result in undefined behavior.
14-13 PULL_CTL R/W 3h Pull control
1h = DWN : Pull down
2h = UP : Pull up
3h = DIS : No pull
12 SLEW_RED R/W 0h 0: Normal slew rate
1: Enables reduced slew rate in output driver.
11-10 IOCURR R/W 0h Selects IO current mode of this IO.
0h = 2MA : Low-Current (LC) mode: Min 2 mA when IOSTR is set to
AUTO
1h = 4MA : High-Current (HC) mode: Min 4 mA when IOSTR is set
to AUTO
2h = 4_8MA : Extended-Current (EC) mode: Min 8 mA for double
drive strength IOs (min 4 mA for normal IOs) when IOSTR is set to
AUTO
9-8 IOSTR R/W 0h Select source for drive strength control of this IO.
This setting controls the drive strength of the Low-Current (LC)
mode. Higher drive strength can be selected in IOCURR
0h = Automatic drive strength, controlled by AON BATMON based
on battery voltage. (min 2 mA @VDDS)
1h = Minimum drive strength, controlled by AON_IOC:IOSTRMIN
(min 2 mA @3.3V with default values)
2h = MED : Medium drive strength, controlled by
AON_IOC:IOSTRMED (min 2 mA @2.5V with default values)
3h = Maximum drive strength, controlled by AON_IOC:IOSTRMAX
(min 2 mA @1.8V with default values)
7-6 RESERVED R 0h Software should not rely on the value of a reserved. Writing any
other value than the reset value may result in undefined behavior.

www.ti.com
I/O Control Registers
1137
SWCU117F–February 2015–Revised June 2016
Submit Documentation Feedback Copyright © 2015–2016, Texas Instruments Incorporated
I/O Control
Table 11-58. IOCFG30 Register Field Descriptions (continued)
Bit Field Type Reset Description
5-0 PORT_ID R/W 0h Selects usage for DIO30
0h = General Purpose IO
7h = AON 32 KHz clock (SCLK_LF)
8h = AUX IO
9h = SSI0_RX : SSI0 RX
Ah = SSI0_TX : SSI0 TX
Bh = SSI0_FSS : SSI0 FSS
Ch = SSI0_CLK : SSI0 CLK
Dh = I2C_MSSDA : I2C Data
Eh = I2C_MSSCL : I2C Clock
Fh = UART0_RX : UART0 RX
10h = UART0_TX : UART0 TX
11h = UART0_CTS : UART0 CTS
12h = UART0_RTS : UART0 RTS
17h = PORT_EVENT0 : PORT EVENT 0
Can be used as a general purpose IO event by selecting it via
registers in the EVENT module, e.g. EVENT:GPT0ACAPTSEL.EV,
EVENT:UDMACH14BSEL.EV, etc
18h = PORT_EVENT1 : PORT EVENT 1
Can be used as a general purpose IO event by selecting it via
registers in the EVENT module, e.g. EVENT:GPT0ACAPTSEL.EV,
EVENT:UDMACH14BSEL.EV, etc
19h = PORT_EVENT2 : PORT EVENT 2
Can be used as a general purpose IO event by selecting it via
registers in the EVENT module, e.g. EVENT:GPT0ACAPTSEL.EV,
EVENT:UDMACH14BSEL.EV, etc
1Ah = PORT_EVENT3 : PORT EVENT 3
Can be used as a general purpose IO event by selecting it via
registers in the EVENT module, e.g. EVENT:GPT0ACAPTSEL.EV,
EVENT:UDMACH14BSEL.EV, etc
1Bh = PORT_EVENT4 : PORT EVENT 4
Can be used as a general purpose IO event by selecting it via
registers in the EVENT module, e.g. EVENT:GPT0ACAPTSEL.EV,
EVENT:UDMACH14BSEL.EV, etc
1Ch = PORT_EVENT5 : PORT EVENT 5
Can be used as a general purpose IO event by selecting it via
registers in the EVENT module, e.g. EVENT:GPT0ACAPTSEL.EV,
EVENT:UDMACH14BSEL.EV, etc
1Dh = PORT_EVENT6 : PORT EVENT 6
Can be used as a general purpose IO event by selecting it via
registers in the EVENT module, e.g. EVENT:GPT0ACAPTSEL.EV,
EVENT:UDMACH14BSEL.EV, etc
1Eh = PORT_EVENT7 : PORT EVENT 7
Can be used as a general purpose IO event by selecting it via
registers in the EVENT module, e.g. EVENT:GPT0ACAPTSEL.EV,
EVENT:UDMACH14BSEL.EV, etc
20h = CPU_SWV : CPU SWV
21h = SSI1_RX : SSI1 RX
22h = SSI1_TX : SSI1 TX
23h = SSI1_FSS : SSI1 FSS
24h = SSI1_CLK : SSI1 CLK
25h = I2S_AD0 : I2S Data 0
26h = I2S_AD1 : I2S Data 1
27h = I2S_WCLK : I2S WCLK
28h = I2S_BCLK : I2S BCLK
29h = I2S_MCLK : I2S MCLK
2Eh = RF Core Trace
2Fh = RF Core Data Out 0

I/O Control Registers
www.ti.com
1138 SWCU117F–February 2015–Revised June 2016
Submit Documentation Feedback
Copyright © 2015–2016, Texas Instruments Incorporated
I/O Control
Table 11-58. IOCFG30 Register Field Descriptions (continued)
Bit Field Type Reset Description
30h = RF Core Data Out 1
31h = RF Core Data Out 2
32h = RF Core Data Out 3
33h = RF Core Data In 0
34h = RF Core Data In 1
35h = RF Core SMI Data Link Out
36h = RF Core SMI Data Link In
37h = RF Core SMI Command Link Out
38h = RF Core SMI Command Link In

www.ti.com
I/O Control Registers
1139
SWCU117F–February 2015–Revised June 2016
Submit Documentation Feedback Copyright © 2015–2016, Texas Instruments Incorporated
I/O Control
11.12.3.32 IOCFG31 Register (Offset = 7Ch) [reset = 6000h]
IOCFG31 is shown in Figure 11-54 and described in Table 11-59.
Return to Summary Table.
Configuration of DIO31
Figure 11-54. IOCFG31 Register
31 30 29 28 27 26 25 24
RESERVED HYST_EN IE WU_CFG IOMODE
R-0h R/W-0h R/W-0h R/W-0h R/W-0h
23 22 21 20 19 18 17 16
RESERVED EDGE_IRQ_EN EDGE_DET
R/W-0h R/W-0h R/W-0h
15 14 13 12 11 10 9 8
RESERVED PULL_CTL SLEW_RED IOCURR IOSTR
R-0h R/W-3h R/W-0h R/W-0h R/W-0h
76543210
RESERVED PORT_ID
R-0h R/W-0h
Table 11-59. IOCFG31 Register Field Descriptions
Bit Field Type Reset Description
31 RESERVED R 0h Software should not rely on the value of a reserved. Writing any
other value than the reset value may result in undefined behavior.
30 HYST_EN R/W 0h 0: Input hysteresis disable
1: Input hysteresis enable
29 IE R/W 0h 0: Input disabled
1: Input enabled
Note: If IO is configured for AUX ie. PORT_ID = 0x08, the enable will
be ignored.
28-27 WU_CFG R/W 0h If DIO is configured GPIO or non-AON peripheral signals, i.e.
PORT_ID 0x00 or >0x08:
00: No wake-up
01: No wake-up
10: Wakes up from shutdown if this pad is going low.
11: Wakes up from shutdown if this pad is going high.
If IO is configured for AON peripheral signals or AUX ie. PORT_ID
0x01-0x08, this register only sets wakeup enable or not.
00, 01: Wakeup disabled
10, 11: Wakeup enabled
Polarity is controlled from AON registers.
Note:When the MSB is set, the IOC will deactivate the output enable
for the DIO.

I/O Control Registers
www.ti.com
1140 SWCU117F–February 2015–Revised June 2016
Submit Documentation Feedback
Copyright © 2015–2016, Texas Instruments Incorporated
I/O Control
Table 11-59. IOCFG31 Register Field Descriptions (continued)
Bit Field Type Reset Description
26-24 IOMODE R/W 0h IO Mode
N/A for IO configured for AON periph. signals and AUX ie. PORT_ID
0x01-0x08
AUX has its own open_source/drain configuration.
0x2: Reserved. Undefined behavior.
0x3: Reserved. Undefined behavior.
0h = NORMAL : Normal input / output
1h = INV : Inverted input / ouput
4h = OPENDR : Open Drain,
Normal input / output
5h = OPENDR_INV : Open Drain
Inverted input / output
6h = OPENSRC : Open Source
Normal input / output
7h = OPENSRC_INV : Open Source
Inverted input / output
23-19 RESERVED R/W 0h Software should not rely on the value of a reserved. Writing any
other value than the reset value may result in undefined behavior.
18 EDGE_IRQ_EN R/W 0h 0: No interrupt generation
1: Enable interrupt generation for this IO (Only effective if
EDGE_DET is enabled)
17-16 EDGE_DET R/W 0h Enable generation of edge detection events on this IO
0h = NONE : No edge detection
1h = Negative edge detection
2h = Positive edge detection
3h = Positive and negative edge detection
15 RESERVED R 0h Software should not rely on the value of a reserved. Writing any
other value than the reset value may result in undefined behavior.
14-13 PULL_CTL R/W 3h Pull control
1h = DWN : Pull down
2h = UP : Pull up
3h = DIS : No pull
12 SLEW_RED R/W 0h 0: Normal slew rate
1: Enables reduced slew rate in output driver.
11-10 IOCURR R/W 0h Selects IO current mode of this IO.
0h = 2MA : Low-Current (LC) mode: Min 2 mA when IOSTR is set to
AUTO
1h = 4MA : High-Current (HC) mode: Min 4 mA when IOSTR is set
to AUTO
2h = 4_8MA : Extended-Current (EC) mode: Min 8 mA for double
drive strength IOs (min 4 mA for normal IOs) when IOSTR is set to
AUTO
9-8 IOSTR R/W 0h Select source for drive strength control of this IO.
This setting controls the drive strength of the Low-Current (LC)
mode. Higher drive strength can be selected in IOCURR
0h = Automatic drive strength, controlled by AON BATMON based
on battery voltage. (min 2 mA @VDDS)
1h = Minimum drive strength, controlled by AON_IOC:IOSTRMIN
(min 2 mA @3.3V with default values)
2h = MED : Medium drive strength, controlled by
AON_IOC:IOSTRMED (min 2 mA @2.5V with default values)
3h = Maximum drive strength, controlled by AON_IOC:IOSTRMAX
(min 2 mA @1.8V with default values)
7-6 RESERVED R 0h Software should not rely on the value of a reserved. Writing any
other value than the reset value may result in undefined behavior.

www.ti.com
I/O Control Registers
1141
SWCU117F–February 2015–Revised June 2016
Submit Documentation Feedback Copyright © 2015–2016, Texas Instruments Incorporated
I/O Control
Table 11-59. IOCFG31 Register Field Descriptions (continued)
Bit Field Type Reset Description
5-0 PORT_ID R/W 0h Selects usage for DIO31
0h = General Purpose IO
7h = AON 32 KHz clock (SCLK_LF)
8h = AUX IO
9h = SSI0_RX : SSI0 RX
Ah = SSI0_TX : SSI0 TX
Bh = SSI0_FSS : SSI0 FSS
Ch = SSI0_CLK : SSI0 CLK
Dh = I2C_MSSDA : I2C Data
Eh = I2C_MSSCL : I2C Clock
Fh = UART0_RX : UART0 RX
10h = UART0_TX : UART0 TX
11h = UART0_CTS : UART0 CTS
12h = UART0_RTS : UART0 RTS
17h = PORT_EVENT0 : PORT EVENT 0
Can be used as a general purpose IO event by selecting it via
registers in the EVENT module, e.g. EVENT:GPT0ACAPTSEL.EV,
EVENT:UDMACH14BSEL.EV, etc
18h = PORT_EVENT1 : PORT EVENT 1
Can be used as a general purpose IO event by selecting it via
registers in the EVENT module, e.g. EVENT:GPT0ACAPTSEL.EV,
EVENT:UDMACH14BSEL.EV, etc
19h = PORT_EVENT2 : PORT EVENT 2
Can be used as a general purpose IO event by selecting it via
registers in the EVENT module, e.g. EVENT:GPT0ACAPTSEL.EV,
EVENT:UDMACH14BSEL.EV, etc
1Ah = PORT_EVENT3 : PORT EVENT 3
Can be used as a general purpose IO event by selecting it via
registers in the EVENT module, e.g. EVENT:GPT0ACAPTSEL.EV,
EVENT:UDMACH14BSEL.EV, etc
1Bh = PORT_EVENT4 : PORT EVENT 4
Can be used as a general purpose IO event by selecting it via
registers in the EVENT module, e.g. EVENT:GPT0ACAPTSEL.EV,
EVENT:UDMACH14BSEL.EV, etc
1Ch = PORT_EVENT5 : PORT EVENT 5
Can be used as a general purpose IO event by selecting it via
registers in the EVENT module, e.g. EVENT:GPT0ACAPTSEL.EV,
EVENT:UDMACH14BSEL.EV, etc
1Dh = PORT_EVENT6 : PORT EVENT 6
Can be used as a general purpose IO event by selecting it via
registers in the EVENT module, e.g. EVENT:GPT0ACAPTSEL.EV,
EVENT:UDMACH14BSEL.EV, etc
1Eh = PORT_EVENT7 : PORT EVENT 7
Can be used as a general purpose IO event by selecting it via
registers in the EVENT module, e.g. EVENT:GPT0ACAPTSEL.EV,
EVENT:UDMACH14BSEL.EV, etc
20h = CPU_SWV : CPU SWV
21h = SSI1_RX : SSI1 RX
22h = SSI1_TX : SSI1 TX
23h = SSI1_FSS : SSI1 FSS
24h = SSI1_CLK : SSI1 CLK
25h = I2S_AD0 : I2S Data 0
26h = I2S_AD1 : I2S Data 1
27h = I2S_WCLK : I2S WCLK
28h = I2S_BCLK : I2S BCLK
29h = I2S_MCLK : I2S MCLK
2Eh = RF Core Trace
2Fh = RF Core Data Out 0

I/O Control Registers
www.ti.com
1142 SWCU117F–February 2015–Revised June 2016
Submit Documentation Feedback
Copyright © 2015–2016, Texas Instruments Incorporated
I/O Control
Table 11-59. IOCFG31 Register Field Descriptions (continued)
Bit Field Type Reset Description
30h = RF Core Data Out 1
31h = RF Core Data Out 2
32h = RF Core Data Out 3
33h = RF Core Data In 0
34h = RF Core Data In 1
35h = RF Core SMI Data Link Out
36h = RF Core SMI Data Link In
37h = RF Core SMI Command Link Out
38h = RF Core SMI Command Link In

1143
SWCU117F–February 2015–Revised June 2016
Submit Documentation Feedback Copyright © 2015–2016, Texas Instruments Incorporated
Micro Direct Memory Access (µDMA)
Chapter 12
SWCU117F–February 2015–Revised June 2016
Micro Direct Memory Access (µDMA)
This chapter describes the direct memory access (DMA) controller, known as μDMA.
Topic ........................................................................................................................... Page
12.1 μDMA Introduction.......................................................................................... 1144
12.2 Block Diagram................................................................................................ 1145
12.3 Functional Description .................................................................................... 1145
12.4 Initialization and Configuration......................................................................... 1158
12.5 µDMA Registers.............................................................................................. 1160

μDMA Introduction
www.ti.com
1144 SWCU117F–February 2015–Revised June 2016
Submit Documentation Feedback
Copyright © 2015–2016, Texas Instruments Incorporated
Micro Direct Memory Access (µDMA)
12.1 μDMA Introduction
The CC26xx and CC13xx microcontroller includes a direct memory access (DMA) controller, known as
μDMA. The μDMA controller provides a way to offload data transfer tasks from the Cortex-M3 processor,
allowing for more efficient use of the processor and the available bus bandwidth. The μDMA controller can
perform transfers between memory and peripherals. The controller has dedicated channels for each
supported on-chip module, and can be programmed to automatically perform transfers between
peripherals and memory as the peripheral is ready to transfer more data. The μDMA controller provides
the following features:
• ARM PrimeCell®32-channel configurable µDMA controller
• Support for memory-to-memory, memory-to-peripheral, and peripheral-to-memory in multiple transfer
modes:
– Basic for simple transfer scenarios
– Ping-pong for continuous data flow
– Scatter-gather for a programmable list of arbitrary transfers initiated from a single request
• Highly flexible and configurable channel operation:
– Independently configured and operated channels
– Dedicated channels for supported on-chip modules
– Primary and secondary channel assignments
– Flexible channel assignments
– One channel each for receive and transmit paths for bidirectional modules
– Dedicated channel for software-initiated transfers
– Per-channel configurable priority scheme
– Optional software-initiated requests for any channel
• Two levels of priority
• Data sizes of 8, 16, and 32 bits
• Transfer size is programmable in binary steps from 1 to 1024
• Source and destination address increment size of byte, halfword, word, or no increment
• Maskable peripheral requests
• Interrupt on transfer completion with a separate interrupt per channel

uDMA controller
Control / Status
CTRL
ALTCTRL
CFG
STATUS
Control / Status
SETBURST
CLEARBURST
SOFTREQ
WAITONREQ
Control / Status
STECHANNELEN
CLEARCHANNELEN
CLEARREQMASK
SETREQMASK
Control / Status
SETCHNLPRIORITY
CLEARCHNLPRIORITY
CLEARCHNLPRIALT
SETCHNLPRIALT
Control / Status
DONEMASK
REQDONE
ERROR
System Memory
Transfer buffers used by
uDMA
Nested vector
interrupt controller
NVIC
CPU
UDMACHx burst req
Done
CPUIRQ
Event fabric
Peripheral N
Registers
UDMACHx single req
Request event
Interrupt
Active
www.ti.com
Block Diagram
1145
SWCU117F–February 2015–Revised June 2016
Submit Documentation Feedback Copyright © 2015–2016, Texas Instruments Incorporated
Micro Direct Memory Access (µDMA)
12.2 Block Diagram
Figure 12-1 shows the μDMA block diagram.
Figure 12-1. μDMA Block Diagram
12.3 Functional Description
The μDMA controller is a flexible and highly configurable DMA controller designed to work efficiently with
the microcontroller Cortex-M3 processor core. The controller supports multiple data sizes and address
increment schemes, multiple levels of priority among DMA channels, and several transfer modes to allow
for sophisticated programmed data transfers.
Each supported peripheral function has a dedicated channel on the μDMA controller that can be
configured independently. The μDMA controller implements a configuration method using channel control
structures maintained in system memory by the processor. While simple transfer modes are supported, it
is also possible to build up sophisticated task lists in memory that allow the μDMA controller to perform
arbitrary-sized transfers to and from arbitrary locations as part of a single transfer request. The μDMA
controller also supports the use of ping-pong buffering to accommodate constant streaming of data to or
from a peripheral.
Each channel also has a configurable arbitration size. The arbitration size is the number of items that are
transferred in a burst before the μDMA controller requests channel priority. Using the arbitration size, it is
possible to control exactly how many items are transferred to or from a peripheral every time a μDMA
service request is made.

Functional Description
www.ti.com
1146 SWCU117F–February 2015–Revised June 2016
Submit Documentation Feedback
Copyright © 2015–2016, Texas Instruments Incorporated
Micro Direct Memory Access (µDMA)
12.3.1 Channel Assignments
Table 12-1 lists μDMA channel assignments to peripherals.
(1) DMA software trigger
Table 12-1. Channel Assignments
Channel Peripheral waitonreq map
_wiatonreq stall dma
_done dma
_active DMA_CHANNEL
_WITH_2STAGE_SYNC DMA
_ACTIVE_FF DMA_CHANNEL
_ASYNC
21-31 Reserved 1 yes yes 0 0
20(1) Software 3 1 0 0
19(1) Software 2 1 0 0
18(1) Software 1 1 yes 0 0
17 SSP1_TX 1 yes yes 0 0
16 SSP1_RX 1 yes yes 0 0
15 AON_RTC 0 0 1
14 DMA_PROG 0 0 1
13 AON_PROG2 0 0 1
12 GPT1_B 1 yes 1 0
11 GPT1_A 1 yes 1 0
10 GPT0_B 1 yes 1 0
9 GPT0_A 1 yes 1 0
8 AUX_SW 0 0 1
7 AUX_ADC 1 yes yes 0 1 1
6 SPIS_TX 1 yes yes 0 1 1
5 SPIS_RX 1 yes yes 0 1 1
4 SSP0_TX 1 yes yes 0 0
3 SSP0_RX 1 yes yes 0 0
2 UART0_TX 1 yes yes 0 0
1 UART0_RX 1 yes yes 0 0
0(1) Software 0 1 yes yes 0 0

www.ti.com
Functional Description
1147
SWCU117F–February 2015–Revised June 2016
Submit Documentation Feedback Copyright © 2015–2016, Texas Instruments Incorporated
Micro Direct Memory Access (µDMA)
12.3.2 Priority
The μDMA controller assigns priority to each channel based on the channel number and the priority-level
bit for the channel. Channel 0 has the highest priority, and as the channel number increases, the priority of
a channel decreases. Each channel has a priority-level bit to provide two levels of priority: default priority
and high priority. If the priority-level bit is set, then that channel has a higher priority than all other
channels at default priority. If multiple channels are set for high priority, then the channel number is used
to determine relative priority among all the high-priority channels.
The priority bit for a channel can be set using the UDMA:SETCHNLPRIORITY register and cleared with
the UDMA:CLEARCHNLPRIORITY register.
12.3.3 Arbitration Size
When a μDMA channel requests a transfer, the μDMA controller arbitrates among all the channels making
a request, and services the μDMA channel with the highest priority. Once a transfer begins, it continues
for a selectable number of transfers before rearbitrating among the requesting channels. The arbitration
size can be configured for each channel, ranging from 1 to 1024 item transfers. After the μDMA controller
transfers the number of items specified by the arbitration size, the controller then checks among all the
channels making a request, and services the channel with the highest priority.
If a lower-priority μDMA channel uses a large arbitration size, the latency for higher-priority channels is
increased because the μDMA controller completes the lower-priority burst before checking for higher-
priority requests. Therefore, lower-priority channels must not use a large arbitration size for best response
on high-priority channels.
The arbitration size can also be thought of as burst size. Arbitration size is the maximum number of items
that are transferred at any one time in a burst. Here, the term arbitration refers to the determination of the
μDMA channel priority, not arbitration for the bus. When the μDMA controller arbitrates for the bus, the
processor always takes priority. Furthermore, the μDMA controller is delayed whenever the processor
must perform a bus transaction on the same bus, even in the middle of a burst transfer.
12.3.4 Request Types
The μDMA controller responds to two types of requests from a peripheral: single request or burst request.
Each peripheral may support either or both types of requests. A single request means that the peripheral
is ready to transfer one item, while a burst request means that the peripheral is ready to transfer multiple
items.
The μDMA controller responds differently depending on whether the peripheral is making a single request
or a burst request. If both types of requests are asserted and the μDMA channel has been set up for a
burst transfer, then the burst request takes precedence. Table 12-2 lists how each peripheral supports the
two request types.
Table 12-2. Request Type Support
Peripheral Single Request Signal Burst Request Signal
ADC None (FIFO is not empty) Sequencer IE bit (FIFO is half full)
General-purpose timer Raw interrupt pulse None
GPIO Raw interrupt pulse None
SSI TX TX FIFO not full TX FIFO level (fixed at 4)
SSI RX RX FIFO not empty RX FIFO level (fixed at 4)
UART TX TX FIFO not full TX FIFO level (configurable)
UART RX RX FIFO not empty RX FIFO level (configurable)

Functional Description
www.ti.com
1148 SWCU117F–February 2015–Revised June 2016
Submit Documentation Feedback
Copyright © 2015–2016, Texas Instruments Incorporated
Micro Direct Memory Access (µDMA)
12.3.4.1 Single Request
When a single request is detected (not a burst request), the μDMA controller transfers one item and then
stops to wait for another request.
NOTE: Channels 8, 13, 14, and 15 do not respond to a single request because waitonreq is tied low.
12.3.4.2 Burst Request
When a burst request is detected, the μDMA controller transfers the number of items that is the lesser of
the arbitration size or the number of items remaining in the transfer. Therefore, the arbitration size must be
the same as the number of data items that the peripheral can accommodate when making a burst request.
For example, the UART and SPI, which use a mix of single or burst requests, could generate a burst
request based on the FIFO trigger level. In this case, the arbitration size must be set to the amount of data
that the FIFO can transfer when the trigger level is reached. A burst transfer runs to completion once it
starts and cannot be interrupted, even by a higher-priority channel. Burst transfers complete in a shorter
time than the same number of nonburst transfers.
It may be desirable to use only burst transfers and not allow single transfers (for example, when the
nature of the data is such that it only makes sense when transferred together as a single unit rather than
one piece at a time). The single request can be disabled in the UDMA:SETBURST register. By setting the
bit for a channel in this register, the μDMA controller responds only to burst requests for that channel.
12.3.5 Channel Configuration
The μDMA controller uses an area of system memory to store a set of channel control structures in a
table. The control table may have one or two entries for each μDMA channel. Each entry in the table
structure contains source and destination pointers, transfer size, and transfer mode. The control table can
be located anywhere in system memory, but it must be contiguous and aligned on a 1024-byte boundary.
Table 12-3 describes the memory layout of the channel control table. Each channel may have one or two
control structures in the control table—a primary control structure and an optional, alternate control
structure. The table is organized with all of the primary entries in the first half of the table, and with all the
alternate structures in the second half of the table. The primary entry is used for simple transfer modes
where transfers can be reconfigured and restarted after each transfer completes. In this case, the
alternate control structures are not used and therefore, only the first half of the table must be allocated in
memory; the second half of the control table is not necessary, and that memory can be used for
something else. If a more complex transfer mode is used, such as ping-pong or scatter-gather, then the
alternate control structure is also used and memory space must be allocated for the entire table.
Any unused memory in the control table may be used by the application, which includes the control
structures for any channels that are unused by the application, as well as the unused control word for
each channel.
Table 12-3. Control Structure Memory Map
Offset Channel
0x0 0, Primary
0x10 1, Primary
... ...
0x1F0 31, Primary
0x200 0, Alternate
0x210 1, Alternate
... ...
0x3F0 31, Alternate

www.ti.com
Functional Description
1149
SWCU117F–February 2015–Revised June 2016
Submit Documentation Feedback Copyright © 2015–2016, Texas Instruments Incorporated
Micro Direct Memory Access (µDMA)
Table 12-4 describes an individual control-structure entry in the control table. Each entry is aligned on a
16-byte boundary. The entry contains four long words: the source end pointer, the destination end pointer,
the control word, and an unused entry. The inclusive end pointers point to the ending address of the
transfer. If the source or destination is nonincrementing (as for a peripheral register), then the pointer must
point to the transfer address.
Table 12-4. Channel Control Structure
Offset Description
0x000 Source end pointer
0x004 Destination end pointer
0x008 Control word
0x00C Unused entry
The control word contains the following fields:
• Source and destination data sizes
• Source and destination address increment size
• Number of transfers before bus arbitration
• Total number of items to transfer
• Useburst flag
• Transfer mode
The control parameters for a channel can be set using the driver library function void
uDMAChannelControlSet(); function. The μDMA controller updates the transfer size and transfer mode
fields as the transfer is performed. At the end of a transfer, the transfer size indicates 0, and the transfer
mode indicates stopped. Because the control word is modified by the μDMA controller, it must be
reconfigured before each new transfer. The source and destination end pointers are not modified, so they
can be left unchanged if the source or destination addresses remain the same.
Before starting a transfer, a μDMA channel must be enabled by setting the appropriate bit in the
UDMA:SETCHANNELEN register. A channel can be disabled by setting the channel bit in the
UDMA:CLEARCHANNELEN register. At the end of a complete μDMA transfer, the controller automatically
disables the channel.

Functional Description
www.ti.com
1150 SWCU117F–February 2015–Revised June 2016
Submit Documentation Feedback
Copyright © 2015–2016, Texas Instruments Incorporated
Micro Direct Memory Access (µDMA)
12.3.6 Transfer Modes
The μDMA controller supports several transfer modes. Two of the modes support simple, one-time
transfers. Several complex modes support a continuous flow of data.
12.3.6.1 Stop Mode
While stop mode is not actually a transfer mode, stop is a valid value for the mode field of the control
word. When the mode field has the stop value, the μDMA controller does not perform any transfers and
disables the channel if enabled. The μDMA controller updates the control word to set the mode to stop at
the end of a transfer. This mode can be useful in scatter-gather operations.
12.3.6.2 Basic Mode
In basic mode, the μDMA controller performs transfers as long as there are more items to transfer, and a
transfer request is present. This mode is used with peripherals that assert a μDMA request signal
whenever the peripheral is ready for a data transfer. Basic mode must not be used in any situation where
the request is momentary, even though the entire transfer must be completed.
The μDMA controller sets the mode for that channel to stop when all of the items have been transferred
using basic mode.
12.3.6.3 Auto Mode
Auto mode is similar to basic mode, except that when a transfer request is received, the transfer
completes, even if the μDMA request is removed. This mode is suitable for software-triggered transfers.
Generally, auto mode is not used with a peripheral.
The μDMA controller sets the mode for that channel to stop when all the items have been transferred
using auto mode.
12.3.6.4 Ping-pong
Ping-pong mode is used to support a continuous data flow to or from a peripheral. Both the primary and
alternate data structures must be implemented to use ping-pong mode. Both structures are set up by the
processor for data transfer between memory and a peripheral. The transfer is started using the primary
control structure. When the transfer using the primary control structure completes, the μDMA controller
reads the alternate control structure for that channel to continue the transfer. Each time this occurs, an
interrupt is generated, and the processor can reload the control structure for the just-completed transfer.
Data flow can continue indefinitely this way, using the primary and alternate control structures to switch
between buffers as the data flows to or from the peripheral.

Alternate structure
Primary structure
Primary structure
Alternate structure
Transfer continues using alternate
BUFFER B
BUFFER A
x Process data in BUFFER A
x Reload primary structure
Transfers using BUFFER A BUFFER A
Transfers using BUFFER B
Transfer continues using alternate
Transfer continues using primary
BUFFER B
Transfers using BUFFER B
Peripheral or µDMA interrupt
x Process data in BUFFER B
x Reload alternate structure
x Process data in BUFFER A
x Reload alternate structure
µDMA controller Cortex-M3 processor
Time
Peripheral or µDMA interrupt
Peripheral or µDMA interrupt
SOURCE
DEST
CONTROL
Unused
SOURCE
DEST
CONTROL
Unused
SOURCE
DEST
CONTROL
Unused
SOURCE
DEST
CONTROL
Unused
Transfers using BUFFER A
www.ti.com
Functional Description
1151
SWCU117F–February 2015–Revised June 2016
Submit Documentation Feedback Copyright © 2015–2016, Texas Instruments Incorporated
Micro Direct Memory Access (µDMA)
Figure 12-2 shows an example operation in ping-pong mode.
Figure 12-2. Example of Ping-pong μDMA Transaction

Functional Description
www.ti.com
1152 SWCU117F–February 2015–Revised June 2016
Submit Documentation Feedback
Copyright © 2015–2016, Texas Instruments Incorporated
Micro Direct Memory Access (µDMA)
12.3.6.5 Memory Scatter-gather Mode
Memory scatter-gather mode is a complex mode used when data must be transferred to or from varied
locations in memory instead of a set of contiguous locations in a memory buffer. For example, a gather
μDMA operation could be used to selectively read the payload of several stored packets of a
communication protocol, and store them together in sequence in a memory buffer.
In memory scatter-gather mode, the primary control structure is used to program the alternate control
structure from a table in memory. The table is set up by the processor software and contains a list of
control structures, each containing the source and destination end pointers, and the control word for a
specific transfer. The mode of each control word must be set to memory scatter-gather mode. Each entry
in the table is, in turn, copied to the alternate structure where it is then executed. The μDMA controller
alternates between using the primary control structure to copy the next transfer instruction from the list,
and then executing the new transfer instruction. The end of the list is marked by programming the control
word for the last entry to use auto transfer mode. When the last transfer is performed using auto mode,
the μDMA controller stops. A completion interrupt is generated only after the last transfer.
It is possible to loop the list by having the last entry copy the primary control structure to point back to the
beginning of the list (or to a new list). It is also possible to trigger a set of other channels to perform a
transfer, either directly, by programming a write to the software trigger for another channel, or indirectly, by
causing a peripheral action that results in a μDMA request.
By programming the μDMA controller using this method, a set of arbitrary transfers can be performed
based on a single μDMA request.
Figure 12-3 shows an example of operation in memory scatter-gather mode. This example shows a gather
operation, where data in three separate buffers in memory is copied together into one buffer. Figure 12-3
shows how the application sets up a μDMA task list in memory, that is then used by the controller to
perform three sets of copy operations from different locations in memory. The primary control structure for
the channel used for the operation is configured to copy from the task list to the alternate control structure.
Figure 12-4 shows the sequence as the μDMA controller performs the three sets of copy operations. First,
using the primary control structure, the μDMA controller loads the alternate control structure with task A.
The μDMA controller then performs the copy operation specified by task A, copying the data from the
source buffer A to the destination buffer. Next, the μDMA controller again uses the primary control
structure to load task B into the alternate control structure, and then performs the B operation with the
alternate control structure. The process is repeated for task C.

SRC
C
4 words (SRC A)
16 words (SRC B)
SRC
DST
ITEMS=16
Unused
SRC
DST
ITEMS=1
1 words (SRC C)
4 (DEST A)
16 (DEST B)
1 (DEST C)
DST
A
B
Task A
Task B
Task C
SRC
DST
ITEMS=12
SRC
DST
ITEMS=n
Task list in memory
21 3
Source and destination
buffer in memory
Channel control
table in memory
Channel primary
control structure
Channel alternate
control structure
Unused
ITEMS=4
Unused
www.ti.com
Functional Description
1153
SWCU117F–February 2015–Revised June 2016
Submit Documentation Feedback Copyright © 2015–2016, Texas Instruments Incorporated
Micro Direct Memory Access (µDMA)
Figure 12-3. Memory Scatter-gather, Setup, and Configuration
(1) The application has a need to copy data items from three separate locations in memory into one combined
buffer.
(2) The application sets up µDMA "task list" in memory, which contains the pointers and control configuration for
three µDMA copy "tasks."
(3) The application sets up the channel primary control structure to copy each task configuration, one at a time,
to the alternate control structure, where it is executed by the µDMA controller.

SRC
DST
Copied
SRC
DST
Copied
PRI
ALT
SRC
DST
Copied
SRC
DST
Copied
SRC
DST
Copied
SRC
DST Copied
Task list
in memory µDMA control table
in memory Buffers
in memory
Task B
Task C
PRI
ALT
SRC B
SRC C
DEST B
DEST C
Using the primary control structure of the channel, the
µDMA controller copies task A configuration to the
alternate control structure of the channel.
Then, using the alternate control structure of the channel,
the µDMA controller copies data from source buffer A to
the destination buffer.
Task list
in memory µDMA control table
in memory Buffers
in memory
Using the primary control structure of the channel, the
µDMA controller copies task B configuration to the
alternate control structure of the channel.
Then, using the alternate control structure of the channel,
the µDMA controller copies data from source buffer B to
the destination buffer.
µDMA control table
in memory Buffers
in memory
Using the primary control structure of the channel, the
µDMA controller copies task C configuration to the
alternate control structure of the channel.
Then, using the alternate control structure of the channel,
the µDMA controller copies data from source buffer C to
destination buffer.
PRI
ALT
Task list
in memory
Task A
Task B
Task A
Task C
SRC A
SRC C
DEST A
DEST C
SRC A
SRC B
DEST A
DEST B
Task A
Task B
SRC A
Task C
SRC C
DEST C
SRC B
DEST B
DEST A
Functional Description
www.ti.com
1154 SWCU117F–February 2015–Revised June 2016
Submit Documentation Feedback
Copyright © 2015–2016, Texas Instruments Incorporated
Micro Direct Memory Access (µDMA)
Figure 12-4. Memory Scatter-gather, μDMA Copy Sequence

C
4 words (SRC A)
16 Words (SRC B)
1 Word (SRC C)
A
B
SRC
DST
ITEMS=12
SRC
DST
ITEMS=n
Task list in memory
21 3
Source buffer
in memory
Channel control
table in memory
Channel primary
control structure
Channel alternate
control structure
DEST
Peripheral data
register
SRC
DST
ITEMS=16
Unused
SRC
DST
ITEMS=1
DST Task A
Task B
Task C
Unused
ITEMS=4
SRC
Unused
www.ti.com
Functional Description
1155
SWCU117F–February 2015–Revised June 2016
Submit Documentation Feedback Copyright © 2015–2016, Texas Instruments Incorporated
Micro Direct Memory Access (µDMA)
12.3.6.6 Peripheral Scatter-gather Mode
Peripheral scatter-gather mode is similar to memory scatter-gather mode, except that the transfers are
controlled by a peripheral making a μDMA request. When the μDMA controller detects a request from the
peripheral, the μDMA controller uses the primary control structure to copy one entry from the list to the
alternate control structure, and then performs the transfer. At the end of this transfer, the next transfer is
started only if the peripheral again asserts a μDMA request. The μDMA controller continues to perform
transfers from the list only when the peripheral makes a request, until the last transfer completes. A
completion interrupt is generated only after the last transfer.
By using this method, the μDMA controller can transfer data to or from a peripheral from a set of arbitrary
locations whenever the peripheral is ready to transfer data.
Figure 12-5 shows an example of operation in peripheral scatter-gather mode. This example shows a
gather operation where data from three separate buffers in memory is copied to a single peripheral data
register. Figure 12-5 shows how the application sets up a µDMA task list in memory, that is then used by
the controller to perform three sets of copy operations from different locations in memory. The primary
control structure for the channel used for the operation is configured to copy from the task list to the
alternate control structure.
Figure 12-6 shows the sequence as the µDMA controller performs the three sets of copy operations. First,
using the primary control structure, the µDMA controller loads the alternate control structure with task A.
The µDMA controller then performs the copy operation specified by task A, copying the data from the
source buffer A to the peripheral data register. Next, the µDMA controller again uses the primary control
structure to load task B into the alternate control structure, and then performs the B operation with the
alternate control structure. The process is repeated for task C.
Figure 12-5. Peripheral Scatter-gather, Setup, and Configuration
(1) The application has a need to copy data items from three separate locations in memory into a peripheral data
register.
(2) The application sets up the µDMA "task list" in memory, which contains the pointers and control configuration
for three µDMA copy "tasks."
(3) The application sets up the channel primary control structure to copy each task configuration, one at a time,
to the alternate control structure, where it is executed by the µDMA controller.

SRC C
Task A
SRC
DST
Copied
SRC
DST
Copied
PRI
ALT
SRC
DST
Copied
SRC
DST
Copied
SRC
DST
Copied
SRC
DST Copied
Task list
in memory µDMA control table
in memory Buffers
in memory
Task B
Task C
PRI
ALT
Using the primary control structure of the channel, the
µDMA controller copies task A configuration to the
alternate control structure of the channel.
Then, using the alternate control structure of the channel,
the µDMA controller copies data from source buffer A to
the peripheral data register.
Task list
in memory µDMA control table
in memory Buffers
in memory
Using the primary control structure of the channel, the
µDMA controller copies task B configuration to the
alternate control structure of the channel.
Then, using the alternate control structure of the channel,
the µDMA controller copies data from source buffer B to
the peripheral data register.
µDMA control table
in memory Buffers
in memory
Using the primary control structure of the channel, the
µDMA controller copies task C configuration to the
alternate control structure of the channel.
Then, using the alternate control structure of the channel,
the µDMA controller copies data from source buffer C to
the peripheral data register.
PRI
ALT
Task list
in memory
Task A
Task B
Task A
Task C
Peripheral
data
register
SRC B
SRC C
Peripheral
data
register
SRC A
SRC C
Peripheral
data
register
SRC A
SRC B
Task B
Task C
SRC B
SRC A
Functional Description
www.ti.com
1156 SWCU117F–February 2015–Revised June 2016
Submit Documentation Feedback
Copyright © 2015–2016, Texas Instruments Incorporated
Micro Direct Memory Access (µDMA)
Figure 12-6. Peripheral Scatter-gather, μDMA Copy Sequence

www.ti.com
Functional Description
1157
SWCU117F–February 2015–Revised June 2016
Submit Documentation Feedback Copyright © 2015–2016, Texas Instruments Incorporated
Micro Direct Memory Access (µDMA)
12.3.7 Transfer Size and Increments
The μDMA controller supports transfer data sizes of 8, 16, or 32 bits. The source and destination data size
must be the same for any given transfer. The source and destination address can be automatically
incremented by bytes, half-words, words, or set to no increment. The source and destination address
increment values can be set independently; it is not necessary for the address increment to match the
data size, as long as the increment is the same or larger than the data size. For example, it is possible to
perform a transfer using 8-bit data size by using an address increment of full words (4 bytes). The data to
be transferred must be aligned in memory according to the data size (8, 16, or 32 bits).
Table 12-5 provides the configuration to read from a peripheral that supplies 8-bit data.
Table 12-5. μDMA Read Example: 8-bit Peripheral
Field Configuration
Source data size 8 bits
Destination data size 8 bits
Source address increment No increment
Destination address increment Byte
Source end pointer Peripheral read FIFO register
Destination end pointer End of the data buffer in memory
12.3.8 Peripheral Interface
Each peripheral that supports μDMA has a single request or burst request signal that is asserted when the
peripheral is ready to transfer data (see Table 12-2). The request signal can be disabled or enabled using
the UDMA:SETREQMASK and UDMA:CLEARREQMASK registers, respectively. The μDMA request
signal is disabled, or masked, when the channel request mask bit is set. When the request is not masked,
the μDMA channel is configured correctly and enabled, the peripheral asserts the request signal, and the
μDMA controller begins the transfer.
NOTE: The peripheral must disable all interrupts to the event fabric when using μDMA to transfer
data to and from a peripheral.
When a μDMA transfer is complete, the μDMA controller generates an interrupt; for more information, see
Section 12.3.10,Interrupts and Errors.
For more information on how a specific peripheral interacts with the μDMA controller, refer to the DMA
Operation section in the chapter that discusses that peripheral.
12.3.9 Software Request
Channels may be set up to perform software transfers through the UDMA:SOFTREQ register. If the
channel used for software is also tied to a specific peripheral, the dma_done/interrupt signal is provided
directly to the Cortex-M3 CPU instead of sending it to the peripheral. The interrupt used is a combined
interrupt, number 46 – software µDMA interrupt, for all software transfers.
If software uses a μDMA channel of the peripheral to initiate a request, then the completion interrupt
occurs on the interrupt vector for the peripheral instead of occurring on the software interrupt vector.
NOTE: DMA software requests are specified on channels 0, 18, 19, and 20. For channel 0 and
channel 18, dma_done is available as events DMA_CH0_DONE and DMA_CH18_DONE in
the EV field of the EVENT:UDMACH14BSEL or EVENT:CPUIRQSEL30 registers.

Functional Description
www.ti.com
1158 SWCU117F–February 2015–Revised June 2016
Submit Documentation Feedback
Copyright © 2015–2016, Texas Instruments Incorporated
Micro Direct Memory Access (µDMA)
12.3.10 Interrupts and Errors
The μDMA controller generates a completion interrupt on the interrupt vector of the peripheral when a
μDMA transfer completes. Therefore, if μDMA is used to transfer data for a peripheral and interrupts are
used, then the interrupt handler for that peripheral must be designed to handle the μDMA transfer
completion interrupt. If the transfer uses the software μDMA channel, then the completion interrupt occurs
on the dedicated software μDMA interrupt vector (see Table 12-6).
When μDMA is enabled for a peripheral, the μDMA controller stops the normal transfer interrupts for a
peripheral from reaching the interrupt controller (INTC). The interrupts are still reported in the interrupt
registers of the peripheral. Thus, when a large amount of data is transferred using μDMA, instead of
receiving multiple interrupts from the peripheral as data flows, the INTC receives only one interrupt when
the transfer completes. Unmasked peripheral error interrupts continue to be sent to the INTC.
When a μDMA channel generates a completion interrupt, the CHNLS bit corresponding to the peripheral
channel is set in the DMA Channel Request Done Register, UDMA:REQDONE. This register can be used
by the interrupt handler code of the peripheral to determine if the interrupt was caused by the μDMA
channel or an error event reported by the interrupt registers of the peripheral. The completion interrupt
request from the μDMA controller is automatically cleared when the interrupt handler is activated.
If the μDMA controller encounters a bus or memory protection error as it tries to perform a data transfer,
the controller disables the μDMA channel that caused the error and generates an interrupt on the μDMA
error interrupt vector. The processor can read the DMA Clear Bus Error Register, UDMA:ERROR, to
determine if an error is pending. The STATUS bit is set if an error occurred. The error can be cleared by
setting the STATUS bit to 1.
NOTE: The error interrupt or event goes to the event fabric as DMA_ERR, and is connected as
interrupt to CM3 through the EVENT:CPUIRQSEL25 register.
Table 12-6 lists the dedicated interrupt assignments for the μDMA controller.
Table 12-6. μDMA Interrupt Assignments
Interrupt Assignment
40 μDMA software channel transfer
41 μDMA error
12.4 Initialization and Configuration
12.4.1 Module Initialization
The DMA controller resides in the peripheral domain, which must be powered up to enable the µDMA
controller. The following steps are necessary:
1. Enable the peripheral power domain by setting the PRCM:PDCTL0PERIPH.ON register bit or by using
the driver library function (PRCM_DOMAIN_PERIPH):
PRCMPowerDomainOn
2. Enable the µDMA controller by setting the PRCM:SECDMACLKGR.DMA_CLK_EN register bit and the
PRCM:SECDMACLKGS.DMA_CLK_EN register bit or by using the driver library functions:
PRCMPeripheralRunEnable(uint32_t)
and
PRCMPeripheralSleepEnable(uint32_t)
3. Load the setting to clock controller by setting the PRCM:CLKLOADCTL.LOAD register bit or by using
the function:
PRCMLoadSet()
4. Enable the µDMA controller by setting the DMA Configuration Register, UDMA:CFG,
MASTERENABLE bit.
5. Program the location of the channel control table by writing the base address of the table to the DMA

www.ti.com
Initialization and Configuration
1159
SWCU117F–February 2015–Revised June 2016
Submit Documentation Feedback Copyright © 2015–2016, Texas Instruments Incorporated
Micro Direct Memory Access (µDMA)
Channel Control Base Pointer Register, UDMA:CTRL. The base address must be aligned on a 1024-
byte boundary.
12.4.2 Configuring a Memory-to-Memory Transfer
The μDMA channels 0, 18, 19, and 20 are dedicated for software-initiated transfers. This specific example
uses channel 0. No attributes must be set for a software-based transfer. The attributes are cleared by
default, but are explicitly cleared as shown in the following sections.
12.4.2.1 Configure the Channel Attributes
Configure the channel attributes as follows, or use the following driver library function:
uDMAChannelAttributeDisable(uint32_t ui32Base, uint32_t ui32ChannelNum, uint32_t ui32Attr)
1. Program bit 0 of the DMA Set Channel Priority Register, UDMA:SETCHNLPRIORITY, or the DMA
Clear Channel Priority Register, UDMA:CLEARCHNLPRIORITY, to set the channel to high priority or
default priority.
2. Set bit 0 of the DMA Clear Channel Primary Alternate Register, UDMA:CLEARCHNLPRIALT, to select
the primary channel control structure for this transfer.
3. Set bit 0 of the DMA Channel Clear Useburst Register, UDMA:CLEARBURST, to allow the μDMA
controller to respond to single requests and burst requests.
4. Set bit 0 of the DMA Clear Channel Request Mask Register, UDMA:CLEARREQMASK, to allow the
μDMA controller to recognize requests for this channel.
12.4.2.2 Configure the Channel Control Structure
This example transfers 256 words from one memory buffer to another. Channel 0 is used for a software
transfer, and the control structure for channel 0 must be configured to transfer 8-bit data with source and
destination increments in bytes and byte-wise buffer copy. A bus arbitration size of eight can be used
here.
The transfer buffer and transfer size are now configured. The transfer uses auto mode, which means that
the transfer automatically runs to completion after the first request.
12.4.2.3 Start the Transfer
Finally, the channel must be enabled. A request must also be made because this is a software-initiated
transfer. The request starts the transfer.
1. Enable global interrupts (IntMasterEnable();) and enable interrupt for DMA (IntEnable(uint32_t
ui32Interrupt)).
2. Enable the channel by setting bit 0 of the DMA Set Channel Enable Register,
UDMA:SETCHANNELEN.
3. Issue a transfer request by setting bit 0 of the DMA Channel Software Request Register,
UDMA:SOFTREQ.
4. The μDMA transfer begins. If the interrupt is enabled, then the processor is notified by interrupt when
the transfer completes.
If needed, the status can be checked by reading the UDMA:SETCHANNELEN register bit 0. This bit is
automatically cleared when the transfer completes.

µDMA Registers
www.ti.com
1160 SWCU117F–February 2015–Revised June 2016
Submit Documentation Feedback
Copyright © 2015–2016, Texas Instruments Incorporated
Micro Direct Memory Access (µDMA)
12.5 µDMA Registers
12.5.1 UDMA Registers
Table 12-7 lists the memory-mapped registers for the UDMA. All register offset addresses not listed in
Table 12-7 should be considered as reserved locations and the register contents should not be modified.
Table 12-7. UDMA Registers
Offset Acronym Register Name Section
0h STATUS Status Section 12.5.1.1
4h CFG Configuration Section 12.5.1.2
8h CTRL Channel Control Data Base Pointer Section 12.5.1.3
Ch ALTCTRL Channel Alternate Control Data Base Pointer Section 12.5.1.4
10h WAITONREQ Channel Wait On Request Status Section 12.5.1.5
14h SOFTREQ Channel Software Request Section 12.5.1.6
18h SETBURST Channel Set UseBurst Section 12.5.1.7
1Ch CLEARBURST Channel Clear UseBurst Section 12.5.1.8
20h SETREQMASK Channel Set Request Mask Section 12.5.1.9
24h CLEARREQMASK Clear Channel Request Mask Section 12.5.1.10
28h SETCHANNELEN Set Channel Enable Section 12.5.1.11
2Ch CLEARCHANNELEN Clear Channel Enable Section 12.5.1.12
30h SETCHNLPRIALT Channel Set Primary-Alternate Section 12.5.1.13
34h CLEARCHNLPRIALT Channel Clear Primary-Alternate Section 12.5.1.14
38h SETCHNLPRIORITY Set Channel Priority Section 12.5.1.15
3Ch CLEARCHNLPRIORITY Clear Channel Priority Section 12.5.1.16
4Ch ERROR Error Status and Clear Section 12.5.1.17
504h REQDONE Channel Request Done Section 12.5.1.18
520h DONEMASK Channel Request Done Mask Section 12.5.1.19

www.ti.com
µDMA Registers
1161
SWCU117F–February 2015–Revised June 2016
Submit Documentation Feedback Copyright © 2015–2016, Texas Instruments Incorporated
Micro Direct Memory Access (µDMA)
12.5.1.1 STATUS Register (Offset = 0h) [reset = 001F0000h]
STATUS is shown in Figure 12-7 and described in Table 12-8.
Return to Summary Table.
Status
Figure 12-7. STATUS Register
31 30 29 28 27 26 25 24
TEST RESERVED
R-0h R-0h
23 22 21 20 19 18 17 16
RESERVED TOTALCHANNELS
R-0h R-1Fh
15 14 13 12 11 10 9 8
RESERVED
R-0h
76543210
STATE RESERVED MASTERENAB
LE
R-0h R-0h R-0h
Table 12-8. STATUS Register Field Descriptions
Bit Field Type Reset Description
31-28 TEST R 0h 0x0: Controller does not include the integration test logic
0x1: Controller includes the integration test logic
0x2: Undefined
...
0xF: Undefined
27-21 RESERVED R 0h Software should not rely on the value of a reserved. Writing any
other value than the reset value may result in undefined behavior.
20-16 TOTALCHANNELS R 1Fh Register value returns number of available uDMA channels minus
one. For example a read out value of:
0x00: Show that the controller is configured to use 1 uDMA channel
0x01: Shows that the controller is configured to use 2 uDMA
channels
...
0x1F: Shows that the controller is configured to use 32 uDMA
channels (32-1=31=0x1F)
15-8 RESERVED R 0h Software should not rely on the value of a reserved. Writing any
other value than the reset value may result in undefined behavior.
7-4 STATE R 0h Current state of the control state machine. State can be one of the
following:
0x0: Idle
0x1: Reading channel controller data
0x2: Reading source data end pointer
0x3: Reading destination data end pointer
0x4: Reading source data
0x5: Writing destination data
0x6: Waiting for uDMA request to clear
0x7: Writing channel controller data
0x8: Stalled
0x9: Done
0xA: Peripheral scatter-gather transition
0xB: Undefined
...
0xF: Undefined.
3-1 RESERVED R 0h Software should not rely on the value of a reserved. Writing any
other value than the reset value may result in undefined behavior.

µDMA Registers
www.ti.com
1162 SWCU117F–February 2015–Revised June 2016
Submit Documentation Feedback
Copyright © 2015–2016, Texas Instruments Incorporated
Micro Direct Memory Access (µDMA)
Table 12-8. STATUS Register Field Descriptions (continued)
Bit Field Type Reset Description
0 MASTERENABLE R 0h Shows the enable status of the controller as configured by
CFG.MASTERENABLE:
0: Controller is disabled
1: Controller is enabled

www.ti.com
µDMA Registers
1163
SWCU117F–February 2015–Revised June 2016
Submit Documentation Feedback Copyright © 2015–2016, Texas Instruments Incorporated
Micro Direct Memory Access (µDMA)
12.5.1.2 CFG Register (Offset = 4h) [reset = 0h]
CFG is shown in Figure 12-8 and described in Table 12-9.
Return to Summary Table.
Configuration
Figure 12-8. CFG Register
31 30 29 28 27 26 25 24
RESERVED
W-0h
23 22 21 20 19 18 17 16
RESERVED
W-0h
15 14 13 12 11 10 9 8
RESERVED
W-0h
76543210
PRTOCTRL RESERVED MASTERENAB
LE
W-0h W-0h W-0h
Table 12-9. CFG Register Field Descriptions
Bit Field Type Reset Description
31-8 RESERVED W 0h Software should not rely on the value of a reserved. Writing any
other value than the reset value may result in undefined behavior.
7-5 PRTOCTRL W 0h Sets the AHB-Lite bus protocol protection state by controlling the
AHB signal HProt[3:1] as follows:
Bit [7] Controls HProt[3] to indicate if a cacheable access is
occurring.
Bit [6] Controls HProt[2] to indicate if a bufferable access is
occurring.
Bit [5] Controls HProt[1] to indicate if a privileged access is
occurring.
When bit [n] = 1 then the corresponding HProt bit is high.
When bit [n] = 0 then the corresponding HProt bit is low.
This field controls HProt[3:1] signal for all transactions initiated by
uDMA except two transactions below:
- the read from the address indicated by source address pointer
- the write to the address indicated by destination address pointer
HProt[3:1] for these two exceptions can be controlled by dedicated
fields in the channel configutation descriptor.
4-1 RESERVED W 0h Software should not rely on the value of a reserved. Writing any
other value than the reset value may result in undefined behavior.
0 MASTERENABLE W 0h Enables the controller:
0: Disables the controller
1: Enables the controller

µDMA Registers
www.ti.com
1164 SWCU117F–February 2015–Revised June 2016
Submit Documentation Feedback
Copyright © 2015–2016, Texas Instruments Incorporated
Micro Direct Memory Access (µDMA)
12.5.1.3 CTRL Register (Offset = 8h) [reset = 0h]
CTRL is shown in Figure 12-9 and described in Table 12-10.
Return to Summary Table.
Channel Control Data Base Pointer
Figure 12-9. CTRL Register
31 30 29 28 27 26 25 24 23 22 21 20 19 18 17 16 15 14 13 12 11 10 9 8 7 6 5 4 3 2 1 0
BASEPTR RESERVED
R/W-0h R-0h
Table 12-10. CTRL Register Field Descriptions
Bit Field Type Reset Description
31-10 BASEPTR R/W 0h This register point to the base address for the primary data
structures of each DMA channel. This is not stored in module, but in
system memory, thus space must be allocated for this usage when
DMA is in usage
9-0 RESERVED R 0h Software should not rely on the value of a reserved. Writing any
other value than the reset value may result in undefined behavior.

www.ti.com
µDMA Registers
1165
SWCU117F–February 2015–Revised June 2016
Submit Documentation Feedback Copyright © 2015–2016, Texas Instruments Incorporated
Micro Direct Memory Access (µDMA)
12.5.1.4 ALTCTRL Register (Offset = Ch) [reset = 200h]
ALTCTRL is shown in Figure 12-10 and described in Table 12-11.
Return to Summary Table.
Channel Alternate Control Data Base Pointer
Figure 12-10. ALTCTRL Register
31 30 29 28 27 26 25 24 23 22 21 20 19 18 17 16 15 14 13 12 11 10 9 8 7 6 5 4 3 2 1 0
BASEPTR
R-200h
Table 12-11. ALTCTRL Register Field Descriptions
Bit Field Type Reset Description
31-0 BASEPTR R 200h This register shows the base address for the alternate data
structures and is calculated by module, thus read only

µDMA Registers
www.ti.com
1166 SWCU117F–February 2015–Revised June 2016
Submit Documentation Feedback
Copyright © 2015–2016, Texas Instruments Incorporated
Micro Direct Memory Access (µDMA)
12.5.1.5 WAITONREQ Register (Offset = 10h) [reset = FFFF1EFFh]
WAITONREQ is shown in Figure 12-11 and described in Table 12-12.
Return to Summary Table.
Channel Wait On Request Status
Figure 12-11. WAITONREQ Register
31 30 29 28 27 26 25 24 23 22 21 20 19 18 17 16 15 14 13 12 11 10 9 8 7 6 5 4 3 2 1 0
CHNLSTATUS
R-FFFF1EFFh
Table 12-12. WAITONREQ Register Field Descriptions
Bit Field Type Reset Description
31-0 CHNLSTATUS R FFFF1EFFh Channel wait on request status:
Bit [Ch] = 0: Once uDMA receives a single or burst request on
channel Ch, this channel may come out of active state even if
request is still present.
Bit [Ch] = 1: Once uDMA receives a single or burst request on
channel Ch, it keeps channel Ch in active state until the requests are
deasserted. This handshake is necessary for channels where the
requester is in an asynchronous domain or can run at slower clock
speed than uDMA

www.ti.com
µDMA Registers
1167
SWCU117F–February 2015–Revised June 2016
Submit Documentation Feedback Copyright © 2015–2016, Texas Instruments Incorporated
Micro Direct Memory Access (µDMA)
12.5.1.6 SOFTREQ Register (Offset = 14h) [reset = 0h]
SOFTREQ is shown in Figure 12-12 and described in Table 12-13.
Return to Summary Table.
Channel Software Request
Figure 12-12. SOFTREQ Register
31 30 29 28 27 26 25 24 23 22 21 20 19 18 17 16 15 14 13 12 11 10 9 8 7 6 5 4 3 2 1 0
CHNLS
W-0h
Table 12-13. SOFTREQ Register Field Descriptions
Bit Field Type Reset Description
31-0 CHNLS W 0h Set the appropriate bit to generate a software uDMA request on the
corresponding uDMA channel
Bit [Ch] = 0: Does not create a uDMA request for channel Ch
Bit [Ch] = 1: Creates a uDMA request for channel Ch
Writing to a bit where a uDMA channel is not implemented does not
create a uDMA request for that channel

µDMA Registers
www.ti.com
1168 SWCU117F–February 2015–Revised June 2016
Submit Documentation Feedback
Copyright © 2015–2016, Texas Instruments Incorporated
Micro Direct Memory Access (µDMA)
12.5.1.7 SETBURST Register (Offset = 18h) [reset = 0h]
SETBURST is shown in Figure 12-13 and described in Table 12-14.
Return to Summary Table.
Channel Set UseBurst
Figure 12-13. SETBURST Register
31 30 29 28 27 26 25 24 23 22 21 20 19 18 17 16 15 14 13 12 11 10 9 8 7 6 5 4 3 2 1 0
CHNLS
R/W-0h
Table 12-14. SETBURST Register Field Descriptions
Bit Field Type Reset Description
31-0 CHNLS R/W 0h Returns the useburst status, or disables individual channels from
generating single uDMA requests. The value R is the arbitration rate
and stored in the controller data structure.
Read as:
Bit [Ch] = 0: uDMA channel Ch responds to both burst and single
requests on channel C. The controller performs 2R, or single, bus
transfers.
Bit [Ch] = 1: uDMA channel Ch does not respond to single transfer
requests. The controller only responds to burst transfer requests and
performs 2Rtransfers.
Write as:
Bit [Ch] = 0: No effect. Use the CLEARBURST.CHNLS to set bit [Ch]
to 0.
Bit [Ch] = 1: Disables single transfer requests on channel Ch. The
controller performs 2Rtransfers for burst requests.
Writing to a bit where a uDMA channel is not implemented has no
effect

www.ti.com
µDMA Registers
1169
SWCU117F–February 2015–Revised June 2016
Submit Documentation Feedback Copyright © 2015–2016, Texas Instruments Incorporated
Micro Direct Memory Access (µDMA)
12.5.1.8 CLEARBURST Register (Offset = 1Ch) [reset = 0h]
CLEARBURST is shown in Figure 12-14 and described in Table 12-15.
Return to Summary Table.
Channel Clear UseBurst
Figure 12-14. CLEARBURST Register
31 30 29 28 27 26 25 24 23 22 21 20 19 18 17 16 15 14 13 12 11 10 9 8 7 6 5 4 3 2 1 0
CHNLS
W-0h
Table 12-15. CLEARBURST Register Field Descriptions
Bit Field Type Reset Description
31-0 CHNLS W 0h Set the appropriate bit to enable single transfer requests.
Write as:
Bit [Ch] = 0: No effect. Use the SETBURST.CHNLS to disable single
transfer requests.
Bit [Ch] = 1: Enables single transfer requests on channel Ch.
Writing to a bit where a DMA channel is not implemented has no
effect.

µDMA Registers
www.ti.com
1170 SWCU117F–February 2015–Revised June 2016
Submit Documentation Feedback
Copyright © 2015–2016, Texas Instruments Incorporated
Micro Direct Memory Access (µDMA)
12.5.1.9 SETREQMASK Register (Offset = 20h) [reset = 0h]
SETREQMASK is shown in Figure 12-15 and described in Table 12-16.
Return to Summary Table.
Channel Set Request Mask
Figure 12-15. SETREQMASK Register
31 30 29 28 27 26 25 24 23 22 21 20 19 18 17 16 15 14 13 12 11 10 9 8 7 6 5 4 3 2 1 0
CHNLS
R/W-0h
Table 12-16. SETREQMASK Register Field Descriptions
Bit Field Type Reset Description
31-0 CHNLS R/W 0h Returns the burst and single request mask status, or disables the
corresponding channel from generating uDMA requests.
Read as:
Bit [Ch] = 0: External requests are enabled for channel Ch.
Bit [Ch] = 1: External requests are disabled for channel Ch.
Write as:
Bit [Ch] = 0: No effect. Use the CLEARREQMASK.CHNLS to enable
uDMA requests.
Bit [Ch] = 1: Disables uDMA burst request channel [C] and uDMA
single request channel [C] input from generating uDMA requests.
Writing to a bit where a uDMA channel is not implemented has no
effect

www.ti.com
µDMA Registers
1171
SWCU117F–February 2015–Revised June 2016
Submit Documentation Feedback Copyright © 2015–2016, Texas Instruments Incorporated
Micro Direct Memory Access (µDMA)
12.5.1.10 CLEARREQMASK Register (Offset = 24h) [reset = 0h]
CLEARREQMASK is shown in Figure 12-16 and described in Table 12-17.
Return to Summary Table.
Clear Channel Request Mask
Figure 12-16. CLEARREQMASK Register
31 30 29 28 27 26 25 24 23 22 21 20 19 18 17 16 15 14 13 12 11 10 9 8 7 6 5 4 3 2 1 0
CHNLS
W-0h
Table 12-17. CLEARREQMASK Register Field Descriptions
Bit Field Type Reset Description
31-0 CHNLS W 0h Set the appropriate bit to enable DMA request for the channel.
Write as:
Bit [Ch] = 0: No effect. Use the SETREQMASK.CHNLS to disable
channel C from generating requests.
Bit [Ch] = 1: Enables channel [C] to generate DMA requests.
Writing to a bit where a DMA channel is not implemented has no
effect.

µDMA Registers
www.ti.com
1172 SWCU117F–February 2015–Revised June 2016
Submit Documentation Feedback
Copyright © 2015–2016, Texas Instruments Incorporated
Micro Direct Memory Access (µDMA)
12.5.1.11 SETCHANNELEN Register (Offset = 28h) [reset = 0h]
SETCHANNELEN is shown in Figure 12-17 and described in Table 12-18.
Return to Summary Table.
Set Channel Enable
Figure 12-17. SETCHANNELEN Register
31 30 29 28 27 26 25 24 23 22 21 20 19 18 17 16 15 14 13 12 11 10 9 8 7 6 5 4 3 2 1 0
CHNLS
R/W-0h
Table 12-18. SETCHANNELEN Register Field Descriptions
Bit Field Type Reset Description
31-0 CHNLS R/W 0h Returns the enable status of the channels, or enables the
corresponding channels.
Read as:
Bit [Ch] = 0: Channel Ch is disabled.
Bit [Ch] = 1: Channel Ch is enabled.
Write as:
Bit [Ch] = 0: No effect. Use the CLEARCHANNELEN.CHNLS to
disable a channel
Bit [Ch] = 1: Enables channel Ch
Writing to a bit where a DMA channel is not implemented has no
effect

www.ti.com
µDMA Registers
1173
SWCU117F–February 2015–Revised June 2016
Submit Documentation Feedback Copyright © 2015–2016, Texas Instruments Incorporated
Micro Direct Memory Access (µDMA)
12.5.1.12 CLEARCHANNELEN Register (Offset = 2Ch) [reset = 0h]
CLEARCHANNELEN is shown in Figure 12-18 and described in Table 12-19.
Return to Summary Table.
Clear Channel Enable
Figure 12-18. CLEARCHANNELEN Register
31 30 29 28 27 26 25 24 23 22 21 20 19 18 17 16 15 14 13 12 11 10 9 8 7 6 5 4 3 2 1 0
CHNLS
W-0h
Table 12-19. CLEARCHANNELEN Register Field Descriptions
Bit Field Type Reset Description
31-0 CHNLS W 0h Set the appropriate bit to disable the corresponding uDMA channel.
Write as:
Bit [Ch] = 0: No effect. Use the SETCHANNELEN.CHNLS to enable
uDMA channels.
Bit [Ch] = 1: Disables channel Ch
Writing to a bit where a uDMA channel is not implemented has no
effect

µDMA Registers
www.ti.com
1174 SWCU117F–February 2015–Revised June 2016
Submit Documentation Feedback
Copyright © 2015–2016, Texas Instruments Incorporated
Micro Direct Memory Access (µDMA)
12.5.1.13 SETCHNLPRIALT Register (Offset = 30h) [reset = 0h]
SETCHNLPRIALT is shown in Figure 12-19 and described in Table 12-20.
Return to Summary Table.
Channel Set Primary-Alternate
Figure 12-19. SETCHNLPRIALT Register
31 30 29 28 27 26 25 24 23 22 21 20 19 18 17 16 15 14 13 12 11 10 9 8 7 6 5 4 3 2 1 0
CHNLS
R/W-0h
Table 12-20. SETCHNLPRIALT Register Field Descriptions
Bit Field Type Reset Description
31-0 CHNLS R/W 0h Returns the channel control data structure status, or selects the
alternate data structure for the corresponding uDMA channel.
Read as:
Bit [Ch] = 0: uDMA channel Ch is using the primary data structure.
Bit [Ch] = 1: uDMA channel Ch is using the alternate data structure.
Write as:
Bit [Ch] = 0: No effect. Use the CLEARCHNLPRIALT.CHNLS to
disable a channel
Bit [Ch] = 1: Selects the alternate data structure for channel Ch
Writing to a bit where a uDMA channel is not implemented has no
effect

www.ti.com
µDMA Registers
1175
SWCU117F–February 2015–Revised June 2016
Submit Documentation Feedback Copyright © 2015–2016, Texas Instruments Incorporated
Micro Direct Memory Access (µDMA)
12.5.1.14 CLEARCHNLPRIALT Register (Offset = 34h) [reset = 0h]
CLEARCHNLPRIALT is shown in Figure 12-20 and described in Table 12-21.
Return to Summary Table.
Channel Clear Primary-Alternate
Figure 12-20. CLEARCHNLPRIALT Register
31 30 29 28 27 26 25 24 23 22 21 20 19 18 17 16 15 14 13 12 11 10 9 8 7 6 5 4 3 2 1 0
CHNLS
W-0h
Table 12-21. CLEARCHNLPRIALT Register Field Descriptions
Bit Field Type Reset Description
31-0 CHNLS W 0h Clears the appropriate bit to select the primary data structure for the
corresponding uDMA channel.
Write as:
Bit [Ch] = 0: No effect. Use the SETCHNLPRIALT.CHNLS to select
the alternate data structure.
Bit [Ch] = 1: Selects the primary data structure for channel Ch.
Writing to a bit where a uDMA channel is not implemented has no
effect

µDMA Registers
www.ti.com
1176 SWCU117F–February 2015–Revised June 2016
Submit Documentation Feedback
Copyright © 2015–2016, Texas Instruments Incorporated
Micro Direct Memory Access (µDMA)
12.5.1.15 SETCHNLPRIORITY Register (Offset = 38h) [reset = 0h]
SETCHNLPRIORITY is shown in Figure 12-21 and described in Table 12-22.
Return to Summary Table.
Set Channel Priority
Figure 12-21. SETCHNLPRIORITY Register
31 30 29 28 27 26 25 24 23 22 21 20 19 18 17 16 15 14 13 12 11 10 9 8 7 6 5 4 3 2 1 0
CHNLS
R/W-0h
Table 12-22. SETCHNLPRIORITY Register Field Descriptions
Bit Field Type Reset Description
31-0 CHNLS R/W 0h Returns the channel priority mask status, or sets the channel priority
to high.
Read as:
Bit [Ch] = 0: uDMA channel Ch is using the default priority level.
Bit [Ch] = 1: uDMA channel Ch is using a high priority level.
Write as:
Bit [Ch] = 0: No effect. Use the CLEARCHNLPRIORITY.CHNLS to
set channel Ch to the default priority level.
Bit [Ch] = 1: Channel Ch uses the high priority level.
Writing to a bit where a uDMA channel is not implemented has no
effect

www.ti.com
µDMA Registers
1177
SWCU117F–February 2015–Revised June 2016
Submit Documentation Feedback Copyright © 2015–2016, Texas Instruments Incorporated
Micro Direct Memory Access (µDMA)
12.5.1.16 CLEARCHNLPRIORITY Register (Offset = 3Ch) [reset = 0h]
CLEARCHNLPRIORITY is shown in Figure 12-22 and described in Table 12-23.
Return to Summary Table.
Clear Channel Priority
Figure 12-22. CLEARCHNLPRIORITY Register
31 30 29 28 27 26 25 24 23 22 21 20 19 18 17 16 15 14 13 12 11 10 9 8 7 6 5 4 3 2 1 0
CHNLS
W-0h
Table 12-23. CLEARCHNLPRIORITY Register Field Descriptions
Bit Field Type Reset Description
31-0 CHNLS W 0h Clear the appropriate bit to select the default priority level for the
specified uDMA channel.
Write as:
Bit [Ch] = 0: No effect. Use the SETCHNLPRIORITY.CHNLS to set
channel Ch to the high priority level.
Bit [Ch] = 1: Channel Ch uses the default priority level.
Writing to a bit where a uDMA channel is not implemented has no
effect

µDMA Registers
www.ti.com
1178 SWCU117F–February 2015–Revised June 2016
Submit Documentation Feedback
Copyright © 2015–2016, Texas Instruments Incorporated
Micro Direct Memory Access (µDMA)
12.5.1.17 ERROR Register (Offset = 4Ch) [reset = 0h]
ERROR is shown in Figure 12-23 and described in Table 12-24.
Return to Summary Table.
Error Status and Clear
Figure 12-23. ERROR Register
31 30 29 28 27 26 25 24
RESERVED
W-0h
23 22 21 20 19 18 17 16
RESERVED
W-0h
15 14 13 12 11 10 9 8
RESERVED
W-0h
76543210
RESERVED STATUS
W-0h R/W-0h
Table 12-24. ERROR Register Field Descriptions
Bit Field Type Reset Description
31-1 RESERVED W 0h Software should not rely on the value of a reserved. Writing any
other value than the reset value may result in undefined behavior.
0 STATUS R/W 0h Returns the status of bus error flag in uDMA, or clears this bit
Read as:
0: No bus error detected
1: Bus error detected
Write as:
0: No effect, status of bus error flag is unchanged.
1: Clears the bus error flag.

www.ti.com
µDMA Registers
1179
SWCU117F–February 2015–Revised June 2016
Submit Documentation Feedback Copyright © 2015–2016, Texas Instruments Incorporated
Micro Direct Memory Access (µDMA)
12.5.1.18 REQDONE Register (Offset = 504h) [reset = 0h]
REQDONE is shown in Figure 12-24 and described in Table 12-25.
Return to Summary Table.
Channel Request Done
Figure 12-24. REQDONE Register
31 30 29 28 27 26 25 24 23 22 21 20 19 18 17 16 15 14 13 12 11 10 9 8 7 6 5 4 3 2 1 0
CHNLS
R/W-0h
Table 12-25. REQDONE Register Field Descriptions
Bit Field Type Reset Description
31-0 CHNLS R/W 0h Reflects the uDMA done status for the given channel, channel [Ch].
It's a sticky done bit. Unless cleared by writing a 1, it holds the value
of 1.
Read as:
Bit [Ch] = 0: Request has not completed for channel Ch
Bit [Ch] = 1: Request has completed for the channel Ch
Writing a 1 to individual bits would clear the corresponding bit.
Write as:
Bit [Ch] = 0: No effect.
Bit [Ch] = 1: The corresponding [Ch] bit is cleared and is set to 0

µDMA Registers
www.ti.com
1180 SWCU117F–February 2015–Revised June 2016
Submit Documentation Feedback
Copyright © 2015–2016, Texas Instruments Incorporated
Micro Direct Memory Access (µDMA)
12.5.1.19 DONEMASK Register (Offset = 520h) [reset = 0h]
DONEMASK is shown in Figure 12-25 and described in Table 12-26.
Return to Summary Table.
Channel Request Done Mask
Figure 12-25. DONEMASK Register
31 30 29 28 27 26 25 24 23 22 21 20 19 18 17 16 15 14 13 12 11 10 9 8 7 6 5 4 3 2 1 0
CHNLS
R/W-0h
Table 12-26. DONEMASK Register Field Descriptions
Bit Field Type Reset Description
31-0 CHNLS R/W 0h Controls the propagation of the uDMA done and active state to the
assigned peripheral. Specifically used for software channels.
Read as:
Bit [Ch] = 0: uDMA done and active state for channel Ch is not
blocked from reaching to the peripherals.
Note that the uDMA done state for channel [Ch] is blocked from
contributing to generation of combined uDMA done signal
Bit [Ch] = 1: uDMA done and active state for channel Ch is blocked
from reaching to the peripherals.
Note that the uDMA done state for channel [Ch] is not blocked from
contributing to generation of combined uDMA done signal
Write as:
Bit [Ch] = 0: Allows uDMA done and active stat to propagate to the
peripherals.
Note that this disables uDMA done state for channel [Ch] from
contributing to generation of combined uDMA done signal
Bit [Ch] = 1: Blocks uDMA done and active state to propagate to the
peripherals.
Note that this enables uDMA done for channel [Ch] to contribute to
generation of combined uDMA done signal.

1181
SWCU117F–February 2015–Revised June 2016
Submit Documentation Feedback Copyright © 2015–2016, Texas Instruments Incorporated
Timers
Chapter 13
SWCU117F–February 2015–Revised June 2016
Timers
This chapter describes the general-purpose timers.
Topic ........................................................................................................................... Page
13.1 General-purpose Timers .................................................................................. 1182
13.2 Block Diagram................................................................................................ 1183
13.3 Functional Description .................................................................................... 1183
13.4 Initialization and Configuration......................................................................... 1193
13.5 General-purpose Timer Registers ..................................................................... 1196

General-purpose Timers
www.ti.com
1182 SWCU117F–February 2015–Revised June 2016
Submit Documentation Feedback
Copyright © 2015–2016, Texas Instruments Incorporated
Timers
13.1 General-purpose Timers
Programmable timers can be used to count or time external events that drive the timer input pins. The
general-purpose timer module (GPTM) of the CC26xx and CC13xx devices provides two 16-bit timers
(timer A and timer B) that can be configured to operate independently as timers or concatenated to
operate as one 32-bit timer.
The GPTM is one timing resource available on the CC26xx and CC13xx MCU. Other timer resources
include the system timer (SysTick) and the watchdog timer (WDT). See Section 3.2.1,SysTick, and
Chapter 15,Watchdog Timer, for reference.
The GPTM contains four GPTM blocks with the following functional options:
• Operating modes:
– 16 with 8-bit prescaler or 32-bit programmable one-shot timer
– 16 with 8-bit prescaler or 32-bit programmable periodic timer
– Two capture compare PWM pins (CCP) for each 32-bit timer
– 24-bit input-edge count or 24-bit time-capture modes
– 24-bit PWM mode with software-programmable output inversion of the PWM signal
• Count up or down
• Daisy chaining of timer modules allows a single timer to initiate multiple timing events
• Timer synchronization allows selected timers to start counting on the same clock cycle
• User-enabled stalling when the microcontroller asserts a CPU Halt flag during debug
• Ability to determine the elapsed time between the assertion of the timer interrupt and entry into the
interrupt service routine

TAPR
TAMATCHR
TAPMR
TAPS
Timer A control
PERDMACLK
Clock / Edge
detect
TAILR
Interrupt / configure
IMR
RIS
CTL
CFG
SYNC
ICLR
MIS
TIMER A
CCP PIN
TA comparator
EN
TAR
TAPV
EN
TBR
TAV
TB comparator
TAMR
TBMATCHR
TBPR
TBLIR
TBMR
Timer B control
TBPMR
TBPS
TBPV
TBV
Clock / Edge
detect
0x0000 (Down counter mode, 16/32-bit)
0xFFFF (Up counter modes, 16/32-bit)
0x0000 0000 (Down counter modes, 16/32-bit)
0xFFFF FFFF (Up counter modes, 16/32-bit)
0x0000 (Down counter mode, 16/32-bit)
0xFFFF (Up counter modes, 16/32-bit)
0x0000 0000 (Down counter modes, 16/32-bit)
0xFFFF FFFF (Up counter modes, 16/32-bit)
Timer A free-running value
Timer B
interrupt
Timer A
interrupt
DMAEV
DMA
request TIMER B
CCP PIN
ANDCCP
TIMER B
PWM
32 kHz or
TIMER A
PWM
Timer B free-running
value
www.ti.com
Block Diagram
1183
SWCU117F–February 2015–Revised June 2016
Submit Documentation Feedback
Copyright © 2015–2016, Texas Instruments Incorporated
Timers
13.2 Block Diagram
Figure 13-1 shows the GPTM module block diagram.
Figure 13-1. GPTM Module Block Diagram
13.3 Functional Description
The main components of each GPTM block are: two free-running up and down counters (timer A and
timer B), two match registers, two prescaler match registers, two shadow registers, and two load and
initialization registers and their associated control functions. The exact function of each GPTM is
controlled by software and configured through the register interface. Timer A and timer B can be used
individually, in which case they have a 16-bit counting range. In addition, timer A and timer B can be
concatenated to provide a 32-bit counting range. The prescaler can only be used when the timers are
used individually.
Table 13-1 lists the available modes for each GPTM block. When counting down in one-shot or periodic
modes, the prescaler acts as a true prescaler and contains the least-significant bits (LSBs) of the count.
When counting up in one-shot or periodic modes, the prescaler acts as a timer extension and holds the
most-significant bits (MSBs) of the count. In input edge count, input edge time, and PWM mode, the
prescaler always acts as a timer extension, regardless of the count direction.

Functional Description
www.ti.com
1184 SWCU117F–February 2015–Revised June 2016
Submit Documentation Feedback
Copyright © 2015–2016, Texas Instruments Incorporated
Timers
(1) The prescaler is available only when the timers are used individually.
Table 13-1. General-purpose Timer Capabilities
Mode Timer Use Count Direction Counter Size Prescaler Size(1) Prescaler Behavior
(Count Direction)
One-Shot Individual Up or Down 16-bit 8-bit Timer Extension (Up),
Prescaler (Down)
Concatenated Up or Down 32-bit – N/A
Periodic Individual Up or Down 16-bit 8-bit Timer Extension (Up),
Prescaler (Down)
Concatenated Up or Down 32-bit – N/A
Edge Count Individual Up or Down 16-bit 8-bit Timer Extension (Both)
Edge Time Individual Up or Down 16-bit 8-bit Timer Extension (Both)
PWM Individual Down 16-bit 8-bit Timer Extension
Software configures the GPTM using the GPTM Configuration Register (GPT:CFG), the GPTM Timer A
Mode Register (GPT:TAMR), and the GPTM Timer B Mode Register (GPT:TBMR). When in one of the
concatenated modes, timer A and timer B can operate in one mode only. However, when configured in an
individual mode, timer A and timer B can be independently configured in any combination of the individual
modes.
13.3.1 GPTM Reset Conditions
After reset is applied to the GPTM, the module is in an inactive state, and all control registers are cleared
and are in their default states. Counters (timer A and timer B) are initialized to all 1s, along with their
corresponding load registers: the GPTM Timer A Interval Load Register (GPT:TAILR) and the GPTM
Timer B Interval Load Register (GPT:TBILR). The prescale counters are initialized to 0x00:
• The GPTM Timer A Prescale Register (GPT:TAPR) and the GPTM Timer B Prescale Register
(GPT:TBPR)
• The GPTM Timer A Prescale Snapshot Register (GPT:TAPS) and the GPTM Timer B Prescale
Snapshot Register (GPT:TBPS)
• The GPTM Timer A Prescale Value Register (GPT:TAPV) and the GPTM Timer B Prescale Value
Register (GPT:TBPV)
13.3.2 Timer Modes
This section describes the operation of the various timer modes. When using timer A and timer B in
concatenated mode, only the timer A control and status bits must be used; there is no need to use the
timer B control and status bits. The GPTM is placed into individual or split mode by writing a value of 0x4
to the GPTM Configuration Register (GPT:CFG). In the following sections, the variable n is used in bit field
and register names to imply either a timer A function or a timer B function. Throughout this section, the
time-out event in down-count mode is 0x0; in up-count mode the time-out event is the value in the GPTM
Interval Load Register (GPT:TnILR) and the optional GPTM Timer n Prescale Register (GPT:TnPR).

www.ti.com
Functional Description
1185
SWCU117F–February 2015–Revised June 2016
Submit Documentation Feedback
Copyright © 2015–2016, Texas Instruments Incorporated
Timers
13.3.2.1 One-shot or Periodic Timer Mode
The selection of one-shot or periodic mode is determined by the value written to the GPTM Timer n Mode
Register (GPT:TnMR) TnMR field. The timer is configured to count up or down using the GPT:TnMR
TnCDIR bit.
When software sets the GPTM Control Register (GPTIMER:CTL) TnEN bit, the timer begins counting up
from 0x0, or down from its preloaded value. Alternatively, if the GPT:TnMR register TnWOT bit is set when
the TnEN bit is set, the timer waits for a trigger to begin counting (see Section 13.3.3,Wait-for-Trigger
Mode).
When the timer is counting down and reaches the time-out event (0x0), the timer reloads its start value
from the GPT:TnILR and the GPT:TnPR registers on the next cycle. When the timer is counting up and
reaches the time-out event (the value in the GPT:TnILR and the optional GPT:TnPR registers), the timer
reloads with 0x0. If configured to be a one-shot timer, the timer stops counting and clears the GPT:CTL
TnEN register bit. If configured as a periodic timer, the timer starts counting again on the next cycle. In
periodic snap-shot mode (the TnMR field is 0x2 and the GPT:TnMR TnSNAPS register bit is set), the
actual free-running value of the timer at the time-out event is loaded into the GPT:TnR register. In this
manner, software can determine the time elapsed from the interrupt assertion to the ISR entry by
examining the snapshot values and the current value of the free-running timer, which is stored in the
GPT:TnV register. Snapshot mode is not available when the timer is configured in one-shot mode.
In addition to reloading the count value, the GPTM generates interrupts and triggers when it reaches the
time-out event. The GPTM sets the GPTM Raw Interrupt Status Register (GPT:RIS) TnTORIS bit, and
holds the bit until it is cleared by writing the GPTM Interrupt Clear Register (GPT:ICR). If the time-out
interrupt is enabled in the GPTM Interrupt Mask Register (GPT:IMR), the GPTM also sets the GPTM
Masked Interrupt Status Register (GPT:MIS) TnTOMIS bit. By setting the GPT:TnMR TnMIE register bit,
an interrupt condition can also be generated when the timer value equals the value loaded into the GPTM
Timer n Match Register (GPT:TnMATCHR) and the GPTM Timer n Prescale Match Register
(GPT:TnPMR). This interrupt has the same status, masking, and clearing functions as the time-out
interrupt but uses the match interrupt bits instead (for example, the raw interrupt status is monitored
through the GPTM Raw Interrupt Status Register (GPT:RIS) TnMRIS bit). The interrupt status bits are not
updated by the hardware unless the GPT:TnMR TnMIE register bit is set, which is different than the
behavior for the time-out interrupt.
If software updates the GPT:TnILR or the GPT:TnPR registers while the counter is counting down, the
counter loads the new value on the next clock cycle and continues counting from the new value if the
GPT:TnMR TnILD register bit is clear. If the TnILD bit is set, the counter loads the new value after the
next time out. If software updates the GPT:TnILR register or the GPT:TnPR register while the counter is
counting up, the time-out event is changed on the next cycle to the new value. If software updates the
GPTM Timer n Value Register (GPT:TnV) while the counter is counting up or down, the counter loads the
new value on the next clock cycle and continues counting from the new value. If software updates the
GPT:TnMATCHR register or the GPT:TnPMR register while the counter is counting, the match registers
reflect the new values on the next clock cycle if the GPT:TnMR TnMRSU register bit is clear. If the
TnMRSU bit is set, the new value does not take effect until the next time out.
If the GPT:CTL TnSTALL register bit is set, the timer freezes counting while the processor is halted by the
debugger. The timer resumes counting when the processor resumes execution.
Table 13-2 lists a variety of configurations for a 16-bit free-running timer while using the prescaler. All
values assume a 24-MHz clock with Tc = 41.67 ns (clock period). The prescaler can only be used when a
16- or 32-bit timer is configured in 16-bit mode.

Functional Description
www.ti.com
1186 SWCU117F–February 2015–Revised June 2016
Submit Documentation Feedback
Copyright © 2015–2016, Texas Instruments Incorporated
Timers
(1) Tc is the clock period.
Table 13-2. 16-bit Timer With Prescaler Configurations
Prescale (8-bit Value) Number of Timer Clocks (Tc)(1) Maximum Time Unit
00000000 1 2.7 ms
00000001 2 5.4 ms
00000010 3 8.1 ms
– – – –
11111101 254 685.8 ms
11111110 255 688.5 ms
11111111 256 691.2 ms
13.3.2.2 Input Edge-count Mode
NOTE: For rising-edge detection, the input signal must be High for at least two system clock periods
following the rising edge. Similarly, for falling-edge detection, the input signal must be low for
at least two system clock periods following the falling edge. Based on this criteria, the
maximum input frequency for edge detection is ¼ of the system frequency.
In edge-count mode, the timer is configured as a 24-bit down counter, including the optional prescaler with
the upper count value stored in the GPTM Timer n Prescale Register (GPT:TnPR) and the lower bits in
the GPT:TnR register. In this mode, the timer is capable of capturing three types of events: rising edge,
falling edge, or both. To place the timer in edge-count mode, the GPT:TnMR register TnCMR bit must be
cleared. The type of edge that the timer counts is determined by the GPT:CTL register TnEVENT fields.
During initialization in down-count mode, the GPT:TnMATCHR and the GPT:TnPMR registers are
configured so that the difference between the value in the GPT:TnILR and the GPT:TnPR registers and
the GPT:TnMATCHR and the GPT:TnPMR registers equals the number of edge events that must be
counted. In up-count mode, the timer counts from 0x0 to the value in the GPT:TnMATCHR and the
GPT:TnPMR registers. Table 13-3 lists the values that are loaded into the timer registers when the timer is
enabled.
Table 13-3. Counter Values When the Timer is Enabled in Input Edge-Count Mode
Register Count Down Mode Count Up Mode
GPT:TnR GPT:TnILR 0x0
GPT:TnV GPT:TnILR 0x0
GPT:TnPV GPT:TnPR 0x0
When software writes the GPTM Control Register (GPT:CTL) TnEN bit, the timer is enabled for event
capture. Each input event on the CCP pin decrements or increments the counter by 1 until the event count
matches the GPT:TnMATCHR and the GPT:TnPMR registers. When the counts match, the GPTM asserts
the GPTM Raw Interrupt Status Register (GPT:RIS) CnMRIS bit, and holds the bit until it is cleared by
writing the GPTM Interrupt Clear Register (GPT:ICR). If the capture mode match interrupt is enabled in
the GPTM Interrupt Mask Register (GPT:IMR), the GPTM also sets the GPTM Masked Interrupt Status
Register (GPT:MIS) CnMMIS bit. In this mode, the GPT:TnR register holds the count of the input events
while the GPT:TnV and the GPT:TnPV registers hold the free-running timer value and the free-running
prescaler value.
In addition to generating interrupts, a μDMA trigger can be generated. The μDMA trigger is enabled by
configuring and enabling the appropriate μDMA channel.
After the match value is reached in down-count mode, the counter is then reloaded using the value in the
GPT:TnILR and the GPT:TnPR registers, and stopped because the GPTM automatically clears the
GPT:CTL TnEN register bit. Once the event count has been reached, all further events are ignored until
the TnEN bit is re-enabled by software. In up-count mode, the timer is reloaded with 0x0 and continues
counting.

Input Signal
Timer stops,
flags
asserted
Timer reload
on next cycle Ignored Ignored
Count
0x000A
0x0006
0x0007
0x0008
0x0009
www.ti.com
Functional Description
1187
SWCU117F–February 2015–Revised June 2016
Submit Documentation Feedback Copyright © 2015–2016, Texas Instruments Incorporated
Timers
Figure 13-2 shows how Input edge-count mode works. In this case, the timer start value is set to
GPT:TnILR = 0x000A, and the match value is set to GPT:TnMATCHR = 0x0006 so that four edge events
are counted. The counter is configured to detect both edges of the input signal.
NOTE: The last two edges are not counted, because the timer automatically clears the TnEN bit
after the current count matches the value in the GPT:TnMATCHR register.
Figure 13-2. Input Edge-count Mode Example, Counting Down
13.3.2.3 Input Edge-time Mode
NOTE: For rising-edge detection, the input signal must be high for at least two system-clock periods
following the rising edge. Similarly, for falling-edge detection, the input signal must be low for
at least two system-clock periods following the falling edge. Based on this criteria, the
maximum input frequency for edge detection is ¼ of the system frequency.
In edge-time mode, the timer is configured as a 24-bit down counter, including the optional prescaler with
the upper timer value stored in the GPT:TnPR register and the lower bits in the GPT:TnILR register. In this
mode, the timer is initialized to the value loaded in the GPT:TnILR and the GPT:TnPR registers when
counting down and 0x0 when counting up. The timer is capable of capturing three types of events: rising
edge, falling edge, or both. The timer is placed into edge-time mode by setting the GPT:TnMR TnCM
register bit, and the type of event that the timer captures is determined by the GPT:CTL TnEVENT register
fields. Table 13-4 lists the values that are loaded into the timer registers when the timer is enabled.
Table 13-4. Counter Values When the Timer is Enabled in Input Event-Count Mode
Register Count Down Mode Count Up Mode
GPT:TnR GPT:TnILR 0x0
GPT:TnV GPT:TnILR 0x0
GPT:TnPV GPT:TnPR 0x0
When software writes to the GPT:CTL TnEN register bit, the timer is enabled for event capture. When the
selected input event is detected, the current timer counter value is captured in the GPT:TnR register and
is available to be read by the microcontroller. The GPTM then asserts the GPTM Raw Interrupt Status
Register (GPT:RIS) CnERIS bit, and holds the bit until it is cleared by writing the GPTM Interrupt Clear
Register (GPT:ICR). If the capture mode event interrupt is enabled in the GPTM Interrupt Mask Register

GPTMTnR=Y
Input Signal
Time
Count GPTMTnR=X GPTMTnR=Z
Z
X
Y
0xFFFF
Functional Description
www.ti.com
1188 SWCU117F–February 2015–Revised June 2016
Submit Documentation Feedback
Copyright © 2015–2016, Texas Instruments Incorporated
Timers
(GPT:IMR), the GPTM also sets the GPTM Masked Interrupt Status Register (GPT:MIS) CnEMIS bit. In
this mode, the GPT:TnR register holds the time at which the selected input event occurred, while the
GPT:TnV and the GPT:TnPV registers hold the free-running timer value and the free-running prescaler
value. These registers can be read to determine the time that elapsed between the interrupt assertion and
the entry into the ISR.
In addition to generating interrupts a μDMA trigger can be generated. This trigger is enabled by
configuring and enabling the appropriate μDMA channel.
After an event has been captured, the timer does not stop counting. The timer continues to count until the
TnEN bit is cleared. When the timer reaches the timeout value, it is reloaded with 0x0 in up-count mode,
and the value from the GPT:TnILR and the GPT:TnPR registers in down-count mode.
Figure 13-3 shows how input edge timing mode works. In the diagram, it is assumed that the start value of
the timer is the default value of 0xFFFF, and the timer is configured to capture rising-edge events.
Each time a rising-edge event is detected, the current count value is loaded into the GPTIMER:TnR
register, and is held there until another rising edge is detected (at which point the new count value is
loaded into the GPT:TnR register).
Figure 13-3. Input Edge-time Mode Example
NOTE: When operating in edge-time mode, the counter uses a modulo 224 count if prescaler is
enabled, or 216 if prescaler is not enabled. If there is a possibility the edge could take longer
than the count, another timer can be used to ensure detection of the missed edge.
13.3.2.4 PWM Mode
The GPTM supports a simple PWM generation mode. In PWM mode, the timer is configured as a 16-bit
down counter with a start value (and thus, period) defined by the GPT:TnILR and the GPT:TnPR registers.
In this mode, the PWM frequency and period are synchronous events; therefore, they are ensured to be
glitch-free. PWM mode is enabled with the GPT:TnMR register by setting the TnAMS bit to 0x1, setting the
TnCM bit to 0x0, and setting the TnMR field to 0x2. Table 13-5 lists the values that are loaded into the
timer registers when the timer is enabled.
NOTE: Wait on trigger (daisy chaining) is not supported in PWM mode. The timer starts as soon as
it is enabled and does not wait for a trigger from the previous timer.

www.ti.com
Functional Description
1189
SWCU117F–February 2015–Revised June 2016
Submit Documentation Feedback Copyright © 2015–2016, Texas Instruments Incorporated
Timers
Table 13-5. Counter Values When the Timer is Enabled in PWM Mode
Register Count Down Mode Count Up Mode
GPT:TnR GPT:TnILR Not Available
GPT:TnV GPT:TnILR Not Available
GPT:TnPV GPT:TnPR Not Available
When software writes to the GPT:CTL TnEN register bit, the counter begins counting down until it reaches
the 0x0 state. Alternatively, if the GPT:TnMR TnWOT register bit is set when the TnEN bit is set, the timer
waits for a trigger to begin counting. On the next counter cycle in periodic mode, the counter reloads its
start value from the GPT:TnILR and the GPT:TnPR registers, and continues counting until disabled by
software clearing the GPT:CTL TnEN register bit. The timer is capable of generating interrupts based on
three types of events: rising edge, falling edge, or both. The event is configured by the GPT:CTL
TnEVENT register field, and the interrupt is enabled by setting the GPT:TnMR TnPWMIE register bit.
When the event occurs, the GPTM Raw Interrupt Status Register (GPT:RIS) CnERIS bit is set, and holds
the bit until it is cleared by writing the GPTM Interrupt Clear Register (GPT:ICLR). If the capture mode
event interrupt is enabled in the GPTM Interrupt Mask Register (GPT:IMR), the GPTM also sets the
GPTM Masked Interrupt Status Register (GPT:MIS) CnEMIS bit.
NOTE: The interrupt status bits are not updated unless the TnPWMIE bit is set.
In PWM mode, the GPT:TnR and the GPT:TnV registers always have the same value, as do the
GPT:PnPS and the GPT:TnPV registers.
The output PWM signal asserts when the counter is at the value of the GPT:TnILR and the GPT:TnPR
registers (its start state), and is deasserted when the counter value equals the value in the
GPT:TnMATCHR and the GPT:TnPMR registers. Software can invert the output PWM signal by setting
the GPT:CTL TnPWML register bit. Inverting the output PWM does not affect the edge detection interrupt.
Therefore, if a positive-edge interrupt trigger has been set, the event-trigger interrupt is asserted when the
PWM inversion generates a positive edge.
NOTE: Note that altering TnILR to a value smaller than the current counter value, may introduce
transients on the PWM output even when the “Time Out UPDATE” mode is enabled.
Figure 13-4 shows how to generate an output PWM with a 1-ms period and a 66% duty cycle assuming a
50-MHz input clock and TnPWML = 0 (duty cycle would be 33% for the TnPWML = 1 configuration). For
this example, the start value is GPT:TnILR = 0xC350 and the match value is GPT:TnMATCHR = 0x411A.

CCP
CounterValue
GPTMnMATCHR
GPTMnILR
CCP set if GPTMnMATCHR GPTMnILR≠
Output
Signal
Time
Count GPTMTnR=GPTMnMRGPTMTnR=GPTMnMR
0xC350
0x411A
TnPWML = 0
TnPWML = 1
TnEN set
Functional Description
www.ti.com
1190 SWCU117F–February 2015–Revised June 2016
Submit Documentation Feedback
Copyright © 2015–2016, Texas Instruments Incorporated
Timers
Figure 13-4. 16-bit PWM Mode Example
When synchronizing the timers using the GPT:SYNC register, the timer must be properly configured to
avoid glitches on the CCP outputs. Both the TnPLO and the TnMRSU bits must be set in the GPT:TnMR
register. Figure 13-5 shows how the CCP output operates when the TnPLO and TnMRSU bits are set and
the GPT:TnMATCHR register value is greater than the GPT:TnILR register value.
Figure 13-5. CCP Output, GPT:TnMATCHR > GPT:TnILR
Figure 13-6 shows how the CCP output operates when the PLO and MRSU bits are set and the
GPT:TnMATCHR register value is the same as the GPT:TnILR register value. In this situation, if the PLO
bit is 0, the CCP signal goes high when the GPT:TnILR register value is loaded, and the match would be
essentially ignored.

GPTMnMATCHR = GPTMnILR-1
GPTMnMATCHR = GPTMnILR-2
GPTMnILR
GPTMnMATCHR == 0
CCP
CCP
CCP
Pulse width is 1 clock when GPTMnMATCHR = GPTMnILR - 1
Pulse width is 2 clocks when GPTMnMATCHR = GPTMnILR - 2
Pulse width is GPTMnMATCHR clocks when GPTMnMATCHR= 0
CCP
CCP not set if GPTMnMATCHR = GPTMnILR
GPTMnMATCHR
CounterValue
GPTMnILR
www.ti.com
Functional Description
1191
SWCU117F–February 2015–Revised June 2016
Submit Documentation Feedback Copyright © 2015–2016, Texas Instruments Incorporated
Timers
Figure 13-6. CCP Output, GPT:TnMATCHR = GPT:TnILR
Figure 13-7 shows how the CCP output operates when the PLO and MRSU bits are set and the
GPT:TnILR register value is greater than the GPT:TnMATCHR register value.
Figure 13-7. CCP Output, GPT:TnILR > GPT:TnMATCHR
13.3.3 Wait-for-Trigger Mode
Wait-for-trigger mode allows daisy-chaining of the timer modules such that once configured, a single timer
can initiate multiple timing events using the timer triggers. Wait-for-trigger mode is enabled by setting the
GPT:TnMR TnWOT register bit. When the TnWOT bit is set, timer N+1 does not begin counting until the
timer in the previous position in the daisy-chain (timer N) reaches its time-out event. The daisy-chain is
configured such that GPTM1 always follows GPTM0, GPTM2 follows GPTM1, and so forth. If timer A is
configured as a 32-bit (16 or 32-bit mode) timer (controlled by the CFG field in the GPT:CFG register), it
triggers timer A in the next module. If timer A is configured as a 16-bit (16- or 32-bit mode) timer, it
triggers timer B in the same module and timer B triggers timer A in the next module. Ensure that the
TAWOT bit is never set in GPTM0. Figure 13-8 shows how the GPT:CFG CFG register bit affects the
daisy-chain. This function is valid for one-shot and periodic modes.

Functional Description
www.ti.com
1192 SWCU117F–February 2015–Revised June 2016
Submit Documentation Feedback
Copyright © 2015–2016, Texas Instruments Incorporated
Timers
Figure 13-8. Timer Daisy-chain
13.3.4 Synchronizing GPT Blocks
The GPTM Synchronizer Control Register (GPT:SYNC) in the GPTM0 block can be used to synchronize
selected timers to begin counting at the same time. To do so, the timers must be started first. Setting a bit
in the GPT:SYNC register causes the associated timer to perform the actions of a time-out event. An
interrupt is not generated when the timers are synchronized. If a timer is being used in concatenated
mode, only the bit for timer A must be set in the GPT:SYNC register. The register description shows which
timers can be synchronized.
Table 13-6 lists the actions for the time-out event performed when the timers are synchronized in the
various timer modes.
Table 13-6. Time-out Actions for GPTM Modes
Mode Count Direction Time-out Action
16-bit and 32-bit one-shot (concatenated timers) ─N/A
16- bit and 32-bit periodic (concatenated timers) Down Count value = ILR
Up Count Value = 0
16-bit and 32- bit one-shot (individual and split timers) ─N/A
16-bit and 32- bit periodic (individual and split timers) Down Count value = ILR
Up Count value = 0
16-bit and 32-bit edge-count (individual and split timers) Down Count value = ILR
Up Count Value = 0
16-bit and 32-bit edge-time (individual and split timers) Down Count value = ILR
Up Count Value = 0
16-bit PWM Down Count value = ILR
13.3.5 Accessing Concatenated 16- and 32-Bit GPTM Register Values
The GPTM is placed into concatenated mode by writing a 0x0 or a 0x1 to the GPTM Configuration
Register (GPT:CFG) GPTMCFG bit field. In both configurations, certain 16- and 32-bit GPTM registers are
concatenated to form pseudo 32-bit registers. These registers include the following:
• GPTM Timer A Interval Load Register (GPT:TAILR[15:0])
• GPTM Timer B Interval Load Register (GPT:TBILR[15:0])
• GPTM Timer A Register (GPT:TAR[15:0])
• GPTM Timer B Register (GPT:TBR[15:0])
• GPTM Timer A Value Register (GPT:TAV[15:0])
• GPTM Timer B Value Register (GPT:TBV[15:0])
• GPTM Timer A Match Register (GPT:TAMATCHR[15:0])
• GPTM Timer B Match Register (GPT:TBMATCHR[15:0])

www.ti.com
Initialization and Configuration
1193
SWCU117F–February 2015–Revised June 2016
Submit Documentation Feedback Copyright © 2015–2016, Texas Instruments Incorporated
Timers
In the 32-bit modes, the GPTM translates a 32-bit write access to the GPT:TAILR register into a write
access to both the GPT:TAILR and the GPT:TBILR registers. The resulting word ordering for such a write
operation is: GPTMTBILR[15:0]:GPTMTAILR[15:0]. Likewise, a 32-bit read access to GPT:TAR
register returns the value GPTMTBR[15:0]:GPTMTAR[15:0]. A 32-bit read access to GPT:TAV returns
the value GPTMTBV[15:0]:GPTMTAV[15:0].
13.4 Initialization and Configuration
1. To use a GPT module, enable the peripheral domain and the appropriate GPT module in the PRCM by
writing to the PRCM:GPTCLKGR, the PRCM:GPTCLKGS, and the PRCM:GPTCLKGDS registers, or
by using the following driver library functions:
PRCMPeripheralRunEnable(uint32_t, ui32Peripheral)
PRCMPeripheralSleepEnable(uint32_t, ui32Peripheral)
PRCMPeripheralDeepSLeepEnable(uint32_t, ui32Peripheral)
2. Next, load the setting to the clock controller by writing to the PRCM:CLKLOADCTL register.
3. Configure the IOC module to route the output from the GPT module to the IOs.
4. The IOC module must then be configured to output the timer signal on the wanted I/O pin. For this,
IOCFGn.PORTID must be written to the correct PORTIDs (see Chapter 11,I/O Control, for more
details).
The following sections show module initialization and configuration examples for each of the supported
timer modes.
13.4.1 One-shot and Periodic Timer Modes
The GPTM is configured for one-shot and periodic modes by the following sequence:
1. Ensure the timer is disabled (clear the GPT:CTL TnEN register bit) before making any changes.
2. Write the GPTM Configuration Register (GPT:CFG) with a value of 0x0000 0000.
3. Configure the GPTM Timer n Mode Register (GPT:TnMR) TnMR field:
(a) Write a value of 0x1 for one-shot mode.
(b) Write a value of 0x2 for periodic mode.
4. Optionally, configure the GPT:TnMR TnSNAPS, TnWOT, TnMTE, and TnCDIR register bits to select
whether to capture the value of the free-running timer at time-out, use an external trigger to start
counting, configure an additional trigger or interrupt, and count up or down.
5. Load the start value into the GPTM Timer n Interval Load Register (GPT:TnILR).
6. If interrupts are required, set the appropriate bits in the GPTM Interrupt Mask Register (GPT:IMR).
7. Set the GPT:CTL TnEN register bit to enable the timer and start counting.
8. Poll the GPT:MRIS register or wait for the interrupt to be generated (if enabled). In both cases, the
status flags are cleared by writing a 1 to the appropriate bit of the GPTM Interrupt Clear Register
(GPT:ICR).
In one-shot mode, the timer stops counting after the time-out event. To re-enable the timer, repeat the
sequence. A timer configured in periodic mode reloads the timer and continues counting after the time-out
event.

Initialization and Configuration
www.ti.com
1194 SWCU117F–February 2015–Revised June 2016
Submit Documentation Feedback
Copyright © 2015–2016, Texas Instruments Incorporated
Timers
13.4.2 Input Edge-count Mode
A timer is configured to input edge-count mode by the following sequence:
1. Ensure the timer is disabled (clear the TAEN bit) before making any changes.
2. Write the GPTM Configuration Register (GPT:CFG) with a value of 0x0000 0004.
3. In the GPTM Timer Mode Register (GPT:TnMR), write the TnCMR field to 0x0 and the TnMR field to
0x3.
4. Configure the type of events that the timer captures by writing the GPTM Control Register (GPT:CTL)
TnEVENT field.
5. If a prescaler is to be used, write the prescale value to the GPTM Timer n Prescale Register
(GPT:TnPR).
6. Load the timer start value into the GPTM Timer n Interval Load Register (GPT:TnILR).
7. Load the event count into the GPTM Timer n Match Register (GPT:TnMATCHR).
8. If interrupts are required, set the GPTM Interrupt Mask Register (GPT:IMR) CnMIM bit.
9. Set the GPT:CTL TnEN register bit to enable the timer and begin waiting for edge events.
10. Poll the GPT:RIS CnMRIS register bit, or wait for the interrupt to be generated (if enabled). In both
cases, the status flags are cleared by writing a 1 to the GPTM Interrupt Clear Register (GPT:ICR)
CnMCINT bit.
When counting down in input edge-count mode, the timer stops after the programmed number of edge
events is detected. To re-enable the timer, ensure that the TnEN bit is cleared and repeat step 4 through
step 9.
13.4.3 Input Edge-timing Mode
A timer is configured to input edge-timing mode by the following sequence:
1. Ensure the timer is disabled (the TAEN bit is cleared) before making any changes.
2. Write the GPTM Configuration Register (GPT:CFG) with a value of 0x0000 0004.
3. In the GPTM Timer Mode Register (GPT:TnMR), write the TnCM field to 0x1 and write the TnMR field
to 0x3.
4. Configure the type of events that the timer captures by writing the GPTM Control Register (GPT:CTL)
TnEVENT field.
5. If a prescaler is to be used, write the prescale value to the GPTM Timer n Prescale Register
(GPT:TnPR).
6. Load the timer start value into the GPTM Timer n Interval Load Register (GPT:TnILR).
7. If interrupts are required, set the GPTM Interrupt Mask Register (GPT:IMR) CnMIM bit.
8. Set the GPT:CTL TnEN register bit to enable the timer and start counting.
9. Poll the GPT:RIS CnMRIS register bit, or wait for the interrupt to be generated (if enabled). In both
cases, the status flags are cleared by writing a 1 to the GPTM Interrupt Clear Register (GPT:ICR)
CnMCINT bit.
In input-edge timing mode, the timer continues to run after an edge event is detected, but the timer
interval can be changed at any time by writing the GPT:TnILR register. The change takes effect at the
next cycle after the write.

www.ti.com
Initialization and Configuration
1195
SWCU117F–February 2015–Revised June 2016
Submit Documentation Feedback Copyright © 2015–2016, Texas Instruments Incorporated
Timers
13.4.4 PWM Mode
A timer is configured to PWM mode using the following sequence:
1. Ensure the timer is disabled (clear the TnEN bit) before making any changes.
2. Write the GPTM Configuration Register (GPT:CFG) with a value of 0x0000 0004.
3. In the GPTM Timer Mode Register (GPT:TnMR), write the TnCMR field to 0x1 and write the TnMR
field to 0x2.
4. Configure the output state of the PWM signal (whether or not it is inverted) in the GPTM Control
Register (GPT:CTL) TnPWML field.
5. If a prescaler is to be used, write the prescale value to the GPTM Timer n Prescale Register
(GPT:TnPR).
6. If PWM interrupts are used, configure the interrupt condition in the GPT:CTL TnEVENT register field,
and enable the interrupts by setting the GPT:TnMR TnPWMIE register bit.
7. Load the timer start value into the GPTM Timer n Interval Load Register (GPT:TnILR).
8. Load the GPTM Timer n Match Register (GPT:TnMATCHR) with the match value.
9. Set the GPTM Control Register (GPT:CTL) TnEN bit to enable the timer and begin generation of the
output PWM signal.
In PWM timing mode, the timer continues to run after the PWM signal is generated. The PWM period can
be adjusted at any time by writing the GPT:TnILR register, and the change takes effect at the next cycle
after the write.
13.4.5 Producing DMA Trigger Events
The GPT can produce DMA trigger events through the event handler. Single or burst requests can be
passed to the µDMA controller by selecting the trigger source for µDMA channels through the event fabric.
Each timer only produces one signal per A and B, but this signal can be selected as either single or burst
in the event module. The DMA done interrupt is routed back to the timer module that originated the trigger.
The following is a procedure for configuring µDMA triggers by GPT events.
1. Configure the GPT operation.
2. Configure the GPT:DMAEV register to enable the appropriate timer event to DMA. The application can
select a match, capture, or time-out event for each timer.
3. Configure the event fabric (see Chapter 4,Interrupts and Events) to select the appropriate timer. The
event fabric supports five channels for the GPT DMA event, out of which four are dedicated to the GPT
block. These dedicated channels are: 9, 10, 11, and 12. Single requests and burst requests are
supported on channels 9 through 12 for GPT DMA events. The fifth supported channel is 14, which is
configurable for GPT support and handles only burst requests. The configuration is done through the
EVENT:UDMACHcrSEL register where cis channel number and ris either S (single) or B (burst)
option. The configuration for channel 14 can be done using the EVENT:UDMACH14BSEL register.
Each timer produces only one signal per A and B, but this signal can be selected as either single or
burst in the event module.
4. Enable the GPT.
5. The DMA done interrupt is routed back to the timer module that originated the trigger. The GPT:RIS
DMAnRIS register bit gives the DMA transfer completed information.

General-purpose Timer Registers
www.ti.com
1196 SWCU117F–February 2015–Revised June 2016
Submit Documentation Feedback
Copyright © 2015–2016, Texas Instruments Incorporated
Timers
13.5 General-purpose Timer Registers
13.5.1 GPT Registers
Table 13-7 lists the memory-mapped registers for the GPT. All register offset addresses not listed in
Table 13-7 should be considered as reserved locations and the register contents should not be modified.
Table 13-7. GPT Registers
Offset Acronym Register Name Section
0h CFG Configuration Section 13.5.1.1
4h TAMR Timer A Mode Section 13.5.1.2
8h TBMR Timer B Mode Section 13.5.1.3
Ch CTL Control Section 13.5.1.4
10h SYNC Synch Register Section 13.5.1.5
18h IMR Interrupt Mask Section 13.5.1.6
1Ch RIS Raw Interrupt Status Section 13.5.1.7
20h MIS Masked Interrupt Status Section 13.5.1.8
24h ICLR Interrupt Clear Section 13.5.1.9
28h TAILR Timer A Interval Load Register Section 13.5.1.10
2Ch TBILR Timer B Interval Load Register Section 13.5.1.11
30h TAMATCHR Timer A Match Register Section 13.5.1.12
34h TBMATCHR Timer B Match Register Section 13.5.1.13
38h TAPR Timer A Pre-scale Section 13.5.1.14
3Ch TBPR Timer B Pre-scale Section 13.5.1.15
40h TAPMR Timer A Pre-scale Match Section 13.5.1.16
44h TBPMR Timer B Pre-scale Match Section 13.5.1.17
48h TAR Timer A Register Section 13.5.1.18
4Ch TBR Timer B Register Section 13.5.1.19
50h TAV Timer A Value Section 13.5.1.20
54h TBV Timer B Value Section 13.5.1.21
5Ch TAPS Timer A Pre-scale Snap-shot Section 13.5.1.22
60h TBPS Timer B Pre-scale Snap-shot Section 13.5.1.23
64h TAPV Timer A Pre-scale Value Section 13.5.1.24
68h TBPV Timer B Pre-scale Value Section 13.5.1.25
6Ch DMAEV DMA Event Section 13.5.1.26
FB0h VERSION Peripheral Version Section 13.5.1.27
FB4h ANDCCP Combined CCP Output Section 13.5.1.28

www.ti.com
General-purpose Timer Registers
1197
SWCU117F–February 2015–Revised June 2016
Submit Documentation Feedback Copyright © 2015–2016, Texas Instruments Incorporated
Timers
13.5.1.1 CFG Register (Offset = 0h) [reset = 0h]
CFG is shown in Figure 13-9 and described in Table 13-8.
Return to Summary Table.
Configuration
Figure 13-9. CFG Register
31 30 29 28 27 26 25 24 23 22 21 20 19 18 17 16 15 14 13 12 11 10 9 8 7 6 5 4 3 2 1 0
RESERVED CFG
R-0h R/W-0h
Table 13-8. CFG Register Field Descriptions
Bit Field Type Reset Description
31-3 RESERVED R 0h Software should not rely on the value of a reserved. Writing any
other value than the reset value may result in undefined behavior.
2-0 CFG R/W 0h GPT Configuration
0x2- 0x3 - Reserved
0x5- 0x7 - Reserved
0h = 32BIT_TIMER : 32-bit timer configuration
4h = 16BIT_TIMER : 16-bit timer configuration.
Configure for two 16-bit timers.
Also see TAMR.TAMR and TBMR.TBMR.

General-purpose Timer Registers
www.ti.com
1198 SWCU117F–February 2015–Revised June 2016
Submit Documentation Feedback
Copyright © 2015–2016, Texas Instruments Incorporated
Timers
13.5.1.2 TAMR Register (Offset = 4h) [reset = 0h]
TAMR is shown in Figure 13-10 and described in Table 13-9.
Return to Summary Table.
Timer A Mode
Figure 13-10. TAMR Register
31 30 29 28 27 26 25 24
RESERVED
R-0h
23 22 21 20 19 18 17 16
RESERVED
R-0h
15 14 13 12 11 10 9 8
TCACT TACINTD TAPLO TAMRSU TAPWMIE TAILD
R/W-0h R/W-0h R/W-0h R/W-0h R/W-0h R/W-0h
76543210
TASNAPS TAWOT TAMIE TACDIR TAAMS TACM TAMR
R/W-0h R/W-0h R/W-0h R/W-0h R/W-0h R/W-0h R/W-0h
Table 13-9. TAMR Register Field Descriptions
Bit Field Type Reset Description
31-16 RESERVED R 0h Software should not rely on the value of a reserved. Writing any
other value than the reset value may result in undefined behavior.
15-13 TCACT R/W 0h Timer Compare Action Select
0h = DIS_CMP : Disable compare operations
1h = Toggle State on Time-Out
2h = Clear CCP output pin on Time-Out
3h = Set CCP output pin on Time-Out
4h = Set CCP output pin immediately and toggle on Time-Out
5h = Clear CCP output pin immediately and toggle on Time-Out
6h = Set CCP output pin immediately and clear on Time-Out
7h = Clear CCP output pin immediately and set on Time-Out
12 TACINTD R/W 0h One-Shot/Periodic Interrupt Disable
0h = Time-out interrupt function as normal
1h = Time-out interrupt are disabled
11 TAPLO R/W 0h GPTM Timer A PWM Legacy Operation
0 Legacy operation with CCP pin driven Low when the TAILR
register is reloaded after the timer reaches 0.
1 CCP is driven High when the TAILR register is reloaded after the
timer reaches 0.
This bit is only valid in PWM mode.
0h = Legacy operation
1h = CCP output pin is set to 1 on time-out
10 TAMRSU R/W 0h Timer A Match Register Update mode
This bit defines when the TAMATCHR and TAPR registers are
updated.
If the timer is disabled (CTL.TAEN = 0) when this bit is set,
TAMATCHR and TAPR are updated when the timer is enabled.
If the timer is stalled (CTL.TASTALL = 1) when this bit is set,
TAMATCHR and TAPR are updated according to the configuration
of this bit.
0h = Update TAMATCHR and TAPR, if used, on the next cycle.
1h = Update TAMATCHR and TAPR, if used, on the next time-out.

www.ti.com
General-purpose Timer Registers
1199
SWCU117F–February 2015–Revised June 2016
Submit Documentation Feedback Copyright © 2015–2016, Texas Instruments Incorporated
Timers
Table 13-9. TAMR Register Field Descriptions (continued)
Bit Field Type Reset Description
9 TAPWMIE R/W 0h GPTM Timer A PWM Interrupt Enable
This bit enables interrupts in PWM mode on rising, falling, or both
edges of the CCP output, as defined by the CTL.TAEVENT
In addition, when this bit is set and a capture event occurs, Timer A
automatically generates triggers to the DMA if the trigger capability is
enabled by setting the CTL.TAOTE bit and the DMAEV.CAEDMAEN
bit respectively.
0 Capture event interrupt is disabled.
1 Capture event interrupt is enabled.
This bit is only valid in PWM mode.
0h = Interrupt is disabled.
1h = Interrupt is enabled. This bit is only valid in PWM mode.
8 TAILD R/W 0h GPT Timer A PWM Interval Load Write
0h = Update the TAR register with the value in the TAILR register on
the next clock cycle. If the pre-scaler is used, update the TAPS
register with the value in the TAPR register on the next clock cycle.
1h = Update the TAR register with the value in the TAILR register on
the next timeout. If the prescaler is used, update the TAPS register
with the value in the TAPR register on the next timeout.
7 TASNAPS R/W 0h GPT Timer A Snap-Shot Mode
0h = Snap-shot mode is disabled.
1h = If Timer A is configured in the periodic mode, the actual free-
running value of Timer A is loaded at the time-out event into the GPT
Timer A (TAR) register.
6 TAWOT R/W 0h GPT Timer A Wait-On-Trigger
0h = Timer A begins counting as soon as it is enabled.
1h = If Timer A is enabled (CTL.TAEN = 1), Timer A does not begin
counting until it receives a trigger from the timer in the previous
position in the daisy chain. This bit must be clear for GPT Module 0,
Timer A. This function is valid for one-shot, periodic, and PWM
modes
5 TAMIE R/W 0h GPT Timer A Match Interrupt Enable
0h = The match interrupt is disabled for match events. Additionally,
output triggers on match events are prevented.
1h = An interrupt is generated when the match value in TAMATCHR
is reached in the one-shot and periodic modes.
4 TACDIR R/W 0h GPT Timer A Count Direction
0h = DOWN : The timer counts down.
1h = UP : The timer counts up. When counting up, the timer starts
from a value of 0x0.
3 TAAMS R/W 0h GPT Timer A Alternate Mode
Note: To enable PWM mode, you must also clear TACM and then
configure TAMR field to 0x2.
0h = Capture/Compare mode is enabled.
1h = PWM mode is enabled
2 TACM R/W 0h GPT Timer A Capture Mode
0h = EDGCNT : Edge-Count mode
1h = EDGTIME : Edge-Time mode
1-0 TAMR R/W 0h GPT Timer A Mode
0x0 Reserved
0x1 One-Shot Timer mode
0x2 Periodic Timer mode
0x3 Capture mode
The Timer mode is based on the timer configuration defined by bits
2:0 in the CFG register
1h = One-Shot Timer mode
2h = Periodic Timer mode
3h = Capture mode

General-purpose Timer Registers
www.ti.com
1200 SWCU117F–February 2015–Revised June 2016
Submit Documentation Feedback
Copyright © 2015–2016, Texas Instruments Incorporated
Timers
13.5.1.3 TBMR Register (Offset = 8h) [reset = 0h]
TBMR is shown in Figure 13-11 and described in Table 13-10.
Return to Summary Table.
Timer B Mode
Figure 13-11. TBMR Register
31 30 29 28 27 26 25 24
RESERVED
R-0h
23 22 21 20 19 18 17 16
RESERVED
R-0h
15 14 13 12 11 10 9 8
TCACT TBCINTD TBPLO TBMRSU TBPWMIE TBILD
R/W-0h R/W-0h R/W-0h R/W-0h R/W-0h R/W-0h
76543210
TBSNAPS TBWOT TBMIE TBCDIR TBAMS TBCM TBMR
R/W-0h R/W-0h R/W-0h R/W-0h R/W-0h R/W-0h R/W-0h
Table 13-10. TBMR Register Field Descriptions
Bit Field Type Reset Description
31-16 RESERVED R 0h Software should not rely on the value of a reserved. Writing any
other value than the reset value may result in undefined behavior.
15-13 TCACT R/W 0h Timer Compare Action Select
0h = DIS_CMP : Disable compare operations
1h = Toggle State on Time-Out
2h = Clear CCP output pin on Time-Out
3h = Set CCP output pin on Time-Out
4h = Set CCP output pin immediately and toggle on Time-Out
5h = Clear CCP output pin immediately and toggle on Time-Out
6h = Set CCP output pin immediately and clear on Time-Out
7h = Clear CCP output pin immediately and set on Time-Out
12 TBCINTD R/W 0h One-Shot/Periodic Interrupt Mode
0h = Normal Time-Out Interrupt
1h = Mask Time-Out Interrupt
11 TBPLO R/W 0h GPTM Timer B PWM Legacy Operation
0 Legacy operation with CCP pin driven Low when the TBILR
register is reloaded after the timer reaches 0.
1 CCP is driven High when the TBILR register is reloaded after the
timer reaches 0.
This bit is only valid in PWM mode.
0h = Legacy operation
1h = CCP output pin is set to 1 on time-out
10 TBMRSU R/W 0h Timer B Match Register Update mode
This bit defines when the TBMATCHR and TBPR registers are
updated
If the timer is disabled (CTL.TBEN is clear) when this bit is set,
TBMATCHR and TBPR are updated when the timer is enabled.
If the timer is stalled (CTL.TBSTALL is set) when this bit is set,
TBMATCHR and TBPR are updated according to the configuration
of this bit.
0h = Update TBMATCHR and TBPR, if used on the next cycle.
1h = Update the TBMATCHR and the TBPR, if used on the next
time-out.

www.ti.com
General-purpose Timer Registers
1201
SWCU117F–February 2015–Revised June 2016
Submit Documentation Feedback Copyright © 2015–2016, Texas Instruments Incorporated
Timers
Table 13-10. TBMR Register Field Descriptions (continued)
Bit Field Type Reset Description
9 TBPWMIE R/W 0h GPTM Timer B PWM Interrupt Enable
This bit enables interrupts in PWM mode on rising, falling, or both
edges of the CCP output, as defined by the CTL.TBEVENT
In addition, when this bit is set and a capture event occurs, Timer A
automatically generates triggers to the DMA if the trigger capability is
enabled by setting the CTL.TBOTE bit and the DMAEV.CBEDMAEN
bit respectively.
0 Capture event interrupt is disabled.
1 Capture event interrupt is enabled.
This bit is only valid in PWM mode.
0h = Interrupt is disabled.
1h = Interrupt is enabled. This bit is only valid in PWM mode.
8 TBILD R/W 0h GPT Timer B PWM Interval Load Write
0h = Update the TBR register with the value in the TBILR register on
the next clock cycle. If the prescaler is used, update the TBPS
register with the value in the TBPR register on the next timeout.
1h = Update the TBR register with the value in the TBILR register on
the next timeout. If the prescaler is used, update the TBPS register
with the value in the TBPR register on the next timeout.
7 TBSNAPS R/W 0h GPT Timer B Snap-Shot Mode
0h = Snap-shot mode is disabled.
1h = If Timer B is configured in the periodic mode
6 TBWOT R/W 0h GPT Timer B Wait-On-Trigger
0h = Timer B begins counting as soon as it is enabled.
1h = If Timer B is enabled (CTL.TBEN is set), Timer B does not
begin counting until it receives a trigger from the timer in the
previous position in the daisy chain. This function is valid for one-
shot, periodic, and PWM modes
5 TBMIE R/W 0h GPT Timer B Match Interrupt Enable.
0h = The match interrupt is disabled for match events. Additionally,
output triggers on match events are prevented.
1h = An interrupt is generated when the match value in the
TBMATCHR register is reached in the one-shot and periodic modes.
4 TBCDIR R/W 0h grep
0h = DOWN : The timer counts down.
1h = UP : The timer counts up. When counting up, the timer starts
from a value of 0x0.
3 TBAMS R/W 0h GPT Timer B Alternate Mode
Note: To enable PWM mode, you must also clear TBCM bit and
configure TBMR field to 0x2.
0h = Capture/Compare mode is enabled.
1h = PWM mode is enabled
2 TBCM R/W 0h GPT Timer B Capture Mode
0h = EDGCNT : Edge-Count mode
1h = EDGTIME : Edge-Time mode
1-0 TBMR R/W 0h GPT Timer B Mode
0x0 Reserved
0x1 One-Shot Timer mode
0x2 Periodic Timer mode
0x3 Capture mode
The Timer mode is based on the timer configuration defined by bits
2:0 in the CFG register
1h = One-Shot Timer mode
2h = Periodic Timer mode
3h = Capture mode

General-purpose Timer Registers
www.ti.com
1202 SWCU117F–February 2015–Revised June 2016
Submit Documentation Feedback
Copyright © 2015–2016, Texas Instruments Incorporated
Timers
13.5.1.4 CTL Register (Offset = Ch) [reset = 0h]
CTL is shown in Figure 13-12 and described in Table 13-11.
Return to Summary Table.
Control
Figure 13-12. CTL Register
31 30 29 28 27 26 25 24
RESERVED
R-0h
23 22 21 20 19 18 17 16
RESERVED
R-0h
15 14 13 12 11 10 9 8
RESERVED TBPWML RESERVED TBEVENT TBSTALL TBEN
R-0h R/W-0h R/W-0h R/W-0h R/W-0h R/W-0h
76543210
RESERVED TAPWML RESERVED TAEVENT TASTALL TAEN
R-0h R/W-0h R/W-0h R/W-0h R/W-0h R/W-0h
Table 13-11. CTL Register Field Descriptions
Bit Field Type Reset Description
31-15 RESERVED R 0h Software should not rely on the value of a reserved. Writing any
other value than the reset value may result in undefined behavior.
14 TBPWML R/W 0h GPT Timer B PWM Output Level
0: Output is unaffected.
1: Output is inverted.
0h = Not inverted
1h = Inverted
13-12 RESERVED R/W 0h Software should not rely on the value of a reserved. Writing any
other value than the reset value may result in undefined behavior.
11-10 TBEVENT R/W 0h GPT Timer B Event Mode
The values in this register are defined as follows:
Value Description
0x0 Positive edge
0x1 Negative edge
0x2 Reserved
0x3 Both edges
Note: If PWM output inversion is enabled, edge detection interrupt
behavior is reversed. Thus, if a positive-edge interrupt trigger
has been set and the PWM inversion generates a postive
edge, no event-trigger interrupt asserts. Instead, the interrupt
is generated on the negative edge of the PWM signal.
0h = Positive edge
1h = Negative edge
3h = Both edges
9 TBSTALL R/W 0h GPT Timer B Stall Enable
0h = Timer B continues counting while the processor is halted by the
debugger.
1h = Timer B freezes counting while the processor is halted by the
debugger.
8 TBEN R/W 0h GPT Timer B Enable
0h = Timer B is disabled.
1h = Timer B is enabled and begins counting or the capture logic is
enabled based on CFG register.
7 RESERVED R 0h Software should not rely on the value of a reserved. Writing any
other value than the reset value may result in undefined behavior.

www.ti.com
General-purpose Timer Registers
1203
SWCU117F–February 2015–Revised June 2016
Submit Documentation Feedback Copyright © 2015–2016, Texas Instruments Incorporated
Timers
Table 13-11. CTL Register Field Descriptions (continued)
Bit Field Type Reset Description
6 TAPWML R/W 0h GPT Timer A PWM Output Level
0h = Not inverted
1h = Inverted
5-4 RESERVED R/W 0h Software should not rely on the value of a reserved. Writing any
other value than the reset value may result in undefined behavior.
3-2 TAEVENT R/W 0h GPT Timer A Event Mode
The values in this register are defined as follows:
Value Description
0x0 Positive edge
0x1 Negative edge
0x2 Reserved
0x3 Both edges
Note: If PWM output inversion is enabled, edge detection interrupt
behavior is reversed. Thus, if a positive-edge interrupt trigger
has been set and the PWM inversion generates a postive
edge, no event-trigger interrupt asserts. Instead, the interrupt
is generated on the negative edge of the PWM signal.
0h = Positive edge
1h = Negative edge
3h = Both edges
1 TASTALL R/W 0h GPT Timer A Stall Enable
0h = Timer A continues counting while the processor is halted by the
debugger.
1h = Timer A freezes counting while the processor is halted by the
debugger.
0 TAEN R/W 0h GPT Timer A Enable
0h = Timer A is disabled.
1h = Timer A is enabled and begins counting or the capture logic is
enabled based on the CFG register.

General-purpose Timer Registers
www.ti.com
1204 SWCU117F–February 2015–Revised June 2016
Submit Documentation Feedback
Copyright © 2015–2016, Texas Instruments Incorporated
Timers
13.5.1.5 SYNC Register (Offset = 10h) [reset = 0h]
SYNC is shown in Figure 13-13 and described in Table 13-12.
Return to Summary Table.
Synch Register
Figure 13-13. SYNC Register
31 30 29 28 27 26 25 24 23 22 21 20 19 18 17 16
RESERVED
R-0h
15 14 13 12 11 10 9 8 7 6 5 4 3 2 1 0
RESERVED SYNC3 SYNC2 SYNC1 SYNC0
R-0h W-0h W-0h W-0h W-0h
Table 13-12. SYNC Register Field Descriptions
Bit Field Type Reset Description
31-8 RESERVED R 0h Software should not rely on the value of a reserved. Writing any
other value than the reset value may result in undefined behavior.
7-6 SYNC3 W 0h Synchronize GPT Timer 3.
0h = No Sync. GPT3 is not affected.
1h = A timeout event for Timer A of GPT3 is triggered
2h = A timeout event for Timer B of GPT3 is triggered
3h = A timeout event for both Timer A and Timer B of GPT3 is
triggered
5-4 SYNC2 W 0h Synchronize GPT Timer 2.
0h = No Sync. GPT2 is not affected.
1h = A timeout event for Timer A of GPT2 is triggered
2h = A timeout event for Timer B of GPT2 is triggered
3h = A timeout event for both Timer A and Timer B of GPT2 is
triggered
3-2 SYNC1 W 0h Synchronize GPT Timer 1
0h = No Sync. GPT1 is not affected.
1h = A timeout event for Timer A of GPT1 is triggered
2h = A timeout event for Timer B of GPT1 is triggered
3h = A timeout event for both Timer A and Timer B of GPT1 is
triggered
1-0 SYNC0 W 0h Synchronize GPT Timer 0
0h = No Sync. GPT0 is not affected.
1h = A timeout event for Timer A of GPT0 is triggered
2h = A timeout event for Timer B of GPT0 is triggered
3h = A timeout event for both Timer A and Timer B of GPT0 is
triggered

www.ti.com
General-purpose Timer Registers
1205
SWCU117F–February 2015–Revised June 2016
Submit Documentation Feedback Copyright © 2015–2016, Texas Instruments Incorporated
Timers
13.5.1.6 IMR Register (Offset = 18h) [reset = 0h]
IMR is shown in Figure 13-14 and described in Table 13-13.
Return to Summary Table.
Interrupt Mask
This register is used to enable the interrupts.
Associated registers:
RIS, MIS, ICLR
Figure 13-14. IMR Register
31 30 29 28 27 26 25 24
RESERVED
R-0h
23 22 21 20 19 18 17 16
RESERVED
R-0h
15 14 13 12 11 10 9 8
RESERVED DMABIM RESERVED TBMIM CBEIM CBMIM TBTOIM
R-0h R/W-0h R-0h R/W-0h R/W-0h R/W-0h R/W-0h
76543210
RESERVED DMAAIM TAMIM RESERVED CAEIM CAMIM TATOIM
R-0h R/W-0h R/W-0h R/W-0h R/W-0h R/W-0h R/W-0h
Table 13-13. IMR Register Field Descriptions
Bit Field Type Reset Description
31-14 RESERVED R 0h Software should not rely on the value of a reserved. Writing any
other value than the reset value may result in undefined behavior.
13 DMABIM R/W 0h Enabling this bit will make the RIS.DMABRIS interrupt propagate to
MIS.DMABMIS
0h = Disable Interrupt
1h = Enable Interrupt
12 RESERVED R 0h Software should not rely on the value of a reserved. Writing any
other value than the reset value may result in undefined behavior.
11 TBMIM R/W 0h Enabling this bit will make the RIS.TBMRIS interrupt propagate to
MIS.TBMMIS
0h = Disable Interrupt
1h = Enable Interrupt
10 CBEIM R/W 0h Enabling this bit will make the RIS.CBERIS interrupt propagate to
MIS.CBEMIS
0h = Disable Interrupt
1h = Enable Interrupt
9 CBMIM R/W 0h Enabling this bit will make the RIS.CBMRIS interrupt propagate to
MIS.CBMMIS
0h = Disable Interrupt
1h = Enable Interrupt
8 TBTOIM R/W 0h Enabling this bit will make the RIS.TBTORIS interrupt propagate to
MIS.TBTOMIS
0h = Disable Interrupt
1h = Enable Interrupt
7-6 RESERVED R 0h Software should not rely on the value of a reserved. Writing any
other value than the reset value may result in undefined behavior.

General-purpose Timer Registers
www.ti.com
1206 SWCU117F–February 2015–Revised June 2016
Submit Documentation Feedback
Copyright © 2015–2016, Texas Instruments Incorporated
Timers
Table 13-13. IMR Register Field Descriptions (continued)
Bit Field Type Reset Description
5 DMAAIM R/W 0h Enabling this bit will make the RIS.DMAARIS interrupt propagate to
MIS.DMAAMIS
0h = Disable Interrupt
1h = Enable Interrupt
4 TAMIM R/W 0h Enabling this bit will make the RIS.TAMRIS interrupt propagate to
MIS.TAMMIS
0h = Disable Interrupt
1h = Enable Interrupt
3 RESERVED R/W 0h Software should not rely on the value of a reserved. Writing any
other value than the reset value may result in undefined behavior.
2 CAEIM R/W 0h Enabling this bit will make the RIS.CAERIS interrupt propagate to
MIS.CAEMIS
0h = Disable Interrupt
1h = Enable Interrupt
1 CAMIM R/W 0h Enabling this bit will make the RIS.CAMRIS interrupt propagate to
MIS.CAMMIS
0h = Disable Interrupt
1h = Enable Interrupt
0 TATOIM R/W 0h Enabling this bit will make the RIS.TATORIS interrupt propagate to
MIS.TATOMIS
0h = Disable Interrupt
1h = Enable Interrupt

www.ti.com
General-purpose Timer Registers
1207
SWCU117F–February 2015–Revised June 2016
Submit Documentation Feedback Copyright © 2015–2016, Texas Instruments Incorporated
Timers
13.5.1.7 RIS Register (Offset = 1Ch) [reset = 0h]
RIS is shown in Figure 13-15 and described in Table 13-14.
Return to Summary Table.
Raw Interrupt Status
Associated registers:
IMR, MIS, ICLR
Figure 13-15. RIS Register
31 30 29 28 27 26 25 24
RESERVED
R-0h
23 22 21 20 19 18 17 16
RESERVED
R-0h
15 14 13 12 11 10 9 8
RESERVED DMABRIS RESERVED TBMRIS CBERIS CBMRIS TBTORIS
R-0h R-0h R-0h R-0h R-0h R-0h R-0h
76543210
RESERVED DMAARIS TAMRIS RESERVED CAERIS CAMRIS TATORIS
R-0h R-0h R-0h R-0h R-0h R-0h R-0h
Table 13-14. RIS Register Field Descriptions
Bit Field Type Reset Description
31-14 RESERVED R 0h Software should not rely on the value of a reserved. Writing any
other value than the reset value may result in undefined behavior.
13 DMABRIS R 0h GPT Timer B DMA Done Raw Interrupt Status
0: Transfer has not completed
1: Transfer has completed
12 RESERVED R 0h Software should not rely on the value of a reserved. Writing any
other value than the reset value may result in undefined behavior.
11 TBMRIS R 0h GPT Timer B Match Raw Interrupt
0: The match value has not been reached
1: The match value is reached.
TBMR.TBMIE is set, and the match values in TBMATCHR and
optionally TBPMR have been reached when configured in one-shot
or periodic mode.
10 CBERIS R 0h GPT Timer B Capture Mode Event Raw Interrupt
0: The event has not occured.
1: The event has occured.
This interrupt asserts when the subtimer is configured in Input Edge-
Time mode
9 CBMRIS R 0h GPT Timer B Capture Mode Match Raw Interrupt
0: The capture mode match for Timer B has not occurred.
1: A capture mode match has occurred for Timer B. This interrupt
asserts when the values in the TBR and TBPR
match the values in the TBMATCHR and TBPMR
when configured in Input Edge-Time mode.
This bit is cleared by writing a 1 to the ICLR.CBMCINT bit.
8 TBTORIS R 0h GPT Timer B Time-out Raw Interrupt
0: Timer B has not timed out
1: Timer B has timed out.
This interrupt is asserted when a one-shot or periodic mode timer
reaches its count limit. The count limit is 0 or the value loaded into
TBILR, depending on the count direction.
7-6 RESERVED R 0h Software should not rely on the value of a reserved. Writing any
other value than the reset value may result in undefined behavior.

General-purpose Timer Registers
www.ti.com
1208 SWCU117F–February 2015–Revised June 2016
Submit Documentation Feedback
Copyright © 2015–2016, Texas Instruments Incorporated
Timers
Table 13-14. RIS Register Field Descriptions (continued)
Bit Field Type Reset Description
5 DMAARIS R 0h GPT Timer A DMA Done Raw Interrupt Status
0: Transfer has not completed
1: Transfer has completed
4 TAMRIS R 0h GPT Timer A Match Raw Interrupt
0: The match value has not been reached
1: The match value is reached.
TAMR.TAMIE is set, and the match values in TAMATCHR and
optionally TAPMR have been reached when configured in one-shot
or periodic mode.
3 RESERVED R 0h Software should not rely on the value of a reserved. Writing any
other value than the reset value may result in undefined behavior.
2 CAERIS R 0h GPT Timer A Capture Mode Event Raw Interrupt
0: The event has not occured.
1: The event has occured.
This interrupt asserts when the subtimer is configured in Input Edge-
Time mode
1 CAMRIS R 0h GPT Timer A Capture Mode Match Raw Interrupt
0: The capture mode match for Timer A has not occurred.
1: A capture mode match has occurred for Timer A. This interrupt
asserts when the values in the TAR and TAPR
match the values in the TAMATCHR and TAPMR
when configured in Input Edge-Time mode.
This bit is cleared by writing a 1 to the ICLR.CAMCINT bit.
0 TATORIS R 0h GPT Timer A Time-out Raw Interrupt
0: Timer A has not timed out
1: Timer A has timed out.
This interrupt is asserted when a one-shot or periodic mode timer
reaches its count limit. The count limit is 0 or the value loaded into
TAILR, depending on the count direction.

www.ti.com
General-purpose Timer Registers
1209
SWCU117F–February 2015–Revised June 2016
Submit Documentation Feedback Copyright © 2015–2016, Texas Instruments Incorporated
Timers
13.5.1.8 MIS Register (Offset = 20h) [reset = 0h]
MIS is shown in Figure 13-16 and described in Table 13-15.
Return to Summary Table.
Masked Interrupt Status
Values are result of bitwise AND operation between RIS and IMR
Assosciated clear register: ICLR
Figure 13-16. MIS Register
31 30 29 28 27 26 25 24
RESERVED
R-0h
23 22 21 20 19 18 17 16
RESERVED
R-0h
15 14 13 12 11 10 9 8
RESERVED DMABMIS RESERVED TBMMIS CBEMIS CBMMIS TBTOMIS
R-0h R-0h R-0h R-0h R-0h R-0h R-0h
76543210
RESERVED DMAAMIS TAMMIS RESERVED CAEMIS CAMMIS TATOMIS
R-0h R-0h R-0h R-0h R-0h R-0h R-0h
Table 13-15. MIS Register Field Descriptions
Bit Field Type Reset Description
31-14 RESERVED R 0h Software should not rely on the value of a reserved. Writing any
other value than the reset value may result in undefined behavior.
13 DMABMIS R 0h 0: No interrupt or interrupt not enabled
1: RIS.DMABRIS = 1 && IMR.DMABIM = 1
12 RESERVED R 0h Software should not rely on the value of a reserved. Writing any
other value than the reset value may result in undefined behavior.
11 TBMMIS R 0h 0: No interrupt or interrupt not enabled
1: RIS.TBMRIS = 1 && IMR.TBMIM = 1
10 CBEMIS R 0h 0: No interrupt or interrupt not enabled
1: RIS.CBERIS = 1 && IMR.CBEIM = 1
9 CBMMIS R 0h 0: No interrupt or interrupt not enabled
1: RIS.CBMRIS = 1 && IMR.CBMIM = 1
8 TBTOMIS R 0h 0: No interrupt or interrupt not enabled
1: RIS.TBTORIS = 1 && IMR.TBTOIM = 1
7-6 RESERVED R 0h Software should not rely on the value of a reserved. Writing any
other value than the reset value may result in undefined behavior.
5 DMAAMIS R 0h 0: No interrupt or interrupt not enabled
1: RIS.DMAARIS = 1 && IMR.DMAAIM = 1
4 TAMMIS R 0h 0: No interrupt or interrupt not enabled
1: RIS.TAMRIS = 1 && IMR.TAMIM = 1
3 RESERVED R 0h Software should not rely on the value of a reserved. Writing any
other value than the reset value may result in undefined behavior.
2 CAEMIS R 0h 0: No interrupt or interrupt not enabled
1: RIS.CAERIS = 1 && IMR.CAEIM = 1
1 CAMMIS R 0h 0: No interrupt or interrupt not enabled
1: RIS.CAMRIS = 1 && IMR.CAMIM = 1
0 TATOMIS R 0h 0: No interrupt or interrupt not enabled
1: RIS.TATORIS = 1 && IMR.TATOIM = 1

General-purpose Timer Registers
www.ti.com
1210 SWCU117F–February 2015–Revised June 2016
Submit Documentation Feedback
Copyright © 2015–2016, Texas Instruments Incorporated
Timers
13.5.1.9 ICLR Register (Offset = 24h) [reset = 0h]
ICLR is shown in Figure 13-17 and described in Table 13-16.
Return to Summary Table.
Interrupt Clear
This register is used to clear status bits in the RIS and MIS registers
Figure 13-17. ICLR Register
31 30 29 28 27 26 25 24
RESERVED
R-0h
23 22 21 20 19 18 17 16
RESERVED
R-0h
15 14 13 12 11 10 9 8
RESERVED DMABINT RESERVED TBMCINT CBECINT CBMCINT TBTOCINT
R-0h R/W1C-0h R/W-0h R/W1C-0h R/W1C-0h R/W1C-0h R/W1C-0h
76543210
RESERVED DMAAINT TAMCINT RESERVED CAECINT CAMCINT TATOCINT
R-0h R/W1C-0h R/W1C-0h R/W1C-0h R/W1C-0h R/W1C-0h R/W1C-0h
Table 13-16. ICLR Register Field Descriptions
Bit Field Type Reset Description
31-14 RESERVED R 0h Software should not rely on the value of a reserved. Writing any
other value than the reset value may result in undefined behavior.
13 DMABINT R/W1C 0h 0: Do nothing.
1: Clear RIS.DMABRIS and MIS.DMABMIS
12 RESERVED R/W 0h Software should not rely on the value of a reserved. Writing any
other value than the reset value may result in undefined behavior.
11 TBMCINT R/W1C 0h 0: Do nothing.
1: Clear RIS.TBMRIS and MIS.TBMMIS
10 CBECINT R/W1C 0h 0: Do nothing.
1: Clear RIS.CBERIS and MIS.CBEMIS
9 CBMCINT R/W1C 0h 0: Do nothing.
1: Clear RIS.CBMRIS and MIS.CBMMIS
8 TBTOCINT R/W1C 0h 0: Do nothing.
1: Clear RIS.TBTORIS and MIS.TBTOMIS
7-6 RESERVED R 0h Software should not rely on the value of a reserved. Writing any
other value than the reset value may result in undefined behavior.
5 DMAAINT R/W1C 0h 0: Do nothing.
1: Clear RIS.DMAARIS and MIS.DMAAMIS
4 TAMCINT R/W1C 0h 0: Do nothing.
1: Clear RIS.TAMRIS and MIS.TAMMIS
3 RESERVED R/W1C 0h Software should not rely on the value of a reserved. Writing any
other value than the reset value may result in undefined behavior.
2 CAECINT R/W1C 0h 0: Do nothing.
1: Clear RIS.CAERIS and MIS.CAEMIS
1 CAMCINT R/W1C 0h 0: Do nothing.
1: Clear RIS.CAMRIS and MIS.CAMMIS
0 TATOCINT R/W1C 0h 0: Do nothing.
1: Clear RIS.TATORIS and MIS.TATOMIS

www.ti.com
General-purpose Timer Registers
1211
SWCU117F–February 2015–Revised June 2016
Submit Documentation Feedback Copyright © 2015–2016, Texas Instruments Incorporated
Timers
13.5.1.10 TAILR Register (Offset = 28h) [reset = FFFFFFFFh]
TAILR is shown in Figure 13-18 and described in Table 13-17.
Return to Summary Table.
Timer A Interval Load Register
Figure 13-18. TAILR Register
31 30 29 28 27 26 25 24 23 22 21 20 19 18 17 16 15 14 13 12 11 10 9 8 7 6 5 4 3 2 1 0
TAILR
R/W-FFFFFFFFh
Table 13-17. TAILR Register Field Descriptions
Bit Field Type Reset Description
31-0 TAILR R/W FFFFFFFFh GPT Timer A Interval Load Register
Writing this field loads the counter for Timer A. A read returns the
current value of TAILR.

General-purpose Timer Registers
www.ti.com
1212 SWCU117F–February 2015–Revised June 2016
Submit Documentation Feedback
Copyright © 2015–2016, Texas Instruments Incorporated
Timers
13.5.1.11 TBILR Register (Offset = 2Ch) [reset = FFFFh]
TBILR is shown in Figure 13-19 and described in Table 13-18.
Return to Summary Table.
Timer B Interval Load Register
Figure 13-19. TBILR Register
31 30 29 28 27 26 25 24 23 22 21 20 19 18 17 16 15 14 13 12 11 10 9 8 7 6 5 4 3 2 1 0
TBILR
R/W-FFFFh
Table 13-18. TBILR Register Field Descriptions
Bit Field Type Reset Description
31-0 TBILR R/W FFFFh GPT Timer B Interval Load Register
Writing this field loads the counter for Timer B. A read returns the
current value of TBILR.

www.ti.com
General-purpose Timer Registers
1213
SWCU117F–February 2015–Revised June 2016
Submit Documentation Feedback Copyright © 2015–2016, Texas Instruments Incorporated
Timers
13.5.1.12 TAMATCHR Register (Offset = 30h) [reset = FFFFFFFFh]
TAMATCHR is shown in Figure 13-20 and described in Table 13-19.
Return to Summary Table.
Timer A Match Register
Interrupts can be generated when the timer value is equal to the value in this register in one-shot or
periodic mode.
In Edge-Count mode, this register along with TAILR, determines how many edge events are counted.
The total number of edge events counted is equal to the value in TAILR minus this value.
Note that in edge-count mode, when executing an up-count, the value of TAPR and TAILR must be
greater than the value of TAPMR and this register.
In PWM mode, this value along with TAILR, determines the duty cycle of the output PWM signal.
When a 16/32-bit GPT is configured to one of the 32-bit modes, TAMATCHR appears as a 32-bit register.
(The upper 16-bits correspond to the contents TBMATCHR).
In a 16-bit mode, the upper 16 bits of this register read as 0s and have no effect on the state of
TBMATCHR.
Note : This register is updated internally (takes effect) based on TAMR.TAMRSU
Figure 13-20. TAMATCHR Register
31 30 29 28 27 26 25 24 23 22 21 20 19 18 17 16 15 14 13 12 11 10 9 8 7 6 5 4 3 2 1 0
TAMATCHR
R/W-FFFFFFFFh
Table 13-19. TAMATCHR Register Field Descriptions
Bit Field Type Reset Description
31-0 TAMATCHR R/W FFFFFFFFh GPT Timer A Match Register

General-purpose Timer Registers
www.ti.com
1214 SWCU117F–February 2015–Revised June 2016
Submit Documentation Feedback
Copyright © 2015–2016, Texas Instruments Incorporated
Timers
13.5.1.13 TBMATCHR Register (Offset = 34h) [reset = FFFFh]
TBMATCHR is shown in Figure 13-21 and described in Table 13-20.
Return to Summary Table.
Timer B Match Register
When a GPT is configured to one of the 32-bit modes, the contents of bits 15:0 in this register are loaded
into the upper 16 bits of TAMATCHR.
Reads from this register return the current match value of Timer B and writes are ignored.
In a 16-bit mode, bits 15:0 are used for the match value. Bits 31:16 are reserved in both cases.
Note : This register is updated internally (takes effect) based on TBMR.TBMRSU
Figure 13-21. TBMATCHR Register
31 30 29 28 27 26 25 24 23 22 21 20 19 18 17 16 15 14 13 12 11 10 9 8 7 6 5 4 3 2 1 0
RESERVED TBMATCHR
R-0h R/W-FFFFh
Table 13-20. TBMATCHR Register Field Descriptions
Bit Field Type Reset Description
31-16 RESERVED R 0h Software should not rely on the value of a reserved. Writing any
other value than the reset value may result in undefined behavior.
15-0 TBMATCHR R/W FFFFh GPT Timer B Match Register

www.ti.com
General-purpose Timer Registers
1215
SWCU117F–February 2015–Revised June 2016
Submit Documentation Feedback Copyright © 2015–2016, Texas Instruments Incorporated
Timers
13.5.1.14 TAPR Register (Offset = 38h) [reset = 0h]
TAPR is shown in Figure 13-22 and described in Table 13-21.
Return to Summary Table.
Timer A Pre-scale
This register allows software to extend the range of the timers when they are used individually.
When in one-shot or periodic down count modes, this register acts as a true prescaler for the timer
counter.
When acting as a true prescaler, the prescaler counts down to 0 before the value in TAR and TAV
registers are incremented.
In all other individual/split modes, this register is a linear extension of the upper range of the timer counter,
holding bits 23:16 in the 16-bit modes of the 16/32-bit GPT.
Figure 13-22. TAPR Register
31 30 29 28 27 26 25 24 23 22 21 20 19 18 17 16 15 14 13 12 11 10 9 8 7 6 5 4 3 2 1 0
RESERVED TAPSR
R-0h R/W-0h
Table 13-21. TAPR Register Field Descriptions
Bit Field Type Reset Description
31-8 RESERVED R 0h Software should not rely on the value of a reserved. Writing any
other value than the reset value may result in undefined behavior.
7-0 TAPSR R/W 0h Timer A Pre-scale.
Prescaler ratio in one-shot and periodic count mode is TAPSR + 1,
that is:
0: Prescaler ratio = 1
1: Prescaler ratio = 2
2: Prescaler ratio = 3
...
255: Prescaler ratio = 256

General-purpose Timer Registers
www.ti.com
1216 SWCU117F–February 2015–Revised June 2016
Submit Documentation Feedback
Copyright © 2015–2016, Texas Instruments Incorporated
Timers
13.5.1.15 TBPR Register (Offset = 3Ch) [reset = 0h]
TBPR is shown in Figure 13-23 and described in Table 13-22.
Return to Summary Table.
Timer B Pre-scale
This register allows software to extend the range of the timers when they are used individually.
When in one-shot or periodic down count modes, this register acts as a true prescaler for the timer
counter.
When acting as a true prescaler, the prescaler counts down to 0 before the value in TBR and TBV
registers are incremented.
In all other individual/split modes, this register is a linear extension of the upper range of the timer counter,
holding bits 23:16 in the 16-bit modes of the 16/32-bit GPT.
Figure 13-23. TBPR Register
31 30 29 28 27 26 25 24 23 22 21 20 19 18 17 16 15 14 13 12 11 10 9 8 7 6 5 4 3 2 1 0
RESERVED TBPSR
R-0h R/W-0h
Table 13-22. TBPR Register Field Descriptions
Bit Field Type Reset Description
31-8 RESERVED R 0h Software should not rely on the value of a reserved. Writing any
other value than the reset value may result in undefined behavior.
7-0 TBPSR R/W 0h Timer B Pre-scale.
Prescale ratio in one-shot and periodic count mode is TBPSR + 1,
that is:
0: Prescaler ratio = 1
1: Prescaler ratio = 2
2: Prescaler ratio = 3
...
255: Prescaler ratio = 256

www.ti.com
General-purpose Timer Registers
1217
SWCU117F–February 2015–Revised June 2016
Submit Documentation Feedback Copyright © 2015–2016, Texas Instruments Incorporated
Timers
13.5.1.16 TAPMR Register (Offset = 40h) [reset = 0h]
TAPMR is shown in Figure 13-24 and described in Table 13-23.
Return to Summary Table.
Timer A Pre-scale Match
This register allows software to extend the range of the TAMATCHR when used individually.
Figure 13-24. TAPMR Register
31 30 29 28 27 26 25 24 23 22 21 20 19 18 17 16 15 14 13 12 11 10 9 8 7 6 5 4 3 2 1 0
RESERVED TAPSMR
R-0h R/W-0h
Table 13-23. TAPMR Register Field Descriptions
Bit Field Type Reset Description
31-8 RESERVED R 0h Software should not rely on the value of a reserved. Writing any
other value than the reset value may result in undefined behavior.
7-0 TAPSMR R/W 0h GPT Timer A Pre-scale Match. In 16 bit mode this field holds bits 23
to 16.

General-purpose Timer Registers
www.ti.com
1218 SWCU117F–February 2015–Revised June 2016
Submit Documentation Feedback
Copyright © 2015–2016, Texas Instruments Incorporated
Timers
13.5.1.17 TBPMR Register (Offset = 44h) [reset = 0h]
TBPMR is shown in Figure 13-25 and described in Table 13-24.
Return to Summary Table.
Timer B Pre-scale Match
This register allows software to extend the range of the TBMATCHR when used individually.
Figure 13-25. TBPMR Register
31 30 29 28 27 26 25 24 23 22 21 20 19 18 17 16 15 14 13 12 11 10 9 8 7 6 5 4 3 2 1 0
RESERVED TBPSMR
R-0h R/W-0h
Table 13-24. TBPMR Register Field Descriptions
Bit Field Type Reset Description
31-8 RESERVED R 0h Software should not rely on the value of a reserved. Writing any
other value than the reset value may result in undefined behavior.
7-0 TBPSMR R/W 0h GPT Timer B Pre-scale Match Register. In 16 bit mode this field
holds bits 23 to 16.

www.ti.com
General-purpose Timer Registers
1219
SWCU117F–February 2015–Revised June 2016
Submit Documentation Feedback Copyright © 2015–2016, Texas Instruments Incorporated
Timers
13.5.1.18 TAR Register (Offset = 48h) [reset = FFFFFFFFh]
TAR is shown in Figure 13-26 and described in Table 13-25.
Return to Summary Table.
Timer A Register
This register shows the current value of the Timer A counter in all cases except for Input Edge Count and
Time modes. In the Input Edge Count mode, this register contains the number of edges that
have occurred. In the Input Edge Time mode, this register contains the time at which the last edge event
took place.
When a GPT is configured to one of the 32-bit modes, this register appears as a 32-bit register (the upper
16-bits correspond to the contents of the Timer B (TBR) register). In
the16-bit Input Edge Count, Input Edge Time, and PWM modes, bits 15:0 contain the value of the counter
and bits 23:16 contain the value of the prescaler, which is the upper 8 bits of the count. Bits
31:24 always read as 0. To read the value of the prescaler in 16-bit One-Shot and Periodic modes, read
bits [23:16] in the TAV register. To read the value of the prescalar in periodic snapshot
mode, read the Timer A Prescale Snapshot (TAPS) register.
Figure 13-26. TAR Register
31 30 29 28 27 26 25 24 23 22 21 20 19 18 17 16 15 14 13 12 11 10 9 8 7 6 5 4 3 2 1 0
TAR
R-FFFFFFFFh
Table 13-25. TAR Register Field Descriptions
Bit Field Type Reset Description
31-0 TAR R FFFFFFFFh GPT Timer A Register
Based on the value in the register field TAMR.TAILD, this register is
updated with the value from TAILR register either on the next cycle
or on the next timeout.
A read returns the current value of the Timer A Count Register, in all
cases except for Input Edge count and Timer modes.
In the Input Edge Count Mode, this register contains the number of
edges that have occurred. In the Input Edge Time mode, this register
contains the time at which the last edge event took place.

General-purpose Timer Registers
www.ti.com
1220 SWCU117F–February 2015–Revised June 2016
Submit Documentation Feedback
Copyright © 2015–2016, Texas Instruments Incorporated
Timers
13.5.1.19 TBR Register (Offset = 4Ch) [reset = FFFFh]
TBR is shown in Figure 13-27 and described in Table 13-26.
Return to Summary Table.
Timer B Register
This register shows the current value of the Timer B counter in all cases except for Input Edge Count and
Time modes. In the Input Edge Count mode, this register contains the number of edges that
have occurred. In the Input Edge Time mode, this register contains the time at which the last edge event
took place.
When a GPTM is configured to one of the 32-bit modes, the contents of bits 15:0 in this register are
loaded into the upper 16 bits of the TAR register. Reads from this register return the current
value of Timer B. In a 16-bit mode, bits 15:0 contain the value of the counter and bits 23:16 contain the
value of the prescaler in Input Edge Count, Input Edge Time, and PWM modes, which is the
upper 8 bits of the count. Bits 31:24 always read as 0. To read the value of the prescaler in 16-bit One-
Shot and Periodic modes, read bits [23:16] in the TBV register. To read the value of the
prescalar in periodic snapshot mode, read the Timer B Prescale Snapshot (TBPS) register.
Figure 13-27. TBR Register
31 30 29 28 27 26 25 24 23 22 21 20 19 18 17 16 15 14 13 12 11 10 9 8 7 6 5 4 3 2 1 0
TBR
R-FFFFh
Table 13-26. TBR Register Field Descriptions
Bit Field Type Reset Description
31-0 TBR R FFFFh GPT Timer B Register
Based on the value in the register field TBMR.TBILD, this register is
updated with the value from TBILR register either on the next cycle
or on the next timeout.
A read returns the current value of the Timer B Count Register, in all
cases except for Input Edge count and Timer modes.
In the Input Edge Count Mode, this register contains the number of
edges that have occurred. In the Input Edge Time mode, this register
contains the time at which the last edge event took place.

www.ti.com
General-purpose Timer Registers
1221
SWCU117F–February 2015–Revised June 2016
Submit Documentation Feedback Copyright © 2015–2016, Texas Instruments Incorporated
Timers
13.5.1.20 TAV Register (Offset = 50h) [reset = FFFFFFFFh]
TAV is shown in Figure 13-28 and described in Table 13-27.
Return to Summary Table.
Timer A Value
When read, this register shows the current, free-running value of Timer A in all modes. Softwarecan use
this value to determine the time elapsed between an interrupt and the ISR entry when using
the snapshot feature with the periodic operating mode. When written, the value written into this register is
loaded into the TAR register on the next clock cycle.
When a 16/32-bit GPTM is configured to one of the 32-bit modes, this register appears as a 32-bit register
(the upper 16-bits correspond to the contents of the GPTM Timer B Value (TBV) register). In a 16-bit
mode, bits 15:0 contain the value of the counter and bits 23:16 contain the current, free-running value of
the prescaler, which is the upper 8 bits of the count in Input Edge Count, Input Edge Time, PWM and one-
shot or periodic up count modes. In one-shot or periodic
down count modes, the prescaler stored in 23:16 is a true prescaler, meaning bits 23:16 count down
before decrementing the value in bits 15:0. The prescaler in bits 31:24 always reads as 0.
Figure 13-28. TAV Register
31 30 29 28 27 26 25 24 23 22 21 20 19 18 17 16 15 14 13 12 11 10 9 8 7 6 5 4 3 2 1 0
TAV
R/W-FFFFFFFFh
Table 13-27. TAV Register Field Descriptions
Bit Field Type Reset Description
31-0 TAV R/W FFFFFFFFh GPT Timer A Register
A read returns the current, free-running value of Timer A in all
modes.
When written, the value written into this register is loaded into the
TAR register on the next clock cycle.
Note: In 16-bit mode, only the lower 16-bits of this
register can be written with a new value. Writes to the prescaler bits
have no effect

General-purpose Timer Registers
www.ti.com
1222 SWCU117F–February 2015–Revised June 2016
Submit Documentation Feedback
Copyright © 2015–2016, Texas Instruments Incorporated
Timers
13.5.1.21 TBV Register (Offset = 54h) [reset = FFFFh]
TBV is shown in Figure 13-29 and described in Table 13-28.
Return to Summary Table.
Timer B Value
When read, this register shows the current, free-running value of Timer B in all modes. Software can use
this value to determine the time elapsed between an interrupt and the ISR entry. When
written, the value written into this register is loaded into the TBR register on the next clock cycle.
When a 16/32-bit GPTM is configured to one of the 32-bit modes, the contents of bits 15:0 in this register
are loaded into the upper 16 bits of the TAV register. Reads from this register return
the current free-running value of Timer B. In a 16-bit mode, bits 15:0 contain the value of the counter and
bits 23:16 contain the current, free-running value of the prescaler, which is the upper 8 bits of
the count in Input Edge Count, Input Edge Time, PWM and one-shot or periodic up count modes.
In one-shot or periodic down count modes, the prescaler stored in 23:16 is a true prescaler, meaning bits
23:16 count down before decrementing the value in bits 15:0. The prescaler in bits 31:24 always reads as
0.
Figure 13-29. TBV Register
31 30 29 28 27 26 25 24 23 22 21 20 19 18 17 16 15 14 13 12 11 10 9 8 7 6 5 4 3 2 1 0
TBV
R/W-FFFFh
Table 13-28. TBV Register Field Descriptions
Bit Field Type Reset Description
31-0 TBV R/W FFFFh GPT Timer B Register
A read returns the current, free-running value of Timer B in all
modes.
When written, the value written into this register is loaded into the
TBR register on the next clock cycle.
Note: In 16-bit mode, only the lower 16-bits of this
register can be written with a new value. Writes to the prescaler bits
have no effect

www.ti.com
General-purpose Timer Registers
1223
SWCU117F–February 2015–Revised June 2016
Submit Documentation Feedback Copyright © 2015–2016, Texas Instruments Incorporated
Timers
13.5.1.22 TAPS Register (Offset = 5Ch) [reset = 0h]
TAPS is shown in Figure 13-30 and described in Table 13-29.
Return to Summary Table.
Timer A Pre-scale Snap-shot
Based on the value in the register field TAMR.TAILD, this register is updated with the value from TAPR
register either on the next cycle or on the next timeout.
This register shows the current value of the Timer A pre-scaler in the 16-bit mode.
Figure 13-30. TAPS Register
31 30 29 28 27 26 25 24 23 22 21 20 19 18 17 16 15 14 13 12 11 10 9 8 7 6 5 4 3 2 1 0
RESERVED PSS
R-0h R-0h
Table 13-29. TAPS Register Field Descriptions
Bit Field Type Reset Description
31-8 RESERVED R 0h Software should not rely on the value of a reserved. Writing any
other value than the reset value may result in undefined behavior.
7-0 PSS R 0h GPT Timer A Pre-scaler

General-purpose Timer Registers
www.ti.com
1224 SWCU117F–February 2015–Revised June 2016
Submit Documentation Feedback
Copyright © 2015–2016, Texas Instruments Incorporated
Timers
13.5.1.23 TBPS Register (Offset = 60h) [reset = 0h]
TBPS is shown in Figure 13-31 and described in Table 13-30.
Return to Summary Table.
Timer B Pre-scale Snap-shot
Based on the value in the register field TBMR.TBILD, this register is updated with the value from TBPR
register either on the next cycle or on the next timeout.
This register shows the current value of the Timer B pre-scaler in the 16-bit mode.
Figure 13-31. TBPS Register
31 30 29 28 27 26 25 24 23 22 21 20 19 18 17 16 15 14 13 12 11 10 9 8 7 6 5 4 3 2 1 0
RESERVED PSS
R-0h R-0h
Table 13-30. TBPS Register Field Descriptions
Bit Field Type Reset Description
31-8 RESERVED R 0h Software should not rely on the value of a reserved. Writing any
other value than the reset value may result in undefined behavior.
7-0 PSS R 0h GPT Timer B Pre-scaler

www.ti.com
General-purpose Timer Registers
1225
SWCU117F–February 2015–Revised June 2016
Submit Documentation Feedback Copyright © 2015–2016, Texas Instruments Incorporated
Timers
13.5.1.24 TAPV Register (Offset = 64h) [reset = 0h]
TAPV is shown in Figure 13-32 and described in Table 13-31.
Return to Summary Table.
Timer A Pre-scale Value
This register shows the current value of the Timer A free running pre-scaler in the 16-bit mode.
Figure 13-32. TAPV Register
31 30 29 28 27 26 25 24 23 22 21 20 19 18 17 16 15 14 13 12 11 10 9 8 7 6 5 4 3 2 1 0
RESERVED PSV
R-0h R-0h
Table 13-31. TAPV Register Field Descriptions
Bit Field Type Reset Description
31-8 RESERVED R 0h Software should not rely on the value of a reserved. Writing any
other value than the reset value may result in undefined behavior.
7-0 PSV R 0h GPT Timer A Pre-scaler Value

General-purpose Timer Registers
www.ti.com
1226 SWCU117F–February 2015–Revised June 2016
Submit Documentation Feedback
Copyright © 2015–2016, Texas Instruments Incorporated
Timers
13.5.1.25 TBPV Register (Offset = 68h) [reset = 0h]
TBPV is shown in Figure 13-33 and described in Table 13-32.
Return to Summary Table.
Timer B Pre-scale Value
This register shows the current value of the Timer B free running pre-scaler in the 16-bit mode.
Figure 13-33. TBPV Register
31 30 29 28 27 26 25 24 23 22 21 20 19 18 17 16 15 14 13 12 11 10 9 8 7 6 5 4 3 2 1 0
RESERVED PSV
R-0h R-0h
Table 13-32. TBPV Register Field Descriptions
Bit Field Type Reset Description
31-8 RESERVED R 0h Software should not rely on the value of a reserved. Writing any
other value than the reset value may result in undefined behavior.
7-0 PSV R 0h GPT Timer B Pre-scaler Value

www.ti.com
General-purpose Timer Registers
1227
SWCU117F–February 2015–Revised June 2016
Submit Documentation Feedback Copyright © 2015–2016, Texas Instruments Incorporated
Timers
13.5.1.26 DMAEV Register (Offset = 6Ch) [reset = 0h]
DMAEV is shown in Figure 13-34 and described in Table 13-33.
Return to Summary Table.
DMA Event
This register allows software to enable/disable GPT DMA trigger events.
Figure 13-34. DMAEV Register
31 30 29 28 27 26 25 24
RESERVED
R-0h
23 22 21 20 19 18 17 16
RESERVED
R-0h
15 14 13 12 11 10 9 8
RESERVED TBMDMAEN CBEDMAEN CBMDMAEN TBTODMAEN
R-0h R/W-0h R/W-0h R/W-0h R/W-0h
76543210
RESERVED TAMDMAEN RESERVED CAEDMAEN CAMDMAEN TATODMAEN
R/W-0h R/W-0h R/W-0h R/W-0h R/W-0h R/W-0h
Table 13-33. DMAEV Register Field Descriptions
Bit Field Type Reset Description
31-12 RESERVED R 0h Software should not rely on the value of a reserved field. Writing any
other value may result in undefined behavior.
11 TBMDMAEN R/W 0h GPT Timer B Match DMA Trigger Enable
10 CBEDMAEN R/W 0h GPT Timer B Capture Event DMA Trigger Enable
9 CBMDMAEN R/W 0h GPT Timer B Capture Match DMA Trigger Enable
8 TBTODMAEN R/W 0h GPT Timer B Time-Out DMA Trigger Enable
7-5 RESERVED R/W 0h Software should not rely on the value of a reserved field. Writing any
other value may result in undefined behavior.
4 TAMDMAEN R/W 0h GPT Timer A Match DMA Trigger Enable
3 RESERVED R/W 0h Software should not rely on the value of a reserved. Writing any
other value than the reset value may result in undefined behavior.
2 CAEDMAEN R/W 0h GPT Timer A Capture Event DMA Trigger Enable
1 CAMDMAEN R/W 0h GPT Timer A Capture Match DMA Trigger Enable
0 TATODMAEN R/W 0h GPT Timer A Time-Out DMA Trigger Enable

General-purpose Timer Registers
www.ti.com
1228 SWCU117F–February 2015–Revised June 2016
Submit Documentation Feedback
Copyright © 2015–2016, Texas Instruments Incorporated
Timers
13.5.1.27 VERSION Register (Offset = FB0h) [reset = 400h]
VERSION is shown in Figure 13-35 and described in Table 13-34.
Return to Summary Table.
Peripheral Version
This register provides information regarding the GPT version
Figure 13-35. VERSION Register
31 30 29 28 27 26 25 24 23 22 21 20 19 18 17 16 15 14 13 12 11 10 9 8 7 6 5 4 3 2 1 0
VERSION
R-400h
Table 13-34. VERSION Register Field Descriptions
Bit Field Type Reset Description
31-0 VERSION R 400h Timer Revision.

www.ti.com
General-purpose Timer Registers
1229
SWCU117F–February 2015–Revised June 2016
Submit Documentation Feedback Copyright © 2015–2016, Texas Instruments Incorporated
Timers
13.5.1.28 ANDCCP Register (Offset = FB4h) [reset = 0h]
ANDCCP is shown in Figure 13-36 and described in Table 13-35.
Return to Summary Table.
Combined CCP Output
This register is used to logically AND CCP output pairs for each timer
Figure 13-36. ANDCCP Register
31 30 29 28 27 26 25 24
RESERVED
R-0h
23 22 21 20 19 18 17 16
RESERVED
R-0h
15 14 13 12 11 10 9 8
RESERVED
R-0h
76543210
RESERVED CCP_AND_EN
R-0h R/W-0h
Table 13-35. ANDCCP Register Field Descriptions
Bit Field Type Reset Description
31-1 RESERVED R 0h Software should not rely on the value of a reserved. Writing any
other value than the reset value may result in undefined behavior.
0 CCP_AND_EN R/W 0h Enables AND operation of the CCP outputs for timers A and B.
0 : PWM outputs of Timer A and Timer B are the internal generated
PWM signals of the respective timers.
1 : PWM output of Timer A is ANDed version of Timer A and Timer B
PWM signals and Timer B PWM ouput is Timer B PWM signal only.

1230 SWCU117F–February 2015–Revised June 2016
Submit Documentation Feedback
Copyright © 2015–2016, Texas Instruments Incorporated
Real-Time Clock
Chapter 14
SWCU117F–February 2015–Revised June 2016
Real-Time Clock
This chapter describes the functionality and design of the always-on, real-time clock (AON_RTC) for the
CC26xx and CC13xx platform.
Topic ........................................................................................................................... Page
14.1 Introduction ................................................................................................... 1231
14.2 Functional Specifications................................................................................. 1231
14.3 RTC Registers ................................................................................................ 1232
14.4 Real-Time Clock Registers............................................................................... 1234

www.ti.com
Introduction
1231
SWCU117F–February 2015–Revised June 2016
Submit Documentation Feedback Copyright © 2015–2016, Texas Instruments Incorporated
Real-Time Clock
14.1 Introduction
This section describes the functionality and design of the always-on, real-time clock (AON_RTC) for the
CC26xx and CC13xx platform. The AON_RTC implements a second and subsecond counter with support
for software-compensation of ppm-offsets, with three match register and one compare register.
A special mechanism is in place to support power down of the MCU domain while the AON_RTC
continues to operate. The AON_RTC is powered in all power modes except for the deepest power-down
mode, known as shutdown.
14.2 Functional Specifications
This section gives a functional description of the AON_RTC.
14.2.1 Functional Overview
The functionality of the AON_RTC is described as follows:
• Runs on always-on, 32-kHz clock
• 70-bit incrementing counter with support for programmable increment to support ppm-adjustment
• Three general-purpose channels (0, 1, and 2) with comparators supporting the generation of events
• Software and hardware reset of events
• All events can be delayed by a programmable amount to generated corresponding delayed events.
• A programmable set of the delayed events can be combined to generate a delayed combined event.
14.2.2 Free-Running Counter
The AON_RTC implements a 70-bit, free-running counter incremented by a programmable value for each
32-kHz clock. The programmable value allows compensation of ppm-offsets in the 32-kHz clock, making it
possible for the counter to operate with a very high precision.
The counter starts from 0 when enabled following power up of the AON_RTC, but can also be reset to 0
or any other new value by the software. The counter measures seconds
(32 bit) and subseconds (32 bit).
By default, the AON_RTC increments its counter with 1/32768 seconds each 32-kHz clock tick. A
subsecond increment value of 0x80 000 corresponds to 1/32768 seconds. Increasing or decreasing the
subsecond increments value increases or decreases the speed of the AON_RTC by the same amount.
Change the increment by updating the AUX_WUC:RTCSUBSECINC0 and the
AUX_WUC:RTCSUBSECINC1 registers, and then load the new setting to the AON_RTC by a write to the
AUX_WUC:RTCSUBSECINCCTL.UPD_REQ register. The new subsecond increment value must not be
changed by AUX until it has received an acknowledgment from the AON_RTC. The acknowledgment can
be read from the AUX_WUC:RTCSUBSECINCCTL.UPD_ACK register. After the acknowledgment has
been received, the AUX_WUC:RTCSUBSECINCCTL.UPD_REQ register can be written back to 0 and a
new subsecond increment can be uploaded, if needed.
14.2.3 Channels
The AON_RTC contains three independent channels (0, 1, and 2) that have slightly different behaviors.
All channels can operate in a compare mode; each channel generates a compare event when a
programmable time limit has been reached or exceeded. This is the only mode of operation for channel 0.
Channel 1 can be operated in a capture mode, where an external event causes the current value of the
free-running timer to be latched, to remember the time of the event. A capture event is subsequently
generated. As the channel 1 timer is operating in either compare mode or capture mode, the same
physical event is generated in each mode.
Channel 2 can operate in a continuous compare mode, automatically incrementing its compare value
following a compare event. This enables the generation of completely equidistant events.

Event
fabric
CH2_CLEAR
CH1
CH0
CLEAR
CLEAR
CAPTURE
CH2
CLEAR
CH0_EVENT
CH1_EVENT
CH2_EVENT
Registers
I/O border
Programable event
DELAY
counter
DELAY
counter
DELAY
counter
I/O border
AON RTC Module
Main counter
RTC_CNT
RTC_CNT
32 kHz
DIV 2
RTC_CNT
RTC_CNT
RTC_UPD (16 kHz)
32 kHz
32 kHz
32 kHz
subsecinc
AUX
Functional Specifications
www.ti.com
1232 SWCU117F–February 2015–Revised June 2016
Submit Documentation Feedback
Copyright © 2015–2016, Texas Instruments Incorporated
Real-Time Clock
Figure 14-1 shows the three AON_RTC channels.
Figure 14-1. AON_RTC Channels
14.2.4 Events
A programmable combination of the three delayed events can be combined into a seventh delayed event.
All events are fed to the AON event fabric, where they are available, for example, as wake-up events for
the MCU or AUX domains.
The three channels can individually generate an event. Each of these three events can generate a
corresponding event by delaying the channel event by a programmable amount of clocks, using a delay
counter. The delay counters use the uncompensated 32-kHz clock; thus, the delay time varies with this
clock. This process can generate precise events in the future, even when, for example, the MCU must be
woken up following an event—a process that takes an indeterministic, yet bounded, amount of time.
NOTE: Disabling a channel does not clear any pending events from that channel. The only way to
clear an event is by asserting the external clear signal, or by writing 1 to the corresponding
CHx bit in the AON_RTC:EVFLAGS register.
14.3 RTC Registers
The RTC registers are placed in the AON domain and are clocked using 32-kHz LF clock. All configuration
and status registers are preserved in all power modes except for SHUTDOWN. The MCU domain contains
an interface to the AON_RTC registers to ensure fast access with minimum latency on the system bus.
Due to synchronization between the MCU interface and the AON domain, there is a delay in the system
that software must take into account.
14.3.1 Register Access
A write access is delayed with one or two 32-kHz LF clock periods. The system bus is not affected by this
delay, so the MCU completes the bus transactions before the actual AON_RTC register is written in the
AON_RTC. This process enables the application to write several registers consecutively, without any extra
delay due to synchronization.

www.ti.com
RTC Registers
1233
SWCU117F–February 2015–Revised June 2016
Submit Documentation Feedback Copyright © 2015–2016, Texas Instruments Incorporated
Real-Time Clock
Due to synchronization, a read access always reads a value that is two to three system clocks (48 MHz)
delayed. In this case, the system bus is not halted.
The AON_RTC:EVFLAGS register has a fast-clear feature. When written to 1, the MCU intermediately
clears the EVFLAGS bit field. This process enables the MCU to clear the source quickly if the status is
used as an interrupt or event. Due to synchronization, the actual flag in the RTC is not cleared until 1 or 2
clock cycles later. For this reason, a new event is masked for up to two 32-kHz LF periods.
14.3.2 Entering Sleep and Wakeup From Sleep
Before entering sleep, the application must ensure that all write requests to the AON registers are
completed. The MCU domain register interface must be clocked to complete the synchronization towards
the AON domain. If the clock is stopped or halted before the synchronization has completed, the write
access might be lost.
Upon wakeup from sleep, the application must wait for one 32-kHz LF period. This wait ensures that the
MCU domain register interface is correctly synchronized. If registers are read before synchronization is
completed, the value might not be updated. For example, reading the AON_RTC:SEC register might show
the value from before entering sleep, and not the current value.
14.3.3 AON_RTC:SYNC Register
The AON_RTC:SYNC register synchronizes between the MCU domain and AON domain.
A read request from the AON_RTC:SYNC register does not return if there are outstanding write requests
to the AON registers; in other words, the bus is halted until all outstanding requests are completed.
A write request triggers a dummy write to the AON domain. This write can ensure synchronization to the
LF clock. This dummy write takes 1 to 2 32-kHz LF clock cycles.
1. Write to the AON_RTC:SYNC register or any other register in the AON domain. The write triggers an
outstanding write request to be registered on the AON domain.
2. Read from the AON_RTC:SYNC register. This read does not return until all outstanding requests are
completed.
The AON_RTC:SYNC register operation is typically used when a specific order must be ensured. For
example, when disabling a channel, the AON_RTC:SYNC register can be polled to ensure that the
channel has been disabled and no further events can occur:
1. Set AON_RTC:CHCTL.CH2_EN = 0.
2. Read the AON_RTC:SYNC register.
3. The channel is now disabled. No further events can occur.
Another typical use case for the AON_RTC:SYNC register is to ensure that all outstanding accesses are
completed prior to powering down the MCU power domain. A problem can occur if the MCU sets up a new
wake-up event (RTC timer) but powers down before the new RTC compare values are transferred to the
AON_RTC.
1. Write a new compare value to the AON_RTC:CH1CMP.VALUE register.
2. Read the AON_RTC:SYNC register.
3. Put CM3 to sleep.
Another typical use is to ensure the correct values are updated in the MCU domain on wakeup. This MCU
domain is only updated on a positive edge of the 32-kHz LF clock.
1. Write to the AON_RTC:SYNC register.
2. Read the AON_RTC:SYNC register.
3. Other AON_RTC registers can now be read safely as their information is correctly updated.

Real-Time Clock Registers
www.ti.com
1234 SWCU117F–February 2015–Revised June 2016
Submit Documentation Feedback
Copyright © 2015–2016, Texas Instruments Incorporated
Real-Time Clock
14.4 Real-Time Clock Registers
14.4.1 AON_RTC Registers
Table 14-1 lists the memory-mapped registers for the AON_RTC. All register offset addresses not listed in
Table 14-1 should be considered as reserved locations and the register contents should not be modified.
Table 14-1. AON_RTC Registers
Offset Acronym Register Name Section
0h CTL Control Section 14.4.1.1
4h EVFLAGS Event Flags, RTC Status Section 14.4.1.2
8h SEC Second Counter Value, Integer Part Section 14.4.1.3
Ch SUBSEC Second Counter Value, Fractional Part Section 14.4.1.4
10h SUBSECINC Subseconds Increment Section 14.4.1.5
14h CHCTL Channel Configuration Section 14.4.1.6
18h CH0CMP Channel 0 Compare Value Section 14.4.1.7
1Ch CH1CMP Channel 1 Compare Value Section 14.4.1.8
20h CH2CMP Channel 2 Compare Value Section 14.4.1.9
24h CH2CMPINC Channel 2 Compare Value Auto-increment Section 14.4.1.10
28h CH1CAPT Channel 1 Capture Value Section 14.4.1.11
2Ch SYNC AON Synchronization Section 14.4.1.12

www.ti.com
Real-Time Clock Registers
1235
SWCU117F–February 2015–Revised June 2016
Submit Documentation Feedback Copyright © 2015–2016, Texas Instruments Incorporated
Real-Time Clock
14.4.1.1 CTL Register (Offset = 0h) [reset = 0h]
CTL is shown in Figure 14-2 and described in Table 14-2.
Return to Summary Table.
Control
This register contains various bitfields for configuration of RTC
Figure 14-2. CTL Register
31 30 29 28 27 26 25 24
RESERVED
R-0h
23 22 21 20 19 18 17 16
RESERVED COMB_EV_MASK
R-0h R/W-0h
15 14 13 12 11 10 9 8
RESERVED EV_DELAY
R-0h R/W-0h
76543210
RESET RESERVED RTC_4KHZ_EN RTC_UPD_EN EN
W1C-0h R-0h R/W-0h R/W-0h R/W-0h
Table 14-2. CTL Register Field Descriptions
Bit Field Type Reset Description
31-19 RESERVED R 0h Software should not rely on the value of a reserved. Writing any
other value than the reset value may result in undefined behavior.
18-16 COMB_EV_MASK R/W 0h Eventmask selecting which delayed events that form the combined
event.
0h = No event is selected for combined event.
1h = Use Channel 0 delayed event in combined event
2h = Use Channel 1 delayed event in combined event
4h = Use Channel 2 delayed event in combined event
15-12 RESERVED R 0h Software should not rely on the value of a reserved. Writing any
other value than the reset value may result in undefined behavior.
11-8 EV_DELAY R/W 0h Number of SCLK_LF clock cycles waited before generating delayed
events. (Common setting for all RTC cannels) the delayed event is
delayed
0h = No delay on delayed event
1h = Delay by 1 clock cycles
2h = Delay by 2 clock cycles
3h = Delay by 4 clock cycles
4h = Delay by 8 clock cycles
5h = Delay by 16 clock cycles
6h = Delay by 32 clock cycles
7h = Delay by 48 clock cycles
8h = Delay by 64 clock cycles
9h = Delay by 80 clock cycles
Ah = Delay by 96 clock cycles
Bh = Delay by 112 clock cycles
Ch = Delay by 128 clock cycles
Dh = Delay by 144 clock cycles
7 RESET W1C 0h RTC Counter reset.
Writing 1 to this bit will reset the RTC counter.
This bit is cleared when reset takes effect
6-3 RESERVED R 0h Software should not rely on the value of a reserved. Writing any
other value than the reset value may result in undefined behavior.

Real-Time Clock Registers
www.ti.com
1236 SWCU117F–February 2015–Revised June 2016
Submit Documentation Feedback
Copyright © 2015–2016, Texas Instruments Incorporated
Real-Time Clock
Table 14-2. CTL Register Field Descriptions (continued)
Bit Field Type Reset Description
2 RTC_4KHZ_EN R/W 0h RTC_4KHZ is a 4 KHz reference output, tapped from
SUBSEC.VALUE bit 19 which is used by AUX timer.
0: RTC_4KHZ signal is forced to 0
1: RTC_4KHZ is enabled ( provied that RTC is enabled EN)
1 RTC_UPD_EN R/W 0h RTC_UPD is a 16 KHz signal used to sync up the radio timer. The
16 Khz is SCLK_LF divided by 2
0: RTC_UPD signal is forced to 0
1: RTC_UPD signal is toggling @16 kHz
0 EN R/W 0h Enable RTC counter
0: Halted (frozen)
1: Running

www.ti.com
Real-Time Clock Registers
1237
SWCU117F–February 2015–Revised June 2016
Submit Documentation Feedback Copyright © 2015–2016, Texas Instruments Incorporated
Real-Time Clock
14.4.1.2 EVFLAGS Register (Offset = 4h) [reset = 0h]
EVFLAGS is shown in Figure 14-3 and described in Table 14-3.
Return to Summary Table.
Event Flags, RTC Status
This register contains event flags from the 3 RTC channels. Each flag will be cleared when writing a '1' to
the corresponding bitfield.
Figure 14-3. EVFLAGS Register
31 30 29 28 27 26 25 24 23 22 21 20 19 18 17 16
RESERVED CH2
R-0h R/W1
C-0h
15 14 13 12 11 10 9 8 7 6 5 4 3 2 1 0
RESERVED CH1 RESERVED CH0
R-0h R/W1
C-0h R-0h R/W1
C-0h
Table 14-3. EVFLAGS Register Field Descriptions
Bit Field Type Reset Description
31-17 RESERVED R 0h Software should not rely on the value of a reserved. Writing any
other value than the reset value may result in undefined behavior.
16 CH2 R/W1C 0h Channel 2 event flag, set when CHCTL.CH2_EN = 1 and the RTC
value matches or passes the CH2CMP value.
An event will be scheduled to occur as soon as possible when
writing to CH2CMP provided that the channel is enabled and the
new value matches any time between next RTC value and 1 second
in the past
Writing 1 clears this flag. Note that a new event can not occur on this
channel in first 2 SCLK_LF cycles after a clearance.
AUX_SCE can read the flag through
AUX_WUC:WUEVFLAGS.AON_RTC_CH2 and clear it using
AUX_WUC:WUEVCLR.AON_RTC_CH2.
15-9 RESERVED R 0h Software should not rely on the value of a reserved. Writing any
other value than the reset value may result in undefined behavior.
8 CH1 R/W1C 0h Channel 1 event flag, set when CHCTL.CH1_EN = 1 and one of the
following:
- CHCTL.CH1_CAPT_EN = 0 and the RTC value matches or passes
the CH1CMP value.
- CHCTL.CH1_CAPT_EN = 1 and capture occurs.
An event will be scheduled to occur as soon as possible when
writing to CH1CMP provided that the channel is enabled, in compare
mode and the new value matches any time between next RTC value
and 1 second in the past.
Writing 1 clears this flag. Note that a new event can not occur on this
channel in first 2 SCLK_LF cycles after a clearance.
7-1 RESERVED R 0h Software should not rely on the value of a reserved. Writing any
other value than the reset value may result in undefined behavior.
0 CH0 R/W1C 0h Channel 0 event flag, set when CHCTL.CH0_EN = 1 and the RTC
value matches or passes the CH0CMP value.
An event will be scheduled to occur as soon as possible when
writing to CH0CMP provided that the channels is enabled and the
new value matches any time between next RTC value and 1 second
in the past.
Writing 1 clears this flag. Note that a new event can not occur on this
channel in first 2 SCLK_LF cycles after a clearance.

Real-Time Clock Registers
www.ti.com
1238 SWCU117F–February 2015–Revised June 2016
Submit Documentation Feedback
Copyright © 2015–2016, Texas Instruments Incorporated
Real-Time Clock
14.4.1.3 SEC Register (Offset = 8h) [reset = 0h]
SEC is shown in Figure 14-4 and described in Table 14-4.
Return to Summary Table.
Second Counter Value, Integer Part
Figure 14-4. SEC Register
31 30 29 28 27 26 25 24 23 22 21 20 19 18 17 16 15 14 13 12 11 10 9 8 7 6 5 4 3 2 1 0
VALUE
R/W-0h
Table 14-4. SEC Register Field Descriptions
Bit Field Type Reset Description
31-0 VALUE R/W 0h Unsigned integer representing Real Time Clock in seconds.
When reading this register the content of SUBSEC.VALUE is
simultaneously latched. A consistent reading of the combined Real
Time Clock can be obtained by first reading this register, then
reading SUBSEC register.

www.ti.com
Real-Time Clock Registers
1239
SWCU117F–February 2015–Revised June 2016
Submit Documentation Feedback Copyright © 2015–2016, Texas Instruments Incorporated
Real-Time Clock
14.4.1.4 SUBSEC Register (Offset = Ch) [reset = 0h]
SUBSEC is shown in Figure 14-5 and described in Table 14-5.
Return to Summary Table.
Second Counter Value, Fractional Part
Figure 14-5. SUBSEC Register
31 30 29 28 27 26 25 24 23 22 21 20 19 18 17 16 15 14 13 12 11 10 9 8 7 6 5 4 3 2 1 0
VALUE
R/W-0h
Table 14-5. SUBSEC Register Field Descriptions
Bit Field Type Reset Description
31-0 VALUE R/W 0h Unsigned integer representing Real Time Clock in fractions of a
second (VALUE/232 seconds) at the time when SEC register was
read.
Examples :
- 0x0000_0000 = 0.0 sec
- 0x4000_0000 = 0.25 sec
- 0x8000_0000 = 0.5 sec
- 0xC000_0000 = 0.75 sec

Real-Time Clock Registers
www.ti.com
1240 SWCU117F–February 2015–Revised June 2016
Submit Documentation Feedback
Copyright © 2015–2016, Texas Instruments Incorporated
Real-Time Clock
14.4.1.5 SUBSECINC Register (Offset = 10h) [reset = 00800000h]
SUBSECINC is shown in Figure 14-6 and described in Table 14-6.
Return to Summary Table.
Subseconds Increment
Value added to SUBSEC.VALUE on every SCLK_LFclock cycle.
Figure 14-6. SUBSECINC Register
31 30 29 28 27 26 25 24 23 22 21 20 19 18 17 16 15 14 13 12 11 10 9 8 7 6 5 4 3 2 1 0
RESERVED VALUEINC
R-0h R-00800000h
Table 14-6. SUBSECINC Register Field Descriptions
Bit Field Type Reset Description
31-24 RESERVED R 0h Software should not rely on the value of a reserved. Writing any
other value than the reset value may result in undefined behavior.
23-0 VALUEINC R 00800000h This value compensates for a SCLK_LF clock which has an offset
from 32768 Hz.
The compensation value can be found as 238 / freq, where freq is
SCLK_LF clock frequency in Hertz
This value is added to SUBSEC.VALUE on every cycle, and carry of
this is added to SEC.VALUE. To perform the addition, bits [23:6] are
aligned with SUBSEC.VALUE bits [17:0]. The remaining bits [5:0]
are accumulated in a hidden 6-bit register that generates a carry into
the above mentioned addition on overflow.
The default value corresponds to incrementing by precisely 1/32768
of a second.
NOTE: This register is read only. Modification of the register value
must be done using registers AUX_WUC:RTCSUBSECINC1 ,
AUX_WUC:RTCSUBSECINC0 and
AUX_WUC:RTCSUBSECINCCTL

www.ti.com
Real-Time Clock Registers
1241
SWCU117F–February 2015–Revised June 2016
Submit Documentation Feedback Copyright © 2015–2016, Texas Instruments Incorporated
Real-Time Clock
14.4.1.6 CHCTL Register (Offset = 14h) [reset = 0h]
CHCTL is shown in Figure 14-7 and described in Table 14-7.
Return to Summary Table.
Channel Configuration
Figure 14-7. CHCTL Register
31 30 29 28 27 26 25 24
RESERVED
R-0h
23 22 21 20 19 18 17 16
RESERVED CH2_CONT_E
NRESERVED CH2_EN
R-0h R/W-0h R-0h R/W-0h
15 14 13 12 11 10 9 8
RESERVED CH1_CAPT_E
NCH1_EN
R-0h R/W-0h R/W-0h
76543210
RESERVED CH0_EN
R-0h R/W-0h
Table 14-7. CHCTL Register Field Descriptions
Bit Field Type Reset Description
31-19 RESERVED R 0h Software should not rely on the value of a reserved. Writing any
other value than the reset value may result in undefined behavior.
18 CH2_CONT_EN R/W 0h Set to enable continuous operation of Channel 2
17 RESERVED R 0h Software should not rely on the value of a reserved. Writing any
other value than the reset value may result in undefined behavior.
16 CH2_EN R/W 0h RTC Channel 2 Enable
0: Disable RTC Channel 2
1: Enable RTC Channel 2
15-10 RESERVED R 0h Software should not rely on the value of a reserved. Writing any
other value than the reset value may result in undefined behavior.
9 CH1_CAPT_EN R/W 0h Set Channel 1 mode
0: Compare mode (default)
1: Capture mode
8 CH1_EN R/W 0h RTC Channel 1 Enable
0: Disable RTC Channel 1
1: Enable RTC Channel 1
7-1 RESERVED R 0h Software should not rely on the value of a reserved. Writing any
other value than the reset value may result in undefined behavior.
0 CH0_EN R/W 0h RTC Channel 0 Enable
0: Disable RTC Channel 0
1: Enable RTC Channel 0

Real-Time Clock Registers
www.ti.com
1242 SWCU117F–February 2015–Revised June 2016
Submit Documentation Feedback
Copyright © 2015–2016, Texas Instruments Incorporated
Real-Time Clock
14.4.1.7 CH0CMP Register (Offset = 18h) [reset = 0h]
CH0CMP is shown in Figure 14-8 and described in Table 14-8.
Return to Summary Table.
Channel 0 Compare Value
Figure 14-8. CH0CMP Register
31 30 29 28 27 26 25 24 23 22 21 20 19 18 17 16 15 14 13 12 11 10 9 8 7 6 5 4 3 2 1 0
VALUE
R/W-0h
Table 14-8. CH0CMP Register Field Descriptions
Bit Field Type Reset Description
31-0 VALUE R/W 0h RTC Channel 0 compare value.
Bit 31 to 16 represents seconds and bits 15 to 0 represents
subseconds of the compare value.
The compare value is compared against SEC.VALUE (15:0) and
SUBSEC.VALUE (31:16) values of the Real Time Clock register. A
Cannel 0 event is generated when
{SEC.VALUE(15:0),SUBSEC.VALUE (31:16)} is reaching or exciting
the compare value.
Writing to this register can trigger an immediate*) event in case the
new compare value matches a Real Time Clock value from 1 second
in the past up till current Real Time Clock value.
Example:
To generate a compare 5.5 seconds RTC start,- set this value =
0x0005_8000
*) It can take up to 2 SCLK_LF clock cycles before event occurs due
to synchronization.

www.ti.com
Real-Time Clock Registers
1243
SWCU117F–February 2015–Revised June 2016
Submit Documentation Feedback Copyright © 2015–2016, Texas Instruments Incorporated
Real-Time Clock
14.4.1.8 CH1CMP Register (Offset = 1Ch) [reset = 0h]
CH1CMP is shown in Figure 14-9 and described in Table 14-9.
Return to Summary Table.
Channel 1 Compare Value
Figure 14-9. CH1CMP Register
31 30 29 28 27 26 25 24 23 22 21 20 19 18 17 16 15 14 13 12 11 10 9 8 7 6 5 4 3 2 1 0
VALUE
R/W-0h
Table 14-9. CH1CMP Register Field Descriptions
Bit Field Type Reset Description
31-0 VALUE R/W 0h RTC Channel 1 compare value.
Bit 31 to 16 represents seconds and bits 15 to 0 represents
subseconds of the compare value.
The compare value is compared against SEC.VALUE (15:0) and
SUBSEC.VALUE (31:16) values of the Real Time Clock register. A
Cannel 0 event is generated when
{SEC.VALUE(15:0),SUBSEC.VALUE (31:16)} is reaching or exciting
the compare value.
Writing to this register can trigger an immediate*) event in case the
new compare value matches a Real Time Clock value from 1 second
in the past up till current Real Time Clock value.
Example:
To generate a compare 5.5 seconds RTC start,- set this value =
0x0005_8000
*) It can take up to 2 SCLK_LF clock cycles before event occurs due
to synchronization.

Real-Time Clock Registers
www.ti.com
1244 SWCU117F–February 2015–Revised June 2016
Submit Documentation Feedback
Copyright © 2015–2016, Texas Instruments Incorporated
Real-Time Clock
14.4.1.9 CH2CMP Register (Offset = 20h) [reset = 0h]
CH2CMP is shown in Figure 14-10 and described in Table 14-10.
Return to Summary Table.
Channel 2 Compare Value
Figure 14-10. CH2CMP Register
31 30 29 28 27 26 25 24 23 22 21 20 19 18 17 16 15 14 13 12 11 10 9 8 7 6 5 4 3 2 1 0
VALUE
R/W-0h
Table 14-10. CH2CMP Register Field Descriptions
Bit Field Type Reset Description
31-0 VALUE R/W 0h RTC Channel 2 compare value.
Bit 31 to 16 represents seconds and bits 15 to 0 represents
subseconds of the compare value.
The compare value is compared against SEC.VALUE (15:0) and
SUBSEC.VALUE (31:16) values of the Real Time Clock register. A
Cannel 0 event is generated when
{SEC.VALUE(15:0),SUBSEC.VALUE (31:16)} is reaching or exciting
the compare value.
Writing to this register can trigger an immediate*) event in case the
new compare value matches a Real Time Clock value from 1 second
in the past up till current Real Time Clock value.
Example:
To generate a compare 5.5 seconds RTC start,- set this value =
0x0005_8000
*) It can take up to 2 SCLK_LF clock cycles before event occurs due
to synchronization.

www.ti.com
Real-Time Clock Registers
1245
SWCU117F–February 2015–Revised June 2016
Submit Documentation Feedback Copyright © 2015–2016, Texas Instruments Incorporated
Real-Time Clock
14.4.1.10 CH2CMPINC Register (Offset = 24h) [reset = 0h]
CH2CMPINC is shown in Figure 14-11 and described in Table 14-11.
Return to Summary Table.
Channel 2 Compare Value Auto-increment
This register is primarily used to generate periodical wake-up for the AUX_SCE module, through the
[AUX_EVCTL.EVSTAT0.AON_RTC] event.
Figure 14-11. CH2CMPINC Register
31 30 29 28 27 26 25 24 23 22 21 20 19 18 17 16 15 14 13 12 11 10 9 8 7 6 5 4 3 2 1 0
VALUE
R/W-0h
Table 14-11. CH2CMPINC Register Field Descriptions
Bit Field Type Reset Description
31-0 VALUE R/W 0h If CHCTL.CH2_CONT_EN is set, this value is added to
CH2CMP.VALUE on every channel 2 compare event.

Real-Time Clock Registers
www.ti.com
1246 SWCU117F–February 2015–Revised June 2016
Submit Documentation Feedback
Copyright © 2015–2016, Texas Instruments Incorporated
Real-Time Clock
14.4.1.11 CH1CAPT Register (Offset = 28h) [reset = 0h]
CH1CAPT is shown in Figure 14-12 and described in Table 14-12.
Return to Summary Table.
Channel 1 Capture Value
If CHCTL.CH1_EN = 1and CHCTL.CH1_CAPT_EN = 1, capture occurs on each rising edge of the event
selected in AON_EVENT:RTCSEL.
Figure 14-12. CH1CAPT Register
31 30 29 28 27 26 25 24 23 22 21 20 19 18 17 16 15 14 13 12 11 10 9 8 7 6 5 4 3 2 1 0
SEC SUBSEC
R-0h R-0h
Table 14-12. CH1CAPT Register Field Descriptions
Bit Field Type Reset Description
31-16 SEC R 0h Value of SEC.VALUE bits 15:0 at capture time.
15-0 SUBSEC R 0h Value of SUBSEC.VALUE bits 31:16 at capture time.

www.ti.com
Real-Time Clock Registers
1247
SWCU117F–February 2015–Revised June 2016
Submit Documentation Feedback Copyright © 2015–2016, Texas Instruments Incorporated
Real-Time Clock
14.4.1.12 SYNC Register (Offset = 2Ch) [reset = 0h]
SYNC is shown in Figure 14-13 and described in Table 14-13.
Return to Summary Table.
AON Synchronization
This register is used for synchronizing between MCU and entire AON domain.
Figure 14-13. SYNC Register
31 30 29 28 27 26 25 24
RESERVED
R-0h
23 22 21 20 19 18 17 16
RESERVED
R-0h
15 14 13 12 11 10 9 8
RESERVED
R-0h
76543210
RESERVED WBUSY
R-0h R/W-0h
Table 14-13. SYNC Register Field Descriptions
Bit Field Type Reset Description
31-1 RESERVED R 0h Software should not rely on the value of a reserved. Writing any
other value than the reset value may result in undefined behavior.
0 WBUSY R/W 0h This register will always return 0,- however it will not return the value
until there are no outstanding write requests between MCU and AON
Note: Writing to this register prior to reading will force a wait until
next SCLK_LF edge. This is recommended for syncing read
registers from AON when waking up from sleep
Failure to do so may result in reading AON values from prior to going
to sleep

1248 SWCU117F–February 2015–Revised June 2016
Submit Documentation Feedback
Copyright © 2015–2016, Texas Instruments Incorporated
Watchdog Timer
Chapter 15
SWCU117F–February 2015–Revised June 2016
Watchdog Timer
The watchdog timer (WDT) is used to regain control when the system has failed due to a software error or
to the failure of an external device to respond in the expected way. The WDT can generate a
nonmaskable interrupt (NMI), a regular interrupt, or a reset when a time-out value is reached. In addition,
the WDT can be configured to generate an interrupt to the microcontroller (MCU) on its first time-out and
to generate a reset signal on its second time-out.
Topic ........................................................................................................................... Page
15.1 WDT Introduction............................................................................................ 1249
15.2 WDT Functional Description............................................................................. 1249
15.3 WDT Initialization and Configuration ................................................................. 1250

www.ti.com
WDT Introduction
1249
SWCU117F–February 2015–Revised June 2016
Submit Documentation Feedback Copyright © 2015–2016, Texas Instruments Incorporated
Watchdog Timer
15.1 WDT Introduction
WDT has the following features:
• 32-bit down counter with a programmable load register
• Programmable interrupt generation logic with interrupt masking and optional NMI function
• Lock register protection from runaway software
• Reset generation logic with an enable or disable
• User-enabled stalling when the microcontroller asserts the CPU Halt flag during debug
The WDT can be configured to generate an interrupt to the controller on its first time-out, and to generate
a reset signal on its second time-out. Once the WDT has been configured, the lock register can be written
to prevent the timer configuration from being inadvertently altered.
There are two possible interrupts that can be driven out of the WDT. The interrupt choice is controlled
using the WDT:CTL.INTTYPE register.
15.2 WDT Functional Description
The WDT module generates the first time-out signal when the 32-bit counter reaches the zero state after
being enabled; enabling the counter also enables the WDT interrupt. Figure 15-1 shows the WDT block
diagram.
The watchdog interrupt can be programmed to be a nonmaskable interrupt (NMI) using the
WDT:CTL.INTTYPE register. After the first time-out event, the 32-bit counter is reloaded with the value of
the WDT Load Register (WDT:LOAD), and the timer resumes counting down from that value. To prevent
the WDT configuration from being inadvertently altered by software, the write access to the watchdog
registers can be locked by writing the WDT:LOCK register to any value. To unlock the WDT, write the
WDT:LOCK register to the value 0x1ACC E551.
If the timer counts down to its zero state again before the first time-out interrupt is cleared, and the reset
signal has been enabled by setting the WDT:CTL.RESEN register to 1, the WDT asserts its reset signal to
the system. If the interrupt is cleared before the 32-bit counter reaches its second time-out, the 32-bit
counter is loaded with the value in the WDT:LOAD register, and counting resumes from that value.
If the WDT:LOAD register is written with a new value while the WDT counter is counting, then the counter
is loaded with the new value and continues counting.
Writing to the WDT:LOAD register does not clear an active interrupt. An interrupt must be cleared by
writing to the Watchdog Interrupt Clear Register (WDT:ICR). The watchdog module interrupt and reset
generation can be enabled or disabled as required. When the interrupt is enabled again, the 32-bit counter
is preloaded with the load register value (not its last state).
NOTE: The watchdog causes a warm reset in the system. This warm reset can be blocked by
ICEPick, which is useful for debugging. When ICEPick is asserted, the warm reset is blocked
from the rest of the system; however, watchdog itself is reset.

WDT:LOAD
WDT:VALUE
Comparator
32± bit down counter
0x 0000 0000
Interrupt / NMI
INFRASTRUCTURE
clock
Control / Interrupt
generation
WDT:ICR
WDT:RIS
WDT:MIS
WDT:LOCK
WDT:CTL
WDT Initialization and Configuration
www.ti.com
1250 SWCU117F–February 2015–Revised June 2016
Submit Documentation Feedback
Copyright © 2015–2016, Texas Instruments Incorporated
Watchdog Timer
Figure 15-1. WDT Block Diagram
15.3 WDT Initialization and Configuration
To use the WDT, its peripheral clock must be enabled. The WDT is running off the infrastructure clock
sourced by the MCU PRCM module. The WDT is then configured using the following sequence:
1. Load the WDT:LOAD register with the desired timer load value.
2. If the watchdog is configured to trigger system resets, set the WDT:CTL.RESEN bit.
3. Set the WDT:CTL.INTEN register bit to enable the WDT.
4. Lock the WDT module using the WDT:LOCK register.

www.ti.com
WDT Initialization and Configuration
1251
SWCU117F–February 2015–Revised June 2016
Submit Documentation Feedback Copyright © 2015–2016, Texas Instruments Incorporated
Watchdog Timer
15.3.1 WDT Registers
Table 15-1 lists the memory-mapped registers for the WDT. All register offset addresses not listed in
Table 15-1 should be considered as reserved locations and the register contents should not be modified.
Table 15-1. WDT Registers
Offset Acronym Register Name Section
0h LOAD Configuration Section 15.3.1.1
4h VALUE Current Count Value Section 15.3.1.2
8h CTL Control Section 15.3.1.3
Ch ICR Interrupt Clear Section 15.3.1.4
10h RIS Raw Interrupt Status Section 15.3.1.5
14h MIS Masked Interrupt Status Section 15.3.1.6
418h TEST Test Mode Section 15.3.1.7
41Ch INT_CAUS Interrupt Cause Test Mode Section 15.3.1.8
C00h LOCK Lock Section 15.3.1.9

WDT Initialization and Configuration
www.ti.com
1252 SWCU117F–February 2015–Revised June 2016
Submit Documentation Feedback
Copyright © 2015–2016, Texas Instruments Incorporated
Watchdog Timer
15.3.1.1 LOAD Register (Offset = 0h) [reset = FFFFFFFFh]
LOAD is shown in Figure 15-2 and described in Table 15-2.
Return to Summary Table.
Configuration
Figure 15-2. LOAD Register
31 30 29 28 27 26 25 24 23 22 21 20 19 18 17 16 15 14 13 12 11 10 9 8 7 6 5 4 3 2 1 0
WDTLOAD
R/W-FFFFFFFFh
Table 15-2. LOAD Register Field Descriptions
Bit Field Type Reset Description
31-0 WDTLOAD R/W FFFFFFFFh This register is the 32-bit interval value used by the 32-bit counter.
When this register is written, the value is immediately loaded and the
counter is restarted to count down from the new value. If this register
is loaded with 0x0000.0000, an interrupt is immediately generated.

www.ti.com
WDT Initialization and Configuration
1253
SWCU117F–February 2015–Revised June 2016
Submit Documentation Feedback Copyright © 2015–2016, Texas Instruments Incorporated
Watchdog Timer
15.3.1.2 VALUE Register (Offset = 4h) [reset = FFFFFFFFh]
VALUE is shown in Figure 15-3 and described in Table 15-3.
Return to Summary Table.
Current Count Value
Figure 15-3. VALUE Register
31 30 29 28 27 26 25 24 23 22 21 20 19 18 17 16 15 14 13 12 11 10 9 8 7 6 5 4 3 2 1 0
WDTVALUE
R-FFFFFFFFh
Table 15-3. VALUE Register Field Descriptions
Bit Field Type Reset Description
31-0 WDTVALUE R FFFFFFFFh This register contains the current count value of the timer.

WDT Initialization and Configuration
www.ti.com
1254 SWCU117F–February 2015–Revised June 2016
Submit Documentation Feedback
Copyright © 2015–2016, Texas Instruments Incorporated
Watchdog Timer
15.3.1.3 CTL Register (Offset = 8h) [reset = 0h]
CTL is shown in Figure 15-4 and described in Table 15-4.
Return to Summary Table.
Control
Figure 15-4. CTL Register
31 30 29 28 27 26 25 24
RESERVED
R-0h
23 22 21 20 19 18 17 16
RESERVED
R-0h
15 14 13 12 11 10 9 8
RESERVED
R-0h
76543210
RESERVED INTTYPE RESEN INTEN
R-0h R/W-0h R/W-0h R/W-0h
Table 15-4. CTL Register Field Descriptions
Bit Field Type Reset Description
31-3 RESERVED R 0h Software should not rely on the value of a reserved. Writing any
other value than the reset value may result in undefined behavior.
2 INTTYPE R/W 0h WDT Interrupt Type
0: WDT interrupt is a standard interrupt.
1: WDT interrupt is a non-maskable interrupt.
0h = Maskable interrupt
1h = Non-maskable interrupt
1 RESEN R/W 0h WDT Reset Enable. Defines the function of the WDT reset source
(see PRCM:WARMRESET.WDT_STAT if enabled)
0: Disabled.
1: Enable the Watchdog reset output.
0h = Reset output Disabled
1h = Reset output Enabled
0 INTEN R/W 0h WDT Interrupt Enable
0: Interrupt event disabled.
1: Interrupt event enabled. Once set, this bit can only be cleared by
a hardware reset.
0h = Interrupt Disabled
1h = Interrupt Enabled

www.ti.com
WDT Initialization and Configuration
1255
SWCU117F–February 2015–Revised June 2016
Submit Documentation Feedback Copyright © 2015–2016, Texas Instruments Incorporated
Watchdog Timer
15.3.1.4 ICR Register (Offset = Ch) [reset = 0h]
ICR is shown in Figure 15-5 and described in Table 15-5.
Return to Summary Table.
Interrupt Clear
Figure 15-5. ICR Register
31 30 29 28 27 26 25 24 23 22 21 20 19 18 17 16 15 14 13 12 11 10 9 8 7 6 5 4 3 2 1 0
WDTICR
W-0h
Table 15-5. ICR Register Field Descriptions
Bit Field Type Reset Description
31-0 WDTICR W 0h This register is the interrupt clear register. A write of any value to this
register clears the WDT interrupt and reloads the 32-bit counter from
the LOAD register.

WDT Initialization and Configuration
www.ti.com
1256 SWCU117F–February 2015–Revised June 2016
Submit Documentation Feedback
Copyright © 2015–2016, Texas Instruments Incorporated
Watchdog Timer
15.3.1.5 RIS Register (Offset = 10h) [reset = 0h]
RIS is shown in Figure 15-6 and described in Table 15-6.
Return to Summary Table.
Raw Interrupt Status
Figure 15-6. RIS Register
31 30 29 28 27 26 25 24
RESERVED
R-0h
23 22 21 20 19 18 17 16
RESERVED
R-0h
15 14 13 12 11 10 9 8
RESERVED
R-0h
76543210
RESERVED WDTRIS
R-0h R-0h
Table 15-6. RIS Register Field Descriptions
Bit Field Type Reset Description
31-1 RESERVED R 0h Software should not rely on the value of a reserved. Writing any
other value than the reset value may result in undefined behavior.
0 WDTRIS R 0h This register is the raw interrupt status register. WDT interrupt
events can be monitored via this register if the controller interrupt is
masked.
Value Description
0: The WDT has not timed out
1: A WDT time-out event has occurred

www.ti.com
WDT Initialization and Configuration
1257
SWCU117F–February 2015–Revised June 2016
Submit Documentation Feedback Copyright © 2015–2016, Texas Instruments Incorporated
Watchdog Timer
15.3.1.6 MIS Register (Offset = 14h) [reset = 0h]
MIS is shown in Figure 15-7 and described in Table 15-7.
Return to Summary Table.
Masked Interrupt Status
Figure 15-7. MIS Register
31 30 29 28 27 26 25 24
RESERVED
R-0h
23 22 21 20 19 18 17 16
RESERVED
R-0h
15 14 13 12 11 10 9 8
RESERVED
R-0h
76543210
RESERVED WDTMIS
R-0h R-0h
Table 15-7. MIS Register Field Descriptions
Bit Field Type Reset Description
31-1 RESERVED R 0h Software should not rely on the value of a reserved. Writing any
other value than the reset value may result in undefined behavior.
0 WDTMIS R 0h This register is the masked interrupt status register. The value of this
register is the logical AND of the raw interrupt bit and the WDT
interrupt enable bit CTL.INTEN.
Value Description
0: The WDT has not timed out or is masked.
1: An unmasked WDT time-out event has occurred.

WDT Initialization and Configuration
www.ti.com
1258 SWCU117F–February 2015–Revised June 2016
Submit Documentation Feedback
Copyright © 2015–2016, Texas Instruments Incorporated
Watchdog Timer
15.3.1.7 TEST Register (Offset = 418h) [reset = 0h]
TEST is shown in Figure 15-8 and described in Table 15-8.
Return to Summary Table.
Test Mode
Figure 15-8. TEST Register
31 30 29 28 27 26 25 24
RESERVED
R-0h
23 22 21 20 19 18 17 16
RESERVED
R-0h
15 14 13 12 11 10 9 8
RESERVED STALL
R-0h R/W-0h
76543210
RESERVED TEST_EN
R-0h R/W-0h
Table 15-8. TEST Register Field Descriptions
Bit Field Type Reset Description
31-9 RESERVED R 0h Software should not rely on the value of a reserved. Writing any
other value than the reset value may result in undefined behavior.
8 STALL R/W 0h WDT Stall Enable
0: The WDT timer continues counting if the CPU is stopped with a
debugger.
1: If the CPU is stopped with a debugger, the WDT stops counting.
Once the CPU is restarted, the WDT resumes counting.
0h = Disable STALL
1h = Enable STALL
7-1 RESERVED R 0h Software should not rely on the value of a reserved. Writing any
other value than the reset value may result in undefined behavior.
0 TEST_EN R/W 0h The test enable bit
0: Enable external reset
1: Disables the generation of an external reset. Instead bit 1 of the
INT_CAUS register is set and an interrupt is generated
0h = Test mode Disabled
1h = Test mode Enabled

www.ti.com
WDT Initialization and Configuration
1259
SWCU117F–February 2015–Revised June 2016
Submit Documentation Feedback Copyright © 2015–2016, Texas Instruments Incorporated
Watchdog Timer
15.3.1.8 INT_CAUS Register (Offset = 41Ch) [reset = 0h]
INT_CAUS is shown in Figure 15-9 and described in Table 15-9.
Return to Summary Table.
Interrupt Cause Test Mode
Figure 15-9. INT_CAUS Register
31 30 29 28 27 26 25 24
RESERVED
R-0h
23 22 21 20 19 18 17 16
RESERVED
R-0h
15 14 13 12 11 10 9 8
RESERVED
R-0h
76543210
RESERVED CAUSE_RESE
TCAUSE_INTR
R-0h R-0h R-0h
Table 15-9. INT_CAUS Register Field Descriptions
Bit Field Type Reset Description
31-2 RESERVED R 0h Software should not rely on the value of a reserved. Writing any
other value than the reset value may result in undefined behavior.
1 CAUSE_RESET R 0h Indicates that the cause of an interrupt was a reset generated but
blocked due to TEST.TEST_EN (only possible when
TEST.TEST_EN is set).
0 CAUSE_INTR R 0h Replica of RIS.WDTRIS

WDT Initialization and Configuration
www.ti.com
1260 SWCU117F–February 2015–Revised June 2016
Submit Documentation Feedback
Copyright © 2015–2016, Texas Instruments Incorporated
Watchdog Timer
15.3.1.9 LOCK Register (Offset = C00h) [reset = 0h]
LOCK is shown in Figure 15-10 and described in Table 15-10.
Return to Summary Table.
Lock
Figure 15-10. LOCK Register
31 30 29 28 27 26 25 24 23 22 21 20 19 18 17 16 15 14 13 12 11 10 9 8 7 6 5 4 3 2 1 0
WDTLOCK
R/W-0h
Table 15-10. LOCK Register Field Descriptions
Bit Field Type Reset Description
31-0 WDTLOCK R/W 0h WDT Lock: A write of the value 0x1ACC.E551 unlocks the watchdog
registers for write access. A write of any other value reapplies the
lock, preventing any register updates (NOTE: TEST.TEST_EN bit is
not lockable).
A read of this register returns the following values:
0x0000.0000: Unlocked
0x0000.0001: Locked

1261
SWCU117F–February 2015–Revised June 2016
Submit Documentation Feedback Copyright © 2015–2016, Texas Instruments Incorporated
Random Number Generator
Chapter 16
SWCU117F–February 2015–Revised June 2016
Random Number Generator
The true random number generator (TRNG) module provides a true, nondeterministic noise source for the
purpose of generating keys, initialization vectors (IVs), and other random number requirements. The
TRNG is built on 24 ring oscillators that create unpredictable output to feed a complex nonlinear
combinatorial circuit. That post-processing of the output data is required to obtain cryptographically secure
random data. Typical applications might be (but are not limited to) the following:
• Generation of cryptographic key material
• Generation of initialization vectors
• Generation of cookies and nonces
• Statistical sampling
• Retry timers in communication protocols
• Noise generation
Topic ........................................................................................................................... Page
16.1 Overview........................................................................................................ 1262
16.2 Block Diagram................................................................................................ 1262
16.3 TRNG Software Reset...................................................................................... 1263
16.4 Interrupt Requests .......................................................................................... 1263
16.5 TRNG Operation Description............................................................................ 1264
16.6 TRNG Low-level Programing Guide................................................................... 1266

FRO
FRO
FRO
FRO control and
error checking Main LSFR
TRNG core control
Random number upper word
TRNG:OUT1
PRCM
Interrupts
Clock and Reset
Random number lower word
TRNG:OUT0
Overview
www.ti.com
1262 SWCU117F–February 2015–Revised June 2016
Submit Documentation Feedback
Copyright © 2015–2016, Texas Instruments Incorporated
Random Number Generator
16.1 Overview
The TRNG has the following features:
• The TRNG is based on 24 ring oscillators (shot noise) to create entropy. To generate this entropy the
system needs a minimum of 28system clock cycles (for reference) to produce the first random output.
Then ithe TRNG takes a minimum of 26system clock cycles to produce each subsequent 64 bits
random number.
• Startup time and entropy regeneration time can be controlled between 28and 224 sampling clock
cycles, and entropy regeneration time can be controlled between 26and 224 sampling clock cycles to
adapt entropy accumulation time to basic entropy generation rate. Entropy regeneration time can be
tailored in a trade-off between speed of random number generation and amount of entropy in each of
those random numbers.
• The TRNG architecture is based on linear-feedback shift register (LFSR) in association with a
nonlinear entropic hasher.
• The random numbers are accessible to the applications in a 64-bit read-only register. When the
register is read, the TRNG immediately generates a new value, which is then shifted into the output
register when ready.
• If the ready value is not read within a maximum time-out window, the TRNG is set into idle mode
• The TRNG provides a built-in self-test that checks the number of consecutive bits sampled to provide
the statistical robustness required by FIPS 140. System alarms are generated based on feedback from
this test.
• The internal power-saving mode is built to carefully manage the entropy previously generated.
• Interrupt channel allow the transfer of 32-bits data blocks.
16.2 Block Diagram
The TRNG core uses dual-shot noise generators that create unpredictable jittering output when
asynchronously sampled by the system clock provided to the TRNG. The outputs from the shot noise
generators feed a complex nonlinear combinatorial circuit (mixer) that produces the final TRNG output
(see Figure 16-1).
Figure 16-1. Random Number Generator Block Diagram

www.ti.com
TRNG Software Reset
1263
SWCU117F–February 2015–Revised June 2016
Submit Documentation Feedback Copyright © 2015–2016, Texas Instruments Incorporated
Random Number Generator
The TRNG core consists of two parts:
• The first part contains the FROs, whose output signals are sampled at regular intervals. The FROs are
asynchronous to one another and asynchronous to the sampling clock to make their behavior truly
nondeterministic. Each FRO has an error detection circuit that checks for repeating patterns coming
out of the FRO. If a repeating pattern is detected, the FRO is suspect of having locked onto the
sampling clock, which drastically reduces the amount of entropy generated by that FRO (this is
signaled as a FRO error event).
• The second part is the entropy accumulation circuit that uses an XOR tree to combine the sampled
FRO clock outputs and an 81-bit LFSR to accumulate entropy (TRNG:LFSR0, TRNG:LFSR1, and
TRNG:LFSR2 registers give the 81 bits main entropy accumulation LFSR).
The true entropy source is based upon a predetermined number of free-running oscillators (FROs). The
accumulation of timing jitter, caused (for the largest part) by shot noise, creates uncertainty intervals for
the output transitions of each FRO. Sampling within the uncertainly interval generates a small amount of
entropy, which is accumulated in an LFSR. Entropy generation with multiple FROs in parallel allows the
entropy accumulation to be done far more rapidly than is possible with one FRO.
16.3 TRNG Software Reset
A software reset of the module can be done by writing 1 to the TRNG:SWRESET.RESET register. When a
software reset completes the TRNG:SWRESET.RESET register is automatically reset to 0. By polling the
TRNG:SWRESET.RESET register for 0 the software can ensure that the reset is completed, the software
reset must be completed before doing any TRNG operations.
There is also a reset possibility from the PRCM module by writing a 1 to the
PRCM:RESETSECDMA.TRNG register, which is automatically reset. This reset enables the asynchronous
reset input to the module and not the internal reset, thus from a module perspective this is the same as
doing HW reset. SW must ensure that no access is done towards the TRNG while in reset state.
The software reset only resets the TRNG core and ensures the interconnect interface is not terminated
abnormally. The PRCM reset acts as a power-on reset for the module and thus, instantly terminates any
transactions and ongoing accumulation.
16.4 Interrupt Requests
An interrupt request, TRNG_IRQ, is generated when data is ready for transmission (or an alarm was
triggered). Table 16-1 lists the event flags, and their masks, that can cause module interrupts.
Table 16-1. Events
Event Flag Event Mask Description
TRNG:IRQSTAT.STAT
TRNG:IRQFLAGMASK.RDY
and
TRNG:IRQFLAGMASK.
SHUTDOWN_OVF
Not used, but can be read for combined status of the two
available interrupts
TRNG:IRQFLAGSTAT.RDY TRNG:IRQFLAGMASK.RDY When 1, data is available in the TRNG:OUT1 and the
TRNG:OUT0 registers. Use TRNG:IRQFLAGCLR.RDY to
clear it.
TRNG:IRQFLAGSTAT.
SHUTDOWN_OVF TRNG:IRQFLAGMASK.
SHUTDOWN_OFV
When 1, the number of FROs shut down after a second
error event (the number of 1 bits in the
TRNG:ALARMSTOP register) has exceeded the threshold
set by the TRNG:ALARMCNT.SHUTDOWN_THR register.
Use the TRNG:IRQFLAGCLR.SHUTDOWN_OVF register
to clear it.

TRNG Operation Description
www.ti.com
1264 SWCU117F–February 2015–Revised June 2016
Submit Documentation Feedback
Copyright © 2015–2016, Texas Instruments Incorporated
Random Number Generator
The TRNG:ALARMCNT register, together with the TRNG:ALARMMASK and TRNG:ALARMSTOP
registers, can be used by the host to determine if the FRO or sample cycle locking is a problem.
Lock detection in functional mode is performed using the sampled outputs of the individual FROs. A FRO
alarm event is declared when a repeating pattern (of up to four samples length) is detected continuously
for the number of samples defined by the TRNG:ALARMCNT:ALARM_THR register. The alarm event is
logged by setting a bit to pinpoint the FRO in the TRNG:ALARMMASK register. If that bit in the
TRNG:ALARMMASK register was already set, the corresponding bit in the TRNG:ALARMSTOP register is
set and the FRO is switched off to prevent further alarm events from that FRO. If the TRNG:ALARMMASK
register bit was not yet set, the FRO is restarted automatically in an attempt to break the locking. If a FRO
is locked again after detune and re-enable, software must leave the FRO deactivated.
The TRNG:ALARMCNT.SHUTDOWN_CNT register bit field keeps track of the number of FROs switched
off (actually, is a count of the number of 1 bits in the TRNG:ALARMSTOP register). The
TRNG:ALARMCNT.SHUTDOWN_THR register bit field allows a configurable threshold to be set to
generate the SHUTDOWN_OVF interrupt. When the TRNG:ALARMCNT.SHUTDOWN_CNT register
exceeds the TRNG:ALARMCNT.SHUTDOWN_THR register, the
TRNG:IRQFLAGSTAT.SHUTDOWN_OVF register bit is set to 1, which can be used to generate an
interrupt.
16.5 TRNG Operation Description
Before the first random number generation, the TRNG:CTL and the TRNG:CFG0 registers must be written
to start accumulating entropy. The entropy is a measure of the uncertainty associated with a random
value. The random numbers are accessible to the application in a 64-bit read-only register TRNG:OUT0
and TRNG:OUT1. When the register is read, the TRNG generates a new value, which is available after
the TRNG:CFG0.MIN_REFILL_CYCLES register system clock cycles and is then shifted into the output
register. Software can use two strategies for operating the TRNG:
•Monitored mode: Software checks the TRNG:ALARMMASK register at regular intervals (on the order
of seconds). If a bit is set there, the TRNG:ALARMSTOP register must also be checked to see if a
FRO was shut down due to multiple alarm events—if none were shut down, the TRNG:ALARMMASK
register can be cleared to get rid of the spurious alarm events. If one or more FROs were shut down,
software can modify the delay selection of those FROs in the TRNG:FRODETUNE register in an
attempt to prevent further locking. For this type of operation, the
TRNG:ALARMCNT.SHUTDOWN_THR register would normally be set to a low value (for instance,
value 2) and the SHUTDOWN_OVF interrupt can then be used to signal abnormal operation conditions
and/or breakdowns of FROs.
•Unmonitored mode: Software sets the TRNG:ALARMCNT.SHUTDOWN_THR register to the number
of FROs that are allowed to be shut down before corrective actions must be taken, and then uses the
SHUTDOWN_OVF interrupt to initiate those corrective actions (clearing the TRNG:ALARMMASK and
the TRNG:ALARMSTOP registers, toggling bits in the TRNG:FRODETUNE register). Software must
keep track of the time interval between these interrupts—if they happen too often, this indicates
abnormal operating conditions and/or breakdown of FROs.
16.5.1 TRNG Shutdown
The TRNG can be shutdown in many ways, but not all of them result in storing of entropy. The different
modes are discussed here.
The best way is to not read the last generated random number. After the MAX_REFILL time (maximum of
224 cycles) defined in the TRNG:CFG0 register, the TRNG enters idle mode where all FROs are turned off.
When the generated value is read, the TRNG starts up again and generates a new random seed, which is
ready after the time TRNG:CFG0.MIN_REFILL_CYCLES register. When the TRNG is in idle mode, the
module clock can be turned off. Entropy is kept in between random number creations, so no reset (SW) of
module is needed.
Another approach to shut down the TRNG is to just stop the module clock. By shutting down the TRNG by
stopping the module clock, the entropy is also kept (that is, does not affect randomness), but the FROs
might still be running. The clock can be enabled at any time, and the generation of a random seed is
continued. There is no need for a soft reset of the module.

www.ti.com
TRNG Operation Description
1265
SWCU117F–February 2015–Revised June 2016
Submit Documentation Feedback Copyright © 2015–2016, Texas Instruments Incorporated
Random Number Generator
If the clock is stopped, the TRNG can not be accessed and a bus fault is generated (within the
Interconnect).
If an application that no longer needs the TRNG must go into deep sleep mode without waiting, the
application can write 0 in the TRNG:CTL.TRNG_EN register bit, and the input system clock can be
switched off. If the TRNF:CTL.TRNG_EN register is set to 0 and the input clock is switched off. happens,
and if a random number is needed later, a soft reset is required because randomness cannot be ensured.
The penalty is entropy accumulation time is required before the first random number is ready.
16.5.2 TRNG Alarms
TRNG alarms happen and are most likely caused by FRO clock to sampling clock frequency locking. The
sampling clock is the same as the system clock for the TRNG, and when the FRO oscillating frequency
gets too close to a multiple of this clock, frequency lock might result in sampling the FRO clock at the
same phase too many times so a repeated pattern is detected. When such a repeated pattern is detected
it is counted, and when this count exceeds the limit set by the TRNG:ALARMCNT.ALARM_THR register
and the alarm event is triggered. Keeping this value high limits the number of alarms, and default is 255
alarm indications before an alarm event is enabled.
When an alarm event is triggered, the associated FRO is automatically shut down and not allowed to
contribute to entropy accumulation. The user must then decide what to do with this event. Two options
exist:
• Change the FRO oscillating frequency
• Leave the FRO off
For the first option, a bit in the TRNG:FRODETUNE.FRO_MASK register set to 1 allows the
associated FRO run approximately 5 percent faster. The value of one of these bits may only be
changed while the corresponding FRO is turned off (by temporary writing 0 in the corresponding bits of
the TRNG:FROEN register—in case of an alarm this bit is already set to 0). When the value is
updated, the corresponding FRO must be enabled again.
For the second option, the de-tune probably had no effect, or the FRO is not oscillating. This state
must be stored so the corresponding bit in the TRNG:FROEN register is kept in off state to eliminate
new alarm triggers caused by the particular FRO.
16.5.3 TRNG Entropy
Entropy is defined as a result of:
• How many FROs are enabled—with more, entropy is achieved faster
• How many samples are accumulated—longer running times yield higher entropy
The more FROs are enabled and the longer they run (that is, how many samples have been stored in the
LSFR), the higher the entropy becomes.
The TRNG module must be running at maximum frequency when creating random values.
Creation time for a random value is defined by the values set in the TRNG:CTL.STARTUP_CYCLES
reigster, the TRNG:CFG0.MIN_REFILL_CYCLES or the TRNG:CFG0.MAX_REFILL_CYCLES register
and the TRNG:CFG0.SMPL_DIV register; modifications of all these registers can only be done when the
TRNG:CTL.TRNG_EN register is 0.
The TRNG:CFG0.SMPL_DIV register defines how often a sample is collected from the FRO, default value
0 indicates that samples are taken every clock cycle, maximum value 0xF takes one sample every 16
clock cycles. All values of SAMPLE_DIV can be used on this device and it must be set as small as
possible.
To have the same amount of entropy in each created seed, the startup and minimum refill times must be
identical. By using minimum startup and minimum refill time, the entropy per bit is very low. When all
FROs are enabled, a start-up time of 5 ms generates a word with 64-bit entropy.
Low values in the TRNG:CTL.STARTUP_CYCLES register and the TRNG:CFG0.MIN_REFILL_CYCLES
or TRNG:CFG0.MAX_REFILL_CYCLES registers must only be used to generate random values for
nonsecure use like synchronization words, CRC initialization, and so forth. For more secure usages the
minimum of 64-bit entropy and beyond must be defined.

TRNG Low-level Programing Guide
www.ti.com
1266 SWCU117F–February 2015–Revised June 2016
Submit Documentation Feedback
Copyright © 2015–2016, Texas Instruments Incorporated
Random Number Generator
16.6 TRNG Low-level Programing Guide
This section covers the low-level hardware programming sequences for configuration and usage of the
module.
16.6.1 Initialization
16.6.1.1 Interfacing Modules
This section identifies the requirements of initializing the interfacing modules when the TRNG is to be
used for the first time after a device reset. Table 16-2 lists the Initialization of interfacing modules.
Table 16-2. Initialization of Surrounding Modules
Interfacing Module Comment
PRCM The power domain the TRNG is part of as well as the TRNG module interface clock must be enabled.
See PRCM registers PRCM:PDCTL0.PERIPH_ON and PRCM:SECDMACLKGR.CRYPTO_CLK_EN.
Cortex M3 NVIC configuration must be done to enable the interrupt from the TRNG. Only needed for interrupt
based communication.
Interconnect Interconnect must be enabled for communication with TRNG, which is handled in the PRCM as a
consequence of many settings, like CPU in run, sleep or deep sleep mode, usage of DMA, I2S,
RFCORE and Crypto engine.
16.6.1.2 TRNG Main Sequence
This procedure initializes the TRNG after a power-on reset (POR). Table 16-3 lists the TRNG main
initialization sequence.
(1) This step is only required if unmonitored mode is used.
Table 16-3. TRNG Initialization Sequence
Step Register or Bit Field
Execute a SW reset TRNG:SWRESET.RESET
Wait for SW completion by polling TRNG:SWRESET.RESET
Select the number of FRO clock input cycles between two samples TRNG:CFG0.SMPL_DIV
Select the number of samples taken to gather enough entropy in the FROs
of the module and to generate the first random value TRNG:CTL.STARTUP_CYCLES
Select the minimum number of samples taken regenerate entropy in the
FROs of the module and to generate subsequent random values TRNG:CFG0.MIN_REFILL_CYCLES
Select the maximum number of samples taken regenerate entropy in the
FROs of the module and to generate subsequent random values
Also defines timeout period for shutting down the FROs after inactivity TRNG:CFG0.MAX_REFILL_CYCLES
Configure the desired FROs to run 5% faster TRNG:FRODETUNE.FRO_MASK
Enable all FROs TRNG:FROEN.FRO_MASK
Select the maximum number of samples after which a detected repeated
pattern an alarm event is generated TRNG:ALARMCNT.ALARM_THR
Set the shutdown threshold to the number of FROs allowed to be shut
down(1) TRNG:ALARMCNT.SHUTDOWN_THR
Enable and start TRNG:CTL.TRNG_EN

threshold reached?
TRNG:IRQFLAGSTAT.SHUTDOWN_OVF
= 0x1
Start
Is the result ready?
TRNG:IRQFLAGSTAT.RDY
= 0x1
Enable the TRNG module
TRNG:CTL.TRNG_EN = 0x1
shutdown threshold set?
TRNG:ALARMCNT.SHUTDOWN_THR
!= 0
Has alarm event occured?
TRNG:ALARMMASK:FRO_MASK
!= 0x0
FRO(s) shut down?
TRNG:ALARMSTOP.FRO_FLAGS
!= 0x0
Read the resulted random number LSW
LSW_result = TRNG:OUT0
Read the resulted random number MSW
MSW_result = TRNG:OUT1
Clear the result ready event in the status register by
writing to the acknowledge register
TRNG:IRQFLAGCLR.RDY = 0x1
Yes No
Yes
Yes
No
No
No
Monitored mode Unmonitored mode
Clear alarm events
TRNG:ALARMMASK.FRO_MASK = 0x0
TRNG:ALARMSTOP.FRO_FLAGS = 0x0
Modify the delay selection in an attempt to prevent
further locking
(detune the particular FRO(s) which had the alarm)
TRNG:FRODETUNE.FRO_MASK = 0x-
Re-enable the shut down FROs
TRNG:FROEN.FRO_MASK = 0x-
Clear the shutdown overflow event in the status
register by writing to the acknowledge register
TRNG:IRQFLAGCLR.SHUTDOWN_OVF = 0x1
Modify the delay selection in an attempt to prevent
further locking
(detune the particular FRO(s) which had the alarm)
TRNG:FRODETUNE.FRO_MASK = 0x-
FROs been shut down?
TRNG:ALARMCNT:SHUTDOWN_CNT
> min_number_of_FROs
Stop the TRNG module as required
number of FROs is not valid
Stop
Need more seeds?
De-tuning already performed
on shutdown FROs
No
No
No
Yes
Yes
Yes
Yes No
Yes
Is(Are) the
Have too many
Is the shutdown
Is the
www.ti.com
TRNG Low-level Programing Guide
1267
SWCU117F–February 2015–Revised June 2016
Submit Documentation Feedback Copyright © 2015–2016, Texas Instruments Incorporated
Random Number Generator
16.6.1.3 TRNG Operating Modes
This section presents the flow for different operating modes of the TRNG module.
16.6.1.3.1 Polling Mode
In polling mode, both monitored and unmonitored modes are covered. Figure 16-2 shows the TRNG
polling mode.
Figure 16-2. TRNG Polling Mode

Enter ISR
Interrupt caused
by ready result in output registers?
TRNG:IRQFLAGSTAT.RDY
= 0x1
Read the status register to determine the type of the
granted interrupt value = TRNG:IRQFLAGSTAT
Yes No
Read the resulted random number LSW
LSW_result = TRNG:OUT0
Read the resulted random number MSW
MSW_result = TRNG:OUT1
Clear the result ready event in the status register by
writing to the acknowledge register
TRNG:IRQFLAGCLR.RDY = 0x1
Clear alarm events
TRNG:ALARMMASK.FRO_MASK = 0x0
TRNG:ALARMSTOP.FRO_FLAGS = 0x0
Modify the delay selection in an attempt to prevent
further locking
(detune the particular FRO(s) which had the alarm)
TRNG:FRODETUNE.FRO_MASK = 0x-
Re-enable the shut down FROs
TRNG:FROEN.FRO_MASK = 0x-
Clear the shutdown overflow event in the status
register by writing to the acknowledge register
TRNG:IRQFLAGCLR.SHUTDOWN_OVF = 0x1
Exit ISR
TRNG Low-level Programing Guide
www.ti.com
1268 SWCU117F–February 2015–Revised June 2016
Submit Documentation Feedback
Copyright © 2015–2016, Texas Instruments Incorporated
Random Number Generator
16.6.1.3.2 Interrupt Mode
This section covers the event servicing of the module. Only the unmonitored mode is covered. Table 16-4
lists the TRNG interrupt mode steps, while Figure 16-3 shows the interrupt service routine flow.
Table 16-4. TRNG Interrupt Mode
Step Register or Bit Field Value
Enable interrupt generation when data is ready (available)
in the output registers. TRNG:IRQFLAGMASK.RDY 0x1
Enable the shutdown overflow interrupt generation when
the maximum possible FRO shutdowns reach the selected
shutdown threshold TRNG:IRQFLAGMASK.SHUTDOWN_OVF 0x1
Enable the TRNG TRNG:CTL.TRNG_EN 0x1
Figure 16-3. Interrupt Service Routine

www.ti.com
TRNG Low-level Programing Guide
1269
SWCU117F–February 2015–Revised June 2016
Submit Documentation Feedback Copyright © 2015–2016, Texas Instruments Incorporated
Random Number Generator
16.6.2 TRNG Registers
Table 16-5 lists the memory-mapped registers for the TRNG. All register offset addresses not listed in
Table 16-5 should be considered as reserved locations and the register contents should not be modified.
Table 16-5. TRNG Registers
Offset Acronym Register Name Section
0h OUT0 Random Number Lower Word Readout Value Section 16.6.2.1
4h OUT1 Random Number Upper Word Readout Value Section 16.6.2.2
8h IRQFLAGSTAT Interrupt Status Section 16.6.2.3
Ch IRQFLAGMASK Interrupt Mask Section 16.6.2.4
10h IRQFLAGCLR Interrupt Flag Clear Section 16.6.2.5
14h CTL Control Section 16.6.2.6
18h CFG0 Configuration 0 Section 16.6.2.7
1Ch ALARMCNT Alarm Control Section 16.6.2.8
20h FROEN FRO Enable Section 16.6.2.9
24h FRODETUNE FRO De-tune Bit Section 16.6.2.10
28h ALARMMASK Alarm Event Section 16.6.2.11
2Ch ALARMSTOP Alarm Shutdown Section 16.6.2.12
30h LFSR0 LFSR Readout Value Section 16.6.2.13
34h LFSR1 LFSR Readout Value Section 16.6.2.14
38h LFSR2 LFSR Readout Value Section 16.6.2.15
78h HWOPT TRNG Engine Options Information Section 16.6.2.16
7Ch HWVER0 HW Version 0 Section 16.6.2.17
1FD8h IRQSTATMASK Interrupt Status After Masking Section 16.6.2.18
1FE0h HWVER1 HW Version 1 Section 16.6.2.19
1FECh IRQSET Interrupt Set Section 16.6.2.20
1FF0h SWRESET SW Reset Control Section 16.6.2.21
1FF8h IRQSTAT Interrupt Status Section 16.6.2.22

TRNG Low-level Programing Guide
www.ti.com
1270 SWCU117F–February 2015–Revised June 2016
Submit Documentation Feedback
Copyright © 2015–2016, Texas Instruments Incorporated
Random Number Generator
16.6.2.1 OUT0 Register (Offset = 0h) [reset = 0h]
OUT0 is shown in Figure 16-4 and described in Table 16-6.
Return to Summary Table.
Random Number Lower Word Readout Value
Figure 16-4. OUT0 Register
31 30 29 28 27 26 25 24 23 22 21 20 19 18 17 16 15 14 13 12 11 10 9 8 7 6 5 4 3 2 1 0
VALUE_31_0
R-0h
Table 16-6. OUT0 Register Field Descriptions
Bit Field Type Reset Description
31-0 VALUE_31_0 R 0h LSW of 64- bit random value. New value ready when
IRQFLAGSTAT.RDY = 1.

www.ti.com
TRNG Low-level Programing Guide
1271
SWCU117F–February 2015–Revised June 2016
Submit Documentation Feedback Copyright © 2015–2016, Texas Instruments Incorporated
Random Number Generator
16.6.2.2 OUT1 Register (Offset = 4h) [reset = 0h]
OUT1 is shown in Figure 16-5 and described in Table 16-7.
Return to Summary Table.
Random Number Upper Word Readout Value
Figure 16-5. OUT1 Register
31 30 29 28 27 26 25 24 23 22 21 20 19 18 17 16 15 14 13 12 11 10 9 8 7 6 5 4 3 2 1 0
VALUE_63_32
R-0h
Table 16-7. OUT1 Register Field Descriptions
Bit Field Type Reset Description
31-0 VALUE_63_32 R 0h MSW of 64-bit random value. New value ready when
IRQFLAGSTAT.RDY = 1.

TRNG Low-level Programing Guide
www.ti.com
1272 SWCU117F–February 2015–Revised June 2016
Submit Documentation Feedback
Copyright © 2015–2016, Texas Instruments Incorporated
Random Number Generator
16.6.2.3 IRQFLAGSTAT Register (Offset = 8h) [reset = 0h]
IRQFLAGSTAT is shown in Figure 16-6 and described in Table 16-8.
Return to Summary Table.
Interrupt Status
Figure 16-6. IRQFLAGSTAT Register
31 30 29 28 27 26 25 24
NEED_CLOCK RESERVED
R-0h R-0h
23 22 21 20 19 18 17 16
RESERVED
R-0h
15 14 13 12 11 10 9 8
RESERVED
R-0h
76543210
RESERVED SHUTDOWN_
OVF RDY
R-0h R-0h R-0h
Table 16-8. IRQFLAGSTAT Register Field Descriptions
Bit Field Type Reset Description
31 NEED_CLOCK R 0h 1: Indicates that the TRNG is busy generating entropy or is in one of
its test modes - clocks may not be turned off and the power supply
voltage must be kept stable.
0: TRNG is idle and can be shut down
30-2 RESERVED R 0h Software should not rely on the value of a reserved. Writing any
other value than the reset value may result in undefined behavior.
1 SHUTDOWN_OVF R 0h 1: The number of FROs shut down (i.e. the number of '1' bits in the
ALARMSTOP register) has exceeded the threshold set by
ALARMCNT.SHUTDOWN_THR
Writing '1' to IRQFLAGCLR.SHUTDOWN_OVF clears this bit to '0'
again.
0 RDY R 0h 1: Data are available in OUT0 and OUT1.
Acknowledging this state by writing '1' to IRQFLAGCLR.RDY clears
this bit to '0'.
If a new number is already available in the internal register of the
TRNG, the number is directly clocked into the result register. In this
case the status bit is asserted again, after one clock cycle.

www.ti.com
TRNG Low-level Programing Guide
1273
SWCU117F–February 2015–Revised June 2016
Submit Documentation Feedback Copyright © 2015–2016, Texas Instruments Incorporated
Random Number Generator
16.6.2.4 IRQFLAGMASK Register (Offset = Ch) [reset = 0h]
IRQFLAGMASK is shown in Figure 16-7 and described in Table 16-9.
Return to Summary Table.
Interrupt Mask
Figure 16-7. IRQFLAGMASK Register
31 30 29 28 27 26 25 24
RESERVED
R-0h
23 22 21 20 19 18 17 16
RESERVED
R-0h
15 14 13 12 11 10 9 8
RESERVED
R-0h
76543210
RESERVED SHUTDOWN_
OVF RDY
R-0h R/W-0h R/W-0h
Table 16-9. IRQFLAGMASK Register Field Descriptions
Bit Field Type Reset Description
31-2 RESERVED R 0h Software should not rely on the value of a reserved. Writing any
other value than the reset value may result in undefined behavior.
1 SHUTDOWN_OVF R/W 0h 1: Allow IRQFLAGSTAT.SHUTDOWN_OVF to activate the interrupt
from this module.
0 RDY R/W 0h 1: Allow IRQFLAGSTAT.RDY to activate the interrupt from this
module.

TRNG Low-level Programing Guide
www.ti.com
1274 SWCU117F–February 2015–Revised June 2016
Submit Documentation Feedback
Copyright © 2015–2016, Texas Instruments Incorporated
Random Number Generator
16.6.2.5 IRQFLAGCLR Register (Offset = 10h) [reset = 0h]
IRQFLAGCLR is shown in Figure 16-8 and described in Table 16-10.
Return to Summary Table.
Interrupt Flag Clear
Figure 16-8. IRQFLAGCLR Register
31 30 29 28 27 26 25 24
RESERVED
W-0h
23 22 21 20 19 18 17 16
RESERVED
W-0h
15 14 13 12 11 10 9 8
RESERVED
W-0h
76543210
RESERVED SHUTDOWN_
OVF RDY
W-0h W-0h W-0h
Table 16-10. IRQFLAGCLR Register Field Descriptions
Bit Field Type Reset Description
31-2 RESERVED W 0h Software should not rely on the value of a reserved. Writing any
other value than the reset value may result in undefined behavior.
1 SHUTDOWN_OVF W 0h 1: Clear IRQFLAGSTAT.SHUTDOWN_OVF.
0 RDY W 0h 1: Clear IRQFLAGSTAT.RDY.

www.ti.com
TRNG Low-level Programing Guide
1275
SWCU117F–February 2015–Revised June 2016
Submit Documentation Feedback Copyright © 2015–2016, Texas Instruments Incorporated
Random Number Generator
16.6.2.6 CTL Register (Offset = 14h) [reset = 0h]
CTL is shown in Figure 16-9 and described in Table 16-11.
Return to Summary Table.
Control
Figure 16-9. CTL Register
31 30 29 28 27 26 25 24
STARTUP_CYCLES
R/W-0h
23 22 21 20 19 18 17 16
STARTUP_CYCLES
R/W-0h
15 14 13 12 11 10 9 8
RESERVED TRNG_EN RESERVED
R-0h R/W-0h R-0h
76543210
RESERVED NO_LFSR_FB TEST_MODE RESERVED
R-0h R/W-0h R/W-0h R/W-0h
Table 16-11. CTL Register Field Descriptions
Bit Field Type Reset Description
31-16 STARTUP_CYCLES R/W 0h This field determines the number of samples (between 28and 224)
taken to gather entropy from the FROs during startup. If the written
value of this field is zero, the number of samples is 224, otherwise the
number of samples equals the written value times 28.
0x0000: 224 samples
0x0001: 1*28samples
0x0002: 2*28samples
0x0003: 3*28samples
...
0x8000: 32768*28samples
0xC000: 49152*28samples
...
0xFFFF: 65535*28samples
This field can only be modified while TRNG_EN is 0. If 1 an update
will be ignored.
15-11 RESERVED R 0h Software should not rely on the value of a reserved. Writing any
other value than the reset value may result in undefined behavior.
10 TRNG_EN R/W 0h 0: Forces all TRNG logic back into the idle state immediately.
1: Starts TRNG, gathering entropy from the FROs for the number of
samples determined by STARTUP_CYCLES.
9-3 RESERVED R 0h Software should not rely on the value of a reserved. Writing any
other value than the reset value may result in undefined behavior.
2 NO_LFSR_FB R/W 0h 1: Remove XNOR feedback from the main LFSR, converting it into a
normal shift register for the XOR-ed outputs of the FROs (shifting
data in on the LSB side). A '1' also forces the LFSR to sample
continuously.
This bit can only be set to '1' when TEST_MODE is also set to '1'
and should not be used for other than test purposes
1 TEST_MODE R/W 0h 1: Enables access to the TESTCNT and LFSR0/LFSR1/LFSR2
registers (the latter are automatically cleared before enabling
access) and keeps IRQFLAGSTAT.NEED_CLOCK at '1'.
This bit shall not be used unless you need to change the LFSR seed
prior to creating a new random value. All other testing is done
external to register control.
0 RESERVED R/W 0h Software should not rely on the value of a reserved. Writing any
other value than the reset value may result in undefined behavior.

TRNG Low-level Programing Guide
www.ti.com
1276 SWCU117F–February 2015–Revised June 2016
Submit Documentation Feedback
Copyright © 2015–2016, Texas Instruments Incorporated
Random Number Generator
16.6.2.7 CFG0 Register (Offset = 18h) [reset = 0h]
CFG0 is shown in Figure 16-10 and described in Table 16-12.
Return to Summary Table.
Configuration 0
Figure 16-10. CFG0 Register
31 30 29 28 27 26 25 24 23 22 21 20 19 18 17 16
MAX_REFILL_CYCLES
R/W-0h
15 14 13 12 11 10 9 8 7 6 5 4 3 2 1 0
RESERVED SMPL_DIV MIN_REFILL_CYCLES
R-0h R/W-0h R/W-0h
Table 16-12. CFG0 Register Field Descriptions
Bit Field Type Reset Description
31-16 MAX_REFILL_CYCLES R/W 0h This field determines the maximum number of samples (between 28
and 224) taken to re-generate entropy from the FROs after reading
out a 64 bits random number. If the written value of this field is zero,
the number of samples is 224, otherwise the number of samples
equals the written value times 28.
0x0000: 224 samples
0x0001: 1*28samples
0x0002: 2*28samples
0x0003: 3*28samples
...
0x8000: 32768*28samples
0xC000: 49152*28samples
...
0xFFFF: 65535*28samples
This field can only be modified while CTL.TRNG_EN is 0.
15-12 RESERVED R 0h Software should not rely on the value of a reserved. Writing any
other value than the reset value may result in undefined behavior.
11-8 SMPL_DIV R/W 0h This field directly controls the number of clock cycles between
samples taken from the FROs. Default value 0 indicates that
samples are taken every clock cycle,
maximum value 0xF takes one sample every 16 clock cycles.
This field must be set to a value such that the slowest FRO (even
under worst-case
conditions) has a cycle time less than twice the sample period.
This field can only be modified while CTL.TRNG_EN is '0'.
7-0 MIN_REFILL_CYCLES R/W 0h This field determines the minimum number of samples (between 26
and 214) taken to re-generate entropy from the FROs after reading
out a 64 bits random number. If the value of this field is zero, the
number of samples is fixed to the value determined by the
MAX_REFILL_CYCLES field, otherwise the minimum number of
samples equals the written value times 64 (which can be up to 214).
To ensure same entropy in all generated random numbers the value
0 should be used. Then MAX_REFILL_CYCLES controls the
minimum refill interval. The number of samples defined here cannot
be higher than the number defined by the 'max_refill_cycles' field
(i.e. that field takes precedence). No random value will be created if
min refill > max refill.
This field can only be modified while CTL.TRNG_EN = 0.
0x00: Minimum samples = MAX_REFILL_CYCLES (all numbers
have same entropy)
0x01: 1*26samples
0x02: 2*26samples
...
0xFF: 255*26samples

www.ti.com
TRNG Low-level Programing Guide
1277
SWCU117F–February 2015–Revised June 2016
Submit Documentation Feedback Copyright © 2015–2016, Texas Instruments Incorporated
Random Number Generator
16.6.2.8 ALARMCNT Register (Offset = 1Ch) [reset = FFh]
ALARMCNT is shown in Figure 16-11 and described in Table 16-13.
Return to Summary Table.
Alarm Control
Figure 16-11. ALARMCNT Register
31 30 29 28 27 26 25 24
RESERVED SHUTDOWN_CNT
R-0h R/W-0h
23 22 21 20 19 18 17 16
RESERVED SHUTDOWN_THR
R-0h R/W-0h
15 14 13 12 11 10 9 8
RESERVED
R-0h
76543210
ALARM_THR
R/W-FFh
Table 16-13. ALARMCNT Register Field Descriptions
Bit Field Type Reset Description
31-30 RESERVED R 0h Software should not rely on the value of a reserved. Writing any
other value than the reset value may result in undefined behavior.
29-24 SHUTDOWN_CNT R/W 0h Read-only, indicates the number of '1' bits in ALARMSTOP register.
The maximum value equals the number of FROs.
23-21 RESERVED R 0h Software should not rely on the value of a reserved. Writing any
other value than the reset value may result in undefined behavior.
20-16 SHUTDOWN_THR R/W 0h Threshold setting for generating IRQFLAGSTAT.SHUTDOWN_OVF
interrupt. The interrupt is triggered when SHUTDOWN_CNT value
exceeds this bit field.
15-8 RESERVED R 0h Software should not rely on the value of a reserved. Writing any
other value than the reset value may result in undefined behavior.
7-0 ALARM_THR R/W FFh Alarm detection threshold for the repeating pattern detectors on each
FRO. An FRO 'alarm event' is declared when a repeating pattern (of
up to four samples length) is detected continuously for the number of
samples defined by this field's value. Reset value 0xFF should keep
the number of 'alarm events' to a manageable level.

TRNG Low-level Programing Guide
www.ti.com
1278 SWCU117F–February 2015–Revised June 2016
Submit Documentation Feedback
Copyright © 2015–2016, Texas Instruments Incorporated
Random Number Generator
16.6.2.9 FROEN Register (Offset = 20h) [reset = 00FFFFFFh]
FROEN is shown in Figure 16-12 and described in Table 16-14.
Return to Summary Table.
FRO Enable
Figure 16-12. FROEN Register
31 30 29 28 27 26 25 24 23 22 21 20 19 18 17 16 15 14 13 12 11 10 9 8 7 6 5 4 3 2 1 0
RESERVED FRO_MASK
R-0h R/W-00FFFFFFh
Table 16-14. FROEN Register Field Descriptions
Bit Field Type Reset Description
31-24 RESERVED R 0h Software should not rely on the value of a reserved. Writing any
other value than the reset value may result in undefined behavior.
23-0 FRO_MASK R/W 00FFFFFFh Enable bits for the individual FROs. A '1' in bit [n] enables FRO 'n'.
Default state is all '1's to enable all FROs after power-up. Note that
they are not actually started up before the CTL.TRNG_EN bit is set
to '1'.
Bits are automatically forced to '0' here (and cannot be written to '1')
while the corresponding bit in ALARMSTOP.FRO_FLAGS has value
'1'.

www.ti.com
TRNG Low-level Programing Guide
1279
SWCU117F–February 2015–Revised June 2016
Submit Documentation Feedback Copyright © 2015–2016, Texas Instruments Incorporated
Random Number Generator
16.6.2.10 FRODETUNE Register (Offset = 24h) [reset = 0h]
FRODETUNE is shown in Figure 16-13 and described in Table 16-15.
Return to Summary Table.
FRO De-tune Bit
Figure 16-13. FRODETUNE Register
31 30 29 28 27 26 25 24 23 22 21 20 19 18 17 16 15 14 13 12 11 10 9 8 7 6 5 4 3 2 1 0
RESERVED FRO_MASK
R-0h R/W-0h
Table 16-15. FRODETUNE Register Field Descriptions
Bit Field Type Reset Description
31-24 RESERVED R 0h Software should not rely on the value of a reserved. Writing any
other value than the reset value may result in undefined behavior.
23-0 FRO_MASK R/W 0h De-tune bits for the individual FROs. A '1' in bit [n] lets FRO 'n' run
approximately 5% faster. The value of one of these bits may only be
changed while the corresponding FRO is turned off (by temporarily
writing a '0' in the corresponding
bit of the FROEN.FRO_MASK register).

TRNG Low-level Programing Guide
www.ti.com
1280 SWCU117F–February 2015–Revised June 2016
Submit Documentation Feedback
Copyright © 2015–2016, Texas Instruments Incorporated
Random Number Generator
16.6.2.11 ALARMMASK Register (Offset = 28h) [reset = 0h]
ALARMMASK is shown in Figure 16-14 and described in Table 16-16.
Return to Summary Table.
Alarm Event
Figure 16-14. ALARMMASK Register
31 30 29 28 27 26 25 24 23 22 21 20 19 18 17 16 15 14 13 12 11 10 9 8 7 6 5 4 3 2 1 0
RESERVED FRO_MASK
R/W-0h R/W-0h
Table 16-16. ALARMMASK Register Field Descriptions
Bit Field Type Reset Description
31-24 RESERVED R/W 0h Software should not rely on the value of a reserved. Writing any
other value than the reset value may result in undefined behavior.
23-0 FRO_MASK R/W 0h Logging bits for the 'alarm events' of individual FROs. A '1' in bit [n]
indicates FRO 'n' experienced an 'alarm event'.

www.ti.com
TRNG Low-level Programing Guide
1281
SWCU117F–February 2015–Revised June 2016
Submit Documentation Feedback Copyright © 2015–2016, Texas Instruments Incorporated
Random Number Generator
16.6.2.12 ALARMSTOP Register (Offset = 2Ch) [reset = 0h]
ALARMSTOP is shown in Figure 16-15 and described in Table 16-17.
Return to Summary Table.
Alarm Shutdown
Figure 16-15. ALARMSTOP Register
31 30 29 28 27 26 25 24 23 22 21 20 19 18 17 16 15 14 13 12 11 10 9 8 7 6 5 4 3 2 1 0
RESERVED FRO_FLAGS
R-0h R/W-0h
Table 16-17. ALARMSTOP Register Field Descriptions
Bit Field Type Reset Description
31-24 RESERVED R 0h Software should not rely on the value of a reserved. Writing any
other value than the reset value may result in undefined behavior.
23-0 FRO_FLAGS R/W 0h Logging bits for the 'alarm events' of individual FROs. A '1' in bit [n]
indicates FRO 'n' experienced more than one 'alarm event' in quick
succession and has been turned off. A '1' in this field forces the
corresponding bit in FROEN.FRO_MASK to '0'.

TRNG Low-level Programing Guide
www.ti.com
1282 SWCU117F–February 2015–Revised June 2016
Submit Documentation Feedback
Copyright © 2015–2016, Texas Instruments Incorporated
Random Number Generator
16.6.2.13 LFSR0 Register (Offset = 30h) [reset = 0h]
LFSR0 is shown in Figure 16-16 and described in Table 16-18.
Return to Summary Table.
LFSR Readout Value
Figure 16-16. LFSR0 Register
31 30 29 28 27 26 25 24 23 22 21 20 19 18 17 16 15 14 13 12 11 10 9 8 7 6 5 4 3 2 1 0
LFSR_31_0
R/W-0h
Table 16-18. LFSR0 Register Field Descriptions
Bit Field Type Reset Description
31-0 LFSR_31_0 R/W 0h Bits [31:0] of the main entropy accumulation LFSR. Register can
only be accessed when CTL.TEST_MODE = 1.
Register contents will be cleared to zero before access is enabled.

www.ti.com
TRNG Low-level Programing Guide
1283
SWCU117F–February 2015–Revised June 2016
Submit Documentation Feedback Copyright © 2015–2016, Texas Instruments Incorporated
Random Number Generator
16.6.2.14 LFSR1 Register (Offset = 34h) [reset = 0h]
LFSR1 is shown in Figure 16-17 and described in Table 16-19.
Return to Summary Table.
LFSR Readout Value
Figure 16-17. LFSR1 Register
31 30 29 28 27 26 25 24 23 22 21 20 19 18 17 16 15 14 13 12 11 10 9 8 7 6 5 4 3 2 1 0
LFSR_63_32
R/W-0h
Table 16-19. LFSR1 Register Field Descriptions
Bit Field Type Reset Description
31-0 LFSR_63_32 R/W 0h Bits [63:32] of the main entropy accumulation LFSR. Register can
only be accessed when CTL.TEST_MODE = 1.
Register contents will be cleared to zero before access is enabled.

TRNG Low-level Programing Guide
www.ti.com
1284 SWCU117F–February 2015–Revised June 2016
Submit Documentation Feedback
Copyright © 2015–2016, Texas Instruments Incorporated
Random Number Generator
16.6.2.15 LFSR2 Register (Offset = 38h) [reset = 0h]
LFSR2 is shown in Figure 16-18 and described in Table 16-20.
Return to Summary Table.
LFSR Readout Value
Figure 16-18. LFSR2 Register
31 30 29 28 27 26 25 24 23 22 21 20 19 18 17 16 15 14 13 12 11 10 9 8 7 6 5 4 3 2 1 0
RESERVED LFSR_80_64
R/W-0h R/W-0h
Table 16-20. LFSR2 Register Field Descriptions
Bit Field Type Reset Description
31-17 RESERVED R/W 0h Software should not rely on the value of a reserved. Writing any
other value than the reset value may result in undefined behavior.
16-0 LFSR_80_64 R/W 0h Bits [80:64] of the main entropy accumulation LFSR. Register can
only be accessed when CTL.TEST_MODE = 1.
Register contents will be cleared to zero before access is enabled.

www.ti.com
TRNG Low-level Programing Guide
1285
SWCU117F–February 2015–Revised June 2016
Submit Documentation Feedback Copyright © 2015–2016, Texas Instruments Incorporated
Random Number Generator
16.6.2.16 HWOPT Register (Offset = 78h) [reset = 600h]
HWOPT is shown in Figure 16-19 and described in Table 16-21.
Return to Summary Table.
TRNG Engine Options Information
Figure 16-19. HWOPT Register
31 30 29 28 27 26 25 24 23 22 21 20 19 18 17 16
RESERVED
R-0h
15 14 13 12 11 10 9 8 7 6 5 4 3 2 1 0
RESERVED NR_OF_FROS RESERVED
R-0h R-18h R-0h
Table 16-21. HWOPT Register Field Descriptions
Bit Field Type Reset Description
31-12 RESERVED R 0h Software should not rely on the value of a reserved. Writing any
other value than the reset value may result in undefined behavior.
11-6 NR_OF_FROS R 18h Number of FROs implemented in this TRNG, value 24 (decimal).
5-0 RESERVED R 0h Software should not rely on the value of a reserved. Writing any
other value than the reset value may result in undefined behavior.

TRNG Low-level Programing Guide
www.ti.com
1286 SWCU117F–February 2015–Revised June 2016
Submit Documentation Feedback
Copyright © 2015–2016, Texas Instruments Incorporated
Random Number Generator
16.6.2.17 HWVER0 Register (Offset = 7Ch) [reset = 0200B44Bh]
HWVER0 is shown in Figure 16-20 and described in Table 16-22.
Return to Summary Table.
HW Version 0
EIP Number And Core Revision
Figure 16-20. HWVER0 Register
31 30 29 28 27 26 25 24 23 22 21 20 19 18 17 16
RESERVED HW_MAJOR_VER HW_MINOR_VER HW_PATCH_LVL
R-0h R-2h R-0h R-0h
15 14 13 12 11 10 9 8 7 6 5 4 3 2 1 0
EIP_NUM_COMPL EIP_NUM
R-B4h R-4Bh
Table 16-22. HWVER0 Register Field Descriptions
Bit Field Type Reset Description
31-28 RESERVED R 0h Software should not rely on the value of a reserved. Writing any
other value than the reset value may result in undefined behavior.
27-24 HW_MAJOR_VER R 2h 4 bits binary encoding of the major hardware revision number.
23-20 HW_MINOR_VER R 0h 4 bits binary encoding of the minor hardware revision number.
19-16 HW_PATCH_LVL R 0h 4 bits binary encoding of the hardware patch level, initial release will
carry value zero.
15-8 EIP_NUM_COMPL R B4h Bit-by-bit logic complement of bits [7:0]. This TRNG gives 0xB4.
7-0 EIP_NUM R 4Bh 8 bits binary encoding of the module number. This TRNG gives
0x4B.

www.ti.com
TRNG Low-level Programing Guide
1287
SWCU117F–February 2015–Revised June 2016
Submit Documentation Feedback Copyright © 2015–2016, Texas Instruments Incorporated
Random Number Generator
16.6.2.18 IRQSTATMASK Register (Offset = 1FD8h) [reset = 0h]
IRQSTATMASK is shown in Figure 16-21 and described in Table 16-23.
Return to Summary Table.
Interrupt Status After Masking
Figure 16-21. IRQSTATMASK Register
31 30 29 28 27 26 25 24
RESERVED
R-0h
23 22 21 20 19 18 17 16
RESERVED
R-0h
15 14 13 12 11 10 9 8
RESERVED
R-0h
76543210
RESERVED SHUTDOWN_
OVF RDY
R-0h R-0h R-0h
Table 16-23. IRQSTATMASK Register Field Descriptions
Bit Field Type Reset Description
31-2 RESERVED R 0h Software should not rely on the value of a reserved. Writing any
other value than the reset value may result in undefined behavior.
1 SHUTDOWN_OVF R 0h Shutdown Overflow (result of IRQFLAGSTAT.SHUTDOWN_OVF
AND'ed with IRQFLAGMASK.SHUTDOWN_OVF)
0 RDY R 0h New random value available (result of IRQFLAGSTAT.RDY AND'ed
with IRQFLAGMASK.RDY)

TRNG Low-level Programing Guide
www.ti.com
1288 SWCU117F–February 2015–Revised June 2016
Submit Documentation Feedback
Copyright © 2015–2016, Texas Instruments Incorporated
Random Number Generator
16.6.2.19 HWVER1 Register (Offset = 1FE0h) [reset = 20h]
HWVER1 is shown in Figure 16-22 and described in Table 16-24.
Return to Summary Table.
HW Version 1
TRNG Revision Number
Figure 16-22. HWVER1 Register
31 30 29 28 27 26 25 24 23 22 21 20 19 18 17 16 15 14 13 12 11 10 9 8 7 6 5 4 3 2 1 0
RESERVED REV
R-0h R-20h
Table 16-24. HWVER1 Register Field Descriptions
Bit Field Type Reset Description
31-8 RESERVED R 0h Software should not rely on the value of a reserved. Writing any
other value than the reset value may result in undefined behavior.
7-0 REV R 20h The revision number of this module is Rev 2.0.

www.ti.com
TRNG Low-level Programing Guide
1289
SWCU117F–February 2015–Revised June 2016
Submit Documentation Feedback Copyright © 2015–2016, Texas Instruments Incorporated
Random Number Generator
16.6.2.20 IRQSET Register (Offset = 1FECh) [reset = 0h]
IRQSET is shown in Figure 16-23 and described in Table 16-25.
Return to Summary Table.
Interrupt Set
Figure 16-23. IRQSET Register
31 30 29 28 27 26 25 24 23 22 21 20 19 18 17 16 15 14 13 12 11 10 9 8 7 6 5 4 3 2 1 0
RDY
R/W-0h
Table 16-25. IRQSET Register Field Descriptions
Bit Field Type Reset Description
31-0 RDY R/W 0h Software should not rely on the value of a reserved. Writing any
other value than the reset value may result in undefined behavior.

TRNG Low-level Programing Guide
www.ti.com
1290 SWCU117F–February 2015–Revised June 2016
Submit Documentation Feedback
Copyright © 2015–2016, Texas Instruments Incorporated
Random Number Generator
16.6.2.21 SWRESET Register (Offset = 1FF0h) [reset = 0h]
SWRESET is shown in Figure 16-24 and described in Table 16-26.
Return to Summary Table.
SW Reset Control
Figure 16-24. SWRESET Register
31 30 29 28 27 26 25 24
RESERVED
R-0h
23 22 21 20 19 18 17 16
RESERVED
R-0h
15 14 13 12 11 10 9 8
RESERVED
R-0h
76543210
RESERVED RESET
R-0h R/W-0h
Table 16-26. SWRESET Register Field Descriptions
Bit Field Type Reset Description
31-1 RESERVED R 0h Software should not rely on the value of a reserved. Writing any
other value than the reset value may result in undefined behavior.
0 RESET R/W 0h Write '1' to soft reset , reset will be low for 4-5 clock cycles. Poll to 0
for reset to be completed.

www.ti.com
TRNG Low-level Programing Guide
1291
SWCU117F–February 2015–Revised June 2016
Submit Documentation Feedback Copyright © 2015–2016, Texas Instruments Incorporated
Random Number Generator
16.6.2.22 IRQSTAT Register (Offset = 1FF8h) [reset = 0h]
IRQSTAT is shown in Figure 16-25 and described in Table 16-27.
Return to Summary Table.
Interrupt Status
Figure 16-25. IRQSTAT Register
31 30 29 28 27 26 25 24
RESERVED
R-0h
23 22 21 20 19 18 17 16
RESERVED
R-0h
15 14 13 12 11 10 9 8
RESERVED
R-0h
76543210
RESERVED STAT
R-0h R-0h
Table 16-27. IRQSTAT Register Field Descriptions
Bit Field Type Reset Description
31-1 RESERVED R 0h Software should not rely on the value of a reserved. Writing any
other value than the reset value may result in undefined behavior.
0 STAT R 0h TRNG Interrupt status. OR'ed version of
IRQFLAGSTAT.SHUTDOWN_OVF and IRQFLAGSTAT.RDY

1292 SWCU117F–February 2015–Revised June 2016
Submit Documentation Feedback
Copyright © 2015–2016, Texas Instruments Incorporated
AUX – Sensor Controller with Digital and Analog Peripherals
Chapter 17
SWCU117F–February 2015–Revised June 2016
AUX – Sensor Controller with Digital and Analog
Peripherals
This chapter describes the functionality of the AUX subsystem on the CC26xx and CC13xx platform.
Topic ........................................................................................................................... Page
17.1 Introduction ................................................................................................... 1293
17.2 Memory Mapping ............................................................................................ 1295
17.3 I/O Mapping.................................................................................................... 1297
17.4 Modules......................................................................................................... 1298
17.5 Power Management......................................................................................... 1317
17.6 Clock Management.......................................................................................... 1320
17.7 AUX – Sensor Controller Registers ................................................................... 1322

www.ti.com
Introduction
1293
SWCU117F–February 2015–Revised June 2016
Submit Documentation Feedback Copyright © 2015–2016, Texas Instruments Incorporated
AUX – Sensor Controller with Digital and Analog Peripherals
17.1 Introduction
The AUX is a collective description of all the analog peripherals (ADC, comparators, and current source)
and the digital modules in the AUX power domain (AUX_PD) such as the sensor controller, timers, time-
to-digital converter, and others.
The AUX_PD is located within the AON voltage domain of the device. The sensor controller can do its
own power and clock management of AUX_PD, independently of the MCU domain. The sensor controller
can also continue doing tasks while the MCU subsystem is powered down, but with limited resources
compared to the larger MCU domain.
All registers in the AUX_PD and the AUX SRAM are memory-mapped in the MCU domain, and can be
accessed by the system CPU. Peripherals can be used in the AUX directly from the system CPU.
The AUX modules are slaves to the system MCU and cannot access MCU peripherals. Instead, the
sensor controller can communicate with the MCU domain through event signaling routed to the system
CPU as interrupts through the MCU event fabric.
This process enables the sensor controller to collect and process data in SRAM, and interrupt the system
CPU as necessary.
Due to its small size and implementation in an ultra-low-leakage technology, the sensor controller can
perform certain tasks at significantly lower power consumption than the MCU subsystem.
Some typical use cases where the sensor controller can offload the MCU subsystem:
• ADC sampling and filtering of results
• Frequency measurements to support oscillator calibration
• Frequency measurements to compensate RTC frequency
• Control of GPIO pins, including bit-banged SPI, I2C, and UART
• Capacitive sensing and filtering of measurement results to reduce load on the system CPU
• Comparator monitoring
• Software-defined wake up of the MCU domain based on, for example, inputs from sensors
NOTE: To ease development of program code running on the sensor controller, TI provides a tool
chain for writing software for the controller, Sensor Controller Studio, which is a fully
integrated tool consisting of an IDE, compiler, assembler, and linker.
This tool chain can be used to write C-like code for the controller, and has a power and
event management framework included behind the scenes which handles most of the
complexity described in the AUX chapters regarding the sensor controller, events and power
management, and the complexity that arises in a multi-CPU system.
The tool chain also has indirect JTAG support through the system CPU DAP, for testing and
debugging code running on the sensor controller.
The Sensor Controller Studio outputs drivers, used by the system CPU to configure and
interface the sensor controller, as well as machine code that is copied to AUX RAM from
flash by the system CPU before execution starts. There are also a number of examples
included with Sensor Controller Studio to get started with development.
Accessing the analog peripherals from the system CPU must be done by using TI-provided
drivers to ensure proper control of power management.

Sensor
Controller
RAM
Event control
Wakeup controller
System (MCU) Bus interface
Peripheral BUS (PBUS)
HW
Arbitrator
Timer 0/1
I/O Control
AUX Control
- ADC
- Comparators
- Current source
Time-to-digital
converter
Event BUS
Semaphore
Oscillator interface
AUX analog interface
Introduction
www.ti.com
1294 SWCU117F–February 2015–Revised June 2016
Submit Documentation Feedback
Copyright © 2015–2016, Texas Instruments Incorporated
AUX – Sensor Controller with Digital and Analog Peripherals
17.1.1 AUX Hardware Overview
Figure 17-1. AUX_PD Block Diagram
The AUX power domain is connected to the MCU system through an asynchronous interface, ensuring
that all modules connected to the AUX bus are accessible from the system CPU.
The peripherals in AUX_PD are connected to a 32-bit wide bus called PBUS, and all registers are aligned
on 32-bit boundaries regardless of size to allow access from both the 32-bit system CPU and the 16-bit
sensor controller. All peripherals, other than the ADI and DDI modules, only implement 16-bit registers.
The sensor controller always wins arbitration when the system CPU accesses the same peripheral
simultaneously, ensuring minimum execution time for the sensor controller. The sensor controller uses two
or three clock cycles per instruction, dependent on operand size used. Accessing the oscillator or analog
interfaces requires more cycles, as the sensor controller is communicating with asynchronous peripherals
in the analog domain of the chip.
The arbiter prevents accesses to AUX peripherals which are not enabled (clock is stopped), or if the
address region is not assigned to a peripheral.

www.ti.com
Memory Mapping
1295
SWCU117F–February 2015–Revised June 2016
Submit Documentation Feedback
Copyright © 2015–2016, Texas Instruments Incorporated
AUX – Sensor Controller with Digital and Analog Peripherals
If the source of the illegal operation is the MCU system, the arbiter returns a Bus Fault. If the source of the
illegal access is the sensor controller, the arbiter suspends the sensor controller by setting the
AUX_SCE:CTL.SUSPEND register, and the flag AUX_SCE:CPUSTAT.BUS_ERROR is set.
The event bus in AUX routes events between AUX peripherals, as well as to and from the MCU and AON
event fabric, which can be used, for example, to trigger actions in modules as well as interrupting the
sensor controller.
17.2 Memory Mapping
The arbitrator in AUX_PD maps the system CPU and sensor controller addresses into local PBUS
addresses. Each peripheral instance has a 4-KB memory space allocated in the system CPU address
space.
The addresses of the most frequently used registers in the different peripherals are aliased down to the
lower 256 words (512 bytes) in the AUX memory space, which can only be accessed by the sensor
controller. Accessing an alias address improves the execution time of an instruction by one clock cycle,
compared to using the direct peripheral 16-bit address.
Table 17-1 lists the memory map of the AUX peripherals.
(1) Only accessible for the sensor controller
(2) Only accessible for the system CPU
Table 17-1. Memory Map of AUX Peripherals
AUX Peripheral Instance Description Start Address
AUX_ARBITER (alias of frequently used
registers) Arbitrator(1) 0x 400C 0000
AUX_AIODIOCTRL0 IO Bank 0 0x 400C 1000
AUX_AIODIOCTRL1 IO Bank 1 0x 400C 2000
AUX_TDC Time-to-digital converter 0x 400C 4000
AUX_EVCTRL Event control 0x 400C 5000
AUX_WUC Wake-up control 0x 400C 6000
AUX_TIMER Timers 0x 400C 7000
AUX_SEMAPH Semaphore 0x 400C 8000
AUX_ANAIF Analog control 0x 400C 9000
DDI_0_OSC Oscillator interface 0x 400C A000
AUX_ADI Analog interface 0x 400C B000
AUX_RAM AUX SRAM 0x 400E 0000
AUX_SCE Sensor controller engine control and status(2) 0x 400E 1000
17.2.1 Alias of Commonly Used Registers
Table 17-2 defines the mapping for the sensor controller to use direct I/O access to selected registers in
the peripherals.
Table 17-2. Register Mapping
Register Bank Register Name Original Address Alias Address
AUX_ANAIF ADCCTL 0x400C 9000+0x10 0
AUX_ANAIF ADCFIFOSTAT 0x400C 9000+0x14 1
AUX_ANAIF ADCFIFO 0x400C 9000+0x18 2
AUX_ANAIF ADCTRIG 0x400C 0000+0x1C 3
AUX_TDCIF CTL 0x400C 4000+0x00 4
AUX_TDCIF STAT 0x400C 4000+0x04 5
AUX_TDCIF RESULT (lowest 16 bits) 0x400C 4000+0x08 6
AUX_TDCIF RESULT (highest 8 bits) 0x400C 4000+0x0A 7

Memory Mapping
www.ti.com
1296 SWCU117F–February 2015–Revised June 2016
Submit Documentation Feedback
Copyright © 2015–2016, Texas Instruments Incorporated
AUX – Sensor Controller with Digital and Analog Peripherals
Table 17-2. Register Mapping (continued)
Register Bank Register Name Original Address Alias Address
AUX_TDCIF TRIGSRC 0x400C 4000+0x10 8
AUX_TIMER CFG0 0x400C 7000+0x00 9
AUX_TIMER CFG1 0x400C 7000+0x04 10
AUX_TIMER T0CTL 0x400C 7000+0x08 11
AUX_TIMER T0TARGET 0x400C 7000+0x0C 12
AUX_TIMER T1TARGET 0x400C 7000+0x10 13
AUX_AIODIO0 GPIODOUT 0x400C 1000+0x00 14
AUX_AIODIO1 GPIODOUT 0x400C 2000+0x00 15
AUX_AIODIO0 IOMODE 0x400C 1000+0x04 16
AUX_AIODIO1 IOMODE 0x400C 2000+0x04 17
AUX_AIODIO0 GPIODIN 0x400C 1000+0x08 18
AUX_AIODIO1 GPIODIN 0x400C 2000+0x08 19
AUX_AIODIO0 GPIODOUTSET 0x400C 1000+0x0C 20
AUX_AIODIO1 GPIODOUTSET 0x400C 2000+0x0C 21
AUX_AIODIO0 GPIODOUTCLR 0x400C 1000+0x10 22
AUX_AIODIO1 GPIODOUTCLR 0x400C 2000+0x10 23
AUX_AIODIO0 GPIODOUTTGL 0x400C 1000+0x14 24
AUX_AIODIO1 GPIODOUTTGL 0x400C 2000+0x14 25
AUX_SMPH SMPH0 0x400C 8000+0x00 26
AUX_SMPH SMPH1 0x400C 8000+0x04 27
AUX_SMPH SMPH2 0x400C 8000+0x08 28
AUX_SMPH SMPH3 0x400C 8000+0x0C 29
AUX_SMPH SMPH4 0x400C 8000+0x10 30
AUX_SMPH SMPH5 0x400C 8000+0x14 31
AUX_SMPH SMPH6 0x400C 8000+0x18 32
AUX_SMPH SMPH7 0x400C 8000+0x1C 33
AUX_SMPH AUTOTAKE 0x400C 8000+0x20 34
AUX_WUC MODCLKEN0 0x400C 6000+0x00 35
AUX_WUC PWROFFREQ 0x400C 6000+0x04 36
AUX_WUC PWRDWNREQ 0x400C 6000+0x08 37
AUX_EVCTL VECCFG0 0x400C 5000+0x00 38
AUX_EVCTL VECCFG1 0x400C 5000+0x04 39
AUX_ANAIF ISRCCTRL 0x400C 9000+0x20 40
AUX_AIODIO0 GPIODIE 0x400C 1000+0x18 41
AUX_AIODIO1 GPIODIE 0x400C 2000+0x18 42
AUX_EVCTL VECFLAGS 0x400C 5000+0x34 43
AUX_EVCTL SCEWEVSEL 0x400C 5000+0x08 44
AUX_EVCTL SWEVSET 0x400C 5000+0x18 45
AUX_EVCTL DMASWREQ 0x400C 5000+0x30 46
AUX_WUC WUEVFLAGS 0x400C 6000+0x28 47
AUX_WUC WUEVCLR 0x400C 6000+0x2C 48
AUX_WUC ADCCLKCTL 0x400C 6000+0x30 49
AUX_WUC TDCCLKCTL 0x400C 6000+0x34 50
AUX_WUC REFCLKCTL 0x400C 6000+0x38 51
AUX_WUC RTCSUBSECINCCTL 0x400C 6000+0x44 52
AUX_WUC PWROFFREQ 0x400C 6000+0x04 53
AUX_WUC PWRDWNREQ 0x400C 6000+0x08 54

www.ti.com
I/O Mapping
1297
SWCU117F–February 2015–Revised June 2016
Submit Documentation Feedback Copyright © 2015–2016, Texas Instruments Incorporated
AUX – Sensor Controller with Digital and Analog Peripherals
Table 17-2. Register Mapping (continued)
Register Bank Register Name Original Address Alias Address
AUX_WUC PWRDWNACK 0x400C 6000+0x0C 55
AUX_WUC CLKLFREQ 0x400C 6000+0x10 56
AUX_WUC CLKLFACK 0x400C 6000+0x14 57
AUX_WUC BGAPREQ 0x400C 6000+0x20 60
AUX_WUC BGAPACK 0x400C 6000+0x24 61
AUX_WUC MCUBUSCTL 0x400C 6000+0x48 62
AUX_WUC MCUBUSSTAT 0x400C 6000+0x4C 63
AUX_EVCTL EVTOMCUFLAGSCLR 0x400C 5000+0x38 64
AUX_EVCTL EVTOAONFLAGSCLR 0x400C 5000+0x3C 65
AUX_EVCTL VECFLAGSCLR 0x400C 5000+0x40 66
AUX_WUC MODCLKEN1 0x400C 6000+0x5C 67
AUX_TIMER T1CTL 0x400C 7000+0x14 68
AUX_ADI SET03[1:0] 0x400C B000+0x10 72
AUX_ADI SET03[3:2] 0x400C B000+0x12 73
AUX_ADI SET47[1:0] 0x400C B000+0x14 74
AUX_ADI SET47[3:2] 0x400C B000+0x16 75
AUX_ADI SET811[1:0] 0x400C B000+0x18 76
AUX_ADI SET811[3:2] 0x400C B000+0x1A 77
AUX_ADI SET1215[1:0] 0x400C B000+0x1C 78
AUX_ADI SET1215[3:2] 0x400C B000+0x1E 79
AUX_ADI CLR03[1:0] 0x400C B000+0x20 80
AUX_ADI CLR03[3:2] 0x400C B000+0x22 81
AUX_ADI CLR47[1:0] 0x400C B000+0x24 82
AUX_ADI CLR47[3:2] 0x400C B000+0x26 83
AUX_ADI CLR811[1:0] 0x400C B000+0x28 84
AUX_ADI CLR811[3:2] 0x400C B000+0x2A 85
AUX_ADI CLR1215[1:0] 0x400C B000+0x2C 86
AUX_ADI CLR1215[3:2] 0x400C B000+0x2E 87
17.3 I/O Mapping
Up to 16 package-dependent I/Os can be routed to the AUX_PD I/O controller by configuring the MCU I/O
controller, which allows the sensor controller to directly control I/Os independently of the MCU and the
MCU power modes used.
See Chapter 11,I/O Control, for more details on the mapping between AUX I/Os and digital I/Os.

Modules
www.ti.com
1298 SWCU117F–February 2015–Revised June 2016
Submit Documentation Feedback
Copyright © 2015–2016, Texas Instruments Incorporated
AUX – Sensor Controller with Digital and Analog Peripherals
17.4 Modules
17.4.1 Sensor Controller
17.4.1.1 Introduction
The sensor controller module is a proprietary, lightweight CPU optimized for low power. Some
architectural highlights include the following:
• Comprehensive 2-operand load and store RISC-style instruction set with high code density
• All instructions consist of one 16-bit opcode
• Eight general-purpose registers of configurable width (up to 16 bits)
• 8-bit immediate instructions embedded in opcode, extendable to 16 bits using a prefix instruction
• Powerful memory-addressing modes
• Efficient manipulation of single bits in I/O space
• Dedicated support for efficient handling of external events
• Vectorized reset and wake-up events allow direct branch to handler address in the vector table
• Multiple power-down features, including clock-stop when waiting for external events and wakeup
• Low-power implementation with explicit power gating
• 2-clock execution for all instructions (3-clock for prefixed instructions)
17.4.1.2 Registers
The sensor controller has eight 16-bit general-purpose registers, R0 to R7. The registers are used as
operands in all data operations, and also for memory and I/O addressing. All integer registers can be used
for any operation, except for a few instructions that require dedicated use of the integer registers R0 or R1
only. The size of a register is known as a word, and all operations operate on entire words; there are no
such concepts as byte, halfwords, and so forth.
Dedicated flag registers implement the traditional zero (Z), negative (N), carry (C), and overflow (V) status
indications. A dedicated loop-count and loop-address register support highly efficient looping instructions.
The program counter (PC) is used to address the instruction memory and the CPU has a built-in 3-level
stack to store the PC during subroutine calls.
Most of the sensor controller registers are memory-mapped and are available for the system CPU to read
or write. These are found in the AUX_SCE:FETCHSTAT and the AUX_SCE:CPUSTAT registers.
17.4.1.3 Interfaces
The sensor controller has the following interfaces:
• Instruction interface towards AUX_RAM
• Data interface towards AUX_RAM
• I/O interface towards the peripheral bus
• Event interface towards the event control module
• Power management interface towards the AUX wake-up controller
The data, I/O, and instruction interfaces are all 16-bit interfaces. The data and instruction interfaces are
time-interleaved, so both can access the AUX_RAM without affecting each other. The CPU automatically
selects the interface based on the instruction being used.
17.4.1.4 Events, Sleep, and Clock Management
The sensor controller has eight events connected to its event inputs, that are used with the wev0 and
wev1 instructions (wait for the event to be 0 or 1). In addition, before executing the sleep instruction, it is
possible to configure four additional events that can wake up the sensor controller again.
These events are used to control program flow upon wakeup and to save power.

www.ti.com
Modules
1299
SWCU117F–February 2015–Revised June 2016
Submit Documentation Feedback Copyright © 2015–2016, Texas Instruments Incorporated
AUX – Sensor Controller with Digital and Analog Peripherals
17.4.1.4.1 wev1, wev0, and sleep Instructions
The wev1,wev0, and sleep instructions take a parameter that is an event number (event 0 to 7). When
the instruction is executed, the clock stops until the selected event line reaches 0 for a wev0 instruction or
1 for a wev1 instruction. The events are described in Section 17.4.2.1,Event Control, and
Section 17.4.2.1.2,Sensor Controller Events.
The sleep instruction stops the clock and also triggers the AUX power domain to go into a low-power
mode if AUX is set up to do so. See Section 17.5,Power Management, for more details.
The sensor controller continues execution from one of its four input wake-up vectors in the
AUX_EVCTL:VECCFG0 and the AUX_EVCTL:VECCFG1 registers, which are prioritized from 0 (highest)
to 3 (lowest).
17.4.1.5 Instruction Set
The sensor controller instruction set is compact, powerful, and highly regular. The sensor controller is
based on the traditional RISC concept of having all operands in the registers, or in an immediate field
embedded directly in the instruction opcode.
Data memory can only be accessed using load and store operations, while I/O ports can be accessed
using input and output instructions as well as special bit-manipulation instructions.
For dyadic operations, the destination register appears to the left in the mnemonic except for memory and
I/O operations, where the memory and port address is always the right operand.
The following sections describes all instructions. Each table shows the instruction, the mnemonic, an
informal and a formal description of the operation performed, and how the flags zero (Z), negative (N),
carry (C), and overflow (V) are updated. The operation description is described as right-associative.
17.4.1.5.1 Memory Access
The sensor controller load and store (ld and st) instructions allow reading and writing data from or to the
AUX_RAM.
Load and store instructions transfer data between an integer register and a location in the data memory,
the address of which is determined by the current addressing mode.
Table 17-3 lists the load and store instructions.
(1) Flags: Zero (Z), Negative (N), Carry (C), and Overflow (V)
Table 17-3. Load and Store Instructions(1)
Syntax Description Operation Z N C V
ld Rd,addr Load direct Rd = mem[addr] – – – –
ld Rd,(Rs) Load indirect Rd = mem[Rs] – – – –
ld Rd,(Rs)++ Load indirect, post-
increment Rd = mem[Rs], Rs++ – – – –
ld Rd,(Rs+R0) Load indexed Rd = mem[Rs+R0] – – – –
st Rd,addr Store direct mem[addr] = Rd – – – –
st Rd,(Rs) Store indirect mem[Rs] = Rd – – – –
st Rd,(Rs)++ Store indirect, post-
increment mem[Rs] = Rd, Rs++ – – – –
st Rd,(Rs+r0) Store indexed mem[Rs+r0] = Rd – – – –
For instructions using direct-memory addressing, a 10-bit address is embedded in the instruction word,
supporting direct access to 1K memory words in the range 0 to 1023. Using the prefix instruction, the
direct-memory address can be extended to 16-bit, allowing direct access to 64K memory words. 16-bit
addressing of memory is also possible using indirect or indexed addressing.

Modules
www.ti.com
1300 SWCU117F–February 2015–Revised June 2016
Submit Documentation Feedback
Copyright © 2015–2016, Texas Instruments Incorporated
AUX – Sensor Controller with Digital and Analog Peripherals
17.4.1.5.2 I/O Access
For the sensor controller to access the other peripherals in AUX_PD (address range 0x400C 0000 to
0x400C FFFF), it must use the input and output instructions (in and out), using only the 16 lowest bits of
the 32-bit address.
Input and output instructions transfer data between an integer register and a peripheral register, the
address of which is determined by the current addressing mode.
Table 17-4 lists the input and output instructions available.
(1) Flags: Zero (Z), Negative (N), Carry (C), and Overflow (V)
Table 17-4. Input and Output Instructions(1)
Syntax Description Operation Z N C V
in Rd,[#addr] Input direct Rd = reg[addr] – – – –
in Rd,(Rs) Input indirect Rd = reg[Rs] – – – –
out Rd,[#addr] Output direct reg[addr] = Rd – – – –
out Rd,(Rs) Output indirect reg[rs] = Rd – – – –
For instructions using direct peripheral register addressing, an 8-bit address is embedded in the instruction
supporting direct access to 256 I/O ports in the range 0 to 255. Using the prefix instruction, the direct I/O
address can be extended to 16. 16-bit addressing of I/O is also possible using indirect addressing.
17.4.1.5.3 I/O Bit Access
In addition to reading and writing I/O ports using the input and output instructions, individual bits in the I/O
ports can be directly set, cleared, and tested using single instructions. This allows very fast and code-
efficient implementation of common bit-manipulation functions without requiring the use of internal
registers.
Table 17-5 lists the input and output instructions available.
(1) Flags: Zero (Z), Negative (N), Carry (C), and Overflow (V)
Table 17-5. Input and Output Instructions(1)
Syntax Description Operation Z N C V
iobclr #imm,[#addr] I/O Bit Clear direct reg[addr] &= ~2^imm – – – –
iobset #imm,[#addr] I/O Bit Set direct reg[addr] |= 2^imm – – – –
iobtst #imm,[#addr] I/O Bit Test direct reg[addr] & 2^imm – – x –
The clear and set instructions first perform an input operation from the addressed register, then modify the
selected bit only and output the resulting new value to the same register.
Note that it is only possible to select bits 0 to 7 in a register using the 3-bit immediate value encoded in
the instructions.
Because the instructions use only direct register addressing, an 8-bit address is embedded in the
instruction supporting direct access to 256 registers in the range 0 to 255. Using the prefix instruction, the
direct register address can be extended to 16-bit.

www.ti.com
Modules
1301
SWCU117F–February 2015–Revised June 2016
Submit Documentation Feedback Copyright © 2015–2016, Texas Instruments Incorporated
AUX – Sensor Controller with Digital and Analog Peripherals
17.4.1.5.4 Arithmetic and Logical Operations
The arithmetic and logical operations operate on a destination operand in an integer register, while the
source can be either another integer register, or an 8-bit immediate operand.
Table 17-6 lists the arithmetic and logical instructions.
(1) Flags: Zero (Z), Negative (N), Carry (C), and Overflow (V)
Table 17-6. Arithmetic and Logical Instructions(1)
Syntax Description Operation Z N C V
Dyadic instructions
add Rd,#simm Add immediate Rd += simm x x x x
cmp Rd,#simm Compare immediate Rd – simm x x x x
and Rd,#imm AND immediate Rd &= imm x x 0 0
or Rd,#imm OR immediate Rd |= imm x x 0 0
xor Rd,#imm XOR immediate Rd ^= imm x x 0 0
tst Rd,#imm Test immediate Rd & imm x x 0 0
add Rd,Rs Add register Rd += Rs x x x x
sub Rd,Rs Subtract register Rd –= Rs x x x x
subr Rd,Rs Subtract reverse register Rd = Rs – Rd x x x x
cmp Rd,Rs Compare register Rd – Rs x x x x
and Rd,Rs AND register Rd &= Rs x x 0 0
or Rd,Rs OR register Rd |= Rs x x 0 0
xor Rd,Rs XOR register Rd ^= Rs x x 0 0
tst Rd,Rs Test register Rd & Rs x x 0 0
Monadic instructions
abs Rd Absolute register Rd = Rd > 0 ? Rd : –Rd x x x x
neg Rd Negate register Rd = –Rd x x x x
not Rd Invert register Rd = ~Rd x x 0 0
For instructions using an immediate operand, an 8-bit immediate is embedded in the instruction word.
Using the prefix-instruction, the immediate can be extended to a full 16-bit.
The arithmetic add and cmp instructions treat the 8-bit immediate as a signed quantity, in other words in
the range of –128 to +127, sign-extending it to full register width as appropriate. This allows, for example,
immediate subtractions to be performed using the add instruction.
The logical and,or,xor, and tst instructions treat the 8-bit immediate as an unsigned quantity, in other
words in the range of 0 to 255, zero-extending it to full register width as appropriate.
For all operations, the zero (Z) flag is set if the result is 0. The negative (N) flag is set equal to the most
significant bit of the result.
For arithmetic operations, the carry (C) flag is set according to a carry or borrow out of the most significant
bit of the result. Similarly, the overflow (V) flag is asserted if a arithmetic signed overflow occurs.
For logical operations, the carry (C) and overflow (V) flags are always both cleared.

Modules
www.ti.com
1302 SWCU117F–February 2015–Revised June 2016
Submit Documentation Feedback
Copyright © 2015–2016, Texas Instruments Incorporated
AUX – Sensor Controller with Digital and Analog Peripherals
17.4.1.5.5 Shift Operations
The shift operations operate on a destination operand in an integer register, while the source can be either
another integer register or a 3-bit immediate operand.
Table 17-7 lists the shift instructions.
(1) Flags: Zero (Z), Negative (N), Carry (C), and Overflow (V)
Table 17-7. Shift Instructions(1)
Syntax Description Operation Z N C V
lsl Rd,Rs Logical shift left
register Rd <<= Rs x x x 0
lsr Rd,Rs Logical shift right
register Rd >>= Rs x x x 0
asr Rd,Rs Arithmetic shift right
register Rd >>= Rs, preserving sign x x x 0
lsl Rd,#imm Logical shift left
immediate Rd <<= imm x x x 0
lsr Rd,#imm Logical shift right
immediate Rd >>= imm x x x 0
asr Rd,#imm Arithmetic shift right
immediate Rd >>= imm, preserving
sign x x x 0
For instructions using an immediate operand, a 3-bit immediate is embedded in the instruction word,
allowing an immediate shift value in the range 1–8 to be encoded.
NOTE: Due to restrictions in the built-in barrel shifter—to save area and power—shifts can only be in
the range 0 to 15 positions, even when using the register version of the instructions.
For all operations, the zero (Z) flag is set if the result is 0. The negative (N) flag is set equal to the most
significant bit of the result. The carry (C) flag is set according to the last bit shifted out, whether through
the most significant or the least significant bit. The overflow (V) flag is always cleared.
17.4.1.5.6 Flow Control
The sensor controller has support for several powerful flow-control instructions, leading to efficient
execution of control flows.
17.4.1.5.6.1 Nonloop Flow Control
Table 17-8 lists all the nonloop flow control instructions.
(1) Flags: Zero (Z), Negative (N), Carry (C), and Overflow (V)
Table 17-8. Nonloop Flow Control Instructions(1)
Syntax Description Operation Z N C V
jmp addr Jump direct pc = addr – – – –
jsr addr Jump subroutine
direct push(stack, pc+1),
pc = addr – – – –
jmp (rR) Jump indirect pc = R0 – – – –
jsr (R0) Jump subroutine
indirect push(stack, pc+1),
pc = R0 – – – –
rts Return subroutine pc = pop(stack) – – – –
b<cc> rel Branch relative if
condition met if (cc) pc+1+rel – – – –
bra rel Branch relative pc+1+rel – – – –
bev0 #ev, rel Branch if event 0 if (!events[ev]) pc+1+rel – – – –
bev1 #ev, rel Branch if event 1 if (events[ev]) pc+1+rel – – – –

www.ti.com
Modules
1303
SWCU117F–February 2015–Revised June 2016
Submit Documentation Feedback Copyright © 2015–2016, Texas Instruments Incorporated
AUX – Sensor Controller with Digital and Analog Peripherals
For instructions using direct memory addressing, a 10-bit address is embedded in the instruction word,
supporting direct access to 1K memory instructions in the range 0 to 1023. Using the prefix instruction, the
direct memory address can be extended to 16-bit, allowing direct access to 64K memory instructions.
16-bit addressing is also possible using one of the indirect or the indexed addressing modes.
The b<cc> disp instructions perform conditional branching depending on the condition code flags as listed
in Table 17-9.
Table 17-9. Conditional Branching
Syntax <cc> Description Condition
gtu Greater than, unsigned !C & !Z
geu / iob0 Greater or equal, unsigned / Tested
register bit = 0 !C
eq / z Equal / Zero Z
novf Not overflow !V
pos Positive !N
ges Greater or equal, signed (N & V) | (!N & !V)
gts Greater than, signed ( (N & V) | (!N & !V) ) & !Z
leu Less or Equal, unsigned C | Z
ltu / iob1 Less than, unsigned / Tested I/O bit = 1 C
neq / nz Not Equal / Not Zero !Z
ovf Overflow V
neg Negative N
lts Less than, signed (N & !V) | (!N & V)
les Less or equal, signed (N & !V) | (!N & V) | Z
When the condition tested is true, the next instruction is fetched from instruction memory at a location
equal to the sum of address of the instruction following the branch instruction, and an 8-bit signed
displacement in the range –128 to +127 embedded in the instruction word itself. When the condition
tested is false, instruction fetching continues sequentially. In addition to the above mentioned conditional
branches, an unconditional relative branch bra rel also exists.
The branch-event instructions bev0 and bev1 perform conditional branching, depending on event inputs
provided directly to the sensor controller from its event input. These are the same events as for the wev0
and wev1 instructions, and are described in Section 17.4.2.1.2,Sensor Controller Events.
This branching allows efficient control processing based on external events. The instruction word embeds
a 3-bit event ID in the instruction word, directly supporting 8 external events, and more can be selected
using the prefix instruction.
Each event can be tested for being deasserted (0) or asserted (1). When the selected event input has the
expected value, the address of the next instruction to execute is determined using an 8-bit signed
displacement in the instruction word, as for the b<cc> disp instructions. When the selected event input
does not have the expected value, instruction fetching continues sequentially.

Modules
www.ti.com
1304 SWCU117F–February 2015–Revised June 2016
Submit Documentation Feedback
Copyright © 2015–2016, Texas Instruments Incorporated
AUX – Sensor Controller with Digital and Analog Peripherals
17.4.1.5.6.2 Loop Flow Control
The loop instructions constitute a special group of flow-control instructions that allow iterative loops to be
efficiently coded and executed. Table 17-10 lists the instructions.
(1) Flags: Zero (Z), Negative (N), Carry (C), and Overflow (V)
(2) The Sensor Controller Studio assembler offsets the end-of-loop label, so it can be placed after the last instruction of the loop.
Table 17-10. Loop Flow Instructions(1)
Mnemonic Description Operation Z N C V
loop R1,rel Loop register(2) loopcount = R1,
loopstart = pc+1,
loopend = pc+rel – – – –
loop #n,rel Loop
immediate(2)
loopcount = n,
loopstart = pc+1,
loopend = pc+rel – – – –
A loop instruction is executed just before the first instruction of a loop, and causes the following:
• The address of the following instruction—the first instruction of the loop itself—is stored in an internal
register loopstart.
• The address of the instruction following the last instruction of the actual loop is determined using an 8-
bit, signed displacement in the instruction word, as for the b<cc> disp instructions. The resulting
address is stored in the internal register loopend.
• The number of loop iterations, as determined by either the content of the R1 register or a 3-bit
immediate in the instruction word, is stored in an internal register loopcount.
• The loop-control logic is armed.
Instruction execution continues unaffected until the address of the next instruction to be executed matches
the address stored in loopend. When this happens, loopcount is decremented, and if nonzero, a branch to
the address in loopstart is executed. If loopcount is 0 after being decremented, the loop-control logic is
disarmed, and instruction fetching continues sequentially.
Because there is only one set of the loopstart,loopend, and loopcount registers, and these registers are
not readable or writable from other instructions, loops using the loop instructions cannot be nested. The
loop instructions are intended for use in the innermost loop only.
The loop immediate instructions provide direct support for seven commonly used iteration counts of 2, 4,
8, 16, 32, 64, and 128 through encoding of a 3-bit field embedded in the instruction word, thus not
requiring the use of register R1.

www.ti.com
Modules
1305
SWCU117F–February 2015–Revised June 2016
Submit Documentation Feedback Copyright © 2015–2016, Texas Instruments Incorporated
AUX – Sensor Controller with Digital and Analog Peripherals
17.4.1.5.7 Events, Sleep, and Power Management
To support low-power operation, the sensor controller supports a suspend mode where instruction
execution is halted, internal state is frozen, and the clock is stopped completely under control of external
events.
Table 17-11 lists the instructions that provide additional power management features.
(1) Flags: Zero (Z), Negative (N), Carry (C), and Overflow (V)
Table 17-11. Power Management Instructions(1)
Syntax Description Operation Z N C V
wev0 #ev Wait event 0 Stop clock until events[ev] == 0 – – – –
wev1 #ev Wait event 1 Stop clock until events[ev] == 1 – – – –
sleep sleep Stop clock until wakeup,
then pc = 2*vector – – – –
When a wev0 or wev1 instruction is executed, the sensor controller stops the clock until the selected event
is deasserted (0) or asserted (1), respectively. When the selected condition is satisfied, the clock is re-
enabled and instruction execution continues sequentially.
The wev0 and wev1 instructions use the same event inputs to the sensor controller as for the instructions
bev0 and bev1. They are described in Section 17.4.2.1.2,Sensor Controller Events.
The instructions embed a 3-bit event ID in the instruction word, directly supporting eight external events.
More can be selected using the prefix instruction.
The sleep instruction also stops the clock until a dedicated wake-up event is asserted. When the wake-up
event is asserted to the configured polarity (high or low), the clock starts again, and program execution
continues at an address corresponding to the value on a vector input to the sensor controller, as shown in
Table 17-12. The events have priority ordered from event vector 0 (highest) to event vector 3 (lowest).
Address 0 is also used as the reset vector.
Table 17-12. Vector Inputs
Vector Address (Relative to AUX RAM)
0 0x0000
1 0x0002
2 0x0004
3 0x0006
The vector interrupts allow the sensor controller to stay in power down. When a wake-up event occurs, the
sensor controller will start executing code from the corresponding address given in Table 17-12.
If the sensor controller is running, it is not affected by new event vectors being asserted until the sleep
instruction is executed again. The events used with the sleep instruction are found in Section 17.4.2.1.2,
Sensor Controller Events.

Modules
www.ti.com
1306 SWCU117F–February 2015–Revised June 2016
Submit Documentation Feedback
Copyright © 2015–2016, Texas Instruments Incorporated
AUX – Sensor Controller with Digital and Analog Peripherals
17.4.1.5.8 Miscellaneous Instructions
A few instructions fall outside of the previously described instruction groups. These instructions are shown
in Table 17-13 and described in this section.
(1) Flags: Zero (Z), Negative (N), Carry (C), and Overflow (V)
Table 17-13. Miscellaneous Instructions(1)
Syntax Description Operation Z N C V
ld Rd,#simm Load immediate Rd = simm – – – –
ld Rd,Rs Load register Rd = rs – – – –
pfix #imm Prefix immediate pfix = imm – – – –
The load immediate instruction embeds a 10-bit signed immediate in the instruction word, allowing an
immediate in the range –512 to +511 to be loaded directly into a register.
The load register instruction copies a source register to a destination register. The nop instruction is
encoded as ld R7,R7.
The prefix instruction embeds an 8-bit, unsigned immediate in the instruction word that is loaded into a
hidden prefix register. Upon execution of the next instruction with an immediate or direct address operand,
the prefix register is effectively providing bit 15–8 of the source operand. Once used, the prefix register is
disabled and not used again until following the execution of a new prefix instruction.
Using prefixed instructions have the following two implications:
• The two uppermost bits, 9 and 8, of a 10-bit immediate or direct address embedded in an instruction
are ignored, as they are replaced by bits from the prefix register.
• No sign extension of an embedded immediate is performed for instructions that would normally do so,
as the uppermost bits are provided by the prefix register.
17.4.1.5.9 Reset
Following reset, execution starts at an address corresponding to the value of the same vector input as
used for the sleep instruction. This execution enables a usage model where the sensor controller is
completely disabled (powered down), and once activated, execution starts directly at an address of a
dedicated handler corresponding to the source that caused the sensor controller to be activated as
described in Section 17.4.1.5.7,Events, Sleep, and Power Management.
Restart functionality is also provided by asserting AUX_SCE:CTL.RESTART, which immediately disrupts
the instruction flow, causing execution to resume at the handler address selected by the vector input.
The restart functionality does not clear internal registers and flags. Reset does disable an active loop or
prefix.
17.4.1.5.10 Limitations
Due to internal pipelining and minimized register bypass logic, the instructions using R0 as a dedicated
register require special caution.
R0 must not be loaded from memory or register by an instruction immediately preceding any instruction
using R0 as a dedicated register. The affected instructions are ld/st rd,(Rs+R0) and jmp/jsr (R0).
Not observing this rule causes the previous value of R0 to be used instead of the newly loaded one.
Loading an immediate or the result of any nonmemory I/O operation into R0 is perfectly valid and causes
the expected behavior.

www.ti.com
Modules
1307
SWCU117F–February 2015–Revised June 2016
Submit Documentation Feedback Copyright © 2015–2016, Texas Instruments Incorporated
AUX – Sensor Controller with Digital and Analog Peripherals
17.4.1.6 Sensor Controller Control and Status
Several sensor controller status and debug registers are found in the AUX_SCE registers. These registers
provide means for the MCU to control the sensor controller and observe its status:
• Hooks for development and debugging software on the sensor controller
• Observation of internal registers and flags in the sensor controller
• Support for starting, stopping, resetting, and single-stepping of the sensor controller
NOTE: The use of the AUX_SCE registers are only supported through drivers generated by the TI-
provided Sensor Controller Studio.
17.4.1.6.1 Single-stepping and Debugging the Sensor Controller
To do single-stepping, first suspend the sensor controller by setting the AUX_SCE:CTL.SUSPEND
register. Single-stepping is done by writing 1 to the AUX_SCE:CTL.SINGLE_STEP register. One
instruction is executed per write. Normal program execution is done by clearing the
AUX_SCE:CTL.SUSPEND register.
Full system real-time operation can be debugged by setting the AUX_SCE:CTL.DBG_FREEZE_EN bit.
This ensures that the sensor controller and AUX timers are stopped when a debugger halts the system
CPU (configured by default to do so in the MCU event fabric).
Because the clocks in the MCU domain are asynchronous to the AUX domain, multiprocessor debugging
is not perfectly real-time, but can be useful in many cases.
17.4.1.7 Running a Program
To execute a program on the sensor controller, the program image must first be uploaded to the AUX
RAM by the system CPU or DMA. The sensor controller is halted from reset, and does not receive any
clock.
There are two ways to have the CPU receive a clock and start executing its code:
• Write to the AON_WUC:AUXCTL.SCE_RUN_EN register
• Write to the AUX_SCE:CTL.CLK_EN register
Using the AON_WUC:AUXCTL.SCE_RUN_EN register bit is necessary if AUX_PD is being powered
down or up by the sensor controller, and the user wants to have the sensor controller restart without
interaction from the system CPU. TI recommends this way of using the sensor controller.
The AON_WUC:AUXCTL.SCE_RUN_EN register bit survives until the device enters shutdown, or there is
a system-wide reset.
The AUX_SCE registers are reset whenever AUX is reset or power-cycled. Otherwise, it has the same
functionality as the AON_WUC:AUXCTL.SCE_RUN_EN register bit.

Modules
www.ti.com
1308 SWCU117F–February 2015–Revised June 2016
Submit Documentation Feedback
Copyright © 2015–2016, Texas Instruments Incorporated
AUX – Sensor Controller with Digital and Analog Peripherals
17.4.1.7.1 Use Case – Periodic Wakeup
A typical use case is to wake up both AUX _PD and the sensor controller periodically, to execute a task
such as SPI or ADC sampling.
This wake up can be achieved, for example, by enabling the RTC channel 2 in continuous-compare mode
and setting it as a wake-up event vector in the AON_EVENT:AUXWUSEL register. When an RTC
compare event occurs on channel 2, this causes AUX to be powered on in active mode.
However, the sensor controller does not start to execute code until one of the four wake-up event vectors
(described in Section 17.4.2.1.2,Sensor Controller Events) are triggered, so RTC channel 2 must also be
setup as a wake-up vector to the sensor controller in the AUX_EVCTL:VECCFG0 and the
AUX_EVCTL:VECCFG1 registers.
During execution, the sensor controller event vector flag must be cleared to prevent it from restarting
again immediately at the same vector after a sleep instruction is issued.
When the task is finished executing and AUX_PD must power down, the sensor controller must make a
power-down request to the AON wake-up controller, and then the AUX_PD must be disconnected from
the MCU system bus. This process is described in Section 17.5,Power Management.
The wake-up event must be cleared before powering down to stop AUX from immediately powering on
again. The RTC has a dedicated interface for clearing channel 2, by writing to the
AUX_WUC:WUEVCLR.AON_RTC_CH2 register.
The AUX_PD must not request to power down until a read of the corresponding wake-up event flag
AUX_WUC:WUEVFLAGS register reads 0.
17.4.2 GPIO Control
If the sensor controller is controlling GPIOs instead of the MCU domain, the I/O latches must be opened,
or the I/Os are in an unknown state. Opening the latches is done through the AUX_WUC:AUXIOLATCH
register.
17.4.2.1 Event Control
The AUX domain has an event bus where event outputs from many modules are distributed throughout
the module.
These AUX domain events can trigger a number of actions, both internally in the AUX domain and in the
AON and MCU domains, where events can be further routed through the event fabric (see Section 4.3,
Event Fabric).
Examples of these kinds of interactions are the following:
• Trigger a RTC capture when a timer has reached its target
• Wake up the MCU domain when an ADC conversion is done
• Trigger a DMA transfer when a comparator changes value
All events triggering actions internally in AUX are described in detail in the corresponding module chapter.
There are also events used to wake up AUX, which are described in Section 17.5.3,Wake-up Events, and
Section 17.5,Power Management.
17.4.2.1.1 Software-defined Events
There are three software-defined events in AUX that can trigger actions in the AON or MCU domain.
These can, for example, be set by the sensor controller to wake up the MCU domain and trigger an
interrupt in the system CPU. The system CPU can also write these events, which allows for a
communication and synchronization protocol between the sensor controller and the system CPU.
The software-defined events are set by writing to the AUX_EVCTL:SWEVSET register and are cleared by
writing to AUX_EVCTL:EVTOAONFLAGSCLR register.
All events are connected to the AON and MCU event fabric, and software event 0 and event 1 are directly
routed to the system CPU.

www.ti.com
Modules
1309
SWCU117F–February 2015–Revised June 2016
Submit Documentation Feedback Copyright © 2015–2016, Texas Instruments Incorporated
AUX – Sensor Controller with Digital and Analog Peripherals
17.4.2.1.2 Sensor Controller Events
17.4.2.1.2.1 sleep Instruction and Reset Events
The sensor controller has 4 edge-triggered event vector inputs that are used to wake from the sleep
instruction and trigger program execution from the corresponding reset vector.
These event vectors are defined in the AUX_EVCTL:VECCFG0 and the AUX_EVCTL:VECCFG1
registers.
Each event vector can have separate control of enable control, trigger source, and edge polarity.
During execution of a vector, the flag must be cleared by writing a 1 to the corresponding bit in the
AUX_EVCTL:VECFLAGSCLR register to avoid having the next sleep instruction wake up the sensor
controller again immediately.
17.4.2.1.2.2 wev0 and wev1 Events
Table 17-14 lists some events from the event bus that are connected directly to the sensor controller.
These events are to be used with the wev0 and wev1 instructions.
Table 17-14. Events Used With Sensor Controller WEV Instructions
Name Number Description
AON_RTC_CH2 0 RTC Channel 2 event
COMPA 1 Comparator A event
COMPB 2 Comparator B event
TDC_DONE 3 TDC conversion done or timed out
TIMER0 4 Timer 0 reached its target count
SMPH_AUTOTAKE_DONE 5 A given semaphore has been released
ADC_DONE 6 ADC conversion is done
PROG 7 Programmable event
Event 7 is programmable and is configured in the AUX_EVCTL:SCEWEVSEL register.
17.4.2.1.3 Events to AON Event Fabric
Several edge-triggered events in AUX are connected to the AON event fabric, where they can be routed to
modules to trigger an action.
Examples of such actions are waking up the MCU voltage domain or doing an RTC capture. In addition,
these events can be routed further from the AON event fabric to the MCU event fabric as AON
programmable events (see Section 4.3,Event Fabric for more information).
Table 17-15 lists the events routed to the AON event fabric.
Table 17-15. Events Routed to the AON Event Fabric
Name Number Description
SWEV0 0 Software defined event 0
SWEV1 1 Software defined event 1
SWEV2 2 Software defined event 2
COMPA 3 Comparator A event
COMPB 4 Comparator B event
ADC_DONE 5 ADC conversion is done
TDC_DONE 6 TDC conversion done or timed out
TIMER0 7 Timer 0 reached its target count
TIMER1 8 Timer 1 reached its target count

Modules
www.ti.com
1310 SWCU117F–February 2015–Revised June 2016
Submit Documentation Feedback
Copyright © 2015–2016, Texas Instruments Incorporated
AUX – Sensor Controller with Digital and Analog Peripherals
Check the status and configure the events going to the AON event fabric with the following:
• Configure the polarity of events with the AUX_EVCTL:EVTOAONPOL register
• Read the status of events with the AUX_EVCTL:EVTOAONFLAGS register
• Clear the events with the AUX_EVCTL:EVTOAONFLAGSCLR register
17.4.2.1.4 Events to MCU
Several events are connected to the MCU event fabric and the system CPU, which can generate actions
such as DMA transfers or system CPU interrupts.
Table 17-16 lists the events connected directly to the MCU event fabric.
(1) Logical OR of the AUX wake-up events in the AUX_WUC:WUEVFLAGS register
(2) ADC new sample available, FIFO underflow or overflow. If DMA is used: ADC DMA done, FIFO underflow or overflow.
Table 17-16. MCU Event Fabric Events
Name Number Description
AON_WU_EV 0 AON wake-up event(1)
COMPA 1 Comparator A event
COMPB 2 Comparator B event
TDC_DONE 3 TDC conversion done or timed out
TIMER0 4 Timer 0 reached its target count
TIMER1 5 Timer 1 reached its target count
SMPH_AUTOTAKE_DONE 6 A given semaphore has been released
ADC_DONE 7 ADC conversion is done
ADC_FIFO_ALMOST_FULL 8 ADC FIFO almost full
ADC_IRQ 10 ADC IRQ(2)
Check the status and configure the events output to the MCU event fabric with the following:
• Configure the polarity of events with the AUX_EVCTL:EVTOMCUPOL register
• Read the event status and clear the events with the AUX_EVCTL:EVTOMCUFLAGS register
There is also a programmable, combined event to the MCU event fabric generated from a logical OR of all
events selected in an event mask, which is configured in the AUX_EVCTL:COMBEVTOMCUMASK
register.
17.4.3 AUX Timers
The AUX power domain has two compare timers available, one 16 bit and one 8 bit. The timers can use a
number of inputs as their tick source and can be clocked on either the AUX power domain system clock or
an external event.
To set up a timer, the tick source must first be configured in the AUX_TIMER:TnCFG.MODE register.
Setting the mode to CLK makes the timer tick at the AUX system clock. Configuring it in tick mode makes
the timer use the event input configured in the TICK_SRC field as its tick, which makes it possible to have
it tick on events such as AUX I/O events, MCU events, comparator events, and others.
Prescaling is also available by configuring the 4-bit register field AUX_TIMER:TXCFG.PRE, which divides
the selected tick source by 2PRE; thus, giving a prescaling range from 1 to 65536.
When a timer hits the compare value configured in the AUX_TIMER:TXTARGET.VALUE register, the
corresponding timer event is set. The timer either stops or restarts again, depending on the configuration
in the AUX_TIMER:TXCFG:RELOAD register. The timer starts running when asserting the
AUX_TIMER:TXCTL.EN register.

www.ti.com
Modules
1311
SWCU117F–February 2015–Revised June 2016
Submit Documentation Feedback Copyright © 2015–2016, Texas Instruments Incorporated
AUX – Sensor Controller with Digital and Analog Peripherals
17.4.4 Time-to-Digital Converter
The high-precision time-to-digital converter (TDC) peripheral measures time between two individually
selected start and stop events with high accuracy. The TDC counts on both clock edges, running
effectively up to a speed of 96 MHz. The TDC is controlled by a state machine running on the AUX_PD
system clock.
Typical use cases for TDC are as part of a system doing capacitive sensing, clock calibration, or pulse
counting.
17.4.4.1 Configuration
The TDC must be in idle mode to be configured; any register writes are ignored when not in idle mode.
The TDC starts up in idle and returns to idle when a measurement is done or a measurement is aborted.
17.4.4.2 Clocks
Before accessing the TDC module, the clock to the TDC interface must be enabled by writing to the
AUX_WUC:MODCLKEN0.TDC register.
The high-speed clock used to count must also be configured in the
DDI_0_OSC:CTL0.ACLK_TDC_SRC_SEL register. Table 17-17 lists the available clock sources.
Table 17-17. Available Clock Sources
Clock Source Description
RCOSC_HF 48-MHz RCOSC
RCOSC_HF_D24M 24 MHz derived from RCOSC_HF
XOSC_HF_D24M 24 MHz derived from XOSC_HF
See Section 17.4.6,Oscillator Configuration Interface (DDI), for information on writing to the oscillator
interface.
If the TDC is used to measure the frequency of another on-chip frequency oscillator, the correct low-
frequency source must be configured in the DDI_0_OSC:CTL0.ACLK_REF_SRC_SEL register.
Table 17-18 lists the available reference clock sources.
Table 17-18. Available Reference Clock Sources
Clock Source Description
RCOSC_HF_DLF Clock derived from 48-MHz RCOSC (31.25 kHz)
XOSC_HF_DLF Clock derived from 2-4MHz XOSC (31.25 kHz)
RCOSC_LF Clock from RCOSC_LF (32 kHz)
XOSC_LF Clock from XOSC_LF (32.768 kHz)
Before using the TDC, the above-configured clock sources must be enabled by writing to the
AUX_WUC:TDCCLKCTL.REQ and the AUX_WUC:REFCLKCTL.REQ register. The corresponding ACK
bit is set when the clock source has started and is ready to use.
NOTE: If there are any high-speed clocks enabled for the TDC, the system is not able to go to
standby mode because the oscillator is still requesting resources from the supply system.

Modules
www.ti.com
1312 SWCU117F–February 2015–Revised June 2016
Submit Documentation Feedback
Copyright © 2015–2016, Texas Instruments Incorporated
AUX – Sensor Controller with Digital and Analog Peripherals
17.4.4.2.1 Start and Stop Source
A start and stop source must be configured for the TDC before doing a measurement by configuring the
AUX_TDC:TRIGSRC register. It is also possible to configure the polarity of the start and stop sources,
which lets the TDC start or stop counting on the programmed edge.
If more than one period of a signal is to be measured, the number of stop events to ignore before stopping
the measurement must be configured in the AUX_TDC:TRIGCNTLOAD register, and the stop counter
must be enabled in the AUX_TDC:TRIGCNTCFG register.
17.4.4.2.2 Saturation
The TDC can be configured in the AUX_TDC:SATCFG register to saturate and stop the measurement if
the counter values are larger than a configurable saturation limit. This process can be useful when an
unknown signal is input as start or stop source to limit the maximum time the TDC is counting. If the TDC
saturates, both the SAT and DONE status bits are set in the AUX_TDC:STAT register.
17.4.4.2.3 Prescaler
If the input signal measured by the TDC has a high frequency (more than 1/10 of AUX clock frequency),
the TDC state machine may lose pulses. In this case, an optional prescaler can be used at the input of the
TDC.
The prescaler can be connected as a start or stop event (just like any other event) and then it divides the
input signal by 16 or 64, which is configurable in the AUX_TDC:PRECTL.RATIO register.
Any event in the AUX_TDC:PRECTL.SRC bit field can be used as input.
The following limitations apply to using the prescaler:
• The prescaler must be set as both start and stop source for the TDC
• The TDC must only be started in synchronous mode
• Prescaler input frequency must be lower than 24 MHz
• When configuring the prescaler, it must first be put in reset mode by clearing the
AUX_TDC:PRECTL.RESET_N register bit, and the TDC must be in idle mode.
The TDC result does not automatically compensate for the prescaler ratio. This must be done in software
by multiplying with the prescaler ratio.
17.4.4.3 Performing a Measurement
Starting and stopping a measurement is done by writing to the AUX_TDC:CTL.CMD register.
In asynchronous mode, the start event must not arrive until seven AUX clock periods after the start bit is
written to. This mode is recommended for measurements in which software has control of the arrival time
of the start event.
For synchronous mode, the TDC start automatically synchronizes to the edge of the start signal. If the
start event is too close to the time when the start command is given, it is missed and the TDC does not
start until the next edge of the start signal. This mode is recommended for measuring periodic signals
such as clock inputs.
Once a measurement is done, the counter value can be read out from the AUX_TDC:RESULT register.

www.ti.com
Modules
1313
SWCU117F–February 2015–Revised June 2016
Submit Documentation Feedback Copyright © 2015–2016, Texas Instruments Incorporated
AUX – Sensor Controller with Digital and Analog Peripherals
17.4.5 Semaphores
The AUX power domain has eight hardware semaphores that can be used for synchronization between
the sensor controller and system CPU. These are taken by reading the AUX_SMPH:SMPHn.STAT
semaphore registers. Reading a 1 means the semaphore was taken while reading; reading a 0 means the
semaphore is already taken by another owner. A semaphore is released by writing 1 to the same register.
The semaphore module also has an auto-take functionality where the semaphore number is written to the
AUX_SMPH:AUTOTAKE.SMPH_ID register. Once the semaphore becomes available, it automatically
takes again and the SMPH_AUTOTAKE_DONE event is asserted. Software must wait until this event is
triggered before writing to the AUTOTAKE register again. Failing to do so might lead to permanently lost
semaphores because the owners might be unknown.
NOTE: TI provided drivers and frameworks use semaphore 0 to ensure unique access to the analog
(ADI) and oscillator (DDI) interface. Using semaphore 0 for other purposes might create
system conflicts
17.4.6 Oscillator Configuration Interface (DDI)
The DDI is a 32-bit interface used to control the oscillators in the device. It is located within the AUX
power domain to allow both the system CPU and the sensor controller to configure the oscillators.
Section 6.5,Clock Management, provides details on what clocks can be configured through the oscillator
interface.
17.4.7 Analog MUX
Between the analog I/Os and the modules connected to them, there are a set of muxes used to connect
various inputs to the module. These muxes are configured through the AUX ADI.
Section 11.8,I/O Pin Mapping shows that these I/Os are mapped to the analog-capable sensor controller
pins (AUX IO 0 to 7).
The muxes can connect peripherals to both analog I/Os and some internal signals. Table 17-19 shows the
supported connections.
Table 17-19. Supported Connections
Peripheral Connects To
ADC / Comparator B + (shared input) AUX IO 0 to 7, GND,VDDS, VDD/DECOUPL
Comparator B – VDDS, VDD/DECOUPL,GND
Comparator A + AUX IO 0 to 7
Comparator A – AUX IO 0 to 7, GND, VDDS, VDD/DECOUPL
To avoid shorting signals together internally, TI provides ROM-based driverLib functions that ensure a
break-before-make switching of the internal muxes when connecting them to the analog peripherals.

ADC
Digital
C
Vin
Vref
Gnd
Vin
Vref
Gnd
Vin
Vref
Gnd
2C32CC
Vin
Vref
Gnd
Vin
Vref
Gnd
Vin
Vref
Gnd
2C32C
Switch Control
Vbias
Data[11:0]
Modules
www.ti.com
1314 SWCU117F–February 2015–Revised June 2016
Submit Documentation Feedback
Copyright © 2015–2016, Texas Instruments Incorporated
AUX – Sensor Controller with Digital and Analog Peripherals
17.4.8 ADC
17.4.8.1 Introduction
The ADC is a 12-bit general-purpose successive approximation type (SAR) ADC that can sample up to
200 kS/s using up to eight different input channels with a number of start triggers.
The input stage consists of a switched-capacitor stage, where the input voltage is sampled and held
before the conversion is done.
The ADC can operate in both synchronous and asynchronous mode.
In synchronous mode, the start trigger starts the sampling for a programmable amount of time before the
conversion is performed to allow for high-impedance sources to be properly sampled.
For asynchronous mode, the ADC samples continuously then stops sampling when the start signal
triggers to perform a conversion. This mode allows jitter-free sampling for applications that require it, such
as audio sampling.
The ADC is production-trimmed and it is possible to compensate for ADC gain and offset errors in
software by reading the factory configuration page [see Section 9.2,Factory Configuration (FCFG)].
Figure 17-2. ADC Block Diagram
17.4.8.2 ADC Reference
The ADC supports two different internal references, one constant and one relative to VDDS.
The ADC automatically scales down the input signal to be within the reference range. It is possible to
disable the scaling, but this requires great care by the user to ensure the maximum ratings in the data
sheet are followed. With scaling enabled, the internal fixed reference looks like 4.3 V compared to the
actual input level. With scaling disabled, the reference is 1.44 V.
NOTE: With scaling disabled it is possible to cause permanent damage to the ADC with voltage
levels lower than VDDS. See the data sheet for detailed limits.
To save power in synchronous mode, the ADC reference can also be powered off during idle periods (if
the sampling period is long enough to turn it on again during sampling) by setting the
ADI_4_AUX:ADCREF0.REF_ON_IDLE register.
The ADC reference source is selected in the ADI_4_AUX:ADCREF0.SRC register and enabled in the
ADI_4_AUX:ADCREF0.EN register.

www.ti.com
Modules
1315
SWCU117F–February 2015–Revised June 2016
Submit Documentation Feedback Copyright © 2015–2016, Texas Instruments Incorporated
AUX – Sensor Controller with Digital and Analog Peripherals
17.4.8.3 Sample Mode and Sample Duration
Sampling mode is configured in the ADI_4_AUX:ADC0.SMPL_MODE register.
Synchronous sampling is done by starting a sampling when a trigger is received. The input is then
sampled for a period defined in the ADI_4_AUX:ADC0.SMPL_CYCLE_EXP register before a conversion is
performed.
Asynchronous mode is always sampling; it only stops sampling when the start trigger occurs to perform a
conversion.
17.4.8.4 Input Signal Scaling
Disabling input scaling is configured through the ADI_4_AUX:ADC1.SCALE_DIS register, and can be
used to increase the ADC step resolution for lower input voltages.
Use this setting with caution because even input voltages within the VDDS operating voltage can damage
the ADC permanently. Refer to the device data sheet for voltage limits.
17.4.8.5 ADC Enable
Enabling the ADC analog core is done by setting the ADI_4_AUX:ADC0.EN register bit, which enables the
internal bias module and comparator.
17.4.8.6 Digital Core
The SAR ADC has a digital core that is used to configure the ADC, perform measurements, and interface
the AUX registers for control and data.
After configuring the ADC registers in ADI_4_AUX, the ADC digital core can be enabled. Any changes to
the ADC core or reference configuration (except for the enable signals) requires the ADC digital core to be
reset again to take effect. This reset is done by clearing and then setting the reset signal in the
ADI_4_AUX:ADC0.RESET_N register.
17.4.8.7 ADC Core Clock
The ADC core uses a 24-MHz clock source derived from SCLK_HF, which must be enabled by setting the
AUX_WUC:ADCCLKCTL.REQ register. When the corresponding ACK bit in the same register is read as
high, the clock is enabled to the ADC.
For accurate low-jitter sampling in asynchronous mode, the software must ensure that SCLK_HF is
sourced from the 24-MHz XTAL before using the ADC.
NOTE: When this clock is enabled, the system cannot go into standby or shutdown mode because
the system still has a dependency on the SCLK_HF setting.

Modules
www.ti.com
1316 SWCU117F–February 2015–Revised June 2016
Submit Documentation Feedback
Copyright © 2015–2016, Texas Instruments Incorporated
AUX – Sensor Controller with Digital and Analog Peripherals
17.4.8.8 Sampling
The ADC can start sampling on events from a number of different sources in AUX and AON, I/O events on
the AUX IOs, and the general purpose timers in MCU (through the event fabric).
The source and start polarity is configured in the AUX_ANAIF:ADCCTL register. For software triggered
sampling, set the start source to an unused value and write to AUX_ANAIF:ADCTRIG register.
17.4.8.9 FIFO
The ADC FIFO is a 4-element large FIFO for storing the results of ADC conversions.
ADC samples can be read from the FIFO register, AUX_ANAIF:ADCFIFO. When a sample is read, it is
popped from the FIFO and can be stored by the user.
Statuses and errors in the FIFO are found in the AUX_ANAIF:ADCFIFOSTAT register.
To recover from an FIFO overflow or underflow condition, the FIFO must be flushed by writing the flush
command to AUX_ANAIF:ADCCTL.CMD and then enabling the ADC interface again.
NOTE: When debugging the software, showing the ADCFIFO register causes JTAG to read the
FIFO, which pops the sample from the FIFO, and consequently the software cannot read it.
17.4.8.10 Interrupts and Events
The ADC events found in event control are output to allow other modules to trigger on ADC events or to
interrupt the system CPU. These are edge-triggered and must be cleared by software.
17.4.8.11 DMA Usage
The ADC can be used together with DMA to allow data transfer from the ADC FIFO to any other memory-
mapped location without CPU involvement.
To configure the ADC to trigger a DMA transfer, the corresponding DMA channel #7 must be set up in the
µDMA module.
After configuring the µDMA, configuration of a DMA trigger for the ADC is done in the
AUX_EVCTL:DMACTL register.
The trigger of a DMA transfer can be done by two different FIFO events: ADC_ FIFO_NOT_EMPTY (1 or
more samples available) or ADC_FIFO_ALMOST_FULL (3/4 full).
The type of DMA request must also be configured (burst or single transfer). If using single transfers, the
µDMA must be set up to copy 1 sample, while a burst transfer must copy no more than 3 samples to avoid
underflow.
When using µDMA, the AUX_ADC_IRQ event is set when the DMA transfer is done to allow the system
CPU to be interrupted, which occurs for ADC DMA transfer done, ADC FIFO underflow, and ADC FIFO
overflow.

www.ti.com
Power Management
1317
SWCU117F–February 2015–Revised June 2016
Submit Documentation Feedback Copyright © 2015–2016, Texas Instruments Incorporated
AUX – Sensor Controller with Digital and Analog Peripherals
17.4.8.12 Usage Example – Single Shot ADC Measurement
17.4.8.12.1 Enable Interface Clocks and ADC Clocks
Use the following steps to enable the interface clocks and the ADC clocks:
1. Enable the clock for the AUX analog interface with the AUX_WUC:MODCLKEN0.SOC register and for
the ADI interface with the AUX_WUC:MODCLKEN0.ADI register.
2. Request clock for the ADC core; wait until the request is acknowledged in the
AUX_WUC:ADCCLKCTL register.
17.4.8.12.2 Configure the ADC Registers
Use the following steps to configure the ADC registers:
1. Connect the correct MUX to the ADC and set the I/O in analog mode (disable the input and output
buffer).
2. Set the ADC sampling mode with the ADI_4_AUX:ADC0.SMPL_MODE register.
3. Configure the sampling time for continuous mode with the ADI_4_AUX:ADC0.SMPL_CYCLE_EXP
register.
• The minimum must be 0x3 (2.7 µs) for complete internal signal settling.
4. Chose the internal reference source with the ADI_4_AUX:ADCREF0.SRC register.
5. Configure the power-saving mode of internal reference with the ADI_4_AUX:ADCREF0.REF_ON_IDLE
register.
6. Enable the ADC analog core with the ADI_4_AUX:ADC0.EN register, and reference the
AUX_ADI:ADCREF0.EN register.
7. Release the ADC core from reset with the ADI_4_AUX:ADC0.RESET_N register.
17.4.8.12.3 Sampling
Use the following steps to initiate sampling:
1. Set the start polarity to rising and set the start source to manual (for example, 0x9) with the
AUX_ANAIF:ADCCTL register.
2. Write to the start trigger register, AUX_ANAIF:ADCTRIG.
3. Wait until the FIFO is no longer empty on the AUX_ANAIF:ADCFIFOSTAT register, and read the
measurement from the FIFO AUX_ANAIF:ADCFIFO register.
17.5 Power Management
NOTE: Before reading this Power Management section, read Chapter 6,Power, Reset, and Clock
Management.
System resources and power modes can be requested with registers in the AUX_WUC, and these
requests are generally independent from similar requests in the MCU voltage domain. By configuring the
AUX_WUC, both the sensor controller and the system CPU can request the following:
• AUX_PD power modes
• AUX clock source and frequency
• AUX peripheral clocks
To access a peripheral in AUX (other than for AUX_WUC and AUX_EVCTL), the clock must be enabled in
the AUX_WUC:MODCLKEN0 register or the AUX_WUC:MODCLKEN1 register. Failure to do so results in
an error when accessing the peripheral (refer to Section 17.1.1,AUX Hardware Overview, for details).

Power Management
www.ti.com
1318 SWCU117F–February 2015–Revised June 2016
Submit Documentation Feedback
Copyright © 2015–2016, Texas Instruments Incorporated
AUX – Sensor Controller with Digital and Analog Peripherals
17.5.1 Start-up
From system reset, the AUX power domain powers on and requests active-system mode. The domain is
consequently clocked by the HF system clock at 24 MHz, though all AUX peripherals except for
AUX_WUC and AUX_EVCTL are clock gated.
17.5.2 Power Mode Management
To save power when AUX_PD is not being used, the entire power domain can be put in low-power mode.
As both the AUX and MCU are capable of requesting system resources such as active and standby
modes, it is important to be aware that neither must request active mode if the desired system-mode state
is standby or shutdown.
To enable low-power consumption, the user must request the minimal amount of system resources
required to achieve a task. Thus, when there is no task running on the sensor controller requiring active
mode in AUX, it must request to be powered down.
NOTE: TI-RTOS forces AUX into active whenever the MCU system is in active mode to ensure fast
access to the oscillator interface in the AUX domain.
There are three power modes available for the AUX domain: active, power down, and power off.
17.5.2.1 Active Mode
Active mode is requested when there is no request set for power down or power off. When active system
mode is entered, the AUX clock source is derived from the high-speed system clock, which can be divided
down by configuring the AON_WUC:AUXCLK.SCLK_HF_DIV register.
The maximum frequency is 24 MHz, and the configuration of clock division must be done by the system
CPU.
When the AUX_PD is in active mode, the device is prevented from entering standby or shutdown power
modes because the AUX_PD is requesting system resources from the supply system.
17.5.2.2 Power Down
Power down is requested when AUX has been disconnected from the system BUS.
In power down mode, the AUX_PD is on and the sensor controller can still execute programs. The AUX
domain receives a clock defined in the AON_WUC:AUXCLK.PWR_DWN_SRC register.
To have the AUX enter power-down mode, a 4-phase handshake with the AON_WUC is necessary, using
the AUX_WUC register bank by completing the following sequence:
1. Write AUX_WUC:PWRDWNREQ = 1
2. Wait for AUX_WUC:PWRDWNACK = 1
3. Write AUX_WUC:PWRDWNREQ = 0
4. Wait until AUX_WUC:PWRDWNACK = 0
When the PWRDWNACK register goes low, the AUX starts receiving the power-down clock instead of the
active-mode clock.
By default, the entire AUX domain has full retention in the power-down mode. TI recommends using this
low-power mode to save execution time by not having to reconfigure AUX every time it is used.
If the entire CC26xx and CC13xx device must be put in a low-power mode, the AUX must first disconnect
from the MCU system bus before completing the power-down sequence. Refer to Section 17.5.4,MCU
Bus Connection for more details.

www.ti.com
Power Management
1319
SWCU117F–February 2015–Revised June 2016
Submit Documentation Feedback Copyright © 2015–2016, Texas Instruments Incorporated
AUX – Sensor Controller with Digital and Analog Peripherals
17.5.2.3 Power Off
The AUX domain can be fully powered off (power disconnected) from the domain to reduce the leakage
current from the domain. To fully power off the AUX domain, the system must first disconnect from the
MCU system bus (refer to Section 17.5.4,MCU Bus Connection for more details).
To request the domain to be powered off, write AON_WUC:PWROFFREQ = 1.
Even if the entire domain is powered off, the contents of AUX SRAM are retained by default, which is
configurable in the AON_WUC:AUXCFG.SRAM_RET_EN register field.
NOTE: Powering off the entire AUX domain is usually not needed because the extra current being
drawn compared to power down is minimal (just a few nA).
17.5.3 Wake-up Events
The AON domain can generate the following wake-up events that set the AUX domain into active mode
again:
• Up to four events configured in the AON_EVENT:AUXWUSEL register
• A software-triggered event from AON triggered by writing to the AON_WUC:AUXCTL.SWEV register
• Setting AON_WUC:AUXCTL.AUX_FORCE_ON = 1
If code running on the system CPU accesses the AUX, the AON_WUC:AUXCTL.AUX_FORCE_ON
register bit must always be set (see Chapter 6,Power, Reset, and Clock Management, for more details.
NOTE: Any power-down request remaining from before the AUX was powered down takes effect
again when the wake-up source bits are cleared, which is done by clearing the event flag at
the source of the event.
The current status of the wake-up events can be read from the AUX_WUC:WUEVFLAGS register. The
event flags that can be read out are the following:
• AON_RTC channel 2
• Software event from AON
• Wake-up source programmed in the AON_EVENT:AUXWUSEL register (including RTC channel 2)
To clear an AUX wake-up source, the sensor controller or system CPU must clear it through writing to the
AUX_WUC:WUEVCLR register. A power-down request must not be done before the flag is read as 0.
RTC channel 2 and software events from AON have dedicated clear bits. Any wake-up I/O events on pins
routed to the AUX are cleared by writing to the AUX_WUC:WUEVCLR.AON_PROG_WU register.
A use case that requires special handling is when both an I/O and RTC channel 2 are used as AUX wake-
up sources and event vectors for the sensor controller.
If the RTC event occurs while the sensor controller is handling a task triggered by an I/O event, the
AUX_WUC:WUEVFLAGS:AON_PROG_WU register flag does not go low when clearing the RTC event in
the I/O wake-up handler because the flag includes the RTC event. This can be overcome in software by
checking if the flag AUX_WUC:WUEVFLAGS:AON_RTC_CH2 is set, and running a sleep instruction to
restart at the RTC vector instead of waiting for the AON_WU_PROG bit to be cleared.
Other wake-up events programmed in the AON_EVENT:AUXWUSEL register must be cleared at the
source module in the AUX or by the system CPU.
NOTE: Waking up the AUX domain does not make the sensor controller start running its program
again because this is dependent on the state of the sensor controller. Refer to
Section 17.4.1.7,Running a Program and Section 17.4.8.10,Interrupts and Events.

Power Management
www.ti.com
1320 SWCU117F–February 2015–Revised June 2016
Submit Documentation Feedback
Copyright © 2015–2016, Texas Instruments Incorporated
AUX – Sensor Controller with Digital and Analog Peripherals
17.5.4 MCU Bus Connection
The AUX can request disconnection from the MCU bus interface, which connects the MCU domain to the
AUX. This request is done through the AUX_WUC:MCUBUSCTL register. The sensor controller can poll
the AUX_WUC:MCUBUSSTAT register to poll the status of the connection to the system bus.
Because the system CPU cannot read these registers after the bus is disconnected, the CPU must use
the AON_WUC:PWRSTAT.AUX_PD_ON register field to check if the AUX is connected to the MCU
system bus.
17.6 Clock Management
17.6.1 System Clocks
Because AUX is a slave to the system CPU, the system clock for AUX is controlled by the system CPU
through the AON wake-up controller, AON_WUC:AUXCLK.
The clock configuration is tied to the current power mode.
17.6.1.1 Active Mode
In active mode, AUX runs on the high-frequency system clock (SCLK_HF) divided down by a factor
between 2 and 256, which is configured by writing to the AON_WUC:AUXCLK.SCLK_HF_DIV register.
AUX can override this setting and run with the low-frequency system clock as source instead. This
override is done by requesting active mode by doing a four-phase handshake with the AON wake-up
controller with the following sequence:
1. Set the AUX_WUC:CLKLFREQ.REQ register high.
2. Wait for the AUX_WUC:CLKLFACK.ACK register to go high.
3. Set the AUX_WUC:CLKLFREQ.REQ register low.
4. Wait for the AUX_WUC:CLKLFACK.ACK register to go low.
After this handshake, AUX is ensured to always use the low-frequency clock in active mode.
Active mode is not recommended for normal use because the system CPU experiences very long wait
times to access modules in AUX_PD, such as the oscillators.
17.6.1.2 Power Down
When AUX is in power-down mode, the domain receives a power-down clock instead, which is configured
in the AON_WUC:AUXCLK.PWR_DWN_SRC register.
Table 17-20 lists the power-down options.
Table 17-20. Options for Power Down
Clock Source Description
NONE The AUX system receives no system clock. The sensor controller does not run and any accesses
to AUX from the system CPU return a bus fault. Any peripherals that can run on an asynchronous
clock (such as timers and the TDC) continue to run.
SCLK_LF AUX runs on the low-frequency system clock (SCLK_LF). The sensor controller can run on this
clock as well as all peripherals. Any accesses to AUX from the system CPU take several
SCLK_LF clock periods before returning.
Access to the AUX domain from the system CPU while AUX is using a low-frequency clock is slow
because the system CPU stalls while waiting for a response from AUX. Therefore, the system CPU must
force AUX into active mode by asserting the AON_WUC:AUXCTL:AUX_FORCE_ON register, which
causes AUX to run at full speed and be connected to the MCU system. The AUX must not be accessed
from the MCU domain before the AON_WUC:PWRSTAT:AUX_PD_ON status register field has been
asserted.

www.ti.com
Clock Management
1321
SWCU117F–February 2015–Revised June 2016
Submit Documentation Feedback Copyright © 2015–2016, Texas Instruments Incorporated
AUX – Sensor Controller with Digital and Analog Peripherals
17.6.2 Sensor Controller Clock
The sensor controller always runs at the same clock as the AUX system.
When switching between power modes, any code running on the device has a nondeterministic run time
because the clock source changes. The nondeterministic run time can be avoided by not running code on
the sensor controller while switching power modes, or by requesting to always run on the low-frequency
clock when switching between power modes.
See the clock section in Section 17.5.2.1,Active Mode, for more details.
17.6.3 Peripheral Clocks
The AUX can request a number of clocks for the peripherals in the AUX domain.
Enabling clocks for most peripherals is done through the AUX_WUC:MODCLKEN0 register. After enabling
the clock for a peripheral, it is ready to be accessed immediately.

AUX – Sensor Controller Registers
www.ti.com
1322 SWCU117F–February 2015–Revised June 2016
Submit Documentation Feedback
Copyright © 2015–2016, Texas Instruments Incorporated
AUX – Sensor Controller with Digital and Analog Peripherals
17.7 AUX – Sensor Controller Registers
17.7.1 ADI_4_AUX Registers
Table 17-21 lists the memory-mapped registers for the ADI_4_AUX. All register offset addresses not listed
in Table 17-21 should be considered as reserved locations and the register contents should not be
modified.
Table 17-21. ADI_4_AUX Registers
Offset Acronym Register Name Section
0h MUX0 Internal Section 17.7.1.1
1h MUX1 Internal Section 17.7.1.2
2h MUX2 Internal Section 17.7.1.3
3h MUX3 Internal Section 17.7.1.4
4h ISRC Current Source Section 17.7.1.5
5h COMP Comparator Section 17.7.1.6
7h MUX4 Internal Section 17.7.1.7
8h ADC0 ADC Control 0 Section 17.7.1.8
9h ADC1 ADC Control 1 Section 17.7.1.9
Ah ADCREF0 ADC Reference 0 Section 17.7.1.10
Bh ADCREF1 ADC Reference 1 Section 17.7.1.11

www.ti.com
AUX – Sensor Controller Registers
1323
SWCU117F–February 2015–Revised June 2016
Submit Documentation Feedback Copyright © 2015–2016, Texas Instruments Incorporated
AUX – Sensor Controller with Digital and Analog Peripherals
17.7.1.1 MUX0 Register (Offset = 0h) [reset = 0h]
MUX0 is shown in Figure 17-3 and described in Table 17-22.
Return to Summary Table.
Internal. Only to be used through TI provided API.
Figure 17-3. MUX0 Register
76543210
COMPA_IN COMPA_REF
R/W-0h R/W-0h
Table 17-22. MUX0 Register Field Descriptions
Bit Field Type Reset Description
7-4 COMPA_IN R/W 0h Internal. Only to be used through TI provided API.
3-0 COMPA_REF R/W 0h Internal. Only to be used through TI provided API.

AUX – Sensor Controller Registers
www.ti.com
1324 SWCU117F–February 2015–Revised June 2016
Submit Documentation Feedback
Copyright © 2015–2016, Texas Instruments Incorporated
AUX – Sensor Controller with Digital and Analog Peripherals
17.7.1.2 MUX1 Register (Offset = 1h) [reset = 0h]
MUX1 is shown in Figure 17-4 and described in Table 17-23.
Return to Summary Table.
Internal. Only to be used through TI provided API.
Figure 17-4. MUX1 Register
76543210
COMPA_IN
R/W-0h
Table 17-23. MUX1 Register Field Descriptions
Bit Field Type Reset Description
7-0 COMPA_IN R/W 0h Internal. Only to be used through TI provided API.

www.ti.com
AUX – Sensor Controller Registers
1325
SWCU117F–February 2015–Revised June 2016
Submit Documentation Feedback Copyright © 2015–2016, Texas Instruments Incorporated
AUX – Sensor Controller with Digital and Analog Peripherals
17.7.1.3 MUX2 Register (Offset = 2h) [reset = 0h]
MUX2 is shown in Figure 17-5 and described in Table 17-24.
Return to Summary Table.
Internal. Only to be used through TI provided API.
Figure 17-5. MUX2 Register
76543210
ADCCOMPB_IN COMPB_REF
R/W-0h R/W-0h
Table 17-24. MUX2 Register Field Descriptions
Bit Field Type Reset Description
7-3 ADCCOMPB_IN R/W 0h Internal. Only to be used through TI provided API.
2-0 COMPB_REF R/W 0h Internal. Only to be used through TI provided API.

AUX – Sensor Controller Registers
www.ti.com
1326 SWCU117F–February 2015–Revised June 2016
Submit Documentation Feedback
Copyright © 2015–2016, Texas Instruments Incorporated
AUX – Sensor Controller with Digital and Analog Peripherals
17.7.1.4 MUX3 Register (Offset = 3h) [reset = 0h]
MUX3 is shown in Figure 17-6 and described in Table 17-25.
Return to Summary Table.
Internal. Only to be used through TI provided API.
Figure 17-6. MUX3 Register
76543210
ADCCOMPB_IN
R/W-0h
Table 17-25. MUX3 Register Field Descriptions
Bit Field Type Reset Description
7-0 ADCCOMPB_IN R/W 0h Internal. Only to be used through TI provided API.

www.ti.com
AUX – Sensor Controller Registers
1327
SWCU117F–February 2015–Revised June 2016
Submit Documentation Feedback Copyright © 2015–2016, Texas Instruments Incorporated
AUX – Sensor Controller with Digital and Analog Peripherals
17.7.1.5 ISRC Register (Offset = 4h) [reset = 0h]
ISRC is shown in Figure 17-7 and described in Table 17-26.
Return to Summary Table.
Current Source
Strength and trim control for current source
Figure 17-7. ISRC Register
76543210
TRIM RESERVED EN
R/W-0h R/W-0h R/W-0h
Table 17-26. ISRC Register Field Descriptions
Bit Field Type Reset Description
7-2 TRIM R/W 0h Adjust current from current source.
Output currents may be combined to get desired total current.
0h = No current connected
1h = 0P25U : 0.25 uA
2h = 0P5U : 0.5 uA
4h = 1P0U : 1.0 uA
8h = 2P0U : 2.0 uA
10h = 4P5U : 4.5 uA
20h = 11P75U : 11.75 uA
1 RESERVED R/W 0h Software should not rely on the value of a reserved. Writing any
other value than the reset value may result in undefined behavior.
0 EN R/W 0h Current source enable

AUX – Sensor Controller Registers
www.ti.com
1328 SWCU117F–February 2015–Revised June 2016
Submit Documentation Feedback
Copyright © 2015–2016, Texas Instruments Incorporated
AUX – Sensor Controller with Digital and Analog Peripherals
17.7.1.6 COMP Register (Offset = 5h) [reset = 0h]
COMP is shown in Figure 17-8 and described in Table 17-27.
Return to Summary Table.
Comparator
Control COMPA and COMPB comparators
Figure 17-8. COMP Register
76543210
COMPA_REF_
RES_EN COMPA_REF_
CURR_EN COMPB_TRIM COMPB_EN RESERVED COMPA_EN
R/W-0h R/W-0h R/W-0h R/W-0h R/W-0h R/W-0h
Table 17-27. COMP Register Field Descriptions
Bit Field Type Reset Description
7 COMPA_REF_RES_EN R/W 0h Enables 400kohm resistance from COMPA reference node to
ground. Used with COMPA_REF_CURR_EN to generate voltage
reference for cap-sense.
6 COMPA_REF_CURR_EN R/W 0h Enables 2uA IPTAT current from ISRC to COMPA reference node.
Requires ISRC.EN = 1. Used with COMPA_REF_RES_EN to
generate voltage reference for cap-sense.
5-3 COMPB_TRIM R/W 0h COMPB voltage reference trim temperature coded:
0h = No reference division
1h = Divide reference by 2
3h = Divide reference by 3
7h = Divide reference by 4
2 COMPB_EN R/W 0h Comparator B enable
1 RESERVED R/W 0h Software should not rely on the value of a reserved. Writing any
other value than the reset value may result in undefined behavior.
0 COMPA_EN R/W 0h COMPA enable

www.ti.com
AUX – Sensor Controller Registers
1329
SWCU117F–February 2015–Revised June 2016
Submit Documentation Feedback Copyright © 2015–2016, Texas Instruments Incorporated
AUX – Sensor Controller with Digital and Analog Peripherals
17.7.1.7 MUX4 Register (Offset = 7h) [reset = 0h]
MUX4 is shown in Figure 17-9 and described in Table 17-28.
Return to Summary Table.
Internal. Only to be used through TI provided API.
Figure 17-9. MUX4 Register
76543210
COMPA_REF
R/W-0h
Table 17-28. MUX4 Register Field Descriptions
Bit Field Type Reset Description
7-0 COMPA_REF R/W 0h Internal. Only to be used through TI provided API.

AUX – Sensor Controller Registers
www.ti.com
1330 SWCU117F–February 2015–Revised June 2016
Submit Documentation Feedback
Copyright © 2015–2016, Texas Instruments Incorporated
AUX – Sensor Controller with Digital and Analog Peripherals
17.7.1.8 ADC0 Register (Offset = 8h) [reset = 0h]
ADC0 is shown in Figure 17-10 and described in Table 17-29.
Return to Summary Table.
ADC Control 0
Figure 17-10. ADC0 Register
76543210
SMPL_MODE SMPL_CYCLE_EXP RESERVED RESET_N EN
R/W-0h R/W-0h R/W-0h R/W-0h R/W-0h
Table 17-29. ADC0 Register Field Descriptions
Bit Field Type Reset Description
7 SMPL_MODE R/W 0h ADC Sampling mode:
0: Synchronous mode
1: Asynchronous mode
The ADC does a sample-and-hold before conversion. In
synchronous mode the sampling starts when the ADC clock detects
a rising edge on the trigger signal. Jitter/uncertainty will be inferred in
the detection if the trigger signal originates from a domain that is
asynchronous to the ADC clock. SMPL_CYCLE_EXP determines the
the duration of sampling.
Conversion starts immediately after sampling ends.
In asynchronous mode the sampling is continuous when enabled.
Sampling ends and conversion starts immediately with the rising
edge of the trigger signal. Sampling restarts when the conversion
has finished.
Asynchronous mode is useful when it is important to avoid jitter in
the sampling instant of an externally driven signal
6-3 SMPL_CYCLE_EXP R/W 0h Controls the sampling duration before conversion when the ADC is
operated in synchronous mode (SMPL_MODE = 0). The setting has
no effect in asynchronous mode. The sampling duration is given as
2SMPL_CYCLE_EXP + 1 / 6 us.
3h = 2P7_US : 16x 6 MHz clock periods = 2.7us
4h = 5P3_US : 32x 6 MHz clock periods = 5.3us
5h = 10P6_US : 64x 6 MHz clock periods = 10.6us
6h = 21P3_US : 128x 6 MHz clock periods = 21.3us
7h = 42P6_US : 256x 6 MHz clock periods = 42.6us
8h = 85P3_US : 512x 6 MHz clock periods = 85.3us
9h = 170_US : 1024x 6 MHz clock periods = 170us
Ah = 341_US : 2048x 6 MHz clock periods = 341us
Bh = 682_US : 4096x 6 MHz clock periods = 682us
Ch = 1P37_MS : 8192x 6 MHz clock periods = 1.37ms
Dh = 2P73_MS : 16384x 6 MHz clock periods = 2.73ms
Eh = 5P46_MS : 32768x 6 MHz clock periods = 5.46ms
Fh = 10P9_MS : 65536x 6 MHz clock periods = 10.9ms
2 RESERVED R/W 0h Software should not rely on the value of a reserved. Writing any
other value than the reset value may result in undefined behavior.
1 RESET_N R/W 0h Reset ADC digital subchip, active low. ADC must be reset every time
it is reconfigured.
0: Reset
1: Normal operation
0 EN R/W 0h ADC Enable
0: Disable
1: Enable

www.ti.com
AUX – Sensor Controller Registers
1331
SWCU117F–February 2015–Revised June 2016
Submit Documentation Feedback Copyright © 2015–2016, Texas Instruments Incorporated
AUX – Sensor Controller with Digital and Analog Peripherals
17.7.1.9 ADC1 Register (Offset = 9h) [reset = 0h]
ADC1 is shown in Figure 17-11 and described in Table 17-30.
Return to Summary Table.
ADC Control 1
Figure 17-11. ADC1 Register
76543210
RESERVED SCALE_DIS
R/W-0h R/W-0h
Table 17-30. ADC1 Register Field Descriptions
Bit Field Type Reset Description
7-1 RESERVED R/W 0h Software should not rely on the value of a reserved. Writing any
other value than the reset value may result in undefined behavior.
0 SCALE_DIS R/W 0h Internal. Only to be used through TI provided API.

AUX – Sensor Controller Registers
www.ti.com
1332 SWCU117F–February 2015–Revised June 2016
Submit Documentation Feedback
Copyright © 2015–2016, Texas Instruments Incorporated
AUX – Sensor Controller with Digital and Analog Peripherals
17.7.1.10 ADCREF0 Register (Offset = Ah) [reset = 0h]
ADCREF0 is shown in Figure 17-12 and described in Table 17-31.
Return to Summary Table.
ADC Reference 0
Control reference used by the ADC
Figure 17-12. ADCREF0 Register
76543210
RESERVED REF_ON_IDLE IOMUX EXT SRC RESERVED EN
R/W-0h R/W-0h R/W-0h R/W-0h R/W-0h R/W-0h R/W-0h
Table 17-31. ADCREF0 Register Field Descriptions
Bit Field Type Reset Description
7 RESERVED R/W 0h Software should not rely on the value of a reserved. Writing any
other value than the reset value may result in undefined behavior.
6 REF_ON_IDLE R/W 0h Keep ADCREF powered up in IDLE state when ADC0.SMPL_MODE
= 0.
Set to 1 if ADC0.SMPL_CYCLE_EXP is less than 6 (21.3us
sampling time)
5 IOMUX R/W 0h Internal. Only to be used through TI provided API.
4 EXT R/W 0h Internal. Only to be used through TI provided API.
3 SRC R/W 0h ADC reference source:
0: Fixed reference = 4.3V
1: Relative reference = VDDS
2-1 RESERVED R/W 0h Software should not rely on the value of a reserved. Writing any
other value than the reset value may result in undefined behavior.
0 EN R/W 0h ADC reference module enable:
0: ADC reference module powered down
1: ADC reference module enabled

www.ti.com
AUX – Sensor Controller Registers
1333
SWCU117F–February 2015–Revised June 2016
Submit Documentation Feedback Copyright © 2015–2016, Texas Instruments Incorporated
AUX – Sensor Controller with Digital and Analog Peripherals
17.7.1.11 ADCREF1 Register (Offset = Bh) [reset = 0h]
ADCREF1 is shown in Figure 17-13 and described in Table 17-32.
Return to Summary Table.
ADC Reference 1
Control reference used by the ADC
Figure 17-13. ADCREF1 Register
76543210
RESERVED VTRIM
R/W-0h R/W-0h
Table 17-32. ADCREF1 Register Field Descriptions
Bit Field Type Reset Description
7-6 RESERVED R/W 0h Software should not rely on the value of a reserved. Writing any
other value than the reset value may result in undefined behavior.
5-0 VTRIM R/W 0h Trim output voltage of ADC fixed reference (64 steps, 2's
complement). Applies only for ADCREF0.SRC = 0.
Examples:
0x00 - nominal voltage 1.43V
0x01 - nominal + 0.4% 1.435V
0x3F - nominal - 0.4% 1.425V
0x1F - maximum voltage 1.6V
0x20 - minimum voltage 1.3V
17.7.2 AUX_AIODIO Registers
Table 17-33 lists the memory-mapped registers for the AUX_AIODIO. All register offset addresses not
listed in Table 17-33 should be considered as reserved locations and the register contents should not be
modified.
Table 17-33. AUX_AIODIO Registers
Offset Acronym Register Name Section
0h GPIODOUT General Purpose Input/Output Data Out Section 17.7.2.1
4h IOMODE Input Output Mode Section 17.7.2.2
8h GPIODIN General Purpose Input Output Data In Section 17.7.2.3
Ch GPIODOUTSET General Purpose Input Output Data Out Set Section 17.7.2.4
10h GPIODOUTCLR General Purpose Input Output Data Out Clear Section 17.7.2.5
14h GPIODOUTTGL General Purpose Input Output Data Out Toggle Section 17.7.2.6
18h GPIODIE General Purpose Input Output Input Enable Section 17.7.2.7

AUX – Sensor Controller Registers
www.ti.com
1334 SWCU117F–February 2015–Revised June 2016
Submit Documentation Feedback
Copyright © 2015–2016, Texas Instruments Incorporated
AUX – Sensor Controller with Digital and Analog Peripherals
17.7.2.1 GPIODOUT Register (Offset = 0h) [reset = 0h]
GPIODOUT is shown in Figure 17-14 and described in Table 17-34.
Return to Summary Table.
General Purpose Input/Output Data Out
This register is used to set data on the pads assigned to AUX
Figure 17-14. GPIODOUT Register
31 30 29 28 27 26 25 24 23 22 21 20 19 18 17 16 15 14 13 12 11 10 9 8 7 6 5 4 3 2 1 0
RESERVED IO7_0
R-0h R/W-0h
Table 17-34. GPIODOUT Register Field Descriptions
Bit Field Type Reset Description
31-8 RESERVED R 0h Software should not rely on the value of a reserved. Writing any
other value than the reset value may result in undefined behavior.
7-0 IO7_0 R/W 0h Output values for AUXIO0 through AUXIO7 (for AIODIO0) or
AUXIO8 through AUXIO15 (for AIODIO1).

www.ti.com
AUX – Sensor Controller Registers
1335
SWCU117F–February 2015–Revised June 2016
Submit Documentation Feedback Copyright © 2015–2016, Texas Instruments Incorporated
AUX – Sensor Controller with Digital and Analog Peripherals
17.7.2.2 IOMODE Register (Offset = 4h) [reset = 0h]
IOMODE is shown in Figure 17-15 and described in Table 17-35.
Return to Summary Table.
Input Output Mode
Controls pull-up pull-down and output mode for the IO pins assigned to AUX
Figure 17-15. IOMODE Register
31 30 29 28 27 26 25 24 23 22 21 20 19 18 17 16
RESERVED
R-0h
15 14 13 12 11 10 9 8 7 6 5 4 3 2 1 0
IO7 IO6 IO5 IO4 IO3 IO2 IO1 IO0
R/W-0h R/W-0h R/W-0h R/W-0h R/W-0h R/W-0h R/W-0h R/W-0h
Table 17-35. IOMODE Register Field Descriptions
Bit Field Type Reset Description
31-16 RESERVED R 0h Software should not rely on the value of a reserved. Writing any
other value than the reset value may result in undefined behavior.
15-14 IO7 R/W 0h Selects mode for AUXIO7 (for AIODIO0) or AUXIO15 (for AIODIO1).
0h = Output
1h = Digital input with GPIODIE bit 7 = 1
Analog input/output with GPIODIE bit 7 = 0
2h = Open-drain: The pin is driven low when the corresponding
GPIODOUT bit is 0, and otherwise tri-stated or pulled depending on
the corresponding IOC configuration.
3h = Open-source: The pin is driven high when the corresponding
GPIODOUT bit is 1, and otherwise tri-stated or pulled depending on
the corresponding IOC configuration.
13-12 IO6 R/W 0h Selects mode for AUXIO6 (for AIODIO0) or AUXIO14 (for AIODIO1).
0h = Output
1h = Digital input with GPIODIE bit 6 = 1
Analog input/output with GPIODIE bit 6 = 0
2h = Open-drain: The pin is driven low when the corresponding
GPIODOUT bit is 0, and otherwise tri-stated or pulled depending on
the corresponding IOC configuration.
3h = Open-source: The pin is driven high when the corresponding
GPIODOUT bit is 1, and otherwise tri-stated or pulled depending on
the corresponding IOC configuration.
11-10 IO5 R/W 0h Selects mode for AUXIO5 (for AIODIO0) or AUXIO13 (for AIODIO1).
0h = Output
1h = Digital input with GPIODIE bit 5 = 1
Analog input/output with GPIODIE bit 5 = 0
2h = Open-drain: The pin is driven low when the corresponding
GPIODOUT bit is 0, and otherwise tri-stated or pulled depending on
the corresponding IOC configuration.
3h = Open-source: The pin is driven high when the corresponding
GPIODOUT bit is 1, and otherwise tri-stated or pulled depending on
the corresponding IOC configuration.

AUX – Sensor Controller Registers
www.ti.com
1336 SWCU117F–February 2015–Revised June 2016
Submit Documentation Feedback
Copyright © 2015–2016, Texas Instruments Incorporated
AUX – Sensor Controller with Digital and Analog Peripherals
Table 17-35. IOMODE Register Field Descriptions (continued)
Bit Field Type Reset Description
9-8 IO4 R/W 0h Selects mode for AUXIO4 (for AIODIO0) or AUXIO12 (for AIODIO1).
0h = Output
1h = Digital input with GPIODIE bit 4 = 1
Analog input/output with GPIODIE bit 4 = 0
2h = Open-drain: The pin is driven low when the corresponding
GPIODOUT bit is 0, and otherwise tri-stated or pulled depending on
the corresponding IOC configuration.
3h = Open-source: The pin is driven high when the corresponding
GPIODOUT bit is 1, and otherwise tri-stated or pulled depending on
the corresponding IOC configuration.
7-6 IO3 R/W 0h Selects mode for AUXIO3 (for AIODIO0) or AUXIO11 (for AIODIO1).
0h = Output
1h = Digital input with GPIODIE bit 3 = 1
Analog input/output with GPIODIE bit 3 = 0
2h = Open-drain: The pin is driven low when the corresponding
GPIODOUT bit is 0, and otherwise tri-stated or pulled depending on
the corresponding IOC configuration.
3h = Open-source: The pin is driven high when the corresponding
GPIODOUT bit is 1, and otherwise tri-stated or pulled depending on
the corresponding IOC configuration.
5-4 IO2 R/W 0h Selects mode for AUXIO2 (for AIODIO0) or AUXIO10 (for AIODIO1).
0h = Output
1h = Digital input with GPIODIE bit 2 = 1
Analog input/output with GPIODIE bit 2 = 0
2h = Open-drain: The pin is driven low when the corresponding
GPIODOUT bit is 0, and otherwise tri-stated or pulled depending on
the corresponding IOC configuration.
3h = Open-source: The pin is driven high when the corresponding
GPIODOUT bit is 1, and otherwise tri-stated or pulled depending on
the corresponding IOC configuration.
3-2 IO1 R/W 0h Selects mode for AUXIO1 (for AIODIO0) or AUXIO9 (for AIODIO1).
0h = Output
1h = Digital input with GPIODIE bit 1 = 1
Analog input/output with GPIODIE bit 1 = 0
2h = Open-drain: The pin is driven low when the corresponding
GPIODOUT bit is 0, and otherwise tri-stated or pulled depending on
the corresponding IOC configuration.
3h = Open-source: The pin is driven high when the corresponding
GPIODOUT bit is 1, and otherwise tri-stated or pulled depending on
the corresponding IOC configuration.
1-0 IO0 R/W 0h Selects mode for AUXIO0 (for AIODIO0) or AUXIO8 (for AIODIO1).
0h = Output
1h = Digital input with GPIODIE bit 0 = 1
Analog input/output with GPIODIE bit 0 = 0
2h = Open-drain: The pin is driven low when the corresponding
GPIODOUT bit is 0, and otherwise tri-stated or pulled depending on
the corresponding IOC configuration.
3h = Open-source: The pin is driven high when the corresponding
GPIODOUT bit is 1, and otherwise tri-stated or pulled depending on
the corresponding IOC configuration.

www.ti.com
AUX – Sensor Controller Registers
1337
SWCU117F–February 2015–Revised June 2016
Submit Documentation Feedback Copyright © 2015–2016, Texas Instruments Incorporated
AUX – Sensor Controller with Digital and Analog Peripherals
17.7.2.3 GPIODIN Register (Offset = 8h) [reset = 0h]
GPIODIN is shown in Figure 17-16 and described in Table 17-36.
Return to Summary Table.
General Purpose Input Output Data In
Figure 17-16. GPIODIN Register
31 30 29 28 27 26 25 24 23 22 21 20 19 18 17 16 15 14 13 12 11 10 9 8 7 6 5 4 3 2 1 0
RESERVED IO7_0
R-0h R-0h
Table 17-36. GPIODIN Register Field Descriptions
Bit Field Type Reset Description
31-8 RESERVED R 0h Software should not rely on the value of a reserved. Writing any
other value than the reset value may result in undefined behavior.
7-0 IO7_0 R 0h Input values for AUXIO0 through AUXIO7 (for AIODIO0) or AUXIO8
through AUXIO15 (for AIODIO1).

AUX – Sensor Controller Registers
www.ti.com
1338 SWCU117F–February 2015–Revised June 2016
Submit Documentation Feedback
Copyright © 2015–2016, Texas Instruments Incorporated
AUX – Sensor Controller with Digital and Analog Peripherals
17.7.2.4 GPIODOUTSET Register (Offset = Ch) [reset = 0h]
GPIODOUTSET is shown in Figure 17-17 and described in Table 17-37.
Return to Summary Table.
General Purpose Input Output Data Out Set
Strobes for setting output data register bits
Figure 17-17. GPIODOUTSET Register
31 30 29 28 27 26 25 24 23 22 21 20 19 18 17 16 15 14 13 12 11 10 9 8 7 6 5 4 3 2 1 0
RESERVED IO7_0
R-0h R/W-0h
Table 17-37. GPIODOUTSET Register Field Descriptions
Bit Field Type Reset Description
31-8 RESERVED R 0h Software should not rely on the value of a reserved. Writing any
other value than the reset value may result in undefined behavior.
7-0 IO7_0 R/W 0h Writing 1(s) to one or more bit positions sets the corresponding bit(s)
in GPIODOUT.
Read value is 0x00.

www.ti.com
AUX – Sensor Controller Registers
1339
SWCU117F–February 2015–Revised June 2016
Submit Documentation Feedback Copyright © 2015–2016, Texas Instruments Incorporated
AUX – Sensor Controller with Digital and Analog Peripherals
17.7.2.5 GPIODOUTCLR Register (Offset = 10h) [reset = 0h]
GPIODOUTCLR is shown in Figure 17-18 and described in Table 17-38.
Return to Summary Table.
General Purpose Input Output Data Out Clear
Strobes for clearing output data register bits
Figure 17-18. GPIODOUTCLR Register
31 30 29 28 27 26 25 24 23 22 21 20 19 18 17 16 15 14 13 12 11 10 9 8 7 6 5 4 3 2 1 0
RESERVED IO7_0
R-0h R/W-0h
Table 17-38. GPIODOUTCLR Register Field Descriptions
Bit Field Type Reset Description
31-8 RESERVED R 0h Software should not rely on the value of a reserved. Writing any
other value than the reset value may result in undefined behavior.
7-0 IO7_0 R/W 0h Writing 1(s) to one or more bit positions clears the corresponding
bit(s) in GPIODOUT.
Read value is 0x00.

AUX – Sensor Controller Registers
www.ti.com
1340 SWCU117F–February 2015–Revised June 2016
Submit Documentation Feedback
Copyright © 2015–2016, Texas Instruments Incorporated
AUX – Sensor Controller with Digital and Analog Peripherals
17.7.2.6 GPIODOUTTGL Register (Offset = 14h) [reset = 0h]
GPIODOUTTGL is shown in Figure 17-19 and described in Table 17-39.
Return to Summary Table.
General Purpose Input Output Data Out Toggle
Strobes for toggling output data register bits
Figure 17-19. GPIODOUTTGL Register
31 30 29 28 27 26 25 24 23 22 21 20 19 18 17 16 15 14 13 12 11 10 9 8 7 6 5 4 3 2 1 0
RESERVED IO7_0
R-0h R/W-0h
Table 17-39. GPIODOUTTGL Register Field Descriptions
Bit Field Type Reset Description
31-8 RESERVED R 0h Software should not rely on the value of a reserved. Writing any
other value than the reset value may result in undefined behavior.
7-0 IO7_0 R/W 0h Writing 1(s) to one or more bit positions toggles the corresponding
bit(s) in GPIODOUT.
Read value is 0x00.

www.ti.com
AUX – Sensor Controller Registers
1341
SWCU117F–February 2015–Revised June 2016
Submit Documentation Feedback Copyright © 2015–2016, Texas Instruments Incorporated
AUX – Sensor Controller with Digital and Analog Peripherals
17.7.2.7 GPIODIE Register (Offset = 18h) [reset = 0h]
GPIODIE is shown in Figure 17-20 and described in Table 17-40.
Return to Summary Table.
General Purpose Input Output Input Enable
Figure 17-20. GPIODIE Register
31 30 29 28 27 26 25 24 23 22 21 20 19 18 17 16 15 14 13 12 11 10 9 8 7 6 5 4 3 2 1 0
RESERVED IO7_0
R-0h R/W-0h
Table 17-40. GPIODIE Register Field Descriptions
Bit Field Type Reset Description
31-8 RESERVED R 0h Software should not rely on the value of a reserved. Writing any
other value than the reset value may result in undefined behavior.
7-0 IO7_0 R/W 0h Enables (1) or disables (0) digital input buffers for each AUX I/O pin.
Input buffers must be enabled to allow reading pin values through
GPIODIN.
Input buffers must be disabled for analog input or floating pins to
avoid current leakage.
17.7.3 AUX_EVCTL Registers
Table 17-41 lists the memory-mapped registers for the AUX_EVCTL. All register offset addresses not
listed in Table 17-41 should be considered as reserved locations and the register contents should not be
modified.
Table 17-41. AUX_EVCTL Registers
Offset Acronym Register Name Section
0h VECCFG0 Vector Configuration 0 Section 17.7.3.1
4h VECCFG1 Vector Configuration 1 Section 17.7.3.2
8h SCEWEVSEL Sensor Controller Engine Wait Event Selection Section 17.7.3.3
Ch EVTOAONFLAGS Events To AON Domain Flags Section 17.7.3.4
10h EVTOAONPOL Events To AON Domain Polarity Section 17.7.3.5
14h DMACTL Direct Memory Access Control Section 17.7.3.6
18h SWEVSET Software Event Set Section 17.7.3.7
1Ch EVSTAT0 Event Status 0 Section 17.7.3.8
20h EVSTAT1 Event Status 1 Section 17.7.3.9
24h EVTOMCUPOL Event To MCU Domain Polarity Section 17.7.3.10
28h EVTOMCUFLAGS Events to MCU Domain Flags Section 17.7.3.11
2Ch COMBEVTOMCUMASK Combined Event To MCU Domain Mask Section 17.7.3.12
34h VECFLAGS Vector Flags Section 17.7.3.13
38h EVTOMCUFLAGSCLR Events To MCU Domain Flags Clear Section 17.7.3.14
3Ch EVTOAONFLAGSCLR Events To AON Domain Clear Section 17.7.3.15
40h VECFLAGSCLR Vector Flags Clear Section 17.7.3.16

AUX – Sensor Controller Registers
www.ti.com
1342 SWCU117F–February 2015–Revised June 2016
Submit Documentation Feedback
Copyright © 2015–2016, Texas Instruments Incorporated
AUX – Sensor Controller with Digital and Analog Peripherals
17.7.3.1 VECCFG0 Register (Offset = 0h) [reset = 0h]
VECCFG0 is shown in Figure 17-21 and described in Table 17-42.
Return to Summary Table.
Vector Configuration 0
AUX_SCE event vectors 0 and 1 configuration
Figure 17-21. VECCFG0 Register
31 30 29 28 27 26 25 24
RESERVED
R-0h
23 22 21 20 19 18 17 16
RESERVED
R-0h
15 14 13 12 11 10 9 8
RESERVED VEC1_POL VEC1_EN VEC1_EV
R-0h R/W-0h R/W-0h R/W-0h
76543210
RESERVED VEC0_POL VEC0_EN VEC0_EV
R-0h R/W-0h R/W-0h R/W-0h
Table 17-42. VECCFG0 Register Field Descriptions
Bit Field Type Reset Description
31-15 RESERVED R 0h Software should not rely on the value of a reserved. Writing any
other value than the reset value may result in undefined behavior.
14 VEC1_POL R/W 0h Selects vector 1 trigger event polarity.
To manually trigger vector 1 execution, set VEC1_EV to a known
static value, and toggle VEC1_POL twice.
0h = Rising edge triggers execution.
1h = Falling edge triggers execution.
13 VEC1_EN R/W 0h Enables (1) or disables (0) triggering of vector 1 execution.
When enabled, the edge selected by VEC1_POL on the event
selected by VEC1_EV will set VECFLAGS.VEC1, which in turn
triggers vector 1 execution.
Note: Lower vectors (0) have priority.
0h = Event detection is disabled
1h = An event selected by VEC1_EV with polarity from VEC1_POL
triggers a jump to vector # 1 when AUX_SCE is in sleep

www.ti.com
AUX – Sensor Controller Registers
1343
SWCU117F–February 2015–Revised June 2016
Submit Documentation Feedback Copyright © 2015–2016, Texas Instruments Incorporated
AUX – Sensor Controller with Digital and Analog Peripherals
Table 17-42. VECCFG0 Register Field Descriptions (continued)
Bit Field Type Reset Description
12-8 VEC1_EV R/W 0h Selects vector 1 trigger source event.
0h = AON_RTC_CH2 event
1h = AUX_COMPA event
2h = AUX_COMPB event
3h = TDC_DONE event
4h = TIMER0_EV event
5h = TIMER1_EV event
6h = SMPH_AUTOTAKE_DONE event
7h = ADC_DONE event
8h = ADC_FIFO_ALMOST_FULL event
9h = OBSMUX0 event
Ah = OBSMUX1 event
Bh = AON_SW event
Ch = AON_PROG_WU event
Dh = AUXIO0 input data
Eh = AUXIO1 input data
Fh = AUXIO2 input data
10h = AUXIO3 input data
11h = AUXIO4 input data
12h = AUXIO5 input data
13h = AUXIO6 input data
14h = AUXIO7 input data
15h = AUXIO8 input data
16h = AUXIO9 input data
17h = AUXIO10 input data
18h = AUXIO11 input data
19h = AUXIO12 input data
1Ah = AUXIO13 input data
1Bh = AUXIO14 input data
1Ch = AUXIO15 input data
1Dh = ACLK_REF event
1Eh = MCU_EV event
1Fh = ADC_IRQ event
7 RESERVED R 0h Software should not rely on the value of a reserved. Writing any
other value than the reset value may result in undefined behavior.
6 VEC0_POL R/W 0h Selects vector 0 trigger event polarity.
To manually trigger vector 0 execution, set VEC0_EV to a known
static value, and toggle VEC0_POL twice.
0h = Rising edge triggers execution.
1h = Falling edge triggers execution.
5 VEC0_EN R/W 0h Enables (1) or disables (0) triggering of vector 0 execution.
When enabled, the edge selected by VEC0_POL on the event
selected by VEC0_EV will set VECFLAGS.VEC0, which in turn
triggers vector 0 execution.
0h = Event detection is disabled
1h = An event selected by VEC0_EV with polarity from VEC0_POL
triggers a jump to vector #0 when AUX_SCE is in sleep

AUX – Sensor Controller Registers
www.ti.com
1344 SWCU117F–February 2015–Revised June 2016
Submit Documentation Feedback
Copyright © 2015–2016, Texas Instruments Incorporated
AUX – Sensor Controller with Digital and Analog Peripherals
Table 17-42. VECCFG0 Register Field Descriptions (continued)
Bit Field Type Reset Description
4-0 VEC0_EV R/W 0h Selects vector 0 trigger source event.
0h = AON_RTC_CH2 event
1h = AUX_COMPA event
2h = AUX_COMPB event
3h = TDC_DONE event
4h = TIMER0_EV event
5h = TIMER1_EV event
6h = SMPH_AUTOTAKE_DONE event
7h = ADC_DONE event
8h = ADC_FIFO_ALMOST_FULL event
9h = OBSMUX0 event
Ah = OBSMUX1 event
Bh = AON_SW event
Ch = AON_PROG_WU event
Dh = AUXIO0 input data
Eh = AUXIO1 input data
Fh = AUXIO2 input data
10h = AUXIO3 input data
11h = AUXIO4 input data
12h = AUXIO5 input data
13h = AUXIO6 input data
14h = AUXIO7 input data
15h = AUXIO8 input data
16h = AUXIO9 input data
17h = AUXIO10 input data
18h = AUXIO11 input data
19h = AUXIO12 input data
1Ah = AUXIO13 input data
1Bh = AUXIO14 input data
1Ch = AUXIO15 input data
1Dh = ACLK_REF event
1Eh = MCU_EV event
1Fh = ADC_IRQ event

www.ti.com
AUX – Sensor Controller Registers
1345
SWCU117F–February 2015–Revised June 2016
Submit Documentation Feedback Copyright © 2015–2016, Texas Instruments Incorporated
AUX – Sensor Controller with Digital and Analog Peripherals
17.7.3.2 VECCFG1 Register (Offset = 4h) [reset = 0h]
VECCFG1 is shown in Figure 17-22 and described in Table 17-43.
Return to Summary Table.
Vector Configuration 1
AUX_SCE event vectors 2 and 3 configuration
Figure 17-22. VECCFG1 Register
31 30 29 28 27 26 25 24
RESERVED
R-0h
23 22 21 20 19 18 17 16
RESERVED
R-0h
15 14 13 12 11 10 9 8
RESERVED VEC3_POL VEC3_EN VEC3_EV
R-0h R/W-0h R/W-0h R/W-0h
76543210
RESERVED VEC2_POL VEC2_EN VEC2_EV
R-0h R/W-0h R/W-0h R/W-0h
Table 17-43. VECCFG1 Register Field Descriptions
Bit Field Type Reset Description
31-15 RESERVED R 0h Software should not rely on the value of a reserved. Writing any
other value than the reset value may result in undefined behavior.
14 VEC3_POL R/W 0h Selects vector 3 trigger event polarity.
To manually trigger vector 3 execution, set VEC3_EV to a known
static value, and toggle VEC3_POL twice.
0h = Rising edge triggers execution.
1h = Falling edge triggers execution.
13 VEC3_EN R/W 0h Enables (1) or disables (0) triggering of vector 3 execution.
When enabled, the edge selected by VEC3_POL on the event
selected by VEC3_EV will set VECFLAGS.VEC3, which in turn
triggers vector 3 execution.
Note: Lower vectors (0, 1 and 2) have priority.
0h = Event detection is disabled
1h = An event selected by VEC3_EV with polarity from VEC3_POL
triggers a jump to vector # 3 when AUX_SCE is in sleep

AUX – Sensor Controller Registers
www.ti.com
1346 SWCU117F–February 2015–Revised June 2016
Submit Documentation Feedback
Copyright © 2015–2016, Texas Instruments Incorporated
AUX – Sensor Controller with Digital and Analog Peripherals
Table 17-43. VECCFG1 Register Field Descriptions (continued)
Bit Field Type Reset Description
12-8 VEC3_EV R/W 0h Selects vector 3 trigger source event.
0h = AON_RTC_CH2 event
1h = AUX_COMPA event
2h = AUX_COMPB event
3h = TDC_DONE event
4h = TIMER0_EV event
5h = TIMER1_EV event
6h = SMPH_AUTOTAKE_DONE event
7h = ADC_DONE event
8h = ADC_FIFO_ALMOST_FULL event
9h = OBSMUX0 event
Ah = OBSMUX1 event
Bh = AON_SW event
Ch = AON_PROG_WU event
Dh = AUXIO0 input data
Eh = AUXIO1 input data
Fh = AUXIO2 input data
10h = AUXIO3 input data
11h = AUXIO4 input data
12h = AUXIO5 input data
13h = AUXIO6 input data
14h = AUXIO7 input data
15h = AUXIO8 input data
16h = AUXIO9 input data
17h = AUXIO10 input data
18h = AUXIO11 input data
19h = AUXIO12 input data
1Ah = AUXIO13 input data
1Bh = AUXIO14 input data
1Ch = AUXIO15 input data
1Dh = ACLK_REF event
1Eh = MCU_EV event
1Fh = ADC_IRQ event
7 RESERVED R 0h Software should not rely on the value of a reserved. Writing any
other value than the reset value may result in undefined behavior.
6 VEC2_POL R/W 0h Selects vector 2 trigger event polarity.
To manually trigger vector 2 execution, set VEC2_EV to a known
static value, and toggle VEC2_POL twice.
0h = Rising edge triggers execution.
1h = Falling edge triggers execution.
5 VEC2_EN R/W 0h Enables (1) or disables (0) triggering of vector 2 execution.
When enabled, the edge selected by VEC2_POL on the event
selected by VEC2_EV will set VECFLAGS.VEC2, which in turn
triggers vector 2 execution.
Note: Lower vectors (0 and 1) have priority.
0h = Event detection is disabled
1h = An event selected by VEC2_EV with polarity from VEC2_POL
triggers a jump to vector # 2 when AUX_SCE is in sleep

www.ti.com
AUX – Sensor Controller Registers
1347
SWCU117F–February 2015–Revised June 2016
Submit Documentation Feedback Copyright © 2015–2016, Texas Instruments Incorporated
AUX – Sensor Controller with Digital and Analog Peripherals
Table 17-43. VECCFG1 Register Field Descriptions (continued)
Bit Field Type Reset Description
4-0 VEC2_EV R/W 0h Selects vector 2 trigger source event.
0h = AON_RTC_CH2 event
1h = AUX_COMPA event
2h = AUX_COMPB event
3h = TDC_DONE event
4h = TIMER0_EV event
5h = TIMER1_EV event
6h = SMPH_AUTOTAKE_DONE event
7h = ADC_DONE event
8h = ADC_FIFO_ALMOST_FULL event
9h = OBSMUX0 event
Ah = OBSMUX1 event
Bh = AON_SW event
Ch = AON_PROG_WU event
Dh = AUXIO0 input data
Eh = AUXIO1 input data
Fh = AUXIO2 input data
10h = AUXIO3 input data
11h = AUXIO4 input data
12h = AUXIO5 input data
13h = AUXIO6 input data
14h = AUXIO7 input data
15h = AUXIO8 input data
16h = AUXIO9 input data
17h = AUXIO10 input data
18h = AUXIO11 input data
19h = AUXIO12 input data
1Ah = AUXIO13 input data
1Bh = AUXIO14 input data
1Ch = AUXIO15 input data
1Dh = ACLK_REF event
1Eh = MCU_EV event
1Fh = ADC_IRQ event

AUX – Sensor Controller Registers
www.ti.com
1348 SWCU117F–February 2015–Revised June 2016
Submit Documentation Feedback
Copyright © 2015–2016, Texas Instruments Incorporated
AUX – Sensor Controller with Digital and Analog Peripherals
17.7.3.3 SCEWEVSEL Register (Offset = 8h) [reset = 0h]
SCEWEVSEL is shown in Figure 17-23 and described in Table 17-44.
Return to Summary Table.
Sensor Controller Engine Wait Event Selection
Event selection for the AUX_SCE WEV0, WEV1, BEV0 and BEV1 instructions
Figure 17-23. SCEWEVSEL Register
31 30 29 28 27 26 25 24 23 22 21 20 19 18 17 16
RESERVED
R-0h
15 14 13 12 11 10 9 8 7 6 5 4 3 2 1 0
RESERVED WEV7_EV
R-0h R/W-0h
Table 17-44. SCEWEVSEL Register Field Descriptions
Bit Field Type Reset Description
31-5 RESERVED R 0h Software should not rely on the value of a reserved. Writing any
other value than the reset value may result in undefined behavior.
4-0 WEV7_EV R/W 0h Selects the event source to be mapped to
AUX_SCE:WUSTAT.EV_SIGNALS bit 7.
0h = AON_RTC_CH2 event
1h = AUX_COMPA event
2h = AUX_COMPB event
3h = TDC_DONE event
4h = TIMER0_EV event
5h = TIMER1_EV event
6h = SMPH_AUTOTAKE_DONE event
7h = ADC_DONE event
8h = ADC_FIFO_ALMOST_FULL event
9h = OBSMUX0 event
Ah = OBSMUX1 event
Bh = AON_SW event
Ch = AON_PROG_WU event
Dh = AUXIO0 input data
Eh = AUXIO1 input data
Fh = AUXIO2 input data
10h = AUXIO3 input data
11h = AUXIO4 input data
12h = AUXIO5 input data
13h = AUXIO6 input data
14h = AUXIO7 input data
15h = AUXIO8 input data
16h = AUXIO9 input data
17h = AUXIO10 input data
18h = AUXIO11 input data
19h = AUXIO12 input data
1Ah = AUXIO13 input data
1Bh = AUXIO14 input data
1Ch = AUXIO15 input data
1Dh = ACLK_REF event
1Eh = MCU_EV event
1Fh = ADC_IRQ event

www.ti.com
AUX – Sensor Controller Registers
1349
SWCU117F–February 2015–Revised June 2016
Submit Documentation Feedback Copyright © 2015–2016, Texas Instruments Incorporated
AUX – Sensor Controller with Digital and Analog Peripherals
17.7.3.4 EVTOAONFLAGS Register (Offset = Ch) [reset = 0h]
EVTOAONFLAGS is shown in Figure 17-24 and described in Table 17-45.
Return to Summary Table.
Events To AON Domain Flags
AUX event flags going to/through the AON domain
These events may be used to wake up the MCU domain.
The flags may be cleared by writing 0 to these bits or writing 1 to the corresponding bits in
EVTOAONFLAGSCLR.
Figure 17-24. EVTOAONFLAGS Register
31 30 29 28 27 26 25 24
RESERVED
R-0h
23 22 21 20 19 18 17 16
RESERVED
R-0h
15 14 13 12 11 10 9 8
RESERVED TIMER1_EV
R-0h R/W0C-0h
76543210
TIMER0_EV TDC_DONE ADC_DONE AUX_COMPB AUX_COMPA SWEV2 SWEV1 SWEV0
R/W0C-0h R/W0C-0h R/W0C-0h R/W0C-0h R/W0C-0h R/W0C-0h R/W0C-0h R/W0C-0h
Table 17-45. EVTOAONFLAGS Register Field Descriptions
Bit Field Type Reset Description
31-9 RESERVED R 0h Software should not rely on the value of a reserved. Writing any
other value than the reset value may result in undefined behavior.
8 TIMER1_EV R/W0C 0h TIMER1_EV event flag.
7 TIMER0_EV R/W0C 0h TIMER0_EV event flag.
6 TDC_DONE R/W0C 0h TDC_DONE event flag.
5 ADC_DONE R/W0C 0h ADC_DONE event flag.
4 AUX_COMPB R/W0C 0h AUX_COMPB event flag.
3 AUX_COMPA R/W0C 0h AUX_COMPA event flag.
2 SWEV2 R/W0C 0h SWEV2 event flag.
1 SWEV1 R/W0C 0h SWEV1 event flag.
0 SWEV0 R/W0C 0h SWEV0 event flag.

AUX – Sensor Controller Registers
www.ti.com
1350 SWCU117F–February 2015–Revised June 2016
Submit Documentation Feedback
Copyright © 2015–2016, Texas Instruments Incorporated
AUX – Sensor Controller with Digital and Analog Peripherals
17.7.3.5 EVTOAONPOL Register (Offset = 10h) [reset = 0h]
EVTOAONPOL is shown in Figure 17-25 and described in Table 17-46.
Return to Summary Table.
Events To AON Domain Polarity
AUX event source polarity for the event flags going to/through the AON domain
Note the inverse polarity (0 = high, 1 = low).
Figure 17-25. EVTOAONPOL Register
31 30 29 28 27 26 25 24
RESERVED
R-0h
23 22 21 20 19 18 17 16
RESERVED
R-0h
15 14 13 12 11 10 9 8
RESERVED TIMER1_EV
R-0h R/W-0h
76543210
TIMER0_EV TDC_DONE ADC_DONE AUX_COMPB AUX_COMPA RESERVED
R/W-0h R/W-0h R/W-0h R/W-0h R/W-0h R-0h
Table 17-46. EVTOAONPOL Register Field Descriptions
Bit Field Type Reset Description
31-9 RESERVED R 0h Software should not rely on the value of a reserved. Writing any
other value than the reset value may result in undefined behavior.
8 TIMER1_EV R/W 0h Selects the event source level that sets
EVTOAONFLAGS.TIMER1_EV.
0h = High level
1h = Low level
7 TIMER0_EV R/W 0h Selects the event source level that sets
EVTOAONFLAGS.TIMER0_EV.
0h = High level
1h = Low level
6 TDC_DONE R/W 0h Selects the event source level that sets
EVTOAONFLAGS.TDC_DONE.
0h = High level
1h = Low level
5 ADC_DONE R/W 0h Selects the event source level that sets
EVTOAONFLAGS.ADC_DONE.
0h = High level
1h = Low level
4 AUX_COMPB R/W 0h Selects the event source level that sets
EVTOAONFLAGS.AUX_COMPB.
0h = High level
1h = Low level
3 AUX_COMPA R/W 0h Selects the event source level that sets
EVTOAONFLAGS.AUX_COMPA.
0h = High level
1h = Low level
2-0 RESERVED R 0h Software should not rely on the value of a reserved. Writing any
other value than the reset value may result in undefined behavior.

www.ti.com
AUX – Sensor Controller Registers
1351
SWCU117F–February 2015–Revised June 2016
Submit Documentation Feedback Copyright © 2015–2016, Texas Instruments Incorporated
AUX – Sensor Controller with Digital and Analog Peripherals
17.7.3.6 DMACTL Register (Offset = 14h) [reset = 0h]
DMACTL is shown in Figure 17-26 and described in Table 17-47.
Return to Summary Table.
Direct Memory Access Control
Figure 17-26. DMACTL Register
31 30 29 28 27 26 25 24
RESERVED
R-0h
23 22 21 20 19 18 17 16
RESERVED
R-0h
15 14 13 12 11 10 9 8
RESERVED
R-0h
76543210
RESERVED REQ_MODE EN SEL
R-0h R/W-0h R/W-0h R/W-0h
Table 17-47. DMACTL Register Field Descriptions
Bit Field Type Reset Description
31-3 RESERVED R 0h Software should not rely on the value of a reserved. Writing any
other value than the reset value may result in undefined behavior.
2 REQ_MODE R/W 0h DMA Request mode
0h = Burst requests are generated on DMA channel 7 when the
condition configured in SEL is met
1h = Single requests are generated on DMA channel 7 when the
condition configured in SEL is met
1 EN R/W 0h 0: DMA interface is disabled
1: DMA interface is enabled
0 SEL R/W 0h Selection of FIFO watermark level required to trigger an ADC_DMA
transfer
0h = ADC_DMA event will be generated when there are valid
samples in the ADC FIFO
1h = ADC_DMA event will be generated when the ADC FIFO is
almost full (3/4 full)

AUX – Sensor Controller Registers
www.ti.com
1352 SWCU117F–February 2015–Revised June 2016
Submit Documentation Feedback
Copyright © 2015–2016, Texas Instruments Incorporated
AUX – Sensor Controller with Digital and Analog Peripherals
17.7.3.7 SWEVSET Register (Offset = 18h) [reset = 0h]
SWEVSET is shown in Figure 17-27 and described in Table 17-48.
Return to Summary Table.
Software Event Set
Strobes for setting software events from the AUX domain to the AON/MCU Domains
The use of these events is software-defined.
Figure 17-27. SWEVSET Register
31 30 29 28 27 26 25 24
RESERVED
R-0h
23 22 21 20 19 18 17 16
RESERVED
R-0h
15 14 13 12 11 10 9 8
RESERVED
R-0h
76543210
RESERVED SWEV2 SWEV1 SWEV0
R-0h W-0h W-0h W-0h
Table 17-48. SWEVSET Register Field Descriptions
Bit Field Type Reset Description
31-3 RESERVED R 0h Software should not rely on the value of a reserved. Writing any
other value than the reset value may result in undefined behavior.
2 SWEV2 W 0h Writing 1 sets software event 2.
For the MCU domain, the event flag can be read from
EVTOAONFLAGS.SWEV2 and cleared using
EVTOAONFLAGSCLR.SWEV2.
1 SWEV1 W 0h Writing 1 sets software event 1.
For the MCU domain, the event flag can be read from
EVTOAONFLAGS.SWEV1 and cleared using
EVTOAONFLAGSCLR.SWEV1.
0 SWEV0 W 0h Writing 1 sets software event 0.
For the MCU domain, the event flag can be read from
EVTOAONFLAGS.SWEV0 and cleared using
EVTOAONFLAGSCLR.SWEV0.

www.ti.com
AUX – Sensor Controller Registers
1353
SWCU117F–February 2015–Revised June 2016
Submit Documentation Feedback Copyright © 2015–2016, Texas Instruments Incorporated
AUX – Sensor Controller with Digital and Analog Peripherals
17.7.3.8 EVSTAT0 Register (Offset = 1Ch) [reset = 0h]
EVSTAT0 is shown in Figure 17-28 and described in Table 17-49.
Return to Summary Table.
Event Status 0
Current event source levels, 15:0
Figure 17-28. EVSTAT0 Register
31 30 29 28 27 26 25 24
RESERVED
R-0h
23 22 21 20 19 18 17 16
RESERVED
R-0h
15 14 13 12 11 10 9 8
AUXIO2 AUXIO1 AUXIO0 AON_PROG_
WU AON_SW OBSMUX1 OBSMUX0 ADC_FIFO_AL
MOST_FULL
R-0h R-0h R-0h R-0h R-0h R-0h R-0h R-0h
76543210
ADC_DONE SMPH_AUTOT
AKE_DONE TIMER1_EV TIMER0_EV TDC_DONE AUX_COMPB AUX_COMPA AON_RTC_CH
2
R-0h R-0h R-0h R-0h R-0h R-0h R-0h R-0h
Table 17-49. EVSTAT0 Register Field Descriptions
Bit Field Type Reset Description
31-16 RESERVED R 0h Software should not rely on the value of a reserved. Writing any
other value than the reset value may result in undefined behavior.
15 AUXIO2 R 0h Current value of AUXIO2 input data line
14 AUXIO1 R 0h Current value of AUXIO1 input data line
13 AUXIO0 R 0h Current value of AUXIO0 input data line
12 AON_PROG_WU R 0h Current value of OBSMUX3 event line
11 AON_SW R 0h Current value of OBSMUX2 event line
10 OBSMUX1 R 0h Current value of OBSMUX1 event line
9 OBSMUX0 R 0h Current value of OBSMUX0 event line
8 ADC_FIFO_ALMOST_FU
LL R 0h Current value of ADC_FIFO_ALMOST_FULL event line
7 ADC_DONE R 0h Current value of ADC_DONE event line
6 SMPH_AUTOTAKE_DON
ER 0h Current value of SMPH_AUTOTAKE_DONE event line
5 TIMER1_EV R 0h Current value of TIMER1_EV event line
4 TIMER0_EV R 0h Current value of TIMER0_EV event line
3 TDC_DONE R 0h Current value of TDC_DONE event line
2 AUX_COMPB R 0h Current value of AUX_COMPB event line
1 AUX_COMPA R 0h Current value of AUX_COMPA event line
0 AON_RTC_CH2 R 0h Current value of AON_RTC_CH2 event line

AUX – Sensor Controller Registers
www.ti.com
1354 SWCU117F–February 2015–Revised June 2016
Submit Documentation Feedback
Copyright © 2015–2016, Texas Instruments Incorporated
AUX – Sensor Controller with Digital and Analog Peripherals
17.7.3.9 EVSTAT1 Register (Offset = 20h) [reset = 0h]
EVSTAT1 is shown in Figure 17-29 and described in Table 17-50.
Return to Summary Table.
Event Status 1
Current event source levels, 31:16
Figure 17-29. EVSTAT1 Register
31 30 29 28 27 26 25 24
RESERVED
R-0h
23 22 21 20 19 18 17 16
RESERVED
R-0h
15 14 13 12 11 10 9 8
ADC_IRQ MCU_EV ACLK_REF AUXIO15 AUXIO14 AUXIO13 AUXIO12 AUXIO11
R-0h R-0h R-0h R-0h R-0h R-0h R-0h R-0h
76543210
AUXIO10 AUXIO9 AUXIO8 AUXIO7 AUXIO6 AUXIO5 AUXIO4 AUXIO3
R-0h R-0h R-0h R-0h R-0h R-0h R-0h R-0h
Table 17-50. EVSTAT1 Register Field Descriptions
Bit Field Type Reset Description
31-16 RESERVED R 0h Software should not rely on the value of a reserved. Writing any
other value than the reset value may result in undefined behavior.
15 ADC_IRQ R 0h Current value of ADC_IRQ event line
14 MCU_EV R 0h Current value of MCU_EV event line
13 ACLK_REF R 0h Current value of ACLK_REF event line
12 AUXIO15 R 0h Current value of AUXIO15 input data line
11 AUXIO14 R 0h Current value of AUXIO14 input data line
10 AUXIO13 R 0h Current value of AUXIO13 input data line
9 AUXIO12 R 0h Current value of AUXIO12 input data line
8 AUXIO11 R 0h Current value of AUXIO11 input data line
7 AUXIO10 R 0h Current value of AUXIO10 input data line
6 AUXIO9 R 0h Current value of AUXIO9 input data line
5 AUXIO8 R 0h Current value of AUXIO8 input data line
4 AUXIO7 R 0h Current value of AUXIO7 input data line
3 AUXIO6 R 0h Current value of AUXIO6 input data line
2 AUXIO5 R 0h Current value of AUXIO5 input data line
1 AUXIO4 R 0h Current value of AUXIO4 input data line
0 AUXIO3 R 0h Current value of AUXIO3 input data line

www.ti.com
AUX – Sensor Controller Registers
1355
SWCU117F–February 2015–Revised June 2016
Submit Documentation Feedback Copyright © 2015–2016, Texas Instruments Incorporated
AUX – Sensor Controller with Digital and Analog Peripherals
17.7.3.10 EVTOMCUPOL Register (Offset = 24h) [reset = 0h]
EVTOMCUPOL is shown in Figure 17-30 and described in Table 17-51.
Return to Summary Table.
Event To MCU Domain Polarity
AUX event source polarity for the event flags to the MCU domain
Note the inverse polarity (0 = high, 1 = low).
Figure 17-30. EVTOMCUPOL Register
31 30 29 28 27 26 25 24
RESERVED
R-0h
23 22 21 20 19 18 17 16
RESERVED
R-0h
15 14 13 12 11 10 9 8
RESERVED ADC_IRQ OBSMUX0 ADC_FIFO_AL
MOST_FULL
R-0h R/W-0h R/W-0h R/W-0h
76543210
ADC_DONE SMPH_AUTOT
AKE_DONE TIMER1_EV TIMER0_EV TDC_DONE AUX_COMPB AUX_COMPA AON_WU_EV
R/W-0h R/W-0h R/W-0h R/W-0h R/W-0h R/W-0h R/W-0h R/W-0h
Table 17-51. EVTOMCUPOL Register Field Descriptions
Bit Field Type Reset Description
31-11 RESERVED R 0h Software should not rely on the value of a reserved. Writing any
other value than the reset value may result in undefined behavior.
10 ADC_IRQ R/W 0h Selects the event source level that sets
EVTOMCUFLAGS.ADC_IRQ.
0h = High level
1h = Low level
9 OBSMUX0 R/W 0h Selects the event source level that sets
EVTOMCUFLAGS.OBSMUX0.
0h = High level
1h = Low level
8 ADC_FIFO_ALMOST_FU
LL R/W 0h Selects the event source level that sets
EVTOMCUFLAGS.ADC_FIFO_ALMOST_FULL.
0h = High level
1h = Low level
7 ADC_DONE R/W 0h Selects the event source level that sets
EVTOMCUFLAGS.ADC_DONE.
0h = High level
1h = Low level
6 SMPH_AUTOTAKE_DON
ER/W 0h Selects the event source level that sets
EVTOMCUFLAGS.SMPH_AUTOTAKE_DONE.
0h = High level
1h = Low level
5 TIMER1_EV R/W 0h Selects the event source level that sets
EVTOMCUFLAGS.TIMER1_EV.
0h = High level
1h = Low level

AUX – Sensor Controller Registers
www.ti.com
1356 SWCU117F–February 2015–Revised June 2016
Submit Documentation Feedback
Copyright © 2015–2016, Texas Instruments Incorporated
AUX – Sensor Controller with Digital and Analog Peripherals
Table 17-51. EVTOMCUPOL Register Field Descriptions (continued)
Bit Field Type Reset Description
4 TIMER0_EV R/W 0h Selects the event source level that sets
EVTOMCUFLAGS.TIMER0_EV.
0h = High level
1h = Low level
3 TDC_DONE R/W 0h Selects the event source level that sets
EVTOMCUFLAGS.TDC_DONE.
0h = High level
1h = Low level
2 AUX_COMPB R/W 0h Selects the event source level that sets
EVTOMCUFLAGS.AUX_COMPB.
0h = High level
1h = Low level
1 AUX_COMPA R/W 0h Selects the event source level that sets
EVTOMCUFLAGS.AUX_COMPA.
0h = High level
1h = Low level
0 AON_WU_EV R/W 0h Selects the event source level that sets
EVTOMCUFLAGS.AON_WU_EV
0h = High level
1h = Low level

www.ti.com
AUX – Sensor Controller Registers
1357
SWCU117F–February 2015–Revised June 2016
Submit Documentation Feedback Copyright © 2015–2016, Texas Instruments Incorporated
AUX – Sensor Controller with Digital and Analog Peripherals
17.7.3.11 EVTOMCUFLAGS Register (Offset = 28h) [reset = 0h]
EVTOMCUFLAGS is shown in Figure 17-31 and described in Table 17-52.
Return to Summary Table.
Events to MCU Domain Flags
AUX event flags going to the MCU domain
The flags may be cleared by writing 0 to these bits or writing 1 to the corresponding bits in
EVTOMCUFLAGSCLR.
Figure 17-31. EVTOMCUFLAGS Register
31 30 29 28 27 26 25 24
RESERVED
R-0h
23 22 21 20 19 18 17 16
RESERVED
R-0h
15 14 13 12 11 10 9 8
RESERVED ADC_IRQ OBSMUX0 ADC_FIFO_AL
MOST_FULL
R-0h R/W0C-0h R/W0C-0h R/W0C-0h
76543210
ADC_DONE SMPH_AUTOT
AKE_DONE TIMER1_EV TIMER0_EV TDC_DONE AUX_COMPB AUX_COMPA AON_WU_EV
R/W0C-0h R/W0C-0h R/W0C-0h R/W0C-0h R/W0C-0h R/W0C-0h R/W0C-0h R/W0C-0h
Table 17-52. EVTOMCUFLAGS Register Field Descriptions
Bit Field Type Reset Description
31-11 RESERVED R 0h Software should not rely on the value of a reserved. Writing any
other value than the reset value may result in undefined behavior.
10 ADC_IRQ R/W0C 0h ADC_IRQ event flag.
9 OBSMUX0 R/W0C 0h OBSMUX0 event flag.
8 ADC_FIFO_ALMOST_FU
LL R/W0C 0h ADC_FIFO_ALMOST_FULL event flag.
7 ADC_DONE R/W0C 0h ADC_DONE event flag.
6 SMPH_AUTOTAKE_DON
ER/W0C 0h SMPH_AUTOTAKE_DONE event flag.
5 TIMER1_EV R/W0C 0h TIMER1_EV event flag.
4 TIMER0_EV R/W0C 0h TIMER0_EV event flag.
3 TDC_DONE R/W0C 0h TDC_DONE event flag.
2 AUX_COMPB R/W0C 0h AUX_COMPB event flag.
1 AUX_COMPA R/W0C 0h AUX_COMPA event flag.
0 AON_WU_EV R/W0C 0h AON_WU_EV event flag.
This is an OR of the AON_RTC_CH2, AON_PROG_WU and
AON_SW events. These event sources must be cleared before
clearing AON_WU_EV.

AUX – Sensor Controller Registers
www.ti.com
1358 SWCU117F–February 2015–Revised June 2016
Submit Documentation Feedback
Copyright © 2015–2016, Texas Instruments Incorporated
AUX – Sensor Controller with Digital and Analog Peripherals
17.7.3.12 COMBEVTOMCUMASK Register (Offset = 2Ch) [reset = 0h]
COMBEVTOMCUMASK is shown in Figure 17-32 and described in Table 17-53.
Return to Summary Table.
Combined Event To MCU Domain Mask
Selects which of the flags In EVTOMCUFLAGS that contribute to the AUX_COMB event to the MCU
domain
The AUX_COMB event is asserted as long as one or more of the included event flags are set.
Figure 17-32. COMBEVTOMCUMASK Register
31 30 29 28 27 26 25 24
RESERVED
R-0h
23 22 21 20 19 18 17 16
RESERVED
R-0h
15 14 13 12 11 10 9 8
RESERVED ADC_IRQ OBSMUX0 ADC_FIFO_AL
MOST_FULL
R-0h R/W-0h R/W-0h R/W-0h
76543210
ADC_DONE SMPH_AUTOT
AKE_DONE TIMER1_EV TIMER0_EV TDC_DONE AUX_COMPB AUX_COMPA AON_WU_EV
R/W-0h R/W-0h R/W-0h R/W-0h R/W-0h R/W-0h R/W-0h R/W-0h
Table 17-53. COMBEVTOMCUMASK Register Field Descriptions
Bit Field Type Reset Description
31-11 RESERVED R 0h Software should not rely on the value of a reserved. Writing any
other value than the reset value may result in undefined behavior.
10 ADC_IRQ R/W 0h Includes (1) or excludes (0) EVTOMCUFLAGS.ADC_IRQ
contribution to the AUX_COMB event.
9 OBSMUX0 R/W 0h Includes (1) or excludes (0) EVTOMCUFLAGS.OBSMUX0
contribution to the AUX_COMB event.
8 ADC_FIFO_ALMOST_FU
LL R/W 0h Includes (1) or excludes (0)
EVTOMCUFLAGS.ADC_FIFO_ALMOST_FULL contribution to the
AUX_COMB event.
7 ADC_DONE R/W 0h Includes (1) or excludes (0) EVTOMCUFLAGS.ADC_DONE
contribution to the AUX_COMB event.
6 SMPH_AUTOTAKE_DON
ER/W 0h Includes (1) or excludes (0)
EVTOMCUFLAGS.SMPH_AUTOTAKE_DONE contribution to the
AUX_COMB event.
5 TIMER1_EV R/W 0h Includes (1) or excludes (0) EVTOMCUFLAGS.TIMER1_EV
contribution to the AUX_COMB event.
4 TIMER0_EV R/W 0h Includes (1) or excludes (0) EVTOMCUFLAGS.TIMER0_EV
contribution to the AUX_COMB event.
3 TDC_DONE R/W 0h Includes (1) or excludes (0) EVTOMCUFLAGS.TDC_DONE
contribution to the AUX_COMB event.
2 AUX_COMPB R/W 0h Includes (1) or excludes (0) EVTOMCUFLAGS.AUX_COMPB
contribution to the AUX_COMB event.
1 AUX_COMPA R/W 0h Includes (1) or excludes (0) EVTOMCUFLAGS.AUX_COMPA
contribution to the AUX_COMB event.
0 AON_WU_EV R/W 0h Includes (1) or excludes (0) EVTOMCUFLAGS.AON_WU_EV
contribution to the AUX_COMB event.

www.ti.com
AUX – Sensor Controller Registers
1359
SWCU117F–February 2015–Revised June 2016
Submit Documentation Feedback Copyright © 2015–2016, Texas Instruments Incorporated
AUX – Sensor Controller with Digital and Analog Peripherals
17.7.3.13 VECFLAGS Register (Offset = 34h) [reset = 0h]
VECFLAGS is shown in Figure 17-33 and described in Table 17-54.
Return to Summary Table.
Vector Flags
If a vector flag has been set and AUX_SCE is sleeping, it will wake up and execute the vector. If multiple
vectors have been set, the one with the lowest index will execute first, and the next after returning to
sleep.
During execution of a vector, the flag must be cleared, by writing a 1 to the corresponding bit in
VECFLAGSCLR.
Figure 17-33. VECFLAGS Register
31 30 29 28 27 26 25 24
RESERVED
R-0h
23 22 21 20 19 18 17 16
RESERVED
R-0h
15 14 13 12 11 10 9 8
RESERVED
R-0h
76543210
RESERVED VEC3 VEC2 VEC1 VEC0
R-0h R/W0C-0h R/W0C-0h R/W0C-0h R/W0C-0h
Table 17-54. VECFLAGS Register Field Descriptions
Bit Field Type Reset Description
31-4 RESERVED R 0h Software should not rely on the value of a reserved. Writing any
other value than the reset value may result in undefined behavior.
3 VEC3 R/W0C 0h The vector flag is set if the edge selected VECCFG1.VEC3_POL
occurs on the event selected in VECCFG1.VEC3_EV.
The flag is cleared by writing a 0 to this bit, or (preferably) a 1 to
VECFLAGSCLR.VEC3.
2 VEC2 R/W0C 0h The vector flag is set if the edge selected VECCFG1.VEC2_POL
occurs on the event selected in VECCFG1.VEC2_EV.
The flag is cleared by writing a 0 to this bit, or (preferably) a 1 to
VECFLAGSCLR.VEC2.
1 VEC1 R/W0C 0h The vector flag is set if the edge selected VECCFG0.VEC1_POL
occurs on the event selected in VECCFG0.VEC1_EV.
The flag is cleared by writing a 0 to this bit, or (preferably) a 1 to
VECFLAGSCLR.VEC1.
0 VEC0 R/W0C 0h The vector flag is set if the edge selected VECCFG0.VEC0_POL
occurs on the event selected in VECCFG0.VEC0_EV.
The flag is cleared by writing a 0 to this bit, or (preferably) a 1 to
VECFLAGSCLR.VEC0.

AUX – Sensor Controller Registers
www.ti.com
1360 SWCU117F–February 2015–Revised June 2016
Submit Documentation Feedback
Copyright © 2015–2016, Texas Instruments Incorporated
AUX – Sensor Controller with Digital and Analog Peripherals
17.7.3.14 EVTOMCUFLAGSCLR Register (Offset = 38h) [reset = 0h]
EVTOMCUFLAGSCLR is shown in Figure 17-34 and described in Table 17-55.
Return to Summary Table.
Events To MCU Domain Flags Clear
Strobes for clearing flags in EVTOMCUFLAGS.
Figure 17-34. EVTOMCUFLAGSCLR Register
31 30 29 28 27 26 25 24
RESERVED
R-0h
23 22 21 20 19 18 17 16
RESERVED
R-0h
15 14 13 12 11 10 9 8
RESERVED ADC_IRQ OBSMUX0 ADC_FIFO_AL
MOST_FULL
R-0h W-0h W-0h W-0h
76543210
ADC_DONE SMPH_AUTOT
AKE_DONE TIMER1_EV TIMER0_EV TDC_DONE AUX_COMPB AUX_COMPA AON_WU_EV
W-0h W-0h W-0h W-0h W-0h W-0h W-0h W-0h
Table 17-55. EVTOMCUFLAGSCLR Register Field Descriptions
Bit Field Type Reset Description
31-11 RESERVED R 0h Software should not rely on the value of a reserved. Writing any
other value than the reset value may result in undefined behavior.
10 ADC_IRQ W 0h Writing 1 clears EVTOMCUFLAGS.ADC_IRQ.
Read value is 0.
9 OBSMUX0 W 0h Writing 1 clears EVTOMCUFLAGS.OBSMUX0.
Read value is 0.
8 ADC_FIFO_ALMOST_FU
LL W 0h Writing 1 clears EVTOMCUFLAGS.ADC_FIFO_ALMOST_FULL.
Read value is 0.
7 ADC_DONE W 0h Writing 1 clears EVTOMCUFLAGS.ADC_DONE.
Read value is 0.
6 SMPH_AUTOTAKE_DON
EW 0h Writing 1 clears [EVTOMCUFLAGS.SMPH_AUTOTAKE_DONE.
Read value is 0.
5 TIMER1_EV W 0h Writing 1 clears EVTOMCUFLAGS.TIMER1_EV.
Read value is 0.
4 TIMER0_EV W 0h Writing 1 clears EVTOMCUFLAGS.TIMER0_EV.
Read value is 0.
3 TDC_DONE W 0h Writing 1 clears EVTOMCUFLAGS.TDC_DONE.
Read value is 0.
2 AUX_COMPB W 0h Writing 1 clears EVTOMCUFLAGS.AUX_COMPB.
Read value is 0.
1 AUX_COMPA W 0h Writing 1 clears EVTOMCUFLAGS.AUX_COMPA.
Read value is 0.
0 AON_WU_EV W 0h Writing 1 clears EVTOMCUFLAGS.AON_WU_EV.
Read value is 0.

www.ti.com
AUX – Sensor Controller Registers
1361
SWCU117F–February 2015–Revised June 2016
Submit Documentation Feedback Copyright © 2015–2016, Texas Instruments Incorporated
AUX – Sensor Controller with Digital and Analog Peripherals
17.7.3.15 EVTOAONFLAGSCLR Register (Offset = 3Ch) [reset = 0h]
EVTOAONFLAGSCLR is shown in Figure 17-35 and described in Table 17-56.
Return to Summary Table.
Events To AON Domain Clear
Strobes for clearing flags in EVTOAONFLAGS.
Figure 17-35. EVTOAONFLAGSCLR Register
31 30 29 28 27 26 25 24
RESERVED
R-0h
23 22 21 20 19 18 17 16
RESERVED
R-0h
15 14 13 12 11 10 9 8
RESERVED TIMER1_EV
R-0h W-0h
76543210
TIMER0_EV TDC_DONE ADC_DONE AUX_COMPB AUX_COMPA SWEV2 SWEV1 SWEV0
W-0h W-0h W-0h W-0h W-0h W-0h W-0h W-0h
Table 17-56. EVTOAONFLAGSCLR Register Field Descriptions
Bit Field Type Reset Description
31-9 RESERVED R 0h Software should not rely on the value of a reserved. Writing any
other value than the reset value may result in undefined behavior.
8 TIMER1_EV W 0h Writing 1 clears EVTOAONFLAGS.TIMER1_EV.
Read value is 0.
7 TIMER0_EV W 0h Writing 1 clears EVTOAONFLAGS.TIMER0_EV.
Read value is 0.
6 TDC_DONE W 0h Writing 1 clears EVTOAONFLAGS.TDC_DONE.
Read value is 0.
5 ADC_DONE W 0h Writing 1 clears EVTOAONFLAGS.ADC_DONE.
Read value is 0.
4 AUX_COMPB W 0h Writing 1 clears EVTOAONFLAGS.AUX_COMPB.
Read value is 0.
3 AUX_COMPA W 0h Writing 1 clears EVTOAONFLAGS.AUX_COMPA.
Read value is 0.
2 SWEV2 W 0h Writing 1 clears EVTOAONFLAGS.SWEV2.
Read value is 0.
1 SWEV1 W 0h Writing 1 clears EVTOAONFLAGS.SWEV1.
Read value is 0.
0 SWEV0 W 0h Writing 1 clears EVTOAONFLAGS.SWEV0.
Read value is 0.

AUX – Sensor Controller Registers
www.ti.com
1362 SWCU117F–February 2015–Revised June 2016
Submit Documentation Feedback
Copyright © 2015–2016, Texas Instruments Incorporated
AUX – Sensor Controller with Digital and Analog Peripherals
17.7.3.16 VECFLAGSCLR Register (Offset = 40h) [reset = 0h]
VECFLAGSCLR is shown in Figure 17-36 and described in Table 17-57.
Return to Summary Table.
Vector Flags Clear
Strobes for clearing flags in VECFLAGS.
Figure 17-36. VECFLAGSCLR Register
31 30 29 28 27 26 25 24
RESERVED
R-0h
23 22 21 20 19 18 17 16
RESERVED
R-0h
15 14 13 12 11 10 9 8
RESERVED
R-0h
76543210
RESERVED VEC3 VEC2 VEC1 VEC0
R-0h W-0h W-0h W-0h W-0h
Table 17-57. VECFLAGSCLR Register Field Descriptions
Bit Field Type Reset Description
31-4 RESERVED R 0h Software should not rely on the value of a reserved. Writing any
other value than the reset value may result in undefined behavior.
3 VEC3 W 0h Writing 1 clears VECFLAGS.VEC3.
Read value is 0.
2 VEC2 W 0h Writing 1 clears VECFLAGS.VEC2.
Read value is 0.
1 VEC1 W 0h Writing 1 clears VECFLAGS.VEC1.
Read value is 0.
0 VEC0 W 0h Writing 1 clears VECFLAGS.VEC0.
Read value is 0.
17.7.4 AUX_SMPH Registers
Table 17-58 lists the memory-mapped registers for the AUX_SMPH. All register offset addresses not listed
in Table 17-58 should be considered as reserved locations and the register contents should not be
modified.
Table 17-58. AUX_SMPH Registers
Offset Acronym Register Name Section
0h SMPH0 Semaphore 0 Section 17.7.4.1
4h SMPH1 Semaphore 1 Section 17.7.4.2
8h SMPH2 Semaphore 2 Section 17.7.4.3
Ch SMPH3 Semaphore 3 Section 17.7.4.4
10h SMPH4 Semaphore 4 Section 17.7.4.5
14h SMPH5 Semaphore 5 Section 17.7.4.6
18h SMPH6 Semaphore 6 Section 17.7.4.7
1Ch SMPH7 Semaphore 7 Section 17.7.4.8
20h AUTOTAKE Sticky Request For Single Semaphore Section 17.7.4.9

www.ti.com
AUX – Sensor Controller Registers
1363
SWCU117F–February 2015–Revised June 2016
Submit Documentation Feedback Copyright © 2015–2016, Texas Instruments Incorporated
AUX – Sensor Controller with Digital and Analog Peripherals
17.7.4.1 SMPH0 Register (Offset = 0h) [reset = 1h]
SMPH0 is shown in Figure 17-37 and described in Table 17-59.
Return to Summary Table.
Semaphore 0
Figure 17-37. SMPH0 Register
31 30 29 28 27 26 25 24
RESERVED
R-0h
23 22 21 20 19 18 17 16
RESERVED
R-0h
15 14 13 12 11 10 9 8
RESERVED
R-0h
76543210
RESERVED STAT
R-0h R/W-1h
Table 17-59. SMPH0 Register Field Descriptions
Bit Field Type Reset Description
31-1 RESERVED R 0h Software should not rely on the value of a reserved. Writing any
other value than the reset value may result in undefined behavior.
0 STAT R/W 1h Status when reading:
0: Semaphore was already taken
1: Semaphore was available and hence taken by this read access
Reading the register causes it to change value to 0. Releasing the
semaphore is done by writing 1

AUX – Sensor Controller Registers
www.ti.com
1364 SWCU117F–February 2015–Revised June 2016
Submit Documentation Feedback
Copyright © 2015–2016, Texas Instruments Incorporated
AUX – Sensor Controller with Digital and Analog Peripherals
17.7.4.2 SMPH1 Register (Offset = 4h) [reset = 1h]
SMPH1 is shown in Figure 17-38 and described in Table 17-60.
Return to Summary Table.
Semaphore 1
Figure 17-38. SMPH1 Register
31 30 29 28 27 26 25 24
RESERVED
R-0h
23 22 21 20 19 18 17 16
RESERVED
R-0h
15 14 13 12 11 10 9 8
RESERVED
R-0h
76543210
RESERVED STAT
R-0h R/W-1h
Table 17-60. SMPH1 Register Field Descriptions
Bit Field Type Reset Description
31-1 RESERVED R 0h Software should not rely on the value of a reserved. Writing any
other value than the reset value may result in undefined behavior.
0 STAT R/W 1h Status when reading:
0: Semaphore was already taken
1: Semaphore was available and hence taken by this read access
Reading the register causes it to change value to 0. Releasing the
semaphore is done by writing 1

www.ti.com
AUX – Sensor Controller Registers
1365
SWCU117F–February 2015–Revised June 2016
Submit Documentation Feedback Copyright © 2015–2016, Texas Instruments Incorporated
AUX – Sensor Controller with Digital and Analog Peripherals
17.7.4.3 SMPH2 Register (Offset = 8h) [reset = 1h]
SMPH2 is shown in Figure 17-39 and described in Table 17-61.
Return to Summary Table.
Semaphore 2
Figure 17-39. SMPH2 Register
31 30 29 28 27 26 25 24
RESERVED
R-0h
23 22 21 20 19 18 17 16
RESERVED
R-0h
15 14 13 12 11 10 9 8
RESERVED
R-0h
76543210
RESERVED STAT
R-0h R/W-1h
Table 17-61. SMPH2 Register Field Descriptions
Bit Field Type Reset Description
31-1 RESERVED R 0h Software should not rely on the value of a reserved. Writing any
other value than the reset value may result in undefined behavior.
0 STAT R/W 1h Status when reading:
0: Semaphore was already taken
1: Semaphore was available and hence taken by this read access
Reading the register causes it to change value to 0. Releasing the
semaphore is done by writing 1

AUX – Sensor Controller Registers
www.ti.com
1366 SWCU117F–February 2015–Revised June 2016
Submit Documentation Feedback
Copyright © 2015–2016, Texas Instruments Incorporated
AUX – Sensor Controller with Digital and Analog Peripherals
17.7.4.4 SMPH3 Register (Offset = Ch) [reset = 1h]
SMPH3 is shown in Figure 17-40 and described in Table 17-62.
Return to Summary Table.
Semaphore 3
Figure 17-40. SMPH3 Register
31 30 29 28 27 26 25 24
RESERVED
R-0h
23 22 21 20 19 18 17 16
RESERVED
R-0h
15 14 13 12 11 10 9 8
RESERVED
R-0h
76543210
RESERVED STAT
R-0h R/W-1h
Table 17-62. SMPH3 Register Field Descriptions
Bit Field Type Reset Description
31-1 RESERVED R 0h Software should not rely on the value of a reserved. Writing any
other value than the reset value may result in undefined behavior.
0 STAT R/W 1h Status when reading:
0: Semaphore was already taken
1: Semaphore was available and hence taken by this read access
Reading the register causes it to change value to 0. Releasing the
semaphore is done by writing 1

www.ti.com
AUX – Sensor Controller Registers
1367
SWCU117F–February 2015–Revised June 2016
Submit Documentation Feedback Copyright © 2015–2016, Texas Instruments Incorporated
AUX – Sensor Controller with Digital and Analog Peripherals
17.7.4.5 SMPH4 Register (Offset = 10h) [reset = 1h]
SMPH4 is shown in Figure 17-41 and described in Table 17-63.
Return to Summary Table.
Semaphore 4
Figure 17-41. SMPH4 Register
31 30 29 28 27 26 25 24
RESERVED
R-0h
23 22 21 20 19 18 17 16
RESERVED
R-0h
15 14 13 12 11 10 9 8
RESERVED
R-0h
76543210
RESERVED STAT
R-0h R/W-1h
Table 17-63. SMPH4 Register Field Descriptions
Bit Field Type Reset Description
31-1 RESERVED R 0h Software should not rely on the value of a reserved. Writing any
other value than the reset value may result in undefined behavior.
0 STAT R/W 1h Status when reading:
0: Semaphore was already taken
1: Semaphore was available and hence taken by this read access
Reading the register causes it to change value to 0. Releasing the
semaphore is done by writing 1

AUX – Sensor Controller Registers
www.ti.com
1368 SWCU117F–February 2015–Revised June 2016
Submit Documentation Feedback
Copyright © 2015–2016, Texas Instruments Incorporated
AUX – Sensor Controller with Digital and Analog Peripherals
17.7.4.6 SMPH5 Register (Offset = 14h) [reset = 1h]
SMPH5 is shown in Figure 17-42 and described in Table 17-64.
Return to Summary Table.
Semaphore 5
Figure 17-42. SMPH5 Register
31 30 29 28 27 26 25 24
RESERVED
R-0h
23 22 21 20 19 18 17 16
RESERVED
R-0h
15 14 13 12 11 10 9 8
RESERVED
R-0h
76543210
RESERVED STAT
R-0h R/W-1h
Table 17-64. SMPH5 Register Field Descriptions
Bit Field Type Reset Description
31-1 RESERVED R 0h Software should not rely on the value of a reserved. Writing any
other value than the reset value may result in undefined behavior.
0 STAT R/W 1h Status when reading:
0: Semaphore was already taken
1: Semaphore was available and hence taken by this read access
Reading the register causes it to change value to 0. Releasing the
semaphore is done by writing 1

www.ti.com
AUX – Sensor Controller Registers
1369
SWCU117F–February 2015–Revised June 2016
Submit Documentation Feedback Copyright © 2015–2016, Texas Instruments Incorporated
AUX – Sensor Controller with Digital and Analog Peripherals
17.7.4.7 SMPH6 Register (Offset = 18h) [reset = 1h]
SMPH6 is shown in Figure 17-43 and described in Table 17-65.
Return to Summary Table.
Semaphore 6
Figure 17-43. SMPH6 Register
31 30 29 28 27 26 25 24
RESERVED
R-0h
23 22 21 20 19 18 17 16
RESERVED
R-0h
15 14 13 12 11 10 9 8
RESERVED
R-0h
76543210
RESERVED STAT
R-0h R/W-1h
Table 17-65. SMPH6 Register Field Descriptions
Bit Field Type Reset Description
31-1 RESERVED R 0h Software should not rely on the value of a reserved. Writing any
other value than the reset value may result in undefined behavior.
0 STAT R/W 1h Status when reading:
0: Semaphore was already taken
1: Semaphore was available and hence taken by this read access
Reading the register causes it to change value to 0. Releasing the
semaphore is done by writing 1

AUX – Sensor Controller Registers
www.ti.com
1370 SWCU117F–February 2015–Revised June 2016
Submit Documentation Feedback
Copyright © 2015–2016, Texas Instruments Incorporated
AUX – Sensor Controller with Digital and Analog Peripherals
17.7.4.8 SMPH7 Register (Offset = 1Ch) [reset = 1h]
SMPH7 is shown in Figure 17-44 and described in Table 17-66.
Return to Summary Table.
Semaphore 7
Figure 17-44. SMPH7 Register
31 30 29 28 27 26 25 24
RESERVED
R-0h
23 22 21 20 19 18 17 16
RESERVED
R-0h
15 14 13 12 11 10 9 8
RESERVED
R-0h
76543210
RESERVED STAT
R-0h R/W-1h
Table 17-66. SMPH7 Register Field Descriptions
Bit Field Type Reset Description
31-1 RESERVED R 0h Software should not rely on the value of a reserved. Writing any
other value than the reset value may result in undefined behavior.
0 STAT R/W 1h Status when reading:
0: Semaphore was already taken
1: Semaphore was available and hence taken by this read access
Reading the register causes it to change value to 0. Releasing the
semaphore is done by writing 1

www.ti.com
AUX – Sensor Controller Registers
1371
SWCU117F–February 2015–Revised June 2016
Submit Documentation Feedback Copyright © 2015–2016, Texas Instruments Incorporated
AUX – Sensor Controller with Digital and Analog Peripherals
17.7.4.9 AUTOTAKE Register (Offset = 20h) [reset = 0h]
AUTOTAKE is shown in Figure 17-45 and described in Table 17-67.
Return to Summary Table.
Sticky Request For Single Semaphore
Figure 17-45. AUTOTAKE Register
31 30 29 28 27 26 25 24 23 22 21 20 19 18 17 16
RESERVED
R-0h
15 14 13 12 11 10 9 8 7 6 5 4 3 2 1 0
RESERVED SMPH_ID
R-0h R/W-0h
Table 17-67. AUTOTAKE Register Field Descriptions
Bit Field Type Reset Description
31-3 RESERVED R 0h Software should not rely on the value of a reserved. Writing any
other value than the reset value may result in undefined behavior.
2-0 SMPH_ID R/W 0h Requesting a certain semaphore is done by writing the
corresponding semaphore ID, 0x0-0x7, to SMPH_ID. The request is
sticky and once the semaphore becomes available it will be taken. At
the same time, SMPH_AUTOTAKE_DONE event is asserted. This
event is deasserted when SW releases the semaphore or a new ID
is written to SMPH_ID.
Note: SW must wait until SMPH_AUTOTAKE_DONE event is
triggered before writing a new ID to SMPH_ID . Failing to do so
might lead to permanently lost semaphores as the owners may be
unknown
17.7.5 AUX_TDC Registers
Table 17-68 lists the memory-mapped registers for the AUX_TDC. All register offset addresses not listed
in Table 17-68 should be considered as reserved locations and the register contents should not be
modified.
Table 17-68. AUX_TDC Registers
Offset Acronym Register Name Section
0h CTL Control Section 17.7.5.1
4h STAT Status Section 17.7.5.2
8h RESULT Result Section 17.7.5.3
Ch SATCFG Saturation Configuration Section 17.7.5.4
10h TRIGSRC Trigger Source Section 17.7.5.5
14h TRIGCNT Trigger Counter Section 17.7.5.6
18h TRIGCNTLOAD Trigger Counter Load Section 17.7.5.7
1Ch TRIGCNTCFG Trigger Counter Configuration Section 17.7.5.8
20h PRECTL Prescaler Control Section 17.7.5.9
24h PRECNT Prescaler Counter Section 17.7.5.10

AUX – Sensor Controller Registers
www.ti.com
1372 SWCU117F–February 2015–Revised June 2016
Submit Documentation Feedback
Copyright © 2015–2016, Texas Instruments Incorporated
AUX – Sensor Controller with Digital and Analog Peripherals
17.7.5.1 CTL Register (Offset = 0h) [reset = 0h]
CTL is shown in Figure 17-46 and described in Table 17-69.
Return to Summary Table.
Control
Figure 17-46. CTL Register
31 30 29 28 27 26 25 24 23 22 21 20 19 18 17 16
RESERVED
R-0h
15 14 13 12 11 10 9 8 7 6 5 4 3 2 1 0
RESERVED CMD
R-0h W-0h
Table 17-69. CTL Register Field Descriptions
Bit Field Type Reset Description
31-2 RESERVED R 0h Software should not rely on the value of a reserved. Writing any
other value than the reset value may result in undefined behavior.
1-0 CMD W 0h TDC command strobes
0h = This command clears STAT.SAT, STAT.DONE and results.
Note: This is not needed as prerequisite for a measurement. Reliable
clear is only guaranteed from IDLE state
1h = This command makes the TDC FSM start counting
synchronously to the first rising edge that follows a required falling
edge of the start event. This guarantees an edge triggered start and
is recommended for frequency measurements. A falling edge of the
start event may be missed if the command is issued close to it in
time, but the TDC will catch later falling edges and guarantee that a
measurement starts synchronously to the rising edge of the start
event
2h = This command makes the TDC FSM start and stop counting
asynchronously. TDC measurement may start immediately if start is
high and hence it may not give precise edge to edge measurements.
Only recommended when start pulse is guaranteed to arrive at least
7 clock periods after the command
3h = This command forces the TDC back to IDLE state

www.ti.com
AUX – Sensor Controller Registers
1373
SWCU117F–February 2015–Revised June 2016
Submit Documentation Feedback Copyright © 2015–2016, Texas Instruments Incorporated
AUX – Sensor Controller with Digital and Analog Peripherals
17.7.5.2 STAT Register (Offset = 4h) [reset = 6h]
STAT is shown in Figure 17-47 and described in Table 17-70.
Return to Summary Table.
Status
Figure 17-47. STAT Register
31 30 29 28 27 26 25 24
RESERVED
R-0h
23 22 21 20 19 18 17 16
RESERVED
R-0h
15 14 13 12 11 10 9 8
RESERVED
R-0h
76543210
SAT DONE STATE
R-0h R-0h R-6h
Table 17-70. STAT Register Field Descriptions
Bit Field Type Reset Description
31-8 RESERVED R 0h Software should not rely on the value of a reserved. Writing any
other value than the reset value may result in undefined behavior.
7 SAT R 0h Saturation flag for TDC measurement
0: Conversion has not saturated
1: Conversion stopped due to saturation
This field is cleared when starting new measurement or setting
CTL.CMD to CLR_RESULT
6 DONE R 0h Measurement complete flag
0: Measurement not yet complete
1: Measurement complete
This field is cleared when starting new measurement or setting
CTL.CMD to CLR_RESULT
5-0 STATE R 6h TDC internal state machine status
0h = Current state is TDC_STATE_WAIT_START
4h = Current state is TDC_STATE_WAIT_STARTSTOPCNTEN
6h = Current state is TDC_STATE_IDLE
7h = Current state is TDC_STATE_CLRCNT
8h = Current state is TDC_STATE_WAIT_STOP
Ch = Current state is TDC_STATE_WAIT_STOPCNTDOWN
Eh = Current state is TDC_STATE_GETRESULTS
Fh = Current state is TDC_STATE_POR
16h = Current state is TDC_STATE_WAIT_CLRCNT_DONE
1Eh = Current state is TDC_WAIT_STARTFALL
2Eh = Current state is TDC_FORCESTOP

AUX – Sensor Controller Registers
www.ti.com
1374 SWCU117F–February 2015–Revised June 2016
Submit Documentation Feedback
Copyright © 2015–2016, Texas Instruments Incorporated
AUX – Sensor Controller with Digital and Analog Peripherals
17.7.5.3 RESULT Register (Offset = 8h) [reset = 2h]
RESULT is shown in Figure 17-48 and described in Table 17-71.
Return to Summary Table.
Result
Result of last TDC conversion
Figure 17-48. RESULT Register
31 30 29 28 27 26 25 24 23 22 21 20 19 18 17 16
RESERVED VALUE
R-0h R-2h
15 14 13 12 11 10 9 8 7 6 5 4 3 2 1 0
VALUE
R-2h
Table 17-71. RESULT Register Field Descriptions
Bit Field Type Reset Description
31-25 RESERVED R 0h Software should not rely on the value of a reserved. Writing any
other value than the reset value may result in undefined behavior.
24-0 VALUE R 2h Result of the TDC conversion. The result is in clock edges of the
clock selected in DDI_0_OSC:CTL0.ACLK_TDC_SRC_SEL. Both
rising and falling edges are counted.
When saturating the result is slightly higher than the saturation limit,
since it takes a non-zero time to stop the measurement. The highest
saturation limit is 24 bits (see SATCFG.LIMIT) so maximum value of
VALUE is hence slightly above 224.

www.ti.com
AUX – Sensor Controller Registers
1375
SWCU117F–February 2015–Revised June 2016
Submit Documentation Feedback Copyright © 2015–2016, Texas Instruments Incorporated
AUX – Sensor Controller with Digital and Analog Peripherals
17.7.5.4 SATCFG Register (Offset = Ch) [reset = Fh]
SATCFG is shown in Figure 17-49 and described in Table 17-72.
Return to Summary Table.
Saturation Configuration
Figure 17-49. SATCFG Register
31 30 29 28 27 26 25 24 23 22 21 20 19 18 17 16
RESERVED
R-0h
15 14 13 12 11 10 9 8 7 6 5 4 3 2 1 0
RESERVED LIMIT
R-0h R/W-Fh
Table 17-72. SATCFG Register Field Descriptions
Bit Field Type Reset Description
31-4 RESERVED R 0h Software should not rely on the value of a reserved. Writing any
other value than the reset value may result in undefined behavior.
3-0 LIMIT R/W Fh Select when the TDC times out. Values not enumerated are not
supported
3h = Result bit 12 : TDC saturates and stops when
RESULT.VALUE[12] is set. The flag STAT.SAT is set when the timer
saturates.
4h = Result bit 13 : TDC saturates and stops when
RESULT.VALUE[13] is set. The flag STAT.SAT is set when the timer
saturates.
5h = Result bit 14 : TDC saturates and stops when
RESULT.VALUE[14] is set. The flag STAT.SAT is set when the timer
saturates.
6h = Result bit 15 : TDC saturates and stops when
RESULT.VALUE[15] is set. The flag STAT.SAT is set when the timer
saturates.
7h = Result bit 16 : TDC saturates and stops when
RESULT.VALUE[16] is set. The flag STAT.SAT is set when the timer
saturates.
8h = Result bit 17 : TDC saturates and stops when
RESULT.VALUE[17] is set. The flag STAT.SAT is set when the timer
saturates.
9h = Result bit 18 : TDC saturates and stops when
RESULT.VALUE[18] is set. The flag STAT.SAT is set when the timer
saturates.
Ah = Result bit 19 : TDC saturates and stops when
RESULT.VALUE[19] is set. The flag STAT.SAT is set when the timer
saturates.
Bh = Result bit 20 : TDC saturates and stops when
RESULT.VALUE[20] is set. The flag STAT.SAT is set when the timer
saturates.
Ch = Result bit 21 : TDC saturates and stops when
RESULT.VALUE[21] is set. The flag STAT.SAT is set when the timer
saturates.
Dh = Result bit 22 : TDC saturates and stops when
RESULT.VALUE[22] is set. The flag STAT.SAT is set when the timer
saturates.
Eh = Result bit 23 : TDC saturates and stops when
RESULT.VALUE[23] is set. The flag STAT.SAT is set when the timer
saturates.
Fh = Result bit 24 : TDC saturates and stops when
RESULT.VALUE[24] is set. The flag STAT.SAT is set when the timer
saturates.

AUX – Sensor Controller Registers
www.ti.com
1376 SWCU117F–February 2015–Revised June 2016
Submit Documentation Feedback
Copyright © 2015–2016, Texas Instruments Incorporated
AUX – Sensor Controller with Digital and Analog Peripherals
17.7.5.5 TRIGSRC Register (Offset = 10h) [reset = 0h]
TRIGSRC is shown in Figure 17-50 and described in Table 17-73.
Return to Summary Table.
Trigger Source
TDC start/stop trigger source selection
Figure 17-50. TRIGSRC Register
31 30 29 28 27 26 25 24
RESERVED
R-0h
23 22 21 20 19 18 17 16
RESERVED
R-0h
15 14 13 12 11 10 9 8
RESERVED STOP_POL STOP_SRC
R-0h R/W-0h R/W-0h
76543210
RESERVED START_POL START_SRC
R-0h R/W-0h R/W-0h
Table 17-73. TRIGSRC Register Field Descriptions
Bit Field Type Reset Description
31-14 RESERVED R 0h Software should not rely on the value of a reserved. Writing any
other value than the reset value may result in undefined behavior.
13 STOP_POL R/W 0h Polarity of stop signal. Note! Must not be changed if STAT.STATE is
not IDLE
0h = TDC stops when high level is detected
1h = TDC stops when low level is detected

www.ti.com
AUX – Sensor Controller Registers
1377
SWCU117F–February 2015–Revised June 2016
Submit Documentation Feedback Copyright © 2015–2016, Texas Instruments Incorporated
AUX – Sensor Controller with Digital and Analog Peripherals
Table 17-73. TRIGSRC Register Field Descriptions (continued)
Bit Field Type Reset Description
12-8 STOP_SRC R/W 0h Selects the asynchronous stop signal Note! Must not be changed if
STAT.STATE is not IDLE
0h = Selects AON_RTC_CH2
1h = Selects AUX_COMPA
2h = Selects AUX_COMPB
3h = Selects ISRC_RESET
4h = Selects TIMER0_EV
5h = Selects TIMER1_EV
6h = Selects SMPH_AUTOTAKE_DONE
7h = Selects ADC_DONE
8h = Selects ADC_FIFO_ALMOST_FULL
9h = Selects OBSMUX0
Ah = Selects OBSMUX1
Bh = Selects AON_SW
Ch = Selects AON_PROG_WU
Dh = Selects AUXIO0
Eh = Selects AUXIO1
Fh = Selects AUXIO2
10h = Selects AUXIO3
11h = Selects AUXIO4
12h = Selects AUXIO5
13h = Selects AUXIO6
14h = Selects AUXIO7
15h = Selects AUXIO8
16h = Selects AUXIO9
17h = Selects AUXIO10
18h = Selects AUXIO11
19h = Selects AUXIO12
1Ah = Selects AUXIO13
1Bh = Selects AUXIO14
1Ch = Selects AUXIO15
1Dh = Selects ACLK_REF
1Eh = Selects MCU_EV
1Fh = Selects TDC_PRE
7-6 RESERVED R 0h Software should not rely on the value of a reserved. Writing any
other value than the reset value may result in undefined behavior.
5 START_POL R/W 0h Polarity of start signal. Note! Must not be changed if STAT.STATE is
not IDLE
0h = TDC starts when high level is detected
1h = TDC starts when low level is detected

AUX – Sensor Controller Registers
www.ti.com
1378 SWCU117F–February 2015–Revised June 2016
Submit Documentation Feedback
Copyright © 2015–2016, Texas Instruments Incorporated
AUX – Sensor Controller with Digital and Analog Peripherals
Table 17-73. TRIGSRC Register Field Descriptions (continued)
Bit Field Type Reset Description
4-0 START_SRC R/W 0h Selects the asynchronous start signal Note! Must not be changed if
STAT.STATE is not IDLE
0h = Selects AON_RTC_CH2
1h = Selects AUX_COMPA
2h = Selects AUX_COMPB
3h = Selects ISRC_RESET
4h = Selects TIMER0_EV
5h = Selects TIMER1_EV
6h = Selects SMPH_AUTOTAKE_DONE
7h = Selects ADC_DONE
8h = Selects ADC_FIFO_ALMOST_FULL
9h = Selects OBSMUX0
Ah = Selects OBSMUX1
Bh = Selects AON_SW
Ch = Selects AON_PROG_WU
Dh = Selects AUXIO0
Eh = Selects AUXIO1
Fh = Selects AUXIO2
10h = Selects AUXIO3
11h = Selects AUXIO4
12h = Selects AUXIO5
13h = Selects AUXIO6
14h = Selects AUXIO7
15h = Selects AUXIO8
16h = Selects AUXIO9
17h = Selects AUXIO10
18h = Selects AUXIO11
19h = Selects AUXIO12
1Ah = Selects AUXIO13
1Bh = Selects AUXIO14
1Ch = Selects AUXIO15
1Dh = Selects ACLK_REF
1Eh = Selects MCU_EV
1Fh = Selects TDC_PRE

www.ti.com
AUX – Sensor Controller Registers
1379
SWCU117F–February 2015–Revised June 2016
Submit Documentation Feedback Copyright © 2015–2016, Texas Instruments Incorporated
AUX – Sensor Controller with Digital and Analog Peripherals
17.7.5.6 TRIGCNT Register (Offset = 14h) [reset = 0h]
TRIGCNT is shown in Figure 17-51 and described in Table 17-74.
Return to Summary Table.
Trigger Counter
Stop counter status/control of TDC
Figure 17-51. TRIGCNT Register
31 30 29 28 27 26 25 24 23 22 21 20 19 18 17 16 15 14 13 12 11 10 9 8 7 6 5 4 3 2 1 0
RESERVED CNT
R-0h R/W-0h
Table 17-74. TRIGCNT Register Field Descriptions
Bit Field Type Reset Description
31-16 RESERVED R 0h Software should not rely on the value of a reserved. Writing any
other value than the reset value may result in undefined behavior.
15-0 CNT R/W 0h Remaining number of stop events that will be ignored. Writing to this
register updates the value. The CNT will be loaded with the value of
TRIGCNTLOAD.CNT at the start of every measurement.
When the stop counter is enabled the first CNT-1 stop events is
ignored after which the TDC will stop measurement on event number
CNT
Note! Must not be changed if STAT.STATE is not IDLE

AUX – Sensor Controller Registers
www.ti.com
1380 SWCU117F–February 2015–Revised June 2016
Submit Documentation Feedback
Copyright © 2015–2016, Texas Instruments Incorporated
AUX – Sensor Controller with Digital and Analog Peripherals
17.7.5.7 TRIGCNTLOAD Register (Offset = 18h) [reset = 0h]
TRIGCNTLOAD is shown in Figure 17-52 and described in Table 17-75.
Return to Summary Table.
Trigger Counter Load
Stop counter control of TDC
Figure 17-52. TRIGCNTLOAD Register
31 30 29 28 27 26 25 24 23 22 21 20 19 18 17 16 15 14 13 12 11 10 9 8 7 6 5 4 3 2 1 0
RESERVED CNT
R-0h R/W-0h
Table 17-75. TRIGCNTLOAD Register Field Descriptions
Bit Field Type Reset Description
31-16 RESERVED R 0h Software should not rely on the value of a reserved. Writing any
other value than the reset value may result in undefined behavior.
15-0 CNT R/W 0h Selects the number of stop events that will be ignored by the TDC.
This can be used to measure multiple periods of a clock signal. The
value written to this field is loaded into the stop counter at the start of
each measurement.
Note! Both values 0 and 1 will make the TDC stop on the first event
after the start event
Note! Must not be changed if STAT.STATE is not IDLE

www.ti.com
AUX – Sensor Controller Registers
1381
SWCU117F–February 2015–Revised June 2016
Submit Documentation Feedback Copyright © 2015–2016, Texas Instruments Incorporated
AUX – Sensor Controller with Digital and Analog Peripherals
17.7.5.8 TRIGCNTCFG Register (Offset = 1Ch) [reset = 0h]
TRIGCNTCFG is shown in Figure 17-53 and described in Table 17-76.
Return to Summary Table.
Trigger Counter Configuration
Figure 17-53. TRIGCNTCFG Register
31 30 29 28 27 26 25 24 23 22 21 20 19 18 17 16
RESERVED
R-0h
15 14 13 12 11 10 9 8 7 6 5 4 3 2 1 0
RESERVED EN
R-0h R/W-
0h
Table 17-76. TRIGCNTCFG Register Field Descriptions
Bit Field Type Reset Description
31-1 RESERVED R 0h Software should not rely on the value of a reserved. Writing any
other value than the reset value may result in undefined behavior.
0 EN R/W 0h Stop counter enable
0: Stop counter is disabled
1: Stop counter is enabled

AUX – Sensor Controller Registers
www.ti.com
1382 SWCU117F–February 2015–Revised June 2016
Submit Documentation Feedback
Copyright © 2015–2016, Texas Instruments Incorporated
AUX – Sensor Controller with Digital and Analog Peripherals
17.7.5.9 PRECTL Register (Offset = 20h) [reset = 1Fh]
PRECTL is shown in Figure 17-54 and described in Table 17-77.
Return to Summary Table.
Prescaler Control
The prescaler can be used to count events that are faster than the AUX clock speed. It can be used
standalone or as a start/stop source for the TDC by configuring TRIGSRC.START_SRC and
TRIGSRC.STOP_SRC to TDC_PRE. When counting fast signals with the TDC that are faster than 1/10th
of the clock frequency of AUX it is recommended to use the prescaler.
Figure 17-54. PRECTL Register
31 30 29 28 27 26 25 24
RESERVED
R-0h
23 22 21 20 19 18 17 16
RESERVED
R-0h
15 14 13 12 11 10 9 8
RESERVED
R-0h
76543210
RESET_N RATIO RESERVED SRC
R/W-0h R/W-0h R-0h R/W-1Fh
Table 17-77. PRECTL Register Field Descriptions
Bit Field Type Reset Description
31-8 RESERVED R 0h Software should not rely on the value of a reserved. Writing any
other value than the reset value may result in undefined behavior.
7 RESET_N R/W 0h Prescaler reset control
0: Prescaler is held in reset
1: Prescaler is not held in reset
6 RATIO R/W 0h Prescaler ratio. This controls how often an event is generated on the
TDC_PRE line. After the prescaler is reset the event output
TDC_PRE is 0.
0h = Prescaler divides by 16. A rising edge on the output is
generated for every 16 rising edges of the input (the output toggles
on every 8th rising edge of the input).
1h = Prescaler divides by 64. A rising edge on the output is
generated for every 64 rising edges of the input (the output toggles
on every 32th rising edge of the input). .
5 RESERVED R 0h Software should not rely on the value of a reserved. Writing any
other value than the reset value may result in undefined behavior.

www.ti.com
AUX – Sensor Controller Registers
1383
SWCU117F–February 2015–Revised June 2016
Submit Documentation Feedback Copyright © 2015–2016, Texas Instruments Incorporated
AUX – Sensor Controller with Digital and Analog Peripherals
Table 17-77. PRECTL Register Field Descriptions (continued)
Bit Field Type Reset Description
4-0 SRC R/W 1Fh Selects event for prescaler to use as input
Note! Only change when prescaler is in reset
0h = 0
1h = 0
2h = 0
3h = 0
4h = 0
5h = 0
6h = 0
7h = 0
8h = 0
9h = 0
Ah = 0
Bh = 0
Ch = 0
Dh = 0
Eh = 0
Fh = 0
10h = 0
11h = 0
12h = 0
13h = 0
14h = 0
15h = 0
16h = 0
17h = 0
18h = 0
19h = 0
1Ah = 0
1Bh = 0
1Ch = 0
1Dh = 0
1Eh = 0
1Fh = 0

AUX – Sensor Controller Registers
www.ti.com
1384 SWCU117F–February 2015–Revised June 2016
Submit Documentation Feedback
Copyright © 2015–2016, Texas Instruments Incorporated
AUX – Sensor Controller with Digital and Analog Peripherals
17.7.5.10 PRECNT Register (Offset = 24h) [reset = 0h]
PRECNT is shown in Figure 17-55 and described in Table 17-78.
Return to Summary Table.
Prescaler Counter
Value of prescaler counter
Figure 17-55. PRECNT Register
31 30 29 28 27 26 25 24 23 22 21 20 19 18 17 16 15 14 13 12 11 10 9 8 7 6 5 4 3 2 1 0
RESERVED CNT
R-0h R/W-0h
Table 17-78. PRECNT Register Field Descriptions
Bit Field Type Reset Description
31-16 RESERVED R 0h Software should not rely on the value of a reserved. Writing any
other value than the reset value may result in undefined behavior.
15-0 CNT R/W 0h Writing to this register will latch the contents of the 16 bit prescaler
counter (The value written is don't care).
Reading will return the latched value.
17.7.6 AUX_TIMER Registers
Table 17-79 lists the memory-mapped registers for the AUX_TIMER. All register offset addresses not
listed in Table 17-79 should be considered as reserved locations and the register contents should not be
modified.
Table 17-79. AUX_TIMER Registers
Offset Acronym Register Name Section
0h T0CFG Timer 0 Configuration Section 17.7.6.1
4h T1CFG Timer 1 Configuration Section 17.7.6.2
8h T0CTL Timer 0 Control Section 17.7.6.3
Ch T0TARGET Timer 0 Target Section 17.7.6.4
10h T1TARGET Timer 1 Target Section 17.7.6.5
14h T1CTL Timer 1 Control Section 17.7.6.6

www.ti.com
AUX – Sensor Controller Registers
1385
SWCU117F–February 2015–Revised June 2016
Submit Documentation Feedback Copyright © 2015–2016, Texas Instruments Incorporated
AUX – Sensor Controller with Digital and Analog Peripherals
17.7.6.1 T0CFG Register (Offset = 0h) [reset = 0h]
T0CFG is shown in Figure 17-56 and described in Table 17-80.
Return to Summary Table.
Timer 0 Configuration
Figure 17-56. T0CFG Register
31 30 29 28 27 26 25 24
RESERVED
R-0h
23 22 21 20 19 18 17 16
RESERVED
R-0h
15 14 13 12 11 10 9 8
RESERVED TICK_SRC_PO
LTICK_SRC
R-0h R/W-0h R/W-0h
76543210
PRE RESERVED MODE RELOAD
R/W-0h R-0h R/W-0h R/W-0h
Table 17-80. T0CFG Register Field Descriptions
Bit Field Type Reset Description
31-14 RESERVED R 0h Software should not rely on the value of a reserved. Writing any
other value than the reset value may result in undefined behavior.
13 TICK_SRC_POL R/W 0h Source count polarity for timer 0
0h = Count on rising edges of TICK_SRC
1h = Count on falling edges of TICK_SRC

AUX – Sensor Controller Registers
www.ti.com
1386 SWCU117F–February 2015–Revised June 2016
Submit Documentation Feedback
Copyright © 2015–2016, Texas Instruments Incorporated
AUX – Sensor Controller with Digital and Analog Peripherals
Table 17-80. T0CFG Register Field Descriptions (continued)
Bit Field Type Reset Description
12-8 TICK_SRC R/W 0h Selected tick source for timer 0
0h = Selects RTC_CH2_EV
1h = Selects AUX_COMPA
2h = Selects AUX_COMPB
3h = Selects TDC_DONE
5h = Selects TIMER1_EV
6h = Selects SMPH_AUTOTAKE_DONE
7h = Selects ADC_DONE
8h = Selects RTC_4KHZ
9h = Selects OBSMUX0
Ah = Selects OBSMUX1
Bh = Selects AON_SW
Ch = Selects AON_PROG_WU
Dh = Selects AUXIO0
Eh = Selects AUXIO1
Fh = Selects AUXIO2
10h = Selects AUXIO3
11h = Selects AUXIO4
12h = Selects AUXIO5
13h = Selects AUXIO6
14h = Selects AUXIO7
15h = Selects AUXIO8
16h = Selects AUXIO9
17h = Selects AUXIO10
18h = Selects AUXIO11
19h = Selects AUXIO12
1Ah = Selects AUXIO13
1Bh = Selects AUXIO14
1Ch = Selects AUXIO15
1Dh = Selects ACLK_REF
1Eh = Selects MCU_EV
1Fh = Selects ADC_IRQ
7-4 PRE R/W 0h Prescaler division ratio is 2PRE
3-2 RESERVED R 0h Software should not rely on the value of a reserved. Writing any
other value than the reset value may result in undefined behavior.
1 MODE R/W 0h Timer 0 mode
0h = Timer 0 increments on every 2PRE edges of AUX clock
1h = Timer 0 counter increments only on edges of the event set by
TICK_SRC. The events are divided by the PRE setting.
0 RELOAD R/W 0h Timer 0 reload setting
0h = Timer has to be restarted manually
1h = Timer is automatically restarted when target is reached

www.ti.com
AUX – Sensor Controller Registers
1387
SWCU117F–February 2015–Revised June 2016
Submit Documentation Feedback Copyright © 2015–2016, Texas Instruments Incorporated
AUX – Sensor Controller with Digital and Analog Peripherals
17.7.6.2 T1CFG Register (Offset = 4h) [reset = 0h]
T1CFG is shown in Figure 17-57 and described in Table 17-81.
Return to Summary Table.
Timer 1 Configuration
Figure 17-57. T1CFG Register
31 30 29 28 27 26 25 24
RESERVED
R-0h
23 22 21 20 19 18 17 16
RESERVED
R-0h
15 14 13 12 11 10 9 8
RESERVED TICK_SRC_PO
LTICK_SRC
R-0h R/W-0h R/W-0h
76543210
PRE RESERVED MODE RELOAD
R/W-0h R-0h R/W-0h R/W-0h
Table 17-81. T1CFG Register Field Descriptions
Bit Field Type Reset Description
31-14 RESERVED R 0h Software should not rely on the value of a reserved. Writing any
other value than the reset value may result in undefined behavior.
13 TICK_SRC_POL R/W 0h Source count polarity for timer 1
0h = Count on rising edges of TICK_SRC
1h = Count on falling edges of TICK_SRC

AUX – Sensor Controller Registers
www.ti.com
1388 SWCU117F–February 2015–Revised June 2016
Submit Documentation Feedback
Copyright © 2015–2016, Texas Instruments Incorporated
AUX – Sensor Controller with Digital and Analog Peripherals
Table 17-81. T1CFG Register Field Descriptions (continued)
Bit Field Type Reset Description
12-8 TICK_SRC R/W 0h Selected tick source for timer 1
0h = Selects RTC_CH2_EV
1h = Selects AUX_COMPA
2h = Selects AUX_COMPB
3h = Selects TDC_DONE
4h = Selects TIMER0_EV
6h = Selects SMPH_AUTOTAKE_DONE
7h = Selects ADC_DONE
8h = Selects RTC_4KHZ
9h = Selects OBSMUX0
Ah = Selects OBSMUX1
Bh = Selects AON_SW
Ch = Selects AON_PROG_WU
Dh = Selects AUXIO0
Eh = Selects AUXIO1
Fh = Selects AUXIO2
10h = Selects AUXIO3
11h = Selects AUXIO4
12h = Selects AUXIO5
13h = Selects AUXIO6
14h = Selects AUXIO7
15h = Selects AUXIO8
16h = Selects AUXIO9
17h = Selects AUXIO10
18h = Selects AUXIO11
19h = Selects AUXIO12
1Ah = Selects AUXIO13
1Bh = Selects AUXIO14
1Ch = Selects AUXIO15
1Dh = Selects ACLK_REF
1Eh = Selects MCU_EV
1Fh = Selects ADC_IRQ
7-4 PRE R/W 0h Prescaler division ratio is 2PRE
3-2 RESERVED R 0h Software should not rely on the value of a reserved. Writing any
other value than the reset value may result in undefined behavior.
1 MODE R/W 0h Timer 1 mode
0h = Timer 1 increments on every 2PRE edges of AUX clock
1h = Timer 1 counter increments only on edges of the event set by
TICK_SRC. The events are divided by the PRE setting.
0 RELOAD R/W 0h Timer 1 reload setting
0h = Timer has to be restarted manually
1h = Timer is automatically restarted when target is reached

www.ti.com
AUX – Sensor Controller Registers
1389
SWCU117F–February 2015–Revised June 2016
Submit Documentation Feedback Copyright © 2015–2016, Texas Instruments Incorporated
AUX – Sensor Controller with Digital and Analog Peripherals
17.7.6.3 T0CTL Register (Offset = 8h) [reset = 0h]
T0CTL is shown in Figure 17-58 and described in Table 17-82.
Return to Summary Table.
Timer 0 Control
Run control/status for timer 0
Figure 17-58. T0CTL Register
31 30 29 28 27 26 25 24 23 22 21 20 19 18 17 16
RESERVED
R-0h
15 14 13 12 11 10 9 8 7 6 5 4 3 2 1 0
RESERVED EN
R-0h R/W-
0h
Table 17-82. T0CTL Register Field Descriptions
Bit Field Type Reset Description
31-1 RESERVED R 0h Software should not rely on the value of a reserved. Writing any
other value than the reset value may result in undefined behavior.
0 EN R/W 0h Timer 0 run enable control. The counter restarts when enabling the
timer. If T0CFG.RELOAD = 0, the timer is automatically disabled
when reaching T0TARGET.VALUE
0: Disable timer 0
1: Enable timer 0

AUX – Sensor Controller Registers
www.ti.com
1390 SWCU117F–February 2015–Revised June 2016
Submit Documentation Feedback
Copyright © 2015–2016, Texas Instruments Incorporated
AUX – Sensor Controller with Digital and Analog Peripherals
17.7.6.4 T0TARGET Register (Offset = Ch) [reset = 0h]
T0TARGET is shown in Figure 17-59 and described in Table 17-83.
Return to Summary Table.
Timer 0 Target
Target counter value for timer 0
Figure 17-59. T0TARGET Register
31 30 29 28 27 26 25 24 23 22 21 20 19 18 17 16 15 14 13 12 11 10 9 8 7 6 5 4 3 2 1 0
RESERVED VALUE
R-0h R/W-0h
Table 17-83. T0TARGET Register Field Descriptions
Bit Field Type Reset Description
31-16 RESERVED R 0h Software should not rely on the value of a reserved. Writing any
other value than the reset value may result in undefined behavior.
15-0 VALUE R/W 0h Timer 0 counts from 0 to VALUE. Then gives an event and restarts if
configured to do to so in the T0CFG.RELOAD setting. If VALUE is
changed while timer 0 is running so that the count becomes higher
than VALUE timer 0 will also restart if configured to do so.
If T0CFG.MODE=0,no prescaler is used, and VALUE equals 1, the
TIMER0_EV event line will be always set

www.ti.com
AUX – Sensor Controller Registers
1391
SWCU117F–February 2015–Revised June 2016
Submit Documentation Feedback Copyright © 2015–2016, Texas Instruments Incorporated
AUX – Sensor Controller with Digital and Analog Peripherals
17.7.6.5 T1TARGET Register (Offset = 10h) [reset = 0h]
T1TARGET is shown in Figure 17-60 and described in Table 17-84.
Return to Summary Table.
Timer 1 Target
Target Counter Value Timer 1
Figure 17-60. T1TARGET Register
31 30 29 28 27 26 25 24 23 22 21 20 19 18 17 16 15 14 13 12 11 10 9 8 7 6 5 4 3 2 1 0
RESERVED VALUE
R-0h R/W-0h
Table 17-84. T1TARGET Register Field Descriptions
Bit Field Type Reset Description
31-8 RESERVED R 0h Software should not rely on the value of a reserved. Writing any
other value than the reset value may result in undefined behavior.
7-0 VALUE R/W 0h Timer 1 counts from 0 to VALUE. Then gives an event and restarts if
configured to do to so in the T1CFG.RELOAD setting. If VALUE is
changed while timer 1 is running so that the count becomes higher
than VALUE timer 1 will also restart if configured to do so.
If T1CFG.MODE=0,no prescaler is used, and VALUE equals 1, the
TIMER1_EV event line will be always set

AUX – Sensor Controller Registers
www.ti.com
1392 SWCU117F–February 2015–Revised June 2016
Submit Documentation Feedback
Copyright © 2015–2016, Texas Instruments Incorporated
AUX – Sensor Controller with Digital and Analog Peripherals
17.7.6.6 T1CTL Register (Offset = 14h) [reset = 0h]
T1CTL is shown in Figure 17-61 and described in Table 17-85.
Return to Summary Table.
Timer 1 Control
Run Control/Status For Timer 1
Figure 17-61. T1CTL Register
31 30 29 28 27 26 25 24 23 22 21 20 19 18 17 16
RESERVED
R-0h
15 14 13 12 11 10 9 8 7 6 5 4 3 2 1 0
RESERVED EN
R-0h R/W-
0h
Table 17-85. T1CTL Register Field Descriptions
Bit Field Type Reset Description
31-1 RESERVED R 0h Software should not rely on the value of a reserved. Writing any
other value than the reset value may result in undefined behavior.
0 EN R/W 0h Timer 1 run enable control. The counter restarts when enabling the
timer. If T1CFG.RELOAD = 0, the timer is automatically disabled
when reaching T1TARGET.VALUE
0: Disable timer 1
1: Enable timer 1
17.7.7 AUX_WUC Registers
Table 17-86 lists the memory-mapped registers for the AUX_WUC. All register offset addresses not listed
in Table 17-86 should be considered as reserved locations and the register contents should not be
modified.
Table 17-86. AUX_WUC Registers
Offset Acronym Register Name Section
0h MODCLKEN0 Module Clock Enable Section 17.7.7.1
4h PWROFFREQ Power Off Request Section 17.7.7.2
8h PWRDWNREQ Power Down Request Section 17.7.7.3
Ch PWRDWNACK Power Down Acknowledgment Section 17.7.7.4
10h CLKLFREQ Low Frequency Clock Request Section 17.7.7.5
14h CLKLFACK Low Frequency Clock Acknowledgment Section 17.7.7.6
28h WUEVFLAGS Wake-up Event Flags Section 17.7.7.7
2Ch WUEVCLR Wake-up Event Clear Section 17.7.7.8
30h ADCCLKCTL ADC Clock Control Section 17.7.7.9
34h TDCCLKCTL TDC Clock Control Section 17.7.7.10
38h REFCLKCTL Reference Clock Control Section 17.7.7.11
3Ch RTCSUBSECINC0 Real Time Counter Sub Second Increment 0 Section 17.7.7.12
40h RTCSUBSECINC1 Real Time Counter Sub Second Increment 1 Section 17.7.7.13
44h RTCSUBSECINCCTL Real Time Counter Sub Second Increment Control Section 17.7.7.14
48h MCUBUSCTL MCU Bus Control Section 17.7.7.15
4Ch MCUBUSSTAT MCU Bus Status Section 17.7.7.16
50h AONCTLSTAT AON Domain Control Status Section 17.7.7.17
54h AUXIOLATCH AUX Input Output Latch Section 17.7.7.18
5Ch MODCLKEN1 Module Clock Enable 1 Section 17.7.7.19

www.ti.com
AUX – Sensor Controller Registers
1393
SWCU117F–February 2015–Revised June 2016
Submit Documentation Feedback Copyright © 2015–2016, Texas Instruments Incorporated
AUX – Sensor Controller with Digital and Analog Peripherals
17.7.7.1 MODCLKEN0 Register (Offset = 0h) [reset = 0h]
MODCLKEN0 is shown in Figure 17-62 and described in Table 17-87.
Return to Summary Table.
Module Clock Enable
Clock enable for each module in the AUX domain
For use by the system CPU
The settings in this register are OR'ed with the corresponding settings in MODCLKEN1. This allows the
system CPU and AUX_SCE to request clocks independently. Settings take effect immediately.
Figure 17-62. MODCLKEN0 Register
31 30 29 28 27 26 25 24
RESERVED
R-0h
23 22 21 20 19 18 17 16
RESERVED
R-0h
15 14 13 12 11 10 9 8
RESERVED
R-0h
76543210
AUX_ADI4 AUX_DDI0_OS
CTDC ANAIF TIMER AIODIO1 AIODIO0 SMPH
R/W-0h R/W-0h R/W-0h R/W-0h R/W-0h R/W-0h R/W-0h R/W-0h
Table 17-87. MODCLKEN0 Register Field Descriptions
Bit Field Type Reset Description
31-8 RESERVED R 0h Software should not rely on the value of a reserved. Writing any
other value than the reset value may result in undefined behavior.
7 AUX_ADI4 R/W 0h Enables (1) or disables (0) clock for AUX_ADI4.
0h = System CPU has not requested clock for AUX_ADI4
1h = System CPU has requested clock for AUX_ADI4
6 AUX_DDI0_OSC R/W 0h Enables (1) or disables (0) clock for AUX_DDI0_OSC.
0h = System CPU has not requested clock for AUX_DDI0_OSC
1h = System CPU has requested clock for AUX_DDI0_OSC
5 TDC R/W 0h Enables (1) or disables (0) clock for AUX_TDCIF.
Note that the TDC counter and reference clock sources must be
requested separately using TDCCLKCTL and REFCLKCTL,
respectively.
0h = System CPU has not requested clock for TDC
1h = System CPU has requested clock for TDC
4 ANAIF R/W 0h Enables (1) or disables (0) clock for AUX_ANAIF.
Note that the ADC internal clock must be requested separately using
ADCCLKCTL.
0h = System CPU has not requested clock for ANAIF
1h = System CPU has requested clock for ANAIF
3 TIMER R/W 0h Enables (1) or disables (0) clock for AUX_TIMER.
0h = System CPU has not requested clock for TIMER
1h = System CPU has requested clock for TIMER
2 AIODIO1 R/W 0h Enables (1) or disables (0) clock for AUX_AIODIO1.
0h = System CPU has not requested clock for AIODIO1
1h = System CPU has requested clock for AIODIO1

AUX – Sensor Controller Registers
www.ti.com
1394 SWCU117F–February 2015–Revised June 2016
Submit Documentation Feedback
Copyright © 2015–2016, Texas Instruments Incorporated
AUX – Sensor Controller with Digital and Analog Peripherals
Table 17-87. MODCLKEN0 Register Field Descriptions (continued)
Bit Field Type Reset Description
1 AIODIO0 R/W 0h Enables (1) or disables (0) clock for AUX_AIODIO0.
0h = System CPU has not requested clock for AIODIO0
1h = System CPU has requested clock for AIODIO0
0 SMPH R/W 0h Enables (1) or disables (0) clock for AUX_SMPH.
0h = System CPU has not requested clock for SMPH
1h = System CPU has requested clock for SMPH

www.ti.com
AUX – Sensor Controller Registers
1395
SWCU117F–February 2015–Revised June 2016
Submit Documentation Feedback Copyright © 2015–2016, Texas Instruments Incorporated
AUX – Sensor Controller with Digital and Analog Peripherals
17.7.7.2 PWROFFREQ Register (Offset = 4h) [reset = 0h]
PWROFFREQ is shown in Figure 17-63 and described in Table 17-88.
Return to Summary Table.
Power Off Request
Requests power off request for the AUX domain. When powered of the power supply and clock is
disabled. This may only be used when taking the entire device into shutdown mode (i.e. with full device
reset when resuming operation).
Power off is prevented if AON_WUC:AUXCTL.AUX_FORCE_ON has been set, or if
MCUBUSCTL.DISCONNECT_REQ has been cleared.
Figure 17-63. PWROFFREQ Register
31 30 29 28 27 26 25 24 23 22 21 20 19 18 17 16
RESERVED
R-0h
15 14 13 12 11 10 9 8 7 6 5 4 3 2 1 0
RESERVED REQ
R-0h R/W-
0h
Table 17-88. PWROFFREQ Register Field Descriptions
Bit Field Type Reset Description
31-1 RESERVED R 0h Software should not rely on the value of a reserved. Writing any
other value than the reset value may result in undefined behavior.
0 REQ R/W 0h Power off request
0: No action
1: Request to power down AUX. Once set, this bit shall not be
cleared. The bit will be reset again when AUX is powered up again.
The request will only happen if AONCTLSTAT.AUX_FORCE_ON = 0
and MCUBUSSTAT.DISCONNECTED=1.

AUX – Sensor Controller Registers
www.ti.com
1396 SWCU117F–February 2015–Revised June 2016
Submit Documentation Feedback
Copyright © 2015–2016, Texas Instruments Incorporated
AUX – Sensor Controller with Digital and Analog Peripherals
17.7.7.3 PWRDWNREQ Register (Offset = 8h) [reset = 0h]
PWRDWNREQ is shown in Figure 17-64 and described in Table 17-89.
Return to Summary Table.
Power Down Request
Request from AUX for system to enter power down. When system is in power down there is limited
current supply available and the clock source is set by AON_WUC:AUXCLK.PWR_DWN_SRC
Figure 17-64. PWRDWNREQ Register
31 30 29 28 27 26 25 24 23 22 21 20 19 18 17 16
RESERVED
R-0h
15 14 13 12 11 10 9 8 7 6 5 4 3 2 1 0
RESERVED REQ
R-0h R/W-
0h
Table 17-89. PWRDWNREQ Register Field Descriptions
Bit Field Type Reset Description
31-1 RESERVED R 0h Software should not rely on the value of a reserved. Writing any
other value than the reset value may result in undefined behavior.
0 REQ R/W 0h Power down request
0: Request for system to be in active mode
1: Request for system to be in power down mode
When REQ is 1 one shall assume that the system is in power down,
and that current supply is limited. When setting REQ = 0, one shall
assume that the system is in power down until PWRDWNACK.ACK
= 0

www.ti.com
AUX – Sensor Controller Registers
1397
SWCU117F–February 2015–Revised June 2016
Submit Documentation Feedback Copyright © 2015–2016, Texas Instruments Incorporated
AUX – Sensor Controller with Digital and Analog Peripherals
17.7.7.4 PWRDWNACK Register (Offset = Ch) [reset = 0h]
PWRDWNACK is shown in Figure 17-65 and described in Table 17-90.
Return to Summary Table.
Power Down Acknowledgment
Figure 17-65. PWRDWNACK Register
31 30 29 28 27 26 25 24 23 22 21 20 19 18 17 16
RESERVED
R-0h
15 14 13 12 11 10 9 8 7 6 5 4 3 2 1 0
RESERVED ACK
R-0h R-0h
Table 17-90. PWRDWNACK Register Field Descriptions
Bit Field Type Reset Description
31-1 RESERVED R 0h Software should not rely on the value of a reserved. Writing any
other value than the reset value may result in undefined behavior.
0 ACK R 0h Power down acknowledgment. Indicates whether the power down
request given by PWRDWNREQ.REQ is captured by the AON
domain or not
0: AUX can assume that the system is in active mode
1: The request for power down is acknowledged and the AUX must
act like the system is in power down mode and power supply is
limited
The system CPU cannot use this bit since the bus bridge between
MCU domain and AUX domain is always disconnected when this bit
is set. For AUX_SCE use only

AUX – Sensor Controller Registers
www.ti.com
1398 SWCU117F–February 2015–Revised June 2016
Submit Documentation Feedback
Copyright © 2015–2016, Texas Instruments Incorporated
AUX – Sensor Controller with Digital and Analog Peripherals
17.7.7.5 CLKLFREQ Register (Offset = 10h) [reset = 0h]
CLKLFREQ is shown in Figure 17-66 and described in Table 17-91.
Return to Summary Table.
Low Frequency Clock Request
Figure 17-66. CLKLFREQ Register
31 30 29 28 27 26 25 24 23 22 21 20 19 18 17 16
RESERVED
R-0h
15 14 13 12 11 10 9 8 7 6 5 4 3 2 1 0
RESERVED REQ
R-0h R/W-
0h
Table 17-91. CLKLFREQ Register Field Descriptions
Bit Field Type Reset Description
31-1 RESERVED R 0h Software should not rely on the value of a reserved. Writing any
other value than the reset value may result in undefined behavior.
0 REQ R/W 0h Low frequency request
0: Request clock frequency to be controlled by AON_WUC:AUXCLK
and the system state
1: Request low frequency clock SCLK_LF as the clock source for
AUX
This bit must not be modified unless CLKLFACK.ACK matches the
current value

www.ti.com
AUX – Sensor Controller Registers
1399
SWCU117F–February 2015–Revised June 2016
Submit Documentation Feedback Copyright © 2015–2016, Texas Instruments Incorporated
AUX – Sensor Controller with Digital and Analog Peripherals
17.7.7.6 CLKLFACK Register (Offset = 14h) [reset = 0h]
CLKLFACK is shown in Figure 17-67 and described in Table 17-92.
Return to Summary Table.
Low Frequency Clock Acknowledgment
Figure 17-67. CLKLFACK Register
31 30 29 28 27 26 25 24 23 22 21 20 19 18 17 16
RESERVED
R-0h
15 14 13 12 11 10 9 8 7 6 5 4 3 2 1 0
RESERVED ACK
R-0h R-0h
Table 17-92. CLKLFACK Register Field Descriptions
Bit Field Type Reset Description
31-1 RESERVED R 0h Software should not rely on the value of a reserved. Writing any
other value than the reset value may result in undefined behavior.
0 ACK R 0h Acknowledgment of CLKLFREQ.REQ
0: Acknowledgement that clock frequency is controlled by
AON_WUC:AUXCLK and the system state
1: Acknowledgement that the low frequency clock SCLK_LF is the
clock source for AUX

AUX – Sensor Controller Registers
www.ti.com
1400 SWCU117F–February 2015–Revised June 2016
Submit Documentation Feedback
Copyright © 2015–2016, Texas Instruments Incorporated
AUX – Sensor Controller with Digital and Analog Peripherals
17.7.7.7 WUEVFLAGS Register (Offset = 28h) [reset = 0h]
WUEVFLAGS is shown in Figure 17-68 and described in Table 17-93.
Return to Summary Table.
Wake-up Event Flags
Status of wake-up events from the AON domain
The event flags are cleared by setting the corresponding bits in WUEVCLR
Figure 17-68. WUEVFLAGS Register
31 30 29 28 27 26 25 24
RESERVED
R-0h
23 22 21 20 19 18 17 16
RESERVED
R-0h
15 14 13 12 11 10 9 8
RESERVED
R-0h
76543210
RESERVED AON_RTC_CH
2AON_SW AON_PROG_
WU
R-0h R-0h R-0h R-0h
Table 17-93. WUEVFLAGS Register Field Descriptions
Bit Field Type Reset Description
31-3 RESERVED R 0h Software should not rely on the value of a reserved. Writing any
other value than the reset value may result in undefined behavior.
2 AON_RTC_CH2 R 0h Indicates pending event from AON_RTC_CH2 compare. Note that
this flag will be set whenever the AON_RTC_CH2 event happens,
but that does not mean that this event is a wake-up event. To make
the AON_RTC_CH2 a wake-up event for the AUX domain configure
it as a wake-up event in AON_EVENT:AUXWUSEL.WU0_EV,
AON_EVENT:AUXWUSEL.WU1_EV or
AON_EVENT:AUXWUSEL.WU2_EV.
1 AON_SW R 0h Indicates pending event triggered by system CPU writing a 1 to
AON_WUC:AUXCTL.SWEV.
0 AON_PROG_WU R 0h Indicates pending event triggered by the sources selected in
AON_EVENT:AUXWUSEL.WU0_EV,
AON_EVENT:AUXWUSEL.WU1_EV and
AON_EVENT:AUXWUSEL.WU2_EV.

www.ti.com
AUX – Sensor Controller Registers
1401
SWCU117F–February 2015–Revised June 2016
Submit Documentation Feedback Copyright © 2015–2016, Texas Instruments Incorporated
AUX – Sensor Controller with Digital and Analog Peripherals
17.7.7.8 WUEVCLR Register (Offset = 2Ch) [reset = 0h]
WUEVCLR is shown in Figure 17-69 and described in Table 17-94.
Return to Summary Table.
Wake-up Event Clear
Clears wake-up events from the AON domain
Figure 17-69. WUEVCLR Register
31 30 29 28 27 26 25 24
RESERVED
R-0h
23 22 21 20 19 18 17 16
RESERVED
R-0h
15 14 13 12 11 10 9 8
RESERVED
R-0h
76543210
RESERVED AON_RTC_CH
2AON_SW AON_PROG_
WU
R-0h R/W-0h R/W-0h R/W-0h
Table 17-94. WUEVCLR Register Field Descriptions
Bit Field Type Reset Description
31-3 RESERVED R 0h Software should not rely on the value of a reserved. Writing any
other value than the reset value may result in undefined behavior.
2 AON_RTC_CH2 R/W 0h Set to clear the WUEVFLAGS.AON_RTC_CH2 wake-up event. Note
that if RTC channel 2 is also set as source for AON_PROG_WU this
field can also clear WUEVFLAGS.AON_PROG_WU
This bit must remain set until WUEVFLAGS.AON_RTC_CH2 returns
to 0.
1 AON_SW R/W 0h Set to clear the WUEVFLAGS.AON_SW wake-up event.
This bit must remain set until WUEVFLAGS.AON_SW returns to 0.
0 AON_PROG_WU R/W 0h Set to clear the WUEVFLAGS.AON_PROG_WU wake-up event.
Note only if an IO event is selected as wake-up event, is it possible
to use this field to clear the source. Other sources cannot be cleared
using this field.
The IO pin needs to be assigned to AUX in the IOC and the input
enable for the pin needs to be set in AIODIO0 or AIODIO1 for this
clearing to take effect.
This bit must remain set until WUEVFLAGS.AON_PROG_WU
returns to 0.

AUX – Sensor Controller Registers
www.ti.com
1402 SWCU117F–February 2015–Revised June 2016
Submit Documentation Feedback
Copyright © 2015–2016, Texas Instruments Incorporated
AUX – Sensor Controller with Digital and Analog Peripherals
17.7.7.9 ADCCLKCTL Register (Offset = 30h) [reset = 0h]
ADCCLKCTL is shown in Figure 17-70 and described in Table 17-95.
Return to Summary Table.
ADC Clock Control
Controls the ADC internal clock
Note that the ADC command and data interface requires MODCLKEN0.ANAIF or MODCLKEN1.ANAIF
also to be set
Figure 17-70. ADCCLKCTL Register
31 30 29 28 27 26 25 24 23 22 21 20 19 18 17 16
RESERVED
R-0h
15 14 13 12 11 10 9 8 7 6 5 4 3 2 1 0
RESERVED ACK REQ
R-0h R-0h R/W-
0h
Table 17-95. ADCCLKCTL Register Field Descriptions
Bit Field Type Reset Description
31-2 RESERVED R 0h Software should not rely on the value of a reserved. Writing any
other value than the reset value may result in undefined behavior.
1 ACK R 0h Acknowledges the last value written to REQ.
0 REQ R/W 0h Enables(1) or disables (0) the ADC internal clock.
This bit must not be modified unless ACK matches the current value.

www.ti.com
AUX – Sensor Controller Registers
1403
SWCU117F–February 2015–Revised June 2016
Submit Documentation Feedback Copyright © 2015–2016, Texas Instruments Incorporated
AUX – Sensor Controller with Digital and Analog Peripherals
17.7.7.10 TDCCLKCTL Register (Offset = 34h) [reset = 0h]
TDCCLKCTL is shown in Figure 17-71 and described in Table 17-96.
Return to Summary Table.
TDC Clock Control
Controls the TDC counter clock source, which steps the TDC counter value
The source of this clock is controlled by OSC_DIG:CTL0.ACLK_TDC_SRC_SEL.
Figure 17-71. TDCCLKCTL Register
31 30 29 28 27 26 25 24 23 22 21 20 19 18 17 16
RESERVED
R-0h
15 14 13 12 11 10 9 8 7 6 5 4 3 2 1 0
RESERVED ACK REQ
R-0h R-0h R/W-
0h
Table 17-96. TDCCLKCTL Register Field Descriptions
Bit Field Type Reset Description
31-2 RESERVED R 0h Software should not rely on the value of a reserved. Writing any
other value than the reset value may result in undefined behavior.
1 ACK R 0h Acknowledges the last value written to REQ.
0 REQ R/W 0h Enables(1) or disables (0) the TDC counter clock source.
This bit must not be modified unless ACK matches the current value.

AUX – Sensor Controller Registers
www.ti.com
1404 SWCU117F–February 2015–Revised June 2016
Submit Documentation Feedback
Copyright © 2015–2016, Texas Instruments Incorporated
AUX – Sensor Controller with Digital and Analog Peripherals
17.7.7.11 REFCLKCTL Register (Offset = 38h) [reset = 0h]
REFCLKCTL is shown in Figure 17-72 and described in Table 17-97.
Return to Summary Table.
Reference Clock Control
Controls the TDC reference clock source, which is to be compared against the TDC counter clock.
The source of this clock is controlled by OSC_DIG:CTL0.ACLK_REF_SRC_SEL.
Figure 17-72. REFCLKCTL Register
31 30 29 28 27 26 25 24 23 22 21 20 19 18 17 16
RESERVED
R-0h
15 14 13 12 11 10 9 8 7 6 5 4 3 2 1 0
RESERVED ACK REQ
R-0h R-0h R/W-
0h
Table 17-97. REFCLKCTL Register Field Descriptions
Bit Field Type Reset Description
31-2 RESERVED R 0h Software should not rely on the value of a reserved. Writing any
other value than the reset value may result in undefined behavior.
1 ACK R 0h Acknowledges the last value written to REQ.
0 REQ R/W 0h Enables(1) or disables (0) the TDC reference clock source.
This bit must not be modified unless ACK matches the current value.

www.ti.com
AUX – Sensor Controller Registers
1405
SWCU117F–February 2015–Revised June 2016
Submit Documentation Feedback Copyright © 2015–2016, Texas Instruments Incorporated
AUX – Sensor Controller with Digital and Analog Peripherals
17.7.7.12 RTCSUBSECINC0 Register (Offset = 3Ch) [reset = 0h]
RTCSUBSECINC0 is shown in Figure 17-73 and described in Table 17-98.
Return to Summary Table.
Real Time Counter Sub Second Increment 0
New value for the real-time counter (AON_RTC) sub-second increment value, part corresponding to
AON_RTC:SUBSECINC bits 15:0.
After setting INC15_0 and RTCSUBSECINC1.INC23_16, the value is loaded into
AON_RTC:SUBSECINC.VALUEINC by setting RTCSUBSECINCCTL.UPD_REQ.
Figure 17-73. RTCSUBSECINC0 Register
31 30 29 28 27 26 25 24 23 22 21 20 19 18 17 16 15 14 13 12 11 10 9 8 7 6 5 4 3 2 1 0
RESERVED INC15_0
R-0h R/W-0h
Table 17-98. RTCSUBSECINC0 Register Field Descriptions
Bit Field Type Reset Description
31-16 RESERVED R 0h Software should not rely on the value of a reserved. Writing any
other value than the reset value may result in undefined behavior.
15-0 INC15_0 R/W 0h Bits 15:0 of the RTC sub-second increment value.

AUX – Sensor Controller Registers
www.ti.com
1406 SWCU117F–February 2015–Revised June 2016
Submit Documentation Feedback
Copyright © 2015–2016, Texas Instruments Incorporated
AUX – Sensor Controller with Digital and Analog Peripherals
17.7.7.13 RTCSUBSECINC1 Register (Offset = 40h) [reset = 0h]
RTCSUBSECINC1 is shown in Figure 17-74 and described in Table 17-99.
Return to Summary Table.
Real Time Counter Sub Second Increment 1
New value for the real-time counter (AON_RTC) sub-second increment value, part corresponding to
AON_RTC:SUBSECINC bits 23:16.
After setting RTCSUBSECINC0.INC15_0 and INC23_16, the value is loaded into
AON_RTC:SUBSECINC.VALUEINC by setting RTCSUBSECINCCTL.UPD_REQ.
Figure 17-74. RTCSUBSECINC1 Register
31 30 29 28 27 26 25 24 23 22 21 20 19 18 17 16 15 14 13 12 11 10 9 8 7 6 5 4 3 2 1 0
RESERVED INC23_16
R-0h R/W-0h
Table 17-99. RTCSUBSECINC1 Register Field Descriptions
Bit Field Type Reset Description
31-8 RESERVED R 0h Software should not rely on the value of a reserved. Writing any
other value than the reset value may result in undefined behavior.
7-0 INC23_16 R/W 0h Bits 23:16 of the RTC sub-second increment value.

www.ti.com
AUX – Sensor Controller Registers
1407
SWCU117F–February 2015–Revised June 2016
Submit Documentation Feedback Copyright © 2015–2016, Texas Instruments Incorporated
AUX – Sensor Controller with Digital and Analog Peripherals
17.7.7.14 RTCSUBSECINCCTL Register (Offset = 44h) [reset = 0h]
RTCSUBSECINCCTL is shown in Figure 17-75 and described in Table 17-100.
Return to Summary Table.
Real Time Counter Sub Second Increment Control
Figure 17-75. RTCSUBSECINCCTL Register
31 30 29 28 27 26 25 24
RESERVED
R-0h
23 22 21 20 19 18 17 16
RESERVED
R-0h
15 14 13 12 11 10 9 8
RESERVED
R-0h
76543210
RESERVED UPD_ACK UPD_REQ
R-0h R-0h R/W-0h
Table 17-100. RTCSUBSECINCCTL Register Field Descriptions
Bit Field Type Reset Description
31-2 RESERVED R 0h Software should not rely on the value of a reserved. Writing any
other value than the reset value may result in undefined behavior.
1 UPD_ACK R 0h Acknowledgment of the UPD_REQ.
0 UPD_REQ R/W 0h Signal that a new real time counter sub second increment value is
available
0: New sub second increment is not available
1: New sub second increment is available
This bit must not be modified unless UPD_ACK matches the current
value.

AUX – Sensor Controller Registers
www.ti.com
1408 SWCU117F–February 2015–Revised June 2016
Submit Documentation Feedback
Copyright © 2015–2016, Texas Instruments Incorporated
AUX – Sensor Controller with Digital and Analog Peripherals
17.7.7.15 MCUBUSCTL Register (Offset = 48h) [reset = 0h]
MCUBUSCTL is shown in Figure 17-76 and described in Table 17-101.
Return to Summary Table.
MCU Bus Control
Controls the connection between the AUX domain bus and the MCU domain bus.
The buses must be disconnected to allow power-down or power-off of the AUX domain.
Figure 17-76. MCUBUSCTL Register
31 30 29 28 27 26 25 24
RESERVED
R-0h
23 22 21 20 19 18 17 16
RESERVED
R-0h
15 14 13 12 11 10 9 8
RESERVED
R-0h
76543210
RESERVED DISCONNECT
_REQ
R-0h R/W-0h
Table 17-101. MCUBUSCTL Register Field Descriptions
Bit Field Type Reset Description
31-1 RESERVED R 0h Software should not rely on the value of a reserved. Writing any
other value than the reset value may result in undefined behavior.
0 DISCONNECT_REQ R/W 0h Requests the AUX domain bus to be disconnected from the MCU
domain bus. The request has no effect when
AON_WUC:AUX_CTL.AUX_FORCE_ON is set.
The disconnection status can be monitored through MCUBUSSTAT.
Note however that this register cannot be read by the system CPU
while disconnected.
It is recommended that this bit is set and remains set after initial
power-up, and that the system CPU uses
AON_WUC:AUX_CTL.AUX_FORCE_ON to connect/disconnect the
bus.

www.ti.com
AUX – Sensor Controller Registers
1409
SWCU117F–February 2015–Revised June 2016
Submit Documentation Feedback Copyright © 2015–2016, Texas Instruments Incorporated
AUX – Sensor Controller with Digital and Analog Peripherals
17.7.7.16 MCUBUSSTAT Register (Offset = 4Ch) [reset = 0h]
MCUBUSSTAT is shown in Figure 17-77 and described in Table 17-102.
Return to Summary Table.
MCU Bus Status
Indicates the connection state of the AUX domain and MCU domain buses.
Note that this register cannot be read from the MCU domain while disconnected, and is therefore only
useful for the AUX_SCE.
Figure 17-77. MCUBUSSTAT Register
31 30 29 28 27 26 25 24
RESERVED
R-0h
23 22 21 20 19 18 17 16
RESERVED
R-0h
15 14 13 12 11 10 9 8
RESERVED
R-0h
76543210
RESERVED DISCONNECT
ED DISCONNECT
_ACK
R-0h R-0h R-0h
Table 17-102. MCUBUSSTAT Register Field Descriptions
Bit Field Type Reset Description
31-2 RESERVED R 0h Software should not rely on the value of a reserved. Writing any
other value than the reset value may result in undefined behavior.
1 DISCONNECTED R 0h Indicates whether the AUX domain and MCU domain buses are
currently disconnected (1) or connected (0).
0 DISCONNECT_ACK R 0h Acknowledges reception of the bus disconnection request, by
matching the value of MCUBUSCTL.DISCONNECT_REQ.
Note that if AON_WUC:AUXCTL.AUX_FORCE_ON = 1 a reconnect
to the MCU domain bus will be made regardless of the state of
MCUBUSCTL.DISCONNECT_REQ

AUX – Sensor Controller Registers
www.ti.com
1410 SWCU117F–February 2015–Revised June 2016
Submit Documentation Feedback
Copyright © 2015–2016, Texas Instruments Incorporated
AUX – Sensor Controller with Digital and Analog Peripherals
17.7.7.17 AONCTLSTAT Register (Offset = 50h) [reset = 0h]
AONCTLSTAT is shown in Figure 17-78 and described in Table 17-103.
Return to Summary Table.
AON Domain Control Status
Status of AUX domain control from AON_WUC.
Figure 17-78. AONCTLSTAT Register
31 30 29 28 27 26 25 24
RESERVED
R-0h
23 22 21 20 19 18 17 16
RESERVED
R-0h
15 14 13 12 11 10 9 8
RESERVED
R-0h
76543210
RESERVED AUX_FORCE_
ON SCE_RUN_EN
R-0h R-0h R-0h
Table 17-103. AONCTLSTAT Register Field Descriptions
Bit Field Type Reset Description
31-2 RESERVED R 0h Software should not rely on the value of a reserved. Writing any
other value than the reset value may result in undefined behavior.
1 AUX_FORCE_ON R 0h Status of AON_WUC:AUX_CTL.AUX_FORCE_ON.
0 SCE_RUN_EN R 0h Status of AON_WUC:AUX_CTL.SCE_RUN_EN.

www.ti.com
AUX – Sensor Controller Registers
1411
SWCU117F–February 2015–Revised June 2016
Submit Documentation Feedback Copyright © 2015–2016, Texas Instruments Incorporated
AUX – Sensor Controller with Digital and Analog Peripherals
17.7.7.18 AUXIOLATCH Register (Offset = 54h) [reset = 0h]
AUXIOLATCH is shown in Figure 17-79 and described in Table 17-104.
Return to Summary Table.
AUX Input Output Latch
Controls latching of signals between AUX_AIODIO0/AUX_AIODIO1 and AON_IOC.
Figure 17-79. AUXIOLATCH Register
31 30 29 28 27 26 25 24 23 22 21 20 19 18 17 16
RESERVED
R-0h
15 14 13 12 11 10 9 8 7 6 5 4 3 2 1 0
RESERVED EN
R-0h R/W-
0h
Table 17-104. AUXIOLATCH Register Field Descriptions
Bit Field Type Reset Description
31-1 RESERVED R 0h Software should not rely on the value of a reserved. Writing any
other value than the reset value may result in undefined behavior.
0 EN R/W 0h Opens (1) or closes (0) the AUX_AIODIO0/AUX_AIODIO1 signal
latching.
At startup, set EN = TRANSP before configuring
AUX_AIODIO0/AUX_AIODIO1 and subsequently selecting AUX
mode in the AON_IOC.
When powering off the AUX domain (using PWROFFREQ.REQ), set
EN = STATIC in advance preserve the current state (mode and
output value) of the I/O pins.
0h = Latches are static ( closed )
1h = Latches are transparent ( open )

AUX – Sensor Controller Registers
www.ti.com
1412 SWCU117F–February 2015–Revised June 2016
Submit Documentation Feedback
Copyright © 2015–2016, Texas Instruments Incorporated
AUX – Sensor Controller with Digital and Analog Peripherals
17.7.7.19 MODCLKEN1 Register (Offset = 5Ch) [reset = 0h]
MODCLKEN1 is shown in Figure 17-80 and described in Table 17-105.
Return to Summary Table.
Module Clock Enable 1
Clock enable for each module in the AUX domain, for use by the AUX_SCE. Settings take effect
immediately.
The settings in this register are OR'ed with the corresponding settings in MODCLKEN0. This allows
system CPU and AUX_SCE to request clocks independently.
Figure 17-80. MODCLKEN1 Register
31 30 29 28 27 26 25 24
RESERVED
R-0h
23 22 21 20 19 18 17 16
RESERVED
R-0h
15 14 13 12 11 10 9 8
RESERVED
R-0h
76543210
AUX_ADI4 AUX_DDI0_OS
CTDC ANAIF TIMER AIODIO1 AIODIO0 SMPH
R/W-0h R/W-0h R/W-0h R/W-0h R/W-0h R/W-0h R/W-0h R/W-0h
Table 17-105. MODCLKEN1 Register Field Descriptions
Bit Field Type Reset Description
31-8 RESERVED R 0h Software should not rely on the value of a reserved. Writing any
other value than the reset value may result in undefined behavior.
7 AUX_ADI4 R/W 0h Enables (1) or disables (0) clock for AUX_ADI4.
0h = AUX_SCE has not requested clock for AUX_ADI4
1h = AUX_SCE has requested clock for AUX_ADI4
6 AUX_DDI0_OSC R/W 0h Enables (1) or disables (0) clock for AUX_DDI0_OSC.
0h = AUX_SCE has not requested clock for AUX_DDI0_OSC
1h = AUX_SCE has requested clock for AUX_DDI0_OSC
5 TDC R/W 0h Software should not rely on the value of a reserved. Writing any
other value than the reset value may result in undefined behavior.
4 ANAIF R/W 0h Enables (1) or disables (0) clock for AUX_ANAIF.
0h = AUX_SCE has not requested clock for ANAIF
1h = AUX_SCE has requested clock for ANAIF
3 TIMER R/W 0h Enables (1) or disables (0) clock for AUX_TIMER.
0h = AUX_SCE has not requested clock for TIMER
1h = AUX_SCE has requested clock for TIMER
2 AIODIO1 R/W 0h Enables (1) or disables (0) clock for AUX_AIODIO1.
0h = AUX_SCE has not requested clock for AIODIO1
1h = AUX_SCE has requested clock for AIODIO1
1 AIODIO0 R/W 0h Enables (1) or disables (0) clock for AUX_AIODIO0.
0h = AUX_SCE has not requested clock for AIODIO0
1h = AUX_SCE has requested clock for AIODIO0
0 SMPH R/W 0h Enables (1) or disables (0) clock for AUX_SMPH.
0h = AUX_SCE has not requested clock for SMPH
1h = AUX_SCE has requested clock for SMPH

www.ti.com
AUX – Sensor Controller Registers
1413
SWCU117F–February 2015–Revised June 2016
Submit Documentation Feedback Copyright © 2015–2016, Texas Instruments Incorporated
AUX – Sensor Controller with Digital and Analog Peripherals
17.7.8 AUX_ANAIF Registers
Table 17-106 lists the memory-mapped registers for the AUX_ANAIF. All register offset addresses not
listed in Table 17-106 should be considered as reserved locations and the register contents should not be
modified.
Table 17-106. AUX_ANAIF Registers
Offset Acronym Register Name Section
10h ADCCTL ADC Control Section 17.7.8.1
14h ADCFIFOSTAT ADC FIFO Status Section 17.7.8.2
18h ADCFIFO ADC FIFO Section 17.7.8.3
1Ch ADCTRIG ADC Trigger Section 17.7.8.4
20h ISRCCTL Current Source Control Section 17.7.8.5

AUX – Sensor Controller Registers
www.ti.com
1414 SWCU117F–February 2015–Revised June 2016
Submit Documentation Feedback
Copyright © 2015–2016, Texas Instruments Incorporated
AUX – Sensor Controller with Digital and Analog Peripherals
17.7.8.1 ADCCTL Register (Offset = 10h) [reset = 0h]
ADCCTL is shown in Figure 17-81 and described in Table 17-107.
Return to Summary Table.
ADC Control
Figure 17-81. ADCCTL Register
31 30 29 28 27 26 25 24
RESERVED
R-0h
23 22 21 20 19 18 17 16
RESERVED
R-0h
15 14 13 12 11 10 9 8
RESERVED START_POL START_SRC
R-0h R/W-0h R/W-0h
76543210
RESERVED CMD
R-0h R/W-0h
Table 17-107. ADCCTL Register Field Descriptions
Bit Field Type Reset Description
31-14 RESERVED R 0h Software should not rely on the value of a reserved. Writing any
other value than the reset value may result in undefined behavior.
13 START_POL R/W 0h Selected active edge for start event / Selected polarity for start event
0h = Start on rising edge of event
1h = Start on falling edge of event

www.ti.com
AUX – Sensor Controller Registers
1415
SWCU117F–February 2015–Revised June 2016
Submit Documentation Feedback Copyright © 2015–2016, Texas Instruments Incorporated
AUX – Sensor Controller with Digital and Analog Peripherals
Table 17-107. ADCCTL Register Field Descriptions (continued)
Bit Field Type Reset Description
12-8 START_SRC R/W 0h Selected source for ADC conversion start event. The start source
selected by this field is OR'ed with any trigger coming from writes to
ADCTRIG.START. If it is desired to only trigger ADC conversions by
writes to ADCTRIG.START one should select NO_EVENT<n> here
0h = Selects RTC_CH2_EV as start signal
1h = Selects AUX_COMPA as start signal
2h = Selects AUX_COMPB as start signal
3h = Selects TDC_DONE as start signal
4h = Selects TIMER0_EV as start signal
5h = Selects TIMER1_EV as start signal
6h = Selects SMPH_AUTOTAKE_DONE as start signal
7h = Reserved do not use
8h = Reserved do not use
9h = No event selected
Ah = No event selected
Bh = Selects AON_SW as start signal
Ch = Selects AON_PROG_WU as start signal
Dh = Selects AUXIO0 as start signal
Eh = Selects AUXIO1 as start signal
Fh = Selects AUXIO2 as start signal
10h = Selects AUXIO3 as start signal
11h = Selects AUXIO4 as start signal
12h = Selects AUXIO5 as start signal
13h = Selects AUXIO6 as start signal
14h = Selects AUXIO7 as start signal
15h = Selects AUXIO8 as start signal
16h = Selects AUXIO9 as start signal
17h = Selects AUXIO10 as start signal
18h = Selects AUXIO11 as start signal
19h = Selects AUXIO12 as start signal
1Ah = Selects AUXIO13 as start signal
1Bh = Selects AUXIO14 as start signal
1Ch = Selects AUXIO15 as start signal
1Dh = Selects ACLK_REF as start signal
1Eh = Selects MCU_EV as start signal
1Fh = Selects ADC_IRQ as start signal
7-2 RESERVED R 0h Software should not rely on the value of a reserved. Writing any
other value than the reset value may result in undefined behavior.
1-0 CMD R/W 0h ADC interface control command
0h = ADC interface disabled
1h = ADC interface enabled
3h = ADC FIFO flush. Note that CMD needs to be set to 'EN' again
for FIFO to be functional after a flush. A flush takes two clock
periods on the AUX clock to finish.

AUX – Sensor Controller Registers
www.ti.com
1416 SWCU117F–February 2015–Revised June 2016
Submit Documentation Feedback
Copyright © 2015–2016, Texas Instruments Incorporated
AUX – Sensor Controller with Digital and Analog Peripherals
17.7.8.2 ADCFIFOSTAT Register (Offset = 14h) [reset = 1h]
ADCFIFOSTAT is shown in Figure 17-82 and described in Table 17-108.
Return to Summary Table.
ADC FIFO Status
FIFO can hold up to four ADC samples
Figure 17-82. ADCFIFOSTAT Register
31 30 29 28 27 26 25 24
RESERVED
R-0h
23 22 21 20 19 18 17 16
RESERVED
R-0h
15 14 13 12 11 10 9 8
RESERVED
R-0h
76543210
RESERVED OVERFLOW UNDERFLOW FULL ALMOST_FULL EMPTY
R-0h R-0h R-0h R-0h R-0h R-1h
Table 17-108. ADCFIFOSTAT Register Field Descriptions
Bit Field Type Reset Description
31-5 RESERVED R 0h Software should not rely on the value of a reserved. Writing any
other value than the reset value may result in undefined behavior.
4 OVERFLOW R 0h FIFO overflow flag.
0: FIFO has not overflowed.
1: FIFO has overflowed, this flag is sticky until FIFO is flushed.
3 UNDERFLOW R 0h FIFO underflow flag.
0: FIFO has not underflowed
1: FIFO has underflowed, this flag is sticky until the FIFO is flushed
2 FULL R 0h FIFO full flag.
0: FIFO is not full, i.e. there is less than 4 samples in the FIFO.
1: FIFO is full, i.e. there are 4 samples in the FIFO
1 ALMOST_FULL R 0h FIFO almost full flag.
0: There is less than 3 samples in the FIFO, or the FIFO is full in
which case the FULL flag is asserted
1: There are 3 samples in the FIFO, i.e. there is room for one more
sample
0 EMPTY R 1h FIFO empty flag.
0: FIFO contains one or more samples
1: FIFO is empty

www.ti.com
AUX – Sensor Controller Registers
1417
SWCU117F–February 2015–Revised June 2016
Submit Documentation Feedback Copyright © 2015–2016, Texas Instruments Incorporated
AUX – Sensor Controller with Digital and Analog Peripherals
17.7.8.3 ADCFIFO Register (Offset = 18h) [reset = 0h]
ADCFIFO is shown in Figure 17-83 and described in Table 17-109.
Return to Summary Table.
ADC FIFO
Figure 17-83. ADCFIFO Register
31 30 29 28 27 26 25 24 23 22 21 20 19 18 17 16 15 14 13 12 11 10 9 8 7 6 5 4 3 2 1 0
RESERVED DATA
R-0h R/W-0h
Table 17-109. ADCFIFO Register Field Descriptions
Bit Field Type Reset Description
31-12 RESERVED R 0h Software should not rely on the value of a reserved. Writing any
other value than the reset value may result in undefined behavior.
11-0 DATA R/W 0h FIFO is popped when read. Data is pushed into FIFO when written.
Writing is intended for debugging/code development purposes

AUX – Sensor Controller Registers
www.ti.com
1418 SWCU117F–February 2015–Revised June 2016
Submit Documentation Feedback
Copyright © 2015–2016, Texas Instruments Incorporated
AUX – Sensor Controller with Digital and Analog Peripherals
17.7.8.4 ADCTRIG Register (Offset = 1Ch) [reset = 0h]
ADCTRIG is shown in Figure 17-84 and described in Table 17-110.
Return to Summary Table.
ADC Trigger
Figure 17-84. ADCTRIG Register
31 30 29 28 27 26 25 24
RESERVED
R-0h
23 22 21 20 19 18 17 16
RESERVED
R-0h
15 14 13 12 11 10 9 8
RESERVED
R-0h
76543210
RESERVED START
R-0h W-0h
Table 17-110. ADCTRIG Register Field Descriptions
Bit Field Type Reset Description
31-1 RESERVED R 0h Software should not rely on the value of a reserved. Writing any
other value than the reset value may result in undefined behavior.
0 START W 0h Writing to this register will trigger an ADC conversion given that
ADCCTL.START_SRC is set to NO_EVENT0 or NO_EVENT1. If
other setting is used in ADCCTL.START_SRC behavior can be
unpredictable

www.ti.com
AUX – Sensor Controller Registers
1419
SWCU117F–February 2015–Revised June 2016
Submit Documentation Feedback Copyright © 2015–2016, Texas Instruments Incorporated
AUX – Sensor Controller with Digital and Analog Peripherals
17.7.8.5 ISRCCTL Register (Offset = 20h) [reset = 1h]
ISRCCTL is shown in Figure 17-85 and described in Table 17-111.
Return to Summary Table.
Current Source Control
Figure 17-85. ISRCCTL Register
31 30 29 28 27 26 25 24
RESERVED
R-0h
23 22 21 20 19 18 17 16
RESERVED
R-0h
15 14 13 12 11 10 9 8
RESERVED
R-0h
76543210
RESERVED RESET_N
R-0h R/W-1h
Table 17-111. ISRCCTL Register Field Descriptions
Bit Field Type Reset Description
31-1 RESERVED R 0h Software should not rely on the value of a reserved. Writing any
other value than the reset value may result in undefined behavior.
0 RESET_N R/W 1h Current source control
0: Current source is clamped
1: Current source is active/charging

1420 SWCU117F–February 2015–Revised June 2016
Submit Documentation Feedback
Copyright © 2015–2016, Texas Instruments Incorporated
Battery Monitor and Temperature Sensor
Chapter 18
SWCU117F–February 2015–Revised June 2016
Battery Monitor and Temperature Sensor
This chapter describes the CC26xx and CC13xx battery monitor and temperature sensor.
Topic ........................................................................................................................... Page
18.1 Introduction ................................................................................................... 1421
18.2 Functional Description .................................................................................... 1421
18.3 BATMON Registers ......................................................................................... 1422

www.ti.com
Introduction
1421
SWCU117F–February 2015–Revised June 2016
Submit Documentation Feedback Copyright © 2015–2016, Texas Instruments Incorporated
Battery Monitor and Temperature Sensor
18.1 Introduction
The battery monitor is a small block automatically enabled at boot that monitors both the VDDS supply
voltage and the temperature through an on-chip temperature sensor.
The battery monitor provides voltage and temperature information to several modules, including the flash
and the radio, to ensure correct operation and lowest power consumption. Therefore, it is not
recommended to modify any settings in the battery monitor or turn it off.
18.2 Functional Description
The battery monitor is a 6-bit SAR-like ADC running at 32 kHz that performs alternate measurements of
the supply voltage and the temperature sensor. When the battery monitor has settled on its first
measurement, it stops working in SAR mode and starts linear tracking of voltage and temperature. A small
digital core transforms these measurements to voltage and temperature in °C, which are read directly from
the BAT and TEMP registers.
When a change in supply voltage or temperature is measured, the Battery Monitor will solely track the
parameter that has changed until it has settled on a new constant level. The 50-mV resolution of the ADC
and the 32-kHz clock speed will limit the Battery Monitors capability of measuring voltage spikes. Due to
the Battery Monitor not only alternating between temperature and battery voltage, but also between
checking if there has been a positive or negative change since last read, there can be a delay of 4 clock
cycles between a voltage dip and the time when the ADC notices that the temperature or voltage has
changed. This is important to keep in mind because the Battery Monitor is designed to measure the
battery voltage; it is not designed to measure voltage spurs due to short periods of higher current
consumption.
The module also includes two registers, BATUPD and TEMPUPD, that are used to monitor changes in
voltage and temperature, respectively. The registers are connected to the AON event fabric. See
Chapter 4,Interrupts and Events for details. The BATUPD and TEMPUPD registers must be cleared
manually and assert only when there is an updated value for either the supply voltage or temperature.

BATMON Registers
www.ti.com
1422 SWCU117F–February 2015–Revised June 2016
Submit Documentation Feedback
Copyright © 2015–2016, Texas Instruments Incorporated
Battery Monitor and Temperature Sensor
18.3 BATMON Registers
18.3.1 AON_BATMON Registers
Table 18-1 lists the memory-mapped registers for the AON_BATMON. All register offset addresses not
listed in Table 18-1 should be considered as reserved locations and the register contents should not be
modified.
Table 18-1. AON_BATMON Registers
Offset Acronym Register Name Section
0h CTL Internal Section 18.3.1.1
4h MEASCFG Internal Section 18.3.1.2
Ch TEMPP0 Internal Section 18.3.1.3
10h TEMPP1 Internal Section 18.3.1.4
14h TEMPP2 Internal Section 18.3.1.5
18h BATMONP0 Internal Section 18.3.1.6
1Ch BATMONP1 Internal Section 18.3.1.7
20h IOSTRP0 Internal Section 18.3.1.8
24h FLASHPUMPP0 Internal Section 18.3.1.9
28h BAT Last Measured Battery Voltage Section 18.3.1.10
2Ch BATUPD Battery Update Section 18.3.1.11
30h TEMP Temperature Section 18.3.1.12
34h TEMPUPD Temperature Update Section 18.3.1.13

www.ti.com
BATMON Registers
1423
SWCU117F–February 2015–Revised June 2016
Submit Documentation Feedback Copyright © 2015–2016, Texas Instruments Incorporated
Battery Monitor and Temperature Sensor
18.3.1.1 CTL Register (Offset = 0h) [reset = 0h]
CTL is shown in Figure 18-1 and described in Table 18-2.
Return to Summary Table.
Internal. Only to be used through TI provided API.
Figure 18-1. CTL Register
31 30 29 28 27 26 25 24
RESERVED
R-0h
23 22 21 20 19 18 17 16
RESERVED
R-0h
15 14 13 12 11 10 9 8
RESERVED
R-0h
76543210
RESERVED CALC_EN MEAS_EN
R-0h R/W-0h R/W-0h
Table 18-2. CTL Register Field Descriptions
Bit Field Type Reset Description
31-2 RESERVED R 0h Internal. Only to be used through TI provided API.
1 CALC_EN R/W 0h Internal. Only to be used through TI provided API.
0 MEAS_EN R/W 0h Internal. Only to be used through TI provided API.

BATMON Registers
www.ti.com
1424 SWCU117F–February 2015–Revised June 2016
Submit Documentation Feedback
Copyright © 2015–2016, Texas Instruments Incorporated
Battery Monitor and Temperature Sensor
18.3.1.2 MEASCFG Register (Offset = 4h) [reset = 0h]
MEASCFG is shown in Figure 18-2 and described in Table 18-3.
Return to Summary Table.
Internal. Only to be used through TI provided API.
Figure 18-2. MEASCFG Register
31 30 29 28 27 26 25 24 23 22 21 20 19 18 17 16
RESERVED
R-0h
15 14 13 12 11 10 9 8 7 6 5 4 3 2 1 0
RESERVED PER
R-0h R/W-0h
Table 18-3. MEASCFG Register Field Descriptions
Bit Field Type Reset Description
31-2 RESERVED R 0h Internal. Only to be used through TI provided API.
1-0 PER R/W 0h Internal. Only to be used through TI provided API.

www.ti.com
BATMON Registers
1425
SWCU117F–February 2015–Revised June 2016
Submit Documentation Feedback Copyright © 2015–2016, Texas Instruments Incorporated
Battery Monitor and Temperature Sensor
18.3.1.3 TEMPP0 Register (Offset = Ch) [reset = 0h]
TEMPP0 is shown in Figure 18-3 and described in Table 18-4.
Return to Summary Table.
Internal. Only to be used through TI provided API.
Figure 18-3. TEMPP0 Register
31 30 29 28 27 26 25 24 23 22 21 20 19 18 17 16 15 14 13 12 11 10 9 8 7 6 5 4 3 2 1 0
RESERVED CFG
R-0h R/W-0h
Table 18-4. TEMPP0 Register Field Descriptions
Bit Field Type Reset Description
31-8 RESERVED R 0h Internal. Only to be used through TI provided API.
7-0 CFG R/W 0h Internal. Only to be used through TI provided API.

BATMON Registers
www.ti.com
1426 SWCU117F–February 2015–Revised June 2016
Submit Documentation Feedback
Copyright © 2015–2016, Texas Instruments Incorporated
Battery Monitor and Temperature Sensor
18.3.1.4 TEMPP1 Register (Offset = 10h) [reset = 0h]
TEMPP1 is shown in Figure 18-4 and described in Table 18-5.
Return to Summary Table.
Internal. Only to be used through TI provided API.
Figure 18-4. TEMPP1 Register
31 30 29 28 27 26 25 24 23 22 21 20 19 18 17 16 15 14 13 12 11 10 9 8 7 6 5 4 3 2 1 0
RESERVED CFG
R-0h R/W-0h
Table 18-5. TEMPP1 Register Field Descriptions
Bit Field Type Reset Description
31-6 RESERVED R 0h Internal. Only to be used through TI provided API.
5-0 CFG R/W 0h Internal. Only to be used through TI provided API.

www.ti.com
BATMON Registers
1427
SWCU117F–February 2015–Revised June 2016
Submit Documentation Feedback Copyright © 2015–2016, Texas Instruments Incorporated
Battery Monitor and Temperature Sensor
18.3.1.5 TEMPP2 Register (Offset = 14h) [reset = 0h]
TEMPP2 is shown in Figure 18-5 and described in Table 18-6.
Return to Summary Table.
Internal. Only to be used through TI provided API.
Figure 18-5. TEMPP2 Register
31 30 29 28 27 26 25 24 23 22 21 20 19 18 17 16 15 14 13 12 11 10 9 8 7 6 5 4 3 2 1 0
RESERVED CFG
R-0h R/W-0h
Table 18-6. TEMPP2 Register Field Descriptions
Bit Field Type Reset Description
31-5 RESERVED R 0h Internal. Only to be used through TI provided API.
4-0 CFG R/W 0h Internal. Only to be used through TI provided API.

BATMON Registers
www.ti.com
1428 SWCU117F–February 2015–Revised June 2016
Submit Documentation Feedback
Copyright © 2015–2016, Texas Instruments Incorporated
Battery Monitor and Temperature Sensor
18.3.1.6 BATMONP0 Register (Offset = 18h) [reset = 0h]
BATMONP0 is shown in Figure 18-6 and described in Table 18-7.
Return to Summary Table.
Internal. Only to be used through TI provided API.
Figure 18-6. BATMONP0 Register
31 30 29 28 27 26 25 24 23 22 21 20 19 18 17 16 15 14 13 12 11 10 9 8 7 6 5 4 3 2 1 0
RESERVED CFG
R-0h R/W-0h
Table 18-7. BATMONP0 Register Field Descriptions
Bit Field Type Reset Description
31-6 RESERVED R 0h Internal. Only to be used through TI provided API.
5-0 CFG R/W 0h Internal. Only to be used through TI provided API.

www.ti.com
BATMON Registers
1429
SWCU117F–February 2015–Revised June 2016
Submit Documentation Feedback Copyright © 2015–2016, Texas Instruments Incorporated
Battery Monitor and Temperature Sensor
18.3.1.7 BATMONP1 Register (Offset = 1Ch) [reset = 0h]
BATMONP1 is shown in Figure 18-7 and described in Table 18-8.
Return to Summary Table.
Internal. Only to be used through TI provided API.
Figure 18-7. BATMONP1 Register
31 30 29 28 27 26 25 24 23 22 21 20 19 18 17 16 15 14 13 12 11 10 9 8 7 6 5 4 3 2 1 0
RESERVED CFG
R-0h R/W-0h
Table 18-8. BATMONP1 Register Field Descriptions
Bit Field Type Reset Description
31-6 RESERVED R 0h Internal. Only to be used through TI provided API.
5-0 CFG R/W 0h Internal. Only to be used through TI provided API.

BATMON Registers
www.ti.com
1430 SWCU117F–February 2015–Revised June 2016
Submit Documentation Feedback
Copyright © 2015–2016, Texas Instruments Incorporated
Battery Monitor and Temperature Sensor
18.3.1.8 IOSTRP0 Register (Offset = 20h) [reset = 28h]
IOSTRP0 is shown in Figure 18-8 and described in Table 18-9.
Return to Summary Table.
Internal. Only to be used through TI provided API.
Figure 18-8. IOSTRP0 Register
31 30 29 28 27 26 25 24 23 22 21 20 19 18 17 16
RESERVED
R-0h
15 14 13 12 11 10 9 8 7 6 5 4 3 2 1 0
RESERVED CFG2 CFG1
R-0h R/W-2h R/W-8h
Table 18-9. IOSTRP0 Register Field Descriptions
Bit Field Type Reset Description
31-6 RESERVED R 0h Internal. Only to be used through TI provided API.
5-4 CFG2 R/W 2h Internal. Only to be used through TI provided API.
3-0 CFG1 R/W 8h Internal. Only to be used through TI provided API.

www.ti.com
BATMON Registers
1431
SWCU117F–February 2015–Revised June 2016
Submit Documentation Feedback Copyright © 2015–2016, Texas Instruments Incorporated
Battery Monitor and Temperature Sensor
18.3.1.9 FLASHPUMPP0 Register (Offset = 24h) [reset = 0h]
FLASHPUMPP0 is shown in Figure 18-9 and described in Table 18-10.
Return to Summary Table.
Internal. Only to be used through TI provided API.
Figure 18-9. FLASHPUMPP0 Register
31 30 29 28 27 26 25 24
RESERVED
R-0h
23 22 21 20 19 18 17 16
RESERVED
R-0h
15 14 13 12 11 10 9 8
RESERVED FALLB
R-0h R/W-0h
76543210
HIGHLIM LOWLIM OVR CFG
R/W-0h R/W-0h R/W-0h R/W-0h
Table 18-10. FLASHPUMPP0 Register Field Descriptions
Bit Field Type Reset Description
31-9 RESERVED R 0h Internal. Only to be used through TI provided API.
8 FALLB R/W 0h Internal. Only to be used through TI provided API.
7-6 HIGHLIM R/W 0h Internal. Only to be used through TI provided API.
5 LOWLIM R/W 0h Internal. Only to be used through TI provided API.
4 OVR R/W 0h Internal. Only to be used through TI provided API.
3-0 CFG R/W 0h Internal. Only to be used through TI provided API.

BATMON Registers
www.ti.com
1432 SWCU117F–February 2015–Revised June 2016
Submit Documentation Feedback
Copyright © 2015–2016, Texas Instruments Incorporated
Battery Monitor and Temperature Sensor
18.3.1.10 BAT Register (Offset = 28h) [reset = 0h]
BAT is shown in Figure 18-10 and described in Table 18-11.
Return to Summary Table.
Last Measured Battery Voltage
This register may be read while BATUPD.STAT = 1
Figure 18-10. BAT Register
31 30 29 28 27 26 25 24 23 22 21 20 19 18 17 16 15 14 13 12 11 10 9 8 7 6 5 4 3 2 1 0
RESERVED INT FRAC
R-0h R-0h R-0h
Table 18-11. BAT Register Field Descriptions
Bit Field Type Reset Description
31-11 RESERVED R 0h Software should not rely on the value of a reserved. Writing any
other value than the reset value may result in undefined behavior.
10-8 INT R 0h Integer part:
0x0: 0V + fractional part
...
0x3: 3V + fractional part
0x4: 4V + fractional part
7-0 FRAC R 0h Fractional part, standard binary fractional encoding.
0x00: .0V
...
0x20: 1/8 = .125V
0x40: 1/4 = .25V
0x80: 1/2 = .5V
...
0xA0: 1/2 + 1/8 = .625V
...
0xFF: Max

www.ti.com
BATMON Registers
1433
SWCU117F–February 2015–Revised June 2016
Submit Documentation Feedback Copyright © 2015–2016, Texas Instruments Incorporated
Battery Monitor and Temperature Sensor
18.3.1.11 BATUPD Register (Offset = 2Ch) [reset = 0h]
BATUPD is shown in Figure 18-11 and described in Table 18-12.
Return to Summary Table.
Battery Update
Indicates BAT Updates
Figure 18-11. BATUPD Register
31 30 29 28 27 26 25 24
RESERVED
R-0h
23 22 21 20 19 18 17 16
RESERVED
R-0h
15 14 13 12 11 10 9 8
RESERVED
R-0h
76543210
RESERVED STAT
R-0h R/W1C-0h
Table 18-12. BATUPD Register Field Descriptions
Bit Field Type Reset Description
31-1 RESERVED R 0h Software should not rely on the value of a reserved. Writing any
other value than the reset value may result in undefined behavior.
0 STAT R/W1C 0h 0: No update since last clear
1: New battery voltage is present.
Write 1 to clear the status.

BATMON Registers
www.ti.com
1434 SWCU117F–February 2015–Revised June 2016
Submit Documentation Feedback
Copyright © 2015–2016, Texas Instruments Incorporated
Battery Monitor and Temperature Sensor
18.3.1.12 TEMP Register (Offset = 30h) [reset = 0h]
TEMP is shown in Figure 18-12 and described in Table 18-13.
Return to Summary Table.
Temperature
Last Measured Temperature in Degrees Celsius
This register may be read while TEMPUPD.STAT = 1.
Figure 18-12. TEMP Register
31 30 29 28 27 26 25 24 23 22 21 20 19 18 17 16 15 14 13 12 11 10 9 8 7 6 5 4 3 2 1 0
RESERVED INT RESERVED
R-0h R-0h R-0h
Table 18-13. TEMP Register Field Descriptions
Bit Field Type Reset Description
31-17 RESERVED R 0h Software should not rely on the value of a reserved. Writing any
other value than the reset value may result in undefined behavior.
16-8 INT R 0h Integer part (signed) of temperature value.
Total value = INTEGER + FRACTIONAL
2's complement encoding
0x100: Min value
0x1D8: -40C
0x1FF: -1C
0x00: 0C
0x1B: 27C
0x55: 85C
0xFF: Max value
7-0 RESERVED R 0h Software should not rely on the value of a reserved. Writing any
other value than the reset value may result in undefined behavior.

www.ti.com
BATMON Registers
1435
SWCU117F–February 2015–Revised June 2016
Submit Documentation Feedback Copyright © 2015–2016, Texas Instruments Incorporated
Battery Monitor and Temperature Sensor
18.3.1.13 TEMPUPD Register (Offset = 34h) [reset = 0h]
TEMPUPD is shown in Figure 18-13 and described in Table 18-14.
Return to Summary Table.
Temperature Update
Indicates TEMP Updates
Figure 18-13. TEMPUPD Register
31 30 29 28 27 26 25 24
RESERVED
R-0h
23 22 21 20 19 18 17 16
RESERVED
R-0h
15 14 13 12 11 10 9 8
RESERVED
R-0h
76543210
RESERVED STAT
R-0h R/W1C-0h
Table 18-14. TEMPUPD Register Field Descriptions
Bit Field Type Reset Description
31-1 RESERVED R 0h Software should not rely on the value of a reserved. Writing any
other value than the reset value may result in undefined behavior.
0 STAT R/W1C 0h 0: No update since last clear
1: New temperature is present.
Write 1 to clear the status.

1436 SWCU117F–February 2015–Revised June 2016
Submit Documentation Feedback
Copyright © 2015–2016, Texas Instruments Incorporated
Universal Asynchronous Receivers and Transmitters (UARTS)
Chapter 19
SWCU117F–February 2015–Revised June 2016
Universal Asynchronous Receivers and Transmitters
(UARTS)
This chapter discusses the Universal Asynchronous Receivers and Transmitters (UARTS).
Topic ........................................................................................................................... Page
19.1 Universal Asynchronous Receiver/Transmitter................................................... 1437
19.2 Block Diagram................................................................................................ 1438
19.3 Signal Description........................................................................................... 1438
19.4 Functional Description ................................................................................... 1438
19.5 Interface to DMA............................................................................................. 1442
19.6 Initialization and Configuration......................................................................... 1443

www.ti.com
Universal Asynchronous Receiver/Transmitter
1437
SWCU117F–February 2015–Revised June 2016
Submit Documentation Feedback Copyright © 2015–2016, Texas Instruments Incorporated
Universal Asynchronous Receivers and Transmitters (UARTS)
19.1 Universal Asynchronous Receiver/Transmitter
The controller of the CC26xx and CC13xx includes a UART with the following features:
• Programmable baud-rate generator allowing speeds up to 3 Mbps
• Separate 32 × 8 transmit (TX) and 32 × 12 receive (RX) first-in first-out (FIFO) buffers to reduce CPU
interrupt service loading
• Programmable FIFO length, including 1-byte deep operation providing conventional double-buffered
interface
• FIFO trigger levels of ⅛, ¼, ½, ¾, and ⅞
• Standard asynchronous communication bits for start, stop, and parity
• Line-break generation and detection
• Fully programmable serial interface characteristics:
– 5, 6, 7, or 8 data bits
– Even, odd, stick, or no parity bit generation and detection
– 1 or 2 stop-bit generation
• Support for modem control functions CTS and RTS
• Independent masking of the TX FIFO, RX FIFO RX time-out, modem status, and error conditions
• Standard FIFO-level and end-of-transmission interrupts
• Efficient transfers using micro direct memory access controller (μDMA):
– Separate channels for transmit and receive
– Receive single request asserted when data is in the FIFO; burst request asserted at programmed
FIFO level
– Transmit single request asserted when there is space in the FIFO; burst request asserted at
programmed FIFO level
• Programmable hardware flow control

UART_CTL
UART_MIS
UART_RIS
UART_IMSC
UART_IFLS
Clock control
Interrupt control
UART_DR
UART_IBRD
Baud rate
generator
Control / Status
PERDMACLK
Interrupt
DMA Request DMA control
UART_DMACTL
UART_FBRD
Transmitter
Receiver
UART_LCRH
UART_CTL
UART_FR
UART_RSR/ECR
UART_ICR
Control / Status
RX FIFO
32 x 12
TX FIFO
32 x 8
Identification regiters
Control / Status
UART_PERIPHID2
UART_PERIPHID3
UART_PERIPHID1
UART_PERIPHID0
Control / Status
UART_PCELLID2
UART_PCELLID3
UART_PCELLID1
UART_PCELLID0
UARTTXD
UARTRXD
Block Diagram
www.ti.com
1438 SWCU117F–February 2015–Revised June 2016
Submit Documentation Feedback
Copyright © 2015–2016, Texas Instruments Incorporated
Universal Asynchronous Receivers and Transmitters (UARTS)
19.2 Block Diagram
Figure 19-1 shows the UART module block diagram.
Figure 19-1. UART Module Block Diagram
19.3 Signal Description
Table 19-1 lists the external signals of the UART module and describes the function of each. The UART
signals are set in the IOCFGn registers. For more information on configuring GPIOs, see Chapter 11,I/O
Control chapter.
(1) I = Input; O = Output; I/O = Bidirectional
Table 19-1. Signals for UART
Pin Name Pin Number Pin Type(1) Description
UARTRxD Assigned through
GPIO
configuration
I UART module 0 receive
UARTTxD O UART module 0 transmit
19.4 Functional Description
Each CC26xx and CC13xx UART performs the functions of parallel-to-serial and serial-to-parallel
conversions. The CC26xx and CC13xx UART is similar in functionality to a 16C550 UART, but is not
register compatible.
The UART is configured for transmit and receive through the UART Control Register (UART:CTL) TXE
and RXE bits. Transmit and receive are both enabled out of reset. Before any control registers are
programmed, the UART must be disabled by clearing the UART:CTL UARTEN register bit. If the UART is
disabled during a transmit or receive operation, the current transaction completes before the UART stops.

www.ti.com
Functional Description
1439
SWCU117F–February 2015–Revised June 2016
Submit Documentation Feedback Copyright © 2015–2016, Texas Instruments Incorporated
Universal Asynchronous Receivers and Transmitters (UARTS)
19.4.1 Transmit and Receive Logic
The transmit logic performs parallel-to-serial conversion on the data read from the TX FIFO. The control
logic outputs the serial bit stream beginning with a start bit and followed by the data bits (LSB first), parity
bit, and the stop bits, according to the programmed configuration in the control registers. See Figure 19-2
for details.
The receive logic performs serial-to-parallel conversion on the received bit stream after a valid start pulse
is detected. Overrun, parity, frame error checking, and line-break detection are also performed, and their
status accompanies the data written to the RX FIFO.
Figure 19-2. UART Character Frame
19.4.2 Baud-rate Generation
The baud-rate divisor (BRD) is a 22-bit number consisting of a 16-bit integer and a 6-bit fractional part.
The number formed by these two values is used by the baud-rate generator to determine the bit period.
Having a fractional baud-rate divider allows the UART to generate all standard baud rates.
The 16-bit integer is loaded through the UART Integer Baud-Rate Divisor Register (UART:IBRD), and the
6-bit fractional part is loaded with the UART Fractional Baud-Rate Divisor Register (UART:FBRD).
Equation 1 shows the BRD relationship to the system clock.
BRD = BRDI + BRDF = PERDMACLK / (ClkDiv × Baud Rate) (1)
where:
BRDI is the integer part of the BRD,
BRDF is the fractional part, separated by a decimal place
PERDMACLK is the system clock connected to the UART
ClkDiv is 16
The 6-bit fractional number that is loaded into the UART:FBRD DIVFRAC bit field can be calculated by
taking the fractional part of the baud-rate divisor, multiplying it by 64, and adding 0.5 to account for
rounding errors as shown by Equation 2.
UART:FBRD.DIVFRAC = integer (BRDF × 64 + 0.5) (2)
Along with the UART Line Control, High Byte Register (UART:LCRH), the UART_IBRD and the
UART:FBRD registers form an internal 30-bit register. This internal register is updated only when a write
operation to the UART:LCRH register is performed, so a write to the UART:LCRH register must follow any
changes to the BRD for the changes to take effect.
The four possible sequences to update the baud-rate registers are as follows:
• UART:IBRD write, UART:FBRD write, and UART:LCRH write
• UART:FBRD write, UART;IBRD write, and UART:LCRH write
• UART:IBRD write and UART:LCRH write
• UART:FBRD write and UART:LCRH write
19.4.3 Data Transmission
Data received or transmitted is stored in two FIFOs, though the RX FIFO has an extra 4 bits per character
for status information. For transmission, data is written into the TX FIFO. If the UART is enabled, a data
frame starts transmitting with the parameters indicated in the UART:LCRH register. Data continues to
transmit until no data is left in the TX FIFO. The UART Flag Register (UART:FR) BUSY bit is asserted as
soon as data is written to the TX FIFO (that is, if the FIFO is not empty), and remains asserted while data
is transmitting. The BUSY bit is negated only when the TX FIFO is empty, and the last character has
transmitted from the shift register, including the stop bits. The UART can indicate that it is busy even
though the UART may no longer be enabled.

Functional Description
www.ti.com
1440 SWCU117F–February 2015–Revised June 2016
Submit Documentation Feedback
Copyright © 2015–2016, Texas Instruments Incorporated
Universal Asynchronous Receivers and Transmitters (UARTS)
When the receiver is idle (the UARTRXD signal is continuously 1), and the data input goes low (a start bit
was received), the receive counter begins running and data is sampled.
The start bit is valid and recognized if the UARTRXD signal is still low on the eighth cycle of the baud rate
clock otherwise the start bit is ignored. After a valid start bit is detected, successive data bits are sampled
on every sixteenth cycle of the baud rate clock. The parity bit is then checked if parity mode is enabled.
Data length and parity are defined in the UART:LCRH register.
Lastly, a valid stop bit is confirmed if the UARTRXD signal is high; otherwise a framing error has occurred.
When a full word is received, the data is stored in the receive FIFO with any error bits associated with that
word.
19.4.4 Modem Handshake Support
This section describes how to configure and use the modem flow control signals for UART0 when
connected as a data terminal equipment (DTE), or as a data communications equipment (DCE). A modem
is a DCE, and a computing device that connects to a modem is the DTE.
19.4.4.1 Signaling
The status signals provided by UART0 differ based on whether the UART is used as a DTE or a DCE.
When used as a DTE, the modem flow control signals are defined as:
•UART0CTS is Clear To Send
•UART0RTS is Request To Send
When used as a DCE, the modem flow control signals are defined as:
•UART0CTS is Request To Send
•UART0RTS is Clear To Send
19.4.4.2 Flow Control
Either hardware or software can accomplish flow control. The following sections describe the different
methods.
19.4.4.2.1 Hardware Flow Control (RTS and CTS)
Hardware flow control between two devices is accomplished by connecting the UART0RTS output to the
Clear-To-Send input on the receiving device, and connecting the Request-To-Send output on the receiving
device to the UART0CTS input.
The UART0CTS input controls the transmitter. The transmitter can transmit data only when the
UART0CTS input is asserted. The UART0RTS output signal indicates the state of the receive FIFO.
UART0CTS remains asserted until the preprogrammed watermark level is reached, indicating that the RX
FIFO has no space to store additional characters.
The UART:CTL register bits CTSEN and RTSEN specify the flow control mode as shown in Table 19-2.
Table 19-2. Flow Control Mode
CTSEN RTSEN Description
1 1 RTS and CTS flow control enabled
1 0 Only CTS flow control enabled
0 1 Only RTS flow control enabled
0 0 Both RTS and CTS flow control
disabled

www.ti.com
Functional Description
1441
SWCU117F–February 2015–Revised June 2016
Submit Documentation Feedback Copyright © 2015–2016, Texas Instruments Incorporated
Universal Asynchronous Receivers and Transmitters (UARTS)
19.4.4.2.2 Software Flow Control (Modem Status Interrupts)
Software flow control between two devices is accomplished by using interrupts to indicate the status of the
UART. Interrupts can be generated for the U1CTS signal using bit 3 of the UART:IMSC register. The raw
and masked interrupt status can be checked using the UART:RIS and UART:MIS registers. These
interrupts can be cleared using the UART:ICR register.
19.4.5 FIFO Operation
The UART has two 32-entry FIFOs; one for transmit and one for receive. Both FIFOs are accessed
through the UART Data Register (UART:DR). Read operations of the UART:DR register return a 12-bit
value consisting of 8 data bits and 4 error flags, while write operations place 8-bit data in the TX FIFO.
Out of reset, both FIFOs are disabled and act as 1-byte-deep holding registers. The FIFOs are enabled by
setting the UART:LCRH FEN register bit.
FIFO status can be monitored through the UART Flag Register (UART:FR) and the UART Receive Status
Register (UART:RSR). Hardware monitors empty, full, and overrun conditions. The UART:FR register
contains empty and full flags (TXFE, TXFF, RXFE, and RXFF bits), and the UART:RSR register shows
overrun status through the OE bit. If the FIFOs are disabled, the empty and full flags are set according to
the status of the 1-byte deep holding registers.
The trigger points at which the FIFOs generate interrupts are controlled through the UART Interrupt FIFO
Level Select Register (UART:IFLS). Both FIFOs can be individually configured to trigger interrupts at
different levels. Available configurations include ⅛, ¼, ½, ¾, and ⅞. For example, if the ¼ option is
selected for the receive FIFO, the UART generates a receive interrupt after 4 data bytes are received. Out
of reset, both FIFOs are configured to trigger an interrupt at the ½ mark.
19.4.6 Interrupts
The UART can generate interrupts when the following conditions are observed:
• Overrun error
• Break error
• Parity error
• Framing error
• Receive time-out
• Transmit (when the condition defined in the UART:IFLS TXSEL register bit is met)
• Receive (when the condition defined in the UART:IFLS RXSEL register bit is met)
All of the interrupt events are ORed together before being sent to the interrupt controller, so the UART can
only generate a single interrupt request to the controller at any given time. Software can service multiple
interrupt events in a single interrupt service routine (ISR) by reading the UART Masked Interrupt Status
Register (UART:MIS).
The interrupt events that can trigger a controller-level interrupt are defined in the UART Interrupt Mask
Register (UART:IMSC) by setting the corresponding bits. If interrupts are not used, the raw interrupt status
is always visible through the UART Raw Interrupt Status Register (UART:RIS).
Interrupts can be cleared (for the UART:MIS and UART:RIS registers) by setting the corresponding bit in
the UART Interrupt Clear Register (UART:ICR).
The receive time-out interrupt is asserted when the RX FIFO is not empty, and no further data is received
over a 32-bit period. The receive time-out interrupt is cleared either when the FIFO becomes empty
through reading all the data (or by reading the holding register), or when the corresponding bit in the
UART:ICR register is set.

Functional Description
www.ti.com
1442 SWCU117F–February 2015–Revised June 2016
Submit Documentation Feedback
Copyright © 2015–2016, Texas Instruments Incorporated
Universal Asynchronous Receivers and Transmitters (UARTS)
The UART module provides the possibility of setting and clearing masks for every individual interrupt
source using the UART Interrupt Mask Set/Clear Register (UART:IMSC). The five events that can cause
combined interrupts to CPU are:
• RX: The receive interrupt changes state when one of the following events occurs:
– If the FIFOs are enabled and the receive FIFO reaches the programmed trigger level. When this
happens, the receive interrupt is asserted high. The receive interrupt is cleared by reading data
from the receive FIFO until it becomes less than the trigger level, or by clearing the interrupt.
– If the FIFOs are disabled (have a depth of one location) and data is received, thereby filling the
location, the receive interrupt is asserted high. The receive interrupt is cleared by performing a
single read of the receive FIFO, or by clearing the interrupt.
• TX: The transmit interrupt changes state when one of the following events occurs:
– If the FIFOs are enabled and the transmit FIFO is equal to or lower than the programmed trigger
level, then the transmit interrupt is asserted high. The transmit interrupt is cleared by writing data to
the transmit FIFO until it becomes greater than the trigger level, or by clearing the interrupt.
– If the FIFOs are disabled (have a depth of one location) and there is no data present in the
transmitters single location, the transmit interrupt is asserted high. The interrupt is cleared by
performing a single write to the transmit FIFO, or by clearing the interrupt.
• RX time-out: The receive time-out interrupt is asserted when the receive FIFO is not empty, and no
more data is received during a 32-bit period. The receive time-out interrupt is cleared either when the
FIFO becomes empty through reading all the data (or by reading the holding register), or when 1 is
written to the corresponding bit of the Interrupt Clear Register (UART:ICR).
• Modem status: The modem status interrupt is asserted if the modem status signal uart_cts changes. It
can be cleared using the corresponding clear bit in the UART:ICR register.
• Error: The error interrupt is asserted when an error occurs in the reception of data by the UART. The
interrupt can be caused by a number of different error conditions: framing, parity, break, or overrun.
The cause of the interrupt can be determined by reading the UART:RIS register or the UART:MIS
register. The interrupt can be cleared by writing to the relevant bits of the UART:ICR register.
In addition to the five events produced by the UART module, two additional events are ORed to the
interrupt line:
• RX DMA done: Indicates that the receiver DMA has completed its task. This is a level interrupt
provided by the DMA module, and is cleared using the dma_done clear register in DMA module.
• TX DMA done: Indicates that the transmit DMA has completed its task. This is a level interrupt
provided by the DMA module, and is cleared using the dma_done clear register in DMA module.
19.4.7 Loopback Operation
The UART can be placed into an internal loopback mode for diagnostic or debug work by setting the
UART:CTL LBE register bit. In loopback mode, data transmitted on the UARTTXD output is received on
the UARTRXD input. The LBE bit must be set before the UART is enabled.
19.5 Interface to DMA
The CC26xx and CC13xx devices provide an interface to connect to a DMA controller. Figure 19-3 shows
the interface between the DMA and UART. This interface contains four DMA requests as outputs (RX
Single, RX Burst, TX Single, and TX Burst). The DMA interface also has two DMA request clears as
inputs (for clearing TX and RX DMA requests). Each DMA request signal remains asserted until the
relevant DMA clear signal is asserted. After the DMA clear signal is deasserted, a request signal can
become active again, if conditions are setup correctly. The DMA clear signal must be connected to the
DMA active signal from the DMA module. This signal is asserted when DMA is granted access and is
active. The DMA active signal is deasserted when the DMA transfer completes. Connecting the DMA
active signal from DMA to the DMA request clear input of the UART module ensures that no requests are
generated by the UART module while the DMA is active.
The burst transfer and single transfer request signals are not mutually exclusive, and both can be asserted
at the same time. For example, when there is more data than the watermark level in the receive FIFO, the
burst transfer request and the single transfer request are asserted.

UART
DMA Channel 2 SREQ
DMA
DMA done CH2
DMA done CH1
DMA Channel 2 REQ
DMA active CH2
DMA Channel 1 SREQ
DMA Channel 1 REQ
DMA active CH1
Event UART0_TX_DMASREQ
UART0_TX_DMABREQ
DMA RX Clear
DMA TX Clear
DMA Channel 14 REQ
UART0_TX_DMASREQ
UART0_TX_DMABREQ
UART Interrupt
Controller
UART DMA
Controller
UART Interrupt
CPU
www.ti.com
Initialization and Configuration
1443
SWCU117F–February 2015–Revised June 2016
Submit Documentation Feedback Copyright © 2015–2016, Texas Instruments Incorporated
Universal Asynchronous Receivers and Transmitters (UARTS)
The single and burst requests cannot be masked separately by the UART module and if corresponding
DMA (RX or TX) is enabled, both of these requests are sent to the DMA. The DMA configuration selects
either single or burst request as the trigger. All request signals are deasserted if the UART is disabled or
the relevant DMA enable bit (TXDMAE or RXDMAE) in the DMA Control Register (UART:DMACTL) is
cleared.
Figure 19-3. µDMA Example
19.6 Initialization and Configuration
The UART module provides four I/O signals to be routed to the pads. The following signals are selected
through the IOCFGn registers in the IOC module.
The UART module provides four I/O functions to be routed to the pads:
• Inputs: RXD, CTS
• Outputs: TXD, RTS
CTS and RTS lines are active low.
NOTE: IOC must be configured before enabling UART, or unwanted transitions on input signals may
confuse UART on incoming transactions. When IOC is configured as UART-specific I/Os
(RXD, CTS, TXD, or RTS), IOC sets static output driver enable to the pad (output driver
enable = 1 for output TXD and RTS and output driver enable = 0 for inputs RXD and CTS).

Initialization and Configuration
www.ti.com
1444 SWCU117F–February 2015–Revised June 2016
Submit Documentation Feedback
Copyright © 2015–2016, Texas Instruments Incorporated
Universal Asynchronous Receivers and Transmitters (UARTS)
To enable and initialize the UART, use the following steps:
1. Enable the serial power domain and enable the UART module in the PRCM module by writing to the
PRCM:UARTCLKGR register, the PRCM:UARTCLKGS register, and the PRCM:UARTCLKGDS
register, or by using the driver library functions:
PRCMPeripheralRunEnable(uint32_t), PRCMPeripheralSleepEnable(uint32_t),
PRCMPeripheralDeepSleepEnable(unit32_t)
and loading the setting to the clock controller by writing to the PRCM:CLKLOADCTL register or by
using the function
PRCMLoadSet().
2. Configure the IOC module to map UART signals to the correct GPIO pins. For more information on pin
connections, see Chapter 11,I/O Control chapter.
This section discusses the steps required to use a UART module. For this example, the UART clock is
assumed to be 24 MHz, and the desired UART configuration is the following:
• Baud rate: 115 200
• Data length of 8 bits
• One stop bit
• No parity
• FIFOs disabled
• No interrupts
The first thing to consider when programming the UART is the BRD because the UART:IBRD and
UART:FBRD registers must be written before the UART:LCRH register. Using the equation described in
Section 19.4.2, the BRD can be calculated.
BRD = 24 000 000 / (16 × 115 200) = 13.0208 (3)
This means that the UART:IBRD DIVINT field must be set to 13 decimal or 0xD. The value to be loaded
into the UART:FBRD register is calculated by Equation 4.
UART:FBRD.DIVFRAC = integer (0.0208 × 64 + 0.5) = 1 (4)
With the BRD values available, the UART configuration is written to the module in the following order:
1. Disable the UART by clearing the UART:CTL UARTEN bit.
2. Write the integer portion of the BRD to the UART:IBRD register.
3. Write the fractional portion of the BRD to the UART:FBRD register.
4. Write the desired serial parameters to the UART:LCRH register (in this case, a value of 0x0000 0060).
5. Enable the UART by setting the UART:CTL UARTEN bit.

www.ti.com
Initialization and Configuration
1445
SWCU117F–February 2015–Revised June 2016
Submit Documentation Feedback Copyright © 2015–2016, Texas Instruments Incorporated
Universal Asynchronous Receivers and Transmitters (UARTS)
19.6.1 UART Registers
Table 19-3 lists the memory-mapped registers for the UART. All register offset addresses not listed in
Table 19-3 should be considered as reserved locations and the register contents should not be modified.
Table 19-3. UART Registers
Offset Acronym Register Name Section
0h DR Data Section 19.6.1.1
4h RSR Status Section 19.6.1.2
4h ECR Error Clear Section 19.6.1.3
18h FR Flag Section 19.6.1.4
24h IBRD Integer Baud-Rate Divisor Section 19.6.1.5
28h FBRD Fractional Baud-Rate Divisor Section 19.6.1.6
2Ch LCRH Line Control Section 19.6.1.7
30h CTL Control Section 19.6.1.8
34h IFLS Interrupt FIFO Level Select Section 19.6.1.9
38h IMSC Interrupt Mask Set/Clear Section 19.6.1.10
3Ch RIS Raw Interrupt Status Section 19.6.1.11
40h MIS Masked Interrupt Status Section 19.6.1.12
44h ICR Interrupt Clear Section 19.6.1.13
48h DMACTL DMA Control Section 19.6.1.14

Initialization and Configuration
www.ti.com
1446 SWCU117F–February 2015–Revised June 2016
Submit Documentation Feedback
Copyright © 2015–2016, Texas Instruments Incorporated
Universal Asynchronous Receivers and Transmitters (UARTS)
19.6.1.1 DR Register (Offset = 0h) [reset = X]
DR is shown in Figure 19-4 and described in Table 19-4.
Return to Summary Table.
Data
For words to be transmitted:
- if the FIFOs are enabled (LCRH.FEN = 1), data written to this location is pushed onto the transmit FIFO
- if the FIFOs are not enabled (LCRH.FEN = 0), data is stored in the transmitter holding register (the
bottom word of the transmit FIFO).
The write operation initiates transmission from the UART. The data is prefixed with a start bit, appended
with the appropriate parity bit (if parity is enabled), and a stop bit.
The resultant word is then transmitted.
For received words:
- if the FIFOs are enabled (LCRH.FEN = 1), the data byte and the 4-bit status (break, frame, parity, and
overrun) is pushed onto the 12-bit wide receive FIFO
- if the FIFOs are not enabled (LCRH.FEN = 0), the data byte and status are stored in the receiving
holding register (the bottom word of the receive FIFO).
The received data byte is read by performing reads from this register along with the corresponding status
information. The status information can also be read by a read of the RSR register.
Figure 19-4. DR Register
31 30 29 28 27 26 25 24 23 22 21 20 19 18 17 16
RESERVED
R-0h
15 14 13 12 11 10 9 8 7 6 5 4 3 2 1 0
RESERVED OE BE PE FE DATA
R-0h R-X R-X R-X R-X R/W-X
Table 19-4. DR Register Field Descriptions
Bit Field Type Reset Description
31-12 RESERVED R 0h Software should not rely on the value of a reserved. Writing any
other value than the reset value may result in undefined behavior.
11 OE R X UART Overrun Error:
This bit is set to 1 if data is received and the receive FIFO is already
full. The FIFO contents remain valid because no more data is written
when the FIFO is full, , only the contents of the shift register are
overwritten.
This is cleared to 0 once there is an empty space in the FIFO and a
new character can be written to it.
10 BE R X UART Break Error:
This bit is set to 1 if a break condition was detected, indicating that
the received data input (UARTRXD input pin) was held LOW for
longer than a full-word transmission time (defined as start, data,
parity and stop bits).
In FIFO mode, this error is associated with the character at the top of
the FIFO (i.e., the oldest received data character since last read).
When a break occurs, a 0 character is loaded into the FIFO. The
next character is enabled after the receive data input (UARTRXD
input pin) goes to a 1 (marking state), and the next valid start bit is
received.
9 PE R X UART Parity Error:
When set to 1, it indicates that the parity of the received data
character does not match the parity that the LCRH.EPS and
LCRH.SPS select.
In FIFO mode, this error is associated with the character at the top of
the FIFO (i.e., the oldest received data character since last read).

www.ti.com
Initialization and Configuration
1447
SWCU117F–February 2015–Revised June 2016
Submit Documentation Feedback Copyright © 2015–2016, Texas Instruments Incorporated
Universal Asynchronous Receivers and Transmitters (UARTS)
Table 19-4. DR Register Field Descriptions (continued)
Bit Field Type Reset Description
8 FE R X UART Framing Error:
When set to 1, it indicates that the received character did not have a
valid stop bit (a valid stop bit is 1).
In FIFO mode, this error is associated with the character at the top of
the FIFO (i.e., the oldest received data character since last read).
7-0 DATA R/W X Data transmitted or received:
On writes, the transmit data character is pushed into the FIFO.
On reads, the oldest received data character since the last read is
returned.

Initialization and Configuration
www.ti.com
1448 SWCU117F–February 2015–Revised June 2016
Submit Documentation Feedback
Copyright © 2015–2016, Texas Instruments Incorporated
Universal Asynchronous Receivers and Transmitters (UARTS)
19.6.1.2 RSR Register (Offset = 4h) [reset = 0h]
RSR is shown in Figure 19-5 and described in Table 19-5.
Return to Summary Table.
Status
This register is mapped to the same address as ECR register. Reads from this address are associated
with RSR register and return the receive status. Writes to this address are associated with ECR register
and clear the receive status flags (framing, parity, break, and overrun errors).
If the status is read from this register, then the status information for break, framing and parity
corresponds to the data character read from the Data Register, DR prior to reading the RSR. The status
information for overrun is set immediately when an overrun condition occurs.
Figure 19-5. RSR Register
31 30 29 28 27 26 25 24 23 22 21 20 19 18 17 16
RESERVED
R-0h
15 14 13 12 11 10 9 8 7 6 5 4 3 2 1 0
RESERVED OE BE PE FE
R-0h R-0h R-0h R-0h R-0h
Table 19-5. RSR Register Field Descriptions
Bit Field Type Reset Description
31-4 RESERVED R 0h Software should not rely on the value of a reserved. Writing any
other value than the reset value may result in undefined behavior.
3 OE R 0h UART Overrun Error:
This bit is set to 1 if data is received and the receive FIFO is already
full. The FIFO contents remain valid because no more data is written
when the FIFO is full, , only the contents of the shift register are
overwritten.
This is cleared to 0 once there is an empty space in the FIFO and a
new character can be written to it.
2 BE R 0h UART Break Error:
This bit is set to 1 if a break condition was detected, indicating that
the received data input (UARTRXD input pin) was held LOW for
longer than a full-word transmission time (defined as start, data,
parity and stop bits).
When a break occurs, a 0 character is loaded into the FIFO. The
next character is enabled after the receive data input (UARTRXD
input pin) goes to a 1 (marking state), and the next valid start bit is
received.
1 PE R 0h UART Parity Error:
When set to 1, it indicates that the parity of the received data
character does not match the parity that the LCRH.EPS and
LCRH.SPS select.
0 FE R 0h UART Framing Error:
When set to 1, it indicates that the received character did not have a
valid stop bit (a valid stop bit is 1).

www.ti.com
Initialization and Configuration
1449
SWCU117F–February 2015–Revised June 2016
Submit Documentation Feedback Copyright © 2015–2016, Texas Instruments Incorporated
Universal Asynchronous Receivers and Transmitters (UARTS)
19.6.1.3 ECR Register (Offset = 4h) [reset = 0h]
ECR is shown in Figure 19-6 and described in Table 19-6.
Return to Summary Table.
Error Clear
This register is mapped to the same address as RSR register. Reads from this address are associated
with RSR register and return the receive status. Writes to this address are associated with ECR register
and clear the receive status flags (framing, parity, break, and overrun errors).
Figure 19-6. ECR Register
31 30 29 28 27 26 25 24 23 22 21 20 19 18 17 16
RESERVED
W-0h
15 14 13 12 11 10 9 8 7 6 5 4 3 2 1 0
RESERVED OE BE PE FE
W-0h W-0h W-0h W-0h W-0h
Table 19-6. ECR Register Field Descriptions
Bit Field Type Reset Description
31-4 RESERVED W 0h Software should not rely on the value of a reserved. Writing any
other value than the reset value may result in undefined behavior.
3 OE W 0h The framing (FE), parity (PE), break (BE) and overrun (OE) errors
are cleared to 0 by any write to this register.
2 BE W 0h The framing (FE), parity (PE), break (BE) and overrun (OE) errors
are cleared to 0 by any write to this register.
1 PE W 0h The framing (FE), parity (PE), break (BE) and overrun (OE) errors
are cleared to 0 by any write to this register.
0 FE W 0h The framing (FE), parity (PE), break (BE) and overrun (OE) errors
are cleared to 0 by any write to this register.

Initialization and Configuration
www.ti.com
1450 SWCU117F–February 2015–Revised June 2016
Submit Documentation Feedback
Copyright © 2015–2016, Texas Instruments Incorporated
Universal Asynchronous Receivers and Transmitters (UARTS)
19.6.1.4 FR Register (Offset = 18h) [reset = X]
FR is shown in Figure 19-7 and described in Table 19-7.
Return to Summary Table.
Flag
Reads from this register return the UART flags.
Figure 19-7. FR Register
31 30 29 28 27 26 25 24
RESERVED
R-0h
23 22 21 20 19 18 17 16
RESERVED
R-0h
15 14 13 12 11 10 9 8
RESERVED
R-0h
76543210
TXFE RXFF TXFF RXFE BUSY RESERVED CTS
R-1h R-0h R-0h R-1h R-0h R-0h R-X
Table 19-7. FR Register Field Descriptions
Bit Field Type Reset Description
31-8 RESERVED R 0h Software should not rely on the value of a reserved. Writing any
other value than the reset value may result in undefined behavior.
7 TXFE R 1h UART Transmit FIFO Empty:
The meaning of this bit depends on the state of LCRH.FEN .
- If the FIFO is disabled, this bit is set when the transmit holding
register is empty.
- If the FIFO is enabled, this bit is set when the transmit FIFO is
empty.
This bit does not indicate if there is data in the transmit shift register.
6 RXFF R 0h UART Receive FIFO Full:
The meaning of this bit depends on the state of LCRH.FEN.
- If the FIFO is disabled, this bit is set when the receive holding
register is full.
- If the FIFO is enabled, this bit is set when the receive FIFO is full.
5 TXFF R 0h UART Transmit FIFO Full:
Transmit FIFO full. The meaning of this bit depends on the state of
LCRH.FEN.
- If the FIFO is disabled, this bit is set when the transmit holding
register is full.
- If the FIFO is enabled, this bit is set when the transmit FIFO is full.
4 RXFE R 1h UART Receive FIFO Empty:
Receive FIFO empty. The meaning of this bit depends on the state
of LCRH.FEN.
- If the FIFO is disabled, this bit is set when the receive holding
register is empty.
- If the FIFO is enabled, this bit is set when the receive FIFO is
empty.
3 BUSY R 0h UART Busy:
If this bit is set to 1, the UART is busy transmitting data. This bit
remains set until the complete byte, including all the stop bits, has
been sent from the shift register.
This bit is set as soon as the transmit FIFO becomes non-empty,
regardless of whether the UART is enabled or not.
2-1 RESERVED R 0h Software should not rely on the value of a reserved. Writing any
other value than the reset value may result in undefined behavior.

www.ti.com
Initialization and Configuration
1451
SWCU117F–February 2015–Revised June 2016
Submit Documentation Feedback Copyright © 2015–2016, Texas Instruments Incorporated
Universal Asynchronous Receivers and Transmitters (UARTS)
Table 19-7. FR Register Field Descriptions (continued)
Bit Field Type Reset Description
0 CTS R X Clear To Send:
This bit is the complement of the active-low UART CTS input pin.
That is, the bit is 1 when CTS input pin is LOW.

Initialization and Configuration
www.ti.com
1452 SWCU117F–February 2015–Revised June 2016
Submit Documentation Feedback
Copyright © 2015–2016, Texas Instruments Incorporated
Universal Asynchronous Receivers and Transmitters (UARTS)
19.6.1.5 IBRD Register (Offset = 24h) [reset = 0h]
IBRD is shown in Figure 19-8 and described in Table 19-8.
Return to Summary Table.
Integer Baud-Rate Divisor
If this register is modified while trasmission or reception is on-going, the baudrate will not be updated until
transmission or reception of the current character is complete.
Figure 19-8. IBRD Register
31 30 29 28 27 26 25 24 23 22 21 20 19 18 17 16 15 14 13 12 11 10 9 8 7 6 5 4 3 2 1 0
RESERVED DIVINT
R/W-0h R/W-0h
Table 19-8. IBRD Register Field Descriptions
Bit Field Type Reset Description
31-16 RESERVED R/W 0h Software should not rely on the value of a reserved. Writing any
other value than the reset value may result in undefined behavior.
15-0 DIVINT R/W 0h The integer baud rate divisor:
The baud rate divisor is calculated using the formula below:
Baud rate divisor = (UART reference clock frequency) / (16 * Baud
rate)
Baud rate divisor must be minimum 1 and maximum 65535.
That is, DIVINT=0 does not give a valid baud rate.
Similarly, if DIVINT=0xFFFF, any non-zero values in
FBRD.DIVFRAC will be illegal.
A valid value must be written to this field before the UART can be
used for RX or TX operations.

www.ti.com
Initialization and Configuration
1453
SWCU117F–February 2015–Revised June 2016
Submit Documentation Feedback Copyright © 2015–2016, Texas Instruments Incorporated
Universal Asynchronous Receivers and Transmitters (UARTS)
19.6.1.6 FBRD Register (Offset = 28h) [reset = 0h]
FBRD is shown in Figure 19-9 and described in Table 19-9.
Return to Summary Table.
Fractional Baud-Rate Divisor
If this register is modified while trasmission or reception is on-going, the baudrate will not be updated until
transmission or reception of the current character is complete.
Figure 19-9. FBRD Register
31 30 29 28 27 26 25 24 23 22 21 20 19 18 17 16
RESERVED
R/W-0h
15 14 13 12 11 10 9 8 7 6 5 4 3 2 1 0
RESERVED DIVFRAC
R/W-0h R/W-0h
Table 19-9. FBRD Register Field Descriptions
Bit Field Type Reset Description
31-6 RESERVED R/W 0h Software should not rely on the value of a reserved. Writing any
other value than the reset value may result in undefined behavior.
5-0 DIVFRAC R/W 0h Fractional Baud-Rate Divisor:
The baud rate divisor is calculated using the formula below:
Baud rate divisor = (UART reference clock frequency) / (16 * Baud
rate)
Baud rate divisor must be minimum 1 and maximum 65535.
That is, IBRD.DIVINT=0 does not give a valid baud rate.
Similarly, if IBRD.DIVINT=0xFFFF, any non-zero values in DIVFRAC
will be illegal.
A valid value must be written to this field before the UART can be
used for RX or TX operations.

Initialization and Configuration
www.ti.com
1454 SWCU117F–February 2015–Revised June 2016
Submit Documentation Feedback
Copyright © 2015–2016, Texas Instruments Incorporated
Universal Asynchronous Receivers and Transmitters (UARTS)
19.6.1.7 LCRH Register (Offset = 2Ch) [reset = 0h]
LCRH is shown in Figure 19-10 and described in Table 19-10.
Return to Summary Table.
Line Control
Figure 19-10. LCRH Register
31 30 29 28 27 26 25 24
RESERVED
R/W-0h
23 22 21 20 19 18 17 16
RESERVED
R/W-0h
15 14 13 12 11 10 9 8
RESERVED
R/W-0h
76543210
SPS WLEN FEN STP2 EPS PEN BRK
R/W-0h R/W-0h R/W-0h R/W-0h R/W-0h R/W-0h R/W-0h
Table 19-10. LCRH Register Field Descriptions
Bit Field Type Reset Description
31-8 RESERVED R/W 0h Software should not rely on the value of a reserved. Writing any
other value than the reset value may result in undefined behavior.
7 SPS R/W 0h UART Stick Parity Select:
0: Stick parity is disabled
1: The parity bit is transmitted and checked as invert of EPS field
(i.e. the parity bit is transmitted and checked as 1 when EPS = 0).
This bit has no effect when PEN disables parity checking and
generation.
6-5 WLEN R/W 0h UART Word Length:
These bits indicate the number of data bits transmitted or received in
a frame.
0h = 5 : Word Length 5 bits
1h = 6 : Word Length 6 bits
2h = 7 : Word Length 7 bits
3h = 8 : Word Length 8 bits
4 FEN R/W 0h UART Enable FIFOs
0h = FIFOs are disabled (character mode) that is, the FIFOs become
1-byte-deep holding registers.
1h = Transmit and receive FIFO buffers are enabled (FIFO mode)
3 STP2 R/W 0h UART Two Stop Bits Select:
If this bit is set to 1, two stop bits are transmitted at the end of the
frame. The receive logic does not check for two stop bits being
received.
2 EPS R/W 0h UART Even Parity Select
0h = Odd parity: The UART generates or checks for an odd number
of 1s in the data and parity bits.
1h = Even parity: The UART generates or checks for an even
number of 1s in the data and parity bits.
1 PEN R/W 0h UART Parity Enable
This bit controls generation and checking of parity bit.
0h = Parity is disabled and no parity bit is added to the data frame
1h = Parity checking and generation is enabled.

www.ti.com
Initialization and Configuration
1455
SWCU117F–February 2015–Revised June 2016
Submit Documentation Feedback Copyright © 2015–2016, Texas Instruments Incorporated
Universal Asynchronous Receivers and Transmitters (UARTS)
Table 19-10. LCRH Register Field Descriptions (continued)
Bit Field Type Reset Description
0 BRK R/W 0h UART Send Break
If this bit is set to 1, a low-level is continually output on the
UARTTXD output pin, after completing transmission of the current
character. For the proper execution of the break command, the
software must set this bit for at least two complete frames. For
normal use, this bit must be cleared to 0.

Initialization and Configuration
www.ti.com
1456 SWCU117F–February 2015–Revised June 2016
Submit Documentation Feedback
Copyright © 2015–2016, Texas Instruments Incorporated
Universal Asynchronous Receivers and Transmitters (UARTS)
19.6.1.8 CTL Register (Offset = 30h) [reset = 300h]
CTL is shown in Figure 19-11 and described in Table 19-11.
Return to Summary Table.
Control
Figure 19-11. CTL Register
31 30 29 28 27 26 25 24
RESERVED
R-0h
23 22 21 20 19 18 17 16
RESERVED
R-0h
15 14 13 12 11 10 9 8
CTSEN RTSEN RESERVED RTS RESERVED RXE TXE
R/W-0h R/W-0h R/W-0h R/W-0h R/W-0h R/W-1h R/W-1h
76543210
LBE RESERVED UARTEN
R/W-0h R/W-0h R/W-0h
Table 19-11. CTL Register Field Descriptions
Bit Field Type Reset Description
31-16 RESERVED R 0h Software should not rely on the value of a reserved. Writing any
other value than the reset value may result in undefined behavior.
15 CTSEN R/W 0h CTS hardware flow control enable
0h = CTS hardware flow control disabled
1h = CTS hardware flow control enabled
14 RTSEN R/W 0h RTS hardware flow control enable
0h = RTS hardware flow control disabled
1h = RTS hardware flow control enabled
13-12 RESERVED R/W 0h Software should not rely on the value of a reserved. Writing any
other value than the reset value may result in undefined behavior.
11 RTS R/W 0h Request to Send
This bit is the complement of the active-low UART RTS output. That
is, when the bit is programmed to a 1 then RTS output on the pins is
LOW.
10 RESERVED R/W 0h Software should not rely on the value of a reserved. Writing any
other value than the reset value may result in undefined behavior.
9 RXE R/W 1h UART Receive Enable
If the UART is disabled in the middle of reception, it completes the
current character before stopping.
0h = UART Receive disabled
1h = UART Receive enabled
8 TXE R/W 1h UART Transmit Enable
If the UART is disabled in the middle of transmission, it completes
the current character before stopping.
0h = UART Transmit disabled
1h = UART Transmit enabled
7 LBE R/W 0h UART Loop Back Enable:
Enabling the loop-back mode connects the UARTTXD output from
the UART to UARTRXD input of the UART.
0h = Loop Back disabled
1h = Loop Back enabled
6-1 RESERVED R/W 0h Software should not rely on the value of a reserved. Writing any
other value than the reset value may result in undefined behavior.

www.ti.com
Initialization and Configuration
1457
SWCU117F–February 2015–Revised June 2016
Submit Documentation Feedback Copyright © 2015–2016, Texas Instruments Incorporated
Universal Asynchronous Receivers and Transmitters (UARTS)
Table 19-11. CTL Register Field Descriptions (continued)
Bit Field Type Reset Description
0 UARTEN R/W 0h UART Enable
0h = UART disabled
1h = UART enabled

Initialization and Configuration
www.ti.com
1458 SWCU117F–February 2015–Revised June 2016
Submit Documentation Feedback
Copyright © 2015–2016, Texas Instruments Incorporated
Universal Asynchronous Receivers and Transmitters (UARTS)
19.6.1.9 IFLS Register (Offset = 34h) [reset = 12h]
IFLS is shown in Figure 19-12 and described in Table 19-12.
Return to Summary Table.
Interrupt FIFO Level Select
Figure 19-12. IFLS Register
31 30 29 28 27 26 25 24 23 22 21 20 19 18 17 16
RESERVED
R/W-0h
15 14 13 12 11 10 9 8 7 6 5 4 3 2 1 0
RESERVED RXSEL TXSEL
R/W-0h R/W-2h R/W-2h
Table 19-12. IFLS Register Field Descriptions
Bit Field Type Reset Description
31-6 RESERVED R/W 0h Software should not rely on the value of a reserved. Writing any
other value than the reset value may result in undefined behavior.
5-3 RXSEL R/W 2h Receive interrupt FIFO level select:
This field sets the trigger points for the receive interrupt. Values
0b101-0b111 are reserved.
0h = 1_8 : Receive FIFO becomes >= 1/8 full
1h = 2_8 : Receive FIFO becomes >= 1/4 full
2h = 4_8 : Receive FIFO becomes >= 1/2 full
3h = 6_8 : Receive FIFO becomes >= 3/4 full
4h = 7_8 : Receive FIFO becomes >= 7/8 full
2-0 TXSEL R/W 2h Transmit interrupt FIFO level select:
This field sets the trigger points for the transmit interrupt. Values
0b101-0b111 are reserved.
0h = 1_8 : Transmit FIFO becomes <= 1/8 full
1h = 2_8 : Transmit FIFO becomes <= 1/4 full
2h = 4_8 : Transmit FIFO becomes <= 1/2 full
3h = 6_8 : Transmit FIFO becomes <= 3/4 full
4h = 7_8 : Transmit FIFO becomes <= 7/8 full

www.ti.com
Initialization and Configuration
1459
SWCU117F–February 2015–Revised June 2016
Submit Documentation Feedback Copyright © 2015–2016, Texas Instruments Incorporated
Universal Asynchronous Receivers and Transmitters (UARTS)
19.6.1.10 IMSC Register (Offset = 38h) [reset = 0h]
IMSC is shown in Figure 19-13 and described in Table 19-13.
Return to Summary Table.
Interrupt Mask Set/Clear
Figure 19-13. IMSC Register
31 30 29 28 27 26 25 24
RESERVED
R/W-0h
23 22 21 20 19 18 17 16
RESERVED
R/W-0h
15 14 13 12 11 10 9 8
RESERVED OEIM BEIM PEIM
R/W-0h R/W-0h R/W-0h R/W-0h
76543210
FEIM RTIM TXIM RXIM RESERVED CTSMIM RESERVED
R/W-0h R/W-0h R/W-0h R/W-0h R/W-0h R/W-0h R/W-0h
Table 19-13. IMSC Register Field Descriptions
Bit Field Type Reset Description
31-11 RESERVED R/W 0h Software should not rely on the value of a reserved. Writing any
other value than the reset value may result in undefined behavior.
10 OEIM R/W 0h Overrun error interrupt mask. A read returns the current mask for
UART's overrun error interrupt. On a write of 1, the mask of the
overrun error interrupt is set which means the interrupt state will be
reflected in MIS.OEMIS. A write of 0 clears the mask which means
MIS.OEMIS will not reflect the interrupt.
9 BEIM R/W 0h Break error interrupt mask. A read returns the current mask for
UART's break error interrupt. On a write of 1, the mask of the
overrun error interrupt is set which means the interrupt state will be
reflected in MIS.BEMIS. A write of 0 clears the mask which means
MIS.BEMIS will not reflect the interrupt.
8 PEIM R/W 0h Parity error interrupt mask. A read returns the current mask for
UART's parity error interrupt. On a write of 1, the mask of the
overrun error interrupt is set which means the interrupt state will be
reflected in MIS.PEMIS. A write of 0 clears the mask which means
MIS.PEMIS will not reflect the interrupt.
7 FEIM R/W 0h Framing error interrupt mask. A read returns the current mask for
UART's framing error interrupt. On a write of 1, the mask of the
overrun error interrupt is set which means the interrupt state will be
reflected in MIS.FEMIS. A write of 0 clears the mask which means
MIS.FEMIS will not reflect the interrupt.
6 RTIM R/W 0h Receive timeout interrupt mask. A read returns the current mask for
UART's receive timeout interrupt. On a write of 1, the mask of the
overrun error interrupt is set which means the interrupt state will be
reflected in MIS.RTMIS. A write of 0 clears the mask which means
this bitfield will not reflect the interrupt.
The raw interrupt for receive timeout RIS.RTRIS cannot be set
unless the mask is set (RTIM = 1). This is because the mask acts as
an enable for power saving. That is, the same status can be read
from MIS.RTMIS and RIS.RTRIS.
5 TXIM R/W 0h Transmit interrupt mask. A read returns the current mask for UART's
transmit interrupt. On a write of 1, the mask of the overrun error
interrupt is set which means the interrupt state will be reflected in
MIS.TXMIS. A write of 0 clears the mask which means MIS.TXMIS
will not reflect the interrupt.

Initialization and Configuration
www.ti.com
1460 SWCU117F–February 2015–Revised June 2016
Submit Documentation Feedback
Copyright © 2015–2016, Texas Instruments Incorporated
Universal Asynchronous Receivers and Transmitters (UARTS)
Table 19-13. IMSC Register Field Descriptions (continued)
Bit Field Type Reset Description
4 RXIM R/W 0h Receive interrupt mask. A read returns the current mask for UART's
receive interrupt. On a write of 1, the mask of the overrun error
interrupt is set which means the interrupt state will be reflected in
MIS.RXMIS. A write of 0 clears the mask which means MIS.RXMIS
will not reflect the interrupt.
3-2 RESERVED R/W 0h Software should not rely on the value of a reserved. Writing any
other value than the reset value may result in undefined behavior.
1 CTSMIM R/W 0h Clear to Send (CTS) modem interrupt mask. A read returns the
current mask for UART's clear to send interrupt. On a write of 1, the
mask of the overrun error interrupt is set which means the interrupt
state will be reflected in MIS.CTSMMIS. A write of 0 clears the mask
which means MIS.CTSMMIS will not reflect the interrupt.
0 RESERVED R/W 0h Software should not rely on the value of a reserved. Writing any
other value than the reset value may result in undefined behavior.

www.ti.com
Initialization and Configuration
1461
SWCU117F–February 2015–Revised June 2016
Submit Documentation Feedback Copyright © 2015–2016, Texas Instruments Incorporated
Universal Asynchronous Receivers and Transmitters (UARTS)
19.6.1.11 RIS Register (Offset = 3Ch) [reset = X]
RIS is shown in Figure 19-14 and described in Table 19-14.
Return to Summary Table.
Raw Interrupt Status
Figure 19-14. RIS Register
31 30 29 28 27 26 25 24
RESERVED
R-0h
23 22 21 20 19 18 17 16
RESERVED
R-0h
15 14 13 12 11 10 9 8
RESERVED OERIS BERIS PERIS
R-0h R-0h R-0h R-0h
76543210
FERIS RTRIS TXRIS RXRIS RESERVED CTSRMIS RESERVED
R-0h R-0h R-0h R-0h R-3h R-X R-1h
Table 19-14. RIS Register Field Descriptions
Bit Field Type Reset Description
31-11 RESERVED R 0h Software should not rely on the value of a reserved. Writing any
other value than the reset value may result in undefined behavior.
10 OERIS R 0h Overrun error interrupt status:
This field returns the raw interrupt state of UART's overrun error
interrupt. Overrun error occurs if data is received and the receive
FIFO is full.
9 BERIS R 0h Break error interrupt status:
This field returns the raw interrupt state of UART's break error
interrupt. Break error is set when a break condition is detected,
indicating that the received data input (UARTRXD input pin) was
held LOW for longer than a full-word transmission time (defined as
start, data, parity and stop bits).
8 PERIS R 0h Parity error interrupt status:
This field returns the raw interrupt state of UART's parity error
interrupt. Parity error is set if the parity of the received data character
does not match the parity that the LCRH.EPS and LCRH.SPS select.
7 FERIS R 0h Framing error interrupt status:
This field returns the raw interrupt state of UART's framing error
interrupt. Framing error is set if the received character does not have
a valid stop bit (a valid stop bit is 1).
6 RTRIS R 0h Receive timeout interrupt status:
This field returns the raw interrupt state of UART's receive timeout
interrupt. The receive timeout interrupt is asserted when the receive
FIFO is not empty, and no more data is received during a 32-bit
period. The receive timeout interrupt is cleared either when the FIFO
becomes empty through reading all the data, or when a 1 is written
to ICR.RTIC.
The raw interrupt for receive timeout cannot be set unless the mask
is set (IMSC.RTIM = 1). This is because the mask acts as an enable
for power saving. That is, the same status can be read from
MIS.RTMIS and RTRIS.

Initialization and Configuration
www.ti.com
1462 SWCU117F–February 2015–Revised June 2016
Submit Documentation Feedback
Copyright © 2015–2016, Texas Instruments Incorporated
Universal Asynchronous Receivers and Transmitters (UARTS)
Table 19-14. RIS Register Field Descriptions (continued)
Bit Field Type Reset Description
5 TXRIS R 0h Transmit interrupt status:
This field returns the raw interrupt state of UART's transmit interrupt.
When FIFOs are enabled (LCRH.FEN = 1), the transmit interrupt is
asserted if the number of bytes in transmit FIFO is equal to or lower
than the programmed trigger level (IFLS.TXSEL). The transmit
interrupt is cleared by writing data to the transmit FIFO until it
becomes greater than the trigger level, or by clearing the interrupt
through ICR.TXIC.
When FIFOs are disabled (LCRH.FEN = 0), that is they have a depth
of one location, the transmit interrupt is asserted if there is no data
present in the transmitters single location. It is cleared by performing
a single write to the transmit FIFO, or by clearing the interrupt
through ICR.TXIC.
4 RXRIS R 0h Receive interrupt status:
This field returns the raw interrupt state of UART's receive interrupt.
When FIFOs are enabled (LCRH.FEN = 1), the receive interrupt is
asserted if the receive FIFO reaches the programmed trigger
level (IFLS.RXSEL). The receive interrupt is cleared by reading data
from the receive FIFO until it becomes less than the trigger level, or
by clearing the interrupt through ICR.RXIC.
When FIFOs are disabled (LCRH.FEN = 0), that is they have a depth
of one location, the receive interrupt is asserted if data is received
thereby filling the location. The receive interrupt is cleared by
performing a single read of the receive FIFO, or by clearing the
interrupt through ICR.RXIC.
3-2 RESERVED R 3h Software should not rely on the value of a reserved. Writing any
other value than the reset value may result in undefined behavior.
1 CTSRMIS R X Clear to Send (CTS) modem interrupt status:
This field returns the raw interrupt state of UART's clear to send
interrupt.
0 RESERVED R 1h Software should not rely on the value of a reserved. Writing any
other value than the reset value may result in undefined behavior.

www.ti.com
Initialization and Configuration
1463
SWCU117F–February 2015–Revised June 2016
Submit Documentation Feedback Copyright © 2015–2016, Texas Instruments Incorporated
Universal Asynchronous Receivers and Transmitters (UARTS)
19.6.1.12 MIS Register (Offset = 40h) [reset = 0h]
MIS is shown in Figure 19-15 and described in Table 19-15.
Return to Summary Table.
Masked Interrupt Status
Figure 19-15. MIS Register
31 30 29 28 27 26 25 24
RESERVED
R-0h
23 22 21 20 19 18 17 16
RESERVED
R-0h
15 14 13 12 11 10 9 8
RESERVED OEMIS BEMIS PEMIS
R-0h R-0h R-0h R-0h
76543210
FEMIS RTMIS TXMIS RXMIS RESERVED CTSMMIS RESERVED
R-0h R-0h R-0h R-0h R-0h R-0h R-0h
Table 19-15. MIS Register Field Descriptions
Bit Field Type Reset Description
31-11 RESERVED R 0h Software should not rely on the value of a reserved. Writing any
other value than the reset value may result in undefined behavior.
10 OEMIS R 0h Overrun error masked interrupt status:
This field returns the masked interrupt state of the overrun interrupt
which is the AND product of raw interrupt state RIS.OERIS and the
mask setting IMSC.OEIM.
9 BEMIS R 0h Break error masked interrupt status:
This field returns the masked interrupt state of the break error
interrupt which is the AND product of raw interrupt state RIS.BERIS
and the mask setting IMSC.BEIM.
8 PEMIS R 0h Parity error masked interrupt status:
This field returns the masked interrupt state of the parity error
interrupt which is the AND product of raw interrupt state RIS.PERIS
and the mask setting IMSC.PEIM.
7 FEMIS R 0h Framing error masked interrupt status: Returns the masked interrupt
state of the framing error interrupt which is the AND product of raw
interrupt state RIS.FERIS and the mask setting IMSC.FEIM.
6 RTMIS R 0h Receive timeout masked interrupt status:
Returns the masked interrupt state of the receive timeout interrupt.
The raw interrupt for receive timeout cannot be set unless the mask
is set (IMSC.RTIM = 1). This is because the mask acts as an enable
for power saving. That is, the same status can be read from RTMIS
and RIS.RTRIS.
5 TXMIS R 0h Transmit masked interrupt status:
This field returns the masked interrupt state of the transmit interrupt
which is the AND product of raw interrupt state RIS.TXRIS and the
mask setting IMSC.TXIM.
4 RXMIS R 0h Receive masked interrupt status:
This field returns the masked interrupt state of the receive interrupt
which is the AND product of raw interrupt state RIS.RXRIS and the
mask setting IMSC.RXIM.
3-2 RESERVED R 0h Software should not rely on the value of a reserved. Writing any
other value than the reset value may result in undefined behavior.

Initialization and Configuration
www.ti.com
1464 SWCU117F–February 2015–Revised June 2016
Submit Documentation Feedback
Copyright © 2015–2016, Texas Instruments Incorporated
Universal Asynchronous Receivers and Transmitters (UARTS)
Table 19-15. MIS Register Field Descriptions (continued)
Bit Field Type Reset Description
1 CTSMMIS R 0h Clear to Send (CTS) modem masked interrupt status:
This field returns the masked interrupt state of the clear to send
interrupt which is the AND product of raw interrupt state
RIS.CTSRMIS and the mask setting IMSC.CTSMIM.
0 RESERVED R 0h Software should not rely on the value of a reserved. Writing any
other value than the reset value may result in undefined behavior.

www.ti.com
Initialization and Configuration
1465
SWCU117F–February 2015–Revised June 2016
Submit Documentation Feedback Copyright © 2015–2016, Texas Instruments Incorporated
Universal Asynchronous Receivers and Transmitters (UARTS)
19.6.1.13 ICR Register (Offset = 44h) [reset = X]
ICR is shown in Figure 19-16 and described in Table 19-16.
Return to Summary Table.
Interrupt Clear
On a write of 1, the corresponding interrupt is cleared. A write of 0 has no effect.
Figure 19-16. ICR Register
31 30 29 28 27 26 25 24
RESERVED
W-0h
23 22 21 20 19 18 17 16
RESERVED
W-0h
15 14 13 12 11 10 9 8
RESERVED OEIC BEIC PEIC
W-0h W-X W-X W-X
76543210
FEIC RTIC TXIC RXIC RESERVED CTSMIC RESERVED
W-X W-X W-X W-X W-X W-X W-X
Table 19-16. ICR Register Field Descriptions
Bit Field Type Reset Description
31-11 RESERVED W 0h Software should not rely on the value of a reserved. Writing any
other value than the reset value may result in undefined behavior.
10 OEIC W X Overrun error interrupt clear:
Writing 1 to this field clears the overrun error interrupt (RIS.OERIS).
Writing 0 has no effect.
9 BEIC W X Break error interrupt clear:
Writing 1 to this field clears the break error interrupt (RIS.BERIS).
Writing 0 has no effect.
8 PEIC W X Parity error interrupt clear:
Writing 1 to this field clears the parity error interrupt (RIS.PERIS).
Writing 0 has no effect.
7 FEIC W X Framing error interrupt clear:
Writing 1 to this field clears the framing error interrupt (RIS.FERIS).
Writing 0 has no effect.
6 RTIC W X Receive timeout interrupt clear:
Writing 1 to this field clears the receive timeout interrupt
(RIS.RTRIS). Writing 0 has no effect.
5 TXIC W X Transmit interrupt clear:
Writing 1 to this field clears the transmit interrupt (RIS.TXRIS).
Writing 0 has no effect.
4 RXIC W X Receive interrupt clear:
Writing 1 to this field clears the receive interrupt (RIS.RXRIS).
Writing 0 has no effect.
3-2 RESERVED W X Software should not rely on the value of a reserved. Writing any
other value than the reset value may result in undefined behavior.
Write 0
1 CTSMIC W X Clear to Send (CTS) modem interrupt clear:
Writing 1 to this field clears the clear to send interrupt
(RIS.CTSRMIS). Writing 0 has no effect.
0 RESERVED W X Software should not rely on the value of a reserved. Writing any
other value than the reset value may result in undefined behavior.
Write 0.

Initialization and Configuration
www.ti.com
1466 SWCU117F–February 2015–Revised June 2016
Submit Documentation Feedback
Copyright © 2015–2016, Texas Instruments Incorporated
Universal Asynchronous Receivers and Transmitters (UARTS)
19.6.1.14 DMACTL Register (Offset = 48h) [reset = 0h]
DMACTL is shown in Figure 19-17 and described in Table 19-17.
Return to Summary Table.
DMA Control
Figure 19-17. DMACTL Register
31 30 29 28 27 26 25 24
RESERVED
R/W-0h
23 22 21 20 19 18 17 16
RESERVED
R/W-0h
15 14 13 12 11 10 9 8
RESERVED
R/W-0h
76543210
RESERVED DMAONERR TXDMAE RXDMAE
R/W-0h R/W-0h R/W-0h R/W-0h
Table 19-17. DMACTL Register Field Descriptions
Bit Field Type Reset Description
31-3 RESERVED R/W 0h Software should not rely on the value of a reserved. Writing any
other value than the reset value may result in undefined behavior.
2 DMAONERR R/W 0h DMA on error. If this bit is set to 1, the DMA receive request outputs
(for single and burst requests) are disabled when the UART error
interrupt is asserted (more specifically if any of the error interrupts
RIS.PERIS, RIS.BERIS, RIS.FERIS or RIS.OERIS are asserted).
1 TXDMAE R/W 0h Transmit DMA enable. If this bit is set to 1, DMA for the transmit
FIFO is enabled.
0 RXDMAE R/W 0h Receive DMA enable. If this bit is set to 1, DMA for the receive FIFO
is enabled.

1467
SWCU117F–February 2015–Revised June 2016
Submit Documentation Feedback Copyright © 2015–2016, Texas Instruments Incorporated
Synchronous Serial Interface (SSI)
Chapter 20
SWCU117F–February 2015–Revised June 2016
Synchronous Serial Interface (SSI)
This chapter describes the synchronous serial interface.
Topic ........................................................................................................................... Page
20.1 Synchronous Serial Interface ........................................................................... 1468
20.2 Block Diagram................................................................................................ 1469
20.3 Signal Description........................................................................................... 1470
20.4 Functional Description .................................................................................... 1470
20.5 DMA Operation ............................................................................................... 1479
20.6 Initialization and Configuration......................................................................... 1479

Synchronous Serial Interface
www.ti.com
1468 SWCU117F–February 2015–Revised June 2016
Submit Documentation Feedback
Copyright © 2015–2016, Texas Instruments Incorporated
Synchronous Serial Interface (SSI)
20.1 Synchronous Serial Interface
The two SSI modules of the CC26xx and CC13xx devices have the following features:
• Programmable interface operation for Motorola SPI, MICROWIRE, or TI SSIs
• Configurable as a master or a slave on the interface
• Programmable clock bit rate and prescaler
• Separate transmit (TX) and receive (RX) first-in first-out buffers (FIFOs), each 16-bits wide and
8-locations deep
• Programmable data frame size from 4 bits to 16 bits
• Internal loopback test mode for diagnostic and debug testing
• Interrupts for transmit and receive FIFOs, overrun and time-out interrupts, and DMA done interrupts
• Efficient transfers using micro direct memory access controller (μDMA):
– Separate channels for transmit and receive
– Receive single request asserted when data is in the FIFO; burst request asserted when FIFO
contains four or more entries
– Transmit single request asserted when there is space in the FIFO; burst request asserted when
FIFO contains four or fewer entries

SSI_DMACR
SSI_RIS
SSI_ICR
SSI_MIS
SSI_IMSC
DMA control
Interrupt Control
SSI_DR
Transmit /
receive logic
SSI_CPSR
Clock Prescaler
SSI_SR
SSI_CR1
SSI_CR0
Control / Status
TX FIFO
8 x 16
RX FIFO
8 x 16
PERDMACLK
Interrupt
DMA Request
SSIn_TX
SSI n_RX
SSIn_CLK
SSIn_FSS
www.ti.com
Block Diagram
1469
SWCU117F–February 2015–Revised June 2016
Submit Documentation Feedback Copyright © 2015–2016, Texas Instruments Incorporated
Synchronous Serial Interface (SSI)
20.2 Block Diagram
Figure 20-1 shows the SSI block diagram.
Figure 20-1. SSI Module Block Diagram

Signal Description
www.ti.com
1470 SWCU117F–February 2015–Revised June 2016
Submit Documentation Feedback
Copyright © 2015–2016, Texas Instruments Incorporated
Synchronous Serial Interface (SSI)
20.3 Signal Description
Table 20-1 lists the external signals of the SSI module and describes the function of each. The SSI signals
are selected in the IOC module through the IOCFGn registers. For more information on configuration of
GPIOs, see Chapter 4,Interrupts and Events.
(1) I = Input; O = Output; I/O = Bidrectional
Table 20-1. SSI Signals
Signal Name Pin Number Pin Type(1) Description
SSI0_CLK
Assigned in the I/O
Controller
I/O SSI module 0 clock pin
SSI0_FSS I/O SSI module 0 frame pin
SSI0_RX I SSI module 0 RX pin
SSI0_TX O SSI module 0 TX pin
SSI1_CLK I/O SSI module 1 clock pin
SSI1_FSS I/O SSI module 1 frame pin
SSI1_RX I SSI module 1 RX pin
SSI1_TX O SSI module 1 TX pin
20.4 Functional Description
The SSI performs serial-to-parallel conversion on data received from a peripheral device. The CPU
accesses data, control, and status information. Internal FIFO memories buffer the transmit and receive
paths, allowing independent storage of up to eight 16-bit values in both transmit and receive modes. The
SSI also supports the μDMA interface. The TX and RX FIFOs can be programmed as destination or
source addresses in the μDMA module. The μDMA operation is enabled by setting the appropriate bits in
the SSI:DMACR register.
20.4.1 Bit Rate Generation
The SSI includes a programmable bit rate clock divider and prescaler to generate the serial output clock.
The bit rates are supported to 2 MHz and higher, with maximum bit rate is determined by peripheral
devices.
The serial bit rate is derived by dividing down the input clock (SysClk). First, the clock is divided by an
even prescale value CPSDVSR from 2 to 254, which is programmed in the SSI Clock Prescale Register
(SSI:CPSR) (see Section 20.6.1.5,CPSR Register (Offset = 10h) [reset = X]). The clock is further divided
by a value from 1 to 256, which is 1 + SCR, where SCR is the value programmed in the SSI Control 0
Register (SSI:CR0) (see Section 20.6.1.1,CR0 Register (Offset = 0h) [reset = X]).
Equation 5 defines the frequency of the output clock SSIn_CLK.
SSIn_CLK = PERDMACLK / (CPSDVSR × (1 + SCR)) (5)
NOTE: For slave mode, the core clock (PERDMACLK) must be at least 12 times faster than
SSIn_CLK. For master mode, the core clock (PERDMACLK) must be at least two times
faster than SSIn_CLK.
20.4.2 FIFO Operation
20.4.2.1 Transmit FIFO
The common TX FIFO is a 16-bit-wide, 8-location-deep, first-in first-out memory buffer. The CPU writes
data to the FIFO by writing the SSI Data Register, SSI:DR (see Section 20.6.1.3,DR Register (Offset =
8h) [reset = X]), and data is stored in the FIFO until it is read out by the transmission logic.
When configured as a master or a slave, parallel data is written into the TX FIFO before serial conversion
and transmission to the attached slave or master, respectively, through the SSIn_TX pin.

www.ti.com
Functional Description
1471
SWCU117F–February 2015–Revised June 2016
Submit Documentation Feedback Copyright © 2015–2016, Texas Instruments Incorporated
Synchronous Serial Interface (SSI)
In slave mode, the SSI transmits data each time the master initiates a transaction. If the TX FIFO is empty
and the master initiates, the slave transmits the eighth most-recent value in the transmit FIFO. If less than
eight values are successfully written to the TX FIFO since the power domain for the SSI module is
powered up, then 0 is transmitted. User or software is responsible to make valid data available in the FIFO
as needed. The SSI can be configured to generate an interrupt or a µDMA request when the FIFO is
empty.
20.4.2.2 Receive FIFO
The common RX FIFO is a 16-bit-wide, 8-location-deep, first-in-first-out memory buffer. Received data
from the serial interface is stored in the buffer until read out by the CPU, which accesses the read FIFO by
reading the SSI:DR register.
When configured as a master or slave, serial data received through the SSIn_RX pin is registered before
parallel loading into the attached slave or master RX FIFO, respectively.
20.4.3 Interrupts
The SSI can generate interrupts when the following conditions are observed:
• TX FIFO service (when the TX FIFO is half full or less)
• RX FIFO service (when the RX FIFO is half full or more)
• RX FIFO time-out
• RX FIFO overrun
All interrupt events are ORed together before sent to the event fabric, so the SSI generates a single
interrupt request to the controller regardless of the number of active interrupts. The TX FIFO, RX FIFO,
RX time-out, and RX overrun interrupts can be masked by clearing the appropriate bit in the SSI:IMSC
register. Setting the appropriate mask bit in the SSI:IMSC register enables the interrupt. RX DMA done
and TX DMA done interrupts can be masked by setting the appropriate bit in the UDMA Channel Request
Done Mask Register (UDMA:DONEMASK). Clearing the appropriate bit in the UDMA:DONEMASK register
enables the RX or TX DMA done interrupt.
The status of the individual interrupt sources can be read from the SSI Raw Interrupt Status Regiater
(SSI:RIS) and the SSI Masked Interrupt Status Register (SSI:MIS) (see Section 20.6.1.7,RIS Register
(Offset = 18h) [reset = X], and Section 20.6.1.8,MIS Register (Offset = 1Ch) [reset = X], respectively).
The receive FIFO service interrupt request SSI:RIS.RXRIS is asserted when there are four or more valid
entries in the receive FIFO.
The transmit FIFO service interrupt request SSI:RIS.TXRIS is asserted when there are four or fewer valid
entries in the transmit FIFO. The transmitter interrupt is not qualified with the SSP enable signal, which
allows data to be written to the transmit FIFO before enabling the SSP and the interrupts and allows the
SSP and interrupts to be enabled so that data can be written to the transmit FIFO by an interrupt service
routine (ISR).
The receive overrun interrupt SSI:RIS.RORRIS request is asserted when the FIFO is already full and an
additional data frame is received, causing an overrun of the FIFO. Data is overwritten in the receive shift
register, but not in the FIFO.
The RX FIFO has a time-out period of 32 periods at the rate of SSIn_CLK (whether or not SSIn_CLK is
currently active), and is started when the RX FIFO goes from empty to not empty. If the RX FIFO is
emptied before 32 clocks pass, the time-out period is reset. As a result, the ISR clears the RX FIFO time-
out interrupt just after reading out the RX FIFO by setting the RTIC bit in the SSI Interrupt Clear SSI:ICR
register to 1.
NOTE: The interrupt must not be cleared so late that the ISR returns before the interrupt is actually
cleared, or the ISR may be reactivated unnecessarily.

SSIn_Clk
SSIn_Fss
SSIn_Tx/SSIn_Rx MSB LSB
4 to 16 bits
Functional Description
www.ti.com
1472 SWCU117F–February 2015–Revised June 2016
Submit Documentation Feedback
Copyright © 2015–2016, Texas Instruments Incorporated
Synchronous Serial Interface (SSI)
20.4.4 Frame Formats
Each data frame is between 4- and 16-bits long, depending on the size of data programmed, and is
transmitted starting with the most significant bit (MSB). The following three basic frame types can be
selected:
• TI synchronous serial
• Motorola™ SPI
• National MICROWIRE
For all three formats, the serial clock (SSIn_CLK) is held inactive while the SSI is idle and SSIn_CLK
transitions at the programmed frequency only during active transmission or reception of data. The IDLE
state of SSIn_CLK provides a receive time-out indication that occurs when the RX FIFO still contains data
after a time-out period.
For Motorola SPI and MICROWIRE frame formats, the serial frame (SSIn_FSS) pin is active low and is
asserted (pulled down) during the entire transmission of the frame.
For TI synchronous serial frame format, the SSIn_FSS pin is pulsed for one serial clock period which
starts at its rising edge before the transmission of each frame. For this frame format, both the SSI and the
off-chip slave device drive their output data on the rising edge of SSIn_CLK and latch data from the other
device on the falling edge.
Unlike the full-duplex transmission of the other two frame formats, the MICROWIRE format uses a special
master-slave messaging technique that operates at half-duplex. When a frame begins, an 8-bit control
message is transmitted to the off-chip slave. No incoming data is received by the SSI during this
transmission. After the message is sent, the off-chip slave decodes it and responds with the requested
data after waiting one serial clock after the last bit of the 8-bit control message is sent. The returned data
can be 4- to 16-bits long, making the total frame length anywhere from 13 to 25 bits.
20.4.4.1 Texas Instruments Synchronous Serial Frame Format
Figure 20-2 shows the TI synchronous serial frame format for a single transmitted frame.
Figure 20-2. TI Synchronous Serial Frame Format (Single Transfer)
SSIn_CLK and SSIn_FSS are forced low and the transmit data line SSIn_TX is put in tristate whenever
the SSI is idle. When the bottom entry of the TX FIFO contains data, SSIn_FSS is pulsed high for one
SSIn_CLK period. The transmitted value is also transferred from the TX FIFO to the serial shift register of
the transmit logic. On the next rising edge of SSIn_CLK, the MSB of the 4- to 16-bit data frame is shifted
out on the SSIn_TX pin. Likewise, the MSB of the received data is shifted onto the SSIn_RX pin by the
off-chip serial slave device.
Both the SSI and the off-chip serial slave device then clock each data bit into their serial shifter on each
falling edge of SSIn_CLK. The received data is transferred from the serial shifter to the RX FIFO on the
first rising edge of SSIn_CLK after the least significant bit (LSB) is latched.

SSIn_Clk
SSn_IFss
SSIn_Rx Q
SSIn_Tx MSB
MSB
LSB
LSB
4 to 16 bits
LSB
SSIn_Clk
SSIn_Fss
SSIn_Tx/SSIn_Rx
4 to 16 bits
www.ti.com
Functional Description
1473
SWCU117F–February 2015–Revised June 2016
Submit Documentation Feedback Copyright © 2015–2016, Texas Instruments Incorporated
Synchronous Serial Interface (SSI)
Figure 20-3 shows the TI synchronous serial frame format when back-to-back frames are transmitted.
Figure 20-3. TI Synchronous Serial Frame Format (Continuous Transfer)
20.4.4.2 Motorola SPI Frame Format
The Motorola SPI interface is a 4-wire interface where the SSIn_FSS signal behaves as a slave select.
The main feature of the Motorola SPI format is that the inactive state and phase of the SSIn_CLK signal
can be programmed through the SPO and SPH bits in the SSI:CR0 control register.
20.4.4.2.1 SPO Clock Polarity Bit
When the SPO clock polarity control bit is clear, the bit produces a steady-state low value on the
SSIn_CLK pin. If the SPO bit is set, the bit places a steady-state high value on the SSIn_CLK pin when
data is not being transferred.
20.4.4.2.2 SPH Phase-Control Bit
The SPH phase-control bit selects the clock edge that captures data, and allows it to change state. The
state of this bit has the most impact on the first bit transmitted, by either allowing or not allowing a clock
transition before the first data capture edge. When the SPH phase-control bit is clear, data is captured on
the first clock edge transition. If the SPH bit is set, data is captured on the second clock edge transition.
20.4.4.3 Motorola SPI Frame Format With SPO = 0 and SPH = 0
Figure 20-4 and Figure 20-5 show single and continuous transmission signal sequences for Motorola SPI
format with SPO = 0 and SPH = 0, respectively.
Figure 20-4. Motorola SPI Format (Single Transfer) With SPO = 0 and SPH = 0
Note: Q is undefined.

SSIn_Clk
SSIn_Fss
SSIn_Rx LSB
SSIn_Tx MSB LSB
LSB MSB
MSB
MSB
LSB
4 to16 bits
Functional Description
www.ti.com
1474 SWCU117F–February 2015–Revised June 2016
Submit Documentation Feedback
Copyright © 2015–2016, Texas Instruments Incorporated
Synchronous Serial Interface (SSI)
Figure 20-5. Motorola SPI Format (Continuous Transfer) With SPO = 0 and SPH = 0
In this configuration, the following occurs during idle periods:
• SSIn_CLK is forced low
• SSIn_FSS is forced high
• The transmit data line SSIn_TX is arbitrarily forced low
• When the SSI is configured as a master, it enables the SSIn_CLK pad
• When the SSI is configured as a slave, it disables the SSIn_CLK pad
If the SSI is enabled and valid data is in the TX FIFO, the SSIn_FSS master signal is driven low at the
start of transmission which causes enabling of slave data onto the SSIn_RX input line of the master. The
master SSIn_TX output pad is enabled.
One-half SSIn_CLK period later, valid master data is transferred to the SSIn_TX pin. Once both the
master and slave data are set, the SSIn_CLK master clock pin goes high after an additional one-half
SSIn_CLK period.
The data is now captured on the rising edges and propagated on the falling edges of the SSIn_CLK
signal.
For a single-word transmission after all bits of the data word are transferred, the SSIn_FSS line is returned
to its IDLE high state one SSIn_CLK period after the last bit is captured.
For continuous back-to-back transmissions, the SSIn_FSS signal must pulse high between each data
word transfer because the slave-select pin freezes the data in its serial peripheral register and does not
allow altering of the data if the SPH bit is clear. The master device must raise the SSIn_FSS pin of the
slave device between each data transfer to enable the serial peripheral data write. When the continuous
transfer completes, the SSIn_FSS pin is returned to its IDLE state one SSIn_CLK period after the last bit
is captured.

SSIn_Clk
SSIn_Fss
SSIn_Rx
SSIn_Tx
Q
MSB
Q
MSB
LSB
LSB
4 to 16 bits
Q
www.ti.com
Functional Description
1475
SWCU117F–February 2015–Revised June 2016
Submit Documentation Feedback Copyright © 2015–2016, Texas Instruments Incorporated
Synchronous Serial Interface (SSI)
20.4.4.4 Motorola SPI Frame Format With SPO = 0 and SPH = 1
Figure 20-6 shows the transfer signal sequence for Motorola SPI format with SPO = 0 and SPH = 1, which
covers both single and continuous transfers.
Figure 20-6. Motorola SPI Frame Format With SPO = 0 and SPH = 1
Note: Q is undefined.
In this configuration, the following occurs during idle periods:
• SSIn_CLK is forced low
• SSIn_FSS is forced high
• The transmit data line SSIn_TX is arbitrarily forced low
• When the SSI is configured as a master, it enables the SSIn_CLK pad
• When the SSI is configured as a slave, it disables the SSIn_CLK pad
If the SSI is enabled and valid data is in the TX FIFO, the SSIn_FSS master signal goes low at the start of
transmission. The master SSIn_TX output is enabled. After an additional one-half SSIn_CLK period, both
master and slave valid data are enabled onto their respective transmission lines. At the same time,
SSIn_CLK is enabled with a rising-edge transition. Data is then captured on the falling edges and
propagated on the rising edges of the SSIn_CLK signal.
For a single-word transfer, after all bits are transferred, the SSIn_FSS line is returned to its IDLE high
state one SSIn_CLK period after the last bit is captured.
For continuous back-to-back transfers, the SSIn_FSS pin is held low between successive data words and
terminates like a single-word transfer.

SSIn_Clk
SSIn_Fss
SSIn_Tx/SSIn_Rx MSB LSB
LSB MSB
4 to 16 bits
SSIn_Clk
SSIn_Fss
SSIn_Rx
SSIn_Tx
QMSB
MSB LSB
LSB
4 to 16 bits
Functional Description
www.ti.com
1476 SWCU117F–February 2015–Revised June 2016
Submit Documentation Feedback
Copyright © 2015–2016, Texas Instruments Incorporated
Synchronous Serial Interface (SSI)
20.4.4.5 Motorola SPI Frame Format With SPO = 1 and SPH = 0
Figure 20-7 and Figure 20-8 show single and continuous transmission signal sequences, respectively, for
Motorola SPI format with SPO = 1 and SPH = 0.
Figure 20-7. Motorola SPI Frame Format (Single Transfer) With SPO = 1 and SPH = 0
Note: Q is undefined.
Figure 20-8. Motorola SPI Frame Format (Continuous Transfer) With SPO = 1 and SPH = 0
In this configuration, the following occurs during idle periods:
• SSIn_CLK is forced high
• SSIn_FSS is forced high
• The transmit data line SSIn_TX is arbitrarily forced low
• When the SSI is configured as a master, it enables the SSIn_CLK pad
• When the SSI is configured as a slave, it disables the SSIn_CLK pad
If the SSI is enabled and valid data is in the TX FIFO, the SSIFss master signal goes low at the start of
transmission and transfers slave data onto the SSIn_RX line of the master immediately. The master
SSIn_TX output pad is enabled.
One-half SSIn_CLK period later, valid master data is transferred to the SSIn_TX line. When both the
master and slave data have been set, the SSIn_CLK master clock pin becomes low after one additional
half SSIn_CLK period. Data is captured on the falling edges and propagated on the rising edges of the
SSIn_CLK signal.
For a single-word transmission after all bits of the data word are transferred, the SSIn_FSS line is returned
to its IDLE high state one SSIn_CLK period after the last bit is captured.
For continuous back-to-back transmissions, the SSIn_FSS signal must pulse high between each data
word transfer as the slave-select pin freezes the data in its serial peripheral register and keeps it from
being altered if the SPH bit is clear. The master device must raise the SSIn_FSS pin of the slave device
between each data transfer to enable the serial peripheral data write. When the continuous transfer
completes, the SSIn_FSS pin returns to its IDLE state one SSIn_CLK period after the last bit is captured.

SSIn_Clk
SSIn_Fss
SSIn_Rx 0
SSIn_Tx
8-bit control
4 to 16 bits
output data
LSB
MSB
MSB
LSB
SSIn_Clk
SSIn_Fss
SSIn_Rx
SSIn_Tx
Q
MSB
MSB
LSB
LSB
4 to 16 bits
Q
www.ti.com
Functional Description
1477
SWCU117F–February 2015–Revised June 2016
Submit Documentation Feedback Copyright © 2015–2016, Texas Instruments Incorporated
Synchronous Serial Interface (SSI)
20.4.4.6 Motorola SPI Frame Format With SPO = 1 and SPH = 1
Figure 20-9 shows the transfer signal sequence for Motorola SPI format with SPO = 1 and SPH = 1, which
covers both single and continuous transfers.
Figure 20-9. Motorola SPI Frame Format With SPO = 1 and SPH = 1
Note: Q is undefined.
In this configuration, the following occurs during idle periods:
• SSIClk is forced high
• SSIn_FSS is forced high
• The transmit data line SSIn_TX is arbitrarily forced low
• When the SSI is configured as a master, it enables the SSIn_CLK pad
• When the SSI is configured as a slave, it disables the SSIn_CLK pad
If the SSI is enabled and valid data is in the TX FIFO, the start of transmission is signified by the
SSIn_FSS master signal going low. The master SSIn_TX output pad is enabled. After an additional one-
half SSIn_CLK period, both master and slave data are enabled onto their respective transmission lines. At
the same time, SSIn_CLK is enabled with a falling-edge transition. Data is then captured on the rising
edges and propagated on the falling edges of the SSIn_CLK signal.
For a single word transmission, after all bits are transferred, the SSIn_FSS line returns to its IDLE high
state one SSIn_CLK period after the last bit is captured.
For continuous back-to-back transmissions, the SSIn_FSS pin remains in its active low state until the final
bit of the last word is captured and then returns to its IDLE state.
For continuous back-to-back transfers, the SSIn_FSS pin is held low between successive data words and
terminates like a single-word transfer.
20.4.4.7 MICROWIRE Frame Format
Figure 20-10 shows the MICROWIRE frame format for a single frame. Figure 20-11 shows the same
format when back-to-back frames are transmitted.
Figure 20-10. MICROWIRE Frame Format (Single Frame)
MICROWIRE format is similar to SPI format, except that transmission is half-duplex and uses a master-
slave message passing technique. Each serial transmission begins with an 8-bit control word that is
transmitted from the SSI to the off-chip slave device. During this transmission, the SSI does not receive
incoming data. After the message is sent, the off-chip slave decodes it and waits one serial clock after the
last bit of the 8-bit control message is sent. The off-chip slave then responds with the required data. The
returned data is 4 to 16 bits long, making the total frame length anywhere from 13 to 25 bits.

SSIn_Clk
SSIn_Fss
SSIn_Rx
First RX data to besampled by SSI slave
tHold=tSSIn_Clk
tSetup=(2*tSSIn_Clk)
SSIn_Clk
SSIn_Fss
LSB
MSB
SSIn_Rx 0
SSIn_Tx LSB
MSB
4 to 16 bits
output data
8-bit control
LSB MSB
Functional Description
www.ti.com
1478 SWCU117F–February 2015–Revised June 2016
Submit Documentation Feedback
Copyright © 2015–2016, Texas Instruments Incorporated
Synchronous Serial Interface (SSI)
In this configuration, the following occurs during idle periods:
• SSIn_CLK is forced low
• SSIn_FSS is forced high
• The transmit data line SSIn_TX is arbitrarily forced low
Writing a control byte to the TX FIFO triggers a transmission. The falling edge of SSIn_FSS transfers the
value in the bottom entry of the TX FIFO to the serial shift register of the transmit logic and shifts the MSB
of the 8-bit control frame out onto the SSIn_TX pin. SSIn_FSS remains low for the duration of the frame
transmission. The SSIn_RX pin remains 3-stated during this transmission.
The off-chip serial slave device latches each control bit into its serial shifter on each rising edge of
SSIn_CLK. After the last bit is latched by the slave device, the control byte is decoded during a one clock
wait state and the slave responds by transmitting data back to the SSI. Each bit is driven onto the
SSIn_RX line on the falling edge of SSIn_CLK. The SSI latches each bit on the rising edge of SSIn_CLK.
At the end of the frame for single transfers, the SSIFss signal is pulled high one clock period after the last
bit is latched in the receive serial shifter transferring the data to the RX FIFO.
NOTE: The off-chip slave device can 3-state the receive line either on the falling edge of SSIn_CLK
after the LSB has been latched by the receive shifter or when the SSIn_FSS pin goes high.
For continuous transfers, data transmission begins and ends like a single transfer, but the SSIn_FSS line
is held low and data transmits back-to-back. The control byte of the next frame follows the LSB of the
received data from the current frame. After the LSB of the frame is latched into the SSI, each received
value is transferred from the receive shifter on the falling edge of SSIn_CLK.
Figure 20-11. MICROWIRE Frame Format (Continuous Transfer)
In the MICROWIRE mode, the SSI slave samples the first bit of receive data on the rising edge of
SSIn_CLK after SSIFss has gone low. Masters driving a free-running SSIn_CLK must ensure that the
SSIFss signal has sufficient setup and hold margins compared to the rising edge of SSIn_CLK.
Figure 20-12 shows these setup and hold time requirements. With respect to the SSIn_CLK rising edge on
which the first bit of receive data is to be sampled by the SSI slave, SSIn_FSS must have a setup of at
least two times the period of SSIn_CLK on which the SSI operates. With respect to the SSIn_CLK rising
edge previous to this edge, SSIn_FSS must have a hold of at least one SSIn_CLK period.
Figure 20-12. MICROWIRE Frame Format, SSIFss Input Setup, and Hold Requirements

www.ti.com
DMA Operation
1479
SWCU117F–February 2015–Revised June 2016
Submit Documentation Feedback Copyright © 2015–2016, Texas Instruments Incorporated
Synchronous Serial Interface (SSI)
20.5 DMA Operation
The SSI peripheral provides an interface to the μDMA controller with separate channels for transmit and
receive. The SSI DMA Control Register (SSI:DMACR) allows the μDMA to operate the SSI. When μDMA
operation is enabled, the SSI asserts a μDMA request on the receive or transmit channel when the
associated FIFO can transfer data. For the receive channel, a single transfer request is asserted
whenever any data is in the RX FIFO. Whenever data in the RX FIFO is four or more items, a burst
transfer request is asserted. For the transmit channel, a single transfer request is asserted whenever at
least one empty location is in the TX FIFO. Whenever the TX FIFO has four or more empty slots, the burst
request is asserted. The μDMA controller handles the single and burst μDMA transfer requests
automatically depending on how the μDMA channel is configured. To enable μDMA operation for the
receive channel, set the SSI:DMACR RXDMAE register bit. To enable μDMA operation for the transmit
channel, set the SSI:MAC RTXDMAE register bit. If the μDMA is enabled and appropriate bits are cleared
in the DMA Done Mask Register (UDMA:DONEMASK) the μDMA controller triggers an interrupt when a
transfer completes. The interrupt occurs on the SSI interrupt vector. If interrupts are used for SSI
operation and the μDMA is enabled, the SSI interrupt handler must be designed to handle the μDMA
completion interrupt. The status of TX and RX DMA done interrupts can be read from the Channel
Request Done Register (UDMA:REQDONE). For clearing the TX and RX DMA done interrupts, the
corresponding bits in the UDMA:REQDONE register must be 1.
For more details about programming the μDMA controller, see Chapter 12,µDMA.
20.6 Initialization and Configuration
To enable and initialize the SSI, perform the following steps:
1. Ensure the corresponding power domain is powered up properly. For details, refer to , PRCM.
2. Enable the appropriate SSI module in PRCM by writing to the PRCM:SSICLKGR register, the
PRCM:SSICLKGS register, and the PRCM:SSICLKGDS register, or by using the driverlib functions:
PRCMPeripheralRunEnable(uint32_t)
PRCMPeripheralSleepEnable(uint32_t)
PRCMPeripheralDeepSleepEnable(uint32_t)
and then loading the setting to clock controller by writing to PRCM:CLKLOADCTL
or by using the driverlib function.
PRCMLoadSet().
3. Configure the IOC module to route the SSIn_RX, SSIn_TX, SSIn_FSS, and SSIn_CLK functionalities
from I/Os to the SSI module. IOCFGn.PORTID must be written to the correct PORTIDs.
For each of the frame formats, the SSI is configured using the following steps:
1. Ensure that the SSE bit in the SSI:CR1 register is clear before making any configuration changes.
2. Select whether the SSI is a master or slave:
(a) For master operations, set the SSI:CR1 register to 0x0000 0000.
(b) For slave mode (output enabled), set the SSI:CR1 register to 0x0000 0004.
(c) For slave mode (output disabled), set the SSI:CR1 register to 0x0000 000C.
3. Configure the clock prescale divisor by writing to the SSI:CPSR register.
4. Write the SSI:CR0 register with the following configuration:
• Serial clock rate (SCR)
• Desired clock phase and polarity, if using Motorola SPI mode (SPH and SPO)
• The protocol mode: Motorola SPI, TI SSF, MICROWIRE (FRF)
• The data size (DSS)

Initialization and Configuration
www.ti.com
1480 SWCU117F–February 2015–Revised June 2016
Submit Documentation Feedback
Copyright © 2015–2016, Texas Instruments Incorporated
Synchronous Serial Interface (SSI)
5. Optionally, configure the μDMA channel (see Chapter 12,µDMA) and enable the DMA options in the
SSI:DMACR register.
6. Enable the SSI by setting the SSE bit in the SSI:CR1 register.
As an example, assume that the SSI configuration is required to operate with the following parameters:
• Master operation
• Texas Instruments SSI mode
• 1-Mbps bit rate
• 8 data bits
Assuming the system clock is 48 MHz, the bit rate calculation is shown in Equation 6.
SSIn_CLK = PERDMACLK / (CPSDVSR × (1 + SCR)) 1 × 106 = 20 × 106 / (CPSDVSR × (1 + SCR))1000000 bps =
48000000 Hz / (2 × (1 + 23)) (6)
In this case, if CPSDVSR = 0x2, SCR must be 0x18.
The configuration sequence is:
1. Ensure that the SSE bit in the SSI:CR1 register is clear.
2. Write the SSI:CR1 register with a value of 0x0000 0000.
3. Write the SSI:CPSR register with a value of 0x0000 0002.
4. Write the SSI:CR0 register with a value of 0x0000 1817.
5. The SSI is then enabled by setting the SSE bit in the SSI:CR1 register.

www.ti.com
Initialization and Configuration
1481
SWCU117F–February 2015–Revised June 2016
Submit Documentation Feedback Copyright © 2015–2016, Texas Instruments Incorporated
Synchronous Serial Interface (SSI)
20.6.1 SSI Registers
Table 20-2 lists the memory-mapped registers for the SSI. All register offset addresses not listed in
Table 20-2 should be considered as reserved locations and the register contents should not be modified.
Table 20-2. SSI Registers
Offset Acronym Register Name Section
0h CR0 Control 0 Section 20.6.1.1
4h CR1 Control 1 Section 20.6.1.2
8h DR Data Section 20.6.1.3
Ch SR Status Section 20.6.1.4
10h CPSR Clock Prescale Section 20.6.1.5
14h IMSC Interrupt Mask Set and Clear Section 20.6.1.6
18h RIS Raw Interrupt Status Section 20.6.1.7
1Ch MIS Masked Interrupt Status Section 20.6.1.8
20h ICR Interrupt Clear Section 20.6.1.9
24h DMACR DMA Control Section 20.6.1.10

Initialization and Configuration
www.ti.com
1482 SWCU117F–February 2015–Revised June 2016
Submit Documentation Feedback
Copyright © 2015–2016, Texas Instruments Incorporated
Synchronous Serial Interface (SSI)
20.6.1.1 CR0 Register (Offset = 0h) [reset = 0h]
CR0 is shown in Figure 20-13 and described in Table 20-3.
Return to Summary Table.
Control 0
Figure 20-13. CR0 Register
31 30 29 28 27 26 25 24 23 22 21 20 19 18 17 16
RESERVED
R-0h
15 14 13 12 11 10 9 8 7 6 5 4 3 2 1 0
SCR SPH SPO FRF DSS
R/W-0h R/W-
0h R/W-
0h R/W-0h R/W-0h
Table 20-3. CR0 Register Field Descriptions
Bit Field Type Reset Description
31-16 RESERVED R 0h Software should not rely on the value of a reserved. Writing any
other value than the reset value may result in undefined behavior.
15-8 SCR R/W 0h Serial clock rate:
This is used to generate the transmit and receive bit rate of the SSI.
The bit rate is
(SSI's clock frequency)/((SCR+1)*CPSR.CPSDVSR).
SCR is a value from 0-255.
7 SPH R/W 0h CLKOUT phase (Motorola SPI frame format only)
This bit selects the clock edge that captures data and enables it to
change state. It
has the most impact on the first bit transmitted by either permitting or
not permitting a clock transition before the first data capture edge.
0h = 1ST_CLK_EDGE : Data is captured on the first clock edge
transition.
1h = 2ND_CLK_EDGE : Data is captured on the second clock edge
transition.
6 SPO R/W 0h CLKOUT polarity (Motorola SPI frame format only)
0h = SSI produces a steady state LOW value on the
CLKOUT pin when data is not being transferred.
1h = SSI produces a steady state HIGH value on the CLKOUT pin
when data is not being transferred.
5-4 FRF R/W 0h Frame format.
The supported frame formats are Motorola SPI, TI synchronous
serial and National Microwire.
Value 0'b11 is reserved and shall not be used.
0h = Motorola SPI frame format
1h = TI synchronous serial frame format
2h = National Microwire frame format

www.ti.com
Initialization and Configuration
1483
SWCU117F–February 2015–Revised June 2016
Submit Documentation Feedback Copyright © 2015–2016, Texas Instruments Incorporated
Synchronous Serial Interface (SSI)
Table 20-3. CR0 Register Field Descriptions (continued)
Bit Field Type Reset Description
3-0 DSS R/W 0h Data Size Select.
Values 0b0000, 0b0001, 0b0010 are reserved and shall not be used.
3h = 4_BIT : 4-bit data
4h = 5_BIT : 5-bit data
5h = 6_BIT : 6-bit data
6h = 7_BIT : 7-bit data
7h = 8_BIT : 8-bit data
8h = 9_BIT : 9-bit data
9h = 10_BIT : 10-bit data
Ah = 11_BIT : 11-bit data
Bh = 12_BIT : 12-bit data
Ch = 13_BIT : 13-bit data
Dh = 14_BIT : 14-bit data
Eh = 15_BIT : 15-bit data
Fh = 16_BIT : 16-bit data

Initialization and Configuration
www.ti.com
1484 SWCU117F–February 2015–Revised June 2016
Submit Documentation Feedback
Copyright © 2015–2016, Texas Instruments Incorporated
Synchronous Serial Interface (SSI)
20.6.1.2 CR1 Register (Offset = 4h) [reset = 0h]
CR1 is shown in Figure 20-14 and described in Table 20-4.
Return to Summary Table.
Control 1
Figure 20-14. CR1 Register
31 30 29 28 27 26 25 24 23 22 21 20 19 18 17 16
RESERVED
R-0h
15 14 13 12 11 10 9 8 7 6 5 4 3 2 1 0
RESERVED SOD MS SSE LBM
R-0h R/W-
0h R/W-
0h R/W-
0h R/W-
0h
Table 20-4. CR1 Register Field Descriptions
Bit Field Type Reset Description
31-4 RESERVED R 0h Software should not rely on the value of a reserved. Writing any
other value than the reset value may result in undefined behavior.
3 SOD R/W 0h Slave-mode output disabled
This bit is relevant only in the slave mode, MS=1. In multiple-slave
systems, it is possible for an SSI master to broadcast a message to
all slaves in the system while ensuring that only one slave drives
data onto its serial output line. In such systems the RXD lines from
multiple slaves could be tied together. To operate in such systems,
this bitfield can be set if the SSI slave is not supposed to drive the
TXD line:
0: SSI can drive the TXD output in slave mode.
1: SSI cannot drive the TXD output in slave mode.
2 MS R/W 0h Master or slave mode select. This bit can be modified only when SSI
is disabled, SSE=0.
0h = Device configured as master
1h = Device configured as slave
1 SSE R/W 0h Synchronous serial interface enable.
0h = SSI_DISABLED : Operation disabled
1h = SSI_ENABLED : Operation enabled
0 LBM R/W 0h Loop back mode:
0: Normal serial port operation enabled.
1: Output of transmit serial shifter is connected to input of receive
serial shifter internally.

www.ti.com
Initialization and Configuration
1485
SWCU117F–February 2015–Revised June 2016
Submit Documentation Feedback Copyright © 2015–2016, Texas Instruments Incorporated
Synchronous Serial Interface (SSI)
20.6.1.3 DR Register (Offset = 8h) [reset = X]
DR is shown in Figure 20-15 and described in Table 20-5.
Return to Summary Table.
Data
16-bits wide data register:
When read, the entry in the receive FIFO, pointed to by the current FIFO read pointer, is accessed. As
data values are removed by the receive logic from the incoming data frame, they are placed into the entry
in the receive FIFO, pointed to by the current FIFO write pointer.
When written, the entry in the transmit FIFO, pointed to by the write pointer, is written to. Data values are
removed from the transmit FIFO one value at a time by the transmit logic. It is loaded into the transmit
serial shifter, then serially shifted out onto the TXD output pin at the programmed bit rate.
When a data size of less than 16 bits is selected, the user must right-justify data written to the transmit
FIFO. The transmit logic ignores the unused bits. Received data less than 16 bits is automatically right-
justified in the receive buffer.
Figure 20-15. DR Register
31 30 29 28 27 26 25 24 23 22 21 20 19 18 17 16 15 14 13 12 11 10 9 8 7 6 5 4 3 2 1 0
RESERVED DATA
R-0h R/W-X
Table 20-5. DR Register Field Descriptions
Bit Field Type Reset Description
31-16 RESERVED R 0h Software should not rely on the value of a reserved. Writing any
other value than the reset value may result in undefined behavior.
15-0 DATA R/W X Transmit/receive data
The values read from this field or written to this field must be right-
justified when SSI is programmed for a data size that is less than 16
bits (CR0.DSS != 0b1111). Unused bits at the top are ignored by
transmit logic. The receive logic automatically right-justifies.

Initialization and Configuration
www.ti.com
1486 SWCU117F–February 2015–Revised June 2016
Submit Documentation Feedback
Copyright © 2015–2016, Texas Instruments Incorporated
Synchronous Serial Interface (SSI)
20.6.1.4 SR Register (Offset = Ch) [reset = 3h]
SR is shown in Figure 20-16 and described in Table 20-6.
Return to Summary Table.
Status
Figure 20-16. SR Register
31 30 29 28 27 26 25 24 23 22 21 20 19 18 17 16
RESERVED
R-0h
15 14 13 12 11 10 9 8 7 6 5 4 3 2 1 0
RESERVED BSY RFF RNE TNF TFE
R-0h R-0h R-0h R-0h R-1h R-1h
Table 20-6. SR Register Field Descriptions
Bit Field Type Reset Description
31-5 RESERVED R 0h Software should not rely on the value of a reserved. Writing any
other value than the reset value may result in undefined behavior.
4 BSY R 0h Serial interface busy:
0: SSI is idle
1: SSI is currently transmitting and/or receiving a frame or the
transmit FIFO is not empty.
3 RFF R 0h Receive FIFO full:
0: Receive FIFO is not full.
1: Receive FIFO is full.
2 RNE R 0h Receive FIFO not empty
0: Receive FIFO is empty.
1: Receive FIFO is not empty.
1 TNF R 1h Transmit FIFO not full:
0: Transmit FIFO is full.
1: Transmit FIFO is not full.
0 TFE R 1h Transmit FIFO empty:
0: Transmit FIFO is not empty.
1: Transmit FIFO is empty.

www.ti.com
Initialization and Configuration
1487
SWCU117F–February 2015–Revised June 2016
Submit Documentation Feedback Copyright © 2015–2016, Texas Instruments Incorporated
Synchronous Serial Interface (SSI)
20.6.1.5 CPSR Register (Offset = 10h) [reset = 0h]
CPSR is shown in Figure 20-17 and described in Table 20-7.
Return to Summary Table.
Clock Prescale
Figure 20-17. CPSR Register
31 30 29 28 27 26 25 24 23 22 21 20 19 18 17 16 15 14 13 12 11 10 9 8 7 6 5 4 3 2 1 0
RESERVED CPSDVSR
R-0h R/W-0h
Table 20-7. CPSR Register Field Descriptions
Bit Field Type Reset Description
31-8 RESERVED R 0h Software should not rely on the value of a reserved. Writing any
other value than the reset value may result in undefined behavior.
7-0 CPSDVSR R/W 0h Clock prescale divisor:
This field specifies the division factor by which the input system
clock to SSI must be internally divided before further use.
The value programmed into this field must be an even non-zero
number (2-254). The least significant bit of the programmed number
is hard-coded to zero. If an odd number is written to this register,
data read back from
this register has the least significant bit as zero.

Initialization and Configuration
www.ti.com
1488 SWCU117F–February 2015–Revised June 2016
Submit Documentation Feedback
Copyright © 2015–2016, Texas Instruments Incorporated
Synchronous Serial Interface (SSI)
20.6.1.6 IMSC Register (Offset = 14h) [reset = 0h]
IMSC is shown in Figure 20-18 and described in Table 20-8.
Return to Summary Table.
Interrupt Mask Set and Clear
Figure 20-18. IMSC Register
31 30 29 28 27 26 25 24
RESERVED
R-0h
23 22 21 20 19 18 17 16
RESERVED
R-0h
15 14 13 12 11 10 9 8
RESERVED
R-0h
76543210
RESERVED TXIM RXIM RTIM RORIM
R-0h R/W-0h R/W-0h R/W-0h R/W-0h
Table 20-8. IMSC Register Field Descriptions
Bit Field Type Reset Description
31-4 RESERVED R 0h Software should not rely on the value of a reserved. Writing any
other value than the reset value may result in undefined behavior.
3 TXIM R/W 0h Transmit FIFO interrupt mask:
A read returns the current mask for transmit FIFO interrupt. On a
write of 1, the mask for transmit FIFO interrupt is set which means
the interrupt state will be reflected in MIS.TXMIS. A write of 0 clears
the mask which means MIS.TXMIS will not reflect the interrupt.
2 RXIM R/W 0h Receive FIFO interrupt mask:
A read returns the current mask for receive FIFO interrupt. On a
write of 1, the mask for receive FIFO interrupt is set which means
the interrupt state will be reflected in MIS.RXMIS. A write of 0 clears
the mask which means MIS.RXMIS will not reflect the interrupt.
1 RTIM R/W 0h Receive timeout interrupt mask:
A read returns the current mask for receive timeout interrupt. On a
write of 1, the mask for receive timeout interrupt is set which means
the interrupt state will be reflected in MIS.RTMIS. A write of 0 clears
the mask which means MIS.RTMIS will not reflect the interrupt.
0 RORIM R/W 0h Receive overrun interrupt mask:
A read returns the current mask for receive overrun interrupt. On a
write of 1, the mask for receive overrun interrupt is set which means
the interrupt state will be reflected in MIS.RORMIS. A write of 0
clears the mask which means MIS.RORMIS will not reflect the
interrupt.

www.ti.com
Initialization and Configuration
1489
SWCU117F–February 2015–Revised June 2016
Submit Documentation Feedback Copyright © 2015–2016, Texas Instruments Incorporated
Synchronous Serial Interface (SSI)
20.6.1.7 RIS Register (Offset = 18h) [reset = 8h]
RIS is shown in Figure 20-19 and described in Table 20-9.
Return to Summary Table.
Raw Interrupt Status
Figure 20-19. RIS Register
31 30 29 28 27 26 25 24
RESERVED
R-0h
23 22 21 20 19 18 17 16
RESERVED
R-0h
15 14 13 12 11 10 9 8
RESERVED
R-0h
76543210
RESERVED TXRIS RXRIS RTRIS RORRIS
R-0h R-1h R-0h R-0h R-0h
Table 20-9. RIS Register Field Descriptions
Bit Field Type Reset Description
31-4 RESERVED R 0h Software should not rely on the value of a reserved. Writing any
other value than the reset value may result in undefined behavior.
3 TXRIS R 1h Raw transmit FIFO interrupt status:
The transmit interrupt is asserted when there are four or fewer valid
entries in the transmit FIFO. The transmit interrupt is not qualified
with the SSI enable signal. Therefore one of the following ways can
be used:
- data can be written to the transmit FIFO prior to enabling the SSI
and the
interrupts.
- SSI and interrupts can be enabled so that data can be written to
the transmit FIFO by an interrupt service routine.
2 RXRIS R 0h Raw interrupt state of receive FIFO interrupt:
The receive interrupt is asserted when there are four or more valid
entries in the receive FIFO.
1 RTRIS R 0h Raw interrupt state of receive timeout interrupt:
The receive timeout interrupt is asserted when the receive FIFO is
not empty and SSI has remained idle for a fixed 32 bit period. This
mechanism can be used to notify the user that data is still present in
the receive FIFO and requires servicing. This interrupt is deasserted
if the receive FIFO becomes empty by subsequent reads, or if new
data is received on RXD.
It can also be cleared by writing to ICR.RTIC.
0 RORRIS R 0h Raw interrupt state of receive overrun interrupt:
The receive overrun interrupt is asserted when the FIFO is already
full and an additional data frame is received, causing an overrun of
the FIFO. Data is over-written in the
receive shift register, but not the FIFO so the FIFO contents stay
valid.
It can also be cleared by writing to ICR.RORIC.

Initialization and Configuration
www.ti.com
1490 SWCU117F–February 2015–Revised June 2016
Submit Documentation Feedback
Copyright © 2015–2016, Texas Instruments Incorporated
Synchronous Serial Interface (SSI)
20.6.1.8 MIS Register (Offset = 1Ch) [reset = 0h]
MIS is shown in Figure 20-20 and described in Table 20-10.
Return to Summary Table.
Masked Interrupt Status
Figure 20-20. MIS Register
31 30 29 28 27 26 25 24
RESERVED
R-0h
23 22 21 20 19 18 17 16
RESERVED
R-0h
15 14 13 12 11 10 9 8
RESERVED
R-0h
76543210
RESERVED TXMIS RXMIS RTMIS RORMIS
R-0h R-0h R-0h R-0h R-0h
Table 20-10. MIS Register Field Descriptions
Bit Field Type Reset Description
31-4 RESERVED R 0h Software should not rely on the value of a reserved. Writing any
other value than the reset value may result in undefined behavior.
3 TXMIS R 0h Masked interrupt state of transmit FIFO interrupt:
This field returns the masked interrupt state of transmit FIFO
interrupt which is the AND product of raw interrupt state RIS.TXRIS
and the mask setting IMSC.TXIM.
2 RXMIS R 0h Masked interrupt state of receive FIFO interrupt:
This field returns the masked interrupt state of receive FIFO interrupt
which is the AND product of raw interrupt state RIS.RXRIS and the
mask setting IMSC.RXIM.
1 RTMIS R 0h Masked interrupt state of receive timeout interrupt:
This field returns the masked interrupt state of receive timeout
interrupt which is the AND product of raw interrupt state RIS.RTRIS
and the mask setting IMSC.RTIM.
0 RORMIS R 0h Masked interrupt state of receive overrun interrupt:
This field returns the masked interrupt state of receive overrun
interrupt which is the AND product of raw interrupt state
RIS.RORRIS and the mask setting IMSC.RORIM.

www.ti.com
Initialization and Configuration
1491
SWCU117F–February 2015–Revised June 2016
Submit Documentation Feedback Copyright © 2015–2016, Texas Instruments Incorporated
Synchronous Serial Interface (SSI)
20.6.1.9 ICR Register (Offset = 20h) [reset = 0h]
ICR is shown in Figure 20-21 and described in Table 20-11.
Return to Summary Table.
Interrupt Clear
On a write of 1, the corresponding interrupt is cleared. A write of 0 has no effect.
Figure 20-21. ICR Register
31 30 29 28 27 26 25 24
RESERVED
W-0h
23 22 21 20 19 18 17 16
RESERVED
W-0h
15 14 13 12 11 10 9 8
RESERVED
W-0h
76543210
RESERVED RTIC RORIC
W-0h W-0h W-0h
Table 20-11. ICR Register Field Descriptions
Bit Field Type Reset Description
31-2 RESERVED W 0h Software should not rely on the value of a reserved. Writing any
other value than the reset value may result in undefined behavior.
1 RTIC W 0h Clear the receive timeout interrupt:
Writing 1 to this field clears the timeout interrupt (RIS.RTRIS).
Writing 0 has no effect.
0 RORIC W 0h Clear the receive overrun interrupt:
Writing 1 to this field clears the overrun error interrupt
(RIS.RORRIS). Writing 0 has no effect.

Initialization and Configuration
www.ti.com
1492 SWCU117F–February 2015–Revised June 2016
Submit Documentation Feedback
Copyright © 2015–2016, Texas Instruments Incorporated
Synchronous Serial Interface (SSI)
20.6.1.10 DMACR Register (Offset = 24h) [reset = 0h]
DMACR is shown in Figure 20-22 and described in Table 20-12.
Return to Summary Table.
DMA Control
Figure 20-22. DMACR Register
31 30 29 28 27 26 25 24
RESERVED
R-0h
23 22 21 20 19 18 17 16
RESERVED
R-0h
15 14 13 12 11 10 9 8
RESERVED
R-0h
76543210
RESERVED TXDMAE RXDMAE
R-0h R/W-0h R/W-0h
Table 20-12. DMACR Register Field Descriptions
Bit Field Type Reset Description
31-2 RESERVED R 0h Software should not rely on the value of a reserved. Writing any
other value than the reset value may result in undefined behavior.
1 TXDMAE R/W 0h Transmit DMA enable. If this bit is set to 1, DMA for the transmit
FIFO is enabled.
0 RXDMAE R/W 0h Receive DMA enable. If this bit is set to 1, DMA for the receive FIFO
is enabled.

1493
SWCU117F–February 2015–Revised June 2016
Submit Documentation Feedback Copyright © 2015–2016, Texas Instruments Incorporated
Inter-Integrated Circuit (I2C) Interface
Chapter 21
SWCU117F–February 2015–Revised June 2016
Inter-Integrated Circuit (I2C) Interface
This chapter describes the inter-integrated circuit interface.
Topic ........................................................................................................................... Page
21.1 Inter-Integrated Circuit Interface ....................................................................... 1494
21.2 Block Diagram................................................................................................ 1494
21.3 Functional Description .................................................................................... 1495
21.4 Initialization and Configuration......................................................................... 1506

I2C_MDR
I2C_MTPR
I2C_MCTRL
I2C_MSA
I2C Control
I2C_MMIS
I2C_MICR
I2C_MRIS
I2C_MIMR
I2C_MCR
I2C_SDR
I2C_SIMR
I2C_SCTL
I2C_SOAR
I2C_SICR
I2C_SMIS
I2C_SRIS
I2C Master Core
I2C Slave Core
I2C I/O Select
I2CSDA
I2CSCL
I2CSCL
I2CSDA
I2CSDA
I2CSCL
Inter-Integrated Circuit Interface
www.ti.com
1494 SWCU117F–February 2015–Revised June 2016
Submit Documentation Feedback
Copyright © 2015–2016, Texas Instruments Incorporated
Inter-Integrated Circuit (I2C) Interface
21.1 Inter-Integrated Circuit Interface
The I2C bus provides bidirectional data transfer through a 2-wire design, a serial data line (SDA) and a
serial clock line (SCL), and interfaces to external I2C devices such as serial memory (RAMs and ROMs),
networking devices, LCDs, tone generators, and so forth. The I2C bus may also be used for system testing
and diagnostic purposes in product development and manufacture. The CC26xx and CC13xx devices
include one I2C module, which provides the ability to interact (both transmit and receive) with other I2C
devices on the bus.
The CC26xx and CC13xx devices include one I2C module with the following features:
• Devices on the I2C bus can be designated as either a master or a slave:
– Supports both transmitting and receiving data as either a master or a slave
– Supports simultaneous master and slave operation
• Four I2C modes:
– Master transmit
– Master receive
– Slave transmit
– Slave receive
• Two transmission speeds: standard (100 Kbps) and fast (400 Kbps)
• Master and slave interrupt generation:
– Master generates interrupts when a transmit or receive operation completes (or aborts due to an
error).
– Slave generates interrupts when data has been transferred or requested by a master or when a
Start or Stop condition is detected.
• Master with arbitration and clock synchronization, multimaster support, and 7-bit addressing mode
21.2 Block Diagram
Figure 21-1 shows the I2C block diagram.
Figure 21-1. I2C Block Diagram

SDA
SCL Start
condition
SDA
SCL Stop
condition
CC26xx/CC13xx
RPUP RPUP
I2C Bus
SCL
SDA
Third-party device with I2C
interface Third-party device with I2C
interface
SDA SDAI2CSDAI2CSCL SCL SCL
www.ti.com
Functional Description
1495
SWCU117F–February 2015–Revised June 2016
Submit Documentation Feedback Copyright © 2015–2016, Texas Instruments Incorporated
Inter-Integrated Circuit (I2C) Interface
21.3 Functional Description
The I2C module is comprised of both master and slave functions. For proper operation, the SDA pin must
be configured as an open-drain signal. Figure 21-2 shows a typical I2C bus configuration.
Figure 21-2. I2C Bus Configuration
21.3.1 I2C Bus Functional Overview
The I2C bus uses only two signals: SDA and SCL, named I2CSDA and I2CSCL on the CC26xx and
CC13xx controllers. SDA is the bidirectional serial data line and SCL line is the bidirectional serial clock
line. The bus is considered idle when both lines are high.
Every transaction on the I2C bus is 9 bits long, consisting of 8 data bits and 1 acknowledge bit. The
number of bytes per transfer (defined as the time between a valid Start and Stop condition, described in
Section 21.3.1.1) is unrestricted, an acknowledge bit must follow each byte, and data must be transferred
by the MSB first. When a receiver cannot receive another complete byte, the receiver can hold the clock
line SCL low and force the transmitter into a wait state. The data transfer continues when the receiver
releases the clock SCL.
21.3.1.1 Start and Stop Conditions
The protocol of the I2C bus defines two states to begin and end a transaction: Start and Stop. A high-to-
low transition on the SDA line while the SCL is high is defined as a Start condition, and a low-to-high
transition on the SDA line while the SCL line is high is defined as a Stop condition. The bus is considered
busy after a Start condition and free after a Stop condition (see Figure 21-3).
Figure 21-3. Start and Stop Conditions
The STOP bit determines if the cycle stops at the end of the data cycle or continues on to a Repeated
Start condition. To generate a single transmit cycle, the I2C Master Slave Address I2C:MSA register is
written with the desired address, the R/S bit is cleared, and the control register, I2C:MCTRL, is written with
ACK = X (0 or 1), STOP = 1, START = 1, and RUN = 1 to perform the operation and stop. When the
operation is completed (or aborted due an error), the interrupt pin becomes active and the data is readable
from the I2C Master Data I2C:MDR register. When the I2C module operates in master receiver mode, the
ACK bit is normally set, causing the I2C bus controller to transmit an acknowledge automatically after each
byte. When the I2C bus controller requires no further data transmission from the slave transmitter, the ACK
bit must be cleared.

Change
of data
allow
Data line
stable
SDA
SCL
Functional Description
www.ti.com
1496 SWCU117F–February 2015–Revised June 2016
Submit Documentation Feedback
Copyright © 2015–2016, Texas Instruments Incorporated
Inter-Integrated Circuit (I2C) Interface
When operating in slave mode, 2 bits in the I2C Slave Raw Interrupt Status I2C:SRIS register indicate
detection of Start and Stop conditions on the bus, while 2 bits in the I2C Slave Masked Interrupt Status
I2C:SMIS register allow promotion of Start and Stop conditions to controller interrupts (when interrupts are
enabled).
21.3.1.2 Data Format With 7-bit Address
Data transfers follow the format shown in Figure 21-4. After the Start condition, a slave address is
transmitted. This address is 7 bits long followed by an eighth bit, which is a data direction bit (the R/S bit
in the I2C:MSA register). If the RS bit is clear, it indicates a transmit operation (send), and if it is set, it
indicates a request for data (receive). A data transfer is always terminated by a Stop condition generated
by the master; however, a master can initiate communications with another device on the bus, by
generating a Repeated Start condition and addressing another slave without first generating a Stop
condition. Various combinations of receive and transmit formats are then possible within a single transfer.
Figure 21-4. Complete Data Transfer With a 7-bit Address
The first 7 bits of the first byte comprise the slave address (see Figure 21-5). The eighth bit determines
the direction of the message. A 0 in the R/S position of the first byte means that the master transmits
(sends) data to the selected slave, and a 1 in this position means that the master receives data from the
slave.
Figure 21-5. R/S Bit in First Byte
21.3.1.3 Data Validity
The SDA line must contain stable data during the high period of the clock, and the data line can change
only when SCL is low (see Figure 21-6).
Figure 21-6. Data Validity During Bit Transfer on the I2C Bus
21.3.1.4 Acknowledge
All bus transactions have a required acknowledge clock cycle generated by the master. During the
acknowledge cycle, the transmitter (master or slave) releases the SDA line. To acknowledge the
transaction, the receiver must pull down SDA during the acknowledge clock cycle. The data transmitted by
the receiver during the acknowledge cycle must comply with the data validity requirements described in
Section 21.3.1.3,Data Validity.
When a slave receiver does not acknowledge the slave address, the slave must leave SDA high so that
the master can generate a Stop condition and abort the current transfer. If the master device is acting as a
receiver during a transfer, it is responsible for acknowledging each transfer made by the slave. Because
the master controls the number of bytes in the transfer, it signals the end of data to the slave transmitter
by not generating an acknowledge on the last data byte. The slave transmitter must then release SDA to
let the master generate a Stop or a Repeated Start condition.

www.ti.com
Functional Description
1497
SWCU117F–February 2015–Revised June 2016
Submit Documentation Feedback Copyright © 2015–2016, Texas Instruments Incorporated
Inter-Integrated Circuit (I2C) Interface
21.3.1.5 Arbitration
A master may start a transfer only if the bus is idle. Two or more masters can generate a Start condition
within minimum hold time of the Start condition. In these situations, an arbitration scheme occurs on the
SDA line, while SCL is high. During arbitration, the first of the competing master devices to place 1 (high)
on SDA while another master transmits 0 (low) switches off its data output stage, and retires until the bus
is idle again.
Arbitration can occur over several bits. The first stage of arbitration is a comparison of address bits; if both
masters are trying to address the same device, arbitration continues to the comparison of data bits.
21.3.2 Available Speed Modes
The I2C bus can run in either standard mode (100 kbps) or fast mode (400 kbps). The selected mode must
match the speed of the other I2C devices on the bus.
21.3.2.1 Standard and Fast Modes
Standard and fast modes are selected using a value in the I2C Master Timer Period I2C:MTPR register
that results in an SCL frequency of 100 kbps for standard mode, or 400 kbps for fast mode.
The I2C clock rate is determined by the parameters CLK_PRD, TIMER_PRD, SCL_LP, and SCL_HP
where:
• CLK_PRD is the system clock period.
• TIMER_PRD is the programmed value in the I2C:MTPR register.
• SCL_LP is the low phase of SCL (fixed at 6).
• SCL_HP is the high phase of SCL (fixed at 4).
The I2C clock period is calculated as follows:
SCL_PERIOD = 2 × (1 + TIMER_PRD) × (SCL_LP + SCL_HP) × CLK_PRD (7)
For example:
CLK_PRD = 50 ns
TIMER_PRD = 2
SCL_LP = 6
SCL_HP = 4
yields a SCL frequency of:
1/SCL_PERIOD = 333 kHz
Table 21-1 lists examples of the timer periods used to generate both standard and fast-mode SCL
frequencies, based on various system clock frequencies.
Table 21-1. Examples of I2C Master Timer Period versus Speed Mode
System Clock (MHz) Timer Period Standard Mode (kpbs) Timer Period Fast Mode (kbps)
4 0x01 100 – –
8 0x03 100 0x01 –
16 0x07 100 0x01 400

Functional Description
www.ti.com
1498 SWCU117F–February 2015–Revised June 2016
Submit Documentation Feedback
Copyright © 2015–2016, Texas Instruments Incorporated
Inter-Integrated Circuit (I2C) Interface
21.3.3 Interrupts
The I2C can generate interrupts when the following conditions are observed:
• Master transaction completed
• Master arbitration lost
• Master transaction error
• Master bus time-out
• Slave transaction received
• Slave transaction requested
• Stop condition on bus detected
• Start condition on bus detected
The I2C master and I2C slave modules have separate interrupt signals. While both modules can generate
interrupts for multiple conditions, only a single interrupt signal is sent to the interrupt controller (INTC).
21.3.3.1 I2C Master Interrupts
The I2C master module generates an interrupt when a transaction completes (either transmit or receive),
when arbitration is lost, or when an error occurs during a transaction. To enable the I2C master interrupt,
software must set the IM bit in the I2C Master Interrupt Mask Register, I2C:MIMR. When an interrupt
condition is met, software must check the I2C Master Control and Status Register (I2C:MSTAT) ERR and
ARBLST bits to verify that an error did not occur during the last transaction, and to ensure that arbitration
has not been lost. An error condition is asserted if the last transaction was not acknowledged by the slave.
If an error is not detected and the master has not lost arbitration, the application can proceed with the
transfer. The interrupt is cleared by setting the IC bit in the I2C Master Interrupt Clear Register (I2C:MICR)
to 1.
If the application does not require the use of interrupts, the raw interrupt status is always visible through
the I2C Master Raw Interrupt Status Register (I2C:MRIS).
21.3.3.2 I2C Slave Interrupts
The slave module can generate an interrupt when data is received or requested. This interrupt is enabled
by setting the in the I2C Slave Interrupt Mask Register (I2C:SIMR). Software determines whether the
module must write (transmit) or read (receive) data from the I2C Slave Data Register (I2C:SDR) DATAIM
bit, by checking the RREQ and TREQ bits of the I2C Slave Control and Status Register (I2C:SSTAT). If
the slave module is in receive mode and the first byte of a transfer is received, the FBR and RREQ bits
are set. The interrupt is cleared by setting the I2C Slave Interrupt Clear Register (I2C:SICR) DATAIC bit.
In addition, the slave module generates an interrupt when a Start and a Stop condition is detected. These
interrupts are enabled by setting the I2C:SIMR register STARTIM and STOPIM bits; these interrupts are
cleared by setting the I2C:SICR register STOPIC and STARTIC bits to 1.
If the application does not require the use of interrupts, the raw interrupt status is always visible through
the I2C Slave Raw Interrupt Status Register (I2C:SRIS).
21.3.4 Loopback Operation
The I2C modules can be placed into an internal-loopback mode for diagnostic or debug work by setting the
I2C Master Configuration Register (I2C:MCR) LPBK bit. In loopback mode, the SDA and SCL signals from
the master and slave modules are tied together.
21.3.5 Command Sequence Flow Charts
This section details the steps required to perform the various I2C transfer types in both master and slave
mode. To do this, the SDA and SCL signal configuration must be done in the IOC:IOCFG register.

Idle
Write slave
address to
I2C_MSA
Write data to
I2C_MDR
Read I2C_MSTAT
Read I2C_MSTAT
Write 0 t 111 to
I2C_MCTRL
BUSY bit = 0?
BUSY bit = 0? ERR bit = 0? Idle
Error service
Yes
No
Yes
No
Yes
No
Sequence may be omitted in
a single master system.
www.ti.com
Functional Description
1499
SWCU117F–February 2015–Revised June 2016
Submit Documentation Feedback Copyright © 2015–2016, Texas Instruments Incorporated
Inter-Integrated Circuit (I2C) Interface
21.3.5.1 I2C Master Command Sequences
Figure 21-7 through Figure 21-12 show the command sequences available for the I2C master.
Figure 21-7. Master Single TRANSMIT

Idle
Write slave
address to
I2C_MSA
Read I2C_MSTAT
Read I2C_MSTAT
Write 0 t 111 to
I2C_MCTRL
BUSY bit = 0?
BUSY bit = 0? ERR bit = 0? Idle
Error service
Yes
No
Yes
No
Yes
No
Sequence may be omitted in
a single master system.
Read data from
I2C_MDR
Functional Description
www.ti.com
1500 SWCU117F–February 2015–Revised June 2016
Submit Documentation Feedback
Copyright © 2015–2016, Texas Instruments Incorporated
Inter-Integrated Circuit (I2C) Interface
Figure 21-8. Master Single RECEIVE

Idle
Write slave
address to
I2C_MSA
Read I2C_MSTAT
Read I2C_MSTAT
BUSY bit = 0?
BUSY bit = 0?
ERR bit = 0?
Idle
Error service
Yes
No
Yes
No
Yes
No
Sequence may be
omitted in a
single master
system.
Write 0 t 011 to
I2C_MCTRL
ERR bit = 0?
Index = n?
ARBLST bit = 1?
Idle
Write data to
I2C_MDR
BUSY bit = 0?
Write 0 t 001 to
I2C_MCTRL
Write 0 t 101 to
I2C_MCTRL
Read I2C_MSTAT
Write data to
I2C_MDR
Error serivce
Write 0 t 100 to
I2C_MCTRL
No
No
Yes
Yes
Yes
No
Yes
No
www.ti.com
Functional Description
1501
SWCU117F–February 2015–Revised June 2016
Submit Documentation Feedback Copyright © 2015–2016, Texas Instruments Incorporated
Inter-Integrated Circuit (I2C) Interface
Figure 21-9. Master TRANSMIT With Repeated Start Condition

Idle
Write slave address
to I2C_MSA
Read I2C_MSTAT
Read I2C_MSTAT
BUSY bit = 0?
BUSY bit = 0?
ERR bit = 0?Idle
Error service
No
Yes
No
Yes
No
Sequence may be
omitted in a single
master system.
Write 0 ±1011 to
I2C_MCTRL
ERR bit = 0?
Index = m - 1?
ARBLST bit = 1?
Idle
BUSY bit = 0?
Write 0 ± 1001 to
I2C_MCTRL
Write 0 ± 101 to
I2C_MCTRL
Read I2C_MSTAT
Read data from
I2C_MDR
Error serivce
Write 0 ± 100 to
I2C_MCTRL
No
No
Yes
Yes
Yes
No
Read data from
I2C_MDR NoYes
Yes
Functional Description
www.ti.com
1502 SWCU117F–February 2015–Revised June 2016
Submit Documentation Feedback
Copyright © 2015–2016, Texas Instruments Incorporated
Inter-Integrated Circuit (I2C) Interface
Figure 21-10. Master RECEIVE With Repeated Start Condition

Idle
Idle
Mater operates in master
transmit mode.
Stop condition is not
generated.
Write slave address
to I2C_MSA
Write 01011 to
I2C_MCTRL
Master operates in master
receive mode.
Repeated Start condition is
generated with changing data
direction.
www.ti.com
Functional Description
1503
SWCU117F–February 2015–Revised June 2016
Submit Documentation Feedback Copyright © 2015–2016, Texas Instruments Incorporated
Inter-Integrated Circuit (I2C) Interface
Figure 21-11. Master RECEIVE With Repeated Start After TRANSMIT With Repeated Start Condition

Idle
Idle
Mater operates in master
receive mode.
Stop condition is not
generated.
Write slave address
to I2C_MSA
Write 0-011 to
I2C_MCTRL
Master operates in master
transmit mode.
Repeated Start condition is
generated with changing data
direction.
Functional Description
www.ti.com
1504 SWCU117F–February 2015–Revised June 2016
Submit Documentation Feedback
Copyright © 2015–2016, Texas Instruments Incorporated
Inter-Integrated Circuit (I2C) Interface
Figure 21-12. Master TRANSMIT With Repeated Start After RECEIVE With Repeated Start Condition

Idle
Write OWN slave
address to
I2C_SOAR
Write -----1 to
I2C_SCTL
Read I2C_SSTAT
TREQ bit = 1? RREQ bit = 1?
Yes
No
No
Write data to
I2C_SDR
Yes
FBR is
also valid
Write data to
I2C_SDR
www.ti.com
Functional Description
1505
SWCU117F–February 2015–Revised June 2016
Submit Documentation Feedback Copyright © 2015–2016, Texas Instruments Incorporated
Inter-Integrated Circuit (I2C) Interface
21.3.5.2 I2C Slave Command Sequences
Figure 21-13 shows the command sequence available for the I2C slave.
Figure 21-13. Slave Command Sequence

Initialization and Configuration
www.ti.com
1506 SWCU117F–February 2015–Revised June 2016
Submit Documentation Feedback
Copyright © 2015–2016, Texas Instruments Incorporated
Inter-Integrated Circuit (I2C) Interface
21.4 Initialization and Configuration
The following example shows how to configure the I2C module to transmit a single byte as a master. This
assumes the system clock is 24 MHz.
1. Enable the serial power domain and enable the I2C module in PRCM by writing to the
PRCM:I2CCLKGR register, the PRCM:I2CCLKGS register, the PRCM:I2CCLKGDS register, or by
using the following driver library functions:
PRCMPeripheralRunEnabe(uint32_t)
PRCMPeripheralSleepEnable(uint32_t)
PRCMPeripheralDeepSLeepEnable(uint32_t)
and loading the setting to clock controller by writing to the PRCM:CLKLOADCTL register
or by using the driverlib function PRCMLoadSet().
2. Configure the IOC module to route the SDA and SCL signals from I/Os to the I2C module.
3. Initialize the I2C master by writing the I2C:MCR register with a value of 0x0000 0010.
4. Set the desired SCL clock speed of 100 kbps by writing the I2C:MTPR register with the correct value.
The value written to the I2C:MTPR register represents the number of system clock periods in one SCL
clock period. The TPR value is determined by Equation 8 through Equation 10.
TPR = (PERDMACLK / (2 × (SCL_LP + SCL_HP) × SCL_CLK)) – 1 (8)
TPR = (24 MHz / (2 × (6 + 4) × 100000)) – 1 (9)
TPR = 11 (10)
Write the I2C:MTPR register with the value of 0x0000 000B.
5. Specify the slave address of the master and that the next operation is a transmit by writing the
I2C:MSA register with a value of 0x0000 0076, which sets the slave address to 0x3B.
6. Place data (byte) to be transmitted in the data register by writing the I2C:MDR register with the desired
data.
7. Initiate a single-byte transmit of the data from master to slave by writing the I2C:MCTRL register with a
value of 0x0000 0007 (Stop, Start, Run).
8. Wait until the transmission completes by polling the I2C:MSTAT BUSBSY register bit until it is cleared.
9. Check the I2C:MSTAT ERR register bit to confirm the transmit was acknowledged.

www.ti.com
Initialization and Configuration
1507
SWCU117F–February 2015–Revised June 2016
Submit Documentation Feedback Copyright © 2015–2016, Texas Instruments Incorporated
Inter-Integrated Circuit (I2C) Interface
21.4.1 I2C Registers
Table 21-2 lists the memory-mapped registers for the I2C. All register offset addresses not listed in
Table 21-2 should be considered as reserved locations and the register contents should not be modified.
Table 21-2. I2C Registers
Offset Acronym Register Name Section
0h SOAR Slave Own Address Section 21.4.1.1
4h SSTAT Slave Status Section 21.4.1.2
4h SCTL Slave Control Section 21.4.1.3
8h SDR Slave Data Section 21.4.1.4
Ch SIMR Slave Interrupt Mask Section 21.4.1.5
10h SRIS Slave Raw Interrupt Status Section 21.4.1.6
14h SMIS Slave Masked Interrupt Status Section 21.4.1.7
18h SICR Slave Interrupt Clear Section 21.4.1.8
800h MSA Master Salve Address Section 21.4.1.9
804h MSTAT Master Status Section 21.4.1.10
804h MCTRL Master Control Section 21.4.1.11
808h MDR Master Data Section 21.4.1.12
80Ch MTPR I2C Master Timer Period Section 21.4.1.13
810h MIMR Master Interrupt Mask Section 21.4.1.14
814h MRIS Master Raw Interrupt Status Section 21.4.1.15
818h MMIS Master Masked Interrupt Status Section 21.4.1.16
81Ch MICR Master Interrupt Clear Section 21.4.1.17
820h MCR Master Configuration Section 21.4.1.18

Initialization and Configuration
www.ti.com
1508 SWCU117F–February 2015–Revised June 2016
Submit Documentation Feedback
Copyright © 2015–2016, Texas Instruments Incorporated
Inter-Integrated Circuit (I2C) Interface
21.4.1.1 SOAR Register (Offset = 0h) [reset = 0h]
SOAR is shown in Figure 21-14 and described in Table 21-3.
Return to Summary Table.
Slave Own Address
This register consists of seven address bits that identify this I2C device on the I2C bus.
Figure 21-14. SOAR Register
31 30 29 28 27 26 25 24 23 22 21 20 19 18 17 16 15 14 13 12 11 10 9 8 7 6 5 4 3 2 1 0
RESERVED OAR
R-0h R/W-0h
Table 21-3. SOAR Register Field Descriptions
Bit Field Type Reset Description
31-7 RESERVED R 0h Software should not rely on the value of a reserved. Writing any
other value than the reset value may result in undefined behavior.
6-0 OAR R/W 0h I2C slave own address
This field specifies bits a6 through a0 of the slave address.

www.ti.com
Initialization and Configuration
1509
SWCU117F–February 2015–Revised June 2016
Submit Documentation Feedback Copyright © 2015–2016, Texas Instruments Incorporated
Inter-Integrated Circuit (I2C) Interface
21.4.1.2 SSTAT Register (Offset = 4h) [reset = 0h]
SSTAT is shown in Figure 21-15 and described in Table 21-4.
Return to Summary Table.
Slave Status
Note: This register shares address with SCTL, meaning that this register functions as a control register
when written, and a status register when read.
Figure 21-15. SSTAT Register
31 30 29 28 27 26 25 24
RESERVED
R-0h
23 22 21 20 19 18 17 16
RESERVED
R-0h
15 14 13 12 11 10 9 8
RESERVED
R-0h
76543210
RESERVED FBR TREQ RREQ
R-0h R-0h R-0h R-0h
Table 21-4. SSTAT Register Field Descriptions
Bit Field Type Reset Description
31-3 RESERVED R 0h Software should not rely on the value of a reserved. Writing any
other value than the reset value may result in undefined behavior.
2 FBR R 0h First byte received
0: The first byte has not been received.
1: The first byte following the slave's own address has been
received.
This bit is only valid when the RREQ bit is set and is automatically
cleared when data has been read from the SDR register.
Note: This bit is not used for slave transmit operations.
1 TREQ R 0h Transmit request
0: No outstanding transmit request.
1: The I2C controller has been addressed as a slave transmitter and
is using clock stretching to delay the master until data has been
written to the SDR register.
0 RREQ R 0h Receive request
0: No outstanding receive data
1: The I2C controller has outstanding receive data from the I2C
master and is using clock stretching to delay the master until data
has been read from the SDR register.

Initialization and Configuration
www.ti.com
1510 SWCU117F–February 2015–Revised June 2016
Submit Documentation Feedback
Copyright © 2015–2016, Texas Instruments Incorporated
Inter-Integrated Circuit (I2C) Interface
21.4.1.3 SCTL Register (Offset = 4h) [reset = 0h]
SCTL is shown in Figure 21-16 and described in Table 21-5.
Return to Summary Table.
Slave Control
Note: This register shares address with SSTAT, meaning that this register functions as a control register
when written, and a status register when read.
Figure 21-16. SCTL Register
31 30 29 28 27 26 25 24 23 22 21 20 19 18 17 16
RESERVED
W-0h
15 14 13 12 11 10 9 8 7 6 5 4 3 2 1 0
RESERVED DA
W-0h W-0h
Table 21-5. SCTL Register Field Descriptions
Bit Field Type Reset Description
31-1 RESERVED W 0h Software should not rely on the value of a reserved field. Writing any
other value may result in undefined behavior.
0 DA W 0h Device active
0: Disables the I2C slave operation
1: Enables the I2C slave operation

www.ti.com
Initialization and Configuration
1511
SWCU117F–February 2015–Revised June 2016
Submit Documentation Feedback Copyright © 2015–2016, Texas Instruments Incorporated
Inter-Integrated Circuit (I2C) Interface
21.4.1.4 SDR Register (Offset = 8h) [reset = 0h]
SDR is shown in Figure 21-17 and described in Table 21-6.
Return to Summary Table.
Slave Data
This register contains the data to be transmitted when in the Slave Transmit state, and the data received
when in the Slave Receive state.
Figure 21-17. SDR Register
31 30 29 28 27 26 25 24 23 22 21 20 19 18 17 16 15 14 13 12 11 10 9 8 7 6 5 4 3 2 1 0
RESERVED DATA
R-0h R/W-0h
Table 21-6. SDR Register Field Descriptions
Bit Field Type Reset Description
31-8 RESERVED R 0h Software should not rely on the value of a reserved. Writing any
other value than the reset value may result in undefined behavior.
7-0 DATA R/W 0h Data for transfer
This field contains the data for transfer during a slave receive or
transmit operation. When written the register data is used as transmit
data. When read, this register returns the last data received.
Data is stored until next update, either by a system write for transmit
or by an external master for receive.

Initialization and Configuration
www.ti.com
1512 SWCU117F–February 2015–Revised June 2016
Submit Documentation Feedback
Copyright © 2015–2016, Texas Instruments Incorporated
Inter-Integrated Circuit (I2C) Interface
21.4.1.5 SIMR Register (Offset = Ch) [reset = 0h]
SIMR is shown in Figure 21-18 and described in Table 21-7.
Return to Summary Table.
Slave Interrupt Mask
This register controls whether a raw interrupt is promoted to a controller interrupt.
Figure 21-18. SIMR Register
31 30 29 28 27 26 25 24
RESERVED
R-0h
23 22 21 20 19 18 17 16
RESERVED
R-0h
15 14 13 12 11 10 9 8
RESERVED
R-0h
76543210
RESERVED STOPIM STARTIM DATAIM
R-0h R/W-0h R/W-0h R/W-0h
Table 21-7. SIMR Register Field Descriptions
Bit Field Type Reset Description
31-3 RESERVED R 0h Software should not rely on the value of a reserved. Writing any
other value than the reset value may result in undefined behavior.
2 STOPIM R/W 0h Stop condition interrupt mask
0: The SRIS.STOPRIS interrupt is suppressed and not sent to the
interrupt controller.
1: The SRIS.STOPRIS interrupt is enabled and sent to the interrupt
controller.
0h = Disable Interrupt
1h = Enable Interrupt
1 STARTIM R/W 0h Start condition interrupt mask
0: The SRIS.STARTRIS interrupt is suppressed and not sent to the
interrupt controller.
1: The SRIS.STARTRIS interrupt is enabled and sent to the interrupt
controller.
0h = Disable Interrupt
1h = Enable Interrupt
0 DATAIM R/W 0h Data interrupt mask
0: The SRIS.DATARIS interrupt is suppressed and not sent to the
interrupt controller.
1: The SRIS.DATARIS interrupt is enabled and sent to the interrupt
controller.

www.ti.com
Initialization and Configuration
1513
SWCU117F–February 2015–Revised June 2016
Submit Documentation Feedback Copyright © 2015–2016, Texas Instruments Incorporated
Inter-Integrated Circuit (I2C) Interface
21.4.1.6 SRIS Register (Offset = 10h) [reset = 0h]
SRIS is shown in Figure 21-19 and described in Table 21-8.
Return to Summary Table.
Slave Raw Interrupt Status
This register shows the unmasked interrupt status.
Figure 21-19. SRIS Register
31 30 29 28 27 26 25 24
RESERVED
R-0h
23 22 21 20 19 18 17 16
RESERVED
R-0h
15 14 13 12 11 10 9 8
RESERVED
R-0h
76543210
RESERVED STOPRIS STARTRIS DATARIS
R-0h R-0h R-0h R-0h
Table 21-8. SRIS Register Field Descriptions
Bit Field Type Reset Description
31-3 RESERVED R 0h Software should not rely on the value of a reserved. Writing any
other value than the reset value may result in undefined behavior.
2 STOPRIS R 0h Stop condition raw interrupt status
0: No interrupt
1: A Stop condition interrupt is pending.
This bit is cleared by writing a 1 to SICR.STOPIC.
1 STARTRIS R 0h Start condition raw interrupt status
0: No interrupt
1: A Start condition interrupt is pending.
This bit is cleared by writing a 1 to SICR.STARTIC.
0 DATARIS R 0h Data raw interrupt status
0: No interrupt
1: A data received or data requested interrupt is pending.
This bit is cleared by writing a 1 to the SICR.DATAIC.

Initialization and Configuration
www.ti.com
1514 SWCU117F–February 2015–Revised June 2016
Submit Documentation Feedback
Copyright © 2015–2016, Texas Instruments Incorporated
Inter-Integrated Circuit (I2C) Interface
21.4.1.7 SMIS Register (Offset = 14h) [reset = 0h]
SMIS is shown in Figure 21-20 and described in Table 21-9.
Return to Summary Table.
Slave Masked Interrupt Status
This register show which interrupt is active (based on result from SRIS and SIMR).
Figure 21-20. SMIS Register
31 30 29 28 27 26 25 24
RESERVED
R-0h
23 22 21 20 19 18 17 16
RESERVED
R-0h
15 14 13 12 11 10 9 8
RESERVED
R-0h
76543210
RESERVED STOPMIS STARTMIS DATAMIS
R-0h R-0h R-0h R-0h
Table 21-9. SMIS Register Field Descriptions
Bit Field Type Reset Description
31-3 RESERVED R 0h Software should not rely on the value of a reserved. Writing any
other value than the reset value may result in undefined behavior.
2 STOPMIS R 0h Stop condition masked interrupt status
0: An interrupt has not occurred or is masked/disabled.
1: An unmasked Stop condition interrupt is pending.
This bit is cleared by writing a 1 to the SICR.STOPIC.
1 STARTMIS R 0h Start condition masked interrupt status
0: An interrupt has not occurred or is masked/disabled.
1: An unmasked Start condition interrupt is pending.
This bit is cleared by writing a 1 to the SICR.STARTIC.
0 DATAMIS R 0h Data masked interrupt status
0: An interrupt has not occurred or is masked/disabled.
1: An unmasked data received or data requested interrupt is
pending.
This bit is cleared by writing a 1 to the SICR.DATAIC.

www.ti.com
Initialization and Configuration
1515
SWCU117F–February 2015–Revised June 2016
Submit Documentation Feedback Copyright © 2015–2016, Texas Instruments Incorporated
Inter-Integrated Circuit (I2C) Interface
21.4.1.8 SICR Register (Offset = 18h) [reset = 0h]
SICR is shown in Figure 21-21 and described in Table 21-10.
Return to Summary Table.
Slave Interrupt Clear
This register clears the raw interrupt SRIS.
Figure 21-21. SICR Register
31 30 29 28 27 26 25 24
RESERVED
W-0h
23 22 21 20 19 18 17 16
RESERVED
W-0h
15 14 13 12 11 10 9 8
RESERVED
W-0h
76543210
RESERVED STOPIC STARTIC DATAIC
W-0h W-0h W-0h W-0h
Table 21-10. SICR Register Field Descriptions
Bit Field Type Reset Description
31-3 RESERVED W 0h Software should not rely on the value of a reserved. Writing any
other value than the reset value may result in undefined behavior.
2 STOPIC W 0h Stop condition interrupt clear
Writing 1 to this bit clears SRIS.STOPRIS and SMIS.STOPMIS.
1 STARTIC W 0h Start condition interrupt clear
Writing 1 to this bit clears SRIS.STARTRIS SMIS.STARTMIS.
0 DATAIC W 0h Data interrupt clear
Writing 1 to this bit clears SRIS.DATARIS SMIS.DATAMIS.

Initialization and Configuration
www.ti.com
1516 SWCU117F–February 2015–Revised June 2016
Submit Documentation Feedback
Copyright © 2015–2016, Texas Instruments Incorporated
Inter-Integrated Circuit (I2C) Interface
21.4.1.9 MSA Register (Offset = 800h) [reset = 0h]
MSA is shown in Figure 21-22 and described in Table 21-11.
Return to Summary Table.
Master Salve Address
This register contains seven address bits of the slave to be accessed by the master (a6-a0), and an RS bit
determining if the next operation is a receive or transmit.
Figure 21-22. MSA Register
31 30 29 28 27 26 25 24 23 22 21 20 19 18 17 16
RESERVED
R-0h
15 14 13 12 11 10 9 8 7 6 5 4 3 2 1 0
RESERVED SA RS
R-0h R/W-0h R/W-
0h
Table 21-11. MSA Register Field Descriptions
Bit Field Type Reset Description
31-8 RESERVED R 0h Software should not rely on the value of a reserved. Writing any
other value than the reset value may result in undefined behavior.
7-1 SA R/W 0h I2C master slave address
Defines which slave is addressed for the transaction in master mode
0 RS R/W 0h Receive or Send
This bit-field specifies if the next operation is a receive (high) or a
transmit/send (low) from the addressed slave SA.
0h = Transmit/send data to slave
1h = Receive data from slave

www.ti.com
Initialization and Configuration
1517
SWCU117F–February 2015–Revised June 2016
Submit Documentation Feedback Copyright © 2015–2016, Texas Instruments Incorporated
Inter-Integrated Circuit (I2C) Interface
21.4.1.10 MSTAT Register (Offset = 804h) [reset = 20h]
MSTAT is shown in Figure 21-23 and described in Table 21-12.
Return to Summary Table.
Master Status
Figure 21-23. MSTAT Register
31 30 29 28 27 26 25 24
RESERVED
R-0h
23 22 21 20 19 18 17 16
RESERVED
R-0h
15 14 13 12 11 10 9 8
RESERVED
R-0h
76543210
RESERVED BUSBSY IDLE ARBLST DATACK_N ADRACK_N ERR BUSY
R-0h R-0h R-1h R-0h R-0h R-0h R-0h R-0h
Table 21-12. MSTAT Register Field Descriptions
Bit Field Type Reset Description
31-7 RESERVED R 0h Software should not rely on the value of a reserved. Writing any
other value than the reset value may result in undefined behavior.
6 BUSBSY R 0h Bus busy
0: The I2C bus is idle.
1: The I2C bus is busy.
The bit changes based on the MCTRL.START and MCTRL.STOP
conditions.
5 IDLE R 1h I2C idle
0: The I2C controller is not idle.
1: The I2C controller is idle.
4 ARBLST R 0h Arbitration lost
0: The I2C controller won arbitration.
1: The I2C controller lost arbitration.
3 DATACK_N R 0h Data Was Not Acknowledge
0: The transmitted data was acknowledged.
1: The transmitted data was not acknowledged.
2 ADRACK_N R 0h Address Was Not Acknowledge
0: The transmitted address was acknowledged.
1: The transmitted address was not acknowledged.
1 ERR R 0h Error
0: No error was detected on the last operation.
1: An error occurred on the last operation.
0 BUSY R 0h I2C busy
0: The controller is idle.
1: The controller is busy.
When this bit-field is set, the other status bits are not valid.
Note: The I2C controller requires four SYSBUS clock cycles to
assert the BUSY status after I2C master operation has been initiated
through MCTRL register.
Hence after programming MCTRL register, application is requested
to wait for four SYSBUS clock cycles before issuing a controller
status inquiry through MSTAT register.
Any prior inquiry would result in wrong status being reported.

Initialization and Configuration
www.ti.com
1518 SWCU117F–February 2015–Revised June 2016
Submit Documentation Feedback
Copyright © 2015–2016, Texas Instruments Incorporated
Inter-Integrated Circuit (I2C) Interface
21.4.1.11 MCTRL Register (Offset = 804h) [reset = 0h]
MCTRL is shown in Figure 21-24 and described in Table 21-13.
Return to Summary Table.
Master Control
This register accesses status bits when read and control bits when written. When read, the status register
indicates the state of the I2C bus controller as stated in MSTAT. When written, the control register
configures the I2C controller operation.
To generate a single transmit cycle, the I2C Master Slave Address (MSA) register is written with the
desired address, the MSA.RS bit is cleared, and this register is written with
* ACK=X (0 or 1),
* STOP=1,
* START=1,
* RUN=1
to perform the operation and stop.
When the operation is completed (or aborted due an error), an interrupt becomes active and the data may
be read from the MDR register.
Figure 21-24. MCTRL Register
31 30 29 28 27 26 25 24
RESERVED
W-0h
23 22 21 20 19 18 17 16
RESERVED
W-0h
15 14 13 12 11 10 9 8
RESERVED
W-0h
76543210
RESERVED ACK STOP START RUN
W-0h W-0h W-0h W-0h W-0h
Table 21-13. MCTRL Register Field Descriptions
Bit Field Type Reset Description
31-4 RESERVED W 0h Software should not rely on the value of a reserved. Writing any
other value than the reset value may result in undefined behavior.
3 ACK W 0h Data acknowledge enable
0: The received data byte is not acknowledged automatically by the
master.
1: The received data byte is acknowledged automatically by the
master.
This bit-field must be cleared when the I2C bus controller requires
no further data to be transmitted from the slave transmitter.
0h = Disable acknowledge
1h = Enable acknowledge
2 STOP W 0h This bit-field determines if the cycle stops at the end of the data
cycle or continues on to a repeated START condition.
0: The controller does not generate the Stop condition.
1: The controller generates the Stop condition.
0h = Disable STOP
1h = Enable STOP
1 START W 0h This bit-field generates the Start or Repeated Start condition.
0: The controller does not generate the Start condition.
1: The controller generates the Start condition.
0h = Disable START
1h = Enable START

www.ti.com
Initialization and Configuration
1519
SWCU117F–February 2015–Revised June 2016
Submit Documentation Feedback Copyright © 2015–2016, Texas Instruments Incorporated
Inter-Integrated Circuit (I2C) Interface
Table 21-13. MCTRL Register Field Descriptions (continued)
Bit Field Type Reset Description
0 RUN W 0h I2C master enable
0: The master is disabled.
1: The master is enabled to transmit or receive data.
0h = Disable Master
1h = Enable Master

Initialization and Configuration
www.ti.com
1520 SWCU117F–February 2015–Revised June 2016
Submit Documentation Feedback
Copyright © 2015–2016, Texas Instruments Incorporated
Inter-Integrated Circuit (I2C) Interface
21.4.1.12 MDR Register (Offset = 808h) [reset = 0h]
MDR is shown in Figure 21-25 and described in Table 21-14.
Return to Summary Table.
Master Data
This register contains the data to be transmitted when in the Master Transmit state and the data received
when in the Master Receive state.
Figure 21-25. MDR Register
31 30 29 28 27 26 25 24 23 22 21 20 19 18 17 16 15 14 13 12 11 10 9 8 7 6 5 4 3 2 1 0
RESERVED DATA
R-0h R/W-0h
Table 21-14. MDR Register Field Descriptions
Bit Field Type Reset Description
31-8 RESERVED R 0h Software should not rely on the value of a reserved. Writing any
other value than the reset value may result in undefined behavior.
7-0 DATA R/W 0h When Read: Last RX Data is returned
When Written: Data is transferred during TX transaction

www.ti.com
Initialization and Configuration
1521
SWCU117F–February 2015–Revised June 2016
Submit Documentation Feedback Copyright © 2015–2016, Texas Instruments Incorporated
Inter-Integrated Circuit (I2C) Interface
21.4.1.13 MTPR Register (Offset = 80Ch) [reset = 1h]
MTPR is shown in Figure 21-26 and described in Table 21-15.
Return to Summary Table.
I2C Master Timer Period
This register specifies the period of the SCL clock.
Figure 21-26. MTPR Register
31 30 29 28 27 26 25 24
RESERVED
R-0h
23 22 21 20 19 18 17 16
RESERVED
R-0h
15 14 13 12 11 10 9 8
RESERVED
R-0h
76543210
TPR_7 TPR
R/W-0h R/W-1h
Table 21-15. MTPR Register Field Descriptions
Bit Field Type Reset Description
31-8 RESERVED R 0h Software should not rely on the value of a reserved. Writing any
other value than the reset value may result in undefined behavior.
7 TPR_7 R/W 0h Must be set to 0 to set TPR. If set to 1, a write to TPR will be
ignored.
6-0 TPR R/W 1h SCL clock period
This field specifies the period of the SCL clock.
SCL_PRD = 2*(1+TPR)*(SCL_LP + SCL_HP)*CLK_PRD
where:
SCL_PRD is the SCL line period (I2C clock).
TPR is the timer period register value (range of 1 to 127)
SCL_LP is the SCL low period (fixed at 6).
SCL_HP is the SCL high period (fixed at 4).
CLK_PRD is the system clock period in ns.

Initialization and Configuration
www.ti.com
1522 SWCU117F–February 2015–Revised June 2016
Submit Documentation Feedback
Copyright © 2015–2016, Texas Instruments Incorporated
Inter-Integrated Circuit (I2C) Interface
21.4.1.14 MIMR Register (Offset = 810h) [reset = 0h]
MIMR is shown in Figure 21-27 and described in Table 21-16.
Return to Summary Table.
Master Interrupt Mask
This register controls whether a raw interrupt is promoted to a controller interrupt.
Figure 21-27. MIMR Register
31 30 29 28 27 26 25 24 23 22 21 20 19 18 17 16
RESERVED
R-0h
15 14 13 12 11 10 9 8 7 6 5 4 3 2 1 0
RESERVED IM
R-0h R/W-
0h
Table 21-16. MIMR Register Field Descriptions
Bit Field Type Reset Description
31-1 RESERVED R 0h Software should not rely on the value of a reserved. Writing any
other value than the reset value may result in undefined behavior.
0 IM R/W 0h Interrupt mask
0: The MRIS.RIS interrupt is suppressed and not sent to the interrupt
controller.
1: The master interrupt is sent to the interrupt controller when the
MRIS.RIS is set.
0h = Disable Interrupt
1h = Enable Interrupt

www.ti.com
Initialization and Configuration
1523
SWCU117F–February 2015–Revised June 2016
Submit Documentation Feedback Copyright © 2015–2016, Texas Instruments Incorporated
Inter-Integrated Circuit (I2C) Interface
21.4.1.15 MRIS Register (Offset = 814h) [reset = 0h]
MRIS is shown in Figure 21-28 and described in Table 21-17.
Return to Summary Table.
Master Raw Interrupt Status
This register show the unmasked interrupt status.
Figure 21-28. MRIS Register
31 30 29 28 27 26 25 24 23 22 21 20 19 18 17 16
RESERVED
R-0h
15 14 13 12 11 10 9 8 7 6 5 4 3 2 1 0
RESERVED RIS
R-0h R-0h
Table 21-17. MRIS Register Field Descriptions
Bit Field Type Reset Description
31-1 RESERVED R 0h Software should not rely on the value of a reserved. Writing any
other value than the reset value may result in undefined behavior.
0 RIS R 0h Raw interrupt status
0: No interrupt
1: A master interrupt is pending.
This bit is cleared by writing 1 to the MICR.IC bit .

Initialization and Configuration
www.ti.com
1524 SWCU117F–February 2015–Revised June 2016
Submit Documentation Feedback
Copyright © 2015–2016, Texas Instruments Incorporated
Inter-Integrated Circuit (I2C) Interface
21.4.1.16 MMIS Register (Offset = 818h) [reset = 0h]
MMIS is shown in Figure 21-29 and described in Table 21-18.
Return to Summary Table.
Master Masked Interrupt Status
This register show which interrupt is active (based on result from MRIS and MIMR).
Figure 21-29. MMIS Register
31 30 29 28 27 26 25 24 23 22 21 20 19 18 17 16
RESERVED
R-0h
15 14 13 12 11 10 9 8 7 6 5 4 3 2 1 0
RESERVED MIS
R-0h R-0h
Table 21-18. MMIS Register Field Descriptions
Bit Field Type Reset Description
31-1 RESERVED R 0h Software should not rely on the value of a reserved. Writing any
other value than the reset value may result in undefined behavior.
0 MIS R 0h Masked interrupt status
0: An interrupt has not occurred or is masked.
1: A master interrupt is pending.
This bit is cleared by writing 1 to the MICR.IC bit .

www.ti.com
Initialization and Configuration
1525
SWCU117F–February 2015–Revised June 2016
Submit Documentation Feedback Copyright © 2015–2016, Texas Instruments Incorporated
Inter-Integrated Circuit (I2C) Interface
21.4.1.17 MICR Register (Offset = 81Ch) [reset = 0h]
MICR is shown in Figure 21-30 and described in Table 21-19.
Return to Summary Table.
Master Interrupt Clear
This register clears the raw and masked interrupt.
Figure 21-30. MICR Register
31 30 29 28 27 26 25 24 23 22 21 20 19 18 17 16
RESERVED
W-0h
15 14 13 12 11 10 9 8 7 6 5 4 3 2 1 0
RESERVED IC
W-0h W-0h
Table 21-19. MICR Register Field Descriptions
Bit Field Type Reset Description
31-1 RESERVED W 0h Software should not rely on the value of a reserved. Writing any
other value than the reset value may result in undefined behavior.
0 IC W 0h Interrupt clear
Writing 1 to this bit clears MRIS.RIS and MMIS.MIS .
Reading this register returns no meaningful data.

Initialization and Configuration
www.ti.com
1526 SWCU117F–February 2015–Revised June 2016
Submit Documentation Feedback
Copyright © 2015–2016, Texas Instruments Incorporated
Inter-Integrated Circuit (I2C) Interface
21.4.1.18 MCR Register (Offset = 820h) [reset = 0h]
MCR is shown in Figure 21-31 and described in Table 21-20.
Return to Summary Table.
Master Configuration
This register configures the mode (Master or Slave) and sets the interface for test mode loopback.
Figure 21-31. MCR Register
31 30 29 28 27 26 25 24
RESERVED
R/W-0h
23 22 21 20 19 18 17 16
RESERVED
R/W-0h
15 14 13 12 11 10 9 8
RESERVED
R/W-0h
76543210
RESERVED SFE MFE RESERVED LPBK
R/W-0h R/W-0h R/W-0h R-0h R/W-0h
Table 21-20. MCR Register Field Descriptions
Bit Field Type Reset Description
31-6 RESERVED R/W 0h Software should not rely on the value of a reserved. Writing any
other value than the reset value may result in undefined behavior.
5 SFE R/W 0h I2C slave function enable
0h = Slave mode is disabled.
1h = Slave mode is enabled.
4 MFE R/W 0h I2C master function enable
0h = Master mode is disabled.
1h = Master mode is enabled.
3-1 RESERVED R 0h Software should not rely on the value of a reserved. Writing any
other value than the reset value may result in undefined behavior.
0 LPBK R/W 0h I2C loopback
0: Normal operation
1: Loopback operation (test mode)
0h = Disable Test Mode
1h = Enable Test Mode

1527
SWCU117F–February 2015–Revised June 2016
Submit Documentation Feedback Copyright © 2015–2016, Texas Instruments Incorporated
Integrated Interchip Sound (I2S) Module
Chapter 22
SWCU117F–February 2015–Revised June 2016
Integrated Interchip Sound (I2S) Module
This chapter describes the Integrated Interchip Sound (I2S) Module.
Topic ........................................................................................................................... Page
22.1 Introduction ................................................................................................... 1528
22.2 Digital Audio Interface..................................................................................... 1528
22.3 Frame Configuration ....................................................................................... 1529
22.4 Pin Configuration............................................................................................ 1529
22.5 Clock Configuration ........................................................................................ 1529
22.6 Serial Interface Formats................................................................................... 1530
22.7 Memory Interface ............................................................................................ 1533
22.8 Samplestamp Generator .................................................................................. 1534
22.9 Usage............................................................................................................ 1537

ADx (I2S) MSB
BCLK
WCLK
LSB MSB
Phase
WCLK and ADx are sampled at this edge
WCLK and ADx are clocked out at this edge
Slave
BCLK
WCLK
Master
ADx
ADx
Introduction
www.ti.com
1528 SWCU117F–February 2015–Revised June 2016
Submit Documentation Feedback
Copyright © 2015–2016, Texas Instruments Incorporated
Integrated Interchip Sound (I2S) Module
22.1 Introduction
The CC26xx and CC13xx devices feature an I2S module that supports the I2S, LJF, RJF, and DSP
interface formats. This interface can be used to transfer audio sample streams between CC26xx or
CC13xx and external audio devices, such as codecs, DACs, and ADCs. The CC26xx and CC13xx devices
can act as either I2S master or I2S slave.
22.2 Digital Audio Interface
Figure 22-1 shows the signals in the I2S interface. The master provides the clock signals, Word Clock
(WCLK) and Bit Clock (BCLK), used for interface to the slave. Audio data is transferred serially on the
data lines, ADx (where x is 0, 1, or 2). The direction for each ADx pin may be from master to slave or from
slave to master, and is fixed during active operation. An optional master clock (MCLK) signal can be
provided from the master. The MCLK signal can be used as the master clock for external audio codecs
and so on.
Figure 22-1. Audio Interface Signals
The supported interface formats are synchronous to the BCLK, and the words (samples) are aligned
according to the WCLK signal. WCLK is synchronous to BCLK signal, and for all supported interface
formats, the frequency of WCLK is the same as the sample frequency. The period from one positive
WCLK edge to the next positive WCLK edge is called a frame. Depending on the interface format, a frame
may consist of one or two phases.
Data is sampled on one edge of BCLK and updated on the opposite edge. The frequency of BCLK may be
any multiple of the frequency of WCLK, but the number of BCLK periods within a frame must at least be
equal to the number of bits produced or consumed within a sample period.
If a format has two phases per frame (as in I2S, RJF, and LJF), the format is said to be dual phased.
Figure 22-2 shows an example of the signals used for the I2S interface format. In this case, WCLK is low
during the first phase and high during the second phase; hence, both edges are relevant for phase timing.
NOTE: For the I2S interface format, the polarity of WCLK is inverted compared to RJF and LJF.
Figure 22-2. I2S Interface Format Example
The DSP interface format is a single-phased format. A single-phase format has one phase per frame, but
unlike the dual-phased formats, each frame can contain multiple data channels. In Figure 22-3, an
example of the DSP interface format is presented. WCLK goes high for one BCLK period at the start of
the phase; therefore only the positive edge is relevant for phase timing. The WCLK cycle is followed by all
the data channels back-to-back. The data is updated on the positive edge of BCLK and sampled on the
negative edge.

BCLK
WCLK
Dx (DSP)A MSB LSB MSB LSB MSB LSB
Channel 0 Channel 1 Channel 2
www.ti.com
Frame Configuration
1529
SWCU117F–February 2015–Revised June 2016
Submit Documentation Feedback Copyright © 2015–2016, Texas Instruments Incorporated
Integrated Interchip Sound (I2S) Module
Figure 22-3. DSP Interface Format Example
All samples produced or to be consumed in a sample period must be transferred within a frame, using one
or more data lines. Hence, samples transferred within a frame belong to different audio channels. The
different audio interface formats support a different number of channels per frame; I2S, RJF, and LJF
support one or two channels per frame (one per phase), while DSP supports one to eight channels per
frame. Section 22.6,Serial Interface Formats, presents a more detailed description of each supported
interface format.
22.3 Frame Configuration
The I2S:AIFFMTCFG.DUAL_PHASE register determines the number of phases per frame (one or two). In
the following text, a WCLK edge includes only the positive edge for single-phased formats and both edges
for dual-phased formats. A phase is divided into three intervals:
1. DATA DELAY is the inactive period between the WCLK edge and the data period. The duration of this
interval is determined by the I2S:AIFFMTCFG.DATA_DELAY register (zero to 255 BCLK cycles). If a
new WCLK edge occurs before the DATA DELAY interval expires, the I2S:IRQFLAGS.WCLK_ERR
register is asserted.
2. WORD is the active period in which a sample word is clocked out or sampled on all ADx pins. The
duration of this interval is determined by the I2S:AIFFMTCFG.WORD_LEN register (8 to 24 BCLK
cycles). In dual-phase mode, the I2S:IRQFLAGS.WCLK_ERR register is asserted if two WCLK edges
are less than four BCLK cycles apart. Similarly in the single-phase mode, the
I2S:IRQFLAGS.WCLK_ERR register is asserted if a new WCLK edge occurs before the last channel is
started.
3. IDLE is the inactive period between the last word interval and the next WCLK edge.
22.4 Pin Configuration
The ADx pins can be individually configured to be input, output, or not in use by setting the
I2S:AIFDIRCFG:AD0, the I2S:AIFDIRCFG:AD1, and the I2S:AIFDIRCFG:AD2 registers with the following:
• 0x0: Not in use
• 0x1: Input
• 0x2: Output
When a direction is completely unused, there is no need to configure the corresponding memory access
and sample stamp registers. The ADx and the clock pins are configured in the I/O controller.
22.5 Clock Configuration
The I2S module includes one clock control register (I2S:AIFWCLKSRC); all other I2S clock configurations
are done in the PRCM module.
The I2S:AIFWCLKSRC.WCLK_SRC register selects an internal or external WCLK source for the I2S
module. The selected source must be the same as the BCLK source selected in the
PRCM:I2SBCLKSEL.SRC register. The WCLK source (internal or external) can be inverted using the
I2S:AIFWCLKSRC.WCLK_INV register. For example, the inverted WCLK source is used for the I2S serial
interface format.

Clock Configuration
www.ti.com
1530 SWCU117F–February 2015–Revised June 2016
Submit Documentation Feedback
Copyright © 2015–2016, Texas Instruments Incorporated
Integrated Interchip Sound (I2S) Module
On the I2S serial interface, data and WCLK are sampled and clocked out on opposite edges of BCLK. The
PRCM:I2SCLKCTL.SMPL_ON_POSEDGE register sets if the sampling or the clocking of WCLK and data
must be done on the positive or negative edge of BCLK. Sample edge and phase mode used by the I2S
module is set using the I2S:AIFFMTCFG register.
The clock signals MCLK, BCLK, and WCLK must be enabled using the PRCM:I2SCLKCTL.EN register. If
these signals are not enabled, the output is static low.
22.5.1 WCLK, BCLK, and MCLK Division Ratio
The frequency of the three clock signals in the I2S module can be set individually to a ratio of the
MCUCLK by using the clock division registers PRCM:I2SMCLKDIV.MDIV, PRCM:I2SBCLKDIV.BDIV, and
PRCM:I2SWCLKDIV.WDIV.
To obtain the clock frequency for MCLK and BCLK, the PRCM:I2SBCLKDIV.BDIV and
PRCM:I2SWCLKDIV.WDIV bit fields are used directly as the denominators to divide the MCUCLK as in
the following:
• MCLK = MCUCLK / MDIV [Hz]
• BCLK = MCUCLK / BDIV [Hz]
The division ratio for WCLK is calculated differently depending on the PRCM:I2SWCLKDIV.WDIV register
and the phase mode selected in the PRCM:I2SCLKCTL.WCLK_PHASE register as in the following:
•Single phase: PRCM:I2SCLKCTL.WCLK_PHASE = 0 WCLK is high one BCLK period and low
WDIV[9:0] (unsigned, [1 to 1023]) BCLK periods.
WCLK = MCUCLK / (BDIV × (WDIV[9:0] + 1)) [Hz] (11)
•Dual phase: PRCM:I2SCLKCTL.WCLK_PHASE = 1. Each phase on WCLK (50% duty cycle) is
WDIV[9:0] (unsigned, [1 to 1023]) BCLK periods.
WCLK = MCUCLK / (BDIV × (2 × WDIV[9:0])) (12)
•User defined: PRCM:I2SCLKCTL.WCLK_PHASE = 2. WCLK is high WDIV[7:0] (unsigned, [1 to 255])
BCLK periods and low WDIV[15:8] (unsigned, [1 to 255]) BCLK periods.
WCLK = MCUCLK / (BDIV × (WDIV[7:0] + WDIV[15:8])) (13)
22.6 Serial Interface Formats
The interface supports the dual-phase formats I2S, LJF, and RJF, which support one or two audio
channels per ADx pin. The I2S module also supports the single-phase format, DSP, which supports up to
eight audio channels per ADx pin.
22.6.1 I2S
Figure 22-4 shows the I2S interface format. I2S is a dual-phase format with a 50% WCLK duty cycle and
MSB of each sample word aligned with the edge of WCLK + one BCLK period. This is configured by
setting I2S:AIFFMTCFG.DUAL_PHASE = 1 and I2S:AIFFMTCFG.DATA_DELAY = 1. For any given
sample, the LEFT channel is transferred first when WCLK is low, and the RIGHT channel is transferred
second when WCLK is high. Because the polarity of WCLK is reversed for the I2S format,
I2S:AIFWCLKSRC.WCLK_INV = 1.
Data is sampled on the rising edge of BCLK and updated on the falling edge of BCLK; hence,
I2S:AIFFMTCFG.SMPL_EDGE = 1. The I2S format is unique in the sense that the CC26xx and CC13xx
devices are able to automatically detect the number of BCLK periods per WCLK period, and therefore
supports any BCLK rate after configuration along with variable sample resolutions as in the following:
• If the sample resolution is higher than the number of bits per WCLK period, the samples are truncated.
• If the sample resolution is lower than the number of bits per WCLK period, the samples are zero-
padded.
When sample words are back-to-back, LSB of the previous sample is output in the DATA DELAY cycle.

WCLK
BCLK
ADx
MSB MSB
LSB LSB
Right channel
Left channel
WCLK period = 1/FS
n-1 n-2 n-3 0n-1 n-2 n-3 21 0
2 1 n-1
WCLK
ADx
BCLK
0321 1 0
Left channel
MSB LSB MSB
Right channel
WCLK period = 1/Fs
32n-1 n-3 10
LSB
n-2n-1 n-3
n-2
www.ti.com
Serial Interface Formats
1531
SWCU117F–February 2015–Revised June 2016
Submit Documentation Feedback Copyright © 2015–2016, Texas Instruments Incorporated
Integrated Interchip Sound (I2S) Module
Figure 22-4. I2S Interface Format
22.6.2 Left Justified (LJF)
Figure 22-5 shows the LJF interface format. LJF is a dual-phase format, I2S:AIFFMTCFG.DUAL_PHASE
= 1, with a 50% WCLK duty cycle and MSB of each sample word aligned with the edge of WCLK; that is,
I2S:AIFFMTCFG.DATA_DELAY = 0. For any given sample, the left channel is transferred first when
WCLK is high, and the right channel is transferred second when WCLK is low. Data is sampled on the
rising edge of BCLK and updated on the falling edge of BCLK, I2S:AIFFMTCFG.SMPL_EDGE = 1.
The maximum number of bits per word is specified using the I2S:AIFFMTCFG.WORD_LEN register. The
number of BCLK cycles in a phase must be equal to or higher than this number. When there is an IDLE
period at the end of the clock phase, MSB of the next sample is output during this interval.
Figure 22-5. LJF Interface Format
22.6.3 Right Justified (RJF)
Figure 22-6 shows the RJF interface format. RJF is a dual-phase format, I2S:AIFFMTCFG.DUAL_PHASE
= 1, with a 50% WCLK duty cycle and LSB of each sample word aligned with the edge of WCLK. For any
given sample, the left channel is transferred first when WCLK is high, and the right channel is transferred
second when WCLK is low. Data is sampled on the rising edge of BCLK and updated on the falling edge
of BCLK,
I2S: AIFFMTCFG.SMPL_EDGE = 1.
There is an optional IDLE period at the start of the clock phase that is specified by the
I2S:AIFFMTCFG.DATA_DELAY register; logical 0 is output during this DATA DELAY interval.
The maximum number of bits per word is specified using the I2S:AIFFMTCFG.WORD_LEN register. The
number of BCLK cycles in each phase must be equal to I2S:AIFFMTCFG.WORD_LEN +
I2S:AIFFMTCFG.DATA_DELAY.

WCLK
BCLK
ADx n-1 n-2 n-3 21 0 n-1 n-2 n-3
Channel 0 (left) Channel 1 (right)
WCLK period = 1/FS
21 0 n-1
LSBLSB MSBMSB
WCLK
BCLK
ADx
MSB MSB
LSB LSB
Right channel
Left channel
WCLK period = 1/FS
n-1 n-2 n-3 0n-1 n-2 n-3 2 1 0
2 1
0
Serial Interface Formats
www.ti.com
1532 SWCU117F–February 2015–Revised June 2016
Submit Documentation Feedback
Copyright © 2015–2016, Texas Instruments Incorporated
Integrated Interchip Sound (I2S) Module
Figure 22-6. RJF Interface Format
22.6.4 DSP
Figure 22-7 shows the DSP interface format. DSP is a single-phase format,
I2S:AIFFMTCFG.DUAL_PHASE = 0, where WCLK is high for one BCLK period, followed by each audio
channel back-to-back. Data is sampled on the falling edge of BCLK and updated on the rising edge of
BCLK; this is configured by setting I2S:AIFFMTCFG.SMPL_EDGE = 0.
There is an optional IDLE period at the end of the clock phase between the last data channel and the next
WCLK period; logical 0 is output during this period. The number of BCLK cycles in the phase must be
equal to or higher than the word length, as specified in the I2S:AIFFMTCFG.WORD_LEN register, times
the number of specified channels (determined by the most significant 1 in all the I2S:AIFWMASKn
registers combined).
When sample words are back-to-back, LSB of the previous sample are output in the DATA DELAY cycle.
Figure 22-7. DSP Interface Format (Showing First Two of Eight Possible Channels)

www.ti.com
Memory Interface
1533
SWCU117F–February 2015–Revised June 2016
Submit Documentation Feedback Copyright © 2015–2016, Texas Instruments Incorporated
Integrated Interchip Sound (I2S) Module
22.7 Memory Interface
This section describes the register settings that affect the automated memory interface.
The following are the relevant registers:
• I2S:AIFDIRCFG
• I2S:AIFDMACFG
• I2S:AIFFMTCFG
• I2S:AIFWMASKn
• I2S:AIFINPTRNEXT
• I2S:AIFOUTPTRNEXT
The two observation registers are the following:
• I2S:AIFINPTR
• I2S:AIFOUTPTR
22.7.1 Word Lengths
The word length on the serial interface and the word length in memory are configured independently.
• The I2S:AIFFMTCFG.WORD_LEN register specifies the maximum number of bits (8 to 24) to transfer
on the serial interface. In single-phase format, this is the exact number of bits per word, while in dual-
phase format this is the maximum number of bits per word.
• The I2S:AIFFMTCFG.MEM_LEN_24 register determines whether words in memory are 16 or 24 bits.
Data written to memory is always aligned to 16 or 24 bits. The I2S:AIFFMTCFG.MEM_LEN_24 register
configuration determines the behavior of the memory interface as the following:
• I2S:AIFFMTCFG.MEM_LEN_24 = 0: A word is transferred in a single 16-bit transfer. The addresses
written to the I2S:AIFINPTRNEXT and the I2S:AIFOUTPTRNEXT registers must be word-aligned (that
is, even the addresses).
• I2S:AIFFMTCFG.MEM_LEN_24 = 1: A word is transferred in a double-locked transfer consisting of one
8-bit word and one 16-bit word in the appropriate order. The addresses written to the
I2S:AIFINPTRNEXT and the I2S:AIFOUTPTRNEXT registers do not have to be word aligned.
Samples on the serial interface and in memory are always aligned by MSB. If the source is longer than the
destination, the words are truncated. If the source is shorter than the destination, the words are zero-
padded.
22.7.2 Audio Channels
The audio channel configuration is determined by the I2S:AIFDIRCFG and the I2S:AIFWMASKn registers.
For each ADx pin, the I2S:AIFWMASKn register determines whether the channels in a frame are present
in memory or not.
• For each frame when I2S:AIFFMTCFG.DUAL_PHASE = 0:
– Input: the I2S:AIFWMASKn.MASK register determines whether or not channels are stored in
memory.
– Output: the I2S:AIFWMASKn.MASK register determines whether or not channels are fetched from
memory. Logical 0 is output on ADx when not fetched from memory.
• For each frame when I2S:AIFFMTCFG.DUAL_PHASE = 1:
– Mono: I2S:AIFWMASKn.MASK = 0x01
• Input: channel 0 is stored to memory.
• Output: channel 0 is fetched from memory and repeated for channel 1.
– Stereo: I2S:AIFWMASKn.MASK = 0x03
• Input: both channels are stored to memory.
• Output: both channels are fetched from memory.

Memory Interface
www.ti.com
1534 SWCU117F–February 2015–Revised June 2016
Submit Documentation Feedback
Copyright © 2015–2016, Texas Instruments Incorporated
Integrated Interchip Sound (I2S) Module
22.7.3 Memory Buffers and Pointers
The memory access functionality operates on blocks of frames. There are separate blocks for input
samples and output samples. The number of frames per block is configured in the
I2S:AIFDMACFG.END_FRAME_IDX register. This is the index of the last frame in the block (that is, the
block size minus 1).
Writing a nonzero value to the I2S:AIFDMACFG.END_FRAME_IDX register enables and initializes the
interface.
NOTE: Before writing a nonzero value to the I2S:AIFDMACFG.END_FRAME_IDX register, all other
configurations must be done, and the I2S:AIFINPTR register and/or the I2S:AIFOUTPTR
register must be loaded.
The block locations in memory are determined by the I2S:AIFINPTR and the I2S:AIFOUTPTR registers. A
double-buffering scheme is used to give software time to update the pointers.
• The input memory interface uses the I2S:AIFINPTR register, while output memory interface uses the
I2S:AIFOUTPTR register.
• Software must write the next block addresses to the I2S:AIFINPTRNEXT and the
I2S:AIFOUTPTRNEXT registers.
• When loading and storing samples, the I2S:AIFINPTR and the I2S:AIFOUTPTR registers increase for
each memory access.
• When a block is finished, the following occurs:
– Input memory interface block:
• I2S:AIFINPTR = I2S:AIFINPTRNEXT
• I2S:AIFINPTRNEXT = NULL
• I2S:IRQFLAGS.AIF_DMA_IN is set
– Output memory interface block:
• I2S:AIFOUTPTR = I2S:AIFOUTPTRNEXT
• I2S:AIFOUTPTRNEXT = NULL
• I2S:IRQFLAGS.AIF_DMA_OUT is set
The interrupt, or alternatively the I2S:AIFINPTRNEXT and the I2S:AIFOUTPTRNEXT registers returning to
NULL, signals software to write the next pointers. Failing to write the next pointers to the
I2S:AIFINPTRNEXT and/or the I2S:AIFOUTPTRNEXT registers before the running block finishes asserts
the I2S:IRQFLAGS.PTR_ERR register.
22.8 Samplestamp Generator
The samplestamp generator is mainly used to control the I/O streams of the I2S module. It also provides a
way to synchronize I2S modules over wireless networks to achieve correct and fixed audio latency.
The samplestamp generator is enabled and is running when I2S:STMPCTL.STMP_EN = 1. When the
I2S:STMPCTL.STMP_EN register goes from 1 to 0, all internal counters and capture values are reset. The
samplestamp generator must always be enabled because it controls I/O streaming.

I2S:STMPXCNTCAPT0
I2S:STMPWPER
STMPWCNT
STMPXCNT
samplestamp_req
WCLK_pos_edge
samplestamp_req
I2S:STMPINTRIG
I2S:STMPOUTTRIG
=
=
1
I2S:STMPXCNTCAPT1
I2S:STMPXPER
I2S:STMPXCNTCAPT0
I2S:STMPXCNTCAPT1
I2S:STMPCTL.IN_RDY
I2S:STMPCTL.OUT_RDY
WCLK_pos_edge
www.ti.com
Samplestamp Generator
1535
SWCU117F–February 2015–Revised June 2016
Submit Documentation Feedback Copyright © 2015–2016, Texas Instruments Incorporated
Integrated Interchip Sound (I2S) Module
22.8.1 Counters and Registers
The samplestamp generator contains the following parts that are based on two counters:
1. STMPXCNT counts XOSC (clock) cycles between positive WCLK edges. The counter value can be
read from the I2S:STMPXCNT register.
2. STMPWCNT counts positive WCLK edges and modulo the size of the sample ring buffer. The modulo
value is given by the I2S:STMPWPER register. The counter value can be read from the
I2S:STMPWCNT register.
The lower part of Figure 22-8 shows the part of the samplestamp generator that is used by the I2S module
to control the I/O pins on the serial audio interface.
The upper part of Figure 22-8, inside the dotted line, includes optional functionality in the form of capturing
registers which can be used, for example, in real-time streaming applications to achieve fixed latency and
I2S synchronization in a wireless network.
Figure 22-8. Samplestamp Generator Structure
NOTE: During start-up, if WCLK is high during the first BCLK cycles, there can be one or two false
WCLK_pos_edge pulses:
• One due to the level of the selected WCLK source
• Another if the I2S:AIFFMTCFG.SMPL_EDGE register is not changed from 1 to 0 before
BCLK starts running

Samplestamp Generator
www.ti.com
1536 SWCU117F–February 2015–Revised June 2016
Submit Documentation Feedback
Copyright © 2015–2016, Texas Instruments Incorporated
Integrated Interchip Sound (I2S) Module
22.8.2 Starting Input and Output Pins
The I2S:STMPINTRIG and the I2S:STMPOUTTRIG registers contain WCLK counter compare values that
are used to start the input and output audio streaming, respectively:
• When the WCLK counter value reaches the I2S:STMPINTRIG register and the I2S:STMPCTL.IN_RDY
register is set, the memory interface controller begins storing samples to memory in the next frame:
((STMPINTRIG + 1) % STMPWPER).
• When the WCLK counter value reaches the I2S:STMPOUTTRIG register and the
I2S:STMPCTL.OUT_RDY register is set, the memory interface controller begins outputting samples
loaded from memory in the next frame: ((STMPINTRIG + 1) % STMPWPER).
22.8.3 Samplestamp Capturing
A pulse on samplestamp_req captures the XOSC and WCLK counter values for later retrieval:
• I2S:STMPXCNTCAPTn = the XOSC counter at time of capture
• I2S:STMPXPER = the number of XOSC cycles in the previous WCLK period
• I2S:STMPWCNTCAPTn = the WCLK counter at time of capture
The samplestamp value used is a fixed-point number, INT.FRAC, where:
• INT = I2S:STMPWCNTCAPTn
• FRAC = I2S:STMPXCNTCAPTn and I2S:STMPXPER
NOTE: Because the I2S:STMPXPER register is in the previous period value, saturation of the
I2S:STMPXCNTCAPTn registers must be handled in software (if required).
NOTE: The samplestamp_req pulse can be generated by different radio events that are configured
outside the I2S module, see the EVENT:I2SSTMPSEL0 register.

www.ti.com
Usage
1537
SWCU117F–February 2015–Revised June 2016
Submit Documentation Feedback Copyright © 2015–2016, Texas Instruments Incorporated
Integrated Interchip Sound (I2S) Module
22.9 Usage
This section describes the recommended start-up and termination sequences.
22.9.1 Start-up Sequence
The configuration of the I2S module must be carried out in the following order:
1. Set up and configure required ADx and clock pins (set externally in the IOC module).
2. Enable I2S peripheral and configure WCLK and MCLK audio clocks (set externally in the PRCM
module).
3. Configure the serial audio interface format and the memory interface controller:
• Set the following registers: I2S:AIFWCLKSRC, I2S:AIFDIRCFG, I2S:AIFFMTCFG,
I2S:AIFWMSK0, I2S:AIFWMSK1, and I2S:AIFWMSK2. BCLK must not be running when changing
the I2S:AIFWCLKSRC register.
4. Enable BCLK (set externally in the PRCM module).
5. Configure and prepare the samplestamp generator:
• Set the I2S:STMPWPER register. This number corresponds to the total size of the sample ring
buffer used by the system.
• Set the two registers I2S:STMPINTRIG and I2S:STMPOUTTRIG > I2S:STMPWPER to avoid false
triggers before the samplestamp generator is started.
6. Enable the samplestamp generator:
• Set I2S:STMPCTRL.STMP_EN = 1
• Optional steps:
– Poll the I2S:STMPWCNT register and wait until the counter value is 2 or higher:
• When the value is 2 or higher, there are no more false increments (as described in
Section 22.8.1,Counters and Registers).
• When the value is 4 or higher, the WCLK period is read out from the I2S:STMPXPER
register. This is used to determine the sample rate when using an external clock source.
• Reset the WCLK counter by writing I2S:STMPWSET = 0
7. Enable the serial audio interface:
• Set the I2S:AIFINPTRNEXT and the I2S:AIFOUTPTRNEXT registers for first memory interface
buffers.
• Set the I2S:AIFDMACFG register; This number corresponds to the length of each block in the
sample ring buffer used by the system.
• Set the I2S:AIFINPTRNEXT and the I2S:AIFOUTPTRNEXT registers for second memory interface
buffers.
8. Start input and output audio streaming:
• Set the I2S:STMPINTRIG and the I2S:STMPOUTTRIG registers so they correctly match the
I2S:AIFINPTR and the I2S:AIFOUTPTR registers.

Usage
www.ti.com
1538 SWCU117F–February 2015–Revised June 2016
Submit Documentation Feedback
Copyright © 2015–2016, Texas Instruments Incorporated
Integrated Interchip Sound (I2S) Module
22.9.2 Termination Sequence
The termination sequence consists of six steps that ensure the I2S module completes all buffers before
closing down I/O pins. If this is not important and the system allows read and write access to NULL, Step
1, Step 2, and Step 5 may be ignored.
1. Do not update (or write NULL to) the I2S:AIFINPTRNEXT or the I2S:AIFOUTPTRNEXT registers at
memory interface in/out interrupt.
2. Await next memory interface in/out interrupt:
• The I2S module closes down the input/output pins after this interrupt because NULL is loaded as
pointer.
• The I2S:IRQFLAGS.PTR_ERR register is set because NULL is loaded as pointer, and the I2S
module error interrupt is generated.
3. Set I2S:AIFDMACFG = 0.
4. Set I2S:STMPCTL.STMP_EN = 0.
5. Clear the I2S:IRQFLAGS.PTR_ERR register.
6. Disable the BCLK source (done externally in the PRCM module).

www.ti.com
Usage
1539
SWCU117F–February 2015–Revised June 2016
Submit Documentation Feedback Copyright © 2015–2016, Texas Instruments Incorporated
Integrated Interchip Sound (I2S) Module
22.9.3 I2S Registers
Table 22-1 lists the memory-mapped registers for the I2S. All register offset addresses not listed in
Table 22-1 should be considered as reserved locations and the register contents should not be modified.
Table 22-1. I2S Registers
Offset Acronym Register Name Section
0h AIFWCLKSRC WCLK Source Selection Section 22.9.3.1
4h AIFDMACFG DMA Buffer Size Configuration Section 22.9.3.2
8h AIFDIRCFG Pin Direction Section 22.9.3.3
Ch AIFFMTCFG Serial Interface Format Configuration Section 22.9.3.4
10h AIFWMASK0 Word Selection Bit Mask for Pin 0 Section 22.9.3.5
14h AIFWMASK1 Word Selection Bit Mask for Pin 1 Section 22.9.3.6
18h AIFWMASK2 Word Selection Bit Mask for Pin 2 Section 22.9.3.7
1Ch AIFPWMVALUE Audio Interface PWM Debug Value Section 22.9.3.8
20h AIFINPTRNEXT DMA Input Buffer Next Pointer Section 22.9.3.9
24h AIFINPTR DMA Input Buffer Current Pointer Section 22.9.3.10
28h AIFOUTPTRNEXT DMA Output Buffer Next Pointer Section 22.9.3.11
2Ch AIFOUTPTR DMA Output Buffer Current Pointer Section 22.9.3.12
34h STMPCTL SampleStaMP Generator Control Register Section 22.9.3.13
38h STMPXCNTCAPT0 Captured XOSC Counter Value, Capture Channel 0 Section 22.9.3.14
3Ch STMPXPER XOSC Period Value Section 22.9.3.15
40h STMPWCNTCAPT0 Captured WCLK Counter Value, Capture Channel 0 Section 22.9.3.16
44h STMPWPER WCLK Counter Period Value Section 22.9.3.17
48h STMPINTRIG WCLK Counter Trigger Value for Input Pins Section 22.9.3.18
4Ch STMPOUTTRIG WCLK Counter Trigger Value for Output Pins Section 22.9.3.19
50h STMPWSET WCLK Counter Set Operation Section 22.9.3.20
54h STMPWADD WCLK Counter Add Operation Section 22.9.3.21
58h STMPXPERMIN XOSC Minimum Period Value Section 22.9.3.22
5Ch STMPWCNT Current Value of WCNT Section 22.9.3.23
60h STMPXCNT Current Value of XCNT Section 22.9.3.24
64h STMPXCNTCAPT1 Captured XOSC Counter Value, Capture Channel 1 Section 22.9.3.25
68h STMPWCNTCAPT1 Captured WCLK Counter Value, Capture Channel 1 Section 22.9.3.26
70h IRQMASK Masked Interrupt Status Register Section 22.9.3.27
74h IRQFLAGS Raw Interrupt Status Register Section 22.9.3.28
78h IRQSET Interrupt Set Register Section 22.9.3.29
7Ch IRQCLR Interrupt Clear Register Section 22.9.3.30

Usage
www.ti.com
1540 SWCU117F–February 2015–Revised June 2016
Submit Documentation Feedback
Copyright © 2015–2016, Texas Instruments Incorporated
Integrated Interchip Sound (I2S) Module
22.9.3.1 AIFWCLKSRC Register (Offset = 0h) [reset = 0h]
AIFWCLKSRC is shown in Figure 22-9 and described in Table 22-2.
Return to Summary Table.
WCLK Source Selection
Figure 22-9. AIFWCLKSRC Register
31 30 29 28 27 26 25 24
RESERVED
R-0h
23 22 21 20 19 18 17 16
RESERVED
R-0h
15 14 13 12 11 10 9 8
RESERVED
R-0h
76543210
RESERVED WCLK_INV WCLK_SRC
R-0h R/W-0h R/W-0h
Table 22-2. AIFWCLKSRC Register Field Descriptions
Bit Field Type Reset Description
31-3 RESERVED R 0h Software should not rely on the value of a reserved. Writing any
other value than the reset value may result in undefined behavior.
2 WCLK_INV R/W 0h Inverts WCLK source (pad or internal) when set.
0: Not inverted
1: Inverted
1-0 WCLK_SRC R/W 0h Selects WCLK source for AIF (should be the same as the BCLK
source). The BCLK source is defined in the
PRCM:I2SBCLKSEL.SRC
0h = None ('0')
1h = External WCLK generator, from pad
2h = Internal WCLK generator, from module PRCM/ClkCtrl
3h = Not supported. Will give same WCLK as 'NONE' ('00')

www.ti.com
Usage
1541
SWCU117F–February 2015–Revised June 2016
Submit Documentation Feedback Copyright © 2015–2016, Texas Instruments Incorporated
Integrated Interchip Sound (I2S) Module
22.9.3.2 AIFDMACFG Register (Offset = 4h) [reset = 0h]
AIFDMACFG is shown in Figure 22-10 and described in Table 22-3.
Return to Summary Table.
DMA Buffer Size Configuration
Figure 22-10. AIFDMACFG Register
31 30 29 28 27 26 25 24 23 22 21 20 19 18 17 16
RESERVED
R-0h
15 14 13 12 11 10 9 8 7 6 5 4 3 2 1 0
RESERVED END_FRAME_IDX
R-0h R/W-0h
Table 22-3. AIFDMACFG Register Field Descriptions
Bit Field Type Reset Description
31-8 RESERVED R 0h Software should not rely on the value of a reserved. Writing any
other value than the reset value may result in undefined behavior.
7-0 END_FRAME_IDX R/W 0h Defines the length of the Writing a non-zero value to this registerfield
enables and initializes AIF. Note that before doing so, all other
configuration must have been done, and AIFINPTR/AIFOUTPTR
must have been loaded.

Usage
www.ti.com
1542 SWCU117F–February 2015–Revised June 2016
Submit Documentation Feedback
Copyright © 2015–2016, Texas Instruments Incorporated
Integrated Interchip Sound (I2S) Module
22.9.3.3 AIFDIRCFG Register (Offset = 8h) [reset = 0h]
AIFDIRCFG is shown in Figure 22-11 and described in Table 22-4.
Return to Summary Table.
Pin Direction
Figure 22-11. AIFDIRCFG Register
31 30 29 28 27 26 25 24
RESERVED
R-0h
23 22 21 20 19 18 17 16
RESERVED
R-0h
15 14 13 12 11 10 9 8
RESERVED AD2
R-0h R/W-0h
76543210
RESERVED AD1 RESERVED AD0
R-0h R/W-0h R-0h R/W-0h
Table 22-4. AIFDIRCFG Register Field Descriptions
Bit Field Type Reset Description
31-10 RESERVED R 0h Software should not rely on the value of a reserved. Writing any
other value than the reset value may result in undefined behavior.
9-8 AD2 R/W 0h Configures the AD2 audio data pin usage
0x3: Reserved
0h = Not in use (disabled)
1h = Input mode
2h = Output mode
7-6 RESERVED R 0h Software should not rely on the value of a reserved. Writing any
other value than the reset value may result in undefined behavior.
5-4 AD1 R/W 0h Configures the AD1 audio data pin usage:
0x3: Reserved
0h = Not in use (disabled)
1h = Input mode
2h = Output mode
3-2 RESERVED R 0h Software should not rely on the value of a reserved. Writing any
other value than the reset value may result in undefined behavior.
1-0 AD0 R/W 0h Configures the AD0 audio data pin usage:
0x3: Reserved
0h = Not in use (disabled)
1h = Input mode
2h = Output mode

www.ti.com
Usage
1543
SWCU117F–February 2015–Revised June 2016
Submit Documentation Feedback Copyright © 2015–2016, Texas Instruments Incorporated
Integrated Interchip Sound (I2S) Module
22.9.3.4 AIFFMTCFG Register (Offset = Ch) [reset = 170h]
AIFFMTCFG is shown in Figure 22-12 and described in Table 22-5.
Return to Summary Table.
Serial Interface Format Configuration
Figure 22-12. AIFFMTCFG Register
31 30 29 28 27 26 25 24
RESERVED
R-0h
23 22 21 20 19 18 17 16
RESERVED
R-0h
15 14 13 12 11 10 9 8
DATA_DELAY
R/W-1h
76543210
MEM_LEN_24 SMPL_EDGE DUAL_PHASE WORD_LEN
R/W-0h R/W-1h R/W-1h R/W-10h
Table 22-5. AIFFMTCFG Register Field Descriptions
Bit Field Type Reset Description
31-16 RESERVED R 0h Software should not rely on the value of a reserved. Writing any
other value than the reset value may result in undefined behavior.
15-8 DATA_DELAY R/W 1h The number of BCLK periods between a WCLK edge and MSB of
the first word in a phase:
0x00: LJF format
0x01: I2S and DSP format
0x02: RJF format
...
0xFF: RJF format
Note: When 0, MSB of the next word will be output in the idle period
between LSB of the previous word and the start of the next word.
Otherwise logical 0 will be output until the data delay has expired.
7 MEM_LEN_24 R/W 0h The size of each word stored to or loaded from memory:
0h = 16BIT : 16-bit (one 16 bit access per sample)
1h = 24BIT : 24-bit (one 8 bit and one 16 bit locked access per
sample)
6 SMPL_EDGE R/W 1h On the serial audio interface, data (and wclk) is sampled and
clocked out on opposite edges of BCLK.
0h = Data is sampled on the negative edge and clocked out on the
positive edge.
1h = Data is sampled on the positive edge and clocked out on the
negative edge.
5 DUAL_PHASE R/W 1h Selects dual- or single-phase format.
0: Single-phase
1: Dual-phase
4-0 WORD_LEN R/W 10h Number of bits per word (8-24):
In single-phase format, this is the exact number of bits per word.
In dual-phase format, this is the maximum number of bits per word.
Values below 8 and above 24 give undefined behavior. Data written
to memory is always aligned to 16 or 24 bits as defined by
MEM_LEN_24. Bit widths that differ from this alignment will either be
truncated or zero padded.

Usage
www.ti.com
1544 SWCU117F–February 2015–Revised June 2016
Submit Documentation Feedback
Copyright © 2015–2016, Texas Instruments Incorporated
Integrated Interchip Sound (I2S) Module
22.9.3.5 AIFWMASK0 Register (Offset = 10h) [reset = 3h]
AIFWMASK0 is shown in Figure 22-13 and described in Table 22-6.
Return to Summary Table.
Word Selection Bit Mask for Pin 0
Figure 22-13. AIFWMASK0 Register
31 30 29 28 27 26 25 24 23 22 21 20 19 18 17 16 15 14 13 12 11 10 9 8 7 6 5 4 3 2 1 0
RESERVED MASK
R/W-0h R/W-3h
Table 22-6. AIFWMASK0 Register Field Descriptions
Bit Field Type Reset Description
31-8 RESERVED R/W 0h Software should not rely on the value of a reserved. Writing any
other value than the reset value may result in undefined behavior.
7-0 MASK R/W 3h Bit-mask indicating valid channels in a frame on AD0.
In single-phase mode, each bit represents one channel, starting with
LSB for the first word in the frame. A frame can contain up to 8
channels. Channels that are not included in the mask will not be
sampled and stored in memory, and clocked out as '0'.
In dual-phase mode, only the two LSBs are considered. For a stereo
configuration, set both bits. For a mono configuration, set bit 0 only.
In mono mode, only channel 0 will be sampled and stored to
memory, and channel 0 will be repeated when clocked out.
In mono mode, only channel 0 will be sampled and stored to
memory, and channel 0 will be repeated in the second phase when
clocked out.
If all bits are zero, no input words will be stored to memory, and the
output data lines will be constant '0'. This can be utilized when PWM
debug output is desired without any actively used output pins.

www.ti.com
Usage
1545
SWCU117F–February 2015–Revised June 2016
Submit Documentation Feedback Copyright © 2015–2016, Texas Instruments Incorporated
Integrated Interchip Sound (I2S) Module
22.9.3.6 AIFWMASK1 Register (Offset = 14h) [reset = 3h]
AIFWMASK1 is shown in Figure 22-14 and described in Table 22-7.
Return to Summary Table.
Word Selection Bit Mask for Pin 1
Figure 22-14. AIFWMASK1 Register
31 30 29 28 27 26 25 24 23 22 21 20 19 18 17 16 15 14 13 12 11 10 9 8 7 6 5 4 3 2 1 0
RESERVED MASK
R-0h R/W-3h
Table 22-7. AIFWMASK1 Register Field Descriptions
Bit Field Type Reset Description
31-8 RESERVED R 0h Software should not rely on the value of a reserved. Writing any
other value than the reset value may result in undefined behavior.
7-0 MASK R/W 3h Bit-mask indicating valid channels in a frame on AD1.
In single-phase mode, each bit represents one channel, starting with
LSB for the first word in the frame. A frame can contain up to 8
channels. Channels that are not included in the mask will not be
sampled and stored in memory, and clocked out as '0'.
In dual-phase mode, only the two LSBs are considered. For a stereo
configuration, set both bits. For a mono configuration, set bit 0 only.
In mono mode, only channel 0 will be sampled and stored to
memory, and channel 0 will be repeated when clocked out.
In mono mode, only channel 0 will be sampled and stored to
memory, and channel 0 will be repeated in the second phase when
clocked out.
If all bits are zero, no input words will be stored to memory, and the
output data lines will be constant '0'. This can be utilized when PWM
debug output is desired without any actively used output pins.

Usage
www.ti.com
1546 SWCU117F–February 2015–Revised June 2016
Submit Documentation Feedback
Copyright © 2015–2016, Texas Instruments Incorporated
Integrated Interchip Sound (I2S) Module
22.9.3.7 AIFWMASK2 Register (Offset = 18h) [reset = 3h]
AIFWMASK2 is shown in Figure 22-15 and described in Table 22-8.
Return to Summary Table.
Word Selection Bit Mask for Pin 2
Figure 22-15. AIFWMASK2 Register
31 30 29 28 27 26 25 24 23 22 21 20 19 18 17 16 15 14 13 12 11 10 9 8 7 6 5 4 3 2 1 0
RESERVED MASK
R-0h R/W-3h
Table 22-8. AIFWMASK2 Register Field Descriptions
Bit Field Type Reset Description
31-8 RESERVED R 0h Software should not rely on the value of a reserved. Writing any
other value than the reset value may result in undefined behavior.
7-0 MASK R/W 3h Bit-mask indicating valid channels in a frame on AD2
In single-phase mode, each bit represents one channel, starting with
LSB for the first word in the frame. A frame can contain up to 8
channels. Channels that are not included in the mask will not be
sampled and stored in memory, and clocked out as '0'.
In dual-phase mode, only the two LSBs are considered. For a stereo
configuration, set both bits. For a mono configuration, set bit 0 only.
In mono mode, only channel 0 will be sampled and stored to
memory, and channel 0 will be repeated when clocked out.
In mono mode, only channel 0 will be sampled and stored to
memory, and channel 0 will be repeated in the second phase when
clocked out.
If all bits are zero, no input words will be stored to memory, and the
output data lines will be constant '0'. This can be utilized when PWM
debug output is desired without any actively used output pins.

www.ti.com
Usage
1547
SWCU117F–February 2015–Revised June 2016
Submit Documentation Feedback Copyright © 2015–2016, Texas Instruments Incorporated
Integrated Interchip Sound (I2S) Module
22.9.3.8 AIFPWMVALUE Register (Offset = 1Ch) [reset = 0h]
AIFPWMVALUE is shown in Figure 22-16 and described in Table 22-9.
Return to Summary Table.
Audio Interface PWM Debug Value
Figure 22-16. AIFPWMVALUE Register
31 30 29 28 27 26 25 24 23 22 21 20 19 18 17 16 15 14 13 12 11 10 9 8 7 6 5 4 3 2 1 0
RESERVED PULSE_WIDTH
R-0h R/W-0h
Table 22-9. AIFPWMVALUE Register Field Descriptions
Bit Field Type Reset Description
31-16 RESERVED R 0h Software should not rely on the value of a reserved. Writing any
other value than the reset value may result in undefined behavior.
15-0 PULSE_WIDTH R/W 0h The value written to this register determines the width of the active
high PWM pulse (pwm_debug), which starts together with MSB of
the first output word in a DMA buffer:
0x0000: Constant low
0x0001: Width of the pulse (number of BCLK cycles, here 1).
...
0xFFFE: Width of the pulse (number of BCLK cycles, here 65534).
0xFFFF: Constant high

Usage
www.ti.com
1548 SWCU117F–February 2015–Revised June 2016
Submit Documentation Feedback
Copyright © 2015–2016, Texas Instruments Incorporated
Integrated Interchip Sound (I2S) Module
22.9.3.9 AIFINPTRNEXT Register (Offset = 20h) [reset = 0h]
AIFINPTRNEXT is shown in Figure 22-17 and described in Table 22-10.
Return to Summary Table.
DMA Input Buffer Next Pointer
Figure 22-17. AIFINPTRNEXT Register
31 30 29 28 27 26 25 24 23 22 21 20 19 18 17 16 15 14 13 12 11 10 9 8 7 6 5 4 3 2 1 0
PTR
R/W-0h
Table 22-10. AIFINPTRNEXT Register Field Descriptions
Bit Field Type Reset Description
31-0 PTR R/W 0h Pointer to the first byte in the next DMA input buffer.
The read value equals the last written value until the currently used
DMA input buffer is completed, and then becomes null when the last
written value is transferred to the DMA controller to start on the next
buffer. This event is signalized by aif_dma_in_irq.
At startup, the value must be written once before and once after
configuring the DMA buffer size in AIFDMACFG.
The next pointer must be written to this register while the DMA
function uses the previously written pointer. If not written in time,
IRQFLAGS.PTR_ERR will be raised and all input pins will be
disabled.
Note the following limitations:
- Address space wrapping is not supported. That means address(last
sample) must be higher than address(first sample.
- A DMA block cannot be aligned with the end of the address space,
that means a block cannot contain the address 0xFFFF.

www.ti.com
Usage
1549
SWCU117F–February 2015–Revised June 2016
Submit Documentation Feedback Copyright © 2015–2016, Texas Instruments Incorporated
Integrated Interchip Sound (I2S) Module
22.9.3.10 AIFINPTR Register (Offset = 24h) [reset = 0h]
AIFINPTR is shown in Figure 22-18 and described in Table 22-11.
Return to Summary Table.
DMA Input Buffer Current Pointer
Figure 22-18. AIFINPTR Register
31 30 29 28 27 26 25 24 23 22 21 20 19 18 17 16 15 14 13 12 11 10 9 8 7 6 5 4 3 2 1 0
PTR
R/W-0h
Table 22-11. AIFINPTR Register Field Descriptions
Bit Field Type Reset Description
31-0 PTR R/W 0h Value of the DMA input buffer pointer currently used by the DMA
controller. Incremented by 1 (byte) or 2 (word) for each AHB access.

Usage
www.ti.com
1550 SWCU117F–February 2015–Revised June 2016
Submit Documentation Feedback
Copyright © 2015–2016, Texas Instruments Incorporated
Integrated Interchip Sound (I2S) Module
22.9.3.11 AIFOUTPTRNEXT Register (Offset = 28h) [reset = 0h]
AIFOUTPTRNEXT is shown in Figure 22-19 and described in Table 22-12.
Return to Summary Table.
DMA Output Buffer Next Pointer
Figure 22-19. AIFOUTPTRNEXT Register
31 30 29 28 27 26 25 24 23 22 21 20 19 18 17 16 15 14 13 12 11 10 9 8 7 6 5 4 3 2 1 0
PTR
R/W-0h
Table 22-12. AIFOUTPTRNEXT Register Field Descriptions
Bit Field Type Reset Description
31-0 PTR R/W 0h Pointer to the first byte in the next DMA output buffer.
The read value equals the last written value until the currently used
DMA output buffer is completed, and then becomes null when the
last written value is transferred to the DMA controller to start on the
next buffer. This event is signalized by aif_dma_out_irq.
At startup, the value must be written once before and once after
configuring the DMA buffer size in AIFDMACFG. At this time, the
first two samples will be fetched from memory.
The next pointer must be written to this register while the DMA
function uses the previously written pointer. If not written in time,
IRQFLAGS.PTR_ERR will be raised and all output pins will be
disabled.
Note the following limitations:
- Address space wrapping is not supported. That means address(last
sample) must be higher than address(first sample.
- A DMA block cannot be aligned with the end of the address space,
that means a block cannot contain the address 0xFFFF.

www.ti.com
Usage
1551
SWCU117F–February 2015–Revised June 2016
Submit Documentation Feedback Copyright © 2015–2016, Texas Instruments Incorporated
Integrated Interchip Sound (I2S) Module
22.9.3.12 AIFOUTPTR Register (Offset = 2Ch) [reset = 0h]
AIFOUTPTR is shown in Figure 22-20 and described in Table 22-13.
Return to Summary Table.
DMA Output Buffer Current Pointer
Figure 22-20. AIFOUTPTR Register
31 30 29 28 27 26 25 24 23 22 21 20 19 18 17 16 15 14 13 12 11 10 9 8 7 6 5 4 3 2 1 0
PTR
R/W-0h
Table 22-13. AIFOUTPTR Register Field Descriptions
Bit Field Type Reset Description
31-0 PTR R/W 0h Value of the DMA output buffer pointer currently used by the DMA
controller Incremented by 1 (byte) or 2 (word) for each AHB access.

Usage
www.ti.com
1552 SWCU117F–February 2015–Revised June 2016
Submit Documentation Feedback
Copyright © 2015–2016, Texas Instruments Incorporated
Integrated Interchip Sound (I2S) Module
22.9.3.13 STMPCTL Register (Offset = 34h) [reset = 0h]
STMPCTL is shown in Figure 22-21 and described in Table 22-14.
Return to Summary Table.
SampleStaMP Generator Control Register
Figure 22-21. STMPCTL Register
31 30 29 28 27 26 25 24
RESERVED
R-0h
23 22 21 20 19 18 17 16
RESERVED
R-0h
15 14 13 12 11 10 9 8
RESERVED
R-0h
76543210
RESERVED OUT_RDY IN_RDY STMP_EN
R-0h R-0h R-0h R/W-0h
Table 22-14. STMPCTL Register Field Descriptions
Bit Field Type Reset Description
31-3 RESERVED R 0h Software should not rely on the value of a reserved. Writing any
other value than the reset value may result in undefined behavior.
2 OUT_RDY R 0h Low until the output pins are ready to be started by the samplestamp
generator. When started (that is STMPOUTTRIG equals the WCLK
counter) the bit goes back low.
1 IN_RDY R 0h Low until the input pins are ready to be started by the samplestamp
generator. When started (that is STMPINTRIG equals the WCLK
counter) the bit goes back low.
0 STMP_EN R/W 0h Enables the samplestamp generator. The samplestamp generator
must only be enabled after it has been properly configured.
When cleared, all samplestamp generator counters and capture
values are cleared.

www.ti.com
Usage
1553
SWCU117F–February 2015–Revised June 2016
Submit Documentation Feedback Copyright © 2015–2016, Texas Instruments Incorporated
Integrated Interchip Sound (I2S) Module
22.9.3.14 STMPXCNTCAPT0 Register (Offset = 38h) [reset = 0h]
STMPXCNTCAPT0 is shown in Figure 22-22 and described in Table 22-15.
Return to Summary Table.
Captured XOSC Counter Value, Capture Channel 0
Figure 22-22. STMPXCNTCAPT0 Register
31 30 29 28 27 26 25 24 23 22 21 20 19 18 17 16 15 14 13 12 11 10 9 8 7 6 5 4 3 2 1 0
RESERVED CAPT_VALUE
R-0h R-0h
Table 22-15. STMPXCNTCAPT0 Register Field Descriptions
Bit Field Type Reset Description
31-16 RESERVED R 0h Software should not rely on the value of a reserved. Writing any
other value than the reset value may result in undefined behavior.
15-0 CAPT_VALUE R 0h The value of the samplestamp XOSC counter
(STMPXCNT.CURR_VALUE) last time an event was pulsed (event
source selected in [EVENT.I2SSTMPSEL0.EV] for channel 0). This
number corresponds to the number of 24 MHz clock cycles since the
last positive edge of the selected WCLK.
The value is cleared when STMPCTL.STMP_EN = 0.
Note: Due to buffering and synchronization, WCLK is delayed by a
small number of BCLK periods and clk periods.
Note: When calculating the fractional part of the sample stamp,
STMPXPER may be less than this bit field.

Usage
www.ti.com
1554 SWCU117F–February 2015–Revised June 2016
Submit Documentation Feedback
Copyright © 2015–2016, Texas Instruments Incorporated
Integrated Interchip Sound (I2S) Module
22.9.3.15 STMPXPER Register (Offset = 3Ch) [reset = 0h]
STMPXPER is shown in Figure 22-23 and described in Table 22-16.
Return to Summary Table.
XOSC Period Value
Figure 22-23. STMPXPER Register
31 30 29 28 27 26 25 24 23 22 21 20 19 18 17 16 15 14 13 12 11 10 9 8 7 6 5 4 3 2 1 0
RESERVED VALUE
R-0h R-0h
Table 22-16. STMPXPER Register Field Descriptions
Bit Field Type Reset Description
31-16 RESERVED R 0h Software should not rely on the value of a reserved. Writing any
other value than the reset value may result in undefined behavior.
15-0 VALUE R 0h The number of 24 MHz clock cycles in the previous WCLK period
(that is - the next value of the XOSC counter at the positive WCLK
edge, had it not been reset to 0).
The value is cleared when STMPCTL.STMP_EN = 0.

www.ti.com
Usage
1555
SWCU117F–February 2015–Revised June 2016
Submit Documentation Feedback Copyright © 2015–2016, Texas Instruments Incorporated
Integrated Interchip Sound (I2S) Module
22.9.3.16 STMPWCNTCAPT0 Register (Offset = 40h) [reset = 0h]
STMPWCNTCAPT0 is shown in Figure 22-24 and described in Table 22-17.
Return to Summary Table.
Captured WCLK Counter Value, Capture Channel 0
Figure 22-24. STMPWCNTCAPT0 Register
31 30 29 28 27 26 25 24 23 22 21 20 19 18 17 16 15 14 13 12 11 10 9 8 7 6 5 4 3 2 1 0
RESERVED CAPT_VALUE
R-0h R-0h
Table 22-17. STMPWCNTCAPT0 Register Field Descriptions
Bit Field Type Reset Description
31-16 RESERVED R 0h Software should not rely on the value of a reserved. Writing any
other value than the reset value may result in undefined behavior.
15-0 CAPT_VALUE R 0h The value of the samplestamp WCLK counter
(STMPWCNT.CURR_VALUE) last time an event was pulsed (event
source selected in EVENT:I2SSTMPSEL0.EV for channel 0). This
number corresponds to the number of positive WCLK edges since
the samplestamp generator was enabled (not taking modification
through STMPWADD/STMPWSET into account).
The value is cleared when STMPCTL.STMP_EN = 0.

Usage
www.ti.com
1556 SWCU117F–February 2015–Revised June 2016
Submit Documentation Feedback
Copyright © 2015–2016, Texas Instruments Incorporated
Integrated Interchip Sound (I2S) Module
22.9.3.17 STMPWPER Register (Offset = 44h) [reset = 0h]
STMPWPER is shown in Figure 22-25 and described in Table 22-18.
Return to Summary Table.
WCLK Counter Period Value
Figure 22-25. STMPWPER Register
31 30 29 28 27 26 25 24 23 22 21 20 19 18 17 16 15 14 13 12 11 10 9 8 7 6 5 4 3 2 1 0
RESERVED VALUE
R-0h R/W-0h
Table 22-18. STMPWPER Register Field Descriptions
Bit Field Type Reset Description
31-16 RESERVED R 0h Software should not rely on the value of a reserved. Writing any
other value than the reset value may result in undefined behavior.
15-0 VALUE R/W 0h Used to define when STMPWCNT is to be reset so number of WCLK
edges are found for the size of the sample buffer. This is thus a
modulo value for the WCLK counter. This number must correspond
to the size of the sample buffer used by the system (that is the index
of the last sample plus 1).

www.ti.com
Usage
1557
SWCU117F–February 2015–Revised June 2016
Submit Documentation Feedback Copyright © 2015–2016, Texas Instruments Incorporated
Integrated Interchip Sound (I2S) Module
22.9.3.18 STMPINTRIG Register (Offset = 48h) [reset = 0h]
STMPINTRIG is shown in Figure 22-26 and described in Table 22-19.
Return to Summary Table.
WCLK Counter Trigger Value for Input Pins
Figure 22-26. STMPINTRIG Register
31 30 29 28 27 26 25 24 23 22 21 20 19 18 17 16 15 14 13 12 11 10 9 8 7 6 5 4 3 2 1 0
RESERVED IN_START_WCNT
R-0h R/W-0h
Table 22-19. STMPINTRIG Register Field Descriptions
Bit Field Type Reset Description
31-16 RESERVED R 0h Software should not rely on the value of a reserved. Writing any
other value than the reset value may result in undefined behavior.
15-0 IN_START_WCNT R/W 0h Compare value used to start the incoming audio streams.
This bit field shall equal the WCLK counter value during the WCLK
period in which the first input word(s) are sampled and stored to
memory (that is the sample at the start of the very first DMA input
buffer).
The value of this register takes effect when the following conditions
are met:
- One or more pins are configured as inputs in AIFDIRCFG.
- AIFDMACFG has been configured for the correct buffer size, and
at least 32 BCLK cycle ticks have happened.
Note: To avoid false triggers, this bit field should be set higher than
STMPWPER.VALUE.

Usage
www.ti.com
1558 SWCU117F–February 2015–Revised June 2016
Submit Documentation Feedback
Copyright © 2015–2016, Texas Instruments Incorporated
Integrated Interchip Sound (I2S) Module
22.9.3.19 STMPOUTTRIG Register (Offset = 4Ch) [reset = 0h]
STMPOUTTRIG is shown in Figure 22-27 and described in Table 22-20.
Return to Summary Table.
WCLK Counter Trigger Value for Output Pins
Figure 22-27. STMPOUTTRIG Register
31 30 29 28 27 26 25 24 23 22 21 20 19 18 17 16 15 14 13 12 11 10 9 8 7 6 5 4 3 2 1 0
RESERVED OUT_START_WCNT
R-0h R/W-0h
Table 22-20. STMPOUTTRIG Register Field Descriptions
Bit Field Type Reset Description
31-16 RESERVED R 0h Software should not rely on the value of a reserved. Writing any
other value than the reset value may result in undefined behavior.
15-0 OUT_START_WCNT R/W 0h Compare value used to start the outgoing audio streams.
This bit field must equal the WCLK counter value during the WCLK
period in which the first output word(s) read from memory are
clocked out (that is the sample at the start of the very first DMA
output buffer).
The value of this register takes effect when the following conditions
are met:
- One or more pins are configured as outputs in AIFDIRCFG.
- AIFDMACFG has been configured for the correct buffer size, and
32 BCLK cycle ticks have happened.
- 2 samples have been preloaded from memory (examine the
AIFOUTPTR register if necessary).
Note: The memory read access is only performed when required,
that is channels 0/1 must be selected in AIFWMASK0/AIFWMASK1.
Note: To avoid false triggers, this bit field should be set higher than
STMPWPER.VALUE.

www.ti.com
Usage
1559
SWCU117F–February 2015–Revised June 2016
Submit Documentation Feedback Copyright © 2015–2016, Texas Instruments Incorporated
Integrated Interchip Sound (I2S) Module
22.9.3.20 STMPWSET Register (Offset = 50h) [reset = 0h]
STMPWSET is shown in Figure 22-28 and described in Table 22-21.
Return to Summary Table.
WCLK Counter Set Operation
Figure 22-28. STMPWSET Register
31 30 29 28 27 26 25 24 23 22 21 20 19 18 17 16 15 14 13 12 11 10 9 8 7 6 5 4 3 2 1 0
RESERVED VALUE
R-0h R/W-0h
Table 22-21. STMPWSET Register Field Descriptions
Bit Field Type Reset Description
31-16 RESERVED R 0h Software should not rely on the value of a reserved. Writing any
other value than the reset value may result in undefined behavior.
15-0 VALUE R/W 0h WCLK counter modification: Sets the running WCLK counter equal
to the written value.

Usage
www.ti.com
1560 SWCU117F–February 2015–Revised June 2016
Submit Documentation Feedback
Copyright © 2015–2016, Texas Instruments Incorporated
Integrated Interchip Sound (I2S) Module
22.9.3.21 STMPWADD Register (Offset = 54h) [reset = 0h]
STMPWADD is shown in Figure 22-29 and described in Table 22-22.
Return to Summary Table.
WCLK Counter Add Operation
Figure 22-29. STMPWADD Register
31 30 29 28 27 26 25 24 23 22 21 20 19 18 17 16 15 14 13 12 11 10 9 8 7 6 5 4 3 2 1 0
RESERVED VALUE_INC
R-0h R/W-0h
Table 22-22. STMPWADD Register Field Descriptions
Bit Field Type Reset Description
31-16 RESERVED R 0h Software should not rely on the value of a reserved. Writing any
other value than the reset value may result in undefined behavior.
15-0 VALUE_INC R/W 0h WCLK counter modification: Adds the written value to the running
WCLK counter. If a positive edge of WCLK occurs at the same time
as the operation, this will be taken into account.
To add a negative value, write "STMPWPER.VALUE - value".

www.ti.com
Usage
1561
SWCU117F–February 2015–Revised June 2016
Submit Documentation Feedback Copyright © 2015–2016, Texas Instruments Incorporated
Integrated Interchip Sound (I2S) Module
22.9.3.22 STMPXPERMIN Register (Offset = 58h) [reset = FFFFh]
STMPXPERMIN is shown in Figure 22-30 and described in Table 22-23.
Return to Summary Table.
XOSC Minimum Period Value
Minimum Value of STMPXPER
Figure 22-30. STMPXPERMIN Register
31 30 29 28 27 26 25 24 23 22 21 20 19 18 17 16 15 14 13 12 11 10 9 8 7 6 5 4 3 2 1 0
RESERVED VALUE
R-0h R/W-FFFFh
Table 22-23. STMPXPERMIN Register Field Descriptions
Bit Field Type Reset Description
31-16 RESERVED R 0h Software should not rely on the value of a reserved. Writing any
other value than the reset value may result in undefined behavior.
15-0 VALUE R/W FFFFh Each time STMPXPER is updated, the value is also loaded into this
register, provided that the value is smaller than the current value in
this register.
When written, the register is reset to 0xFFFF (65535), regardless of
the value written.
The minimum value can be used to detect extra WCLK pulses (this
registers value will be significantly smaller than
STMPXPER.VALUE).

Usage
www.ti.com
1562 SWCU117F–February 2015–Revised June 2016
Submit Documentation Feedback
Copyright © 2015–2016, Texas Instruments Incorporated
Integrated Interchip Sound (I2S) Module
22.9.3.23 STMPWCNT Register (Offset = 5Ch) [reset = 0h]
STMPWCNT is shown in Figure 22-31 and described in Table 22-24.
Return to Summary Table.
Current Value of WCNT
Figure 22-31. STMPWCNT Register
31 30 29 28 27 26 25 24 23 22 21 20 19 18 17 16 15 14 13 12 11 10 9 8 7 6 5 4 3 2 1 0
RESERVED CURR_VALUE
R-0h R-0h
Table 22-24. STMPWCNT Register Field Descriptions
Bit Field Type Reset Description
31-16 RESERVED R 0h Software should not rely on the value of a reserved. Writing any
other value than the reset value may result in undefined behavior.
15-0 CURR_VALUE R 0h Current value of the WCLK counter

www.ti.com
Usage
1563
SWCU117F–February 2015–Revised June 2016
Submit Documentation Feedback Copyright © 2015–2016, Texas Instruments Incorporated
Integrated Interchip Sound (I2S) Module
22.9.3.24 STMPXCNT Register (Offset = 60h) [reset = 0h]
STMPXCNT is shown in Figure 22-32 and described in Table 22-25.
Return to Summary Table.
Current Value of XCNT
Figure 22-32. STMPXCNT Register
31 30 29 28 27 26 25 24 23 22 21 20 19 18 17 16 15 14 13 12 11 10 9 8 7 6 5 4 3 2 1 0
RESERVED CURR_VALUE
R-0h R-0h
Table 22-25. STMPXCNT Register Field Descriptions
Bit Field Type Reset Description
31-16 RESERVED R 0h Software should not rely on the value of a reserved. Writing any
other value than the reset value may result in undefined behavior.
15-0 CURR_VALUE R 0h Current value of the XOSC counter, latched when reading
STMPWCNT.

Usage
www.ti.com
1564 SWCU117F–February 2015–Revised June 2016
Submit Documentation Feedback
Copyright © 2015–2016, Texas Instruments Incorporated
Integrated Interchip Sound (I2S) Module
22.9.3.25 STMPXCNTCAPT1 Register (Offset = 64h) [reset = 0h]
STMPXCNTCAPT1 is shown in Figure 22-33 and described in Table 22-26.
Return to Summary Table.
Captured XOSC Counter Value, Capture Channel 1
Figure 22-33. STMPXCNTCAPT1 Register
31 30 29 28 27 26 25 24 23 22 21 20 19 18 17 16 15 14 13 12 11 10 9 8 7 6 5 4 3 2 1 0
RESERVED CAPT_VALUE
R-0h R-0h
Table 22-26. STMPXCNTCAPT1 Register Field Descriptions
Bit Field Type Reset Description
31-16 RESERVED R 0h Software should not rely on the value of a reserved. Writing any
other value than the reset value may result in undefined behavior.
15-0 CAPT_VALUE R 0h Channel 1 is idle and can not be sampled from an external pulse as
with Channel 0 STMPXCNTCAPT0

www.ti.com
Usage
1565
SWCU117F–February 2015–Revised June 2016
Submit Documentation Feedback Copyright © 2015–2016, Texas Instruments Incorporated
Integrated Interchip Sound (I2S) Module
22.9.3.26 STMPWCNTCAPT1 Register (Offset = 68h) [reset = 0h]
STMPWCNTCAPT1 is shown in Figure 22-34 and described in Table 22-27.
Return to Summary Table.
Captured WCLK Counter Value, Capture Channel 1
Figure 22-34. STMPWCNTCAPT1 Register
31 30 29 28 27 26 25 24 23 22 21 20 19 18 17 16 15 14 13 12 11 10 9 8 7 6 5 4 3 2 1 0
RESERVED CAPT_VALUE
R-0h R-0h
Table 22-27. STMPWCNTCAPT1 Register Field Descriptions
Bit Field Type Reset Description
31-16 RESERVED R 0h Software should not rely on the value of a reserved. Writing any
other value than the reset value may result in undefined behavior.
15-0 CAPT_VALUE R 0h Channel 1 is idle and can not be sampled from an external event as
with Channel 0 STMPWCNTCAPT0

Usage
www.ti.com
1566 SWCU117F–February 2015–Revised June 2016
Submit Documentation Feedback
Copyright © 2015–2016, Texas Instruments Incorporated
Integrated Interchip Sound (I2S) Module
22.9.3.27 IRQMASK Register (Offset = 70h) [reset = 0h]
IRQMASK is shown in Figure 22-35 and described in Table 22-28.
Return to Summary Table.
Masked Interrupt Status Register
Figure 22-35. IRQMASK Register
31 30 29 28 27 26 25 24
RESERVED
R/W-0h
23 22 21 20 19 18 17 16
RESERVED
R/W-0h
15 14 13 12 11 10 9 8
RESERVED
R/W-0h
76543210
RESERVED AIF_DMA_IN AIF_DMA_OUT WCLK_TIMEO
UT BUS_ERR WCLK_ERR PTR_ERR
R/W-0h R/W-0h R/W-0h R/W-0h R/W-0h R/W-0h R/W-0h
Table 22-28. IRQMASK Register Field Descriptions
Bit Field Type Reset Description
31-6 RESERVED R/W 0h Software should not rely on the value of a reserved. Writing any
other value than the reset value may result in undefined behavior.
5 AIF_DMA_IN R/W 0h Defines the masks state for the interrupt of IRQFLAGS.AIF_DMA_IN
0: Disable
1: Enable
4 AIF_DMA_OUT R/W 0h Defines the masks state for the interrupt of
IRQFLAGS.AIF_DMA_OUT
0: Disable
1: Enable
3 WCLK_TIMEOUT R/W 0h Defines the masks state for the interrupt of
IRQFLAGS.WCLK_TIMEOUT
0: Disable
1: Enable
2 BUS_ERR R/W 0h Defines the masks state for the interrupt of IRQFLAGS.BUS_ERR
0: Disable
1: Enable
1 WCLK_ERR R/W 0h Defines the masks state for the interrupt of IRQFLAGS.WCLK_ERR
0: Disable
1: Enable
0 PTR_ERR R/W 0h Defines the masks state for the interrupt of IRQFLAGS.PTR_ERR
0: Disable
1: Enable

www.ti.com
Usage
1567
SWCU117F–February 2015–Revised June 2016
Submit Documentation Feedback Copyright © 2015–2016, Texas Instruments Incorporated
Integrated Interchip Sound (I2S) Module
22.9.3.28 IRQFLAGS Register (Offset = 74h) [reset = 0h]
IRQFLAGS is shown in Figure 22-36 and described in Table 22-29.
Return to Summary Table.
Raw Interrupt Status Register
Figure 22-36. IRQFLAGS Register
31 30 29 28 27 26 25 24
RESERVED
R-0h
23 22 21 20 19 18 17 16
RESERVED
R-0h
15 14 13 12 11 10 9 8
RESERVED
R-0h
76543210
RESERVED AIF_DMA_IN AIF_DMA_OUT WCLK_TIMEO
UT BUS_ERR WCLK_ERR PTR_ERR
R-0h R-0h R-0h R-0h R-0h R-0h R-0h
Table 22-29. IRQFLAGS Register Field Descriptions
Bit Field Type Reset Description
31-6 RESERVED R 0h Software should not rely on the value of a reserved. Writing any
other value than the reset value may result in undefined behavior.
5 AIF_DMA_IN R 0h Set when condition for this bit field event occurs (auto cleared when
input pointer is updated - AIFINPTR), see description of AIFINPTR
register
4 AIF_DMA_OUT R 0h Set when condition for this bit field event occurs (auto cleared when
output pointer is updated - AIFOUTPTR), see description of
AIFOUTPTR register for details
3 WCLK_TIMEOUT R 0h Set when the sample stamp generator does not detect a positive
WCLK edge for 65535 clk periods. This signalizes that the internal or
external BCLK and WCLK generator source has been disabled.
The bit is sticky and may only be cleared by software (by writing '1'
to IRQCLR.WCLK_TIMEOUT).
2 BUS_ERR R 0h Set when a DMA operation is not completed in time (that is audio
output buffer underflow, or audio input buffer overflow).
This error requires a complete restart since word synchronization
has been lost. The bit is sticky and may only be cleared by software
(by writing '1' to IRQCLR.BUS_ERR).
Note that DMA initiated transactions to illegal addresses will not
trigger an interrupt. The response to such transactions is undefined.
1 WCLK_ERR R 0h Set when:
- An unexpected WCLK edge occurs during the data delay period of
a phase. Note unexpected WCLK edges during the word and idle
periods of the phase are not detected.
- In dual-phase mode, when two WCLK edges are less than 4 BCLK
cycles apart.
- In single-phase mode, when a WCLK pulse occurs before the last
channel.
This error requires a complete restart since word synchronization
has been lost. The bit is sticky and may only be cleared by software
(by writing '1' to IRQCLR.WCLK_ERR).
0 PTR_ERR R 0h Set when AIFINPTRNEXT or AIFOUTPTRNEXT has not been
loaded with the next block address in time.
This error requires a complete restart since word synchronization
has been lost. The bit is sticky and may only be cleared by software
(by writing '1' to IRQCLR.PTR_ERR).

Usage
www.ti.com
1568 SWCU117F–February 2015–Revised June 2016
Submit Documentation Feedback
Copyright © 2015–2016, Texas Instruments Incorporated
Integrated Interchip Sound (I2S) Module
22.9.3.29 IRQSET Register (Offset = 78h) [reset = 0h]
IRQSET is shown in Figure 22-37 and described in Table 22-30.
Return to Summary Table.
Interrupt Set Register
Figure 22-37. IRQSET Register
31 30 29 28 27 26 25 24
RESERVED
W-0h
23 22 21 20 19 18 17 16
RESERVED
W-0h
15 14 13 12 11 10 9 8
RESERVED
W-0h
76543210
RESERVED AIF_DMA_IN AIF_DMA_OUT WCLK_TIMEO
UT BUS_ERR WCLK_ERR PTR_ERR
W-0h W-0h W-0h W-0h W-0h W-0h W-0h
Table 22-30. IRQSET Register Field Descriptions
Bit Field Type Reset Description
31-6 RESERVED W 0h Software should not rely on the value of a reserved. Writing any
other value than the reset value may result in undefined behavior.
5 AIF_DMA_IN W 0h 1: Sets the interrupt of IRQFLAGS.AIF_DMA_IN (unless a auto clear
criteria was given at the same time, in which the set will be ignored)
4 AIF_DMA_OUT W 0h 1: Sets the interrupt of IRQFLAGS.AIF_DMA_OUT (unless a auto
clear criteria was given at the same time, in which the set will be
ignored)
3 WCLK_TIMEOUT W 0h 1: Sets the interrupt of IRQFLAGS.WCLK_TIMEOUT
2 BUS_ERR W 0h 1: Sets the interrupt of IRQFLAGS.BUS_ERR
1 WCLK_ERR W 0h 1: Sets the interrupt of IRQFLAGS.WCLK_ERR
0 PTR_ERR W 0h 1: Sets the interrupt of IRQFLAGS.PTR_ERR

www.ti.com
Usage
1569
SWCU117F–February 2015–Revised June 2016
Submit Documentation Feedback Copyright © 2015–2016, Texas Instruments Incorporated
Integrated Interchip Sound (I2S) Module
22.9.3.30 IRQCLR Register (Offset = 7Ch) [reset = 0h]
IRQCLR is shown in Figure 22-38 and described in Table 22-31.
Return to Summary Table.
Interrupt Clear Register
Figure 22-38. IRQCLR Register
31 30 29 28 27 26 25 24
RESERVED
W-0h
23 22 21 20 19 18 17 16
RESERVED
W-0h
15 14 13 12 11 10 9 8
RESERVED
W-0h
76543210
RESERVED AIF_DMA_IN AIF_DMA_OUT WCLK_TIMEO
UT BUS_ERR WCLK_ERR PTR_ERR
W-0h W-0h W-0h W-0h W-0h W-0h W-0h
Table 22-31. IRQCLR Register Field Descriptions
Bit Field Type Reset Description
31-6 RESERVED W 0h Software should not rely on the value of a reserved. Writing any
other value than the reset value may result in undefined behavior.
5 AIF_DMA_IN W 0h 1: Clears the interrupt of IRQFLAGS.AIF_DMA_IN (unless a set
criteria was given at the same time in which the clear will be ignored)
4 AIF_DMA_OUT W 0h 1: Clears the interrupt of IRQFLAGS.AIF_DMA_OUT (unless a set
criteria was given at the same time in which the clear will be ignored)
3 WCLK_TIMEOUT W 0h 1: Clears the interrupt of IRQFLAGS.WCLK_TIMEOUT (unless a set
criteria was given at the same time in which the clear will be ignored)
2 BUS_ERR W 0h 1: Clears the interrupt of IRQFLAGS.BUS_ERR (unless a set criteria
was given at the same time in which the clear will be ignored)
1 WCLK_ERR W 0h 1: Clears the interrupt of IRQFLAGS.WCLK_ERR (unless a set
criteria was given at the same time in which the clear will be ignored)
0 PTR_ERR W 0h 1: Clears the interrupt of IRQFLAGS.PTR_ERR (unless a set criteria
was given at the same time in which the clear will be ignored)

1570 SWCU117F–February 2015–Revised June 2016
Submit Documentation Feedback
Copyright © 2015–2016, Texas Instruments Incorporated
Radio
Chapter 23
SWCU117F–February 2015–Revised June 2016
Radio
The radio in the CC26xx and CC13xx devices offers a wide variety of different operational modes,
covering many different packet formats. The radio firmware executes from the CC26xx and CC13xx radio
domain on an ARM®Cortex®-M0 processor, which can provide extensive baseband automation. The
application software interfaces and interoperates with the radio firmware using shared memory interface
(system RAM or radio RAM) and specific handshake hardware (radio doorbell).
Topic ........................................................................................................................... Page
23.1 RF Core ......................................................................................................... 1571
23.2 Radio Doorbell................................................................................................ 1572
23.3 RF Core HAL .................................................................................................. 1576
23.4 Data Queue Usage .......................................................................................... 1614
23.5 IEEE 802.15.4.................................................................................................. 1618
23.6 Bluetooth low energy........................................................................................ 1641
23.7 Proprietary Radio............................................................................................ 1675
23.8 Radio Registers .............................................................................................. 1697

System
CPU
Cortex-M3
M
M
DMA
System flash
128KB
A
D
I
System RAM
20KB
Security
subsystem
Radio
CPU
Cortex-M0
Bus bridge
Modem, frequency
synthesizer, and
RF interfaces
Other
peripherals
L1 interconnect
L2 interconnect
RF Core
Bus Fabric
Analog/Digital Signals
Bus Master
MM
M M
M
Legend
www.ti.com
RF Core
1571
SWCU117F–February 2015–Revised June 2016
Submit Documentation Feedback Copyright © 2015–2016, Texas Instruments Incorporated
Radio
23.1 RF Core
The RF core contains an ARM Cortex-M0 processor that interfaces the analog RF and baseband
circuitries, handles data to and from the system side, and assembles the information bits in a given packet
structure. The RF core offers a high-level, command-based application program interface (API) to the
system CPU (ARM Cortex-M3). The RF core can autonomously handle the time-critical aspects of the
radio protocols (802.15.4 RF4CE and ZigBee®,Bluetooth ®low energy, and so on), thus offloading the
system CPU and leaving more resources for the user’s application.
The RF core has a dedicated 4-KB SRAM block and runs almost entirely from separate ROM.
23.1.1 High-level Description and Overview
The RF core receives high-level requests from the system CPU and performs all the necessary
transactions to fulfill them. These requests are basically oriented to the transmission and reception of
information through the radio channel, but can also include additional maintenance tasks such as
calibration, test, or debug features.
As a general framework, the transactions between the system CPU and the RF core operate as follows:
• The RF core can access data and configuration parameters from the system RAM. This reduces the
memory requirements of the RF core, avoids needless traffic between the different parts of the system,
and reduces the total energy consumption.
• In a similar fashion, the RF core can decode and write back the contents of the received radio packet,
together with status information, to the system RAM.
• For protocol confidentiality and authentication support purposes, the RF core can also access the
security subsystem.
• In general, the RF core recognizes complex commands from the system CPU (CCA transmissions, RX
with automatic acknowledge, and so forth) and divides them into subcommands without further
intervention of the system CPU.
Figure 23-1 shows the external interfaces and dependencies of the RF core.
Figure 23-1. Limited RF Core Overview With External Dependencies

Radio Doorbell
www.ti.com
1572 SWCU117F–February 2015–Revised June 2016
Submit Documentation Feedback
Copyright © 2015–2016, Texas Instruments Incorporated
Radio
Each block shown in Figure 23-1 performs the following functions:
System Side
• System CPU: Main system processor that runs the user's application, together with the high-level
protocol stack (for a number of supported configurations) and eventually some higher-level MAC
features for some protocols. The system CPU runs code from the boot ROM and the system flash.
• System RAM: Contains packet information (TX and RX payloads) and the different parameters or
configuration options for a given transaction.
• Security Subsystem: Encompasses the different elements to provide protocol confidentiality and
authentication.
• DMA: Optionally charged with the task of moving information from the radio RAM to the system RAM
and vice versa, if direct CPU access is not used.
Radio Side
• Radio CPU: Main RF core processor. Receives high-level commands from the system CPU and
schedules them into the different parts of the RF core.
• Modem, Frequency Synthesizer, RF Interfaces: This is the core of the radio, converting the bits into
modulated signals and vice versa.
23.2 Radio Doorbell
The radio doorbell module (RFC_DBELL) is the primary means of communication between the system
CPU and the radio CPU, also known as command and packet engine (CPE). The radio doorbell contains
a set of dedicated registers, parameters in any of the RAMs of the device, and a set of interrupts to both
the radio CPU and to the system CPU.
In addition, parameters and payload are transferred through the system RAM or the radio RAM. If any
parameters or payload are in the system RAM, the system CPU must remain powered, while if everything
is in the radio RAM, the system CPU may go into power-down mode to save current.
During operation, the radio CPU updates parameters and payload in RAM and raises interrupts. The
system CPU may mask out interrupts, so that it remains in idle or power-down mode until the entire radio
operation finishes.
Because the system CPU and the radio CPU share a common RAM area, ensure that no contention or
race conditions can occur. This is achieved in software by rules set up in the radio hardware abstraction
layer (HAL).

System
CPU
System RAM Radio
CPU
L
1
L
2
CMDR
CMDSTA
IRQs to
Radio CPU
Radio Doorbell
IRQs to
System CPU
Event Fabric
Wake Up IRQ
Controller
4
1
Radio RAM
www.ti.com
Radio Doorbell
1573
SWCU117F–February 2015–Revised June 2016
Submit Documentation Feedback Copyright © 2015–2016, Texas Instruments Incorporated
Radio
Figure 23-2 shows the relevant modules for information exchange between the CPUs.
Figure 23-2. Hardware Support for the HAL
23.2.1 Command and Status Register and Events
Sending commands to the radio is done through the CMDR register, while the CMDSTA read-only register
provides status back from the radio. The CMDR register can only be written while it reads 0; otherwise,
writes are ignored. When the CMDR register is 0 and a nonzero value is written to it, the radio CPU is
notified and the CMDSTA register becomes 0. After this, the value written is readable from the CMDR
register until the radio CPU has processed the command, at which point it goes back to 0.
When the command has been processed by the radio CPU, the CMDSTA register contains a nonzero
status, which is provided at the same instant as the CMDR register goes back to 0. At this instant, an
RFCMDACK interrupt occurs. This interrupt is also mapped to the RFACKIFG register, which should be
cleared when the interrupt has been processed.
See Section 23.3.2 for the format of the command and status registers.
23.2.2 RF Core Interrupts
The RF core has four interrupt lines to the ARM Cortex-M3 (see Figure 23-2). The following interrupts are
controlled by the radio doorbell module:
• RF_CPE0 (interrupt number 9)
• RF_CPE1 (interrupt number 2)
• RF_HW (interrupt number 10)
• RF_CMD_ACK (interrupt number 11)
23.2.2.1 RF Command and Packet Engine Interrupts
The two system-level interrupts RF_CPE0 and RF_CPE1 can be produced from a number of low-level
interrupts produced by the CPE. Each of these low-level interrupts can be mapped to RF_CPE0 or
RF_CPE1 using the RFCPEISL register. In addition, interrupt generation at system level may be switched
on and off using the RFCPEIEN register.
In case of an event that triggers a low-level interrupt, the corresponding bit in the RFCPEIFG register is
set to 1. Whenever a bit in RFCPEIFG and the corresponding bit in RFCPEIEN are both 1, the system-
level interrupt selected in RFCPEISL is raised. This means that the interrupt service routine (ISR) must
clear the bits in RFCPEIFG that correspond to low-level interrupts that have been processed.

Radio Doorbell
www.ti.com
1574 SWCU117F–February 2015–Revised June 2016
Submit Documentation Feedback
Copyright © 2015–2016, Texas Instruments Incorporated
Radio
A list of the available interrupts is found in the register description for RFCPEIFG in Section 23.8.2.5.
Clearing bits in RFCPEIFG is done by writing 0 to those bits, while any bits written to 1 remain
unchanged.
NOTE: When clearing bits in the RFCPEIFG register, interrupts may be lost if a read-modify-write
operation is done because interrupt flags that became active between the read and write
operation might be lost. Thus, clearing an interrupt flag should be done as follows:
HWREG(RFC_DBELL_BASE + RFC_DBELL_O_RFCPEIFG) = ~(1 << irq_no);
and not as:
HWREG(RFC_DBELL_BASE + RFC_DBELL_O_RFCPEIFG) &= ~(1 <<
irq_no); // wrong
23.2.2.2 RF Core Hardware Interrupts
The system-level interrupt RF_HW can be produced from a number of low-level interrupts produced by RF
core hardware. Interrupt generation at system level may be switched on and off for each source by using
the RFHWEN register.
In the case of an event that triggers a low-level interrupt, the corresponding bit in the RFHWIFG register is
set to 1. Whenever a bit in RFHWIFG and the corresponding bit in RFHWIEN are both 1, the RF_HW
interrupt is raised. This means that the ISR should clear the bits in RFHWIFG that correspond to low-level
interrupts that have been processed.
A list of the available interrupts is found in the register description for RFHWIFG in Section 23.8.2.3. In
general, TI does not recommend servicing these interrupts in the main CPU, but the available radio timer
channel interrupts may be served this way.
Clearing bits in RFHWIFG is done by writing 0 to those bits, while any bits written to 1 remain unchanged.
NOTE: When clearing bits in RFHWIFG, interrupts may be lost if a read-modify-write operation is
done. Therefore, the same rule applies for the RFHWIFG register as for RFCPEIFG (see
Section 23.2.2.1).
23.2.2.3 RF Core Command Acknowledge Interrupt
The system-level interrupt RF_CMD_ACK is produced when an RF core command is acknowledged, that
is, when the status becomes available in CMDSTA (see Section 23.8.2.2). When the status becomes
available, the RFACKIFG.ACKFLAG register bit is set to 1. Whenever this bit is 1, the RF_CMD_ACK
interrupt is raised, which means that the ISR must clear RFACKIFG.ACKFLAG when processing the
RF_CMD_ACK interrupt.
23.2.3 Radio Timer
The radio has its own dedicated timer, the radio timer (RAT) module. The RAT is a 32-bit free-running
timer running on 4 MHz. The RAT has eight channels with compare and capture functionality. Five of
these channels are reserved for the radio CPU, while the remaining three are available for use by the
ARM Cortex-M3. The available channels are numbered 5, 6, and 7.
The RAT can only run while the RF core is powered up. The RAT must be started by the command
CMD_START_RAT or CMD_SYNC_START_RAT. The radio timer must be running to run a radio
operation command with delayed start or any radio operation command that runs the receiver or
transmitter.
When the RAT is running, the current value of the timer can be read from the RATCNT register (see
Section 23.8.1.1).

www.ti.com
Radio Doorbell
1575
SWCU117F–February 2015–Revised June 2016
Submit Documentation Feedback Copyright © 2015–2016, Texas Instruments Incorporated
Radio
23.2.3.1 Compare and Capture Events
The available channels may be set up in compare mode or capture mode.
Compare mode can be set up using the CMD_SET_RAT_CMP command (see Section 23.3.4.10). In this
case, the timer generates an interrupt when the counter reaches the value given by compareTime. The
interrupt is mapped to RFHWIFG (see Section 23.2.2.2 and Section 23.8.2.3). For the available RAT
channels, the interrupt flags in use are RATCH5, RATCH6, and RATCH7. Optionally, it is also possible to
control an I/O pin when the counter reaches the value given by compareTime (see Section 23.2.3.2).
When the CMD_SET_RAT_CMP command has been sent, the value of compareTime is stored in the
radio channel value register (RATCHnVAL) corresponding to the selected channel (see Table 23-153).
Capture mode can be used to capture a transition on an input pin and record the RAT counter value at the
time when the transition occurred. Compare mode can be set up using the CMD_SET_RAT_CPT
command (see Section 23.3.4.11). When the transition occurs, the current value of the RAT is stored in
the RATCHnVAL register corresponding to the selected channel (see Table 23-153), and the timer
generates an interrupt. As for compare mode, the interrupt is mapped to RFHWIFG. For the available RAT
channels, the interrupt flags in use are RATCH5, RATCH6, and RATCH7. If single-capture mode is
configured in CMD_SET_CPT, only the first transition is captured, unless the channel is armed again, as
explained in the following paragraph. If repeated mode is configured, every transition is captured.
NOTE: In this case, the captured value in RATCHnVAL register may be overwritten at any time if a
new transition occurs.
A channel set up in compare mode or single capture mode may be armed or disarmed. When
CMD_SET_RAT_CMP or CMD_SET_RAT_CPT is sent, the channel is armed automatically, and when the
capture or compare event occurs, the channel is disarmed automatically. A disarmed channel does not
produce any interrupt or cause any timer value to be captured. In addition, a channel may be armed or
disarmed using CMD_ARM_RAT_CH or CMD_DISARM_RAT_CH (see Section 23.3.4.14 through
Section 23.3.4.15). While disarmed, the channel keeps its configuration. To disable a channel that is not
going to be re-armed with the same configuration, the CMD_DISABLE_RAT_CH command may be used
(see Section 23.3.4.12).
23.2.3.2 Radio Timer Outputs
The RAT module has four controllable outputs, RAT_GPO0 through RAT_GPO3. These signals may be
controlled by one of the RAT channels and mapped to signals available for the IOC using the
SYSGPOCTL register (see Section 23.8.2.9). The signal RAT_GPO0 is reserved for starting the
transmitter and is controlled internally by the radio CPU (see Section 23.3.2.8). The other three signals
may be configured using the CMD_SET_RAT_OUTPUT command (see Section 23.3.4.11). The different
output modes decide the transition of the output when an interrupt occurs on the chosen RAT channel
except for the always-0 and always-1 configurations, which take effect immediately and may be used for
initialization.
23.2.3.3 Synchronization With Real-time Clock
When the radio is powered down, the RAT module is not counting. To keep a consistent time base over
time for synchronized protocols, it is possible to synchronize the radio timer with the real-time clock (RTC)
(see Chapter 14,Real-Time Clock).
To allow synchronization after power up, the CMD_SYNC_STOP_RAT command (see
Section 23.3.3.1.10) must be sent before RF core is powered down. This command (until the next RTC
tick) stops the radio timer and returns a parameter rat0, should be stored and provided when the radio
timer is restarted.
The next time the RF core is powered up and the RAT is started, this synchronization must be done using
CMD_SYNC_START_RAT (see Section 23.3.3.1.11), where the rat0 parameter obtained from
CMD_SYNC_STOP_RAT must be provided. This command starts the RAT, waits for an RTC tick, and
adjusts the RAT. Depending on the application, it may not be necessary to run the
CMD_SYNC_STOP_RAT command every time the radio is powered down; a previous value of rat0 may
be reused. In some cases, however, this may cause issues if the radio has been powered for a long time
and the low-frequency and high-frequency crystal oscillators have a significant error relative to each other.

Command ID (16 bits)
31
msb
24 16 8 0
lsb
2
01
Optional parameter Optional par.
extension
Pointer to command structure (bits 31:2)
31
msb
24 16 8 0
lsb
2
0 0
RF Core HAL
www.ti.com
1576 SWCU117F–February 2015–Revised June 2016
Submit Documentation Feedback
Copyright © 2015–2016, Texas Instruments Incorporated
Radio
To get accurate synchronization, it is important that the system is running on the high-frequency crystal
oscillator starting before the CMD_SYNC_START_RAT command is run and extending to after the
CMD_SYNC_STOP_RAT command is finished.
For the CMD_SYNC_START_RAT and CMD_SYNC_STOP_RAT commands, that the AON_RTC:CTL
RTC_UPD_EN register bit must be set to 1 (see Section 14.4.1.1,AON_RTC:CTL Register). It is never
necessary to reset this bit to 0; it may be set permanently to 1 when the RTC is started.
23.3 RF Core HAL
The RF core hides the complexity of the radio operations by providing a unified HAL to the system CPU.
NOTE: To ensure optimum radio performance always use the latest radio patches provided by TI.
Please see the product pages on www.ti.com for the latest patches.
23.3.1 Hardware Support
The radio HAL is supported by hardware, by means of the radio doorbell module in the RF core area and
command descriptors in the system RAM.
23.3.2 Firmware Support
The RF core accepts a set of high-level primitives. The following sections describe the desired
functionality at a high level.
23.3.2.1 Commands
The radio CPU lets the user run a set of high-level primitives or commands from the system CPU. After a
command has been issued through the CMDR register, the radio CPU examines it and decides a course
of action.
Three classes of commands are issued:
• Radio operation command
• Immediate command
• Direct command
For the first two classes of commands, CMDR contains a pointer to a command structure. This pointer
must be a valid pointer with 32-bit word alignment, so the 2 least significant bits (LSBs) must be 0 0, as
shown in Figure 23-3. A direct command is signaled by setting the 2 LSBs to 01 and placing the command
ID number in bits 16 to 31 of CMDR. Bits 8 through 15, or alternatively 2 through 15, may be used as an
optional byte parameter. Figure 23-4 shows the format for a direct command.
Figure 23-3. CMDR Register for Radio Operation Commands and Immediate Commands
Figure 23-4. CMDR Register for Direct Commands

31
msb
24 16 8 0
lsb
resultreturn byte 3 return byte 2 return byte 1
www.ti.com
RF Core HAL
1577
SWCU117F–February 2015–Revised June 2016
Submit Documentation Feedback Copyright © 2015–2016, Texas Instruments Incorporated
Radio
The data structure pointed to by the CMDR register for radio operation and immediate commands may be
in the system RAM, the radio RAM, or flash (the latter is possible only if the radio CPU does not write
anything to the command structure). The system CPU must ensure that the memory area in use is free for
access, in particular when using the radio RAM, where a part of the memory is reserved for use by the
radio CPU. This information may be obtained with the CMD_GET_FW_INFO command (see
Section 23.3.4.6). The format of the command follows the structure given in Section 23.3.2.6 and its
subsection, and are defined in more detail specifically for each command.
When deciding in which memory area to place data, consider which modules may be powered down:
• The radio RAM is accessible for the radio CPU at any time, but does not have retention when the radio
is powered down. Data that must be retained must therefore be copied into or out of the radio RAM
whenever the radio is powered up or down, respectively.
• The system RAM has retention in most low-power modes. If the system side is powered down, the
radio CPU requests that it is powered up again to access the RAM. The active current consumption
from the radio CPU accessing the system RAM is higher than the current consumption from accessing
the radio RAM, especially if the system side could otherwise have been powered down.
• The flash always has retention, and can only store parameters that are not written by the radio CPU.
As with accessing the system RAM, the radio CPU must ensure that the system side is powered up to
access the flash. The power consumption from the radio CPU accessing the flash is higher than the
current consumption from accessing the system RAM, but in most cases the difference is negligible
due to few accesses.
• The lowest peak-power consumption is obtained by putting all data structures in the radio RAM and
powering down the system side while the radio CPU is running. In some cases the average power
consumption may be lower by putting data structures in the system RAM, as less copying is then
needed, and the system side can still be powered down for long periods (for instance, while the
receiver is in sync search).
A radio operation command causes the radio hardware to be accessed. Radio operation commands can
do operations such as transmitting or receiving a packet, setting up radio hardware registers, or doing
more complex, protocol-dependent operations. A radio operation command can normally be issued only
while the radio is idle.
An immediate command is a command to change or request status of the radio, or to manipulate TX or
RX data queues. An intermediate command can monitor status such as received signal strength. An
immediate command can be issued at any time, but the response is, in many cases, only of interest while
a radio operation is ongoing.
A direct command is an immediate command with no parameters, or in some cases, a direct command
has 1- or 2-byte parameters. A direct command is issued by sending a value to the CMDR register with
the format of Figure 23-4. The 16 most significant bits (MSBs) contain the command ID of the immediate
command to run. Bits 8 through 15 may contain an optional parameter if specified for the command.
23.3.2.2 Command Status
After a command is issued, the CMDSTA register is updated by the radio CPU, causing an RFCMDACK
interrupt to be sent back to the system CPU. This update occurs after the command finishes for immediate
and direct commands and after the command is scheduled for radio operation commands. No new
command may be issued until this interrupt is received. The CMDSTA register consists of 32 bits; the 8
LSBs give the result, while the upper 24 bits may be used for specific signaling in each command.
Figure 23-5 shows this format.
Figure 23-5. Format of CMDSTA Register

RF Core HAL
www.ti.com
1578 SWCU117F–February 2015–Revised June 2016
Submit Documentation Feedback
Copyright © 2015–2016, Texas Instruments Incorporated
Radio
In the result byte, bit 7 indicates whether an error occurred or not. The result byte of 0x00, meaning
pending, is produced automatically by the radio doorbell hardware when a command is issued, and the
other bits in the CMDSTA register also become 0, which is the value of CMDSTA before the
RF_CMD_ACK interrupt is raised.
Table 23-1 lists the values of the result byte in the CMDSTA register.
Table 23-1. Values of the Result Byte in the CMDSTA Register
Value Name Description
No Error
0x00 Pending The command has not been parsed.
0x01 Done Immediate command: The command finished successfully.
Radio operation command: The command was successfully submitted
for execution.
Error
0x81 IllegalPointer The pointer signaled in CMDR is not valid.
0x82 UnknownCommand The command ID number in the command structure is unknown.
0x83 UnknownDirCommand The command number for a direct command is unknown, or the
command is not a direct command.
0x85 ContextError An immediate or direct command was issued in a context where it is
not supported.
0x86 SchedulingError
A radio operation command was attempted to be scheduled while
another operation was already running in the RF core. The new
command is rejected, while the command already running is not
impacted.
0x87 ParError
There were errors in the command parameters that are parsed on
submission. For radio operation commands, errors in parameters
parsed after start of the command are signaled by the command
ending, and an error is indicated in the status field of that command
structure.
0x88 QueueError An operation on a data entry queue was attempted, but the operation
was not supported by the queue in its current state.
0x89 QueueBusy An operation on a data entry was attempted while that entry was busy.
In addition to the command status register, each radio operation command contains a status field (see
Table 23-8). This field may have values in the following categories.
• Idle: The command has not started.
• Pending: The command has been parsed, but the start trigger has not occurred.
• Active: The command is running.
• Suspended: The command has been active, and may become active again. The command is
supported only by certain IEEE 802.15.4 commands.
• Finished: The command is finished, and the system CPU is free to modify the command structure or
free memory.
• Skipped: The command was skipped and never executed.

www.ti.com
RF Core HAL
1579
SWCU117F–February 2015–Revised June 2016
Submit Documentation Feedback Copyright © 2015–2016, Texas Instruments Incorporated
Radio
For common commands and when parsing any command before starting, refer to the status codes listed
in Table 23-2.
Table 23-2. Common Radio Operation Status Codes
Number Name Description
Operation Not Finished
0x0000 IDLE Operation has not started.
0x0001 PENDING Waiting for start trigger.
0x0002 ACTIVE Running operation.
0x0003 SKIPPED Operation skipped due to condition in another command.
Operation Finished Normally
0x0400 DONE_OK Operation ended normally.
0x0401 DONE_COUNTDOWN Counter reached zero.
0x0402 DONE_RXERR Operation ended with CRC error.
0x0403 DONE_TIMEOUT Operation ended with time-out.
0x0404 DONE_STOPPED Operation stopped after CMD_STOP command.
0x0405 DONE_ABORT Operation aborted by CMD_ABORT command.
Operation Finished With Error
0x0800 ERROR_PAST_START The start trigger occurred in the past.
0x0801 ERROR_START_TRIG Illegal start trigger parameter.
0x0802 ERROR_CONDITION Illegal condition for next operation.
0x0803 ERROR_PAR Error in a command specific parameter.
0x0804 ERROR_POINTER Invalid pointer to next operation.
0x0805 ERROR_CMDID Next operation has a command ID that is undefined or not a radio
operation command.
0x0807 ERROR_NO_SETUP Operation using RX, TX or synthesizer attempted without
CMD_RADIO_SETUP.
0x0808 ERROR_NO_FS Operation using RX or TX attempted without the synthesizer being
programmed or powered on.
0x0809 ERROR_SYNTH_PROG Synthesizer programming failed.
0x080A ERROR_TXUNF Modem TX underflow observed.
0x080B ERROR_RXOVF Modem RX overflow observed.
0x080C ERROR_NO_RX Data requested from last RX when no such data exists.
When the system CPU prepares a command structure, the CPU must initialize the status field to Idle.
Commands may be set up in a loop. If so, the system CPU must not modify command structures until the
radio CPU becomes idle (the system CPU receives a LAST_COMMAND_DONE interrupt, even if the
status is finished or skipped [see Section 23.8.2.5]).
23.3.2.3 Interrupts
The radio CPU has 32 software interrupt sources that generate the RFCPE0 and RFCPE1 interrupts in
the system CPU. An interrupt flag register can tell which software interrupt has been raised, and the
interrupts are enabled individually. In addition, the RFCMDACK interrupt is raised automatically when
CMDSTA is updated.
Some software-defined interrupts have a common meaning across all commands; the details of each of
the other interrupts are defined for each protocol that uses a particular interrupt. Some interrupts are used
in only one protocol, while others are used in several protocols. The interrupts are listed in the description
of the RFCPEIFG register (see Table 23-170).

RF Core HAL
www.ti.com
1580 SWCU117F–February 2015–Revised June 2016
Submit Documentation Feedback
Copyright © 2015–2016, Texas Instruments Incorporated
Radio
23.3.2.4 Passing Data
There are two basic ways to pass data transmitted or received over the air: directly or through a queue.
The most straight-forward way to pass data is to append it as part of the command parameters (directly or
through a pointer). The exact format depends on the command being run; normally there is a length field
and a data buffer for TX and a maximum length, received length (if variable length), and receive buffer for
RX.
For some operations, the number of packets received or transmitted (or which packet out of a few that will
actually be transmitted) cannot be known in advance. For such operations, use a concept of queues. An
operation can use one or more queues, for instance one RX and one TX queue for a combined RX/TX
operation, or several queues depending on information in the received packets. Any operation using
queues uses a common system for maintaining them, as explained in Section 23.3.2.7.
A radio operation command declares which data method is used.
23.3.2.5 Command Scheduling
The system CPU is responsible for scheduling the commands as required. When using low-power modes,
the system CPU must wake up a short time before the start of the next operation, using the RTC.
A radio operation command can be scheduled with a delayed start (see Section 23.3.2.5.1). If a command
is started with a delay, the radio CPU goes to idle mode until the command starts. The radio operation
command is considered to be running during this delay, and no other radio operation command can be
scheduled unless the pending command is aborted or stopped first.
The system CPU can schedule back-to-back radio operation commands by using the next operation
pointer in any radio operation command. This pointer can point to the next command to perform in the
chain, and by this method, complex operations can be made. Under some conditions (such as an error or
the expiration of a timer), the next command is not started. Instead, the operation ends or a number of
commands may be skipped (see Section 23.3.2.5.2). If a new command is scheduled while another
command is running, the system CPU must wait for the previous command or chain of commands to
finish. The IEEE 802.15.4 commands have exceptions for this rule.
When a radio operation command is finished, the radio CPU raises a COMMAND_DONE interrupt to the
system CPU. If a number of commands are chained as explained previously, the COMMAND_DONE
interrupt is raised after each command, while the LAST_COMMAND_DONE interrupt is raised after the
last command in the chain. For one, nonchained command, the LAST_COMMAND_DONE interrupt is also
raised after the command. When LAST_COMMAND_DONE is raised, COMMAND_DONE is always
raised at the same time. Before raising the COMMAND_DONE interrupt, the radio CPU updates the status
field of the command structure to a status that indicates that the command is finished. The radio CPU
does not access the command structure after raising the COMMAND_DONE interrupt.

www.ti.com
RF Core HAL
1581
SWCU117F–February 2015–Revised June 2016
Submit Documentation Feedback Copyright © 2015–2016, Texas Instruments Incorporated
Radio
23.3.2.5.1 Triggers
Triggers can be used to set up a start time, or for other specific purposes in specific radio operation
commands. A common trigger byte definition exists, defined in Table 23-3.
Table 23-3. Format of Trigger Definition Byte
Bit Index Field Description
0–3 triggerType The type of trigger
4 bEnaCmd 0: No alternative trigger command.
1: CMD_TRIGGER can be used as an alternative trigger.
5–6 triggerNo The trigger number of the CMD_TRIGGER command that triggers this action.
7 pastTrig 0: A trigger in the past is never triggered, or for start of commands, give an error.
1: A trigger in the past is triggered as soon as possible.
The triggerType can take the values listed in Table 23-4. Other values are reserved.
Table 23-4. Supported Trigger Types
Number Name Description
0 TRIG_NOW Now (not applicable to end triggers)
1 TRIG_NEVER Never (except possibly by CMD_TRIGGER if bEnaCmd = 1)
2 TRIG_ABSTIME At absolute time, given by timer parameter
3 TRIG_REL_SUBMIT At a time relative to the time the command was submitted
4 TRIG_REL_START At a time relative to start of this command (not allowed for start triggers)
5 TRIG_REL_PREVSTART At a time relative to the start of the previous command
6 TRIG_REL_FIRSTSTART At a time relative to the start of the first command of the chain
7 TRIG_REL_PREVEND At a time relative to the end of the previous command
8 TRIG_REL_EVT1 At a time relative to event 1 of the previous command
9 TRIG_REL_EVT2 At a time relative to event 2 of the previous command
10 TRIG_EXTERNAL On an external trigger input to the RAT
A 32-bit time parameter is used together with all triggers except for TRIG_NOW and TRIG_NEVER.
Absolute timing uses the value of the 32-bit RAT. Relative timing uses the number of RAT ticks. The
external trigger uses an identifier of source and edge as defined in Table 23-5.
Table 23-5. Fields of Time Parameter
for External Event Trigger
Bit Index Field Description
0–1 Reserved
2–3 inputMode
Input mode
00: Rising edge
01: Falling edge
10: Both edges
11: Reserved
4–7 Reserved
8–12 source 22: RFC_GPI0
23: RFC_GPI1
Others: Reserved
13–31 Reserved

RF Core HAL
www.ti.com
1582 SWCU117F–February 2015–Revised June 2016
Submit Documentation Feedback
Copyright © 2015–2016, Texas Instruments Incorporated
Radio
Relative timing can either be relative to the time of submitting the command chain, to the start of the
command, to the start of the previous or first command, or to certain observed events inside the
command, to be defined for each command. The following rules apply:
• For the first command in a chain, if the start trigger is any of the types 5 through 9, the start is
immediate. If another trigger referenced in the first command in a chain is any of the types 5 through 9,
the trigger time is relative to the time the command was submitted.
• If the start trigger of a command is TRIG_REL_START, an error is produced.
• If the start trigger of a command is TRIG_NEVER and bEnaCmd is 0, an error is produced.
• Some radio operation commands define events 1 and 2. These are context-dependent events that can
be observed by the radio CPU. See the description of each command for a definition in that context. If
undefined, these events are the time of the start of the command.
If bEnaCmd is 1, the action may also be triggered with a command (CMD_TRIGGER command, see
Section 23.3.4.5). The triggerNo parameter identifies the trigger number of this command.
If a trigger occurs in the past when evaluated, the behavior depends on the pastTrig bit. If this bit is 0, the
trigger does not occur, or for start triggers, an error is produced. If this bit is 1, the trigger occurs as soon
as possible. If the pastTrig bit is 1 for start triggers, timing relative to the start of the command is relative to
the programmed start time, not the actual start time.
For an external trigger, the radio CPU sets the RAT to use the selected input event as a one-capture
trigger; the CPU then uses this capture interrupt to trigger the action. If the event occurs before the setup
occurs, the event is not captured, and the pastTrig bit is ignored.
23.3.2.5.2 Conditional Execution
The execution of a command may be conditional on the result of the previous command. For each
command, three results are possible:
• TRUE
• FALSE
• ABORT
The criteria are defined for each command. If not defined, the result is TRUE unless the command ended
with an error, in which case the result is ABORT.
Each command structure contains a condition for running the next command. The condition byte is as
given in Table 23-6. If the rule is COND_SKIP_ON_FALSE or COND_SKIP_ON_TRUE, the number of
commands to skip is signaled in the nSkip field. If the number of skips is zero, rerun the same command.
If the number of skips is one, run the next command in the chain. If the number of skips is two, run the
command after the next, and so forth. If the rule is COND_NEVER and no previous commands use
skipping, the next command pointer is ignored and may be NULL.
Table 23-6. Format of Condition Byte
Bit Index Field Name Description
0–3 rule Rule for how to proceed, as defined in Table 23-7
4–7 nSkip Number of skips if skipping is an option

www.ti.com
RF Core HAL
1583
SWCU117F–February 2015–Revised June 2016
Submit Documentation Feedback Copyright © 2015–2016, Texas Instruments Incorporated
Radio
Table 23-7. Condition Rules
Number Name Description
0 COND_ALWAYS Always run next command (except in case of ABORT)
1 COND_NEVER Never run next command (next command pointer can still be used for
skip)
2 COND_STOP_ON_FALSE Run next command if this command returned TRUE, stop if it returned
FALSE
3 COND_STOP_ON_TRUE Stop if this command returned TRUE, run next command if it returned
FALSE
4 COND_SKIP_ON_FALSE Run next command if this command returned TRUE, skip a number of
commands if it returned FALSE
5 COND_SKIP_ON_TRUE Skip a number of commands if this command returned TRUE, run next
command if it returned FALSE
If execution is stopped, the radio CPU goes back to idle and no further commands are run until a new
command is entered through the CMDR register. The LAST_COMMAND_DONE interrupt is raised.
If a command ends with the ABORT result, the execution ends regardless of the condition. The
LAST_COMMAND_DONE interrupt is raised. An example of criterion for the ABORT result is that a
CMD_ABORT command is issued.
23.3.2.5.3 Handling Before Start of Command
For all radio operation commands, the start trigger and condition code are checked before parsing the rest
of the command. If the start trigger has an illegal trigger type (including TRIG_REL_START, which is not
allowed for start triggers, and TRIG_NEVER in combination with no command trigger), the radio CPU sets
the status field to ERROR_START_TRIG. If the condition field has an illegal value, the radio CPU sets the
status field to ERROR_CONDITION. If the start trigger occurs in the past and startTrigger.pastTrig is 0,
the radio CPU sets the status field to ERROR_PAST_START.
23.3.2.6 Command Data Structures
The data structures are listed in tables throughout this chapter. The Byte Index is the offset from the
pointer to that structure. Multibyte fields are little-endian, and 16-bit halfword or 32-bit word alignment as
given by the field size is required. For bit numbering, 0 is the LSB. The R/W column is used as follows:
R: The system CPU can read a result back; the radio CPU does not read the field.
W: The system CPU writes a value, the radio CPU reads it and does not modify it.
R/W: The system CPU writes an initial value, the radio CPU may modify it.
For data structures that are a specialization of another data structure, the fields from the parent structure
are not repeated, but the Byte Index column reflects their presence.
The only mandatory field for all commands is the command ID number, which is a 16-bit number sent as
the first 2 bytes of the command structure.
Some immediate commands have additional fields, which are defined for each command. The radio
operation commands have additional mandatory fields as defined in Table 23-8.

RF Core HAL
www.ti.com
1584 SWCU117F–February 2015–Revised June 2016
Submit Documentation Feedback
Copyright © 2015–2016, Texas Instruments Incorporated
Radio
23.3.2.6.1 Radio Operation Command Structure
Table 23-8 shows the command structure for radio operation commands. Some commands have
additional fields appended after this.
Table 23-8. Radio Operation Command Format
Byte Index Field Name Bits Bit Field
Name Type Description
0–1 commandNo W The command ID number
2–3 status R/W
An integer telling the status of the command. This
value is updated by the radio CPU during
operation and may be read by the system CPU at
any time.
4–7 pNextOp W Pointer to the next operation to run after this
operation is done
8–11 startTime W Absolute or relative start time (depending on the
value of the startTrigger field)
12 startTrigger Identification of the trigger that starts the
operation
13 condition W Condition for running next operation
23.3.2.7 Data Entry Structures
A data entry must belong to a queue. The queues are set up as part of the command structure of a radio
operation command.
Operations on queues available as commands are described in Section 23.3.5.
23.3.2.7.1 Data Entry Queue
Any command that uses a queue contains a pointer to a data entry queue structure, as given in
Table 23-9. The system CPU allocates and initializes this queue structure.
Table 23-9. Data Entry Queue Structure
Byte Index Field Name Bits Bit Field
Name Type Description
0–3 pCurrEntry R/W
Pointer to the data entry currently in use by the
radio CPU (or next in line to be used if the radio is
not using the queue). NULL means that no buffer
is currently in the queue.
4–7 pLastEntry R/W Pointer to the last entry entered in this queue. If
pCurrEntry is nonNULL and pLastEntry is NULL,
further entries may not be appended.

www.ti.com
RF Core HAL
1585
SWCU117F–February 2015–Revised June 2016
Submit Documentation Feedback Copyright © 2015–2016, Texas Instruments Incorporated
Radio
23.3.2.7.2 Data Entry
A data entry queue contains data entries of the type shown in Table 23-10. These entries are organized in
a linked list. The first entry of the queue is pointed to by the pCurrEntry field of the queue structure (see
Table 23-9). Each pNextEntry field points to the next entry. The last entry in the queue is also pointed to
by the pLastEntry field of the queue structure.
Table 23-10. General Data Entry Structure
Byte Index Field Name Bits Bit Field
Name Type Description
0–3 pNextEntry R/W Pointer to next entry in the queue, NULL if this is
the last entry
4 status R/W Indicates status of entry, including whether it is
free to receive a write from the system CPU
5 config
0–1 type W
Type of data entry structure
0: General data entry
1: Multielement RX entry
2: Pointer entry
2–3 lenSz W
Size of length word in start of each RX entry
element
0: No length indicator
1: 1-byte length indicator
2: 2-byte length indicator
3: Reserved
4–7 irqIntv W RESERVED
6–7 length W
Length of data field, or for pointer entries, of the
data buffer. For TX entries, this corresponds to
one entry element (packet). For RX entries, this
gives the total available storage space.
8–(7+n) data R/W Array of data to be received or transmitted
(n = length)
The status field may take the following values:
• 0: Pending: The entry is not yet in use by the radio CPU. This is the status to write by the system CPU
before submitting the entry.
• 1: Active: The entry is the entry in the queue currently open for writing (RX) or reading (TX) by the
radio CPU.
• 2: Busy: An ongoing radio operation is writing or reading an unfinished packet. Certain operations are
not allowed while an entry is in this state (see Section 23.3.5).
• 3: Finished: The radio CPU is finished writing data into this entry, and is free for the system CPU to
reuse or free memory (if dynamically allocated).
For data entries, the system CPU sets up the required data structure, either in system RAM or in the
available part of the radio RAM. If the data structure is dynamically allocated, the system CPU frees the
memory after use.
In an entry is being used for received data, the radio CPU may start the entry element with a length
indicator. If config.lenSz is 00, no such indicator is written. This option must only be used if the length of
the received packet can be determined by other means. If config.lenSz is 01, 1 byte indicates the number
of bytes following the length byte. This may only be used if no element of more than 255 bytes is written to
the entry. If config.lenSz is 10, a 16-bit word indicates the number of bytes following the length word.

RF Core HAL
www.ti.com
1586 SWCU117F–February 2015–Revised June 2016
Submit Documentation Feedback
Copyright © 2015–2016, Texas Instruments Incorporated
Radio
23.3.2.7.3 Pointer Entry
A pointer entry is an entry where the data are not contained in the entry itself, but the entry holds a pointer
to the buffer. Such an entry is indicated by setting config.type to 2. The pointer replaces the data field, as
shown in Table 23-11.
Table 23-11. Pointer Field in Pointer Entry Structure
Byte Index Field Name Bits Bit Field Name Type Description
8–11 pData W Pointer to data buffer of size length
bytes
The data is read from or stored in the buffer given by pData. The size of this buffer is given by length, just
as for the size of the data field in a general data entry.
23.3.2.7.4 RX Multielement Entry
For an RX entry, a special variant of the structure in Table 23-10 may be used. With this type, several
entry elements can be contained in the same entry. Each entry element typically corresponds to one
packet received over the air, but may contain additional fields. This type is selected by setting config.type
to 1; if config.type is 0 or 2, the radio CPU writes only one entry element into each data entry. In the
multielement entry, the data field is composed as shown in Table 23-12 (the indexes are relative to the
entire entry structure).
Table 23-12. Fields in RX Multielement Structure
Byte Index Field Name Bits Bit Field
Name Type Description
8–9 numElements R Number of entry elements
committed in the entry
10–11 nextIndex R Index to the byte after the last byte
of the last entry element committed
by the radio CPU
12–(7+n) RXData R
Data received. Exact format
depends on operation being run.
Each entry element may start with
a length byte or word.
An RX entry that is in the ACTIVE or BUSY state may be read by the system CPU, but cannot be freed or
written to, except for data already committed by the radio CPU (in other words, finished). The system CPU
may read and modify the data in the RXData buffer up to nextIndex-1, while these bytes are not modified
by the radio CPU.
When the radio CPU changes the status of the entry from Pending to Busy, it initializes numElements and
nextIndex to 0.
Each entry element may start with a length indicator as specified by config.lenSz. If this value is 2 so that
a 16-bit length word is used, the length word may not be halfword aligned, and must be read byte by byte.
Two (or more) RX queue entries may be set up in a ring buffer fashion. If so, pCurrEntry of the queue
must be initialized to one of the RX queue entries when setting up the radio operation command, and
pLastEntry must be NULL. pNextEntry of each RX queue entry must be set up to point to the other entry.
Whenever a packet is received, an RX interrupt is raised to the system CPU. The system CPU may then
read the corresponding entry element. If the status of the RX queue entry from which the system CPU is
reading has changed to Finished, the radio CPU writes its next entry element to the other entry. After
processing the received data in the first entry, the system CPU must reset the status field of that entry to
Pending. If this is not done before the radio CPU finishes with the other entry, the radio operation
assumes it is out of buffer space.

www.ti.com
RF Core HAL
1587
SWCU117F–February 2015–Revised June 2016
Submit Documentation Feedback Copyright © 2015–2016, Texas Instruments Incorporated
Radio
23.3.2.7.5 Partial Read RX Entry
Proprietary mode supports an RX entry where the data can be read before the entire packet is received
over the air, which can be used for the following purposes:
• When data must be read before the entire packet is received
• When the length of the packet is not known in the beginning of the packet
• When the length of the packet is too long for the entire payload to be kept in memory simultaneously
To support this, a special variant of the structure in Table 23-10 is used. As for the multielement entry,
several entry elements may be contained in the same entry. Each entry element corresponds to one
packet received over the air, or part of it. The element may also contain additional fields. This type is
selected by setting config.type to 3. In the multielement entry, the data field is composed as shown in
Table 23-13 (the indexes are relative to the entire entry structure).
Table 23-13. Fields in a Partial Read RX Entry
Byte Index Byte Field Name Bits Bit Field Name Type Description
8–9 pktStatus
0–12 numElements R Number of entry elements
committed in the entry
13 bEntryOpen R The entry contains an element that
is still open for appending data.
14 bFirstCont R The first element is a continuation
of the last packet from the previous
entry.
15 bLastCont R The packet in the last element
continues in the next entry.
10–11 nextIndex R Index to the byte after the last byte
of the last entry element committed
by the radio CPU
12–(7+n) RXData R
Data received. Exact format
depends on operation being run.
Each entry element may start with
a length byte or word.
The entry is updated as follows:
• The nextIndex field is updated as new bytes are written to the buffer.
• While a packet is being received, pktStatus.bEntryOpen is set to 1 by the radio CPU.
When an entry element is finished, either because the packet ended or because the element reached the
end of the entry, pktStatus.bEntryOpen is set to 0 by the radio CPU, and pktStatus.numElements is
incremented. If the packet continues in the next entry, pktStatus.bLastCont is set to 1 by the radio CPU. In
this case, the pktStatus.bFirstCont bit of the next entry is also set to 1 by the radio CPU. If no next entry is
available, the status is set to Unfinished, otherwise it is set to Finished.
The length field specified in the beginning of an entry element (depending on config.lenSz) gives the
length of that entry element within the entry, not the entire packet. If the length is not known when the
entry is opened, the length field is written to the remaining length of the entry and updated by the radio
CPU before the entry is finished.
For a partial read Rx entry, the radio CPU generates an Rx_Data_Written interrupt to the system CPU
whenever one or more bytes are written to the entry. In addition, it generates an Rx_N_Data_Written
interrupt when k bytes have been written since the last interrupt or the start of the entry element, where k
is given by config.irqIntv.

RF Core HAL
www.ti.com
1588 SWCU117F–February 2015–Revised June 2016
Submit Documentation Feedback
Copyright © 2015–2016, Texas Instruments Incorporated
Radio
23.3.2.8 External Signaling
The radio CPU controls the signals CPEGPO0 and CPEGPO1. For control of an external front end,
CPEGPO0 is high when the LNA must be enabled and low otherwise. CPEGPO1 is high when the PA
must be enabled and low otherwise. The radio CPU also controls the signal CPEGPO2 to go high when
synthesizer calibration starts, and low when the calibration is done. This control can be used for
debugging.
Two of the output signals from the radio timer have automatic configuration that may be used for
observation. The signal RATGPO0 goes high when transmission of a packet is initiated and low when
transmission is done. The RATGPO0 signal may be observed for accurate timing of packet transmission,
as the same signal is used internally. The signal is very similar to CPEGPO1, but it goes high some
microseconds earlier, and the timing is more accurate compared to the first transmitted symbol out of the
modem. However, CPEGPO1 is recommended for control of external PA to avoid turning it on too early.
The signal RATGPO1 may be configured to go high when sync is found in the receiver, and low when the
packet is received or reception aborted (this does not work for the IEEE 802.15.4 receiver command). The
RATGPO1 signal is configured with the radio firmware configuration parameter gpoContol. The other radio
timer outputs may be configured to generate events as required, using CMD_SET_RAT_OUTPUT.
By default, the radio CPU maps CPEGPO0 to the signal RFC_GPO0, CPEGPO1 to the signal
RFC_GPO1, CPEGPO2 to the signal RFC_GPO2, and RATGPO0 to the signal RFC_GPO3 at boot time.
This mapping can be modified by writing to the RFC_DBELL:SYSGPOCTL register.
The RFC_GPO signals can be mapped to output pins using the system I/O controller.

www.ti.com
RF Core HAL
1589
SWCU117F–February 2015–Revised June 2016
Submit Documentation Feedback Copyright © 2015–2016, Texas Instruments Incorporated
Radio
23.3.3 Command Definitions
There is a set of commands independent of the current RF protocol. These commands are related to the
low-level operations of the radio.
23.3.3.1 Protocol-independent Radio Operation Commands
For radio operation commands listed here, the operation ends due to one of the causes listed in
Table 23-14, or by additional statuses listed for each command. After the operation has ended, the status
field of the command structure indicates the reason why the operation ended. In each case, it is indicated
if the result is TRUE, FALSE, or ABORT (see Section 23.3.2.5.2). This result indicates whether to start the
next command (if any) indicated in pNextOp, or to return to an IDLE state.
Table 23-14. End of Radio Operation Commands
Condition Status Code Result
Finished operation DONE_OK TRUE
Received CMD_STOP while waiting for start trigger DONE_STOPPED FALSE
Received CMD_ABORT DONE_ABORT ABORT
The start trigger occurred in the past with startTrigger.pastTrig = 0 ERROR_PAST_START ABORT
Illegal start trigger parameter ERROR_START_TRIG ABORT
Illegal condition for next operation ERROR_CONDITION ABORT
Observed illegal parameter ERROR_PAR ABORT
Invalid pointer to next operation ERROR_POINTER ABORT
Next operation has a command ID that is undefined or not a radio
operation command ERROR_CMDID ABORT
Operation using RX, TX or synthesizer attempted without
CMD_RADIO_SETUP ERROR_NO_SETUP ABORT
Operation using RX or TX attempted without the synthesizer being
programmed ERROR_NO_FS ABORT
23.3.3.1.1 CMD_NOP: No Operation Command
Command ID number: 0x0801
CMD_NOP is a radio operation command that only takes the mandatory arguments listed in Table 23-8.
The command only waits for the start trigger, and then ends. The command can be used to test the
communication between the system CPU and the radio CPU or to insert a wait.

RF Core HAL
www.ti.com
1590 SWCU117F–February 2015–Revised June 2016
Submit Documentation Feedback
Copyright © 2015–2016, Texas Instruments Incorporated
Radio
23.3.3.1.2 CMD_RADIO_SETUP: Set Up Radio Settings Command
Command ID number: 0x0802
CMD_RADIO_SETUP is a radio operation command. In addition to the parameters listed in Table 23-8,
the command structure contains the fields listed in .
Table 23-15. CMD_RADIO_SETUP Command Format
Byte Index Field Bit Index Bit Field name Type Description
14 mode W
This is the main mode to use.
0x00: Bluetooth low energy
0x01: IEEE 802.15.4
0x02: 2-Mbps GFSK
0x05: 5-Mbps coded 8-FSK
0xFF: Keep existing mode; update overrides
only.
15 loDivider W
CC13xx:
LO divider setting to use. Supported values: 0
(equivalent to 2), 2, 5, 6, 10, 12, 15, and 30.
Value of 0 or 2 only supported for CC1350.
CC26xx:
Reserved
16–17 config
0–2 frontEndMode
0x00: Differential mode
0x01: Single-ended mode RFP
0x02: Single-ended mode RFN
0x03: Antenna diversity (start RFP)
0x04: Antenna diversity (start RFN)
0x05: Single-ended mode RFP with external front
end control on RF pins
0x06: Single-ended mode RFN with external
front end control on RF pins
3 biasMode W 0: Internal bias
1: External bias
4 Reserved
5 Reserved
6 Reserved
7 Reserved
8 Reserved
9 Reserved
10 bNoFsPowerup W 0: Power up frequency synthesizer.
1: Do not power up frequency synthesizer.
11 Reserved
12–15 Reserved
18–19 txPower W Output power setting; use value from SmartRF
Studio.
20–23 pRegOverride W Pointer to a list of hardware and configuration
registers to override. If NULL, no override is
used.

www.ti.com
RF Core HAL
1591
SWCU117F–February 2015–Revised June 2016
Submit Documentation Feedback Copyright © 2015–2016, Texas Instruments Incorporated
Radio
On start, the radio CPU sets up parameters for the operational mode given by mode.radioMode, with the
modifications given in pRegOverride, a pointer to a structure containing override values for certain
hardware registers, radio configuration controlled by the radio CPU, and protocol-related variables. If
pRegOverride is NULL, no registers are overridden.
Running CMD_RADIO_SETUP or another radio setup command is mandatory before using any command
that uses the receiver, transmitter, or frequency synthesizer. If the RF core is reset, CMD_RADIO_SETUP
must be re-run.
The CMD_RADIO_SETUP performs operations as follows:
• If mode != 0xFF, configure modem and RFE according to the given mode.
• If mode != 0xFF, copy firmware-defined parameters according to the given mode.
• If config.bNoAdi0Setup = 0, prepare ADI 0 initialization values according to config.frontEndMode,
config.biasMode, and config.lnaIbBoost.
• If config.bNoAdi0Setup = 0 and config.bNoAdi0Trim = 0, modify ADI 0 values as found in FCFG1.
• If config.bNoAdi1Setup = 0, prepare ADI 1 initialization values.
• If config.bNoAdi1Setup = 0 and config.bNoAdi1Trim = 0, modify ADI 1 values as found in FCFG1.
• If config.bNoFsPowerup = 0, prepare register values for writing to DLO_DTX module, which depends
on the loDivider setting.
• Go through override list, and process as follows
– Update all firmware-defined registers.
– Update all digital hardware registers directly, except in the FSCA module if it causes a DDI write. If
config.bNoFsPowerup = 0, change the prepared values, otherwise ignore.
– For ADI 0 registers, ignore if config.bNoAdi0Ovr = 1; otherwise:
• If config.bNoAdi0Setup = 0, update the prepared values.
• If config.bNoAdi0Setup = 1, write directly to ADI 0.
– For ADI 1 registers, ignore if config.bNoAdi1Ovr = 1; otherwise:
• If config.bNoAdi1Setup = 0, update the prepared values.
• If config.bNoAdi1Setup = 1, write directly to ADI 1.
• If mode != 0xFF and config.bNoAdi0Trim = 0, modify the RSSI offset according to the value from
FCFG1.
• If config.bNoAdi0Setup = 0 and config.bNoAdi0Trim = 0, modify certain trim values based on
config.frontEndMode and applicable software-defined parameters.
• If config.bNoAdi0Setup = 0, write prepared values to ADI 0.
• If config.bNoAdi1Setup = 0, write prepared values to ADI 1.
• If config.bNoFsPowerup = 0, power up and reset synthesizer, then write prepared DLO_DTX registers
to the module as if CMD_FS_POWERUP had been called.
If trim values are applied by setting config.bNoAdi0Trim = 0 or config.bNoAdi1Trim = 0, the trim values are
read from FCFG1 unless they have otherwise been provided. If these values are read from FCFG1 the
VIMS module must be powered, allowing flash reads. To avoid reading FCFG1 while running
CMD_RADIO_SETUP, the values may be read in advance using CMD_READ_TRIM, or provided using
CMD_SET_TRIM.
The txPower parameter is stored and applied every time transmission of a packet starts to set an output
power with temperature compensation. This setting can be changed later with the command
CMD_SET_TX_POWER (see Section 23.3.4.16).
The override value structure is a string of 32-bit entries provided by TI or produced by SmartRF Studio.

RF Core HAL
www.ti.com
1592 SWCU117F–February 2015–Revised June 2016
Submit Documentation Feedback
Copyright © 2015–2016, Texas Instruments Incorporated
Radio
Table 23-16. Format of a Hardware Register Override Entry
Bit Index Bit Field Name Description
0–1 entryType
00: Hardware register
01: Array initiator, see Table 23-17
10: ADI register, see Table 23-18, or MCE/RFE override
11: Firmware defined parameter, see Table 23-19
2–15 hwAddr Bits 2–15 of the address to the hardware register. Bits 0–1 of the address are 0.
16–31 value The value to write to the register
Table 23-17. Format of Array Initiator
Bit Index Bit Field Name Description
0–1 entryType 01: Array initiator
2–15 startAddr
First address or index to write to:
Hardware registers: Bits 2–15 of the address (bits 0–1 are 0)
ADI registers: ADI bus address, half-byte indicator in bit 6, ADI selector in bit 7
Firmware-defined parameters: Byte Index
16–29 length Number of entries
30–31 arrayType
Type of array:
00: Hardware registers with 16-bit values
01: Hardware registers with 32-bit values
10: ADI registers
11: Firmware-defined parameters
Table 23-18. Format of an ADI Register Override Entry
Bit Index Bit Field Name Description
0–1 entryType 10: ADI register
2–9 adiValue2 Optional second value to write
10–15 adiAddr2 Optional second ADI bus address
16–23 adiValue Value to write to register
24–29 adiAddr ADI bus address
30 bHalfSize 0: Use full-size writes
1: Use half-size writes, causing read-modify-write functionality
31 adiNo 0: Write to ADI 0 (RF)
1: Write to ADI 1 (synthesizer)
Table 23-19. Format of a Firmware-Defined Parameter Override Entry
Bit Index Bit Field Name Description
0–1 entryType 11: Firmware-defined parameter
2–3 entrySubType
00: Firmware-defined parameter
01: MCE/RFE override mode (must be in first entry), see Table 23-20
10: Reserved
11: End of override list
4–14 fwAddr Byte index into parameter structure
15 bByte 0: 16-bit value
1: 8-bit value
16–31 value The value to write to the parameter

www.ti.com
RF Core HAL
1593
SWCU117F–February 2015–Revised June 2016
Submit Documentation Feedback Copyright © 2015–2016, Texas Instruments Incorporated
Radio
Table 23-20. Format of an MCE/RFE Override Mode Entry
Bit Index Bit Field Name Description
0–1 entryType 11: Firmware-defined parameter
2–3 entrySubType 01: MCE/RFE override mode
4–7 Reserved
8 bMceUseRam 0: Run MCE from ROM
1: Run MCE from RAM
9–11 mceRomBank MCE ROM bank to run from
12 bRfeUseRam 0: Run RFE from ROM
1: Run RFE from RAM
13–15 rfeRomBank RFE ROM bank to run from
16–23 mceMode Mode to send to MCE
24–31 rfeMode Mode to send to RFE
Table 23-21. Format of a Center Frequency Entry
Bit Index Bit Field Name Description
0–1 entryType 11: Firmware-defined parameter
2–3 entrySubType 10: Special configuration
4–7 specialType 0001: Center frequency entry
8 Reserved
9 bAutoTxIf If 1, set TX IF to RX IF.
10 bApplyRx If 1, use invRfFreq to recalculate RX IF.
11 bApplyTx If 1, use invRfFreq to recalculate TX shape.
12–31 invRfFreq Value where fRFMHz is center frequency in MHz:
(12 × 24 × 220) / (fRFMHz × loDivider)
(1) Not recommended. Included for completeness; only works if pointer range checks have been disabled.
Table 23-22. Format of an End of List Entry
Bit Index Bit Field Name Description
0–1 entryType 11: Firmware-defined parameter
2–3 entrySubType 11: End of list segment
4–7 nextEntryRegion
0x0: End of list
0x1: SRAM. Base = 0x2000 0000
0x2: RF core RAM. Base = 0x2100 0000
0x3: Flash. Base = 0xA000 0000
0x4: RF core ROM. Base = 0x0000 0000 (1)
0x5: BROM. Base = 0x10000 0002
0x6. GPRAM. Base = 0x11000 0002
0x7: Registers. Base = 0x40000 0002
0x8: FCFG. Base = 0x50000 0002
0xF: End of list
Others: Reserved
8–31 addrOffset Address offset for next list part. Next address is:
Base + (addrOffset × 4)

RF Core HAL
www.ti.com
1594 SWCU117F–February 2015–Revised June 2016
Submit Documentation Feedback
Copyright © 2015–2016, Texas Instruments Incorporated
Radio
For hardware registers, bits 2–15 give the address of the hardware register to access, see Table 23-16.
The register is written with a 32-bit write operation, but the 16 MSBs are always written as 0, while the 16
LSBs are as given by value. To write a full 32-bit hardware register, use an array operation of length 1.
An array initiator signals that the next words must be written to consecutive addresses, see Table 23-17.
The type of accesses is decided by array type:
• 00 gives 32-bit writes to 16-bit hardware registers. The first register address is 0x4004 0000 +
(startAddr << 2). Then length addresses are written. Each value is taken from the next 16-bit halfword
of the override entry, and the register address is incremented by 4 each time a write occurs. If length is
odd, padding is assumed so that the first entry after the array is 32-bit word-aligned.
• 01 gives 32-bit writes to hardware registers. The first register address is
0x4004 0000 + (startAddr << 2). Then length addresses are written. Each 32-bit value is taken from
the next 32-bit word of the override entry, and the register address is incremented by 4 each time a
write occurs.
• 10 gives byte writes to ADI registers. The first ADI bus address is given by bits 0–5 of startAddr. If bit 6
is set to 1, half-byte writes are used, otherwise full-byte writes (the LSB is ignored by the ADI in this
case). Bit 7 selects to which ADI to write . Each value written on the ADI bus is taken from the next
byte of the override entry, and the ADI register address is incremented by 1 in case of half-byte writes
or by 2 in case of full-byte writes each time a write occurs. If length is not divisible by 4, padding is
assumed so that the first entry after the array is 32-bit word-aligned.
• 11 gives writes to firmware-defined parameters. The first index into the configuration values is given by
startAddr/4, and length bytes are copied from the override entry. If length is not divisible by 4, padding
is assumed so that the first entry after the array is 32-bit word-aligned.
For ADI registers, adiValue gives the value to write and adiAddr gives the address on the ADI bus (see
Table 23-18). The ADI to write is selected through adiNo. If bHalfSize is 1, the write size bit on the ADI
interface is set, causing the value to be masked half size; otherwise, it is a full-size write, and the LSB of
the address is ignored. If adiAddr2 is nonzero, the value given by adiValue2 is written to the ADI bus
address given by adiAddr2; otherwise these two fields are ignored (if ADI address 0 is to be written, it
must be done through adiAddr/adiValue). In this case, bHalfSize and adiNo apply to both writes.
For radio firmware-defined parameters (see Table 23-19), fwAddr gives a Byte Index into an array of
configuration values held in the radio. If bByte = 1, only the least significant byte (LSByte) of value is
written to the addressed byte. If bByte = 0, all 16 bits are written to the 16-bit halfword at the given byte
address, which must be even in this case. The selected value is set to the value specified in the value part
of the override entry.
The first entry in the override list may contain an override of the MCE and RFE modes, as given by
Table 23-20. If so, the MCE is set to run from RAM if bMceUseRam is 1 and bMceCopyRam is 0;
otherwise the MCE runs from the ROM bank given by mceRomBank. The value of MDMCMDPAR0 set
when the CPE runs the MCE configuration command is given by mceMode. Similarly, the RFE is set to
run from RAM if bRfeUseRam is 1 and bRfeCopyRam is 0; otherwise the RFE runs from the ROM bank
given by rfeRomBank. The value of RFECMDPAR0 set when the CPE runs the RFE configuration
command is given by rfeMode.
If the pointer in pRegOverride is invalid, any override entry is invalid. If the length of an array is too large
or zero, the operation ends with the status ERROR_PAR. If config.bNoFsPowerup = 0 and powering up
the synthesizer fails, the command ends with ERROR_SYNTH_PROG as the status.
If CMD_ABORT or CMD_STOP is received while waiting for the start trigger, the operation ends without
any setup. If CMD_STOP is received after the start trigger, setup proceeds until finished. If CMD_ABORT
is received after the start trigger, the setup process is aborted. This leaves the registers in an incomplete
state, so another CMD_RADIO_SETUP command must be issued before using the radio.

www.ti.com
RF Core HAL
1595
SWCU117F–February 2015–Revised June 2016
Submit Documentation Feedback Copyright © 2015–2016, Texas Instruments Incorporated
Radio
23.3.3.1.3 CMD_FS_POWERUP: Power Up Frequency Synthesizer
Command ID number: 0x080C
CMD_FS_POWERUP is a radio operation command. In addition to the parameters listed in Table 23-8,
the command structure contains the fields listed in Table 23-23.
On start, the radio CPU powers up the frequency synthesizer and applies the register modifications given
in pRegOverride. If pRegOverride is NULL, no registers are overridden. The format of the override
structure is the same as the format for CMD_RADIO_SETUP (see Section 23.3.3.1.2). Only overrides
applicable to the synthesizer hardware are applied.
Running CMD_FS_POWERUP is mandatory before using any command that uses the frequency
synthesizer (and thus, the transmitter or receiver), unless the synthesizer has been powered up as part of
the radio setup. The radio must be set up using CMD_RADIO_SETUP or another setup command before
CMD_FS_POWERUP.
If the pointer in pRegOverride is invalid, the address or index is invalid, the length of an array is zero or is
too large. If another parameter in an entry is not permitted, the operation ends with the status
ERROR_PAR. If powering up the synthesizer fails, the command ends with ERROR_SYNTH_PROG as
the status. When otherwise finished, the command ends with DONE_OK as the status.
Table 23-23. CMD_FS_POWERUP Command Format
Byte Index Field Name Bit Index Bit Field
Name Type Description
14–15 Reserved
16–19 pRegOverride W Pointer to a list of hardware and
configuration registers to override. If NULL,
no override is used.
23.3.3.1.4 CMD_FS_POWERDOWN: Power Down Frequency Synthesizer
Command ID number: 0x080D
CMD_FS_POWERDOWN is a radio operation command that only takes the mandatory arguments listed
in Table 23-8. The command waits for the start trigger and then powers down the synthesizer. The act of
powering down not only stops the synthesizer, as is done with CMD_FS_OFF (see Section 23.3.3.1.6) or
at the end of certain other radio operation commands, but it also switches off analog modules.
After running CMD_FS_POWERDOWN, the synthesizer must be powered up again using
CMD_FS_POWERUP, or another command that powers up the synthesizer before it is used.
CMD_FS_POWERDOWN must always be run before the radio is powered down (for instance, when the
device is going into low-power modes).
When finished, the CMD_FS_POWERDOWN command ends with a DONE_OK status.

RF Core HAL
www.ti.com
1596 SWCU117F–February 2015–Revised June 2016
Submit Documentation Feedback
Copyright © 2015–2016, Texas Instruments Incorporated
Radio
23.3.3.1.5 CMD_FS: Frequency Synthesizer Controls Command
Command ID number: 0x0803
CMD_FS is a radio operation command. In addition to the parameters listed in Table 23-8, the command
structure contains the fields listed in Table 23-24, and can program the synthesizer to a specific
frequency.
The frequency to use is given by frequency and fractFreq, and must be as close as possible to
(frequency + fractFreq / 65536) MHz.
If calibConf.bOverrideCalib is 1, precalibration is done as given in the command instead of using the
configured settings. In this case, the coarse, mid, and TDC calibration is performed only if the
corresponding bit in calibConf is 0 (see Table 23-24). If the calibration is skipped, the precalibration value
given in coarsePrecal, midPrecal, or tdcPrecal, respectively, is used.
The synthesizer is set up in RX mode or TX mode, depending on synthConf.bTxMode. This mode may be
changed by radio operation commands when setting up RX or TX. If synthConf.refFreq is nonzero, a
reference frequency of 24 MHz/synthConf.refFreq is used instead of the default one.
If the synthesizer is programmed and reports loss of lock after having been in lock, the radio CPU raises
the Synth_No_Lock interrupt. The synthesizer keeps running, but the system CPU may use this
information to stop and restart the radio. The Synth_No_Lock is not raised more than once for each time
the synthesizer is programmed. The interrupt may also occur for commands with implicit-frequency
programming.
If the command is called with an illegal frequency or divider setting, the command ends with ERROR_PAR
as the status. If the command is called without the radio being configured, it ends with
ERROR_NO_SETUP as the status. If the command is called without the synthesizer being powered up, it
ends with ERROR_NO_FS as status.
Table 23-24. CMD_FS Command Format
Byte Index Field Name Bit Index Bit Field Name Type Description
14–15 frequency W The frequency in MHz to which the synthesizer
should be tuned
16–17 fractFreq W Fractional part of the frequency to which the
synthesizer should be tuned
18 synthConf
0 bTxMode W 0: Start synthesizer in RX mode.
1: Start synthesizer in TX mode.
1–5 refFreq W
CC13xx:
0: Use default reference frequency.
Others: Use reference frequency 24 MHz/refFreq.
CC26xx:
Reserved
19 0–7 Reserved Reserved
20–23 Reserved W Reserved
23.3.3.1.6 CMD_FS_OFF: Turn Off Frequency Synthesizer
Command ID number: 0x0804
CMD_FS_OFF is a radio operation command that only takes the mandatory arguments listed in
Table 23-8, and turns off the frequency synthesizer if it has been started by CMD_FS or left on by a radio
operation command that does not turn off the synthesizer.
When the command is started, the synthesizer outputs are disabled and the state machine is reset. The
analog parts are still powered; CMD_FS_POWERDOWN (see Section 23.3.3.1.4) can power down the
synthesizer to further reduce the current consumption.

www.ti.com
RF Core HAL
1597
SWCU117F–February 2015–Revised June 2016
Submit Documentation Feedback Copyright © 2015–2016, Texas Instruments Incorporated
Radio
23.3.3.1.7 CMD_RX_TEST: Receiver Test Command
Command ID number: 0x0807
CMD_RX_TEST is a radio operation command used to set the receiver in infinite RX mode for test
purposes.
The sync word programmed in the receiver is given in the LSBs of syncWord. If config.bNoSync is 1, the
correlation thresholds for sync search are set to the maximum value to avoid getting sync. The thresholds
are restored after the command ends. If config.bEnaFifo is 0, the modem FIFO is not enabled so that
received bits are not stored. If config.bEnaFifo is 1, the modem FIFO is enabled, but data is not read out;
this must then be done by the application. After sync and before the end trigger, the radio CPU does not
access the modem registers, so that accesses directly from the system CPU to the FIFO registers can be
safely done.
If pktConfig.bFsOn is 1, the synthesizer is turned off (corresponding to CMD_FS_OFF; see
Section 23.3.3.1.6) after the operation is done; otherwise the synthesizer is left on.
A trigger to end the operation is set up by endTrigger and endTime (see Section 23.3.2.5.1). If the trigger
that is defined by this parameter occurs, the radio operation ends.
The operation ends by one of the causes listed in Table 23-14.
The command structure for CMD_RX_TEST contains the fields listed in Table 23-25.
Table 23-25. CMD_RX_TEST Command Format
Byte
Index Byte Field
Name Bits Bit Field Name Type Description
14 config
0 Reserved W Set to 0
1 bFsOff W 0: Keep frequency synthesizer on after command.
1: Turn frequency synthesizer off after command.
2 bNoSync W 0: Run sync search as normal for the configured mode.
1: Write correlation thresholds to the maximum value to
avoid getting sync.
15 endTrigger W Trigger classifier for ending the operation
16–19 syncWord W Sync word to use for receiver
20–23 endTime W Time to end the operation

RF Core HAL
www.ti.com
1598 SWCU117F–February 2015–Revised June 2016
Submit Documentation Feedback
Copyright © 2015–2016, Texas Instruments Incorporated
Radio
23.3.3.1.8 CMD_TX_TEST: Transmitter Test Command
Command ID number: 0x0808
CMD_TX_TEST is a radio operation command used to set the receiver in infinite TX mode and transmit
either a CW or modulated data for test purposes.
When starting, the radio CPU starts the transmitter. The radio must be configured with the
CMD_RADIO_SETUP and the radio synthesizer must be started and in TX mode with the CMD_FS radio
command before CMD_TX_TEST is issued. The radio transmits a preamble and a sync word of the size
given by the current radio configuration, specified using CMD_RADIO_SETUP. The sync word is given in
the LSBs of syncWord. The payload after the sync word consists of the 16-bit word TXWord, repeated
indefinitely. This word may be run through whitening, with the options given in config.whitenMode, which
can take the following values:
• 0: No whitening is used. This is useful for testing with a repeated pattern, but gives spurs if used for
spectral measurements.
• 1: Default whitening. This means that the whitening is as configured for the mode in use (potentially
with overrides). If the mode does not use whitening, no whitening is applied.
• 2: PRBS-15: The polynomial x15 + x14 + 1 is used. This gives a pseudo-noise sequence with length
32767.
• 3: PRBS-31: The polynomial x32 + x22 + x2+ x + 1 is used. This gives a pseudo-noise sequence with
length 4294967295.
For whitening modes 2 and 3, initialization is done by the radio CPU writing 0xAAAA 0000 to the PRBS
value register before transmission starts. For whitening mode 1, the default initialization is used.
The transmitter runs until the trigger set up by endTrigger and endTime (see Section 23.3.2.5.1) occurs, or
until an abort command is issued.
If pktConfig.bFsOn is 1, the synthesizer is turned off (corresponding to CMD_FS_OFF; see
Section 23.3.3.1.6) after the operation is done; otherwise it is left on.
The operation ends by one of the causes listed in Table 23-14.
The command structure for CMD_TX_TEST contains the fields listed in Table 23-26.
Table 23-26. CMD_TX_TEST Command Format
Byte Index Field Name Bits Bit Field Name Type Description
14 config
0 bUseCw W 0: Send modulated signal.
1: Send continuous wave.
1 bFsOff W
0: Keep frequency synthesizer on after
command.
1: Turn frequency synthesizer off after
command.
2–3 whitenMode W
0: No whitening
1: Default whitening
2: PRBS-15
3: PRBS-32
15 Reserved
16–17 txWord W Value to send to the modem before
whitening
18 Reserved
19 endTrigger W Trigger classifier for ending the operation
20–23 syncWord W Sync word to use for transmitter
24–27 endTime W Time to end the operation

www.ti.com
RF Core HAL
1599
SWCU117F–February 2015–Revised June 2016
Submit Documentation Feedback Copyright © 2015–2016, Texas Instruments Incorporated
Radio
23.3.3.1.9 CMD_SYNC_STOP_RAT: Synchronize and Stop Radio Timer Command
Command ID number: 0x0809
CMD_SYNC_STOP_RAT is a radio operation command. In addition to the parameters listed in
Table 23-8, the command structure contains the fields listed in Table 23-27.
See Chapter 14,Real-time Clock, for more details.
AON_RTC:CTL.RTC_UPD_EN must be 1.
Table 23-27. CMD_SYNC_STOP_RAT Command Format
Byte Index Field Name Bits Bit Field Name Type Description
14–15 Unused
16–19 rat0 R The returned RAT value corresponding
to the value the RAT would have had
when the RTC was zero.
When starting, the radio CPU sets up capture of an RTC tick and waits for this tick, then stops the RAT
and calculates the value rat0. This value must be stored for use when the RAT restarts.
23.3.3.1.10 CMD_SYNC_START_RAT: Synchronously Start Radio Timer Command
Command ID number: 0x080A
CMD_SYNC_START_RAT is a radio operation command. In addition to the parameters listed in
Table 23-8, the command structure contains the fields listed in Table 23-28.
See Chapter 14,Real-time Clock, for more details. TOP:AON_RTC:CTL.RTC_UPD_EN must be 1.
Table 23-28. CMD_SYNC_START_RAT Command Format
Byte Index Field Name Bits Bit Field Name Type Description
14–15 Unused
16–19 rat0 W
The desired RAT value corresponding to
the value the RAT would have had when
the RTC was zero. This parameter is
returned by CMD_SYNC_STOP_RAT.
When starting, the radio CPU starts the RAT and sets up capture of an RTC tick and waits for this tick,
then calculates the necessary timer adjustment based on the input parameter rat0 and performs this
adjustment. The input parameter rat0 is the value previously returned by CMD_SYNC_STOP_RAT.
Because the radio timer is normally not running when this command is issued, the start trigger must be
TRIG_NOW (see Section 23.3.2.5.1).
The first time the RAT is started after system boot, the command CMD_START_RAT must be used (see
Section 23.3.4.7). As an alternative, CMD_SYNC_START_RAT may be issued with a fixed parameter
such as 0; however, this gives an arbitrary start value for the RAT. Before powering down the radio, the
system CPU must run the CMD_SYNC_STOP_RAT command. After powering it up the radio again, the
system CPU must run the CMD_SYNC_START_RAT command with the same parameter as the one
received when CMD_SYNC_STOP_RAT was issued.

RF Core HAL
www.ti.com
1600 SWCU117F–February 2015–Revised June 2016
Submit Documentation Feedback
Copyright © 2015–2016, Texas Instruments Incorporated
Radio
23.3.3.1.11 CMD_COUNT: Counter Command
Command ID number: 0x080B
CMD_COUNT is a radio operation command. In addition to the parameters listed in Table 23-8, the
command structure contains the fields listed in Table 23-29.
Table 23-29. CMD_COUNT Command Format
Byte Index Field Name Bits Bit Field Name Type Description
14–15 counter R/W
Counter. When starting, the radio CPU
decrements the value, and the end
status of the operation differs if the
result is zero.
When starting, the radio CPU decrements the counter field by 1 and writes the result back to this field. If
the result of the decrement is zero, the operation ends with the status DONE_COUNTDOWN and the
result FALSE. Otherwise, the operation ends with the status DONE_OK and the result TRUE, which can
be used in conditional execution to create a loop.
If the operation is started with counter equal to zero, this is an illegal parameter, so the operation ends
with the status ERROR_PAR.
The operation ends by one of the causes listed in Table 23-25 or Table 23-30.
Table 23-30. Additional End Causes for CMD_COUNT
Condition Status Code Result
Finished operation with counter > 0 DONE_OK TRUE
Finished operation with counter = 0 DONE_COUNTDOWN FALSE
23.3.3.1.12 CMD_SCH_IMM: Run Immediate Command as Radio Operation
Command ID number: 0x0810
CMD_SCH_IMM is a radio operation command. In addition to the parameters listed in Table 23-8, the
command structure contains the fields listed in Table 23-31.
Table 23-31. CMD_SCH_IMM Command Format
Byte Index Field Name Bits Bit Field Name Type Description
14–15 Reserved
16–19 cmdrVal W Value as would be written to CMDR
20–23 cmdstaVal R Value as would be returned in CMDSTA
When starting, the radio CPU takes the value in cmdrVal and processes it as if it had been written to the
CMDR register. This command may be a pointer to an immediate command, or it may form a direct
command as shown in Figure 23-4. A pointer to a radio operation command causes a scheduling error.
The value that would normally have been returned in CMDSTA is written to cmdstaVal. This means that
no command RF_CMD_ACK interrupt is raised. Instead, a COMMAND_DONE interrupt is raised, as for
any other radio operation command.
Depending on the result of the immediate or direct command, the status and result of the radio operation
command is as shown in Table 23-32.
CMD_SCH_IMM may run immediate commands as part of a chain of radio operation commands, or to
schedule them in the future. If an immediate or direct command received in the CMDR register is being
processed at the same time that a scheduled CMD_SCH_IMM command starts, the processing of the
scheduled command starts after the other command has finished.

www.ti.com
RF Core HAL
1601
SWCU117F–February 2015–Revised June 2016
Submit Documentation Feedback Copyright © 2015–2016, Texas Instruments Incorporated
Radio
Table 23-32. End Statuses for CMD_SCH_IMM
Condition Status Code Result
Immediate command ended with the result DONE DONE_OK TRUE
There was an error in the execution of the command, giving a CMDSTA result not listed in
the following table row. DONE_FAILED FALSE
There was an error in the command, giving one of the following results:
• SchedulingError
• UnknownCommand
• UnknownDirCommand
• IllegalPointer
• ParError.
ERROR_PAR ABORT
23.3.3.1.13 CMD_COUNT_BRANCH: Counter Command With Branch of Command Chain
Command ID number: 0x0812
CMD_COUNT_BRANCH is a radio operation command. In addition to the parameters listed in Table 23-8,
the command structure contains the fields listed in Table 23-33.
Table 23-33. CMD_COUNT_BRANCH Command Format
Byte Index Field Name Bits Bit Field Name Type Description
14–15 counter R/W
Counter
When starting, the radio CPU decrements
the value, and the end status of the
operation differs if the result is zero.
16–19 pNextOpIfOk W Pointer to next operation if counter did not
expire.
When starting, the radio CPU decrements the counter field by 1, unless it was already 0, and writes the
result back to this field. If the result of the decrement is zero, the operation ends with the status
DONE_COUNTDOWN and the result FALSE. Otherwise, the operation ends with the status DONE_OK
and the result TRUE. In this case, the next radio operation command to run is given by pNextOpIfOk
instead of pNextOp (see Table 23-8), which can be used in conditional execution to create a loop.
If the operation is started with the counter equal to zero, the operation ends with the status DONE_OK
and the next operation is taken from pNextOpIfOk. This operation can be used if the previous command is
set up to skip optionally, as skipping from a previous command in the chain follows pNextOp.
The operation ends by one of the causes listed in Table 23-14 or Table 23-34.
Table 23-34. Additional End Causes for CMD_COUNT_BRANCH
Condition Status Code Result
Finished operation with counter = 0 when being started DONE_OK TRUE
Finished operation with counter > 0 after decrementing DONE_OK TRUE
Finished operation with counter = 0 after decrementing DONE_COUNTDOWN FALSE

RF Core HAL
www.ti.com
1602 SWCU117F–February 2015–Revised June 2016
Submit Documentation Feedback
Copyright © 2015–2016, Texas Instruments Incorporated
Radio
23.3.3.1.14 CMD_PATTERN_CHECK: Check a Value in Memory Against a Pattern
Command ID number: 0x0813
CMD_PATTERN_CHECK is a radio operation command. In addition to the parameters listed in
Table 23-8, the command structure contains the fields listed in Table 23-35.
Table 23-35. CMD_PATTERN_CHECK Command Format
Byte
Index Field Name Bits Bit Field Name Type Description
14–15 patternOpt
0–1 operation W
Operation to perform
0: TRUE if value == compareVal
1: TRUE if value < compareVal
2: TRUE if value > compareVal
3: Reserved
2 bByteRev W If 1, interchange the 4 bytes of the value, so that they
are read the MSB first.
3 bBitRev W If 1, perform bit reversal of the value.
4–8 signExtend W
0: Treat value and compareVal as unsigned.
1–31: Treat value and compareVal as signed, where
the value gives the number of the MSB in the signed
number.
9 bRxVal W 0: Use pValue as a pointer.
1: Use pValue as a signed offset to the start of the last
committed RX entry element.
16–19 pNextOpIfOk W Pointer to next operation if comparison result was true
20–23 pValue W Pointer from which to read, or offset from last RX entry
if patternOpt.bRxVal == 1
24–27 mask W Bit mask to apply before comparison
28–31 compareVal W Value to which to compare
When starting, the radio CPU reads a 4-byte value from the location pointed to by pValue if
patternOpt.bRxVal == 0. If patternOpt.bRxVal == 1, the location to read from is found by taking the pointer
to the start of the last committed RX entry element and adding the signed number found in pValue as a
byte offset. In either case, this pointer does not need to be 4-byte-aligned. If the pointer is not byte-
aligned, the value is read byte by byte.
The value is then subject to the following operations in this order:
1. If patternOpt.bByteRev == 1, interchange byte 3 with byte 0, and byte 1 with byte 2, as if the bytes had
been read MSB first.
2. If patternOpt.bBitRev == 1, reverse the bit order of the entire 32-bit word.
3. Perform a bitwise ‘AND’ operation between the value and mask.
4. If patternOpt.signExtend > 0, copy the value of bit number patternOpt.signExtend (where bit 0 is the
LSB) into all the more significant bits.
5. Perform a compare operation between the resulting value and compareVal, depending on
patternOpt.operation (see Table 23-35). The compare operation is unsigned if
patternOpt.signExtend == 0; otherwise it is signed.
If patternOpt.operation or pValue have illegal values, the operation ends with a status of ERROR_PAR.
Otherwise, the operation ends by one of the causes listed in Table 23-14 or Table 23-36, depending on
the result of the comparison in Step 5 in the previous list. If the comparison result was TRUE, the next
radio operation command to run is given by pNextOpIfOk instead of pNextOp.
Table 23-36. Additional End Causes for CMD_PATTERN_CHECK
Condition Status Code Result
Comparison result was TRUE. DONE_OK TRUE
Comparison result was FALSE. DONE_FAILED FALSE
Command run with patternOpt.bRxVal when no RX data is fully received ERROR_NO_RX ABORT

www.ti.com
RF Core HAL
1603
SWCU117F–February 2015–Revised June 2016
Submit Documentation Feedback Copyright © 2015–2016, Texas Instruments Incorporated
Radio
23.3.4 Protocol-Independent Direct and Immediate Commands
This section contains immediate commands that can be used across protocols. Commands for
manipulating data queues are described in Section 23.3.5,Immediate Commands for Data Queue
Manipulation.
23.3.4.1 CMD_ABORT: ABORT Command
Command ID number: 0x0401
CMD_ABORT is a direct command.
On reception, the radio CPU ends ongoing radio operation commands as soon as possible. Analog
circuitry for RX and TX is safely turned off, and data structures are updated so they are not left in an
unfinished state.
If a radio operation command is running when the CMD_ABORT is issued, the radio CPU produces a
COMMAND_DONE and LAST_COMMAND_DONE interrupt when the radio operation command finishes.
The status of the command structure of that radio operation command reflects that the command was
aborted.
If no radio operation command is running, no action is taken. The result signaled in the CMDSTA register
is DONE in all cases. If a radio operation command is running, CMDSTA may be updated before the radio
operation ends.
23.3.4.2 CMD_STOP: Stop Command
Command ID number: 0x0402
CMD_STOP is a direct command.
On reception, the radio CPU informs the radio operation command currently running that it has been
requested to stop. The STOP command is more graceful than the ABORT command, but might take more
time to finish. Normally, a packet being received or transmitted is handled to completion. The exact
behavior on reception of CMD_STOP is described for each radio operation command. Some commands
always end in a known time and do not respond to CMD_STOP.
If no radio operation command is running, no action is taken. The result signaled in CMDSTA is done in all
cases. If a radio operation command is running, CMDSTA may be updated before the radio operation
ends.

RF Core HAL
www.ti.com
1604 SWCU117F–February 2015–Revised June 2016
Submit Documentation Feedback
Copyright © 2015–2016, Texas Instruments Incorporated
Radio
23.3.4.3 CMD_GET_RSSI: Read RSSI Command
Command ID number: 0x0403
CMD_GET_RSSI is an immediate command that takes no parameters, and therefore, can be used as a
direct command.
On reception, the radio CPU reads the RSSI from an underlying receiver. The RSSI is returned in result
byte 2 (bit 23–16) of CMDSTA (see Figure 23-5). The RSSI is given on signed form in dBm. If no RSSI is
available, this is signaled with a special value of the RSSI (−128, or 0x80).
If no radio operation command is running, the radio CPU returns the result ContextError in CMDSTA.
Otherwise, the radio CPU returns DONE along with the RSSI value.
23.3.4.4 CMD_UPDATE_RADIO_SETUP: Update Radio Settings Command
Command ID number: 0x0001
CMD_UPDATE_RADIO_SETUP is an immediate command that takes the parameters listed in
Table 23-37.
Table 23-37. CMD_UPDATE_RADIO_SETUP Command Format
Byte Index Field Name Bits Bit Field Name Type Description
0–1 commandNo W The command ID number
2–3 Reserved
4–7 pRegOverride W Pointer to a list of hardware and
configuration registers to override
On reception, the radio CPU updates the registers given in pRegOverride. This is a pointer to a structure
containing an override value for certain hardware registers, a radio configuration controlled by the radio
CPU, and protocol-related variables. The format is as for CMD_RADIO_SETUP (see Section 23.3.3.1). If
done while the radio is running, the update must primarily be done on the radio and protocol configuration,
as modifications to hardware registers may cause undesired behavior.
23.3.4.5 CMD_TRIGGER: Generate Command Trigger
Command ID number: 0x0404
CMD_TRIGGER is an immediate command that takes the parameters listed in Table 23-38.
Table 23-38. CMD_TRIGGER Command Format
Byte Index Field Name Bits Bit Field Name Type Description
0–1 commandNo W The command ID number
2 triggerNo W Command trigger number
On reception, the radio CPU generates the command trigger specified with triggerNo, so that running
radio operation commands respond accordingly (see Section 23.3.2.5.1,Triggers).
If the trigger number is outside the valid range 0–3, the radio CPU returns the result ParError in CMDSTA.
If no radio operation command running is pending on the trigger number sent, the radio CPU returns the
result ContextError in CMDSTA. Otherwise, the radio CPU returns DONE, which may be returned before
the running radio operation command responds to the trigger.
CMD_TRIGGER may be sent as a direct command. If so, the trigger number is given by the parameter in
bits 8–15 of CMDR.

www.ti.com
RF Core HAL
1605
SWCU117F–February 2015–Revised June 2016
Submit Documentation Feedback Copyright © 2015–2016, Texas Instruments Incorporated
Radio
23.3.4.6 CMD_GET_FW_INFO: Request Information on the Firmware Being Run
Command ID number: 0x0002
CMD_GET_FW_INFO is an immediate command that takes the parameters listed in Table 23-39.
Table 23-39. CMD_GET_FW_INFO Command Format
Byte Index Field Name Bits Bit Field Name Type Description
0–1 commandNo W The command ID number
2–3 versionNo R Firmware version number
4–5 startOffset R The start of free RAM
6–7 freeRamSz R The size of free RAM
8–9 availRatCh R Bitmap of available RAT channels
On reception, the radio CPU reports information on the running radio firmware. A version number is
returned in versionNo. The startOffset and freeRamSz fields contain information on the area in the radio
RAM that is not used by the radio CPU for data (including stack and heap). This area is free to use by the
system CPU for data exchange, radio CPU patching, or other purposes. The start and end address of the
free RAM is given as offset from the start of the radio RAM.
NOTE: Some of this free RAM is used for patches provided by TI.
The availRatCh field is a bitmap where bit position n indicates whether RAT channel n may be used by the
system CPU. A bit value of 1 indicates that the corresponding channel may be used by the system CPU,
while a bit value of 0 means that the channel is reserved for the radio CPU or is nonexistent.
23.3.4.7 CMD_START_RAT: Asynchronously Start Radio Timer Command
Command ID number: 0x0405
CMD_ START_RAT is a direct command.
On reception, the radio CPU starts the RAT if it has not already started.
If the RAT is already running, the radio CPU returns the result ContextError in CMDSTA. Otherwise, the
radio CPU returns DONE.
23.3.4.8 CMD_PING: Respond With Interrupt
Command ID number: 0x0406
CMD_PING is a direct command.
On reception, the radio CPU returns DONE in CMDSTA. This command can test the communication
between the two CPUs, or to check when the radio CPU is ready after boot.

RF Core HAL
www.ti.com
1606 SWCU117F–February 2015–Revised June 2016
Submit Documentation Feedback
Copyright © 2015–2016, Texas Instruments Incorporated
Radio
23.3.4.9 CMD_READ_RFREG: Read RF Core Register
Command ID number: 0x0601
CMD_READ_RFREG is an immediate command that takes the parameters listed in Table 23-40.
Table 23-40. CMD_READ_RFREG Command Format
Byte Index Field Name Bits Bit Field Name Type Description
0–1 commandNo W The command ID number
2–3 address W The offset from the start of the RF core hardware
register bank (0x4004 0000)
4–7 value R Returned value of the register
On reception, the radio CPU reads the RF core register with address 0x4004 0000 + address. The result
is written to value. If the address is not divisible by 4, the radio CPU returns ParError in CMDSTA.
CMD_READ_RFREG may be sent as a direct command. If so, the address is given by bits 2–15 of
CMDR, with the 2 LSBs of the address set to 00.
When reading has been performed, the result is returned in value. The 24 LSBs of the result are returned
in CMDSTA bits 8–31. The result returned in CMDSTA is DONE.
23.3.4.10 CMD_SET_RAT_CMP: Set RAT Channel to Compare Mode
Command ID number: 0x000A
CMD_SET_RAT_CMP is an immediate command that takes the parameters listed in Table 23-41.
Table 23-41. CMD_SET_RAT_CMP Command Format
Byte
Index Field Name Bits Bit Field Name Type Description
0–1 commandNo W The command ID number
2 ratCh W The radio timer channel number
3 Reserved
4–7 compareTime W The time at which the compare occurs
On reception, the radio CPU sets the RAT channel given by ratCh in compare mode, and sets the channel
compare time to compareTime, which also arms the channel. A channel event occurs at the given time,
and this can be enabled as an RF hardware interrupt to the system CPU through the RFC_DBELL
module.
The channel number must indicate a channel that is not reserved for use by the radio CPU. Otherwise, the
radio CPU returns ParError in CMDSTA. If the compare time is in the past when the command is
evaluated, the radio CPU returns ContextError in CMDSTA and disables the RAT channel. If the compare
event is successfully set up, the radio CPU returns DONE in CMDSTA.

www.ti.com
RF Core HAL
1607
SWCU117F–February 2015–Revised June 2016
Submit Documentation Feedback Copyright © 2015–2016, Texas Instruments Incorporated
Radio
23.3.4.11 CMD_SET_RAT_CPT: Set RAT Channel to Capture Mode
Command ID number: 0x0603
CMD_SET_RAT_CPT is an immediate command that takes the parameters listed in Table 23-42.
Table 23-42. CMD_SET_RAT_CPT Command Format
Byte Index Field Name Bits Bit Field Name Type Description
0–1 commandNo W The command ID number
2–3 config
0–2 Reserved
3–7 inputSrc W
Input source indicator
22: RFC_GPI0
23: RFC_GPI1
Others: Reserved
8–11 ratCh W The radio timer channel number
12 bRepeated W 0: Single capture mode
1: Repeated capture mode
13–14 inputMode W
Input mode
00: Rising edge
01: Falling edge
10: Both edges
11: Reserved
On reception, the radio CPU sets the RAT channel given by config.ratCh in capture mode. If
config.bRepeated is 0, the channel is set to single capture mode; otherwise, the channel is set to repeated
capture mode. The radio CPU sets the input source to config.inputSrc and the input mode to
config.inputMode. If the channel is set in single capture mode, it is also armed. This causes a channel
event to occur when capture occurs, and can be enabled as an RF hardware interrupt to the system CPU
through the RFC_DBELL module.
CMD_SET_RAT_CMP may be sent as a direct command. If so, bits 2–15 of the config word are given by
bits 2–15 of CMDR (bits 0–1 of config are not used).
The channel number must indicate a channel that is not reserved for use by the radio CPU. Otherwise, the
radio CPU returns ParError in CMDSTA. If the channel is successfully set up, the radio CPU returns
DONE in CMDSTA.
23.3.4.12 CMD_DISABLE_RAT_CH: Disable RAT Channel
Command ID number: 0x0408
CMD_DISABLE_RAT_CH is an immediate command that takes the parameters listed in Table 23-43.
Table 23-43. CMD_DISABLE_RAT_CH Command Format
Byte Index Field Name Bits Bit Field Name Type Description
0–1 commandNo W The command ID number
2 ratCh W The RAT channel number
On reception, the radio CPU disables the RAT channel given by ratCh. This disables previous
configurations of that channel done by the CMD_SET_RAT_CMP or CMD_SET_RAT_CPT command.
CMD_DISABLE_RAT_CH may be sent as a direct command. If so, ratCh is given by the parameter in bits
8–15 of CMDR.
The channel number must indicate a channel that is not reserved for use by the radio CPU. Otherwise, the
radio CPU returns ParError in CMDSTA. If the channel number is valid, the CPU returns DONE in
CMDSTA after the channel has been disabled.

RF Core HAL
www.ti.com
1608 SWCU117F–February 2015–Revised June 2016
Submit Documentation Feedback
Copyright © 2015–2016, Texas Instruments Incorporated
Radio
23.3.4.13 CMD_SET_RAT_OUTPUT: Set RAT Output to a Specified Mode
Command ID number: 0x0604
CMD_SET_RAT_OUTPUT is an immediate command that takes the parameters listed in Table 23-44.
Table 23-44. CMD_SET_RAT_OUTPUT Command Format
Byte Index Field Name Bits Bit Field Name Type Description
0–1 commandNo W The command ID number
2–3 config
0–1 Reserved
2–4 outputSel W
Output event indicator
1: RAT_GPO1
2: RAT_GPO2
3: RAT_GPO3
Others: Reserved
5–7 outputMode W
Output mode:
000: Pulse
001: Set
010: Clear
011: Toggle
100: Always 0
101: Always 1
Others: Reserved
8–11 ratCh W The RAT channel number
On reception, the radio CPU sets the RAT output event given by config.outputSel in the mode given by
config.outputMode, and to be controlled by the RAT channel given by config.ratCh. This command must
be combined with setting this channel in compare mode, using the CMD_SET_RAT_CMP command.
CMD_SET_RAT_OUTPUT may be sent as a direct command. If so, bits 2–15 of the config word are given
by bits 2–15 of CMDR (bits 0–1 of config are not used).
The channel number, config.ratCh, must indicate a channel that is not reserved for use by the radio CPU,
and the output number, config.outputSel, must not be an output used by the radio CPU. Otherwise, the
radio CPU returns ParError in CMDSTA. If the output event is successfully set up, the radio CPU returns
DONE in CMDSTA.
23.3.4.14 CMD_ARM_RAT_CH: Arm RAT Channel
Command ID number: 0x0409
CMD_ARM_RAT_CH is an immediate command that takes the parameters listed in Table 23-45.
Table 23-45. CMD_ARM_RAT_CH Command Format
Byte Index Field Name Bits Bit Field Name Type Description
0–1 commandNo W The command ID number
2 ratCh W The RAT channel number
On reception, the radio CPU arms the RAT channel given by ratCh.
The CMD_DISABLE_RAT_CH command may be sent as a direct command. If so, ratCh is given by the
parameter in bits 8–15 of CMDR.
The channel number must indicate a channel not reserved for use by the radio CPU. Otherwise, the radio
CPU returns ParError in CMDSTA. If the channel number is valid, the CPU returns DONE in CMDSTA
after the channel is armed.

www.ti.com
RF Core HAL
1609
SWCU117F–February 2015–Revised June 2016
Submit Documentation Feedback Copyright © 2015–2016, Texas Instruments Incorporated
Radio
23.3.4.15 CMD_DISARM_RAT_CH: Disarm RAT Channel
Command ID number: 0x040A
CMD_DISARM_RAT_CH is an immediate command that takes the parameters listed in Table 23-46.
Table 23-46. CMD_DISARM_RAT_CH Command Format
Byte Index Field Name Bits Bit Field Name Type Description
0–1 commandNo W The command ID number
2 ratCh W The RAT channel number
On reception, the radio CPU disarms the RAT channel given by ratCh.
CMD_DISABLE_RAT_CH may be sent as a direct command. If so, ratCh is given by the parameter in bits
8–15 of CMDR.
The channel number must indicate a channel not reserved for use by the radio CPU. Otherwise, the radio
CPU returns ParError in CMDSTA. If the channel number is valid, the CPU returns DONE in CMDSTA
after the channel is armed.
23.3.4.16 CMD_SET_TX_POWER: Set Transmit Power
Command ID number: 0x0010
CMD_SET_TX_POWER is an immediate command that takes the parameters listed in Table 23-47.
Table 23-47. CMD_SET_TX_POWER Command Format
Byte Index Field Name Bits Bit Field Name Type Description
0–1 commandNo W The command ID number
2–3 txPower W Output power setting; use value from
SmartRF Studio.
On reception, the radio CPU sets the transmit power for use the next time transmission begins. If a packet
is being transmitted, the transmit power is not updated until transmission begins for the next packet.
Each time transmission of a packet begins, temperature compensation of the transmit power is done.
On completion, the radio CPU returns DONE in CMDSTA.

RF Core HAL
www.ti.com
1610 SWCU117F–February 2015–Revised June 2016
Submit Documentation Feedback
Copyright © 2015–2016, Texas Instruments Incorporated
Radio
23.3.4.17 CMD_UPDATE_FS: Set New Synthesizer Frequency Without Recalibration
Command ID number: 0x0011
CMD_UPDATE_FS is an immediate command that takes the parameters listed in Table 23-48.
Table 23-48. CMD_UPDATE_FS Command Format
Byte Index Field Name Bits Bit Field Name Type Description
0–1 commandNo W The command ID number
2–13 Reserved
14–15 frequency W The frequency in MHz to tune to
16–17 fractFreq W Fractional part of the frequency to
tune to
On reception, the radio CPU programs a new frequency in the synthesizer without restarting calibration.
This must be a small change compared to the frequency used under calibration, otherwise the synthesizer
is most likely unable to relock. Extra distortion may occur if the command is done during RX or TX.
The frequency to use is given by frequency and fractFreq, and the frequency must be as close as possible
to (frequency + fractFreq / 65536) MHz.
If the synthesizer is not running and the calibration is done, the radio CPU returns ContextError in
CMDSTA. If frequency is invalid, the radio CPU returns ParError in CMDSTA. Otherwise, the radio CPU
returns DONE in CMDSTA when the update is finished.
23.3.4.18 CMD_BUS_REQUEST: Request System BUS Available for RF Core
Command ID number: 0x040E
CMD_BUS_REQUEST is an immediate command that takes the parameters listed in Table 23-49.
Table 23-49. CMD_BUS_REQUEST Command Format
Byte Index Field Name Bits Bit Field Name Type Description
0–1 commandNo W The command ID number
2 bSysBusNeeded W 0: System bus may sleep
1: System bus access needed
On reception, the radio CPU sets the bus request bit toward the PRCM to 1 if bSysBusNeeded is nonzero,
or to 0 if bSysBusNeeded is zero. If bSysBusNeeded is nonzero, this indicates that the system bus stays
awake even if the system goes to deep sleep, which must be done for the RF core to run and access the
system side for one of the following reasons:
• Any command structure, data structure, and so on, pointed to by a pointer sent to the RF core is
placed in system RAM or flash.
• The RF core must read the temperature because the TX power has a nonzero temperature coefficient.
• The RF core must read the RTC to synchronize with the RAT during CMD_SYNC_STOP_RAT or
CMD_SYNC_START_RAT.
CMD_BUS_REQUEST may be sent as a direct command. If so, bSysBusNeeded is given by the
parameter in bits 8–15 of CMDR.
The radio CPU returns DONE in CMDSTA when the update finishes.

www.ti.com
RF Core HAL
1611
SWCU117F–February 2015–Revised June 2016
Submit Documentation Feedback Copyright © 2015–2016, Texas Instruments Incorporated
Radio
23.3.5 Immediate Commands for Data Queue Manipulation
The following commands are immediate commands used for data queue manipulation for all radio
operations that use data queues.
23.3.5.1 CMD_ADD_DATA_ENTRY: Add Data Entry to Queue
Command ID number: 0x0005
CMD_ADD_DATA_ENTRY is an immediate command that takes the parameters listed in Table 23-50.
Table 23-50. CMD_ADD_DATA_ENTRY Command Format
Byte Index Field Name Bits Bit Field Name Type Description
0–1 commandNo W The command ID number
2–3 Reserved
4–7 pQueue W Pointer to the queue structure to which the
entry is added
8–11 pEntry W Pointer to the entry
On reception, the radio CPU appends the provided data entry to the queue indicated. The radio CPU
performs the following operations:
Set pQueue-> pLastEntry-> pNextEntry = pEntry
Set pQueue-> pLastEntry = pEntry
If either of the pointers pQueue or pEntry are invalid (that is, in an address range that is not memory or
without 32-bit word alignment), the command fails, and the radio CPU sets the result byte of CMDSTA to
ParError. If the queue specified in pQueue is set up not to allow entries to be appended (see
Section 23.3.2.7.1), the command fails, and the radio CPU sets the result byte of CMDSTA to QueueError.
23.3.5.2 CMD_REMOVE_DATA_ENTRY: Remove First Data Entry From Queue
Command ID number: 0x0006
CMD_REMOVE_DATA_ENTRY is an immediate command that takes the parameters listed in
Table 23-51.
Table 23-51. CMD_REMOVE_DATA_ENTRY Command Format
Byte Index Field Name Bits Bit Field Name Type Description
0–1 commandNo W The command ID number
2–3 Reserved
4–7 pQueue W Pointer to the queue structure from which the
entry is removed
8–11 pEntry R Pointer to the entry that was removed
On reception, the radio CPU removes the first data entry from the queue indicated. The command returns
a pointer to the entry that was removed. The radio CPU performs the following operations:
Set pEntry = pQueue->pCurrEntry
Set pQueue->pCurrEntry = pEntry->pNextEntry
Set pEntry->status = Finished
If the pointer pQueue is invalid, the command fails, and the radio CPU sets the result byte of CMDSTA to
ParError. If the queue specified in pQueue is empty, the command fails, and the radio CPU sets the result
byte of CMDSTA to QueueError. If the entry to be removed is in the BUSY state, the command fails, and
the radio CPU sets the result byte of CMDSTA to QueueBusy.

RF Core HAL
www.ti.com
1612 SWCU117F–February 2015–Revised June 2016
Submit Documentation Feedback
Copyright © 2015–2016, Texas Instruments Incorporated
Radio
23.3.5.3 CMD_FLUSH_QUEUE: Flush Queue
Command ID number: 0x0007
CMD_FLUSH_QUEUE is an immediate command that takes the parameters listed in Table 23-52.
Table 23-52. CMD_FLUSH_QUEUE Command Format
Byte Index Field Name Bits Bit Field Name Type Description
0–1 commandNo W The command ID number
2–3 Reserved
4–7 pQueue W Pointer to the queue structure to be flushed
8–11 pFirstEntry R Pointer to the first entry that was removed
On reception, the radio CPU flushes the queue indicated, and returns a pointer to the first entry that was
removed. The radio CPU performs the following operations:
Set pFirstEntry = pQueue->pCurrEntry
Set pQueue->pCurrEntry = NULL
Set pQueue->pLastEntry = NULL
If the pointer pQueue is invalid, the command fails, and the radio CPU sets the result byte of CMDSTA to
ParError. If the first entry to be removed is in the BUSY state, the command fails, and the radio CPU sets
the result byte of CMDSTA to QueueBusy. If the queue specified in pQueue is empty, the radio CPU does
not need to do any operation, but this is still viewed as a success. The returned pFirstEntry is NULL in this
case.
23.3.5.4 CMD_CLEAR_RX: Clear All RX Queue Entries
Command ID number: 0x0008
CMD_CLEAR_RX is an immediate command that takes the parameters listed in Table 23-53.
Table 23-53. CMD_CLEAR_RX Command Format
Byte Index Field Name Bits Bit Field Name Type Description
0–1 commandNo W The command ID number
2–:3 Reserved
4–7 pQueue W Pointer to the queue structure be cleared
On reception, the radio CPU makes all RX entries indicate that they are empty. The radio CPU performs
the following operations:
Set pTemp = pQueue->pCurrEntry
Loop: Set pTemp->status = Pending
If pTemp->type == 1 then:
Set pTemp->nextIndex = 0
Set pTemp->numElements = 0
Set pTemp = pTemp->nextIndex
If pTemp != NULL and pTemp != pQueue->pCurrEntry, repeat from Loop
If the pointer pQueue is invalid, the command fails, and the radio CPU sets the result byte of CMDSTA to
ParError. If the queue specified in pQueue is empty, the command fails, and the radio CPU sets the result
byte of CMDSTA to QueueError. If the first entry to be removed is in the BUSY state, the command fails,
and the radio CPU sets the result byte of CMDSTA to QueueBusy.

www.ti.com
RF Core HAL
1613
SWCU117F–February 2015–Revised June 2016
Submit Documentation Feedback Copyright © 2015–2016, Texas Instruments Incorporated
Radio
23.3.5.5 CMD_REMOVE_PENDING_ENTRIES: Remove Pending Entries From Queue
Command ID number: 0x0009
CMD_REMOVE_PENDING_ENTRIES is an immediate command that takes the parameters listed in
Table 23-54.
Table 23-54. CMD_REMOVE_PENDING_ENTRIES Command Format
Byte Index Field Name Bits Bit Field Name Type Description
0–1 commandNo W The command ID number
2–3 Reserved
4–7 pQueue W Pointer to the queue structure to be flushed
8–11 pFirstEntry R Pointer to the first entry that was removed
On reception, the radio CPU removes all entries that are in the Pending state from the queue indicated,
and returns a pointer to the first entry that was removed. The radio CPU performs the following operations:
If pQueue->pCurrEntry->status = Pending, then
Set pFirstEntry = pQueue->pCurrEntry
Set pQueue->pCurrEntry = NULL
Set pQueue->pLastEntry = NULL
else
Set pFirstEntry = pQueue->pCurrEntry->pNextEntry
Set pQueue->pCurrEntry->pNextEntry = NULL
Set pQueue->pLastEntry = pQueue->pCurrEntry
If the pointer pQueue is invalid, the command fails, and the radio CPU sets the result byte of CMDSTA to
ParError. If the queue specified in pQueue is empty, the radio CPU does not need to do any operation, but
this is still viewed as a success. The returned pFirstEntry is NULL in this case.

Data Queue Usage
www.ti.com
1614 SWCU117F–February 2015–Revised June 2016
Submit Documentation Feedback
Copyright © 2015–2016, Texas Instruments Incorporated
Radio
23.4 Data Queue Usage
This section describes how the radio CPU uses data queues.
23.4.1 Operations on Data Queues Available Only for Internal Radio CPU Operations
Section 23.3.5,Immediate Commands for Data Queue Manipulation, lists commands used for data queue
manipulation. For internal radio CPU operations described, additional operations are available. These
operations are described in the following sections.
23.4.1.1 PROC_ALLOCATE_TX: Allocate TX Entry for Reading
The procedure takes the following input parameters:
• Pointer to queue, pQueue
The procedure returns the following:
• Pointer to allocated data entry, pEntry
The procedure returns with error if the specified queue is empty, or if the first entry of the queue is already
busy. Otherwise, the following is done:
Set pQueue->pCurrEntry->status = Busy
Set pEntry = pQueue->pCurrEntry
23.4.1.2 PROC_FREE_DATA_ENTRY: Free Allocated Data Entry
The procedure takes the following input parameters:
• Pointer to queue, pQueue
The procedure returns the following:
• Pointer to allocated data entry, pEntry
The procedure returns with error if the specified queue is empty. Otherwise, the following is done:
Set pQueue->pCurrEntry->status = Active
23.4.1.3 PROC_FINISH_DATA_ENTRY: Finish Use of First Data Entry From Queue
The procedure takes the following input parameters:
• Pointer to queue, pQueue
The procedure returns the following:
• Pointer to new entry, pEntry
The procedure returns with error if the specified queue is empty. Otherwise, the following is done:
Set pTemp = pQueue->pCurrEntry
Set pQueue->pCurrEntry = pTemp->pNextEntry
Set pTemp->status = Finished
Set pEntry = pQueue->pCurrEntry

www.ti.com
Data Queue Usage
1615
SWCU117F–February 2015–Revised June 2016
Submit Documentation Feedback Copyright © 2015–2016, Texas Instruments Incorporated
Radio
23.4.1.4 PROC_ALLOCATE_RX: Allocate RX Buffer for Storing Data
The procedure takes the following input parameters:
• Pointer to queue, pQueue
• Size of entry element to store, size
The procedure returns the following:
• Pointer to data entry where data is stored, pEntry
• Pointer to a finished data entry, or NULL if not finished, pFinishedEntry
The procedure returns with error if the first entry of the queue is already busy. If there is not room for an
entry element of the specified size, including if the queue is empty, a “no space” error is returned. The
following procedure describes the operations:
Set pFinishedEntry == NULL
If pQueue->pCurrEntry == NULL then
Return with no space error
end if
If pQueue->pCurrEntry->type != 1 then
if pQueue->pCurrEntry->length < size then
Return with no space error
else
Set pQueue->pCurrEntry->status = Busy
Set pEntry = pQueue->pCurrEntry
end if
else
Set pTemp = pQueue->pCurrEntry
If pTemp->nextIndex + 2 + size > pTemp->length then
Set pQueue->pCurrEntry = pTemp->pNextEntry
Set pTemp->status = Finished
Set pFinishedEntry = pTemp
Set pTemp = pTemp->pNextEntry
If pTemp == NULL or pTemp->length < size + 2 then
Return with no space error
end if
end if
Set pTemp->status = Busy
Set pEntry = pTemp
end if

Data Queue Usage
www.ti.com
1616 SWCU117F–February 2015–Revised June 2016
Submit Documentation Feedback
Copyright © 2015–2016, Texas Instruments Incorporated
Radio
23.4.1.5 PROC_FINISH_RX: Commit Received Data to RX Data Entry
The procedure takes the following input parameters:
• Pointer to queue, pQueue
• Size of entry element that has been stored, size
The procedure returns the following:
• Pointer to data entry where data is stored, pEntry
• Pointer to a finished data entry, or NULL if not finished, pFinishedEntry
The procedure returns with error if the queue is empty or if there is not room for an entry element of the
specified size. Otherwise, the following is done:
If pQueue->pCurrEntry->type != 1 then
Set pTemp = pQueue->pCurrEntry
Set pQueue->pCurrEntry = pTemp->pNextEntry
Set pTemp->status = Finished
else
Increase pQueue->pCurrEntry->nextIndex by size
Increment pQueue->pCurrEntry->numElements by 1
If pQueue->pCurrEntry->nextIndex + 2 == pQueue->pCurrEntry-
>length then
Set pTemp = pQueue->pCurrEntry
Set pQueue->pCurrEntry = pTemp->pNextEntry
Set pTemp->status = Finished
Set pFinishedEntry == pTemp
else
Set pQueue->pCurrEntry->status = Active
Set pFinishedEntry == NULL
end if
end if
This operation is done after doing PROC_ALLOCATE_RX and writing to the correct locations in the buffer;
the size must be the same as with PROC_ALLOCATE_RX.

www.ti.com
Data Queue Usage
1617
SWCU117F–February 2015–Revised June 2016
Submit Documentation Feedback Copyright © 2015–2016, Texas Instruments Incorporated
Radio
23.4.2 Radio CPU Usage Model
23.4.2.1 Receive Queues
When the radio CPU receives a packet, it prepares a buffer for reading by calling PROC_ALLOCATE_RX.
If this is successful, the allocated buffer is used for storing the incoming packet as defined for each
protocol. If a no space error occurs, the received data cannot be stored, and the handling is defined for
each protocol.
After a packet has been received, it may be kept or discarded depending on rules defined for each
protocol. To keep the packet, the radio CPU calls PROC_FINISH_RX. This makes the received data
available for the system CPU. To discard the packet, the radio CPU calls PROC_FREE_DATA_ENTRY,
meaning that the next packet may overwrite the data received in the last packet.
23.4.2.2 Transmit Queues
When the radio CPU is about to transmit a packet from a TX queue, it calls PROC_ALLOCATE_TX to get
a pointer to the data to transmit. When the packet transmits, the radio CPU calls
PROC_FINISH_DATA_ENTRY or PROC_FREE_DATA_ENTRY. If PROC_FINISH_DATA_ENTRY is
called, the system CPU is informed that the entry is finished and may be reused. This calling process
must be used if retransmission of the packet is not an option. If PROC_FREE_DATA_ENTRY is called,
the transmitted entry remains first in the queue so that it may be transmitted, which is used when an
acknowledgment is expected.
If an acknowledgment is received on a packet that was transmitted, followed by the radio CPU calling
PROC_FREE_DATA_ENTRY, the radio CPU calls PROC_ALLOCATE_TX followed by
PROC_FINISH_DATA_ENTRY (this is equivalent to CMD_REMOVE_DATA_ENTRY, see Section 23.3.4).
This calling process causes the next entry in the queue to be transmitted. If an acknowledgment is not
received, the last transmitted packet is retransmitted.

IEEE 802.15.4
www.ti.com
1618 SWCU117F–February 2015–Revised June 2016
Submit Documentation Feedback
Copyright © 2015–2016, Texas Instruments Incorporated
Radio
23.5 IEEE 802.15.4
This section describes IEEE 802.15.4-specific command structure, interrupts, data handling, radio
operation commands, and immediate commands.
23.5.1 IEEE 802.15.4 Commands
Table 23-55 and Table 23-56 define the IEEE 802.15.4-specific radio operation commands.
Table 23-55. IEEE 802.15.4 Radio Operation Commands on Background Level
ID Command Name Description
0x2801 CMD_IEEE_RX Run receiver
0x2802 CMD_IEEE_ED_SCAN Run energy detect scan
Table 23-56. IEEE 802.15.4 Radio Operation Commands on Foreground Level
ID Command Name Description
0x2C01 CMD_IEEE_TX Transmit packet
0x2C02 CMD_IEEE_CSMA Perform CSMA-CA
0x2C03 CMD_IEEE_RX_ACK Receive acknowledgment
0x2C04 CMD_IEEE_ABORT_BG ABORT background level operation
In addition, Table 23-57 defines immediate commands.
Table 23-57. IEEE 802.15.4 Immediate Commands
ID Command Name Description
0x2001 CMD_IEEE_MOD_CCA Modify CCA parameters for running
receiver
0x2002 CMD_IEEE_MOD_FILT Modify frame filtering parameters for
running receiver
0x2003 CMD_IEEE_MOD_SRC_MATCH Modify source matching parameters for
running receiver
0x2401 CMD_IEEE_ABORT_FG ABORT foreground level operation
0x2402 CMD_IEEE_STOP_FG Stop foreground level operation
0x2403 CMD_IEEE_CCA_REQ Request CCA and RSSI information

www.ti.com
IEEE 802.15.4
1619
SWCU117F–February 2015–Revised June 2016
Submit Documentation Feedback
Copyright © 2015–2016, Texas Instruments Incorporated
Radio
23.5.1.1 IEEE 802.15.4 Radio Operation Command Structures
Table 23-8 defines the first 14 bytes for all radio operation commands. The CMD_IEEE_ABORT_BG
command does not have any additional fields to those 14 bytes.
Table 23-58. IEEE 802.15.4 RX Command Structure
Byte Index Field Name Type Description
14 channel W
Channel to tune to in the start of the operation
0: Use existing channel
11–26: Use as IEEE 802.15.4 channel, that is frequency is
[2405 + 5 × (channel −11)] MHz
60–207: Frequency is (2300 + channel) MHz
Others: reserved
15 rxConfig W Configuration bits for the receive queue entries (see Table 23-68 for details)
16–19 pRxQ W Receive queue
20–23 pOutput W Pointer to result structure (see Table 23-67)
(NULL: Do not store results)
24–25 frameFiltOpt R/W Frame filtering options (see Table 23-70 for details)
26 frameTypes R/W Frame types to receive in frame filtering (see Table 23-71 for details)
27 ccaOpt R/W CCA options (see Table 23-69 for details)
28 ccaRssiThr R/W RSSI threshold for CCA
29 Reserved
30 numExtEntries W Number of extended address entries
31 numShortEntries W Number of short address entries
32–35 pExtEntryList W Pointer to list of extended address entries
36–39 pShortEntryList W Pointer to list of short address entries
40–47 localExtAddr W The extended address of the local device
48–49 localShortAddr W The short address of the local device
50–51 localPanID W The PAN ID of the local device
52–54 Reserved
55 endTrigger W Trigger that causes the device to end the RX operation
56–59 endTime W Time parameter for endTrigger
Table 23-59. IEEE 802.15.4 Energy Detect Scan Command Structure
Byte Index Field Name Type Description
14 channel W
Channel to tune to at the start of the operation
0: Use existing channel
11–26: Use as IEEE 802.15.4 channel, that is
frequency is [2405 + 5 × (channel – 11)] MHz
60–207: Frequency is (2300 + channel) MHz
Others: reserved
15 ccaOpt R/W CCA options (see Table 23-69 for details)
16 ccaRssiThr R/W RSSI threshold for CCA
17 Reserved
18 maxRssi R The maximum RSSI recorded during the ED scan
19 endTrigger W Trigger that causes the device to end the RX
operation
20–23 endTime W Time parameter for endTrigger

IEEE 802.15.4
www.ti.com
1620 SWCU117F–February 2015–Revised June 2016
Submit Documentation Feedback
Copyright © 2015–2016, Texas Instruments Incorporated
Radio
Table 23-60. IEEE 802.15.4 CSMA-CA Command Structure
Byte Index Field Name Bits Bit Field Name Type Description
14–15 randomState R/W The state of the pseudo-random generator
16 macMaxBE W The IEEE 802.15.4 MAC parameter macMaxBE
17 macMaxCSMABackoffs W The IEEE 802.15.4 MAC parameter
macMaxCSMABackoffs
18 csmaConfig
0–4 initCW W The initialization value for the CW parameter
5 bSlotted W 0 for nonslotted CSMA, 1 for slotted CSMA
6–7 rxOffMode W
0: RX stays on during CSMA backoffs
1: The CSMA-CA algorithm suspends the
receiver if no frame is being received
2: The CSMA-CA algorithm suspends the
receiver if no frame is being received, or after
finishing it (including auto ACK) otherwise
3: The CSMA-CA algorithm suspends the
receiver immediately during back-offs
19 NB R/W The NB parameter from the IEEE 802.15.4
CSMA-CA algorithm
20 BE R/W The BE parameter from the IEEE 802.15.4
CSMA-CA algorithm
21 remainingPeriods R/W The number of remaining periods from a
paused backoff countdown
22 lastRssi R RSSI measured at the last CCA operation
23 endTrigger W Trigger that causes the device to end the
CSMA-CA operation
24–27 lastTimeStamp R Time of the last CCA operation
28–31 endTime W Time parameter for endTrigger
Table 23-61. IEEE 802.15.4 TX Command Structure
Byte Index Field Name Bits Bit Field Name Type Description
14 txOpt
0 bIncludePhyHdr W 0: Find PHY header automatically.
1: Insert PHY header from the buffer.
1 bIncludeCrc W 0: Append automatically calculated CRC.
1: Insert FCS (CRC) from the buffer.
2 Reserved
3–7 payloadLenMsb W Most significant bits of payload length. Must only be
nonzero to create long nonstandard packets for test
purposes
15 payloadLen W Number of bytes in the payload
16–19 pPayload W Pointer to payload buffer of size payloadLen
20–23 timeStamp R Timestamp of transmitted frame

www.ti.com
IEEE 802.15.4
1621
SWCU117F–February 2015–Revised June 2016
Submit Documentation Feedback
Copyright © 2015–2016, Texas Instruments Incorporated
Radio
Table 23-62. IEEE 802.15.4 Receive ACK Command Structure
Byte Index Field Name Type Description
14 seqNo W Sequence number to expect
15 endTrigger W Trigger that causes the device to give up
acknowledgment reception
16–19 endTime W Time parameter for endTrigger
23.5.1.2 IEEE 802.15.4 Immediate Command Structures
Table 23-63. IEEE 802.15.4 Modify CCA Immediate Command Structure
Byte Index Field Name Type Description
0–1 commandNo W The command number
2 newCcaOpt W New value of ccaOpt for the running background
level operation (see Table 23-69 for details)
3 newCcaRssiThr W New value of ccaRssiThr for the running
background level operation
Table 23-64. IEEE 802.15.4 Modify Frame Filtering Immediate Command Structure
Byte Index Field Name Type Description
0–1 commandNo W The command number
2–3 newFrameFiltOpt W New value of frameFiltOpt for the running
background level operation
4 newFrameTypes W New value of frameTypes for the running
background level operation
Table 23-65. IEEE 802.15.4 Enable or Disable Source Matching Entry
Immediate Command Structure
Byte Index Field Name Bits Bit Field Name Type Description
0–1 commandNo W The command number
2 options
0 bEnable W 0: Disable entry
1: Enable entry
1 srcPend W New value of the pending bit for
the entry
2 entryType W 0: Extended address
1: Short address
3–7 Reserved
3 entryNo W Index of entry to enable or
disable

IEEE 802.15.4
www.ti.com
1622 SWCU117F–February 2015–Revised June 2016
Submit Documentation Feedback
Copyright © 2015–2016, Texas Instruments Incorporated
Radio
Table 23-66. IEEE 802.15.4 Request CCA State Immediate Command Structure
Byte Index Field Name Bits Bit Field Name Type Description
0–1 commandNo W The command number
2 currentRssi R The RSSI currently observed on
the channel
3 maxRssi R The maximum RSSI observed on
the channel because RX was
started
4 ccaInfo
0–1 ccaState R
Value of the current CCA state.
00: Idle
01: Busy
10: Invalid
2–3 ccaEnergy R
Value of the current energy detect
CCA state.
00: Idle
01: Busy
10: Invalid
4–5 ccaCorr R
Value of the current correlator
based carrier sense CCA state.
00: Idle
01: Busy
10: Invalid
6 ccaSync R
Value of the current sync found
based carrier sense CCA state.
0: Idle
1: Busy
7 Reserved
23.5.1.3 Output Structures
Table 23-67. RX Command
Byte Index Field Name Type Description
0 nTxAck R/W Total number of transmitted ACK frames
1 nRxBeacon R/W Number of received beacon frames
2 nRxData R/W Number of received data frames
3 nRxAck R/W Number of received acknowledgment frames
4 nRxMacCmd R/W Number of received MAC command frames
5 nRxReserved R/W Number of received frames with reserved frame type
6 nRxOk R/W Number of received frames with CRC error
7 nRxIgnored R/W Number of frames received that are to be ignored
8 nRxBufFull R/W Number of received frames discarded because the RX buffer was full
9 lastRssi R RSSI of last received frame
10 maxRssi R Highest RSSI observed in the operation
11 Reserved
12–15 beaconTimeStamp R Timestamp of last received beacon frame

www.ti.com
IEEE 802.15.4
1623
SWCU117F–February 2015–Revised June 2016
Submit Documentation Feedback
Copyright © 2015–2016, Texas Instruments Incorporated
Radio
23.5.1.4 Other Structures and Bit Fields
Table 23-68. Receive Queue Entry Configuration Bit Field
Bits Bit Field Name Description
0 bAutoFlushCrc If 1, automatically remove packets with CRC error from RX queue
1 bAutoFlushIgn If 1, automatically remove packets that can be ignored according to
frame filtering from RX queue
2 bIncludePhyHdr If 1, include the received PHY header field in the stored packet;
otherwise discard it
3 bIncludeCrc If 1, include the received CRC field in the stored packet; otherwise
discard it
4 bAppendRssi If 1, append an RSSI byte to the packet in the RX queue
5 bAppendCorrCrc If 1, append a correlation value and CRC result byte to the packet in
the RX queue
6 bAppendSrcInd If 1, append an index from the source matching algorithm
7 bAppendTimestamp If 1, append a timestamp to the packet in the RX queue
Table 23-69. CCA Configuration Bit Field
Bits Bit Field Name Description
0 ccaEnEnergy Enable energy scan as CCA source
1 ccaEnCorr Enable correlator based carrier sense as CCA source
2 ccaEnSync Enable sync found based carrier sense as CCA source
3 ccaCorrOp Operator to use between energy based and correlator based CCA
0: Report busy channel if either ccaEnergy or ccaCorr are busy
1: Report busy channel if both ccaEnergy and ccaCorr are busy
4 ccaSyncOp Operator to use between sync found based CCA and the others
0: Always report busy channel if ccaSync is busy
1: Always report idle channel if ccaSync is idle
5–6 ccaCorrThr Threshold for number of correlation peaks in correlator based carrier
sense
7 Reserved

IEEE 802.15.4
www.ti.com
1624 SWCU117F–February 2015–Revised June 2016
Submit Documentation Feedback
Copyright © 2015–2016, Texas Instruments Incorporated
Radio
Table 23-70. Frame Filtering Configuration Bit Field
Bits Bit Field Name Description
0 frameFiltEn 0: Disable frame filtering
1: Enable frame filtering
1 frameFiltStop 0: Receive all packets to the end
1: Stop receiving frame once frame filtering has caused the frame to be
rejected
2 autoAckEn 0: Disable auto ACK
1: Enable auto ACK
3 slottedAckEn 0: Nonslotted ACK
1: Slotted ACK
4 autoPendEn 0: Auto-pend disabled
1: Auto-pend enabled
5 defaultPend The value of the pending data bit in auto ACK packets that are not subject to
auto-pend
6 bPendDataReqOnly 0: Use auto-pend for any packet
1: Use auto-pend for data request packets only
7 bPanCoord 0: Device is not PAN coordinator
1: Device is PAN coordinator
8–9 maxFrameVersion Reject frames where the frame version field in the FCF is greater than this
value
10–12 fcfReservedMask Value to be ANDed with the reserved part of the FCF; frame rejected if result
is nonzero
13–14 modifyFtFilter
Treatment of MSB of frame type field before frame-type filtering:
0: No modification
1: Invert MSB
2: Set MSB to 0
3: Set MSB to 1
15 bStrictLenFilter 0: Accept acknowledgment frames of any length ≥5
1: Accept only acknowledgment frames of length 5
Table 23-71. Frame Type Filtering Bit Field
Bits Bit Field Name Description
0 bAcceptFt0Beacon Treatment of frames with frame type 000 (beacon):
0: Reject
1: Accept
1 bAcceptFt1Data Treatment of frames with frame type 001 (data):
0: Reject
1: Accept
2 bAcceptFt2Ack Treatment of frames with frame type 010 (ACK):
0: Reject, unless running ACK receive command
1: Always accept
3 bAcceptFt3MacCmd Treatment of frames with frame type 011 (MAC command):
0: Reject
1: Accept
4 bAcceptFt4Reserved Treatment of frames with frame type 100 (reserved):
0: Reject
1: Accept
5 bAcceptFt5Reserved Treatment of frames with frame type 101 (reserved):
0: Reject
1: Accept
6 bAcceptFt6Reserved Treatment of frames with frame type 110 (reserved):
0: Reject
1: Accept
7 bAcceptFt7Reserved Treatment of frames with frame type 111 (reserved):
0: Reject
1: Accept

www.ti.com
IEEE 802.15.4
1625
SWCU117F–February 2015–Revised June 2016
Submit Documentation Feedback Copyright © 2015–2016, Texas Instruments Incorporated
Radio
Table 23-72. Short Address Entry Structure
Byte Index Field Name Description
0–1 shortAddr Short address of the entry
2–3 panID PAN ID of the entry
Table 23-73. Extended Address List Structure
Byte Index Field Name Type Description
0–4K−1 srcMatchEn R/W
Words with enable bits for each extAddrEntry; LSB of first word
corresponds to entry 0. The array size K = ceil (N / 32), where N
is the number of entries (given by numExtEntries, see
Table 23-58) and ceil denotes rounding upwards
4K–8K−1 srcPendEn R/W Words with pending data bits for each extAddrEntry; LSB of first
word corresponds to entry 0.
8K–8K+7 extAddrEntry[0] W Extended address number 0
...
8K+8n–8K+8n+7 extAddrEntry[n] W Extended address number n
...
8K+8(N−1)–8K+8N+7 extAddrEntry[N-1] W Extended address number N−1 (last entry)
Table 23-74. Short Address List Structure
Byte Index Field Name Type Description
0:4K−1 srcMatchEn R/W
Words with enable bits for each shortAddrEntry; LSB of first
word corresponds to entry 0. The array size K = ceil (N / 32),
where N is the number of entries (given by numShortEntries,
see Table 23-58) and ceil denotes rounding upwards
4K:8K−1 srcPendEn R/W Words with pending data bits for each shortAddrEntry; LSB of
first word corresponds to entry 0.
8K–8K+3 shortAddrEntry[0] W Short address number 0; the entry is an address/PAN ID pair as
defined in Table 23-72
...
8K+4n–8K+4n+3 shortAddrEntry[n] W Short address number n; the entry is an address/PAN ID pair as
defined in Table 23-72
...
8K+4(N−1)–8K+4N+3 shortAddrEntry[N-1] W Short address number N−1 (last entry); the entry is an
address/PAN ID pair as defined in Table 23-72
Table 23-75. Receive Correlation/CRC Result Bit Field
Bits Bit Field Name Description
0–5 corr The correlation value
6 bIgnore 1 if the packet must be rejected by frame filtering; 0 otherwise
7 bCrcErr 1 if the packet was received with CRC error; 0 otherwise

IEEE 802.15.4
www.ti.com
1626 SWCU117F–February 2015–Revised June 2016
Submit Documentation Feedback
Copyright © 2015–2016, Texas Instruments Incorporated
Radio
23.5.2 Interrupts
The interrupts to be used by the IEEE 802.15.4 commands are listed in Table 23-76. Each interrupt may
be enabled individually in the system CPU. Details for when the interrupts are generated are given in
Section 23.5.4.
Table 23-76. Interrupt Definitions Applicable to IEEE 802.15.4
Interrupt Number Interrupt Name Description
0 COMMAND_DONE A background level radio operation command has
finished.
1 LAST_COMMAND_DONE The last background level radio operation command
in a chain of commands has finished.
2 FG_COMMAND_DONE A foreground radio operation command has finished
3 LAST_FG_COMMAND_DONE The last foreground radio operation command in a
chain of commands has finished
4 TX_DONE Transmitted frame
5 TX_ACK Transmitted automatic ACK frame
16 RX_OK Frame received with CRC OK
17 RX_NOK Frame received with CRC error
18 RX_IGNORED Frame received with ignore flag set
22 RX_BUF_FULL Frame received that did not fit in the TX queue
23 RX_ENTRY_DONE TX queue data entry changing state to Finished
29 MODULES_UNLOCKED As part of the boot process, the CM0 has opened
access to RF core modules and memories
30 BOOT_DONE The RF core CPU boot is finished
31 INTERNAL_ERROR The radio CPU has observed an unexpected error
23.5.3 Data Handling
For all the IEEE 802.15.4 commands, data received over the air is stored in a receive queue.
Data to be transmitted is fetched from a buffer given in the transmit command.
23.5.3.1 Receive Buffers
A frame being received is stored in the receive buffer. First, a length byte or word is stored, if configured in
the RX entry, by config.lenSz, and calculated from the length received over the air and the configuration of
appended status information.
The format of the entry elements in the receive queue pointed to by pRxQ is given by the configuration
rxConfig defined in Section 23.6.1.4.
Following the length field, the received PHY header byte is stored if rxConfig.bIncludePhyHdr is 1. If a
length field is present, this byte is redundant except for the reserved bit. The received MAC header and
MAC payload is stored as received over the air. The MAC footer containing the 16-bit frame check
sequence is stored if rxConfig.bIncludeCrc is 1.
If rxConfig.bAppendRssi is 1, a byte indicating the received RSSI value is appended. If
rxConfig.bAppendCorrCrc is 1, a status byte of the type defined in Table 23-75, is appended. If
rxConfig.bAppendSrcInd is 1, a byte giving the index of the first source matching entry that matches the
header of the received packet is appended, or 0xFF if no match. If rxConfig.bAppendTimeStamp is 1, a
timestamp indicating the start of the frame is appended. This timestamp is a four-byte number from the
radio timer. Though the timestamp is multibyte, no word-address alignment is made, so the timestamp
must be written and read byte-wise. The timestamp is captured when SFD is found, but adjusted to reflect
the start of the frame (assuming 8 preamble bytes as per the standard), defined so that it corresponds to
the time of the start trigger used on the transmit side. The adjustment is defined in the syncTimeAdjust
firmware-defined parameter, and may be overridden.

Element
length MAC header
and payload MAC footer
(FCS) RSSI Status Time stamp
0±2 bytes 0±125 bytes 0 or 2 bytes 0 or 1 byte 0 or 1 byte 0 or 4 bytes
PHY
header
0 or 1 byte Source
index
0 or 1 byte
www.ti.com
IEEE 802.15.4
1627
SWCU117F–February 2015–Revised June 2016
Submit Documentation Feedback Copyright © 2015–2016, Texas Instruments Incorporated
Radio
Figure 23-6 shows the format of an entry element in the RX queues.
Figure 23-6. RX Queue Entry Element (Stapled Fields are Optional)
23.5.3.2 Transmit Buffers
In the transmit operation, a pointer to a buffer containing the payload is given by pPayload. The length of
this buffer is given separately by payloadLen. The contents of the transmit buffer is given by the txOpt
parameter. The transmit buffer always contains the MAC header and MAC payload. If
txOpt.bIncludePhyHdr is 1, the buffer also includes the byte to be transmitted as a PHY header as the first
byte in the buffer. If txOpt.bIncludeCrc is 1, the two last bytes of the buffer are transmitted as a CRC
instead of the CRC being calculated automatically.
23.5.4 Radio Operation Commands
Before running any radio operation command described in this document, the radio must be set up in
IEEE 802.15.4 mode using the command CMD_RADIO_SETUP. Otherwise, the operation ends with an
error.
In IEEE 802.15.4 mode, the radio CPU accepts two levels of radio operation commands. Operations can
run in the background level or in the foreground level. Each operation can only run in one of these levels.
Operations in the foreground level normally require a background-level operation running at the same
time.
The background-level operations are the receive and energy detect scan operations. Only one of these
can run at a time. The foreground-level operations are the CSMA-CA operation, the receive ACK
operation, the transmit operation, the abort background level operation, and the modify radio setup
operation. These can be entered as one command or a command chain, even if a background-level
operation is running. The CSMA-CA and receive ACK operations run simultaneously with the background-
level operation. The transmit operation causes the background level operation to be suspended until the
transmission is done. Table 23-77 shows the allowed combinations of background and foreground-level
operations. Violation of these combinations causes an error when the foreground-level command is about
to start, signaled by the ERROR_WRONG_BG status in the status field of the foreground-level command
structure.
Table 23-77. Allowed Combinations of Foreground and Background Level Operations
Foreground Level Operation Background Level Operation
None CMD_IEEE_RX CMD_IEEE_ED_SCAN
None Allowed Allowed Allowed
CMD_IEEE_TX Allowed1 Allowed Allowed
CMD_IEEE_CSMA Forbidden Allowed Allowed
CMD_IEEE_RX_ACK Forbidden Allowed Forbidden
CMD_IEEE_ABORT_BG Allowed2 Allowed Allowed

IEEE 802.15.4
www.ti.com
1628 SWCU117F–February 2015–Revised June 2016
Submit Documentation Feedback
Copyright © 2015–2016, Texas Instruments Incorporated
Radio
A non-15.4 radio operation may not be run simultaneously with a 15.4 radio operation; if a non-15.4 radio
operation is entered while a 15.4 operation is running on either level, scheduling error occurs. Chains of
15.4 and non-15.4 operations can be created, however.
When a foreground-level operation finishes, an FG_COMMAND_DONE interrupt is raised. If the command
was the last one in a chain, a LAST_FG_COMMAND_DONE interrupt is raised as well (refer to
Table 23-76). Background-level operations use the common interrupts, COMMAND_DONE and
LAST_COMMAND_DONE (see Table 23-76).
The status field of the command structure is updated during the operation. When submitting the
command, the system CPU writes this field with a state of IDLE. During the operation, the radio CPU
updates the field to indicate the operation mode. When the operation is done, the radio CPU writes a
status indicating that the command has finished. Table 23-78 lists the status codes for IEEE 802.15.4
radio operation.
Table 23-78. IEEE 802.15.4 Radio Operation Status Codes
Number Name Description
Operation Not Finished
0x0000 IDLE Operation not started
0x0001 PENDING Waiting for start trigger
0x0002 ACTIVE Running operation
0x2001 IEEE_SUSPENDED Operation suspended
Normal Operation Ending
0x2400 IEEE_DONE_OK Operation ended normally
0x2401 IEEE_DONE_BUSY CSMA-CA operation ended with failure
0x2402 IEEE_DONE_STOPPED Operation stopped after stop command
0x2403 IEEE_DONE_ACK ACK packet received with pending data bit cleared
0x2404 IEEE_DONE_ACKPEND ACK packet received with pending data bit set
0x2405 IEEE_DONE_TIMEOUT Operation ended due to timeout
0x2406 IEEE_DONE_BGEND FG operation ended because necessary background level
operation ended
0x2407 IEEE_DONE_ABORT Operation aborted by command
Operation Ending With Error
0x0806 ERROR_WRONG_BG Foreground level operation is not compatible with running
background level operation
0x2800 IEEE_ERROR_PAR Illegal parameter
0x2801 IEEE_ERROR_NO_SETUP Radio was not set up in IEEE 802.15.4 mode
0x2802 IEEE_ERROR_NO_FS Synthesizer was not programmed when running RX or TX
0x2803 IEEE_ERROR_SYNTH_PROG Synthesizer programming failed
0x2804 IEEE_ERROR_RXOVF RX overflow observed during operation
0x2805 IEEE_ERROR_TXUNF TX underflow observed during operation
The conditions for giving each status are listed for each operation. Some of the error causes listed in
Table 23-78 are not repeated in these lists. In some cases, general error causes described in Section 23.3
may occur. In all of these cases, the result of the operation as defined in Section 23.3 is ABORT.

www.ti.com
IEEE 802.15.4
1629
SWCU117F–February 2015–Revised June 2016
Submit Documentation Feedback Copyright © 2015–2016, Texas Instruments Incorporated
Radio
23.5.4.1 RX Operation
The receive radio operation is a background-level operation, started with the CMD_IEEE_RX command
and using the command structure given in Table 23-58.
At the start of an RX operation, the radio CPU waits for the start trigger, then programs the frequency
based on the channel parameter. If channel is 0xFF, the operation keeps running on an already
configured channel. This requires that the operation follows another receive operation or a synthesizer
programming operation. If the frequency synthesizer is not running, the operation ends with an error. After
programming the frequency, the radio CPU configures the receiver to receive IEEE 802.15.4 packets.
When the demodulator obtains sync on a frame, the PHY header is read first. The 7 LSBs of this byte give
the frame length. The further treatment depends on the setting of frameFiltOpt. If frameFiltOpt.frameFiltEn
is 1, further frame filtering is done as explained below. If it is 0, no frame filtering is done.
The number of bytes given by the received PHY header are received and stored in the receive queue
given by pRxQ. As explained in Section 23.6.3.1, the format depends on rxConfig. The last two bytes of
the PHY payload are the FCS, or CRC, for the packet. These bytes are checked according to the FCS
specification, and the further treatment depends on the CRC result.
If there is a CRC error and rxConfig.bAutoFlushCrc is 1, the packet is discarded from the RX buffer. If
there is no available RX buffer with enough available space to hold the received packet, the received data
is discarded. If frameFiltOpt.frameFiltStop is 1, the reception stops, otherwise the packet is received so
that the CRC can be checked.
23.5.4.1.1 Frame Filtering and Source Matching
If frameFiltOpt.frameFiltEn is 1, frame filtering and source matching are performed as described in this
section. The frame filtering may have several purposes:
• Distinction between different packet types
• Rejection of packets with a nonmatching destination address
• Rejection of packets with unknown version or illegal fields
• Automatic identification of source address
• Automatic acknowledgment transmission
• Automatic insertion of pending data bit based on source address
23.5.4.1.1.1 Frame Filtering
When frame filtering is enabled, the MAC header of the packet is investigated by the radio CPU. The
frame control field (FCF) is checked first. The frame type subfield is the first subfield of the FCF to be
checked, and determines the further processing. The MSB of the frame type is processed according to
frameFiltOpt.modifyFtFilter before the check is made. The result of this modification is only used when
checking, not when storing the FCF in the RX queue entry. For each of the eight possible values of the
frame type field (included 4 reserved ones), the frame can be setup to be accepted or rejected. This is
controlled by the bits of frameTypes. If the frame type is Acknowledgment (010b) and a CMD_RX_ACK
operation is running in the foreground, the packet is processed further even if frameTypes.bAcceptFt2Ack
is 0. Section 23.5.4.5,Receive Acknowledgment Operation, gives more details on the processing in that
case.
Filtering is performed on the Frame Version and Reserved subfields. If the frame version is greater than
frameFiltOpt.maxFrameVersion, the frame is rejected.
If the Reserved subfield ANDed with frameFiltOpt.fcfReservedMask is nonzero, the frame is rejected. The
addressing fields are checked to see if the frame must be accepted or not. This filtering follows the rules
for third-level filtering (refer to the IEEE 802.15.4 standard). When checking against the local address, the
localExtAddr or localShortAddr field is used, and when checking against the local PAN ID, the localPanID
field is used.
If frameFiltOpt.bStrictLenFilter is 1 and the frame type indicates that the frame is an acknowledgment
frame, the frame is rejected if the length of the PHY payload is not 5, which is the length of a correctly-
formulated ACK frame.

IEEE 802.15.4
www.ti.com
1630 SWCU117F–February 2015–Revised June 2016
Submit Documentation Feedback
Copyright © 2015–2016, Texas Instruments Incorporated
Radio
If frameFiltOpt.frameFiltStop is 1 and the frame filtering gives the conclusion that the frame is to be
rejected, reception stops and the radio returns to sync search. Otherwise, the frame is received to the end.
The radio CPU checks the header to see if an acknowledgment is to be transmitted. This gives a
preliminary result; the actual transmission of the ACK depends on the status at the end of the frame. The
condition for transmitting an acknowledgment frame is given in Section 23.5.4.1.3.
23.5.4.1.1.2 Source Matching
Source matching is performed on frames accepted by the frame filtering with a source address present. If
the source address was an extended address, the received address is compared against the entries in the
list pExtEntryList. If the source address was a short address, the received address and source pan ID are
compared against the entries in the list pShortEntryList.
The number of entries that the lists can hold is given by numExtEntries and numShortEntries. If either of
these values are 0, no source matching is performed on addresses of the corresponding type, and the
corresponding pointer is NULL. The lists start with source mapping enable bits, srcMatchEn, and continue
with pending enable bits, srcPendEn, followed by the list entries, see Table 23-72 and Table 23-73. The
enable bits consist of the number of 32-bit words needed to hold an enable bit for each entry in the list.
For each entry where the corresponding srcMatchEn bit is 1, the entry is compared against the received
source address for extended addresses, or against the received source address and PAN ID for short
addresses. If a match is found, the index is stored, and reported back in the message footer if configured
(see Section 23.6.3.1). If no match is found, the index reported back is 0xFF.
The source matching procedure may also be used for finding the pending data bit to be transmitted in an
auto-acknowledgment frame (see Section 23.5.4.1.3). If frameFiltOpt.autoPendEn is 1 and a source match
was found, the pending data bit is set to the value of the bit in srcPendEn corresponding to the index of
the match. If no match was found or if frameFiltOpt.autoPendEn is 0, the pending data bit is set equal to
frameFiltOpt.defaultPend. If frameFiltOpt.bPendDataReqOnly is 1, the radio CPU investigates the frame to
determine if it is a MAC command frame with the command frame identifier set to a Data Request. If not,
the pending data bit of an auto ACK is set equal to 0, regardless of the source matching result and the
value of frameFiltOpt.defaultPend.
23.5.4.1.2 Frame Reception
After the frame filtering is done, the rest of the packet is received and stored in the receive queue. The
last two bytes of the PHY packet is the MAC footer, or FCS, which is a checked CRC. The CRC is only
stored in the queue if rxConfig.bIncludeCrc is 1.
The status of the received frame depends on the frame filtering result and the CRC check result. Two
status bits bCrcErr and bIgnore must be maintained. If configured, these bits are present in the Status
byte of the RX queue entry. The bCrcErr bit is 1 if the frame had a CRC error, and 0 otherwise. The
bIgnore bit is 1 if frame filtering is enabled and the frame was rejected by frame filtering, and 0 otherwise.
NOTE: If frameFiltOpt.frameFiltStop is 1, frames with bIgnore equal to 1 are never observed, as the
reception is stopped and the received bytes are not stored in the queue. If
rxConfig.bAutoFlushCrc is 1, packets with bCrcErr equal to 1 are removed from the queue
after reception, and if rxConfig.bAutoFlushIgn is 1, packets with bIgnore equal to 1 are
removed from the queue after reception.
After a packet has been received, an interrupt is raised and one of the counters in pOutput is incremented.
Table 23-79 lists these conditions.
Table 23-79. Conditions for Incrementing Counters and Raising Interrupts for RX Operation
Condition Counter Incremented Interrupt Generated
Frame received with CRC OK and frame filtering disabled nRXData RX_OK
Frame received with CRC error nRXNok RX_NOK
Frame received that did not fit in the RX queue nRXBufFull RX_BUF_FULL
Beacon frame received with CRC OK and bIgnore = 0 nRXBeacon RX_OK

www.ti.com
IEEE 802.15.4
1631
SWCU117F–February 2015–Revised June 2016
Submit Documentation Feedback Copyright © 2015–2016, Texas Instruments Incorporated
Radio
Table 23-79. Conditions for Incrementing Counters and Raising Interrupts for RX
Operation (continued)
Condition Counter Incremented Interrupt Generated
ACK frame received with CRC OK and bIgnore = 0 nRXAck RX_OK
Data frame received with CRC OK and bIgnore = 0 nRXData RX_OK
MAC command frame received with CRC OK and bIgnore = 0 nRXMacCmd RX_OK
Frame with reserved frame type received with CRC OK and
bIgnore = 0 nRXReserved RX_OK
Frame received with CRC OK and bIgnore = 1 nRXIgnored RX_IGNORED
The first RX data entry in the RX queue changed state to finished — RX_ENTRY_DONE
When a frame has been received, the RSSI observed while receiving the frame is written to
pOutput->lastRssi. If the frame was a beacon frame accepted by the frame filtering and with CRC OK, the
timestamp at the beginning of the frame is written to pOutput ->beaconTimeStamp. If the timestamp is
appended to the RX entry element (see Section 23.6.3.1), these two timestamps are the same for a
beacon frame.
After a packet has been received, the radio CPU either restarts sync search or sends an acknowledgment
frame. The conditions for the latter are as given in Section 23.5.4.1.3.
23.5.4.1.3 ACK Transmission
After a packet has been received, the radio CPU initiates transmission of an acknowledgment frame,
given that all of the following conditions are satisfied:
• Auto ACK is enabled by frameFiltOpt.autoAckEn = 1
• The frame is accepted by frame filtering (bIgnore = 0)
• The frame is a data frame or a MAC command frame
• The destination address is not the broadcast address
• The ACK request bit of the FCF is set
• The CRC check is passed (bCrcErr = 0)
• The frame fits in the receive queue
The transmit time of the ACK packet is timed by the radio CPU, depending on frameFiltOpt.slottedAckEn.
If this bit is 0, the ACK packet is transmitted 192 µs after the end of the received packet. Otherwise,
slotted ACK is used. Assume that the received packet started on a backoff-slot boundary. The ACK frame
then starts a whole number of backoff periods later than the start of the received frame, at the first backoff
boundary following at least one TurnaroundTime-symbol period after the end of the received frame.
The contents of the automatically transmitted ACK frame are as follows:
• The PHY header is 0x05
• The PHY payload consists of a 3-byte MAC header and a 2-byte MAC footer
• The MAC header starts with the 2-byte FCF with the following fields:
– The Frame Type subfield is 010b
– The Frame Pending subfield is set as described in Section 23.5.4.1.1.2
– The remaining subfields are set to all zeros
• The next byte in the MAC header is the sequence number, which is set equal to the sequence number
of the received frame
• The MAC footer is the FCS, which is calculated automatically
After the ACK frame has been transmitted, a TX_ACK interrupt is raised. The radio CPU then enables the
receiver again.

IEEE 802.15.4
www.ti.com
1632 SWCU117F–February 2015–Revised June 2016
Submit Documentation Feedback
Copyright © 2015–2016, Texas Instruments Incorporated
Radio
23.5.4.1.4 End of Receive Operation
The receive operation can end as a result of the end trigger given by endTrigger and endTime, or by a
command. The commands that can end the receive operation are the immediate commands
CMD_ABORT and CMD_STOP, and the foreground-level radio operation command
CMD_IEEE_ABORT_BG. The end-trigger and the CMD_STOP command cause the receiver to keep
running until the end of the frame, or until the reception would otherwise be stopped if observed while a
packet was being received. The CMD_ABORT and CMD_IEEE_ABORT_BG commands cause the
receiver to stop as quickly as the implementation allows.
A receive operation ends through one of the causes listed in Table 23-80. The status field of the command
structure after the command has ended indicates the reason why the operation ended. In all cases, a
COMMAND_DONE interrupt is raised. In each case, the result is indicated as TRUE, FALSE, or ABORT.
This decides whether to start the next command (if any) indicated in pNextOp, or to return to an IDLE
state. Before the receive operation ends, the radio CPU writes the maximum observed RSSI during the
receive operation to pOutput->maxRssi.
If a transmit operation is started in the foreground, the receive operation is suspended. The receiver stops
as when aborted, but the synthesizer is left on to the extent possible when switching to transmit mode.
When the receiver has stopped, the status field of the command structure is set to IEEE_SUSPENDED.
When the transmit command is done, the receiver restarts and the status field of the command structure is
set back to RUNNING.
Table 23-80. End of Receive Operation
Condition Status Code Result
Observed end trigger and finished any ongoing reception IEEE_DONE_OK TRUE
Received CMD_STOP IEEE_DONE_STOPPED FALSE
Received CMD_ABORT or CMD_IEEE_ABORT_BG IEEE_DONE_ABORT ABORT
Observed illegal parameter IEEE_ERROR_PAR ABORT
23.5.4.1.5 CCA Monitoring
While the receiver is running, the radio CPU monitors some signals for use in clear-channel assessment.
This monitoring is controlled by ccaOpt. There are three sources for CCA: RSSI above level (ccaEnergy),
carrier sense based on the correlation value (ccaCorr), and carrier sense based on sync found (ccaSync).
Each of these may have the state BUSY, IDLE, or INVALID.
The RSSI above-level is maintained by monitoring the RSSI. If the RSSI is greater than or equal to
ccaRssiThr, ccaEnergy is busy. If the RSSI is smaller than ccaRssiThr, ccaEnergy is IDLE. When an RSSI
calculation has not yet been completed because the receiver started, ccaEnergy is INVALID.
The carrier-sense monitoring based on correlation value uses correlation peaks as defined for use in the
SFD search algorithm in the receiver. If the number of correlation peaks observed in the last 8-symbol
periods (32 µs) is greater than ccaOpt.corrThr, ccaCorr is BUSY; otherwise ccaCorr is IDLE. The value of
ccaOpt.corrThr can be from 0 to 3. While the receiver is receiving a frame, ccaCorr is BUSY regardless of
the observed correlation peaks. If the time since the receiver started is less than 8 symbol periods and the
number of correlation peaks observed since the receiver started is less than or equal to ccaOpt.corrThr,
ccaCorr is INVALID.
The carrier-sense monitoring based on sync found is maintained by the radio CPU as follows. If sync is
obtained on the receiver, the radio CPU checks the PHY header to find the frame length. The radio CPU
considers the channel to be busy for the duration of this frame. This check is done even if reception of the
frame is stopped due to the frame filtering and sync search is restarted. If sync is found again while the
channel is viewed as BUSY, the channel is viewed as Busy until both these frames have ended according
to the observed frame lengths. The INVALID state is not used for ccaSync.
If the radio is transmitting an ACK or is suspended for running a TX operation, ccaEnergy, ccaCorr, and
ccaSync are all BUSY.

www.ti.com
IEEE 802.15.4
1633
SWCU117F–February 2015–Revised June 2016
Submit Documentation Feedback Copyright © 2015–2016, Texas Instruments Incorporated
Radio
The overall CCA state ccaState depends on the ccaEnEnergy, ccaEnCorr, and ccaEnSync bits of ccaOpt
together with the ccaCorrOp and ccaSyncOp bits. The following rules apply for finding the ccaState
(ccaTmp is a helper state in the description):
• If ccaEnEnergy = 0 and ccaEnCorr = 0 and ccaEnSync = 0, then ccaState = IDLE
• If ccaEnEnergy = 1 and ccaEnCorr = 0, then ccaTmp = ccaEnergy
• If ccaEnEnergy = 0 and ccaEnCorr = 1, then ccaTmp = ccaCorr
• If ccaEnEnergy = 1 and ccaEnCorr = 1 and ccaCorrOp = 0, then:
– If either ccaEnergy or ccaCorr is BUSY, then ccaTmp = BUSY;
– Otherwise, if either ccaEnergy or ccaCorr is INVALID, then ccaTmp = INVALID;
– Otherwise, ccaTmp = IDLE
• If ccaEnEnergy = 1 and ccaEnCorr = 1 and ccaCorrOp = 1, then:
– If either ccaEnergy or ccaCorr is IDLE, then ccaTmp = IDLE;
– Otherwise, if either ccaEnergy or ccaCorr is Invalid, then ccaTmp = INVALID;
– Otherwise, ccaTmp = BUSY
• If ccaEnEnergy = 0 and ccaEnCorr = 0 and ccaEnSync = 1, then ccaState = ccaSync
• Otherwise, if ccaEnSync = 1 and ccaSyncOp = 0, then:
– If either ccaTmp or ccaSync is BUSY, then ccaState = BUSY;
– Otherwise, if ccaTmp is Invalid, then ccaState = INVALID;
– Otherwise, ccaState = IDLE
• Otherwise, if ccaEnSync = 1 and ccaSyncOp = 1, then:
– If either ccaTmp or ccaSync is IDLE, then ccaState = IDLE;
– Otherwise, if ccaTmp is INVALID, then ccaState = INVALID;
– Otherwise, ccaState = BUSY
The ccaSync CCA state is required to be Idle for the overall CCA state to be IDLE, according to the IEEE
802.15.4 standard. Thus, to comply, ccaEnSync is 1 and cceSyncOp is 0.
CCA mode 1, as defined in the IEEE 802.15.4 standard, is implemented by setting ccaEnEnergy = 1 and
ccaEnCorr = 0. CCA mode 2 is implemented by setting ccaEnEnergy = 0 and ccaEnCorr = 1. CCA mode
3 is implemented by setting ccaEnEnergy = 1 and ccaEnCorr = 1. With CCA mode 3, ccaCorrOp is
allowed to be either 0 or 1; this distinguishes between the logical operator AND (1) and OR (0) as
described in the IEEE 802.15.4 standard.
The CCA states and the current RSSI can be read by the system CPU by issuing the immediate
command CMD_IEEE_CCA_REQ. If a CMD_IEEE_CSMA operation is running in the foreground, the
radio CPU also monitors the CCA autonomously.

IEEE 802.15.4
www.ti.com
1634 SWCU117F–February 2015–Revised June 2016
Submit Documentation Feedback
Copyright © 2015–2016, Texas Instruments Incorporated
Radio
23.5.4.2 Energy Detect Scan Operation
The energy detect scan radio operation is a background-level operation that starts with the
CMD_IEEE_ED_SCAN command and uses a command structure as given in Table 23-59.
At the start of an RX operation, the radio CPU waits for the start trigger, then programs the frequency
based on the channel parameter. If channel is 0xFF, the operation keeps running on an already-
configured channel. This requires that the operation follows another receive operation or a synthesizer
programming operation. If the frequency synthesizer is not running, the operation ends with an error. After
programming the frequency, the radio CPU configures the receiver to receive IEEE 802.15.4 packets, but
it does not store any received data.
While the receiver is running, CCA is updated as described in Section 23.5.4.1.5. When the demodulator
obtains sync on a frame, the PHY header is read. This is used only for determining the carrier sense
based on sync found, and sync search restarts immediately afterwards.
The energy detect scan operation ends under the same conditions as the RX operation, as described in
Section 23.5.4.1.4. Before the operation ends, the radio CPU writes the maximum-observed RSSI during
the energy detect scan operation to maxRssi.
23.5.4.3 CSMA-CA Operation
The CSMA-CA operation is a foreground-level operation that runs on top of a receive or energy-detect
scan operation. If run on top of an energy-detect scan operation, this does not perform the energy-detect
scan procedure, but starts a receiver without having to receive packets. This operation starts with the
CMD_IEEE_CSMA command, and uses the command structure given in Table 23-60.
At the start of a CSMA-CA operation, the radio CPU waits for the start trigger.
The radio CPU maintains a variable CW which initializes to csmaConfig.initCW.
If remainingPeriods is nonzero at the start of the command, the radio CPU delays for that number of
backoff periods (default 320 µs) measured from the start trigger before proceeding. Otherwise, the radio
CPU draws a pseudo-random number in the range 0 to 2(BE)–1, where BE is given by ( Table 23-60). The
radio CPU then waits that number of backoff periods from the start trigger before proceeding.
After this wait time, the radio CPU checks the CCA state from the background-level operation, as
described in Section 23.5.4.1.5. If the CCA state was INVALID, the radio CPU waits before trying again. If
csmaConfig.bSlotted = 1, the wait is for one backoff period, otherwise it waits until an RSSI result is
available. If the CCA state was IDLE, the radio CPU decrements CW by 1, and if this results in a value of
zero, the CSMA-CA operation ends with success. If this results in a nonzero value, the radio CPU waits
one backoff period timed from the end of the wait time, and then checks the CCA state again as described
previously.

www.ti.com
IEEE 802.15.4
1635
SWCU117F–February 2015–Revised June 2016
Submit Documentation Feedback Copyright © 2015–2016, Texas Instruments Incorporated
Radio
If the channel was BUSY when the CCA state was checked, the radio CPU updates the variables as
follows:
CW = csmaConfig.initCW; NB + = 1; BE + = min (BE + 1, macMaxBE);
If NB after this update is greater than macMaxCSMABackoffs, the CSMA-CA operation ends with failure.
Otherwise, the radio CPU draws a random number of backoff periods to wait as described previously, and
proceeds as before. If csmaConfig.bSlotted = 1, the wait is from the next backoff period after the end of
the previous wait time; otherwise, the wait is from a configurable time after the end of the previous wait
time.
Figure 23-7 shows the flow chart for the CSMA-CA operation.
In addition to the CSMA-CA operation ending with success or failure as previously described, the
operation can end as a result of the end trigger given by endTrigger and endTime, or by a command. The
commands that can end the CSMA-CA operation are the immediate commands CMD_ABORT,
CMD_STOP, CMD_IEEE_ABORT_FG, and CMD_IEEE_STOP_FG. When the CSMA-CA operation ends,
the radio CPU writes lastTimeStamp with the timer value at the end of the most recent wait period before
a CCA check was done, and lastRssi with the RSSI value at that time. If the operation ended because of a
timeout or stop command, the radio CPU writes remainingPeriods with the number of backoff periods
remaining of the wait time. Otherwise, the radio CPU writes remainingPeriods to 0.
The pseudo-random algorithm is based on a maximum-length 16-bit linear-feedback shift register (LFSR).
The seed is as provided in randomState. When the operation ends, the radio CPU writes the current state
back to this field. If randomState is 0, the radio CPU self-seeds by initializing the LFSR to the 16 LSBs of
the radio timer. There is some randomness to this value, but this is limited, especially for slotted CSMA-
CA, and seeding with a true-random number (or a pseudo-random number based on a true-random seed)
by the system CPU is therefore recommended. If the 16 LSBs of the radio timer are all 0, another fixed
value is substituted.
Depending on csmaConfig.rxOffMode, the underlying RX operation may be suspended during the backoff
before another CCA check, if there is enough time for it. The different values have the following meaning:
• rxOffMode = 0: The radio stays on during CSMA backoffs.
• rxOffMode = 1: If a frame is being received, an ACK being transmitted, or in the transition between
those, the radio stays on. Otherwise, the radio switches off until the end of the backoff period.
• rxOffMode = 2: If a frame is being received, an ACK being transmitted, or in the transition between
those, the radio stays on until the packet has been fully received and the ACK has been transmitted if
applicable. After that, the radio switches off until the end of the backoff period.
• rxOffMode = 3: The radio switches off immediately at the beginning of a backoff period. This aborts a
frame being received or an ACK being transmitted. The radio remains switched off until the end of the
backoff period.
If the radio switches off this way, the receiver restarts sufficiently early for the next CCA operation to be
done, and the radio only switches off it there is sufficient time. This feature can be used for power saving
in systems that do not always need to be in RX. All modes except mode 0 may cause frames to be lost, at
increasing probability.

CMD_IEEE_CSMA
Wait for start event
remainingPeriods = 0?
remainingPeriods =
random(2BEí1)
Wait remainingPeriods
backoff periods
CCA state Idle?
CW = initCW,
NB = NB+1,
BE = min(BE+1,
macMaxBE)
NB >
macMaxCSMABackoffs?
Failure
CW = CWí1
CW = 0?
Success
Check CCA state
Wait 1 backoff period
Y Y
Y
Y
N
N
CCA state Invalid?
N
Y
N
CW = initCW
N
Slotted?
Y
N
Wait for RSSI update
Slotted?
Wait for next backoff
period boundary
Y
N
IEEE 802.15.4
www.ti.com
1636 SWCU117F–February 2015–Revised June 2016
Submit Documentation Feedback
Copyright © 2015–2016, Texas Instruments Incorporated
Radio
Figure 23-7. CSMA-CA Operation

www.ti.com
IEEE 802.15.4
1637
SWCU117F–February 2015–Revised June 2016
Submit Documentation Feedback Copyright © 2015–2016, Texas Instruments Incorporated
Radio
For operation according to IEEE 802.15.4, the parameters must be initialized as follows before starting a
new CSMA-CA operation:
• randomState must be set to a random value
• csmaConfig.initCW must be set to 2 for slotted CSMA-CA and 1 for unslotted CSMA-CA
• csmaConfig.bSlotted must be set to 1 for slotted CSMA-CA and 0 for unslotted CSMA-CA
• NB must be set to 0
• BE must be set to macMinBE, except for slotted CSMA-CA with battery-life extension, where BE must
be set to min (2, macMinBE)
• remainingPeriods must be set to 0
• macMaxBE and macMaxCSMABackoffs must be set to their corresponding MAC PIB attribute
For slotted CSMA-CS, startTrigger must be set up to occur on a backoff-slot boundary. For slotted CSMA-
CA, the endTrigger must be set up to occur at the latest time that the transaction can be completed within
the superframe, as specified in the IEEE 802.15.4 standard. If the CSMA-CA ends due to timeout, the
CSMA can be restarted without modifying the parameters (except possibly the end time) at the next
superframe.
Table 23-81 lists the causes of a CSMA-CA operation end. The status field of the command structure after
the command has ended indicates the reason why the operation ended. In all cases, an
FG_COMMAND_DONE interrupt is raised. In each case, it is indicated if the result is TRUE, FALSE, or
ABORT. This indicates whether to start the next command (if any) in pNextOp, or to return to an IDLE
state.
Table 23-81. End of CSMA-CA Operation
Condition Status Code Result
CSMA-CA operation finished with success IEEE_DONE_OK TRUE
CSMA-CA operation finished with failure IEEE_DONE_BUSY FALSE
End trigger occurred IEEE_DONE_TIMEOUT FALSE
Received CMD_STOP or CMD_IEEE_STOP_FG IEEE_DONE_STOPPED FALSE
Received CMD_ABORT or CMD_IEEE_ABORT_FG IEEE_DONE_ABORT ABORT
Background operation ended IEEE_DONE_BGEND ABORT
Observed illegal parameter IEEE_ERROR_PAR ABORT
When the operation ends, the time of the last CCA check (that is, the time written into lastTimeStamp) is
defined as event 1, and may be used for timing subsequent chained operations.
23.5.4.4 Transmit Operation
The transmit operation is a foreground-level operation that transmits one packet. The operation is started
with the CMD_IEEE_TX command, and uses the command structure given in Table 23-61.
When the radio CPU receives the command, it waits for the start trigger. Any background-level operation
keeps running during this wait time. At the start trigger, the radio CPU suspends the receiver and
configures the transmitter. It is assumed that the synthesizer is powered and calibrated, so if no
background-level operation is running, the TX operation must be preceded with a calibrate synthesizer
command. If the frequency synthesizer is not running, the operation ends with an error.
The transmitter transmits the payload found in the buffer pointer to pPayload, which consists of
payloadLen bytes. If txOpt.payloadLenMsb is nonzero, this field is multiplied by 256 and added to
payloadLen to create (for test purposes) a long frame that is not compliant with IEEE 802.15.4. If
txOpt.bIncludePhyHdr is 0, the radio CPU inserts a PHY header automatically, calculated from the
payload length. Otherwise, no PHY header is inserted by the radio CPU, so for IEEE 802.15.4
compliance, the first byte in the payload buffer must be the PHY header. The payload is then transmitted
as found in the payload buffer. If txOpt.bIncludeCrc is 0, the radio CPU appends two CRC bytes,
calculated according to the IEEE 802.15.4 standard. Otherwise, no CRC is appended, so for IEEE
802.15.4 MAC compliance, the last two bytes in the payload buffer must be the MAC footer. The transmit
operation can be ended by one of the immediate commands CMD_ABORT, CMD_STOP,

IEEE 802.15.4
www.ti.com
1638 SWCU117F–February 2015–Revised June 2016
Submit Documentation Feedback
Copyright © 2015–2016, Texas Instruments Incorporated
Radio
CMD_IEEE_ABORT_FG, and CMD_IEEE_STOP_FG. If CMD_ABORT or CMD_IEEE_ABORT_FG is
received, the transmission ends as soon as possible in the middle of the packet. If CMD_STOP or
CMD_IEEE_STOP_BG is received while the radio CPU is waiting for the start trigger, the operation ends
without any transmission; otherwise, the transmission is finished, but the end status and result differ as
explained in the following.
When transmission of the packet starts, the trigger RAT time used for starting the modem is written to the
timeStamp field by the radio CPU. This timestamp is delayed by the firmware-defined parameter
startToTXRatOffset, compared to the configured start time of the CMD_IEEE_TX command. If the
transmitter and receiver have synchronized RAT timers, this timestamp is the same as the timestamp
appended to the RX entry element, as in Section 23.6.3.1, although with estimation uncertainty on the
receiver side.
When the operation ends, the end time of the transmitted frame is defined as event 1, and may be used
for timing subsequent chained operations.
Table 23-82 lists the causes of a transmit operation end. The status field of the command structure after
the command has ended indicates the reason why the operation ended. In all cases, an
FG_COMMAND_DONE interrupt is raised. In each case, it is indicated if the result is TRUE, FALSE, or
ABORT. This indicates whether to start the next command (if any) in pNextOp, or to return to an IDLE
state.
Table 23-82. End of Transmit Operation
Condition Status Code Result
Packet transmitted IEEE_DONE_OK TRUE
Received CMD_STOP or CMD_IEEE_STOP_FG, then finished
transmitting if started IEEE_DONE_STOPPED FALSE
Received CMD_ABORT or CMD_IEEE_ABORT_FG IEEE_DONE_ABORT ABORT
Observed illegal parameter IEEE_ERROR_PAR ABORT
23.5.4.5 Receive Acknowledgment Operation
The receive-ACK operation is a foreground-level operation that runs on top of a receive operation. The
operation starts with the CMD_IEEE_RX_ACK command, and uses the command structure listed in
Table 23-62.
At the start of a receive-ACK operation, the radio CPU waits for the start trigger. If the receiver was
suspended due to a TX operation before the receive-ACK operation, the background-level RX operation is
not resumed until the start trigger occurs.
While the receive-ACK operation is running, the background-level RX operation runs normally. However,
in addition to looking for the packets, the operation looks for ACK packets with the sequence number
given in seqNo. The packet is stored in the receive queue only if configured to in the background-level
receive operation (frameTypes.bAcceptFt2Ack = 1). If ACK packets are filtered out in the background RX
operation, for an ACK packet the sequence number is received, and if it matches, also the FCS.
If the ACK packet with the requested sequence number is received, the FCS is checked. If the CRC is
OK, the receive-ACK operation ends, otherwise it continues. If the ACK is received OK, the pending-data
bit of the header is checked.
In addition to the receive-ACK operation ending after receiving the ACK as described previously, the
operation can end as a result of the end trigger given by endTrigger and endTime, or by a command. The
commands that can end the receive-ACK operation are the immediate commands CMD_ABORT,
CMD_STOP, CMD_IEEE_ABORT_FG, and CMD_IEEE_STOP_FG.
A receive-ACK operation ends due to one of the causes listed in Table 23-83. The status field of the
command structure after the command has ended indicates the reason why the operation ended. In all
cases, an FG_COMMAND_DONE interrupt is raised. In each case, it is indicated if the result is TRUE,
FALSE, or ABORT. This indicates whether to start the next command (if any) in pNextOp, or to return to
an IDLE state.

www.ti.com
IEEE 802.15.4
1639
SWCU117F–February 2015–Revised June 2016
Submit Documentation Feedback Copyright © 2015–2016, Texas Instruments Incorporated
Radio
Table 23-83. End of Receive ACK Operation
Condition Status Code Result
Requested ACK successfully received with pending data bit
cleared IEEE_DONE_ACK FALSE
Requested ACK successfully received with pending data bit set IEEE_DONE_ACKPEND TRUE
End trigger occurred IEEE_DONE_TIMEOUT FALSE
Received CMD_STOP or CMD_IEEE_STOP_FG IEEE_DONE_STOPPED FALSE
Received CMD_ABORT or CMD_IEEE_ABORT_FG IEEE_DONE_ABORT ABORT
Background operation ended IEEE_DONE_BGEND ABORT
Observed illegal parameter IEEE_ERROR_PAR ABORT
23.5.4.6 Abort Background-level Operation Command
The abort background-level operation command is a foreground-level command that stops the command
running in the background. The abort background-level operation command is defined as a foreground-
operation command so that it has a start time, and so that it can be chained with other foreground-
operation commands. The command is executed with the CMD_IEEE_ABORT_BG command and uses a
command structure with only the minimum set of parameters.
At the start of an abort background-level operation, the radio CPU waits for the start trigger, then aborts
the ongoing background-level receive or energy-detect scan operation.
The operation may be stopped by a command while waiting for the start trigger. The commands that can
stop the operation are CMD_ABORT, CMD_STOP, CMD_IEEE_ABORT_FG, and CMD_IEEE_STOP_FG.
The first two cause the background-level operation to stop regardless.
An abort background-level operation ends due to one of the causes listed in Table 23-84. The status field
of the command structure after the command has ended indicates the reason why the operation ended. In
all cases, an FG_COMMAND_DONE interrupt is raised. In each case, it is indicated if the result is TRUE,
FALSE, or ABORT. This indicates whether to start the next command (if any) in pNextOp, or to return to
an IDLE state.
Table 23-84. End of ABORT Background-Level Operation
Condition Status Code Result
Background level aborted IEEE_DONE_OK TRUE
Received CMD_STOP or CMD_IEEE_STOP_FG IEEE_DONE_STOPPED FALSE
Received CMD_ABORT or CMD_IEEEE_ABORT_FG IEEE_DONE_ABORT ABORT
23.5.5 Immediate Commands
23.5.5.1 Modify CCA Parameter Command
The CMD_IEEE_MOD_CCA command takes a command structure as defined in Table 23-63.
CMD_IEEE_MOD_CCA must only be sent while an RX or energy-detect scan operation is running. On
reception, the radio CPU modifies the values of ccaRssiThr and ccaOpt for the running process into the
values given by newCcaRssiThr and newCcaOpt, respectively. The radio CPU updates the command
structure. The new settings are used for future CCA requests.
If the command is issued without an active or suspended background-level operation, the radio CPU
returns the result ContextError in CMDSTA. If any of the parameters entered are illegal, the radio CPU
returns the result ParError in CMDSTA. Otherwise, the radio CPU returns DONE.

IEEE 802.15.4
www.ti.com
1640 SWCU117F–February 2015–Revised June 2016
Submit Documentation Feedback
Copyright © 2015–2016, Texas Instruments Incorporated
Radio
23.5.5.2 Modify Frame-Filtering Parameter Command
The CMD_IEEE_MOD_FILT command takes a command structure as defined in Table 23-64.
CMD_IEEE_MOD_FILT must only be sent while an RX operation is running. On reception, the radio CPU
modifies the values of frameFiltOpt and frameTypes for the running process into the values given by
newFrameFiltOpt and newFrameTypes, respectively. The radio CPU updates the command structure.
The new values of the frame-filtering options are used from the next time frame filtering is started. If
autoAckEn or slottedAckEn are changed, the change applies from the next time reception of a packet
ends.
If the command is issued without an active or suspended background-level RX operation, the radio CPU
returns the result ContextError in CMDSTA. If any of the parameters entered are illegal, the radio CPU
returns the result ParError in CMDSTA. Otherwise, the radio CPU returns DONE.
23.5.5.3 Enable Or Disable Source Matching Entry Command
The CMD_IEEE_MOD_SRC_MATCH command takes a command structure as defined in Table 23-64.
CMD_IEEE_MOD_SRC_MATCH must only be sent while an RX operation is running. On reception, the
radio CPU enables or disables the source-matching entry signaled in the command structure. If
options.entryType is 0, the entry is extended-address entry in the structure pointed to by pExtEntryList,
and if options.entryType is 1, the entry is short-address entry in the structure pointed to by
pShortEntryList. The index of the entry is signaled in entryNo. If options.bEnable is 0, the entry is disabled,
and if it is 1, the entry is enabled. The corresponding source pending bit is set to the value of
options.srcMatch. The new values of the enable values are used from the next time source-matching is
performed. The system CPU may modify the address of a disabled entry, but not an enabled one. If the
command is issued without an active or suspended background-level RX operation, the radio CPU returns
the result ContextError in CMDSTA. If any of the parameters entered are illegal, for example, pointing to a
nonexistent entry, the radio CPU returns the result ParError in CMDSTA. Otherwise, the radio CPU
returns DONE.
23.5.5.4 Abort Foreground-level Operation Command
CMD_IEEE_ABORT_FG is an immediate command that takes no parameters, and can thus be used as a
direct command.
The CMD_IEEE_ABORT_FG command aborts the foreground-level operation while the background-level
operation continues to run. See the description of the foreground-level operations for more detail.
If no foreground-level radio operation command is running, no action is taken. The result signaled in
CMDSTA is Done in all cases. If a foreground-level radio operation command was running, CMDSTA may
be updated before the radio operation has ended.
23.5.5.5 Stop Foreground-level Operation Command
CMD_IEEE_STOP_FG is an immediate command that takes no parameters, and can thus be used as a
direct command.
The CMD_IEEE_STOP_FG command causes the foreground-level operation to stop gracefully, while the
background-level operation continues to run. See the description of the foreground-level operations for
more detail.
If no foreground-level radio operation command is running, no action is taken. The result signaled in
CMDSTA is Done in all cases. If a foreground-level radio operation command was running, CMDSTA may
be updated before the radio operation has ended.

www.ti.com
Bluetooth low energy
1641
SWCU117F–February 2015–Revised June 2016
Submit Documentation Feedback Copyright © 2015–2016, Texas Instruments Incorporated
Radio
23.5.5.6 Request CCA and RSSI Information Command
The CMD_IEEE_CCA_REQ command takes a command structure as defined in Table 23-66.
CMD_IEEE_CCA_REQ must only be sent while an RX or energy-detect scan operation is running. On
reception, the radio CPU writes the following figures back into the command structure:
• currentRssi is set to the RSSI number currently available from the demodulator
• maxRssi is set to the maximum RSSI observed because the background-level operation was started
• ccaState is set to the CCA state according to the current CCA options, refer to Section 23.5.4.1.5
• ccaEnergy is set to the energy-detect CCA state according to Section 23.5.4.1.5
• ccaCorr is set to the correlator-based carrier-sense CCA state according to Section 23.5.4.1.5
• ccaSync is set to the sync found-based carrier-sense CCA state according to Section 23.5.4.1.5
If no valid RSSI is found when the request is sent, the currentRssi and maxRssi returned indicate this by
using a special value (0x80).
If the command is issued without an active or suspended background-level RX operation, the radio CPU
returns the result ContextError in CMDSTA. Otherwise, the radio CPU returns DONE.
23.6 Bluetooth low energy
This section describes Bluetooth, low-energy-specific command structure, data handling, radio operation
commands, and immediate commands.
23.6.1 Bluetooth low energy Commands
The Bluetooth low-energy-specific radio operation commands are defined in Table 23-85.
Table 23-85. Bluetooth low energy Radio Operation Commands
ID Command Name Description
0x1801 CMD_BLE_SLAVE Start slave operation
0x1802 CMD_BLE_MASTER Start master operation
0x1803 CMD_BLE_ADV Start connectable undirected advertiser operation
0x1804 CMD_BLE_ADV_DIR Start connectable directed advertiser operation
0x1805 CMD_BLE_ADV_NC Start the not-connectable advertiser operation
0x1806 CMD_BLE_ADV_SCAN Start scannable undirected advertiser operation
0x1807 CMD_BLE_SCANNER Start scanner operation
0x1808 CMD_BLE_INITIATOR Start initiator operation
0x1809 CMD_BLE_GENERIC_RX Receive generic packets (used for PHY test or packet sniffing)
0x180A CMD_BLE_TX_TEST Transmit PHY test packets
The Bluetooth low-energy-specific immediate commands are defined in Table 23-86.
Table 23-86. Bluetooth low energy Immediate Commands
ID Command Name Description
0x1001 CMD_BLE_ADV_PAYLOAD Modify payload used in advertiser operations

Bluetooth low energy
www.ti.com
1642 SWCU117F–February 2015–Revised June 2016
Submit Documentation Feedback
Copyright © 2015–2016, Texas Instruments Incorporated
Radio
23.6.1.1 Command Data Definitions
This section defines data types used in describing the data structures used for communication between
the system CPU and the radio CPU. The data structures are listed with tables. The Byte Index is the offset
from the pointer to that structure. Multibyte fields are little-endian, and halfword or word alignment is
required. For bit numbering, 0 is the LSB. The R/W column is used as follows:
• R: The system CPU can read a result back; the radio CPU does not read the field.
• W: The system CPU writes a value, the radio CPU reads it and does not modify the value.
• R/W: The system CPU writes an initial value, the radio CPU may modify the initial value.
23.6.1.1.1 Bluetooth low energy Command Structures
(1) This command structure is used for all the radio operation commands for Bluetooth low energy support. Table 23-8 defines the
first 14 bytes.
Table 23-87. Bluetooth low energy Radio Operation Command Structure (1)
Byte
Index Field Name Bits Bit Field Name Type Description
14 channel W
Channel to use
0–39: Bluetooth low energy advertising/data channel
number
60–207: Custom frequency; (2300 + channel) MHz
255: Use existing frequency
Others: reserved
15 whitening
0–6 init W If bOverride = 1 or custom frequency is used:
0: Do not use whitening
Other value: Initialization for 7-bit LFSR whitener
7 bOverride W 0: Use default whitening for Bluetooth low energy
advertising/data channels
1: Override whitening initialization with value of init
16–19 pParams W Pointer to command specific parameter list
20–23 pOutput W Pointer to command specific result (NULL: Do not store
results)
Table 23-88. Update Advertising Payload Command
Byte
Index Field Name Type Description
0–1 commandNo W The command number
2 payloadType W 0: Advertising data
1: Scan response data
3 newLen W Length of the new payload
4–7 pNewData W Pointer to the buffer containing the new data
8–11 pParams W Pointer to the parameter structure to update

www.ti.com
Bluetooth low energy
1643
SWCU117F–February 2015–Revised June 2016
Submit Documentation Feedback
Copyright © 2015–2016, Texas Instruments Incorporated
Radio
23.6.1.2 Parameter Structures
Table 23-89. Slave Commands
Byte Index Field Name Type Description
0–3 pRxQ W Pointer to receive queue
4–7 pTxQ W Pointer to transmit queue
8 rxConfig W Configuration bits for the receive queue entries (see
Table 23-102 for details)
9 seqStat R/W Sequence number status (see Table 23-69 for details)
10 maxNack W Maximum number of NACKs received before operation
ends. 0: No limit
11 maxPkt W Maximum number of packets transmitted in the operation
before it ends. 0: No limit
12–15 accessAddress W Access address used on the connection
16–18 crcInit W CRC initialization value used on the connection
19 timeoutTrigger W Trigger that defines timeout of the first receive operation
20–23 timeoutTime W Time parameter for timeoutTrigger
24–26 Reserved
27 endTrigger W Trigger that causes the device to end the connection event
as soon as allowed
28–31 endTime W Time parameter for endTrigger
Table 23-90. Master Commands
Byte Index Field Name Type Description
0–3 pRxQ W Pointer to receive queue
4–7 pTxQ W Pointer to transmit queue
8 rxConfig W Configuration bits for the receive queue entries (see
Table 23-102 for details)
9 seqStat R/W Sequence number status (see Table 23-69 for details)
10 maxNack W Maximum number of NACKs received before operation
ends. 0: No limit
11 maxPkt W Maximum number of packets transmitted in the operation
before it ends. 0: No limit
12–15 accessAddress W Access address used on the connection
16–18 crcInit W CRC initialization value used on the connection
19 endTrigger W Trigger that causes the device to end the connection event
as soon as allowed
20–23 endTime W Time parameter for endTrigger
Table 23-91. Advertiser Commands
Byte Index Field Name Bits Bit Field Name Type Description
0–3 pRxQ W Pointer to receive queue
4 rxConfig W Configuration bits for the receive queue
entries (see Table 23-102 for details)
5 advConfig
0–1 advFilterPolicy W The advertiser filter policy
2 deviceAddrType W The type of the device address: public (0) or
random (1)
3 peerAddrType W Directed advertiser: The type of the peer
address: public (0) or random (1)
4 bStrictLenFilter W 1: Discard messages with illegal length
6 advLen W Size of advertiser data
7 scanRspLen W Size of scan response data

Bluetooth low energy
www.ti.com
1644 SWCU117F–February 2015–Revised June 2016
Submit Documentation Feedback
Copyright © 2015–2016, Texas Instruments Incorporated
Radio
Table 23-91. Advertiser Commands (continued)
Byte Index Field Name Bits Bit Field Name Type Description
8–11 pAdvData W Pointer to buffer containing ADV*_IND data
12–15 pScanRspData W Pointer to buffer containing SCAN_RSP data
16–19 pDeviceAddress W Pointer to device address used for this
device
20–23 pWhiteList W Pointer to white list or peer address
(directed advertiser)
24–26 Reserved
27 endTrigger W Trigger that causes the device to end the
advertiser event as soon as allowed
28–31 endTime W Time parameter for endTrigger
Table 23-92. Scanner Command
Byte Index Field Name Bits Bit Field Name Type Description
0–3 pRxQ W Pointer to receive queue
4 rxConfig W Configuration bits for the receive queue
entries (see Table 23-102 for details)
5 scanConfig
0 scanFilterPolicy W The scanner filter policy
1 bActiveScan W 0: Passive scan
1: Active scan
2 deviceAddrType W The type of the device address – public (0)
or random (1)
3 Reserved
4 bStrictLenFilter W 1: Discard messages with illegal length
5 bAutoWlIgnore W 1: Automatically set ignore bit in white list
6 bEndOnRpt W 1: End scanner operation after each reported
ADV*_IND and potentially SCAN_RSP
6–7 randomState R/W State for pseudo-random number generation
used in backoff procedure
8–9 backoffCount R/W Parameter backoffCount used in backoff
procedure
10 backoffPar
0–3 logUpperLimit R/W Binary logarithm of parameter upperLimit
used in scanner backoff procedure
4 bLastSucceeded R/W 1 if the last SCAN_RSP was successfully
received and upperLimit not changed
5 bLastFailed R/W 1 if reception of the last SCAN_RSP failed
and upperLimit was not changed
11 scanReqLen W Size of scan request data
12–15 pScanReqData W Pointer to buffer containing SCAN_REQ data
16–19 pDeviceAddress W Pointer to device address used for this
device
20–23 pWhiteList W Pointer to white list
24–25 Reserved
26 timeoutTrigger W Trigger that causes the device to stop
receiving as soon as allowed
27 endTrigger W Trigger that causes the device to stop
receiving as soon as allowed
28–31 timeoutTime W Time parameter for timeoutTrigger
32–35 endTime W Time parameter for endTrigger

www.ti.com
Bluetooth low energy
1645
SWCU117F–February 2015–Revised June 2016
Submit Documentation Feedback
Copyright © 2015–2016, Texas Instruments Incorporated
Radio
Table 23-93. Initiator Command
Byte Index Field Name Bits Bit Field Name Type Description
0–3 pRxQ W Pointer to receive queue
4 rxConfig W Configuration bits for the receive queue
entries (see Table 23-102 for details)
5 initConfig
0 bUseWhiteList W Initiator filter policy
0: Use specific peer address. 1: Use white
list
1 bDynamicWinOffset W 1: Use dynamic WinOffset insertion
2 deviceAddrType W The type of the device address – public (0)
or random (1)
3 peerAddrType W The type of the peer device address –
public (0) or random (1)
4 bStrictLenFilter W 1: Discard messages with illegal length
6 Reserved
7 connectReqLen W Size of connect request data
8–11 pConnectReqData W Pointer to buffer containing LLData to go in
the CONNECT_REQ
12–15 pDeviceAddress W Pointer to device address used for this
device
16–19 pWhiteList W Pointer to white list or peer address
20–23 connectTime R/W
Indication of timer value of the first possible
start time of the first connection event. Set
to the calculated value if a connection is
made and to the next possible connection
time (see Table 23-99) if not.
24–25 Reserved
26 timeoutTrigger W Trigger that causes the device to stop
receiving as soon as allowed
27 endTrigger W Trigger that causes the device to stop
receiving as soon as allowed
28–31 timeoutTime W Time parameter for timeoutTrigger
32–35 endTime W Time parameter for endTrigger

Bluetooth low energy
www.ti.com
1646 SWCU117F–February 2015–Revised June 2016
Submit Documentation Feedback
Copyright © 2015–2016, Texas Instruments Incorporated
Radio
Table 23-94. Generic RX Command
Byte Index Field Name Type Description
0–3 pRxQ W Pointer to receive queue. May be NULL; if so,
received packets are not stored
4 rxConfig W Configuration bits for the receive queue entries (see
Table 23-102 for details)
5 bRepeat W 0: End operation after receiving a packet.
1: Restart receiver after receiving a packet.
6–7 Reserved
8–11 accessAddress W Access address used on the connection
12–14 crcInit W CRC initialization value used on the connection
15 endTrigger W Trigger that causes the device to end the RX
operation
16–19 endTime W Time parameter for endTrigger
Table 23-95. TX Test Command
Byte Index Field Name Bits Bit Field Name Type Description
0–1 numPackets W Number of packets to transmit
0: Transmit unlimited number of
packets
2 payloadLength W The number of payload bytes in each
packet.
3 packetType W The packet type to be used
4–7 period W Number of radio timer cycles between
the start of each packet
8 config
0 bOverride W 0: Use default packet encoding
1: Override packet contents
1 bUsePrbs9 W If bOverride is 1:
1: Use PRBS9 encoding of packet
2 bUsePrbs15 W If bOverride is 1:
1: Use PRBS15 encoding of packet
9 byteVal W If config.bOverride is 1, value of each
byte to be sent
10 Reserved
11 endTrigger W Trigger that causes the device to end
the Test TX operation
12–15 endTime W Time parameter for endTrigger

www.ti.com
Bluetooth low energy
1647
SWCU117F–February 2015–Revised June 2016
Submit Documentation Feedback
Copyright © 2015–2016, Texas Instruments Incorporated
Radio
23.6.1.3 Output Structures
Table 23-96. Master or Slave Commands
Byte Index Field Name Type Description
0 nTx R/W Total number of packets (including automatic empty and
retransmissions) transmitted
1 nTxAck R/W Total number of transmitted packets (including automatic empty)
ACK’ed
2 nTxCtrl R/W Number of unique LL control packets from the TX queue
transmitted
3 nTxCtrlAck R/W Number of LL control packets from the TX queue finished (ACK’ed)
4 nTxCtrlAckAck R/W Number of LL control packets ACK’ed and where an ACK has been
sent in response
5 nTxRetrans R/W Number of retransmissions done
6 nTxEntryDone R/W Number of packets from the TX queue finished (ACK’ed)
7 nRxOk R/W Number of packets received with payload, CRC OK and not
ignored
8 nRxCtrl R/W Number of LL control packets received with CRC OK and not
ignored
9 nRxCtrlAck R/W Number of LL control packets received with CRC OK and not
ignored, and then ACK’ed
10 nRxNok R/W Number of packets received with CRC error
11 nRxIgnored R/W Number of packets received with CRC OK and ignored due to
repeated sequence number
12 nRxEmpty R/W Number of packets received with CRC OK and no payload
13 nRxBufFull R/W Number of packets received and discarded due to lack of buffer
space
14 lastRssi R RSSI of last received packet
15 pktStatus R/W Status of received packets; see Table 23-106
16–19 timeStamp R Slave operation: Timestamp of first received packet
Table 23-97. Advertiser Commands
Byte Index Field Name Type Description
0–1 nTxAdvInd R/W Number of ADV*_IND packets completely transmitted
2 nTxScanRsp R/W Number of SCAN_RSP packets transmitted
3 nRxScanReq R/W Number of SCAN_REQ packets received OK and not ignored
4 nRxConnectReq R/W Number of CONNECT_REQ packets received OK and not ignored
5 Reserved
6–7 nRxNok R/W Number of packets received with CRC error
8–9 nRxIgnored R/W Number of packets received with CRC OK, but ignored
10 nRxBufFull R/W Number of packets received that did not fit in RX queue
11 lastRssi R The RSSI of the last received packet
12–15 timeStamp R Timestamp of the last received packet

Bluetooth low energy
www.ti.com
1648 SWCU117F–February 2015–Revised June 2016
Submit Documentation Feedback
Copyright © 2015–2016, Texas Instruments Incorporated
Radio
Table 23-98. Scanner Command
Byte Index Field Name Type Description
0–1 nTxScanReq R/W Number of transmitted SCAN_REQ packets
2–3 nBackedOffScanReq R/W Number of SCAN_REQ packets not sent due to backoff procedure
4–5 nRxAdvOk R/W Number of ADV*_IND packets received with CRC OK and not ignored
6–7 nRxAdvIgnored R/W Number of ADV*_IND packets received with CRC OK, but ignored
8–9 nRxAdvNok R/W Number of ADV*_IND packets received with CRC error
10–11 nRxScanRspOk R/W Number of SCAN_RSP packets received with CRC OK and not ignored
12–13 nRxScanRspIgnored R/W Number of SCAN_RSP packets received with CRC OK, but ignored
14–15 nRxScanRspNok R/W Number of SCAN_RSP packets received with CRC error
16 nRxAdvBufFull R/W Number of ADV*_IND packets received that did not fit in RX queue
17 nRxScanRspBufFull R/W Number of SCAN_RSP packets received that did not fit in RX queue
18 lastRssi R The RSSI of the last received packet
19 Reserved
20–23 timeStamp R Timestamp of the last successfully received ADV*_IND packet that was
not ignored
Table 23-99. Initiator Command
Byte Index Field Name Type Description
0 nTxConnectReq R/W Number of transmitted CONNECT_REQ packets
1 nRxAdvOk R/W Number of ADV*_IND packets received with CRC OK and not
ignored
2–3 nRxAdvIgnored R/W Number of ADV*_IND packets received with CRC OK, but ignored
4–5 nRxAdvNok R/W Number of ADV*_IND packets received with CRC error
6 nRxAdvBufFull R/W Number of ADV*_IND packets received that did not fit in RX
queue
7 lastRssi R/W The RSSI of the last received packet
8–11 timeStamp R Timestamp of the received ADV*_IND packet that caused
transmission of CONNECT_REQ
Table 23-100. Generic RX Command
Byte
Index Field Name Type Description
0–1 nRxOk R/W Number of packets received with CRC OK
2–3 nRxNok R/W Number of packets received with CRC error
4–5 nRxBufFull R/W Number of packets that have been received and
discarded due to lack of buffer space
6 lastRssi R The RSSI of the last received packet
7 Reserved
8–11 timeStamp R Timestamp of the last received packet
Table 23-101. Test TX Command
Byte Index Field Name Type Description
0–1 nTx R/W Number of packets transmitted

www.ti.com
Bluetooth low energy
1649
SWCU117F–February 2015–Revised June 2016
Submit Documentation Feedback Copyright © 2015–2016, Texas Instruments Incorporated
Radio
23.6.1.4 Other Structures and Bit Fields
(1) This bit field is used for the rxConfig byte of the parameter structures.
Table 23-102. Receive Queue Entry Configuration Bit Field (1)
Bits Bit Field Name Description
0 bAutoFlushIgnored If 1, automatically remove ignored packets from RX queue
1 bAutoFlushCrcErr If 1, automatically remove packets with CRC error from RX queue
2 bAutoFlushEmpty If 1, automatically remove empty packets from RX queue
3 bIncludeLenByte If 1, include the received length byte in the stored packet; otherwise discard
it
4 bIncludeCrc If 1, include the received CRC field in the stored packet; otherwise discard
it
5 bAppendRssi If 1, append an RSSI byte to the packet in the RX queue
6 bAppendStatus If 1, append a status byte to the packet in the RX queue
7 bAppendTimestamp If 1, append a timestamp to the packet in the RX queue
Table 23-103. Sequence Number Status Bit Field
Bits Bit Field Name Description
0 lastRxSn The SN bit of the header of the last packet received with CRC OK
1 lastTxSn The SN bit of the header of the last transmitted packet
2 nextTxSn The SN bit of the header of the next packet to transmit
3 bFirstPkt For slave: 0 if a packet has been transmitted on the connection, 1
otherwise
4 bAutoEmpty 1 if the last transmitted packet was an ato-empty packet
5 bLlCtrlTx 1 if the last transmitted packet was an LL control packet (LLID = 11)
6 bLlCtrlAckRx 1 if the last received packet was the ACK of an LL control packet
7 bLlCtrlAckPending 1 if the last successfully received packet was an LL control packet which
has not yet been ACK’ed
(1) The white-list structure has the form of an array. Each element consists of 8 bytes. The first byte of the first element tells the
number of entries, and is reserved in the remaining entries. The second byte contains some configuration bits, and the remaining
6 bytes contain the address.
Table 23-104. White List Structure (1)
Byte Index Field Name Bits Bit Field Name Type Description
0–7 entry[0]
0–7 Size W Number of while list entries
8 bEnable W 1 if the entry is in use, 0 if the entry is not in use
9 addrType W The type address in the entry: public (0) or random (1)
10 bWlIgn R/W 1 if the entry is to be ignored by a scanner, 0 otherwise.
Used to mask out entries that have already been
scanned and reported.
11–15 Reserved
16–63 Address W The address contained in the entry
...
8×n–8×n+7 entry[n]
0–7 Reserved
8 bEnable W 1 if the entry is in use, 0 if the entry is not in use
9 addrType W The type address in the entry: public (0) or random (1)
10 bWlIgn R/W 1 if the entry is to be ignored by a scanner, 0 otherwise.
Used to mask out entries that have already been
scanned and reported.
11–15 Reserved
16–63 address W The address contained in the entry

Bluetooth low energy
www.ti.com
1650 SWCU117F–February 2015–Revised June 2016
Submit Documentation Feedback
Copyright © 2015–2016, Texas Instruments Incorporated
Radio
(1) A byte of this bit field is appended to the received entries if configured.
Table 23-105. Receive Status Byte Bit Field (1)
Bits Bit Field Name Description
0–5 channel The channel on which the packet was received, provided channel is in
the range 0–39; otherwise 0x3F
6 bIgnore 1 if the packet is marked as ignored, 0 otherwise
7 bCrcErr 1 if the packet was received with CRC error, 0 otherwise
The master and slave output structure field pktStatus follows the format below. The bTimeStampValid bit
is set to 0 by the radio CPU at the start of the operation, and to 1 if a timestamp is written to the output
structure (this happens for slave operation only). The bLastCrcErr bit is set according to the CRC result
when a packet is fully received; if no packet is received, this bit remains unaffected. The remaining bits
are set when a packet is received with CRC OK; if no packet is correctly received, these bits remain
unaffected.
Table 23-106. Master and Slave Packet Status Byte
Bits Bit Field Name Description
0 bTimeStampValid 1 if a valid timestamp has been written to timeStamp; 0 otherwise
1 bLastCrcErr 1 if the last received packet had CRC error; 0 otherwise
2 bLastIgnored 1 if the last received packet with CRC OK was ignored; 0 otherwise
3 bLastEmpty 1 if the last received packet with CRC OK was empty; 0 otherwise
4 bLastCtrl 1 if the last received packet with CRC OK was empty; 0 otherwise
5 bLastMd 1 if the last received packet with CRC OK had MD = 1; 0 otherwise
6 bLastAck 1 if the last received packet with CRC OK was an ACK of a transmitted
packet; 0 otherwise
7 Reserved
23.6.2 Interrupts
The radio CPU signals events back to the system CPU, using firmware-defined interrupts. The interrupts
used by the Bluetooth low energy commands are listed in Table 23-107. Each interrupt may be enabled
individually in the system CPU. Section 23.6.4,Radio Operation Command Descriptions, gives the details
about when the interrupts are generated.
Table 23-107. Interrupt Definitions Applicable to Bluetooth low energy
Interrupt Number Interrupt Name Description
0 COMMAND_DONE A radio operation command has finished.
1 LAST_COMMAND_DONE The last radio operation command in a chain of
commands has finished.
4 TX_DONE A packet has been transmitted.
5 TX_ACK Acknowledgment received on a transmitted packet.
6 TX_CTRL Transmitted LL control packet.
7 TX_CTRL_ACK Acknowledgment received on a transmitted LL control
packet.
8 TX_CTRL_ACK_ACK Acknowledgment received on a transmitted LL control
packet, and acknowledgment transmitted for that packet.
9 TX_RETRANS Packet retransmitted.
10 TX_ENTRY_DONE TX queue data entry state changed to Finished.
11 TX_BUFFER_CHANGED A buffer change is complete after
CMD_BLE_ADV_PAYLOAD.
16 RX_OK Packet received with CRC OK, payload, and not to be
ignored.
17 RX_NOK Packet received with CRC error.

Element
length BLE
header BLE payload Received
CRC RSSI Status Time stamp
0±2 bytes 1±2 bytes 0±37 bytes 0 or 3 bytes 0 or 1 byte 0 or 1 byte 0 or x bytes
Mandatory fields Optional fieldsOptional
www.ti.com
Bluetooth low energy
1651
SWCU117F–February 2015–Revised June 2016
Submit Documentation Feedback Copyright © 2015–2016, Texas Instruments Incorporated
Radio
Table 23-107. Interrupt Definitions Applicable to Bluetooth low energy (continued)
Interrupt Number Interrupt Name Description
18 RX_IGNORED Packet received with CRC OK, but to be ignored.
19 RX_EMPTY Packet received with CRC OK, not to be ignored, no
payload.
20 RX_CTRL LL control packet received with CRC OK, not to be
ignored.
21 RX_CTRL_ACK LL control packet received with CRC OK, not to be
ignored, then acknowledgment sent.
22 RX_BUF_FULL Packet received that did not fit in the RX queue.
23 RX_ENTRY_DONE RX queue data entry changing state to Finished.
29 MODULES_UNLOCKED As part of the boot process, the CM0 has opened access
to RF core modules and memories.
30 BOOT_DONE The RF core CPU boot is finished.
31 INTERNAL_ERROR The radio CPU has observed an unexpected error.
23.6.3 Data Handling
For all the Bluetooth low energy commands, data received over the air is stored in a receive queue. Data
to be transmitted is fetched from a transmit queue for master and slave operation, while for the
nonconnected operations, the data is fetched from a specific buffer, or created entirely by the radio CPU
based on other available information.
23.6.3.1 Receive Buffers
A packet being received is stored in a receive buffer. First, a length byte or word is stored, if configured in
the RX entry, by config.lenSz. This word is calculated from the length received over the air and the
configuration of appended information.
Following the optional length field, the received header and payload is stored as received over the air. If
rxConfig.bIncludeLenByte is 1, the full 16-bit header, including the received length field, is stored, despite
the length field being redundant information if a length byte or word is present. If
rxConfig.bIncludeLenByte is 0, only the first byte of the header is stored, so that the second byte, which
only contains the redundant length field and some RFU bits, is discarded.
If rxConfig.bIncludeCrc is 1, the received CRC value is stored in the RX buffer. If rxConfig.bAppendRssi is
1, a byte indicating the received RSSI value is appended. If rxConfig.bAppendStatus is 1, a status byte of
the type RXStatus_t, as defined in Table 23-143, is appended. If rxConfig.bAppendTimeStamp is 1, a
timestamp indicating the start of the packet is appended. This timestamp corresponds to the ratmr_t data
type. Even though the timestamp is multibyte, no word-address alignment is made, so the timestamp must
be written and read byte-wise.
Figure 23-8 shows the format of an entry element in the RX queue.
Figure 23-8. Receive Buffer Entry Element
23.6.3.2 Transmit Buffers
For master and slave operations, transmit buffers are set up in a buffer queue. The length of the packet is
defined by the length field in the data entry. The first byte of the data entry gives the LLID that goes into
the data channel packet header. The NESN, SN, and MD bits are inserted automatically by the radio CPU,
the RFU bits are set to 0, and the length field is calculated from the length of the data entry.

Bluetooth low energy
www.ti.com
1652 SWCU117F–February 2015–Revised June 2016
Submit Documentation Feedback
Copyright © 2015–2016, Texas Instruments Incorporated
Radio
For advertising channel packets, the radio CPU automatically generates the header and the address fields
of the payload. The data that comes after the address fields for each message type is given by a pointer
to a data buffer. The number of bytes in this buffer is given in a separate parameter. If no data bytes are
to be transmitted, this can be indicated by setting the length to 0. In this case, the pointer is ignored, and
may be set to NULL. For Bluetooth low energy compliance, the ADV_DIRECT_IND and SCAN_REQ
messages have no payload, but for the possibility of overriding this, data buffers are still present. For
CONNECT_REQ messages, the data is required to have length 22 for Bluetooth low energy compliance,
but the implementation allows any length.
23.6.4 Radio Operation Command Descriptions
Before running any radio operation command described in this document, the radio must be set up in
Bluetooth low energy mode using the command CMD_RADIO_SETUP. Otherwise, the operation ends
with an error.
The operations start with a radio operation command from the system CPU. The actual start of the
operation is set up by the radio CPU according to startTrigger and startTime in the command structure. At
this time, the radio CPU starts configuring the transmitter or receiver, depending on the type of operation.
The system CPU must take the setup time of the transmitter or receiver into account when calculating the
start time of the operation.
The radio CPU sets up the channel based on the channel parameter. If the channel is in the range 0–39, it
indicates a data channel index or advertising channel index. In this case, only the values 0–36 are allowed
in master and slave commands, and only the values 37–39 are allowed in advertiser, scanner, and initiator
commands. If the channel is in the range 60–207, it indicates an RF frequency with an offset of 2300 MHz.
If the channel is 255, the radio CPU does not program any frequency word, but keeps the frequency
already programmed with CMD_FS. If the channel is 255 and the frequency synthesizer is not running, the
operation ends with an error.
The whitening parameter indicates the initialization of the 7-bit LFSR used for data whitening in Bluetooth
low energy. If whitening.bOverride is 0 and the channel is in the range 0–39, the LFSR initializes with
(0x40 | channel). Otherwise, the LFSR initializes with whitening.init. If whitening.init is 0 in this case, no
whitening is used.
All packets transmitted using Bluetooth low energy radio operation commands have a Bluetooth low-
energy-compliant CRC appended. On all packets received using Bluetooth low-energy radio-operation
commands, a Bluetooth low-energy-compliant CRC-check is performed. The initialization of the CRC
register is defined for each command.
The radio CPU times transmissions immediately following receptions, to fulfill the requirements for T_IFS.
For reception immediately following transmissions, the radio CPU times the start of RX and timeout so that
it always receives a packet transmitted at a time within the limits set by the Bluetooth low energy standard,
but without excessive margins, to avoid false syncing on advertising channels. For the first receive
operation in a slave command, the radio CPU sets up a timeout as defined in pParams->timeoutTrigger
and pParams->timeoutTime. The time of this trigger depends on the sleep-clock uncertainty, both in the
slave itself and the peer master.
When the receiver is running, the message is received into an RX entry as described in Section 23.6.3.1
and Section 23.3.2.7. The radio CPU has flags bCrcErr and bIgnore, which are written to the
corresponding fields of the status byte of the RX entry if present. If there is a CRC error on the received
packet, the bCrcErr flag is set. If the CRC is OK, the bIgnore flag may be set based on principles defined
for each role. This flag indicates that the system CPU may ignore the packet. After receiving a packet, the
radio CPU raises an interrupt to the system CPU.
If a packet is received with a length that is too great, the reception is stopped, treated as if sync had not
been obtained on the packet. By default, the maximum allowed payload length of advertising channel
packets is 37, and the maximum allowed length of data channel packets is 31 (which can never be
violated as the length field in this case is 5 bits). If either the bCrcErr or bIgnore flag is set or if the packet
was empty (as defined under each operation), the packet may be removed from the RX entry before
raising the interrupt, depending on the bAutoFlushIgnored, bAutoFlushCrc, and bAutoFlushEmpty bits of
pParams->rxConfig.

www.ti.com
Bluetooth low energy
1653
SWCU117F–February 2015–Revised June 2016
Submit Documentation Feedback Copyright © 2015–2016, Texas Instruments Incorporated
Radio
The status field of the command issued is updated during the operation. When submitting the command,
the system CPU writes this field with a state of IDLE (see Table 23-108). During the operation, the radio
CPU updates the field to indicate the operation mode. When the operation is done, the radio CPU writes a
status indicating that the operation is finished. Table 23-108 lists the status codes to be used by a
Bluetooth low energy radio operation.
Table 23-108. Bluetooth low energy Radio Operation Status Codes
Number Name Description
Operation Not Finished
0x0000 IDLE Operation not started
0x0001 PENDING Waiting for start trigger
0x0002 ACTIVE Running operation
Operation Finished Normally
0x1400 BLE_DONE_OK Operation ended normally
0x1401 BLE_DONE_RXTIMEOUT Timeout of first RX of slave operation or end of
scan window
0x1402 BLE_DONE_NOSYNC Timeout of subsequent RX
0x1403 BLE_DONE_RXERR Operation ended because of receive error
(CRC or other)
0x1404 BLE_DONE_CONNECT CONNECT_REQ received or transmitted
0x1405 BLE_DONE_MAXNACK Maximum number of re-transmissions
exceeded
0x1406 BLE_DONE_ENDED Operation stopped after end trigger
0x1407 BLE_DONE_ABORT Operation aborted by abort command
0x1408 BLE_DONE_STOPPED Operation stopped after stop command
Operation Finished With Error
0x1800 BLE_ERROR_PAR Illegal parameter
0x1801 BLE_ERROR_RXBUF No available RX buffer (Advertiser, Scanner,
Initiator)
0x1802 BLE_ERROR_NO_SETUP Radio was not set up in Bluetooth low energy
mode
0x1803 BLE_ERROR_NO_FS Synthesizer was not programmed when
running RX or TX
0x1804 BLE_ERROR_SYNTH_PROG Synthesizer programming failed
0x1805 BLE_ERROR_RXOVF RX overflow observed during operation
0x1806 BLE_ERROR_TXUNF TX underflow observed during operation
The conditions for giving each status are listed for each operation. Some of the error causes listed in
Table 23-108 are not repeated in these lists. In some cases, general error causes may occur. In all of
these cases, the result of the operation is ABORT.

Bluetooth low energy
www.ti.com
1654 SWCU117F–February 2015–Revised June 2016
Submit Documentation Feedback
Copyright © 2015–2016, Texas Instruments Incorporated
Radio
23.6.4.1 Link Layer Connection
At the start of a slave or master operation, the radio CPU waits for the start trigger, then program the
frequency based on the channel parameter of the command structure. The channel parameter is not
allowed to be 37, 38, or 39, as these are advertising channels. The radio CPU sets up the access address
defined in pParams ->accessAddress, and uses the CRC initialization value defined in pParams ->crcInit.
The whitener is set up as defined in the whitening parameter. The radio CPU then configures the receiver
or transmitter. The operation continues with reception and transmission in turn, until it is ended by one of
the end of command criteria.
When the demodulator obtains sync on a message, the message is received into the first available RX
buffer that can fit the packet. The flags bCrcErr and bIgnore are set according to Table 23-109 depending
on the CRC result, and whether the SN field of the header was the same as the SN field of the last
successfully received packet. A received packet that has a payload length of 0 is viewed as an empty
packet. This means that if pParams ->rxConfig.bAutoflushEmpty is 1 and bCrcErr and bIgnore are both 0,
the packet is removed from the RX buffer.
Table 23-109. Actions on Received Packets
CRC Result SN Different from Previous bCrcErr bIgnore
OK Yes 0 0
OK No 0 1
NOK X 1 0
If there is no available RX buffer with enough available space to hold the received packet, the received
data is discarded. The packet is received, however, so that the CRC can be checked. When the packet
has been received, the radio CPU sets the sequence bits so that a re-transmission of the lost packet is
requested (that is, NACK), unless the packet would have been discarded from the RX queue anyway due
to the setting of pParams->rxConfig.
If two subsequent packets are received with CRC error, the command ends, as required by the Bluetooth
low energy specification.
When a packet must be transmitted or retransmitted, it is read from the current data entry in the TX queue
unless the TX queue is empty or an automatic empty packet must be retransmitted. The radio CPU
creates the header as follows: the LLID bits are inserted from the first byte of the TX data entry. The SN
and NESN bits are set to values according to the Bluetooth LE protocol. The MD bit is calculated
automatically. If the TX queue is empty, an empty packet (LLID = 0x1, Length = 0) is transmitted. This
packet is referred to as an automatic empty packet.

www.ti.com
Bluetooth low energy
1655
SWCU117F–February 2015–Revised June 2016
Submit Documentation Feedback Copyright © 2015–2016, Texas Instruments Incorporated
Radio
Interrupts can be raised on different conditions. The pOutput structure contains counters corresponding to
the interrupts. Table 23-110 lists the conditions for incrementing each counter or raising an interrupt.
There may be more than one condition fulfilled after a packet is transmitted or received. In the list of
conditions, the term acknowledgment is used, which is defined as a successfully received packet with an
NESN value in the header different from the SN value of the last transmitted packet.
Table 23-110. Conditions for Incrementing Counters and Raising Interrupts
for Master and Slave Commands
Condition Counter Incremented Interrupt Generated
Packet transmitted nTx TX_DONE
Packet transmitted and acknowledgment received nTxAck TX_ACK
Packet with LLID = 11b transmitted nTxCtrl TX_CTRL
Packet with LLID = 11b transmitted and acknowledgment received nTxCtrlAck TX_CTRL_ACK
Packet with LLID = 11b transmitted, acknowledgment received, and
acknowledgment sent nTxCtrlAckAck TX_CTRL_ACK_ACK
Packet transmitted with same SN as previous transmitted packet nTxRetrans TX_RETRANS
Packet with payload transmitted and acknowledgment received nTxEntryDone TX_ENTRY_DONE
Packet received with bCrcErr = 0, bIgnore = 0, and payload length > 0 nRxOk RX_OK
Packet received with CRC error (bCrcErr = 1) nRxNok RX_NOK
Packet received with bCrcErr = 0 and bIgnore = 1 nRxIgnored RX_IGNORED
Packet received with bCrcErr = 0, bIgnore = 0, and payload length = 0 nRxEmpty RX_EMPTY
Packet received with LLID = 11b, bCrcErr = 0 and bIgnore = 0 nRxCtrl RX_CTRL
Packet received with LLID = 11b, bCrcErr = 0 and bIgnore = 0, and
acknowledgment sent nRxCtrlAck RX_CTRL_ACK
Packet received which did not fit in Rx buffer and was not to be flushed nRxBufFull RX_BUF_FULL
The first Rx data entry in the Rx queue changed state to finished — RX_ENTRY_DONE

Bluetooth low energy
www.ti.com
1656 SWCU117F–February 2015–Revised June 2016
Submit Documentation Feedback
Copyright © 2015–2016, Texas Instruments Incorporated
Radio
The radio CPU maintains two counters: one packet counter nPkt, and one NACK counter nNack. They are
both initialized to pParams->maxPkt and pParams->maxNack, respectively, at the start of the master or
slave radio operation. The packet counter nPkt is decremented each time a packet is transmitted. The
NACK counter nNack is decremented if a packet is received that does not contain an acknowledgment of
the last transmitted packet, and reset to pParams->maxNack if an acknowledgment is received. If either
counter counts to 0, the operation ends. This occurs after a packet has been received for master and a
packet has been transmitted for slave. Setting pParams->maxPkt or pParams->maxNack to 0 disables the
corresponding counter functionality.
A trigger to end the operation is set up by pParams->endTrigger and pParams->endTime. If the trigger
defined by this parameter occurs, the radio operation ends as soon as possible. Any packet transmitted
after this has MD = 0, and the connection event ends after the next packet has been transmitted for a
slave or received for a master. If the immediate command CMD_STOP is received by the radio CPU, it
has the same meaning as the end trigger occurring, except that the status code after ending is
CMD_DONE_STOPPED.
The register pParams->seqStat contains bits that are updated by the radio CPU during operation, and
used for getting correct operation on SN and NESN and retransmissions. The rules for the radio CPU are
as follows:
• Before the first operation on a connection, the bits in pParams->seqStat are set as follows by the
system CPU: lastRXSn = 1, lastTXSn = 1, nextTXSn = 0, bFirstPkt = 1, bAutoEmpty = 0, bLlCtrlRX =
0, bLlCtrlAckRX = 0, bLlCtrlAckPending = 0
• When determining if the SN field of the header was the same as the SN field of the last successfully
received packet, the received SN bit is compared to pParams->seqStat.lastRXSn.
• If a packet is received with correct CRC and the packet fits in an Rx buffer, the received SN is stored
in pParams ->seqStat.lastRXSn. If the packet was an LL control packet (LLID = 11b) and the packet
was not to be ignored, pParams->seqStat.bLlCtrlAckPending is set to 1 and an RX_CTRL interrupt is
raised.
• If a packet is received with correct CRC and the received NESN is different from pParams-
>seqStat.lastTXSn, pParams->seqStat.nextTXSn is set to the value of the received NESN (regardless
of whether the packet fits in an RX buffer).
• If pParams->seqStat.bFirstPkt = 0:
– If pParams ->seqStat.nextTXSn was updated and became different from pParams-
>seqStat.lastTXSn after reception of a packet, nNack is set to pParams->maxNack and a TX_ACK
interrupt is raised.
– Otherwise, nNack is decremented.
– If pParams ->seqStat.nextTXSn was updated and became different from pParams-
>seqStat.lastTXSn after reception of a packet, and pParams->seqStat.bAutoEmpty = 0, the current
TX queue entry is finished and the next one is set as active, and a TX_ENTRY_DONE interrupt is
raised. If pParams->seqStat.bLlCtrlTX = 1, an TX_CTRL_ACK interrupt is raised and pParams-
>seqStat.bLlCtrlAckRX set to 1.
– If pParams->seqStat.nextTXSn was updated and became different from pParams-
>seqStat.lastTXSn after reception of a packet, pParams->seqStat.bAutoEmpty is set to 0.
• If no buffer is available in the TX queue, or if pParams->seqStat.nextTXSn is equal to pParams-
>seqStat.lastTXSn and pParams->seqStat.bAutoEmpty = 1 when transmission of a packet is to take
place, an automatically empty packet is transmitted. Nothing is read from the TX queue. Otherwise, the
transmitted packet is read from the first entry of the TX queue.
• In the header of a transmitted packet, the SN bit is set to the value of pParams->seqStat.nextTXSn,
and the NESN bit is set to the inverse of pParams->seqStat.lastRXSn.

www.ti.com
Bluetooth low energy
1657
SWCU117F–February 2015–Revised June 2016
Submit Documentation Feedback Copyright © 2015–2016, Texas Instruments Incorporated
Radio
• After a packet has been transmitted:
– If pParams->seqStat.nextTXSn is equal to pParams->seqStat.lastTXSn, a TX_RETRANS interrupt
is raised.
– If pParams->seqStat.nextTXSn is different from pParams->seqStat.lastTXSn after a transmission
and the transmitted packet had LLID = 11b, a TX_Ctrl interrupt is raised.
– If pParams->seqStat.nextTXSn is different from pParams->seqStat.lastTXSn after a transmission
and pParams->seqStat.bLlCtrlAckPending = 1, an RX_CTRL_ACK interrupt is raised.
– If pParams->seqStat.nextTXSn is different from pParams->seqStat.lastTXSn after a transmission
and pParams->seqStat.bLlCtrlAckRX = 1, a TX_CTRL_ACK_ACK interrupt is raised.
– pParams->seqStat.lastTXSn is set to the value of pParams->seqStat.nextTXSn.
– pParams->seqStat.bAutoEmpty is set to 1 if the packet was not read from the TX queue, otherwise
to 0.
– pParams->seqStat.bLlCtrlTX is set to 1 if the transmitted packet had LLID = 11, otherwise to 0.
– pParams->seqStat.firstPkt, pParams ->seqStat.bLlCtrlAckPending, and pParams-
>seqStat.bLlCtrlAckRX is set to 0.
– A TX_DONE interrupt is raised.
– nPkt is decremented.
When an interrupt is raised as described previously, the corresponding counter given in Table 23-89 is
incremented.
In the header of a transmitted packet, the MD bit is set according to the following rules:
• If the transmit queue is empty or the packet being transmitted is the last packet of the transmit queue,
MD is 0.
• If the trigger described in pParams->endTrigger has occurred, MD is 0.
• If the counter nPkt is 1, MD is 0.
• Otherwise, MD is 1.
The pOutput structure contains counters that are updated by the radio CPU as explained previously and in
Table 23-89. The radio CPU does not initialize the fields, so this must be done by the system CPU when a
reset of the counters is desired. In addition to the counters, the following fields are set by the radio CPU:
• If a packet is received, lastRssi is set to the RSSI of that packet.
• For slave commands, timeStamp is set to the timestamp of the start of the first received packet, if any
packet is received. bValidTimeStamp is set to 0 at the beginning of the operation and to 1 if a packet is
received so that timeStamp is written.
For correct operation, the value of pParams->seqStat is the same at the beginning of a command as at
the end of the previous operation of the same connection. The TX queue must also be unmodified
between commands operating on the same connection, except that packets may be appended to the
queue.

Bluetooth low energy
www.ti.com
1658 SWCU117F–February 2015–Revised June 2016
Submit Documentation Feedback
Copyright © 2015–2016, Texas Instruments Incorporated
Radio
23.6.4.2 Slave Command
A slave radio operation is started by a CMD_BLE_SLAVE command. In the command structure, it has a
pParams parameter of the type defined in Table 23-89, and a pOutput parameter of the type defined in
Table 23-96. The operation starts with reception. The parameters pParams->timeoutTrigger and
pParams->timeoutTime define the time to end the operation if no sync is found by the demodulator. The
startTrigger and pParams->timeoutTrigger together define the receive window for the slave.
The very first received packet of a new LL connection on a slave is given special treatment, and is
signaled by the system CPU by setting pParams->seqStat.bFirstPkt to 1 when starting the first slave
operation of a new connection. When this flag is set, the received packet is not viewed as an ACK or
NACK of a previous transmitted packet. When a packet has been transmitted,
pParams->seqStat.bFirstPkt is cleared by the radio CPU.
The radio CPU writes a timestamp of the first received packet of the radio operation into pOutput-
>timeStamp. The captured time can be used by the system CPU as an anchor point to calculate the start
of future slave commands. This time is also defined as event 1, and may be used for timing subsequent
chained operations. If no anchor point is found, event 1 is the time of the start of the slave operation.
If a packet is received with CRC error, the radio CPU ends the radio operation if the previous packet in the
same radio operation was also received with CRC error (see Table 23-111). Otherwise if a packet is
received, the radio CPU starts the transmitter and transmits from the TX queue, or transmits an
automatically empty packet if the TX queue is empty. The transmission may be a retransmission. Unless
the operation ends due to the criteria listed in Table 23-111, the receiver starts after the transmission is
done.
A slave operation ends due to one of the causes listed in Table 23-111. The status field of the command
structure after the operation is ended indicates the reason why the operation ended. In all cases, a
COMMAND_DONE interrupt is raised. In each case, it is indicated if the result is TRUE, FALSE, or
ABORT, which decides the next action.
Table 23-111. End of Slave Operation
Condition Status Code Result
Transmitted packet with MD=0 after having successfully received packet
where MD bit of header is 0 BLE_DONE_OK TRUE
Transmitted packet with MD=0 after having received packet which did not fit
in RX queue BLE_DONE_OK TRUE
Finished transmitting packet and nPkt counted to 0 BLE_DONE_OK TRUE
Trigger indicated by pParams->timeoutTrigger occurred before demodulator
sync is ever obtained after starting the command BLE_DONE_RXTIMEOUT FALSE
No sync obtained on receive operation after transmit BLE_DONE_NOSYNC TRUE
Two subsequent packets in the same operation were received with CRC
error BLE_DONE_RXERR TRUE
Finished transmitting packet after the internal counter nNack had counted
down to 0 BLE_DONE_MAXNACK TRUE
Finished transmitting packet after having observed trigger indicated by
pParams->endTrigger BLE_DONE_ENDED FALSE
Finished transmitting packet after having observed CMD_STOP BLE_DONE_STOPPED FALSE
Received CMD_ABORT BLE_DONE_ABORT ABORT
Illegal value of channel BLE_ERROR_PAR ABORT
TX data entry length field has illegal value BLE_ERROR_PAR ABORT

www.ti.com
Bluetooth low energy
1659
SWCU117F–February 2015–Revised June 2016
Submit Documentation Feedback
Copyright © 2015–2016, Texas Instruments Incorporated
Radio
23.6.4.3 Master Command
A master radio operation is started by a CMD_BLE_MASTER command. In the command structure, it has
a pParams parameter of the type defined in Table 23-90 and a pOutput parameter of the type defined in
Table 23-96. The operation starts with transmission. After each transmission, the receiver is started.
A master operation ends due to one of the causes listed in Table 23-112. The status field of the command
structure after the operation is ended indicates the reason why the operation ended. In all cases, a
COMMAND_DONE interrupt is raised. In each case, it is indicated if the result is TRUE, FALSE, or
ABORT, which decides the next action.
Table 23-112. End of Master Operation
Condition Status Code Result
Successfully received packet with MD=0 after having transmitted
packet with MD=0 BLE_DONE_OK TRUE
Received packet which did not fit in RX queue after having transmitted
packet with MD=0 BLE_DONE_OK TRUE
Received a packet after nPkt had counted to 0. BLE_DONE_OK TRUE
No sync obtained on receive operation after transmit BLE_DONE_NOSYNC TRUE
Two subsequent packets in the same operation were received with
CRC error BLE_DONE_RXERR TRUE
The internal counter nNack counted down to 0 after a packet was
received BLE_DONE_MAXNACK TRUE
Received a packet after having observed trigger indicated by pParams
>endTrigger BLE_DONE_ENDED FALSE
Received a packet after having observed CMD_STOP BLE_DONE_STOPPED FALSE
Received CMD_ABORT BLE_DONE_ABORT ABORT
Illegal value of channel BLE_ERROR_PAR ABORT
TX data entry length field has illegal value BLE_ERROR_PAR ABORT
23.6.4.4 Advertiser
At the start of an advertiser operation of any kind, the radio CPU waits for the start trigger, then programs
the frequency based on the channel parameter of the command structure. The channel parameter is not
allowed to be in the range 0–36, as these are data channels. The radio CPU sets up the advertising
channel access address and uses the CRC initialization value 0x55 5555. The whitener is set up as
defined in the whitening parameter. The radio CPU then configures the transmitter. Except for an
advertiser that is not connectable, the operation goes on with reception after transmission, and if a
SCAN_REQ is received, another transmission of a SCAN_RSP may occur.
In Bluetooth low energy mode, advertising is usually done over all three advertising channels. To set this
up, three command structures can be chained using the pNextOp parameter. Typically, the parameter and
output structures can be the same for all channels.
The first packet transmitted is always an ADV*_IND packet. This packet consists of a header, an
advertiser address, and advertising data, except for the ADV_DIRECT_IND packet used in directed
advertising. The radio CPU constructs these packets as follows (the ADV_DIRECT_IND packet is
described in Section 23.6.4.4.2). In the header, the PDU Type bits are as shown in Table 23-113. The
TXAdd bit is as shown in
pParams->advConfig.deviceAddrType. The length is calculated from the size of the advertising data,
meaning that it is pParams->advLen + 6. The RXAdd bit is not used and is 0, along with the RFU bits. The
payload starts with the 6-byte device address, which are read from pParams->pDeviceAddress. The rest
of the payload is read from the pParams->pAdvData buffer (if pParams->advLen is nonzero).

Bluetooth low energy
www.ti.com
1660 SWCU117F–February 2015–Revised June 2016
Submit Documentation Feedback
Copyright © 2015–2016, Texas Instruments Incorporated
Radio
Table 23-113. PDU Types for Different Advertiser Commands
Command Type of Advertising Packet Value of PDU Type Bits in Header
CMD_BLE_ADV ADV_IND 0000b
CMD_BLE_ADV_DIR ADV_DIRECT_IND 0001b
CMD_BLE_ADV_NC ADV_NONCONN_IND 0010b
CMD_BLE_ADV_SCAN ADV_SCAN_IND 0110b
Except when an advertiser is not connectable, the receiver starts after the ADV*_IND packet has been
transmitted. Depending on the type of advertiser operation, the receiver listens for a SCAN_REQ or a
CONNECT_REQ. If the demodulator obtains sync, the header is checked once it is received, and if it is
not a SCAN_REQ or CONNECT_REQ message, the demodulator is stopped immediately.
A SCAN_REQ or CONNECT_REQ message is received into the RX queue given by pParams ->pRxQ, as
described in Section 23.6.3.1. The bCrcErr and bIgnore bits are set according to the CRC result and the
received message. For connectable undirected or scannable advertising, the AdvA field in the message,
along with the TXAdd bit of the received header, is compared to the pParams->pDeviceAddress array and
the pParams->advConfig.deviceAddrType bit, respectively, to see if the message was addressed to this
advertiser. Then, depending on the advertising filter policy, given by pParams->advConfig.advFilterPolicy,
the received ScanA or InitA field, along with the RXAdd bit of the received header, is checked against the
white list as described in Section 23.6.4.9, except for a directed advertiser, where the received header is
compared against the peer address as described in Section 23.6.4.4.2. Depending on this, the actions
taken are as given in Table 23-114, where the definition of each action, including the value used on
bCrcErr and bIgnore, is given in Table 23-115. If pParams->advConfig.bStrictLenFilter is 1, only length
fields that are compliant with the Bluetooth low energy specification are considered valid. For a
SCAN_REQ, that means a length field of 12, and for a CONNECT_REQ it means a length field of 34. If
pParams ->advConfig.bStrictLenFilter is 0, all received packets with a length field less than or equal to the
maximum length of an advertiser packet (37, but can be overridden) are considered valid. If the length is
not valid, the receiver is stopped.
(1) C – connectable undirected; D – connectable directed; S – scannable; X – don't care; N/A – not applicable
Table 23-114. Actions to Take Based on Received Packets for Advertisers (1)
PDU Type CRC Result Advertiser
Type Valid Length AdvA
Matches Own
Address Filter Policy ScanA or
InitA Present
in White List
Action
Number
SCAN_REQ OK C, S Yes No X X 1
SCAN_REQ OK C, S Yes Yes 1 or 3 No 1
SCAN_REQ OK C, S Yes Yes 1 or 3 Yes 2
SCAN_REQ OK C, S Yes Yes 0 or 2 X 2
SCAN_REQ NOK C, S Yes X X X 3
SCAN_REQ X C, S No X X X 5
SCAN_REQ X D X X X X 5
CONNECT_REQ OK C, D Yes No X X 1
CONNECT_REQ OK C, D Yes Yes 2 or 3 No 1
CONNECT_REQ OK C, D Yes Yes 2 or 3 Yes 4
CONNECT_REQ OK C, D Yes Yes 0 or 1 X 4
CONNECT_REQ NOK C, D Yes X X X 3
CONNECT_REQ X C, D No X X X 5
CONNECT_REQ X S X X X X 5
Other X X X N/A X N/A 5
No packet received N/A X N/A N/A X N/A 5

www.ti.com
Bluetooth low energy
1661
SWCU117F–February 2015–Revised June 2016
Submit Documentation Feedback Copyright © 2015–2016, Texas Instruments Incorporated
Radio
Table 23-115. Descriptions of the Actions to Take on Received Packets
Action Number bCrcErr bIgnore Description
1 0 1 End operation with BLE_DONE_OK status
2 0 0 Transmit SCAN_RSP message
3 1 0 End operation with BLE_DONE_RXERR status
4 0 0 End operation with BLE_DONE_CONNECT status
5 — — Stop receiver immediately and end operation with
BLE_DONE_NOSYNC status
If a SCAN_REQ packet is received with a length of 12 (or less), it is viewed as an empty packet. This
means that if pParams->rxConfig.bAutoflushEmpty is 1 and bCrcErr and bIgnore are both 0, the packet is
removed from the RX buffer. If a packet is flagged by bIgnore or bCrcErr, it may also be removed, based
on the bits in pParams->rxConfig.
If the packet received did not fit in the RX queue, the packet is received to the end, but the received bytes
are not stored. If the packet would normally not have been discarded from the RX queue based on the bits
in pParams->rxConfig, the command ends.
If the next action according to Table 23-114 and Table 23-115 is to transmit a SCAN_RSP, the radio CPU
starts the transmitter to transmit this packet. It consists of a header, an advertiser address, and advertising
data. The radio CPU constructs these packets as follows. In the header, the PDU Type bits are 0100b.
The TXAdd bit is as shown in pParams->advConfig.devicAddrType. The length is calculated from the size
of the scan response data, pParams->scanRspLen + 6. The RXAdd bit is not used and is 0, along with the
RFU bits. The payload starts with the 6-byte device address, which is read from
pParams->pDeviceAddress. The rest of the payload is read from the pParams->pScanRspData buffer.
After the SCAN_RSP has been transmitted, the command ends.
A trigger to end the operation is set up by pParams->endTrigger. If the trigger defined by this parameter
occurs, the radio operation continues to completion, but the status code after ending is
BLE_DONE_ENDED and the result is FALSE. This can, for instance, be used to stop execution instead of
proceeding with the next chained operation by use of the condition in the command structure. If the
immediate command CMD_STOP is received by the radio CPU, it has the same meaning as the end
trigger occurring, except that the status code after ending is CMD_DONE_STOPPED.
The output structure pOutput contains fields which give information on the command being run. The radio
CPU does not initialize the fields, so this must be done by the system CPU when a reset of the counters is
desired. The fields are updated by the radio CPU as described in the following list. The list also indicates
when interrupts are raised in the system CPU.
• When the ADV*_IND packet has been transmitted, nTXAdvInd is incremented and a TX_DONE
interrupt is raised.
• If a SCAN_RSP packet has been transmitted, nTXScanRsp is incremented afterwards, and a
TX_DONE interrupt is raised.
• If a SCAN_REQ is received with CRC OK and the bIgnore flag cleared, nRXScanReq is incremented.
If the payload length is 12 or less, an RX_EMPTY interrupt is raised. If the payload length is greater
than 12, an RX_OK interrupt is raised.
• If a CONNECT_REQ is received with CRC OK and the bIgnore flag cleared, nRXConnectReq is
incremented and an RX_OK interrupt is raised.
• If a packet is received with CRC error, nRXNok is incremented and an RX_NOK interrupt is raised.
• If a packet is received and the bIgnore flag is set, nRXIgnored is incremented and an RX_IGNORED
interrupt is raised.
• If a packet is received that did not fit in the RX queue, nRXBufFull is incremented and an
RX_BUF_FULL interrupt is raised.
• If a packet is received, lastRssi is set to the RSSI of that packet
• If a packet is received, timeStamp is set to a timestamp of the start of than packet. For a
CONNECT_REQ, this can be used to calculate the anchor point of the first packet.
• If the first RX data entry in the RX queue changed state to Finished after a packet was received, an
RX_ENTRY_DONE interrupt is raised.

Bluetooth low energy
www.ti.com
1662 SWCU117F–February 2015–Revised June 2016
Submit Documentation Feedback
Copyright © 2015–2016, Texas Instruments Incorporated
Radio
23.6.4.4.1 Connectable Undirected-advertiser Command
A connectable undirected-advertiser operation is started by a CMD_BLE_ADV command. In the command
structure, it has a pParams parameter of the type defined in Table 23-91, and a pOutput parameter of the
type defined in Table 23-97. The operation starts with transmission and operates as described in
Section 23.6.4.4.
A connectable undirected-advertiser operation ends with one of the statuses listed in Table 23-116. The
status field of the command structure after the operation is ended indicates the reason why the operation
ended. In all cases, a COMMAND_DONE interrupt is raised. In each case, it is indicated if the result is
TRUE, FALSE, or ABORT, which decides the next action.
Table 23-116. End of Connectable Undirected Advertiser Operation
Condition Status Code Result
Performed Action Number1 after running receiver BLE_DONE_OK TRUE
Performed Action Number2 and transmitted SCAN_RSP BLE_DONE_OK TRUE
Performed Action Number3 after running receiver BLE_DONE_RXERR TRUE
Performed Action Number4 after running receiver BLE_DONE_CONNECT FALSE
Performed Action Number5 after running receiver BLE_DONE_NOSYNC TRUE
Observed trigger indicated by pParams->endTrigger, then performed
Action Number1, 2, 3, or 5 BLE_DONE_ENDED FALSE
Observed CMD_STOP, then performed Action Number1, 2, 3, or 5 BLE_DONE_STOPPED FALSE
Received CMD_ABORT BLE_DONE_ABORT ABORT
No space in RX buffer to store received packet BLE_ERROR_RXBUF FALSE
Illegal value of channel BLE_ERROR_PAR ABORT
Advertising data or scan response data length field has illegal value BLE_ERROR_PAR ABORT
23.6.4.4.2 Connectable Directed-advertiser Command
A connectable directed-advertiser operation is started by a CMD_BLE_ADV_DIR command. In the
command structure, it has a pParams parameter of the type defined in Table 23-91, and a pOutput
parameter of the type defined in Table 23-97. The operation starts with transmission and operates as
described in Section 23.6.4.4, with some modifications as described in the following.
For the directed advertiser, pParams->pWhiteList points to a buffer containing only the device address of
the device to connect to. The address type of the peer is given in pParams->advConfig.peerAddrType.
The first transmit operation sends an ADV_DIRECT_IND packet. The radio CPU constructs this packet as
follows. In the header, the PDU Type bits are 0001b as shown in Table 23-113. The TXAdd bit is as
shown in pParams->advConfig.deviceAddrType. The RXAdd bit is as shown in
pParams->advConfig.peerAddrType.
The length is calculated from the size of the advertising data, pParams->advLen + 12. The RFU bits are 0.
The payload starts with the 6-byte device address, which are read from pParams->pDeviceAddress,
followed by the 6-byte peer address read from pParams->pWhiteList. By the Bluetooth low energy
specification, there is no more payload, but a noncompliant message may be constructed by setting
pParams->advLen to a nonzero value. If so, the rest of the payload is read from the pParams->pAdvData
buffer.
The receiver is started after the ADV_DIRECT_IND packet has been transmitted as described in
Section 23.6.4.4 and received packets are processed as described there. When checking the address
against the white list, check the received RXAdd bit against pParams->advConfig.peerAddrType, and the
received InitA field against pParams->pWhiteList.
A directed-advertiser operation ends with one of the statuses listed in Table 23-117. The status field of the
command structure after the operation is ended indicates the reason why the operation ended. In all
cases, a COMMAND_DONE interrupt is raised. In each case, it is indicated if the result is TRUE, FALSE,
or ABORT, which decides the next action.

www.ti.com
Bluetooth low energy
1663
SWCU117F–February 2015–Revised June 2016
Submit Documentation Feedback Copyright © 2015–2016, Texas Instruments Incorporated
Radio
Table 23-117. End of Directed-advertiser Operation
Condition Status Code Result
Performed Action Number1 after running receiver BLE_DONE_OK TRUE
Performed Action Number3 after running receiver BLE_DONE_RXERR TRUE
Performed Action Number4 after running receiver BLE_DONE_CONNECT FALSE
Performed Action Number5 after running receiver BLE_DONE_NOSYNC TRUE
Observed trigger indicated by pParams->endTrigger, then performed
Action Number1, 3, or 5 BLE_DONE_ENDED FALSE
Observed CMD_STOP, then performed Action Number1, 3, or 5 BLE_DONE_STOPPED FALSE
Received CMD_ABORT BLE_DONE_ABORT ABORT
No space in RX buffer to store received packet BLE_ERROR_RXBUF FALSE
Illegal value of channel BLE_ERROR_PAR ABORT
Advertising data length field has illegal value BLE_ERROR_PAR ABORT
23.6.4.4.3 Nonconnectable Advertiser Command
An advertiser operation that is not connectable is started by a CMD_BLE_ADV_NC command. In the
command structure, it has a pParams parameter of the type defined in Table 23-91, and a pOutput
parameter of the type defined in Table 23-97. The operation starts with transmission and operates as
described in Section 23.6.4.4. After transmission of an ADV_NONCONN_IND, the operation ends without
any receive operation.
An advertiser operation that is not connectable ends with one of the statuses listed in Table 23-118. The
status field of the command structure after the operation is ended indicates the reason why the operation
ended. In all cases, a COMMAND_DONE interrupt is raised. In each case, it is indicated if the result is
TRUE, FALSE, or ABORT, which decides the next action.
Table 23-118. End of Nonconnectable Advertiser Operation
Condition Status Code Result
Transmitted ADV_NONCONN_IND BLE_DONE_OK TRUE
Observed trigger indicated by pParams->endTrigger, then finished
transmitting ADV_NONCONN_IND BLE_DONE_ENDED FALSE
Observed CMD_STOP, then finished transmitting
ADV_NONCONN_IND BLE_DONE_STOPPED FALSE
Received CMD_ABORT BLE_DONE_ABORT ABORT
Illegal value of channel BLE_ERROR_PAR ABORT
Advertising data length field has illegal value BLE_ERROR_PAR ABORT

Bluetooth low energy
www.ti.com
1664 SWCU117F–February 2015–Revised June 2016
Submit Documentation Feedback
Copyright © 2015–2016, Texas Instruments Incorporated
Radio
23.6.4.4.4 Scannable Undirected-Advertiser Command
A scannable undirected-advertiser operation is started by a CMD_BLE_ADV_SCAN command. In the
command structure, it has a pParams parameter of the type defined in Table 23-91, and a pOutput
parameter of the type defined in Table 23-97. The operation starts with transmission operation and
operates as described in Section 23.6.4.4.
A scannable undirected-advertiser operation ends with one of the statuses listed in Table 23-119. The
status field of the command structure after the operation is ended indicates the reason why the operation
ended. In all cases, a COMMAND_DONE interrupt is raised. In each case, it is indicated if the result is
TRUE, FALSE, or ABORT, which decides the next action.
Table 23-119. End of Scannable Undirected-Advertiser Operation
Condition Status Code Result
Performed Action Number1 after running receiver BLE_DONE_OK TRUE
Performed Action Number2 and transmitted SCAN_RSP BLE_DONE_OK TRUE
Performed Action Number3 after running receiver BLE_DONE_RXERR TRUE
Performed Action Number5 after running receiver BLE_DONE_NOSYNC TRUE
Observed trigger indicated by pParams->endTrigger, then performed
Action Number1, 2, 3, or 5 BLE_DONE_ENDED FALSE
Observed CMD_STOP, then performed Action Number1, 2, 3, or 5 BLE_DONE_STOPPED FALSE
Received CMD_ABORT BLE_DONE_ABORT ABORT
No space in RX buffer to store received packet BLE_ERROR_RXBUF FALSE
Illegal value of channel BLE_ERROR_PAR ABORT
Advertising data or scan response data length field has illegal value BLE_ERROR_PAR ABORT
23.6.4.5 Scanner Command
A scanner operation is started by a CMD_BLE_SCANNER command. In the command structure, it has a
pParams parameter of the type defined in Table 23-92, and a pOutput parameter of the type defined in
Table 23-98. At the start of a scanner operation, the radio CPU waits for the start trigger, then programs
the frequency based on the channel parameter of the command structure. The channel parameter is not
allowed to be in the range 0–36, as these are data channels. The radio CPU sets up the advertising
channel access address and uses the CRC initialization value 0x55 5555. The whitener is set up as
defined in the whitening parameter. The radio CPU then configures the receiver.
Tuned to the correct channel, the radio CPU starts listening for an advertising-channel packet. If sync is
obtained on the demodulator, the message is received into the RX queue. The header is checked, and if it
is not an advertising packet, reception stops and sync search restarted. The bCrcErr and bIgnore bits are
set according to the CRC result and the received message. Depending on the scanning filter policy, given
by pParams->scanConfig.scanFilterPolicy, the received AdvA field in the message, along with the TXAdd
bit of the received header is checked against white list as described in Section 23.6.4.9. For
ADV_DIRECT_IND messages, the received InitA field and RXAdd bit are checked against pParams-
>deviceAddr and pParams->scanConfig.deviceAddrType, respectively. Depending on this, and whether
the scan is active or passive as signaled in pParams->scanConfig.bActiveScan, the actions taken are as
shown in Table 23-120, where the definition of each action, including the value used on bCrcErr and
bIgnore, is given in Table 23-121. If pParams->scanConfig.bStrictLenFilter is 1, only length fields
compliant with the Bluetooth low energy specification are considered valid. For an ADV_DIRECT_IND,
valid means a length field of 12, and for other ADV*_IND messages it means a length field in the range
6–37. If pParams->advConfig.bStrictLenFilter is 0, all received packets with a length field less than or
equal to the maximum length of an advertiser packet (37, but can be overridden) are considered valid. If
the length is not valid, the receiver stops.

www.ti.com
Bluetooth low energy
1665
SWCU117F–February 2015–Revised June 2016
Submit Documentation Feedback Copyright © 2015–2016, Texas Instruments Incorporated
Radio
Table 23-120. Actions on Received Packets by Scanner
PDU Type CRC Result Filter
Policy AdvA to be
Ignored AdvA Present
in White List InitA Match Active
Scan Action
Number
ADV_IND OK 1 No No N/A X 1
ADV_IND OK 1 No Yes N/A No 2
ADV_IND OK 1 No Yes N/A Yes 3
ADV_IND OK 0 No X N/A No 2
ADV_IND OK 0 No X N/A Yes 3
ADV_IND OK X Yes X N/A X 1
ADV_IND NOK X X X N/A X 4
ADV_SCAN_IND OK 1 No No N/A X 1
ADV_SCAN_IND OK 1 No Yes N/A No 2
ADV_SCAN_IND OK 1 No Yes N/A Yes 3
ADV_SCAN_IND OK 0 No X N/A No 2
ADV_SCAN_IND OK 0 No X N/A Yes 3
ADV_SCAN_IND OK X Yes X N/A X 1
ADV_SCAN_IND NOK X X X N/A X 4
ADV_NONCONN_IND OK 1 No No N/A X 1
ADV_NONCONN_IND OK 1 No Yes N/A X 2
ADV_NONCONN_IND OK 0 No X N/A X 2
ADV_NONCONN_IND OK X Yes X N/A X 1
ADV_NONCONN_IND NOK X X X N/A X 4
ADV_DIRECT_IND OK 1 No No X X 1
ADV_DIRECT_IND OK 1 No Yes No X 1
ADV_DIRECT_IND OK 1 No Yes Yes X 2
ADV_DIRECT_IND OK 0 No X No X 1
ADV_DIRECT_IND OK 0 No X Yes X 2
ADV_DIRECT_IND OK X Yes X X X 1
ADV_DIRECT_IND NOK X X X X X 4
ADV*_IND with invalid length X X X X X X 5
Other X X N/A N/A N/A X 5
Table 23-121. Descriptions of the Actions to Take on Packets Received by Scanner
Action Number bCrcErr bIgnore Description
1 0 1 Continue scanning.
2 0 0 Continue scanning or end operation with BLE_DONE_OK
status.
3 0 0 Perform backoff procedure and send SCAN_REQ and receive
SCAN_RSP if applicable. Then continue scanning or end
operation.
4 1 0 Continue scanning.
5 — — Stop receiving packet, then continue scanning.

Bluetooth low energy
www.ti.com
1666 SWCU117F–February 2015–Revised June 2016
Submit Documentation Feedback
Copyright © 2015–2016, Texas Instruments Incorporated
Radio
If the packet being received did not fit in the RX queue, the packet is received to the end, but the received
bytes are not stored. If the packet would normally not have been discarded from the RX buffer, the
operation ends.
If the action from the received packet is number 3, a SCAN_REQ is transmitted if allowed after a backoff
procedure. This procedure starts with decrementing pParams ->backoffCount. If this variable is 0 after the
decrement, a SCAN_REQ is transmitted. If not, the operation ends. If the action from the received packet
is number 2 or number 3, the next action may either be to continue scanning, or to end the operation. This
is configured with pParams ->scanConfig.bEndOnRpt; if 1, the operation ends, otherwise scanning
continues.
When transmitting a SCAN_REQ, the radio CPU constructs this packet. In the header, the PDU Type bits
are 0011b. The TXAdd bit is as shown in pParams ->scanConfig.deviceAddrType. The RXAdd bit is as
shown in the TXAdd field of the header of the received ADV_IND or ADV_SCAN_IND message. The
length is calculated from the size of the scan request data, pParams->scanReqLen + 12. The RFU bits are
0. The payload starts with the 6-byte device address, which are read from pParams ->pDeviceAddress,
followed by the 6-byte peer address read from the AdvA field of the received message. By the Bluetooth
low energy specification, there is no more payload, but a noncompliant message may be constructed by
setting pParams->scanReqLen to a nonzero value. If so, the rest of the payload is read from the
pParams->pScanData buffer.
After a SCAN_REQ message is transmitted, the radio CPU configures the receiver and looks for a
SCAN_RSP from the advertiser to which the SCAN_REQ was sent. If sync is obtained on the
demodulator, the header is checked once it is received, and if it is not a SCAN_RSP message, the
demodulator is stopped immediately. If it is a SCAN_RSP message, then it is received into the RX queue.
Depending on the received SCAN_RSP, the values of bCrcErr and bIgnore are as given in Table 23-122.
If pParams->scanConfig.bStrictLenFilter is 1, only length fields that are compliant with the Bluetooth low
energy specification are considered valid. For a SCAN_RSP, valid means a length field in the range 6–37.
If pParams->scanConfig.bStrictLenFilter is 0, all received packets with a length field less than or equal to
the maximum length of an advertiser packet (37, but can be overridden) are considered valid. If the length
is not valid, the receiver is stopped.
Table 23-122. Actions on Packets Received by Scanner After Transmission of SCAN_REQ
PDU Type CRC Result AdvA Same as in
Request bCrcErr bIgnore SCAN_RSP Result
SCAN_RSP OK No 0 1 Failure
SCAN_RSP OK Yes 0 0 Success
SCAN_RSP NOK X 1 0 Failure
SCAN_RSP with
invalid length X X – – Failure
Other X N/A – – Failure
No packet received N/A N/A – – Failure
After receiving or trying to receive a SCAN_RSP, the backoff parameters are updated by the radio CPU.
The update depends on the result as given in the SCAN_RSP Result column of Table 23-122 and the old
values of the backoff parameters. The backoff parameters given in pParams->backoffPar are updated as
shown in Table 23-123. After this update, the radio CPU sets pParams->backoffCount to a pseudo-
random number between 1 and 2pParams->backoffPar.logUpperLimit.
Table 23-123. Update of Backoff Parameters
SCAN_RSP
Result
Old pParams->backoffPar New pParams >backoffPar
bLastSucceeded bLastFailed bLastSucceeded bLastFailed logUpperLimit
Failure X 0 0 1 logUpperLimit
Failure 0 1 0 0 min(logUpperLimit+1, 8)
Success 0 X 1 0 logUpperLimit
Success 1 0 0 0 max(logUpperLimit-1, 0)

www.ti.com
Bluetooth low energy
1667
SWCU117F–February 2015–Revised June 2016
Submit Documentation Feedback Copyright © 2015–2016, Texas Instruments Incorporated
Radio
If pParams->scanConfig.scanFilterPolicy and pParams->scanConfig.bAutoWlIgnore are both 1, the radio
CPU automatically sets the bWlIgn bit of the white-list entry corresponding to the address from which an
ADV*_IND message was received. This setting is done either after Action Number2 has been performed,
or after Action Number3 is performed and a SCAN_RSP is received with the result Success. This prevents
reporting multiple advertising messages from the same device, and scanning the same device repeatedly.
The pseudo-random algorithm is based on a maximum-length 16-bit linear-feedback shift register (LFSR).
The seed is as provided in pParams->randomState. When the operation ends, the radio CPU writes the
current state back to this field. If pParams->randomState is 0, the radio CPU self-seeds by initializing the
LFSR to the 16 LSBs of the radio timer. This is only done when the LFSR is first needed (that is, after
receiving an ADV*_IND), so there is some randomness to this value. If the 16 LSBs of the radio timer are
all 0, another fixed value is substituted.
When the device enters the scanning state, the system CPU must initialize pParams->backoffCount to 1,
pParams->backoffPar.logUpperLimit to 0, pParams ->backoffPar.bLastSucceeded and
pParams->backoffPar.bLastFailed to 0, and pParams ->randomState to a true-random value (or a pseudo-
random number based on a true-random seed). When starting new scanner operations while remaining in
the scanning state, the system CPU must keep pParams->randomState, pParams->backoffCount, and
pParams->backoffPar at the values they had at the end of the last scanner operation.
Two triggers to end the operation are set up by pParams->endTrigger/pParams->endTime and
pParams->timeoutTrigger/pParams->timeoutTime, respectively. If either of these triggers occurs, the radio
operation ends as soon as possible. If these triggers occur while waiting for sync on an ADV*_IND packet,
the operation ends immediately. If they occur at another time, the operation continues until the scan would
otherwise be resumed, and then ends. If the immediate command CMD_STOP is received by the radio
CPU, it has the same meaning as the end trigger occurring, except that the status code after ending is
CMD_DONE_STOPPED. The differences between the two triggers are the status and result at the end of
the operation. Typically, timeoutTrigger can be used at the end of a scan window, while endTrigger can be
used when scanning is to end entirely.
The output structure pOutput contains fields which give information on the command being run. The radio
CPU does not initialize the fields, so this must be done by the system CPU when a reset of the counters is
desired. The fields are updated by the radio CPU as described below. The list also indicates when
interrupts are raised in the system CPU.
• If a SCAN_REQ packet has been transmitted, nTXScanReq is incremented and a TX_DONE interrupt
is raised.
• If a SCAN_REQ is not transmitted due to the backoff procedure, nBackedOffScanReq is incremented.
• If an ADV*_IND packet is received with CRC OK and the bIgnore flag cleared, nRXAdvOk is
incremented, an RX_OK interrupt is raised, and timeStamp is set to a timestamp of the start of the
packet.
• If an ADV*_IND packet is received with CRC OK and the bIgnore flag set, nRXAdvIgnored is
incremented and an RX_IGNORED interrupt is raised.
• If an ADV*_IND packet is received with CRC error, nRXAdvNok is incremented and an RX_NOK
interrupt is raised.
• If an ADV*_IND packet is received and did not fit in the RX queue, nRXAdvBufFull is incremented and
an RX_BUF_FULL interrupt is raised.
• If a SCAN_RSP packet is received with CRC OK and the bIgnore flag cleared, nRXScanRspOk is
incremented and an RX_OK interrupt is raised.
• If a SCAN_RSP packet is received with CRC OK and the bIgnore flag set, nRXScanRspIgnored is
incremented and an RX_IGNORED interrupt is raised.
• If a SCAN_RSP packet is received with CRC error, nRXScanRspNok is incremented and an RX_NOK
interrupt is raised.
• If a SCAN_RSP packet is received and did not fit in the RX queue, nRXScanRspBufFull is incremented
and an RX_BUF_FULL interrupt is raised.
• If a packet is received, lastRssi is set to the RSSI of that packet.
• If the first RX data entry in the RX queue changed state to Finished after a packet was received, an
RX_ENTRY_DONE interrupt is raised.

Bluetooth low energy
www.ti.com
1668 SWCU117F–February 2015–Revised June 2016
Submit Documentation Feedback
Copyright © 2015–2016, Texas Instruments Incorporated
Radio
A scanner operation ends with one of the statuses listed in Table 23-124. The status field of the command
structure after the operation is ended indicates the reason why the operation ended. In all cases, a
COMMAND_DONE interrupt is raised. In each case, it is indicated if the result is TRUE, FALSE, or
ABORT, which decides the next action.
Table 23-124. End of Scanner Operation
Condition Status Code Result
Performed Action Number2 with pParams->scanConfig.bEndOnRpt = 1 BLE_DONE_OK TRUE
Performed Action Number3 with pParams->scanConfig.bEndOnRpt = 1 and did not
send SCAN_REQ due to backoff BLE_DONE_OK TRUE
Performed Action Number3 with pParams->scanConfig.bEndOnRpt = 1, sent
SCAN_REQ and received SCAN_RSP with bCrcErr = 0 and bIgnore = 0 BLE_DONE_OK TRUE
Performed Action Number3 with pParams->scanConfig.bEndOnRpt = 1, sent
SCAN_REQ and received SCAN_RSP with bCrcErr = 1 or bIgnore = 1 BLE_DONE_RXERR TRUE
Performed Action Number3 with pParams->scanConfig.bEndOnRpt = 1, sent
SCAN_REQ, but did not get sync or found wrong packet type or invalid length BLE_DONE_NOSYNC TRUE
Observed trigger indicated by pParams->timeoutTrigger while waiting for sync on
ADV*_IND BLE_DONE_RXTIMEOUT TRUE
Observed trigger indicated by pParams->timeoutTrigger, then performed Action
Number1, 2, 3, 4, or 5 BLE_DONE_RXTIMEOUT TRUE
Observed trigger indicated by pParams->endTrigger while waiting for sync on
ADV*_IND BLE_DONE_ENDED FALSE
Observed trigger indicated by pParams->endTrigger, then performed Action Number1,
2, 3, 4, or 5 BLE_DONE_ENDED FALSE
Observed CMD_STOP while waiting for sync on ADV*_IND BLE_DONE_STOPPED FALSE
Observed CMD_STOP, then performed Action Number1, 2, 3, 4, or 5 BLE_DONE_STOPPED FALSE
Received CMD_ABORT BLE_DONE_ABORT ABORT
No space in RX buffer to store received packet BLE_ERROR_RXBUF FALSE
Illegal value of channel BLE_ERROR_PAR ABORT
Scan request data length field has illegal value BLE_ERROR_PAR ABORT
23.6.4.6 Initiator Command
An initiator operation is started by a CMD_BLE_INITIATOR command. In the command structure, it has a
pParams parameter of the type defined in Table 23-92 and a pOutput parameter of the type defined in
Table 23-98. At the start of an initiator operation, the radio CPU waits for the start trigger, then programs
the frequency based on the channel parameter of the command structure. The channel parameter is not
allowed to be in the range 0–36, as these are data channels. The radio CPU sets up the advertising
channel access address and uses the CRC initialization value 0x55 5555. The whitener is set up as
defined in the whitening parameter. The radio CPU then configures the receiver.
When having tuned to the correct channel, the radio CPU starts listening for an advertising channel
packet. If sync is obtained on the demodulator, the message is received into the RX queue. The header is
checked, and if it is not a connectable advertising packet, reception is stopped and sync search restarted.
The bCrcErr and bIgnore bits are set according to the CRC result and the received message. The
parameter pParams->initConfig.bUseWhiteList determines if the initiator must try to connect to a specific
device or against the white list. If this parameter is 0, the white list is not used, and pParams->pWhiteList
points to a buffer containing only the device address of the device to connect to. The address type of the
peer is given in pParams->advConfig.peerAddrType. Otherwise, pParams->pWhiteList points to a white
list. If the white list is not used, the received AdvA field in the message is checked against the address
found in pParams->pWhiteList, and the TXAdd bit of the received header is checked against
pParams->initConfig.peerAddrType. If the white list is used, the received AdvA field in the message, along
with the TXAdd bit of the received header is checked against white list as described in Section 23.6.4.9.
For ADV_DIRECT_IND messages, the received InitA field and RXAdd bit are checked against pParams-
>deviceAddr and pParams->initConfig.deviceAddrType, respectively. Depending on this, the actions taken
are as given in Table 23-125, where the definition of each action, including the value used on bCrcErr and
bIgnore, is given in Table 23-126. If pParams->initConfig.bStrictLenFilter is 1, only length fields compliant

www.ti.com
Bluetooth low energy
1669
SWCU117F–February 2015–Revised June 2016
Submit Documentation Feedback Copyright © 2015–2016, Texas Instruments Incorporated
Radio
with the Bluetooth low energy specification are considered valid. For an ADV_DIRECT_IND, valid means
a length field of 12, and for ADV_IND messages it means a length field in the range 6–37. If
pParams ->initConfig.bStrictLenFilter is 0, all received packets with a length field less than or equal to the
maximum length of an advertiser packet (37, if not overridden) are considered valid. If the length is not
valid, the receiver is stopped.
Table 23-125. Actions on Received Packets by Initiator
PDU Type CRC Result AdvA Match InitA Match Action
Number
ADV_IND OK No N/A 1
ADV_IND OK Yes N/A 2
ADV_IND NOK X N/A 3
ADV_DIRECT_IND OK No X 1
ADV_DIRECT_IND OK Yes No 1
ADV_DIRECT_IND OK Yes Yes 2
ADV_DIRECT_IND NOK X X 3
ADV*_IND with invalid length X X X 4
Other X N/A N/A 4
Table 23-126. Descriptions of the Actions to Take on Packets Received by Initiator
Action Number bCrcErr bIgnore Description
1 0 1 Continue scanning
2 0 0 Send CONNECT_REQ and end operation
3 1 0 Continue scanning
4 — — Stop receiving packet, then continue scanning
If the packet received did not fit in the RX queue, the packet is received to the end, but the received bytes
are not stored. If the packet would normally not have been discarded from the RX buffer, the operation
ends.
If the action from the received packet is number 2, a CONNECT_REQ packet is transmitted. When
transmitting a CONNECT_REQ, the radio CPU constructs this packet. In the header, the PDU Type bits
are 0101b. The TXAdd bit is as shown in pParams ->initConfig.deviceAddrType. The RXAdd bit is as
shown in the TXAdd field of the header of the received ADV_IND or ADV_DIRECT_IND message. The
length is calculated from the length of the LLData, pParams->connectReqLen + 12. The RFU bits are 0.
The payload starts with the 6-byte device address, read from pParams ->pDeviceAddress, followed by the
6-byte peer address read from the AdvA field of the received message. The rest of the payload is read
from the pParams->pConnectData buffer. If pParams ->initConfig.bDynamicWinOffset is 1, the radio CPU
replaces the bytes in the WinSize and WinOffset position with a calculated value as explained below. After
a CONNECT_REQ message has been transmitted, the operation ends.
Two triggers to end the operation are set up by pParams->endTrigger/pParams->endTime and
pParams->timeoutTrigger/pParams->timeoutTime, respectively. If either of these triggers occurs, the radio
operation ends as soon as possible. If these triggers occur while waiting for sync on an ADV*_IND packet,
the operation ends immediately. If they occur at another time, the operation continues until the scan would
otherwise be resumed, and then ends. If the immediate command CMD_STOP is received by the radio
CPU, it has the same meaning as the end trigger occurring, except that the status code after ending is
CMD_DONE_STOPPED. The differences between the two triggers are the status and result at the end of
the operation. Typically, timeoutTrigger is used at the end of a scan window, while endTrigger is used
when scanning is to end entirely.
If pParams->initConfig.bDynamicWinOffset is 1, the radio CPU performs automatic calculation of the
WinSize and WinOffset parameters in the transmitted message. WinSize is byte 7 of the payload, and
WinOffset is byte 8 and 9. The radio CPU finds the possible start times of the first connection event from
the pParams->connectTime parameter and the connection interval, which are given in units of 1.25 ms by
the interval field (byte 10 and 11) from the payload to be transmitted. The possible times of the first

Bluetooth low energy
www.ti.com
1670 SWCU117F–February 2015–Revised June 2016
Submit Documentation Feedback
Copyright © 2015–2016, Texas Instruments Incorporated
Radio
connection event are any whole multiple of connection intervals from pParams->connectTime, which may
be in the past or the future from the start of the initiator command. The radio CPU inserts a WinOffset
parameter in the transmitted CONNECT_REQ, such that the first connection event is signaled to be at the
first connection event that comes sufficiently long enough after the end of the CONNECT_REQ packet to
be transmitted. The radio CPU is set up the transmit window (WinOffset and WinSize) so that there is
margin both between the start of the transmit window and the start of the first master packet, and between
the start of the first master packet and the end of the transmit window. The inserted WinSize is either 1 or
2; ensuring such a margin. The radio CPU writes the calculated values for WinSize and WinOffset into the
corresponding locations in the pParams->pConnectData buffer. The start time of the first connection event
used to transmit the first packet within the signaled transmit window is written back by the radio CPU in
pParams->connectTime. If no connection is made, the radio CPU adds a multiple of connection intervals
to pParams->connectTime, so that it is the first possible time of a connection event after the operation
ended.
The output structure pOutput contains fields which give information on the command being run. The radio
CPU does not initialize the fields, so this must be done by the system CPU when a reset of the counters is
desired. The fields are updated by the radio CPU as described below. The list also indicates when
interrupts are raised in the system CPU.
• If a CONNECT_REQ packet has been transmitted, nTXConnectReq is incremented and a TX_DONE
interrupt is raised.
• If an ADV*_IND packet is received with CRC OK and the bIgnore flag cleared, nRXAdvOk is
incremented, an RX_OK interrupt is raised, and timeStamp is set to a timestamp of the start of the
packet.
• If an ADV*_IND packet is received with CRC OK and the bIgnore flag set, nRXAdvIgnored is
incremented and an RX_IGNORED interrupt is raised.
• If an ADV*_IND packet is received with CRC error, nRXAdvNok is incremented and an RX_NOK
interrupt is raised.
• If an ADV*_IND packet is received and did not fit in the RX queue, nRXAdvBufFull is incremented and
an RX_BUF_FULL interrupt is raised.
• If a packet is received, lastRssi is set to the RSSI of that packet
• If the first RX data entry in the RX queue changed state to Finished after a packet was received, an
RX_ENTRY_DONE interrupt is raised.
An initiator operation ends with one of the statuses listed in Table 23-127. The status field of the
command structure after the operation is ended indicates the reason why the operation ended. In all
cases, a COMMAND_DONE interrupt is raised. In each case, it is indicated if the result is TRUE, FALSE,
or ABORT, which decides the next action.
Table 23-127. End of Initiator Operation
Condition Status Code Result
Performed Action Number2 (transmitted CONNECT_REQ) BLE_DONE_CONNECT FALSE
Observed trigger indicated by pParams->timeoutTrigger while waiting for
sync on ADV*_IND BLE_DONE_RXTIMEOUT TRUE
Observed trigger indicated by pParams->timeoutTrigger, then performed
Action Number1, 2, 3, 4, or 5. BLE_DONE_RXTIMEOUT TRUE
Observed trigger indicated by pParams->endTrigger while waiting for sync
on ADV*_IND BLE_DONE_ENDED FALSE
Observed trigger indicated by pParams->endTrigger, then performed Action
Number1, 2, 3, or 4 BLE_DONE_ENDED FALSE
Observed CMD_STOP while waiting for sync on ADV*_IND BLE_DONE_STOPPED FALSE
Observed CMD_STOP, then performed Action Number1, 2, 3, or 4 BLE_DONE_STOPPED FALSE
Received CMD_ABORT BLE_DONE_ABORT ABORT
No space in RX buffer to store received packet BLE_ERROR_RXBUF FALSE
Illegal value of channel BLE_ERROR_PAR ABORT
LLData length field has illegal value BLE_ERROR_PAR ABORT

www.ti.com
Bluetooth low energy
1671
SWCU117F–February 2015–Revised June 2016
Submit Documentation Feedback Copyright © 2015–2016, Texas Instruments Incorporated
Radio
23.6.4.7 Generic Receiver Command
The generic receiver command is used to receive physical layer test packets or to receive any packet,
such as in a packet sniffer application.
A generic receiver operation is started by a CMD_BLE_GENERIC_RX command. In the command
structure, it has a pParams parameter of the type defined in Table 23-94, and a pOutput parameter of the
type defined in Table 23-100. At the start of a generic receiver operation, the radio CPU waits for the start
trigger, then programs the frequency based on the channel parameter of the command structure. The
radio CPU sets up the access address defined in pParams->accessAddress and uses the CRC
initialization value defined in pParams->crcInit. The whitener is set up as defined in the whitening
parameter. The radio CPU then configures the receiver.
In a generic receiver operation, the only assumption made on the packet format is that the 6 LSBs of the
second received byte is a length field which indicates the length of the payload following that byte, and
that a standard Bluetooth low-energy-type CRC is appended to the packet.
When tuned to the correct channel, the radio CPU starts listening for a packet. If sync is obtained on the
demodulator, the message is received into the RX queue (if any). If the length is greater than the
maximum allowed length for Bluetooth low energy advertising packets (37, but can be overridden),
reception is stopped and restarted.
If pParams->pRxQ is NULL, the received packets are be stored. The counters are still updated and
interrupts generated.
If a packet is received with CRC error, the bCrcErr bit is set. The bIgnored flag is never set for the generic
RX command.
If the packet being received did not fit in the RX queue, the packet is received to the end, but the received
bytes are not stored. If the packet would normally not have been discarded from the RX buffer, the
operation ends.
A trigger to end the operation is set up by pParams->endTrigger and pParams->endTime. If the trigger
defined by this parameter occurs, the radio operation ends as soon as possible. If the trigger occurs while
waiting for sync, the operation ends immediately. If the trigger occurs at another time, the operation
continues until the current packet has been fully received, and then ends. If the immediate command
CMD_STOP is received by the radio CPU, it has the same meaning as the end trigger occurring, except
that the status code after ending is CMD_DONE_STOPPED. The output structure pOutput contains fields
which give information on the command being run. The radio CPU does not initialize the fields, so this
must be done by the system CPU when a reset of the counters is desired. The fields are updated by the
radio CPU as described below. The list also indicates when interrupts are raised in the system CPU.
• If a packet is received with CRC OK, nRXOk is incremented and an RX_OK interrupt is raised.
• If a packet is received with CRC error, nRXNok is incremented and an RX_NOK interrupt is raised.
• If a packet is received and did not fit in the RX queue, nRXBufFull is incremented and an
RX_BUF_FULL interrupt is raised.
• If a packet is received, lastRssi is set to the RSSI of that packet
• If a packet is received, timeStamp is set to a timestamp of the start of than packet
• If the first RX data entry in the RX queue changed state to Finished after a packet was received, an
RX_ENTRY_DONE interrupt is raised.
After a packet has been received, reception is restarted on the same channel if pParams->bRepeat = 1,
the end event has not been observed, and the packet fits in the receive queue. If pParams->bRepeat = 0,
the operation always ends after receiving a packet.
A generic RX operation ends with one of the statuses listed in Table 23-128. The status field of the
command structure after the operation is ended indicates the reason why the operation ended. In all
cases, a COMMAND_DONE interrupt is raised. In each case, it is indicated if the result is TRUE, FALSE,
or ABORT, which decides the next action. The pNextOp field of a generic RX command structure may
point to the same command structure. That way, RX may be performed until the end trigger, or until the
RX buffer goes full.

Bluetooth low energy
www.ti.com
1672 SWCU117F–February 2015–Revised June 2016
Submit Documentation Feedback
Copyright © 2015–2016, Texas Instruments Incorporated
Radio
Table 23-128. End of Generic RX Operation
Condition Status Code Result
Received a packet with CRC OK and pParams->bRepeat = 0 BLE_DONE_OK TRUE
Received a packet with CRC error and pParams->bRepeat = 0 BLE_DONE_RXERR TRUE
Observed trigger indicated by pParams->endTrigger while waiting for
sync BLE_DONE_ENDED FALSE
Observed trigger indicated by pParams->endTrigger, then finished
receiving packet BLE_DONE_ENDED FALSE
Observed CMD_STOP while waiting for sync BLE_DONE_STOPPED FALSE
Observed CMD_STOP, then finished receiving packet BLE_DONE_STOPPED FALSE
Received CMD_ABORT BLE_DONE_ABORT ABORT
No space in RX buffer to store received packet BLE_ERROR_RXBUF FALSE
Illegal value of channel BLE_ERROR_PAR ABORT
23.6.4.8 PHY Test Transmit Command
The test packet transmitter command may be used to transmit physical layer test packets.
A test packet transmitter operation is started by a CMD_BLE_TX_TEST command. In the command
structure, it has a pParams parameter of the type defined in Table 23-95, and a pOutput parameter of the
type defined in Table 23-101. At the start of a test TX operation, the radio CPU waits for the start trigger,
then programs the frequency based on the channel parameter of the command structure. The radio CPU
sets up the test mode packet access address and uses the CRC initialization value 0x55 5555. The
whitener is set up as defined in the whitening parameter. To produce PHY test packets conforming to the
Bluetooth low energy Test Specification, the whitener must be disabled.
The radio CPU transmits pParams->numPackets packets, then ends the operation. If pParams-
>numPackets is 0, transmission continues until the operation ends for another reason (timeout, stop, or
abort command). The time (number of radio timer ticks) between the start of each packet is given by
pParams->period. If this time is smaller than the duration of a packet, each packet is transmitted as soon
as possible. Each packet is assembled as follows by the radio CPU. The first byte is a header byte,
containing the value of pParams ->packetType, provided this one of the values listed in Table 23-129. The
next byte is the length byte, which is the value of pParams->payloadLength, and followed by a number of
payload bytes which are as listed in Table 23-129. The number of payload bytes is equal to pParams-
>payloadLength. If pParams->packetType is 0, the bytes are from the PRBS9 sequence. Otherwise, all
the bytes are the same, as listed in Table 23-129. A 3-byte CRC, according to the Bluetooth low energy
specification, is appended.
Table 23-129. Supported PHY Test Packet Types
Value of Packet Type Transmitted Bytes
0 PRBS9 sequence
1 Repeated 0x0F
2 Repeated 0x55
3 PRBS15 sequence
4 Repeated 0xFF
5 Repeated 0x00
6 Repeated 0xF0
7 Repeated 0xAA

www.ti.com
Bluetooth low energy
1673
SWCU117F–February 2015–Revised June 2016
Submit Documentation Feedback Copyright © 2015–2016, Texas Instruments Incorporated
Radio
The PRBS15 payload type defined in the Bluetooth low energy standard, which corresponds to payload
type 3, is implemented using the polynomial x15 + x14 + 1. The initialization is taken from the radio timer for
the first packet transmitted, and not re-initialized for subsequent packets.
If pParams->config.overrideDefault is 1, the packet is nonstandard. The header contains the value given in
pParams->packetType, and each byte transmitted is as given in pParams->byteVal. If
pParams->config.bUsePrbs9 is 1, the sequence is generated by XOR-ing each byte of the PRBS9
sequence used for packet type 0 with pParams ->byteVal. If pParams->config.bUsePrbs15 is 1, the
sequence is generated by XOR-ing each byte of the PRBS15 sequence used for packet type 3 with
pParams->byteVal.
If either of the PRBS sequences is used, whitening is disabled regardless of the setting in the whitening
parameter.
A trigger to end the operation is set up by pParams->endTrigger and pParams->endTime. If the trigger
defined by this parameter occurs, the radio operation ends as soon as possible. If the trigger occurs while
waiting between packets, the operation ends immediately. If the trigger occurs at another time, the
operation continues until the current packet has been fully transmitted, and then ends. If the immediate
command CMD_STOP is received by the radio CPU, it has the same meaning as the end trigger
occurring, except that the status code after ending is CMD_DONE_STOPPED.
The output structure pOutput contains only the field nTX, and is incremented each time a packet has been
transmitted. The radio CPU does not initialize the field, so this must be done by the system CPU when a
reset of the counters is desired. A TX_DONE interrupt is raised each time a packet has been transmitted.
A PHY test TX operation ends with one of the statuses listed in Table 23-130. The status field of the
command structure after the operation is ended indicates the reason why the operation ended. In all
cases, a COMMAND_DONE interrupt is raised. In each case, it is indicated if the result is TRUE, FALSE,
or ABORT, which decides the next action.
Table 23-130. End of PHY Test TX Operation
Condition Status Code Result
Transmitted pParams->numPackets packets BLE_DONE_OK TRUE
Observed trigger indicated by pParams->endTrigger while waiting between
packets BLE_DONE_ENDED FALSE
Observed trigger indicated by pParams->endTrigger, then finished
transmitting packet BLE_DONE_ENDED FALSE
Observed CMD_STOP while waiting between packets BLE_DONE_STOPPED FALSE
Observed CMD_STOP, then finished transmitting packet BLE_DONE_STOPPED FALSE
Received CMD_ABORT BLE_DONE_ABORT ABORT
Illegal value of channel BLE_ERROR_PAR ABORT
Illegal value of pParams >packetType BLE_ERROR_PAR ABORT

Bluetooth low energy
www.ti.com
1674 SWCU117F–February 2015–Revised June 2016
Submit Documentation Feedback
Copyright © 2015–2016, Texas Instruments Incorporated
Radio
23.6.4.9 White List Processing
A white list is used in advertiser, scanner, and initiator operation. The white list consists of a configurable
number of entries. The white list is an array of entries of the type defined in Table 23-70. The first entry of
the array contains the array size in the size field.
The minimum number of entries in a white list array is 1, but if no white list is to be used,
pParams->pWhiteList may be NULL. The maximum number is at least 8.
Each entry contains one address and three configuration bits. The bEnable bit is 1 if the entry is enabled,
otherwise the address is ignored when doing white-list filtering. The addrType bit indicates if the entry is a
public or random address. The bIgnore bit can be used by a scanner to avoid reporting and scanning the
same device multiple times.
When an address is checked against the white list, the address is compared against the address field of
each entry in the white list. The address is said to be present in the white list if and only if there is an entry
where:
• bEnable is 1
• addrType is equal to the address type of the address to check
• All bytes of the address array are equal to the bytes of the address to check
• For scanner only: bWlIgn is 0
For scanners, the bWlIgn bit may be set in the white list to indicate that a device is ignored even if the
white list entry would otherwise be a match. This feature can be used to check for advertisers that have
already been scanned, or where the advertising data has already been reported. Even if no white list
filtering is performed, this feature may be used. The white list is scanned for devices that match the
address and address type, and where bWlIgn is 1. Such devices are ignored. The bEnable bit is not
checked in this case. It is possible to configure the radio CPU to automatically set the bWlIgn bit, see
Section 23.6.4.5.
23.6.5 Immediate Commands
In addition to the immediate commands from Section 23.3.5,Immediate Commands for Data Queue
Manipulation, the following immediate command is supported.
23.6.5.1 Update Advertising Payload Command
The CMD_BLE_ADV_PAYLOAD command can change the payload buffer for an advertising command.
The command may be issued regardless of whether an advertising command is running or not.
The command structure has the format given in Table 23-88. When received, the radio CPU checks if an
advertiser radio operation command is running, using the parameter structure given in pParams of the
immediate command structure. If not, the radio CPU updates the parameter structure immediately. If a
radio operation command is running using the parameter structure to be updated, the radio CPU only
modifies the parameter structure if the payload to be changed is not currently being transmitted. If it is
being transmitted, the radio CPU stores the request and updates as soon as transmission of the packet
has finished.
When updating the parameter structure, the payload to change depends on the payloadType parameter of
the command structure. If payloadType is 0, the radio CPU sets pParams->advLen equal to newLen and
pParams->pAdvData equal to newData. If payloadType is 1, the radio CPU sets pParams->scanRspLen
equal to newLen and pParams->pScanRspData equal to newData. After the update has taken place, the
radio CPU raises a TX_BUFFER_CHANGED interrupt, see Section 23.8.2.5. This interrupt is raised
regardless of whether the update was delayed or not.
If any of the parameters are illegal, the radio CPU responds with ParError in CMDSTAT and does not
perform any update. Otherwise, the radio CPU responds with Done in CMDSTAT, which may be done
before the update has taken place.

Preamble Sync word Header Address Payload CRC
0±30 bytes
or repetitions 0±32 bytes 0±32 bits 0±8 bytes Arbitrary 0 or 16 bits
(0±32 bits)
Preamble Sync word Length field Address Payload CRC
0±30 bytes 0±32 bytes 0 or 1 byte 0 or 1 byte 0t255 bytes 0 or 16 bits
(0±32 bits)
www.ti.com
Proprietary Radio
1675
SWCU117F–February 2015–Revised June 2016
Submit Documentation Feedback Copyright © 2015–2016, Texas Instruments Incorporated
Radio
23.7 Proprietary Radio
This section describes proprietary radio command structure, data handling, radio operations commands,
and immediate commands. The commands define a flexible packet handling compatible with the CC110x,
CC111x, CC112x, CC120x, CC2500, and CC251x devices, as well as supporting other legacy modes.
23.7.1 Packet Formats
For compatibility with existing TI parts, the packet format given in Figure 23-9 can be used in most cases.
This packet format is supported through the use of the commands CMD_PROP_TX and CMD_PROP_RX.
Figure 23-9. Standard Packet Format
A more flexible packet format is also possible, as defined in Figure 23-10. This format is supported by the
commands CMD_PROP_RX_ADV and CMD_PROP_TX_ADV. The format in Figure 23-9 is an example of
this.
Figure 23-10. Advanced Packet Format
23.7.2 Commands
The proprietary radio operation commands are defined in Table 23-131.
Table 23-131. Proprietary Radio Operation Commands
ID Command Name Supported Devices Description
0x3801 CMD_PROP_TX CC26xx, CC13xx Transmit packet
0x3802 CMD_PROP_RX CC26xx, CC13xx Receive packet or packets
0x3803 CMD_PROP_TX_ADV CC26xx, CC13xx Transmit packet with advanced modes
0x3804 CMD_PROP_RX_ADV CC26xx, CC13xx Receive packet or packets with advanced modes
0x3805 CMD_PROP_CS CC13xx Run carrier sense command
0x3806 CMD_PROP_RADIO_SETUP CC26xx/CC1350 Set up radio in proprietary mode (only used on CC1350
when operating at 2.4 GHz)
0x3807 CMD_PROP_RADIO_DIV_SETUP CC13xx Set up radio in proprietary mode
0x3808 CMD_PROP_RX_SNIFF CC13xx Receive packet or packets with sniff mode support
0x3809 CMD_PROP_RX_ADV_SNIFF CC13xx Receive packet or packets with advanced modes and
sniff mode support
The proprietary immediate commands are defined in Table 23-132.
Table 23-132. Proprietary Immediate Commands
ID Command Name Description
0x3401 CMD_PROP_SET_LEN Set length of packet being received
0x3402 CMD_PROP_RESTART_RX Stop receiving a packet and go back to sync search

Proprietary Radio
www.ti.com
1676 SWCU117F–February 2015–Revised June 2016
Submit Documentation Feedback
Copyright © 2015–2016, Texas Instruments Incorporated
Radio
23.7.2.1 Command Data Definitions
This section defines data types used in describing the data structures used for communication between
the system CPU and the radio CPU. The data structures are listed with tables. The Byte Index is the offset
from the pointer to that structure. Multibyte fields are little-endian, and halfword or word alignment is
required. For bit numbering, 0 is the LSB. The R/W column is used as follows:
R: The system CPU can read a result back; the radio CPU does not read the field.
W: The system CPU writes a value, the radio CPU reads it and does not modify the value.
R/W: The system CPU writes an initial value, the radio CPU may modify the initial value.
23.7.2.1.1 Command Structures
For all the radio operation commands, the first 14 bytes are as defined in Table 23-8.
Table 23-133. CMD_PROP_TX Command Structure
Byte
Index Field Name Bits Bit Field name Type Description
14 pktConf
0 bFsOff W 0: Keep frequency synthesizer on after command.
1: Turn frequency synthesizer off after command.
1–2 Reserved
3 bUseCrc W 0: Do not append CRC.
1: Append CRC.
4 bVarLen W 0: Fixed length
1: Transmit length as first byte
5–7 Reserved
15 pktLen W Packet length
16–19 syncWord W Sync word to transmit
20–23 pPkt W Pointer to packet
Table 23-134. CMD_PROP_TX_ADV Command Structure
Byte
Index Field Name Bits Bit Field name Type Description
14 pktConf
0 bFsOff W 0: Keep frequency synthesizer on after command.
1: Turn frequency synthesizer off after command.
1–2 Reserved
3 bUseCrc W 0: Do not append CRC.
1: Append CRC.
4 bCrcIncSw W 0: Do not include sync word in CRC calculation.
1: Include sync word in CRC calculation.
5 bCrcIncHdr W 0: Do not include header in CRC calculation.
1: Include header in CRC calculation.
6–7 Reserved
15 numHdrBits W Number of bits in header (0–32)
16–17 pktLen W Packet length. 0: Unlimited
18 startConf
0 bExtTxTrig W
0: Start packet on a fixed time from the command
start trigger.
1: Start packet on an external trigger (Please
contact TI to enable this feature).
1–2 inputMode W
Input mode if external trigger is used for TX start.
00: Rising edge
01: Falling edge
10: Both edges
11: Reserved
3–7 source W RAT input event number used for capture if
external trigger is used for TX start.

www.ti.com
Proprietary Radio
1677
SWCU117F–February 2015–Revised June 2016
Submit Documentation Feedback Copyright © 2015–2016, Texas Instruments Incorporated
Radio
Table 23-134. CMD_PROP_TX_ADV Command Structure (continued)
Byte
Index Field Name Bits Bit Field name Type Description
19 preTrigger W
Trigger for transition from preamble to sync word.
If this is set to “now”, one preamble as configured
in the setup is sent. Otherwise, the preamble is
repeated until this trigger is observed.
20–23 preTime W Time parameter for preTrigger
24–27 syncWord W Sync word to transmit
28–31 pPkt W Pointer to packet, or TX queue for unlimited length
Table 23-135. CMD_PROP_RX and CMD_PROP_RX_SNIFF Command Structure
Byte Index Field Name Bits Bit Field Name Type Description
14 pktConf
0 bFsOff W 0: Keep frequency synthesizer on after
command.
1: Turn frequency synthesizer off after command.
1 bRepeatOk W
0: End operation after receiving a packet
correctly.
1: Go back to sync search after receiving a
packet correctly.
2 bRepeatNok W
0: End operation after receiving a packet with
CRC error.
1: Go back to sync search after receiving a
packet with CRC error.
3 bUseCrc W 0: Do not check CRC.
1: Check CRC.
4 bVarLen W 0: Fixed length
1: Receive length as first byte.
5 bChkAddress W 0: No address check.
1: Check address.
6 endType W
0: Packet is received to the end if end trigger
happens after sync is obtained.
1: Packet reception is stopped if end trigger
happens.
7 filterOp W
0: Stop receiver and restart sync search on
address mismatch.
1: Receive packet and mark it as ignored on
address mismatch.
15 rxConf W RX configuration, refer to Table 23-142 for details
16–19 syncWord W Sync word to listen for
20 maxPktLen W Packet length for fixed length, maximum packet
length for variable length
0: Unlimited or unknown length
21 address0 W Address
22 address1 W Address (set equal to address0 to accept only
one address. If 0xFF, accept 0x00 as well)
23 endTrigger W Trigger classifier for ending the operation
24–27 endTime W Time to end the operation
28–31 pQueue W Pointer to receive queue
32–35 pOutput W Pointer to output structure
36–47 CMD_PROP_RX_SNIFF only: carrier sense options as given in Table 23-141 (CC13xx only)

Proprietary Radio
www.ti.com
1678 SWCU117F–February 2015–Revised June 2016
Submit Documentation Feedback
Copyright © 2015–2016, Texas Instruments Incorporated
Radio
Table 23-136. CMD_PROP_RX_ADV and CMD_PROP_RX_ADV_SNIFF Command Structure
Byte Index Field Name Bits Bit Field Name Type Description
14 pktConf
0 bFsOff W 0: Keep frequency synthesizer on after
command.
1: Turn frequency synthesizer off after command.
1 bRepeatOk W
0: End operation after receiving a packet
correctly.
1: Go back to sync search after receiving a
packet correctly.
2 bRepeatNok W
0: End operation after receiving a packet with
CRC error.
1: Go back to sync search after receiving a
packet with CRC error.
3 bUseCrc W 0: Do not check CRC.
1: Check CRC.
4 bCrcIncSw W 0: Do not include sync word in CRC calculation.
1: Include sync word in CRC calculation.
5 bCrcIncHdr W 0: Do not include header in CRC calculation.
1: Include header in CRC calculation.
6 endType W
0: Packet is received to the end if end trigger
happens after sync is obtained.
1: Packet reception is stopped if end trigger
happens.
7 filterOp W
0: Stop receiver and restart sync search on
address mismatch.
1: Receive packet and mark it as ignored on
address mismatch.
15 rxConf W RX configuration, refer to Table 23-142 for
details.
16–19 syncWord0 W Sync word to listen for
20–23 syncWord1 W Alternative sync word if nonzero
24–25 maxPktLen W Maximum length of received packets
0: Unlimited or unknown length
26–27 hdrConf
0–5 numHdrBits W Number of bits in header (0–32)
6–10 lenPos W Position of length field in header (0–31)
11–15 numLenBits W Number of bits in length field (0–16)
28–29 addrConf
0 addrType W 0: Address after header
1: Address in header
1–5 addrSize W If addrType = 0: Address size in bytes. If
addrType = 1: Address size in bits.
6–10 addrPos W If addrType = 1: Bit position of address in header
If addrType = 0: nonzero to extend address with
sync word identifier
11–15 numAddr W Number of addresses in address list
30 lenOffset W Signed value to add to length field
31 endTrigger W Trigger classifier for ending the operation
32–35 endTime W Time to end the operation
36–39 pAddr W Pointer to address list
40–43 pQueue W Pointer to receive queue
44–47 pOutput W Pointer to output structure
48–59 CMD_PROP_RX_ADV_SNIFF only: carrier sense options as given in Table 23-141 (CC13xx only)

www.ti.com
Proprietary Radio
1679
SWCU117F–February 2015–Revised June 2016
Submit Documentation Feedback
Copyright © 2015–2016, Texas Instruments Incorporated
Radio
Table 23-137. CMD_PROP_CS Command Structure (CC13xx Only)
Byte Index Field Name Bits Bit Field Name Type Description
14 csFsConf
0 bFsOffIdle W
0: Keep synthesizer running if command ends with
channel Idle.
1: Turn off synthesizer if command ends with channel
Idle.
1 bFsOffBusy W
0: Keep synthesizer running if command ends with
channel Busy.
1: Turn off synthesizer if command ends with channel
Busy.
15 Reserved
16–27 Carrier sense options as given in Table 23-141.
Table 23-138. CMD_PROP_RADIO_SETUP and CMD_PROP_RADIO_DIV_SETUP Command
Structure
Byte
Index Field Name Bits Bit Field Name Type Description
14–15 modulation 0–2 modType W 0: FSK
1: GFSK
Others: Reserved
3–15 deviation W Deviation (250-Hz steps) for FSK modulations
16–19 symbolRate
0:3 preScale W Prescaler value (see Section 23.7.5.2)
4–7 Reserved, set to 0
8–28 rateWord W Rate word (see Section 23.7.5.2)
29 Reserved, set to 0
30–31 Reserved, set to 0
20 rxBw W
Receiver bandwidth, refer to Table 23-146
1–18: Legacy mode (bandwidth 88–4240 kHz)
(CC26xx and CC13xx)
32–52: Normal mode (bandwidth 45–4240 kHz)
(CC13xx)
21 preamConf
0–5 nPreamBytes W Number of preamble bytes
31: Send 4 bits
6–7 preamMode W
00: Send 0 as the first preamble bit
01: Send 1 as the first preamble bit
10: Send same first bit in preamble and sync word
11: Send different first bit in preamble and sync word
22–23 formatConf
0–5 nSwBits W Number of sync word bits (up to 32)
6 bBitReversal W 0: Use positive deviation for 1
1: Use positive deviation for 0
7 bMsbFirst W 0: Least significant bit transmitted first
1: Most significant bit transmitted first
8–11 fecMode W
Select Coding
0000: Uncoded binary modulation
1010: Manchester coded binary modulation (only
CC13xxFSK/GFSK)
Others: Reserved
12 Reserved
13–15 whitenMode W
000: No whitening
001: CC1101 and CC2500 compatible whitening
010: PN9 whitening without byte reversal
011: Reserved
100: No whitener, 32-bit IEEE 802.15.4g compatible
CRC (only CC13xx)
101: IEEE 802.15.4g compatible whitener and 32-bit
CRC (only CC13xx)
110: No whitener, dynamically IEEE 802.15.4g
compatible 16-bit or 32-bit CRC (only CC13xx)
111: Dynamically IEEE 802.15.4g compatible
whitener and 16-bit or 32-bit CRC (only CC13xx)

Proprietary Radio
www.ti.com
1680 SWCU117F–February 2015–Revised June 2016
Submit Documentation Feedback
Copyright © 2015–2016, Texas Instruments Incorporated
Radio
Table 23-138. CMD_PROP_RADIO_SETUP and CMD_PROP_RADIO_DIV_SETUP Command
Structure (continued)
Byte
Index Field Name Bits Bit Field Name Type Description
24–25 config
0–2 frontEndMode W
0x00: Differential mode
0x01: Single-ended mode RFP
0x02: Single-ended mode RFN
Others: Reserved
3 biasMode W 0: Internal bias
1: External bias
4-9 Reserved.
10 bNoFsPowerUp W 0: Power up frequency synthesizer
1: Do not power up frequency synthesizer
11–15 Reserved
26–27 txPower W Output power setting, use value from SmartRF
Studio.
28–31 pRegOverride W Pointer to a list of hardware and configuration
registers to override. If NULL, no override is used.
32–33 centerFreq W CMD_PROP_RADIO_DIV_SETUP only: Center
frequency of the band. To be used in the initial
parameter computations. (CC13xx only)
34–35 intFreq W
CMD_PROP_RADIO_DIV_SETUP only: Intermediate
frequency to use for TX, in MHz, 4.12 signed format.
If the TX and RX devices share a common LO
frequency then this value should match those in the
receiver (RX side) as given in table . (CC13xx only)
36 loDivider W
CMD_PROP_RADIO_DIV_SETUP only: Divider
setting to use. Please refer to Smart RF Studio for
the recommended settings per device and band.
(CC13xx only)
Table 23-139. CMD_PROP_SET_LEN Command Structure
Byte Index Field Name Bits Bit Field
Name Type Description
0–1 RXLen W Payload length to use
23.7.2.2 Output Structures
Table 23-140. Receive Commands
Byte Index Field Name Type Description
0–1 nRXOk R/W Number of packets that have been received with payload, CRC OK and
not ignored
2–3 nRXNok R/W Number of packets that have been received with CRC error
4 nRXIgnored R/W Number of packets that have been received with CRC OK and ignored
due to address mismatch
5 nRXStopped R/W Number of packets not received due to illegal length or address mismatch
with pktConf.filterOp = 1
6 nRXBufFull R/W Number of packets that have been received and discarded due to lack of
buffer space
7 lastRssi R RSSI of last received packet. RSSI is captured when sync word is found.
8–11 timeStamp R Timestamp of last received packet

www.ti.com
Proprietary Radio
1681
SWCU117F–February 2015–Revised June 2016
Submit Documentation Feedback
Copyright © 2015–2016, Texas Instruments Incorporated
Radio
23.7.2.3 Other Structures and Bit Fields
Table 23-141. Carrier Sense Fields for CMD_PROP_RX_SNIFF, CMD_PROP_RX_ADV_SNIFF, and
CMD_PROP_CS (Only Applicable for CC13xx)
Byte
Index Field Name Bits Bit Field Name Type Description
0 csConf
0 bEnaRssi W If 1, enable RSSI as a criterion
1 bEnaCorr W If 1, enable correlation as a criterion
2 operation W
0: Busy if either RSSI or correlation indicates
Busy
1: Busy if both RSSI and correlation indicates
Busy
3 busyOp W
0: Continue carrier sense on channel Busy
1: End carrier sense on channel Busy
For an RX command, the receiver continues
when carrier sense ends, then it does not end
if the channel goes Idle
4 idleOp W 0: Continue on channel Idle
1: End on channel Idle
5 timeoutRes W
0: Timeout with channel state Invalid treated as
Busy
1: Timeout with channel state Invalid treated as
Idle
1 rssiThr W RSSI threshold
2 numRssiIdle W Number of consecutive RSSI measurements
below the threshold needed before the channel
is declared Idle
3 numRssiBusy W Number of consecutive RSSI measurements
above the threshold needed before the channel
is declared Busy
4–5 corrPeriod W Number of RAT ticks for a correlation
observation periods
6 corrConfig
0–3 numCorrInv W Number of subsequent correlation tops with
maximum corrPeriod RAT ticks between them
needed to go from Idle to Invalid
4–7 numCorrBusy W Number of subsequent correlation tops with
maximum corrPeriod RAT ticks between them
needed to go from Invalid to Busy
7 csEndTrigger W Trigger classifier for ending the carrier sense
8–11 csEndTime W Time to end carrier sense

Proprietary Radio
www.ti.com
1682 SWCU117F–February 2015–Revised June 2016
Submit Documentation Feedback
Copyright © 2015–2016, Texas Instruments Incorporated
Radio
(1) This bit field is used for the RXConf byte of the parameter structures.
Table 23-142. Receive Queue Entry Configuration Bit Field (1)
Bits Bit Field Name Description
0 bAutoFlushIgnored If 1, automatically discard ignored packets from RX queue
1 bAutoFlushCrcErr If 1, automatically discard packets with CRC error from RX queue
2 Reserved
3 bIncludeHdr If 1, include the received header or length byte in the stored packet; otherwise
discard it
4 bIncludeCrc If 1, include the received CRC field in the stored packet; otherwise discard it
5 bAppendRssi If 1, append an RSSI byte to the packet in the RX queue
6 bAppendTimestamp If 1, append a timestamp to the packet in the RX queue
7 bAppendStatus If 1, append a status byte to the packet in the RX queue
(1) A byte of this bit field is appended to the received entries if configured.
Table 23-143. Receive Status Byte Bit Field (1)
Bits Bit Field Name Description
0–4 addressInd Index of address found (0 if not applicable)
5 syncWordId 0 for primary sync word, 1 for alternate sync word
6–7 result
00: Packet received correctly, not ignored
01: Packet received with CRC error
10: Packet received correctly, but can be ignored
11: Packet reception was aborted
23.7.3 Interrupts
The radio CPU signals events back to the system CPU using firmware defined interrupts. The interrupts to
be used by the proprietary commands are listed in Table 23-144. Each interrupt may be enabled
individually in the system CPU. Details for when the interrupts are generated are given in Section 23.7.4
and Section 23.7.5.
Table 23-144. Interrupt Definitions
Interrupt Number Interrupt Name Description
0 COMMAND_DONE A radio operation command has finished
1 LAST_COMMAND_DONE The last radio operation command in a chain of commands has
finished
6 TX_ENTRY_DONE For transmission of packets with unlimited length: Reading from
a TX entry is finished (only valid for CC26xx)
10 TX_ENTRY_DONE For transmission of packets with unlimited length: Reading from
a TX entry is finished (only valid for CC13xx)
16 RX_OK Packet received with CRC OK, payload, and not to be ignored
17 RX_NOK Packet received with CRC error
18 RX_IGNORED Packet received with CRC OK, but to be ignored
22 RX_BUF_FULL Packet received which did not fit in RX buffer
23 RX_ENTRY_DONE RX queue data entry changing state to Finished
24 RX_DATA_WRITTEN Data written to partial read RX buffer
25 RX_N_DATA_WRITTEN Specified number of bytes written to partial read RX buffer
26 RX_ABORTED Packet reception stopped before packet was done
28 SYNTH_NO_LOCK The synthesizer has reported loss of lock (only valid for
CC13xx)
29 MODULES_UNLOCKED As part of the boot process, the CM0 has opened access to RF
core modules and memories
30 BOOT_DONE The RF core CPU boot is finished
31 INTERNAL_ERROR The radio CPU has observed an unexpected error

Element
length Header/length
byte Payload Received
CRC RSSI Time stamp Status
0±2 bytes 0±4 bytes n bytes 0±4 bytes 0 or 1 byte 0 or 4 bytes 0 or 1 byte
www.ti.com
Proprietary Radio
1683
SWCU117F–February 2015–Revised June 2016
Submit Documentation Feedback Copyright © 2015–2016, Texas Instruments Incorporated
Radio
23.7.4 Data Handling
For the proprietary mode TX commands, data received over the air is stored in a receive queue. Partial-
read RX buffers are supported, and mandatory for unlimited length. Data transmitted is fetched from a
specific buffer.
23.7.4.1 Receive Buffers
A packet being received is stored in a receive buffer. First, a length byte or word is stored if configured in
the RX entry by config.lenSz, and calculated from the length received over the air and the configuration of
appended information, or for a partial-read RX buffer initialized to maximal possible size of that segment,
and set to the length of the segment in one buffer when finished.
Following the optional length field, the received header is stored as received over the air if
RXConf.bIncludeHdr is 1. This header is the length byte for CMD_PROP_RX and a field with up to 32 bits
for CMD_PROP_RX_ADV. In the latter case, the last byte of the header is padded with zeros in the MSBs
if the number of bits does not divide by 8, and followed by the received address (if configured) and
payload.
If RXConf.bIncludeCrc is 1, the received CRC value is stored in the RX buffer; otherwise, it is not stored,
but only used to check the CRC result. If RXConf.bAppendRssi is 1, a byte indicating the received RSSI
value is appended. If RXConf.bAppendStatus is 1, a status byte of the type defined in Table 23-105 is
appended. If RXConf.bAppendTimeStamp is 1, a timestamp indicating the start of the packet is appended.
This timestamp corresponds to the ratmr_t data type. Though the timestamp is multibyte, no word-address
alignment is made, so the timestamp must be written and read byte-wise.
If the reception of a packet is aborted, the packet is immediately removed from the receive queue, except
if a partial-read RX entry is used. In that case, the RSSI, Timestamp, and Status fields are appended if
configured (except if no more buffer space is available), and the Status byte indicates that the reception
was aborted.
The format of an entry element in the RX queue is shown in Figure 23-11.
Figure 23-11. Receive Buffer Entry Element
An RX_ENTRY_DONE interrupt is raised when an RX entry changes its state to Finished. Depending on
the type of RX entry used, this means:
• For a general or pointer entry, an RX_ENTRY_DONE interrupt is raised after a packet is fully received,
unless the packet is automatically flushed.
• For a multielement entry, an RX_ENTRY_DONE interrupt is raised when a new buffer is allocated and
a new entry was taken into use, or when a buffer is finished and fills the entire entry.
• For a partial-read entry, an RX_ENTRY_DONE interrupt is raised when an RX entry is full, so writing
must continue in the next entry.
For partial-read entries, an RX_Data_Written interrupt is raised whenever data is written to the receive
buffer. An RX_N_Data_Written is raised whenever a multiple of config.irqIntv (as given in the data entry)
bytes have been written since the start of the packet.
23.7.4.2 Transmit Buffers
The transmit operations contain a buffer with the data to be transmitted. The number of bytes in this buffer
is given by pktLen. For the CMD_PROP_TX command, the length given in pktLen is transmitted as the
first byte if pktConf.bVarLen is 1, and then followed by the contents of the transmit buffer.

Proprietary Radio
www.ti.com
1684 SWCU117F–February 2015–Revised June 2016
Submit Documentation Feedback
Copyright © 2015–2016, Texas Instruments Incorporated
Radio
For CMD_PROP_TX_ADV, the first bytes of the buffer contain the header if the header length is greater
than 0. The number of bytes is the number of bits in the header divided by 8, rounded up. The MSBs of
the last header byte are not sent if the number of bits does not divide by 8. If a length field is to be
transmitted using CMD_PROP_TX_ADV, it must be given explicitly from the system side as part of the
header.
If unlimited length is configured, a TX queue is used instead of one buffer. In this case, transmission of
payload continues until the queue has been emptied. Every time transmission from one entry is finished,
meaning reading continues from the next entry or the entire payload has been entered into the modem, a
TX_ENTRY_DONE interrupt is raised.
23.7.5 Radio Operation Command Descriptions
Before running any of the proprietary RX or TX radio operation commands, the radio must be set up in
proprietary mode using the command CMD_PROP_RADIO_SETUP or
CMD_PROP_RADIO_DIV_SETUP, or in another compatible mode with CMD_RADIO_SETUP. Otherwise,
the operation ends with an error. The RX and TX commands also need the synthesizer to be programmed
using the CMD_FS command, which can typically be done by a command chain where an RX or TX
command follows immediately after the CMD_FS.
23.7.5.1 End of Operation
The status field of the command issued is updated during the operation. When submitting the command,
the system CPU must write this field with a state of IDLE. During the operation, the radio CPU updates the
field to indicate the operation mode. When the operation is done, the radio CPU writes a status indicating
that the operation is finished. The status codes used by a proprietary radio operation are listed in
Table 23-145.
Table 23-145. Proprietary Radio Operation Status Codes
Number Name Description
Operation not finished
0x0000 IDLE Operation not started
0x0001 PENDING Waiting for start trigger
0x0002 ACTIVE Running operation
Operation finished normally
0x3400 PROP_DONE_OK Operation ended normally
0x3401 PROP_DONE_RXTIMEOUT Operation stopped after end trigger while waiting for sync
0x3402 PROP_DONE_BREAK TX stopped due to timeout in the middle of a packet
0x3403 PROP_DONE_ENDED Operation stopped after end trigger during reception
0x3404 PROP_DONE_STOPPED Operation stopped after stop command
0x3405 PROP_DONE_ABORT Operation aborted by abort command
0x3406 PROP_DONE_RXERR Operation ended after receiving packet with CRC error
0x3407 PROP_DONE_IDLE Carrier sense operation ended because of idle channel (only valid for
CC13xx)
0x3408 PROP_DONE_BUSY Carrier sense operation ended because of busy channel (only valid for
CC13xx)
0x3409 PROP_DONE_IDLETIMEOUT Carrier sense operation ended because of timeout with
csConf.timeoutRes = 1 (only valid for CC13xx)
0x340A PROP_DONE_BUSYTIMEOUT Carrier sense operation ended because of timeout with
csConf.timeoutRes = 0 (only valid for CC13xx)
Operation finished with error
0x3800 PROP_ERROR_PAR Illegal parameter
0x3801 PROP_ERROR_RXBUF No available TX buffer at the start of a packet
0x3802 PROP_ERROR_RXFULL Out of TX buffer during reception in a partial read buffer
0x3803 PROP_ERROR_NO_SETUP Radio was not set up in proprietary mode
0x3804 PROP_ERROR_NO_FS Synthesizer was not programmed when running RX or TX

www.ti.com
Proprietary Radio
1685
SWCU117F–February 2015–Revised June 2016
Submit Documentation Feedback
Copyright © 2015–2016, Texas Instruments Incorporated
Radio
Table 23-145. Proprietary Radio Operation Status Codes (continued)
Number Name Description
0x3805 PROP_ERROR_RXOVF TX overflow observed during operation
0x3806 PROP_ERROR_TXUNF TX underflow observed during operation
The conditions for giving each status are listed for each operation. Some of the error causes listed in
Table 23-145 are not repeated in these lists. If CMD_STOP or CMD_ABORT is received while waiting for
the start trigger, the end cause is DONE_STOPPED or DONE_ABORT, with an end result of FALSE and
ABORT, respectively. In some cases, general error causes may occur. For all these error cases, the result
of the operation is ABORT.
23.7.5.2 Proprietary Mode Setup Command
The CMD_PROP_RADIO_SETUP and CMD_PROP_RADIO_DIV_SETUP commands are used instead of
CMD_RADIO_SETUP for proprietary mode radio.
On start, the radio CPU sets up parameters for the proprietary mode with parameters given in
Table 23-138. The modulation.modType parameter selects between GFSK and unshaped FSK. For FSK
and GFSK, modulation.deviation gives the deviation in 250-Hz steps. The radio CPU uses this parameter
to calculate a proper shape for use in TX, or uses a pre-calculated shape for some typical deviations.
The symbol rate is programmed with symbolRate. The parameters are passed directly to the modem and
may be calculated using an external tool. The symbol rate is given by Equation 14.
fbaud = (R× fclk) / (p× 220)
where
•fbaud is the obtained baud rate
•fclk is the system clock frequency of 24 MHz
•Ris the rate word given by symbolRate.rateWord
•pis the prescaler value, given by symbolRate.preScale, which can be from 4 to 15 (14)
The rxBw parameter gives the receiver bandwidth. Values 32–52 give the supported bandwidths with the
recommended settings. Values 1–18 give the same bandwidths as settings 35–52, for the CC26xx and
CC13xx devices. The values supported and corresponding settings are summarized in Table 23-146.
These signals are also in calculation of other register settings.
Table 23-146. Receiver Bandwidth Settings
Setting CC26xx Setting CC13xx Receiver Bandwidth Default Intermediate
Frequency
– 32 45 kHz 250 kHz
– 33 55 kHz 250 kHz
– 34 66 kHz 250 kHz
1 35 88 kHz 250 kHz
2 36 110 kHz 250 kHz
3 37 130 kHz 250 kHz
4 38 180 kHz 500 kHz
5 39 220 kHz 500 kHz
6 40 260 kHz 500 kHz
7 41 350 kHz 1 MHz
8 42 430 kHz 1 MHz
9 43 530 kHz 1 MHz
10 44 700 kHz 1 MHz
11 45 870 kHz 1 MHz
12 46 1060 kHz 1 MHz
13 47 1410 kHz 1 MHz

Proprietary Radio
www.ti.com
1686 SWCU117F–February 2015–Revised June 2016
Submit Documentation Feedback
Copyright © 2015–2016, Texas Instruments Incorporated
Radio
Table 23-146. Receiver Bandwidth Settings (continued)
Setting CC26xx Setting CC13xx Receiver Bandwidth Default Intermediate
Frequency
14 48 1740 kHz 1 MHz
15 49 2120 kHz 1 MHz
16 50 2800 kHz 1 MHz
17 51 3470 kHz 1 MHz
18 52 4240 kHz 1 MHz
0, 19–31 53–127 Reserved
If symbolRate.bPdifDecim is 1, the setting of RFC_MDM:DEMMISC3.PDIFDECIM is given by
symbolRate.pdifDecim. Otherwise, the setting is calculated automatically from the symbol rate and
bandwidth setting. This value is also used in calculation of other register settings.
The CMD_PROP_RADIO_DIV_SETUP command contains settings for frequency band and intermediate
frequency. The center frequency of the band to use is given by centerFreq, and used for calculating the
transmitter shaping filter and the TX IF. The divider to use in the synthesizer is given by loDivider. The
user must ensure that the setting is compatible with the given frequency. A value of 2 is only allowed for
devices supporting operation in the 2.4-GHz band. In the CMD_PROP_RADIO_SETUP command,
centerFreq defaults to 2432 MHz and loDivider defaults to 2.
For CMD_PROP_RADIO_DIV_SETUP, the intermediate frequency can be specified through the intFreq
parameter, which calculates the setting in the modem for TX and iswritten to the configuration parameter
area. If this parameter is 0x8000 and for CMD_PROP_RADIO_SETUP, a default intermediate frequency
as given in Table 23-146 is used.
The preamConf setting gives the preamble. The preamble is a sequence of 1010... or 0101..., where
preamConf.preamMode gives the first transmitted bit. For more than 16 bytes, only an even number of
bytes is supported. Setting preamConf.nPremBytes = 31 gives a 4-bit preamble.
The formatConf setting is used for various setup of the packet format. The sync word length is given by
nSwBits, which can be up to 32 bits. The bit polarity for FSK type modulation is given by bBitReversal,
which must be 1 for compatibility with CC1101. The bit ordering is given by bMsbFirst, where 1 gives
compatibility with the CC1101 device, and so forth. The whitenMode setting can select a whitener
scheme. Other whiteners are obtained using override settings. Details of the IEEE 802.15.4g settings are
given in Section 23.7.5.2.1. The fecMode setting can be used to change the encoding of the transmitted or
received signal. For long-range mode (fecMode = 8), the nSwBits setting and the sync word programmed
in the RX and TX commands are ignored, and a hard-coded 64-bit sync word with good performance is
used. The bDigitalAgc setting can change the default AGC algorithm for one that also uses adjusts gain in
digital portions of the radio.
The command sets up a 16-bit CRC with the polynomial x16 + x15 + x2+ 1 and initialization of all 1s. This is
compatible with the CC1101 device. Other polynomials, lengths, and initializations can be obtained by
parameter overrides.
The txPower parameter is used to set the output power. For CC13xx, in order to set maximum output
power (+14dBm), it is also needed to make changes the CCFG area. In the ccfg.c distributed via
cc13xxware by TI, set CCFG_FORCE_VDDR_HH to 1. Essentially this will increase the VDDR level,
making it possible to use +14dBm output power. However setting CCFG_FORCE_VDDR_HH to 1 also
increases the overall power consumption. For all other output power settings than +14dBm it is therefore
recommended to have CCFG_FORCE_VDDR_HH set to 0 (default in ccfg.c distributed by TI), in order to
achieve the lowest possible average power consumption.
The pRegOverride parameter gives a pointer to an override structure, just as the one given for
CMD_RADIO_SETUP. This parameter can be used for overriding parameters calculated from the other
settings in the commands, as well as other parameters. If the value is NULL, no overrides are used.

www.ti.com
Proprietary Radio
1687
SWCU117F–February 2015–Revised June 2016
Submit Documentation Feedback Copyright © 2015–2016, Texas Instruments Incorporated
Radio
23.7.5.2.1 IEEE 802.15.4g Packet Format (CC13xx Only)
IEEE 802.15.4g PHY, including header, is supported by using the CMD_PROP_RX_ADV and
CMD_PROP_TX_ADV commands.
The radio is configured to IEEE 802.15.4g mode by setting the formatConf.whitenMode field to the values
4, 5, 6, or 7, and formatConf.bMsbFirst must be set to 1 using the CMD_PROP_RADIO_DIV_SETUP. For
the CMD_PROP_TX_ADV and CMD_PROP_RX_ADV commands, pktConf.bCrcIncSw and
pktConf.bCrcIncHdr must both be set to 0. For CMD_PROP_RX_ADV, hdrConf.numHdrBits must be set
to 16, hdrConf.lenPos must be set to 0, hdrConf.numLenBits must be set to 11, and lenOffset must be −4.
When formatConf.whitenMode is 5 or 7, the radio is configured to produce the 32-bit CRC and whitening
defined in IEEE 802.15.4g. When formatConf.whitenMode is 6 or 7, the radio also processes the headers
in both receive and transmit as follows:
• If bit 15 of the header (counted from the LSB) is 1, the frame is assumed to consist of only a header,
with no payload or CRC.
• If bit 12 of the header (counted from the LSB) is 1, the 16-bit CRC defined in IEEE 802.15.4g is
assumed instead of the 32-bit CRC. For TX, 2 is added to the length offset to account for this,
assuming the CRC is included in the received frame length.
• For mode 7: If bit 11 of the header (counted from the LSB) is 1, whitening is enabled; otherwise it is
disabled.
NOTE: For mode 6 and 7, the transmitter adjust CRC and whitening automatically based on
transmitted PHY header. However, for this feature to work properly, exteneded preamble
needs to be used, i.e. CMD_PROP_TX_ADV.preTrigger.triggerType cannot be set to
TRIG_NOW. As a workaround, set preTrigger.triggerType to TRIG_REL_START,
preTrigger.pastTrig to 1 and preTime to 0. This will give normal preamble as configured.
NOTE: The IEEE 802.15.4g PHY header must be presented MSB first to the RF Core. In IEEE
802.15.4g specification, the payload part is LSb first, however the payload length info in
physical layer header (PHR) is MSb first. This means that the payload needs to be flipped in
the CM-3. This can be achieved with the CM3 assembly instruction RBIT
The following example shows how to send a CRC-32 IEEE 802.15.4g frame with whitening enabled using
the automatic headers processing feature (formatConf.whitenMode = 7).
/*
* Prepare the .15.4g PHY header
* MS=0, Length MSBits=0, DW and CRC settings read from 15.4g header (PHDR) by
RF core.
* Total length = transmit_len (payload) + CRC length
*
* The Radio will flip the bits around, so tx_buf[0] must have the
* length LSBs (PHR[15:8] and tx_buf[1] will have PHR[7:0]
*/
/* Length in .15.4g PHY HDR includes the CRC but not the HDR itself */
uint16_t total_length;
total_length = transmit_len + CRC_LEN; /* CRC_LEN is 2 for CRC-
16 and 4 for CRC-32 */
tx_buf[0] = total_length & 0xFF;
tx_buf[1] = (total_length >> 8) + 0x08 + 0x0; /* Whitening and CRC-32 bits */
tx_buf[2] = data;

Proprietary Radio
www.ti.com
1688 SWCU117F–February 2015–Revised June 2016
Submit Documentation Feedback
Copyright © 2015–2016, Texas Instruments Incorporated
Radio
NOTE: When IEEE 802.15.4g mode is configured (CMD_PROP_RADIO_SETUP with
formatConf.whitenMode = 4, 5, 6, or 7), transmitting packets using unlimited length (pktLen =
0, pPkt pointing to a Tx queue) and 32 bit CRC is not supported.
NOTE: To ensure correct crc-16 calculation when radio is configured for IEEE802.15.4g, two
overrides are needed: (uint32_t)0x943, (uint32_t)0x963, these need to be added to the
override array.
An MCE patch is necessary to support FEC, Mode Switch, or other advanced features of IEEE 802.15.4g
PHY.
23.7.5.3 Transmitter Commands
There are two commands for sending packets, CMD_PROP_TX and CMD_PROP_TX_ADV. The latter
gives more flexibility in how the packet can be formed. Details of this are described in Section 23.7.5.3.1
and Section 23.7.5.3.2, respectively.
Both commands require the radio is set up in a compatible mode (such as proprietary mode), and that the
synthesizer is programmed using CMD_FS.
For both commands, after the packet has been transmitted, the frequency synthesizer is turned off when
the command ends if pktConf.bFsOff is 1. If pktConf.bFsOff is 0, the synthesizer keeps running, so that
the command must either be followed by an RX or TX command (which operate on the same frequency)
or a CMD_FS_OFF command to turn off the synthesizer.
The end statuses for use with CMD_PROP_TX and CMD_PROP_TX_ADV are listed in Table 23-147.
This status decides the next operation, see Section 23.7.5.1.
Table 23-147. End of Radio CMD_PROP_TX and CMD_PROP_TX_ADV Commands
Condition Status Code Result
Transmitted packet PROP_DONE_OK TRUE
Received CMD_STOP while transmitting packet and finished transmitting
packet PROP_DONE_STOPPED FALSE
Received CMD_ABORT while transmitting packet PROP_DONE_ABORT ABORT
Observed illegal parameter PROP_ERROR_PAR ABORT
Command sent without setting up the radio in a supported mode using
CMD_PROP_RADIO_SETUP or CMD_RADIO_SETUP PROP_ERROR_NO_SETUP ABORT
Command sent without the synthesizer being programmed PROP_ERROR_NO_FS ABORT
TX underflow observed during operation PROP_ERROR_TXUNF ABORT
23.7.5.3.1 Standard Transmit Command, CMD_PROP_TX
The CMD_PROP_TX command transmits a packet with the format from Table 23-135. The parameters
are as given in Table 23-131.
The packet transmission starts at the given start trigger, with a fixed delay. The modem first transmits the
preamble and sync word as configured. The sync word to transmit is given in the syncWord field, in the
LSBs if less than 32 bits are used. The word is transmitted in the bit order programmed in the radio.
If pktConf.bVarLen is 1, a length byte equal to the value of pktLen is sent next. After this, the content of
the buffer pointed to by pPkt is sent. This buffer consists of the number of bytes given in pktLen. If an
address byte as shown in Figure 23-9 is needed, it must be sent as the first payload byte.
If pktConf.bUseCrc is 1, a CRC is calculated and transmitted at the end. The number of CRC bits,
polynomial, and initialization are as configured in the radio. The CRC is calculated over the length byte (if
present) and over the entire contents of the buffer pointed to by pPkt.

www.ti.com
Proprietary Radio
1689
SWCU117F–February 2015–Revised June 2016
Submit Documentation Feedback Copyright © 2015–2016, Texas Instruments Incorporated
Radio
If whitening is enabled, the optional length byte, the entire contents of the buffer pointed to by pPkt, and
the CRC are subject to whitening. The whitening is done after the data has been used for CRC
calculation.
23.7.5.3.2 Advanced Transmit Command, CMD_PROP_TX_ADV
The CMD_PROP_TX_ADV command transmits a packet with the format from Figure 23-10. As a special
case, the user can set up packets as in Figure 23-9. The radio must be set up in a compatible mode (such
as proprietary mode) and the synthesizer programmed using CMD_FS. The parameters are as given in
Table 23-136.
The packet transmission starts at the given start trigger, with a fixed delay. Alternatively, if
startConf.bExtTXTrig is 1, the packet transmission starts on an external trigger to the RF core. The trigger
is identified as one of the inputs to the radio timer, and can be configured as rising edge, falling edge, or
both edges through the startConf parameter. The system must ensure that this trigger comes after the
start trigger, otherwise it is lost. The minimum delay after the start trigger is implementation-dependent
and subject to characterization.
The modem first transmits the preamble and sync word as configured. If preTrigger is not TRIG_NOW, the
configured preamble is repeated until that trigger (seen in combination with preTime) has been observed.
After the trigger is observed, the configured preamble under transmission finishes before the sync word
transmission starts. If preTrigger is TRIG_NOW, the preamble is sent once, followed by the sync word.
The sync word to transmit is given in the syncWord field, in the LSBs if less than 32 bits are used, and is
transmitted in the bit order programmed in the radio.
If numHdrBits is greater than 0, a header of numHdrBits is sent next. The header may contain a length
field or an address. If so, these fields must be inserted correctly in the packet buffer. The header to be
transmitted is the first bytes of the buffer pointed to by pPkt. If numHdrBits does not divide by 8, the MSBs
of the last byte of the header are ignored.
The header is transmitted as one field in the bit ordering programmed in the radio. If the header has more
than 8 bits, it is always read from the transmit buffer in little-endian byte order. If the radio is configured to
transmit the MSB first, the last header byte from the TX buffer is transmitted first.
After the header, the remaining bytes in the buffer pointed to by pPkt are transmitted. The payload is
transmitted byte by byte, so after the header, no swapping of bytes occurs regardless of bit ordering over
the air. The total number of bytes (including the header) in this buffer is given by pktLen. If this length is
too small to fit the header, the operation ends with PROP_ERROR_PAR as status. If an address field after
the header as shown in Figure 23-10 is needed, it must be sent as the first payload byte.
If pktLen is 0, unlimited length is used. In this case, pPkt points to a transmit queue instead of a buffer,
see Section 23.5.3.2.
If pktConf.bUseCrc is 1, a CRC is calculated and transmitted at the end. The number of CRC bits,
polynomial, and initialization are as configured in the radio. If pktConf.bCrcIncSw is 1, the transmitted sync
word is included in the data set over which the CRC is calculated. If pktConf.bCrcIncHdr is 1, the
transmitted header is included in the data set over which the CRC is calculated. The payload is always
used for calculating the CRC.
If whitening is enabled, the optional header is subject to whitening if pktConf.bCrcIncHdr is 1. The entire
payload and the CRC are always subject to whitening when enabled. The whitening is done after the data
has been used for CRC calculation.
23.7.5.4 Receiver Commands
There are two commands for receiving packets, CMD_PROP_RX and CMD_PROP_RX_ADV. The latter
gives more flexibility in how the packet can be formed. Details of this are described in Section 23.7.5.4.1
and Section 23.7.5.4.2, respectively.
For both commands, the radio must be set up in a compatible mode (such as proprietary mode), and the
synthesizer must be programmed using CMD_FS before the command is sent to the radio core.

Proprietary Radio
www.ti.com
1690 SWCU117F–February 2015–Revised June 2016
Submit Documentation Feedback
Copyright © 2015–2016, Texas Instruments Incorporated
Radio
Both commands have an end trigger, given by endTrigger and endTime. If this trigger occurs while the
receiver is searching for sync, the operation ends with the status PROP_DONE_RXTIMEOUT. If the
trigger occurs while receiving a packet, the action depends on pktConf.endType.
If pktConf.endType = 0, the packet is received to the end and the operation then ends with
PROP_DONE_ENDED as the status. If pktConf.endType = 1, the packet reception is aborted and the
operation ends with PROP_DONE_BREAK as the status. The radio receives packets according to the
details given in Section 23.7.5.4.1 and Section 23.7.5.4.2, respectively. After receiving a packet, an
interrupt is raised. If pOutput is not NULL, an output structure as given in Table 23-136, pointed to by
pOutput, is updated as well. The interrupt to raise and field to update is given in Table 23-148. This table
also gives the result to write in the status field of the receive buffer, if enabled. The condition for packets
being ignored is described in Section 23.7.5.4.1 and Section 23.7.5.4.2, respectively.
(1) Provided partial read entry is used and data has been written to the buffer.
Table 23-148. Interrupt, Counter, and Result Field for Received Packets (1)
Condition Interrupt Raised Counter
Incremented Result Field of
Status Byte
Packet fully received with CRC OK and not to be ignored RX_OK nRXOk 0
Packet fully received with CRC error RX_NOK nRXNok 1
Packet fully received with CRC OK and address mismatch
(pktConf.filterOp = 1) RX_IGNORED nRXIgnored 2
Packet reception aborted due to timeout (pktConf.endType = 1),
CMD_ABORT, too short length in CMD_PROP_SET_LEN, or
CMD_PROP_RESTART_RX RX_ABORTED nRXStopped 3 (1)
Packet reception aborted due to illegal length or address
mismatch (pktConf.filterOp = 0) RX_ABORTED nRXStopped –
Packet could not be stored due to lack of buffer space RX_BUF_FULL nRXBufFull 3 (1)
For both types of commands, the packet length may be configured as unlimited or unknown at the start of
packet reception, by setting maxPktLen to 0. This mode can only be used with partial-read RX buffers. If
the length is later determined, it can be set by the immediate or direct command CMD_PROP_SET_LEN,
where the number of bytes between the header (if any) and the CRC is given. In addition to setting the
length this way, packet reception may be stopped in the following ways (CRC check is not performed in
the following cases):
• If CMD_PROP_SET_LEN is called with a smaller number of bytes than already received
• If CMD_PROP_RESTART_RX is given
• If no more RX buffer is available
• If the end trigger occurs and pktConf.endType is 1
• If the command is aborted with CMD_ABORT
For ignored packets and packets with CRC error, automatic flush of the receive buffer can be configured.
In this case, packets are removed from the receive buffer after they have been received, so the next
packet overwrites it and the counters are not updated to reflect the packet received.
NOTE: Automatic flush is not supported for partial-read RX entries. Packets with CRC error (that is,
for which the RX_NOK interrupt is raised) are automatically flushed if
RXConf.bAutoFlushCrcErr is 1.
Ignored packets (that is, for which the RX_IGNORED interrupt is raised) are automatically flushed if
RXConf.bAutoFlushIgnored is 1. After a packet has been received, the next action depends on
pktConf.bRepeat. If this is 0, the command ends. Otherwise, it goes back into RX, unless another criterion
exists that leads to the command to end. When the command ends, the frequency synthesizer is turned
off if pktConf.bFsOff is 1. If pktConf.bFsOff is 0, the synthesizer keeps running, so that the command must
either be followed by an RX or TX command (which operate on the same frequency) or a CMD_FS_OFF
command to turn off the synthesizer.
The end statuses for CMD_PROP_RX and CMD_PROP_RX_ADV are listed in Table 23-149. This status
decides the next operation, see Section 23.7.5.1.

www.ti.com
Proprietary Radio
1691
SWCU117F–February 2015–Revised June 2016
Submit Documentation Feedback Copyright © 2015–2016, Texas Instruments Incorporated
Radio
Table 23-149. End of Radio CMD_PROP_RX and CMD_PROP_RX_ADV Commands
Condition Status Code Result
Received packet with CRC OK and pktConf.bRepeatOk = 0 PROP_DONE_OK TRUE
Received packet with CRC error and pktConf.bRepeatNok = 0 PROP_DONE_RXERR FALSE
Observed end trigger while in sync search PROP_DONE_RXTIMEOUT FALSE
Observed end trigger while receiving packet with pktConf.endType = 1 PROP_DONE_BREAK FALSE
Received packet after having observed end trigger while receiving packet with
pktConf.endType = 0 PROP_DONE_ENDED FALSE
Received CMD_STOP after command started and, if sync found, packet is
received PROP_DONE_STOPPED FALSE
Received CMD_ABORT after command started PROP_DONE_ABORT ABORT
No available TX buffer at the start of a packet PROP_ERROR_RXBUF FALSE
Out of TX buffer during reception in a partial read buffer PROP_ERROR_RXFULL FALSE
Observed illegal parameter PROP_ERROR_PAR ABORT
Command sent without setting up the radio in a supported mode using
CMD_PROP_RADIO_SETUP or CMD_RADIO_SETUP PROP_ERROR_NO_SETUP ABORT
Command sent without the synthesizer being programmed PROP_ERROR_NO_FS ABORT
TX overflow observed during operation PROP_ERROR_RXOVF ABORT
23.7.5.4.1 Standard Receive Command, CMD_PROP_RX
The CMD_PROP_RX receives packets with the format from
Figure 23-9. The parameters are as given in Table 23-137.
The modem configures the receiver and starts listening for sync. The sync word to listen for is given in the
syncWord field, in the LSBs if less than 32 bits are used. The word is in the bit order programmed in the
radio.
If sync is found, the radio CPU starts receiving data. If pktConf.bVarLen is 1 and maxPktLen is nonzero, a
length byte is assumed as the next byte. This length byte is compared to maxPktLen, and if it is greater,
reception is stopped and synch search is restarted. Otherwise, this indicates the number of bytes after the
length byte and before the CRC. If pktConf.bVarLen is 0, the length is fixed, and the receiver assumes
maxPktLen bytes after the sync word and before the CRC. If maxPktLen is zero, the length is unlimited as
described in the beginning of Section 23.7.5.4.
If pktConf.bChkAddress is 1, an address byte is checked next. The address byte is checked against the
values of address0 and address1. If only one address is needed, these two fields must be set to the same
value. If address1 is 0xFF, it is also checked against the value 0x00. To check for 0xFF without checking
for 0x00, address0 must be the one set to 0xFF. If the address byte does not match the configured
addresses, the further treatment depends on pktConf.filterOp. If this is 0, reception is stopped and synch
search is restarted. If it is 1, the packet is received as if the address had matched, but it is marked as
ignored.
If the packet is being received, the data is placed in the receive buffer, as in Section 23.5.3.1,Receive
Buffers. This receive buffer is found from the receive queue pointed to by pQueue. If pQueue is NULL, the
packet is never stored.
If pktConf.bUseCrc is 1, a CRC is received and checked at the end. The number of CRC bits, polynomial,
and initialization are as configured in the radio. The CRC is calculated over the length byte (if present), the
optional address, and the payload. If pktConf.bUseCrc is 0, the treatment is as for CRC OK.
If whitening is enabled, the optional length byte, the payload including the optional address, and the
received CRC are subject to dewhitening. The dewhitening is done before the CRC is evaluated.
If a status byte is appended (RXConf.bAppendStatus is 1) to the packet, it is formatted as follows (see
Table 23-105). If pktConf.addressMode is nonzero, the addressInd field is 0 if the address matched
address0, 1 if it matched address1, 2 if it matched 0x00 and this address was enabled, and 3 if it matched
0xFF and this address was enabled. Otherwise, addressInd is 0. The syncWordId field is always 0 for
CMD_PROP_RX. The result field is written according to Table 23-149.

Proprietary Radio
www.ti.com
1692 SWCU117F–February 2015–Revised June 2016
Submit Documentation Feedback
Copyright © 2015–2016, Texas Instruments Incorporated
Radio
23.7.5.4.2 Advanced Receive Command, CMD_PROP_RX_ADV
The CMD_PROP_RX_ADV is used for receiving packets with the format from Figure 23-10. As a special
case, the user can set up packets as in Figure 23-9. The parameters are as given in Table 23-138.
The modem configures the receiver and starts listening for sync. The sync word to listen for is given in the
syncWord0 field, in the LSBs if less than 32 bits are used. The word is in the bit order programmed in the
radio. If syncWord1 is nonzero, the receiver also listens for the sync word given in the syncWord1 field
(formatted in the same way) if supported in the MCE.
If sync is found, the radio CPU starts receiving data. The packet may contain a header, which can consist
of any number of bits up to 32, given by hdrConf.numHdrBits. If the number of bits in the header does not
divide by 8, it is considered to consist of a sufficient number of bytes to contain all the stored bits, as in
Section 23.5.3.1,Receive Buffers. This header may contain a length field or an address.
The received packet may have fixed or variable length. If hdrConf.numLenBits is 0 and maxPktLen is
nonzero, the packet has a fixed length, consisting of maxPktLen bytes after the header and before the
CRC. If hdrConf.numLenBits is greater than 0, a field of hdrConf.numLenBits, read from bit number
hdrConf.lenPos from the LSB of the header, is taken as a length field. The signed number lenOffset is
added to the received length to give the number of bytes after the header and before the CRC. If this
number is less than or equal to maxPktLen, the packet is received. If maxPktLen is zero, the length is
unlimited as described in the beginning of Section 23.7.5.4. The definition of packet length for
CMD_PROP_RX_ADV differs from the one for CMD_PROP_TX_ADV , see Section 23.7.5.4.2 where the
header is included in the packet length.
Two kinds of addresses are supported. With the first option, the address is part of the header. In this case,
the address size can be from 1 to 31 bits. The other option is to have an address after the header. If so,
this address consists of between 1 and 8 bytes. To use an address as part of the header,
addrConf.addrType must be set to 1. The number of bits in the address is given by addrConf.addrSize.
These bits are read from bit number addrConf.addrPos from the first bit of the header. To use an address
after the header, addrConf.addrType must be set to 0. In this case, the number of bytes in the address is
given by addrConf.addrSize.
The received address is compared to an address list pointed to by pAddr. The address to compare against
this list is as received. In addition, one bit identifying the sync word is concatenated with the address as
the MSBs, if one of the following conditions is fulfilled:
• syncWord1 ≠0 and addrConf.addrType = 1
• syncWord1 ≠0, addrConf.addrType = 0, and addrConf.addrPos ≠0
This extra bit is 0 if the received sync word was syncWord0, and 1 if the received sync word was
syncWord1. The entries in the address list have a size of 8, 16, 32, or 64 bits; the smallest size that can fit
the address size, including the sync word identification bit if applicable. The number of entries in the
address list is given by addrConf.numAddr. The radio CPU scans through the addresses in the address
list and compares it to the received address. If there is no match, the further treatment depends on
pktConf.filterOp. If this is 0, reception is stopped and synch search is restarted. If it is 1, the packet is
received as if the address had matched, but marked as ignored.
If addrConf.addrSize is zero, no address is used. In this case, pAddr is ignored and must be NULL.
If the packet is being received, the data is placed in the receive buffer, as in Section 23.5.3.1. This receive
buffer is found from the receive queue pointed to by pQueue. If pQueue is NULL, the packet is never
stored.
The header is received as one field in the bit ordering programmed in the radio. If the header has more
than 8 bits and rxConf.bIncludeHdr is 1, the header is always written in little-endian byte order to the
receive buffer. If the radio is configured to receive the MSB first, the last header byte stored in the receive
buffer is received first. The payload is stored byte by byte, so after the header, no swapping of bytes
occurs regardless of bit ordering over the air.
If pktConf.bUseCrc is 1, a CRC is received and checked at the end. The number of CRC bits, polynomial,
and initialization are as configured in the radio. If pktConf.bCrcIncSw is 1, the received sync word
(assuming it to be exactly equal to syncWord0 or syncWord1) is included in the data set over which the
CRC is calculated. If pktConf.bCrcIncHdr is 1, the received header is included in the data set over which
the CRC is calculated. The payload, including the optional address after the header, is always used for
calculating the CRC. If pktConf.bUseCrc is 0, the treatment is as for CRC OK.

www.ti.com
Proprietary Radio
1693
SWCU117F–February 2015–Revised June 2016
Submit Documentation Feedback
Copyright © 2015–2016, Texas Instruments Incorporated
Radio
If whitening is enabled, the optional header is subject to dewhitening only if pktConf.bCrcIncHdr is 1. The
payload including the optional address after the header, and the received CRC, are always subject to
dewhitening when enabled. The dewhitening is done before the CRC is evaluated.
If a status byte is appended (RXConf.bAppendStatus is 1) to the packet, it is formatted as follows (see
Table 23-105). If addrConf.addrSize is nonzero, the addressInd field is the first index into the address list
that matched the received address if an address match existed. Otherwise, addressInd is 0. The
syncWordId field is 0 if the received sync word was syncWord0, and 1 if syncWord1. The result field is
written according to Table 23-148.
23.7.5.5 Carrier-Sense Operation (CC13xx Only)
The carrier-sense operation detects if a signal is present, which has the following main purposes:
• Turns off the radio instead of receiving when no signal is present
• Turns the radio to transmit only if no signal is present
The carrier sense operation can be used with the command CMD_PROP_CS to chain with another
operation (for example, a transmit operation), or with the commands CMD_PROP_RX_SNIFF or
CMD_PROP_RX_ADV_SNIFF to combine with a normal receive operation in order to implement sniff
mode. The details of these commands are described in the following subsections.
23.7.5.5.1 Common Carrier-Sense Description
The parameters for the carrier-sense operation are common for all the commands, and are given in
Section 23.7.2.3. This table gives the offset from the first byte used for carrier-sense parameters.
The channel can be in one of three states: BUSY, IDLE, or INVALID. BUSY indicates a signal on the
channel. IDLE indicates no signal is present on the channel. INVALID indicates that the state cannot be
determined. There are two sources of channel information, RSSI and correlation, and a separate state is
maintained for each source.
The operation starts when the radio has been set up in receive mode. The RSSI or correlation is
monitored, according to the enable bits csConf.bEnaRssi and csConf.bEnaCorr. If csConf.bEnaRssi is 1,
the RSSI is monitored. If csConf.bEnaCorr is 1, the correlator is set up to correlate against the preamble.
It is not possible to set both enable bits to 0.
If csConf.bEnaRssi is 1, the RSSI is monitored every time a new value is available from the radio. At each
update, the RSSI is compared against the signed value rssiThr. If the RSSI is below rssiThr and
numRssiIdle consecutive RSSI measurements below the threshold have been observed, the RSSI state is
IDLE. If the RSSI is above rssiThr and numRssiBusy consecutive RSSI measurements above the
threshold have been observed, the RSSI state is BUSY. Otherwise, the RSSI state is INVALID.
If csConf.bEnaCorr is 1, the radio CPU monitors correlation peaks from the modem. When the radio
starts, the state is INVALID. If no correlation top is observed until corrPeriod RAT ticks after the carrier
sense command was started, the state becomes IDLE. If the state is IDLE and at least
corrConfig.numCorrInv correlation tops with at most corrPeriod RAT ticks between them are observed, the
state becomes Invalid. If the state is INVALID and at least corrConfig.numCorrBusy correlation tops with
at most corrPeriod RAT ticks between them are observed, the state becomes BUSY. If
corrConfig.numCorrBusy is 0, the state goes directly to BUSY from IDLE. The value of
corrConfig.numCorrIdle must be greater than 0. If the state is not Idle and corrTime RAT ticks pass after
the last correlation top, the state becomes IDLE again.
If only one of the enable bits is 1, the channel state is equal to the state of the corresponding source. If
both enable bits are 1, the channel state depends on the state of the two sources and the
csConf.operation bit, as shown in Table 23-150.

Proprietary Radio
www.ti.com
1694 SWCU117F–February 2015–Revised June 2016
Submit Documentation Feedback
Copyright © 2015–2016, Texas Instruments Incorporated
Radio
Table 23-150. Channel State When Both Sources are Enabled
csConf.operation = 0
RSSI State Correlation State
INVALID IDLE BUSY
INVALID INVALID INVALID BUSY
IDLE INVALID IDLE BUSY
BUSY BUSY BUSY BUSY
csConf.operation = 1
RSSI State Correlation State
INVALID IDLE BUSY
INVALID INVALID IDLE INVALID
IDLE IDLE IDLE IDLE
BUSY INVALID IDLE BUSY
If the state of the channel changes to BUSY, the action depends on csConf.busyOp and the command
being run. If csConf.busyOp is 0, the operation continues. If csConf.busyOp is 1 and the command is
CMD_PROP_CS, the operation ends with PROP_DONE_BUSY as status. If csConf.busyOp is 1 and the
command is CMD_PROP_RX_SNIFF or CMD_PROP_RX_ADV_SNIFF, the receive operation continues,
but carrier sense is stopped, so the operation is not affected if the channel state later changes to IDLE.
If the state of the channel changes to IDLE, the action depends on csConf.idleOp. If the value of this field
is 0, the receiver and carrier sense operation continues. If it is 1, the operation ends with
PROP_DONE_IDLE as status.
If the trigger given by csEndTrigger and csEndTime is observed, the action depends on the command
being run and the channel state at that time. The details are described in Section 23.7.5.5.2,Carrier-
Sense Command, CDM_PROP_CS, and Section 23.7.5.5.3,Sniff Mode Receiver Commands,
CMD_PROP_RX_SNIFF and CMD_PROP_RX_ADV_SNIFF.
23.7.5.5.2 Carrier-Sense Command, CMD_PROP_CS
When the carrier-sense command starts, the radio is set up in receive mode, and the operations described
in Section 23.7.5.5.1,Common Carrier Sense Description, are performed. The radio must be set up in a
compatible mode (such as proprietary mode) and the synthesizer programmed using CMD_FS.
If the trigger given by csEndTrigger and csEndTime is observed, the operation ends, and the current
channel state is checked. If the state is BUSY or IDLE, the status is PROP_DONE_BUSY or
PROP_DONE_IDLE, respectively. If the state is INVALID, the status depends on csConf.timeoutRes. If 0,
the status is PROP_DONE_BUSYTIMEOUT; if 1, PROP_DONE_IDLETIMEOUT.
When CMD_PROP_CS ends and the status is PROP_DONE_BUSY or PROP_DONE_BUSYTIMEOUT,
the synthesizer is turned off if csFsConf.bFsOffBusy is 1. If the command ends and the status is
PROP_DONE_IDLE or PROP_DONE_IDLETIMEOUT, the synthesizer is turned off if csFsConf.bFsOffIdle
is 1. If it ends with another status, the synthesizer is turned off if either of these bits is 1.
The end statuses for use with CMD_PROP_CS are summarized in Table 23-151. This status decides the
next operation, as in Section 23.7.5.1,End of Operation.
Table 23-151. End of CMD_PROP_CS Command
Condition Status Code Result
Observed channel state Busy with csConf.busyOp = 1 PROP_DONE_BUSY TRUE
Observed channel state Idle with csConf.idleOp = 1 PROP_DONE_IDLE FALSE
Timeout trigger observed with channel state Busy PROP_DONE_BUSY TRUE
Timeout trigger observed with channel state Idle PROP_DONE_IDLE FALSE
Timeout trigger observed with channel state Invalid and csConf.timeoutRes = 0 PROP_DONE_BUSYTIMEOUT TRUE
Timeout trigger observed with channel state Invalid and csConf.timeoutRes = 1 PROP_DONE_IDLETIMEOUT FALSE
Received CMD_STOP after command started PROP_DONE_STOPPED FALSE

www.ti.com
Proprietary Radio
1695
SWCU117F–February 2015–Revised June 2016
Submit Documentation Feedback Copyright © 2015–2016, Texas Instruments Incorporated
Radio
Table 23-151. End of CMD_PROP_CS Command (continued)
Condition Status Code Result
Received CMD_ABORT after command started PROP_DONE_ABORT ABORT
Observed illegal parameter PROP_ERROR_PAR ABORT
Command sent without setting up the radio in a supported mode using
CMD_PROP_RADIO_SETUP or CMD_RADIO_SETUP PROP_ERROR_NO_SETUP ABORT
Command sent without the synthesizer being programmed PROP_ERROR_NO_FS ABORT
23.7.5.5.3 Sniff Mode Receiver Commands, CMD_PROP_RX_SNIFF and CMD_PROP_RX_ADV_SNIFF
The commands CMD_PROP_RX_SNIFF and CMD_PROP_RX_ADV_SNIFF behave like the commands
CMD_PROP_RX and CMD_PROP_RX_ADV, respectively, but they perform carrier-sense operations
during sync search.
When started, the commands perform the carrier-sense operations described in Section 23.7.5.5.1,
Common Carrier-Sense Description. As described, the operation may end if the channel state becomes
IDLE.
If the trigger given by csEndTrigger and csEndTime is observed, the current channel state is checked. If
BUSY, the receiver continues, but may end later if the channel state becomes IDLE and csConf.busyOp is
0. If the channel state is IDLE, the operation ends (even if csConf.idleOp is 0), and the status is
PROP_DONE_IDLE. If the channel state is INVALID, the action depends on csConf.timeoutRes. If 0, the
receive operation continues, and if csConf.busyOp is 1, carrier sense is no longer checked. If
csConf.timeoutRes is 1, the operation ends and the status is PROP_DONE_IDLETIMEOUT.
If sync is found, the receiver operates as described in Section 23.7.5.4,Receiver Commands. If sync
search is restarted after a packet is received or after reception is stopped due to an invalid length field or
address mismatch, the carrier-sense operation is resumed if it was running when sync was found.
The end statuses for use with CMD_PROP_RX_SNIFF and CMD_PROP_RX_ADV_SNIFF are listed in
Table 23-149 and Table 23-152. This status decides the next operation, as in Section 23.7.5.1,End of
Operation.
Table 23-152. Additional End Statuses for CMD_PROP_RX_SNIFF and CMD_PROP_RX_ADV_SNIFF
Condition Status Code Result
Observed channel state IDLE with csConf.idleOp = 1 PROP_DONE_IDLE FALSE
Timeout trigger observed with channel state IDLE PROP_DONE_IDLE FALSE
Timeout trigger observed with channel state INVALID and
csConf.timeoutRes = 1 PROP_DONE_IDLETIMEOUT FALSE

Proprietary Radio
www.ti.com
1696 SWCU117F–February 2015–Revised June 2016
Submit Documentation Feedback
Copyright © 2015–2016, Texas Instruments Incorporated
Radio
23.7.6 Immediate Commands
23.7.6.1 Set Packet Length Command, CMD_PROP_SET_LEN
The CMD_PROP_SET_LEN command takes a command structure as defined in Table 23-139.
CMD_PROP_SET_LEN must only be sent while a CMD_PROP_RX or CMD_PROP_RX_ADV command
is running configured with unlimited packet length. On reception of the command, the radio CPU sets the
number of bytes to receive between the header and the CRC to RXLen. If at least this number of bytes
has already been received, reception is aborted, as in Section 23.7.5.4 and Section 23.7.5.4.2.
The command may be sent as a direct command if the payload length to set is 255 bytes or less. In this
case, the RXLen parameter is written in bits 8–16 of CMDR, and the 8 MSBs of this parameter is 0.
If the command is issued without a CMD_PROP_RX or CMD_PROP_RX_ADV command running, or if
such a command is not configured with unlimited length, the radio CPU returns the result ContextError in
CMDSTA. Otherwise, the radio CPU returns DONE.
23.7.6.2 Restart Packet RX Command, CMD_PROP_RESTART_RX
The CMD_PROP_RESTART_RX command is a direct command that takes no parameters.
CMD_PROP_RESTART_RX must only be sent while a CMD_PROP_RX or CMD_PROP_RX_ADV
command is running. If a packet is being received, reception is aborted as described in Section 23.7.5.4
and the packet returns to sync search.
If the command is issued without an RX command running, the radio CPU returns the result ContextError
in CMDSTA. Otherwise, the radio CPU returns DONE.

www.ti.com
Radio Registers
1697
SWCU117F–February 2015–Revised June 2016
Submit Documentation Feedback Copyright © 2015–2016, Texas Instruments Incorporated
Radio
23.8 Radio Registers
23.8.1 RFC_RAT Registers
Table 23-153 lists the memory-mapped registers for the RFC_RAT. All register offset addresses not listed
in Table 23-153 should be considered as reserved locations and the register contents should not be
modified.
Table 23-153. RFC_RAT Registers
Offset Acronym Register Name Section
4h RATCNT Radio Timer Counter Value Section 23.8.1.1
80h RATCH0VAL Timer Channel 0 Capture/Compare Register Section 23.8.1.2
84h RATCH1VAL Timer Channel 1 Capture/Compare Register Section 23.8.1.3
88h RATCH2VAL Timer Channel 2 Capture/Compare Register Section 23.8.1.4
8Ch RATCH3VAL Timer Channel 3 Capture/Compare Register Section 23.8.1.5
90h RATCH4VAL Timer Channel 4 Capture/Compare Register Section 23.8.1.6
94h RATCH5VAL Timer Channel 5 Capture/Compare Register Section 23.8.1.7
98h RATCH6VAL Timer Channel 6 Capture/Compare Register Section 23.8.1.8
9Ch RATCH7VAL Timer Channel 7 Capture/Compare Register Section 23.8.1.9

Radio Registers
www.ti.com
1698 SWCU117F–February 2015–Revised June 2016
Submit Documentation Feedback
Copyright © 2015–2016, Texas Instruments Incorporated
Radio
23.8.1.1 RATCNT Register (Offset = 4h) [reset = 0h]
RATCNT is shown in Figure 23-12 and described in Table 23-154.
Return to Summary Table.
Radio Timer Counter Value
Figure 23-12. RATCNT Register
31 30 29 28 27 26 25 24 23 22 21 20 19 18 17 16 15 14 13 12 11 10 9 8 7 6 5 4 3 2 1 0
CNT
R/W-0h
Table 23-154. RATCNT Register Field Descriptions
Bit Field Type Reset Description
31-0 CNT R/W 0h Counter value. This is not writable while radio timer counter is
enabled.

www.ti.com
Radio Registers
1699
SWCU117F–February 2015–Revised June 2016
Submit Documentation Feedback Copyright © 2015–2016, Texas Instruments Incorporated
Radio
23.8.1.2 RATCH0VAL Register (Offset = 80h) [reset = 0h]
RATCH0VAL is shown in Figure 23-13 and described in Table 23-155.
Return to Summary Table.
Timer Channel 0 Capture/Compare Register
Figure 23-13. RATCH0VAL Register
31 30 29 28 27 26 25 24 23 22 21 20 19 18 17 16 15 14 13 12 11 10 9 8 7 6 5 4 3 2 1 0
VAL
R/W-0h
Table 23-155. RATCH0VAL Register Field Descriptions
Bit Field Type Reset Description
31-0 VAL R/W 0h Capture/compare value. The system CPU can safely read this
register, but it is recommended to use the CPE API commands to
configure it for compare mode.

Radio Registers
www.ti.com
1700 SWCU117F–February 2015–Revised June 2016
Submit Documentation Feedback
Copyright © 2015–2016, Texas Instruments Incorporated
Radio
23.8.1.3 RATCH1VAL Register (Offset = 84h) [reset = 0h]
RATCH1VAL is shown in Figure 23-14 and described in Table 23-156.
Return to Summary Table.
Timer Channel 1 Capture/Compare Register
Figure 23-14. RATCH1VAL Register
31 30 29 28 27 26 25 24 23 22 21 20 19 18 17 16 15 14 13 12 11 10 9 8 7 6 5 4 3 2 1 0
VAL
R/W-0h
Table 23-156. RATCH1VAL Register Field Descriptions
Bit Field Type Reset Description
31-0 VAL R/W 0h Capture/compare value. The system CPU can safely read this
register, but it is recommended to use the CPE API commands to
configure it for compare mode.

www.ti.com
Radio Registers
1701
SWCU117F–February 2015–Revised June 2016
Submit Documentation Feedback Copyright © 2015–2016, Texas Instruments Incorporated
Radio
23.8.1.4 RATCH2VAL Register (Offset = 88h) [reset = 0h]
RATCH2VAL is shown in Figure 23-15 and described in Table 23-157.
Return to Summary Table.
Timer Channel 2 Capture/Compare Register
Figure 23-15. RATCH2VAL Register
31 30 29 28 27 26 25 24 23 22 21 20 19 18 17 16 15 14 13 12 11 10 9 8 7 6 5 4 3 2 1 0
VAL
R/W-0h
Table 23-157. RATCH2VAL Register Field Descriptions
Bit Field Type Reset Description
31-0 VAL R/W 0h Capture/compare value. The system CPU can safely read this
register, but it is recommended to use the CPE API commands to
configure it for compare mode.

Radio Registers
www.ti.com
1702 SWCU117F–February 2015–Revised June 2016
Submit Documentation Feedback
Copyright © 2015–2016, Texas Instruments Incorporated
Radio
23.8.1.5 RATCH3VAL Register (Offset = 8Ch) [reset = 0h]
RATCH3VAL is shown in Figure 23-16 and described in Table 23-158.
Return to Summary Table.
Timer Channel 3 Capture/Compare Register
Figure 23-16. RATCH3VAL Register
31 30 29 28 27 26 25 24 23 22 21 20 19 18 17 16 15 14 13 12 11 10 9 8 7 6 5 4 3 2 1 0
VAL
R/W-0h
Table 23-158. RATCH3VAL Register Field Descriptions
Bit Field Type Reset Description
31-0 VAL R/W 0h Capture/compare value. The system CPU can safely read this
register, but it is recommended to use the CPE API commands to
configure it for compare mode.

www.ti.com
Radio Registers
1703
SWCU117F–February 2015–Revised June 2016
Submit Documentation Feedback Copyright © 2015–2016, Texas Instruments Incorporated
Radio
23.8.1.6 RATCH4VAL Register (Offset = 90h) [reset = 0h]
RATCH4VAL is shown in Figure 23-17 and described in Table 23-159.
Return to Summary Table.
Timer Channel 4 Capture/Compare Register
Figure 23-17. RATCH4VAL Register
31 30 29 28 27 26 25 24 23 22 21 20 19 18 17 16 15 14 13 12 11 10 9 8 7 6 5 4 3 2 1 0
VAL
R/W-0h
Table 23-159. RATCH4VAL Register Field Descriptions
Bit Field Type Reset Description
31-0 VAL R/W 0h Capture/compare value. The system CPU can safely read this
register, but it is recommended to use the CPE API commands to
configure it for compare mode.

Radio Registers
www.ti.com
1704 SWCU117F–February 2015–Revised June 2016
Submit Documentation Feedback
Copyright © 2015–2016, Texas Instruments Incorporated
Radio
23.8.1.7 RATCH5VAL Register (Offset = 94h) [reset = 0h]
RATCH5VAL is shown in Figure 23-18 and described in Table 23-160.
Return to Summary Table.
Timer Channel 5 Capture/Compare Register
Figure 23-18. RATCH5VAL Register
31 30 29 28 27 26 25 24 23 22 21 20 19 18 17 16 15 14 13 12 11 10 9 8 7 6 5 4 3 2 1 0
VAL
R/W-0h
Table 23-160. RATCH5VAL Register Field Descriptions
Bit Field Type Reset Description
31-0 VAL R/W 0h Capture/compare value. The system CPU can safely read this
register, but it is recommended to use the CPE API commands to
configure it for compare mode.

www.ti.com
Radio Registers
1705
SWCU117F–February 2015–Revised June 2016
Submit Documentation Feedback Copyright © 2015–2016, Texas Instruments Incorporated
Radio
23.8.1.8 RATCH6VAL Register (Offset = 98h) [reset = 0h]
RATCH6VAL is shown in Figure 23-19 and described in Table 23-161.
Return to Summary Table.
Timer Channel 6 Capture/Compare Register
Figure 23-19. RATCH6VAL Register
31 30 29 28 27 26 25 24 23 22 21 20 19 18 17 16 15 14 13 12 11 10 9 8 7 6 5 4 3 2 1 0
VAL
R/W-0h
Table 23-161. RATCH6VAL Register Field Descriptions
Bit Field Type Reset Description
31-0 VAL R/W 0h Capture/compare value. The system CPU can safely read this
register, but it is recommended to use the CPE API commands to
configure it for compare mode.

Radio Registers
www.ti.com
1706 SWCU117F–February 2015–Revised June 2016
Submit Documentation Feedback
Copyright © 2015–2016, Texas Instruments Incorporated
Radio
23.8.1.9 RATCH7VAL Register (Offset = 9Ch) [reset = 0h]
RATCH7VAL is shown in Figure 23-20 and described in Table 23-162.
Return to Summary Table.
Timer Channel 7 Capture/Compare Register
Figure 23-20. RATCH7VAL Register
31 30 29 28 27 26 25 24 23 22 21 20 19 18 17 16 15 14 13 12 11 10 9 8 7 6 5 4 3 2 1 0
VAL
R/W-0h
Table 23-162. RATCH7VAL Register Field Descriptions
Bit Field Type Reset Description
31-0 VAL R/W 0h Capture/compare value. The system CPU can safely read this
register, but it is recommended to use the CPE API commands to
configure it for compare mode.
23.8.2 RFC_DBELL Registers
Table 23-163 lists the memory-mapped registers for the RFC_DBELL. All register offset addresses not
listed in Table 23-163 should be considered as reserved locations and the register contents should not be
modified.
Table 23-163. RFC_DBELL Registers
Offset Acronym Register Name Section
0h CMDR Doorbell Command Register Section 23.8.2.1
4h CMDSTA Doorbell Command Status Register Section 23.8.2.2
8h RFHWIFG Interrupt Flags From RF Hardware Modules Section 23.8.2.3
Ch RFHWIEN Interrupt Enable For RF Hardware Modules Section 23.8.2.4
10h RFCPEIFG Interrupt Flags For Command and Packet Engine
Generated Interrupts Section 23.8.2.5
14h RFCPEIEN Interrupt Enable For Command and Packet Engine
Generated Interrupts Section 23.8.2.6
18h RFCPEISL Interrupt Vector Selection For Command and Packet
Engine Generated Interrupts Section 23.8.2.7
1Ch RFACKIFG Doorbell Command Acknowledgement Interrupt Flag Section 23.8.2.8
20h SYSGPOCTL RF Core General Purpose Output Control Section 23.8.2.9

www.ti.com
Radio Registers
1707
SWCU117F–February 2015–Revised June 2016
Submit Documentation Feedback Copyright © 2015–2016, Texas Instruments Incorporated
Radio
23.8.2.1 CMDR Register (Offset = 0h) [reset = 0h]
CMDR is shown in Figure 23-21 and described in Table 23-164.
Return to Summary Table.
Doorbell Command Register
Figure 23-21. CMDR Register
31 30 29 28 27 26 25 24 23 22 21 20 19 18 17 16 15 14 13 12 11 10 9 8 7 6 5 4 3 2 1 0
CMD
R/W-0h
Table 23-164. CMDR Register Field Descriptions
Bit Field Type Reset Description
31-0 CMD R/W 0h Command register. Raises an interrupt to the Command and packet
engine (CPE) upon write.

Radio Registers
www.ti.com
1708 SWCU117F–February 2015–Revised June 2016
Submit Documentation Feedback
Copyright © 2015–2016, Texas Instruments Incorporated
Radio
23.8.2.2 CMDSTA Register (Offset = 4h) [reset = 0h]
CMDSTA is shown in Figure 23-22 and described in Table 23-165.
Return to Summary Table.
Doorbell Command Status Register
Figure 23-22. CMDSTA Register
31 30 29 28 27 26 25 24 23 22 21 20 19 18 17 16 15 14 13 12 11 10 9 8 7 6 5 4 3 2 1 0
STAT
R-0h
Table 23-165. CMDSTA Register Field Descriptions
Bit Field Type Reset Description
31-0 STAT R 0h Status of the last command used

www.ti.com
Radio Registers
1709
SWCU117F–February 2015–Revised June 2016
Submit Documentation Feedback Copyright © 2015–2016, Texas Instruments Incorporated
Radio
23.8.2.3 RFHWIFG Register (Offset = 8h) [reset = 0h]
RFHWIFG is shown in Figure 23-23 and described in Table 23-166.
Return to Summary Table.
Interrupt Flags From RF Hardware Modules
Figure 23-23. RFHWIFG Register
31 30 29 28 27 26 25 24
RESERVED
R-0h
23 22 21 20 19 18 17 16
RESERVED RATCH7 RATCH6 RATCH5 RATCH4
R-0h R/W-0h R/W-0h R/W-0h R/W-0h
15 14 13 12 11 10 9 8
RATCH3 RATCH2 RATCH1 RATCH0 RFESOFT2 RFESOFT1 RFESOFT0 RFEDONE
R/W-0h R/W-0h R/W-0h R/W-0h R/W-0h R/W-0h R/W-0h R/W-0h
76543210
RESERVED TRCTK MDMSOFT MDMOUT MDMIN MDMDONE FSCA RESERVED
R/W-0h R/W-0h R/W-0h R/W-0h R/W-0h R/W-0h R/W-0h R/W-0h
Table 23-166. RFHWIFG Register Field Descriptions
Bit Field Type Reset Description
31-20 RESERVED R 0h Software should not rely on the value of a reserved. Writing any
other value than the reset value may result in undefined behavior.
19 RATCH7 R/W 0h Radio timer channel 7 interrupt flag. Write zero to clear flag. Write to
one has no effect.
18 RATCH6 R/W 0h Radio timer channel 6 interrupt flag. Write zero to clear flag. Write to
one has no effect.
17 RATCH5 R/W 0h Radio timer channel 5 interrupt flag. Write zero to clear flag. Write to
one has no effect.
16 RATCH4 R/W 0h Radio timer channel 4 interrupt flag. Write zero to clear flag. Write to
one has no effect.
15 RATCH3 R/W 0h Radio timer channel 3 interrupt flag. Write zero to clear flag. Write to
one has no effect.
14 RATCH2 R/W 0h Radio timer channel 2 interrupt flag. Write zero to clear flag. Write to
one has no effect.
13 RATCH1 R/W 0h Radio timer channel 1 interrupt flag. Write zero to clear flag. Write to
one has no effect.
12 RATCH0 R/W 0h Radio timer channel 0 interrupt flag. Write zero to clear flag. Write to
one has no effect.
11 RFESOFT2 R/W 0h RF engine software defined interrupt 2 flag. Write zero to clear flag.
Write to one has no effect.
10 RFESOFT1 R/W 0h RF engine software defined interrupt 1 flag. Write zero to clear flag.
Write to one has no effect.
9 RFESOFT0 R/W 0h RF engine software defined interrupt 0 flag. Write zero to clear flag.
Write to one has no effect.
8 RFEDONE R/W 0h RF engine command done interrupt flag. Write zero to clear flag.
Write to one has no effect.
7 RESERVED R/W 0h Software should not rely on the value of a reserved. Writing any
other value than the reset value may result in undefined behavior.
6 TRCTK R/W 0h Debug tracer system tick interrupt flag. Write zero to clear flag. Write
to one has no effect.

Radio Registers
www.ti.com
1710 SWCU117F–February 2015–Revised June 2016
Submit Documentation Feedback
Copyright © 2015–2016, Texas Instruments Incorporated
Radio
Table 23-166. RFHWIFG Register Field Descriptions (continued)
Bit Field Type Reset Description
5 MDMSOFT R/W 0h Modem synchronization word detection interrupt flag. This interrupt
will be raised by modem when the synchronization word is received.
The CPE may decide to reject the packet based on its header
(protocol specific). Write zero to clear flag. Write to one has no
effect.
4 MDMOUT R/W 0h Modem FIFO output interrupt flag. Write zero to clear flag. Write to
one has no effect.
3 MDMIN R/W 0h Modem FIFO input interrupt flag. Write zero to clear flag. Write to
one has no effect.
2 MDMDONE R/W 0h Modem command done interrupt flag. Write zero to clear flag. Write
to one has no effect.
1 FSCA R/W 0h Frequency synthesizer calibration accelerator interrupt flag. Write
zero to clear flag. Write to one has no effect.
0 RESERVED R/W 0h Software should not rely on the value of a reserved. Writing any
other value than the reset value may result in undefined behavior.

www.ti.com
Radio Registers
1711
SWCU117F–February 2015–Revised June 2016
Submit Documentation Feedback Copyright © 2015–2016, Texas Instruments Incorporated
Radio
23.8.2.4 RFHWIEN Register (Offset = Ch) [reset = 0h]
RFHWIEN is shown in Figure 23-24 and described in Table 23-167.
Return to Summary Table.
Interrupt Enable For RF Hardware Modules
Figure 23-24. RFHWIEN Register
31 30 29 28 27 26 25 24
RESERVED
R-0h
23 22 21 20 19 18 17 16
RESERVED RATCH7 RATCH6 RATCH5 RATCH4
R-0h R/W-0h R/W-0h R/W-0h R/W-0h
15 14 13 12 11 10 9 8
RATCH3 RATCH2 RATCH1 RATCH0 RFESOFT2 RFESOFT1 RFESOFT0 RFEDONE
R/W-0h R/W-0h R/W-0h R/W-0h R/W-0h R/W-0h R/W-0h R/W-0h
76543210
RESERVED TRCTK MDMSOFT MDMOUT MDMIN MDMDONE FSCA RESERVED
R/W-0h R/W-0h R/W-0h R/W-0h R/W-0h R/W-0h R/W-0h R/W-0h
Table 23-167. RFHWIEN Register Field Descriptions
Bit Field Type Reset Description
31-20 RESERVED R 0h Software should not rely on the value of a reserved. Writing any
other value than the reset value may result in undefined behavior.
19 RATCH7 R/W 0h Interrupt enable for RFHWIFG.RATCH7.
18 RATCH6 R/W 0h Interrupt enable for RFHWIFG.RATCH6.
17 RATCH5 R/W 0h Interrupt enable for RFHWIFG.RATCH5.
16 RATCH4 R/W 0h Interrupt enable for RFHWIFG.RATCH4.
15 RATCH3 R/W 0h Interrupt enable for RFHWIFG.RATCH3.
14 RATCH2 R/W 0h Interrupt enable for RFHWIFG.RATCH2.
13 RATCH1 R/W 0h Interrupt enable for RFHWIFG.RATCH1.
12 RATCH0 R/W 0h Interrupt enable for RFHWIFG.RATCH0.
11 RFESOFT2 R/W 0h Interrupt enable for RFHWIFG.RFESOFT2.
10 RFESOFT1 R/W 0h Interrupt enable for RFHWIFG.RFESOFT1.
9 RFESOFT0 R/W 0h Interrupt enable for RFHWIFG.RFESOFT0.
8 RFEDONE R/W 0h Interrupt enable for RFHWIFG.RFEDONE.
7 RESERVED R/W 0h Software should not rely on the value of a reserved. Writing any
other value than the reset value may result in undefined behavior.
6 TRCTK R/W 0h Interrupt enable for RFHWIFG.TRCTK.
5 MDMSOFT R/W 0h Interrupt enable for RFHWIFG.MDMSOFT.
4 MDMOUT R/W 0h Interrupt enable for RFHWIFG.MDMOUT.
3 MDMIN R/W 0h Interrupt enable for RFHWIFG.MDMIN.
2 MDMDONE R/W 0h Interrupt enable for RFHWIFG.MDMDONE.
1 FSCA R/W 0h Interrupt enable for RFHWIFG.FSCA.
0 RESERVED R/W 0h Software should not rely on the value of a reserved. Writing any
other value than the reset value may result in undefined behavior.

Radio Registers
www.ti.com
1712 SWCU117F–February 2015–Revised June 2016
Submit Documentation Feedback
Copyright © 2015–2016, Texas Instruments Incorporated
Radio
23.8.2.5 RFCPEIFG Register (Offset = 10h) [reset = 0h]
RFCPEIFG is shown in Figure 23-25 and described in Table 23-168.
Return to Summary Table.
Interrupt Flags For Command and Packet Engine Generated Interrupts
Figure 23-25. RFCPEIFG Register
31 30 29 28 27 26 25 24
INTERNAL_ER
ROR BOOT_DONE MODULES_UN
LOCKED SYNTH_NO_L
OCK IRQ27 RX_ABORTED RX_N_DATA_
WRITTEN RX_DATA_WRI
TTEN
R/W-0h R/W-0h R/W-0h R/W-0h R/W-0h R/W-0h R/W-0h R/W-0h
23 22 21 20 19 18 17 16
RX_ENTRY_D
ONE RX_BUF_FULL RX_CTRL_AC
KRX_CTRL RX_EMPTY RX_IGNORED RX_NOK RX_OK
R/W-0h R/W-0h R/W-0h R/W-0h R/W-0h R/W-0h R/W-0h R/W-0h
15 14 13 12 11 10 9 8
IRQ15 IRQ14 IRQ13 IRQ12 TX_BUFFER_C
HANGED TX_ENTRY_D
ONE TX_RETRANS TX_CTRL_ACK
_ACK
R/W-0h R/W-0h R/W-0h R/W-0h R/W-0h R/W-0h R/W-0h R/W-0h
76543210
TX_CTRL_ACK TX_CTRL TX_ACK TX_DONE LAST_FG_CO
MMAND_DON
E
FG_COMMAN
D_DONE LAST_COMMA
ND_DONE COMMAND_D
ONE
R/W-0h R/W-0h R/W-0h R/W-0h R/W-0h R/W-0h R/W-0h R/W-0h
Table 23-168. RFCPEIFG Register Field Descriptions
Bit Field Type Reset Description
31 INTERNAL_ERROR R/W 0h Interrupt flag 31. The command and packet engine (CPE) has
observed an unexpected error. A reset of the CPE is needed. This
can be done by switching the RF Core power domain off and on in
PRCM:PDCTL1RFC. Write zero to clear flag. Write to one has no
effect.
30 BOOT_DONE R/W 0h Interrupt flag 30. The command and packet engine (CPE) boot is
finished. Write zero to clear flag. Write to one has no effect.
29 MODULES_UNLOCKED R/W 0h Interrupt flag 29. As part of command and packet engine (CPE) boot
process, it has opened access to RF Core modules and memories.
Write zero to clear flag. Write to one has no effect.
28 SYNTH_NO_LOCK R/W 0h Interrupt flag 28. The phase-locked loop in frequency synthesizer
has reported loss of lock. Write zero to clear flag. Write to one has
no effect.
27 IRQ27 R/W 0h Interrupt flag 27. Write zero to clear flag. Write to one has no effect.
26 RX_ABORTED R/W 0h Interrupt flag 26. Packet reception stopped before packet was done.
Write zero to clear flag. Write to one has no effect.
25 RX_N_DATA_WRITTEN R/W 0h Interrupt flag 25. Specified number of bytes written to partial read Rx
buffer. Write zero to clear flag. Write to one has no effect.
24 RX_DATA_WRITTEN R/W 0h Interrupt flag 24. Data written to partial read Rx buffer. Write zero to
clear flag. Write to one has no effect.
23 RX_ENTRY_DONE R/W 0h Interrupt flag 23. Rx queue data entry changing state to finished.
Write zero to clear flag. Write to one has no effect.
22 RX_BUF_FULL R/W 0h Interrupt flag 22. Packet received that did not fit in Rx queue. BLE
mode: Packet received that did not fit in the Rx queue. IEEE
802.15.4 mode: Frame received that did not fit in the Rx queue.
Write zero to clear flag. Write to one has no effect.
21 RX_CTRL_ACK R/W 0h Interrupt flag 21. BLE mode only: LL control packet received with
CRC OK, not to be ignored, then acknowledgement sent. Write zero
to clear flag. Write to one has no effect.

www.ti.com
Radio Registers
1713
SWCU117F–February 2015–Revised June 2016
Submit Documentation Feedback Copyright © 2015–2016, Texas Instruments Incorporated
Radio
Table 23-168. RFCPEIFG Register Field Descriptions (continued)
Bit Field Type Reset Description
20 RX_CTRL R/W 0h Interrupt flag 20. BLE mode only: LL control packet received with
CRC OK, not to be ignored. Write zero to clear flag. Write to one has
no effect.
19 RX_EMPTY R/W 0h Interrupt flag 19. BLE mode only: Packet received with CRC OK, not
to be ignored, no payload. Write zero to clear flag. Write to one has
no effect.
18 RX_IGNORED R/W 0h Interrupt flag 18. Packet received, but can be ignored. BLE mode:
Packet received with CRC OK, but to be ignored. IEEE 802.15.4
mode: Frame received with ignore flag set. Write zero to clear flag.
Write to one has no effect.
17 RX_NOK R/W 0h Interrupt flag 17. Packet received with CRC error. BLE mode: Packet
received with CRC error. IEEE 802.15.4 mode: Frame received with
CRC error. Write zero to clear flag. Write to one has no effect.
16 RX_OK R/W 0h Interrupt flag 16. Packet received correctly. BLE mode: Packet
received with CRC OK, payload, and not to be ignored. IEEE
802.15.4 mode: Frame received with CRC OK. Write zero to clear
flag. Write to one has no effect.
15 IRQ15 R/W 0h Interrupt flag 15. Write zero to clear flag. Write to one has no effect.
14 IRQ14 R/W 0h Interrupt flag 14. Write zero to clear flag. Write to one has no effect.
13 IRQ13 R/W 0h Interrupt flag 13. Write zero to clear flag. Write to one has no effect.
12 IRQ12 R/W 0h Interrupt flag 12. Write zero to clear flag. Write to one has no effect.
11 TX_BUFFER_CHANGED R/W 0h Interrupt flag 11. BLE mode only: A buffer change is complete after
CMD_BLE_ADV_PAYLOAD. Write zero to clear flag. Write to one
has no effect.
10 TX_ENTRY_DONE R/W 0h Interrupt flag 10. Tx queue data entry state changed to finished.
Write zero to clear flag. Write to one has no effect.
9 TX_RETRANS R/W 0h Interrupt flag 9. BLE mode only: Packet retransmitted. Write zero to
clear flag. Write to one has no effect.
8 TX_CTRL_ACK_ACK R/W 0h Interrupt flag 8. BLE mode only: Acknowledgement received on a
transmitted LL control packet, and acknowledgement transmitted for
that packet. Write zero to clear flag. Write to one has no effect.
7 TX_CTRL_ACK R/W 0h Interrupt flag 7. BLE mode: Acknowledgement received on a
transmitted LL control packet. Write zero to clear flag. Write to one
has no effect.
6 TX_CTRL R/W 0h Interrupt flag 6. BLE mode: Transmitted LL control packet. Write zero
to clear flag. Write to one has no effect.
5 TX_ACK R/W 0h Interrupt flag 5. BLE mode: Acknowledgement received on a
transmitted packet. IEEE 802.15.4 mode: Transmitted automatic
ACK frame. Write zero to clear flag. Write to one has no effect.
4 TX_DONE R/W 0h Interrupt flag 4. Packet transmitted. (BLE mode: A packet has been
transmitted.) (IEEE 802.15.4 mode: A frame has been transmitted).
Write zero to clear flag. Write to one has no effect.
3 LAST_FG_COMMAND_D
ONE R/W 0h Interrupt flag 3. IEEE 802.15.4 mode only: The last foreground radio
operation command in a chain of commands has finished. Write zero
to clear flag. Write to one has no effect.
2 FG_COMMAND_DONE R/W 0h Interrupt flag 2. IEEE 802.15.4 mode only: A foreground radio
operation command has finished. Write zero to clear flag. Write to
one has no effect.
1 LAST_COMMAND_DONE R/W 0h Interrupt flag 1. The last radio operation command in a chain of
commands has finished. (IEEE 802.15.4 mode: The last background
level radio operation command in a chain of commands has
finished.) Write zero to clear flag. Write to one has no effect.
0 COMMAND_DONE R/W 0h Interrupt flag 0. A radio operation has finished. (IEEE 802.15.4
mode: A background level radio operation command has finished.)
Write zero to clear flag. Write to one has no effect.

Radio Registers
www.ti.com
1714 SWCU117F–February 2015–Revised June 2016
Submit Documentation Feedback
Copyright © 2015–2016, Texas Instruments Incorporated
Radio
23.8.2.6 RFCPEIEN Register (Offset = 14h) [reset = FFFFFFFFh]
RFCPEIEN is shown in Figure 23-26 and described in Table 23-169.
Return to Summary Table.
Interrupt Enable For Command and Packet Engine Generated Interrupts
Figure 23-26. RFCPEIEN Register
31 30 29 28 27 26 25 24
INTERNAL_ER
ROR BOOT_DONE MODULES_UN
LOCKED SYNTH_NO_L
OCK IRQ27 RX_ABORTED RX_N_DATA_
WRITTEN RX_DATA_WRI
TTEN
R/W-1h R/W-1h R/W-1h R/W-1h R/W-1h R/W-1h R/W-1h R/W-1h
23 22 21 20 19 18 17 16
RX_ENTRY_D
ONE RX_BUF_FULL RX_CTRL_AC
KRX_CTRL RX_EMPTY RX_IGNORED RX_NOK RX_OK
R/W-1h R/W-1h R/W-1h R/W-1h R/W-1h R/W-1h R/W-1h R/W-1h
15 14 13 12 11 10 9 8
IRQ15 IRQ14 IRQ13 IRQ12 TX_BUFFER_C
HANGED TX_ENTRY_D
ONE TX_RETRANS TX_CTRL_ACK
_ACK
R/W-1h R/W-1h R/W-1h R/W-1h R/W-1h R/W-1h R/W-1h R/W-1h
76543210
TX_CTRL_ACK TX_CTRL TX_ACK TX_DONE LAST_FG_CO
MMAND_DON
E
FG_COMMAN
D_DONE LAST_COMMA
ND_DONE COMMAND_D
ONE
R/W-1h R/W-1h R/W-1h R/W-1h R/W-1h R/W-1h R/W-1h R/W-1h
Table 23-169. RFCPEIEN Register Field Descriptions
Bit Field Type Reset Description
31 INTERNAL_ERROR R/W 1h Interrupt enable for RFCPEIFG.INTERNAL_ERROR.
30 BOOT_DONE R/W 1h Interrupt enable for RFCPEIFG.BOOT_DONE.
29 MODULES_UNLOCKED R/W 1h Interrupt enable for RFCPEIFG.MODULES_UNLOCKED.
28 SYNTH_NO_LOCK R/W 1h Interrupt enable for RFCPEIFG.SYNTH_NO_LOCK.
27 IRQ27 R/W 1h Interrupt enable for RFCPEIFG.IRQ27.
26 RX_ABORTED R/W 1h Interrupt enable for RFCPEIFG.RX_ABORTED.
25 RX_N_DATA_WRITTEN R/W 1h Interrupt enable for RFCPEIFG.RX_N_DATA_WRITTEN.
24 RX_DATA_WRITTEN R/W 1h Interrupt enable for RFCPEIFG.RX_DATA_WRITTEN.
23 RX_ENTRY_DONE R/W 1h Interrupt enable for RFCPEIFG.RX_ENTRY_DONE.
22 RX_BUF_FULL R/W 1h Interrupt enable for RFCPEIFG.RX_BUF_FULL.
21 RX_CTRL_ACK R/W 1h Interrupt enable for RFCPEIFG.RX_CTRL_ACK.
20 RX_CTRL R/W 1h Interrupt enable for RFCPEIFG.RX_CTRL.
19 RX_EMPTY R/W 1h Interrupt enable for RFCPEIFG.RX_EMPTY.
18 RX_IGNORED R/W 1h Interrupt enable for RFCPEIFG.RX_IGNORED.
17 RX_NOK R/W 1h Interrupt enable for RFCPEIFG.RX_NOK.
16 RX_OK R/W 1h Interrupt enable for RFCPEIFG.RX_OK.
15 IRQ15 R/W 1h Interrupt enable for RFCPEIFG.IRQ15.
14 IRQ14 R/W 1h Interrupt enable for RFCPEIFG.IRQ14.
13 IRQ13 R/W 1h Interrupt enable for RFCPEIFG.IRQ13.
12 IRQ12 R/W 1h Interrupt enable for RFCPEIFG.IRQ12.
11 TX_BUFFER_CHANGED R/W 1h Interrupt enable for RFCPEIFG.TX_BUFFER_CHANGED.

www.ti.com
Radio Registers
1715
SWCU117F–February 2015–Revised June 2016
Submit Documentation Feedback Copyright © 2015–2016, Texas Instruments Incorporated
Radio
Table 23-169. RFCPEIEN Register Field Descriptions (continued)
Bit Field Type Reset Description
10 TX_ENTRY_DONE R/W 1h Interrupt enable for RFCPEIFG.TX_ENTRY_DONE.
9 TX_RETRANS R/W 1h Interrupt enable for RFCPEIFG.TX_RETRANS.
8 TX_CTRL_ACK_ACK R/W 1h Interrupt enable for RFCPEIFG.TX_CTRL_ACK_ACK.
7 TX_CTRL_ACK R/W 1h Interrupt enable for RFCPEIFG.TX_CTRL_ACK.
6 TX_CTRL R/W 1h Interrupt enable for RFCPEIFG.TX_CTRL.
5 TX_ACK R/W 1h Interrupt enable for RFCPEIFG.TX_ACK.
4 TX_DONE R/W 1h Interrupt enable for RFCPEIFG.TX_DONE.
3 LAST_FG_COMMAND_D
ONE R/W 1h Interrupt enable for RFCPEIFG.LAST_FG_COMMAND_DONE.
2 FG_COMMAND_DONE R/W 1h Interrupt enable for RFCPEIFG.FG_COMMAND_DONE.
1 LAST_COMMAND_DONE R/W 1h Interrupt enable for RFCPEIFG.LAST_COMMAND_DONE.
0 COMMAND_DONE R/W 1h Interrupt enable for RFCPEIFG.COMMAND_DONE.

Radio Registers
www.ti.com
1716 SWCU117F–February 2015–Revised June 2016
Submit Documentation Feedback
Copyright © 2015–2016, Texas Instruments Incorporated
Radio
23.8.2.7 RFCPEISL Register (Offset = 18h) [reset = FFFF0000h]
RFCPEISL is shown in Figure 23-27 and described in Table 23-170.
Return to Summary Table.
Interrupt Vector Selection For Command and Packet Engine Generated Interrupts
Figure 23-27. RFCPEISL Register
31 30 29 28 27 26 25 24
INTERNAL_ER
ROR BOOT_DONE MODULES_UN
LOCKED SYNTH_NO_L
OCK IRQ27 RX_ABORTED RX_N_DATA_
WRITTEN RX_DATA_WRI
TTEN
R/W-1h R/W-1h R/W-1h R/W-1h R/W-1h R/W-1h R/W-1h R/W-1h
23 22 21 20 19 18 17 16
RX_ENTRY_D
ONE RX_BUF_FULL RX_CTRL_AC
KRX_CTRL RX_EMPTY RX_IGNORED RX_NOK RX_OK
R/W-1h R/W-1h R/W-1h R/W-1h R/W-1h R/W-1h R/W-1h R/W-1h
15 14 13 12 11 10 9 8
IRQ15 IRQ14 IRQ13 IRQ12 TX_BUFFER_C
HANGED TX_ENTRY_D
ONE TX_RETRANS TX_CTRL_ACK
_ACK
R/W-0h R/W-0h R/W-0h R/W-0h R/W-0h R/W-0h R/W-0h R/W-0h
76543210
TX_CTRL_ACK TX_CTRL TX_ACK TX_DONE LAST_FG_CO
MMAND_DON
E
FG_COMMAN
D_DONE LAST_COMMA
ND_DONE COMMAND_D
ONE
R/W-0h R/W-0h R/W-0h R/W-0h R/W-0h R/W-0h R/W-0h R/W-0h
Table 23-170. RFCPEISL Register Field Descriptions
Bit Field Type Reset Description
31 INTERNAL_ERROR R/W 1h Select which CPU interrupt vector the
RFCPEIFG.INTERNAL_ERROR interrupt should use.
0h = Associate this interrupt line with INT_RF_CPE0 interrupt vector
1h = Associate this interrupt line with INT_RF_CPE1 interrupt vector
30 BOOT_DONE R/W 1h Select which CPU interrupt vector the RFCPEIFG.BOOT_DONE
interrupt should use.
0h = Associate this interrupt line with INT_RF_CPE0 interrupt vector
1h = Associate this interrupt line with INT_RF_CPE1 interrupt vector
29 MODULES_UNLOCKED R/W 1h Select which CPU interrupt vector the
RFCPEIFG.MODULES_UNLOCKED interrupt should use.
0h = Associate this interrupt line with INT_RF_CPE0 interrupt vector
1h = Associate this interrupt line with INT_RF_CPE1 interrupt vector
28 SYNTH_NO_LOCK R/W 1h Select which CPU interrupt vector the
RFCPEIFG.SYNTH_NO_LOCK interrupt should use.
0h = Associate this interrupt line with INT_RF_CPE0 interrupt vector
1h = Associate this interrupt line with INT_RF_CPE1 interrupt vector
27 IRQ27 R/W 1h Select which CPU interrupt vector the RFCPEIFG.IRQ27 interrupt
should use.
0h = Associate this interrupt line with INT_RF_CPE0 interrupt vector
1h = Associate this interrupt line with INT_RF_CPE1 interrupt vector
26 RX_ABORTED R/W 1h Select which CPU interrupt vector the RFCPEIFG.RX_ABORTED
interrupt should use.
0h = Associate this interrupt line with INT_RF_CPE0 interrupt vector
1h = Associate this interrupt line with INT_RF_CPE1 interrupt vector
25 RX_N_DATA_WRITTEN R/W 1h Select which CPU interrupt vector the
RFCPEIFG.RX_N_DATA_WRITTEN interrupt should use.
0h = Associate this interrupt line with INT_RF_CPE0 interrupt vector
1h = Associate this interrupt line with INT_RF_CPE1 interrupt vector

www.ti.com
Radio Registers
1717
SWCU117F–February 2015–Revised June 2016
Submit Documentation Feedback Copyright © 2015–2016, Texas Instruments Incorporated
Radio
Table 23-170. RFCPEISL Register Field Descriptions (continued)
Bit Field Type Reset Description
24 RX_DATA_WRITTEN R/W 1h Select which CPU interrupt vector the
RFCPEIFG.RX_DATA_WRITTEN interrupt should use.
0h = Associate this interrupt line with INT_RF_CPE0 interrupt vector
1h = Associate this interrupt line with INT_RF_CPE1 interrupt vector
23 RX_ENTRY_DONE R/W 1h Select which CPU interrupt vector the
RFCPEIFG.RX_ENTRY_DONE interrupt should use.
0h = Associate this interrupt line with INT_RF_CPE0 interrupt vector
1h = Associate this interrupt line with INT_RF_CPE1 interrupt vector
22 RX_BUF_FULL R/W 1h Select which CPU interrupt vector the RFCPEIFG.RX_BUF_FULL
interrupt should use.
0h = Associate this interrupt line with INT_RF_CPE0 interrupt vector
1h = Associate this interrupt line with INT_RF_CPE1 interrupt vector
21 RX_CTRL_ACK R/W 1h Select which CPU interrupt vector the RFCPEIFG.RX_CTRL_ACK
interrupt should use.
0h = Associate this interrupt line with INT_RF_CPE0 interrupt vector
1h = Associate this interrupt line with INT_RF_CPE1 interrupt vector
20 RX_CTRL R/W 1h Select which CPU interrupt vector the RFCPEIFG.RX_CTRL
interrupt should use.
0h = Associate this interrupt line with INT_RF_CPE0 interrupt vector
1h = Associate this interrupt line with INT_RF_CPE1 interrupt vector
19 RX_EMPTY R/W 1h Select which CPU interrupt vector the RFCPEIFG.RX_EMPTY
interrupt should use.
0h = Associate this interrupt line with INT_RF_CPE0 interrupt vector
1h = Associate this interrupt line with INT_RF_CPE1 interrupt vector
18 RX_IGNORED R/W 1h Select which CPU interrupt vector the RFCPEIFG.RX_IGNORED
interrupt should use.
0h = Associate this interrupt line with INT_RF_CPE0 interrupt vector
1h = Associate this interrupt line with INT_RF_CPE1 interrupt vector
17 RX_NOK R/W 1h Select which CPU interrupt vector the RFCPEIFG.RX_NOK interrupt
should use.
0h = Associate this interrupt line with INT_RF_CPE0 interrupt vector
1h = Associate this interrupt line with INT_RF_CPE1 interrupt vector
16 RX_OK R/W 1h Select which CPU interrupt vector the RFCPEIFG.RX_OK interrupt
should use.
0h = Associate this interrupt line with INT_RF_CPE0 interrupt vector
1h = Associate this interrupt line with INT_RF_CPE1 interrupt vector
15 IRQ15 R/W 0h Select which CPU interrupt vector the RFCPEIFG.IRQ15 interrupt
should use.
0h = Associate this interrupt line with INT_RF_CPE0 interrupt vector
1h = Associate this interrupt line with INT_RF_CPE1 interrupt vector
14 IRQ14 R/W 0h Select which CPU interrupt vector the RFCPEIFG.IRQ14 interrupt
should use.
0h = Associate this interrupt line with INT_RF_CPE0 interrupt vector
1h = Associate this interrupt line with INT_RF_CPE1 interrupt vector
13 IRQ13 R/W 0h Select which CPU interrupt vector the RFCPEIFG.IRQ13 interrupt
should use.
0h = Associate this interrupt line with INT_RF_CPE0 interrupt vector
1h = Associate this interrupt line with INT_RF_CPE1 interrupt vector
12 IRQ12 R/W 0h Select which CPU interrupt vector the RFCPEIFG.IRQ12 interrupt
should use.
0h = Associate this interrupt line with INT_RF_CPE0 interrupt vector
1h = Associate this interrupt line with INT_RF_CPE1 interrupt vector

Radio Registers
www.ti.com
1718 SWCU117F–February 2015–Revised June 2016
Submit Documentation Feedback
Copyright © 2015–2016, Texas Instruments Incorporated
Radio
Table 23-170. RFCPEISL Register Field Descriptions (continued)
Bit Field Type Reset Description
11 TX_BUFFER_CHANGED R/W 0h Select which CPU interrupt vector the
RFCPEIFG.TX_BUFFER_CHANGED interrupt should use.
0h = Associate this interrupt line with INT_RF_CPE0 interrupt vector
1h = Associate this interrupt line with INT_RF_CPE1 interrupt vector
10 TX_ENTRY_DONE R/W 0h Select which CPU interrupt vector the
RFCPEIFG.TX_ENTRY_DONE interrupt should use.
0h = Associate this interrupt line with INT_RF_CPE0 interrupt vector
1h = Associate this interrupt line with INT_RF_CPE1 interrupt vector
9 TX_RETRANS R/W 0h Select which CPU interrupt vector the RFCPEIFG.TX_RETRANS
interrupt should use.
0h = Associate this interrupt line with INT_RF_CPE0 interrupt vector
1h = Associate this interrupt line with INT_RF_CPE1 interrupt vector
8 TX_CTRL_ACK_ACK R/W 0h Select which CPU interrupt vector the
RFCPEIFG.TX_CTRL_ACK_ACK interrupt should use.
0h = Associate this interrupt line with INT_RF_CPE0 interrupt vector
1h = Associate this interrupt line with INT_RF_CPE1 interrupt vector
7 TX_CTRL_ACK R/W 0h Select which CPU interrupt vector the RFCPEIFG.TX_CTRL_ACK
interrupt should use.
0h = Associate this interrupt line with INT_RF_CPE0 interrupt vector
1h = Associate this interrupt line with INT_RF_CPE1 interrupt vector
6 TX_CTRL R/W 0h Select which CPU interrupt vector the RFCPEIFG.TX_CTRL
interrupt should use.
0h = Associate this interrupt line with INT_RF_CPE0 interrupt vector
1h = Associate this interrupt line with INT_RF_CPE1 interrupt vector
5 TX_ACK R/W 0h Select which CPU interrupt vector the RFCPEIFG.TX_ACK interrupt
should use.
0h = Associate this interrupt line with INT_RF_CPE0 interrupt vector
1h = Associate this interrupt line with INT_RF_CPE1 interrupt vector
4 TX_DONE R/W 0h Select which CPU interrupt vector the RFCPEIFG.TX_DONE
interrupt should use.
0h = Associate this interrupt line with INT_RF_CPE0 interrupt vector
1h = Associate this interrupt line with INT_RF_CPE1 interrupt vector
3 LAST_FG_COMMAND_D
ONE R/W 0h Select which CPU interrupt vector the
RFCPEIFG.LAST_FG_COMMAND_DONE interrupt should use.
0h = Associate this interrupt line with INT_RF_CPE0 interrupt vector
1h = Associate this interrupt line with INT_RF_CPE1 interrupt vector
2 FG_COMMAND_DONE R/W 0h Select which CPU interrupt vector the
RFCPEIFG.FG_COMMAND_DONE interrupt should use.
0h = Associate this interrupt line with INT_RF_CPE0 interrupt vector
1h = Associate this interrupt line with INT_RF_CPE1 interrupt vector
1 LAST_COMMAND_DONE R/W 0h Select which CPU interrupt vector the
RFCPEIFG.LAST_COMMAND_DONE interrupt should use.
0h = Associate this interrupt line with INT_RF_CPE0 interrupt vector
1h = Associate this interrupt line with INT_RF_CPE1 interrupt vector
0 COMMAND_DONE R/W 0h Select which CPU interrupt vector the
RFCPEIFG.COMMAND_DONE interrupt should use.
0h = Associate this interrupt line with INT_RF_CPE0 interrupt vector
1h = Associate this interrupt line with INT_RF_CPE1 interrupt vector

www.ti.com
Radio Registers
1719
SWCU117F–February 2015–Revised June 2016
Submit Documentation Feedback Copyright © 2015–2016, Texas Instruments Incorporated
Radio
23.8.2.8 RFACKIFG Register (Offset = 1Ch) [reset = 0h]
RFACKIFG is shown in Figure 23-28 and described in Table 23-171.
Return to Summary Table.
Doorbell Command Acknowledgement Interrupt Flag
Figure 23-28. RFACKIFG Register
31 30 29 28 27 26 25 24
RESERVED
R-0h
23 22 21 20 19 18 17 16
RESERVED
R-0h
15 14 13 12 11 10 9 8
RESERVED
R-0h
76543210
RESERVED ACKFLAG
R-0h R/W-0h
Table 23-171. RFACKIFG Register Field Descriptions
Bit Field Type Reset Description
31-1 RESERVED R 0h Software should not rely on the value of a reserved. Writing any
other value than the reset value may result in undefined behavior.
0 ACKFLAG R/W 0h Interrupt flag for Command ACK

Radio Registers
www.ti.com
1720 SWCU117F–February 2015–Revised June 2016
Submit Documentation Feedback
Copyright © 2015–2016, Texas Instruments Incorporated
Radio
23.8.2.9 SYSGPOCTL Register (Offset = 20h) [reset = 0h]
SYSGPOCTL is shown in Figure 23-29 and described in Table 23-172.
Return to Summary Table.
RF Core General Purpose Output Control
Figure 23-29. SYSGPOCTL Register
31 30 29 28 27 26 25 24 23 22 21 20 19 18 17 16
RESERVED
R-0h
15 14 13 12 11 10 9 8 7 6 5 4 3 2 1 0
GPOCTL3 GPOCTL2 GPOCTL1 GPOCTL0
R/W-0h R/W-0h R/W-0h R/W-0h
Table 23-172. SYSGPOCTL Register Field Descriptions
Bit Field Type Reset Description
31-16 RESERVED R 0h Software should not rely on the value of a reserved. Writing any
other value than the reset value may result in undefined behavior.
15-12 GPOCTL3 R/W 0h RF Core GPO control bit 3. Selects which signal to output on the RF
Core GPO line 3.
0h = CPE GPO line 0
1h = CPE GPO line 1
2h = CPE GPO line 2
3h = CPE GPO line 3
4h = MCE GPO line 0
5h = MCE GPO line 1
6h = MCE GPO line 2
7h = MCE GPO line 3
8h = RFE GPO line 0
9h = RFE GPO line 1
Ah = RFE GPO line 2
Bh = RFE GPO line 3
Ch = RAT GPO line 0
Dh = RAT GPO line 1
Eh = RAT GPO line 2
Fh = RAT GPO line 3
11-8 GPOCTL2 R/W 0h RF Core GPO control bit 2. Selects which signal to output on the RF
Core GPO line 2.
0h = CPE GPO line 0
1h = CPE GPO line 1
2h = CPE GPO line 2
3h = CPE GPO line 3
4h = MCE GPO line 0
5h = MCE GPO line 1
6h = MCE GPO line 2
7h = MCE GPO line 3
8h = RFE GPO line 0
9h = RFE GPO line 1
Ah = RFE GPO line 2
Bh = RFE GPO line 3
Ch = RAT GPO line 0
Dh = RAT GPO line 1
Eh = RAT GPO line 2
Fh = RAT GPO line 3

www.ti.com
Radio Registers
1721
SWCU117F–February 2015–Revised June 2016
Submit Documentation Feedback Copyright © 2015–2016, Texas Instruments Incorporated
Radio
Table 23-172. SYSGPOCTL Register Field Descriptions (continued)
Bit Field Type Reset Description
7-4 GPOCTL1 R/W 0h RF Core GPO control bit 1. Selects which signal to output on the RF
Core GPO line 1.
0h = CPE GPO line 0
1h = CPE GPO line 1
2h = CPE GPO line 2
3h = CPE GPO line 3
4h = MCE GPO line 0
5h = MCE GPO line 1
6h = MCE GPO line 2
7h = MCE GPO line 3
8h = RFE GPO line 0
9h = RFE GPO line 1
Ah = RFE GPO line 2
Bh = RFE GPO line 3
Ch = RAT GPO line 0
Dh = RAT GPO line 1
Eh = RAT GPO line 2
Fh = RAT GPO line 3
3-0 GPOCTL0 R/W 0h RF Core GPO control bit 0. Selects which signal to output on the RF
Core GPO line 0.
0h = CPE GPO line 0
1h = CPE GPO line 1
2h = CPE GPO line 2
3h = CPE GPO line 3
4h = MCE GPO line 0
5h = MCE GPO line 1
6h = MCE GPO line 2
7h = MCE GPO line 3
8h = RFE GPO line 0
9h = RFE GPO line 1
Ah = RFE GPO line 2
Bh = RFE GPO line 3
Ch = RAT GPO line 0
Dh = RAT GPO line 1
Eh = RAT GPO line 2
Fh = RAT GPO line 3
23.8.3 RFC_PWR Registers
Table 23-173 lists the memory-mapped registers for the RFC_PWR. All register offset addresses not listed
in Table 23-173 should be considered as reserved locations and the register contents should not be
modified.
Table 23-173. RFC_PWR Registers
Offset Acronym Register Name Section
0h PWMCLKEN RF Core Power Management and Clock Enable Section 23.8.3.1

Radio Registers
www.ti.com
1722 SWCU117F–February 2015–Revised June 2016
Submit Documentation Feedback
Copyright © 2015–2016, Texas Instruments Incorporated
Radio
23.8.3.1 PWMCLKEN Register (Offset = 0h) [reset = 1h]
PWMCLKEN is shown in Figure 23-30 and described in Table 23-174.
Return to Summary Table.
RF Core Power Management and Clock Enable
Figure 23-30. PWMCLKEN Register
31 30 29 28 27 26 25 24
RESERVED
R-0h
23 22 21 20 19 18 17 16
RESERVED
R-0h
15 14 13 12 11 10 9 8
RESERVED RFCTRC FSCA PHA
R-0h R/W-0h R/W-0h R/W-0h
76543210
RAT RFERAM RFE MDMRAM MDM CPERAM CPE RFC
R/W-0h R/W-0h R/W-0h R/W-0h R/W-0h R/W-0h R/W-0h R-1h
Table 23-174. PWMCLKEN Register Field Descriptions
Bit Field Type Reset Description
31-11 RESERVED R 0h Software should not rely on the value of a reserved. Writing any
other value than the reset value may result in undefined behavior.
10 RFCTRC R/W 0h Enable clock to the RF Core Tracer (RFCTRC) module.
9 FSCA R/W 0h Enable clock to the Frequency Synthesizer Calibration Accelerator
(FSCA) module.
8 PHA R/W 0h Enable clock to the Packet Handling Accelerator (PHA) module.
7 RAT R/W 0h Enable clock to the Radio Timer (RAT) module.
6 RFERAM R/W 0h Enable clock to the RF Engine RAM module.
5 RFE R/W 0h Enable clock to the RF Engine (RFE) module.
4 MDMRAM R/W 0h Enable clock to the Modem RAM module.
3 MDM R/W 0h Enable clock to the Modem (MDM) module.
2 CPERAM R/W 0h Enable clock to the Command and Packet Engine (CPE) RAM
module. As part of RF Core initialization, set this bit together with
CPE bit to enable CPE to boot.
1 CPE R/W 0h Enable processor clock (hclk) to the Command and Packet Engine
(CPE). As part of RF Core initialization, set this bit together with
CPERAM bit to enable CPE to boot.
0 RFC R 1h Enable essential clocks for the RF Core interface. This includes the
interconnect, the radio doorbell DBELL command interface, the
power management (PWR) clock control module, and bus clock
(sclk) for the CPE. To remove possibility of locking yourself out from
the RF Core, this bit can not be cleared. If you need to disable all
clocks to the RF Core, see the PRCM:RFCCLKG.CLK_EN register.

IMPORTANT NOTICE
Texas Instruments Incorporated and its subsidiaries (TI) reserve the right to make corrections, enhancements, improvements and other
changes to its semiconductor products and services per JESD46, latest issue, and to discontinue any product or service per JESD48, latest
issue. Buyers should obtain the latest relevant information before placing orders and should verify that such information is current and
complete. All semiconductor products (also referred to herein as “components”) are sold subject to TI’s terms and conditions of sale
supplied at the time of order acknowledgment.
TI warrants performance of its components to the specifications applicable at the time of sale, in accordance with the warranty in TI’s terms
and conditions of sale of semiconductor products. Testing and other quality control techniques are used to the extent TI deems necessary
to support this warranty. Except where mandated by applicable law, testing of all parameters of each component is not necessarily
performed.
TI assumes no liability for applications assistance or the design of Buyers’ products. Buyers are responsible for their products and
applications using TI components. To minimize the risks associated with Buyers’ products and applications, Buyers should provide
adequate design and operating safeguards.
TI does not warrant or represent that any license, either express or implied, is granted under any patent right, copyright, mask work right, or
other intellectual property right relating to any combination, machine, or process in which TI components or services are used. Information
published by TI regarding third-party products or services does not constitute a license to use such products or services or a warranty or
endorsement thereof. Use of such information may require a license from a third party under the patents or other intellectual property of the
third party, or a license from TI under the patents or other intellectual property of TI.
Reproduction of significant portions of TI information in TI data books or data sheets is permissible only if reproduction is without alteration
and is accompanied by all associated warranties, conditions, limitations, and notices. TI is not responsible or liable for such altered
documentation. Information of third parties may be subject to additional restrictions.
Resale of TI components or services with statements different from or beyond the parameters stated by TI for that component or service
voids all express and any implied warranties for the associated TI component or service and is an unfair and deceptive business practice.
TI is not responsible or liable for any such statements.
Buyer acknowledges and agrees that it is solely responsible for compliance with all legal, regulatory and safety-related requirements
concerning its products, and any use of TI components in its applications, notwithstanding any applications-related information or support
that may be provided by TI. Buyer represents and agrees that it has all the necessary expertise to create and implement safeguards which
anticipate dangerous consequences of failures, monitor failures and their consequences, lessen the likelihood of failures that might cause
harm and take appropriate remedial actions. Buyer will fully indemnify TI and its representatives against any damages arising out of the use
of any TI components in safety-critical applications.
In some cases, TI components may be promoted specifically to facilitate safety-related applications. With such components, TI’s goal is to
help enable customers to design and create their own end-product solutions that meet applicable functional safety standards and
requirements. Nonetheless, such components are subject to these terms.
No TI components are authorized for use in FDA Class III (or similar life-critical medical equipment) unless authorized officers of the parties
have executed a special agreement specifically governing such use.
Only those TI components which TI has specifically designated as military grade or “enhanced plastic” are designed and intended for use in
military/aerospace applications or environments. Buyer acknowledges and agrees that any military or aerospace use of TI components
which have not been so designated is solely at the Buyer's risk, and that Buyer is solely responsible for compliance with all legal and
regulatory requirements in connection with such use.
TI has specifically designated certain components as meeting ISO/TS16949 requirements, mainly for automotive use. In any case of use of
non-designated products, TI will not be responsible for any failure to meet ISO/TS16949.
Products Applications
Audio www.ti.com/audio Automotive and Transportation www.ti.com/automotive
Amplifiers amplifier.ti.com Communications and Telecom www.ti.com/communications
Data Converters dataconverter.ti.com Computers and Peripherals www.ti.com/computers
DLP® Products www.dlp.com Consumer Electronics www.ti.com/consumer-apps
DSP dsp.ti.com Energy and Lighting www.ti.com/energy
Clocks and Timers www.ti.com/clocks Industrial www.ti.com/industrial
Interface interface.ti.com Medical www.ti.com/medical
Logic logic.ti.com Security www.ti.com/security
Power Mgmt power.ti.com Space, Avionics and Defense www.ti.com/space-avionics-defense
Microcontrollers microcontroller.ti.com Video and Imaging www.ti.com/video
RFID www.ti-rfid.com
OMAP Applications Processors www.ti.com/omap TI E2E Community e2e.ti.com
Wireless Connectivity www.ti.com/wirelessconnectivity
Mailing Address: Texas Instruments, Post Office Box 655303, Dallas, Texas 75265
Copyright © 2016, Texas Instruments Incorporated