SA EX510 Technics SAEX 510 Service Manual
User Manual: Technics-SAEX-510-Service-Manual
Open the PDF directly: View PDF
.
Page Count: 48
- Specifications
- WARNING/Contents/Before Repair and Adjustment/Protection Circuitry
- Caution for AC Main Leads
- Operation Checks and Main Component Replacement Procedures
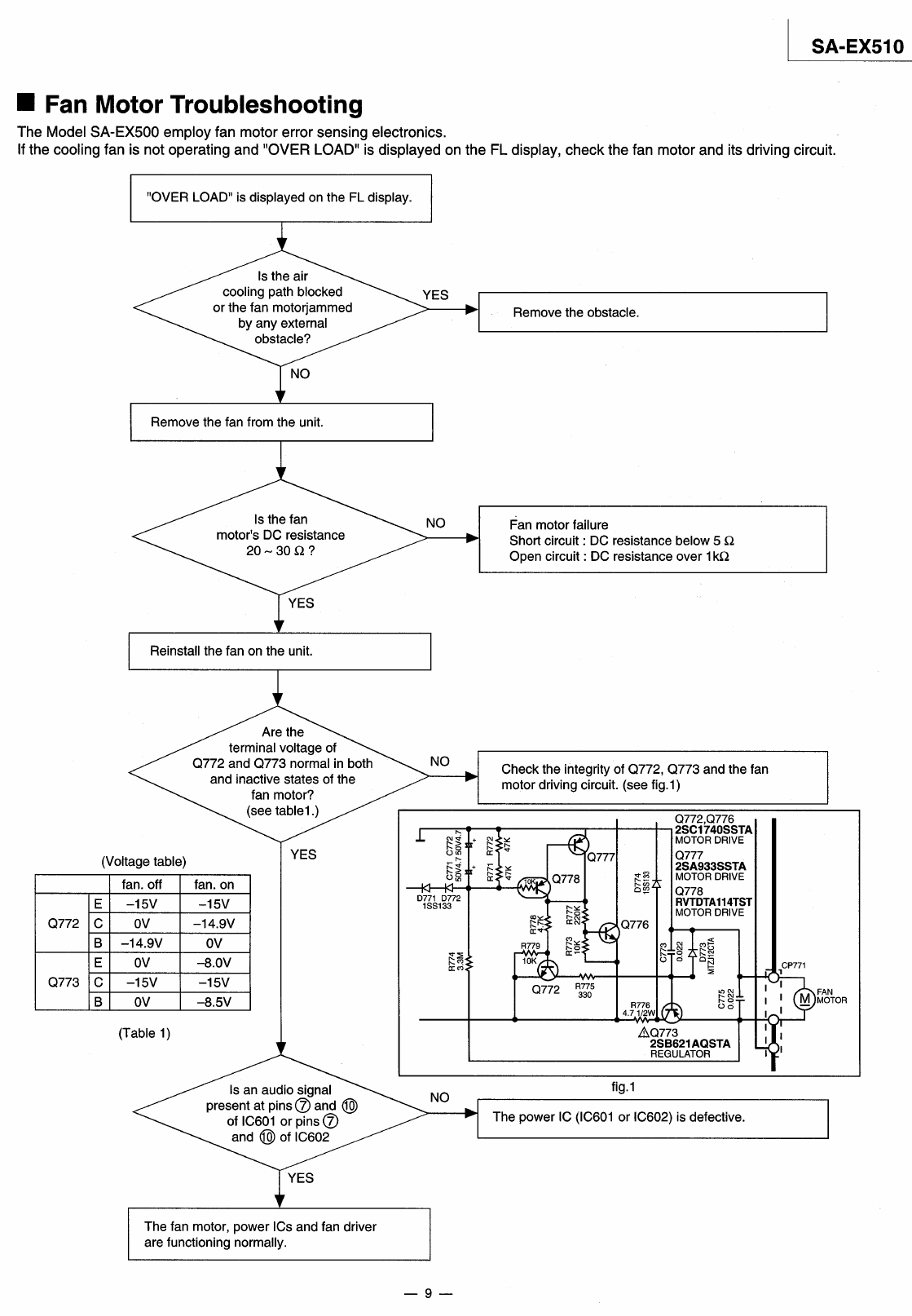
- Fan Motor Troubleshooting
- Troubleshooting
- Overload Detection Function
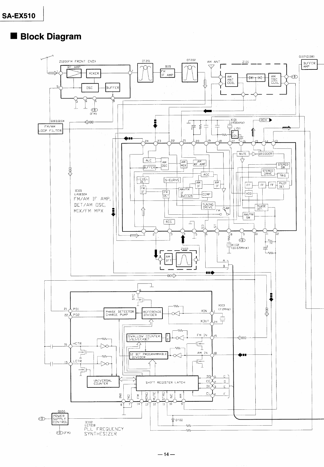
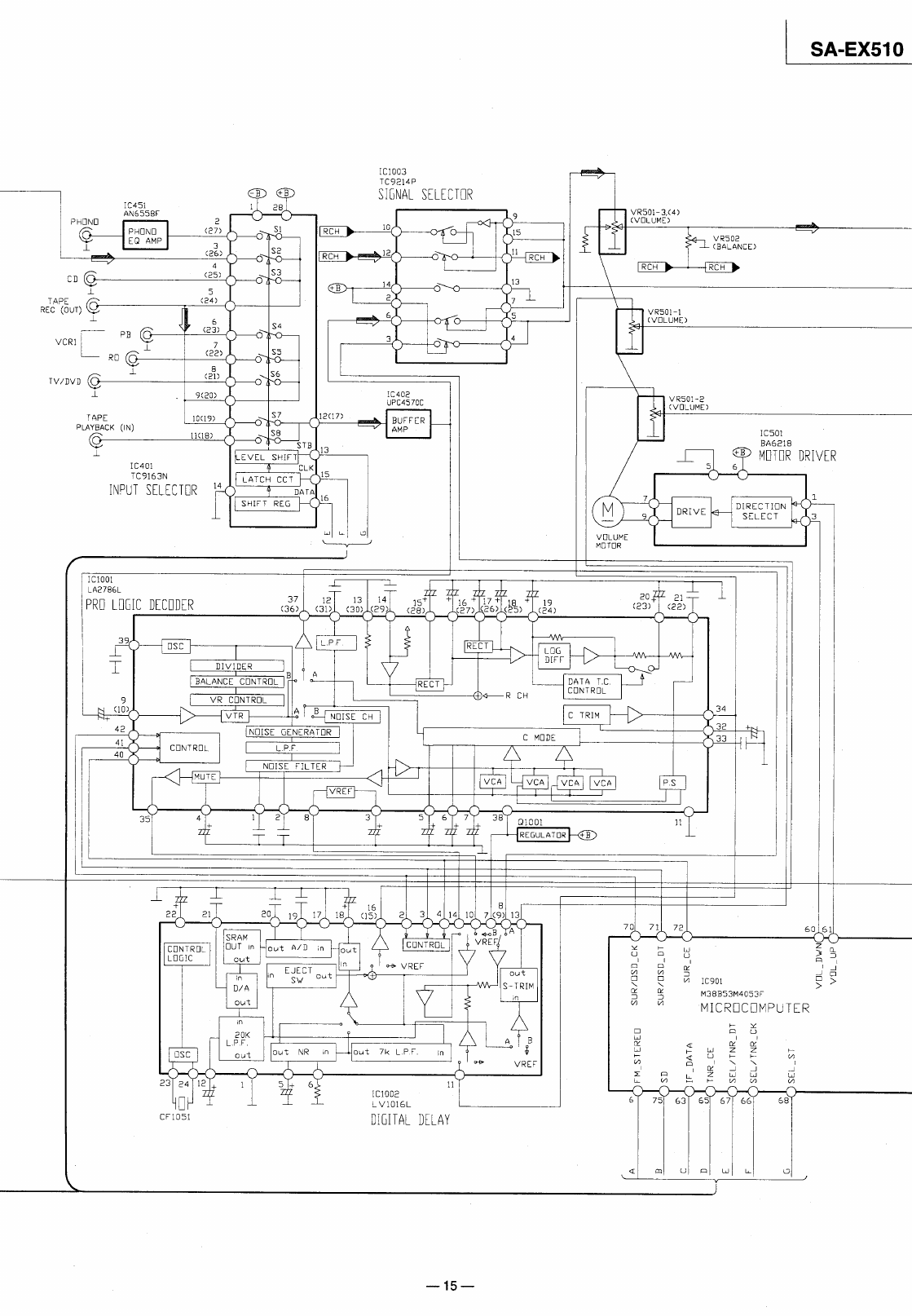
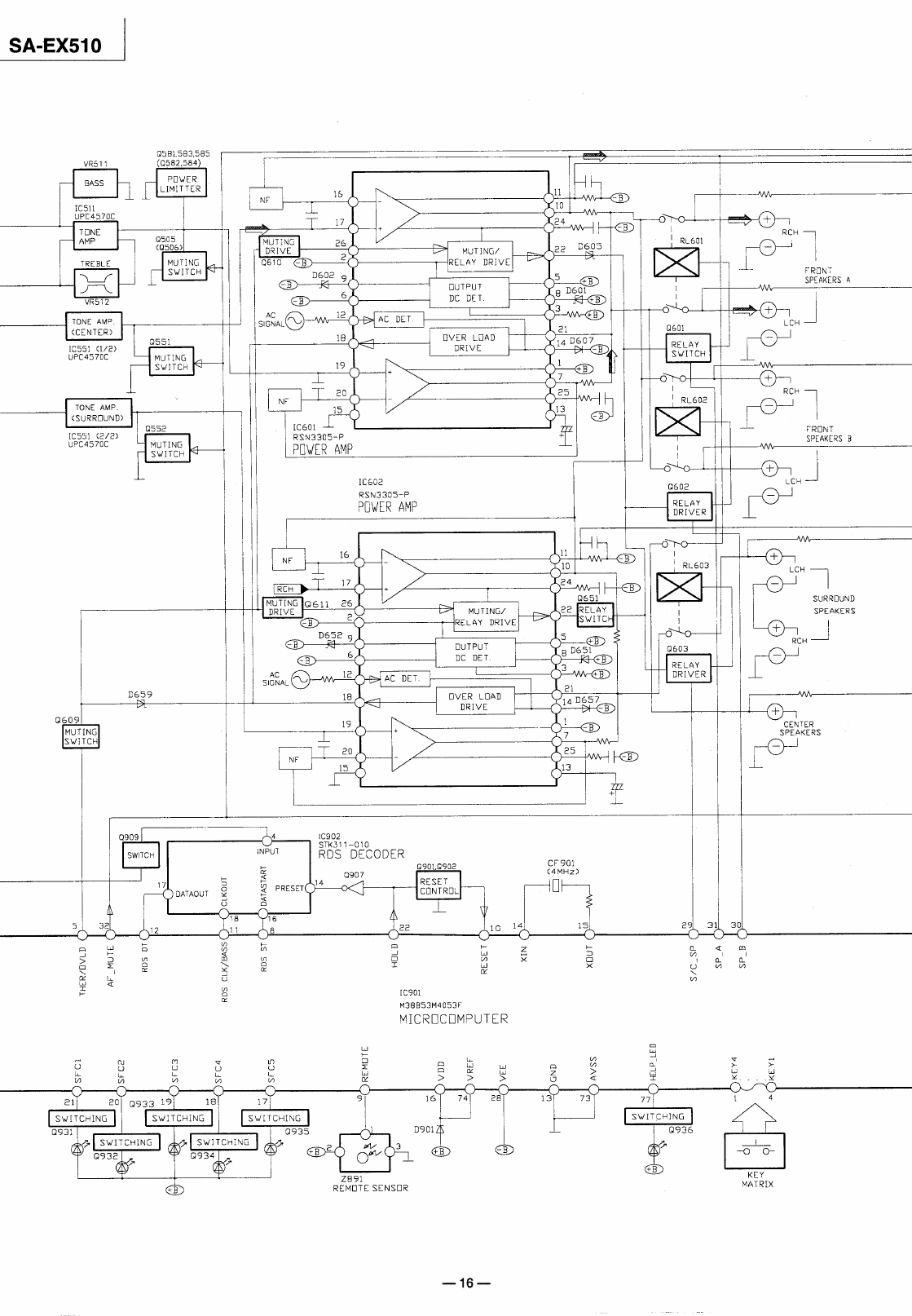
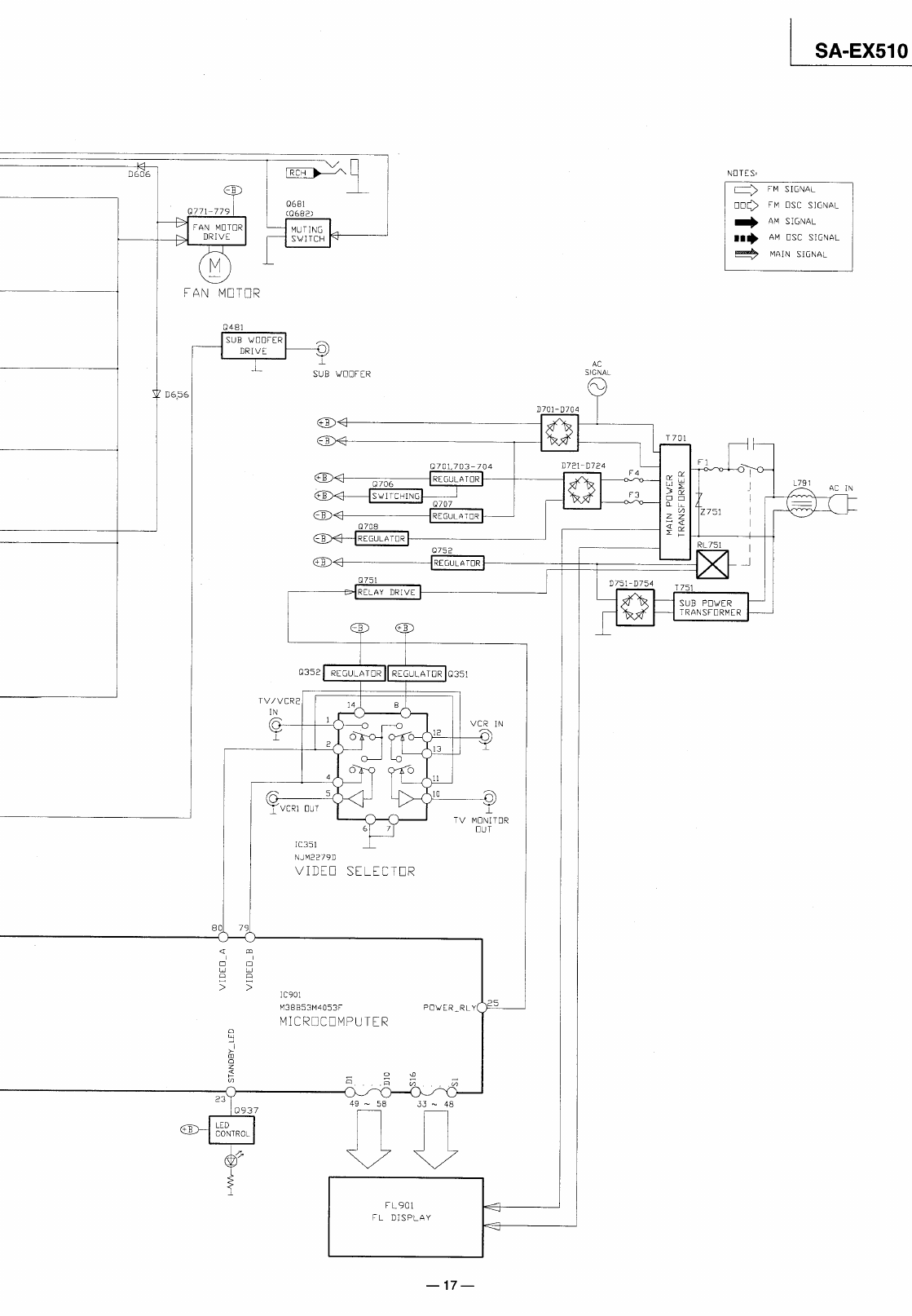
- Block Diagram
- Terminal Function of IC's/Terminal Guide of IC's, Transistors and Diodes
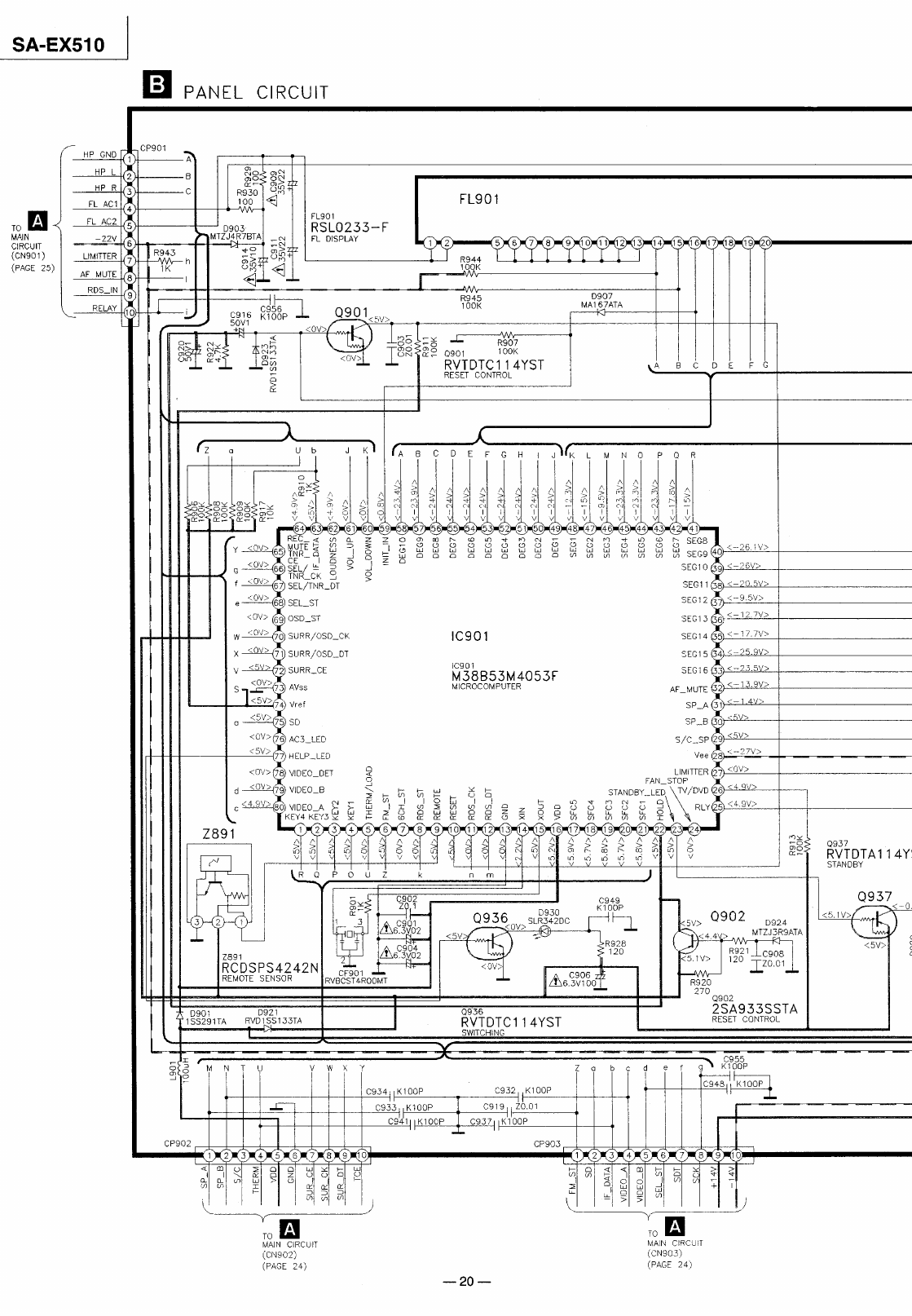
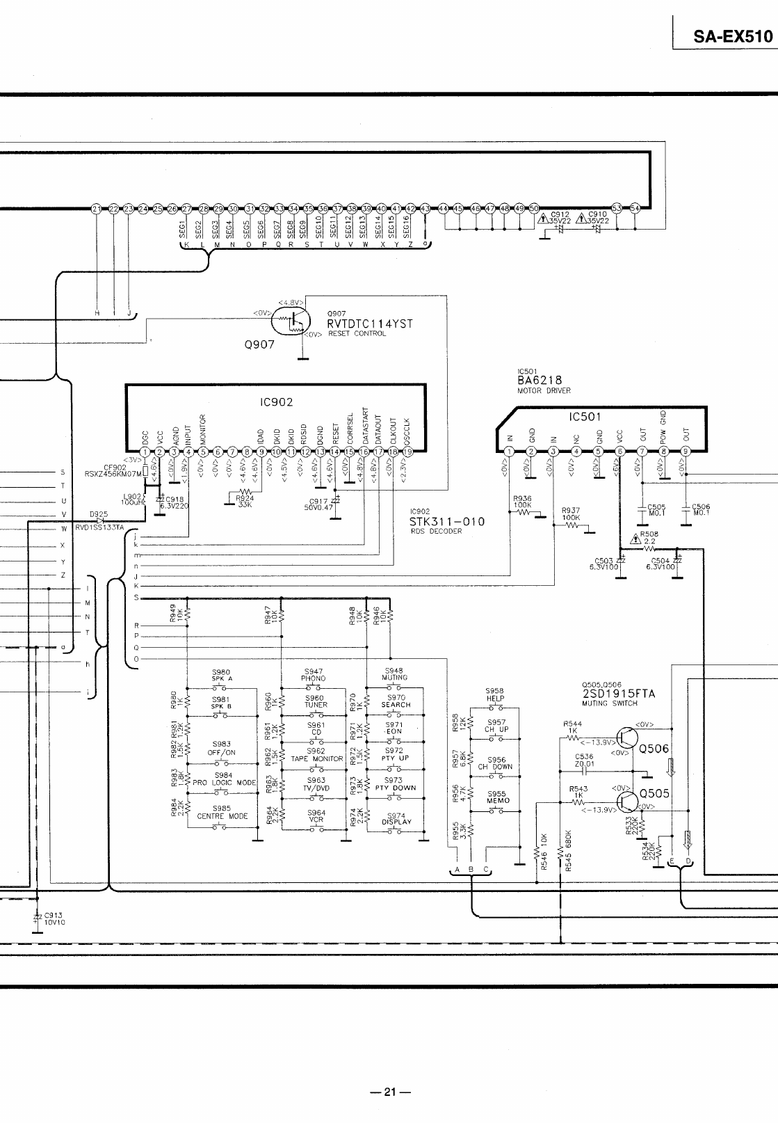
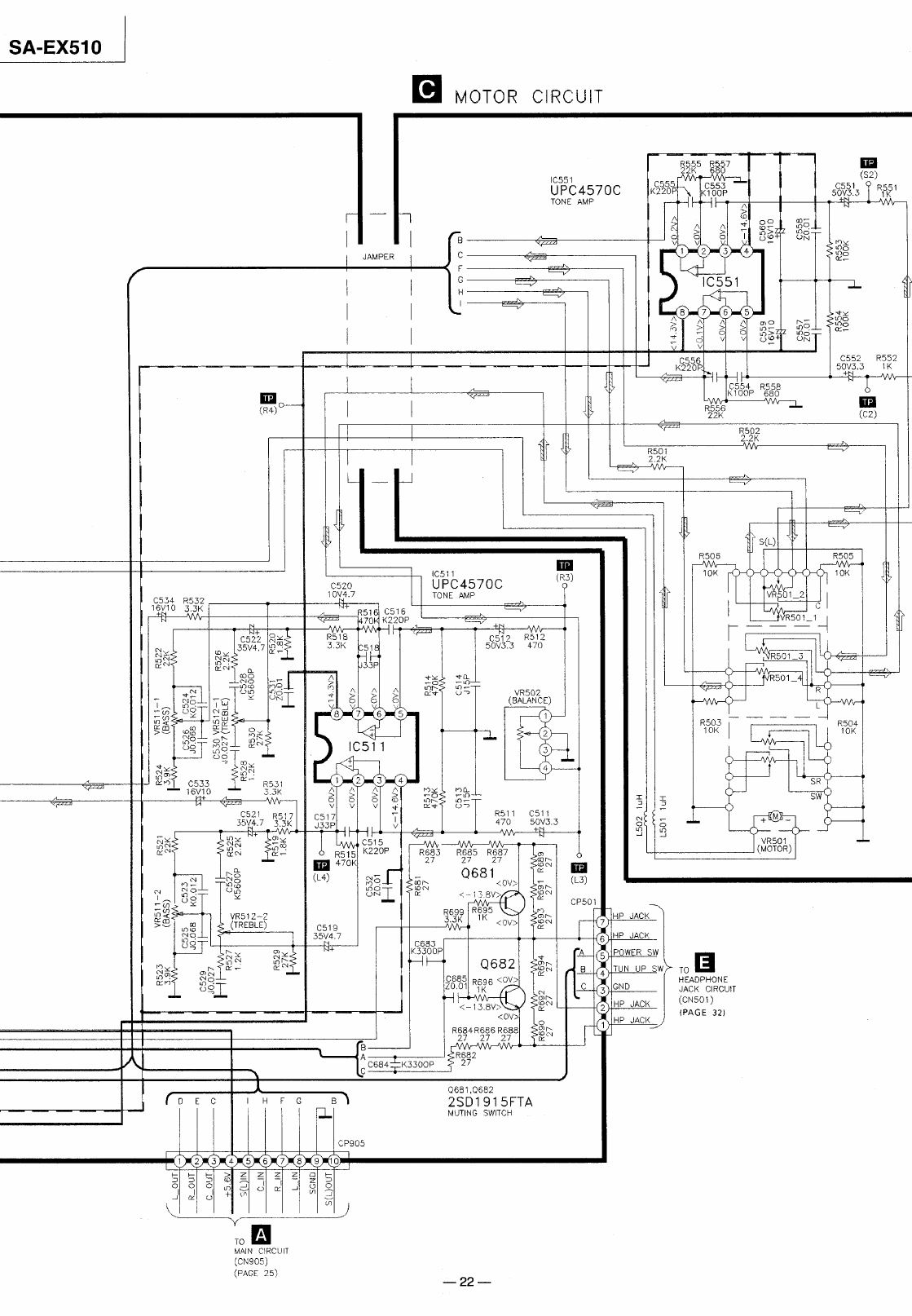
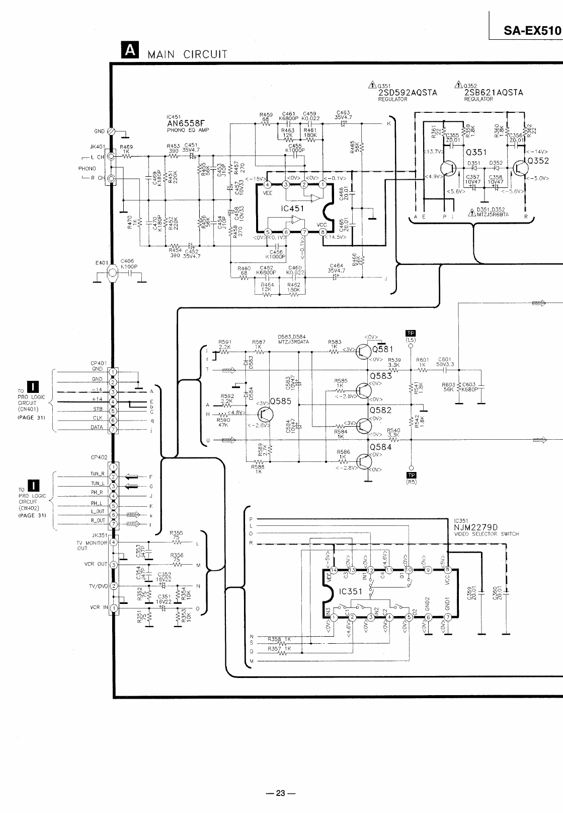
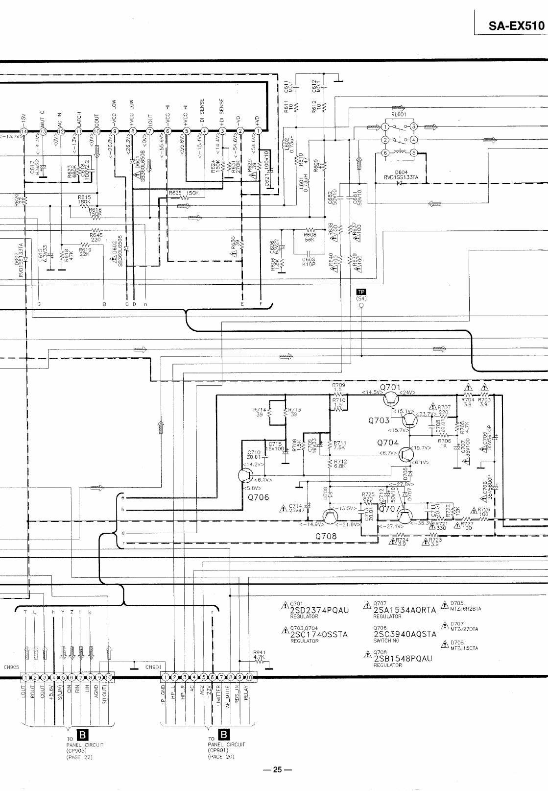
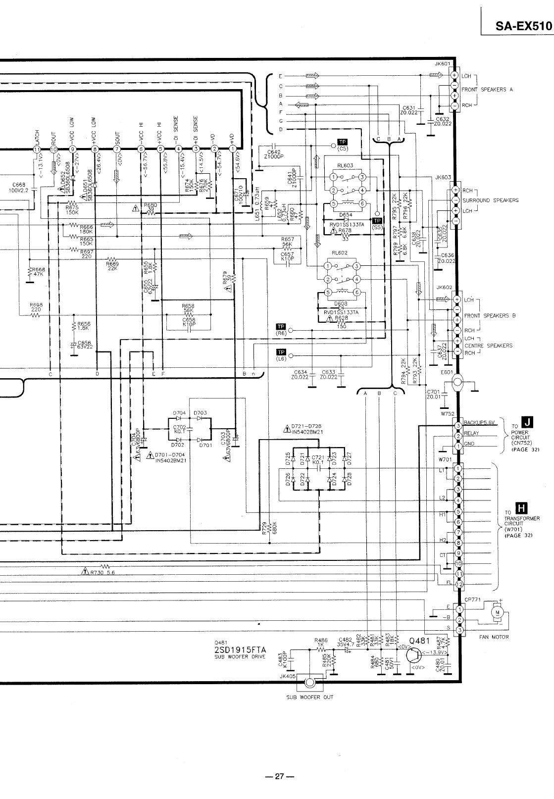
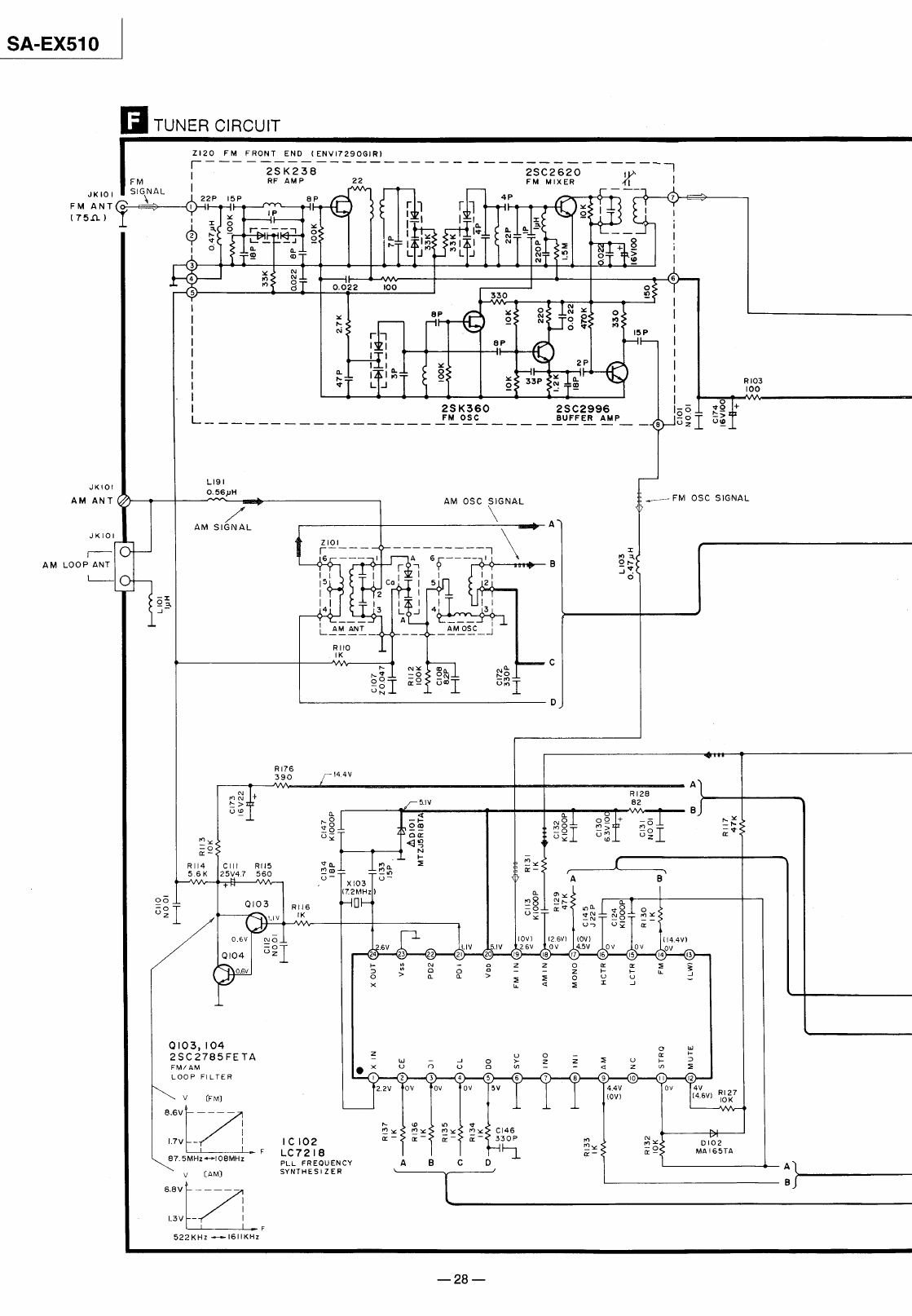
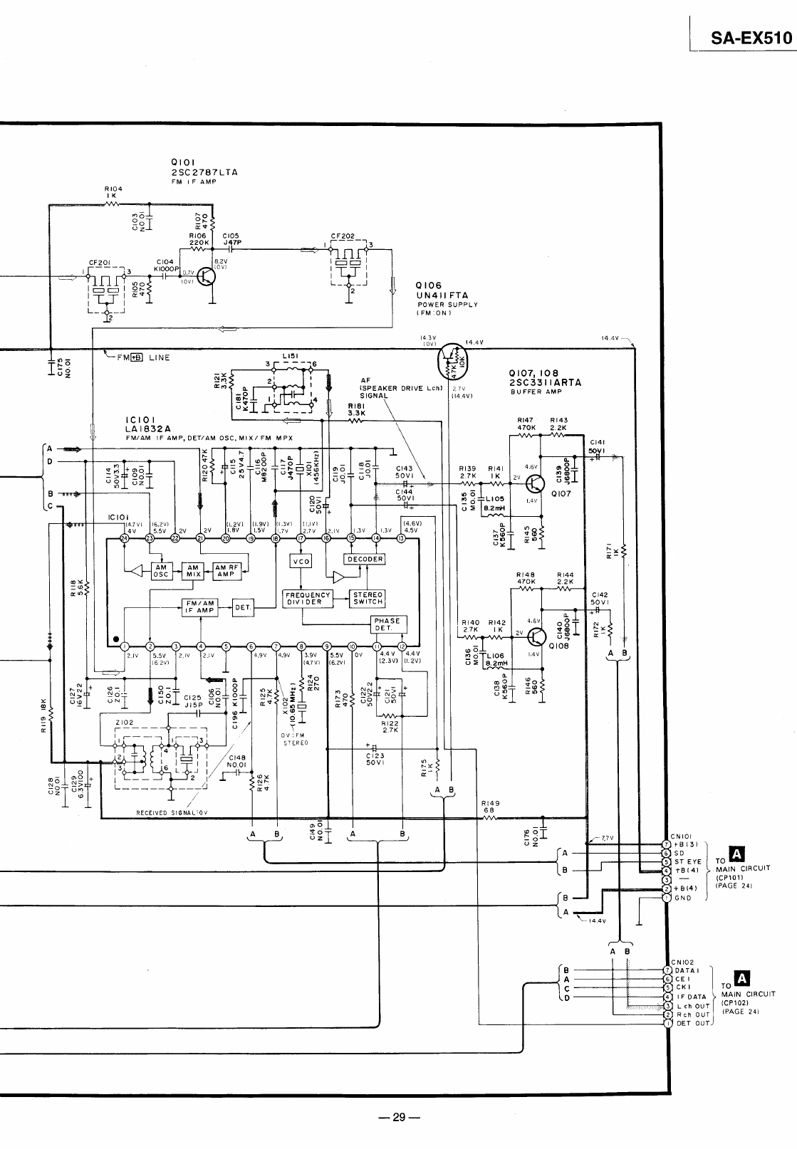
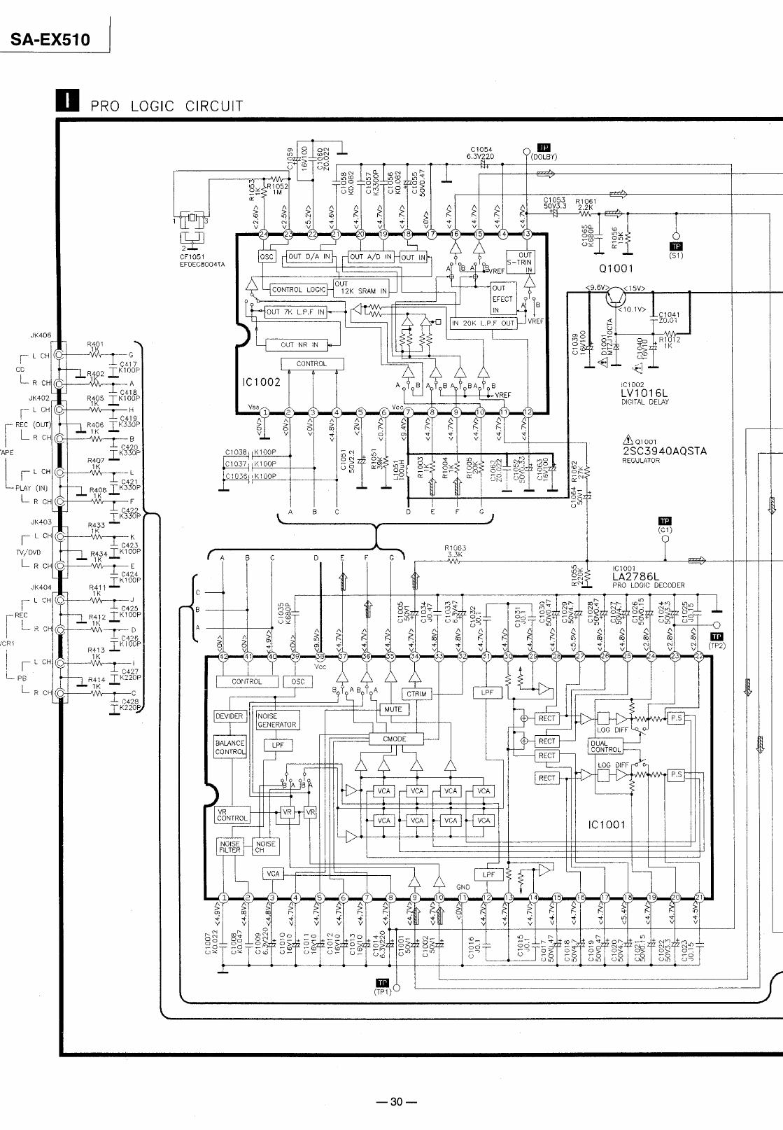
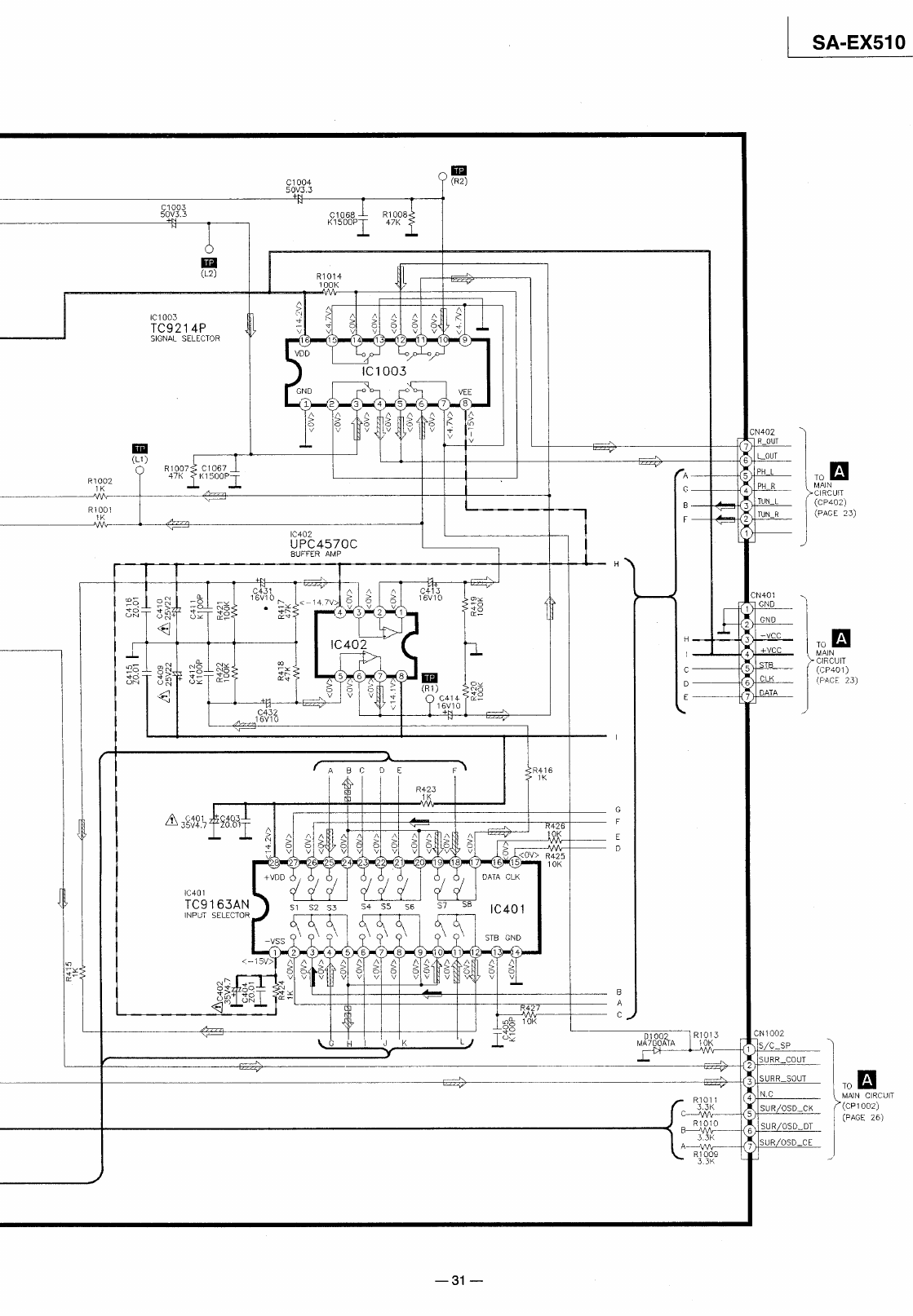
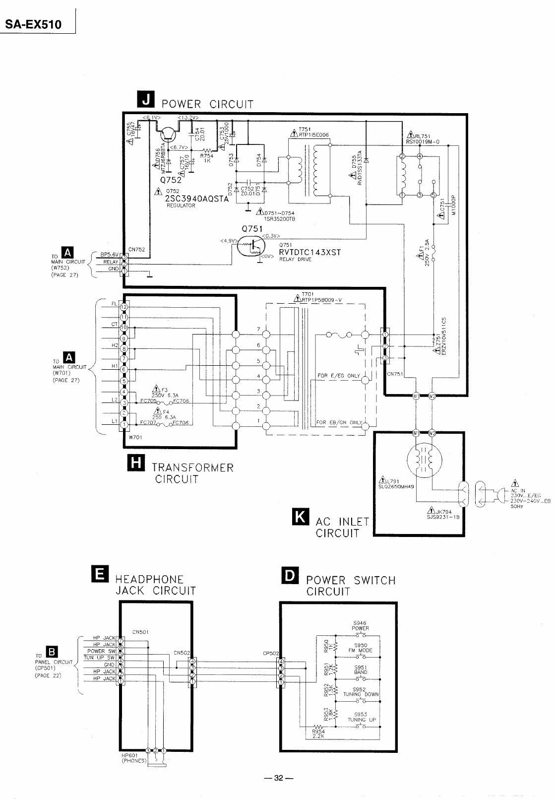
- Schematic Diagram
- Printed Circuit Board
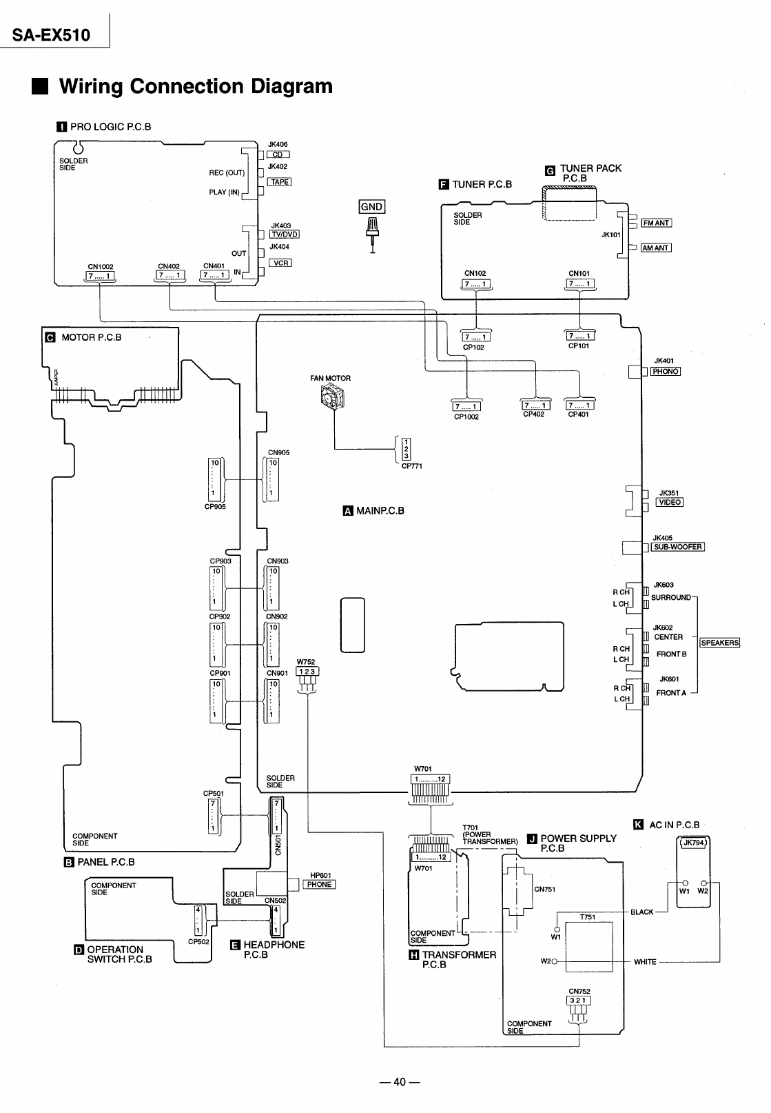
- Wiring Connection Diagram
- Cabinet Parts Location
- Replacemant Parts List
- Resistors & Capacitors
- Packaging

Contents














































