1.0 Technics SECH 730 Service Manual
User Manual: Technics-SECH-730-Service-Manual
Open the PDF directly: View PDF 
.
Page Count: 36































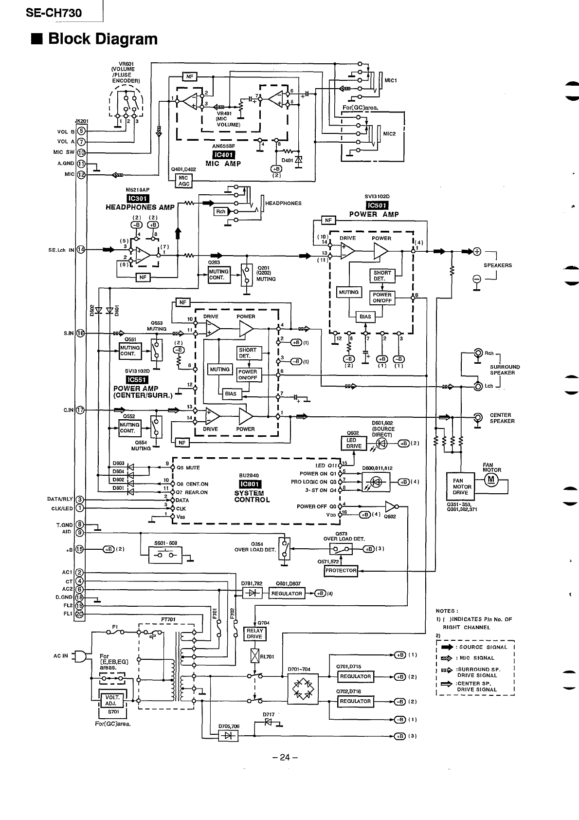
SE-CH73(I
RReplacement Parts List
,
!
Notes: ‘lmpo~ant =fety notice:
Components !aerilflea by~ maf< have special charzc:sas:!cs Important for ~fet{
Furthermore, Special pats which have purposes Di i,rs.:sta:dant (rcststars) high.quallty soL:ra (capaclt~rs), lo~..rz,se (resistors), stc. a:e ussd.
Vdhen raplacing anyofcompanants, ba sura to use only manufacture’s spcccf:sdparts sf-aw,nIn the parts Ilst
‘The parenthsszacf indicatlo,ns !n tne Remarks cofumns specify me ;-eas. (Refer to the ca~er Oags for ar~a ;
?atis w,]!~oi!tthese tndi=bons can be usm for all areas
‘Rsmote C9ntr31tis’y Suppfy pernod for three y=rs Iron ts:,xl,lab~n of p<od~cton.
‘Tnc (SF)”’mark dero!es the standard pafi.
‘zVaD. tndlc2tes parts mat are supplisd by Vjdac Rscardsr D1/tson
F’”-T-:-rED@LE--’”-’”:’--”””=
k--’ ““IM5218AP“- “~i~.fft;FFERtiti. -.-T.-
ti~~-~~*~ ,,,,,,,,,,.
..—-..:. .- —..—..-——- [----- —— .-
1.J—_
1A
t— --~—- :---—-- -------------
k-.. —–!–— --------- ----------- .-.
1
Q~f3~,202 jzsD~~~~ffTA
--1------ ‘
TRANSISTOR
Q203 Iuillli TR4JS[STOR
1.—----- ..~...—— .:.
L:....~. . . .. . . . .. .. . .. .. .... . ...– .1– -.—. ..—.–
]Q3i3 12S,41309A[~4ITRA$SISTOK t
k-–- --A-- ----—--- ----—–-– ,--- ------–
t--
Q354
---+---- -
\2sc3311A[RT4rBktsIsToR
Q361 12so?i44s TRA~SISTOR
tQ3fisA1309Ati7RifsisTtii-‘“’ ““””l-”--’“--
—...--.
F
Q37~; ‘~~iti:4 ;TFin ““ I‘--””’-””-
Q401 ,-
2SCi74(!SQITti:\’iSISTOR
L.-. ----——- :.—. ——
—.
~—....~.. —— --.—-..—. .1
I
h3 —- - .—. -. .–.—. .- .+.—.—...
l~sA13~gA[~TRAYs[sToR
I= “=iQ””+i~iSTiR” ‘“--”--- ~å•‚Ðå•‚$æ•‚Èæ•‚`=•‚Q37~;““—--
L~ .—-- i. .-1
IQ701 12SD2374W:4U~TfLWSiSTOI{
k: ..—-. ..: . ... -.———4
I
Q702
+- -
;2SBI“548PQ,4UTRAtSISTOR ~
Q704 12SC3311AIRTATRJ\~SISTOR I
L~-. .. .—~.. ..–—1—.... .— -
IWol 12so1862Qsn16TR,%\SISTOR
h“- ““i.*.—.——. ..—
DTAI14ESTP}TRAtSISTOR i-‘–
~.. -.
i“
k--l----”-”’---’ ----”””-
-.--+-
~~•” .:+jinoE(sj .;–.–.–...
I
L--.—- b. -. :. .
1---
i371 1M!700T,4 i)LDDD-
1)372 lM\165 ,
;D[fJDE I
ho,-– Es,iiii ““’”-;10,,““ .“-”t
kitil,,oz h,,,,
—...—..!DloDi’ i. .
~- -. ---— -- L---
:“”T- -“-- “----”-““”
DGOO ~SLR30~\’C !L~D
‘601,602 [.S.1301MPiJ.fAD~LEO “““ .--[
’701;III 11Y5402BF’ IDIODE ,4,
I
IRef.SO. Part I%. IPart Lanle&~scription jRemrks
1----
0705,706 ~HLl\4003NU2DIODE [A
0712 l{A~240H IDIODE I
L!1!
10715,716IM44150M IDIODE 1A
)~—---- .:. .
I1!
lo801-m4 /lSS254TA IDIODE
L- -- - !--- -4--- ----- ----––
Ir)M7 1.w2J5Rfi8TAIDIODE 1A
D811,812 SLR-305VCiLEO
~..-.. .. .... .... I+.........
I~~•i
—-—.
.b. -.-.— \;AIIABLERESISTOR(S)
---t- ‘-‘-----
I
I . I I.-.....-~
!’R40L RRV11,4010144V.R.M[CVOLU.WCONTROL
\~~GOl lEvo\MtT20248[v.R..MINvoLbIfECONTROL
-----+
~-..-.. . . ... . ... r-------------- ----
l-- 1
=--- –”’-”””--COIL(S) ““””-”””—”~--”””-””””””””””-–
,
t---–-–.–---— –-k .-
1
1.501.302 ~RLQYR73ifCOIL
L5’51,55?~QYR73!4 .COIL
l------–-----+-- ---
,ifii-.. ,RLQiiim....~i.........–------ ,XE:,B,,G, -----
. ..... I““”-—-”””””--—
+—....
1-
......+-:FFE(~--”..-+-=-””
IFI ~y]Nc31TB0IFUSE,230VT3.15A ]A(GC)
—..
f~ ‘XB.WC15TB0FUSE.250VT1.64--
‘1‘A(cc)
F70i,702 XR,WI:16TB0lF(ISE,250VT},6A A
~. ~t””’”- -“--””~ “ “-”---
k.--~—---- -- ---— -.
lstilTcHiEs)
,-. . . . , “—~-””–”” ‘“““”””’
1..-.... !...~. .- .._~_
]SGO1 IEVQ2L405RIw,Pulf:R I
l-- k-–
II
S602 EVQ2140’iR
1s’ PrloLm[c
t–-’---- ---
S603 EVQ21405R>1’.TEST ~—-------
!—-------- LA
I-1
S604 EVQ21405R
‘SiY,DE[.AYTIME
——. ——-
s60j E’1Q2140;R
iSY’.CE}ITER.WDE ~~•” I
L.. ... . .. !I
1. L--- L
1s7[!1 ,ESF37314 13f,VOLTAGEAOJ ;A(GC)
t““”---- .. ..... I
[-”---
—,
,. ...-
CO\\ECTOR(S) -i ‘“:-:-:
~....-
1. 1..-------—--- ....-.———
----1
(;!701-7[)8 RJSI!l IOIT1 ,CO;i\ECTOR!iP)
cyj(lg ~JSL.iIIOiTiiioJiEcToR(IP) --l (E,EG!EB)
1....... ... . : . . . ...... .-..—. -. .L.——.—
IC471O iRJSLALiOITLICOXSECTOR(IP)
1.......... : ...L. .–——–. ..... ~–.—.. I
-25-

SE-CH730
IRef.No.\Pai-tb. IF’artNm&kscriptim IRemrk - I
I
CN501-1-3RJS1A6604ICONNECTOR(4P)
CN502-1,2RJS1A6603ICONNECTOR(3P)
CN703-1,2RJSIA6604 CONNECTOR(4P)
CP715 RJ’M57W04-1
CONNECTOR(4P) I I
8223,224 IERN2TJ822I1/4w 8.2K
RZ51 ERDS2TJ222l/4W 2.2K
IL253,254 ERDS2EJ121l/4w 120
8255 ERDS2TJ154l/4W 150K
I I IEAWTHTEWINAL(S) I I
.
E501 SNE1OO4-2GNDPLATE
E701 SNE1OO4-2GNDPLATE
R256 lERB2TJ105TI1/4w 1!!
8259 IERDS2TJ551Il/4w 560
8291,292 IERDSZTJ68Z
]l/4W 6.8K
R301,302 IERN2TJ222]l/4W 2.2K
iII
IFUSEHOLDER(S)
R303,304 ERDS2TJ333
Il/4w 33K
R305,306 ERDS2TJ153l/4w 15K
FC1-6 EYF52BC FUSEMIDER
FC7,8EYF52BC FUSE~LDER (GC) lR307,308 lERDs2TJ10211/4w lK
R309-312IERDS2EJ121jl/4w 120
R331.332 IERDS2TJ122]1/4W 1.2K
I
~TRANsFoRIER(s)
IR351 IERDS2TJ183T11/4w 18K
PT701 ]RTPIV3N03-WlmWERTRANSFOWR IA(E,EB,EG)
PT701 IRTP1V5EO03-Wl~iWRTBANSFOR~R l~(GC)
8352 IERDS2TJ473l/4w 47K
R353 IERDS2TJ223l/4w 22K
]RELAY 1
W701 WYO013M-O[RELAY 1A
IlJAcK(s) I I R360 IERDS2TJ152l/4W 1.5K
R361 ER~2TJ104 l/4W IOOK
JK201 IRJTU65K20CONNECTOR(20P)
JK301 RJJ37TN01-CHEADPNNEJACK
JK351 ISJT3213 CONNECTOR,FAN.~~R
R362 IERNZTJIO1 l/4w 100
8363,364 lER0s2TJ103
Il/4w 10K
IR365 lER0s2TJ335T11/4w 3.3M
JK401 lRJJ65m01 lifIclJAcK I I
JK402 [RJJ65W01 ~MIC2JACK [(GC)
JK501 IRJ6u054M ~SpEA~R TE~INAL
JK502 ~RJH2301~ lspEAKRTER!!INAL
JK701 ISJS9236 [ACINLET 1A
JK702 ISJS702-2 ICONNECTOR(6P) I(GC)
I
IR391 IERDS2TJ47311/4w 47K
R401 IERDS2TJ33211/4W 3.3K
R402 IERDS2TJ332TI1/4w 22K (GC)
R403 ER~2TJ223 l/4w 22K
R404 ERN2TJ122 l/4W 1.2K –
R405 ERDS2TJ184Tl/4W lUK
R406 ERDS2TJ102l/4W lK
R407 ERDS2TJ104l/4W 100K
R408 ERB2TJ473 l/4w 47K
R409 ERDS2TJ332l/4W 3.3K
R41O ERDS2TJ102l/4W lK
R411 ERDS2TJ562l/4W 5.6K
R412 ERDS2TJ102l/4W lK
R413 ERDS2TJ562l/4W 5.6K
R414 ERDS2TJ332l/4W 3.3K
.
4
-
-
–26 –

ISE-CH730
.
.
c
Notes :*Capacity values are i;”uicrofarads (uF) unless specified otherwise, P=Pico-farads(pF) F=Farads(F)
●Resistance values are in ohns,unless specified otherwise, IK=l,OCIO(OMl),IM=1,000k(OHhi)
.. —.——
Refl%. Part lNo. Values&Remrks Ref.No. Partb. ValueskRemarb RefM. Part ,%. IValues&Re]nrks
1I
R415 ~80S2TJM3 :1/4W IOK R780 CROS2TJ822l/4W 8.2K C414 lECEAL4U33Llov 3301!
i420 EtiS~ l/4W lOOK R783‘“ ERDS2TJ221l/4ti 220 C415 ECBT1H102K85“tiv 1OOOP-” –
R421 E~S2TJ223T i/4w 22K (GC) R791,792 EROS2TJ1O1l/4w 100 C416 lEcEAIHKmI03SOY ‘ii”” “-”
R50L502 ERDS2TJ102l/4W IK R793 ERQ16NWR15EI/w 0.15 C421 ~EcBTltllo2KB550V”1000P
R503-506 ERDS2TJ563Il/4W 56K R~l EROS2TJ821l/4w 820 C50L502 ECA1H4P3R3B
SOY 3.3U
R507,508 ERDs2TJiR l/4W 1.5K R~2 EROS2TJ1O21/4% lK C503,504 ECBTIC272KR5
16V 2700P
R509.5fi””_l” l/4w 820 RW3 EROS2TJ122l/4W 1.2K C505,506 EcBTltl150J5 50V 15P
-Hsi* ,. s-~EE: i1: c,, :::~ ::::
C507,508 ,
C509510 ECEA1HWR2B[50V 2.2U
R514A
:----l ------ ~~~~~~•‚x,•‚ 6•‚‘-
ER025FJ470 l/4w 47 RU7
‘‘“4~-’
.—. ..—.
‘ERDS2TJ332Il/4W 3.3K ci13 IECA1PM101835V Ioou
R515,516A &RDSiFVJIOOTiI/2w LO —-
F
R~ll,812“-’ ERBS2TJ332
‘=’- :::: ~r*=
l/4W 3.3K
R517,518A E~25FVJ100Tl/4W 10 R813 ERDS2TJ152
...— l/4W i. 5K
.—. .
R519_2TJ222 ~2.2K !FRks2TJi02Ra15,-816L
---’:;~=i~: ~..ij;{-:~$:;~+:, S+;:;yE,..:;
R55i,552 IERDS2TJ222
~t::*::2*i~””looK
-““-”–’” ””-”-–i:--+ ,fW*; ‘-””” c56i-564,EcEAlHK42wi ‘.
R557,558 ~~S~T.fjlj3‘- Ilf.~w
s:+::::$fi~:-- so
::=q-z:::
--...——- ... —-.— —— .-.. .—-—-— ——-.
.
L----~
‘-:‘--’---
a-hllcK4100fK
::;;;~:;:;q:: :; -- ~,,; --=~--’ou ““-- --=%
i’”””-~
ECBT1E[03ZFi2“5VO.OIU
–--——-– —--- --- —.
REOJK4101BV6.3V 100U
::;q;r~:;: -l; ““ ;;: ~--\E~Bi~E1032F 25Vo.Olu ‘- ::;;+s%
R589 -. l/,~\~
“’6L--- ‘::=q:~”::......
:::~*::..[;;.M:... C397,398 .:=%
R602
1
EI{D5?T.I:L1l/4M 5G0
R605 —
iMs2TJ33i .~iZK-”“~~3~”-- ::; -“-+;;-”~;~ ‘- s:=~:-
—..—....
ff7131LL EBD2FCVJ4R7T‘l/’4w 4.7 C404 ‘EC8T1H22LK85“-50V 220P
t----+
C804,~5 EC8TIH47[KB3
-— +
R702h“F.RQ16~M~?R2Eii/JW
t-
2.2 ECBTIHl;lti”S50V 150P 3——. ..—
C405 C903,906
.- L...—..... .— —.... ECBT1}I1OIKB5
R703.704 EROS2TJ3G2Il/4w 5.6K 4.._.—.—......
~406,~lj”-”-ECEAIHK.13R38
F“”” ~
50V 3.3“ “’--
+
CIIOI,1102CC5T1R!732F5
——.. . .. . ....—..—
R705 :EROS?TJ333:i/’4N 33K ~4iT. iCBTltililfi’5 50V lWP CII03-IIOGF.CBTlH10?lifi5
1TP.ro -””-: =‘:”Ec~~~=- ““!~I-
i706 --’ ERDS2TJ1110“-” o.22u (E,EB,E(i) CI107.1108JECBTIH473ZF5
50V 0.1 I
6.3V “47L
Toov ‘“”-Iou ““-’-”’1
I
45V 4700P I
i6v iiu ‘- -
50V o.Olu 7
50V iOOU
25V o.OIK I
. . .-3
100V 0.Iu
25Vo.Oizu
—-. . ..
50V0,Olu -
-+
50V 1“ I
25V 10GU -
50V 0.1“
—..—. —1
16V Iou I
.—.
25V 0,OIU
—“—--1
—---..—. —
50V 0. ilJ I
—1
50V 470P
5!)V .Lm- –+
-.J
50Y0.047 “1
...4
50V looop
30V0.047 ----4
-27–

SE-CH730
Ref.b. Part No. Part Nanie&Descripti~ Remarks Ref.No. Part b. Part Name&Description Remrks
P6 RPN0892 PAD(DECK)
CABINETPARTSLIST P7 RPN0891 PAD@WLIFIER)
/P8 SPP740 PROTECTIONCOVER
1m202A-K TUPCABINET P9 RPF0139 PRrITECTIONCOVER
2RHD3DD07-K1SCREW Plo RP0522 SPACER
3XTBS3+1OJFZ1WREW Pll RP@541 SPACER
4RFKJECH530EKNTTWNARDASSY (E,E8,EG)
4RFKJECH730GC~TTM80ARDW’Y WC) ACCESWRIES
4-1 moon-3 FOOT
5WKHECH73DEKREARPANELASS’Y (E,EG) Al RAK-CH740WHREM~E~NTROLTRANMITTER(E,EB,EG)
5BEKHECH730EBREARPANELN’Y (EB) Al RAK-CH741WH~OTECONTROLTRANWIITER(Gc)
5RFKHECH730GCREARPANELASS’Y —
(GC) Al-1 RKKOD20-K
BATTERYCOVER
6RKW089 PC BSPACER A2 REE0393 SPEAKERCORD
7—
~CO158 TRNSISTORHOLD(R A3 REX0660 FLATCABLE@EDILM)
8RFKGECH730EKFRONTPANELNS’Y (E,EB,EG) A4 REX0608 FLATCABLE(S~RT)
8MKGECH730GCFRONTPAYELASSY (GC) A5 REX0661 FLATCABLE(LONG)
8-1 RKD714-K ILLUMINATE A6 RJAO019-2KACPOWERSLIPPLYCORD A(SF)(E,EG,GC)
9KL0304-Q PANELLIG~ A6 VJAD733 ACFUKERSUPPLYCORD A(SF)~>(EB)
10 IRGL0282-Q
lpANELLIGtfr IIA7 jRFKSECH730EKIINSTRUCTIONWNUAL
11 lffiL0292-Q IFUWERLIGlfl IIA7 lRFfiEcH730EBIInstruction MANAL I(EB)
,
12 RGU1224-KNTTON,POWER A7 RQT3239-G INSTRUCTIONM4hLlAL (cc)
13 RGU1225-KwnON,OPERATION A7 RQT3118-E INSTRUCTIONMAhVAL (EG)
14 RGW207-lKKNOB,MAIN A8 RQAOD13 WARRANTYCARD (E,EB,EG)
15 RCM0235-KKN4Bhi1c A9 NCW169 SERVICECENTERLIST
16 RHD26016 SCREW A1O DAO012 AMLOOPANTENNA
17 MIN0329 ]WLDER A1O-1 MN0244 ANTEA’NAMLDER
18 SNE4021-1 hVT A1O-2 XTN3+12MZSCREW
19 XTN26+1OJSCREW All ~AOO07 F!!IN~ORANTENNA (~E8.EG)
20 XTBS3+8JFZ1Screw All RSAOO06 FMIN~ORANTENM (cc)
21 XTB3+1OJFZ
SCREW A12 MP5213-2 ~ZR PLUGADAPTOR (cc)
22 IXTB3+20JFZ[SCREW IA13 RFA0624-K S4JRROUNDSPEAKERCORD (E,EB,EG)
23 XTB3+8JFZIwmw A14 -SJP9009 AITACtMEhTPLUG &o)
24 lXlW3+15T SCREiV —.
25 R!NU191 ~LDER
4
GRENEORJIG~L
26 ———.—
RWJ1M8130XXFLATCABLE(8P)(J703) ~EIEBtEG)
—
26 IMYJ1M81OOXX[FLATCABLE(18P)(J703) ~(GC) I]SA1 lMRooo2 IcmInuNDGREASE
27 MSJ7012220QCIFLATCABLE(12P)(W501)I
28 RYJ7006200QC[FLATCABLE(6P)(W502)
..——1
29 REhoo57 FAN ~.......~:: ‘--
1I
PACKINGMATERIALS
P1 RPG2638 PACKINGCASE(SYSTEhO (E,EG)
P1 ~RPG2G39 PACKINGCASE(SYSTEM) CB)
P1 RPG2640 IPACKINGCME(SYSTEhi) ~(GC)
P2 RPG2708 PACKINGCASE(CD-7UNER)
P3 RPG2707 PACKINGCME(DECK)
P4 RPG2706 PACKIM(AhPLIFIER)
P5 RPN0893 ~PAO(CBNNER)
.
-
i
–28–

ISE-CH730
El Cabinet Parts Location
1I2I3I4I5
–29 –

SE-CH730 I
9Packaging
P8 Pad@
P2
d@
@ass’y
(ST-CH730: Tuner/sound processor)
@
Pad
7: Pad@@ ass’y
(SE-CH730: A;~lifier)
P9
For(EB)areaonly I
P2
(SL-CH530: CD player)
P3
(RS-CH730: Cassettedeck)
Plo
SE-CH730
3F>RS-CH730
*\T
\A6
‘Al 1
Q
\
A7,A8,A9
A14
for (EB)areaonly
i13 for (GC)areaonly
PrintedinJapan
–30 – F950712000HS;KH/HH