Technics SHAC 300 Schematics
User Manual: Technics-SHAC-300-Schematics
Open the PDF directly: View PDF
.
Page Count: 20
- Specifications/Contents/WARNING
- Safety Precautions
- Operation Checks and Main Component Replacement Procedures
- Terminal Function of IC's
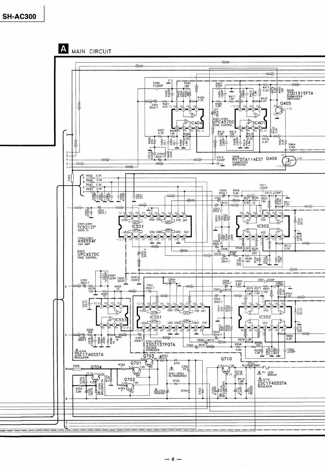
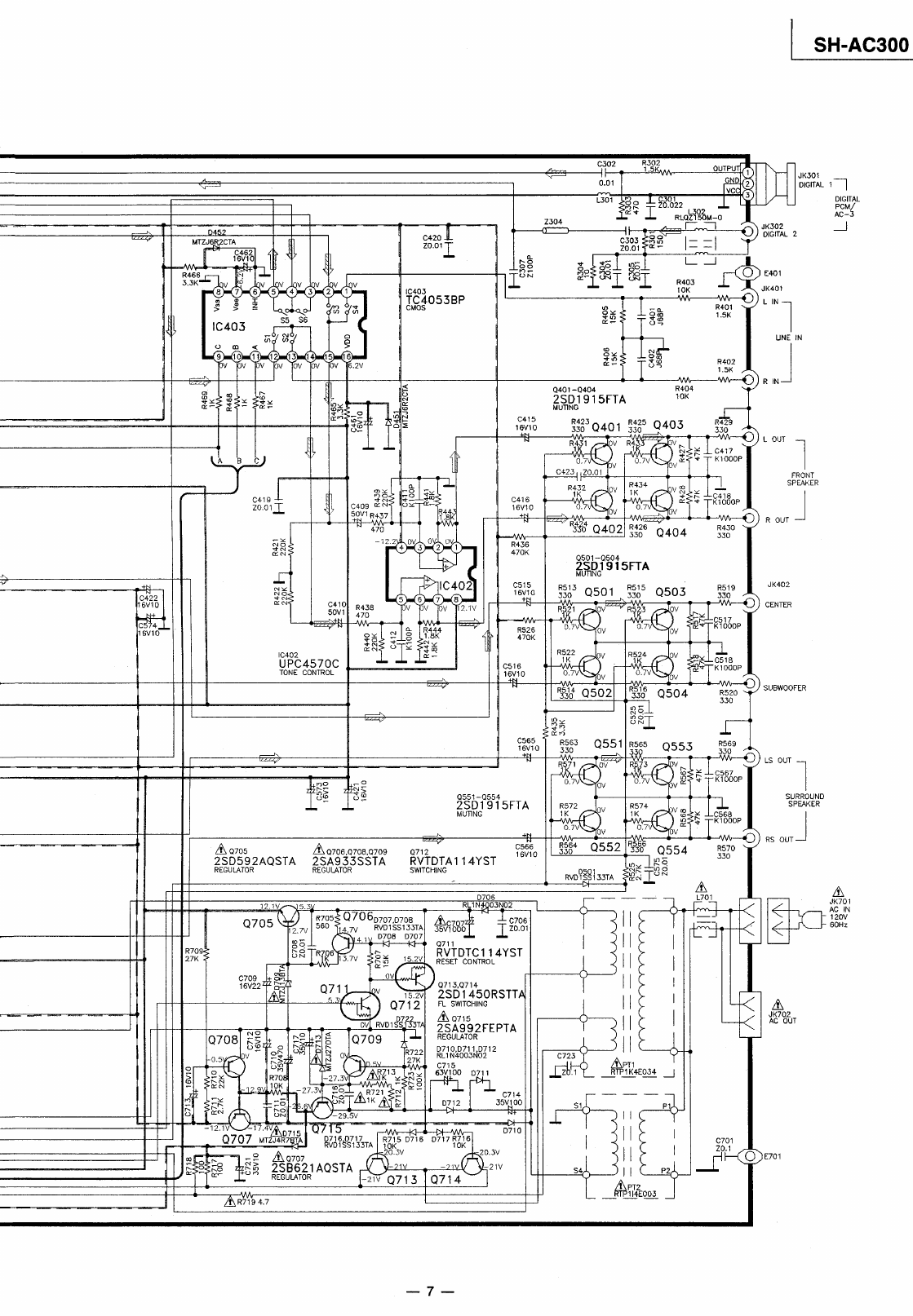
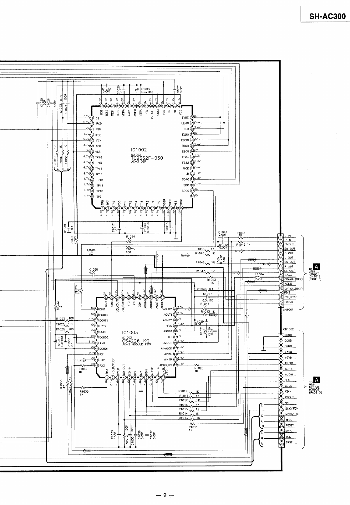
- Schematic Diagram
- Terminal Guide of IC's, Transistors and Diodes
- Printed Circuit Board
- Wiring Connection Diagram
- Cabinet Parts Location
- Replacemant Parts List
- Resistors & Capacitors
- Packaging



















