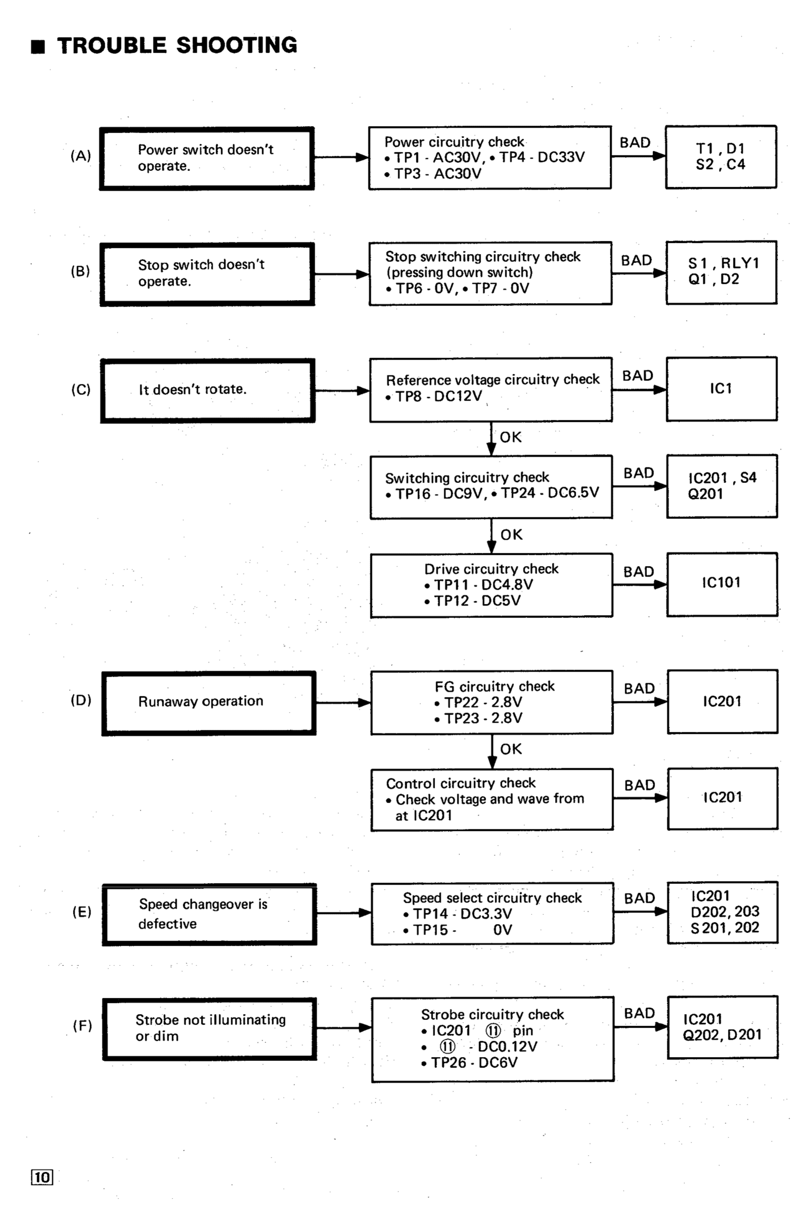
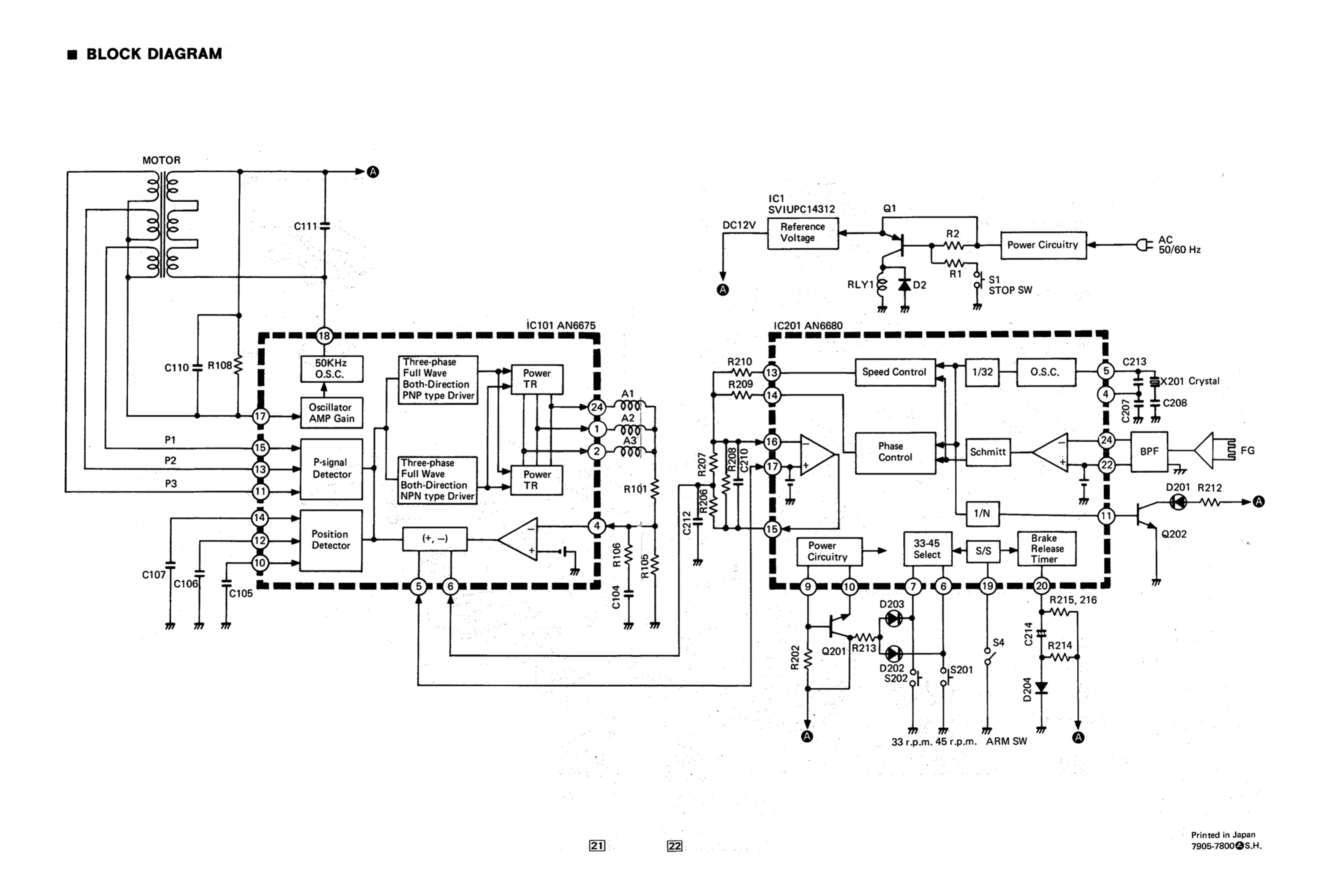
Technics SLQ 2 Service Manual
User Manual: Technics-SLQ-2-Service-Manual
Open the PDF directly:
View PDF
.
Page Count: 17
33400