Technics ST 610 L Service Manual
User Manual: Technics-ST-610-L-Service-Manual
Open the PDF directly: View PDF
.
Page Count: 20

ServlceM ztÍ :R'ER
anL
C3uzr,nrZ Synthesizer
LW/MW/FM Stereo Tuner
SPECIFICATIONS
(DrN 45 s00)
r FM TUNER SECTIOhI . '
Frequency range
Sensitivity
's/N 30 dB
s/N 26 dB
slN 20 dB
tHF 46 dB stereo quieting sensitivity
Total harmonic distortlon MONO
STEREO
20 Hz-15 kHz, t0.5 dB--1.5 dB
Alternate channel selectlvity normal t400 kHz 6s dB
Capture ratlo 1.0 dB
tmage releitlon at 98 MHz 45dB
lF reiectlon at 98 MHz 90 dB
Spurious responsé rejection at 98 MHz 75dB
AM suppresslon
Stereo separation t fnz
10 kHz
Carrier leak í9 kHz
38 kHz
Channet balance (250 Hz-6,300 Hz)
Limiting point
Bandwidth lF ampliÍier
FM demodulator
Antenna terminals
Tuner
s/N
Frequency response
87.50-108.00 MHz (50 kHz:step9)
1.5 pV (lHF, usable)
1.3 pV (7so)
1.2 rrV 0sA)
0.e pV (7so)
. 28 pvt7so
o.15%
O.3o/o
70 dB (78 dB, tHR
. 65 dB (70 dB, tHR
Color
(R
(s) .... BlackType
. ... SilverType
Area
r AM TUNER SECTION . .. !';r.
Frequency range
MW 522kHz-1611 kHz (9 kHz-steps)
' 530 kHz-1620 kHz (10 kl'tz-steps)
LW '155 kHz-353 kHz (9 kHz-steps)
153 kHz-351 kHz (-2 kHz shift)
MONO
STEREO
sensirivity (s/N 20 dB) Mw
LW
selectivity (+9 kHz) MW (at 999 kHz)
LW (at 254 kHz)
lmage reiectlon MW (at 999 kHz)
LW (at 254 kHz)
lF rejectlon MW (at 999 kHz)
LW (at 254 kHz)
r GENERAL
Outputvoltage
Power consumptlon
Power supply
For Great pritain:
For others:
Dlmensions (WxHxD):
Weight:
5T.61OL
20 pV,300 pV/m
50 PV
50 dB
s0 dB
40 dB
40 dB
60 dB
. 60dB
0.3v(0.6vtHR
9W
AC 50 Hzl60 Hz,Z4OV
AC 50 HZJ6OHz,220Y
430x69x290 mm
(16t s/r o"X 223/sz" xl17Aa')
2.4k9 (s.3lb.)
s5 dB
40 dB
30 dB
-30 dB (-35 dB, tHF)
-45 dB (-50 dB, IHF)
+1.5 dB
1.21tY
1 80 kHz
1000 kHz
. 7SA (unbalanced) Notes:
1. Specifications are subject to change without notice.
2. Weight and dimensions are approximate.
3. Total harmonic distortion is measured by the digital specírum
analyzer (H.P. 3045 system).
Matsushita Electric lndustrial Go., Lt'
Central P.O. Box 288, Osaka 530-91, Ja !
!
I
t
I
I
I
Country
Code Area Color
(E) Continental Europe (K) (s)
(EB) Great Britain (K) (s)
(En France (R
Technics

r CONTENTS
- tl:i.
'-l'- . ..:. Page
ACCESSOHIES ... .. ...;... ...... ?
CONNECTIONS. ..:.2
LOCATTONSOFCONTROLS ......3
DISASSEMBLY INSTRUCTIONS . ... 4
MEASUREMENTSANDADJUSTMENTS ......5,6
DESCRIPTION OF FL PANEL . . . .. . 6
FUNCTIONS OF ]CTERMINALS . .. . ....,. 7
SCHEMANCDIAGRAM ..8-11
r ACCESSORIES
oAC power supply cord
For [EB]area only (SJA193)
For others areas (SFDAC05E03)
oStereo pin cord . . ; . . .. .. .. .
(sJP2276)
oFMindooranténna ...:..
(ssA270M)
I CONNECTIONS
Note: An outdoor antenna should be installed by a competent technicían only.
(Necessary in mounlainous reQions, inside
reinÍorced-concrete buildings. etc.)
Stereo connection cable (included)
(Necessary in mountainous
regions. inside reinÍorced-
concrete builctings, etc.)
Use 5 - 12 m (16 - 40 Ít') oÍ
vinyl-covered wire
horizontally at the window.
TERMINALGUlDE OF IC!S,
TRANSISTORS AND DIOOES
CIRCUIT BOARDS AND
WIRING CONNECTION DIAGRAM . . 12. 13
BLOCKDIAGHAM ...... 14,15
REPLACEMENTPABTSLIST ......... ......... 16-19
EXPLODED VIEW
The indlcation AM used here includes
both MW and LW.
Page
11
rackor'.o't
.'.
. Áttach 'o . *21l,iusing ta'ck or tape) íacing]ih'oírection .
oÍbest receptiqrt ' -,,]. .' .': ':. '_'. . : ' ;''''.''','"
. Tačk shoulct hoť contact internal antenna wiré: ' ' ' ť
r Foi best reception sound quality. an FM outdoor anten-. . :. ,. -
na is recommended.
. Disconnect this antenna if an FM outdoor antenna is in-
stalled.
AC power supply cord
(included) \Household
AC oullet
'.f /
/
Fit a Suitable plug to the AC
power supply cord.
To tuner input terminals
oí the ampliÍiel
lÍ this antenna is not property installed,
AM broadcasts will not be received.
Be sure to connect the AM loop antenna
even when an outdooí antenna is used.
12 m (16 - 40 Ít.)
Vinyl-covered wire (option)
-2-

I LOCATIONS OF CONTROLS
power only.
The unit is in the "standby" condition when this switch is set
to the standby cb posilion. Regardless oÍ the switch setling,
the primary circuit is always "live" as long as the power cord
is connected to an electrical outlet.
Power "standby Ó/on''
(power/r standbY Ó _
This switch switches ON and
switch
on)
oFF the secondary circuit
FM stereo indicator (stereo)
This indicator automatically illuminates when
an FM stereo broadcast is being received.
Note:
lt will not illuminate iÍ the FM mode selector is
set to the monaural mode.
The lndlcatlon AM used here lncludes
both MW and LW.
Band selectors (band)
FM:
Press this button to listen to an FM broadcast.
MW:
Press this button to listen to an MW broadcast.
allocatlon:
This butlon is also used to select a Írequency
step oÍ either 9 kHz or 10 kHz.
When the MW button is pressed tor about 4
seconds, the MW Írequency step will change to
10 kHz peí step.
ohis step is set to 9 kHz beÍore shipment.)
Set to the appropriate position Íot your locality.
ln order lo return to the original írequency indica-
tion, press this button Íor about 4 seconds a9ain.
LW:
Press.this button to listen to an LW broadcast.
íreq shlít:
When the LW butlon is pressed íor about 4
seconds during reception oÍ an LW broadcast,
the LW írequency will decrease by 2 kHz.
So, íor example, to receive 153 kHz' tune lo 'l55
kHz, and then press this button.
]n order lo return to the original írequency indica-
tion, press lhis button Íor aboul 4 seconds again.
Digital írequency display
The reception Írequency oÍ the FM or AM broadcast
selected by using the tuning buttons or the pÍeset-tun-
ing butlons is indicated by a digital-type display.
Quartz-lock indicator
(quartz lock)
This indicator illuminates when tuned
precisely to an FM or AM station.
Memory indicator (El)
This indicator illuminates when the
memory butlon is pressed.
Channel display
The channel number se]ected by the pÍeset'
tuning buttons is displayed.
Signal-strength indicators (signal )
These indicators show the relative strength oÍ broadcast
signals being received by the antenna. The best condi-
tion Íor reception, íor FM and AM' is when the indicators
illuminate completely to the right.
Tuning buttons (tuning)
These buttons are used Íor tuning
to the desired broadcast station.
Memory button (memory)
This button is used when preset memory setting
oí the preset-tuning buttons is made.
FM mode selector (FM mode)
This unit automatically switches into the stereo mode
when a steíeo broadcasl is received. Press this button
lo listen in the monaural mode. The slereo indicator will
not illuminate in the monaural mode.
Preset-tuning buttons (1-0)
(24 channel random presst tuning)
These buttons are used to preset FM and AM broadcasl
Írequencies into the memoíy oÍ this unit, arrd are also pressed
lo select the desired preset Írequencies.
Note:
Fle'er to page 6 íor inÍormation concerning presel memoÍy.

I DISASSEMB LY INSTRUCTIONS
..ATTENTION SERVICER''
Some chassis components may have sharp edges. Be carefulwhen disassembling and servicing.
Ref. No.
1Removal of the Cabinet HeÍ. No.
2Removal of the Front Panel
Procedure
1Cabinet
6l ,.^- ,/
Procedure
1+2 -N-
rRemove the 5 screws (O-O).
Frontpanel' i
o
1. Remove
2. Remove the 2 screws (O, O).
tl"te Íront panel in the direction oÍ the arrow.
ReÍ. No.
3Removal of the Operation Switch
P.C.B. and LED P.C.B. ReÍ. No.
4Removal oÍ the Main P.C.B.
Procedure
1+2+3 LED Procedlire
1+4 .
1.
2. Remove the 2 connector (eN701, CN702).
Remove the 4screws ((D:@).
o
T
3. Remove the 4 screws (O-O).
4. Remove the main P.C.B. in the direction of the arrow.
Oper
P.C.lr,r^1|
r LED P.C.B.
oRemove the 1 screw (Q).
I Operation Switch P.C.B.
oRemove the 4 screws (O-g).
Ref. No.
5Removal of the FL Drive P.C.B.
Procedure
1-+5 o
1
2
3
Remove th
Remove th
Remove th
e 2 connector (CN701, CN702).
e 3 screws (O-O).
e FL drive P.C.B. in the direction of the arrow.
FL Drive P.C.B.

o Replacement of the Foot.
1. Remove the 4 heat melted posts on the chassis with a pair of
nippers or similar tool.
2. To replace the Íoot (RlG0009-1) on the chassis' melt the 4 posts
with a soldering iron.
Foot
(RlG000e-1)
I MEASUREMENTS AND ADJUSTMENTS
r FM ADJUSTMENT
Conlrol porltlonr rnd equlpmenl ured
. FM signalgenerator (FM-SG) o Choke coil (100pH)
I Stereo modulator . Resistor(100k0)
o Distortion analyser o Frequency counter
o Oscilloscope o DC electronic voltmeter(EVM)
Note: For Z201and7202, they are supplied as adjusted parts. So, do not tum the cores oÍ the parts.
FM MONO DISTORTION ADJUSTMENT
i.test equipment connection is shown in íigure.
2.Set the unit to 'Fll' mode.
3.Set the radio Írequency display and signal generator to
100.10MH2.
4.Adjust the core'ot T2O1 so that the voltage measured in
signal mode is OmV (0t20 mV) in 300 mV range.
S.Adjust T2O2 so that the distortion factor of L-CH is
minimized.
6.Repeat steps 4 and 5.
7.Make sure that the distortion íactors oÍ L-CH and R-CH
are nearly the same and minimum.
Note: The adjusting screwdriver used should be made oí
resin.
MPX VCO ADJUSTMENT
1.Test equipment connection is shown in Íigure
2.Set the unit to "auto" position.
3. Set the radlo frequency dlsplay and slgnal genarator to
1fil.l0ilHz
4.Adjust vR30í for 19kHzt3OHz on frequency counter
reading.
.USING ALTERNATE SYSTEM
1.Apply stereo signal Írom generator or receive the stereo
broadcast.
2.Adjust VR301 until stereo indicator lights up. Fix the arm
oÍ VH301 as shown in figure.
FM SIGNAL GENERATOR CONDITION
Modulation ..........................100%
Modulation frequency .........1 kHz
Output level .........................66d8
0c EYra
m
FI_s6 . Unil l /áÍ l
lag;l ffi
|:::'T.TJ l,":iifu
ili 75o l'_a"-T7 Ír_íal
;!*_==+==-Íl; lll llďo*o-v l
lll-:.//;
-
FM SIGNAL GENEBATOB CONDITION
Modulation ............. ............0%
Modulation írequency ........0 kHz
Output |eve|........ 66dB
,-r*x-' g ffi
lralffiil ol I hmrolB-
l;-*l l- T:91*:
looo ""i'l l FllALÍ(7to) lcu..r
w
ili__:s___:ll
-J- -.
) ,o, @-@,
O-O....... "Storoo" OFF posltlon
@-@....... "Storoo" ON posltlon
(lndlcator llghtlng)
@.............. AdJuot polnt oí pllot
clrcult
fr.s
-5-

\DJUSTMENT POINTS
DEsÓRlPTloN oF
GRID ASSIGNMENT
AM LooP ANT FM ANT .t!
L32
n
O UTPUT "
Í-l p300O1 p 75Or
AMANTI ll oHo
/
L322
n
u r-r ,^^, FM FRoNT-END mC
6=rel i-l t-l
lo sl I lH
z2202ll
i6 rEEa I I
/
\rq
IET
FM offset
FL PANEL [FLsOl (SAD8MTIOZYK)]
Note: The grid of 3G and 8G are used for external connection.
PIN CONNECTION
L324
FM MPX VCO
(19 kHz )
h
q uartz lock
fEl í:l
ch. {-l
PIN NO. 1234 5 67II10 11 12 13 14 15 16 17 18
CONNECTION F1 F1 NP hf8G AM MW CA LW 7G c a6G e d g5G
PIN NO. 19 20 21 22 23 24 25 26 27 28 29 30 31 32 33 34 35
CONNECTTON bNP 4G NP NP 3G NP NP ch 2G NP u1G LNP F2 F2

I FUNCTIONS OF lC TERMINALS gcsor: Lc6s12Asee7)
PIN NO. IN/OUT MARK DESCRIPTION OF TERMINAL
1INPUT P83 Computer drive terminal.
2
OUTPUT
DATA Data output ,- I
'- Í Xosc
CL
DATA
CE
í XOSC: Crystal oSC D0-D13: Divided írequency data
FlO-R2: Reíerence írequency data
3CL
4CE
5PC3 Not used nthis unit
6NC Not used nthis unit.
7OUTPUT . PDO Autolmono changeover terminal. (auto - 0V, mono * 5V)
IOUTPUT PD1 Computer drive terminal.
9PD2 Not used in this unit.
10 PD3
11 PEO
12
t
14
-22
t
25
OUTPUT
PE1
I
PE3
PFO
t
PF3
Digital signal terminat Íor display.
Terminal Íor key return signal to external key matrix.
15 IN PUT RES Reset terminal.
16 TEST Ground terminal.
17 Vss
18 NC Not used in this unit
19
2A INPUT oscl Connecting terminal Íor crystal oscillator.
21 OUTPUT osc2
26
I
29
31
I
34
OUTPUT
PGO
t
PG3
PHO
t
PH3
Segment signal terminal Íor display.
30 NC Not used ln this unit
35 NC Not used in this unit
36 OUTPUT P11 Muting signal terminal. (Muting * High level)
37 INPUT HOLD Terminal for power failure detection.
38 IN PUT INT Terminal for remote control cord.
39 IN PUT Voo Power supply terminal of device.
Voltage oÍ 5V is supplied during operation of device.
40
IN PUT PAO
t
PA3
IKEY MATRTXI
Terminal íor key return signaI to
external key matrix.
Pin No. 45 11 tll 10
t4 cH. cH3 cH2 cHt
22 cH0 cH7 cH6 cH5
23 cH0 cH9
21 AM FM
25 MOOE MÉMoRY UP oowN
41
44
45
42
a
43 NC Not used in this unit.
46 INPUT PBO
I
PB.2
Stereo signal terminal.
47 SD signal terminal.
48 Tuner select terminal. (Ground connectlon)
-7 -

MAIN CIRCUIT
aTSrlxrroBIxr
ztol Fx FnoxT Exo Pacx-ln^Loooel
!_ _ - -esxs+q_ -2s-c2_78ďM _l
l i '"r ^'p z.?" FM ÍlxER l
U7Y
l0wr 52vl
'tLO iTSi
'ozoz l- '-*-'
0.?v
(oť'lo2v 'u99v lo .vlÍo2vl
OaOl.zoZ ,1 1 'ru /
2sc2787LTA 'í L' '.,-
FL lF AXP O2!alv/Dlv.
lclo I
LM700l
PLL FREAUEXCY
SYIITHESIZER
2SCt675 I
LIL2 I
FT B.'F i
o
I
AM ANŤ
Jrr0 t -2
I
I
t_
t
I FM osc
--, r
I
r,
. AFI
LOOP ANT I
JÍ lol. l Loot tloS
ávtl' 560
oro l. toz
zSCr740SOSTA
Fra LooP FiLŤER
fl oeennloN swrrcH ctRculT
59Ol
ill
5904t
rfl
lv
0v
-?2t
5x)9
t9l
--J-
2SCr740SOSTA
LEO OerVE
r9aa tyt
o907
2SCt740SOSTA
swlÍcx l t{o
( NESETI
s9t!
lLťl
s9l?
llrt
I
09tt
LxOl la,a 2
r--- -!
El tt DRrvE crRcurr
-B-
2SCr740SOSTA
rvlLlr LooP F|LŤER
o
9l or
Ťoj l
I ;l
'1.,. 1 ,",
I {920t
h'ďFtš
I rgoz
llgotl rv
t; x -16!.ffi', rrG. ?20
r-a I
'L90l l'^0llÍl0lYxl
t?, u

FM +B LINE
o2!t Í-{F
2SA933SORST 4j;.2;
lwlLw
sYrtcHtMl lzot
l rr rrÍ
;j%
rctol
11 A irzv
_r U' LIP'
C.2:r.lV/01Y.
lo''-Ilx cE cL o^Íl
2SCr740SOSTA DTCII4YST
šíí"š",*u,""'"*J9tzcz
š í".!,"n
Q209
OTA I44ESTP
POWEN SUPPLY
lF,r /Llť/yvt
,-'+ zsclT4ososTA rll-u r
9Ě EuFFER AxP -sr-^*
J<i aLW/rWt I al- o;i
o
DTCIZ4ESTP rl \
srGN^L REcErv El I
isz roox 0706
eEt PEo to3 PGI mr EilO LC PCI CE CL onrr Ptl
Prz ,/ P82 I
froŇ .'
Pť! i-- rv sD
I r.u
F3 _-J-..'6y sÍr
rat rat!r! !rlnot
o706
DTAII4YSTP
POW R SUPPLY
- 09t9
6s?9lÍ^
\. i7r6 roo
AM +B LlŇE ;
o207
2SCI740SOS TA
FOY'ER gJFP.Y .
coťÍ l
.t
't
3ffi]ffiA
-=l
oEÍEc'o
il o2o
!l tri
:i t
ii*l I
!š1l
tc20t
tc20r
aN72]BW
fl/ a,rt tF
Arf,,0EŤ
FM oíjsat
voIfoqr iC.V
it
-
r:r QJQi{{fgfp
POF t $fn_Y
- :í cElo
i
I
I
I
l
__l
*;Jii",
t--;.---i
iltE
Ll*.
L:'::o'L -..i
E
:
E
o
9
0306
rL í'l3'L^Ý E60^cleLltc^tť^llcÍ
-9-

AF Srgno I
c220 l6v1o filol ]9Í o3or. ro?
25DI45ORSTTA
Llol
u
vl l 'ďl
vl tswl
fu] iEL
it
Ý ro2vl
Ž / oztz
j/aiiY' zsctT4osostrA
N Q2I2 AUFFER AxP
!rBg\.
L----J-
i ,rl 'ono
I oistortin ooi.
,lx!o1
Lch
Rch
"J"",
_l
Llo2
22rA
FM oíí5eÍ
Yoltogc(OmV)odl.
-iatv
o 70r
2SC3940AQSTA
REGU LATOR cTlr loot
(21,6v)
OTOl rzr.svr
:5v ^ ?!.2v
FM MPX
vCO odi.
- -'0-

.-''-_s_.{r-Ť-- .,t
. .:: I
I
| . .l
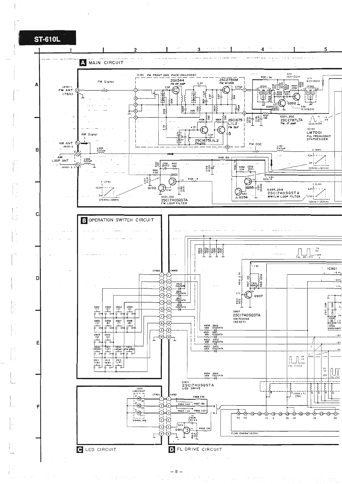
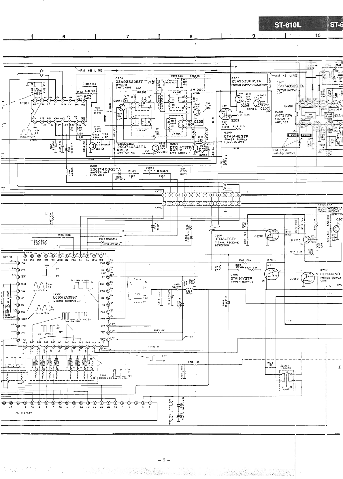
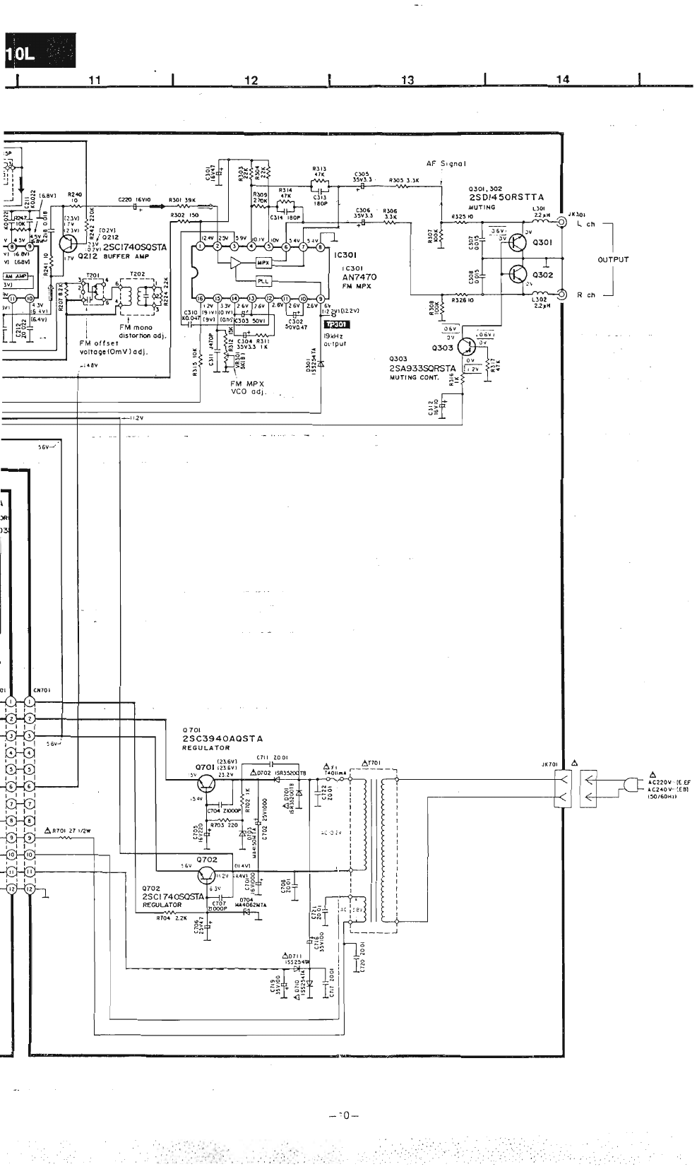
f SCHEMATIC DIAGRAM (parts rtston pases 16-18)
fl'his schematic diagram may be r"iin.a "i"ny iime witn ne
development of new tecinology.)
Notes:
oS701 : Power source switch in "oÍl'' position.
oS901-910: Presettunings,witches.
íssot: CHl, 5902: CH2' 5903: CH3, 5904: cH4)
I ssos, cHS, s9o6: cHs, st[7: cH7, sgoo: cHB, I
l-ssos, cH9, S91o: cHo )
oS911-S913: Band selector switches.
(5911: FM, 5912: MW, 5913: LW)
oS914: Memory setswitch.
oS915: FM mods selector switch.
S916, S917: Tuning sritches.
(S916: down,5917: UP)
olndicated voltage values are the standard values for the unit
measured by the oC electronic círcuit tester (high-impedance)
with the chassís taken as standard. Therefore, there may exist
some erorc in the voltage volues, depending on the intemal
impedance oÍthe DC cirilittester.
( ): AM voltage,[--i: MUTINGvoltage
.
-
Positive vollage lins5 .- Negative voltage line
ctrtrtrD' FM OSC
rrrr) AMOSC r+ AM signal
.:\Ťr*a_$&!i!'}. AF signal lines
o l mportant saÍety notice
Components identified by A marX have specialcharacteristics
important Íor safety. When replacing any oÍ these components,
use only manufacture/s specified parS.
.Cautlonl
lC and LSI are sensitive to static electricity.
Secondary trouble can be preventd by taking care during repair.
.Cover the parts boxes made oÍ olastics with aluminum coil.
.Ground tha soldering iron.
. Put a conductive mat on the work table-
.Do not touch the legs oÍ lC or LSl with the fingers directly.
r TERMINAL GUIDE OF IC'S, TRANSISTORS AND DIODES
oUse oÍ ceramlc Íllterc in pairs
The ceramic filters (CF201' cF202) for FM-lF circuit are available ín
three ranks. For this orcuit. be sure to use the ceramics of the same
rank in a pair.
At repairing and replacement, pay closa attention to the resistors
(B907, R908) Íor use as difÍerent resistors must be used depending
on each rank oÍ the ceramic Íilters.
Color making
(Red, Blue or Orange)
RANK
(coloÍ' 8908 R907 cENŤER
FBEOUEI{CY
Orange ox10.72 MHz
Rcd xx10.70MH2
Blue xo10.67 MHz
Nolr: O mert: Resisloris used.
x mart: Resistor is rxrt used.
2SA933SQFISTA
2SC1740SOSTA
DTAI 14YSTP
DTCI 14YSTP
DTAI44ESTP
DTC124ESTP
DTC144ESTP
2SC2787LTA
2SO14s0RSTTA 25C3940AQSTA
a
v
ecá
1SS254TA
rss291TA
1 SR35200TB
MA4O51MTA
MA4O62MTA
LO
,/ Cothode
-4Ž
A .<{
Anode
LN031441P
tq
víT/
oti(,."
-11-

r ctRculT BoARDS AND WTRING CONNECTTON DTAGRAM (pa
OPERATION SWITCH PC B. l-FM aNr I
Í_{?5o-
6N0 r
l AM líAM LooPl
lANrll ANr I
['
lo
I
l=
l.
Á
l:I,
lÍl
lrh
lel-
lol
lÍi
lEl:
lzl
l<l
lěl
lcl
Lr_
l=
I
I'
L=
LED P.C.B.
/!
IEA @I
FM olí'.l \alloo. íomvl

J-slsl r8l
\M (Parts llst on pages 16-18)
4MA IN PC.B. f ac rN I
(ac220v or 240v 3'o/60Hrl
9.
ol ÍD0 o0
[!l r. DRrvE Pc B
ti
l! !
\N
rth.
MII
Í/-.s
iiiíl,aa''r*
ub>
r. l_
-., íT\
h\-LJ l'r q'-{j
\-'
!----.\
9l!.
' "fi
D{
-'t3-
.BiT.

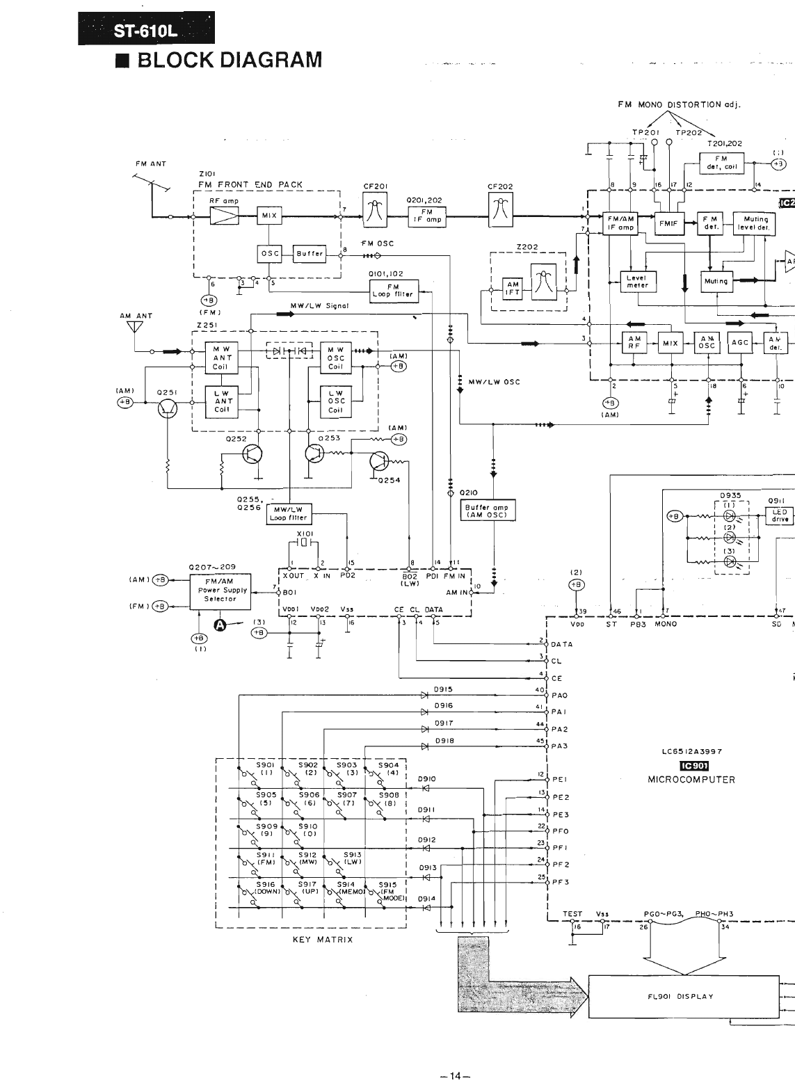
I BLOCK DIAGRAM
z rol
FM FRONT ENO PACK
'Á_T$
IFM )
z2sl
r----
MW/LW Signol
KEY MATRIX
I
I
L
MW/LW OSC
0255,
0236
o2o7- 2O9 aoa POI
(Lwl
CE CL OATA
CE
PAO
PAI
PA2
PA3 Lc63 r2A399 7
tr@
PEI MICROCOMPUTER
?E2
PE3
PFO
PFI
"F2
PF3
FM MONO DISTORTION odi.
,N
TP2ol TPzož\
-O-- a
rurx ! !
!'o Ý
aM INQ+-J
I
J
fM osc z2o2
I u I
L---_-_-J
8uííer
olotr to2
--1
r-.----l Í...:r l
LW
osc
Coil
Buíí.' omP
(AM OSC)
12,
-i15-l
dn:1r
t-
I
I
l"z
?t
trE lcs
t- -<E - -ab:-
VOO ST PBs MONO SO M
OATA
CL
T---TTT
tt
lt
tt
I
>{ osl5
o916
Er oslT
- . 0918
\ŤT |{'z; J.{LlF{i".r o9-lo
--rt40i
-1 4l r
rlrl r
--t t2
s905
o\ (3r
čiťf s907
b\ (zr
\s908
o\ tet
qo9t r
ll
t4
s909
b\ (st
o\
s9lo
b\ (ot
d09t2 t- ?3
s9r r
bxFM' r\'ds sgrs I
ť]] 2a
\oo.íNl
s9r7
b\ (uP)
N,",.1t-
Il rEsT vtJ Í
- -ji'--ft--;;Ý-
--t l4

r il
{)
I
:
I
'' -ÁN7273w
trEt
FMIAM tF AMq oET
aN7470
lEttr
FM MPX
r----
l5
R3t4
c3r4
I
------]
&Et
{.t lr.
_o'.-.Ó'.-
so mu-re I
- !'si
ni:S --
_._ :37
Hol-DÓ_
'":"1",
a", -l
+-
o303
vR30l
MPX,vCO adl. TP 30I
MPX vCO odl.
osc' l4-.1
!
lo
o.".fLf x902
( 960 kHr I
35 0706,707 s70l
(POWER )
ON
RLY
o7or,702
Notc:
í--:;- 'is^"l- - --l
I !!!o : FM osc
I a : AM (LW/MW) rtqnot I
L:'::ť-(:Yy] 1'j j
oTto,71r
- 15-

I HEPLACEMENT PARTS LIST
Notes: "' lmportant safetY notice:
Components identified by A mark have specíai characteristics important for saíety. When replacing any of these components use
only manufacturer's speciÍied parts.
'The parenthesized indications in the Remarks columns specify the areas. (ReÍer lo the cover page for area.)
Parts without these indications can be used íor all areas.
'"K" mark parts are used for black type only.
..'s" mark parts are used Íor silvertype only.
Parts other than "K'and "S'' marked are used Íor all color types.
{!: lndicates parts that are supplied by PFS. (Panasonic France S.A. Longwy division).
Ref.lb. Part No Part llam & Descriptior Renarks
INTTGRATED CIRqJIT(S)
ICl0l [.tl7001 IC, PLL FREQIIEI{CY
IC201 N7273r Ic.ril/Ail IF ÁtlP. DET
IC30I AN7470 IC, FH HIX
ICg0l lC6512A3997 Ic'l'{IcRm$íRnER
IMNSISTOR(S)
u()l102 zSC1740Sq$A IRAI{SISMR
)20r,202 2SC2787tTA INANSISMR
1203 2SC1?4{NqSIA IM}ISISTOR
120s zSC174oSQSIA IBANSISTOR
1206 DTC124ESIP INANSISMR
l?07 2SC1740SQSrA INAilSISMR
u08 AA933SQRSTA IMI{SISMR
120s DTA144ESTP mÁNsIsToR
)2r0.2r2 zSC1740SQS[A TMNSISTOR
u51 2SA933SQRSrA TMNSISMR
)?sL253 zSC17{NQSTA INANSISMR
12s4 D(Cl14YSIP IMIISISTOR
1255, 256 2SC1740SQS[A InÁNsIsToR
1301,302 25D1450RSnA IMNSISTOR
1303 2SA933SQRSIA IMT{SISTOR
l70r 2SC3940A{SrA MANSISTOR
1?02 zSC1740SQSrA IMNSISTOR
1706 mAll4YSfP TNAilSISTOR
1707 mcl44ESIP TRAI{SISTOR
1907 2SC1740SQSrA IBAI{SISTOR
1911 2SC1740SQS[A INANSISTOR
DIODE (S)
)101 1SS254TA DIODE
)204 1SS254TA DIODE
)206 1SS254TA DIODE
)301 1SS254TA DIODE
)70r.702 tsR35200TB DIODE A
)703 r{A4t50il|IA DI ODE
0704 [A406aíIA DIODE
)710,711 1SS254TA DIODE A
D7 t4 líA405IIíIA DIODE
D903 tsszs4TA DIODE
0907, 908^ lss254TA DIODE
Ref. No Part lb. Part Nane & Description Renarls
)908-918 1SS254TA DIODE
)919 1SS291TA DIODE
)923 1SS254TA DIODE
)93e $3 1SS254TA DIODE
)935 u{03144lP LE.D.
VARIABLE RESISMR$)
m01 EvNDxÁAoo853 V. R. FIl ilT( VCO ADJ.
cu'íP0mm c0[lB IMTI 0l{ (s)
1101 M[0006 CffiPOMNT COTtsII{ATIOII
l20L RlÁ6z001-T c$tP0NEt{T c0lts I MTI 0t{
t"202 Ril22003M-T CffiPOMNT COMBIMTIOI'l
190 1EGFSEi04J c$íPomilT c0ilBIMTIoll
1902 DGFgElMJ COr{POl{EliT C0}ts I MTI 0N
FILTER(S)
rF20r RLFKTFzIO2I,A CERA}IIC FILTER (NED)
rF201 RLFKTFzMzLB CERAIIIC FILTER (BLUE)
1F201 RI.FKTF2II[2LC CERAIIIC FILTER (oMlfrE)
)F202 H.FnFzlit]2lÁ CERA,\{IC FILTER (RED)
iF?02 RLFKIFzMztB CIffAIIIC FILTER (BtUE)
iF2g2 RtFIflFzMzLC CERA,\IIC FILTER (oMilGE)
corL (s)
.101 RtQZPR4TKT-Y COIL
.104 RtQZPR2z!fi-Y COIL
.20J,m4 ELEPKN2AU COI L
.301, 302 BtQZPzR2KT-Y COIL
,902 RtQZPl0llfi-Y COIL
TRANSFOffiER(S)
t201 Rt I48002-Z TRAI{SFOffiER
t29Z RL t48003-Z TRANFomíER
t701 RTPlK4IOII PÚIEB TMNsFoR}ltR A
6CrLI.AT0R(S)
(10 tsvQ4su722T-S OSCILLAMR
(902 EF0A960l0l4A OSCILL,\mR
-16-

Ref. No Part l'la Part llam & Descripticn Renarls
DlsPláY TUBE
il901 SAD8}íI10zYl( DISPUY NEE
ilITCH(ES)
s70l RSmB00l-J s[, PÚIEB A
s901 EVQ2140sR $í' cHl
s902 EVUl40sB Str, CI?
sg03 EVQz140sB sn, clB
s904 EVQz1405R sw' cM'
s90s EVQz1405R $r, ct6
sg06 EVQ21405R stv, cH6
s907 EVQ21405B sn, cHn
s908 EVQz1405R sw. cH8
sg0g EVQz1405R sir. cru
s9l0 EVQz140sR sY. clu
s9ll EVQz1405R ST, BAI{D FM
s912 EVQz1405R s[t' BAliD ltílÍ
ss 13 EVQzl{05R S[T. BAND LIT
ssl4 EVQz1405R sn' [{BoEť
Reí }lo Part ltb. Part Nane & Description Renarks
s915 EVQz1405R SII, F[l IIODE
1916 EVQz140sR $T,IUNING MW
s917 EVQ2140sR SIT, IUNING UP
JACK(S)
JIO{)l RJM2(l2 A}ÍffJ{l{Á TEm{IilAL
Jn(lt RrE320lr{ ilITRJT TERMIML
It001 sts9236 m flJftn A
JM04 EYFSzBC RSE }PLDEB A
Jto05 EYFSzBC F(sE rcMER A
cN701, 702 ulmS[012 SMIGT(I2P)
;!{901 Rnno3K00ffil smrcT(6P)
:N902 R.nn03K010Ir1 ffircT(10P)
tP70l, 702 R,JT00srT0l2 coNmcToR(12P)
tP902 R.JT003K010il1 C0NNEC[0R(10P)
1P903 RtT003K00ilu coNmcToR(6P)
FtsE(s)
:l EMC04TB() R.SE 250V 0.4A A
Notes : r
_+ Capacity valuse are in ricrofarads (uF) unless
Resistance values are in ohns, unless specified specified otheryise' P=Pico-farads (pF) ť=Farads (F)
otherrise, lK=l. 000(0HX), 1X=1, 000k(OHt)
Bef.lb. Part [h Values & Renarks
RESISTORS
R101, r02 mN2TJ10íf r/Av 10K
Rl04 EBNzTJÚn L/4n IK
Rl05 ENNNJ561T r/Av 560
Rl06 ERNNJSEN L/4V s.6K
Rl07 ERN2TJ1ON L/AY l()K
Rl08 ERNZTJlSlT r/4v i50
M01 ERNZTJlSN L/4V 1. sK
pa02 ERN2TJ824T L/AW B20K
R203 ERNNJMIT t/4v 330
R204 ERNNJ474T L/AW 470K
M05 ERNNJillT L/AV 330
M06 ERNNJ561T r/4v s60
8207 ERN2TJS2ZT r/Av 8.2K
MOB ERNruM2T L/4fl IK
R209 EBN2TJ47lT L/4V 470
flzLZ ERDSzTJI53T L/4v l5K
Ml3 IRDSzTJlO4T L/ UI l00K
M1{ ERN2TJ824T L/4W 820K
M16 TRDS2TJS6N t/Av 56K
R2 18 ERNzTJ563T L/4W 56K
Ref. No Part ib. Values & Beoark
R219 iRDS2TJ223T 1/4fl 22K
R?il MDSzTJI()3T L/Afl 10K
PAzt ERDSzTJl{}4T L/4r moK
R223 ERDSzTJ47lT r/4fl 470
p224 ERDSzTJz22T L/4V ?-2K
PC25 TRDS2TJl04T t/Av l00K
R227 ERDS2TJl04T L/4fl l00K
u28 ERDSzTJl23T r/4fl 12K
R229 ERDSzTJ822T L/4V & 2K
R230 ERDS2TJlO4T Í/qfl 100l(
R231 ERDS2TJl02T L/Att 1K
t23Z ERDSzTJl22T r/4\l l. 2K
R233 ERDSzTJ684T L/AW 6B0K
M34 ERDSzTJIO3T L/4W loK
R235 ERDSzTJ4TIT L/4W 4t0
M36 ENDSzTJ333T t/4w 33K
R23? ERDSzTJISIT r/AJ,t 150
R240. 241 ERDSzTJIO{)T L/4W 10
R242 ERDSzTJ22{T L/AW ?20R
R244 ERDSzTJ822T L/4fi & 2K
R247 ERDSzTJlO3T l/ \t l()K
R251 ERDS2TJlO3T t/4w loK
R253 EROSzTJIszT r/4w r. BK
Ref. No. Part lb. Values & Reuarls
R254 ERDSzTJzz 3T r/4fr 22K
R256 ffiNzTJI()2T L/AV lK
R258 ERDSzTJUN L/Afr r.zK
R261 ERDS2TJlO2T L/4r 1K
R262 ERDSzTJNN L/4W 3.3K
R263 ERDS2TJ15ÍT L/Afl 15K
R264 ERDSzTJIO2T Li4V 1K
R301 EBDS2TJ393T L/Afr 39K
R302 IBNzTJISIT L/4W 150
R303. 304 ERDSzTJzz3T r/4w ?2K
R305. 306 ERDSzTJ33N r/A\t 3.3K
R307, 308 TRNzTJlO4T L/4W r00K
R309 ERDSzTJ274T L/4V 270K
R31l ERDSzTJION r/4w 1K
R312 ERNzTJl53T L/4W 15K
R313,314 ERN2TJ47N L/*t 4lK
R3l5 ERDSzTJIO3T t/Aw 10K
R316 IRDSzTJlON l/4w 1K
R3r7 ERDSzTJ473T L/AW 47K
R325, 326 ERNzTJIOOT L/4\t t0
R70 1ERDSlFVJzTOT r/4w ?7
R702 ERDSzTJlO2T L/AUt IK
R703 ERDSzTJ22lT l/4w 224

Ref.Ib. Part l,h Values & Renarls
701 ERNNJ22N t/Afr 2.2K
716.717 ERNNJI()IT L/4W 100
725 ERNNJ1OsT L/Afr 10K
902 ERN2TJ1O4T r/Aw 100K
907. 908 EBDzs\roM()T t/Aw 0
915 EBN2TJ82lT L/4fl 820
916 ERNZTJ2T2T L/Afr 2.?R
917 [nNnJ103T L/Afr l()K
918 ERN2TJ224T L/4V 220K
920 ERNZTJI()ST L/4v 1H
924 ERNNJSgN r/Av 3.9K
925 ERNNJ473T L/4V AlR
930- 933 ERNNJ1O4T L/An r00K
943 ERN2TJlO3T L/Afl 10K
946 mNnJt0lT r/Aw 100
950-954 ERNNJ683T L/AW 68K
960 ERNNJl()ST t/4v 10K
961 ERNNJz?3T L/4fr 21K
962 ERNZTJlS2T r/Afr 1.8K
963 ERNNJ563T L/4W s6K
964 ERNZTJS6lT L/4W s60
965 ERNNJUN L/4tt L.zK
966 ERNNJz2lT 1/4V 220
967 ERNNJ18lT l/4Í 1B0
968 ERNNJ33lT r/4n 330
996-999 ERNNJlO4T L/4n 100K
;APACITORS
101. 102 ECB[1Hl50JC5 50v rsP
103 ECB[lC103rS5 16V 0.01u
105 EcEáoJUIo1B 6.3V l00u
106. r07 ECmffi103ZE5 50v 0.otu
108 ECEAlEK4RTB 25V 4.7U
l0g EcEÁ1cU330B l6v 33U
116 Ecín1H103ZF5 50v 0.01u
zll.2g2 ECmffi103ZF5 50v 0.01u
203 ECBr$8R2KC5 50v 8.2P
za4 ECBTlCl03Ns 16V 0.01U
205 ECtfi1H223ZF5 sov 0.022u
206 ECB[1H150JC5 50v lsP
208 ECEAO.IUI()IB 6.3V 100U
209 ECEAlEK4RTB 25V 4.7U
ll0.211
,.12
ECFRlE2NM 25V 0.022U
ECWLEU3ZTS 25V 0.022U
!13 ECBT1Hr01t65 50v 100P
,-L4 EcFálcK100B 16V rou
115 ECBTlC103t65 16V 0.01U
Ir6 ECEAlCKl()OB 16V rou
tL7 tcEAlHtol0B 50v 1U
!lB ECFRlElE3rfr 25V 0.018U
ll9 tcBÍlc103l{s5 t6v 0.01u
Ref.lib. Part lb. Values & Reoarls
c220 ECEA1CK1()OB 16V 10U
c222 ECFRIE4T3KR 25V 0.04ru
c225 ECBnCl03NSs 161t 0.01u
cu6 ECBT1Hl8OJC5 50v 18P
cuL ECBTlCl03NSs 16V 0.01U
c251 ECKRltEz3ZF5 50v 0.02a,
c2s2 ECEAltilOl0B 50v 1U
c253 ECKRIIPz32FS 50v 0.02zu
;$l ECEAIq'4708 16V 47tJ
302 ECEAlilfr4?B 50v 0. dru
;$3 ECEAIt[CI108 50v lU
)304-306 ECEAIVI$MB 35v 3. í'
c307.308 ECFRTElS3KR 25v 0.01íJ
1310 ECIRIE473KR 25V 0.04ru
:311 ECQPl47lJZ3 50v 470P
;312 ECEA1CKl(]()B 1611 10U
1313. 314 ECBTIHISlKBS 50v 180P
1701 ECEA1A'222Y8 16v ?mÚJ
j?0? ECEA1zu102B 25V 1000t
i?04 EC|G1H102ZF5. 50v 1000P
r705 ECEAlflJ221B 16V 220U
)6 ECEA1EK4RTB 25V 4.ru
i707 ECKRIHl(]22FS 50v 1000P
1708 ECKRIl{1032F5 50v 0.01u
1711 ECKR1Hl()32F5 50v 0.01u
1716 ECEA1WlOlB 35V 100U
)71? ECKBIHl()32FS sov 0.0lu
1719 ECEA1Wl()lB 35V 100tt
)?m-I22 ECKR1Hl()32F5 50v 0.0Iu
i725 ECEA1V{O008 3sv 10u
i?26 ECEATVI$R3B 3sv 3.3{J
ls0l-908 ECKRlH331KBs 50v 330P
lg09 ECEA1EK3R3B 25V 3.3U
l9t3 tcKR1H103ZF5 50v 0.01u
1914 ECEAÍ)JUl()2B 6.3V 1000u
tgrS ECEA1I[822 B50v 0.2n
1916 ECBTlHl()1KB5 50v 100P
l9l7 ECBT1HI2lKBs 50v 120P
- 18-

Ref.ltb. Part I'b. Part Nare & Descriptim Reoarls
cABImÍ PAnÍs
Rr00032-K CABINET
Rlsí]032-s CABINET
sl{E2129-1 sREÍ
st{82129 scREÍ
IffBS3+&JFZl scREn
mR008ltrc REAR PAI{EL (E)
RGno081trA REAR PAI{EL (EB)
RťIGÍI610LEF REAR PANEL (EF) E
RGWO30 RnÍEB BmT0N
RGU()030-S POf,ER BUTTON
RFKJT6l()LE-K CHASSIS ASS'Y
6-l Rt$0009-1 :0m
R[lm145 il,BBER
míRo277 FL HOLDER
IRFI(GT6IOLE-K IRONT PANEL ASS Y
smrcT610LE-S FRONT PANEL ASS'Y
10 RfKI{T6lOLE-K FRONT GRILL ASS'Y
l0 RFt0{T6t0LE-S IROI{T GRILL ASS'Y
11 mn357-K ruNING B{JTTON
11 RGtn357-S ruNIrc ilNON
T2 RGU()358-K ;HAilML iliTMN
L2 muo358-s ÍtAt{l{EL BmmN
l3 Rnn360-K MDE zulTON
l3 RGU(}360-S MDE zulTON
14 sl{E187-2 IPLDER
15 KIBSZ6+&I SCRET
l6 XtB3+20JFZ SCRff
tuf. No Part lib. Part ltbne & Description . Rena*s
PACKIIS MATERIAT
P1 RPG{)493 CATTON BOX (G EB)
P1 RPG&94 CARMN BOX iG EB)
P1 RPG()498 CARTON BO,\ (EN E
P2 RPffi25 PAD (I EB)
P2 RPN{)i24-l PAD GDEl
P3 SPSD152 ACCESSORIES BOX
P4 l{ZB52X60A01Z PÚTECIIoN covER
ACCFSSORIES
A1 PQÁ0013 ťARRANTY CARD
T2 mcm16g sERvlcE}Ír0R LIst
\3 RFIST6lOLE-K II6TRI.ITIONS ilAMJAt (E)
\3 mms18-B IIsTRUCTION }IAI{UAI (EB) E
\3 mT0712-F INsTnUcTIolls }{ÁNIJAL (EF)
t{ SFDAC()SE{)3 PoťER coRD A(8.ET)
t4 SJAIg3 PÚťER coRD A(EB)
\5 stnz76 ýtERt0 PIN c0RD
\6 sPB1163T ilI LOOP ANTENNA ASS'Y
t6- t$íA233-lil IOLDER
\6-2 KII{3+10AFZ SCRET
t7 ssA270ll TII ANTENM
t8 sJP9009 ATTACT IENT PLUG (83. EF)

r EXPLODED VIEW
2
,,/.
@\\6-
Prínted in Japan
F900306300TWFF/rY