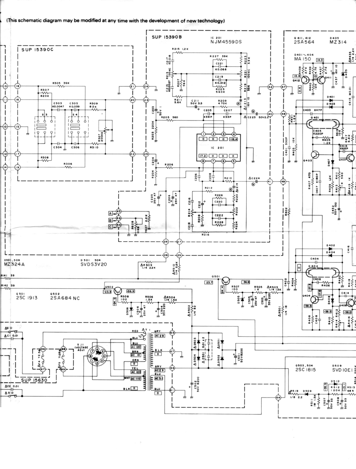
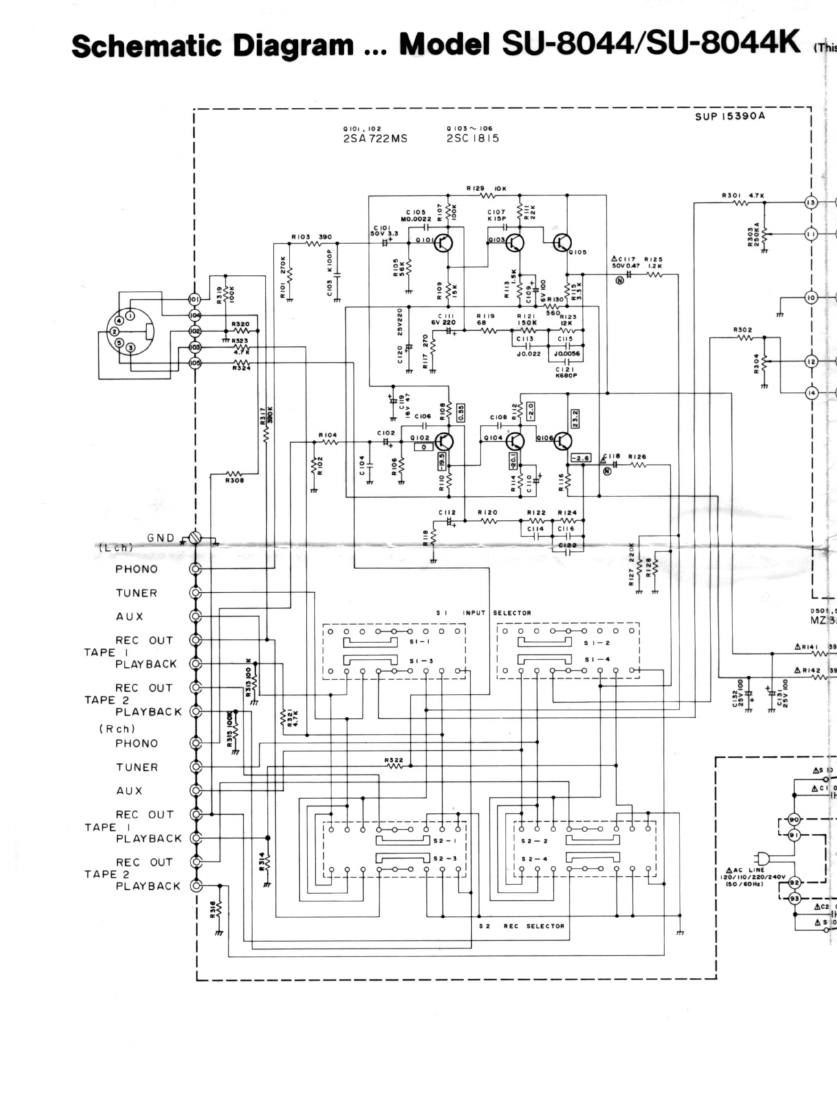
Technics SU 8044 K Schematics
User Manual: Technics-SU-8044-K-Schematics
Open the PDF directly:
View PDF
.
Page Count: 4
30334