Thies LPM Manual
User Manual:
Open the PDF directly: View PDF .
Page Count: 66

THE WORLD OF WEATHER DATA - THE WORLD OF WEATHER DATA - THE WORLD OF WEATHER DATA
Instruction for Use
021341/07/11
Laser Precipitation Monito
r
5.4110.xx.x00
V
2.5x STD
INVISIBLE LASER RADIATION
DO NOT VIEW DIRECTLY WITH
OPTICAL INSTRUMENTS
CLASS 1M LASER PRODUCT
ADOLF THIES GmbH & Co. KG
Hauptstraße 76 37083 Göttingen Germany
Box 3536 + 3541 37025 Göttingen
Phone +49 551 79001-0 Fax +49 551 79001-65
www.thiesclima.com info@thiesclima.com

Safety Instructions
• Before operating with or at the device/product, read through the operating instructions.
This manual contains instructions which should be followed on mounting, start-up, and operation.
A non-observance might cause:
- failure of important functions
- Endangering of persons by electrical or mechanic effect
- Damages at objects
• Mounting, electrical connection and wiring of the device/product must be carried out only by a qualified technician
who is familiar with and observes the engineering regulations, provisions and standards applicable in each case.
• Repairs and maintenance may only be carried out by trained staff or Adolf Thies GmbH & Co. KG. Only
components and spare parts supplied and/or recommended by Adolf Thies GmbH & Co. KG should be used for
repairs.
• Electrical devices/products must be mounted and wired only in voltage-free state.
• Adolf Thies GmbH & Co KG guarantees proper functioning of the device/products provided that no
modifications have been made to the mechanics, electronics or software, and that the following points are
observed:
• All information, warnings and instructions for use included in these operating instructions must be taken into
account and observed as this is essential to ensure trouble-free operation and a safe condition of the measuring
system / device / product.
• The device / product is designed for a specific application as described in these operating instructions.
• The device / product should be operated with the accessories and consumables supplied and/or recommended
by Adolf Thies GmbH & Co KG .
• Recommendation: As it is possible that each measuring system / device / product under certain conditions, and
in rare cases, may also output erroneous measuring values, it is recommended to use redundant systems with
plausibility checks with security-relevant applications.
Environment
• As a longstanding manufacturer of sensors Adolf Thies GmbH & Co KG is committed to the
objectives of environmental protection and is therefore willing to take back all supplied products
governed by the provisions of "ElektroG" (German Electrical and Electronic Equipment Act)
and to perform environmentally compatible disposal and recycling. We are prepared to take
back all Thies products concerned free of charge if returned to Thies by our customers
carriage-paid.
• Make sure you retain packaging for storage or transport of products. Should packaging
however no longer be required, arrange for recycling as the packaging materials are designed
to be recycled.
Documentation
• © Copyright Adolf Thies GmbH & Co KG, Göttingen / Germany
• Although this operating instruction has been drawn up with due care, Adolf Thies GmbH & Co KG can accept
no liability whatsoever for any technical and typographical errors or omissions in this document that might
remain.
• We can accept no liability whatsoever for any losses arising from the information contained in this document.
• Subject to modification in terms of content.
• The device / product should not be passed on without the/these operating instructions.
2 - 66 021341/07/11

3 - 66 021341/07/11
Contents
1 Models ....................................................................................................................................... 5
2 General ...................................................................................................................................... 5
3 Mode of Operation of the Laser Precipition Monitor .................................................................. 6
4 Construction of the Measuring Instrument ................................................................................. 8
4.1 Heating .............................................................................................................................. 12
4.1.1 Variant Extended Heating (5.4110.x1.xxx) ................................................................. 12
5 Installation................................................................................................................................13
5.1 Suggestions for Mounting Place........................................................................................ 13
5.2 Mechanical Installation ...................................................................................................... 14
5.2.1 Mounting on Mast ....................................................................................................... 14
5.2.1.1 Example ............................................................................................................... 15
5.2.2 Mounting Angle........................................................................................................... 16
5.2.3 Mounting of the Housing Cover .................................................................................. 17
5.3 Electrical Installation.......................................................................................................... 17
5.3.1 Electrical installation with cable glands....................................................................... 18
5.3.1.1 Electrical Installation via Connector ..................................................................... 20
5.3.2 Closing the Instrument Cover ..................................................................................... 20
5.3.3 Optocoupler output ..................................................................................................... 20
6 Maintenance ............................................................................................................................ 21
6.1 Cleaning ............................................................................................................................ 21
6.2 Calibration ......................................................................................................................... 21
6.3 Checking the sensor.......................................................................................................... 21
6.3.1 Checking the LED’s .................................................................................................... 22
6.3.2 Checking by means of a terminal program ................................................................. 23
7 Serial communication............................................................................................................... 24
7.1 General telegram format ................................................................................................... 25
7.2 List of Commands ............................................................................................................. 26
7.2.1 Communication commands ........................................................................................ 27
7.2.2 Reset / Version commands......................................................................................... 28
7.2.3 Data telegrams commands......................................................................................... 29
7.2.4 Time / Date commands............................................................................................... 30
7.2.5 Diagnostics commands............................................................................................... 32
7.2.6 Calibration commands ................................................................................................ 36
7.2.7 Quantity measurement commands ............................................................................. 37
7.2.8 Digital output commands ............................................................................................ 38
7.3 Data Telegrams................................................................................................................. 42
7.3.1 Telegram 4/5: Synop, Metar, Disdrometer, optional measuring channel.................... 42
7.3.2 Telegram 6/7: Synop, Metar, optional measuring channel ......................................... 51

4 - 66 021341/07/11
7.3.3 Telegram 8/9: Synop, Metar, optional measuring channel truncated ......................... 52
7.3.4 Telegram 10: Synop, Metar, optional measurement channels, averaging.................. 54
7.3.5 Telegram 3: Particle-Event ......................................................................................... 56
8 Technical Data......................................................................................................................... 57
9 Wiring Diagram ........................................................................................................................ 61
10 EC-Declaration of Conformity............................................................................................... 64
Figure
Figure 1: Measurement of the precipitation particle ......................................................................... 6
Figure 2: Explanation of the measuring principle ............................................................................. 6
Figure 3 :Schematic Block Diagram ................................................................................................. 8
Figure 4: Side view........................................................................................................................... 9
Figure 5: View from above ............................................................................................................... 9
Figure 6: View of the electronics Rev.B ......................................................................................... 10
Figure 7: View of the electronics Rev.A ......................................................................................... 11
Figure 8: Example for an appropriate mast foundation .................................................................. 15
Figure 9: Strap housing .................................................................................................................. 16
Figure 10 : Strap, Mast, Mounting angle ........................................................................................ 16
Figure 11: Screen cable connection to the cable gland ................................................................. 18
Figure 12: Connection of power supply (here 115 or 230VAC) with ferrite tube and binder .......... 19
Figure 13: Examples for the connection to the opto-couplers ........................................................ 20
Table
Table 1: Example for the speed of liquid particles............................................................................ 7
Table 2: List of baud rates with telegram BR ................................................................................. 27
Table 3: Parameter D1/D2 command............................................................................................. 39
Table 4: Parameter 17 (command D1 and D2) .............................................................................. 40
Table 5: Parameter 19 (command D1 and D2) .............................................................................. 41
Table 6: Disdrometer class binning of diameter and speed ........................................................... 48
Table 7: Code table SYNOP/METAR ............................................................................................. 49
Table 8: Intensity steps SYNOP..................................................................................................... 50
Tabelle 9: Intensity steps METAR .................................................................................................. 50

5 - 66 021341/07/11
1 Models
Order-No. Operating
Voltage
Option
Meas. Channel
Option
Extended Heating
Tye of
Connection
5.4110.00.000 24V ~/= AC/DC Nein Nein Cable gland
5.4110.00.100 115V~ AC Nein Nein Cable gland
5.4110.00.200 230V~ AC Nein Nein Cable gland
5.4110.00.300 12...24V= DC Nein Nein Cable gland
5.4110.10.000 24V ~/= AC/DC Ja Nein Cable gland
5.4110.10.100 115V~ AC Ja Nein Cable gland
5.4110.10.200 230V~ AC Ja Nein Cable gland
5.4110.10.300 12...24V= DC Ja Nein Cable gland
5.4110.01.000 24V + 26V ~/= AC/DC Nein Ja Cable gland
5.4110.01.100 115V~ AC Nein Ja Plug connecting +
Cable gland
5.4110.11.100 115V~ AC Ja Ja Plug connecting +
Cable gland
5.4110.01.200 230V~ AC Nein Ja Plug connecting +
Cable gland
5.4110.11.200 230V~ AC Ja Ja Plug connecting +
Cable gland
Electrical outputs for all versions: RS485/422 and two optocouplers.
2 General
The Laser Precipitation Monitor serves as measuring value transmitter, and is well-suited for the
measurement and detection of different types of precipitation such as drizzle, rain, hail, snow, and
mixed precipitation.
The acquisition comprises the types of precipitation, intensity, and the spectrum. All measuring
values are available for the user via an RS 485/422 interface. In addition, the instrument is
equipped with two digital outputs (optocouplers), which indicates, for example, amount and state of
precipitation. The optical components are equipped with an integrated heating.
Instruments with „optional measuring channels” are able to connect temperature, rel. humidity, wind
speed, and wind direction sensors in addition. These values are available, as well, via the RS
485/422 interface.
On sites with rough climate the version “extended heating” is available.

3 Mode of Operation of the Laser Precipition Monitor
A laser-optical beaming source (laser diode and optics) produces a parallel light-beam (infrared,
785 nm, not visible). A photo diode with a lens is situated on the receiver side in order to measure
the optical intensity by transforming it into an electrical signal.
228 mm
0.75mm
20mm
Particle
Infrared light beam
Figure 1: Measurement of the precipitation particle
When a precipitation particle falls through the light beam (measuring area 45,6cm²(7inch²)) Figure
1: Measurement of the precipitation particle) the receiving signal is reduced. The diameter of the
particle is calculated from the amplitude of the reduction. Moreover, the fall speed of the particle is
determined from the duration of the reduced signal.
Figure 2: Explanation of the measuring principle
The measured values are processed by a signal processor (DSP), and checked for plausibility (e.g.
edge hits). Calculation comprises the intensity, quantity, and type of precipitation (drizzle, rain,
snow, soft hail, hail as well as mixed precipitation), and the particle spectrum (distribution of the
particles over the class binning).
The type of precipitation is determined from the statistic proportion of all particles referring to
diameter, and velocity. These proportions have been tested scientifically (e.g. Gunn, R., and
Kinzer, G.D., 1949, "The terminal velocity of fall for water droplets in stagnant air," J. of
Meteorology, Vol. 6, pp. 243–248). In addition, temperature is included in order to improve the
identification: Precipitations with a temperature of above 9 °C are automatically accepted as liquid
(exception: soft hail, and hail), and with a temperature of below –4°C as solid. In the temperature
range between, all forms of precipitation might occur.
6 - 66 021341/07/11

7 - 66 021341/07/11
Diameter [mm] Fall speed [m/s]
0.2 (drizzle) 0.73
0.3 (drizzle) 1.2
0.8 (rain) 3.3
0.9 (rain) 3.7
1.8 (rain) 6.1
2.2 (rain) 6.9
3.2 (rain) 8.3
5.8 (rain) 9.2
Table 1: Example for the speed of liquid particles
The calculated data are memorized over one minute, and then transmitted via the serial interface.
The instrument is almost maintenance-free. Only the panes of the sensor heads should be cleaned,
if necessary. An application all the year round is guaranteed by the integrated pane-heating. For
application in areas of extreme weather conditions (for example high mountains) we recommend a
model with “extended heating”. The effect of external light is minimized by a modulated light source
of 173kHz (so-called „Lock-In“ technology). The effect of aging and temperature on the components
as well as the soiling of the glass panes is compensated by controlling the receiving capacity. A
watch-dog device controls the signal processor (DSP). The sensor controls its function by
measuring and checking the receiving signals for soiling, as well as checking the laser driver for
current and temperature. By using a flash-memory the internal software can be updated any time
via the serial interface.
The following outputs are available: an electrically isolated serial interface (RS485) as well as two
digital outputs (optocoupler). Thanks to the configurable digital outputs this sensor can be used as
an alternative for precipitation monitors (e.g. IRSS88 or Thies 5.4103.10.000), and for precipitation
sensors (e.g. tipping bucket).
The function of the digital outputs is programmable. For example: output 1
0,1mm or 0,01 resp. 0,005 mm precipitation per pulse corresponding to the cumulatively measured
precipitation quantity. Output 2, for example, as precipitation event monitor, or as additional event
output „solid precipitation“ (snow, snow-grains, soft hail, hail) in conjunction with output 1.
In addition, the following sensors can be connected optionally („Option Measuring Channels”):
• temperature (Pt100, not available with option “Extended Heating”)
• relative humidity (0-1V / 0-100% rel. humidity)
• wind speed (frequency 0- 630 Hz for example 4.3519.00.000)
• wind direction (serially synchronous for example 4.3129.00.000)

Figure 3 :Schematic Block Diagram
In explanation of the construction, and the basic function the block diagram Figure 3) shows
schematically the most important functional connections (variant “Extended Heating” not shown).
4 Construction of the Measuring Instrument
The Laser Precipitation Monitor consists of the following: a varnished aluminium housing, protection
IP 65, a laser head ( anodised aluminium), fixed at the housing cover, a receiver head (anodised
aluminium) fastened by means of carrier arms (see also Figure 4 and Figure 5)
The aluminium housing contains the electronics with all necessary interfaces. Furthermore, the
electronics is equipped with light diodes (LED’s), which facilitate an easy and efficient check resp.
diagnosis of the sensor even without serial data connection (Figure 6 or Figure 7. In the chapter
“Maintenance” (see Ch. 6) you find a functional description of the LED’s.
The replaceable laser head consists of a laser driver circuit board (incl. laser diode), a rectangular
window for the beam forming, a lens and a heated glass pane. The electrical connection to the
electronics is carried out by a 10-pole ribbon flat cable leading to the “Connector Laser”.
The receiver head consists of a receiving circuit board with photo diode and electronics, a lens and
a heated glass pane. The electrical connection is done by a 6-pole ribbon flat cable leading to the
“Connector Receiver”.
8 - 66 021341/07/11

Attention:
Do not look into the invisible laser beam! In case the laser
caution labels on the housing are not legible any more the
sensor must not be operated!
Even with a longer exposure time the intensity of the invisible
laser beam is considered as safe for the human eye (without
using optical instruments). A skin-contact with the invisible
radiation is, in general, harmless.
Pg-EMV
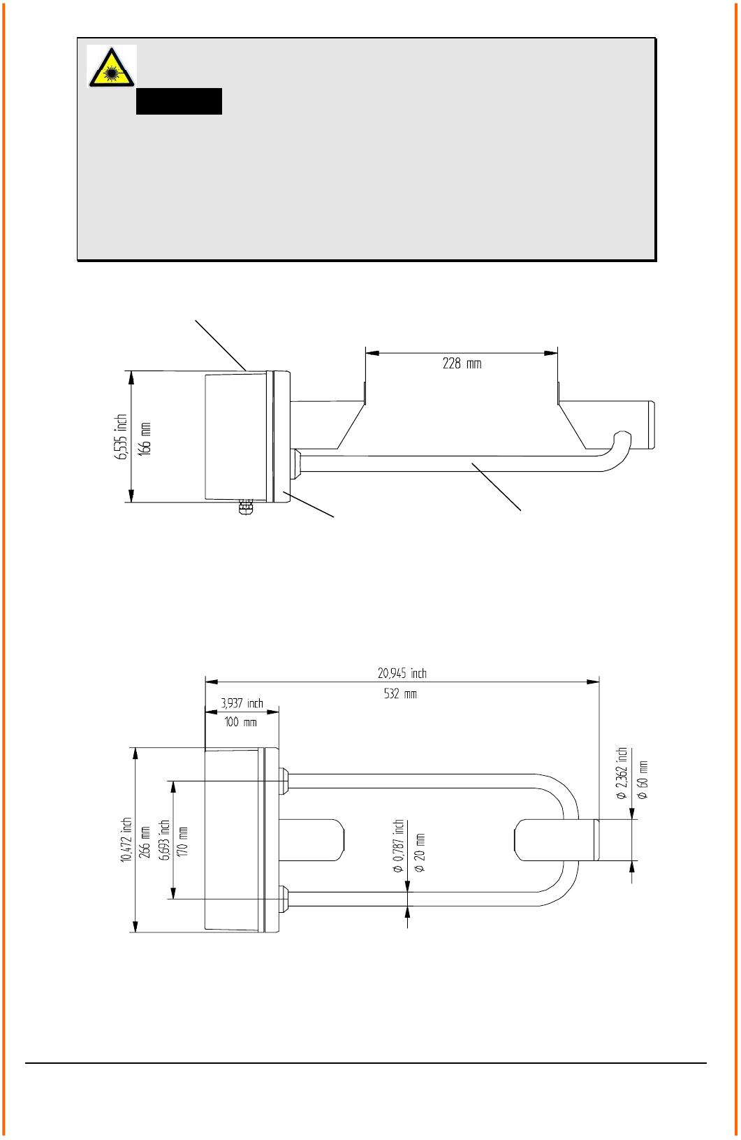
8.98 inch
South
Housing
Carrier
Housing cover
Figure 4: Side view
9 - 66 021341/07/11
Figure 5: View from above

LED red
Carrier
Heating
LED green
Supply
Heating
LED red
Head
Heating
Heating-Control-
PCB
(5.4110.x1.X00)
Secondary Fuse
Heating
5AT (115/230V~)
6,3AT (26V~/=)
Connector
Receiver
Terminal Ambient
temperature sensor
(5.4110.x1.x00)
Connector
Special variant
Connector
Heating
(5.4110.x1.x00)
LED red
Failure
LED green
Sensor OK
LED red
Supply
Terminal
Digital
output
1+2
and
LEDs red
Terminal
RS485
Connector
Laser
Terminal UPS-operation or
supply for
12-24V= (5.4110.xx.300)
Terminal 3 + 4
Connector Supply
115V~ (5.4110.x1.100)
230V
~
(5.4110.x
1
.
2
00)
Fuse Sensor
0,1AT (230V~)
0,2AT (115V~)
Fuse Heating
0.5AT (230V~)
1AT (115V~)
6,3AT (26V~)
(5.4110.x1.x00)
Ambient temperature
sensor (here without
radiation shield)
(5.4110.x1.x00)
Terminal
Head
Heating
Terminal
Carrier
Heating
LED red
Housing
Heating
Figure 6: View of the electronics Rev.B
(here: PCB Rev.B (terminals 1 to 38 orange) 5.4110.01.200, version “Extended Heating”)
Note: Differences to variant 5.4110.00.200 (Rev.B) are accentuated with heavy print frames.
10 - 66 021341/07/11

Transformer
5.4110.xx.100
5.4110.xx.200
Fuse Sensor
0.1AT (5.4110.xx.200)
0.2AT (5.4110.xx.100)
Terminal Supply
24V~/=
5.4110.xx.000
Terminal 1 + 2
Terminal Mains
5.4110.xx.100
5.4110.xx.200
Terminal
UPS-operation
or supply for
5.4110.xx.300
Terminal 3 + 4
Terminal
RS485
Terminal
Digital
output
1+2
and
LEDs red
LED red
Suppl
y
LED green
Sensor OK
LED red
Failure
Connector
Laser
Connector
Receiver
Figure 7: View of the electronics Rev.A
(PCB Rev.A: terminals 1 to 38 green)
11 - 66 021341/07/11

12 - 66 021341/07/11
4.1 Heating
All sensor variants have heated glass panes on both heads to prevent interferences through freeze
up, steaming up or similar. The heating power is controlled in subject to the ambient conditions.
The heating current are measured for self diagnostic and could be read through the diagnostics
command (“DD”, only available with PCB Rev.B, see Figure 6).
4.1.1 Variant Extended Heating (5.4110.x1.xxx)
In addition to the two glass pane heatings this variant has 3 heating circuits to prevent against
malfunction due to icing and packing of snow:
1. Housing (top side)
2. Heads (under the stainless steel components)
3. Carriers (straight section of the carriers at the receiver head)
This three heating circuits are controlled separately against the ambient temperature (ambient
temperature sensor, see also Figure 6). The heating power varies from 10% to 100%. The
heatings are switched on from a measured temperature under 3°C.
Whether the respective heating circuit is switched on, can be checked by observing the
corresponding red LED on the Heating-Control-PCB (Figure 6.
The heating currents and the supply voltage of the heating are measured for self diagnostic and
could be read through the diagnostics command (“DD”).
With the commands „HK“, „HB“ and “HG” (see Ch. 7.2.5) you can individually switch on a heating
circuit for one minute for testing.

5 Installation
Attention:
The instrument must be mounted and wired only by a qualified
expert, who knows and observes the generalities of technics, and
applicable regulations and norms.
Attention:
Do not look into the invisible laser beam!
In case the laser caution labels on the housing are not legible any
more the sensor must not be operated!
Even with a longer exposure time the intensity of the invisible laser
beam is considered as safe for the human eye (without using optical
instruments).
A skin-contact with the invisible radiation is, in general, harmless.
Attention:
Head and carrier heatings could be hazardous hot! Burn Hazard!
(applies only for 5.4110.x1.xxx)
5.1 Suggestions for Mounting Place
Please note the following when selecting the location:
The sub-surface under the Laser Precipitation Monitor shall not consist of dark stone, asphalt or the
like, as otherwise, in case of strong sunshine radiation, the ascending air will form so-called
streaks. As sub-surface we recommend a lawn.
Depending on the wind speed and wind direction the precipitation particles are swirled by the Laser
Precipitation Monitor so that the fall speed is changed. This might cause a deterioration of the
sensor quality. Therefore, you should avoid an installation in the open country (particularly
mountain tops) or directly in the lee of an obstacle. Well-suited are flat locations with wind breaks
(e.g. hedges).
13 - 66 021341/07/11
According to the WMO-directive for precipitation measuring instruments the distance between the
installed sensors and the next obstacle should be at least four times the height of this obstacle.
If this is not practicable, at least keep an azimuth angle of < 45° with regard to the surrounding
plants, buildings etc. Logically consistent would be also to mount the sensor on a mast top. We
recommend a measuring height of at least 1m or rather 1.5 to 2m in snowy sites. Other devices

14 - 66 021341/07/11
should be mount with a distance of at least 1m on the same mast. The side distance to other
objects should be greater than 2m.
We recommend to operate the Laser Precipitation Monitor in an enclosed area for human safety,
although the intensity of the invisible laser beam is considered as safe for the human eye (without
using optical instruments, Laser Class 1M according to EN 60825-1:1994 A2:2001). Pay attention
to stand to local regulations regarding laser safety.
It is not advisable to install the Laser Precipitation Monitor directly on a street, because it is, for
example, possible that water particles, whirled up by the vehicles, might lead to erroneous
measurements. In this case, we recommend to install the instrument with a respective distance and
height. At streets the alignment of the sensor should be not to the south, but at right angles with the
street (receiver head farthest away to the lane).
5.2 Mechanical Installation
Tools:
• Allen wrench (Inbus) SW4
• Combination wrench or ring spanner wrench SW10
• Combination wrench SW16 und SW20
• Tools to work in cables (for example: skinning tool, gripper for cable end sleeve)
• Screw driver for slotted screws, blade width 2 and 6 mm
• Tools for the shortening of straps
5.2.1 Mounting on Mast
The delivered mast holder of the Laser Precipitation Monitor is designed for a mast diameter of
48... 102 mm (1.9... 4 inch). The mast should be electro-conductive, and be connected to the
ground potential (foundation/grounding bound).Otherwise, the sensor is to be connected to the
ground potential by a cable with minimum 6mm² diameter. Due to its sensitivity the sensor is
susceptible to vibrations. Therefore, the mast diameter should be preferably large, and the mast
should be fixed on a concrete foundation by means of firmly welded-on struts. From a mast height
of approx. 2 m up the mast should be additionally fixed by three stay-wires.
Remark: For models with supply 115VAC/230VAC
The mast should be electro-conductive, and be connected with the ground potential (base/ground
strip).Apart from that the sensor is to be connected to the ground potential by means of a cable
(>6mm²).

5.2.1.1 Example
Example of a mounting means 4.3187.61.xxx equipment rack (optional)
15 - 66 021341/07/11
View from above
Concrete C25/30
Earth strip 4x30mm
20 m long
Plastic tube Ø 50 with taut wire
Plastic tube Ø 50
1 x 90° arc
Figure 8: Example for an appropriate mast foundation

5.2.2 Mounting Angle
First, the mounting angle (with or without housing) should be fastened at the mast. Because of the
shading effect of the mast the angle is to be mounted at the highest possible place. Align the angle
to the south acc. to Figure 10 (± 10°, Northern hemisphere), and fasten it at the top of the mast. It
is advisable to have a second person holding the Laser Precipitation Monitor during the mounting.
In case no second person is available, it is also possible to separate the mounting angle from the
Laser Precipitation Monitor (2 nuts M6 below, 2 screws above [accessible after removing the
housing cover).
Does only apply to the models with supply 115 VAC/230 VAC:
In case an electro-conductive mast is used, the straps should be fastened directly, i.e. without
insulator. If the mast is not electro-conductive, a potential equalisation should be established
between ambiance (for ex. fundament) and sensor by means of a cable (>6mm²).
1. Cut 2 pieces of the necessary length off the strap (1 meter) acc. to the table below.
2. Insert the strap into the housing from the screw head side, and bend a projection of 20 mm
over the ridge (Figure 9).
3. Put the free end of the prepared clamp around the mast and the mounting angle, and screw
it on (Figure 10).
4. 2 Straps are provided for each mounting angle.
Mast Ø Mast Ø Length strap
48 mm
60 mm
80 mm
90 mm
102 mm
1.9 inch
2.4 inch
3.2 inch
3.5 inch
4 inch
250 mm (10 inch)
310 mm (12.2 inch)
370 mm (14.6 inch)
400 mm (15.8 inch)
440 mm (17.3 inch)
Housing with screw
Figure 9: Strap housing
Mast
Stra
p
Mountin
g
an
g
le
South / E
q
uator
Figure 10 : Strap, Mast, Mounting angle
16 - 66 021341/07/11

5.2.3 Mounting of the Housing Cover
Remove, first, the 4 screws in the edges. Afterwards, turn down the cover carefully.
When the housing is open, please take care that no humidity (precipitation) can lay down on the
electronics.
5.3 Electrical Installation
Attention:
The instrument must be mounted and wired only by a qualified
expert, who knows and observes the generalities of technics,
and applicable regulations and norms.
Attention:
Do not look into the invisible laser beam!
In case the laser caution labels on the housing are not legible
any more the sensor must not be operated!
Attention:
Head and carrier heatings could be hazardous hot! Burn
Hazard! (applies only for 5.4110.x1.xxx)
After the housing cover (CH. 5.2.3) has been opened, electrical connection can be carried out
according to wiring diagram (CH.9).
17 - 66 021341/07/11

5.3.1 Electrical installation with cable glands
In order to carry out an EMC-compatible installation the cable screen/shielding (except the supply
cable, which, in general, is not shielded) is to be connected to the contact spring of the screwed
cable gland (Figure 11).
1. With the Standard Contacting (see Figure 11.1)
- Strip back the outer sheath and screen (shielding)
- Make a round cut in the outer sheath approx. 15 mm along but do not remove the sheath
- Guide the cable through the cable gland
- Pull off the outer sheath
- Pull back the cable until the connection is made between the cable screen and contact
spring
- Turn shut and it is ready for use!
2. With thin Wires without an Inner Sheath (see Figure 11.2)
- Strip back the outer sheath
- Pull back the screen braid approx. 15-20mm over the outer sheath
- Insert the cables into the cable gland until the contact is made between the cable screen
and contact spring
- Turn shut .and it is ready for use!
3. When Routing the Cable Screen to another Connection (see Figure 11.3)
- Expose the screen braid approx. 10 mm
- Guide the cable through the cable gland until the connection is made between the cable
screen and contact spring
- Turn shut and it is ready for use!
Figure 11: Screen cable connection to the cable gland
18 - 66 021341/07/11

The cables are guided through the respective cable gland to the sensor connecting terminals
(Figure 6 or Figure 7), see also wiring diagram (CH. 9). They are connected by means of the
respective tension clamp technique.
For the orange-coloured connecting terminals put a commercially available screw-driver with a
blade width of up to 2mm resp. 0,1 inch into the upper rectangular opening. Insert the respective
cable into the lower round opening. After the screw driver has been removed the cable is fixed by
spring tension.
With the green- and orange-coloured connecting terminals (only for PCB Rev.A) please press down
the orange-coloured lever by means of a screw-driver (cable 0,1-1,5 mm² resp. 26-16 AWG).
After having been guided through the cable gland into the cover, the supply cable is to be shielded
against EMC-disturbances by means of the available grey ferrite tube. For this, after connection of
the cables, the ferrite tube is to be fastened directly at the cover panel by means of the binder (see
Figure 12).
Figure 12: Connection of power supply (here 115 or 230VAC) with ferrite tube and binder
After all connections have been established the supply can be switched on:
With an operating supply the red Supply-LED (top left corner of PCB) must flash continuously
Figure 6 or Figure 7). The green Sensor-OK-LED flashes with 5hz when the signal processor
operates properly (after approx. 5 seconds). In case the LED’s show a different behaviour please
refer to chapter 6.3.1 how to determine the possible error.
NOTE:
All supply voltages must be potential-free (exception 115VAC and 230VAC). For
example, with the 24VAC-supply there must be used a separate winding of the
transformer only for this sensor. In addition, we recommend to provide for a
separator in the installation (for example switch or fuse), and to mark this.
When the instrument operates properly the cover should be fastened (see the following chapter),
and the instrument should possibly be configured by means of a commercially available terminal
program (CH. 7)
19 - 66 021341/07/11

5.3.1.1 Electrical Installation via Connector
Instruments equipped with connectors, have pre-assembled flange plugs, which are integrated at
the housing. The flange plug for the supply with pre-assembled cable has a ferrite sleeve which is
already affixed at the cable (between plug and pc-board) against the wall by cable connector.
5.3.2 Closing the Instrument Cover
Lift up the housing cover carefully, and take care that no cable is jammed between cover and
housing. Moreover, the gasket must fit in the groove provided for. Tight the screws strongly and
crosswise to ensure the proper sealing of the housing (torsional moment of at least 2,0Nm).
5.3.3 Optocoupler output
In Figure 13 you see 2 ways of connecting external instruments (“pull-up”-circuit to clamp 10/11
(output 1) and “pull-down” circuit to clamp 12/13 (output 2)). The load resistor R should preferably
be low (for example Vcc=5V, R = 5V/1mA = 5 kΩ). The connecting cables should be shielded, and
the receiving input should be equipped with respective EMC-filters (not showed in Figure 13).
For the optical check of the outputs near the clamp resides two red LED’s, which light when the
respective output is on.
With the command “D1” (respective “D2”, see CH. 7.2.8) you can configure the outputs.
Figure 13: Examples for the connection to the opto-couplers
20 - 66 021341/07/11

6 Maintenance
Attention:
Do not look into the invisible laser beam!
Attention:
Head and carrier heatings could be hazardous hot! Burn
Hazard! (applies only for 5.4110.x1.xxx)
6.1 Cleaning
Approximately every 3 months the glass panes of the sensor should preventively be cleaned.
Depending on the location this period might be different. Please use a commercially available cloth
which is used, for example, for cleaning spectacles.
If the Laser Precipitation Monitor outputs the error message 1 “static signal out of allowed range”
(see diagnostic command “DX”, CH. 7.2.5) or frequently the output “Precipitation (not identified)”
appears, and the error remains still after the cleaning, the instrument has to be sent-in to the
manufacturer for inspection.
Insect nests, spider webs, pollen flight sediments or the like shall be removed regularly. Depending
on the environment and season the periods for control might be different.
6.2 Calibration
A calibration is necessary with the replacement of certain components. It is carried out in the
factory.
6.3 Checking the sensor
The simulation of precipitation can be generated as follows:
Move an object (or a finger) at least 15 times per minute as quick as possible through the invisible
laser beam between the sensor heads. Then, with the next minute-change, the sensor outputs the
precipitation type “Precipitation (not identified)” as well as a respective precipitation quantity. This
simulation can be started five minutes after the instrument has been switched on.
21 - 66 021341/07/11

22 - 66 021341/07/11
6.3.1 Checking the LED’s
In case no terminal program with PC is available the checking of the Laser Precipitation Monitor is
limited to the control of the following LEDs. You will see them after removing the cover (see Figure
6 or Figure 7):
• SUPPLY (red, on the left above) must shine when AC supply is switches on.
• SENSOR-OK (green, middle above) flashes with 5Hz if DSP operates properly
• FAILURE (red, middle above) flashes with 5Hz if an error and with 0.5Hz if an warning has
been detected
In case the SUPPLY-LED does not flash the supply should be checked. The models with „115VAC“
and „230VAC“ operating voltage a safety fuse situated directly above the orange connecting
terminal „L1“and “N” (left, below). All models have an additional electronic fuse for the supply. In
case this fuse has activate the external supply must be switched off for approx. 30 seconds so that
the fuse can cool down.
If the FAILURE LED flashes you should control the glass panes, and maybe clean them.
After the supply has been switched on the FAILURE LED lights up for 5 seconds.
Additional for variant “Extended Heating” (5.4110.x1.x00):
• LED “SUPPLY HEATING” (green, Heating-Control-PCB) must be on when the supply is OK.
• LED’s (red, Heating-Control-PCB) for checking the three heating circuits must be on, when
the respective circuit is switched on (Command “HG”,”HK” and “HB”).
The primary fuse of the heating supply (“Fuse Heating”) is located beside the “Fuse Sensor” (see
Figure 6). The secondary fuse is situated on Heating-Control-PCB.

23 - 66 021341/07/11
6.3.2 Checking by means of a terminal program
First, the Laser Precipitation Monitor must be connected to the respective COM interface of the
used PC by an interface converter (RS485/RS232).
Start a terminal program, and configure the interface according to the sensor interface (baud rate,
parity, etc.). Now the Laser Precipitation Monitor is ready for request. See also chapter 7. The
factory setting of the serial interface: 9600 Bd, 8, N, 1, full-duplex, ID:00
Check the control voltage (4010± 5) through the diagnostic command („<id>dd“). In case the value
is outside the value range, and cleaning the glass panes shows no effect the Laser Precipitation
Monitor is to be sent-in for inspection. Moreover, the internal temperature (without sun radiation
max. ± 4° difference compared with the ambient temperature, does not apply to model
5.4110.x1.x00 when heating is on [extended heating]) as well as the laser driver temperature
(approx. 10° higher than the internal temperature) can be checked. Please note that for variant
“Extended Heating” (9.4110.x1.x00) the difference between internal and ambient temperature is
higher, when the heating is on.
Switch-on the telegram „Particle Event“ („<id>tm00003“). Drop a preferably spherical object with a
diameter smaller than 8mm through the measuring area.
Example 1: with 4 mm steel ball (dropped from the middle of the laser head screen):
Reply from the sensor:
9476;588;497800898;4.04;00.90;3.71;00.89;+19
Diameter: 4.04 mm
Speed: 0.9 m/s
Example 2: with finger moving through the measuring area:
Reply from the sensor:
16370;2158;499106556;7.71;00.39;6.19;00.34;+19
Re-activate the starting conditions after test end, for example, the data format set before.

24 - 66 021341/07/11
7 Serial communication
An RS485 interface (4-wire or 2-wire mode, changed by command “BD”, see CH. 7.2.1) with
several baudrates (command “BR”) is available at the Laser Precipitation Monitor for the serial
communication.
The communication can be carried out, for example, by means of a standard terminal program and
a PC. With a Windows-based operating system delivery , for example, contains Hyper Terminal. If
necessary, it must be installed later.
4-wire/full-duplex mode (factory setting) :
The receive lines in the sensor are terminated with a resistance of 560 Ω when a so-called Jumper
is directly above the contacts “R-“ and “R+” on the 2-pole connecting-pin-line.; see wiring diagram
(CH.9).
2-wire / half-duplex mode :
The transceiver lines in the sensor are terminated with a resistance of 560 Ω when a so-called
Jumper is directly above the contacts “T-“ and “T+” on the 2-pole connecting-pin-line.; see wiring
diagram (CH.9).
NOTE:
Half-duplex mode
In the sensor there are no so-called bias-resistors (pull-up and pull-down) to get
the voltage level (>0.2V) for the RS485-norm, when the network is idle.
This resistors must be provided by the remote station (e.g. PC).

25 - 66 021341/07/11
7.1 General telegram format
A fixed telegram format is used for the serial communication (<CR> means Carriage Return
(enter key)):
• Data request:
„<id>BB<CR>“ <CR> means carriage return (enter key)
• Change of parameters:
„<id>BBppppp<CR>“ <CR> means carriage return (enter key)
The single letters have the following meaning:
id: Device address number (00 99, initial value 00)
BB: two-digit command code (case-insensitive)
ppppp: A new parameter is set by entering a 5-digit value. The parameter is right-
aligned, and must be completed with zeros from the left.
Example for a Change of Parameters:
The baud rate is to be set to 4 (corresponds to 4800 baud 8, N, 1) with the device address “00”.
The respective command is:
„00BR00004<CR>“
Example data request:
The set record for the baud rate is returned with the command
„00BR<CR>“
Reply:
„!00BR00004“
The reply from the sensor is marked by an exclamation mark at the beginning of the return.
NOTE:
The receiving buffer of sensor can be cleared by sending a carriage return <CR>.
In case the sensor has invalid or unintentional characters in the receiving buffer, it
is advisable to send a <CR> at the beginning of the command, e.g.
“<CR>00BR<CR>”
Error messages from the sensor (ID: “00”):
“00CI00002” Unknown command
“00CI00004” Parameter out of allowed range
“00CI00008” Incorrect command mode (see command “KY”, CH. 7.2.1)

26 - 66 021341/07/11
7.2 List of Commands
<id>: Device address (00 99, initial value “00”, see command “ID”, CH. 7.2.1)
Command ?
<id>? Help
description: Output list of commands
Example reply:
KY: Set/Get command mode (0:user, 1:config)
BR: Set/Get Baudrate (5: 9600Bd 8N1)
BD: Set/Get Duplex (0:Full, 1:Half)
ID: Set/Get Device Address
RS: Reset Sensor (1)
SV: Get Software Version
SB: Get Bootloader Version
SN: Get Serial Number
TM: Set/Get Telegram ( 3: Particle Event 4:SYNOP,METAR,Disdrometer)
( 5: 4 + aux. Measuring Channels)
( 6: SYNOP,METAR 7: 6+aux. Meas. Chan.)
( 8: SYNOP,METAR short 9: 8+aux. Meas. Chan.)
(10: 7 + Averaging (Time: TO parameter))
TR: Request Telegram (4...10)
TO: Time interval telegram 10 (1...10 min)
ZH: Set Hour (0..23)
ZM: Set Minute (0..59)
ZS: Set Second (0..59)
ZD: Set Day (1..31)
ZN: Set Month (1..12)
ZY: Set Year (0..99)
ZT: Get Sensor Date + Time
ZB: Get Operation hours [2H]
AZ: Set/Get Time calibration [1.44s/d] (0...123, >100 neg.)
DD: Get Diagnostic Data
DX: Get Self Diagnostic
FM: Get Error Count
RF: Reset Error Count (1)
AT: Set/Get Temp. internal calibration [degree C] (0...106, >100 neg.)
AV: Set/Get Amount Adjustment (80...120%)
AU: Get Measuring Area
FT: Test Flash (1)
RA: Reset Amount (1)
PT: Get Time Duration Amount
D1/D2: Set/Get Digital Output 1/2
DA: Auxiliary Measuring Channel (Option)

27 - 66 021341/07/11
HK/HB/HG: switch on heating for 1 minute (0:Off 1:On) head(K), holder(B),
housing(G)
7.2.1 Communication commands
Command KY
<id>KY<para5> Setting the command mode (0: normal, 1: configuration)
Description: Two modes are available:
• Normal mode (no setting of parameter possible)
• Configuration mode (all commands allowed)
Value range: 0,1
Initial value: 0 (set to zero by power up, no storing)
Command BR
<id>BR<para5> Setting the baud rate.
description: The communication can be carried out with different baud rates and parities.
The setting range is from 1200baud to 115.2Kbaud, 7 or 8 data bits, no(N),
even(E), odd(O) parity, 1 or 2 stop bits. The following parameter are defined for
BR:
Parameter description:
1200 2400 4800 9600 19200 38400 57600 115.2K
8N1 2 3 4 5 * 6 7 8 9
7E1 10 11 12 13 14 15 16 17
8E1 18 19 20 21 22 23 24 25
8O1 26 27 28 29 30 31 32 33
7N1 34 35 36 37 38 39 40 41
7O1 42 43 44 45 46 47 48 49
8N2 50 51 52 53 54 55 56 57
7E2 58 59 60 61 62 63 64 65
8E2 66 67 68 69 70 71 72 73
8O2 74 75 76 77 78 79 80 81
7N2 82 83 84 85 86 87 88 89
7O2 90 91 92 93 94 95 96 97
Table 2: List of baud rates with telegram BR
* Setting by the factory
Value range: 2..97
Initial value: 00005

28 - 66 021341/07/11
Command BD
<id>BD<para5> Setting duplex-mode (full- [“0”] / half-duplex [“1”]).
Description: Setting for the using of a so-called 4-wire- (full-duplex, common called RS422)
or 2-wire-communication (half-duplex, RS485).
Value range: 0,1
Initial value: 0 (full-duplex)
Note:
• We recommend concerning the simplicity the use of full-duplex
communication
• If you change the duplex-mode please bear in mind that mostly a
change of wiring and setting of the interface (-converter) is necessary.
• The latency period is 20ms. This means that after sending of a
command within 20ms the switching of the direction must happen.
And after receiving a answer from the sensor at the earliest time of
20ms a command can be send.
• Half-duplex operation: An idle-state of at least 0,2 V is to be caused
by respective resistances of the opposite site (normally available in
the interface converter
Command ID
<id>ID<para5> Setting of the device address for the communication.
Description: After setting of the address in the future this new <id> must be used for each
new command.
Value range: 0 99
Initial value: 0
7.2.2 Reset / Version commands
Command RS
<id>RS00001 Reset of the sensor.
Description: Re-start of the sensor. Note: command mode has to be set to configuration
before (see “KY”, CH. 7.2.1)
Value range: 1
Initial value: 0
Command SV
<id>SV Request of the software version.
Description: Output of the software version (example reply: „!00SV00203“ -> V2.03)
Value range: -
Initial value: -

29 - 66 021341/07/11
Command SB
<id>SB Request of the bootloader version.
Description: Output of the bootloader version (example reply: „!00SB00110“ -> V1.10), if
supported by the bootloader.
Value range: -
Initial value: -
Command SN
<id>SB Request of the serial number.
Description: Output of the serial number.
Note: If the serial number is 0 the system parameters are adjusted wrongly.
In this case, please have the instrument checked by the manufacturer.
Value range: 1 9999
Initial value: set in the factory
7.2.3 Data telegrams commands
Command TM
<id>TM<para5> Telegram selection measuring data (automatically send without request,
automatic mode).
Description: Setting the telegram, telegram 3 to 10 (see CH. 7.3).
Telegram 1 and 2 are for internal test purpose.
Telegram 0 means no automatic sending, and is recommended when using
the polling command “TR”.
Value range: 0...10
Initial value: 4 (5.4110.0x.xxx) resp. 5 (5.4110.1x.xxx)
Command TR
<id>TR<para5> Command for requesting a telegram (polling mode).
Description: Request of telegrams 4 to 10 (see CH. 7.3). If you want to get the data by
polling, you should switch off the automatic mode with the command
“<id>TM00000”. Otherwise the “TM” parameter will be set only internally to 0. If
you wish to use the automatic mode again send the command “TM” or power
up the sensor.
When a telegram is not available, the sensor answers “!<id>TR00001”.
Depending of the baudrate and the internal sensor clock a telegram is
available
Availability:
Telegrams 6 to 10:
• 1200Bd: 0...57s
• >= 2400Bd: 0...58s
Telegrams 4 and 5:
• 1200Bd: 0...38s
• 2400Bd: 0...49s
• 9600Bd/19.2kBd: 0...57s
• >= 38.4kBd: 0...58s
Value range: 4...10
Initial value: -

30 - 66 021341/07/11
Command TO
<id>TO<para5> Time for telegram 10 in minutes.
Description: Setting of the time for mean and extreme calculation as well as the time
interval for automatic sending of telegram 10.
If using the automatic sending (command <id>TM00010) please consider the
following:
It makes only sense to use 1 to 6 or 10 minutes, because otherwise the time
interval is uneven. The automatic output take place at fixed times depending
on the sensor clock (e.g. <id>TO00010: output at hh:00, hh:10, hh:20, hh:30,
hh:40, hh:50).
Value range: 1...10
Initial value: 10
7.2.4 Time / Date commands
NOTE:
For the operation the setting of date and time is not necessary. The date and time
are reset when powered up, unless the UPS-input is provided. With the command
“AZ” (CH. 7.2.6) the inaccuracy of the sensor clock can be corrected.
Command ZH
<id>ZH<para5> Setting the sensor clock (hour)
Description: Setting the hour. The sensor time can be requested by the command „ZT“.
Value range: 0...23
Initial value: 0
Command ZM
<id>ZM<para5> Setting the sensor clock (minute)
Beschreibung: Setting the minute. The sensor time can be requested by the command „ZT“
Value range: 0...59
Initial value: 0

31 - 66 021341/07/11
Command ZS
<id>ZS<para5> Setting the sensor clock (second)
Description: Setting the second. The sensor time can be requested by the command „ZT“
Value range: 0...59
Initial value: 0
Command ZD
<id>ZD<para5> Setting the sensor date (day)
Description: Setting the day. The sensor date can be requested by the command „ZT“.
Value range: 1...31
Initial value: 1
Command ZN
<id>ZN<para5> Setting the sensor date (month)
Description: Setting the month. The sensor date can be requested by the command „ZT“
Value range: 1...12
Initial value: 1
Command ZY
<id>ZY<para5> Setting the sensor date (year)
Description: Setting the year. The sensor date can be requested by the command „ZT“
Value range: 0...99
Initial value: 5
Command ZT
<id>ZT Request of sensor date and clock
Description: Output of the sensor date and time.
Format: “TT.MM.JJ;HH:mm:SS” (example: “25.01.05;15:58:10”)
On resetting or activating the instrument the time is initialized with 00:00:00.
Value range: --
Initial value: (“01.01.05;00:00:00” set when power up without using UPS-input)

7.2.5 Diagnostics commands
Command DA
<id>DA Output of the optional measuring channels (5.4110.1x.xxx)
Description: Temperature/humidity: 30s-mean value (measurement every second)
Wind speed: 1s-mean value
Wind direction: instantaneous value (measurement every second)
column Description
1-5 Temperature [°C]
7-11 Relative air humidity [%r.h.]
13-16 Wind speed [m/s]
18-20 Wind direction [°]
If a sensor is unavailable or the measuring range exceeded the value of the
relevant column is “9”.
Example reply:
„-01.6;040.3;02.6;090“
(-1.6 °C temperature; 40.3 % relative humidity,
2.6 m/s wind speed, 90 ° wind direction)
Value range: -
Initial value: -
Command DD
<id>DD Request of the diagnostic data
Description:
Number Column Description
1 1-3 Interior temperature [°C]
2 5-6 Temperature of laser driver 0-80°C
3 8-11 Mean value laser current [1/100 mA]
4 13-16 Control voltage [mV] reference value: 4010±5
5 18-21 Optical control output [mV] / control variable
(500 6500)
6 23-25 Voltage sensor supply [1/10V] **
7 27-29 Current pane heating laser head [mA] **
8 31-33 Current pane heating receiver head [mA] **
9 35-39 Ambient temperature [°C] *
10 41-43 Voltage Heating supply [1/10 V] *
11 45-48 Current heating housing [mA] *
12 50-53 Current heating heads [mA] *
13 55-58 Current heating carriers [mA] *
32 - 66 021341/07/11

33 - 66 021341/07/11
* Variant 5.4110.x0.xxx: value always maximum
** Hardware Rev.A (see Figure 7) no measurement possible
Example reply (5.4110.x1.xxx, Variant „Extended Heating“):
„+01;08;1627;4011;2356;235;084;070;-06.4;233;0034;0845;2230“
1. +1°C Interior temperature
2. 8°C Temperature of laser driver
3. 16.27mA Mean value laser current
4. 4011mV Control voltage
5. 2356mV Optical control output
6. 23.5V Voltage sensor supply
7. 84mA Current pane heating laser head
8. 70mA Current pane heating receiver head
9. -6.4°C Ambient temperature
10. 23.3V Voltage Heating supply
11. 34mA Current heating housing
12. 845mA Current heating heads
13. 2230mA Current heating carriers
Value range: -
Initial value: -
Command DX
<id>DX Requesting source of error, warning resp. condition of the lasers.
Description: When an error or a warning has been detected the reason can be requested by
means of this command.
„1“: error / warning
„0“: no error / warning
No. Description Error (E)
Warning (W)
0 1: laser on 0: laser off Status
1 Static signal out of allowed range E
2 Laser temperature (analogue) too high E
3 Laser temperature (digital) too high E
4 Laser current (analogue) too high E
5 Laser current (digital) too high E
6 Sensor supply out of allowed range ** E
7 Current pane heating laser head ** W
8 Current pane heating receiver head ** W
9 Temperature sensor W
10 Heating supply out of allowed range * W
11 Current heating housing * W
12 Current heating heads * W
13 Current heating carriers * W
14 Control output laser power high W
15 Not used at the moment (0)
* only applicable for variant 5.4110.x1.xxx, else value always “0”
** Hardware Rev.A (see Figure 7): always “0”

34 - 66 021341/07/11
Example reply in case of no error :
„0;0;0;0;0;0;0;0;0;0;0;0;0;0;0;0“ (laser on, no error and warning detected)
Value range: -
Initial value: -
Command FM
<id>FM Output of error counter
Description: Output of the error counter 1 to 15 (number corresponds to “DX” command)
Note:
• Reset of error: see command “RF”
• The error counter is incremented when the error is no more present
Example reply:
„0005;0000;0000;0000;0000;0000;0002;0000;0000;0000;0000;0000;0000;0000;0000“
5 times error 1: Static signal out of allowed range
2 times error 7: Current pane heating laser head
Value range: 0 9999
Initial value: 0
Command RF
<id>RF00001 Reset of error counters
Description: All error counters are set to 0.
Value range: 1
Initial value: -

Command HK,HB,HG
<id>HK<para5> Switch on/off head heatings
<id>HB<para5> Switch on/off carrier heatings
<id>HG<para5> Switch on/off housing heating
Description: With this commands the heating circuits can be switched on (parameter 1) for
testing purpose (only 5.4110.x1.xxx). After one minute the respective circuit is
switched off automatically. With the parameter 0 the circuit can be switched off
immediately. Duty cycle should be at most 50% (at 20°C ambient temperature)
or else overheating can occur.
Value range: 0,1
Initial value: -
Attention:
Head and carrier heatings could be hazardous hot! Burn
Hazard! (applies only for 5.4110.x1.xxx)
Command ZB
<id>ZB Request of operating hours (resolution 2 hours)
Description: Output of the operating hours (resolution 2 hours) of the sensor.
Value range: 0 99999 (-> 22.8 years)
Initial value: 0
35 - 66 021341/07/11

36 - 66 021341/07/11
7.2.6 Calibration commands
Command AT
<id>AT Alignment of the interior temperature
Description: The interior temperature is necessary for the determination of the precipitation
type (except for variant 5.4110.x1.xxx, see note below). With an outside
temperature range from –4 to 10 °C the interior temperature should deviate by
max. ± 2 °C (without solar radiation). With solar radiation the difference can be
up to 6±2°C.
Please note: The alignment time with great temperature changes is (due to the
compact housing) approx. 20 minutes.
Parameter > 100 are negative.
Example: AT00103 -> -3° temperature correction
Value range: 0...106
Initial value: set in the factory
NOTE:
The variant 5.4110.x1.xxx (“Extended Heating”) uses a Pt100-sensor at the
bottom of the housing for the measurement of the ambient temperature. The
interior temperature differs from the ambient about +5°C, if the heating is off
(ambient temperature > 3°C)
Command AU
<id>AU Request of the measuring area.
Description: The measuring area is device-specific. Calculation of the area:
AMeas = 4600mm² * 1000 / AUParameter
Value range: 850 1200
Initial value: set in the factory
Command AV
<id>AV<para5> Adjusting measurement of quantity resp. intensity
Description: Correcting precipitation quantity and intensity. Scaling in %.
Value range: 80 ... 120
Initial value: 100

37 - 66 021341/07/11
Command AZ
<id>AZ Alignment of sensor clock
Description: Correction of clock accuracy. For standard requirements (accuracy approx. 10-
20 minutes/year) no correction is necessary. In case of higher requirements
the accuracy can be increased by this command.
As the clock accuracy depends on aging and temperature we recommend a
correction after one year of operation.
Resolution of correction: 1 millisecond/minute = 1,44 seconds/day
Parameter > 100 are negative
Example: AT00105 -> -5ms/min (-7.2s/day) correction of clock
Value range: 0 123
Initial value: 105
7.2.7 Quantity measurement commands
Command RA
<id>RA00001 Reset of precipitation quantity and duration of quantity measurement.
Description: By this command the precipitation quantity, output in the telegram (parameter
no. 17 in telegram 4 to 10, see CH. 7.3.1), is set to 0
Value range: 1
Initial value: -
Command PT
<id>PT Output of duration of quantity measurement.
Description: The duration of the quantity measurement is output in the format „H:M“
(H=hour, M=minute, max. 9999 hours). The duration is set to 0 by the
command „RA“.
Note: no fixed number of signs
Value range: -
Initial value: -

7.2.8 Digital output commands
Both optocoupler-outputs (see CH. 5.3.3) can be configured independently of each other with the
commands “D1” or “D2”. Following information can be given out:
• Precipitation amount (output of impulses, resolution 0.1, 0.01 or 0.005mm)
• State information (output open/closed or frequencies)
• Precipitation type (frequencies)
A changing of the frequency and the state or the possible output of precipitation amount is done
always when the internal clock of the sensor changes a minute. When using the output of the
amount it should be respected that because of the preset resolution the possible residual amount
can be given out in the future. We recommend therefore to use a preferably highest possible
resolution (e.g. 0.005mm), if the amount of single precipitation events is of interest.
Additional hints:
• The parameters 0 and 16 are for testing of the wiring and the external record electronic.
• Solid precipitation: snow grains, snow, soft hail/ice grains, hail
• Liquid precipitation: all other precipitation types (drizzle and/or rain, sleet [=rain and snow]
and unknown precipitation
Table parameter D1/D2 command:
Parameter Description Inactive
(open)
Active
(closed)
Frequency
[Hz]
0 Always inactive always
1 Sensor error active No sensor error Sensor error
2 Sensor error
inactive Sensor error No
sensor error
3 Sensor
In operation 50
4 Sensor in
Operation + error No error: 50
Sensor error: 1
5
Sensor in
operation +
precipitation + error No error: 50
Precipitation: 10
Sensor error: 1
6
Sensor in
operation +
liquid precipitation +
solid
precipitation. + error
No error: 50
Liquid precipitat.: 25
Solid precip.: 10
Sensor error: 1
7 Precipitation active No precipitation precipitation
8 Precipitation inactive precipitation no
precipitation
9 Liquid precipitation
active
No liquid
precipitation
liquid
precipitation
10 Liquid precipitation
inactive
liquid
precipitation
No liquid
precipitation
11
Solid precipitation
active No solid
precipitation
Solid
precipitation
38 - 66 021341/07/11

12 Solid precipitation
inactive
Solid
precipitation
No solid
precipitation
13
Precipitation amount
Gross *
0.1mm
10
(1impulse: 0.1mm)
14
Precipitation amount
Gross *
0.01mm
50
(1impulse: 0.01mm)
15
Precipitation amount
Gross *
0.005 mm
100
(1impulse: 0.005mm)
16 Always active always
17 Precipitation type
SYNOP(Tab.4680,
see Table 7)
Frequency output 1
See the following
Table 4
18 Precipitation amount
Gross *
0.1mm
1
(1Impulse: 0.1mm)
19 Precipitation type
SYNOP(Tab.4680,
see Table 7)
Frequency output 2
See the following
Table 5
20 Precipitation amount
Net *
0.1mm
1
(1Impulse: 0.1mm)
21 Precipitation amount
Net *
0.1mm
10
(1impulse: 0.1mm)
22 Precipitation amount
Net *
0.01mm
50
(1impulse: 0.01mm)
23 Precipitation amount
Net *
0.005 mm
100
(1impulse: 0.005mm)
Table 3: Parameter D1/D2 command
*: With the setting of the precipitation amount to Gross (parameter 13, 14, 15 or 18) every
amount is given out.
Precipitation amount Net (parameter 20 to 23) is the amount without the volume of the
precipitation type “Unknown precipitation” (normally error code for insects or similar)
39 - 66 021341/07/11

40 - 66 021341/07/11
No. Frequency
[Hz]
SYNOP
(Tab.4680)
Description
0 1 -1 Sensor error
1 5 0 No precipitation
2 10 51 Light drizzle
3 20 52,53 Moderate / heavy drizzle
4 25 41,42 Unknown precipitation
5 33,33 57,61 Light drizzle with rain, Light rain
6 41,66 58,62,63 Moderate / heavy drizzle with rain, moderate / heavy rain
7 50 67 Light rain and / or drizzle with snow
8 62,5 68 Moderate / heavy rain and / or drizzle with snow
9 83,33 77 Snow grains
10 100 71 Light snow fall
11 125 72,73 Moderate / heavy snow fall
12 166,67 74,75,76 Soft hail / ice grains
13 250 89 Hail
Table 4: Parameter 17 (command D1 and D2)

41 - 66 021341/07/11
Nr Frequency
[Hz]
SYNOP
(Tab.4680)
Description
0 1 -1 Sensor error
1 2,5 41 Light / moderate unknown precipitation
2 5 42 Heavy unknown precipitation
3 10 0 No precipitation
4 15,15 51 Light drizzle
5 20 52 Moderate drizzle
6 22,73 53 Heavy drizzle
7 25 57 Light drizzle with rain
8 29,41 58 Moderate / heavy drizzle with rain
9 33,33 61 Light rain
10 38,46 62 Moderate rain
11 41,66 63 Heavy rain
12 45,45 67 Light rain and / or drizzle with snow
13 50 68 Moderate / heavy rain and / or drizzle with snow
14 55,56 77 Snow grains
15 62,5 71 Light snow fall
16 71,43 72 Moderate snow fall
17 83,33 73 Heavy snow fall
18 100 74 Light soft hail / ice grains
19 125 75 Moderate soft hail / ice grains
20 166,67 76 Heavy soft hail / ice grains
21 250 89 Hail
Table 5: Parameter 19 (command D1 and D2)
Note:
• Frequency output changes every minute
• The reported precipitation type „Unknown precipitation“ is a error code. See for this the notes
in Table 7.
Command D1/D2
<id>D1<para5> Setting the function of the digital output 1 (optocoupler)
<id>D2<para5> Setting the function of the digital output 2 (optocoupler).
Description: see above
Value range: 0...23
Initial value: D1=13 D2=19

42 - 66 021341/07/11
7.3 Data Telegrams
7.3.1 Telegram 4/5: Synop, Metar, Disdrometer, optional measuring
channel
This telegram is transmitted every minute by the instrument (without request of receiver), when the
parameter “TM” (CH. 7.2.3) is 4 or 5 (automatic mode). The request of the telegram (polling mode)
is possible with the command “TR”.
List separator: ; (Semicolon)
Decimal separator: . (Point)
Start of telegram: STX(02)
End of telegram: CR(13), LF(10), ETX(03) (carriage return, line feed, ETX)
Fixed length and leading zeros.
Error code / data not available: output of the greatest presentable number (e.g. “99.9”)
NOTE:
The detected precipitation type is given out according to METAR- respectively
SYNOP-codes (see Table 7, Table 8 and Tabelle 9).
Example telegram 4:
00;0072;1.16;24.01.05;14:01:00;71;71;-SN ;000.035;71;71;-SN
;000.014;000.000;000.014;0012.52;16132;12.3;100;0.0;0;0;0;0;0;0;0;0;0;0;0;0;0;0;0;0;+11;12;1494;4010;2574;189;174;17
3;-
01.0;201;0723;0441;0570;00054;00000.000;00000;00000.000;00000;00000.000;00000;00000.000;00003;00000.017;000
00;00000.000;00000;00000.000;00002;00001.469;00000;00000.000;00001;00001.428;00030;00004.857;00000;00000.00
0;00001;00000.118;00017;00000.192;00000;00000.000;000;000;001;001;001;003;001;001;001;001;000;000;000;001;000
;000;000;000;000;000;000;000;000;000;000;003;003;002;000;000;000;000;000;000;000;000;000;000;000;000;000;002;00
1;000;000;001;000;000;000;000;000;000;000;000;000;000;000;000;000;000;000;003;004;010;002;002;000;001;000;000;0
00;000;000;000;000;000;000;000;000;000;000;001;001;001;002;001;000;000;000;000;000;000;000;000;000;000;000;000;
000;000;000;000;000;001;001;000;000;000;000;000;000;000;000;000;000;000;000;000;000;000;000;000;000;000;000;00
0;001;000;000;000;000;000;000;000;000;000;000;000;000;000;000;000;000;000;000;000;000;000;000;000;000;000;000;0
00;000;000;000;000;000;000;000;000;000;000;000;000;000;000;000;000;000;000;000;000;000;000;000;000;000;000;000;
000;000;000;000;000;000;000;000;000;000;000;000;000;000;000;000;000;000;000;000;000;000;000;000;000;000;000;00
0;000;000;000;000;000;000;000;000;000;000;000;000;000;000;000;000;000;000;000;000;000;000;000;000;000;000;000;0
00;000;000;000;000;000;000;000;000;000;000;000;000;000;000;000;000;000;000;000;000;000;000;000;000;000;000;000;
000;000;000;000;000;000;000;000;000;000;000;000;000;000;000;000;000;000;000;000;000;000;000;000;000;000;000;00
0;000;000;000;000;000;000;000;000;000;000;000;000;000;000;000;000;000;000;000;000;000;000;000;000;000;000;000;0
00;000;000;000;000;000;000;000;000;000;000;000;000;000;000;000;000;000;000;000;000;000;000;000;000;000;000;000;
000;000;000;000;000;000;000;000;000;000;000;000;000;000;000;000;000;000;000;000;000;000;000;000;000;000;000;00
0;000;000;000;000;000;000;000;000;000;000;000;000;000;000;000;000;000;000;000;000;000;000;000;000;000;000;000;0
00;000;000;000;000;000;000;000;000;000;000;000;000;000;000;000;000;000;000;000;000;000;000;000;000;000;000;000;
000;000;000;000;000;000;000;000;000;000;41;

43 - 66 021341/07/11
Telegram 5: Synop, Metar, Disdrometer, optional measuring channel („<id>tm00005“)
In addition to the output given above telegram the optional measuring channels are output at the
end (see also command “DA”, CH. 7.2.5)
No. Column Len Description
1 1 1 STX (start identifier)
2 2-3 2 Device address (factory setting „00“) (NN)
3 5-8 4 Serial number (NNNN)
4 10-13 5 Software-Version (N.NN)
5 15-22 8 Date of the sensor (tt.mm.jj)
6 24-31 8 Time of the sensor (on request) (hh:mm:ss)
7 33-34 2 5M SYNOP Tab.4677 (5 minutes mean value) (NN)
8 36-37 2 5M SYNOP Tab.4680 (5 minutes mean value) (NN)
9 39-43 5 5M METAR Tab.4678 (5 minutes mean value) (AAAAA)
10 45-51 7 5M Intensität [mm/h] (5 minutes mean value) (NNN.NNN)
11 53-54 2 1M SYNOP Tab.4677 (1 minute value) (NN)
12 56-57 2 1M SYNOP Tab.4680 (1 minute value) (NN)
13 59-63 5 1M METAR Tab.4678 (1 minute value) (AAAAA)
14 65-71 7 1M Intensity [mm/h] total precipitation (1 minute value) (NNN.NNN) *
15 73-79 7 1M Intensity [mm/h] liquid precipitation (1 minute value) (NNN.NNN) **
16 81-87 7 1M Intensity [mm/h] solid precipitation (1 minute value) (NNN.NNN) **
17 89-95 7 Precipitation amount [mm] (Reset with command „RA“) (NNNN.NN)
18 97-101 5 1M Visibility in precipitation [0...99999m] (1 minute value) (NNNNN) ***
19 103-106 4 1M Radar reflectivity [-9.9...99.9dBZ] (1 minute value) (NN.N) *4
20 108-110 3 1M Measuring quality [0...100%] (1 minute value) (NNN) *5
21 112-114 3 1M Maximum diameter hail [mm] (1 minute value) (N.N))
22 116 1 Status Laser (OK/on:0, off:1) *9
23 118 1 Static signal (OK:0, Error:1) *9
24 120 1 Status Laser temperature (analogue) (OK:0, Error:1) *9
25 122 1 Status Laser temperature (digital) (OK:0, Error:1) *9
26 124 1 Status Laser current (analogue) (OK:0, Error:1) *9
27 126 1 Status Laser current (digital) (OK:0, Error:1) *9
28 128 1 Status Sensor supply (OK:0, Error:1) *9
29 130 1 Status Current pane heating laser head (OK:0, warning:1) *9
30 132 1 Status Current pane heating receiver head (OK:0, warning:1) *9

44 - 66 021341/07/11
31 134 1 Status Temperature sensor (OK:0, warning:1) *9
32 136 1 Status Heating supply (OK:0, warning:1) *9
33 138 1 Status Current heating housing (OK:0, warning:1) *9
34 140 1 Status Current heating heads (OK:0, warning:1) *9
35 142 1 Status Current heating carriers (OK:0, warning:1) *9
36 144 1 Status Control output laser power (OK:0, warning:1) *9
37 146 1 Reserve Status ( 0) *9
38 148-150 3 Interior temperature [°C] (NNN) *10
39 152-153 2 Temperature of laser driver 0-80°C (NN) *10
40 155-158 4 Mean value laser current [1/100 mA] (NNNN) *10
41 160-163 4 Control voltage [mV] (reference value: 4010±5) (NNNN) *10
42 165-168 4 Optical control output [mV] (2300 6500) (NNNN) *10
43 170-172 3 Voltage sensor supply [1/10V] (NNN) *10
44 174-176 3 Current pane heating laser head [mA] (NNN) *10
45 178-180 3 Current pane heating receiver head [mA] (NNN) *10
46 182-186 5 Ambient temperature [°C] (NNN.N) *10
47 188-190 3 Voltage Heating supply [1/10 V] (only 5.4110.x1.xxx, otherwise “999”) (NNN) *10
48 192-195 4 Current heating housing [mA] (only 5.4110.x1.xxx, otherwise “9999”) (NNNN) *10
49 197-200 4 Current heating heads [mA] (only 5.4110.x1.xxx, otherwise “9999”) (NNNN) *10
50 202-205 4 Current heating carriers [mA] (only 5.4110.x1.xxx, otherwise “9999”)
(NNNN) *10
51 207-211 5 Number of all measured particles (NNNNN)
52 213-221 9 „00000.000“ (internal data)
53 223-227 5 Number of particles < minimal speed (0.15m/s) (NNNNN)
54 229-237 9 „00000.000“ (internal data)
55 239-243 5 Number of particles > maximal speed (20m/s) (NNNNN)
56 245-253 9 „00000.000“ (internal data)
57 255-259 5 Number of particles < minimal diameter (0.15mm) (NNNNN)
58 261-269 9 „00000.000“ (internal data)
59 271-275 5 Number of particles no hydrometeor *6
60 277-285 9 Total volume (gross) of this class *6
61 287-291 5 Number of particles with unknown classification *6
62 293-301 9 Total volume (gross) of this class *6
63 303-307 5 Number of particles class 1 *6
64 309-317 9 Total volume (gross) of class 1 *6
65 319-323 5 Number of particles class 2 *6
66 325-333 9 Total volume (gross) of class 2 *6

45 - 66 021341/07/11
67 335-339 5 Number of particles class 3 *6
68 341-349 9 Total volume (gross) of class 3 *6
69 351-355 5 Number of particles class 4 *6
70 357-365 9 Total volume (gross) of class 4 *6
71 367-371 5 Number of particles class 5 *6
72 373-381 9 Total volume (gross) of class 5 *6
73 383-387 5 Number of particles class 6 *6
74 389-397 9 Total volume (gross) of class 6 *6
75 399-403 5 Number of particles class 7 *6
76 405-413 9 Total volume (gross) of class 7 *6
77 415-419 5 Number of particles class 8 *6
78 421-429 9 Total volume (gross) of class 8 *6
79 431-435 5 Number of particles class 9 *6
80 437-445 9 Total volume (gross) of class 9 *6
81 447-449 3 From here (447) to the end(2205):
precipitation spectrum (distrometer data) (NNN)
Number of particles 0.125mm<diameter <0.25mm and speed <0.2m/s
*7
... .... 3
520 2203-
2205
3
Remaining 439 classes (first all speeds, then the next diameter class, see
Table 6 below)
Diameter and speed (NNN)
*7
521 2207-
2208
2 Checksum (not with “<id>TM00005”) (AA) *8
522 2210-
2211
2 CRLF (not with “<id>TM00005”)
523 2212 1 ETX (End identifier) ((not with “<id>TM00005”)
Additionally with “<id>TM00005”:
521 2207-2211 5 Temperature [°C] (NNN.N) *11
522 2213-2217 5 Relative Air humidity [%r.h.] (NNN.N) *11
523 2219-2222 4 Wind speed [m/s] (NN.N) *11
524 2224-2226 3 Wind direction [°] (NNN) *11
525 2228-2229 2 Checksum (AA) *8
526 2231-2232 2 CRLF
527 2233 1 ETX (End identifier)

46 - 66 021341/07/11
* Total intensity is calculated with the adding of parameter 15 and 16.
Exception: when „not identified precipitation“ is reported (15+16 are then 0)
** Raw value
*** Calculation visibility MOR in precipitation:
VMOR(Prec) = 3,0 / ( π/2 * 1/(A* t) * Σ (Di2 / Vi) ) [m]
A: Measuring area sensor [m²] (Note: device-specific, see command “AU”, CH.
7.2.6)
t: Measuring time (60 s)
Di: Diameter of one particle [m]
Vi: Velocity of one particle [m/s]
NOTE:
“Visibility in precipitation” is the maximum visibility. Depending on the humidity
(e.g. fog) and other particle in the atmosphere the real visibility is lower. Only
atmospheric hazes, caused by big hydro-meteors (for ex. drizzle, rain, snow) are
acquired, but not by small hydro-meteors (fog, damp), and aerosols.
Calculated is the meteorological optical range MOR (contrast 5%, -LN(0,05)=3,0).
When you want to get the “normal” visibility (contrast 2%, -LN(0,02)=3,91), you
have to multiply the value by 1,304 (=3,91/3,0).
*4 Calculation Radar reflectivity
Z = 10 LOG10 ( 1/(A* t) * Σ ( |Ki|²/|Kw|² * Di6 / Vi) ) [dB mm6/m3]
A: Measuring area sensor [m²] (Note: device-specific, see command “AU”, CH.
7.2.6)
t: Measuring time (60 s)
|Ki|²: Dielectric factor of one particle (Water: 0,93 , Snow: 0,208)
|Kw|²: Dielectric factor of Water (0,93)
Di: Diameter of one particle [mm]
Vi: Velocity of one particle [m/s]

47 - 66 021341/07/11
*5 Measuring quality:
This value indicates the significance of the precipitation classification (parameter 11,12 and
13). The sensor analyse for this value the quantity of the particles and the measured
ambient temperature. It should be considered that other factors (e.g. wind speed, dense fog)
can decrease the measuring quality provided by the instrument.
*6 Internal data (raw values).
*7 The particle spectrum are raw data. Obvious illogical measurements (e.g. particle no
hydrometeor, snow-particle when temperature is greater than 8°C) should if necessary
removed.
*8 Calculation checksum:
The two’s complement of the sum of all characters (alpha-numeric and control character like
STX / ETX / CR / LF), but not the checksum, is calculated. Given out is from the least
significant byte (LSB) the high- and low-nibble (half-byte) in two characters in hexadecimal
ASCII-code.
Example: Sum decimal: 64800
Sum hexadecimal: 0FD20
2’s complement(Hex): F02E0
LSB Byte(Hex): E0
Output(ASCII): “E0”
*9 see also command „DX“, CH. 7.2.5
*10 see also command „DD“, CH. 7.2.5
*11 see also command „DA“, CH. 7.2.5

Particle diameter class Particle speed class
Class Diameter
[mm]
Class width
[mm] Class
Speed
[m/s]
Class width
[m/s]
1 ≥ 0.125 0.125 1 ≥ 0.000 0.200
2 ≥ 0.250 0.125 2 ≥ 0.200 0.200
3 ≥ 0.375 0.125 3 ≥ 0.400 0.200
4 ≥ 0.500 0.250 4 ≥ 0.600 0.200
5 ≥ 0.750 0.250 5 ≥ 0.800 0.200
6 ≥ 1.000 0.250 6 ≥ 1.000 0.400
7 ≥ 1.250 0.250 7 ≥ 1.400 0.400
8 ≥ 1.500 0.250 8 ≥ 1.800 0.400
9 ≥ 1.750 0.250 9 ≥ 2.200 0.400
10 ≥ 2.000 0.500 10 ≥ 2.600 0.400
11 ≥ 2.500 0.500 11 ≥ 3.000 0.400
12 ≥ 3.000 0.500 12 ≥ 3.400 0.800
13 ≥ 3.500 0.500 13 ≥ 4.200 0.800
14 ≥ 4.000 0.500 14 ≥ 5.000 0.800
15 ≥ 4.500 0.500 15 ≥ 5.800 0.800
16 ≥ 5.000 0.500 16 ≥ 6.600 0.800
17 ≥ 5.500 0.500 17 ≥ 7.400 0.800
18 ≥ 6.000 0.500 18 ≥ 8.200 0.800
19 ≥ 6.500 0.500 19 ≥ 9.000 1.000
20 ≥ 7.000 0.500 20 ≥ 10.000 10.000
21 ≥ 7.500 0.500
22 ≥ 8.000 ∞
Table 6: Disdrometer class binning of diameter and speed
48 - 66 021341/07/11

49 - 66 021341/07/11
Type of Precipitation Inter
nal
NWS
Code
SYNOP
ww
Tab.4677
METAR/SPECI
w’w’
Table 4678
SYNOP
wawa
Tab.4680
Sensor error 0 -1 * ????? ** -1 *
No precipitation 1 C 00 NP 00
Precipitation (not identified ****) 2 P-,P,P+ -2,-3,-4 * -UP,UP,+UP 41,41,42
Drizzle (also freezing ***) L-,L,L+ 51,53,55 -DZ,DZ,+DZ 51,52,53
Freezing drizzle
(see drizzle ***)
3 [ZL]
L-,L,L+
[56,57,57]
51,53,55
[FZDZ]
-DZ,DZ,+DZ
[54,55,56]
51,52,53
Drizzle with rain (also freezing
***) 4 RL-
,RL,RL+ 58,59,59 -RADZ,
RADZ,+RADZ 57,58,58
Rain (also freezing ***) R-,R,R+ 61,63,65 -RA,RA,+RA 61,62,63
Freezing rain
(see rain ***)
5 [ZR]
R-,R,R+
[66,67,67]
61,63,65
[FZRA]
-RA,RA,+RA
[64,65,66]
61,62,63
Rain and/or drizzle with snow 6 RLS-,RLS,
RLS+ 68,69,69 -RASN,
RASN,+RASN 67,68,68
Snow 7 S-,S,S+ 71,73,75 -SN,SN,+SN 71,72,73
Ice pellets
(see soft hail ***) 9 [IP]
SP
[79]
87,88,88
[PE/PL]
GS 74,75,76
Snow grains (also ice prisms ***) SG 77 -SG,SG,+SG 77
Ice crystals /-needles
(see snow grains ***)
8 [IC]
SG
[76]
77
[IC]
SG
[78]
77
Soft hail ( also ice pellets ***) 9 SP 87,88,88 -GS,GS,+GS 74,75,76
Hail 10 A 89,90,90 GR 89
Table 7: Code table SYNOP/METAR
* Code comply not with WMO SYNOP code (FORM OF MESSAGE FM12)
code table 4677 or 4680
** Code comply not with WMO SYNOP code (FORM OF MESSAGE FM15) code table 4678
*** Definitions of table 4677/4678/4680 were not meet by liquid precipitation (determination
freezing/not freezing), determination soft hail/ice pellets and snow grains/ice prism.
**** If this precipitation type is often detected, the sensor should be cleaned. Normally natural
reasons (e.g. spider web) are responsible for this behaviour. This report should be managed
as a error, therefore we recommend to not use this precipitation type and the intensity. In
the same way the precipitation types drizzle and snow grains should not observed until the
disturbance is eliminated, because they could be erroneous.
[ ] Not identifiable/reference value i.e. code in brackets will be not transmitted.

Additional hints:
• The code tables for SYNOP and METAR are described in the 506-sided WMO document
number 306 (WMO-No.306 “Manual on Codes” Vol. I.1, 2010 edition)
• The coding is done according the WMO guidelines in the precipitation type and the intensity
step (see the both following tables Table 8 and Tabelle 9
Example:
Sensor detects drizzle with 0.22mm/h intensity.
Output code:
Code table Intensity step Coding
SYNOP Tab.4677 Moderate 53
SYNOP Tab.4680 Moderate 52
METAR Tab.4678 Slight -DZ
SYNOP intensities [mm/h] Slight Moderate Heavy
Drizzle ≤ 0,2 > 0,2 0,5 > 0,5
Rain, snow, unknown
precipitation, sleet, drizzle
with rain
≤ 0,5 > 0,5 ... 4,0 > 4,0
Ice pellets, soft hail ≤ 2,4 > 2,4 12,0 > 12,0
Hail (only Tab.4677) Particle < 8mm Particle ≥ 8mm
Table 8: Intensity steps SYNOP
NWS/METAR/SPECI
intensities [mm/h]
[(inch/h)]
Slight Moderate Heavy
Drizzle ≤ 0,25 (≤ 0,01) > 0,25 0,5 > 0,5 (> 0,02)
Rain, precipitation, drizzle
with rain, sleet ≤ 2,5 (≤ 0,1) > 2,5 7,6 > 7,6 (> 0,3)
Snow ,soft hail, snow grains
Ice pellets ≤ 1,25 (≤ 0,05) > 1,25 2,5 > 2,5 (> 0,1)
Tabelle 9: Intensity steps METAR
50 - 66 021341/07/11

51 - 66 021341/07/11
7.3.2 Telegram 6/7: Synop, Metar, optional measuring channel
This telegram is transmitted every minute by the instrument (without request of receiver), when the
parameter “TM” (CH. 7.2.3) is 6 or 7 (automatic mode). The request of the telegram (polling mode)
is possible with the command „<id>TR00006“ (or „<id>TR00007“).
List separator: ; (Semicolon)
Decimal separator: . (Point)
Start of telegram: STX(02)
End of telegram: CR(13), LF(10), ETX(03) (carriage return, line feed, ETX)
Fixed length and leading zeros.
Error code/data not available: output of the greatest presentable number (e.g. “99.9”)
Example telegram 6:
00;0999;2.00;11.02.05;10:48:00;00;00;NP ;004.047;75;73;+SN
;020.234;000.000;020.234;0000.34;00319;66.7;100;0.0;0;0;0;0;0;0;0;0;0;0;1;0;0;0;0;0;+19;28;1626;4011;234
6;236;085;068;+04.6;000;0000;0000;0000;00044;C7;
Telegram 7: Synop, Metar, optional Measuring Channels
In addition to the output given above telegram 6 the optional measuring channels are output at the
end (see also command “DA”, CH. 7.2.5)
Example :
00;0999;2.00;11.02.05;10:50:56;00;00;NP ;004.047;00;00;NP
;000.000;000.000;000.000;0000.34;99999;-
9.9;100;0.0;0;0;0;0;0;0;0;0;0;0;1;0;0;0;0;0;+19;28;1627;4010;2344;236;084;068;+04.6;000;0000;0000;0000;0
0000;+04.6;99999;00.0;999;C2;
No. Column Len Description
1 1 1 STX (start identifier) *
... ... ... *
51 207-211 5 Number of all measured particles (NNNNN) *
52 213-214 2 Checksum (not with „<id>TM00007“) (AA) **
53 216-217 2 CRLF (not with „<id>TM00007“)
54 218 1 ETX (End identifier) (not with „<id>TM00007“)

52 - 66 021341/07/11
Additionally with telegram 7:
No. Column Len Description
52 213-217 5 Temperature [°C] (NNN.N) ***
53 219-223 5 Relative Air humidity [%r.h.] (NNN.N) ***
54 225-228 4 Wind speed [m/s] (NN.N) ***
55 230-232 3 Wind direction [°] (NNN) ***
56 234-235 2 Checksum (AA) **
57 237-238 2 CRLF
58 239 1 ETX (End identifier)
* Parameter accordant to telegram 4 und 5 (see CH. 7.3.1)
** Calculation correspondent to telegram 4 und 5 (see CH. 7.3.1)
*** Parameter correspondent to command „DA“ (see CH. 7.2.5)
7.3.3 Telegram 8/9: Synop, Metar, optional measuring channel truncated
This telegram is transmitted every minute by the instrument (without request of receiver), when the
parameter “TM” (CH. 7.2.3) is 8 or 9 (automatic mode). The request of the telegram (polling mode)
is possible with the command „<id>TR00008“ (or „<id>TR00009“).
List separator: ; (Semicolon)
Decimal separator: . (Point)
Start of telegram: STX(02)
End of telegram: CR(13), LF(10), ETX(03) (carriage return, line feed, ETX)
Fixed length and leading zeros.
Error code/data not available: output of the greatest presentable number (e.g. “99.9”)
Example telegram 8:
61;0000;2.30;01.01.07;18:36:00;00;00;NP ;000.000;00;00;NP
;000.000;000.000;000.000;0000.00;99999;-9.9;100;0.0;ED;

53 - 66 021341/07/11
Telegram 9:
In addition to the output given above telegram 8 the optional measuring channels are output at the
end (see also command “DA”, CH. 7.2.5)
Example Telegram 9:
61;0000;2.30;01.01.07;18:43:00;00;00;NP ;000.000;00;00;NP
;000.000;000.000;000.000;0000.00;99999;-9.9;100;0.0;99999;99999;9999;999;3A;
No. Column Len Description
1 1 1 STX (start identifier) *
... ... ... *
21 112-114 3 1M Maximum diameter hail [mm] (1 minute value) (N.N)) *
22 116-117 2 Checksum (not with „<id>TM00007“) (AA) **
23 119-120 2 CRLF (not with „<id>TM00007“)
24 121 1 ETX (End identifier) (not with „<id>TM00007“)
Additionally with telegram 9:
No. Column Len Description
22 116-120 5 Temperature [°C] (NNN.N) ***
23 122-126 5 Relative Air humidity [%r.h.] (NNN.N) ***
24 128-131 4 Wind speed [m/s] (NN.N) ***
25 133-135 3 Wind direction [°] (NNN) ***
26 137-138 2 Checksum (AA) **
27 140-141 2 CRLF
28 142 1 ETX (End identifier)
* Parameter accordant to telegram 4 und 5 (see CH. 7.3.1)
** Calculation correspondent to telegram 4 und 5 (see CH. 7.3.1)
*** Parameter correspondent to command „DA“ (see CH. 7.2.5)

54 - 66 021341/07/11
7.3.4 Telegram 10: Synop, Metar, optional measurement channels,
averaging
This telegram is transmtted by the instrument automatically in case the parameter “TM (chap.7.2.3.)
is set to 10. The time interval for automatic transmission and the averaging period is set through
command “TO” (chap. 7.2.3.)
The query of the telegram is carried out in the polling mode through command “<id>TR00010”.
Separator : (semicolon)
Decimal separator : (point)
Telegram start STX(02)
Telegram end: CR(13), LF(10), ETX(03) (carriage return, line feed, ETX)
Fix lengths and leading zeros
Error recognition:: biggest presentable number is output, in case no data are available (for ex. 99.9)
:
Example telegram 10:
00;0999;2.40;02.01.07;10:40:00;00;00;NP
;000.000;00;00;NP;000.000;000.000;000.000;0000.00;99999;-
9.9;100;0.0;0;0;0;0;0;0;0;0;0;0;0;0;0;0;0;0;+19;28;1626;4010;2384;235;090;070;99999;999;9999;99
99;9999;00000;99999;99999;9999;999;04;002.675;005.900;61;00;00;75;61;62;51;61;61;61;51;F4;

55 - 66 021341/07/11
No column Length Description
1 1 1 STX (start identification) *
... ... ... *
55 230-232 3 wind direction [°] (NNN) *
56 234-235 2 Averaging period in minutes (NN) (setting command„TO“ -)
57 237-243 7 Mean intensity in the averaging period in mm/h (NNN.NNN)
58 245-251 7 Maximum 1-min-intensity in the averaging period in mm/h (NNN.NNN)
59 253-254 2 Macimum value SYNOP Tab.4680 in the averaging period (NN)
60 256-257 2 1M SYNOP Tab.4680 transmission time-9 minutes (1-minute value)
(NN)
61 259-260 2 1M SYNOP Tab.4680 transmission time-8 minutes (1-minute value)
(NN)
62 262-263 2 1M SYNOP Tab.4680 transmission time-7 minutes (1-minute value)
(NN)
63 265-266 2 1M SYNOP Tab.4680 transmission time-6 minutes (1-minute value
(NN)
64 268-269 2 1M SYNOP Tab.4680 transmission time-5 minutes (1-minute value)
(NN)
65 271-272 2 1M SYNOP Tab.4680 transmission time-4 minutes (1-minute value)
(NN)
66 274-275 2 1M SYNOP Tab.4680 transmission time-3 minutes (1-minute value)
(NN)
67 277-278 2 1M SYNOP Tab.4680 transmission time-2 minutes (1-minute value)
(NN)
68 280-281 2 1M SYNOP Tab.4680 transmission time-1 minute (1-minute value)
(NN)
69 283-284 2 1M SYNOP Tab.4680 transmission time (1-minute value (NN) **
70 286-287 2 Checksum (AA) ***
71 289-290 2 CRLF
72 291 1 ETX (end identification)
* Parameter acc. to telegram 7 (see chap.7.3.2.)
** Corresponds to value no. 12 (column 56 and 57) of the telegram
*** Calculation acc. to telegram 4 and 5 (see chap. 7.3.1)

56 - 66 021341/07/11
7.3.5 Telegram 3: Particle-Event
The instrument transmits (without request of the receiver) this telegram with every event (particle
falling through the measuring area). Output of all measured particles with higher precipitation
intensities is not guaranteed. The command to set this telegram is “<id>TM00003” (see CH. 7.2.3).
List separator: ; (Semicolon)
Decimal separator: . (Point)
End of telegram: CRLF (Carriage return + Line Feed)
NOTE:
We do not recommend to use this telegram with communication in half-duplex-
mode (command “BD”, see CH. 7.2.1), because of the autonomous transmitting of
the sensor .
Preferably use high baud rate
No. Description
1 Maximal value of A/D-converter [0 16383]
2 Duration of event [10µs]
3 Time stamp (0 4,294,967,295) [ms]
4 Diameter sphere [mm]
5 Speed sphere [m/s]
6 Diameter “Hamburger”(rain) [mm] *
7 Speed “Hamburger” (rain) [m/s] *
8 Internal Temperature [°C]
* “Hamburger”-shape: Only very small raindrops with diameters well below 1 mm will be
perfect spheres due to their high surface tension. Larger drops tend to be flattened, leading
to oblate shapes (“Hamburger”). For this reason use this values for rain particles.
Example: 14764;8728;493413279;7.01;00.09;5.75;00.08;+19
Diameter sphere: 7.01 mm
Speed sphere: 00.09 m/s

57 - 66 021341/07/11
8 Technical Data
General:
Ambient conditions -40... +70 °C, 0... 100% r.h.
Maximum altitude <1500m MSL (for greater heights please refer to the
manufacturer)
Dimensions 0,27 x 0,17 x 0,54 m 10.63 x 6.7 x 21.3 inch (w/o mast
holder)
Weight
4.8 kg (5.4110.x0.xxx)
6.5 kg (5.4110.x1.xxx) (“Extended Heating”-variant)
Housing electronics Aluminium die-casting, varnished
Housing sensors Aluminium (anodised)
Protection IP65
Maintenance Automatic soil-recognition for cleaning the optics
EMC
Immunity
Radiation
EN61326 in conjunction with EN61000-4-3 10V/m
(5.4110.x1.xxx: 7V/m (10V/m))
EN61000-4-4 level 4 (power line ±4kV, signal line ±2kV)
EN61000-4-5 level 4 (power line ±2kVsymmetric ±4kVasymmetric,
signal line ±2kVsymmetric)
EN61326 class B
Mounting
Mast mounting (∅ 48... 102mm, 1.9... 4 inch)
Stainless steel
Power supply:
5.4110.x0.0xx:
Supply voltage (heating + electronics)
Max. current consumption 24V~/= AC/DC-input
Note: supply must be potential-free
24V~ AC +15% -30% / 20...30V= DC
750mA
5.4110.x1.0xx:
Supply voltage (heating + electronics)
Max. current consumption 24V~/= AC/DC-input
Supply voltage Extended Heating
Max. current consumption Extended Heating
Note: Both supplies must be potential-free, also
among each other.
24V~ AC +15% -30% / 20...30V= DC
750mA
26V~ AC ±15% / 22 30V= DC
6.3A

58 - 66 021341/07/11
5.4110.x0.1xx:
Supply voltage AC (heating + electronics)
Maximum power consumption
115V~ AC +10% -25%
15 VA
5.4110.x1.1xx:
supply voltage AC (heating + electronics)
Maximum power consumption
115V~ AC +10% -25%
150VA
5.4110.x0.2xx:
Supply voltage AC (heating + electronic)
Maximum power consumption
230V~ AC +10% -25%
15 VA
5.4110.x1.2xx:
Supply voltage AC (heating + electronic)
Maximum power consumption
230V~ AC +10% -25%
150 VA
5.4110.x0.3xx:
Supply voltage DC (heating + electronic)
Maximum current consumption 12V..24V= DC
Note: supply must be potential-free
12 ... 24V= DC ±10%
<550mA(12V=) <500mA(24V=)
Buffer input/UPS-operation (all variants except for
5.4110.xx.3xx):
Supply voltage DC (only electronics)
Current consumption DC input (only electronics)
Note: supply must be potential-free
Applies for all models except 5.4110.xx.3xx
12 ... 24V= DC ±10%
< 150mA (12V=) < 75mA (24V=)
Heating:
Glass pane heating 2.5W each (with temperature regulation)
Option: heating for extreme conditions
(5.4110.x1.xxx)
The heating is controlled in dependency on the ambient
temperature.
Laser-/Receiver-Head: 9W each
Carriers: 27W each
Housing: 20W
Sensors:
Laser diode
Laser class
Modulation frequency
Photo diode
Measuring area
785nm, max. 0,5mW optical power
Laser class 1M (EN 60825-1:1994 A2: 2001)
172.8 KHz
with day light filter (< 700nm)
40 47 cm² (instrument-specific)
7.067inch² (8.98 x 0.787 inch)

59 - 66 021341/07/11
Ambient temperature sensor NTC (5.4110.x0.xxx)
Pt100 (5.4110.x1.xxx , measurement current < 0.8 mA))
Electronics for evaluation:
Digital signal processor TMC320VC33 (55.3 MHz)
RAM-memory 136KB
Flash-memory 256KB (for firmware and parameter, to be uploaded via
serial interface) No. of changes: 1 million
14Bit-A/D-converter scanning 109 KHz (for optical measuring signal)
12Bit-A/D-converter For self diagnosis and optional measuring input
Data output:
RS485/RS422 Potential isolation up to 1KV
1200,2400,4800,9600,19200,38400,57600,115200 Bd
7 / 8 data bits,
parity none(N) / even(E) / odd(O)
1 / 2 stop bits
full-duplex (4-wire) or half-duplex (2-wire), latency time
20ms (half-duplex)
terminator resistor (560Ω) switch able
Digital output 2 optocouplers (max. 24VDC, max. 1mA)
Potential isolation up to 1KV
Function selectable
Precipitation:
Particle size (effective) ** 0,16 ... >8 mm ∅
Particle speed 0,2 ... 20 m/s
Identification of precipitation types:
-drizzle(DZ), freezing drizzle (FZDZ)
-rain(RA), freezing rain (FZRA)
-hail(GR)
-snow (SN)
-snow grains (SG), ice needles(IC)
-soft hail(GS), ice grains(PL)
Hit rate (compared with synoptic observation),
wind speed < 3m/s)
>97% (Intensity > 0.01 mm/h)
>99% (>= 2 particles/min, no solid precipitation)
>95% (>= 2 particles/min)
>99% (no mixed precipitation)
>60 %
t.b.d.
Output Precipitation Type SYNOP (Tab.4677 + 4680), METAR (Tab.4678)
Error intensity-/quantity measurement
(rain equivalent) compared with reference sensor
(wind speed< 3m/s)
≤ 15% (rain, 0,5... 20mm/h)
≤ 30% (snow)

60 - 66 021341/07/11
Minimum Intensity
(depending on precipitation type)
< 0,005 mm/h (drizzle)
Maximum Intensity > 250 mm/h
Visibility MOR in precipitation 0 99999 m
Radar reflectivity -9.9 99.9 dBZ
Disdrometer classes 440 classes (22 diameter * 20 speed)
Option Measuring Inputs: 5.4110.1x.xxx
Temperature (Pt100) (not available for variant
5.4110.11.xxx)
Meas. range: -40... 70°C
Accuracy: ±0.1°C (measuring input)
Relative humidity (0-1V) Meas. range: 0 ... 100 % r. h.
Accuracy: ±0.1% (meas. range)
Wind Speed (Thies Compact, e.g. 4.3519.00.000) Meas. range: 0 ... 60 m/s
Accuracy: ±0.1m/s (measuring input)
Wind direction (Thies Compact, e.g.
4.3129.00.000) Meas. range: 0 ... 360°
Accessories (Optional):
Visualisation software LPM View (9.1700.99.000)
For Windows operating systems (Win98(SE), WinMe,
Win2000, XP).
Instrument Support (4.3187.60.200)
For the vibration-reduced operation of the LPM at
2 m height on an available concrete foundation,
provided by the customer.
Tube length: 2 m
Tube diameter: 60 mm
Weight: 30 Kg
Material: Steel, hot-dip galvanized
Alteration of technical data reserved
* Supply must be potential-free, or the negative voltage is on the same potential as the
housing of the sensor (protective earth). This UPS-supply (“uninterruptible power supply”)
allows a restricted operation (no heating) of the sensor whenever the normal supply falls
out.
** Applies for liquid and solid particles like rain, pellets/graupel and hail. For snow flakes by
reason of the less optical extinction a greater maximum diameter can be assumed.
*** Visibility in the precipitation: Only atmospheric hazes caused by big hydro-meteors (for ex.
drizzle, rain, snow) are acquired.

9 Wiring Diagram
ATTENTION:
Do not look into the invisible laser beam!
Wiring Diagram Supply:
NOTE:
Wiring diagram communication see following page.
61 - 66 021341/07/11

Wiring Diagram Communication and Measuring Inputs:
Note:
Wiring diagram supply see previous page.
62 - 66 021341/07/11

Attention:
Head and carrier heating could be hazardous hot! Burn Hazard!
(applies only for 5.4110.x1.xxx)
NOTE:
Run all supply cables in the housing through the delivered ferrite tube! (see
Figure 12, applies not for variant 5.4110.x1.xxx)
Power input 1(24V AC/DC) and 3 (12..24 V DC) must be potential-free, or the
negative voltage is on the same potential as the housing of the sensor (protective
earth).
This UPS-supply (Power 3) allows a restricted operation (no heating) of the
sensor whenever the normal supply falls out. (Applies not for variant
5.4110.xx.3xx)
63 - 66 021341/07/11

10 EC-Declaration of Conformity
Document-No.: 000904 Month: 07 Year: 11
Manufacturer: A D O L F T H I E S G m b H & C o. K G
Hauptstr. 76
D-37083 Göttingen
Tel.: (0551) 79001-0
Fax: (0551) 79001-65
email: Info@ThiesClima.com
Description of Product: Laser-Niederschlags-Monitor
Article No. 5.4110.00.000 5.4110.00.100 5.4110.00.200 5.4110.00.210
5.4110.00.300
5.4110.01.000 5.4110.01.100 5.4110.01.200 5.4110.01.210
5.4110.10.000 5.4110.10.100 5.4110.10.200 5.4110.10.300
5.4110.11.000 5.4110.11.100 5.4110.11.200
specified technical data in the document: 021340/07/11; 021418/08/05
The indicated products correspond to the essential requirement of the following European Directives and Regulations:
2004/108/EC DIRECTIVE 2004/108/EC OF THE EUROPEAN PARLIAMENT AND OF THE COUNCIL
of 15 December 2004 on the approximation of the laws of the Member States relating to
electromagnetic compatibility and repealing Directive 89/336/EEC
2006/95/EC DIRECTIVE 2006/95/EC OF THE EUROPEAN PARLIAMENT AND OF THE COUNCIL
of 12 December 2006 on the harmonisation of the laws of Member States relating to electrical
equipment designed for use within certain voltage limits
552/2004/EC Regulation (EC) No 552/2004 of the European Parliament and the Council of 10 March 2004
on the interoperability of the European Air Traffic Management network
(the interoperability Regulation)
The indicated products comply with the regulations of the directives. This is proved by the compliance with the following
standards:
Reference number Specification
IEC 61000-6-2: 2005 Electromagnetic compatibility
Immunity for industrial environment
IEC 61000-6-3: 2006 Electromagnetic compatibility
Emission standard for residential, commercial and light industrial environments
IEC 61010-1: 2010 Safety requirements for electrical equipment for measurement, control, and
laboratory use. Part 1: General requirements
IEC 60825-1: 2007 Safety of laser products classification 1M
Place: Göttingen Date: 28.07.2011
This declaration certificates the compliance with the mentioned directives, however does not include any warranty of characteristics.
Please pay attention to the security advises of the provided instructions for use.
64 - 66 021341/07/11

65 - 66 021341/07/11

ADOLF THIES GmbH & Co. KG
Hauptstraße 76 37083 Göttingen Germany
P.O. Box 3536 + 3541 37025 Göttingen
Phone +49 551 79001-0 Fax +49 551 79001-65
www.thiesclima.com info@thiesclima.com
- Alterations reserved-
66 - 66 021341/07/11