!! Toro Lawn Boy Walk Behind Power Mower Drive Systems Manual
Preview ! Toro Lawn-Boy Walk Behind Power Mower Drive Systems Manual Lawn Boy Mower Manuals - Lawn Mower Manuals – The Best Lawn Mower Manuals Collection
User Manual: !! Lawn Boy Mower Manuals - Lawn Mower Manuals – The Best Lawn Mower Manuals Collection
Open the PDF directly: View PDF  .
.
Page Count: 144 [warning: Documents this large are best viewed by clicking the View PDF Link!]

WALK BEHIND POWER 
MOWER DRIVE SYSTEMS
SERVICE MANUAL

This service manual was written expressly for Toro servicing dealers. The Toro Company has 
made every effort to make the information in this manual complete and correct.
This manual was written with the assumption that the reader has basic mechanical knowledge 
and skills. This book contains material covering the Toro and Lawn-Boy Walk Behind Mower Drive 
Systems models from 1990 through 2006, and may be specifi ed for use on products built after 
2006 that are similar in design.
We are hopeful that you will fi nd this manual a valuable addition to your service shop. If you have 
any questions or comments regarding this manual, please contact us at the following address:
 The Toro Company
  LCE Service Training Department
  8111 Lyndale Avenue South
  Bloomington, MN  55420
The Toro Company reserves the right to change product specifi cations or this manual without 
notice.
ABOUT THIS MANUAL
Copyright© All Rights Reserved
©2006 The Toro Company
THIS PAGE INTENTIONALLY LEFT BLANK.

iWPM Drive Systems Manual
TABLE OF CONTENTS
QUICK REFERENCE
Transmission Remove and Replace
  3 speed transmission   .   .   .   .   .   .   .   .   .   .   .   .   .   .   .   .   .   .   .   .   .   .   .   .   .   .   .   .   .   .   .   .   .
  21” steel & cast deck Personal Pace, Easy Stride transmission     .   .   .   .   .   .   .   .   .   .   .   .   .   .   .   .
  22” steel deck transmission, Toro and Lawn-Boy    .   .   .   .   .   .   .   .   .   .   .   .   .   .   .   .   .   .   .   .   .   .
  21” Lawn-Boy Insight   .   .   .   .   .   .   .   .   .   .   .   .   .   .   .   .   .   .   .   .   .   .   .   .   .   .   .   .   .   .   .   .   .
Transmission Internal Repair
  3 speed transmission   .   .   .   .   .   .   .   .   .   .   .   .   .   .   .   .   .   .   .   .   .   .   .   .   .   .   .   .   .   .   .   .   .
  Spur/Bevel gear transmission  .   .   .   .   .   .   .   .   .   .   .   .   .   .   .   .   .   .   .   .   .   .   .   .   .   .   .   .   .   .
  Bevel gear transmission  .   .   .   .   .   .   .   .   .   .   .   .   .   .   .   .   .   .   .   .   .   .   .   .   .   .   .   .   .   .   .   .
Wheel Clutch Troubleshooting & Repair
  Rocking Key style    .   .   .   .   .   .   .   .   .   .   .   .   .   .   .   .   .   .   .   .   .   .   .   .   .   .   .   .   .   .   .   .   .   .
  Spring Ratchet style     .   .   .   .   .   .   .   .   .   .   .   .   .   .   .   .   .   .   .   .   .   .   .   .   .   .   .   .   .   .   .   .   .
Blade Clutch System Troubleshooting & Repair
  Blade Brake Clutch System     .   .   .   .   .   .   .   .   .   .   .   .   .   .   .   .   .   .   .   .   .   .   .   .   .   .   .   .   .   .
  Blade Override System (Toro - BOS) Blade Clutch System (Lawn-Boy - BCS)  .   .   .   .   .   .   .   .   .   .   .
Handle Disassembly
  Toro 2 Bail handle    .   .   .   .   .   .   .   .   .   .   .   .   .   .   .   .   .   .   .   .   .   .   .   .   .   .   .   .   .   .   .   .   .   .
  Personal Pace Easy Stride (Generation 1)  .   .   .   .   .   .   .   .   .   .   .   .   .   .   .   .   .   .   .   .   .   .   .   .   .
  Personal Pace Easy Stride (Generation 2)  .   .   .   .   .   .   .   .   .   .   .   .   .   .   .   .   .   .   .   .   .   .   .   .   .
  Lawn-Boy Sens-a-Speed     .   .   .   .   .   .   .   .   .   .   .   .   .   .   .   .   .   .   .   .   .   .   .   .   .   .   .   .   .   .   .
Belt Replacement
  Mowers with Toro Blade Brake Clutch     .   .   .   .   .   .   .   .   .   .   .   .   .   .   .   .   .   .   .   .   .   .   .   .   .   .
  Mowers with Toro Blade Override System   .   .   .   .   .   .   .   .   .   .   .   .   .   .   .   .   .   .   .   .   .   .   .   .   .
  Zone start 21” Rear Wheel Drive Toro & Lawn-Boy (except Insight)   .   .   .   .   .   .   .   .   .   .   .   .   .   .   .
  Zone start 22” Toro Rear Wheel Drive     .   .   .   .   .   .   .   .   .   .   .   .   .   .   .   .   .   .   .   .   .   .   .   .   .   .
  Zone start 22” Toro Front Wheel Drive    .   .   .   .   .   .   .   .   .   .   .   .   .   .   .   .   .   .   .   .   .   .   .   .   .   .
  Lawn-Boy Insight Zone Start   .   .   .   .   .   .   .   .   .   .   .   .   .   .   .   .   .   .   .   .   .   .   .   .   .   .   .   .   .   .
  Lawn-Boy Insight with Blade Clutch System   .   .   .   .   .   .   .   .   .   .   .   .   .   .   .   .   .   .   .   .   .   .   .   .
4-5
2-3
3-10
3-20
4-6
2-4
3-16
5-2
5-9
6-2
6-28
7-2
7-3
7-6
7-9
8-3
8-3
8-2
3-10
3-5
3-19
8-3

ii WPM Drive Systems Manual
TABLE OF CONTENTS
WORM DRIVE TRANSMISSION
 GENERAL
 INTERNALLY CLUTCHED
    Description    .   .   .   .   .   .   .   .   .   .   .   .   .   .   .   .   .   .   .   .   .   .   .   .   .   .   .   .   .   .   .   .   .   .   .
    Lubrication     .   .   .   .   .   .   .   .   .   .   .   .   .   .   .   .   .   .   .   .   .   .   .   .   .   .   .   .   .   .   .   .   .   .   .
    The Shifting Process     .   .   .   .   .   .   .   .   .   .   .   .   .   .   .   .   .   .   .   .   .   .   .   .   .   .   .   .   .   .   .
    Removal & Installation (front wheel drive applications)     .   .   .   .   .   .   .   .   .   .   .   .   .   .   .   .   .   .
    Disassembly  .   .   .   .   .   .   .   .   .   .   .   .   .   .   .   .   .   .   .   .   .   .   .   .   .   .   .   .   .   .   .   .   .   .   .
    Assembly   .   .   .   .   .   .   .   .   .   .   .   .   .   .   .   .   .   .   .   .   .   .   .   .   .   .   .   .   .   .   .   .   .   .   .   .
    Controls     .   .   .   .   .   .   .   .   .   .   .   .   .   .   .   .   .   .   .   .   .   .   .   .   .   .   .   .   .   .   .   .   .   .   .   .
    Adjustment    .   .   .   .   .   .   .   .   .   .   .   .   .   .   .   .   .   .   .   .   .   .   .   .   .   .   .   .   .   .   .   .   .   .   .
 CONSTANT MESH
    Description    .   .   .   .   .   .   .   .   .   .   .   .   .   .   .   .   .   .   .   .   .   .   .   .   .   .   .   .   .   .   .   .   .   .   .
    Removal & Installation  .   .   .   .   .   .   .   .   .   .   .   .   .   .   .   .   .   .   .   .   .   .   .   .   .   .   .   .   .   .   .
    Controls     .   .   .   .   .   .   .   .   .   .   .   .   .   .   .   .   .   .   .   .   .   .   .   .   .   .   .   .   .   .   .   .   .   .   .   .
  WHEEL CLUTCH    .   .   .   .   .   .   .   .   .   .   .   .   .   .   .   .   .   .   .   .   .   .   .   .   .   .   .   .   .   .   .   .   .   .
SINGLE SPEED SPUR/BEVEL GEAR TRANSMISSION
  GEAR CASE ASSEMBLY    .   .   .   .   .   .   .   .   .   .   .   .   .   .   .   .   .   .   .   .   .   .   .   .   .   .   .   .   .   .   .
    Description    .   .   .   .   .   .   .   .   .   .   .   .   .   .   .   .   .   .   .   .   .   .   .   .   .   .   .   .   .   .   .   .   .   .   .
    Lubrication     .   .   .   .   .   .   .   .   .   .   .   .   .   .   .   .   .   .   .   .   .   .   .   .   .   .   .   .   .   .   .   .   .   .   .
    Transmission Remove & Replace     .   .   .   .   .   .   .   .   .   .   .   .   .   .   .   .   .   .   .   .   .   .   .   .   .   .
    Transmission Internal Repair    .   .   .   .   .   .   .   .   .   .   .   .   .   .   .   .   .   .   .   .   .   .   .   .   .   .   .   .
    Assembly   .   .   .   .   .   .   .   .   .   .   .   .   .   .   .   .   .   .   .   .   .   .   .   .   .   .   .   .   .   .   .   .   .   .   .   .
SINGLE SPEED BEVEL GEAR TRANSMISSION
  EXPLODED VIEW - SINGLE SPEED BEVEL GEAR TRANSMISSION .   .   .   .   .   .   .   .   .   .   .   .   .   .
  GENERAL INFORMATION  .   .   .   .   .   .   .   .   .   .   .   .   .   .   .   .   .   .   .   .   .   .   .   .   .   .   .   .   .   .   .
  FRONT AXLE & TRANSMISSION ASSEMBLY   .   .   .   .   .   .   .   .   .   .   .   .   .   .   .   .   .   .   .   .   .   .   .
  22” FRONT WHEEL DRIVE MODELS
    Remove Transmission   .   .   .   .   .   .   .   .   .   .   .   .   .   .   .   .   .   .   .   .   .   .   .   .   .   .   .   .   .   .   .
    Transmission Disassembly    .   .   .   .   .   .   .   .   .   .   .   .   .   .   .   .   .   .   .   .   .   .   .   .   .   .   .   .   .
    Transmission Assembly     .   .   .   .   .   .   .   .   .   .   .   .   .   .   .   .   .   .   .   .   .   .   .   .   .   .   .   .   .   .
    Assembly Tips   .   .   .   .   .   .   .   .   .   .   .   .   .   .   .   .   .   .   .   .   .   .   .   .   .   .   .   .   .   .   .   .   .   .
    Belt Service - Front Wheel Drive Models  .   .   .   .   .   .   .   .   .   .   .   .   .   .   .   .   .   .   .   .   .   .   .   .
  22” TORO & LAWN-BOY REAR WHEEL DRIVE MODELS
    Transmission Removal & Belt Replacement     .   .   .   .   .   .   .   .   .   .   .   .   .   .   .   .   .   .   .   .   .   .
    Rear Axle Disassembly     .   .   .   .   .   .   .   .   .   .   .   .   .   .   .   .   .   .   .   .   .   .   .   .   .   .   .   .   .   .
    Transmission Disassembly   .   .   .   .   .   .   .   .   .   .   .   .   .   .   .   .   .   .   .   .   .   .   .   .   .   .   .   .   .
    Transmission Assembly     .   .   .   .   .   .   .   .   .   .   .   .   .   .   .   .   .   .   .   .   .   .   .   .   .   .   .   .   .   .
    Axle Assembly Tips   .   .   .   .   .   .   .   .   .   .   .   .   .   .   .   .   .   .   .   .   .   .   .   .   .   .   .   .   .   .   .   .
  LAWN-BOY INSIGHT TRANSMISSION REMOVE & REPLACE    .   .   .   .   .   .   .   .   .   .   .   .   .   .   .   .
    Tranmission Removal & Belt Replacement   .   .   .   .   .   .   .   .   .   .   .   .   .   .   .   .   .   .   .   .   .   .   .
    Transmission Disassembly    .   .   .   .   .   .   .   .   .   .   .   .   .   .   .   .   .   .   .   .   .   .   .   .   .   .   .   .   .
    Transmission Assembly .   .   .   .   .   .   .   .   .   .   .   .   .   .   .   .   .   .   .   .   .   .   .   .   .   .   .   .   .   .   .
    Axle Assembly Tips   .   .   .   .   .   .   .   .   .   .   .   .   .   .   .   .   .   .   .   .   .   .   .   .   .   .   .   .   .   .   .   .
    Transmission Installation Tips   .   .   .   .   .   .   .   .   .   .   .   .   .   .   .   .   .   .   .   .   .   .   .   .   .   .   .   .
THREE SPEED TRANSMISSION
  GEAR CASE ASSEMBLY    .   .   .   .   .   .   .   .   .   .   .   .   .   .   .   .   .   .   .   .   .   .   .   .   .   .   .   .   .   .   .
 OPERATION
    Input System     .   .   .   .   .   .   .   .   .   .   .   .   .   .   .   .   .   .   .   .   .   .   .   .   .   .   .   .   .   .   .   .   .   .
1-2
1-3
1-3
1-4
1-5
1-7
1-9
1-10
1-11
1-12
1-13
1-14
2-2
2-3
2-3
2-3
2-4
2-5
3-2
3-3
3-4
3-5
3-7
3-7
3-8
3-9
3-10
3-15
3-16
3-16
3-17
3-19
3-20
3-24
3-24
3-24
3-25
4-2
4-3

iiiWPM Drive Systems Manual
TABLE OF CONTENTS
    Speed Reduction System  .   .   .   .   .   .   .   .   .   .   .   .   .   .   .   .   .   .   .   .   .   .   .   .   .   .   .   .   .   .
    Gear Selection System     .   .   .   .   .   .   .   .   .   .   .   .   .   .   .   .   .   .   .   .   .   .   .   .   .   .   .   .   .   .
    Removal - Toro Vacu Power/Lawn-Boy Medallion Models    .   .   .   .   .   .   .   .   .   .   .   .   .   .   .   .   .
    Removal - Recycler/Rear Bagger Chassis   .   .   .   .   .   .   .   .   .   .   .   .   .   .   .   .   .   .   .   .   .   .   .
    Alternate Method   .   .   .   .   .   .   .   .   .   .   .   .   .   .   .   .   .   .   .   .   .   .   .   .   .   .   .   .   .   .   .   .   .
    Disassembly  .   .   .   .   .   .   .   .   .   .   .   .   .   .   .   .   .   .   .   .   .   .   .   .   .   .   .   .   .   .   .   .   .   .   .
    Transmission - Assembly  .   .   .   .   .   .   .   .   .   .   .   .   .   .   .   .   .   .   .   .   .   .   .   .   .   .   .   .   .   .
    Output Shaft Assembly  .   .   .   .   .   .   .   .   .   .   .   .   .   .   .   .   .   .   .   .   .   .   .   .   .   .   .   .   .   .   .
    Input Shaft Assembly     .   .   .   .   .   .   .   .   .   .   .   .   .   .   .   .   .   .   .   .   .   .   .   .   .   .   .   .   .   .   .
    Intermediate Shaft Assembly     .   .   .   .   .   .   .   .   .   .   .   .   .   .   .   .   .   .   .   .   .   .   .   .   .   .   .   .
    Installation     .   .   .   .   .   .   .   .   .   .   .   .   .   .   .   .   .   .   .   .   .   .   .   .   .   .   .   .   .   .   .   .   .   .   .
    Special Assembly Notes for Toro Vacu Power/Lawn-Boy Medallion     .   .   .   .   .   .   .   .   .   .   .   .   .
  TROUBLESHOOTING TIPS - 3 SPEED TRANSMISSION
    Hard Shifting  .   .   .   .   .   .   .   .   .   .   .   .   .   .   .   .   .   .   .   .   .   .   .   .   .   .   .   .   .   .   .   .   .   .   .
    Slipping Gears   .   .   .   .   .   .   .   .   .   .   .   .   .   .   .   .   .   .   .   .   .   .   .   .   .   .   .   .   .   .   .   .   .   .
WHEEL PINION CLUTCH
  GEAR CASE & WHEEL ASSEMBLY, ROCKING KEY STYLE    .   .   .   .   .   .   .   .   .   .   .   .   .   .   .   .   .
    Wheel Pinion Clutch  .   .   .   .   .   .   .   .   .   .   .   .   .   .   .   .   .   .   .   .   .   .   .   .   .   .   .   .   .   .   .   .
    Component Defi nitions  .   .   .   .   .   .   .   .   .   .   .   .   .   .   .   .   .   .   .   .   .   .   .   .   .   .   .   .   .   .   .
    Test for Function    .   .   .   .   .   .   .   .   .   .   .   .   .   .   .   .   .   .   .   .   .   .   .   .   .   .   .   .   .   .   .   .   .
    Quick Test  .   .   .   .   .   .   .   .   .   .   .   .   .   .   .   .   .   .   .   .   .   .   .   .   .   .   .   .   .   .   .   .   .   .   .   .
    Rear Height-of-Cut & Wheel Pinion Clutch - Disassembly    .   .   .   .   .   .   .   .   .   .   .   .   .   .   .   .   .
    Rear Height-of-Cut & Wheel Pinion Clutch - Assembly     .   .   .   .   .   .   .   .   .   .   .   .   .   .   .   .   .   .
  GEAR CASE & WHEEL ASSEMBLY SPRING RATCHET STYLE  .   .   .   .   .   .   .   .   .   .   .   .   .   .   .   .
    Spring Ratchet Key Style  .   .   .   .   .   .   .   .   .   .   .   .   .   .   .   .   .   .   .   .   .   .   .   .   .   .   .   .   .   .
    Servicing the System     .   .   .   .   .   .   .   .   .   .   .   .   .   .   .   .   .   .   .   .   .   .   .   .   .   .   .   .   .   .   .
  WHEEL PINION SERVICE  .   .   .   .   .   .   .   .   .   .   .   .   .   .   .   .   .   .   .   .   .   .   .   .   .   .   .   .   .   .   .
BLADE BRAKE CLUTCH SYSTEMS (BBC), BLADE OVERRIDE SYSTEM (BOS),
BLADE CLUTCH SYSTEM (BCS)
  BLADE BRAKE CLUTCH SYSTEM
    Description    .   .   .   .   .   .   .   .   .   .   .   .   .   .   .   .   .   .   .   .   .   .   .   .   .   .   .   .   .   .   .   .   .   .   .
    BBC Clutch Option    .   .   .   .   .   .   .   .   .   .   .   .   .   .   .   .   .   .   .   .   .   .   .   .   .   .   .   .   .   .   .   .
    Control Box Operation   .   .   .   .   .   .   .   .   .   .   .   .   .   .   .   .   .   .   .   .   .   .   .   .   .   .   .   .   .   .   .
    Handle Controls     .   .   .   .   .   .   .   .   .   .   .   .   .   .   .   .   .   .   .   .   .   .   .   .   .   .   .   .   .   .   .   .   .
    Control Box Disassembly  .   .   .   .   .   .   .   .   .   .   .   .   .   .   .   .   .   .   .   .   .   .   .   .   .   .   .   .   .   .
    Control Box Assembly   .   .   .   .   .   .   .   .   .   .   .   .   .   .   .   .   .   .   .   .   .   .   .   .   .   .   .   .   .   .   .
  TORO BBC SERVICE GUIDE .   .   .   .   .   .   .   .   .   .   .   .   .   .   .   .   .   .   .   .   .   .   .   .   .   .   .   .   .   .
  BLADE BRAKE CLUTCH ASSEMBLY (Toro Vacu Power/Lawn-Boy Medallion)    .   .   .   .   .   .   .   .   .   .
  TORO VACU POWER/LAWN-BOY MEDALLION BBC   .   .   .   .   .   .   .   .   .   .   .   .   .   .   .   .   .   .   .   .
    Bellcrank System Disassembly (Toro Vacu Power/Lawn-Boy Medallion)     .   .   .   .   .   .   .   .   .   .   .
    Bellcrank System Assembly (Toro Vacu Power/Lawn-Boy Medallion)  .   .   .   .   .   .   .   .   .   .   .   .   .
    BBC Cover and Screen     .   .   .   .   .   .   .   .   .   .   .   .   .   .   .   .   .   .   .   .   .   .   .   .   .   .   .   .   .   .
    Under Deck Components Disassembly (Toro Vacu Power/Lawn-Boy Medallion)     .   .   .   .   .   .   .   .
    Under Deck Components Assembly (Toro Vacu Power/Lawn-Boy Medallion)  .   .   .   .   .   .   .   .   .   .
    BBC Cable Removal (Toro Vacu Power/Lawn-Boy Medallion)     .   .   .   .   .   .   .   .   .   .   .   .   .   .   .
    BBC Cable Installation (Toro Vacu Power/Lawn-Boy Medallion)  .   .   .   .   .   .   .   .   .   .   .   .   .   .   .
  ENGINE & BLADE ASSEMBLY (Toro Recycler/Rear Bagger)    .   .   .   .   .   .   .   .   .   .   .   .   .   .   .   .   .
  TORO RECYCLER/REAR BAGGER BBC  .   .   .   .   .   .   .   .   .   .   .   .   .   .   .   .   .   .   .   .   .   .   .   .   .
    Idler Arm System Disassembly (Recycler/Rear Bagger)   .   .   .   .   .   .   .   .   .   .   .   .   .   .   .   .   .   .
    Idler Arm System Assembly (Recycler/Rear Bagger)    .   .   .   .   .   .   .   .   .   .   .   .   .   .   .   .   .   .   .
4-3
4-4
4-5
4-6
4-6
4-6
4-7
4-8
4-9
4-10
4-10
4-11
4-12
4-12
5-2
5-3
5-3
5-4
5-4
5-4
5-5
5-8
5-9
5-9
5-9
6-2
6-2
6-2
6-3
6-6
6-7
6-10
6-11
6-12
6-12
6-13
6-14
6-15
6-17
6-19
6-20
6-21
6-22
6-22
6-25

iv WPM Drive Systems Manual
TABLE OF CONTENTS
    BBC Cable Removal (Recycler/Rear Bagger)  .   .   .   .   .   .   .   .   .   .   .   .   .   .   .   .   .   .   .   .   .   .
    BBC Cable Installation (Recycler/Rear Bagger)   .   .   .   .   .   .   .   .   .   .   .   .   .   .   .   .   .   .   .   .   .
  BLADE OVERRIDE SYSTEM (BOS), BLADE CLUTCH SYSTEM (BCS)  .   .   .   .   .   .   .   .   .   .   .   .   .
    Disassembly  .   .   .   .   .   .   .   .   .   .   .   .   .   .   .   .   .   .   .   .   .   .   .   .   .   .   .   .   .   .   .   .   .   .   .
    Brake Arm Assembly     .   .   .   .   .   .   .   .   .   .   .   .   .   .   .   .   .   .   .   .   .   .   .   .   .   .   .   .   .   .   .
    BOS/BCS System Assembly     .   .   .   .   .   .   .   .   .   .   .   .   .   .   .   .   .   .   .   .   .   .   .   .   .   .   .   .
HANDLES AND CONTROL CABLES
    Toro 2 Bail Handle .   .   .   .   .   .   .   .   .   .   .   .   .   .   .   .   .   .   .   .   .   .   .   .   .   .   .   .   .   .   .   .   .
    Personal Pace Generation 1/Easy Stride Generation 1    .   .   .   .   .   .   .   .   .   .   .   .   .   .   .   .   .   .
    Operation  .   .   .   .   .   .   .   .   .   .   .   .   .   .   .   .   .   .   .   .   .   .   .   .   .   .   .   .   .   .   .   .   .   .   .   .
    Disassembly  .   .   .   .   .   .   .   .   .   .   .   .   .   .   .   .   .   .   .   .   .   .   .   .   .   .   .   .   .   .   .   .   .   .   .
    Reassembly  .   .   .   .   .   .   .   .   .   .   .   .   .   .   .   .   .   .   .   .   .   .   .   .   .   .   .   .   .   .   .   .   .   .   .
    Adjusting the Personal Pace Cable   .   .   .   .   .   .   .   .   .   .   .   .   .   .   .   .   .   .   .   .   .   .   .   .   .   .
    Personal Pace Generation 2/Easy Stride Generation 2    .   .   .   .   .   .   .   .   .   .   .   .   .   .   .   .   .   .
    Handle Removal    .   .   .   .   .   .   .   .   .   .   .   .   .   .   .   .   .   .   .   .   .   .   .   .   .   .   .   .   .   .   .   .   .
    Adjusting the Personal Pace/Easy Stride Cable   .   .   .   .   .   .   .   .   .   .   .   .   .   .   .   .   .   .   .   .   .
    Lawn-Boy 2 Bail Handle    .   .   .   .   .   .   .   .   .   .   .   .   .   .   .   .   .   .   .   .   .   .   .   .   .   .   .   .   .   .
    Lawn-Boy Sens-a-Speed  .   .   .   .   .   .   .   .   .   .   .   .   .   .   .   .   .   .   .   .   .   .   .   .   .   .   .   .   .   .
    Operation  .   .   .   .   .   .   .   .   .   .   .   .   .   .   .   .   .   .   .   .   .   .   .   .   .   .   .   .   .   .   .   .   .   .   .   .
    Handle Disassembly, Zone Start Models  .   .   .   .   .   .   .   .   .   .   .   .   .   .   .   .   .   .   .   .   .   .   .   .
    Assembly   .   .   .   .   .   .   .   .   .   .   .   .   .   .   .   .   .   .   .   .   .   .   .   .   .   .   .   .   .   .   .   .   .   .   .   .
    Cable Adjustment  .   .   .   .   .   .   .   .   .   .   .   .   .   .   .   .   .   .   .   .   .   .   .   .   .   .   .   .   .   .   .   .   .
    Self-Propel Cable  .   .   .   .   .   .   .   .   .   .   .   .   .   .   .   .   .   .   .   .   .   .   .   .   .   .   .   .   .   .   .   .   .
    Handle Disassembly, Lawn-Boy Blade Clutch System (BCS) Models  .   .   .   .   .   .   .   .   .   .   .   .   .
    3 Speed Transmission Models  .   .   .   .   .   .   .   .   .   .   .   .   .   .   .   .   .   .   .   .   .   .   .   .   .   .   .   .
    3 Speed Control Cables    .   .   .   .   .   .   .   .   .   .   .   .   .   .   .   .   .   .   .   .   .   .   .   .   .   .   .   .   .   .
    BBC Cable Adjustment (Toro Vacu Power/Lawn-Boy Medallion)  .   .   .   .   .   .   .   .   .   .   .   .   .   .   .
    Toro BBC Cable Adjustment (Recycler/Rear Bagger)   .   .   .   .   .   .   .   .   .   .   .   .   .   .   .   .   .   .   .
    Toro BOS Control  .   .   .   .   .   .   .   .   .   .   .   .   .   .   .   .   .   .   .   .   .   .   .   .   .   .   .   .   .   .   .   .   .
    Toro BOS Control Cable Adjustment     .   .   .   .   .   .   .   .   .   .   .   .   .   .   .   .   .   .   .   .   .   .   .   .   .
    Lawn-Boy BCS Control .   .   .   .   .   .   .   .   .   .   .   .   .   .   .   .   .   .   .   .   .   .   .   .   .   .   .   .   .   .   .
    Lawn-Boy BCS Control Cable Adjustment    .   .   .   .   .   .   .   .   .   .   .   .   .   .   .   .   .   .   .   .   .   .   .
SELF-PROPEL BELT REPLACEMENT
    Toro 21” Front Wheel Drive   .   .   .   .   .   .   .   .   .   .   .   .   .   .   .   .   .   .   .   .   .   .   .   .   .   .   .   .   .
    22” Front Wheel Drive   .   .   .   .   .   .   .   .   .   .   .   .   .   .   .   .   .   .   .   .   .   .   .   .   .   .   .   .   .   .   .
    22” Rear Wheel Drive    .   .   .   .   .   .   .   .   .   .   .   .   .   .   .   .   .   .   .   .   .   .   .   .   .   .   .   .   .   .   .
    21” Steel & Cast Deck Toro & Lawn-Boy Mowers Belt Replacement   .   .   .   .   .   .   .   .   .   .   .   .   .
    21” Cast Deck Mowers with 3 Speed Transmission  .   .   .   .   .   .   .   .   .   .   .   .   .   .   .   .   .   .   .   .
    21” Toro & Lawn-Boy Mowers with Blade Brake Clutch    .   .   .   .   .   .   .   .   .   .   .   .   .   .   .   .   .   .
    21” Toro Mowers with Blade Override System & Lawn-Boy Mower
      with Blade Brake Clutch System     .   .   .   .   .   .   .   .   .   .   .   .   .   .   .   .   .   .   .   .   .   .   .   .   .
    21” Lawn-Boy Insight Mowers   .   .   .   .   .   .   .   .   .   .   .   .   .   .   .   .   .   .   .   .   .   .   .   .   .   .   .   .
6-27
6-28
6-28
6-28
6-32
6-33
7-2
7-3
7-3
7-3
7-5
7-6
7-6
7-6
7-8
7-8
7-9
7-9
7-9
7-10
7-11
7-11
7-11
7-13
7-13
7-15
7-16
7-17
7-18
7-18
7-18
8-2
8-2
8-2
8-2
8-2
8-3
8-3
8-3

vWPM Drive Systems Manual
TABLE OF CONTENTS
Model  Trans Trans Wheel Handle  Blade
 R&R Internal Pinion Repair Clutch
   Repair   
10301 CD SB RK 2B None
10302 CD SB RK 2B None
10304 CD SB RK 2B None
10305 CD SB RK 2B None
10307 CD SB RK 2B None
10309 CD SB RK 2B None
10310 CD SB RK 2B None
10311 CD SB RK 2B None
10312 CD SB RK 2B None
10313 CD SB RK 2B None
10314 CD SB RK 2B None
10316 CD SB RK 2B None
10317 CD SB RK 2B None
10318 CD SB RK 2B None
10319 CD SB RK 2B None
10320 CD SB RK 2B None
10321 CD SB RK 2B None
10323 CD SB RK 2B None
10324 CD SB RK 2B None
10324C CD  SB  RK  2B  None
10327 CD SB RK 2B None
10328 CD SB RK 2B None
10329 CD SB RK 2B None
10330 CD SB RK 2B None
Using this manual
Following each model number in the list below are codes identifying the type of 
deck material, transmission, wheel pinion clutch, hand controls, and if it has a 
blade clutch system. Use this information to select the correct sections of the 
service manual for the mower being serviced.
   Code List
  1B - one bail  CDVP - cast deck Vacu Power
  2B - two bail  ES1 - Easy Stride 1st generation
  3S- 3 speed  ES2 - Easy Stride 2nd generation
  21” stl - 21” steel deck  Ins - Insight
  22” stl - 22” steel deck  PP1 - Personal Pace 1st generation
  B- bevel gear  PP2 - Personal Pace 2nd generation
  BBC - blade brake clutch  RK - rocking key
  BBC VP - blade brake clutch  SB - spur bevel
    for Vacu Power  SR - spring ratchet
  BOS - blade override system  SS - Sens-a-Speed
  CD - cast deck  W - worm

vi WPM Drive Systems Manual
TABLE OF CONTENTS
Model  Trans Trans Wheel Handle  Blade
 R&R Internal Pinion Repair Clutch
   Repair   
10331 CD SB RK 2B None
10332 CD SB RK 2B None
10334 CD SB RK 2B None
10335 CD SB RK 2B None
10342 CD SB RK 2B None
10343 CD SB RK 2B None
10344 CD SB RK 2B None
10345 CD SB RK 2B None
10356 CD SB RK 2B None
10357 CD SB RK 2B None
10358 CD SB RK 2B None
10359C CD  SB  RK  2B  None
10360 CD SB RK 2B None
10360C CD  SB  RK  2B  None
10361 CD SB RK 2B None
10362 CD SB RK 2B None
10363 CD SB RK 2B None
10515 CD 3S RK 2B None
10516 CD 3S RK 2B None
10517 CD 3S RK 2B None
10518 CD 3S RK 2B None
10519 CD 3S RK 2B None
10520 CD 3S RK 2B None
10521 CD 3S RK 2B None
10522 CD 3S RK 2B None
10523 CD 3S RK 2B None
10524 CD 3S RK 2B None
10525 CD 3S RK 2B None
10527 CD 3S RK 2B None
10528 CD 3S RK 2B None
10533 CD 3S RK BBC BBC VP
10545 CD 3S RK 2B None
   Code List
  1B - one bail  CDVP - cast deck Vacu Power
  2B - two bail  ES1 - Easy Stride 1st generation
  3S- 3 speed  ES2 - Easy Stride 2nd generation
  21” stl - 21” steel deck  Ins - Insight
  22” stl - 22” steel deck  PP1 - Personal Pace 1st generation
  B- bevel gear  PP2 - Personal Pace 2nd generation
  BBC - blade brake clutch  RK - rocking key
  BBC VP - blade brake clutch  SB - spur bevel
    for Vacu Power  SR - spring ratchet
  BOS - blade override system  SS - Sens-a-Speed
  CD - cast deck  W - worm

viiWPM Drive Systems Manual
TABLE OF CONTENTS
Model  Trans Trans Wheel Handle  Blade
 R&R Internal Pinion Repair Clutch
   Repair   
10546  CD 3S RK 2B None
10547  CD 3S RK 2B None
10548  CD 3S RK 2B None
10550 CD SB RK ES1 None
10551 CD SB RK ES1 None
10552 CD SB RK ES1 None
10655 22stl B  SR ES2 None
10656 22stl B  SR ES2 None
10672 Ins B  SR SS None
10673 Ins B  SR SS None
10682 Ins B  SR 2B None
10684 Ins B  SR 2B None
10684C Ins  B  SR  2B  None
10685 Ins B  SR SS None
10686 Ins B  SR SS None
10686C Ins  B  SR  SS  None
10687  Ins B  SR  SS BCS
10695 Ins B  SR SS None
10696 Ins B  SR SS None
10696C Ins  B  SR  SS  None
10697 Ins B  SR SS BCS
10910 CD SB RK 2B None
10910B CD  SB  RK  2B  None
10926 CD SB RK 2B None
10927 CD SB RK 2B None
10928 CD 3S RK ?  None
10929 CD SB RK 2B None
10995 Ins B  SR SS None
10997 CD B  SR SS BCS
11001  CD 3S RK 2B None
11001B CD 3S RK 2B None
11003  CD 3S RK 2B None
   Code List
  1B - one bail  CDVP - cast deck Vacu Power
  2B - two bail  ES1 - Easy Stride 1st generation
  3S- 3 speed  ES2 - Easy Stride 2nd generation
  21” stl - 21” steel deck  Ins - Insight
  22” stl - 22” steel deck  PP1 - Personal Pace 1st generation
  B- bevel gear  PP2 - Personal Pace 2nd generation
  BBC - blade brake clutch  RK - rocking key
  BBC VP - blade brake clutch  SB - spur bevel
    for Vacu Power  SR - spring ratchet
  BOS - blade override system  SS - Sens-a-Speed
  CD - cast deck  W - worm

viii WPM Drive Systems Manual
TABLE OF CONTENTS
Model  Trans Trans Wheel Handle  Blade
 R&R Internal Pinion Repair Clutch
   Repair   
16212  W  Worm None None None
16212B  W  Wom None None None
16212W  W  Worm None None None
16212WG W  Worm None None None
16401  W  Worm None None None
16402  W  Worm None None None
16404  W  Worm None None None
16411  W  Worm None None None
16775  W  Worm None None None
16776  W  Worm None None None
16785  W  Worm None None None
16793  W  Worm None None None
20001 22stl B  SR 2B None
20003 22stl B  SR 2B None
20005 22stl B  SR 2B None
20007 22stl B  SR 2B None
20011 22stl SB RK 2B None
20012 22stl B  SR 2B None
20013 22stl B  SR PP2 None
20014 22stl B  SR PP2 None
20016 22stl B  SR 2B None
20017 22stl B  SR PP2 None
20018 22stl B  SR PP2 None
20019 22stl B  SR 2B None
20020 CD SB RK 2B None
20021 CD SB RK 2B None
20028 CD SB RK 2B None
20031 22stl B  SR PP2 None
20036 CD SB RK PP2 None
20037 CD SB RK PP2 None
20038 CD SB RK PP2 None
20039 CD SB RK PP2 None
   Code List
  1B - one bail  CDVP - cast deck Vacu Power
  2B - two bail  ES1 - Easy Stride 1st generation
  3S- 3 speed  ES2 - Easy Stride 2nd generation
  21” stl - 21” steel deck  Ins - Insight
  22” stl - 22” steel deck  PP1 - Personal Pace 1st generation
  B- bevel gear  PP2 - Personal Pace 2nd generation
  BBC - blade brake clutch  RK - rocking key
  BBC VP - blade brake clutch  SB - spur bevel
    for Vacu Power  SR - spring ratchet
  BOS - blade override system  SS - Sens-a-Speed
  CD - cast deck  W - worm

ixWPM Drive Systems Manual
TABLE OF CONTENTS
Model  Trans Trans Wheel Handle  Blade
 R&R Internal Pinion Repair Clutch
   Repair   
20041 22stl B  SR PP2 None
20044 CD 3SP RK 1B None
20047 22stl B  RK PP2 None
20049 22stl B  SR PP2 None
20051 22stl B  SR PP2 None
20054 CD SB RK PP2 None
20055 CD SB RK PP2 None
20056 CD SB RK PP2 BOS
20057 CD SB RK PP2 None
20058 CD SB RK PP2 BOS
20070 22stl B  SR PP2 None
20079 22stl B  SR PP2 None
20106 CD 3SP RK 1B BBC
20107 CD 3SP RK 1B BBC
20210 CD 3SP RK 1B BBC
20211 CD 3SP RK 1B BBC
20214 CD 3SP RK 1B None
20216 CD 3SP RK 1B None
20218 CD 3SP  RK 1B None
20219 CD 3SP RK 1B BBC
20320 CD 3SP RK 1B None
20321 CD 3SP RK 1B None
20322 CD 3SP RK 1B None
20324 CD 3SP RK 1BBC BBC
20325 CD 3SP RK BBC BBC
20327B CD  3SP RK  1B  None
20328B CD  3SP RK  1B  None
20436 CD 3SP RK 1B None
20436WF CD  3SP  RK  1B  None
20437 CD 3SP RK 1B None
20438 CD 3SP RK BBC BBC
20438WF CD  3SP  RK  BBC  BBC
   Code List
  1B - one bail  CDVP - cast deck Vacu Power
  2B - two bail  ES1 - Easy Stride 1st generation
  3S- 3 speed  ES2 - Easy Stride 2nd generation
  21” stl - 21” steel deck  Ins - Insight
  22” stl - 22” steel deck  PP1 - Personal Pace 1st generation
  B- bevel gear  PP2 - Personal Pace 2nd generation
  BBC - blade brake clutch  RK - rocking key
  BBC VP - blade brake clutch  SB - spur bevel
    for Vacu Power  SR - spring ratchet
  BOS - blade override system  SS - Sens-a-Speed
  CD - cast deck  W - worm

x WPM Drive Systems Manual
TABLE OF CONTENTS
Model  Trans Trans Wheel Handle  Blade
 R&R Internal Pinion Repair Clutch
   Repair   
20439 CD 3SP RK BBC BBC
20439WF CD  3SP  RK  BBC  BBC
20462 CD 3SP RK 1B None
20463 CD 3SP RK 1B None
20464 CD 3SP RK 1B None
20465 CD 3SP RK BBC BBC
20466 CD 3SP RK BBC BBC
20470 CD 3SP RK 1B None
20472 CD 3SP RK 1B None
20473 CD 3SP RK 1B None
20474 CD 3SP RK 1B None
20475 CD 3SP RK BBC BBC
20476 CD 3SP RK BBC BBC
20478 CD 3SP RK 1B None
20479 CD 3SP RK 1B None
20480 CD 3SP RK 1B None
20481 CD 3SP RK 1B None
20482 CD 3SP RK BBC BBC
20483 CD 3SP RK BBC BBC
20486 CD 3SP RK 1B None
20487 CD 3SP RK BBC BBC
20488 CD 3SP RK 1B None
20489 CD 3SP RK 1B None
20490 CD 3SP RK BBC BBC
20494 CD 3SP RK 1B None
20495 CD 3SP RK 1B None
20622 CD 3SP RK BBC BBC
20632 CD 3SP RK BBC BBC
20652 21” stl SB RK PP1 None
20654 21” stl SB RK PP2 None
20655 22” stl B  SR PP2 None
20656 22” stl B  SR PP2 None
   Code List
  1B - one bail  CDVP - cast deck Vacu Power
  2B - two bail  ES1 - Easy Stride 1st generation
  3S- 3 speed  ES2 - Easy Stride 2nd generation
  21” stl - 21” steel deck  Ins - Insight
  22” stl - 22” steel deck  PP1 - Personal Pace 1st generation
  B- bevel gear  PP2 - Personal Pace 2nd generation
  BBC - blade brake clutch  RK - rocking key
  BBC VP - blade brake clutch  SB - spur bevel
    for Vacu Power  SR - spring ratchet
  BOS - blade override system  SS - Sens-a-Speed
  CD - cast deck  W - worm

xiWPM Drive Systems Manual
TABLE OF CONTENTS
Model  Trans Trans Wheel Handle  Blade
 R&R Internal Pinion Repair Clutch
   Repair   
20666 CD 3SP RK 1B None
20667 CD 3SP RK BBC BBC
20668 CD 3SP RK 1B None
20677 CD 3SP RK 1B None
20680 CD 3SP RK 1B None
20692 CD 3SP RK 1B None
20695 CD 3SP RK BBC BBC
20761B CD  3SP RK  1B  None
20763B CD  3SP RK  1B  None
20764B CD  3SP RK  1B  None
20764BC CD  3SP  RK  1B  None
20766B CD  3SP RK  1B  None
20766BC CD  3SP  RK  1B  None
20767B CD  3SP RK  1B  None
20768B CD  3SP RK  1B  None
20776 CD 3SP RK 1B None
20777 CD 3SP RK 1B None
20778 CD 3SP RK 1B None
20781 CD SB RK PP2 None
20783 CD SB RK PP2 None
20784 CD SB RK PP2 None
20786 CD 3SP RK 1B None
20787 CD 3SP RK 1B None
20792 CD SB RK PP2 None
20793 CD SB RK PP2 None
20795 CD SB RK PP2 None
20796 CD SB RK PP2 None
20817 CD SB RK PP2 None
20819 CD SB RK PP2 None
20828 CD SB RK PP2 None
20831 CD SB RK PP2 None
20832 CD SB RK PP2 None
   Code List
  1B - one bail  CDVP - cast deck Vacu Power
  2B - two bail  ES1 - Easy Stride 1st generation
  3S- 3 speed  ES2 - Easy Stride 2nd generation
  21” stl - 21” steel deck  Ins - Insight
  22” stl - 22” steel deck  PP1 - Personal Pace 1st generation
  B- bevel gear  PP2 - Personal Pace 2nd generation
  BBC - blade brake clutch  RK - rocking key
  BBC VP - blade brake clutch  SB - spur bevel
    for Vacu Power  SR - spring ratchet
  BOS - blade override system  SS - Sens-a-Speed
  CD - cast deck  W - worm

xii WPM Drive Systems Manual
TABLE OF CONTENTS
Model  Trans Trans Wheel Handle  Blade
 R&R Internal Pinion Repair Clutch
   Repair   
20833 CD SB RK PP2 None
20905 CD Worm RK 1B None
20905B CD  Worm RK  1B  None
20906B CD  Worm RK  1B  None
20911B CD  Worm RK  1B  None
20915 CD Worm RK 1B None
20916B CD  Worm RK  1B  None
20920 CD Worm RK 1B None
20920B CD  Worm RK  1B  None
20921B CD  Worm RK  1B  None
20925 CD Worm RK 1B None
20925B CD  Worm RK  1B  None
20926B CD  Worm RK  1B  None
20927B CD  Worm RK  1B  None
26620B CD VP 3 SP RK  1B  None
26620BF CD VP 3 SP RK  1B  None
26620BG CD VP 3 SP  RK  1B  None
26621 CD VP 3 SP RK BBC BBC VP
26621B CD VP 3 SP RK  BBC BBC VP
26622 CD VP 3 SP RK BBC BBC VP
26623 CD VP 3 SP RK BBC BBC VP
26624 CD VP 3 SP RK BBC BBC VP
26625B  CD VP  3 SP  RK  1B  None
26625BG CD VP 3 SP  RK  1B  None
26626 CD VP 3 SP RK BBC BBC VP
26630B CD VP 3 SP RK  1B  None
26630BC CD VP 3 SP  RK  1B  None
26630BG CD VP 3 SP  RK  1B  None
26631B CD VP 3 SP RK  BBC BBC VP
26631BC CD VP 3 SP  RK  BBC  BBC VP
26632 CD VP 3 SP RK 1B None
26632B CD VP 3 SP RK  1B  None
   Code List
  1B - one bail  CDVP - cast deck Vacu Power
  2B - two bail  ES1 - Easy Stride 1st generation
  3S- 3 speed  ES2 - Easy Stride 2nd generation
  21” stl - 21” steel deck  Ins - Insight
  22” stl - 22” steel deck  PP1 - Personal Pace 1st generation
  B- bevel gear  PP2 - Personal Pace 2nd generation
  BBC - blade brake clutch  RK - rocking key
  BBC VP - blade brake clutch  SB - spur bevel
    for Vacu Power  SR - spring ratchet
  BOS - blade override system  SS - Sens-a-Speed
  CD - cast deck  W - worm

xiiiWPM Drive Systems Manual
TABLE OF CONTENTS
Model  Trans Trans Wheel Handle  Blade
 R&R Internal Pinion Repair Clutch
   Repair   
26633  CD VP  3 SP  RK  BBC  BBC VP
26633B CD VP 3 SP RK  BBC BBC VP
26635B CD VP 3 SP RK  1B  None
26635BC CD VP 3 SP  RK  1B  None
26635BG CD VP 3 SP  RK  1B  None
26636 CD VP 3 SP RK 1B None
26636B CD VP 3 SP RK  1B  None
26637 CD VP 3 SP RK 1B None
26638  CD VP  3 SP  RK  BBC  BBC VP
26639 CD VP 3 SP RK 1B None
26640B CD VP 3 SP RK  1B  None
26640BC CD VP 3 SP  RK  1B  None
26643 CD VP 3 SP RK 1B None
26643B CD VP 3 SP RK  1B  None
26680 CD VP 3 SP RK 1B None
26680WG CD VP 3 SP  RK  1B  None
26682 CD VP 3 SP RK BBC BBC VP
26683  CD VP  3 SP  RK  BBC  BBC VP
27500 CD VP 3 SP RK BBC BBC VP
27501 CD VP 3 SP RK BBC BBC VP
27502 CD VP 3 SP RK BBC BBC VP
20442 CD SB RK 1B None
20444 CD SB RK 1B None
20711 CD SB RK 1B None
   Code List
  1B - one bail  CDVP - cast deck Vacu Power
  2B - two bail  ES1 - Easy Stride 1st generation
  3S- 3 speed  ES2 - Easy Stride 2nd generation
  21” stl - 21” steel deck  Ins - Insight
  22” stl - 22” steel deck  PP1 - Personal Pace 1st generation
  B- bevel gear  PP2 - Personal Pace 2nd generation
  BBC - blade brake clutch  RK - rocking key
  BBC VP - blade brake clutch  SB - spur bevel
    for Vacu Power  SR - spring ratchet
  BOS - blade override system  SS - Sens-a-Speed
  CD - cast deck  W - worm

xiv WPM Drive Systems Manual
TABLE OF CONTENTS
THIS PAGE INTENTIONALLY LEFT BLANK.

1-1WPM Drive Systems Manual
Worm Drive Transmission .  .  .  .  .  .  .  .  .  .  .  .  .  .  .  .  .  .  .  .  .  .  .  .
Single Speed Spur/Bevel Gear Transmission  .  .  .  .  .  .  .  .  .  .  .  .  .
Single Speed Bevel Gear Transmission  .  .  .  .  .  .  .  .  .  .  .  .  .  .  .  .
Three Speed Transmission  .  .  .  .  .  .  .  .  .  .  .  .  .  .  .  .  .  .  .  .  .  .  .
Wheel Pinion Clutch .  .  .  .  .  .  .  .  .  .  .  .  .  .  .  .  .  .  .  .  .  .  .  .  .  .  .
Blade Brake Clutch Systems (BBC), Blade Override
System (BOS), Blade Clutch Systems (BCS)   .  .  .  .  .  .  .  .  .  .  .  .  .
Handles and Control Cables   .  .  .  .  .  .  .  .  .  .  .  .  .  .  .  .  .  .  .  .  .  .
Self-Propel Belt Replacement .  .  .  .  .  .  .  .  .  .  .  .  .  .  .  .  .  .  .  .  .  .
2
3
4
5
6
7
8
1
WORM DRIVE TRANSMISSION

1-2 WPM Drive Systems Manual
WORM DRIVE TRANSMISSION
GENERAL
There are two versions of the worm drive transmission. 
The fi rst is a clutch type and is used on 21” front wheel 
drive mowers. The second version is constant mesh and 
is used on International 48cm rear wheel drive mowers.
This is a worm and helical gear transmission. The worm 
shaft (input shaft) is driven by a belt from the engine 
crankshaft. A spring which hooks into the tab on the 
front of the transmission (where the roll pin is) and to 
 Fig 001 fi g 1
INTERNALLY CLUTCHED
Description
the mower housing, pivots the transmission forward to 
maintain tension on the belt.
The worm is in constant mesh with the helical gear. The 
clutching action is provided by a sliding clutch jaw. A shift 
fork moves the clutch jaw to engage and disengage the 
transmission. When the clutch jaw engages the helical 
gear, power is transferred from the clutch jaw to the 
sleeve inside the clutch jaw. The sleeve is pinned to the 
axle. The axle then begins to rotate (Fig. 001).
A. Belt  E. Shift Fork
B. Spring  F.  Sleeve
C. Helical Gear  G. Input Shaft
D. Clutch Jaw    (worm shaft)
A
B
E
G
CDF

1-3WPM Drive Systems Manual
This transmission requires 90 wt. gear oil. A variable 
weight such as 85w90 is acceptable as long as the 
range includes 90 weight. The second part of the 
requirement is an EP rating of GL 5 or higher.
The transmission has a fi ll/check plug in the front. With 
the transmission level, fi ll until level with the hole. NOTE: 
This is equal to about the center of the axle.
Unless the case is cracked, oil can not leak out. Even if 
a seal fails, oil will leak out only to the bottom of the seal 
on the axle.
If gear failure occurs, the resulting friction can cook the 
oil down to a smear in the bottom of the case. This does 
not indicate a lack of lubrication.
This type of transmission will last less than 30 minutes 
with no lubrication. If a transmission lasts even a few 
weeks in consumer use, it had lubrication to start.
The shift rod has a roll pin protruding through the top 
of the transmission. This pin goes through a latch plate 
with an L shaped slot in it. The slot guides the pin in its 
travel from engagement to disengagement. Above the 
latch plate is a dust fi lter and a dust cover. The shift arm 
on top of the transmission holds all these parts in place 
(Fig. 003).
 Fig 003 3428-0165
When the shift arm is pulled to the rear by the shift 
cable, the pin moves to the left side of the mower, then 
to the rear. This moves the shift pin, the shift fork, and 
the clutch jaw to the disengage position.
NOTE:  Dirt packed in the latch plate can prevent 
disengagement. The dust fi lter and dust 
cover help prevent this failure.
When the shift cable is engaged, tension on the shift 
arm is released. The spring on the shift rod applies 
pressure to the rod, fork, and clutch jaw to engage the 
transmission.
WORM DRIVE TRANSMISSION
Lubrication
The Shifting Process
The upper end of the clutch fork slides over a groove in 
a spring loaded rod. This spring pushes the shift fork and 
clutch jaw towards the engaged position (Fig. 002).
 Fig 002 3428-0150
A. Shift Rod  B. Shift Fork
A. Roll Pin  E. Shift Arm
B. Latch Plate  F.  Screw
C. Dust Filter  G. Shift Rod
D. Dust Cover
A
B
G
B
C
D
E
F
A

1-4 WPM Drive Systems Manual
WORM DRIVE TRANSMISSION
4.  Remove both front wheels and wheel covers (Fig. 
005).
 Fig 005 3428-0129
5.  Pivot (both) front spring arms forward until they 
point straight down. (This removes the tension from 
the pivot arms so the roll pin can be removed) (Fig. 
006).
 Fig 006 3428-0131
2.  Raise the front of the mower off the bench and 
support it with blocks.
3.  Disconnect the shift cable.
 Fig 004 3428-0127
1.  Remove the belt cover and unhook the spring on 
the front of the transmission. Slip the belt off the 
transmission pulley (Fig. 004).
A. Cable Clamp  C. Spring
B. Shift Cable
A
B
C
C
Removal & Installation (front wheel drive 
applications)

1-5WPM Drive Systems Manual
 Fig 008 3428-0137
7.  The wheel pinion, thrust washer, pivot, and spring 
arm will now slide off the end of the axle (Fig. 008). 
Repeat the process on the other side.
 Fig 007 3428-0135
6.  Place a block of wood under the wheel pinion for 
support and drive the roll pin out of the axle (Fig. 
007). Repeat the process on the other side.
8.  Remove the transmission from the chassis.
9.  Reverse the procedure to install.
NOTE:  Support the wheel pinions with the wood 
block while driving the roll pins in. This will 
prevent the axle from being bent. Fill the 
transmission with oil after it is installed in 
the mower (Fig. 009).
Note the front of the transmission is identifi ed by the oil 
fi ll/check screw and the fl at tab which is part of the lower 
case.
 Fig 009 3428-0166
WORM DRIVE TRANSMISSION
Disassembly
1.  Cut and discard the push-on retainer on top of the 
transmission pulley. Remove the belt and pulley.
A. Wood Block
A. Fill/Check  C. Tab
B. Plug
A
A
B
AC

1-6 WPM Drive Systems Manual
WORM DRIVE TRANSMISSION
5.  Push the worm shaft out of the cover. This may 
require a little pressure.
6.  To remove the axle, slide the clutch jaw to the side 
and drive the roll pin out of the sleeve and axle (Fig. 
012).
 Fig 012 3428-0151
7.  If the axle bearings are to be re-used, clean the end 
of the axle before drawing it out of the case.
8.  Remove the sleeve, clutch jaw, helical gear, and 
thrust washer (Fig. 013)
 Fig 013 3428-0153
 Fig 010 3428-0146
2.  Drive the roll pins out of the fl anges in the front 
and rear of the case. (These pins align the top and 
bottom parts of the case) (Fig. 010).
 Fig 011 3428-0148
3.  Remove the 4 self-tapping screw that connect the 
top and bottom cases.
Note:  If you turn this transmission on its side or 
upside down, oil may leak out of the top. This 
is not a sealed case.
4.  Remove the transmission cover. The shift fork may 
come with the cover or may fall into the bottom of 
the case (Fig. 011).
A. Helical Gear  C. Sleeve
B. Thrust Washer  D. Clutch Jaw
ABCD

1-7WPM Drive Systems Manual
Assembly
 Fig 014 3428-0157
9.  Clean the old gasket material from the mating 
surfaces of the case and cover.
10.  A hook or small screwdriver can be used to pry the 
seals out of the case.
11.  An arbor press or large vise will be needed when 
removing and replacing the bushings.
12.  Clean the oil residue and any metal shavings from 
the case.
13.  Worm and helical gears are sold as a set. Even after 
a short run time, they will develop a wear pattern. 
Replacing only one gear will result in rapid failure 
(Fig. 014).
14.  Remove the screw from the shift arm and remove 
the shift arm, dust cover, and wear plate (Fig. 015). If 
the ball bearing is to be replaced, press it out at this 
time.
 Fig 015 3428-0165
15.  Remove the roll pin and pull shifter rod out of the 
cover. Clean the cover.
WORM DRIVE TRANSMISSION
1.  Use bushing installation tool P/N 27-0460, to press 
in new axle bushings. This tool helps keep the 
bushing straight and keeps the inner diameter of the 
bushing correctly sized.
A. Worm Shaft  B. Helical Gear
A. Roll Pin  E. Shift Arm
B. Latch Plate  F.  Screw
C. Dust Filter  G. Shift Rod
D. Dust Cover
A
B
G
B
C
D
E
F
A

1-8 WPM Drive Systems Manual
WORM DRIVE TRANSMISSION
3.  Note:  Some replacement axles have more than one 
hole that can be used to pin the sleeve to the axle. 
Refer to the original axle to identify the correct hole 
to use. Then drive a roll pin through the sleeve and 
axle (Fig. 017).
 Fig 017 3428-0151
2.  Clean the rust and dirt from the both ends of the 
axle. Wipe the inner diameter of the bushings with 
a clean cloth. Lightly oil the axle and insert it into 
the gearcase. When facing the front of the gearbox, 
insert the short end of the axle from left to right. 
Install the thrust washer, helical gear, and the sleeve 
and clutch jaw. Then push the axle through the other 
side of the case.
 Fig 016 3428-0158
Note:  The bushings are two different lengths. The 
side of the case with the thicker boss uses 
a longer busing to support the axle. The 
bushings should be fl ush with the inside of 
the case (Fig. 016).
A. Tool P/N 27-0460
A
4.  Using a seal protector, slide new seals down each 
side of the axle, Install the seal with the lip facing the 
transmission. The outer edge of the seal should be 
fl ush with the outside of the case. If a seal protector 
is not available, wrap a piece of cellophane around 
the axle (Fig. 018).
 Fig 018 3428-0170
A. Seal protector or  B. Seal
 Cellophane
AB

1-9WPM Drive Systems Manual
Controls
6.  Install worm shaft in bearing.
7.  Use a new gasket. Install the cover on the bottom 
case and start the 4 self-tapping screws. Do not fully 
tighten them.
8.  Install the front and rear roll pins to align the cover 
and case. Then secure the 4 self-tapping screws.
 Fig 019 3428-0159
5.  If the bearing in the cover is being replaced, use tool 
P/N 27-0490 to press it in place. This bearing only 
has one seal. Install the bearing such that the seal 
is visible from the top of the cover and the open side 
faces the gears. Press the bearing in until it is fully 
seated in the case (Fig. 019).
WORM DRIVE TRANSMISSION
9.  Fill the transmission with gear oil AFTER it is 
installed in the mower. The top of this transmission is 
not sealed. It will leak if tipped on its side (Fig. 020).
 Fig 020 3428-0166
There are two control cables used with this system. One 
cable operates the engine kill switch and fl ywheel brake; 
the other controls the transmission.
A. Tool P/N 27-0490
A. Fill/Check  B. Plug
A
B
A

1-10 WPM Drive Systems Manual
WORM DRIVE TRANSMISSION
 Fig 021 3428-0127
The transmission cable is a standard lever type. Since 
the spring and pin on top of the transmission pushes the 
shift fork towards the engaged position, the cable pulls 
the shift arm to the rear to disengage the transmission. 
The adjustment point is on the mower housing just to 
the rear of the transmission. To adjust, pull the control to 
the rear (disengage). Go to the cable clamp/adjustment. 
Loosen the clamp, pull the cable to the rear until the shift 
lever is as far back as it will go. Hold it there and tighten 
the clamp (Fig. 021).
Adjustment
A
A. Cable Clamp

1-11WPM Drive Systems Manual
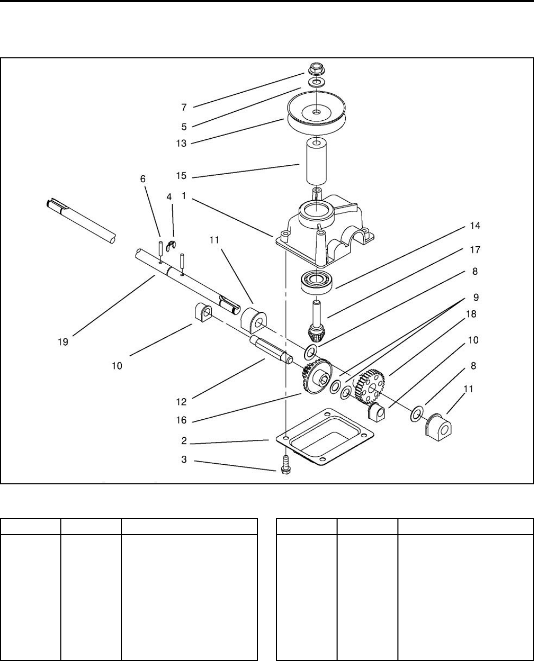
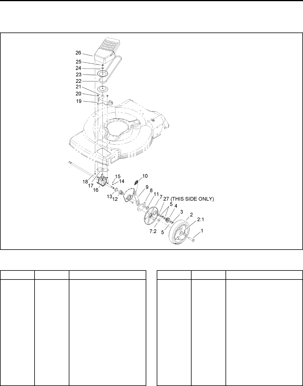
CONSTANT MESH
Description
This transmission is very similar to the “INTERNALLY 
CLUTCHED” on page 1 – 1. However, the helical gear 
is different as there is no internal clutching (Fig. 022). 
Engagement and disengagement is accomplished by 
pivoting the transmission to tighten or loosen the belt.
Internal repair procedures are the same, as is the 
lubrication requirement, 90 wt. gear oil rated GL-5 or 
higher.
 Fig 022 fi g 18-A
WORM DRIVE TRANSMISSION
1.  Jam nut  13.  Oil Seal
2. Lock washer  14. Output shaft
3.  Half pulley  15.  Traction bracket
4.  V Belt  16.  Thread forming screw
5.  Pulley spacer  17.  Gearbox case
6. Gearbox cover  18. Thrust washer
7.  Shaft & worm  19.  Roll pin
8. Ball bearing  20. Helical gear
9. Gearbox gasket  21. Thrust washer
10. Check plug  22. Bushing
11.  Gasket check plug  23.  Roll pin
12. Bushing
The constant mesh type transmission is used in a 48cm 
rear wheel drive application.

1-12 WPM Drive Systems Manual
WORM DRIVE TRANSMISSION
 Fig 023 20911B sprearaxleassy
Removal and Installation
Ref. No. Qty Description
1
2
3
4
5
6
7
9
10
11
12
13
14
15
1
2
2
2
2
1
2
1
2
1
2
1
2
2
Rear Pivot Assembly RH
(incl. Ref. #2, 4, 5 & 14)
Grease Fitting
Washer
Sleeve Bushing
Grease Seal
Rear Pivot Assembly LH
(incl. Ref. #3, 4, 5 & 14)
Locknut
Thread Forming Screw
Trigger Return Spring
H.O.C. Saddle
Thread Forming Screw
Push Nut
Needle Bearing
Friction Washer
Ref. No. Qty Description
16
17
18
19
20
21
22
23
24
25
26
27
28
34
35
4
4
1
2
2
2
2
2
4
2
2
2
4
2
1
Keyed Thrust Washer
Retaining Ring
LH Rocking Key
Pinion Gear
Compression Spring
Wheel Cover
Tire & Gear Assy Wheel
(incl. Ref. #24)
Wheel Bolt
Wheel Bushing
Wheel Spacer
Clutch Washer
Rear Suspension Plate
Thread Forming Screw
Roll Pin
Gearbox Assembly

1-13WPM Drive Systems Manual
WORM DRIVE TRANSMISSION
To remove the transmission from the mower proceed as 
follows:
1.  Remove both rear wheels.
2.  Remove the retaining rings, springs, gears, keys, 
clutches, and pivot arms on both sides (“Wheel 
Pinion Clutch” on page 5-2).
3.  Remove the belt.
4.  There is a suspension bracket on each side that 
secures the transmission and pivot arms to the 
chassis. Each bracket has 2 screws. Once they are 
removed, the transmission will drop out.
To install, reverse the above process.
Fill the transmission level with the fi ll plug opening after it 
is installed in the chassis. The top of the transmission is 
not sealed, so it may leak if fi lled and tipped.
 Fig 025 fi g 20
3.  To check the adjustment, slowly squeeze the control 
bar towards the handle. The cable is adjusted 
correctly when resistance is felt when the control bar 
is approximately 1” (25mm) from the upper handle 
(Fig. 025).
 Fig 024 fi g 19
2.  Rotate the adjustment knob under the lower left-
hand side of the control panel ½ turn clockwise to 
tighten the belt, or ½ turn counterclockwise to loosen 
the belt. Hold the control cable while rotating the 
knob to prevent the cable from turning (Fig. 024).
Controls
Adjusting Wheel Traction Drive
1. Stop the engine.
1. Knob  2. Cable

1-14 WPM Drive Systems Manual
WORM DRIVE TRANSMISSION
WHEEL CLUTCH
4.  If loss of traction or improper engagement still 
occurs after adjustment, repeat steps 2 – 3 until 
properly adjusted.
See Rocking Key Wheel Clutch, page 5-3.

2-1WPM Drive Systems Manual
3
4
5
6
7
8
SINGLE SPEED SPUR/BEVEL GEAR TRANSMISSION
Worm Drive Transmission .  .  .  .  .  .  .  .  .  .  .  .  .  .  .  .  .  .  .  .  .  .  .  .
Single Speed Spur/Bevel Gear Transmission  .  .  .  .  .  .  .  .  .  .  .  .  .
Single Speed Bevel Gear Transmission  .  .  .  .  .  .  .  .  .  .  .  .  .  .  .  .
Three Speed Transmission  .  .  .  .  .  .  .  .  .  .  .  .  .  .  .  .  .  .  .  .  .  .  .
Wheel Pinion Clutch .  .  .  .  .  .  .  .  .  .  .  .  .  .  .  .  .  .  .  .  .  .  .  .  .  .  .
Blade Brake Clutch Systems (BBC), Blade Override
System (BOS), Blade Clutch Systems (BCS)   .  .  .  .  .  .  .  .  .  .  .  .  .
Handles and Control Cables   .  .  .  .  .  .  .  .  .  .  .  .  .  .  .  .  .  .  .  .  .  .
Self-Propel Belt Replacement .  .  .  .  .  .  .  .  .  .  .  .  .  .  .  .  .  .  .  .  .  .
1
2

2-2 WPM Drive Systems Manual
SINGLE SPEED SPUR/BEVEL GEAR TRANSMISSION
GEAR CASE ASSEMBLY
 Fig 026 snglspspurbvlgearbox
Ref. No. Qty Description
1
2
3
4
5
6
7
8
9
10
1
1
1
1
2
2
2
2
1
1
Gear Case Casting
Gear Case Cover
HWH Screw
Retaining Ring
Flat Washer
Groove Pin
Lock Nut NI
Washer
Thrust Washer
Bushing
Ref. No. Qty Description
11
12
13
14
15
16
17
18
19
2
1
1
2
2
2
2
2
2
Output Bushing
Intermediate Shaft
Pulley Half
Ball Bearing
Pulley Spacer
Bevel Gear 15t Spur, 37t
Pinion Gear Bevel
Gear
Output Shaft

2-3WPM Drive Systems Manual
This basic transmission has been in use for several 
years. There are minor variations, such as different 
shafts on the bevel pinion gear to accommodate belt 
alignment on different chassies. All use a bevel pinion 
input gear which mates with a combination bevel/spur 
gear, which drives a fi nal spur gear.
SINGLE SPEED SPUR/BEVEL GEAR TRANSMISSION
1.  Raise the rear of the mower and support with a block 
(Fig. 027).
 Fig 027 PICT-1870
2.  Remove transmission belt cover.
3.  Remove both rear wheels.
4.  Remove retaining ring, spring, thrust washer, and 
pinion from both axles (Fig. 028). Refer to “Wheel 
Pinion Clutch” on page 5-3 for additional information 
about the clutch mechanism.
 Fig 028 PICT-1873a
Description
Lubrication
Proper lubrication for this transmission is 2.5 – 3 fl uid 
ounces (7.1cc – 9.0cc) of lithium based No. 2 grease.
Transmission Removal and Replacement
5.  Continue disassembly, remove rocking key, clutch 
washer, klip ring, keyed thrust washer, pivot arm 
thrust washer, and friction ring. The pivot arm and 
spring arm will then slide off the axle (Fig. 029).
 Fig 029 PICT-1874a
A
A. Wood block

2-4 WPM Drive Systems Manual
On some models, removing these 2 screws makes 
transmission removal easier (Fig. 032).
SINGLE SPEED SPUR/BEVEL GEAR TRANSMISSION
Transmission Internal Repair
 Fig 032 3428-0121
The nut on the pulley can be removed now. The spacer 
under the pulley varies with the chassis and the length 
of the shaft on the pinion (Fig. 033). Remove the self-
tapping screws holding the cover on the transmission.
 Fig 033 3428-0008
A. End cap
A
A
6.  Remove the belt guide. Note the location of the 
spacer under the front mounting screw (Fig. 030). 
Do not try to force the belt off the pulley without 
removing the belt guide. This often results in 
damage to the belt or slightly bending the belt guide, 
causing an increased tendency for belt jumping.
 Fig 030 PICT-1880a
7.  The transmission can be moved to the right until 
the short end of the axle clears the housing and 
the transmission can be removed (Fig. 031). Some 
models have the axle shaft retained by an end cap.
 Fig 031 3128-0074

2-5WPM Drive Systems Manual
 Fig 035 3428-0018
Remove the axle and intermediate shaft with the gears. 
The bearing in the cover should be sealed on both sides. 
Inspect the bearing and its seals for damage (Fig. 035). 
Replace as necessary. The bearing is pressed into the 
cover. Make sure bearing is fully seated.
 Fig 034 108-8140-1b
Before removing the parts from the case, note the 
quantity and location of the thrust washers (Fig. 034).
Clean the gears in solvent and inspect carefully. Any 
damaged gear must be replaced. Also replace the mate 
for the damaged gear. When gears run together, they 
develop a wear pattern that will result in premature 
failure if only one gear is replaced. The exception for this 
is if the transmission has VERY little running time before 
failure.
The axle has two roll pins through it. One connects the 
single spur gear to the axle (Fig. 036). The other pin 
aligns the axle and transmission case.
 Fig 036 3428-0016
SINGLE SPEED SPUR/BEVEL GEAR TRANSMISSION
Assemble with the correct number of thrust washers. 
Refer to the parts manual if there is any doubt at all. It 
is not possible to locate the shafts and bearings in the 
wrong location, due to differences in sizes.
Assembly

2-6 WPM Drive Systems Manual
SINGLE SPEED SPUR/BEVEL GEAR TRANSMISSION
Prior to installation of oil impregnated bushings, it is 
wise to apply a light coating of engine oil to the running 
surface (Fig. 037). Add grease and install the cover.
 Fig 037 3428-0019
Finally, install the spacer and pulley on the input shaft. 
The internal gears will help hold the pinion while the nut 
is tightened (Fig. 038).
 Fig 038 3428-0022
Insert the transmission back into the chassis. Refer 
to the section on the wheel pinion clutch for assembly 
instructions.
Install self propel cable. Adjust as needed; see “Handles 
and Control Cables” Section 7.

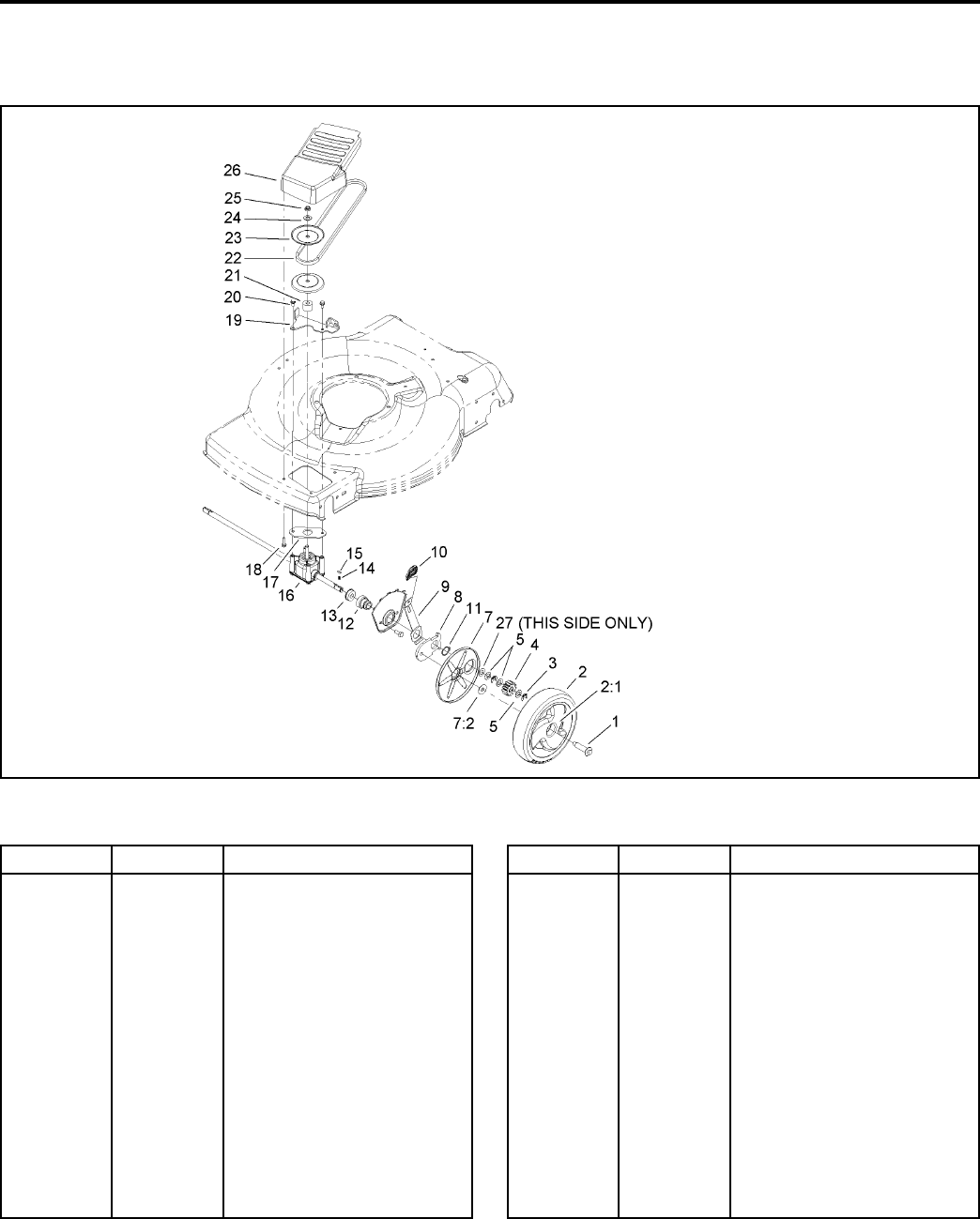
3-1WPM Drive Systems Manual
2
4
5
6
7
8
SINGLE SPEED BEVEL GEAR TRANSMISSION
Worm Drive Transmission .  .  .  .  .  .  .  .  .  .  .  .  .  .  .  .  .  .  .  .  .  .  .  .
Single Speed Spur/Bevel Gear Transmission  .  .  .  .  .  .  .  .  .  .  .  .  .
Single Speed Bevel Gear Transmission  .  .  .  .  .  .  .  .  .  .  .  .  .  .  .  .
Three Speed Transmission  .  .  .  .  .  .  .  .  .  .  .  .  .  .  .  .  .  .  .  .  .  .  .
Wheel Pinion Clutch .  .  .  .  .  .  .  .  .  .  .  .  .  .  .  .  .  .  .  .  .  .  .  .  .  .  .
Blade Brake Clutch Systems (BBC), Blade Override
System (BOS), Blade Clutch Systems (BCS)   .  .  .  .  .  .  .  .  .  .  .  .  .
Handles and Control Cables   .  .  .  .  .  .  .  .  .  .  .  .  .  .  .  .  .  .  .  .  .  .
Self-Propel Belt Replacement .  .  .  .  .  .  .  .  .  .  .  .  .  .  .  .  .  .  .  .  .  .
1
3

3-2 WPM Drive Systems Manual
SINGLE SPEED BEVEL GEAR TRANSMISSION
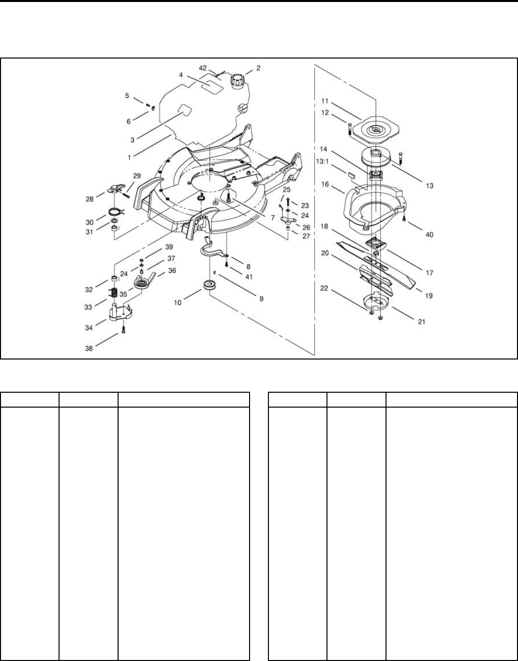
EXPLODED VIEW - SINGLE SPEED BEVEL GEAR TRANSMISSION
A. Nut  H. Bushing
B. Washer  I.  Thrust washer
C. Pulley  J.  Bevel Gear
D. Spacer  K. Bushing
E. Housing  L. Roll pin
F. Bearing  M. Axle
G. Pinion
 Fig 039  single speedtrans a
A
B
C
D
E
F
G
H
IJ
K
LM

3-3WPM Drive Systems Manual
GENERAL INFORMATION
This transmission was fi rst used on 22” steel deck 
models for 2002. It is used in both front wheel and rear 
wheel drive confi gurations. The bevel gear is reversed 
when used in the front drive versus the rear drive to 
change axle shaft direction of rotation.
In both cases, the gears are in constant mesh. Clutching 
is done by rocking the transmission to tighten or loosen 
the drive belt (Fig. 040). The control cable will move 
the transmission to tighten the belt. When released, the 
weight of the transmission causes it to rock towards the 
engine to disengage.
 Fig 040 MVC-485
SINGLE SPEED BEVEL GEAR TRANSMISSION

3-4 WPM Drive Systems Manual
SINGLE SPEED BEVEL GEAR TRANSMISSION
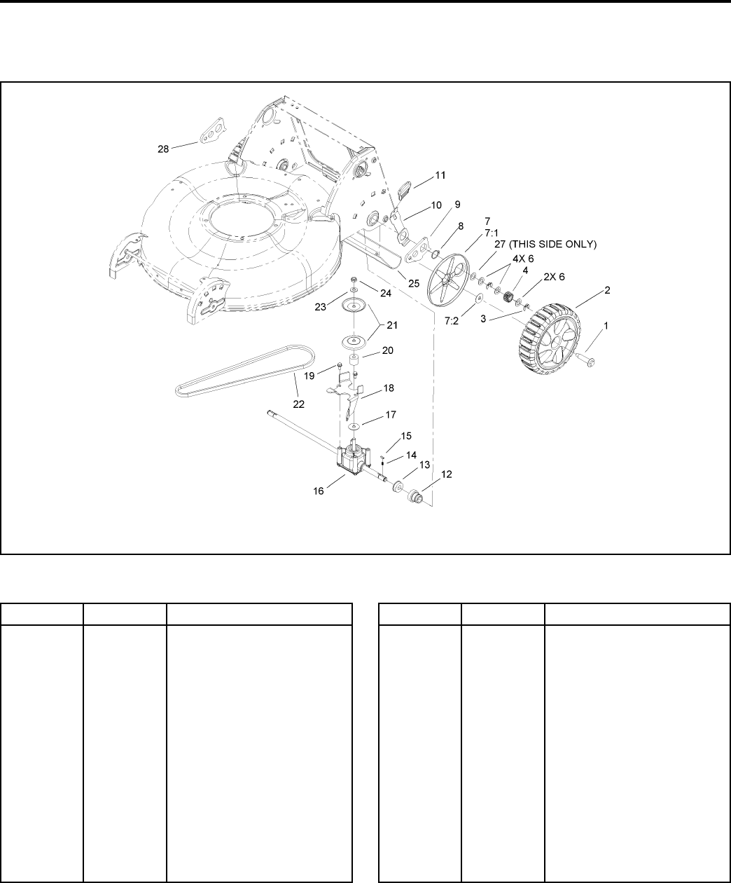
FRONT AXLE AND TRANSMISSION ASSEMBLY
3354-613 Rev A
 Fig 041 3354-613(5)
Ref. No. Qty Description
1
2
2:1
3
4
5
7
7:1
7:2
8
9
10
11
12
13
2
2
2
4
2
6
2
1
1
2
2
2
2
2
2
Bolt-Shoulder
Wheel Gear ASM
Bushing
Klipring-Locking
Gear-Pinion, 13T
Washer-Thrust
Cover-Wheel
Cover
Washer-Stepped
Arm-Pivot, Front
Arm-Spring
Knob-Lever, HOC
Ring-Retaining
Retainer-Bearing, HOC
Bearing-Ball
Ref. No. Qty Description
14
15
16
17
18
19
20
21
22
23
24
25
26
27
2
2
1
1
2
1
2
1
1
2
1
1
1
1
Spring-Compression
Key
Transmission ASM
Gasket-Gearbox
Screw-HWH
Bracket-Pivot, Fwd
Screw-HWH
Spacer
V-Belt
Pulley-Half, Front
Washer-Flat
Nut-Lock
Cover-Belt, Front
Washer

3-5WPM Drive Systems Manual
22” FRONT WHEEL DRIVE MODELS
1.  Block the front of the mower up. There are two 
screws that secure the belt cover to the housing. 
They are accessed from the bottom (Fig. 042).
 Fig 042 MVC-482
2.  Slip the belt out between the transmission pulley and 
belt guide.
3.  Grip the axle with locking pliers and remove the 
locknut on the transmission pulley (Fig. 043)
 Fig 043 MVC-486
 Fig 044 MVC-472
4.  Remove the nut, washer, transmission pulley halves, 
and spacer.
5.  Remove the belt guide.
6.  Remove both front wheels; note there is a washer 
between the wheel and wheel cover.
7.  To remove the wheel pinions, remove the klip ring 
and thrust washer. The pinion will now slide off the 
axle (Fig. 044).
Note:  The spring-loaded drive key is under the 
pinion.
SINGLE SPEED BEVEL GEAR TRANSMISSION
Remove Transmission
A
A
A. Key  B. Wheel cover
B
8.  Remove the wheel cover.

3-6 WPM Drive Systems Manual
SINGLE SPEED BEVEL GEAR TRANSMISSION
9.  Remove the two bolts and nuts securing each pivot 
arm to the housing. There is a notch in the pivot arm 
for clearance of a socket (Fig. 045).
 Fig 045 MVC-475
  The axle assembly will now drop out of the chassis 
(Fig. 046).
 Fig 046 PICT-1857a
 Fig 048 MVC-478
11.  To disassemble the pivot arm assembly, compress 
the components with two clamps or locking pliers 
(Fig. 048).
10.  Remove the klip ring and thrust washer from each 
end of the axle (the left side has 2 thrust washers, 
the right side, one). The bearing, bearing retainer, 
HOC plate, spring arm and pivot arm all come off as 
one unit (Fig. 047).
 Fig 047 PICT-1858a

3-7WPM Drive Systems Manual
Transmission Disassembly
  The snap ring can now be removed. Loosen the 
clamps with care due to the spring arm tension. 
Separate the spring arm components (Fig. 049).
1.  Remove the 4 screws holding the cover onto the 
transmission. The axle, bearings, and bevel gear 
can be lifted out (Fig. 050).
 Fig 050 MVC-462
Assemble in reverse order.
See Assembly Tips next page.
 Fig 051 MVC-468
2.  Since the pulley was previously removed, the input 
shaft will now slip out of the transmission case.
3.  If the input bearing is to be removed, press it out of 
the case now.
4.  Slide the bearings and thrust washer off the axle. 
Drive the roll pin out and the bevel gear can be 
removed (Fig. 051).
SINGLE SPEED BEVEL GEAR TRANSMISSION
Transmission Assembly
 Fig 049 PICT-1869a

3-8 WPM Drive Systems Manual
1.  The same axle is used for both front and rear drive 
versions. There are two holes in the axle about one 
inch apart. Front wheel drive transmissions use the 
hole in the axle that is about 5 ¾” (14.6cm) from the 
end or closest to the center of the axle (Fig. 052).
  Slip the gear on such that the teeth and longest hub 
face the longer end of the axle. Drive the pin into 
place. A double check is that neither of the pin holes 
should be visible when the gear is installed.
SINGLE SPEED BEVEL GEAR TRANSMISSION
Assembly Tips
 Fig 052 MVC-466
2.  Install the trust washer on the side of the gear with 
the shorter hub, away from the gear teeth (Fig. 053).
 Fig 053 MVC-468
4.  If the input bearing was removed, press the new one 
in until it bottoms in the case.
5.  Fill the transmission case approximately 2/3 full with 
#2 lithium base grease.
6.  Assemble the bearing, bearing retainer, height of 
cut plate, spring arm and pivot arm. Use two clamps 
or vise grips to compress the assembly so the snap 
ring can be installed.
Note:  Install the snap ring with the sharp edge 
facing away from the spring arm.
 Fig 054 MVC-470
3.  Install the transmission bearings with the fl ange 
facing the gear (Fig. 054).

3-9WPM Drive Systems Manual
7.  Coat the axle, key, and spring with #2 molybendum 
disulfi de base grease or anti-seize compound before 
installing the pinion (Fig. 055).
 Fig 055 MVC-472
 Fig 058 MVC-487
3.  Slip the belt off the transmission pulley and push it 
towards the engine (Fig. 058).
 Fig 057 MVC-482
To replace the self-propelled drive belt, proceed as 
follows:
1.  Drain the fuel and oil and tip the mower on its right 
side.
2.  Remove the two screws securing the belt cover from 
under the housing (Fig. 057).
SINGLE SPEED BEVEL GEAR TRANSMISSION
Belt Service - Front Wheel Drive Models
 Fig 056 MVC-474
8.  The wheel pinion is marked with an R and L for right 
and left. Identify right and left from the operator’s 
position (Fig. 056). On the right side, the letter R 
should face out. The letter L should face out on 
the left side. If the wheel pinions are reversed, the 
wheels will not drive.
R
Note:  For more information on the wheel clutch see 
Section 5, Wheel Pinion Clutch.

3-10 WPM Drive Systems Manual
SINGLE SPEED BEVEL GEAR TRANSMISSION
22” TORO & LAWN-BOY REAR 
WHEEL DRIVE MODELS
Transmission Removal and Belt 
Replacement
4.  Remove one of the mounting screws for the belt 
guide and loosen the other. DO NOT bend the belt 
guide (Fig. 059).
 Fig 059 MVC-490
5.  Slip the belt out of the crankshaft pulley and over the 
blade (Fig. 060).
 Fig 060 MVC-491
 Fig 061 MVC-733
On rear wheel drive models, it is necessary to separate 
the rear drive assembly from the mower housing in order 
to change the drive belt.
1.  Drain fuel and oil from the engine.
2.  Remove the single retaining screw from the center of 
the bag door spring. Slide the door to one side and 
remove it from the rear HOC side plates (Fig. 061).
Note:  Blade removed for clarity. The blade can 
be removed, but it is not required for belt 
replacement.

3-11WPM Drive Systems Manual
SINGLE SPEED BEVEL GEAR TRANSMISSION
3.  Remove the plug from the hole next to where the 
self propel cable goes through the chassis (Fig. 
062).
 Fig 062 MVC-735
4.  Tip the mower on its side. The cable snaps in from 
the top and connects to an arm on the transmission 
belt guide (Fig. 063).
 Fig 063 PICT-1884a
 Fig 064 PICT-1895a
5.  The cable tool (P/N 105-6819) will compress the 
locking tabs on the cable so it can be removed from 
the housing.
6.  Slide the cable tool over the end of the cable and 
push (Fig. 064). At the same time, reach around the 
mower and pull the cable out of the housing.
 Fig 065 PICT-1904
7.  With the plug removed from the larger hole next to 
the cable, move the cable through the slot (Fig. 065).
A. Cable  B. Belt guide
A
A
B
B
A
A
A. Cable tool

3-12 WPM Drive Systems Manual
SINGLE SPEED BEVEL GEAR TRANSMISSION
12.  Tip the mower onto its right side (carburetor up) and 
remove the blade.
13.  Remove one of the belt guide screws and loosen 
the other enough to pivot the guide away (Fig. 069). 
Do not bend the belt guide. Slide the pulley/blade 
adapter and belt off the crankshaft.
 Fig 069 MVC-738
 Fig 066 PICT-1897
8.  Push it into the larger hole (Fig. 066).
9.  Remove both rear wheels and both wheel covers.
10.  Remove the stop cable from the engine (Fig. 067) 
and disconnect the self propel cable spring from the 
transmission.
 Fig 067 DSC-017
 Fig 068 MVC-737
11.  Pinch the ends of the lower handle together to 
disengage them from the pins on the HOC plates 
(Fig. 068).
A. Stop cable
A

3-13WPM Drive Systems Manual
14.  Place the mower right side up and remove the three 
hex head and one Allen head cap screws on each 
side that hold the height of cut plates to the chassis 
(Fig. 070). The transmission assembly will now drop 
down.
 Fig 070 MVC-848 
 Fig 072 MVC-743
16.  The belt cover must be removed in order to remove 
the belt (Fig. 072).
 Fig 071 MVC-852
15.  There is a cross brace underneath the mower that is 
held in place by two of the cap screws shown above 
(Fig. 071).
SINGLE SPEED BEVEL GEAR TRANSMISSION
17.  Remove 3 screws that secure the belt cover to the 
housing (Fig. 073).
 Fig 073 MVC-744
A
A. Belt cover

3-14 WPM Drive Systems Manual
SINGLE SPEED BEVEL GEAR TRANSMISSION
21.  Pull the belt towards the crankshaft and remove.
If only the belt is to be replaced, install a new one 
now. Reverse the process to assemble.
If transmission service is necessary proceed as 
follows.
19.  Clamp the axle with locking pliers and remove the 
pulley nut and transmission pulley (Fig. 075).
  Do not bend the belt guide. The pulley must be lifted 
up slightly to slip the belt off.
18.  Pull the belt cover out from under the rear wall and 
the belt is exposed (Fig. 074).
 Fig 074 MVC-745
 Fig 076 MVC-741
20.  The cable may be unhooked from the arm on the 
transmission to help prevent cable damage (Fig. 
076).
Note:  It is not necessary to remove the transmission 
to replace the control cable.
 Fig 075 MVC-740

3-15WPM Drive Systems Manual
SINGLE SPEED BEVEL GEAR TRANSMISSION
Rear Axle Disassembly
1.  Remove the klip rings and thrust washers that 
secure the pinions to the axle (Fig. 077).
 Fig 077 MVC-746
 Fig 079 MVC-747
4.  The pivot assembly will slide off the axle. This 
includes the bearing, bearing retainer, HOC plate, 
spring arm, and pivot arm (Fig. 079).
 Fig 078 MVC-850
2.  When removing the pinions, note that there is a 
spring-loaded key under them.
3.  Remove the other thrust washer and retaining ring 
holding the pivot assembly to the axle (Fig. 078).
5.  Clamp the pivot assembly with 2 pairs of locking 
pliers or other clamps and remove the snap ring 
(Fig. 080).
 Fig 080 MVC-748

3-16 WPM Drive Systems Manual
SINGLE SPEED BEVEL GEAR TRANSMISSION
2.  Since the pulley was previously removed, the input 
shaft will now slip out of the transmission case.
3.  If the input bearing is to be removed, press it out 
now.
4.  Slide the bearings and thrust washer off the axle. 
Drive the roll pin out and the bevel gear can be 
removed (Fig. 083).
 Fig 083 MVC-470
Assemble in reverse order.
Transmission Assembly
Transmission Disassembly
6.  You can now release the clamps and separate the 
HOC plate, spring arm, and pivot arm (Fig. 081).
 Fig 081 MVC-750
 Fig 082 MVC-462
1.  Remove the 4 screws holding the cover on the 
transmission. The axle, bearings, and bevel gear 
can be lifted out (Fig. 082).

3-17WPM Drive Systems Manual
 Fig 084 MVC-469
1.  The same axle is used for both front and rear wheel 
drive models. There are two holes in the axle about 
one inch apart.
  Rear wheel drive models use the hole about 4-3/4” 
(12cm) from the end. Slip the gear on such that the 
teeth and the longest hub face the short end of the 
axle. Drive the pin into place. A double check is that 
neither of the pin holes should be visible when the 
gear is installed (Fig. 084).
3.  Install the transmission bearings with the fl ange 
facing the gear (Fig. 085).
 Fig 085 MVC-470
SINGLE SPEED BEVEL GEAR TRANSMISSION
Axle Assembly Tips
2.  Install the thrust washer on the side of the gear with 
the shortest hub, away from the gear teeth (Fig. 
084).
4.  Fill the transmission approximately 2/3 full with #2 
Lithium base grease (1.5 oz or 43gm).
5.  Assemble the bearing, bearing retainer, HOC plate, 
spring arm, and pivot arm. Use two vise grips or 
clamps to compress the assembly so the snap ring 
can be installed (Fig. 086).
Note:  Install the snap ring with the sharp edge 
facing away from the spring arm.
 Fig 086 MVC-748
A. Gear  B. Thrust washer

3-18 WPM Drive Systems Manual
SINGLE SPEED BEVEL GEAR TRANSMISSION
 Fig 087 MVC-472
6.  Coat the axle, key, and spring with #2 molybendum 
disulfi de grease or anti-seize compound before 
installing the pinion (Fig. 087).
7.  The wheel pinion is marked with an R and L for right 
and left. Identify right and left from the operator’s 
position (Fig. 088). On the right side, the R should 
face outward. The letter L should face outward on 
the left side. If the wheel pinions are reversed, the 
wheels will not drive.
 Fig 088 MVC-474
R
Note:  See Chapter 5 for more information on Wheel 
Clutches.

3-19WPM Drive Systems Manual
SINGLE SPEED BEVEL GEAR TRANSMISSION
LAWN-BOY INSIGHT TRANSMISSION REMOVE AND REPLACE
3352-960 Rev B
Rear Axle and Transmission Assembly
4
 Fig 089 3352-960(6)
Ref. No. Qty Description
1
2
3
4
6
7
7:1
7:2
8
9
10
11
12
13
2
2
4
2
6
2
1
1
2
1
2
2
2
2
Bolt-Shoulder
Rear Wheel ASM
Klipring-Locking
Gear-Pinion, 15T
Washer-Thrust
Wheel Cover ASM
Cover-Wheel
Washer-Stepped
Ring-Retaining
Arm-Rear, Pivot, LH
Arm-Spring, Rear
Knob-Lever, HOC
Retainer-Bearing, HOC
Bearing-Ball
Ref. No. Qty Description
14
15
16
17
18
19
20
21
22
23
24
25
27
28
2
2
1
1
1
2
1
2
1
1
1
1
1
1
Spring-Compression
Key
Transmission ASM
Washer-Shield
Bracket-Transmission
Screw-HWH
Spacer
Pulley-Half
V-Belt
Washer-Flat
Nut-Lock
Shield-Trailing
Washer
Arm-Rear Pivot, RH

3-20 WPM Drive Systems Manual
SINGLE SPEED BEVEL GEAR TRANSMISSION
Transmission Removal & Belt Replacement
The following steps will show one method of replacing 
the belt or removing the transmission on the Lawn-Boy 
Insight mowers.
1.  Prepare the mower. Drain the gas and oil and 
disconnect the spark plug wire.
2.  Remove two screws that secure the rear cover (Fig. 
090).
 Fig 090 MVC-285
 Fig 092 MVC-288
4.  The belt cover will drop off the bottom (Fig. 092).
 Fig 091 MVC-286
3.  Remove the 3 belt cover screws (Fig. 091).
A. Belt cover
5.  If you have an electric start model, remove the 
battery and battery box.
6.  Clamp the axle with a locking pliers and remove the 
nut from the transmission pulley. If you are using an 
air wrench, you may not need to hold the axle (Fig. 
093).
 Fig 093 MVC-291
A
A

3-21WPM Drive Systems Manual
SINGLE SPEED BEVEL GEAR TRANSMISSION
7.  Lift the top half of the transmission pulley off. If just 
replacing the belt, push the belt into the cutting 
chamber and slip the belt over the blade. Reverse 
the process to install the new belt (Fig. 094).
Note:  Do not get anti-seize on the belt or the drive 
will slip.
 Fig 094 MVC-292
 Fig 096 MVC-295
9.  Bend the trailing shield slightly in the middle and 
remove it from the mower. Rotate both rear spring 
arms down to disengage them from the mower 
housing (Fig. 096).
 Fig 095 MVC-294
If the transmission is to be removed, continue:
8.  Support the back of the mower on a wood block and 
remove the rear wheels (Fig. 095).
10.  Remove klip ring, thrust washer, pinion, key spring 
and thrust washer (Fig. 097).
 Fig 097 PICT-1914a

3-22 WPM Drive Systems Manual
SINGLE SPEED BEVEL GEAR TRANSMISSION
13.  Push the bearings and bearing retainers inward, 
towards the transmission (Fig. 100).
 Fig 100 MVC-297
 Fig 101 PICT-1923
14.  Unhook the traction cable from the transmission belt 
guide (Fig. 101 and Fig 102).
11.  Remove klip ring, keyed thrust washer, and standard 
thrust washer (left side of mower has the standard 
thrust washer, right side does not) (Fig. 098).
 Fig 098 PICT-1915a
12.  Remove the snap ring, pivot arm and spring arm 
(Fig. 099).
 Fig 099 PICT-1921a

3-23WPM Drive Systems Manual
SINGLE SPEED BEVEL GEAR TRANSMISSION
 Fig 103 PICT-1926
15.  Remove the nut, washer, 2 pulley halves, and 
spacer from the transmission input shaft. Remove 2 
screws securing the belt guide to the transmission 
(Fig. 103).
 Fig 102 MVC-211x1
A.  2 screws on top  D.  Pulley half
 of transmission  E. Washer
B. Spacer  F.  Nut
C. Pulley half
A
A
B
B
C
C
D
D
E
E
F
F
16.  Push the transmission to the left, as shown, and 
rotate to clear the tunnel. Drop the left side down, 
then pull the assembly out to the left side (Fig. 104).
 Fig 104 MVC-300
17.  The last step is to slide the bearings and bearing 
retainers off the axle (Fig. 105).
 Fig 105 MVC-301

3-24 WPM Drive Systems Manual
SINGLE SPEED BEVEL GEAR TRANSMISSION
Transmission Disassembly
 Fig 106 MVC-462
1.  Remove the 4 screws holding the cover on the 
transmission. The axle, bearings, and bevel gear 
can be lifted out (Fig. 106).
2.  Since the pulley was previously removed, the input 
shaft will now slip out of the transmission case.
3.  If the input bearing is to be removed, press it out 
now.
4.  Slide the bearings and thrust washer off the axle. 
Drive the roll pin out and the bevel gear can then be 
removed (Fig. 107).
 Fig 107 MVC-470
Assemble in reverse order. See Axle Assembly and 
Installation Tips following.
 Fig 108 MVC-469
1.  The same axle is used for both front and rear wheel 
drive models. There are two holes in the axle about 
one inch apart.
  Rear wheel drive models use the hole about 4-3/4” 
(12cm) from the end. Slip the gear on such that the 
teeth and the longest hub face the short end of the 
axle. Drive the pin into place. A double check is that 
neither of the pin holes should be visible when the 
gear is installed (Fig. 108).
Transmission Assembly & Installation
Axle Assembly Tips

3-25WPM Drive Systems Manual
SINGLE SPEED BEVEL GEAR TRANSMISSION
 Fig 111 MVC-472
1.  Reconnect the cable to the belt guide and install the 
washer and spacer before installing the guide on the 
transmission.
2.  Install the snap rings and klip rings with the sharp 
side out (in the direction of the force). The left end 
of the axle uses the extra thrust washer, the one 
without the tab. Install the snap ring, the regular 
thrust washer then the thrust washer with the tab.
3.  Coat the axle, key, and spring with #2 molybendum 
disulfi de grease or anti-seize compound before 
installing the pinion (Fig. 111).
 Fig 109 MVC-470
2.  Install the thrust washer on the side of the gear with 
the shortest hub, away from the gear teeth (Fig. 
108).
3.  Install the transmission bearings with the fl ange 
facing the gear (Fig. 109).
4.  Fill the transmission approximately 2/3 full with #2 
Lithium base grease (1.5 oz or 43gm).
5.  Assemble the bearings and bearing retainers; install 
the transmission in the housing (Fig. 110).
 Fig 110 MVC-301a
Transmission Installation Tips

3-26 WPM Drive Systems Manual
SINGLE SPEED BEVEL GEAR TRANSMISSION
7.  When installing the rear cover, note the bosses on 
the back side of the cover. They must go behind the 
notch in the chassis to secure the cover. The top of 
the cover is retained with screws (Fig. 113).
 Fig 113 MVC-303
A. Boss  B. Notch
Note:  Wheel Clutch Service - see Spring Ratchet 
Key Style Clutch, page 5-8. Control Cable 
Adjustment - see Handles & Control Cables.
A
B
5.  Make sure the stepped washer is properly seated 
in the wheel cover. The best way is to assemble the 
wheel, wheel cover, and wheel bolt, then put them all 
on the mower together.
6.  Do not use an impact wrench on the crankshaft belt 
guide screws. Over-tightening can cause the belt 
guide to deform and cause the belt not to declutch 
properly. Tighten fi rmly with a ratchet.
4.  The wheel pinion is marked with an R and L for right 
and left. Identify right and left from the operator’s 
position (Fig. 112). On the right side, the R should 
face outward. The letter L should face outward on 
the left side. If the wheel pinions are reversed, the 
wheels will not drive.
 Fig 112 MVC-474
R

4-1WPM Drive Systems Manual
2
3
5
6
7
8
THREE SPEED TRANSMISSION
Worm Drive Transmission .  .  .  .  .  .  .  .  .  .  .  .  .  .  .  .  .  .  .  .  .  .  .  .
Single Speed Spur/Bevel Gear Transmission  .  .  .  .  .  .  .  .  .  .  .  .  .
Single Speed Bevel Gear Transmission  .  .  .  .  .  .  .  .  .  .  .  .  .  .  .  .
Three Speed Transmission  .  .  .  .  .  .  .  .  .  .  .  .  .  .  .  .  .  .  .  .  .  .  .
Wheel Pinion Clutch .  .  .  .  .  .  .  .  .  .  .  .  .  .  .  .  .  .  .  .  .  .  .  .  .  .  .
Blade Brake Clutch Systems (BBC), Blade Override
System (BOS), Blade Clutch Systems (BCS)   .  .  .  .  .  .  .  .  .  .  .  .  .
Handles and Control Cables   .  .  .  .  .  .  .  .  .  .  .  .  .  .  .  .  .  .  .  .  .  .
Self-Propel Belt Replacement .  .  .  .  .  .  .  .  .  .  .  .  .  .  .  .  .  .  .  .  .  .
1
4

4-2 WPM Drive Systems Manual
THREE SPEED TRANSMISSION
GEARCASE ASSEMBLY
 Fig 114 gearcaseassy
Ref. No. Qty Description
1
2
3
4
5
8
9
11
12
13
14
15
17
18
19
20
1
1
1
2
2
1
1
1
1
1
1
1
1
1
1
6
Pinion-25T
Pinion-20T
Gear-15t Spur, 37t Bevel
Washer - Thrust
Bushing
Bushing - Output
Washer
Gear-49 T
Gear-44 T
Gear-39 T
Sleeve - Gear
Pin - Spring
Shaft - Intermediate
Case - Gear, Upper
Cover - Case, Gear
Screw - Tapping
Ref. No. Qty Description
21
22
23
24
26
27
28
29
30
31
32
34
36
37
38
1
1
1
1
1
2
1
1
1
1
1
1
1
1
2
Bushing - Yoke
Retainer - Fork, Shift
Shaft - Output
Yoke - Shift
Spacer
Pulley - Half
Gear - Pinion, Bevel
Nut - Lock NI
Washer - Flat
Bearing - Ball
Bushing - Output
Collar - Shift
Clip - Spring
Sleeve - Key, Shift
Key - Shift

4-3WPM Drive Systems Manual
THREE SPEED TRANSMISSION
OPERATION
Input System:
Power is transferred from the engine to the transmission 
by a belt. The self-propel pulley at the engine is keyed 
to the crankshaft. The pulley on top of the transmission 
is supported by a ball bearing and drives a pinion 
gear inside the transmission. Tensioning of the belt is 
accomplished by pivoting the transmission. When the 
operator squeezes the control bar toward the handle, 
a control cable tilts the transmission backward and 
tensions the belt. When the control bar is released, 
gravity pivots the transmission forward to loosen the belt.
Belt guides at the engine pulley and atop the 
transmission ensure disengagement by forcing the belt 
to loop around the engine pulley (Fig. 115).
 Fig 115 3428-0196
A. Intermediate shaft  C. Shift key
  & gears  D.  Gear sleeve
B.  Bevel gear  E.  Output shaft & gears
 Fig 116 3428-0058
Speed Reduction System:
Speed reduction is accomplished by two sets of gears 
– one set on the intermediate shaft and the other set on 
the output shaft. The gears on the intermediate shaft 
are powdered metal and ride on a hexagonal shaft 
supported on each end by oil impregnated bushings. 
These gears are driven by the pinion at the bottom of the 
input shaft. The driven bevel gear turns the shaft so that 
all three gears on the intermediate shaft have the same 
rotational velocity (Fig. 116).
A
A
B
B
C
C
D
D
E
E

4-4 WPM Drive Systems Manual
THREE SPEED TRANSMISSION
There are also three gears on the output shaft. These 
three gears rotate freely on the gear sleeve. The gear 
sleeve is coupled to the output shaft with a roll pin so 
the gear sleeve always rotates with the output shaft. The 
gear selection system determines which one of these 
three gears will be coupled with the gear sleeve and the 
output shaft. This determines the fi nal drive ratio.
Gear Selection System:
Gear selection is determined by moving sliding shift 
keys in a sleeve that is fi xed to the output shaft. These 
keys engage one of the three gears that rotate on the 
gear sleeve. Once the key engages one of the gears, 
that gear will rotate the output shaft. Table 1 shows 
approximate speeds in gears for two different engine 
speeds.
Table 1
Gear Ground Speed @ 
3000 RPM
Ground Speed @ 
2000 RPM
1 1.8 mph (2.9km/h) 1.2 mph (1.9km/h)
2 2.7 mph (4.4km/h) 1.8 mph (2.9km/h)
3 3.8 mph (6.1km/h) 2.5 mph (4.3km/h)
The operator controls movement of the shift fork by 
means of the gear selection control and cable.
Note:  There are no shift detents in or on the 
transmission on 1988 and newer mowers.
 Fig 117 3428-0065
The shift keys are retained on one end by the shift 
collar. Movement of the shift fork positions the shift collar 
and shift key. The shift fork is supported, both top and 
bottom, by nylon bushings for smooth operation and long 
wear (Fig. 117).
A. Gear Sleeve  C. Keys
B. Shift Collar
AB
C

4-5WPM Drive Systems Manual
THREE SPEED TRANSMISSION
Removal - Toro Vacu Power/Lawn-Boy 
Medallion Models
Complete transmission removal on the Toro Vacu 
Power/Lawn-Boy Medallion mower is quite easy and is 
recommended for most self-propel system repairs.
1.  Remove the spark plug lead from the engine to 
prevent accidental starting. Drain the fuel and oil.
2.  Place the ground speed selector in neutral. This will 
make it easier to remove the speed selection cable 
later.
3.  Remove the two fl anged head self-tapping screws 
securing the screen panel to the housing and 
remove the panel (Fig. 118).
 Fig 118 fi g 94
A. End cap
 Fig 119 3428-0121
4.  Remove the black plastic transmission cover from 
the top rear of the housing.
5.  Remove the two fl anged head self-tapping 
screws securing the belt cover to the top of the 
transmission. Pull the cable from belt guide and 
remove the belt guide.
6.  Remove the transmission access cover from the rear 
of the housing by pressing from underneath.
7.  Loosen the gear selection control cable clamp screw 
until the cable comes free. Do not attempt to remove 
the gear selection cable from the control arm at this 
time.
8.  Turn the mower onto its right side and remove the 
four fl anged head self-tapping screws securing the 
end caps to the housing (Fig. 119).
A. Screen panel  C. Transmission access 
B. Screws    cover
9.  Slowly pull the transmission from the housing being 
very careful not to damage the gear selection cable. 
Once clear of the housing, rotate the assembly until 
the cable can be safely removed.
C
A
A

4-6 WPM Drive Systems Manual
THREE SPEED TRANSMISSION
Removal - Recycler/Rear Bagger Chassis
To remove the transmission from the chassis, raise the 
rear and support it with blocks.
1.  Remove both rear wheels and wheel covers.
2.  Remove the rocking key clutches (see “Wheel Pinion 
Clutch” on page 5-3).
3.  Slide the pivot arm and spring arm off the axles.
4.  Remove the belt cover. Loosen the belt guide and 
slip the belt off the pulley. Disconnect shift and clutch 
cables.
5.  Slide the transmission to the right to slip the short 
end of the axle out of the chassis.
1.  Pivot both spring arms until they point straight.
2.  Remove belt cover and belt.
3.  Disconnect shift and clutch cables.
4.  Remove 4 self-tapping screws securing end caps to 
housing (Fig. 120).
 Fig 120 3428-0121
2.  Before disassembling further, check for proper 
operation of the input system, the gear reduction 
system and gear selection system. For more 
information on this, refer to “OPERATION” on page 
4-3.
 Fig 121 3428-0120
Inspection of this transmission can be accomplished 
without removing the pivot arm assembly from the output 
shaft. Only if components on the output shaft require 
replacement will pivot arm removal be necessary.
1.  Remove the six fl anged head self-tapping screws 
securing the transmission cover to the transmission 
case. Remove the cover (Fig. 121).
Alternate Method
Disassembly

4-7WPM Drive Systems Manual
THREE SPEED TRANSMISSION
3.  Removal of the input shaft and pulley assembly can 
be diffi cult because the input pinion has a tendency 
to turn as the pulley nut is loosened. This situation 
can be addressed by using an impact wrench or by 
removing the 20 (B) and 25 (A) tooth gears (Fig. 
122) from the intermediate shaft and then putting 
the intermediate shaft assembly back onto the 
transmission. The hexagonal intermediate shaft 
can then be held with a 7/16” end wrench while the 
pulley nut is loosened.
Note:  A cut-away transmission cover can be 
fabricated to hold the intermediate shaft in 
place to facilitate pulley nut removal.
 Fig 122 3428-0058
The transmission uses 6 oz. (177cc) No. 2 lithium-based 
grease as a lubricant. When assembling, be sure to coat 
all moving components with grease to ensure proper 
lubrication.
5.  Remove the cotter pin from the top of the shift fork 
and remove the shift lever.
6.  Carefully pull the output shaft from the transmission 
case, clean, and inspect all components for wear 
or damage. Check the input shaft ball bearing for 
roughness or excessive drag and replace any parts 
necessary. If ball bearing replacement is required, 
press the ball bearing out using an arbor press.
7.  If service of any of the output shaft gears, or the 
gear selection system, is required, remove the left 
pivot arm as described under “Rear Height-of-Cut 
and Wheel Pinion Clutch – Disassembly” on page 
5-4 and 5-5.
Note:  It is possible to replace the shift keys and 
spring clip without removing the pivot arm 
if the roll pin securing the gear sleeve to the 
output shaft is fi rst driven out. However, it 
is not recommended since inspection of the 
inside of the output gears is not possible.
8.  Pull the output shaft bushing, the spacer, the shift 
collar, the shift keys and spring clip, and the shift key 
sleeve from the output shaft.
9.  Remove the three output shaft gears form the output 
shaft.
10.  Drive out the roll pin securing the gear sleeve to the 
output shaft. Remove the gear sleeve and remaining 
output shaft bushing. Inspect all parts for wear and 
damage and replace if necessary.A. 25-tooth gear  B. 20-tooth gear
4.  Remove the intermediate shaft from the transmission 
and clean. Inspect all gears for wear, cracks, and/or 
broken teeth. Inspect the bushings for excessive 
wear. Replace any parts necessary. Be careful not to 
lose the two spacers that fi t between the bevel gear 
and the bushing.
Transmission - Assembly
A
B
B

4-8 WPM Drive Systems Manual
THREE SPEED TRANSMISSION
Output Shaft Assembly
1.  Slide the output bushing onto the output shaft, 
fl anged side last. Assemble from the end of the shaft 
closest to the hole for the roll pin.
2.  Slide the gear sleeve onto the output shaft, tabs last 
and secure with a new roll pin.
3.  Apply a light coat of lithium-based grease on the 
output shaft under the output busing, on the gear 
sleeve, and on the three output shaft gears. Slide 
the three output shaft gears onto the gear sleeve, 
notched sides last.
4.  Slide the nylon shift key sleeve onto the output shaft, 
large end fi rst. Make sure that it engages the tabs on 
the gear sleeve (Fig. 123).
 Fig 123 492-4733 fi g. 4-1
A. Shift key sleeve
 Fig 125 3428-0066
6.  Slide the shift key assembly into the shift key sleeve 
until the shift collar bottoms out.
7.  Complete the output shaft assembly by sliding a 
spacer washer and the other output bushing, fl anged 
side fi rst, onto the output shaft. Don’t forget to coat 
these components with a light coat of grease (Fig. 
125).
 Fig 124 3428-0065
5.  Coat the shift key sleeve with grease and prepare 
the shift keys, shift collar, and spring clip for 
assembly as shown in Figure 124.
A

4-9WPM Drive Systems Manual
THREE SPEED TRANSMISSION
Input Shaft Assembly
8.  If the left pivot arm was removed for servicing, 
reassemble now as described under “Rear Height-
of-Cut and Wheel Pinion Clutch – Assembly” on 
page 5-5.
1.  If the input bearing was removed, press a new one 
into the gearcase using an arbor press. Press only 
on the outer race or bearing damage may result.
2.  Slide the input shaft and pinion through the ball 
bearing and assemble the spacer and two pulley 
halves as shown in Figure 126. Install a fl at washer 
and a nylon locknut fi nger tight.
 Fig 126 Fig. 100
A.  Intermediate shaft  C.  Shift fork retainer
B. Flange
 Fig 127 3428-0059
3.  The input pulley nut can be tightened after complete 
transmission assembly, or at this point using the 
process in step 3, under Disassembly, page 4-7.
4.  Slip the shift fork into the slot on the shift collar and 
place the shift fork and output shaft assembly into 
the transmission.
Note:  The long end of the shift fork shaft should go 
through the hole in the gearcase. Make sure 
that the output bushings are trapped in the 
proper locations. Note that the larger output 
bushing holes on the longer end of the shaft 
and the shorter output bushing goes on the 
shorter end of the shaft.
5.  Slide the yoke bushing onto the lower end of the 
shift fork, then secure the shift fork with the white 
nylon shift fork retainer (Fig. 127).
A. Pulley  C. Ball bearing
B. Spacer  D. Pinion

4-10 WPM Drive Systems Manual
THREE SPEED TRANSMISSION
Intermediate Shaft Assembly
Note:  Before assembling, coat the intermediate 
shaft with No. 2 lithium-based grease. Apply a 
light bead of lithium-based grease to fl ange.
1.  Slip an intermediate shaft bushing onto the left end 
of the intermediate shaft, fl anged end fi rst (Fig. 128).
 Fig 128 MVC-000
 Fig 129 3428-0196
For assembly, reverse the removal process.
Torque the belt guide fasteners to 130 in-lbs. (15 Nm) 
(Fig. 129).
2.  Slide the intermediate shaft gears onto the 
intermediate shaft in this order:
a.  25 tooth gear
b. 20 tooth gear
c.  15 tooth gear/bevel gear
3.  Slide 2 spacer washers onto the intermediate 
shaft next to the bevel gear and follow with an 
intermediate shaft bushing, fl anged side fi rst.
4.  Drop the intermediate shaft into the gearcase, 
making sure that all gears engage properly.
5.  Fill the gear case with 6 oz. (177cc) of No. 2 lithium-
based grease, then install the cover with the six 
fl anged head self-tapping capscrews.
6.  Secure the input pulley nut.
A. Bushings  C. Spacers
B. Gears
Installation

4-11WPM Drive Systems Manual
THREE SPEED TRANSMISSION
Special Assembly Notes for Toro Vacu 
Power/Lawn-Boy Medallion
1.  Slip the gear selection cable into the shift fork lever 
through the bottom as shown in Figure 130.
 Fig 130 3428-0123
2.  Bring the transmission assembly into position 
underneath the deck, making sure that the end 
caps are on the outside of the housing. Before 
securing, install the shift fork control arm onto the 
shift fork and secure with the cotter pin. Place the 
transmission and pivot arm assembly into the deck.
3.  Loosely install the two front end cap fasteners.
5.  Slip the traction belt into position on the transmission 
pulley. Make sure that it does not bind on any of the 
bosses.
6.  Slip the end of the traction cable into the belt guide 
bracket from the outside. Install the belt guide 
bracket onto the top of the transmission, making 
sure that the traction belt is inside the guide.
Note:  Belt guide fastener torque: 130 in-lbs. (15 Nm)
7.  Slip the black plastic transmission cover into place 
making sure that the belt falls in the appropriate 
grooves. Install the upper BBC cover with the two 
fl anged head self-tapping capscrews. Make sure 
that the top edge is trapped underneath the lip of the 
housing.
 Fig 131 3428-0122
4.  Slip the two rear end cap fasteners through the 
safety shield guide wires then install. Tighten all four 
end cap fasteners (Fig. 131).
Note:  End cap fastener torque: 225 in-lbs. (26 Nm)
A. End cap
A
A

4-12 WPM Drive Systems Manual
THREE SPEED TRANSMISSION
TROUBLESHOOTING TIPS - 3 SPEED 
TRANSMISSION
Hard Shifting
A raised boss molded into each gear causes the leading 
edge of the key to depress before it can enter the next 
gear (Fig. 132).
 Fig 132 3428-0067
The ring on the shift collar end of the key holds the drive 
end of the key up. If dried grease or dirt keeps the keys 
from rocking up and down, the force required to shift 
gears will increase. Check the cable for free movement 
where it enters the transmission. These are quick checks 
and should be made before opening the transmission.
 Fig 133 3428-0065
Look at the key and the notch in the gear that it engages. 
Excessive wear to the tip of the key or the notch in the 
gear may be the problem (Fig. 133).
If the forces push straight on the key, it will drive the 
axle. However, if due to wear the force tries to depress 
the key, it can lower enough to disengage from the notch 
in the gear (Fig. 134).
A
A
B
B
C
D
 Fig 134  gear and key
A. Shift collar  B. Shift keys
A.  Gear  C.  Good gear and key
B.  Key  D.  Worn gear and key
A
B
The actual gears are in constant mesh. Unless gear 
teeth are broken off, they cannot slip. If the wheels lurch 
forward, then pause and lurch again, along with a loud 
bang each time, the keys might be slipping.
Slipping Gears

5-1WPM Drive Systems Manual
2
3
4
6
7
8
WHEEL PINION CLUTCH
Worm Drive Transmission .  .  .  .  .  .  .  .  .  .  .  .  .  .  .  .  .  .  .  .  .  .  .  .
Single Speed Spur/Bevel Gear Transmission  .  .  .  .  .  .  .  .  .  .  .  .  .
Single Speed Bevel Gear Transmission  .  .  .  .  .  .  .  .  .  .  .  .  .  .  .  .
Three Speed Transmission  .  .  .  .  .  .  .  .  .  .  .  .  .  .  .  .  .  .  .  .  .  .  .
Wheel Pinion Clutch .  .  .  .  .  .  .  .  .  .  .  .  .  .  .  .  .  .  .  .  .  .  .  .  .  .  .
Blade Brake Clutch Systems (BBC), Blade Override
System (BOS), Blade Clutch Systems (BCS)   .  .  .  .  .  .  .  .  .  .  .  .  .
Handles and Control Cables   .  .  .  .  .  .  .  .  .  .  .  .  .  .  .  .  .  .  .  .  .  .
Self-Propel Belt Replacement .  .  .  .  .  .  .  .  .  .  .  .  .  .  .  .  .  .  .  .  .  .
1
5

5-2 WPM Drive Systems Manual
WHEEL PINION CLUTCH
GEARCASE AND WHEEL ASSEMBLY, ROCKING KEY STYLE
 Fig 135  gearcase wheel assy
Ref. No. Qty Description
1
2
3
4
5
6
7
8
8:2
8:3
8:4
9
10
11
12
1
1
1
1
2
2
2
2
1
1
1
2
4
4
2
V-Belt
Lever-Shift
Pin-Cotter
Clamp-Cable
Cap-End
O-Ring
Spring Arm ASM
Pivot Arm ASM
Bushing
Bushing
Fitting-Zerk
Washer-Arm, Pivot
Washer-Thrust, Keyed
Ring-Klip
Ring-Friction
*Not illustrated
Ref. No. Qty Description
13
14
*15
16
17
18
19
20
20:1
22
23
24
25
26
27
2
1
1
2
2
2
2
2
2
1
2
2
2
2
1
Washer-Clutch
Key-Rocking, LH
Key-Rocking, RH
Gear-Pinion
Spring-Compression
Cover-Wheel
Spacer-Cover, Wheel
Wheel ASM
Bushing
Screw-HH
Knob-Arm
Screw-HH
Nut
Bolt-Shoulder
Output Shaft
10
11
27

5-3WPM Drive Systems Manual
The wheel pinion clutch has a three-fold purpose. One, 
when the transmission is engaged, it causes the pinions 
to move with the output shaft and drives the wheels. 
Two, it provides differential action to allow easy turning 
and excellent maneuverability. Three it disengages the 
wheel pinions from the output shaft when the operator 
is not squeezing the handle. This allows the wheels 
to turn backwards without turning the gears inside the 
transmission and provides low pull back forces similar to 
those on a hand-push version (Fig. 136).
WHEEL PINION CLUTCH
 Fig 136 3428-0028
27.  Output Shaft – turns when the operator squeezes 
the handle to provide power to the wheels.
8.  Pivot Arm Assembly – provides support for the 
output shaft with a bushing and a needle bearing. It 
can be rotated in the end cap to change height-of-
cut.
9.  Washer Pivot Arm – fi ts in corresponding recesses 
on the pivot arm to protect pivot arm from premature 
wear.
Wheel Pinion Clutch
Component Defi nitions
10.  Keyed Thrust Washer – internal tab fi ts in the 
keyway on the output shaft. This washer rotates 
with the output shaft and protects outboard clutch 
components from wear.
11.  Clip Ring – fi ts in a groove on the output shaft to 
retain the pivot arm and spring arm. The tab at the 
center of the clip is extended and fi ts in the keyway 
of the output shaft to prevent rotation. If an E-clip 
is substituted, premature failure of the wheel pinion 
clutch system will result.
12.  Friction Ring – fi ts in a circular groove in the pivot 
arm and works with the clutch washer to actuate the 
key. It does not rotate.
13.  Clutch Washer – is affi xed to the output shaft by 
means of the key so it turns with the output shaft. 
It is also allowed to rotate slightly with respect to 
the output shaft. This slight back and forth rotation 
actuates the wheel pinion key. Friction between the 
clutch washer and friction ring causes the clutch 
washer to lag the output shaft slightly once it is 
engaged. That slight rotation is all that is necessary 
to raise the wheel pinion key and engage the pinion.
14.  LH Rocking Key – causes the wheel pinion to turn 
with the output shaft when up. Allows the wheel 
pinion to “free-wheel” when down. Clutch washer 
brings key up. Wheel pinion turning forward “wipes” 
key down. There is a left-hand and right-hand key.
15.  RH Rocking Key – causes the wheel pinion to turn 
with the output shaft when up. Allows the wheel 
pinion to “free-wheel” when down. Clutch washer 
brings key up. Wheel pinion turning forward “wipes” 
key down. There is a left-hand and right-hand key.
16.  Pinion Gear – positively engages the wheel gear 
at all times. Engagement with the output shaft is 
controlled by the wheel pinion key. The wheel pinion 
is a powdered metal part and is symmetrical so that 
it can be put on either way and still function properly.

5-4 WPM Drive Systems Manual
WHEEL PINION CLUTCH
Test for Function
17.  Compression Spring – provides the light, constant, 
inward force necessary for proper clutch washer and 
friction ring engagement.
It is extremely important that the wheel pinion clutch be 
maintained according to the instructions in the operator’s 
manual, which is greasing every 25 hours with one or 
two pumps of grease. Greasing regularly will prevent 
contaminants from damaging or wearing the system.
Note:  Over-greasing will also cause the system to 
malfunction.
Function
The rocking keys provide a differential action by 
engaging and disengaging each drive wheel individually.
When the drive is engaged and the axle begins to turn, 
friction between the friction ring and clutch washer cause 
them to rotate the tail on the key. This results in the main 
part of the key engaging the teeth on the inside of the 
pinion gear. 
Should one or both wheels turn faster than the axle, 
the pinion rotates and pushes the key back down into 
the groove. The pinion can now roll freely over the key. 
When turning the inside wheel will drive the mower. The 
outside wheel must turn faster and overrides the key. 
When the mower is straightened out the pinion is no 
longer turning faster than the axle so the key re-engages 
the pinion.
If you are unsure that the keys are disengaging properly, 
stop the mower, shut the engine off and push the mower 
forward a few inches. If the keys disengage the system 
is working correctly. Start the engine and engage the 
drive, if both engage they are ok. If one or the other 
do not engage or disengage properly try greasing the 
pivot arm. Use #2 lithium grease and only one or two 
pumps from a hand grease gun. If grease does not help 
disassembly is necessary.
To operate this system, practice the following. Walk 
along at a normal pace. When you stop walking, keep 
your elbows at your sides. The mower will continue 
forward for a few inches due to its momentum. As 
the mower rolls away, the drive will disengage as 
the personal pace/ easy stride handle extends and 
disengages the transmission. From the point where the 
transmission is no longer turning the axle, the mower 
must roll about 1-1/2” forward. This causes the pinions to 
rock the drive keys to the disengage position. At this time 
the mower can be pulled backward with minimal effort. 
When the drive is engaged and the axle begins to turn 
the keys should re-engage.
Quick Test
The rear height-of-cut system and the wheel pinion 
clutch can be serviced with the transmission in or out of 
the unit. For information on removing the transmission 
from the unit, see Transmission – Removal, page 2-3, 
4-5 or 4-6 depending on mower type.
1.  Remove the shoulder bolt securing the wheel and 
tire assembly to the pivot arm and remove the wheel 
and tire assembly complete with shoulder bolt, 
spacers, wheel cover, and nylon locknut.
Rear Height-of-Cut and Wheel Pinion Clutch 
- Disassembly

5-5WPM Drive Systems Manual
WHEEL PINION CLUTCH
2.  Remove the special retaining clip at the end of the 
output shaft and pull off the following six wheel 
pinion clutch components:
• Spring
•  Internally tabbed thrust washer
• Wheel pinion
•  Wheel pinion key
• Clutch washer
• Friction ring
3.  Remove the inner special retaining clip from the 
output shaft and remove the following components:
•  Internally tabbed thrust washer
•  Externally tabbed thrust washer
•  Pivot arm and spring arm assembly
•  End cap (if desired)
4.  Check all components at this time for damage and 
wear. Pay particular attention to the grooves at 
the end of the output shaft, the bearing surfaces 
on the output shaft, and the wheel pinion clutch 
components. Replace parts as necessary.
5.  Check the innermost groove on the output shaft 
which is located 2-1/4” (5.7cm) in from the end of the 
shaft; make sure that the O-ring seal is present and 
intact. This seal is important to keep grease in and 
contaminants out. Replace it (Item 6) if necessary 
(Fig. 137). Some models do not have this O-ring.
 Fig 137  gearcase wheel assy 2
1.  Pack the caged needle bearing with grease, then 
press into the outside of the pivot arm until it is fl ush 
with the groove that houses the externally tabbed 
thrust washer.
2.  Press the oil impregnated bushing into the boss on 
the pivot arm until it is fl ush with the face of the boss.
3.  If spring arm disassembly was required, install the 
knob making sure that the detent is pressed out 
about .060” (1.5mm). Install the spring arm knob so 
that the concave side of the knob and the convex 
side of the rivet align.
6.  Press the needle bearing and the oil impregnated 
bushing from the pivot arm using an arbor press.
7.  Removal of the grease fi tting is not recommended 
because it is pressed in. However, if damaged or 
lost, we suggest tapping and installing a threaded 
grease fi tting.
8.  If the spring arm knob requires replacement, push in 
on the detent tab, then pull the knob straight off.
Note:  The detent rivet is not replaceable.
Rear Height-of-Cut and Wheel Pinion Clutch 
- Assembly

5-6 WPM Drive Systems Manual
WHEEL PINION CLUTCH
4.  Assemble the spring arm and pivot arm as shown in 
Figure 138.
 Fig 138 3428-0028
5.  To increase service life, make sure all parts are 
clean prior to assembly and coated with new grease.
6.  If removed, install a new O-ring in the innermost 
groove 2-1/4” (5.7cm) in from the end on each 
output shaft, making sure that it is fully seated in the 
groove. Refer to Figure 000 (3428-0028) above. Not 
all models use an O-ring.
7.  Slip the end cap onto the output shaft, but do not 
fasten at this time.
8.  Slide the pivot arm and spring arm assembly onto 
the output shaft, boss fi rst.
Note:  The convex side of the spring arm rivet and 
the concave side of the knob on the spring 
arm should both be facing the housing.  Fig 139 3428-0028
9.  Slide the externally tabbed thrust washer and the 
internally tabbed thrust washer onto the output shaft. 
Make sure that the tab on the internally tabbed thrust 
washer enters the keyway. Secure with the special 
retaining clip. Make sure that the center tab fi ts 
properly into the keyway. This will prevent rotation of 
the clip on the output shaft.
10.  Place the friction ring into the groove on the pivot 
arm, fl at side out.
11.  Slide the clutch washer onto the shaft so that the 
recesses for the key are facing out.
12.  Place the wheel pinion key in the groove on the 
output shaft with the leg toward the clutch washer.
Note:  There is a left and a right wheel pinion key. 
You are using the correct key if, when placed 
in the groove, the top of the key is fl at and the 
straight portion of the leg is perpendicular to 
the shaft.
  Before assembling further, rotate the clutch washer 
back and forth slightly, making sure that the key 
actuates properly (Fig. 139).
A.  Pivot arm   C.  Key
B. Friction washer  D. Spring arm
B
B
D
D
C
C
A
A

5-7WPM Drive Systems Manual
WHEEL PINION CLUTCH
13.  Place the wheel pinion onto the output shaft. It is 
symmetrical and can be put on either way.
14.  Install the internally tabbed thrust washer onto the 
output shaft making sure that the tab enters the 
keyway.
15.  Slip the spring onto the end of the output shaft and 
secure with the special retaining clip. Again, make 
sure that the center tab fi ts properly into the keyway 
to prevent rotation of the clip (Fig. 140).
 Fig 140 3428-0040
16.  Slip the wheel, the original number of spacers, and 
the wheel cover onto the shoulder bolt and secure to 
the pivot arm using the nylon locknut.
17.  Grease with No. 2 lithium-based grease. Use a 
hand grease gun to avoid excess pressure that may 
prevent the friction parts from working. As a rule, use 
two pumps to ensure that you do not over-grease. 
Be sure to grease after every 25 hours of use for 
maximum service life.

5-8 WPM Drive Systems Manual
WHEEL PINION CLUTCH
GEARCASE AND WHEEL ASSEMBLY, SPRING RATCHET STYLE
3354-613 Rev A
 Fig 141 3354-613(5)
Ref. No. Qty Description
1
2
2:1
3
4
5
7
7:1
7:2
8
9
10
11
12
13
2
2
2
4
2
6
2
1
1
2
2
2
2
2
2
Bolt-Shoulder
Wheel Gear ASM
Bushing
Klipring-Locking
Gear-Pinion, 13T
Washer-Thrust
Cover-Wheel
Cover
Washer-Stepped
Arm-Pivot, Front
Arm-Spring
Knob-Lever, HOC
Ring-Retaining
Retainer-Bearing, HOC
Bearing-Ball
Ref. No. Qty Description
14
15
16
17
18
19
20
21
22
23
24
25
26
27
2
2
1
1
2
1
2
1
1
2
1
1
1
1
Spring-Compression
Key
Transmission ASM
Gasket-Gearbox
Screw-HWH
Bracket-Pivot, Fwd
Screw-HWH
Spacer
V-Belt
Pulley-Half, Front
Washer-Flat
Nut-Lock
Cover-Belt, Front
Washer

5-9WPM Drive Systems Manual
WHEEL PINION CLUTCH
The Spring Ratchet type wheel clutch system has been 
used on a wide variety of models. It consists of a spring 
supporting a drive key which engages the pinion. When 
the mower drive is engaged the axle turns the key which 
is engaged with an internal tooth on the pinion. The 
pinion turns the wheel gear. When the mower is pushed 
or turned, the pinion must rotate faster than the axle. 
As the pinion rotates it depresses the key, allowing the 
differential action.  
The axle drives both keys and pinions equally but they 
will ratchet individually. When the mower is pulled 
backwards, this type of clutch does not disengage. It will 
require the axle and transmission to turn backwards. It is 
critical to easy backing to make sure the self propel belt 
properly disengages. 
Spring Ratchet Style
The things that can impede the function are dirt, rust or 
wear. The owner’s manual requires that ordinary engine 
oil be added to each side of the pinion periodically. 
This is to keep the anti seize from drying up. If that is 
not done, it will be necessary to remove the pinion, 
key and spring to clean and re-lubricate with anti-seize 
compound. 
On the left side there will be two keyed thrust washers 
and one regular thrust washer. Clean the end of the axle, 
keyway, and the parts removed. Inspect the key; if worn, 
replace. Make sure the thrust washers have the key tab 
on them. If the tab is broken, the pinion will tend to push 
the retaining rings out of their grooves.
Lubricate the key, spring, and axle with anti-seize 
compound and reassemble. Note the pinion has the 
letter “R” stamped on one side and “L” on the other. If 
you are on the right side of the mower, the letter “R” 
should face you when you install the pinion. The letter 
“L” should be visible on the left side of the mower.
Servicing the System
WHEEL PINION SERVICE
The steps to service the wheel pinions are the same for 
both front and rear wheel drive models.
1.  Raise the mower until the wheel is off the ground. 
Support with a block.
2.  Remove the wheel bolt, wheel and wheel cover (Fig. 
142).
 Fig 142 MVC-739
3.  Remove the retaining ring and thrust washer (Fig. 
143).
 Fig 143 MVC-746

5-10 WPM Drive Systems Manual
WHEEL PINION CLUTCH
 Fig 144 MVC-850
4.  Slide the wheel pinion off the axle.
Note:  There is a spring-loaded key under the pinion 
(Fig. 144).
5.  Behind the pinion should be another thrust washer 
and retaining ring (Fig. 000). (MVC-850)
A.  Retaining ring and  B.  Key
 thrust washer
A
B
2.  Lubricate with anti-seize and assemble in the 
original order.
Reassemble in reverse order:
1.  Install one thrust washer, then the fi rst retaining ring 
with the sharp edge facing the chassis (Fig. 145).
 Fig 145 MVC-472

6-1WPM Drive Systems Manual
2
3
4
5
7
8
BBC / BOS / BCS
Worm Drive Transmission .  .  .  .  .  .  .  .  .  .  .  .  .  .  .  .  .  .  .  .  .  .  .  .
Single Speed Spur/Bevel Gear Transmission  .  .  .  .  .  .  .  .  .  .  .  .  .
Single Speed Bevel Gear Transmission  .  .  .  .  .  .  .  .  .  .  .  .  .  .  .  .
Three Speed Transmission  .  .  .  .  .  .  .  .  .  .  .  .  .  .  .  .  .  .  .  .  .  .  .
Wheel Pinion Clutch .  .  .  .  .  .  .  .  .  .  .  .  .  .  .  .  .  .  .  .  .  .  .  .  .  .  .
Blade Brake Clutch Systems (BBC), Blade Override
System (BOS), Blade Clutch Systems (BCS)   .  .  .  .  .  .  .  .  .  .  .  .  .
Handles and Control Cables   .  .  .  .  .  .  .  .  .  .  .  .  .  .  .  .  .  .  .  .  .  .
Self-Propel Belt Replacement .  .  .  .  .  .  .  .  .  .  .  .  .  .  .  .  .  .  .  .  .  .
1
6

6-2 WPM Drive Systems Manual
BBC / BOS / BCS
Description
There are two basic blade clutching system designs. 
The fi rst is commonly referred to as the BBC or Blade 
Brake Clutch. It has two versions which have been used 
on many Toro models as well as Lawn-Boy Medallion 
mowers. The second design was introduced in 2005 and 
is used on Toro (Blade Override System) and Lawn-Boy 
(Blade Clutch System) (Fig. 146 and Fig. 147).
 Fig 146 3428-0001
 Fig 147 3428-0004
The clutch operates by using a fl ywheel which turns with 
the engine crankshaft and a brake drum and blade that 
are free to turn separately from the fl ywheel. The two 
are connected by tensioning a drive belt between the 
fl ywheel and brake drum. The combination idler arm and 
brake controls the belt. When the control is engaged, 
the idler with the brake pad backs away from the brake 
drum and tightens the belt. When the control is released, 
a spring causes the idler to pivot towards the brake drum 
releasing the belt and engaging the brake. This stops the 
blade but allows the fl ywheel and crankshaft to continue 
to turn.
The blade clutch system offers the customer 
convenience to stop the blade while allowing the engine 
to continue to run.
Before troubleshooting the BBC deck mechanism, be 
sure that it is adjusted properly. Refer to the BBC cable 
adjustment section for proper adjustments.
BBC Clutch Operation
BBC Control Box Operation
The BBC control mechanism’s purpose is to actuate 
the deck mechanism. It does this by tensioning and 
loosening the BBC cable. The control mechanism meets 
the federal government’s “2-step” blade engagement 
procedure. The traction drive can also be integrated with 
this control system.
BLADE BRAKE CLUTCH SYSTEM 
(BBC)

6-3WPM Drive Systems Manual
BBC / BOS / BCS
The normal or “at rest” position of the control bar is 
indicated by the number 1 in the Figure 148. In order 
to engage the blade, the operator must fi rst “cock” the 
control bar down to position 2, then raise the control bar 
to position 3.
 Fig 148 fi g 27
Notice that position 3 is approximately 5” (12cm) below 
the handle. This distance between position 3 and the 
handle is reserved for engagement of the transmission 
on those models equipped with self-propel. On units 
without self-propel, the control bar can be lifted to the 
handle without affecting operation of the BBC system.
After engagement of the blade, release of the control bar 
disengages the blade and, on self-propel models, the 
transmission. By gradually releasing the control bar, the 
operator can regulate the ground speed of self-propel 
models without disengaging the blade.
a.  Left Control Housing: serves as the cover for the 
BBC control mechanism. It also houses the end of 
traction and BBC cables.
b.  Control Bar: pivots on upper shoulder bolt. Transfers 
operator inputs to control box components.
c.  Traction Cable: engages the transmission by trans-
ferring inputs from the control box. The transmission 
is engaged when the cable is tightened; disengaged 
when the cable is loosened.
d.  BBC Cable: transfers inputs from the control box to 
the BBC deck mechanism.
 Fig 149 fi g. 28
The control box components and their functions (Fig. 
149) are described below.
Handle Controls

6-4 WPM Drive Systems Manual
BBC / BOS / BCS
e.  Traction Lever: provides input to the traction cable 
since the end of the traction cable is retained in it. 
It also pivots on the upper shoulder bolt when the 
control bar is moved.
f.  Rocker Arm: pivots on the upper carriage bolt. It is 
affi xed solidly to the control arm by means of the roll 
pin. It houses both the control hook and cable lever. 
It also provides slot and stop for the buckling spring.
g.  BBC Cable Lever: controls tensioning and loosening 
of the BBC cable since the end of the BBC cable 
is retained by it. Pivots freely on the upper carriage 
bolt. Movement is controlled by the control hook.
h.  Control Hook and Spring: pivots on the roll pin and 
is spring-loaded in the counterclockwise direction by 
the torsion spring. The control hook “grabs” the cable 
lever when the control bar is cocked and releases 
the cable lever when the control bar is dropped.
i.  Buckling Spring: sole purpose is to hold the control 
bar in the middle position when at rest. The spring is 
fl exed or “buckled” when the control bar is operated. 
It rides in a slot on the rocker arm to prevent it from 
applying force to the control bar when the control bar 
is at its lowest or uppermost positions.
j.  Right Control Housing: serves as the other half of 
the control box cover. Houses the leaf spring.
k.  Leaf Spring: releases the control hook as the 
control bar drops to “at rest” position. Because of its 
orientation, it allows the control hook to slip by as the 
control bar is raised.
 Fig 150 3428-0278
These components interact to provide control to the BBC 
deck mechanism. Notice in Figure 150 the position of 
the traction cable lever and the BBC cable lever. This is 
the “at rest” position; both the BBC and the transmission 
are disengaged. When the control bar is in this position, 
it is the buckling spring that supports it. Notice that the 
buckling spring is not fl exed and is at the left end of the 
slot in the rocker arm.
A.  Control hook  C.  Traction cable lever
B.  BBC cable lever  D.  Buckling spring
A
A
B
B
C
C
D
D

6-5WPM Drive Systems Manual
BBC / BOS / BCS
When the control bar is cocked to its lowest position as 
in Figure 151. The buckling spring is fl exed and moved 
to the right end of the rocker arm slot. Another event 
takes place inside the rocker arm: The spring-loaded 
control hook slides over the cable lever and grasps it so 
that when the lever is raised, the BBC cable will come 
with it.
 Fig 151 3428-0286
Raising the control bar straightens the buckling spring. 
Also important is the function of the leaf spring. As the 
control bar is raised, the left tip of the control hook slips 
by the leaf spring without causing release of the cable 
lever.
Continuing to raise the control bar causes the traction 
lever to move and the traction cable engages the 
transmission.
 Fig 152 3428-0289
When the control bar is raised to a point 5” (12.7cm) 
below the handle, the BBC cable has been tightened 
enough to engage the blade (Fig. 152).
A.  Rocker arm  C.  Control hook
B.  BBC cable lever
A. Leaf spring  B. Control hook
A
A
B
B
C
C
A
A
B
B

6-6 WPM Drive Systems Manual
BBC / BOS / BCS
Control Box Disassembly
When the control bar is released, the tip of the control 
hook catches on the leaf spring causing it to rotate. This 
releases the BBC cable lever, thereby causing the BBC 
to declutch and apply the blade brake (Fig. 153).
 Fig 153 3428-0290
NOTE:  When servicing the BBC control box, be careful 
not to disassemble the unit any further than necessary 
as it will then become diffi cult to trouble shoot. Instead, 
remove the right housing half, then operate the control 
box while watching for proper function of internal 
components. See Step 5 below for more information.
1.  Place a piece of duct tape over the heads of the 
carriage bolts passing through the handle and the 
BBC control box. This will prevent them from falling 
out later during troubleshooting.
2.  Bend the locking tab securing the throttle control to 
the control panel, then tap the throttle control out 
using a rubber mallet.
3.  Remove the 3 fl anged head screws retaining the 2 
control box halves.
4.  Carefully remove the 2 fl ange nuts retaining the 
control box to the handle and remove the right 
control box half. Be careful not to dislodge any 
internal components.
5.  Reinstall the fl ange nuts to help hold things together. 
Determine if any of the components inside the 
control box are malfunctioning.
 CAUTION!  Wear gloves and eye protection when 
operating an open control box as the buckling 
spring could fl y out.
Note:  The cable ends and end of the spring are not 
retained once the right cover is removed. Be 
sure to use one of the two methods below to 
retain them.
  The fi rst and quickest method is to manually hold the 
ends of the cable and the end of the buckling spring 
while operating the control bar. However, with the 
right case half removed, the leaf spring is no longer 
in place and you will not be able to observe release 
of the BBC cable lever.
A.  Contact point  C.  Flange nut
B. Leaf spring
A
A
B
B
C
C

6-7WPM Drive Systems Manual
  A better method is to make a special cut-away 
version of the right control box housing half as 
shown in Figure 154. When this cut-away version 
is installed, all components will function normally. 
Notice the cut-away cover and how it houses the leaf 
spring. This will aid in diagnosis.
BBC / BOS / BCS
 Fig 154 3428-0289b
6.  If further disassembly is required, remove the 
buckling spring and washer from the rocker arm 
assembly.
7.  Remove the BBC cable from the BBC cable lever 
and the left-hand control box half.
8.  Remove the rocker arm as an assembly, complete 
with cable lever and control hook.
9.  Remove the cable lever from the rocker arm 
assembly.
10.  Press the roll pin from the rocker arm and remove 
the control hook and torsion spring.
11.  Remove the traction cable from the traction lever 
and the left-hand control housing.
 Fig 155 fi g 34
1.  Slip the lower carriage bolt through the handle, then 
slide the left control housing onto it.
2.  Slip the end of the traction cable into the traction 
lever. Place the control housing, traction lever, and 
the control bar into position as shown in Figure 155. 
Once in position, slide the carriage bolt through all 
three components.
12.  Pull the tape from the outside of the handle. Remove 
the upper carriage bolt along with the cable lever 
and spacer.
13.  Remove the lower carriage bolt and remove the left 
control housing.
14.  Inspect all parts for wear and/or damage and replace 
as required.
A. Leaf spring
Control Box Assembly
A.  Leaf spring  C.  Traction cable
B. Traction lever
A
A

6-8 WPM Drive Systems Manual
BBC / BOS / BCS
3.  Place a piece of duct tape over the heads of the 
carriage bolts that slide through the handle and the 
left control box housing. This will aid in assembly.
4.  Slide the sleeve onto the upper carriage bolt making 
sure that it passes through the control bar, traction 
lever, and left control housing.
5.  Position the control hook and torsion spring in the 
rocker arm as shown in Figure 156. Secure with the 
roll pin making sure that the roll pin is fl ush with the 
side indicated in the fi gure. Loosely install the BBC 
cable lever as indicated. When correctly installed, 
the control hook and the cable lever will be engaged.
 Fig 156 fi g 35
 Fig 157 fi g  3 6
6.  Slide the rocker arm assembly over the upper 
carriage bolt and sleeve making sure that the sleeve 
passes through the cable lever. Also make sure that 
the roll pin passes through the hole in the control 
bar.
7.  Release the BBC cable lever from the control hood 
and install the BBC cable into the cable lever (Fig. 
157).
Note:  The BBC cable lever is behind the spring.
A.  Control hook  C.  Cable lever
B.  Roll pin fl ush with
 this side
A.  BBC cable lever  B.  BBC cable

6-9WPM Drive Systems Manual
8.  Slip the white nylon washer onto the J end of the 
buckling spring. The slotted side of the washer 
should face away from the end of the spring. Slip 
the spring into position in the rocker arm and the left 
control housing as shown in Figure 158.
 Fig 158 3428-0281
9.  Assemble the right control housing by installing the 
leaf spring and pin to retain the leaf spring (Fig. 
159).
 Fig 159 MVC-488
10.  Before installing the right control housing, check 
to make sure that both cable sheath ends are fully 
seated in their slots in the left housing. Also make 
sure that the sleeve passes through all components 
including the left control housing. Finally, make sure 
that the roll pin passes through the rocker arm and 
control bar.
  Install the right control housing and secure with the 2 
nylon locknuts or 1 locknut and 1 fl ange nut.
11.  Install the 3 fl anged head screws that retain the two 
control box halves.
12.  Check for proper operation of the entire BBC 
system. Correct as required.
13.  Bend the throttle control locking tab forward to 
provide positive lock with the throttle control and 
install the throttle control.
14.  Adjust the BBC cable and traction cables as needed. 
See page 7-16.
BBC / BOS / BCS
A. Nylon washer  B. Buckling spring
A. Leaf spring
A
A
B
B
A

6-10 WPM Drive Systems Manual
BBC / BOS / BCS
TORO BBC SERVICE GUIDE
 Fig 160 bbc scan
Disassembly Sequence

6-11WPM Drive Systems Manual
BBC / BOS / BCS
BLADE BRAKE CLUTCH ASSEMBLY (Toro Vacu Power/Lawn-Boy Medallion BBC)
 Fig 161 bladebrakeclutchassy
Ref. No. Qty Description
1
2
3
4
5
6
7
8
9
10
11
12
13
14
15
16
17
18
19
20
21
1
1
1
2
2
1
1
1
1
1
1
1
1
5
1
1
2
1
1
1
1
Brake Shoe
Plate Hub
V Belt
Pulley Hub
Lock Nut
Spring Rod
Shoulder Bolt
Compression Spring
Flange Bushing
Lever Wa
Bushing
Ring Seal
HWH Screw
TAP Screw
Flange Nut
Cable Bracket Support
Flat Washer
Bellcrank Bushing
Crank
Spring Pin
Control Link
Ref. No. Qty Description
22
23
24
25
26
27
28
31
32
33
34
35
36
37
38
39
42
43
44
45
46
1
1
1
1
1
1
2
1
1
1
1
1
1
2
1
1
2
1
2
1
1
HH Screw
Compression Spring
Spring Retainer
Woodruff Key
Driver Pulley
BBC Flywheel
Blade Bolt
Brake Drum
Hub ASM
BBC Shield
Blade Spacer
21” Blade
Anti Scalp Cup
Lock Nut
Lock Nut
BBC Screen
Vibration Damper
Idler Pulley
HH Screw
Thd Forming Screw
Flat Washer

6-12 WPM Drive Systems Manual
1.  Remove the fl anged head self-tapping capscrews 
securing the upper BBC cover to the housing and 
remove the upper BBC cover (Fig. 163).
TORO VACU POWER/LAWN-BOY 
MEDALLION BBC
Bellcrank System Disassembly (Toro Vacu 
Power/Lawn-Boy Medallion)
 Fig 162 DSC-068a  Fig 164 3428-0082
2.  Pull the black plastic transmission cover up to 
remove it from the housing (Fig. 164).
 Fig 163 3428-0079
 Fig 165 3428-0090
3.  Remove the shoulder bolt and fl anged nut securing 
the bellcrank to the control cable bracket. Once 
loose, remove the bellcrank assembly complete with 
control link from the unit (Fig. 165).
BBC / BOS / BCS
A. Control link  C. Bellcrank
B. Shoulder bolt
A
A
B
B
C
C

6-13WPM Drive Systems Manual
4.  Remove the bushing from inside the bellcrank.
5.  Using the control link to hold the control pin, remove 
the fl anged head screw from the control pin (Fig. 
166).
 CAUTION!  Always wear safety goggles and 
gloves when disassembling items under spring 
tension or compression.
6.  Remove the control link from the control pin.
7.  Inspect all parts for wear and damage and replace 
as necessary.
BBC / BOS / BCS
Bellcrank System Assembly (Toro Vacu 
Power/Lawn-Boy Medallion)
 Fig 166 3428-0093
1.  Insert the control pin into the recessed area on the 
bellcrank.
 Fig 167 3428-0088
2.  Place the spring onto the control pin. Place the 
spring retainer onto the spring and insert the screw 
into the control pin. Using the control link to prevent 
rotation of the control pin, tighten the fl anged head 
screw until the retainer bottoms out on the control 
pin (Fig. 166).
3.  Note the orientation of the control link in Figure 
167. Make sure that it is installed correctly into the 
bellcrank.
A.  Brake plate lever  D.  Bellcrank
B.  Control link  E.  Cable bracket support
C. Shoulder bolt
4.  Slide a fl at washer and a bushing onto the shoulder 
bolt and slide into the front side of the bellcrank 
as shown in Figure 000. (3428-0088) Complete 
reassembly of the bell crank system by sliding 
another fl at washer onto the carriage bolt.
Note:  Lubrication of the bushing is not 
recommended.
A
A
B
B
C
C
D
D
E
E

6-14 WPM Drive Systems Manual
BBC / BOS / BCS
5.  Hook the end of the control link into the brake plate 
lever, then slip the BBC control cable onto the 
bellcrank. Finally, slip the shoulder bolt through the 
hole in the cable bracket support and secure with the 
fl anged nut.
Note:  The serrations in the fl anged nut must fully 
seat on the control cable bracket.
6.  Check the adjustment of the BBC cable as described 
under “BBC Cable Removal (Recycler/Rear 
Bagger)” on page 6-19.
7.  Slide the black plastic transmission cover into place 
making sure that the belt slides into the grooves 
provided. Some contact between the belt and the 
cover may be evident.
Note:  It may be necessary to push the transmission 
back slightly to get the transmission cover to 
slide in completely.
8.  Place the upper BBC cover into position on the 
housing and secure with the two self-tapping fl anged 
head capscrews.
9.  Check for proper operation of all controls, especially 
the BBC, and adjust as necessary.
Note:  The spring length on the bellcrank assembly 
is the primary indicator of proper BBC 
adjustment. It should measure 1” (25mm) with 
the blade engaged when properly adjusted. 
If spring measures more than 1-1/4” (32mm), 
correct by adjusting the BBC control cable.
 Fig 168 MVC-000
BBC Cover and Screen:
The BBC cover and screen are two important com-
ponents that keep dirt and debris out of the BBC 
mechanism. The screen (Fig. 168) is installed, sharp 
edge down, to allow air to be drawn in through the 
screen panel on top of the deck and down underneath 
the deck. This venting improves the airfl ow underneath 
the deck thereby improving quality of cut and bagging 
performance. Be sure to clean the screen on occasion, 
especially if quality of cut or bagging performance has 
degraded.
A. BBC fl ywheel  C. Bearing block
B. Brake drum  D. Screen

6-15WPM Drive Systems Manual
BBC / BOS / BCS
Under Deck Components Disassembly 
(Toro Vacu Power/Lawn-Boy Medallion)
1.  Stop the engine and disconnect the spark plug lead 
to prevent accidental starting. Drain fuel.
2.  Remove the 2 fl anged nylon locknuts securing the 
blade to the bearing block and remove the anti-scalp 
cup, the blade, the blade spacer, and the lower BBC 
screen (Fig. 169).
 Fig 169 3428-0099
3.  Remove the 4 fl anged head self-tapping screws 
securing the lower BBC cover to the housing, and 
remove the lower BBC cover.
4.  Before disassembling further, check to make sure 
that the BBC components are functioning normally. 
Make sure that the brake and brake drum fully 
disengage when the control bar is cocked, then 
raised. Make sure that the BBC fl ywheel and the 
brake drum rotate together when the control bar 
is raised. Make sure that the belt loosens properly 
when the control bar is lowered. Repair or replace 
parts as required.
 Fig 171 MVC-726
6.  Pivot the brake plate counterclockwise slightly and 
remove the bearing block and brake drum from the 
crankshaft (Fig. 171).
 Fig 170 MVC-724
5.  If further disassembly is required, begin by removing 
the crankshaft nut. An impact wrench works best. 
However, if you must remove it manually, use a large 
screwdriver or bar to wedge the BBC fl ywheel while 
removing the nut (Fig. 170).
Note:  Be careful not to damage the bearing seal 
when removing this nut, or premature bearing 
failure could result.

6-16 WPM Drive Systems Manual
BBC / BOS / BCS
7.  Again, pivot the brake plate counterclockwise and 
remove the BBC fl ywheel.
8.  BBC Belt or Idler Pulley Replacement: If the BBC 
belt or idler pulley requires replacement, it can be 
done without removal of the brake plate. Remove 
the idler pulley capscrew and nylon locknut then 
pull the belt and pulley from the brake plate as an 
assembly.
Note:  The hubs of the pulley are replaceable, 
however, the bearing inside the idler pulley is 
not replaceable separately.
9.  If the brake pad has reached its service life or if the 
brake plate has been damaged, remove the other 
capscrew securing the brake plate to the brake plate 
hub and lever and remove the brake plate assembly. 
The brake pad is not replaceable separately.
10.  If necessary, remove the fl anged head capscrew 
securing the brake lever and hub to the housing.
 CAUTION!  The brake plate lever is under 
moderate spring-loading. Heavy gloves and eye 
protection are recommended when removing the 
brake plate lever.
Note:  Do not use an air wrench on the brake lever 
self-tapping screw as thread damage to the 
housing may result.
12.  Complete disassembly of the brake plate by 
removing the brake plate screws and the bearing 
block.
13.  Remove the two bearings from the bearing block by 
pressing the bearings out on an arbor press. Press 
only on the outer race to prevent bearing damage 
(use an appropriately sized arbor or a 1-1/8” (28mm) 
socket.
14.  Inspect all parts for damage and/or wear and replace 
as necessary.
 Fig 172 3428-0106
11.  Remove the brake plate and hub assembly from the 
housing and disassemble the seal/oil impregnated 
bushing, the hub, self-tapping capscrew, and washer 
from the brake lever. Be careful not to lose the 
plastic bushing which fi ts on the end of the brake 
spring rod (Fig. 172).
A. Plastic bushing  B. Brake rod
AB

6-17WPM Drive Systems Manual
BBC / BOS / BCS
Under Deck Components Assembly (Toro 
Vacu Power/Lawn-Boy Medallion)
1.  Check to make sure that the brake plate seal is in 
good condition, then stretch onto the brake plate 
bushing (Fig. 173).
 Fig 173 3428-0108
2.  Hook the control link into the slot on the brake lever. 
Place the spring and bushing onto the brake rod, 
then slip the bushing and brake rod through the 
hole provided in the brake lever. Finally, install the 
bushing hub and fl anged head self-tapping screw 
with the washer through the brake lever.
Note:  Brake plate capscrew torque:  225 in-lbs. 
(25.5 Nm)
Note:  If the self-tapping screw strips the threads in 
the housing, do not helicoil; rather, place a 
hex nut in the recess provided in the top side 
of the deck.
4.  Install an idler hub into each side of the idler pulley 
bearing, then slip the belt onto the idler pulley. Slip 
the entire assembly between the brake plate and 
brake lever. Secure the carriage bolt and nylon 
locknut as shown in Figure 174.
5.  Tighten the idler pulley bolt. Make sure that the idler 
pulley spins freely.
Note:  Idler pulley bolt torque: 100 in-lbs. (11.33 Nm)
 Fig 174 3428-0101
3.  Loosely secure the brake plate, complete with brake 
pad, to the brake lever and brake hub as shown in 
Figure 174. Note that the bolt should go through 
the brake plate fi rst. Secure with a nylon locknut 
but do not tighten at this time. This will allow proper 
alignment of the idler pulley later.
A. Seal  B. Brake plate bushing A. Brake plate  B. Bolt
B
A
A
AB

6-18 WPM Drive Systems Manual
BBC / BOS / BCS
6.  Install the BBC fl ywheel onto the crankshaft, making 
certain that the slots in the BBC fl ywheel align with 
the bumps on the bottom of the self-propel pulley 
(Fig. 175).
 Fig 175 3428-0117
Note:  If the crankshaft nut is tightened with these 
bumps misaligned, the boss at the bottom of 
the keyway on the self-propel pulley will break 
and the self-propel pulley will be free to slide 
up and down on the crankshaft (Fig. 176). 
This can result in noisy operation, premature 
belt wear, and belt jumping.
 Fig 176 3428-0116
 Fig 177 MVC-726
7.  Press the bearings into the bearing block, using an 
arbor press. Press only on the outer race, otherwise 
bearing damage will result (use an appropriately 
sized arbor or a 1-1/8” (28mm) socket to press the 
bearing into the block).
8.  Make sure that the foam rubber anti-vibration pads 
are in place on the brake drum and assemble the 
brake drum bearing block and BBC screws onto the 
crankshaft as shown in Figure 177. Secure with the 
crankshaft nut.
Note:  Crankshaft nut torque:  45 – 70 ft-lbs. (61 – 
 95 Nm)
A. Bumps  B. Slots
A. Boss
  CAUTION!  As with disassembly, the fl ywheel can 
be wedged to tighten the nut. Make sure the bumps 
in the self-propel pulley stay engaged with the 
fl ywheel or the pulley will be damaged.
Note:  Make sure that the blade bolts are properly 
aligned before tightening the crankshaft nut.
9.  Install the BBC cover with the four fl anged head self-
tapping screws.
10.  Install the BBC screen, the blade spacer, the blade, 
and the anti-scalp cup onto the BBC screw and 
secure with the two fl anged nylon locknuts. Torque 
to 300 in-lbs. (37 Nm).
Note:  Blade locknut torque:  300 in-lbs. (37 Nm)
A
A
B
B
A
A

6-19WPM Drive Systems Manual
BBC Cable Removal (Toro Vacu Power/
Lawn-Boy Medallion)
BBC / BOS / BCS
11.  Complete BBC service by checking BBC and self-
propel controls, making sure that all are functioning 
normally. Adjust as necessary.
1.  Remove the two fl anged head self-tapping screws 
securing the screen panel to the housing and 
remove the screen panel as shown in Figure 178.
 Fig 178 3428-0079
 Fig 179 fi g  3 6
3.  Bend the throttle control locking tab back slightly and 
tap the throttle control from the control panel with a 
rubber mallet. Place a piece of duct tape over the 
heads of the handle and the BBC control box. This 
will prevent the control box components from falling 
out of the handle during disassembly.
4.  Remove the three fl anged head screws securing the 
control box halves.
5.  Remove the two nylon locknuts securing the control 
box to the handle and carefully remove the right 
control housing half.
6.  Slip the end of the BBC cable from the cable lever 
and remove the cable (Fig. 179).
A. Screws  B. Screen Panel
2.  On early models, the end of the BBC cable sheath 
has two protruding ears that catch the underside of 
the cable bracket. Remove the cable by squeezing 
the ears together, then pulling the cable out 
vertically. Later models use a clip that must be 
pushed to the side to remove.
A.  BBC cable lever  B.  BBC cable
A
A
B
B

6-20 WPM Drive Systems Manual
BBC / BOS / BCS
BBC Cable Installation (Toro Vacu Power/
Lawn-Boy Medallion)
1.  Slide a new BBC cable into the BBC cable lever. 
Then install the end of the cable sheath in the recess 
provided in the left control housing half (Fig. 180).
 Fig 180 fi g  3 6
2.  Before installing the right control housing half, make 
sure that the traction and BBC ends are completely 
seated in their recesses. Also make sure that the 
sleeve on the upper carriage bolt passes completely 
through the BBC control box components to the 
handle. Finally, make sure that the roll pin in the 
rocker arm passes through the hole in the control 
bar. Install the right control housing half. Secure with 
two nylon locknuts.
Note: The fl anged locknut fi ts on the upper carriage 
bolt.
6.  Before installing the screen panel, adjust the BBC 
cable as described under “BBC Cable Adjustment 
(Toro Vacu Power/Lawn-Boy Medallion Models)”, 
which follows. See page 7-15.
 Fig 181 fi g 68
3.  Install the three fl anged head screws securing the 
control box halves.
4.  Bend the throttle control locking tab forward so that 
it will provide positive engagement with the throttle 
control. Install the throttle control.
5.  Hook the lower end of the BBC cable onto the bell-
crank. Slip the cable through the slot in the cable 
bracket. Push the end of the cable sheath into the 
cable support bracket as shown in Figure 181.
A. Plastic fi tting  C. Spring
B. Cable fi tting

6-21WPM Drive Systems Manual
BBC / BOS / BCS
ENGINE AND BLADE ASSEMBLY (Toro Recycler / Rear Bagger)
 Fig 182 engineandbladeassy
Ref. No. Qty Description
1
2
3
4
5
6
7
8
9
10
11
12
13
13:1
14
16
17
18
19
20
21
1
1
1
1
1
1
3
1
1
1
1
2
1
2
1
1
1
1
1
1
1
Gts Ohv 200 Engine
Gas Cap ASM
Toro Nameplate
Recoil Decal
Clamp Screw
Casing Clamp
HWH Screw
Belt Guide Bracket
Woodruff Key
Pulley
Flywheel
Blade Bolt
Brake Drum ASM
Vibration Dampener
Hub ASM
Shield
Blade Spacer
Blade Nut
Recycler Blade
Blade Stiffener
Anti-Scalp Cup
Ref. No. Qty Description
22
23
24
25
26
27
28
29
30
31
32
33
34
35
36
37
38
39
40
41
42
2
1
2
1
1
1
1
1
1
1
2
1
1
1
1
1
1
2
3
2
1
Lock Nut
HH Screw
Flat Washer
Control Link
Bellcrank
Bellcrank Sleeve
Lever
HH Screw
Torsion Spring
Washer
Bearing
Torsion Spring
Brake ASM
Idler Pulley
V Belt
Idler Hub Pulley
HH Screw
NI Lock Nut
HWH Screw
HH Screw
Rope Stop

6-22 WPM Drive Systems Manual
BBC / BOS / BCS
TORO RECYCLER/REAR BAGGER 
BBC
Idler Arm System Disassembly (Recycler/
Rear Bagger)
 Fig 183 1350-001 a
1.  Drain the fuel and oil. Remove the spark plug wire. 
Disassembly for the idler arm begins on top of the 
mower housing.
 Fig 185 3428-0177-2
3.  Take a loop of wire or rope and unhook the spring 
under the lever (Fig. 185). With the tension removed 
you can now remove the long screw through the 
lever. We would suggest loosening this screw, but 
leave it engaged at this time (Fig. 187).
 Fig 184 3428-0174
2.  On the left side of the mower next to the rear wheel, 
loosen the clamp that secures the BBC cable to the 
mower housing. Near the left front wheel, unhook 
the spring end of the cable from the bellcrank. 
Remove the screw, bellcrank, sleeve, and unhook 
the control link from the lever (Fig. 184).
A. Spring  C. Wire loop
B. Screwdriver
A
A
B
B
C
C

6-23WPM Drive Systems Manual
BBC / BOS / BCS
4.  Turn the mower on its side. Remove the blade and 
the BBC cover. Brush any grass clippings out of the 
area. Locate the idler arm. Remove the bolt and 
locknut that retains the idler pulley. Note the pulley 
is on the deck side and there is a spacer between 
the pulley and idler arm (Fig. 186). With the pulley 
removed, the idler arm can pivot away from the 
brake drum and the belt can be removed.
 Fig 186 3428-0182
5.  Now reach around to the top of the housing and pull 
the screw out of the lever (Fig. 187).
 Fig 187 3428-0179
 Fig 189 3428-0185
  There are two bearings pressed into the housing that 
the idler shaft rides on. If they are to be replaced, 
press them out at this time (Fig. 189).
 Fig 188 3428-0192
  Slide the lever off the shaft and the idler/brake shaft 
can be pulled down and out of the housing (Fig. 
188).
A. Bearings
A

6-24 WPM Drive Systems Manual
BBC / BOS / BCS
6.  Now, disassemble the components on the 
crankshaft. If you have an impact wrench, the large 
nut on the crankshaft can be spun off. If you must 
remove it manually, wedge a bar or large screwdriver 
into the BBC fl ywheel (Fig. 190). This will hold the 
crankshaft so the nut can be removed.
 Fig 190 3428-0187
7.  Remove the hub assembly and brake drum. The 
fl ywheel is pressed onto a taper on the crankshaft. 
It might require a tap with a hammer to loosen (Fig. 
191).
 Fig 191 3428-0103
 Fig 192 3428-0116
8.  Roll the self-propel belt off the pulley and remove the 
pulley and the key in the crankshaft.
9.  Inspect the pulley. One end of the keyway is 
blocked off. If that is broken, the pulley will bounce 
up and down during use and make a rattling noise 
(Fig. 192). There are two bumps on the outside 
of the pulley that are intended to engage two 
holes in the fl ywheel. If this wall is broken out or 
the bumps on the pulley are damaged, the pulley 
must be replaced. Usually this is caused by an 
error in assembly. Refer to “Idler Arm System 
Assembly (Recycler/Rear Bagger)” on page 6-25 for 
instructions to avoid this.
B
A
A. Wall  B. Bumps

6-25WPM Drive Systems Manual
BBC / BOS / BCS
Idler Arm System Assembly (Recycler/Rear 
Bagger)
1.  Start by installing the key and self-propel pulley. The 
two bumps on the pulley should face you (Fig. 193). 
Slip the belt over the pulley.
 Fig 193 3428-0117
2.  Install the fl ywheel. The two bumps on the pulley 
MUST engage the holes in the fl ywheel. If not, when 
the nut on the crankshaft is tightened, the fl ywheel 
will push the pulley upwards, either breaking the wall 
out of the key groove or crushing the two bumps or 
both.
 Fig 195 3428-0188
3.  Note the two small foam pads inside the brake drum 
(Fig. 195).
 Fig 194 MVC-727
  The fl ywheel must be installed with the side that 
looks like 1/2 of a pulley facing the brake drum 
(Fig. 194). Push the fl ywheel fi rmly on the taper of 
the crankshaft. If you can’t push the fl ywheel on far 
enough to hold, do not be concerned. DO NOT drive 
it on with a hammer.
A. Bumps  B. Holes in fl ywheel
A. Foam pad
A
A
B
B
A
A

6-26 WPM Drive Systems Manual
  They are noise dampeners. Without them, when the 
brake pad hits the drum, the drum will ring like a bell. 
Also look at the two blade mounting bolts. Each has 
a fl at side on the head to prevent them from rotating 
when the nut is tightened (Fig. 196). Make sure the 
bolts are fully seated. Install the brake drum.
BBC / BOS / BCS
 Fig 196 3428-0189
4.  Inspect the hub assembly if the old one is to be 
reused. Rust on the outside is harmless. But the 
seals in the bearing need to be intact. If the seals 
are damaged or the bearing feels rough when it is 
turned, replace the hub assembly.
5.  Start the nut on the crankshaft. As during 
disassembly, an impact wrench works best.
 Fig 197 3428-0187
  CAUTION!  The two bumps on the pulley MUST 
engage the fl ywheel. If you do not have an 
impact wrench, this is where the two bumps 
become important. If you engage the bumps on 
the pulley into the fl ywheel, you can now wedge 
the fl ywheel and through the pulley and key, it 
will hold the crankshaft from rotating while you 
tighten the nut (Fig. 197).
6.  Slip the BBC belt over the parts on the crankshaft.
7.  Check the shaft of the idler/brake arm. Clean as 
necessary and apply a light coat of grease.

6-27WPM Drive Systems Manual
BBC Cable Removal (Recycler/Rear Bagger)
 Fig 199 3428-0192
9.  Start the shaft into the hole in the housing. Rotate 
the idler/brake arm clockwise so the upper tab on 
the spring can engage the boss in the housing. 
Rotate the idler/spring arm counterclockwise (Fig. 
199) and push the rest of the way into the housing. 
The brake pad should now ride on the brake drum.
 Fig 198 3428-0190
8.  Slip the spring over the shaft. One tang of the spring 
must engage the tab as shown (Fig. 198).
BBC / BOS / BCS
10.  Hold the idler/brake arm in place. Slip the spring 
over the end on top of the deck as shown. Install 
the lever and install the screw through the lever and 
idler/brake arm shaft (Fig. 200). Once the screw is 
secured take a loop of wire or rope and hook the end 
of the spring. Pull it towards you and hook the end 
as shown.
 Fig 200 3428-0177-3
1.  Loosen the cable clamp and pull cable out from 
under the screw (Fig. 201).
 Fig 201 3428-0172
A. Idler/brake arm
A. Spring  C. Wire loop
B. Screwdriver
A
A
B
B
C
C

6-28 WPM Drive Systems Manual
BBC / BOS / BCS
BBC Cable Installation (Recycler/Rear 
Bagger)
6.  Slip the end of the BBC cable from the cable lever 
and remove the cable (Fig. 203).
 Fig 203 fi g  3 6
1.  Slide a new BBC cable into the BBC cable lever. 
Install the end of the cable sheath in recess provided 
in the left control housing half.
2.  Before installing the right control housing half, make 
sure that the traction and BBC ends are completely 
seated in their recesses. Also make sure that the 
sleeve on the upper carriage bolt passes completely 
through the BBC control box components to the 
handle. Finally, make sure that the roll pin in the 
rocker arm passes through the hole in the control 
bar. Install the right control housing half. Secure with 
two nylon locknuts.
Note: The fl anged locknut fi ts on the upper carriage 
bolt.
3.  Install the three fl anged head screws securing the 
control box halves.
A. BBC cable lever  B. BBC cable
3.  Bend the throttle control locking tab back slightly 
and tap the throttle control from the control panel 
with a rubber mallet. Place a piece of duct tape 
over the heads of the handle and the BBC control 
box mounting bolts. This will prevent control box 
components from falling out of the handle during 
disassembly.
4.  Remove the three fl anged head screws securing the 
control box halves.
5.  Remove the two nylon locknuts securing the control 
box to the handle and carefully remove the right 
control housing half.
 Fig 202 3428-0173
2.  Unhook the spring and cable from the bellcrank (Fig. 
202).

6-29WPM Drive Systems Manual
6.  Slip end of cable under screw. See page 7-16.
BBC / BOS / BCS
 Fig 206 MVC-197
3.  Remove the blade and blade stiffener (Fig. 206).
 Fig 205 MVC-195
The following steps are disassembly of the system, 
including the steps necessary to replace the blade drive 
and self-propel belts.
1.  Drain the fuel and oil and tip the mower on its side. 
We recommend carburetor side up to prevent any 
oil or gasoline from draining into the air fi lter and 
causing hard starting.
2.  Remove the two locknuts securing the blade (Fig. 
205).
BLADE OVERRIDE SYSTEM (BOS)
BLADE CLUTCH SYSTEM (BCS) 
Both Toro and Lawn-Boy use the same blade clutching 
system on some models. On Toro it is named the Blade 
Override System. On Lawn-Boy it is named the Blade 
Clutch System.
It is designed to allow the blade to stop while the engine 
keeps running. This is especially helpful when bagging, 
as the engine will not need to be restarted each time you 
stop to empty the bag.
Disassembly
 Fig 204 3428-0173
4.  Bend the throttle control locking tab forward so that 
it will provide positive engagement with the throttle 
control. Install the throttle control.
5.  Hook the spring on the end of cable and into the 
bellcrank arm (Fig. 204).

6-30 WPM Drive Systems Manual
BBC / BOS / BCS
 Fig 210 MVC-203
7.  Unhook both springs from the slot in the brake arm 
(Fig. 210).
 Fig 209 MVC-200
6.  Remove the brake pivot bolt. You will need a second 
wrench to hold the bolt head (Fig. 209).
4.  Remove the blade support and disc (Fig. 207).
 Fig 207 MVC-198
5.  Remove the 3 capscrews and lift off the belt cover 
(Fig. 208).
 Fig 208 MVC-199

6-31WPM Drive Systems Manual
8.  Lift the brake assembly and blade drive belt from the 
mower (Fig. 211).
9.  To replace the blade drive belt, remove the idler 
pulley bolt (Fig. 212).
BBC / BOS / BCS
 Fig 211 MVC-205
 Fig 212 MVC-207
 Fig 214 MVC-218
11.  Continuing with the disassembly, remove the bolt 
securing the pulley to the crankshaft.
Note:  Use a large screwdriver or pry bar to keep the 
pulley from turning while you unscrew the 
bolt (Fig. 214).
 Fig 213 MVC-209
10.  The components of the idler assembly are shown 
here (Fig. 213).
A. Belt  E. Washer
B. Nut  F.  Bearing with fl ange
C. Brake arm  G. Spacer
D. Belt guard  H. Bolt
A
E
FG
BCD
H

6-32 WPM Drive Systems Manual
BBC / BOS / BCS
 Fig 218 MVC-224
15.  The anchor plate contains a pivot screw with a 
bushing. Remove the locknut (Fig. 218).
 Fig 217 MVC-223
14.  Remove the two bolts holding the anchor plate to the 
chassis (Fig. 217).
12.  Rock the pulley half slightly and lift it off. The blade 
bolts will now drop out of their pockets (Fig. 215).
 Fig 215 MVC-220
13.  Lift the crankshaft pulley half off of the crankshaft. 
Note this pulley half is keyed to the crankshaft 
and this pulley half is also the drive pulley for the 
self-propel belt. Go to the transmission to continue 
replacing the self-propel belt (Fig. 216).
 Fig 216 MVC-222

6-33WPM Drive Systems Manual
Brake Arm Assembly
BBC / BOS / BCS
A. Tab  B. Notch
16.  The bushing has a notch removed from the fl ange 
end. Align that notch in the bushing with the tab in 
the anchor plate (Fig. 219).
 Fig 219 MVC-257
1.  Place the spacer with the large diameter down on 
the brake arm (Fig. 220).
 Fig 220 MVC-211
 Fig 222 MVC-216
3.  Install the belt, belt guide, and carriage bolt on the 
brake arm and secure with the carriage bolt (Fig. 
222).
 Fig 221 MVC-213
2.  Place the bearing with the fl ange side down on the 
spacer and place the washer on top of the bearing 
(Fig. 221).
A
A
B
B

6-34 WPM Drive Systems Manual
BBC / BOS / BCS
BOS/BCS System Assembly
Assemble all other parts in reverse order.
Bolt torque as follows:
Blade nuts:  350 - 400 in-lbs. (39.5 – 45.2 Nm)
Crankshaft Bolt:  45 - 55 ft-lbs. (60.9 – 74.5 Nm)

7-1WPM Drive Systems Manual
2
3
4
5
6
8
HANDLES AND CONTROL CABLES
Worm Drive Transmission .  .  .  .  .  .  .  .  .  .  .  .  .  .  .  .  .  .  .  .  .  .  .  .
Single Speed Spur/Bevel Gear Transmission  .  .  .  .  .  .  .  .  .  .  .  .  .
Single Speed Bevel Gear Transmission  .  .  .  .  .  .  .  .  .  .  .  .  .  .  .  .
Three Speed Transmission  .  .  .  .  .  .  .  .  .  .  .  .  .  .  .  .  .  .  .  .  .  .  .
Wheel Pinion Clutch .  .  .  .  .  .  .  .  .  .  .  .  .  .  .  .  .  .  .  .  .  .  .  .  .  .  .
Blade Brake Clutch Systems (BBC), Blade Override
System (BOS), Blade Clutch Systems (BCS)   .  .  .  .  .  .  .  .  .  .  .  .  .
Handles and Control Cables   .  .  .  .  .  .  .  .  .  .  .  .  .  .  .  .  .  .  .  .  .  .
Self-Propel Belt Replacement .  .  .  .  .  .  .  .  .  .  .  .  .  .  .  .  .  .  .  .  .  .
1
7

7-2 WPM Drive Systems Manual
HANDLES AND CONTROL CABLES
Toro 2 Bail Handle
There are four types of handle and control assemblies 
on mowers not covered in other parts of this manual. 
This section will cover disassembly and repair of those 
types.
 Fig 223 3428-0049
The 2 bail style is shown here. The top bail is the engine 
kill. Release it and the ignition is grounded and a brake 
comes on to help stop the fl ywheel. The lower bail is the 
self propel bail. Squeeze it to tension the belt and drive 
the transmission. It should be adjusted so that lowering 
the bail about 1” (25mm) disengages the self propel.
Handle disassembly is self explanatory so we will not 
discuss that.
Turning the knob tightens or loosens the cable. When 
the bail is lowered about 1” (25mm) the drive should 
disengage.
 Fig 224 fi g 19
The engine stop cable is not adjustable. If it fails to 
function, it must be replaced.
The self propel cable is adjustable through a clamp 
which is typically located a few inches down the handle. 
Loosen this clamp and push the cable jacket up or down 
to adjust. When the bail is lowered about 1” (25mm) the 
drive should disengage. This is a gap that is comfortable 
for most operators.
Some models used a knob to adjust the self propel cable 
(Fig. 224).
1. Knob  2. Cable
A.  Self-propel cable adjuster
A

7-3WPM Drive Systems Manual
HANDLES AND CONTROL CABLES
This is the original Toro Personal Pace/ Lawn Boy Easy 
Stride system. The handle is telescoping and as it slides, 
it tensions the transmission drive belt.
The best way to use this system is as follows: Hold your 
elbows at your sides and your hands straight out in front 
of you and just walk. If you want to go faster, walk faster. 
The key is keeping your elbows at your sides. This 
applies the right amount of pressure to the handle to 
engage the drive. If you just push the handle down it will 
engage too rapidly and the mower will jump forward.
 Fig 227 DSC-4808
2.  Turn the handle over and remove the cable clamp, 
screw and the cable from the pocket (Fig. 227).
 Fig 226 DSC-4804
1.  Squeeze the ends of the control bail to disengage it 
from the handle. Disconnect the cable from the bail 
and set aside (Fig. 226).
Personal Pace Generation 1/Easy Stride 
Generation 1
Operation
 Fig 225 DSC-4801
Disassembly

7-4 WPM Drive Systems Manual
HANDLES AND CONTROL CABLES
3.  Remove 6 screws from the traction rod retainer (Fig. 
228).
 Fig 228 DSC-4810
4.  Remove the traction rod retainer. Note the location 
of the traction control rod (Fig. 229).
 Fig 229 DSC-4811  Fig 231 DSC-4814
6.  Unhook the springs from each side of the handle 
(Fig. 231).
 Fig 230 DSC-4815
5.  Disconnect the cable from the traction lever (Fig. 
230).

7-5WPM Drive Systems Manual
Reassembly
HANDLES AND CONTROL CABLES
7.  Slide the handle up and off (Fig. 232).
 Fig 232 DSC-4819a
8.  If you need to replace the traction control rod or 
either of the springs, one of the handle guides will 
need to be removed. The guides are held on by 2 
screws (Fig. 233).
 Fig 233 DSC-4821a
2.  One end of the springs goes into a hole in the 
handle, the other around the traction control rod. The 
springs apply pressure to the handle to hold it in the 
retracted, upper position (Fig. 235).
 Fig 234 DSC-4828a
Reassemble in reverse order.
1.  There are 3 bosses on the inside of the guide. The 
top and bottom ones receive the mounting screws. 
The boss in the photo must line up with the end of 
the control rod. This boss keeps the rod from moving 
sideways and falling out of the handle (Fig. 234).
 Fig 235 DSC-4814

7-6 WPM Drive Systems Manual
HANDLES AND CONTROL CABLES
Adjusting the Personal Pace Cable
Ensure the transmission belt is disengaged, transmission 
tilted forward. Loosen the cable clamp on the handle. 
When you pull the cable down the personal place handle 
should raise to the stop. Hold the cable and secure the 
clamp (Fig. 236).
 Fig 236 DSC-4829a
 Fig 237 20018_handle
 Fig 238 MVC-712
To ease removal of the Personal Pace handle from a 22” 
Recycler, make a tool from a piece of metal strapping 
or banding material. You will need two pieces about 5” 
(12.7cm) long each. Bend them as shown in the photo 
and round the ends to remove burrs. This tool permits 
the handle to slide up and over the internal handle stops 
(Fig. 238).
This is the second generation of the personal pace/
easy stride handle assembly. It works the same as the 
original in the sense that the handle is telescoping. As 
the handle is depressed it tightens the self propelled belt 
and drives the transmission.
Personal Pace Generation 2/Easy Stride 
Generation 2
Handle Removal
1.  Disconnect the control cables and the key switch 
(electric start models) from the upper handle and 
Personal Pace handle. Separate the upper and 
lower handle. Remove the brake bail by pressing the 
two ends together until they come out of the holes in 
the handle.

7-7WPM Drive Systems Manual
HANDLES AND CONTROL CABLES
2.  Install the tool over the stop in the handle guides as 
shown, one on each side. Push the handle down. 
The tool will allow the handle to slide over the stop 
built into the handle guide (Fig. 239).
 Fig 239 MVC-005a
 Fig 241 MVC-709a
4.  Continue pushing the handle down until it slides off 
the end of the upper handle (Fig. 241).
 Fig 240 MVC-707a
3.  As the handle begins to slide downward, pull the 
traction control bar farther out of the handle (Fig. 
240).
5.  When reinstalling the handle, reconnect the spring 
as shown. The spring should push the handle 
upwards toward the disengage position (Fig. 242).
 Fig 242 MVC-710
A
A.  Traction Control Bar

7-8 WPM Drive Systems Manual
HANDLES AND CONTROL CABLES
Adjusting the Personal Pace/Easy Stride 
Cable
Ensure the transmission belt is disengaged, transmission 
tilted forward. Loosen the cable clamp on the handle. 
When you pull the cable down the Personal Pace/Easy 
Stride handle should raise to the stop. Hold the cable 
and secure the clamp (Fig. 243).
 Fig 243 DSC-4829
The engine stop cable is not adjustable. If it does not 
function, it must be replaced.
The self propel cable is adjustable through a clamp. It 
should be adjusted so that lowering the bail about 1” 
(25mm) disengages the self propel. This is a gap that is 
comfortable for most operators.
 Fig 244 3428-0049
The 2 bail style is shown here (Fig. 244). The top bail is 
the engine stop. Release it and the ignition is grounded 
and a brake comes on to help stop the fl ywheel. The 
lower bail is the self propel bail. Squeeze it to tension the 
belt and drive the transmission. 
Lawn-Boy 2 Bail Handle

7-9WPM Drive Systems Manual
HANDLES AND CONTROL CABLES
 Fig 245 DSC-4864a
The Lawn-Boy Sens-a-Speed handle is made in two 
forms, zone start and blade clutch. The basic function is 
the same but the addition of the blade clutch mechanism 
makes the handle for those models a little more 
complex.
 Fig 246 DSC-4869a
1.  Loosen the cable clamp and disconnect the Sens-a-
Speed cable (Fig. 246).
On blade clutch models, the engine on and off is 
controlled by a switch on the left hand handle. The bail 
engages and disengages the blade. The Sens-a-Speed 
handle controls the self propel the same way as on a 
zone start model.
Lawn-Boy Sens-a-Speed
Operation
The top mounted bail is the engine stop control on 
zone start models and the blade control on blade clutch 
models.
On a zone start model, pull the top bail down and 
hold to keep the engine running. The Sens-a-Speed 
handle telescopes and as it is depressed tensions the 
transmission drive belt. To operate this keep your elbows 
at your sides, hold your hands straight out in front of you 
and walk. If you want to go faster, walk faster. Do not 
push the Sens-a-Speed handle down. That will activate 
the drive too aggressively and the mower will jump 
forward.
Handle Disassembly, Zone Start Models
A
A. Top bail

7-10 WPM Drive Systems Manual
HANDLES AND CONTROL CABLES
2.  Squeeze the ends of the upper bail to disengage 
them from the handle. On some models the right 
side of the bail may be connected to the pin by a 
push nut. The push nut can be removed or the bail 
removed with the pin attached (Fig. 247).
 Fig 247 DSC-4871a
3.  Remove the shoulder bolt and the traction lever (Fig. 
248).
 Fig 248 DSC-4880a
4.  Slide the pin out of the left hand handle and pull the 
upper handle up and out.
5.  The plastic sleeves will slide off the upper handle.
6.  The springs can be removed from the top slides if 
necessary.
If the handle has been binding, clean the top slides and 
the sleeves before assembling. Dirt and grit in the sliding 
part of the handle can cause a bind.
Assemble in reverse order. When you install the upper 
handle, line up the holes and install the pivot pins (Fig. 
249).
 Fig 249 DSC-4885a
Assembly

7-11WPM Drive Systems Manual
HANDLES AND CONTROL CABLES
The engine brake cable is not adjustable. If it fails to 
function it will need to be replaced.
 Fig 251 G002634
 Fig 250 G002635
To properly adjust the self propel cable, loosen the cable 
clamp, pull the cable downward to remove all the slack 
(Fig. 250) then push the cable jacket up 1/8” (3.17cm) 
(Fig. 251) and secure with the cable clamp.
Cable Adjustment
Self-Propel Cable
Handle Disassembly, Lawn-Boy Blade 
Clutch System (BCS) Models
1.  Remove the upper wire bail. On the right hand side 
it slides over a pin. On some models this pin has a 
push nut on it (Fig. 252). It can be compressed so 
that either the bail slides off the pin or it draws the 
pin out of the handle. Either is acceptable.
 Fig 252 DSC-4871a
1. Cable
1. Cable clamp  2. Cable

7-12 WPM Drive Systems Manual
HANDLES AND CONTROL CABLES
 Fig 254 DSC-4899a
3.  Slide the pivot assembly, bail and the brake cable to 
the right until the bail slides off the pin (Fig. 254).
4.  Continue sliding the pivot assembly and brake cable 
off the pin.
5.  Remove the shoulder bolt that the traction lever 
pivots on and remove the traction lever.
6.  Pull the pin out of the left hand handle. Note it 
is snapped in and will require a locking pliers or 
something similar to remove. When removed, the 
springs will push the handle upwards (Fig. 255).
 Fig 255 DSC-4907a
A
B
A.  Traction lever  C.  Top slide
B. Pivot assembly
2.  Remove the e-clip on the left side pivot pin (Fig. 
253).
 Fig 253 DSC-4896a
C
A
A
A. E-clip

7-13WPM Drive Systems Manual
HANDLES AND CONTROL CABLES
The shift cables are not adjustable. To install the shift 
cable, insert the end of the cable in the shift arm and slip 
the end of the cable jacket into the bracket (Fig. 257).
 Fig 257 3428-0196
 Fig 258 3428-0195
The traction control cable tilts the transmission backward 
to tighten the belt and engage the transmission (Fig. 
258). It must tighten suffi ciently to fully drive the 
transmission, yet allow the transmission to rock forward 
and loosen the belt to disengage.
3 Speed Control Cables
 Fig 256 DSC-4908a
7.  Slide the upper handle out of the top slide.
Reverse the process to assemble.
Note how the switch assembly, bail and control cable 
are assembled before they are installed on the pin (Fig. 
256).
3 Speed Transmission Models
Handles on 3 speed models are basic and easily 
disassembled.

7-14 WPM Drive Systems Manual
HANDLES AND CONTROL CABLES
The objective is to have the wheels begin to drive when 
the bail is about 1” (25mm) below the upper handle, 
yet be able to lower the bail enough to stop the wheels 
without releasing the bail (Fig. 261).
 Fig 261 fi g 20
To adjust, turn the knob or loosen the cable clamp and 
slide the cable jacket up or down. Secure with the clamp.
 Fig 259 3428-0043-2
The adjustment point for this cable is a knob, jam nuts, 
or a clamp to the handle (Fig. 259 and Fig. 260).
A. Clamp
A
A.  Blade brake cable   B.  Jam nuts
 Fig 260 fi g 69
1” (25mm)

7-15WPM Drive Systems Manual
HANDLES AND CONTROL CABLES
1.  Remove the two fl anged head self-tapping screws 
securing the screen panel to the housing and 
remove the screen panel (Fig. 262).
BBC Cable Adjustment (Toro Vacu Power/
Lawn-Boy Medallion)
2.  With the engine off and the spark plug wire discon-
nected, cock and lift the control bar to engage the 
blade. Tape the control bar to the handle with the 
blade engaged, then measure the length of the over-
travel spring (Fig. 263). When adjusted properly, it 
should measure 1” (25mm). If it does, skip ahead 
to step 5. Otherwise proceed with adjustment in the 
following step.
 Fig 263 fi g. 68
A. Plastic fi tting  C. Spring
B. Cable fi tting
 Fig 262 3428-0079
3.  There is a turnbuckle in the cable about halfway 
between the control panel and the chassis. Adjust 
the turnbuckle until the over-travel spring measures 
1” (25mm).
4.  Remove the tape from the handle and disengage the 
blade.
1”

7-16 WPM Drive Systems Manual
HANDLES AND CONTROL CABLES
The cable adjustment is the clamp on top of the housing 
on the left side of the mower. Loosen the screw holding 
the cable clamp. Pull the cable to the rear just enough to 
remove the slack (Fig. 265). Hold and tighten the clamp. 
The spring on the forward end of the cable should be 
suspended just off the housing.
Note:  An overly tight cable will cause the BBC to 
disengage before the bail can be raised to 
the normal operating position. Cock the bail 
downward and raise to the handle. If the BBC 
disengages and you hear the brake engage 
with a snap, the cable is likely too tight. 
Excessive cable tension causes the control 
hook in the control box to release. It doesn’t 
do any permanent damage to any parts. 
Loosen the cable slightly and repeat the test.
Toro BBC Cable Adjustment (Recycler/Rear 
Bagger)
 Fig 265 348-0172
5.  Install the screen panel with the two fl anged head 
self-tapping screws. Make sure that the top edge 
of the screen panel is under the lip at the top of 
the housing. The screen is installed, sharp edge 
down, to allow air to be drawn in through the screen 
panel on top of the deck and down underneath the 
deck. This venting improves the airfl ow underneath 
the deck thereby improving quality of cut and 
bagging performance. Be sure to clean the screen 
on occasion, especially if quality of cut or bagging 
performance has degraded.
Note:  An overly tight cable will cause the BBC to 
disengage before the bail can be raised to 
the normal operating position. Cock the bail 
downward and raise to the handle. If the BBC 
disengages and you hear the brake engage 
with a snap, the cable is likely too tight. 
Excessive cable tension causes the control 
hook in the control box to release. It doesn’t 
do any permanent damage to any parts. 
Loosen the cable slightly and repeat the test.
On BBC models, the control bail also controls the 
transmission belt engagement. The adjustment point 
is a knob about halfway between the control panel and 
transmission. Ideally, the cable should be set so that 
the transmission drive will disengage when the bail is 
lowered about 1” (25mm). This allows the bail to be 
lowered so that the wheels stop driving and the BBC 
remains engaged, but the gap isn’t so large that the 
handle is hard to hold (Fig. 264). This measurement 
is not an exact requirement. It can be varied to 
accommodate a customer with small hands, etc.
 Fig 264 fi g 20
1” (25mm)

7-17WPM Drive Systems Manual
HANDLES AND CONTROL CABLES
On BBC models, the control bail also controls the 
transmission belt engagement. The adjustment point 
is a knob about halfway between the control panel and 
transmission. Ideally, the cable should be set so that 
the transmission drive will disengage when the bail is 
lowered about 1” (25mm). This allows the bail to be 
lowered so that the wheels stop driving and the BBC 
remains engaged, but the gap isn’t so large that the 
handle is hard to hold (Fig. 266). This measurement 
is not an exact requirement. It can be varied to 
accommodate a customer with small hands, etc.
 Fig 266 fi g 20
The BOS control is the upper bail on the handle. For the 
required 2 step engagement, there is a pivoting stop on 
the right hand handle. Rotate it out of the way and then 
pull the bail down for blade engagement (Fig. 267).
Toro BOS Control
 Fig 267 MVC-102
1” (25mm)
A
A. Pivoting stop

7-18 WPM Drive Systems Manual
HANDLES AND CONTROL CABLES
The blade clutch control is adjusted by removing the 
cover between the engine and bag door. Loosen the 
cable clamp and draw the cable to the rear to remove 
the slack. Now push the cable outer jacket forward 5/8” 
(1.5cm) and secure. This will create 5/8” (1.5cm) slack in 
the cable (Fig. 268).
Toro BOS Control Cable Adjustment
 Fig 268 MVC-BOS457x
To engage the blade clutch, press the control button. 
Then pull the control bar to the handle. To disengage the 
blade, release the control bar. (Fig. 269).
Lawn-Boy BCS Control
 Fig 269 lwpm_10797a
Lawn-Boy Insight and Insight Gold:
1.  Remove the grass bag and tunnel (Fig. 270).
Lawn-Boy BCS Control Cable Adjustment
 Fig 270 DSC-5360a
2.  Loosen cable clamp. Draw cable to rear to remove 
slack. Now push outer jacket of cable forward 5/8” 
(1.5cm) and secure. This will create 5/8” (1.5cm) 
slack in the cable (Fig. 271).
 Fig 271 DSC-5357a

7-19WPM Drive Systems Manual
HANDLES AND CONTROL CABLES
Lawn-Boy Insight Platimun:
1.  Remove the gas and oil and tip the mower on its 
side with the air fi lter up.
2.  Remove the BCS cover and belt cover.
3.  Loosen the 2 cap-screws securing the bracket to 
the housing. Pull the cable to the rear to remove 
the slack. Push the cable forward 5/8” (1.5cm) and 
secure. This will create 5/8” (1.5cm) of slack (Fig. 
272).
 Fig 272 DSC-5352a
4.   Install the BCS cover, belt cover and tunnel.

7-20 WPM Drive Systems Manual
HANDLES AND CONTROL CABLES
THIS PAGE INTENTIONALLY LEFT BLANK.

8-1WPM Drive Systems Manual
2
3
4
5
6
7
SELF-PROPEL BELT REPLACEMENT
Worm Drive Transmission .  .  .  .  .  .  .  .  .  .  .  .  .  .  .  .  .  .  .  .  .  .  .  .
Single Speed Spur/Bevel Gear Transmission  .  .  .  .  .  .  .  .  .  .  .  .  .
Single Speed Bevel Gear Transmission  .  .  .  .  .  .  .  .  .  .  .  .  .  .  .  .
Three Speed Transmission  .  .  .  .  .  .  .  .  .  .  .  .  .  .  .  .  .  .  .  .  .  .  .
Wheel Pinion Clutch .  .  .  .  .  .  .  .  .  .  .  .  .  .  .  .  .  .  .  .  .  .  .  .  .  .  .
Blade Brake Clutch Systems (BBC), Blade Override
System (BOS), Blade Clutch Systems (BCS)   .  .  .  .  .  .  .  .  .  .  .  .  .
Handles and Control Cables   .  .  .  .  .  .  .  .  .  .  .  .  .  .  .  .  .  .  .  .  .  .
Self-Propel Belt Replacement .  .  .  .  .  .  .  .  .  .  .  .  .  .  .  .  .  .  .  .  .  .
1
8

8-2 WPM Drive Systems Manual
SELF-PROPEL BELT REPLACEMENT
There are several different procedures for replacing 
the self propelled belt. Mowers with a blade clutch 
mechanism are the most complex as parts of that will 
need to be removed to access the self propel belt.
See Single Speed Bevel Gear Transmission page 2-1.
These mowers usually have a model number that starts 
with 200XX.
Drain the fuel and oil before you tip the mower on its 
side. To remove the belt cover, tip the mower to access 
the two mounting screws from the bottom. There are 
belt guides on both the transmission and around the 
crankshaft. DO NOT bend them or force the belt out 
from under the guides. Loosen or remove the mounting 
screws to pivot the belt guides out of the way. If the belt 
guides are bent or out of place the belt will have a larger 
tendency to jump and may not disengage properly. It 
may be necessary to remove the blade to replace the 
belt. Do not force the new belt between the blade and 
mower housing. A nick or cut in the new belt can cause 
premature failure. 
See Worm Drive Transmission page 1-1.
These mowers usually have a model number that starts 
with 16xxx.
Remove the belt cover, push the top of the transmission 
to the rear to create slack in the belt and remove the 
belt. Push the belt towards the engine. Drain fuel and oil 
to prevent spillage and tip the mower on its side, air fi lter 
side up. Slip the belt off the crankshaft pulley. In some 
cases there might not be enough clearance between 
the blade and mower housing. It might be necessary to 
remove the blade to slip the belt off.
Reverse the process to assemble.
Toro 21” Front Wheel Drive
22” Front Wheel Drive
These are steel deck mowers, made in both Toro and 
Lawn-Boy brands.
In order to replace the self propel drive belt the 
transmission must be removed from the chassis. This 
is necessary to access the pulley and belt guide on 
top of the transmission. See Single Speed Bevel Gear 
Transmission, Rear Wheel Drive Models, Transmission 
Removal and Belt Replacement, see page 3-10.
Do not bend the belt guides or force the belt between 
the pulley and belt guide. Drain the gas and oil before 
tipping the mower to avoid fuel spillage. Remove or 
loosen the belt guide mounting screws and move the 
belt guide out of the way. A bent belt guide will cause an 
increased tendency for belt jumping and damage.
22” Rear Wheel Drive
Drain the gasoline and oil before tipping the mower 
to avoid fuel spillage. Remove the belt cover. Loosen 
or remove the belt guides so the belt can be replaced 
without forcing. See the Single Speed Spur/Bevel Gear 
Transmission section for a typical transmission and drive 
layout, see page 2-2.
21” Steel and Cast Deck Toro and Lawn-Boy 
Mowers Belt Replacement
Made in both Toro and Lawn-Boy brands.
To replace the belt, drain both the gasoline and oil from 
the engine. Remove the belt cover, just behind the 
engine on top of the mower, to access the transmission. 
Loosen or remove the belt guides so the belt can be 
replaced without forcing. See the section on the three 
speed transmission starting on page 4-1.
21” Cast Deck Mowers with 3 Speed 
Transmission

8-3WPM Drive Systems Manual
SELF-PROPEL BELT REPLACEMENT
The Zone Start models use a basic self propel system. 
See Transmission Remove and Replace, page 3-19, 
which also explains the belt replacement process.
Part of the blade clutch must be disassembled to access 
the self propel belt. See the BBC section starting on 
page 6-1 for more information.
21” Toro and Lawn-Boy Mowers with Blade 
Brake Clutch
Part of the BOS or BCS must be removed to replace the 
self propel belt. (See page 6-18 for more information.)  
The Lawn-Boy Insight has a black access cover just to 
the rear of the engine on top of the chassis. Remove it 
for easy access to the top of the transmission.
21” Toro Mowers with Blade Override 
System and Lawn-Boy Mower with Blade 
Clutch System
21” Lawn-Boy Insight Mowers

8-4 WPM Drive Systems Manual
SELF-PROPEL BELT REPLACEMENT
THIS PAGE INTENTIONALLY LEFT BLANK.