Trident_Series_80C_Manual Trident Series 80C Manual
User Manual: Trident_Series_80C_Manual
Open the PDF directly: View PDF
.
Page Count: 111 [warning: Documents this large are best viewed by clicking the View PDF Link!]
- Trident Series 80C Console
- Contents
- General Description
- Section A - Input Module
- Input Module Pin Connections
- Input Module Parts List
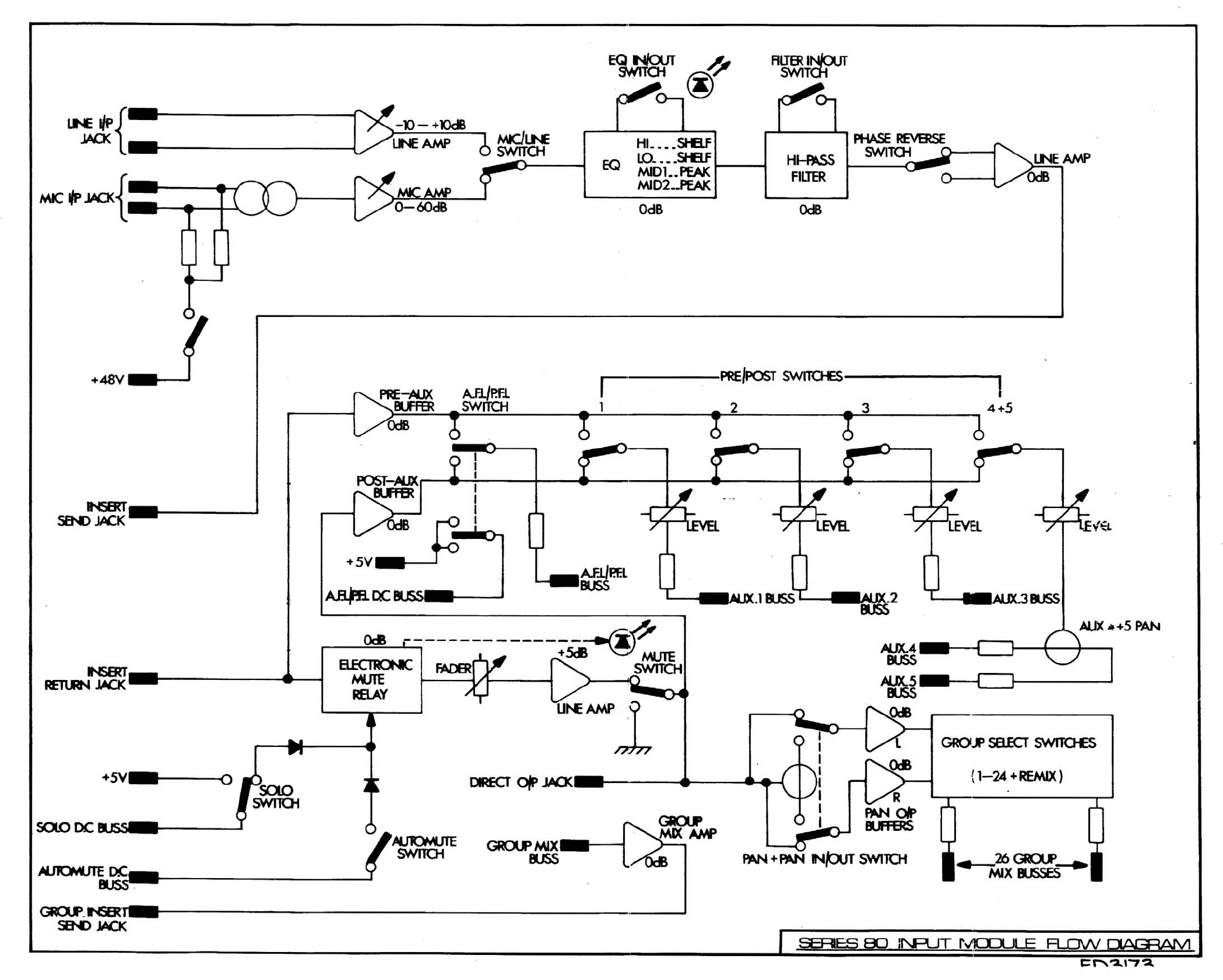
- Input Flow Diagram
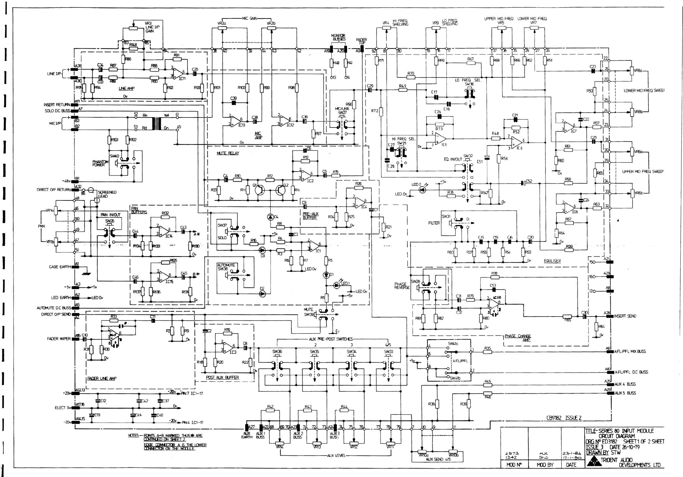
- Input Schematic 1
- Input Schematic 2
- Section B - Monitor Module
- Monitor Module Pin Connections
- Monitor Module Parts List
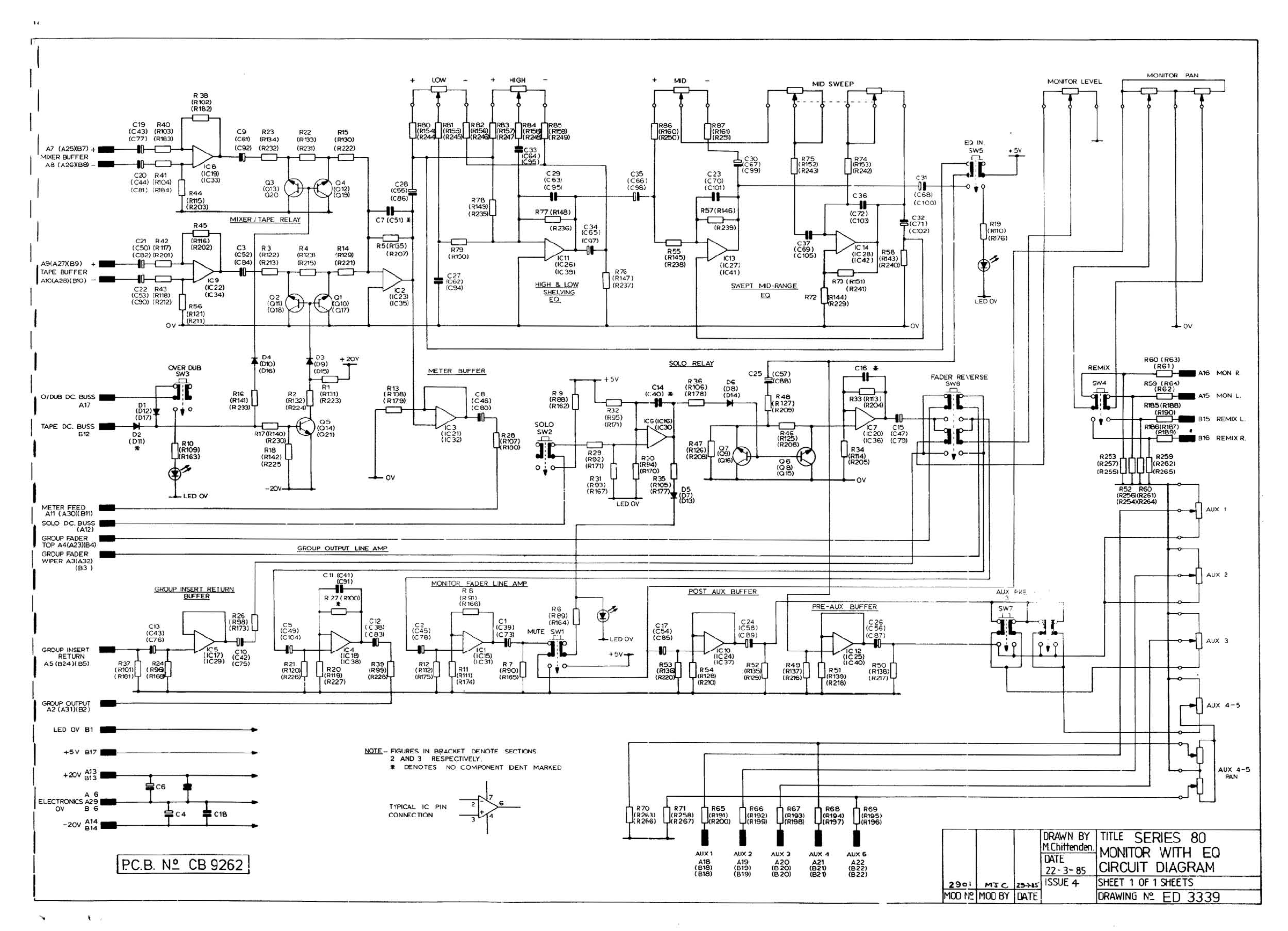
- Monitor w/ EQ Schematic
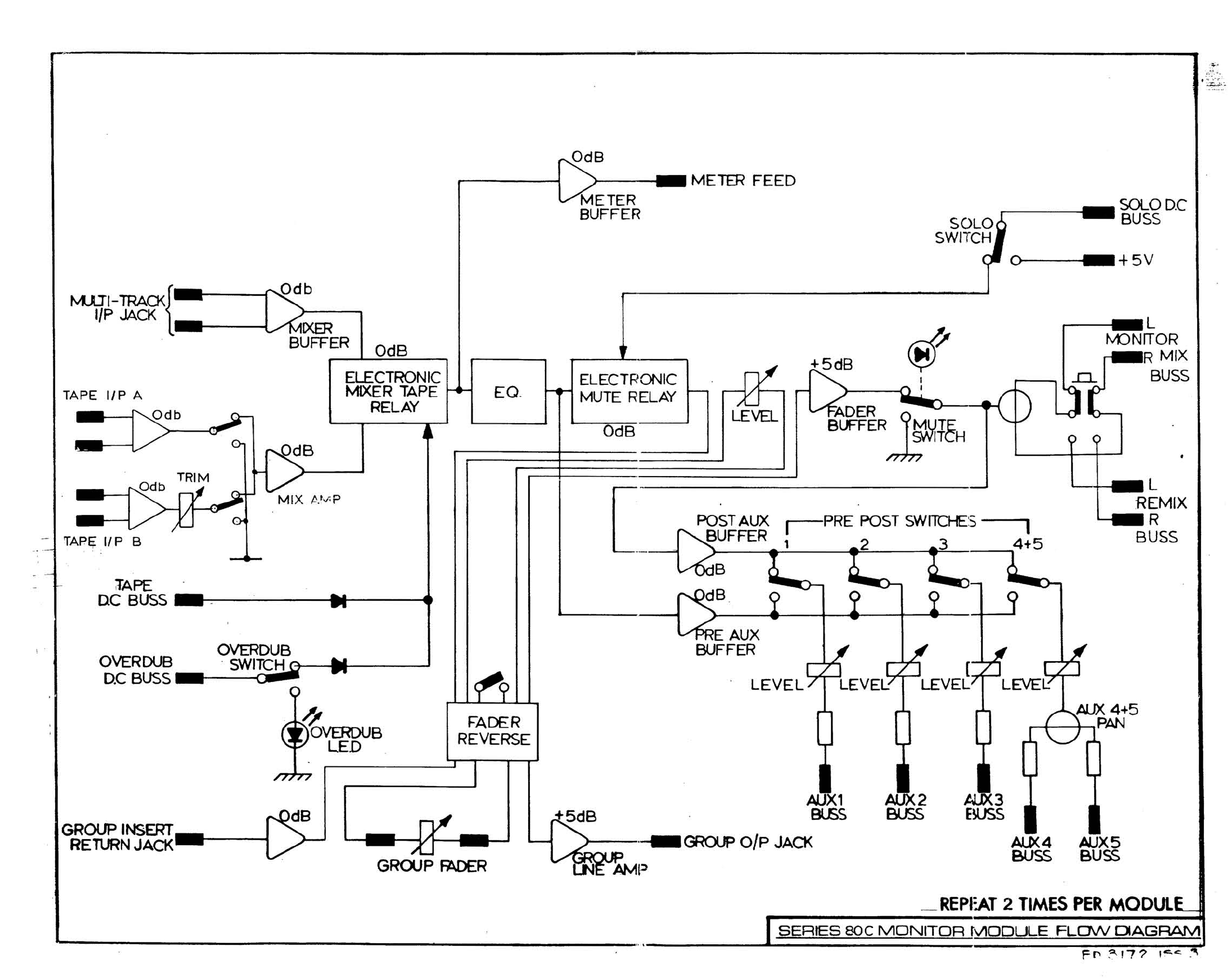
- Monitor Flow Diagram
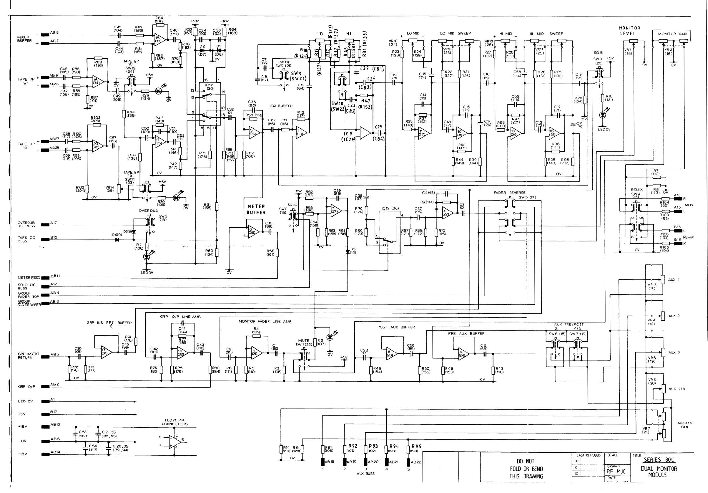
- Dual Monitor Module Schematic
- Section C - Echo Return & Comm
- Echo Return Pin Connections
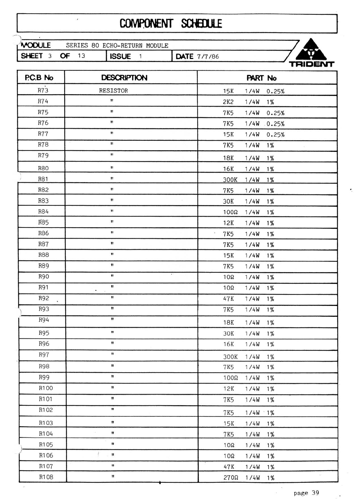
- Echo Return Module Parts List
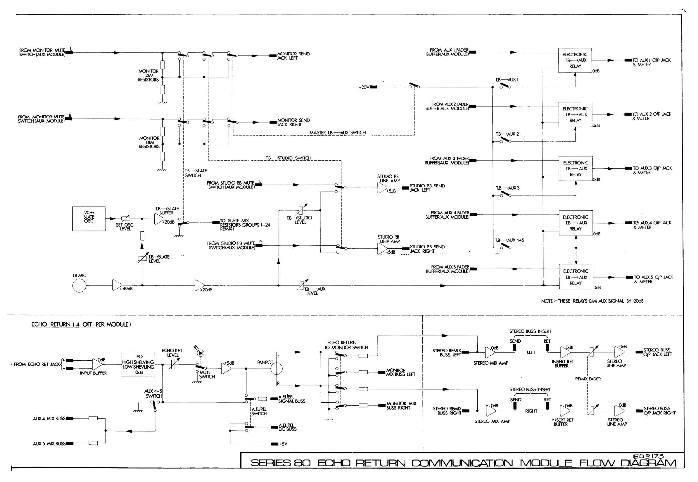
- Echo Return Mod Flow Diagram
- Echo Return Schematic 1
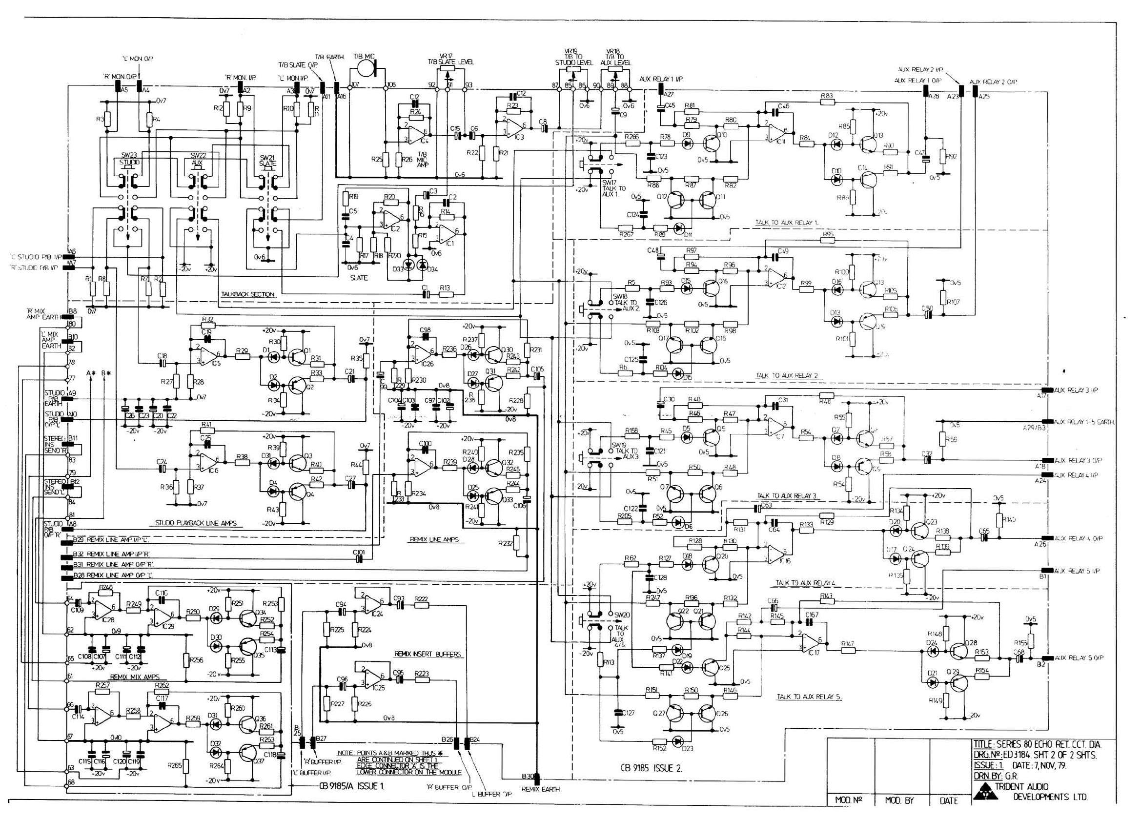
- Echo Return Schematic 2
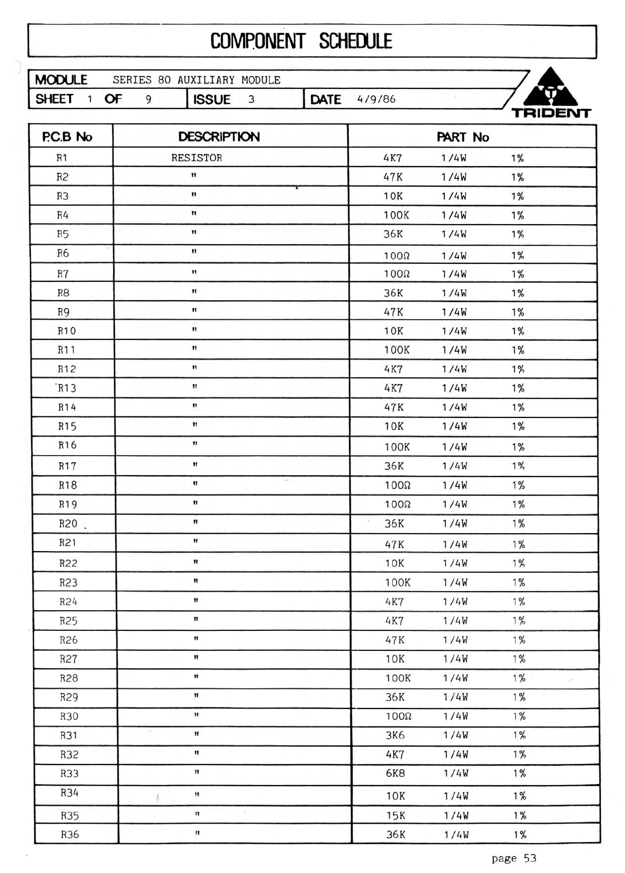
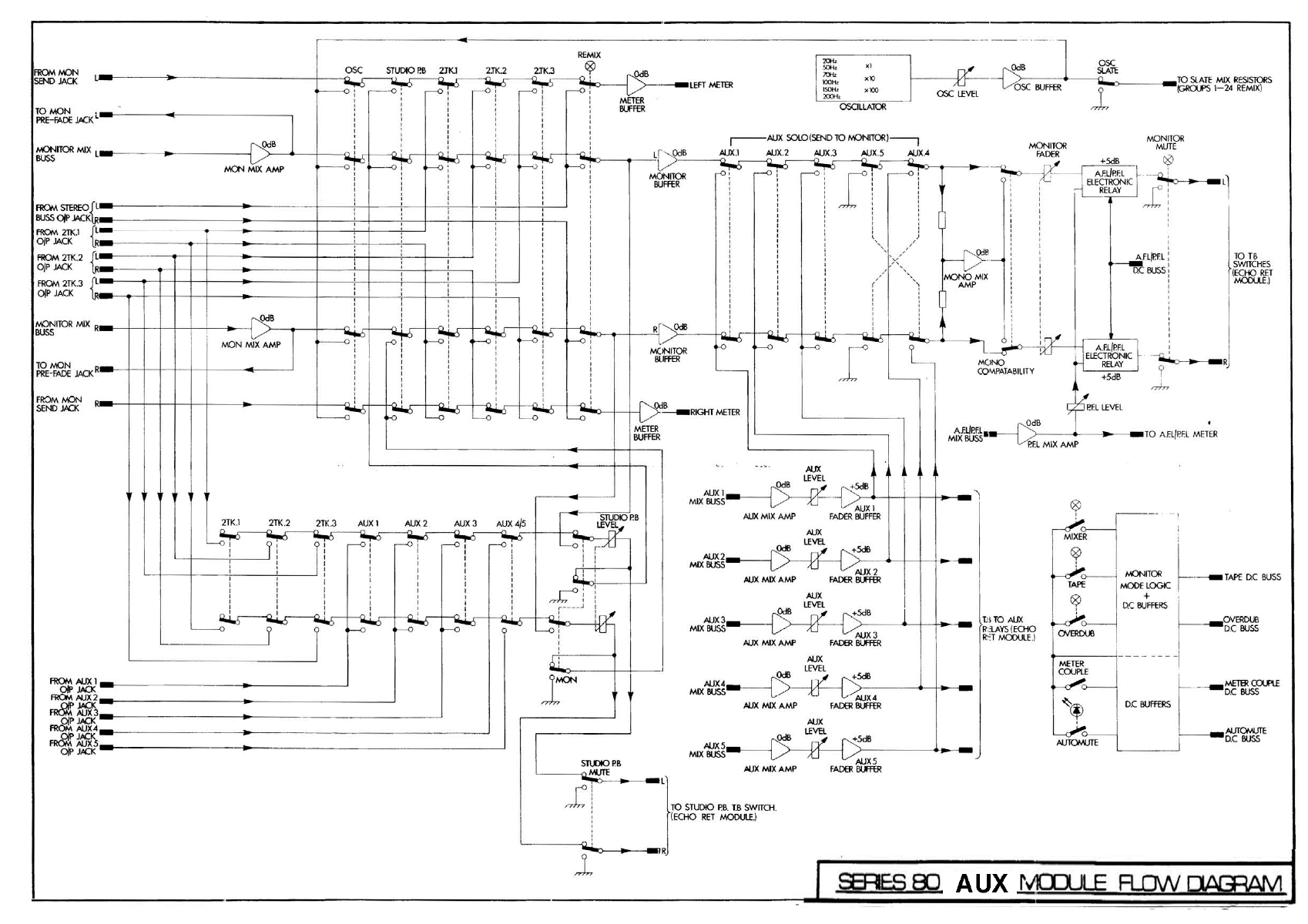
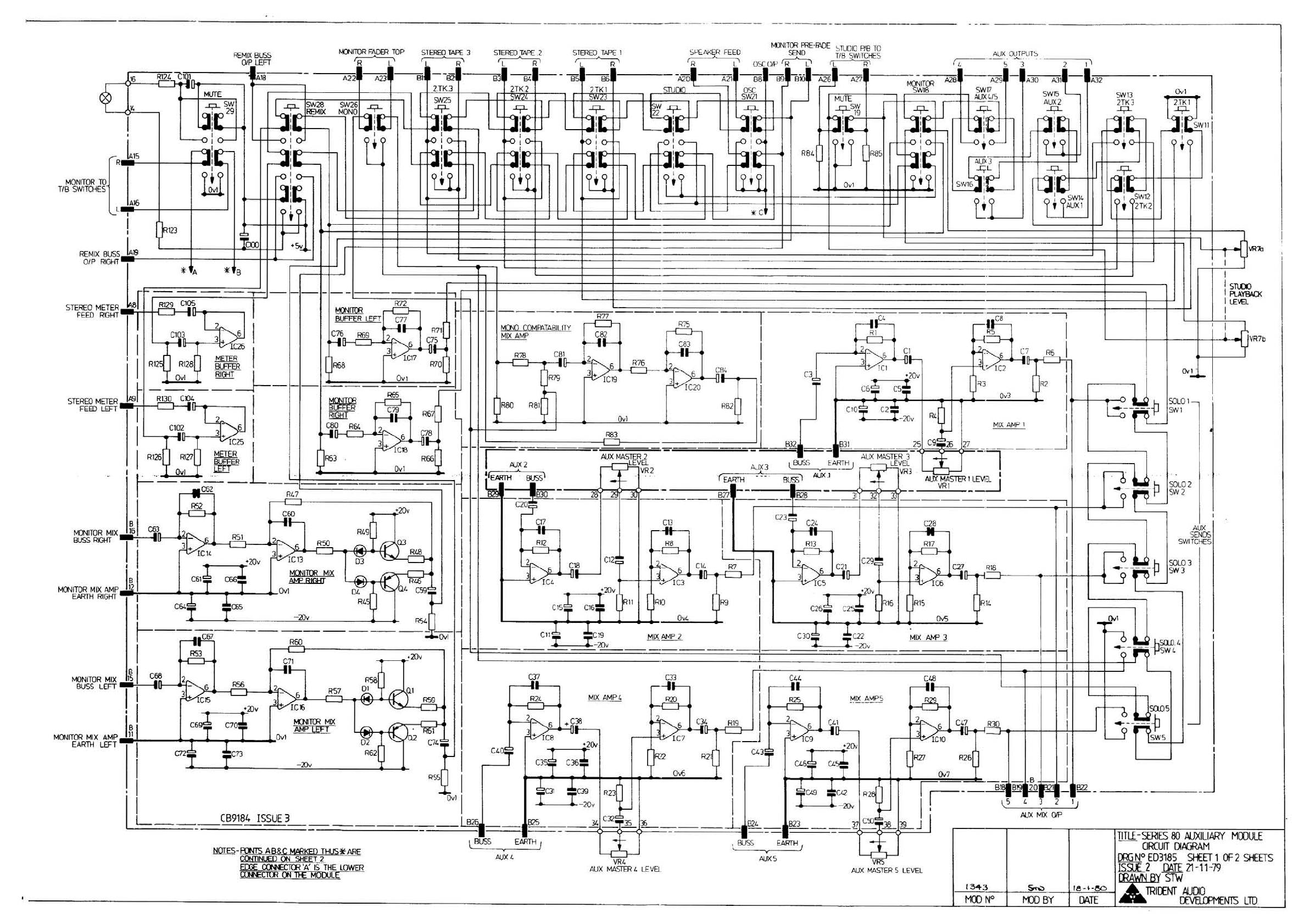
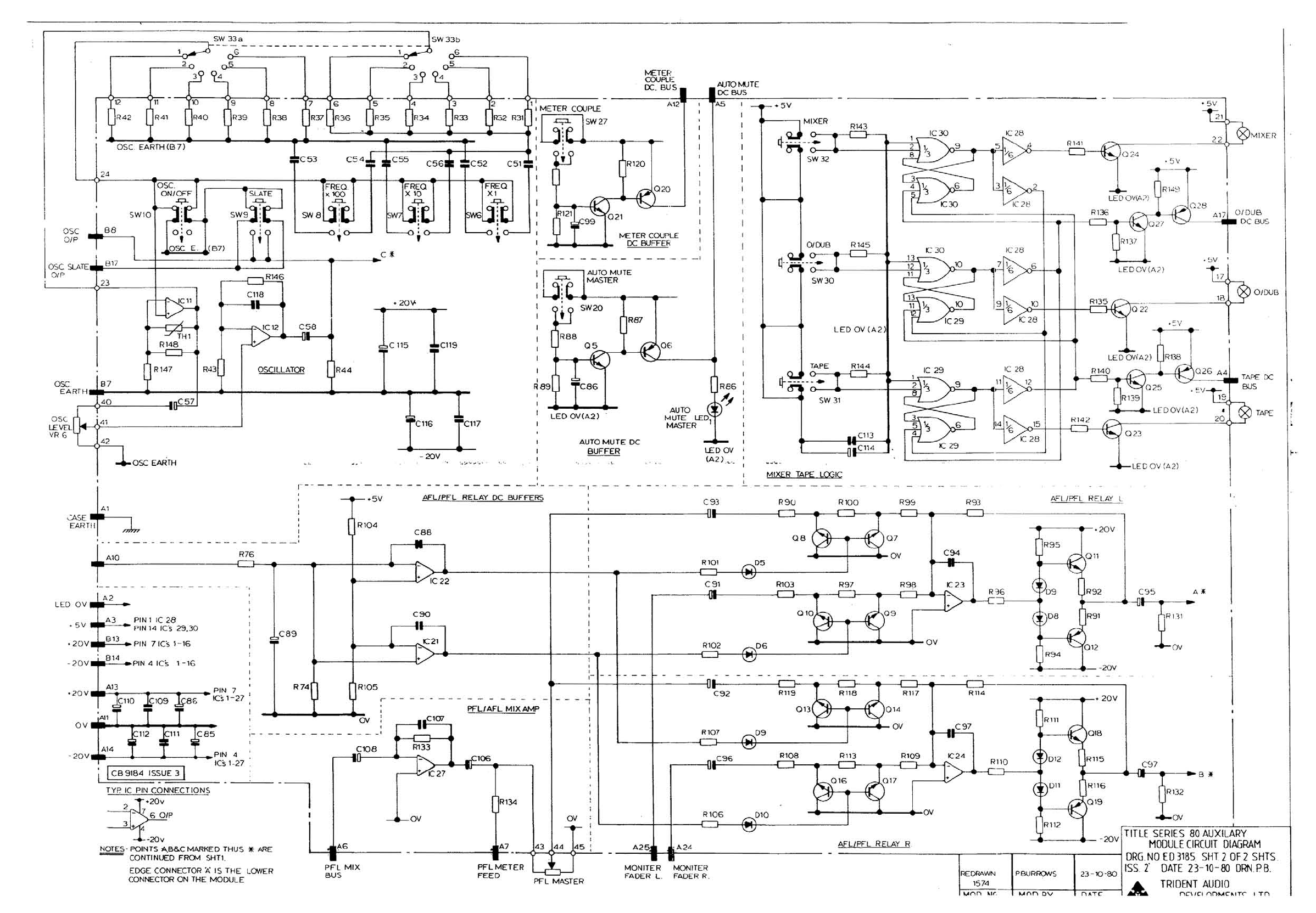
- Section D - Aux Module
- Aux Module Pin Connections
- Aux Module Parts List
- Aux Module Schematic 1
- Aux Module Schematic 2
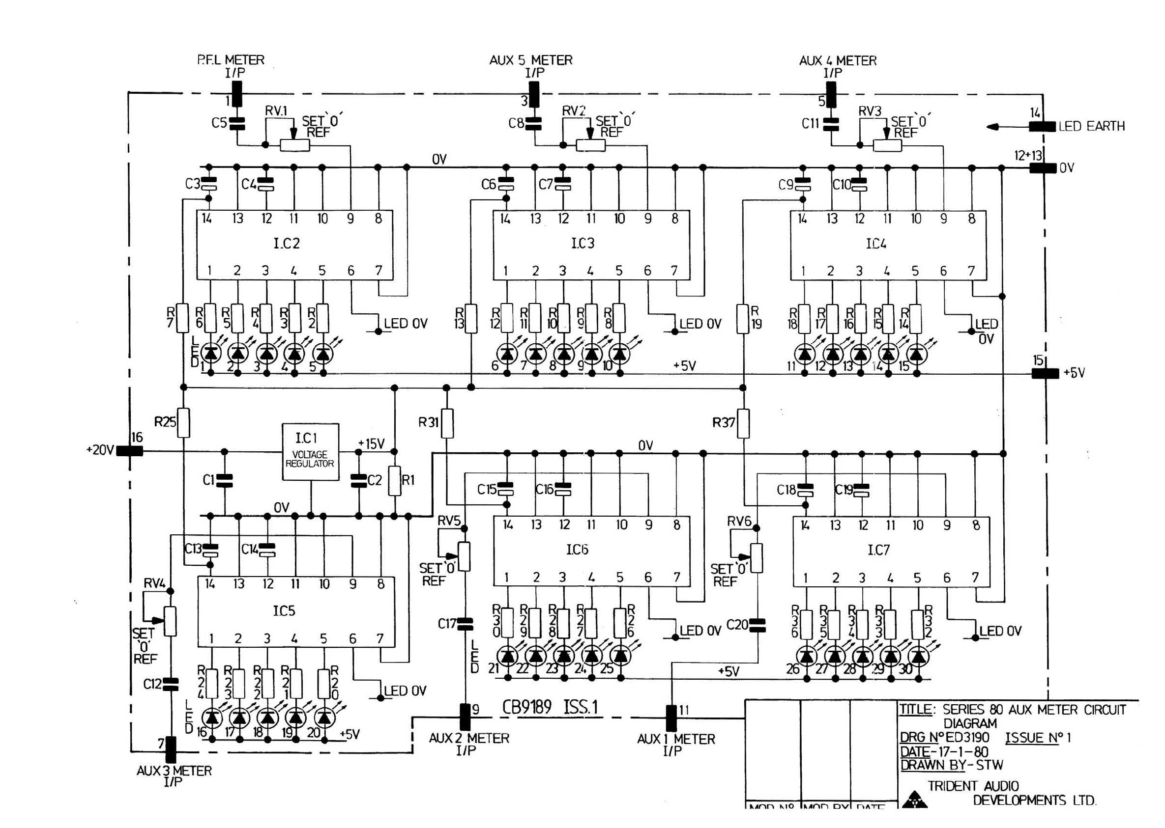
- Aux Meter Board Schematic
- Meter Panel PCB Schematic
- Tuchel Information (connections)
- 80C Layout Drawing

Trident
Series 80C
Handbook













































































































