ROSA DR1 UMA MB Troubleshooting Guide Ok ICH9 Dell
User Manual:
Open the PDF directly: View PDF
.
Page Count: 63
GFA & WKS Team
DR1-UMA Notebook MB Trouble Guide Page 1
ROSA DR1-UMA MB Troubleshooting Guide
JUN.09.2009
1. 前言
前言前言
前言.................................................................................................................................... 2
2. DR1-UMA MB 組成架構
組成架構組成架構
組成架構...................................................................................... 3
2.1 系統工作原理
系統工作原理系統工作原理
系統工作原理 .............................................................................................................. 4
2.2 系統架構圖
系統架構圖系統架構圖
系統架構圖 .................................................................................................................. 5
3. Troubleshooting by Error code.......................................................................... 6
3.1 音效功能測試不良
音效功能測試不良音效功能測試不良
音效功能測試不良(Audio Function NG) – SA00..................................................... 6
3.2 電池功能不良
電池功能不良電池功能不良
電池功能不良(Battery function NG) – BF00........................................................... 14
3.3 系統無功能
系統無功能系統無功能
系統無功能(System No Work) – NW00 .................................................................. 21
3.4 系統無法開機
系統無法開機系統無法開機
系統無法開機(System can ‘t power on)---NP00...................................................... 31
3.5 LCD/CRT 無顯示畫面
無顯示畫面無顯示畫面
無顯示畫面(LCD/CRT no display) – ND00.......................................... 41
3.6 (LP00---網路功能不良
網路功能不良網路功能不良
網路功能不良).............................................................................................. 49
3.7 自動斷電
自動斷電自動斷電
自動斷電/關機
關機關機
關機/開機
開機開機
開機(Auto Power Shutdown) – AP00............................................. 56
GFA & WKS Team
DR1-UMA Notebook MB Trouble Guide Page 2
1. 前言
前言前言
前言
DR1-UMA Model 是當前 3B DELL 產能最大的機種,每月 400K 左右,後繼延伸 DR2 也正在 Pilot run 中。
DR1 除UMA 架構外還有 Discrete 架構,不同的是 Discrete 架構是有獨立顯示晶片,而 UMA 則是使用北
橋內建的集成顯示控制器,其它架構外設功能大致相同。在此先從 UMA 的架構開始介紹,詳細請參考主機
板架構。
此Troubleshooting Guide 是根據 DR1-UMA 組成架構、工作原理與常遇到一些主要功能不良現象的維修
經驗撰寫而成,目的是為了讓新手能夠了解板子的組成架構與運作原理,並透過有系統、邏輯的問題分析
步驟及方法,進而有效率進行維修,以提高維修時的品質和減少“鐵板”的產生;同時藉由此 Troubleshooting
Guide 快速的將維修判斷步驟分解成 Repair SOP 供RT 新手使用。
GFA & WKS Team
DR1-UMA Notebook MB Trouble Guide Page 3
2. DR1-UMA MB 組成架構
組成架構組成架構
組成架構
DR1-UMA MB 組成架構,主要由 CPU(U41)、北橋(U52)、南橋(U25)、KBC(U20)、BIOS(U23)、Clock
芯片(U54)再搭配其它外設部件所組成。CPU 主要負責指令的執行與算術邏輯運算,並透過 Host Bus 與
北橋連結,藉由北橋來跟顯示晶片(集成北橋)、記憶體、南橋溝通,而南橋除了與儲存裝置(HDD、CDROM、
Card Reader)、網路、USB、Audio Codec 連結外,又透過 LPC Bus 與KBC 連結,主要負責 Keyboard、
Touchpad、Easy Key,KBC 又通過 SPI BUS 與BIOS(Flash ROM)連結通信。
芯片組架構
芯片組架構芯片組架構
芯片組架構 Intel GM45, ICH9
• U41 CPU: Vendor: intel Tech: Penrly Cache:4M FSB:800/1066Mhz
• U52 MCH: Vendor: intel Tech: GM45 Host Bus: 800/1066Mhz
• U25 ICH9: Vendor: intel Tech: ICH9 DMIx4: 100Mhz
• U20 KBC: Vendor: Winbond Tech:WPCE773L LPC Bus: 33Mhz
• U23 BIOS: Vendor: Winbond Tech:2MB SPI Flash ROM
M/B 系統
系統系統
系統主要總線介紹
主要總線介紹主要總線介紹
主要總線介紹:
::
:
1. FSB(Front Side Bus)前端總線
前端總線前端總線
前端總線,
,,
,又稱
又稱又稱
又稱 Host BUS:
用以連接 CPU Socket 到北橋的前端總線匯流排,頻率為 800/1066MHz,傳輸的頻寬為 8.5GB/s。CPU
Socket 用以安插各種不同速度的 Intel–Penryn CPU,共 479pin。
2. Main Memory BUS:
用以連接北橋到 DIMM Slot 的記憶體匯流排(Channel A & Channel B) ,其時脈為 800/1066MHz,傳
輸的頻寬為 8.5GB/s。DIMM Slot 是用以安裝各種不同容量及頻率的 DDR2 SDRAM 插槽,共 200pin。
3. DMI(全名
全名全名
全名 Direct Media Interface) BUS:
DMI(直接媒體接口),作為南橋與北橋相連的匯流排,採用序列點對點的連接方式,可以在記憶體和 I/O
控制器之間提供高達每秒 20GB 的數據傳輸(上行與下行各 10GB/s)。
4. PCI Express(簡稱
簡稱簡稱
簡稱 PCIe) BUS:
PCI Express 已非是高性能顯示卡的專利,它漸漸取代現有南橋上的 PCI 接口,ICH9M 南橋上的 PCI
GFA & WKS Team
DR1-UMA Notebook MB Trouble Guide Page 4
Express BUS 最多可連結 6個裝置,DR1-UMA MB 只用了 3個,分別為 GIGA 網路晶片
(88E8040-A0-NNC1C000-GP),Express Card(又稱 New Card)以及 1個Mini Card Connector;Mini
Card connector 可支援 Wireless LAN module 以及 3G Card module。PCI Express 其工作時脈為
2.5GHz,傳輸的頻寬為 512MB/s。
5. USB 2.0 BUS:
集成在南橋晶片中的 USB 2.0 控制器,採用通用序列匯流排的方式進行連結,其介面可分為標準 USB
及Mini USB 介面兩種,標準 USB 介面用以連結 Card Reader 晶片、USB Port 及Camera、Finger
Printer Connector 連接使用;而 Mini USB 介面則用在 Blue Tooth 的Connector 上,Mini USB 與標準
USB 介面差別在 Mini USB 多了一根 ID 腳。USB 2.0 的數據傳輸速率為 60MB/s。
6. LPC BUS:
LPC(Low Pin Count)匯流排,取代之前南橋上的 ISA 匯流排,主要為南橋與 KBC 晶片(WPCE773)連
結的匯流排,其工作頻率為 33MHz,傳輸的頻寬為 xxMB/s;另外會透過 KBC 與Touch Pad connector、
Keyboard connector、Media Key connector 及BIOS 連結。
7. SPI (Serial Peripheral Interface) BUS:
KBC 用來跟 BIOS 連接的匯流排,採用 4線同步序列傳輸的方式,其工作頻率為 33MHz。
8. SATA (Serial ATA) BUS:
集成在南橋晶片中的 SATA 控制器,採用串列方式傳輸數據的方式與 HDD Connector 及CD-ROM
Connector 連接,其傳輸的頻寬為 300MB/s。
9. Azalia Link:
集成在南橋晶片中的 Azalia 控制器,採用 Azalia Link 與外部的 Audio Codec (U61)晶片相連,其單通
道傳輸的頻寬為 24M/s。此外 Azalia Link 支持多通道的輸入輸出,最高可達 7.1 聲道。
相關的架構圖的介紹,請參考 2.2 系統方塊圖:
2.1 系統工作原理
系統工作原理系統工作原理
系統工作原理
MB 系統運作的原理,即開機過程分為硬件啟動
硬件啟動硬件啟動
硬件啟動和軟件啟動
軟件啟動軟件啟動
軟件啟動,硬啟動是指 POWER 的動作過程。而軟
啟動部分是指 BIOS 的POST 過程。先是硬件啟動而後是軟件啟動,了解開機過程對主板功能維修是很重
要的。首先工作電源和振盪頻率要能提供給各個零件後,接著 reset 訊號才會對南橋、北橋、CPU 進行重
置的動作,有 Power Sequence 參考學習。當 CPU 被重置後會到 BIOS 去執行 POST(Power on self test)

GFA & WKS Team
DR1-UMA Notebook MB Trouble Guide Page 5
的啟動程序,而 POST 會針對 MB 上的晶片組(北橋、南橋)、I/O 裝置(Display、Audio codec、LAN、CIR、
Keyboard、Touch pad、Card reader、USB),儲存裝置(Memory、CD-ROM、HDD)及保護裝置(FAN、
Thermal)進行檢測,等 POST 無誤後,才會開始載入作業系統(DOS 或Windows)。而 Windows 介面是目
前工廠導入測試以及 Burn in 與大多使用者最常使用的作業系統。在正式開始操作這套系統前,Windows
必需先執行各種零件的驅動程式後,才能啟動 MB 上主要的功能。
2.2 系統架構圖
系統架構圖系統架構圖
系統架構圖
(
DR1-UMA MB 系統架構圖
系統架構圖系統架構圖
系統架構圖)
M/B 系統方塊圖
系統方塊圖系統方塊圖
系統方塊圖:
::
:芯片組架構
芯片組架構芯片組架構
芯片組架構 Intel GM45, ICH9
GFA & WKS Team
DR1-UMA Notebook MB Trouble Guide Page 6
• U41 CPU: Vendor: intel Tech: Penrly Cache:4M FSB:800/1066Mhz
• U52 MCH: Vendor: intel Tech: GM45 Host Bus: 800/1066Mhz
• U25 ICH9: Vendor: intel Tech: ICH9 DMIx4: 100Mhz
• U20 KBC: Vendor: Winbond Tech:WPCE773L LPC Bus: 33Mhz
• U23 BIOS: Vendor: Winbond Tech:2MB SPI FLASH ROM
3. Troubleshooting by Error code
3.1 音效功能測試不良
音效功能測試不良音效功能測試不良
音效功能測試不良(Audio Function NG) – SA00
凡是和音效有相關的不良現象,均以 SA00 此Error code 做為統稱,而 SA00 會再依據各種不同的不良現
象再細分為 SA01(內部喇叭無聲或異音)、SA03(麥克風無法錄音或異音)、SA05(外接喇叭無聲或異音)、
SA14(右邊內接喇叭無聲)等等。…
Notebook MB 系統音效的動作原理總體介紹與方塊圖,請參考 General 版Troubleshooting Guide-SA00:
3.1.1 DR1-UMA MB 音效系統架構
音效系統架構音效系統架構
音效系統架構與動
與動與動
與動作原理介紹
作原理介紹作原理介紹
作原理介紹:
::
:
1. Azalia Link:
MB 音效系統主要有集成南橋(U25)的數位(digital)部分 IHDA(High Definition Audio)通過 Azalia Link 與
獨立的線性 (analog)Audio Codec(Coder-Decoder) U61 兩大部分組成。Azalia Link 負責全部的數位傳
輸與控制。Audio Codec 除了要執行類比信號的編解碼外,還需要負責錄音、放音、混音、靜音、音量
等功能
2. Port D---> Speaker
Audio Codec (U61)pin36/35 輸出的音頻信號 AUD_LINE_OUT_R/L,輸入給 OP AMP(運算放大
器)U62,由 U62 OP AMP 將兩路音頻信號放大到足以推動後面接在 Speaker Connector 的喇叭輸出聲
音。
3. Speaker Connector (SPK1)
經U62 OP AMP 放大後產生 AUD_SPK_L1/2 與AUD_SPK_R1/2(U62 pin6/7,19/20)輸給 Speaker
Connector (SPK1),通過 Speaker 將聲音輸出。

GFA & WKS Team
DR1-UMA Notebook MB Trouble Guide Page 7
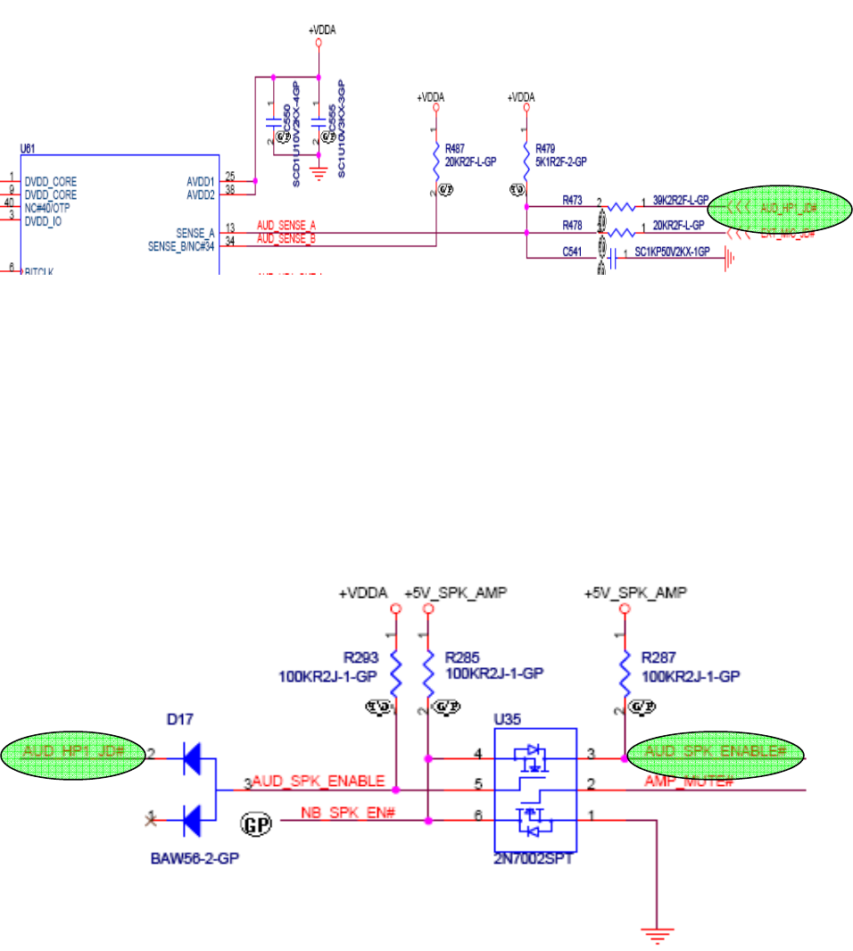
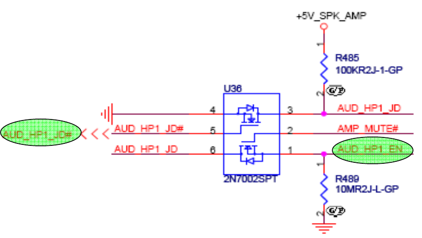
4. Port A---> HP
當耳機插入耳機孔(LOUT1)時,插孔(LOUT1)會通過機械結構使信號 AUD_HP1_JD# (pin5)接地,此信
號電位從 5V 被拉 LOW 到0V,通過電阻 R473 產生 AUD_SENSE_A 信號給 Audio Codec (U61)pin13,
使其檢測耳機已插入(參考
參考參考
參考 HP & EXT_MIC 檢測電路
檢測電路檢測電路
檢測電路),開啟 AUD_HP1_OUT_R/L(pin41/39)音頻的輸
出,經 C564,R490 與C557,R488 藕合傳輸給 OP AMP(放大器)U62 pin26/27。
(HP & EXT_MIC 檢測電路
檢測電路檢測電路
檢測電路)
5. LINE1 OUT
低電位 AUD_HP1_JD#通過 D7 pin2、U35 pin5 邏輯電路使 AUD_SPK_ENABLE# 為高電位 5V,給
OP AMP(放大器)U62 pin23 關掉 Speaker AUD_SPK_L1/2 與AUD_SPK_R1/2(pin6/7,19/20)的輸出(參
參參
參
考
考考
考Speaker 輸出控制電路
輸出控制電路輸出控制電路
輸出控制電路)。同時低電位 AUD_HP1_JD#又通過 U36(pin5)邏輯電路產生
AUD_HP1_EN(pin1)高電位 5V,給 OP AMP(放大器)U62 pin22 開啟 AUD_HP1_JACK_R/L (pin15/16)
的輸出,傳輸給 LOUT1 經耳機輸出聲音(參考耳機音頻輸出控制電路
參考耳機音頻輸出控制電路參考耳機音頻輸出控制電路
參考耳機音頻輸出控制電路)。
(Speaker 輸出控制電路
輸出控制電路輸出控制電路
輸出控制電路)

GFA & WKS Team
DR1-UMA Notebook MB Trouble Guide Page 8
(耳機音頻輸出控制電路
耳機音頻輸出控制電路耳機音頻輸出控制電路
耳機音頻輸出控制電路)
6. PC BEEP
另外當系統在收到外部或者內部的一些 event alarm 時,KBC U20 pin32 將會產生 KBC_BEEP 信號,經
R472 與C567 藕合後成 AUD_BIAS 信號給 OP AMP(放大器)U62 pin24 ; 南橋 U25 將產生 SB_SPKR 信
號,經 R464 與C531 藕合產生 AUD_PC_BEEP,傳到 Audio Codec (U61)pin12,最後都會產生 BeBe
的警告聲.
7. Port B---> Ext Mic
外部的麥克風 EXT MIC 插入 MIC 插孔(MIC1)時,插孔(MIC1)會通過機械結構使 EXT_MIC_JD# (pin5)接
地,此信號從高電位5V 被拉 LOW 到低電位0V,通過電阻R478 產生AUD_SENSE_A 信號給 Audio Codec
(U61)pin13,使其檢測外部麥克風已插入(參考
參考參考
參考 HP & EXT_MIC 檢測電路
檢測電路檢測電路
檢測電路),開啟 AUD_EXT_MIC_R /L 的
輸入,將外部音源輸入到 Audio Codec(U61)進行解碼。
8. Port C---> Int Mic
內部的小麥克風(INT MIC) 音源由 CN6 輸入,經 INT_MIC_L_R 信號由 C547/C549 藕合後,傳輸給 Audio
Codec (U61)pin23/24 進行解碼。Audio Codec (U61)pin2 信號 AUD_DMIC_IN0 為配合 CAMERA1 接口
的數字音頻輸入,同樣由 Audio Codec (U61) 進行解碼。(相關動作原理請參考下面 DR1-UMA Audio Block
Diagram)

GFA & WKS Team
DR1-UMA Notebook MB Trouble Guide Page 9
3.1.2 DR1-UMA MB 音效系統方塊圖
音效系統方塊圖音效系統方塊圖
音效系統方塊圖:
::
:
(DR1-UMA Audio 方塊圖
方塊圖方塊圖
方塊圖)
3.1.3 內部喇叭無聲或聲音異常
內部喇叭無聲或聲音異常內部喇叭無聲或聲音異常
內部喇叭無聲或聲音異常(Internal speaker no sound or abnormal sound) - SA01
音效功能測試時
音效功能測試時音效功能測試時
音效功能測試時,
,,
,內部的喇叭沒有聲音輸出或異聲
內部的喇叭沒有聲音輸出或異聲內部的喇叭沒有聲音輸出或異聲
內部的喇叭沒有聲音輸出或異聲產生
產生產生
產生。
。。
。
內部喇叭無聲音
內部喇叭無聲音內部喇叭無聲音
內部喇叭無聲音
當我們維修工程師拿到產線送修的 Audio NG Speaker 無聲音 MB 時,先檢查 MB 外觀,特別要檢查與
Audio Speaker 相關的電路外觀,On-Line 有一部分不良 MB 從外觀就能解決問題。
無異常後我們首要確認的條件有 :
(熟悉了之後可不用按部就班,一般我們在檢查了 1,2.7 點都 OK 時,就考慮復制不良現象看是否產線誤
判和確定不良,以掌握事實,後再細查)
1. +VDDA/
+5V_SPK_AMP
Audio Codec (U61)工作電壓有+VDDA & +3.3V_RUN。OP AMP U62 工作電壓+5V_SPK_AMP,通過
L18 直接由+5V_RUN 供給。
2. AUD_SPK_ENABLE#
Signal inverter for speaker shutdown, (參考
參考參考
參考 Speaker 輸出控制電路
輸出控制電路輸出控制電路
輸出控制電路),當此信號低電位 0V 時為開啟 OP
AMP U62 的Speaker 音頻信號輸出,高電位 5V 時將關閉 OP AMP U62 的Speaker 音頻信號輸出。

GFA & WKS Team
DR1-UMA Notebook MB Trouble Guide Page 10
Speaker 輸出控制電路出了問題,會直接影響 Speaker 無聲音,里面直接相關的信號有 AMP_MUTE#,
AUD_HP1_JD#,要特別注意。
3. AMP_MUTE#
KBC U20 給的啞子信號,能通過 Speaker 輸出控制電路
輸出控制電路輸出控制電路
輸出控制電路直接關掉 OP AMP U62 的Speaker 音頻信號
輸出
4. AUD_HP1_JD#
耳機插入時通知系統的信號,同樣能通過 Speaker 輸出控制電路
輸出控制電路輸出控制電路
輸出控制電路直接關掉 Speaker。
5. AUD_LINE_OUT_R/
AUD_LINE_OUT_L
Audio Codec (U61)輸給 OP AMP U62 的音頻信號 AUD_LINE_OUT_R / AUD_LINE_OUT_L
此兩路信號也是作為快速判斷的切入點,即可判斷是後段 OP AMP U62 到喇叭輸出的線路出了問題或
是前段 Audio Codec U61 或南橋 U25 這部份的線路出了問題
6. AUD_SPK_L1/2 與
與與
與AUD_SPK_R1/2
經 OP AMP U62 放大後的音頻信號輸給 Speaker 將聲音輸出
7. Azalia Link:
南橋(U25)與 Audio Codec U61 間全部的數位傳輸與控制,由 5條線路組成。
ICH_AZ_CODEC_BITCLK 頻率
ICH_SDIN_CODEC 數據輸入
ICH_SDOUT_CODEC 數據輸出
ICH_AZ_CODEC_SYNC 同步信號
ICH_AZ_CODEC_RST# 重置信號
DR1-UMA MB 相關內部喇叭聲音輸出方塊圖
相關內部喇叭聲音輸出方塊圖相關內部喇叭聲音輸出方塊圖
相關內部喇叭聲音輸出方塊圖

GFA & WKS Team
DR1-UMA Notebook MB Trouble Guide Page 11
(內部喇叭聲音輸出方塊圖
內部喇叭聲音輸出方塊圖內部喇叭聲音輸出方塊圖
內部喇叭聲音輸出方塊圖)
根據以上 DR1-UMA MB 音效系統架構與動作原理介紹,和內部喇叭無聲音首要確定的條件。對於新手在
維修相應的不良 MB 時,首選維修判斷可以按照以上 1~7 的確認條件,按部就班的進行維修。不難看出總
體步驟分:
第一步驟; 檢查各主要 IC 供電是否正常,
第二步驟; 檢查各控制信號,
第三步驟; 檢查數據信號,
第四步驟; 檢查零件本體。 詳細請依順序參考下面維修判斷流程:
1. 判斷流程
判斷流程判斷流程
判斷流程:
+VDDA/
+5V_SPK_AMP 異常的可能原因
異常的可能原因異常的可能原因
異常的可能原因:
::
:
a. +VDDA/
+5V_SPK_AMP 對地阻值的異常,從相關零件逐一排除。
b. +VDDA 由OP AMP U62 產生,U62 本體 NG.
c. +5V_SPK_AMP 由L18 直接由+5V_RUN 供給,檢查 L18 是否有異常。
d. 檢查+5V_RUN/+3.3V_RUN 電源供給線路。
參考
相關電路圖:
(+VDDA電源產生電路
電源產生電路電源產生電路
電源產生電路)

GFA & WKS Team
DR1-UMA Notebook MB Trouble Guide Page 12
(+5V_SPK_AMP 電源
電源電源
電源+5V_RUN 供給電路
供給電路供給電路
供給電路)
2. 判斷流程
判斷流程判斷流程
判斷流程:
AUD_SPK_ENABLE#異常的可能原因
異常的可能原因異常的可能原因
異常的可能原因:
::
:
a. AUD_SPK_ENABLE# Speaker 輸出控制電路中 U35 本體不良造成。
b. AUD_HP1_JD#信號電位異常造成, 耳機插孔 LOUT1 本體與線路。
c. AMP_MUTE#信號電位異常造成,KBC U20 給的啞子信號,U20 本體。
d. Speaker 輸出控制電路中 R293。
e. OP AMP U62 本體。
參考
相關電路圖:
(Speaker 輸出控制電路
輸出控制電路輸出控制電路
輸出控制電路)

GFA & WKS Team
DR1-UMA Notebook MB Trouble Guide Page 13
(OP AMP U62 pin23 AUD_SPK_ENABLE#輸入
輸入輸入
輸入)
3. 判斷流程
判斷流程判斷流程
判斷流程:
AUD_LINE_OUT_R/
AUD_LINE_OUT_L 異常的可能原因
異常的可能原因異常的可能原因
異常的可能原因:
::
:
a. 線路上的耦合電容 C544,C543。
b. Audio Codec (U61)本體與輸出線路。
c. OP AMP U62 本體與輸入線路。
4. 判斷流程
判斷流程判斷流程
判斷流程:
AUD_SPK_L1/2 與
與與
與AUD_SPK_R1/2 異常的可能原因
異常的可能原因異常的可能原因
異常的可能原因:
::
:
a. Speaker 接口,空焊短路等或接觸不好。
b. AUD_SPK_L1/2 與AUD_SPK_R1/2 線路。
c. OP AMP U62 輸出本體。
5. 判斷流
判斷流判斷流
判斷流程
程程
程:
Azalia Link 異常的可能原因
異常的可能原因異常的可能原因
異常的可能原因:
::
:
a. 上面介紹的 Azalia Link5 條線異常。
b. Azalia 5 條總線的相關電阻:R463,R465,R194,R197,R205.
c. Audio Codec (U61)本體與 Azalia Link 輸入線路。
d. 南橋(U25)本體與 Azalia Link 輸出線路。
6. The end.
GFA & WKS Team
DR1-UMA Notebook MB Trouble Guide Page 14
3.2 電池功能不良
電池功能不良電池功能不良
電池功能不良(Battery function NG) – BF00
工廠 Battery 功能有關之不良現象,均以 Error Code-BF00 作為統稱,而細項的部份可再細分為 BF01(電
池電量過低)、BF02(電池無法充電)、BF03(電池容量無法讀取)、BF04(電池無法開機)、BF05(電池充電無
法充滿)、BF06(RTC 電池功能不良),通常遇到的多是 BF02(電池無法充電)。
以下是電池功能不良首要確認的條件 :
1. PS_ID
PS_ID_EC:
Adaptor 送出訊號 PS_ID,經過轉換後為 PS_ID_EC 至KBC 用來偵測 Adaptor 的類型能否對 BATTERY
進行充電。
2. SM_BUS
BAT_SDA,BAT_SCL :
透過 SMBUS 將容量电量及电池温度反饋給 KBC.
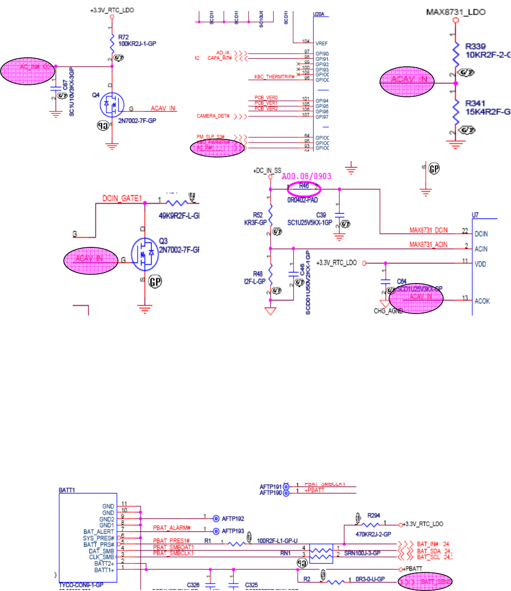
3. BAT_IN#:
電池輸出 BAT_IN#訊號通知 KBC 作為偵測電池已插入的訊號。
4. AC_IN# :
ADT 插入後 charge IC 收到
+DC_IN_SS
時會發出 AC_IN#訊號至 KBC,确认外接电源 OK.
5. +PBATT :
電池輸出+PBATT 到一個精密電阻作為電池正常電壓準位的判定。
6. +DC_IN :
ADT 插入後會有 DC_IN 訊號,通過一顆 MOS 轉化出
+DC_IN_SS
訊號到控制整個充放電動作的
charge IC。
7. PWM 電路
電路電路
電路(脉宽调制电路
脉宽调制电路脉宽调制电路
脉宽调制电路):
::
:
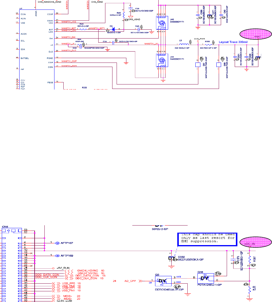
一組 PWM 電路(U45,U44,L9)在 charge IC 會控制下將 PWR_SRC 電壓轉换成給 battery 充電的
power,完成 Adaptor 給BATTERY 的充電動作。
以上相關訊號的方塊圖如下圖所示
(充放電功能方塊圖)

GFA & WKS Team
DR1-UMA Notebook MB Trouble Guide Page 15
A 判斷流程
判斷流程判斷流程
判斷流程:
造成
造成造成
造成
PS_ID
PS_ID_EC
異常的可能原因
異常的可能原因異常的可能原因
異常的可能原因:
1 电源或 I/O BOARD 不良,更换确认之,如 I/O BOARD NG 检查 CN1 本体及 CN1 to CN2 Trace 是否 open..
:
2 PS_ID 讯号没有送至 Q6 請檢查 CN4 本体及 CN4 to Q6 Trace 是否 Open.
3 PS_ID_EC 讯号没有送至 U20,請檢查 Q6 R9 及U20 之间线路是否 ok ,
4 PS_ID_EC 讯号有电压没负载波,,請檢查 Q6 Q7 本体每个 PIN 的对地阻抗,必要时交叉验证 Q6.
相關電路圖參考
下图为
下图为下图为
下图为 PS_ID 转换为
转换为转换为
转换为 PS_ID_EC 电路
电路电路
电路 下图为
下图为下图为
下图为 KBC 侦测
侦测侦测
侦测 PS_ID_EC 电路
电路电路
电路
MOS
(U46)
Adaptor
R
MOS
(U37)
MOS
CHARGE
IC(U7)
MOS
BAT
KBC
(U20)
+DC_IN +DC_IN_SS +PWR_SRC +PBATT
PS_ID_EC
AD_AI
SMBUS
BATT_IN#
BATT_SENSE
DHI
LX
SMBUS
AC_IN#
PIN13
PIN93
PIN8
PIN97
PIN2
4
PIN23
PIN16
+PBATT
+PWR_SRC

GFA & WKS Team
DR1-UMA Notebook MB Trouble Guide Page 16
B 判斷流程
判斷流程判斷流程
判斷流程:
造成
造成造成
造成 SM BUS(
BAT_SDA,BAT_SCL
) 讯号
讯号讯号
讯号輸出異常的可能原因
輸出異常的可能原因輸出異常的可能原因
輸出異常的可能原因:
1 RN1 排阻異常
2 RN46 Pull High 排阻異常
3 D2 D3 阻抗異常
4 U7 或U20 本体不良
5 分别确认 U20(PIN69 PIN70)至 U7(PIN9 PIN10) RN46 RN1 的线路是否 OK.
相關電路圖參考下圖所示:
下圖為
下圖為下圖為
下圖為: SM BUS(BAT_SDA,BAT_SCL)透過
透過透過
透過 Pull High 排阻
排阻排阻
排阻 RN46 及限流排阻
及限流排阻及限流排阻
及限流排阻 RN1 將
將將
將
BAT_SDA,BAT_SCL 送到
送到送到
送到 BATTERY 上
上上
上。
。。
。
下圖
下圖下圖
下圖為
為為
為U7 侦测
侦测侦测
侦测 SM BUS 电路
电路电路
电路 下圖為
下圖為下圖為
下圖為 KBC 送出
送出送出
送出 SM BUS 电路
电路电路
电路

GFA & WKS Team
DR1-UMA Notebook MB Trouble Guide Page 17
C判斷流程
判斷流程判斷流程
判斷流程:
造成
造成造成
造成
BAT_IN#
讯号
讯号讯号
讯号沒有輸出的可能原因
沒有輸出的可能原因沒有輸出的可能原因
沒有輸出的可能原因:
1 BATT1 接口本体不良,不能与电池有良好的接触,(注:SMT 一般是针点接触测试注意 BATT1 焊接后 PIN 脚上
有残留绝缘物)。
2 D1 阻抗異常
3 U20 本体不良
4 检查 BATT1 接口 PIN5 至U20PIN80 的线路是否 OK.
相關電路圖參考下圖所示:
下圖為
下圖為下圖為
下圖為 BATTERY 接入电路后送出
接入电路后送出接入电路后送出
接入电路后送出 BAT_IN#及
及及
及KBC 侦测
侦测侦测
侦测 BAT_IN#电路
电路电路
电路
D判斷流程
判斷流程判斷流程
判斷流程:
造成
造成造成
造成
AC_IN#
讯号
讯号讯号
讯号沒有輸出的可能原因
沒有輸出的可能原因沒有輸出的可能原因
沒有輸出的可能原因:
a当
当当
当ADT 接入时
接入时接入时
接入时 ACAV_IN OK 时
时时
时
1. Q4 本体不良
2.
U20 本体不良
3.
确认 Q4 to U20 pin93 线路是否 OK
b当
当当
当ADT 接入时
接入时接入时
接入时 ACAV_IN 异常时
异常时异常时
异常时
1. Q3 Q4 本体不良
2.
U7 本体不良
3.
R339 R341 本体不良
4. 确认 U7pin13 to Q3 Q4 R339 R341
线路是否 OK
相關電路圖參考下圖所示:

GFA & WKS Team
DR1-UMA Notebook MB Trouble Guide Page 18
下圖為
下圖為下圖為
下圖為 AC_IN#及
及及
及ACAV_IN 送出及侦测电路
送出及侦测电路送出及侦测电路
送出及侦测电路
E判斷流程
判斷流程判斷流程
判斷流程:
造成
造成造成
造成
+PBATT
电压
电压电压
电压沒有輸出的可能原因
沒有輸出的可能原因沒有輸出的可能原因
沒有輸出的可能原因:
1. +PBATT 电压沒有輸出 BATT1 接口本体不良,不能与电池有良好的接触。
2. +PBATT 电压沒有輸出 U44 U45 或U7 不良。
3 滤波电容 C331 EC77 等被击穿短路。
相關電路圖參考下圖所示:
下圖為
下圖為下圖為
下圖為+PBATT 送出电路
送出电路送出电路
送出电路
下圖為
下圖為下圖為
下圖為+PBATT 比较
比较比较
比较电路
电路电路
电路

GFA & WKS Team
DR1-UMA Notebook MB Trouble Guide Page 19
F判斷流程
判斷流程判斷流程
判斷流程:
造成
造成造成
造成
+DC_IN
电压沒有輸出的可能原因
电压沒有輸出的可能原因电压沒有輸出的可能原因
电压沒有輸出的可能原因:
1.确认电源及 I/O BOARD 是否 OK,并检查小卡与大板上的 CN4 接触是否良好。
2.用万用表量测 R337 R336 阻抗及 C330 对地是否正常。
3. 检查 CN4 to U46pin1 线路是否正常 。
相關電路圖參考下圖所示:
下圖為
下圖為下圖為
下圖為+DC_IN 送出电路
送出电路送出电路
送出电路
G判斷流程
判斷流程判斷流程
判斷流程:
造成
造成造成
造成
PWM 電路
電路電路
電路(脉宽调制电路
脉宽调制电路脉宽调制电路
脉宽调制电路)
輸出波型异常的可能原因
輸出波型异常的可能原因輸出波型异常的可能原因
輸出波型异常的可能原因
1. L9 本体不良
2. U44 U45 材料不良
3. U7 材料不良
4. 精密电阻 R306 R338 材料不良
相關電路圖參考下圖所示:

GFA & WKS Team
DR1-UMA Notebook MB Trouble Guide Page 20
下图为影响
下图为影响下图为影响
下图为影响 PWM 電路
電路電路
電路(脉宽调制电路
脉宽调制电路脉宽调制电路
脉宽调制电路)
輸出波型异常时常见易出问题的元件标示图
輸出波型异常时常见易出问题的元件标示图輸出波型异常时常见易出问题的元件标示图
輸出波型异常时常见易出问题的元件标示图。
。。
。
小结
小结小结
小结
关于DR1 MODEL充放电的总结:当M/B上有電壓+PWSRC,此電壓是Adaptor或者電池所產生出來的,
因此不論MB是插入Adaptor或者電池,+PWSRC都會有電源輸出。所以當系統是使用電池供電時,電池除
了輸出BAT_IN#訊號給KBC作為偵測電池已插入的訊號外,也會輸出+PBATT到一個精密電阻作為電池正
常電壓準位的判定,接著輸入到+PWSRC的電源上,由+PWSRC供電給MB上的電路及零件。
當電池容量是偏低時,電池除了透過 SMBUS 將容量反饋給 KBC 之外,也會透過充電指示燈來提醒
使用者,要插入 Adaptor 來對電池進行充電。因此當 Adaptor 的電源接入到 M/B 後,會經由一個 Soft start
的線路來產生+DC_IN_SS 的電源,而+DC_IN_SS 會分支兩部份的電源,一個是經由 Charger IC 轉出
AC_IN#的訊號給 KBC,作為 Adaptor 插入的偵測訊號,另一個是通過一個精密電阻作為 Adaptor 正常準
位的判定,然後將+DC_IN_SS 輸入到+PWSRC 的電源上同時 Adaptor 還送出一訊號 PS_ID,經過轉換後
為PS_ID_EC 至KBC 用來偵測 Adaptor 的類型能否對 BATTERY 進行充電。
當KBC 收到 PS_ID_EC,AC_IN#及電池電量過低的警訊 PBAT_ALARM#時會通知 Charger IC(U7),讓
Charger IC 透過 PWM 的方式,開始對電池進行充電的動作。
GFA & WKS Team
DR1-UMA Notebook MB Trouble Guide Page 21
3.3 系統無功能
系統無功能系統無功能
系統無功能(System No Work) – NW00
測試員時常會弄不清楚 No display 與No work 的Error code,因此當修護收到 NW00 的板子後,首要是先排
除是否為畫面無顯示的問題,然後再確認是否為系統無功能的問題,確認系統無功能的方式,首先是電源指示
燈亮了之後,但LCD,CRT 均無顯示,且HDD 指示燈不亮,CapsLk 也無作用等以上的現象,可判斷為 NW00
的問題。經判斷為 No Work 時,可進一步使用 Debug board 確認 BIOS 的POST Code 所顯示的位置(Check
point),然後再依據此 Check point 進行分析。
以下為 NW00 常見的 Check Point 及判斷的方法:
1. 3.2.1 – No work – Hang up in check point“00”:
LCD 無畫面輸出,且Debug board 顯示 00.
2. 3.2.2 – No work – Hang up in check point“2C&2A”:
LCD 無畫面輸出,且Debug board 顯示 2C.
經過以上的判斷後,再依據這些問題點進行相關的故障排除.請參考下列所示.
3.2.1 – No work – Hang up in check point“00”
電源指示燈亮
電源指示燈亮電源指示燈亮
電源指示燈亮、
、、
、LCD 無畫面輸出
無畫面輸出無畫面輸出
無畫面輸出、
、、
、硬碟指示燈不閃
硬碟指示燈不閃硬碟指示燈不閃
硬碟指示燈不閃,
,,
,Capslk 無動作
無動作無動作
無動作,且
且且
且Debug board 顯示
顯示顯示
顯示 00
從電源指示燈亮到第一個 POST Code 輸出到 debug board 的過程中,因某種原因而造成功能不良時(例
如 :CPU 的工作電源沒有輸出或振盪器沒有振盪...等),都會造成 debug board 顯示 00.因此要讓 CPU 能到
BIOS 內去讀取 POST code 的話,就需具備以下這幾個條件.
1. +5V_RUN
由Transistor(AO4468 U30)轉換而來(請參考圖 3.2.1-A),作為系統在啟動時 Core power PWM 控制器的重要電源之
一:
a.作為 CPU Core power PWM 控制器的輸入電源.
b. 作為 THERMAL 控制器的輸入電源
2. +3D3V_RUN
由Transistor(AO4468 U31)轉換而來(請參考圖 3.2.1-A),作為系統在啟動時的重要電源之一,同時也是相關信號的
Pull High 電源 :
a.作為 CPU Core power PWM 控制器的輸入電源.
b.作為 KBC 的工作電源.
c.作為 SB 內的 PCI 控制器的工作電源.
d.作為 Clock Generator 的工作電源.
e.作為 CPU_CORE_ON 的Pull High 電源.
f.作為 PURE_HW_SHUTDOWN#的Pull High 電源.
g .作為 THERMAL 控制器的輸入電源
h. 作為 RUNPWROK 的Pull High 電源
GFA & WKS Team
DR1-UMA Notebook MB Trouble Guide Page 22
I.作為 CLK_PWRGD 的Pull High 電源.
J.内存的工作電源.
3. +1D5V_RUN
由Transistor (APL5912 U21)轉換而來(請參考圖 3.2.1-A),作為系統在啟動時,南橋及 CPU 的重要電源之一,如:
a.作為 SB 內的 DMI 控制器的輸入/輸出阻抗及偏流的輸入電源.
b.作為 SB 內部 VCCA3GP 的邏輯電路和 I/O 緩衝器的輸入電源
c.作為 SB 內部 ARX,ATX 的邏輯電路和 I/O 緩衝器的輸入電源
d.提供一個獨立的電源至 CPU 內部的 PLL 電路上
4. +1D05V_VCCP
由雙同步降壓控制器(TPS51124)產生的電源(請參考圖3.2.1-A),作為系統在啟動時,南北橋及CPU 的重要電源之一 :
a.作為北橋上 Controller Link input buffers 的一個外部參考電壓
b.作為北橋上 PCI Express Graphics 的輸入電流補償電源
c.作為北橋上的 VCC Core power 電源
d.作為北橋上 PCI Express Graphics 的輸入類比, I/O 邏輯及 Term 的輸入電壓.
e.作為北橋上 DMI 的TX 類比及終端電壓
f.作為北橋上 Host interface 的I/O 電壓
g.作為北橋上 System memory 的I/O 邏輯及 DLL 電壓
h.作為北橋上 System memory 的Clock 邏輯電壓
i.作為北橋上顯示裝置的 PLL 電壓.
j.作為北橋內部 HOST BUS 控制器的 PLL 類比電源
k.作為南橋內部 DMI 控制器的輸入電源(VCCDMI)
l.提供南橋上一個用來 Drive Processor interface signal 的電源,此電源與 Processor 的I/O 電源是
相同的.
m.作為南橋內容的 Core power 輸入電源.
n.作為 Clock Generator 上的 VDD96_IO,VDDPLL3_IO,VDDSRC_IO,VDDCPU_IO 的輸入電壓.
o.提供給 CPU 的輸出訊號 Internal Error
p.提供一個獨立的電源至 CPU 內部的 FSB PLL 電路上
5. VCC_CORE :
由兩相核心控制器(ISL6266A U40)產生的電源,作為 CPU 的核心工作電源,當電源輸出後,CPU Core power PWM 控
制器會輸出 VGATPWRGD 至KBC(U20)及南桥(U25). (請參考圖 3.2.1-B)
6. PM_PWROK :
KBC(U20)輸出 PM_PWROK 信號,用以通知南橋(U25)及北橋(U52),MB 上的電源已經 OK.(請參考圖 3.2.1-C)
7. H_PWRGD, CLK_PWRGD
:
當SB(U25)收到 VGATEPWRGD 及PM_PWROK 的信號後,就會發出此 H_PWRGD 信號給 CPU(U41)及
CLK_PWRGD 給 Clock Generator(U54). (請參考圖 3.2.1-C)
8. CLK_CPU_BCLK, CLK_PCIE_ICH, CLK_MCH_BCLK:
當Clock Generator(U54)收到 CLK_PWRGD 後,就會送出” CLK_CPU_BCLK”給CPU, “CLK_MCH_BCLK”
給北橋,
以及”CLK_PCIE_ICH”給南橋,作為這些晶片的工作頻率.
(請參考圖 3.2.1-D)

GFA & WKS Team
DR1-UMA Notebook MB Trouble Guide Page 23
9. PLT_RST# :
當南橋收到 Clock 後,即會送出 PLT_RST#對北橋進行 reset 的動作. (請參考圖 3.2.1-D)
10. CPU_RST#:
當北橋收到 PLT_RST#信號後,即會送出 CPU_RST#對CPU 進行 reset 的動作. (請參考圖 3.2.1-D)
11. ADS#: (Address Strobe)
當CPU 收北橋發的 CPU_RST#信號而被重置後,會根據內部的預設值,首先發出 ADS#信號,接著根據預設的位址
(0FFFFFFF0H)從北橋出發到BIOS 內的BootBlock 上去讀取第一條指令執行,然後是執行Bootblock,等Bootblock
執行後才會跳到 POST code 開始執行 POST 指令.因此當 ADS#被觸發時,是證明 CPU 已開始工作. (請參考圖
3.2.1-E)
12. DMI_RXN0, DMI_TXN0: (DMI BUS)
DMI BUS 是作為 NB(U52)跟SB(U25)溝通用的主要匯流排,只要量測 DMI_RXN0 與DMI_TXN0 這兩根信號,即可以
簡單的知道 DMI BUS 是否有資料在進行傳送.因此確認此信號是否有動作,可以初步判斷 NB 是否有跟 SB 進行溝通.
(請參考圖 3.2.1-E)
13. LPC_LFRAME#: (LPC BUS)
LPC BUS 是作為 SB 跟KBC 溝通用的主要匯流排,只要量測 LPC_LFRAME#是否正常動作,即可以簡單的知道 LPC
BUS 是否有資料在進行傳送.因此確認此信號是否有動作,可以初步判斷南橋是否有跟 KBC 進行溝通. (請參考圖
3.2.1-E)
14. SPICLK, SPIDI: ( SPI BUS)
SPI BUS 是作為 KBC 與BIOS 溝通用的主要匯流排,只要量測 SPICLK 與SPIDI 這兩根信號,即可以簡單的知道 SPI
BUS 是否有資料在進行傳送.因此確認此信號是否有動作,可以初步判斷 KBC 是否有跟 BIOS 進行溝通. (請參考圖
3.2.1-E)
(圖
圖圖
圖3.2.1-A)
SB(ICH9)
RUNPOWE
R
AO4468(U30)
APL5912 (U21)
1.05V电源产生电
电源产生电电源产生电
电源产生电
KBC(WPCE773U2
AO4468(U3
PM_SLP_S3#
RUN_POWER_ON
+5V_RUN
+3.3V_RU
+1.5V_RUN
RUNPWROK
+1.05V_VCCP
+3V_ALW
+5V_ALW

GFA & WKS Team
DR1-UMA Notebook MB Trouble Guide Page 24
(圖
圖圖
圖3.2.1-B)
(圖
圖圖
圖3.2.1C)
`
(圖
圖圖
圖3.2.1-D)
VCORE
IC
(U40)
CLKGEN
(U54)
NB(U52)
SB(U25)
KBC
(U20)
VGATEPWRGD
VGATEPWRGD
PWR OK
PWR OK
PLT_RST#
ICH_CLK
MCH_CLK
CPU(U41)
CPURST
VCORE IC
(U40)
KBC(U20)
SB(U25) CLK GEN
(U54)
CPU(U41)
VCC_CORE_S0
VGATE PWRGD
PWROK
CK_PWRGD
H_PWRGD
CPU Core power
产生电路
产生电路产生电路
产生电路
(U40ISL6266
A)
VGATEPWRGD
CPUCORE_ON
H_VID(0-6)
VCC_CORE
CLK_PWRGD
CLK_CPU_BCLK

GFA & WKS Team
DR1-UMA Notebook MB Trouble Guide Page 25
(圖
圖圖
圖3.2.1-E)
根據以上CPU 若要開始動作,並到BIOS ROM去取得POST code執行,並將Check point丟到debug board
顯示時,若採按部就班的方式進行維修的話,首要是確認 H_REST#是否正常輸出.詳細請參考下面維修判断
流程圖
Check H_REST
(SYSTEM
Check H_ADS#
Check LPC BUS
(參考 LPC BUS
Verification)
Check
PLTRST
Check CPU
發出及
NB
Check SB U25 發出及 NB
U
52
接受端相關
Trace
線路
Check
PCI_RST#
Check
CLK_MCH
Check SB U25 發出及相關
Trace
線路
Check
H_PWRGD
Check CLK GEN U54 發出及
NB U52 接收端相關 Trace 線
Check
VGATE_PWRGD
ok
ok
ok
ok
ok
ok
ok
End
Check
PWR_OK
Check SB U25 發出及 U41
相關
Trace
線路
call help
from FAE
ok
Check 產生此電壓的 Vcore
IC (
U40)
及相關
trace
線路
Check KBC(U20) 產生此電壓
SB&NB
接收端相關
Trace
線
End
End
End
End
End
E
nd
End
OK
OK
OK
NG
NG
NG
OK
NG
NG
NG
NG
OK
OK
OK
OK
NG

GFA & WKS Team
DR1-UMA Notebook MB Trouble Guide Page 26
当H_REST OK 诊断卡 SHOW “00”,也即 LPC BUS 有电压无波形,常用的维修判断步骤如下图:
简要说明:对于 DEBUG CARD show “00”而H_REST OK 我们常常先考虑 BIOS(U23)
是否 OK,因为它是一个韧体,介于软体和硬体之间很容易导致 POST“00”,当 BIOS OK 再确认 SPI BUS
它是负责 BIOS 与KBC 之间的沟通,确认没问题后进一步分析 KBC 的工作电压和 LPC BUS 及
PCLK_KBC(33M)是否全部工作正常,如果没有异常在对(DMI BUS H_A#&H_D# BUS 及control BUS)进
行分析 OK 的条件下更换 KBC(U20);当确认 KBC(U20)OK 后继续分析 DMI BUS,如果线路阻抗无异常需
CHECK 南桥(U25)的工作电压及时钟 ICH_CLK 是否正常,如果没有发现问题需继续分析北桥(U52)及
CPU(U41)的正常工作条件是否满足,南,北桥到 CPU 的总线是否正常,如果其它条件均满足则更换南桥
U25;当确认南桥(U25)OK 后继续分析北桥(U52)与CPU 之间的传输总线和工作电压及时钟讯号
MCH_CLK&CLK_CPU_BCLK 是否正常,确认无误后更换北桥或 CPU 座。(注:在更换 BGA 时不可孤立
地去分析某些简单条件就做出更换的 BGA 决定,应综合地分析南,北桥 CPU 的总线及全部工作条件后再
确定更换,这样我们的 BGA 误判就会减少。)
BIOS(U23)
KBC(U20)
南桥
南桥南桥
南桥(
((
(U25)
))
)
北桥
北桥北桥
北桥(
((
(U52)
))
)
CPU(U41)
CLK
IC
(U54
)
CHECK 及更换
及更换及更换
及更换 U23
CHECK U20 周边电路或
周边电路或周边电路或
周边电路或更换
更换更换
更换 U20
CHECK U25 周边电路或
周边电路或周边电路或
周边电路或更换
更换更换
更换 U25
CHECK U52 周边电路或
周边电路或周边电路或
周边电路或更换
更换更换
更换 U52
CHECK U41 周边电路或
周边电路或周边电路或
周边电路或更换
更换更换
更换 U41
PCLK_KBC OK
ICH_CLK OK
MCH_CLK OK
CLK_CPU_BCLK OK
SPI BUS
LPC BUS
DMI BUS
H_A#&H_D# BUS
OK
OK
OK
OK
NG
NG
NG
NG
NG

GFA & WKS Team
DR1-UMA Notebook MB Trouble Guide Page 27
3.2.2 – No work – Hang up in check point“2C&2A”
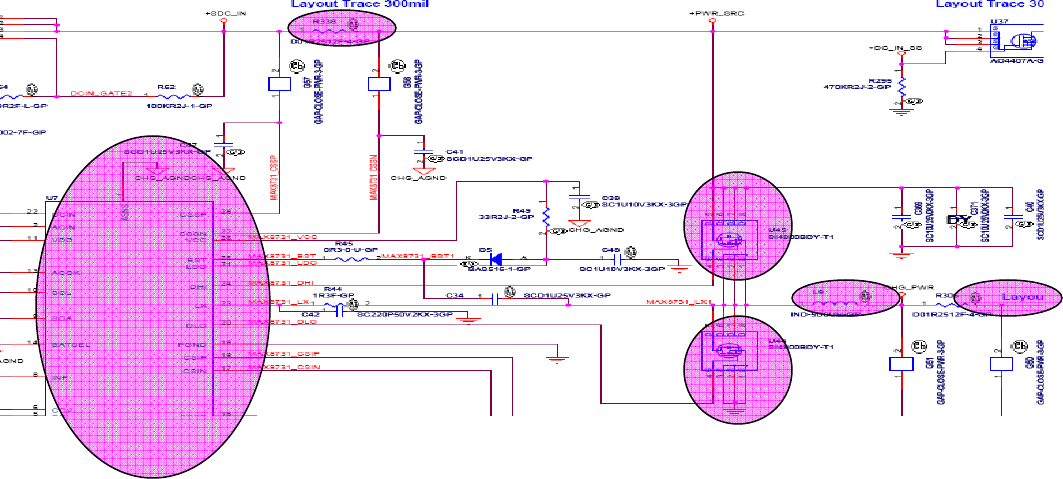
DEBUG CARD show 2C&2A 时,表示内存读取出现问题,根据现象大致可分为单槽不读&双槽不读。
以下是内存读取不良首要確認的條件 :
1.
1.1.
1.
+3D3V_RUN
由Transistor(AO4468 U31)轉換而來作为内存工作重要電源之一(請參考圖 3.2.2-A),:
2.
2.2.
2.
1.8V_SUS
由TPS51116(PU1)送出作为北桥及内存工作電源(請參考圖 3.2.2-B);
3
.
..
.
+0.9V_DDR_VTT
由TPS51116(PU1)送出作为内存工作.的Pull High 電源(請參考圖 3.2.2-B);
4. +V_DDR_MCH_REF
由TPS51116(PU1)送出作为内存及北桥工作.的参考电压(請參考圖 3.2.2-B);
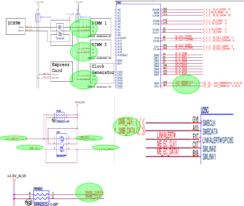
5. ICH_SMBCLK, ICH_SMBDATA
由南桥送出经 U56 转换而来作为侦测内存大小及类型(請參考圖 3.2.2-C);
6. M_A_A(0-14),M_A_DQ(0-63),M_A_DQS#(0-7),M_A_DQS(0-7), M_A_DM(0-7),
及一些控制讯号
及一些控制讯号及一些控制讯号
及一些控制讯号;
;;
;
北桥与内存通过上叙数据及地址总线沟通;
A 判斷流程
判斷流程判斷流程
判斷流程:
造成
造成造成
造成+3D3V_RUN 異常的可能原因
異常的可能原因異常的可能原因
異常的可能原因相關電路圖參考
相關電路圖參考相關電路圖參考
相關電路圖參考(圖
圖圖
圖3.2.2-A):
:
5 3.3V_ALW 未送至 U31,,CHECK U31 to U18 线路是否 OK;
6 PM_SLP_S3 讯号没有送至 Q21,請檢查 Q21 至U25 之间线路是否 ok ;
7 RUN_POWER_ON 电压未起或不正常,,請檢查 Q22,Q23,Q21,R460,R459,R458 本体及各元件之间线路是否
OK;
8 在以上条件均满足,该电压未起可能是 U31 本体不良;
(圖
圖圖
圖3.2.2-A)

GFA & WKS Team
DR1-UMA Notebook MB Trouble Guide Page 28
B 判斷流程
判斷流程判斷流程
判斷流程:
造成
造成造成
造成 1.8V_SUS 異常的可能原因
異常的可能原因異常的可能原因
異常的可能原因,
,,
,相關電路圖參考
相關電路圖參考相關電路圖參考
相關電路圖參考(圖
圖圖
圖3.2.2-B):
1.+5V_ALW, +5116_PWR_SRC,電源未送出或短路對地,請用短路偵測器確認短路位置.
2. PM_SLP_S3, PM_SLP_S4 電源沒有送给 PU1,或是该二电压未输出,請檢查南桥该电路模块及 Trace 是否 Open.
3.
PWM 電路(脉宽调制电路)
輸出波形异常或无电压输出,check PL1,PU2,U14,PC1 本体及各元件之间线路是否
OK;
4. PU1 本体不良。
(圖
圖圖
圖3.2.2-B)
C 判斷流程
判斷流程判斷流程
判斷流程:
造成
造成造成
造成+0.9V_DDR_VTT 輸出異常的可能原因
輸出異常的可能原因輸出異常的可能原因
輸出異常的可能原因,
,,
,相關電路圖參考
相關電路圖參考相關電路圖參考
相關電路圖參考(圖
圖圖
圖3.2.2-B):
1. +5V_ALW, +5116_PWR_SRC,電源未送出或短路對地,請用短路偵測器確認短路位置.
2. PM_SLP_S3, PM_SLP_S4 電源沒有送给 PU1,或是该二电压未输出,請檢查南桥该电路模块及 Trace 是否 Open.
3. 滤波电容 PC3,PC4,PC5,PC6 等不良;
D 判斷流程
判斷流程判斷流程
判斷流程:
造成
造成造成
造成+V_DDR_MCH_REF 輸出異常的可能原因
輸出異常的可能原因輸出異常的可能原因
輸出異常的可能原因,
,,
,相關電路圖參考
相關電路圖參考相關電路圖參考
相關電路圖參考(圖
圖圖
圖3.2.1-B):
1. +5V_ALW, +5116_PWR_SRC,電源未送出或短路對地,請用短路偵測器確認短路位置.
2. PM_SLP_S3, PM_SLP_S4 電源沒有送给 PU1,或是该二电压未输出,請檢查南桥该电路模块及 Trace 是否 Open.
3.北桥(U52)本体不良;
4. 滤波电容 PC8,C203,C200,C201 不良;
E 判斷流程
判斷流程判斷流程
判斷流程:

GFA & WKS Team
DR1-UMA Notebook MB Trouble Guide Page 29
造成
造成造成
造成 SM BUS(ICH_SMBCLK, ICH_SMBDATA) 讯号
讯号讯号
讯号輸出異常的可能原因
輸出異常的可能原因輸出異常的可能原因
輸出異常的可能原因,(相关示意图請參
相关示意图請參相关示意图請參
相关示意图請參 3.2.2-C):
6 RN60,RN60 Pull High 排阻異常
7 CHECK U56 的讯号脚位对地阻抗是否異常
8 U56,U54.U25 本体不良
9 CHECK U56PIN1&4 to U54 DM1 DM2 的线路是否 OK.
(圖
圖圖
圖3.2.2-C)
F 判斷流程
判斷流程判斷流程
判斷流程:
造成
造成造成
造成 M_A_A(0-14),M_A_DQ(0-63),M_A_DQS#(0-7),M_A_DQS(0-7), M_A_DM(0-7),及一些控制讯号通讯异常
及一些控制讯号通讯异常及一些控制讯号通讯异常
及一些控制讯号通讯异常
的可能原因
的可能原因的可能原因
的可能原因,
,,
,相关示意图請參
相关示意图請參相关示意图請參
相关示意图請參 3.2.2-D;
;;
;
1 RN7,RN13,RN27 等Pull High 排阻異常;
2 北桥 (U52)的MEMORY 模块本体不良;
3 DM1,DM2 本体不良;
4 内存卡槽到北桥(U52)之间的线路不良,注(内存卡槽到北桥不良用万用表可量测到,但是当 RN7,RN13 等控制讯号
到北桥线路有问题时需取下排阻才能明显看到,未取之前对地阻值与正常相差不大(2-3 欧姆),细心量测也能发现;
5 北桥(U52)的DDR CLK/CONTROL 模块的补偿电压及电阻 R380&377 异常。

GFA & WKS Team
DR1-UMA Notebook MB Trouble Guide Page 30
(圖
圖圖
圖3.2.2-D)
THE END
北桥
北桥北桥
北桥(U52)

GFA & WKS Team
DR1-UMA Notebook MB Trouble Guide Page 31
3.4 系統無法開機
系統無法開機系統無法開機
系統無法開機(System can ‘t power on)---NP00
定義
定義定義
定義:
::
:當按下電源開關時
當按下電源開關時當按下電源開關時
當按下電源開關時,
,,
,電源指示燈不亮
電源指示燈不亮電源指示燈不亮
電源指示燈不亮,
,,
,且風扇也不轉動
且風扇也不轉動且風扇也不轉動
且風扇也不轉動
首先要根據 NP00 的定義“电源 LED 灯不亮”,且风扇不转,LCD/CRT 沒有顯示,先去做相應的確認,
到底測試員是否真正意義的 NP00 還是只是這些功能的不良。比如說”电源 LED 灯不亮”是NP00 還是電源
燈相關電路及信號不良引起的呢?(具體可以參考各 Error Code 的維修方法)。
3.4.1 工作原理圖
工作原理圖工作原理圖
工作原理圖
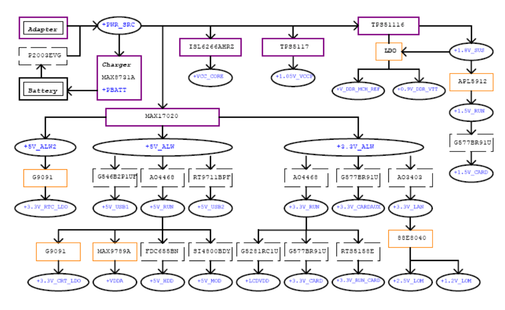
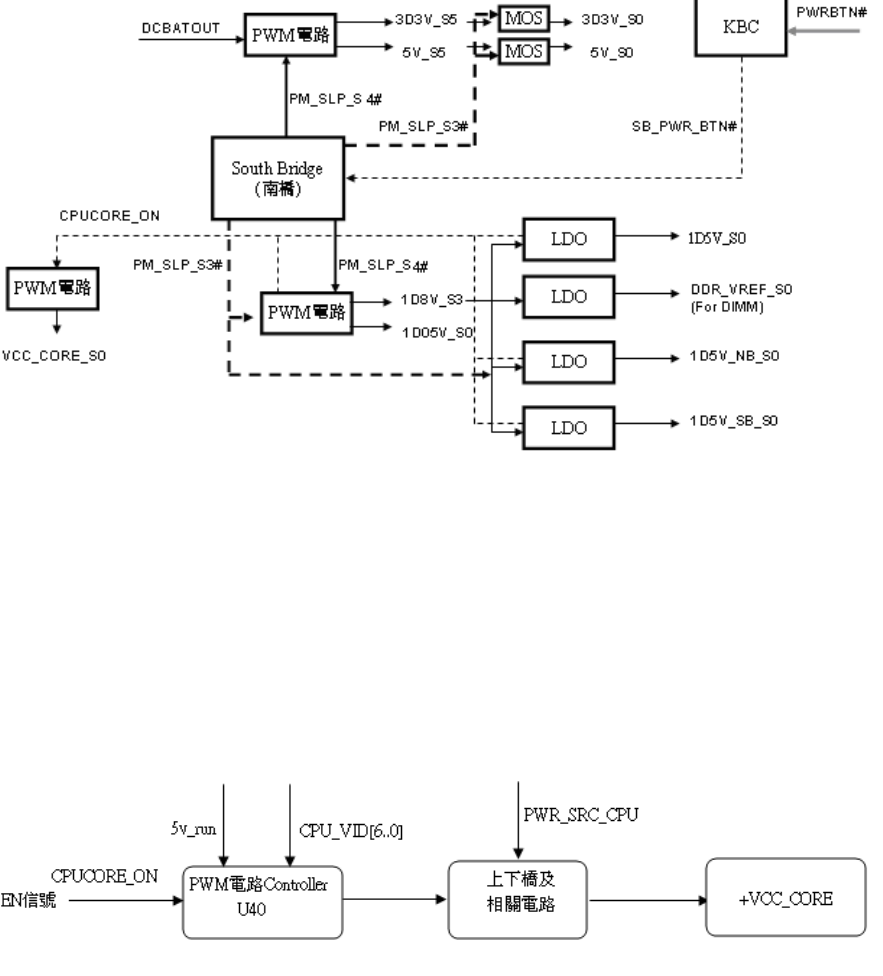
下面我們要討論的是 DR1-UMA MB 判斷後真正的 NP00,前面我們已經了解 NB MB 整個系統 power
on 先後時序與系統的電源管理,針對 DR1-UMA MB 的power 我們整理 power on sequence 架構圖如下:
(DR1-UMA MB power on sequence 架構)
3.4.2 M/B 動作原理
動作原理動作原理
動作原理
在M/B接入外部電源(Adaptor或Battery)沒有按下Power Button時電路中就會立即5V_ALW2 ,3.3
V_RTC_LDO電壓,特別需要強調說明的是 :Adapter與Battery分別在未按下Power Button時,電壓的產生
存在一定的差異 .黨Adapter接入時,DCBATOUT=19V左右,會產生5V_ALW2 , 3.3V_ RTC _LDO ;然後在
S5_Enable的開啟下MAX17020再依次產生+5V_ALW,+3.3V_ALW以及LAN _S5這部份電壓 ;而當Battey

GFA & WKS Team
DR1-UMA Notebook MB Trouble Guide Page 32
接入時, +PWR_SRC=14.5V左右,僅能產生5V_ALW2 , 3.3V_ RTC_ LDO電壓.而S5_Enable也只有在
Press Power Button後,KBC才會送出.這部分電壓屬於開機前的電壓與系統中的相對應的PWM電路有密切
的關係。
按下Power Button,一個低電平信號PWRBTN#被送往KBC(U20),然後KBC接著發送信號PM_PWRBTN#
通知SB(南橋)開機,南橋在收到PM_PWRBTN#信號之後,發送出PM_SLP_S3#與PM_SLP_S4#,
PM_SLP_S3#與PM_SLP_S4#作為Enable信號來開啟各個PWM及LDO電路
從而產生各基本點壓。當系統中的基本點壓(3.3V_RUN, 5V_RUN, 1.8V_SUS, 0.9V_DDR_VTT,
1.05V_RUN, 1.5V_RUN)都已經 OK 後,通過一個與門電路產生 RUNPWROK 給KBC,KBC 在收到
RUNPWROK 後會發出 CPUCORE_ON Enable 信號給 VCC_CPU_CORE PWM 電路從而產生 CPU 的核
心工作電壓 VCC_CORE_S0,這樣系統所有電壓就全部開起來了。具體可參照 DR1 系統電壓方塊圖。
(DR1 系統電壓方塊圖)
綜上所述所有 NP00 都可以劃分為三種狀況:
1.S5 電壓
電壓電壓
電壓.
首先 S5 電壓是指當有接 Adapter 在沒有按下 Power Button 時M/B 上就存在的電壓。不管是接 Adapt
還是 Battery 都會通過各自線路產生一個 DCBATOUT 的電壓,於此同時也將會產生 3.3V_
RTC_LDO 及5V_ALW2.MAX8731 在接收到此電壓後,會產生 ACAV_IN(high)信號,再通過 Q4 (N7002)將
其轉換為 AC_IN#(low),並送給 KBC 以告知系統:此時有 Adapter 接入.而KBC 的工作條件充足時,回自身會
進行復位 ECRST#(high),同時會產生 S5_Enable(high)來開啟 Controller MAX17020 中的 3V/5V_EN 信號.
通過 PWM 電路產生 5V_ ALW 和3.3V_ALW 電壓, 在AC 模式下當 EN(5V_S5_EN 及3D3V_S5_EN)信
號正常的情況下產生 5V_ALW 及3.3V_ALW 電壓,然後會通過 LDO 電路將 3.3V_ALW 轉化成 3D3V_LAN,
3.3V_ LAN 又會通過 LDO 電路產生 2.5V _LAN 及1.2V_LAN 其他網絡方面的電壓。
請參考圖 S5 電壓工作原理方塊圖:

GFA & WKS Team
DR1-UMA Notebook MB Trouble Guide Page 33
(S5 電壓方塊圖)
2.S3 电压
电压电压
电压
所谓的 S3 电压是指当休眠时系统上除 S5 电压外,为保存休眠相关信息还需要的一些电压。对应的
就是我们常讲的 1D8V_S3 电压.他是将 5V_S5 通過 PWM 電路产生的,当然要正确的 EN1 信号,也就是
PM_SLP_S4#信号。請參考圖 S3 電壓工作原理方塊圖。
(S3 電壓方塊圖)
33.
S0 電壓
電壓電壓
電壓
所谓 S0 电压就是 Run Power,当系统开起来后,除 S5 及S3 电压外的其他电压。针对这部分电压有
些是通過 PWM 電路產生,有些是通过 LDO 电路来实现的。請參考圖 S0 電壓工作原理方塊圖。

GFA & WKS Team
DR1-UMA Notebook MB Trouble Guide Page 34
(S0 電壓工作原理方塊圖)
CPUCORE 電壓是主板上最後一個電壓,要正常產生其中有個條件,就是其他 S0 電壓都產生 OK 後會發
一個 CPUCORE_ON 信號,只要有一個 CPUCORE_ON 信號不正常,送到 CPUCORE 產生的 PWM 電
路就不正常,從而 CPUCORE 就會有問題,另外對 CPUCORE 如果值不正常,除了要確認反饋電路外,
還要確認它的 VID 信號是否正常。具體可以請參考+VCC_CORE 電壓工作原理方塊圖.
(+VCC_CORE 電壓工作原理方塊圖)
根據以上 DR1-UMA MB Power 部分的動作原理介紹, 對於新手在維修相應的不良 MB 時,首選維修
判斷可以按照以上的確認條件,按部就班的進行維修。不難看出總體步驟分:
第一步驟; 檢查各主要 IC 供電是否正常,
第二步驟; 檢查各輸入信號,
第三步驟; 檢查數據及反饋信號,
第四步驟; 檢查零件本體。 詳細請依順序參考下面維修判斷流程:
1. 判斷流程
判斷流程判斷流程
判斷流程:

GFA & WKS Team
DR1-UMA Notebook MB Trouble Guide Page 35
S5 電壓異常的可能原因
電壓異常的可能原因電壓異常的可能原因
電壓異常的可能原因.
a. s5 電壓阻抗異常,從相關零件逐一排除.
b. 檢查 3V_EN 和5V_EN 是否正常.如不正常請參考以下判斷流程.
1.檢查其阻抗看是否有異常.
2.檢查 KBC(U20)的供電電壓及 VREF 電壓是否正常.
3.檢查 KBC(U20)的晶振 X1 是否起振.
4.檢查KBC(U20)的ECRST#是否正常.
5.檢查KBC(U20)到BIOS(U23)之間的SPI總線是否正常.
6.檢查KBC(U20)和BIOS(U23)本體是否OK.
7.檢查D10和R168是否有Open和Short現象.
c. 查看U18的供電電壓及REF電壓是否正常.
d. 檢查U18產生3/5V_s5的PWM電路.
e. U18本體.
參考相關電路圖:

GFA & WKS Team
DR1-UMA Notebook MB Trouble Guide Page 36
(S5_Enable 未出的相關電路)
(U18的供電電壓及 REF 電壓電路)

GFA & WKS Team
DR1-UMA Notebook MB Trouble Guide Page 37
2. 判斷流程
判斷流程判斷流程
判斷流程:
S3 電壓異常的可能原因
電壓異常的可能原因電壓異常的可能原因
電壓異常的可能原因.
a. S3 電壓阻抗異常,從相關零件逐一排除.
b. 檢查PU1的輸入電壓PM_SLP_S4#是否正常.如不正常請參考以下判斷流程.
1.檢查南橋(U25)的輸入電壓RSMRST#_KBC和PM_PWRBTN#是否有從KBC發過來.
2.查看南橋(U25)的RTC模塊看有無異常.
c. 檢查PU1供電電壓及REF是否正常.
d. 檢查PU1產生S3電壓的PWM電路是否正常.
e. PU1本體.
參考相關電路圖:
( 南橋的輸入信號 )
( 南橋的 RTC 模塊圖 )

GFA & WKS Team
DR1-UMA Notebook MB Trouble Guide Page 38
( PU1 的輸入.供電.REF FB 電壓電路圖 )
3. 判斷流程
判斷流程判斷流程
判斷流程:
S0 電壓異常的
電壓異常的電壓異常的
電壓異常的可能原因
可能原因可能原因
可能原因. (以
以以
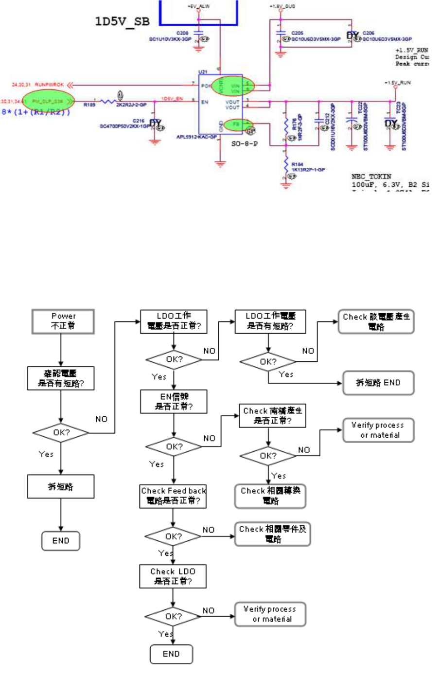
以+1.5V_Run LDO 電路為例
電路為例電路為例
電路為例).
a. S0 電壓阻抗異常,從相關零件逐一排除
b. 檢查 U21 的輸入電壓 PM_SLP_S3#看是否正常,如不正常可對照 S3 判斷流程中 b的判斷流程.
c. 檢查 U21 的供電部分.
d. 檢查 U21 的反饋信號
e. U21 本體
參考相關電路圖:

GFA & WKS Team
DR1-UMA Notebook MB Trouble Guide Page 39
( LDO電路檢查的幾個部分 )
綜上所述,在DR1 UMA MB NP00 部分不管是 S5 部分還是 S3 S0 以及是 VCC_CORE 的部分都是有 PWM
或者是 LDO 電路組成.不管他是輸出什麼樣的電壓其電路的根本是不會變的, 具體 PWM 電路及 LDO 電路
工作判斷流程圖可參考如下:

GFA & WKS Team
DR1-UMA Notebook MB Trouble Guide Page 40
(LDO 電路判斷流程圖)
(PWM 電路判斷流程圖)
The end

GFA & WKS Team
DR1-UMA Notebook MB Trouble Guide Page 41
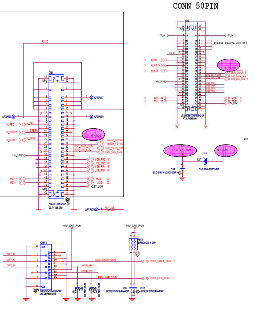
3.5 LCD/CRT 無顯示畫面
無顯示畫面無顯示畫面
無顯示畫面(LCD/CRT no display) – ND00
凡是跟影像的輸出有相關的 Error Code,皆以 ND00 做為大分類,而細部會依據各種的不良現象再細分下
麵這六個細 Error Code,例如:ND01(CRT 無顯示畫面)、ND02(LCD 無顯示畫面)、ND03(VIDEO 或
TV-MATE 無顯示畫面)、ND04(在LCD 傳送模式時,無顯示畫面)、ND05(在Windows 測試時,無顯示畫
面)、ND06(DVI 無顯示畫面)。
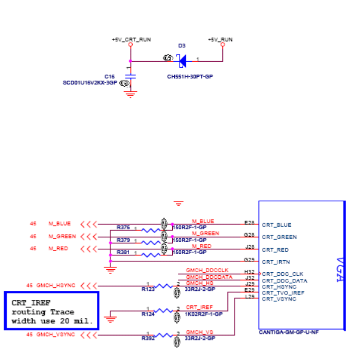
1.>CRT 顯示原理
顯示原理顯示原理
顯示原理 :系統影像的輸出會因為接收裝置的不同,而有數位訊號及類比訊號這兩種輸出方式;數
位訊號的輸出最常運用在 NB 的LCD 裝置上,由 MB 上的北橋(內建顯示晶片)或獨立的顯示晶片則是直接
將影像透過差動訊號傳送到 LCD 裝置上,而類比訊號的部份則是藉由顯示晶片內的一顆 D/A(數位/類比)
轉換器將數位訊號轉換成類比訊號(R。G。B。)三原色信號輸出,經轉換後的類比訊號會經過外部的 CLC
低通濾波電路,將高頻的訊號濾除後,再與同步控制信號傳送到 CRT 的裝置上顯示。
以下是 CRT 無顯示不良首要確認的條件 :
1. CRT工作電壓
工作電壓工作電壓
工作電壓--------+5V_CRT_RUN(由
由由
由+5_RUN直接转换
直接转换直接转换
直接转换)
保护电路
保护电路保护电路
保护电路
2. DDC_CLK_CON & DDC_DATA_CON(時鐘
時鐘時鐘
時鐘&資料處理信號
資料處理信號資料處理信號
資料處理信號)
3. 掃描信號
掃描信號掃描信號
掃描信號GMCH_SYNC&GMCH_VSYNC,直接影響顯示
直接影響顯示直接影響顯示
直接影響顯示

GFA & WKS Team
DR1-UMA Notebook MB Trouble Guide Page 42
4.
三色信號
三色信號三色信號
三色信號(藍
藍藍
藍,綠
綠綠
綠,紅
紅紅
紅)M_BLUE M_GREEN M_RED 對顯示畫面進行顏色搭配
對顯示畫面進行顏色搭配對顯示畫面進行顏色搭配
對顯示畫面進行顏色搭配
D/A(數位/類比)轉換器將數位訊號轉換成類比訊號(R。G。B。)三原色信號輸出,經轉換後的類比訊號會
經過外部的 CLC 低通濾波電路,將高頻的訊號濾除後,再與同步控制信號傳送到 CRT 的裝置上顯示
簡單
簡單簡單
簡單 CRT 工作原理示意圖
工作原理示意圖工作原理示意圖
工作原理示意圖:
根據以上 DR1-UMA MB CRT 系統架構與動作原理介紹,和要確定的條件。對於新手在維修相應的不良
MB 時,首選維修判斷可以按照以上確認條件,按部就班的進行維修。不難看出總體步驟分:
第一步驟; 檢查各主要 IC 供電是否正常,
第二步驟; 檢查各控制信號,
第三步驟; 檢查數據信號,
第四步驟; 檢查零件本體。

GFA & WKS Team
DR1-UMA Notebook MB Trouble Guide Page 43
A 判斷流程
判斷流程判斷流程
判斷流程:
造成
造成造成
造成
+5V_RUN
+5V_CRT_RUN
異常的可能原因
異常的可能原因異常的可能原因
異常的可能原因:
1. 确认+5V_RUN 是否正常,MB 端与 IO Board 接触是否良好 CN2(PIN24)与D3(PIN1)是否 Trace open
2. +5V_CRT_RUN 是否有短路或拉底情况,量测二对地阻值,检查元件(D3,C16,CRT 1)进行逐步排除
3. 检查 CRT 接口是否有异物或 PIN 下陷,导致与 CRT 接触不良
相關電路圖參考
图一
图一图一
图一
MB 端
IO Board 端

GFA & WKS Team
DR1-UMA Notebook MB Trouble Guide Page 44
B判斷流程
判斷流程判斷流程
判斷流程:
造成
造成造成
造成 DDC_CLK_CON & DDC_DATA_CON 异常原因
异常原因异常原因
异常原因 :
1. 用示波器测量 U4 PIN1&4 看北桥是否正常发出这两个信号(用万用表测量这两脚的对地阻抗)
2. U4 为信号转变增强作用,注意转变后是否正常,仍用示波器测量,注意 RN2 是否 ok
3. 依据图示一和二,量是否有 Trace open
4. 到接口 OK 的话,要注意检查 CRT 接口是否有异物或 PIN 下陷,导致与 CRT 接触不良
C 判斷流程
判斷流程判斷流程
判斷流程:
造成
造成造成
造成掃描信號
掃描信號掃描信號
掃描信號 GMCH_SYNC&GMCH_VSYNC 异常原因
异常原因异常原因
异常原因 :
1. 依据电路图首先确认有无 Trace open
2.
断开 R123 与R392,用示波器测量确认北桥是否发出这组扫描信号,若OK 可量测 IOB 上U2(3#与6#)确认增强
后信号是否正常
3.
判断 RN4 到CRT1 是否有 Trace open,并用示波器测量确认 CRT1(13#与14#)信号正常
4. 到接口 OK 的话,要注意检查 CRT 接口是否有异物或 PIN 下陷,导致与 CRT 接触不良
图二

GFA & WKS Team
DR1-UMA Notebook MB Trouble Guide Page 45
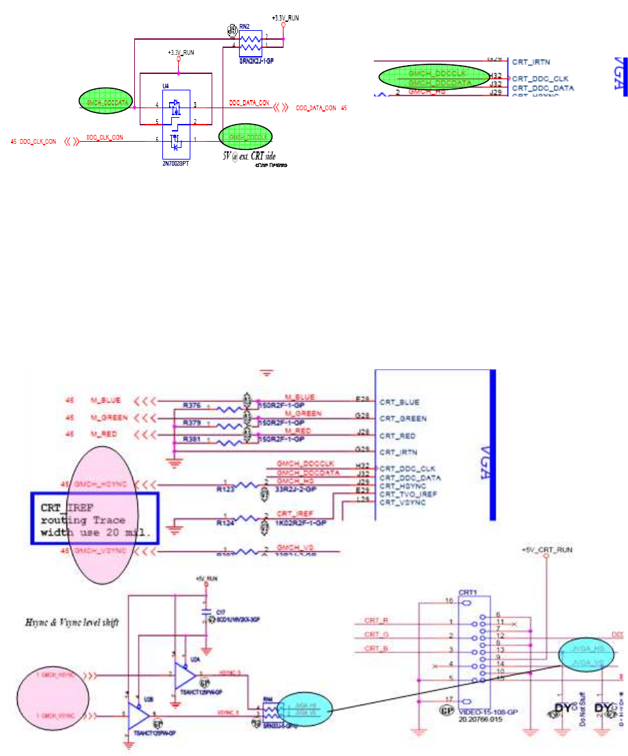
2.>LCD 显示原理
显示原理显示原理
显示原理 :首先,北橋會透過 SMBUS 去讀取驅動電路上的 EDID 值,其目的是為了偵測 LCD 是
否存在。經確認 LCD 是存在時,會發”LCDVDD_EN”的訊號至 switch IC,switch IC 在收到訊號後,會
將”LCDVDD”電源輸出到 LCD 驅動電路上;等驅動電路收到電源後,會自行重置及進行初始化設定,接著
北橋會依據 BIOS 內影像輸出的預設值(LCD 輸出),透過 LVDS Transmitter 將影像由 LVDS BUS 傳送到
LCD 的驅動電路上,完成影像的輸出。相關動作方塊圖,請參考圖 3。2A。LCD 影像輸出方塊圖。
以下是 LCD 無顯示不良首要確認的條件 :
1. LCD INVERTER工作電壓
工作電壓工作電壓
工作電壓 --------GFX_PWR_SRC(直接由
直接由直接由
直接由+PWR_SRC通过保险丝
通过保险丝通过保险丝
通过保险丝F1生成
生成生成
生成)

GFA & WKS Team
DR1-UMA Notebook MB Trouble Guide Page 46
2. LCD工作電壓
工作電壓工作電壓
工作電壓及生成原理简介
及生成原理简介及生成原理简介
及生成原理简介 ----------- +LCDVDD
3. 根据个人要求对
根据个人要求对根据个人要求对
根据个人要求对LCD明暗度进行调节
明暗度进行调节明暗度进行调节
明暗度进行调节----------BRIGHTNESS
4. LCD_CBL_DET# 侦测
侦测侦测
侦测LCD驱动
驱动驱动
驱动,LCD与
与与
与MB接口是否完全接触
接口是否完全接触接口是否完全接触
接口是否完全接触 ?
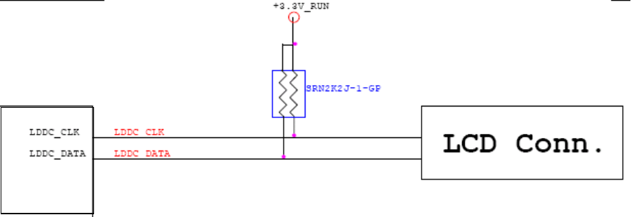
5. LDDC_CLK & LDDC_DATA SMbus為北桥與
為北桥與為北桥與
為北桥與LCD 之訊號的傳輸
之訊號的傳輸之訊號的傳輸
之訊號的傳輸
6. BLO N_OUT :控制
控制控制
控制 LCD 背光開啟訊號
背光開啟訊號背光開啟訊號
背光開啟訊號
7. 差分信号
差分信号差分信号
差分信号 与
与与
与LCD 显示模快进行数据
显示模快进行数据显示模快进行数据
显示模快进行数据,影像处理
影像处理影像处理
影像处理,差分信号有
差分信号有差分信号有
差分信号有 8组但根据
组但根据组但根据
组但根据 LCD 规格目前只用到
规格目前只用到规格目前只用到
规格目前只用到 4组
组组
组,简
简简
简
介如下
介如下介如下
介如下 :
A
组
B
组
偵測識別LCD type訊號
通过LVDS总线
GMCH與LCD間的數
據通道

GFA & WKS Team
DR1-UMA Notebook MB Trouble Guide Page 47
根據以上 DR1-UMA MB LCD 系統架構與動作原理介紹,和要確定的條件。對於新手在維修相應的不良
MB 時,首選維修判斷可以按照以上確認條件,按部就班的進行維修。不難看出總體步驟分:
第一步驟; 檢查各主要 IC 供電是否正常,
第二步驟; 檢查各控制信號,
第三步驟; 檢查數據信號,
第四步驟; 檢查零件本體。
A 判斷流程
判斷流程判斷流程
判斷流程:
造成
造成造成
造成 LCD INVERTER 工作電壓
工作電壓工作電壓
工作電壓 --------GFX_PWR_SRC 異常的可能
異常的可能異常的可能
異常的可能原
原原
原因
因因
因:
1. 确认此电压有无短路或其它异常情况,排除零件(C68,C69,LCD1)
2. 确认 PWR_SRC 是否成功转换,检查 F2 是否导通
3. 依据图纸检查是否有相关元件出现 Trace open
B 判斷流程
判斷流程判斷流程
判斷流程:
造成
造成造成
造成+LCDVDD 异常的可能原因
异常的可能原因异常的可能原因
异常的可能原因 :
1. 确认 LCDVDD 阻值有无异常, U48 2#到LCD35#有无 Trace open
2. 确认+3V_RUN 是否正常,并确认 U48 3#(ENVDD)是否正常,根据三极管工作原理判断 U48 是否为本体
3. 确认 ENVDD_O 是否正常,判断零件 R538,R359,是否相关零件 Trace open
4. 根据二极管原理判断 D20 是否为本体
5. 判断 LCDVDD_EN 是否发出,检查 LCD 接口是否有下陷情况,
C 判斷流程
判斷流程判斷流程
判斷流程:
造成
造成造成
造成 LDDC_CLK & LDDC_DATA 异常的可能原因
异常的可能原因异常的可能原因
异常的可能原因
1. 确认 SMBUS 总线上阻值是否正常,根据图纸确定各相关零件是否有 Trace open
2. 确认放拉大相为的排阻是否正常,量测 RN19

GFA & WKS Team
DR1-UMA Notebook MB Trouble Guide Page 48
3. 检查 LCD 接口有无下陷或插坏情况
D
判斷流程
判斷流程判斷流程
判斷流程:
造成差分信号异常的可能原因
造成差分信号异常的可能原因造成差分信号异常的可能原因
造成差分信号异常的可能原因 :
1.
用万用表确认 8组差分信号对地阻值有去异常,注意相差不超过 5欧
2. 示波器测量 DATE&CLK 有无异常
3. 测量其它几组差分信号电压是否正常
4. 确认 LCD 到北桥无 Trace open
5. 确认 LCD 无外观现象
THE END
北桥
GFA & WKS Team
DR1-UMA Notebook MB Trouble Guide Page 49
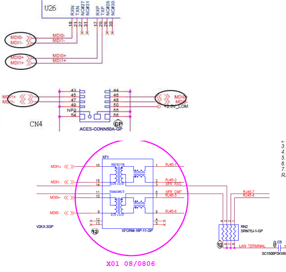
3.6 (LP00---網路功能不良
網路功能不良網路功能不良
網路功能不良)
LP00 定義:按下 power switch 開機顯示後,進入 DOS 環境的測試程式中,程式會要求 key-in OP Code 和
MAC Number(MAC 值是唯一的,與M/B 55Labley 一 一對應),接著系統會將 write in 和Read-out 的MAC
Number 做check 動作.如果 Check 值正確無誤,表明 MAC Pass,在程式的引導下,通過 LAN-Line 連結服務
器G-Disk, 如果在這個過程中出現異常,我們就認為是 LP00---網路功能不良(LAN Function NG).
3.2 網絡連結的動作原理
網絡連結的動作原理網絡連結的動作原理
網絡連結的動作原理:
網絡連結的動作原理: 接入 adpter or battery,通過對kbc_pwrbtn#(low)信號進行觸發,由KBC 芯片送出
PM_LAN Enable(high)來開啟 LAN_S5 power,當所有 LAN_S5 voltage 工作正常後,LAN Chipset 本體會發
出LANRST 信號,向系統說明 LAN Chipset 的Power Group 已準備就緒.此時 25Mhz Osil 會以一個 25Mhz
的振蕩頻率對 LAN Chipset 進行驅動.而LOM_Disable#(low)是ㄧ個 Lan Chipset 屏蔽選擇信號,
有”0”,”1”兩種狀態,”0”狀態表明系統對集成在 Mainboard 的Lan Chipset 進行屏蔽,反之”1”狀態
則告訴系統 LANChipset 未被屏蔽,處于 enable 狀態.對于 Notebook 而言,從集成度和成本方面考量,此信號
通常處于”1”可用狀態.接著 CLK Generator 會發給 Lan Chipset 一組
Clk_pcie_lan/Clk_pcie_lan#(100Mhz)振蕩頻率來驅動 PCI-Express 通道.再藉由兩組 PCIE-bus 來實現南
橋(ICH)與 LAN Chipset 之間的調制解調工作,.然後透過 LAN 電感將調制後或解調後的數據信號,輸送給
RJ45 Interface,以LAN-LINK 為媒介來實現端子與端子間的網絡連結,信息共享.
3.3 工作原理圖
工作原理圖工作原理圖
工作原理圖
下面通過工作原理圖對網絡功能的實現,作進一步的闡述:

GFA & WKS Team
DR1-UMA Notebook MB Trouble Guide Page 50
(工作原理圖)
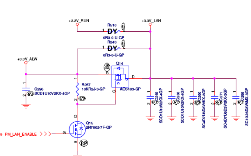
3.4 當我們維修工程師拿到產線送修的 LP00 無法聯上網 MB 時,先檢查 MB 外觀,特別要檢查與網絡
相關的電路外觀,On-Line 有一部分不良 MB 從外觀就能解決問題。
是LAN 功能不良首要確認的條件 :
1. PM_LAN_ENABLE
Signal inverter for LAN shutdown, 由KBC 芯片送出 PM_LAN Enable(high)來開啟+3.3V_LAN.
2. LANRSET
向系統說明 LAN Chipset 的Power Group 已準備就緒.
3.PLT_RST#:
為系統發給 LAN chip 的復位信號.

GFA & WKS Team
DR1-UMA Notebook MB Trouble Guide Page 51
4.PCIE_TXN3,PCIE_TXP3 ; PCIE_RXN3, PCIE_RXP3:
為南橋 ICH9(U25)與LAN Chip(U26)間的通信信號
5.CLK_PCIE_LAN, CLK_PCIE_LAN# :
為CLOCK 芯片送給 Lan chip 的一組 PCIE 的時鐘信號.
6.MDI0-, MDI1-; MDI0+, MDI1+:
為LAN chip 與LAN 電感的兩組通信信號.
3.5 維修分析流程圖
維修分析流程圖維修分析流程圖
維修分析流程圖
L
AN 常见的 NG 及维修判斷方法.
1. 刷LAN ID NG: 主要檢查 LAN Chip(U26)的工作條件,看是否真得啟動。USB bar code 槍是否正常,
最後再考慮南橋 ICH9(U25)與LAN Chip(U26)間的通信及本體。
2. 無法聯上網: 先開機按 F12 進入啟動選項看看有沒有 Onboard INC 项,若沒有說明系統還沒有真正
幀測到 LAN Chip(U26),從 LAN Chip(U26)的工作條件與本體著手,若有 Onboard INC 项,則主
要查 LAN 電感(XF1)與LAN Chip(U26)的連接,和 LAN 電感與 RJ45 Conncetor(RJ1)的連接.
3. 50 米網絡不過: 大多是 LAN 電感(XF1)與LAN Chip(U26)导致.
綜上所述當我們在遇到無法連網時,首先要考量的是 LAN Chip(U26)的電壓工作條件是否正常,如果
正常 LAN Chip(U26)本體會自動送出一個復位信號 LANRSET,以此向系統表明 LAN 工作電壓正常。因此
分析切入的第一點就是要判斷 LANRSET 本體復位信號是否 OK。進而來判斷為靜態啟動的問題點或是動
態啟動後的問題點。詳細之分析流程判斷如下圖所示:

GFA & WKS Team
DR1-UMA Notebook MB Trouble Guide Page 52
(圖為 U20 截圖)
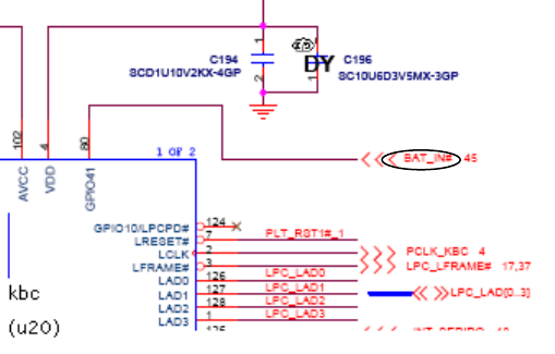
LAN Chipset 的Power :+3.3V_LAN
1.造成
造成造成
造成+3.3V_LAN 電壓沒有輸出的可能原因
電壓沒有輸出的可能原因電壓沒有輸出的可能原因
電壓沒有輸出的可能原因:
1 PM_LAN_ENABLE 訊號異常.u20 錫球空焊或者是 u20 單體不良。使用萬用表量測.(短路,沒有輸
出或 Trace open 沒有輸入到 Q15)
2 Q14 的Pin2,Pin3 Input 電源異常(Trace open 沒有輸入到 q14)
3 Q14 單體不良或 pin 腳”高翹”,”空焊”等製程上的問題
4 R257 單體異常,請量測阻抗值是否正常
2 . 使用示波器量測
使用示波器量測使用示波器量測
使用示波器量測 LANRSET, LANRSET 訊號異常
訊號異常訊號異常
訊號異常
1. u26 錫球空焊或者是 u26 單體不良.
2. R221 單體異常,請量測阻抗值是否正常

GFA & WKS Team
DR1-UMA Notebook MB Trouble Guide Page 53
(圖為 U26 截圖)
3. 使用示波器量測
使用示波器量測使用示波器量測
使用示波器量測 X2 PIN1,PIN2 的
的的
的25 Mhz 頻譜
頻譜頻譜
頻譜。
。。
。
1 25Mhz 頻譜異常 x2 錫球空焊或者是 x2 單體不良.
2 C259.c260 單體異常,請量測容值是否正常。
3 u26 錫球空焊或者是 u26 單體
不良。
4. 使用示波器量測
使用示波器量測使用示波器量測
使用示波器量測 U26 PIN55.PIN56.Clk_Pcie_Lan/Clk_Pcie_Lan#頻譜
頻譜頻譜
頻譜,
1. 如異常 Check U54 PIN50,PIN51 U54 錫球空焊或者是 U54 單體不良.
2. 如無異常 Check U54 PIN50,PIN51 TO Check U54 PIN50,PIN51 之間是否 OPEN.
3. 如不 OPEN U26 錫球空焊或者是 U26 單體不良

GFA & WKS Team
DR1-UMA Notebook MB Trouble Guide Page 54
5. 使用示波器分別量測兩組調制解調信號頻譜波形
使用示波器分別量測兩組調制解調信號頻譜波形使用示波器分別量測兩組調制解調信號頻譜波形
使用示波器分別量測兩組調制解調信號頻譜波形:
PCIE_RXN,PCIE_RXP,PCIE_TXN,PCIE_TXP
1
C284.C285 電容異常
2 C506.C510 電容異常
3 U26 或U25 本体不良
4 分别确认 U26(PIN49 PIN50)至 U25(J29.J28) C284C285 的线路是否 OK.
5 分别确认 U26(PIN53 PIN54)至 U25(K26.K27) C284C285 的线路是否 OK
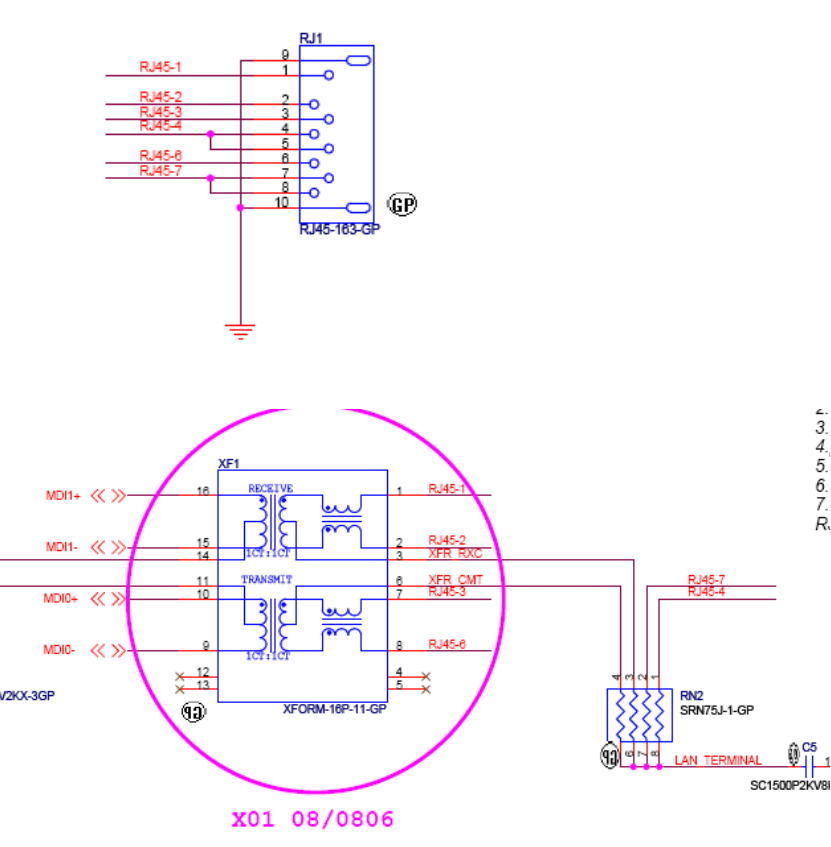
6.使用示波器量測
使用示波器量測使用示波器量測
使用示波器量測 MDI0-,MDI1-, MDI0+,MDI1+ interface 的振蕩箳率
的振蕩箳率的振蕩箳率
的振蕩箳率. 異常
異常異常
異常 Check LAN 電感
電感電感
電感.
1 I/O BOARD 是否 OK,并检查小卡与大板上的 CN4 接触是否良好.

GFA & WKS Team
DR1-UMA Notebook MB Trouble Guide Page 55
2 检查 CN4 to U26 (PIN17 PIN18, PIN20 PIN21)线路是否正常.
3 检查 I/O BOARD 上CN2 to XF1(PIN9 PIN10 PIN15 PIN16))线路是否正常
4 U26 或XF1 本体不良
7. 使用萬用表量測
使用萬用表量測使用萬用表量測
使用萬用表量測 RJ1 TO XF1 的线路是否
的线路是否的线路是否
的线路是否 OK.
1 XF1 錫球空焊或者是 XF1 單體不良.
2 RJ1 接口本体不良,不能与網線有良好的接触。
3 RN2.C5 單體異常,請量測阻值容值是否正常
THE END

GFA & WKS Team
DR1-UMA Notebook MB Trouble Guide Page 56
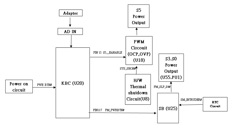
3.7 自動斷電
自動斷電自動斷電
自動斷電/關機
關機關機
關機/開機
開機開機
開機(Auto Power Shutdown) – AP00
凡是發現系統會自動斷電,關機與開機等相關的不良現象時,均以 Error Code-AP00 作為統稱,而細項的
部份可再細分為 AP01(自動開機 With Adapter)、AP02(自動開機 With Battery)、AP03(自動關機 With
Adapter)、AP04(自動關機 With Battery)、AP05(Run in test power shut down)、AP06(當插入 CD-ROM
時自動關機)、AP07(AUTO POWER OFF WITH DOCKING)。
系統會自動關機與斷電的問題,一般可歸納幾類可能發生的狀況;1。MB 上的溫度保護電路啟動,而將整
個系統強制關機。2。MB 上的電源電路短路對地,而導致 MB 自動斷電。3。當外部的輸入電源(Adapter
或Battery)發生異常,而不供電時,所導致 MB 自動斷電。4。開機時 Cover switch 一直是被 Enable 時,
也有可能會導致系統自動關機。(此條件並不是所以機種都相同)。
從第一個狀況來看,MB 除了透過 Thermal controllor 來偵測系統溫度以及控制風扇轉速外,還有一個純硬
體動作的溫度保護電路,來確保系統上的 Thermal controllor,在功能失效或無法降溫時,能夠藉此保護機
制來保護系統的安全。同樣以第二個狀況來看,MB 上的電源電路一般都具備有 OCP 及OVP 的保護設計,
為了是防止當 MB 有發生異常的電源短路時,而能啟動此機制而不會將板子上的零件 Damage。
除了以上所描述的自動關機/斷電,此 Error code AP00 還包含有自動開機的問題。而通常會導致系統自動
開機的原因,除了因 RTC 電池沒電,而導致南橋(intel)內的電源管理被設回初始值,因而造成 ADT 插入
時,造成系統開機的原因外,會造成 MB 自動開機的情況並不多見。
(
DR1
DR1DR1
DR1-
--
-UMA
UMA UMA
UMA MB
MBMB
MB 系統
系統系統
系統保護電路方塊圖
保護電路方塊圖保護電路方塊圖
保護電路方塊圖)
GFA & WKS Team
DR1-UMA Notebook MB Trouble Guide Page 57
相關信號解釋
相關信號解釋相關信號解釋
相關信號解釋:
::
:
1.
..
. PWRBTN#
PWRBTN 鍵瞬間拉低“PWRBTN”信號通過一個電阻 R轉換出“KBC_PWRBTN#使主板上電。
2.
..
. RTCRST#
向系統說明 RTC 的Power Group 已準備就緒
.
3.
..
. PURE_HW_SHUTDOWN#
温度保护电路,在系统还没启动前若温度控制电路出现严重问题时拉低就會斷電
4.
..
. ECRST#
向系統說明 KBC Chipset 的Power Group 已準備就緒
.
5.
..
. BAT_IN#:
電池輸出 BAT_IN#訊號通知 KBC 作為偵測電池已插入的訊號。
6. AC_IN# :
ADT 插入後 charge IC 收到+DC_IN_SS 時會發出 AC_IN#訊號至 KBC,确认外接电源 OK.
1. 1 自動開機
自動開機自動開機
自動開機 With Adapter (AUTO POWER ON WITH ADAPTER) - AP01
AP01 就是接
就是接就是接
就是接 ADT 系統自動開機
系統自動開機系統自動開機
系統自動開機,
,,
,我們所看到的就是当接入
我們所看到的就是当接入我們所看到的就是当接入
我們所看到的就是当接入 ADT 後
後後
後PWR LED 燈亮
燈亮燈亮
燈亮,
,,
,且風扇轉
且風扇轉且風扇轉
且風扇轉。
。。
。
要分析自動開機我們就先看一下正常開機的動作:當接入 ADT 後通過 START SOFT 和PWM&MOSFET 後
會產生 S5 電壓,當 S5 電壓具備以後提供給 KBC,KBC 接受到後會發出“RSMRST#_KBC”通過穩壓管
D1 轉換出“RSMRST#”到南橋,當這些信號都具備後按 PWRBTN 鍵瞬間拉低“PWRBTN”信號通過一個
電阻 R轉換出“KBC_PWRBTN#”,該信號發到 KBC 後,KBC 會發出“PM_PWRBTN#”信號通過二
極管 D轉換出“PWRBTN#_ICH”到南橋,南橋則發出“PM_SLP_S4#”& “PM_SLP_S3#”信號分別開啟
S3&S0 電壓,從而給各個 CHIP 提供工作電壓,就此正常開機。而接 ADT 自動開機就是打亂了這個基本
的工作時序,在我們未觸發“KBC_PWRBTN#”時就提前產生了 S3&S0 電壓,我們只要找出這個故障點就
可以了。相關工作原理圖如下:

GFA & WKS Team
DR1-UMA Notebook MB Trouble Guide Page 58
(
DR1
DR1DR1
DR1-
--
-UMA
UMA UMA
UMA MB
MBMB
MB 系統開機方塊圖
系統開機方塊圖系統開機方塊圖
系統開機方塊圖)
A. 當
當當
當KBC_PWERBTN#總是
總是總是
總是 LOW 時就會自动开机
時就會自动开机時就會自动开机
時就會自动开机

GFA & WKS Team
DR1-UMA Notebook MB Trouble Guide Page 59
1. 當 KBC_PWERBTN# SHORT
造成
造成造成
造成 KBC_PWERBTN# SHORT 的可能原因
的可能原因的可能原因
的可能原因
1. CN1
本体不良,SHORT
2. U20 SHORT 或
本体不良
+3.3_RTC_LDO 為
為為
為LOW
造成+3.3_RTC_LDO 為LOW 的可能原因:

GFA & WKS Team
DR1-UMA Notebook MB Trouble Guide Page 60
2.1.CMOS 電池沒電
2.2 R220 R227 單體異常,請量測阻抗值是否正常
2.3 u24 空焊或者是 u24 單體不良
2.4 RTC1 接口本体不良,不能与电池有良好的接触。
B當
當當
當PM_PWRBTN#總是
總是總是
總是 LOW 時就會自动开机
時就會自动开机時就會自动开机
時就會自动开机
1使用示波器量測 PM_PWRBTN#
造成
造成造成
造成 PM_PWRBTN#讯号沒有輸出的可能原因
讯号沒有輸出的可能原因讯号沒有輸出的可能原因
讯号沒有輸出的可能原因:
::
:
甲、
1.1 U20 或U25 本体不良
乙、 1.2 确认 U20(PIN117)至 U25(R3)线路是否 OK.
丙、 1.3 分别确认 U26(PIN53 PIN54)至 U25(K26.K27) C284C285 的线路是否 OK
C:有时候在刷
有时候在刷有时候在刷
有时候在刷BIOS之前插上电源时也会自动开机
之前插上电源时也会自动开机之前插上电源时也会自动开机
之前插上电源时也会自动开机.
这是应为原始版本的BIOS中设置的上电就开机的模式,只需刷新一下BIOS版本的就可也了.

GFA & WKS Team
DR1-UMA Notebook MB Trouble Guide Page 61
1. 1.2
自動斷電
自動斷電自動斷電
自動斷電 (Auto Power Shutdown) –
––
– AP03
AP03 自动断电即按开机键
自动断电即按开机键自动断电即按开机键
自动断电即按开机键(或插上电源
或插上电源或插上电源
或插上电源)时灯亮一下后就灭掉
时灯亮一下后就灭掉时灯亮一下后就灭掉
时灯亮一下后就灭掉。
。。
。
A. 当用电源开机后自动断电,可先量一下+3.3V_ALW/+5V_ALW致+1.05V_RUNP电压之间的各电压是否
短路或异常.对于电压问题的M/B一般采用隔离法断开前后机之间的联系,避免相互干扰.
判斷流程
判斷流程判斷流程
判斷流程:
請參閱系統無法開機
(
( (
(DR1
DR1DR1
DR1-
--
-UMA
UMA UMA
UMA MB
MBMB
MB温度保护电路
温度保护电路温度保护电路
温度保护电路)
))
)

GFA & WKS Team
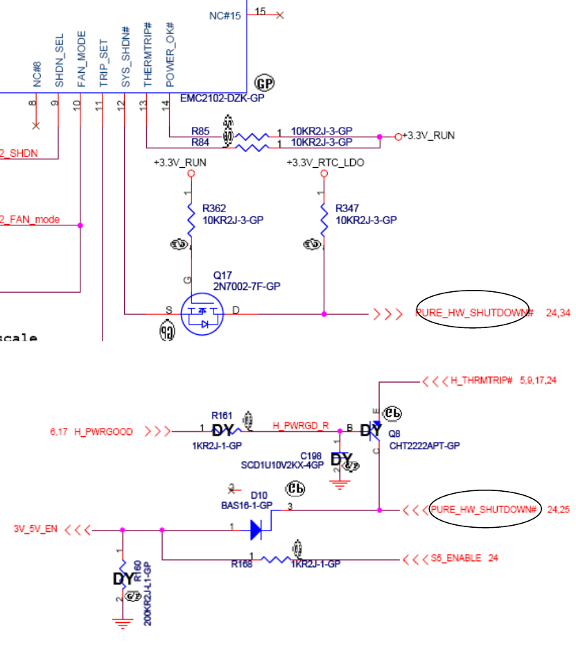
DR1-UMA Notebook MB Trouble Guide Page 62
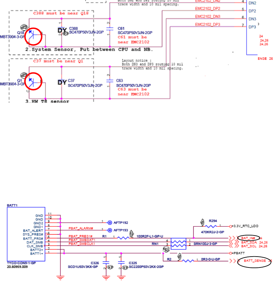
上图是温度保护电路,在系统还没启动前若温度控制电路出现严重问题时U8.12Pin有效(变为低电平)使
PURE_HW_SHUTDOWN#拉低,Q10导通ECRST#拉低,同时D10也导通3V_5V_EN拉低.这两路信号同时送
到KBC和U18使M/B无法开机.在开机后U8通过Q18和Q1来侦测M/B上的温度,并通过U8.22.23Pin SMBUS和KBC
通信.若这两个三极管中的任意一个坏了一般也会导致开机断电或开机有显示后断电.如下图
(
((
(DR1
DR1DR1
DR1-
--
-UMA
UMA UMA
UMA MB
MBMB
MB 温度侦测电路
温度侦测电路温度侦测电路
温度侦测电路)
))
)
B.
电池开机后自动断电时重点量一下BATT_SENSE, BAT_IN#信号,这个信号是告诉KBC现在电池已经插上
了,若系统不能正常识别电池时就会自动关闭.

GFA & WKS Team
DR1-UMA Notebook MB Trouble Guide Page 63
(
((
(DR1
DR1DR1
DR1-
--
-UMA
UMA UMA
UMA M
MM
MB
BB
B 電池
電池電池
電池侦测电路
侦测电路侦测电路
侦测电路)
))
)
造成电池开机后自动断电的可能原因:
BATT_SENSE, BAT_IN#信号異常。
判斷流程
判斷流程判斷流程
判斷流程:
請參閱電池功能不良