Um UMI 7774 User Guide
User Manual: UMI-7774 User Guide
Open the PDF directly: View PDF
.
Page Count: 63
- National Instruments Universal Motion Interface (UMI)-7774/7772 User Manual
- Support
- Important Information
- Compliance
- Contents
- About This Manual
- Chapter 1 Introduction
- Chapter 2 Installation
- Required Materials
- Before Getting Started
- Installation
- Mounting the UMI-7774/7772
- Figure 2-1. UMI-7774, Front View with Dimensions
- Figure 2-2. UMI-7774, Side View with Dimensions
- Mounting the UMI-7774/7772 on a DIN Rail
- Mounting the UMI-7774/7772 on a Panel
- Figure 2-5. Fastening the Horizontal Panel-Mount Brackets to the UMI-7774/7772
- Figure 2-6. Fastening the Vertical Panel-Mount Brackets to the UMI-7774/7772
- Figure 2-7. UMI-7774/7772 Front View with Horizontal Panel Mount Dimensions
- Figure 2-8. UMI-7774/7772 Front View with Vertical Panel Mount Dimensions
- Mounting the UMI-7774/7772 in a Standard 19 in. Rack
- Chapter 3 Connecting the UMI-7774/7772 to Drives and Other Devices
- Figure 3-1. UMI-7774 Front Panel
- Figure 3-2. UMI-7772 Front Panel
- Connecting the UMI-7774/7772 to National Instruments Motion Controllers
- Connecting the UMI-7774/7772 to Optional General-Purpose Digital I/O Devices
- Voltage Considerations for the UMI-7774/7772
- Power Requirements
- Connector Descriptions
- Power Input Terminal Block
- Power Status Indicators
- Control Connector for Each Axis
- Figure 3-5. UMI-7774/7772 Per Axis Control and Feedback Connectors, LED Status Indicators, and Polarity Switches (Axis 1 Shown as Example)
- Table 3-2. Per Axis Control Connector Pin Assignment
- Analog Output
- Step (CW) and Dir (CCW)
- Fault
- Figure 3-6. Example of Wiring a Sourcing Output Device to the Fault Input
- Figure 3-7. Example of Wiring a Sinking Output Device to the Fault Input
- Figure 3-8. Example of Wiring a High-Side Switch to the Fault Input
- Figure 3-9. Example of Wiring a Low-Side Switch to the Fault Input
- Enable Output
- Figure 3-10. Fault, Enable, and Global Stop Wiring Diagram
- Figure 3-11. UMI-7774/7772 Optically Isolated Digital Output Circuit and Connection to an External Device
- Fault Input and Disabled Status Indicators
- Sinusoidal Commutation Configuration
- Figure 3-12. Sinusoidal Commutation Wiring Diagram
- Table 3-3. Control 1 Connector Pin Assignment for Sinusoidal Commutation
- Table 3-4. Control 2 Connector Pin Assignment for Sinusoidal Commutation
- Feedback Connector for Each Axis
- Table 3-5. Per Axis Feedback Connector Pin Assignment
- Encoder
- Figure 3-13. UMI-7774/7772 Encoder Input Interface Circuit
- Figure 3-14. Encoder Signal Phasing, CW (Forward) Direction
- Figure 3-15. Shielded Twisted Pairs
- Limit and Home Inputs
- Figure 3-16. UMI-7774/7772 Optically Isolated Sinking Input Interface Circuit and Connection to Sourcing Output Sensor
- Limit and Home Status Indicators
- Hall Effect Sensors for Sinusoidal Commutation Configuration
- Figure 3-17. UMI-7774/7772 Pin Locations for Global Stop, Analog Input, Trigger/Breakpoint, and Digital I/O Connectors
- Global Stop
- Analog Input
- Trigger/Breakpoint
- General-Purpose Digital I/O
- Table 3-9. Digital I/O Connector Pin Assignment
- Figure 3-18. UMI-7774/7772 Optically Isolated Sourcing Digital Output Interface Circuit and Connection to an External Load
- Connecting Switches to UMI-7774/7772 Sinking Inputs
- Figure 3-19. UMI-7774-7772 Optically Isolated Sinking Input Interface Circuit and Connection to High-Side Switch
- Inductive Loads Connected to UMI-7774/7772
- Figure 3-20. Use of External Flyback Diode for Inductive Loads
- Servo Drive Modes
- National Instruments Motion Advisors
- Appendix A Specifications
- Appendix B Technical Support and Professional Services
- Index

Motion Control
National Instruments Universal
Motion Interface (UMI)-7774/7772
User Manual
National Instruments UMI-7774/7772 User Manual
June 2004 Edition
Part Number 373359B-01
Support
Worldwide Technical Support and Product Information
ni.com
National Instruments Corporate Headquarters
11500 North Mopac Expressway Austin, Texas 78759-3504 USA Tel: 512 683 0100
Worldwide Offices
Australia 1800 300 800, Austria 43 0 662 45 79 90 0, Belgium 32 0 2 757 00 20, Brazil 55 11 3262 3599,
Canada (Calgary) 403 274 9391, Canada (Ottawa) 613 233 5949, Canada (Québec) 450 510 3055,
Canada (Toronto) 905 785 0085, Canada (Vancouver) 514 685 7530, China 86 21 6555 7838,
Czech Republic 420 224 235 774, Denmark 45 45 76 26 00, Finland 385 0 9 725 725 11,
France 33 0 1 48 14 24 24, Germany 49 0 89 741 31 30, Greece 30 2 10 42 96 427, India 91 80 51190000,
Israel 972 0 3 6393737, Italy 39 02 413091, Japan 81 3 5472 2970, Korea 82 02 3451 3400,
Malaysia 603 9131 0918, Mexico 001 800 010 0793, Netherlands 31 0 348 433 466,
New Zealand 0800 553 322, Norway 47 0 66 90 76 60, Poland 48 22 3390150, Portugal 351 210 311 210,
Russia 7 095 783 68 51, Singapore 65 6226 5886, Slovenia 386 3 425 4200, South Africa 27 0 11 805 8197,
Spain 34 91 640 0085, Sweden 46 0 8 587 895 00, Switzerland 41 56 200 51 51, Taiwan 886 2 2528 7227,
Thailand 662 992 7519, United Kingdom 44 0 1635 523545
For further support information, refer to the Technical Support and Professional Services appendix. To comment
on the documentation, send email to techpubs@ni.com.
© 2003–2004 National Instruments Corporation. All rights reserved.

Important Information
Warranty
The NI UMI-7774/7772 is warranted against defects in materials and workmanship for a period of one year from the date of shipment, as
evidenced by receipts or other documentation. National Instruments will, at its option, repair or replace equipment that proves to be defective
during the warranty period. This warranty includes parts and labor.
The media on which you receive National Instruments software are warranted not to fail to execute programming instructions, due to defects
in materials and workmanship, for a period of 90 days from date of shipment, as evidenced by receipts or other documentation. National
Instruments will, at its option, repair or replace software media that do not execute programming instructions if National Instruments receives
notice of such defects during the warranty period. National Instruments does not warrant that the operation of the software shall be
uninterrupted or error free.
A Return Material Authorization (RMA) number must be obtained from the factory and clearly marked on the outside of the package before
any equipment will be accepted for warranty work. National Instruments will pay the shipping costs of returning to the owner parts which are
covered by warranty.
National Instruments believes that the information in this document is accurate. The document has been carefully reviewed for technical
accuracy. In the event that technical or typographical errors exist, National Instruments reserves the right to make changes to subsequent
editions of this document without prior notice to holders of this edition. The reader should consult National Instruments if errors are suspected.
In no event shall National Instruments be liable for any damages arising out of or related to this document or the information contained in it.
EXCEPT AS SPECIFIED HEREIN, NATIONAL INSTRUMENTS MAKES NO WARRANTIES, EXPRESS OR IMPLIED, AND SPECIFICALLY DISCLAIMS ANY WARRANTY OF
MERCHANTABILITY OR FITNESS FOR A PARTICULAR PURPOSE. CUSTOMER’S RIGHT TO RECOVER DAMAGES CAUSED BY FAULT OR NEGLIGENCE ON THE PART OF
NATIONAL INSTRUMENTS SHALL BE LIMITED TO THE AMOUNT THERETOFORE PAID BY THE CUSTOMER. NATIONAL INSTRUMENTS WILL NOT BE LIABLE FOR
DAMAGES RESULTING FROM LOSS OF DATA, PROFITS, USE OF PRODUCTS, OR INCIDENTAL OR CONSEQUENTIAL DAMAGES, EVEN IF ADVISED OF THE POSSIBILITY
THEREOF. This limitation of the liability of National Instruments will apply regardless of the form of action, whether in contract or tort, including
negligence. Any action against National Instruments must be brought within one year after the cause of action accrues. National Instruments
shall not be liable for any delay in performance due to causes beyond its reasonable control. The warranty provided herein does not cover
damages, defects, malfunctions, or service failures caused by owner’s failure to follow the National Instruments installation, operation, or
maintenance instructions; owner’s modification of the product; owner’s abuse, misuse, or negligent acts; and power failure or surges, fire,
flood, accident, actions of third parties, or other events outside reasonable control.
Copyright
Under the copyright laws, this publication may not be reproduced or transmitted in any form, electronic or mechanical, including photocopying,
recording, storing in an information retrieval system, or translating, in whole or in part, without the prior written consent of National
Instruments Corporation.
Trademarks
National Instruments™, NI™, ni.com™, and NI-Motion™ are trademarks of National Instruments Corporation.
Product and company names mentioned herein are trademarks or trade names of their respective companies.
Patents
For patents covering National Instruments products, refer to the appropriate location: Help»Patents in your software, the patents.txt file
on your CD, or ni.com/patents.
WARNING REGARDING USE OF NATIONAL INSTRUMENTS PRODUCTS
(1) NATIONAL INSTRUMENTS PRODUCTS ARE NOT DESIGNED WITH COMPONENTS AND TESTING FOR A LEVEL OF
RELIABILITY SUITABLE FOR USE IN OR IN CONNECTION WITH SURGICAL IMPLANTS OR AS CRITICAL COMPONENTS IN
ANY LIFE SUPPORT SYSTEMS WHOSE FAILURE TO PERFORM CAN REASONABLY BE EXPECTED TO CAUSE SIGNIFICANT
INJURY TO A HUMAN.
(2) IN ANY APPLICATION, INCLUDING THE ABOVE, RELIABILITY OF OPERATION OF THE SOFTWARE PRODUCTS CAN BE
IMPAIRED BY ADVERSE FACTORS, INCLUDING BUT NOT LIMITED TO FLUCTUATIONS IN ELECTRICAL POWER SUPPLY,
COMPUTER HARDWARE MALFUNCTIONS, COMPUTER OPERATING SYSTEM SOFTWARE FITNESS, FITNESS OF COMPILERS
AND DEVELOPMENT SOFTWARE USED TO DEVELOP AN APPLICATION, INSTALLATION ERRORS, SOFTWARE AND
HARDWARE COMPATIBILITY PROBLEMS, MALFUNCTIONS OR FAILURES OF ELECTRONIC MONITORING OR CONTROL
DEVICES, TRANSIENT FAILURES OF ELECTRONIC SYSTEMS (HARDWARE AND/OR SOFTWARE), UNANTICIPATED USES OR
MISUSES, OR ERRORS ON THE PART OF THE USER OR APPLICATIONS DESIGNER (ADVERSE FACTORS SUCH AS THESE ARE
HEREAFTER COLLECTIVELY TERMED “SYSTEM FAILURES”). ANY APPLICATION WHERE A SYSTEM FAILURE WOULD
CREATE A RISK OF HARM TO PROPERTY OR PERSONS (INCLUDING THE RISK OF BODILY INJURY AND DEATH) SHOULD
NOT BE RELIANT SOLELY UPON ONE FORM OF ELECTRONIC SYSTEM DUE TO THE RISK OF SYSTEM FAILURE. TO AVOID
DAMAGE, INJURY, OR DEATH, THE USER OR APPLICATION DESIGNER MUST TAKE REASONABLY PRUDENT STEPS TO
PROTECT AGAINST SYSTEM FAILURES, INCLUDING BUT NOT LIMITED TO BACK-UP OR SHUT DOWN MECHANISMS.
BECAUSE EACH END-USER SYSTEM IS CUSTOMIZED AND DIFFERS FROM NATIONAL INSTRUMENTS' TESTING
PLATFORMS AND BECAUSE A USER OR APPLICATION DESIGNER MAY USE NATIONAL INSTRUMENTS PRODUCTS IN
COMBINATION WITH OTHER PRODUCTS IN A MANNER NOT EVALUATED OR CONTEMPLATED BY NATIONAL
INSTRUMENTS, THE USER OR APPLICATION DESIGNER IS ULTIMATELY RESPONSIBLE FOR VERIFYING AND VALIDATING
THE SUITABILITY OF NATIONAL INSTRUMENTS PRODUCTS WHENEVER NATIONAL INSTRUMENTS PRODUCTS ARE
INCORPORATED IN A SYSTEM OR APPLICATION, INCLUDING, WITHOUT LIMITATION, THE APPROPRIATE DESIGN,
PROCESS AND SAFETY LEVEL OF SUCH SYSTEM OR APPLICATION.

Compliance
Compliance with FCC/Canada Radio Frequency Interference
Regulations
Determining FCC Class
The Federal Communications Commission (FCC) has rules to protect wireless communications from interference. The FCC
places digital electronics into two classes. These classes are known as Class A (for use in industrial-commercial locations only)
or Class B (for use in residential or commercial locations). All National Instruments (NI) products are FCC Class A products.
Depending on where it is operated, this Class A product could be subject to restrictions in the FCC rules. (In Canada, the
Department of Communications (DOC), of Industry Canada, regulates wireless interference in much the same way.) Digital
electronics emit weak signals during normal operation that can affect radio, television, or other wireless products.
All Class A products display a simple warning statement of one paragraph in length regarding interference and undesired
operation. The FCC rules have restrictions regarding the locations where FCC Class A products can be operated.
Consult the FCC Web site at www.fcc.gov for more information.
FCC/DOC Warnings
This equipment generates and uses radio frequency energy and, if not installed and used in strict accordance with the instructions
in this manual and the CE marking Declaration of Conformity*, may cause interference to radio and television reception.
Classification requirements are the same for the Federal Communications Commission (FCC) and the Canadian Department
of Communications (DOC).
Changes or modifications not expressly approved by NI could void the user’s authority to operate the equipment under the
FCC Rules.
Class A
Federal Communications Commission
This equipment has been tested and found to comply with the limits for a Class A digital device, pursuant to part 15 of the FCC
Rules. These limits are designed to provide reasonable protection against harmful interference when the equipment is operated
in a commercial environment. This equipment generates, uses, and can radiate radio frequency energy and, if not installed and
used in accordance with the instruction manual, may cause harmful interference to radio communications. Operation of this
equipment in a residential area is likely to cause harmful interference in which case the user is required to correct the interference
at their own expense.
Canadian Department of Communications
This Class A digital apparatus meets all requirements of the Canadian Interference-Causing Equipment Regulations.
Cet appareil numérique de la classe A respecte toutes les exigences du Règlement sur le matériel brouilleur du Canada.
Compliance with EU Directives
Users in the European Union (EU) should refer to the Declaration of Conformity (DoC) for information* pertaining to the
CE marking. Refer to the Declaration of Conformity (DoC) for this product for any additional regulatory compliance
information. To obtain the DoC for this product, visit ni.com/hardref.nsf, search by model number or product line,
and click the appropriate link in the Certification column.
* The CE marking Declaration of Conformity contains important supplementary information and instructions for the user or
installer.

© National Instruments Corporation v National Instruments UMI-7774/7772 User Manual
Contents
About This Manual
Conventions ...................................................................................................................vii
Related Documentation..................................................................................................vii
Chapter 1
Introduction
About the UMI-7774/7772 ............................................................................................1-1
Features............................................................................................................1-2
Chapter 2
Installation
Required Materials.........................................................................................................2-1
Optional Equipment.........................................................................................2-2
Before Getting Started ...................................................................................................2-2
Noise Considerations.......................................................................................2-2
Safety Information...........................................................................................2-3
Unpacking the UMI-7774/7772 ......................................................................2-5
Installation .....................................................................................................................2-5
Mounting the UMI-7774/7772.......................................................................................2-6
Mounting the UMI-7774/7772 on a DIN Rail.................................................2-7
Mounting the UMI-7774/7772 on a Panel.......................................................2-9
Mounting the UMI-7774/7772 in a Standard 19 in. Rack...............................2-12
Chapter 3
Connecting the UMI-7774/7772 to Drives and Other Devices
Connecting the UMI-7774/7772 to National Instruments Motion Controllers .............3-2
Connecting the UMI-7774/7772 to Optional General-Purpose Digital I/O Devices.....3-3
Voltage Considerations for the UMI-7774/7772 ...........................................................3-4
Power Requirements ......................................................................................................3-4
Connector Descriptions..................................................................................................3-6
Power Input Terminal Block ...........................................................................3-6
Power Status Indicators ...................................................................................3-6
Control Connector for Each Axis....................................................................3-6
Analog Output...................................................................................3-8
Step (CW) and Dir (CCW)................................................................3-8
Fault ..................................................................................................3-9
Enable Output ...................................................................................3-11
Contents
National Instruments UMI-7774/7772 User Manual vi ni.com
Fault Input and Disabled Status Indicators....................................... 3-13
Sinusoidal Commutation Configuration........................................... 3-13
Feedback Connector for Each Axis ................................................................ 3-16
Encoder............................................................................................. 3-18
Limit and Home Inputs..................................................................... 3-20
Limit and Home Status Indicators .................................................... 3-21
Hall Effect Sensors for Sinusoidal Commutation Configuration ..... 3-22
Global Stop ..................................................................................................... 3-23
Inhibit All ......................................................................................... 3-23
Shutdown .......................................................................................... 3-24
Analog Input ................................................................................................... 3-24
Trigger/Breakpoint.......................................................................................... 3-25
Trigger .............................................................................................. 3-25
Breakpoint ........................................................................................ 3-26
General-Purpose Digital I/O ........................................................................... 3-27
Connecting Switches to UMI-7774/7772 Sinking Inputs................. 3-29
Inductive Loads Connected to UMI-7774/7772 ............................... 3-30
Servo Drive Modes........................................................................................................ 3-31
National Instruments Motion Advisors ......................................................................... 3-32
Appendix A
Specifications
Appendix B
Technical Support and Professional Services
Index

© National Instruments Corporation vii National Instruments UMI-7774/7772 User Manual
About This Manual
The National Instruments Universal Motion Interface (UMI)-7774/7772
User Manual provides information about the UMI-7774/7772 functionality
and includes instructions for getting started, specifications, connection
requirements, and safety information.
Conventions
The following conventions appear in this manual:
»The » symbol leads you through nested menu items and dialog box options
to a final action. The sequence File»Page Setup»Options directs you to
pull down the File menu, select the Page Setup item, and select Options
from the last dialog box.
This icon denotes a note, which alerts you to important information.
This icon denotes a caution, which advises you of precautions to take to
avoid injury, data loss, or a system crash.
bold Bold text denotes items that you must select or click in the software, such
as menu items and dialog box options. Bold text also denotes emphasis.
italic Italic text denotes variables, emphasis, a cross reference, or an introduction
to a key concept. This font also denotes text that is a placeholder for a word
or value that you must supply.
monospace Text in this font denotes text or characters that you should enter from the
keyboard, sections of code, programming examples, and syntax examples.
This font is also used for the proper names of disk drives, paths, directories,
programs, subprograms, subroutines, device names, functions, operations,
variables, filenames, and extensions.
Related Documentation
The following documents contain information that you might find helpful
as you read this manual:
• National Instruments motion controller documentation
• Measurement & Automation Explorer Help for Motion

© National Instruments Corporation 1-1 National Instruments UMI-7774/7772 User Manual
1
Introduction
This manual provides information about the National Instruments
Universal Motion Interface (UMI)-7774/7772 functionality and includes
instructions for getting started, specifications, connection requirements,
and safety information.
About the UMI-7774/7772
The UMI-7774 and UMI-7772 (UMI-7774/7772) are standalone
connectivity accessories designed to be used with National Instruments
73xx series motion controllers for up to four axes of simultaneous
or independent control. Ideally suited to industrial and laboratory
applications, the UMI-7774/7772 connects third-party stepper and servo
drives (amplifiers) and/or feedback and digital I/O to National Instruments
motion controllers.
The UMI-7772 is a two-axis version of the UMI-7774. All illustrations,
information, and specifications in this manual apply to both devices.
Note For consistency, the remainder of this user manual refers only to drives.
All references to drives also apply to amplifiers.
You can use the UMI-7774/7772 with a wide variety of drives designed for
many types of motors or actuators and power ranges. This flexibility allows
you to use the UMI-7774/7772 in systems where you must use a third-party
drive.
To work correctly with the UMI-7774/7772, drives must have industry
standard interfaces. For stepper systems, the industry standard
interface includes step and direction, or clockwise (CW) and
counter-clockwise (CCW), pulse inputs. For servo systems, the industry
standard interface includes a ±10 V analog input.

Chapter 1 Introduction
National Instruments UMI-7774/7772 User Manual 1-2 ni.com
Features
The UMI-7774/7772 is designed for use with National Instruments 73xx
series motion controllers. This section provides an overview of the
UMI-7774/7772 functionality.
Figure 1-1. UMI-7774
The UMI-7774/7772 simplifies field wiring by supplying a separate
feedback and control D-SUB connector for each axis. The UMI-7774/7772
connects the motion input and output to the motion controller through a
single interface cable. You can connect the UMI-7774/7772 digital inputs
and outputs to the controller with a separate interface cable to provide
access to up to eight digital inputs and eight digital outputs on the
controller. Also, the UMI-7774/7772 features a host bus monitor power
interlock that automatically disables the drive if the host computer is shut
down or the motion input/output interface cable is disconnected.
The UMI-7774/7772 includes the following features:
• D-SUB connectivity, which provides easy and durable connectivity to
third-party devices
• 5 to 30 V limits and home switch/sensor compatibility
• Global Stop inputs for global shutdown of all axes
POWER GLOBAL STOP
GLOBAL STOP
ANALOG INPUT
POWER
28VDC MAX
TRIGGER/BREAKPOINT
DIGITAL I/O
CONTROLLER
DIGITAL I/O MOTION I/O
VVisoINHIBIT ALLINTERLOCK
AXIS 1
DISABLED
FAULT FWD HOME R
EV
ACTIVE
LOW
ACTIVE
HIGH
LIMIT LED FAULT ENABLE
CONTROL
FEEDBACK
AXIS 2
DISABLED
FAULT FWD HOME REV
ACTIVE
LOW
ACTIVE
HIGH
LIMIT LED FAULT ENABLE
CONTROL
FEEDBACK
AXIS 3
DISABLED
FAULT FWD HOME REV
ACTIVE
LOW
ACTIVE
HIGH
LIMIT LEDFAULT ENABLE
CONTROL
FEEDBACK
AXIS 4
DISABLED
FAULT F
WD HOME REV
ACTIVE
LOW
ACTIVE
HIGH
LIMIT LED FAULT ENABLE
CONTROL
FEEDBACK
NI UMI-7774 UNIVERSAL MOTION INTERFACE
V
24VDC ±10%
C
Viso
(5–30VDC)
Ciso
NATIONAL
INSTRUMENTS
Chapter 1 Introduction
© National Instruments Corporation 1-3 National Instruments UMI-7774/7772 User Manual
• Optical isolation on inhibit signals, Global Stop inputs, triggers,
limits, home and digital I/O. This feature enables 24 VDC signaling
capability. Also, the isolation can help break ground loops in the
system and reduce the effects of noise and voltage transients.
• Global and per-axis status LEDs
• Capability to interface with low-cost third-party brushless motor
drives that do not provide sinusoidal commutation
• Access to eight digital inputs and eight digital outputs
• Panel, DIN rail, or rack mountable

© National Instruments Corporation 2-1 National Instruments UMI-7774/7772 User Manual
2
Installation
This chapter describes the necessary and optional items for getting started
with the UMI-7774/7772. This chapter also explains how to unpack,
configure, and install the UMI-7774/7772.
Required Materials
The following items are necessary for installing and getting started with
the UMI-7774/7772:
❑UMI-7774 or UMI-7772
❑24 ±10% VDC power supply (10 W minimum)
❑5 to 30 V isolated power supply (10 to 60 W minimum, depending
on I/O requirements)
❑National Instruments 73xx series motion controller and associated
documentation
❑One of the following National Instruments SHC68-C68-S cables
for connecting a motion controller to the UMI-7774/7772:
– 2 m (part number 186380-02)
– 0.5 m (part number 186380-0R5)
❑Custom cable for connecting the UMI-7774/7772 to a third-party drive
❑Third-party drive and documentation
Note The same power supply may be used for both the main +24 V power supply and I/O.
However, if you use the same power supply for both connections, there will be no isolation
between the I/O and the main power.
Note For a current list of the third-party drives that the UMI-7774/7772 supports, visit the
National Instruments Motion Control Web site at ni.com/motion.

Chapter 2 Installation
National Instruments UMI-7774/7772 User Manual 2-2 ni.com
Optional Equipment
National Instruments offers a variety of products for use with the
UMI-7774/7772, including the following:
• Mounting accessories. Refer to the Mounting the UMI-7774/7772
section for information about specific equipment for each available
mounting package.
• Separate +24 V power supply for isolated I/O.
• Additional SHC68-C68-S cable (0.5 m or 2 m) with 68-pin VHDCI
offset male connectors on both ends. Use this cable to connect the
digital I/O connector on the National Instruments motion controller
to the digital I/O connector on the UMI-7774/7772.
• 9-, 15-, and 25-pin D-SUB to flying lead cables (part number
190911-04, 19012-04, and 19013-04). Use these cables to connect the
UMI-7774/7772 D-SUB connectors to third-party drives and feedback
devices.
Before Getting Started
This section provides information about noise considerations and safety
guidelines as well as instructions for unpacking the UMI-7774/7772.
Noise Considerations
Before connecting the UMI-7774/7772, verify that all system components
are grounded correctly and that all wiring is properly shielded. Do not
connect high-voltage wires and low-level signals to the same channel.
The following list includes additional noise considerations.
Caution Failure to follow these precautions may result in system instability and may cause
permanent damage to system components.
• Keep high voltage lines, such as AC power cables and motor drive
cables, away from low-level signals, such as encoders and limits.
• Use twisted pair cable for differential signals, such as encoders.
• Ensure that all cables connected to the UMI-7774/7772 include a
braided shield.
• Use hoods with internal metallic shielding for D-SUB connectors.

Chapter 2 Installation
© National Instruments Corporation 2-3 National Instruments UMI-7774/7772 User Manual
• Ensure that all devices in the system, including the UMI-7774/7772,
drives, and motors, are properly grounded.
• Ensure that all power supplies and motor drives in the system are
powered down when connecting them to the UMI-7774/7772.
Safety Information
Caution The following paragraphs contain important safety information you must follow
when installing and operating the UMI-7774/7772 and all devices connecting to the
UMI-7774/7772.
Do not operate the device in a manner not specified in the documentation.
Misuse of the device can result in a hazard. You can compromise the safety
protection built into the device. If the device is damaged in any way, return
the device to National Instruments for repair.
Keep away from live circuits. Do not remove equipment covers or shields
unless you are trained to do so. If signal wires are connected to the device,
hazardous voltages can exist even when the equipment is turned off. To
avoid a shock hazard, do not perform procedures involving cover or shield
removal unless you are qualified to do so. Disconnect all field power prior
to removing covers or shields.
If the device is rated for use with hazardous voltages (>30 Vrms, 42.4 Vpk,
or 60 Vdc), it may require a safety earth-ground connection wire. See the
device specifications for maximum voltage ratings.
Note Although some signal lines on the UMI-7774/7772 have optical isolation to reduce
noise effects and ground loops, the UMI-7774/7772 does not include safety isolation
features. Also, there is no isolation between signals, connectors, or axes on the
UMI-7774/7772 unless otherwise noted.
Because of the danger of introducing additional hazards, do not substitute
parts or modify the device. Use the device only with the chassis, modules,
accessories, and cables specified in the installation instructions. All covers
and filler panels must be installed while operating the device.
Do not operate the device in an explosive atmosphere or where flammable
gases or fumes may be present. If you must operate the device in such an
environment, the device must be in a suitably rated enclosure.

Chapter 2 Installation
National Instruments UMI-7774/7772 User Manual 2-4 ni.com
Operate the device only at or below Pollution Degree 2. Pollution consists
of any foreign matter—solid, liquid, or gas—that may reduce dielectric
strength or surface resistivity. The following is a description of pollution
degrees:
• Pollution Degree 1—No pollution or only dry, nonconductive
pollution occurs. The pollution has no effect.
• Pollution Degree 2—Normally only nonconductive pollution occurs.
Occasionally, nonconductive pollution becomes conductive because of
condensation.
• Pollution Degree 3—Conductive pollution or dry, nonconductive
pollution occurs. Nonconductive pollution becomes conductive
because of condensation.
Clean the device and accessories by brushing off light dust with a soft,
nonmetallic brush. Remove other contaminants with a stiff, nonmetallic
brush. The unit must be completely dry and free from contaminants before
returning it to service.
You must insulate signal connections for the maximum voltage for which
the device is rated. Do not exceed the maximum ratings for the device.
Remove power from signal lines before connection to or disconnection
from the device.
Operate this device only at or below the installation category1 marked on
the hardware label. Measurement circuits are subjected to working
voltages2 and transient stresses, such as overvoltage, from the circuit they
are connected to during the measurement or test. Installation categories
establish standard impulse withstand voltage levels that commonly occur in
electrical distribution systems. The following is a description of installation
categories:
• Installation Category I is for measurements performed on circuits not
directly connected to the electrical distribution system referred to as
MAINS3 voltage. This category is for measurements of voltages from
specially protected secondary circuits. Such voltage measurements
include signal levels, special equipment, limited-energy parts of
equipment, circuits powered by regulated low-voltage sources, and
electronics.
1 Installation categories, also referred to as measurement categories, are defined in electrical safety standard IEC 61010-1.
2 Working voltage is the highest rms value of an AC or DC voltage that can occur across any particular insulation.
3 MAINS is defined as a hazardous live electrical supply system that powers equipment. Suitably rated measuring circuits may
be connected to the MAINS for measuring purposes.

Chapter 2 Installation
© National Instruments Corporation 2-5 National Instruments UMI-7774/7772 User Manual
• Installation Category II is for measurements performed on circuits
directly connected to the electrical distribution system. This category
refers to local-level electrical distribution, such as that provided by a
standard wall outlet (for example, 115 AC voltage for U.S. or
230 AC voltage for Europe). Examples of Installation Category II are
measurements performed on household appliances, portable tools,
and similar modules.
• Installation Category III is for measurements performed in the
building installation at the distribution level. This category refers to
measurements on hard-wired equipment such as equipment in fixed
installations, distribution boards, and circuit breakers. Other examples
are wiring (including cables), bus bars, junction boxes, switches,
socket outlets in the fixed installation, and stationary motors with
permanent connections to fixed installations.
• Installation Category IV is for measurements performed at the primary
electrical supply installation (<1,000 V). Examples include electricity
meters and measurements on primary overcurrent protection devices
and on ripple control units.
Unpacking the UMI-7774/7772
The UMI-7774/7772 ships in an antistatic package to prevent electrostatic
discharge from damaging device components.
After removing the UMI-7774/7772 from the package, inspect it for loose
components or any other signs of damage. Contact National Instruments if
the device appears damaged in any way.
Caution Do not touch exposed connector pins. Doing so may cause damage to the device.
Installation
Complete following steps to install the UMI-7774/7772.
1. Mount the UMI-7774/7772, if necessary.
2. Connect the UMI-7774/7772 to third-party stepper and servo drives
and/or feedback and digital I/O connectors on National Instruments
motion controllers.
3. Test the signal connections starting with the limit and home switches,
then the encoders, and concluding with the inhibit and command
connections.

Chapter 2 Installation
National Instruments UMI-7774/7772 User Manual 2-6 ni.com
Mounting the UMI-7774/7772
You can mount the UMI-7774/7772 on a 35 mm DIN rail, on a panel,
or in a standard 19 in. rack. The following sections include instructions for
all three mounting methods. Before using any of these mounting methods,
record the serial number from the back of the UMI-7774/7772. You will
be unable to read the serial number after you have mounted the
UMI-7774/7772.
Caution When you mount the UMI-7774/7772 and connect cables to it, allow 51–76 mm
(2–3 in.) of space between each side of the device and any other surface to ensure
appropriate air circulation.
Note The external dimensions for the UMI-7772 are the same as the dimensions for the
UMI-7774, shown in Figure 2-1 and Figure 2-2.
Figure 2-1. UMI-7774, Front View with Dimensions
FAULT FWD HOME REV FAULT FWD HOME REV FAULT FWD HOME REV FAULT FWD HOME REV
LIMIT LED FAULT ENABLE
LIMIT LED FAULT ENABLE LIMIT LED FAULT ENABLE LIMIT LED FAULT ENABLE
5.000
(126.93)
10.200
(259.08)

Chapter 2 Installation
© National Instruments Corporation 2-7 National Instruments UMI-7774/7772 User Manual
Figure 2-2. UMI-7774, Side View with Dimensions
Mounting the UMI-7774/7772 on a DIN Rail
The UMI-7774/7772 has one clip for mounting on a standard 35 mm
DIN rail. You can order the DIN rail mounting kit (part number
778710-01) from National Instruments. Complete the following steps
to mount the UMI-7774/7772 on a DIN rail.
Caution To prevent damage to the UMI-7774/7772, do not use screws longer than .25 in.
to fasten the DIN rail clip to the UMI-7774/7772.
1. Refer to Figure 2-3. Fasten the DIN rail clip to the UMI-7774/7772
using a number 2 Phillips screwdriver and the two 8-32 ×.25 in.
countersink screws shipped with the DIN rail clip. These screws have
a nylon coating to prevent them from loosening.
.867
(22.01)
10.200
(259.08)

Chapter 2 Installation
National Instruments UMI-7774/7772 User Manual 2-8 ni.com
Figure 2-3. Fastening the DIN Rail Clip to the UMI-7774/7772
2. Insert one edge of the DIN rail into the deeper opening of the DIN rail
clip, as shown in Figure 2-4.
3. Press down firmly on the UMI-7774/7772 to compress the spring until
the clip locks in place on the DIN rail.
Figure 2-4. One Edge of DIN Rail Inserted in Clip
Caution Disconnect power before removing the UMI-7774/7772 from the DIN rail.
1 DIN Rail Clip 2 DIN Rail Clip Spring 3DIN Rail
NA
TIONAL
INSTRUMENTS
2
1
3

Chapter 2 Installation
© National Instruments Corporation 2-9 National Instruments UMI-7774/7772 User Manual
Mounting the UMI-7774/7772 on a Panel
You must use a panel-mount kit to mount the UMI-7774/7772 on a panel.
You can order the appropriate kit (part number 778709-01 or 778711-01)
from National Instruments.
Complete the following steps to install the panel-mount kit.
Caution Do not use screws longer than .25 in. to fasten the panel-mount accessory
brackets to the UMI-7774/7772.
1. Fasten the two brackets of the panel-mount kit to the back of the
UMI-7774/7772 using a number 2 Phillips screwdriver and the
8-32 ×.25 in. countersink screws shipped with the panel-mount kit.
These screws have a nylon coating to prevent them from loosening.
Refer to Figures 2-5, 2-6, 2-7, and 2-8 for illustrations of mounting the
UMI-7774/7772 on a panel.
Figure 2-5. Fastening the Horizontal Panel-Mount Brackets to the UMI-7774/7772
NATIONAL
INSTRUMENTS

Chapter 2 Installation
National Instruments UMI-7774/7772 User Manual 2-10 ni.com
Figure 2-6. Fastening the Vertical Panel-Mount Brackets to the UMI-7774/7772
2. Attach the panel-mount accessory to a panel using 8-32 or M4 screws.
Note The external dimensions for the UMI-7772 are the same as the dimensions for the
UMI-7774, shown in Figure 2-7 and Figure 2-8.
NATIONAL
INSTRUMENTS

Chapter 2 Installation
© National Instruments Corporation 2-11 National Instruments UMI-7774/7772 User Manual
Figure 2-7. UMI-7774/7772 Front View with Horizontal Panel Mount Dimensions
Figure 2-8. UMI-7774/7772 Front View with Vertical Panel Mount Dimensions
Caution Disconnect power before removing the UMI-7774/7772 from the panel.
11.000
(279.4)
FAULT FWD HOME REV FAULT FWD HOME REV FAULT FWD HOME REV FAULT FWD HOME REV
LIMIT LED FAULT ENABLE
LIMIT LED FAULT ENABLELIMIT LED FAULT ENABLE
LIMIT LED FAULT ENABLE
FAULT FWD HOME REV FAULT FWD HOME REV FAULT FWD HOME REV FAULT FWD HOME REV
LIMIT LED FAULT ENABLE
LIMIT LED FAULT ENABLELIMIT LED FAULT ENABLE
LIMIT LED FAULT ENABLE
7
(178)
6
(152)

Chapter 2 Installation
National Instruments UMI-7774/7772 User Manual 2-12 ni.com
Mounting the UMI-7774/7772 in a Standard 19 in. Rack
To mount the UMI-7774/7772 in an EIA-standard 19 in. rack, you must use
the rack-mount kit (part number 778712-01) from National Instruments.
Complete the following steps to install the rack-mount kit.
1. Fasten the rack-mount bracket to the back of the UMI-7774/7772 using
the captive screws on the bracket.
Figure 2-9. Fastening the Rack-Mount Accessory to the UMI-7774/7772
2. Bolt the rack-mount accessory to a standard 19 in. rack.
Caution Disconnect power before removing the UMI-7774/7772 from the rack.
N
N
ATI
TI
ONAL
L
INSTR
TR
UMENTS

© National Instruments Corporation 3-1 National Instruments UMI-7774/7772 User Manual
3
Connecting the UMI-7774/7772
to Drives and Other Devices
This chapter describes how to wire National Instruments motion
controllers, third-party drives, sensors, and field I/O to the
UMI-7774/7772. This chapter also describes the polarity settings
and LED indicators on the UMI-7774/7772.
Figure 3-1 and Figure 3-2 show the UMI-7774 and UMI-7772 front panels.
Figure 3-1. UMI-7774 Front Panel
FAULT FWD HOME REV FAULT FWD HOME REV FAULT FWD HOME REV FAULT FWD HOME REV
LIMIT LED FAULT ENABLE LIMIT LED FAULT ENABLE LIMIT LED FAULT ENABLE LIMIT LED FAULT ENABLE

Chapter 3 Connecting the UMI-7774/7772 to Drives and Other Devices
National Instruments UMI-7774/7772 User Manual 3-2 ni.com
Figure 3-2. UMI-7772 Front Panel
Connecting the UMI-7774/7772 to National Instruments
Motion Controllers
To connect the UMI-7774/7772 to a National Instruments motion
controller, connect one end of the SHC68-C68-S cable to the 68-pin
motion I/O connector on the motion controller and the other end to the
68-pin motion I/O connector on the UMI-7774/7772.
FAULT FWD HOME REV FAULT FWD HOME REV
LIMIT LED FAULT ENABLE LIMIT LED FAULT ENABLE
NI UMI-7772
UNIVERSAL MOTION INTERFACE

Chapter 3 Connecting the UMI-7774/7772 to Drives and Other Devices
© National Instruments Corporation 3-3 National Instruments UMI-7774/7772 User Manual
Figure 3-3. UMI-7774/7772 Connected to an NI 73xx Series Motion Controller
Connecting the UMI-7774/7772 to Optional
General-Purpose Digital I/O Devices
To access 16 (eight inputs and eight outputs) of the 32 digital I/O signals
on the National Instruments motion controller, connect one end of an
additional SHC68-C68-S cable to the 68-pin digital I/O connector on the
motion controller and the other end to the 68-pin digital I/O connector on
the UMI-7774/7772.
To access all of the 32 digital I/O signals on the motion controller, you
can connect the digital I/O connector on the motion controller to other
National Instruments accessories. For example, you can connect the digital
I/O on the National Instruments motion controller to an SSR cable adapter
and then connect that adapter to the National Instruments SSR Series
backplanes for use with other National Instruments devices, such as
DAQ devices. In this case, you do not typically connect anything to the
UMI-7774/7772 digital I/O connector.
1NI 73xx Series Motion Controller
2NI 73xx Motion I/O Connector
3 UMI-7774/7772 Motion I/O Connector
4 UMI-7774/7772 Digital I/O Connector
5 SHC68-C68-S Cable
6NI 73xx Digital I/O Connector
POWER GLOBAL STOP
GLOBAL STOP
ANALOG INPUT
POWER
28VDC MAX
TRIGGER/BREAKPOINT
DIGITAL I/O
CONTROLLER
DIGITAL I/O MOTION I/O
VViso INHIBIT ALLINTERLOCK
AXIS 1
DISABLED
FAULT FWD HOME REV
ACTIVE
LOW
ACTIVE
HIGH
LIMIT LEDFAULT ENABLE
CONTROL
FEEDBACK
AXIS 2
DISABLED
FAULT FWD HOME REV
ACTIVE
LOW
ACTIVE
HIGH
LIMIT LEDFAULT E
NABLE
CONTROL
FEEDBACK
AXIS 3
DISABLED
FAULTFWD HOME REV
ACTIVE
LOW
ACTIVE
HIGH
LIMIT LEDFAULT ENABLE
CONTROL
FEEDBACK
AXIS 4
DISABLED
FAULT FWD HOME REV
ACTIVE
LOW
ACTIVE
HIGH
LIMIT LEDFAULTENABLE
CONTROL
FEEDBACK
NI UMI-7774 UNIVERSAL MOTION INTERFACE
V
24VDC ±10%
C
Viso
(5–30VDC)
Ciso
NATIONAL
INSTRUMENTS
1
23
6
4
5

Chapter 3 Connecting the UMI-7774/7772 to Drives and Other Devices
National Instruments UMI-7774/7772 User Manual 3-4 ni.com
Voltage Considerations for the UMI-7774/7772
Caution Do not connect the UMI-7774/7772 isolated power to a source greater than 30 V.
Doing so may cause damage to UMI-7774/7772 components.
To cause current to flow through the input, the voltage applied to the
following types of inputs should be greater than 3.5 V and less than 30 V.
• Fault inputs
• Limit and home inputs
• Global Stop inputs
• Trigger inputs
• General-purpose digital inputs
Also, the source must be able to provide at least 7.2 mA to turn on the
optical isolator and result in an ON condition. When the applied voltage
is below 2 V, the input results in an OFF condition.
Optical isolation is a method for transmitting a signal from its source to
a measurement device without a physical connection by using an optical
coupling technique. Optical isolation can help break ground loops in the
system and reduce the effects of noise and voltage transients.
Power Requirements
The UMI-7774/7772 includes a 4-position power connector that provides
voltage and common for the main power supply as well as voltage and
common for the isolated output circuitry.

Chapter 3 Connecting the UMI-7774/7772 to Drives and Other Devices
© National Instruments Corporation 3-5 National Instruments UMI-7774/7772 User Manual
Figure 3-4. UMI-7774/7772 Power Input
Table 3-1 includes descriptions of each of the terminals on the
UMI-7774/7772 power connector.
Complete the following steps to wire power to the UMI-7774/7772.
1. Connect the positive lead of the 24 VDC power supply to the
V terminal and the negative lead to the C terminal on the
UMI-7774/7772.
2. If you use a separate power supply, connect the positive lead of the
5–30 VDC supply to the Viso terminal and the negative lead to the
Ciso terminal on the UMI-7774/7772.
3. If you do not use the isolation feature on the UMI-7774/7772,
you must connect the V terminal to the Viso terminal and the C terminal
to the Ciso terminal.
The Viso and Ciso connections provide a source for the optically isolated
output signals on the UMI-7774/7772, including the drive enable outputs
and digital outputs.
Table 3-1. Power Connector Terminals
Terminal Description
VMain power (24 V ±10%)
CCommon
Viso Isolated power (5 to 30 VDC)
Ciso Isolated common
C
V
Viso
Ciso

Chapter 3 Connecting the UMI-7774/7772 to Drives and Other Devices
National Instruments UMI-7774/7772 User Manual 3-6 ni.com
Connector Descriptions
The following sections include voltage considerations for the connectors
on the UMI-7774/7772 as well as descriptions of the connectors and
signals.
Power Input Terminal Block
The UMI-7774/7772 requires a 24 VDC power supply to operate. The
UMI-7774/7772 has a 4-position terminal block for wiring 24 VDC power
and 5 to 30 VDC isolated power to the UMI-7774/7772. The isolated power
is used in the optical isolation output circuitry for the drive enable outputs
and digital output signals. Isolation can help break ground loops in the
system and reduce the effects of noise and voltage transients.
Viso and Ciso are redistributed to other connectors on the UMI-7774/7772 as
an output power source for external devices. Refer to Figure 3-1 to locate
the power input terminal block on the UMI-7774/7772. Figure 3-4 shows
the 4-position power connector. Table 3-1 shows the power connector
terminal block pinout.
Note When the drive enable output and digital output signals are in an ON state, they
provide the isolated power connected on Viso and Ciso. Use an isolated power supply with
a voltage that is compatible with the inputs that the drive enable and digital outputs are
connected to. Viso and Ciso do not provide safety isolation.
Power Status Indicators
When you finish making the required power connections to the V, C,
Viso,and C
iso terminals, power on the 24 VDC power supply. The V LED
illuminates. If the 24 VDC power supply has also been connected to the
Viso and Ciso terminals, the Viso LED illuminates. If you are using a separate
power supply to provide isolation, power on the separate 5 to 30 V power
supply and the Viso LED indicator illuminates. Refer to Figure 3-1 for an
illustration of the V and Viso LEDs.
Control Connector for Each Axis
Each axis connected to the UMI-7774/7772 has a 15-pin D-SUB control
connector to which you wire drive command and drive enable signals.
Figure 3-5 shows the pin locations of the control connector for each axis.
Table 3-2 shows the corresponding signals for each pin.

Chapter 3 Connecting the UMI-7774/7772 to Drives and Other Devices
© National Instruments Corporation 3-7 National Instruments UMI-7774/7772 User Manual
Figure 3-5. UMI-7774/7772 Per Axis Control and Feedback Connectors, LED Status
Indicators, and Polarity Switches (Axis 1 Shown as Example)
Table 3-2. Per Axis Control Connector Pin Assignment
Pin Signal Optically Isolated
1Analog Output No
2NC No
3+5 V (Output) No
4Step (CW) No
5NC No
6Enable Yes
7Fault + Yes
8Iso Power (Output) Yes
18
19
20
21
22
23
24
25
17
16
15
14
1
6
7
8
9
10
11
12
13
5
4
3
2
AXIS 1
DISABLED
FAULT FWD HOME REV
ACTIVE
LOW
ACTIVE
HIGH
LIMIT LED FAULT ENABLE
CONTROL
FEEDBACK
1
2
3
4
5
6
7
8
9
10
11
12
13
14
15

Chapter 3 Connecting the UMI-7774/7772 to Drives and Other Devices
National Instruments UMI-7774/7772 User Manual 3-8 ni.com
Analog Output
The UMI-7774/7772 analog output signals are used as command outputs to
servo drives or as general-purpose voltage outputs. To help keep digital
noise separate from the analog outputs, Pin 9 provides a separate analog
output ground connection. Use this analog ground connection instead of
a digital ground when you connect the UMI-7774/7772 to servo drives.
Analog outputs are pass-through signals from the motion controller. A
pass-through signal provides passive filtering on the signals, which does
not affect the voltage range or current-handling capability of the signals.
Step (CW) and Dir (CCW)
The UMI-7774/7772 Step (CW) and Dir (CCW) signals are used as
command outputs to a stepper drive. Some stepper drives require clockwise
direction (CW) and counter-clockwise direction (CCW) commands rather
than Step and Dir commands. You can configure National Instruments
motion controllers to provide either type of stepper commands. Both Step
and Dir signals are pass-through signals.
9Analog Output
Ground
No
10 Digital Ground No
11 Digital Ground No
12 Dir (CCW) No
13 NC No
14 Fault – Yes
15 Iso Common Yes
Table 3-2. Per Axis Control Connector Pin Assignment (Continued)
Pin Signal Optically Isolated

Chapter 3 Connecting the UMI-7774/7772 to Drives and Other Devices
© National Instruments Corporation 3-9 National Instruments UMI-7774/7772 User Manual
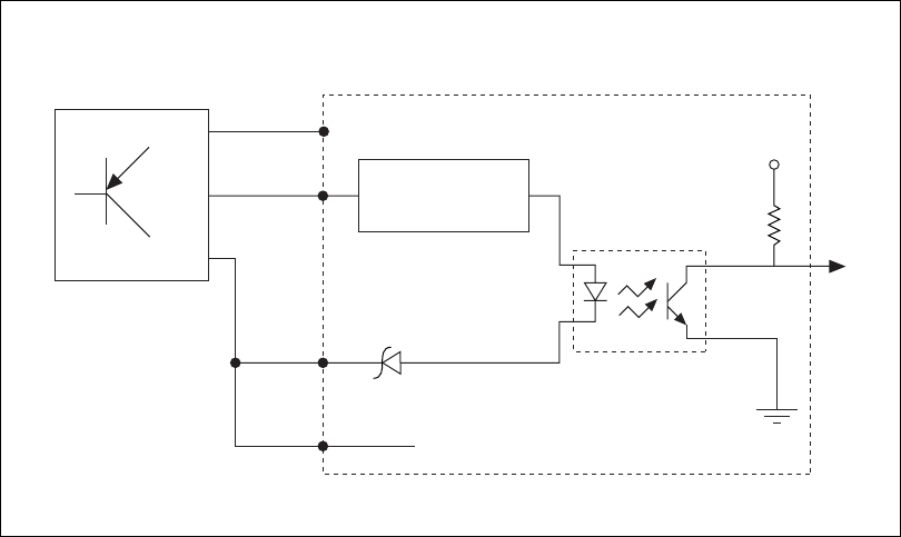
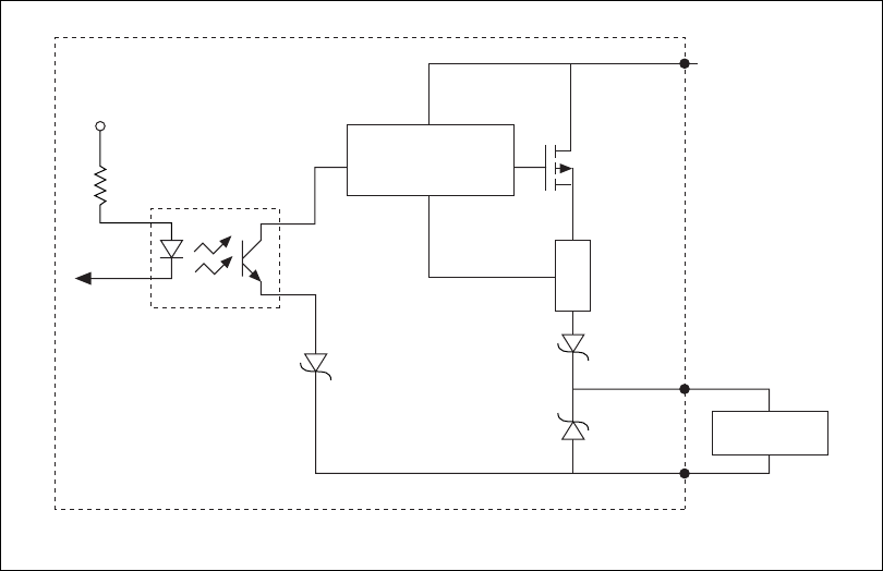
Fault
The Fault signal is an optically isolated digital input. If the Fault input
signal is asserted, the DISABLED LED is lit and the Enable output signal
is deactivated. You can wire the Fault input to either a current sourcing or
sinking output from a drive or other device. Refer to Figure 3-6 and
Figure 3-7 for examples of wiring the Fault input signal to sourcing and
sinking output devices. In both cases, the isolated power (Viso) and isolated
common (Ciso) signals provided on the control connector are used to power
the external devices.
Use a manual operator switch to handle disabling an axis. Refer to
Figure 3-8 and Figure 3-9 for examples of wiring the fault input signal to
high-side and low-side switches.
You can configure the axis Fault input signals as active-low or active-high
inputs using the switch for the axis labeled FAULT. The down position
of the switch corresponds to active-low and the up position of the switch
corresponds to active-high.
Refer to the Voltage Considerations for the UMI-7774/7772 section
for voltage information that applies to the Fault input signal.
Figure 3-6. Example of Wiring a Sourcing Output Device to the Fault Input
Current Limiter
PNP
(Sourcing)
Output Device
Fault –
Viso
Ciso
Vcc
UMI-7774/7772
V–
V+
Out
Fault +

Chapter 3 Connecting the UMI-7774/7772 to Drives and Other Devices
National Instruments UMI-7774/7772 User Manual 3-10 ni.com
Figure 3-7. Example of Wiring a Sinking Output Device to the Fault Input
Figure 3-8. Example of Wiring a High-Side Switch to the Fault Input
Current Limiter
NPN
(Sinking)
Output Device
Fault –
Fault +
Viso
Ciso
Vcc
UMI-7774/7772
V–
V+
Out
Fault –
Viso
Ciso
Vcc
UMI-7774/7772
High-Side
Switch
Current Limiter
Fault +

Chapter 3 Connecting the UMI-7774/7772 to Drives and Other Devices
© National Instruments Corporation 3-11 National Instruments UMI-7774/7772 User Manual
Figure 3-9. Example of Wiring a Low-Side Switch to the Fault Input
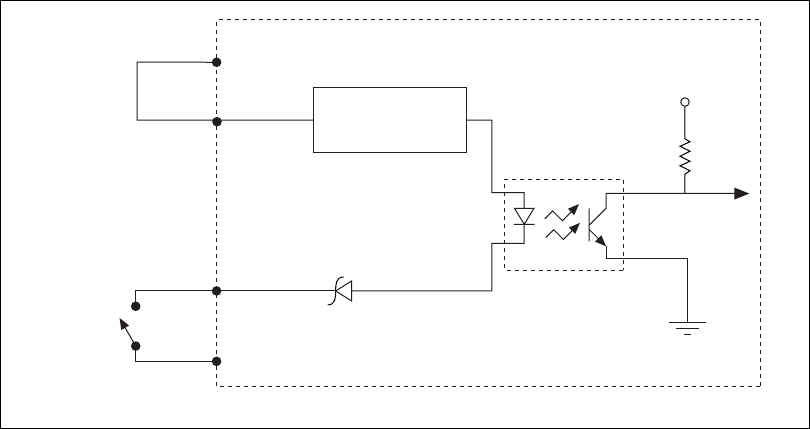
Enable Output
The Enable output signal is an optically isolated digital output used to
enable the drive for the axis. The Enable signal for the axis is deactivated
when any of the following signals are asserted:
• Host Bus Interlock (global)
• Inhibit All (user-supplied and global)
• User-supplied external Fault input (per axis)
• Controller Axis Inhibit Out (per axis)
• Controller Shutdown (if enabled on the controller)
Refer to the Global Stop section for information about the Inhibit All and
Shutdown signals. The host bus interlock is a safety feature that is not
user-configurable. It monitors the +5 V pin from the motion controller to
verify that the motion controller is powered on and properly connected to
the UMI-7774/7772.
You can configure the axis Enable output signal as active-low or active-high
using the ENABLE switch. The down position for the switch corresponds
to active-low and the up position for the switch corresponds to active-high.
Refer to Figure 3-5 for the location of this switch. Refer to Figure 3-11 for
a diagram that shows how to wire the Enable signal.
Fault –
Fault +
Viso
Ciso
Vcc
UMI-7774/7772
Low-Side
Switch
Current Limiter

Chapter 3 Connecting the UMI-7774/7772 to Drives and Other Devices
National Instruments UMI-7774/7772 User Manual 3-12 ni.com
Note You must configure the National Instruments motion controller Inhibit Out signals
as active-low for proper operation of the inhibit logic on the UMI-7774/7772.
Figure 3-10. Fault, Enable, and Global Stop Wiring Diagram
The Enable output circuit provides a current source to an external device.
The maximum output current when Viso is 30 V is 160 mA. The maximum
output current when Viso is 24 V is 150 mA. The maximum output current
when Viso is 5 V is 60 mA. The output voltage is within 1.2 V of the voltage
provided on the Viso power supply. Refer to Figure 3-11 for an illustration
of the Enable output interface circuit.
If you are connecting the Fault output to inductive loads, such as relays and
solenoids, special precautions may be necessary. Refer to the Inductive
Loads Connected to UMI-7774/7772 section for more information.
Controller
Axis
Inhibit
Host Bus
Interlock
Shutdown
UMI-7774/7772
Motion I/O Connector
Axis 1
Enable
Fault
4
Axis 2
Enable
Fault
Drive 1
Drive 2
Global Stops
Shutdown
Inhibit_All
User Supplied

Chapter 3 Connecting the UMI-7774/7772 to Drives and Other Devices
© National Instruments Corporation 3-13 National Instruments UMI-7774/7772 User Manual
Figure 3-11. UMI-7774/7772 Optically Isolated Digital Output Circuit and Connection
to an External Device
Fault Input and Disabled Status Indicators
Each axis of the UMI-7774/7772 has the following two status LEDs:
DISABLED and FAULT. If the Enable output signal is deactivated for any
reason, the DISABLED LED illuminates. If the Fault input signal is also
active, both the FAULT and the DISABLED LEDs for the axis illuminate.
Refer to Figure 3-5 for the locations of these LEDs.
Sinusoidal Commutation Configuration
The control connectors for axes 1 and 2 of the UMI-7774/7772 have
additional analog output signal connections to accommodate brushless
servo drives that do not provide onboard sinusoidal commutation. These
signal connections are shown in Table 3-3 and Table 3-4. For these types
of drives, you must use a National Instruments motion controller that
provides sinusoidal commutation. The National Instruments motion
controllers with this feature provide two analog output commands, with
a phase difference of 120 degrees, for a single axis of motion. You can
connect each UMI-7774/7772 to two brushless drives. For example,
Output
Viso
Ciso
Vcc
Load
Current Limiter
Current
Sense
UMI-7774/7772

Chapter 3 Connecting the UMI-7774/7772 to Drives and Other Devices
National Instruments UMI-7774/7772 User Manual 3-14 ni.com
you can connect the axis 1 control connector to one drive using analog
outputs 1 and 3, and connect the axis 2 control connector to another drive
using analog outputs 2 and 4. You can connect Hall effect sensors that
are used for initializing the sinusoidal commutation to the Feedback
Connector. Refer to Figure 3-12 for a diagram that demonstrates this
configuration.
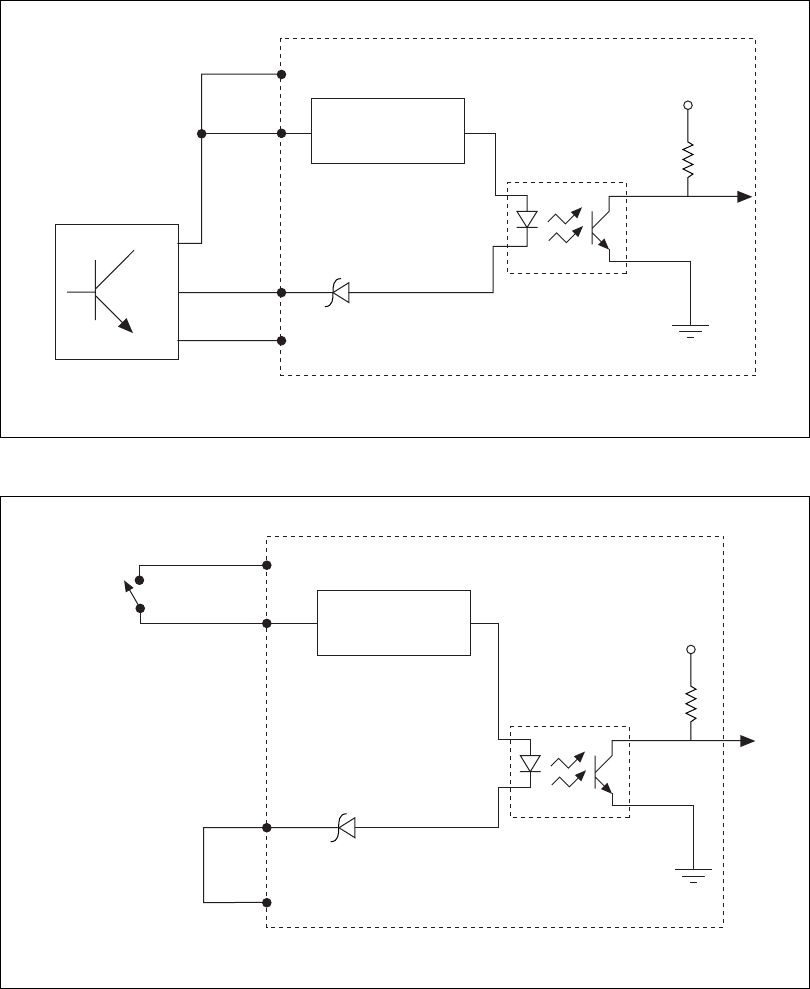
Figure 3-12. Sinusoidal Commutation Wiring Diagram
You must connect the digital I/O cable from your National Instruments
motion controller to the UMI-7774/7772 to promote connectivity with the
Hall effect sensors.
Note The Hall effect sensor connections are shown on Pins 5, 6, and 7 in Table 3-5.
Hall
Sensors
EncoderMotor
Ref 1
Ref 2
Fault
Enable
Drive
Analog Out 1
Analog Out 3
FAULT
ENABLE
Axis 1
Control Connector
Hall A, B, C
Encoder Phase
A, B, Index
Axis 1
Feedback Connector
UMI-7774/7772
Third-Party Drive
Motor

Chapter 3 Connecting the UMI-7774/7772 to Drives and Other Devices
© National Instruments Corporation 3-15 National Instruments UMI-7774/7772 User Manual
Note You also can use drives with onboard sinusoidal commutation for brushless motors.
These drives can be more expensive, but each drive requires only one analog output signal.
When you set up the UMI-7774/7772 for sinusoidal commutation, you
connect the axis 1 feedback connector to the set of Hall effect sensors for
one brushless motor and the axis 2 feedback connector to the set of Hall
effect sensors for another brushless motor.
All of the Hall effect sensor signals are pass-through signals to the National
Instruments motion controller general-purpose digital inputs.
Table 3-3. Control 1 Connector Pin Assignment for Sinusoidal Commutation
Pin Signal Optically Isolated
1Analog Output 1 No
2Analog Output 3 No
3+5 V (Output) No
4Step (CW) No
5NC No
6Enable Output Yes
7Fault + Yes
8Iso Power (Output) Yes
9Analog Output
Ground
No
10 Digital Ground No
11 Digital Ground No
12 Dir (CCW) No
13 NC No
14 Fault – Yes
15 Iso Common Yes

Chapter 3 Connecting the UMI-7774/7772 to Drives and Other Devices
National Instruments UMI-7774/7772 User Manual 3-16 ni.com
Feedback Connector for Each Axis
Each axis connected to the UMI-7774/7772 has a 25-pin D-SUB feedback
connector to which you can wire incremental encoders, limits, and home
sensors. The feedback connectors for axes 1 and 2 have additional
connections for Hall effect sensors for brushless motors. Figure 3-5 shows
the pin locations of the feedback connector for each axis. Table 3-5 shows
the corresponding signals for each pin.
Note The Hall sensors are available only on Feedback connectors 1 and 2.
Table 3-4. Control 2 Connector Pin Assignment for Sinusoidal Commutation
Pin Signal Optically Isolated
1Analog Output 2 No
2Analog Output 4 No
3+5 V (Output) No
4Step (CW) No
5NC No
6Enable Output Yes
7Fault + Yes
8Iso Power (Output) Yes
9Analog Output
Ground
No
10 Digital Ground No
11 Digital Ground No
12 Dir (CCW) No
13 NC No
14 Fault – Yes
15 Iso Common Yes

Chapter 3 Connecting the UMI-7774/7772 to Drives and Other Devices
© National Instruments Corporation 3-17 National Instruments UMI-7774/7772 User Manual
Table 3-5. Per Axis Feedback Connector Pin Assignment
Pin Signal Optically Isolated
1Encoder Phase A No
2Encoder Phase B No
3Encoder Index No
4+5 V (Output) No
5Hall Sensor A No
6Hall Sensor B No
7Hall Sensor C No
8+5 V (Output) No
9NC No
10 Forward Limit Yes
11 Home Input Yes
12 Reverse Limit Yes
13 Iso Power (Output) Yes
14 Encoder Phase A– No
15 Encoder Phase B– No
16 Encoder Index– No
17 Digital Ground No
18 Digital Ground No
19 Digital Ground No
20 Digital Ground No
21 NC No
22 Iso Common Yes
23 Iso Common Yes
24 Iso Common Yes
25 Iso Common Yes

Chapter 3 Connecting the UMI-7774/7772 to Drives and Other Devices
National Instruments UMI-7774/7772 User Manual 3-18 ni.com
Encoder
The UMI-7774/7772 works only with encoders that have differential line
or complementary driver outputs. Refer to Figure 3-13 for an illustration of
the encoder input interface circuit. The UMI-7774/7772 supports
differential inputs for Phase A, Phase B, and Index signals.
Figure 3-13. UMI-7774/7772 Encoder Input Interface Circuit
Note The UMI-7774/7772 does not support single-ended encoders.
The differential encoder signals are converted to single-ended signals by a
differential-to-single-ended converter on the UMI-7774/7772 and are then
passed through to the National Instruments motion controller.
You can accommodate encoders with various phase relationships by
swapping the signals and/or connecting them to the inverting inputs
as required by the application. A +5 V output, generated by the
UMI-7774/7772 internal power supply, is also available on the connector
for powering encoders. Figure 3-14 shows the default encoder phasing for
National Instruments motion controllers You can configure this phasing
using Measurement and Automation Explorer (MAX) or NI-Motion driver
software.
+
–
120 Ω
Phase A
Phase A
Phase A
+
–
120 Ω
Phase B
Phase B
Phase B
+
–
120 Ω
Index
Index
UMI-7774/7772
Index

Chapter 3 Connecting the UMI-7774/7772 to Drives and Other Devices
© National Instruments Corporation 3-19 National Instruments UMI-7774/7772 User Manual
Figure 3-14. Encoder Signal Phasing, CW (Forward) Direction
Closed-loop servo applications require consistent directional polarity
between the motor and encoder for correct operation. The National
Instruments motion control standard directional polarity is as follows:
• Positive = forward = clockwise (CW) facing motor shaft
• Negative = reverse = counter-clockwise (CCW) facing motor shaft
Caution Using an unshielded cable allows noise to corrupt the encoder signals, which
could result in lost counts, reduced accuracy, and other erroneous encoder and controller
operations.
When connecting the encoder wiring to the UMI-7774/7772, use shielded
wire of at least 24 AWG. National Instruments recommends you use cables
with twisted pairs and an overall shield for improved noise immunity and
signal integrity. Figure 3-15 shows twisted pairs in a shielded cable.
Figure 3-15. Shielded Twisted Pairs
Phase A
Phase B
Index
Encoder A
Encoder A
Encoder B
Encoder B
Encoder Index
Encoder Index
+5 V
Digital Ground
Shield
Drain
Chapter 3 Connecting the UMI-7774/7772 to Drives and Other Devices
National Instruments UMI-7774/7772 User Manual 3-20 ni.com
Pass-Through Signaling on Encoders and Limits
Some drives have pass-through signaling on encoders and limits. If the
drive has the pass-through feature, ensure that the drive does not filter the
encoder or limit signals because this could reduce achievable closed-loop
performance and stability for the system. If the drive does not have
pass-through signaling for encoders and limits or if you choose not to use
the pass-through signaling, you can connect the UMI-7774/7772 to the
encoders and limits directly. If you are using Hall effect sensors for
brushless motors and also are using a National Instruments motion
controller with sinusoidal commutation, connect to these sensors either
directly or through the drive.
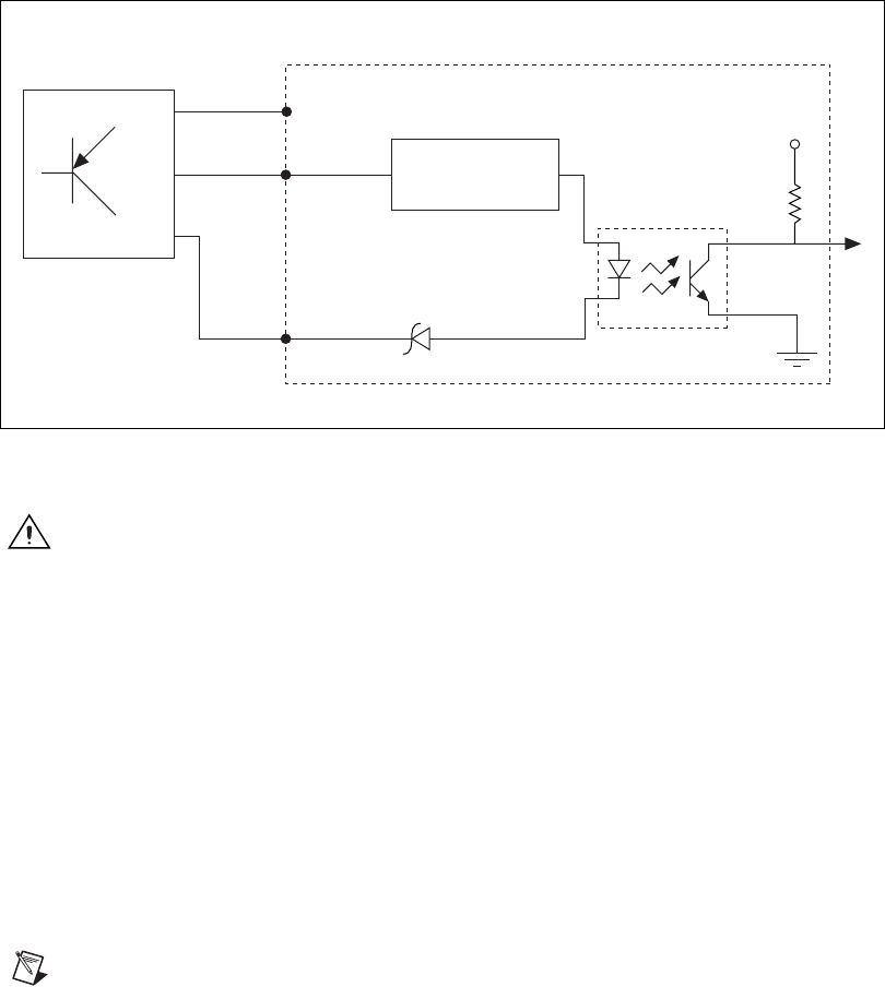
Limit and Home Inputs
The UMI-7774/7772 has connections available for forward limit, reverse
limit, and home sensors or switches. The limit sensors or switches are
typically located at physical ends of travel. The home sensor or switch can
be located at any reference position within the range of travel.
The limits and home inputs are sinking inputs on the UMI-7774/7772 and
are optically isolated. A sinking input is an input terminal that can sink
current by providing a path to a supply common or ground. You can wire
this type of input to a sourcing output device. A sourcing output device can
source current by providing a path to a supply source. PNP sensors are
examples of sourcing output devices. The interface circuit is the same for
the forward limits, reverse limits, and home inputs. As shown in
Figure 3-16, you can wire a sourcing output device, such as a PNP sensor,
to the limit or home inputs. You can use the isolated power (Viso) and
isolated common (Ciso) signals provided on the control connector to power
the limit home sensor.
Refer to the Voltage Considerations for the UMI-7774/7772 section for
voltage information that applies to the limit and home switches and sensors.

Chapter 3 Connecting the UMI-7774/7772 to Drives and Other Devices
© National Instruments Corporation 3-21 National Instruments UMI-7774/7772 User Manual
Figure 3-16. UMI-7774/7772 Optically Isolated Sinking Input Interface Circuit
and Connection to Sourcing Output Sensor
Caution Failure to follow these guidelines may result in motion that stops at a limit,
but then travels through it, potentially damaging the motion system. Incorrectly wired
limits may prevent motion from occurring at all.
For the end of travel limits to function correctly, the forward limit must be
located at the forward or positive end of travel, and the reverse limit must
be located at the negative end of travel.
Limit and Home Status Indicators
The UMI-7774/7772 has yellow status LEDs for the forward limit, reverse
limit, and home input signals. Refer to Figure 3-5 for the location of these
LEDs. You can configure the limit and home status LEDs as active-low or
active-high using the switch for the axis labeled LIMIT LED. The down
position of the switch corresponds to active-low and the up position of the
switch corresponds to active-high.
Note Configuring the limit and home status LEDs on the UMI-7774/7772 does not
configure the limit and home inputs themselves as active-high or active-low. You must
configure the limit and home inputs separately on the National Instruments motion
controller using MAX or NI-Motion driver software.
The yellow status LEDs for the limits and home inputs illuminate when the
inputs are active.
Input
Vcc
UMI-7774/7772
Current Limiter
PNP
(Sourcing)
Output Device
Viso
Ciso
V–
V+
Out Out
Chapter 3 Connecting the UMI-7774/7772 to Drives and Other Devices
National Instruments UMI-7774/7772 User Manual 3-22 ni.com
Hall Effect Sensors for Sinusoidal Commutation
Configuration
The feedback connectors for axes 1 and 2 of the UMI-7774/7772 have
additional signal connections for digital Hall effect sensors to
accommodate brushless servo drives without onboard sinusoidal
commutation. For these types of drives, you must use a National
Instruments motion controller that provides the sinusoidal commutation.
When you set up the UMI-7774/7772 for sinusoidal commutation, you
connect the axis 1 feedback connector to the set of Hall effect sensors for
one brushless motor and the axis 2 feedback connector to the set of Hall
effect sensors for another brushless motor. When you use the feedback
connectors for axes 1 and 2 in this manner, you do not need to use the
feedback connectors for the other two axes on the UMI-7774.
All of the Hall effect sensor signals are pass-through signals to the National
Instruments motion controller general-purpose digital inputs.

Chapter 3 Connecting the UMI-7774/7772 to Drives and Other Devices
© National Instruments Corporation 3-23 National Instruments UMI-7774/7772 User Manual
Figure 3-17. UMI-7774/7772 Pin Locations for Global Stop, Analog Input,
Trigger/Breakpoint, and Digital I/O Connectors
Global Stop
The UMI-7774/7772 has a single 9-pin D-SUB connector for global stop
wiring. This connector includes the Inhibit All input and the Shutdown
input signals. Both signals are optically isolated sinking inputs.
Inhibit All
The Inhibit All signal acts as a global inhibit, and when asserted, activates
the Enable outputs for all of the axes on the UMI-7774/7772.
54321
9876
54321
9876
8 7654 321
15 14 13 12 11 10 9
87 654 321910111213
21 20 19 18 17 16 15 1422232425
POWER GLOBAL STOP
V Viso INHIBIT ALL INTERLOCK
V
(24 VDC ±10%)
C
Viso
(5 - 30 VDC)
Ciso
POWER
30 VDC MAX
GLOBAL STOP
ANALOG INPUT
TRIGGER/BREAKPOINT
DIGITAL I/O

Chapter 3 Connecting the UMI-7774/7772 to Drives and Other Devices
National Instruments UMI-7774/7772 User Manual 3-24 ni.com
Shutdown
The Shutdown signal is passed through to the motion controller and is
typically used to disable the controller. Refer to Figure 3-17 for the pin
locations of the Global Stop connector and to Table 3-6 for the
corresponding signals for each pin. Refer to Figure 3-1 to locate the Global
Stop connector on the UMI-7774/7772.
Both the Shutdown and Inhibit All inputs are sinking inputs on the
UMI-7774/7772 and are optically isolated. The Shutdown interface circuit
is shown in Figure 3-16. The interface circuit is the same for the Inhibit All
input. You can wire the Shutdown and Inhibit All inputs to a sourcing
output device, such as a PNP sensor, as shown in Figure 3-16. You can use
the isolated power (Viso) and isolated common (Ciso) signals on the control
connector to power the sensor.
Refer to the Voltage Considerations for the UMI-7774/7772 section for
voltage information that applies to the global stop wiring.
Analog Input
The UMI-7774/7772 has a single 9-pin D-SUB connector that provides
access to the four analog input channels on the motion controller. The
analog inputs are pass-through signals on the UMI-7774/7772. Refer to
Figure 3-1 to help you locate the analog input connector on the
Table 3-6. Global Stop Connector Pin Assignment
Pin Signal Optically Isolated
1Shutdown Yes
2Inhibit All Yes
3NC No
4NC No
5Iso Power (Output) Yes
6Iso Common Yes
7Iso Common Yes
8Iso Common Yes
9Iso Common Yes

Chapter 3 Connecting the UMI-7774/7772 to Drives and Other Devices
© National Instruments Corporation 3-25 National Instruments UMI-7774/7772 User Manual
UMI-7774/7772. Figure 3-17 shows the pin locations for the Analog Input
connector. Table 3-7 shows the corresponding signals for each pin.
Note None of the analog inputs are optically isolated.
Trigger/Breakpoint
The UMI-7774/7772 has a single 15-pin D-SUB connector you can use for
trigger input and breakpoint output wiring. This connector provides access
to four trigger inputs and four breakpoint outputs.
Trigger
The UMI-7774/7772 provides optical isolation on the trigger inputs. You
can use the isolated power output and isolated common on the connector to
power on the field devices or sensors that provide the trigger signals. All
of the trigger inputs on the UMI-7774/7772 are sinking inputs and are
optically isolated. You can wire the trigger input to a sourcing output
device such as a PNP sensor, as shown in Figure 3-16.
Table 3-7. Analog Input Connector Pin Assignment
Pin Signal
1Analog Input 1
2Analog Input 2
3Analog Input 3
4Analog Input 4
5Analog Reference (Output)
6Analog Input Ground
7Analog Input Ground
8Analog Input Ground
9Analog Input Ground

Chapter 3 Connecting the UMI-7774/7772 to Drives and Other Devices
National Instruments UMI-7774/7772 User Manual 3-26 ni.com
Breakpoint
The breakpoint outputs are pass-through signals on the UMI-7774/7772.
The breakpoint connector includes both +5 V output and digital ground.
Refer to Figure 3-1 to locate the Trigger/Breakpoint connector on the
UMI-7774/7772. Refer to Figure 3-17 for the pin locations of the
trigger/breakpoint connector and to Table 3-8 for the corresponding
signals for each pin. Refer to the appropriate National Instruments motion
controller documentation for information about trigger inputs and
breakpoint outputs.
Refer to the Voltage Considerations for the UMI-7774/7772 section for
voltage information that applies to the trigger input and breakpoint output
wiring.
Table 3-8. Trigger/Breakpoint Connector Pin Assignment
Pin Signal Optically Isolated
1Breakpoint 1 No
2Breakpoint 3 No
3+5 V (Output) No
4Digital Ground No
5Iso Common Yes
6Trigger 1 Yes
7Trigger 3 Yes
8Iso Power (Output) Yes
9Breakpoint 2 No
10 Breakpoint 4 No
11 Digital Ground No
12 NC No
13 Trigger 2 Yes
14 Trigger 4 Yes
15 Iso Common Yes

Chapter 3 Connecting the UMI-7774/7772 to Drives and Other Devices
© National Instruments Corporation 3-27 National Instruments UMI-7774/7772 User Manual
General-Purpose Digital I/O
The UMI-7774/7772 routes 16 of the general-purpose digital I/O lines
of the National Instruments motion controller to a single 25-pin D-SUB
connector. All 16 digital I/O signals are optically isolated on the
UMI-7774/7772. These signals are configurable as inputs and/or outputs
on the National Instruments motion controller. Use MAX or NI-Motion
software to configure the bits on port 1 as inputs and the bits on port 2
as outputs.
The 8 bits from the first port on the motion controller (Port 1: bits 0–7)
become sinking inputs on the UMI-7774/7772, and the 8 bits from the
second port of the motion controller (Port 2: bits 0–7) become sourcing
outputs on the UMI-7774/7772. Refer to Figure 3-17 for the pin locations
of the Digital I/O connector and to Table 3-9 for the corresponding signals
for each pin. Refer to Figures 3-16 through 3-20 for information on how to
wire the digital inputs and outputs on the UMI-7774/7772.
Table 3-9. Digital I/O Connector Pin Assignment
Pin Signal Optically Isolated
1Digital Input 0 Yes
2Digital Input 2 Yes
3Digital Input 4 Yes
4Digital Input 6 Yes
5Iso Power (Output) Yes
6Iso Power (Output) Yes
7NC No
8Digital Output 0 Yes
9Digital Output 2 Yes
10 Digital Output 4 Yes
11 Digital Output 6 Yes
12 Iso Power (Output) Yes
13 Iso Power (Output) Yes
14 Digital Input 1 Yes
15 Digital Input 3 Yes

Chapter 3 Connecting the UMI-7774/7772 to Drives and Other Devices
National Instruments UMI-7774/7772 User Manual 3-28 ni.com
You can wire a Digital Input to a sourcing output device, such as a PNP
sensor, as shown in Figure 3-16. You can use the isolated power (Viso) and
isolated common (Ciso) signals on the control connector to power on the
sensor.
The Digital output circuit sources current source external loads. The
maximum output current when Viso is 30 V is 160 mA. The maximum
output current when Viso is 24 V is 150 mA. The maximum output current
when Viso is 5 V is 60 mA. The output voltage is within 1.2 V of the voltage
provided on the Viso power supply. Refer to Figure 3-18 for an illustration
of the Digital output interface circuit.
Refer to the Voltage Considerations for the UMI-7774/7772 section for
voltage information that applies to the general-purpose digital I/O lines.
16 Digital Input 5 Yes
17 Digital Input 7 Yes
18 Iso Common Yes
19 Iso Common Yes
20 Iso Common Yes
21 Digital Output 1 Yes
22 Digital Output 3 Yes
23 Digital Output 5 Yes
24 Digital Output 7 Yes
25 Iso Common Yes
Table 3-9. Digital I/O Connector Pin Assignment (Continued)
Pin Signal Optically Isolated

Chapter 3 Connecting the UMI-7774/7772 to Drives and Other Devices
© National Instruments Corporation 3-29 National Instruments UMI-7774/7772 User Manual
Figure 3-18. UMI-7774/7772 Optically Isolated Sourcing Digital Output Interface
Circuit and Connection to an External Load
Connecting Switches to UMI-7774/7772 Sinking
Inputs
Figure 3-19 shows an example of connecting a physical switch to a general
purpose Digital Input on the UMI-7774/7772. You can make the same type
of connection for the following UMI-7774/7772 sinking inputs:
• Limits and Home
• Triggers
• Inhibit All
•Shutdown
• General-Purpose Digital Input
Digital
Output
Viso
Ciso
Vcc
Load
Current Limiter
Current
Sense
UMI-7774/7772

Chapter 3 Connecting the UMI-7774/7772 to Drives and Other Devices
National Instruments UMI-7774/7772 User Manual 3-30 ni.com
Figure 3-19. UMI-7774-7772 Optically Isolated Sinking Input Interface Circuit and
Connection to High-Side Switch
Inductive Loads Connected to UMI-7774/7772
When an inductive load, such as a relay or solenoid, is connected to an
output, a large counter-electromotive force may occur at switching time
because of the energy stored in the inductive load. This flyback voltage can
damage the outputs and the power supply. You must limit flyback voltages
at the inductive load by installing a flyback diode across the load.
Typically, you mount the flyback diode as close to the load as possible.
Use this protection method if you connect any of the Enable outputs or
general-purpose digital outputs on the UMI-7774/7772 to an inductive
load. Refer to Figure 3-20 for an illustration of the interface circuit for a
general-purpose digital output that is connected to an external device with
a flyback diode.
Note If the load current exceeds the over current trip point minimum of 160 mA when
Viso is 30 V, 150 mA when Viso is 24 V, or 60 mA when Viso is 5 V, the output shuts off.
Disconnect the load to re-enable the input and power on the output.
Ciso
Digital
Input
Viso
Vcc
UMI-7774/7772
High-Side
Limit Switch
Current Limiter

Chapter 3 Connecting the UMI-7774/7772 to Drives and Other Devices
© National Instruments Corporation 3-31 National Instruments UMI-7774/7772 User Manual
Figure 3-20. Use of External Flyback Diode for Inductive Loads
Servo Drive Modes
National Instruments recommends that when you use the UMI-7774/7772
with a servo motor drive, you use the torque (current) mode option on the
drive instead of the velocity mode to simplify the system setup and tuning.
In torque mode, only the current loop is closed on the drive. Both the
position and velocity loops are closed on the motion controller using
encoder feedback.
When you use torque mode, you can set all of the control gains with the
National Instruments motion controller software. Using torque mode on the
drive also reduces noise and enables you to achieve high position
repeatability in the motion system.
Refer to the documentation included with the drive system for more
information about the drive.
Digital Output
Viso
Ciso
Vcc
Current Limiter
Current
Sense
UMI-7774/7772
External Flyback
Diode for
Inductive Loads
Load

Chapter 3 Connecting the UMI-7774/7772 to Drives and Other Devices
National Instruments UMI-7774/7772 User Manual 3-32 ni.com
National Instruments Motion Advisors
You can use National Instruments Motion Advisors to find National
Instruments products and third-party drives that will work for your
application. Visit ni.com/motion/advisors to access the National
Instruments Motion Advisors. The Stage Advisor shows specific motorized
stage and drive combinations. The NI Motion Controller and Drive Advisor
shows the appropriate National Instruments motion controller and other
required components for your application. The Motor Advisor shows
DC Brushed and stepper motors that can be connected to National
Instruments MID Series stepper and servo drives. The Drive Advisor
shows compatible drives that work with a wide variety of motors and
actuators.

© National Instruments Corporation A-1 National Instruments UMI-7774/7772 User Manual
A
Specifications
The following specifications apply only to the UMI-7774/7772. Consider
the specifications for the National Instruments motion controller you are
using to obtain a complete system specification for the UMI-7774/7772.
Refer to the controller specifications to determine overall system
specifications.
Some signals have compatibility defined as signal pass-through. This
means the UMI-7774/7772 may have passive filtering on these signals,
but the passive filtering does not affect the voltage range or current
handling capability. Consult the motion controller specifications to
determine the allowable voltage range and logic level compatibility of the
signal.
The following specifications are typical for temperatures from 0 to 55 °C
unless otherwise noted.
Encoder Interface
Inputs...................................................... Quadrature, incremental
Differential input threshold .................... ±0.3 V (typical),
RS-422 compatible
Termination............................................ 120 Ω
Input voltage range................................. 0 to 5.5 VDC
Max quadrature frequency ..................... 20 MHz
Limit and Home Switch, Inhibit, Inhibit All, Shutdown,
and General Purpose Digital Inputs
Type ....................................................... Optically isolated, current sinking
Input voltage range................................. 0 to 30 V
Input ON voltage ............................ 3.5 to 30 V
Input OFF voltage........................... 0 to 2 V
Specifications
National Instruments UMI-7774/7772 User Manual A-2 ni.com
Turn on current .......................................14 mA maximum, current limited
3 mA minimum, current limited
Maximum pulse rate ...............................100 KHz
Minimum pulse detected ........................10 µs
Reverse polarity protection.....................Yes, –30 V
Trigger Inputs
Type ........................................................Optically isolated, current sinking
Input voltage range .................................0 to 30 V
Input ON voltage .............................3.5 to 30 V
Input OFF voltage............................0 to 2 V
Turn on current .......................................14 mA maximum, current limited
3 mA minimum, current limited
Maximum pulse rate ...............................1 MHz
Minimum pulse detected ........................1 µs
Reverse polarity protection.....................Yes, –30 V
Axis Inhibit Outputs
Type ........................................................Optically isolated,
current sourcing
Output voltage range ..............................5 to 30 V
Output current
5 Viso ................................................60 mA, maximum
24 Viso ..............................................150 mA, maximum
30 Viso ..............................................160 mA, maximum
Maximum pulse rate ...............................10 kHz
Minimum pulse generated ......................100 µs
Specifications
© National Instruments Corporation A-3 National Instruments UMI-7774/7772 User Manual
Maximum on-state voltage drop ............ 1.2 V at 100 mA
Reverse polarity protection .................... Yes, –30 V
Short circuit and overload protection..... Yes
General Purpose Digital Outputs
Type ....................................................... Optically isolated,
current sourcing
Output voltage range.............................. 5 to 30 V
Output current
5 Viso ............................................... 60 mA, maximum
24 Viso ............................................. 150 mA, maximum
30 Viso ............................................. 160 mA, maximum
Maximum pulse rate............................... 10 KHz
Minimum pulse generated...................... 100 µs
Maximum on-state voltage drop ............ 1.2 V at 100 mA
Reverse polarity protection .................... Yes, –30 V
Short circuit and overload protection..... Yes
Step/Direction/Breakpoint Outputs
Compatibility ......................................... Signal pass-through
Analog Inputs
Compatibility ......................................... Signal pass-through
Analog Outputs
Compatibility ......................................... Signal pass-through
Host Bus Voltage Interlock
Voltage ................................................... 4.2 VDC
Specifications
National Instruments UMI-7774/7772 User Manual A-4 ni.com
Power Characteristics
Input voltage range .................................24 V ± 10%, .20 Amps
Viso power source....................................5 to 30 VDC, 1.75 Amps
Environmental Conditions
The UMI-7774/7772 is intended for indoor use only.
Operating temperature ............................0 to 55 °C
Storage temperature ................................–30 to 80 °C
Humidity.................................................10 to 90% RH, noncondensing
Maximum altitude...................................2,000 m
Pollution Degree .....................................2
Shock and Vibration
Operating shock (IEC 60068-2-27)
Panel mount.....................................30 g, 11 ms half sine, 3 shocks
Operating vibration, random (IEC 60068-2-34)
DIN rail............................................1 g RMS, 10–500 Hz
at .002 g2/Hz
Panel mount .....................................5 g RMS, 10–500 Hz
at .01 g2/Hz
Operating vibration, sinusoidal (IEC 60068-2-6)
Panel mount.....................................5 g, 10–500 Hz
Physical Characteristics
Weight ....................................................2.5 lbs
Dimensions
Length.............................................. 259.08 cm (10.200 in.)
Width ............................................... 126.93 cm (5.00 in.)
Depth ............................................... 22.01 cm (0.867 in.)

Specifications
© National Instruments Corporation A-5 National Instruments UMI-7774/7772 User Manual
Safety
The UMI-7774/7772 is designed to meet the requirements of the following
standards of safety:
• IEC 61010-1, EN 61010-1
• UL 3111-1, UL 61010B-1
• CAN/CSA C22.2 No. 1010.1
Note For UL and other safety certifications, refer to the product label or to ni.com.
Electromagnetic Compatibility
Emissions ............................................... EN 55011 Class A at 10 m
FCC Part 15A above 1 GHz
Immunity................................................ EN 61326:1997 + A1:2001,
Table 1
CE, C-Tick, and FCC Part 15 (Class A) Compliant
Note For EMC compliance, operate this device with shielded cabling.
CE Compliance
This product meets the essential requirements of applicable European
Directives, as follows:
Low-Voltage Directive (safety) ............. 73/23/EEC
Electromagnetic Compatibility
Directive (EMC) .................................... 89/336/EEC
Note Refer to the Declaration of Conformity (DoC) for this product for any additional
regulatory compliance information. To obtain the DoC for this product, visit
ni.com/hardref.nsf, search by model number or product line, and click the
appropriate link in the Certification column.

© National Instruments Corporation B-1 National Instruments UMI-7774/7772 User Manual
B
Technical Support and
Professional Services
Visit the following sections of the National Instruments Web site at
ni.com for technical support and professional services:
•Support—Online technical support resources at ni.com/support
include the following:
–Self-Help Resources—For immediate answers and solutions,
visit the award-winning National Instruments Web site for
software drivers and updates, a searchable KnowledgeBase,
product manuals, step-by-step troubleshooting wizards, thousands
of example programs, tutorials, application notes, instrument
drivers, and so on.
–Free Technical Support—All registered users receive free Basic
Service, which includes access to hundreds of Application
Engineers worldwide in the NI Developer Exchange at
ni.com/exchange. National Instruments Application Engineers
make sure every question receives an answer.
•Training and Certification—Visit ni.com/training for
self-paced training, eLearning virtual classrooms, interactive CDs,
and Certification program information. You also can register for
instructor-led, hands-on courses at locations around the world.
•System Integration—If you have time constraints, limited in-house
technical resources, or other project challenges, NI Alliance Program
members can help. To learn more, call your local NI office or visit
ni.com/alliance.
•Declaration of Conformity (DoC)—A DoC is our claim of
compliance with the Council of the European Communities using
the manufacturer’s declaration of conformity. This system affords
the user protection for electronic compatibility (EMC) and product
safety. You can obtain the DoC for your product by visiting
ni.com/hardref.nsf.
•Calibration Certificate—If your product supports calibration,
you can obtain the calibration certificate for your product at
ni.com/calibration.
Appendix B Technical Support and Professional Services
National Instruments UMI-7774/7772 User Manual B-2 ni.com
If you searched ni.com and could not find the answers you need, contact
your local office or NI corporate headquarters. Phone numbers for our
worldwide offices are listed at the front of this manual. You also can visit
the Worldwide Offices section of ni.com/niglobal to access the branch
office Web sites, which provide up-to-date contact information, support
phone numbers, email addresses, and current events.

© National Instruments Corporation I-1 National Instruments UMI-7774/7772 User Manual
Index
A
analog input connector, 3-24
B
braided shield, cables, 2-2
breakpoint output, 3-25
brushless motors, 3-22
C
cables, braided shield, 2-2
calibration certificate (NI resources), B-1
connecting
general purpose digital I/O, 3-3
National Instruments motion
controllers, 3-2
physical switches to general purpose digital
I/O, 3-29
connectors
D-SUB control, 3-6
power input terminal block, 3-6
power status indicators, 3-6
conventions used in the manual, vii
D
Declaration of Conformity (NI resources), B-1
diagnostic tools (NI resources), B-1
DIN rail, mounting, 2-7
DISABLED LED, 3-13
documentation
conventions used in manual, vii
NI resources, B-1
related documentation, vii
drivers (NI resources), B-1
D-SUB connectors
Fault Input, 3-9
Fault Output, 3-11
feedback, 3-16
metallic shielding, 2-2
D-SUB control connectors, 3-6
D-SUB controls
analog output, 3-8
Step (CW) and Dir (CCW), 3-8
E
effects, low-level signals, 2-2
encoders, 3-18, 3-20
examples (NI resources), B-1
F
FAULT LED, 3-13
flyback voltage, 3-30
G
general purpose digital I/O, 3-27
global stop connectors, 3-23
H
Hall effect sensors, 3-22
help, technical support, B-1
home inputs, 3-20
home status indicators, 3-21
I
Inhibit All input, 3-24
installation, 2-1
instrument drivers (NI resources), B-1
Index
National Instruments UMI-7774/7772 User Manual I-2 ni.com
K
KnowledgeBase, B-1
L
limit inputs, 3-20
limit status indicators, 3-21
low-level signals, effects, 2-2
M
metallic shielding, D-SUB connectors, 2-2
mounting, 2-6
DIN rail, 2-7
panel, 2-9
rack, 2-12
N
National Instruments
Motion Advisors, 3-32
support and services, B-1
noise considerations, 2-2
O
optional equipment, 2-2
P
panel-mounting, 2-9
pass-through signaling, 3-20
power input terminal block, 3-6
power status indicators, 3-6
programming examples (NI resources), B-1
R
related documentation, vii
required materials, 2-1
S
safety guidelines, 2-2
servo motor drives, 3-31
Shutdown input, 3-24
sinusoidal commutation, 3-13
software (NI resources), B-1
status indicators, 3-13
support, technical, B-1
T
technical support, B-1
training and certification (NI resources), B-1
trigger input, 3-25
troubleshooting (NI resources), B-1
twisted pair cable, using, 2-2
U
UMI-7774/7772
features, 1-2
overview, 1-1
unpacking, 2-5
using twisted pair cable, 2-2
W
Web resources, B-1