UR10 User Manual En US
User Manual:
Open the PDF directly: View PDF
.
Page Count: 216 [warning: Documents this large are best viewed by clicking the View PDF Link!]
- Preface
- I Hardware Installation Manual
- Safety
- Safety-related Functions and Interfaces
- Transportation
- Mechanical Interface
- Electrical Interface
- Maintenance and Repair
- Disposal and Environment
- Certifications
- Warranties
- Stopping Time and Stopping Distance
- Declarations and Certificates
- Applied Standards
- Technical Specifications
- Safety Functions Tables
- II PolyScope Manual
- Safety Configuration
- Begin programming
- On-screen Editors
- Robot Control
- Move Tab
- I/O Tab
- MODBUS client I/O
- AutoMove Tab
- Installation Load/Save
- Installation TCP Configuration
- Installation Mounting
- Installation I/O Setup
- Installation Safety
- Installation Variables
- Installation MODBUS client I/O Setup
- Installation Features
- Conveyor Tracking Setup
- Installation Default Program
- Log Tab
- Load Screen
- Run Tab
- Programming
- New Program
- Program Tab
- Variables
- Command: Empty
- Command: Move
- Command: Fixed Waypoint
- Command: Relative Waypoint
- Command: Variable Waypoint
- Command: Wait
- Command: Set
- Command: Popup
- Command: Halt
- Command: Comment
- Command: Folder
- Command: Loop
- Command: SubProgram
- Command: Assignment
- Command: If
- Command: Script
- Command: Event
- Command: Thread
- Command: Switch
- Command: Pattern
- Command: Force
- Command: Pallet
- Command: Seek
- Command: Conveyor Tracking
- Command: Suppress
- Graphics Tab
- Structure Tab
- Variables Tab
- Command: Variables Initialization
- Setup Screen
- Glossary

Universal Robots
UR10/CB3
Original instructions (en)
US version

Universal Robots
UR10/CB3
Version 3.6.0
Original instructions (en)
US Version

The information contained herein is the property of Universal Robots A/S and shall not be reproduced
in whole or in part without prior written approval of Universal Robots A/S. The information herein is
subject to change without notice and should not be construed as a commitment by Universal Robots
A/S. This manual is periodically reviewed and revised.
Universal Robots A/S assumes no responsibility for any errors or omissions in this document.
Copyright © 2009–2018 by Universal Robots A/S
The Universal Robots logo is a registered trademark of Universal Robots A/S.
UR10/CB3 ii Version 3.6.0
Copyright © 2009–2018 by Universal Robots A/S. All rights reserved.

Contents
Preface ix
WhatDotheBoxesContain ........................................ ix
ImportantSafetyNotice .......................................... x
HowtoReadThisManual......................................... x
WheretoFindMoreInformation ..................................... x
I Hardware Installation Manual I-1
1 Safety I-3
1.1 Introduction.............................................. I-3
1.2 ValidityandResponsibility ..................................... I-3
1.3 LimitationofLiability ........................................ I-4
1.4 Warning Symbols in this Manual . . . . . . . . . . . . . . . . . . . . . . . . . . . . . . . . . . I-4
1.5 General Warnings and Cautions . . . . . . . . . . . . . . . . . . . . . . . . . . . . . . . . . . I-5
1.6 IntendedUse ............................................. I-8
1.7 RiskAssessment ........................................... I-8
1.8 EmergencyStop ........................................... I-10
1.9 Movement With and Without Drive Power . . . . . . . . . . . . . . . . . . . . . . . . . . . . I-10
2 Safety-related Functions and Interfaces I-13
2.1 Introduction.............................................. I-13
2.2 Stopping times of the Safety System . . . . . . . . . . . . . . . . . . . . . . . . . . . . . . . . I-14
2.3 Limiting Safety-related Functions . . . . . . . . . . . . . . . . . . . . . . . . . . . . . . . . . I-14
2.4 SafetyModes ............................................. I-15
2.5 Safety-related Electrical Interfaces . . . . . . . . . . . . . . . . . . . . . . . . . . . . . . . . . I-17
2.5.1 Safety-related Electrical Inputs . . . . . . . . . . . . . . . . . . . . . . . . . . . . . . I-17
2.5.2 Safety-related Electrical Outputs . . . . . . . . . . . . . . . . . . . . . . . . . . . . . I-18
3 Transportation I-21
4 Mechanical Interface I-23
4.1 Introduction.............................................. I-23
4.2 WorkspaceoftheRobot ....................................... I-23
4.3 Mounting ............................................... I-23
4.4 MaximumPayload.......................................... I-28
Version 3.6.0
Copyright © 2009–2018 by Universal Robots A/S. All rights reserved.
iii UR10/CB3

5 Electrical Interface I-29
5.1 Introduction.............................................. I-29
5.2 Electrical warnings and cautions . . . . . . . . . . . . . . . . . . . . . . . . . . . . . . . . . . I-29
5.3 ControllerI/O ............................................ I-31
5.3.1 Common specifications for all digital I/O . . . . . . . . . . . . . . . . . . . . . . . . I-31
5.3.2 SafetyI/O .......................................... I-33
5.3.3 General purpose digital I/O . . . . . . . . . . . . . . . . . . . . . . . . . . . . . . . . I-36
5.3.4 Digital input from a button . . . . . . . . . . . . . . . . . . . . . . . . . . . . . . . . I-37
5.3.5 Communication with other machines or PLCs . . . . . . . . . . . . . . . . . . . . . I-37
5.3.6 General purpose analog I/O . . . . . . . . . . . . . . . . . . . . . . . . . . . . . . . . I-37
5.3.7 RemoteON/OFFcontrol.................................. I-39
5.4 ToolI/O................................................ I-40
5.4.1 ToolDigitalOutputs .................................... I-42
5.4.2 ToolDigitalInputs ..................................... I-43
5.4.3 ToolAnalogInputs..................................... I-43
5.5 Ethernet................................................ I-44
5.6 Mainsconnection........................................... I-45
5.7 Robotconnection........................................... I-46
6 Maintenance and Repair I-47
6.1 SafetyInstructions .......................................... I-47
7 Disposal and Environment I-49
8 Certifications I-51
8.1 ThirdPartyCertification....................................... I-51
8.2 Supplier Third Party Certification . . . . . . . . . . . . . . . . . . . . . . . . . . . . . . . . . I-51
8.3 Manufacturer Test Certification . . . . . . . . . . . . . . . . . . . . . . . . . . . . . . . . . . . I-52
8.4 Declarations According to EU directives . . . . . . . . . . . . . . . . . . . . . . . . . . . . . I-52
9 Warranties I-53
9.1 ProductWarranty .......................................... I-53
9.2 Disclaimer............................................... I-53
A Stopping Time and Stopping Distance I-55
A.1 Stop Category 0 stopping distances and times . . . . . . . . . . . . . . . . . . . . . . . . . . I-55
B Declarations and Certificates I-57
B.1 CE/EU Declaration of Incorporation (original) . . . . . . . . . . . . . . . . . . . . . . . . . . I-57
B.2 SafetySystemCertificate ...................................... I-58
B.3 Environmental Test Certificate . . . . . . . . . . . . . . . . . . . . . . . . . . . . . . . . . . . I-59
B.4 EMCTestCertificate......................................... I-60
B.5 CleanroomTestCertificates..................................... I-61
C Applied Standards I-63
UR10/CB3 iv Version 3.6.0
Copyright © 2009–2018 by Universal Robots A/S. All rights reserved.

D Technical Specifications I-71
E Safety Functions Tables I-73
E.1 Table1................................................. I-73
E.2 Table2................................................. I-76
II PolyScope Manual II-1
10 Safety Configuration II-3
10.1 Introduction.............................................. II-3
10.2 Changing the Safety Configuration . . . . . . . . . . . . . . . . . . . . . . . . . . . . . . . . II-5
10.3 Safety Synchronization and Errors . . . . . . . . . . . . . . . . . . . . . . . . . . . . . . . . . II-5
10.4 Tolerances............................................... II-6
10.5 SafetyChecksum........................................... II-7
10.6 SafetyModes ............................................. II-7
10.7 FreedriveMode............................................ II-7
10.7.1 Backdrive .......................................... II-8
10.8 PasswordLock ............................................ II-8
10.9 Apply ................................................. II-8
10.10GeneralLimits ............................................ II-9
10.11JointLimits .............................................. II-11
10.12Boundaries .............................................. II-12
10.12.1 Selecting a boundary to configure . . . . . . . . . . . . . . . . . . . . . . . . . . . . . II-13
10.12.23Dvisualization....................................... II-14
10.12.3 Safety plane configuration . . . . . . . . . . . . . . . . . . . . . . . . . . . . . . . . . II-14
10.12.4 Tool Boundary configuration . . . . . . . . . . . . . . . . . . . . . . . . . . . . . . . II-18
10.13SafetyI/O............................................... II-20
10.13.1InputSignals......................................... II-20
10.13.2OutputSignals ....................................... II-22
11 Begin programming II-25
11.1 Introduction.............................................. II-25
11.2 GettingStarted ............................................ II-25
11.2.1 Installing the Robot Arm and Control Box . . . . . . . . . . . . . . . . . . . . . . . . II-25
11.2.2 Turning the Control Box On and Off . . . . . . . . . . . . . . . . . . . . . . . . . . . II-26
11.2.3 Turning the Robot Arm On and Off . . . . . . . . . . . . . . . . . . . . . . . . . . . . II-26
11.2.4 QuickStart.......................................... II-27
11.2.5 TheFirstProgram...................................... II-27
11.3 PolyScope Programming Interface . . . . . . . . . . . . . . . . . . . . . . . . . . . . . . . . . II-28
11.4 WelcomeScreen ........................................... II-30
11.5 InitializationScreen ......................................... II-31
Version 3.6.0
Copyright © 2009–2018 by Universal Robots A/S. All rights reserved.
vUR10/CB3

12 On-screen Editors II-33
12.1 On-screen Expression Editor . . . . . . . . . . . . . . . . . . . . . . . . . . . . . . . . . . . . II-33
12.2 PoseEditorScreen .......................................... II-33
13 Robot Control II-37
13.1 MoveTab ............................................... II-37
13.1.1 Robot............................................. II-37
13.1.2 Feature and Tool Position . . . . . . . . . . . . . . . . . . . . . . . . . . . . . . . . . II-38
13.1.3 MoveTool .......................................... II-38
13.1.4 MoveJoints ......................................... II-38
13.1.5 Freedrive........................................... II-38
13.2 I/OTab ................................................ II-39
13.3 MODBUSclientI/O......................................... II-40
13.4 AutoMoveTab ............................................ II-41
13.5 Installation →Load/Save...................................... II-42
13.6 Installation →TCPConfiguration ................................. II-43
13.6.1 Adding, modifying and removing TCPs . . . . . . . . . . . . . . . . . . . . . . . . . II-43
13.6.2 The default and the active TCP . . . . . . . . . . . . . . . . . . . . . . . . . . . . . . II-44
13.6.3 TeachingTCPposition ................................... II-44
13.6.4 Teaching TCP orientation . . . . . . . . . . . . . . . . . . . . . . . . . . . . . . . . . II-45
13.6.5 Payload............................................ II-45
13.6.6 Centerofgravity ...................................... II-46
13.7 Installation →Mounting ...................................... II-47
13.8 Installation →I/OSetup ...................................... II-48
13.8.1 I/OSignalType....................................... II-49
13.8.2 Assigning User-defined Names . . . . . . . . . . . . . . . . . . . . . . . . . . . . . . II-49
13.8.3 I/O Actions and I/O Tab Control . . . . . . . . . . . . . . . . . . . . . . . . . . . . . II-49
13.9 Installation →Safety......................................... II-50
13.10 Installation →Variables....................................... II-50
13.11 Installation →MODBUS client I/O Setup . . . . . . . . . . . . . . . . . . . . . . . . . . . . II-51
13.12 Installation →Features ....................................... II-54
13.12.1Usingafeature ....................................... II-55
13.12.2NewPoint .......................................... II-56
13.12.3NewLine........................................... II-57
13.12.4PlaneFeature ........................................ II-58
13.12.5 Example: Manually Updating a Feature to Adjust a Program . . . . . . . . . . . . . II-59
13.12.6 Example: Dynamically Updating a Feature Pose . . . . . . . . . . . . . . . . . . . . II-59
13.13ConveyorTrackingSetup ...................................... II-61
13.14 Installation →DefaultProgram .................................. II-62
13.15LogTab ................................................ II-64
13.15.1SavingErrorReports.................................... II-64
13.16LoadScreen.............................................. II-65
13.17RunTab ................................................ II-67
UR10/CB3 vi Version 3.6.0
Copyright © 2009–2018 by Universal Robots A/S. All rights reserved.

14 Programming II-69
14.1 NewProgram............................................. II-69
14.2 ProgramTab ............................................. II-70
14.2.1 ProgramTree ........................................ II-70
14.2.2 Program Execution Indication . . . . . . . . . . . . . . . . . . . . . . . . . . . . . . . II-71
14.2.3 SearchButton ........................................ II-71
14.2.4 Undo/RedoButtons .................................... II-72
14.2.5 ProgramDashboard .................................... II-72
14.3 Variables................................................ II-73
14.4 Command:Empty .......................................... II-73
14.5 Command:Move........................................... II-74
14.6 Command:FixedWaypoint..................................... II-77
14.7 Command: Relative Waypoint . . . . . . . . . . . . . . . . . . . . . . . . . . . . . . . . . . . II-83
14.8 Command: Variable Waypoint . . . . . . . . . . . . . . . . . . . . . . . . . . . . . . . . . . . II-84
14.9 Command:Wait ........................................... II-85
14.10Command:Set ............................................ II-86
14.11Command:Popup .......................................... II-87
14.12Command:Halt ........................................... II-88
14.13Command:Comment ........................................ II-89
14.14Command:Folder .......................................... II-90
14.15Command:Loop........................................... II-91
14.16Command:SubProgram....................................... II-92
14.17Command:Assignment....................................... II-94
14.18Command:If ............................................. II-95
14.19Command:Script........................................... II-96
14.20Command:Event........................................... II-97
14.21Command:Thread.......................................... II-98
14.22Command:Switch .......................................... II-99
14.23Command:Pattern.......................................... II-100
14.24Command:Force........................................... II-101
14.25Command:Pallet........................................... II-105
14.26Command:Seek ........................................... II-106
14.27 Command: Conveyor Tracking . . . . . . . . . . . . . . . . . . . . . . . . . . . . . . . . . . . II-110
14.28Command:Suppress......................................... II-110
14.29GraphicsTab ............................................. II-110
14.30StructureTab ............................................. II-112
14.31VariablesTab ............................................. II-113
14.32 Command: Variables Initialization . . . . . . . . . . . . . . . . . . . . . . . . . . . . . . . . . II-114
15 Setup Screen II-115
15.1 LanguageandUnits ......................................... II-116
15.2 UpdateRobot............................................. II-117
15.3 SetPassword ............................................. II-118
Version 3.6.0
Copyright © 2009–2018 by Universal Robots A/S. All rights reserved.
vii UR10/CB3

15.4 CalibrateScreen ........................................... II-119
15.5 SetupNetwork ............................................ II-120
15.6 SetTime................................................ II-121
15.7 URCapsSetup ............................................ II-122
Glossary II-123
Index II-125
UR10/CB3 viii Version 3.6.0
Copyright © 2009–2018 by Universal Robots A/S. All rights reserved.

Preface
Congratulations on the purchase of your new Universal Robots e-Series robot, UR10.
The robot can be programmed to move a tool, and communicate with other machines using electri-
cal signals. It is an arm composed of extruded aluminium tubes and joints. Using our patented
programming interface, PolyScope, it is easy to program the robot to move the tool along a desired
trajectory.
What Do the Boxes Contain
When you order a complete robot, you receive two boxes. One contains the robot arm, the other
contains:
• Control Box with Teach Pendant
• Mounting bracket for the Control Box
• Mounting bracket for the Teach Pendant
• Key for opening the Control Box
• Cable for connecting the robot arm and the Control Box
Version 3.6.0
Copyright © 2009–2018 by Universal Robots A/S. All rights reserved.
ix UR10/CB3

Where to Find More Information
• Mains cable or Power cable compatible to your region
• Stylus pen with laser
• This manual
Important Safety Notice
The robot is partly completed machinery (see 8.4) and as such a risk assessment is required for
each installation of the robot.
Note: You must follow all of the safety instructions in chapter 1.
How to Read This Manual
This manual contains instructions for installing and programming the robot. The manual is sepa-
rated into two parts:
Hardware Installation Manual: The mechanical and electrical installation of the robot.
PolyScope Manual: Programming of the robot.
This manual is intended for the robot integrator who must have a basic level of mechanical and
electrical training, as well as be familiar with elementary programming concepts.
Where to Find More Information
The support website (http://www.universal-robots.com/support) available to all UR dis-
tributors, contains additional information such as:
• Other language versions of this manual
• The PolyScope Manual updates after the PolyScope is upgraded to a new version
• The Service Manual with instructions for troubleshooting, maintenance and repair of the
robot
• The Script Manual for advanced users
• The URCAPS an online platform for purchasing Universal Robots accessories and peripherals
UR10/CB3 xVersion 3.6.0
Copyright © 2009–2018 by Universal Robots A/S. All rights reserved.
Part I
Hardware Installation Manual

1 Safety
1.1 Introduction
This chapter contains important safety information, which must be read and understood by the
integrator of UR robots before the robot is powered on for the first time.
In this chapter, the first subsections are general. The later subsections contain specific engineering
data relevant to enable setting up and programming the robot. Chapter 2 describes and defines
safety-related functions particularly relevant for collaborative applications.
Instructions and guidance provided in chapter 2 as well as in section 1.7 are particularly
important.
It is essential to observe and follow all assembly instructions and guidance provided in other chap-
ters and parts of this manual.
Special attention shall be paid to text associated with warning symbols.
NOTE:
Universal Robots disclaims any and all liability if the robot (arm con-
trol box and/or teach pendant) is damaged, changed or modified in
any way. Universal Robots cannot be held responsible for any dam-
ages caused to the robot or any other equipment due to programming
errors or malfunctioning of the robot.
1.2 Validity and Responsibility
The information in this manual does not cover designing, installing and operating a complete robot
application, nor does it cover all peripheral equipment that can influence the safety of the complete
system. The complete system must be designed and installed in accordance with the safety require-
ments set forth in the standards and regulations of the country where the robot is installed.
The integrators of UR robots are responsible for ensuring that the applicable safety laws and reg-
ulations in the country concerned are observed and that any significant hazards in the complete
robot application are eliminated.
This includes, but is not limited to:
• Performing a risk assessment for the complete robot system
• Interfacing other machines and additional safety devices if defined by the risk assessment
• Setting up the appropriate safety settings in the software
• Ensuring that the user will not modify any safety measures
• Validating that the total robot system is designed and installed correctly
Version 3.6.0
Copyright © 2009–2018 by Universal Robots A/S. All rights reserved.
I-3 UR10/CB3

1.4 Warning Symbols in this Manual
• Specifying instructions for use
• Marking the robot installation with relevant signs and contact information of the integrator
• Collecting all documentation in a technical file; including the risk assessment and this manual
Guidance on how to find and read applicable standards and laws is provided on http://universal-robots.
com/support/
1.3 Limitation of Liability
Any safety information provided in this manual must not be construed as a warranty, by UR, that
the industrial manipulator will not cause injury or damage, even if industrial manipulator complies
with all safety instructions.
1.4 Warning Symbols in this Manual
The symbols below define the captions specifying the danger levels used throughout this manual.
The same warning signs are used on the product.
DANGER:
This indicates an imminently hazardous electrical situation which, if
not avoided, could result in death or serious injury.
DANGER:
This indicates an imminently hazardous situation which, if not
avoided, could result in death or serious injury.
WARNING:
This indicates a potentially hazardous electrical situation which, if
not avoided, could result in injury or major damage to the equip-
ment.
WARNING:
This indicates a potentially hazardous situation which, if not
avoided, could result in injury or major damage to the equipment.
WARNING:
This indicates a potentially hazardous hot surface which, if touched,
could result in injury.
UR10/CB3 I-4 Version 3.6.0
Copyright © 2009–2018 by Universal Robots A/S. All rights reserved.

1.5 General Warnings and Cautions
CAUTION:
This indicates a situation which, if not avoided, could result in dam-
age to the equipment.
1.5 General Warnings and Cautions
This section contains some general warnings and cautions that can be repeated or explained in
different parts of this manual. Other warnings and cautions are present throughout this manual.
DANGER:
You must install the robot and all electrical equipment according to
the specifications and warnings found in chapters 4 and 5.
Version 3.6.0
Copyright © 2009–2018 by Universal Robots A/S. All rights reserved.
I-5 UR10/CB3

1.5 General Warnings and Cautions
WARNING:
1. Make sure the robot arm and tool/end effector are properly and
securely bolted in place.
2. Make sure the robot arm has ample space to operate freely.
3. Make sure that safety measures and/or robot safety configura-
tion parameters have been set up to protect both programmers,
operators and bystanders, as defined in the risk assessment.
4. Do not wear loose clothing or jewellery when working with the
robot. Make sure long hair is tied back when working with the
robot.
5. Never use the robot if it is damaged. For example, if joint caps
are loose, broken or removed.
6. If the software prompts an error, immediately press emergency
stop, write down the conditions that led to the error, find the
corresponding error codes on the log screen, and contact your
supplier.
7. Do not connect any safety equipment to standard I/O. Use
safety-related I/O only.
8. Make sure to use the correct installation settings (e.g. Robot
mounting angle, mass in TCP, TCP offset, safety configuration).
Save and load the installations file along with the program.
9. The freedrive function (Impedance/Backdrive) shall only be
used in installations where the risk assessment allows it.
Tool/end effectors and obstacles shall not have sharp edges or
pinch points.
10. Make sure to warn people to keep their heads and faces outside
the reach of the operating robot or robot about to start operating.
11. Be aware of robot movement when using the teach pendant.
12. If determined by the risk assessment, do not enter the safety
range of the robot or touch the robot when the system is in op-
eration.
UR10/CB3 I-6 Version 3.6.0
Copyright © 2009–2018 by Universal Robots A/S. All rights reserved.

1.5 General Warnings and Cautions
13. Collisions can release high levels of kinetic energy, which are
significantly higher at high speeds and with high payloads. (Ki-
netic Energy = 1
2Mass ·Speed2)
14. Combining different machines can increase hazards or create
new hazards. Always make an overall risk assessment for the
complete installation. Depending on the assessed risk, differ-
ent levels of functional safety can apply; as such, when different
safety and emergency stop performance levels are needed, al-
ways choose the highest performance level. Always read and
understand the manuals for all equipment used in the installa-
tion.
15. Never modify the robot. A modification might create hazards
that are unforeseen by the integrator. All authorized reassem-
bling shall be done according to the newest version of all rele-
vant service manuals.
16. If the robot is purchased with an extra module (e.g. euromap67
interface) then look up that module in the respective manual.
WARNING:
1. The robot and its controller box generate heat during operation.
Do not handle or touch the robot while in operation or immedi-
ately after operation as prolonged contact can cause discomfort.
To cool the robot down, power off the robot and wait one hour.
2. Never stick fingers behind the internal cover of the controller
box.
CAUTION:
1. When the robot is combined, or working, with machines capa-
ble of damaging the robot, it is highly recommended to test all
functions and the robot program separately. It is also recom-
mended to test the robot program using temporary waypoints
outside the workspace of other machines.
2. Do not expose the robot to permanent magnetic fields. Very
strong magnetic fields can damage the robot.
Version 3.6.0
Copyright © 2009–2018 by Universal Robots A/S. All rights reserved.
I-7 UR10/CB3

1.7 Risk Assessment
1.6 Intended Use
UR robots are industrial robots intended to handle tools/end effectors and fixtures, or to process or
transfer components or products. For details about the environmental conditions under which the
robot should operate, see appendices B and D.
UR robots are equipped with special safety-related features, which are purposely designed to en-
able collaborative operation, where the robot system operates without fences and/or together with
a human.
Collaborative operation is only intended for non-hazardous applications, where the complete ap-
plication, including tool/end effector, work piece, obstacles and other machines, is without any
significant hazards according to the risk assessment of the specific application.
Any use or application deviating from intended use is deemed to be impermissible misuse. This
includes, but is not limited to:
• Use in potentially explosive environments
• Use in medical and life critical applications
• Use before performing a risk assessment
• Use outside of stated specifications
• Use as a climbing aid
• Operation outside the permissible operating parameters
1.7 Risk Assessment
One of the most important things that an integrator needs to do is to perform a risk assessment. In
many countries this is required by law. The robot itself is partly completed machinery, as the safety
of the robot installation depends on how the robot is integrated (E.g. tool/end effector, obstacles
and other machines).
It is recommended that the integrator uses ISO 12100 and ISO 10218-2 to conduct the risk assess-
ment. Additionally the integrator can choose to use the Technical Specification ISO/TS 15066 as
additional guidance.
The risk assessment that the integrator conducts shall consider all work tasks throughout the life-
time of the robot application, including but not limited to:
• Teaching the robot during set-up and development of the robot installation
• Troubleshooting and maintenance
• Normal operation of the robot installation
A risk assessment must be conducted before the robot arm is powered on for the first time. A part
of the risk assessment conducted by the integrator is to identify the proper safety configuration set-
tings, as well as the need for additional emergency stop buttons and/or other protective measures
required for the specific robot application.
UR10/CB3 I-8 Version 3.6.0
Copyright © 2009–2018 by Universal Robots A/S. All rights reserved.

1.7 Risk Assessment
Identifying the correct safety configuration settings is a particularly important part of developing
collaborative robot applications. See chapter 2 and part II for detailed information.
Some safety-related features are purposely designed for collaborative robot applications. These
features are configurable through the safety configuration settings and are particularly relevant
when addressing specific risks in the risk assessment conducted by the integrator:
•Force and power limiting: Used to reduce clamping forces and pressures exerted by the robot
in the direction of movement in case of collisions between the robot and the operator.
•Momentum limiting: Used to reduce high transient energy and impact forces in case of colli-
sions between robot and operator by reducing the speed of the robot.
•TCP and tool/end effector position limiting: Particularly used to reduce risks associated with
certain body parts. E.g. to avoid movement towards head and neck.
•TCP and tool/end effector orientation limiting: Particularly used to reduce risks associated
with certain areas and features of the tool/end effector and work-piece. E.g. to avoid sharp
edges to be pointed towards the operator.
•Speed limitation: Particularly used to ensure a low speed of the robot arm.
The integrator must prevent unauthorized access to the safety configuration by using password
protection.
A collaborative robot application risk assessment for contacts that are intentional and/or due to
reasonably foreseeable misuse is required and must address:
• Severity of individual potential collisions
• Likeliness of occurrence of individual potential collisions
• Possibility to avoid individual potential collisions
If the robot is installed in a non-collaborative robot application where hazards cannot be reasonably
eliminated or risks cannot be sufficiently reduced by use of the built-in safety-related functions (e.g.
when using a hazardous tool/end effector), then the risk assessment conducted by the integrator
must conclude the need for additional protective measures (e.g. an enabling device to protect the
operator during set-up and programming).
Universal Robots identifies the potential significant hazards listed below as hazards that must be
considered by the integrator.
Note: Other significant hazards can be present in a specific robot installation.
1. Entrapment of fingers between robot arm cable connector and base (Joint 0).
2. Entrapment of fingers between robot foot and base (Joint 0).
3. Entrapment of fingers between robot wrist 1 and robot wrist 2 (Joint 3 and Joint 4).
4. Penetration of skin by sharp edges and sharp points on tool/end effector or tool/end effector
connector.
5. Penetration of skin by sharp edges and sharp points on obstacles near the robot track.
6. Bruising due to contact with the robot.
Version 3.6.0
Copyright © 2009–2018 by Universal Robots A/S. All rights reserved.
I-9 UR10/CB3

1.9 Movement With and Without Drive Power
7. Sprain or bone fracture due to strokes between a heavy payload and a hard surface.
8. Consequences due to loose bolts that hold the robot arm or tool/end effector.
9. Items falling out of tool/end effector, e.g. due to a poor grip or power interruption.
10. Mistakes due to different emergency stop buttons for different machines.
11. Mistakes due to unauthorized changes to the safety configuration parameters.
Information on stopping times and stopping distances are found in chapter 2 and appendix A.
1.8 Emergency Stop
Activate the emergency stop push-button to immediately stop all robot motion.
Note: According to IEC 60204-1 and ISO 13850, emergency devices are not safeguards. They are
complimentary protective measures and are not intended to prevent injury.
The risk assessment of the robot application shall conclude if additional emergency stop buttons are
need. Emergency stop push-buttons must comply with IEC 60947-5-5 (see section 5.3.2).
1.9 Movement With and Without Drive Power
In the unlikely event of an emergency situation, where one or more robot joints need to be moved
and robot power is either not possible or not wanted, there are two different ways to force move-
ments of the robot joints:
1. Forced back-driving: Force a joint to move by pushing or pulling the robot arm hard. Each
joint brake has a friction clutch which enables movement during high forced torque.
2. Manual brake release: Remove the joint cover by removing the few M3 screws that fix it.
Release the brake by pushing the plunger on the small electromagnet as shown in the picture
below.
WARNING:
1. Moving the robot arm manually is intended for urgent emer-
gency purposes only and might damage the joints.
2. If the brake is released manually, gravitational pull can cause
the robot arm to fall. Always support the robot arm, tool/end
effector and work item when releasing the brake.
UR10/CB3 I-10 Version 3.6.0
Copyright © 2009–2018 by Universal Robots A/S. All rights reserved.

1.9 Movement With and Without Drive Power
Version 3.6.0
Copyright © 2009–2018 by Universal Robots A/S. All rights reserved.
I-11 UR10/CB3

1.9 Movement With and Without Drive Power
UR10/CB3 I-12 Version 3.6.0
Copyright © 2009–2018 by Universal Robots A/S. All rights reserved.

2 Safety-related Functions and Interfaces
2.1 Introduction
UR robots are equipped with a range of built-in safety-related functions as well as safety-related
electrical interfaces to connect to other machines and additional protective devices. Each safety
function and interface is monitored according to EN ISO13849-1:2008 (see Chapter 8 for certifica-
tions) with Performance Level d (PLd).
DANGER:
Use of safety configuration parameters different from those defined
by the risk assessment conducted by the integrator can result in haz-
ards that are not reasonably eliminated or risks that are not suffi-
ciently reduced.
See chapter 10 in part II for configuration of the safety-related features, inputs, and outputs in the
user interface. See chapter 5 for descriptions on how to connect safety devices to the electrical
interface.
NOTE:
1. Use and configuration of safety-related functions and interfaces
must be done according to the risk assessment that the integra-
tor conducts for a specific robot application, see section 1.7 in
chapter 1.
2. If the robot discovers a fault or violation in the safety system,
e.g. one of the wires in the emergency stop circuit is cut, a posi-
tion sensor is broken, or a limit of a safety-related function has
been violated, a Stop Category 0 is initiated. The worst case time
from an error occurs to the robot is stopped is listed at the end
of this chapter. This time should be taken into account as part of
the risk assessment conducted by the integrator.
The robot has a number of safety-related functions that can be used to limit the movement of its
joints and of the robot Tool Center Point (TCP). The TCP is the center point of the output flange with
the addition of the TCP offset.
The limiting safety-related functions are:
Version 3.6.0
Copyright © 2009–2018 by Universal Robots A/S. All rights reserved.
I-13 UR10/CB3

2.3 Limiting Safety-related Functions
Limiting Safety
Function
Description
Joint position Min. and max. angular joint position
Joint speed Max. angular joint speed
TCP position Planes in Cartesian space limiting robot TCP position
TCP speed Max. speed of the robot TCP
TCP force Max. pushing force of the robot TCP
Momentum Max. momentum of the robot arm
Power Max. applied robot arm power
2.2 Stopping times of the Safety System
The stopping time of the safety system is the time from a fault or violation of a safety-related func-
tion occurs to the robot is brought to a complete stop and the mechanical brakes are engaged.
The maximum stopping times in the table must be considered if the safety of the application relies
upon the stopping time of the robot. E.g. if a fault in the robot results in a stop of a complete factory
line, where certain actions must take place immediately after the stop, the maximum stopping times
must be considered.
The measurements are conducted with the following configuration of the robot:
• Extension: 100% (the robot arm is fully extended horizontally).
• Speed: The TCP speed limit of the safety system is set to the described limit.
• Payload: maximum payload handled by the robot attached to the TCP (10 kg).
The worst case stopping time for Stop Category10 in case of a violation of the safety limits or
interfaces can be seen in the following table.
TCP Speed Limit Maximum Stopping Time
1.0 m
/s450 ms
1.5 m
/s500 ms
2.0 m
/s550 ms
1.5 m
/s600 ms
3.0 m
/s650 ms
2.3 Limiting Safety-related Functions
Advanced path control software decreases speed or issues a program execution stop if the robot
arm approaches a safety-related limit. Violations of limits will hence only occur in exceptional
cases. Nevertheless, if a limit is violated, the safety system issues a Stop Category 0.
1Stop Categories are according to IEC 60204-1, see Glossary for more details.
UR10/CB3 I-14 Version 3.6.0
Copyright © 2009–2018 by Universal Robots A/S. All rights reserved.

2.4 Safety Modes
Worst Case
Limiting Safety
Function
Trueness Detection
Time
De-energizing
Time
Reaction Time
Joint position 1.15 ◦100 ms 1000 ms 1100 ms
Joint speed 1.15 ◦/s250 ms 1000 ms 1250 ms
TCP position 20 mm 100 ms 1000 ms 1100 ms
TCP orientation 1.15 ◦100 ms 1000 ms 1100 ms
TCP speed 50 mm
/s250 ms 1000 ms 1250 ms
TCP force 25 N 250 ms 1000 ms 1250 ms
Momentum 3 kg m
/s250 ms 1000 ms 1250 ms
Power 10 W 250 ms 1000 ms 1250 ms
The system is considered de-energized when the 48 V bus voltage reaches an electrical potential be-
low 7.3 V. The de-energizing time is the time from a detection of an event until the system has been
de-energized.
WARNING:
There are two exceptions to the force limiting function that are impor-
tant to notice when designing the work cell for the robot. These are
illustrated in Figure 2.1. As the robot stretches out, the knee-joint ef-
fect can give high forces in the radial direction (away from the base),
but at the same time, low speeds. Similarly, the short leverage arm,
when the tool is close to the base and moving tangential (around) the
base, can cause high forces, but also at low speeds. Pinching haz-
ards can be avoided, for instance, by removing obstacles in these ar-
eas, placing the robot differently, or by using a combination of safety
planes and joint limits to remove the hazard by preventing the robot
moving into this region of its workspace.
WARNING:
If the robot is used in manual hand-guiding applications with linear
movements, the joint speed limit must be set to maximum 40 degrees
per second for the base and shoulder joints unless a risk assessment
shows that speeds above 40 degrees per second are acceptable. This
will prevent fast movements of the robot elbow near singularities.
2.4 Safety Modes
Normal and Reduced mode The safety system has two configurable safety modes: Normal and
Reduced. Safety limits can be configured for each of these two modes. Reduced mode is active when
the robot TCP is positioned beyond a Trigger Reduced mode plane or when triggered by a safety in-
put. Reduced mode can be triggered either by using a plane or by using an input.
Version 3.6.0
Copyright © 2009–2018 by Universal Robots A/S. All rights reserved.
I-15 UR10/CB3

2.4 Safety Modes
1100 mm 300 mm
Figure 2.1: Certain areas of the workspace should receive attention regarding pinching hazards, due to the
physical properties of the robot arm. One area is defined for radial motions, when the wrist 1 joint is at a
distance of at least 1100 mm from the base of the robot. The other area is within 300 mm of the base of the
robot, when moving in the tangential direction.
Using a plane to trigger Reduced mode: When the robot moves from the Reduced mode side of the
trigger plane, back to the Normal mode side, there is a 20mm area around the trigger plane where
both Normal and Reduced mode limits are allowed. It prevents the safety mode from flickering if
the robot is right at the limit.
Using an input to trigger Reduced mode: When an input is used (to either start or stop Reduced
mode), up to 500ms can elapse before the new mode limit values are applied. This could happen
either when changing Reduced mode to Normal mode OR changing Normal mode to Reduced
mode. It allows the robot to adapt e.g. the speed to the new safety limits.
Recovery Mode When a safety limit is violated, the safety system must be restarted. If the system
is outside a safety limit at start-up (e.g. outside a joint position limit), the special Recovery mode is
entered. In Recovery mode it is not possible to run programs for the robot, but the robot arm can
be manually moved back within limits either by using Freedrive mode or by using the Move tab in
PolyScope (see part II “PolyScope Manual”). The safety limits of Recovery mode are:
Limiting Safety Function Limit
Joint speed 30 ◦/s
TCP speed 250 mm
/s
TCP force 100 N
Momentum 10 kg m
/s
Power 80 W
The safety system issues a Stop Category 0 if a violation of these limits appears.
UR10/CB3 I-16 Version 3.6.0
Copyright © 2009–2018 by Universal Robots A/S. All rights reserved.

2.5 Safety-related Electrical Interfaces
WARNING:
Notice that limits for the joint position, the TCP position, and the TCP
orientation are disabled in Recovery Mode. Take caution when mov-
ing the robot arm back within the limits.
2.5 Safety-related Electrical Interfaces
The robot is equipped with several safety-related electrical inputs and outputs. All safety-related
electrical inputs and outputs are dual channel. They are safe when low, e.g. the emergency stop is
not active when the signals are high (+24V).
2.5.1 Safety-related Electrical Inputs
The table below gives an overview of the safety-related electrical inputs.
Safety Input Description
Robot Emergency Stop (Dedicated Input). Performs a Stop Category 1, which can
be forwarded to other machines using the System emer-
gency stop output when configured.
Emergency Stop Button (Teach Pendant Button). Performs a Stop Category 1,
which can be forwarded to other machines using the Sys-
tem emergency stop output when configured.
System Emergency Stop (Configurable Input). Performs a Stop Category 1. To
avoid deadlocks, this signal will not be forwarded to
other machines through the System emergency stop output.
Safeguard Stop (Dedicated Input). Performs a Stop Category 2.
Safeguard Reset (Configurable Input). Resumes the robot from a Safeguard
stopped state, when an edge on the Safeguard reset input
occurs.
Reduced Mode (Configurable Input). The safety system transitions to Re-
duced mode limits.
3-Position Enabling
Device
(Configurable Input). Functions as a safeguard stop input
when the operational mode input is high.
Operational Mode (Configurable Input). Operational mode to use when a
3-position enabling device is configured.
A Stop Category 1 and a Stop Category 2 decelerates the robot with drive power on, which enables
the robot to stop without deviating from its current path.
Monitoring of safety inputs Stop Category 1 and Stop Category 2 are monitored by the safety
system in the following way:
1. The safety system monitors that the braking initiates within 24 ms, see Figure 2.2.
2. If a joint is moving, its speed is monitored to never be higher than the speed obtained by con-
stantly decelerating from the maximum joint speed limit for Normal mode to 0 rad
/sin 500 ms.
Version 3.6.0
Copyright © 2009–2018 by Universal Robots A/S. All rights reserved.
I-17 UR10/CB3

2.5 Safety-related Electrical Interfaces
Max joint
speed in
normal
mode
[rad/s]
[s]
time
0.5240.024
Figure 2.2: The green area below the ramp is the allowed speeds for a joint during braking. At time 0 an
event (emergency stop or safeguard stop) is detected at the safety processor. Deceleration begins after 24 ms.
3. If a joint is at rest (joint speed is less than 0.2 rad
/s), it is monitored that it does not move more
than 0.05 rad from the position it had when the speed was measured below 0.2 rad
/s.
Additionally, for a Stop Category 1, the safety system monitors that after the robot arm is at rest,
the powering off is finalized within 600 ms. Furthermore, after a Safeguard Stop input, the robot
arm is only allowed to start moving again after a positive edge on the safeguard reset input occurs.
If any of the above properties are not satisfied, the safety system issues a Stop Category 0.
A transition to Reduced mode triggered by the reduced mode input is monitored as follows:
1. The safety system accepts both Normal and Reduced mode limit sets for 500 ms after the reduced
mode input is triggered.
2. After 500 ms, only the Reduced mode limits are in effect.
If any of the above properties are not satisfied, the safety system issues a Stop Category 0.
A Stop Category 0 is performed by the safety system with the performance described in the fol-
lowing table. The worst-case reaction time is the time to stop and to de-energize (discharge to an
electrical potential below 7.3 V) a robot running at full speed and payload.
Worst Case
Safety Input Function Detection
Time
De-energizing
Time
Reaction Time
Robot Emergency Stop 250 ms 1000 ms 1250 ms
Emergency Stop Button 250 ms 1000 ms 1250 ms
System Emergency Stop 250 ms 1000 ms 1250 ms
Safeguard Stop 250 ms 1000 ms 1250 ms
2.5.2 Safety-related Electrical Outputs
The table below gives an overview of the safety-related electrical outputs:
UR10/CB3 I-18 Version 3.6.0
Copyright © 2009–2018 by Universal Robots A/S. All rights reserved.

2.5 Safety-related Electrical Interfaces
Safety Output Description
System Emergency Stop Logic low when the Robot emergency stop input is logic low
or the Emergency stop button is pressed.
Robot Moving While this signal is logic high, no single joint of the robot
arm moves more than 0.1 rad.
Robot Not Stopping Logic high when the robot is stopped or in the process
of stopping due to an emergency stop or safeguard stop.
Otherwise it will be logic low.
Reduced Mode Logic low when the safety system is in Reduced mode.
Not Reduced Mode The Reduced mode output negated.
If a safety output is not set properly, the safety system issues a Stop Category 0, with the following
worst-case reaction times:
Safety Output Worst Case Reaction Time
System Emergency Stop 1100 ms
Robot Moving 1100 ms
Robot Not Stopping 1100 ms
Reduced Mode 1100 ms
Not Reduced Mode 1100 ms
Version 3.6.0
Copyright © 2009–2018 by Universal Robots A/S. All rights reserved.
I-19 UR10/CB3

2.5 Safety-related Electrical Interfaces
UR10/CB3 I-20 Version 3.6.0
Copyright © 2009–2018 by Universal Robots A/S. All rights reserved.

3 Transportation
Transport the robot in the original packaging. Save the packaging material in a dry place; you may
need to pack down and move the robot later on.
Lift both tubes of the robot arm at the same time when moving it from the packaging to the instal-
lation place. Hold the robot in place until all mounting bolts are securely tightened at the base of
the robot.
The controller box shall be lifted by the handle.
WARNING:
1. Make sure not to overload your back or other bodyparts when
the equipment is lifted. Use proper lifting equipment. All
regional and national guidelines for lifting shall be followed.
Universal Robots cannot be held responsible for any damage
caused by transportation of the equipment.
2. Make sure to mount the robot according to the mounting in-
structions in chapter 4.
Version 3.6.0
Copyright © 2009–2018 by Universal Robots A/S. All rights reserved.
I-21 UR10/CB3

UR10/CB3 I-22 Version 3.6.0
Copyright © 2009–2018 by Universal Robots A/S. All rights reserved.

4 Mechanical Interface
4.1 Introduction
This chapter describes the basics of mounting the various parts of the robot system. Electrical
installation instructions in chapter 5 must be observed.
4.2 Workspace of the Robot
The workspace of the UR10 robot extends 1300 mm from the base joint. It is important to consider
the cylindrical volume directly above and directly below the robot base when a mounting place for
the robot is chosen. Moving the tool close to the cylindrical volume should be avoided if possible,
because it causes the joints to move fast even though the tool is moving slowly, causing the robot
to work inefficiently and making it difficult to conduct a risk assessment.
Front Tilted
4.3 Mounting
Robot Arm The robot arm is mounted using four M8 bolts, using the four 8.5 mm holes on the
base. It is recommended to tighten these bolts with 20 N m torque. If very accurate repositioning
of the robot arm is desired, two Ø8 holes are provided for use with a pin. Also, an accurate base
counterpart can be purchased as an accessory. Figure 4.1 shows where to drill holes and mount the
screws.
The robot connector cable can be mounted through the side or through the bottom of the base.
Mount the robot on a sturdy surface strong enough to withstand at least ten times the full torque of
the base joint and at least five times the weight of the robot arm. Furthermore the surface shall be
Version 3.6.0
Copyright © 2009–2018 by Universal Robots A/S. All rights reserved.
I-23 UR10/CB3

4.3 Mounting
vibration free.
If the robot is mounted on a linear axis or a moving platform then the acceleration of the moving
mounting base shall be very low. A high acceleration might cause the robot to stop, thinking it
bumped into something.
DANGER:
• Make sure the robot arm is properly and securely bolted in
place. The mounting surface shall be sturdy.
• Remember to insert the rubber plugs in all mounting holes in
the robot base to avoid entrapment of fingers.
CAUTION:
If the robot is bathed in water over an extended time period it might
be damaged. The robot should not be mounted in water or in a wet
environment.
Tool The robot tool flange has four M6 thread holes for attaching a tool to the robot. The M6 bolts
need to be tightened with 9 N m. If very accurate repositioning of the tool is desired, the Ø6 hole is
provided for use with a pin. Figure 4.2 shows where to drill holes and mount the screws.
DANGER:
1. Make sure the tool is properly and securely bolted in place.
2. Make sure that the tool is constructed such that it cannot create
a hazardous situation by dropping a part unexpectedly.
Control Box The control box can be hung on a wall, or it can be placed on the ground. A clearance
of 50 mm on each side is needed for sufficient airflow. Extra brackets for mounting can be bought.
Teach Pendant The teach pendant can be hung on a wall or on the control box. Extra brackets
for mounting the teach pendant can be bought. Make sure that no one can trip over the cable.
UR10/CB3 I-24 Version 3.6.0
Copyright © 2009–2018 by Universal Robots A/S. All rights reserved.

4.3 Mounting
Figure 4.1: Holes for mounting the robot. Use four M8 bolts. All measurements are in mm.
Version 3.6.0
Copyright © 2009–2018 by Universal Robots A/S. All rights reserved.
I-25 UR10/CB3

4.3 Mounting
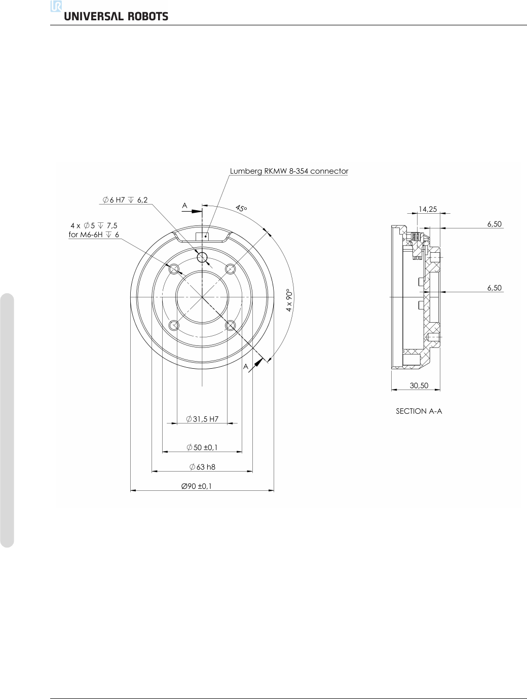
Figure 4.2: The tool output flange, ISO 9409-1-50-4-M6. This is where the tool is mounted at the tip of the
robot. All measures are in mm.
UR10/CB3 I-26 Version 3.6.0
Copyright © 2009–2018 by Universal Robots A/S. All rights reserved.

4.3 Mounting
DANGER:
1. Make sure that the control box, teach pendant, and cables do not
come into contact with liquids. A wet control box could cause
death.
2. The control box and teach pendant must not be exposed to dusty
or wet environments that exceed IP20 rating. Pay special atten-
tion to environments with conductive dust.
Version 3.6.0
Copyright © 2009–2018 by Universal Robots A/S. All rights reserved.
I-27 UR10/CB3

4.4 Maximum Payload
4.4 Maximum Payload
The maximum allowed payload of the robot arm depends on the center of gravity offset, see figure
4.3. The center of gravity offset is defined as the distance between the center of the tool output
flange and the center of gravity.
0 200 400 600 800
2
4
6
8
10
Center of gravity offset
[mm]
Payload [kg]
Figure 4.3: Relationship between the maximum allowed payload and the center of gravity offset.
UR10/CB3 I-28 Version 3.6.0
Copyright © 2009–2018 by Universal Robots A/S. All rights reserved.

5 Electrical Interface
5.1 Introduction
This chapter describes all the electrical interfaces of the robot arm and control box.
The different interfaces are divided into five groups with different purposes and properties:
• Controller I/O
• Tool I/O
• Ethernet
• Mains connection
• Robot connection
The term I/O refers both digital and analog control signals going from or to an interface.
These five groups are described in the following sections. Examples are given for most types of
I/O.
The warnings and cautions in the following section are relevant for all five groups and must be
observed.
5.2 Electrical warnings and cautions
The following warnings and cautions must be observed when a robot application is designed and
installed. The warnings and cautions also apply for service work.
DANGER:
1. Never connect safety signals to a PLC which is not a safety PLC
with the correct safety level. Failure to follow this warning
could result in serious injury or death as the safety functions
could be overridden. It is important to keep safety interface sig-
nals separated from the normal I/O interface signals.
2. All safety-related signals are constructed redundantly (Two in-
dependent channels). Keep the two channels separate so that a
single fault cannot lead to loss of the safety function.
3. Some I/O inside the control box can be configured for either
normal or safety-related I/O. Read and understand the com-
plete section 5.3.
Version 3.6.0
Copyright © 2009–2018 by Universal Robots A/S. All rights reserved.
I-29 UR10/CB3

5.2 Electrical warnings and cautions
DANGER:
1. Make sure that all equipment not rated for water exposure re-
mains dry. If water is allowed to enter the product, lockout and
tagout all power and then contact your supplier.
2. Use original cables supplied with the robot only. Do not use
the robot for applications where the cables will be subjected to
flexing. Contact your supplier if longer or flexible cables are
needed.
3. Negative connections are referred to as GND and are connected
to the shield of the robot and the controller box. All mentioned
GND connections are only for powering and signalling. For PE
(Protective Earth) use the M6 sized screw connections marked
with earth symbols inside the control box. The grounding con-
ductor shall have at least the current rating of the highest cur-
rent in the system.
4. Care must be taken when installing interface cables to the robot
I/O. The metal plate in the bottom is intended for interface ca-
bles and connectors. Remove the plate before drilling the holes.
Make sure that all shavings are removed before reinstalling the
plate. Remember to use correct gland sizes.
CAUTION:
1. The robot has been tested according to international IEC stan-
dards for EMC (ElectroMagnetic Compatibility). Disturbing sig-
nals with levels higher than those defined in the specific IEC
standards can cause unexpected behavior of the robot. Very
high signal levels or excessive exposure can damage the robot
permanently. EMC problems are found to happen usually in
welding processes and are normally prompted by error mes-
sages in the log. Universal Robots cannot be held responsible
for any damages caused by EMC problems.
2. I/O cables going from the control box to other machinery and
factory equipment may not be longer than 30m, unless extended
tests are performed.
UR10/CB3 I-30 Version 3.6.0
Copyright © 2009–2018 by Universal Robots A/S. All rights reserved.

5.3 Controller I/O
NOTE:
All voltages and currents are in DC (Direct Current) unless otherwise
specified.
5.3 Controller I/O
This chapter explains how to connect equipment to I/O inside the control box. This I/O is ex-
tremely flexible and can be used for wide range of different equipment; including pneumatic relays,
PLCs and emergency stop buttons.
The illustration below shows the layout of electrical interface inside the control box.
24V
EI1
24V
SI0
24V
SI1
24V
EI0
Safety
ON
OFF
12V
Remote
24V
0V
PWR
GND
Power
24V
CI1
24V
CI2
24V
CI3
24V
CI0
Configurable Inputs
24V
CI5
24V
CI6
24V
CI7
24V
CI4
0V
CO1
0V
CO2
0V
CO3
0V
CO0
Configurable Outputs
0V
CO5
0V
CO6
0V
CO7
0V
CO4
24V
DI1
24V
DI2
24V
DI3
24V
DI0
Digital Inputs
24V
DI5
24V
DI6
24V
DI7
24V
DI4
0V
DO1
0V
DO2
0V
DO3
0V
DO0
Digital Outputs
0V
DO5
0V
DO6
0V
DO7
0V
DO4
AG
AI1
AG
AO0
AG
AO1
AG
AI0
Analog
Analog Outputs
Analog Inputs
Safeguard Stop
Emergency Stop
GND
The meaning of the different colors must be observed, see below.
Yellow with red text Dedicated safety signals
Yellow with black text Configurable for safety
Gray with black text General purpose digital I/O
Green with black text General purpose analog I/O
The configurable I/O can be configured as either safety-related I/O or general purpose I/O in the
GUI. See more in part II.
How to use the digital I/O is described in the following subsections. The section describing the
common specifications must be observed.
5.3.1 Common specifications for all digital I/O
This section define electrical specifications for the following 24V digital I/O of the control box.
• Safety I/O.
• Configurable I/O.
• General purpose I/O.
It is very important that UR robots are installed according the electrical specifications, which are
the same for all three different kinds of inputs.
It is possible to power the digital I/O from an internal 24V power supply or from an external power
source by configuring the terminal block called Power. This block consists of four terminals. The
Version 3.6.0
Copyright © 2009–2018 by Universal Robots A/S. All rights reserved.
I-31 UR10/CB3

5.3 Controller I/O
upper two (PWR and GND) are 24V and ground from the internal 24V supply. The lower two
terminals (24V and 0V) in the block are the 24V input to supply the I/O. The default configuration
is to use the internal power supply, see below.
24V
0V
PWR
GND
Power
If more current is needed, an external power supply can be connected as shown below.
24V
0V
PWR
GND
Power
The electrical specifications for both the internal and an external power supply are shown below.
Terminals Parameter Min Typ Max Unit
Internal 24V power supply
[PWR - GND] Voltage 23 24 25 V
[PWR - GND] Current 0 - 2 A
External 24V input requirements
[24V - 0V] Voltage 20 24 29 V
[24V - 0V] Current 0 - 6 A
The digital I/O are constructed in compliance with IEC 61131-2. The electrical specifications are
shown below.
Terminals Parameter Min Typ Max Unit
Digital outputs
[COx / DOx] Current* 0 - 1 A
[COx / DOx] Voltage drop 0 - 0.5 V
[COx / DOx] Leakage current 0 - 0.1 mA
[COx / DOx] Function - PNP - Type
[COx / DOx] IEC 61131-2 - 1A - Type
Digital Inputs
[EIx/SIx/CIx/DIx] Voltage -3 - 30 V
[EIx/SIx/CIx/DIx] OFF region -3 - 5 V
[EIx/SIx/CIx/DIx] ON region 11 - 30 V
[EIx/SIx/CIx/DIx] Current (11-30V) 2 - 15 mA
[EIx/SIx/CIx/DIx] Function - PNP - Type
[EIx/SIx/CIx/DIx] IEC 61131-2 - 3 - Type
UR10/CB3 I-32 Version 3.6.0
Copyright © 2009–2018 by Universal Robots A/S. All rights reserved.

5.3 Controller I/O
Note: *For resistive loads or inductive loads of maximum 1H.
NOTE:
The word configurable is used for I/O that can be configured as ei-
ther safety-related I/O or normal I/O. These are the yellow terminals
with black text.
5.3.2 Safety I/O
This section describes the dedicated safety inputs (Yellow terminal with red text) and the config-
urable I/O (Yellow terminals with black text) when configured as safety I/O. The common specifi-
cations in section 5.3.1 must be observed.
Safety devices and equipment must be installed according to the safety instructions and the risk
assessment (see chapter 1).
All safety I/O are pairwise (redundant) and must be kept as two separate branches. A single fault
shall not cause loss of the safety function.
The two permanent safety inputs are the Robot Emergency Stop and the Safeguard Stop.
The Robot Emergency Stop input is for emergency stop equipment only. The Safeguard Stop input
is for all kinds of safety-related protective equipment. The functional difference is shown below.
Emergency Stop Safeguard Stop
Robot stops moving Yes Yes
Program execution Stops Pauses
Robot power Off On
Reset Manual Automatic or manual
Frequency of use Infrequent Every cycle to infrequent
Requires re-
initialization
Brake release only No
Stop Category
(IEC 60204-1)
1 2
Performance level of
monitoring function
(ISO 13849-1)
PLd PLd
It is possible to use the configurable I/O to set up additional safety I/O functionality, e.g. emer-
gency stop output. Configuring a set of configurable I/O for safety functions are done through the
GUI, see part II.
Some examples of how to use safety I/O are shown in the following subsections.
Version 3.6.0
Copyright © 2009–2018 by Universal Robots A/S. All rights reserved.
I-33 UR10/CB3

5.3 Controller I/O
DANGER:
1. Never connect safety signals to a PLC which is not a safety PLC
with the correct safety level. Failure to follow this warning
could result in serious injury or death as the safety functions
could be overridden. It is important to keep safety interface sig-
nals separated from the normal I/O interface signals.
2. All safety-related I/O are constructed redundantly (Two inde-
pendent channels). Keep the two channels separate so that a
single fault cannot lead to loss of the safety function.
3. Safety functions must be verified before putting the robot into
operation. Safety functions must be tested regularly.
4. The robot installation shall conform to these specifications. Fail-
ure to do so could result in serious injury or death as the safety
function could be overridden.
5.3.2.1 Default safety configuration
The robot is shipped with a default configuration which enables operation without any additional
safety equipment, see illustration below.
24V
EI1
24V
SI0
24V
SI1
24V
EI0
Safety
Safeguard Stop
Emergency Stop
5.3.2.2 Connecting emergency stop buttons
In most applications it is required to use one or more extra emergency stop buttons. The illustration
below shows how one or more emergency stop buttons can be connected.
24V
EI1
24V
SI0
24V
SI1
24V
EI0
Safety
Safeguard Stop
Emergency Stop
24V
EI1
24V
SI0
24V
SI1
24V
EI0
Safety
Safeguard Stop
Emergency Stop
5.3.2.3 Sharing emergency stop with other machines
It is often desired to set up a common emergency stop circuit when the robot is used together with
other machines. By doing so, the operator does not need to think about which emergency stop
buttons to use.
UR10/CB3 I-34 Version 3.6.0
Copyright © 2009–2018 by Universal Robots A/S. All rights reserved.

5.3 Controller I/O
The Robot Emergency Stop input cannot be used for sharing purposes, since both machines will
wait for the each other to go out of the emergency stopped condition.
In order to share the emergency stop function with other machinery, the following configurable
I/O functions must be configured through the GUI.
• Configurable input pair: External emergency stop.
• Configurable output pair: System emergency stop.
The illustration below shows how two UR robots share their emergency stop functions. In this
example the configured I/Os used are “CI0-CI1” and “CO0-CO1”.
24V
CI1
24V
CI2
24V
CI3
24V
CI0
Configurable Inputs
24V
CI5
24V
CI6
24V
CI7
24V
CI4
0V
CO1
0V
CO2
0V
CO3
0V
CO0
Configurable Outputs
0V
CO5
0V
CO6
0V
CO7
0V
CO4
24V
CI1
24V
CI2
24V
CI3
24V
CI0
Configurable Inputs
24V
CI5
24V
CI6
24V
CI7
24V
CI4
0V
CO1
0V
CO2
0V
CO3
0V
CO0
Configurable Outputs
0V
CO5
0V
CO6
0V
CO7
0V
CO4
AB
If more than two UR robots or other machines need to be connected, a safety PLC is needed to
control the emergency stop signals.
5.3.2.4 Safeguard stop with automatic resume
An example of a basic safeguard stop device is a door switch where the robot is stopped when a
door is opened, see illustration below.
24V
EI1
24V
SI0
24V
SI1
24V
EI0
Safety
Safeguard Stop
Emergency Stop
This configuration is only intended for application where the operator cannot pass the door and
close it behind him. The configurable I/O can be used to setup a reset button outside the door, to
reactivate robot motion.
Another example where automatic resume can be appropriate is when using a safety mat or a
safety-related laser scanner, see below.
Version 3.6.0
Copyright © 2009–2018 by Universal Robots A/S. All rights reserved.
I-35 UR10/CB3

5.3 Controller I/O
24V
EI1
24V
SI0
24V
SI1
24V
EI0
Safety
Safeguard Stop
Emergency Stop
24V 0V
24V
0V
DANGER:
1. The robot resumes movement automatically when the safe-
guard signal is re-established. Do not use this configuration if
signal can be re-established from the inside of the safety perime-
ter.
5.3.2.5 Safeguard stop with reset button
If the safeguard interface is used to interface a light curtain, a reset outside the safety perimeter is
required. The reset button must be a two channel type. In this example the I/O configured for reset
is “CI0-CI1”, see below.
24V
EI1
24V
SI0
24V
SI1
24V
EI0
Safety
Safeguard Stop
Emergency Stop
24V 0V
24V
0V
24V
CI1
24V
CI2
24V
CI3
24V
CI0
Configurable Inputs
24V
CI5
24V
CI6
24V
CI7
24V
CI4
5.3.3 General purpose digital I/O
This section describes the general purpose 24V I/O (Gray terminals) and the configurable I/O
(Yellow terminals with black text) when not configured as safety I/O. The common specifications
in section 5.3.1 must be observed.
The general purpose I/O can be used to drive equipment like pneumatic relays directly or for
communication with other PLC systems. All digital outputs can be disabled automatically when
UR10/CB3 I-36 Version 3.6.0
Copyright © 2009–2018 by Universal Robots A/S. All rights reserved.

5.3 Controller I/O
program execution is stopped, see more in part II. In this mode, the output is always low when
a program is not running. Examples are shown in the following subsections. These examples
use regular digital outputs but any configurable outputs could also have be used if they are not
configured to perform a safety function.
5.3.3.1 Load controlled by a digital output
This example shows how to connect a load to be controlled from a digital output, see below.
0V
DO1
0V
DO2
0V
DO3
0V
DO0
Digital Outputs
0V
DO5
0V
DO6
0V
DO7
0V
DO4
LOAD
5.3.4 Digital input from a button
The example below shows how to connect a simple button to a digital input.
24V
DI1
24V
DI2
24V
DI3
24V
DI0
Digital Inputs
24V
DI5
24V
DI6
24V
DI7
24V
DI4
5.3.5 Communication with other machines or PLCs
The digital I/O can be used to communicate with other equipment if a common GND (0V) is estab-
lished and if the machine uses PNP technology, see below.
24V
DI1
24V
DI2
24V
DI3
24V
DI0
Digital Inputs
24V
DI5
24V
DI6
24V
DI7
24V
DI4
0V
DO1
0V
DO2
0V
DO3
0V
DO0
Digital Outputs
0V
DO5
0V
DO6
0V
DO7
0V
DO4
24V
DI1
24V
DI2
24V
DI3
24V
DI0
Digital Inputs
24V
DI5
24V
DI6
24V
DI7
24V
DI4
0V
DO1
0V
DO2
0V
DO3
0V
DO0
Digital Outputs
0V
DO5
0V
DO6
0V
DO7
0V
DO4
A B
5.3.6 General purpose analog I/O
The analog I/O interface is the green terminal. It can be used to set or measure voltage (0-10V) or
current (4-20mA) from and to other equipment.
Version 3.6.0
Copyright © 2009–2018 by Universal Robots A/S. All rights reserved.
I-37 UR10/CB3

5.3 Controller I/O
The following is recommended to achieve the highest accuracy.
• Use the AG terminal closest to the I/O. The pair share a common mode filter.
• Use the same gnd (0V) for equipment and control box. The analog I/O is not galvanically
isolated from the control box.
• Use a shielded cable or twisted pairs. Connect the shield to the “GND” terminal at the terminal
called “Power”.
• Use of equipment that works in current mode. Current signals are less sensitive to interfer-
ences.
Input modes can be selected in the GUI, see part II. The electrical specifications are shown below.
Terminals Parameter Min Typ Max Unit
Analog input in current mode
[AIx - AG] Current 4 - 20 mA
[AIx - AG] Resistance - 20 - ohm
[AIx - AG] Resolution - 12 - bit
Analog input in voltage mode
[AIx - AG] Voltage 0 - 10 V
[AIx - AG] Resistance - 10 - Kohm
[AIx - AG] Resolution - 12 - bit
Analog output in current mode
[AOx - AG] Current 4 - 20 mA
[AOx - AG] Voltage 0 - 10 V
[AOx - AG] Resolution - 12 - bit
Analog output in voltage mode
[AOx - AG] Voltage 0 - 10 V
[AOx - AG] Current -20 - 20 mA
[AOx - AG] Resistance - 1 - ohm
[AOx - AG] Resolution - 12 - bit
The following examples show how to use the analog I/O.
5.3.6.1 Using an analog output
Below is an example of how to control a conveyor belt with an analog speed control input.
UR10/CB3 I-38 Version 3.6.0
Copyright © 2009–2018 by Universal Robots A/S. All rights reserved.

5.3 Controller I/O
AG
AI1
AG
AO0
AG
AO1
AG
AI0
Analog
Analog Outputs
Analog Inputs
24V
0V
PWR
GND
Power
5.3.6.2 Using an Analog Input
Below is an example of how to connect an analog sensor.
AG
AI1
AG
AO0
AG
AO1
AG
AI0
Analog
Analog Outputs
Analog Inputs
24V
0V
PWR
GND
Power
5.3.7 Remote ON/OFF control
Remote ON/OFF control can be used to turn the control box on and off without using the teach
pendant. It is typically used in the following applications:
• When the teach pendant is inaccessible.
• When a PLC system must have full control.
• When several robots must be turned on or off at the same time.
The remote ON/OFF control provides a small auxiliary 12V supply, which is kept active when the
controller box is turned off. The “on” and “off” inputs are intended for short time activation only.
The “on” input works in the same way as the power button. Always use the “off” input for remote
“off” control as this signal allows the control box to save open files and shut down correctly.
The electrical specifications are shown below.
Version 3.6.0
Copyright © 2009–2018 by Universal Robots A/S. All rights reserved.
I-39 UR10/CB3

5.4 Tool I/O
Terminals Parameter Min Typ Max Unit
[12V - GND] Voltage 10 12 13 V
[12V - GND] Current - - 100 mA
[ON / OFF] Inactive voltage 0 - 0.5 V
[ON / OFF] Active voltage 5 - 12 V
[ON / OFF] Input current - 1 - mA
[ON] Activation time 200 - 600 ms
The following examples show how to use remote ON/OFF.
NOTE:
A special feature in the software can be used to load and start pro-
grams automatically, see part II.
CAUTION:
1. Never use the “on” input or the power button to turn off the
control box.
5.3.7.1 Remote ON button
The illustration below shows how to connect a remote on button.
ON
OFF
12V
Remote
GND
5.3.7.2 Remote OFF button
The illustration below shows how to connect a remote off button.
ON
OFF
12V
Remote
GND
5.4 Tool I/O
At the tool end of the robot there is a small connector with eight pins, see illustration below.
UR10/CB3 I-40 Version 3.6.0
Copyright © 2009–2018 by Universal Robots A/S. All rights reserved.

5.4 Tool I/O
This connector provides power and control signals for grippers and sensors used on a specific robot
tool. The following industrial cables are suitable:
• Lumberg RKMV 8-354.
The eight wires inside the cable have different colors. The different colors designate different func-
tions, see table below:
Color Signal
Red 0V (GND)
Gray 0V/+12V/+24V (POWER)
Blue Tool output 0 (TO0)
Pink Tool output 1 (TO1)
Yellow Tool input 0 (TI0)
Green Tool input 1 (TI1)
White Analog input 2 (AI2)
Brown Analog input 3 (AI3)
The internal power supply can be set to either 0V, 12V or 24V at the I/O tab the GUI, see part II.
The electrical specifications are shown below:
Parameter Min Typ Max Unit
Supply voltage in 24V mode - 24 - V
Supply voltage in 12V mode - 12 - V
Supply current in both modes* - - 600 mA
Note: *It is highly recommended to use a protective diode for inductive loads
The following sections describe the different I/O’s of the tool.
DANGER:
1. Connect tools and grippers such that an interruption of power
does not create any hazards, e.g., a work-piece falling out of the
tool.
2. Take care when using 12V, since an error made by the program-
mer can cause the voltage to change to 24V, which might dam-
age the equipment and cause a fire.
Version 3.6.0
Copyright © 2009–2018 by Universal Robots A/S. All rights reserved.
I-41 UR10/CB3

5.4 Tool I/O
NOTE:
The tool flange is connected to GND (same as the red wire).
5.4.1 Tool Digital Outputs
The digital outputs are implemented as NPN. When a digital output is activated the corresponding
connection is driven to GND, and when it is deactivated the corresponding connection is open
(open-collector/open-drain). The electrical specifications are shown below:
Parameter Min Typ Max Unit
Voltage when open -0.5 - 26 V
Voltage when sinking 1A - 0.05 0.20 V
Current when sinking 0 - 600 mA
Current through GND 0 - 600 mA
An example of how to use a digital output is shown in the following subsection.
CAUTION:
1. The digital outputs in the tool are not current limited and over-
riding the specified data can cause permanent damage.
5.4.1.1 Using the Tool Digital Outputs
The example below illustrates how to turn on a load, when using the internal 12V or 24V power
supply. Remember that you have to define the output voltage at the I/O tab. Keep in mind that
there is voltage between the POWER connection and the shield/ground, even when the load is
turned off.
TO0
POWER
Note: It is highly recommended to use a protective diode for inductive loads, as shown below.
TO0
POWER
UR10/CB3 I-42 Version 3.6.0
Copyright © 2009–2018 by Universal Robots A/S. All rights reserved.

5.4 Tool I/O
5.4.2 Tool Digital Inputs
The digital inputs are implemented as PNP with weak pull-down resistors. This means that a
floating input will always read low. The electrical specifications are shown below.
Parameter Min Typ Max Unit
Input voltage -0.5 - 26 V
Logical low voltage - - 2.0 V
Logical high voltage 5.5 - - V
Input resistance - 47k - Ω
An example of how to use a digital input is shown in the following subsection.
5.4.2.1 Using the Tool Digital Inputs
The example below shows how to connect a simple button.
TI0
POWER
5.4.3 Tool Analog Inputs
The tool analog inputs are non-differential and can be set to either voltage and current on the I/O
tab, see part II. The electrical specifications are shown below.
Parameter Min Typ Max Unit
Input voltage in voltage mode -0.5 - 26 V
Input resistance @ range 0V to 10V - 15 - kΩ
Resolution - 12 - bit
Input voltage in current mode -0.5 - 5.0 V
Input current in current mode -2.5 - 25 mA
Input resistance @ range 4mA to 20mA - 200 - Ω
Resolution - 12 - bit
Two examples of how to use analog inputs are shown in the following subsections.
CAUTION:
1. Analog inputs are not protected against over voltage in current
mode. Overrating the limit in the electrical specification can
cause permanent damage to the input.
Version 3.6.0
Copyright © 2009–2018 by Universal Robots A/S. All rights reserved.
I-43 UR10/CB3

5.5 Ethernet
5.4.3.1 Using the Tool Analog Inputs, Non-differential
The example below shows how to connect an analog sensor with a non-differential output. The
output of the sensor can be either current or voltage, as long as the input mode of that analog input
is set to the same on the I/O tab. Remember to check that a sensor with voltage output can drive
the internal resistance of the tool, or the measurement might be invalid.
GND
POWER
AI8
AI2
5.4.3.2 Using the Tool Analog Inputs, Differential
The example below shows how to connect an analog sensor with a differential output. Connect the
negative output part to GND (0V) and it works in the same way as a non-differential sensor.
POWER
AI8
GND
AI2
5.5 Ethernet
An Ethernet connection is provided at the bottom of the control box, see illustration below.
The Ethernet interface can be used for the following:
• MODBUS I/O expansion modules. See more in part II.
• Remote access and control.
The electrical specifications are shown below.
Parameter Min Typ Max Unit
Communication speed 10 - 1000 Mb/s
UR10/CB3 I-44 Version 3.6.0
Copyright © 2009–2018 by Universal Robots A/S. All rights reserved.

5.6 Mains connection
5.6 Mains connection
The mains cable from the controller box has a standard IEC plug in the end. Connect a country
specific mains plug or cable to the IEC plug.
In order to energize the robot, the control box must be connected to the mains. This must be done
through the standard IEC C20 plug at the bottom of the control box through a corresponding IEC
C19 cord, see illustration below.
The mains supply shall be equipped with the following as a minimum:
• Connection to earth.
• Main fuse.
• Residual current device.
It is recommended to install a main switch to power off all equipment in the robot application as
an easy means for lockout and tagout under service.
The electrical specifications are shown in the table below.
Parameter Min Typ Max Unit
Input voltage 100 - 265 VAC
External mains fuse (@ 100-200V) 15 - 16 A
External mains fuse (@ 200-265V) 8 - 16 A
Input frequency 47 - 63 Hz
Stand-by power - - 0.5 W
Nominal operating power 90 250 500 W
Version 3.6.0
Copyright © 2009–2018 by Universal Robots A/S. All rights reserved.
I-45 UR10/CB3

5.7 Robot connection
DANGER:
1. Make sure that the robot is grounded correctly (Electrical con-
nection to earth). Use the unused bolts associated with ground-
ing symbols inside the controller box to create common ground-
ing of all equipment in the system. The grounding conductor
shall have at least the current rating of the highest current in the
system.
2. Make sure that the input power to the controller box is protected
with a RCD (Residual Current Device) and a correct fuse.
3. Lockout and tagout all power for the complete robot installation
during service. Other equipment shall not supply voltage to the
robot I/O when the system is locked out.
4. Make sure that all cables are connected correctly before the con-
troller box is powered. Always use an original and correct
power cord.
5.7 Robot connection
The cable from the robot must be plugged into the connector at the bottom of the control box, see
illustration below. Ensure that the connector is properly locked before turning on the robot arm.
Disconnecting the robot cable may only be done when the robot power is turned off.
CAUTION:
1. Do not disconnect the robot cable when the robot arm is turned
on.
2. Do not extend or modify the original cable.
UR10/CB3 I-46 Version 3.6.0
Copyright © 2009–2018 by Universal Robots A/S. All rights reserved.

6 Maintenance and Repair
You must perform maintenance and repair work in compliance with all safety instructions in this
manual.
You must perform maintenance, calibration and repair work according to the latest versions of
Service Manuals on the support website http://www.universal-robots.com/support.
Only authorized system integrators, or Universal Robots, shall perform repairs.
All parts returned to Universal Robots shall be returned according to the service manual.
6.1 Safety Instructions
After maintenance and repair work, checks must be done to ensure the required safety level. Checks
must adhere to valid national or regional work safety regulations. The correct functioning of all
safety functions shall also be tested.
The purpose of maintenance and repair work is to ensure that the system is kept operational or, in
the event of a fault, to return the system to an operational state. Repair work includes troubleshoot-
ing in addition to the actual repair itself.
When working on the robot arm or control box, you must observe the procedures and warnings
below.
DANGER:
1. Do not change anything in the safety configuration of the soft-
ware (e.g. the force limit). The safety configuration is described
in the PolyScope Manual. If any safety parameter is changed,
the complete robot system shall be considered new, meaning
that the overall safety approval process, including risk assess-
ment, shall be updated accordingly.
2. Replace faulty components using new components with the
same article numbers or equivalent components approved by
Universal Robots for this purpose.
3. Reactivate any deactivated safety measures immediately after
the work is completed.
4. Document all repairs and save this documentation in the tech-
nical file associated with the complete robot system.
Version 3.6.0
Copyright © 2009–2018 by Universal Robots A/S. All rights reserved.
I-47 UR10/CB3

6.1 Safety Instructions
DANGER:
1. Remove the mains input cable from the bottom of the control
box to ensure that it is completely unpowered. Deenergize any
other source of energy connected to the robot arm or control
box. Take necessary precautions to prevent other persons from
energizing the system during the repair period.
2. Check the earth connection before re-powering the system.
3. Observe ESD regulations when parts of the robot arm or control
box are disassembled.
4. Avoid disassembling the power supplies inside the control
box. High voltages (up to 600 V) can be present inside these
power supplies for several hours after the control box has been
switched off.
5. Prevent water and dust from entering the robot arm or control
box.
UR10/CB3 I-48 Version 3.6.0
Copyright © 2009–2018 by Universal Robots A/S. All rights reserved.

7 Disposal and Environment
UR robots must be disposed of in accordance with the applicable national laws, regulations and
standards.
UR robots are produced with restricted use of hazardous substances to protect the environment;
as defined by the European RoHS directive 2011/65/EU. These substances include mercury, cad-
mium, lead, chromium VI, polybrominated biphenyls and polybrominated diphenyl ethers.
Fee for disposal and handling of electronic waste of UR robots sold on the Danish market is prepaid
to DPA-system by Universal Robots A/S. Importers in countries covered by the European WEEE
Directive 2012/19/EU must make their own registration to the national WEEE register of their
country. The fee is typically less than 1€/robot. A list of national registers can be found here:
https://www.ewrn.org/national-registers.
The following symbols are affixed on the robot to indicate conformity with the above legislations:
Version 3.6.0
Copyright © 2009–2018 by Universal Robots A/S. All rights reserved.
I-49 UR10/CB3

UR10/CB3 I-50 Version 3.6.0
Copyright © 2009–2018 by Universal Robots A/S. All rights reserved.

8 Certifications
This chapter presents certificates and declarations prepared for the product.
8.1 Third Party Certification
Third party certification is voluntary. However, to provide the best service to robot integrators, UR
chooses to certify our robots at the following recognized test institutes:
T¨
UV NORD UR robots are safety approved by T ¨
UV NORD,
a notified body under the machinery directive
2006/42/EC in EU. You can find a copy of the T ¨
UV
NORD safety approval certificate in appendix B.
DELTA URUR robots are performance tested by DELTA.
You can find electromagnetic compatibility (EMC)
and environmental test certificates in appendix B.
T¨
UV S ¨
UD UR robots are cleanroom tested by T ¨
UV S ¨
UD. You
can find a cleanroom certificate in appendix B.
CHINA RoHS UR robots conform to CHINA RoHS management
methods for controlling pollution by electronic in-
formation products.
8.2 Supplier Third Party Certification
Environment As provided by our suppliers, UR robots shipping
pallets comply with the ISMPM-15 Danish require-
ments for producing wood packaging material and
are marked in accordance with this scheme.
Version 3.6.0
Copyright © 2009–2018 by Universal Robots A/S. All rights reserved.
I-51 UR10/CB3

8.4 Declarations According to EU directives
8.3 Manufacturer Test Certification
UR UR robots undergo continuous internal testing and
end of line test procedures. UR testing processes
undergo continuous review and improvement.
8.4 Declarations According to EU directives
Although they are primarily relevant for Europe, some countries outside Europe recognize and/or
require EU declarations. European directives are available on the official homepage: http://
eur-lex.europa.eu.
UR robots are certified according to the directives listed below.
2006/42/EC — Machinery Directive (MD)
According to the Machinery Directive 2006/42/EC, UR robots are partly completed machinery, as
such a CE mark is not affixed.
Note: If the UR robot is used in a pesticide application, you must note the presence of directive
2009/127/EC. The declaration of incorporation according to 2006/42/EC annex II 1.B. is shown in
appendix B.
2006/95/EC — Low Voltage Directive (LVD)
2004/108/EC — Electromagnetic Compatibility (EMC)
2011/65/EU — Restriction of the use of certain Hazardous Substances (RoHS)
2012/19/EU — Waste of Electrical and Electronic Equipment (WEEE)
In the Declaration of Incorporation in appendix B, declarations of conformity with the above
directives are listed.
ACE mark is affixed according to the CE marking directives above. Information on both electric
and electronic equipment waste is in chapter 7.
Information on standards applied during the development of the robot is in appendix C.
UR10/CB3 I-52 Version 3.6.0
Copyright © 2009–2018 by Universal Robots A/S. All rights reserved.

9 Warranties
9.1 Product Warranty
Without prejudice to any claim the user (customer) may have in relation to the dealer or retailer,
the customer shall be granted a manufacturer’s Warranty under the conditions set out below:
In the case of new devices and their components exhibiting defects resulting from manufacturing
and/or material faults within 12 months of entry into service (maximum of 15 months from ship-
ment), Universal Robots shall provide the necessary spare parts, while the user (customer) shall
provide working hours to replace the spare parts, either replace the part with another part reflect-
ing the current state of the art, or repair the said part. This Warranty shall be invalid if the device
defect is attributable to improper treatment and/or failure to comply with information contained
in the user guides. This Warranty shall not apply to or extend to services performed by the au-
thorized dealer or the customer themselves (e.g. installation, configuration, software downloads).
The purchase receipt, together with the date of purchase, shall be required as evidence for invok-
ing the Warranty. Claims under the Warranty must be submitted within two months of the War-
ranty default becoming evident. Ownership of devices or components replaced by and returned to
Universal Robots shall vest in Universal Robots. Any other claims resulting out of or in connection
with the device shall be excluded from this Warranty. Nothing in this Warranty shall attempt to
limit or exclude a Customer’s Statutory Rights nor the manufacturer’s liability for death or per-
sonal injury resulting from its negligence. The duration of the Warranty shall not be extended by
services rendered under the terms of the Warranty. Insofar as no Warranty default exists, Universal
Robots reserves the right to charge the customer for replacement or repair. The above provisions
do not imply a change in the burden of proof to the detriment of the customer. In case of a de-
vice exhibiting defects, Universal Robots shall not be liable for any indirect, incidental, special or
consequential damages, including but not limited to, lost profits, loss of use, loss of production or
damage to other production equipment.
In case of a device exhibiting defects, Universal Robots shall not cover any consequential damage
or loss, such as loss of production or damage to other production equipment.
9.2 Disclaimer
Universal Robots continues to improve reliability and performance of its products, and therefore
reserves the right to upgrade the product without prior warning. Universal Robots takes every care
that the contents of this manual are precise and correct, but takes no responsibility for any errors or
missing information.
Version 3.6.0
Copyright © 2009–2018 by Universal Robots A/S. All rights reserved.
I-53 UR10/CB3

9.2 Disclaimer
UR10/CB3 I-54 Version 3.6.0
Copyright © 2009–2018 by Universal Robots A/S. All rights reserved.

A Stopping Time and Stopping Distance
The information about stopping times and distances is available for both Stop Catagory 0 and Stop
Category11. This appendix includes the information regarding Stop Category 0. Information on
Stop Category 1 is available on http://universal-robots.com/support/.
A.1 Stop Category 0 stopping distances and times
The table below includes the stopping distances and times measured when a Stop Category 0 is
triggered. These measurements correspond to the following configuration of the robot:
• Extension: 100% (the robot arm is fully extended horizontally).
• Speed: 100% (the general speed of the robot is set to 100% and the movement is performed at
a joint speed of 183 ◦/s).
• Payload: maximum payload handled by the robot attached to the TCP (10 kg).
The test on the Joint 0 was carried out by performing a horizontal movement, i.e. the axis of rotation
was perpendicular to the ground. During the tests for Joint 1 and 2 the robot followed a vertical
trajectory, i.e. the axes of rotation were parallel to the ground, and the stop was performed while
the robot was moving downwards.
Stopping Distance (rad) Stopping time (ms)
Joint 0 (BASE) 0.98 750
Joint 1 (SHOULDER) 0.35 240
Joint 2 (ELBOW) 0.38 280
1According to IEC 60204-1, see Glossary for more details.
Version 3.6.0
Copyright © 2009–2018 by Universal Robots A/S. All rights reserved.
I-55 UR10/CB3

A.1 Stop Category 0 stopping distances and times
UR10/CB3 I-56 Version 3.6.0
Copyright © 2009–2018 by Universal Robots A/S. All rights reserved.

B Declarations and Certificates
B.1 CE/EU Declaration of Incorporation (original)
According to European Directive 2006/42/EC annex II 1.B.
The manufacturer Universal Robots A/S
Energivej 25
5260 Odense S
Denmark
hereby declares that the product described below
Industrial robot UR10/CB3
may not be put into service before the machinery in which it will be incorporated is declared in confor-
mity with the provisions of Directive 2006/42/EC, as amended by Directive 2009/127/EC, and with the
regulations transposing it into national law.
The safety features of the product are prepared for compliance with all essential requirements of Directive
2006/42/EC under the correct incorporation conditions, see product manual. Compliance with all essential
requirements of Directive 2006/42/EC relies on the specific robot installation and the final risk assessment.
Relevant technical documentation is compiled according to Directive 2006/42/EC annex VII part B and
available in electronic form to national authorities upon legitimate request. Undersigned is based on the
manufacturer address and authorised to compile this documentation.
Additionally the product declares in conformity with the following directives, according to which the prod-
uct is CE marked:
2014/35/EU — Low Voltage Directive (LVD)
2014/30/EU — Electromagnetic Compatibility Directive (EMC)
2011/65/EU — Restriction of the use of certain hazardous substances (RoHS)
A complete list of applied harmonized standards, including associated specifications, is provided in the
product manual.
Odense, April 20th, 2016 R&D
David Brandt
Technology Officer
Version 3.6.0
Copyright © 2009–2018 by Universal Robots A/S. All rights reserved.
I-57 UR10/CB3

B.2 Safety System Certificate
B.2 Safety System Certificate
UR10/CB3 I-58 Version 3.6.0
Copyright © 2009–2018 by Universal Robots A/S. All rights reserved.

B.3 Environmental Test Certificate
B.3 Environmental Test Certificate
D
ELTA - Venlighedsvej 4 - 2970 Hørsholm - Denmark - Tel. +45 72 19 40 00 - Fax +45 72 19 40 01 - www.delta.dk
20as
s-sh eet-j
Climatic and mechanical assessment sheet no. 1275
DELTA client DELTA project no.
Universal Robots A/S
Energivej 25
5260 Odense S
Denmark
T207415-1
Product identification
UR5 robot arm: UR5 AE/CB3, 0A-series
UR5 control box: AE/CB3, 0A-series
UR5 teach pendant: AE/CB3, 0A-series
UR10 robot arm: UR10 AE/CB3, 0A-series
UR10 control box: UR10 AE/CB3, 0A-series
UR10 teach
pe
ndant: AE/CB3, 0A-series
DELTA report(s)
DELTA project no. T207415-1, DANAK-19/13752 Revision 1
Other document(s)
Conclusion
The two robot arms UR5 and UR10 including their control box and teach pendant have been tested according to the
below listed standards. The test results are given in the DELTA report listed above. The tests were carried out as
specified and the test criteria for environmental tests as specified in Annex 1 of the report were fulfilled.
IEC 60068-2-1, Test Ae; -5 ºC, 16 h
IEC 60068-2-2, Test Be; +50 ºC, 16 h
IEC 60068-2-64, Test Fh; 5 – 20 Hz: 0.05 g²/Hz, 20 – 150 Hz: -3 dB/octave, 1.66 grms, 3 x 1½ h
IEC 60068-2-27, Test Ea, Shock; 160 g, 1 ms, 3 x 6 shocks
Date Assessor
Hørsholm, 14 March 2014
Susanne Otto
B.Sc.E.E., B.Com
(
Or
g)
Version 3.6.0
Copyright © 2009–2018 by Universal Robots A/S. All rights reserved.
I-59 UR10/CB3

B.4 EMC Test Certificate
B.4 EMC Test Certificate
The product identified above has been assessed and complies with the specified standards/normative docu-
ments. The attestation does not include any market surveillance. It is the responsibility of the manufacturer
that mass-produced apparatus have the same EMC quality. The attestation does not contain any statements
pertaining to the EMC protection requirements pursuant to other laws and/or directives other than the above
mentioned if any.
Hørsholm, 08 August 2016
Knud A. Baltsen
Senior Consultant
DELTA
Venlighedsvej 4
2970 Hørsholm
Denmark
Tel. +45 72 19 40 00
Fax +45 72 19 40 01
www.delta.dk
VAT No. 12275110
20a ocass-uk- j
Attestation of Conformity
EMC assessment - Certificate no. 1549
DELTA has been designated as Notified Body by the notified authority National Telecom Administration part
of the Energy Agency in Denmark to carry out tasks referred to in Annex III of the European Council EMC
Directive. The attestation of conformity is in accordance with the essential requirements set out in Annex I.
DELTA client
Universal Robots A/S
Energivej 25
5260 Odense S
Denmark
Product identification
(
t
yp
e
(
s)
, serial no
(
s)
.
)
UR robot generation 3, G3, including CB3/AE for models UR3, UR5 and UR10
Manufacturer
Universal Robots A/S
Technical r
ep
ort
(
s)
DELTA Project T207371, EMC Test of UR5 and UR10 - DANAK-19/13884, dated 26 March 2014
DELTA Project T209172, EMC Test of UR3 - DANAK-19/14667, dated 05 November 2014
UR EMC Test Specification G3 rev 3, dated 30 October 2014
EMC Assessment Sheet 1351
Standards/Normative documents
EMC Directive 2014/30/EU, Article 6
EN/(IEC) 61326-3-1:2008, Industrial locations, SIL 2 applications
EN/(IEC) 61000-6-2:2005
EN/
(
IEC
)
61000-6-4:2007+A1
UR10/CB3 I-60 Version 3.6.0
Copyright © 2009–2018 by Universal Robots A/S. All rights reserved.

B.5 Cleanroom Test Certificates
B.5 Cleanroom Test Certificates
CERTIFICATE
TÜV SÜD Industrie Service GmbH hereby confirms UNIVERSAL
ROBOTS A/S situated at Energivej 25, 5260 Odense S; Dänemark, that
the product
Roboter, Model: UR10 / Typ INDUSTRIAL
the cleanroom compatibility of the equipment for the ISO Class 5
according ISO 14644-1.
The certificate is limited to the particulate cleanliness. The product was
tested according to VDI 2083 Part 9.1 in August 2016.
The implementation of the testing and certification is carried out by TÜV
SÜD Industrie Service GmbH.
Certificate Nr.: 2589737-03
Report-Nr.: 203195-3
Valid till: August 2018
Dipl.-Ing. (FH) Walter Ritz
Berlin, 25. August 2016
TÜV SÜD Industrie Service GmbH
Wittestraße 30, Haus L, 13509 Berlin
Version 3.6.0
Copyright © 2009–2018 by Universal Robots A/S. All rights reserved.
I-61 UR10/CB3

B.5 Cleanroom Test Certificates
CERTIFICATE
TÜV SÜD Industrie Service GmbH hereby confirms UNIVERSAL
ROBOTS A/S situated at Energivej 25, 5260 Odense S; Dänemark, that
the product
Controller for UR 3 & UR 5 & UR 10
the cleanroom compatibility of the equipment for the ISO Class 6
according ISO 14644-1.
The certificate is limited to the particulate cleanliness. The product was
tested according to VDI 2083 Part 9.1 in August 2016.
The implementation of the testing and certification is carried out by TÜV
SÜD Industrie Service GmbH.
Certificate Nr.: 2589737-04
Report-Nr.: 203195
Valid till: August 2018
Dipl.-Ing. (FH) Walter Ritz
Berlin, 25. August 2016
TÜV SÜD Industrie Service GmbH
Wittestraße 30, Haus L, 13509 Berlin
UR10/CB3 I-62 Version 3.6.0
Copyright © 2009–2018 by Universal Robots A/S. All rights reserved.

C Applied Standards
This section describes relevant standards applied under the development of the robot arm and control box.
Whenever a European Directive number is noted in brackets, it indicates that the standard is harmonized
according to that Directive.
A standard is not a law. A standard is a document developed by stakeholders within a given industry,
defining the normal safety and performance requirements for a product or product group.
Abbreviations mean the following:
ISO International Standardization Organization
IEC International Electrotechnical Commission
EN European Norm
TS Technical Specification
TR Technical Report
ANSI American National Standards Institute
RIA Robotic Industries Association
CSA Canadian Standards Association
Conformity with the following standards is only guaranteed if all assembly instructions, safety instructions
and guidance in this manual are followed.
ISO 13849-1:2006 [PLd]
ISO 13849-1:2015 [PLd]
ISO 13849-2:2012
EN ISO 13849-1:2008 (E) [PLd – 2006/42/EC]
EN ISO 13849-2:2012 (E) (2006/42/EC)
Safety of machinery – Safety-related parts of control systems
Part 1: General principles for design
Part 2: Validation
The safety control system is designed as Performance Level d (PLd) according to the requirements of these
standards.
Version 3.6.0
Copyright © 2009–2018 by Universal Robots A/S. All rights reserved.
I-63 UR10/CB3

ISO 13850:2006 [Stop Category 1]
ISO 13850:2015 [Stop Category 1]
EN ISO 13850:2008 (E) [Stop Category 1 - 2006/42/EC]
EN ISO 13850:2015 [Stop Category 1 - 2006/42/EC]
Safety of machinery – Emergency stop – Principles for design
The emergency stop function is designed as a Stop Category 1 according to this standard. Stop Category 1
is a controlled stop with power to the motors to achieve the stop and then removal of power when the stop
is achieved.
ISO 12100:2010
EN ISO 12100:2010 (E) [2006/42/EC]
Safety of machinery – General principles for design – Risk assessment and risk reduction
UR robots are evaluated according to the principles of this standard.
ISO 10218-1:2011
EN ISO 10218-1:2011(E) [2006/42/EC]
Robots and robotic devices – Safety requirements for industrial robots
Part 1: Robots
This standard is intended for the robot manufacturer, not the integrator. The second part (ISO 10218-2) is
intended for the robot integrator, as it deals with the installation and design of the robot application.
The writers of the standard implicitly envisioned traditional industrial robots, which are traditionally safe-
guarded by fences and light curtains. UR robots are designed with force and power limiting enabled at all
times. Therefore, some concepts are clarified and explained below.
If a UR robot is used in a hazardous application, additional safety measures might be required, see chapter 1
of this manual.
Clarification:
• “3.24.3 Safeguarded space” is defined by the perimeter safeguarding. Typically, the safeguarded space
is a space behind a fence, which protects people from the hazardous traditional robots. UR robots are
designed to work without a fence using built-in power and force limiting collaborative safety functions,
and therefore without a hazardous safeguarded space defined by the perimeter of a fence.
• “5.4.2 Performance requirement”. All safety functions are constructed as PLd according to ISO 13849-
1:2006. The robot is constructed with redundant encoder systems in each joint, and the safety-rated
I/Os are constructed with a Category13 structure. The safety-rated I/Os must be connected according
to this manual to Category 3 safety-rated equipment to form a PLd structure of the complete safety
function.
1According to ISO 13849-1, see Glossary for more details.
UR10/CB3 I-64 Version 3.6.0
Copyright © 2009–2018 by Universal Robots A/S. All rights reserved.

• “5.7 Operating modes”. UR robots do not have different operating modes and therefore they do not
have a mode selector.
• “5.8 Pendant controls”. This section defines protective features for the teach pendant, when it is to be
used within a hazardous safeguarded space. Since UR robots are designed for collaborative operation,
there is no hazardous safeguarded space like with traditional robots. UR robots are safer to teach than
traditional robots. Instead of having to release a three-positioning enabling device, the operator can
simply stop the robot with his hand. If a UR robots is installed in a hazardous safeguarded application,
a three-positioning enabling device can be connected as instructed in this manual. Additionally see
clarification in ISO/TS 15066 clause 5.4.5.
• “5.10 Collaborative operation requirements”. The power and force limiting collaborative safety func-
tions of UR robots are always active. The visual design of the UR robots indicates that the robots are
capable of being used for collaborative operations. The power and force limiting functions are designed
according to ISO 10218-1 clause 5.10.5. Additionally see clarification in ISO/TS 15066 clause 5.5.4.
• “5.12.3 Safety-rated soft axis and space limiting”. This safety function is one of more safety functions
configurable through software. A hash code is generated from the sittings of all these safety functions
and is represented as a safety check identifier in the GUI.
ISO/TS 15066:2016
Robots and robotic devices – Safety requirements for industrial robots – Collaborative operation
This is a Technical Specification (TS), not a standard. The purpose of a TS is to present a set of immature
requirements to see if they are useful for a given industry. By definition, a TS is not mature enough to be
harmonized under European Directives.
This TS is for both robot manufacturer and robot integrator. UR robots comply with the parts that are
relevant for the raw robots themselves and the integrator can choose to use the TS when integrating the
robots.
This TS presents voluntary requirements and guidance that are supplementary to the ISO 10218 standards
in the field of collaborative robots. In addition to the main text the TS includes an annex A with a table that
presents suggestions for force and pressure limits, which are based on pain and not injury. It is important
to read and understand the notes under this table, as many of the limits are based on conservative estimates
and literature study only. All numbers are subject to change in the future, as new results from scientific
research are ready. Annex A is an informal and voluntary part of the TS and an integrator can therefore
state compliance with the TS without using the limit values in Annex A.
ANSI/RIA R15.06-2012
Industrial Robots and Robot Systems – Safety Requirements
This American standard is the ISO standards ISO 10218-1 and ISO 10218-2 combined into one document.
The language is changed from British English to American English, but the content is the same.
Note that part two (ISO 10218-2) of this standard is intended for the integrator of the robot system, and not
Universal Robots.
Version 3.6.0
Copyright © 2009–2018 by Universal Robots A/S. All rights reserved.
I-65 UR10/CB3

CAN/CSA-Z434-14
Industrial Robots and Robot Systems – General Safety Requirements
This Canadian standard is the ISO standards ISO 10218-1 (see above) and -2 combined into one document.
CSA added additional requirements for the user of the robot system. Some of these requirements might
need to be addressed by the robot integrator.
Note that part two (ISO 10218-2) of this standard is intended for the integrator of the robot system, and not
Universal Robots.
IEC 61000-6-2:2005
IEC 61000-6-4/A1:2010
EN 61000-6-2:2005 [2004/108/EC]
EN 61000-6-4/A1:2011 [2004/108/EC]
Electromagnetic compatibility (EMC)
Part 6-2: Generic standards - Immunity for industrial environments
Part 6-4: Generic standards - Emission standard for industrial environments
These standards define requirements for the electrical and electromagnetic disturbances. Conforming to
these standards ensures that the UR robots perform well in industrial environments and that they do not
disturb other equipment.
IEC 61326-3-1:2008
EN 61326-3-1:2008
Electrical equipment for measurement, control and laboratory use - EMC requirements
Part 3-1: Immunity requirements for safety-related systems and for equipment intended to perform safety-related
functions (functional safety) - General industrial applications
This standard defines extended EMC immunity requirements for safety-related functions. Conforming to
this standard ensures that the safety functions of UR robots provide safety even if other equipment exceeds
the EMC emission limits defined in the IEC 61000 standards.
IEC 61131-2:2007 (E)
EN 61131-2:2007 [2004/108/EC]
Programmable controllers
Part 2: Equipment requirements and tests
Both normal and safety-rated 24V I/Os are constructed according to requirements of this standard to ensure
reliable communication with other PLC systems.
UR10/CB3 I-66 Version 3.6.0
Copyright © 2009–2018 by Universal Robots A/S. All rights reserved.

ISO 14118:2000 (E)
EN 1037/A1:2008 [2006/42/EC]
Safety of machinery – Prevention of unexpected start-up
These two standards are very similar. They define safety principles for avoiding unexpected start-up, both
as a result of unintended repowering during maintenance or repair, and as a result of unintended start-up
commands from a control perspective.
IEC 60947-5-5/A1:2005
EN 60947-5-5/A11:2013 [2006/42/EC]
Low-voltage switchgear and controlgear
Part 5-5: Control circuit devices and switching elements - Electrical emergency stop device with mechanical latching
function
The direct opening action and the safety lock mechanism of the emergency stop button comply with re-
quirements in this standard.
IEC 60529:2013
EN 60529/A2:2013
Degrees of protection provided by enclosures (IP Code)
This standard defines enclosure ratings regarding protection against dust and water. UR robots are designed
and classified with an IP code according to this standard, see robot sticker.
IEC 60320-1/A1:2007
IEC 60320-1:2015
EN 60320-1/A1:2007 [2006/95/EC]
EN 60320-1:2015
Appliance couplers for household and similar general purposes
Part 1: General requirements
The mains input cable complies with this standard.
ISO 9409-1:2004 [Type 50-4-M6]
Manipulating industrial robots – Mechanical interfaces
Part 1: Plates
The tool flange on UR robots conforms to type 50-4-M6 of this standard. Robot tools should also be con-
structed according to this standard to ensure proper fitting.
Version 3.6.0
Copyright © 2009–2018 by Universal Robots A/S. All rights reserved.
I-67 UR10/CB3

ISO 13732-1:2006
EN ISO 13732-1:2008 [2006/42/EC]
Ergonomics of the thermal environment – Methods for the assessment of human responses to contact with surfaces
Part 1: Hot surfaces
The UR robots are designed so that the surface temperature is kept under the ergonomic limits defined in
this standard.
IEC 61140/A1:2004
EN 61140/A1:2006 [2006/95/EC]
Protection against electric shock – Common aspects for installation and equipment
UR robots are constructed in compliance with this standard to provide protection against electrical shock.
A protective earth/ground connection is mandatory, as defined in the Hardware Installation Manual.
IEC 60068-2-1:2007
IEC 60068-2-2:2007
IEC 60068-2-27:2008
IEC 60068-2-64:2008
EN 60068-2-1:2007
EN 60068-2-2:2007
EN 60068-2-27:2009
EN 60068-2-64:2008
Environmental testing
Part 2-1: Tests - Test A: Cold
Part 2-2: Tests - Test B: Dry heat
Part 2-27: Tests - Test Ea and guidance: Shock
Part 2-64: Tests - Test Fh: Vibration, broadband random and guidance
UR robots are tested according to the test methods defined in these standards.
IEC 61784-3:2010
EN 61784-3:2010 [SIL 2]
Industrial communication networks – Profiles
Part 3: Functional safety fieldbuses – General rules and profile definitions
This standards defines requirements for safety-rated communication buses.
UR10/CB3 I-68 Version 3.6.0
Copyright © 2009–2018 by Universal Robots A/S. All rights reserved.

IEC 60204-1/A1:2008
EN 60204-1/A1:2009 [2006/42/EC]
Safety of machinery – Electrical equipment of machines
Part 1: General requirements
The general principles of this standard are applied.
IEC 60664-1:2007
IEC 60664-5:2007
EN 60664-1:2007 [2006/95/EC]
EN 60664-5:2007
Insulation coordination for equipment within low-voltage systems
Part 1: Principles, requirements and tests
Part 5: Comprehensive method for determining clearances and creepage distances equal to or less than 2 mm
The electrical circuitry of UR robots is designed in compliance with this standard.
EUROMAP 67:2015, V1.11
Electrical Interface between Injection Molding Machine and Handling Device / Robot
UR robots equipped with the E67 accessory module to interface injection molding machines comply with
this standard.
Version 3.6.0
Copyright © 2009–2018 by Universal Robots A/S. All rights reserved.
I-69 UR10/CB3

UR10/CB3 I-70 Version 3.6.0
Copyright © 2009–2018 by Universal Robots A/S. All rights reserved.

D Technical Specifications
Robot type UR10
Weight 28.9 kg /63.7 lb
Maximum payload
(see section 4.4)
10 kg /22 lb
Reach 1300 mm /51.2 in
Joint ranges ±360 ◦for all joints
Speed Base and Shoulder joints: Max 120 ◦/s.
All other joints: Max 180 ◦/s.
Tool: Approx. 1 m
/s/Approx. 39.4 in
/s.
Repeatability ±0.1 mm /±0.0039 in (4 mils)
Footprint Ø190 mm /7.5 in
Degrees of freedom 6 rotating joints
Control box size (W×H×D) 475 mm ×423 mm ×268 mm /18.7 in ×16.7 in ×10.6 in
Control box I/O ports 16 digital in, 16 digital out, 2 analog in, 2 analog out
Tool I/O ports 2 digital in, 2 digital out, 2 analogue in
I/O power supply 24 V 2 A in Control Box and 12 V/24 V 600 mA in tool
Communication TCP/IP 1000 Mbit: IEEE 802.3u, 100BASE-T
Ethernet socket, modbus TCP & EtherNet/IP Adapter, Profinet
Programming PolyScope graphical user interface on
12” touchscreen
Noise 72 dB(A)
IP classification IP54
Cleanroom classification Robot Arm: ISO Class 5
Control Box: ISO Class 6
Power consumption Approx. 350 W using a typical program
Collaboration operation 15 advanced safety functions. In compliance with:
EN ISO 13849-1:2008, PLd and EN ISO 10218-1:2011, clause
5.10.5
Materials Aluminium, PP plastic
Temperature The robot can work in an ambient temperature range of 0-50 ◦C
Power supply 100-240 VAC, 50-60 Hz
Cabling Cable between robot and Control Box (6 m /236 in)
Cable between touchscreen and Control Box (4.5 m /177 in)
Version 3.6.0
Copyright © 2009–2018 by Universal Robots A/S. All rights reserved.
I-71 UR10/CB3

UR10/CB3 I-72 Version 3.6.0
Copyright © 2009–2018 by Universal Robots A/S. All rights reserved.

E Safety Functions Tables
E.1 Table 1
Version 3.6.0
Copyright © 2009–2018 by Universal Robots A/S. All rights reserved.
I-73 UR10/CB3

E.1 Table 1
UR10/CB3 I-74 Version 3.6.0
Copyright © 2009–2018 by Universal Robots A/S. All rights reserved.

E.1 Table 1
Version 3.6.0
Copyright © 2009–2018 by Universal Robots A/S. All rights reserved.
I-75 UR10/CB3

E.2 Table 2
E.2 Table 2
UR10/CB3 I-76 Version 3.6.0
Copyright © 2009–2018 by Universal Robots A/S. All rights reserved.

E.2 Table 2
Version 3.6.0
Copyright © 2009–2018 by Universal Robots A/S. All rights reserved.
I-77 UR10/CB3

E.2 Table 2
UR10/CB3 I-78 Version 3.6.0
Copyright © 2009–2018 by Universal Robots A/S. All rights reserved.
Part II
PolyScope Manual

10 Safety Configuration
10.1 Introduction
The robot is equipped with an advanced safety system. Depending on the particular characteris-
tics of the robot workspace, the settings for the safety system must be configured to guarantee the
safety of all personnel and equipment around the robot. Applying settings defined by the risk as-
sessment is the first thing the integrator must do. For details on the safety system, see the Hardware
Installation Manual.
DANGER:
1. Use and configuration of safety-related functions and interfaces
must be done according to the risk assessment that the integra-
tor conducts for a specific robot application, see the Hardware
Installation Manual.
2. Safety configuration settings for set-up and teaching must be
applied according to the risk assessment conducted by the inte-
grator and before the robot arm is powered on for the first time.
3. All safety configuration settings accessible on this screen and its
subtabs are required to be set according to the risk assessment
conducted by the integrator.
4. The integrator is required to ensure that all changes to the safety
configuration settings are done in compliance with the integra-
tor’s own risk assessment.
5. The integrator must prevent unauthorized persons from chang-
ing the safety configuration, e.g. by use of password protection.
The Safety Configuration screen can be accessed from the Welcome screen (see 11.4) by press-
ing the Program Robot button, selecting the Installation tab and tapping Safety. The safety
configuration is password protected, see 10.8.
Version 3.6.0
Copyright © 2009–2018 by Universal Robots A/S. All rights reserved.
II-3 CB3

10.1 Introduction
The safety settings consist of a number of limit values used to constrain the movements of the robot
arm, and of safety function settings for the configurable inputs and outputs. They are defined in
the following subtabs of the safety screen:
• The General Limits subtab defines the maximum force,power,speed and momentum of the
robot arm. When the risk of hitting a human or colliding with a part of its environment is
particularly high, these settings need to be set to low values. If the risk is low, higher general
limits enable the robot to move faster and exert more force on its environment. For further
details, see 10.10.
• The Joint Limits subtab consists of joint speed and joint position limits. The joint speed limits
define the maximum angular velocity of individual joints and serve to further limit the speed
of the robot arm. The joint position limits define the allowed position range of individual joints
(in joint space). For further details, see 10.11.
• The Boundaries subtab defines safety planes (in Cartesian space) and a tool orientation
boundary for the robot TCP. The safety planes can be configured either as hard limits for the
position of the robot TCP, or triggers for activating the Reduced mode safety limits (see 10.6)).
The tool orientation boundary puts a hard limit on the orientation of the robot TCP. For further
details, see 10.12.
• The Safety I/O subtab defines safety functions for configurable inputs and outputs (see 13.2).
For example, Emergency Stop can be configured as an input. For further details, see 10.13.
CB3 II-4 Version 3.6.0
Copyright © 2009–2018 by Universal Robots A/S. All rights reserved.

10.2 Changing the Safety Configuration
10.2 Changing the Safety Configuration
The safety configuration settings shall only be changed in compliance with the risk assessment
conducted by the integrator.
The recommended procedure for changing the safety configuration is as follows:
1. Make sure that the changes are in compliance with the risk assessment conducted by the inte-
grator.
2. Adjust safety settings to the appropriate level defined by the risk assessment conducted by the
integrator.
3. Verify that the safety settings are applied.
4. Put the following text in the operators’ manuals: “Before working near the robot, make sure
that the safety configuration is as expected. This can be verified e.g. by inspecting the check-
sum in the top right corner of the PolyScope (see 10.5 in the PolyScope Manual).”
10.3 Safety Synchronization and Errors
The state of the applied safety configuration in comparison to what robot installation the GUI has
loaded, is depicted by the shield icon next to the text Safety on the left side of the screen. These
icons provide a quick indicator to the current state. They are defined below:
Configuration Synchronized: Shows the GUI installation is identical to the currently applied
safety configuration. No changes have been made.
Configuration Altered: Shows the GUI installation is different from the currently applied safety
configuration.
When editing the safety configuration, the shield icon will inform you whether or not the current
settings have been applied.
If any of the text fields in the Safety tab contain any invalid input, the safety configuration is in
an error state. This is indicated in several ways:
1. A red error icon is displayed next to the text Safety on the left side of the screen.
2. The subtab(s) with errors are marked with a red error icon at the top.
3. Text fields containing errors are marked with a red background.
When errors exist and attempting to navigate away from the Installation tab, a dialog appears
with the following options:
1. Resolve the issue(s) so that all errors have been removed. This will be visible when the red
error icon is no longer displayed next to the text Safety on the left side of the screen.
2. Revert back to the previously applied safety configuration. This will disregard all changes and
allow you to continue to the desired destination.
Version 3.6.0
Copyright © 2009–2018 by Universal Robots A/S. All rights reserved.
II-5 CB3

10.4 Tolerances
If no errors exist and attempting to navigate away, a different dialog appears with the following
options:
1. Apply changes and restart the system. This will apply the safety configuration modifications
to the system and restart. Note: This does not imply that any changes have been saved; shut-
down of the robot at this point will lose all changes to the robot installation including the
Safety configuration.
2. Revert back to the previously applied safety configuration. This will disregard all changes and
allow you to continue to the desired selected destination.
10.4 Tolerances
The Robot Arm uses built-in tolerances that prevent safety violations. A safety tolerance is the
difference between a safety limit and a maximum operational value. For example, the general
speed tolerance is −150mm/s. This means that if the user configures a 250mm/sspeed limit, then
the maximum operational speed will be 250 −150 =100mm/s. Safety tolerances prevent safety
violations while allowing for fluctuations in program behavior. For example, when handling a
heavy payload, there may be situations where the Robot Arm needs to briefly operate above the
normal maximum operational speed to follow a programmed trajectory. An example of such a
situation is shown in figure 10.1.
WARNING:
A risk assessment is always required using the limit values without
tolerances.
WARNING:
Tolerances are specific to the version of the software. Updating the
software may change the tolerances. Consult the release notes for
changes between versions.
Time
Speed
Actual speed
Safety speed limit
Maximum operational speed
Figure 10.1: Safety tolerance example.
CB3 II-6 Version 3.6.0
Copyright © 2009–2018 by Universal Robots A/S. All rights reserved.

10.5 Safety Checksum
10.5 Safety Checksum
The text in the top right corner of the screen gives a shorthand representation of the safety config-
uration currently used by the robot. When the text changes, this indicates that the current safety
configuration has changed as well. Clicking on the checksum displays the details about the cur-
rently active safety configuration.
10.6 Safety Modes
Under normal conditions (i.e. when no protective stop is in effect), the safety system operates in
one of the following safety modes, each with an associated set of safety limits:
Normal mode: The safety mode that is active by default;
Reduced mode: Active when the robot TCP is positioned beyond a Trigger Reduced mode plane (see 10.12),
or when triggered using a configurable input (see 10.13).
Recovery mode: When the robot arm is in violation of one of the other modes (i.e. Normal or Reduced
mode) and a Stop Category 0 has occurred,1the robot arm will start up in Recovery mode. This
mode allows the robot to move slowly back to the allowed area using MoveTab or Freedrive.
It is not possible to run programs for the robot in this mode.
WARNING:
Note that limits for joint position,TCP position and TCP orientation are
disabled in Recovery mode, so take caution when moving the robot
arm back within the limits.
The subtabs of the Safety Configuration screen enable the user to define separate sets of safety
limits for Normal and Reduced mode. For the tool and joints, Reduced mode limits regarding speed
and momentum are required to be more restrictive than their Normal mode counterparts.
When a safety limit from the active limit set is violated, the robot arm performs a Stop Category
0. If an active safety limit, such as a joint position limit or a safety boundary, is violated already
when the robot arm is powered on, it starts up in Recovery mode. This makes it possible to move
the robot arm back within the safety limits. While in Recovery mode, the movement of the robot
arm is limited by a fixed limit set that is not customizable by the user. For details about Recovery
mode limits, see the Hardware Installation Manual.
10.7 Freedrive Mode
When in Freedrive mode (see 13.1.5) and the movement of the robot arm comes close to certain limits,
the user will feel a repelling force. This force is generated for limits on the position, orientation and
speed of the robot TCP and the position and speed of the joints.
The purpose of this repelling force is to inform the user that the current position or speed is close
to a limit and to prevent the robot from violating that limit. However, if enough force is applied
1According to IEC 60204-1, see Glossary for more details.
Version 3.6.0
Copyright © 2009–2018 by Universal Robots A/S. All rights reserved.
II-7 CB3

10.9 Apply
by the user to the robot arm, the limit can be violated. The magnitude of the force increases as the
robot arm comes closer to the limit.
10.7.1 Backdrive
In Freedrive mode, the robot joints can be moved with relatively little force because the brakes are
released. During initialization of the robot arm, minor vibrations may be observed when the robot
brakes are released. In some situations, such as when the robot is close to collision, these tremors
are undesirable and the Backdrive feature can be used to forcefully move specific joints to a desired
position without releasing all brakes in the robot arm.
To enable Backdrive:
1. Press ON to enable power for the joints. The robot state is set to “Idle”. Do not release the
brakes (i.e. do not press START).
2. Press and hold the Freedrive button. The robot state changes to “Backdrive”.
3. Brakes will only be released in the joints to which significant pressure is applied, as long as
the Freedrive button is engaged/pressed. While using Backdrive, the robot feels heavy to move
around.
10.8 Password Lock
All settings on this screen are locked until the correct safety password (see 15.3) is entered in the
white text field at the bottom of the screen and the Unlock button is pressed. The screen can be
locked again by clicking the Lock button. The Safety tab is automatically locked when navigating
away from the safety configuration screen. When the settings are locked, a lock icon is visible next
to the text Safety on the left side of the screen. An unlock icon is shown when the settings are
unlocked.
NOTE:
Note that the robot arm is powered off when the safety Configuration
screen is unlocked.
10.9 Apply
When unlocking the safety configuration, the robot arm will be powered off while changes are
being made. The robot arm cannot be powered on until the changes have been applied or reverted,
and a manual power on is performed from the initialization screen.
Any changes to the safety configuration must be applied or reverted, before navigating away from
the Installation tab. These changes are not in effect until after the Apply button is pressed and
confirmation is performed. Confirmation requires visual inspection of the changes given to the
robot arm. For safety reasons, the information shown is given in SI Units. An example of the
confirmation dialog is shown below.
CB3 II-8 Version 3.6.0
Copyright © 2009–2018 by Universal Robots A/S. All rights reserved.

10.10 General Limits
Furthermore, on confirmation the changes are automatically saved as part of the current robot
installation. See 13.5 for further information on saving the robot installation.
10.10 General Limits
The general safety limits serve to limit the linear speed of the robot TCP as well as the force it may
exert on the environment. They are composed of the following values:
Force: A limit for the maximum force that the robot TCP exerts on the environment.
Power: A limit for the maximum mechanical work produced by the robot on the environment,
considering that the payload is part of the robot and not of the environment.
Speed: A limit for the maximum linear speed of the robot TCP.
Momentum: A limit for the maximum momentum of the robot arm.
There are two means available for configuring the general safety limits within the installation; Basic
Settings and Advanced Settings which are described more fully below.
Defining the general safety limits only defines the limits for the tool, and not the overall limits of
the robot arm. This means that although a speed limit is specified, it does not guarantee that other
parts of the robot arm will obey this same limitation.
When in Freedrive mode (see 13.1.5), and the current speed of the robot TCP is close to the Speed
limit, the user will feel a repelling force which increases in magnitude the closer the speed comes
Version 3.6.0
Copyright © 2009–2018 by Universal Robots A/S. All rights reserved.
II-9 CB3

10.10 General Limits
to the limit. The force is generated when the current speed is within approximately 250 mm
/sof the
limit.
Basic Settings The initial general limits subpanel, shown as the default screen, features a slider
with four predefined sets of values for force, power, speed, and momentum limits in both Normal
and Reduced mode.
The specific sets of values are shown in the GUI. Predefined sets of values are suggestions only and
shall not substitute a proper risk assessment.
Switching to Advanced Settings Should none of the predefined sets of values be satisfactory, the
Advanced Settings... button can be pressed to enter the advanced general limits screen.
Advanced Settings
Here, each of the general limits, described in 10.10, can be modified independently of the others.
This is done by tapping the corresponding text field and entering the new value. The highest
accepted value for each of the limits is listed in the column titled Maximum. The force limit can be
set to a value between 100 N and 250 N, and the power limit can be set to a value between 80 W
and 1000 W.
Note: The fields for limits in Reduced mode are disabled when neither a safety plane nor a config-
urable input is set to trigger it (see 10.12 and 10.13 for more details). Furthermore, the Speed and
Momentum limits in Reduced mode must not be higher than their Normal mode counterparts.
CB3 II-10 Version 3.6.0
Copyright © 2009–2018 by Universal Robots A/S. All rights reserved.

10.11 Joint Limits
The tolerance and unit for each limit are listed at the end of the row that corresponds to it. When
a program is running, the speed of the robot arm is automatically adjusted in order to not exceed
any of the entered values minus the tolerance (see 10.4). Note that the minus sign displayed with
the tolerance value is only there to indicate that the tolerance is subtracted from the actual entered
value. The safety system performs a Stop Category 0, should the robot arm exceed the limit (with-
out tolerance).
WARNING:
The speed limit is imposed only on the robot TCP, so other parts of
the robot arm may move faster than the defined value.
Switching to Basic Settings Pressing the Basic Settings... button switches back to the
basic general limits screen and all general limits are reset to their Default preset. Should this cause
any customized values to be lost, a popup dialog is shown to confirm the action.
10.11 Joint Limits
Joint limits restrict the movement of individual joints in joint space, i.e. they do not refer to Carte-
sian space but rather to the internal (rotational) position of the joints and their rotational speed.
The radio buttons in the upper portion of the subpanel make it possible to independently set up
Maximum Speed and Position Range for the joints.
Version 3.6.0
Copyright © 2009–2018 by Universal Robots A/S. All rights reserved.
II-11 CB3

10.12 Boundaries
When in Freedrive mode (see 13.1.5), and the current position or speed of a joint is close to the limit,
the user will feel a repelling force which increases in magnitude as the joint approaches the limit.
The force is generated when joint speed is within approximately 20 ◦/sof the speed limit or joint
position is within approximately 8 ◦of the position limit.
Maximum Speed This option defines the maximum angular velocity for each joint. This is done
by tapping the corresponding text field and entering the new value. The highest accepted value is
listed in the column titled Maximum. None of the values can be set below the tolerance value.
Note that the fields for limits in Reduced mode are disabled when neither a safety plane nor a con-
figurable input is set to trigger it (see 10.12 and 10.13 for more details). Furthermore, the limits for
Reduced mode must not be higher than their Normal mode counterparts.
The tolerance and unit for each limit are listed at the end of the row that corresponds to it. When
a program is running, the speed of the robot arm is automatically adjusted in order to not exceed
any of the entered values minus the tolerance (see 10.4). Note that the minus sign displayed with
each tolerance value is only there to indicate that the tolerance is subtracted from the actual entered
value. Nevertheless, should the angular velocity of some joint exceed the entered value (without
tolerance), the safety system performs a Stop Category 0.
Position Range This screen defines the position range for each joint. This is done by tapping the
corresponding text fields and entering new values for the lower and upper joint position boundary.
The entered interval must fall within the values listed in the column titled Range and the lower
boundary cannot exceed the upper boundary.
Note: The fields for limits in Reduced mode are disabled when neither a safety plane nor a config-
urable input is set to trigger it (see 10.12 and 10.13 for more details).
The tolerances and unit for each limit are listed at the end of the row that corresponds to it. The
first tolerance value applies to the minimum value and the second applies to the maximum value.
Program execution is aborted when the position of a joint is about to exceed the range resulting
from adding the first tolerance to the entered minimum value and subtracting the second tolerance
from the entered maximum value, if it continues moving along the predicted trajectory. Note that
the minus sign displayed with the tolerance value is only there to indicate that the tolerance is
subtracted from the actual entered value. Nevertheless, should the joint position exceed the entered
range, the safety system performs a Stop Category 0.
10.12 Boundaries
In this tab you can configure boundary limits consisting of safety planes and a limit on the maxi-
mum allowed deviation of the robot tool orientation. It is also possible to define planes that trigger
a transition into Reduced mode.
Safety planes can be used to restrict the allowed workspace of the robot by enforcing that the robot
TCP stay on the correct side of the defined planes and not pass through them. Up to eight safety
planes can be configured. The constraint on the orientation of tool can be utilized to ensure that
CB3 II-12 Version 3.6.0
Copyright © 2009–2018 by Universal Robots A/S. All rights reserved.

10.12 Boundaries
the robot tool orientation does not deviate more than a certain specified amount from a desired
orientation.
WARNING:
Defining safety planes only limits the TCP and not the overall limit
for the robot arm. This means that although a safety plane is speci-
fied, it does not guarantee that other parts of the robot arm will obey
this restriction.
The configuration of each boundary limit is based on one of the features defined in the current robot
installation (see 13.12).
NOTE:
It is highly recommended, that you create all features needed for the
configuration of all the desired boundary limits and assign them ap-
propriate names before editing the safety configuration. Note that
since the robot arm is powered off once the Safety tab has been un-
locked, the Tool feature (containing the current position and orien-
tation of the robot TCP) as well as Freedrive mode (see 13.1.5) will not
be available.
When in Freedrive mode (see 13.1.5), and the current position of the robot TCP is close to a safety
plane, or the deviation of the orientation of the robot tool from the desired orientation is close to the
specified maximum deviation, the user will feel a repelling force which increases in magnitude as
the TCP approaches the limit. The force is generated when the TCP is within approximately 5 cm of
a safety plane, or the deviation of the orientation of the tool is approximately 3 ◦from the specified
maximum deviation.
When a plane is defined as a Trigger Reduced mode plane and the TCP goes beyond this boundary,
the safety system transitions into Reduced mode which applies the Reduced mode safety settings.
Trigger planes follow the same rules as regular safety planes except they allow the robot arm to
pass through them.
10.12.1 Selecting a boundary to configure
The Safety Boundaries panel on the left side of the tab is used to select a boundary limit to
configure.
To set up a safety plane, click on one of the top eight entries listed in the panel. If the selected safety
plane has already been configured, the corresponding 3D representation of the plane is highlighted
in the 3D View (see 10.12.2) to the right of this panel. The safety plane can be set up in the Safety
Plane Properties section (see 10.12.3) at the bottom of the tab.
Click the Tool Boundary entry to configure the orientation boundary limit for the robot tool. The
configuration of the limit can be specified in the Tool Boundary Properties section (see 10.12.4)
at the bottom of the tab.
Version 3.6.0
Copyright © 2009–2018 by Universal Robots A/S. All rights reserved.
II-13 CB3

10.12 Boundaries
Click the / button to toggle the 3D visualization of the boundary limit on/off. If a boundary
limit is active, the safety mode (see 10.12.3 and 10.12.4) is indicated by one of the following icons
/ / / .
10.12.2 3D visualization
The 3D View displays the configured safety planes and the orientation boundary limit for the
robot tool together with the current position of the robot arm. All configured boundary entries
where the visibility toggle is selected (i.e. showing icon) in the Safety Boundaries section
are displayed together with the current selected boundary limit.
The (active) safety planes are shown in yellow and black with a small arrow representing the plane
normal, which indicates the side of the plane on which the robot TCP is allowed to be positioned.
Trigger planes are displayed in blue and green. A small arrow illustrates the side of the plane that
does not trigger the transition into Reduced mode. If a safety plane has been selected in the panel on
the left side of the tab, the corresponding 3D representation is highlighted.
The tool orientation boundary limit is visualized with a spherical cone together with a vector indi-
cating the current orientation of the robot tool. The inside of the cone represents the allowed area
for the tool orientation (vector).
When a plane or the tool orientation boundary limit is configured but not active, the visualization
is gray.
Push the magnifying glass icons to zoom in/out or drag a finger across to change the view.
10.12.3 Safety plane configuration
The Safety Plane Properties section at the bottom of the tab defines the configuration of the
selected safety plane in the Safety Boundaries panel in the upper left portion of the tab.
CB3 II-14 Version 3.6.0
Copyright © 2009–2018 by Universal Robots A/S. All rights reserved.

10.12 Boundaries
Name The Name text field allows the user to assign a name to the selected safety plane. Change
the name by tapping the text field and entering a new name.
Copy Feature The position and normal of the safety plane is specified using a feature (see 13.12)
from the current robot installation. Use the drop-down box in the lower left portion of the Safety
Plane Properties section to select a feature. Only the point and plane type features are avail-
able. Choosing the <Undefined> item clears the configuration of the plane.
The z-axis of the selected feature will point to the disallowed area and the plane normal will point in
the opposite direction, except when the Base feature is selected, in which case the plane normal will
point in the same direction. If the plane is configured as a Trigger Reduced mode plane (see 10.12.3),
the plane normal indicates the side of the plane that does not trigger transition into Reduced mode.
It should be noted that when the safety plane has been configured by selecting a feature, the posi-
tion information is only copied to the safety plane; the plane is not linked to that feature. This means
that if there are changes to the position or orientation of a feature which has been used to configure
a safety plane, the safety plane is not automatically updated. If the feature has changed, this is
indicated by a icon positioned over the feature selector. Click the button next to the selector
to update the safety plane with the current position and orientation of the feature. The icon is
also displayed if the selected feature has been deleted from the installation.
Safety mode The drop down menu on the right hand side of the Safety Plane Properties
panel is used to choose the safety mode for the safety plane, with the following modes available:
Version 3.6.0
Copyright © 2009–2018 by Universal Robots A/S. All rights reserved.
II-15 CB3

10.12 Boundaries
Disabled The safety plane is never active.
Normal When the safety system is in Normal mode, a
Normal mode plane is active and it acts as a strict
limit on the position of the robot TCP.
Reduced When the safety system is in Reduced mode, a
Reduced mode plane is active and it acts as a strict
limit on the position of the robot TCP.
Normal & Reduced When the safety system is either in Normal or Re-
duced mode, a Normal & Reduced mode plane is
active and it acts as a strict limit on the position of
the robot TCP.
Trigger Reduced mode When the safety system is either in Normal or Re-
duced mode, a Trigger Reduced mode plane is active
and it causes the safety system to switch to Reduced
mode for as long as the robot TCP is positioned be-
yond it.
The selected safety mode is indicated by an icon in the corresponding entry in the Safety Boundaries
panel. If the safety mode is set to Disabled, no icon is shown.
Displacement When a feature has been selected in the drop down box in the lower left por-
tion of the Safety Plane Properties panel, the safety plane can be translated by tapping the
Displacement text field in the lower right portion of this panel and entering a value. Entering
in a positive value increases the allowed workspace of the robot by moving the plane in the oppo-
site direction of the plane normal, while entering a negative value decreases the allowed area by
moving the plane in the direction of the plane normal.
The tolerance and unit for the displacement of the boundary plane are shown to the right of the text
field.
Effect of strict limit planes Program execution is aborted when the TCP position is about to
cross an active, strict limit safety plane minus the tolerance (see 10.4), if it continues moving along
the predicted trajectory. Note that the minus sign displayed with the tolerance value is only there
to indicate that the tolerance is subtracted from the actual entered value. The safety system will
perform a Stop Category 0, should the TCP position exceed the specified limit safety plane (without
tolerance).
Effect of Trigger Reduced mode planes When no protective stop is in effect and the safety
system is not in the special Recovery mode (see 10.6), it operates either in Normal or Reduced mode
and the movements of the robot arm are limited by the respective limit set.
By default, the safety system is in Normal mode. It transitions into Reduced mode whenever one of
the following situations occurs:
CB3 II-16 Version 3.6.0
Copyright © 2009–2018 by Universal Robots A/S. All rights reserved.

10.12 Boundaries
a) The robot TCP is positioned beyond some Trigger Reduced mode plane, i.e. it is located on the
side of the plane that is opposite to the direction of the small arrow in the visualization of the
plane.
b) The Reduced Mode safety input function is configured and the input signals are low (see 10.13
for more details).
When none of the above is the case any longer, the safety system transitions back to Normal mode.
When the transition from Normal to Reduced mode is caused by passing through a Trigger Reduced
mode plane, a transition from the Normal mode limit set to the Reduced mode limit set occurs. As
soon as the robot TCP is positioned 20 mm or closer to the Trigger Reduced mode plane (but still on
the Normal mode side), the more permissive of the Normal and Reduced mode limits is applied for
each limit value. Once the robot TCP passes through the Trigger Reduced mode plane, the Normal
mode limit set is no longer active and the Reduced mode limit set is enforced.
When a transition from Reduced to Normal mode is caused by passing through a Trigger Reduced
mode plane, a transition from the Reduced mode limit set to the Normal mode limit set occurs. As
soon as the robot TCP passes through the Trigger Reduced mode plane, the more permissive of the
Normal and Reduced mode limits is applied for each limit value. Once the robot TCP is positioned
20 mm or further from the Trigger Reduced mode plane (on the Normal mode side), the Reduced mode
limit set is no longer active and the Normal mode limit set is enforced.
If the predicted trajectory takes the robot TCP through a Trigger Reduced mode plane, the robot arm
will start decelerating even before passing through the plane if it is about to exceed joint speed,
tool speed or momentum limit in the new limit set. Note that since these limits are required to be
more restrictive in the Reduced mode limit set, such premature deceleration can occur only when
transitioning from Normal to Reduced mode.
Version 3.6.0
Copyright © 2009–2018 by Universal Robots A/S. All rights reserved.
II-17 CB3

10.12 Boundaries
10.12.4 Tool Boundary configuration
The Tool Boundary Properties panel at the bottom of the tab defines a limit on the orientation
of robot tool composed of a desired tool orientation and a value for the maximum allowed deviation
from this orientation.
Deviation The Deviation text field shows the value for the maximum allowed deviation of the
orientation of the robot tool from the desired orientation. Modify this value by tapping the text
field and entering the new value.
The accepted value range together with the tolerance and unit of the deviation are listed next to the
text field.
Copy Feature The desired orientation of the robot tool is specified using a feature (see 13.12)
from the current robot installation. The z-axis of the selected feature will be used as the desired tool
orientation vector for this limit.
Use the drop down box in the lower left portion of the Tool Boundary Properties panel to
select a feature. Only the point and plane type features are available. Choosing the <Undefined>
item clears the configuration of the plane.
It should be noted that when the limit has been configured by selecting a feature, the orientation
information is only copied to the limit; the limit is not linked to that feature. This means that if there
are changes to the position and orientation of a feature, which has been used to configure the limit,
the limit is not automatically updated. If the feature has changed, this is indicated by a icon
CB3 II-18 Version 3.6.0
Copyright © 2009–2018 by Universal Robots A/S. All rights reserved.

10.12 Boundaries
positioned over the feature selector. Click the button next to the selector to update the limit with
the current orientation of the feature. The icon is also displayed if the selected feature has been
deleted from the installation.
Safety mode The drop down menu on the right hand side of the Tool Boundary Properties
panel is used to choose the safety mode for the tool orientation boundary. The available options are:
Disabled The tool boundary limit is never active.
Normal When the safety system is in Normal mode, the tool
boundary limit is active.
Reduced When the safety system is in Reduced mode, the tool
boundary limit is active.
Normal & Reduced When the safety system is either in Normal or Re-
duced mode, the tool boundary limit is active.
The selected safety mode is indicated by an icon in the corresponding entry in the Safety Boundaries
panel. If the safety mode is set to Disabled, no icon is shown.
Effect Program execution is aborted when the deviation of the tool orientation is about to exceed
the entered maximum deviation minus the tolerance (see 10.4), if it continues moving along the
predicted trajectory. Note that the minus sign displayed with the tolerance value is only there
to indicate that the tolerance is subtracted from the actual entered value. The safety system will
perform a Stop Category 0, should the deviation of the tool orientation exceed the limit (without
tolerance).
Version 3.6.0
Copyright © 2009–2018 by Universal Robots A/S. All rights reserved.
II-19 CB3

10.13 Safety I/O
10.13 Safety I/O
This screen defines the Safety functions for configurable inputs and outputs (I/Os). The I/Os are
divided between the inputs and outputs, and are paired up so that each function is providing a
Category23 and PLd I/O.
Each Safety function can only control one pair of I/Os. Trying to select the same safety function a
second time removes it from the first pair of I/Os previously defined. There are 5 Safety functions
for input signals, and 5 for output signals.
10.13.1 Input Signals
For input signals, the following Safety functions can be selected: System Emergency Stop,Reduced
Mode,Safeguard Reset,3-Position Enabling Device and Operational Mode.
System Emergency Stop When configured, it allows for having an additional Emergency
Stop button besides the Emergency Stop Button on the Teach Pendant. This functionality
requires the use of an ISO 13850-compliant device.
Reduced Mode All safety limits have two modes in which they can be applied: Normal mode,
which specifies the default safety configuration, and Reduced mode (see 10.6 for more details). When
this input safety function is selected, a low signal given to the inputs causes the safety system to
2According to ISO 13849-1, see Glossary for more details.
CB3 II-20 Version 3.6.0
Copyright © 2009–2018 by Universal Robots A/S. All rights reserved.

10.13 Safety I/O
transition to Reduced mode. If necessary, the robot arm then decelerates to satisfy the Reduced mode
limit set. Should the robot arm still violate any of the Reduced mode limits, it performs a Stop
Category 0. The transition back to Normal mode happens in the same manner. Note that safety
planes can also cause a transition to Reduced mode (see 10.12.3 for more details).
Safeguard Reset If Safeguard Stop is wired in the safety I/Os, then this input is used to
ensure the Safeguard Stopped state continues until a reset is triggered. The robot arm will not move
when in Safeguard Stopped state.
WARNING:
By default, the Safeguard Reset function is configured for input
pins 0 and 1. Disabling it altogether implies that the robot arm ceases
to be Safeguard Stopped as soon as the Safeguard Stop input
becomes high. In other words, without a Safeguard Reset, the
Safeguard Stop inputs SI0 and SI1 (see the Hardware Installation
Manual) fully determine whether the Safeguard Stopped state is ac-
tive or not.
3-Position Enabling Device and Operational Mode These allow for using a 3-position
enabling device as an additional protective measure during setup and programming of the robot.
With the 3-Position Enabling Device input configured, the robot is either in “running mode”
or “programming mode”. An icon will appear in the upper right corner displaying the current op-
erational mode:
Running mode: Robot can perform only pre-defined tasks. The Move tab and Freedrive mode
are unavailable.
Programming mode: The restrictions present in Running mode are lifted. However, whenever
the 3-Position Enabling Device input is low, the robot is Safeguard Stopped. Also, the
speed slider is set at an initial value that corresponds to 250 mm
/sand can be incrementally
increased to reach higher speed. The speed slider is reset to the low value whenever the
3-Position Enabling Device input goes from low to high.
There are two methods for configuring operational mode selection:
1. To select the operational mode using an external mode selection device, configure the Operational
Mode input. The option to configure it will appear in the drop-down menus once the 3-Position
Enabling Device input is configured. The robot will be in Running mode when the Operational
Mode input is low and in Programming mode when it is high.
2. To select the operational mode from Polyscope, only the 3-Position Enabling Device
input must be configured and applied to the Safety Configuration. In this case, the default
mode is Running. In order to switch to Programming mode, choose the “Program Robot” button
on the Welcome screen. To switch back to Running mode, simply exit the “Program Robot”
screen.
Version 3.6.0
Copyright © 2009–2018 by Universal Robots A/S. All rights reserved.
II-21 CB3

10.13 Safety I/O
NOTE:
• After the Safety I/O configuration with 3-Position
Enabling Device enabled is confirmed, the Welcome
screen is automatically shown. The Welcome screen is also
automatically displayed when the operational mode changes
from Programming to Running.
• The physical mode selector, if used, must completely adhere to
ISO 10218-1: article 5.7.1 for selection.
• The 3-position switch, along with its behavior, performance
characteristics and operation, must thoroughly comply with
ISO 10218-1: article 5.8.3 for an enabling device.
10.13.2 Output Signals
For the output signals the following Safety functions can be applied. All signals return to low when
the state which triggered the high signal has ended:
System Emergency Stop Low signal is only given when the safety system has been triggered
into an Emergency Stopped state by the Robot Emergency Stop input or Emergency Stop Button.
To avoid deadlocks, if the Emergency Stopped state is triggered by the System Emergency Stop
input, low signal will not be given.
NOTE:
External machinery obtaining the Emergency Stop state from the
robot through System Emergency Stop output must be comply-
ing with ISO 13850. This is particularly necessary in setups where
the Robot Emergency Stop input is connected to an external Emer-
gency Stop device. In such cases, the System Emergency Stop
output will become high when the external Emergency Stop device
is released. This implies that the emergency stop state at the exter-
nal machinery will be reset with no manual action needed from the
robot’s operator. Hence, to comply with safety standards, the exter-
nal machinery must require manual action in order to resume.
Robot Moving A low signal is given whenever the robot arm is in a mobile state. When the
robot arm is in a fixed position, a high signal is given.
Robot Not Stopping When the robot arm has been requested to stop, some time will pass
from the request until the arm stops. During this time the signal will be high. When the robot arm
CB3 II-22 Version 3.6.0
Copyright © 2009–2018 by Universal Robots A/S. All rights reserved.

10.13 Safety I/O
is moving and has not been requested to stop, or when the robot arm is in a stopped position, the
signal will be low.
Reduced Mode Sends a low signal when the robot arm is placed in Reduced mode or if the safety
input is configured with a Reduced Mode input and the signal is currently low. Otherwise the
signal is high.
Not Reduced Mode This is the inverse of the Reduced Mode defined above.
Version 3.6.0
Copyright © 2009–2018 by Universal Robots A/S. All rights reserved.
II-23 CB3

10.13 Safety I/O
CB3 II-24 Version 3.6.0
Copyright © 2009–2018 by Universal Robots A/S. All rights reserved.

11 Begin programming
11.1 Introduction
The Universal Robot arm is composed of tubes and joints. The joints with their usual names are
shown in Figure 11.1. The Base is where the robot is mounted, and at the other end (Wrist 3) the
tool of the robot is attached. By coordinating the motion of each of the joints, the robot can move
its tool around freely, with the exception of the area directly above and directly below the base.
PolyScope is the graphical user interface (GUI) which lets you operate the robot arm and control
box, execute robot programs and easily create new ones.
The following section gets you started with the robot. Afterwards, the screens and functionality of
PolyScope are explained in more detail.
DANGER:
1. The Hardware Installation Manual contains important safety in-
formation, which must be read and understood by the integra-
tor of UR robots before the robot is powered on for the first time.
2. The integrator must set the safety configuration parameters de-
fined by the risk assessment before powering on the robot arm
for the first time, see chapter 10.
11.2 Getting Started
Before using PolyScope, the robot arm and control box must be installed and the control box
switched on.
11.2.1 Installing the Robot Arm and Control Box
To install the robot arm and control box, do the following:
1. Unpack the robot arm and the control box.
2. Mount the robot on a sturdy surface strong enough to withstand at least 10 times the full
torque of the base joint and at least 5 times the weight of the robot arm. The surface shall be
vibration-free.
3. Place the control box on its foot.
4. Plug on the robot cable between the robot and the control box.
5. Plug in the mains plug of the control box.
Version 3.6.0
Copyright © 2009–2018 by Universal Robots A/S. All rights reserved.
II-25 CB3

11.2 Getting Started
Figure 11.1: Joints of the robot. A: Base, B: Shoulder, C: Elbow and D, E, F: Wrist 1, 2, 3
WARNING:
Tipping hazard. If the robot is not securely placed on a sturdy sur-
face, the robot can fall over and cause an injury.
Detailed installation instructions can be found in the Hardware Installation Manual. Note that a
risk assessment is required before using the robot arm to do any work.
11.2.2 Turning the Control Box On and Off
The control box is turned on by pressing the power button at the front side of the panel with the
touch screen. This panel is usually referred to as the teach pendant. When the control box is turned
on, text from the underlying operating system will appear on the touch screen. After about one
minute, a few buttons appear on the screen and a popup guides the user to the initialization screen
(see 11.5).
To shut down the control box, press the green power button on the screen, or use the Shut Down
button on the welcome screen (see 11.4).
WARNING:
Shutting down by pulling the power cord from the wall socket may
cause corruption of the robot’s file system, which may result in robot
malfunction.
11.2.3 Turning the Robot Arm On and Off
The robot arm can be turned on if the control box is turned on, and if no emergency stop button is
activated. Turning the robot arm on is done in the initialization screen (see 11.5) by touching the
ON button on that screen, and then pressing Start. When a robot is started, it makes a sound and
moves a little while releasing the brakes.
CB3 II-26 Version 3.6.0
Copyright © 2009–2018 by Universal Robots A/S. All rights reserved.

11.2 Getting Started
The power to the robot arm can be turned off by touching the OFF button on the initialization
screen. The robot arm is also powered off automatically when the control box shuts down.
11.2.4 Quick Start
To quickly start up the robot after it has been installed, perform the following steps:
1. Press the emergency stop button on the front side of the teach pendant.
2. Press the power button on the teach pendant.
3. Wait a minute while the system is starting up, displaying text on the touch screen.
4. When the system is ready, a popup will be shown on the touch screen, stating that the robot
needs to be initialized.
5. Touch the button on the popup dialog. You will be taken to the initialization screen.
6. Wait for the Confirmation of applied Safety Configuration dialog and press the
Confirm Safety Configuration button. This applies an initial set of safety parameters
that need to be adjusted based on a risk assessment.
7. Unlock the emergency stop button. The robot state changes from Emergency Stopped to
Power off.
8. Step outside the reach (workspace) of the robot.
9. Touch the On button on the touch screen. Wait a few seconds until robot state changes to Idle.
10. Verify that the payload mass and selected mounting are correct. You will be notified if the
mounting detected based on sensor data does not match the selected mounting.
11. Touch the Start button on the touch screen. The robot now makes a sound and moves a little
while releasing the brakes.
12. Touch the OK button, bringing you to the Welcome screen.
11.2.5 The First Program
A program is a list of commands telling the robot what to do. PolyScope allows people with only
little programming experience to program the robot. For most tasks, programming is done entirely
using the touch panel without typing in any cryptic commands.
Tool motion is the part of a robot program that teaches the Robot Arm how to move. In PolyScope,
tool motions are set using a series of waypoints. The combined waypoints form a path that the
Robot Arm follows. A waypoint is set by using the Move Tab, manually moving (teaching) the
robot to a certain position, or it can be calculated by software. Use the Move tab (see 13.1) to
move the Robot Arm to a desired position, or teach the position by pulling the Robot Arm into
place while holding the Freedrive button behind the Teach Pendant.
Besides moving through waypoints, the program can send I/O signals to other machines at certain
points in the robot’s path, and perform commands like if. . . then and loop, based on variables and
I/O signals.
The following is a simple program that allows a Robot arm that has been started up, to move
between two waypoints.
Version 3.6.0
Copyright © 2009–2018 by Universal Robots A/S. All rights reserved.
II-27 CB3

11.3 PolyScope Programming Interface
1. Touch the Program Robot button and select Empty Program.
2. Touch the Next button (bottom right) so that the <empty> line is selected in the tree structure
on the left side of the screen.
3. Go to the Structure tab.
4. Touch the Move button.
5. Go to the Command tab.
6. Press the Next button, to go to the Waypoint settings.
7. Press the Set this waypoint button next to the “?” picture.
8. On the Move screen, move the robot by pressing the various blue arrows, or move the robot
by holding the Freedrive button, placed on the backside of the teach pendant, while pulling
the robot arm.
9. Press OK.
10. Press Add waypoint before.
11. Press the Set this waypoint button next to the “?” picture.
12. On the Move screen, move the robot by pressing the various blue arrows, or move the robot
by holding the Freedrive button while pulling the robot arm.
13. Press OK.
14. Your program is ready. The robot will move between the two points when you press the “Play”
symbol. Stand clear, hold on to the emergency stop button and press “Play”.
15. Congratulations! You have now produced your first robot program that moves the robot be-
tween the two given waypoints.
WARNING:
1. Do not drive the robot into itself or anything else as this may
cause damage to the robot.
2. Keep your head and torso outside the reach (workspace) of the
robot. Do not place fingers where they can be caught.
3. This is only a quick start guide to show how easy it is to use a
UR robot. It assumes a harmless environment and a very careful
user. Do not increase the speed or acceleration above the default
values. Always conduct a risk assessment before placing the
robot into operation.
11.3 PolyScope Programming Interface
PolyScope runs on the touch sensitive screen attached to the control box.
CB3 II-28 Version 3.6.0
Copyright © 2009–2018 by Universal Robots A/S. All rights reserved.

11.3 PolyScope Programming Interface
The picture above shows the Welcome Screen. The bluish areas of the screen are buttons that can be
pressed by pressing a finger or the backside of a pen against the screen. PolyScope has a hierarchical
structure of screens. In the programming environment, the screens are arranged in tabs, for easy
access on the screens.
In this example, the Program tab is selected at the top level, and under that the Structure tab
is selected. The Program tab holds information related to the currently loaded program. If the
Move tab is selected, the screen changes to the Move screen, from where the robot arm can be
moved. Similarly, by selecting the I/O tab, the current state of the electrical I/O can be monitored
and changed.
It is possible to connect a mouse and a keyboard to the control box or the teach pendant; however,
this is not required. Almost all text fields are touch-enabled, so touching them launches an on-
screen keypad or keyboard.
The various screens of PolyScope are described in the following sections.
Version 3.6.0
Copyright © 2009–2018 by Universal Robots A/S. All rights reserved.
II-29 CB3

11.4 Welcome Screen
11.4 Welcome Screen
After booting up the controller PC, the welcome screen is shown. The screen offers the following
options:
•Run Program: Choose and run an existing program. This is the simplest way to operate the
robot arm and control box.
•Program Robot: Change a program, or create a new program.
•Setup Robot: Change the language, set passwords, upgrade software, etc.
•Shutdown Robot: Powers off the robot arm and shuts down the control box.
•About: Provides details related to software versions, hostname, IP address, serial number and
legal information.
CB3 II-30 Version 3.6.0
Copyright © 2009–2018 by Universal Robots A/S. All rights reserved.

11.5 Initialization Screen
11.5 Initialization Screen
On this screen you control the initialization of the robot arm.
Robot arm state indicator
The status LED gives an indication of the robot arm’s running state:
• A bright red LED indicates that the robot arm is currently in a stopped state where the reasons
can be several.
• A bright yellow LED indicates that the robot arm is powered on, but is not ready for normal
operation.
• Finally, a green LED indicates that the robot arm is powered on, and ready for normal opera-
tion.
The text appearing next to the LED further specifies the current state of the robot arm.
Active payload and installation
When the robot arm is powered on, the payload mass used by the controller when operating the
robot arm is shown in the small white text field. This value can be modified by tapping the text
field and entering a new value.
Note: setting this value does not modify the payload in the robot’s installation (see 13.6), it only
sets the payload mass to be used by the controller.
Version 3.6.0
Copyright © 2009–2018 by Universal Robots A/S. All rights reserved.
II-31 CB3

11.5 Initialization Screen
Similarly, the name of the installation file that is currently loaded is shown in the grey text field. A
different installation can be loaded by tapping the text field or by using the Load button next to it.
Alternatively, the loaded installation can be customized using the buttons next to the 3D view in
the lower part of the screen.
Before starting up the robot arm, it is very important to verify that both the active payload and the
active installation correspond to the actual situation the robot arm is currently in.
Initializing the robot arm
DANGER:
Always verify that the actual payload and installation are correct be-
fore starting up the robot arm. If these settings are wrong, the robot
arm and control box will not function correctly and may become dan-
gerous to people or equipment around them.
CAUTION:
Great care should be taken if the robot arm is touching an obstacle or
table, since driving the robot arm into the obstacle might damage a
joint gearbox.
The large button with the green icon on it serves to perform the actual initialization of the robot
arm. The text on it, and the action it performs, change depending on the current state of the robot
arm.
• After the controller PC boots up, the button needs to be tapped once to power the robot arm
on. The robot arm state then turns to Power on and subsequently to Idle. Note that when an
emergency stop is in place, the robot arm cannot be powered on, so the button will be disabled.
• When the robot arm state is Idle, the button needs to be tapped once again to start the robot
arm up. At this point, sensor data is checked against the configured mounting of the robot
arm. If a mismatch is found (with a tolerance of 30◦), the button is disabled and an error
message is displayed below it.
If the mounting verification passes, tapping the button releases all joint brakes and the robot
arm becomes ready for normal operation. Note that the robot makes a sound and moves a
little while releasing the brakes.
• If the robot arm violates one of the safety limits after it starts up, it operates in a special Re-
covery mode. In this mode, tapping the button switches to a recovery move screen where the
robot arm can be moved back within the safety limits.
• If a fault occurs, the controller can be restarted using the button.
• If the controller is currently not running, tapping the button starts it.
Finally, the smaller button with the red icon on it serves to power off the robot arm.
CB3 II-32 Version 3.6.0
Copyright © 2009–2018 by Universal Robots A/S. All rights reserved.

12 On-screen Editors
12.1 On-screen Expression Editor
While the expression itself is edited as text, the expression editor has a number of buttons and
functions for inserting the special expression symbols, such as ∗for multiplication and ≤for less
than or equal to. The keyboard symbol button in the top left of the screen switches to text-editing of
the expression. All defined variables can be found in the Variable selector, while the names of the
input and output ports can be found in the Input and Output selectors. Some special functions
are found in Function.
The expression is checked for grammatical errors when the Ok button is pressed. The Cancel
button leaves the screen, discarding all changes.
An expression can look like this:
digital in[1] ?
=True and analog in[0]<0.5
12.2 Pose Editor Screen
On this screen you can specify target joint positions, or a target pose (position and orientation) of
the robot tool. This screen is “offline” and does not control the robot arm directly.
Version 3.6.0
Copyright © 2009–2018 by Universal Robots A/S. All rights reserved.
II-33 CB3

12.2 Pose Editor Screen
Robot
The current position of the robot arm and the specified new target position are shown in 3D graph-
ics. The 3D drawing of the robot arm shows the current position of the robot arm, and the “shadow”
of the robot arm shows the target position of the robot arm controlled by the specified values on
the right hand side of the screen. Push the magnifying glass icons to zoom in/out or drag a finger
across to change the view.
If the specified target position of the robot TCP is close to a safety or trigger plane, or the orientation
of robot tool is near the tool orientation boundary limit (see 10.12), a 3D representation of the
proximate boundary limit is shown.
Safety planes are visualized in yellow and black with a small arrow representing the plane normal,
which indicates the side of the plane on which the robot TCP is allowed to be positioned. Trigger
planes are displayed in blue and green and a small arrow pointing to the side of the plane, where
the Normal mode limits (see 10.6) are active. The tool orientation boundary limit is visualized with
a spherical cone together with a vector indicating the current orientation of the robot tool. The
inside of the cone represents the allowed area for the tool orientation (vector).
When the target robot TCP no longer is in the proximity of the limit, the 3D representation disap-
pears. If the target TCP is in violation or very close to violating a boundary limit, the visualization
of the limit turns red.
Feature and tool position
In the top right corner of the screen, the feature selector can be found. The feature selector defines
which feature to control the robot arm relative to
CB3 II-34 Version 3.6.0
Copyright © 2009–2018 by Universal Robots A/S. All rights reserved.

12.2 Pose Editor Screen
Below the feature selector, the name of the currently active Tool Center Point (TCP) is displayed.
For further information about configuring several named TCPs, see 13.6. The text boxes show the
full coordinate values of that TCP relative to the selected feature. X,Yand Zcontrol the position of
the tool, while RX,RY and RZ control the orientation of the tool.
Use the drop down menu above the RX,RY and RZ boxes to choose the orientation representation.
Available types are:
•Rotation Vector [rad]The orientation is given as a rotation vector. The length of the axis is the
angle to be rotated in radians, and the vector itself gives the axis about which to rotate. This is
the default setting.
•Rotation Vector [◦]The orientation is given as a rotation vector, where the length of the vector
is the angle to be rotated in degrees.
•RPY [rad]Roll,pitch and yaw (RPY) angles, where the angles are in radians. The RPY-rotation
matrix (X, Y’, Z” rotation) is given by:
Rrpy(γ,β,α) = RZ(α)·RY(β)·RX(γ)
•RPY [◦]Roll,pitch and yaw (RPY) angles, where angles are in degrees.
Values can be edited by clicking on the coordinate. Clicking on the +or -buttons just to the right
of a box allows you to add or subtract an amount to/from the current value. Pressing and holding
down a button will directly increase/decrease the value. The longer the button is down, the larger
the increase/decrease will be.
Joint positions
Allows the individual joint positions to be specified directly. Each joint position can have a value
in the range from −360◦to +360◦, which are the joint limits. Values can be edited by clicking on
the joint position. Clicking on the +or -buttons just to the right of a box allows you to add or
subtract an amount to/from the current value. Pressing and holding down a button will directly
increase/decrease the value. The longer the button is down, the larger the increase/decrease will
be.
OK button
If this screen was activated from the Move tab (see 13.1), clicking the OK button will return to the
Move tab, where the robot arm will move to the specified target. If the last specified value was a tool
coordinate, the robot arm will move to the target position using the MoveL movement type, while
the robot arm will move to the target position using the MoveJ movement type, if a joint position
was specified last. The different movement types are described in 14.5.
Cancel button
Clicking the Cancel button leaves the screen discarding all changes.
Version 3.6.0
Copyright © 2009–2018 by Universal Robots A/S. All rights reserved.
II-35 CB3

12.2 Pose Editor Screen
CB3 II-36 Version 3.6.0
Copyright © 2009–2018 by Universal Robots A/S. All rights reserved.

13 Robot Control
13.1 Move Tab
On this screen you can always move (jog) the robot arm directly, either by translating/rotating the
robot tool, or by moving robot joints individually.
13.1.1 Robot
The current position of the robot arm is shown in 3D graphics. Push the magnifying glass icons to
zoom in/out or drag a finger across to change the view. To get the best feel for controlling the robot
arm, select the View feature and rotate the viewing angle of the 3D drawing to match your view of
the real robot arm.
If the current position of the robot TCP comes close to a safety or trigger plane, or the orienta-
tion of robot tool is near the tool orientation boundary limit (see 10.12), a 3D representation
of the proximate boundary limit is shown. Note that when the robot is running a program, the
visualization of boundary limits will be disabled.
Safety planes are visualized in yellow and black with a small arrow representing the plane normal,
which indicates the side of the plane on which the robot TCP is allowed to be positioned. Trigger
planes are displayed in blue and green and a small arrow pointing to the side of the plane, where
the Normal mode limits (see 10.6) are active. The tool orientation boundary limit is visualized
Version 3.6.0
Copyright © 2009–2018 by Universal Robots A/S. All rights reserved.
II-37 CB3

13.1 Move Tab
with a spherical cone together with a vector indicating the current orientation of the robot tool. The
inside of the cone represents the allowed area for the tool orientation (vector).
When the robot TCP no longer is in the proximity of the limit, the 3D representation disappears.
If the TCP is in violation or very close to violating a boundary limit, the visualization of the limit
turns red.
13.1.2 Feature and Tool Position
In the top right corner of the screen, the feature selector can be found. It defines which feature to
control the robot arm relative to.
The name of the currently active Tool Center Point (TCP) is displayed below the feature selector.
The text boxes show the full coordinate values of that TCP relative to the selected feature. For
further information about configuring several named TCPs, (see 13.6).
Values can be edited manually by clicking on the coordinate or the joint position. This will take you
to the pose editor screen (see 12.2) where you can specify a target position and orientation for
the tool or target joint positions.
13.1.3 Move Tool
• Holding down a translate arrow (top) will move the tool-tip of the robot in the direction
indicated.
• Holding down a rotate arrow (bottom) will change the orientation of the robot tool in the
indicated direction. The point of rotation is the Tool Center Point (TCP), i.e. the point at the
end of the robot arm that gives a characteristic point on the robot’s tool. The TCP is shown as
a small blue ball.
Note: Release the button to stop the motion at any time
13.1.4 Move Joints
Allows the individual joints to be controlled directly. Each joint can move from −360◦to +360◦,
which are the default joint limits illustrated by the horizontal bar for each joint. If a joint reaches
its joint limit, it cannot be driven any further. If the limits for a joint have been configured with a
position range different from the default (see 10.11), this range is indicated with red in the
horizontal bar.
13.1.5 Freedrive
While the Freedrive button is held down, it is possible to physically grab the robot arm and pull it to
where you want it to be. If the gravity setting (see 13.7) in the Setup tab is wrong, or the robot
arm carries a heavy load, the robot arm might start moving (falling) when the Freedrive button is
pressed. In that case, just release the Freedrive button again.
CB3 II-38 Version 3.6.0
Copyright © 2009–2018 by Universal Robots A/S. All rights reserved.

13.2 I/O Tab
WARNING:
1. Make sure to use the correct installation settings (e.g. Robot
mounting angle, weight in TCP, TCP offset). Save and load the
installation files along with the program.
2. Make sure that the TCP settings and the robot mounting set-
tings are set correctly before operating the Freedrive button. If
these settings are not correct, the robot arm will move when the
Freedrive button is activated.
3. The Freedrive function (Impedance/Backdrive) shall only be
used in installations where the risk assessment allows it. Tools
and obstacles shall not have sharp edges or pinch points. Make
sure that all personnel remain outside the reach of the robot arm.
13.2 I/O Tab
On this screen you can always monitor and set the live I/O signals from/to the robot control box.
The screen displays the current state of the I/O, including during program execution. If anything
is changed during program execution, the program will stop. At program stop, all output signals
will retain their states. The screen is updated at only 10Hz, so a very fast signal might not display
properly.
Version 3.6.0
Copyright © 2009–2018 by Universal Robots A/S. All rights reserved.
II-39 CB3

13.3 MODBUS client I/O
Configurable I/O’s can be reserved for special safety settings defined in the safety I/O configura-
tion section of the installation (see 10.13); those which are reserved will have the name of the
safety function in place of the default or user defined name. Configurable outputs that are reserved
for safety settings are not togglable and will be displayed as LED’s only.
The electrical details of the signals are described in chapter 5.3.
Analog Domain Settings The analog I/O’s can be set to either current [4-20mA] or voltage [0-
10V] output. The settings will be remembered for eventual later restarts of the robot controller
when a program is saved.
13.3 MODBUS client I/O
Here, the digital MODBUS client I/O signals as set up in the installation are shown. If the signal
connection is lost, the corresponding entry on this screen is disabled.
Inputs
View the state of digital MODBUS client inputs.
Outputs
View and toggle the state of digital MODBUS client outputs. A signal can only be toggled if the
choice for I/O tab control (see 13.8) allows it.
CB3 II-40 Version 3.6.0
Copyright © 2009–2018 by Universal Robots A/S. All rights reserved.

13.4 AutoMove Tab
13.4 AutoMove Tab
The AutoMove tab is used when the robot arm has to move to a specific position in its workspace.
Examples are when the robot arm has to move to the start position of a program before running it,
or when moving to a waypoint while modifying a program.
Animation
The animation shows the movement the robot arm is about to perform.
CAUTION:
Compare the animation with the position of the real robot arm and
make sure that the robot arm can safely perform the movement with-
out hitting any obstacles.
CAUTION:
The automove function moves along the robot along the shadow tra-
jectory. Collision might damage the robot or other equipment.
Auto
Hold down the Auto button to move the robot arm as shown in the animation.
Note: Release the button to stop the motion at any time.
Version 3.6.0
Copyright © 2009–2018 by Universal Robots A/S. All rights reserved.
II-41 CB3

13.5 Installation →Load/Save
Manual
Pushing the Manual button will take you to the Move tab where the robot arm can be moved
manually. This is only needed if the movement in the animation is not preferable.
13.5 Installation →Load/Save
The Robot Installation covers all aspects of how the robot arm and control box are placed in the
working environment. It includes the mechanical mounting of the robot arm, electrical connections
to other equipment, as well as all options on which the robot program depends. It does not include
the program itself.
These settings can be set using the various screens under the Installation tab, except for the I/O
domains which are set in the I/O tab (see 13.2).
It is possible to have more than one installation file for the robot. Programs created will use the
active installation, and will load this installation automatically when used.
Any changes to an installation need to be saved to be preserved after power down. If there are
unsaved changes in the installation, a floppy disk icon is shown next to the Load/Save text on the
left side of the Installation tab.
Saving an installation can be done by pressing the Save or Save As. . . button. Alternatively, saving
a program also saves the active installation. To load a different installation file, use the Load button.
The Create New button resets all of the settings in the Robot Installation to their factory defaults.
CB3 II-42 Version 3.6.0
Copyright © 2009–2018 by Universal Robots A/S. All rights reserved.

13.6 Installation →TCP Configuration
CAUTION:
Using the robot with an installation loaded from a USB drive is not
recommended. To use an installation stored on a USB drive, first load
it and then save it in the local programs folder using the Save As. . .
button.
13.6 Installation →TCP Configuration
ATool Center Point (TCP) is a point on the robot’s tool. The TCP is defined and named in the
Installation Tab Setup for the Tool Center Point screen (shown above). Each TCP contains a trans-
lation and a rotation relative to the center of the tool output flange.
When programmed to return to a previously stored waypoint, a robot moves the TCP to the po-
sition and orientation saved within the waypoint. When programmed for linear motion, the TCP
moves linearly.
The X,Yand Zcoordinates specify the TCP position, while theRX,RY and RZ coordinates specify
its orientation. When all values are zero, the TCP coincides with the center point of the tool output
flange and adopts the coordinate system depicted on the screen.
13.6.1 Adding, modifying and removing TCPs
To define a new TCP, tap the New button. The created TCP automatically receives a unique name
and becomes selectable in the drop-down menu. The translation and rotation of the selected TCP
Version 3.6.0
Copyright © 2009–2018 by Universal Robots A/S. All rights reserved.
II-43 CB3

13.6 Installation →TCP Configuration
can be modified by tapping the respective white text fields and entering new values. To remove the
selected TCP, simply tap the Remove button. The last remaining TCP cannot be deleted.
13.6.2 The default and the active TCP
There is one default configured TCP, marked by a green checkmark icon to the laft of its name in
the Available TCPs drop-down menu. To set a TCP as the default, select the desired TCP and tap
Set as default.
A TCP offset is designated as active to determine all linear motions in Cartesian coordinate system
space. The motion of the active TCP is visualized on the Graphics Tab (see 14.29). Before a
program runs, the default TCP is set as the active TCP. Within a program, any of the specified TCPs
can be set as active for a particular movement of the robot (see 14.5 and 14.10).
13.6.3 Teaching TCP position
TCP position coordinates can be calculated automatically as follows:
1. Tap Position.
2. Choose a fixed point in the workspace of the robot.
3. Use the position arrows on the right side of the screen to move the TCP from at least three
different angles and to save the corresponding positions of the tool output flange.
4. Use the Set button to apply the verified coordinates to the appropriate TCP. The positions
must be sufficiently diverse for the calculation to work correctly. If they are not sufficiently
diverse, the status LED above the buttons turns red.
CB3 II-44 Version 3.6.0
Copyright © 2009–2018 by Universal Robots A/S. All rights reserved.

13.6 Installation →TCP Configuration
Though three positions are sufficient to determine the TCP, a fourth position can be used to further
verify the calculation is correct. The quality of each saved point, with respect to the calculated TCP,
is indicated using a green, yellow, or red LED on the corresponding button.
13.6.4 Teaching TCP orientation
1. Tap Orientation.
2. Select a feature from the drop-down list. (See 13.12) for additional information on defining
new features
3. Tap Select point and use Move tool arrows to a position where the tool’s orientation and the
corresponding TCP coincide with the selected features’s coordinate system.
4. Verify the calculated TCP orientation and apply it to the selected TCP by tapping Set.
13.6.5 Payload
The weight of the robot’s tool is specified in the lower part of the screen.To change this setting,
simply tap the white text field and enter a new weight. The setting applies to all defined TCPs. For
details about the maximum allowed payload, see the Hardware Installation Manual.
Payload Estimation
This feature allows the robot to help set the correct payload and Center of Gravity.
Using Payload Estimation Wizard
1. In the Installation Tab, under General, select TCP
Version 3.6.0
Copyright © 2009–2018 by Universal Robots A/S. All rights reserved.
II-45 CB3

13.6 Installation →TCP Configuration
2. On the TCP screen, under Payload and Center of Gravity, tap the Icon.
3. In the Payload Estimation Wizard tap Next
4. Follow the steps to set the four positions.
Setting the four positions requires moving the robot arm into four different positions. Each
position is measured. Individual measurements can be modified by tapping the center of
gravity fields and entering values.
5. Once all measurements are complete, tap Finish
NOTE:
Follow the these guidelines for best Payload Estimation results:
• Ensure the four TCP positions are as different as possible from
each other
• Perform the measurements within a short timespan
WARNING:
• Avoid pulling on the tool and/or attached payload before and
during estimation
• Robot mounting and angle must be correctly defined in the in-
stallation
13.6.6 Center of gravity
The tool’s center of gravity is specified using the fields CX,CY and CZ. If not specified, the TCP is
assumed to be the tool’s center of gravity. The settings apply to all defined TCPs.
WARNING:
Use the correct installation settings. Save and load the installation
files with the program.
CB3 II-46 Version 3.6.0
Copyright © 2009–2018 by Universal Robots A/S. All rights reserved.

13.7 Installation →Mounting
13.7 Installation →Mounting
Specifying the mounting of the Robot arm serves two purposes:
1. Making the Robot arm appear correctly on screen.
2. Telling the controller about the direction of gravity.
An advanced dynamics model gives the Robot arm smooth and precise motions, as well as allows
the Robot arm to hold itself in Freedrive Mode. For this reason, it is important to mount the Robot
arm correctly.
WARNING:
Failure to mount the Robot’s arm correctly may result in frequent
Protective Stops, and/or the Robot arm will move when pressing the
Freedrive button.
If the Robot arm is mounted on a flat table or floor, no change is needed on this screen. However, if
the Robot arm is ceiling mounted,wall mounted, or mounted at an angle, this needs to be adjusted
using the buttons.
The buttons on the right side of the screen are for setting the angle of the Robot arm’s mounting.
The top three right side buttons set the angle to ceiling (180◦), wall (90◦), floor (0◦). The Tilt buttons
set an arbitrary angle.
Version 3.6.0
Copyright © 2009–2018 by Universal Robots A/S. All rights reserved.
II-47 CB3

13.8 Installation →I/O Setup
The buttons on the lower part of the screen are used to rotate the mounting of the Robot arm to
match the actual mounting.
WARNING:
Use the correct installation settings. Save and load the installation
files with the program.
13.8 Installation →I/O Setup
On the I/O Setup screen, users can define I/O signals and configure actions with the I/O tab con-
trol.
The Input and Output sections list types of I/O signals such as:
• Digital standard general purpose, configurable and tool
• Analog standard general purpose and tool
• MODBUS
• General purpose registers (boolean, integer and float) The general purpose registers can be
accessed by a fieldbus (e.g., Profinet and EtherNet/IP).
CB3 II-48 Version 3.6.0
Copyright © 2009–2018 by Universal Robots A/S. All rights reserved.

13.8 Installation →I/O Setup
13.8.1 I/O Signal Type
To limit the number of signals listed in the Input and Output sections, use the View drop-down
menu at the top of the screen to change the displayed content based on signal type.
13.8.2 Assigning User-defined Names
To easily remember what the signals do while working with the robot, users can associate names
to Input and Output signals.
1. Select the desired signal
2. Tap the text field in the lower part of the screen to set the name.
3. To reset the name to default, tap Clear.
A general purpose register must be given a user-defined name to make it available in the program
(i.e., for a Wait command or the conditional expression of an If command) The Wait and If com-
mands are described in (14.9) and (14.18), respectively. Named general purpose registers can
be found in the Input or Output selector on the Expression Editor screen.
13.8.3 I/O Actions and I/O Tab Control
Input Actions: The eight standard general purpose Digital Inputs and the two Digital Tool inputs
as well as the general purpose input registers of type boolean may trigger an action. Available
actions include the ability execute the following actions on a rising edge:
• Start the current program
• Stop the current program
• Pause the current program
Furthermore, an action can be configured to enter or leave Freedrive Mode when the Input
is high/low. (similar to pressing or releasing the Freedrive button on the back of the Teach
Pendant).
Output Actions and I/O Tab Control: Outputs, by default, preserve their values after a program stops
running. It is also possible to configure an Output with a default value that is applied when-
ever no program is running.
The eight standard general purpose Digital Outputs and the two Digital Tool Outputs can
furthermore be configured to reflect if a program is running, so the Output is high when a
program is running and low when it is stopped or paused. Otherwise, the output is low when
a program is running and high when it is stopped or paused. These values can be set while the
program is running. General purpose output registers of type boolean and digital MODBUS
output signals also support this.
Finally, it is also possible to specify whether an output can be controlled on the I/O tab (by
either programmers, or both operators and programmers) or if it is only robot programs that
may alter the output value.
Version 3.6.0
Copyright © 2009–2018 by Universal Robots A/S. All rights reserved.
II-49 CB3

13.10 Installation →Variables
13.9 Installation →Safety
See chapter 10.
13.10 Installation →Variables
Variables created on the Variables screen are called Installation Variables and are used like normal
program variables. Installation Variables are distinct because they keep their value even if a pro-
gram stops and then starts again, and when the Robot arm and/or Control Box is powered down
and powered up again. Their names and values are stored with the installation, therefore it is
possible to use the same variable in multiple programs.
Pressing Create New brings up a panel with a suggested name for the new variable. The name
may be changed and its value may be entered by touching either text field. The OK-button can
only tapped if the new name is unused in this installation.
It is possible to change the value of an installation variable by highlighting the variable in the list
and then clicking on Edit Value.
CB3 II-50 Version 3.6.0
Copyright © 2009–2018 by Universal Robots A/S. All rights reserved.

13.11 Installation →MODBUS client I/O Setup
To delete a variable, select it and tap Delete.
After configuring the installation variables, the installation itself must be saved to keep the config-
uration, (see 13.5).
The installation variables and their values are saved automatically every 10 minutes.
If a program or an installation is loaded and one or more of the program variables have the same
name as the installation variables, the user is presented with options to either resolve the issue using
the installation variables of the same name instead of the program variable or rsolve the issue by
having the conflicting variables renamed automatically.
13.11 Installation →MODBUS client I/O Setup
Here, the MODBUS client (master) signals can be set up. Connections to MODBUS servers (or
slaves) on specified IP addresses can be created with input/output signals (registers or digital).
Each signal has a unique name so it can be used in programs.
Refresh
Push this button to refresh all MODBUS connections. Refreshing disconnects all modbus units, and
connects them back again. All statistics are cleared.
Add unit
Push this button to add a new MODBUS unit.
Version 3.6.0
Copyright © 2009–2018 by Universal Robots A/S. All rights reserved.
II-51 CB3

13.11 Installation →MODBUS client I/O Setup
Delete unit
Push this button to delete the MODBUS unit and all signals on that unit.
Set unit IP
Here the IP address of the MODBUS unit is shown. Press the button to change it.
Sequential mode
Available only when Show Advanced Options (see 13.11) is selected. Selecting this checkbox forces the
modbus client to wait for a response before sending the next request. This mode is required by some
fieldbus units. Turning this option on may help when there are multiple signals, and increasing
request frequency results in signal disconnects. Note that the actual signal frequency may be lower
than requested when multiple signals are defined in sequential mode. Actual signal frequency can
be observed in signal statistics (see section 13.11). The signal indicator will turn yellow if the actual
signal frequency is less than half of the value selected from the ”Frequency” drop-down list.
Add signal
Push this button to add a signal to the corresponding MODBUS unit.
Delete signal
Push this button to delete a MODBUS signal from the corresponding MODBUS unit.
Set signal type
Use this drop down menu to choose the signal type. Available types are:
Digital input: A digital input (coil) is a one-bit quantity which is read from the MODBUS unit on
the coil specified in the address field of the signal. Function code 0x02 (Read Discrete Inputs)
is used.
Digital output: A digital output (coil) is a one-bit quantity which can be set to either high or low.
Before the value of this output has been set by the user, the value is read from the remote
MODBUS unit. This means that function code 0x01 (Read Coils) is used. When the output has
been set by a robot program or by pressing the set signal value button, the function code 0x05
(Write Single Coil) is used onwards.
Register input: A register input is a 16-bit quantity read from the address specified in the address
field. The function code 0x04 (Read Input Registers) is used.
Register output: A register output is a 16-bit quantity which can be set by the user. Before the value
of the register has been set, the value of it is read from the remote MODBUS unit. This means
that function code 0x03 (Read Holding Registers) is used. When the output has been set by a
robot program or by specifying a signal value in the set signal value field, function code 0x06
(Write Single Register) is used to set the value on the remote MODBUS unit.
CB3 II-52 Version 3.6.0
Copyright © 2009–2018 by Universal Robots A/S. All rights reserved.

13.11 Installation →MODBUS client I/O Setup
Set signal address
This field shows the address on the remote MODBUS server. Use the on-screen keypad to choose
a different address. Valid addresses depends on the manufacturer and configuration of the remote
MODBUS unit.
Set signal name
Using the on-screen keyboard, the user can give the signal a name. This name is used when the
signal is used in programs.
Signal value
Here, the current value of the signal is shown. For register signals, the value is expressed as an
unsigned integer. For output signals, the desired signal value can be set using the button. Again,
for a register output, the value to write to the unit must be supplied as an unsigned integer.
Signal connectivity status
This icon shows whether the signal can be properly read/written (green), or if the unit responds
unexpected or is not reachable (gray). If a MODBUS exception response is received, the response
code is displayed. The MODBUS-TCP Exception responses are:
E1: ILLEGAL FUNCTION (0x01) The function code received in the query is not an allowable action
for the server (or slave).
E2: ILLEGAL DATA ADDRESS (0x02) The function code received in the query is not an allowable
action for the server (or slave), check that the entered signal address corresponds to the setup
of the remote MODBUS server.
E3: ILLEGAL DATA VALUE (0x03) A value contained in the query data field is not an allowable
value for server (or slave), check that the enterd signal value is valid for the specified address
on the remote MODBUS server.
E4: SLAVE DEVICE FAILURE (0x04) An unrecoverable error occurred while the server (or slave)
was attempting to perform the requested action.
E5: ACKNOWLEDGE (0x05) Specialized use in conjunction with programming commands sent to
the remote MODBUS unit.
E6: SLAVE DEVICE BUSY (0x06) Specialized use in conjunction with programming commands
sent to the remote MODBUS unit, the slave (server) is not able to respond now.
Show Advanced Options
This check box shows/hides the advanced options for each signal.
Advanced Options
Update Frequency: This menu can be used to change the update frequency of the signal. This means
the frequency with which requests are sent to the remote MODBUS unit for either reading or
Version 3.6.0
Copyright © 2009–2018 by Universal Robots A/S. All rights reserved.
II-53 CB3

13.12 Installation →Features
writing the signal value. When the frequency is set to 0, then modbus requests are initiated on
demand using a modbus get signal status,modbus set output register, and modbus set output signal
script functions.
Slave Address: This text field can be used to set a specific slave address for the requests correspond-
ing to a specific signal. The value must be in the range 0-255 both included, and the default is
255. If you change this value, it is recommended to consult the manual of the remote MODBUS
device to verify its functionality when changing slave address.
Reconnect count: Number of times TCP connection was closed, and connected again.
Connection status: TCP connection status.
Response time [ms: ] Time between modbus request sent, and response received - this is updated
only when communication is active.
Modbus packet errors: Number of received packets that contained errors (i.e. invalid lenght, missing
data, TCP socket error).
Timeouts: Number of modbus requests that didn’t get response.
Requests failed: Number of packets that could not be sent due to invalid socket status.
Actual freq.: The average frequency of client (master) signal status updates. This value is recalcu-
lated each time the signal receives a response from the server (or slave).
All counters count up to 65535, and then wrap back to 0.
13.12 Installation →Features
CB3 II-54 Version 3.6.0
Copyright © 2009–2018 by Universal Robots A/S. All rights reserved.

13.12 Installation →Features
The Feature, is a representation of an object that is defined with a name for future reference and a
six dimensional pose (position and orientation) relative to the robot base.
Some subparts of a robot program consist of movements executed relative to specific objects other
than the base of the Robot arm. These objects could be tables, other machines, workpieces, con-
veyors, pallets, vision systems, blanks, or boundaries which exist in the surroundings of the Robot
arm. Two predefined features always exist for the robot. Each feature has its pose defined by the
configuration of the Robot arm itself:
• The Base feature is located with origin in the centre of the robot base (see figure 13.1)
• The Tool feature is located with origin in the centre of the current TCP (see figure 13.2)
Figure 13.1: Base feature Figure 13.2: Tool (TCP) feature
User-defined features are positioned through a method that uses the current pose of the TCP in the
work area. This means the users can teach feature locations using Freedrive Mode or ”jogging” to
move the robot to the desired pose.
Three different strategies exist (Point,Line and Plane) for defining a feature pose. The best strategy
for a given application depends on the type of object being used and the precision requirements. In
general a feature based on more input points (Line and Plane) is be preferred if applicable to the
specific object.
To accurately define the direction of a linear conveyor, define two points of a Line feature with as
much physical separation as possible. The Point feature can also be used to define a linear conveyor,
however, the user must point the TCP in the direction of the conveyor movement.
Using more points to define the pose of a table means that the orientation is based on the positions
rather than the orientation of a single TCP. A single TCP orientation is harder to configure with
high precision.
To learn about the different methods to define a feature see (sections: 13.12.2),(13.12.3)
and (13.12.4).
13.12.1 Using a feature
When a feature is defined in the installation, you can refer to it from the robot program to relate
robot movements (e.g. MoveL and MoveP commands) to the feature (see section 14.5).
This allows for easy adaptation of a robot program (e.g., when there are multiple robot stations,
Version 3.6.0
Copyright © 2009–2018 by Universal Robots A/S. All rights reserved.
II-55 CB3

13.12 Installation →Features
when an object is moved during program runtime, or when an object is permanently moved in the
scene). By adjusting the feature of an object, all program movements relative to the object is moved
accordingly. For further examples, see (sections 13.12.5) and (13.12.6).
Features configured as joggable are also useful tools when manually moving the robot in the Move
Tab (section 13.1) or the Pose Editor screen (see 12.2). When a feature is chosen as a
reference, the Move Tool buttons for translation and rotation operate in the selected feature space
(see 13.1.2) and (13.1.3), reading of the TCP coordinates. For example, if a table is defined
as a feature and is chosen as a reference in the Move Tab, the translation arrows (i.e., up/down,
left/right, forward/backward) move the robot in these directions relative to the table. Additionally,
the TCP coordinates will be in the frame of the table.
Rename
This button renames a feature.
Delete
This button deletes a selected feature and any of its sub-features.
Show Axes
Choose whether the coordinate axes of the selected feature should be visible on the 3D graphics.
The choice applies on this screen and on the Move screen.
Changing the point
Use the Change this point button to set or change the selected feature. The Move tab (section
13.1) appears and a new feature position can be set.
Joggable
Choose whether the selected feature should be joggable. This determines whether the feature will
appear in the feature menu on the Move screen.
Using Move robot here
Push the Move robot here button to move the Robot arm towards the selected feature. At the end
of this movement, the coordinate systems of the feature and the TCP will coincide.
13.12.2 New Point
Push the Pointbutton to add a point feature to the installation. The point feature defines a safety
boundary or a global home configuration of the Robot arm. The point feature pose is defined as the
position and orientation of the TCP.
CB3 II-56 Version 3.6.0
Copyright © 2009–2018 by Universal Robots A/S. All rights reserved.

13.12 Installation →Features
13.12.3 New Line
Push the Line button to add a line feature to the installation. The line feature defines lines that the
robot needs to follow. (e.g., when using conveyor tracking). A line lis defined as an axis between
two point features p1 and p2 as shown in figure 13.3.
Figure 13.3: Definition of the line feature
Version 3.6.0
Copyright © 2009–2018 by Universal Robots A/S. All rights reserved.
II-57 CB3

13.12 Installation →Features
In figure 13.3 the axis directed from the first point towards the second point, constitutes the y-axis of
the line coordinate system. The z-axis is defined by the projection of the z-axis of p1 onto the plane
perpendicular to the line. The position of the line coordinate system is the same as the position of
p1.
13.12.4 Plane Feature
Select the plane feature when you need a frame with high precision: e.g., when working with a
vision system or doing movements relative to a table.
Adding a plane
1. In Installation, select Features.
2. Under Features select Plane.
Teaching a plane
When you press the plane button to create a new plane, the on-screen guide assists you creating a
plane.
1. Select Origo
2. Move robot to define the direction of the positive x-axis of the plane
3. Move robot to define the direction of the positive y-axis of the plane
The plane is defined using the right hand rule so the z- axis is the cross product of the x-axis and
the y-axis, as illustrated below.
CB3 II-58 Version 3.6.0
Copyright © 2009–2018 by Universal Robots A/S. All rights reserved.

13.12 Installation →Features
NOTE:
You can re-teach the plane in the opposite direction of the x-axis, if
you want that plane to be normal in the opposite direction.
Modify an existing plane by selecting Plane and pressing Modify Plane. You will then use the same
guide as for teaching a new plane.
13.12.5 Example: Manually Updating a Feature to Adjust a Program
Consider an application where multiple parts of a robot program is relative to a table. Figure 13.4
illustrates the movement from waypoints wp1 through wp4.
The application requires the program to be reused for multiple robot installations where the posi-
tion of the table varies slightly. The movement relative to the table is identical. By defining the table
position as a feature P1 in the installation, the program with a MoveL command configured relative
to the plane can be easily applied on additional robots by just updating the installation with the
actual position of the table.
The concept applies to a number of Features in an application to achieve a flexible program can
solve the same task on many robots even though if other places in the work space varies between
installations.
13.12.6 Example: Dynamically Updating a Feature Pose
Consider a similar application where the robot must move in a specific pattern on top of a table to
solve a particular task (see 13.5).
The movement relative to P1 is repeated a number of times, each time by an offset o. In this example
the offset is set to 10 cm in the Y-direction (see figure 13.6, offsets O1 and O2). This is achieved using
pose add() or pose trans() script functions to manipulate the variable.
Version 3.6.0
Copyright © 2009–2018 by Universal Robots A/S. All rights reserved.
II-59 CB3

13.12 Installation →Features
Robot Program
MoveJ
S1
MoveL # Feature: P1_var
wp1
wp2
wp3
wp4
Figure 13.4: Simple program with four waypoints relative to a feature plane manually updated by changing
the feature
Figure 13.5: A MoveL command with four waypoints relative to a plane feature
Robot Program
MoveJ
wp1
y = 0.01
o = p[0,y,0,0,0,0]
P1_var = pose_trans(P1_var, o)
MoveL # Feature: P1_var
wp1
wp2
wp3
wp4
Figure 13.6: Applying an offset to the plane feature
It is possible to switch to a different feature while the program is running instead of adding an
offset. This is shown in the example below (see figure 13.7) where the reference feature for the
CB3 II-60 Version 3.6.0
Copyright © 2009–2018 by Universal Robots A/S. All rights reserved.

13.13 Conveyor Tracking Setup
MoveL command P1 var can switch between two planes P1 and P2.
Robot Program
MoveJ
S1
if (digital_input[0]) then
P1_var = P1
else
P1_var = P2
MoveL # Feature: P1_var
wp1
wp2
wp3
wp4
Figure 13.7: Switching from one plane feature to another
13.13 Conveyor Tracking Setup
When using a conveyor, the robot can be configured to track its movement. The Conveyor Tracking
Setup provides options for configuring the robot to work with absolute and incremental encoders,
as well as linear and circular conveyors.
Conveyor Parameters
Incremental: encoders can be connected to Digital Inputs 0 to 3. Decoding of digital signals runs
at 40kHz. Using a Quadrature encoder (requiring two inputs), the robot can determine the
speed and direction of the conveyor. If the direction of the conveyor is constant, a single input
can be used to detect either Rising,Falling, or Rise and Fall edges which determine
conveyor speed.
Absolute: encoders can be connected through a MODBUS signal. This requires a Digital MODBUS
Input register is preconfigured in (section 13.11).
Linear conveyors
When a linear conveyor is selected, a line feature must be configured in the Features part of the
installation to determine the direction of the conveyor. The line feature should be parallel to the
direction of the conveyor, and there should be a large distance between the two points defining the
line feature. Configure the line feature by placing the tool firmly against the side of the conveyor
when teaching the two points. If the line feature’s direction is opposite to the conveyor’s movement,
use the Reverse direction button.
Version 3.6.0
Copyright © 2009–2018 by Universal Robots A/S. All rights reserved.
II-61 CB3

13.14 Installation →Default Program
The field Ticks per meter field displays the number of ticks the encoder generates when the con-
veyor moves one meter.
Ticks per meter =ticks per revolution of encoder
2π·radius of encoder disc[m] (13.1)
Circular conveyors
When tracking a circular conveyor, the conveyor center point must be defined.
1. Define the center point in the Features part of the installation. The value of Ticks per revo-
lution must be the number of ticks the encoder generates when the conveyor rotates one full
revolution.
2. Select the Rotate tool with conveyor checkbox if the tool’s orientation should be with respect
to the conveyor (e.g. if the tool is perpendicular to the conveyor, it will stay perpendicular
during the movement).
3. Deselect the Rotate tool with conveyor checkbox if the orientation should be controlled by the
trajectory.
13.14 Installation →Default Program
The Startup screen contains settings for automatically loading and starting a default program, and
for auto-initializing the Robot arm during power up.
CB3 II-62 Version 3.6.0
Copyright © 2009–2018 by Universal Robots A/S. All rights reserved.

13.14 Installation →Default Program
WARNING:
1. When autoload, auto start and auto initialize are enabled, the
robot runs the program as soon as the Control Box is powered
up as long as the input signal matches the selected signal level.
For example, the edge transition to the selected signal level will
not be required in this case.
2. Use caution when the signal level is set to LOW. Input signals
are low by default, leading the program to automatically run
without being triggered by an external signal.
Loading a Default Program
A default program is loaded after the Control Box is powered up. Furthermore, the default program
is auto loaded when the Run Program screen (see 11.4) is entered and no program is loaded.
Starting a Default Program
The default program is auto started in the Run Program screen. When the default program is
loaded and the specified external input signal edge transition is detected, the program is started
automatically.
On Startup, the current input signal level is undefined. Choosing a transition that matches the
signal level on startup starts the program immediately. Furthermore, leaving the Run Program
screen or tapping the Stop button in the Dashboard disables the auto start feature until the Run
button is pressed again.
Auto Initialization
The Robot arm is automatically initialized. On the specified external input signal edge transition,
the Robot arm is completely initialized, regardless of the visible screen.
Brake Release is the final initialization stage. During Brake Release, the Robot arm makes a minor
movement and a clicking noise. Furthermore, the brakes cannot be automatically released if the
configured mounting does not match the mounting detected (based on sensor data). In this case,
the robot must be initialized manually on the initialization screen (see 11.5).
On Startup, the current input signal level is undefined. Choosing a transition that matches the
signal level on startup initializes the Robot arm immediately.
Version 3.6.0
Copyright © 2009–2018 by Universal Robots A/S. All rights reserved.
II-63 CB3

13.15 Log Tab
13.15 Log Tab
Robot Health The top half of the screen displays the ”health” of the Robot Arm and Control Box.
The left side of the screen shows information related to the Control Box, while the right side of
the screen displays robot joint information. Each joint dsiplays the temperature of the motor and
electronics, the load of the joint, and the voltage.
Robot Log Messages are displayed on the bottom half of the screen. The first column categorizes
the severity of the log entry. The second column shows the messages’ time of arrival. The next
column shows the sender of the message. The last column shows the message itself. Messages
can be filtered by selecting the toggle buttons which correspond to the severity of the log entry.
The figure above shows errors will be displayed while information and warning messages will be
filtered. Some log messages are designed to provide more information that is accessible by selecting
the log entry.
13.15.1 Saving Error Reports
When an error occurs in PolyScope, a log of the error is generated. In the Log Tab, you can track
and/or export generated reports to a USB drive (see 13.15). The following list of errors can be
tracked and exported:
• Fault
• Internal PolyScope exceptions
CB3 II-64 Version 3.6.0
Copyright © 2009–2018 by Universal Robots A/S. All rights reserved.

13.16 Load Screen
• Protective Stop
• Unhandled exception in URCap
• Violation
The exported report contains: a user program, a history log, an installation and a list of running
services.
Error Report A detailed status report is available when a paper clip icon appears on the log line.
• Select a log line and tap the Save Report button to save the report to a USB drive.
• The report can be saved while a program is running.
NOTE:
The oldest report is deleted when a new one is generated. Only the
five most recent reports are stored.
13.16 Load Screen
On this screen you choose which program to load. There are two versions of this screen: one that
is to be used when you just want to load a program and execute it, and one that is used when you
want to actually edit a program.
NOTE:
Running a program from a USB drive is not recommended. To run
a program stored on a USB drive, first load it and then save it in the
local programs folder using the Save As. . . option in the File menu.
The main difference lies in which actions are available to the user. In the basic load screen, the user
will only be able to access files - not modify or delete them. Furthermore, the user is not allowed
to leave the directory structure that descends from the programs folder. The user can descend to
a sub-directory, but he cannot get any higher than the programs folder.
Therefore, all programs should be placed in the programs folder and/or sub folders under the
programs folder.
Version 3.6.0
Copyright © 2009–2018 by Universal Robots A/S. All rights reserved.
II-65 CB3

13.16 Load Screen
Screen layout
This image shows the actual load screen. It consists of the following important areas and buttons:
Path history The path history shows a list of the paths leading up to the present location. This
means that all parent directories up to the root of the computer are shown. Here you will notice
that you may not be able to access all the directories above the programs folder.
By selecting a folder name in the list, the load dialog changes to that directory and displays it in the
file selection area (see 13.16).
File selection area In this area of the dialog the contents of the actual area is present. It gives the
user the option to select a file by single clicking on its name or to open the file by double clicking
on its name.
Directories are selected by a long press of approximately 0.5 s. Descending into a folder and pre-
senting its content is done by single clicking it.
File filter By using the file filter, one can limit the files shown to include the type of files that one
wishes. By selecting Backup Files the file selection area will display the latest 10 saved versions of
each program, where .old0 is the newest and .old9 is the oldest.
CB3 II-66 Version 3.6.0
Copyright © 2009–2018 by Universal Robots A/S. All rights reserved.

13.17 Run Tab
File field Here the currently selected file is shown. The user has the option to manually enter
the file name of a file by clicking on the keyboard icon to the right of the field. This will cause an
on-screen keyboard to pop up where the user can enter the file name directly on the screen.
Open button Clicking on the Open button, will open the currently selected file and return to the
previous screen.
Cancel button Clicking on the Cancel button will abort the current loading process and cause the
screen to switch to the previous image.
Action buttons A series of buttons gives the user the ability to perform some of the actions that
normally would be accessible by right-clicking on a file name in a conventional file dialog. Added
to this is the ability to move up in the directory structure and directly to the program folder.
• Parent: Move up in the directory structure. The button will not be enabled in two cases: when
the current directory is the top directory or if the screen is in the limited mode and the current
directory is the program folder.
• Go to program folder: Go home
• Actions: Actions such as create directory, delete file etc.
13.17 Run Tab
Version 3.6.0
Copyright © 2009–2018 by Universal Robots A/S. All rights reserved.
II-67 CB3

13.17 Run Tab
This tab provides a very simple way of operating the robot arm and control box, with as few buttons
and options as possible. This can be usefully combined with password protecting the programming
part of PolyScope (see 15.3), to make the robot into a tool that can run exclusively pre-written
programs.
Furthermore, in this tab a default program can be automatically loaded and started based on an
external input signal edge transition (see 13.14). The combination of auto loading and starting
of a default program and auto initialization on power up can, for instance, be used to integrate the
robot arm into other machinery.
CB3 II-68 Version 3.6.0
Copyright © 2009–2018 by Universal Robots A/S. All rights reserved.

14 Programming
14.1 New Program
A new robot program can start from either a template or from an existing (saved) robot program. A
template can provide the overall program structure, so only the details of the program need to be
filled in.
Version 3.6.0
Copyright © 2009–2018 by Universal Robots A/S. All rights reserved.
II-69 CB3

14.2 Program Tab
14.2 Program Tab
The program tab shows the current program being edited.
14.2.1 Program Tree
The Program Tree on the left side of the screen displays the program as a list of commands, while
the area on the right side of the screen displays information relating to the current command.
The current command is selected by clicking the command list, or by using the Previous and Next
buttons on the bottom right of the screen. Commands can be inserted or removed using the Struc-
ture tab. The program name is shown directly above the command list, with a small disk icon that
can be clicked to quickly save the program.
In the Program Tree, the command that is currently being executed is highlighted as described in
14.2.2.
CB3 II-70 Version 3.6.0
Copyright © 2009–2018 by Universal Robots A/S. All rights reserved.

14.2 Program Tab
14.2.2 Program Execution Indication
The Program Tree contains visual cues informing about the command currently being executed by
the robot controller. A small indicator icon is displayed to the left of the command icon, and the
name of the executing command and any commands of which this command is a sub-command
(typically identified by the / command icons) are highlighted with blue. This aids the user in
locating the executing command in the tree.
For example, if the robot arm is moving towards a waypoint, the corresponding waypoint sub-
command is marked with the icon and its name together with the name of the Move command
(see 14.5) to which it belongs to are shown in blue.
If the program is paused, the program execution indicator icon marks the last command that was
in the process of being executed.
Clicking the button with the icon below the Program Tree jumps to the current executing or
the last executed command in the tree. If a command is clicked while a program is running, the
Command tab will keep displaying the information related to the selected command. Pressing the
button will make the Command tab continuously show information about the currently executing
commands again.
14.2.3 Search Button
Tap the to perform a text search in the Program Tree. When clicked a search text can be entered
and program nodes that match will be highlighted in yellow. Additionally, navigation buttons are
Version 3.6.0
Copyright © 2009–2018 by Universal Robots A/S. All rights reserved.
II-71 CB3

14.2 Program Tab
made available to navigate through the matches. Press the icon to exit search mode. Note: The
Program Tree must be expanded to access the additional navigation buttons.
14.2.4 Undo/Redo Buttons
The buttons with icons and in the toolbar at the base of the Program Tree serve to undo and
redo changes made in the Program Tree and in the commands it contains.
14.2.5 Program Dashboard
The lowest part of the screen is the Dashboard. The Dashboard features a set of buttons similar to
an old-fashioned tape recorder, from which programs can be started and stopped, single-stepped
and restarted. The speed slider allows you to adjust the program speed at any time, which directly
affects the speed at which the robot arm moves. Additionally, the speed slider shows in real time the
relative speed at which the robot arm moves taking into account the safety settings. The indicated
percentage is the maximum achievable speed for the running program without violating the safety
limits.
To the left of the Dashboard the Simulation and Real Robot buttons toggle between running
the program in a simulation, or running it on the real robot. When running in simulation, the robot
arm does not move and thus cannot damage itself or any nearby equipment in collisions. Use
simulation to test programs if unsure about what the robot arm will do.
DANGER:
1. Make sure to stay outside the robot workspace when the Play
button is pressed. The movement you programmed may be dif-
ferent than expected.
2. Only use the Step button when it is absolutely necessary. Make
sure to stay outside the robot workspace when the Step button
is pressed.
3. Make sure to always test your program by reducing the speed
with the speed slider. Logic programming errors made by the
integrator might cause unexpected movements of the robot arm.
4. When a emergency stop or protective stop has occured, the
robot program will stop. It can be resumed as long as no joint
has moved more than 10◦. When pressing play, the robot will
move slowly back onto the trajectory, and continue program ex-
ecution.
While the program is being written, the resulting motion of the robot arm is illustrated using a 3D
drawing on the Graphics tab, described in 14.29.
Next to each program command is a small icon, which is either red, yellow or green. A red icon
means that there is an error in that command, yellow means that the command is not finished, and
CB3 II-72 Version 3.6.0
Copyright © 2009–2018 by Universal Robots A/S. All rights reserved.

14.3 Variables
green means that all is OK. A program can only be run when all commands are green.
14.3 Variables
A robot program can make use of variables to store and update various values during runtime.
Two kinds of variables are available:
Installation variables: These can be used by multiple programs and their names and values are per-
sisted together with the robot installation (see 13.10). Installation variables keep their
value after the robot and control box has been rebooted.
Regular program variables: These are available to the running program only and their values are lost
as soon as the program is stopped.
The following variable types are available:
bool A boolean variable whose value is either True or False.
int A whole number in the range from −2147483648 to 2147483647 (32 bit).
float A floating point number (decimal) (32 bit).
string A sequence of characters.
pose A vector describing the location and orientation in Cartesian space. It is
a combination of a position vector (x,y,z)and a rotation vector (rx,ry,rz)
representing the orientation, written p[x, y, z, rx, ry, rz].
list A sequence of variables.
14.4 Command: Empty
Version 3.6.0
Copyright © 2009–2018 by Universal Robots A/S. All rights reserved.
II-73 CB3

14.5 Command: Move
Program commands need to be inserted here. Press the Structure button to go to the structure tab,
where the various selectable program lines can be found. A program cannot run before all lines are
specified and defined.
14.5 Command: Move
The Move command controls the robot motion through the underlying waypoints. Waypoints have
to be under a Move command. The Move command defines the acceleration and the speed at which
the robot arm will move between those waypoints.
Movement Types
You can select one of three types of movements: MoveJ,MoveL and MoveP. Each movement type
is explained below.
•moveJ makes movements that are calculated in the robot arm joint space. Each joint is con-
trolled to reach the desired end location at the same time. This movement type results in a
curved path for the tool. The shared parameters that apply to this movement type are the
maximum joint speed and joint acceleration to use for the movement calculations, specified
in deg/sand deg/s2, respectively. If it is desired to have the robot arm move fast between
waypoints, disregarding the path of the tool between those waypoints, this movement type is
the favorable choice.
•moveL moves the Tool Center Point (TCP) linearly between waypoints. This means that each
joint performs a more complicated motion to keep the tool on a straight line path. The shared
CB3 II-74 Version 3.6.0
Copyright © 2009–2018 by Universal Robots A/S. All rights reserved.

14.5 Command: Move
parameters that can be set for this movement type are the desired tool speed and tool acceler-
ation specified in mm/sand mm/s2, respectively, and also a feature. The selected feature will
determine in which feature space the tool positions of the waypoints are represented in.
•moveP moves the tool linearly with constant speed with circular blends, and is intended for
some process operations, like gluing or dispensing. The size of the blend radius is by default
a shared value between all the waypoints. A smaller value will make the path turn sharper
whereas a higher value will make the path smoother. While the robot arm is moving through
the waypoints with constant speed, the robot control box cannot wait for either an I/O opera-
tion or an operator action. Doing so might stop the robot arm’s motion, or cause a protective
stop.
•Circle move can be added to a moveP to make a circular movement. The robot starts the
movement from its current position or start point, moves through a ViaPoint specified on the
circular arc, and an EndPoint that completes the circular movement.
A mode is used to calculate tool orientation, through the circular arc. The mode can be:
–Fixed: only the start point is used to define tool orientation
–Unconstrained: the start point transforms to the EndPoint to define tool orientation
Shared parameters
The shared parameters in the bottom right corner of the Move screen apply to the movement from
the previous position of the robot arm to the first waypoint under the command, and from there to
each of the following waypoints. The Move command settings do not apply to the path going from
the last waypoint under that Move command.
Version 3.6.0
Copyright © 2009–2018 by Universal Robots A/S. All rights reserved.
II-75 CB3

14.5 Command: Move
TCP selection
The TCP used for the waypoints under this Move command can be selected from the drop-down
menu. It is possible to select from user defined TCPs from the installation, the active TCP or simply
using the tool flange. If a user defined TCP or the active TCP is selected, the motion under this
Move command will adjusted be with respect to this. If Use Tool Flange is selected, no TCP is
used and the motion under this Move command will be with respect to the tool flange (i.e. no
adjustments to the motion).
If the active TCP for this motion is determined during runtime of the program, it needs to be set
dynamically using the Set command (see 14.10) or by using script commands. For further
information about configuring named TCPs (see 13.6).
Feature selection
the feature space the waypoints under the Move command, that should be represented when spec-
ifying these waypoints (see section 13.12). This means that when setting a waypoint, the
program will remember the tool coordinates in the feature space of the selected feature. There are
a few circumstances that need detailed explanation:
Relative waypoints: The selected feature has no effect on relative waypoints. The relative movement
is always performed with respect to orientation of the Base.
Variable waypoints: When the robot arm moves to a variable waypoint, the tool target position is
calculated as the coordinates of the variable in the space of the selected feature. Therefore, the
robot arm movement for a variable waypoint changes if another feature is selected.
Variable feature: If any of the features in the currently loaded installation are selected as variable,
these corresponding variables are also selectable in the feature selection menu. If a feature
variable (named with the name of the feature suffixed by “ var”) is selected, robot arm move-
ments (except to Relative waypoints) are relative to the actual value of the variable when the
program is running. The initial value of a feature variable is the value of the actual feature
as configured in the installation. If this value is modified, then the movements of the robot
change.
CB3 II-76 Version 3.6.0
Copyright © 2009–2018 by Universal Robots A/S. All rights reserved.

14.6 Command: Fixed Waypoint
Time
Speed
Acceleration
Cruise
Deceleration
Figure 14.1: Speed profile for a motion. The curve is divided into three segments: acceleration,cruise and
deceleration. The level of the cruise phase is given by the speed setting of the motion, while the steepness of
the acceleration and deceleration phases is given by the acceleration parameter.
14.6 Command: Fixed Waypoint
A point on the robot path. Waypoints are the most central part of a robot program, telling the robot
arm where to be. A fixed position waypoint is given by physically moving the robot arm to the
position.
Version 3.6.0
Copyright © 2009–2018 by Universal Robots A/S. All rights reserved.
II-77 CB3

14.6 Command: Fixed Waypoint
Setting the waypoint
Press this button to enter the Move screen where you can specify the robot arm’s position for this
waypoint. If the waypoint is placed under a Move command in linear space (moveL or moveP),
there needs to be a valid feature selected at that Move command, in order for this button to be
pressable.
Waypoint names
Waypoints automatically get a unique name. The name can be changed by the user. By selecting the
link icon, waypoints are linked and share position information. Other waypoint information such
as blend radius, tool/joint speed and tool/joint acceleration is configured for individual waypoints
even though they may be linked.
Blending
Blending enables the robot to smoothly transition between two trajectories, without stopping at the
waypoint between them.
Example Consider a pick and place application as an example (see figure 14.2), where the
robot is currently at Waypoint 1 (WP 1), and it needs to pick up an object at Waypoint 3 (WP 3).
To avoid collisions with the object and other obstacles (O), the robot must approach WP 3 in the
direction coming from Waypoint 2 (WP 2). So three waypoints are introduced to create a path that
fulfils the requirements.
WP_1
WP_2
WP_3
O
Figure 14.2: WP 1: initial position, WP 2: via point, WP 3: pick up position, O: obstacle.
Without configuring other settings, the robot will make a stop at each waypoint, before continuing
the movement. For this task a stop at WP 2 is not optimal since a smooth turn would require less
time and energy while still fulfilling the requirements. It is even acceptable that the robot does not
reach WP 2 exactly, as long as the transition from the first trajectory to the second happens near this
position.
CB3 II-78 Version 3.6.0
Copyright © 2009–2018 by Universal Robots A/S. All rights reserved.

14.6 Command: Fixed Waypoint
The stop at WP 2 can be avoided by configuring a blend for the waypoint, allowing the robot to
calculate a smooth transition into the next trajectory. The primary parameter for the blend is a
radius. When the robot is within the blend radius of the waypoint it can start blending and deviate
from the original path. This allows for faster and smoother movements, as the robot does not need
to decelerate and re-accelerate.
Blend parameters Apart from the waypoints, multiple parameters will influence the blend tra-
jectory (see figure 14.3):
• the blend radius (r)
• the initial and final speed of the robot (at positions p1 and p2, respectively)
• the movement time (e.g. if setting a specific time for a trajectory this will influence the ini-
tial/final speed of the robot)
• the trajectory types to blend from and to (MoveL,MoveJ)
r
WP_1
WP_2
WP_3
p1
p2
O
Figure 14.3: Blend over WP 2 with radius r, initial blend position at p1 and final blend position at p2.Ois
an obstacle.
If a blend radius is set, the robot arm trajectory blends around the waypoint, allowing the robot
arm not to stop at the point.
Blends cannot overlap, so it is not possible to set a blend radius that overlaps with the blend radius
of a previous or following waypoint as shown in figure 14.4.
Conditional blend trajectories The blend trajectory is affected both by the waypoint where the
blend radius is set and the following one in the program tree. That is, in the program in figure
14.5 the blend around WP 1 is affected by WP 2. The consequence of this becomes more apparent
when blending around WP 2 in this example. There are two possible ending positions and to de-
termine which is the next waypoint to blend to, the robot must evaluate the current reading of the
Version 3.6.0
Copyright © 2009–2018 by Universal Robots A/S. All rights reserved.
II-79 CB3

14.6 Command: Fixed Waypoint
WP_1 WP_2
WP_3
WP_4
*
Figure 14.4: Blend radius overlap not allowed (*).
digital input[1] already when entering the blend radius. That means the if...then expression
(or other necessary statements to determine the following waypoint, e.g. variable waypoints) is
evaluated before we actually reach WP 2 which is somewhat counter-intuitive when looking at the
program sequence. If a waypoint is a stop point and followed by conditional expressions to deter-
mine the next waypoint (e.g. the I/O command) it is executed when the robot arm has stopped at
the waypoint.
Trajectory type combinations It is possible to blend between all four combinations of trajectory
types of MoveJ and MoveL, but the specific combination will affect the computed blend trajectory.
There are 4 possible combinations:
1. MoveJ to MoveJ (Pure Joint space blend)
2. MoveJ to MoveL
3. MoveL to MoveL (Pure Cartesian space blend)
4. MoveL to MoveJ
Pure joint space blending (bullet 1) vs. pure Cartesian space blending (bullet 3) is compared in
figure 14.6. It shows two potential paths of the tool for identical sets of waypoints.
Of the different combinations, bullets 2, 3 and 4 will result in trajectories that keep within the
boundaries of the original trajectory in Cartesian space. An example of a blend between different
trajectory types (bullet 2) can be seen in figure 14.7.
Pure joint space blends (bullet 1), however, may behave in a way that is less intuitive, since the
robot will try to achieve the smoothest possible trajectory in Joint space taking velocities and time
requirements into account. Due to this, they may deviate from the course specified by the way-
points. This is especially the case if there are significant differences in a joint’s velocity between the
CB3 II-80 Version 3.6.0
Copyright © 2009–2018 by Universal Robots A/S. All rights reserved.

14.6 Command: Fixed Waypoint
MoveL
WP_I
WP_1 (blend)
WP_2 (blend)
if (digital_input[1]) then
WP_F_1
else
WP_F_2
WP_I
WP_1
WP_2
WP_F_1
WP_F_2
*
Figure 14.5: WP I is the initial waypoint and there are two potential final waypoints WP F 1 and WP F 2,
depending on a conditional expression. The conditional if expression is evaluated when the robot arm
enters the second blend (*).
WP_1
WP_2
WP_3
WP_1
WP_2
WP_3
Figure 14.6: Joint space (MoveJ) vs. cartesian space (MoveL) movement and blend.
two trajectories. Caution: if the velocities are very different (e.g. by specifying advanced settings -
either velocity or time - for a specific waypoint) this can result in large deviations from the original
trajectory as shown in figure 14.8. If you need to blend between different velocities and cannot
accept this deviation consider a blend in Cartesian space using MoveL instead.
Version 3.6.0
Copyright © 2009–2018 by Universal Robots A/S. All rights reserved.
II-81 CB3

14.6 Command: Fixed Waypoint
WP_1
WP_2
WP_3
Figure 14.7: Blending from a movement in joint space (MoveJ) to linear tool movement (MoveL).
v1
v2
v1 << v2
WP_1
WP_2
WP_3
WP_1 WP_2
WP_3
v1
v2
v1 >> v2
Figure 14.8: Joint space blending when initial velocity v1 is significantly smaller than final velocity v2 or
the opposite.
CB3 II-82 Version 3.6.0
Copyright © 2009–2018 by Universal Robots A/S. All rights reserved.

14.7 Command: Relative Waypoint
14.7 Command: Relative Waypoint
A waypoint with the position given relative to the robot arm’s previous position, such as “two
centimeters to the left”. The relative position is defined as the difference between the two given
positions (left to right).
Note: repeated relative positions can move the robot arm out of its workspace.
The distance here is the Cartesian distance between the TCP in the two positions. The angle states
how much the TCP orientation changes between the two positions. More precisely, the length of
the rotation vector describing the change in orientation.
Version 3.6.0
Copyright © 2009–2018 by Universal Robots A/S. All rights reserved.
II-83 CB3

14.8 Command: Variable Waypoint
14.8 Command: Variable Waypoint
A waypoint with the position given by a variable, in this case calculated pos. The variable has
to be a pose such as
var=p[0.5,0.0,0.0,3.14,0.0,0.0]. The first three are x,y,z and the last three are the orien-
tation given as a rotation vector given by the vector rx,ry,rz. The length of the axis is the angle to be
rotated in radians, and the vector itself gives the axis about which to rotate. The position is always
given in relation to a reference frame or coordinate system, defined by the selected feature. If a
blend radius is set on a fixed waypoint and the waypoints preceding and succeeding it are variable
or if the blend radius is set on a variable waypoint, then the blend radius will not be checked for
overlap (see 14.6). If, when running the program, the blend radius overlaps a point, the robot
will ignore it and move to the next one.
For example, to move the robot 20 mm along the z-axis of the tool:
var_1=p[0,0,0.02,0,0,0]
Movel
Waypoint_1 (variable position):
Use variable=var_1, Feature=Tool
CB3 II-84 Version 3.6.0
Copyright © 2009–2018 by Universal Robots A/S. All rights reserved.

14.9 Command: Wait
14.9 Command: Wait
Wait pauses I/O signal, or expression, for a given amount of time. If No Wait is selected, nothing
is done.
Version 3.6.0
Copyright © 2009–2018 by Universal Robots A/S. All rights reserved.
II-85 CB3

14.10 Command: Set
14.10 Command: Set
Sets either digital or analog outputs to a given value.
The command can also be used to set the payload of the robot arm. Adjusting the payload weight
can be necessary to prevent the robot from triggering a protective stop, when the weight at the tool
differs from the expected payload. As default the active TCP is also used as the center of gravity. If
the active TCP should not be used as the center of gravity the checkbox can be unchecked.
The active TCP can also be modified using a Set command. Simply tick the check box and select one
of the TCP offsets from the menu. If the active TCP for a particular motion is known at the time of
writing of the program, consider using the TCP selection on the Move card instead (see 14.5).
For further information about configuring named TCPs (see 13.6).
CB3 II-86 Version 3.6.0
Copyright © 2009–2018 by Universal Robots A/S. All rights reserved.

14.11 Command: Popup
14.11 Command: Popup
The popup is a message that appears on the screen when the program reaches this command. The
style of the message can be selected, and the text itself can be given using the on-screen keyboard.
The robot waits for the user/operator to press the “OK” button under the popup before continuing
the program. If the “Halt program execution” item is selected, the robot program halts at this
popup.
Note: Messages are limited to a maximum of 255 characters.
Version 3.6.0
Copyright © 2009–2018 by Universal Robots A/S. All rights reserved.
II-87 CB3

14.12 Command: Halt
14.12 Command: Halt
The program execution stops at this point.
CB3 II-88 Version 3.6.0
Copyright © 2009–2018 by Universal Robots A/S. All rights reserved.

14.13 Command: Comment
14.13 Command: Comment
Gives the programmer an option to add a line of text to the program. This line of text does not do
anything during program execution.
Version 3.6.0
Copyright © 2009–2018 by Universal Robots A/S. All rights reserved.
II-89 CB3

14.14 Command: Folder
14.14 Command: Folder
AFolder is used to organize and label specific parts of a program, to clean up the program tree,
and to make the program easier to read and navigate.
Folders have no impact on the program and its execution.
CB3 II-90 Version 3.6.0
Copyright © 2009–2018 by Universal Robots A/S. All rights reserved.

14.15 Command: Loop
14.15 Command: Loop
Loops the underlying program commands. Depending on the selection, the underlying program
commands are either looped infinitely, a certain number of times or as long as the given condition
is true. When looping a certain number of times, a dedicated loop variable (called loop 1 in the
screen shot above) is created, which can be used in expressions within the loop. The loop variable
counts from 0 to N−1.
When looping using an expression as end condition, PolyScope provides an option for continuously
evaluating that expression, so that the “loop” can be interrupted anytime during its execution,
rather than just after each iteration.
Version 3.6.0
Copyright © 2009–2018 by Universal Robots A/S. All rights reserved.
II-91 CB3

14.16 Command: SubProgram
14.16 Command: SubProgram
A Sub Program can hold program parts that are needed several places. A Sub Program can be
a separate file on the disk, and can also be hidden to protect against accidental changes to the
SubProgram.
CB3 II-92 Version 3.6.0
Copyright © 2009–2018 by Universal Robots A/S. All rights reserved.

14.16 Command: SubProgram
Command: Call SubProgram
A call to a sub program will run the program lines in the sub program, and then return to the
following line.
Version 3.6.0
Copyright © 2009–2018 by Universal Robots A/S. All rights reserved.
II-93 CB3

14.17 Command: Assignment
14.17 Command: Assignment
Assigns values to variables. An assignment puts the computed value of the right hand side into the
variable on the left hand side. This can be useful in complex programs.
CB3 II-94 Version 3.6.0
Copyright © 2009–2018 by Universal Robots A/S. All rights reserved.

14.18 Command: If
14.18 Command: If
An If...Else command construction changes the robot’s behavior based on sensor inputs or variable
values. Use the Expression Editor to describe the condition under which the robot follows the
statements of this If command. If the condition is evaluated as True, the statements within this If
command are executed.
An If command can have several ElseIf statements that can be added and removed using the Add
ElseIf and the Remove ElseIf buttons. However, an If command can have only one Else statement.
Note: You can select the Check expression continuously checkbox to allow the conditions of the
If command and ElseIf statements to be evaluated while the contained lines are executed. If an
expression within the If command is evaluated as False, the ElseIf or Else statements are followed.
Version 3.6.0
Copyright © 2009–2018 by Universal Robots A/S. All rights reserved.
II-95 CB3

14.19 Command: Script
14.19 Command: Script
This command gives access to the underlying real time script language that is executed by the robot
controller. It is intended for advanced users only and instructions on how to use it can be found in
the Script Manual on the support website (http://www.universal-robots.com/support).
If the “File” option in the top left corner is chosen, it is possible to create and edit script programs
files. This way, long and complex script programs can be used together with the operator-friendly
programming of PolyScope.
CB3 II-96 Version 3.6.0
Copyright © 2009–2018 by Universal Robots A/S. All rights reserved.

14.20 Command: Event
14.20 Command: Event
An event can be used to monitor an input signal, and perform some action or set a variable when
that input signal goes high. For example, in the event that an output signal goes high, the event
program can wait for 200ms and then set it back to low again. This can make the main program
code a lot simpler in the case on an external machine triggering on a rising flank rather than a high
input level. Events are checked once every control cycle (8ms).
Version 3.6.0
Copyright © 2009–2018 by Universal Robots A/S. All rights reserved.
II-97 CB3

14.21 Command: Thread
14.21 Command: Thread
A thread is a parallel process to the robot program. A thread can be used to control an external
machine independently of the robot arm. A thread can communicate with the robot program with
variables and output signals.
CB3 II-98 Version 3.6.0
Copyright © 2009–2018 by Universal Robots A/S. All rights reserved.

14.22 Command: Switch
14.22 Command: Switch
ASwitch Case construction can make the robot change behavior based on sensor inputs or vari-
able values. Use the Expression Editor to describe the base condition and define the cases under
which the robot should proceed to the sub-commands of this Switch. If the condition is evaluated
to match one of the cases, the lines inside the Case are executed. If a Default Case has been
specified, then the lines will be executed only if no other matching cases were found.
Each Switch can have several Cases and one Default Case.Switches can only have one
instance of any Case values defined. Cases can be added using the buttons on the screen. A Case
command can be removed from the screen for that switch.
Version 3.6.0
Copyright © 2009–2018 by Universal Robots A/S. All rights reserved.
II-99 CB3

14.23 Command: Pattern
14.23 Command: Pattern
The Pattern command can be used to cycle through positions in the robot program. The Pattern
command corresponds to one position at each execution.
A pattern can be given as one of four types. The first three, Line,Square or Box can be used
for positions in a regular pattern. The regular patterns are defined by a number of characteristic
points, where the points define the edges of the pattern. For Line this is the two end points, for
Square this is three of the four corner points, where as for Box this is four of the eight corner
points. The programmer enters the number of positions along each of the edges of the pattern. The
robot controller then calculates the individual pattern positions by proportionally adding the edge
vectors together.
If the positions to be traversed do not fall in a regular pattern, the List option can be chosen, where
a list of all the positions is provided by the programmer. This way any kind of arrangement of the
positions can be realized.
Defining the Pattern
When the Box pattern is selected, the screen changes to what is shown below.
CB3 II-100 Version 3.6.0
Copyright © 2009–2018 by Universal Robots A/S. All rights reserved.

14.24 Command: Force
ABox pattern uses three vectors to define the side of the box. These three vectors are given as four
points, where the first vector goes from point one to point two, the second vector goes from point
two to point three, and the third vector goes from point three to point four. Each vector is divided
by the interval count numbers. A specific position in the pattern is calculated by simply adding the
interval vectors proportionally.
The Line and Square patterns work similarly.
A counter variable is used while traversing the positions of the pattern. The name of the variable
can be seen on the Pattern command screen. The variable cycles through the numbers from 0
to X∗Y∗Z−1, the number of points in the pattern. This variable can be manipulated using
assignments, and can be used in expressions.
14.24 Command: Force
In the robot workspace Force mode allows for compliance and force in selectable axes. All robot
arm movements under a Force command are in Force mode. When the robot arm is moving in
Force mode, it is possible to select one or more axes there the robot arm is compliant. The robot arm
complies with the environment along a compliant axes. This means the robot arm automatically
adjusts its position in order to achieve the desired force. It is also possible to make the robot arm
itself apply a force to its environment, e.g. a workpiece.
Force mode is suited to applications where the actual TCP position along a predefined axis is not
important, but instead a desired force along that axis is required. For example if the robot TCP rolls
against a curved surface, pushes or pulls a workpiece. Force mode also supports applying certain
torques around predefined axes.
Version 3.6.0
Copyright © 2009–2018 by Universal Robots A/S. All rights reserved.
II-101 CB3

14.24 Command: Force
Note: if no obstacles are met in an axis where a non-zero force is set, the robot arm attempts to
accelerate along that axis.
Although an axis is selected to be compliant, the robot program still tries to move the robot along
that axis. However, force control assures that the robot arm still approaches the specified force.
WARNING:
1. Avoid high deceleration just before entering force mode.
2. Avoid high acceleration in force mode, since it decreases force
control accuracy.
3. Avoid movements parallel to compliant axes before entering
force mode.
Feature selection
The Feature menu is used to select the coordinate system (axes) the robot will use while it is oper-
ating in force mode. The features in the menu are those which have been defined in the installation
(see 13.12).
Force mode type
The are four different types of force mode each determining the way in which the selected feature
will be interpreted.
CB3 II-102 Version 3.6.0
Copyright © 2009–2018 by Universal Robots A/S. All rights reserved.

14.24 Command: Force
•Simple: Only one axis will be compliant in force mode. The force along this axis is adjustable.
The desired force will always be applied along the z-axis of the selected feature. However, for
Line features, it is along their y-axis.
•Frame: The Frame type allows for more advanced usage. Here, compliance and forces in all
six degrees of freedom can be independently selected.
•Point: When Point is selected, the task frame has the y-axis pointing from the robot TCP
towards the origin of the selected feature. The distance between the robot TCP and the origin
of the selected feature is required to be at least 10 mm. Note that the task frame will change
at runtime as the position of the robot TCP changes. The x- and z-axis of the task frame are
dependent on the original orientation of the selected feature.
•Motion: Motion means that the task frame will change with the direction of the TCP motion.
The x-axis of the task frame will be the projection of the TCP movement direction onto the
plane spanned by the x- and y-axis of the selected feature. The y-axis will be perpendicular to
the robot arm’s motion, and in the x-y plane of the selected feature. This can be useful when
de-burring along a complex path, where a force is needed perpendicular to the TCP motion.
Note: when the robot arm is not moving: If force mode is entered with the robot arm standing
still, there will be no compliant axes until the TCP speed is above zero. If later, while still in
force mode, the robot arm is again standing still, the task frame has the same orientation as
the last time the TCP speed was larger than zero.
For the last three types, the actual task frame can be viewed at runtime on the graphics tab (see
14.29), when the robot is operating in force mode.
Force value selection
• Force or torque value can be set for compliant axes, and robot arm adjusts its position to
achieve the selected force.
• For non-compliant axes robot arm will follow the trajectory set by the program.
For translational parameters, the force is specified in Newtons [N] and for rotational the torque is
specified in Newton meters [Nm].
NOTE:
You must do the following:
• Use get tcp force() script function in separate thread, to
read actual force and torque.
• Correct wrench vector, if actual force and/or torque is lower
than requested.
Version 3.6.0
Copyright © 2009–2018 by Universal Robots A/S. All rights reserved.
II-103 CB3

14.24 Command: Force
Limits selection
For all axes a limit can be set, but these have different meaning corresponding to the axes being
compliant or non-compliant.
•Compliant: The limit is the maximum speed the TCP is allowed to attain along/about the
axis. Units are [mm/s] and [deg/s].
•Non-compliant: The limit is the maximum deviation from the program trajectory which is
allowed before the robot protective stops. Units are [mm] and [deg].
Test force settings
The on/off button, labelled Test, toggles the behavior of the Freedrive button on the back of the
Teach Pendant from normal Freedrive mode to testing the force command.
When the Test button is on and the Freedrive button on the back of the Teach Pendant is pressed,
the robot will perform as if the program had reached this force command, and this way the settings
can be verified before actually running the complete program. Especially, this possibility is useful
for verifying that compliant axes and forces have been selected correctly. Simply hold the robot TCP
using one hand and press the Freedrive button with the other, and notice in which directions the
robot arm can/cannot be moved. Upon leaving this screen, the Test button automatically switches
off, which means the Freedrive button on the back of the Teach Pendant is again used for regular
Freedrive mode.
Note: The Freedrive button will only be effectual when a valid feature has been selected for the
Force command.
CB3 II-104 Version 3.6.0
Copyright © 2009–2018 by Universal Robots A/S. All rights reserved.

14.25 Command: Pallet
14.25 Command: Pallet
A pallet operation can perform a sequence of motions in a set of places given as a pattern (see
14.23). At each of the positions in the pattern, the sequence of motions will be run relative to the
pattern position.
Programming a Pallet Operation
The steps to go through are as follows;
1. Define the pattern.
2. Make a PalletSequence for picking up/placing at each single point. The sequence describes
what should be done at each pattern position.
3. Use the selector on the sequence command screen to define which of the waypoints in the
sequence should correspond to the pattern positions.
Pallet Sequence/Anchorable Sequence
In a Pallet Sequence node, the motions of the robot arm are relative to the pallet position. The
behavior of a sequence is such that the robot arm will be at the position specified by the pattern at
the Anchor Position/Pattern Point. The remaining positions will all be moved to make this fit.
Do not use the Move command inside a sequence, as it will not be relative to the anchor position.
Version 3.6.0
Copyright © 2009–2018 by Universal Robots A/S. All rights reserved.
II-105 CB3

14.26 Command: Seek
“BeforeStart”
The optional BeforeStart sequence is run just before the operation starts. This can be used to wait
for ready signals.
“AfterEnd”
The optional AfterEnd sequence is run when the operation is finished. This can be used to signal
conveyor motion to start, preparing for the next pallet.
14.26 Command: Seek
A seek function uses a sensor to determine when the correct position is reached to grab or drop
an item. The sensor can be a push button switch, a pressure sensor or a capacitive sensor. This
function is made for working on stacks of items with varying item thickness, or where the exact
positions of the items are not known or too hard to program.
Stacking Destacking
When programming a seek operation for working on a stack, one must define sthe starting point,
dthe stack direction and ithe thickness of the items in the stack.
On top of this, one must define the condition for when the next stack position is reached, and a
special program sequence that will be performed at each of the stack positions. Also speed and
accelerations need to be given for the movement involved in the stack operation.
CB3 II-106 Version 3.6.0
Copyright © 2009–2018 by Universal Robots A/S. All rights reserved.

14.26 Command: Seek
Stacking
When stacking, the robot arm moves to the starting position, and then moves opposite the direction
to search for the next stack position. When found, the robot remembers the position and performs
the special sequence. The next time round, the robot starts the search from the remembered position
incremented by the item thickness along the direction. The stacking is finished when the stack
height is more than some defined number, or when a sensor gives a signal.
Version 3.6.0
Copyright © 2009–2018 by Universal Robots A/S. All rights reserved.
II-107 CB3

14.26 Command: Seek
Destacking
When destacking, the robot arm moves from the starting position in the given direction to search
for the next item. The condition on the screen determines when the next item is reached. When the
condition becomes satisfied, the robot remembers the position and performs the special sequence.
The next time round, the robot starts the search from the remembered position, incremented by the
item thickness along the direction.
Starting position
The starting position is where the stack operation starts. If the starting position is omitted, the stack
starts at the robot arm’s current position.
CB3 II-108 Version 3.6.0
Copyright © 2009–2018 by Universal Robots A/S. All rights reserved.

14.26 Command: Seek
Direction
The direction is given by two positions, and is calculated as the position difference from the first
positions TCP to the second positions TCP.
Note: A direction does not consider the orientations of the points.
Next Stacking Position Expression
The robot arm moves along the direction vector while continuously evaluating whether the next
stack position has been reached. When the expression is evaluated to True the special sequence is
executed.
“BeforeStart”
The optional BeforeStart sequence is run just before the operation starts. This can be used to
wait for ready signals.
“AfterEnd”
The optional AfterEnd sequence is run when the operation is finished. This can be used to signal
conveyor motion to start, preparing for the next stack.
Pick/Place Sequence
Like for the Pallet operation (14.25), a special program sequence is performed at each stack position.
Version 3.6.0
Copyright © 2009–2018 by Universal Robots A/S. All rights reserved.
II-109 CB3

14.29 Graphics Tab
14.27 Command: Conveyor Tracking
When using a conveyor, the robot can be configured to track its movement. When the Conveyor
Tracking defined in the installation is configured correctly, the robot will adjust its movements to
follow the conveyor. The Conveyor Tracking program node is available from the Wizards tab un-
der the Structure tab. All movements under this node are allowed while tracking the conveyor,
but they are relative to the motion of the conveyor belt. The Conveyor Tracking setup under the
Installation tab (see section 13.13) provides options for configuring the robot to work with
absolute and incremental encoders, as well as, linear and circular conveyors.
14.28 Command: Suppress
Suppressed program lines are simply skipped when the program is run. A suppressed line can be
unsuppressed again at a later time. This is a quick way to make changes to a program without
destroying the original contents.
14.29 Graphics Tab
Graphical representation of the current robot program. The path of the TCP is shown in 3D view,
with motion segments in black, and blend segments (transitions between motion segments) shown
in green. The green dots specify the positions of the TCP at each of the waypoints in the program.
The 3D drawing of the robot arm shows the current position of the robot arm, and the shadow of the
CB3 II-110 Version 3.6.0
Copyright © 2009–2018 by Universal Robots A/S. All rights reserved.

14.29 Graphics Tab
robot arm shows how the robot arm intends to reach the waypoint selected in the left hand side of
the screen.
If the current position of the robot TCP comes close to a safety or trigger plane, or the orientation
of robot tool is near the tool orientation boundary limit (see 10.12, a 3D representation of the
proximate boundary limit is shown.
Note: when the robot is running a program, the visualization of boundary limits will be disabled.
Safety planes are visualized in yellow and black with a small arrow representing the plane normal,
which indicates the side of the plane on which the robot TCP is allowed to be positioned. Trigger
planes are displayed in blue and green and a small arrow pointing to the side of the plane, where
the Normal mode limits (see 10.6) are active. The tool orientation boundary limit is visualized
with a spherical cone together with a vector indicating the current orientation of the robot tool. The
inside of the cone represents the allowed area for the tool orientation (vector).
When the target robot TCP no longer is in the proximity of the limit, the 3D representation disap-
pears. If the TCP is in violation or very close to violating a boundary limit, the visualization of the
limit turns red.
The 3D view can be zoomed and rotated to get a better view of the robot arm. The buttons in the
top-right side of the screen can disable the various graphical components in 3D view. The bottom
button switches on/off the visualization of proximate boundary limits.
The motion segments shown depend on the selected program node. If a Move node is selected,
the displayed path is the motion defined by that move. If a Waypoint node is selected, the display
shows the following ∼10 steps of movement.
Version 3.6.0
Copyright © 2009–2018 by Universal Robots A/S. All rights reserved.
II-111 CB3

14.30 Structure Tab
14.30 Structure Tab
The program structure tab gives an opportunity for inserting, moving, copying and removing the
various types of commands.
To insert new commands, perform the following steps:
1) Select an existing program command.
2) Select whether the new command should be inserted above or below the selected command.
3) Press the button for the command type you wish to insert. For adjusting the details for the
new command, go to the Command tab.
Commands can be moved/cloned/deleted using the buttons in the edit frame. If a command has
sub-commands (a triangle next to the command) all sub-commands are also moved/cloned/deleted.
Not all commands fit at all places in a program. Waypoints must be under a Move command (not
necessarily directly under). ElseIf and Else commands are required to be after an If. In general,
moving ElseIf commands around can be messy. Variables must be assigned values before being
used.
CB3 II-112 Version 3.6.0
Copyright © 2009–2018 by Universal Robots A/S. All rights reserved.

14.31 Variables Tab
14.31 Variables Tab
The Variables tab shows the live values of variables in the running program, and keeps a list of
variables and values between program runs. It only appears when it has information to display.
The variables are ordered alphabetically by their names. The variable names on this screen are
shown with at most 50 characters, and the values of the variables are shown with at most 500
characters.
Version 3.6.0
Copyright © 2009–2018 by Universal Robots A/S. All rights reserved.
II-113 CB3

14.32 Command: Variables Initialization
14.32 Command: Variables Initialization
This screen allows setting variable values before the program (and any threads) start executing.
Select a variable from the list of variables by clicking on it, or by using the variable selector box.
For a selected variable, an expression can be entered that will be used to set the variable value at
program start.
If the Keep value from previous run check-box is selected, the variable will be initialized to the
value found on the Variables tab (see 14.31). This permits variables to maintain their values
between program executions. The variable will get its value from the expression if the program is
run for the first time, or if the value tab has been cleared.
A variable can be deleted from the program by setting its name to blank (only spaces).
CB3 II-114 Version 3.6.0
Copyright © 2009–2018 by Universal Robots A/S. All rights reserved.

15 Setup Screen
•Initialize Robot Goes to the initialization screen, see 11.5.
•Language and Units Configure the language and units of measurements for the user interface,
see 15.1.
•Update Robot Upgrades the robot software to a newer version, see 15.2.
•Set Password Provides the facility to lock the programming part of the robot to people without
a password, see 15.3.
•Calibrate Screen Calibrates the “touch” of the touch screen, see 15.4.
•Setup Network Opens the interface for setting up the Ethernet network for the robot control
box, see 15.5.
•Set Time Set the time and date for the system and configure the display formats for the clock,
see 15.6.
•URCaps Setup Overview of installed URCaps as well as options for installation and uninstal-
lation, see 15.7.
•Back Returns to the Welcome Screen.
Version 3.6.0
Copyright © 2009–2018 by Universal Robots A/S. All rights reserved.
II-115 CB3

15.1 Language and Units
15.1 Language and Units
Language, units and keyboard language used in PolyScope can be selected on this screen.
The selected language will be used for the text visible on the various screens of PolyScope as well
as in the embedded help. Tick off “English programming” to have the names of commands within
robot programs written in English. PolyScope needs to be restarted for changes to take effect.
The selected keyboard language will be used in all pop-up keyboards in PolyScope.
CB3 II-116 Version 3.6.0
Copyright © 2009–2018 by Universal Robots A/S. All rights reserved.

15.2 Update Robot
15.2 Update Robot
Software updates can be installed from USB flash memory. Insert an USB memory stick and click
Search to list its contents. To perform an update, select a file, click Update, and follow the on-screen
instructions.
WARNING:
Always check your programs after a software upgrade. The upgrade
might change trajectories in your program. The updated software
specifications can be found by pushing the “?” button located at the
top right corner of the GUI. Hardware specifications remain the same
and can be found in the original manual.
Version 3.6.0
Copyright © 2009–2018 by Universal Robots A/S. All rights reserved.
II-117 CB3

15.3 Set Password
15.3 Set Password
Two passwords are supported. The first is an optional System password which prevents unautho-
rized modification of the setup of the robot. When the System password is set, programs can be
loaded and executed without the password, but the user must enter the correct password in order
to create or change programs.
The second is a required Safety password which must be entered correctly in order to modify the
safety configuration.
NOTE:
In order to change the safety configuration, the Safety password must
be set.
WARNING:
Add a System password to prevent non-authorized personnel from
changing the robot installation.
CB3 II-118 Version 3.6.0
Copyright © 2009–2018 by Universal Robots A/S. All rights reserved.

15.4 Calibrate Screen
15.4 Calibrate Screen
Calibrating the touch screen. Follow the on-screen instructions to calibrate the touch screen. Prefer-
ably use a pointed non-metallic object, such as a closed pen. Patience and care help achieve a better
result.
Version 3.6.0
Copyright © 2009–2018 by Universal Robots A/S. All rights reserved.
II-119 CB3

15.5 Setup Network
15.5 Setup Network
Panel for setting up the Ethernet network. An Ethernet connection is not necessary for the basic
robot functions, and is disabled by default.
CB3 II-120 Version 3.6.0
Copyright © 2009–2018 by Universal Robots A/S. All rights reserved.

15.6 Set Time
15.6 Set Time
Set the time and date for the system and configure the display formats for the clock. The clock is
displayed at the top of the Run Program and Program Robot screens. Tapping on it will show the
date briefly. The GUI needs to be restarted for changes to take effect.
Version 3.6.0
Copyright © 2009–2018 by Universal Robots A/S. All rights reserved.
II-121 CB3

15.7 URCaps Setup
15.7 URCaps Setup
In the top list an overview of all installed URCaps is presented. Clicking on a URCap displays
its meta information (including the name of the URCap, the version, license etc.) in the URCap
Information area below the list.
Click the +button in the bottom of the screen to install a new URCap. A file chooser is shown
where a .urcap file can be selected. Click Open and PolyScope will return to the setup screen.
The selected URCap will be installed and a corresponding entry will appear in the list shortly after.
Newly installed or uninstalled URCaps require PolyScope to be restarted and the Restart button
will be enabled.
To uninstall a URCap, simply select the URCap in the list and click the -button. The URCap will
disappear from the list, but a restart is still required.
In the list, the icon shown next to an entry indicates the state of the URCap. The different states are
defined below:
URCap ok: The URCap is installed and running normally.
URCap fault: The URCap is installed but unable to start. Contact the URCap developer.
URCap restart needed: The URCap has just been installed and a restart is required.
CB3 II-122 Version 3.6.0
Copyright © 2009–2018 by Universal Robots A/S. All rights reserved.

Glossary
Stop Category 0: Robot motion is stopped by immediate removal of power to the robot. It is an
uncontrolled stop, where the robot can deviate from the programmed path as each joint brake
as fast as possible. This protective stop is used if a safety-related limit is exceeded or in case of a
fault in the safety-related parts of the control system. For more information, see ISO 13850
or IEC 60204-1.
Stop Category 1: Robot motion is stopped with power available to the robot to achieve the stop and
then removal of power when the stop is achieved. It is a controlled stop, where the robot will
continue along the programmed path. Power is removed as soon as the robot stands still. For
more information, see ISO 13850 or IEC 60204-1.
Stop Category 2: A controlled stop with power left available to the robot. The safety-related con-
trol system monitors that the robot stays at the stop position. For more information, see
IEC 60204-1.
Category 3: The term Category should not be confused with the term Stop Category.Category refers
to the type of architecture used as basis for a certain Performance Level. A significant property
of a Category 3 architecture is that a single fault cannot lead to loss of the safety function. For
more information, see ISO 13849-1.
Performance Level: A Performance Level (PL) is a discrete level used to specify the ability of safety-
related parts of control systems to perform a safety functions under foreseeable conditions.
PLd is the second highest reliability classification, meaning that the safety function is ex-
tremely reliable. For more information, see ISO 13849-1.
Diagnostic coverage (DC): is a measure of the effectiveness of the diagnostics implemented to achieve
the rated performance level. For more information, see ISO 13849-1.
MTTFd: The Mean time to dangerous failure (MTTFd) is a value based on calculations and tests
used to achieve the rated performance level. For more information, see ISO 13849-1.
Integrator: The integrator is the entity that designs the final robot installation. The integrator is
responsible for making the final risk assessment and must ensure that the final installation
complies with local laws and regulations.
Risk assessment: A risk assessment is the overall process of identifying all risks and reducing them
to an appropriate level. A risk assessment should be documented. Consult ISO 12100 for
further information.
Collaborative robot application: The term collaborative refers to collaboration between operator and
robot in a robot application. See precise definitions and descriptions in ISO 10218-1 and
ISO 10218-2.
Safety configuration: Safety-related functions and interfaces are configurable through safety config-
uration parameters. These are defined through the software interface, see part II.
Version 3.6.0
Copyright © 2009–2018 by Universal Robots A/S. All rights reserved.
II-123 CB3

15.7 URCaps Setup
CB3 II-124 Version 3.6.0
Copyright © 2009–2018 by Universal Robots A/S. All rights reserved.

Index
A
AfterEnd ..................................II-106
AnchorPosition ...........................II-105
B
Base ...................................II-25,II-76
Basefeature .................................II-55
BeforeStart .................................II-106
Blendparameters ...........................II-79
Blending ....................................II-78
Box pattern . . . . . . . . . . . . . . . . . . . . . . . . . II-100, II-101
C
ConfigurableI/O ............................I-31
ControlBox ...................................ix
control box . . I-29, I-31, I-46, I-63, II-30, II-39, II-50,
II-64
Conveyor Tracking . . . . . . . . . . . . . . . . . . . II-61, II-110
E
Ethernet .....................................I-44
EtherNet/IP ................................II-48
ExpressionEditor ...........................II-99
F
Feature ................................II-55,II-61
Featuremenu ..............................II-102
Folder ......................................II-90
Forcemode ................................II-101
Frame .....................................II-103
Freedrive . . . . . . . . . . . . . . . . . II-47, II-49, II-55, II-104
G
GeneralpurposeI/O ........................I-31
I
I/O . . . . . . . . . I-29, I-31, I-33, II-29, II-39, II-48, II-49
Installation ...........................II-51,II-110
Installation variables . . . . . . . . . . . . . . . . . . . . . . . . II-50
integrator .....................................I-8
J
Jointload ...................................II-64
jointspace ..................................II-74
L
Line pattern . . . . . . . . . . . . . . . . . . . . . . . . II-100, II-101
List(pattern) ...............................II-100
M
MODBUS . . . . . . . . . . . . II-40, II-49, II-51, II-53, II-61
Motion ....................................II-103
Mountingbracket .............................ix
Move . . . . II-29, II-56, II-74, II-75, II-78, II-86, II-105
MoveJ ......................................II-74
MoveL ................................II-55,II-74
MoveP ................................II-55,II-74
N
Normalmode ..............................II-111
P
PalletSequence ............................II-105
Pattern ..............................II-100,II-101
Point ......................................II-103
PolyScope . . . . . . . . . ix, II-25, II-27, II-29, II-91, II-96
popup ......................................II-87
PoseEditor .................................II-56
Program ....................................II-29
ProgramTree ..........................II-70,II-71
R
Recoverymode .............................II-32
Relativewaypoint ..........................II-76
risk assessment . . . . . . . . . . . . . . . . . . . . x, I-3, I-8, I-10
Robot arm . . . . I-29, I-63, II-50, II-64, II-101, II-103,
II-107, II-108
S
SafetyConfiguration ..........................I-9
SafetyI/O ..............................I-31,I-33
II-125

Safetyinstructions ...........................I-47
SafetySettings ................................I-3
Scriptmanual ..................................x
Servicemanual .................................x
Set ..........................................II-86
Simple .....................................II-103
Square pattern . . . . . . . . . . . . . . . . . . . . . . II-100, II-101
standard ...........................I-63,I-64,I-66
Structure ..................................II-110
Switch Case construction . . . . . . . . . . . . . . . . . . . .II-99
T
Teach Pendant . . . . . . . . . . . . . . . . . . . . ix, II-49, II-104
Testbutton ................................ II-104
ToolCenterPoint ...........................II-43
Toolfeature .................................II-55
ToolI/O .....................................I-40
U
URCaps ........................................x
V
Variablefeature .............................II-76
Variablewaypoint ..........................II-76
Variables .............................II-73,II-113
W
Wait ........................................II-85
Warningsigns ................................I-4
Warranty ....................................I-53
Waypoint . . . . II-74, II-76–II-78, II-83, II-105, II-111
Waypoints ..................................II-27
Wizards ...................................II-110
Wrist3 ......................................II-25
CB3 II-126 Version 3.6.0
Copyright © 2009–2018 by Universal Robots A/S. All rights reserved.