Vivado Design Suite User Guide: Using The IDE (UG893) Guide
User Manual:
Open the PDF directly: View PDF
.
Page Count: 165 [warning: Documents this large are best viewed by clicking the View PDF Link!]
- Vivado Design Suite User Guide: Using the Vivado IDE
- Revision History
- Table of Contents
- Ch. 1: Introduction
- Ch. 2: Using the Viewing Environment
- Overview
- Vivado IDE Viewing Environment
- Creating Projects
- Configuring Project Settings
- Using Language Templates
- Running RTL Analysis, Synthesis, Implementation, and Bitstream Generation
- Opening Designs
- Finding Design or Device Objects
- Editing Properties
- Ch. 3: Using Windows
- Overview
- Working with Windows
- Using Data Table Windows
- Using the Project Summary
- Using the Sources Window
- Using the Netlist Window
- Using the Device Constraints Window
- Using the Properties Window
- Using the Run Properties Window
- Using the Selection Window
- Using the Workspace
- Using the Text Editor
- Using the Device Window
- Using the Package Window
- Using the Schematic Window
- Using the Hierarchy Window
- Using the Timing Constraints Window
- Using the Waveform Window
- Using the Tcl Console
- Using the Messages Window
- Using the Log Window
- Using the Reports Window
- Using the Design Runs Window
- Using the Package Pins Window
- Using the I/O Ports Window
- Ch. 4: Configuring the Environment
- Overview
- Specifying Tool Settings
- Specifying Project Default Settings
- Specifying IP Defaults
- Specifying Source File Settings
- Specifying Display Settings
- Specifying WebTalk Settings
- Specifying Help Settings
- Specifying Text Editor Settings
- Specifying Third-Party Simulators
- Specifying Colors
- Setting Selection Rules
- Configuring Shortcut Keys
- Creating Run Strategies
- Customizing Window Behavior
- Configuring Custom View Layouts
- Adding Custom Menu Commands
- Appx. A: Vivado IDE Tips
- Appx. B: Input and Output Files
- Appx. C: Additional Resources and Legal Notices

Vivado Design Suite
User Guide
Using the Vivado IDE
UG893 (v2017.1) April 5, 2017
UG893 (v2017.2) June 7, 2017

Using the Vivado IDE 2
UG893 (v2017.1) April 5, 2017 www.xilinx.com
Revision History
The following table shows the revision history for this document.
Date Version Revision
04/05/2017 2017.1 Updated content based on the new Vivado IDE look and feel throughout.
In Chapter 1, Introduction, added new Configurable Zynq UltraScale+ MPSoC
design to Using the Getting Started Page.
In Chapter 2, Using the Viewing Environment, updated information to reflect new
Settings dialog box in Configuring Project Settings.
In Chapter 3, Using Windows, updated information on adding and opening sources
in Sources Window Commands, added information on set_msg_config Tcl
command in Suppressing Messages, added a note about recreating custom reports
in Generating Additional Reports, and removed references to the Vivado Design
Suite QuickTake Video: Messages, Reports and Log Files Overview.
In Chapter 4, Configuring the Environment, updated chapter to reflect new Settings
dialog box.
In Appendix A, Vivado IDE Tips, added a tip for using the File > Open Interactive
Report command.
In Appendix B, Input and Output Files, added Xilinx IP and IP integrator block
designs to Input Files, added recommendation for launching the tools in Output
Files, and added information on the Vivado_init.tcl file in Outputs for
Environment Configuration.
UG893 (v2017.2) June 7, 2017
06/07/2017: Released with Vivado® Design Suite 2017.2 without changes from 2017.1.

Using the Vivado IDE 3
UG893 (v2017.1) April 5, 2017 www.xilinx.com
Table of Contents
Revision History . . . . . . . . . . . . . . . . . . . . . . . . . . . . . . . . . . . . . . . . . . . . . . . . . . . . . . . . . . . . . . . . . . . . 2
Chapter 1: Introduction
Overview . . . . . . . . . . . . . . . . . . . . . . . . . . . . . . . . . . . . . . . . . . . . . . . . . . . . . . . . . . . . . . . . . . . . . . . . 6
Project Mode and Non-Project Mode. . . . . . . . . . . . . . . . . . . . . . . . . . . . . . . . . . . . . . . . . . . . . . . . . . 7
Launching the Vivado Design Suite. . . . . . . . . . . . . . . . . . . . . . . . . . . . . . . . . . . . . . . . . . . . . . . . . . . . 8
Using the Getting Started Page. . . . . . . . . . . . . . . . . . . . . . . . . . . . . . . . . . . . . . . . . . . . . . . . . . . . . . 11
Adding Design Tools or Devices . . . . . . . . . . . . . . . . . . . . . . . . . . . . . . . . . . . . . . . . . . . . . . . . . . . . . 14
Chapter 2: Using the Viewing Environment
Overview . . . . . . . . . . . . . . . . . . . . . . . . . . . . . . . . . . . . . . . . . . . . . . . . . . . . . . . . . . . . . . . . . . . . . . . 15
Vivado IDE Viewing Environment . . . . . . . . . . . . . . . . . . . . . . . . . . . . . . . . . . . . . . . . . . . . . . . . . . . . 15
Creating Projects . . . . . . . . . . . . . . . . . . . . . . . . . . . . . . . . . . . . . . . . . . . . . . . . . . . . . . . . . . . . . . . . . 22
Configuring Project Settings . . . . . . . . . . . . . . . . . . . . . . . . . . . . . . . . . . . . . . . . . . . . . . . . . . . . . . . . 24
Using Language Templates . . . . . . . . . . . . . . . . . . . . . . . . . . . . . . . . . . . . . . . . . . . . . . . . . . . . . . . . . 27
Running RTL Analysis, Synthesis, Implementation, and Bitstream Generation . . . . . . . . . . . . . . . 28
Opening Designs. . . . . . . . . . . . . . . . . . . . . . . . . . . . . . . . . . . . . . . . . . . . . . . . . . . . . . . . . . . . . . . . . . 29
Finding Design or Device Objects . . . . . . . . . . . . . . . . . . . . . . . . . . . . . . . . . . . . . . . . . . . . . . . . . . . . 31
Editing Properties. . . . . . . . . . . . . . . . . . . . . . . . . . . . . . . . . . . . . . . . . . . . . . . . . . . . . . . . . . . . . . . . . 38
Chapter 3: Using Windows
Overview . . . . . . . . . . . . . . . . . . . . . . . . . . . . . . . . . . . . . . . . . . . . . . . . . . . . . . . . . . . . . . . . . . . . . . . 43
Working with Windows . . . . . . . . . . . . . . . . . . . . . . . . . . . . . . . . . . . . . . . . . . . . . . . . . . . . . . . . . . . . 44
Using Data Table Windows . . . . . . . . . . . . . . . . . . . . . . . . . . . . . . . . . . . . . . . . . . . . . . . . . . . . . . . . . 47
Using the Project Summary. . . . . . . . . . . . . . . . . . . . . . . . . . . . . . . . . . . . . . . . . . . . . . . . . . . . . . . . . 51
Using the Sources Window . . . . . . . . . . . . . . . . . . . . . . . . . . . . . . . . . . . . . . . . . . . . . . . . . . . . . . . . . 53
Using the Netlist Window . . . . . . . . . . . . . . . . . . . . . . . . . . . . . . . . . . . . . . . . . . . . . . . . . . . . . . . . . . 64
Using the Device Constraints Window . . . . . . . . . . . . . . . . . . . . . . . . . . . . . . . . . . . . . . . . . . . . . . . . 67
Using the Properties Window . . . . . . . . . . . . . . . . . . . . . . . . . . . . . . . . . . . . . . . . . . . . . . . . . . . . . . . 68
Using the Run Properties Window . . . . . . . . . . . . . . . . . . . . . . . . . . . . . . . . . . . . . . . . . . . . . . . . . . . 70
Using the Selection Window . . . . . . . . . . . . . . . . . . . . . . . . . . . . . . . . . . . . . . . . . . . . . . . . . . . . . . . . 73
Using the Workspace . . . . . . . . . . . . . . . . . . . . . . . . . . . . . . . . . . . . . . . . . . . . . . . . . . . . . . . . . . . . . . 76
Using the Text Editor . . . . . . . . . . . . . . . . . . . . . . . . . . . . . . . . . . . . . . . . . . . . . . . . . . . . . . . . . . . . . . 81
UG893 (v2017.2) June 7, 2017

Using the Vivado IDE 4
UG893 (v2017.1) April 5, 2017 www.xilinx.com
Using the Device Window . . . . . . . . . . . . . . . . . . . . . . . . . . . . . . . . . . . . . . . . . . . . . . . . . . . . . . . . . . 88
Using the Package Window. . . . . . . . . . . . . . . . . . . . . . . . . . . . . . . . . . . . . . . . . . . . . . . . . . . . . . . . . 95
Using the Schematic Window . . . . . . . . . . . . . . . . . . . . . . . . . . . . . . . . . . . . . . . . . . . . . . . . . . . . . . 100
Using the Hierarchy Window . . . . . . . . . . . . . . . . . . . . . . . . . . . . . . . . . . . . . . . . . . . . . . . . . . . . . . 109
Using the Timing Constraints Window . . . . . . . . . . . . . . . . . . . . . . . . . . . . . . . . . . . . . . . . . . . . . . . 111
Using the Waveform Window. . . . . . . . . . . . . . . . . . . . . . . . . . . . . . . . . . . . . . . . . . . . . . . . . . . . . . 113
Using the Tcl Console. . . . . . . . . . . . . . . . . . . . . . . . . . . . . . . . . . . . . . . . . . . . . . . . . . . . . . . . . . . . . 114
Using the Messages Window . . . . . . . . . . . . . . . . . . . . . . . . . . . . . . . . . . . . . . . . . . . . . . . . . . . . . . 118
Using the Log Window. . . . . . . . . . . . . . . . . . . . . . . . . . . . . . . . . . . . . . . . . . . . . . . . . . . . . . . . . . . . 124
Using the Reports Window . . . . . . . . . . . . . . . . . . . . . . . . . . . . . . . . . . . . . . . . . . . . . . . . . . . . . . . . 126
Using the Design Runs Window . . . . . . . . . . . . . . . . . . . . . . . . . . . . . . . . . . . . . . . . . . . . . . . . . . . . 129
Using the Package Pins Window . . . . . . . . . . . . . . . . . . . . . . . . . . . . . . . . . . . . . . . . . . . . . . . . . . . . 133
Using the I/O Ports Window . . . . . . . . . . . . . . . . . . . . . . . . . . . . . . . . . . . . . . . . . . . . . . . . . . . . . . . 135
Chapter 4: Configuring the Environment
Overview . . . . . . . . . . . . . . . . . . . . . . . . . . . . . . . . . . . . . . . . . . . . . . . . . . . . . . . . . . . . . . . . . . . . . . 139
Specifying Tool Settings. . . . . . . . . . . . . . . . . . . . . . . . . . . . . . . . . . . . . . . . . . . . . . . . . . . . . . . . . . . 139
Specifying Project Default Settings. . . . . . . . . . . . . . . . . . . . . . . . . . . . . . . . . . . . . . . . . . . . . . . . . . 140
Specifying IP Defaults . . . . . . . . . . . . . . . . . . . . . . . . . . . . . . . . . . . . . . . . . . . . . . . . . . . . . . . . . . . . 141
Specifying Source File Settings . . . . . . . . . . . . . . . . . . . . . . . . . . . . . . . . . . . . . . . . . . . . . . . . . . . . . 141
Specifying Display Settings . . . . . . . . . . . . . . . . . . . . . . . . . . . . . . . . . . . . . . . . . . . . . . . . . . . . . . . . 141
Specifying WebTalk Settings . . . . . . . . . . . . . . . . . . . . . . . . . . . . . . . . . . . . . . . . . . . . . . . . . . . . . . . 142
Specifying Help Settings . . . . . . . . . . . . . . . . . . . . . . . . . . . . . . . . . . . . . . . . . . . . . . . . . . . . . . . . . . 142
Specifying Text Editor Settings . . . . . . . . . . . . . . . . . . . . . . . . . . . . . . . . . . . . . . . . . . . . . . . . . . . . . 142
Specifying Third-Party Simulators. . . . . . . . . . . . . . . . . . . . . . . . . . . . . . . . . . . . . . . . . . . . . . . . . . . 143
Specifying Colors . . . . . . . . . . . . . . . . . . . . . . . . . . . . . . . . . . . . . . . . . . . . . . . . . . . . . . . . . . . . . . . . 143
Setting Selection Rules . . . . . . . . . . . . . . . . . . . . . . . . . . . . . . . . . . . . . . . . . . . . . . . . . . . . . . . . . . . 145
Configuring Shortcut Keys . . . . . . . . . . . . . . . . . . . . . . . . . . . . . . . . . . . . . . . . . . . . . . . . . . . . . . . . . 145
Creating Run Strategies . . . . . . . . . . . . . . . . . . . . . . . . . . . . . . . . . . . . . . . . . . . . . . . . . . . . . . . . . . . 146
Customizing Window Behavior . . . . . . . . . . . . . . . . . . . . . . . . . . . . . . . . . . . . . . . . . . . . . . . . . . . . . 148
Configuring Custom View Layouts . . . . . . . . . . . . . . . . . . . . . . . . . . . . . . . . . . . . . . . . . . . . . . . . . . 148
Adding Custom Menu Commands . . . . . . . . . . . . . . . . . . . . . . . . . . . . . . . . . . . . . . . . . . . . . . . . . . 149
Appendix A: Vivado IDE Tips
Using the Viewing Environment . . . . . . . . . . . . . . . . . . . . . . . . . . . . . . . . . . . . . . . . . . . . . . . . . . . . 151
Using Windows . . . . . . . . . . . . . . . . . . . . . . . . . . . . . . . . . . . . . . . . . . . . . . . . . . . . . . . . . . . . . . . . . 151
Working with Messages and Reports . . . . . . . . . . . . . . . . . . . . . . . . . . . . . . . . . . . . . . . . . . . . . . . . 152
Appendix B: Input and Output Files
Input Files . . . . . . . . . . . . . . . . . . . . . . . . . . . . . . . . . . . . . . . . . . . . . . . . . . . . . . . . . . . . . . . . . . . . . . 153
UG893 (v2017.2) June 7, 2017

Using the Vivado IDE 5
UG893 (v2017.1) April 5, 2017 www.xilinx.com
Output Files . . . . . . . . . . . . . . . . . . . . . . . . . . . . . . . . . . . . . . . . . . . . . . . . . . . . . . . . . . . . . . . . . . . . 155
Outputs for Environment Configuration . . . . . . . . . . . . . . . . . . . . . . . . . . . . . . . . . . . . . . . . . . . . . 158
Outputs for Project Data . . . . . . . . . . . . . . . . . . . . . . . . . . . . . . . . . . . . . . . . . . . . . . . . . . . . . . . . . . 160
Outputs for Project Data Simulation . . . . . . . . . . . . . . . . . . . . . . . . . . . . . . . . . . . . . . . . . . . . . . . . 161
Outputs for Implementation. . . . . . . . . . . . . . . . . . . . . . . . . . . . . . . . . . . . . . . . . . . . . . . . . . . . . . . 162
Appendix C: Additional Resources and Legal Notices
Xilinx Resources . . . . . . . . . . . . . . . . . . . . . . . . . . . . . . . . . . . . . . . . . . . . . . . . . . . . . . . . . . . . . . . . . 163
Solution Centers. . . . . . . . . . . . . . . . . . . . . . . . . . . . . . . . . . . . . . . . . . . . . . . . . . . . . . . . . . . . . . . . . 163
Documentation Navigator and Design Hubs . . . . . . . . . . . . . . . . . . . . . . . . . . . . . . . . . . . . . . . . . . 163
References . . . . . . . . . . . . . . . . . . . . . . . . . . . . . . . . . . . . . . . . . . . . . . . . . . . . . . . . . . . . . . . . . . . . . 164
Training Resources. . . . . . . . . . . . . . . . . . . . . . . . . . . . . . . . . . . . . . . . . . . . . . . . . . . . . . . . . . . . . . . 165
Please Read: Important Legal Notices . . . . . . . . . . . . . . . . . . . . . . . . . . . . . . . . . . . . . . . . . . . . . . . 165
UG893 (v2017.2) June 7, 2017

Using the Vivado IDE 6
UG893 (v2017.1) April 5, 2017 www.xilinx.com
Chapter 1
Introduction
Overview
The Vivado® Integrated Design Environment (IDE) provides an intuitive graphical user
interface (GUI) with powerful features. All of the tools and tool options are written in native
Tool Command Language (Tcl) format, which enables use both in the Vivado IDE or Vivado
Design Suite Tcl shell. Analysis and constraint assignment is enabled throughout the entire
design process. For example, you can run timing or power estimations after synthesis,
placement, or routing. Because the database is accessible through Tcl, changes to
constraints, design configuration or tool settings happen in real time, often without forcing
re-implementation.
You can improve design performance using the new algorithms delivered by the Vivado IDE,
including:
• Register transfer level (RTL) design in VHDL, Verilog, and SystemVerilog
• Intellectual property (IP) integration for cores
• Behavioral, functional, and timing simulation with Vivado simulator
• Vivado synthesis
• Vivado implementation for place and route
• Vivado serial I/O and logic analyzer for debugging
• Vivado power analysis
• SDC-based Xilinx® Design Constraints (XDC) for timing constraints entry
• Static timing analysis
• High-level floorplanning
• Detailed placement and routing modification
• Bitstream generation
UG893 (v2017.2) June 7, 2017

Using the Vivado IDE 7
UG893 (v2017.1) April 5, 2017 www.xilinx.com
Chapter 1: Introduction
The Vivado IDE uses a concept of opening designs in memory. Opening a design loads the
design netlist at that particular stage of the design flow, assigns the constraints to the
design, and then applies the design to the target device. This provides the ability to
visualize and interact with the design at each design stage.
You can experiment with different implementation options, refine timing constraints,
explore the Vivado IP catalog, perform simulation, and apply physical constraints with
floorplanning techniques to help improve design results. Early estimates of resource
utilization, interconnect delay, power consumption, and routing connectivity can assist with
appropriate logic design, device selection, and floorplanning. As the design moves through
the implementation flow, you can further refine the design.
IMPORTANT: The Vivado IDE supports designs that target 7 series and newer devices only.
TRAINING: To help you learn more about the concepts presented in this document, you can attend the
Essentials of FPGA Design Training Course, Vivado Design Suite Hands-On Introductory Workshop
Training Course, or Vivado Design Suite Tool Flow Training Course.
Project Mode and Non-Project Mode
There are two design flow modes available in the Vivado Design Suite: Project Mode and
Non-Project Mode. In general, you run Project Mode in the Vivado IDE. In this mode, you
create a project in the Vivado IDE, and the Vivado IDE automatically saves the state of the
design, generates reports and messaging, and manages source files. In general, you run
Non-Project Mode using Tcl commands or scripts. In this mode, you have full control of the
design flow, but the Vivado tools do not automatically manage source files or report the
design state. However, in Non-Project Mode, you can open the Vivado IDE at each design
stage for design analysis and constraints assignment. You are viewing the active design in
memory, so any changes are automatically passed forward in the flow. You can save updates
to new constraint files or design checkpoints. For more information, see the Vivado Design
Suite User Guide: Design Flows Overview (UG892) [Ref 1].
UG893 (v2017.2) June 7, 2017

Using the Vivado IDE 8
UG893 (v2017.1) April 5, 2017 www.xilinx.com
Chapter 1: Introduction
In Project Mode, the Vivado IDE supports several features that are not available in
Non-Project Mode:
• Source file management and status
• Flow Navigator and Project Summary
• Consolidated Messages and automatically generated standard reports
• Cross probing back to RTL
• Storage of tool settings and design configuration
• Experimentation with multiple synthesis and implementation runs
• Use and management of constraint sets
• Run results management and status
• IP configuration and integration with the IP catalog
These features provide several advantages from an ease-of-use perspective. For example,
when opening a previously created project in the Vivado IDE, you see the current state of
the design, run results, and previously generated reports and messages. Using the Flow
Navigator, a single click on Generate Bitstream synthesizes and implements the design,
and generates a bitstream file. In addition, you can cross probe from an error message
directly to the source file.
Launching the Vivado Design Suite
You can launch the Vivado Design Suite and run the tools using different methods
depending on your preference. For example, you can choose a Tcl script-based compilation
style method in which you manage sources and the design process yourself, also known as
Non-Project Mode. Alternatively, you can use a project-based method to automatically manage
your design process and design data using projects and project states, also known as Project
Mode. Either of these methods can be run using a Tcl scripted batch mode or run interactively in
the Vivado IDE. For more information on the different design flow modes, see this link in the
Vivado Design Suite User Guide: Design Flows Overview (UG892) [Ref 1].
Note: Installation, licensing, and release information is available in the Vivado Design Suite User
Guide: Release Notes, Installation, and Licensing (UG973) [Ref 2].
UG893 (v2017.2) June 7, 2017

Using the Vivado IDE 9
UG893 (v2017.1) April 5, 2017 www.xilinx.com
Chapter 1: Introduction
Working with the Vivado IDE
You can launch the Vivado IDE from Windows or Linux.
RECOMMENDED: You can open the Vivado IDE from any directory. However, Xilinx recommends
running it from a project directory, because the Vivado IDE log and journal files are written to the
launch directory. When running from a command prompt, launch the Vivado IDE from the project
directory, or use the vivado -log and -journal options to specify a location. When using a
Windows shortcut, you must modify the Start in folder, which is a Property of the shortcut.
Alternatively, you can launch the Vivado IDE by double-clicking the project file (.xpr extension) to
ensure that the log and journal files are written to the project directory.
Launching the Vivado IDE on Windows
Select Start > All Programs > Xilinx Design Tools > Vivado 2017.x > Vivado 2017.x.
Note: You can also double-click the Vivado IDE shortcut icon on your desktop.
TIP: On Windows 7 systems, you can right-click the Vivado IDE shortcut icon, and select Pin to Start
Menu or Pin to Taskbar to provide quick access to the Vivado IDE.
Launching the Vivado IDE from the Command Line on Windows or Linux
Enter the following command at the command prompt:
<install_path>/Vivado/<version>/bin/vivado
Note: When you enter this command, it automatically runs vivado -mode gui to launch the
Vivado IDE. If you need help, type vivado -help.
TIP: To add the Vivado tools path to your current shell/command prompt, run settings64.bat or
settings64.sh from the <install_path>/Vivado/<version> directory.
Launching the Vivado IDE from the Vivado Design Suite Tcl Shell
Enter the following command at the Tcl command prompt:
start_gui
X-Ref Target - Figure 1-1
Figure 1-1: Vivado Desktop Icon
UG893 (v2017.2) June 7, 2017

Using the Vivado IDE 10
UG893 (v2017.1) April 5, 2017 www.xilinx.com
Chapter 1: Introduction
Working with Tcl
If you prefer to work directly with Tcl, you can interact with your design using Tcl commands
using either of the following methods:
• Enter individual Tcl commands in the Vivado Design Suite Tcl shell outside of the
Vivado IDE.
• Run Tcl scripts from the Vivado Design Suite Tcl shell.
• Enter individual Tcl commands in the Tcl Console at the bottom of the Vivado IDE.
• Run Tcl scripts from the Vivado IDE.
For more information about using Tcl and Tcl scripting, see the Vivado Design Suite User
Guide: Using Tcl Scripting (UG894) [Ref 3] and Vivado Design Suite Tcl Command Reference
Guide (UG835) [Ref 4]. For a step-by-step tutorial that shows how to use Tcl in the Vivado
tools, see the Vivado Design Suite Tutorial: Design Flows Overview (UG888) [Ref 5].
Note: Alternatively, you can type <command_name> -help in the Tcl Console or at the Vivado
Design Suite Tcl shell for information about the specified command.
Launching the Vivado Design Suite Tcl Shell
Use the following command to invoke the Vivado Design Suite Tcl shell either at the Linux
command prompt or within a Windows Command Prompt window:
vivado -mode tcl
Note: On Windows, you can also select Start > All Programs > Xilinx Design Tools > Vivado
2017.x > Vivado 2017.x Tcl Shell.
Launching the Vivado Tools Using a Batch Tcl Script
You can use the Vivado tools in batch mode by supplying a Tcl script when invoking the
tool. Use the following command either at the Linux command prompt or within a Windows
Command Prompt window:
vivado -mode batch -source <your_Tcl_script>
Note: When working in batch mode, the Vivado tools exit after running the specified script.
Using the Tcl Console in the Vivado IDE
The Vivado IDE runs on top of a powerful engine with integrated Tcl support. In the Vivado
IDE, you can issue Tcl commands from the Tcl Console, as described in Using the Tcl Console
in Chapter 3.
UG893 (v2017.2) June 7, 2017

Using the Vivado IDE 11
UG893 (v2017.1) April 5, 2017 www.xilinx.com
Chapter 1: Introduction
Running a Tcl Script from the Vivado IDE
To run a script, select Tools > Run Tcl Script.
TIP: To create scripts, you can copy the Vivado IDE Tcl commands from the vivado.jou file or from
the Tcl Console.
Using the Getting Started Page
When you open the Vivado IDE, the Getting Started Page appears (Figure 1-2).
Note: To open the Getting Started Page, all open projects must be closed.
X-Ref Target - Figure 1-2
Figure 1-2: Vivado IDE Getting Started Page
UG893 (v2017.2) June 7, 2017

Using the Vivado IDE 12
UG893 (v2017.1) April 5, 2017 www.xilinx.com
Chapter 1: Introduction
The Vivado IDE Getting Started Page assists you with creating and opening projects,
running Vivado IDE commands, and viewing documentation as follows:
•Quick Start
°Create Project: Opens the New Project wizard to guide you through creating
various supported project types. You can also use the wizard to import previously
created projects from the PlanAhead™ tool (.ppr extension) or from the ISE®
Design Suite (.xise extension).
°Open Project: Opens a browser that enables you to open any Vivado IDE project
file (.xpr extension).
°Open Example Project: Opens the Open Example Project wizard to guide you
through creating one of the following example projects, which includes specifying a
project name and location and choosing from a list of valid parts:
-Base MicroBlaze: Small Vivado IP integrator MicroBlaze™ processor design
targeting a user-specified board. The design walks you through bitstream
generation in the Vivado Design Suite, application code development in SDK,
and simulation of the design in the Vivado Design Suite using an ELF file
generated by SDK.
-Base Zynq: Small Vivado IP integrator Zynq®-7000 AP SoC design targeting a
Zynq-7000 All Programmable (AP) SoC evaluation board. The design walks you
through bitstream generation in the Vivado Design Suite and application code
development in Software Development Kit (SDK) for the Zynq-7000 AP SoC.
-BFT: Small RTL project.
-Configurable MicroBlaze: Vivado IP integrator MicroBlaze processor design
targeting a KCU105, KCU116, VCU108, or VCU110 board. The design allows you
to specify the local memory size and whether to instantiate DDR4, UART, or
GPIO IP. You can customize the UART IP to a specified baud rate or customize
the GPIO IP to interface to DIP switches, LED, push buttons, or rotary switches.
You can implement the design in the Vivado Design Suite, export the hardware
to SDK for application code development, and simulate the design in the Vivado
Design Suite using a test bench that you supply and an ELF file generated by
SDK.
-Configurable Zynq UltraScale+ MPSoC Design: Zynq UltraScale+ MPSoC
design targeting the ZCU102 board. The design allows you to specify the local
memory size and whether to instantiate DDR4, UART, or GPIO IP. You can
customize the UART IP to a specified baud rate or customize the GPIO IP to
interface to DIP switches, LED, push buttons, or rotary switches. You can
implement the design in the Vivado Design Suite, export the hardware to SDK
for application code development, and simulate the design in the Vivado Design
Suite using a test bench that you supply and an ELF file generated by SDK.
-CPU (HDL): Large mixed-language RTL project.
UG893 (v2017.2) June 7, 2017

Using the Vivado IDE 13
UG893 (v2017.1) April 5, 2017 www.xilinx.com
Chapter 1: Introduction
-CPU (Synthesized): Large synthesized netlist project.
-Wavegen (HDL): Small project that includes three embedded IP cores. You can
use this design to learn how to use integrated IP cores with Vivado IDE projects.
•Tasks
°Manage IP: Opens or creates an IP project for customizing and managing IP. The
Vivado IP catalog displays Xilinx, third-party, or user-created IP, which can be
customized to create IP cores for a specified device. You can also view or
re-customize existing IP cores and generate output products, including a netlist of
the IP standalone.
°Open Hardware Manager: Opens the Vivado Design Suite hardware manager to
connect to a target JTAG cable or board, which enables you to program your design
into a device. The Vivado logic analyzer and Vivado serial I/O analyzer features of
the tool enable you to debug your design.
°Xilinx Tcl Store: Opens the Xilinx Tcl Store, an open source repository of Tcl code
designed primarily for use with the Vivado Design Suite. The Tcl Store provides
access to multiple scripts and utilities contributed from different sources, which
solve various issues and improve productivity. You can install Tcl scripts and also
contribute Tcl scripts to share your expertise with others. For more information, see
this link in the Vivado Design Suite User Guide: Using Tcl Scripting (UG894) [Ref 3].
TIP: Use the keyword search in the Xilinx Tcl Store to find the applications you want to install.
VIDEO: For an overview of the Xilinx Tcl store, including how to install, use, and contribute to Tcl scripts,
see the Vivado Design Suite QuickTake Video: Introduction to the Xilinx Tcl Store.
• Learning Center
°Documentation and Tutorials: Opens or downloads Vivado Design Suite
documentation using the Xilinx Documentation Navigator or your default web
browser.
°Quick Take Videos: Opens Xilinx video tutorials.
°Release Notes Guide: Opens the Vivado Design Suite User Guide: Release Notes,
Installation, and Licensing (UG973) [Ref 2].
Note: For more information about the Xilinx Documentation Navigator, see the Vivado Design
Suite User Guide: Getting Started (UG910) [Ref 6].
•Recent Project, Recent Checkpoints, and Recent IP Locations: Provides one-click
access to recently opened projects, checkpoints, or IP locations. These lists only appear
after you open projects, checkpoints, or IP locations.
Note: By default, the last ten previously opened projects, checkpoints, or IP locations are listed.
To change this number, select Tools > Settings, and update the Recent settings in the Project
options under Tool Settings. The Vivado IDE checks that the project data is available before
displaying the projects.
UG893 (v2017.2) June 7, 2017

Using the Vivado IDE 14
UG893 (v2017.1) April 5, 2017 www.xilinx.com
Chapter 1: Introduction
Adding Design Tools or Devices
If you want to add a design tool or device that you did not initially install, you can select
Help > Add Design Tools or Devices. This command launches the Xilinx installer, which
allows you to modify your installation options. For more information, see the Vivado Design
Suite User Guide: Release Notes, Installation, and Licensing (UG973) [Ref 2].
UG893 (v2017.2) June 7, 2017

Using the Vivado IDE 15
UG893 (v2017.1) April 5, 2017 www.xilinx.com
Chapter 2
Using the Viewing Environment
Overview
This chapter contains general information on the terminology, layout, and project features
of the Vivado® IDE. It does not contain information on the Vivado IDE design flow. For
information on the design flow, see the following documents:
•Vivado Design Suite User Guide: Design Flows Overview (UG892) [Ref 1]
•Vivado Design Suite User Guide: Designing with IP (UG896) [Ref 7]
•Vivado Design Suite User Guide: Designing IP Subsystems Using IP Integrator (UG994)
[Ref 8]
•Vivado Design Suite User Guide: Logic Simulation (UG900) [Ref 9]
•Vivado Design Suite User Guide: Synthesis (UG901) [Ref 10]
•Vivado Design Suite User Guide: Using Constraints (UG903) [Ref 11]
•Vivado Design Suite User Guide: Implementation (UG904) [Ref 12]
•Vivado Design Suite User Guide: Design Analysis and Closure Techniques (UG906)
[Ref 13]
•Vivado Design Suite User Guide: Programming and Debugging (UG908) [Ref 14]
VIDEO: For more information on tool usage and features, see the Vivado Design Suite QuickTake
Video Tutorials. These video tutorials target specific topics in brief video presentations.
Vivado IDE Viewing Environment
Figure 2-1 shows the Vivado IDE viewing environment. You can interact with the Vivado IDE
through mouse, keyboard, or Tcl input.
TIP: For quick access to information on different parts of the Vivado IDE, click the Quick Help button
in the window or dialog box.
UG893 (v2017.2) June 7, 2017

Using the Vivado IDE 16
UG893 (v2017.1) April 5, 2017 www.xilinx.com
Chapter 2: Using the Viewing Environment
The main components of the viewing environment are:
1. Menu Bar
2. Main Toolbar
3. Flow Navigator
4. Data Windows Area
5. Menu Command Quick Access Search Field
6. Workspace
7. Project Status Bar
8. Layout Selector
9. Status Bar
10. Results Windows Area
X-Ref Target - Figure 2-1
Figure 2-1: Vivado IDE Viewing Environment
X10967
1 2 3 54 6 7 8
9 10
UG893 (v2017.2) June 7, 2017

Using the Vivado IDE 17
UG893 (v2017.1) April 5, 2017 www.xilinx.com
Chapter 2: Using the Viewing Environment
Menu Bar
The main menu bar provides access to Vivado IDE commands. Commonly-used commands
always display (for example, File > Open Project) while others display only when a design
is active (for example, Tools > Report > Report DRC). Some menu commands have a
related keyboard shortcut that is listed next to the menu command. For information on
defining your own keyboard shortcuts, see Configuring Shortcut Keys in Chapter 4.
Menu Command Quick Access Search Field
To the right of the menu commands, the menu command Quick Access search field enables
you to locate and execute a command from the menu bar. In the search field, type a few
letters of a command name. A list of commands that include your search criteria appear, as
shown in Figure 2-2. Select a command from the list to execute that command.
The list of commands that appear is based on the current design context in the project. For
example, an open elaborated design offers a different set of commands than an open
implemented design.
Note: In addition to menu commands, the command search field reports project names and files
that display under the Open Recent Project and Open Example Project commands in the File
menu.
Main Toolbar
The main toolbar provides one-click access to the most commonly used commands in the
Vivado IDE. When you hover the mouse cursor over a button, a tooltip appears that
provides more information about the command.
TIP: You can set the amount of time before a tooltip appears and disappears. You can also set whether
to show tooltips for menu commands. Select Tools > Settings. In the Tool Settings section of the
Settings dialog box, click the Help category, and set the Tooltips and Quick Help settings.
X-Ref Target - Figure 2-2
Figure 2-2: Menu Command Quick Access Search Field
UG893 (v2017.2) June 7, 2017

Using the Vivado IDE 18
UG893 (v2017.1) April 5, 2017 www.xilinx.com
Chapter 2: Using the Viewing Environment
Flow Navigator
The Flow Navigator provides access to commands and tools to take your design from
design entry to bitstream creation. As you run these commands and tools, the design data,
graphical windows, and results windows update. The different sections in the Flow
Navigator enable you to do the following:
•Project Manager: Change settings, add or create sources, view language templates,
and open the Vivado IP catalog. For information on adding sources, see this link in the
Vivado Design Suite User Guide: System-Level Design Entry (UG895) [Ref 15]. For
information on language templates, see Using Language Templates. For information on
the IP catalog, see this link in the Vivado Design Suite User Guide: Designing with IP
(UG896) [Ref 7].
•IP Integrator: Create, open, or generate a block design. For information on the Vivado
IP integrator, see the Vivado Design Suite User Guide: Designing IP Subsystems Using IP
Integrator (UG994) [Ref 8].
•Simulation: Change simulation settings or simulate the active design. For information
on simulation, see the Vivado Design Suite User Guide: Logic Simulation (UG900) [Ref 9].
•RTL Analysis: Open an elaborated design, run design rule checks (DRCs), and generate
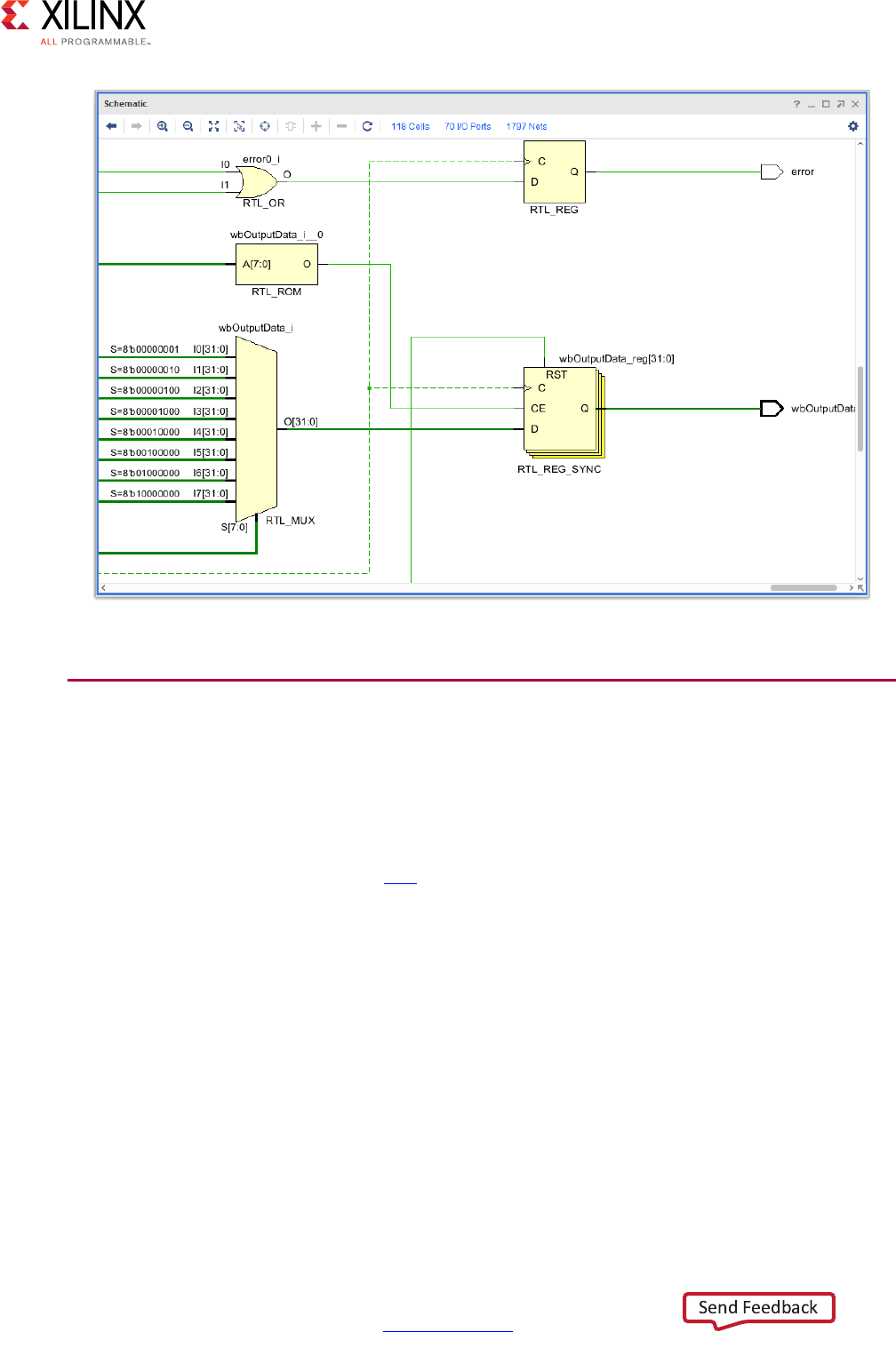
an RTL schematic. For information on the Schematic window, see Using the Schematic
Window in Chapter 3. For information on elaborating the RTL design, see this link in
the Vivado Design Suite User Guide: System-Level Design Entry (UG895) [Ref 15].
•Synthesis: Change synthesis settings, synthesize the active design, or open the
synthesized design. You can right-click Open Synthesized Design, and select New
Synthesized Design to load a second design. You can also right-click and select Open
Netlist in New Window to compare the designs side by side. For information on
synthesis, see the Vivado Design Suite User Guide: Synthesis (UG901) [Ref 10].
•Implementation: Change implementation settings, implement the active design, or
open the implemented design. For information on implementation, see Vivado Design
Suite User Guide: Implementation (UG904) [Ref 12].
•Program and Debug: Change bitstream settings, generate a bitstream file, open a
hardware session in the Vivado IDE, and launch the Vivado logic analyzer. For
information on programming and debugging, see Vivado Design Suite User Guide:
Programming and Debugging (UG908) [Ref 14].
TIP: Right-click a Run command to see available commands. For information on run management, see
Design Runs Window Commands in Chapter 3.
After opening a design, the section displays in bold to show that a design is loaded into
memory. In addition, the Open command changes. For example, Open Synthesized Design
changes to Synthesized Design. If you have multiple stages of the design loaded, you can
click the sections in the Flow Navigator to switch between design stages (for example, RTL
Analysis or Synthesis).
UG893 (v2017.2) June 7, 2017

Using the Vivado IDE 19
UG893 (v2017.1) April 5, 2017 www.xilinx.com
Chapter 2: Using the Viewing Environment
To make more screen space available for other windows during design analysis, you can
hide the Flow Navigator as follows:
• Select View > Hide Flow Navigator.
•Use the Ctrl+Q keyboard shortcut.
• In the upper right corner of the Flow Navigator, click the Hide Navigator button.
Note: To show the Flow Navigator, select View > Show Flow Navigator, press Ctrl+Q, or click the
Flow Navigator tab on the left edge of the Vivado IDE.
Layout Selector
The Vivado IDE provides predefined window layouts to facilitate various tasks in the design
process. The layout selector (Figure 2-3) enables you to easily change window layouts.
Alternatively, you can change layouts using the Layout menu in the menu bar.
X-Ref Target - Figure 2-3
Figure 2-3: Layout Selector
UG893 (v2017.2) June 7, 2017

Using the Vivado IDE 20
UG893 (v2017.1) April 5, 2017 www.xilinx.com
Chapter 2: Using the Viewing Environment
Use the predefined layouts as follows:
•Default Layout: Analyze your design with a minimum set of windows.
•I/O Planning: Define I/O placement constraints and place ports.
Note: When working with I/O planning projects, the I/O Planning view layout is called the
Default Layout.
•Floorplanning: Define Pblocks, manage partitions, and perform hierarchical
floorplanning.
•Debug: Define debug nets and configure debug cores.
•Timing Analysis: Run timing reports and analyze timing.
•ECO: Open the ECO Navigator to make engineering change orders (ECOs) to the
post-synthesis netlist.
Note: The ECO layout is only available when you open a design checkpoint (DCP). For more
information on the ECO flow, see this link in the Vivado Design Suite User Guide: Implementation
(UG904) [Ref 12] and this link in the Vivado Design Suite User Guide: Programming and
Debugging (UG908) [Ref 14].
TIP: You can also create custom view layouts that meet your specific requirements as described in
Configuring Custom View Layouts in Chapter 4.
Project Status Bar
The project status bar displays the following:
• Current status of the active design
• Descriptions for menu commands and toolbar buttons that you hover over
• Information about the selected text file that you are editing, including line numbers
and modes
• Position of elements that you hover over in the Device and Package windows
TIP: When one or more designs become out-of-date, a More Info link appears in the project status bar.
Click the link to view information about the changes that caused the design to become out-of-date.
UG893 (v2017.2) June 7, 2017

Using the Vivado IDE 21
UG893 (v2017.1) April 5, 2017 www.xilinx.com
Chapter 2: Using the Viewing Environment
Data Windows Area
By default, this area of the Vivado IDE displays information related to design sources and
data, such as:
•Sources window: Displays the Hierarchy, IP Sources, Libraries, and Compile Order
views.
•Netlist window: Provides a hierarchical view of the elaborated or synthesized logic
design.
•Properties window: Displays information about selected logic objects or device
resources.
For more information, see Chapter 3, Using Windows.
Workspace
The workspace displays windows with a graphical interface and those that require more
screen space, including:
• Text Editor for displaying and editing text-based files and reports
•Schematic window
•Device window
•Package window
For more information, see Chapter 3, Using Windows.
Results Windows Area
The status and results of commands run in the Vivado IDE display in the results windows
area, a set of windows grouped at the bottom of the viewing environment. As commands
are run, messages are generated, and log files and report files are created, the related
information appears in this area. By default, this area includes the following windows:
•Tcl Console: Allows you to enter Tcl commands, and view the history of previous
commands and output.
•Messages: Shows all messages for the current design, categorized by process and
severity.
•Log: Shows the log files created by the synthesis, implementation and simulation runs.
•Reports: Provides quick access to the reports generated throughout the design flow for
the active run.
•Designs Runs: Manages runs for the current project.
UG893 (v2017.2) June 7, 2017

Using the Vivado IDE 22
UG893 (v2017.1) April 5, 2017 www.xilinx.com
Chapter 2: Using the Viewing Environment
The Find Results, Package Pins, and I/O Ports windows as well as various reports appear in
this area as needed. For more information, see Chapter 3, Using Windows.
Status Bar
The status bar displays the following information:
• Detailed descriptions for menu and toolbar commands appear on the lower left side of
the status bar when you access the command.
• During placement and constraint creation in the Device and Package windows,
constraint type and validity appear on the left side of the status bar, and site
coordinates and type display on the right side.
• Object details appear in the status bar when you hover over an object in the Schematic
window.
• The task progress bar appears on the right side of the status bar when you select the
Background button on a running task.
IMPORTANT: Any operation that uses Tcl is blocked while a task is running in the background. You can
still view reports or view an open design, but you cannot make modifications.
Creating Projects
You can use the New Project wizard to easily create different types of projects in the Vivado
IDE. To open the New Project wizard, select File > New Project. This wizard enables you to
specify a project location and name and create the types of projects shown in Figure 2-4. As
you proceed through the wizard, you optionally specify sources, IP, and constraint files,
followed by a Xilinx® board or part to complete project creation. For more information, see
this link in the Vivado Design Suite User Guide: System-Level Design Entry (UG895) [Ref 15].
UG893 (v2017.2) June 7, 2017

Using the Vivado IDE 23
UG893 (v2017.1) April 5, 2017 www.xilinx.com
Chapter 2: Using the Viewing Environment
Creating Projects Using Tcl Commands
You can also create a project using Tcl commands. Enter the commands in the Tcl Console of
the Vivado IDE or source them from a Tcl file:
create_project project_Name ./exampleDesigns/project_8 -part xc7vx485tffg1157-1
The default project type is RTL. If you want to create a netlist project specify:
set_property design_mode GateLvl [current_fileset]
You can now add files to the project:
add_files -norecurse -scan_for_includes ./designs/oneFlop.v
You can also make them local to the project:
import_files -norecurse ./designs/oneFlop.v
Note: This command corresponds to the Copy Sources into Project option in the Add Sources
wizard.
X-Ref Target - Figure 2-4
Figure 2-4: New Project Wizard—Project Type Page
UG893 (v2017.2) June 7, 2017

Using the Vivado IDE 24
UG893 (v2017.1) April 5, 2017 www.xilinx.com
Chapter 2: Using the Viewing Environment
TIP: You can use the PATH_MODE property with the add_files Tcl command to specify whether to
use absolute or relative paths. By default, relative paths are used. For more information, see this link in
the Vivado Design Suite Properties Reference Guide (UG912) [Ref 16].
For more information on creating a project using Tcl, see the following documents:
•Vivado Design Suite User Guide: Design Flows Overview (UG892) [Ref 1]
•Vivado Design Suite User Guide: Using Tcl Scripting (UG894) [Ref 3]
Configuring Project Settings
You can configure the Project Settings in the Settings dialog box (Figure 2-5) to meet your
design needs. These settings include general settings, related to the top module definition
and language options, as well as simulation, elaboration, synthesis, implementation,
bitstream, and IP settings.
Note: You can also access the Tool Settings from the Settings dialog box. For more information, see
Specifying Tool Settings in Chapter 4.
TIP: When entering or modifying data in a text box, if a value is used and editable, the text is black and
the background is white. If a value is used but not editable, the text is black and the background is gray.
If a value is unused or not applicable, the text is gray, including the label that precedes or follows it.
UG893 (v2017.2) June 7, 2017

Using the Vivado IDE 25
UG893 (v2017.1) April 5, 2017 www.xilinx.com
Chapter 2: Using the Viewing Environment
To open the Settings dialog box, use any of the following methods:
• In the Flow Navigator Project Manager section, click Settings.
• Select Tools > Settings.
• In the main toolbar, click the Settings toolbar button .
• In the Project Summary, click the Edit link next to Settings.
The Settings dialog box opens with the following categories on the left side under Project
Settings:
•General: Shows the project name and enables you to change the part, specify the top
module name, and set language options. For more information, see this link in the
Vivado Design Suite User Guide: System-Level Design Entry (UG895) [Ref 15].
•Simulation: Enables you to specify the target simulator, including the Vivado simulator
and supported third-party simulators. Displays the simulation set, the simulation top
X-Ref Target - Figure 2-5
Figure 2-5: Settings Dialog Box—Project Settings General Category
UG893 (v2017.2) June 7, 2017

Using the Vivado IDE 26
UG893 (v2017.1) April 5, 2017 www.xilinx.com
Chapter 2: Using the Viewing Environment
module name, top module (design under test), and a tabbed listing of compilation,
elaboration, simulation, netlist, and advanced options. For more information, see this
link in the Vivado Design Suite User Guide: Logic Simulation (UG900) [Ref 9].
•Elaboration: Enables you to specify whether to load the Netlist model or the Black
box model (stub file) for IP in the elaborated design. Selecting the netlist model
provides more details about the IP and allows you to perform I/O planning of IP.
Selecting the black box model enables faster loading. With either option, you must
generate the IP first. However, the black box model does not load the IP checkpoint,
which saves time. Selecting the Load constraints option includes constraints in the
design. The Vivado IDE only displays these constraints if you select the Netlist model
for the IP. For more information, see this link in the Vivado Design Suite User Guide:
System-Level Design Entry (UG895) [Ref 15].
•Synthesis: Shows the default constraints set. It also provides an options area for
selecting a synthesis strategy and for setting synthesis command line options. The
command line options are defined by the selected synthesis strategy, but you can
override these with your own selections. A description of the selected command line
option displays at the bottom of the dialog box. For more information, see this link in
the Vivado Design Suite User Guide: Synthesis (UG901) [Ref 10].
•Implementation: Shows the default constraints set. It also enables you to specify a
placed and routed checkpoint to use as a reference for the next implementation run. It
provides an options area for selecting an implementation strategy and for setting
command line options for the opt_design, power_opt_design, place_design,
phys_opt_design, and route_design tool steps that occur during implementation.
The command line options are defined by the selected implementation strategy, but
you can override the setting with your own selections. A description of the selected
command line option displays at the bottom of the dialog box. For more information,
see this link in the Vivado Design Suite User Guide: Implementation (UG904) [Ref 12].
•Bitstream: Specifies the bitstream options to use. A description of the selected
command line option displays at the bottom of the dialog box. For more information,
see this link in the Vivado Design Suite User Guide: Programming and Debugging
(UG908) [Ref 14].
Note: After a design is loaded, additional bitstream settings are available by selecting Tools >
Edit Device Properties. For more information, see Editing Device Properties.
•IP: Shows all user-specified repositories and allows you to specify additional locations.
You can also specify settings for the Vivado IP packager, IP caching, core containers,
and simulation scripts. For more information, see this link in the Vivado Design Suite
User Guide: Designing with IP (UG896) [Ref 7].
UG893 (v2017.2) June 7, 2017

Using the Vivado IDE 27
UG893 (v2017.1) April 5, 2017 www.xilinx.com
Chapter 2: Using the Viewing Environment
Using Language Templates
The Language Templates (Figure 2-6) provide access to various constructs for use in
synthesis, constraints, and debugging. You can browse the available files and select a file to
preview it. When you select a file, you can use the Insert Template popup menu command
in the Vivado IDE Text Editor, as described in Using the Text Editor in Chapter 3. To display
the language templates, select Tools > Language Templates, select Language Templates
from the Project Manager section of the Flow Navigator, or click the Language Templates
toolbar button in the Text Editor .
X-Ref Target - Figure 2-6
Figure 2-6: Language Templates
UG893 (v2017.2) June 7, 2017

Using the Vivado IDE 28
UG893 (v2017.1) April 5, 2017 www.xilinx.com
Chapter 2: Using the Viewing Environment
Language Templates Toolbar Commands
The local toolbar contains the following commands:
•Search: Opens the search bar to allow you to quickly locate objects in the Language
Templates.
Note: You can also access this command through the Alt+/ keyboard shortcut.
•Collapse All: Collapses all hierarchical tree objects to display only the top-level objects.
•Expand All: Expands all hierarchical tree objects to display all elements.
•Sort Alphabetically: Sorts the file tree alphabetically.
Running RTL Analysis, Synthesis, Implementation,
and Bitstream Generation
Run commands are available in several areas of the Vivado IDE:
•Flow Navigator
•Flow menu
• Main toolbar
• Design Runs window
The Vivado IDE provides “one click” execution for any stage of the design. For example, to
view the RTL analysis elaborated design, click Open Elaborated Design in the Flow
Navigator or the Flow menu. The design displays with the default layout.
To run the design through the entire flow and generate a bitstream file, click Generate
Bitstream in the Flow Navigator or the Flow menu. Synthesis and implementation are run
(if required), and the bitstream file is created. The state of the design is tracked in the
Vivado IDE, so only the required implementation steps are run. For example, modifying
implementation-specific constraints does not result in synthesis becoming out-of-date.
For more information, see the following documents:
•Vivado Design Suite User Guide: Design Flows Overview (UG892) [Ref 1]
•Vivado Design Suite User Guide: System-Level Design Entry (UG895) [Ref 15]
•Vivado Design Suite User Guide: Synthesis (UG901) [Ref 10]
•Vivado Design Suite User Guide: Implementation (UG904) [Ref 12]
UG893 (v2017.2) June 7, 2017

Using the Vivado IDE 29
UG893 (v2017.1) April 5, 2017 www.xilinx.com
Chapter 2: Using the Viewing Environment
Opening Designs
Use the Flow Navigator or Flow menu to select the following commands:
• Open Elaborated Design
• Open Synthesized Design
• Open Implemented Design
TIP: In the Design Runs window, you can right-click a design run, and select Open Run to open the
design.
The Flow > Open Implemented Design command populates the Vivado IDE as shown in
Figure 2-7.
Note: When you open an implemented design, the Vivado IDE opens the timing summary and
power report created with the implementation run. You cannot modify these reports. If you make
design changes, update constraints, or want to modify the report settings, select Tools > Report >
Timing > Report Timing Summary or Tools > Report > Report Power to create a new,
configurable report. To open an existing report, select File > Open Interactive Report or use the
open_report Tcl command.
UG893 (v2017.2) June 7, 2017

Using the Vivado IDE 31
UG893 (v2017.1) April 5, 2017 www.xilinx.com
Chapter 2: Using the Viewing Environment
Critical warnings and errors are displayed in a popup dialog box (Figure 2-8) when opening
a project, loading a design, or creating or launching runs. This ensures that you are aware of
any issues that might require your attention. These messages also display in the Messages
window.
For more information, see the following documents:
•Vivado Design Suite User Guide: Design Flows Overview (UG892) [Ref 1]
•Vivado Design Suite User Guide: Design Analysis and Closure Techniques (UG906)
[Ref 13]
Finding Design or Device Objects
After loading a design, you can use the Edit > Find command or Ctrl+F keyboard shortcut
to search for design or device objects. In the Find dialog box (Figure 2-9), you can specify
Tcl properties to filter the data using the following options. When you click OK, a Tcl
command is run to populate the Find Results window.
•Results name: Labels the Find Results window that shows the found objects.
•Find: Filters the type of object to search.
•Properties: Specifies the Tcl properties used to find the design or device objects. Click
the add button to add properties. Click the remove button to remove
properties.
•Regular expression: Searches for the specified string by matching text patterns based
on regular expression syntax.
•Ignore case: Searches for the specified regular expression string, regardless of whether
the string uses upper or lowercase.
•Search hierarchically: Searches through the entire design hierarchy.
X-Ref Target - Figure 2-8
Figure 2-8: Critical Messages
UG893 (v2017.2) June 7, 2017

Using the Vivado IDE 32
UG893 (v2017.1) April 5, 2017 www.xilinx.com
Chapter 2: Using the Viewing Environment
•Of Objects: Specifies a particular object to search. Click the Of Objects (...) button to
open a new dialog box and specify the objects to search.
•Command: Shows the Tcl command that is run to execute the search.
•Open in a new tab: Opens a new Find Results tab instead of replacing the previous
results.
X-Ref Target - Figure 2-9
Figure 2-9: Find Dialog Box
UG893 (v2017.2) June 7, 2017

Using the Vivado IDE 33
UG893 (v2017.1) April 5, 2017 www.xilinx.com
Chapter 2: Using the Viewing Environment
Finding Unplaced BUFGs
Figure 2-10 shows the Find dialog box settings for finding unplaced BUFGs.
Tcl Command Example for Finding Unplaced BUFGs
show_objects -name unplaced_BUFGs [get_cells -hierarchical -filter { PRIMITIVE_TYPE
== CLK.gclk.BUFG && STATUS == "UNPLACED" }]
Note: By default, the get_* Tcl command truncates the returned results in the Tcl Console and log
file after the first 500 results. For more information, including how to change the default setting, see
the Vivado Design Suite Tcl Command Reference Guide (UG835) [Ref 4].
X-Ref Target - Figure 2-10
Figure 2-10: Finding Unplaced BUFGs
UG893 (v2017.2) June 7, 2017

Using the Vivado IDE 34
UG893 (v2017.1) April 5, 2017 www.xilinx.com
Chapter 2: Using the Viewing Environment
Finding Regional Clocks with No Loads
Figure 2-11 shows the Find dialog box settings for finding regional clocks with no loads.
Tcl Command Example for Finding Regional Clocks with No Loads
show_objects -name regionalClocks_noLoads [get_nets -hierarchical -filter { TYPE ==
"REGIONAL_CLOCK" && ROUTE_STATUS =~ "NOLOADS" }]
X-Ref Target - Figure 2-11
Figure 2-11: Finding Regional Clocks with No Loads
UG893 (v2017.2) June 7, 2017

Using the Vivado IDE 35
UG893 (v2017.1) April 5, 2017 www.xilinx.com
Chapter 2: Using the Viewing Environment
Finding Placed RAMB36 Cells
Figure 2-12 shows the Find dialog box settings for finding RAMB36 sites that contain a
block RAM cell.
Tcl Command Example for Finding Placed RAMB36 Cells
show_objects -name placedBlockRAMB36 [get_sites -filter { SITE_TYPE =~ "RAMB36*" &&
IS_USED == "TRUE" }]
X-Ref Target - Figure 2-12
Figure 2-12: Finding Placed RAMB36 Cells
UG893 (v2017.2) June 7, 2017

Using the Vivado IDE 36
UG893 (v2017.1) April 5, 2017 www.xilinx.com
Chapter 2: Using the Viewing Environment
Finding Objects
In the Find dialog box, you can click the Of Objects button (...) to open the Of Objects dialog
box, which enables you to specify a particular object to search. Figure 2-13 shows the Of
Objects dialog box settings for a search for a specific slice.
X-Ref Target - Figure 2-13
Figure 2-13: Finding an Object
UG893 (v2017.2) June 7, 2017

Using the Vivado IDE 37
UG893 (v2017.1) April 5, 2017 www.xilinx.com
Chapter 2: Using the Viewing Environment
After specifying the slice, you can search for the occupied BELs, as shown in Figure 2-14.
Tcl Command for Finding Objects
show_objects -name BELs_Slice_X7Y120 [get_bels -filter { IS_USED == "TRUE" }
-of_objects [get_sites -filter { NAME =~ "SLICE_X7Y120" } ]]
X-Ref Target - Figure 2-14
Figure 2-14: Finding Occupied BELs within a Slice
UG893 (v2017.2) June 7, 2017

Using the Vivado IDE 38
UG893 (v2017.1) April 5, 2017 www.xilinx.com
Chapter 2: Using the Viewing Environment
Finding Black Box Cells
Figure 2-15 shows the Find dialog box settings for finding black box cells.
Tcl Command for Finding Black Box Cells
show_objects -name find_1 [get_cells -hierarchical -filter { IS_BLACKBOX == "TRUE" }]
Editing Properties
You can edit object properties, such as files, cells, designs and I/Os. To edit device
properties, including programming and configuration properties, use the Edit Device
Properties dialog box. To update properties for multiple objects, use the Property Editor.
TIP: To edit properties for a single object, use the Properties window as described in Using the
Properties Window in Chapter 3.
X-Ref Target - Figure 2-15
Figure 2-15: Finding Black Box Cells
UG893 (v2017.2) June 7, 2017

Using the Vivado IDE 39
UG893 (v2017.1) April 5, 2017 www.xilinx.com
Chapter 2: Using the Viewing Environment
Editing Device Properties
After loading a design, you can use the Tools > Edit Device Properties command to edit
programming and configuration properties. In the Edit Device Properties dialog box
(Figure 2-16), hover the mouse cursor over the property values to see the associated
constraint property name. For example, the Enable Bitstream Compression property is
associated with the BITSTREAM.GENERAL.COMPRESS constraint. For information on each
property, see this link in the Vivado Design Suite User Guide: Programming and Debugging
(UG908) [Ref 14]. For information on setting device configuration modes, see this link in the
Vivado Design Suite User Guide: I/O and Clock Planning (UG899) [Ref 17].
IMPORTANT: When you edit the properties, the constraints are in memory. Select File > Save
Constraints to write the properties to the target constraint file.
Tcl Command for Enabling Bitstream Compression
set_property BITSTREAM.GENERAL.COMPRESS TRUE [get_designs netlist_1]
X-Ref Target - Figure 2-16
Figure 2-16: Edit Device Properties Dialog Box
UG893 (v2017.2) June 7, 2017

Using the Vivado IDE 40
UG893 (v2017.1) April 5, 2017 www.xilinx.com
Chapter 2: Using the Viewing Environment
Editing Properties for Multiple Objects
After selecting multiple objects in a workspace window, you can use the Tools > Property
Editor command to open the Property Editor (Figure 2-17) and edit properties for the
selected objects.
In the Property Editor, you can also do the following:
•To adjust the Property Editor display, click the Settings toolbar button . Edit the
options that control the display of the header, types of objects, and properties
(Figure 2-18).
• To filter the displayed data, right-click in the Property Options, and select a filter
command. For example, select Show Columns with Differences to filter out columns
in which all of the data is the same.
• To change the value of a property for multiple objects, change a value in a cell at the
top or bottom of the list. Press Ctrl or Shift and select the modified cell as well as the
cells you want to change. Click the Fill Up or Fill Down toolbar button.
• To add more objects to the Property Editor, drag the objects from the workspace
window, and drop them onto the Property Editor. Alternatively, select the objects and
click the Add Selected Objects toolbar button .
TIP: Editable text strings are indicated by a pencil icon .
X-Ref Target - Figure 2-17
Figure 2-17: Property Editor
UG893 (v2017.2) June 7, 2017

Using the Vivado IDE 41
UG893 (v2017.1) April 5, 2017 www.xilinx.com
Chapter 2: Using the Viewing Environment
Property Editor Toolbar Commands
The local toolbar contains the following commands:
•Fill Up: Applies the changed value to all selected cells above the changed cell.
•Fill Down: Applies the changed value to all selected cells below the changed cell.
•Add Selected Objects: Adds selected objects to the list.
•Remove Selected Objects: Removes the selected object from the list.
X-Ref Target - Figure 2-18
Figure 2-18: Property Editor Options
UG893 (v2017.2) June 7, 2017

Using the Vivado IDE 42
UG893 (v2017.1) April 5, 2017 www.xilinx.com
Chapter 2: Using the Viewing Environment
•Settings: Controls the following settings that affect the display of information.
°Options:
-Group Header: Groups headers for related properties, such as MEM properties
(Figure 2-19).
-Autoscroll to Selected: Scrolls the list of objects in the Property Editor to show
the objects selected in other windows, such as the Sources or Netlist windows.
°Types: Shows or hides each property type.
°Properties: Shows or hides each property column.
X-Ref Target - Figure 2-19
Figure 2-19: Property Editor with Group Header Option
UG893 (v2017.2) June 7, 2017

Using the Vivado IDE 43
UG893 (v2017.1) April 5, 2017 www.xilinx.com
Chapter 3
Using Windows
Overview
This chapter contains general information that applies to all windows in the Vivado® IDE.
For example, it covers controlling the size and location of a window. In addition, it covers
features that apply only to specific windows, such as:
• Sorting and filtering large data sets
• Importing or updating a file into the project
• Viewing file properties
• Visualizing the design hierarchy
• Creating a port interface
• Determining which objects are selected
Note: For more information on these features, see the Vivado Design Suite User Guide: Design Flows
Overview (UG892) [Ref 1] and Vivado Design Suite User Guide: Design Analysis and Closure Techniques
(UG906) [Ref 13].
UG893 (v2017.2) June 7, 2017

Using the Vivado IDE 44
UG893 (v2017.1) April 5, 2017 www.xilinx.com
Chapter 3: Using Windows
Working with Windows
Figure 3-1 shows the parts of a window:
1. Title bar
2. Window tabs
3. Local toolbar
4. Window views
Window Tabs
Each window has a tab that you can select to make that window active. The tab is at the top
of most windows, such as the Log, Tcl Console, and Messages windows.
TIP: To make the next tab active in the workspace, press Ctrl+Tab. To make the previous tab active in
the workspace, press Ctrl+Shift+Tab. To maximize or minimize the window, double-click the window
tab, or press Alt -.
X-Ref Target - Figure 3-1
Figure 3-1: Parts of a Window
X13266-
041017
1
4
2
3
UG893 (v2017.2) June 7, 2017

Using the Vivado IDE 45
UG893 (v2017.1) April 5, 2017 www.xilinx.com
Chapter 3: Using Windows
Window Views
Some windows include different views of the same data. For example, the Log window
includes views for Synthesis, Implementation, and Simulation (Figure 3-2).
Window Controls
Each window has the following window controls, which enable you to manipulate the
window (Figure 3-3):
1. Quick Help
2. Minimize
3. Maximize
4. Float/Dock
5. Close
You can move, resize, float, or close windows as described in the following sections.
X-Ref Target - Figure 3-2
Figure 3-2: Log Window with Multiple Views
X-Ref Target - Figure 3-3
Figure 3-3: Window Controls
X13265
1
2
3
4
5
UG893 (v2017.2) June 7, 2017

Using the Vivado IDE 46
UG893 (v2017.1) April 5, 2017 www.xilinx.com
Chapter 3: Using Windows
TIP: After arranging windows in a configuration that works for you, you can save the layout for future
use, as described in Configuring Custom View Layouts in Chapter 4.
Moving Windows
1. Select the window tab or title bar, and drag the window.
A gray outline indicates where the window will be located after the move.
2. To commit to the placement, release the mouse button.
Note: Dropping one window onto an existing window places the two window tabs in the same
region.
IMPORTANT: You cannot move windows into or out of the workspace. However, you can resize and
move the windows within the workspace as described in Using the Workspace.
Resizing Windows
To resize windows:
• Click and drag a window border.
Note: The mouse cursor changes to a resize cursor when positioned over a window border or
drag handle, indicating that you can click and drag the window border to resize the window.
• To expand a window to use the all of the viewing environment, click the Maximize
button in the upper right corner of the window.
Note: The Vivado IDE minimizes all other open windows, except the Flow Navigator, and
expands the selected window to fill all available screen area.
• To restore a window to its original size, click the Restore button in the upper right
corner of the window.
TIP: To maximize or restore the window, double-click the window tab or title bar, or press Alt -.
Floating Windows
You can undock a window, including windows in the workspace, from the display docking
area. The window appears in a separate floating window, which allows it to be moved and
sized independently.
To float a window:
• In the upper right corner of the window, click the Float button.
• Right-click the window tab or title bar, and select Float from the popup menu.
UG893 (v2017.2) June 7, 2017

Using the Vivado IDE 47
UG893 (v2017.1) April 5, 2017 www.xilinx.com
Chapter 3: Using Windows
Note: If windows overlap, you can move a floating window by dragging the window title bar. You
can also move a floating window to another monitor display.
Closing Windows
To close windows:
• In the upper right corner of the window, click the Close button.
Note: In some cases, this button is also available in the window tab.
• Right-click the window tab or title bar, and select Close from the popup menu.
TIP: You can also press the Esc key to close the window.
Using Data Table Windows
The Vivado IDE contains windows that display as expandable data tables (Figure 3-4). These
windows share common characteristics and features as described in the following sections.
Expanding and Collapsing the Table
To expand or collapse the table:
• Use the expand and collapse buttons to expand or collapse portions of the
tree.
• In the local toolbar, use the Expand All and Collapse All buttons to expand or
collapse the entire tree.
X-Ref Target - Figure 3-4
Figure 3-4: Data Table Window
UG893 (v2017.2) June 7, 2017

Using the Vivado IDE 48
UG893 (v2017.1) April 5, 2017 www.xilinx.com
Chapter 3: Using Windows
Filtering Table Data
To filter table data to display only specified values:
1. Right-click a column header, and select Enable Column Filtering.
2. Hover over the column to filter, and click the Filter Column icon as shown in Figure 3-5.
3. Select the column value to display as shown in Figure 3-6.
The Filtered Column icon appears at the top of each column that you filtered, and the table
shows only the rows of data that include the selected value.
TIP: To clear a filter, right-click the Filtered Column icon, and select (All). To clear all filters but leave
the filter feature enabled, select Clear All Column Filters.
X-Ref Target - Figure 3-5
Figure 3-5: Filter Column Icon
X-Ref Target - Figure 3-6
Figure 3-6: Filter Column Value
UG893 (v2017.2) June 7, 2017

Using the Vivado IDE 49
UG893 (v2017.1) April 5, 2017 www.xilinx.com
Chapter 3: Using Windows
Displaying Entries in a Flat List or a Group
In the local toolbar, click the Group by Type button to show the entries either grouped by
a particular type or as a single flat list of entries. For example, in the I/O Ports window, you
can toggle between a display grouped by interface and bus or shown as a flat list
(Figure 3-7).
Using the Search Capability to Filter the List
RECOMMENDED: For best results, flatten the list before searching and filtering, as described in the
preceding section.
1. In the local toolbar, click the Search button to display a search field in the banner of
the window.
Note: You can also access this command through the Alt+/ keyboard shortcut.
2. Optionally, select the drop-down menu on the left of the search field, and select search
criteria, including which columns to search (Figure 3-8).
3. Enter a text string to filter the list displayed in the table window.
When you enter a text string, the list adjusts dynamically to list only those entries that
contain the string. Click the Search button again to hide the Search field and filtering.
X-Ref Target - Figure 3-7
Figure 3-7: Group by Type or Flat List Toolbar Button
X-Ref Target - Figure 3-8
Figure 3-8: Search Drop-Down Menu
UG893 (v2017.2) June 7, 2017

Using the Vivado IDE 50
UG893 (v2017.1) April 5, 2017 www.xilinx.com
Chapter 3: Using Windows
Sorting Columns
You can sort table columns in increasing or decreasing order according to the sort criteria
of the selected column. A visual indication of the sort order displays in the column header,
as shown in Figure 3-9.
To sort columns:
• Click a column header to sort data in the table in an increasing order.
• Click the column header again to sort the data in the table in a decreasing order.
• To add sort criteria for additional columns, press Ctrl and click the header of the
column.
Note: For example, in Figure 3-9, the Direction column is the primary sort criteria, and the Name
column is the secondary sort criteria.
• To remove sort criteria from a column, press Ctrl and click the column header.
Organizing Columns
To organize columns:
• To move a column, select the column and drag it to a new location.
• To hide a column, right-click the column header, and select Hide This Column from the
popup menu.
• To adjust the width of the columns based on the displayed data, right-click the column
header, and select Auto Resize Column from the popup menu.
• To restore the table default settings, right-click a column header, and select Reset to
Default from the popup menu.
X-Ref Target - Figure 3-9
Figure 3-9: Sort Order Arrows
;
UG893 (v2017.2) June 7, 2017

Using the Vivado IDE 51
UG893 (v2017.1) April 5, 2017 www.xilinx.com
Chapter 3: Using Windows
Using Window-Specific Toolbar Commands
Most windows have local toolbar buttons to run commonly used commands that are
specific to the window (Figure 3-10). Certain buttons are enabled only when you select
specific objects, such as files, sites, ports, instances, and cells. Toolbar commands are
covered in detail in the specific window sections that follow.
Using the Project Summary
The Vivado IDE includes an interactive Project Summary (Figure 3-11) that updates
dynamically as design commands are run and the design progresses through the design
flow. It provides project and design information, such as the project part, board, and state
of synthesis and implementation. It also provides links to detailed information, such as links
to the Messages and Reports windows as well as the Settings dialog box. As synthesis and
implementation complete, DRC violations, timing values, utilization percentages, and power
estimates are also populated.
To open the Project Summary, do either of the following:
• Select Window > Project Summary.
• Click the Project Summary toolbar button .
X-Ref Target - Figure 3-10
Figure 3-10: Local Toolbar
;
UG893 (v2017.2) June 7, 2017

Using the Vivado IDE 53
UG893 (v2017.1) April 5, 2017 www.xilinx.com
Chapter 3: Using Windows
Using the Sources Window
The Sources window (Figure 3-12) allows you to manage project source files, including
adding, removing, and reordering the sources to meet specific design requirements. The
Sources window displays the following sources when they are part of the project:
• Design sources
•Constraint files
• Simulation sources
•IP cores
Generally, the Sources window is available in the Vivado IDE whenever a project is open. To
open the Sources window, select Window > Sources. The Sources window includes the
following folders:
•Design Sources: Displays source file types, including Verilog, VHDL, NGC/NGO, EDIF, IP
cores, digital signal processing (DSP) modules, and XDC and SDC constraint files.
°Non-Module Files: Displays files that produced issues during parsing.
°Disabled Sources: Displays disabled files.
°Text: Displays text files that are part of the project.
Note: NGC format files are not supported in the Vivado Design Suite for UltraScale™ devices.
Xilinx recommends that you regenerate the IP using the Vivado Design Suite IP customization
tools with native output products. Alternatively, you can use the NGC2EDIF command to migrate
the NGC file to EDIF format for importing, as described in this link in the ISE to Vivado Design
Suite Migration Guide (UG911) [Ref 18]. However, Xilinx recommends using native Vivado IP
rather than XST-generated NGC format files going forward.
•Constraints: Displays constraint files, which are assigned to constraint sets. For more
information on design constraints, see the Vivado Design Suite User Guide: System-Level
Design Entry (UG895) [Ref 15] and Vivado Design Suite User Guide: Using Constraints
(UG903) [Ref 11].
•Simulation Sources: Displays the source files that are used for simulation. For more
information on defining and using simulation files, see the Vivado Design Suite User
Guide: Logic Simulation (UG900) [Ref 9].
IMPORTANT: Messages, such as Critical Warnings, encountered during the building of the hierarchy
display at the top of the hierarchy tree in the Sources window.
UG893 (v2017.2) June 7, 2017

Using the Vivado IDE 54
UG893 (v2017.1) April 5, 2017 www.xilinx.com
Chapter 3: Using Windows
Sources Window Views
The Sources window includes the following views to display the source files in different
ways:
•Hierarchy View
•IP Sources View
•Libraries View
•Compile Order View
X-Ref Target - Figure 3-12
Figure 3-12: Sources Window
UG893 (v2017.2) June 7, 2017

Using the Vivado IDE 55
UG893 (v2017.1) April 5, 2017 www.xilinx.com
Chapter 3: Using Windows
Hierarchy View
The Hierarchy view displays the hierarchy of the design modules and instances, along with
the source files that contain them. The top module defines the hierarchy of the design for
compilation, synthesis, and implementation. The Vivado IDE automatically detects the top
module, but you can also manually define the top module using the Set as Top command.
For information, see Sources Window Popup Menu Commands.
Hierarchy View Icons
The Hierarchy view uses the following icons:
•Top module
• Missing File/Module/Instance
• Out-of-Context Module
• Global Include File
• Verilog Header File
• Verilog File
• SystemVerilog File
• VHDL File
•Constraint File
• Tcl File
•IP
•Locked IP
•Block Design
• Design Checkpoint
• Netlist
• Hidden Instantiation
•Report
TIP: When a file, module definition, or instantiation of a module is missing in the design hierarchy, the
Show Only Missing Sources button is enabled in the Sources window local toolbar.
IP Sources View
The IP Sources view displays all of the files defined by an IP core. For more information, see
this link in the Vivado Design Suite User Guide: Designing with IP (UG896) [Ref 7].
UG893 (v2017.2) June 7, 2017

Using the Vivado IDE 56
UG893 (v2017.1) April 5, 2017 www.xilinx.com
Chapter 3: Using Windows
Libraries View
The Libraries view displays the sources sorted into the various libraries. You can use this
view to create new libraries and manage files.
Compile Order View
The Compile Order view displays source files in the order in the files will be compiled, from
first to last, and shows the processing order for constraints. At the top of the Compile Order
view, you can select Synthesis, Implementation, or Simulation from the drop-down menu
to show the source files for each design flow step, as shown in Figure 3-13.
When working with sources, the top module is usually the last file to be compiled. You can
allow the Vivado IDE to automatically determine the compile order based on the defined
top module and the elaborated design. Alternatively, you can manually control the compile
order of the design by using the Hierarchy Update popup menu command and reordering
the source files. For more information, see Sources Window Popup Menu Commands.
When working with constraints, the processing order is controlled by the
PROCESSING_ORDER property of the constraints file, which you can set to EARLY, NORMAL,
or LATE. For example:
set_property PROCESSING_ORDER {EARLY} [get_files myConstraintFile.xdc]
Alternatively, you can examine the compile order using Tcl commands. For example:
report_compile_order
report_compile_order -fileset sources_1
report_compile_order_-constraints
report_compile_order -constraints -fileset constrs_1
X-Ref Target - Figure 3-13
Figure 3-13: Compile Order View Drop-Down Menu
UG893 (v2017.2) June 7, 2017

Using the Vivado IDE 57
UG893 (v2017.1) April 5, 2017 www.xilinx.com
Chapter 3: Using Windows
Sources Window Commands
To add, view, or modify source files, use the Sources window local toolbar or popup menu
commands.
TIP: To display the popup menu, right-click in the window.
Sources Window Toolbar Commands
The local toolbar contains the following commands:
•Search: Opens the search bar to allow you to quickly locate objects in the Sources
window.
Note: You can also access this command through the Alt+/ keyboard shortcut.
•Collapse All: Collapses all hierarchical tree objects to display only the top-level objects.
•Expand All: Expands all hierarchical tree objects to display all elements of the Sources
window.
•Add Sources: Adds or creates constraint files, simulation source files, and design
sources. Design sources include HDL and netlist files as well as existing IP and block
designs.
•Show Only Missing Sources: Filters sources to display missing files or missing
instances. This command is enabled when a file, module definition, or instantiation is
missing in the design hierarchy. When you select the command, the Sources window is
filtered to display the missing files or modules.
TIP: When the toolbar button icon is gray, or disabled, there are no problems with the design hierarchy.
•Messages: Shows a summary of any messages generated during the design run. For
more information, see Using the Messages Window. If there are no messages
associated with your source files, the icon is disabled.
•Settings: Controls the display of information in the window.
°Scroll to Selected Objects: Updates the Sources window to focus on the currently
selected object. This can be useful on large designs with many source files. This
feature is on by default.
UG893 (v2017.2) June 7, 2017

Using the Vivado IDE 58
UG893 (v2017.1) April 5, 2017 www.xilinx.com
Chapter 3: Using Windows
Sources Window Popup Menu Commands
The popup menu contains the following commands:
•Source File Properties: Opens the Source File Properties window. For more
information, see Viewing Source File Properties.
Note: In the Hierarchy window, this command is called Source Node Properties.
•Open File: Opens source files as follows:
°RTL source files or constraint files open in the Text Editor
°IP cores open in the Customize IP dialog box
°BD files open in the IP integrator
•Replace File: Replaces the specified source file with another file.
•Copy File Into Project: Copies selected source files and directories into the project
directory. This command is enabled only when the selected source file is not currently
local to the project.
•Copy All Files Into Project: Copies all remotely referenced source files into the local
project directory. This command is available only when the source files are not local to
the project.
•Remove File From Project: Deletes the selected source files from the project.
Optionally, removes the files from the local project disk location.
•Enable File: Sets the source file status to active for the project. You can toggle source
files between enabled and disabled to define different design configurations.
Note: You can also set the Enabled property in the Source File Properties window. For
information, see Viewing Source File Properties.
•Disable File: Sets the source file status to inactive for the project. You can toggle
source files between enabled and disabled to define different design configurations.
Disabled source files display as shaded gray in the Sources window.
•Move to Simulation Sources: Relocates currently selected design source files into the
simulation set. If there is more than one simulation set, the application prompts you to
select the simulation set to use.
•Move to Design Sources: Relocates currently selected simulation source files into the
design sources.
•Move to Top: Relocates the currently selected source file to the top of the source file
list in the Compile Order view. The compilation and synthesis of source files is handled
in the order listed in Compile Order view, from top to bottom. The order of files affects
the elaboration, synthesis, and simulation results. The file order displayed in the
UG893 (v2017.2) June 7, 2017

Using the Vivado IDE 59
UG893 (v2017.1) April 5, 2017 www.xilinx.com
Chapter 3: Using Windows
Compile Order view is automatically updated or can be manually defined depending on
the setting of the Hierarchy Update command.
IMPORTANT: The Move to Top, Move Up, Move Down, and Move to Bottom commands are only
available from the Compile Order view. Alternatively, you can drag and drop files in the Compile Order
view to change the compile order.
•Move Up: Moves the currently selected source file up in the source file list.
•Move Down: Moves the currently selected source file down in the source file list.
•Move to Bottom: Moves the currently selected source file to the bottom of the source
file list.
•Hierarchy Update: Determines how the Vivado IDE responds to changes of the source
files such as redefined top module, added or removed files, or changed file order.
Select one of the following:
°Automatic Update and Compile Order: Specifies that the Hierarchy view
containing the design and the compilation order is automatically updated as source
files are changed. The Vivado IDE automatically identifies and sets the best top
module candidate. The compile order is also automatically managed, as the top
module file and all sources that are under the active hierarchy are passed to
synthesis and simulation in the correct order. The files that are outside of the
hierarchy defined by the top module are not used.
Note: This setting is selected by default.
°Automatic Update, Manual Compile Order: Specifies that the Hierarchy view
containing the design is automatically updated as source files are changed, but that
the compilation order is determined manually. All files in the project are passed to
synthesis and simulation. The compilation order is manually defined by ordering
the files using the Move to Top, Move Up, Move Down, and Move to Bottom
commands from the Compile Order view.
Note: For imported ISE Design Suite projects, this setting is selected by default to preserve
the compile order. If you do not need to preserve the compile order, you can change this
setting to Automatic Update and Compile Order.
°No Update, Manual Compile Order: Specifies that the Hierarchy view is not
automatically updated, and that the compilation order is determined manually. To
update the design hierarchy in this mode, use the Refresh Hierarchy command.
•Refresh Hierarchy: Updates the design hierarchy to reflect the latest source file
changes and top module definition. Use this command to manually refresh the
hierarchy as needed.
•IP Hierarchy: Controls the expansion of the IP displayed in the Hierarchy view. By
default, all IP hierarchy is collapsed.
°Show All IP Hierarchy: Expands the hierarchy for all IP in the Hierarchy view.
UG893 (v2017.2) June 7, 2017

Using the Vivado IDE 60
UG893 (v2017.1) April 5, 2017 www.xilinx.com
Chapter 3: Using Windows
Note: Depending on the number of IP in your design, this command might slow down the
refresh for the automatic update of the Hierarchy view.
°Hide All IP Hierarchy: Collapses the hierarchy for all IP in the Hierarchy view.
°Show IP Hierarchy: Shows the hierarchy for the selected IP.
°Hide IP Hierarchy: Hides the hierarchy for the selected IP.
•Set as Top: Specifies the Top Module to define the starting point for elaboration of the
design hierarchy for synthesis and simulation purposes.
IMPORTANT: The top module is automatically reset to the best candidate if the specified top module
cannot be found in the design source files, and the hierarchy update mode is set to automatic. In the
Sources window, the top module is indicated by the top module icon .
•Set Global Include: Defines the specified file as a global include file. This command is
available for Verilog source files only.
Note: You can also set the Global Include property in the Source File Properties window. For
information, see Viewing Source File Properties.
•Clear Global Include: Clears the Global Include property from the selected Verilog
source file.
•Make Active: Makes the selected Constraint Set the active constraint set for synthesis
or implementation.
•Set as Target Constraint File: Specifies the file to which Vivado IDE writes new
constraints. For more information on design constraints, see this link in the Vivado
Design Suite User Guide: System-Level Design Entry (UG895) [Ref 15] and see the Vivado
Design Suite User Guide: Using Constraints (UG903) [Ref 11].
•Set as Out-of-Context for Synthesis: Creates a new file set and synthesis run, which
enables you to synthesize the selected level of hierarchy out of context from the rest of
the design. For more information, see this link in the Vivado Design Suite User Guide:
Synthesis (UG901) [Ref 10].
Note: This option only works on a level of RTL hierarchy shown in the Sources window.
•Set Library: Sets a library for the selected RTL source files. You can choose from a list
of libraries that are currently defined in the project, or type a new library in the text
entry field. Entering a new library adds it to the list of currently defined libraries.
Note: You can also set the Library property in the Source File Properties window. For
information, see Viewing Source File Properties.
•Set File Type: Sets the type of the currently selected file or files. The Vivado IDE
automatically recognizes the type of a file as it is added to the project based on
appropriate file extensions. However, you can use the Set Type command to redefine
the file type in cases of non-standard file extensions.
Note: You can also set the Type property in the Source File Properties window. For information,
see Viewing Source File Properties.
UG893 (v2017.2) June 7, 2017

Using the Vivado IDE 61
UG893 (v2017.1) April 5, 2017 www.xilinx.com
Chapter 3: Using Windows
•Set Used In: Specifies the tools the file is used for. You can specify a source file to be
used or not used during synthesis, simulation, or implementation. Disabling a source
file for a particular tool prevents that file from being used by that tool.
For example, if you set a source file as not used in synthesis, and then open the
elaborated design, a black box displays for that source file. Disabling an EDIF or NGC
source file from implementation prevents it from being used during implementation.
Note: You can also set the Used In property in the Source File Properties window. For
information, see Viewing Source File Properties.
•Edit Constraint Sets: Creates and modifies constraint sets.
•Edit Simulation Sets: Creates and modifies simulation sets.
•Add Sources: Adds or creates constraint files, simulation source files, and design
sources. Design sources include HDL and netlist files as well as existing IP and block
designs.
•Go to Source: Opens the source file in which the module or instance is defined.
Sources Window Popup Menu Commands for IP Sources
The following commands are available in the popup menu when an IP core is selected in the
Sources window.
Note: For more information, see the Vivado Design Suite User Guide: Designing with IP (UG896)
[Ref 7].
•Enable/Disable Core Container: Toggles storing IP as a single file on disk.
•Customize IP: Opens the IP core to allow modification of properties.
•Generate Output Products: Generates target data for the IP core as needed.
•Reset Output Products: Removes the current target data to allow the IP core to be
regenerated as needed.
•Upgrade IP: Upgrades the IP core from an older version to the latest available version.
•Copy IP: Makes a copy of the selected IP and specifies a new name and location.
•Open IP Example Design: Opens an example project for the IP core. This feature is not
available for all IP.
UG893 (v2017.2) June 7, 2017

Using the Vivado IDE 62
UG893 (v2017.1) April 5, 2017 www.xilinx.com
Chapter 3: Using Windows
•IP Documentation
°View Product Guide: Opens the IP product guide for the selected IP core.
°View Change Log: Opens the change log for the selected IP core.
°View Product Web Page: Opens the IP web page for the selected IP core if one is
available.
°View Answer Records: Searches the Xilinx® Support database for Answer Records
associated with the IP.
•Copy Shared Logic into Project: Specifies a destination directory for shared logic
files.
•Report IP Status: Opens an IP status report that displays the status, version, change
log, part, and other information for each IP in the design.
Sources Window Popup Menu Commands for Block Design Sources
The following commands are available in the popup menu when a block design (BD)
module is selected in the Sources window.
Note: For more information, see the Vivado Design Suite User Guide: Designing IP Subsystems Using
IP Integrator (UG994) [Ref 8].
•Create HDL Wrapper: Creates a top-level Verilog or VHDL module that contains the
selected block design.
•View Instantiation Template: Opens the instantiation template for the block design to
instantiate it into another RTL file.
•Generate Output Products: Generates target data for the block design as needed.
•Reset Output Products: Removes the currently generated target data.
Viewing Source File Properties
Selecting an RTL source file in the Sources window displays information in the Source File
Properties window (Figure 3-14).
UG893 (v2017.2) June 7, 2017

Using the Vivado IDE 63
UG893 (v2017.1) April 5, 2017 www.xilinx.com
Chapter 3: Using Windows
To view and modify source file properties:
1. Select a source file in the Sources window.
The Source File Properties window, located below the Sources window by default,
populates with information such as file location, type, library, size, modified timestamp
date, location copied from, copy date, and parent module.
Note: If the Source File Properties window is hidden, right-click a source file in the Sources
window, and select Source File Properties from the popup menu.
2. In the Source File Properties window, you can change the following settings:
°Type: Changes the file type. This is useful in cases where files have non-standard
extensions, and the file type is not properly detected.
°Library: Specifies a new target library for a source file. Select from the list of
defined libraries, or type a library name.
X-Ref Target - Figure 3-14
Figure 3-14: Source File Properties
UG893 (v2017.2) June 7, 2017

Using the Vivado IDE 64
UG893 (v2017.1) April 5, 2017 www.xilinx.com
Chapter 3: Using Windows
°Global Include: Sets Verilog source files as global include files. This option forces
the selected file to list at the start of the compile order for elaboration and
synthesis.
°Enabled: Enables the source file in the design. Disabled files display in the source
files in gray text and are not considered part of the design for elaboration or
compilation.
°Used In: Specifies that the source file is used during Synthesis, Simulation, or
Implementation. Disabling a source file for a particular tool prevents that file from
being used by that tool. For example, if you set a source file to not be used in
synthesis, and then open the elaborated design, a black box displays for that source
file. Disabling an EDIF or NGC source file from implementation prevents it from
being used during implementation.
Using the Netlist Window
The Netlist window (Figure 3-15) provides a hierarchical view of the elaborated or
synthesized logic design including the nets, logic primitives, and hierarchical modules of
the design, starting with the currently defined top module. To open the Netlist window,
select Window > Netlist.
X-Ref Target - Figure 3-15
Figure 3-15: Netlist Window
UG893 (v2017.2) June 7, 2017

Using the Vivado IDE 65
UG893 (v2017.1) April 5, 2017 www.xilinx.com
Chapter 3: Using Windows
The Netlist window includes the following folders:
•Leaf Cells: Displays primitive logic for each level of the hierarchy. This folder condenses
the display of logic content and hierarchical modules in the Netlist window
(Figure 3-16).
•Nets: Displays nets, or wires, for each level of the hierarchy. All of the bits of a bus are
collapsed under the bus by default, but you can expand buses to show each individual
bit (Figure 3-17).
X-Ref Target - Figure 3-16
Figure 3-16: Netlist Window Leaf Cells Folder
X-Ref Target - Figure 3-17
Figure 3-17: Netlist Window Nets Folder
UG893 (v2017.2) June 7, 2017

Using the Vivado IDE 66
UG893 (v2017.1) April 5, 2017 www.xilinx.com
Chapter 3: Using Windows
Expanding and Collapsing the Logic Tree
To expand or collapse the logic tree:
• Click the expand and collapse buttons to expand or collapse portions of the
tree.
• Click the Collapse All toolbar button to collapse the entire tree.
When collapsed, the Netlist window displays only the top-level logic modules.
Note: The Netlist tree dynamically expands to display objects selected in other windows. To disable
this feature, click the Settings toolbar button and deselect Scroll to selected objects.
Selecting Elements
In the Netlist window, selection rules work as follows:
• To select multiple elements in the Netlist window, use the Shift key or the Ctrl key
combined with a mouse click. Selected logic is highlighted in the Netlist window.
• When you select logic in a different window, such as the Schematic or Device windows,
the logic is cross-selected in the Netlist window. The Netlist tree expands automatically
to display all selected logic. You might need to scroll the tree to view all selected logic.
• When you select nets, they highlight in the Device window. Selecting a bus highlights
all nets contained within that bus. You can also view nets in the Schematic window.
• To mark nets for debug testing, right-click the net, and select the Mark Debug popup
command. For more information, see this link in the Vivado Design Suite User Guide:
Programming and Debugging (UG908) [Ref 14].
Note: Collapsing the Netlist tree does not deselect logic.
Understanding the Netlist Window Icons
The Netlist window uses the following icons to represent the state of netlist logic:
•Bus
•I/O bus
•Net
•I/O net
• Hierarchical cell (logic)
• Hierarchical cell (black box)
Note: Hierarchical cells that do not contain netlists or logic content are interpreted by the
Vivado IDE as black boxes. A hierarchical cell might be a black box by design or might be the
result of a coding error or missing file.
UG893 (v2017.2) June 7, 2017

Using the Vivado IDE 67
UG893 (v2017.1) April 5, 2017 www.xilinx.com
Chapter 3: Using Windows
• Hierarchical cell (assigned to a Pblock)
• Hierarchical cell (black box assigned to a Pblock)
• Primitive cell (assigned to a Pblock)
• Primitive cell (placed and assigned to a Pblock)
• Primitive cell (without assigned placement constraints)
• Primitive cell (with assigned placement constraints)
Using the Device Constraints Window
The Device Constraints window (Figure 3-18) enables you to create, edit, and view internal
VREF and DCI_CASCADE constraints. At the top of the Device Constraints window, you can
select Internal VREF or DCI Cascade from the drop-down menu, as shown in Figure 3-18.
For more information, see this link in the Vivado Design Suite User Guide: I/O and Clock
Planning (UG899) [Ref 17]. To open the Device Constraints window, select Window >
Device Constraints.
X-Ref Target - Figure 3-18
Figure 3-18: Device Constraints Window
UG893 (v2017.2) June 7, 2017

Using the Vivado IDE 68
UG893 (v2017.1) April 5, 2017 www.xilinx.com
Chapter 3: Using Windows
Device Constraints Window Toolbar Commands
The local toolbar contains the following commands:
•Search: Opens the search bar to allow you to quickly locate objects in the Device
Constraints window.
•Expand All: Expands all hierarchical tree objects to display all elements of the Device
Constraints window.
•Collapse All: Collapses all hierarchical tree objects to display only the top-level objects.
•Add Constraint: Adds a new DCI Cascade constraint when two or more banks are
selected. Use the Add DCI Cascade dialog box to specify the master bank.
•Remove Constraint: Removes the selected constraint or constraints.
•Settings: Controls the display of information in the window.
°Scroll to selected object: Scrolls the Device Constraints window to display objects
selected in other windows such as the Package Pins or Device windows.
Using the Properties Window
The Properties window displays information about selected logic objects or device
resources. When you select an object, its properties dynamically display in the Properties
window. To open the Properties window, select Window > Properties. Alternatively, you
can right-click an object, and select <ObjectType> Properties from the popup menu.
The name of the Properties window changes to reflect the selected object. For example, the
window is called the BEL Properties window when a BEL is selected or the Clock Region
Properties window when a clock region is selected.
The Properties window includes several views to organize information under different
categories. The available views and the information they display depend on the type of
object selected. For example, Figure 3-19 shows the Cell Properties window with the
Properties view displayed for the selected cell.
IMPORTANT: If multiple objects are selected, the Properties window displays the properties for the
most recently selected object. To view and edit properties for multiple objects, use the Property Editor
as described in Editing Properties for Multiple Objects in Chapter 2.
UG893 (v2017.2) June 7, 2017

Using the Vivado IDE 69
UG893 (v2017.1) April 5, 2017 www.xilinx.com
Chapter 3: Using Windows
Properties Window Toolbar Commands
The Properties window toolbar contains different commands depending on the selected
object and the view displayed. Following are common commands:
•Search: Opens the search bar to allow you to quickly locate objects in the Properties
window.
•Collapse All: Collapses the hierarchical tree objects to display only the top-level
objects.
•Expand All: Expands all hierarchical tree objects in the Properties window.
•Show or Flatten All Property Hierarchies: Groups the selected items by type.
•Add Properties: Adds a new property to the selected object. This command is available
for certain object types only in the Properties view.
•Remove Properties: Removes a property from the selected object.
•Show Description: Toggles the display of detailed information in the description area
at the bottom of the Properties window.
•Sort Properties: Sorts the property list alphabetically.
•Previous Object: Displays the properties of the previously selected object rather than
the currently selected object. You can use this command iteratively to scroll backward
through the selected objects.
X-Ref Target - Figure 3-19
Figure 3-19: Properties Window
UG893 (v2017.2) June 7, 2017

Using the Vivado IDE 70
UG893 (v2017.1) April 5, 2017 www.xilinx.com
Chapter 3: Using Windows
•Next Object: Scrolls forward through the selected objects to display the object
properties. This command is available only after using the Previous Object command.
•Settings: Controls the display of information in the window.
°Automatically Update: Toggles the Properties window to auto-update as new
objects are selected or to remain static displaying the properties of the currently
selected object. By default, the Properties window is updated to display the
properties of the latest object as new objects are selected.
Properties Window Popup Menu Commands
The popup menu contains the following commands:
•Add Properties: Adds a new property to the selected object. This command is available
for certain object types only.
• Remove Properties: Removes a property from the selected object.
•Reset Properties: Resets a property or object from within one of the views of the
Properties window. This command is available for certain object types in certain
windows only.
•Copy Properties: Copies the property to the clipboard.
•Export to Spreadsheet: Exports the information in the Properties window to a
spreadsheet file.
Using the Run Properties Window
The Run Properties window, which is one form of the Properties window, displays
information about a selected synthesis or implementation run. The title bar label is either
Synthesis Run Properties or Implementation Run Properties. Figure 3-20 shows the
Implementation Run Properties window for a selected run. To open the Run Properties
window, select a run in the Design Runs window, and select Window > Properties.
UG893 (v2017.2) June 7, 2017

Using the Vivado IDE 71
UG893 (v2017.1) April 5, 2017 www.xilinx.com
Chapter 3: Using Windows
As you select runs in the Design Runs window, the properties of the run appear in the Run
Properties window. You can directly edit most of the properties reported in the Run
Properties window. However, for synthesized or implemented designs, the run becomes
out-of-date when the edit is applied. Relaunch the run to update the results. To reset a run,
select Reset Runs from the Design Runs window popup menu.
Run Properties Window Views
The Run Properties window includes the following views to display information and set
options for the design run.
•General View
•Properties View
•Options View
•Log View
•Reports View
•Messages View
X-Ref Target - Figure 3-20
Figure 3-20: Implementation Run Properties Window
UG893 (v2017.2) June 7, 2017

Using the Vivado IDE 72
UG893 (v2017.1) April 5, 2017 www.xilinx.com
Chapter 3: Using Windows
General View
The General view reports the configuration of the run and includes the following fields:
•Name: Defines the run name.
•Part: Displays the target part for the current run and allows you to change the project
part for the run. The target part is defined under Project Settings, but can be changed
in the Run Properties window. For information on setting the target part for the entire
project, see Configuring Project Settings.
•Description: Provides a brief description of the current run strategy.
•Status: Displays the status of the run.
•Synthesis Run: Displays the parent synthesis run of a selected implementation run.
Note: This is a property of the implementation run and does not appear on synthesis runs.
•Constraints: Accepts or changes the constraint set for the run.
•Run Directory: Displays the location of the run data.
Properties View
The Properties view displays a table of properties for the selected run.
Note: To obtain this information in Tcl, use the report_property -all [get_runs
impl_1]command.
Options View
The Options view displays the incremental compile checkpoint, the strategy to use for the
run, and the detailed command line options and values for the strategy. It includes the
following fields:
•Incremental Compile: Specifies a placed and routed design checkpoint to use as a
reference for the next implementation run. For more information, see this link in the
Vivado Design Suite User Guide: Implementation (UG904) [Ref 12].
CAUTION! If you are using a design checkpoint from the active run, you must copy the design
checkpoint outside of the run directory prior to using it for incremental compile. When you run
incremental compile, the run is reset and all contents are deleted, including the design checkpoint.
•Strategy: Specifies the predefined strategy to use. You can modify the values of the
command options related to the selected strategy. An asterisk appears next to options
with modified values to indicate that the value was changed from the default.
•Description: Provides details about the selected strategy.
UG893 (v2017.2) June 7, 2017

Using the Vivado IDE 73
UG893 (v2017.1) April 5, 2017 www.xilinx.com
Chapter 3: Using Windows
You can use the following popup menu commands:
•Save Strategy As to save the new option settings as a strategy for later use in other
runs.
•Refresh to restore the command options window layout to the default.
RECOMMENDED: If you modify the run strategy after you launch the run, the run becomes out-of-date.
Xilinx recommends that you cancel the run and reset it. For more information, see this link in the
Vivado Design Suite User Guide: Implementation (UG904) [Ref 12].
Log View
The Log view displays the same STDOUT command status logs that display in the Log
window. The Log view continues to update as commands run. You can use the scroll bar to
browse through the command log reports. Click Pause output to stop the active reporting.
This allows you to scroll more easily and read results while the command is running.
TIP: Click the Find button or Ctrl+F to use the Find bar to locate specific text.
Reports View
The Reports view displays report files generated by the Vivado design tools. In the
Implementation Run Properties window, select the run, and then select the Reports view to
display the list of available report files. Double-click a report to open it. For more
information, see this link in the Vivado Design Suite User Guide: Design Analysis and Closure
Techniques (UG906) [Ref 13].
Messages View
The Messages view displays only the messages generated by the active run.
Using the Selection Window
In the Vivado IDE, you can select objects as follows:
•Single object: Click an object to select it in the current window.
•Secondary object: By default, when you click a primary object, secondary objects are
also selected. For more information, see Setting Selection Rules in Chapter 4.
•Multiple objects: Click to select the first object, then press and hold the Ctrl key and
click to select additional objects.
UG893 (v2017.2) June 7, 2017

Using the Vivado IDE 74
UG893 (v2017.1) April 5, 2017 www.xilinx.com
Chapter 3: Using Windows
•Range of objects: Click a primary object, then press and hold the Shift key and select
the last object in a range of elements from a tree or table view.
•Timing path: Click a timing path to select the objects within it.
•All objects: Use the Select Area cursor to select all the objects in an area of a graphical
view. Alternatively, most windows support the Ctrl+A keyboard shortcut.
The Selection window (Figure 3-21) displays the list of currently selected objects. You can
sort, deselect, or mark objects from this window. The list updates dynamically as you
manipulate objects. To open the Selection window, select Window > Selection.
In the Selection window, you can do the following:
• To sort objects by Name, ID, or Type, click the banner of the sort column.
• To remove selected items from the list, use the Unselect, Unselect All, and Unselect
All Except commands from the popup menu.
• Select multiple objects using the Ctrl and Shift keys, or using the Select Area
command.
Note: The total number of objects selected displays in the window banner.
Marking and Highlighting Objects
Marking a selected object is helpful when displaying small objects that you want to see in
the Device window. Highlighting allows you to keep track of objects after selection changes.
You can verify all objects you want to mark or highlight are selected by viewing the
Selection window.
To mark and highlight objects:
• To mark selected objects, select the object and then select View > Mark.
Note: Alternatively, you can use the Mark command from the popup menu, the Ctrl+M
keyboard shortcut, or the mark_objects Tcl command to mark objects using the default color.
X-Ref Target - Figure 3-21
Figure 3-21: Selection Window
UG893 (v2017.2) June 7, 2017

Using the Vivado IDE 75
UG893 (v2017.1) April 5, 2017 www.xilinx.com
Chapter 3: Using Windows
• To highlight selected objects, select the object and then select View > Highlight to
specify a color for the highlight. The objects are updated with the highlight color across
all open windows.
Note: Alternatively, you can use the Highlight command from the popup menu, the Ctrl+H
keyboard shortcut, or the highlight_objects Tcl command to highlight objects using the default
color.
TIP: To adjust colors, select Tools > Settings. In the Settings dialog box, click the Colors category and
adjust the colors in the Highlight and Mark subcategories. For more information, see Specifying
Colors in Chapter 4.
IMPORTANT: Highlighting is design-specific, and Vivado IDE removes any highlighting when you
reload or modify the design.
The Mark command is also available in other windows, including the Netlist window,
Hierarchy window, and Timing Report window. Figure 3-22 shows a timing path marked
from the Timing Report window. The start point of the timing path is marked in green, the
end point in red, and the through points are marked in yellow.
X-Ref Target - Figure 3-22
Figure 3-22: Marked Timing Path Symbols in Device Window
UG893 (v2017.2) June 7, 2017

Using the Vivado IDE 76
UG893 (v2017.1) April 5, 2017 www.xilinx.com
Chapter 3: Using Windows
Unmarking and Unhighlighting Objects
To remove marks or highlights on a selected object or on all objects, select one of the
following commands from the View menu or popup menu:
•Unmark to unmark the selected cell.
•Unmark All to unmark all cells.
•Unhighlight to remove the highlight from the selected objects.
•Unhighlight Color to remove all highlights of a specified color.
•Unhighlight All to clear all highlights.
Using the Workspace
Windows with a graphical interface and windows that require more screen space, such as
the Text Editor or the Package window, display in an area called the workspace. These
windows are different than other windows, because you can open more than one window
simultaneously to view or compare different information. These windows maximize,
minimize, and float like the standard windows in the Vivado IDE, but they also support a
split view available through the popup menu on the window tab.
The windows that display in the workspace are:
• Project Summary
•Text Editor
•Device window
•Package window
•Clock Resources
•Schematic window
• Hierarchy window
• Timing Constraints window
•Waveform window
• Diagram window (for block designs)
• Property Editor
•IP Catalog
UG893 (v2017.2) June 7, 2017

Using the Vivado IDE 77
UG893 (v2017.1) April 5, 2017 www.xilinx.com
Chapter 3: Using Windows
You can open multiple windows of the same type within the workspace. For example, if you
have one Device window open, you can open a new Device window by selecting Window >
Device. You can use the two Device windows to display different areas of the device.
Note: Although most windows can be opened from the Window menu, the Schematic and
Hierarchy windows must be opened after selecting a logic element from another window. For more
information, see Using the Schematic Window and Using the Hierarchy Window.
Understanding the Context-Sensitive Cursor
The cursor symbol changes based on the available command mode for a given context and
window:
•Horizontal, vertical, or diagonal stretch bar symbol: You can stretch Pblock edges
and window view borders.
•Hand symbol: You can move Pblocks, move cells, or drag to pan the view.
•Cross symbol: You can draw rectangles for zooming in, defining pin assignment areas,
or drawing Pblock rectangles.
•Slashed circle symbol: You are dragging objects are over illegal placement sites.
Using Mouse Strokes to Zoom and Pan
The following functions are available in the Device, Package, Schematic, Waveform,
Histogram, and Hierarchy windows:
•Zoom Area: Press and hold the left mouse button while drawing a rectangle from top
left to bottom right to define the area to zoom into.
•Zoom In: Press and hold the left mouse button while drawing a diagonal line from
upper right to lower left. This zooms out the window by a variable amount. The length
of the line drawn determines the zoom factor applied. Alternatively, press Ctrl and
scroll the wheel mouse button up to zoom in.
•Zoom Out: Press and hold the left mouse button while drawing a diagonal line from
lower left to upper right. This zooms out the window by a variable amount. The length
of the line drawn determines the zoom factor applied. Alternatively, press Ctrl and
scroll the wheel mouse button down to zoom out.
•Zoom Fit: Press and hold the left mouse button while drawing a diagonal line from
lower right to upper left. The window zooms out to display the entire device.
•Pan: Press Ctrl, and press and hold the left mouse button while dragging to pan.
Alternatively, press and hold the wheel mouse button while dragging to pan.
UG893 (v2017.2) June 7, 2017

Using the Vivado IDE 78
UG893 (v2017.1) April 5, 2017 www.xilinx.com
Chapter 3: Using Windows
Using the World View
When zoomed in on a graphical window, such as the Device window, you can open the
World view to navigate around the overall design area. The World view displays a less
detailed overview of the active graphical window to enable a quick pan of the viewed area.
This feature is available in the Device window, Schematic window, Package window, and
Hierarchy window when you are zoomed into a small region of the device or design. To
display the World view, click the Show World View button in the lower right corner of a
graphical window, as shown in Figure 3-23.
TIP: If the Show World View button is hidden, zoom in on the window. You can also right-click in the
window, and select Show World View.
The World view reflects the zoom area and the selected objects for the active window. In
Figure 3-24, the World view shows the overall Device window that is currently zoomed into
the area identified by the navigation rectangle in the World view. You can select and drag
the navigation rectangle to reposition the displayed area in the graphical window.
X-Ref Target - Figure 3-23
Figure 3-23: Show World View Button
UG893 (v2017.2) June 7, 2017

Using the Vivado IDE 79
UG893 (v2017.1) April 5, 2017 www.xilinx.com
Chapter 3: Using Windows
The World view opens to a default size. To resize the World view, click and drag any of the
drag handles on the edge of the World view.
To reposition the World view, click anywhere on the perimeter of the view, except on the
drag handles, and drag the view to a new position. Use this feature to reposition the World
view anywhere within the limits of the graphical workspace window.
To close the World view, click the downward pointing arrow icon in the view .
Note: When you resize or reposition the World view, it remains at the size and position you chose
even when you close and reopen the view.
Printing the Workspace Window
To print the window that is active in the workspace, select File > Print. This feature is
available for the Device window, Package window, Schematic window, and Hierarchy
window.
X-Ref Target - Figure 3-24
Figure 3-24: World View
UG893 (v2017.2) June 7, 2017

Using the Vivado IDE 80
UG893 (v2017.1) April 5, 2017 www.xilinx.com
Chapter 3: Using Windows
Splitting the Workspace
You can split the workspace horizontally or vertically to enable multiple simultaneously
displayed windows. Each panel acts independently, allowing multiple windows to be docked
for viewing.
You can open two windows of the same type, such as two Device windows for viewing
different areas of the device or different zoom levels. You can also open two different
windows to permit better interaction between the two windows, such as the Device and
Package windows (Figure 3-25).
X-Ref Target - Figure 3-25
Figure 3-25: Vertically Tiled Windows
UG893 (v2017.2) June 7, 2017

Using the Vivado IDE 81
UG893 (v2017.1) April 5, 2017 www.xilinx.com
Chapter 3: Using Windows
To split the workspace, use either of the following methods:
• Right-click a window tab, and select New Horizontal Group or New Vertical Group
from the popup menu.
Note: These commands are available in the workspace windows only.
• Select a window tab, and drag it to the edge of the workspace. A gray rectangle shows
a preview of the window location. Position the cursor to arrange the windows as
desired, and release the mouse to move the window and split the workspace.
Merging Split Windows
If you split the workspace windows, you might need to merge the windows to better use the
available viewing area. To collapse the windows back into one tabbed area, do one of the
following:
• Right-click a window tab, and select Move to Previous Tab Group or Move to Next
Tab Group from the popup menu.
• Select a window tab, and drag it onto another window. A gray rectangle appears
around the entire window, showing how the windows will merge.
Using the Text Editor
The Vivado IDE Text Editor is a configurable, integrated text editor that supports syntax
highlighting, on-the-fly syntax checking, assistance with errors and warnings, code folding,
code completion, and file comparison. The Text Editor supports the following file types:
• Verilog and Verilog header files
•SystemVerilog
• VHDL files
•Constraint files
•Tcl scripts
• Vivado IDE journal and log files
• Simple text files
UG893 (v2017.2) June 7, 2017

Using the Vivado IDE 82
UG893 (v2017.1) April 5, 2017 www.xilinx.com
Chapter 3: Using Windows
Figure 3-26 shows the following Text Editor features:
• On-the-fly syntax checking
A wavy red underline indicates a syntax error, such as shown on Line 41.
Note: Syntax errors can affect syntax that occurs later in the file. Therefore, fixing errors at the
start of the file can fix errors that occur later in the file.
• Assistance with errors and warnings
To the right of the scroll bar, a red marker indicates the location of a syntax error or
warning. You can click the marker to scroll to the line with the issue. You can also hover
over the marker to read information about the issue. For Line 41, the syntax error is
<std_logi> is not declared.
•Code Completion
You can insert your cursor in a line with an error, and press Ctrl+Space for code
completion suggestions to resolve the error. On Line 41, the drop-down shows multiple
suggestions.
TIP: For information on adjusting the display of syntax highlighting, warnings, errors, and code
completion, see Specifying Text Editor Settings in Chapter 4.
UG893 (v2017.2) June 7, 2017

Using the Vivado IDE 84
UG893 (v2017.1) April 5, 2017 www.xilinx.com
Chapter 3: Using Windows
Text Editor Commands
The following commands are available from the local toolbar and popup menu.
Text Editor Toolbar Commands
The local toolbar contains the following commands:
•Find: Opens the Find field to enter a text string to search for, or search and replace the
specified text strings.
TIP: Use the Ctrl+F keyboard shortcut to search for text strings, and use the Ctrl+R keyboard shortcut
to replace.
•Save File: Saves changes to the currently displayed file.
•Undo: Undoes changes in sequential order.
•Redo: Redoes changes in sequential order.
•Cut: Cuts selected text to the clipboard.
•Copy: Copies selected text to the clipboard.
•Paste: Pastes the contents of the clipboard to the cursor location.
•Toggle Line Comments: Selects a line of text or group of lines, and inserts a line
comment symbol at the start of the line. This command removes the line comment
symbol if the selected lines currently contain the comment symbol.
•Toggle Column Selection Mode: Specifies whether to select a block of text characters
as a grid of rows and columns or as lines of text. This command can be toggled on or
off.
•Language Templates: Opens the Language Templates. For more information, see Using
Language Templates in Chapter 2.
Text Editor Popup Menu Commands
The popup menu contains the following commands:
•Save File: Saves changes to the currently displayed file.
•Save File As: Saves a file to a new name.
•Save All Files: Saves all open files that were modified.
•Find Usages: Shows all files in which the selected module, architecture, or entity is
located.
•Go to Definition: Shows the definition for the selected module, architecture, or entity.
•Undo: Undoes changes in sequential order.
UG893 (v2017.2) June 7, 2017

Using the Vivado IDE 85
UG893 (v2017.1) April 5, 2017 www.xilinx.com
Chapter 3: Using Windows
•Redo: Redoes changes in sequential order.
•Cut: Cuts selected text to the clipboard.
•Copy: Copies selected text to the clipboard.
•Paste: Pastes the contents of the clipboard to the cursor location.
•Duplicate Selection: Copies the selected text and pastes it to the cursor location,
immediately in front of the current selection.
•Select All: Selects all text in the Text Editor.
•Toggle Column Selection Mode: Specifies whether to select a block of text characters
as a grid of rows and columns or as lines of text. This command can be toggled on or
off.
•Find/Replace: Finds and replaces text in the current file.
•Find in Files/Replace in Files: Opens the Find in Files dialog box for you to enter text
strings for searching the selected files. The Find in Files window displays at the bottom
of the Vivado IDE environment with the results of the search. You can replace the search
string with a new string using the Replace in Files command.
•Indent Selection/Unindent Selection: Inserts or removes a tab space on the selected
line or lines.
•Toggle Line Comments: Selects a line of text or group of lines, and inserts a line
comment symbol at the start of the line. This command removes the line comment
symbol if the selected lines currently contain the comment symbol.
•Toggle Block Comments: Adds or removes a block comment (/*...*/) at the start and
end of a selected block of text. This command is useful for commenting out a section of
text in a single command.
Note: The comment symbol inserted is contextually dependent on the type of file displayed.
This command is only available for Verilog, SystemVerilog, and VHDL-2008.
UG893 (v2017.2) June 7, 2017

Using the Vivado IDE 86
UG893 (v2017.1) April 5, 2017 www.xilinx.com
Chapter 3: Using Windows
•Blank Operations: Configures the display of tabs, spaces, and special characters for
the selected text. If no text is selected, configures the display for the entire document.
°Trim Leading Whitespace: Removes the leading whitespace for the selected text.
This operation works on the entire document if no text is selected.
°Trim Trailing Whitespace: Removes the trailing whitespace for the selected text.
This operation works on the entire document if no text is selected.
°Trim Leading and Trailing Whitespace: Combines the actions of the previous two
commands, trimming both the leading and trailing whitespace. This operation
works on the entire document if no text is selected.
°Tab to Space: Converts each tab character into a space character.
°Space to Tab: Converts each space character into a tab character.
°Show Special Characters: Displays special characters that are typically hidden,
such as tabs, spaces, and end-of-line characters.
•Diff with <File_Name>: Opens the File Compare dialog box (Figure 3-27) and
performs a comparison of the current file and the file you select.
Note: You must have both files you want to compare loaded in the Text Editor.
•Folding: Collapses and expands text based on hierarchy, making it easier to navigate
and edit large files.
°Expand Current: Expands the text at the cursor location.
°Collapse Current: Collapses the text around the cursor location.
°Expand All: Expands all text in the current file.
°Collapse All: Collapses all text in the current file.
°Expand Comments: Expands all comments in the current file.
°Collapse Comments: Collapses all comments in the current file.
Note: To enable or disable code folding, select Tools > Settings, click the Text Editor category,
and select or deselect the Perform Code Folding option.
•Insert Template: Inserts the currently selected Language Template into your text file at
the location of your cursor.
UG893 (v2017.2) June 7, 2017

Using the Vivado IDE 87
UG893 (v2017.1) April 5, 2017 www.xilinx.com
Chapter 3: Using Windows
Opening a Text File
To open a text file in the Text Editor:
• Select File > Open File. This command opens a file browser that allows you to navigate
to the file and open it for editing.
• Select the file in the Sources window, and select Open File from the popup menu.
Note: Alternatively, you can double-click the file in the Sources window.
• Click the file name from a warning or error message in the Messages window to open
the selected file in the Text Editor.
• To open the Vivado IDE journal and log files, select File > Open Log File or File >
Open Journal File.
X-Ref Target - Figure 3-27
Figure 3-27: File Compare Dialog Box
UG893 (v2017.2) June 7, 2017

Using the Vivado IDE 88
UG893 (v2017.1) April 5, 2017 www.xilinx.com
Chapter 3: Using Windows
Creating a New Text File
Select File > New File from the main menu to create a new file and open it in the Text
Editor. This command opens a file browser so you can navigate to a folder and specify the
name of the new file to be created.
TIP: You can create text files that capture portions of the Tcl Console, compilation logs, or errors or
warnings from the Messages window.
Using the Device Window
The Device window (Figure 3-28) is the main graphical interface used for design analysis
and floorplanning. The Device window displays the device resources, including device logic,
clock regions, I/O pads, BUFGs, MMCMs, Pblocks, cell locations, and net connectivity. The
locations on the device to which specific logic can be assigned are called sites. To open the
Device window, select Window > Device.
For more information, see the following documents:
•Vivado Design Suite User Guide: I/O and Clock Planning (UG899) [Ref 17]
•Vivado Design Suite User Guide: Design Analysis and Closure Techniques (UG906)
[Ref 13]
UG893 (v2017.2) June 7, 2017

Using the Vivado IDE 89
UG893 (v2017.1) April 5, 2017 www.xilinx.com
Chapter 3: Using Windows
The amount of logic object detail displayed is determined by the selected zoom level. The
more you increase the zoom level, the more logic object detail displays. This is especially
true when viewing the Routing Resources for the entire device, where the logic displays in
an abstract form to show approximate placement and congestion. As you zoom in, you can
see exact placement and routing.
Device Window Toolbar Commands
The local toolbar contains the following commands:
•Previous: Resets the Device window to display the prior zoom and coordinates.
•Next: Returns the Device window to display the original zoom and coordinates after
the Previous toolbar button is used.
•Zoom In: Zooms in the Device window.
•Zoom Out: Zooms out the Device window.
•Zoom Fit: Zooms out to fit the whole device into the display area of the Device
window.
•Select Area: Selects the objects in the specified rectangular area.
X-Ref Target - Figure 3-28
Figure 3-28: Device Window
UG893 (v2017.2) June 7, 2017

Using the Vivado IDE 90
UG893 (v2017.1) April 5, 2017 www.xilinx.com
Chapter 3: Using Windows
•Autofit Selection: Automatically redraws the Device window around newly selected
objects. This mode can be enabled or disabled.
•Routing Resources: Displays routing resources in the Device window.
•Draw Pblock: Places the cursor in Draw Pblock mode (crosshair) allowing you to create
a new Pblock rectangle to place cells.
•Cell Drag & Drop Modes: Specifies how cells placed onto the device are assigned
placement constraints. The button displayed reflects the currently selected mode:
°Create BEL Constraint Mode: Assigns a LOC and BEL constraint to the cell being
placed. This fixes the cell to the specified BEL within the slice.
°Create Site Constraint Mode: Assigns a LOC placement constraint to the cell being
placed. This fixes the cell to the specified slice but allows the cell to use any
available BELs within the slice.
°Assign Cell to Pblock Mode: Assigns logic cells to Pblocks. This allows the
implementation tools the most flexibility and is the default mode.
•Show Cell Connections: Shows the connectivity for selected objects based on the
following settings.
°Show Input Connections: Shows the input connections for selected cells.
°Show Output Connections: Shows the output connections for selected cells.
°Max Cell Count: Limits the number of connections that are shown to improve
drawing performance. You can increase this value to visualize cells with a large
number of connections, but Xilinx recommends a setting of 1000 or less for optimal
graphics display.
•Settings: Controls the display of information in the window. For details, see Specifying
Device Window Settings.
Zooming and Panning
To zoom and pan:
• Use the zoom commands in the popup menu and local toolbar.
• Hold down the left mouse button, and drag the cursor in the Device window to zoom
into an area or to zoom out. For more information, see Using Mouse Strokes to Zoom
and Pan.
• Use scroll bars and dynamic pan capabilities to pan the viewable area of the device.
Getting Information about Device Resources
When you place the cursor over an object in the Device window, a tooltip identifies the
object. The Properties window displays object properties for selected sites or logic cells. To
UG893 (v2017.2) June 7, 2017

Using the Vivado IDE 91
UG893 (v2017.1) April 5, 2017 www.xilinx.com
Chapter 3: Using Windows
search for specific device resource sites, use Edit > Find. For more information, see Finding
Design or Device Objects in Chapter 2.
The Device window also provides dynamic feedback during device exploration and design
modification. For example, if you attempt a logic resource assignment that is illegal, the
dynamic cursor changes to allow you to make adjustments. For more information, see
Understanding the Context-Sensitive Cursor.
Understanding the Device Resource Display
The Vivado IDE displays the resources contained in a selected device in the Device window.
Graphical sites display and are available for all of the device-specific resources. The level of
detail for displaying the device resources depends on the zoom level within the Device
window.
Some resources, such as specific slice resources, are not visible until you zoom into the
device logic. Other resources, such as clock regions and I/O banks, appear even when
viewing the whole device. In addition, you can turn on or off the display of specific objects
or resources in the Device window using the Device Options. For more information see
Specifying Device Window Settings.
The Vivado IDE Device window displays resources as follows:
• I/O pads and clock objects display around the periphery and down the center of the
device.
• I/O banks display as thin color-shaded rectangles just outside the row of I/O pads.
• Available I/O bank sites display as color-filled I/O bank rectangles.
• Some devices have unbonded I/O banks that display rectangles with a white X.
•I/O clock pads display as filled-in rectangles.
• All clock resources, such as BUFG, BUFGCTRL, BUFR, and BUFHCE components, show in
the Device window.
• When you select an I/O bank or clock region, the available device resources display in
the Properties window.
• The interior of the device is broken up into smaller rectangles called tiles. Tiles are
placement sites for the different types of logic primitives for the architecture.
• A tooltip identifies each site in the Device window when you hover the cursor over a
logic site.
In the Device window, you can assign primitive logic cells to the appropriate displayed sites.
At a lower zoom level, the placed cells appear as rectangles within a slice. When you
increase the zoom level, the logic symbols display. You can assign logic to specific sites that
generate LOC placement constraints. Using BEL constraints, you can assign cells to specific
device resources in a slice.
UG893 (v2017.2) June 7, 2017

Using the Vivado IDE 92
UG893 (v2017.1) April 5, 2017 www.xilinx.com
Chapter 3: Using Windows
Specifying Device Window Settings
The Device window settings define the layers and objects that are visible in the Device
window and provide a legend of the icons used in the window. To set Device window
settings, click the Settings toolbar button .
After you finish specifying settings, click the Close button in the upper right corner. The
Vivado IDE stores your settings and reloads them each time the tool is launched.
TIP: To restore the options to the default settings, click the Reset button in the upper right corner .
Device Window Layers
The Layers settings (Figure 3-29) define what device and design objects are displayed in the
Device window. You can control the level of detail displayed in the Device window, which is
especially useful when the display is overcrowded with information.
Following are the two primary branches:
•Design: Elements from the design sources, such as cells, nets, and ports that are placed
on the device.
•Device: Resources on the device such as I/O banks, clock regions, and tiles on which
design objects can be placed.
X-Ref Target - Figure 3-29
Figure 3-29: Device Window—Layers Settings
UG893 (v2017.2) June 7, 2017

Using the Vivado IDE 93
UG893 (v2017.1) April 5, 2017 www.xilinx.com
Chapter 3: Using Windows
Using the Layers settings, you can do the following:
• Use the expand and collapse buttons to expand or collapse the levels of the
tree view.
• Click the check box to enable or disable the layer or object for display in the Device
window. A check mark indicates the currently displayed layer. You can display or hide
groups of objects or layers by clicking the category of the layers. Select individual
layers or objects directory to display or hide them.
Note: If you cannot see a specific object or layer in the Device window, check the Layers settings
to see if the design object or device resource is currently hidden.
TIP: You can use the Shift key to select multiple layers, and use the Space bar to toggle the selected
layers on or off.
Device Window Colors
The Colors settings (Figure 3-30) change the color and fill values for elements in the Device
window. For information, see Changing Colors in Chapter 4.
X-Ref Target - Figure 3-30
Figure 3-30: Device Window—Colors Settings
UG893 (v2017.2) June 7, 2017

Using the Vivado IDE 94
UG893 (v2017.1) April 5, 2017 www.xilinx.com
Chapter 3: Using Windows
Device Window General
The General settings (Figure 3-31) define the display characteristics of the net connections
on the device.
The following settings are available:
•Nets
°High fanout net limit: Limits the number of connections a pin can have in order to
be displayed. The nets on a pin with a fanout greater than the specified number of
connections are not displayed.
°Show I/O Nets: Toggles the display of I/O connectivity to placed logic or Pblocks.
•Connections
°Show connections while dragging cells: Displays nets connected to the selected
cell when dragging and placing the cell in the Device window.
•Routing
°Leave existing routing: Leaves all routes intact. In most cases, this results in
antennas and unrouted branches.
°Unroute branches: Unroutes branches to the original placement. In most cases, this
results in unrouted branches.
°Unroute and reroute branches: Unroutes branches to the original placement and
reroutes the branches to the new placement. In most cases, this results in
completely routed nets.
X-Ref Target - Figure 3-31
Figure 3-31: Device Window—General Settings
UG893 (v2017.2) June 7, 2017

Using the Vivado IDE 95
UG893 (v2017.1) April 5, 2017 www.xilinx.com
Chapter 3: Using Windows
•Miscellaneous
°Autocheck I/O placement: Toggles automatic enforcement of interactive I/O
placement DRCs. When this mode is enabled, interactive I/O port placement will be
checked against enabled design rules.
Selecting Clock Regions
Clock regions display as large rectangles, indicating the periphery of the device clock
regions. These outlines can help guide floorplanning for critical circuitry. In the Device
window, you can:
• Select the clock regions in the Clock Regions window.
• Select and specify that clock regions display their resource statistical properties.
• View the clock placement statistics after importing the implementation results.
Note: When you select the clock region, the Vivado IDE also selects the associated I/O banks.
Opening Multiple Device Windows
You can open multiple Device windows for the same floorplan. This enables you to work on
different areas of the device. For more information, see Splitting the Workspace.
Using the Package Window
The Package window (Figure 3-32) displays the physical characteristics of the target Xilinx
part. This window is used primarily during the I/O planning process or during port
placement. Pin types display in different colors and shapes for better visualization. For
information on using the Package window for I/O planning, see the Vivado Design Suite
User Guide: I/O and Clock Planning (UG899) [Ref 17]. To open the Package window, select
Window > Package.
Note: The Package window opens automatically when using the I/O Planning layout.
UG893 (v2017.2) June 7, 2017

Using the Vivado IDE 96
UG893 (v2017.1) April 5, 2017 www.xilinx.com
Chapter 3: Using Windows
In the Package window, you can do the following:
• Drag ports into the Package window for assignment, and reassign placed cells to other
I/O pins within the Package window.
Note: Autocheck I/O Placement is on by default, allowing only legal pin placement during drag
and drop.
• Visualize pins and I/O banks as follows:
°VCC and GND pins show as red VCC symbols and green GND symbols.
°Clock-capable pins display as hexagon pins.
°User and multipurpose pins display as circles.
°Colored regions display the different I/O banks on the device.
• Move the cursor within the Package window to show the I/O pin coordinates actively
on the top and left sides of the window.
X-Ref Target - Figure 3-32
Figure 3-32: Package Window
UG893 (v2017.2) June 7, 2017

Using the Vivado IDE 97
UG893 (v2017.1) April 5, 2017 www.xilinx.com
Chapter 3: Using Windows
• Hold the cursor over a pin to show a tooltip that displays the pin information.
Additional I/O pin and bank information displays in the Information bar located at the
bottom of the environment in the status bar.
• Select I/O pins or banks to cross probe between the Device and Package windows, and
see pin information in the Package Pins Properties window.
Package Window Toolbar Commands
The local toolbar contains the following commands:
•Previous: Resets the Package window to display the prior zoom and coordinates.
•Next: Return the Package window to display the original zoom and coordinates after
the Previous toolbar button is used.
•Zoom In: Zooms in the Package window.
•Zoom Out: Zooms out the Package window.
•Zoom Fit: Zooms out to fit the whole package into the display area.
•Select Area: Selects the objects in the specified rectangular area.
•Autofit Selection: Automatically redraws the Package window around newly selected
objects. This mode can be enabled or disabled.
•Settings: Controls the display of information in the window. For details, see Specifying
Package Window Settings.
Specifying Package Window Settings
The Package window settings define the layers and objects that are visible in the Package
window and provide a legend of the icons used in the Package window. To set Package
window settings, click the Settings toolbar button .
After you finish specifying settings, click the Close button in the upper right corner. The
Vivado IDE stores your settings and reloads them each time the tool is launched.
TIP: To restore the options to the default settings, click the Reset button in the upper right corner .
UG893 (v2017.2) June 7, 2017

Using the Vivado IDE 98
UG893 (v2017.1) April 5, 2017 www.xilinx.com
Chapter 3: Using Windows
Package Window Layers
The Layers settings (Figure 3-33) control the elements displayed in the Package window.
The available layers are listed hierarchically in a tree view:
• Use the expand and collapse buttons to expand or collapse the levels of the
tree view to see the different layers.
• Click a check box to enable or disable the layer for display in the Package window. A
check mark indicates the currently displayed layer. You can display or hide:
°Groups of objects by clicking the category of the objects
°Individual objects by selecting the item directly
TIP: You can use the Shift key to select multiple layers, and use the Space bar to toggle the selected
layers on or off.
The display of a specific pin in the Package window depends on the combination of layers
that represent the pin in the Package window settings. For example, if you deselect I/O
Banks in the Package window settings, ground pins are displayed, but the user I/O and
X-Ref Target - Figure 3-33
Figure 3-33: Package Window—Layers Settings
UG893 (v2017.2) June 7, 2017

Using the Vivado IDE 99
UG893 (v2017.1) April 5, 2017 www.xilinx.com
Chapter 3: Using Windows
multi-function pins are not displayed even if you select I/O and Multi-Function Pins under
the Pins heading.
IMPORTANT: If a specific pin is not visible in the Package window, you cannot assign a port to it. Check
that both the pin and the I/O block it is contained in are selected for display in the Package window
settings.
Following are the different categories of layers in the Package window settings:
•I/O Ports: Ports in the design that are currently placed in either a fixed or unfixed state.
The design might have currently unplaced ports that are not displayed in the Package
window.
•Pins: Available package pins grouped into specific categories, such as multifunction
pins, power pins, and unconnected pins. Pins display as follows:
°Power pins display separately from the I/O banks.
°Multifunction pins display as part of the I/O bank they are contained in, and display
with symbols representing their available functions. For example:
- Basic I/O pins display as gray circles by default.
- Clock capable pins display as blue hexagons by default.
-V
REF, VRP, and VRN pins display with a small power icon by default.
- The remaining pins display with an asterisk (*) and are not displayed by default.
•I/O Bank Types: Different types of I/O banks, which vary based on the targeted device.
For example, Figure 3-34 shows the high performance banks that are displayed when
you select the High Performance layer.
•I/O Banks: Pin sites for each of the banks on the device as well as for the GT pins. Each
I/O bank and GT bank is color-coded to allow you to differentiate between the banks of
pins.
TIP: Turning off an I/O bank layer is an easy way to prevent pin assignment. Using this method enables
you to reserve a bank for later use or show that a bank is full.
•Other: Grid lines for x-axis and y-axis drawn behind the sites.
X-Ref Target - Figure 3-34
Figure 3-34: High-Performance I/O Bank
UG893 (v2017.2) June 7, 2017

Using the Vivado IDE 100
UG893 (v2017.1) April 5, 2017 www.xilinx.com
Chapter 3: Using Windows
Device Window General
The General settings control the following:
•Autocheck I/O Placement: Toggles automatic enforcement of interactive I/O
placement DRCs. When this mode is enabled, interactive I/O port placement will be
checked against enabled design rules.
•Show Bottom View: Displays the package pins as viewed from the bottom.
•Show Differential I/O Pairs: Displays the differential pair pins in the Package window.
Opening Multiple Package Windows
You can open multiple Package windows for the same design. This enables you to display
and work on different areas of the package. For information, see Splitting the Workspace.
Using the Schematic Window
You can generate a Schematic window for any level of the logical or physical hierarchy. You
can select a logic element in an open window, such as a primitive or net in the Netlist
window, and use the Schematic command in the popup menu to create a Schematic
window for the selected object. An elaborated design always opens with a Schematic
window of the top-level of the design, as shown in Figure 3-35. In the Schematic window,
you can view design interconnect, hierarchy structure, or trace signal paths for the
elaborated design, synthesized design, or implemented design.
For more information on analyzing RTL netlists, see this link in the Vivado Design Suite User
Guide: System-Level Design Entry (UG895) [Ref 15]. For more information on synthesized
netlist analysis, see the Vivado Design Suite User Guide: Design Analysis and Closure
Techniques (UG906) [Ref 13].
UG893 (v2017.2) June 7, 2017

Using the Vivado IDE 101
UG893 (v2017.1) April 5, 2017 www.xilinx.com
Chapter 3: Using Windows
Note: Dotted lines indicate that the net is connected to additional logic that is not displayed in the
schematic.
Creating a Schematic Window
To create a Schematic window:
1. Select one or more logic elements in an open window, such as the Netlist window.
2. Right-click and select Schematic from the popup menu, select the Schematic toolbar
button , or press F4.
The Schematic window displays the selected logic cells or nets. If only one cell is
selected, a schematic symbol for that module is displayed, as shown in Figure 3-36.
X-Ref Target - Figure 3-35
Figure 3-35: Schematic Window
UG893 (v2017.2) June 7, 2017

Using the Vivado IDE 102
UG893 (v2017.1) April 5, 2017 www.xilinx.com
Chapter 3: Using Windows
In the Schematic window, you can find and view objects as follows:
• The links at the top of the schematic sheet, labeled Cells, I/O Ports, and Nets, open a
searchable list in the Find Results window, making it easier to find specific items in the
schematic.
• When you select objects in the Schematic window, those objects are also selected in all
other windows. If you opened an implemented design, the cells and nets display in the
Device window.
Schematic Window Toolbar Commands
The local toolbar contains the following commands:
•Previous: Resets the Schematic window to display the prior zoom, coordinates and
logic content.
Note: This command is only available for schematics with less than 12,000 objects.
X-Ref Target - Figure 3-36
Figure 3-36: Schematic Symbol
UG893 (v2017.2) June 7, 2017

Using the Vivado IDE 103
UG893 (v2017.1) April 5, 2017 www.xilinx.com
Chapter 3: Using Windows
•Next: Returns the Schematic window to display the original zoom, coordinates and
logic content after Previous is used.
Note: This command is only available for schematics with less than 12,000 objects.
•Zoom In: Zooms in the Schematic window.
•Zoom Out: Zooms out the Schematic window.
•Zoom Fit: Zooms out to fit the whole schematic into the display area.
•Select Area: Selects the objects in the specified rectangular area.
•Auto-fit Selection: Automatically redraws the Schematic window around newly
selected objects. This mode can be enabled or disabled.
•Autohide Pins: Toggles the pin display on selected hierarchical modules. Higher levels
of the hierarchy display as concentric rectangles without pins, when a Schematic
window is generated, as shown in Figure 3-36. In most cases, the lack of pins makes the
Schematic window more readable. However, you can display the pins for selected cells
as needed.
•Add: Recreates the Schematic window with the newly selected elements added to the
existing schematic.
•Remove: Recreates the Schematic window with the currently selected elements
removed from the existing schematic.
•Regenerate Schematic: Redraws the active Schematic window.
•Settings: Controls the display of information in the window. For details, see Specifying
Schematic Window Settings.
Expanding Logic from Selected Cells and Pins
With a selected schematic cell or a selected pin on a schematic cell, you can:
• Individually expand or collapse module pins and logic.
• Selectively expand the logic either from individual pins, cells, or the entire logic content
inside or outside the module.
You can expand or collapse logic contained either inside a selected module or outside in the
next level of hierarchy. You can expand a single module or multiple selected modules. From
the popup menu, the commands to expand schematic logic are:
•Expand/Collapse > Expand Inside: Displays the schematic hierarchy inside a selected
cell. The Vivado IDE regenerates the Schematic window to expand the contents of the
selected cell. You can also use the expand button available within the schematic.
Note: This command is not available if the selected cell is a primitive within the design hierarchy.
UG893 (v2017.2) June 7, 2017

Using the Vivado IDE 104
UG893 (v2017.1) April 5, 2017 www.xilinx.com
Chapter 3: Using Windows
•Expand/Collapse > Collapse Inside: Hides the expanded contents of a selected
hierarchical block. You can also use the collapse button available within the
schematic.
•Expand/Collapse > Expand Outside: Displays the hierarchy upward from a selected
cell. The Vivado IDE regenerates the Schematic window to expand the hierarchy up
from the selected cell.
Note: This command has no effect if the selected cell is at the top-level of the design hierarchy.
•Expand/Collapse > Collapse Outside: Hides the expanded hierarchy outside the
selected cell.
In addition, you can expand schematic logic by double-clicking as follows:
• Double-click a pin of a cell to trace the net down into, or up out of the hierarchy. A pin
is displayed on the schematic symbol with a stub inside and outside of the symbol, as
shown for O1 and fifo_out[31:0] in Figure 3-37. This reflects the ability to expand
inside or outside the symbol.
Note: Pins labeled with n/c indicate that there is no connection to the pin.
• Double-click a pin inside a schematic symbol to trace the net downward into the
hierarchy.
• Double-click the pin outside a schematic symbol to trace the net up the hierarchy.
Note: Net expansion has a different result than expanding the hierarchical module using the Expand
Inside/Expand Outside commands. Double-clicking a pin expands the hierarchy to follow the net,
and does not display the full contents of the hierarchy.
You can expand buses to include all bits of the bus. Buses show as thick wires. Use the
Expand Cone command from the popup menu to expand the cone of logic from a selected
pin or cell, or between two selected cells. Expansion of logic can go beyond hierarchical
X-Ref Target - Figure 3-37
Figure 3-37: Double-Click Schematic Pins
UG893 (v2017.2) June 7, 2017

Using the Vivado IDE 105
UG893 (v2017.1) April 5, 2017 www.xilinx.com
Chapter 3: Using Windows
boundaries. The window zooms to fit the expansion. The available Expand Cone commands
are:
•To Flops or I/Os: Displays the entire cone of logic to the first flops or I/Os, or to any
sequential element, such as block RAMs and FIFOs.
•To Leaf Cells: Displays the entire cone of output logic to the first primitives.
Note: Alternatively, you can double-click a pin or cell to use this command.
•To Selected Cells: Displays the entire cone of logic between two selected cells.
Selecting Objects in the Schematic Window
To select objects in the Schematic window:
• Click an object in the Schematic window.
•Use the Ctrl key to select multiple objects.
• Click the Select Area local toolbar button, and draw a rectangle around multiple cells,
ports, and nets.
When you select objects in the Schematic window:
• Objects are also selected in all other windows. Similarly, when you select objects in
other windows, they are also selected in the Schematic window.
• The Properties window for the selected object opens or updates to display the object
properties.
For example, when a net is selected, the Connectivity view traverses the hierarchy to
report all primitive cells connected to the net. This is different from the Cell Pins view,
which reports the pins of all cells connected to the net, reporting both primitive and
hierarchical cells. Select a net that is connected to a hierarchical cell to see the
difference between these views.
Specifying Schematic Window Settings
The Schematic settings define which properties to display on schematic symbols and pins
as well as configure the colors to use when creating the Schematic window. To specify
Schematic window settings, click the Setting toolbar button .
After you finish setting options, click the Close button in the upper right corner. The Vivado
IDE stores your settings and reloads them each time the tool is launched.
TIP: To restore the options to the default settings, click the Reset button in the upper right corner .
UG893 (v2017.2) June 7, 2017

Using the Vivado IDE 106
UG893 (v2017.1) April 5, 2017 www.xilinx.com
Chapter 3: Using Windows
Schematic Window Display Settings
The Display settings (Figure 3-38) enable or disable the display of the following features in
the Schematic window:
•Inst Equation: Labels cells with truth table equations.
•Fanout for Scalar/Bus Pin: Labels cell pins with fanout values.
•Setup Slack for Scalar/Bus Pin: Labels destination pins with slack values. Slack values
do not display until after data is generated by Report Timing Summary or Report
Timing. For more information, see this link in the Vivado Design Suite User Guide:
Design Analysis and Closure Techniques (UG906) [Ref 13].
Note: If you updated timing data, you must refresh the schematic to display the new slack
values.
•Bus Value: Labels bus pins with bus values.
•Elide Long Text: Truncates long text for a cleaner display.
•Bundle Nets/Cells: Shows buses or cells as a bundled net.
•Split into Multiple Pages: Shows large schematics on multiple pages.
X-Ref Target - Figure 3-38
Figure 3-38: Schematic Window—Display Settings
UG893 (v2017.2) June 7, 2017

Using the Vivado IDE 107
UG893 (v2017.1) April 5, 2017 www.xilinx.com
Chapter 3: Using Windows
Schematic Window Colors Settings
The Colors settings (Figure 3-39) change the color of elements of the Schematic window:
• Click a color box to expose a drop-down menu, and select from a list of available
colors.
• Select More Colors to display more colors to choose from.
• Enter a specific RGB value directly in the text field for the color.
Viewing Timing Path Logic in the Schematic Window
You can select timing paths from the Timing Results window and use the Schematic
command in the popup menu to display the full timing path in the Schematic window. All of
the objects on the selected path or group of paths display with the logic hierarchy
boundaries and the interconnect wires, as shown in Figure 3-40. You can use the Report
Timing popup menu to perform more detailed analysis on from/through/to ports, pins,
cells, and nets. For more information on setting the timing path logic, see this link in the
Vivado Design Suite User Guide: Design Analysis and Closure Techniques (UG906) [Ref 13].
X-Ref Target - Figure 3-39
Figure 3-39: Schematic Window—Colors Settings
UG893 (v2017.2) June 7, 2017

Using the Vivado IDE 108
UG893 (v2017.1) April 5, 2017 www.xilinx.com
Chapter 3: Using Windows
Viewing Bundled Logic in the RTL Schematic Window
In the elaborated design, low-level logic connected to buses is represented as grouped
logic to make the RTL schematic easier to view, as shown in Figure 3-41.
TIP: To set this property, click the Settings toolbar button , and select Bundle Nets.
X-Ref Target - Figure 3-40
Figure 3-40: Timing Path in Schematic Window
UG893 (v2017.2) June 7, 2017

Using the Vivado IDE 109
UG893 (v2017.1) April 5, 2017 www.xilinx.com
Chapter 3: Using Windows
Using the Hierarchy Window
The Hierarchy window displays a graphical representation of the logic hierarchy for the
current design, based on the current top module. This window allows you to see how a
timing path traverses the logic hierarchy or gauge how big a module is before you floorplan
the module. The Hierarchy window is used primarily during design analysis and
floorplanning, as described in this link in the Vivado Design Suite User Guide: Design
Analysis and Closure Techniques (UG906) [Ref 13]. To open the Hierarchy window, right-click
in a window, such as the Netlist window, and select the Show Hierarchy command.
X-Ref Target - Figure 3-41
Figure 3-41: RTL Schematic with Bundled Logic
UG893 (v2017.2) June 7, 2017

Using the Vivado IDE 110
UG893 (v2017.1) April 5, 2017 www.xilinx.com
Chapter 3: Using Windows
In the Block view of the Hierarchy window (Figure 3-42), each instance displays within the
hierarchical block that contains it. Primitive logic is grouped into folders that are
represented as submodules. For more information about primitive logic folders, see Using
the Netlist Window.
X-Ref Target - Figure 3-42
Figure 3-42: Hierarchy Window Block View
UG893 (v2017.2) June 7, 2017

Using the Vivado IDE 111
UG893 (v2017.1) April 5, 2017 www.xilinx.com
Chapter 3: Using Windows
To view the design from top to bottom, click the Show Tree View button . In the Tree
view of the Hierarchy window (Figure 3-43), you can identify the relationship between
hierarchical modules, approximate module sizes, and module location within the design.
The widths of the blocks in the Hierarchy window are based on the relative device resources
consumed by that instance of hierarchy.
TIP: To select logic parent modules for Pblock assignment in the Hierarchy window, right-click a
module and select Select Leaf Cell Parents. From the parent module, select Floorplanning > Draw
Pblock or Assign to Pblock.
Using the Timing Constraints Window
The Timing Constraints window (Figure 3-44) shows the timing constraints used for the
loaded design. You can create new constraints, modify existing timing constraints, and run
timing reports against the constraints. After the timing constraints are working as desired,
you must save the changes to the original constraint set or create a new constraint set to
preserve the constraints for the next implementation run. For more information, see this
link in the Vivado Design Suite User Guide: Using Constraints (UG903) [Ref 11]. To open the
X-Ref Target - Figure 3-43
Figure 3-43: Hierarchy Window Tree View
UG893 (v2017.2) June 7, 2017

Using the Vivado IDE 112
UG893 (v2017.1) April 5, 2017 www.xilinx.com
Chapter 3: Using Windows
Timing Constraints window, select Window > Timing Constraints, or select Edit Timing
Constraints in the Flow Navigator under Synthesized Design or Implemented Design.
IMPORTANT: To ensure that the report tools recognize the constraint changes, you must press the
Apply button in the Timing Constraints window to apply the changes.
VIDEO: Select Tools > Timing > Constraints Wizard on a synthesized design to create a top-level
XDC file based on design methodologies recommended by Xilinx. This wizard guides you through
specifying clocks, setting up input and output constraints, and properly constraining cross-clock
domain clock groups. For an overview, see the Vivado Design Suite QuickTake Video: Using the Timing
Constraints Wizard.
Timing Constraints Window Toolbar Commands
The local toolbar in the tree view pane contains the following commands:
•Collapse All: Collapses all constraints.
•Expand All: Expands all constraints.
•Constraints Wizard: Opens the Timing Constraints Wizard, which identifies missing
constraints in your synthesized or implemented design and makes constraint
recommendations. For more information, see this link in the Vivado Design Suite User
Guide: Using Constraints (UG903) [Ref 11].
X-Ref Target - Figure 3-44
Figure 3-44: Timing Constraints Window
UG893 (v2017.2) June 7, 2017

Using the Vivado IDE 113
UG893 (v2017.1) April 5, 2017 www.xilinx.com
Chapter 3: Using Windows
•Create Timing Constraint: Creates a new constraint of the selected type.
Note: You can also double-click a constraint name in the constraint tree to create a new
constraint of the selected type.
The local toolbar in the Create Clock pane contains the following commands:
•Create Constraint: Opens the Create Clock dialog box in which you can create a
constraint.
•Remove Constraint: Deletes the selected constraint.
•Edit Constraint: Opens the Edit Create Clock dialog box for the selected constraint.
The local toolbar in the All Constraints pane contains the following commands:
•Search: Opens the search bar to allow you to quickly locate constraints.
Note: You can also access this command through the Alt+/ keyboard shortcut.
•Collapse All: Collapses all constraints.
•Expand All: Expands all constraints.
•Group by Source: Groups constraints based on the source file from which they
originate.
•Filter Constraints: Filters constraints to show all constraints, valid constraints only, or
invalid constraints only.
•Edit Constraint: Opens the Edit Create Clock dialog box for the selected constraint.
•Remove Constraint: Deletes the selected constraint.
•Report Timing for This Constraint: Opens the Report Timing dialog box to generate a
timing report for the selected constraint.
Using the Waveform Window
For information on using the Waveform window, see this link in the Vivado Design Suite User
Guide: Logic Simulation (UG900) [Ref 9] and this link in the Vivado Design Suite User Guide:
Programming and Debugging (UG908) [Ref 14].
UG893 (v2017.2) June 7, 2017

Using the Vivado IDE 114
UG893 (v2017.1) April 5, 2017 www.xilinx.com
Chapter 3: Using Windows
Using the Tcl Console
The Tcl Console (Figure 3-45) displays:
• Messages from previously executed Tcl commands.
Note: The Vivado IDE also writes these messages to the vivado.log file.
• Command errors, warnings, and successful completion.
• Status of design loads and reading constraints.
To open the Tcl Console, select Window > Tcl Console.
Tcl Console Toolbar Commands
The local toolbar contains the following commands:
•Find: Finds text strings in the displayed messages.
•Collapse All: Collapses the messages reported by each Tcl command in the Tcl Console.
•Expand All: Expands the messages reported by each Tcl command in the Tcl Console.
•Pause: Allows you to scroll in the window or read reports as commands are running.
•Copy: Copies the selected text.
X-Ref Target - Figure 3-45
Figure 3-45: Tcl Console
UG893 (v2017.2) June 7, 2017

Using the Vivado IDE 115
UG893 (v2017.1) April 5, 2017 www.xilinx.com
Chapter 3: Using Windows
•Toggle Column Selection Mode: Toggles between selecting a block of text characters
as a column or as lines of text.
•Clear: Clears all output in the Tcl Console.
Locating Warnings and Errors in the Tcl Console
Warnings and Errors display with a yellow or red indicators on the right side of the Tcl
Console as shown in Figure 3-46. You can use these indicator as follows:
• Hold the mouse over an indicator to display the messages in a tooltip.
• Click an indicator to scroll to the associated message in the Tcl Console.
Entering Tcl Commands
To enter Tcl commands, click in the command line entry box at the bottom of the Tcl
Console, and type the commands.
IMPORTANT: To get input from Tcl using the gets stdin command, you must launch the Vivado IDE
from a command prompt, xterm, or Tcl shell. This ensures that the Vivado IDE does not hang while
waiting for input. Alternatively, you can use the Vivado 2017.x Tcl Shell shortcut, and enter the
start_gui command to open the Vivado IDE. When you use the gets stdin command from the
Vivado IDE, the Vivado IDE reads the data entered in the command prompt, xterm, or Tcl shell.
X-Ref Target - Figure 3-46
Figure 3-46: Warnings and Errors in the Tcl Console
UG893 (v2017.2) June 7, 2017

Using the Vivado IDE 116
UG893 (v2017.1) April 5, 2017 www.xilinx.com
Chapter 3: Using Windows
Using Auto-Complete
As you type commands, the Tcl Console auto-complete feature attempts to complete the
name of the command or command parameters. For example, Figure 3-47 shows a list of
commands that match the entry: create_. From the auto-complete list, you can:
• Click a command to select it.
• Use the up or down arrow key to scroll to the command, and press Enter to select it.
• Continue to type until the auto-complete feature narrows the command to one choice,
and press the Tab key to select it.
After you select a command, the Tcl Console attempts to auto-complete any arguments of
the command. You can select from the auto-complete list as described above.
Improving Readability
The output of Tcl commands is optimized for processing, not viewing. To improve the
readability of the single line of output returned by a Tcl command, use the join command
and a newline (\n) as shown:
join <command> \n
For example:
join [get_cells -hier *buffer*] \n
X-Ref Target - Figure 3-47
Figure 3-47: Auto-Completion of Tcl Commands
UG893 (v2017.2) June 7, 2017

Using the Vivado IDE 117
UG893 (v2017.1) April 5, 2017 www.xilinx.com
Chapter 3: Using Windows
Viewing the Tcl Command History
When you perform an action in the Vivado IDE, such as using a menu command or
performing drag and drop, the tool writes a Tcl command equivalent to the Tcl Console. The
Tcl Console shows both the Tcl command and a transcript of the results. From the Tcl
Console, you can do the following:
• To show just the Tcl commands and hide the transcript, select the Collapse all
toolbar button. Then, copy and paste the Tcl commands from the Tcl Console to create
Tcl scripts.
• To show the command history in the Tcl Console, type the following in the command
line entry box at the bottom of the Tcl Console:
history
TIP: In the command line entry box, you can press the arrow keys to scroll through the command
history one command at a time.
In addition, the Vivado IDE writes the Tcl commands to a journal file (vivado.jou) and a
log file (vivado.log). The vivado.jou file contains just the commands, and the
vivado.log file contains both commands and any returned messages. When the Vivado
IDE is launched, backup versions of the journal file (vivado_<id>.backup.jou) and log
file (vivado_<id>.backup.log) are written to save the details of the previous run. The
<id> is a unique identifier that enables the tools to create and store multiple backup
versions of the log and journal files.
You can create Tcl scripts by copying commands from the journal file for later replay. To
view the journal file, select File > Open Journal File. You might need to edit this file to
remove any erroneous commands or commands from multiple sessions prior to replay. Not
every action logs a Tcl command into the journal file. For more information on journal files,
see Output Files in Appendix B.
TIP: If you want comments to appear in the journal file, enter the pound sign (#) followed by the
comment in the Tcl Console. The Vivado IDE writes the comment to the journal file but does not execute
it as a command. This is helpful when you want to take notes on the Tcl commands you entered.
UG893 (v2017.2) June 7, 2017

Using the Vivado IDE 118
UG893 (v2017.1) April 5, 2017 www.xilinx.com
Chapter 3: Using Windows
Using Tcl Help
In the command line entry box at the bottom of the Tcl Console, type:
help
To get detailed information about a command, type:
help <command_name>
or
<command_name> -help
For example:
help add_files
or
add_files -help
The Tcl Console displays the list of available commands or command options based on the
command you enter.
TIP: To make it easier to read the command help, double-click the Tcl Console tab or press Alt - to
maximize it.
For explicit command syntax, perform the command once, then view the vivado.jou file
in the invocation directory. For more information on creating Tcl scripts, see theVivado
Design Suite User Guide: Using Tcl Scripting (UG894) [Ref 3]. For a complete list of Tcl
commands, refer to the Vivado Design Suite Tcl Command Reference Guide (UG835) [Ref 4].
IMPORTANT: The vivado.jou file is a good starting point for creating a Tcl script. However, it is not
intended to be used as a script itself.
Using the Messages Window
The Messages window (Figure 3-48) displays design and report messages, which are
grouped to enable you to locate messages from different tools or processes. Messages
display with a link to the relevant object or source file. To open the Messages window, select
Window > Messages. You can use the check boxes in the banner of the Messages window
to hide or display the errors, critical warnings, warnings, info, and status messages.
Note: If the location of a source file changes, Vivado IDE removes the link from related messages to
prevent confusion.
UG893 (v2017.2) June 7, 2017

Using the Vivado IDE 119
UG893 (v2017.1) April 5, 2017 www.xilinx.com
Chapter 3: Using Windows
TIP: To see only one message type, double-click the message type in the banner of the Messages
window. For example, double-click errors to display only error messages. To get the message count for
critical warnings, use the get_msg_config -count -severity {CRITICAL WARNING} Tcl
command.
VIDEO: For an overview of the Messages window, including information on reviewing critical messages,
cross probing design objects, adjusting message severity, and suppressing messages, see the Vivado
Design Suite QuickTake Video: Understanding Messaging.
Messages Window Toolbar Commands
The local toolbar contains the following commands:
•Search: Opens the search bar to allow you to locate messages.
Note: You can also access this command through the Alt+/ keyboard shortcut.
•Collapse All: Collapses all messages.
Note: You can also access this command through the Ctrl+- keyboard shortcut.
•Expand All: Expands all messages.
Note: You can also access this command through the Ctrl+= keyboard shortcut.
X-Ref Target - Figure 3-48
Figure 3-48: Messages Window
UG893 (v2017.2) June 7, 2017

Using the Vivado IDE 120
UG893 (v2017.1) April 5, 2017 www.xilinx.com
Chapter 3: Using Windows
•Filter Messages: Adjusts message filtering as follows:
°Suppression
-Show suppressed: Displays only suppressed messages. To suppress messages,
use the Manage Suppression popup menu command or set_msg_config Tcl
command.
Note: This setting results in an empty Messages window if no messages are suppressed.
-Show unsuppressed: Displays only unsuppressed messages.
Note: This is the default setting.
-Show both: Displays both suppressed and unsuppressed messages. Suppressed
messages have a backslash (\) through the severity icon.
°Severity
-Show modified: Displays only messages with a modified severity. To modify
message severity, use the Message Severity popup menu command or
set_msg_config -new_severity Tcl command.
Note: This setting results in an empty Messages window if no messages are modified.
-Show unmodified: Displays only messages that have their original severity.
Note: This is the default setting.
-Show both: Displays messages with both modified and original severity.
Messages with a modified severity have an asterisk (*) on the severity icon.
•Manage Message Suppression: Opens the Manage Suppression dialog box in which
you can add or remove suppression rules. For more information, see Suppressing
Messages and Unsuppressing Messages.
•Discard User Created Messages: Removes messages related to project load and
analysis as well as messages output from scripts and Tcl commands entered in the Tcl
Console.
Note: You cannot use this command to clear messages output from design runs. Instead, use the
Reset Runs popup menu command to reset the run and clear the messages for the run.
•Settings: Controls the display of information in the window.
°Group by File: Groups messages by file.
°Group by ID: Groups messages by message ID.
°Wrap Lines: Wraps messages to the next line to fit the message to the width of the
Messages window.
TIP: If the message limit is exceeded, a Message limit exceeded prompt appears. You can disable
line wrapping to improve message display performance.
UG893 (v2017.2) June 7, 2017

Using the Vivado IDE 121
UG893 (v2017.1) April 5, 2017 www.xilinx.com
Chapter 3: Using Windows
Viewing Message Details
When additional details are available for a message, a unique message ID appears as a link
in the Messages window. Click the link to open a window (Figure 3-49) that contains a
description and possible resolutions.
TIP: To search for Answer Records related to the message, right-click the message and select Search for
Answer Record.
Cross Probing Message Objects
When design objects, such as cells, nets or pins, are displayed as a link (Figure 3-50), you
can click the link to cross probe to different windows in the workspace. If necessary, Vivado
IDE loads the design that contains the object.
TIP: In a graphical window, you can use the Auto Fit Selection toolbar button to automatically
zoom to the selected object. Alternatively, you can click F9 to manually fit the selection.
X-Ref Target - Figure 3-49
Figure 3-49: Message Details
X-Ref Target - Figure 3-50
Figure 3-50: Cross Probing Message Objects
UG893 (v2017.2) June 7, 2017

Using the Vivado IDE 122
UG893 (v2017.1) April 5, 2017 www.xilinx.com
Chapter 3: Using Windows
Suppressing Messages
You can suppress messages from appearing in the Vivado IDE Messages window as follows:
• To suppress a specific message, right-click the message, and select Suppress this
Message.
• To suppress all messages with a specific message ID, right-click the message, and select
Suppress Messages with this ID.
• To suppress all messages of a specific severity (for example, Info), right-click a
message, and select Suppress Messages with this Severity.
• To suppress a message that contains a specific text string or collection of strings,
right-click in the Messages window, and select Manage Suppression. In the Manage
Suppression dialog box (Figure 3-51), click the add button . In the New Suppression
Rule dialog box, enter the message ID or text string to add the suppression rule, and
click OK.
Note: Messages that are filtered from the Messages window still exist in the log files until you
rerun the design flow.
TIP: To limit the number of messages without suppressing them, you can use the set_msg_config
Tcl command, for example, set_msg_config -id {[Common 17-349]} -limit 10. The default
message limit is 100. For more information, see set_msg_config in the Vivado Design Suite Tcl
Command Reference Guide (UG835) [Ref 4].
X-Ref Target - Figure 3-51
Figure 3-51: Manage Suppression Dialog Box
UG893 (v2017.2) June 7, 2017

Using the Vivado IDE 123
UG893 (v2017.1) April 5, 2017 www.xilinx.com
Chapter 3: Using Windows
Unsuppressing Messages
To unsuppress messages, right-click in the Messages window, and select Manage
Suppression. In the Manage Suppression dialog box (Figure 3-51), select the rule to
remove, and click the remove button .
Note: Alternatively, you can click the Manage Message Suppression toolbar button to open
the Manage Suppression dialog box.
TIP: To temporarily display suppressed messages, click the Filter Messages toolbar button , and
select Show suppressed or Show both. The message icon has a backslash (\) to indicate that the
message is suppressed but displayed.
Changing Message Severity
You can modify the severity for most messages, including:
• Promote all messages to errors except for status messages.
• Demote warnings and critical warnings.
CAUTION! You cannot demote error messages. Use caution when demoting critical warnings, because
these messages flag problems that might result in errors later in the design flow.
To change the severity of a message:
1. Right-click the message, and select Message Severity > Set Message Severity from
the popup menu.
2. In the Set Message Severity dialog box (Figure 3-52), set the severity.
Note: To reset the message to the default severity, right-click the message, and select Message
Severity > Unset Message Severity from the popup menu.
UG893 (v2017.2) June 7, 2017

Using the Vivado IDE 124
UG893 (v2017.1) April 5, 2017 www.xilinx.com
Chapter 3: Using Windows
Following are the icons for modified messages:
• Modified Information
• Modified Advisory
• Modified Warning
• Modified Critical Warning
• Modified Error
You can also modify message severity using the set_msg_config Tcl command. For example,
the following Tcl command upgrades message ID Place 30-12 to a Critical Warning:
set_msg_config -id {Place 30-12} -new_severity {CRITICAL WARNING}
Using the Log Window
The Log window (Figure 3-53) displays the active output status of commands that compile
the design such as synthesis, implementation and simulation. The output displays in a
continuous scrollable format and is overwritten when new commands are run. If the Log
window is hidden, to open it, select Window > Log.
TIP: You can click the Pause output toolbar button , and scroll back or read reports while
commands are running.
X-Ref Target - Figure 3-52
Figure 3-52: Set Message Severity Dialog Box
UG893 (v2017.2) June 7, 2017

Using the Vivado IDE 125
UG893 (v2017.1) April 5, 2017 www.xilinx.com
Chapter 3: Using Windows
When out-of-context synthesis runs are present, the Log window shows a tree view on the
left and the log for the selected run on the right (Figure 3-54).
X-Ref Target - Figure 3-53
Figure 3-53: Log Window
X-Ref Target - Figure 3-54
Figure 3-54: Log Window for Out-of-Context Synthesis Runs
UG893 (v2017.2) June 7, 2017

Using the Vivado IDE 126
UG893 (v2017.1) April 5, 2017 www.xilinx.com
Chapter 3: Using Windows
Using the Log Window Toolbar
The local toolbar contains the following commands:
•Find: Opens the search bar to allow you to locate text in the Log window.
Note: You can also access this command through the Alt+/ keyboard shortcut.
•Pause Output: Allows you to scroll in the window or read reports as commands are
running.
•Copy: Copies selected text to the clipboard.
•Toggle Column Selection Mode: Specifies whether to select a block of text characters
as a grid of rows and columns or as lines of text.
Using the Reports Window
The Reports window (Figure 3-55) displays reports for the active run and updates as various
steps complete. Reports are grouped under headings named after the different steps to
enable quick location of information. Double-click a report to open the file in the Text
Editor. To open the Reports window, select Window > Reports.
Note: If you close a custom report, you must recreate it. Custom reports are not stored in memory.
If you close a report that was automatically generated as part of the design run, you can reopen the
report by selecting File > Open Interactive Report.
UG893 (v2017.2) June 7, 2017

Using the Vivado IDE 128
UG893 (v2017.1) April 5, 2017 www.xilinx.com
Chapter 3: Using Windows
Using the Reports Window Toolbar
The local toolbar contains the following commands:
•Search: Opens the search bar to allow you to locate text in the Reports window.
Note: You can also access this command through the Alt+/ keyboard shortcut.
•Collapse All: Collapses all reports.
Note: You can also access this command through the Ctrl+- keyboard shortcut.
•Expand All: Expands all reports.
Note: You can also access this command through the Ctrl+= keyboard shortcut.
Generating Additional Reports
In addition to the reports generated during synthesis and implementation, you can
generate custom reports on demand at different stages in the design flow. From the Flow
Navigator or using the Tools > Report menu command, you can generate the following
reports.
RECOMMENDED: To identify common design issues, run Report Methodology the first time you
synthesize the design. Run this report again when there is a change in constraints, clocking topologies,
or large logic changes. For more information, see this link in the Vivado Design Suite User Guide:
System-Level Design Entry (UG895) [Ref 15].
• Report Methodology
•Report DRC
•Report Noise
• Report Utilization
• Report Clock Utilization
•Report Power
• Report Power Optimization
• Report High Fanout Nets
•Report Design Analysis
• Report I/O
• Report Clock Networks
• Report IP Status
UG893 (v2017.2) June 7, 2017

Using the Vivado IDE 129
UG893 (v2017.1) April 5, 2017 www.xilinx.com
Chapter 3: Using Windows
• Timing
°Check Timing
°Report Timing
°Report Timing Summary
°Report Pulse Width
°Create Slack Histogram
°Report Clock Interaction
°Report Datasheet
°Report CDC
TIP: If multiple timing reports are open, you can tile the reports horizontally or vertically. Right-click a
report tab, and select New Horizontal Group or New Vertical Group.
For more information on these reports, see the following documents:
•Vivado Design Suite User Guide: Power Analysis and Optimization (UG907) [Ref 20]
•Vivado Design Suite User Guide: I/O and Clock Planning (UG899) [Ref 17]
•Vivado Design Suite User Guide: Design Analysis and Closure Techniques (UG906)
[Ref 13]
•Vivado Design Suite User Guide: Designing with IP (UG896) [Ref 7]
Using the Design Runs Window
You can use the Design Runs window (Figure 3-56) to view, configure, launch, reset, and
analyze synthesis and implementation runs. The Design Runs window lists synthesis and
implementation runs in the order of the design flow and lists out-of-context runs based on
dependency, for example, dependent IP appear under the top-level IP. To open the Design
Runs window, select Window > Design Runs.
X-Ref Target - Figure 3-56
Figure 3-56: Design Runs Window
UG893 (v2017.2) June 7, 2017

Using the Vivado IDE 130
UG893 (v2017.1) April 5, 2017 www.xilinx.com
Chapter 3: Using Windows
Design Runs Window Commands
The following commands are available from the local toolbar and popup menu.
Design Runs Window Toolbar Commands
The local toolbar contains the following commands:
•Search: Opens the search bar to allow you to locate messages.
Note: You can also access this command through the Alt+/ keyboard shortcut.
•Collapse All: Collapses all messages.
Note: You can also access this command through the Ctrl+- keyboard shortcut.
•Expand All: Expands all messages.
Note: You can also access this command through the Ctrl+= keyboard shortcut.
•Reset Runs: Invokes the Reset Runs dialog box to remove previous run results and to
set the run status back to Not Started for the selected runs.
•Reset to Previous Step: Resets the selected run to the preceding step. This allows you
to step backward through a run, make any needed changes, and then step forward to
complete the run.
•Launch Runs: Invokes the Launch Runs dialog box to launch the selected runs.
•Launch Next Step: Launches the next step of the selected run. For implementation
runs, the available steps are opt_design, place_design, route_design,
write_bitstream. Synthesis only has one step, synth_design.
•Create Runs: Invokes the Create New Runs wizard to create and configure new
synthesis or implementation runs. For more information, see this link in the Vivado
Design Suite User Guide: Synthesis (UG901) [Ref 10] or this link in the Vivado Design
Suite User Guide: Implementation (UG904) [Ref 12].
•Show Percentage: Shows utilization by percentage rather than by number.
Design Runs Window Popup Commands
The popup menu contains the following commands:
•Run Properties: Displays the Run Properties window. For more information, see Using
the Run Properties Window.
•Delete: Deletes the selected, non-active, runs and removes the associated run data
from disk. You are prompted to confirm before the runs are deleted.
Note: You cannot delete the active runs.
•Make Active: Sets the selected run as the active run. The active run launches
automatically when the Run Synthesis or Run Implementation command is used. The
UG893 (v2017.2) June 7, 2017

Using the Vivado IDE 131
UG893 (v2017.1) April 5, 2017 www.xilinx.com
Chapter 3: Using Windows
results for the active run display in the Messages, Compilation, Reports, and Project
Summary windows.
•Change Run Settings: Changes the strategy and command line options for the
selected synthesis or implementation run. For more information, see this link in the
Vivado Design Suite User Guide: Synthesis (UG901) [Ref 10] or this link in the Vivado
Design Suite User Guide: Implementation (UG904) [Ref 12].
•Set Incremental Compile: Specifies a placed and routed design checkpoint to use as a
reference for the next implementation run. For more information, see this link in the
Vivado Design Suite User Guide: Implementation (UG904) [Ref 12].
CAUTION! If you are using a design checkpoint from the active run, you must copy the design
checkpoint outside of the run directory prior to using it for incremental compile. When you run
incremental compile, the run is reset and all contents are deleted, including the design checkpoint.
•Save as Strategy: Saves the current strategy and command options to a new strategy
for future use and modification.
• Open Run: Opens the design for the selected run.
•Launch Runs: Invokes the Launch Runs dialog box to launch the selected runs.
•Reset Runs: Invokes the Reset Runs dialog box to remove previous run results and to
set the run status back to Not Started for the selected runs.
•Launch Next Step: Launches the next step of the selected run. For implementation
runs, the available steps are opt_design, place_design, route_design,
write_bitstream. Synthesis only has one step, synth_design.
•Launch Step To: Launches the selected step for the selected run.
•Reset to Previous Step: Resets the selected run to the preceding step. This allows you
to step backward through a run, make any needed changes, and then step forward to
complete the run.
•Generate Bitstream: Invokes the write_bitstream step. This command is available
for completed implementation runs only. For more information, see this link in the
Vivado Design Suite User Guide: Programming and Debugging (UG908) [Ref 14].
•Display Log: Displays the Log tab of the Run Properties window.
•Display Reports: Displays the Reports tab of the Run Properties window.
•Display Messages: Displays the Messages tab of the Run Properties window.
TIP: The Display commands are useful for displaying data for out-of-context runs, which are not
displayed in the Messages, Reports, or Log windows.
•Create Runs: Invokes the Create New Runs wizard to create and configure new
synthesis or implementation runs. For more information, see this link in the Vivado
UG893 (v2017.2) June 7, 2017

Using the Vivado IDE 132
UG893 (v2017.1) April 5, 2017 www.xilinx.com
Chapter 3: Using Windows
Design Suite User Guide: Synthesis (UG901) [Ref 10] or this link in the Vivado Design
Suite User Guide: Implementation (UG904) [Ref 12].
•Open Run Directory: Opens a file browser in the selected run directory on disk.
•Export to Spreadsheet: Exports the information in the Design Runs window to a
spreadsheet file.
Understanding Run Status
As runs are created, or launched, the run status updates in the Design Runs window. The
window displays the status and results of the design runs defined, and it also provides
commands to modify, launch, and manage the design runs.
The Design Runs window icons indicates the run state as follows:
• Reset and ready to run
• Run queued
• Currently running
• Completed runs
• Completed runs in which design files have changed
• Completed runs that failed to meet timing
• Runs with errors
Run information updates as the runs proceed. You can close the Vivado IDE without
affecting in-progress runs. When you re-open a project, the Vivado IDE updates the run
status to reflect the latest status, which displays in the Design Runs table. The columns used
for tracking information are:
•Name: Displays run name.
•Constraints: Displays the constraint set used for the run.
•Status: Indicates run status as not started, running, complete, or error.
•WNS: Displays worst negative slack.
•TNS: Displays total negative slack.
•WHS: Displays worst hold slack.
•THS: Displays total hold slack.
•TPWS: Displays total pulse width negative slack.
•Total Power: Displays total on-chip power.
•Failed Routes: Displays the number of nets that failed to route, are partially routed, or
have conflicts.
UG893 (v2017.2) June 7, 2017

Using the Vivado IDE 133
UG893 (v2017.1) April 5, 2017 www.xilinx.com
Chapter 3: Using Windows
•LUT: Displays the LUT utilization number or percentage.
•FF: Displays the flip-flop utilization number or percentage.
•BRAMs: Displays the BRAM utilization number or percentage.
•URAM: Displays the URAM utilization number or percentage.
•DSP: Displays the DSP utilization number or percentage.
TIP: By default, the Design Runs window shows utilization as a number. To show utilization as a
percentage, click the Show Percentage toolbar button .
•Start: Reports the start time for the run.
•Elapsed: Reports the elapsed time for the run.
•Strategy: Displays the strategy assigned to the run. Strategies with an asterisk (*)
indicate that some command options for the strategy have been overridden.
•Part: Indicates the target part selected for the run.
•Description: Displays the description associated with the run. This description is set
initially to a strategy description when that strategy is applied to the run. However, you
can modify the description later in the Run Properties window.
Note: The table is updated dynamically as the run commands progress. Runs that are launched
outside of the Vivado IDE using generated scripts cause the table to update upon invoking the
software.
Using the Package Pins Window
The Package Pins window displays I/O-related package information. You can sort and filter
the table to analyze the I/O pins and I/O ports information. To open the Package Pins
window, select Window > Package Pins.
UG893 (v2017.2) June 7, 2017

Using the Vivado IDE 134
UG893 (v2017.1) April 5, 2017 www.xilinx.com
Chapter 3: Using Windows
Device pin information such as the following is listed for each package pin:
• I/O Bank number
•Bank Type
Note: The Bank Type column identifies High Performance and High Range banks.
• Differential pair partners
•Site Types
• Min/Max package delay
Note: The unit of measurement for the Min/Max package trace delay in the Package Pins
window is in picoseconds (ps).
Table values appear as follows:
•Black for default values
• Black with an asterisk (*) for non-default values
• Red for illegal values
To sort the information in the Package Pins window:
• To sort, click a column header. Click again to reverse the sort order.
• To sort by a second column, press Ctrl and click another column. You can add as many
sort criteria as necessary to refine the list order.
Note: For more information on sorting the information in the Package Pins window, see Using Data
Table Windows.
TIP: In the Package Pins window, you can directly edit cells with editable values. Either enter text, or
select it from a drop-down menu.
X-Ref Target - Figure 3-57
Figure 3-57: Package Pins Window
UG893 (v2017.2) June 7, 2017

Using the Vivado IDE 135
UG893 (v2017.1) April 5, 2017 www.xilinx.com
Chapter 3: Using Windows
Package Pins Window Toolbar Commands
The local toolbar contains the following commands:
•Search: Searches the Package Pins window for ports by name, or by keywords or values
within the various pin properties.
•Collapse All: Displays I/O Banks by name, and does not display individual pins of the
bank.
•Expand All: Shows all pins of an I/O Bank expanded.
•Group by I/O Bank: Groups the pins by I/O Bank, or lists them alphabetically by
name.
•Settings: Controls the display of information in the window.
°Scroll to Selected Objects: Scrolls the Package Pins window to display objects
selected in other windows like the Netlist or Device windows.
Using the I/O Ports Window
The I/O Ports window (Figure 3-58) enables you to create, configure, and place I/O ports
onto I/O sites in either the Package window or Device window. The I/O Ports window shows
the I/O signal ports defined in the design. To open the I/O Ports window, select Window >
I/O Ports.
Creating RTL source or netlist projects populates the I/O Ports window with the I/O ports
defined in the design source files. In an I/O Planning project, you can import a port list from
a CSV or XDC file and create ports manually for the project. For more information, see this
link in the Vivado Design Suite User Guide: I/O and Clock Planning (UG899) [Ref 17].
X-Ref Target - Figure 3-58
Figure 3-58: I/O Ports Window
UG893 (v2017.2) June 7, 2017

Using the Vivado IDE 136
UG893 (v2017.1) April 5, 2017 www.xilinx.com
Chapter 3: Using Windows
The I/O Ports window lists the following for each I/O port and sorts the I/O ports based on
column values:
•Port signal names
•Direction
• Board part pin (when using board part only)
• Board part interface (when using board part only)
Note: For more information on using the platform board flow, see this link in the Vivado Design
Suite User Guide: System-Level Design Entry (UG895) [Ref 15].
•Package pin
•I/O bank
•I/O Standard
• Drive strength
• Diff pair partner
•Slew type
• Voltage requirements
• Other signal information
The table in the I/O Ports window includes the following information:
• Buses are in expandable folders that you can select as one object for analysis,
configuration, and assignment.
• Port Interfaces are in expandable folders that can contain buses and individual ports
that you defined.
• Cells with editable values allow you to enter text or select text from drop-down menus.
Table values appear as follows:
• Blank for default values
• An asterisk (*) for non-default values
• Red for illegal or undefined values
Note: For more information on working with table views, see Using Data Table Windows.
UG893 (v2017.2) June 7, 2017

Using the Vivado IDE 137
UG893 (v2017.1) April 5, 2017 www.xilinx.com
Chapter 3: Using Windows
I/O Ports Window Commands
The following commands are available from the local toolbar and popup menu.
I/O Ports Window Toolbar Commands
The local toolbar contains the following commands:
•Search: Searches the I/O Ports window for ports by name, or by keywords or values
within the various port properties.
•Collapse All: Displays buses by name, and does not display individual bits of the
bus.
•Expand All: Shows all pins of a bus expanded.
•Group by Interface and Bus: Displays the ports by interface, or alphabetically by
name.
•Create I/O Port Interface: Defines a new port interface to group ports. You can select
and place port interfaces as one object within the I/O Planning environment.
•Schematic: Opens a Schematic window for selected I/O ports.
•Settings: Scrolls the I/O Ports window to display objects selected in other windows like
the Netlist or Device windows.
I/O Ports Window Popup Menu
You can select ports and interfaces from the I/O Ports window and assign them to Package
pins or Device resources, using the I/O Planning window layout. The popup menu contains
the following commands:
•I/O Port Bus Properties: Allows you to view or edit properties for the selected object.
•Delete: Deletes the current selection.
•Expand Selection: Expands the selected rows.
•Create I/O Port Interface: Defines a new port interface to group ports. You can select
and place port interfaces as one object within the I/O planning environment.
•Assign to Interface: Assigns a group of ports, port buses, or interfaces to a parent
interface.
•Unassign from Interface: Unassigns a group of ports, port buses, or interfaces from
their parent interface.
•Configure I/O Ports: Assigns various properties of the selected I/O ports.
•Reset Invalid Port Properties: Resets any invalid properties on the specified port to
the default value.
UG893 (v2017.2) June 7, 2017

Using the Vivado IDE 138
UG893 (v2017.1) April 5, 2017 www.xilinx.com
Chapter 3: Using Windows
•Reset Port Properties: Resets all properties on the specified port to the default values.
•Set Direction: Specifies the direction of a port only in an I/O planning project.
•Make Diff Pair: Defines two ports as a differential pair in an I/O planning project.
•Split Diff Pair: Removes the differential pair association from the selected port in an
I/O planning project.
•Auto-place I/O Ports: Places I/O ports using the Autoplace I/O Ports wizard.
•Place I/O Ports in an I/O Bank: Assigns the currently selected ports onto pins on the
specified I/O bank.
•Place I/O Ports in Area: Assigns the currently selected ports onto pins in the specified
area.
•Place I/O Ports Sequentially: Assigns the currently selected ports individually onto
pins.
•Unplace: Unplaces the selected I/O ports.
•Fix Ports: Constrains the selected, placed ports to their current locations, or if no ports
are selected, constrains all placed ports. Upon completion, a dialog box appears with
summary information.
Note: This operation is only enabled for placed I/O ports. The resulting Tcl command is
set_property IS_LOC_FIXED true [get_ports [list <list of ports>]].
•Unfix Ports: Unfixes the selected placed I/O ports.
•Swap Locations: Swaps the sites for two selected ports.
•Schematic: Creates a schematic from the selected objects.
•Highlight: Highlights the selected objects.
•Unhighlight: Unhighlights the selected objects.
•Mark: Draws a marker for the selected object.
•Unmark: Removes the marker for the selected object.
•Export I/O Ports: Writes the contents of the I/O Ports window to a CSV, XDC, Verilog,
or VHDL file.
•Export to Spreadsheet: Exports the information in the I/O Ports window to a
spreadsheet file.
Note: By default, the Vivado IDE exports seven levels of hierarchy to the Excel spreadsheet.
UG893 (v2017.2) June 7, 2017

Using the Vivado IDE 139
UG893 (v2017.1) April 5, 2017 www.xilinx.com
Chapter 4
Configuring the Environment
Overview
You can configure the look and feel of the Vivado® IDE along with many of the default
actions. For example, you can change the default display colors to emphasize sites and
properties of interest to you, adjust default settings for file paths and properties, assign
custom keyboard shortcuts for frequently used commands, and create custom flow
strategies. You can control these settings using the Tools and Layout menus as described
in this chapter.
Specifying Tool Settings
You can use the Settings dialog box to specify both Project Settings and Tool Settings. Use
the Project Settings to configure general, simulation, elaboration, synthesis,
implementation, bitstream, and IP settings as described in Configuring Project Settings. Use
the Tools Settings to configure the default behaviors in the Vivado IDE as described in the
following sections.
To open the dialog box, select Tools > Settings. The dialog box changes based on the
category you select in the left pane. For example, Figure 4-1 shows the Settings dialog box
with the Project category selected under the Tools Settings.
TIP: When entering or modifying data in a text box, if a value is used and editable, the text is black and
the background is white. If a value is used but not editable, the text is black and the background is gray.
If a value is unused or not applicable, the text is gray, including the label that precedes or follows it.
UG893 (v2017.2) June 7, 2017

Using the Vivado IDE 140
UG893 (v2017.1) April 5, 2017 www.xilinx.com
Chapter 4: Configuring the Environment
Specifying Project Default Settings
You can use the Project default settings to control how the Vivado IDE handles projects. To
open the Settings dialog box (Figure 4-1), select Tools > Settings, and then click the
Project category.
•Default Project Directory: Specifies the location where the Vivado IDE writes newly
created projects.
•Target Language: Sets the default target language used when a new project is created.
•Recent: Specifies the number of recent projects, directories, and files to list. You can
also specify whether to automatically open the most recently used project when
starting the Vivado IDE.
X-Ref Target - Figure 4-1
Figure 4-1: Settings Dialog Box—Tool Settings Project Category
UG893 (v2017.2) June 7, 2017

Using the Vivado IDE 141
UG893 (v2017.1) April 5, 2017 www.xilinx.com
Chapter 4: Configuring the Environment
Specifying IP Defaults
You can use the IP Defaults settings to specify the default IP directories and repositories. To
open the Settings dialog box (Figure 4-1), select Tools > Settings, and then click the IP
Defaults category.
•Default IP Example Project Directory: Specifies where the Vivado IDE writes newly
created IP examples. By default, the Default Project Directory is used, or you can
specify a different directory.
•IP Catalog: Specifies the default repository search paths and the order in which to
search the repositories.
Specifying Source File Settings
You can use the Source File settings to control how the Vivado IDE handles source files. To
open the Settings dialog box (Figure 4-1), select Tools > Settings, and then click the
Source File category.
•Source Files: Specifies the default settings to use when adding sources to the project.
You can create a local copy of the source files in the Default Project Directory. You can
also add source files from the subdirectories in the Default Project Directory.
•File Saving: Specifies whether the Vivado IDE saves project files automatically when
closing or prompts you to save changes.
Specifying Display Settings
You can use the Display settings to control the appearance of the Vivado IDE. To open the
Settings dialog box (Figure 4-1), select Tools > Settings, and then click the Display
category.
•Spacing: Sets the amount of space between elements, such as icons and text, in the
Vivado IDE. Comfortable is the default setting, and Compact reduces the amount of
space between elements to fit more elements into a smaller space.
•Messages: Specifies the maximum number of messages to display.
•Hyperlinks: Specifies the action to take when you click a path delay link in a timing
report, including whether to provide a description, display a menu, or select a cell pin,
cell, or site.
UG893 (v2017.2) June 7, 2017

Using the Vivado IDE 142
UG893 (v2017.1) April 5, 2017 www.xilinx.com
Chapter 4: Configuring the Environment
Specifying WebTalk Settings
You can use the WebTalk settings to control how WebTalk shares your information with
Xilinx. To open the Settings dialog box (Figure 4-1), select Tools > Settings, and then click
the WebTalk category.
•Enable WebTalk to send software, IP and device usage statistics to Xilinx: Sends
usage information to Xilinx to help improve the software and hardware.
Note: For more information on WebTalk, see the Vivado Design Suite User Guide: Release Notes,
Installation, and Licensing (UG973) [Ref 2].
Specifying Help Settings
You can use the Help settings to control how tooltips, Quick Help, and documentation
display in the Vivado IDE. To open the Settings dialog box (Figure 4-1), select Tools >
Settings, and then click the Help category.
•Tooltips and Quick Help: Specifies the language for tooltips and Quick Help. You can
also set the amount of time before a tooltip appears and disappears.
•Documentation: Specifies whether to open documents in Xilinx® Documentation
Navigator or in your default web browser.
Note: For more information on Documentation Navigator, see Documentation Navigator and
Design Hubs in Appendix C.
Specifying Text Editor Settings
You can use the Text Editor Settings to specify the text editor used by the Vivado IDE. If you
select the Vivado Text Editor, you can also customize various options, which are not
supported for third-party text editors. To open the Settings dialog box (Figure 4-1), select
Tools > Settings, and then click the Text Editor category.
•Current Editor: Sets the text editor used by the Vivado IDE. If you select the Vivado
Text Editor, the following General and Display options are also available.
•Vivado Editor General Options: Sets options that control code folding, line comments,
column selection shortcuts, split views, the number of undo operations, and the
number of recent files.
•Vivado Editor Display Options: Sets options that control the display of the file path at
the top of the Vivado Text Editor, line numbers, and matches for the selected word.
UG893 (v2017.2) June 7, 2017

Using the Vivado IDE 143
UG893 (v2017.1) April 5, 2017 www.xilinx.com
Chapter 4: Configuring the Environment
In addition, if you select the Vivado Text Editor, the following subcategories are available
in the left pane of the Settings dialog box:
•Code Completion: Sets the preference for activating the code completion drop-down,
whether using a shortcut key, displaying as you type, or disabling code completion. You
can also set whether to use the Tab key or Space bar to select the displayed value.
•Syntax Checking: Enables syntax checking and specifies whether to display warnings
and notes. You can also specify the formatting for errors, warnings, and notes and view
the formatting in the Preview window.
•Tabs: Specifies whether to indent the line, whether to use the tab character instead of
spaces, and how many spaces to use per tab.
•Fonts and Colors: Specifies a display theme, which is a group of color settings. You can
choose from a default theme or create your own, as described in Setting Display
Themes. You can also set the font style, size, and color for standard text (foreground) as
well as the color for the background, line highlighting, and matching words. You can
view this formatting in the Preview window.
Note: You can also set the text styles and colors for different languages using the Verilog,
VHDL, Tcl, Xdc, and Trigger State Machine subcategories.
Specifying Third-Party Simulators
You can use the 3rd Party Simulators settings to specify install paths and default compiled
library paths. To open the Settings dialog box (Figure 4-1), select Tools > Settings, and
then click the 3rd Party Simulators category.
•Install Paths: Specifies the path to a third-party simulator.
•Default Compiled Library Paths: Specifies the path to the compiled libraries for each
supported simulator. The compiled library path is only applied when you create a new
project.
Note: For more information on third-party simulators, see this link in the Vivado Design
Suite User Guide: Logic Simulation (UG900) [Ref 9].
Specifying Colors
You can use the Colors settings to control the appearance of the viewing environment. To
open the Settings dialog box (Figure 4-1), select Tools > Settings, and then click the
Colors category. Click the subcategories to set colors for effects like highlighting and for
objects in different windows, such as the Device and Package windows.
UG893 (v2017.2) June 7, 2017

Using the Vivado IDE 144
UG893 (v2017.1) April 5, 2017 www.xilinx.com
Chapter 4: Configuring the Environment
Setting Display Themes
A display theme is a group of color settings that you can change using the Themes
drop-down menu. The Vivado IDE provides predefined light and dark background themes.
To change the theme, select the Vivado Light Theme or Vivado Default Theme from the
drop-down menu.
TIP: The Vivado Default Theme is designed for optimal display on computer monitors. However, the
Vivado Light Theme displays well when using a projector.
Note: These default options are defined in the vivado.xml file. For more information, see Outputs
for Environment Configuration in Appendix B.
Creating a Custom Display Theme
After you configure the color settings, you can save the settings for future use. Click the
Save As button to specify a name and save your custom display theme.
Changing Colors
To change the color of an element, do one of the following:
• Click a color cell, and enter an RGB value, as shown in Figure 4-2.
• Click a color cell, use the drop-down arrow to display the palette of available colors,
and click a color to select it, as shown in Figure 4-3. Click More Colors to display
additional color definition options.
X-Ref Target - Figure 4-2
Figure 4-2: RGB Color Values
X-Ref Target - Figure 4-3
Figure 4-3: Color Palette
UG893 (v2017.2) June 7, 2017

Using the Vivado IDE 145
UG893 (v2017.1) April 5, 2017 www.xilinx.com
Chapter 4: Configuring the Environment
TIP: You can also modify color settings in the Device window. For more information, see Specifying
Device Window Settings in Chapter 3.
Setting Selection Rules
You can use the Selection Rules settings to control the secondary elements that are selected
when you select a primary object. When selecting an object, associated or connected
objects might also be selected. For example, selecting a Pblock might also select the netlist
cells assigned to the Pblock. Selecting a port object might also select the pin object of the
port. To open the Settings dialog box (Figure 4-1), select Tools > Settings, and then click
the Selection Rules category.
The default selection rules enable Vivado IDE to operate in the most efficient manner. You
can change these selection rules if you have trouble selecting a specific object. To change
a selection rule, enable or disable the Set check box next to the rule:
• When you enable a selection rule, both the primary From object type and secondary To
object types are selected.
• When you disable a selection rule, only the primary From object type is selected.
Configuring Shortcut Keys
Many commonly used commands have predefined keyboard shortcuts. Shortcuts are
displayed next to the command in the menu bar or popup menu. You can use the Shortcuts
settings to create custom shortcuts. To open the Settings dialog box (Figure 4-1), select
Tools > Settings, and then click the Shortcuts category.
To create and delete custom shortcuts:
1. In the Settings dialog box, click Copy to create a new schema from the Vivado Default
schema.
IMPORTANT: You cannot modify the default shortcuts provided by the Vivado IDE. To customize
shortcuts, you must create a new shortcut schema.
2. In the popup window, specify a name for the new shortcut schema, and press Enter.
3. Search through the list of menus and windows, and select a command.
UG893 (v2017.2) June 7, 2017

Using the Vivado IDE 146
UG893 (v2017.1) April 5, 2017 www.xilinx.com
Chapter 4: Configuring the Environment
TIP: Use the Filter field to filter the commands listed for shortcut assignment. Enter a text string to filter
the list of available commands. You can use different shortcuts for the same command in different
windows.
4. Click Add.
5. In the Add Shortcut dialog box (Figure 4-4), select the new shortcut from the
drop-down menu, and click OK.
Note: User-specified shortcuts are saved to the shortcuts.xml file in the Vivado IDE
configuration directories. For more information, see Outputs for Environment Configuration in
Appendix B.
6. To delete a shortcut, select a command, and click Remove.
TIP: To show the currently defined shortcuts, deselect the Group by Usage toolbar button , and
double-click the Shortcut column heading.
Creating Run Strategies
A strategy is a set of pre-configured command line options for the synthesis or
implementation tools designed to resolve synthesis or implementation challenges in the
design. The Vivado IDE provides several commonly used strategies that are tested against
internal benchmarks. Strategies are tool and version specific.
You cannot change the command line settings for predefined Vivado IDE synthesis and
implementation strategies. However, you can copy and modify supplied strategies to create
your own custom strategies. You can use the Strategies settings to create custom strategies.
To open the Settings dialog box (Figure 4-1), select Tools > Settings, and then click the
Strategies category.
X-Ref Target - Figure 4-4
Figure 4-4: Add Shortcut Dialog Box
UG893 (v2017.2) June 7, 2017

Using the Vivado IDE 147
UG893 (v2017.1) April 5, 2017 www.xilinx.com
Chapter 4: Configuring the Environment
TIP: You can also use the Strategies settings to view the command line options associated with the
predefined Vivado IDE synthesis and implementation strategies.
The Vivado IDE writes the user-defined strategies to:
•Windows: %APPDATA%\Xilinx\Vivado\strategies
•Linux: ~/.Xilinx/Vivado/strategies
To review, copy, and modify strategies:
1. From the Flow drop-down menu, select a Vivado Synthesis or Vivado Implementation
version.
A list of strategies and related command line options appear. For more information on
command line options, see the Vivado Design Suite User Guide: Synthesis (UG901)
[Ref 10] and Vivado Design Suite User Guide: Implementation (UG904) [Ref 12].
IMPORTANT: You cannot modify the default options for predefined Vivado IDE strategies. To customize
strategies, you must copy or add a strategy.
2. To create a new strategy, select Create Strategy from the popup menu or toolbar .
Note: Alternatively, you can create a copy of an existing strategy using Copy Strategy from the
popup menu. The Vivado IDE creates a copy of the strategy in the User Defined Strategies list,
and displays the command line options on the right side of the dialog box for you to modify.
3. In the New Strategy dialog box, set the following options, and click OK:
°Name: Specifies the strategy name.
°Type: Specifies whether the strategy applies to synthesis or implementation.
°Tool Version: Specifies the Vivado Design Suite version.
°Description: Provides the strategy description for display in the Design Runs
window.
4. Edit the options for the command line tools used during the synthesis or
implementation run as follows:
°Click the check box to enable or disable an option.
°Select a different value from the drop-down menu.
°Enter the appropriate text (for example, in the More Options field).
TIP: Click a command option to view a description of the option at the bottom of the dialog box.
5. Click Apply and OK to save the new strategy.
UG893 (v2017.2) June 7, 2017

Using the Vivado IDE 148
UG893 (v2017.1) April 5, 2017 www.xilinx.com
Chapter 4: Configuring the Environment
The new strategy is listed under User Defined Strategies and can be used for synthesis
or implementation.
Customizing Window Behavior
You can use the Window Behavior settings to control how warnings, confirmations,
notifications, and alerts display in the Vivado IDE. To open the Settings dialog box
(Figure 4-1), select Tools > Settings, and then click the Window Behavior category.
Click the following subcategories to specify these settings:
•Warnings: Defines how the Vivado IDE shows warning dialog boxes, such as warnings
when closing a design or project.
•Confirmations: Defines how the Vivado IDE shows confirmation dialog boxes, such as
confirmations when switching to a different design.
•Notifications: Defines how the Vivado IDE shows notifications, such as notifications
when synthesis or implementation completes successfully.
•Alerts: Defines how the Vivado IDE shows alerts, such as alerts for the success of
non-active runs.
Configuring Custom View Layouts
The Vivado IDE provides predefined view layout configurations to complete specific design
tasks, such as the I/O Planning layout or the Design Analysis layout. These layouts define
the location and size of views commonly used for a specific design task. You can also create,
remove, and reset user-defined layouts using the following Layout menu commands:
•Save Layout As: Creates a user-defined layout based on the current layout
configuration.
•Remove Layout: Removes the user-defined layout of your choice.
•Undo: Undoes the most recent view manipulation.
•Redo: Redoes the most recent view manipulation.
•Reset Layout: Restores resized or moved windows to the original configuration for the
active layout.
Note: User-defined layouts are saved to a layout file in your installation directory for use in all your
design projects. For more information, see Outputs for Environment Configuration in Appendix B.
TIP: You can also use predefined layouts as described in Layout Selector in Chapter 2.
UG893 (v2017.2) June 7, 2017

Using the Vivado IDE 149
UG893 (v2017.1) April 5, 2017 www.xilinx.com
Chapter 4: Configuring the Environment
Adding Custom Menu Commands
You can use the Customize Commands dialog box (Figure 4-5) to add system or
user-defined Tcl commands to the Vivado IDE main menu and toolbar menu. To open the
dialog box, select Tools > Custom Commands > Customize Commands.
You can specify the following options:
•Custom Commands: Displays the list of currently defined custom commands.
°Add: Adds new commands to the custom menu. In the popup window, type the
command name, and press Enter to add the command to the list of custom
commands.
°Remove: Removes the selected commands from the custom menu.
°Move Up: Moves the selected command up in the list.
°Move Down: Moves the selected command down in the list.
•Edit Custom Command: Specifies the properties for the selected command in the
Custom Commands list.
°Menu Name: Specifies the name of the custom command.
X-Ref Target - Figure 4-5
Figure 4-5: Customize Commands Dialog Box
UG893 (v2017.2) June 7, 2017

Using the Vivado IDE 150
UG893 (v2017.1) April 5, 2017 www.xilinx.com
Chapter 4: Configuring the Environment
°Shortcut: Defines a keyboard shortcut for the custom command. Click Add to open
the Add Shortcut dialog box (Figure 4-4), and select the new shortcut from the
drop-down menu. To delete a shortcut, click Remove.
°Run Command: Runs the specified Tcl command or procedure for the custom
command.
°Source Tcl File: Sources the specified Tcl script file for the custom command rather
than running a single Tcl command or procedure.
°Toolbar Options: Specifies whether to add a toolbar button icon for the custom
command to the main toolbar.
-Add to the Toolbar: Enables the toolbar icon. When this check box is disabled,
the custom command does not appear on the main toolbar.
-Tooltip: Specifies the text to display as a tooltip when hovering over the toolbar
button.
-Icon File Path: Specifies the file path to the toolbar button icon. Use a PNG, JPG,
or GIF file of approximately 20x20 pixels. The Vivado IDE resizes larger images to
fit onto the toolbar.
User-defined custom commands are available from the Tools > Custom Commands menu,
with each command listed on the submenu.
Note: The Customize Command menu is persistent with the Vivado IDE and is restored each time
the tool is launched. Custom commands are specific to each user and are saved to the
commands.paini file output by the Vivado IDE. For more information, see Outputs for Environment
Configuration in Appendix B.
UG893 (v2017.2) June 7, 2017

Using the Vivado IDE 151
UG893 (v2017.1) April 5, 2017 www.xilinx.com
Appendix A
Vivado IDE Tips
Using the Viewing Environment
Using Windows
To Do This
Show the currently defined shortcuts Select Tools > Settings. In the Settings dialog box, click the
Shortcuts category. Deselect the Group by Usage toolbar
button , and double-click the Shortcut column heading.
Set display preferences for tooltips Select Tools > Settings. In the Settings dialog box, click the
Help category, and specify the Tooltips and Quick Help
settings.
To Do This
Show or hide the Flow Navigator Press Ctrl+Q.
Make the next tab active in the
workspace
Press Ctrl+Tab.
Make the previous tab active in the
workspace
Press Ctrl+Shift+Tab.
Maximize or minimize the window Double-click the window tab or press Alt -.
Reset the window layout Press F5.
Locate specific text Press Ctrl+F.
Replace specific text Press Ctrl+R.
UG893 (v2017.2) June 7, 2017

Using the Vivado IDE 152
UG893 (v2017.1) April 5, 2017 www.xilinx.com
Appendix A: Vivado IDE Tips
Working with Messages and Reports
To Do This
See only one message type In the banner of the Messages window, use the check boxes
next to the message types, or double-click the message type
you want to view.
Show only suppressed messages In the Messages window, click the Filter Messages toolbar
button , and select Show Suppressed.
Note: This setting results in an empty Messages window if no
messages are suppressed.
Show only messages with modified
severity
In the Messages window, click the Filter Messages toolbar
button , and select Show Modified.
Note: This setting results in an empty Messages window if no
messages are modified.
Read reports while commands are
running in the Log window
In the Messages window, click the Pause Output toolbar button
.
Tile reports horizontally or vertically Right-click a report tab, and select New Horizontal Group or
New Vertical Group.
Reopen a graphical report window
automatically created as part of a
design run
Select File > Open Interactive Report.
UG893 (v2017.2) June 7, 2017

Using the Vivado IDE 153
UG893 (v2017.1) April 5, 2017 www.xilinx.com
Appendix B
Input and Output Files
Input Files
In the Vivado® IDE, you can specify the location of the files used as input.
Table B-1 lists the Vivado IDE input files, including files types and descriptions.
Table B-1: Vivado IDE Input Files
Input File File Type Description
Design Source Files • VHDL
•Verilog
•Verilog Header
• SystemVerilog
• You can import and elaborate files to analyze the logic or
modify the source.
• The original source files can be referenced and left in place,
or they can be copied into the project for portability.
• You can specify directories when importing RTL source files.
All recognized files and file types contained in the directories
are imported into the project.
I/O Port Lists CSV • You can import a Comma Separated Values (CSV) format file
to populate the I/O Ports window within the I/O Planning
layout. This functionality is intended for use in an I/O
Planning project only.
• You can assign the I/O ports to physical package pins to
define the device pin configuration.
• CSV is a standard file format used to exchange information
with board designers about device pins and pinout.
UG893 (v2017.2) June 7, 2017

Using the Vivado IDE 154
UG893 (v2017.1) April 5, 2017 www.xilinx.com
Appendix B: Input and Output Files
Module-Level Netlists
and Cores
•EDIF
•NGC
•NGO
• The Vivado IDE can construct a design using multiple EDIF or
NGC netlists supporting a hierarchical design methodology.
•When you select the top-level logic, lower-level modules are
imported automatically. This process has more flexibility
when updating the design.
•The Vivado IDE incremental netlist import capability allows
netlist updates at any level of the design hierarchy.
Note: NGC format files are not supported in the Vivado Design Suite
for UltraScale™ devices. Xilinx recommends that you regenerate the IP
using the Vivado Design Suite IP customization tools with native
output products. Alternatively, you can use the NGC2EDIF command to
migrate the NGC file to EDIF format for importing, as described in the
ISE to Vivado Design Suite Migration Guide (UG911) [Ref 18]. However,
Xilinx recommends using native Vivado IP rather than XST-generated
NGC format files going forward.
Top-Level Netlists • EDIF
•NGC
• The Vivado IDE supports importing EDIF or NGC netlists.
• The Vivado IDE can construct the design hierarchy using
multiple netlists.
•When you select the top-level logic, lower-level modules are
imported automatically. Incremental netlist import
capabilities allow netlist updates at any level of design
hierarchy.
• In-process floorplanning constraints are maintained through
iterations.
Xilinx IP and IP
Integrator Block
Designs
•XCI
•XCIX
•BD
• The Vivado IDE supports importing configured Xilinx IP by
using the IP XCI file or the core container XCIX file.
• The Vivado IDE supports importing a BD file containing a
block design created with Vivado IP integrator.
Constraint Files • XDC
•SDC
• The Vivado IDE supports Synopsys Design Constraints (SDC)
and Xilinx® Design Constraints (XDC) file formats.
• The Vivado IDE can import multiple constraints files, which
allows for separation of physical constraints, I/Os, and timing
constraints.
Other Files • BMM
•ELF
•MIF
•COE
• BMM: Block RAM Memory Map (BMM) file is a text file that
syntactically describes how individual block RAMs make up a
contiguous logical data space.
• ELF: An Executable and Linkable Format (ELF) file is a binary
data file that contains an executable CPU code image ready
for running on a CPU.
• MIF: This file describes the memory contents that are used by
a core, a cell, or simulation models.
• COE: This file describes the initial memory and coefficients
contents as input for core generation.
Table B-1: Vivado IDE Input Files (Cont’d)
Input File File Type Description
UG893 (v2017.2) June 7, 2017

Using the Vivado IDE 155
UG893 (v2017.1) April 5, 2017 www.xilinx.com
Appendix B: Input and Output Files
Output Files
By default, the Vivado IDE stores report output files as follows:
• Outputs from Tcl commands are written to the start-in directory, from which the Vivado
IDE was launched.
•Outputs from the GUI are written to the project directory by default.
• When running synthesis or implementation, the output files are written to the run
directories for the project.
•The default location of the journal and log files depend on the operating system:
°Windows:
-Start menu: %APPDATA%\Xilinx\Vivado
-Command prompt: Directory from which Vivado IDE is opened.
°Linux: Directory from which Vivado IDE is opened.
Note: When the Vivado IDE is launched, backup versions of the journal file
(vivado_<id>.backup.jou) and log file (vivado_<id>.backup.log) are written to save
the details of the previous run. The <id> is a unique identifier that enables the tools to create
and store multiple backup versions of the log and journal files. For more information on the
journal and log file, see this link in the Vivado Design Suite Tcl Command Reference Guide (UG835)
[Ref 4].
RECOMMENDED: You can open the Vivado IDE from any directory. However, Xilinx recommends running
the Vivado IDE from a project directory, because the log and journal files are written to the launch
directory. When running from a command prompt, launch the Vivado IDE from the project directory, or
use the vivado -log and -journal options to specify a location. When using a Windows shortcut,
you must modify the Start in folder, which is a Property of the shortcut. Alternatively, you can launch
the Vivado IDE by double-clicking the project file (.xpr extension) to ensure that the log and journal files
are written to the project directory.
UG893 (v2017.2) June 7, 2017

Using the Vivado IDE 156
UG893 (v2017.1) April 5, 2017 www.xilinx.com
Appendix B: Input and Output Files
Table B-2 lists the Vivado IDE output files, including files types and descriptions.
Table B-2: Vivado IDE Output Files
Output File File Type Description
I/O Pin Assignment CSV • I/O pin assignments are stored in a CSV
format file that contains the I/O port
assignment and relative package pin
information.
• This file is used for port definition without
RTL header definition and PCB schematic
symbol generation.
I/O Pin Assignment • RTL
• Verilog
•VHDL
• Verilog or VHDL format file contains the I/O
port assignments defined as ports in the file
header in a legal language format.
•This file is used for RTL port header
definition.
Log File • vivado.log
• vivado_<id>.backup.log
• The log file (vivado.log) captures the
contents of the messages created from
running Vivado IDE commands.
•To view the file, select File > Open Log File
from the main menu.
Journal File • vivado.jou
• vivado_<id>.backup.jou
• The journal file (vivado.jou) captures the
Tcl commands from a session.
•To view the file, select File > Open Journal
File from the main menu.
•You can replay the journal file to reproduce
the commands of the previous session.
•You can create Tcl scripts by copying
commands from the journal file for later
replay.
• It might be necessary to edit the journal file
to remove any erroneous commands or
commands from multiple sessions prior to
replay.
• Not every action logs a Tcl command into
the journal file.
UG893 (v2017.2) June 7, 2017

Using the Vivado IDE 157
UG893 (v2017.1) April 5, 2017 www.xilinx.com
Appendix B: Input and Output Files
Error Log Files • vivado_pid<id>.debug
• hs_err_pid<id>.log
• vivado_pid<id>.str
• vivado_pid<id>.zip
• The error files can provide valuable
information for debugging the Vivado IDE in
the event of an unexpected interrupt.
•The steps to reproduc
e (STR) file provides
useful information about the actions taken
in the Vivado IDE prior to the error.
• If the Vivado IDE issues a dialog box that
warns of an internal exception error, the
error files are stored.
•These files contain no design data.
• When you open a case with Xilinx Technical
Support, include the archive file
(vivado_pid<id>.zip). If the archive file
does not exist, include the following files
instead:
°Journal file (vivado.jou)
°Log file (vivado.log)
°Error log debug file
(vivado_pid<id>.debug)
°Error log file (hs_err_pid<id>.log)
°Error log steps to reproduce file
(vivado_pid<id>.str)
DRC Results User-Defined • Each time Design Rule Checks (DRC) is run,
the results can be written to a file.
Table Data Excel File • Most data displayed in a table format can be
exported to a spreadsheet format file.
• To export the data, select Export to
Spreadsheet from the popup menu in any
window that displays data in table form.
SSN Analysis Report HTML, CSV • The results from Simultaneous Switching
Noise (SSN) analysis can be exported to a
CSV or HTML report file by specifying a file
name and location in the Report Noise
dialog box.
Strategy Files PSG • The /Strategy directory contains files
with your specified default command line
options.
•You can apply a strategy to any given run.
•You can either create strategies or copy a
supplied strategy.
Table B-2: Vivado IDE Output Files (Cont’d)
Output File File Type Description
UG893 (v2017.2) June 7, 2017

Using the Vivado IDE 158
UG893 (v2017.1) April 5, 2017 www.xilinx.com
Appendix B: Input and Output Files
Outputs for Environment Configuration
The Vivado IDE saves the current configuration of window layouts and themes to
configuration and initialization files that are loaded when the tool is launched. You can also
save custom themes, window layouts, and run strategies to be loaded when you need them.
For more information, see Chapter 4, Configuring the Environment.
The files defining these themes and layouts are written to the Vivado IDE environment
folders in the following locations:
•Windows: %APPDATA%\Xilinx\vivado\<version>
•Linux: ~/.Xilinx/vivado/<version>
Table B-3 lists the environment configuration files. input files, including files names and
descriptions.
Table B-3: Vivado IDE Environment Configuration Outputs
Environment Configuration File File Name Description
Tool-Specific Tcl Initialization
Script
Vivado_init.tcl
Note: In Vivado Design Suite
2016.4 and earlier releases, the file
name is init.tcl.
• Software installation directory:
installdir/Vivado/version/
scripts/Vivado_init.tcl
•Local user directory:
°Windows:
%AP-PDATA%/Xilinx/Vivado/
Vivado_init.tcl
°Linux: $HOME/.Xilinx/Vivado/
Vivado_init.tcl
• You can create the file in the software
installation directory to share a
common initialization script across a
set of users.
• You can create the file in the local
user directory to specify additional
commands or override commands.
Note: For more information, see this link in
Vivado Design Suite Tcl Command Reference
Guide (UG835) [Ref 4].
View Display Options vivado.xml •../vivado/<version>/
vivado.xml file captures the
settings in Tools > Settings that
include display color and other
viewing options for the environment.
• The Vivado IDE saves your settings to
the vivado.xml file when you exit
the tool. Upon opening, it imports
the file automatically and applies the
settings to initialize the tool.
UG893 (v2017.2) June 7, 2017

Using the Vivado IDE 159
UG893 (v2017.1) April 5, 2017 www.xilinx.com
Appendix B: Input and Output Files
Vivado IDE Themes <theme_name>.patheme •../vivado/<version>/themes
directory contains *.patheme files
that are created when you customize
color and fill pattern themes for
displaying layers in the Vivado IDE.
• You can select a theme file to use
during the active session from a
pull-down selection menu.
View Layout Files <layout_name>.layout •../vivado/<version>/layouts
directory contains *.layout files
that define the layout configuration
of the Vivado IDE.
• You can create custom view layouts
by selecting Layout > Save Layout
As.
Keyboard Shortcuts shortcuts.xml •../vivado/<version>/
shortcuts directory contains a
shortcuts.xml file that maps
keyboard shortcuts to tool
commands.
• You can define and configure
multiple keyboard shortcuts, which
are stored in the shortcuts file.
Custom Commands commands.paini •../vivado/<version>/commands
directory contains the
commands.paini file that stores
custom Tcl commands added to the
Vivado IDE.
• You can create custom commands by
selecting Tools > Custom
Commands > Customize
Commands.
Table B-3: Vivado IDE Environment Configuration Outputs (Cont’d)
Environment Configuration File File Name Description
UG893 (v2017.2) June 7, 2017

Using the Vivado IDE 160
UG893 (v2017.1) April 5, 2017 www.xilinx.com
Appendix B: Input and Output Files
Outputs for Project Data
Table B-4 lists the Vivado IDE project data output, including file names and descriptions.
Table B-4: Vivado IDE Project Data Outputs
Project Data Output File Name Description
Project Directory <projectname> • When you create a new project, the
Vivado IDE optionally creates a
project directory in which to store
the project file, the project data
directory, and the implementation
results.
• The project directory has the same
name as the project name entered in
the New Project wizard.
Project File <projectname>.xpr • When you create a new project, the
Vivado IDE creates a project file.
• The project file has the same name as
the project name entered in the New
Project wizard.
Message Suppression File <projectname>.filter • When you suppress a message, the
Vivado IDE creates a message
suppression file, which is a binary file
that contains message suppression
rules.
• The message suppression file has the
same name as the project file.
Project Data Directory <projectname>.data • When you create a new project, the
Vivado IDE creates a project data
directory in which to put project
metadata.
• The project data directory has the
same name as the project name
entered in the New Project wizard.
Project Data Constraint Set
Subdirectories
<constraint_set_name> • This is the main subdirectory that
corresponds to the metadata for the
constraint fileset (named
constrs_1 by default).
• For each additional constraint set
created for a project, a top-level
directory is created (by default,
named constrs_2, constrs_3,
etc.).
UG893 (v2017.2) June 7, 2017

Using the Vivado IDE 161
UG893 (v2017.1) April 5, 2017 www.xilinx.com
Appendix B: Input and Output Files
Outputs for Project Data Simulation
The project simulation directory structure for behavioral simulation runs is:
project_name/project_name.sim/sim_run_name/sim_#
CAUTION! By default, the contents of this directory are deleted when the run is reset and are
regenerated when the run is launched again.
Table B-5 lists the file/directory name, simulation type, and description for the simulation
runs.
Project Sources Directory <projectname>.srcs • The project sources directory stores
the HDL source files that are
imported into a project.
•ip and bd subdirectories contain
files from imported IP, generated IP,
and block designs.
Project IP Integrator Directory <projectname>.srcs/
<source_set>/bd/
<design_name>
•The hdl subdirectory contains the
top-level HDL file and wrapper.
•The ip subdirectory contains a
subfolder for each IP in the block
design.
•The ui subdirectory contains data
files for the graphical layout of the
block design.
Table B-4: Vivado IDE Project Data Outputs (Cont’d)
Project Data Output File Name Description
Table B-5: Behavioral and Timing Simulation Files and Directories
File/Directory Name Simulation Type Description
exelab.log Behavioral Vivado simulator compilation and elaboration log
file.
exelab.pb Behavioral Vivado simulator compilation and elaboration
message file.
<testbench>.tcl Behavioral Vivado simulator Tcl command for waveform
manipulation.
<testbenc>.prj Behavioral List of project files with library association sent for
compilation to Vivado simulator XELAB command.
<testbench>_behav.wdb Behavioral Waveform database file created by Vivado simulator.
xsim.ini Behavioral File containing logical-to-physical mappings of
libraries.
UG893 (v2017.2) June 7, 2017

Using the Vivado IDE 162
UG893 (v2017.1) April 5, 2017 www.xilinx.com
Appendix B: Input and Output Files
Outputs for Implementation
Table B-6 provides a brief description of the files that the Vivado IDE creates during
implementation design operations.
IMPORTANT: Do not modify the implementation files manually. These files are maintained by the
Vivado IDE.
Table B-6: Outputs For Implementation
Output File File Name Description
Run Directory <projectname>.runs • This directory contains all the scripts, input,
and output files necessary for the first
implementation run in the project (named
impl_1 by default).
• For each additional implementation run
created, a directory parallel to impl_1 is
created (named impl_2, impl_3, etc. by
default).
Run Implementation and
Launch Vivado IDE Runs
• <name>.rpt
• <name>.rpx
• <name>.pb
• <top>_<step>.dcp
• runme.log
• Reports generated as part of the run appear
as <name>.rpt and <name>.rpx. You can
view <name>.rpt files in the Vivado IDE Text
Editor and load <name>.rpx files in the
Vivado IDE.
• Messages are stored in <name>.pb files.
• A checkpoint is written at each step of the
implementation flow and stored as
<top>_<step>.dcp.
• The log of the run is stored as runme.log.
Launch Scripts • <top>.tcl
•runme.bat, runme.sh
• vrs_config_<#>.xml
•vivado.begin.rst,
vivado.end.rst
• When you launch a run, the Vivado IDE
creates launch scripts automatically. These
scripts contain commands and command-line
options specified in the Vivado IDE strategy.
•The vrs_config_<#>.xml files are located
under the project run directory in a /jobs
subdirectory. These files define the run name,
directory, steps, and so forth.
•vivado.begin.rst tracks that the run
launched, and vivado.end.rst tracks that
it finished.
UG893 (v2017.2) June 7, 2017

Using the Vivado IDE 163
UG893 (v2017.1) April 5, 2017 www.xilinx.com
Appendix C
Additional Resources and Legal Notices
Xilinx Resources
For support resources such as Answers, Documentation, Downloads, and Forums, see Xilinx
Support.
Solution Centers
See the Xilinx Solution Centers for support on devices, software tools, and intellectual
property at all stages of the design cycle. Topics include design assistance, advisories, and
troubleshooting tips.
Documentation Navigator and Design Hubs
Xilinx Documentation Navigator provides access to Xilinx documents, videos, and support
resources, which you can filter and search to find information. To open the Xilinx
Documentation Navigator (DocNav):
• From the Vivado IDE, select Help > Documentation and Tutorials.
• On Windows, select Start > All Programs > Xilinx Design Tools > DocNav.
• At the Linux command prompt, enter docnav.
Xilinx Design Hubs provide links to documentation organized by design tasks and other
topics, which you can use to learn key concepts and address frequently asked questions. To
access the Design Hubs:
• In the Xilinx Documentation Navigator, click the Design Hubs View tab.
• On the Xilinx website, see the Design Hubs page.
Note: For more information on Documentation Navigator, see the Documentation Navigator page
on the Xilinx website.
UG893 (v2017.2) June 7, 2017

Using the Vivado IDE 164
UG893 (v2017.1) April 5, 2017 www.xilinx.com
Appendix C: Additional Resources and Legal Notices
References
1. Vivado® Design Suite User Guide: Design Flows Overview (UG892)
2. Vivado Design Suite User Guide: Release Notes, Installation, and Licensing (UG973)
3. Vivado Design Suite User Guide: Using Tcl Scripting (UG894)
4. Vivado Design Suite Tcl Command Reference Guide (UG835)
5. Vivado Design Suite Tutorial: Design Flows Overview (UG888)
6. Vivado Design Suite User Guide: Getting Started (UG910)
7. Vivado Design Suite User Guide: Designing with IP (UG896)
8. Vivado Design Suite User Guide: Designing IP Subsystems Using IP Integrator (UG994)
9. Vivado Design Suite User Guide: Logic Simulation (UG900)
10. Vivado Design Suite User Guide: Synthesis (UG901)
11. Vivado Design Suite User Guide: Using Constraints (UG903)
12. Vivado Design Suite User Guide: Implementation (UG904)
13. Vivado Design Suite User Guide: Design Analysis and Closure Techniques (UG906)
14. Vivado Design Suite User Guide: Programming and Debugging (UG908)
15. Vivado Design Suite User Guide: System-Level Design Entry (UG895)
16. Vivado Design Suite Properties Reference Guide (UG912)
17. Vivado Design Suite User Guide: I/O and Clock Planning (UG899)
18. ISE to Vivado Design Suite Migration Guide (UG911)
19. Vivado Design Suite User Guide: Model-Based DSP Design Using System Generator
(UG897)
20. Vivado Design Suite User Guide: Power Analysis and Optimization (UG907)
21. Vivado Design Suite Documentation
UG893 (v2017.2) June 7, 2017

Using the Vivado IDE 165
UG893 (v2017.1) April 5, 2017 www.xilinx.com
Appendix C: Additional Resources and Legal Notices
Training Resources
Xilinx provides a variety of training courses and QuickTake videos to help you learn more
about the concepts presented in this document. Use these links to explore related training
resources:
1. Essentials of FPGA Design Training Course
2. Vivado Design Suite Hands-On Introductory Workshop Training Course
3. Vivado Design Suite Tool Flow Training Course
4. Vivado Design Suite QuickTake Video: Introduction to the Xilinx Tcl Store
5. Vivado Design Suite QuickTake Video: Using the Timing Constraints Wizard
6. Vivado Design Suite QuickTake Video: Understanding Messaging
7. Vivado Design Suite QuickTake Video Tutorials
Please Read: Important Legal Notices
The information disclosed to you hereunder (the “Materials”) is provided solely for the selection and use of Xilinx products. To the
maximum extent permitted by applicable law: (1) Materials are made available "AS IS" and with all faults, Xilinx hereby DISCLAIMS
ALL WARRANTIES AND CONDITIONS, EXPRESS, IMPLIED, OR STATUTORY, INCLUDING BUT NOT LIMITED TO WARRANTIES OF
MERCHANTABILITY, NON-INFRINGEMENT, OR FITNESS FOR ANY PARTICULAR PURPOSE; and (2) Xilinx shall not be liable (whether
in contract or tort, including negligence, or under any other theory of liability) for any loss or damage of any kind or nature related
to, arising under, or in connection with, the Materials (including your use of the Materials), including for any direct, indirect, special,
incidental, or consequential loss or damage (including loss of data, profits, goodwill, or any type of loss or damage suffered as a
result of any action brought by a third party) even if such damage or loss was reasonably foreseeable or Xilinx had been advised
of the possibility of the same. Xilinx assumes no obligation to correct any errors contained in the Materials or to notify you of
updates to the Materials or to product specifications. You may not reproduce, modify, distribute, or publicly display the Materials
without prior written consent. Certain products are subject to the terms and conditions of Xilinx’s limited warranty, please refer to
Xilinx’s Terms of Sale which can be viewed at https://www.xilinx.com/legal.htm#tos; IP cores may be subject to warranty and
support terms contained in a license issued to you by Xilinx. Xilinx products are not designed or intended to be fail-safe or for use
in any application requiring fail-safe performance; you assume sole risk and liability for use of Xilinx products in such critical
applications, please refer to Xilinx’s Terms of Sale which can be viewed at https://www.xilinx.com/legal.htm#tos.
AUTOMOTIVE APPLICATIONS DISCLAIMER
AUTOMOTIVE PRODUCTS (IDENTIFIED AS “XA” IN THE PART NUMBER) ARE NOT WARRANTED FOR USE IN THE DEPLOYMENT OF
AIRBAGS OR FOR USE IN APPLICATIONS THAT AFFECT CONTROL OF A VEHICLE (“SAFETY APPLICATION”) UNLESS THERE IS A
SAFETY CONCEPT OR REDUNDANCY FEATURE CONSISTENT WITH THE ISO 26262 AUTOMOTIVE SAFETY STANDARD (“SAFETY
DESIGN”). CUSTOMER SHALL, PRIOR TO USING OR DISTRIBUTING ANY SYSTEMS THAT INCORPORATE PRODUCTS, THOROUGHLY
TEST SUCH SYSTEMS FOR SAFETY PURPOSES. USE OF PRODUCTS IN A SAFETY APPLICATION WITHOUT A SAFETY DESIGN IS FULLY
AT THE RISK OF CUSTOMER, SUBJECT ONLY TO APPLICABLE LAWS AND REGULATIONS GOVERNING LIMITATIONS ON PRODUCT
LIABILITY.
© Copyright 2012–2017 Xilinx, Inc. Xilinx, the Xilinx logo, Artix, ISE, Kintex, Spartan, Virtex, Vivado, Zynq, and other designated
brands included herein are trademarks of Xilinx in the United States and other countries. All other trademarks are the property of
their respective owners.
UG893 (v2017.2) June 7, 2017



