$V13TL/V13TL 6050A2296601 MB A01 20090916/schematic/sheet1 VOSTRO V13
User Manual:
Open the PDF directly: View PDF .
Page Count: 49

REV
P/N
SIZE DOC. NUMBER
DATE CHANGE NO. REV
HSF Property :
CHECK
REV
DESIGN
EE
VER : SIZE CODE DOC. NUMBERCODE
DESIGN
CHECK
RESPONSIBLE
SIZE = 3
SHEET OF
TITLE
DATE
DELL CONFIDENTIAL/PROPRIETARY
INVENTEC
TITLE
DATE
CS BUILD
THIS DRAWING AND SPECIFICATIONS, HEREIN, ARE THE PROPERTY OF INVENTEC
CORPORATION AND SHALL NOT BE REPODUCED, COPIED, OR USED IN WHOLE OR
IN PART AS THE BASIS FOR THE MANUFACTURE OR SALE OF ITEMS WITHOUT
INVENTEC
3
OFSHEET
SIZE =
RESPONSIBLE
V13TL MB
NEITHER THIS SHEET NOR THE INFORMATION IT CONTAINS WAY BE USED BY OR DISCLOSED TO ANY THIRD
PARTY WITHOUT DELL’S EXPRESS WRITTEN CONSENT.
DRAWER POWER
PROPRITARY NOTE: THIS SHEET OF NGINEERING DRAWING AND SPECIFICATIONS CONTAINS CONFIDENTAL
TRADE SECRET AND OTHER PROPTIETARY INFORMATION OF DELL INC. ("DELL") THIS DOCUMENT MAY NOT
BE TRANSFERRED OR COPIED WITHOUT THE EXPRESS WRITTEN AUTHORIZATION OF DELL. IN ADDITION,
REVVER :
FILE NAME : XXXX-XXXXXX-XX
P/N XXXXXXXXXXXX
XXXXXXXXXXXX
2009.0917
DATE CHANGE NO. FILE NAME : XXXX-XXXXXX-XX
A01
1310A22966-0-MTR
149
A3 CS
V13TL
RoHS
A01
149
A3 CS
V13TL
RoHS
WRITTEN PERMISSION, INVENTEC CORPORATION 2009 ALL RIGHT RESERVED
DATEDATEEE POWER
DRAWER
http://laptop-motherboard-schematic.blogspot.com/

24.Cantiga-4
32.ICH9-2
48.SCREW
OF
BE TRANSFERRED OR COPIED WITHOUT THE EXPRESS WRITTEN AUTHORIZATION OF DELL. IN ADDITION,
47.G sensor
PARTY WITHOUT DELL’S EXPRESS WRITTEN CONSENT.
35.ICH9-5
20.Thermal & FAN
31.ICH9-1
40.IO CONN
PROPRITARY NOTE: THIS SHEET OF NGINEERING DRAWING AND SPECIFICATIONS CONTAINS CONFIDENTAL
DELL CONFIDENTIAL/PROPRIETARY
45.PWR BTN & LED
CHANGE by
41.USB & eSATA
19.Penryn-4
15.Clock Generator
46.CRT
23.Cantiga-3
1.Cover Page
26.Cantiga-6
7.Charger
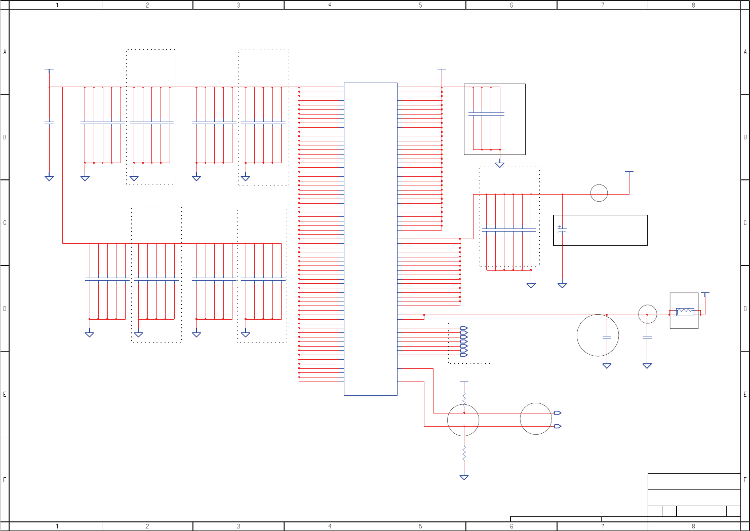
6.POWER Block Diagram
39.K/B & TP
38.EC
REV
INVENTEC
42.LAN CONTROLLER
2.Index
4.Interface block diagram
17.Penryn-2
8.3A / 5A & BATT CONN
SIZE
9.+V1.8 & 3S / 5S
TITLE
10.+V1.5A & +V1.05S
49.EMI
22.Cantiga-2
11.+V1.5S
12.+VCC_CORE
28-29.DDR SODIMM
13.+VGFX_CORE
PAGE
14.+V5AUXON
DOC. NUMBER
SHEET
PAGE
44.LAN POWER
43.RJ45
33.ICH9-3
TABLE OF CONTENTS
16.Penryn-1
36.SATA HDD CONN
30.LCM Conn.
A011310A22966-0-MTR
249
A3 CS
V13TL
14-Sep-2009
CODE
NEITHER THIS SHEET NOR THE INFORMATION IT CONTAINS WAY BE USED BY OR DISCLOSED TO ANY THIRD
TRADE SECRET AND OTHER PROPTIETARY INFORMATION OF DELL INC. ("DELL") THIS DOCUMENT MAY NOT
18.Penryn-3
21.Cantiga-1
34.ICH9-4
3.System Block Diagram
5.Montevina Power On
27.Cantiga-7
37.WLAN & BT & 3G
25.Cantiga-5
http://laptop-motherboard-schematic.blogspot.com/

1363pin FCBGA
MIC
REALTEK
USB[11]
CARD
Penryn SFF ULV
CRT
DMI*4
RJ45
PCIE2
Mini CARD
OF
USB Port
Dig. MIC
HDD
SATA4
EXPRESS
Jack
RGB
BT
SATA0
half MIni Card
KEY BOARD BIOS
LPC BUS
USB[6]
3 IN 1
USB[8]
Thermal
956pin
CK505 Clock GEN
REVSIZE CODE
eSATA
USB[3]
USB2.0
2.5" SATA
569pin BGA
INTEL
FAN
KBC
PCI Express BUS
USB[4]
HP
Realtek
DDR3 1.5V 800/1066 MHz
USB[2]
HDA
PCIE4
Card
USB 10
Memory BUS DDR3
Cantiga SFF
TOUCH PAD
INTEL
PCIE1
EMC1412
Transformer
FSB 800 MHz
CARD READER
Azalia Codec
RTL8111DL
RTS5159
DOC. NUMBER
HDA
TITLE
MIC
USB Port
LVDS
Giga LAN
WWAN
Jack
CHANGE by
X1
RTM875T
SHEET
INVENTEC
INTEL
WLAN
Hallsensor
PCIE3
ITE8502F
SPI
ALC269Q
USB[0]
14-Sep-2009
V13TL
A3
493
1310A22966-0-MTRA01
ICH9M SFF
SIM/UIM
GFX Frequency 457/533 MHz
INT. Speaker
G sensor
CAMERA
USB[7]
uFCBGA CPU
USB 9
System Bus
LCD CONN
SODIMM
http://laptop-motherboard-schematic.blogspot.com/

SATA_RXN0
TBD
SSM3K17F
TBD
WWAN
TBD
DIMM
OFF
PCIE_RXN1
OFF
PCIE_RXN3
OFF
+V3S
ON
+V3A
SMB_CLK_3A
S5/AC
PCIE_RXN2
S3
PCIE_TXP2
Power
OFF
SMB_DAT
SMB_DAT_3A
THERMDA
USB_P7+
PCIE_RXP4
ON
PCIE_TXP3
+V3A
SMBus
Thermal
OFF
+V3S
OFF
BATT_DAT
USB_P8-
CHG_SMB_DAT
USB_P11-
ON
+V3A
USB_P2-
ON
PCIE_TXP4
WWAN
ON
SATA_RXN0
SATA_TXN0
+V5S
PCIE_RXP3
eSATA+USB
EC
SATA_RXP0
SATA_TXP0
Express Card
+V3S
ON
SIZE
BATT_CLK
BLUETOOTH
TBD
PCIE_TXN1
State
SMB_CLK
Charger
REV
SATA HDD
SHEET
ON
TITLE
PCIE_TXN2 USB_P0-
PCIE_RXP2
ICH
PCIE_TXN3
sensor
PCIE_RXN4
ON
USB_P7-
ON
TBD
OFF
TBD
TBD
SSM3K17F
WLAN
S0
CLK
PCIE_TXN4
Express Card
USB_P6- USB_P8+
USB_P4-
USB_P11+
USB_P3-
SATA_RXP0
OF
SATA_TXP0
WLAN
CARD READER
+V3LA
+VGFX_CORE
+V3A
+V1.05S
+V5A
DOC. NUMBER
INVENTEC
CHG_SMB_CLK
1001_100xb
PCIE_TXP1
CODE
CHANGE by
+V5LA
without AC
ON
USB_P6+
ON
+V1.5S
USB PORT
+VCC_CORE
LAN
CAMERA
SATA_TXN0
+V1.5A
ON
Battery
USB_P0+
THERMCL
USB_P2+
V13TL
CS
A3
494
1310A22966-0-MTRA01
14-Sep-2009
OFF
USB_P3+
Rail
USB_P4+
S4
PCIE_RXP1
S5 /
3D sensor
0011101b
+V1.8
http://laptop-motherboard-schematic.blogspot.com/

(13)
GFX_VR_EN
REV
SHEET
+VGFX_CORE
DOC. NUMBER
TITLE
+V1.5
VCORE_GD
+V1.5S_PWRGD
SLP_S4#_3R
+V1.5S
APL5930KAI
+V5A
H_PWRGD
MOS
MOS
G2997F6U
VR_ON
TPS51218
DELL CONFIDENTIAL/PROPRIETARY
SUSB_PW
+V1.05S
+V5A
+V3LA
+DCIN
(7)
SIZE
+V1.05S_PWRGD
(12)
TITLE
(-1)
(2)
TPS51125
(9)
CHANGE by
(11)
SLP_S3#_3R
PWR_BTN#
+PWR_DIMM_VTT
TPS51610RHB
PWR_SWIN#
(ICH9M)
(4)
CODE
(-5)
PCIRST
+VCC_CORE
(5)
+V3S
OFOF
INVENTEC
+V5S
CLK_PWROK
(8)
+V5LA
+V3A
+V3A
REV
+V1.5A
SB
99ms delay
(-4)
(18)
(-2)
CHANGE by
(10)
CODE
Montevina Power on Sequrence
INVENTEC
POWER CONTROLLER
(1)
CODE
G9091
TPS51218
(3)
(14)
+V1.8_PWRGD
(15)
DOC. NUMBER
NB
(6)
SIZE
MOS
CLK Gen
OF
CPU
CHANGE by
RSMRST#
DOC. NUMBER
+V5AUXON
TITLE
(IT8502E)
(-3)
EC
SIZE
INVENTEC
REV
(0)
A3
495
1310A22966-0-MTR A01
14-Sep-2009
Montevina Power on Sequence
V13TL
CS
A3
495
1310A22966-0-MTR A01
14-Sep-2009 SHEET
(17)
H_CPURST
PM_ICH_PWROK (16)
SHEET
PM6652TR
Montevina Power on Sequence
V13TL
CS
A3
495
1310A22966-0-MTR A01
14-Sep-2009
Montevina Power on Sequence
V13TL
CS
A3
495
1310A22966-0-MTR A01
14-Sep-2009
Montevina Power on Sequence
V13TL
CS
http://laptop-motherboard-schematic.blogspot.com/

+VPACK
THRM_SHUTDWN#
+V5AUXON
SIZE
(TPS51125)
BATT_DATA ACIN#
+V1.5
BQ24721C
G9091_150T11U
TPS51620RHAR
TITLE
SCL
+VCC_CORE
VID [ 0 : 6 ]
BATT_CLK
PM6650
VID [ 0: 4 ]
TPC6014
DFGT_VID [ 0 : 4 ]
+V3A +V3S
G2997
VR_ON
+V5A
TPS51218
VOUT
+DCIN
Adapter
5/3.3V
ACOK
+V5S
(+V0.75S)
DFGT_VR_EN
+V1.5A
CODE
FDMC4435BZ
SDA
DOC. NUMBER
VR_ON
PM_DPRSLPVR
SLP_S3#_5R
EN_PSV
+PWR_DIMM_VTT
TPS51218
TPC6014
VO
LDO
EN_PSV
VO
DPRSLPVR
TPC6014
G9091_180T11U
LDO
+V1.8S
OF
REV
INVENTEC
EN_PSV
VO
CLK_EN#
+V1.5S
14-Sep-2009
A011310A22966-0-MTR
649
A3 CS
V13TL
Power Block Diagram
SLP_S4#_3R
0.01
CHARGER
0.01
SHEETCHANGE by
FDMC4435BZ
H_VID [ 0 : 6 ]
+V1.05S
+VGFX_CORE
http://laptop-motherboard-schematic.blogspot.com/

TITLE
OF
PARTY WITHOUT DELL’S EXPRESS WRITTEN CONSENT.
OF
CODE
ES
ES
CS
DOC. NUMBER REVCODE
SHEET
For ADP JACK ESD PROTECT
OPEN
NEITHER THIS SHEET NOR THE INFORMATION IT CONTAINS WAY BE USED BY OR DISCLOSED TO ANY THIRD
ES
INVENTEC
REVDOC. NUMBERCODE REV
BE TRANSFERRED OR COPIED WITHOUT THE EXPRESS WRITTEN AUTHORIZATION OF DELL. IN ADDITION,
SIZESIZE
INVENTEC
CHANGE by
PROPRITARY NOTE: THIS SHEET OF NGINEERING DRAWING AND SPECIFICATIONS CONTAINS CONFIDENTAL
DELL CONFIDENTIAL/PROPRIETARY
TITLE
OF
ADP JACK
SHEET
INVENTEC
SHEET
V13TL
CS
A3
497
1310A22966-0-MTR A01
14-Sep-2009
TRADE SECRET AND OTHER PROPTIETARY INFORMATION OF DELL INC. ("DELL") THIS DOCUMENT MAY NOT
SIZE
CHANGE byCHANGE by
TITLE
DOC. NUMBER
V13TL
CS
A3
497
1310A22966-0-MTR A01
14-Sep-2009
V13TL
CS
A3
497
1310A22966-0-MTR A01
14-Sep-2009
100K_5%
R1042
1
2
38-
8-,9-,10-,12-,13-,30-,34-,40-,41-,45-,49-
C33
10pF_50V
1
2
0.01uF_50V
C2 1
2
1
2
38-
38-
1
2
100K_5%
R1144
12
R1111
47K_5%
33
15 TS
VCC
12
11 VREF5
C1230
0.1uF_25V
PH 29
PVCC 32
REGN 28
14 SCL
SDA
13
SRN 19
20
SRP
21
SYNN
SYNP 22
SYS 23
TML
BTST
6BYPASS#
CHGEN#
1
8
EAI
EAO 7
FBO 9
30
HIDRV
IOUT
17 16
ISYNSET
27
LODRV
PGND 26
TI_BQ24721C_QFN_32P
ACDET
5
2
ACDRV#
3ACN
ACP
4
AGND
10
25 ALARM#
18
BAT
24
BATDRV#
31
0_5%
R67
12
U1008
C30
1
2
G
41
S
23
4.7uF_25v
Q1012
FDMC8884
D
8765
12
14-
R15
0_5%_OPEN
12
1uF_10V
C1175
R1149
1K_5%
1
2
38-
0.01_1%
12
34
L3
BLM18BD102SN1D
12
R13
1
2
12
34
D30
EZJZ0V500AA
TP54
0.01_1%
R47
C1179
4.7uF_25v
1
2
1
2
8-
100K_5%
1
2
38-
0402_OPEN
C1079
12
R1203
0.1uF_25V
1
2
0.1uF_25V
C1387
0.0015uF_50V
1
2
C1226
1
2
C1232
12
0.1uF_25V
C1228
1
2
4.7_5%
R1110
1
2
4.7uF_25v
C1180
1
2
0.1uF_25V
C86
1
2
0603_OPEN
R1078
1
2
10pF_50V
C5
21
47K_5%
R1205
1
2
D1014
SDM20U30
1
2
0402_OPEN
C87
MMBT3904
B
1
C
3
2
E
33K_1%
R69
5
4
G
S
123
Q5
FDMC8884
Q7
8
D
76
4.7K_5%
R71
12
2
1
TP55
1
2
ROHM_RLZ24
D1017
2
C1235
0.1uF_25V
7-,8-,9-,10-,12-,14-,20-,30-,31-,32-,33-,34-,37-,38-,40-,43-,49-
4.7uF_25v
C1023
1
100K_1%
R17
1
2
18K_5%
R1145
1
2
38-
R1204
1
2
C1388
0.1uF_25V
12
100K_5%
R70
12
R1148
10K_5%
1
2
4.7K_5%
56pF_50v
1
2
5
G
4
1S
2
3
C1231
3
Q2
FAIR_FDMC4435BZ_8P
D8
7
6
FAIR_FDMC4435BZ_8P
D
8
7
6
54
G
S
1
2
1
2
Q1022
G
G
G4
C1256
1uF_10V
1
1
22
33
4
45
5
G
G1
G2 G
G3
100K_5%_OPEN
R1358
1
2
FOX_JPD113D_DB371_7H_5P
JACK1
BAT54S_30V_0.2A
D8 1
3
2
38-
1
2
R1147
1
2
0.1uF_50V
C32
2.2K_5%
R1041
1
2
10K_5%
1
2
C1225
0.1uF_25V
1
2
4.7uF_25v
C1177
1
2
1
2
C1236
0.01uF_50V
15K_1%
R14
1
2
47uF_35v
C3
200K_5%
R1146
1
2
D1012
SBR3U40P1
21
DA204U
D1009
2
3
1
4
7-,8-,9-,10-,12-,14-,20-,30-,31-,32-,33-,34-,37-,38-,40-,43-,49-
R16
33_5%
12
L2
NFM60R30T222
12
3
Q6
FDV301N
3
D
2
G
S
1
D5
PDS1040S
1
23
R1359
47K_5%
1
2
0.01uF_25V_OPEN
C1389
1
2
2
C1176
0.1uF_25V
12
MMBT3904
Q13
1
B
3
C
E
C1227
0.1uF_10V
1
2
4.7uF_25v
C1178
1
2
0_5%_OPEN
R1043
12
100pF_50v
C1233
1
2
3
R1362
0_5%_OPEN
12
8D
7
6
54
G
S1
2
4.7uF_25v
C29
1
2
FAIR_FDMC4435BZ_8P_OPEN
Q1042
L6
12
432K_1%
1
2
PCMB063T_100MS
C1022
0.1uF_25V
1
2
R68
1
2
8-,9-,10-,12-,13-,14-,30-,49-
1
2
100K_5%
R1202
+VADPTR
ACPRES_S
ADPTR_I
C4
0.1uF_50V
+V5A
PSID_DISABLE#
+DCIN
PS_ID
+V3A
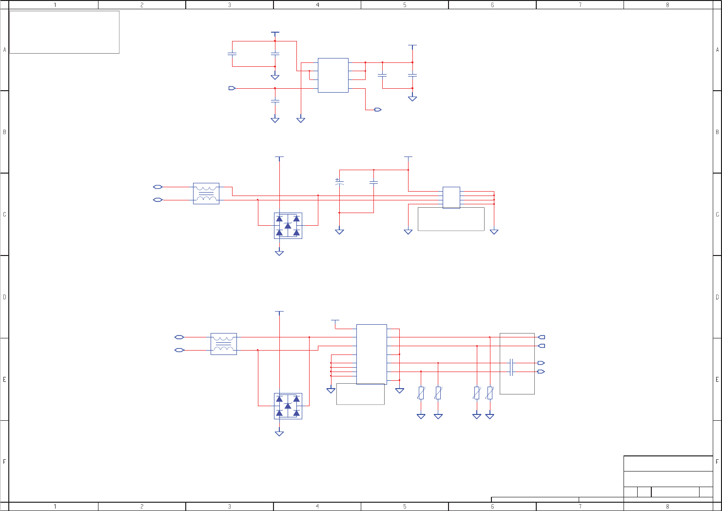
+VPACK
+V3A
CHG_EN#
CHG_SMB_CLK
CHG_SMB_DAT
ACPRES
http://laptop-motherboard-schematic.blogspot.com/

Q1
Q2
CHANGE by
CS
DOC. NUMBER
CS
CS
SIZE
OF
5A
SHEET
CS
BATTERY CONNECTOR
DOC. NUMBERCODE
SHEET
REV
ES
TITLETITLE
CODE
OF
ES
INVENTEC
CHANGE by
CS
8A
INVENTEC
ES
SIZE REV
8-
SYSTEM POWER
V13TL
CS
A3
498
1310A22966-0-MTR A01
14-Sep-2009
V13TL
CS
A3
498
1310A22966-0-MTR A01
14-Sep-2009
2
R129
10K_5%_OPEN
1
2
1
2
14-
R1394
0_5%
1
12
C80
1uF_10V
C1070
0402_OPEN
1
2
R132
0_5%
L5
PCMC063T_4R7MN
12
8-,31-,38-
51125_GND
2N7002W
Q1020 3
D
1
G
S
2
8-,9-,14-
10uF_25V
C1069
1
2
D1016 SDM20U30_OPEN
21
7-,9-,10-,12-,14-,20-,30-,31-,32-,33-,34-,37-,38-,40-,43-,49-
229VBST2
VCLK
18
VFB1 2
5
VFB2
16 VIN
24
VO1VO2
7
VREF 3
8VREG3
17 VREG5
7-,8-,9-,10-,12-,13-,30-,34-,40-,41-,45-,49-
13 EN0
1
ENTRIP1
ENTRIP2 6
GND
15
20
LL1LL2
11
PGOOD 23
SKIPSEL
14
TML 25
4
TONSEL
VBST1
TI_TPS51125_QFN_24P
U1004
21
DRVH1DRVH2
10
DRVL1 1912 DRVL2
G2
51125_GND
4.7uF_6.3V
C1215
1
2
3
3
30 30
4
4
5
5
6
6
7
7
8
8
9
9
G1
G
G
2
2
20
20
21
21
22
22
23
23
24
24
25
25
26
26
27
27
28
28
29 29
1
10
10
11
11
12
12
13
13
14
14
15
15
16
16
17
17
18
18
19
19
4
S2
CN1005
ACES_50523_03001_001_30P
1
Q1021
2N7002DW
6
D1D2
3
2
G1G2
5
S1
1
0.22uF_6.3v
C1163
1
2
65
G
41
S
23
14-,20-
7-
1
2
Q1017
SI7326DN
D
87
0_5%
12
10uF_10v
C1161
12
51125_GND
R1102
12
20K_1%
R1104
R1137
130K_1%
1
2
RSC_0402
R1133
PCMC063T_4R7MN
L9
12
0.1uF_10V
C1159
1
2
2
3
1
7-,8-,9-,10-,12-,13-,30-,34-,40-,41-,45-,49-
38-
EZJZ0V120JA
D1031
1
2
DA204U D10
51125_GND
0_5%
R1101
12
C1068
4.7uF_25V
1
2
POWERPAD_2_0610
1
2
8-
PAD6
12
R1071
0603_OPEN
TP117
8-
0_5%
R41
51125_GND
38-
51125_GND
8-,31-,38-
3
33uF_25V
C1338
1
2
8-,9-,14-
VISHAY_SI7720DN_8P
Q1029
8
D
765
4
G
S
12
R1132
0_5%_OPEN
12
C79
330uF_6.3v
1
2
0402_OPEN
C1212 1
2
1
2
R1103
30.1K_1%
12
1
2
330uF_6.3v
C45
C1160
1
2
120K_1%
R1105
R1136
13.3K_1%
12
4.7uF_25V
12
51125_GND
100pF_50V_OPEN
C131
1
2
0_5%_OPEN
R63
R1138
90.9K_1%
1
2
1
2
C129
100pF_50V_OPEN
1
2
12
C130
100pF_50V_OPEN
12
0.1uF_25V
C1162
6
7
8
9
0_5%
R1135
Q1008
FAIR_FDMC7200_POWER33_8P
1
10
2
3
4
5
R1106
20K_1%
12
R1131
0_5%
12
38-
1
2
51125_GND
POWERPAD_2_0610
PAD1003
EZJZ0V120JA
D1030
10uF_25V
C1157
1
2
7-,9-,10-,12-,13-,14-,30-,49-
12
PAD4
POWERPAD_2_0610
1
2
R1134
0_5%
12
C1158
10uF_25V
0603_OPEN
R1100
1
2
R130
0_5%
R128
20K_1%_OPEN
1
2
C1214
0.1uF_25V
12
1uF_10V
C46
1
2
1
2
47pF_50V
C1406
1
2
+V5A
BAT_ALER
SYS_PRES
C1405
47pF_50V
+DCIN5
+DCIN+DCIN5
+V5AUXON
+VPACK
BATT_PRS
+V3LA
BATT_DATA
BATT_CLK
THRM_SHUTDWN#
ATF_INT#
+DCIN5
+V5LA
+V3A
+V5A
+V5LA
2VREF
+V3LA
http://laptop-motherboard-schematic.blogspot.com/

CODE
WS2
DOC. NUMBER
WS2
OF
WS2
CS
CS
CS
CHANGE by SHEET
REV
TITLE
SIZE
INVENTEC
330uF_2.5V
C41
1
2
14-Sep-2009
A011310A22966-0-MTR
949
A3 CS
V13TL
SYSTEM POWER
D
3
G
1
2
S
12.1K_1%
R1125
12
9-,11-,21-,25-,26-,28-,49-
Q1018
2N7002W
R1094
10.5K_1%
1
2
10uF_6.3V
C1062
1
2
C1408
47pF_50V
1
2
47pF_50V
C1407
1
2
7-,8-,9-,10-,12-,13-,30-,34-,40-,41-,45-,49-
PAD3
POWERPAD_2_0610
3
9-,11-
POWERPAD_2_0610
PAD1002
SI7326DN
Q1016
8
D
765
4
G
S
12
22uF_6.3V
C40
1
2
2N7002W
Q1006 3
D
1
G
S
2
9-,11-
R1124
100K_5%
1
2
0.1uF_25V
C1209
12
TSB_TC7SZ08F_SSOP_5P
U1006
3
1
2
45
1
D
2
5
6
3
G
S
4
10 2
VLDOIN 3
VTT
6VTTREF
5
VTTSNS
8-,14-
7-,8-,9-,10-,12-,13-,30-,34-,40-,41-,45-,49-
TPC6104
Q11
U1002
GMT_G2997F6U_MSOP10_10P
GND
8PGND 4
S3
7
9S5
TML
11 VDDQSNS 1
VIN
R1072
220K_5%
12
2
C1061
22uF_6.3V
1
2
2
9-,10-,33-,38-
0603_OPEN
R1098
1
1
2
330_5%
R1040
1
2
9-,11-,21-,25-,26-,28-,49-
C1063
10uF_25V
1
2
R1126
10K_1%
1
1000pF_50V
C1071
12
C1064
4.7uF_25V
D1015
21
D1011
SDM20U30
21
21-
SDM20U30
C1208
0.1uF_10V
1
2
2
C1213
220pF_25V
12
D
3
G
1
2
S
R1128
100K_5%
1
1
2
Q1019
2N7002W
R1097
200K_1%
1
2
20-,33-,34-,38-,39-,40-,45-,46-,49-
330_5%
R1129
D
2
5
6
3
G
S
4
1
2
10-,12-,13-,15-,16-,20-,21-,22-,26-,28-,30-,31-,32-,33-,34-,37-,38-,40-,42-,46-,47-,49-
9-,33-,38-
TPC6104
Q3 1
5
6
G
3
4
S
C1065
1uF_6.3V
1
2
Q12
TPC6104
D
1
2
12
12.4K_1%
R1095
C1154
2.2uF_6.3V
1
2
220K_5%
R1130
R1127
12
12-,38-
21-,28-
9-,10-,33-,38-
2
V5IN 7
VBST 10
4VFB
2.2_5%
TI_TPS51218DSCR_SON_10P
U1003
9
DRVH
DRVL 6
EN
3
11 GND
PGOOD
1
RF
5
8
SW
TRIP
PCMC063T_1R0MN
L8
12
7-,8-,9-,10-,12-,14-,20-,30-,31-,32-,33-,34-,37-,38-,40-,43-,49-
9-,33-,38-
1
2
7-,8-,9-,10-,12-,14-,20-,30-,31-,32-,33-,34-,37-,38-,40-,43-,49-
1
2
7-,8-,10-,12-,13-,14-,30-,49-
R1181
47K_5%
C1020
0.1uF_10V
1
2
28-
0402_OPEN
C1153
Q1015
8
D
76
5
4
G
S
123
200K_1%
R1093
1
2
VISHAY_SI7720DN_8P
9-,33-,38-
7-,8-,9-,10-,12-,13-,30-,34-,40-,41-,45-,49-
S
R1123
95.3K_1%
1
2
7-,8-,9-,10-,12-,14-,20-,30-,31-,32-,33-,34-,37-,38-,40-,43-,49-
Q4
TPC6104
D
1
2
5
6
G
3
4
M_VREF
+V5A
SLP_S4#_3R
+V5S
SUSB_PW
+V5A
SUSB_PW
+V1.5
+PWR_DIMM_VTT
+V3A
+V3S
+V5A
SM_PWROK
SLP_S4#_3R
SLP_S3#_3R
SLP_S3#_3R
+V5LA
+V1.5
+DCIN+V3A
+V1.5_PWRGD
SLP_S4#_3R
+V3A
http://laptop-motherboard-schematic.blogspot.com/

Q1
Q2
SIZE
ES
CS
REV
CS
CODE
SHEET
DOC. NUMBER
TITLE
OF
CODE
TITLE
INVENTEC
OF
INVENTEC
OF
INVENTEC
SHEETCHANGE by
5A
INVENTEC
SIZE DOC. NUMBERDOC. NUMBER
CHANGE by
TITLE
SIZE
SHEET
DOC. NUMBER
OF
TITLE
30 mils
SIZE REVCODE
CHANGE by
SYSTEM POWER
V13TL
CS
A3
4910
1310A22966-0-MTR A01
14-Sep-2009
REV
CHANGE by SHEET
30 mils
REV
CODE
12
L1014
PCMB061H_2R2MS
12
C1320
0.1uF_25V
2
R1249
4.99K_1%
1
2
1
2
C1210
47pF_50V_OPEN
1
R1211
0603_OPEN
1
2
C1271
0402_OPEN
10K_5%_OPEN
R1099
12
EN
3
2GND
4
NC
VIN
1VOUT 5
12
U1024
GMT_G9091_180T11U_SOT23_5P
C1365
4.7uF_6.3V
1
2
R1315
10K_5%
1
2
1
2
9-,10-,12-,13-,15-,16-,20-,21-,22-,26-,28-,30-,31-,32-,33-,34-,37-,38-,40-,42-,46-,47-,49-
C1364
47pF_50V 47pF_50V
C1362
1
2
4.7uF_6.3V
C1363
1
2
26-
PAD1005
POWERPAD_2_0610
47pF_50V
C1410
C1211
4.7uF_6.3V_OPEN
1
2
C1272
10uF_25V
1
2
R1254
2.2_5%
12
2
10K_1%
R1250
1
2
9-,33-,38-
2
7-,8-,9-,12-,14-,20-,30-,31-,32-,33-,34-,37-,38-,40-,43-,49-
R1251
51.1K_1%
1
R1253
4.7K_1%
1
200K_1%
R1247
1
2
9
200K_1%
R1248
1
2
1
10
2
3
4
5
6
7
8
1
2
FAIR_FDMC7200_POWER33_8P
Q1026
1
2
95.3K_1%
R1252
100K_5%
R1255
1
2
4.7uF_6.3V_OPEN
C1156
4
C1319
1uF_6.3V
1
2
DRVH 9
6
DRVL
3EN
GND
11
1PGOOD
5RF
SW 8
2TRIP
7
V5IN
10
VBST
VFB
1
2
12-,13-,15-,16-,17-,19-,21-,22-,23-,25-,26-,31-,34-,49-
U1012
TI_TPS51218DSCR_SON_10P
1
2
C1270
22uF_6.3V
C1155
1
2
7-,8-,9-,12-,13-,14-,30-,49-
C1269
330uF_2.5V
POWERPAD_2_0610
PAD1004
47pF_50V_OPEN
1
2
0.1uF_10V 1
2
7-,8-,9-,12-,13-,30-,34-,40-,41-,45-,49-
12-,38-
9-,10-,12-,13-,15-,16-,20-,21-,22-,26-,28-,30-,31-,32-,33-,34-,37-,38-,40-,42-,46-,47-,49-
47pF_50V
C1409
NC
VIN
1VOUT 5
C1321
U1007
GMT_G9091_150T11U_SOT23_5P_OPEN
EN
3
2GND
4
+V3S
+V1.8S
+V3A
+V5A
+DCIN
+V3S
+V1.05S_PWRGD
+V1.5A
+V1.05S
SLP_S3#_3R
http://laptop-motherboard-schematic.blogspot.com/

+V1.5S
+V1.5
SUSB_PW
DOC. NUMBER REV
SHEET
CHANGE by
DOC. NUMBER
+V1.5S
INVENTEC
OF
CODECODE
SHEET OFOF
TITLE
CHANGE by
REVREV
TITLE
CODE DOC. NUMBERSIZE
CHANGE by SHEET
TITLE
INVENTEC
SIZE
INVENTEC
SIZE
12
V13TL
CS
A3
4911
1310A22966-0-MTR A01
14-Sep-2009
PAD1011
POWERPAD_2_0610
9-,21-,25-,26-,28-,49-
220K_5%
R1316
1
D
2
5
6
3
G
S
4
1
2
17-,26-,31-,32-,34-,37-,40-
TPC6104
Q1030
21
R1317
330_5%
Q1032
2N7002W
D
3
G
1
2
S
SDM20U30
D1029
9-
C1366
1000pF_50V
12
http://laptop-motherboard-schematic.blogspot.com/

DOC. NUMBER
SHEET
ES
CS
CS
TITLE
CHANGE by
DOC. NUMBER
OF
TITLE
ES
ES
ES
ES
REVCODE
ES
SHEET
Reserve
SIZE
WS2
ES
REV
CHANGE by
INVENTEC
SIZE
ES
CODE
14-Sep-2009
V13TL
CS
A3
4912
1310A22966-0-MTR A01
14-Sep-2009
SYSTEM POWER
V13TL
CS
A3
4912
1310A22966-0-MTR A01
14-Sep-2009
INVENTEC
OF
WS2
ES
12-
12-
V13TL
SYSTEM POWER
CS
A3
4912
1310A22966-0-MTR A01
12
17-
17-
17-
17-
9-,38-
10-,38-
1
2
R1162 0_5%
R1159
0_5%
12
0_5%
R1112
2
R1155
0_5%
12
12
0_5%_OPEN
R1158
1
12
0402_OPEN
C1182
0_5%
R76
12
R75
0_5%
R81
63.4K_1%
1
2
12
R82
220K_5%
1
2
1
2
20K_1%
R1160
12
R1117
124K_1%
1
2
51610_GND
R1118
3.6K_1%
R1119
0402_OPEN
12
C1390
0.01uF_16V
Q8
FDMC8296
D
8765
G
41
S
23
C88
0.1uF_10V_OPEN
1
2
3
1
2
47pF_50V
C1241
1
2
51610_GND
BAT54AW_OPEN
D9
R72
12
47pF_50V
C91
1
2
499_1%
R1157
0_5%
12
1
2
7-,8-,9-,10-,12-,14-,20-,30-,31-,32-,33-,34-,37-,38-,40-,43-,49-
51610_GND
12-
10-,13-,15-,16-,17-,19-,21-,22-,23-,25-,26-,31-,34-,49-
47pF_50V
C92
1
2
C90
47pF_50V
0_5%_OPEN
R1113
12
51610_GND
1uF_6.3V
C1181 1
2
18
16 VID0
VID1
15
14 VID2
VID3
13
12 VID4
VID5
11 VID6
10
VREF
1
VR_T#
8
VSNS
6
29
OSRSEL
PGND 33
PGOOD 22
26
PMON
30
SLEW
7THERM
TONSEL 28
TRPSEL 27
V5FILT 31
21
V5IN
VBST
3
4CSP
DPRSLP 23
9DPRST# 32
DROOP
17
DRVH
DRVL 20
EN 25
2GND
5GSNS 19
LL
1
2
U1009
TI_TPS51610RHB_QFN_32P
24
CLKEN#
CSN
9-,10-,12-,13-,15-,16-,20-,21-,22-,26-,28-,30-,31-,32-,33-,34-,37-,38-,40-,42-,46-,47-,49-
51610_GND
51610_GND
0603_OPEN
R1079
47pF_50V
C1412
1
2
12-
1
2
47pF_50V
C1411 1
2
1
2
1.91K_1%
R1150
12
47pF_50V
C1239
0402_OPEN
1
2
R1156
0_5%
330uF_2V_9mR_Panasonic
1
2
C1080
8
D
765
4
G
S
123
9
C50
1
2
FDMS8670S
Q9
2
34
17-,19-,49-
7-,8-,9-,10-,13-,30-,34-,40-,41-,45-,49-
10uF_25V
C49
1
2
L10
CYNTEC_PCMC063T_R33MN_4P
1
12
R80
52.3K_1%
12
17-
17-
R83
100K_1%
1
2
R1153 2.2_5%
0_5%
R1114
12
21-,33-
R1151
4.7K_5%
330uF_2V_9mR_Panasonic
C51
1
2
2
0_5%
R1161
12
12
R1116
0_5%_OPEN
1
1
2
51610_GND
82pF_50V
C1183
R77
12
2.2uF_6.3V
C89
12
51610_GND
0_5%
12
R1115
0_5%
12
1uF_6.3V
C1238
R79
330_5%
12
1uF_25V C1237
R1152
0_5%
12
12-,38-
16-,21-,31-
17-
0_5%
R1154
12
51610_GND
0_5%
R74
12
PHP_74LVC1G17_SOT753_5P_OPEN
U8
2
3
5
4
17-
17-
R73
100K_5%_OPEN
1
2
56_5%
R1361
12
12
12-,38-
7-,8-,9-,10-,12-,14-,20-,30-,31-,32-,33-,34-,37-,38-,40-,43-,49-
38-
C1240
47pF_50V
1
2
10K_5%
R1360
7-,8-,9-,10-,13-,14-,30-,49-
C31
10uF_25V
1
2
PAD5
POWERPAD_2_0610
9-,10-,12-,13-,15-,16-,20-,21-,22-,26-,28-,30-,31-,32-,33-,34-,37-,38-,40-,42-,46-,47-,49-
16-
330_5%
R78
12
33-,38-
VCORE_I
+V1.05S
+VCC_CORE
3300pF_50V
C93
1
2
+V3A
CSN
CSP
H_PROCHOT#
+V1.5_PWRGD
VR_ON
+V1.05S_PWRGD
+V3A
+V3S
VCORE_GD
CSN
CSP
+V3S
PM_DPRSLPVR
H_VID1
H_VID3
VSS_SENSE
VCC_SENSE
+DCIN
VR_ON
+V5A
H_DPRSTP#
H_VID6
H_VID5
H_VID4
H_VID2
H_VID0
http://laptop-motherboard-schematic.blogspot.com/

CODE
INVENTEC
CS
SIZE
SHEET
REVDOC. NUMBER
CHANGE by
TITLE
OF
DOC. NUMBER
SHEET
CODE
CHANGE by
CS
A3
4913
1310A22966-0-MTR A01
14-Sep-2009 OF
CS
CS
CS
REV
TITLE
SIZE
INVENTEC
1
2
14-Sep-2009
SYSTEM POWER
V13TL
CS
A3
4913
1310A22966-0-MTR A01
V13TL
CS
C1400
4.7uF_6.3V
1
2
47K_5%
R1384
330_5%
R1390
12
12
21-
140K_1%
R1385
12
1uF_25V
C1404
C1394
47pF_50V
1
2
0_5%
R1368
12
2
R1367 0_5%
12
12
0_5%R1383
1
VID5
10 VID6
1VREF
8VR_T#
6VSNS
R1371
10K_5%
7
28
TONSEL 27
TRPSEL
31
V5FILT
V5IN 21
18
VBST
VID0
16
15 VID1
VID2
14
13 VID3
VID4
12
11
20
DRVL
25
EN
GND
2
GSNS
5
LL 19
OSRSEL 29
33
PGND
22
PGOOD
PMON 26
SLEW 30
THERM
TI_TPS51610RHB_QFN_32P
U1025
CLKEN# 24
3CSN
CSP
4
23
DPRSLP
DPRST#
9
DROOP 32
DRVH 17
D
8765
G
41
S
23
12
Q1004
FDMC8884
R1373
10K_5%
12
PCMC063T_1R0MN
L1
R1374
56_5%
12
47pF_50V
C1393
1
2
1
2
21-
13-
13-
10-,12-,15-,16-,17-,19-,21-,22-,23-,25-,26-,31-,34-,49-
0_5%
12
C1003
10uF_25V
23
9-,10-,12-,13-,15-,16-,20-,21-,22-,26-,28-,30-,31-,32-,33-,34-,37-,38-,40-,42-,46-,47-,49-
R1003
Q1001
8
D
7
6
5
4
G
S
12
R1389
330_5%
12
FDMC8678S
1
2
C1416
47pF_50V
1
1
2
47pF_50V
C1415
R1395
0402_OPEN
1
2
C1413
0402_OPEN
C1395
120pF_50V
12
124K_1%
R1380
1
2
2
3.6K_1%
R1370
12
12
0_5%
R2
1
12
R1002
0_5%
R1001
0_5%
12
0_5%
R1
C1401
3300pF_50V
1
2
21-
R1381
0_5%
1
2
C1399
1uF_6.3V 1
2
0_5%
R1372
12
C1398
1uF_6.3V
12
9-,10-,12-,13-,15-,16-,20-,21-,22-,26-,28-,30-,31-,32-,33-,34-,37-,38-,40-,42-,46-,47-,49-
13-
POWERPAD_2_0610
PAD1001
7-,8-,9-,10-,12-,30-,34-,40-,41-,45-,49-
POWERPAD_2_0610
7-,8-,9-,10-,12-,14-,30-,49-
C1004
1
2
21-
PAD2
2
220K_5%
R1387
1
2
10uF_25V
C1392
47pF_50V
1
C14
330uF_2V_9mR_Panasonic
1
2
25-
25-
1
2
21-
21-
25-,49-
63.4K_1%
R1388
1
2
C15
0.1uF_10V
R1386
1
2
0_5%_OPEN
R1393
12
45.3K_1%
0.01uF_16V
C1397
1
2
10K_1%_THER_NTC
R1392
12
10K_5%
R1391
12
1
2
13-
13-
13-
GFX_VREF
GFX_5VFIT +DCIN_VGFX
C1403
47pF_50V
+V5A
GFX_CSP
GFX_CSN
+V3S
GFX_VR_EN
VGFX_I
GFX_5VFIT
GFX_CSN
GFX_CSP
+V1.05S
+V3S
VSS_AXG_SENSE
VCC_AXG_SENSE
+DCIN
+VGFX_CORE
GFX_VID_0
GFX_VID_1
GFX_VID_2
GFX_VID_3
GFX_VID_4
http://laptop-motherboard-schematic.blogspot.com/

WS
SIZE
WS2
TITLE
CODE
CHANGE by SHEETCHANGE by
REV
SHEET
SIZE
INVENTEC
WS2
DOC. NUMBER
TITLE
CODE
V13TL
OF
P/N: 6019B0680801
ES
CS
REV
ITE Suggestion
INVENTEC
OF
S5 ALL POWER TURN OFF WHEN BATTERY MODE
WS2
DOC. NUMBER
WS2
4
A011310A22966-0-MTR
14 49
A3 CS
V13TL
SYSTEM POWER
14-Sep-200914-Sep-2009
A011310A22966-0-MTR
14 49
A3 CS
1
2
U102
PHP_74LVC1G17_SOT753_5P
2
3
5
2
R233
100K_5%
D
3
G
1
2
S
C300
0.1uF_16V
1
1
2
Q17
2N7002W
1
2
38-
510K_1%
R122
2
C120
0.1uF_10V
2
8-,14-
R127
100K_5%
1
8-,9-,14-
8-,20-
100K_5%
R258
1
4
7-
47K_5%
R123
1
2
GMT_G687LT11U_SOT23_5P
U9
GND
2MR 51 RESET
3VCC VSEN
D
3
G
1
2
S
8-,9-,14-
8-,14-
7-,8-,9-,10-,12-,20-,30-,31-,32-,33-,34-,37-,38-,40-,43-,49-
12
Q16
2N7002W
C121
1
2
38-
8-,9-,14-
R160
0_5%
0.1uF_10V
C256 1
2
0.1uF_16V_OPEN
1
2
3
8-,9-,14-
R161
1
2
45-
BAT54C
D15
C149
0.1uF_16V_OPEN
12
7-,8-,9-,10-,12-,13-,30-,49-
100K_5%
1
2
8-,9-,14-
0.1uF_25V
C387 1
2100K_1%
R124
R320
100K_1%
1
2
BAV99
D16
2
3
1
2N7002W
Q15 3
D
1
G
S
2
+V5LA
THRM_SHUTDWN#+V5AUXON
ACPRES_S
+V3A
PWR_SWIN#
PWR_SWIN#_3
BATT_PWRKEEP
+V5AUXON
+V5LA +DCIN
+V5LA
+V5LA
+V5LA
http://laptop-motherboard-schematic.blogspot.com/

200
SRC10
CR#_F:
CR#_H:
bit 4= 0--->SRC1
20mil
1
1
CR#_D:
OF
667
CR#_B:
800
bit 7= 1 (Enable)
(Byte 6)
166 27_SECLECT =1
FSA
bit 5= 1 (Enable)
SHEET
bit 0= 0--->SRC1 bit 1= 1 (Enable)
266
1067
FREQUENCY
0
bit 6= 0--->SRC0
bit 0= 1--->SRC4
BIOS need to enable
*
bit 3= 1 (Enable)
0
ITP / ITP#
FSC
SRC0/ 27MHz
WS2
FSB CLOCK
Byte 5
bit 6= 1--->SRC2
0
(Byte 6)
20mil
CR#_C:
(Byte 6)
CS
0
bit 4= 1--->SRC4
TITLE
(Byte 6)
bit 2= 1--->SRC2
SRC8
0
bit 5= 1 (Enable)
Byte 5
FSB
0
bit 4= 1 (Enable)
CR#_E:
27_SELECT =0
SRC6
Byte 5
Byte 5
CHANGE by
SRC9
bit 7= 1 (Enable)
CODE REV
SRC8 / SRC8#
CLOCK_GENERATOR
V13TL
CS
A3
4915
1310A22966-0-MTRA01
FREQUENCY
CS
DOT96/ LCD_SS /SE
CR#_G:
1
bit 2= 0--->SRC0
CR#_A:
DOC. NUMBERSIZE
HOST CLOCK
20mil
ITP_EN =0
INVENTEC
ITP_EN =1
bit 6= 1 (Enable)
0_5%
12
31-
14-Sep-2009
C99
1
2
R1260
KC_FBM_11_160808_101_T_2P
12
9-,10-,12-,13-,15-,16-,20-,21-,22-,26-,28-,30-,31-,32-,33-,34-,37-,38-,40-,42-,46-,47-,49-
15-
33pF_50V_OPEN
33_5%
12
15-
L1015
2
R1172 1K_5%
12
R1167
2
0_5%
R1177
1
42-
21-
R98 10K_5%
1
12
R1264
1K_5%_OPEN
1
212
40-
X1002
14.31818MHZ
2
15-
37-
R1180 10K_5%
12
R1174 2.2K_5%
115-
23-
475_1%
R1270
21-
R1168
10K_5%_OPEN
1
2
40-
C98
0.1uF_10V
1
2
15-
33-
R162 10K_5%
12
R1267
10K_5%
1
2
2
C145
0.1uF_10V
1
2
47pF_50V
1
2
0_5%R1259
1
37-
21-
15-,16-
21-
C141
VDD48
VDDCPU
55
VDDCPU_IO
49
VDDPCI
2
20 VDDPLL3_IO
VDDREF
61
12 VDD_IO
VDD_PLL3
16
39 VDD_SRC
X1
60
59 X2
13
SRCT0_DOTT_96
SRCT10 34
33
SRCT11_CR#_H
21
SRCT2_SATAT
SRCT3_CR#_C 24
27
SRCT4
41
SRCT6
SRCT7_CR#_F 44
30
SRCT9
USB_48MHZ_FSLA
10
9
SDTAT
SRC5_EN_PCI3
5
SRCC0_DOTC_96 14
35
SRCC10
SRCC11_CR#_G 32
SRCC2_SATAC 22
25
SRCC3_CR#_D
SRCC4 28
SRCC6 40
43
SRCC7_CR#_E
SRCC9 31
GNDPCI
58 GNDREF
1PCI0_CR#_A
PCI1_CR#_B
3
4PCI2_TME
PCI4_27M_Select 6
7
PCI_F5_ITP_EN
38
PCI_STOP#_SRCT5
REF0_FSLC_TEST_SEL
62
48
RESET#
SCLK
64
63
CPUC0 53
50
CPUC1_F
46
CPUC2_ITP_SRCC8
54
CPUT0
CPUT1_F 51
CPUT2_ITP_SRCT8 47
CPU_STOP#_SRCC5 37
57 FSLB_TEST_MODE
GND48
11
GNDCPU
52
8
GNDSRC
VDDSRC_IO
26
27MHz_NonSS_SRCT1_SE1 17
18
27MHz_SS_SRCC1_SE2
29 GNDSRC
36 VDDSRC_IO
GNDSRC
42
45 VDDSRC_IO
CK_PWRGD_PD#
56
12
U1010
REA_RTM875T_606_TSSOP_64P
GND_IO
15
GND_PLL3
19
23
12
33_5%
R1171
1
2
1K_5%
R1265
33pF_50V_OPEN
1
2
C1324
5.6pF_50V
37-
9-,10-,12-,13-,15-,16-,20-,21-,22-,26-,28-,30-,31-,32-,33-,34-,37-,38-,40-,42-,46-,47-,49-
C97
10K_5%R1271
12
31-
12
1K_5%_OPEN
R1176
1
2
33-
21-
15-
R1169 33_5%
15-
C104
33pF_50V_OPEN
1
2
12
32-
42-
37-
2
R1261
1K_5%_OPEN
1
2
R1262 10K_5%
2
15-
C100
33pF_50V_OPEN
1
2
10K_5%R97
1
32-
37-
23-
R1263 1K_5%
1
D
3
G
1
2
S
16-
10-,12-,13-,15-,16-,17-,19-,21-,22-,23-,25-,26-,31-,34-,49-
42-
15-,16-
9-,10-,12-,13-,15-,16-,20-,21-,22-,26-,28-,30-,31-,32-,33-,34-,37-,38-,40-,42-,46-,47-,49-
1
2
10-,12-,13-,15-,16-,17-,19-,21-,22-,23-,25-,26-,31-,34-,49-
Q1027
SSM3K7002FU
2
15-,16-
32-
0.1uF_10V
C107
28-,33-,37-,40-,47-
28-,33-,37-,40-,47-
R1179 475_1%
1
475_1%
R1269
12
21-
40-
1
2
9-,10-,12-,13-,15-,16-,20-,21-,22-,26-,28-,30-,31-,32-,33-,34-,37-,38-,40-,42-,46-,47-,49-
37-
R1165 475_1%
12
33-
33-
1K_5%_OPEN
R1173
12
15-
R1266
12
15-
33-
R1175 33_5%
C1325
5.6pF_50V
1
2
0_5%
10K_5%R100
12
21-
37-
C96
10uF_6.3V
1
2
21-
12
15-
15-
12
15-
21-
16-
R1178 0_5%
1
2
475_1%
R1166
1
2
10uF_6.3V
C1245
C1273
27pF_50V
1
2
38-
47pF_50V
C144
1
2
1
2
21-
47pF_50V
C106
12
27pF_50V
C1274
1
2
15-
5pF_50V_OPEN
C1244
1
2
15-,16-
0.1uF_10V
C140
2
33pF_50V_OPEN
C105
1
2
0.1uF_10V
C101
12
C103
0.1uF_10V
1
C143
0.1uF_10V
1
2
33_5%
R175 1
2
15-,16-
KC_FBM_11_160808_101_T_2P
L12
12
15-
5.6pF_50V
C102
12
15-
33-
1
2
R1170 10K_5%
1
2
10K_5%
R99
CLK_PCIE_MINICARD2#
CLK_PCIE_EXPRESS#
CLK_PCIE_EXPRESS
DREFSSCLK#
CLK_BSEL0
CLK_BSEL2
CLK_BSEL1
15-,16-
0.1uF_10V
C142
ICH_EXPRESSCARD_CLKEN
CLK_PCI_MINIPCI1 27_SELECT
27_SELECT
CLK_PCIE_ICH#
CLK_PCIE_ICH
CLKREQ#_MINIC2
CLK_48M_ICH
CLK_14M_ICH
CR#_F
+V3S
CR#_F
CR#_E
CLK_PCIE_MINICARD2
TME
MCH_BSEL2
MCH_BSEL1
MCH_BSEL0
+V1.05S
ITP_EN
ITP_EN
CR#_G
CR#_G
TME
CR#_B
CR#_A
+V3S
CLK_PCIF_ICH
CLK_PCIE_SATA
DREFSSCLK_R
DREFSSCLK
CR#_A
CR#_B
CR#_G
CR#_H
ITP_EN 27_SELECT
+V3S
CLK_PWROK
SMB_DATA
CLK_BSEL0
CLK_BSEL2
CLK_BSEL1
CLKREQ#_SATA
CLKREQ#_GMCH
CLK_33_EC
SMB_CLK
CLKREQ#_MINIC1
CLKREQ#_LAN
CLK_PCIE_3GPLL#
CLK_PCIE_LAN#
DREFCLK
CLK_PCIE_MINICARD1
CR#_H
CR#_H
CLK_PCIE_3GPLL
CLK_PCIE_LAN
CLK_USB48
+V1.05S
+V3S
DREFSSCLK#_R
CLK_CPU_BCLK#
CLK_MCH_BCLK#
CLK_CPU_BCLK
CLK_MCH_BCLK
PM_STPCPU#
PM_STPPCI#
CLK_14M_REF
DREFCLK#
CLK_PCIE_MINICARD1#
CLK_PCIE_SATA#
http://laptop-motherboard-schematic.blogspot.com/

THERMAL
ICH
RESERVED
H CLK XDP / ITP SINGNALS
ADDR GROUP 0ADDR GROUP 1
CONTROL
DATA GRP 2
DATA GRP 3
DATA GRP 0DATA GRP 1
length shorter than 0.5" and width is 18mils.
Max : 15ns
Zo=55ohm, 0.5" max for GTLREF, Space any other switch
A#[32-39], APM#[0-1]: Leave escape routing on for future functionality
No stub on H_STPCLK test point
CHANGE by
Don’t allow the GTLREF routing to create splits or
COMP1, 3 connect with Zo=55 ohm, make trace
DELL CONFIDENTIAL/PROPRIETARY
SHEET
without T-ing (no stub)
DOC. NUMBER
Should be connect to ICH9 and Cantiga
TRADE SECRET AND OTHER PROPTIETARY INFORMATION OF DELL INC. ("DELL") THIS DOCUMENT MAY NOT
PROPRITARY NOTE: THIS SHEET OF NGINEERING DRAWING AND SPECIFICATIONS CONTAINS CONFIDENTAL
WS2
length shorter than 0.5" and width is 5mils.
PROCHOT not used -> 56 ohm
REV
PARTY WITHOUT DELL’S EXPRESS WRITTEN CONSENT.
OF
BE TRANSFERRED OR COPIED WITHOUT THE EXPRESS WRITTEN AUTHORIZATION OF DELL. IN ADDITION,
Rout to TP via and place GND via w/in 100mils
XDP P/U & P/D
discontinuties in the reference planes of the FSB signals
CODE
2
14-Sep-2009
PENRYN-1
V13TL
CS
A3
4916
1310A22966-0-MTRA01
INVENTEC
SIZE
TITLE
H_PWRGD rise time :
signals away from GTLREF with a minimum of 25mils.
NEITHER THIS SHEET NOR THE INFORMATION IT CONTAINS WAY BE USED BY OR DISCLOSED TO ANY THIRD
COMP0, 2 connect with Zo=27.4 ohm, make trace
0_5%
R1334
12
R1335 0_5%
1
12
10-,12-,13-,15-,16-,17-,19-,21-,22-,23-,25-,26-,31-,34-,49-
R1333 0_5%
TP26
23-
23-
TP27
16-,23-
23-
16-
54.9_1%
12
23-
THERMDC
THERMTRIP# B10
TMS AW5
L1
TRDY#
AV8
TRST#
23-
R22
H8 RSVD07
RS_0# K2
RS_1# H4
K4
RS_2#
SMI#
E5
STPCLK#
F8
TCK AV4
TDI AW7
AU1
TDO
THERMDA BB34
BD34
R5
U1 REQ_2#
P4 REQ_3#
REQ_4#
W5
G5
RESET#
RSVD01
V2
RSVD02
Y2
RSVD03
AG5
AL5 RSVD04
RSVD05
J9
RSVD06
F4
HITM#
IERR# B40
IGNNE#
F10
D8
INIT#
C9 LINT0
C5 LINT1
N1
LOCK#
PRDY# AV10
AV2
PREQ#
D38
PROCHOT#
REQ_0#
R1
REQ_1#
BA5
BPM_2#
BPM_3# AY2
L5
BPRI#
M2
BR0#
DBR# J7
DBSY# J1
N5
DEFER# F38
DRDY#
FERR#
D4
HIT# H2
F2
A_4#
W1 A_5#
A_6#
T4
AA1 A_7#
A_8#
AB4
A_9#
T2
A35
BCLK_0 C35
BCLK_1
BNR# J5
BPM_0# AY8
BA7
BPM_1#
A_26#
A_27#
AM4
AP4 A_28#
A_29#
AR5
A_3#
P2
A_30#
AJ1
AL1 A_31#
AM2 A_32#
AU5 A_33#
A_34#
AP2
AR1 A_35#
V4
AC1 A_16#
A_17#
AN1
A_18#
AK4
AG1 A_19#
A_20#
AT4
AK2 A_21#
AT2 A_22#
AH2 A_23#
A_24#
AF4
AJ5 A_25#
AH4
C7 A20M#
M4
ADS#
Y4 ADSTB_0#
AN5 ADSTB_1#
AC5 A_10#
AD2 A_11#
AD4 A_12#
A_13#
AA5
AE5 A_14#
A_15#
AB2
23-
23-
U4-1
ITL_PENRYNSFF_FCBGA_956P
12
R31
51_5%_OPEN
12
23-
16-
16-,23-
54.9_1%R51 12
31-
15-
10-,12-,13-,15-,16-,17-,19-,21-,22-,23-,25-,26-,31-,34-,49-
12
31-
27.4_1%R25
31-
23-
R18 54.9_1%
2
R52 1K_5%_OPEN
12
16-
R54
68_1%
1
23-
12-,16-
15-
23-
23-
2
54.9_1%R24 12
23-
R49
2K_1%
1
20-,21-,31-16-,23-
16-
31-
9-,10-,12-,13-,15-,20-,21-,22-,26-,28-,30-,31-,32-,33-,34-,37-,38-,40-,42-,46-,47-,49-
54.9_1%_OPEN
R23
12
12-,21-,31-
23-
TEST5
TEST6
AC43
23-
23-
31-
D_8#
L41
K44 D_9#
GTLREF
AW43
BD10
PSI#
PWRGOOD E7
D10
SLP#
E37 TEST1
D40 TEST2
TEST3
C43
TEST4
AE41
AY10
BB38
D_56# AY36
AT40
D_57# BC35
D_58#
D_59# BC39
D_6#
G39
BA41
D_60#
D_61# BB40
D_62# BA35
AU43
D_63#
D_7#
E41
D_45# AN41
D_46#
D_47# AL41
AV38
D_48#
D_49# AT44
D_5#
H44
D_50# AV40
AU41
D_51#
D_52# AW41
AR41
D_53# BA37
D_54#
D_55#
AJ43
D_36#
D_37# AG41
D_38# AF44
AH44
D_39#
D_4#
H40
AM44
D_40#
D_41# AN43
D_42# AM40
AK40
D_43#
D_44# AG43
AP40
AD40
AC41 D_27#
D_28#
AA43
Y40 D_29#
J43 D_3#
D_30#
Y44
D_31#
T44
D_32# AP44
AR43
D_33# AH40
D_34#
D_35# AF40
P44
V40 D_17#
V44 D_18#
D_19#
AB44
D_2#
E43
D_20#
R41
D_21#
W41
D_22#
N43
U41 D_23#
AA41 D_24#
D_25#
AB40
D_26#
DSTBP_2# AL43
AY38
DSTBP_3#
F40 D_0#
D_1#
G43
N41 D_10#
D_11#
T40
M40 D_12#
D_13#
G41
D_14#
M44
L43 D_15#
D_16#
DINV_2#
DINV_3# BC37
DPRSTP# G7
DPSLP# B8
C41
DPWR#
DSTBN_0#
K40
DSTBN_1#
U43
DSTBN_2# AK44
AY40
DSTBN_3#
J41 DSTBP_0#
DSTBP_1#
W43
ITL_PENRYNSFF_FCBGA_956P
A37 BSEL_0
BSEL_1
C37
B38 BSEL_2
COMP_0 AE43
AD44
COMP_1
COMP_2 AE1
AF2
COMP_3
DINV_0#
P40
R43 DINV_1#
AJ41
10-,12-,13-,15-,16-,17-,19-,21-,22-,23-,25-,26-,31-,34-,49-
U4-2
16-
15-
23-
23-
1K_5%
R30
12
31-
12
23-
15-
16-
23-
R55
56_5%
C71 0.1uF_10V_OPEN
12
16-
23-
16-,23-
31-
16-
12
16-
16-,23-
12-,16-
15-
23-
23-
23-
R53 1K_5%_OPEN
23-
16-
23-
12
16-
23-
16-,23-
16-
23-
1
2
16-
54.9_1%
R19
12
R48
1K_1%
R21
12
31-
R20 54.9_1%
31-
649_1%
2
23- 23-
31-
23-
16-
10-,12-,13-,15-,16-,17-,19-,21-,22-,23-,25-,26-,31-,34-,49-
23-
R50 27.4_1%
1
H_DSTBP#1
H_TEST2
H_TEST1
+V1.05S
CLK_BSEL0
CLK_BSEL1
CLK_BSEL2
H_D#(63:0)
H_DSTBN#0
H_DINV#0
H_DSTBP#0
H_D#(16)
H_DSTBN#1
H_DINV#1
H_CPURST#
XDP_BPM#5
H_LOCK#
H_HITM#
H_HIT#
XDP_DBRESET#
H_PROCHOT#
+V1.05S
H_D#(0)
H_A#(35)
H_TRDY#
XDP_TMS
XDP_TDO
XDP_TCK
H_RS#2
H_RS#1
H_RS#0
H_A#(25)
H_A#(26)
H_A#(27)
H_A#(29)
H_A#(31)
H_A#(33)
H_A#(18)
H_A#(34)
H_A#(17)
H_A#(19)
H_A#(22)
H_A#(23)
H_A#(24)
H_REQ#(1)
H_REQ#(0)
H_A#(30)
H_A#(28)
H_A#(21)
H_A#(20)
H_A#(4)
H_A#(3)
COMP0
H_ADSTB#1
H_A#(32)
H_REQ#(4)
H_REQ#(3)
H_REQ#(2)
H_A#(10)
H_A#(9)
H_A#(8)
H_A#(7)
H_A#(6)
H_A#(5)
H_A20M#
H_A#(15)
H_A#(16)
H_A#(14)
H_A#(13)
H_A#(12)
H_A#(11)
H_D#(47)
H_SMI#
H_NMI
H_INTR
H_STPCLK#
H_IGNNE#
H_FERR#
H_D#(41)
H_D#(42)
H_D#(43)
H_D#(44)
H_D#(45)
H_D#(46)
H_D#(34)
H_D#(35)
H_D#(36)
H_D#(37)
H_D#(38)
H_D#(39)
H_D#(40)
H_D#(4)
H_D#(3)
H_D#(2)
H_D#(1) H_D#(32)
H_D#(33)
H_D#(9)
H_D#(8)
H_D#(7)
H_D#(6)
H_D#(5)
H_D#(15)
H_D#(14)
H_D#(13)
H_D#(12)
H_D#(11)
H_D#(10)
H_D#(58)
H_D#(59)
H_D#(60)
H_D#(61)
H_D#(62)
H_D#(63)
H_D#(51)
H_D#(52)
H_D#(53)
H_D#(54)
H_D#(55)
H_D#(56)
H_D#(57)
H_D#(29)
H_D#(30)
H_D#(31)
H_D#(48)
H_D#(49)
H_D#(50)
H_D#(23)
H_D#(24)
H_D#(25)
H_D#(26)
H_D#(27)
H_D#(28)
H_D#(18)
H_D#(19)
H_D#(20)
H_D#(21)
H_D#(22)
H_DSTBN#3
H_DINV#3
H_DSTBP#2
H_DSTBN#2
H_DINV#2
H_D#(17)
COMP3
COMP2
COMP1
H_DPSLP#
H_CPUSLP#
H_DPWR#
H_PWRGD
GTLREF
H_DSTBP#3
+V3S
+V1.05S
XDP_TCK
XDP_BPM#5
XDP_TDI
XDP_TMS
XDP_TDO
XDP_TRST#
XDP_DBRESET#
H_DPRSTP#
H_BREQ#0
+V1.05S
H_INIT#
H_PROCHOT#
PM_THRMTRIP#
CLK_CPU_BCLK
CLK_CPU_BCLK#
H_D#(63:0)H_D#(63:0)
H_D#(63:0)
H_ADSTB#0
XDP_TDI
XDP_TRST#
H_A#(35:3)
H_REQ#(4:0)
H_A#(35:3)
H_ADS#
H_BNR#
H_BPRI#
H_DEFER#
H_DRDY#
H_DBSY#
http://laptop-motherboard-schematic.blogspot.com/

Route VCCSENSE and VSSSENSE traces
ES
of CPU
PROPRITARY NOTE: THIS SHEET OF NGINEERING DRAWING AND SPECIFICATIONS CONTAINS CONFIDENTAL
CLose to CPU
(North side secondary)
NEITHER THIS SHEET NOR THE INFORMATION IT CONTAINS WAY BE USED BY OR DISCLOSED TO ANY THIRD
REV
INVENTEC
160 mil
BE TRANSFERRED OR COPIED WITHOUT THE EXPRESS WRITTEN AUTHORIZATION OF DELL. IN ADDITION,
DELL CONFIDENTIAL/PROPRIETARY
SIZE
Intel item 6
(North side secondary)
TRADE SECRET AND OTHER PROPTIETARY INFORMATION OF DELL INC. ("DELL") THIS DOCUMENT MAY NOT
Mismatch 25mil
(South side Primary)
Place these inside socket cavity on L8
Place these inside socket cavity on L1
25mil space with other
(North side Primary)
DOC. NUMBER
1206, 1W
Place these inside socket cavity on L8
CHANGE by OF
CS
Impedance 55 ohm, W:S = 1:2
7mil space
at 27.4 ohm. Place PU and PD within 2 inch
cavity on L1
(South side secondary)
18miil
PENRYN-3
V13TL
CS
A3
4917
1310A22966-0-MTRA01
14-Sep-2009
Place these inside socket
PARTY WITHOUT DELL’S EXPRESS WRITTEN CONSENT.
CODE
TITLE
PIN B26
Place these inside socket cavity on L8
SHEET
20 mil
C59
0.01uF_16V 1
2
12
C1105
1uF_6.3V 12
12
1uF_6.3V C1103
C1082
10uF_6.3V 12
C1084
10uF_6.3V
C1185
1uF_6.3V 12
12
12
10uF_6.3V C1184
12
1uF_6.3V C1096
12
10uF_6.3V C52
12
10uF_6.3V C1087
1uF_6.3V C1026
12
10uF_6.3V C56
1uF_6.3V C1024
12
12-,17-,19-,49-
1
2
C1095
1uF_6.3V 12
C1097
1uF_6.3V 12
C10
220uF_2.5V
C1093
1uF_6.3V 12
C1111
1uF_6.3V 12
C1112
1uF_6.3V 12
12-
1uF_6.3V C1108
12
2
33pF_50V C1420
12
12
C1419
33pF_50V 1
12
47pF_50V C1418
C54
10uF_6.3V 12
11-,26-,31-,32-,34-,37-,40-
C1417
47pF_50V
C1025
1uF_6.3V 12
12-,17-,19-,49-
C1113
47pF_50V 12
2
C1102
1uF_6.3V 12
2
12-,17-,19-,49-
C70
10uF_6.3V 1
10-,12-,13-,15-,16-,19-,21-,22-,23-,25-,26-,31-,34-,49-
C53
10uF_6.3V 1
12
12-
C1106
1uF_6.3V 12
10uF_6.3V C1091
C1099
1uF_6.3V 12
12-
2
1uF_6.3V C1101
12
12-
12
1uF_6.3V C1100
1
C1086
10uF_6.3V 12
C1083
10uF_6.3V
C1104
1uF_6.3V 12
12
100_1%
R1044
1
2
1uF_6.3V C1186
C1187
1uF_6.3V 12
1uF_6.3V C1098
12
BB28
VCC_099
VCC_100 BD30
BD8
VID_0
VID_1 BC7
VID_2 BB10
BB8
VID_3 BC5
VID_4
VID_5 BB4
AY4
VID_6
BC13
VSSSENSE
12-
AP26
AT30
VCC_089
VCC_090 AT28
AV30
VCC_091
VCC_092 AV28
AY30
VCC_093
VCC_094 AY28
AT26
VCC_095
VCC_096 AV26
AY26
VCC_097
VCC_098 BB30
VCC_077
VCC_078 AF26
AH26
VCC_079
VCC_080 AK30
AK28
VCC_081
VCC_082 AM30
AM28
VCC_083
VCC_084 AP30
AP28
VCC_085
VCC_086 AK26
AM26
VCC_087
VCC_088
AB30 VCC_067
AB28
VCC_068
VCC_069 AD30
VCC_070 AD28
Y26
VCC_071
VCC_072 AB26
AD26
VCC_073
VCC_074 AF30
AF28
VCC_075
VCC_076 AH30
AH28
P30
P28 VCC_057
VCC_058
T30
T28 VCC_059
VCC_060
V30
V28 VCC_061
VCC_062
P26
T26 VCC_063
VCC_064
V26
Y30 VCC_065
VCC_066
Y28
H30
H28 VCC_046
VCC_047
D26
F26 VCC_048
VCC_049
H26
K30 VCC_050
K28 VCC_051
VCC_052
M30
M28 VCC_053
VCC_054
K26
M26 VCC_055
VCC_056
AY32 VCC_035
VCC_036
BB32
BD32 VCC_037
VCC_038
B28
B30 VCC_039
VCC_040
B26
VCC_041
D28
D30 VCC_042
VCC_043
F30
F28 VCC_044
VCC_045
VCC_024
VCC_025
AK32
AL33 VCC_026
VCC_027
AM32
AN33 VCC_028
VCC_029
AP32
AR33 VCC_030
AT34 VCC_031
VCC_032
AT32
AU33 VCC_033
VCC_034
AV32
VCC_013
VCC_014
W33
Y32 VCC_015
VCC_016
AA33
AB32 VCC_017
VCC_018
AC33
AD32 VCC_019
VCC_020
AE33
VCC_021
AF32
AG33 VCC_022
VCC_023
AH32
AJ33
VCC_003
H32
J33 VCC_004
VCC_005
K32
L33 VCC_006
VCC_007
M32
N33 VCC_008
VCC_009
P32
R33 VCC_010
T32 VCC_011
VCC_012
U33
V32
VCCP_009
VCCP_010 U37
V38
VCCP_011
VCCP_012 W37
AA37
VCCP_013
VCCP_014 AB38
AC37
VCCP_015
VCCP_016 AE37
VCCSENSE BD12
VCC_001
F32
G33 VCC_002
VCCA_01 B34
D34
VCCA_02
J11
VCCP_001
VCCP_002 E11
G11
VCCP_003
VCCP_004 J37
K38
VCCP_005
VCCP_006 L37
N37
VCCP_007
VCCP_008 P38
R37
12
12-
U4-3
ITL_PENRYNSFF_FCBGA_956P
12
1uF_6.3V C1110
12
10uF_6.3V C1085
12
12-
1uF_6.3V C1109
1
2
12-
10uF_6.3V C1081
12
C58
10uF_6.3V
12
1uF_6.3V C1094
12
34
12-
10uF_6.3V C55
12
R32
0.01_1%
12
C1089
10uF_6.3V
1
2
10uF_6.3V C57
C1088
10uF_6.3V 12
R1080
100_1%
12
C1092
10uF_6.3V 12
1uF_6.3V C1107
+V1.05S
10uF_6.3V C1090
12
VCC_SENSE
VSS_SENSE
+V1.5S
+VCC_CORE
+VCC_CORE
H_VID0
H_VID1
H_VID2
H_VID3
H_VID4
H_VID5
H_VID6
+VCC_CORE
http://laptop-motherboard-schematic.blogspot.com/

OF
NEITHER THIS SHEET NOR THE INFORMATION IT CONTAINS WAY BE USED BY OR DISCLOSED TO ANY THIRD
SIZE
BE TRANSFERRED OR COPIED WITHOUT THE EXPRESS WRITTEN AUTHORIZATION OF DELL. IN ADDITION,
SHEET
DELL CONFIDENTIAL/PROPRIETARY
TITLE
INVENTEC
REV
PROPRITARY NOTE: THIS SHEET OF NGINEERING DRAWING AND SPECIFICATIONS CONTAINS CONFIDENTAL
DOC. NUMBER
TRADE SECRET AND OTHER PROPTIETARY INFORMATION OF DELL INC. ("DELL") THIS DOCUMENT MAY NOT
CHANGE by
CODE
PARTY WITHOUT DELL’S EXPRESS WRITTEN CONSENT.
C25
VSS_161 E25
VSS_162 E23
E21
VSS_163
14-Sep-2009
A011310A22966-0-MTR
18 49
A3 CS
V13TL
PENRYN-4
VSS_150 AU31
VSS_151 AW31
VSS_152 BA29
VSS_153 BA27
BC29
VSS_154
VSS_155 BC27
VSS_156 BA31
VSS_157 BC31
VSS_158 C21
VSS_159 C23
VSS_160
VSS_139 AN29
VSS_140 AN27
VSS_141 AL31
VSS_142 AN31
AR29
VSS_143
VSS_144 AR27
VSS_145 AR31
VSS_146 AU29
VSS_147 AU27
VSS_148 AW29
VSS_149 AW27
AE29
VSS_129 AE27
VSS_130 AG29
VSS_131 AG27
VSS_132 AJ29
VSS_133 AJ27
VSS_134 AE31
VSS_135 AG31
VSS_136 AJ31
VSS_137 AL29
VSS_138 AL27
R31
VSS_118 U31
VSS_119 W29
VSS_120 W27
VSS_121 W31
AA29
VSS_122
VSS_123 AA27
VSS_124 AC29
VSS_125 AC27
VSS_126 AA31
VSS_127 AC31
VSS_128
VSS_107 L27
VSS_108 N29
VSS_109 N27
VSS_110 J31
VSS_111 L31
VSS_112 N31
VSS_113 R29
VSS_114 R27
VSS_115 U29
VSS_116 U27
VSS_117
C29
VSS_097 C31
VSS_098 E29
VSS_099 E27
VSS_100 G29
VSS_101 G27
VSS_102 E31
VSS_103 G31
VSS_104 J29
VSS_105 J27
VSS_106 L29
AV34
VSS_086 AW35
VSS_087 AW33
VSS_088 AY34
VSS_089 AT36
AV36
VSS_090
VSS_091 BA33
VSS_092 BC33
VSS_093 BB36
VSS_094 BD36
VSS_095 C27
VSS_096
AD36 VSS_075
AF34 VSS_076
AH34 VSS_077
AH36 VSS_078
VSS_079
AK34
AM34 VSS_080
AP34 VSS_081
VSS_082 AM36
VSS_083 AR35
VSS_084 AU35
VSS_085
VSS_064
M34 VSS_065
M36 VSS_066
P34 VSS_067
T34 VSS_068
V34 VSS_069
T36 VSS_070
Y34 VSS_071
AB34 VSS_072
AD34 VSS_073
Y36 VSS_074
AU39
AU37 VSS_054
AW39 VSS_055
AW37 VSS_056
BA39 VSS_057
VSS_058
BC41
BD40 VSS_059
BD38 VSS_060
B36 VSS_061
H34 VSS_062
D36 VSS_063
K34
AE39 VSS_043
AG39 VSS_044
AH38 VSS_045
AJ39 VSS_046
VSS_047
AL39
AM38 VSS_048
AN39 VSS_049
AR39 VSS_050
AR37 VSS_051
AT38 VSS_052
VSS_053
VSS_032
M38 VSS_033
N39 VSS_034
R39 VSS_035
T38 VSS_036
U39 VSS_037
W39 VSS_038
Y38 VSS_039
AA39 VSS_040
AC39 VSS_041
AD38 VSS_042
VSS_021
AT42 VSS_022
AV42 VSS_023
AY42 VSS_024
BA43 VSS_025
VSS_026
BB42
C39 VSS_027
E39 VSS_028
G37 VSS_029
H38 VSS_030
J39 VSS_031
L39
V42 VSS_011
Y42 VSS_012
AB42 VSS_013
AD42 VSS_014
VSS_015
AF42
AH42 VSS_016
AK42 VSS_017
AM42 VSS_018
AP42 VSS_019
AY44 VSS_020
AV44
ITL_PENRYNSFF_FCBGA_956P
B42 VSS_001
F44 VSS_002
D44 VSS_003
D42 VSS_004
F42 VSS_005
H42 VSS_006
K42 VSS_007
M42 VSS_008
P42 VSS_009
T42 VSS_010
U4-4
http://laptop-motherboard-schematic.blogspot.com/

+V1.05S+VCC_CORE
+V1.05S
U4-5
ITL_PENRYNSFF_FCBGA_956P
INVENTEC
TRADE SECRET AND OTHER PROPTIETARY INFORMATION OF DELL INC. ("DELL") THIS DOCUMENT MAY NOT
NEITHER THIS SHEET NOR THE INFORMATION IT CONTAINS WAY BE USED BY OR DISCLOSED TO ANY THIRD
BE TRANSFERRED OR COPIED WITHOUT THE EXPRESS WRITTEN AUTHORIZATION OF DELL. IN ADDITION,
14-Sep-2009
DELL CONFIDENTIAL/PROPRIETARY
PROPRITARY NOTE: THIS SHEET OF NGINEERING DRAWING AND SPECIFICATIONS CONTAINS CONFIDENTAL
REV
CHANGE by OFSHEET
TITLE
PARTY WITHOUT DELL’S EXPRESS WRITTEN CONSENT.
CODESIZE DOC. NUMBER
C1114
47pF_50V
1
2
Penryn-5
V13TL
CS
A3
4919
1310A22966-0-MTRA01
AV14 VCC_217
VCC_218
AY14
VCC_219
BB14
VCC_220
BD14
VCC_206
AV20
VCC_207
AY20
VCC_208
BB18
VCC_209
BB16
VCC_210
BD18
VCC_211
BD16
VCC_212
BB20
VCC_213
BD20
VCC_214
AM14
VCC_215
AP14
VCC_216
AT14
VCC_196
AK20
VCC_197
AM20
VCC_198
AP20
VCC_199
AT18
VCC_200
AT16
VCC_201
AV18
VCC_202
AV16
VCC_203
AY18
VCC_204
AY16
VCC_205
AT20
AF16 VCC_185
VCC_186
AH18
VCC_187
AH16
VCC_188
AF20
VCC_189
AH20
VCC_190
AK18
VCC_191
AK16
VCC_192
AM18
VCC_193
AM16
VCC_194
AP18
VCC_195
AP16
VCC_174
VCC_175
Y18
VCC_176
Y16
VCC_177
AB18
VCC_178
AB16
VCC_179
AD18
VCC_180
AD16
VCC_181
Y20
VCC_182
AB20
VCC_183
AD20
VCC_184
AF18
M16
VCC_164
K20
VCC_165
M20
VCC_166
P18
VCC_167
P16
VCC_168
T18
VCC_169
T16
VCC_170
V18
VCC_171
V16
VCC_172
P20
VCC_173
T20
V20
F18 VCC_153
VCC_154
F16
VCC_155
H18
VCC_156
H16
VCC_157
D20
VCC_158
F20
VCC_159
H20
VCC_160
K18
VCC_161
K16
VCC_162
M18
VCC_163
VCC_142
VCC_143
AY22
VCC_144
BB24
VCC_145
BB22
VCC_146
BD24
VCC_147
BD22
VCC_148
B16
VCC_149
B18
VCC_150
B20
VCC_151
D16
VCC_152
D18
AH22
VCC_132
AK24
VCC_133
AK22
VCC_134
AM24
VCC_135
AM22
VCC_136
AP24
VCC_137
AP22
VCC_138
AT24
VCC_139
AT22
VCC_140
AV24
VCC_141
AV22
AY24
V22 VCC_121
VCC_122
Y24
VCC_123
Y22
VCC_124
AB24
VCC_125
AB22
VCC_126
AD24
VCC_127
AD22
VCC_128
AF24
VCC_129
AF22
VCC_130
AH24
VCC_131
VCC_110
VCC_111
H22
VCC_112
K24
VCC_113
K22
VCC_114
M24
VCC_115
M22
VCC_116
P24
VCC_117
P22
VCC_118
T24
VCC_119
T22
VCC_120
V24
A33
A13
VCCP_145
VCC_101
BD28
VCC_102
BB26
VCC_103
BD26
VCC_104
B22
VCC_105
B24
VCC_106
D22
VCC_107
D24
VCC_108
F24
VCC_109
F22
H24
AG9
VCCP_134
VCCP_135 AG7
VCCP_136 AJ9
AJ7
VCCP_137 AL9
VCCP_138 AL7
VCCP_139 AN9
VCCP_140 AN7
VCCP_141 AR9
VCCP_142
VCCP_143 AR7
VCCP_144
R7
U9
VCCP_124 U7
VCCP_125
VCCP_126 W9
VCCP_127 W7
VCCP_128 AA9
VCCP_129 AA7
VCCP_130 AC9
VCCP_131 AC7
VCCP_132 AE9
VCCP_133 AE7
AR13
VCCP_113 AR11
AK10
VCCP_114 AP10
VCCP_115 AU13
VCCP_116 AU11
VCCP_117 L9
VCCP_118 L7
VCCP_119 N9
VCCP_120 N7
VCCP_121 R9
VCCP_122
VCCP_123
VCCP_102 AJ13
VCCP_103 AJ11
VCCP_104 AF10
VCCP_105 AK14
VCCP_106 AK12
VCCP_107 AL13
VCCP_108 AL11
VCCP_109 AN13
VCCP_110 AN11
VCCP_111 AP12
VCCP_112
AC13
AC11
VCCP_092 AD14
VCCP_093 AB10
VCCP_094 AE13
VCCP_095 AE11
VCCP_096 AF14
VCCP_097 AF12
VCCP_098 AG13
VCCP_099 AG11
VCCP_100 AH14
VCCP_101
VCCP_080 V12
VCCP_081 W13
VCCP_082 W11
VCCP_083 P10
VCCP_084 V10
VCCP_085 Y14
VCCP_086 AA13
VCCP_087 AA11
VCCP_088 AB14
VCCP_089 AB12
VCCP_090
VCCP_091
N13
VCCP_070 N11
VCCP_071 K10
VCCP_072 P14
VCCP_073 P12
VCCP_074 R13
VCCP_075 R11
VCCP_076 T14
VCCP_077 U13
VCCP_078 U11
VCCP_079 V14
F14
F12
VCCP_060 G13
VCCP_061 H14
VCCP_062 H12
VCCP_063 J13
VCCP_064 K14
VCCP_065 K12
VCCP_066 L13
VCCP_067 L11
VCCP_068 M14
VCCP_069
VCCP_048 AL35
VCCP_049 AN35
VCCP_050 AK36
VCCP_051 AP36
VCCP_052 B12
VCCP_053 B14
VCCP_054 C13
VCCP_055 D12
VCCP_056 D14
VCCP_057 E13
VCCP_058
VCCP_059
VCCP_038 U35
P36
VCCP_039 V36
VCCP_040 W35
VCCP_041 AA35
VCCP_042 AC35
VCCP_043 AB36
VCCP_044 AE35
VCCP_045 AG35
VCCP_046 AJ35
VCCP_047 AF36
E35
E33
VCCP_028 F34
VCCP_029 G35
VCCP_030 F36
VCCP_031 H36
VCCP_032 J35
VCCP_033 L35
VCCP_034 N35
VCCP_035 K36
VCCP_036 R35
VCCP_037
ITL_PENRYNSFF_FCBGA_956P
AF38 VCCP_017
AG37 VCCP_018
AJ37 VCCP_019
AK38 VCCP_020
AL37
VCCP_021 AN37
VCCP_022 AP38
VCCP_023 B32
VCCP_024 C33
VCCP_025 D32
VCCP_026
VCCP_027
BD4
10-,12-,13-,15-,16-,17-,19-,21-,22-,23-,25-,26-,31-,34-,49-
10-,12-,13-,15-,16-,17-,19-,21-,22-,23-,25-,26-,31-,34-,49-12-,17-,49-
U4-6
A25
VSS_385 A23
VSS_386 A21
VSS_387 A19
VSS_388 A17
VSS_389 A11
VSS_390 A15
VSS_391 A7
VSS_392 A5
VSS_393 A9
VSS_394
VSS_395
D2
VSS_375 E1
VSS_376 G1
VSS_377 AW1
VSS_378 BA1
VSS_379 BB2
VSS_380 A41
VSS_381 A39
VSS_382 A29
VSS_383 A27
VSS_384 A31
AC3
AE3
VSS_364 AG3
VSS_365 AJ3
VSS_366 AL3
VSS_367 AN3
VSS_368 AR3
VSS_369 AU3
VSS_370
VSS_371 AW3
BA3
VSS_372
VSS_373 BC3
VSS_374
VSS_353 C3
VSS_354 E3
VSS_355 G3
VSS_356 J3
VSS_357 L3
VSS_358 N3
VSS_359 R3
U3
VSS_360 W3
VSS_361 AA3
VSS_362
VSS_363
AT6
VSS_343 AU9
VSS_344 AV6
VSS_345 AU7
VSS_346 AW9
VSS_347 AY6
VSS_348 BA9
VSS_349 BB6
VSS_350 BC9
VSS_351 BD6
VSS_352 B4
VSS_331
VSS_332 AF6
VSS_333 AH8
VSS_334 AH6
VSS_335 AK8
VSS_336 AK6
VSS_337 AM8
VSS_338 AM6
VSS_339 AP8
VSS_340 AP6
VSS_341 AT8
VSS_342
VSS_321 T6
VSS_322 V8
VSS_323 V6
VSS_324 U5
VSS_325 Y8
VSS_326 Y6
VSS_327 AB8
AB6
VSS_328
VSS_329 AD8
VSS_330 AD6
AF8
E9
VSS_311 F6
VSS_312 G9
VSS_313 H6
VSS_314 K8
VSS_315 K6
VSS_316 M8
VSS_317 M6
P8
VSS_318
VSS_319 P6
VSS_320 T8
VSS_299
VSS_300 AW15
VSS_301 AT10
VSS_302 BA13
VSS_303 BA11
VSS_304 BB12
VSS_305 BC11
VSS_306 BA15
BC15
VSS_307
VSS_308 B6
VSS_309 D6
VSS_310
VSS_289 AM12
VSS_290 AL15
VSS_291 AN15
VSS_292 AR15
VSS_293 AM10
VSS_294 AT12
VSS_295 AV12
AW13
VSS_296
VSS_297 AW11
VSS_298 AY12
AU15
VSS_278
Y12
VSS_279
AD12
VSS_280 AA15
VSS_281 AC15
VSS_282 Y10
VSS_283 AD10
VSS_284 AH12
VSS_285 AE15
AG15
VSS_286
VSS_287 AJ15
VSS_288 AH10
VSS_267
VSS_268
M12
VSS_269
J15
L15 VSS_270
N15 VSS_271
M10 VSS_272
T12 VSS_273
R15 VSS_274
U15 VSS_275
VSS_276
W15
VSS_277
T10
VSS_257
AW19
VSS_258
AW17
VSS_259
BA19
BA17 VSS_260
BC19 VSS_261
BC17 VSS_262
C11 VSS_263
VSS_264
C15
VSS_265
E15
VSS_266
G15
H10
AG17
VSS_247
AJ19
VSS_248
AJ17
VSS_249
AL19
AL17 VSS_250
AN19 VSS_251
AN17 VSS_252
AR19 VSS_253
VSS_254
AR17
VSS_255
AU19
VSS_256
AU17
U19
U17 VSS_236
W19 VSS_237
W17 VSS_238
AA19 VSS_239
AA17 VSS_240
AC19 VSS_241
AC17 VSS_242
AE19 VSS_243
AE17 VSS_244
VSS_245
AG19
VSS_246
G19 VSS_225
G17 VSS_226
J19 VSS_227
J17 VSS_228
L19 VSS_229
L17 VSS_230
N19 VSS_231
VSS_232
N17
R19 VSS_233
R17 VSS_234
VSS_235
VSS_214
BA25 VSS_215
VSS_216
BA23
BA21 VSS_217
BC25 VSS_218
BC23 VSS_219
BC21 VSS_220
C17 VSS_221
C19 VSS_222
E19 VSS_223
E17 VSS_224
AN25
AN23 VSS_204
AN21 VSS_205
AR25 VSS_206
AR23 VSS_207
AR21 VSS_208
AU25 VSS_209
AU23 VSS_210
AU21 VSS_211
AW25 VSS_212
AW23 VSS_213
AW21
AE21 VSS_193
AG25 VSS_194
AG23 VSS_195
AG21 VSS_196
AJ25 VSS_197
AJ23 VSS_198
AJ21 VSS_199
VSS_200
AL25
AL23 VSS_201
AL21 VSS_202
VSS_203
VSS_182
W23 VSS_183
W21 VSS_184
AA25 VSS_185
AA23 VSS_186
AA21 VSS_187
AC25 VSS_188
AC23 VSS_189
AC21 VSS_190
AE25 VSS_191
AE23 VSS_192
L23
L21 VSS_172
N25 VSS_173
N23 VSS_174
N21 VSS_175
R25 VSS_176
R23 VSS_177
R21 VSS_178
U25 VSS_179
U23 VSS_180
U21 VSS_181
W25
G25 VSS_164
G23 VSS_165
G21 VSS_166
J25 VSS_167
VSS_168
J23
J21 VSS_169
L25 VSS_170
VSS_171
http://laptop-motherboard-schematic.blogspot.com/

THRMSCK
THRMSDA
1402_D-
1402_D-
+V3A
FAN_TACH1
+V3S
6019B0643301
CODE
10mil
MB_THERMDA
REVDOC. NUMBER
MB_THERMDC
DELL CONFIDENTIAL/PROPRIETARY
SHEET
CODE
WS2
ES
INVENTEC
TRADE SECRET AND OTHER PROPTIETARY INFORMATION OF DELL INC. ("DELL") THIS DOCUMENT MAY NOT
TITLE
REV
OF
NEITHER THIS SHEET NOR THE INFORMATION IT CONTAINS WAY BE USED BY OR DISCLOSED TO ANY THIRD
SIZESIZE
GND
TITLE
Fan control
TITLE
GND
OF
REV
OF
THERMAL SENSOR
10mil
INVENTEC
CHANGE by
CODE
WS2
INVENTEC
PARTY WITHOUT DELL’S EXPRESS WRITTEN CONSENT.
BE TRANSFERRED OR COPIED WITHOUT THE EXPRESS WRITTEN AUTHORIZATION OF DELL. IN ADDITION,
SIZE
6/10 Change to EMC1412
SHEET
TITLE
CODE
SHEET
DOC. NUMBER
CHANGE by SHEET
DOC. NUMBERDOC. NUMBER
WS2
CHANGE by
10mil
ES
SIZE
ES
SHEET
DOC. NUMBER
INVENTEC
PROPRITARY NOTE: THIS SHEET OF NGINEERING DRAWING AND SPECIFICATIONS CONTAINS CONFIDENTAL
OFOF
10mil
REV
CHANGE by
SIZE CODE
WS2
1310A22966-0-MTR A01
14-Sep-200914-Sep-2009
A011310A22966-0-MTR
20 49
A3 CS
V13TL
THERMAL & FAN CONTROLLER
14-Sep-2009
A011310A22966-0-MTR
20 49
A3 CS
V13TL
THERMAL & FAN CONTROLLER
INVENTEC
TITLE
REV
CHANGE by
THERMAL & FAN CONTROLLER
V13TL
CS
A3
4920
1310A22966-0-MTR A01
14-Sep-2009
THERMAL & FAN CONTROLLER
V13TL
CS
A3
4920
1310A22966-0-MTR A01
14-Sep-2009
THERMAL & FAN CONTROLLER
V13TL
CS
A3
4920
2
2200pF_50v
C1027
1
2
1
2LMBT3904WT1G
Q1013
1
B
3
CE
21-,33-,38-
8-,14-,20-
C1115
100pF_50v_OPEN
2
7-,8-,9-,10-,12-,14-,20-,30-,31-,32-,33-,34-,37-,38-,40-,43-,49-
100K_5%_OPEN
R1005
12
D
1
G
S
2
330_5%_OPEN
R1004
1
B
3
C
E
2
SSM3K7002FU_OPEN
Q1003 3
7-,8-,9-,10-,12-,14-,20-,30-,31-,32-,33-,34-,37-,38-,40-,43-,49-
38-
38-
MMBT3904_OPEN
Q1002
1
R1326
10K_5%
12
C128
1uF_10V
1
2
GND 5
6
GND
7
GND
GND 81 FON
2VIN
VO
3
4VSET
2
9-,10-,12-,13-,15-,16-,21-,22-,26-,28-,30-,31-,32-,33-,34-,37-,38-,40-,42-,46-,47-,49-
U10
GMT_G995P1U_SOP8_8P
2
0.01uF_16v
C1255
1
38-
10K_5%
R1201
1
1
2
38-
9-,33-,34-,38-,39-,40-,45-,46-,49-
3
DP
2
GND 5
SMCLK 8
7
SMDATA
4THERM-ADDR
1VDD
C85
1uF_10V
12
SMSC_EMC1412_1_ACZL_TR_MSOP_8P
U1
6
ALERTDN
1
2
L1019
BLM11A121S
1
2
1uF_10V
C127
12
1uF_10V
C126
12
33-
0_5%_OPEN
R5
33
44G1
GG2
G
0_5%_OPEN
R1332
1
2
CN1002
ACES_91208_00401_4P
11
22
2
S
8-,14-,20-
C1
0.1uF_10V
1
2
Q1
SSM3K7002FU
D
3
G
1
+V3A
THRM_SHUTDWN#
16-,21-,31-
0402_OPEN
C1002
1402_D+
1402_D+
PM_THRM#
PM_THRMTRIP#
PM_ICH_PWROK
THRM_SHUTDWN#
FAN1_DAC0_3
+V5S
http://laptop-motherboard-schematic.blogspot.com/

Disable(default)
Cantiga Strapping:
Lanes Reversed
Enable
Dynamic ODT
WS2
WS2
MCH_CFG10(PCIE loopback)
Disable(default)
DDR2->NC
PEG port
PCIE x1 with
MCH_CFG13(XOR)
10mil
MCH_CFG19(DMI Lane Reversal)
MCH_CFG20 Only SDVO or
Route M_OCDCOMP 0&1 as short as possile
Reverse Lane
20mil
MCH_CFG7(TLS confidentiality)
Enable
Note.
DMI x2
INVENTEC
ES
MCH_CFG9(PCIE Graphic Lane)
Normal Operation
PCIE x1 is
High
Disable(default)
WS2
Dynamic ODT
MCH_CFG6(iTPM Host I/F)
SHEET
operation
TITLE
SIZE
With With no(default)
Enable
10mil
WS2
Intel item 1
DOC. NUMBER
20mil
MCH_CFG16(FSB Dynamic ODT)
REV
Place 150ohm termination resistor
Normal
close to GMCH
CODE
Low
CHANGE by
A011310A22966-0-MTR
21 49
A3 CS
V13TL
CANTIGA-1
14-Sep-2009
Enable
MCH_CFG12(ALLZ)
DDR3->SM_DRAMRST#
MCH_CFG5 DMI x4
Only SDVO or
Disable(default)Enable
OF
Disable
28-
32-
9-
15-
32-
28-
21-
28-
12
21-
33-,38-
9-,10-,12-,13-,15-,16-,20-,22-,26-,28-,30-,31-,32-,33-,34-,37-,38-,40-,42-,46-,47-,49-
28-
0_5%
R1331
TP14
2
21-
21-
21-,28-
32-
12-,33-
C1149
2.2uF_6.3V
1
80.6_1%
R1090
1
2
TP21
32-
33-
13-
TP20
R1049 10K_5%
12
12
32-
TP18
9-,11-,21-,25-,26-,28-,49-
13-
0_5%
R27
0.1uF_10V
C1008 1
2511_1%
R1013
1
2
10-,12-,13-,15-,16-,17-,19-,21-,22-,23-,25-,26-,31-,34-,49-
100_5%
R1122 12
2
2.2uF_6.3V
C1150
1
2
31-
13-
R1089
80.6_1%
1
32-
TP24
20-,33-,38-
31-
TP13
21-
TP17
33-
13-
15-
10-,12-,13-,15-,16-,17-,19-,21-,22-,23-,25-,26-,31-,34-,49-
21-
BA37
SM_DRAMRST#
AY37
SM_PWROK
BL25
SM_RCOMP BK26
SM_RCOMP#
BK32
SM_RCOMP_VOH BL31
SM_RCOMP_VOL
BH20
SM_REXT
BC51
SM_VREF
THERMTRIP#
K28
D10
TSATN
28-
BK18
SA_CS#_0 BK16
SA_CS#_1
BJ17
SA_ODT_0 BJ19
SA_ODT_1
BC33
SB_CK#_0 BB24
SB_CK#_1
BE37
SB_CKE_0 BC37
SB_CKE_1
BA33
SB_CK_0 BA23
SB_CK_1
BE23
SB_CS#_0 BC19
SB_CS#_1
BC17
SB_ODT_0 BE17
SB_ODT_1
B38
SDVO_CTRLCLK A37
SDVO_CTRLDATA
BE19 RSVD23
BF20 RSVD24
BF18 RSVD25
J41 RSVD3
L41 RSVD4
AN11 RSVD5
AM10 RSVD6
AK10 RSVD7
AL11 RSVD8
F12 RSVD9
BA31
SA_CK#_0 BC25
SA_CK#_1
BC35
SA_CKE_0 BE33
SA_CKE_1
BB32
SA_CK_0 BA25
SA_CK_1
PM_EXT_TS#_0
J39
PM_EXT_TS#_1
L39
PM_SYNC#
J35
PWROK
AY39
RSTIN#
BB18
J43 RSVD1
AN45 RSVD10
AP44 RSVD11
AT44 RSVD12
AN47 RSVD13
C27 RSVD14
D30 RSVD15
J9 RSVD17
L43 RSVD2
AW42 RSVD20
BB20 RSVD22
NC_18
BK2
NC_19
BK1
NC_2
A49
NC_20
BH1
NC_21
BE1
NC_22
G1
NC_3
A52
NC_4
A54
NC_5
B54
NC_6
D55
NC_7
G55
NC_8
BE55
NC_9
BH55
R49
PEG_CLK P50
PEG_CLK#
PM_DPRSTP#
F6
G39
GFX_VR_EN
C29
HDA_BCLK B30
HDA_RST# D28
HDA_SDI A27
HDA_SDO B28
HDA_SYNC
K42
ICH_SYNC#
A7 NC_1
NC_10
BK55
NC_11
BK54
NC_12
BL54
NC_13
BL52
NC_14
BL49
NC_15
BL7
NC_16
BL4
NC_17
BL2
AJ47
DMI_TXN_2 AG47
DMI_TXN_3
AF50
DMI_TXP_0 AH50
DMI_TXP_1 AJ45
DMI_TXP_2 AG45
DMI_TXP_3
B42
DPLL_REF_CLK D42
DPLL_REF_CLK# B50
DPLL_REF_SSCLK D50
DPLL_REF_SSCLK#
DPRSLPVR
K36
G33
GFX_VID_0 G37
GFX_VID_1 F38
GFX_VID_2 F36
GFX_VID_3 G35
GFX_VID_4
AK54
CL_DATA AW40
CL_PWROK AL53
CL_RST# AL55
CL_VREF
F34
DDPC_CTRLCLK F32
DDPC_CTRLDATA
DMI_RXN_0 AG55
DMI_RXN_1 AL49
DMI_RXN_2 AH54
DMI_RXN_3 AL47
DMI_RXP_0 AG53
DMI_RXP_1 AK50
DMI_RXP_2 AH52
DMI_RXP_3 AL45
AG49
DMI_TXN_0 AJ49
DMI_TXN_1
CFG_15
K24
CFG_16
C25
CFG_17
L23
CFG_18
L33
CFG_19
K32
CFG_2
G25
CFG_20
K34
CFG_3
J25
CFG_4
L25
CFG_5
L27
CFG_6
F24
CFG_7
D24
CFG_8
D26
CFG_9
J23
C31
CLKREQ#
AK52
CL_CLK
U5-2
ITL_CANTIGA_SFF_FCBGA_1363P
CFG_0
K26
CFG_1
G23
CFG_10
B26
CFG_11
A23
CFG_12
C23
CFG_13
B24
CFG_14
B22
12
21-
15-
21-
15- 9-,28-
1
2
54.9_1%
R1120
15-
32-
R1052
1K_1%
1
2
499_1%R1088 1 2
32-
0.1uF_10V
C1052
TP25
15-
32-
15-
21-,28-
16-,20-,31-
32-
9-,11-,21-,25-,26-,28-,49-
21-
TP23
32-
13-
12
15-
32-
TP29
10K_5%R1047
R84 33_5%_OPEN
12
28-
1
2
TP22
33-
32-
C1050
0.1uF_10V
12
28-
15-
R1014
1K_1%
1
2
100K_5%
R1046
28-
1
2
31-
32-
TP12
21-
3.01K_1%
R1091
32-
33-
TP15
0.01uF_16v
C1152
1
2
15-
28-
2
31-
21-
32-
32-
33-
C1151
0.01uF_16v
1
1
2
21-
12-,16-,31-
28-
13-
R1092
1K_1%
TP16
28-
TP28
TP19
GMCH_SDIN2
+V1.5
+V1.5
PM_ICH_PWROK
31-
M_CLK_DDR#1
M_CKE0
M_CKE1
M_CS#0
M_CS#1
M_ODT0
M_ODT1
DREFSSCLK
DREFCLK
DREFCLK#
GFX_VID_2
CLKREQ#_GMCH
M_CLK_DDR0
M_CLK_DDR1
M_CLK_DDR#0
PM_EXTTS#0
PM_EXTTS#0
CLK_PCIE_3GPLL#
CLK_PCIE_3GPLL
MCH_ICH_SYNC#
GFX_VID_3
GFX_VID_1
GFX_VID_0
DREFSSCLK#
PM_DPRSLPVR
H_DPRSTP#
PM_SYNC#
MCH_BSEL1
MCH_TMS
MCH_TDO
MCH_TDI
MCH_TCK
M_RCOMP_VOL
M_RCOMP_VOH
M_RCOMP#
M_RCOMP
DMI_TXP1
DMI_TXP0
DMI_TXN3
DMI_TXN2
DMI_TXN1
DMI_TXN0
PM_THRMTRIP#
CL_CLK0
CL_RST#0
DMI_RXP3
DMI_RXP2
DMI_RXP1
DMI_RXP0
DMI_TXP3
DMI_TXP2
ALL_SYSPWRGD
MCH_BSEL0
MCH_BSEL2
PLT_RST#
+V3S
PM_EXTTS#0
CL_DATA0
GMCH_SYNC
GMCH_SDOUT
GMCH_RST#
GMCH_BITCLK
M_VREF
TS#_DIMM0_1
TS#_DIMM0_1
TS#_DIMM0_1
SM_PWROK
DDR3_DRAMRST#
GFX_VR_EN
DMI_RXN3
DMI_RXN2
DMI_RXN1
DMI_RXN0
MCH_CLVREF
GFX_VID_4
M_RCOMP#
M_RCOMP
+V1.05S
M_RCOMP_VOH
M_RCOMP_VOL
MCH_CLVREF
+V1.05S
http://laptop-motherboard-schematic.blogspot.com/

PEG_COMP
+V1.05S
CRT_VSYNC_NB
CRT_HSYNC_NB REFSET
+V3S
LVDS_DDCPDATA
LVDS_DDCPCLK
+V3S
L_VBG
30-
INVENTEC
CODE REV
TITLE
DELL CONFIDENTIAL/PROPRIETARY
TRADE SECRET AND OTHER PROPTIETARY INFORMATION OF DELL INC. ("DELL") THIS DOCUMENT MAY NOT
CHANGE by
INVENTEC
OF
NEITHER THIS SHEET NOR THE INFORMATION IT CONTAINS WAY BE USED BY OR DISCLOSED TO ANY THIRD
CODE
CHANGE by
TITLE
REV
When the display is completely white, the RGB voltage is
CODE DOC. NUMBER
As close as possible to GMCH and Minimum
NOTE:
DOC. NUMBER
SHEET
If meet, CRT_IREF resistor value is optimal
spacing of 20 mils away from any toggle signals
SIZE
BE TRANSFERRED OR COPIED WITHOUT THE EXPRESS WRITTEN AUTHORIZATION OF DELL. IN ADDITION,
PARTY WITHOUT DELL’S EXPRESS WRITTEN CONSENT.
between 665mV to 770mV by VESA Spec
OF
PROPRITARY NOTE: THIS SHEET OF NGINEERING DRAWING AND SPECIFICATIONS CONTAINS CONFIDENTAL
SIZE REVDOC. NUMBER
TITLE
SHEET
CANTIGA-2
V13TL
CS
A3
4922
1310A22966-0-MTR A01
14-Sep-2009 SHEET
INVENTEC
SIZE
OFCHANGE by
CANTIGA-2
V13TL
CS
A3
4922
1310A22966-0-MTR A01
14-Sep-2009
CANTIGA-2
V13TL
CS
A3
4922
1310A22966-0-MTR A01
14-Sep-2009
R1051
49.9_1%
12
9-,10-,12-,13-,15-,16-,20-,21-,22-,26-,28-,30-,31-,32-,33-,34-,37-,38-,40-,42-,46-,47-,49- 30-
30-
R1083
1.02K_0.5%
1
2
30-
R26
2.37K_1%
1
2
10-,12-,13-,15-,16-,17-,19-,21-,23-,25-,26-,31-,34-,49-
R1045
12
150_1%
R39
12
0_5%
12
R38 30.1_1%
12
46-
30.1_1%
R37
22-,30-
30-
22-,30-
46-
TP9
R36
12
2.2K_5%
R35
12
150_1%
46-
30-
22-,30-
46-
TP1
TP3
TP2
30-
30-,38-
TP4
1
2
R1048
10K_5%
1
2
46-
30-
10K_5%
R1050
TP7
12
30-
TP8
T50
PEG_TX_7 T52
PEG_TX_8 W47
PEG_TX_9
J27 TVA_DAC
E27 TVB_DAC
G27 TVC_DAC
B34 TV_DCONSEL_0
D34 TV_DCONSEL_1
F26 TV_RTN
75_5%R58
U49
PEG_TX#_7 T54
PEG_TX#_8 Y46
PEG_TX#_9
J47
PEG_TX_0 F54
PEG_TX_1
AA47
PEG_TX_10 W55
PEG_TX_11 Y52
PEG_TX_12 AB50
PEG_TX_13 AE47
PEG_TX_14 AD52
PEG_TX_15
N47
PEG_TX_2 H52
PEG_TX_3 L53
PEG_TX_4 R47
PEG_TX_5 R55
PEG_TX_6
U47
PEG_RX_7 AA49
PEG_RX_8 V54
PEG_RX_9
L47
PEG_TX#_0 F52
PEG_TX#_1
AB46
PEG_TX#_10 W53
PEG_TX#_11 Y54
PEG_TX#_12 AC49
PEG_TX#_13 AF46
PEG_TX#_14 AD54
PEG_TX#_15
P46
PEG_TX#_2 H54
PEG_TX#_3 L55
PEG_TX#_4 T46
PEG_TX#_5 R53
PEG_TX#_6
V46
PEG_RX#_7 Y50
PEG_RX#_8 V52
PEG_RX#_9
E51
PEG_RX_0 F48
PEG_RX_1
V50
PEG_RX_10 AB52
PEG_RX_11 AC47
PEG_RX_12 AC53
PEG_RX_13 AD50
PEG_RX_14 AF52
PEG_RX_15
J55
PEG_RX_2 J49
PEG_RX_3 M54
PEG_RX_4 M50
PEG_RX_5 P52
PEG_RX_6
B36 L_VDD_EN
U45
PEG_COMPI T44
PEG_COMPO
D52
PEG_RX#_0 G49
PEG_RX#_1
W49
PEG_RX#_10 AB54
PEG_RX#_11 AD46
PEG_RX#_12 AC55
PEG_RX#_13 AE49
PEG_RX#_14 AF54
PEG_RX#_15
K54
PEG_RX#_2 H50
PEG_RX#_3 M52
PEG_RX#_4 N49
PEG_RX#_5 P54
PEG_RX#_6
F42 LVDSB_DATA#_2
D48 LVDSB_DATA#_3
D40 LVDSB_DATA_0
C41 LVDSB_DATA_1
G43 LVDSB_DATA_2
B48 LVDSB_DATA_3
F50 LVDS_IBG
H46 LVDS_VBG
P44 LVDS_VREFH
K46 LVDS_VREFL
D38 L_BKLT_CTRL
C37 L_BKLT_EN
K38 L_CTRL_CLK
L37 L_CTRL_DATA
J37 L_DDC_CLK
L35 L_DDC_DATA
D32 CRT_TVO_IREF
G31 CRT_VSYNC
B46 LVDSA_CLK
D46 LVDSA_CLK#
G45 LVDSA_DATA#_0
F46 LVDSA_DATA#_1
G41 LVDSA_DATA#_2
C45 LVDSA_DATA#_3
F44 LVDSA_DATA_0
G47 LVDSA_DATA_1
F40 LVDSA_DATA_2
A45 LVDSA_DATA_3
B44 LVDSB_CLK
D44 LVDSB_CLK#
B40 LVDSB_DATA#_0
A41 LVDSB_DATA#_1
U5-3
J29 CRT_BLUE
D36 CRT_DDC_CLK
C35 CRT_DDC_DATA
G29 CRT_GREEN
J33 CRT_HSYNC
E29 CRT_IRTN
F30 CRT_RED
R59 75_5%
12
30-
46-
46-
ITL_CANTIGA_SFF_FCBGA_1363P
TP5
TP6
1
2
12
R33
100K_1%
R40 150_1%
12
22-,30-
75_5%
R60
C1029
47pF_50V_OPEN
1
2
12
9-,10-,12-,13-,15-,16-,20-,21-,22-,26-,28-,30-,31-,32-,33-,34-,37-,38-,40-,42-,46-,47-,49-
C1031
47pF_50V_OPEN
12
R34 2.2K_5%
TP11
CRT_GREEN
CRT_GREEN
LVDS_TXOUT_L0N
LVDS_TXOUT_L1N
LVDS_TXOUT_L2N
LVDS_TXOUT_L0P
LVDS_TXOUT_L1P
LVDS_TXOUT_L2P
LVDS_TXCLK_LP
LVDS_TXCLK_LN
LVDS_VDDEN
BL_ENA
INV_PWM
LVDS_DDCPCLK
LVDS_DDCPDATA
CRT_DDC_CLK
CRT_RED
CRT_RED
CRT_BLUE
CRT_BLUE
CRT_VSYNC
CRT_HSYNC
CRT_DDC_DATA
http://laptop-motherboard-schematic.blogspot.com/

TRADE SECRET AND OTHER PROPTIETARY INFORMATION OF DELL INC. ("DELL") THIS DOCUMENT MAY NOT
INVENTEC
REVREV
TITLE
CODE
CHANGE by OF
DOC. NUMBER
SIZESIZE REV
SHEET
TITLE
SHEET
INVENTEC
CHANGE by SHEET OF
SIZE
SHEET
NEITHER THIS SHEET NOR THE INFORMATION IT CONTAINS WAY BE USED BY OR DISCLOSED TO ANY THIRD
CODE DOC. NUMBER
OF
BE TRANSFERRED OR COPIED WITHOUT THE EXPRESS WRITTEN AUTHORIZATION OF DELL. IN ADDITION,
DOC. NUMBER
INVENTEC
Trace should be 10-mil wide with 20-mil spacing
CHANGE by
TITLE
INVENTEC
CODE
SHEET
REVCODE
CHANGE by
CS
PROPRITARY NOTE: THIS SHEET OF NGINEERING DRAWING AND SPECIFICATIONS CONTAINS CONFIDENTAL
CODE DOC. NUMBER
PARTY WITHOUT DELL’S EXPRESS WRITTEN CONSENT.
DELL CONFIDENTIAL/PROPRIETARY
INVENTEC
OF
DOC. NUMBER
CHANGE by
REV
OF
TITLE
SIZE
14-Sep-2009
CANTIGA-3
V13TL
CS
A3
4923
1310A22966-0-MTR A01
14-Sep-2009
A011310A22966-0-MTR
23 49
A3 CS
V13TL
CANTIGA-3
TITLE
SIZE
0.1uF_10V
C72 1
2
R57
100_1%
1
2
16-
16-
23-
16-
16-
16-
16-
23-
10-,12-,13-,15-,16-,17-,19-,21-,22-,23-,25-,26-,31-,34-,49-
16-
16-
16-
H_DSTBP#_3 AF2
H_DVREF
K18
H_HIT# C7
H_HITM# F8
H_LOCK# A11
H_RCOMP
D4
H_REQ#_0 J13
H_REQ#_1 L13
H_REQ#_2 C13
H_REQ#_3 G13
H_REQ#_4 G15
H_RS#_0 F4
H_RS#_1 F2
H_RS#_2 G7
H_SWING
B6
H_TRDY# D8
H_D#_9
M10
H_DBSY# D6
H_DEFER# E5
H_DINV#_0 L9
H_DINV#_1 N7
H_DINV#_2 AA7
H_DINV#_3 AG3
H_DPWR# G11
H_DRDY# H2
H_DSTBN#_0 K2
H_DSTBN#_1 N3
H_DSTBN#_2 AA3
H_DSTBN#_3 AF4
H_DSTBP#_0 L3
H_DSTBP#_1 M2
H_DSTBP#_2 Y2
H_D#_51
AD6
H_D#_52
AE3
H_D#_53
AG9
H_D#_54
AG7
H_D#_55
AE11
H_D#_56
AK6
H_D#_57
AF6
H_D#_58
AJ9
H_D#_59
AH6
H_D#_6
K10
H_D#_60
AF12
H_D#_61
AH4
H_D#_62
AJ7
H_D#_63
AE9
H_D#_7
K12
H_D#_8
L1
H_D#_37
AA9
H_D#_38
AB10
H_D#_39
AA1
H_D#_4
H4
H_D#_40
AC3
H_D#_41
AC7
H_D#_42
AD12
H_D#_43
AB4
H_D#_44
Y6
H_D#_45
AD10
H_D#_46
AA11
H_D#_47
AB2
H_D#_48
AD4
H_D#_49
AE7
H_D#_5
G3
H_D#_50
AD2
H_D#_22
N9
H_D#_23
P4
H_D#_24
U9
H_D#_25
V4
H_D#_26
U1
H_D#_27
W3
H_D#_28
V10
H_D#_29
U7
H_D#_3
J3
H_D#_30
W11
H_D#_31
U11
H_D#_32
AC11
H_D#_33
AC9
H_D#_34
Y4
H_D#_35
Y10
H_D#_36
AB6
H_CPUSLP#
G9
H_D#_0
J7
H_D#_1
H6
H_D#_10
M6
H_D#_11
N11
H_D#_12
L7
H_D#_13
K6
H_D#_14
M4
H_D#_15
K4
H_D#_16
P6
H_D#_17
W9
H_D#_18
V6
H_D#_19
V2
H_D#_2
L11
H_D#_20
P10
H_D#_21
W7
H_A#_34 B20
H_A#_35 A19
H_A#_4 B14
H_A#_5 C15
H_A#_6 D12
H_A#_7 F14
H_A#_8 G17
H_A#_9 B12
H_ADS# F10
H_ADSTB#_0 A15
H_ADSTB#_1 C19
H_AVREF
L17
H_BNR# C9
H_BPRI# B8
H_BREQ# C11
H_CPURST#
J11
H_A#_19 J19
H_A#_20 J21
H_A#_21 B18
H_A#_22 D22
H_A#_23 G19
H_A#_24 J17
H_A#_25 L21
H_A#_26 L19
H_A#_27 G21
H_A#_28 D20
H_A#_29 K22
H_A#_3 L15
H_A#_30 F18
H_A#_31 K20
H_A#_32 F20
H_A#_33 F22
U5-1
ITL_CANTIGA_SFF_FCBGA_1363P
HPLL_CLK AH10
HPLL_CLK# AJ11
H_A#_10 J15
H_A#_11 D16
H_A#_12 C17
H_A#_13 D14
H_A#_14 K16
H_A#_15 F16
H_A#_16 B16
H_A#_17 C21
H_A#_18 D18
1K_1%
R1084
1
2
23-
16-
16-
16-
0.1uF_10V
1
2
16-
10-,12-,13-,15-,16-,17-,19-,21-,22-,23-,25-,26-,31-,34-,49-
221_1%
R61
1
2
C1119
12
16-
1
2
R56
24.9_1%
16-
16-
2K_1%
R1121
16-
16-
23-
16-
15-
16-
16-
16-
16-
16-
16-
16-
16-
16-
16-
16-
16-
CLK_MCH_BCLK
H_D#(63:0)
16-
16-
16-
15-
H_REQ#(3)
H_REQ#(4)
H_TRDY#
H_HITM#
H_HIT#
H_BREQ#0
CLK_MCH_BCLK#
H_A#(7)
H_A#(8)
H_A#(9)
H_A#(35)
H_REQ#(0)
H_REQ#(1)
H_REQ#(2)
H_A#(30)
H_A#(31)
H_A#(32)
H_A#(33)
H_A#(4)
H_A#(5)
H_A#(6)
H_A#(25)
H_A#(26)
H_A#(27)
H_A#(28)
H_A#(3)
H_A#(29)
H_A#(18)
H_A#(19)
H_A#(20)
H_A#(21)
H_A#(22)
H_A#(23)
H_A#(24)
H_A#(12)
H_A#(13)
H_A#(14)
H_A#(15)
H_A#(16)
H_A#(17)
H_D#(19)
H_D#(18)
H_D#(17)
H_D#(16)
H_A#(34)
H_ADSTB#1
H_A#(10)
H_A#(11)
H_D#(26)
H_D#(25)
H_D#(24)
H_D#(23)
H_D#(22)
H_D#(21)
H_D#(20)
H_DINV#0
H_D#(31)
H_D#(30)
H_D#(29)
H_D#(28)
H_D#(27)
H_D#(13)
H_D#(14)
H_D#(15)
H_DSTBP#1
H_DSTBP#0
H_DSTBN#1
H_DSTBN#0
H_DINV#1
H_D#(7)
H_D#(8)
H_D#(9)
H_D#(10)
H_D#(11)
H_D#(12)
H_D#(1)
H_D#(2)
H_D#(3)
H_D#(4)
H_D#(5)
H_D#(6)
H_DSTBP#2
H_DSTBN#3
H_DSTBN#2
H_DINV#3
H_DINV#2
H_D#(0)
H_D#(39)
H_D#(38)
H_D#(37)
H_D#(36)
H_D#(35)
H_D#(34)
H_D#(33)
H_D#(32)
H_DSTBP#3
H_D#(46)
H_D#(45)
H_D#(44)
H_D#(43)
H_D#(42)
H_D#(41)
H_D#(40)
H_D#(54)
H_D#(53)
H_D#(52)
H_D#(51)
H_D#(50)
H_D#(49)
H_D#(48)
H_D#(47)
H_D#(62)
H_D#(61)
H_D#(60)
H_D#(59)
H_D#(58)
H_D#(57)
H_D#(56)
H_D#(55)
H_DPWR#
H_LOCK#
H_SWING
H_RCOMP
H_D#(63)
H_BPRI#
H_BNR#
H_ADS#
H_ADSTB#0
H_CPURST#
H_RS#0
H_RS#1
H_RS#2
H_AVREF
H_REQ#(4:0)
H_A#(35:3)
H_RCOMP
+V1.05S
H_SWING
+V1.05S
H_CPUSLP#
H_DBSY#
H_DRDY#
H_DEFER#
http://laptop-motherboard-schematic.blogspot.com/

CHANGE by SHEET OF
TITLE
SIZE CODE
PROPRITARY NOTE: THIS SHEET OF NGINEERING DRAWING AND SPECIFICATIONS CONTAINS CONFIDENTAL
TRADE SECRET AND OTHER PROPTIETARY INFORMATION OF DELL INC. ("DELL") THIS DOCUMENT MAY NOT
BE TRANSFERRED OR COPIED WITHOUT THE EXPRESS WRITTEN AUTHORIZATION OF DELL. IN ADDITION,
A011310A22966-0-MTR
24 49
A3 CS
V13TL
CANTIGA-4-DDR2
14-Sep-2009
NEITHER THIS SHEET NOR THE INFORMATION IT CONTAINS WAY BE USED BY OR DISCLOSED TO ANY THIRD
PARTY WITHOUT DELL’S EXPRESS WRITTEN CONSENT.
DOC. NUMBER REV
DELL CONFIDENTIAL/PROPRIETARY
INVENTEC
28-
28-
SA_MA_7 BH32
SA_MA_8 BB26
SA_MA_9 BF32
SA_RAS# BH22
BL15
SA_WE#
SA_DQ_63
AU7
SA_DQ_7
AP50
SA_DQ_8
AW47
SA_DQ_9
BD50
BC23
SA_MA_0
SA_MA_1 BF22
SA_MA_10 BA21
SA_MA_11 BG25
SA_MA_12 BH34
SA_MA_13 BH18
SA_MA_14 BE25
BE31
SA_MA_2
SA_MA_3 BC31
SA_MA_4 BH26
SA_MA_5 BJ35
SA_MA_6 BB34
SA_DQ_49
BB6
SA_DQ_5
AN49
SA_DQ_50
AW7
SA_DQ_51
AY6
AT10 SA_DQ_52
SA_DQ_53
AW11
SA_DQ_54
AU11
SA_DQ_55
AW9
SA_DQ_56
AR11
SA_DQ_57
AT6
SA_DQ_58
AP6
SA_DQ_59
AL7
SA_DQ_6
AV50
SA_DQ_60
AR7
SA_DQ_61
AT12
SA_DQ_62
AM6
SA_DQ_34
BE15
SA_DQ_35
BF14
SA_DQ_36
BB14
SA_DQ_37
BC15
BE13 SA_DQ_38
SA_DQ_39
BF16
SA_DQ_4
AR45
SA_DQ_40
BF10
SA_DQ_41
BC11
SA_DQ_42
BF8
SA_DQ_43
BG7
SA_DQ_44
BC7
SA_DQ_45
BC9
SA_DQ_46
BD6
SA_DQ_47
BF12
SA_DQ_48
AV6
SA_DQ_2
AT46
SA_DQ_20
BC43
SA_DQ_21
BE49
SA_DQ_22
BA43
BE47 SA_DQ_23
SA_DQ_24
BF42
SA_DQ_25
BC39
SA_DQ_26
BF44
SA_DQ_27
BF40
SA_DQ_28
BB40
SA_DQ_29
BE43
SA_DQ_3
AU49
SA_DQ_30
BF38
SA_DQ_31
BE41
SA_DQ_32
BA15
SA_DQ_33
BE11
SA_DQS_4 BC13
SA_DQS_5 BB10
SA_DQS_6 BA7
SA_DQS_7 AN7
SA_DQ_0
AP46
SA_DQ_1
AU47
AW49 SA_DQ_10
SA_DQ_11
BA49
SA_DQ_12
BC49
SA_DQ_13
AV46
SA_DQ_14
BA47
SA_DQ_15
AY50
SA_DQ_16
BF46
SA_DQ_17
BC47
SA_DQ_18
BF50
SA_DQ_19
BF48
SA_DM_4 BB12
SA_DM_5 BE7
SA_DM_6 AV10
SA_DM_7 AR9
SA_DQS#_0 AR49
SA_DQS#_1 AW45
SA_DQS#_2 BC45
SA_DQS#_3 BA41
SA_DQS#_4 BA13
SA_DQS#_5 BA11
SA_DQS#_6 BA9
SA_DQS#_7 AN9
SA_DQS_0 AR47
SA_DQS_1 BA45
SA_DQS_2 BE45
SA_DQS_3 BC41
U5-4
ITL_CANTIGA_SFF_FCBGA_1363P
SA_BS_0 BC21
SA_BS_1 BJ21
BJ41
SA_BS_2
SA_CAS# BK20
SA_DM_0 AT50
SA_DM_1 BB50
SA_DM_2 BB46
SA_DM_3 BE39
BH24
SB_MA_3 BA17
SB_MA_4 BF36
SB_MA_5 BH36
SB_MA_6 BF34
SB_MA_7 BK34
SB_MA_8 BJ37
SB_MA_9 BH40
SB_RAS# BE21
SB_WE# BK14
AJ1
SB_DQ_6
AT52
SB_DQ_60
AK4
SB_DQ_61
AM4
SB_DQ_62
AH2
SB_DQ_63
AK2
SB_DQ_7
AU53
SB_DQ_8
AW53
SB_DQ_9
AY52
SB_MA_0 BJ15
SB_MA_1 BJ33
SB_MA_10 BH16
SB_MA_11 BK36
SB_MA_12 BH38
SB_MA_13 BJ11
SB_MA_14 BL37
SB_MA_2
BE5
SB_DQ_45
BF2
SB_DQ_46
BB4
SB_DQ_47
AY4
SB_DQ_48
BA1
SB_DQ_49
AP2
SB_DQ_5
AN53
SB_DQ_50
AU1
SB_DQ_51
AT2
SB_DQ_52
AT4
SB_DQ_53
AV4
SB_DQ_54
AU3
SB_DQ_55
AR3
SB_DQ_56
AN1
SB_DQ_57
AP4
SB_DQ_58
AL3
SB_DQ_59
AV54
SB_DQ_30
BK40
SB_DQ_31
BJ39
SB_DQ_32
BK10
SB_DQ_33
BH10
SB_DQ_34
BK6
SB_DQ_35
BH6
SB_DQ_36
BJ9
SB_DQ_37
BL11
SB_DQ_38
BG5
SB_DQ_39
BJ5
SB_DQ_4
AM54
SB_DQ_40
BG3
SB_DQ_41
BF4
SB_DQ_42
BD4
SB_DQ_43
BA3
SB_DQ_44
BC55
SB_DQ_16
BF54
SB_DQ_17
BE51
SB_DQ_18
BH48
SB_DQ_19
BK48
SB_DQ_2
AR55
SB_DQ_20
BE53
SB_DQ_21
BH52
SB_DQ_22
BK46
SB_DQ_23
BJ47
SB_DQ_24
BL45
SB_DQ_25
BJ45
SB_DQ_26
BL41
SB_DQ_27
BH44
SB_DQ_28
BH46
SB_DQ_29
BK44
SB_DQ_3
AN3
SB_DQS_0 AR53
SB_DQS_1 BA53
SB_DQS_2 BH50
SB_DQS_3 BK42
SB_DQS_4 BH8
SB_DQS_5 BB2
SB_DQS_6 AV2
SB_DQS_7 AM2
SB_DQ_0
AP54
SB_DQ_1
AM52
SB_DQ_10
BB52
SB_DQ_11
BC53
SB_DQ_12
AV52
SB_DQ_13
AW55
SB_DQ_14
BD52
SB_DQ_15
BH14
SB_DM_0 AP52
SB_DM_1 AY54
SB_DM_2 BJ49
SB_DM_3 BJ43
SB_DM_4 BH12
SB_DM_5 BD2
SB_DM_6 AY2
SB_DM_7 AJ3
SB_DQS#_0 AT54
SB_DQS#_1 BB54
SB_DQS#_2 BJ51
SB_DQS#_3 BH42
SB_DQS#_4 BK8
SB_DQS#_5 BC3
SB_DQS#_6 AW3
SB_DQS#_7
U5-5
ITL_CANTIGA_SFF_FCBGA_1363P
SB_BS_0 BJ13
SB_BS_1 BK12
SB_BS_2 BK38
SB_CAS#
28-
28-
28-
28-
28-
28-
28-
28-
28-
M_A_DQ(11)
M_A_DQ(10)
M_A_DQ(60)
M_A_DQ(57)
M_A_DQ(19)
M_A_DQ(18)
M_A_DQ(17)
M_A_DQ(16)
M_A_DQ(15)
M_A_DQ(14)
M_A_DQ(13)
M_A_DQ(12)
M_A_DQ(27)
M_A_DQ(26)
M_A_DQ(25)
M_A_DQ(24)
M_A_DQ(23)
M_A_DQ(22)
M_A_DQ(21)
M_A_DQ(20)
M_A_DQ(35)
M_A_DQ(34)
M_A_DQ(33)
M_A_DQ(32)
M_A_DQ(31)
M_A_DQ(30)
M_A_DQ(29)
M_A_DQ(28)
M_A_DQ(43)
M_A_DQ(42)
M_A_DQ(41)
M_A_DQ(40)
M_A_DQ(39)
M_A_DQ(38)
M_A_DQ(37)
M_A_DQ(36)
M_A_DQ(51)
M_A_DQ(50)
M_A_DQ(49)
M_A_DQ(48)
M_A_DQ(47)
M_A_DQ(46)
M_A_DQ(45)
M_A_DQ(44)
M_A_DQ(62)
M_A_DQ(61)
M_A_DQ(58)
M_A_DQ(56)
M_A_DQ(55)
M_A_DQ(54)
M_A_DQ(53)
M_A_DQ(52)
M_A_DQ(9)
M_A_DQ(8)
M_A_DQ(7)
M_A_DQ(59)
M_A_DQ(6)
M_A_DQ(63)
M_A_BS1
M_A_BS2
M_A_DQ(63:0)
M_A_DQ(0)
M_A_DQ(1)
M_A_DQ(2)
M_A_DQ(3)
M_A_DQ(4)
M_A_DQ(5)
M_A_A(9)
M_A_A(14:0)
M_A_DQS(7:0)
M_A_DM(7:0)
M_A_DQS#(7:0)
M_A_RAS#
M_A_WE#
M_A_CAS#
M_A_BS0
M_A_A(14)
M_A_A(2)
M_A_A(3)
M_A_A(4)
M_A_A(5)
M_A_A(6)
M_A_A(7)
M_A_A(8)
M_A_DQS(6)
M_A_DQS(7)
M_A_A(0)
M_A_A(1)
M_A_A(10)
M_A_A(11)
M_A_A(12)
M_A_A(13)
M_A_DQS#(6)
M_A_DQS#(7)
M_A_DQS(0)
M_A_DQS(1)
M_A_DQS(2)
M_A_DQS(3)
M_A_DQS(4)
M_A_DQS(5)
M_A_DM(6)
M_A_DM(7)
M_A_DQS#(0)
M_A_DQS#(1)
M_A_DQS#(2)
M_A_DQS#(3)
M_A_DQS#(4)
M_A_DQS#(5)
M_A_DM(0)
M_A_DM(1)
M_A_DM(2)
M_A_DM(3)
M_A_DM(4)
M_A_DM(5)
http://laptop-motherboard-schematic.blogspot.com/

VCC GEX NCTFVCC GFX
+VGFX_CORE
+VGFX_CORE
+V1.05S
+V1.05S
+VGFX_CORE
+V1.5
+V1.5
TRADE SECRET AND OTHER PROPTIETARY INFORMATION OF DELL INC. ("DELL") THIS DOCUMENT MAY NOT
PLACE ON THE EDGE
INVENTEC
CODE
370 mils from the Edge
DOC. NUMBER
PARTY WITHOUT DELL’S EXPRESS WRITTEN CONSENT.
CHANGE by
TITLE
DELL CONFIDENTIAL/PROPRIETARY
OF
Cavity Capacitors
SHEET
WS2
NEITHER THIS SHEET NOR THE INFORMATION IT CONTAINS WAY BE USED BY OR DISCLOSED TO ANY THIRD
BE TRANSFERRED OR COPIED WITHOUT THE EXPRESS WRITTEN AUTHORIZATION OF DELL. IN ADDITION,
Intel item 6
12
A011310A22966-0-MTR
25 49
A3 CS
V13TL
CANTIGA-5-POWER
14-Sep-2009
Intel item 3
PROPRITARY NOTE: THIS SHEET OF NGINEERING DRAWING AND SPECIFICATIONS CONTAINS CONFIDENTAL
SIZE REV
WS2
Cavity Capacitors
2
C1051 0.1uF_10V
12
0.1uF_10V
C1205
1
12
C73 0.1uF_10V
C1053
1uF_6.3V
1
2
0.1uF_10V
C1144
1
2
C1145
47pF_50V
1
2
C1194
0.1uF_10V
C1148
1
2
9-,11-,21-,25-,26-,28-,49-
12
10-,12-,13-,15-,16-,17-,19-,21-,22-,23-,25-,26-,31-,34-,49-
13-,25-,49-
13-,25-,49-
0.1uF_10V
1
2
0.1uF_10V
C1147
1
2
C60
10uF_6.3V
C1204
0.1uF_10V
1
2
0.22uF_10V
C1191
VCC_SM_LF1 AU45
VCC_SM_LF2 BF52
VCC_SM_LF3 BB38
VCC_SM_LF4 BA19
VCC_SM_LF5 BE9
VCC_SM_LF6 AU9
VCC_SM_LF7 AL9
VSS_AXG_SENSE
AE1313-
VCC_SM_25
BG27
VCC_SM_26
BE27
VCC_SM_27
BC27
VCC_SM_28
BA27
VCC_SM_29
AY27
VCC_SM_3
AW34
VCC_SM_30
AW26
VCC_SM_31
BF24
VCC_SM_32
BL19
VCC_SM_33
BB16
VCC_SM_4
AW32
VCC_SM_5
BK30
VCC_SM_6
BH30
VCC_SM_7
BF30
VCC_SM_8
BD30
VCC_SM_9
BB30
VCC_SM_10
AW30
VCC_SM_11
BL29
VCC_SM_12
BJ29
VCC_SM_13
BG29
VCC_SM_14
BE29
VCC_SM_15
BC29
VCC_SM_16
BA29
VCC_SM_17
AY29
VCC_SM_18
BK28
VCC_SM_19
BH28
VCC_SM_2
BE35
VCC_SM_20
BF28
VCC_SM_21
BD28
VCC_SM_22
BB28
VCC_SM_23
BL27
VCC_SM_24
BJ27
VCC_AXG_NCTF_37 AD18
VCC_AXG_NCTF_38 AC18
VCC_AXG_NCTF_39 AA18
VCC_AXG_NCTF_4 R31
VCC_AXG_NCTF_40 Y18
VCC_AXG_NCTF_41 W18
VCC_AXG_NCTF_42 U18
VCC_AXG_NCTF_43 T18
VCC_AXG_NCTF_44 R18
VCC_AXG_NCTF_5 U29
VCC_AXG_NCTF_6 T29
VCC_AXG_NCTF_7 R29
VCC_AXG_NCTF_8 U28
VCC_AXG_NCTF_9 U27
VCC_AXG_SENSE
AG13
VCC_SM_1
BB36
VCC_AXG_NCTF_22 AM19
VCC_AXG_NCTF_23 AL19
VCC_AXG_NCTF_24 AH19
VCC_AXG_NCTF_25 AG19
VCC_AXG_NCTF_26 AE19
VCC_AXG_NCTF_27 AD19
VCC_AXG_NCTF_28 AC19
VCC_AXG_NCTF_29 W19
VCC_AXG_NCTF_3 T31
VCC_AXG_NCTF_30 U19
VCC_AXG_NCTF_31 AM18
VCC_AXG_NCTF_32 AL18
VCC_AXG_NCTF_33 AJ18
VCC_AXG_NCTF_34 AH18
VCC_AXG_NCTF_35 AG18
VCC_AXG_NCTF_36 AE18
VCC_AXG_80 T15
VCC_AXG_9
AH29
VCC_AXG_NCTF_1 T32
VCC_AXG_NCTF_10 T27
VCC_AXG_NCTF_11 R27
VCC_AXG_NCTF_12 U25
VCC_AXG_NCTF_13 T25
VCC_AXG_NCTF_14 R25
VCC_AXG_NCTF_15 U24
VCC_AXG_NCTF_16 U22
VCC_AXG_NCTF_17 T22
VCC_AXG_NCTF_18 R22
VCC_AXG_NCTF_19 U21
VCC_AXG_NCTF_2 U31
VCC_AXG_NCTF_20 T21
VCC_AXG_NCTF_21 R21
AA16
VCC_AXG_66
VCC_AXG_67 U16
VCC_AXG_68 T16
VCC_AXG_69 R16
VCC_AXG_7
Y31
VCC_AXG_70 AM15
VCC_AXG_71 AL15
AJ15
VCC_AXG_72 AH15
VCC_AXG_73
AG15
VCC_AXG_74
AE15
VCC_AXG_75 AA15
VCC_AXG_76
VCC_AXG_77 Y15
VCC_AXG_78 W15
VCC_AXG_79 U15
W31 VCC_AXG_8
AM21 VCC_AXG_51
AL21 VCC_AXG_52
AJ21 VCC_AXG_53
AH21 VCC_AXG_54
VCC_AXG_55
AD21
VCC_AXG_56
AC21
VCC_AXG_57
AA21
VCC_AXG_58
Y21
VCC_AXG_59
W21
VCC_AXG_6
AA31
VCC_AXG_60
AM16
VCC_AXG_61
AL16
AJ16
VCC_AXG_62 AH16
VCC_AXG_63
AD16
VCC_AXG_64
AC16
VCC_AXG_65
VCC_AXG_37
AD24
VCC_AXG_38
AC24
VCC_AXG_39
AA24
VCC_AXG_4
AD31
VCC_AXG_40
Y24
VCC_AXG_41
W24
VCC_AXG_42
AM22
VCC_AXG_43
AL22
AJ22 VCC_AXG_44
AH22 VCC_AXG_45
AG22 VCC_AXG_46
AE22 VCC_AXG_47
AD22 VCC_AXG_48
AC22 VCC_AXG_49
VCC_AXG_5
AC31
AA22 VCC_AXG_50
VCC_AXG_22
AG27
VCC_AXG_23
AE27
VCC_AXG_24
AD27
VCC_AXG_25
AC27
VCC_AXG_26
AA27
VCC_AXG_27
Y27
VCC_AXG_28
W27
VCC_AXG_29
AH25
VCC_AXG_3
AE31
VCC_AXG_30
AD25
VCC_AXG_31
AC25
VCC_AXG_32
W25
VCC_AXG_33
AJ24
VCC_AXG_34
AH24
VCC_AXG_35
AG24
VCC_AXG_36
AE24
U5-7
ITL_CANTIGA_SFF_FCBGA_1363P
VCC_AXG_1
W32
VCC_AXG_10
AG29
VCC_AXG_11
AE29
VCC_AXG_12
AD29
VCC_AXG_13
AC29
VCC_AXG_14
AA29
VCC_AXG_15
Y29
VCC_AXG_16
W29
VCC_AXG_17
AH28
VCC_AXG_18
AG28
VCC_AXG_19
AE28
VCC_AXG_2
AG31
VCC_AXG_20
AA28
VCC_AXG_21
AH27
C1139
10uF_6.3V
1
2
C1049
0.47uF_16V
1
2
10uF_6.3V
1
2
1
2
C1136 C1134
220uF_2.5V
1
2
1uF_6.3V
C1048
C63
100uF_6.3V_OPEN
1
2
2
10uF_6.3V
C61
1
2
1
2
0.1uF_10V
C1133
11
2
1uF_6.3V
C1128
C1143
0.1uF_10V
12
0.47uF_16V
C1199 C1132
1
2
0.22uF_10V
C1142
1
2
10uF_6.3V
1
2
C95
47pF_50V
1
2
47pF_50V
C1196
1
2
10-,12-,13-,15-,16-,17-,19-,21-,22-,23-,25-,26-,31-,34-,49-
13-
12
13-,25-,49-
9-,11-,21-,25-,26-,28-,49-
0.1uF_10V
C1206
12
R1086 0_5%
1
2
0.1uF_10V
C1146
1
2
C1141
0.22uF_10V
0.22uF_10V
C1207
1
2
220uF_2.5V
C1195
U35
VCC_NCTF_33 AT34
VCC_NCTF_34
AR34
VCC_NCTF_35
U34
VCC_NCTF_36 T34
VCC_NCTF_37
R34
VCC_NCTF_38
AM38
VCC_NCTF_4 AL38
VCC_NCTF_5
AG38
VCC_NCTF_6 AE38
VCC_NCTF_7 AA38
VCC_NCTF_8
Y38
VCC_NCTF_9
AJ37
VCC_NCTF_19
AR38
VCC_NCTF_2
AH37
VCC_NCTF_20 AG37
VCC_NCTF_21
AE37
VCC_NCTF_22
AD37
VCC_NCTF_23 AC37
VCC_NCTF_24
AA37
VCC_NCTF_25
Y37
VCC_NCTF_26 W37
VCC_NCTF_27 U37
VCC_NCTF_28
T37
VCC_NCTF_29
AN38
VCC_NCTF_3
R37
VCC_NCTF_30 AT35
VCC_NCTF_31
AR35
VCC_NCTF_32
AD41 VCC_6
AM24 VCC_60
N36 VCC_61
AC41 VCC_7
Y41 VCC_8
W41 VCC_9
AT38
VCC_NCTF_1
W38
VCC_NCTF_10 U38
VCC_NCTF_11
T38
VCC_NCTF_12
R38
VCC_NCTF_13 AT37
VCC_NCTF_14
AR37
VCC_NCTF_15
AN37
VCC_NCTF_16 AM37
VCC_NCTF_17 AL37
VCC_NCTF_18
VCC_45
AA32
VCC_46
AM31
VCC_47
AL31
VCC_48
AJ31
VCC_49
AH31
AH41 VCC_5
VCC_50
AM29
VCC_51
AL29
VCC_52
AM28
VCC_53
AL28
VCC_54
AJ28
VCC_55
AM27
VCC_56
AL27
VCC_57
AM25
VCC_58
AL25
AJ25 VCC_59
AJ34 VCC_30
AH34 VCC_31
AG34 VCC_32
AE34 VCC_33
AD34 VCC_34
AC34 VCC_35
VCC_36
AA34
VCC_37
Y34
VCC_38
W34
VCC_39
AM32
AJ41 VCC_4
VCC_40
AL32
VCC_41
AJ32
VCC_42
AH32
VCC_43
AE32
VCC_44
AD32
AE40 VCC_16
AD40 VCC_17
AC40 VCC_18
AA40 VCC_19
AR41 VCC_2
Y40 VCC_20
AN35 VCC_21
AM35 VCC_22
AJ35 VCC_23
AH35 VCC_24
AD35 VCC_25
AC35 VCC_26
W35 VCC_27
AM34 VCC_28
AL34 VCC_29
AN41 VCC_3
ITL_CANTIGA_SFF_FCBGA_1363P
U5-6
AT41 VCC_1
AT40 VCC_10
AM40 VCC_11
AL40 VCC_12
AJ40 VCC_13
AH40 VCC_14
AG40 VCC_15
VSS_AXG_SENSE
VCC_AXG_SENSE
http://laptop-motherboard-schematic.blogspot.com/

D TV / CRT
FB
1117 Vref=1.250V, Iadj=55uA
0603
20 mil
DOC. NUMBER
(120mA)
Vout= Vref (1+R2/R1) + Iadj x R2
CODE
20 mil
R2
R2 = R1 (Vout / Vref-1)
GND
R1
30 mil
30 mil
BE TRANSFERRED OR COPIED WITHOUT THE EXPRESS WRITTEN AUTHORIZATION OF DELL. IN ADDITION,
(45mA)
Caps used in 1.5VDDM_TVDAC
0.1uF caps in 1.5VDDM_xPLL
ES
(24mA)
WS2
REV
CHANGE by
need to be located as edge caps
0603
TITLE
(45mA)
3VDDM_TVDAC should
Place on the Edge
(40mA)
30 mil
INVENTEC
WS2
WS2
10 mil
be within 250mils of edge
10 mil
(40mA)
20 mil
NEITHER THIS SHEET NOR THE INFORMATION IT CONTAINS WAY BE USED BY OR DISCLOSED TO ANY THIRD
DELL CONFIDENTIAL/PROPRIETARY
10 mil
10 mil
10 mil
PROPRITARY NOTE: THIS SHEET OF NGINEERING DRAWING AND SPECIFICATIONS CONTAINS CONFIDENTAL
and 1.5VDDM_QTVDAC should
SHEET
14-Sep-2009
A011310A22966-0-MTR
26 49
A3 CS
V13TL
CANTIGA-6
PARTY WITHOUT DELL’S EXPRESS WRITTEN CONSENT.
TRADE SECRET AND OTHER PROPTIETARY INFORMATION OF DELL INC. ("DELL") THIS DOCUMENT MAY NOT
be within 250 mils of edge
Vout
20 mil
within 200mils
SIZE
OF
C1202
4.7uF_6.3V
1
2
26-
2.2uF_6.3V
C1190
1
2
26-
L1010
BLM18PG181SN1J
12
26-
BLM11A121S
L4 12
VTT_1 R13
VTT_10 T4
VTT_11 R3
VTT_12 T2
VTT_13 R1
VTT_2 T12
VTT_3 R11
VTT_4 T10
VTT_5 R9
VTT_6 T8
VTT_7 R7
VTT_8 T6
VTT_9 R5
VCC_HV_2 A33
VCC_PEG_1 AB44
VCC_PEG_2 Y44
VCC_PEG_3 AC43
VCC_PEG_4 AA43
VCC_QDAC N34
VCC_SM_CK_1 BK24
VCC_SM_CK_2 BL23
VCC_SM_CK_3 BJ23
VCC_SM_CK_4 BK22
VCC_TX_LVDS T41
VSSA_DAC_BG
M33
VSSA_LVDS
V44
VTTLF1 K14
VTTLF2 Y12
VTTLF3 P2
VCCA_SM_NCTF_8
AR19
VCCA_SM_NCTF_9
AT18
K30
VCCA_TV_DAC
VCCD_HPLL
AH12
VCCD_LVDS_1
M46
VCCD_LVDS_2
L45
VCCD_PEG_PLL
AE43
N32
VCCD_TVDAC
VCC_AXF_1 M25
VCC_AXF_2 N24
VCC_AXF_3 M23
VCC_DMI_1 AM44
VCC_DMI_2 AN43
VCC_DMI_3 AL43
A31
VCC_HDA
VCC_HV_1 C33
VCCA_SM_CK_NCTF_1
AT31
VCCA_SM_CK_NCTF_2
AR31
VCCA_SM_CK_NCTF_3
AT29
VCCA_SM_CK_NCTF_4
AR29
VCCA_SM_CK_NCTF_5
AT28
VCCA_SM_CK_NCTF_6
AR28
VCCA_SM_CK_NCTF_7
AT27
VCCA_SM_CK_NCTF_8
AR27
VCCA_SM_NCTF_1
AT24
AR18 VCCA_SM_NCTF_10
AR24 VCCA_SM_NCTF_2
AT22 VCCA_SM_NCTF_3
AR22 VCCA_SM_NCTF_4
VCCA_SM_NCTF_5
AT21
AR21 VCCA_SM_NCTF_6
VCCA_SM_NCTF_7
AT19
VCCA_SM_14
AU15
VCCA_SM_15
AT15
VCCA_SM_16
AR15
AW14 VCCA_SM_17
VCCA_SM_2
AU24
VCCA_SM_3
AW22
VCCA_SM_4
AU22
VCCA_SM_5
AU21
VCCA_SM_6
AW20
VCCA_SM_7
AU19
VCCA_SM_8
AW18
VCCA_SM_9
AU18
AU31 VCCA_SM_CK_1
AU29 VCCA_SM_CK_2
VCCA_SM_CK_3
AU28 VCCA_SM_CK_4
AU27
ITL_CANTIGA_SFF_FCBGA_1363P
VCCA_CRT_DAC
J31
VCCA_DAC_BG
L31
VCCA_DPLLA
J45
VCCA_DPLLB
L49
VCCA_HPLL
AF10
VCCA_LVDS1
U43
U41 VCCA_LVDS2
VCCA_MPLL
AE1
VCCA_PEG_BG
AJ43
VCCA_PEG_PLL
AG43
VCCA_SM_1
AW24
AW16 VCCA_SM_10
AU16 VCCA_SM_11
AT16 VCCA_SM_12
AR16 VCCA_SM_13
1
2
10-,12-,13-,15-,16-,17-,19-,21-,22-,23-,25-,26-,31-,34-,49-
U5-8
12
C1046
10uF_6.3V
2
26-
26-
L1012
KC_FBM_11_160808_101_T_2P
2
9-,10-,12-,13-,15-,16-,20-,21-,22-,26-,28-,30-,31-,32-,33-,34-,37-,38-,40-,42-,46-,47-,49-
L1009
BLM18PG181SN1J
1
1
2
C1039
0.1uF_10V
1
12
1uF_6.3V
C1038
1
2
1uF_6.3V
C1032
0.01uF_16V
C1127
1
2
10uF_6.3V_OPEN
C1116
C1123
0.01uF_16V
1
2
9-,10-,12-,13-,15-,16-,20-,21-,22-,26-,28-,30-,31-,32-,33-,34-,37-,38-,40-,42-,46-,47-,49-
1
2
10-,26-
0.1uF_10V
C1030
1
2
10uF_6.3V
C1043
1
2
10-,26-
0.1uF_10V
C1203
1
2
C1193
0.47uF_16V
R1082
10_5%
12
0.1uF_10V
C1044
1
2
0.01uF_16V
C1120
1
2
KC_FBM_11_160808_101_T_2P
L1005
12
1
2
9-,10-,12-,13-,15-,16-,20-,21-,22-,26-,28-,30-,31-,32-,33-,34-,37-,38-,40-,42-,46-,47-,49-
26-
10-,12-,13-,15-,16-,17-,19-,21-,22-,23-,25-,26-,31-,34-,49-
C1028
10uF_6.3V
1
2
10uF_6.3V
C1034
C1192
1
2
26-
C1040
1
2
26-
4.7uF_6.3V
C34
1000pF_50V
1
2
0.1uF_10V
1
2
26-
0.1uF_10V
1
2
C1200
0.1uF_10V
1
2
C1131
C64
10uF_6.3V
1
2
10uF_6.3V
C1135
C94
0.47uF_16V
1
2
26-
1
2
26-
2
26-
C1033
0.1uF_10V
1
2
C1117
0.1uF_10V
1
R1081
0_5%
12
0.1uF_10V
C62
1
2
1
2
10-,12-,13-,15-,16-,17-,19-,21-,22-,23-,25-,26-,31-,34-,49-
C1129
0.01uF_16V
0.1uF_10V
C1125
1
2
4.7uF_6.3V
C1138
12
12
L7
KC_FBM_11_160808_101_T_2P
C1035
1000pF_50V
1
2
R1336
0_5%
C1041
10uF_6.3V
1
2
0_5%
R1085
12
0.1uF_10V
C1122
1
2
9-,11-,21-,25-,28-,49-
4.7uF_6.3V
1
2
11-,17-,26-,31-,32-,34-,37-,40-
10-,12-,13-,15-,16-,17-,19-,21-,22-,23-,25-,26-,31-,34-,49-
10-,12-,13-,15-,16-,17-,19-,21-,22-,23-,25-,26-,31-,34-,49-
C1137
26-
1uF_6.3V
C1124 1
2
2
10uF_6.3V
C1198
1
2
C1130
1
2
KC_FBM_11_160808_101_T_2P
L1013
1
1
2
10-,12-,13-,15-,16-,17-,19-,21-,22-,23-,25-,26-,31-,34-,49-
0.1uF_10V
10uF_6.3V
1
2
10-,12-,13-,15-,16-,17-,19-,21-,22-,23-,25-,26-,31-,34-,49-
100uF_6.3V_OPEN
C1189
C1042
1
2
C1047
12
26-
0.1uF_10V
0.1uF_10V
1
2
KC_FBM_11_160808_101_T_2P
L1007
4.7uF_6.3V
1
2
C1045
1
2
C1140
C1188
0.47uF_16V
1
2
C1201
0.1uF_10V
1
2
26-
1
2
C1126
0.1uF_10V
1
2
26-
10uF_6.3V
C1037
12
26-
0.01uF_16V
C1121
1
2
26-
L1006
KC_FBM_11_160808_101_T_2P
21
0.47uF_16V
C1197
26-
10-,12-,13-,15-,16-,17-,19-,21-,22-,23-,25-,26-,31-,34-,49-
D1013 1SS355PT
2
R1087
100_1%
12
26-
26-
C35
10uF_6.3V_OPEN
1
C1036
100uF_6.3V_OPEN
1
2
11-,17-,26-,31-,32-,34-,37-,40-
+V1.5S_QDAC
+V1.5S_TVDAC
+V1.5S_QDAC
VCCS_TVDACA
VCCS_TVDACA
+V1.5S_TVDAC
+V1.5
+V1.8S
+V1.05S
+V1.05S
+V1.05S
+V1.05S
+V3S_HV
+V3S
+V1.8_TXLVDS
+V3S
+V1.05S_DPLLB
+V1.5S
VTTLF_CAP1
+V1.05S_PEGPLL
+V1.05S
+V1.5S
+V1.05S_PEGPLL
+V1.05S_MPLL
+V1.05S_HPLL
+V1.05S
+V1.05S
+V3S_HV
+V1.8S+V1.8_TXLVDS
+V1.05S
VTTLF_CAP2
VTTLF_CAP3
+V3S
+V1.05S_DPLLA
+V1.05S_DPLLB
+V1.05S_HPLL
+V1.05S_MPLL
+V1.05S_PEGPLL
+V1.05S_DPLLA
http://laptop-motherboard-schematic.blogspot.com/

PARTY WITHOUT DELL’S EXPRESS WRITTEN CONSENT.
INVENTEC
REV
CHANGE by OF
CODE
SHEET
PROPRITARY NOTE: THIS SHEET OF NGINEERING DRAWING AND SPECIFICATIONS CONTAINS CONFIDENTAL
DELL CONFIDENTIAL/PROPRIETARY
NEITHER THIS SHEET NOR THE INFORMATION IT CONTAINS WAY BE USED BY OR DISCLOSED TO ANY THIRD
DOC. NUMBER
TRADE SECRET AND OTHER PROPTIETARY INFORMATION OF DELL INC. ("DELL") THIS DOCUMENT MAY NOT
TITLE
BE TRANSFERRED OR COPIED WITHOUT THE EXPRESS WRITTEN AUTHORIZATION OF DELL. IN ADDITION,
VSS_SCB_1 BL1
VSS_SCB_2 A55
VSS_SCB_3 D1
VSS_SCB_4 B55
VSS_SCB_5 B2
VSS_SCB_6 A4
VSS_SCB_7
14-Sep-2009
A011310A22966-0-MTR
27 49
A3 CS
V13TL
CANTIGA-POWER
SIZE
VSS_NCTF_16
VSS_NCTF_17 AN19
VSS_NCTF_18 AJ19
VSS_NCTF_19 AA19
AH38
VSS_NCTF_2
VSS_NCTF_20 Y19
VSS_NCTF_21 T19
VSS_NCTF_22 R19
VSS_NCTF_23 AN18
AD38
VSS_NCTF_3 AC38
VSS_NCTF_4
T35
VSS_NCTF_5 R35
VSS_NCTF_6 AT32
VSS_NCTF_7 AR32
VSS_NCTF_8 U32
VSS_NCTF_9
BL55
VSS_354 N14
VSS_355 AL13
VSS_356 B10
VSS_357 AN13
VSS_358
VSS_359 N42
VSS_360 N40
VSS_361 N38
M39
VSS_362
AJ38
VSS_NCTF_1
R32
VSS_NCTF_10 T28
VSS_NCTF_11 R28
VSS_NCTF_12 AT25
VSS_NCTF_13 AR25
VSS_NCTF_14 T24
VSS_NCTF_15 R24
VSS_338 AW1
VSS_339 AR1
VSS_340 AL1
VSS_341 AG1
VSS_342 AC1
VSS_343 W1
VSS_344 N1
VSS_345 J1
VSS_346
AU43
VSS_347 BB42
VSS_348 AW38
VSS_349
BA35
VSS_350 L29
VSS_351
VSS_352 N28
VSS_353 N22
N20
VSS_322 AG5
VSS_323 AE5
VSS_324 AC5
VSS_325 AA5
VSS_326 W5
VSS_327 U5
VSS_328
VSS_329 N5
L5
VSS_330 J5
VSS_331 G5
VSS_332 C5
VSS_333 BH4
VSS_334 BE3
VSS_335 U3
VSS_336 E3
VSS_337 BC1
VSS_306 V8
VSS_307 P8
VSS_308 M8
VSS_309
K8
VSS_310 H8
VSS_311 BJ7
VSS_312 E7
VSS_313 BF6
VSS_314 BC5
VSS_315 BA5
VSS_316 AW5
VSS_317 AU5
VSS_318 AR5
VSS_319 AN5
VSS_320 AL5
VSS_321 AJ5
VSS_290
BG9 VSS_291
E9 VSS_292
A9 VSS_293
BD8 VSS_294
BB8 VSS_295
AY8 VSS_296
VSS_297
AV8
VSS_298
AT8
VSS_299
AP8
AM8
VSS_300 AK8
VSS_301 AH8
VSS_302 AF8
VSS_303 AD8
VSS_304 AB8
VSS_305 Y8
BD12
AV12 VSS_275
AP12 VSS_276
AM12 VSS_277
AK12 VSS_278
AB12 VSS_279
V12 VSS_280
P12 VSS_281
H12 VSS_282
BG11 VSS_283
AG11 VSS_284
E11 VSS_285
BD10 VSS_286
AY10 VSS_287
AP10 VSS_288
H10 VSS_289
BL9
VSS_258
BD14 VSS_259
H14 VSS_260
BL13 VSS_261
BG13 VSS_262
AY13 VSS_263
AU13 VSS_264
AR13 VSS_265
AJ13 VSS_266
AC13 VSS_267
AA13 VSS_268
W13 VSS_269
U13 VSS_270
M13 VSS_271
E13 VSS_272
A13 VSS_273
VSS_274
VSS_242
BD16 VSS_243
AN16 VSS_244
AG16 VSS_245
AE16 VSS_246
Y16 VSS_247
W16 VSS_248
N16 VSS_249
H16 VSS_250
BG15 VSS_251
AY15 VSS_252
VSS_253
AN15
VSS_254
AD15
AC15 VSS_255
R15 VSS_256
M15 VSS_257
E15
VSS_226
A21 VSS_227
BD20 VSS_228
H20 VSS_229
BG19 VSS_230
AY19 VSS_231
M19 VSS_232
E19 VSS_233
VSS_234
BD18
N18 VSS_235
H18 VSS_236
BL17 VSS_237
BG17 VSS_238
AY17 VSS_239
M17 VSS_240
E17 VSS_241
A17
VSS_210
AY23 VSS_211
E23 VSS_212
BD22 VSS_213
BB22 VSS_214
AN22 VSS_215
Y22 VSS_216
W22 VSS_217
H22 VSS_218
BL21 VSS_219
BG21 VSS_220
AY21 VSS_221
AN21 VSS_222
AG21 VSS_223
AE21 VSS_224
M21 VSS_225
E21
ITL_CANTIGA_SFF_FCBGA_1363P
U5-10
AN25 VSS_199
AG25 VSS_200
AE25 VSS_201
AA25 VSS_202
Y25 VSS_203
E25 VSS_204
A25 VSS_205
BD24 VSS_206
AN24 VSS_207
AL24 VSS_208
H24 VSS_209
BG23
VSS_9
BD54
VSS_90
K44
VSS_91
H44
VSS_92
BL43
VSS_93
BG43
VSS_94
AY43
VSS_95
AR43
VSS_96
W43
VSS_97
R43
VSS_98
M43
VSS_99
E43
VSS_75
BG45
VSS_76
AE45
VSS_77
AC45
VSS_78
AA45
VSS_79
W45
VSS_8
N55
VSS_80
R45
VSS_81
N45
VSS_82
E45
VSS_83
BD44
VSS_84
BB44
VSS_85
AV44
VSS_86
AK44
VSS_87
AH44
VSS_88
AF44
VSS_89
AD44
VSS_60
T48
VSS_61
P48
VSS_62
M48
VSS_63
K48
VSS_64
H48
VSS_65
BL47
VSS_66
BG47
VSS_67
E47
VSS_68
C47
VSS_69
A47
VSS_7
U55
VSS_70
BD46
VSS_71
AY46
VSS_72
AM46
VSS_73
AK46
VSS_74
AH46
VSS_46
BD48
VSS_47
BB48
VSS_48
AY48
VSS_49
AV48
VSS_5
AE55
VSS_50
AT48
VSS_51
AP48
VSS_52
AM48
VSS_53
AK48
VSS_54
AH48
VSS_55
AF48
VSS_56
AD48
VSS_57
AB48
VSS_58
Y48
VSS_59
V48
VSS_6
AA55
VSS_31
AA51
VSS_32
W51
VSS_33
U51
VSS_34
R51
VSS_35
N51
VSS_36
L51
VSS_37
J51
VSS_38
G51
VSS_39
C51
VSS_4
AJ55
VSS_40
BK50
VSS_41
AM50
VSS_42
K50
VSS_43
BG49
VSS_44
E49
VSS_45
C49
VSS_196 BJ25
VSS_197 AY25
VSS_198 AU25
VSS_2
AU55
VSS_20
BG51
VSS_21
BA51
VSS_22
AW51
VSS_23
AU51
VSS_24
AR51
VSS_25
AN51
VSS_26
AL51
VSS_27
AJ51
VSS_28
AG51
VSS_29
AE51
VSS_3
AN55
VSS_30
AC51
VSS_181 AW28
VSS_182 AN28
VSS_183 AD28
VSS_184 AC28
VSS_185 Y28
VSS_186 W28
VSS_187 H28
VSS_188 F28
VSS_189 AN27
VSS_19
K52
VSS_190 AJ27
VSS_191 M27
VSS_192 BF26
VSS_193 BD26
VSS_194 N26
VSS_195 H26
VSS_167 H32
VSS_168 B32
VSS_169 BJ31
VSS_17
G53
VSS_170 BG31
VSS_171 AY31
VSS_172 AN31
VSS_173 M31
VSS_174 E31
VSS_175 N30
VSS_176 H30
VSS_177 AN29
VSS_178 AJ29
VSS_179 M29
VSS_18
E53
VSS_180 A29
VSS_152 A35
VSS_153 BD34
VSS_154 AU34
VSS_155 AN34
VSS_156 H34
VSS_157 BL33
VSS_158 BG33
VSS_159 AY33
VSS_16
J53
VSS_160 E33
VSS_161 BD32
VSS_162 AU32
VSS_163 AN32
VSS_164 AG32
VSS_165 AC32
VSS_166 Y32
VSS_138 BD36
VSS_139 AW36
VSS_14
U53
VSS_140 H36
VSS_141 BL35
VSS_142 BG35
VSS_143 AY35
VSS_144 AU35
VSS_145 AL35
VSS_146 AG35
VSS_147 AE35
VSS_148 AA35
VSS_149 Y35
VSS_15
N53
VSS_150 M35
VSS_151 E35
VSS_123 K40
VSS_124 H40
VSS_125 BL39
VSS_126 BG39
VSS_127 BA39
VSS_128 E39
VSS_129 C39
VSS_13
AA53
VSS_130 A39
VSS_131 BD38
VSS_132 AU38
VSS_133 H38
VSS_134 BG37
VSS_135 AU37
VSS_136 M37
VSS_137 E37
VSS_109 AG41
VSS_11
AJ53 VSS_110 AE41
VSS_111 AA41
VSS_112 R41
VSS_113 M41
VSS_114 E41
VSS_115 BD40
VSS_116 AU40
VSS_117 AR40
VSS_118 AN40
VSS_119 W40
VSS_12
AE53
VSS_120 U40
VSS_121 T40
VSS_122 R40
U5-9
ITL_CANTIGA_SFF_FCBGA_1363P
VSS_1
BA55
VSS_10
BG53
VSS_100 C43
VSS_101 A43
VSS_102 BD42
VSS_103 H42
VSS_104 BG41
VSS_105 AY41
VSS_106 AU41
VSS_107 AM41
VSS_108 AL41
http://laptop-motherboard-schematic.blogspot.com/

TITLE
INVENTECINVENTEC
OF
WS2
NEITHER THIS SHEET NOR THE INFORMATION IT CONTAINS WAY BE USED BY OR DISCLOSED TO ANY THIRD
SO-DIMM
Other signal
P/N: 6026B0164601
CHANGE by
20mil
SHEET
160mil
SO-DIMM1
OF
TITLE
CHANGE byCHANGE by
SIZE DOC. NUMBERSIZE
SHEET
REV
20mil
CODE
TRADE SECRET AND OTHER PROPTIETARY INFORMATION OF DELL INC. ("DELL") THIS DOCUMENT MAY NOT
DOC. NUMBER
PROPRITARY NOTE: THIS SHEET OF NGINEERING DRAWING AND SPECIFICATIONS CONTAINS CONFIDENTAL
DOC. NUMBER
SHEET
PARTY WITHOUT DELL’S EXPRESS WRITTEN CONSENT.
SIZE REV
TITLE
CODE
BE TRANSFERRED OR COPIED WITHOUT THE EXPRESS WRITTEN AUTHORIZATION OF DELL. IN ADDITION,
DELL CONFIDENTIAL/PROPRIETARY
20mil
Place these 2.2uF caps near
M_VREF
DELL CONFIDENTIAL/PROPRIETARY
REV
WS2
A3
4928
1310A22966-0-MTRA01
14-Sep-2009
Place these 0.1uF caps near
SO-DIMM0 pin79~pin115 area
Other signal
20mil
OF
INVENTEC
CODE
WS2 ->DDR3
24-
DDR2 SODIMM
V13TL
CS
0_5%_OPEN
R1323
1
2
2.2uF_6.3v
C1372
1
2
TP107
1uF_6.3V
C1376
1
2
21-
15-,33-,37-,40-,47-
2.2uF_6.3v
1
2
24-
21-
C1370
1
2
24-
9-
9-,11-,21-,25-,26-,28-,49-
0.1uF_10V
C1369
24-
C1383
2.2uF_6.3v
1
2
R1319
0_5%
1
2
24-
2.2uF_6.3v
1
2
TP115
TP114
24-
21-
C1385
R1324
0_5%_OPEN
1
2
9-,21-,28-
24-
21-
TP112
1
2
9-,10-,12-,13-,15-,16-,20-,21-,22-,26-,28-,30-,31-,32-,33-,34-,37-,38-,40-,42-,46-,47-,49-
2
9-,11-,21-,25-,26-,28-,49-
C1379
0.1uF_10V
1uF_6.3V
C1374
1
TP108
RAS#
S0#
114
121 S1#
SA0
197
SA1
201
202 SCL
SDA
200
113 WE#
21-
DQS0
12
29 DQS1
47 DQS2
DQS3
64
DQS4
137
154 DQS5
171 DQS6
DQS7
188
ODT0
116
120 ODT1
110
DQ7 21
DQ8
DQ9 23
10 DQS#0
DQS#1
27
DQS#2
45
62 DQS#3
135 DQS#4
DQS#5
152
DQS#6
169
186 DQS#7
174
176
DQ55 181
DQ56
DQ57 183
DQ58 191
193
DQ59
DQ6 16
DQ60 180
182
DQ61 192
DQ62
DQ63 194
18
148
DQ45 158
DQ46
DQ47 160
DQ48 163
165
DQ49
DQ5 6
175
DQ50
DQ51 177
164
DQ52
DQ53 166
DQ54
143
130
DQ36
DQ37 132
DQ38 140
142
DQ39
4
DQ4
147
DQ40
DQ41 149
DQ42 157
159
DQ43
DQ44 146
59
DQ26 67
69
DQ27
DQ28 56
58
DQ29
DQ3 17
68
DQ30
DQ31 70
DQ32 129
131
DQ33 141
DQ34
DQ35
DQ16 39
41
DQ17 51
DQ18
DQ19 53
15
DQ2
40
DQ20
DQ21 42
DQ22 50
52
DQ23 57
DQ24
DQ25
153
DM6
170
187 DM7
DQ0 5
7
DQ1
DQ10 33
35
DQ11
DQ12 22
24
DQ13 34
DQ14
DQ15 36
CK0
CK0#
103
CK1
102
104 CK1#
73 CKE0
CKE1
74
11 DM0
DM1
28
DM2
46
63 DM3
136 DM4
DM5
A4
92
91 A5
90 A6
A7
86
A8
89
85 A9
109 BA0
BA1
108
79 BA2
CAS#
115
101
A0
98
97 A1
107 A10_AP
A11
84
A12
83
119 A13
80 A14
A15
78
96 A2
A3
95
CN2-1
BELLW_80011_1021_204P
VSS50 190
195
VSS51
VSS52 196
VSS6
14
VSS7
19
20 VSS8
25 VSS9 VTT1 203
204
VTT2
21-
21-
162
167
VSS41 168
VSS42
VSS43 172
173
VSS44
VSS45 178
VSS46 179
184
VSS47 185
VSS48
VSS49 189
13 VSS5
134
138
VSS31 139
VSS32
VSS33 144
VSS34 145
150
VSS35
VSS36 151
155
VSS37 156
VSS38
VSS39 161
9VSS4
VSS40
60
VSS21 61
VSS22
VSS23 65
VSS24 66
71
VSS25 72
VSS26
VSS27 127
128
VSS28
VSS29 133
VSS3
8
VSS30
31
32 VSS12
37 VSS13
VSS14
38
43 VSS15
44
VSS16
VSS17 48
VSS18 49
54
VSS19
VSS2
3
VSS20 55
82
VDD5
87
88 VDD6
VDD7
93
94 VDD8
99 VDD9
199 VDDSPD
126 VREF_CA
VREF_DQ
1
2VSS1
VSS10
26
VSS11
105 VDD11
VDD12
106
VDD13
111
112 VDD14
117 VDD15
VDD16
118
VDD17
123
124 VDD18
VDD2
76
81 VDD3
VDD4
BELLW_80011_1021_204P
CN2-2
EVENT#
198
G1 G1
G2
G2
NC1
77
122 NC2
NCTEST
125
30 RESET#
75 VDD1
VDD10
100
1
2
21-
1
2
2.2uF_6.3v
C1384
1
2
C1375
1uF_6.3V
TP113
C1381
0.1uF_10V
C1371
0.1uF_10V
1
2
TP110
C1373
1
2
24-
24-
24-
9-,10-,12-,13-,15-,16-,20-,21-,22-,26-,28-,30-,31-,32-,33-,34-,37-,38-,40-,42-,46-,47-,49-
0.1uF_10V
0.1uF_10V
C1378
1
2
TP109
1
2
15-,33-,37-,40-,47-
2.2uF_6.3v
C1382
1
2
C1377
1uF_6.3V
TP116
2
21-
2.2uF_6.3v
C1368
1
2
1
2
C1367
2.2uF_6.3v
1
1
2
C1386
220uF_2.5V_OPEN
21-
21-
9-,21-,28-
0_5%
R1318
24-
0.1uF_10V
C1380
1
2
21-
TP111
+PWR_DIMM_VTT
+V3S
+V1.5
TS#_DIMM0_1
DDR3_DRAMRST#
M_VREF
M_VREF
SMB_DATA
M_ODT0
M_ODT1
+V1.5
+V3S
M_CLK_DDR#1
M_CKE0
M_CKE1
M_A_CAS#
M_A_RAS#
M_A_WE#
SMB_CLK
M_A_BS0
M_A_BS1
M_A_BS2
M_CS#0
M_CS#1
M_CLK_DDR0
M_CLK_DDR#0
M_CLK_DDR1
M_A_DM(4)
M_A_DM(5)
M_A_DM(2)
M_A_DM(3)
M_A_DM(6)
M_A_DM(7)
TP_A15
M_A_DQS(1)
M_A_DQS(6)
M_A_DQS(7)
M_A_DQS(3)
M_A_DQS(2)
M_A_DM(7:0)
M_A_DM(0)
M_A_DM(1)
M_A_DQS#(5)
M_A_DQS#(6)
M_A_DQS#(7)
M_A_DQS(7:0)
M_A_DQS(4)
M_A_DQS(0)
M_A_DQS(5)
M_A_DQ(62)
M_A_DQ(63)
M_A_DQS#(7:0)
M_A_DQS#(0)
M_A_DQS#(1)
M_A_DQS#(2)
M_A_DQS#(3)
M_A_DQS#(4)
M_A_DQ(55)
M_A_DQ(56)
M_A_DQ(57)
M_A_DQ(58)
M_A_DQ(59)
M_A_DQ(60)
M_A_DQ(61)
M_A_DQ(47)
M_A_DQ(48)
M_A_DQ(49)
M_A_DQ(50)
M_A_DQ(51)
M_A_DQ(52)
M_A_DQ(53)
M_A_DQ(54)
M_A_DQ(39)
M_A_DQ(40)
M_A_DQ(41)
M_A_DQ(42)
M_A_DQ(43)
M_A_DQ(44)
M_A_DQ(45)
M_A_DQ(46)
M_A_DQ(23)
M_A_DQ(32)
M_A_DQ(33)
M_A_DQ(34)
M_A_DQ(35)
M_A_DQ(36)
M_A_DQ(37)
M_A_DQ(38)
M_A_DQ(31)
M_A_DQ(16)
M_A_DQ(17)
M_A_DQ(18)
M_A_DQ(19)
M_A_DQ(20)
M_A_DQ(21)
M_A_DQ(22)
M_A_DQ(15)
M_A_DQ(24)
M_A_DQ(25)
M_A_DQ(26)
M_A_DQ(27)
M_A_DQ(28)
M_A_DQ(29)
M_A_DQ(30)
M_A_DQ(7)
M_A_DQ(8)
M_A_DQ(9)
M_A_DQ(10)
M_A_DQ(11)
M_A_DQ(12)
M_A_DQ(13)
M_A_DQ(14)
M_A_DQ(63:0)
M_A_DQ(0)
M_A_DQ(1)
M_A_DQ(2)
M_A_DQ(3)
M_A_DQ(4)
M_A_DQ(5)
M_A_DQ(6)
M_A_A(7)
M_A_A(8)
M_A_A(9)
M_A_A(10)
M_A_A(11)
M_A_A(12)
M_A_A(13)
M_A_A(14)
M_A_A(14:0)
M_A_A(0)
M_A_A(1)
M_A_A(2)
M_A_A(3)
M_A_A(4)
M_A_A(5)
M_A_A(6)
http://laptop-motherboard-schematic.blogspot.com/

OFCHANGE by SHEET
CODESIZE
WS2 ->DDR3
CODE DOC. NUMBER
OF
TITLE
SHEET
CODE
INVENTEC
SIZE CODE
CHANGE by SHEET
INVENTEC
TITLE
DOC. NUMBER
CHANGE by
DOC. NUMBER REV
TITLE
SHEET
REV
SIZE
OF
REV
REV
OF
BLANK
INVENTEC
TITLE
14-Sep-2009
A011310A22966-0-MTR
29 49
A3 CS
V13TL
DDR DAMPING
SIZE
INVENTEC
DOC. NUMBER
CHANGE by
http://laptop-motherboard-schematic.blogspot.com/

REVSIZE CODE
SHEET
LVDS Interface
0603
CAMERA
DOC. NUMBER
ES
WS2
WS2
BE TRANSFERRED OR COPIED WITHOUT THE EXPRESS WRITTEN AUTHORIZATION OF DELL. IN ADDITION,
LCD brightness control
PROPRITARY NOTE: THIS SHEET OF NGINEERING DRAWING AND SPECIFICATIONS CONTAINS CONFIDENTAL
PARTY WITHOUT DELL’S EXPRESS WRITTEN CONSENT.
0805
TRADE SECRET AND OTHER PROPTIETARY INFORMATION OF DELL INC. ("DELL") THIS DOCUMENT MAY NOT INVENTEC
DELL CONFIDENTIAL/PROPRIETARY
CHANGE by
40mil 40mil
40mil
NEITHER THIS SHEET NOR THE INFORMATION IT CONTAINS WAY BE USED BY OR DISCLOSED TO ANY THIRD
CS
CS
WS2
14-Sep-2009
A011310A22966-0-MTR
30 49
A3 CS
V13TL
LCM CONN
TITLE
WS2
0402
OF
20mil
ES
0603
7/30
C1261 1000pF_50V
12
38-
S
33pF_50V
C1258
1
2
22-
Q1023
SSM3K7002FU
D
3
G
1
2
R1246
0_5%
12
22-
22-,38-
22-
7-,8-,9-,10-,12-,13-,34-,40-,41-,45-,49-
30-
22-
9
G1 G1
G2
G2 G3
G3
G4 G4
G5
G5
G6 G6
G7 G727 27
28
28
29
29
3
3
30 30
44
5
5
66
77
8
8
9
17
18
18
19
19
2
2
20 20
21
21
22 22
23 23
24
24
25 25
26
26
11
10 10
11 11
12
12
13 13
14
14
15
15
16 16
17
R1210
47K_5%
1
2
JAE_FI_G30SB_VF25_DT_30P
CN8
2
38-
30-
22-
22-
9-,10-,12-,13-,15-,16-,20-,21-,22-,26-,28-,30-,31-,32-,33-,34-,37-,38-,40-,42-,46-,47-,49-
12
SSM3K7002FU
Q1025 3
D
1
G
S
C1060
0.01uF_16V_OPEN
1
2
1000pF_50V
C1262
1
2
38-
6
7
7
8
8
GG1
22-
100K_5%
R1209
ACES_88460_0801_8P
CN1001
1
1
GG2
2
2
3
3
4
4
55
6
C1266
0.1uF_10V
1
2
30-
1
24
5
32-
1
2
U1011
TSB_TC7SZ08F_SSOP_5P
3
12
7-,8-,9-,10-,12-,14-,20-,30-,31-,32-,33-,34-,37-,38-,40-,43-,49-
33pF_50V
C1265
1000pF_50V
C1260
12
R1068
47K_5%_OPEN
1
2
40-
R1206
10K_5%_OPEN
R1069
4.7K_5%_OPEN
1
2
7-,8-,9-,10-,12-,14-,20-,30-,31-,32-,33-,34-,37-,38-,40-,43-,49-
C1391
10pF_50V
1
2
PDTC144EU_OPEN
Q1014
1
B
3
C
E
2
9-,10-,12-,13-,15-,16-,20-,21-,22-,26-,28-,30-,31-,32-,33-,34-,37-,38-,40-,42-,46-,47-,49-
7-,8-,9-,10-,12-,14-,20-,30-,31-,32-,33-,34-,37-,38-,40-,43-,49-
R1207
100K_1%
12
AM2321P
Q10243
D
1
G
S
2
30-
G
1
2
S
0402_OPEN
C1257
1
2
32-
Q1007
SI2301BDS_T1_E3_OPEN
D
3
9-,10-,12-,13-,15-,16-,20-,21-,22-,26-,28-,30-,31-,32-,33-,34-,37-,38-,40-,42-,46-,47-,49-
22-
R1070
0_5%
12
2
0.22uF_6.3V
C1268
1
2
40-
22-
0.1uF_25V
C1259
1
0.1uF_10V
C1263
1
2
22-
22-
1
2
7-,8-,9-,10-,12-,13-,14-,49-
270_5%
R1208
1
2
10uF_6.3V
C1267
C1264
33pF_50V
1
2
38-
LVDS_CBL_DET#
LCD_TST
LVDS_DDCPCLK
LVDS_DDCPDATA
22-
LVDS_TXCLK_LN
LVDS_TXOUT_L2P
LVDS_TXOUT_L2N
LVDS_TXOUT_L1P
LVDS_TXOUT_L1N
+V3S
LVDS_TXOUT_L0P
LVDS_TXOUT_L0N
LVDS_TXCLK_LP
INV_PWM
BACKLIGHT
WCM_PWR
WCM_PWR+V3S
+DCIN
+V3A
BL_LID#
USB_P7+
USB_P7-
DMIC_CLK
DMIC_DATA
+V3S
CAM_ON
BACKLIGHT
+V3A
BL_ENA
LVDS_VDDEN
+V5A
+V3A
http://laptop-motherboard-schematic.blogspot.com/

RTC
LAN / GLAN
IHDA
SATA
CPU LPC
3.On FR-4, a 5-mils trace has approximately 2pF per inch
ES
1.The ICH7m requires a length less than 1 inch on each branch (from crytal’s terminal to RTCXn ball)
Set PCIE port config bit1
1
Placed within 500mils of the ICH9m ball
ES
XOR Chain Entrance Strap
Layout note:
2.6 inches from the ICH9
0
SHEET
Place all series resistors 0.6 to
1
DESCRIPTION
20 mil
1
ES
0
2.Routing the RTC circuit should be kept simple to simplify the trace lenth measurement and increase accuracy
HDA_SDOUT
RSVD
ICH_RSVD_TP3
CS
on calculating trace capacitances.
1
DOC. NUMBER
close to RTCX1 and RTCX2
REV
0
NEAR RTC CONNECTOR
ES
SATA HDD
OFCHANGE by
CODE
4.Trace signal coupling must limited as much as possible by avoiding the routing of adjacent PCI signals
Normal Operation (Default)
INVENTEC
eSATA
40-
9-,10-,12-,13-,15-,16-,20-,21-,22-,26-,28-,30-,31-,32-,33-,34-,37-,38-,40-,42-,46-,47-,49-
ICH9-1
V13TL
CS
A3
4931
1310A22966-0-MTRA01
14-Sep-2009
TITLE
5.Ground guard plane is highly recommended
0 Enter XOR Chain
SIZE
CS
12
R1190
1K_5%_OPEN
1
2
TP75
54.9_1%
R105
10M_5%
R150 1
2
31-,40-
2
16-
11-,17-,26-,31-,32-,34-,37-,40-
37-,38-
2
16-
20K_1%
R1277
1
12
2
C115
22pF_50V_OPEN
1
12
PASSWORD_0805
B1
1
12
16-
7-,8-,9-,10-,12-,14-,20-,30-,32-,33-,34-,37-,38-,40-,43-,49-
R1192 33_5%
10-,12-,13-,15-,16-,17-,19-,21-,22-,23-,25-,26-,31-,34-,49-
37-,38-
20K_1%
R148
2
TP92
1
2
R116 33_5%1
12
1uF_6.3V
C1292
12
R159 10K_5%
31-,40-
16-
33_5%_OPEN
R1193
12
31-,38-
TP90
12
37-,38-
C112
0.01uF_16V
41-
33_5%R1233
TP43
41-
21-
37-,38-
16-,20-,21-
1M_5%
1
2
1
2
31-,34-
R1225
1
2
9-,10-,12-,13-,15-,16-,20-,21-,22-,26-,28-,30-,31-,32-,33-,34-,37-,38-,40-,42-,46-,47-,49-
56_5%
R106
12
16-
41-
21-
24.9_1%
R115
12
40-
45-
R158 10K_5%
2
10-,12-,13-,15-,16-,17-,19-,21-,22-,23-,25-,26-,31-,34-,49-
R1194 33_5%_OPEN
1
2
C160
15pF_50V
1
12
22pF_50V_OPEN
C114
1
2
40- 0.01uF_16V
C1250
CN1003
11
22
33
G
G1
G2 G
1K_5%_OPEN
R1285
8.2K_5%
R1243
12
MLX_78171_1003_3P
40-
R118 8.2K_5%
12
9-,10-,12-,13-,15-,16-,20-,21-,22-,26-,28-,30-,31-,32-,33-,34-,37-,38-,40-,42-,46-,47-,49-
TP46
0.01uF_16V C113
12
31-
16-
41-
TP94
332K_1%
R147
12
5pF_50V_OPEN
C118
12
2
R117 33_5%_OPEN
12
40-
16-
R104
56_5%
1
33_5%
R120 1 2
16-
31-
56_5%
R145
1
2
2
R1224
24.9_1%
1
231-,38-
31-
21-
22pF_50V_OPEN
C116
1
1K_5%
R1280
12
33- 31-,38-
C1289
1uF_6.3V
1
2
33_5%_OPEN
R119 12
40-
16-
31-
10K_5%
R1228
12
21-
31-
1uF_6.3V
1
2
12
C1330
40-
40-
31-
15-
0.01uF_16V
C1249
TP33
TP103
10K_5%_OPEN
R1191
12
31-
10K_5%
R157
12
12-,16-,21-
22pF_50V_OPEN
C117
12
AA10
SATALED#
AC9
AE10
SATARBIAS
SATARBIAS# AD10
SATA_CLKN AC16
AB16
SATA_CLKP
SMI# AC21
SRTCRST#
C24
AC25
STPCLK#
THRMTRIP# AC23
TP11 AC22
AC13 SATA1RXP
SATA1TXN
AA14
AB14 SATA1TXP
SATA4RXN AD12
AE12
SATA4RXP
SATA4TXN AB12
AA12
SATA4TXP
AC11
SATA5RXN
SATA5RXP AD11
AB10
SATA5TXN
SATA5TXP
J1
AD21
NMI
L1
RCIN#
RTCRST#
G24
RTCX1
F25
G25 RTCX2
AE14 SATA0RXN
SATA0RXP
AD14
AC15 SATA0TXN
SATA0TXP
AD15
SATA1RXN
AD13
INTRUDER#
INTVRMEN
E25
D25 LAN100_SLP
LAN_RSTSYNC
D14
A14 LAN_RXD0
LAN_RXD1
D12
B14 LAN_RXD2
LAN_TXD0
D13
C13 LAN_TXD1
LAN_TXD2
A13
H1
LDRQ0#
LDRQ1#_GPIO23
AA7 HDA_RST#
AB6 HDA_SDIN0
HDA_SDIN1
AE6
AC6 HDA_SDIN2
HDA_SDIN3
AA5
AC7 HDA_SDOUT
HDA_SYNC
AB7
IGNNE# AD23
AE21
INIT#
INTR AD24
C23
FWH1_LAD1 K5
FWH2_LAD2
FWH3_LAD3 L3
FWH4_LFRAME# J2
GLAN_CLK
G22
GLAN_COMPI
H22
H21 GLAN_COMPO
D15 GPIO56
AE7 HDA_BIT_CLK
HDA_DOCK_EN#_GPIO33
AD8
AB8 HDA_DOCK_RST#_GPIO34
U13-1
ITL_ICH9M_SFF_FCBGA_569P
N3
A20GATE AB23
A20M#
AE22
CPUPWRGD
DPRSTP# AE23
AE24
DPSLP#
FERR# AD25
FWH0_LAD0 H3
J3
BAT54C
12
3
32.768KHz
X1
12
34
31-,38-
D1027
31-,34-
8-,38-
11-,17-,26-,31-,32-,34-,37-,40-
TP91
TP93
37-,38-
21-
TP59
TP89
15pF_50V
C146
12
16-
31-
H_FERR#
H_IGNNE#
CLK_PCIE_SATA
CLK_PCIE_SATA#
+V3A_RTC
15-
H_DPRSTP#
GMCH_SYNC
H_STPCLK#
H_SMI#
H_NMI
H_INTR
H_A20M#
LPC_AD3
LPC_AD2
LPC_AD1
LPC_AD0
EC_GA20
GMCH_SDIN2
H_DPSLP#
RTC_X2
RTC_X2
INTRUDER#
HDD_LED#
ICH_TP3
LPC_DRQ#1
LPC_DRQ#0
LPC_FRAME#
+V3A_RTC
GMCH_BITCLK
GMCH_SDOUT
LPC_DRQ#1
LPC_DRQ#0
EC_KBRST#
H_PWRGD
HDA_SDOUT
+V3A
PM_THRMTRIP#
HDA_SYNC
HDA_BITCLK
HDA_SDIN0
SATA_TXN0
SATA_RXP0
SATA_RXN0
ICH_BITCLK
RTC_X1
H_INIT#
GMCH_RST#
HDA_RST#
+V3LA
+V1.5S
+V1.05S
SATA_TXP0_ICH
SATA_TXN0_ICH
SATA_TXP0
SATA_C_TXN1
SATA_C_RXP1
SATA_C_RXN1
+V3S
+V1.5S
CLEAR_CMOS
HDA_SDOUT
+V1.05S
EC_KBRST#
EC_GA20
+V3S
ICH_INTVRMEN
ICH_INTVRMEN
ICH_BITCLK
+V3S
SATA_TXN1_ICH
SATA_TXP1_ICH
SATA_C_TXP1
http://laptop-motherboard-schematic.blogspot.com/

PCI
Interrupt I/F
PCI-Express
Direct Media Interface
SPI
USB
SIZE
ES
Boot BIOS Strap
DELL CONFIDENTIAL/PROPRIETARY
CS
Within 250mils of the driver
Place AC coupling caps need to be
0
OF
1
LPC
Place within 500mils of ICH
ES
3G
EXPRESS
INVENTEC
SPI
TITLE
PCI_GNT0# SPI_CSI# Boot BIOS Destination
PROPRITARY NOTE: THIS SHEET OF NGINEERING DRAWING AND SPECIFICATIONS CONTAINS CONFIDENTAL
1
USB P6 -----> BLUETOOTH
SHEET
USB P3 -----> EXPRESS CARD
5/5 mils spacing on microstrip
WLAN
USB P0 -----> USB Port
BE TRANSFERRED OR COPIED WITHOUT THE EXPRESS WRITTEN AUTHORIZATION OF DELL. IN ADDITION,
1
PCI
PCI Pull up
USB P2 -----> eSATA + USB
STUFF for iTPM enale
USB P11 -----> 3G
Place within 500mils of ICH
CHANGE by
ES
Buffer to reduce loading on PLT_RST#
0
USB P8 -----> CARD READER
LAN
1
A011310A22966-0-MTR
32 49
A3 CS
V13TL
ICH9-2
CARD
DOC. NUMBER
USB P4 -----> WLAN
CODE
TRADE SECRET AND OTHER PROPTIETARY INFORMATION OF DELL INC. ("DELL") THIS DOCUMENT MAY NOT
NEITHER THIS SHEET NOR THE INFORMATION IT CONTAINS WAY BE USED BY OR DISCLOSED TO ANY THIRD
10mil
REV
PARTY WITHOUT DELL’S EXPRESS WRITTEN CONSENT.
USB P7 -----> CAMERA
TP73
37-
32-
42-
21-,32-
33_5%_OPEN
R1220 12
32-
9-,10-,12-,13-,15-,16-,20-,21-,22-,26-,28-,30-,31-,32-,33-,34-,37-,38-,40-,42-,46-,47-,49-
TP74
32-
2
21-
32-
TP49
21-
R1273
100K_5%
1
C1291 0.1uF_10V
12
21-
15-
41-
TP47
C1286 0.1uF_10V
12
9-,10-,12-,13-,15-,16-,20-,21-,22-,26-,28-,30-,31-,32-,33-,34-,37-,38-,40-,42-,46-,47-,49-
32-
30-
7-,8-,9-,10-,12-,14-,20-,30-,31-,32-,33-,34-,37-,38-,40-,43-,49-
40-
32-
32-
TP61
37-
TP70
40-
21-
41-
R1295 8.2K_5%
12
12
1K_5%_OPEN
R1218
1
2
12
R1235 8.2K_5%
32-,33-,37-,38-,40-,42-
37-
C1282 0.1uF_10V
12
42-
TP65
R153 8.2K_5%
12
32-
32-
32-
37-32-
TP44
15-
9-,10-,12-,13-,15-,16-,20-,21-,22-,26-,28-,30-,31-,32-,33-,34-,37-,38-,40-,42-,46-,47-,49-
8.2K_5%
R1292
PLOCK#
A21
PLTRST#
T1
PME#
REQ0# G4
A9
REQ1#_GPIO50
REQ2#_GPIO52 B11
D6
REQ3#_GPIO54
H5
SERR#
STOP# A6
TRDY# A2
37-
B5
T3
PCIRST#
PERR# D4
PIRQA#
F1
F5 PIRQB#
F2 PIRQC#
PIRQD#
C7
G3
PIRQE#_GPIO2
PIRQF#_GPIO3 G1
PIRQG#_GPIO4 F3
H4
PIRQH#_GPIO5
C5
E6
C_BE2#
C_BE3# C9
DEVSEL# A7
B8
FRAME#
E1
GNT0#
GNT1#_GPIO51 E12
C10
GNT2#_GPIO53
GNT3#_GPIO55 C6
IRDY# C3
B1
PAR
PCICLK
C12
AD30
J4
H2 AD31
A8 AD4
AD5
A12
AD6
E10
C11 AD7
AD8
B9
D8 AD9 C_BE0# D10
A5
C_BE1#
AD2
D5 AD20
AD21
D3
AD22
F4
E3 AD23
AD24
E4
B2 AD25
C4 AD26
AD27
C1
D1 AD28
AD29
E2
AD3
A4 AD10
AD11
E8
A3 AD12
AD13
D9
AD14
C8
C2 AD15
AD16
D7
B3 AD17
D11 AD18
AD19
B6
A10
32- 47-
U13-2
ITL_ICH9M_SFF_FCBGA_569P
AD0
A11
B12 AD1
R1304 10K_5%12
40-
40-
32-
32-
32-
32-
37-
R1239 12
37-
21-
42-
8.2K_5%
TP48
TP51
12
15-
21-
7-,8-,9-,10-,12-,14-,20-,30-,31-,32-,33-,34-,37-,38-,40-,43-,49-
41-
32-
41-
40-
R1287 8.2K_5%
21-
0.1uF_10V
C1285
12
32-
R1296 8.2K_5%
12
R1274 12
TP52
32-
32-,33-,37-,38-,40-,42-
33_5%_OPEN
1
2
TP72
C1283 0.1uF_10V
12
24.9_1%
R1185
1K_5%_OPEN
R200
12
9-,10-,12-,13-,15-,16-,20-,21-,22-,26-,28-,30-,31-,32-,33-,34-,37-,38-,40-,42-,46-,47-,49-
32-
32-
32-
32-
32-
21-
TP76
8.2K_5%
12
32-
21-
12
32-
32-
32-
32-
21-
R198
32-
37-
8.2K_5%
R152
0_5%_OPEN
R1278
12
32-
R1236 12
TP64
TP83
32-
21-,32-
8.2K_5%
12
32-
12
32-
8.2K_5%
R1294
C1329
12
R1221 33_5%_OPEN
12
32-
32-
0.1uF_10V
Y5
Y4
USBP9P
USBRBIAS
AE5
AD5 USBRBIAS#
40-
R1231 8.2K_5%
USBP3P AB2
USBP4N
USBP4P AB1
USBP5N AA3
AA2
USBP5P Y1
USBP6N
USBP6P Y2
USBP7N W2
W3
USBP7P V1
USBP8N
USBP8P V2
USBP9N
USBP0P AD1
USBP10N U3
U2
USBP10P V4
USBP11N
USBP11P V5
USBP1N AD3
AD4
USBP1P AC2
USBP2N
USBP2P AC3
USBP3N AC5
AB4
PETP2
M22 PETP3
PETP4
L23
PETP5
K22
J23 PETP6_GLAN_TXP
E24 SPI_CLK
E23 SPI_CS0#
SPI_CS1#_GPIO58_CLGPIO6
F23
G23 SPI_MISO
SPI_MOSI
F22
AE2
USBP0N
N24
M24 PERP4
K25 PERP5
PERP6_CLAN_RXP
H25
R24 PETN1
PETN2
P21
PETN3
M21
L24 PETN4
K21 PETN5
PETN6_GLAN_TXN
J24
PETP1
R23
P22
P3 OC8#_GPIO44
R1 OC9#_GPIO45
PERN1
T25
P25 PERN2
N23 PERN3
PERN4
M25
PERN5
K24
H24 PERN6_GLAN_RXN
T24 PERP1
PERP2
P24
PERP3
AB21
P4 OC0#_GPIO59
OC1#_GPIO40
N4
OC10#_GPIO46
R4
OC11#_GPIO47
R2
OC2#_GPIO41
N1
P5 OC3#_GPIO42
P1 OC4#_GPIO43
OC5#_GPIO29
P2
OC6#_GPIO30
M3
M2 OC7#_GPIO31
Y24
Y25
DMI2RXP Y21
DMI2TXN
DMI2TXP Y22
AB24
DMI3RXN
DMI3RXP AB25
DMI3TXN AA23
AA24
DMI3TXP
T21
DMI_CLKN
DMI_CLKP T22
AB22
DMI_IRCOMP
DMI_ZCOMP
U13-4
ITL_ICH9M_SFF_FCBGA_569P
DMI0RXN V25
V24
DMI0RXP U24
DMI0TXN
DMI0TXP U23
W23
DMI1RXN
DMI1RXP W24
DMI1TXN V21
V22
DMI1TXP
DMI2RXN
3.3K_5%_OPEN
R101
1
2
0.1uF_10V_OPEN
C108
1
2
32-
21-
TP58
1K_5%_OPEN
R1291
12
32- 33_5%_OPEN
R1223 12
6
1CS
5
DIO
DO
2
GND
4
7
HOLD
VCC 8
3WP
37-
2
32-
32-
WINB_W25Q16BVSSIG_SOIC_8P_OPEN
U12
CLK
12
8.2K_5%
R1238 1
2
37-
37-
R1222 33_5%_OPEN
TP62
8.2K_5%
R1293 1
3
1
24
5
41-
21-
42-
U1014
TSB_TC7SZ08F_SSOP_5P
32-
TP60
40-
5pF_50V_OPEN
C109
1
2
21-
C1287 0.1uF_10V
12
11-,17-,26-,31-,34-,37-,40-
21-,32-
32-
12
32-
R197 8.2K_5%
12
R1230 8.2K_5%
2
37-
TP66
12
R1289 1K_5%_OPEN
1
TP63
8.2K_5%
R156
37-
30-
32-
21-
32-
R143
3.3K_5%_OPEN
1
2
C1290 0.1uF_10V
12
32-
0.1uF_10V
C1284
12
32-
32-
12
40-
37-
32-
12
32-
21-
8.2K_5%
R1232
2
32-
1K_5%_OPEN
R1219
12
22.6_1%
R121
1
2
37-
R1234 8.2K_5%
21-
10K_5%
R1229 1
PCIE_TXP_WLAN
PCIE_TXN_WLAN
PCIE_TXN1
PCIE_TXP1
+V3S
ICH_SPI_MOSI
32-
32-
32-
PCIE_RXP2
PCIE_RXN2
PCIE_MCARD2_DET#
PCI_IRQG#
PCI_IRQF#
USB_OC0# +V3A
+V3S
PCIE_RXP1
PCIE_RXN1
PCIE_TXP4
PCIE_TXP_EXPRESS
PCIE_TXN_EXPRESS
PCIE_RXN4
PCIE_TXP_3G
PCIE_TXN_3G
PCIE_TXN2
PCIE_TXP2
PCI_REQ#0
PCI_REQ#1
PCI_REQ#3
PCI_IRQA#
PCI_IRQB#
PCI_IRQC#
PCI_REQ#2
PCI_IRQD#
PCI_IRQH#
PCIE_RXP4
PCIE_TXN4
PCI_DEVSEL#
PCI_SERR#
PCI_PERR#
PCI_IRDY#
PCI_LOCK#
PCI_FRAME#
PCI_STOP#
PCI_TRDY#
PLT_RST# BUF_PLT_RST#
PCI_GNT#2
PCI_GNT#0
PCI_GNT#3
ICH_SPI_CS1#
PCI_GNT#3
PLT_RST#
PCI_REQ#3
PLT_RST# BUF_PLT_RST#
+V3A
HDP_INT#
PCI_IRQF#
PCI_IRQG#
PCI_LOCK#
PCI_REQ#0
PCI_REQ#1
PCI_REQ#2
PCI_GNT#2
PCI_SERR#
PCI_STOP#
PCI_TRDY#
PCI_DEVSEL#
PCI_IRQH#
PCI_GNT#0
DMI_RXP2
DMI_RXP3
CLK_PCIE_ICH#
CLK_PCIE_ICH
PCI_FRAME#
PCI_IRDY#
CLK_PCIF_ICH
PCI_PERR#
PCI_IRQA#
PCI_IRQB#
PCI_IRQC#
PCI_IRQD#
DMI_TXP2
DMI_TXP3
DMI_RXN0
DMI_RXN1
DMI_RXN2
DMI_RXN3
DMI_RXP0
DMI_RXP1
USB_P0+
USB_P0-
DMI_TXN0
DMI_TXN1
DMI_TXN2
DMI_TXN3
DMI_TXP0
DMI_TXP1
DMI_IRCOMP_R
USB_RBIAS_PN
USB_P7+
USB_P7-
USB_P4+
USB_P4-
USB_P6+
USB_P6-
USB_P3+
USB_P3-
PCIE_TXP_LAN
PCIE_TXN_LAN
USB_P2+
USB_P2-
ICH_SPI_MOSI_R
ICH_SPI_CS0#_R
ICH_SPI_CLK_R
ICH_SPI_CLK
ICH_SPI_CS0#
ICH_SPI_MISO
ICH_SPI_MISO_R
USB_P11-
ICH_SPI_MISO
+V3S
ICH_SPI_CS0#
USB_P11+
+V1.5S
ICH_SPI_MOSI
ICH_SPI_CLK
+V3S
USB_P8-
USB_P8+
PCIE_TXN3
PCIE_TXP3
PCIE_RXP3
PCIE_RXN3
ICH_SPI_CS1#_R
ICH_SPI_CS1#
http://laptop-motherboard-schematic.blogspot.com/

SMB
SYS GPIO
GPIO
Power MGT Clocks
SATA
GPIO
MISC
Controller Link
CHANGE by OF
REV
SHEET
Rise edge:1-2us
ICH9-3
RSMRST# should go high no sooner than
CHANGE by
CODE
Place close to door
SHEET
DOC. NUMBERSIZE
INVENTEC
DOC. NUMBER
PASSWORD CLEAR
BE TRANSFERRED OR COPIED WITHOUT THE EXPRESS WRITTEN AUTHORIZATION OF DELL. IN ADDITION,
NEITHER THIS SHEET NOR THE INFORMATION IT CONTAINS WAY BE USED BY OR DISCLOSED TO ANY THIRD
CHANGE by
CODE
PARTY WITHOUT DELL’S EXPRESS WRITTEN CONSENT.
ICH9m strap
OF
INVENTEC
ICH9M Spec : less 50us
DELL CONFIDENTIAL/PROPRIETARY
DOC. NUMBERSIZE DOC. NUMBER
TITLE
SUSCLK duty cycle can be between 30% and 70%
PROPRITARY NOTE: THIS SHEET OF NGINEERING DRAWING AND SPECIFICATIONS CONTAINS CONFIDENTAL
SHEET
TITLE
INVENTEC
PMU P/U
CODESIZE
WS2
REVSIZE
INVENTEC
REV
TRADE SECRET AND OTHER PROPTIETARY INFORMATION OF DELL INC. ("DELL") THIS DOCUMENT MAY NOT
TITLE
CHANGE by OF
REV
SHEET
ES
ICH9-3
V13TL
CS
A3
4933
1310A22966-0-MTR A01
14-Sep-2009
ICH9-3
V13TL
CS
A3
4933
1310A22966-0-MTR A01
14-Sep-2009
10ms after both Vccsus3_3 and Vccsus1_5
nave reached their nominal voltage
OF
TITLE
CODE
ICH9-3
V13TL
CS
A3
4933
1310A22966-0-MTR A01
14-Sep-2009
ICH9-3
V13TL
CS
A3
4933
1310A22966-0-MTR A01
14-Sep-2009
G1
2S
2.2K_5%
R206
1
2
G1
2S
Q18
PMF3800SN
D
3
12
Q19
PMF3800SN
D
3
12
33-
12-,21-,33-
10K_5%_OPENR1186
WAKE#
C21
D21
WOL_EN_GPIO9
33-
7-,8-,9-,10-,12-,14-,20-,30-,31-,32-,33-,34-,37-,38-,40-,43-,49-
R196 100K_5%
STP_PCI#_GPIO15
SUSCLK R3T5 SUS_STAT#_LPCPD#
SYS_RESET#
C25
THRM#
AD20
TP10
AD17
TP12
A19
TP3
C19
TP8
AB17
AC17 TP9
VRMPWRGD
B24
SLP_M#
D18
SLP_S3#
SLP_S4# B20
D16
SLP_S5#
A23 SMBALERT#_GPIO11
C15 SMBDATA
SMBLCK
C18
E18 SMLINK0
SMLINK1
A24
K4 SPKR
STP_CPU#_GPIO25
A20
B15
SATA0GP_GPIO21 AE19
AA18
SATA1GP_GPIO19
SATA4GP_GPIO36 AE20
AA20
SATA5GP_GPIO37
SATACLKREQ#_GPIO35
M4
AC19 SCLOCK_GPIO22
SDATAOUT0_GPIO39
AC18
AB19 SDATAOUT1_GPIO48
SERIRQ
L4
AB18 SLOAD_GPIO38
B23
B25
LAN_RST# D22
LINKALERT#_GPIO60_CLGPIO4
B21
AB20 MCH_SYNC#
MEM_LED_GPIO24 A22
L2 PMSYNC#_GPIO0
PWRBTN# U4
PWROK D23
RI#
C20
D19
RSMRST#
E14
S4_STATE#_GPIO26
GPIO13
GPIO14_AC_PRESENT A15
AE17 GPIO17
GPIO18
K3
AC8 GPIO20
D17 GPIO27
GPIO28
E20
GPIO49
AC20
A16 GPIO57_CLGPIO5
AE18 GPIO6
AD18 GPIO7
GPIO8
E22
CL_DATA0
CL_DATA1 B18
CL_RST0# C17
B17
CL_RST1#
F21
CL_VREF0
CL_VREF1 A17
M1
DPRSLPVR_GPIO16
GPIO1
AE16
E16
GPIO10_SUS_PWR_ACK
GPIO12
C14
D20
U13-3
ITL_ICH9M_SFF_FCBGA_569P
BATLOW# C16
CK_PWRGD U1
CLK14 K1
CLK48 AB5
M5 CLKRUN#_GPIO32
CLPWROK T4
C22
CL_CLK0
CL_CLK1 A18
R193 10K_5%_OPEN
12
1K_5%_OPEN
R1242 12
B1001
PASSWORD_0805
112
2
7-,8-,9-,10-,12-,14-,20-,30-,31-,32-,33-,34-,37-,38-,40-,43-,49-
12-,38-
2
TP102
12
37-
0_5%_OPEN
R108 1
R202
33_5%
12
33_5%
R205
12
12
9-,38-
10K_5%_OPENR111
1
2
15-,33-
15-,28-,37-,40-,47-
33-
8.2K_5%
R1197
1
2
R203
10K_5%
R1275 10K_5%
12
R1188
10K_5%
R1187 10K_5%_OPEN
12
33-
2
10K_5%
R113 12
15-
33-,38-
8.2K_5%
R1241 1
12
100K_5%_OPEN
R1281
12
TP87
0_5%R1226
10K_5%
R201
1
2
33-
12
38-
R194 0_5%
12
R155
100K_5%
10K_5%_OPEN
R1182 12
33-
33-
100pF_50V
C161
1
2
R191 10K_5%
12
33-
37-
10K_5%
R1227 12
0_5%R189 12
33-
1
2
33-,38-
33-,38-
33-,38-
12
0.1uF_10v
C148
R110 8.2K_5%
12
8.2K_5%R1198
2
10K_5%
R112 1 2
9-,10-,12-,13-,15-,16-,20-,21-,22-,26-,28-,30-,31-,32-,33-,34-,37-,38-,40-,42-,46-,47-,49-
2
42-
R1189 10K_5%
1
33-
0_5%
R187 1
33-
0_5%R154 12
10K_5%
R184 1 2
15-
9-,10-,12-,13-,15-,16-,20-,21-,22-,26-,28-,30-,31-,32-,33-,34-,37-,38-,40-,42-,46-,47-,49-
10K_5%
R192
12
9-,20-,34-,38-,39-,40-,45-,46-,49-
37-
33-
21-
33-
33-,38-
12
32-,37-,38-,40-,42-
TP106
9-,10-,12-,13-,15-,16-,20-,21-,22-,26-,28-,30-,31-,32-,33-,34-,37-,38-,40-,42-,46-,47-,49-
7-,8-,9-,10-,12-,14-,20-,30-,31-,32-,33-,34-,37-,38-,40-,43-,49- 9-,10-,38-
21-
20-,33-
10K_5%_OPENR1288
10K_5%
1
2
7-,8-,9-,10-,12-,14-,20-,30-,31-,32-,33-,34-,37-,38-,40-,43-,49-
38-,40-
20-,21-,33-,38-
TP86
R1245
12
33-,38-
33-
33-
TP84
21-
15-,33-
33-
10K_5%
R1276
7-,8-,9-,10-,12-,14-,20-,30-,31-,32-,33-,34-,37-,38-,40-,43-,49-
33-,38-
33-
15-
33-
15-,33-
10K_5%
R186
1
2
33-
R188 10K_5%
12
R1244 8.2K_5%
12
21-
33-
33-
2
33-
7-,8-,9-,10-,12-,14-,20-,30-,31-,32-,33-,34-,37-,38-,40-,43-,49-
20-,21-,33-,38-
7-,8-,9-,10-,12-,14-,20-,30-,31-,32-,33-,34-,37-,38-,40-,43-,49-
21-
33-,38-
33-
R1284 0_5%
1
R190 0_5%_OPEN
12
33-
2
33-
33-
TP85
12
33-,37-,40-,42-
0_5%
R90
1
TP88
8.2K_5%
R1286
R107
2K_5%
12
38-
R1184 12
R1183 8.2K_5%
12
10K_5%
2
TP82
15-,33-
9-,10-,12-,13-,15-,16-,20-,21-,22-,26-,28-,30-,31-,32-,33-,34-,37-,38-,40-,42-,46-,47-,49-
R195 10K_5%_OPEN1
R114 10K_5%_OPEN
12
40-
33-,37-,40-,42-
10K_5%_OPEN
R1290 12
21-,33-,38-
2.2K_5%
1
2
12-,21-,33-
33-
33-,40-
453_1%
R146
1
2
R207
33-
10K_5%
R204
1
2
31-
R1240 0_5%
12
TP101
21
15-
21-,33-,38-
33-
33-
9
-,10-,12-,13-,15-,16-,20-,21-,22-,26-,28-,30-,31-,32-,33-,34-,37-,38-,40-,42-,46-,47-,49-
D1025 RB751S40T1G
3.24K_1%
R149
1
2
33-
2
R185 1K_5%
12
TP35
R144 1K_5%
1
12
33-,38-
33-,38-
33-,40-
20-,33-
15-,28-,37-,40-,47-
R109 8.2K_5%
TP36
33-
TP77
+V3S
PM_STPCPU#
PM_STPPCI#
+V5S
9-,10-,12-,13-,15-,16-,20-,21-,22-,26-,28-,30-,31-,32-,33-,34-,37-,38-,40-,42-,46-,47-,49-
TP71
SMB_DATA
+V3S
SMB_CLK_3A
SMB_DATA_3A
+V3A
+V3A
USB_MCARD1_DET#
PCIE_MCARD1_DET#
CPPE#
+V3A
+V3A
BUF_PLT_RST#
PASSWORD#
+V3S
PWR_BTN#
PM_ICH_PWROK
SMB_CLK
ICH_SPKR
+V3S
ALL_SYSPWRGD
+V3A
SMLINK0
SMLINK1
PM_RI#
MB_ID3
BLID0
MB_ID0
PCI_CLKRUN#
PM_THRM#
PCI_SERIRQ
PCIE_WAKE#
EC_WAKEUP#
EC_SCI#
EC_BATLOW#
KBC_SMI#
GPIO22
SLP_S3#_3R
SLP_S4#_3R
PM_DPRSLPVR
PM_DPRSLPVR
CL_VREF0_ICH
+V3S
MB_ID0
MB_ID1
MB_ID2
MB_ID3
MB_ID1
MB_ID2
PM_STPPCI#
PM_SUS_STAT#
PM_THRM#
ICH_TP3
PCIE_WAKE#
PM_STPCPU#
+V3A
+V3A
+V3S
MB_ID0
USB_MCARD2_DET#
BLID0
MB_ID1
EC_SCI#
MCH_ICH_SYNC#
PM_ICH_PWROK
RSMRST#
CLKREQ#_SATA
GPIO22
MB_ID3
PCI_SERIRQ
PASSWORD#
KBC_SMI#
ICH_SPKR
PM_ICH_STPCPU#
EC_BATLOW#
CLK_PWROK
CLK_14M_ICH
CLK_48M_ICH
PCI_CLKRUN#
ALL_SYSPWRGD
CL_RST#0
CL_VREF0_ICH
MB_ID2
GPO
EC_WAKEUP#
PM_RI#
SMB_CLK_3A
SMB_DATA_3A
SMLINK0
SMLINK1
CL_CLK0
CL_DATA0
PM_SYNC#
VCORE_GD
http://laptop-motherboard-schematic.blogspot.com/

VCCA3GP
ARXATX
USB_CORE
VCCPUSB VCCPSUS PCI VCCP
CORE CORE
SIZE
INVENTEC
REVCODECODE
CS
SIZE
ES
NEITHER THIS SHEET NOR THE INFORMATION IT CONTAINS WAY BE USED BY OR DISCLOSED TO ANY THIRD
DOC. NUMBER
PROPRITARY NOTE: THIS SHEET OF NGINEERING DRAWING AND SPECIFICATIONS CONTAINS CONFIDENTAL
OF
PARTY WITHOUT DELL’S EXPRESS WRITTEN CONSENT.
OF
20mil
10mil
10mil
DELL CONFIDENTIAL/PROPRIETARY
INVENTEC
DOC. NUMBER
TITLE
10mil
SHEET
BE TRANSFERRED OR COPIED WITHOUT THE EXPRESS WRITTEN AUTHORIZATION OF DELL. IN ADDITION,
CHANGE byCHANGE by
A011310A22966-0-MTR
34 49
A3 CS
V13TL
ICH9-4
14-Sep-2009
ICH9-4
V13TL
CS
A3
4934
1310A22966-0-MTR A01
14-Sep-2009
TRADE SECRET AND OTHER PROPTIETARY INFORMATION OF DELL INC. ("DELL") THIS DOCUMENT MAY NOT
TITLE
REV
10mil
SHEET
C1281
1
2
12
0.1uF_10V
0.022uF_16V
C1315
12
10-,12-,13-,15-,16-,17-,19-,21-,22-,23-,25-,26-,31-,34-,49-
0.1uF_10V_OPEN
C1279
TP67
11-,17-,26-,31-,32-,34-,37-,40-
C1308
0.1uF_10V
1
2
R1297 100_1%
1
2
11-,17-,26-,31-,32-,34-,37-,40-
C1298
0.1uF_10V
1
2
9-,20-,33-,38-,39-,40-,45-,46-,49-
2
0.022uF_16V
C1297
12
2.2uF_6.3V
C1275
1
C1246
0.1uF_10V
1
2
11-,17-,26-,31-,32-,34-,37-,40-
7-,8-,9-,10-,12-,14-,20-,30-,31-,32-,33-,34-,37-,38-,40-,43-,49-
0.1uF_10V
C1312
1
2
2
11-,17-,26-,31-,32-,34-,37-,40-
D10241SS355PT
21
C1304
0.022uF_16V
1
2
C1276
10uF_6.3V
1
2
1
2
C1295
0.1uF_10V
1
TP69
0.1uF_10V
C1288
C1307
0.1uF_10V
1
2
0.1uF_10V
1
2
9-,10-,12-,13-,15-,16-,20-,21-,22-,26-,28-,30-,31-,32-,33-,34-,37-,38-,40-,42-,46-,47-,49-
R151
12
11-,17-,26-,31-,32-,34-,37-,40-
C1311
1uF_6.3V
C147 12
0_5%
1
2
10-,12-,13-,15-,16-,17-,19-,21-,22-,23-,25-,26-,31-,34-,49-
10-,12-,13-,15-,16-,17-,19-,21-,22-,23-,25-,26-,31-,34-,49-
10uF_6.3V
C1247
1
2
KC_FBM_11_160808_101_T_2P
L1017
12
9-,10-,12-,13-,15-,16-,20-,21-,22-,26-,28-,30-,31-,32-,33-,34-,37-,38-,40-,42-,46-,47-,49-
0.1uF_10V
C1306
2
C1299
1uF_10V
1
2
9-,10-,12-,13-,15-,16-,20-,21-,22-,26-,28-,30-,31-,32-,33-,34-,37-,38-,40-,42-,46-,47-,49-
9-,10-,12-,13-,15-,16-,20-,21-,22-,26-,28-,30-,31-,32-,33-,34-,37-,38-,40-,42-,46-,47-,49-
C1280 0.1uF_10V_OPEN
1
10uF_6.3V
C1248
1
2
2
7-,8-,9-,10-,12-,13-,30-,40-,41-,45-,49-
10uF_6.3V
C1294
1
2
1
2
0_5%
R1337
1
C1313
1
2
C1317
1uF_10V
1
2
0.1uF_10V
21
0.1uF_10V
C1316
0.1uF_10V
C1252
1
2
1SS355PT D1028
0.1uF_10V
C1296
1
2
0.01uF_16V
C1277
1
2
9-,10-,12-,13-,15-,16-,20-,21-,22-,26-,28-,30-,31-,32-,33-,34-,37-,38-,40-,42-,46-,47-,49-
L1016
KC_FBM_11_160808_101_T_2P
12
KC_FBM_11_160808_101_T_2P
L1018 12
L1020
KC_FBM_11_160808_101_T_2P
12
7-,8-,9-,10-,12-,14-,20-,30-,31-,32-,33-,34-,37-,38-,40-,43-,49-
12
TP68
12
11-,17-,26-,31-,32-,34-,37-,40-
11-,17-,26-,31-,32-,34-,37-,40-
0_5%
R1338
VCC_DMI_2 U17
V16
V_CPU_IO_1
V_CPU_IO_2 U16
C119
10uF_6.3V
VCCSUS3_3_2
VCCSUS3_3_3 H14
VCCSUS3_3_4 W8
J7
VCCSUS3_3_5
VCCSUS3_3_6 J8
K7
VCCSUS3_3_7
VCCSUS3_3_8 K8
L7
VCCSUS3_3_9
VCCSUSHDA V10
VCCUSBPLL
U8
T17
VCC_DMI_1
H15
H16
VCCSUS1_5_1
VCCSUS1_5_2 V7
VCCSUS3_3_1 G14
VCCSUS3_3_10 L8
M7
VCCSUS3_3_11
VCCSUS3_3_12 M8
N7
VCCSUS3_3_13
VCCSUS3_3_14 N8
P7
VCCSUS3_3_15 P8
VCCSUS3_3_16
G15
VCCLAN1_05_1
G11
H11 VCCLAN1_05_2
VCCLAN1_5_1
H19
J18 VCCLAN1_5_2
G12 VCCLAN3_03_1
VCCLAN3_03_2
H13
VCCLAN3_3
K16
VCCRTC
G17
VCCSATAPLL
W17
T7
VCCSUS1_05_1
VCCSUS1_05_2
W14
G8
VCC3_3_6
VCC3_3_7 H7
H8
VCC3_3_8
VCCCL1_05 G18
H17
VCCCL1_5
VCCCL3_3_1 J14
K14
VCCCL3_3_2
VCCDMIPLL P19
J17 VCCGLANPLL
AD7
VCCHDA
VCC1_5_B3
VCC1_5_B4
L18
VCC1_5_B5
L19
M18 VCC1_5_B6
M19 VCC1_5_B7
VCC1_5_B8
N18
VCC1_5_B9
N19
V18
VCC3_3_1
VCC3_3_2 AE9
VCC3_3_3 AA9
V14
VCC3_3_4
VCC3_3_5
VCC1_5_A8
U15
V15 VCC1_5_A9
VCC1_5_B1
J19
P18 VCC1_5_B10
R18 VCC1_5_B11
VCC1_5_B12
T18
VCC1_5_B13
T19
U18 VCC1_5_B14
U19 VCC1_5_B15
K18 VCC1_5_B2
K19
H9
V11 VCC1_5_A13
VCC1_5_A14
U11
VCC1_5_A15
T9
U9 VCC1_5_A16
VCC1_5_A2
V13
VCC1_5_A3
W13
VCC1_5_A4
U12
V12 VCC1_5_A5
W12 VCC1_5_A6
W10 VCC1_5_A7
L12
VCC1_05_3 L13
L14
VCC1_05_4 L15
VCC1_05_5
VCC1_05_6 M11
VCC1_05_7 M15
N11
VCC1_05_8 N15
VCC1_05_9
VCC1_5_A1
U13
VCC1_5_A10
W18
G9 VCC1_5_A11
VCC1_5_A12
G7 V5REF
U7 V5REF_SUS
L11
VCC1_05_1
VCC1_05_10 P11
VCC1_05_11 P15
R11
VCC1_05_12 R12
VCC1_05_13
VCC1_05_14 R13
VCC1_05_15 R14
R15
VCC1_05_16
VCC1_05_2
12
11-,17-,26-,31-,32-,34-,37-,40-
ITL_ICH9M_SFF_FCBGA_569P
U13-6
11-,17-,26-,31-,32-,34-,37-,40-
C1314
0.022uF_16V
0.1uF_10V
C1251
1
2
2
C1305
0.1uF_10V
1
2
7-,8-,9-,10-,12-,14-,20-,30-,31-,32-,33-,34-,37-,38-,40-,43-,49-
C1300
0.1uF_10V
1
220uF_2.5V
C111
1
2
10_1%
R1196
12
0.1uF_10V
1
2
0.1uF_10V
C131012
C1302
0.1uF_10V
C1303
1
2
9-,10-,12-,13-,15-,16-,20-,21-,22-,26-,28-,30-,31-,32-,33-,34-,37-,38-,40-,42-,46-,47-,49-
C1293
0.1uF_10V
1
2
0.1uF_10V
C1309
12
C1301
4.7uF_6.3V
1
2
7-,8-,9-,10-,12-,14-,20-,30-,31-,32-,33-,34-,37-,38-,40-,43-,49-
+V3A_RTC
31-
+V3A
+V3S
+V3A
+V3A
+V1.5S_USB_ICH
+V5A
+V3S
+V1.05S
+V5S
+V3S
+V3S
+V3S
+V1.5S
+V1.5S
+V1.5S
+V1.5S
+V1.5S
+V1.5S
+V1.5S
+V1.5S
+V3S
+V3A
+V1.05S
+V1.5S
+V1.05S
http://laptop-motherboard-schematic.blogspot.com/

CHANGE by
PROPRITARY NOTE: THIS SHEET OF NGINEERING DRAWING AND SPECIFICATIONS CONTAINS CONFIDENTAL
NEITHER THIS SHEET NOR THE INFORMATION IT CONTAINS WAY BE USED BY OR DISCLOSED TO ANY THIRD
SHEET
ICH9-5
CODE
TITLE
PARTY WITHOUT DELL’S EXPRESS WRITTEN CONSENT.
DELL CONFIDENTIAL/PROPRIETARY
INVENTEC
DOC. NUMBERSIZE
BE TRANSFERRED OR COPIED WITHOUT THE EXPRESS WRITTEN AUTHORIZATION OF DELL. IN ADDITION,
TRADE SECRET AND OTHER PROPTIETARY INFORMATION OF DELL INC. ("DELL") THIS DOCUMENT MAY NOT
A1
A25
VSS_NCTF2 AE1
VSS_NCTF3
VSS_NCTF4 AE25
V13TL
CS
A3
4935
1310A22966-0-MTRA01
14-Sep-2009
REV
OF
AD19
AD22
VSS160
VSS161 AE3
AE4
VSS162 AE11
VSS163
VSS164 AE13
VSS165 AE15
V17
VSS166
VSS167 AE8
V9
VSS168 J16
VSS169
VSS_NCTF1
AC24
VSS149
VSS150 AC1
AC4
VSS151
VSS152 AC10
VSS153 AC12
AC14
VSS154 AD2
VSS155
VSS156 AD6
AD9
VSS157
VSS158 AD16
VSS159
AA16
VSS139 AA17
AA19
VSS140
VSS141 AA21
AA22
VSS142 AA25
VSS143
VSS144 AB3
VSS145 AB9
AB11
VSS146
VSS147 AB13
AB15
VSS148
W22
W25
VSS128 Y3
VSS129
VSS130 Y23
AA1
VSS131
VSS132 AA4
VSS133 AA6
AA8
VSS134 AA11
VSS135
VSS136 AA13
AA15
VSS137
VSS138
V19
VSS117
VSS118 V23
VSS119 W1
W4
VSS120
VSS121 W5
W7
VSS122 W9
VSS123
VSS124 W15
VSS125 W19
W21
VSS126
VSS127
T23
VSS107 U5
U10
VSS108 W11
VSS109
VSS110 U14
W16
VSS111
VSS112 U21
VSS113 U22
U25
VSS114 V3
VSS115
VSS116 V8
VSS095
VSS096
R25
VSS097
T2
T8 VSS098
T10 VSS099
VSS100
T11
VSS101
T12
T13 VSS102
VSS103
T14
T15 VSS104
T16 VSS105
VSS106
VSS085
P23
R5 VSS086
R7 VSS087
VSS088
R8
VSS089
R9
R10 VSS090
VSS091
R16
R17 VSS092
R19 VSS093
VSS094
R21
R22
N17
N21 VSS075
VSS076
N22
VSS077
N25
P9 VSS078
P10 VSS079
VSS080
P12
P13 VSS081
VSS082
P14
VSS083
P16
P17 VSS084
M16
M17 VSS064
VSS065
M23
N2 VSS066
N5 VSS067
VSS068
N9
VSS069
N10
N12 VSS070
VSS071
N13
N14 VSS072
N16 VSS073
VSS074
L16 VSS053
VSS054
L17
L21 VSS055
VSS056
L22
VSS057
L25
M9 VSS058
M10 VSS059
VSS060
M12
M13 VSS061
VSS062
M14
VSS063
K9
VSS043
K10
K11 VSS044
VSS045
K12
K13 VSS046
K15 VSS047
VSS048
K17
VSS049
K23
L5 VSS050
VSS051
L9
L10 VSS052
J5
J9 VSS032
J10 VSS033
VSS034
J11
J12 VSS035
VSS036
J13
VSS037
J15
J21 VSS038
J22 VSS039
VSS040
J25
K2 VSS041
VSS042
G5 VSS021
VSS022
G10
VSS023
G13
G16 VSS024
VSS025
G19
G21 VSS026
H10 VSS027
VSS028
H12
VSS029
H18
H23 VSS030
VSS031
VSS010
VSS011
E7
E9 VSS012
E11 VSS013
VSS014
E13
E15 VSS015
VSS016
E17
VSS017
E19
E21 VSS018
F24 VSS019
VSS020
G2
B4 VSS001
VSS002
B7
VSS003
B10
B13 VSS004
VSS005
B16
B19 VSS006
B22 VSS007
VSS008
D2
VSS009
D24
E5
ITL_ICH9M_SFF_FCBGA_569P
U13-5
http://laptop-motherboard-schematic.blogspot.com/

SHEETCHANGE by
SIZE REV
OF
INVENTEC
TITLE
BLANK
CODE
A011310A22966-0-MTR
36 49
A3 CS
V13TL
HDD CONN
14-Sep-2009
DOC. NUMBER
http://laptop-motherboard-schematic.blogspot.com/

KEY
KEY
SIM CARD slot
DOC. NUMBERSIZE
On chip power MOSFETs for supplying flash media card power.
1206
SHEET
On chip 5V to 3V regulator. No external regulator required
OF
1206
DELL CONFIDENTIAL/PROPRIETARY
CODE
PCIE Mini Card (WLAN)
Bluetooth CONN
TITLE
V13TL
WLAN & BT
CHANGE by
PCIE Mini Card for 3G
INVENTEC
REV
37-
15-
37-
14-Sep-2009
A011310A22966-0-MTR
37 49
A3 CS
1
2
33-,37-,40-,42-
37-
37-
47pF_50V
C156
1
2
32-
C168
47pF_50V
CMD_CM1293A_04SO_6P_OPEN
CH1
1
3CH2
4
CH3
6
CH4
2VN VP 5
33-,37-
1
2
37-
D1026
C158
1
2
C157
0.047uF_16V
33pF_50v
1
2
0.1uF_10V
32-
37-,38-,45-
15-
C84
2
37-,38-,45-
R209
0_5%_OPEN
12
31-,38-
C154
47pF_50V
10_5%
R1272
12
2
37- R211 0_5%
12
12
C1326
0.1uF_10V
1
7-,8-,9-,10-,12-,14-,20-,30-,31-,32-,33-,34-,37-,38-,40-,43-,49-
37-
R171
0_5%
C1332
1
2
31-,38-
9-,10-,12-,13-,15-,16-,20-,21-,22-,26-,28-,30-,31-,32-,33-,34-,37-,38-,40-,42-,46-,47-,49-
33-,37-,40-,42-
78
8
99
G
G1 G2
G
0.1uF_10V
12
13 13 14 14
22
3
34
4
5
56
6
7
CN6
HRS_DF12_14DP_0.5V_14P
1
1
10
10
11 11 12
0_5% R255
12
37-
11-,17-,26-,31-,32-,34-,37-,40-
1
2
37-,38-,45-
12
C163
0.1uF_10V
11-,17-,26-,31-,32-,34-,37-,40-
37-
33-,37-
37-
37-
0.1uF_16v
C82
12
15-,28-,33-,37-,40-,47-
15-
15-
32-
4.7uF_6.3V
C167
1
2
R1268
100K_5%
C83
100pF_50v_OPEN
1
2
7-,8-,9-,10-,12-,14-,20-,30-,31-,32-,33-,34-,37-,38-,40-,43-,49-
2
TP79
9-,10-,12-,13-,15-,16-,20-,21-,22-,26-,28-,30-,31-,32-,33-,34-,37-,38-,40-,42-,46-,47-,49-
0_5%R210 1
15pF_50V
C124
1
2
38-
C123
15pF_50V
1
2
33-,37-
15-
0.1uF_10V
C1333
1
2
32-,37-
12
37-
33-
37-,38-,45-
37-
9-,10-,12-,13-,15-,16-,20-,21-,22-,26-,28-,30-,31-,32-,33-,34-,37-,38-,40-,42-,46-,47-,49-
12
R179 0_5%
15-
37-
32-
C1331
33pF_50V_OPEN
10K_5%
1
2
R208
100K_5%
12
1
2
37-
R181
1
2
R65
10K_5%
12
C159
100uF_6.3V
1
2
R183
0_5%_OPEN
R173
12
C155
33pF_50V
100K_5%
R1298
12
32-,33-,37-,38-,40-,42-
0_5%_OPEN
15pF_50V
C122 1
2
31-,38-
0.1uF_10V
C125
12
33-,37-
R182 0_5%
12
15-,28-,33-,37-,40-,47-
1
2
15-,28-,33-,37-,40-,47-
33-
32-
32-,33-,37-,38-,40-,42-
C164
0.1uF_10V
RSVD7
RSVD8
43
RSVD9
45
SMB_CLK 30
SMB_DATA 32
38
USB_D+
36
USB_D-
1WAKE#
32-
37-
15-
8
RSVD13
RSVD14 10
12
RSVD15 14
RSVD16
RSVD17 16
20
RSVD18
5RSVD2
RSVD4
19
RSVD5
37
39 RSVD6
41
22
23 PER_N0
PER_P0
25
31 PET_N0
PET_P0
33
13 REFCLK+
11 REFCLK-
RSVD1
3
47 RSVD10
RSVD11
49
51 RSVD12 GND12
GND2
15
21 GND3
GND4
27
29 GND5
GND6
35
4
GND7
18
GND8
GND9 26
44
LED_WLAN#
LED_WWAN# 42
PERST#
+3.3V_2 52
+3.3V_AUX 24
;ED_WPAN# 46
7CLKREQ#
DEBUG-RESET#
17
G1 G1 G2 G2
9GND1
34
GND10
GND11 40
50
CN11
BELLW_80052_1021_52P
+1.5V_1 6
28
+1.5V_2
+1.5V_3 48
+3.3V_1 2
15-,28-,33-,37-,40-,47-
32-
32-
C162
47pF_50V
1
2
R177
0_5%_OPEN
12
37-
32-
TP78
9-,10-,12-,13-,15-,16-,20-,21-,22-,26-,28-,30-,31-,32-,33-,34-,37-,38-,40-,42-,46-,47-,49-
100K_5%
R178
12
1
2
32-
32-
38-
0.1uF_10V
C1327
1
2
C166
4.7uF_6.3V
1
3
2
38-
37-
37-
32-,33-,37-,38-,40-,42-
37-
BAV99W_OPEN
D1018
1
2
R256
0_5%
12
32-
C1328
100uF_6.3V
37 RSVD5
RSVD6
39
RSVD7
41
43 RSVD8
45 RSVD9
30
SMB_CLK 32
SMB_DATA
USB_D+ 38
USB_D- 36
WAKE#
1
47
49 RSVD11
RSVD12
51
RSVD13 8
10
RSVD14 12
RSVD15
RSVD16 14
16
RSVD17
RSVD18 20
5RSVD2
19 RSVD4
GND9
LED_WLAN# 44
42
LED_WWAN#
22
PERST#
PER_N0
23
PER_P0
25
PET_N0
31
33 PET_P0
REFCLK+
13
11 REFCLK-
3RSVD1
RSVD10
GND10 34
40
GND11
GND12 50
15 GND2
GND3
21
27 GND4
GND5
29
35 GND6
GND7 4
GND8 18
26
28
48
+1.5V_3
2
+3.3V_1
52
+3.3V_2
24
+3.3V_AUX
;ED_WPAN# 46
CLKREQ#
7
17 DEBUG-RESET#
G1
G1 G2 G2
GND1
9
1
2
37-
CN12
BELLW_80052_1021_52P
6
+1.5V_1
+1.5V_2
TP81
10K_5%
R180
37-
32-
38-
37-
31-,38-
37-
31-,38-
9-,10-,12-,13-,15-,16-,20-,21-,22-,26-,28-,30-,31-,32-,33-,34-,37-,38-,40-,42-,46-,47-,49-
38-,45-
37-
1
2
TP80
37-
32-,37-
9-,10-,12-,13-,15-,16-,20-,21-,22-,26-,28-,30-,31-,32-,33-,34-,37-,38-,40-,42-,46-,47-,49-
0.1uF_10V
C165
33
44
5
56
6
G1
GG2
G
37-
32-
BT_RADIO_DIS#
CN7
ACES_88501_0601_6P
11
22
COEX2_WLAN_ACTIVE
BT_DET#
USB_P6-
BT_LED
USB_P6+
+V3S
COEX1_BT_ACTIVE
WLAN_VCC
WLAN_VCC
PCIE_WAKE#
PCIE_WAKE#
WLAN_VCC
PCIE_MCARD2_DET#
BT_LED
USB_MCARD1_DET#
USB_MCARD1_DET#
USB_MCARD2_DET#
PCIE_MCARD1_DET#
USIM_VPP
3G_VCC +V3S
USIM_DATA
CLKREQ#_MINIC1
WLAN_VCC
+V1.5S
3G_VCC
PCIE_MCARD2_DET#
+V1.5S
USB_MCARD2_DET#
3G_VCC
WLAN_VCC
LPC_FRAME#
COEX2_WLAN_ACTIVE
CLK_PCIE_MINICARD1#
CLK_PCIE_MINICARD1
PCIE_TXP1
PCIE_TXN1
PCIE_RXP1
PCIE_RXN1
BUF_PLT_RST#
SMB_DATA
SMB_DATA
SMB_CLK
SMB_CLK
CLK_PCI_MINIPCI1
COEX1_BT_ACTIVE
LPC_AD0
LPC_AD1
LPC_AD2
LPC_AD3
+V3S
+V3S
WLAN_LED#
USB_P4-
USB_P4+
USIM_CLK
USIM_DATA
USIM_VCC
CLK_PCIE_MINICARD2
PCIE_RXP2
3G_VCC
+V3A
+V3A
+V3S
CLKREQ#_MINIC2
CLK_PCIE_MINICARD2#
PCIE_RXN2
PCIE_TXP2
PCIE_TXN2
USB_P11-
USB_P11+
USIM_VPP
USIM_RST
BUF_PLT_RST#
PCIE_MCARD1_DET#
BUF_PLT_RST#
RF_LAN_KILL#
RF_3G_KILL#
USIM_CLK
USIM_RST
USIM_VCC
+V3S
USIM_DATA
USIM_RST
USIM_CLK
USIM_VPP
3G_LED#
WLAN_LED#
http://laptop-motherboard-schematic.blogspot.com/

GPIO
SM BUSPS / 2
WAKE UP
UART
A / D D / A
CLOCK
KBMX
FLASH
PWM
LPC
CS
CS
C2983
SHEET
10mil
ES
TITLE
ES
DOC. NUMBERCODE
WS2
INVENTEC
ES
WS2
ES
10mil
30mil
For IT8502JX
ES
ES
Group I and J are not 5V tolerant
ES
ES
ES
WS2
CS
KBC
V13TL
CSA3
4938
1310A22966-0-MTRA01
14-Sep-2009 OF
NU
REV
ES
SPI FLASH
WS2
CHANGE by
0.1uF
ES
GPIO ground J are only output mode
SIZE
For IT8502IX
GPIO ground I are only input mode
37-,45-
39-
39-
30-
41-
38-,40-
37-,45-
2
10K_5%
R141
12
37-,45-
38-
20-,38-
R1257
4.7K_5%
1
12
38-,40-
42-,43-,44-
39-
12
3
4
0.1uF_10V C1322
100K_5%
R308
12
38-,39-
X2
32.768KHz
100K_5%
12
TP105
30-,38-
31-,37-,38-
R307
D18
BAT54C_30V_0.2A
12
3
R165 4.7K_5%
12
9-,12-
21-,33-
D17
BAT54C_30V_0.2A
12
3
C134
0.1uF_10V
12
31-,37-,38-
43-
39-
BAT54C_30V_0.2A
D1021
12
3
33-,38-
TP57
12
R1355
0_5%_OPEN
12
12
31-,37-
ITE_AGND
R1258 100K_5%
39-
38-,39-
38-
4.7K_5%
R166
12
39-
38-,40-
30-
38-
7-,8-,9-,10-,12-,14-,20-,30-,31-,32-,33-,34-,37-,38-,40-,43-,49-
38-
12-
39-
7-,8-,9-,10-,12-,14-,20-,30-,31-,32-,33-,34-,37-,38-,40-,43-,49-
L14
KC_FBM_11_160808_101_T_2P
C1422
33pF_50V
1
2
12
33pF_50V
C1421
1
2
2
7-,8-,9-,10-,12-,14-,20-,30-,31-,32-,33-,34-,37-,38-,40-,43-,49-
20-,38-
7-
R1215
100K_5%
38-
33-
10K_5%
R164
1
R91
0_5%
12
12-,33-
45-
9-,10-,12-,13-,15-,16-,20-,21-,22-,26-,28-,30-,31-,32-,33-,34-,37-,38-,40-,42-,46-,47-,49-
7-,38-
38-
31-
33-
33-
14-
10K_5%
R1213
12
39-
12
38-
39-
38-
38-,40-
7-,8-,9-,10-,12-,14-,20-,30-,31-,32-,33-,34-,37-,38-,40-,43-,49-
7-,38-
7-
38-,40-
38-,39-
R138 0_5%
39-
R169 10K_5%
12
39-
1
2
0_5%
R338
12
42-
33-
30-,38-
47pF_50V
C135
8-,38-
TP56
37-
2
R134 10K_5%
12
7-,38-
20-
32-,33-,37-,38-,40-,42-
10K_5%
R89
1
1000pF_50V
C132
1
2
39-
R1096
100K_5%_OPEN
12
0.1uF_10V C138
12
39-
ITE_AGND
R96 100K_5%
12
12
0_5%
R253
12
33-
7-,8-,9-,10-,12-,14-,20-,30-,31-,32-,33-,34-,37-,38-,40-,43-,49-
0.1uF_10V
C151
31-,37-
39-
39-
TP118
C152
15pF_50V
12
38-,40-
38-
45-
R1163 10K_5%
12
100K_5%
R306
12
37-
R250 0_5%
12
38-
0_5%_OPEN
R1356
12
9-,10-,12-,13-,15-,16-,20-,21-,22-,26-,28-,30-,31-,32-,33-,34-,37-,38-,40-,42-,46-,47-,49-
37-,38-
38-,39-
R1357 0_5%_OPEN
12
42-
38-
R1325
0_5%
12
9-,20-,33-,34-,39-,40-,45-,46-,49-
L11
KC_FBM_11_160808_101_T_2P
12
2
1uF_6.3V
C136
12
39-
10K_5%
R168
1
4.7K_5%
R170
12
45-
7-,8-,9-,10-,12-,14-,20-,30-,31-,32-,33-,34-,37-,38-,40-,43-,49-
33-,40-
0.1uF_10V
12
39-
38-
31-,37-
38-
38-
20-,21-,33-
14-
39-
C1323
38-,45-
38-
8-,31-
7-,8-,9-,10-,12-,14-,20-,30-,31-,32-,33-,34-,37-,38-,40-,43-,49-
38-
38-
38-
12
R257 100K_5%_OPEN
12
1
37-
10K_5%
R137
12
1SS355PTD1023
2
12
100K_5%
R136
12
37-,38-
8-,38-
R1164
10K_5%
3
11
VCC
VCORE
12
WRST#
14
WUI19-GPH3-ID3 96
35
WUI5-GPE5
100K_5%
R139
110
SMCLK1-GPC1 115
117
SMCLK2-WUI22-GPF6
111
SMDAT0-GPB4
116
SMDAT1-GPC2
SMDAT2-WUI23-GPF7 118
47
TACH0-GPD6
TACH1-GPD7 48
120
TMRI0-WUI2-GPC4
TMRI1-WUI3-GPC6 124
109
TXD-GPB1
VBAT
31
PWM5-GPA5
PWM6-GPA6 32
34
PWM7-GPA7
125
PWRSW-GPE4
16 PWUREQ#-GPC7
18
RI1#-WUI0-GPD0 21
RI2-WUI1-GPD1
RING#-PWRFAIL#-LPCRST#-GPB7 112
108
RXD-GPB0
SERIRQ
5
SMCLK0-GPB3
85
87
PS2CLK1-GPF2
PS2CLK2-WUI20-GPF4 89
86
PS2DAT0-GPF1
PS2DAT1-GPF3 88
90
PS2DAT2-WUI21-GPF5
24
PWM0-GPA0 25
PWM1-GPA1 28
PWM2-GPA2
PWM3-GPA3 29
30
PWM4-GPA4
45
19
L80HLAT-GPE0
L80LLAT-WUI7-GPE7 20
10 LAD0
LAD1
9
LAD2
8
7LAD3
6LFRAME#
13 LPCCLK
LPCPD#-WUI6-GPE6
17
LPCRST#-WUI4-GPD2
22
PS2CLK0-GPF0
KSO15
55
56
KSO16-GPC3 57
KSO17-GPC5
KSO2-PD2
38
KSO3-PD3
39
40 KSO4-PD4
41 KSO5-PD5
KSO6-PD6
42
KSO7-PD7
43
44 KSO8-ACK#
KSO9-BUSY
62
KSI5
63
64 KSI6
65 KSI7
KSO0-PD0
36
37 KSO1-PD1
46 KSO10-PE
51 KSO11-ERR#
KSO12-SLCT
52
KSO13
53
54 KSO14
107
GPG2
100
GPG6
104
GPH4-ID4 97
98
GPH5-ID5
99
GPH6-ID6
4KBRST#-GPB6
KSI0-STB#
58
KSI1-AFD#
59
KSI2-INIT#
60
61 KSI3-SLIN#
KSI4
83
EGCS#-GPE2
103 FMISO
102 FMOSI
101 FSCE#
FSCK
105
GA20-GPB5
126
GINT-GPD5 33
123 GPB2
GPC0
119
106 GPG0
GPG1-ID7
CTX1-WUI18-GPH2-ID2
DAC0-GPJ0 76
DAC1-GPJ1 77
78
DAC2-GPJ2
DAC3-GPJ3 79
80
DAC4-GPJ4 81
DAC5-GPJ5
ECSCI#-GPD3
23 ECSMI#-GPD4
15
EGAD-GPE1 82
EGCLK-GPE3 84
69
ADC4-GPI4 70
ADC5-GPI5 71
72
ADC6-GPI6 73
ADC7-GPI7
AVCC 74
75 AVSS
128
CK32K
CK32KE 2
CLKRUN#-WUI16-GPH0-ID0 93
94
CRX1-WUI17-GPH1-ID1
95
VSTBY
VSS
27
VSS
49
50
VSTBY
91 VSS
VSTBY 92
ADC0-GPI0 66
ADC1-GPI1 67
68
ADC2-GPI2
ADC3-GPI3
1VSS
VSTBY 114
121
VSTBY
VSS
122
VSTBY 127
113 VSS
26
KC_FBM_11_160808_101_T_2P
L15
12
10-,12-
ITE_IT8502E-KX_L_LQFP_128P
U11
10K_5%
R172
12
12
30-,38-
7-,8-,9-,10-,12-,14-,20-,30-,31-,32-,33-,34-,37-,38-,40-,43-,49-
20-,38-
30-,38-
8-,38-
38-
20-,38-
39-
R199 2.2K_5%
12
20-,38-
31-
0_5%
R251
12
R252 0_5%
0.1uF_10V C1242
12
39-
12
R1212
0_5%
12
12
0.1uF_10V
C137
12
7-
12-
32-,33-,37-,38-,40-,42-
R167 4.7K_5%
100K_5%
R140
12
R174
0_5%
1
2
12
0.1uF_10V
C133
R176 10K_5%
12
R309 0_5%_OPEN
12
39-
22-,30-
7-
BAT54C_30V_0.2A
12
3R163
1K_5%
29-,10-,33-
9-,33-
33-,38-
39-
7-,8-,9-,10-,12-,14-,20-,30-,31-,32-,33-,34-,37-,38-,40-,43-,49-
D1022
7-,8-,9-,10-,12-,14-,20-,30-,31-,32-,33-,34-,37-,38-,40-,43-,49-
45-
R339 0_5%
1
12
7-,8-,9-,10-,12-,14-,20-,30-,31-,32-,33-,34-,37-,38-,40-,43-,49-
38-,40-
7-
8-,38-
5
DIO
DO
2
GND
4
7
HOLD
VCC 8
3WP
15pF_50V
C153
38-,45-
WINB_W25Q16BVSSIG_SOIC_8P
U1013
CLK 6
1CS
0.1uF_10V_OPEN
C150
1
2
38-
45-
33-
4.7K_5%
R1256
1
2
2
KC_FBM_11_160808_101_T_2P
L13
12
2
31-,37-
39-
R1214
10K_5%
1
12
10K_5%
R142
1
8-
38-,40-
0_5%_OPEN
R92
38-
39-
7-,8-,9-,10-,12-,14-,20-,30-,31-,32-,33-,34-,37-,38-,40-,43-,49-
TP31
38-
R133 10K_5%
12
BAT54C_30V_0.2A
D1019
12
3
39-
7-,38-
38-
15- 20-,38-
12
38-
C139 0.1uF_10V
12
0.1uF_10V C1243
BT_LED
ADPTR_I
VCORE_I
+V3A
SLP_S4#_3R
+V3A
BAT_O_LED#
3G_LED#
ICH_EXPRESSCARD_SD#
PSID_DISABLE#
+V3S
VR_ON
+V1.5_PWRGD
ALL_SYSPWRGD
FAN1_DAC0_3
D_ACIN#ACPRES
SLP_S3#_3R
LPC_FRAME#
LPC_AD3
LPC_AD2
LPC_AD1
LPC_AD0
BAT_O_LED#
BUF_PLT_RST#
+V3A
FAN_TACH1
KBC_SMI#
EC_KBRST#
EC_GA20
VCORE_GD
+V3LA
PWR_LED
LOM_ENABLE#
+V5S
AMP_MUTE#
CAPS_LED#
SCROLL_LED#
CLK_33_EC
CPPE#
PWR_SWIN#_3
+V3S
V3A_EC
+V3A
LID#
WLAN_LED#
+V3A
BATT_PWRKEEP
BT_RADIO_DIS#
+V3AV3A_EC
+V3A
THRMSDA
THRMSCK
PDCLK
PDDAT
BATT_CLK
BATT_DATA
BATT_DATA
BATT_CLK
PDDAT
PDCLK
THRMSDA
THRMSCK
BT_DET#
CHG_SMB_CLK
PS_ID
INV_PWM
NUM_LED#
CHG_SMB_DAT
CHG_SMB_CLK
LAN_ISOLATE
+V3A
+V3A
+V3A
+V3A
+V3A
ICH_EXPRESSCARD_OC#
LCD_TST
LVDS_CBL_DET#
LVDS_CBL_DET#
CAM_ON
CAM_ON
BT_DET#
LAN_WAKE#
SUB_3V_LAN
CHG_SMB_DAT
EC_SCI#
EC_WAKEUP#
D_EC_KBRST#
D_KBC_SMI#
D_EC_SCI#
D_EC_WAKEUP#
D_EC_GA20
BATT_PRS LPCPD#
LPC_FRAME#
LPCPD#
BUF_PLT_RST#
PWR_BTN#
ICH_EXPRESSCARD_SD#
+V1.05S_PWRGD
BAT_LED
X1
X3
X5
X7
X9
X11
X13
X15
EC_SO
FAN_TACH1
USB_PWREN
LID#
CHG_EN#
PM_ICH_PWROK
ICH_EXPRESSCARD_OC#
RF_3G_KILL#
Y1
Y2
Y3
Y4
Y5
Y6
Y7
Y8
EC_SCE#
EC_SO
EC_SCK
EC_SI
PCI_CLKRUN#
PWR_BTN#
AMP_MUTE#
EC_SI
D_EC_WAKEUP#
X2
X12
X14
X16
X17
X4
X6
X8
X10
D_ACIN#
RF_LAN_KILL#
RSMRST#
PCI_SERIRQ
BL_LID#
D_EC_GA20
D_KBC_SMI#
D_EC_SCI#
D_EC_KBRST#
LPC_RST#
EC_SCK
EC_SCE#
http://laptop-motherboard-schematic.blogspot.com/

INVENTEC
CHANGE by OF
DOC. NUMBER REV
TITLE
SHEET
A3
4939
1310A22966-0-MTR A01
14-Sep-2009
CODESIZE
38-
38-
38-
38-
38-
K/B & TouchPad
V13TL
CS
33
30
30
44
55
66
77
88
99
GG1
G2
G
2
20 20
21 21
22 22
23 23
24 24
25 25
26 26
27 27
28 28
29
29
1
10 10
11 11
12 12
13 13
14 14
15 15
16 16
17 17
18 18
19 19
2
38-
38-
ACES_50503_03041_001_30P
CN9
1
38-
38-
38-
38-
38-
38-
38-
9-,20-,33-,34-,38-,40-,45-,46-,49-
38-
38-
38-
38-
38-
38-
38-
38-
38-
38-
38-
12
23
34
4GG1
GG2
38-
38-
ACES_88264_040L_4P
CN1006
1
PDDAT
PDCLK
+V5S
X6
X5
X8
X7
X9
X4
X2
X3
X1
X13
X17
X16
X14
X15
X10
X12
X11
Y8
Y7
Y1
Y6
Y2
Y5
Y4
Y3
http://laptop-motherboard-schematic.blogspot.com/

OF
Conn to HALL SENSOR BOARD
ES
INVENTEC
DOC. NUMBER
TITLE
ES
ES
ES
1310A22966-0-MTR
40 49
A3 CS
V13TL
IO Connector
Conn to CR BOARD
Conn to LED BOARD
CHANGE by
SIZE
CS
CS
SHEET
ES
REV
ES
Conn to AUDIO BOARD
CODE
55
66
7
7
8
8
GG1
14-Sep-2009
A01
ACES_88501_0801_8P
CN1004
1
1
GG2
2
2
3
3
4
4
31-
31-
45-
45-
9-,10-,12-,13-,15-,16-,20-,21-,22-,26-,28-,30-,31-,32-,33-,34-,37-,38-,40-,42-,46-,47-,49-
9-,20-,33-,34-,38-,39-,40-,45-,46-,49-
32-
15-
15-,28-,33-,37-,47-
33-
32-
32-,33-,37-,38-,42-
33-
9-,10-,12-,13-,15-,16-,20-,21-,22-,26-,28-,30-,31-,32-,33-,34-,37-,38-,40-,42-,46-,47-,49-
6
7
7
8
8
9
9
G1
G
GG2
32-
33-,38-
45-
24
24
25
25
26
26
27
27
28
28
29 29
3
3
30 30
4
4
5
5
6
14
14
15
15
16
16
17
17
18
18
19
19
2
2
20
20
21
21
22
22
23
23
CN1007
ACES_88195_3041_30P
1
1
10
10
11
11
12
12
13
13
15-
45-
7-,8-,9-,10-,12-,14-,20-,30-,31-,32-,33-,34-,37-,38-,40-,43-,49-
47-
32-
G
G4
45-
45-
45-
45-
31-
31-
31-
566
7
78
8
99
GG1
G2
G
G3 G
CN5
MLX_52559_1052_10P
1
1
10
10
2
2
3
344
5
6
6
77
88
99
G
G1
G2 G
44
44
45 45
46 46
47 47
48 48
49 49
55
50 50
37
37
38 38
39
39
4
4
40
40
41 41
42 42
43
43
33
30 30
31
31
32
32
33 33
34 34
35
35
36
36
22 22
23 23
24 24
25
25 26 26
27
27
28
28
29 29
15 15
16
16
17
17
18 18
19
19
22
20
20
21 21
ENTERY_1001_F50C_01L_50P
CN1008
1
1
10
10
11
11
12 12
13
13
14 14
38- 38-
11-,17-,26-,31-,32-,34-,37-
7-,8-,9-,10-,12-,14-,20-,30-,31-,32-,33-,34-,37-,38-,40-,43-,49-
32-
15-,28-,33-,37-,47-
31-
38-
7-,8-,9-,10-,12-,13-,30-,34-,41-,45-,49-
32-
15-
12
38-
45-
31-
31-
31-
32-
32-
9-,20-,33-,34-,38-,39-,40-,45-,46-,49-
0_5%
R1313
30-
45-
33-,37-,42-
30-
SATA_TXP0
SATA_TXN0
SATA_RXP0
SATA_RXN0
HDA_SYNC
HDA_SDOUT
+V3S
+V5S
HDA_RST#
+V3A
LID#
DMIC_DATA
HDA_SDIN0
PWR_LED#
CPPE#
CLK_PCIE_EXPRESS#
CLK_PCIE_EXPRESS
+V5A
USB_P3+
USB_P8+
USB_P8-
PCIE_WAKE#
CN_BAT_O_LED#
DMIC_CLK
AMP_MUTE#
HDA_BITCLK
USB_P3-
PCIE_RXN4
PCIE_RXP4
ICH_SPKR
BUF_PLT_RST#
+V3S
PCIE_TXP4
PCIE_TXN4
SMB_CLK
SMB_DATA
CN_3G_LED#
+V3A
+V1.5S
PM_SUS_STAT#
CN_NUM_LED#
CN_BT_LED#
+V5S
CN_HDD_LED#
CN_SCROLL_LED#CN_CAPS_LED#
BAT_LED#
ICH_EXPRESSCARD_SD#
ICH_EXPRESSCARD_OC#
ICH_EXPRESSCARD_CLKEN
HDP_INT2#
CN_WLAN_LED#
http://laptop-motherboard-schematic.blogspot.com/

USB 0
CHANGE by
USB & eSATA
OFSHEET
DOC. NUMBER
CS
6012B0166401-001
CODE REV
CS
6012B0328801-001
eSATA & USB combo
USB & eSATA
V13TL
CS
A3
4941
1310A22966-0-MTR A01
14-Sep-2009
TITLE
INVENTEC
SIZE
CMD_CM1293_02ST_SOT23_5P_OPEN
D4
3
CH1 CH2
4
2
Vn
5
Vp
32-
32-
2
VARISTOR_OPEN
D1008
1
2
41-
1
2D1007
VARISTOR_OPEN
1
D1005
VARISTOR_OPEN
1
2
VARISTOR_OPEN
D1006
L1004
WCM_2012_900T
3
2
4
1
9
RXN
RXP 10
7
TXN
TXP 6
USB_N
2
3USB_P
1VCC
GND 11
4GND
GND 5
8
GND
G1 G
G
G2
G3 G
G
G4
12
CN3
TYCO_1759593_1_11P
12
0.01uF_16V
C26
31-
31-
C25
0.01uF_16V
D+
4G
G1
GG2
G
GG3
GG4
32-
31-
31-
2CN4
ALLTOP_C107F3_10403_L_4P
1VCC
2D-
3
1
2
C28
100uF_6.3V
1
2
3
1
4
0.1uF_16v
C27
C42
1
2
L1008
WCM_2012_900T
38-
0.1uF_16v
C1067
0.01uF_16v
1
2
1
2
41-
C43
1
2
10uF_6.3V
C44
OUT 7
OUT 8
4EN
1GND
OC# 5
0.01uF_16v
GMT_G545A1P8U_MSOP_8P
U3
IN
2
IN
3OUT 6
7-,8-,9-,10-,12-,13-,30-,34-,40-,45-,49-
C1066
10uF_6.3V
1
2
CMD_CM1293_02ST_SOT23_5P_OPEN
D1010
3
CH1 CH2
4
2
Vn
5
Vp
41- 41-
USB_P2+
USB_P2-_CN
USB_P2-
41-
32-
32-
USB_VCC0
USB_OC0#
USB_P2+_CN
SATA_C_RXN1
SATA_RXP_ESATA
SATA_RXN_ESATA
USB_VCC0
+V5A
SATA_C_TXP1
SATA_C_TXN1
SATA_C_RXP1
USB_PWREN
USB_VCC0
USB_P0+_CN
USB_P0-_CN
USB_VCC0
USB_P0-
USB_P0+
USB_VCC0
http://laptop-motherboard-schematic.blogspot.com/

CS
CS
LAN CONTROLLER
SIZE CODE
RTL8111DL_VB_GR
8111DL=6013B00000Z
8111DL=OPEN
6/03 from RTL8111DL_GR change to
CHANGE by 14-Sep-2009
1G: 8111DL=6019B0577201
8111DL=OPEN
CLOSE TO LAN CONTROLLER
OF
TITLE
SHEET
8111DL=6010A0040702
INVENTEC
DOC. NUMBER REV
EEPROM
CS
42-,43-
44-
LAN PHY
V13TL
CS
A3
4942
1310A22966-0-MTR A01
0.1uF_10V
C1168
1
2
44-
44-
38-,42-,43-,44- 42-,43-
44-
12
38-,42-,43-,44-
38-,42-,43-,44-
38-,42-,43-,44-
33-
15-
15-
15K_5%
1
2
3.6K_5%
R1140
2
38-
44-
R1142
12
0_5%
R1299
1
1
2
44-
2.49K_1%
R1108
2
C1167
27pF_50V
12
27pF_50V
C1216
1
X1001
25MHZ
43-
R1143
0_5%
1
2
R1141
1K_5%
1
2
38-,42-,43-,44-
32-
42-,43-
12
38-,42-,43-,44-
0.1uF_10V
C1224
12
9-,10-,12-,13-,15-,16-,20-,21-,22-,26-,28-,30-,31-,32-,33-,34-,37-,38-,40-,46-,47-,49-
43-
0.1uF_10V
C1223
12
44-
0_5%_OPEN
R1366
REFCLK_P
REST 46
48
SROUT12
29
VDD3
37
VDD33
38-,42-,43-,44-
32-
LED3_EEDO
3MDIN0
6MDIN1
MDIN2
9
12 MDIN3
2MDIP0
5MDIP1
8MDIP2
MDIP3
11
PERSTB 27
REFCLK_N
18
17
23 GPO
16 HSIN
15 HSIP
21 HSON
20 HSOP
28
ISOLATEB
LANWAKEB 26
LED0 38
LED1_EESK 35
LED2_EEDI_AUX 34
33
7
AVDD12 39
40
AVDD33
CKTAL1 41
42
CKTAL2
25
CLKREQB
32
EECS
EGND
22
ENSR 43
EVDD12
19
FB12
4
24 NC
DVDD12 30
31
GND
36
DVDD12
VDDSR 44
45
VDDSR
GND 47
GND
REA_RTL8111DL_VB_GR_LQFP_48P
U1005
1AVDD33
10 AVDD12
13 DVDD12
GND
14
0_5%
R44
12
12
42-,43-
32-,33-,37-,38-,40-
33-,37-,40-
32-
32-
2
38-
15-
44-
R45
0_5%_OPEN
22uF_6.3V
C81
1
1K_5%_OPEN
R1139
12
44-
44-
VCC
C1318
0.1uF_10V_OPEN
12
44-
CS
1
DC 7
3DI
DO
45
GND
NC 6
2SK
8
LAN_10LINK#
LAN_100LINK#
PCIE_WAKE#
LAN_WAKE#
LAN_ISOLATE
U14
ATM_AT93C46A_10SU_2.7_SOIC_8P_OPEN
CLK_PCIE_LAN#
CLK_PCIE_LAN
CTRL12
SUB_3V_LAN
SUB_3V_LAN
SUB_3V_LAN
SUB_3V_LAN
EVDD12
GPO
PCIE_TXN3
PCIE_TXP3
LAN_PCIETXDN
LAN_PCIETXDP
LAN_ACTLED#
BUF_PLT_RST#
DVDD12
DVDD12
LAN_X1
LAN_X2
CLKREQ#_LAN
+V3S
DVDD12
PCIE_RXP3
PCIE_RXN3
DVDD12
SUB_3V_LAN
SUB_3V_LAN
SUB_3V_LAN
TRD3-
TRD3+
TRD2-
TRD2+
TRD1-
TRD1+
TRD0-
TRD0+
http://laptop-motherboard-schematic.blogspot.com/

LAN POWER
Placed near LAN Controller
Pin 40
Pin 36
8111DL=6013B00000Z
Pin 19
REV
SHEET
SIZE
CTRL12: 40mils
8111DL=6014B0099601
8111DL=OPEN
Pin 1
8111DL=6013B00000Z
Pin 37
(1.2V output:60mils)
CODE
INVENTEC
WS2
Pin 10 Pin 13 Pin 30
14-Sep-2009
A011310A22966-0-MTR
43 49
A3 CS
V13TL
LAN POWER
Pin 29
Placed near LAN Controller
close to pin48
DOC. NUMBER
Pin 39
CHANGE by
8111DL = 22uF 6010A0040702
TITLE
OF
0.1uF_10V
1
2
42-
0.1uF_10V
C1170
1
2
C1171
D
1
2
5
6
G
3
4
S
1
2
Q1033
TPC6104
0.1uF_10V
C1221
1
2
C1169
0.1uF_10V
1
2
1
2
42-
C1218
0.1uF_10V
1
2
C1173
1uF_6.3V
1
2
0.1uF_10V
C69
1
2
R1107
220K_5% 1
2
C1217
0.1uF_10V
1
20.1uF_10V
C1219
0.1uF_10V
C1164
1
2
C1165
0.1uF_10V
12
12
0_5%
R46
12
R66
0_5%
12
0_5%_OPEN
R1109
1
2
38-,42-,44-
42-
SWF2520CF_4R7K_M
L1011
1
2
38-
1uF_6.3V
C1172
7-,8-,9-,10-,12-,14-,20-,30-,31-,32-,33-,34-,37-,38-,40-,49-
C1166
0.1uF_16V
1
2
3
D
1
G
S
2
200_1%
R1073
1
2
SSM3K7002FU
Q1010
C1220
10uF_6.3V
1
2
C1174
22uF_6.3V
SUB_3V_LAN
+V3A
CTRL12
LOM_ENABLE#
EVDD12
DVDD12
http://laptop-motherboard-schematic.blogspot.com/

Y
REV
SHEET
TITLE
OF
INVENTEC
RJ45
V13TL
CS
A3
4944
1310A22966-0-MTR A01
14-Sep-2009
RJ45
1G: 6016B0005901
SIZE
Close to transformer
1G:6010071031BT
CHANGE by
CODE DOC. NUMBER
B1
B2 B2
G1
G1
G2 G2
44-
42-
42-
42-
1
22
33
4
4
55
6
6
7
7
88
A1
A1
A2
A2
A3
A3
B1
R64
12
SANTA_130454_4_13P
JACK2
1
44-
44-
44-
180_5%
44-
C1222
1000pF_50V
1
2
TCT3
7
10 TCT4
2TD1+
TD1-
3
TD2+
5
6TD2-
TD3+
8
9TD3-
11 TD4+
TD4-
12
15
23
MX1+
22
MX1-
20
MX2+
MX2- 19
17
MX3+
MX3- 16
14
MX4+
MX4- 13
1TCT1
TCT2
4
U6
BOTH_GST5009_RA_SOP_24P
MCT1 24
MCT2 21
18
MCT3
MCT4
C1074
0.01uF_100V
1
2
1
2
CGND
42-
CGND
44-
44-
C1076
0.01uF_100V
R1076
75_5%
1
2
75_5%
R1077
1
2
C68
0.01uF_16V
1
2
1
2
R126 180_5%
12
42-
C65
0.01uF_16V
CGND
C1254
1000pF_50V
1
2
42-
42-
180_5%
R125
12
2
C47
1206_OPEN
12
0.1uF_25V
C1078
1
C1072
0.1uF_25V
12
C1021
12
C48
0.01uF_50V
12
0.01uF_50V
R29
1M_5%_OPEN
12
C1073
1000pF_2000V
1
2
R1074
75_5%
1
2
1000pF_50V
C1253
1
2
42-
C66
0.01uF_16V
1
2
C67
0.01uF_16V
1
275_5%
R1075
1
2
44-
44-
44-
44-
1
2
R28
180_5%
1
2
0.01uF_100V
C1075
R12
1
2
1
2
42-
42-
180_5%
44-
42-
44-
38-,42-,43-
0.01uF_100V
C1077
LAN_100LINK#
LAN_10LINK#
LAN_ACTLED#
44-
44-
44-
TRD0-_CN
TRD1+_CN
TRD1-_CN
TRD2+_CN
TRD2-_CN
TRD3+_CN
TRD3-_CN
TRD2+
TRD2-
TRD1+
TRD1-
TRD0+
TRD0-
SUB_3V_LAN
TRD0+_CN
TRD3-_CN
TRD0+_CN
TRD0-_CN
TRD1+_CN
TRD2+_CN
TRD2-_CN
TRD1-_CN
TRD3+_CN
TRD3+
TRD3-
http://laptop-motherboard-schematic.blogspot.com/

AB
CD
CS
ES ES
ES
ES
TITLE
REV
CHANGE by
PWR BTN & LED
DOC. NUMBER
WS2
INVENTEC
SHEET
CODE
ES
ES
POWER BUTTON
CS
White color LED
PWR BTN & LED
V13TL
CS
A3
4945
1310A22966-0-MTR A01
14-Sep-2009
P/N: 6011B0117401
OF
ES
SIZE
D
3
G
1
2
S
38-
40-
12
Q10
SSM3K7002FU R93
100K_5%
12
100K_5%
R1364
2
1
14-
9-,20-,33-,34-,38-,39-,40-,45-,46-,49-
9-,20-,33-,34-,38-,39-,40-,45-,46-,49-
7-,8-,9-,10-,12-,13-,30-,34-,40-,41-,45-,49-
R1339
0_5%
12
19_217_T1D_CP1Q2QY_3T
D6
R1351
100K_5%
1
2
9-,20-,33-,34-,38-,39-,40-,45-,46-,49-
9-,20-,33-,34-,38-,39-,40-,45-,46-,49-
3
1
24
5
40-
40-
0_5%
R1340
12
U1020
TSB_TC7SZ08F_SSOP_5P_OPEN
40-
40-
38-
R1345
100K_5%
1
2
38-
31-
2
R1344
100K_5%_OPEN
12
4
5
6
100K_5%
R1343
1
2
SW1
MISAKI_NTC017_DA1G_E106T_6P
1
2
3
1
2
R1350
100K_5%_OPEN
1
37-,38-
40-
R1346
100K_5%
TSB_TC7SZ08F_SSOP_5P_OPEN
U1015
3
1
24
5
9-,20-,33-,34-,38-,39-,40-,45-,46-,49-
1
2
9-,20-,33-,34-,38-,39-,40-,45-,46-,49-
100K_5%
R1363
1
2
40-
100K_5%
R1348
D
3
G
1
2
S
0_5%
R1342
12
40-
Q1034
2N7002W
Q1038
2N7002W
D
3
G
1
2
S
R94
100K_5%
1
2
38-
SSM3K7002FU
Q14 3
D
1
G
S
2
37-,38-
Q1036 3
D
1
G
S
2
9-,20-,33-,34-,38-,39-,40-,45-,46-,49-
40-
38-
7-,8-,9-,10-,12-,13-,30-,34-,40-,41-,45-,49-
2N7002W
Q1039 3
D
1
G
S
2
2N7002W
100K_5%_OPEN
R1353
12
R1352
100K_5%
1
2
7-,8-,9-,10-,12-,13-,30-,34-,40-,41-,45-,49-
2N7002W
D
3
G
1
2
S
2N7002W
Q1040 3
D
1
G
S
2
Q1041
2
100K_5%_OPEN
R1347
12
9-,20-,33-,34-,38-,39-,40-,45-,46-,49-
7-,8-,9-,10-,12-,13-,30-,34-,40-,41-,45-,49-
R42
1K_5%
1
100K_5%
R1354
1
2
9-,20-,33-,34-,38-,39-,40-,45-,46-,49-
Q1043
SSM3K7002FU
D
3
G
1
2
S
40-
5
2N7002W
Q1035 3
D
1
G
S
2
TSB_TC7SZ08F_SSOP_5P_OPEN
U1022
3
1
24
D
3
G
1
2
S
9-,20-,33-,34-,38-,39-,40-,45-,46-,49-
37-,38-
12
38-
Q1037
2N7002W
R1349
1
2
100K_5%
R43
+V5A
CN_BT_LED#
BT_LED
100K_5%
+V5S
+V5A
CAPS_LED#
+V5S
+V5S
SCROLL_LED#
CN_CAPS_LED#CN_SCROLL_LED#
+V5S+V5S
+V5S
NUM_LED#
CN_BAT_O_LED#
CN_NUM_LED#
3G_LED#
BAT_O_LED#
CN_3G_LED#
+V5S
PWR_LED#
HDD_LED# CN_HDD_LED#
+V5S
WLAN_LED#
+V5S
+V5S
CN_WLAN_LED#
BAT_LED#
+V5A
BAT_LED
PWR_SWIN#
+V5A
PWR_LED
http://laptop-motherboard-schematic.blogspot.com/

+V5S
+V5S
TITLE
CRT
2mA(max)
SIZE
CRT
SHEET
REV
OF
DOC. NUMBER
WS2
INVENTEC
CODE
CHANGE by
12
14-Sep-2009
A011310A22966-0-MTR
46 49
A3 CS
V13TL
D1001
EZJZ0V500AA
12
1A_32V_0467001
FUSE1001
12
9-,10-,12-,13-,15-,16-,20-,21-,22-,26-,28-,30-,31-,32-,33-,34-,37-,38-,40-,42-,47-,49-
C1006
12pF_50v
1
2
D1
EZJZ0V500AA
2N7002DW
6
D1
D2 3
2G1
G2
5
S1 1
4
S2
12
22-
Q1005
LQG15HSR12J02D
L1003 12
EZJZ0V500AA
D2
47_5%
R1020
12
22-
8
9
9
GG1
GG2
46-
15 15
22
33
44
5
5
6
6
77
8
11
10
10
11
11
12
12
13
13
14
14
1
2
22-
CN1
SYN_070112HR015S252ZR_15P
0.22uF_6.3v
C1012
1
2
R1012
150_1%150_1%
R1010
1
2
1
2
22-
46-
1
2
10K_5%
R1022
12
R1016
1K_1%
D1002
CHENMKO_CHPZ6V2_3P
A
C1C2
EZJZ0V500AA
D1004
47_5%
R1021
12
22-
0.1uF_16v
C1011
1
2
10K_5%
R1023
1
2
9-,20-,33-,34-,38-,39-,40-,45-,46-,49-
2A 5
7
2OE
2Y
3
4GND
Vcc 8
PHP_74LVC2G126DP_TSSOP_8P
U1001
1A
2
11OE
6
1Y
2
C1007
12pF_50v
1
2
12
2.2K_5%
R1019
1
L1002 12
22-
D3
EZJZ0V500AA
12
LQG15HSR12J02D
D1003
CHENKO_LL4148_2P
21
L1001 LQG15HSR12J02D
R1018
2.2K_5%
1
2
1
2
1
2
22-
1K_1%
R1015
R1017
10K_5%
1
2
46-
R1011
150_1%
0.1uF_16V
C1009
1
2
1
2
46-
1
2
12pF_50v
C1005
C1010
10uF_10v
CRT5V
9-,20-,33-,34-,38-,39-,40-,45-,46-,49-
+V3S CRT5V
CRT_RED_PORT
CRT_GREEN_PORT
CRT_BLUE_PORT
CRT_GREEN
CRT_BLUE
CRT5V
CRT5V
CRT_HSYNC_RCRT_VSYNC_R
CRT_HSYNC_PORT
CRT_VSYNC_PORT
CRT_DDC_DATA
CRT_DDC_CLK
CRT_RED
CRT_HSYNC
CRT_VSYNC
http://laptop-motherboard-schematic.blogspot.com/

ES
WS2
P/N:6019B0682301
14-Sep-2009
A011310A22966-0-MTR
47 49
A3 CS
V13TL
3D sensor
CHANGE by
TITLE
SIZE
CS
CS
SHEET OF
CODE DOC. NUMBER REV
INVENTEC
10K_5%_OPEN
R1397
1
2
15-,28-,33-,37-,40-
40-
R1396
0_5%_OPEN
12
R1310
10K_5%
12
9-,10-,12-,13-,15-,16-,20-,21-,22-,26-,28-,30-,31-,32-,33-,34-,37-,38-,40-,42-,46-,47-,49-
32-
12
10K_5% R1309
12
12
15-,28-,33-,37-,40-
R1308
10K_5%
0_5%R1306 12
R1307 0_5%
0_5%
12
10uF_6.3V
C1336
1
2
R1305
C1335
0.1uF_10V
1
2
C1334
1
2
9-,10-,12-,13-,15-,16-,20-,21-,22-,26-,28-,30-,31-,32-,33-,34-,37-,38-,40-,42-,46-,47-,49-
8
9INT_2
SCL_SPC
14
13 SDA_SDI_SDO
12 SDO VDD 6
1
VDD_IO
0.1uF_10V
ST_DE351DLTR8_LGA_14P
GND 10
RESERVED 11
2GND
3
RESERVED
GND 4
5
GND
CS
7
INT_1
+V3S
HDP_INT2#
+V3S
U1023
HDP_INT#
SMB_DATA
SMB_CLK
http://laptop-motherboard-schematic.blogspot.com/

INVENTEC
ES
For CPU
ES
CHANGE by
TITLE
SIZE
SHEET OF
REV
FOR B TO B
0603
DOC. NUMBER
For EMI
ES
Close to S12, S13, S14, S17
CODE
12
14-Sep-2009
A011310A22966-0-MTR
48 49
A3 CS
V13TL
SCREW
SMDPAD_1_134X79
PAD1006
11
0_5%
R1314
FIX5
FIX_MASK
1
1
SCREW2.5_5_1P
S14
12
PAD1007
SMDPAD_1_134X79
SMDPAD_1_134X79
PAD1008
11
0_5%
R1302
R1301
0_5%
12
12
PAD1009
SMDPAD_1_134X79
1
1
SMDPAD_1_134X79
PAD1010
11
0_5%
R1300
S16
SCREW2.5_5_1P
S10
SCREW120_500_0_1P
SCREW250_600_500_1P
S7
FIX_MASK
FIX2FIX3
FIX_MASKFIX_MASK
FIX1 FIX4
FIX_MASK
S2
SCREW250_600_500_1P
R1303
0_5%
12
SCREW3.8_6_5_1P
S13S12
SCREW3.8_6_5_1P
SCREW120_500_0_1P
S4
SCREW3.8_6_5_1P
S11
S9
SCREW285_500_1P
S8 S5
SCREW285_500_1PSCREW285_500_1P SCREW285_500_1P
FIX7
FIX_MASK
S6
FIX_MASK
FIX8
S15
SCREW2.5_5_1P
FIX_MASK
FIX6
PAD1014
SMDPAD_1_134X79
1
1
1
1
SMDPAD_1_134X79
PAD1013
11
PAD1012
SMDPAD_1_134X79
http://laptop-motherboard-schematic.blogspot.com/

SIZE CODE
TITLE
DOC. NUMBER
CHANGE by SHEET OF
REV
INVENTEC
RF request
2
14-Sep-2009
A011310A22966-0-MTR
49 49
A3 CS
V13TL
EMI
14-Sep-2009
A011310A22966-0-MTR
49 49
A3 CS
V13TL
EMI
CS
1
2
C1424
47pF_50V
1
12
7-,8-,9-,10-,12-,13-,14-,30-
47pF_50V
C1423
0.1uF_16V
C1357
12
C1358 0.1uF_16V
0.1uF_16V
C1356
12
10-,12-,13-,15-,16-,17-,19-,21-,22-,23-,25-,26-,31-,34-,49-
C1355 0.1uF_16V
12
0.1uF_16V
C1354
12
9-,10-,12-,13-,15-,16-,20-,21-,22-,26-,28-,30-,31-,32-,33-,34-,37-,38-,40-,42-,46-,47-,49-9-,20-,33-,34-,38-,39-,40-,45-,46-,49-
0.1uF_16V
C1353
12
7-,8-,9-,10-,12-,13-,30-,34-,40-,41-,45-,49-9-,20-,33-,34-,38-,39-,40-,45-,46-,49-
12
9-,20-,33-,34-,38-,39-,40-,45-,46-,49-
9-,11-,21-,25-,26-,28-,49- 9-,20-,33-,34-,38-,39-,40-,45-,46-,49-
12
10-,12-,13-,15-,16-,17-,19-,21-,22-,23-,25-,26-,31-,34-,49-
C1352 0.1uF_16V
12
0.1uF_16V
C1351
0.1uF_16V
C1349
12
C1350 0.1uF_16V
0.1uF_16V
C1348
12
C1347 0.1uF_16V
12
9-,10-,12-,13-,15-,16-,20-,21-,22-,26-,28-,30-,31-,32-,33-,34-,37-,38-,40-,42-,46-,47-,49-
9-,10-,12-,13-,15-,16-,20-,21-,22-,26-,28-,30-,31-,32-,33-,34-,37-,38-,40-,42-,46-,47-,49-
12
9-,11-,21-,25-,26-,28-,49-
7-,8-,9-,10-,12-,13-,30-,34-,40-,41-,45-,49-
0.1uF_16V
C1344
12
C1345 0.1uF_16V
12
7-,8-,9-,10-,12-,14-,20-,30-,31-,32-,33-,34-,37-,38-,40-,43-9-,10-,12-,13-,15-,16-,20-,21-,22-,26-,28-,30-,31-,32-,33-,34-,37-,38-,40-,42-,46-,47-,49-
9-,10-,12-,13-,15-,16-,20-,21-,22-,26-,28-,30-,31-,32-,33-,34-,37-,38-,40-,42-,46-,47-,49-10-,12-,13-,15-,16-,17-,19-,21-,22-,23-,25-,26-,31-,34-,49-
12
0.1uF_16V
C1342
0.1uF_16V
C1340
12
C1341 0.1uF_16V
C1339 0.1uF_16V
12
0.1uF_16V
C1361
12
9-,11-,21-,25-,26-,28-,49-
0.1uF_16V
C1360
12
13-,25- 10-,12-,13-,15-,16-,17-,19-,21-,22-,23-,25-,26-,31-,34-,49-
7-,8-,9-,10-,12-,13-,30-,34-,40-,41-,45-,49-
C1359 0.1uF_16V
12
47pF_50V
C1427
1
2
12-,17-,19-
1
2
C1426
47pF_50V
1
2
+DCIN
47pF_50V
C1425
+V1.05S +V3S
+V1.05S
+VGFX_CORE +V1.05S
+V5A +V1.5
+V3A +V3S
+V5S
+V3S+V5S
+VCC_CORE
+V1.05S +V5S
+V5S+V1.5
+V5A
+V5A +V3S
+V3S+V1.5
http://laptop-motherboard-schematic.blogspot.com/