VPL CS5A/CS6/CX6/EX1 Service Manual CS6 9870363010 00e SONY
User Manual: VPL-CS6
Open the PDF directly: View PDF
.
Page Count: 128 [warning: Documents this large are best viewed by clicking the View PDF Link!]
- Cover
- Table of Contents
- 1. Service Overview
- 1-1. Appearance Figure
- 1-2. Board Locations
- 1-3. Disassembly
- 1-3-1. Top Panel Assy Removal
- 1-3-2. Side Panel Assy and L, NR, H2, Q Boards Removal
- 1-3-3. Power Block (Lamp) Removal
- 1-3-4. DC Fan Removal
- 1-3-5. Lens Gear Removal
- 1-3-6. Speaker Assy and DC Fan (Sirocco) Removal
- 1-3-7. C Board Removal
- 1-3-8. MSC and MS (VPL-CX6) Boards Removal
- 1-3-9. GA and GB Boards Removal
- 1-3-10. Opt Unit Assy and Lamp Assy Removal
- 1-3-11. PS Con Aperture (VPL-EX1) and S In-polarizer (R), (G), (B) Removal
- 1-3-12. Projection Lens Assy, Lamp Duct Assy and U Board Removal
- 1-3-13. S Prism Block Assy and S Out-pre-polarizer (R), (G), (B) Removal
- 1-3-14. DC Fan (Sirocco) and V Board Removal
- 1-3-15. S Board Removal
- 1-3-16. Extension Board and Extension Connectors
- 1-3-17. Extension Board and Extension Connectors Connection
- 1-3-18. Warning on Power Connection
- 2. Electrical Adjustments
- 3. Semiconductors
- 4. Spare Parts
- 5. Block Diagrams
- 6. Diagrams

DATA PROJECTOR
VPL-CS5A
VPL-CS6
VPL-CX6
VPL-EX1
REMOTE CONTROLLER
RM-PJ2
RM-PJM12
SERVICE MANUAL
1st Edition

VPL-CS5A/CS6/CX6/EX1
! WARNING
This manual is intended for qualified service personnel only.
To reduce the risk of electric shock, fire or injury, do not perform any servicing other than that
contained in the operating instructions unless you are qualified to do so. Refer all servicing to
qualified service personnel.
! WARNUNG
Die Anleitung ist nur für qualifiziertes Fachpersonal bestimmt.
Alle Wartungsarbeiten dürfen nur von qualifiziertem Fachpersonal ausgeführt werden. Um die
Gefahr eines elektrischen Schlages, Feuergefahr und Verletzungen zu vermeiden, sind bei
Wartungsarbeiten strikt die Angaben in der Anleitung zu befolgen. Andere als die angegeben
Wartungsarbeiten dürfen nur von Personen ausgeführt werden, die eine spezielle Befähigung
dazu besitzen.
! AVERTISSEMENT
Ce manual est destiné uniquement aux personnes compétentes en charge de l’entretien. Afin
de réduire les risques de décharge électrique, d’incendie ou de blessure n’effectuer que les
réparations indiquées dans le mode d’emploi à moins d’être qualifié pour en effectuer d’autres.
Pour toute réparation faire appel à une personne compétente uniquement.
WARNING!!
AN INSULATED TRANSFORMER SHOULD BE USED DURING
ANY SERVICE TO AVOID POSSIBLE SHOCK HAZARD, BE-
CAUSE OF LIVE CHASSIS.
THE CHASSIS OF THIS RECEIVER IS DIRECTLY CONNECTED
TO THE AC POWER LINE.
SAFETY-RELATED COMPONENT WARNING !!
COMPONENTS IDENTIFIED BY A !!
!!
! MARK ON THE SCHEMATIC
DIAGRAMS, EXPLODED VIEWS AND IN THE PARTS LIST ARE
CRITICAL TO SAFE OPERATION. REPLACE THESE COMPO-
NENTS WITH SONY PARTS WHOSE PART NUMBERS APPEAR
AS SHOWN IN THIS MANUAL OR IN SUPPLEMENTS PUB-
LISHED BY SONY.
ATTENTION!!
AFIN D’ÉVITER TOUT RISQUE D’ÉLECTROCUTION
PROVENANT D’UN CHÂSSIS SOUS TENSION, UN
TRANSFORMATEUR D’ISOLEMENT DOIT ETRE UTILISÉ LORS
DE TOUT DÉPANNAGE.
LE CHÂSSIS DE CE RÉCEPTEUR EST DIRECTEMENT
RACCORDÉ Á L’ALIMENTATION SECTEUR.
ATTENTION AUX COMPOSANTS RELATIFS Á LA
SÉCURITÉ!!
LES COMPOSANTS IDENTIFIÉS PAR UNE MAPQUE !!
!!
! SUR
LES SCHÉMAS DE PRINCIPE, LES VUES EXPLOSÉES ET LES
LISTES DE PIECES SONT D’UNE IMPORTANCE CRITIQUE
POUR LA SÉCURITÉ DU FONCTIONNEMENT. NE LES
REMPLACER QUE PAR DES COMPOSANTS SONY DONT LE
NUMÉRO DE PIÈCE EST INDIQUÉ DANS LE PRÉSENT MANUEL
OU DANS DES SUPPLÉMENTS PUBLIÉS PAR SONY.

VPL-CS5A/CS6/CX6/EX1
For the customers in the Netherlands
Voor de klanten in Nederland
Hoe u de batterijen moet verwijderen, leest u in de tekst
van deze handleiding.
Gooi de batterij niet weg maar lever deze in als klein
chemisch afval (KCA).
Für Kunden in Deutschland
Entsorgungshinweis: Bitte werfen Sie nur entladene
Batterien in die Sammelboxen beim Handel oder den
Kommunen. Entladen sind Batterien in der Regel dann,
wenn das Gerät abschaltet und signalisiert “Batterie
leer” oder nach längerer Gebrauchsdauer der Batterien
“nicht mehr einwandfrei funktioniert”. Um
sicherzugehen, kleben Sie die Batteriepole z.B. mit
einem Klebestreifen ab oder geben Sie die Batterien
einzeln in einen Plastikbeutel.
1 (P)
1
VPL-CS5A/CS6/CX6/EX1
Table of Contents
1. Service Overview
1-1. Appearance Figure ......................................................................................1-1
1-2. Board Locations ..........................................................................................1-1
1-3. Disassembly ................................................................................................1-2
1-3-1. Top Panel Assy Removal ...........................................................1-2
1-3-2. Side Panel Assy and L, NR, H2, Q Boards Removal ................1-2
1-3-3. Power Block (Lamp) Removal...................................................1-3
1-3-4. DC Fan Removal ........................................................................1-3
1-3-5. Lens Gear Removal ....................................................................1-4
1-3-6. Speaker Assy and DC Fan (Sirocco) Removal .......................... 1-4
1-3-7. C Board Removal .......................................................................1-5
1-3-8. MSC and MS (VPL-CX6) Boards Removal ..............................1-5
1-3-9. GA and GB Boards Removal .....................................................1-6
1-3-10. Opt Unit Assy and Lamp Assy Removal ...................................1-7
1-3-11. PS Con Aperture (VPL-EX1) and S In-polarizer (R), (G), (B)
Removal .....................................................................................1-7
1-3-12. Projection Lens Assy, Lamp Duct Assy and
U Board Removal.......................................................................1-8
1-3-13. S Prism Block Assy and
S Out-pre-polarizer (R), (G), (B) Removal ................................ 1-9
1-3-14. DC Fan (Sirocco) and V Board Removal ................................1-10
1-3-15. S Board Removal .....................................................................1-11
1-3-16. Extension Board and Extension Connectors ............................ 1-12
1-3-17. Extension Board and Extension Connectors Connection.........1-13
1-3-18. Warning on Power Connection ................................................1-14
2. Electrical Adjustments
2-1. Preparation ..................................................................................................2-1
2-1-1. Required Equipment................................................................... 2-1
2-1-2. Opt Unit Adjustment ..................................................................2-1
2-1-3. How to Enter the Factory Mode .................................................2-2
2-2. V COM Adjustment ....................................................................................2-2
2-3. Initial Values of Adjustment Items .............................................................2-3
2-4. Service Know-How ................................................................................... 2-11
2-4-1. When the S Prism Block Is Replaced ......................................2-11
2-4-2. When the C Board Is Replaced ................................................ 2-11
2-4-3. When the Adjuster Assy Is Returned
by the Emergency Mode ..........................................................2-11
2-5. White Balance Adjustment .......................................................................2-12
2-5-1. HIGH Mode of INPUT-A ........................................................ 2-12
2-5-2. LOW Mode of INPUT-A .........................................................2-12
2-5-3. HIGH Mode of VIDEO ............................................................ 2-12
2-5-4. LOW Mode of VIDEO............................................................. 2-12
2-6. Memory Structure ..................................................................................... 2-13
2VPL-CS5A/CS6/CX6/EX1
3. Semiconductors................................................................................. 3-1
4. Spare Parts
4-1. Notes on Repair Parts .................................................................................. 4-1
4-2. Exploded Views ..........................................................................................4-2
4-3. Electrical Parts List ................................................................................... 4-10
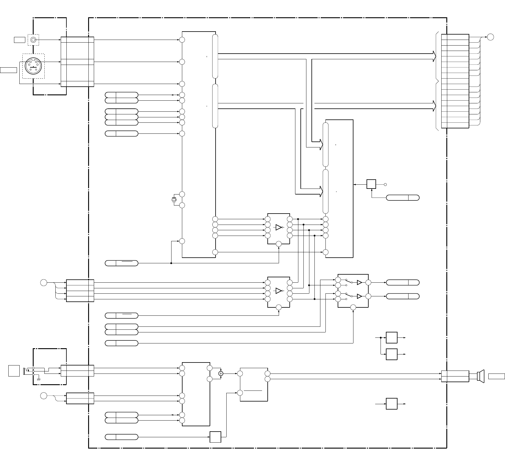
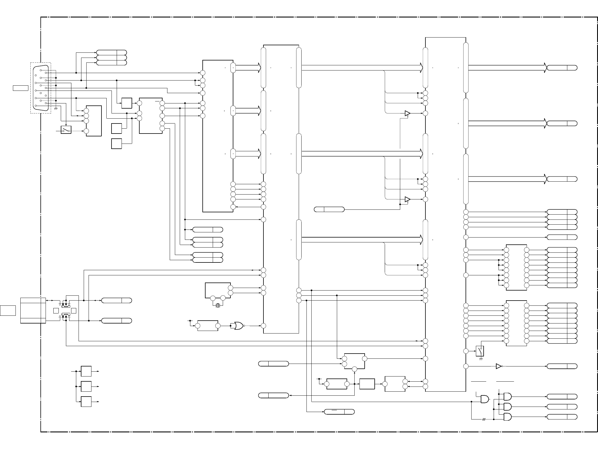
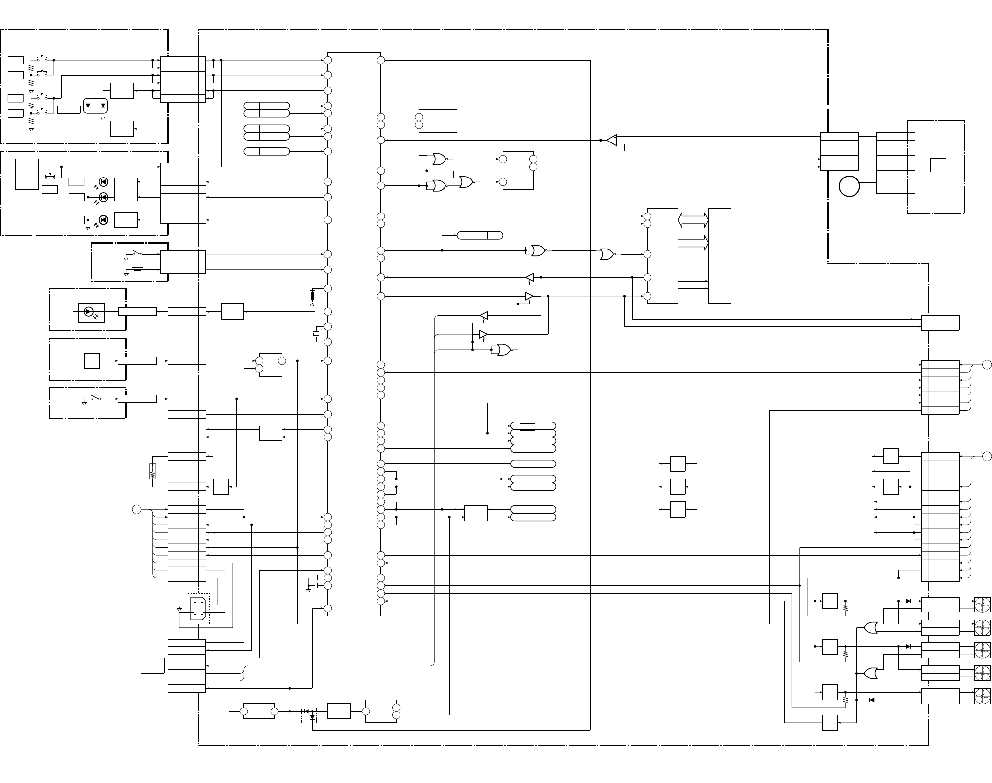
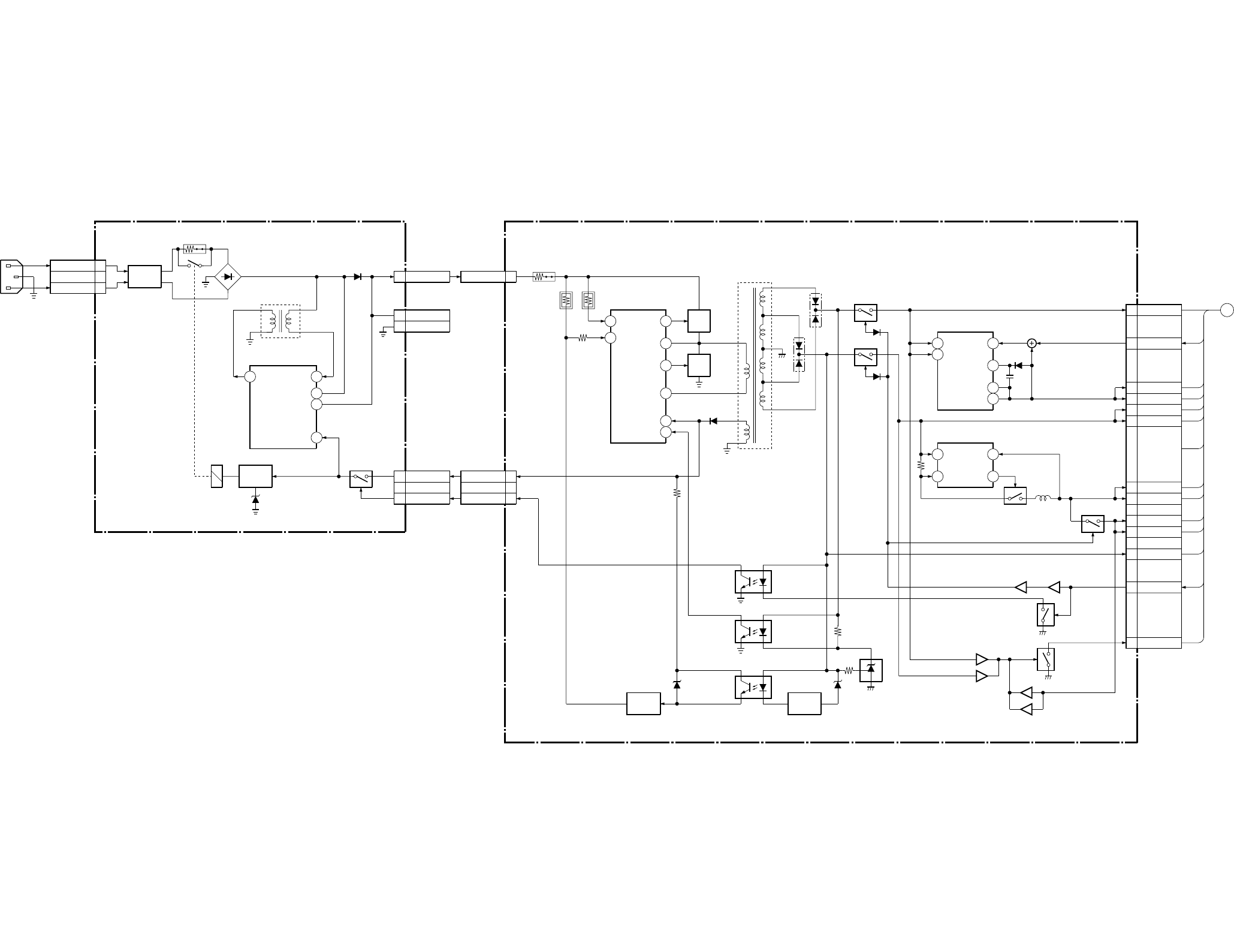
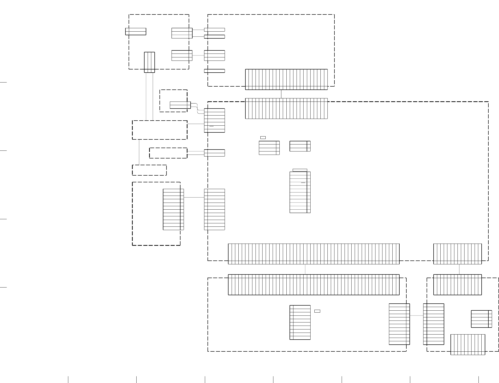
5. Block Diagrams
Overall ....................................................................................................................5-1
C (1/4), Q ................................................................................................................ 5-2
C (2/4).....................................................................................................................5-3
C (3/4), H1, H2, L, V, U, NR .................................................................................5-4
C (4/4).....................................................................................................................5-5
MS, MSC ................................................................................................................ 5-6
GA, GB ................................................................................................................... 5-7
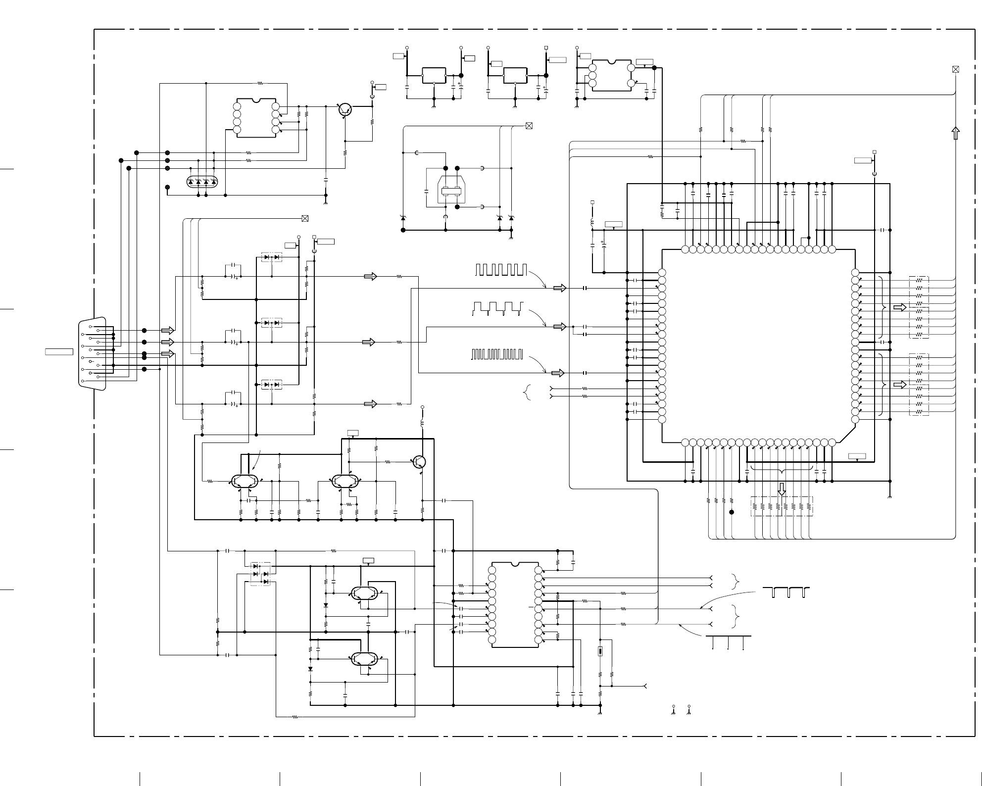
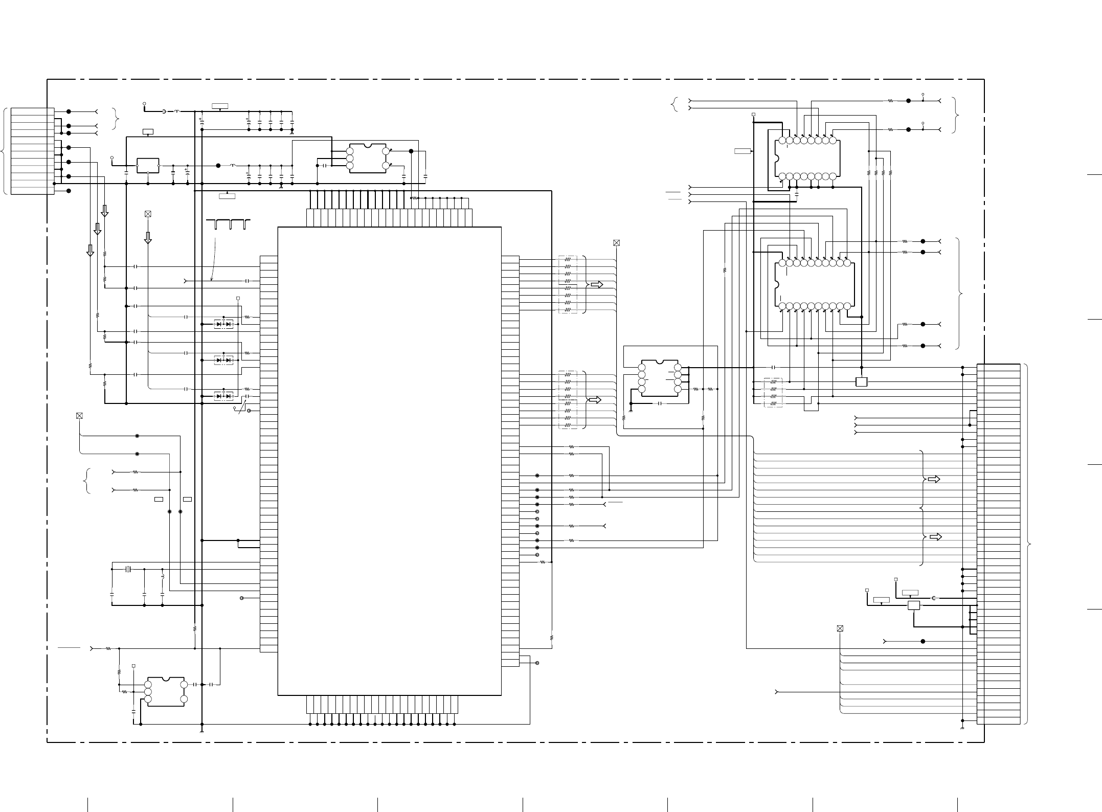
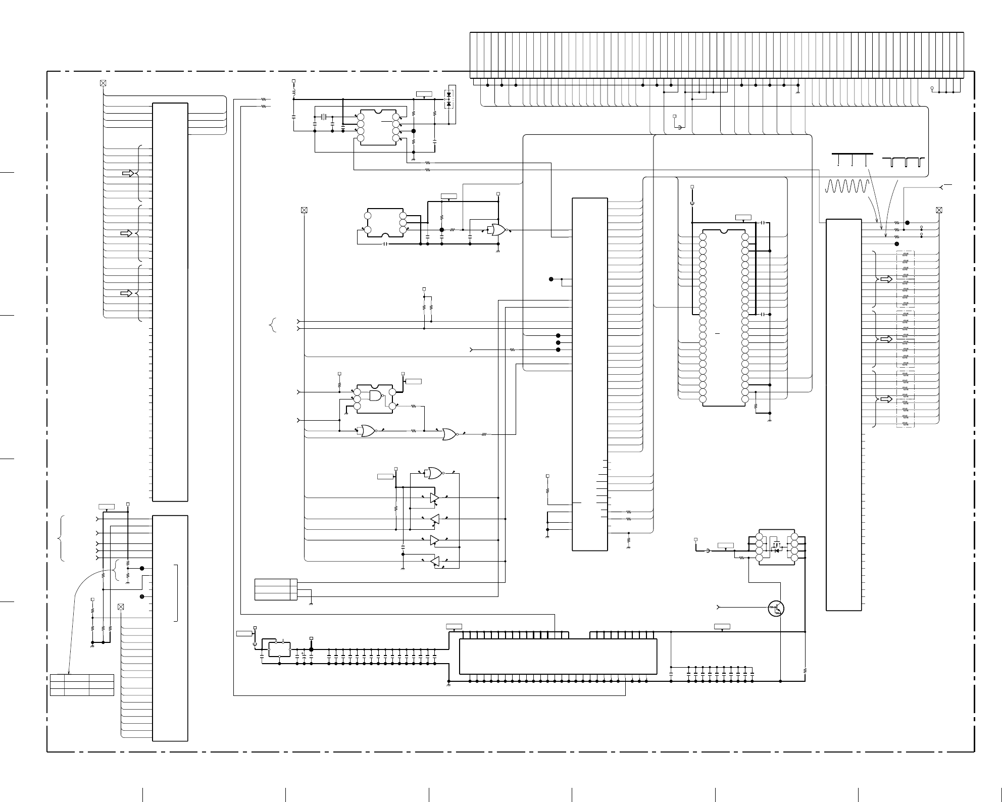
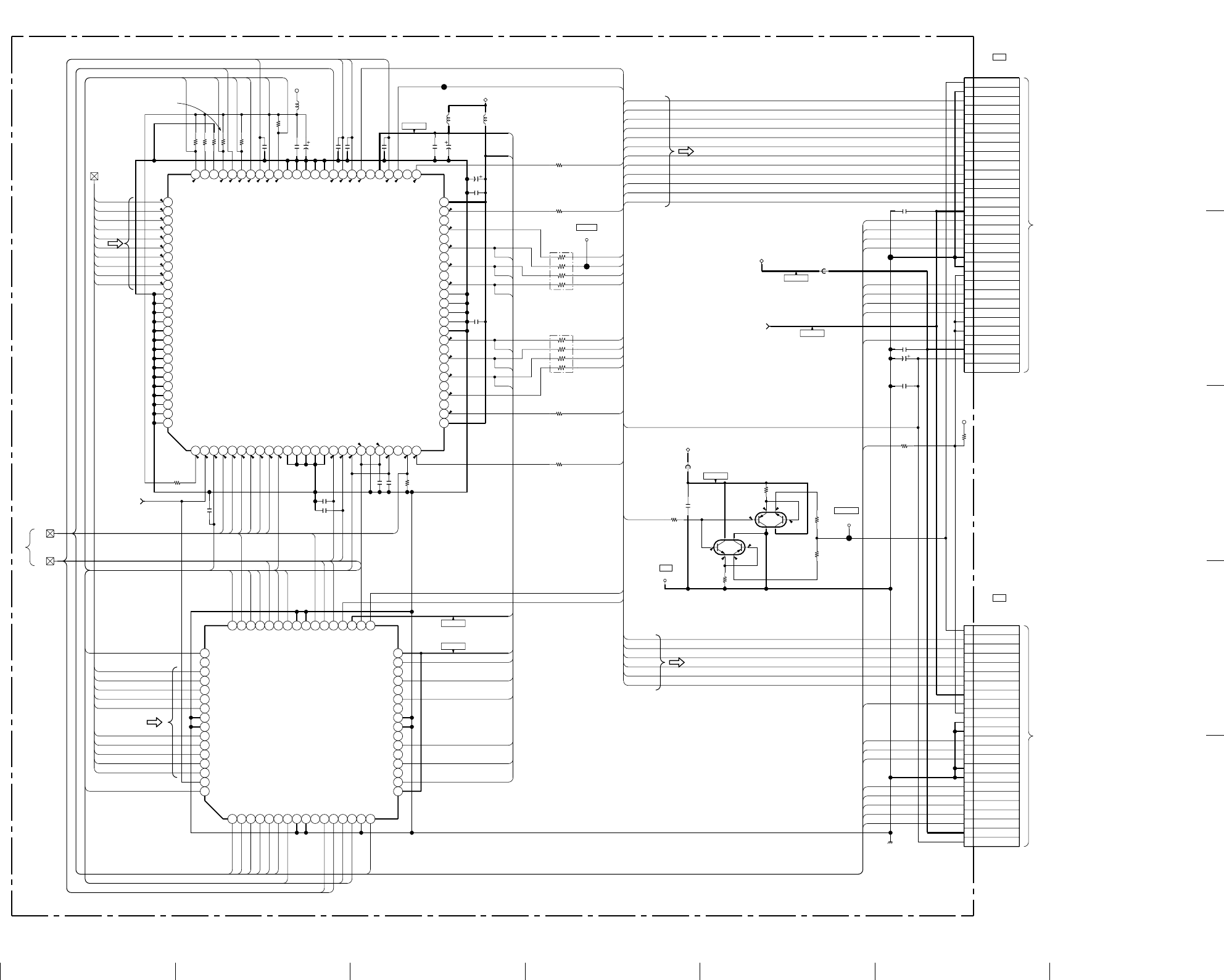
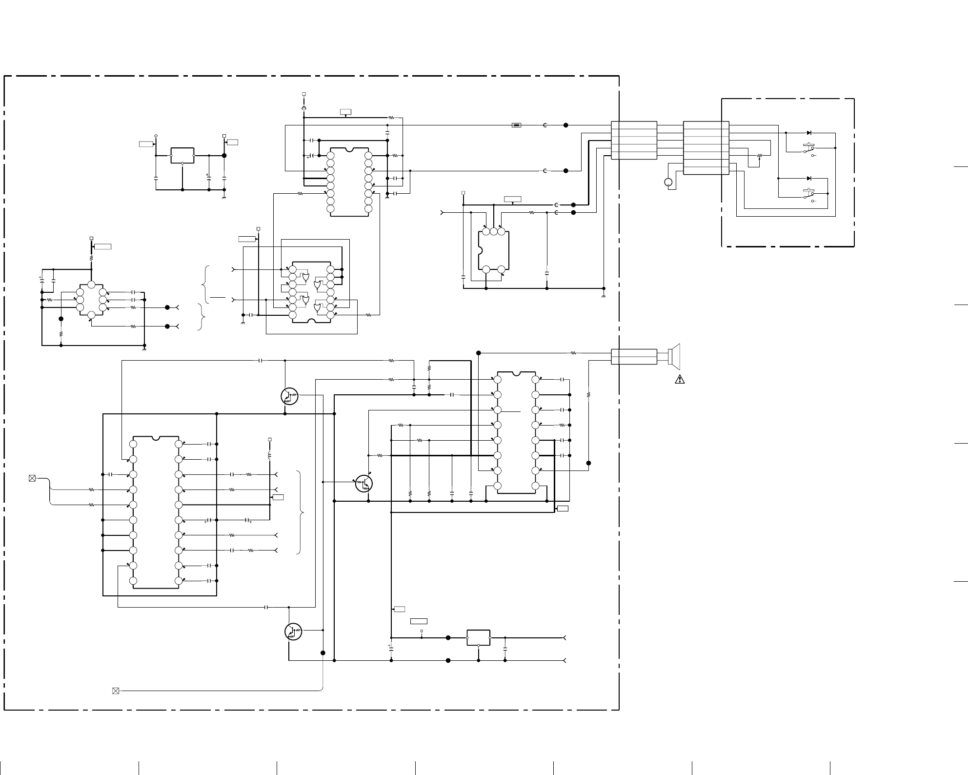
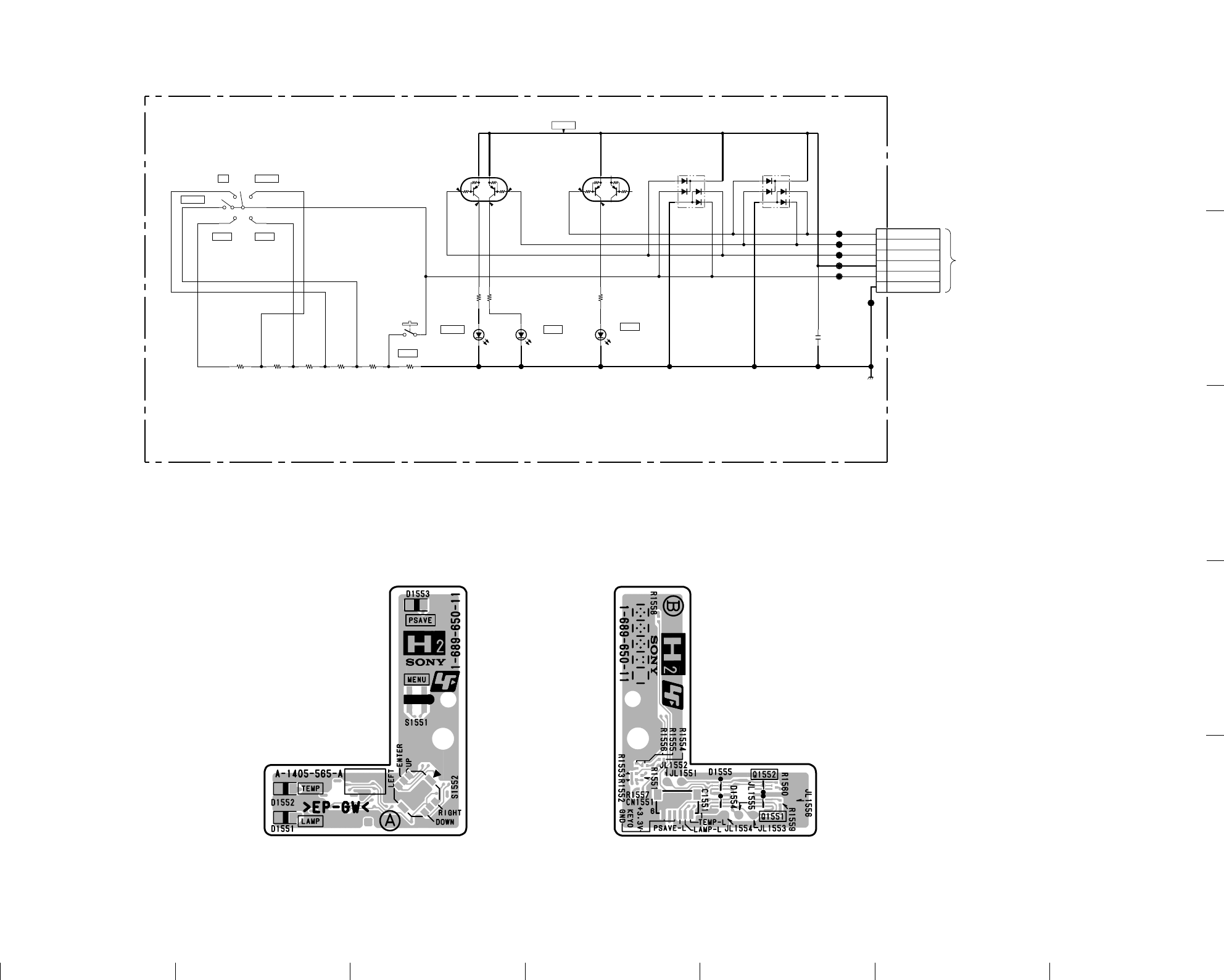
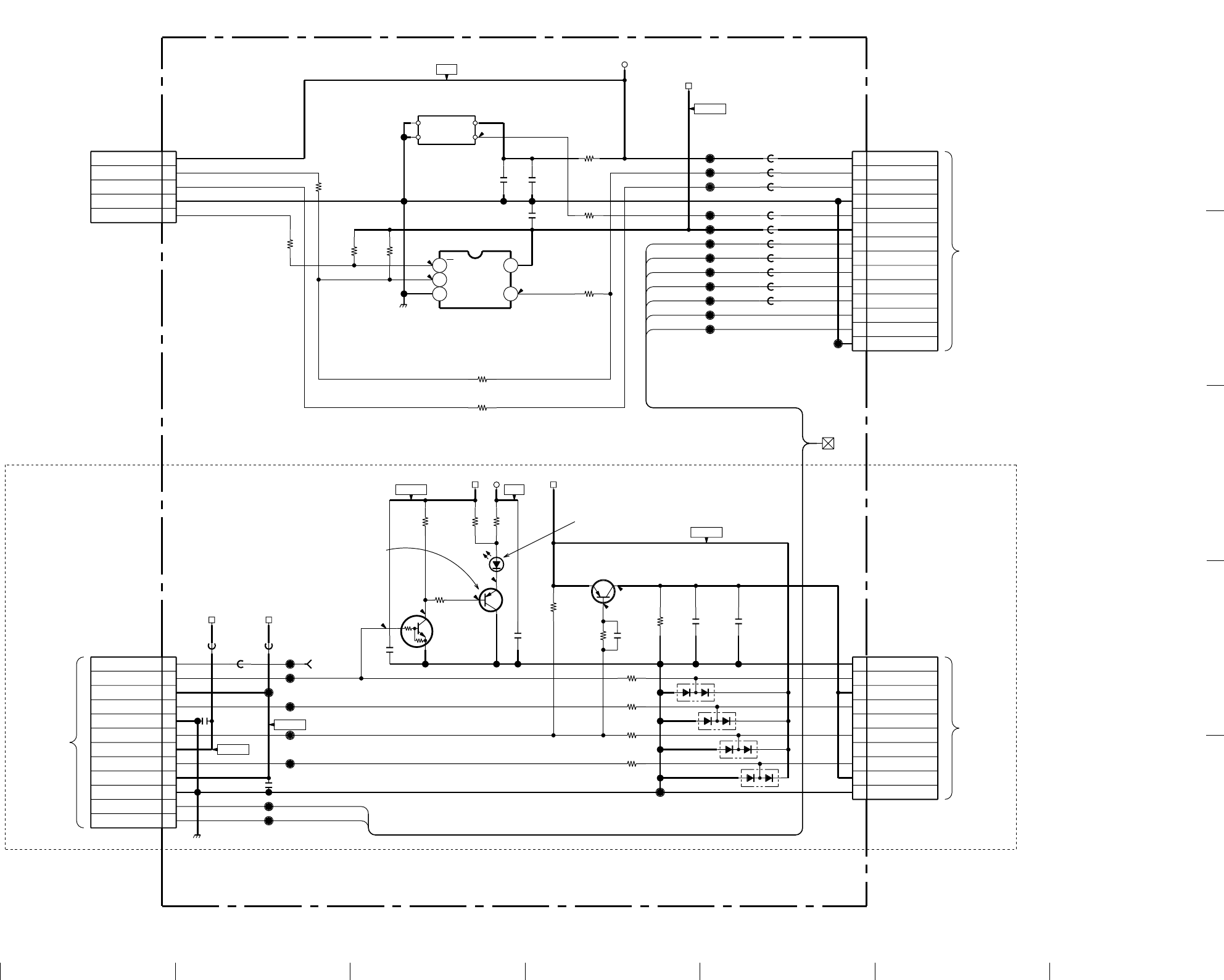
6. Diagrams
6-1. Frame Schematic Diagrams ........................................................................6-2
Frame (1/2) ...............................................................................................6-2
Frame (2/2) ...............................................................................................6-3
6-2. Schematic Diagrams and Board Layouts ....................................................6-4
Schematic Diagrams
Q................................................................................................................ 6-4
C (1/10) .....................................................................................................6-6
C (2/10) .....................................................................................................6-7
C (3/10) .....................................................................................................6-8
C (4/10) .....................................................................................................6-9
C (5/10) ...................................................................................................6-10
C (6/10) ...................................................................................................6-11
C (7/10) ...................................................................................................6-12
C (8/10) ...................................................................................................6-13
C (9/10) ...................................................................................................6-14
C (10/10) .................................................................................................6-15
V.............................................................................................................. 6-14
U.............................................................................................................. 6-14
S ..............................................................................................................6-15
H1............................................................................................................ 6-20
H2............................................................................................................ 6-21
L ..............................................................................................................6-22
NR ...........................................................................................................6-22
3
VPL-CS5A/CS6/CX6/EX1
MSC (1/2) ............................................................................................... 6-23
MSC (2/2) ............................................................................................... 6-24
MS (1/3) ..................................................................................................6-26
MS (2/3) ..................................................................................................6-27
MS (3/3) ..................................................................................................6-28
GA ........................................................................................................... 6-30
GB ...........................................................................................................6-33
Board Layouts
Q................................................................................................................ 6-5
C ..............................................................................................................6-16
S ..............................................................................................................6-16
U.............................................................................................................. 6-16
V.............................................................................................................. 6-17
H1............................................................................................................ 6-20
H2............................................................................................................ 6-21
L ..............................................................................................................6-22
NR ...........................................................................................................6-22
MSC ........................................................................................................6-25
MS ........................................................................................................... 6-29
GA ........................................................................................................... 6-31
GB ...........................................................................................................6-34

1-1
VPL-CS5A/CS6/CX6/EX1
Section 1
Service Overview
1-2. Board Locations
C
H1
NR
H2
MSC
MS
(VPL-CX6 )
V
U
Q
Power block (lamp)
GB
GA
L
S
1-1. Appearance Figure

1-2 VPL-CS5A/CS6/CX6/EX1
1 Six shafts
4 H1 board
3 Button (H1) assy
5 Top panel assy
2 Two screws
(+B 3 x 6)
1-3. Disassembly
1-3-1. Top Panel Assy Removal
1-3-2. Side Panel Assy and L, NR, H2, Q Boards Removal
7 Button (H2)
2 Two screws
(+B 3 x 6)
6 Screw
(+B 3 x 6)
9 Screw
(+B 3 x 6)
3 Side panel assy
8 H2 board
1 Connector cover
!- Q board
0 Video sleeve
4 L board
5 NR board
CN914
CN915
CN201

1-3
VPL-CS5A/CS6/CX6/EX1
1-3-3. Power Block (Lamp) Removal
3 Holder (LPS2)
4 Holder (LPS1)
5 Sheet (LPS)
6 Power block (Lamp)
1 Two screws
(+PTPWH 3 x 10)
CN1
CN1
CN907
2 Two screws
(+B 3 x 6)
1-3-4. DC Fan Removal
2 Four screws
(+B 3 x 20)
CN908
C board
CN909
3 Fan holder (EX2)
5 Two DC fans
4 Two masks
1 Screw
(+B 3 x 6)

1-4 VPL-CS5A/CS6/CX6/EX1
1-3-5. Lens Gear Removal
2 Lens gear
1 Two screws
(+BTP 3 x 12)
1-3-6. Speaker Assy and DC Fan (Sirocco) Removal
1 Two screws
(+B 3 x 6)
5 Two screws
(+B 3 x 6)
6 Screw
(+B 3 x 6)
3 Two screws
(+BTP 3 x 12)
9 Speaker assy
7 Speaker holder
8 Speaker bracket
CN1102
CN912
4 DC fan (Sirocco)
2 Fan (RE) holder

1-5
VPL-CS5A/CS6/CX6/EX1
1-3-7. C Board Removal
1 Three screws
(+B 3 x 6)
Flat connector assy
2 C board
CN904 CN202 (VPL-CX6)
CN907
CN913
CN1101
CN901
CN911
CN910
CN914
CN912
CN909
CN908
CN1102
CN903
CN202
CN904
*1: CN601
*2: CN602
*1: CN701
*2: CN702
*1: CN501
*2: CN502
*1: Indicates the VPL-CX6/EX1.
*2: Indicates the VPL-CS5A/CS6.
1-3-8. MSC and MS (VPL-CX6) Boards Removal
To remove the MS (VPL-CX6) board, remove the C board beforehand.
2 MSC board
4 MS board
CN1303
CN1301
CN1002
CN1001
(VPL-CX6)
Flat connector assy
(12P) Flat connector assy
(50P)
3 Two screws
(+B 3 x 6)
1 Screw
(+B 3 x 6)

1-6 VPL-CS5A/CS6/CX6/EX1
CN3301
CN3501
CN3201
CN2001CN2002
Flat connector assy
(24P)
7 GB board
5 GA board
6 Holder GB
1 Two screws
(+B 3 x 6)
3 Screw
(+B 3 x 6)
2 Screw
(+B 3 x 6)
4 Holder (GA),
Shield (GA)
1-3-9. GA and GB Boards Removal
To remove the GA and GB boards, remove the C board beforehand.

1-7
VPL-CS5A/CS6/CX6/EX1
1-3-10. Opt Unit Assy and Lamp Assy Removal
To remove the opt unit assy and lamp assy, remove C board and the DC fan beforehand.
4 Four screws
(+P M4x12)
5 Opt unit assy
1 Two screws
(+PWHTP 3 x 10)
6 Lamp house,
Lamp top cover
2 Connector
(Lamp)
7 Lamp assy
3 Two screws
(+B 3 x 6)
Opt unit assy
Note : Do not disassemble the opt unit unless
specified by the above views.
!- S In-polarizer (B)
assy 4Lens-1 fly eye
Note when installing:
(For the VPL-EX1, the protruded portion
should be installed in the Lens-2 fly eye side.)
(For the VPL-CS6/CX6/CS5A, the protruded portion
should be installed in the UV-cut pre-filter side.)
5 P/S assy
0S In-polarizer (R)
assy
9S In-polarizer (G)
assy
6 PS con aperture
(VPL-EX1)
7 Lens-2 fly eye
3 UV-cut pre-filter
2 Unit cover (B), Six cushions
Opt unit assy
1 Two screws
(+B 2 x 6)
8 Three screws
(+B 2 x 6)
1-3-11. PS Con Aperture (VPL-EX1) and S In-polarizer (R), (G), (B) Removal

1-8 VPL-CS5A/CS6/CX6/EX1
1-3-12. Projection Lens Assy, Lamp Duct Assy and U Board Removal
To remove the projection lens assy, lamp duct assy and U board, remove the C board, opt unit assy and lamp assy
beforehand.
5 Lamp duct assy
3 Projection lens assy
1 Four screws
(+B 4 x 12)
2 Four screws
(+BSW M3 x 8)
4 Two screws
(+B 3 x 6)
6 Screw
(+B 3 x 6)
7 Holder U
8 U board

1-9
VPL-CS5A/CS6/CX6/EX1
0 S Out-pre-polarizer (G)
7 S Out-pre-polarizer (B)
9 Fastener (OP)
6 Fastener (OP)
!- S Prism block assy
4 S Out-pre-polarizer (R)
3 Fastener (OP)
1 Two screws
(+PS 3 x 6)
8 Screw
(+PTP 2 x5)
5 Screw
(+PTP 2 x5)
2 Screw
(+PTP 2 x5)
1-3-13. S Prism Block Assy and S Out-pre-polarizer (R), (G), (B) Removal
n
Do not touch the flexible cable, glass surface of S prism and especially the conductor surface of flexible cables.

1-10 VPL-CS5A/CS6/CX6/EX1
1-3-14. DC Fan (Sirocco) and V Board Removal
To remove the DC fan (sirocco) and V board, remove the C board, opt unit assy, lamp assy and
S prism block assy beforehand.
2 Prism duct
8 DC fan (sirocco)
7 Two screws
(+BTB 3 x 12)
1 Two screws
(+B 3 x 6)
3 Screw (+B 3 x 6)
6 DC fan (sirocco)
9 Fan holder (IN)
4 V board
5 Two screws
(+BTP 3 x 12)

1-11
VPL-CS5A/CS6/CX6/EX1
4
Two screws
(+P 2 x 4)
6 Adjuster shaft
9 S board
3
Four screws
(+P 2 x 2.2)
8
Two screws
(+P 2 x 4)
7 Adjuster frame assy
5 Remove the adjuster holder
in the direction of the arrow.
CN1
VR shaft
1 Adjuster section
2 Remove the
binding band
1-3-15. S Board Removal
To remove the S board, remove the C board, opt unit Assy, lamp assy, S prism block assy and
DC fan (sirocco) beforehand.

1-12 VPL-CS5A/CS6/CX6/EX1
X kit assy
(A-1603-729-A)
3
Five ZH connectors assy (3P)
5
ZH connector assy (5P)
1
VH connector assy (3P)
4
SR connector assy (4P)
6
SR connector assy (7P)
7
SR connector assy (14P)
2
Flat connector assy (24P)
8
Three flat connectors assy (32P)
(VPL-CX6/EX1)
9
Three flat connectors assy (24P)
(VPL-CS5A/CS6)
0
SR connector assy (12P)
!-
SR connector assy (5P)
!;
X1 board
!\
X5 board
!=
Three X2 boards
(VPL-CX6/EX1)
!]
X4 board

1-13
VPL-CS5A/CS6/CX6/EX1
NR board
L board
C board
MS board
(For VISCA)
(For writing the software)
H1 board
MSC board
From DC fan
(Sirocco)
From DC fan
From V board
From adjustor
unit
From DC fan
(Sirocco)
From power block
(Lamp), U board
Power block
(Lamp)
GA board
GB board
Q board
H2 board
(VPL-CX6)
!\
CN909
CN907
CN914
CN912
CN910
CN
110 CN
912
CN112
CN
111
CN
911 CN101
CN901
CN911
*1: CN701
*2: CN702
*1: CN601
*2: CN602
*1: CN501
*2: CN502
CN901
CN904
CN1101
CN915
CN3301
CN108
CN3501
CN2001
CN2002
CN1302
CN1303
CN913
CN800
!;
CN301
CN1101
CN109
CN107
CN
907
CN909
CN201
CN903
CN908
CN908
CN
910
CN1
*1: Indicates the VPL-CX6/EX1.
*2: Indicates the VPL-CS5A/CS6.
The numbers encircled by round corresponds to those of section 1-3-16.
CN202
1
3
2
3
6
3
*1:
8
*2:
9
*1:
8
*2:
9
*1:
8
*2:
9
3
3
4
5
7
*1:
!=
*2:
![
!/
!]
!-
1-3-17. Extension Board and Extension Connectors Connection

1-14 VPL-CS5A/CS6/CX6/EX1
1-3-18. Warning on Power Connection
Use the supplied power cord when you use the projector in your country.
Otherwise, use a proper power cord meeting the following specification.
The United Continental UK Australia Japan
States, Europe,
Canada Korrea
Plug type YP-11 YP-21 SP-61 B8 YP-13
Female end YC-13L YC-13L YC-13L C7-2 YC-13L
Cord type SPT-2 H03VVH2-F H03VVH2-F H03VVH2-F VCTFK
Rated Voltage & Current 10 A/125 V 2.5 A/250 V 2.5 A/250 V 2.5 A/250 V 7 A/125 V
Safety approval UL/CSA VDE BS SAA DENAN
Cord length (max.) 4.5 m ____

2-1
VPL-CS5A/CS6/CX6/EX1
Section 2
Electrical Adjustments
9. Tighten the adjustment plate fixing screw.
10. Tighten the six adjustment plate fixing screws manual-
ly with a torque driver.
Tightening torque: 0.19 ±0.03 Nm
11. Check to see that the illumination range error is within
the tolerable limit.
When installing the optical unit in this model, alignment of
the gear tooth position is required. Perform the following
steps.
Procedure
1. Rotate the lens focus and zoom in the fully clockwise
positions. Lock the lens gear in the direction shown in
Fig. 1.
Fig. 1
Lens projection
Lens gear
Gear alignment portion
Lens gear
Lens gear
Zoom
Focus
2-1. Preparation
2-1-1. Required Equipment
.Oscilloscope
Sony Tektronix 2465 or equivalent (350 MHz band
width or more)
.NTSC, PAL, SECAM component signal generator
Sony Tektronix TG2000 + AVG1 (option module) +
AWVG1 (option module) or equivalent
.VG (programmable video signal generator)
VG814 or equivalent
.Digital voltmeter
Advantest TR6845 or equivalent
.Illuminance meter
n
Allow the warm-up time of 5 minutes after the power is on
before starting the following adjustments.
2-1-2. Opt Unit Adjustment
Rotate the cooling fan and turn on the lamps.
(1) Mirror adjustment
Adjust the screen size to 80 inch at the WIDE end.
1. Select the green only mode.
2. Check to see if there is any black zone at the top,
bottom, left or right of screen. If there is any black
zone on screen, loosen the adjustment plate fixing
screw and adjust the G dichroic mirror for minimum
black zone.
3. Tighten the adjustment plate fixing screw.
4. Select the cyan only mode.
5. Check to see if there is any black zone at the top,
bottom, left or right of screen. If there is any black
zone on screen, loosen the adjustment plate fixing
screw and adjust the RB mirror adjustment plate for
minimum black zone and the blue color is distinguish-
ing.
6. Tighten the adjustment plate fixing screw.
7. Select the all white mode.
8. Check to see if there is any black zone at the top,
bottom, left or right of screen. If there is any black
zone on screen, loosen the adjustment plate fixing
screw and adjust the RB mirror adjustment plate for
minimum black zone and the red color is distinguish-
ing.

2-2 VPL-CS5A/CS6/CX6/EX1
2. Align the marking position of the lens zoom gear with
the protrusion of the lens gear approximately by visual
observation as shown below.
Fig. 2 (inside view)
Confirmation
Install the side panel and confirm that the portions A and
B of the dial cannot be seen from the opening of the side
panel when the ZOOM and FOCUS are moved to their
very ends.
Zoom gear Lens gear
Protrusion
Rib for marking
2-1-3. How to Enter the Factory Mode
1. Confirm that the MENU can be displayed.
2. Close the MENU.
3. Press the keys in the following order : [ENTER] →
[ENTER] → [&] → [ENTER].
The message [Do you want to enter the Factory Mode?
Yes : ↑ No : ↓] appears.
Select [Yes : ↑].
[Supplementary information: How to Exit the
Factory Mode]
Perform the step 3 KEY operation.
The message [Do you want to return to the User Mode?
Yes : ↑ No : ↓] appears.
Select [Yes : ↑].
n
In the Factor mode, you can close the lens shutter if you
keep pressing the TILT key even though the lamp lights.
If the machine is left in this state for long hours, the lens
shutter may melt in the worst case. Be sure to confirm that
the lens shutter is not closed when the lamp lights in the
Factory mode.
2-2. V COM Adjustment
1. Input the green-only, 30 IRE single-line ON/OFF
signal to the input connector.
(VPL-CS5A/CS6: SVGA signal, VPL-CX6/EX1 :
XGA signal)
2. Enter the G VCOM adjustment screen of the Device
Adjust.
3. Adjust the G VCOM value so that the flicker is
minimal.
4. Switch the input signal from green-only to red-only
then to blue only single-line ON/OFF signal. In the
same way as step 3, adjust the R VCOM and B VCOM
values respectively so that the flicker is minimal.
5. Take note of the adjustment values.
6. Set the “Image Flip” to either V or HV.
7. Input the above R/G/B adjustment values.
8. Take note of the adjustment values.
9. Set the “Image Flip” to OFF.
B
A
ZOOM FOCUS ZOOM FOCUS
Good No good

2-3
VPL-CS5A/CS6/CX6/EX1
2-3. Initial Values of Adjustment Items
VPL-CS5A/CS6/CX6/EX1
MenuTitle ItemName MemoryName Remark
Set Memory Picture Memory W/B Memory
Video
S Video Input-A MS Video Computer
Dynamic Standard Dynamic Standard Dynamic Standard Dynamic Standard High Low High Low
PICTURE SETTING Picture Mode Standard
Adjust Picture...
Contrast 95 80 95 80 95 80 95 80
Brightness 40 50 40 50 40 50 40 50
Color 50 50 50 50 50 50 - -
Hue 50505050----
Sharpness Middle Middle Middle Middle Middle Middle - -
RGB Enhancer ----20202020
Gamma Mode ----Graphics Graphics Graphics Graphics
Color Temp. Low Low Low Low High High High High
Volume 30
INPUT SETTING Adjust Signal...
Dot Phase 15(*1)
H Size (*1)
Shift (*1)
Wide Mode Off Off Off Off Off Off Off Off
Scan Conv On On
SET SETTING Smart APA On
Auto Input Search Off
Input-A Signal Sel. Computer
Color System Auto
Power Saving Off
IR Reciever Front & Rear
Illumination On
MENU SETTING Status On
Languege English
Menu Position Center
Menu Color White
INSTALL SETTING Tilt...
V Keystone Auto
Manual... 0
Image Flip Off
Background Blue
Lamp Mode(*2) Standard
High Altitude Off
Security Lock Off
Key Enter x 4
Status
Memory

2-4 VPL-CS5A/CS6/CX6/EX1
(VPL-CS5A/CS6/CX6/EX1)
MenuTitle ItemName MemoryName Remark
Set Memory Picture Memory W/B Memory
Video
S Video Input-A MS Video Computer
Dynamic Standard Dynamic Standard Dynamic Standard Dynamic Standard High Low High Low
INFORMATION fH Display only
fV Display only
(Memory No.) Display only
(Resolution) Display only
Lamp Timer Display only
ROM Version Display only
SC ROM Version Display only
Operation Timer Display only
Prev. Lamp Timer Display only
W/B SETTING Gain R 182 182 160 160
G 182 150 160 140
B 182 160 160 150
Bias R 85 85 85 85
G 85 85 85 85
B 85 85 85 85
*1 The
"
Dot Phase E,H Size,Shift H/V and Picture Mode" items in the "INPUT SETTING" menu have their respective initial values for each input signal(PRESET MEMORY No.).
*2 VPL-CS5A is not indicated.
There are some adjustment items that cannot be adjusted, depending on the input signal.
Status
Memory

2-5
VPL-CS5A/CS6/CX6/EX1
VPL-CS5A/CS6
DeviceName ItemName MemoryName Remark
Set Memory
Status
Memory
Chroma Memory Channel Memory Image Flip Memory
NT358/
NT443
/BW60
Pal/Pal-M/N/
Secam/BW50
15kRGB
Component
(15k)
Video
S
Video
Input-
A
MS
Up/Down
inversion is
possible.
A/D Converter ADC/ Clamp Position 8
Clamp Width 20
R Gain(Other) - - 100
R Gain(Component) ---
R Gain(VideoGBR) ---
G Gain(Other) - - 100
G Gain(Component) ---
G Gain(VideoGBR) ---
B Gain(Other) - - 100
B Gain(Component) ---
B Gain(VideoGBR) ---
R Offset(Other) - - 128
R Offset(Component) ---
R Offset(VideoGBR) ---
G Offset(Other) - - 128
G Offset(Component) ---
G Offset(VideoGBR) ---
B Offset(Other) --128
B Offset(Component) ---
B Offset(VideoGBR) ---
Sync Sep Th 32
Pre Coast 2
Post Coast 8
Chroma/D.Comb Chroma/ Ch1 Gain 20 20 144
Ch2 Gain 144 16 160
Video Brt 140 124 128 128
Video Cont 64 64 64 64
Sub Color 56 56 56 56
LCBW 000
Y-DeLay *
Ch3 Gain 144 144 160
Ch4 Gain 144 144 160
YUV Brt 128 128 128 128
YUV Cont 64 64 64 64
AOSL -
1E
Display only
1F
Display only
Up/Down
inversion is
impossible.

2-6 VPL-CS5A/CS6/CX6/EX1
DeviceName ItemName MemoryName Remark
Set Memory
Status
Memory
Chroma Memory Channel Memory Image Flip Memory
NT358/
NT443
/BW60
Pal/Pal-M/N/
Secam/BW50
15kRGB
Component
(15k)
Video
S
Video
Input-
A
MS
Up/Down
inversion is
possible.
Panel Driver P.Drv Offset R 214 214
Offset G 214 214
Offset B 214 214
V Common R 55 55
V Common G 55 55
V Common B 55 55
Psig 1 58
Psig 2 130
Signal Center 193
Gain R 166
Gain G 166
Gain B 166
DCFB Off 1
Sample Hold/ SH1 7
Other/ V Com Ptn Enb
Adj. Not possible
Installation 0
Other 3D Gamma Sub Cont 0
Sub Brt 0
R Osd Lvl 31
G Osd Lvl 31
B Osd Lvl 31
Through 0
SW 1
APC Thres 25
APC Limit 32
Other/ V Start 22
H Start(MSB) 104
H Start(LSB) 0
H Position 33
HST Position 9
HST Phase 3
Temp Lamp
Adj. Not possible
Temp Panel
Adj. Not possible
Fan1 H
Adj. Not possible Adj. Not possible
Fan1 L
Adj. Not possible Adj. Not possible
Fan2 H
Adj. Not possible Adj. Not possible
Fan2 L
Adj. Not possible Adj. Not possible
Fan3 H
Adj. Not possible Adj. Not possible
Fan3 L
Adj. Not possible Adj. Not possible
Synchronous 0
Tilt C0 0
Tilt C1 10000
Tilt C2 -10000
X Tilt
Display only
Y Tilt
Display only
TL
Display only
TP
Display only
Gamma
Factory adj. Value
There are some adjustment items that cannot be adjusted, depending on the input signal.
*: The value changes depending on the color systems and input terminals.
Up/Down
inversion is
impossible.
(VPL-CS5A/CS6)

2-7
VPL-CS5A/CS6/CX6/EX1
VPL-CX6
DeviceName ItemName MemoryName
Remark
Set Memory
Status
Memory
Chroma Memory Channel Memory Image Flip Memory
NT358/
NT443
/BW60
Pal/Pal-M/N/
Secam/BW50
15kRGB
Component
(15k)
Video
S
Video
Input-
A
MS
Up/Down
inversion is
possible.
A/D Converter ADC/ Clamp Position 8
Clamp Width 20
R Gain(Other) - - 100 -
R Gain(Component) ----
R Gain(VideoGBR) ----
G Gain(Other) - - 100 -
G Gain(Component) ----
G Gain(VideoGBR) ----
B Gain(Other) - - 100 -
B Gain(Component) ----
B Gain(VideoGBR) ----
R Offset(Other) - - 128 -
R Offset(Component) ----
R Offset(VideoGBR) ----
G Offset(Other) - - 128 -
G Offset(Component) ----
G Offset(VideoGBR) ----
B Offset(Other) - - 128 -
B Offset(Component) ----
B Offset(VideoGBR) ----
Sync Sep Th 32
Pre Coast 2
Post Coast 8
Chroma/D.Comb Chroma/ Ch1 Gain 20 20 144 144
Ch2 Gain 144 16 160 160
Video Brt 140 124 128 128
Video Cont 64 64 64 64
Sub Color 56 56 56 56
LCBW 0000
Y-DeLay *
Ch3 Gain 144 144 160 160
Ch4 Gain 144 144 160 160
YUV Brt 128 128 128 128
YUV Cont 64 64 64 64
AOSL -
1E Display only
1F Display only
Up/Down
inversion is
impossible.

2-8 VPL-CS5A/CS6/CX6/EX1
(VPL-CX6)
DeviceName ItemName MemoryName
Remark
Set Memory
Status
Memory
Chroma Memory Channel Memory Image Flip Memory
NT358/
NT443
/BW60
Pal/Pal-M/N/
Secam/BW50
15kRGB
Component
(15k)
Video
S
Video
Input-
A
MS
Up/Down
inversion is
possible.
Panel Driver P.Drv Offset R 211 211
Offset G 211 211
Offset B 211 211
V Common R 65 65
V Common G 65 65
V Common B 65 65
Psig 1 138
Psig 2 53
Signal Center 196
Gain R 161
Gain G 161
Gain B 161
DCFB Off 1
Sample Ho
SH1 8
Other/ V Com Ptn Enb Adj. Not possible
Installation 0
3D Gamma
Sub Cont 0
Sub Brt 0
R Osd Lvl 31
G Osd Lvl 31
B Osd Lvl 31
Through 0
SW 1
APC Thres 25
APC Limit 32
Other/ V Start 22
H Start(MSB) 144
H Start(LSB) 1
H Position 11
HST Position 9
HST Phase 6
Temp Lamp Adj. Not possible
Temp Panel Adj. Not possible
Fan1 H Adj. Not possible Adj. Not possible
Fan1 L Adj. Not possible Adj. Not possible
Fan2 H Adj. Not possible Adj. Not possible
Fan2 L Adj. Not possible Adj. Not possible
Fan3 H Adj. Not possible Adj. Not possible
Fan3 L Adj. Not possible Adj. Not possible
Synchronous 0
Tilt C0 0
Tilt C1 10000
Tilt C2 -10000
X Tilt Display only
Y Tilt Display only
TL Display only
TP Display only
Gamma Factory adj. Value
There are some adjustment items that cannot be adjusted, depending on the input signal.
*: The value changes depending on the color systems and input terminals.
Up/Down
inversion is
impossible.

2-9
VPL-CS5A/CS6/CX6/EX1
VPL-EX1
DeviceName ItemName MemoryName Remark
Set Memory
Status
Memory
Chroma Memory Channel Memory Image Flip Memory
NT358/
NT443
/BW60
Pal/Pal-M/N/
Secam/BW50
15kRGB
Component
(15k)
Video
S
Video
MS
Up/Down
inversion is
possible.
A/D Converter ADC/ Clamp Position 8
Clamp Width 20
R Gain(Other) - - 100
R Gain(Component) ---
R Gain(VideoGBR) ---
G Gain(Other) - - 100
G Gain(Component) ---
G Gain(VideoGBR) ---
B Gain(Other) - - 100
B Gain(Component) ---
B Gain(VideoGBR) ---
R Offset(Other) - - 128
R Offset(Component) ---
R Offset(VideoGBR) ---
G Offset(Other) - - 128
G Offset(Component) ---
G Offset(VideoGBR) ---
B Offset(Other) - - 128
B Offset(Component) ---
B Offset(VideoGBR) ---
Sync Sep Th 32
Pre Coast 2
Post Coast 8
Chroma/D.Comb Chroma/ Ch1 Gain 20 20 144
Ch2 Gain 144 16 160
Video Brt 140 124 128 128
Video Cont 64 64 64 64
Sub Color 56 56 56 56
LCBW 000
Y-DeLay *
Ch3 Gain 144 144 160
Ch4 Gain 144 144 160
YUV Brt 128 128 128 128
YUV Cont 64 64 64 64
AOSL -
1E Display only
1F Display only
Up/Down
inversion is
impossible.

2-10 VPL-CS5A/CS6/CX6/EX1
DeviceName ItemName MemoryName Remark
Set Memory
Status
Memory
Chroma Memory Channel Memory Image Flip Memory
NT358/
NT443
/BW60
Pal/Pal-M/N/
Secam/BW50
15kRGB
Component
(15k)
Video
S
Video
MS
Up/Down
inversion is
possible.
Panel Driver P.Drv Offset R 211 211
Offset G 211 211
Offset B 211 211
V Common R 65 65
V Common G 65 65
V Common B 65 65
Psig 1 138
Psig 2 53
Signal Center 196
Gain R 161
Gain G 161
Gain B 161
DCFB Off 1
Sample Hold/ SH1 8
Other/ V Com Ptn Enb Adj. Not possible
Installation 0
Other 3D Gamma Sub Cont 0
Sub Brt 0
R Osd Lvl 31
G Osd Lvl 31
B Osd Lvl 31
Through 0
SW 1
APC Thres 25
APC Limit 32
Other/ V Start 22
H Start(MSB) 144
H Start(LSB) 1
H Position 11
HST Position 9
HST Phase 6
Temp Lamp Adj. Not possible
Temp Panel Adj. Not possible
Fan1 H Adj. Not possible Adj. Not possible
Fan1 L Adj. Not possible Adj. Not possible
Fan2 H Adj. Not possible Adj. Not possible
Fan2 L Adj. Not possible Adj. Not possible
Fan3 H Adj. Not possible Adj. Not possible
Fan3 L Adj. Not possible Adj. Not possible
Synchronous 0
Tilt C0 0
Tilt C1 10000
Tilt C2 -10000
X Tilt Display only
Y Tilt Display only
TL Display only
TP Display only
Gamma Factory adj. Value
There are some adjustment items that cannot be adjusted, depending on the input signal.
*: The value changes depending on the color systems and input terminals.
Up/Down
inversion is
impossible.
(VPL-EX1)

2-11
VPL-CS5A/CS6/CX6/EX1
2-4. Service Know-How
2-4-1. When the S Prism Block Is Replaced
1. Perform the V COM adjustment. (Refer to Section “2-
2. VCOM Adjustment”.)
2. Write the GAMMA data of the S prism block.
3. Perform the white balance adjustment. (Refer to
Section “2-5. White Balance Adjustment”.)
2-4-2. When the C Board Is Replaced
n
If any board other than the C board is replaced, there is not
adjustment item.
1. Install IC406 of the C board before replacement, into
the new C board.
2. Enter the Factory Mode.
3. Place this model on a flat worktable. Press the TILT
key on a flat table so that the lens shutter becomes
visible a little when viewed from the front of the
model.
4. Operate the TILT+ key and stop it at the point that the
lens shutter becomes invisible from the front.
5. From this position, flip the TILT+ key twice.
6. Press the keys as follows [ENTER] → [ENTER] →
[POSITION+] → [MEMORY] keys. (Memorizing
the adjustment value.)
7. With the model being placed on a flat worktable, open
the lens shutter fully open while the adjuster does not
touch the ground.
8. Input the “Other/X Tilt” value in “Other/Tilt C0” at
this time.
9. Point the model vertically upright and fix the position.
10. Input the “Other/X Tilt” value in “Other/Tilt C1” at
this time.
11. Point the model vertically downward and fix the
position.
12. Input the “Other/X Tilt” value in “Other/Tilt C2” at
this time.
13. Perform the V COM adjustment. (Refer to Section “2-
2. VCOM Adjustment”.)
14. If the white balance is significantly poor, perform the
white balance adjustment. . (Refer to Section “2-5.
White Balance Adjustment”.)
2-4-3. When the Adjuster Assy Is Returned
by the Emergency Mode
When the Adjuster Assy is returned by the Emergency
mode, it results in the state that the Stopper of the mecha-
nism has moved out from its correct mechanical position.
Therefore, be sure to replace Adjuster Frame Assy.
The Stopper alone cannot be replaced because the Stopper
got accustomed to move out from its correct mechanical
position easily.
Adjustor section
Adjustor frame assy
Adjustor frame assy
When the Stopper has moved out
from its correct position to the front,
it causes the Emergency state.

2-12 VPL-CS5A/CS6/CX6/EX1
2-5. White Balance Adjustment
Preparation before adjustment
1. Input the 100 IRE flat field signal to the INPUT-A
connector and allow the warm-up of 10 minutes aging
at a minimum.
2. Enter the Service Mode.
Press the keys in the following order.
[ENTER] → [ENTER] → ↑ → ↓ → [ENTER].
The message [Do you want to enter the Service Mode?
Yes : ↑ No : ↓] appears.
Select [Yes : ↑].
[Supplementary information: How to Exit the
Service Mode]
Perform the step 2 KEY operation.
The message [Do you want to return to the User Mode?]
appears.
Select [Yes : ↑].
2-5-1. HIGH Mode of INPUT-A
Connect the10-step signal to the INPUT-A connector and
measure the chromaticities at each brightness.
If chromaticities are different at each brightness, perform
the following adjustment.
1. Input the 100 IRE flat field signal to the INPUT-A
connector.
2. Measure the chromaticity (x, y).
3. Input the 80 IRE flat field signal.
4. Adjust the GAIN R and GAIN B in the HIGH mode of
W/B until the chromaticity (x, y) that is measured at
step 2 is obtained.
5. Input the 30 IRE flat field signal.
6. Adjust the BIAS R and BIAS B in the HIGH mode of
W/B until the chromaticity (x, y) that is measured at
step 2 is obtained.
7. Repeat steps 3 to 6 until the chromaticity (x ±0.002, y
±0.004) with reference to the chromaticity (x, y) that
is measured at step 2 is obtained.
2-5-2. LOW Mode of INPUT-A
1. Input the 80 IRE flat field signal to the INPUT-A
connector.
2. In the LOW mode of W/B, adjust the GAIN R for +15
higher than the value in the HIGH mode, adjust the
GAIN G for __
__
_25 lower than the value in the HIGH
mode and adjust GAIN B that is the same as the value
in the HIGH mode.
3. Adjust BIAS R, BIAS B and BIAS G for the same
value as those of the HIGH mode.
4. Measure the chromaticity (x, y).
5. Input the 30 IRE flat field signal.
6. Adjust the BIAS R and BIAS B in the LOW mode of
W/B until the chromaticity (x, y) that is measured at
step 4 is obtained.
7. Input the 80 IRE flat field signal.
8. Adjust the GAIN R and GAIN B in the LOW mode of
W/B until the chromaticity (x, y) that is measured at
step 4 is obtained.
9. Repeat steps 5 to 8 until the chromaticity (x ±0.002, y
±0.004) with reference to the chromaticity (x, y) that
is measured at step 4 is obtained.
2-5-3. HIGH Mode of VIDEO
1. Input the NTSC or PAL video signal to the input
connector.
2. In the HIGH mode of W/B, adjust the GAIN R for
__
__
_20 lower than the value in the INPUT-A HIGH
mode, adjust the GAIN G for __
__
_35 lower than the value
in the INPUT-A HIGH mode and adjust GAIN B that
is the __
__
_20 lower than the value in the INPUT-A HIGH
mode.
3. Adjust BIAS G for __
__
_5 lower than the value in the
INPUT-A HIGH mode, adjust the BIAS R and BIAS
B for the same value as those of the INPUT-A HIGH
mode.
2-5-4. LOW Mode of VIDEO
1. Input the NTSC or PAL video signal to the input
connector.
2. In the LOW mode of W/B, adjust the GAIN R for __
__
_20
lower than the value in the INPUT-A LOW mode,
adjust the GAIN G for __
__
_35 lower than the value in the
INPUT-A LOW mode and adjust GAIN B that is the
__
__
_20 lower than the value in the INPUT-A LOW mode.
3. Adjust BIAS G for __
__
_5 lower than the value in the
INPUT-A LOW mode, adjust the BIAS R and BIAS B
for the same value as those of the INPUT-A HIGH
mode.

2-13
VPL-CS5A/CS6/CX6/EX1
2-6. Memory Structure
CS5A, CS6 and EX1 Memory Structure
CPU internal ROM : 384 K byte Flash Memory
CPU internal RAM : 30 K byte
External NVM memory : 8 K byte EEPROM
NT358/443/BW60
15k RGB
Component (15k)
PAL/PAL-M/N/
SECAM/BW50
NT358/443/BW60
15k RGB
Component (15k)
PAL/PAL-M/N/
SECAM/BW50
Set Memory Set Memory Set Memory
Status Memory
Picture Memory
Chroma Memory
Channel Memory
Status
Memory No. 01
No. 02
No. 03
No. 04
No. 05
...
No. 52
Picture
Memory
Chroma
Memory Chroma
Memory
Status
Memory No. 01
No. 02
No. 03
No. 04
No. 05
...
...
No. 52
No. 101
No. 120
Input-A
Preset
Input-A
Preset
Input-A
User
Video Dynamic
Standard
S
Video Dynamic
Standard
Input-A Dynamic
Standard
W/B
Memory
Channel
Memory
Computer
Others
High
Low
High
Low
W/B
Memory Computer
Others
High
Low
High
Low
W/B
Memory High
Low
Picture
Memory Video Dynamic
Standard
S
Video Dynamic
Standard
Input-A Dynamic
Standard
Video
S Video
Input-A
Channel
Memory
Video
S Video
Input-A
Image Flip Memory
Image Flip
Memory Up/Down inversionis
impossible
Up/Down inversionis
possible Up/Down inversionis
possible
Up/Down inversionis
impossible
Image Flip
Memory
CPU ROM
Initialize Memory
Active memory copy
External NVM CPU RAM
2-14 VPL-CS5A/CS6/CX6/EX1
Memory structure of VPL-CS5A, VPL-CS6 and VPL-EX1 consists of the followings.
1 Set memory
2 Status memory
3 Picture memory
4 Chroma memory
5 W/B memory
6 Channel memory
7 Image Flip memory
* The gamma memory is realized by giving offset to Contrast and Brightness output values to the devices in the gamma mode function.
Flow of data is described briefly. When the power plug is connected to the wall outlet for the first time
(Standby state), all data that are stored in the internal ROM are written in the NVM(non-volatile memo-
ry). When the POWER is turned ON, all the status memory data and other memory data that are required
for the present picture are selected from each memory block and expanded in the internal RAM.
When any adjustment is performed at this moment, the adjustment data(user mode items) are written in
the NVM(Service/Special Service item) automatically triggered by the memory operation.
The adjustment items(W/B, Device Adjust) that can be adjusted in the Service Mode or in the Special
Service Mode, are memorized in the NVM at the time when the user performs adjustment and performs
the memory operation. Note that the factory adjustment data will be lost at this moment.

2-15
VPL-CS5A/CS6/CX6/EX1
CX6 Series Memory Structure
CPU internal ROM : 384 K byte Flash Memory
CPU internal RAM : 30 K byte
External NVM memory : 8 K byte EEPROM
NT358/443/BW60
15k RGB
Component (15k)
PAL/PAL-M/N/
SECAM/BW50
NT358/443/BW60
15k RGB
Component (15k)
PAL/PAL-M/N/
SECAM/BW50
Set Memory Set Memory Set Memory
Status Memory
Picture Memory
Chroma Memory
Channel Memory
Image Flip Memory
Status
Memory No. 01
No. 02
No. 03
No. 04
No. 05
...
No. 52
Input-A
Preset
No. 53
No. 54
No. 55
...
No. 62
Picture
Memory
Chroma
Memory Chroma
Memory
Status
Memory No. 01
No. 02
No. 03
No. 04
No. 05
...
...
No. 52
No. 53
No. 54
No. 55
...
No. 62
No. 101
No. 120
Input-A
Preset
MS
Preset
MS
Preset
Input-A
User
Video Dynamic
Standard
S
Video Dynamic
Standard
Input-A Dynamic
Standard
MS Dynamic
Standard
W/B
Memory
Channel
Memory
Computer
Others
High
Low
High
Low
W/B
Memory Computer
Others
High
Low
High
Low
W/B
Memory High
Low
Picture
Memory Video Dynamic
Standard
S
Video Dynamic
Standard
Input-A Dynamic
Standard
MS Dynamic
Standard
Video
S Video
Input-A
Image Flip
Memory Up/Down inversionis
impossible
Up/Down inversionis
possible Up/Down inversionis
possible
Up/Down inversionis
impossible
Image Flip
Memory
Channel
Memory
Video
S Video
Input-A
MS MS
CPU ROM
Initialize Memory
Active memory copy
External NVM CPU RAM
2-16 VPL-CS5A/CS6/CX6/EX1
Memory structure of VPL-CX6 consists of the followings.
1 Set memory
2 Status memory
3 Picture memory
4 Chroma memory
5 W/B memory
6 Channel memory
7 Image Flip memory
* The gamma memory is realized by giving offset to Contrast and Brightness output values to the devices in the gamma mode function.
Flow of data is described briefly. When the power plug is connected to the wall outlet for the first time
(Standby state), all data that are stored in the internal ROM are written in the NVM(non-volatile memo-
ry). When the POWER is turned ON, all the status memory data and other memory data that are required
for the present picture are selected from each memory block and expanded in the internal RAM.
When any adjustment is performed at this moment, the adjustment data(user mode items) are written in
the NVM(Service/Special Service item) automatically triggered by the memory operation.
The adjustment items(W/B, Device Adjust) that can be adjusted in the Service Mode or in the Special
Service Mode, are memorized in the NVM at the time when the user performs adjustment and performs
the memory operation. Note that the factory adjustment data will be lost at this moment.

3-1
VPL-CS5A/CS6/CX6/EX1
Section 3
Semiconductors
IC
24LC21AT/SN
BA033F-E2
BA033FP
BA033FP-E2
ICS332-SX1734
ICS332-SX1735
ICS332M-SX1734
ICS332M-SX1735
IRMF-A0T-QTP
M24C64-WMN6T(B)
MM1096AFF
ST24FC21M6TR
TA75W393FU
TA75W393FU-TE12R
TC7WH74FU(TE12R)
TL431BCDR2
1TOP VIEW
8pin SOP
AD9883AKST-110
AD9883AKST-140
1TOP VIEW
80pin QFP
ADXL202JE-REEL
123
4
8
5INDEX
6
7
AK4352VT-E2
BA6288FS-E2
CY27027ZCT
CY27027ZZCT
LT1765EFE
TPA2001D1PWR
1TOP VIEW
16pin SOP
BA05FP-E2
BA09FP-E2
VCC
GND
OUT
CXA3562AR-T6
UPD72012GB-003-3B4
1TOP VIEW
100pin QFP
CXA7000R-T6
1TOP VIEW
64pin QFP
CXD9607GB
BOTTOM VIEW
1
A
144pin PGA
HD64F2376VFQ33V
1TOP VIEW
144pin QFP
HY57V281620HCT-H-TR
MT48LC8M16A2TG-75-Y95WT
MT48LC8M16A2TG-75TR
1TOP VIEW
54pin SOP
L88M05T-FA-TL
1
3
LM1117MPX-1.8
INPUT
OUTPUT
ADJ/GND
LMC7101BIM5X
SN74AHCT1G04DCKR
SN74AHCT1G08DCKR
4
5
2
1
3
LP2985IM5X-3.3
3
4
1
5
LTC1772CS6
1TOP VIEW
6pin SOP
M52347FP-TE
SN74AHCT541PWR
SN74LV244APWR
TDA7309D013TR
1TOP VIEW
20pin SOP
M62392FP
1TOP VIEW
24pin SOP
MB93401A
BOTTOM VIEW
1
A
288pin PGA
MB93491
1TOP VIEW
176pin QFP
MBM29LV160BE-90TN-
1754MS100
MBM29LV800TA-70PFTN-
1752
1TOP VIEW
48pin SOP
MCZ3001D
1TOP VIEW
40pin SOP
MZ1540
1
24
357
89
10

3-2 VPL-CS5A/CS6/CX6/EX1
IC, Transistor, Diode
PQ20VZ1U
1235
4
PQ2TZ15U
5
1
PW164B-10TK
BOTTOM VIEW
1
A
256pin PGA
RCV4-A1T-MASK-25
ST72T631K4M1-201
1TOP VIEW
34pin SOP
RS-140-T
1
2
3
4
S-80928CNMC-G8YT2G
S-80942ANMP-DD6-T2
123
SAA7118E/V1.518
BOTTOM VIEW
1
A
156pin PGA
SN74LV00APWR
SN74LV02APWR
SN74LV125APWR
SN74LVC125APWR-12
1TOP VIEW
14pin SOP
SN74LV157APWR
1TOP VIEW
18pin SOP
TC7S66FU
TC7S66FU(TE85R)
1
5pin CHIP
TC7SZ125FU(TE85R)
1TOP VIEW
5pin SOP
TK11900MTL
1
6pin CHIP
2SA1162-G
2SA1162-YG-TE85L
2SA1576A-T106-QR
2SC2712-YG
2SC2712-YG-TE85L
2SC4081-R
2SC4081T106R
2SJ530S-TL
DTC144EUA-T106
E
B
C
2SA1213Y-TE12L
E
B
C
2SK2876-01MR-F122
GATE
DRAIN
SOURCE
DTA144EUA-T106
DTC114EU
DTC114EUA-T106
GND
IN
OUT
HN1B01FU-TE85R
HN1C01FU-TE85R
5
6
4
1
3
2
4
5
6
2
1
3
HN1C03FU-TE85R
RN2904-TE85R
5
6
4
1
3
2
4
5
6
2
1
3
SI4425DY-T1
SI9434DY-T1
SSSG
DDD
D
SSM6N15FU(TE85R)
S1 G1 D2
D1 G2 S2
XP4501-TXE
5
6
4
1
3
2
3
21
456
1SR154-400TE-25
D1F20-TL
D1FS4A-TA
RB501V-40TE17
RB501V-40TE-17
ANODE
CATHODE
1SS355TE-17
EC31QS03L-TE12L
MA111-(K8).S0
MA111-TX
RD9.1SB2
RD9.1SB2-T1
CATHODE
ANODE

3-3
VPL-CS5A/CS6/CX6/EX1
Diode
BZA456A
1
1
2
2
3
3
6
6
5
5
4
4
D10SC4M
D10SC6M
D10SC6M(RECTI)
12
3
123
D2FS6-TA
CATHODE MARK
CATHODE
ANODE
D6SB80
DAN202U
DAN202UT106
CATHODE
ANODE
NC
HN1D03FU-TE85L
HN1D03FU-TE85R
1
2
56
3
4
56
1
2
3
4
MA3J14700LSO
CATHODE ANODE
NSCW100
NSCW100-TE4
KATHODE
ANODE
RD16M-B2
RD16M-T1B2
RD18M-B1
RD18M-T1B1
RD33M-B
RD33M-T1B
RD6.8M-B1
RD6.8M-T1B1
1
2
3
1
2
3
RD3.9SB
RD3.9SB-T1
UF4005PKG23
CATHODE
ANODE
RM11C(RECTI)
RM11C-V1
CATHODE
ANODE
SEC1801C
SEC1901C
SEC2422C
CATHODE MARK
UDZSTE-173.9B
CATHODE
ANODE
4-1
VPL-CS5A/CS6/CX6/EX1
4-1. Notes on Repair Parts
1. Safety Related Components Warning
w
Components marked ! are critical to safe operation.
Therefore, specified parts should be used in the case of
replacement.
[WARNHINWEIS][WARNHINWEIS]
[WARNHINWEIS][WARNHINWEIS]
[WARNHINWEIS]
Les composants identifiés par la marque ! sont
critiques pour la sécurité.
Ne les remplacer que par une pièce portant le numéro
spécifié.
2. Standardization of Parts
Some repair parts supplied by Sony differ from those
used for the unit. These are because of parts common-
ality and improvement.
Parts List has the present standardized repair parts.
3. Stock of Parts
Parts marked with “o” at SP (Supply Code) column of
the Spare Parts list may not be stocked. Therefore, the
delivery date will be delayed.
Items with no part number and no description are not
stocked because they are seldom required for routine
service.
4. Units for Capacitors, Inductors and Resistors
The following units are assumed in Schematic Dia-
grams, Electrical Parts List and Exploded Views
unless otherwise specified.
Capacitors : µF
Inductors : µH
Resistors : Ω
Section 4
Spare Parts

4-2 VPL-CS5A/CS6/CX6/EX1
Cover
4-2. Exploded Views
+B 3x6
+B 3x6
+B 3x6
+B 3x6
+B 3x6
+B 3x6
+B 3x20
16
25
4
23
21
14
15
22
19
16
17
6
20
10
13
2
5
24
1
8
9
7
11
12
3
18
+B 3x6

4-3
VPL-CS5A/CS6/CX6/EX1
Cover
No. Part No. SP Description
1 A-1302-313-A s MOUNTED CIRCUIT BOARD, C (VPL-EX1)
A-1302-317-A s MOUNTED CIRCUIT BOARD, C (VPL-CS6)
A-1302-318-A s MOUNTED CIRCUIT BOARD, C (VPL-CX6)
A-1302-410-A s MOUNTED CIRCUIT BOARD, C (VPL-CS5A)
2 A-1405-562-A s MOUNTED CIRCUIT BOARD, H1
3 4-096-060-01 s MASK
4 A-1405-571-A s MOUNTED CIRCUIT BOARD, Q
5 4-096-061-01 s SHEET, HEAT
6 A-1405-565-A s MOUNTED CIRCUIT BOARD, H2
7
!
X-4040-587-1 s LAMP COVER ASSY
8 X-4040-588-2 s BUTTON (H1) ASSY
9
!
X-4040-589-3 s PANEL ASSY, TOP (VPL-CX6/CS6)
!
X-4041-755-1 s PANEL ASSY, TOP (VPL-CS5A/EX1)
(When you are going to replace this part, be sure to replace SHEET, HEAT
4-096-061-01 together with this part at the same time.)
10
!
X-4040-590-1 s PANEL ASSY, SIDE
11
!
1-763-746-21 s FAN, DC
(When you are going to replace this part, be sure to replace MASK
4-096-060-01 together with this part at the same time.)
12
!
1-900-222-47 s CONNECTOR ASSY, FUSE 2P
13 1-900-268-34 s CONNECTOR ASSY A, FLAT 12P
14 4-074-246-02 o SLEEVE, VIDEO
15 4-090-083-01 s MAGNET
16 4-090-087-02 s SHAFT
17
!
4-090-088-02 s FILTER
18 4-090-741-01 s GASKET
19 4-096-049-01 s FOOT, FRONT
20 4-090-095-01 s BUTTON (H2)
21 4-090-099-02 s COVER, CONNECTOR (VPL-CS5A/CS6/EX1)
4-090-099-11 s COVER, CONNECTOR (VPL-CX6)
22 4-090-107-03 s COVER, FILTER
23 4-090-115-01 s HOLDER (H2)
24 4-096-048-01 o EMBLEM (VPL-EX1)
4-096-063-01 o EMBLEM (VPL-CS6)
4-096-065-01 o EMBLEM (VPL-CX6)
4-090-085-02 s EMBLEM (VPL-CS5A)
25 4-096-066-01 s LABEL, CONNECTOR NAME (VPL-CX6)
4-090-096-03 s LABEL, CONNECTOR NAME (VPL-CS5A/CS6/EX1)
Screws/Washers
7-682-547-04 s SCREW +B 3X6
7-682-553-09 s SCREW +B 3X20

4-4 VPL-CS5A/CS6/CX6/EX1
Chassis
+B 3x6
+B 3x6
+B 3x6
+B 3x6
+B 3x6
+B 3x6
102
106
107
108
105
104
101
103
+B 4x12
+B 4x12
+PWHTP 3x10

4-5
VPL-CS5A/CS6/CX6/EX1
Chassis
No. Part No. SP Description
101 A-1302-315-A s MOUNTED CIRCUIT BOARD, GA
102 A-1302-316-A s MOUNTED CIRCUIT BOARD, GB
103 A-1302-320-A s MOUNTED CIRCUIT BOARD, MS (VPL-CX6)
104 A-1302-319-A s MOUNTED CIRCUIT BOARD, MSC (VPL-CX6)
A-1302-314-A s MOUNTED CIRCUIT BOARD, MSC (VPL-CS5A/CS6/EX1)
105 4-082-759-01 s SCREW, MACHINE, (+)P M4X12
106 1-900-267-27 s CONNECTOR ASSY, FLAT 24P
107 1-900-267-36 s CONNECTOR ASSY, FLAT 50P (VPL-CX6)
108 1-900-267-37 s CONNECTOR ASSY B, FLAT 12P (VPL-CX6)
Screws/Washers
7-682-547-04 s SCREW +B 3X6
7-682-563-04 s SCREW +B 4X12 (EP-FE/CU,NI,CR)
7-685-903-31 s SCREW,+PWHTP 3X10 (EP-FE/ZNBK/C)

4-6 VPL-CS5A/CS6/CX6/EX1
Optics
203
211
210
216
215
217
218
204
207
202
201
212
208
209
213
205
206
+PTP 2x5
+PTP 2x5
+B 2x6
+B 2x6
+B 2x6
+B 2x6
+PTP 2x5
+PS 3x6
214
Only
(VPL-EX1)

4-7
VPL-CS5A/CS6/CX6/EX1
Optics
No. Part No. SP Description
201 A-1604-973-A s OPT UINT ASSY (VPL-CS6/CS5A)
A-1604-977-A s OPT UINT ASSY (VPL-CX6)
A-1604-963-A s OPT UINT ASSY (VPL-EX1)
202 A-1604-974-A s S PRISM BLOCK ASSY (VPL-CS6/CS5A)
A-1604-964-A s S PRISM BLOCK ASSY (VPL-CX6/EX1)
203 A-1604-978-A s LENS ASSY (VPL-CS6/CX6)
A-1603-662-A s PROJECTION LENS ASSY (VPL-EX1/CS5A)
204 A-1604-979-A s P/S ASSY (VPL-CS6/CX6)
A-1603-663-A s P/S ASSY (VPL-EX1/CS5A)
205 A-1604-965-A s S IN-POLARIZER (R) ASSY
206 A-1604-966-A s S IN-POLARIZER (G) ASSY
207 A-1604-967-A s S IN-POLARIZER (B) ASSY
208 A-1604-968-A s S OUT-PRE-POLARIZER (R) ASSY
209 A-1604-969-A s S OUT-PRE-POLARIZER (G) ASSY
210 A-1604-970-A s S OUT-PRE-POLARIZER (B) ASSY
211 4-074-474-01 s +BSW M3X8
212 4-090-112-03 o HOUSE, LAMP
213 4-089-522-01 s FASTENER (OP)
214 4-089-526-01 s CUSHION
215 4-095-447-01 s PRE-FILTER, UV-CUT
216 4-089-552-02 s COVER (B), UNIT
217 4-089-558-01 s FLY EYE, LENS-1
218 4-089-559-01 s FLY EYE, LENS-2
Screws/Washers
7-621-772-38 s SCREW +B 2X6
7-682-647-09 s SCREW +PS 3X6 (EP-FE/ZNBK/CM2)
7-685-103-19 s SCREW +PTP 2X5

4-8 VPL-CS5A/CS6/CX6/EX1
Base
+B 3x6
+B 3x6
+B 3x6
+B 3x6
+B 3x6
+BTP 3x12
+BTP 3x12
+BTP 3x12
+BTP 3x12
+B 3x6
306
313
311
307
306
309
303
306
308
302
+B 3x6
+P 2x4
+P 2x4
+P 2x2.2
+P 2x2.2
+P 2x2.2
+P 2x2.2
+P 2x2.2
+P 2x4
+B 3x6
304
305
310
317
316 321
318
323
319
320
326
322
324 315
314
314
301
325
312
PUSH 2 NUT
PUSH 2 NUT
4-9
VPL-CS5A/CS6/CX6/EX1
Base
No. Part No. SP Description
301 X-4041-753-1 s FRAME ASSY, ADJUSTER
302
!
A-1603-156-A s SPEAKER ASSY
303 X-4040-721-1 o DUCT ASSY, LAMP
304
!
1-468-696-12 s POWER SUPPLY BLOCK (LAMP)
305 4-096-057-01 s FOOT REAR, ADJ
306
!
1-763-886-11 s FAN, DC (SIROCCO)
307 4-090-090-02 s GEAR, LENS
308 4-090-104-01 o HOLDER, FAN (RE)
309 4-090-094-02 o DUCT, PRISM
310
!
4-090-114-01 s SHEET (LPS)
311 4-090-120-01 o HOLDER (IN), FAN
312 4-666-063-01 s BEARING (L850ZZH), BALL
313 4-090-740-01 s SHEET, DUCT
314 4-090-742-01 s SHEET (FAN)
315 A-1605-748-A s DC MOTOR ASSY, ADJUSTER
316 4-096-032-01 s LEVER 1, JOINT
317 4-096-033-01 s LEVER 2, JOINT
318 4-096-031-01 s SCREW, STEP
319 4-096-050-01 s HOLDER, JOINT
320 4-096-051-01 s SLIDER, JOINT
321 4-096-052-01 s SPRING (A)
322 4-096-053-01 s SHUTTER
323 4-096-055-01 s SPRING (B)
324 4-096-056-01 s SHAFT, SHUTTER
325 4-096-059-01 s SHAFT, ADJUSTER
326 A-1405-572-A s MOUNTED CIRCUIT BOARD, S
Screws/Washers
7-682-547-04 s SCREW +B3X6
7-685-548-19 s SCREW +BTP 3X12 (EP-FE/ZNBK/CM)
7-627-554-07 s PRECISION SCREW +P 2X2.2 TYPE3
7-627-553-48 s PRECISION SCREW +P 2X4 TYPE3
7-624-200-11 s NUT, PUSH 2
4-10 VPL-CS5A/CS6/CX6/EX1
4-3. Electrical Parts List
--------------------------
C BOARD(VPL-CS5A/CS6 ONLY)
--------------------------
Ref. No.
or Q’ty Part No. SP Description
Note:
*1 If IC203, IC406 and IC801 becomes defective, replace the entire C board.
1pc A-1302-317-A s MOUNTED CIRCUIT BOARD, C(FOR CS6)
1pc A-1302-410-A s MOUNTED CIRCUIT BOARD, C(FOR CS5A)
C100 1-164-947-11 s CAPACITOR CHIP CERAMIC 0.01MF
C101 1-164-947-11 s CAPACITOR CHIP CERAMIC 0.01MF
C102 1-164-947-11 s CAPACITOR CHIP CERAMIC 0.01MF
C103 1-126-205-11 s CAPACITOR,ELECT 47M/6.3
C104 1-126-205-11 s CAPACITOR,ELECT 47M/6.3
C105 1-115-566-11 s CAPACITOR,CERAMIC 4.7MF B/6.3V
C106 1-126-205-11 s CAPACITOR,ELECT 47M/6.3
C107 1-115-566-11 s CAPACITOR,CERAMIC 4.7MF B/6.3V
C108 1-107-820-11 s CAPACITOR,CHIP CERAMIC 0.1MF F
C109 1-107-820-11 s CAPACITOR,CHIP CERAMIC 0.1MF F
C111 1-107-820-11 s CAPACITOR,CHIP CERAMIC 0.1MF F
C112 1-107-820-11 s CAPACITOR,CHIP CERAMIC 0.1MF F
C113 1-107-820-11 s CAPACITOR,CHIP CERAMIC 0.1MF F
C114 1-164-937-11 s CAPACITOR,CHIP CERAMIC 1000PF
C115 1-109-982-11 s CAPACITOR,CHIP CERAMIC 1MF/10V
C116 1-107-820-11 s CAPACITOR,CHIP CERAMIC 0.1MF F
C117 1-137-987-81 s CAPACITOR,C.CERAMIC 0.068MF
C118 1-115-566-11 s CAPACITOR,CERAMIC 4.7MF B/6.3V
C119 1-115-566-11 s CAPACITOR,CERAMIC 4.7MF B/6.3V
C120 1-165-875-11 s CAPACITOR, CHIP CERAMIC 10MF B
C121 1-165-871-11 s CAPACITOR,ELECT 22MF
C122 1-107-820-11 s CAPACITOR,CHIP CERAMIC 0.1MF F
C123 1-165-875-11 s CAPACITOR, CHIP CERAMIC 10MF B
C124 1-107-820-11 s CAPACITOR,CHIP CERAMIC 0.1MF F
C125 1-164-947-11 s CAPACITOR CHIP CERAMIC 0.01MF
C126 1-164-882-11 s CAPACITOR,CERAMIC 220PF/16V CH
C127 1-164-874-11 s CAPACITOR,CHIP CERAMIC 100PF
C128 1-125-837-91 s CAP, CHIP CERAMIC 1MF
C129 1-165-871-11 s CAPACITOR,ELECT 22MF
C130 1-107-820-11 s CAPACITOR,CHIP CERAMIC 0.1MF F
C131 1-119-923-11 s CAPACITOR,CHIP CERAMIC 0.047MF
C132 1-119-923-11 s CAPACITOR,CHIP CERAMIC 0.047MF
C133 1-164-937-11 s CAPACITOR,CHIP CERAMIC 1000PF
C134 1-119-923-11 s CAPACITOR,CHIP CERAMIC 0.047MF
C135 1-107-820-11 s CAPACITOR,CHIP CERAMIC 0.1MF F
C136 1-131-998-11 s CAP, SOLID ELECT 82MF 6.3 V
C137 1-164-947-11 s CAPACITOR CHIP CERAMIC 0.01MF
C138 1-119-667-11 s CAPACITOR CERAMIC 22MF/10V(F)
C139 1-107-820-11 s CAPACITOR,CHIP CERAMIC 0.1MF F
C140 1-107-820-11 s CAPACITOR,CHIP CERAMIC 0.1MF F
C141 1-107-820-11 s CAPACITOR,CHIP CERAMIC 0.1MF F
C142 1-107-820-11 s CAPACITOR,CHIP CERAMIC 0.1MF F
C143 1-164-947-11 s CAPACITOR CHIP CERAMIC 0.01MF
C144 1-164-947-11 s CAPACITOR CHIP CERAMIC 0.01MF
C145 1-107-820-11 s CAPACITOR,CHIP CERAMIC 0.1MF F
C146 1-107-820-11 s CAPACITOR,CHIP CERAMIC 0.1MF F
C147 1-164-947-11 s CAPACITOR CHIP CERAMIC 0.01MF
C148 1-107-820-11 s CAPACITOR,CHIP CERAMIC 0.1MF F
C149 1-164-947-11 s CAPACITOR CHIP CERAMIC 0.01MF
C150 1-107-820-11 s CAPACITOR,CHIP CERAMIC 0.1MF F
C151 1-164-173-11 s CAPACITOR,CERAMIC 3900PF/50V B
C152 1-135-995-91 s CAP,CHIP CERAMIC39000PF B 1608
C153 1-107-820-11 s CAPACITOR,CHIP CERAMIC 0.1MF F
C154 1-107-820-11 s CAPACITOR,CHIP CERAMIC 0.1MF F
(C BOARD(VPL-CS5A/CS6 ONLY))
Ref. No.
or Q’ty Part No. SP Description
C155 1-164-947-11 s CAPACITOR CHIP CERAMIC 0.01MF
C156 1-107-820-11 s CAPACITOR,CHIP CERAMIC 0.1MF F
C157 1-107-820-11 s CAPACITOR,CHIP CERAMIC 0.1MF F
C158 1-164-947-11 s CAPACITOR CHIP CERAMIC 0.01MF
C159 1-164-947-11 s CAPACITOR CHIP CERAMIC 0.01MF
C160 1-107-820-11 s CAPACITOR,CHIP CERAMIC 0.1MF F
C161 1-164-505-11 s CAPACITOR,CHIP CERAMIC 2.2MF
C162 1-107-820-11 s CAPACITOR,CHIP CERAMIC 0.1MF F
C163 1-164-874-11 s CAPACITOR,CHIP CERAMIC 100PF
C164 1-107-820-11 s CAPACITOR,CHIP CERAMIC 0.1MF F
C165 1-107-820-11 s CAPACITOR,CHIP CERAMIC 0.1MF F
C166 1-107-820-11 s CAPACITOR,CHIP CERAMIC 0.1MF F
C200 1-164-854-11 s CAPACITOR CERAMIC 15PF/16V CH
C201 1-164-854-11 s CAPACITOR CERAMIC 15PF/16V CH
C204 1-126-209-11 s CAPACITOR,ELECT 100MF/4V
C206 1-127-772-11 s CAPACTOR C,CERAMIC 33000PF B
C207 1-119-923-11 s CAPACITOR,CHIP CERAMIC 0.047MF
C208 1-119-923-11 s CAPACITOR,CHIP CERAMIC 0.047MF
C209 1-127-772-11 s CAPACTOR C,CERAMIC 33000PF B
C210 1-119-923-11 s CAPACITOR,CHIP CERAMIC 0.047MF
C211 1-127-772-11 s CAPACTOR C,CERAMIC 33000PF B
C215 1-127-772-11 s CAPACTOR C,CERAMIC 33000PF B
C216 1-127-772-11 s CAPACTOR C,CERAMIC 33000PF B
C217 1-127-772-11 s CAPACTOR C,CERAMIC 33000PF B
C218 1-127-772-11 s CAPACTOR C,CERAMIC 33000PF B
C219 1-119-923-11 s CAPACITOR,CHIP CERAMIC 0.047MF
C220 1-126-246-11 s CAPACITOR ELECT 220MF/4V(CHIP)
C221 1-131-998-11 s CAP, SOLID ELECT 82MF 6.3 V
C222 1-107-820-11 s CAPACITOR,CHIP CERAMIC 0.1MF F
C223 1-107-820-11 s CAPACITOR,CHIP CERAMIC 0.1MF F
C224 1-107-820-11 s CAPACITOR,CHIP CERAMIC 0.1MF F
C225 1-107-820-11 s CAPACITOR,CHIP CERAMIC 0.1MF F
C226 1-164-943-11 s CAPACITOR,CHIP CERAMIC 0.01MF
C227 1-164-943-11 s CAPACITOR,CHIP CERAMIC 0.01MF
C228 1-164-943-11 s CAPACITOR,CHIP CERAMIC 0.01MF
C229 1-164-943-11 s CAPACITOR,CHIP CERAMIC 0.01MF
C230 1-107-820-11 s CAPACITOR,CHIP CERAMIC 0.1MF F
C233 1-107-820-11 s CAPACITOR,CHIP CERAMIC 0.1MF F
C234 1-131-998-11 s CAP, SOLID ELECT 82MF 6.3 V
C245 1-107-820-11 s CAPACITOR,CHIP CERAMIC 0.1MF F
C260 1-107-820-11 s CAPACITOR,CHIP CERAMIC 0.1MF F
C261 1-107-820-11 s CAPACITOR,CHIP CERAMIC 0.1MF F
C262 1-164-947-11 s CAPACITOR CHIP CERAMIC 0.01MF
C263 1-119-667-11 s CAPACITOR CERAMIC 22MF/10V(F)
C300 1-107-820-11 s CAPACITOR,CHIP CERAMIC 0.1MF F
C302 1-107-820-11 s CAPACITOR,CHIP CERAMIC 0.1MF F
C303 1-107-820-11 s CAPACITOR,CHIP CERAMIC 0.1MF F
C304 1-107-820-11 s CAPACITOR,CHIP CERAMIC 0.1MF F
C305 1-107-820-11 s CAPACITOR,CHIP CERAMIC 0.1MF F
C306 1-107-820-11 s CAPACITOR,CHIP CERAMIC 0.1MF F
C307 1-107-820-11 s CAPACITOR,CHIP CERAMIC 0.1MF F
C308 1-107-820-11 s CAPACITOR,CHIP CERAMIC 0.1MF F
C309 1-107-820-11 s CAPACITOR,CHIP CERAMIC 0.1MF F
C310 1-107-820-11 s CAPACITOR,CHIP CERAMIC 0.1MF F
C311 1-107-820-11 s CAPACITOR,CHIP CERAMIC 0.1MF F
C312 1-107-820-11 s CAPACITOR,CHIP CERAMIC 0.1MF F
C314 1-107-820-11 s CAPACITOR,CHIP CERAMIC 0.1MF F
C315 1-107-820-11 s CAPACITOR,CHIP CERAMIC 0.1MF F
C316 1-164-852-11 s CAPACITOR,CHIP CERAMIC 12PF/16
4-11
VPL-CS5A/CS6/CX6/EX1
(C BOARD(VPL-CS5A/CS6 ONLY))
Ref. No.
or Q’ty Part No. SP Description
C317 1-107-820-11 s CAPACITOR,CHIP CERAMIC 0.1MF F
C318 1-107-820-11 s CAPACITOR,CHIP CERAMIC 0.1MF F
C319 1-164-852-11 s CAPACITOR,CHIP CERAMIC 12PF/16
C320 1-107-820-11 s CAPACITOR,CHIP CERAMIC 0.1MF F
C321 1-164-947-11 s CAPACITOR CHIP CERAMIC 0.01MF
C322 1-107-820-11 s CAPACITOR,CHIP CERAMIC 0.1MF F
C323 1-107-820-11 s CAPACITOR,CHIP CERAMIC 0.1MF F
C324 1-107-820-11 s CAPACITOR,CHIP CERAMIC 0.1MF F
C325 1-107-820-11 s CAPACITOR,CHIP CERAMIC 0.1MF F
C328 1-125-777-11 s CAPACITOR CERAMIC 0.1MF/10V
C329 1-107-820-11 s CAPACITOR,CHIP CERAMIC 0.1MF F
C330 1-119-667-11 s CAPACITOR CERAMIC 22MF/10V(F)
C331 1-107-820-11 s CAPACITOR,CHIP CERAMIC 0.1MF F
C332 1-107-820-11 s CAPACITOR,CHIP CERAMIC 0.1MF F
C333 1-107-820-11 s CAPACITOR,CHIP CERAMIC 0.1MF F
C334 1-107-820-11 s CAPACITOR,CHIP CERAMIC 0.1MF F
C335 1-107-820-11 s CAPACITOR,CHIP CERAMIC 0.1MF F
C336 1-107-820-11 s CAPACITOR,CHIP CERAMIC 0.1MF F
C337 1-107-820-11 s CAPACITOR,CHIP CERAMIC 0.1MF F
C338 1-107-820-11 s CAPACITOR,CHIP CERAMIC 0.1MF F
C339 1-107-820-11 s CAPACITOR,CHIP CERAMIC 0.1MF F
C340 1-107-820-11 s CAPACITOR,CHIP CERAMIC 0.1MF F
C341 1-107-820-11 s CAPACITOR,CHIP CERAMIC 0.1MF F
C342 1-107-820-11 s CAPACITOR,CHIP CERAMIC 0.1MF F
C343 1-126-205-11 s CAPACITOR,ELECT 47M/6.3
C401 1-107-820-11 s CAPACITOR,CHIP CERAMIC 0.1MF F
C402 1-107-820-11 s CAPACITOR,CHIP CERAMIC 0.1MF F
C403 1-164-874-11 s CAPACITOR,CHIP CERAMIC 100PF
C404 1-107-820-11 s CAPACITOR,CHIP CERAMIC 0.1MF F
C406 1-107-820-11 s CAPACITOR,CHIP CERAMIC 0.1MF F
C407 1-107-820-11 s CAPACITOR,CHIP CERAMIC 0.1MF F
C408 1-107-820-11 s CAPACITOR,CHIP CERAMIC 0.1MF F
C409 1-107-820-11 s CAPACITOR,CHIP CERAMIC 0.1MF F
C410 1-107-820-11 s CAPACITOR,CHIP CERAMIC 0.1MF F
C411 1-107-820-11 s CAPACITOR,CHIP CERAMIC 0.1MF F
C412 1-107-820-11 s CAPACITOR,CHIP CERAMIC 0.1MF F
C413 1-107-820-11 s CAPACITOR,CHIP CERAMIC 0.1MF F
C414 1-107-820-11 s CAPACITOR,CHIP CERAMIC 0.1MF F
C415 1-126-205-11 s CAPACITOR,ELECT 47M/6.3
C416 1-164-947-11 s CAPACITOR CHIP CERAMIC 0.01MF
C450 1-107-820-11 s CAPACITOR,CHIP CERAMIC 0.1MF F
C451 1-107-820-11 s CAPACITOR,CHIP CERAMIC 0.1MF F
C452 1-107-820-11 s CAPACITOR,CHIP CERAMIC 0.1MF F
C471 1-107-820-11 s CAPACITOR,CHIP CERAMIC 0.1MF F
C472 1-126-205-11 s CAPACITOR,ELECT 47M/6.3
C473 1-107-820-11 s CAPACITOR,CHIP CERAMIC 0.1MF F
C474 1-164-935-11 s CAPACITOR,CHIP CERAMIC 470PF
C475 1-164-935-11 s CAPACITOR,CHIP CERAMIC 470PF
C501 1-107-820-11 s CAPACITOR,CHIP CERAMIC 0.1MF F
C502 1-127-715-11 s CAPACITOR,CERAMIC 0.22MF B1608
C503 1-107-820-11 s CAPACITOR,CHIP CERAMIC 0.1MF F
C504 1-126-206-11 s CAPACITOR, ELECT 100MF/6.3V
C505 1-127-715-11 s CAPACITOR,CERAMIC 0.22MF B1608
C506 1-127-715-11 s CAPACITOR,CERAMIC 0.22MF B1608
C507 1-127-715-11 s CAPACITOR,CERAMIC 0.22MF B1608
C508 1-127-715-11 s CAPACITOR,CERAMIC 0.22MF B1608
C509 1-127-715-11 s CAPACITOR,CERAMIC 0.22MF B1608
C510 1-127-715-11 s CAPACITOR,CERAMIC 0.22MF B1608
C511 1-127-715-11 s CAPACITOR,CERAMIC 0.22MF B1608
(C BOARD(VPL-CS5A/CS6 ONLY))
Ref. No.
or Q’ty Part No. SP Description
C512 1-164-156-11 s CAPACITOR,CERAMIC 0.1MF/25V F
C513 1-128-992-11 s CAPACITOR ELECT 47MF 25V
C514 1-128-992-11 s CAPACITOR ELECT 47MF 25V
C515 1-164-156-11 s CAPACITOR,CERAMIC 0.1MF/25V F
C516 1-164-156-11 s CAPACITOR,CERAMIC 0.1MF/25V F
C517 1-164-156-11 s CAPACITOR,CERAMIC 0.1MF/25V F
C518 1-164-156-11 s CAPACITOR,CERAMIC 0.1MF/25V F
C519 1-164-156-11 s CAPACITOR,CERAMIC 0.1MF/25V F
C520 1-117-681-11 s CAPACITOR, ELECT 100MF/16V
C521 1-164-156-11 s CAPACITOR,CERAMIC 0.1MF/25V F
C550 1-164-947-11 s CAPACITOR CHIP CERAMIC 0.01MF
C552 1-115-340-11 s CAPACITOR CERAMIC 0.22MF/25V B
C553 1-164-156-11 s CAPACITOR,CERAMIC 0.1MF/25V F
C554 1-164-156-11 s CAPACITOR,CERAMIC 0.1MF/25V F
C555 1-128-992-11 s CAPACITOR ELECT 47MF 25V
C601 1-107-820-11 s CAPACITOR,CHIP CERAMIC 0.1MF F
C602 1-127-715-11 s CAPACITOR,CERAMIC 0.22MF B1608
C603 1-107-820-11 s CAPACITOR,CHIP CERAMIC 0.1MF F
C604 1-126-206-11 s CAPACITOR, ELECT 100MF/6.3V
C605 1-127-715-11 s CAPACITOR,CERAMIC 0.22MF B1608
C606 1-127-715-11 s CAPACITOR,CERAMIC 0.22MF B1608
C607 1-127-715-11 s CAPACITOR,CERAMIC 0.22MF B1608
C608 1-127-715-11 s CAPACITOR,CERAMIC 0.22MF B1608
C609 1-127-715-11 s CAPACITOR,CERAMIC 0.22MF B1608
C610 1-127-715-11 s CAPACITOR,CERAMIC 0.22MF B1608
C611 1-127-715-11 s CAPACITOR,CERAMIC 0.22MF B1608
C612 1-164-156-11 s CAPACITOR,CERAMIC 0.1MF/25V F
C613 1-128-992-11 s CAPACITOR ELECT 47MF 25V
C614 1-128-992-11 s CAPACITOR ELECT 47MF 25V
C615 1-164-156-11 s CAPACITOR,CERAMIC 0.1MF/25V F
C616 1-164-156-11 s CAPACITOR,CERAMIC 0.1MF/25V F
C617 1-164-156-11 s CAPACITOR,CERAMIC 0.1MF/25V F
C618 1-164-156-11 s CAPACITOR,CERAMIC 0.1MF/25V F
C619 1-164-156-11 s CAPACITOR,CERAMIC 0.1MF/25V F
C620 1-117-681-11 s CAPACITOR, ELECT 100MF/16V
C621 1-164-156-11 s CAPACITOR,CERAMIC 0.1MF/25V F
C701 1-107-820-11 s CAPACITOR,CHIP CERAMIC 0.1MF F
C702 1-127-715-11 s CAPACITOR,CERAMIC 0.22MF B1608
C703 1-107-820-11 s CAPACITOR,CHIP CERAMIC 0.1MF F
C704 1-126-206-11 s CAPACITOR, ELECT 100MF/6.3V
C705 1-127-715-11 s CAPACITOR,CERAMIC 0.22MF B1608
C706 1-127-715-11 s CAPACITOR,CERAMIC 0.22MF B1608
C707 1-127-715-11 s CAPACITOR,CERAMIC 0.22MF B1608
C708 1-127-715-11 s CAPACITOR,CERAMIC 0.22MF B1608
C709 1-127-715-11 s CAPACITOR,CERAMIC 0.22MF B1608
C710 1-127-715-11 s CAPACITOR,CERAMIC 0.22MF B1608
C711 1-127-715-11 s CAPACITOR,CERAMIC 0.22MF B1608
C712 1-164-156-11 s CAPACITOR,CERAMIC 0.1MF/25V F
C713 1-128-992-11 s CAPACITOR ELECT 47MF 25V
C714 1-128-992-11 s CAPACITOR ELECT 47MF 25V
C715 1-164-156-11 s CAPACITOR,CERAMIC 0.1MF/25V F
C716 1-164-156-11 s CAPACITOR,CERAMIC 0.1MF/25V F
C717 1-164-156-11 s CAPACITOR,CERAMIC 0.1MF/25V F
C718 1-164-156-11 s CAPACITOR,CERAMIC 0.1MF/25V F
C719 1-164-156-11 s CAPACITOR,CERAMIC 0.1MF/25V F
C720 1-117-681-11 s CAPACITOR, ELECT 100MF/16V
C721 1-164-156-11 s CAPACITOR,CERAMIC 0.1MF/25V F
C800 1-124-778-00 s CAPACITOR,ELECT 22MF/6.3V
C801 1-164-947-11 s CAPACITOR CHIP CERAMIC 0.01MF
4-12 VPL-CS5A/CS6/CX6/EX1
(C BOARD(VPL-CS5A/CS6 ONLY))
Ref. No.
or Q’ty Part No. SP Description
C802 1-165-871-11 s CAPACITOR,ELECT 22MF
C803 1-115-566-11 s CAPACITOR,CERAMIC 4.7MF B/6.3V
C804 1-107-820-11 s CAPACITOR,CHIP CERAMIC 0.1MF F
C805 1-127-772-11 s CAPACTOR C,CERAMIC 33000PF B
C806 1-107-820-11 s CAPACITOR,CHIP CERAMIC 0.1MF F
C807 1-164-852-11 s CAPACITOR,CHIP CERAMIC 12PF/16
C808 1-107-820-11 s CAPACITOR,CHIP CERAMIC 0.1MF F
C809 1-164-852-11 s CAPACITOR,CHIP CERAMIC 12PF/16
C810 1-164-947-11 s CAPACITOR CHIP CERAMIC 0.01MF
C811 1-107-820-11 s CAPACITOR,CHIP CERAMIC 0.1MF F
C812 1-107-820-11 s CAPACITOR,CHIP CERAMIC 0.1MF F
C813 1-107-820-11 s CAPACITOR,CHIP CERAMIC 0.1MF F
C814 1-115-156-11 s CAPACITOR,CERAMIC 1MF/10V(1608
C816 1-107-820-11 s CAPACITOR,CHIP CERAMIC 0.1MF F
C817 1-124-778-00 s CAPACITOR,ELECT 22MF/6.3V
C818 1-164-940-11 s CAPACITOR,CHIP CERAMIC 3300/16
C819 1-107-820-11 s CAPACITOR,CHIP CERAMIC 0.1MF F
C820 1-107-820-11 s CAPACITOR,CHIP CERAMIC 0.1MF F
C821 1-107-820-11 s CAPACITOR,CHIP CERAMIC 0.1MF F
C822 1-164-940-11 s CAPACITOR,CHIP CERAMIC 3300/16
C903 1-107-820-11 s CAPACITOR,CHIP CERAMIC 0.1MF F
C904 1-164-874-11 s CAPACITOR,CHIP CERAMIC 100PF
C905 1-164-874-11 s CAPACITOR,CHIP CERAMIC 100PF
C906 1-107-820-11 s CAPACITOR,CHIP CERAMIC 0.1MF F
C908 1-115-156-11 s CAPACITOR,CERAMIC 1MF/10V(1608
C910 1-164-156-11 s CAPACITOR,CERAMIC 0.1MF/25V F
C911 1-126-397-11 s CAPACITOR ELECT 33MF/25V(CHIP)
C913 1-164-156-11 s CAPACITOR,CERAMIC 0.1MF/25V F
C914 1-164-947-11 s CAPACITOR CHIP CERAMIC 0.01MF
C915 1-164-156-11 s CAPACITOR,CERAMIC 0.1MF/25V F
C916 1-126-397-11 s CAPACITOR ELECT 33MF/25V(CHIP)
C917 1-107-820-11 s CAPACITOR,CHIP CERAMIC 0.1MF F
C918 1-126-205-11 s CAPACITOR,ELECT 47M/6.3
C919 1-107-820-11 s CAPACITOR,CHIP CERAMIC 0.1MF F
C920 1-131-998-11 s CAP, SOLID ELECT 82MF 6.3 V
C921 1-164-156-11 s CAPACITOR,CERAMIC 0.1MF/25V F
C922 1-126-397-11 s CAPACITOR ELECT 33MF/25V(CHIP)
C1026 1-109-982-11 s CAPACITOR,CHIP CERAMIC 1MF/10V
C1101 1-125-777-11 s CAPACITOR CERAMIC 0.1MF/10V
C1102 1-125-891-11 s CAPACITOR CERAMIC 0.47MF/10V
C1103 1-125-891-11 s CAPACITOR CERAMIC 0.47MF/10V
C1104 1-126-204-11 s CAPACITOR, ELECT 47MF/16V(CHIP
C1105 1-126-205-11 s CAPACITOR,ELECT 47M/6.3
C1106 1-164-156-11 s CAPACITOR,CERAMIC 0.1MF/25V F
C1107 1-125-777-11 s CAPACITOR CERAMIC 0.1MF/10V
C1108 1-125-777-11 s CAPACITOR CERAMIC 0.1MF/10V
C1109 1-126-204-11 s CAPACITOR, ELECT 47MF/16V(CHIP
C1110 1-164-156-11 s CAPACITOR,CERAMIC 0.1MF/25V F
C1111 1-125-777-11 s CAPACITOR CERAMIC 0.1MF/10V
C1112 1-125-777-11 s CAPACITOR CERAMIC 0.1MF/10V
C1113 1-126-204-11 s CAPACITOR, ELECT 47MF/16V(CHIP
C1114 1-125-777-11 s CAPACITOR CERAMIC 0.1MF/10V
C1115 1-126-204-11 s CAPACITOR, ELECT 47MF/16V(CHIP
C1116 1-164-156-11 s CAPACITOR,CERAMIC 0.1MF/25V F
C1117 1-125-777-11 s CAPACITOR CERAMIC 0.1MF/10V
C1118 1-125-777-11 s CAPACITOR CERAMIC 0.1MF/10V
C1119 1-125-777-11 s CAPACITOR CERAMIC 0.1MF/10V
C1120 1-117-370-11 s CAPACITOR CERAMIC 10MF (3216)
C1124 1-115-156-11 s CAPACITOR,CERAMIC 1MF/10V(1608
(C BOARD(VPL-CS5A/CS6 ONLY))
Ref. No.
or Q’ty Part No. SP Description
C1125 1-107-682-11 s CAPACITOR,CHIP 1MF/16V (3216)
C1126 1-164-882-11 s CAPACITOR,CERAMIC 220PF/16V CH
C1127 1-115-156-11 s CAPACITOR,CERAMIC 1MF/10V(1608
C1128 1-115-156-11 s CAPACITOR,CERAMIC 1MF/10V(1608
C1137 1-117-681-11 s CAPACITOR, ELECT 100MF/16V
C1138 1-125-777-11 s CAPACITOR CERAMIC 0.1MF/10V
C1140 1-107-820-11 s CAPACITOR,CHIP CERAMIC 0.1MF F
C1143 1-107-820-11 s CAPACITOR,CHIP CERAMIC 0.1MF F
C1144 1-125-777-11 s CAPACITOR CERAMIC 0.1MF/10V
CN100 1-784-828-11 s CONNECTOR, D SUB
CN201 1-770-629-21 s PIN, CONNECTOR 12P
CN401 1-770-621-21 s PIN, CONNECTOR 4P
CN502 1-779-730-11 s CONNECTOR, FFC/FPC (ZIF) 24P
CN602 1-779-730-11 s CONNECTOR, FFC/FPC (ZIF) 24P
CN702 1-779-730-11 s CONNECTOR, FFC/FPC (ZIF) 24P
CN800 1-770-629-21 s PIN, CONNECTOR 12P
CN901 1-770-621-21 s PIN, CONNECTOR 4P
CN903 1-691-491-21 s CONNECTOR, FFC/FPC 12P
CN904 1-764-829-11 o CONNECTOR, FPC 24P
CN906 1-580-055-21 o PIN, CONNECTOR 2P
CN907 1-770-624-21 s PIN, CONNECTOR 7P
CN908 1-580-056-21 s PIN,CONNECTOR 3P
CN909 1-580-056-21 s PIN,CONNECTOR 3P
CN910 1-580-056-21 s PIN,CONNECTOR 3P
CN911 1-580-056-21 s PIN,CONNECTOR 3P
CN912 1-580-056-21 s PIN,CONNECTOR 3P
CN913 1-778-336-21 s PIN, CONNECTOR (PC BOARD) 14P
CN914 1-770-622-21 s PIN, CONNECTOR 5P
CN915 1-770-623-21 s PIN, CONNECTOR 6P
CN1101 1-569-775-21 o PIN, CONNECTOR 5P
CN1102 1-580-055-21 o PIN, CONNECTOR 2P
D100 8-719-073-11 s DIODE BZA456A
D101 8-719-024-77 s DIODE HN1D03FU-TE85L
D102 8-719-059-53 s DIODE MA3J14700LSO
D103 8-719-059-53 s DIODE MA3J14700LSO
D104 8-719-059-53 s DIODE MA3J14700LSO
D105 8-719-988-61 s DIODE 1SS355TE-17
D106 8-719-988-61 s DIODE 1SS355TE-17
D200 8-719-059-53 s DIODE MA3J14700LSO
D201 8-719-059-53 s DIODE MA3J14700LSO
D202 8-719-059-53 s DIODE MA3J14700LSO
D300 8-719-941-86 s DIODE DAN202U
D800 8-719-024-77 s DIODE HN1D03FU-TE85L
D901 8-719-941-86 s DIODE DAN202U
D902 8-719-941-86 s DIODE DAN202U
D903 8-719-941-86 s DIODE DAN202U
D904 8-719-073-11 s DIODE BZA456A
D905 8-719-083-58 s DIODE UDZSTE-173.9B
D906 8-719-055-30 s DIODE D1FS4A-TA
D907 8-719-055-30 s DIODE D1FS4A-TA
D908 8-719-054-58 s DIODE D1F20-TL
D909 8-719-055-30 s DIODE D1FS4A-TA
D1008 8-719-083-58 s DIODE UDZSTE-173.9B
D1009 8-719-083-58 s DIODE UDZSTE-173.9B
FB100 1-414-921-11 s INDUCTOR, FERRITE BEAD
FB101 1-414-921-11 s INDUCTOR, FERRITE BEAD
FB102 1-414-921-11 s INDUCTOR, FERRITE BEAD
FB200 1-414-921-11 s INDUCTOR, FERRITE BEAD
4-13
VPL-CS5A/CS6/CX6/EX1
(C BOARD(VPL-CS5A/CS6 ONLY))
Ref. No.
or Q’ty Part No. SP Description
FB300 1-500-451-11 s MICRO INDUCTOR (CHIP) 41P750S
FB301 1-500-451-11 s MICRO INDUCTOR (CHIP) 41P750S
FB302 1-414-921-11 s INDUCTOR, FERRITE BEAD
FB303 1-414-921-11 s INDUCTOR, FERRITE BEAD
FB401 1-414-921-11 s INDUCTOR, FERRITE BEAD
FB402 1-414-921-11 s INDUCTOR, FERRITE BEAD
FB403 1-414-921-11 s INDUCTOR, FERRITE BEAD
FB404 1-414-921-11 s INDUCTOR, FERRITE BEAD
FB405 1-414-921-11 s INDUCTOR, FERRITE BEAD
FB450 1-414-921-11 s INDUCTOR, FERRITE BEAD
FB451 1-414-921-11 s INDUCTOR, FERRITE BEAD
FB452 1-414-921-11 s INDUCTOR, FERRITE BEAD
FB471 1-414-921-11 s INDUCTOR, FERRITE BEAD
FB502 1-414-921-11 s INDUCTOR, FERRITE BEAD
FB503 1-414-921-11 s INDUCTOR, FERRITE BEAD
FB550 1-414-921-11 s INDUCTOR, FERRITE BEAD
FB552 1-500-451-11 s MICRO INDUCTOR (CHIP) 41P750S
FB602 1-414-921-11 s INDUCTOR, FERRITE BEAD
FB603 1-414-921-11 s INDUCTOR, FERRITE BEAD
FB702 1-414-921-11 s INDUCTOR, FERRITE BEAD
FB703 1-414-921-11 s INDUCTOR, FERRITE BEAD
FB800 1-414-921-11 s INDUCTOR, FERRITE BEAD
FB901 1-414-921-11 s INDUCTOR, FERRITE BEAD
FB902 1-414-921-11 s INDUCTOR, FERRITE BEAD
FB903 1-414-921-11 s INDUCTOR, FERRITE BEAD
FB904 1-414-921-11 s INDUCTOR, FERRITE BEAD
FB905 1-414-921-11 s INDUCTOR, FERRITE BEAD
FB906 1-414-921-11 s INDUCTOR, FERRITE BEAD
FB907 1-414-921-11 s INDUCTOR, FERRITE BEAD
FB908 1-414-921-11 s INDUCTOR, FERRITE BEAD
FB909 1-239-899-21 s FILTER, CHIP EMI
FB910 1-239-899-21 s FILTER, CHIP EMI
FB911 1-239-899-21 s FILTER, CHIP EMI
FB912 1-239-899-21 s FILTER, CHIP EMI
FB913 1-239-899-21 s FILTER, CHIP EMI
FB914 1-239-899-21 s FILTER, CHIP EMI
FB915 1-414-921-11 s INDUCTOR, FERRITE BEAD
FB916 1-414-921-11 s INDUCTOR, FERRITE BEAD
FB917 1-414-921-11 s INDUCTOR, FERRITE BEAD
FB918 1-414-921-11 s INDUCTOR, FERRITE BEAD
FB920 1-414-921-11 s INDUCTOR, FERRITE BEAD
FB921 1-414-921-11 s INDUCTOR, FERRITE BEAD
FB922 1-414-921-11 s INDUCTOR, FERRITE BEAD
FB923 1-414-921-11 s INDUCTOR, FERRITE BEAD
FB924 1-414-921-11 s INDUCTOR, FERRITE BEAD
FB925 1-469-670-11 o FERRITE, EMI (SMD)
FB926 1-414-921-11 s INDUCTOR, FERRITE BEAD
FB927 1-414-921-11 s INDUCTOR, FERRITE BEAD
FB928 1-414-921-11 s INDUCTOR, FERRITE BEAD
FB929 1-414-921-11 s INDUCTOR, FERRITE BEAD
FB930 1-239-899-21 s FILTER, CHIP EMI
FB931 1-414-921-11 s INDUCTOR, FERRITE BEAD
FB932 1-469-407-21 s BEAD, FERRITE 0.5A100
FB933 1-414-921-11 s INDUCTOR, FERRITE BEAD
FB934 1-469-407-21 s BEAD, FERRITE 0.5A100
FB935 1-414-921-11 s INDUCTOR, FERRITE BEAD
FB936 1-469-407-21 s BEAD, FERRITE 0.5A100
FB937 1-414-921-11 s INDUCTOR, FERRITE BEAD
FB938 1-469-407-21 s BEAD, FERRITE 0.5A100
(C BOARD(VPL-CS5A/CS6 ONLY))
Ref. No.
or Q’ty Part No. SP Description
FB939 1-414-921-11 s INDUCTOR, FERRITE BEAD
FB940 1-469-407-21 s BEAD, FERRITE 0.5A100
FB941 1-414-921-11 s INDUCTOR, FERRITE BEAD
FB942 1-414-921-11 s INDUCTOR, FERRITE BEAD
FB943 1-414-921-11 s INDUCTOR, FERRITE BEAD
FB944 1-414-921-11 s INDUCTOR, FERRITE BEAD
FB945 1-414-921-11 s INDUCTOR, FERRITE BEAD
FB946 1-414-921-11 s INDUCTOR, FERRITE BEAD
FB947 1-414-921-11 s INDUCTOR, FERRITE BEAD
FB948 1-469-670-11 o FERRITE, EMI (SMD)
FB1003 1-469-185-11 s INDUCTOR, FERRITE BEAD
FB1005 1-469-185-11 s INDUCTOR, FERRITE BEAD
FB1006 1-414-234-11 s INDUCTOR,FERRITE BEAD
FB1007 1-414-234-11 s INDUCTOR,FERRITE BEAD
FB1102 1-500-451-11 s MICRO INDUCTOR (CHIP) 41P750S
FB1103 1-500-451-11 s MICRO INDUCTOR (CHIP) 41P750S
FB1104 1-500-451-11 s MICRO INDUCTOR (CHIP) 41P750S
FB1106 1-414-921-11 s INDUCTOR, FERRITE BEAD
FB1107 1-414-921-11 s INDUCTOR, FERRITE BEAD
FL201 1-239-899-21 s FILTER, CHIP EMI
FL202 1-239-897-12 s FILTER, EMI (SMD)
IC100 8-759-661-55 s IC ST24FC21M6TR
IC101 8-759-533-85 s IC L88M05T-FA-TL
IC102 8-759-646-02 s IC M52347FP-TE
IC103 8-759-460-72 s IC BA033FP
IC104 8-759-659-65 s IC LP2985IM5X-3.3
IC105 6-702-573-01 s IC AD9883AKST-110
IC202 8-759-460-72 s IC BA033FP
IC203 *1 IC
IC204 8-759-549-14 s IC SN74LV244APWR
IC205 8-759-549-07 s IC SN74LV157APWR
IC206 8-759-659-65 s IC LP2985IM5X-3.3
IC301 8-759-582-37 s IC PQ2TZ15U
IC303 6-703-225-01 s IC S-80928CNMC-G8YT2G
IC304 8-759-548-96 s IC SN74LV02APWR
IC305 6-702-809-01 s IC ICS332-SX1734
IC306 8-759-549-01 s IC SN74LV125APWR
IC307 6-803-210-01 s IC MBM29LV800TA-70PFTN-1752
IC401 8-759-669-41 s IC SN74LVC125APWR-12
IC403 8-759-447-77 s IC TC7WH74FU (TE12R)
IC404 8-759-548-95 s IC SN74LV00APWR
IC405 6-703-225-01 s IC S-80928CNMC-G8YT2G
IC406 *1 IC
IC450 8-759-679-58 s IC SN74AHCT541PWR
IC451 8-759-679-58 s IC SN74AHCT541PWR
IC452 8-759-649-32 s IC SN74AHCT1G04DCKR
IC471 8-759-542-46 s IC M62392FP
IC502 8-752-103-51 s IC CXA7000R-T6
IC550 8-759-252-41 s IC TK11900MTL
IC551 8-759-388-31 s IC PQ20VZ1U
IC602 8-752-103-51 s IC CXA7000R-T6
IC702 8-752-103-51 s IC CXA7000R-T6
IC800 8-759-652-56 s IC BA033F-E2
IC801 *1 IC
IC802 6-703-225-01 s IC S-80928CNMC-G8YT2G
IC803 6-702-688-01 s IC M24C64-WMN6T(B)
IC805 8-759-533-85 s IC L88M05T-FA-TL
IC903 8-759-681-47 s IC IRMF-A0T-QTP
IC905 8-759-388-31 s IC PQ20VZ1U
4-14 VPL-CS5A/CS6/CX6/EX1
(C BOARD(VPL-CS5A/CS6 ONLY))
Ref. No.
or Q’ty Part No. SP Description
IC906 8-759-388-31 s IC PQ20VZ1U
IC907 8-759-533-85 s IC L88M05T-FA-TL
IC908 8-759-388-31 s IC PQ20VZ1U
IC1101 8-759-714-09 s IC ADXL202JE-REEL
IC1102 8-759-548-96 s IC SN74LV02APWR
IC1103 8-759-352-94 s IC TDA7309D013TR
IC1104 8-759-460-79 s IC BA09FP-E2
IC1105 8-759-580-33 s IC BA6288FS-E2
IC1106 6-702-697-01 s IC TPA2001D1PWR
IC1108 8-759-575-16 s IC LMC7101BIM5X
IC1109 8-759-533-85 s IC L88M05T-FA-TL
J1001 1-779-677-11 s CONNECTOR, USB (B)
L100 1-469-523-91 s INDUCTOR 2.2UH (NLFV25)
L101 1-469-523-91 s INDUCTOR 2.2UH (NLFV25)
L201 1-469-523-91 s INDUCTOR 2.2UH (NLFV25)
L202 1-469-526-11 s INDUCTOR 22UH (NLFV25)
L300 1-469-523-91 s INDUCTOR 2.2UH (NLFV25)
L471 1-469-523-91 s INDUCTOR 2.2UH (NLFV25)
L501 1-410-369-11 s INDUCTOR,CHIP 1UH (3225)
L502 1-410-369-11 s INDUCTOR,CHIP 1UH (3225)
L503 1-414-078-11 s INDUCTOR 10UH
L601 1-410-369-11 s INDUCTOR,CHIP 1UH (3225)
L602 1-410-369-11 s INDUCTOR,CHIP 1UH (3225)
L603 1-414-078-11 s INDUCTOR 10UH
L701 1-410-369-11 s INDUCTOR,CHIP 1UH (3225)
L702 1-410-369-11 s INDUCTOR,CHIP 1UH (3225)
L703 1-414-078-11 s INDUCTOR 10UH
L1101 1-412-028-11 s INDUCTOR,CHIP 4.7UH (3225)
Q100 8-729-026-53 s TRANSISTOR 2SA1576A-T106-QR
Q101 8-729-905-35 s TRANSISTOR 2SC4081-R
Q102 8-729-013-28 s TRANSISTOR HN1B01FU-TE85R
Q103 8-729-013-28 s TRANSISTOR HN1B01FU-TE85R
Q104 8-729-427-72 s TRANSISTOR XP4501-TXE
Q105 8-729-427-72 s TRANSISTOR XP4501-TXE
Q301 8-729-047-32 s TRANSISTOR SI4425DY-T1
Q302 8-729-029-14 s TRANSISTOR DTC144EUA-T106
Q402 8-729-013-28 s TRANSISTOR HN1B01FU-TE85R
Q450 8-729-907-00 s TRANSISTOR DTC114EU
Q471 8-729-013-26 s TRANSISTOR HN1C03FU-TE85R
Q501 8-729-013-28 s TRANSISTOR HN1B01FU-TE85R
Q502 8-729-013-28 s TRANSISTOR HN1B01FU-TE85R
Q601 8-729-013-28 s TRANSISTOR HN1B01FU-TE85R
Q602 8-729-013-28 s TRANSISTOR HN1B01FU-TE85R
Q701 8-729-013-28 s TRANSISTOR HN1B01FU-TE85R
Q702 8-729-013-28 s TRANSISTOR HN1B01FU-TE85R
Q800 6-550-014-01 s TRANSISTOR SSM6N15FU(TE85R)
Q801 8-729-013-28 s TRANSISTOR HN1B01FU-TE85R
Q901 8-729-427-72 s TRANSISTOR XP4501-TXE
Q902 8-729-427-72 s TRANSISTOR XP4501-TXE
Q903 8-729-026-53 s TRANSISTOR 2SA1576A-T106-QR
Q904 8-729-905-35 s TRANSISTOR 2SC4081-R
Q1104 8-729-029-14 s TRANSISTOR DTC144EUA-T106
R103 1-211-975-11 s RESISTOR,CHIP 18 1/10W (1608)
R104 1-211-975-11 s RESISTOR,CHIP 18 1/10W (1608)
R105 1-211-975-11 s RESISTOR,CHIP 18 1/10W (1608)
R107 1-211-987-11 s RESISTOR,CHIP 56 1/10W (1608)
R108 1-211-987-11 s RESISTOR,CHIP 56 1/10W (1608)
(C BOARD(VPL-CS5A/CS6 ONLY))
Ref. No.
or Q’ty Part No. SP Description
R109 1-211-987-11 s RESISTOR,CHIP 56 1/10W (1608)
R110 1-218-953-11 s RESISTOR, CHIP 1K 1/16W
R111 1-218-953-11 s RESISTOR, CHIP 1K 1/16W
R112 1-218-937-11 s RESISTOR, CHIP 47
R113 1-218-937-11 s RESISTOR, CHIP 47
R114 1-218-945-11 s RESISTOR,CHIP 220 1/16W(1005)
R115 1-218-967-11 s RESISTOR,CHIP 15K 1/16W (1608)
R116 1-218-949-11 s RESISTOR,CHIP 470 1/16W
R117 1-218-967-11 s RESISTOR,CHIP 15K 1/16W (1608)
R119 1-218-953-11 s RESISTOR, CHIP 1K 1/16W
R120 1-218-953-11 s RESISTOR, CHIP 1K 1/16W
R122 1-218-973-11 s RESISTOR,CHIP 47K 1/16W (1005)
R123 1-218-949-11 s RESISTOR,CHIP 470 1/16W
R124 1-218-953-11 s RESISTOR, CHIP 1K 1/16W
R125 1-218-953-11 s RESISTOR, CHIP 1K 1/16W
R128 1-218-937-11 s RESISTOR, CHIP 47
R130 1-218-977-11 s RESISTOR,CHIP 100K 1/16W(1005)
R131 1-218-937-11 s RESISTOR, CHIP 47
R132 1-218-937-11 s RESISTOR, CHIP 47
R133 1-218-937-11 s RESISTOR, CHIP 47
R134 1-218-953-11 s RESISTOR, CHIP 1K 1/16W
R135 1-218-937-11 s RESISTOR, CHIP 47
R136 1-218-973-11 s RESISTOR,CHIP 47K 1/16W (1005)
R137 1-218-965-11 s RESISTOR, CHIP 10K 1/16W
R138 1-218-961-11 s RESISTOR, CHIP 4.7K 1/16W
R141 1-218-973-11 s RESISTOR,CHIP 47K 1/16W (1005)
R142 1-218-959-11 s RESISTOR, CHIP 3.3K
R144 1-218-957-11 s RESISTOR,CHIP 2.2K 1/16W(1608)
R145 1-218-937-11 s RESISTOR, CHIP 47
R146 1-218-937-11 s RESISTOR, CHIP 47
R147 1-218-937-11 s RESISTOR, CHIP 47
R148 1-218-945-11 s RESISTOR,CHIP 220 1/16W(1005)
R151 1-208-643-11 s RESISTOR CHIP 22 1/16W (1005)
R152 1-208-643-11 s RESISTOR CHIP 22 1/16W (1005)
R153 1-218-937-11 s RESISTOR, CHIP 47
R155 1-218-937-11 s RESISTOR, CHIP 47
R156 1-218-937-11 s RESISTOR, CHIP 47
R157 1-218-937-11 s RESISTOR, CHIP 47
R159 1-208-643-11 s RESISTOR CHIP 22 1/16W (1005)
R160 1-218-937-11 s RESISTOR, CHIP 47
R161 1-208-695-11 s RESISTOR CHIP 3.3K 1/16W(1005)
R163 1-218-937-11 s RESISTOR, CHIP 47
R164 1-218-969-11 s RESISTOR,CHIP 22K 1/16W (1608)
R165 1-218-973-11 s RESISTOR,CHIP 47K 1/16W (1005)
R166 1-218-969-11 s RESISTOR,CHIP 22K 1/16W (1608)
R167 1-218-973-11 s RESISTOR,CHIP 47K 1/16W (1005)
R168 1-218-969-11 s RESISTOR,CHIP 22K 1/16W (1608)
R169 1-218-973-11 s RESISTOR,CHIP 47K 1/16W (1005)
R170 1-218-989-11 s RESISTOR,CHIP 1M 1/16W (1005)
R171 1-208-701-11 s RESISTOR CHIP 5.6K 1/16W(1005)
R172 1-208-699-11 s RESISTOR,CHIP 4.7K 1/16W(1005)
R173 1-218-937-11 s RESISTOR, CHIP 47
R174 1-208-671-11 s RESISTOR CHIP 330 1/16W (1005)
R175 1-218-953-11 s RESISTOR, CHIP 1K 1/16W
R176 1-208-689-11 s RESISTOR CHIP 1.8K 1/16W(1005)
R177 1-218-953-11 s RESISTOR, CHIP 1K 1/16W
R178 1-208-693-11 s RESISTOR CHIP 2.7K 1/16W(1005)
R179 1-208-699-11 s RESISTOR,CHIP 4.7K 1/16W(1005)
R180 1-218-957-11 s RESISTOR,CHIP 2.2K 1/16W(1608)
R181 1-218-981-11 s RESISTOR CHIP 220K 1/16W(1005)
4-15
VPL-CS5A/CS6/CX6/EX1
(C BOARD(VPL-CS5A/CS6 ONLY))
Ref. No.
or Q’ty Part No. SP Description
R207 1-211-975-11 s RESISTOR,CHIP 18 1/10W (1608)
R208 1-211-975-11 s RESISTOR,CHIP 18 1/10W (1608)
R209 1-211-975-11 s RESISTOR,CHIP 18 1/10W (1608)
R211 1-211-987-11 s RESISTOR,CHIP 56 1/10W (1608)
R212 1-211-987-11 s RESISTOR,CHIP 56 1/10W (1608)
R213 1-211-987-11 s RESISTOR,CHIP 56 1/10W (1608)
R220 1-218-961-11 s RESISTOR, CHIP 4.7K 1/16W
R222 1-218-937-11 s RESISTOR, CHIP 47
R223 1-218-937-11 s RESISTOR, CHIP 47
R224 1-218-937-11 s RESISTOR, CHIP 47
R229 1-218-941-81 s C-RES,V 100-1/16W J
R230 1-218-941-81 s C-RES,V 100-1/16W J
R231 1-218-941-81 s C-RES,V 100-1/16W J
R233 1-218-941-81 s C-RES,V 100-1/16W J
R236 1-208-635-11 s RESISTOR CHIP 10 1/16W (1005)
R238 1-218-941-81 s C-RES,V 100-1/16W J
R249 1-218-941-81 s C-RES,V 100-1/16W J
R251 1-218-941-81 s C-RES,V 100-1/16W J
R252 1-218-937-11 s RESISTOR, CHIP 47
R253 1-218-937-11 s RESISTOR, CHIP 47
R254 1-218-937-11 s RESISTOR, CHIP 47
R255 1-218-941-81 s C-RES,V 100-1/16W J
R256 1-218-941-81 s C-RES,V 100-1/16W J
R257 1-218-937-11 s RESISTOR, CHIP 47
R267 1-208-635-11 s RESISTOR CHIP 10 1/16W (1005)
R301 1-218-965-11 s RESISTOR, CHIP 10K 1/16W
R302 1-218-965-11 s RESISTOR, CHIP 10K 1/16W
R304 1-218-965-11 s RESISTOR, CHIP 10K 1/16W
R305 1-218-965-11 s RESISTOR, CHIP 10K 1/16W
R306 1-218-943-11 s RESISTOR,CHIP 150 1/16W
R309 1-218-990-11 s RESISTOR,CHIP 0 1/16W (1005)
R310 1-218-953-11 s RESISTOR, CHIP 1K 1/16W
R312 1-218-941-81 s C-RES,V 100-1/16W J
R313 1-218-937-11 s RESISTOR, CHIP 47
R314 1-218-973-11 s RESISTOR,CHIP 47K 1/16W (1005)
R315 1-218-959-11 s RESISTOR, CHIP 3.3K
R316 1-218-959-11 s RESISTOR, CHIP 3.3K
R317 1-218-941-81 s C-RES,V 100-1/16W J
R318 1-218-961-11 s RESISTOR, CHIP 4.7K 1/16W
R322 1-218-965-11 s RESISTOR, CHIP 10K 1/16W
R325 1-218-957-11 s RESISTOR,CHIP 2.2K 1/16W(1608)
R326 1-208-643-11 s RESISTOR CHIP 22 1/16W (1005)
R327 1-208-643-11 s RESISTOR CHIP 22 1/16W (1005)
R328 1-208-643-11 s RESISTOR CHIP 22 1/16W (1005)
R331 1-218-941-81 s C-RES,V 100-1/16W J
R332 1-218-961-11 s RESISTOR, CHIP 4.7K 1/16W
R334 1-218-953-11 s RESISTOR, CHIP 1K 1/16W
R335 1-218-953-11 s RESISTOR, CHIP 1K 1/16W
R401 1-218-965-11 s RESISTOR, CHIP 10K 1/16W
R402 1-218-965-11 s RESISTOR, CHIP 10K 1/16W
R403 1-218-941-81 s C-RES,V 100-1/16W J
R404 1-218-941-81 s C-RES,V 100-1/16W J
R405 1-218-941-81 s C-RES,V 100-1/16W J
R406 1-218-941-81 s C-RES,V 100-1/16W J
R407 1-218-941-81 s C-RES,V 100-1/16W J
R408 1-218-941-81 s C-RES,V 100-1/16W J
R409 1-218-937-11 s RESISTOR, CHIP 47
R410 1-218-937-11 s RESISTOR, CHIP 47
R411 1-218-937-11 s RESISTOR, CHIP 47
(C BOARD(VPL-CS5A/CS6 ONLY))
Ref. No.
or Q’ty Part No. SP Description
R419 1-218-937-11 s RESISTOR, CHIP 47
R420 1-218-937-11 s RESISTOR, CHIP 47
R421 1-218-937-11 s RESISTOR, CHIP 47
R422 1-218-937-11 s RESISTOR, CHIP 47
R423 1-218-937-11 s RESISTOR, CHIP 47
R424 1-218-937-11 s RESISTOR, CHIP 47
R425 1-218-937-11 s RESISTOR, CHIP 47
R426 1-218-965-11 s RESISTOR, CHIP 10K 1/16W
R427 1-218-973-11 s RESISTOR,CHIP 47K 1/16W (1005)
R428 1-218-953-11 s RESISTOR, CHIP 1K 1/16W
R429 1-218-965-11 s RESISTOR, CHIP 10K 1/16W
R430 1-218-960-11 s RESISTOR, CHIP 3.9K 1/16W
R431 1-218-960-11 s RESISTOR, CHIP 3.9K 1/16W
R450 1-218-957-11 s RESISTOR,CHIP 2.2K 1/16W(1608)
R451 1-218-941-81 s C-RES,V 100-1/16W J
R452 1-218-937-11 s RESISTOR, CHIP 47
R471 1-218-941-81 s C-RES,V 100-1/16W J
R472 1-218-941-81 s C-RES,V 100-1/16W J
R473 1-218-941-81 s C-RES,V 100-1/16W J
R474 1-218-941-81 s C-RES,V 100-1/16W J
R475 1-218-961-11 s RESISTOR, CHIP 4.7K 1/16W
R476 1-218-961-11 s RESISTOR, CHIP 4.7K 1/16W
R477 1-218-973-11 s RESISTOR,CHIP 47K 1/16W (1005)
R478 1-218-973-11 s RESISTOR,CHIP 47K 1/16W (1005)
R501 1-218-965-11 s RESISTOR, CHIP 10K 1/16W
R507 1-218-965-11 s RESISTOR, CHIP 10K 1/16W
R508 1-218-965-11 s RESISTOR, CHIP 10K 1/16W
R521 1-218-941-81 s C-RES,V 100-1/16W J
R522 1-218-957-11 s RESISTOR,CHIP 2.2K 1/16W(1608)
R523 1-218-957-11 s RESISTOR,CHIP 2.2K 1/16W(1608)
R524 1-208-635-11 s RESISTOR CHIP 10 1/16W (1005)
R525 1-208-635-11 s RESISTOR CHIP 10 1/16W (1005)
R528 1-218-990-11 s RESISTOR,CHIP 0 1/16W (1005)
R550 1-208-711-11 s RESISTOR CHIP 15K 1/16W (1005)
R551 1-218-744-11 s RESISTOR,CHIP 150K 1/16W
R552 1-218-965-11 s RESISTOR, CHIP 10K 1/16W
R553 1-218-961-11 s RESISTOR, CHIP 4.7K 1/16W
R554 1-219-598-11 s RESISTOR, CHIP 47K 1/16W(1005)
R555 1-208-711-11 s RESISTOR CHIP 15K 1/16W (1005)
R556 1-208-683-11 s RESISTOR CHIP 1K 1/16W (1005)
R601 1-218-965-11 s RESISTOR, CHIP 10K 1/16W
R607 1-218-965-11 s RESISTOR, CHIP 10K 1/16W
R608 1-218-965-11 s RESISTOR, CHIP 10K 1/16W
R621 1-218-941-81 s C-RES,V 100-1/16W J
R622 1-218-957-11 s RESISTOR,CHIP 2.2K 1/16W(1608)
R623 1-218-957-11 s RESISTOR,CHIP 2.2K 1/16W(1608)
R624 1-208-635-11 s RESISTOR CHIP 10 1/16W (1005)
R625 1-208-635-11 s RESISTOR CHIP 10 1/16W (1005)
R628 1-218-990-11 s RESISTOR,CHIP 0 1/16W (1005)
R701 1-218-965-11 s RESISTOR, CHIP 10K 1/16W
R707 1-218-965-11 s RESISTOR, CHIP 10K 1/16W
R708 1-218-965-11 s RESISTOR, CHIP 10K 1/16W
R721 1-218-941-81 s C-RES,V 100-1/16W J
R722 1-218-957-11 s RESISTOR,CHIP 2.2K 1/16W(1608)
R723 1-218-957-11 s RESISTOR,CHIP 2.2K 1/16W(1608)
R724 1-208-635-11 s RESISTOR CHIP 10 1/16W (1005)
R725 1-208-635-11 s RESISTOR CHIP 10 1/16W (1005)
R728 1-218-990-11 s RESISTOR,CHIP 0 1/16W (1005)
R800 1-208-699-11 s RESISTOR,CHIP 4.7K 1/16W(1005)
4-16 VPL-CS5A/CS6/CX6/EX1
(C BOARD(VPL-CS5A/CS6 ONLY))
Ref. No.
or Q’ty Part No. SP Description
R801 1-218-965-11 s RESISTOR, CHIP 10K 1/16W
R803 1-218-961-11 s RESISTOR, CHIP 4.7K 1/16W
R805 1-218-961-11 s RESISTOR, CHIP 4.7K 1/16W
R806 1-218-965-11 s RESISTOR, CHIP 10K 1/16W
R809 1-218-961-11 s RESISTOR, CHIP 4.7K 1/16W
R810 1-218-961-11 s RESISTOR, CHIP 4.7K 1/16W
R813 1-218-973-11 s RESISTOR,CHIP 47K 1/16W (1005)
R814 1-218-973-11 s RESISTOR,CHIP 47K 1/16W (1005)
R815 1-218-973-11 s RESISTOR,CHIP 47K 1/16W (1005)
R816 1-218-965-11 s RESISTOR, CHIP 10K 1/16W
R817 1-218-965-11 s RESISTOR, CHIP 10K 1/16W
R818 1-218-961-11 s RESISTOR, CHIP 4.7K 1/16W
R819 1-218-961-11 s RESISTOR, CHIP 4.7K 1/16W
R820 1-218-957-11 s RESISTOR,CHIP 2.2K 1/16W(1608)
R821 1-218-957-11 s RESISTOR,CHIP 2.2K 1/16W(1608)
R822 1-218-965-11 s RESISTOR, CHIP 10K 1/16W
R823 1-218-965-11 s RESISTOR, CHIP 10K 1/16W
R825 1-218-965-11 s RESISTOR, CHIP 10K 1/16W
R826 1-208-635-11 s RESISTOR CHIP 10 1/16W (1005)
R827 1-218-945-11 s RESISTOR,CHIP 220 1/16W(1005)
R828 1-218-973-11 s RESISTOR,CHIP 47K 1/16W (1005)
R829 1-218-965-11 s RESISTOR, CHIP 10K 1/16W
R830 1-218-973-11 s RESISTOR,CHIP 47K 1/16W (1005)
R832 1-218-965-11 s RESISTOR, CHIP 10K 1/16W
R833 1-218-965-11 s RESISTOR, CHIP 10K 1/16W
R834 1-218-965-11 s RESISTOR, CHIP 10K 1/16W
R835 1-218-953-11 s RESISTOR, CHIP 1K 1/16W
R836 1-218-965-11 s RESISTOR, CHIP 10K 1/16W
R838 1-218-971-11 s RESISTOR,CHIP 33K 1/16W (1005)
R839 1-218-971-11 s RESISTOR,CHIP 33K 1/16W (1005)
R840 1-218-941-81 s C-RES,V 100-1/16W J
R841 1-218-941-81 s C-RES,V 100-1/16W J
R842 1-218-965-11 s RESISTOR, CHIP 10K 1/16W
R843 1-218-958-11 s RESISTOR,CHIP 2.7K 1/16W(1005)
R844 1-218-965-11 s RESISTOR, CHIP 10K 1/16W
R845 1-218-941-81 s C-RES,V 100-1/16W J
R846 1-218-941-81 s C-RES,V 100-1/16W J
R847 1-218-965-11 s RESISTOR, CHIP 10K 1/16W
R848 1-218-965-11 s RESISTOR, CHIP 10K 1/16W
R850 1-218-965-11 s RESISTOR, CHIP 10K 1/16W
R851 1-218-965-11 s RESISTOR, CHIP 10K 1/16W
R852 1-218-965-11 s RESISTOR, CHIP 10K 1/16W
R853 1-218-953-11 s RESISTOR, CHIP 1K 1/16W
R854 1-218-990-11 s RESISTOR,CHIP 0 1/16W (1005)
R904 1-218-941-81 s C-RES,V 100-1/16W J
R905 1-218-941-81 s C-RES,V 100-1/16W J
R906 1-218-973-11 s RESISTOR,CHIP 47K 1/16W (1005)
R907 1-218-945-11 s RESISTOR,CHIP 220 1/16W(1005)
R908 1-218-945-11 s RESISTOR,CHIP 220 1/16W(1005)
R909 1-218-945-11 s RESISTOR,CHIP 220 1/16W(1005)
R910 1-218-945-11 s RESISTOR,CHIP 220 1/16W(1005)
R911 1-218-973-11 s RESISTOR,CHIP 47K 1/16W (1005)
R912 1-218-962-11 s RESISTOR,CHIP 5.6K 1/16W(1005)
R913 1-218-941-81 s C-RES,V 100-1/16W J
R914 1-218-941-81 s C-RES,V 100-1/16W J
R915 1-218-957-11 s RESISTOR,CHIP 2.2K 1/16W(1608)
R916 1-218-959-11 s RESISTOR, CHIP 3.3K
R919 1-208-719-11 s RESISTOR CHIP 33K 1/16W (1005)
R920 1-208-683-11 s RESISTOR CHIP 1K 1/16W (1005)
(C BOARD(VPL-CS5A/CS6 ONLY))
Ref. No.
or Q’ty Part No. SP Description
R921 1-208-699-11 s RESISTOR,CHIP 4.7K 1/16W(1005)
R922 1-218-965-11 s RESISTOR, CHIP 10K 1/16W
R923 1-218-965-11 s RESISTOR, CHIP 10K 1/16W
R924 1-218-965-11 s RESISTOR, CHIP 10K 1/16W
R925 1-218-969-11 s RESISTOR,CHIP 22K 1/16W (1608)
R926 1-208-703-11 s RESISTOR,CHIP 6.8K 1/16W(1005)
R927 1-218-941-81 s C-RES,V 100-1/16W J
R928 1-218-969-11 s RESISTOR,CHIP 22K 1/16W (1608)
R929 1-208-703-11 s RESISTOR,CHIP 6.8K 1/16W(1005)
R930 1-218-969-11 s RESISTOR,CHIP 22K 1/16W (1608)
R931 1-218-969-11 s RESISTOR,CHIP 22K 1/16W (1608)
R932 1-218-969-11 s RESISTOR,CHIP 22K 1/16W (1608)
R933 1-218-969-11 s RESISTOR,CHIP 22K 1/16W (1608)
R934 1-218-965-11 s RESISTOR, CHIP 10K 1/16W
R936 1-208-719-11 s RESISTOR CHIP 33K 1/16W (1005)
R937 1-208-683-11 s RESISTOR CHIP 1K 1/16W (1005)
R938 1-208-699-11 s RESISTOR,CHIP 4.7K 1/16W(1005)
R939 1-208-703-11 s RESISTOR,CHIP 6.8K 1/16W(1005)
R941 1-218-943-11 s RESISTOR,CHIP 150 1/16W
R942 1-218-943-11 s RESISTOR,CHIP 150 1/16W
R943 1-218-953-11 s RESISTOR, CHIP 1K 1/16W
R944 1-218-953-11 s RESISTOR, CHIP 1K 1/16W
R946 1-218-965-11 s RESISTOR, CHIP 10K 1/16W
R947 1-218-953-11 s RESISTOR, CHIP 1K 1/16W
R948 1-218-965-11 s RESISTOR, CHIP 10K 1/16W
R949 1-208-719-11 s RESISTOR CHIP 33K 1/16W (1005)
R950 1-208-683-11 s RESISTOR CHIP 1K 1/16W (1005)
R951 1-208-699-11 s RESISTOR,CHIP 4.7K 1/16W(1005)
R1101 1-218-917-11 s RESISTOR,CHIP 820K 1/10W(1608)
R1102 1-218-941-81 s C-RES,V 100-1/16W J
R1104 1-218-941-81 s C-RES,V 100-1/16W J
R1106 1-218-941-81 s C-RES,V 100-1/16W J
R1108 1-208-643-11 s RESISTOR CHIP 22 1/16W (1005)
R1109 1-208-643-11 s RESISTOR CHIP 22 1/16W (1005)
R1117 1-218-941-81 s C-RES,V 100-1/16W J
R1118 1-218-941-81 s C-RES,V 100-1/16W J
R1120 1-218-973-11 s RESISTOR,CHIP 47K 1/16W (1005)
R1121 1-218-973-11 s RESISTOR,CHIP 47K 1/16W (1005)
R1122 1-218-965-11 s RESISTOR, CHIP 10K 1/16W
R1124 1-218-965-11 s RESISTOR, CHIP 10K 1/16W
R1125 1-218-977-11 s RESISTOR,CHIP 100K 1/16W(1005)
R1126 1-218-990-11 s RESISTOR,CHIP 0 1/16W (1005)
R1128 1-218-977-11 s RESISTOR,CHIP 100K 1/16W(1005)
R1129 1-218-978-11 s RESISTOR,CHIP 120K 1/16W(1005)
R1130 1-216-296-00 s CONDUCTOR, CHIP (3216)
R1131 1-216-296-00 s CONDUCTOR, CHIP (3216)
R1132 1-218-941-81 s C-RES,V 100-1/16W J
R1133 1-218-941-81 s C-RES,V 100-1/16W J
R1146 1-218-965-11 s RESISTOR, CHIP 10K 1/16W
RB100 1-234-370-11 s RES, NETWORK 22X4 (1005)
RB101 1-234-370-11 s RES, NETWORK 22X4 (1005)
RB102 1-234-370-11 s RES, NETWORK 22X4 (1005)
RB103 1-234-370-11 s RES, NETWORK 22X4 (1005)
RB104 1-234-370-11 s RES, NETWORK 22X4 (1005)
RB105 1-234-370-11 s RES, NETWORK 22X4 (1005)
RB200 1-234-369-21 s RES, NETWORK 10X4 (1005)
RB201 1-234-369-21 s RES, NETWORK 10X4 (1005)
RB202 1-234-369-21 s RES, NETWORK 10X4 (1005)
RB203 1-234-369-21 s RES, NETWORK 10X4 (1005)
4-17
VPL-CS5A/CS6/CX6/EX1
(C BOARD(VPL-CS5A/CS6 ONLY))
Ref. No.
or Q’ty Part No. SP Description
RB205 1-234-378-11 s RES, NETWORK 10KX4 (1005)
RB300 1-234-369-21 s RES, NETWORK 10X4 (1005)
RB301 1-234-369-21 s RES, NETWORK 10X4 (1005)
RB302 1-234-369-21 s RES, NETWORK 10X4 (1005)
RB303 1-234-369-21 s RES, NETWORK 10X4 (1005)
RB304 1-234-369-21 s RES, NETWORK 10X4 (1005)
RB305 1-234-369-21 s RES, NETWORK 10X4 (1005)
RB401 1-234-372-11 s RES, NETWORK 100X4 (1005)
RB402 1-234-372-11 s RES, NETWORK 100X4 (1005)
RB403 1-234-372-11 s RES, NETWORK 100X4 (1005)
RB404 1-234-372-11 s RES, NETWORK 100X4 (1005)
RB405 1-234-372-11 s RES, NETWORK 100X4 (1005)
RB406 1-234-372-11 s RES, NETWORK 100X4 (1005)
RB450 1-234-371-11 s RES, NETWORK 47X4 (1005)
RB451 1-234-371-11 s RES, NETWORK 47X4 (1005)
RB452 1-234-371-11 s RES, NETWORK 47X4 (1005)
RB453 1-234-371-11 s RES, NETWORK 47X4 (1005)
RB454 1-234-371-11 s RES, NETWORK 47X4 (1005)
RB471 1-234-372-11 s RES, NETWORK 100X4 (1005)
RB472 1-234-372-11 s RES, NETWORK 100X4 (1005)
RB473 1-234-372-11 s RES, NETWORK 100X4 (1005)
RB501 1-234-523-21 s RESISTOR,CHIP NETWORK
RB502 1-234-523-21 s RESISTOR,CHIP NETWORK
RB601 1-234-523-21 s RESISTOR,CHIP NETWORK
RB602 1-234-523-21 s RESISTOR,CHIP NETWORK
RB701 1-234-523-21 s RESISTOR,CHIP NETWORK
RB702 1-234-523-21 s RESISTOR,CHIP NETWORK
RB800 1-234-372-11 s RES, NETWORK 100X4 (1005)
RB801 1-234-378-11 s RES, NETWORK 10KX4 (1005)
RB802 1-234-372-11 s RES, NETWORK 100X4 (1005)
RB803 1-234-375-21 s RES, NETWORK 1KX4 (1005)
RB804 1-234-372-11 s RES, NETWORK 100X4 (1005)
RB805 1-234-372-11 s RES, NETWORK 100X4 (1005)
RB806 1-234-372-11 s RES, NETWORK 100X4 (1005)
RB807 1-234-372-11 s RES, NETWORK 100X4 (1005)
RB808 1-234-372-11 s RES, NETWORK 100X4 (1005)
RB809 1-234-372-11 s RES, NETWORK 100X4 (1005)
RB810 1-234-372-11 s RES, NETWORK 100X4 (1005)
RB811 1-234-372-11 s RES, NETWORK 100X4 (1005)
RB813 1-234-372-11 s RES, NETWORK 100X4 (1005)
RB814 1-234-372-11 s RES, NETWORK 100X4 (1005)
RB815 1-234-372-11 s RES, NETWORK 100X4 (1005)
RB816 1-234-372-11 s RES, NETWORK 100X4 (1005)
RB817 1-234-372-11 s RES, NETWORK 100X4 (1005)
RB818 1-234-372-11 s RES, NETWORK 100X4 (1005)
RB819 1-234-372-11 s RES, NETWORK 100X4 (1005)
RB821 1-234-372-11 s RES, NETWORK 100X4 (1005)
S401 1-771-337-21 s SWITCH, SLIDE
TH800 1-803-382-11 s THERMISTOR (10K)
TH1101 1-803-615-11 s THERMISTOR, POSITIVE
X200 1-795-692-11 s VIBRATOR, CRYSTAL (24.576MHz)
X300 1-795-650-21 s VIBRATOR, CRYSTAL (16.384MHz)
X800 1-795-650-21 s VIBRATOR, CRYSTAL (16.384MHz)
---------------------
C BOARD(VPL-CX6 ONLY)
---------------------
Ref. No.
or Q’ty Part No. SP Description
Note:
*1 If IC203, IC406 and IC801 becomes defective, replace the entire C board.
1pc A-1302-318-A s MOUNTED CIRCUIT BOARD, C
C100 1-164-947-11 s CAPACITOR CHIP CERAMIC 0.01MF
C101 1-164-947-11 s CAPACITOR CHIP CERAMIC 0.01MF
C102 1-164-947-11 s CAPACITOR CHIP CERAMIC 0.01MF
C103 1-126-205-11 s CAPACITOR,ELECT 47M/6.3
C104 1-126-205-11 s CAPACITOR,ELECT 47M/6.3
C105 1-115-566-11 s CAPACITOR,CERAMIC 4.7MF B/6.3V
C106 1-126-205-11 s CAPACITOR,ELECT 47M/6.3
C107 1-115-566-11 s CAPACITOR,CERAMIC 4.7MF B/6.3V
C108 1-107-820-11 s CAPACITOR,CHIP CERAMIC 0.1MF F
C109 1-107-820-11 s CAPACITOR,CHIP CERAMIC 0.1MF F
C111 1-107-820-11 s CAPACITOR,CHIP CERAMIC 0.1MF F
C112 1-107-820-11 s CAPACITOR,CHIP CERAMIC 0.1MF F
C113 1-107-820-11 s CAPACITOR,CHIP CERAMIC 0.1MF F
C114 1-164-937-11 s CAPACITOR,CHIP CERAMIC 1000PF
C115 1-109-982-11 s CAPACITOR,CHIP CERAMIC 1MF/10V
C116 1-107-820-11 s CAPACITOR,CHIP CERAMIC 0.1MF F
C117 1-137-987-81 s CAPACITOR,C.CERAMIC 0.068MF
C118 1-115-566-11 s CAPACITOR,CERAMIC 4.7MF B/6.3V
C119 1-115-566-11 s CAPACITOR,CERAMIC 4.7MF B/6.3V
C120 1-165-875-11 s CAPACITOR, CHIP CERAMIC 10MF B
C121 1-165-871-11 s CAPACITOR,ELECT 22MF
C122 1-107-820-11 s CAPACITOR,CHIP CERAMIC 0.1MF F
C123 1-165-875-11 s CAPACITOR, CHIP CERAMIC 10MF B
C124 1-107-820-11 s CAPACITOR,CHIP CERAMIC 0.1MF F
C125 1-164-947-11 s CAPACITOR CHIP CERAMIC 0.01MF
C126 1-164-882-11 s CAPACITOR,CERAMIC 220PF/16V CH
C127 1-164-874-11 s CAPACITOR,CHIP CERAMIC 100PF
C128 1-125-837-91 s CAP, CHIP CERAMIC 1MF
C129 1-165-871-11 s CAPACITOR,ELECT 22MF
C130 1-107-820-11 s CAPACITOR,CHIP CERAMIC 0.1MF F
C131 1-119-923-11 s CAPACITOR,CHIP CERAMIC 0.047MF
C132 1-119-923-11 s CAPACITOR,CHIP CERAMIC 0.047MF
C133 1-164-937-11 s CAPACITOR,CHIP CERAMIC 1000PF
C134 1-119-923-11 s CAPACITOR,CHIP CERAMIC 0.047MF
C135 1-107-820-11 s CAPACITOR,CHIP CERAMIC 0.1MF F
C136 1-131-998-11 s CAP, SOLID ELECT 82MF 6.3 V
C137 1-164-947-11 s CAPACITOR CHIP CERAMIC 0.01MF
C138 1-119-667-11 s CAPACITOR CERAMIC 22MF/10V(F)
C139 1-107-820-11 s CAPACITOR,CHIP CERAMIC 0.1MF F
C140 1-107-820-11 s CAPACITOR,CHIP CERAMIC 0.1MF F
C141 1-107-820-11 s CAPACITOR,CHIP CERAMIC 0.1MF F
C142 1-107-820-11 s CAPACITOR,CHIP CERAMIC 0.1MF F
C143 1-164-947-11 s CAPACITOR CHIP CERAMIC 0.01MF
C144 1-164-947-11 s CAPACITOR CHIP CERAMIC 0.01MF
C145 1-107-820-11 s CAPACITOR,CHIP CERAMIC 0.1MF F
C146 1-107-820-11 s CAPACITOR,CHIP CERAMIC 0.1MF F
C147 1-164-947-11 s CAPACITOR CHIP CERAMIC 0.01MF
C148 1-107-820-11 s CAPACITOR,CHIP CERAMIC 0.1MF F
C149 1-164-947-11 s CAPACITOR CHIP CERAMIC 0.01MF
C150 1-107-820-11 s CAPACITOR,CHIP CERAMIC 0.1MF F
C151 1-164-173-11 s CAPACITOR,CERAMIC 3900PF/50V B
C152 1-135-995-91 s CAP,CHIP CERAMIC39000PF B 1608
C153 1-107-820-11 s CAPACITOR,CHIP CERAMIC 0.1MF F
C154 1-107-820-11 s CAPACITOR,CHIP CERAMIC 0.1MF F
C155 1-164-947-11 s CAPACITOR CHIP CERAMIC 0.01MF
4-18 VPL-CS5A/CS6/CX6/EX1
(C BOARD(VPL-CX6 ONLY))
Ref. No.
or Q’ty Part No. SP Description
C156 1-107-820-11 s CAPACITOR,CHIP CERAMIC 0.1MF F
C157 1-107-820-11 s CAPACITOR,CHIP CERAMIC 0.1MF F
C158 1-164-947-11 s CAPACITOR CHIP CERAMIC 0.01MF
C159 1-164-947-11 s CAPACITOR CHIP CERAMIC 0.01MF
C160 1-107-820-11 s CAPACITOR,CHIP CERAMIC 0.1MF F
C161 1-164-505-11 s CAPACITOR,CHIP CERAMIC 2.2MF
C162 1-107-820-11 s CAPACITOR,CHIP CERAMIC 0.1MF F
C163 1-164-874-11 s CAPACITOR,CHIP CERAMIC 100PF
C164 1-107-820-11 s CAPACITOR,CHIP CERAMIC 0.1MF F
C165 1-107-820-11 s CAPACITOR,CHIP CERAMIC 0.1MF F
C166 1-107-820-11 s CAPACITOR,CHIP CERAMIC 0.1MF F
C200 1-164-854-11 s CAPACITOR CERAMIC 15PF/16V CH
C201 1-164-854-11 s CAPACITOR CERAMIC 15PF/16V CH
C204 1-126-209-11 s CAPACITOR,ELECT 100MF/4V
C206 1-127-772-11 s CAPACTOR C,CERAMIC 33000PF B
C207 1-119-923-11 s CAPACITOR,CHIP CERAMIC 0.047MF
C208 1-119-923-11 s CAPACITOR,CHIP CERAMIC 0.047MF
C209 1-127-772-11 s CAPACTOR C,CERAMIC 33000PF B
C210 1-119-923-11 s CAPACITOR,CHIP CERAMIC 0.047MF
C211 1-127-772-11 s CAPACTOR C,CERAMIC 33000PF B
C215 1-127-772-11 s CAPACTOR C,CERAMIC 33000PF B
C216 1-127-772-11 s CAPACTOR C,CERAMIC 33000PF B
C217 1-127-772-11 s CAPACTOR C,CERAMIC 33000PF B
C218 1-127-772-11 s CAPACTOR C,CERAMIC 33000PF B
C219 1-119-923-11 s CAPACITOR,CHIP CERAMIC 0.047MF
C220 1-126-246-11 s CAPACITOR ELECT 220MF/4V(CHIP)
C221 1-131-998-11 s CAP, SOLID ELECT 82MF 6.3 V
C222 1-107-820-11 s CAPACITOR,CHIP CERAMIC 0.1MF F
C223 1-107-820-11 s CAPACITOR,CHIP CERAMIC 0.1MF F
C224 1-107-820-11 s CAPACITOR,CHIP CERAMIC 0.1MF F
C225 1-107-820-11 s CAPACITOR,CHIP CERAMIC 0.1MF F
C226 1-164-943-11 s CAPACITOR,CHIP CERAMIC 0.01MF
C227 1-164-943-11 s CAPACITOR,CHIP CERAMIC 0.01MF
C228 1-164-943-11 s CAPACITOR,CHIP CERAMIC 0.01MF
C229 1-164-943-11 s CAPACITOR,CHIP CERAMIC 0.01MF
C230 1-107-820-11 s CAPACITOR,CHIP CERAMIC 0.1MF F
C233 1-107-820-11 s CAPACITOR,CHIP CERAMIC 0.1MF F
C234 1-131-998-11 s CAP, SOLID ELECT 82MF 6.3 V
C245 1-107-820-11 s CAPACITOR,CHIP CERAMIC 0.1MF F
C260 1-107-820-11 s CAPACITOR,CHIP CERAMIC 0.1MF F
C261 1-107-820-11 s CAPACITOR,CHIP CERAMIC 0.1MF F
C262 1-164-947-11 s CAPACITOR CHIP CERAMIC 0.01MF
C263 1-119-667-11 s CAPACITOR CERAMIC 22MF/10V(F)
C300 1-107-820-11 s CAPACITOR,CHIP CERAMIC 0.1MF F
C302 1-107-820-11 s CAPACITOR,CHIP CERAMIC 0.1MF F
C303 1-107-820-11 s CAPACITOR,CHIP CERAMIC 0.1MF F
C304 1-107-820-11 s CAPACITOR,CHIP CERAMIC 0.1MF F
C305 1-107-820-11 s CAPACITOR,CHIP CERAMIC 0.1MF F
C306 1-107-820-11 s CAPACITOR,CHIP CERAMIC 0.1MF F
C307 1-107-820-11 s CAPACITOR,CHIP CERAMIC 0.1MF F
C308 1-107-820-11 s CAPACITOR,CHIP CERAMIC 0.1MF F
C309 1-107-820-11 s CAPACITOR,CHIP CERAMIC 0.1MF F
C310 1-107-820-11 s CAPACITOR,CHIP CERAMIC 0.1MF F
C311 1-107-820-11 s CAPACITOR,CHIP CERAMIC 0.1MF F
C312 1-107-820-11 s CAPACITOR,CHIP CERAMIC 0.1MF F
C314 1-107-820-11 s CAPACITOR,CHIP CERAMIC 0.1MF F
C315 1-107-820-11 s CAPACITOR,CHIP CERAMIC 0.1MF F
C316 1-164-852-11 s CAPACITOR,CHIP CERAMIC 12PF/16
C317 1-107-820-11 s CAPACITOR,CHIP CERAMIC 0.1MF F
(C BOARD(VPL-CX6 ONLY))
Ref. No.
or Q’ty Part No. SP Description
C318 1-107-820-11 s CAPACITOR,CHIP CERAMIC 0.1MF F
C319 1-164-852-11 s CAPACITOR,CHIP CERAMIC 12PF/16
C320 1-107-820-11 s CAPACITOR,CHIP CERAMIC 0.1MF F
C321 1-164-947-11 s CAPACITOR CHIP CERAMIC 0.01MF
C322 1-107-820-11 s CAPACITOR,CHIP CERAMIC 0.1MF F
C323 1-107-820-11 s CAPACITOR,CHIP CERAMIC 0.1MF F
C324 1-107-820-11 s CAPACITOR,CHIP CERAMIC 0.1MF F
C325 1-107-820-11 s CAPACITOR,CHIP CERAMIC 0.1MF F
C328 1-125-777-11 s CAPACITOR CERAMIC 0.1MF/10V
C329 1-107-820-11 s CAPACITOR,CHIP CERAMIC 0.1MF F
C330 1-119-667-11 s CAPACITOR CERAMIC 22MF/10V(F)
C331 1-107-820-11 s CAPACITOR,CHIP CERAMIC 0.1MF F
C332 1-107-820-11 s CAPACITOR,CHIP CERAMIC 0.1MF F
C333 1-107-820-11 s CAPACITOR,CHIP CERAMIC 0.1MF F
C334 1-107-820-11 s CAPACITOR,CHIP CERAMIC 0.1MF F
C335 1-107-820-11 s CAPACITOR,CHIP CERAMIC 0.1MF F
C336 1-107-820-11 s CAPACITOR,CHIP CERAMIC 0.1MF F
C337 1-107-820-11 s CAPACITOR,CHIP CERAMIC 0.1MF F
C338 1-107-820-11 s CAPACITOR,CHIP CERAMIC 0.1MF F
C339 1-107-820-11 s CAPACITOR,CHIP CERAMIC 0.1MF F
C340 1-107-820-11 s CAPACITOR,CHIP CERAMIC 0.1MF F
C341 1-107-820-11 s CAPACITOR,CHIP CERAMIC 0.1MF F
C342 1-107-820-11 s CAPACITOR,CHIP CERAMIC 0.1MF F
C343 1-126-205-11 s CAPACITOR,ELECT 47M/6.3
C401 1-107-820-11 s CAPACITOR,CHIP CERAMIC 0.1MF F
C402 1-107-820-11 s CAPACITOR,CHIP CERAMIC 0.1MF F
C403 1-164-874-11 s CAPACITOR,CHIP CERAMIC 100PF
C404 1-107-820-11 s CAPACITOR,CHIP CERAMIC 0.1MF F
C406 1-107-820-11 s CAPACITOR,CHIP CERAMIC 0.1MF F
C407 1-107-820-11 s CAPACITOR,CHIP CERAMIC 0.1MF F
C408 1-107-820-11 s CAPACITOR,CHIP CERAMIC 0.1MF F
C409 1-107-820-11 s CAPACITOR,CHIP CERAMIC 0.1MF F
C410 1-107-820-11 s CAPACITOR,CHIP CERAMIC 0.1MF F
C411 1-107-820-11 s CAPACITOR,CHIP CERAMIC 0.1MF F
C412 1-107-820-11 s CAPACITOR,CHIP CERAMIC 0.1MF F
C413 1-107-820-11 s CAPACITOR,CHIP CERAMIC 0.1MF F
C414 1-107-820-11 s CAPACITOR,CHIP CERAMIC 0.1MF F
C415 1-126-205-11 s CAPACITOR,ELECT 47M/6.3
C416 1-164-947-11 s CAPACITOR CHIP CERAMIC 0.01MF
C450 1-107-820-11 s CAPACITOR,CHIP CERAMIC 0.1MF F
C451 1-107-820-11 s CAPACITOR,CHIP CERAMIC 0.1MF F
C452 1-107-820-11 s CAPACITOR,CHIP CERAMIC 0.1MF F
C471 1-107-820-11 s CAPACITOR,CHIP CERAMIC 0.1MF F
C472 1-126-205-11 s CAPACITOR,ELECT 47M/6.3
C473 1-107-820-11 s CAPACITOR,CHIP CERAMIC 0.1MF F
C474 1-164-935-11 s CAPACITOR,CHIP CERAMIC 470PF
C475 1-164-935-11 s CAPACITOR,CHIP CERAMIC 470PF
C501 1-107-820-11 s CAPACITOR,CHIP CERAMIC 0.1MF F
C502 1-127-715-11 s CAPACITOR,CERAMIC 0.22MF B1608
C503 1-107-820-11 s CAPACITOR,CHIP CERAMIC 0.1MF F
C504 1-126-206-11 s CAPACITOR, ELECT 100MF/6.3V
C505 1-127-715-11 s CAPACITOR,CERAMIC 0.22MF B1608
C506 1-127-715-11 s CAPACITOR,CERAMIC 0.22MF B1608
C507 1-127-715-11 s CAPACITOR,CERAMIC 0.22MF B1608
C508 1-127-715-11 s CAPACITOR,CERAMIC 0.22MF B1608
C509 1-127-715-11 s CAPACITOR,CERAMIC 0.22MF B1608
C510 1-127-715-11 s CAPACITOR,CERAMIC 0.22MF B1608
C511 1-127-715-11 s CAPACITOR,CERAMIC 0.22MF B1608
C512 1-164-156-11 s CAPACITOR,CERAMIC 0.1MF/25V F
4-19
VPL-CS5A/CS6/CX6/EX1
(C BOARD(VPL-CX6 ONLY))
Ref. No.
or Q’ty Part No. SP Description
C513 1-128-992-11 s CAPACITOR ELECT 47MF 25V
C514 1-128-992-11 s CAPACITOR ELECT 47MF 25V
C515 1-164-156-11 s CAPACITOR,CERAMIC 0.1MF/25V F
C516 1-164-156-11 s CAPACITOR,CERAMIC 0.1MF/25V F
C517 1-164-156-11 s CAPACITOR,CERAMIC 0.1MF/25V F
C518 1-164-156-11 s CAPACITOR,CERAMIC 0.1MF/25V F
C519 1-164-156-11 s CAPACITOR,CERAMIC 0.1MF/25V F
C520 1-117-681-11 s CAPACITOR, ELECT 100MF/16V
C521 1-164-156-11 s CAPACITOR,CERAMIC 0.1MF/25V F
C550 1-164-947-11 s CAPACITOR CHIP CERAMIC 0.01MF
C552 1-115-340-11 s CAPACITOR CERAMIC 0.22MF/25V B
C553 1-164-156-11 s CAPACITOR,CERAMIC 0.1MF/25V F
C554 1-164-156-11 s CAPACITOR,CERAMIC 0.1MF/25V F
C555 1-128-992-11 s CAPACITOR ELECT 47MF 25V
C601 1-107-820-11 s CAPACITOR,CHIP CERAMIC 0.1MF F
C602 1-127-715-11 s CAPACITOR,CERAMIC 0.22MF B1608
C603 1-107-820-11 s CAPACITOR,CHIP CERAMIC 0.1MF F
C604 1-126-206-11 s CAPACITOR, ELECT 100MF/6.3V
C605 1-127-715-11 s CAPACITOR,CERAMIC 0.22MF B1608
C606 1-127-715-11 s CAPACITOR,CERAMIC 0.22MF B1608
C607 1-127-715-11 s CAPACITOR,CERAMIC 0.22MF B1608
C608 1-127-715-11 s CAPACITOR,CERAMIC 0.22MF B1608
C609 1-127-715-11 s CAPACITOR,CERAMIC 0.22MF B1608
C610 1-127-715-11 s CAPACITOR,CERAMIC 0.22MF B1608
C611 1-127-715-11 s CAPACITOR,CERAMIC 0.22MF B1608
C612 1-164-156-11 s CAPACITOR,CERAMIC 0.1MF/25V F
C613 1-128-992-11 s CAPACITOR ELECT 47MF 25V
C614 1-128-992-11 s CAPACITOR ELECT 47MF 25V
C615 1-164-156-11 s CAPACITOR,CERAMIC 0.1MF/25V F
C616 1-164-156-11 s CAPACITOR,CERAMIC 0.1MF/25V F
C617 1-164-156-11 s CAPACITOR,CERAMIC 0.1MF/25V F
C618 1-164-156-11 s CAPACITOR,CERAMIC 0.1MF/25V F
C619 1-164-156-11 s CAPACITOR,CERAMIC 0.1MF/25V F
C620 1-117-681-11 s CAPACITOR, ELECT 100MF/16V
C621 1-164-156-11 s CAPACITOR,CERAMIC 0.1MF/25V F
C701 1-107-820-11 s CAPACITOR,CHIP CERAMIC 0.1MF F
C702 1-127-715-11 s CAPACITOR,CERAMIC 0.22MF B1608
C703 1-107-820-11 s CAPACITOR,CHIP CERAMIC 0.1MF F
C704 1-126-206-11 s CAPACITOR, ELECT 100MF/6.3V
C705 1-127-715-11 s CAPACITOR,CERAMIC 0.22MF B1608
C706 1-127-715-11 s CAPACITOR,CERAMIC 0.22MF B1608
C707 1-127-715-11 s CAPACITOR,CERAMIC 0.22MF B1608
C708 1-127-715-11 s CAPACITOR,CERAMIC 0.22MF B1608
C709 1-127-715-11 s CAPACITOR,CERAMIC 0.22MF B1608
C710 1-127-715-11 s CAPACITOR,CERAMIC 0.22MF B1608
C711 1-127-715-11 s CAPACITOR,CERAMIC 0.22MF B1608
C712 1-164-156-11 s CAPACITOR,CERAMIC 0.1MF/25V F
C713 1-128-992-11 s CAPACITOR ELECT 47MF 25V
C714 1-128-992-11 s CAPACITOR ELECT 47MF 25V
C715 1-164-156-11 s CAPACITOR,CERAMIC 0.1MF/25V F
C716 1-164-156-11 s CAPACITOR,CERAMIC 0.1MF/25V F
C717 1-164-156-11 s CAPACITOR,CERAMIC 0.1MF/25V F
C718 1-164-156-11 s CAPACITOR,CERAMIC 0.1MF/25V F
C719 1-164-156-11 s CAPACITOR,CERAMIC 0.1MF/25V F
C720 1-117-681-11 s CAPACITOR, ELECT 100MF/16V
C721 1-164-156-11 s CAPACITOR,CERAMIC 0.1MF/25V F
C800 1-124-778-00 s CAPACITOR,ELECT 22MF/6.3V
C801 1-164-947-11 s CAPACITOR CHIP CERAMIC 0.01MF
C802 1-165-871-11 s CAPACITOR,ELECT 22MF
(C BOARD(VPL-CX6 ONLY))
Ref. No.
or Q’ty Part No. SP Description
C803 1-115-566-11 s CAPACITOR,CERAMIC 4.7MF B/6.3V
C804 1-107-820-11 s CAPACITOR,CHIP CERAMIC 0.1MF F
C805 1-127-772-11 s CAPACTOR C,CERAMIC 33000PF B
C806 1-107-820-11 s CAPACITOR,CHIP CERAMIC 0.1MF F
C807 1-164-852-11 s CAPACITOR,CHIP CERAMIC 12PF/16
C808 1-107-820-11 s CAPACITOR,CHIP CERAMIC 0.1MF F
C809 1-164-852-11 s CAPACITOR,CHIP CERAMIC 12PF/16
C810 1-164-947-11 s CAPACITOR CHIP CERAMIC 0.01MF
C811 1-107-820-11 s CAPACITOR,CHIP CERAMIC 0.1MF F
C812 1-107-820-11 s CAPACITOR,CHIP CERAMIC 0.1MF F
C813 1-107-820-11 s CAPACITOR,CHIP CERAMIC 0.1MF F
C814 1-115-156-11 s CAPACITOR,CERAMIC 1MF/10V(1608
C816 1-107-820-11 s CAPACITOR,CHIP CERAMIC 0.1MF F
C817 1-124-778-00 s CAPACITOR,ELECT 22MF/6.3V
C818 1-164-940-11 s CAPACITOR,CHIP CERAMIC 3300/16
C819 1-107-820-11 s CAPACITOR,CHIP CERAMIC 0.1MF F
C820 1-107-820-11 s CAPACITOR,CHIP CERAMIC 0.1MF F
C821 1-107-820-11 s CAPACITOR,CHIP CERAMIC 0.1MF F
C822 1-164-940-11 s CAPACITOR,CHIP CERAMIC 3300/16
C903 1-107-820-11 s CAPACITOR,CHIP CERAMIC 0.1MF F
C904 1-164-874-11 s CAPACITOR,CHIP CERAMIC 100PF
C905 1-164-874-11 s CAPACITOR,CHIP CERAMIC 100PF
C906 1-107-820-11 s CAPACITOR,CHIP CERAMIC 0.1MF F
C908 1-115-156-11 s CAPACITOR,CERAMIC 1MF/10V(1608
C910 1-164-156-11 s CAPACITOR,CERAMIC 0.1MF/25V F
C911 1-126-397-11 s CAPACITOR ELECT 33MF/25V(CHIP)
C913 1-164-156-11 s CAPACITOR,CERAMIC 0.1MF/25V F
C914 1-164-947-11 s CAPACITOR CHIP CERAMIC 0.01MF
C915 1-164-156-11 s CAPACITOR,CERAMIC 0.1MF/25V F
C916 1-126-397-11 s CAPACITOR ELECT 33MF/25V(CHIP)
C917 1-107-820-11 s CAPACITOR,CHIP CERAMIC 0.1MF F
C918 1-126-205-11 s CAPACITOR,ELECT 47M/6.3
C919 1-107-820-11 s CAPACITOR,CHIP CERAMIC 0.1MF F
C920 1-131-998-11 s CAP, SOLID ELECT 82MF 6.3 V
C921 1-164-156-11 s CAPACITOR,CERAMIC 0.1MF/25V F
C922 1-126-397-11 s CAPACITOR ELECT 33MF/25V(CHIP)
C1026 1-109-982-11 s CAPACITOR,CHIP CERAMIC 1MF/10V
C1101 1-125-777-11 s CAPACITOR CERAMIC 0.1MF/10V
C1102 1-125-891-11 s CAPACITOR CERAMIC 0.47MF/10V
C1103 1-125-891-11 s CAPACITOR CERAMIC 0.47MF/10V
C1104 1-126-204-11 s CAPACITOR, ELECT 47MF/16V(CHIP
C1105 1-126-205-11 s CAPACITOR,ELECT 47M/6.3
C1106 1-164-156-11 s CAPACITOR,CERAMIC 0.1MF/25V F
C1107 1-125-777-11 s CAPACITOR CERAMIC 0.1MF/10V
C1108 1-125-777-11 s CAPACITOR CERAMIC 0.1MF/10V
C1109 1-126-204-11 s CAPACITOR, ELECT 47MF/16V(CHIP
C1110 1-164-156-11 s CAPACITOR,CERAMIC 0.1MF/25V F
C1111 1-125-777-11 s CAPACITOR CERAMIC 0.1MF/10V
C1112 1-125-777-11 s CAPACITOR CERAMIC 0.1MF/10V
C1113 1-126-204-11 s CAPACITOR, ELECT 47MF/16V(CHIP
C1114 1-125-777-11 s CAPACITOR CERAMIC 0.1MF/10V
C1115 1-126-204-11 s CAPACITOR, ELECT 47MF/16V(CHIP
C1116 1-164-156-11 s CAPACITOR,CERAMIC 0.1MF/25V F
C1117 1-125-777-11 s CAPACITOR CERAMIC 0.1MF/10V
C1118 1-125-777-11 s CAPACITOR CERAMIC 0.1MF/10V
C1119 1-125-777-11 s CAPACITOR CERAMIC 0.1MF/10V
C1120 1-117-370-11 s CAPACITOR CERAMIC 10MF (3216)
C1124 1-115-156-11 s CAPACITOR,CERAMIC 1MF/10V(1608
C1125 1-107-682-11 s CAPACITOR,CHIP 1MF/16V (3216)
4-20 VPL-CS5A/CS6/CX6/EX1
(C BOARD(VPL-CX6 ONLY))
Ref. No.
or Q’ty Part No. SP Description
C1126 1-164-882-11 s CAPACITOR,CERAMIC 220PF/16V CH
C1127 1-115-156-11 s CAPACITOR,CERAMIC 1MF/10V(1608
C1128 1-115-156-11 s CAPACITOR,CERAMIC 1MF/10V(1608
C1137 1-117-681-11 s CAPACITOR, ELECT 100MF/16V
C1138 1-125-777-11 s CAPACITOR CERAMIC 0.1MF/10V
C1140 1-107-820-11 s CAPACITOR,CHIP CERAMIC 0.1MF F
C1143 1-107-820-11 s CAPACITOR,CHIP CERAMIC 0.1MF F
C1144 1-125-777-11 s CAPACITOR CERAMIC 0.1MF/10V
C1145 1-125-777-11 s CAPACITOR CERAMIC 0.1MF/10V
C1146 1-125-777-11 s CAPACITOR CERAMIC 0.1MF/10V
CN100 1-784-828-11 s CONNECTOR, D SUB
CN201 1-770-629-21 s PIN, CONNECTOR 12P
CN202 1-785-613-11 o CONNECTOR, FFC/FPC 50P
CN401 1-770-621-21 s PIN, CONNECTOR 4P
CN501 1-794-823-11 s CONNECTOR (ZIF), FPC/FFC 32P
CN601 1-794-823-11 s CONNECTOR (ZIF), FPC/FFC 32P
CN701 1-794-823-11 s CONNECTOR (ZIF), FPC/FFC 32P
CN800 1-770-629-21 s PIN, CONNECTOR 12P
CN901 1-770-621-21 s PIN, CONNECTOR 4P
CN903 1-691-491-21 s CONNECTOR, FFC/FPC 12P
CN904 1-764-829-11 o CONNECTOR, FPC 24P
CN906 1-580-055-21 o PIN, CONNECTOR 2P
CN907 1-770-624-21 s PIN, CONNECTOR 7P
CN908 1-580-056-21 s PIN,CONNECTOR 3P
CN909 1-580-056-21 s PIN,CONNECTOR 3P
CN910 1-580-056-21 s PIN,CONNECTOR 3P
CN911 1-580-056-21 s PIN,CONNECTOR 3P
CN912 1-580-056-21 s PIN,CONNECTOR 3P
CN913 1-778-336-21 s PIN, CONNECTOR (PC BOARD) 14P
CN914 1-770-622-21 s PIN, CONNECTOR 5P
CN915 1-770-623-21 s PIN, CONNECTOR 6P
CN1101 1-569-775-21 o PIN, CONNECTOR 5P
CN1102 1-580-055-21 o PIN, CONNECTOR 2P
D100 8-719-073-11 s DIODE BZA456A
D101 8-719-024-77 s DIODE HN1D03FU-TE85L
D102 8-719-059-53 s DIODE MA3J14700LSO
D103 8-719-059-53 s DIODE MA3J14700LSO
D104 8-719-059-53 s DIODE MA3J14700LSO
D105 8-719-988-61 s DIODE 1SS355TE-17
D106 8-719-988-61 s DIODE 1SS355TE-17
D200 8-719-059-53 s DIODE MA3J14700LSO
D201 8-719-059-53 s DIODE MA3J14700LSO
D202 8-719-059-53 s DIODE MA3J14700LSO
D300 8-719-941-86 s DIODE DAN202U
D800 8-719-024-77 s DIODE HN1D03FU-TE85L
D901 8-719-941-86 s DIODE DAN202U
D902 8-719-941-86 s DIODE DAN202U
D903 8-719-941-86 s DIODE DAN202U
D904 8-719-073-11 s DIODE BZA456A
D905 8-719-083-58 s DIODE UDZSTE-173.9B
D906 8-719-055-30 s DIODE D1FS4A-TA
D907 8-719-055-30 s DIODE D1FS4A-TA
D908 8-719-054-58 s DIODE D1F20-TL
D909 8-719-055-30 s DIODE D1FS4A-TA
D1008 8-719-083-58 s DIODE UDZSTE-173.9B
D1009 8-719-083-58 s DIODE UDZSTE-173.9B
FB100 1-414-921-11 s INDUCTOR, FERRITE BEAD
FB101 1-414-921-11 s INDUCTOR, FERRITE BEAD
(C BOARD(VPL-CX6 ONLY))
Ref. No.
or Q’ty Part No. SP Description
FB102 1-414-921-11 s INDUCTOR, FERRITE BEAD
FB200 1-414-921-11 s INDUCTOR, FERRITE BEAD
FB201 1-414-921-11 s INDUCTOR, FERRITE BEAD
FB300 1-500-451-11 s MICRO INDUCTOR (CHIP) 41P750S
FB301 1-500-451-11 s MICRO INDUCTOR (CHIP) 41P750S
FB302 1-414-921-11 s INDUCTOR, FERRITE BEAD
FB303 1-414-921-11 s INDUCTOR, FERRITE BEAD
FB401 1-414-921-11 s INDUCTOR, FERRITE BEAD
FB402 1-414-921-11 s INDUCTOR, FERRITE BEAD
FB403 1-414-921-11 s INDUCTOR, FERRITE BEAD
FB404 1-414-921-11 s INDUCTOR, FERRITE BEAD
FB405 1-414-921-11 s INDUCTOR, FERRITE BEAD
FB450 1-414-921-11 s INDUCTOR, FERRITE BEAD
FB451 1-414-921-11 s INDUCTOR, FERRITE BEAD
FB452 1-414-921-11 s INDUCTOR, FERRITE BEAD
FB471 1-414-921-11 s INDUCTOR, FERRITE BEAD
FB502 1-414-921-11 s INDUCTOR, FERRITE BEAD
FB503 1-414-921-11 s INDUCTOR, FERRITE BEAD
FB550 1-414-921-11 s INDUCTOR, FERRITE BEAD
FB552 1-500-451-11 s MICRO INDUCTOR (CHIP) 41P750S
FB602 1-414-921-11 s INDUCTOR, FERRITE BEAD
FB603 1-414-921-11 s INDUCTOR, FERRITE BEAD
FB702 1-414-921-11 s INDUCTOR, FERRITE BEAD
FB703 1-414-921-11 s INDUCTOR, FERRITE BEAD
FB800 1-414-921-11 s INDUCTOR, FERRITE BEAD
FB901 1-414-921-11 s INDUCTOR, FERRITE BEAD
FB902 1-414-921-11 s INDUCTOR, FERRITE BEAD
FB903 1-414-921-11 s INDUCTOR, FERRITE BEAD
FB904 1-414-921-11 s INDUCTOR, FERRITE BEAD
FB905 1-414-921-11 s INDUCTOR, FERRITE BEAD
FB906 1-414-921-11 s INDUCTOR, FERRITE BEAD
FB907 1-414-921-11 s INDUCTOR, FERRITE BEAD
FB908 1-414-921-11 s INDUCTOR, FERRITE BEAD
FB909 1-239-899-21 s FILTER, CHIP EMI
FB910 1-239-899-21 s FILTER, CHIP EMI
FB911 1-239-899-21 s FILTER, CHIP EMI
FB912 1-239-899-21 s FILTER, CHIP EMI
FB913 1-239-899-21 s FILTER, CHIP EMI
FB914 1-239-899-21 s FILTER, CHIP EMI
FB915 1-414-921-11 s INDUCTOR, FERRITE BEAD
FB916 1-414-921-11 s INDUCTOR, FERRITE BEAD
FB917 1-414-921-11 s INDUCTOR, FERRITE BEAD
FB918 1-414-921-11 s INDUCTOR, FERRITE BEAD
FB920 1-414-921-11 s INDUCTOR, FERRITE BEAD
FB921 1-414-921-11 s INDUCTOR, FERRITE BEAD
FB922 1-414-921-11 s INDUCTOR, FERRITE BEAD
FB923 1-414-921-11 s INDUCTOR, FERRITE BEAD
FB924 1-414-921-11 s INDUCTOR, FERRITE BEAD
FB925 1-469-670-11 o FERRITE, EMI (SMD)
FB926 1-414-921-11 s INDUCTOR, FERRITE BEAD
FB927 1-414-921-11 s INDUCTOR, FERRITE BEAD
FB928 1-414-921-11 s INDUCTOR, FERRITE BEAD
FB929 1-414-921-11 s INDUCTOR, FERRITE BEAD
FB930 1-239-899-21 s FILTER, CHIP EMI
FB931 1-414-921-11 s INDUCTOR, FERRITE BEAD
FB932 1-469-407-21 s BEAD, FERRITE 0.5A100
FB933 1-414-921-11 s INDUCTOR, FERRITE BEAD
FB934 1-469-407-21 s BEAD, FERRITE 0.5A100
FB935 1-414-921-11 s INDUCTOR, FERRITE BEAD
4-21
VPL-CS5A/CS6/CX6/EX1
(C BOARD(VPL-CX6 ONLY))
Ref. No.
or Q’ty Part No. SP Description
FB936 1-469-407-21 s BEAD, FERRITE 0.5A100
FB937 1-414-921-11 s INDUCTOR, FERRITE BEAD
FB938 1-469-407-21 s BEAD, FERRITE 0.5A100
FB939 1-414-921-11 s INDUCTOR, FERRITE BEAD
FB940 1-469-407-21 s BEAD, FERRITE 0.5A100
FB941 1-414-921-11 s INDUCTOR, FERRITE BEAD
FB942 1-414-921-11 s INDUCTOR, FERRITE BEAD
FB943 1-414-921-11 s INDUCTOR, FERRITE BEAD
FB944 1-414-921-11 s INDUCTOR, FERRITE BEAD
FB945 1-414-921-11 s INDUCTOR, FERRITE BEAD
FB946 1-414-921-11 s INDUCTOR, FERRITE BEAD
FB947 1-414-921-11 s INDUCTOR, FERRITE BEAD
FB948 1-469-670-11 o FERRITE, EMI (SMD)
FB1003 1-469-185-11 s INDUCTOR, FERRITE BEAD
FB1005 1-469-185-11 s INDUCTOR, FERRITE BEAD
FB1006 1-414-234-11 s INDUCTOR,FERRITE BEAD
FB1007 1-414-234-11 s INDUCTOR,FERRITE BEAD
FB1102 1-500-451-11 s MICRO INDUCTOR (CHIP) 41P750S
FB1103 1-500-451-11 s MICRO INDUCTOR (CHIP) 41P750S
FB1104 1-500-451-11 s MICRO INDUCTOR (CHIP) 41P750S
FB1106 1-414-921-11 s INDUCTOR, FERRITE BEAD
FB1107 1-414-921-11 s INDUCTOR, FERRITE BEAD
FL201 1-239-899-21 s FILTER, CHIP EMI
FL202 1-239-897-12 s FILTER, EMI (SMD)
IC100 8-759-661-55 s IC ST24FC21M6TR
IC101 8-759-533-85 s IC L88M05T-FA-TL
IC102 8-759-646-02 s IC M52347FP-TE
IC103 8-759-460-72 s IC BA033FP
IC104 8-759-659-65 s IC LP2985IM5X-3.3
IC105 6-702-807-01 s IC AD9883AKST-140
IC202 8-759-460-72 s IC BA033FP
IC203 *1 IC
IC204 8-759-549-14 s IC SN74LV244APWR
IC205 8-759-549-07 s IC SN74LV157APWR
IC206 8-759-659-65 s IC LP2985IM5X-3.3
IC301 8-759-582-37 s IC PQ2TZ15U
IC303 6-703-225-01 s IC S-80928CNMC-G8YT2G
IC304 8-759-548-96 s IC SN74LV02APWR
IC305 6-702-596-01 s IC ICS332-SX1735
IC306 8-759-549-01 s IC SN74LV125APWR
IC307 6-803-210-01 s IC MBM29LV800TA-70PFTN-1752
IC401 8-759-669-41 s IC SN74LVC125APWR-12
IC403 8-759-447-77 s IC TC7WH74FU (TE12R)
IC404 8-759-548-95 s IC SN74LV00APWR
IC405 6-703-225-01 s IC S-80928CNMC-G8YT2G
IC406 *1 IC
IC450 8-759-679-58 s IC SN74AHCT541PWR
IC451 8-759-679-58 s IC SN74AHCT541PWR
IC452 8-759-649-32 s IC SN74AHCT1G04DCKR
IC471 8-759-542-46 s IC M62392FP
IC501 8-752-103-41 s IC CXA3562AR-T6
IC550 8-759-252-41 s IC TK11900MTL
IC551 8-759-388-31 s IC PQ20VZ1U
IC601 8-752-103-41 s IC CXA3562AR-T6
IC701 8-752-103-41 s IC CXA3562AR-T6
IC800 8-759-652-56 s IC BA033F-E2
IC801 *1 IC
IC802 6-703-225-01 s IC S-80928CNMC-G8YT2G
IC803 6-702-688-01 s IC M24C64-WMN6T(B)
(C BOARD(VPL-CX6 ONLY))
Ref. No.
or Q’ty Part No. SP Description
IC805 8-759-533-85 s IC L88M05T-FA-TL
IC903 8-759-681-47 s IC IRMF-A0T-QTP
IC905 8-759-388-31 s IC PQ20VZ1U
IC906 8-759-388-31 s IC PQ20VZ1U
IC907 8-759-533-85 s IC L88M05T-FA-TL
IC908 8-759-388-31 s IC PQ20VZ1U
IC1101 8-759-714-09 s IC ADXL202JE-REEL
IC1102 8-759-548-96 s IC SN74LV02APWR
IC1103 8-759-352-94 s IC TDA7309D013TR
IC1104 8-759-460-79 s IC BA09FP-E2
IC1105 8-759-580-33 s IC BA6288FS-E2
IC1106 6-702-697-01 s IC TPA2001D1PWR
IC1108 8-759-575-16 s IC LMC7101BIM5X
IC1109 8-759-533-85 s IC L88M05T-FA-TL
J1001 1-779-677-11 s CONNECTOR, USB (B)
L100 1-469-523-91 s INDUCTOR 2.2UH (NLFV25)
L101 1-469-523-91 s INDUCTOR 2.2UH (NLFV25)
L201 1-469-523-91 s INDUCTOR 2.2UH (NLFV25)
L202 1-469-526-11 s INDUCTOR 22UH (NLFV25)
L300 1-469-523-91 s INDUCTOR 2.2UH (NLFV25)
L471 1-469-523-91 s INDUCTOR 2.2UH (NLFV25)
L501 1-410-369-11 s INDUCTOR,CHIP 1UH (3225)
L502 1-410-369-11 s INDUCTOR,CHIP 1UH (3225)
L503 1-414-078-11 s INDUCTOR 10UH
L601 1-410-369-11 s INDUCTOR,CHIP 1UH (3225)
L602 1-410-369-11 s INDUCTOR,CHIP 1UH (3225)
L603 1-414-078-11 s INDUCTOR 10UH
L701 1-410-369-11 s INDUCTOR,CHIP 1UH (3225)
L702 1-410-369-11 s INDUCTOR,CHIP 1UH (3225)
L703 1-414-078-11 s INDUCTOR 10UH
L1101 1-412-028-11 s INDUCTOR,CHIP 4.7UH (3225)
Q100 8-729-026-53 s TRANSISTOR 2SA1576A-T106-QR
Q101 8-729-905-35 s TRANSISTOR 2SC4081-R
Q102 8-729-013-28 s TRANSISTOR HN1B01FU-TE85R
Q103 8-729-013-28 s TRANSISTOR HN1B01FU-TE85R
Q104 8-729-427-72 s TRANSISTOR XP4501-TXE
Q105 8-729-427-72 s TRANSISTOR XP4501-TXE
Q301 8-729-047-32 s TRANSISTOR SI4425DY-T1
Q302 8-729-029-14 s TRANSISTOR DTC144EUA-T106
Q402 8-729-013-28 s TRANSISTOR HN1B01FU-TE85R
Q450 8-729-907-00 s TRANSISTOR DTC114EU
Q471 8-729-013-26 s TRANSISTOR HN1C03FU-TE85R
Q501 8-729-013-28 s TRANSISTOR HN1B01FU-TE85R
Q502 8-729-013-28 s TRANSISTOR HN1B01FU-TE85R
Q601 8-729-013-28 s TRANSISTOR HN1B01FU-TE85R
Q602 8-729-013-28 s TRANSISTOR HN1B01FU-TE85R
Q701 8-729-013-28 s TRANSISTOR HN1B01FU-TE85R
Q702 8-729-013-28 s TRANSISTOR HN1B01FU-TE85R
Q800 6-550-014-01 s TRANSISTOR SSM6N15FU(TE85R)
Q801 8-729-013-28 s TRANSISTOR HN1B01FU-TE85R
Q901 8-729-427-72 s TRANSISTOR XP4501-TXE
Q902 8-729-427-72 s TRANSISTOR XP4501-TXE
Q903 8-729-026-53 s TRANSISTOR 2SA1576A-T106-QR
Q904 8-729-905-35 s TRANSISTOR 2SC4081-R
Q1104 8-729-029-14 s TRANSISTOR DTC144EUA-T106
R103 1-211-975-11 s RESISTOR,CHIP 18 1/10W (1608)
R104 1-211-975-11 s RESISTOR,CHIP 18 1/10W (1608)
R105 1-211-975-11 s RESISTOR,CHIP 18 1/10W (1608)
4-22 VPL-CS5A/CS6/CX6/EX1
(C BOARD(VPL-CX6 ONLY))
Ref. No.
or Q’ty Part No. SP Description
R107 1-211-987-11 s RESISTOR,CHIP 56 1/10W (1608)
R108 1-211-987-11 s RESISTOR,CHIP 56 1/10W (1608)
R109 1-211-987-11 s RESISTOR,CHIP 56 1/10W (1608)
R110 1-218-953-11 s RESISTOR, CHIP 1K 1/16W
R111 1-218-953-11 s RESISTOR, CHIP 1K 1/16W
R112 1-218-937-11 s RESISTOR, CHIP 47
R113 1-218-937-11 s RESISTOR, CHIP 47
R114 1-218-945-11 s RESISTOR,CHIP 220 1/16W(1005)
R115 1-218-967-11 s RESISTOR,CHIP 15K 1/16W (1608)
R116 1-218-949-11 s RESISTOR,CHIP 470 1/16W
R117 1-218-967-11 s RESISTOR,CHIP 15K 1/16W (1608)
R119 1-218-953-11 s RESISTOR, CHIP 1K 1/16W
R120 1-218-953-11 s RESISTOR, CHIP 1K 1/16W
R122 1-218-973-11 s RESISTOR,CHIP 47K 1/16W (1005)
R123 1-218-949-11 s RESISTOR,CHIP 470 1/16W
R124 1-218-953-11 s RESISTOR, CHIP 1K 1/16W
R125 1-218-953-11 s RESISTOR, CHIP 1K 1/16W
R128 1-218-937-11 s RESISTOR, CHIP 47
R130 1-218-977-11 s RESISTOR,CHIP 100K 1/16W(1005)
R131 1-218-937-11 s RESISTOR, CHIP 47
R132 1-218-937-11 s RESISTOR, CHIP 47
R133 1-218-937-11 s RESISTOR, CHIP 47
R134 1-218-953-11 s RESISTOR, CHIP 1K 1/16W
R135 1-218-937-11 s RESISTOR, CHIP 47
R136 1-218-973-11 s RESISTOR,CHIP 47K 1/16W (1005)
R137 1-218-965-11 s RESISTOR, CHIP 10K 1/16W
R138 1-218-961-11 s RESISTOR, CHIP 4.7K 1/16W
R141 1-218-973-11 s RESISTOR,CHIP 47K 1/16W (1005)
R142 1-218-959-11 s RESISTOR, CHIP 3.3K
R144 1-218-957-11 s RESISTOR,CHIP 2.2K 1/16W(1608)
R145 1-218-937-11 s RESISTOR, CHIP 47
R146 1-218-937-11 s RESISTOR, CHIP 47
R147 1-218-937-11 s RESISTOR, CHIP 47
R148 1-218-945-11 s RESISTOR,CHIP 220 1/16W(1005)
R151 1-208-643-11 s RESISTOR CHIP 22 1/16W (1005)
R152 1-208-643-11 s RESISTOR CHIP 22 1/16W (1005)
R153 1-218-937-11 s RESISTOR, CHIP 47
R155 1-218-937-11 s RESISTOR, CHIP 47
R156 1-218-937-11 s RESISTOR, CHIP 47
R157 1-218-937-11 s RESISTOR, CHIP 47
R159 1-208-643-11 s RESISTOR CHIP 22 1/16W (1005)
R160 1-218-937-11 s RESISTOR, CHIP 47
R161 1-208-695-11 s RESISTOR CHIP 3.3K 1/16W(1005)
R163 1-218-937-11 s RESISTOR, CHIP 47
R164 1-218-969-11 s RESISTOR,CHIP 22K 1/16W (1608)
R165 1-218-973-11 s RESISTOR,CHIP 47K 1/16W (1005)
R166 1-218-969-11 s RESISTOR,CHIP 22K 1/16W (1608)
R167 1-218-973-11 s RESISTOR,CHIP 47K 1/16W (1005)
R168 1-218-969-11 s RESISTOR,CHIP 22K 1/16W (1608)
R169 1-218-973-11 s RESISTOR,CHIP 47K 1/16W (1005)
R170 1-218-989-11 s RESISTOR,CHIP 1M 1/16W (1005)
R171 1-208-701-11 s RESISTOR CHIP 5.6K 1/16W(1005)
R172 1-208-699-11 s RESISTOR,CHIP 4.7K 1/16W(1005)
R173 1-218-937-11 s RESISTOR, CHIP 47
R174 1-208-671-11 s RESISTOR CHIP 330 1/16W (1005)
R175 1-218-953-11 s RESISTOR, CHIP 1K 1/16W
R176 1-208-689-11 s RESISTOR CHIP 1.8K 1/16W(1005)
R177 1-218-953-11 s RESISTOR, CHIP 1K 1/16W
R178 1-208-693-11 s RESISTOR CHIP 2.7K 1/16W(1005)
(C BOARD(VPL-CX6 ONLY))
Ref. No.
or Q’ty Part No. SP Description
R179 1-208-699-11 s RESISTOR,CHIP 4.7K 1/16W(1005)
R180 1-218-957-11 s RESISTOR,CHIP 2.2K 1/16W(1608)
R181 1-218-981-11 s RESISTOR CHIP 220K 1/16W(1005)
R207 1-211-975-11 s RESISTOR,CHIP 18 1/10W (1608)
R208 1-211-975-11 s RESISTOR,CHIP 18 1/10W (1608)
R209 1-211-975-11 s RESISTOR,CHIP 18 1/10W (1608)
R211 1-211-987-11 s RESISTOR,CHIP 56 1/10W (1608)
R212 1-211-987-11 s RESISTOR,CHIP 56 1/10W (1608)
R213 1-211-987-11 s RESISTOR,CHIP 56 1/10W (1608)
R220 1-218-961-11 s RESISTOR, CHIP 4.7K 1/16W
R222 1-218-937-11 s RESISTOR, CHIP 47
R223 1-218-937-11 s RESISTOR, CHIP 47
R224 1-218-937-11 s RESISTOR, CHIP 47
R229 1-218-941-81 s C-RES,V 100-1/16W J
R230 1-218-941-81 s C-RES,V 100-1/16W J
R231 1-218-941-81 s C-RES,V 100-1/16W J
R233 1-218-941-81 s C-RES,V 100-1/16W J
R236 1-208-635-11 s RESISTOR CHIP 10 1/16W (1005)
R238 1-218-941-81 s C-RES,V 100-1/16W J
R249 1-218-941-81 s C-RES,V 100-1/16W J
R251 1-218-941-81 s C-RES,V 100-1/16W J
R252 1-218-937-11 s RESISTOR, CHIP 47
R253 1-218-937-11 s RESISTOR, CHIP 47
R254 1-218-937-11 s RESISTOR, CHIP 47
R255 1-218-941-81 s C-RES,V 100-1/16W J
R256 1-218-941-81 s C-RES,V 100-1/16W J
R257 1-218-937-11 s RESISTOR, CHIP 47
R267 1-208-635-11 s RESISTOR CHIP 10 1/16W (1005)
R301 1-218-965-11 s RESISTOR, CHIP 10K 1/16W
R302 1-218-965-11 s RESISTOR, CHIP 10K 1/16W
R304 1-218-965-11 s RESISTOR, CHIP 10K 1/16W
R305 1-218-965-11 s RESISTOR, CHIP 10K 1/16W
R306 1-218-943-11 s RESISTOR,CHIP 150 1/16W
R309 1-218-990-11 s RESISTOR,CHIP 0 1/16W (1005)
R310 1-218-953-11 s RESISTOR, CHIP 1K 1/16W
R312 1-218-941-81 s C-RES,V 100-1/16W J
R313 1-218-937-11 s RESISTOR, CHIP 47
R314 1-218-973-11 s RESISTOR,CHIP 47K 1/16W (1005)
R315 1-218-959-11 s RESISTOR, CHIP 3.3K
R316 1-218-959-11 s RESISTOR, CHIP 3.3K
R317 1-218-941-81 s C-RES,V 100-1/16W J
R318 1-218-961-11 s RESISTOR, CHIP 4.7K 1/16W
R322 1-218-965-11 s RESISTOR, CHIP 10K 1/16W
R325 1-218-957-11 s RESISTOR,CHIP 2.2K 1/16W(1608)
R326 1-208-643-11 s RESISTOR CHIP 22 1/16W (1005)
R327 1-208-643-11 s RESISTOR CHIP 22 1/16W (1005)
R328 1-208-643-11 s RESISTOR CHIP 22 1/16W (1005)
R331 1-218-941-81 s C-RES,V 100-1/16W J
R333 1-218-961-11 s RESISTOR, CHIP 4.7K 1/16W
R334 1-218-953-11 s RESISTOR, CHIP 1K 1/16W
R335 1-218-953-11 s RESISTOR, CHIP 1K 1/16W
R401 1-218-965-11 s RESISTOR, CHIP 10K 1/16W
R402 1-218-965-11 s RESISTOR, CHIP 10K 1/16W
R403 1-218-941-81 s C-RES,V 100-1/16W J
R404 1-218-941-81 s C-RES,V 100-1/16W J
R405 1-218-941-81 s C-RES,V 100-1/16W J
R406 1-218-941-81 s C-RES,V 100-1/16W J
R407 1-218-941-81 s C-RES,V 100-1/16W J
R408 1-218-941-81 s C-RES,V 100-1/16W J
4-23
VPL-CS5A/CS6/CX6/EX1
(C BOARD(VPL-CX6 ONLY))
Ref. No.
or Q’ty Part No. SP Description
R409 1-218-937-11 s RESISTOR, CHIP 47
R410 1-218-937-11 s RESISTOR, CHIP 47
R411 1-218-937-11 s RESISTOR, CHIP 47
R419 1-218-937-11 s RESISTOR, CHIP 47
R420 1-218-937-11 s RESISTOR, CHIP 47
R421 1-218-937-11 s RESISTOR, CHIP 47
R422 1-218-937-11 s RESISTOR, CHIP 47
R423 1-218-937-11 s RESISTOR, CHIP 47
R424 1-218-937-11 s RESISTOR, CHIP 47
R425 1-218-937-11 s RESISTOR, CHIP 47
R426 1-218-965-11 s RESISTOR, CHIP 10K 1/16W
R427 1-218-973-11 s RESISTOR,CHIP 47K 1/16W (1005)
R428 1-218-953-11 s RESISTOR, CHIP 1K 1/16W
R429 1-218-965-11 s RESISTOR, CHIP 10K 1/16W
R430 1-218-960-11 s RESISTOR, CHIP 3.9K 1/16W
R431 1-218-960-11 s RESISTOR, CHIP 3.9K 1/16W
R450 1-218-957-11 s RESISTOR,CHIP 2.2K 1/16W(1608)
R451 1-218-941-81 s C-RES,V 100-1/16W J
R452 1-218-937-11 s RESISTOR, CHIP 47
R471 1-218-941-81 s C-RES,V 100-1/16W J
R472 1-218-941-81 s C-RES,V 100-1/16W J
R473 1-218-941-81 s C-RES,V 100-1/16W J
R474 1-218-941-81 s C-RES,V 100-1/16W J
R475 1-218-961-11 s RESISTOR, CHIP 4.7K 1/16W
R476 1-218-961-11 s RESISTOR, CHIP 4.7K 1/16W
R477 1-218-973-11 s RESISTOR,CHIP 47K 1/16W (1005)
R478 1-218-973-11 s RESISTOR,CHIP 47K 1/16W (1005)
R501 1-218-965-11 s RESISTOR, CHIP 10K 1/16W
R502 1-218-965-11 s RESISTOR, CHIP 10K 1/16W
R505 1-218-965-11 s RESISTOR, CHIP 10K 1/16W
R507 1-218-965-11 s RESISTOR, CHIP 10K 1/16W
R508 1-218-965-11 s RESISTOR, CHIP 10K 1/16W
R509 1-218-990-11 s RESISTOR,CHIP 0 1/16W (1005)
R510 1-218-990-11 s RESISTOR,CHIP 0 1/16W (1005)
R519 1-218-990-11 s RESISTOR,CHIP 0 1/16W (1005)
R520 1-218-990-11 s RESISTOR,CHIP 0 1/16W (1005)
R521 1-218-941-81 s C-RES,V 100-1/16W J
R522 1-218-957-11 s RESISTOR,CHIP 2.2K 1/16W(1608)
R523 1-218-957-11 s RESISTOR,CHIP 2.2K 1/16W(1608)
R524 1-208-635-11 s RESISTOR CHIP 10 1/16W (1005)
R525 1-208-635-11 s RESISTOR CHIP 10 1/16W (1005)
R528 1-218-990-11 s RESISTOR,CHIP 0 1/16W (1005)
R550 1-208-711-11 s RESISTOR CHIP 15K 1/16W (1005)
R551 1-218-744-11 s RESISTOR,CHIP 150K 1/16W
R552 1-218-965-11 s RESISTOR, CHIP 10K 1/16W
R553 1-218-961-11 s RESISTOR, CHIP 4.7K 1/16W
R554 1-219-598-11 s RESISTOR, CHIP 47K 1/16W(1005)
R555 1-208-711-11 s RESISTOR CHIP 15K 1/16W (1005)
R556 1-208-683-11 s RESISTOR CHIP 1K 1/16W (1005)
R601 1-218-965-11 s RESISTOR, CHIP 10K 1/16W
R602 1-218-965-11 s RESISTOR, CHIP 10K 1/16W
R605 1-218-965-11 s RESISTOR, CHIP 10K 1/16W
R607 1-218-965-11 s RESISTOR, CHIP 10K 1/16W
R608 1-218-965-11 s RESISTOR, CHIP 10K 1/16W
R609 1-218-990-11 s RESISTOR,CHIP 0 1/16W (1005)
R610 1-218-990-11 s RESISTOR,CHIP 0 1/16W (1005)
R619 1-218-990-11 s RESISTOR,CHIP 0 1/16W (1005)
R620 1-218-990-11 s RESISTOR,CHIP 0 1/16W (1005)
R621 1-218-941-81 s C-RES,V 100-1/16W J
(C BOARD(VPL-CX6 ONLY))
Ref. No.
or Q’ty Part No. SP Description
R622 1-218-957-11 s RESISTOR,CHIP 2.2K 1/16W(1608)
R623 1-218-957-11 s RESISTOR,CHIP 2.2K 1/16W(1608)
R624 1-208-635-11 s RESISTOR CHIP 10 1/16W (1005)
R625 1-208-635-11 s RESISTOR CHIP 10 1/16W (1005)
R628 1-218-990-11 s RESISTOR,CHIP 0 1/16W (1005)
R701 1-218-965-11 s RESISTOR, CHIP 10K 1/16W
R702 1-218-965-11 s RESISTOR, CHIP 10K 1/16W
R705 1-218-965-11 s RESISTOR, CHIP 10K 1/16W
R707 1-218-965-11 s RESISTOR, CHIP 10K 1/16W
R708 1-218-965-11 s RESISTOR, CHIP 10K 1/16W
R709 1-218-990-11 s RESISTOR,CHIP 0 1/16W (1005)
R710 1-218-990-11 s RESISTOR,CHIP 0 1/16W (1005)
R719 1-218-990-11 s RESISTOR,CHIP 0 1/16W (1005)
R720 1-218-990-11 s RESISTOR,CHIP 0 1/16W (1005)
R721 1-218-941-81 s C-RES,V 100-1/16W J
R722 1-218-957-11 s RESISTOR,CHIP 2.2K 1/16W(1608)
R723 1-218-957-11 s RESISTOR,CHIP 2.2K 1/16W(1608)
R724 1-208-635-11 s RESISTOR CHIP 10 1/16W (1005)
R725 1-208-635-11 s RESISTOR CHIP 10 1/16W (1005)
R728 1-218-990-11 s RESISTOR,CHIP 0 1/16W (1005)
R800 1-208-699-11 s RESISTOR,CHIP 4.7K 1/16W(1005)
R801 1-218-965-11 s RESISTOR, CHIP 10K 1/16W
R802 1-218-965-11 s RESISTOR, CHIP 10K 1/16W
R803 1-218-961-11 s RESISTOR, CHIP 4.7K 1/16W
R805 1-218-961-11 s RESISTOR, CHIP 4.7K 1/16W
R807 1-218-941-81 s C-RES,V 100-1/16W J
R808 1-218-941-81 s C-RES,V 100-1/16W J
R809 1-218-961-11 s RESISTOR, CHIP 4.7K 1/16W
R810 1-218-961-11 s RESISTOR, CHIP 4.7K 1/16W
R813 1-218-973-11 s RESISTOR,CHIP 47K 1/16W (1005)
R814 1-218-973-11 s RESISTOR,CHIP 47K 1/16W (1005)
R815 1-218-973-11 s RESISTOR,CHIP 47K 1/16W (1005)
R816 1-218-965-11 s RESISTOR, CHIP 10K 1/16W
R817 1-218-965-11 s RESISTOR, CHIP 10K 1/16W
R818 1-218-961-11 s RESISTOR, CHIP 4.7K 1/16W
R819 1-218-961-11 s RESISTOR, CHIP 4.7K 1/16W
R820 1-218-957-11 s RESISTOR,CHIP 2.2K 1/16W(1608)
R821 1-218-957-11 s RESISTOR,CHIP 2.2K 1/16W(1608)
R822 1-218-965-11 s RESISTOR, CHIP 10K 1/16W
R823 1-218-965-11 s RESISTOR, CHIP 10K 1/16W
R825 1-218-965-11 s RESISTOR, CHIP 10K 1/16W
R826 1-208-635-11 s RESISTOR CHIP 10 1/16W (1005)
R827 1-218-945-11 s RESISTOR,CHIP 220 1/16W(1005)
R828 1-218-973-11 s RESISTOR,CHIP 47K 1/16W (1005)
R829 1-218-965-11 s RESISTOR, CHIP 10K 1/16W
R830 1-218-973-11 s RESISTOR,CHIP 47K 1/16W (1005)
R832 1-218-965-11 s RESISTOR, CHIP 10K 1/16W
R833 1-218-965-11 s RESISTOR, CHIP 10K 1/16W
R834 1-218-965-11 s RESISTOR, CHIP 10K 1/16W
R835 1-218-953-11 s RESISTOR, CHIP 1K 1/16W
R836 1-218-965-11 s RESISTOR, CHIP 10K 1/16W
R838 1-218-971-11 s RESISTOR,CHIP 33K 1/16W (1005)
R839 1-218-971-11 s RESISTOR,CHIP 33K 1/16W (1005)
R840 1-218-941-81 s C-RES,V 100-1/16W J
R841 1-218-941-81 s C-RES,V 100-1/16W J
R842 1-218-965-11 s RESISTOR, CHIP 10K 1/16W
R843 1-218-958-11 s RESISTOR,CHIP 2.7K 1/16W(1005)
R844 1-218-965-11 s RESISTOR, CHIP 10K 1/16W
R845 1-218-941-81 s C-RES,V 100-1/16W J
4-24 VPL-CS5A/CS6/CX6/EX1
(C BOARD(VPL-CX6 ONLY))
Ref. No.
or Q’ty Part No. SP Description
R846 1-218-941-81 s C-RES,V 100-1/16W J
R847 1-218-965-11 s RESISTOR, CHIP 10K 1/16W
R848 1-218-965-11 s RESISTOR, CHIP 10K 1/16W
R850 1-218-965-11 s RESISTOR, CHIP 10K 1/16W
R851 1-218-965-11 s RESISTOR, CHIP 10K 1/16W
R852 1-218-965-11 s RESISTOR, CHIP 10K 1/16W
R853 1-218-953-11 s RESISTOR, CHIP 1K 1/16W
R854 1-218-990-11 s RESISTOR,CHIP 0 1/16W (1005)
R904 1-218-941-81 s C-RES,V 100-1/16W J
R905 1-218-941-81 s C-RES,V 100-1/16W J
R906 1-218-973-11 s RESISTOR,CHIP 47K 1/16W (1005)
R907 1-218-945-11 s RESISTOR,CHIP 220 1/16W(1005)
R908 1-218-945-11 s RESISTOR,CHIP 220 1/16W(1005)
R909 1-218-945-11 s RESISTOR,CHIP 220 1/16W(1005)
R910 1-218-945-11 s RESISTOR,CHIP 220 1/16W(1005)
R911 1-218-973-11 s RESISTOR,CHIP 47K 1/16W (1005)
R912 1-218-962-11 s RESISTOR,CHIP 5.6K 1/16W(1005)
R913 1-218-941-81 s C-RES,V 100-1/16W J
R914 1-218-941-81 s C-RES,V 100-1/16W J
R915 1-218-957-11 s RESISTOR,CHIP 2.2K 1/16W(1608)
R916 1-218-959-11 s RESISTOR, CHIP 3.3K
R919 1-208-719-11 s RESISTOR CHIP 33K 1/16W (1005)
R920 1-208-683-11 s RESISTOR CHIP 1K 1/16W (1005)
R921 1-208-699-11 s RESISTOR,CHIP 4.7K 1/16W(1005)
R922 1-218-965-11 s RESISTOR, CHIP 10K 1/16W
R923 1-218-965-11 s RESISTOR, CHIP 10K 1/16W
R924 1-218-965-11 s RESISTOR, CHIP 10K 1/16W
R925 1-218-969-11 s RESISTOR,CHIP 22K 1/16W (1608)
R926 1-208-703-11 s RESISTOR,CHIP 6.8K 1/16W(1005)
R927 1-218-941-81 s C-RES,V 100-1/16W J
R928 1-218-969-11 s RESISTOR,CHIP 22K 1/16W (1608)
R929 1-208-703-11 s RESISTOR,CHIP 6.8K 1/16W(1005)
R930 1-218-969-11 s RESISTOR,CHIP 22K 1/16W (1608)
R931 1-218-969-11 s RESISTOR,CHIP 22K 1/16W (1608)
R932 1-218-969-11 s RESISTOR,CHIP 22K 1/16W (1608)
R933 1-218-969-11 s RESISTOR,CHIP 22K 1/16W (1608)
R934 1-218-965-11 s RESISTOR, CHIP 10K 1/16W
R936 1-208-719-11 s RESISTOR CHIP 33K 1/16W (1005)
R937 1-208-683-11 s RESISTOR CHIP 1K 1/16W (1005)
R938 1-208-699-11 s RESISTOR,CHIP 4.7K 1/16W(1005)
R939 1-208-703-11 s RESISTOR,CHIP 6.8K 1/16W(1005)
R941 1-218-943-11 s RESISTOR,CHIP 150 1/16W
R942 1-218-943-11 s RESISTOR,CHIP 150 1/16W
R943 1-218-953-11 s RESISTOR, CHIP 1K 1/16W
R944 1-218-953-11 s RESISTOR, CHIP 1K 1/16W
R946 1-218-965-11 s RESISTOR, CHIP 10K 1/16W
R947 1-218-953-11 s RESISTOR, CHIP 1K 1/16W
R948 1-218-965-11 s RESISTOR, CHIP 10K 1/16W
R949 1-208-719-11 s RESISTOR CHIP 33K 1/16W (1005)
R950 1-208-683-11 s RESISTOR CHIP 1K 1/16W (1005)
R951 1-208-699-11 s RESISTOR,CHIP 4.7K 1/16W(1005)
R1101 1-218-917-11 s RESISTOR,CHIP 820K 1/10W(1608)
R1102 1-218-941-81 s C-RES,V 100-1/16W J
R1104 1-218-941-81 s C-RES,V 100-1/16W J
R1105 1-218-941-81 s C-RES,V 100-1/16W J
R1106 1-218-941-81 s C-RES,V 100-1/16W J
R1107 1-218-941-81 s C-RES,V 100-1/16W J
R1108 1-208-643-11 s RESISTOR CHIP 22 1/16W (1005)
R1109 1-208-643-11 s RESISTOR CHIP 22 1/16W (1005)
(C BOARD(VPL-CX6 ONLY))
Ref. No.
or Q’ty Part No. SP Description
R1117 1-218-941-81 s C-RES,V 100-1/16W J
R1118 1-218-941-81 s C-RES,V 100-1/16W J
R1120 1-218-973-11 s RESISTOR,CHIP 47K 1/16W (1005)
R1121 1-218-973-11 s RESISTOR,CHIP 47K 1/16W (1005)
R1122 1-218-965-11 s RESISTOR, CHIP 10K 1/16W
R1124 1-218-965-11 s RESISTOR, CHIP 10K 1/16W
R1125 1-218-977-11 s RESISTOR,CHIP 100K 1/16W(1005)
R1126 1-218-990-11 s RESISTOR,CHIP 0 1/16W (1005)
R1128 1-218-977-11 s RESISTOR,CHIP 100K 1/16W(1005)
R1129 1-218-978-11 s RESISTOR,CHIP 120K 1/16W(1005)
R1130 1-216-296-00 s CONDUCTOR, CHIP (3216)
R1131 1-216-296-00 s CONDUCTOR, CHIP (3216)
R1132 1-218-941-81 s C-RES,V 100-1/16W J
R1133 1-218-941-81 s C-RES,V 100-1/16W J
R1146 1-218-965-11 s RESISTOR, CHIP 10K 1/16W
RB100 1-234-370-11 s RES, NETWORK 22X4 (1005)
RB101 1-234-370-11 s RES, NETWORK 22X4 (1005)
RB102 1-234-370-11 s RES, NETWORK 22X4 (1005)
RB103 1-234-370-11 s RES, NETWORK 22X4 (1005)
RB104 1-234-370-11 s RES, NETWORK 22X4 (1005)
RB105 1-234-370-11 s RES, NETWORK 22X4 (1005)
RB200 1-234-369-21 s RES, NETWORK 10X4 (1005)
RB201 1-234-369-21 s RES, NETWORK 10X4 (1005)
RB202 1-234-369-21 s RES, NETWORK 10X4 (1005)
RB203 1-234-369-21 s RES, NETWORK 10X4 (1005)
RB205 1-234-378-11 s RES, NETWORK 10KX4 (1005)
RB300 1-234-369-21 s RES, NETWORK 10X4 (1005)
RB301 1-234-369-21 s RES, NETWORK 10X4 (1005)
RB302 1-234-369-21 s RES, NETWORK 10X4 (1005)
RB303 1-234-369-21 s RES, NETWORK 10X4 (1005)
RB304 1-234-369-21 s RES, NETWORK 10X4 (1005)
RB305 1-234-369-21 s RES, NETWORK 10X4 (1005)
RB401 1-234-372-11 s RES, NETWORK 100X4 (1005)
RB402 1-234-372-11 s RES, NETWORK 100X4 (1005)
RB403 1-234-372-11 s RES, NETWORK 100X4 (1005)
RB404 1-234-372-11 s RES, NETWORK 100X4 (1005)
RB405 1-234-372-11 s RES, NETWORK 100X4 (1005)
RB406 1-234-372-11 s RES, NETWORK 100X4 (1005)
RB450 1-234-371-11 s RES, NETWORK 47X4 (1005)
RB451 1-234-371-11 s RES, NETWORK 47X4 (1005)
RB452 1-234-371-11 s RES, NETWORK 47X4 (1005)
RB453 1-234-371-11 s RES, NETWORK 47X4 (1005)
RB454 1-234-371-11 s RES, NETWORK 47X4 (1005)
RB471 1-234-372-11 s RES, NETWORK 100X4 (1005)
RB472 1-234-372-11 s RES, NETWORK 100X4 (1005)
RB473 1-234-372-11 s RES, NETWORK 100X4 (1005)
RB501 1-234-523-21 s RESISTOR,CHIP NETWORK
RB502 1-234-523-21 s RESISTOR,CHIP NETWORK
RB601 1-234-523-21 s RESISTOR,CHIP NETWORK
RB602 1-234-523-21 s RESISTOR,CHIP NETWORK
RB701 1-234-523-21 s RESISTOR,CHIP NETWORK
RB702 1-234-523-21 s RESISTOR,CHIP NETWORK
RB800 1-234-372-11 s RES, NETWORK 100X4 (1005)
RB801 1-234-378-11 s RES, NETWORK 10KX4 (1005)
RB802 1-234-372-11 s RES, NETWORK 100X4 (1005)
RB803 1-234-375-21 s RES, NETWORK 1KX4 (1005)
RB804 1-234-372-11 s RES, NETWORK 100X4 (1005)
RB805 1-234-372-11 s RES, NETWORK 100X4 (1005)
RB806 1-234-372-11 s RES, NETWORK 100X4 (1005)
4-25
VPL-CS5A/CS6/CX6/EX1
(C BOARD(VPL-CX6 ONLY))
Ref. No.
or Q’ty Part No. SP Description
RB807 1-234-372-11 s RES, NETWORK 100X4 (1005)
RB808 1-234-372-11 s RES, NETWORK 100X4 (1005)
RB809 1-234-372-11 s RES, NETWORK 100X4 (1005)
RB810 1-234-372-11 s RES, NETWORK 100X4 (1005)
RB811 1-234-372-11 s RES, NETWORK 100X4 (1005)
RB813 1-234-372-11 s RES, NETWORK 100X4 (1005)
RB814 1-234-372-11 s RES, NETWORK 100X4 (1005)
RB815 1-234-372-11 s RES, NETWORK 100X4 (1005)
RB816 1-234-372-11 s RES, NETWORK 100X4 (1005)
RB817 1-234-372-11 s RES, NETWORK 100X4 (1005)
RB818 1-234-372-11 s RES, NETWORK 100X4 (1005)
RB819 1-234-372-11 s RES, NETWORK 100X4 (1005)
RB821 1-234-372-11 s RES, NETWORK 100X4 (1005)
S401 1-771-337-21 s SWITCH, SLIDE
TH800 1-803-382-11 s THERMISTOR (10K)
TH1101 1-803-615-11 s THERMISTOR, POSITIVE
X200 1-795-692-11 s VIBRATOR, CRYSTAL (24.576MHz)
X300 1-795-650-21 s VIBRATOR, CRYSTAL (16.384MHz)
X800 1-795-650-21 s VIBRATOR, CRYSTAL (16.384MHz)
---------------------
C BOARD(VPL-EX1 ONLY)
---------------------
Ref. No.
or Q’ty Part No. SP Description
Note:
*1 If IC203, IC406 and IC801 becomes defective, replace the entire C board.
1pc A-1302-313-A s MOUNTED CIRCUIT BOARD, C
C100 1-164-947-11 s CAPACITOR CHIP CERAMIC 0.01MF
C101 1-164-947-11 s CAPACITOR CHIP CERAMIC 0.01MF
C102 1-164-947-11 s CAPACITOR CHIP CERAMIC 0.01MF
C103 1-126-205-11 s CAPACITOR,ELECT 47M/6.3
C104 1-126-205-11 s CAPACITOR,ELECT 47M/6.3
C105 1-115-566-11 s CAPACITOR,CERAMIC 4.7MF B/6.3V
C106 1-126-205-11 s CAPACITOR,ELECT 47M/6.3
C107 1-115-566-11 s CAPACITOR,CERAMIC 4.7MF B/6.3V
C108 1-107-820-11 s CAPACITOR,CHIP CERAMIC 0.1MF F
C109 1-107-820-11 s CAPACITOR,CHIP CERAMIC 0.1MF F
C111 1-107-820-11 s CAPACITOR,CHIP CERAMIC 0.1MF F
C112 1-107-820-11 s CAPACITOR,CHIP CERAMIC 0.1MF F
C113 1-107-820-11 s CAPACITOR,CHIP CERAMIC 0.1MF F
C114 1-164-937-11 s CAPACITOR,CHIP CERAMIC 1000PF
C115 1-109-982-11 s CAPACITOR,CHIP CERAMIC 1MF/10V
C116 1-107-820-11 s CAPACITOR,CHIP CERAMIC 0.1MF F
C117 1-137-987-81 s CAPACITOR,C.CERAMIC 0.068MF
C118 1-115-566-11 s CAPACITOR,CERAMIC 4.7MF B/6.3V
C119 1-115-566-11 s CAPACITOR,CERAMIC 4.7MF B/6.3V
C120 1-165-875-11 s CAPACITOR, CHIP CERAMIC 10MF B
C121 1-165-871-11 s CAPACITOR,ELECT 22MF
C122 1-107-820-11 s CAPACITOR,CHIP CERAMIC 0.1MF F
C123 1-165-875-11 s CAPACITOR, CHIP CERAMIC 10MF B
C124 1-107-820-11 s CAPACITOR,CHIP CERAMIC 0.1MF F
C125 1-164-947-11 s CAPACITOR CHIP CERAMIC 0.01MF
C126 1-164-882-11 s CAPACITOR,CERAMIC 220PF/16V CH
C127 1-164-874-11 s CAPACITOR,CHIP CERAMIC 100PF
C128 1-125-837-91 s CAP, CHIP CERAMIC 1MF
C129 1-165-871-11 s CAPACITOR,ELECT 22MF
C130 1-107-820-11 s CAPACITOR,CHIP CERAMIC 0.1MF F
C131 1-119-923-11 s CAPACITOR,CHIP CERAMIC 0.047MF
C132 1-119-923-11 s CAPACITOR,CHIP CERAMIC 0.047MF
C133 1-164-937-11 s CAPACITOR,CHIP CERAMIC 1000PF
C134 1-119-923-11 s CAPACITOR,CHIP CERAMIC 0.047MF
C135 1-107-820-11 s CAPACITOR,CHIP CERAMIC 0.1MF F
C136 1-131-998-11 s CAP, SOLID ELECT 82MF 6.3 V
C137 1-164-947-11 s CAPACITOR CHIP CERAMIC 0.01MF
C138 1-119-667-11 s CAPACITOR CERAMIC 22MF/10V(F)
C139 1-107-820-11 s CAPACITOR,CHIP CERAMIC 0.1MF F
C140 1-107-820-11 s CAPACITOR,CHIP CERAMIC 0.1MF F
C141 1-107-820-11 s CAPACITOR,CHIP CERAMIC 0.1MF F
C142 1-107-820-11 s CAPACITOR,CHIP CERAMIC 0.1MF F
C143 1-164-947-11 s CAPACITOR CHIP CERAMIC 0.01MF
C144 1-164-947-11 s CAPACITOR CHIP CERAMIC 0.01MF
C145 1-107-820-11 s CAPACITOR,CHIP CERAMIC 0.1MF F
C146 1-107-820-11 s CAPACITOR,CHIP CERAMIC 0.1MF F
C147 1-164-947-11 s CAPACITOR CHIP CERAMIC 0.01MF
C148 1-107-820-11 s CAPACITOR,CHIP CERAMIC 0.1MF F
C149 1-164-947-11 s CAPACITOR CHIP CERAMIC 0.01MF
C150 1-107-820-11 s CAPACITOR,CHIP CERAMIC 0.1MF F
C151 1-164-173-11 s CAPACITOR,CERAMIC 3900PF/50V B
C152 1-135-995-91 s CAP,CHIP CERAMIC39000PF B 1608
C153 1-107-820-11 s CAPACITOR,CHIP CERAMIC 0.1MF F
C154 1-107-820-11 s CAPACITOR,CHIP CERAMIC 0.1MF F
C155 1-164-947-11 s CAPACITOR CHIP CERAMIC 0.01MF
4-26 VPL-CS5A/CS6/CX6/EX1
(C BOARD(VPL-EX1 ONLY))
Ref. No.
or Q’ty Part No. SP Description
C156 1-107-820-11 s CAPACITOR,CHIP CERAMIC 0.1MF F
C157 1-107-820-11 s CAPACITOR,CHIP CERAMIC 0.1MF F
C158 1-164-947-11 s CAPACITOR CHIP CERAMIC 0.01MF
C159 1-164-947-11 s CAPACITOR CHIP CERAMIC 0.01MF
C160 1-107-820-11 s CAPACITOR,CHIP CERAMIC 0.1MF F
C161 1-164-505-11 s CAPACITOR,CHIP CERAMIC 2.2MF
C162 1-107-820-11 s CAPACITOR,CHIP CERAMIC 0.1MF F
C163 1-164-874-11 s CAPACITOR,CHIP CERAMIC 100PF
C164 1-107-820-11 s CAPACITOR,CHIP CERAMIC 0.1MF F
C165 1-107-820-11 s CAPACITOR,CHIP CERAMIC 0.1MF F
C166 1-107-820-11 s CAPACITOR,CHIP CERAMIC 0.1MF F
C200 1-164-854-11 s CAPACITOR CERAMIC 15PF/16V CH
C201 1-164-854-11 s CAPACITOR CERAMIC 15PF/16V CH
C204 1-126-209-11 s CAPACITOR,ELECT 100MF/4V
C206 1-127-772-11 s CAPACTOR C,CERAMIC 33000PF B
C207 1-119-923-11 s CAPACITOR,CHIP CERAMIC 0.047MF
C208 1-119-923-11 s CAPACITOR,CHIP CERAMIC 0.047MF
C209 1-127-772-11 s CAPACTOR C,CERAMIC 33000PF B
C210 1-119-923-11 s CAPACITOR,CHIP CERAMIC 0.047MF
C211 1-127-772-11 s CAPACTOR C,CERAMIC 33000PF B
C215 1-127-772-11 s CAPACTOR C,CERAMIC 33000PF B
C216 1-127-772-11 s CAPACTOR C,CERAMIC 33000PF B
C217 1-127-772-11 s CAPACTOR C,CERAMIC 33000PF B
C218 1-127-772-11 s CAPACTOR C,CERAMIC 33000PF B
C219 1-119-923-11 s CAPACITOR,CHIP CERAMIC 0.047MF
C220 1-126-246-11 s CAPACITOR ELECT 220MF/4V(CHIP)
C221 1-131-998-11 s CAP, SOLID ELECT 82MF 6.3 V
C222 1-107-820-11 s CAPACITOR,CHIP CERAMIC 0.1MF F
C223 1-107-820-11 s CAPACITOR,CHIP CERAMIC 0.1MF F
C224 1-107-820-11 s CAPACITOR,CHIP CERAMIC 0.1MF F
C225 1-107-820-11 s CAPACITOR,CHIP CERAMIC 0.1MF F
C226 1-164-943-11 s CAPACITOR,CHIP CERAMIC 0.01MF
C227 1-164-943-11 s CAPACITOR,CHIP CERAMIC 0.01MF
C228 1-164-943-11 s CAPACITOR,CHIP CERAMIC 0.01MF
C229 1-164-943-11 s CAPACITOR,CHIP CERAMIC 0.01MF
C230 1-107-820-11 s CAPACITOR,CHIP CERAMIC 0.1MF F
C233 1-107-820-11 s CAPACITOR,CHIP CERAMIC 0.1MF F
C234 1-131-998-11 s CAP, SOLID ELECT 82MF 6.3 V
C245 1-107-820-11 s CAPACITOR,CHIP CERAMIC 0.1MF F
C260 1-107-820-11 s CAPACITOR,CHIP CERAMIC 0.1MF F
C261 1-107-820-11 s CAPACITOR,CHIP CERAMIC 0.1MF F
C262 1-164-947-11 s CAPACITOR CHIP CERAMIC 0.01MF
C263 1-119-667-11 s CAPACITOR CERAMIC 22MF/10V(F)
C300 1-107-820-11 s CAPACITOR,CHIP CERAMIC 0.1MF F
C302 1-107-820-11 s CAPACITOR,CHIP CERAMIC 0.1MF F
C303 1-107-820-11 s CAPACITOR,CHIP CERAMIC 0.1MF F
C304 1-107-820-11 s CAPACITOR,CHIP CERAMIC 0.1MF F
C305 1-107-820-11 s CAPACITOR,CHIP CERAMIC 0.1MF F
C306 1-107-820-11 s CAPACITOR,CHIP CERAMIC 0.1MF F
C307 1-107-820-11 s CAPACITOR,CHIP CERAMIC 0.1MF F
C308 1-107-820-11 s CAPACITOR,CHIP CERAMIC 0.1MF F
C309 1-107-820-11 s CAPACITOR,CHIP CERAMIC 0.1MF F
C310 1-107-820-11 s CAPACITOR,CHIP CERAMIC 0.1MF F
C311 1-107-820-11 s CAPACITOR,CHIP CERAMIC 0.1MF F
C312 1-107-820-11 s CAPACITOR,CHIP CERAMIC 0.1MF F
C314 1-107-820-11 s CAPACITOR,CHIP CERAMIC 0.1MF F
C315 1-107-820-11 s CAPACITOR,CHIP CERAMIC 0.1MF F
C316 1-164-852-11 s CAPACITOR,CHIP CERAMIC 12PF/16
C317 1-107-820-11 s CAPACITOR,CHIP CERAMIC 0.1MF F
(C BOARD(VPL-EX1 ONLY))
Ref. No.
or Q’ty Part No. SP Description
C318 1-107-820-11 s CAPACITOR,CHIP CERAMIC 0.1MF F
C319 1-164-852-11 s CAPACITOR,CHIP CERAMIC 12PF/16
C320 1-107-820-11 s CAPACITOR,CHIP CERAMIC 0.1MF F
C321 1-164-947-11 s CAPACITOR CHIP CERAMIC 0.01MF
C322 1-107-820-11 s CAPACITOR,CHIP CERAMIC 0.1MF F
C323 1-107-820-11 s CAPACITOR,CHIP CERAMIC 0.1MF F
C324 1-107-820-11 s CAPACITOR,CHIP CERAMIC 0.1MF F
C325 1-107-820-11 s CAPACITOR,CHIP CERAMIC 0.1MF F
C328 1-125-777-11 s CAPACITOR CERAMIC 0.1MF/10V
C329 1-107-820-11 s CAPACITOR,CHIP CERAMIC 0.1MF F
C330 1-119-667-11 s CAPACITOR CERAMIC 22MF/10V(F)
C331 1-107-820-11 s CAPACITOR,CHIP CERAMIC 0.1MF F
C332 1-107-820-11 s CAPACITOR,CHIP CERAMIC 0.1MF F
C333 1-107-820-11 s CAPACITOR,CHIP CERAMIC 0.1MF F
C334 1-107-820-11 s CAPACITOR,CHIP CERAMIC 0.1MF F
C335 1-107-820-11 s CAPACITOR,CHIP CERAMIC 0.1MF F
C336 1-107-820-11 s CAPACITOR,CHIP CERAMIC 0.1MF F
C337 1-107-820-11 s CAPACITOR,CHIP CERAMIC 0.1MF F
C338 1-107-820-11 s CAPACITOR,CHIP CERAMIC 0.1MF F
C339 1-107-820-11 s CAPACITOR,CHIP CERAMIC 0.1MF F
C340 1-107-820-11 s CAPACITOR,CHIP CERAMIC 0.1MF F
C341 1-107-820-11 s CAPACITOR,CHIP CERAMIC 0.1MF F
C342 1-107-820-11 s CAPACITOR,CHIP CERAMIC 0.1MF F
C343 1-126-205-11 s CAPACITOR,ELECT 47M/6.3
C401 1-107-820-11 s CAPACITOR,CHIP CERAMIC 0.1MF F
C402 1-107-820-11 s CAPACITOR,CHIP CERAMIC 0.1MF F
C403 1-164-874-11 s CAPACITOR,CHIP CERAMIC 100PF
C404 1-107-820-11 s CAPACITOR,CHIP CERAMIC 0.1MF F
C406 1-107-820-11 s CAPACITOR,CHIP CERAMIC 0.1MF F
C407 1-107-820-11 s CAPACITOR,CHIP CERAMIC 0.1MF F
C408 1-107-820-11 s CAPACITOR,CHIP CERAMIC 0.1MF F
C409 1-107-820-11 s CAPACITOR,CHIP CERAMIC 0.1MF F
C410 1-107-820-11 s CAPACITOR,CHIP CERAMIC 0.1MF F
C411 1-107-820-11 s CAPACITOR,CHIP CERAMIC 0.1MF F
C412 1-107-820-11 s CAPACITOR,CHIP CERAMIC 0.1MF F
C413 1-107-820-11 s CAPACITOR,CHIP CERAMIC 0.1MF F
C414 1-107-820-11 s CAPACITOR,CHIP CERAMIC 0.1MF F
C415 1-126-205-11 s CAPACITOR,ELECT 47M/6.3
C416 1-164-947-11 s CAPACITOR CHIP CERAMIC 0.01MF
C450 1-107-820-11 s CAPACITOR,CHIP CERAMIC 0.1MF F
C451 1-107-820-11 s CAPACITOR,CHIP CERAMIC 0.1MF F
C452 1-107-820-11 s CAPACITOR,CHIP CERAMIC 0.1MF F
C471 1-107-820-11 s CAPACITOR,CHIP CERAMIC 0.1MF F
C472 1-126-205-11 s CAPACITOR,ELECT 47M/6.3
C473 1-107-820-11 s CAPACITOR,CHIP CERAMIC 0.1MF F
C474 1-164-935-11 s CAPACITOR,CHIP CERAMIC 470PF
C475 1-164-935-11 s CAPACITOR,CHIP CERAMIC 470PF
C501 1-107-820-11 s CAPACITOR,CHIP CERAMIC 0.1MF F
C502 1-127-715-11 s CAPACITOR,CERAMIC 0.22MF B1608
C503 1-107-820-11 s CAPACITOR,CHIP CERAMIC 0.1MF F
C504 1-126-206-11 s CAPACITOR, ELECT 100MF/6.3V
C505 1-127-715-11 s CAPACITOR,CERAMIC 0.22MF B1608
C506 1-127-715-11 s CAPACITOR,CERAMIC 0.22MF B1608
C507 1-127-715-11 s CAPACITOR,CERAMIC 0.22MF B1608
C508 1-127-715-11 s CAPACITOR,CERAMIC 0.22MF B1608
C509 1-127-715-11 s CAPACITOR,CERAMIC 0.22MF B1608
C510 1-127-715-11 s CAPACITOR,CERAMIC 0.22MF B1608
C511 1-127-715-11 s CAPACITOR,CERAMIC 0.22MF B1608
C512 1-164-156-11 s CAPACITOR,CERAMIC 0.1MF/25V F
4-27
VPL-CS5A/CS6/CX6/EX1
(C BOARD(VPL-EX1 ONLY))
Ref. No.
or Q’ty Part No. SP Description
C513 1-128-992-11 s CAPACITOR ELECT 47MF 25V
C514 1-128-992-11 s CAPACITOR ELECT 47MF 25V
C515 1-164-156-11 s CAPACITOR,CERAMIC 0.1MF/25V F
C516 1-164-156-11 s CAPACITOR,CERAMIC 0.1MF/25V F
C517 1-164-156-11 s CAPACITOR,CERAMIC 0.1MF/25V F
C518 1-164-156-11 s CAPACITOR,CERAMIC 0.1MF/25V F
C519 1-164-156-11 s CAPACITOR,CERAMIC 0.1MF/25V F
C520 1-117-681-11 s CAPACITOR, ELECT 100MF/16V
C521 1-164-156-11 s CAPACITOR,CERAMIC 0.1MF/25V F
C550 1-164-947-11 s CAPACITOR CHIP CERAMIC 0.01MF
C552 1-115-340-11 s CAPACITOR CERAMIC 0.22MF/25V B
C553 1-164-156-11 s CAPACITOR,CERAMIC 0.1MF/25V F
C554 1-164-156-11 s CAPACITOR,CERAMIC 0.1MF/25V F
C555 1-128-992-11 s CAPACITOR ELECT 47MF 25V
C601 1-107-820-11 s CAPACITOR,CHIP CERAMIC 0.1MF F
C602 1-127-715-11 s CAPACITOR,CERAMIC 0.22MF B1608
C603 1-107-820-11 s CAPACITOR,CHIP CERAMIC 0.1MF F
C604 1-126-206-11 s CAPACITOR, ELECT 100MF/6.3V
C605 1-127-715-11 s CAPACITOR,CERAMIC 0.22MF B1608
C606 1-127-715-11 s CAPACITOR,CERAMIC 0.22MF B1608
C607 1-127-715-11 s CAPACITOR,CERAMIC 0.22MF B1608
C608 1-127-715-11 s CAPACITOR,CERAMIC 0.22MF B1608
C609 1-127-715-11 s CAPACITOR,CERAMIC 0.22MF B1608
C610 1-127-715-11 s CAPACITOR,CERAMIC 0.22MF B1608
C611 1-127-715-11 s CAPACITOR,CERAMIC 0.22MF B1608
C612 1-164-156-11 s CAPACITOR,CERAMIC 0.1MF/25V F
C613 1-128-992-11 s CAPACITOR ELECT 47MF 25V
C614 1-128-992-11 s CAPACITOR ELECT 47MF 25V
C615 1-164-156-11 s CAPACITOR,CERAMIC 0.1MF/25V F
C616 1-164-156-11 s CAPACITOR,CERAMIC 0.1MF/25V F
C617 1-164-156-11 s CAPACITOR,CERAMIC 0.1MF/25V F
C618 1-164-156-11 s CAPACITOR,CERAMIC 0.1MF/25V F
C619 1-164-156-11 s CAPACITOR,CERAMIC 0.1MF/25V F
C620 1-117-681-11 s CAPACITOR, ELECT 100MF/16V
C621 1-164-156-11 s CAPACITOR,CERAMIC 0.1MF/25V F
C701 1-107-820-11 s CAPACITOR,CHIP CERAMIC 0.1MF F
C702 1-127-715-11 s CAPACITOR,CERAMIC 0.22MF B1608
C703 1-107-820-11 s CAPACITOR,CHIP CERAMIC 0.1MF F
C704 1-126-206-11 s CAPACITOR, ELECT 100MF/6.3V
C705 1-127-715-11 s CAPACITOR,CERAMIC 0.22MF B1608
C706 1-127-715-11 s CAPACITOR,CERAMIC 0.22MF B1608
C707 1-127-715-11 s CAPACITOR,CERAMIC 0.22MF B1608
C708 1-127-715-11 s CAPACITOR,CERAMIC 0.22MF B1608
C709 1-127-715-11 s CAPACITOR,CERAMIC 0.22MF B1608
C710 1-127-715-11 s CAPACITOR,CERAMIC 0.22MF B1608
C711 1-127-715-11 s CAPACITOR,CERAMIC 0.22MF B1608
C712 1-164-156-11 s CAPACITOR,CERAMIC 0.1MF/25V F
C713 1-128-992-11 s CAPACITOR ELECT 47MF 25V
C714 1-128-992-11 s CAPACITOR ELECT 47MF 25V
C715 1-164-156-11 s CAPACITOR,CERAMIC 0.1MF/25V F
C716 1-164-156-11 s CAPACITOR,CERAMIC 0.1MF/25V F
C717 1-164-156-11 s CAPACITOR,CERAMIC 0.1MF/25V F
C718 1-164-156-11 s CAPACITOR,CERAMIC 0.1MF/25V F
C719 1-164-156-11 s CAPACITOR,CERAMIC 0.1MF/25V F
C720 1-117-681-11 s CAPACITOR, ELECT 100MF/16V
C721 1-164-156-11 s CAPACITOR,CERAMIC 0.1MF/25V F
C800 1-124-778-00 s CAPACITOR,ELECT 22MF/6.3V
C801 1-164-947-11 s CAPACITOR CHIP CERAMIC 0.01MF
C802 1-165-871-11 s CAPACITOR,ELECT 22MF
(C BOARD(VPL-EX1 ONLY))
Ref. No.
or Q’ty Part No. SP Description
C803 1-115-566-11 s CAPACITOR,CERAMIC 4.7MF B/6.3V
C804 1-107-820-11 s CAPACITOR,CHIP CERAMIC 0.1MF F
C805 1-127-772-11 s CAPACTOR C,CERAMIC 33000PF B
C806 1-107-820-11 s CAPACITOR,CHIP CERAMIC 0.1MF F
C807 1-164-852-11 s CAPACITOR,CHIP CERAMIC 12PF/16
C808 1-107-820-11 s CAPACITOR,CHIP CERAMIC 0.1MF F
C809 1-164-852-11 s CAPACITOR,CHIP CERAMIC 12PF/16
C810 1-164-947-11 s CAPACITOR CHIP CERAMIC 0.01MF
C811 1-107-820-11 s CAPACITOR,CHIP CERAMIC 0.1MF F
C812 1-107-820-11 s CAPACITOR,CHIP CERAMIC 0.1MF F
C813 1-107-820-11 s CAPACITOR,CHIP CERAMIC 0.1MF F
C814 1-115-156-11 s CAPACITOR,CERAMIC 1MF/10V(1608
C816 1-107-820-11 s CAPACITOR,CHIP CERAMIC 0.1MF F
C817 1-124-778-00 s CAPACITOR,ELECT 22MF/6.3V
C818 1-164-940-11 s CAPACITOR,CHIP CERAMIC 3300/16
C819 1-107-820-11 s CAPACITOR,CHIP CERAMIC 0.1MF F
C820 1-107-820-11 s CAPACITOR,CHIP CERAMIC 0.1MF F
C821 1-107-820-11 s CAPACITOR,CHIP CERAMIC 0.1MF F
C822 1-164-940-11 s CAPACITOR,CHIP CERAMIC 3300/16
C903 1-107-820-11 s CAPACITOR,CHIP CERAMIC 0.1MF F
C904 1-164-874-11 s CAPACITOR,CHIP CERAMIC 100PF
C905 1-164-874-11 s CAPACITOR,CHIP CERAMIC 100PF
C906 1-107-820-11 s CAPACITOR,CHIP CERAMIC 0.1MF F
C908 1-115-156-11 s CAPACITOR,CERAMIC 1MF/10V(1608
C910 1-164-156-11 s CAPACITOR,CERAMIC 0.1MF/25V F
C911 1-126-397-11 s CAPACITOR ELECT 33MF/25V(CHIP)
C913 1-164-156-11 s CAPACITOR,CERAMIC 0.1MF/25V F
C914 1-164-947-11 s CAPACITOR CHIP CERAMIC 0.01MF
C915 1-164-156-11 s CAPACITOR,CERAMIC 0.1MF/25V F
C916 1-126-397-11 s CAPACITOR ELECT 33MF/25V(CHIP)
C917 1-107-820-11 s CAPACITOR,CHIP CERAMIC 0.1MF F
C918 1-126-205-11 s CAPACITOR,ELECT 47M/6.3
C919 1-107-820-11 s CAPACITOR,CHIP CERAMIC 0.1MF F
C920 1-131-998-11 s CAP, SOLID ELECT 82MF 6.3 V
C921 1-164-156-11 s CAPACITOR,CERAMIC 0.1MF/25V F
C922 1-126-397-11 s CAPACITOR ELECT 33MF/25V(CHIP)
C1026 1-109-982-11 s CAPACITOR,CHIP CERAMIC 1MF/10V
C1101 1-125-777-11 s CAPACITOR CERAMIC 0.1MF/10V
C1102 1-125-891-11 s CAPACITOR CERAMIC 0.47MF/10V
C1103 1-125-891-11 s CAPACITOR CERAMIC 0.47MF/10V
C1104 1-126-204-11 s CAPACITOR, ELECT 47MF/16V(CHIP
C1105 1-126-205-11 s CAPACITOR,ELECT 47M/6.3
C1106 1-164-156-11 s CAPACITOR,CERAMIC 0.1MF/25V F
C1107 1-125-777-11 s CAPACITOR CERAMIC 0.1MF/10V
C1108 1-125-777-11 s CAPACITOR CERAMIC 0.1MF/10V
C1109 1-126-204-11 s CAPACITOR, ELECT 47MF/16V(CHIP
C1110 1-164-156-11 s CAPACITOR,CERAMIC 0.1MF/25V F
C1111 1-125-777-11 s CAPACITOR CERAMIC 0.1MF/10V
C1112 1-125-777-11 s CAPACITOR CERAMIC 0.1MF/10V
C1113 1-126-204-11 s CAPACITOR, ELECT 47MF/16V(CHIP
C1114 1-125-777-11 s CAPACITOR CERAMIC 0.1MF/10V
C1115 1-126-204-11 s CAPACITOR, ELECT 47MF/16V(CHIP
C1116 1-164-156-11 s CAPACITOR,CERAMIC 0.1MF/25V F
C1117 1-125-777-11 s CAPACITOR CERAMIC 0.1MF/10V
C1118 1-125-777-11 s CAPACITOR CERAMIC 0.1MF/10V
C1119 1-125-777-11 s CAPACITOR CERAMIC 0.1MF/10V
C1120 1-117-370-11 s CAPACITOR CERAMIC 10MF (3216)
C1124 1-115-156-11 s CAPACITOR,CERAMIC 1MF/10V(1608
C1125 1-107-682-11 s CAPACITOR,CHIP 1MF/16V (3216)
4-28 VPL-CS5A/CS6/CX6/EX1
(C BOARD(VPL-EX1 ONLY))
Ref. No.
or Q’ty Part No. SP Description
C1126 1-164-882-11 s CAPACITOR,CERAMIC 220PF/16V CH
C1127 1-115-156-11 s CAPACITOR,CERAMIC 1MF/10V(1608
C1128 1-115-156-11 s CAPACITOR,CERAMIC 1MF/10V(1608
C1137 1-117-681-11 s CAPACITOR, ELECT 100MF/16V
C1138 1-125-777-11 s CAPACITOR CERAMIC 0.1MF/10V
C1140 1-107-820-11 s CAPACITOR,CHIP CERAMIC 0.1MF F
C1143 1-107-820-11 s CAPACITOR,CHIP CERAMIC 0.1MF F
C1144 1-125-777-11 s CAPACITOR CERAMIC 0.1MF/10V
CN100 1-784-828-11 s CONNECTOR, D SUB
CN201 1-770-629-21 s PIN, CONNECTOR 12P
CN401 1-770-621-21 s PIN, CONNECTOR 4P
CN501 1-794-823-11 s CONNECTOR (ZIF), FPC/FFC 32P
CN601 1-794-823-11 s CONNECTOR (ZIF), FPC/FFC 32P
CN701 1-794-823-11 s CONNECTOR (ZIF), FPC/FFC 32P
CN800 1-770-629-21 s PIN, CONNECTOR 12P
CN901 1-770-621-21 s PIN, CONNECTOR 4P
CN903 1-691-491-21 s CONNECTOR, FFC/FPC 12P
CN904 1-764-829-11 o CONNECTOR, FPC 24P
CN906 1-580-055-21 o PIN, CONNECTOR 2P
CN907 1-770-624-21 s PIN, CONNECTOR 7P
CN908 1-580-056-21 s PIN,CONNECTOR 3P
CN909 1-580-056-21 s PIN,CONNECTOR 3P
CN910 1-580-056-21 s PIN,CONNECTOR 3P
CN911 1-580-056-21 s PIN,CONNECTOR 3P
CN912 1-580-056-21 s PIN,CONNECTOR 3P
CN913 1-778-336-21 s PIN, CONNECTOR (PC BOARD) 14P
CN914 1-770-622-21 s PIN, CONNECTOR 5P
CN915 1-770-623-21 s PIN, CONNECTOR 6P
CN1101 1-569-775-21 o PIN, CONNECTOR 5P
CN1102 1-580-055-21 o PIN, CONNECTOR 2P
D100 8-719-073-11 s DIODE BZA456A
D101 8-719-024-77 s DIODE HN1D03FU-TE85L
D102 8-719-059-53 s DIODE MA3J14700LSO
D103 8-719-059-53 s DIODE MA3J14700LSO
D104 8-719-059-53 s DIODE MA3J14700LSO
D105 8-719-988-61 s DIODE 1SS355TE-17
D106 8-719-988-61 s DIODE 1SS355TE-17
D200 8-719-059-53 s DIODE MA3J14700LSO
D201 8-719-059-53 s DIODE MA3J14700LSO
D202 8-719-059-53 s DIODE MA3J14700LSO
D300 8-719-941-86 s DIODE DAN202U
D800 8-719-024-77 s DIODE HN1D03FU-TE85L
D901 8-719-941-86 s DIODE DAN202U
D902 8-719-941-86 s DIODE DAN202U
D903 8-719-941-86 s DIODE DAN202U
D904 8-719-073-11 s DIODE BZA456A
D905 8-719-083-58 s DIODE UDZSTE-173.9B
D906 8-719-055-30 s DIODE D1FS4A-TA
D907 8-719-055-30 s DIODE D1FS4A-TA
D1008 8-719-083-58 s DIODE UDZSTE-173.9B
D1009 8-719-083-58 s DIODE UDZSTE-173.9B
FB100 1-414-921-11 s INDUCTOR, FERRITE BEAD
FB101 1-414-921-11 s INDUCTOR, FERRITE BEAD
FB102 1-414-921-11 s INDUCTOR, FERRITE BEAD
FB200 1-414-921-11 s INDUCTOR, FERRITE BEAD
FB300 1-500-451-11 s MICRO INDUCTOR (CHIP) 41P750S
FB301 1-500-451-11 s MICRO INDUCTOR (CHIP) 41P750S
(C BOARD(VPL-EX1 ONLY))
Ref. No.
or Q’ty Part No. SP Description
FB302 1-414-921-11 s INDUCTOR, FERRITE BEAD
FB303 1-414-921-11 s INDUCTOR, FERRITE BEAD
FB401 1-414-921-11 s INDUCTOR, FERRITE BEAD
FB402 1-414-921-11 s INDUCTOR, FERRITE BEAD
FB403 1-414-921-11 s INDUCTOR, FERRITE BEAD
FB404 1-414-921-11 s INDUCTOR, FERRITE BEAD
FB405 1-414-921-11 s INDUCTOR, FERRITE BEAD
FB450 1-414-921-11 s INDUCTOR, FERRITE BEAD
FB451 1-414-921-11 s INDUCTOR, FERRITE BEAD
FB452 1-414-921-11 s INDUCTOR, FERRITE BEAD
FB471 1-414-921-11 s INDUCTOR, FERRITE BEAD
FB502 1-414-921-11 s INDUCTOR, FERRITE BEAD
FB503 1-414-921-11 s INDUCTOR, FERRITE BEAD
FB550 1-414-921-11 s INDUCTOR, FERRITE BEAD
FB552 1-500-451-11 s MICRO INDUCTOR (CHIP) 41P750S
FB602 1-414-921-11 s INDUCTOR, FERRITE BEAD
FB603 1-414-921-11 s INDUCTOR, FERRITE BEAD
FB702 1-414-921-11 s INDUCTOR, FERRITE BEAD
FB703 1-414-921-11 s INDUCTOR, FERRITE BEAD
FB800 1-414-921-11 s INDUCTOR, FERRITE BEAD
FB901 1-414-921-11 s INDUCTOR, FERRITE BEAD
FB902 1-414-921-11 s INDUCTOR, FERRITE BEAD
FB903 1-414-921-11 s INDUCTOR, FERRITE BEAD
FB904 1-414-921-11 s INDUCTOR, FERRITE BEAD
FB905 1-414-921-11 s INDUCTOR, FERRITE BEAD
FB906 1-414-921-11 s INDUCTOR, FERRITE BEAD
FB907 1-414-921-11 s INDUCTOR, FERRITE BEAD
FB908 1-414-921-11 s INDUCTOR, FERRITE BEAD
FB909 1-239-899-21 s FILTER, CHIP EMI
FB910 1-239-899-21 s FILTER, CHIP EMI
FB911 1-239-899-21 s FILTER, CHIP EMI
FB912 1-239-899-21 s FILTER, CHIP EMI
FB913 1-239-899-21 s FILTER, CHIP EMI
FB914 1-239-899-21 s FILTER, CHIP EMI
FB915 1-414-921-11 s INDUCTOR, FERRITE BEAD
FB916 1-414-921-11 s INDUCTOR, FERRITE BEAD
FB917 1-414-921-11 s INDUCTOR, FERRITE BEAD
FB918 1-414-921-11 s INDUCTOR, FERRITE BEAD
FB920 1-414-921-11 s INDUCTOR, FERRITE BEAD
FB921 1-414-921-11 s INDUCTOR, FERRITE BEAD
FB922 1-414-921-11 s INDUCTOR, FERRITE BEAD
FB923 1-414-921-11 s INDUCTOR, FERRITE BEAD
FB924 1-414-921-11 s INDUCTOR, FERRITE BEAD
FB925 1-469-670-11 o FERRITE, EMI (SMD)
FB926 1-414-921-11 s INDUCTOR, FERRITE BEAD
FB927 1-414-921-11 s INDUCTOR, FERRITE BEAD
FB928 1-414-921-11 s INDUCTOR, FERRITE BEAD
FB929 1-414-921-11 s INDUCTOR, FERRITE BEAD
FB930 1-239-899-21 s FILTER, CHIP EMI
FB931 1-414-921-11 s INDUCTOR, FERRITE BEAD
FB932 1-469-407-21 s BEAD, FERRITE 0.5A100
FB933 1-414-921-11 s INDUCTOR, FERRITE BEAD
FB934 1-469-407-21 s BEAD, FERRITE 0.5A100
FB935 1-414-921-11 s INDUCTOR, FERRITE BEAD
FB936 1-469-407-21 s BEAD, FERRITE 0.5A100
FB937 1-414-921-11 s INDUCTOR, FERRITE BEAD
FB938 1-469-407-21 s BEAD, FERRITE 0.5A100
FB939 1-414-921-11 s INDUCTOR, FERRITE BEAD
FB940 1-469-407-21 s BEAD, FERRITE 0.5A100
4-29
VPL-CS5A/CS6/CX6/EX1
(C BOARD(VPL-EX1 ONLY))
Ref. No.
or Q’ty Part No. SP Description
FB941 1-414-921-11 s INDUCTOR, FERRITE BEAD
FB942 1-414-921-11 s INDUCTOR, FERRITE BEAD
FB943 1-414-921-11 s INDUCTOR, FERRITE BEAD
FB944 1-414-921-11 s INDUCTOR, FERRITE BEAD
FB945 1-414-921-11 s INDUCTOR, FERRITE BEAD
FB946 1-414-921-11 s INDUCTOR, FERRITE BEAD
FB947 1-414-921-11 s INDUCTOR, FERRITE BEAD
FB948 1-469-670-11 o FERRITE, EMI (SMD)
FB1003 1-469-185-11 s INDUCTOR, FERRITE BEAD
FB1005 1-469-185-11 s INDUCTOR, FERRITE BEAD
FB1006 1-414-234-11 s INDUCTOR,FERRITE BEAD
FB1007 1-414-234-11 s INDUCTOR,FERRITE BEAD
FB1102 1-500-451-11 s MICRO INDUCTOR (CHIP) 41P750S
FB1103 1-500-451-11 s MICRO INDUCTOR (CHIP) 41P750S
FB1104 1-500-451-11 s MICRO INDUCTOR (CHIP) 41P750S
FB1106 1-414-921-11 s INDUCTOR, FERRITE BEAD
FB1107 1-414-921-11 s INDUCTOR, FERRITE BEAD
FL201 1-239-899-21 s FILTER, CHIP EMI
FL202 1-239-897-12 s FILTER, EMI (SMD)
IC100 8-759-661-55 s IC ST24FC21M6TR
IC101 8-759-533-85 s IC L88M05T-FA-TL
IC102 8-759-646-02 s IC M52347FP-TE
IC103 8-759-460-72 s IC BA033FP
IC104 8-759-659-65 s IC LP2985IM5X-3.3
IC105 6-702-807-01 s IC AD9883AKST-140
IC202 8-759-460-72 s IC BA033FP
IC203 *1 IC
IC204 8-759-549-14 s IC SN74LV244APWR
IC205 8-759-549-07 s IC SN74LV157APWR
IC206 8-759-659-65 s IC LP2985IM5X-3.3
IC301 8-759-582-37 s IC PQ2TZ15U
IC303 6-703-225-01 s IC S-80928CNMC-G8YT2G
IC304 8-759-548-96 s IC SN74LV02APWR
IC305 6-702-596-01 s IC ICS332-SX1735
IC306 8-759-549-01 s IC SN74LV125APWR
IC307 6-803-210-01 s IC MBM29LV800TA-70PFTN-1752
IC401 8-759-669-41 s IC SN74LVC125APWR-12
IC403 8-759-447-77 s IC TC7WH74FU (TE12R)
IC404 8-759-548-95 s IC SN74LV00APWR
IC405 6-703-225-01 s IC S-80928CNMC-G8YT2G
IC406 *1 IC
IC450 8-759-679-58 s IC SN74AHCT541PWR
IC451 8-759-679-58 s IC SN74AHCT541PWR
IC452 8-759-649-32 s IC SN74AHCT1G04DCKR
IC471 8-759-542-46 s IC M62392FP
IC501 8-752-103-41 s IC CXA3562AR-T6
IC550 8-759-252-41 s IC TK11900MTL
IC551 8-759-388-31 s IC PQ20VZ1U
IC601 8-752-103-41 s IC CXA3562AR-T6
IC701 8-752-103-41 s IC CXA3562AR-T6
IC800 8-759-652-56 s IC BA033F-E2
IC801 *1 IC
IC802 6-703-225-01 s IC S-80928CNMC-G8YT2G
IC803 6-702-688-01 s IC M24C64-WMN6T(B)
IC805 8-759-533-85 s IC L88M05T-FA-TL
IC903 8-759-681-47 s IC IRMF-A0T-QTP
IC905 8-759-388-31 s IC PQ20VZ1U
IC906 8-759-388-31 s IC PQ20VZ1U
IC907 8-759-533-85 s IC L88M05T-FA-TL
(C BOARD(VPL-EX1 ONLY))
Ref. No.
or Q’ty Part No. SP Description
IC908 8-759-388-31 s IC PQ20VZ1U
IC1101 8-759-714-09 s IC ADXL202JE-REEL
IC1102 8-759-548-96 s IC SN74LV02APWR
IC1103 8-759-352-94 s IC TDA7309D013TR
IC1104 8-759-460-79 s IC BA09FP-E2
IC1105 8-759-580-33 s IC BA6288FS-E2
IC1106 6-702-697-01 s IC TPA2001D1PWR
IC1108 8-759-575-16 s IC LMC7101BIM5X
IC1109 8-759-533-85 s IC L88M05T-FA-TL
J1001 1-779-677-11 s CONNECTOR, USB (B)
L100 1-469-523-91 s INDUCTOR 2.2UH (NLFV25)
L101 1-469-523-91 s INDUCTOR 2.2UH (NLFV25)
L201 1-469-523-91 s INDUCTOR 2.2UH (NLFV25)
L202 1-469-526-11 s INDUCTOR 22UH (NLFV25)
L300 1-469-523-91 s INDUCTOR 2.2UH (NLFV25)
L471 1-469-523-91 s INDUCTOR 2.2UH (NLFV25)
L501 1-410-369-11 s INDUCTOR,CHIP 1UH (3225)
L502 1-410-369-11 s INDUCTOR,CHIP 1UH (3225)
L503 1-414-078-11 s INDUCTOR 10UH
L601 1-410-369-11 s INDUCTOR,CHIP 1UH (3225)
L602 1-410-369-11 s INDUCTOR,CHIP 1UH (3225)
L603 1-414-078-11 s INDUCTOR 10UH
L701 1-410-369-11 s INDUCTOR,CHIP 1UH (3225)
L702 1-410-369-11 s INDUCTOR,CHIP 1UH (3225)
L703 1-414-078-11 s INDUCTOR 10UH
L1101 1-412-028-11 s INDUCTOR,CHIP 4.7UH (3225)
Q100 8-729-026-53 s TRANSISTOR 2SA1576A-T106-QR
Q101 8-729-905-35 s TRANSISTOR 2SC4081-R
Q102 8-729-013-28 s TRANSISTOR HN1B01FU-TE85R
Q103 8-729-013-28 s TRANSISTOR HN1B01FU-TE85R
Q104 8-729-427-72 s TRANSISTOR XP4501-TXE
Q105 8-729-427-72 s TRANSISTOR XP4501-TXE
Q301 8-729-047-32 s TRANSISTOR SI4425DY-T1
Q302 8-729-029-14 s TRANSISTOR DTC144EUA-T106
Q402 8-729-013-28 s TRANSISTOR HN1B01FU-TE85R
Q450 8-729-907-00 s TRANSISTOR DTC114EU
Q471 8-729-013-26 s TRANSISTOR HN1C03FU-TE85R
Q501 8-729-013-28 s TRANSISTOR HN1B01FU-TE85R
Q502 8-729-013-28 s TRANSISTOR HN1B01FU-TE85R
Q601 8-729-013-28 s TRANSISTOR HN1B01FU-TE85R
Q602 8-729-013-28 s TRANSISTOR HN1B01FU-TE85R
Q701 8-729-013-28 s TRANSISTOR HN1B01FU-TE85R
Q702 8-729-013-28 s TRANSISTOR HN1B01FU-TE85R
Q800 6-550-014-01 s TRANSISTOR SSM6N15FU(TE85R)
Q801 8-729-013-28 s TRANSISTOR HN1B01FU-TE85R
Q901 8-729-427-72 s TRANSISTOR XP4501-TXE
Q902 8-729-427-72 s TRANSISTOR XP4501-TXE
Q903 8-729-026-53 s TRANSISTOR 2SA1576A-T106-QR
Q904 8-729-905-35 s TRANSISTOR 2SC4081-R
Q1104 8-729-029-14 s TRANSISTOR DTC144EUA-T106
R103 1-211-975-11 s RESISTOR,CHIP 18 1/10W (1608)
R104 1-211-975-11 s RESISTOR,CHIP 18 1/10W (1608)
R105 1-211-975-11 s RESISTOR,CHIP 18 1/10W (1608)
R107 1-211-987-11 s RESISTOR,CHIP 56 1/10W (1608)
R108 1-211-987-11 s RESISTOR,CHIP 56 1/10W (1608)
R109 1-211-987-11 s RESISTOR,CHIP 56 1/10W (1608)
R110 1-218-953-11 s RESISTOR, CHIP 1K 1/16W
R111 1-218-953-11 s RESISTOR, CHIP 1K 1/16W
4-30 VPL-CS5A/CS6/CX6/EX1
(C BOARD(VPL-EX1 ONLY))
Ref. No.
or Q’ty Part No. SP Description
R112 1-218-937-11 s RESISTOR, CHIP 47
R113 1-218-937-11 s RESISTOR, CHIP 47
R114 1-218-945-11 s RESISTOR,CHIP 220 1/16W(1005)
R115 1-218-967-11 s RESISTOR,CHIP 15K 1/16W (1608)
R116 1-218-949-11 s RESISTOR,CHIP 470 1/16W
R117 1-218-967-11 s RESISTOR,CHIP 15K 1/16W (1608)
R119 1-218-953-11 s RESISTOR, CHIP 1K 1/16W
R120 1-218-953-11 s RESISTOR, CHIP 1K 1/16W
R122 1-218-973-11 s RESISTOR,CHIP 47K 1/16W (1005)
R123 1-218-949-11 s RESISTOR,CHIP 470 1/16W
R124 1-218-953-11 s RESISTOR, CHIP 1K 1/16W
R125 1-218-953-11 s RESISTOR, CHIP 1K 1/16W
R128 1-218-937-11 s RESISTOR, CHIP 47
R130 1-218-977-11 s RESISTOR,CHIP 100K 1/16W(1005)
R131 1-218-937-11 s RESISTOR, CHIP 47
R132 1-218-937-11 s RESISTOR, CHIP 47
R133 1-218-937-11 s RESISTOR, CHIP 47
R134 1-218-953-11 s RESISTOR, CHIP 1K 1/16W
R135 1-218-937-11 s RESISTOR, CHIP 47
R136 1-218-973-11 s RESISTOR,CHIP 47K 1/16W (1005)
R137 1-218-965-11 s RESISTOR, CHIP 10K 1/16W
R138 1-218-961-11 s RESISTOR, CHIP 4.7K 1/16W
R141 1-218-973-11 s RESISTOR,CHIP 47K 1/16W (1005)
R142 1-218-959-11 s RESISTOR, CHIP 3.3K
R144 1-218-957-11 s RESISTOR,CHIP 2.2K 1/16W(1608)
R145 1-218-937-11 s RESISTOR, CHIP 47
R146 1-218-937-11 s RESISTOR, CHIP 47
R147 1-218-937-11 s RESISTOR, CHIP 47
R148 1-218-945-11 s RESISTOR,CHIP 220 1/16W(1005)
R151 1-208-643-11 s RESISTOR CHIP 22 1/16W (1005)
R152 1-208-643-11 s RESISTOR CHIP 22 1/16W (1005)
R153 1-218-937-11 s RESISTOR, CHIP 47
R155 1-218-937-11 s RESISTOR, CHIP 47
R156 1-218-937-11 s RESISTOR, CHIP 47
R157 1-218-937-11 s RESISTOR, CHIP 47
R159 1-208-643-11 s RESISTOR CHIP 22 1/16W (1005)
R160 1-218-937-11 s RESISTOR, CHIP 47
R161 1-208-695-11 s RESISTOR CHIP 3.3K 1/16W(1005)
R163 1-218-937-11 s RESISTOR, CHIP 47
R164 1-218-969-11 s RESISTOR,CHIP 22K 1/16W (1608)
R165 1-218-973-11 s RESISTOR,CHIP 47K 1/16W (1005)
R166 1-218-969-11 s RESISTOR,CHIP 22K 1/16W (1608)
R167 1-218-973-11 s RESISTOR,CHIP 47K 1/16W (1005)
R168 1-218-969-11 s RESISTOR,CHIP 22K 1/16W (1608)
R169 1-218-973-11 s RESISTOR,CHIP 47K 1/16W (1005)
R170 1-218-989-11 s RESISTOR,CHIP 1M 1/16W (1005)
R171 1-208-701-11 s RESISTOR CHIP 5.6K 1/16W(1005)
R172 1-208-699-11 s RESISTOR,CHIP 4.7K 1/16W(1005)
R173 1-218-937-11 s RESISTOR, CHIP 47
R174 1-208-671-11 s RESISTOR CHIP 330 1/16W (1005)
R175 1-218-953-11 s RESISTOR, CHIP 1K 1/16W
R176 1-208-689-11 s RESISTOR CHIP 1.8K 1/16W(1005)
R177 1-218-953-11 s RESISTOR, CHIP 1K 1/16W
R178 1-208-693-11 s RESISTOR CHIP 2.7K 1/16W(1005)
R179 1-208-699-11 s RESISTOR,CHIP 4.7K 1/16W(1005)
R180 1-218-957-11 s RESISTOR,CHIP 2.2K 1/16W(1608)
R181 1-218-981-11 s RESISTOR CHIP 220K 1/16W(1005)
R207 1-211-975-11 s RESISTOR,CHIP 18 1/10W (1608)
R208 1-211-975-11 s RESISTOR,CHIP 18 1/10W (1608)
(C BOARD(VPL-EX1 ONLY))
Ref. No.
or Q’ty Part No. SP Description
R209 1-211-975-11 s RESISTOR,CHIP 18 1/10W (1608)
R211 1-211-987-11 s RESISTOR,CHIP 56 1/10W (1608)
R212 1-211-987-11 s RESISTOR,CHIP 56 1/10W (1608)
R213 1-211-987-11 s RESISTOR,CHIP 56 1/10W (1608)
R220 1-218-961-11 s RESISTOR, CHIP 4.7K 1/16W
R222 1-218-937-11 s RESISTOR, CHIP 47
R223 1-218-937-11 s RESISTOR, CHIP 47
R224 1-218-937-11 s RESISTOR, CHIP 47
R229 1-218-941-81 s C-RES,V 100-1/16W J
R230 1-218-941-81 s C-RES,V 100-1/16W J
R231 1-218-941-81 s C-RES,V 100-1/16W J
R233 1-218-941-81 s C-RES,V 100-1/16W J
R236 1-208-635-11 s RESISTOR CHIP 10 1/16W (1005)
R238 1-218-941-81 s C-RES,V 100-1/16W J
R249 1-218-941-81 s C-RES,V 100-1/16W J
R251 1-218-941-81 s C-RES,V 100-1/16W J
R252 1-218-937-11 s RESISTOR, CHIP 47
R253 1-218-937-11 s RESISTOR, CHIP 47
R254 1-218-937-11 s RESISTOR, CHIP 47
R255 1-218-941-81 s C-RES,V 100-1/16W J
R256 1-218-941-81 s C-RES,V 100-1/16W J
R257 1-218-937-11 s RESISTOR, CHIP 47
R267 1-208-635-11 s RESISTOR CHIP 10 1/16W (1005)
R301 1-218-965-11 s RESISTOR, CHIP 10K 1/16W
R302 1-218-965-11 s RESISTOR, CHIP 10K 1/16W
R304 1-218-965-11 s RESISTOR, CHIP 10K 1/16W
R305 1-218-965-11 s RESISTOR, CHIP 10K 1/16W
R306 1-218-943-11 s RESISTOR,CHIP 150 1/16W
R309 1-218-990-11 s RESISTOR,CHIP 0 1/16W (1005)
R310 1-218-953-11 s RESISTOR, CHIP 1K 1/16W
R312 1-218-941-81 s C-RES,V 100-1/16W J
R313 1-218-937-11 s RESISTOR, CHIP 47
R314 1-218-973-11 s RESISTOR,CHIP 47K 1/16W (1005)
R315 1-218-959-11 s RESISTOR, CHIP 3.3K
R316 1-218-959-11 s RESISTOR, CHIP 3.3K
R317 1-218-941-81 s C-RES,V 100-1/16W J
R318 1-218-961-11 s RESISTOR, CHIP 4.7K 1/16W
R322 1-218-965-11 s RESISTOR, CHIP 10K 1/16W
R325 1-218-957-11 s RESISTOR,CHIP 2.2K 1/16W(1608)
R326 1-208-643-11 s RESISTOR CHIP 22 1/16W (1005)
R327 1-208-643-11 s RESISTOR CHIP 22 1/16W (1005)
R328 1-208-643-11 s RESISTOR CHIP 22 1/16W (1005)
R331 1-218-941-81 s C-RES,V 100-1/16W J
R333 1-218-961-11 s RESISTOR, CHIP 4.7K 1/16W
R334 1-218-953-11 s RESISTOR, CHIP 1K 1/16W
R335 1-218-953-11 s RESISTOR, CHIP 1K 1/16W
R401 1-218-965-11 s RESISTOR, CHIP 10K 1/16W
R402 1-218-965-11 s RESISTOR, CHIP 10K 1/16W
R403 1-218-941-81 s C-RES,V 100-1/16W J
R404 1-218-941-81 s C-RES,V 100-1/16W J
R405 1-218-941-81 s C-RES,V 100-1/16W J
R406 1-218-941-81 s C-RES,V 100-1/16W J
R407 1-218-941-81 s C-RES,V 100-1/16W J
R408 1-218-941-81 s C-RES,V 100-1/16W J
R409 1-218-937-11 s RESISTOR, CHIP 47
R410 1-218-937-11 s RESISTOR, CHIP 47
R411 1-218-937-11 s RESISTOR, CHIP 47
R419 1-218-937-11 s RESISTOR, CHIP 47
R420 1-218-937-11 s RESISTOR, CHIP 47
4-31
VPL-CS5A/CS6/CX6/EX1
(C BOARD(VPL-EX1 ONLY))
Ref. No.
or Q’ty Part No. SP Description
R421 1-218-937-11 s RESISTOR, CHIP 47
R422 1-218-937-11 s RESISTOR, CHIP 47
R423 1-218-937-11 s RESISTOR, CHIP 47
R424 1-218-937-11 s RESISTOR, CHIP 47
R425 1-218-937-11 s RESISTOR, CHIP 47
R426 1-218-965-11 s RESISTOR, CHIP 10K 1/16W
R427 1-218-973-11 s RESISTOR,CHIP 47K 1/16W (1005)
R428 1-218-953-11 s RESISTOR, CHIP 1K 1/16W
R429 1-218-965-11 s RESISTOR, CHIP 10K 1/16W
R430 1-218-960-11 s RESISTOR, CHIP 3.9K 1/16W
R431 1-218-960-11 s RESISTOR, CHIP 3.9K 1/16W
R450 1-218-957-11 s RESISTOR,CHIP 2.2K 1/16W(1608)
R451 1-218-941-81 s C-RES,V 100-1/16W J
R452 1-218-937-11 s RESISTOR, CHIP 47
R471 1-218-941-81 s C-RES,V 100-1/16W J
R472 1-218-941-81 s C-RES,V 100-1/16W J
R473 1-218-941-81 s C-RES,V 100-1/16W J
R474 1-218-941-81 s C-RES,V 100-1/16W J
R475 1-218-961-11 s RESISTOR, CHIP 4.7K 1/16W
R476 1-218-961-11 s RESISTOR, CHIP 4.7K 1/16W
R477 1-218-973-11 s RESISTOR,CHIP 47K 1/16W (1005)
R478 1-218-973-11 s RESISTOR,CHIP 47K 1/16W (1005)
R501 1-218-965-11 s RESISTOR, CHIP 10K 1/16W
R502 1-218-965-11 s RESISTOR, CHIP 10K 1/16W
R505 1-218-965-11 s RESISTOR, CHIP 10K 1/16W
R507 1-218-965-11 s RESISTOR, CHIP 10K 1/16W
R508 1-218-965-11 s RESISTOR, CHIP 10K 1/16W
R509 1-218-990-11 s RESISTOR,CHIP 0 1/16W (1005)
R510 1-218-990-11 s RESISTOR,CHIP 0 1/16W (1005)
R519 1-218-990-11 s RESISTOR,CHIP 0 1/16W (1005)
R520 1-218-990-11 s RESISTOR,CHIP 0 1/16W (1005)
R521 1-218-941-81 s C-RES,V 100-1/16W J
R522 1-218-957-11 s RESISTOR,CHIP 2.2K 1/16W(1608)
R523 1-218-957-11 s RESISTOR,CHIP 2.2K 1/16W(1608)
R524 1-208-635-11 s RESISTOR CHIP 10 1/16W (1005)
R525 1-208-635-11 s RESISTOR CHIP 10 1/16W (1005)
R528 1-218-990-11 s RESISTOR,CHIP 0 1/16W (1005)
R550 1-208-711-11 s RESISTOR CHIP 15K 1/16W (1005)
R551 1-218-744-11 s RESISTOR,CHIP 150K 1/16W
R552 1-218-965-11 s RESISTOR, CHIP 10K 1/16W
R553 1-218-961-11 s RESISTOR, CHIP 4.7K 1/16W
R554 1-219-598-11 s RESISTOR, CHIP 47K 1/16W(1005)
R555 1-208-711-11 s RESISTOR CHIP 15K 1/16W (1005)
R556 1-208-683-11 s RESISTOR CHIP 1K 1/16W (1005)
R601 1-218-965-11 s RESISTOR, CHIP 10K 1/16W
R602 1-218-965-11 s RESISTOR, CHIP 10K 1/16W
R605 1-218-965-11 s RESISTOR, CHIP 10K 1/16W
R607 1-218-965-11 s RESISTOR, CHIP 10K 1/16W
R608 1-218-965-11 s RESISTOR, CHIP 10K 1/16W
R609 1-218-990-11 s RESISTOR,CHIP 0 1/16W (1005)
R610 1-218-990-11 s RESISTOR,CHIP 0 1/16W (1005)
R619 1-218-990-11 s RESISTOR,CHIP 0 1/16W (1005)
R620 1-218-990-11 s RESISTOR,CHIP 0 1/16W (1005)
R621 1-218-941-81 s C-RES,V 100-1/16W J
R622 1-218-957-11 s RESISTOR,CHIP 2.2K 1/16W(1608)
R623 1-218-957-11 s RESISTOR,CHIP 2.2K 1/16W(1608)
R624 1-208-635-11 s RESISTOR CHIP 10 1/16W (1005)
R625 1-208-635-11 s RESISTOR CHIP 10 1/16W (1005)
R628 1-218-990-11 s RESISTOR,CHIP 0 1/16W (1005)
(C BOARD(VPL-EX1 ONLY))
Ref. No.
or Q’ty Part No. SP Description
R701 1-218-965-11 s RESISTOR, CHIP 10K 1/16W
R702 1-218-965-11 s RESISTOR, CHIP 10K 1/16W
R705 1-218-965-11 s RESISTOR, CHIP 10K 1/16W
R707 1-218-965-11 s RESISTOR, CHIP 10K 1/16W
R708 1-218-965-11 s RESISTOR, CHIP 10K 1/16W
R709 1-218-990-11 s RESISTOR,CHIP 0 1/16W (1005)
R710 1-218-990-11 s RESISTOR,CHIP 0 1/16W (1005)
R719 1-218-990-11 s RESISTOR,CHIP 0 1/16W (1005)
R720 1-218-990-11 s RESISTOR,CHIP 0 1/16W (1005)
R721 1-218-941-81 s C-RES,V 100-1/16W J
R722 1-218-957-11 s RESISTOR,CHIP 2.2K 1/16W(1608)
R723 1-218-957-11 s RESISTOR,CHIP 2.2K 1/16W(1608)
R724 1-208-635-11 s RESISTOR CHIP 10 1/16W (1005)
R725 1-208-635-11 s RESISTOR CHIP 10 1/16W (1005)
R728 1-218-990-11 s RESISTOR,CHIP 0 1/16W (1005)
R800 1-208-699-11 s RESISTOR,CHIP 4.7K 1/16W(1005)
R801 1-218-965-11 s RESISTOR, CHIP 10K 1/16W
R802 1-218-965-11 s RESISTOR, CHIP 10K 1/16W
R803 1-218-961-11 s RESISTOR, CHIP 4.7K 1/16W
R805 1-218-961-11 s RESISTOR, CHIP 4.7K 1/16W
R809 1-218-961-11 s RESISTOR, CHIP 4.7K 1/16W
R810 1-218-961-11 s RESISTOR, CHIP 4.7K 1/16W
R813 1-218-973-11 s RESISTOR,CHIP 47K 1/16W (1005)
R814 1-218-973-11 s RESISTOR,CHIP 47K 1/16W (1005)
R815 1-218-973-11 s RESISTOR,CHIP 47K 1/16W (1005)
R816 1-218-965-11 s RESISTOR, CHIP 10K 1/16W
R817 1-218-965-11 s RESISTOR, CHIP 10K 1/16W
R818 1-218-961-11 s RESISTOR, CHIP 4.7K 1/16W
R819 1-218-961-11 s RESISTOR, CHIP 4.7K 1/16W
R820 1-218-957-11 s RESISTOR,CHIP 2.2K 1/16W(1608)
R821 1-218-957-11 s RESISTOR,CHIP 2.2K 1/16W(1608)
R822 1-218-965-11 s RESISTOR, CHIP 10K 1/16W
R823 1-218-965-11 s RESISTOR, CHIP 10K 1/16W
R825 1-218-965-11 s RESISTOR, CHIP 10K 1/16W
R826 1-208-635-11 s RESISTOR CHIP 10 1/16W (1005)
R827 1-218-945-11 s RESISTOR,CHIP 220 1/16W(1005)
R828 1-218-973-11 s RESISTOR,CHIP 47K 1/16W (1005)
R829 1-218-965-11 s RESISTOR, CHIP 10K 1/16W
R830 1-218-973-11 s RESISTOR,CHIP 47K 1/16W (1005)
R832 1-218-965-11 s RESISTOR, CHIP 10K 1/16W
R833 1-218-965-11 s RESISTOR, CHIP 10K 1/16W
R834 1-218-965-11 s RESISTOR, CHIP 10K 1/16W
R835 1-218-953-11 s RESISTOR, CHIP 1K 1/16W
R836 1-218-965-11 s RESISTOR, CHIP 10K 1/16W
R838 1-218-971-11 s RESISTOR,CHIP 33K 1/16W (1005)
R839 1-218-971-11 s RESISTOR,CHIP 33K 1/16W (1005)
R840 1-218-941-81 s C-RES,V 100-1/16W J
R841 1-218-941-81 s C-RES,V 100-1/16W J
R842 1-218-965-11 s RESISTOR, CHIP 10K 1/16W
R843 1-218-958-11 s RESISTOR,CHIP 2.7K 1/16W(1005)
R844 1-218-965-11 s RESISTOR, CHIP 10K 1/16W
R845 1-218-941-81 s C-RES,V 100-1/16W J
R846 1-218-941-81 s C-RES,V 100-1/16W J
R847 1-218-965-11 s RESISTOR, CHIP 10K 1/16W
R848 1-218-965-11 s RESISTOR, CHIP 10K 1/16W
R850 1-218-965-11 s RESISTOR, CHIP 10K 1/16W
R851 1-218-965-11 s RESISTOR, CHIP 10K 1/16W
R852 1-218-965-11 s RESISTOR, CHIP 10K 1/16W
R853 1-218-953-11 s RESISTOR, CHIP 1K 1/16W
4-32 VPL-CS5A/CS6/CX6/EX1
(C BOARD(VPL-EX1 ONLY))
Ref. No.
or Q’ty Part No. SP Description
R854 1-218-990-11 s RESISTOR,CHIP 0 1/16W (1005)
R904 1-218-941-81 s C-RES,V 100-1/16W J
R905 1-218-941-81 s C-RES,V 100-1/16W J
R906 1-218-973-11 s RESISTOR,CHIP 47K 1/16W (1005)
R907 1-218-945-11 s RESISTOR,CHIP 220 1/16W(1005)
R908 1-218-945-11 s RESISTOR,CHIP 220 1/16W(1005)
R909 1-218-945-11 s RESISTOR,CHIP 220 1/16W(1005)
R910 1-218-945-11 s RESISTOR,CHIP 220 1/16W(1005)
R911 1-218-973-11 s RESISTOR,CHIP 47K 1/16W (1005)
R912 1-218-962-11 s RESISTOR,CHIP 5.6K 1/16W(1005)
R913 1-218-941-81 s C-RES,V 100-1/16W J
R914 1-218-941-81 s C-RES,V 100-1/16W J
R915 1-218-957-11 s RESISTOR,CHIP 2.2K 1/16W(1608)
R916 1-218-959-11 s RESISTOR, CHIP 3.3K
R919 1-208-719-11 s RESISTOR CHIP 33K 1/16W (1005)
R920 1-208-683-11 s RESISTOR CHIP 1K 1/16W (1005)
R921 1-208-699-11 s RESISTOR,CHIP 4.7K 1/16W(1005)
R922 1-218-965-11 s RESISTOR, CHIP 10K 1/16W
R923 1-218-965-11 s RESISTOR, CHIP 10K 1/16W
R924 1-218-965-11 s RESISTOR, CHIP 10K 1/16W
R925 1-218-969-11 s RESISTOR,CHIP 22K 1/16W (1608)
R926 1-208-703-11 s RESISTOR,CHIP 6.8K 1/16W(1005)
R927 1-218-941-81 s C-RES,V 100-1/16W J
R928 1-218-969-11 s RESISTOR,CHIP 22K 1/16W (1608)
R929 1-208-703-11 s RESISTOR,CHIP 6.8K 1/16W(1005)
R930 1-218-969-11 s RESISTOR,CHIP 22K 1/16W (1608)
R931 1-218-969-11 s RESISTOR,CHIP 22K 1/16W (1608)
R932 1-218-969-11 s RESISTOR,CHIP 22K 1/16W (1608)
R933 1-218-969-11 s RESISTOR,CHIP 22K 1/16W (1608)
R934 1-218-965-11 s RESISTOR, CHIP 10K 1/16W
R936 1-208-719-11 s RESISTOR CHIP 33K 1/16W (1005)
R937 1-208-683-11 s RESISTOR CHIP 1K 1/16W (1005)
R938 1-208-699-11 s RESISTOR,CHIP 4.7K 1/16W(1005)
R939 1-208-703-11 s RESISTOR,CHIP 6.8K 1/16W(1005)
R941 1-218-943-11 s RESISTOR,CHIP 150 1/16W
R942 1-218-943-11 s RESISTOR,CHIP 150 1/16W
R943 1-218-953-11 s RESISTOR, CHIP 1K 1/16W
R944 1-218-953-11 s RESISTOR, CHIP 1K 1/16W
R946 1-218-965-11 s RESISTOR, CHIP 10K 1/16W
R947 1-218-953-11 s RESISTOR, CHIP 1K 1/16W
R948 1-218-965-11 s RESISTOR, CHIP 10K 1/16W
R949 1-208-719-11 s RESISTOR CHIP 33K 1/16W (1005)
R950 1-208-683-11 s RESISTOR CHIP 1K 1/16W (1005)
R951 1-208-699-11 s RESISTOR,CHIP 4.7K 1/16W(1005)
R954 1-218-990-11 s RESISTOR,CHIP 0 1/16W (1005)
R955 1-218-990-11 s RESISTOR,CHIP 0 1/16W (1005)
R1101 1-218-917-11 s RESISTOR,CHIP 820K 1/10W(1608)
R1102 1-218-941-81 s C-RES,V 100-1/16W J
R1104 1-218-941-81 s C-RES,V 100-1/16W J
R1106 1-218-941-81 s C-RES,V 100-1/16W J
R1108 1-208-643-11 s RESISTOR CHIP 22 1/16W (1005)
R1109 1-208-643-11 s RESISTOR CHIP 22 1/16W (1005)
R1117 1-218-941-81 s C-RES,V 100-1/16W J
R1118 1-218-941-81 s C-RES,V 100-1/16W J
R1120 1-218-973-11 s RESISTOR,CHIP 47K 1/16W (1005)
R1121 1-218-973-11 s RESISTOR,CHIP 47K 1/16W (1005)
R1122 1-218-965-11 s RESISTOR, CHIP 10K 1/16W
R1124 1-218-965-11 s RESISTOR, CHIP 10K 1/16W
R1125 1-218-977-11 s RESISTOR,CHIP 100K 1/16W(1005)
(C BOARD(VPL-EX1 ONLY))
Ref. No.
or Q’ty Part No. SP Description
R1126 1-218-990-11 s RESISTOR,CHIP 0 1/16W (1005)
R1128 1-218-977-11 s RESISTOR,CHIP 100K 1/16W(1005)
R1129 1-218-978-11 s RESISTOR,CHIP 120K 1/16W(1005)
R1130 1-216-296-00 s CONDUCTOR, CHIP (3216)
R1131 1-216-296-00 s CONDUCTOR, CHIP (3216)
R1132 1-218-941-81 s C-RES,V 100-1/16W J
R1133 1-218-941-81 s C-RES,V 100-1/16W J
R1146 1-218-965-11 s RESISTOR, CHIP 10K 1/16W
RB100 1-234-370-11 s RES, NETWORK 22X4 (1005)
RB101 1-234-370-11 s RES, NETWORK 22X4 (1005)
RB102 1-234-370-11 s RES, NETWORK 22X4 (1005)
RB103 1-234-370-11 s RES, NETWORK 22X4 (1005)
RB104 1-234-370-11 s RES, NETWORK 22X4 (1005)
RB105 1-234-370-11 s RES, NETWORK 22X4 (1005)
RB200 1-234-369-21 s RES, NETWORK 10X4 (1005)
RB201 1-234-369-21 s RES, NETWORK 10X4 (1005)
RB202 1-234-369-21 s RES, NETWORK 10X4 (1005)
RB203 1-234-369-21 s RES, NETWORK 10X4 (1005)
RB205 1-234-378-11 s RES, NETWORK 10KX4 (1005)
RB300 1-234-369-21 s RES, NETWORK 10X4 (1005)
RB301 1-234-369-21 s RES, NETWORK 10X4 (1005)
RB302 1-234-369-21 s RES, NETWORK 10X4 (1005)
RB303 1-234-369-21 s RES, NETWORK 10X4 (1005)
RB304 1-234-369-21 s RES, NETWORK 10X4 (1005)
RB305 1-234-369-21 s RES, NETWORK 10X4 (1005)
RB401 1-234-372-11 s RES, NETWORK 100X4 (1005)
RB402 1-234-372-11 s RES, NETWORK 100X4 (1005)
RB403 1-234-372-11 s RES, NETWORK 100X4 (1005)
RB404 1-234-372-11 s RES, NETWORK 100X4 (1005)
RB405 1-234-372-11 s RES, NETWORK 100X4 (1005)
RB406 1-234-372-11 s RES, NETWORK 100X4 (1005)
RB450 1-234-371-11 s RES, NETWORK 47X4 (1005)
RB451 1-234-371-11 s RES, NETWORK 47X4 (1005)
RB452 1-234-371-11 s RES, NETWORK 47X4 (1005)
RB453 1-234-371-11 s RES, NETWORK 47X4 (1005)
RB454 1-234-371-11 s RES, NETWORK 47X4 (1005)
RB471 1-234-372-11 s RES, NETWORK 100X4 (1005)
RB472 1-234-372-11 s RES, NETWORK 100X4 (1005)
RB473 1-234-372-11 s RES, NETWORK 100X4 (1005)
RB501 1-234-523-21 s RESISTOR,CHIP NETWORK
RB502 1-234-523-21 s RESISTOR,CHIP NETWORK
RB601 1-234-523-21 s RESISTOR,CHIP NETWORK
RB602 1-234-523-21 s RESISTOR,CHIP NETWORK
RB701 1-234-523-21 s RESISTOR,CHIP NETWORK
RB702 1-234-523-21 s RESISTOR,CHIP NETWORK
RB800 1-234-372-11 s RES, NETWORK 100X4 (1005)
RB801 1-234-378-11 s RES, NETWORK 10KX4 (1005)
RB802 1-234-372-11 s RES, NETWORK 100X4 (1005)
RB803 1-234-375-21 s RES, NETWORK 1KX4 (1005)
RB804 1-234-372-11 s RES, NETWORK 100X4 (1005)
RB805 1-234-372-11 s RES, NETWORK 100X4 (1005)
RB806 1-234-372-11 s RES, NETWORK 100X4 (1005)
RB807 1-234-372-11 s RES, NETWORK 100X4 (1005)
RB808 1-234-372-11 s RES, NETWORK 100X4 (1005)
RB809 1-234-372-11 s RES, NETWORK 100X4 (1005)
RB810 1-234-372-11 s RES, NETWORK 100X4 (1005)
RB811 1-234-372-11 s RES, NETWORK 100X4 (1005)
RB813 1-234-372-11 s RES, NETWORK 100X4 (1005)
4-33
VPL-CS5A/CS6/CX6/EX1
(C BOARD(VPL-EX1 ONLY))
Ref. No.
or Q’ty Part No. SP Description
RB814 1-234-372-11 s RES, NETWORK 100X4 (1005)
RB815 1-234-372-11 s RES, NETWORK 100X4 (1005)
RB816 1-234-372-11 s RES, NETWORK 100X4 (1005)
RB817 1-234-372-11 s RES, NETWORK 100X4 (1005)
RB818 1-234-372-11 s RES, NETWORK 100X4 (1005)
RB819 1-234-372-11 s RES, NETWORK 100X4 (1005)
RB821 1-234-372-11 s RES, NETWORK 100X4 (1005)
S401 1-771-337-21 s SWITCH, SLIDE
TH800 1-803-382-11 s THERMISTOR (10K)
TH1101 1-803-615-11 s THERMISTOR, POSITIVE
X200 1-795-692-11 s VIBRATOR, CRYSTAL (24.576MHz)
X300 1-795-650-21 s VIBRATOR, CRYSTAL (16.384MHz)
X800 1-795-650-21 s VIBRATOR, CRYSTAL (16.384MHz)
--------
GA BOARD
--------
Ref. No.
or Q’ty Part No. SP Description
1pc A-1302-315-A s MOUNTED CIRCUIT BOARD, GA
2pcs 7-682-949-09 s SCREW +PSW 3X10(EP-FE/ZNBK/CM2
(IC2101,D2102)
C1101
!
1-113-900-11 s CAPACITOR,CERAMIC 470PF/250V
C1103
!
1-117-916-51 s CAP, METALIZED FILM 0.22MF
C1106
!
1-113-900-11 s CAPACITOR,CERAMIC 470PF/250V
C2004
!
1-104-708-11 s CAP, FILM 0.47MF/250VAC
C2101 1-117-228-11 s CAPACITOR,FILM 2.2MF/450V
C2102
!
1-117-751-11 s CAPACITOR, ELECT 220MF/450V
C2103 1-137-477-11 s CAPCITOR,FILM 0.47MF/400V
C2104 1-107-909-11 s CAPACITOR,ELECT 47MF/50V
C2105 1-115-339-11 s CAPACITOR,CERAMIC 0.1MF/50V
C2106 1-115-340-11 s CAPACITOR CERAMIC 0.22MF/25V B
C2107 1-163-251-11 s CAPACITOR CERAMIC 100PF/50V
CN1101
!
1-793-305-11 s INLET, AC (AC-M11PB52)
CN2001
!
1-691-960-11 o PIN,CONNECTOR (PC BOARD) 3P
CN2002
!
1-691-960-11 o PIN,CONNECTOR (PC BOARD) 3P
CN3501
!
1-564-705-11 o PIN,CONNECTOR (3P)
D2101 8-719-304-63 s DIODE RM11C (RECTI)
D2102
!
8-719-066-75 s DIODE D6SB80
D2103 8-719-073-01 s DIODE MA111-(K8).S0
D2104 8-719-073-01 s DIODE MA111-(K8).S0
D2105 8-719-106-98 s DIODE RD16M-B2
F1101
!
1-576-233-11 s FUSE (H.B.C.) 6.3A/250V
FH1101 1-533-223-11 s CLIP,FUSE
FH1102 1-533-223-11 s CLIP,FUSE
IC2101 8-749-015-27 s IC MZ1540
L1101
!
1-456-134-11 s COIL, LINE FILTER 6.3mH
L1102
!
1-424-485-11 s FILTER,LINE 70uH
L2101
!
1-456-133-11 s COIL, CHOKE
L2101 1-456-133-21 s COIL, CHOKE 200UH
L3204 1-419-763-11 s COIL, CHOKE 220UH
Q2101 8-729-230-27 s TRANSISTOR 2SA1213Y-TE12L
Q3601 8-729-230-27 s TRANSISTOR 2SA1213Y-TE12L
R1101
!
1-202-847-00 s RESISTOR,SOLID 560K 1/2W
R2101
!
1-211-748-11 s RES, CEMENT-COATED (FUSE) 5.6
R2102 1-216-065-91 s RESISTOR,CHIP 4.7K 1/10W(2012)
R2104 1-220-273-11 s RESISTOR, CHIP 1K 1/2W (4532)
R2105 1-220-273-11 s RESISTOR, CHIP 1K 1/2W (4532)
R2106 1-216-063-91 s RESISTOR,CHIP 3.9K 1/10W(2125)
R2107 1-216-065-91 s RESISTOR,CHIP 4.7K 1/10W(2012)
R2109 1-216-065-91 s RESISTOR,CHIP 4.7K 1/10W(2012)
R3206 1-245-415-11 s RESISTOR, METAL PLATE
R3606 1-249-389-11 s RES,CARBON 4.7 1/4W
R3608 1-216-057-00 s RESISTOR CHIP 2.2K 1/10W(2012)
R3609 1-216-073-91 s C-RES,S 10K-1/10W J
RY2101
!
1-755-395-11 s RELAY (AC POWER)
VD1101
!
1-803-830-31 s VARISTOR (ERZV14D621)
4-34 VPL-CS5A/CS6/CX6/EX1
--------
GB BOARD
--------
Ref. No.
or Q’ty Part No. SP Description
1pc A-1302-316-A s MOUNTED CIRCUIT BOARD, GB
C3107 1-162-970-11 s CAPACITOR CERAMIC 0.01MF/25V B
C3108 1-136-479-11 s CAPACITOR FILM 0.001MF/100V PP
C3109 1-162-970-11 s CAPACITOR CERAMIC 0.01MF/25V B
C3110 1-124-779-00 s CAPACITOR,ELECT 10MF/16V
C3111 1-109-994-11 s CAPACITOR,CHIP CERAMIC 2.2MF B
C3112 1-126-967-11 s CAPACITOR,ELECT 47MF/50V
C3113 1-130-495-00 s CAPACITOR FILM 0.1MF/50V PETP
C3114 1-128-551-11 s CAPACITOR ELECT 22MF/63V
C3119 1-137-753-11 s CAPACITOR METALIZED 4700PF
C3120 1-115-566-11 s CAPACITOR,CERAMIC 4.7MF B/6.3V
C3121 1-107-911-11 s CAPACITOR,ELECT 220MF/50V
C3122 1-107-826-11 s CAPACITOR,CHIP CERAMIC 0.1MF
C3123 1-131-976-11 s CAP, ELECT 820MF
C3125 1-128-946-11 s CAP, ELECT 2200MF / 10V
C3126 1-115-339-11 s CAPACITOR,CERAMIC 0.1MF/50V
C3128 1-109-982-11 s CAPACITOR,CHIP CERAMIC 1MF/10V
C3130
!
1-113-900-11 s CAPACITOR,CERAMIC 470PF/250V
C3131 1-107-826-11 s CAPACITOR,CHIP CERAMIC 0.1MF
C3203 1-128-994-11 s CAP, ELECT 47MF/10V
C3204 1-131-999-11 s CAPACITOR,SOLID ELECT 150MF
C3205 1-162-966-11 s CAPACITOR,CERAMIC 2200PF/50V B
C3206 1-164-230-11 s CAPACITOR,CERAMIC 220PF/50V
C3207 1-115-340-11 s CAPACITOR CERAMIC 0.22MF/25V B
C3209 1-115-156-11 s CAPACITOR,CERAMIC 1MF/10V(1608
C3210 1-117-808-91 s CAPACITOR,CERAMIC 10MF/10V(B)
C3211 1-135-960-91 s CAP, CHIP CERAMIC 10MF B(3225)
C3212 1-135-346-11 s CAP, SOLID ELECT 39MF 16V
C3213 1-164-156-11 s CAPACITOR,CERAMIC 0.1MF/25V F
C3214 1-162-927-11 s CAPACITOR,CERAMIC 100PF/50V CH
C3314 1-117-370-11 s CAPACITOR CERAMIC 10MF (3216)
C3331 1-107-826-11 s CAPACITOR,CHIP CERAMIC 0.1MF
C3332 1-107-826-11 s CAPACITOR,CHIP CERAMIC 0.1MF
CN3201
!
1-564-705-11 o PIN,CONNECTOR (3P)
CN3301 1-764-782-11 o HOUSING, CONNECTOR 24P
D3103 8-719-107-13 s DIODE RD18M-B1
D3104 8-719-073-01 s DIODE MA111-(K8).S0
D3107 8-719-979-64 s DIODE UF4005PKG23
D3108 8-719-118-12 s DIODE RD33M-B
D3109 8-719-073-52 s DIODE D2FS6-TA
D3110 8-719-510-09 s DIODE D10SC6M (RECTI)
D3112 8-719-510-12 s DIODE D10SC4M
D3113 8-719-106-16 s DIODE RD6.8M-B1
D3116 8-719-073-01 s DIODE MA111-(K8).S0
D3118 8-719-073-01 s DIODE MA111-(K8).S0
D3119 8-719-073-01 s DIODE MA111-(K8).S0
D3121 8-719-073-01 s DIODE MA111-(K8).S0
D3201 8-719-078-04 s DIODE EC31QS03L-TE12L
D3202 8-719-058-24 s DIODE RB501V-40TE17
D3203 8-719-078-04 s DIODE EC31QS03L-TE12L
D3306 8-719-073-01 s DIODE MA111-(K8).S0
D3307 8-719-073-01 s DIODE MA111-(K8).S0
D3308 8-719-073-01 s DIODE MA111-(K8).S0
FB3102 1-500-451-11 s MICRO INDUCTOR (CHIP) 41P750S
FB3103 1-500-451-11 s MICRO INDUCTOR (CHIP) 41P750S
IC3100 8-759-670-30 s IC MCZ3001D
(GB BOARD)
Ref. No.
or Q’ty Part No. SP Description
IC3102 8-759-388-23 s IC TL431BCDR2
IC3201 6-702-713-01 s IC LT1765EFE
IC3202 8-759-713-98 s IC LTC1772CS6
IC3301 8-759-066-55 s IC TA75W393FU
IC3302 8-759-066-55 s IC TA75W393FU
IC3307 8-759-066-55 s IC TA75W393FU
L3205 1-424-653-11 s COIL,CHOKE 10UH
L3206 1-424-673-11 s COIL, CHOKE 4.7UH
PH3100
!
8-749-016-82 s PHOTO COUPLER PC123GY2
PH3101
!
8-749-016-82 s PHOTO COUPLER PC123GY2
PH3102
!
8-749-016-82 s PHOTO COUPLER PC123GY2
Q3102 8-729-052-29 s TRANSISTOR 2SK2876-01MR-F122
Q3103 8-729-052-29 s TRANSISTOR 2SK2876-01MR-F122
Q3104 8-729-216-22 s TRANSISTOR 2SA1162-G
Q3105 8-729-230-49 s TRANSISTOR 2SC2712-YG
Q3106 8-729-905-35 s TRANSISTOR 2SC4081-R
Q3107 8-729-048-69 s TRANSISTOR 2SJ530S-TL
Q3109 8-729-048-69 s TRANSISTOR 2SJ530S-TL
Q3110 8-729-905-35 s TRANSISTOR 2SC4081-R
Q3201 8-729-034-98 s TRANSISTOR SI9434DY-T1
Q3301 8-729-029-14 s TRANSISTOR DTC144EUA-T106
Q3302 8-729-048-69 s TRANSISTOR 2SJ530S-TL
R3107 1-249-389-11 s RES,CARBON 4.7 1/4W
R3111 1-218-877-11 s RESISTOR,CHIP 18K 1/10W (1608)
R3112 1-218-843-11 s RESISTOR,CHIP 680 1/10W (1608)
R3113 1-218-868-11 s RESISTOR,CHIP 7.5K 1/10W(1608)
R3114 1-218-823-11 s RESISTOR,CHIP 100 1/10W (1608)
R3115 1-218-877-11 s RESISTOR,CHIP 18K 1/10W (1608)
R3116 1-220-338-11 s RESISTOR,CHIP 330K 1/2W (4532)
R3117 1-220-338-11 s RESISTOR,CHIP 330K 1/2W (4532)
R3119 1-220-338-11 s RESISTOR,CHIP 330K 1/2W (4532)
R3120 1-216-001-00 s RESISTOR, CHIP 10 1/10W(2012)
R3121 1-216-001-00 s RESISTOR, CHIP 10 1/10W(2012)
R3122 1-249-417-11 s RESISTOR,CARBON 1K 1/4W(SMALL)
R3123 1-216-814-11 s RESISTOR,CHIP 270 1/16W 1608
R3124 1-216-073-91 s C-RES,S 10K-1/10W J
R3125 1-216-073-91 s C-RES,S 10K-1/10W J
R3126 1-202-933-61 s RESISTOR, FUSE 0.1 1/2W
R3127 1-216-841-11 s RESISTOR, CHIP 47K 1/10W 1608
R3128 1-216-833-11 s RESISTOR,CHIP 10K 1/10W (1608)
R3129 1-220-993-91 s RESISTOR,CHIP 0.68 5025
R3130 1-220-993-91 s RESISTOR,CHIP 0.68 5025
R3131 1-216-833-11 s RESISTOR,CHIP 10K 1/10W (1608)
R3132 1-216-845-11 s RESISTOR,CHIP 100K 1/10W(1608)
R3133 1-216-833-11 s RESISTOR,CHIP 10K 1/10W (1608)
R3134 1-216-821-11 s RESISTOR,CHIP 1.0K 1/10W(1608)
R3135 1-216-820-11 s RESISTOR, CHIP 820 1/10W 1608
R3136 1-216-837-11 s RESISTOR,CHIP 22K 1/16W 1608
R3137 1-216-061-91 s C-RES,S 3.3K-1/10W J
R3138 1-216-041-00 s RESISTOR, CHIP 470 1/10W(2012)
R3139 1-216-833-11 s RESISTOR,CHIP 10K 1/10W (1608)
R3141 1-218-859-11 s RESISTOR,CHIP 3.3K 1/10W(1608)
R3142 1-218-861-11 s RESISTOR,CHIP 3.9K 1/10W(1608)
R3143 1-218-857-11 s RESISTOR,CHIP 2.7K 1/10W(1608)
R3144 1-218-855-11 s RESISTOR,CHIP 2.2K 1/10W(1608)
R3145 1-218-887-11 s RESISTOR,CHIP 47K 1/10W (1608)
R3152 1-216-844-11 s RESISTOR,CHIP 82K 1/16W 1608
4-35
VPL-CS5A/CS6/CX6/EX1
(GB BOARD)
Ref. No.
or Q’ty Part No. SP Description
R3153 1-216-841-11 s RESISTOR, CHIP 47K 1/10W 1608
R3156 1-216-827-11 s RESISTOR, CHIP 3.3K 1/10W 1608
R3157 1-216-841-11 s RESISTOR, CHIP 47K 1/10W 1608
R3158 1-216-833-11 s RESISTOR,CHIP 10K 1/10W (1608)
R3161 1-216-833-11 s RESISTOR,CHIP 10K 1/10W (1608)
R3201 1-216-837-11 s RESISTOR,CHIP 22K 1/16W 1608
R3202 1-216-825-11 s RESISTOR,CHIP 2.2K 1/10W 1608
R3203 1-216-837-11 s RESISTOR,CHIP 22K 1/16W 1608
R3204 1-216-833-11 s RESISTOR,CHIP 10K 1/10W (1608)
R3205 1-216-833-11 s RESISTOR,CHIP 10K 1/10W (1608)
R3207 1-216-821-11 s RESISTOR,CHIP 1.0K 1/10W(1608)
R3209 1-218-871-11 s RESISTOR,CHIP 10K 1/10W (1608)
R3210 1-218-881-11 s RESISTOR, CHIP 27K 1/10W(1608)
R3213 1-218-893-11 s RESISTOR, CHIP 82K 1/10W(1608)
R3216 1-216-833-11 s RESISTOR,CHIP 10K 1/10W (1608)
R3217 1-218-893-11 s RESISTOR, CHIP 82K 1/10W(1608)
R3218 1-218-905-11 s RESISTOR,CHIP 270K 1/10W1608)
R3219 1-240-182-11 s RESISTOR,SQURE TYPE 47M
R3321 1-216-833-11 s RESISTOR,CHIP 10K 1/10W (1608)
R3322 1-216-073-91 s C-RES,S 10K-1/10W J
R3324 1-216-845-11 s RESISTOR,CHIP 100K 1/10W(1608)
R3325 1-216-833-11 s RESISTOR,CHIP 10K 1/10W (1608)
R3326 1-216-838-11 s RESISTOR CHIP 27K 1/10W(1608)
R3327 1-216-821-11 s RESISTOR,CHIP 1.0K 1/10W(1608)
R3330 1-216-845-11 s RESISTOR,CHIP 100K 1/10W(1608)
R3331 1-216-839-11 s RESISTOR,CHIP 33K 1/10W 1608
R3332 1-216-833-11 s RESISTOR,CHIP 10K 1/10W (1608)
R3333 1-216-829-11 s RESISTOR,CHIP 4.7K 1/10W(1608)
R3334 1-216-821-11 s RESISTOR,CHIP 1.0K 1/10W(1608)
R3335 1-216-821-11 s RESISTOR,CHIP 1.0K 1/10W(1608)
R3336 1-216-825-11 s RESISTOR,CHIP 2.2K 1/10W 1608
R3337 1-216-833-11 s RESISTOR,CHIP 10K 1/10W (1608)
R3338 1-216-809-11 s RESISTOR,CHIP 100 1/10W 1608
R3339 1-216-841-11 s RESISTOR, CHIP 47K 1/10W 1608
T1101
!
1-437-380-11 s TRANSFORMER, CONVERTER
--------
H1 BOARD
--------
Ref. No.
or Q’ty Part No. SP Description
1pc A-1405-562-A s MOUNTED CIRCUIT BOARD, H1
C1501 1-107-820-11 s CAPACITOR,CHIP CERAMIC 0.1MF F
CN1501 1-691-491-21 s CONNECTOR, FFC/FPC 12P
D1501 8-719-045-51 s DIODE SEC2422C (ON/STBY)
D1502 8-719-045-51 s DIODE SEC2422C (ON/STBY)
D1503 8-719-024-77 s DIODE HN1D03FU-TE85L
D1504 8-719-024-77 s DIODE HN1D03FU-TE85L
Q1501 8-729-014-65 s TRANSISTOR RN2904-TE85R
Q1502 8-729-026-53 s TRANSISTOR 2SA1576A-T106-QR
R1501 1-218-943-11 s RESISTOR,CHIP 150 1/16W
R1502 1-218-944-11 s RESISTOR,CHIP 180 1/16W
R1504 1-218-943-11 s RESISTOR,CHIP 150 1/16W
R1505 1-218-944-11 s RESISTOR,CHIP 180 1/16W
R1507 1-218-941-81 s C-RES,V 100-1/16W J
R1508 1-218-941-81 s C-RES,V 100-1/16W J
R1509 1-218-941-81 s C-RES,V 100-1/16W J
R1510 1-218-941-81 s C-RES,V 100-1/16W J
R1511 1-218-961-11 s RESISTOR, CHIP 4.7K 1/16W
R1512 1-218-973-11 s RESISTOR,CHIP 47K 1/16W (1005)
S1501 1-771-105-11 s SWITCH, TACTILE (INPUT)
S1502 1-771-105-11 s SWITCH, TACTILE (POWER)
S1503 1-771-105-11 s SWITCH, TACTILE (TILT-)
S1504 1-771-105-11 s SWITCH, TACTILE (TILT+)
--------
H2 BOARD
--------
Ref. No.
or Q’ty Part No. SP Description
1pc A-1405-565-A s MOUNTED CIRCUIT BOARD, H2
C1551 1-107-820-11 s CAPACITOR,CHIP CERAMIC 0.1MF F
CN1551 1-770-623-21 s PIN, CONNECTOR 6P
D1551 8-719-045-61 s DIODE SEC1901C
D1552 8-719-045-61 s DIODE SEC1901C
D1553 8-719-045-53 s DIODE SEC1801C
D1554 8-719-024-77 s DIODE HN1D03FU-TE85L
D1555 8-719-024-77 s DIODE HN1D03FU-TE85L
Q1551 8-729-014-65 s TRANSISTOR RN2904-TE85R
Q1552 8-729-014-65 s TRANSISTOR RN2904-TE85R
R1551 1-218-958-11 s RESISTOR,CHIP 2.7K 1/16W(1005)
R1552 1-218-954-11 s RESISTOR, CHIP 1.2K 1/16W
R1553 1-218-951-11 s RESISTOR, CHIP 680 1/16
R1554 1-218-948-11 s RESISTOR CHIP 390 1/16W (1005)
R1555 1-218-946-11 s RESISTOR,CHIP 270 1/16W
R1556 1-218-950-11 s RESISTOR,CHIP 560,1/16W
R1558 1-218-941-81 s C-RES,V 100-1/16W J
R1559 1-218-941-81 s C-RES,V 100-1/16W J
R1560 1-218-941-81 s C-RES,V 100-1/16W J
S1551 1-771-105-11 s SWITCH, TACTILE (MENU)
S1552 1-786-409-12 s SWITCH, TACTILE
4-36 VPL-CS5A/CS6/CX6/EX1
-------
L BOARD
-------
Ref. No.
or Q’ty Part No. SP Description
CN1201 1-770-619-11 o PIN, CONNECTOR 2P
D1201 6-500-318-01 s DIODE NSCW100
D1202 6-500-318-01 s DIODE NSCW100
D1203 6-500-318-01 s DIODE NSCW100
D1204 6-500-318-01 s DIODE NSCW100
R1201 1-216-025-00 s RESISTOR,CHIP 100 1/10W(2012)
R1202 1-216-025-00 s RESISTOR,CHIP 100 1/10W(2012)
R1203 1-216-025-00 s RESISTOR,CHIP 100 1/10W(2012)
R1204 1-216-025-00 s RESISTOR,CHIP 100 1/10W(2012)
----------------------
MS BOARD(VPL-CX6 ONLY)
----------------------
Ref. No.
or Q’ty Part No. SP Description
1pc A-1302-320-A s MOUNTED CIRCUIT BOARD, MS
C1007 1-119-667-11 s CAPACITOR CERAMIC 22MF/10V(F)
C1008 1-107-820-11 s CAPACITOR,CHIP CERAMIC 0.1MF F
C1010 1-119-667-11 s CAPACITOR CERAMIC 22MF/10V(F)
C1011 1-107-820-11 s CAPACITOR,CHIP CERAMIC 0.1MF F
C1012 1-107-820-11 s CAPACITOR,CHIP CERAMIC 0.1MF F
C1013 1-107-820-11 s CAPACITOR,CHIP CERAMIC 0.1MF F
C1014 1-115-467-11 s CAPACITOR CERAMIC 0.22MF/10V B
C1015 1-164-935-11 s CAPACITOR,CHIP CERAMIC 470PF
C1016 1-119-667-11 s CAPACITOR CERAMIC 22MF/10V(F)
C1017 1-107-820-11 s CAPACITOR,CHIP CERAMIC 0.1MF F
C1018 1-107-820-11 s CAPACITOR,CHIP CERAMIC 0.1MF F
C1019 1-107-820-11 s CAPACITOR,CHIP CERAMIC 0.1MF F
C1020 1-107-820-11 s CAPACITOR,CHIP CERAMIC 0.1MF F
C1021 1-107-820-11 s CAPACITOR,CHIP CERAMIC 0.1MF F
C1022 1-107-820-11 s CAPACITOR,CHIP CERAMIC 0.1MF F
C1023 1-107-820-11 s CAPACITOR,CHIP CERAMIC 0.1MF F
C1024 1-107-820-11 s CAPACITOR,CHIP CERAMIC 0.1MF F
C1025 1-107-820-11 s CAPACITOR,CHIP CERAMIC 0.1MF F
C1027 1-107-820-11 s CAPACITOR,CHIP CERAMIC 0.1MF F
C1028 1-164-505-11 s CAPACITOR,CHIP CERAMIC 2.2MF
C1029 1-117-370-11 s CAPACITOR CERAMIC 10MF (3216)
C1030 1-117-370-11 s CAPACITOR CERAMIC 10MF (3216)
C1031 1-117-720-11 s CAPACITOR, CERAMIC 4.7MF/10V F
C1032 1-117-720-11 s CAPACITOR, CERAMIC 4.7MF/10V F
C1038 1-119-667-11 s CAPACITOR CERAMIC 22MF/10V(F)
C1039 1-107-820-11 s CAPACITOR,CHIP CERAMIC 0.1MF F
C1040 1-107-820-11 s CAPACITOR,CHIP CERAMIC 0.1MF F
C1041 1-107-820-11 s CAPACITOR,CHIP CERAMIC 0.1MF F
C1042 1-107-820-11 s CAPACITOR,CHIP CERAMIC 0.1MF F
C1043 1-107-820-11 s CAPACITOR,CHIP CERAMIC 0.1MF F
C1044 1-164-941-11 s CAPACITOR,CHIP CERAMIC 4700/16
C1045 1-164-941-11 s CAPACITOR,CHIP CERAMIC 4700/16
C2001 1-107-820-11 s CAPACITOR,CHIP CERAMIC 0.1MF F
C2002 1-119-667-11 s CAPACITOR CERAMIC 22MF/10V(F)
C2003 1-107-820-11 s CAPACITOR,CHIP CERAMIC 0.1MF F
C2004 1-119-667-11 s CAPACITOR CERAMIC 22MF/10V(F)
C2005 1-107-820-11 s CAPACITOR,CHIP CERAMIC 0.1MF F
C2006 1-119-667-11 s CAPACITOR CERAMIC 22MF/10V(F)
C2007 1-107-820-11 s CAPACITOR,CHIP CERAMIC 0.1MF F
C2008 1-107-820-11 s CAPACITOR,CHIP CERAMIC 0.1MF F
C2009 1-107-820-11 s CAPACITOR,CHIP CERAMIC 0.1MF F
C2010 1-107-820-11 s CAPACITOR,CHIP CERAMIC 0.1MF F
C2011 1-107-820-11 s CAPACITOR,CHIP CERAMIC 0.1MF F
C2012 1-107-820-11 s CAPACITOR,CHIP CERAMIC 0.1MF F
C2013 1-107-820-11 s CAPACITOR,CHIP CERAMIC 0.1MF F
C2014 1-107-820-11 s CAPACITOR,CHIP CERAMIC 0.1MF F
C2015 1-107-820-11 s CAPACITOR,CHIP CERAMIC 0.1MF F
C2016 1-107-820-11 s CAPACITOR,CHIP CERAMIC 0.1MF F
C2017 1-107-820-11 s CAPACITOR,CHIP CERAMIC 0.1MF F
C2018 1-107-820-11 s CAPACITOR,CHIP CERAMIC 0.1MF F
C2019 1-107-820-11 s CAPACITOR,CHIP CERAMIC 0.1MF F
C2020 1-107-820-11 s CAPACITOR,CHIP CERAMIC 0.1MF F
C2021 1-107-820-11 s CAPACITOR,CHIP CERAMIC 0.1MF F
C2022 1-107-820-11 s CAPACITOR,CHIP CERAMIC 0.1MF F
C2023 1-107-820-11 s CAPACITOR,CHIP CERAMIC 0.1MF F
C2024 1-107-820-11 s CAPACITOR,CHIP CERAMIC 0.1MF F
4-37
VPL-CS5A/CS6/CX6/EX1
(MS BOARD(VPL-CX6 ONLY))
Ref. No.
or Q’ty Part No. SP Description
C2025 1-107-820-11 s CAPACITOR,CHIP CERAMIC 0.1MF F
C2026 1-107-820-11 s CAPACITOR,CHIP CERAMIC 0.1MF F
C2027 1-107-820-11 s CAPACITOR,CHIP CERAMIC 0.1MF F
C2028 1-107-820-11 s CAPACITOR,CHIP CERAMIC 0.1MF F
C2029 1-107-820-11 s CAPACITOR,CHIP CERAMIC 0.1MF F
C2030 1-107-820-11 s CAPACITOR,CHIP CERAMIC 0.1MF F
C2031 1-107-820-11 s CAPACITOR,CHIP CERAMIC 0.1MF F
C3001 1-119-667-11 s CAPACITOR CERAMIC 22MF/10V(F)
C3002 1-107-820-11 s CAPACITOR,CHIP CERAMIC 0.1MF F
C3003 1-107-820-11 s CAPACITOR,CHIP CERAMIC 0.1MF F
C3004 1-107-820-11 s CAPACITOR,CHIP CERAMIC 0.1MF F
C3005 1-107-820-11 s CAPACITOR,CHIP CERAMIC 0.1MF F
C3006 1-107-820-11 s CAPACITOR,CHIP CERAMIC 0.1MF F
C3007 1-107-820-11 s CAPACITOR,CHIP CERAMIC 0.1MF F
C3008 1-107-820-11 s CAPACITOR,CHIP CERAMIC 0.1MF F
C3009 1-119-667-11 s CAPACITOR CERAMIC 22MF/10V(F)
C3010 1-107-820-11 s CAPACITOR,CHIP CERAMIC 0.1MF F
C3011 1-107-820-11 s CAPACITOR,CHIP CERAMIC 0.1MF F
C3012 1-107-820-11 s CAPACITOR,CHIP CERAMIC 0.1MF F
C3013 1-107-820-11 s CAPACITOR,CHIP CERAMIC 0.1MF F
C3014 1-107-820-11 s CAPACITOR,CHIP CERAMIC 0.1MF F
C3015 1-107-820-11 s CAPACITOR,CHIP CERAMIC 0.1MF F
C3016 1-107-820-11 s CAPACITOR,CHIP CERAMIC 0.1MF F
C3017 1-119-667-11 s CAPACITOR CERAMIC 22MF/10V(F)
C3018 1-107-820-11 s CAPACITOR,CHIP CERAMIC 0.1MF F
C3019 1-107-820-11 s CAPACITOR,CHIP CERAMIC 0.1MF F
C3020 1-107-820-11 s CAPACITOR,CHIP CERAMIC 0.1MF F
C3021 1-107-820-11 s CAPACITOR,CHIP CERAMIC 0.1MF F
C3022 1-119-667-11 s CAPACITOR CERAMIC 22MF/10V(F)
C3023 1-107-820-11 s CAPACITOR,CHIP CERAMIC 0.1MF F
C3024 1-107-820-11 s CAPACITOR,CHIP CERAMIC 0.1MF F
CN1001 1-785-613-11 o CONNECTOR, FFC/FPC 50P
CN1002 1-691-491-21 s CONNECTOR, FFC/FPC 12P
CN2001 1-770-627-21 s PIN, CONNECTOR 10P
D1002 8-719-941-86 s DIODE DAN202U
FB1001 1-400-150-11 s FERRITE, EMI (SMD)
FB1002 1-414-921-11 s INDUCTOR, FERRITE BEAD
FB1003 1-414-921-11 s INDUCTOR, FERRITE BEAD
FB1004 1-414-921-11 s INDUCTOR, FERRITE BEAD
FB1006 1-414-921-11 s INDUCTOR, FERRITE BEAD
FB1007 1-414-921-11 s INDUCTOR, FERRITE BEAD
FB1008 1-414-921-11 s INDUCTOR, FERRITE BEAD
FB1009 1-414-921-11 s INDUCTOR, FERRITE BEAD
FB1013 1-414-921-11 s INDUCTOR, FERRITE BEAD
FB1014 1-414-921-11 s INDUCTOR, FERRITE BEAD
FB1016 1-414-921-11 s INDUCTOR, FERRITE BEAD
FB1017 1-414-921-11 s INDUCTOR, FERRITE BEAD
FB1019 1-414-921-11 s INDUCTOR, FERRITE BEAD
FB2001 1-414-921-11 s INDUCTOR, FERRITE BEAD
FB2002 1-469-670-11 o FERRITE, EMI (SMD)
FB2003 1-414-921-11 s INDUCTOR, FERRITE BEAD
FB3001 1-414-921-11 s INDUCTOR, FERRITE BEAD
FB3002 1-414-921-11 s INDUCTOR, FERRITE BEAD
FB3003 1-414-921-11 s INDUCTOR, FERRITE BEAD
IC1002 6-700-953-01 s IC LM1117MPX-1.8
IC1004 8-759-331-27 s IC MM1096AFF
IC1005 6-702-607-01 s IC MB93491
(MS BOARD(VPL-CX6 ONLY))
Ref. No.
or Q’ty Part No. SP Description
IC1006 8-759-661-55 s IC ST24FC21M6TR
IC1007 8-759-665-50 s IC AK4352VT-E2
IC1012 8-759-082-60 s IC TC7S66FU
IC1013 8-759-082-60 s IC TC7S66FU
IC1014 8-759-575-16 s IC LMC7101BIM5X
IC1015 8-759-575-16 s IC LMC7101BIM5X
IC3001 8-759-835-17 s IC K4S281632C-TC1HT00
IC3002 8-759-835-17 s IC K4S281632C-TC1HT00
IC3003 6-803-224-01 s IC MBM29LV160BE-90TN-1754MS100
IC3004 6-702-812-11 s IC CY27027ZZCT
L1001 1-414-770-91 s INDUCTOR 4.7UH
L3001 1-469-058-11 s INDUCTOR 22UH
Q1001 8-729-013-28 s TRANSISTOR HN1B01FU-TE85R
Q1005 8-729-026-53 s TRANSISTOR 2SA1576A-T106-QR
Q1006 8-729-028-91 s TRANSISTOR DTA144EUA-T106
Q1007 8-729-029-14 s TRANSISTOR DTC144EUA-T106
Q2001 8-729-013-28 s TRANSISTOR HN1B01FU-TE85R
R1005 1-218-961-11 s RESISTOR, CHIP 4.7K 1/16W
R1006 1-218-961-11 s RESISTOR, CHIP 4.7K 1/16W
R1007 1-218-965-11 s RESISTOR, CHIP 10K 1/16W
R1008 1-218-989-11 s RESISTOR,CHIP 1M 1/16W (1005)
R1009 1-208-643-11 s RESISTOR CHIP 22 1/16W (1005)
R1010 1-218-965-11 s RESISTOR, CHIP 10K 1/16W
R1011 1-218-965-11 s RESISTOR, CHIP 10K 1/16W
R1012 1-218-990-11 s RESISTOR,CHIP 0 1/16W (1005)
R1013 1-218-990-11 s RESISTOR,CHIP 0 1/16W (1005)
R1015 1-218-965-11 s RESISTOR, CHIP 10K 1/16W
R1017 1-218-961-11 s RESISTOR, CHIP 4.7K 1/16W
R1018 1-218-961-11 s RESISTOR, CHIP 4.7K 1/16W
R1019 1-218-965-11 s RESISTOR, CHIP 10K 1/16W
R1020 1-208-643-11 s RESISTOR CHIP 22 1/16W (1005)
R1021 1-208-643-11 s RESISTOR CHIP 22 1/16W (1005)
R1022 1-218-955-11 s RESISTOR, CHIP 1.5K
R1023 1-218-965-11 s RESISTOR, CHIP 10K 1/16W
R1026 1-208-643-11 s RESISTOR CHIP 22 1/16W (1005)
R1027 1-208-643-11 s RESISTOR CHIP 22 1/16W (1005)
R1028 1-208-643-11 s RESISTOR CHIP 22 1/16W (1005)
R1029 1-208-643-11 s RESISTOR CHIP 22 1/16W (1005)
R1031 1-218-965-11 s RESISTOR, CHIP 10K 1/16W
R1032 1-218-965-11 s RESISTOR, CHIP 10K 1/16W
R1033 1-218-977-11 s RESISTOR,CHIP 100K 1/16W(1005)
R1034 1-218-977-11 s RESISTOR,CHIP 100K 1/16W(1005)
R1035 1-218-973-11 s RESISTOR,CHIP 47K 1/16W (1005)
R1036 1-218-973-11 s RESISTOR,CHIP 47K 1/16W (1005)
R1037 1-208-643-11 s RESISTOR CHIP 22 1/16W (1005)
R1038 1-208-643-11 s RESISTOR CHIP 22 1/16W (1005)
R1039 1-208-643-11 s RESISTOR CHIP 22 1/16W (1005)
R1040 1-208-643-11 s RESISTOR CHIP 22 1/16W (1005)
R1041 1-218-937-11 s RESISTOR, CHIP 47
R1045 1-208-643-11 s RESISTOR CHIP 22 1/16W (1005)
R1047 1-208-645-11 s RESISTOR CHIP 27 1/16W (1005)
R1048 1-208-645-11 s RESISTOR CHIP 27 1/16W (1005)
R1049 1-218-965-11 s RESISTOR, CHIP 10K 1/16W
R1056 1-208-643-11 s RESISTOR CHIP 22 1/16W (1005)
R1057 1-208-643-11 s RESISTOR CHIP 22 1/16W (1005)
R1062 1-208-643-11 s RESISTOR CHIP 22 1/16W (1005)
R1063 1-208-643-11 s RESISTOR CHIP 22 1/16W (1005)
R1064 1-208-643-11 s RESISTOR CHIP 22 1/16W (1005)
4-38 VPL-CS5A/CS6/CX6/EX1
(MS BOARD(VPL-CX6 ONLY))
Ref. No.
or Q’ty Part No. SP Description
R1069 1-208-643-11 s RESISTOR CHIP 22 1/16W (1005)
R1077 1-218-965-11 s RESISTOR, CHIP 10K 1/16W
R1078 1-208-643-11 s RESISTOR CHIP 22 1/16W (1005)
R1079 1-218-953-11 s RESISTOR, CHIP 1K 1/16W
R1080 1-218-941-81 s C-RES,V 100-1/16W J
R1081 1-218-977-11 s RESISTOR,CHIP 100K 1/16W(1005)
R1082 1-218-977-11 s RESISTOR,CHIP 100K 1/16W(1005)
R1083 1-218-957-11 s RESISTOR,CHIP 2.2K 1/16W(1608)
R1084 1-218-957-11 s RESISTOR,CHIP 2.2K 1/16W(1608)
R1085 1-218-965-11 s RESISTOR, CHIP 10K 1/16W
R1086 1-218-965-11 s RESISTOR, CHIP 10K 1/16W
R1087 1-218-941-81 s C-RES,V 100-1/16W J
R1088 1-218-941-81 s C-RES,V 100-1/16W J
R1090 1-218-953-11 s RESISTOR, CHIP 1K 1/16W
R2001 1-218-990-11 s RESISTOR,CHIP 0 1/16W (1005)
R2002 1-218-965-11 s RESISTOR, CHIP 10K 1/16W
R2003 1-218-965-11 s RESISTOR, CHIP 10K 1/16W
R2004 1-218-990-11 s RESISTOR,CHIP 0 1/16W (1005)
R2005 1-218-990-11 s RESISTOR,CHIP 0 1/16W (1005)
R2006 1-218-990-11 s RESISTOR,CHIP 0 1/16W (1005)
R2007 1-218-990-11 s RESISTOR,CHIP 0 1/16W (1005)
R2008 1-218-965-11 s RESISTOR, CHIP 10K 1/16W
R2009 1-218-965-11 s RESISTOR, CHIP 10K 1/16W
R2010 1-218-965-11 s RESISTOR, CHIP 10K 1/16W
R2011 1-218-965-11 s RESISTOR, CHIP 10K 1/16W
R2012 1-208-643-11 s RESISTOR CHIP 22 1/16W (1005)
R2013 1-218-937-11 s RESISTOR, CHIP 47
R2014 1-208-643-11 s RESISTOR CHIP 22 1/16W (1005)
R2015 1-218-965-11 s RESISTOR, CHIP 10K 1/16W
R2016 1-218-961-11 s RESISTOR, CHIP 4.7K 1/16W
R2017 1-218-941-81 s C-RES,V 100-1/16W J
R2018 1-218-965-11 s RESISTOR, CHIP 10K 1/16W
R2019 1-208-643-11 s RESISTOR CHIP 22 1/16W (1005)
R2020 1-208-643-11 s RESISTOR CHIP 22 1/16W (1005)
R2021 1-208-643-11 s RESISTOR CHIP 22 1/16W (1005)
R2022 1-208-643-11 s RESISTOR CHIP 22 1/16W (1005)
R2023 1-208-643-11 s RESISTOR CHIP 22 1/16W (1005)
R2025 1-218-965-11 s RESISTOR, CHIP 10K 1/16W
R2026 1-218-965-11 s RESISTOR, CHIP 10K 1/16W
R2027 1-218-941-81 s C-RES,V 100-1/16W J
R3001 1-218-990-11 s RESISTOR,CHIP 0 1/16W (1005)
R3002 1-218-990-11 s RESISTOR,CHIP 0 1/16W (1005)
R3003 1-208-643-11 s RESISTOR CHIP 22 1/16W (1005)
R3004 1-208-643-11 s RESISTOR CHIP 22 1/16W (1005)
R3005 1-208-643-11 s RESISTOR CHIP 22 1/16W (1005)
R3006 1-218-941-81 s C-RES,V 100-1/16W J
R3007 1-208-643-11 s RESISTOR CHIP 22 1/16W (1005)
R3008 1-218-937-11 s RESISTOR, CHIP 47
R3009 1-218-937-11 s RESISTOR, CHIP 47
R3010 1-218-937-11 s RESISTOR, CHIP 47
R3011 1-218-990-11 s RESISTOR,CHIP 0 1/16W (1005)
R3012 1-218-990-11 s RESISTOR,CHIP 0 1/16W (1005)
RB1001 1-234-370-11 s RES, NETWORK 22X4 (1005)
RB1002 1-234-370-11 s RES, NETWORK 22X4 (1005)
RB1003 1-234-370-11 s RES, NETWORK 22X4 (1005)
RB1004 1-234-370-11 s RES, NETWORK 22X4 (1005)
RB1006 1-234-370-11 s RES, NETWORK 22X4 (1005)
RB1007 1-234-370-11 s RES, NETWORK 22X4 (1005)
(MS BOARD(VPL-CX6 ONLY))
Ref. No.
or Q’ty Part No. SP Description
RB1008 1-234-370-11 s RES, NETWORK 22X4 (1005)
RB1009 1-234-370-11 s RES, NETWORK 22X4 (1005)
RB1010 1-234-370-11 s RES, NETWORK 22X4 (1005)
RB1011 1-234-370-11 s RES, NETWORK 22X4 (1005)
RB1012 1-234-370-11 s RES, NETWORK 22X4 (1005)
RB1013 1-234-370-11 s RES, NETWORK 22X4 (1005)
RB1014 1-234-370-11 s RES, NETWORK 22X4 (1005)
RB1015 1-234-370-11 s RES, NETWORK 22X4 (1005)
RB1016 1-234-371-11 s RES, NETWORK 47X4 (1005)
RB1017 1-234-371-11 s RES, NETWORK 47X4 (1005)
RB1018 1-234-371-11 s RES, NETWORK 47X4 (1005)
RB1019 1-234-371-11 s RES, NETWORK 47X4 (1005)
RB1020 1-234-371-11 s RES, NETWORK 47X4 (1005)
RB1021 1-234-370-11 s RES, NETWORK 22X4 (1005)
RB1022 1-234-370-11 s RES, NETWORK 22X4 (1005)
RB2001 1-234-378-11 s RES, NETWORK 10KX4 (1005)
RB2002 1-234-378-11 s RES, NETWORK 10KX4 (1005)
RB2003 1-234-378-11 s RES, NETWORK 10KX4 (1005)
RB2004 1-234-378-11 s RES, NETWORK 10KX4 (1005)
RB2005 1-234-378-11 s RES, NETWORK 10KX4 (1005)
RB2006 1-234-378-11 s RES, NETWORK 10KX4 (1005)
RB2007 1-234-378-11 s RES, NETWORK 10KX4 (1005)
RB2008 1-234-378-11 s RES, NETWORK 10KX4 (1005)
RB2009 1-234-378-11 s RES, NETWORK 10KX4 (1005)
RB3001 1-234-371-11 s RES, NETWORK 47X4 (1005)
RB3002 1-234-371-11 s RES, NETWORK 47X4 (1005)
RB3003 1-234-371-11 s RES, NETWORK 47X4 (1005)
RB3004 1-234-371-11 s RES, NETWORK 47X4 (1005)
RB3005 1-234-371-11 s RES, NETWORK 47X4 (1005)
RB3006 1-234-371-11 s RES, NETWORK 47X4 (1005)
RB3007 1-234-371-11 s RES, NETWORK 47X4 (1005)
RB3008 1-234-371-11 s RES, NETWORK 47X4 (1005)
RB3009 1-234-371-11 s RES, NETWORK 47X4 (1005)
RB3010 1-234-371-11 s RES, NETWORK 47X4 (1005)
RB3011 1-234-371-11 s RES, NETWORK 47X4 (1005)
RB3012 1-234-371-11 s RES, NETWORK 47X4 (1005)
RB3013 1-234-371-11 s RES, NETWORK 47X4 (1005)
RB3014 1-234-371-11 s RES, NETWORK 47X4 (1005)
RB3015 1-234-371-11 s RES, NETWORK 47X4 (1005)
RB3016 1-234-371-11 s RES, NETWORK 47X4 (1005)
RB3017 1-234-371-11 s RES, NETWORK 47X4 (1005)
RB3018 1-234-371-11 s RES, NETWORK 47X4 (1005)
RB3019 1-234-371-11 s RES, NETWORK 47X4 (1005)
RB3020 1-234-371-11 s RES, NETWORK 47X4 (1005)
X3001 1-795-690-22 s OSCILLATOR, CRYSTAL (SMD)
(54MHz)
4-39
VPL-CS5A/CS6/CX6/EX1
--------------------------------
MSC BOARD(VPL-CS5A/CS6/EX1 ONLY)
--------------------------------
Ref. No.
or Q’ty Part No. SP Description
1pc A-1302-314-A s MOUNTED CIRCUIT BOARD, MSC
C1307 1-164-505-11 s CAPACITOR,CHIP CERAMIC 2.2MF
C1309 1-164-947-11 s CAPACITOR CHIP CERAMIC 0.01MF
C1310 1-107-820-11 s CAPACITOR,CHIP CERAMIC 0.1MF F
C1401 1-164-862-11 s CAPACITOR,CHIP CERAMIC 33PF/16
C1402 1-164-862-11 s CAPACITOR,CHIP CERAMIC 33PF/16
C1406 1-125-777-11 s CAPACITOR CERAMIC 0.1MF/10V
C1409 1-125-777-11 s CAPACITOR CERAMIC 0.1MF/10V
C1410 1-125-777-11 s CAPACITOR CERAMIC 0.1MF/10V
C1417 1-119-667-11 s CAPACITOR CERAMIC 22MF/10V(F)
C1418 1-125-891-11 s CAPACITOR CERAMIC 0.47MF/10V
C1419 1-119-667-11 s CAPACITOR CERAMIC 22MF/10V(F)
C1420 1-125-777-11 s CAPACITOR CERAMIC 0.1MF/10V
CN1302 1-770-622-21 s PIN, CONNECTOR 5P
CN1303 1-778-336-21 s PIN, CONNECTOR (PC BOARD) 14P
D1402 8-719-988-61 s DIODE 1SS355TE-17
D1405 8-719-988-61 s DIODE 1SS355TE-17
FB1302 1-469-670-11 o FERRITE, EMI (SMD)
FB1303 1-414-921-11 s INDUCTOR, FERRITE BEAD
FB1304 1-414-921-11 s INDUCTOR, FERRITE BEAD
FB1305 1-414-921-11 s INDUCTOR, FERRITE BEAD
FB1306 1-469-670-11 o FERRITE, EMI (SMD)
FB1307 1-414-921-11 s INDUCTOR, FERRITE BEAD
FB1308 1-414-921-11 s INDUCTOR, FERRITE BEAD
FB1309 1-414-921-11 s INDUCTOR, FERRITE BEAD
FB1310 1-414-921-11 s INDUCTOR, FERRITE BEAD
FB1311 1-414-921-11 s INDUCTOR, FERRITE BEAD
FB1402 1-500-451-11 s MICRO INDUCTOR (CHIP) 41P750S
IC1301 8-749-012-17 s IC RS-140-T
IC1302 8-759-592-49 s IC TC7SZ125FU(TE85R)
IC1402 8-759-697-26 s IC RCV4-A1T-MASK-25
IC1510 8-759-649-33 s IC SN74AHCT1G08DCKR
Q1403 8-729-029-14 s TRANSISTOR DTC144EUA-T106
Q1406 8-729-013-28 s TRANSISTOR HN1B01FU-TE85R
R1312 1-218-937-11 s RESISTOR, CHIP 47
R1313 1-218-937-11 s RESISTOR, CHIP 47
R1314 1-218-937-11 s RESISTOR, CHIP 47
R1315 1-218-941-81 s C-RES,V 100-1/16W J
R1316 1-218-937-11 s RESISTOR, CHIP 47
R1317 1-218-973-11 s RESISTOR,CHIP 47K 1/16W (1005)
R1318 1-218-965-11 s RESISTOR, CHIP 10K 1/16W
R1320 1-218-937-11 s RESISTOR, CHIP 47
R1403 1-218-990-11 s RESISTOR,CHIP 0 1/16W (1005)
R1409 1-218-989-11 s RESISTOR,CHIP 1M 1/16W (1005)
R1415 1-218-665-11 s RESISTOR,CHIP 75 1/16W (1608)
R1418 1-218-962-11 s RESISTOR,CHIP 5.6K 1/16W(1005)
R1420 1-218-965-11 s RESISTOR, CHIP 10K 1/16W
R1421 1-218-965-11 s RESISTOR, CHIP 10K 1/16W
R1432 1-218-965-11 s RESISTOR, CHIP 10K 1/16W
R1433 1-218-955-11 s RESISTOR, CHIP 1.5K
R1434 1-218-965-11 s RESISTOR, CHIP 10K 1/16W
R1436 1-218-965-11 s RESISTOR, CHIP 10K 1/16W
R1437 1-218-953-11 s RESISTOR, CHIP 1K 1/16W
R1440 1-218-961-11 s RESISTOR, CHIP 4.7K 1/16W
R1443 1-218-973-11 s RESISTOR,CHIP 47K 1/16W (1005)
(MSC BOARD(VPL-CS5A/CS6/EX1 ONLY))
Ref. No.
or Q’ty Part No. SP Description
R1444 1-218-957-11 s RESISTOR,CHIP 2.2K 1/16W(1608)
R1447 1-218-973-11 s RESISTOR,CHIP 47K 1/16W (1005)
R1459 1-218-973-11 s RESISTOR,CHIP 47K 1/16W (1005)
R1460 1-218-953-11 s RESISTOR, CHIP 1K 1/16W
R1462 1-218-990-11 s RESISTOR,CHIP 0 1/16W (1005)
R1463 1-218-931-11 s RESISTOR,CHIP 15 1/16W
R1464 1-218-931-11 s RESISTOR,CHIP 15 1/16W
X1401 1-781-994-21 s VIBRATOR, CRYSTAL (24MHz)
4-40 VPL-CS5A/CS6/CX6/EX1
-----------------------
MSC BOARD(VPL-CX6 ONLY)
-----------------------
Ref. No.
or Q’ty Part No. SP Description
1pc A-1302-319-A s MOUNTED CIRCUIT BOARD, MSC
C1301 1-107-820-11 s CAPACITOR,CHIP CERAMIC 0.1MF F
C1302 1-107-820-11 s CAPACITOR,CHIP CERAMIC 0.1MF F
C1303 1-107-820-11 s CAPACITOR,CHIP CERAMIC 0.1MF F
C1304 1-107-820-11 s CAPACITOR,CHIP CERAMIC 0.1MF F
C1305 1-119-667-11 s CAPACITOR CERAMIC 22MF/10V(F)
C1306 1-107-820-11 s CAPACITOR,CHIP CERAMIC 0.1MF F
C1307 1-164-505-11 s CAPACITOR,CHIP CERAMIC 2.2MF
C1308 1-107-820-11 s CAPACITOR,CHIP CERAMIC 0.1MF F
C1309 1-164-947-11 s CAPACITOR CHIP CERAMIC 0.01MF
C1310 1-107-820-11 s CAPACITOR,CHIP CERAMIC 0.1MF F
C1401 1-164-862-11 s CAPACITOR,CHIP CERAMIC 33PF/16
C1402 1-164-862-11 s CAPACITOR,CHIP CERAMIC 33PF/16
C1403 1-119-667-11 s CAPACITOR CERAMIC 22MF/10V(F)
C1404 1-125-777-11 s CAPACITOR CERAMIC 0.1MF/10V
C1405 1-164-943-11 s CAPACITOR,CHIP CERAMIC 0.01MF
C1406 1-125-777-11 s CAPACITOR CERAMIC 0.1MF/10V
C1407 1-125-777-11 s CAPACITOR CERAMIC 0.1MF/10V
C1408 1-125-777-11 s CAPACITOR CERAMIC 0.1MF/10V
C1409 1-125-777-11 s CAPACITOR CERAMIC 0.1MF/10V
C1410 1-125-777-11 s CAPACITOR CERAMIC 0.1MF/10V
C1411 1-125-777-11 s CAPACITOR CERAMIC 0.1MF/10V
C1412 1-125-777-11 s CAPACITOR CERAMIC 0.1MF/10V
C1413 1-125-777-11 s CAPACITOR CERAMIC 0.1MF/10V
C1414 1-125-777-11 s CAPACITOR CERAMIC 0.1MF/10V
C1415 1-164-850-11 s CAPACITOR,CERAMIC 10PF/16V CH
C1416 1-164-850-11 s CAPACITOR,CERAMIC 10PF/16V CH
C1417 1-119-667-11 s CAPACITOR CERAMIC 22MF/10V(F)
C1418 1-125-891-11 s CAPACITOR CERAMIC 0.47MF/10V
C1419 1-119-667-11 s CAPACITOR CERAMIC 22MF/10V(F)
C1420 1-125-777-11 s CAPACITOR CERAMIC 0.1MF/10V
C1422 1-164-862-11 s CAPACITOR,CHIP CERAMIC 33PF/16
C1423 1-164-862-11 s CAPACITOR,CHIP CERAMIC 33PF/16
C1424 1-125-777-11 s CAPACITOR CERAMIC 0.1MF/10V
C1425 1-125-777-11 s CAPACITOR CERAMIC 0.1MF/10V
C1427 1-164-943-11 s CAPACITOR,CHIP CERAMIC 0.01MF
C1428 1-125-777-11 s CAPACITOR CERAMIC 0.1MF/10V
C1429 1-164-935-11 s CAPACITOR,CHIP CERAMIC 470PF
C1430 1-164-935-11 s CAPACITOR,CHIP CERAMIC 470PF
CN1301 1-691-491-21 s CONNECTOR, FFC/FPC 12P
CN1302 1-770-622-21 s PIN, CONNECTOR 5P
CN1303 1-778-336-21 s PIN, CONNECTOR (PC BOARD) 14P
CN1304 1-815-368-13 l CONNECTOR, CARD (MEMORY STICK)
D1301 8-719-045-61 s DIODE SEC1901C
D1401 8-719-988-61 s DIODE 1SS355TE-17
D1402 8-719-988-61 s DIODE 1SS355TE-17
D1405 8-719-988-61 s DIODE 1SS355TE-17
FB1301 1-469-670-11 o FERRITE, EMI (SMD)
FB1302 1-469-670-11 o FERRITE, EMI (SMD)
FB1303 1-414-921-11 s INDUCTOR, FERRITE BEAD
FB1304 1-414-921-11 s INDUCTOR, FERRITE BEAD
FB1305 1-414-921-11 s INDUCTOR, FERRITE BEAD
FB1306 1-469-670-11 o FERRITE, EMI (SMD)
FB1307 1-414-921-11 s INDUCTOR, FERRITE BEAD
FB1308 1-414-921-11 s INDUCTOR, FERRITE BEAD
FB1309 1-414-921-11 s INDUCTOR, FERRITE BEAD
FB1310 1-414-921-11 s INDUCTOR, FERRITE BEAD
(MSC BOARD(VPL-CX6 ONLY))
Ref. No.
or Q’ty Part No. SP Description
FB1311 1-414-921-11 s INDUCTOR, FERRITE BEAD
FB1312 1-414-921-11 s INDUCTOR, FERRITE BEAD
FB1313 1-469-670-11 o FERRITE, EMI (SMD)
FB1401 1-500-451-11 s MICRO INDUCTOR (CHIP) 41P750S
FB1402 1-500-451-11 s MICRO INDUCTOR (CHIP) 41P750S
IC1301 8-749-012-17 s IC RS-140-T
IC1302 8-759-592-49 s IC TC7SZ125FU(TE85R)
IC1401 8-759-655-55 s IC UPD72012GB-003-3B4
IC1402 8-759-697-26 s IC RCV4-A1T-MASK-25
IC1403 6-701-707-01 s IC ST72T631K4M1-201
IC1404 8-759-598-06 s IC S-80942ANMP-DD6-T2
IC1510 8-759-649-33 s IC SN74AHCT1G08DCKR
Q1301 8-729-029-14 s TRANSISTOR DTC144EUA-T106
Q1302 8-729-026-53 s TRANSISTOR 2SA1576A-T106-QR
Q1303 8-729-026-53 s TRANSISTOR 2SA1576A-T106-QR
Q1403 8-729-029-14 s TRANSISTOR DTC144EUA-T106
Q1404 8-729-029-14 s TRANSISTOR DTC144EUA-T106
Q1405 8-729-013-28 s TRANSISTOR HN1B01FU-TE85R
Q1406 8-729-013-28 s TRANSISTOR HN1B01FU-TE85R
Q1407 8-729-029-14 s TRANSISTOR DTC144EUA-T106
Q1408 8-729-013-26 s TRANSISTOR HN1C03FU-TE85R
R1301 1-218-965-11 s RESISTOR, CHIP 10K 1/16W
R1302 1-218-937-11 s RESISTOR, CHIP 47
R1303 1-218-937-11 s RESISTOR, CHIP 47
R1305 1-218-977-11 s RESISTOR,CHIP 100K 1/16W(1005)
R1306 1-218-953-11 s RESISTOR, CHIP 1K 1/16W
R1307 1-218-990-11 s RESISTOR,CHIP 0 1/16W (1005)
R1308 1-218-990-11 s RESISTOR,CHIP 0 1/16W (1005)
R1309 1-218-990-11 s RESISTOR,CHIP 0 1/16W (1005)
R1310 1-218-990-11 s RESISTOR,CHIP 0 1/16W (1005)
R1311 1-218-957-11 s RESISTOR,CHIP 2.2K 1/16W(1608)
R1312 1-218-937-11 s RESISTOR, CHIP 47
R1313 1-218-937-11 s RESISTOR, CHIP 47
R1314 1-218-937-11 s RESISTOR, CHIP 47
R1315 1-218-941-81 s C-RES,V 100-1/16W J
R1316 1-218-937-11 s RESISTOR, CHIP 47
R1317 1-218-973-11 s RESISTOR,CHIP 47K 1/16W (1005)
R1318 1-218-965-11 s RESISTOR, CHIP 10K 1/16W
R1320 1-218-937-11 s RESISTOR, CHIP 47
R1401 1-218-965-11 s RESISTOR, CHIP 10K 1/16W
R1402 1-218-955-11 s RESISTOR, CHIP 1.5K
R1403 1-218-990-11 s RESISTOR,CHIP 0 1/16W (1005)
R1404 1-218-965-11 s RESISTOR, CHIP 10K 1/16W
R1406 1-218-931-11 s RESISTOR,CHIP 15 1/16W
R1407 1-218-931-11 s RESISTOR,CHIP 15 1/16W
R1408 1-218-953-11 s RESISTOR, CHIP 1K 1/16W
R1409 1-218-989-11 s RESISTOR,CHIP 1M 1/16W (1005)
R1410 1-218-957-11 s RESISTOR,CHIP 2.2K 1/16W(1608)
R1411 1-218-967-11 s RESISTOR,CHIP 15K 1/16W (1608)
R1412 1-218-967-11 s RESISTOR,CHIP 15K 1/16W (1608)
R1413 1-218-967-11 s RESISTOR,CHIP 15K 1/16W (1608)
R1414 1-218-967-11 s RESISTOR,CHIP 15K 1/16W (1608)
R1415 1-218-665-11 s RESISTOR,CHIP 75 1/16W (1608)
R1416 1-218-965-11 s RESISTOR, CHIP 10K 1/16W
R1417 1-218-990-11 s RESISTOR,CHIP 0 1/16W (1005)
R1418 1-218-962-11 s RESISTOR,CHIP 5.6K 1/16W(1005)
R1419 1-218-953-11 s RESISTOR, CHIP 1K 1/16W
R1420 1-218-965-11 s RESISTOR, CHIP 10K 1/16W
4-41
VPL-CS5A/CS6/CX6/EX1
(MSC BOARD(VPL-CX6 ONLY))
Ref. No.
or Q’ty Part No. SP Description
R1421 1-218-965-11 s RESISTOR, CHIP 10K 1/16W
R1422 1-218-931-11 s RESISTOR,CHIP 15 1/16W
R1423 1-218-931-11 s RESISTOR,CHIP 15 1/16W
R1424 1-218-965-11 s RESISTOR, CHIP 10K 1/16W
R1425 1-218-931-11 s RESISTOR,CHIP 15 1/16W
R1426 1-218-931-11 s RESISTOR,CHIP 15 1/16W
R1427 1-218-965-11 s RESISTOR, CHIP 10K 1/16W
R1428 1-218-931-11 s RESISTOR,CHIP 15 1/16W
R1429 1-218-931-11 s RESISTOR,CHIP 15 1/16W
R1430 1-218-967-11 s RESISTOR,CHIP 15K 1/16W (1608)
R1431 1-218-967-11 s RESISTOR,CHIP 15K 1/16W (1608)
R1432 1-218-965-11 s RESISTOR, CHIP 10K 1/16W
R1433 1-218-955-11 s RESISTOR, CHIP 1.5K
R1434 1-218-965-11 s RESISTOR, CHIP 10K 1/16W
R1435 1-218-977-11 s RESISTOR,CHIP 100K 1/16W(1005)
R1436 1-218-965-11 s RESISTOR, CHIP 10K 1/16W
R1437 1-218-953-11 s RESISTOR, CHIP 1K 1/16W
R1438 1-218-977-11 s RESISTOR,CHIP 100K 1/16W(1005)
R1439 1-218-959-11 s RESISTOR, CHIP 3.3K
R1440 1-218-961-11 s RESISTOR, CHIP 4.7K 1/16W
R1441 1-218-973-11 s RESISTOR,CHIP 47K 1/16W (1005)
R1442 1-218-973-11 s RESISTOR,CHIP 47K 1/16W (1005)
R1443 1-218-973-11 s RESISTOR,CHIP 47K 1/16W (1005)
R1444 1-218-957-11 s RESISTOR,CHIP 2.2K 1/16W(1608)
R1446 1-218-969-11 s RESISTOR,CHIP 22K 1/16W (1608)
R1447 1-218-973-11 s RESISTOR,CHIP 47K 1/16W (1005)
R1448 1-218-989-11 s RESISTOR,CHIP 1M 1/16W (1005)
R1449 1-218-965-11 s RESISTOR, CHIP 10K 1/16W
R1451 1-218-990-11 s RESISTOR,CHIP 0 1/16W (1005)
R1452 1-218-955-11 s RESISTOR, CHIP 1.5K
R1453 1-218-941-81 s C-RES,V 100-1/16W J
R1454 1-218-941-81 s C-RES,V 100-1/16W J
R1455 1-218-961-11 s RESISTOR, CHIP 4.7K 1/16W
R1456 1-218-961-11 s RESISTOR, CHIP 4.7K 1/16W
R1457 1-218-973-11 s RESISTOR,CHIP 47K 1/16W (1005)
R1458 1-218-973-11 s RESISTOR,CHIP 47K 1/16W (1005)
R1459 1-218-973-11 s RESISTOR,CHIP 47K 1/16W (1005)
R1460 1-218-953-11 s RESISTOR, CHIP 1K 1/16W
X1401 1-781-994-21 s VIBRATOR, CRYSTAL (24MHz)
X1402 1-795-691-11 s QUARTZ CRYSTAL UNIT (4MHz)
X1403 1-781-994-21 s VIBRATOR, CRYSTAL (24MHz)
--------
NR BOARD
--------
Ref. No.
or Q’ty Part No. SP Description
C50 1-164-505-11 s CAPACITOR,CHIP CERAMIC 2.2MF
CN50 1-770-620-21 s PIN, CONNECTOR 3P
IC50 8-749-012-17 s IC RS-140-T
R50 1-218-937-11 s RESISTOR, CHIP 47
R51 1-218-941-81 s C-RES,V 100-1/16W J
-------
Q BOARD
-------
Ref. No.
or Q’ty Part No. SP Description
1pc A-1405-571-A s MOUNTED CIRCUIT BOARD, Q
C20 1-164-217-11 s CAPACITOR,CERAMIC 150PF/50V CH
C21 1-164-217-11 s CAPACITOR,CERAMIC 150PF/50V CH
C22 1-165-875-11 s CAPACITOR, CHIP CERAMIC 10MF B
C23 1-165-875-11 s CAPACITOR, CHIP CERAMIC 10MF B
CN20 1-770-860-11 s CONNECTOR, S TERMINAL (S-VIDEO)
CN21 1-778-965-21 s PIN, CONNECTOR (PC BOARD) 12P
D20 8-719-036-80 s DIODE RD3.9SB
D21 8-719-036-80 s DIODE RD3.9SB
D22 8-719-036-80 s DIODE RD3.9SB
D23 8-719-158-37 s DIODE RD9.1SB2
D24 8-719-158-37 s DIODE RD9.1SB2
J20 1-566-822-21 s JACK (AUDIO IN)
J21 1-785-549-41 o JACK, PIN YELLOW (VIDEO)
L20 1-414-921-11 s INDUCTOR, FERRITE BEAD
R26 1-216-853-11 s RESISTOR,CHIP 470K 1/16W(1608)
R27 1-216-853-11 s RESISTOR,CHIP 470K 1/16W(1608)
-------
S BOARD
-------
Ref. No.
or Q’ty Part No. SP Description
1pc A-1405-572-A s MOUNTED CIRCUIT BOARD, S
CN1 1-770-624-21 s PIN, CONNECTOR 7P
D1 8-719-053-18 s DIODE 1SR154-400TE-25
D2 8-719-053-18 s DIODE 1SR154-400TE-25
RV1 1-227-596-11 s POTENTIOMETER
S1 1-786-591-11 s SWITCH, MICRO
S2 1-786-591-11 s SWITCH, MICRO
-------
U BOARD
-------
Ref. No.
or Q’ty Part No. SP Description
CN60 1-770-619-11 o PIN, CONNECTOR 2P
S60
!
1-762-984-11 s SWITCH, PUSH
4-42 VPL-CS5A/CS6/CX6/EX1
-------
V BOARD
-------
Ref. No.
or Q’ty Part No. SP Description
C70 1-164-947-11 s CAPACITOR CHIP CERAMIC 0.01MF
CN70 1-770-621-21 s PIN, CONNECTOR 4P
R70 1-208-699-11 s RESISTOR,CHIP 4.7K 1/16W(1005)
S70 1-762-984-11 s SWITCH, PUSH
TH70 1-803-382-11 s THERMISTOR (10K)
------------------------------
SUPPLIED ACCESSORIES(VPL-CS5A)
------------------------------
Ref. No.
or Q’ty Part No. SP Description
1pc 1-476-555-21 s REMOTE COMMANDER (RM-PJ2)
1pc 9-885-010-99 s COVER, BATTERY (FOR RM-PJ2)
1pc
!
CORD,POWER(See 1-3-18. Warning on Power Connection.)
1pc 1-791-992-31 s CABLE ASSY(15PDSUBCONNECTORX2)
1pc 4-090-077-01 o QUICK REFENCE CARD
1pc 4-095-440-11 o MANUAL, INSTRUCTION(ENGLISH,
(FRENCH,SPANISH)
-----------------------------
SUPPLIED ACCESSORIES(VPL-CS6)
-----------------------------
Ref. No.
or Q’ty Part No. SP Description
1pc
!
1-476-556-22 s REMOTE COMMANDER (RM-PJM12)
1pc 9-885-005-85 s COVER, BATTERY (FOR RM-PJM12)
1pc
!
CORD,POWER(See 1-3-18. Warning on Power Connection.)
1pc 1-790-081-31 s CABLE, USB
1pc 1-791-992-31 s CABLE ASSY(15PDSUBCONNECTORX2)
1pc 4-090-077-01 o QUICK REFENCE CARD
1pc 4-095-440-01 o MANUAL, INSTRUCTION(JAPANESE,
SIMPLIFIED CHINESE)
1pc 4-095-440-11 o MANUAL, INSTRUCTION(ENGLISH,
(FRENCH,SPANISH)
1pc 4-095-440-21 o MANUAL, INSTRUCTION(GERMAN,
(ITALIAN)
-----------------------------
SUPPLIED ACCESSORIES(VPL-CX6)
-----------------------------
Ref. No.
or Q’ty Part No. SP Description
1pc
!
1-476-556-22 s REMOTE COMMANDER (RM-PJM12)
1pc 9-885-005-85 s COVER, BATTERY (FOR RM-PJM12)
1pc
!
CORD,POWER(See 1-3-18. Warning on Power Connection.)
1pc 1-790-081-31 s CABLE, USB
1pc 1-791-992-31 s CABLE ASSY(15PDSUBCONNECTORX2)
1pc 4-090-077-01 o QUICK REFENCE CARD
1pc 4-095-440-01 o MANUAL, INSTRUCTION(JAPANESE,
SIMPLIFIED CHINESE)
1pc 4-095-440-11 o MANUAL, INSTRUCTION(ENGLISH,
(FRENCH,SPANISH)
1pc 4-095-440-21 o MANUAL, INSTRUCTION(GERMAN,
(ITALIAN)
1pc 4-095-441-01 o MANUAL, INSTRUCTION(JAPANESE,
SIMPLIFIED CHINESE)
1pc 4-095-441-11 o MANUAL, INSTRUCTION(ENGLISH,
(FRENCH,SPANISH)
1pc 4-095-441-21 o MANUAL, INSTRUCTION(GERMAN,
(ITALIAN)
-----------------------------
SUPPLIED ACCESSORIES(VPL-EX1)
-----------------------------
Ref. No.
or Q’ty Part No. SP Description
1pc
!
1-476-555-21 s REMOTE COMMANDER (RM-PJ2)
1pc 9-885-010-99 s COVER, BATTERY (FOR RM-PJ2)
1pc
!
CORD,POWER(See 1-3-18. Warning on Power Connection.)
1pc 1-791-992-31 s CABLE ASSY(15PDSUBCONNECTORX2)
1pc 4-090-077-01 o QUICK REFENCE CARD
1pc 4-095-440-01 o MANUAL, INSTRUCTION
(JAPANESE,SIMPLIFIED CHINESE)
1pc 4-095-440-11 o MANUAL, INSTRUCTION
(ENGLISH,FRENCH,SPANISH)
1pc 4-095-440-21 o MANUAL, INSTRUCTION
(GERMAN,ITALIAN)

5-1
VPL-CS5A/CS6/CX6/EX1 5-1
OverallOverall
Section 5
Block Diagrams
Q
AUDIO
INPUT
IC203
IC1103
AUDIO
PROC
C
INPUT-A
IC1106
SPEAKER
S VIDEO
VIDEO
IC1005
VIDEO
I/F
EEPROM
IC1006
MS
LCD
(R)
ICE
SWITCHING
REGURATOR
17V
AUDIO +B
SUB 6V
D3.3V
SUB3.3V LINE
FILTER
GB
AC IN
GA
FAN 1
FAN 50
FAN 60
VIDEO
DEC
SDA 100K
SCL 100K
MS AU L
MS AU R
SDA 400K
SCL 400K
IC102
SYNC
SEP
H SYNC
V SYNC
H POL
V POL
IC100
DDC
SCL
SDA
G
B
V
R
Y
C
8
8
VCLK
V HS
V VS
IC300(1/3)
SCAN
CONV
Y
C
IC205
H SI
V SI
IC105
A/D
CONV
R
G
B
CLK
H
V
8
8
8
3D
GAMMA
EEPROM
S401
SDA 400K
SCL 400K
SDA PW
SCL PW
8
8
8
R
G
B
D CLK
H SYNC
V SYNC
IC403
RESET
IC405
RESET
IC406
EEPROM
IC402
3D
GAMMA
&
TG
IC450
BUFF 8
IC451
BUFF 8
10
10
10
R
G
B
4
POS CON0-3
CLR
IC300(2/3)
SCAN
CONV
IC404
BUFF
M CLK R
M CLK G
M CLK B
IC801
MAIN
CPU
IC802
RESET
IC803
EEPROM
S70
V
H2
S1551,1552
UP
DOWN
ENTER
RIGHT
LEFT
L
D1201-1204
NR
IC50
IR
RX
S60
U
S
PSAVE
LAMP
TEMP
H1
S1501-1504
INPUT
POWER
TILT+
TILT-
ON/STBY
HUDI
ADJ
UNIT MOTOR
DRIVE
IC1105
2
2
7
2
LAMP CONT
SIRCS NR
LAMP COVER
FILT CONV
2
KEY0,4
KEY0
Q800
BUS
SW
SDA 400K
SCL 400K
IC903
SIRCS
3
IC300(3/3)
SCAN
CONV
IC307
FLASH
ROM
RXD2
TXD2
P-TX
P-RX
IC306
IC306
RXD MS
TXD MS
MENU
BRD
FLAG
SIRCS CS
IC471
D/A
CONV
SDA 100K
SCL 100K
6
2
2
7
3
3
3
3
OFSET R
VCOM R
VREF R
OFSET G
VCOM G
VREF G
OFSET B
VCOM B
VREF B
SLD LV
PRG LV
SCEN
IC601
LCD
DRIVER
(R)
12
VSIG1-12
2
COM,PS2G
3
3
4
4
10
IC501
LCD
DRIVER
(G)
12
VSIG1-12
2
COM,PS2G
3
3
4
10
4
IC701
LCD
DRIVER
(B)
12
VSIG1-12
2
COM,PS2G
3
3
4
10
4
CN601
7
LCD
(G)
CN501
7
LCD
(B)
CN701
7
CX6/EX1 MODEL
LCD
(R)
IC602
LCD
DRIVER
(R)
6
VSIG1-6
2
COM,PS2G
3
3
4
4
10
IC502
LCD
DRIVER
(G)
6
VSIG1-6
2
COM,PS2G
3
3
4
10
4
IC702
LCD
DRIVER
(B)
6
VSIG1-6
2
COM,PS2G
3
3
4
10
4
CN602
7
LCD
(G)
CN502
7
LCD
(B)
CN702
7
CS5A/CS6 MODEL IC1007
AUDIO
DAC
IC3004
CLOCK
GEN
FLAG
IC1004
5
WDT
CLK 66M RO
CLK 12M
5
IC2001
µCOM
5
IC3003
FLASH
ROM
SDRAM
IC3001,3002
MS AU L
MS AU R
MS AU L
MS AU R
6V
FAN +B
PROT
FAN CONT
PCONT
RXD,TXD
CPU &
PWROM
RXD
TXD
SAD USB
SCL USB
SIRCS
USB REC
US-
US+
VBUS
9
3
USB
J100
8
LEVEL
SHIFT
IC1510
MSC
MEMORY
STICK
HUB
&
POWER
CONT
IC1401
MUSE
RECEIVER
IC1402
PJ
STASTION
CONT
IC1403
POWER
SW
IR
RX
IC1301
2
SIRCS
US+,-
2
2
SDA USB,SCL USB
SUB REQ
23
VBUS
2
RXD
TXD
CX6
CVBS
S-Y
S-C
4
V VS
V HS
VCLK
(CX6)

5-2 VPL-CS5A/CS6/CX6/EX1
5-2
C (1/4), QC (1/4), Q
Q(1/2)
S VIDEO
J21 CN21(1/2)
10 CVBS
8S-Y
6S-C
CN20
VIDEO 10
8
6
CN202(1/4)
IC203
VIDEO DECODER
AI12
95
101
IGP1
VCLK 3
CN202(3/4)
28 VY0
27 VY1
B
MS BOARD
CN1001(1/3)
A
MS BOARD
CN1001(1/3)
CN201(1/2)
3/4HSI
2/4GAMMA RST
2/4,3/4 SDA 400K
2/4,3/4 SCL 400K
2/4 R DEC
2/4 G DEC
2/4 B DEC
VPEN 4
VHS 6
VVS 5
17 3
IC204((1/2)
SYNC BUFF
15 5
13 7
11 9
19
IC202
3.3V
REG 3.3V
5V-3
IC206
3.3V
REG 3.3V
AI31
57
AI41
13
SDA
153
SCL
139
AI44
55
AI24
89
AI34
71
IPD0
IPD7
83
86
85
.
94
.
93
78
76
.
.
.
99
.
HPD0
HPD7
61
60
62
.
69
.
70
54
59
.
.
.
77
.
XTALO
2
XTALI
16
.
.
X200
24.576MHz
126
RTS0
115
IDQ
100
IGPH
102
IGPV
ITRI
114
3/4 DEC EN
VG/Y/U0
VG/Y/U7
27
7
28
.
69
.
49
68
48
.
.
.
8
.
.
IC300(1/3)
SCAN CONV
VB/UV/V0
VDD 3.3
VB/UV/V7
30
10
71
.
11
.
52
29
9
.
.
.
53
.
.
VCLK
SW
72
VPEN
53
VHS
34
VVS
14
VFIELD
15
218
IC204((2/2)
SYNC BUFF
416
614
812
1
3/4 MS EN
2/4 HS
2/4 VS
3/4 SW1
IC205
SYNC SW
13 12
14
10
1
11 93/4VSI
26 VY2
25 VY3
24 VY4
23 VY5
22 VY6
21 VY7
20 VUV0
19 VUY1
18 VUV2
17 VUY3
16 VUV4
15 VUY5
14 VUV6
13 VUY7
AUDIO
INPUT
J20
IC1103
AUDIO PROC
MUTE
Q1104
SP +1
CN1102
SP -2SPEAKER
2
OUT L
IN1L
17
Q(2/2)
CN21(2/2)
3 AU L 3
CN201(2/2)
1 AU R 1
CN202(2/4)
MS AU L 8
C
MS BOARD
CN1001(2/3)
MS AU R 10
IN1R
14
IN2L
18
IN2R
13
9OUT R
3/4,4/4 SDA 100K
3/4,4/4 SCL 100K
SDA
4
SCL
5
3/4 AU MUTE
IC1106
AUDIO AMP
7
OUT P
INP
1
SHUT DOWN
3
10OUT N
IC1109
5V
REG 5V
AUDIO +B
C(1/4)
2/4 15K CS AI14
105
Q301, Q302
+3.3V-2

5-3
VPL-CS5A/CS6/CX6/EX1 5-3
C (2/4) C (2/4)
150
149
152
.
160
.
159
144
151
.
.
.
168
.
.
IC300(2/3)
SCAN CONV
GRE0
GRE7
X300
16.384MHz
4
18
IC305
5V-1
Q100
IC105
A/D CONV
RA IN
54
GA IN
48
SOG IN
49
RED0
RED7
77
70
GREEN0
GREEN7
9
2
88
118
112
.
119
.
120
94
87
.
.
.
127
.
.
GGE0
GGE7
BLUE0
BLUE7
19
12
57
38
19
.
39
.
20
76
18
.
.
.
78
.
.
GBE0
GBE7
GPENSOG
104
65
SOG OUT
67
DATA CK
64
VS OUT
29
COAST
GCLK
111
GCOAST
96
GVS
117
166
165
174
.
195
.
173
167
176
.
.
.
216
.
.
DRE0
DRE7
236
235
256
.
213
.
192
194
215
.
.
.
234
.
.
DGE0
DGE7
212
191
252
.
211
.
232
255
254
.
.
.
231
.
.
DBE0
DBE7
189
DHS
209
DVS
228
DCLK
SDA
5
DDC
6
8VCC
IC100
LIMIT
Q102
GREEN
4
C/H
6
18H POL
19V POL
15
HD
13
VD
IC102
SYNC SEP
VCLK
7
SCL VIN
8
IC101
5V
REG 5V-36V
IC103
3.3V
REG 3.3V-3
BA IN
43
VSYNC
31
CLAMP
38
SDA PW
SCL PW
DCKEXT
249
SPECTRUM
SPREAD
3/4 OSD EN
5
6
1
IC403
RESET
2
3/4 TG RESET
1/4 GAMMA RST
VCC
8
IC406
EEPROM
5
SDA
6
SCL
RESET
SW
Q402
3D GAMMA
EEPROM
CN401
WSDA 3
WSCL 2
W N
S401 1/4,3/4
SDA 400K
1/4,3/4SCL 400K
CN100
INPUT-A
1/4R DEC
1/4G DEC
1/4B DEC
c
(2/4)
BUFF
Q101,104,105
LIMIT
Q103
17
CLAMP
HSYNC
30
66
HS OUT GFBK
109
GHS
103
1/415K CS
1/4HS
1/4VS
3/4H POL
3/4V POL
HSYNC
81
VSYNC
35
CLKI
125
HSDA
119
IC402
3D GAMMA & TG
IC450
2
3
18
17
416
5
CNT 1A
HSCL
80
127
46
91
.
128
.
92
126
90
.
.
.
93
.
.
RIN0
RIN7
39
84
121
.
85
.
122
83
120
.
.
.
123
.
.
BIN0
BIN7
42
87
43
.
88
.
44
41
86
.
.
.
89
.
.
GIN0
GIN7
OSD YM
74
23
1
IC401
DRE7
DRE0
DRE1
ROSD0
116
ROSD1
77
ROSD2
31
OSD YS
28
56
4
IC401
DGE7
DGE0
DGE1
GOSD0
115
GOSD1
76
GOSD2
30
DBE0
DBE1
BOSD0
114
BOSD1
75
BOSD2
29
RSDA
32
RSCL
33
RESET
48
ROUT0
ROUT9
24
111
70
.
110
.
69
26
72
.
.
.
.
.
22
68
21
.
.
GOUT0
GOUT9
107
66
19
.
106
.
65
67
20
.
.
.
.
.
18
64
17
.
.
BOUT0
BOUT9
103
62
15
.
102
.
61
63
16
.
.
.
.
.
13
59
11
.
.
53
CNT 1B
6
CNT 2A
54
CNT 2B
5
6
15
14
713
BUFF
51
LCD RGTX
98
LCD HCK1
4/4R0-9
4/4G0-9
4/4B0-9
95
INVCNT
8
9
12
11
50
LCD RGT
55
LCD HCK2
4/4POS CON0
4/4
4/4
4/4
4/4DCFB OFF
4/4RGT
4/4RGTX
4/4HCK 1R
4/4
4/4
4/4
4/4
4/4
POS CON1
POS CON2
POS CON3
HCK 1G
HCK 1B
HCK 2R
HCK 2G
HCK 2B
IC451
2
3
18
17
416
5
6
15
14
713
BUFF
8
9
12
11
58LCD FRP 4/4FRP
4/4PRG
4/4ENB
4/4
4/4
4/4
4/4
4/4
HST
VST
VCK
PCG
DWN
10LCD PRG
2LCD ENB
97LCD HST
7LCD VST
8
LCD VCK
100
LCD PCG
57
LCD DWN
96
AGC SHP
1
23
24
Q450
IC452
3.3V-2 13
12 11
10
98
4
56
3.3V-2
IC404
4/4MCLK R
4/4CLR
4/4MCLK G
4/4MCLK B
IC304
11
12 13
12
IC303
RESET
3.3V-2
RESET
83
5 MCKEXT
229
PORT A0
42
PORT A1
21
IC104
3.3V
REG 3.3V
12
IC405
RESET
3.3V-2
3/4
VSO

5-4 VPL-CS5A/CS6/CX6/EX1
5-4
C (3/4), H1, H2, L, V, U, NRC (3/4), H1, H2, L, V, U, NR
IC801
MAIN CPU
X800
16.384MHz
12
IC802
RESET
H1
S70
CN903
10 KYE0 10
CN1501
9 KEY0
4 POWER LED
9
4
Q1501
LED
DRIVE
CN901
3 FILT COVER 3
CN70
2 EXT TEMP 2
V
TH70
2/4 H POL
2/4 V POL
2/4 VSO P80
3
P84
60
P27
58
IC800
3.3V
REG 5V-1
3.3V-1
P40/AN0
113
CN202(4/4)
TXD MS45
RXD MS47
MENU STATUS41
BRD STATUS43
MS RESET48
E
MS BOARD
CN1001(3/3)
ADJ
UNIT
39
WDTOVFN
142
TXD0
140
RXD0
69PE6
106P65
105P64
D
MSC BOARD
CN1303
XTAL
96
IC903
3
2
5
SIRCS
IF
12 11
13
IC306
8
10
9
IC306
2/4TG RESET
65
PE2/D2
IC300(3/3)
SCAN CONV
PORTA6
23
TXD
63
RXD
41
EXTAL
97
C
(3/4)
S
INPUT
S1501
POWER
S1502
TILT-
S1503
TILT+
S1504
SUB 3.3V
ON/STBY
D1501,1502
Q1502
LED
DRIVE D+3.3V
8 KYE4 8
7 KEY4 7
3 POWER LED 3
H2
S1552
UP
DOWN
ENTER
RIGHT
LEFT MENU
S1551 PSAVE
D1553
LAMP
D1551
TEMP
D1552
Q1551
LED
DRIVE
Q1552
LED
DRIVE
CN915
5 KYE0 5
CN1551
3 PSAVE LED 3
2 LAMP LED 2
1 TEMP LED 1
L
CN914
L CONT 5
17V
D1201-1204
LED
DRIVE
Q904
NR
2 SIRCS NR
CN50
IC50
IR
RX
SUB 5V
2 L CONT
CN1201
SIRCS NR 2
S60
U
1 LAMP COVER
CN60 CN907
LAMP COVER 1
FLAG 3
BUFF
Q901
SCI 6
H1/LOW 7
P44/AN4
117
P13
45
P20
51
1/4 HSI
1/4 VSI P26
57
P25
56
PD5
78
P91/AN9
122
P12
44
P11
43
P10
42
PD6
79
PB5/A13
20
PE4/D4
67
PB1/A9
15
TH800
LAMP TEMP
P90/AN8
121
P62
83
CN906
LAMP ON 2
LAMP CONT 1
D+3.3V
LAMP
SW
Q903
CN913
SIRCS NF 5
RXD 2 RXD1
139
TXD 3 TXD1
141
SDA USB 7 SDA0
138
SCL USB 8 SCL0
137
SIRCS 9
USB REQ 10 PE0
63
US- 13
US+ 12
VBUS 11
J100
USB
CN800
RXD 3
TXD 2
MD2 8
P-TX 9
P-RX 10
P-EXT SW 11
RES 4
MD2
1
MD1
144
MD0
143
RES
92
CPU &
PWROM
134
RXD2
2/4OSD EN
5
64
2
31
8
910
12
11 13
11
IC1102
IC1102
IC1102
89PF5
88PF4 6
3
14
5
IC1101
IC1105
IMOTER
DRIVE
ACCELERO-
METER
4
47
P15
49
P17
3
4
1
118
P45/AN5
IC1108
133
TXD2
108PG1
109PG2
23
1
IC306
6
4
5
IC306
8
9
10
IC304
P-TX
P-RX
P-EXT SW
3
21
IC304 IC304
PW OSD EN
PIC MUTE
BUS
SW
Q800
21
PB6/A14
52
P21
6
PC1/A1
23PA0/A16
36
PH1
19
PB4/A12
24
PA1/A17
5PC0/A0
8
PC3/A3
26
PA2/A18
27
PA3/A19
7
PC2/A2
1/4DEC EN
1/4MS EN
1/4SW1
1/4AU MUTE
1/4,4/4SDA 100K
1/4,4/4SCL 100K
1/4,2/4SDA 400K
1/4,2/4SCL 400K
120
P40
125
P94
119
P46
68
PE5
74
PD1
RESET
SW
Q801
P-TX
P-RX
P-EXT SW
3.3V-1
D800 5
8
IC803
EEPROM 6
107
PG0
81
P60 PWFM BSY
INTERLACE PORTA5
65
PORTA4
44
ROMWEN
ROMOEN
FLASH
ROM
(4M)
IC307
T24
CN1101
M +1
M -2
T2 4
CN1
M +
M -
1
MOTOR -
MOTOR +
2
6
7
RXD1
CN300
TXD3
FLAG40
SIRCS CS42
IC301
2.5V
REG 3.3V-2
2.5V
IC1104
9V
REG 17V
9V
FAN +B1
CN908
FAN PROT2
FAN +B11
CN909
FAN PROT2FAN
FAN
CN904
6V20
SUB 6V14
AUDIO +B22
F
GB BOARD
CN3301
17V24
D3.3V17
FAN CONT12
PCONT1
PROT3
FAN +B5
FAN +B6
IC805
5V
REG
5V-2
6V
IC907
5V
REG
5V-1
AUDIO +B
17V
3.3V-2
3.3V-5
D3.3V18
SUB 3.3V11
SUB 3.3V12
FAN +B21
CN910
FAN PROT2FAN
FAN +B21
CN911
FAN PROT2FAN
FAN
FAN +B21
CN912
FAN PROT2
IC905
FAN
REG
Q902
FAN
PROT
D901
D906,D907
D908,D909
D902
D903
IC906
FAN
REG
IC908
FAN
REG
77
PD4
M

5-5
VPL-CS5A/CS6/CX6/EX1 5-5
C (4/4) C (4/4)
CN601
VSIG 1
3
IC471
D/A CONV
SDA
3
SCL
2
14AO1
85
76 4
5
6
7
8
9
10
11
12
13
14
51SHOUT1
IC601
LCD DRIVER (R)
BUFF
MCLK
2
SID LV
59
PRG LV
58
SIG.C
16
49SHOUT2
47SHOUT3
45SHOUT4
43SHOUT5
41
SHOUT6
53
VCOM OUT
15AO2
16AO3
17
AO4
18
AO5
19
AO6
4
AO7
5
AO8
6
AO9
7
AO10
OFSET R
VCOM R
VCOM G
VCOM B
VREF R
SID LV
LCD R
BUS
SW
Q471
1/4,3/4 SDA 100K
1/4,3/4 SCL 100K
8
AO11 PRG LV
9
AO12 SCEN
OFSET G
OFSET B
VREF G
VREF B
DA0
DA9
2/4 R0-9
2/4 POS CON0 POS CTR0
6
2/4 POS CON1 POS CTR1
7
2/4 POS CON2 POS CTR2
8
2/4 POS CON3 POS CTR3
9
2/4 DCFB OFF DCFB OFF
24
2/4 FRP FRP
4
2/4 PRG PRG
60
2/4 ENB SHST
5
2/4 MCLK R
SIG OFST
17
VCOM OFST
54
VREF I
68
2/4 RGT DIRC
71
35
SHOUT7
33
SHOUT8
31
SHOUT9
29
SHOUT10
27
SHOUT11
25
SHOUT12
57
SID OUT
Q601,602
2/4 HCK 1R
2/4 HCK 2R
2/4 HST
2/4 VST
2/4 VCK
2/4 PCG
2/4 DWN
2/4 CLR
VSIG 2
VSIG 3
VSIG 4
VSIG 5
VSIG 6
VSIG 7
VSIG 8
VSIG 9
VSIG 10
VSIG 11
VSIG 12
31 COM
1PS2G
19 HCK1
18 HCK2
17 HST
25 VST
24 VCK
29 PCG
26 DWN
22 BLK
16 RGT
23 ENB
27 HB
28 VB
CN602
SIG 1
7
5
3
2
4
6
31SHOUT1
IC602
LCD DRIVER (R)
BUFF
MCLK
63
SID LV
38
PRG LV
37
SIG.C
11
29SHOUT2
27SHOUT3
22SHOUT4
20SHOUT5
18
SHOUT6
33
VCOM OUT
LCD R
DA0
DA9
2/4 R0-9
2/4 POS CON0 POS CTR0
3
2/4 POS CON1 POS CTR1
4
2/4 POS CON2 POS CTR2
5
2/4 POS CON3 POS CTR3
6
2/4 DCFB OFF DCFB OFF
16
2/4 FRP FRP
1
2/4 PRG PRG
39
2/4 ENB SHST
2
2/4 MCLK R
SIG OFST
12
VCOM OFST
34
VREF I
44
2/4 RGT DIRC
47
36
SID OUT
Q601,602
2/4 HCK 1R
2/4 HCK 2R
2/4 HST
2/4 VST
2/4 VCK
2/4 PCG
2/4 DWN
2/4 CLR
SIG 2
SIG 3
SIG 4
SIG 5
SIG 6
24 COM
1PSIG
14 HCK1
15 HCK2
13 HST
20 VST
19 VCK
21 PCG
22 DWN
10 MODE3
9RGT
18 ENB
CX6/EX1 MODEL CS5A/CS6 MODEL
62
58
55
51
.
CN501
VSIG 1
3
85
76 4
5
6
7
8
9
10
11
12
13
14
51
SHOUT1
IC501
LCD DRIVER (G)
BUFF
MCLK
2
SID LV
59
PRG LV
58
SIG.C
16
49
SHOUT2
47
SHOUT3
45
SHOUT4
43
SHOUT5
41
SHOUT6
53VCOM OUT
LCD G
DA0
DA9
2/4 G0-9
POS CTR0
6
POS CTR1
7
POS CTR2
8
POS CTR3
9
DCFB OFF
24
FRP
4
PRG
60
SHST
5
2/4 MCLK G
SIG OFST
17
VCOM OFST
54
VREF I
68
2/4 RGTX DIRC
71
35
SHOUT7
33
SHOUT8
31
SHOUT9
29
SHOUT10
27
SHOUT11
25
SHOUT12
57SID OUT
Q501,502
2/4 HCK 1G
2/4 HCK 2G
VSIG 2
VSIG 3
VSIG 4
VSIG 5
VSIG 6
VSIG 7
VSIG 8
VSIG 9
VSIG 10
VSIG 11
VSIG 12
31 COM
1PS2G
19 HCK1
18 HCK2
17 HST
25 VST
24 VCK
29 PCG
26 DWN
22 BLK
16 RGT
23 ENB
27 HB
28 VB
CN502
SIG 1
7
5
3
2
4
6
31
SHOUT1
IC602
BUFF
MCLK
63
SID LV
38
PRG LV
37
SIG.C
11
29
SHOUT2
27
SHOUT3
22
SHOUT4
20
SHOUT5
18
SHOUT6
33VCOM OUT
LCD G
DA0
DA9
2/4 G0-9
POS CTR0
3
POS CTR1
4
POS CTR2
5
POS CTR3
6
DCFB OFF
16
FRP
1
PRG
39
SHST
2
2/4 MCLK G
SIG OFST
12
VCOM OFST
34
VREF I
44
2/4 RGTX DIRC
47
36SID OUT
Q501,502
2/4 HCK 1G
2/4 HCK 2G
SIG 2
SIG 3
SIG 4
SIG 5
SIG 6
24 COM
1PSIG
14 HCK1
15 HCK2
13 HST
20 VST
19 VCK
21 PCG
22 DWN
10 MODE3
9RGT
18 ENB
62
58
55
51
.
CN601
VSIG 1
3
85
76 4
5
6
7
8
9
10
11
12
13
14
51SHOUT1
IC701
LCD DRIVER (B)
BUFF
MCLK
2
SID LV
59
PRG LV
58
SIG.C
16
49SHOUT2
47SHOUT3
45SHOUT4
43
SHOUT5
41
SHOUT6
53
VCOM OUT
LCD B
DA0
DA9
2/4 B0-9
POS CTR0
6
POS CTR1
7
POS CTR2
8
POS CTR3
9
DCFB OFF
24
FRP
4
PRG
60
SHST
5
2/4 MCLK B
SIG OFST
17
VCOM OFST
54
VREF I
68
DIRC
71
35
SHOUT7
33
SHOUT8
31
SHOUT9
29
SHOUT10
27
SHOUT11
25
SHOUT12
57
SID OUT
Q701,702
2/4 HCK 1B
2/4 HCK 2B
VSIG 2
VSIG 3
VSIG 4
VSIG 5
VSIG 6
VSIG 7
VSIG 8
VSIG 9
VSIG 10
VSIG 11
VSIG 12
31 COM
1PS2G
19 HCK1
18 HCK2
17 HST
25 VST
24 VCK
29 PCG
26 DWN
22 BLK
16 RGT
23 ENB
27 HB
28 VB
CN702
SIG 1
7
5
3
2
4
6
31SHOUT1
IC702
LCD DRIVER (B)
BUFF
MCLK
63
SID LV
38
PRG LV
37
SIG.C
11
29SHOUT2
27SHOUT3
22SHOUT4
20
SHOUT5
18
SHOUT6
33
VCOM OUT
LCD B
DA0
DA9
2/4 B0-9
POS CTR0
3
POS CTR1
4
POS CTR2
5
POS CTR3
6
DCFB OFF
16
FRP
1
PRG
39
SHST
2
2/4 MCLK B
SIG OFST
12
VCOM OFST
34
VREF I
44
DIRC
47
36
SID OUT
Q701,702
2/4 HCK 1B
2/4 HCK 2B
SIG 2
SIG 3
SIG 4
SIG 5
SIG 6
24 COM
1PSIG
14 HCK1
15 HCK2
13 HST
20 VST
19 VCK
21 PCG
22 DWN
10 MODE3
9RGT
18 ENB
62
58
55
51
.
C(4/4)
IC502
LCD DRIVER (G)
15.5V
REG
IC551
17V 15.5V
13.5V
REG
IC550
15.5V 13.5V
POS CON0
POS CON1
POS CON2
POS CON3
DCFB OFF
FRP
PRG
ENB
POS CON0
POS CON1
POS CON2
POS CON3
DCFB OFF
FRP
PRG
ENB
RGT
POS CON0
POS CON1
POS CON2
POS CON3
DCFB OFF
FRP
PRG
ENB
POS CON0
POS CON1
POS CON2
POS CON3
DCFB OFF
FRP
PRG
ENB
RGT

5-6 VPL-CS5A/CS6/CX6/EX1
5-6
IC1005
VIDEO I/F
CN1001(1/3)
28VY0
(CX6 ONLY)
27VY1
B
C BOARD
CN202(3/4)
VDH SYNC
57
VDG0
VDG7
26VY2
25VY3
24VY4
23VY5
22VY6
21VY7
20VUV0
19VUY1
18VUV2
17VUY3
16VUV4
15VUY5
14VUV6
13VUY7
MS
62
68
60
.
69
71
73
.
76
78
.
VDB0
VDB7
VCLK 3
A
C BOARD
CN202(1/3)
VPEN 4
VHS 6
VVS 5
CN1002
USB DET 1
USB MS- 12
USB MS+ 11 UPD
140
VDCLK
55
ENABLE
59
VDV SYNC
58
8
D0
MS BS 2
UDM
142
USB DET PP7
96
3.3V-5
Q1005
MBS
47
MS SDIO 4 MSDIO
45
MS SCLK 8 MSCK
48
MS INS 6 MPIO
54
IC1002
1.8V
REG 1.8V3.3V-5
CN2001
ECLK 10
ECV 6
ED 8
ERES 4
ICE
3.3V-5
D1002
IC1007
AUDIO DAC
LRCK
5
14L
13
R
IC3004
CLOCK
GEN
5
3
16
9
6
4
14
13
CLK 12M
54MHz
VCO
3.3V-2 X3001
SCL0
135
FSCK
128
CLK 20M
CLK 48M
CLK 54M
CLK 66M RE
CLK 66M RO
MSCK
51
USCK
145
VDP CLK
53
CLK
166
D3.3V Q1006
POWER
OFF SW
VDCDISABLE
52
9
D1
AA2
Y3
10
D2 Y2
11
D3 W3
13
D4 Y1
14
D5 W2
15
D6 V3
16
D7 U4
18
D8 W1
19
D9 V2
20D10 U3
21D11 U2
22D12 T3
23D13 U1
24D14 T2
25
D15 R4
26
D16 T1
27
D17 R3
29
D18 R2
30
D19 P4
31
D20 P3
32
D21 P1
34
D22 N1
35
D23 N4
36
D24 N3
37
D25 N2
38
D26 M3
40
D27 M2
41
D28 L1
42D29 L2
43D30 L3
44D31 L4
155
A2
156
A3
A11
B10
157
A4 C10
158
A5 D10
159
A6 A10
161
A7 B9
162
A8 C9
163
A9 D9
3BE0
4
5
7
BE1
BE2
BE3
173
DREQ0
174
175
176
DREQ1
DREQ2
DREQ3
46MSDIR
170
PRST
150
TEST1
172
RDY
169
168
164
BS
CS
DIR
RST
DIR
1
IRQ0
2
IRQ1
131
LRCK
SDAT
4
130
SD
BCK
3
132
BCK
CKS
16
93
PP5
PD
2
95
PP6
MCLK
1
IC2001
µCOM
246 D0
225 D1
AA2
Y3
224 D2
Y2
203 D3
W3
223 D4
Y1
202 D5
W2
195 D6
V3
188 D7
U4
201 D8
W1
194 D9
V2
187 D10
U3
186 D11
U2
179 D12
T3
185 D13
U1
178 D14
T2
172 D15
R4
177 D16
T1
171 D17
R3
170 D18
R2
164 D19
P4
163 D20
P3
161 D21
P1
153 D22
N1
156 D23
N4
155 D24
N3
154 D25
N2
147 D26
M3
146 D27
M2
137 D28
L1
138 D29
L2
139 D30
L3
140 D31
L4
BE0
45
55
A1
11
A2
C11
A11
32
A3 B10
54
A4 C10
76
A5 D10
10
A6 A10
31A7 B9
53A8 C9
75A9
30A10 B8
52A11 C8
7
A12 A7
29
A13 B7
6
A14 A6
51
A15 C7
28
A16 D7
73
A17
50
A18 C6
127
A19 B5
4
A20 A4
122
CS0 J2
124
WE J4
176
DA0 R22
D9
B6
167
DA1 P21
157
DA2 N19
168
DA3 P22
158
DA4 N20
159
DA5 N21
149
DA6 M19
150
DA7 M20
152
DA8 M22
143
DA9 L21
142
DA10 L20
144
DA11 L22
118
DBA0 H20
112
DBA1 G22
166
DDQ32
175
DDQ33
P20
R21
174
DDQ34 R20
183
DDQ35 T21
192
DDQ36 U22
173
DDQ37 R19
200
DDQ38 V22
182
DDQ39 T20
191
DDQ40 U21
222
DDQ41 W22
181
DDQ42 T19
221
DDQ43 W21
189
DDQ44 U19
198
DDQ45 V20
226
DDQ46 AA22
243
DDQ47 Y21
220
DDQ48
265
DDQ49
W20
AA21
242
DDQ50 Y20
264
DDQ51 AA20
241
DDQ52 Y19
286
DDQ53 AB20
263
DDQ54 AA19
240
DDQ55 Y18
217
DDQ56 W17
285
DDQ57 AB19
262
DDQ58 AA18
239
DDQ59 Y17
261
DDQ60 AA17
238
DDQ61 Y16
283
DDQ62 AB17
260
DDQ63 AA16
119
DWE H21
126
DCAS J20
127
DRAS J21
134
DCKE K20
109
DCLK G19
94
DCKFB
102
DDQM3 F20
195 E21
88 D22
101 F19
133
DCS0 K19
DDQM2
DDQM1
DDQM0
DIR
116
TOUT1
248
BE1
90
BE2
107
BE3
89
DREQ0
272
DREQ1
252
DREQ2
253
DREQ3
210
RST OUT
232
RDY
97
BS
106
CS
113
IRQ0
226
IRQ1
247
CLK
26
RTS0
229
WDT KILL 3 BUFF
Q2001
ECLK
211
ECV
234
ED
254
ERST
256
DACK1
231
USB DET
CN1001(3/3)
FLAG 40
E
C BOARD
CN202(4/4)
TXD MS 45
RXD MS 47
MENU STATUS 41
BRD STATUS 43
SIRCS 42
MS RESET 48
PIC MUTE MS 46
IC1004
WDT
3CLK
8RRSTN
RCT
6
Q1002
LED
DRIVE
ID1001
TOUT0
206
PRST
257
HRST
235
BUFF
Q1001
RXD0
269
TXD0
270
DONE1
274
DACK0
251
DOWN0
230
IRQ3
227
IC3003
FLASH ROM
25
A1
24
A2
C11
A11
23
A3
B10
22
A4
C10
21
A5
D10
20
A6
A10
19
A7
B9
18
A8
C9
8
A9
7
A10
B8
6
A11
C8
5
A12
A7
4
A13
B7
3
A14
A6
2
A15
C7
1
A16
D7 48
A17
17
A18
C6
16
B5
26 CE
J2
11 WE
J4
D9
B6
29 T1
31 R3
33 R2
35 P4
38 P3
40 P1
42 N1
44 N4
30 N3
32 N2
34 M3
36 M2
39 L1
41 L2
43 L3
A0 DQ0
DQ1
DQ2
DQ3
DQ4
DQ5
DQ6
DQ7
DQ8
DQ9
DQ10
DQ11
DQ12
DQ13
DQ14
28 OE
12 RST
DIR
RST
IC3001
SDRAM
23
A1
24
A2
R22
P21
25
A3
N19
26
A4
P22
29
A5
N20
30
A6
N21
31
A7
M19
32
A8
M20
33
A9
34
A10
L21
22
A11
L20
35
L22
WE
16
CAS
H21
17
RAS
J20
18
CS
K19 19
CKE
37
CLK
K20
38
G19
15 LDQM
F20
39 UDQM
E21
M22
J21
2P20
4R21
5R20
7T21
8U22
10 R19
11 V22
13 T20
42 U21
44 W22
45 T19
47 W21
48 U19
50 V20
51 AA22
A0 DQ0
DQ1
DQ2
DQ3
DQ4
DQ5
DQ6
DQ7
DQ8
DQ9
DQ10
DQ11
DQ12
DQ13
DQ14
BA0
20
BA1
H20
21
G22
53 Y21
DQ15
IC3002
SDRAM
23
A1
24
A2
R22
P21
25
A3
N19
26
A4
P22
29
A5
N20
30
A6
N21
31
A7
M19
32
A8
M20
33
A9
34
A10
L21
22
A11
L20
35
L22
WE
16
CAS
H21
17
RAS
J20
18
CS
K19 19
CKE
37
CLK
K20
38
G19
15 LDQM
D22
39 UDQM
F19
M22
J21
2W20
4AA21
5Y20
7AA20
8Y19
10 AB20
11 AA19
13 Y18
42 W17
44 AB19
45 AA18
47 Y17
48 AA17
50 Y16
51 AB17
A0 DQ0
DQ1
DQ2
DQ3
DQ4
DQ5
DQ6
DQ7
DQ8
DQ9
DQ10
DQ11
DQ12
DQ13
DQ14
BA0
20
BA1
H20
21
G22
53 AA16
DQ15
MS AU L8
CN1101(2/3)
MS AU R10
C
C BOARD
CN202(2/4)
MSC
CN1304
DIO 4
SCLK 8
IC1401
HUB & POWER
CONTROL
INS 6
16
5V-1
IC1404
RESET
26
25
X1402
4MHz
BS 2
D
CN1303
RXD 2
SIRCS 9
C BOARD
CN913
SIRCS NF 5
42
1RXD2
CN1302
TXD3
TXD 3
IC1301
IR
RX
IC1302
5V-1
IC1510
LEVEL
SHIFT
14
2
Q1403 IC1402
MUSE
RECEIVER
24 31
3 2
X1401
24MHz
32
IC1403
PJ STASTION CONT
PA2
24
31USBDP
32USBDM
PA1
28
PC0
7
D20
12
D21
13
US- 13
US+ 12
UD1
8
UD0
7
31
USBDP
Q1406
IC1408
BUS
SW
3 2
X1403
24MHz
SDA USB 7
SCL USB 8
USB REQ 10
VBUS 11
D30
14
D31
15
PP3
42 X1
X2
PP2
41
Q1404
RST 2
Q1405
POWER
SW
18
D40
19
D41
Q1406
POWER
SW
5V USB MS-12
CN1301
USB MS+11
USB DET1
MS SDIO4
MS SCLK8
MS INS6
MS BS2
Q1301
Q1302
LED
DRIVE
D1301
BLUE
Q1303
VCC 9
VCC 3
3.3V-5
MEMORY
STICK
EXT SW5
SDA0
134
5
IC1006
EEPROM 6SCL0
135
CX6 MODEL ONLY
MS, MSCMS, MSC

5-7
VPL-CS5A/CS6/CX6/EX1 5-7
GA, GB GA, GB
2
GA
AC IN (L) LINE
FILTER
L1101,L1102
GB
DC (+)1
DC (-)
3
CN2001
1AC IN(N)
PH3100
ISOLATER
IC3102
SHUNT REG
CN3301
AC IN
2
1
3
AC SENSE
LSENSE
51
DRAIN
IC2101
POWER FACTOR CONT
L2101
PFCT
VD
18 16
VG(H)
15
VS
12
VG(L)
9
OCP
IC3100
MAIN SWITCHING
T1101
PIT
1
2
VSENSE
1
6
9
D2101
2
F/B
10
CATHODE
9
VCC
D2102
PWM
CONT
PWM
CONT
Q3102
Q3103
8VC1
Q3601
4
5
9
10
8
7
6
D3110
D3112
Q3119
Q3109
PH3101
ISOLATER
Q3110
PH3102
ISOLATER
RELAY
DRIVE
Q3104,3105
LATCH
Q3106
PROTECT
Q2102
117V
TO
BALAST
F
C BOARD
CN904
RY2101
DC (+)
1
CN2002
VCC
1
POWER ON2
CN3501
DC (+) 1
CN3202
VCC
POWER ON
1
2
CN3201
VIN
312
FB
2
BOOST
5SW
IC3201
DC-DC CONV
VIN
4
6SW
23 FAN CONT1
20 FAN +B
19 FAN +B
56V
3AUDIO +B
VIN
53
VFB
6
PG
IC3202
DC-DC CONV
SEVSE
4
14 SUB 3.3V
13 SUB 3.3V
Q3201 Q3302
7D3.3V
8D3.3V
11 SUB 6V
1275
IC3307
POW ON DELAY
24 P CONT
76
13
31
57
Q3301
IC3301
COMP
IC3302
COMP
22 P PROT

6-1
VPL-CS5A/CS6/CX6/EX1 6-1
Section 6
Diagrams
[Measuring conditions, voltage and waveform]
..
..
.A voltage value is the reference value between the measurement
point and the earth, when the NTSC color bar signal is received
from the color bar generator. (digital multi-meter used: 10 M ohms/
V DC)
..
..
.Unit of voltage is V (volt).
(Voltage variations may occur due to normal production tolerances.)
..
..
.: B line
..
..
.No mark : NTSC (3.58 MHz) color bar signal.
..
..
.: Measurement disabled.
..
..
.: Signal path.
Les composants identifiés par la marque !
sont critiques pour la sécurité.
Ne les remplacer que par une pièce portant
le numéro spécifié.
Note:
..
..
.Parts marked “ * ” differ according to the model/destination. Refer
to the mount table for each function.
..
..
.The parts marked “ # ” on schematic diagrams are not mounted.
..
..
.All capacitors are in µF unless otherwise noted. pF: µµF 50WV or
less are not indicated except for electrolytics.
..
..
.All electrolytics are in 50 V unless otherwise specified.
..
..
.: fusible resistor
..
..
. : nonflammable resistor
..
..
. ∆: internal component
..
..
. : panel designation and adjustment for repair
..
..
.Caution when replacing chip parts
New parts must be attached after removal of the chip.
Be careful not to heat the minus side of a tantalum capacitor,
because it is easily damaged by the heat.
Reference information
RESISTOR RN : METAL FILM
RC : SOLID
FPRD : NONFLAMMABLE CARBON
FUSE : NONFLAMMABLE FUSIBLE
RS : NONFLAMMABLE METAL OXIDE
RB : NONFLAMMABLE CEMENT
RW : NONFLAMMABLE WIREWOUND
: ADJUSTMENT RESISTOR
COIL LF-8L : MICRO INDUCTOR
CAPACITOR TA : TANTALUM
PS : STYROL
PP : POLYPROPYLENE
PT : MYLAR
MPS : METALIZED POLYESTER
MPP : METALIZED POLYPROPYLENE
ALB : BIPOLAR
ALT : HIGH TEMPERATURE
ALR : HIGH RIPPLE
The components identified marked ! are
critical for safety.
Replace only with the part number specified.

6-2 VPL-CS5A/CS6/CX6/EX1
6-2
2
3
4
5
AB C D E F G H
1
Frame (1/2)Frame (1/2)
6-1. Frame Schematic Diagrams
LUT
CPU&PWROM
GND
GND
VCLK
VPEN
VVS
VHS
GND
GND
GND
GND
GND
GND
GND
SIRCS
MS RESET
MENU STATUS
TXD MS
RXD MS
VUY7
VUV6
VUY5
VUV4
VUY3
VUV2
VUY1
VUV0
VY7
VY6
VY5
VY4
VY3
VY2
VY1
VY0
KEY 0
BRD STATUS
MS SW
FLAG
AU_GND
AU_GND
MSAU_R
MSAU_L
GND
NC
NC
PIC MUTE MS
MS_3.3V
MS_3.3V
MS_3.3V
MS_3.3V
ERST#
GND
ECV
GND
ED
GND
ECLK
NC
VCC
ICE
WDT KILL
MENU STATUS
BRD STATUS
PIC MUTE MS
PCONT
GND
FAN CONT1
PPROT
GND
FAN+B
GND
FAN+B
17V
GND
AUDIO+B
GND
GND
6V
GND
GND
GND
D3.3V
D3.3V
GND
GND
SUB3.3V
SUB3.3V
SUB6V
VCC
POWER ON
GND
DC(+)
DC(-)
GND
GB
DC(+)
DC(-)
NC
VCC
POWER ON
GND
DC(+)
DC(-)
NC
GND
LAMP COVER
GND
FLAG
D+3.3V
SCI
H1/LOW
GND
LAMP COVER
17V
GND
AUDIO+B
GND
GND
6V
GND
GND
GND
FAN+B
PCONT
GND
FAN CONT1
D3.3V
D3.3V
PPROT
GND
FAN+B
GND
GND
GND
SUB5V
SUB3.3V
SUB3.3V
AU_L
AU_GND
AU_GND
AU_R
GND
CVBS
GND
S-Y
GND
S-C
GND
GND
LAMP ON
LAMP CONT
GND
CVBS
GND
S-Y
GND
S-C
GND
AU-GND
AU-GND
AU-R
AU-L
GND
W SCL
W SDA
GND
+3.3 RXD
GND
TXD
GND
TXD
RXD
VIN
MD1
MD2
RES
P-TX
P-RX
P-EXTSW
GND
MD0
GND
GND
VCLK
VPEN
VVS
VHS
GND
GND
GND
GND
GND
VUY7
VUV6
VUY5
VUV4
VUY3
VUV2
VUY1
VUV0
VY7
VY6
VY5
VY4
VY3
VY2
VY1
VY0
AU_GND
AU_GND
MSAU_R
MSAU_L
GND
GND
SIRCS
MS RESET
TXD MS
RXD MS
KEY 0
MS SW
FLAG
NC
D3.3V
MS_3.3V
MS_3.3V
MS_3.3V
MS_3.3V
GND
SUB+5V
SIRCS-NF
RXD
TXD
GND
SUB+3.3V
SDA_USB
SCL_USB
SIRCS
USB_REQ
VBUS
US+
US-
GND
SUB+5V
SIRCS-NF
RXD
TXD
GND
SUB+3.3V
SDA_USB
SCL_USB
SIRCS
USB_REQ
VBUS
US+
US-
GND
RXD
SUB+5V
TXD
GND
EXT_SW
BS
VCC
DIO
#
INS
#
SCLK
VCC
GND
GND
MS_BS
VCC
MS_SDIO
GND
MS_SCLK
VCC
GND
MS_INS
USB_DET
USB_MS-
USB_MS+
SUB+3.3V
MS_BS
VCC
MS_SDIO
GND
MS_SCLK
VCC
GND
MS_INS
USB_DET
USB_MS+
USB_MS-
SUB+5V
GA
U
BALLAST
THERM FUSE
LAMP
Q
C(1/2)
MS
MSC
B-SS1752-FRAME-P1
2P
AC INLET
3P
3P
3P
3P
24P
FPC
:SMD
50P
:SMD
WHT
4P
WHT
:SMD
12P
WHT
:SMD
14P
WHT
:SMD
24P
FPC
:SMD
2P
RED
:SMD
7P
WHT
:SMD
12P
:SMD
50P
FFC
:SMD
12P
SMD
10P
:SMD
WHT
14P
WHT
:SMD 5P
WHT
:SMD
2P
WHT
:SMD
3P
WHT
:SMD
12P
WHT
:SMD
WHT
BLK
1P
(VPL-CX6)
CN1101
CN2001
CN2002
CN3501
CN3201
CN3301
CN202
CN401
CN800
CN913
CN904
CN906
CN907
CN201
CN1001
CN1002
CN2001
CN1303
CN1302
CN60
CN1301
CN1304
CN300
CN21
CN3202
CN3203
CN3204
1
1
2
3
4
5
6
7
8
9
10
11
12
13
14
1
2
3
4
5
6
7
1
2
3
4
5
6
7
8
9
10
11
12
1
2
3
4
5
6
7
8
9
10
11
12
1
2
3
4
5
6
7
8
9
10
11
12
13
14
1
2
3
4
5
1
2
1
2
1
2
3
1
2
3
1
2
3
1
1
1
2
3
1
2
3
4
5
6
7
8
9
10
11
12
13
14
15
16
17
18
19
20
21
22
23
24
1
2
3
4
5
6
7
8
9
10
11
12
1
2
3
4
5
6
7
8
9
10
11
12
13
14
15
16
17
18
19
20
21
22
23
24
25
26
27
28
29
30
31
32
33
34
35
36
37
38
39
40
41
42
43
44
45
46
47
48
49
50
1
2
3
1
2
3
4
1
2
3
4
5
6
7
8
9
10
11
12
1
2
3
4
5
6
7
8
9
10
11
12
13
14
15
16
17
18
19
20
21
22
23
24
1
2
1
2
3
4
5
6
7
8
9
10
11
12
13
14
15
16
17
18
19
20
21
22
23
24
25
26
27
28
29
30
31
32
33
34
35
36
37
38
39
40
41
42
43
44
45
46
47
48
49
50
1
2
3
4
5
6
7
8
9
10
1
2
3
4
5
6
7
8
9
10
1
2
3
4
5
6
7
8
9
10
11
12

6-3
VPL-CS5A/CS6/CX6/EX1 6-3
2
3
4
5
1
A BCDEFGH
Frame (2/2)Frame (2/2)
GREEN
GREEN
RED
RED
BLUE
BLUE
PS2G
VSSGR
VSIG1
VSIG2
VSIG3
VSIG4
VSIG5
VSIG6
VSIG7
VSIG8
VSIG9
VSIG10
VSIG11
VSIG12
HVDD
RGT
HST
HCK2
HCK1
VSS
VSSGL
BLK
VCK
VST
DWN
HB
VB
PCG
VVDD
COM
TEST
ENB
PSIG
SIG4
SIG3
SIG5
SIG2
SIG6
SIG1
HVDD
RGT
MODE3
MODE2
MODE1
HST
VSS
BLK
ENB
VCK
VST
PCG
DWN
VVDD
COM
HCK1
HCK2
PSIG
SIG4
SIG3
SIG5
SIG2
SIG6
SIG1
HVDD
RGT
MODE3
MODE2
MODE1
HST
VSS
BLK
ENB
VCK
VST
PCG
DWN
VVDD
COM
HCK1
HCK2
PS2G
VSSGR
VSIG1
VSIG2
VSIG3
VSIG4
VSIG5
VSIG6
VSIG7
VSIG8
VSIG9
VSIG10
VSIG11
VSIG12
HVDD
RGT
HST
HCK2
HCK1
VSS
VSSGL
BLK
VCK
VST
DWN
HB
VB
PCG
VVDD
COM
TEST
ENB
PS2G
VSSGR
VSIG1
VSIG2
VSIG3
VSIG4
VSIG5
VSIG6
VSIG7
VSIG8
VSIG9
VSIG10
VSIG11
VSIG12
HVDD
RGT
HST
HCK2
HCK1
VSS
VSSGL
BLK
VCK
VST
DWN
HB
VB
PCG
VVDD
COM
TEST
ENB
PSIG
SIG4
SIG3
SIG5
SIG2
SIG6
SIG1
HVDD
RGT
MODE3
MODE2
MODE1
HST
VSS
BLK
ENB
VCK
VST
PCG
DWN
VVDD
COM
HCK1
HCK2
GND
GND
GND
FAN_PROT
FAN_PROT
FAN_PROT
GND
FAN_PROT
GND
FAN_PROT
FAN+B_OUTF
FAN+B_OUTR
FAN+B_INRG
FAN+B_INB
FAN+B_LMP
D+3.3V
D+3.3V
POWER-LED
POWER-LED
SUB+3.3V
SUB+3.3V
KEY4
KEY4
KEY0
KEY0
GND
GND
D+3.3V
D+3.3V
POWER-LED
POWER-LED
SUB+3.3V
SUB+3.3V
KEY4
KEY4
KEY0
KEY0
GND
GND
TEMP-LED
LAMP-LED
PSAVE-LED
SUB+3.3V
KEY0
GND
TEMP-LED
LAMP-LED
PSAVE-LED
SUB+3.3V
KEY0
GND
T1
T2
T3
M+
M-
SP+
SP-
M+
M-
T1
T2
T3
MOTOR-
MOTOR+
SUB+5V
GND
SIRCS-NR
17V
L CONT
GND
FILT COVER
SUB+3.3V
EXT_TEMP
GND
FILT COVER
SUB+3.3V
EXT_TEMP
17V
L CONT
SUB+5V
GND
SIRCS-NR
LCD(G) LCD(R) LCD(B)
C(2/2)
FAN1
FAN2
FAN3
FAN4
FAN5
H1 H2
LOUDSPEAKER
VLNR
MOTOR
GND
ROMWEN
ROMOEN
D3.3V
A0
D0
A1
D1
A2
D2
A3
D3
A4
D4
A5
D5
A6
D6
A7
D7
A8
D8
A9
D9
A10
D10
A11
D11
A12
D12
A13
D13
A14
D14
A15
D15
A16
GND
A17
A18
GND
A19
BOOTWE
ROMWEN
ROMOEN
D3.3V
D3.3V
D3.3V
GND
GND
GND
NMI
GND
GND
GND
GND
GND
BHENN
GND
FCEN
VPPEN
NC
NC
RESETN
6V
6V
6V
6V
CS0
CS1
VPL-CX6/EX1 ONLY
VPL-CS5A/CS6 ONLY
B-SS1752-FRAME-P2
S
70P
BTOB
:SMD
12P
FPC
5P
WHT
:SMD
3P
WHT-L
:SMD
3P
WHT-L
:SMD
3P
WHT-L
:SMD
3P
WHT-L
:SMD
3P
WHT-L
:SMD
6P
:SMD 2P 3P
WHT
:SMD
4P
WHT
:SMD
FPC
:SMD
24P
FPC
:SMD
32P
FPC
:SMD
24P
FPC
:SMD
32P
FPC
:SMD
24P
FPC
:SMD
6P
WHT
:SMD
4P
WHT
:SMD
5P
:SMD
2P
WHT
:SMD
12P
:SMD
7P
WHT
:SMD
CN301
CN903 CN1101
CN909
CN910
CN911
CN908
CN912
CN1551 CN1201 CN50
CN70
CN501
CN502
CN601
CN602
CN701
CN702
CN915
CN901 CN914
CN1102
CN1501
CN1
1
2
3
4
5
6
7
8
9
10
11
12
13
14
15
16
17
18
19
20
21
22
23
24
25
26
27
28
29
30
31
32
1
2
3
4
5
6
7
8
9
10
11
12
13
14
15
16
17
18
19
20
21
22
23
24
1
2
3
4
5
6
7
8
9
10
11
12
13
14
15
16
17
18
19
20
21
22
23
24
25
26
27
28
29
30
31
32
1
2
3
4
5
6
7
8
9
10
11
12
13
14
15
16
17
18
19
20
21
22
23
24
1
2
3
4
5
6
7
8
9
10
11
12
13
14
15
16
17
18
19
20
21
22
23
24
25
26
27
28
29
30
31
32
1
2
3
4
5
6
7
8
9
10
11
12
13
14
15
16
17
18
19
20
21
22
23
24
1
2
3
4
5
6
1
2
3
4
1
2
3
4
5
1
2
1
2
3
4
5
6
7
8
9
10
11
12
1
2
3
4
5
6
7
A1
A2
A3
A4
A5
A6
A7
A8
A9
A10
A11
A12
A13
A14
A15
A16
A17
A18
A19
A20
A21
A22
A23
A24
A25
A26
A27
A28
A29
A30
A31
A32
A33
A34
B1
B2
B3
B4
B5
B6
B7
B8
B9
B10
B11
B12
B13
B14
B15
B16
B17
B18
B19
B20
B21
B22
B23
B24
B25
B26
B27
B28
B29
B30
B31
B32
B33
B34
A35
B35
1
2
3
4
5
6
7
8
9
10
11
12
1
2
3
4
5
1
2
3
1
2
3
1
2
3
1
2
3
1
2
3
1
2
3
4
5
6
1
2
1
2
3
1
2
3
4

6-4 VPL-CS5A/CS6/CX6/EX1
6-4
2
3
4
5
AB C D E F G H
1
QQ
6-2. Schematic Diagrams and Board Layouts
12
11
10
9
8
7
6
5
4
3
2
1
G
43
21
L20
CN20
CN21
D23
D24
C23
C22
R27
R26
JL26
JL25
JL24
JL23
JL22
JL21
JL20
C21
C20
D22
D21
D20
J21
J20
0µH
4P S TERMINAL
:SMD12P
PROTECT
RD9.1SB2-T1
PROTECT
RD9.1SB2-T1
:CHIP
10V
10µF
:CHIP
10V
10µF
:CHIP
1/16W
470k
:CHIP
1/16W
470k
#
#
#
#
#
#
#
CH:CHIP
50V
150p
CH:CHIP
50V
150p
PROTECT
RD3.9SB-T1
PROTECT
RD3.9SB-T1
PROTECT
RD3.9SB-T1
PIN JACK
CN201
BOARD
TO C(2/10)
B-SS1752-Q
(VIDEO/AUDIO INPUT)
Q
GND
AU-L
AU-R
AU-GND
AU-GND
GND
S-C
GND
S-Y
GND
CVBS
GND
S-VIDEO
Y
C
VIDEO
AUDIO IN
VIDEO
S-Y
S-C

A BCDEFGH
6-5
VPL-CS5A/CS6/CX6/EX1 6-5
QQ
C20
C21
C22
C23
CN20
CN21
D20 D21
D23
D24
J20
J21
R26
R27
D22
JL20
JL21
JL22
JL23
JL24
JL25
JL26
L20
Q -A SIDE-
SUFFIX: -11 Q -B SIDE-
SUFFIX: -11

6-6 VPL-CS5A/CS6/CX6/EX1
6-6
2
3
4
5
AB C D E F G H
1
C (1/10)C (1/10)
R/G/B
B
G
R
R
G
B
R
G
B
R
G
B
+5V
+6V
+3.3V
+6V
+6V
+3.3V
1.3
+3.3V
+3.3V
+3.3V
+5V
+5V
+5V
+5V
+3.3V
4.9
4.6
4.6
5.0
4.4
1.5
2.1
2.6
2.7
4.9
4.3
2.0
2.6
1.5
1.8
4.9
2.8
2.8
2.2
2.8 2.2
2.7
3.8
2.9
2.4
0.8
2.4
0.8
3.0
3.0
3.0
0.3
3.6
0.2
0.3
0.4
0.3
0.5
0.3
2.7
2.7
1.2
0.3
0.4
1.2
0.2
3.6
0.1
3.2
3.1
3.1
1.7
1.3
1.3
0
0
1.3
1.3
0.1
0.3
1.2
1.3
0
0
1.3
0
1.3
1.3
1.7
1.6
1.5
3.0
3.1
1.3
3.1
1.3
0.9
GREEN0
GREEN1
GREEN2
GREEN3
GREEN4
GREEN5
GREEN6
GREEN7
GND
GND
VDD
GND
BLUE0
BLUE1
BLUE2
BLUE3
BLUE4
BLUE5
BLUE6
BLUE7
GND
VDD
VDD
GND
GND
VD
VD
GND
COAST
HSYNC
VSYNC
GND
FILT
PVD
PVD
GND
MIDSCV
CLAMP
VD
GND
GND
VD
BAIN
GND
VD
VD
GND
GAIN
SOGIN
GND
VD
VD
GND
RAIN
A0
SCL
SDA
REF BYPASS
VD
GND
GND
VD
GND
VSOUT
SOGOUT
HSOUT
DATACK
GND
VDD
VDD
VDD
GND
RED0
RED1
RED2
RED3
RED4
RED5
RED6
RED7
VIN
GND
ON/OFF
VOUT
BYPASS
H.STATE
V.STATE
GREENIN
GND
C/H
VTIMING
V IN
V DET
C/H DET
GATESW
V.POL
H.POL
CLAMP
VCC
CLAMP
TIMING
VS/S IN
VS/S OUT
HD
HD
CLAMPSW
VD
NC1
NC2
NC3
GND
VCC
VCLK
SCL
SDA
INPUT-A
(TO P2)
(TO P2,P8,P9)
(TO P3)
(TO P2,P3)
(TO P8)
(TO P2)
(TO P2)
C(1/10)
(A/D CONV./SYNC GEN.)
B-SS1752-C-P1
CX6,EX1:AD9883AKST-140
CS5A/CS6:AD9883AKST-110
A/D CONVERTER
GPENSOG
GCLK
GFBK
GBE0
GBE1
GBE2
GBE3
GBE4
GBE5
GBE6
GBE7
GGE0
GGE2
GGE3
GGE4
GGE6
GGE7
GGE1
GGE5
GRE0
GRE1
GRE3
GRE4
GRE5
GRE6
GRE7
GRE2
GBLKSPL
GCOAST
GREF
GVS
GHS
GVS
HS
CLAMP
HS
VS
CLAMP
R_DEC
G_DEC
B_DEC
VBUS
US+
US-
VS
-1
6V 5V-3
5V
15K-CS
3.3V-2
3.3V-3
RGB-DEC
3.3V-3
V_POL
H_POL
VS
HS
G_PORT
SCL_PW
SDA_PW
6V
6V 3.3V-3
5V-3
MS-USB
5V-3
2.2
16V
F:CHIP
24LC21AT/SN
DDC
1SS355TE-17
22
10V
F:CHIP
BA05FP-E2
5V REG
M52347FP-TE
SYNC SEP
1SS355TE-17
47
6.3V
:AL-CP
47
6.3V
:AL-CP
47
6.3V
:AL-CP
4.7
10V
B:CHIP
0.1
16V
F:CHIP
0.1
16V
F:CHIP
0.1
16V
F:CHIP
0.1
16V
F:CHIP
0.1
16V
F:CHIP
1000p
50V
B:CHIP
0.1
16V
F:CHIP
4.7
10V
B:CHIP
220p
16V
CH:CHIP
0.1
16V
F:CHIP
1000p
50V
B:CHIP
0.1
16V
F:CHIP
0.1
16V
F:CHIP
0.1
16V
F:CHIP
0.1
16V
F:CHIP
0.1
16V
F:CHIP
0.1
16V
F:CHIP
0.1
16V
F:CHIP
0.1
16V
F:CHIP
0.1
16V
F:CHIP
0.1
16V
F:CHIP
0.1
16V
F:CHIP
0.1
16V
F:CHIP
0.1
16V
F:CHIP
0.1
16V
F:CHIP
2SA1576A-T106-QR
POW SW
1k
1/16W
:CHIP
1k
1/16W
:CHIP
47 1/16W :CHIP
220 1/16W :CHIP
470 1/16W :CHIP
1k
1/16W
:CHIP
1k
1/16W
:CHIP
47k
1/16W
:CHIP
470 1/16W :CHIP
1k
1/16W
:CHIP
1k
1/16W
:CHIP
100k
1/16W
:CHIP
47
1/16W
:CHIP
47
1/16W
:CHIP
47
1/16W
:CHIP
47k
1/16W
:CHIP
10k
1/16W
:CHIP
4.7k
1/16W
:CHIP
47k
1/16W
:CHIP
47
1/16W
:CHIP
22 1/16W :CHIP
22 1/16W :CHIP
47
1/16W
:CHIP
47
1/16W
:CHIP
47
1/16W
:CHIP
47
1/16W
:CHIP
22
1/16W
:CHIP
47
1/16W
:CHIP
47
1/16W
:CHIP
0.068
10V
B:CHIP
100p
50V
CH:CHIP
0.047
10V
B:CHIP
0.047
10V
B:CHIP
0.047
10V
B:CHIP
HN1B01FU-TE85R
LIMITER
HN1B01FU-TE85R
LIMITER
15k
1/16W
:CHIP
15k
1/16W
:CHIP
4.7
10V
B:CHIP
47k
1/16W
:CHIP
22k
1/16W
:CHIP
22k
1/16W
:CHIP
47k
1/16W
:CHIP
22k
1/16W
:CHIP
47k
1/16W
:CHIP
0.1
16V
F:CHIP
BA033FP-E2
3.3V REG
2.2k
1/16W
:CHIP
220
1/16W
:CHIP
#
#
#
###
10
10V
B:CHIP
10
10V
B:CHIP
MA3J14700LSO
PROTECT
MA3J14700LSO
PROTECT
MA3J14700LSO
PROTECT
47
1/16W
:CHIP
1M
1/16W
:CHIP
330
1/16W
:RN-CP
0.1
16V
F:CHIP
2.7K
1/16W
:RN-CP
0.1
16V
F:CHIP
47
1/16W
:CHIP
0.1
16V
F:CHIP
1
10V
B:CHIP
47
1/16W
:CHIP
HN1C01FU-TE85R
BUFF HN1C01FU-TE85R
BUFF
1k
1/16W
:CHIP
4.7k
1/16W
:RN-CP
5.6k
1/16W
:RN-CP
1k
1/16W
:CHIP
1k
1/16W
:CHIP
1.8k
1/16W
:RN-CP
4.7k
1/16W
:RN-CP
2.2k
1/16W
:CHIP
2.2µH
:FR-CP
2.2µH
:FR-CP
0.01
50V
F:CHIP
#
22
6.3V
:OS
82
6.3V
:OS
0.1
16V
F:CHIP
0.1
16V
F:CHIP
##
22
6.3V
:OS
220k
1/16W
:CHIP
39000p
16V
B:CHIP
BZA456A
PROTECT
22*4
:CHIP
22*4
:CHIP
22*4
:CHIP
22*4
:CHIP
22*4
:CHIP
22*4
:CHIP
#
#
#
#
#
#
#
#
##
#
#
#
#
#
#
#
#
#
#
0.01
50V
F:CHIP
0.01
50V
F:CHIP
0.01
50V
F:CHIP
0.01
50V
F:CHIP
0.01
50V
F:CHIP
0.01
50V
F:CHIP
0.01
50V
F:CHIP
0.01
50V
F:CHIP
0.01
50V
F:CHIP
0.01
50V
F:CHIP
3900p
50V
B:CHIP
100p
50V
CH:CHIP
15P
HN1D03FU-TE85R
PROTECT
18
1/10W
:RN-CP
18
1/10W
:RN-CP
18
1/10W
:RN-CP
56
1/10W
:RN-CP
56
1/10W
:RN-CP
56
1/10W
:RN-CP
1
10V
B:CHIP
UDZSTE-173.9B
PROTECT
UDZSTE-173.9B
PROTECT
USB(B)
0UH
0UH
0UH
0UH
0UH
LP2985IM5X-3.3
3.3V REG
47 1/16W :CHIP
0UH
1 6.3V B:CHIP
4.7
10V
B:CHIP
#
47 1/16W :CHIP
47 1/16W :CHIP
3.3k 1/16W :CHIP
0.01
50V
F:CHIP
3.3k
1/16W
:RN-CP
0UH
2SC4081T106-R
BUFF
C161
IC100
D105
C138
IC101
IC102
D106
C106
C103
C104
C107
C108
C109
C111
C112
C113
C114
C116
C119
C126
C130
C133
C135
C139
C140
C141
C142
C145
C146 C148
C150
C153
C154 C156
C157
C160
Q100
R110
R111
R113
R114
R116
R119
R120
R122
R123
R124
R125
R130
R131
R132
R133
R136
R137
R138
R141
R147
R151
R152
R153
R155
R156 R157
R159
R160
R163
C117
C127
C131
C132
C134
Q102
Q103
R115
R117
C105
R165
R164
R166
R167
R168
R169
C124
IC103
R144
R148
R139
R140
R143
R154 R158 R162
C120
C123
D102
D103
D104
R128
C122
C115
R135
R170
R173
R174
R178
C162
C164
Q105 Q104
R134
R172
R171
R175 R177
R176
R179
R180
L100
L101
C125
D1007
C121
C136
C165 C166
TP101 TP102
C129
R181
C152
D100
RB100 RB101
RB102
RB103
RB104
RB105
JL100
JL101
JL102
JL103
JL104
JL105
JL106
JL107
JL108 JL109
JL110
JL113
JL114
JL115
JL116
JL117
JL1007
JL1008
JL1009
JL1011
C100
C101
C102
C137
C144
C147
C149 C155
C158
C159
C151
C163
CN100
D101
R103
R104
R105
R107
R108
R109
C1026
D1008
D1009
J1001
FB1007
FB1006
FB1005
FB1003
FB101
IC104
R112
FB100
C128
C118
TH100
R145
R146
R142
C143
R161
FB102
Q101
IC105
IO
G
12345678910
11 12 13 14 15 16 17 18 19 20
IO
G
123
4 5
1 2 3 4 5 6 7 8 9 10 11 12 13 14 15 16 17 18 19 20
21
22
23
24
25
26
27
28
29
30
31
32
33
34
35
36
37
38
39
40
4142434445464748495051525354555657585960
61
62
63
64
65
66
67
68
69
70
71
72
73
74
75
76
77
78
79
80
1234
5 6 7 8
640 mVp-p (H)
950 mVp-p (H)
640 mVp-p (H)
3.2 Vp-p (H)
3.8 Vp-p (V)

6-7
VPL-CS5A/CS6/CX6/EX1 6-7
2
3
4
5
1
A BCDEFGH
C (2/10)C (2/10)
C
Y
C
Y
VIDEO
S-Y
S-C
R/G/B
3.3
1.3
+5V
+3.3V
+3.3V
+3.3V
3.6
0
3.1
0.2
0
0
0
0
0
1.7
0
0.4
0
0.4
0
0
3.2
3.2
0
3.2
0
0
0
0
0
+3.3V
+3.3V
AI11
AI12
AI13
AI14
AI1D
AI21
AI22
AI23
AI24
AI2D
AI31
AI32
AI33
AI34
AI3D
AI41
AI42
AI43
AI44
AI4D
AOUT
FSW
TEST3
TEST5
TEST6
TEST7
TEST8
TEST9
TEST10
TEST13
TEST14
TEST15
TEST16
TEST17
TEST18
TMS
TDO
TDI
TCK
TRST
CLKEXT
EXMCLR
XTALO
XTALI
XTOUT
SDA
SCL
INT_A
TEST19
TEST12
TEST2
TEST11
TEST4
TEST1
CE
VSSX
VSSD2
VSSD4
VSSD6
VSSD8
VSSD10
VSSD12
VSSD1
VSSD3
VSSD7
VSSD9
VSSD11
VSSD13
AGNDA
AGND
VSSA0
VSSA1
VSSA2
VSSA3
VSSA4
VSSD5
VDDX
VDDD2
VDDD4
VDDD6
VDDD8
VDDD10
VDDD12
VDDD1
VDDD3
VDDD5
VDDD7
VDDD9
VDDD11
VDDD13
VDDA0
VDDA1A
VDDA1
VDDA2A
VDDA2
VDDA3A
VDDA3
VDDA4A
VDDA4
IPD7
IPD6
IPD5
IPD4
IPD3
IPD2
IPD1
IPD0
XPD7
XPD6
XPD5
XPD4
XPD3
XPD2
XPD1
XPD0
HPD7
HPD6
HPD5
HPD4
HPD3
HPD2
HPD1
HPD0
XCLK
XDQ
XRH
XRV
XTRI
XRDY
ICLK
IDQ
IGPH
IGPV
ITRI
ITRDY
IGP0
IGP1
RTS0
RTS1
RTCO
ADP8
ADP7
ADP6
ADP5
ADP4
ADP3
ADP2
ADP1
ADP0
AMCLK
ASCLK
ALRCLK
AMXCLK
RES
SCL SDA
13.5 LLC2
27 LLC
GND
VCCS
I0A
I1A
I0B
I1B
ZB
E
I0C
I1C
I0D
I1D
ZD
ZC
ZA
GND
VCC
GND
GND
VCLK
VPEN
VVS
VHS
GND
GND
GND
GND
GND
GND
GND
SIRCS
MS RESET
MENU STATUS
TXD MS
RXD MS
VUY7
VUV6
VUY5
VUV4
VUY3
VUV2
VUY1
VUV0
VY7
VY6
VY5
VY4
VY3
VY2
VY1
VY0
KEY 0
BRD STATUS
MS SW
FLAG
AU_GND
AU_GND
MSAU_R
MSAU_L
DEC
MS
IN3
IN2
IN1
IN0
IN4
IN5
IN6
IN7
OUT0
OUT1
OUT2
OUT3
OUT4
OUT5
OUT6
OUT7
NCVSS
OUT
VDD
CD
PIC MUTE MS
NC
VIN
GND
ON/OFF
VOUT
BPS
GND
MS_3.3V
MS_3.3V
MS_3.3V
MS_3.3V
D
CK
Q
GND
VCC
Q
PR
CLR
D3.3V
AU_L
AU_GND
AU_GND
AU_R
GND
CVBS
GND
S-Y
GND
S-C
GND
GND
CX6 ONLY
(TO P10)
TO Q
BOARD
CN21
(TO P1)
(TO P1)
(TO P4,P8,P10)
(TO P1,P3)
(TO P8)
(TO P3)
(TO P8)
(TO P2,P8)
(TO P8)
(TO P1)
(TO P8)
(TO P3)
(TO P2,P8)
(TO P3)
(TO P3)
(TO P8)
(TO P10)
(TO P10)
BOARD
TO MS(1/3)
CN1001
C(2/10)
(VIDEO DEC,A/D CONV.)
B-SS1752-C-P2
G_DEC
B_DEC
R_DEC
MS_RESET
RXD_MS
TXD_MS
BRD_STATUS
SIRCS
MENU_STATUS
VY0
VY1
VY2
VY3
VY4
VY5
VY6
VY7
VUV0
VUV1
VUV2
VUV3
VUV4
VUV5
VUV6
KEY0_MS
VUV7
VY7
VY6
VY0
VY1
VY2
VY3
VY4
VY5
VUV0
VUV1
VUV2
VUV3
VUV4
VUV5
VUV6
VUV7
SDA_400K
SCL_400K
88
95
96
105
97
74
73
80
89
79
57
64
65
71
63
13
42
41
55
43
117
129
14
25
26
29
30
38
39
131
132
133
143
144
145
46
4
17
18
32
136
146
2
16
1
153
139
152
156
53
12
40
24
11
134
3
47
50
67
91
107
111
45
49
51
75
106
110
113
104
28
118
90
81
58
27
148
128
155
141
154
138
151
123
109
150
137
108
122
149
112
140
126
135
147
101
116
142
114
102
100
115
130
5
23
48
33
19
6
54
59
61
60
62
69
70
77
7
20
8
21
9
22
10
37
78
76
83
86
85
94
93
99
44
56
66
72
82
87
98
103
119
127
124
120
84
52
35
31
125
121
92
68
36
34
15
78
34
56
12
78
56
34
12
78
56
34
12
56
78
12
34
RGB-DEC
5V-3
3.3V-2
VS
HS
SW1
MS_EN
V_PORT
MS-USB
MS_SW
AU_GND
MSAU_L
MSAU_R
DEC_EN
DEC_RESET
DEC_EN
3.3V-2
SCL_PW
SDA_PW
I2C
VFIELD_DEC
AU_GND
AU_R
AU_L
VSI
HSI
3.3V-2
VHS
VVS
VCLK
VPEN
PIC MUTE MS
15K-CS
3.3V-5
3.3V-3
3.3V-2
22µH
0.1
16V
F:CHIP
0.1
16V
F:CHIP
100 1/16W :CHIP
100 1/16W :CHIP
0.033
10V
B:CHIP
0.033
10V
B:CHIP
0.033
10V
B:CHIP
0.033
10V
B:CHIP
0.1
16V
F:CHIP
0.01
16V
B:CHIP
0.01
16V
B:CHIP
0.1
16V
F:CHIP
0.1
16V
F:CHIP
0.1
16V
F:CHIP
0.01
16V
B:CHIP
0.01
16V
B:CHIP
0.047
10V
B:CHIP
0.047
10V
B:CHIP
0.1
16V
F:CHIP
0.1
16V
F:CHIP
BA033FP-E2
3.3V REG
100
1/16W
:CHIP
100
1/16W
:CHIP
100 1/16W :CHIP
47
1/16W
:CHIP
47
1/16W
:CHIP
47
1/16W
:CHIP
47
1/16W
:CHIP
100
1/16W
:CHIP
#
#
#
:CHIP
#
:CHIP
#
#
#
#
#
#
0.047
10V
B:CHIP
0.1
16V
F:CHIP
22
10V
F:CHIP
LP2985IM5X-3.3
MA3J14700LSO
MA3J14700LSO
MA3J14700LSO
47
1/16W
:CHIP
47
1/16W
:CHIP
47
1/16W
:CHIP
#
#
4.7k
1/16W
:CHIP
#
#
10
1/16W
:CHIP
#
#
#
#
#
#
#
220
4V
:AL-CP
#
NFM41P11C204
2.2µH
10*4
10*4
10*4
10*4
10k*4
#
#
#
##
#
#
#
#
#
#
#
#
#
#
#
#
#
#
#
#
#
#
#
#
#
#
#
#
#
#
#
#
#
#
#
#
24.576MHz #
0.01
50V
F:CHIP
15p
50V
CH:CHIP
15p
50V
CH:CHIP
18
1/10W
:RN-CP
18
1/10W
:RN-CP
18
1/10W
:RN-CP
56
1/10W
:RN-CP
56
1/10W
:RN-CP
56
1/10W
:RN-CP
100
4V
:AL-CP
82
6.3V
:OS
82
6.3V
:OS
50P CX6 ONLY
100 1/16W :CHIP
SN74LV157APWR
SYNC SW
SN74LV244APWR
SYNC SW
0UH
CX6 ONLY
10 1/16W :CHIP
100 1/16W :CHIP
100 1/16W :CHIP
0.047
10V
B:CHIP 0.033 10V B:CHIP
0.033 10V B:CHIP
0.033 10V B:CHIP
0UH
12P :SMD
#
SAA7118E/V1.518
VIDEO DEC & AD
L202
C245
C260
R229
R230
C211
C209
C215
C206
C223 C227
C229
C225
C222 C224 C226 C228
C207
C208
C230
C233
IC202
R255
R256
R251
R252
R253
R254
R257
R238
C202
C203
R203
R204
R227
R232
R248
R250
R200
R210
C219
C261 C263
IC206
D200
D201
D202
R222
R223
R224
R266
R269
R220
R205
C213
R267
R265
IC207
R264
C264
C205
TP201
TP202
C220
TP203
FL201
L201
RB200
RB201
RB202
RB203
RB205
R263
R235
R234
JL200 JL201
JL202
JL203
JL206
JL207
JL208
JL209
JL210
JL211
JL212
JL213
JL214
JL215
JL216
JL217
JL219
JL220
JL221
JL222
JL223
JL224
JL225
JL226
JL227
JL228
JL229
JL230
JL231
JL232
JL233
JL234
JL236
JL237
X200 L200
FL202
C262
C200 C201
R207
R208
R209
R211
R212
R213
C204
C234
C221
CN202
R249
IC205
IC204
FB201
R236
R233
R231
C210
C217
C216
C218
FB200
CN201
IC200
IC203
IO
G
EMI
J2
K1
K2
L3
K3
G4
G3
H2
J3
H1
E3
F2
F3
G1
F1
B1
D2
D1
E1
D3
M1
M13
B2
B13
B14
C3
C4
C12
C13
N1
N2
N3
N13
N14
P2
D6
A5
B5
B6
C6
N6
P3
A3
B4
A2
P10
N9
P9
P13
D13
A13
C14
B12
A12
N4
A4
D7
D10
F11
J11
L5
L9
D5
D9
D11
G11
L4
L8
L11
L2
C2
M2
J4
H3
E4
C1
B3
C8
C10
F12
J12
M5
M9
C5
C9
D12
H12
M4
M8
M11
M3
L1
K4
J1
H4
G2
F4
E2
D4
K11
J13
J14
H13
H14
H11
G12
G14
C11
A11
B10
A10
B9
A9
B8
A8
G13
F14
F13
E14
E12
E13
E11
D14
A7
B7
C7
D8
B11
A6
M14
L13
K12
K14
L12
N12
L14
K13
P4
N5
M10
N10
L10
P6
M6
L6
N7
P7
L7
M7
P8
N8
P11
N11
P12
M12
P5
1
2
3
4
5
6
7
8
9
10
11
12
1 2 3 4 5 6 7 8
910111213141516
1 2 3 4 5 6 7 8 9 10
11121314151617181920
123
4 5
1
2
3
4
5
6
7
8
9
10
11
12
13
14
15
16
17
18
19
20
21
22
23
24
25
26
27
28
29
30
31
32
33
34
35
36
37
38
39
40
41
42
43
44
45
46
47
48
49
50
123
4 5
1234
5 6 7 8
EMI
300 mVp-p (H)

6-8 VPL-CS5A/CS6/CX6/EX1
6-8
2
3
4
5
AB C D E F G H
1
C (3/10)C (3/10)
R
G
B
R
B
G
+3.3V
+3.3V
+3.3V
+3.3V
+3.3V
+3.3V
+2.5V
+3.3V
+3.3V
+3.3V
03.3
0 3.2
1.7
0
1.5
0
1.5
1.6
3.3
3.3
0
03.3
3.2
0
0
3.1
0
3.1
3.2
3.2
0.3
0.3
3.2
3.2
3.2
0
GND
GND
GND
GND
GND
GND
GND
GND
GND
GND
GND
GND
GND
GND
GND
GND
GND
GND
GND
GND
GND
GND
GND
GND
GND
GND
VDD2.5
VDD2.5
VDD2.5
VDD2.5
VDD2.5
VDD2.5
VDD2.5
VDD2.5
VDD2.5
VDD2.5
VDD2.5
VDD2.5
VDD2.5
VDD2.5
VDD2.5
VDD2.5
VDD3.3
VDD3.3
VDD3.3
VDD3.3
VDD3.3
VDD3.3
VDD3.3
VDD3.3
VDD3.3
VDD3.3
A15
A14
A13
A12
A11
A10
A9
A8
NC
NC
RP#
NC
A17
A7
A6
A5
A4
A3
A2
A1
A16
BYTE#
VSS
DQ15/A-1
DQ7
DQ14
DQ6
DQ13
DQ5
DQ12
DQ4
VCC
DQ11
DQ3
DQ10
DQ2
DQ9
DQ1
DQ8
DQ0
OE#
VSS
CE#
AQ
WE#
RY/ BY
NC
NC
A0
A1
A2
A3
A4
A5
A6
A7
A8
A9
A10
A11
A12
A13
A14
A15
A16
A17
A18
A19
D0
D1
D2
D3
D4
D5
D6
D7
D8
D9
D10
D11
D12
D13
D14
D15
IRRCVR1
IRRCVR0
>RESET
>MCKEXT
>RXD
<TXD
PORTA0
PORTA1
PORTA2
PORTA3
PORTA4
PORTA5
PORTA6
PORTA7
DTCLK
PTSTEN
EXTINT
NMI
RD
WR
BHEN
ROMOE
ROMWE
RAMWE
RAMOE
CS0
CS1
DTMB
MISC
DRE0
DRE1
DRE2
DRE3
DRE4
DRE5
DRE6
DRE7
DGE3
DGE4
DGE0
DGE1
DGE2
DGE5
DGE6
DGE7
DBE0
DBE1
DBE2
DBE3
DBE4
DBE5
DBE6
DBE7
DRO0
DRO1
DRO2
DRO3
DRO5
DRO4
DRO6
DRO7
DGO1
DGO2
DGO3
DGO4
DGO5
DGO7
DGO6
DBO1
DBO0
DBO2
DBO4
DBO3
DBO5
DBO6
DBO7
> DCKEXT DCLK >
DEN >
DHS >
DVS >
DGO0
OUT
VDD
VSSNC
CD
GHS
GPENSOG
GCLK
GVS GFBK
GREF>
GBLKSPL>
GCOAST>
GRE0
GRE1
GRE2
GRE3
GRE4
GRE5
GRE6
GRE7
GGE0
GGE1
GGE2
GGE3
GGE4
GGE5
GGE6
GGE7
GBE0
GBE1
GBE2
GBE3
GBE4
GBE5
GBE6
GBE7
GRO0
GRO1
GRO2
GRO3
GRO4
GRO5
GRO6
GRO7
GGO0
GGO1
GGO2
GGO3
GGO4
GGO5
GGO6
GGO7
GBO0
GBO1
GBO2
GBO3
GBO4
GBO5
GBO6
GBO7
GRAPHIC PORT
VCLK
VPEN
VVS
VHS
VFIELD
VCLKEN
VB/UV/V0
VB/UV/V1
VB/UV/V2
VB/UV/V3
VB/UV/V4
VB/UV/V5
VB/UV/V6
VB/UV/V7
VG/Y /U0
VG/Y /U1
VG/Y /U2
VG/Y /U3
VG/Y /U4
VG/Y /U5
VG/Y /U6
VG/Y /U7
VR/ /Y0
VR/ /Y1
VR/ /Y2
VR/ /Y3
VR/ /Y4
VR/ /Y5
VR/ /Y6
VR/ /Y7
GENERAL I/O PORT B
RXD
GND
TXD
X1/CLK X2
VDD
GND
CLK1 CLK2
SEL
PDTS
SCANMODE
(TO P1)
GND
ROMWEN
ROMOEN
D3.3V
A0
D0
A1
D1
A2
D2
A3
D3
A4
D4
A5
D5
A6
D6
A7
D7
A8
D8
A9
D9
A10
D10
A11
D11
A12
D12
A13
D13
A14
D14
A15
D15
A16
GND
A17
A18
GND
A19
BOOTWE
ROMWEN
ROMOEN
D3.3V
D3.3V
D3.3V
GND
GND
GND
NMI
GND
GND
GND
GND
GND
BHENN
GND
FCEN
VPPEN
NC
NC
RESETN
6V
6V
6V
6V
CS0
CS1
(TO P8)
(TO P1,P2)
(TO P2)
(TO P4)
(TO P2)
(TO P2)
(TO P8)
(TO P4)
(TO P8)
(TO P4)
C
B-SS1752-C-P3
(3/10)
(SCAN CONV. FLASH MEMORY)
R332
R333
4.7k
NO MT 4.7k
NO MT
CX6,EX1
CS5A/CS6
CX6,EX1:ICS332M-SX1735
CS5A/CS6:ICS332M-SX1734
*
*
A0
A1
A2
A3
A4
A5
A6
A7
A8
A9
A10
A11
A12
A13
A14
A15
A16
A17
A18
A19
A17
A1A2
A3
A4
A5
A6
A7
A8
A9
A10
A11
A12
A13
A14
A15
A16
A18
D0
D1
D2
D3
D4
D5
D6
D7
D8
D9
D10
D11
D12
D13
D14
D15
D0
D1
D2
D3
D4
D5
D6
D7
D8
D9
D10
D11
D12
D13
D14
D15
ROMOEN
BHENN
ROMOEN
ROMWEN
A19
INTERLACE
FCEN
CS0
CS1
NMI
RESETN
BOOTWE
VPPEN
DRE1
DRE2
DRE3
DRE4
DRE5
DRE6
DRE7
DBE1
DBE2
DBE3
DBE4
DBE5
DBE6
DBE7
DBE0
DGE0
DGE1
DGE2
DGE3
DGE4
DGE5
DGE6
DGE7
DRE0
DHS
DVS
DCLK
GCLK
GVS
GHS
GPENSOG
GFBK
GREF
GBLKSPL
GCOAST
GRE0
GRE1
GRE2
GRE3
GRE4
GRE5
GRE6
GRE7
GGE0
GGE1
GGE2
GGE3
GGE4
GGE5
GGE6
GGE7
GBE0
GBE1
GBE2
GBE3
GBE4
GBE5
GBE6
GBE7
VY0
VY1
VY2
VY3
VY4
VY5
VY6
VY7
VUV0
VUV1
VUV2
VUV3
VUV4
VUV5
VUV6
VUV7
CS0
CS1
RESETN
NMI
FCEN
BOOTWE
ROMOEN
ROMWEN
A0
A1
A2
A3
A4
A5
A6
A7
A8
A9
A10
A11
A12
A13
A15
A16
A17
A18
A19
A14
D0
D1
D2
D3
D4
D5
D6
D7
D8
D9
D10
D11
D12
D13
D14
D15
PW-OSD_EN
PIC_MUTE
P-TX
P-RX
P-EXTSW
TXD_PW
RXD_PW
ROMWEN
BHENN
VPPEN
83
229
84
62
41
63
42
21
22
1
44
65
23
2
26
6
13
219
61
82
145
138
122
129
130
137
146
140
139
121
115
116
114
113
106
107
108
105
97
98
89
90
81
91
92
218
237
179
172
198
217
197
171
164
178
177
163
170
169
162
161
148
147
154
153
249
228
209
189
251
167
176
166
165
174
195
173
216
194
215
236
235
256
213
192
234
255
254
212
191
252
211
232
231
248
227
247
186
206
226
246
225
245
224
204
184
244
243
223
241
202
182
221
240
201
239
200
238
111
117
103
104
144
151
150
149
152
160
159
168
94
87
88
118
112
119
120
127
76
18
57
38
19
39
20
78
128
133
134
135
136
142
141
143
85
59
40
60
86
93
79
80
35
16
55
75
36
17
56
37
96
95
110
109
13
5
24
11
12
13
14
7
64
67
70
31
12
74
77
101
125
157
175
193
233
190
230
188
187
185
183
222
220
180
156
132
124
100
123
199
242
205
208
253
214
196
58
47
99
131
155
181
203
207
250
210
158
126
102
54
32
51
50
43
72
73
53
14
34
15
3
45
66
24
4
46
25
5
68
48
27
7
28
69
49
8
29
9
30
10
71
11
52
33
2
3
1
5
6
4
98
7
10
23
14
1
56
4
12 11
13
8
9
10
56
34
78
12
12
56
34
78
-1
3.3V-2
3.3V-2
3.3V-2
3.3V-2
3.3V-2
5V-2
V_PORT
2.5V
3.3V-2
3.3V-2
OSD_EN
3.3V 3.3V-2
PIC MUTE MS
3.3V-2
VHS
VPEN
VVS
VCLK
PW PW OUT E
3.3V-2
G_PORT
VSO
SDA_PW
SCL_PW
VFIELD_DEC
PWFMBSY
3.3V-2
3.3V-2
GAMMA_RST
PQ2TZ15U
2.5V REG
22
10V
F:CHIP
0.1
16V
F:CHIP
0.1
16V
F:CHIP
0.1
16V
F:CHIP
0.1
16V
F:CHIP
0.1
16V
F:CHIP
0.1
16V
F:CHIP
0.1
16V
F:CHIP
0.1
16V
F:CHIP
0.1
16V
F:CHIP
0.1
16V
F:CHIP
0.1
16V
F:CHIP
0.1
16V
F:CHIP
0.1
16V
F:CHIP
0.1
16V
F:CHIP
0.1
16V
F:CHIP
0.1
16V
F:CHIP
0.1
16V
F:CHIP
0.1
16V
F:CHIP
0.1
16V
F:CHIP
0.1
16V
F:CHIP
0.1
16V
F:CHIP
0.1
16V
F:CHIP
0.1
16V
F:CHIP
0.1
16V
F:CHIP
0.1
16V
F:CHIP
0.1
16V
F:CHIP
0.1
16V
F:CHIP
0.1
16V
F:CHIP
0.1
16V
F:CHIP
0.1
16V
F:CHIP
0.1
16V
F:CHIP
0.1
16V
F:CHIP
0.1
16V
F:CHIP
10k
1/16W
:CHIP
10k
1/16W
:CHIP
10k
1/16W
:CHIP
10k
1/16W
:CHIP
1k
1/16W
:CHIP
100
1/16W
:CHIP
3.3k
1/16W
:CHIP
3.3k
1/16W
:CHIP
100
1/16W
:CHIP
4.7k
1/16W
:CHIP
10k
1/16W
:CHIP
2.2k
1/16W
:CHIP
22
1/16W
:CHIP
22
1/16W
:CHIP
22
1/16W
:CHIP
SN74LV125APWR
BUFF
SN74LV125APWR
BUFF
SN74LV125APWR
BUFF
SN74LV125APWR
BUFF
100
1/16W
:CHIP
#
1/16W
:CHIP
#
#
DAN202UT106
DISCHARGE
#
16.384MHz
X'TAL
#
47
1/16W
:CHIP
#
#
#
47
6.3V
:AL-CP
#
:CHIP
#
:CHIP
SN74LV02APWR
NOR GATE
SN74LV02APWR
NOR GATE SN74LV02APWR
NOR GATE
PW164B-10TK
SCAN CONV
PW164B-10TK
SCAN CONV
SN74LV02APWR
NOR GATE
PW164B-10TK
SCAN CONV
PW164B-10TK
SCAN CONV
#
10*4
:CHIP
10*4
:CHIP
10*4
:CHIP
10*4
:CHIP
10*4
:CHIP
10*4
:CHIP
#
#
#
#
#
#
#
#
#
#
#
#
#
1k
1/16W
:CHIP
1k
1/16W
:CHIP
#
1/16W
:CHIP
#
NAND
#
:CHIP
0
MBM29LV800TA-
70PFTN-1752
4M FLASH ROM
47k
1/16W
:CHIP
DTC144EUA-T106
SW
0.01
50V
F:CHIP
12p
50V
CH:CHIP
12p
50V
CH:CHIP
0.1
16V
F:CHIP
0.1
10V
B:CHIP
0UH
0UH
PW164B-10TK
SCAN CONV
2.2µH
150 1/16W :CHIP
#
0UH
#
0UH
SI4425DY-T1
SW
S-80928CNMC-
G8Y-T2G
RESET
IC301
C330
C300 C302 C303
C304
C305
C306
C307
C308
C309
C311
C312
C314
C315
C317
C318
C320
C322
C323
C324
C325 C329
C331
C332
C333
C334
C335
C336
C337
C338
C339
C340
C341
C342
R301
R302
R304
R305
R310
R312
R315 R316
R317
R318
R322
R325
R326
R327
R328
IC306(1/4)
IC306(2/4)
IC306(3/4)
IC306(4/4)
R331
R300
R329
R330
D300
SPECTRUM
SPREAD
R311
X300
C313
R313
C301
TP301
TP302
C343
R323
R324
IC304(1/4)
IC304(2/4)
IC304(3/4)
IC300(4/5)
IC300(3/5)
IC304(4/4)
IC300(2/5)
IC300(5/5)
C327
RB300
RB301
RB302
RB303
RB304
RB305
JL300
JL301
JL302
JL304
JL305
JL307
JL310
JL311
JL312
JL318
JL319
R380
R381
R332
R333 R334
R335
R303
IC302
R308
R309
IC307
R314
Q302
C321
C316
C319
C310
C328
FB303
FB300
IC300(1/5)
L300
IC305
R306
CN301
FB302
CN300
FB301
Q301
IC303
123456789101112131415161718192021222324
25 26 27 28 29 30 31 32 33 34 35 36 37 38 39 40 41 42 43 44 45 46 47 48
A1
A2
A3
A4
A5
A6
A7
A8
A9
A10
A11
A12
A13
A14
A15
A16
A17
A18
A19
A20
A21
A22
A23
A24
A25
A26
A27
A28
A29
A30
A31
A32
A33
A34
B1
B2
B3
B4
B5
B6
B7
B8
B9
B10
B11
B12
B13
B14
B15
B16
B17
B18
B19
B20
B21
B22
B23
B24
B25
B26
B27
B28
B29
B30
B31
B32
B33
B34
A35
B35
1 2 3
45
G
IO
ON/OFFADJ
1
2
3
1234
5 6 7 8
123
4 5
1234
5 6 7 8
S1S2S3G
D1 D2 D3 D4
2.5 Vp-p (6.6 MHz)
3.0 Vp-p (V) 3.0 Vp-p (H)

6-9
VPL-CS5A/CS6/CX6/EX1 6-9
2
3
4
5
1
A BCDEFGH
C (4/10)C (4/10)
R
G
B
R
G
B
+3.3V
+3.3V
+3.3V
+3.3V
+3.3V
+3.3V
+5V
+5V
+5V
+5V
+5V +3.3V
5.0
0
2.8
2.8
2.8
2.8
2.8
2.9
3.2
0
1.7
1.7
1.6
0.1
2.8
0.1
0
1.6
0
0
2.5
0.2
4.4
0.1
0
2.5
0.4
0
0
3.1
0
4.8
3.9
1.2
2.8
3.2
3.2
3.2
5.0
5.0
4.2
4.2
4.2
1.4
1.4
2.0
3.1
3.1
3.1
3.1
4.9
4.9
1.2
1.0
1.2
1.0
1.2
1.1
1.2
1.0
3.1
3.1
3.1
3.1
3.1
0.1
0.6
2.4
0
2.7
2.8
3.3
3.3
1.0
0
3.3
1.0
0
RIN7
RIN6
RIN5
RIN4
RIN3
RIN2
RIN1
RIN0
GIN7
GIN6
GIN5
GIN4
GIN3
GIN2
GIN1
GIN0
BIN7
BIN6
BIN5
BIN4
BIN3
BIN2
BIN1
BIN0
ROSD2
ROSD1
ROSD0
GOSD2
GOSD1
GOSD0
BOSD2
BOSD1
BOSD0
OSDI
OSDYS
OSDYM
ROUT9
ROUT8
ROUT7
ROUT6
ROUT5
ROUT4
ROUT3
ROUT2
ROUT1
ROUT0
GOUT9
GOUT8
GOUT7
GOUT6
GOUT5
GOUT4
GOUT3
GOUT2
GOUT1
GOUT0
BOUT9
BOUT7
BOUT6
BOUT5
BOUT4
BOUT3
BOUT2
BOUT1
BOUT0
BOUT8
CLKI
RESET
HSYNCI
VSYNCI
SCK
SIN
SOT
SCAN_AMC
SCAN_SMC
BUNRI
CS
IFHIZ
HSYNCO
VSYNCO
RSCL
RSDA
DEBUG
TEST
TEB
MODE
TMC1
TMC2
AVDD
VDD
VDD
VDD
VDD
VDD
VDD
VDD
VDD
NC
GND
GND
NC
AGND
GND
GND
GND
GND
GND
GND
GND
GND
GND
GND
GND
GND
GND
GND
GND
HSDA
HSCL
E0
E1
E2
E3
VCC
SCL
SDA
WC
N W
GND
LUT
CK
D
GND
VCC
Q
Q
PR
CLR
SID
CNT1A
CNT1B
CNT2A
CNT2B
LCDHST
LCDHCK1
LCDHCK2
LCDVST
LCDVST1
LCDVCK
LCDVCKX
LCDPCG
LCDBLK
LCDDWN
LCDPRG
LCDFRP
LCDCLR
LCDRGT
LCDRGTX
LCDENB
LCDENB1
LCDENB2
INVCNT
AGCSHP
OUT
VDD
VSSNC
CD
R
SCL
SDA
AO7
AO8
AO9
AO10
AO11
AO12
VREFL
VREFU1
GNDVREFU2
AO1
AO2
AO3
AO4
AO5
AO6
VCC
VDD
CS2
CS1
CS0
G1
A1
A2
A3
A4
A5
A6
A7
A8
VCC
G2
Y1
Y2
Y3
Y4
Y5
Y6
Y7
Y8GND
G1
A1
A2
A3
A4
A5
A6
A7
A8
GND
VCC
G2
Y1
Y2
Y3
Y4
Y5
Y6
Y7
Y8
HCK1
HCK2
ENB
FRP
HST
VST
VCK
PCG
GND
PRG
NC
IN
GND
VCC
OUT
CLR
(TO P5,P6,P7)
(TO P2,P8,P10)(TO P5,P6,P7)
(TO P6)
(TO P5)
(TO P7)
(TO P5,P6,P7)(TO P3)
(TO P3)
(TO P3)
(TO P8)
C
(4/10)
(3D GAMMA & TG)
B-SS1752-C-P4
W SCL
W SDA
GND
+3.3
DRE6
DRE5
DRE4
DRE3
DRE2
DRE1
DGE7
DGE6
DGE5
DGE4
DGE2
DGE1
DBE4
DBE3
DBE1
DBE0
R9
R8
R7
R6
R5
R4
R3
R2
R1
R0
G9
G8
G7
G6
G5
G4
B9
B8
B7
B6
B5
B4
B2
B3
DRE7
DRE0
DGE3
DGE0
DBE2
DBE7
DBE6
DBE5
DRE1
DRE0
DGE1
DGE0
DBE1
DBE0
G2
G3
G1
G0
B1
B0
SDA_400K
SCL_400K
LCDHCK1
LCDHCK2
LCDVST
LCDVCK
LCDPCG
LCDPRG
LCDFRP
LCDRGT
LCDRGTX
LCDENB
INVCNT
LCDHST
POS-CON0
POS-CON1
POS-CON2
POS-CON3
SID
LCDVST1
LCDVCKX
LCDBLK
LCDDWN
LCDCLR
LCDENB1
LCDENB2
DGE7
DRE7
DCLK
DHS
DVS
OFST R
OFST G
OFST B
VCOM R
VCOM G
VCOM B
SDA_100K
SCL_100K
SCEN
VREF B
VREF G
VREF R
SID_LV
PRG_LV
FRP
PRG
HCK1R
HCK1G
HCK1B
HCK2R
HCK2G
HCK2B
HST
VST
VCK
DWN
PCG
POS-CON1
POS-CON0
INVCNT
LCDHCK1
LCDHCK2
LCDHST
LCDVST
LCDVCK
LCDPCG
LCDRGT
LCDRGTX RGT
RGTX
LCDENB
ENB
POS-CON2
POS-CON3
DCFBOFF
POS-CON0
POS-CON1
POS-CON2
POS-CON3
SID
LCDVST1
LCDVCKX
LCDBLK
LCDENB1
LCDENB2
LCDDWN
LCDCLR
LCDFRP
LCDPRG
CLR
CLR
CLR
125
48
81
35
119
80
78
79
34
117
118
124
140
137
27
73
33
32
37
132
133
129
141
144
94
14
23
38
47
130
135
139
142
108
112
143
136
4
1
12
25
36
49
60
71
82
40
45
104
109
131
134
138
78
56
34
12
78
56
34
12
78
56
34
12
78
56
34
12
78
56
34
12
93
92
128
91
46
127
90
126
89
44
88
43
87
42
86
41
123
122
85
121
84
39
120
83
31
77
116
30
76
115
29
75
114
113
28
74
21
68
22
69
110
70
111
24
72
26
17
64
18
65
106
19
66
107
20
67
11
59
13
61
102
15
62
103
16
63
78
56
34
12
52
5
53
6
54
97
98
55
7
99
8
56
100
9
57
10
58
3
50
51
2
101
105
95
96
OSD_EN
DA DAT
3.3V-2
3.3V-2
3.3V-2
3.3V-2
TG_RESET
3.3V-2
3.3V-2
3.3V-2
5V-2
3.3V-2
5V-2
TG
PW OUT E
MCLK B
MCLK G
MCLK R
DAC I2C
5V-2
5V-2
5V-2
GAMMA_RST
CXD9607GB
3D GAMMA & TG
CXD9607GB
3D GAMMA & TG
47 6.3V :AL-CP
4P
WHT
:SMD
0.1
16V
F:CHIP
10k
1/16W
:CHIP
10k
1/16W
:CHIP
TC7WH74FU(TE12R)
RESET
0.1
16V
F:CHIP
M62392FP
DAC
47
6.3V
:AL-CP
2.2k
1/16W
:CHIP
DTC114EUA-T106
SYNC SW
0.1
16V
F:CHIP
CXD9607GB
3D GAMMA & TG
0.1 16V F:CHIP
0.1 16V F:CHIP
0.1 16V F:CHIP
0.1 16V F:CHIP
0.1 16V F:CHIP
0.1 16V F:CHIP
0.1 16V F:CHIP
0.1 16V F:CHIP
0.1 16V F:CHIP
47k
1/16W
:CHIP
1k
1/16W
:CHIP
47
1/16W
:CHIP
47
1/16W
:CHIP
10k
1/16W
:CHIP
47
1/16W
:CHIP
47
1/16W
:CHIP 10k
1/16W
:CHIP
100
1/16W
:CHIP
100
1/16W
:CHIP
100
1/16W
:CHIP
100
1/16W
:CHIP
100
1/16W
:CHIP
47
1/16W
:CHIP
47
1/16W
:CHIP
CXD9607GB
3D GAMMA & TG
47
1/16W
:CHIP
47
1/16W
:CHIP
47
1/16W
:CHIP
0.1
16V
F:CHIP
0.1
16V
F:CHIP
47k
1/16W
:CHIP
47k
1/16W
:CHIP
HN1C03FU-TE85R
BUS SW
0.1
16V
F:CHIP
0.1
16V
F:CHIP
#
47
1/16W
:CHIP
SN74AHCT541PWR
BUFF
SN74AHCT541PWR
BUFF
4.7k
1/16W
:CHIP
4.7k
1/16W
:CHIP
HN1B01FU-TE85R
BUFF
#
#
#
#
#
#
#
#
#
#
#
#
SN74AHCT1G04DCKR
INV
#
#
100*4
:CHIP
100*4
:CHIP
100*4
:CHIP
100*4
:CHIP
100*4
:CHIP
100*4
:CHIP
47*4
:CHIP
47*4
:CHIP
47*4
:CHIP
47*4
:CHIP
47*4
:CHIP
100*4
:CHIP
100*4
:CHIP
#
#
#
#
#
#
#
#
#
#
#
#
#
#
#
#
#
#
#
#
#
#
#
#
#
#
#
#
#
#
#
0.01
50V
F:CHIP
100p
50V
CH:CHIP
470p
50V
B:CHIP
470p
50V
B:CHIP
SN74LV00APWR
BUFF
47
1/16W
:CHIP
#
100 1/16W :CHIP
0UH
0UH
0UH
0UH
0UH
0UH0UH
0UH
0UH
0.1 16V F:CHIP
100*4 :CHIP
100 1/16W :CHIP
100 1/16W :CHIP
100 1/16W :CHIP
100 1/16W :CHIP
100
1/16W
:CHIP
SN74LVC125APWR
-12
BUFF
S-80928CNMC-
G8Y-T2G
RESET
M24C64-WMN6T(B)
EEPROM
2.2µH
:FR-CP
3.9k 1/16W :CHIP
3.9k 1/16W :CHIP
IC402(3/4)
IC402(4/4)
C415
CN401
C404
R401 R402
IC403
C402
IC471
C472
R450
Q450
C401
IC402(1/4)
C406
C407
C408
C409
C410
C411
C412
C413
C414
R427
R428
R419
R420
R429
S401
R422
R421
R426
R408
R407
R406
R405
R404
R409
R410
IC402(2/4)
R425
R424
R423
C473
C471
R477
R478
Q471
C450
C451
C405
R452
IC450
IC451
R475 R476
Q402
TP401
TP449
TP450
TP451
TP452
TP453
TP454
TP455
TP456
TP457
TP458
TP459
IC452
R432
R433
RB401
RB402
RB403
RB404
RB405
RB406
RB450
RB451
RB452
RB453
RB454
RB471
RB472
JL402
JL403
JL404
JL405
JL406
JL407
JL408
JL450
JL451
JL452
JL453
JL454
JL455
JL456
JL457
JL458
JL459
JL460
JL461
JL462
JL463
JL464
JL465
JL466
JL467
JL468
JL469
JL470
JL471
JL472
JL473
C416
C403
C474
C475
IC404
R411
R416
R451
FB450
FB451
FB452
FB471
FB402
FB405FB404
FB401
FB403
C452
RB473
R472
R471
R473
R474
R403
IC401
IC405
IC406
L471
R430
R431
1234
5678
12345678910
11 12 13 14 15 16 17 18 19 20
12345678910
11 12 13 14 15 16 17 18 19 20
1234567
8 9 10 11 12 13 14
1
2
3
4
1234
5 6 7 8
1234567
8 9 10 11 12 13 14
1 2 3
45
1 2 3 4 5 6 7 810911 12
131415161718192021222324
123
4 5

6-10 VPL-CS5A/CS6/CX6/EX1
6-10
2
3
4
5
AB C D E F G H
1
C (5/10)C (5/10)
G
G
G
G
8.2
7.68.2
7.6
7.0
7.6
7.0 7.5
+15.5V
+15.5V
+15.5V
1.2
1.2
1.24.6
+15.5V
+17V
7.6
7.6
7.6
7.6
7.6
7.6
7.6
7.6
7.6
7.6
4.8
4.6
0
0.3
3.2
3.2
4.8
4.6
0
1.6
1.2
7.6
1.4
6.8
7.6
+15.5V
2.2
0
2.1
0
0
2.1
2.0
1.2
0
0
0
1.2
1.4
2.5
4.4
0
3.2
0
3.2
2.4
3.9
4.2
4.8
10.3
4.8
0.1
0
10.3
+15.5V
+15.5V
BP
SD
FB
VIN
GND
VO
GREEN
PSIG G
GND
GREEN
PRG
POSCTR1
POSCTR2
NC
GND
GND
FRP
GND
GND
VCC
NC
NC
PGND
GND
GND
PVCC
NC
NC
NC
VDD
MCLK
MCLKX
GND
GND
F/H_CNT
SIG.C
GND
GND
NC
NC
NC
NC
PVCC
SHOUT1
SHOUT2
SHOUT3
SHOUT4
SHOUT5
SHOUT6
SHOUT7
SHOUT8
SHOUT9
SHOUT10
SHOUT11
SHOUT12
GND
GND
GND
GND
PS
GND
GNDGND
GND
GNDGND
TEST TEST
SL_INV
SL_SCN
SL_DAT
DIRC
VREF_I
VREF_O
SID_LV
PRG_LV
SHST
POSCTR0
POSCTR3
SHTEST
GND
GND
GND
SIG_OFST
CAL_OL
CAL_OH
CAL_IH
CAL_IL
VCOM_OUT
VCOM_OFST
SID_OUTX
SID_OUT
D_A0
D_A9
D_A8
D_A7
D_A6
D_A5
D_A4
D_A3
D_A2
D_A1
D_B0
D_B9
D_B8
D_B7
D_B6
D_B5
D_B4
D_B3
D_B2
D_B1
PRG
POSCTR1
POSCTR2
NC
GND
FRP
GND
GND
NC
NC
PGND
PVCC
NC
NC
MCLK
MCLKX
GND
GND
F/H_CNT
SIG.C
NC
NC
PVCC
SHOUT1
SHOUT2
SHOUT3
SHOUT4
SHOUT5
SHOUT6
GND
GND
TEST
SL_DAT
DIRC
SID_LV
PRG_LV
SHST
POSCTR0
POSCTR3
GND
SIG_OFST
VCOM_OUT
VCOM_OFST
SID_OUT
D_A0
D_A9
D_A8
D_A7
D_A6
D_A5
D_A4
D_A3
D_A2
D_A1
CAL_L
CAL_H
DCFBOFF
DCFBOFF
PGND
VCC15
BGR_O
BGR_I
VDD5
PS
STATUS
SIG G
SHTEST
PS2G
VSSGR
VSIG1
VSIG2
VSIG3
VSIG4
VSIG5
VSIG6
VSIG7
VSIG8
VSIG9
VSIG10
VSIG11
VSIG12
HVDD
RGT
HST
HCK2
HCK1
VSS
VSSGL
BLK
VCK
VST
DWN
HB
VB
PCG
VVDD
COM
TEST
ENB
PSIG
SIG4
SIG3
SIG5
SIG2
SIG6
SIG1
HVDD
RGT
MODE3
MODE2
MODE1
HST
VSS
BLK
ENB
VCK
VST
PCG
DWN
VVDD
COM
HCK1
HCK2
TO LCD
(G)
TO LCD
(G)
(TO P8)
(TO P6,P7)
(TO P4,P6,P7)
(TO P4)
(TO P4,P6,P7)
C(5/10)
(LCD DRIVER)
B-SS1752-C-P5
HST
HCK1G
HCK2G
VCK
VST
PCG
VID4
VID9
VID5
VID8
VID6
VID7
RGTX
DWN
VID1
VID2
VID3
VID4
VID5
VID6
VID7
VID8
VID9
VID10
VID11
VID12
RGTX
HST
HCK1G
HCK2G
VCK
VST
DWN
PCG
VID8
VID10
VID12
VID4
VID6
VID2
VID1
VID3
VID5
VID7
VID9
VID11
ENB
ENB
G0
G1
G2
G3
G4
G5
G6
G7
G8
G9
POS-CON0
POS-CON1
POS-CON2
POS-CON3
ENB
FRP
VCOM G
VREF G
OFST G
SCEN PRG
RGTX
SID_LV
PRG_LV
SH1
SH2
SH3
SH4
SH5
SH6
SH1
SH2
SH3
SH4
SH5
SH6
OFST G
SCEN
POS-CON0
POS-CON1
POS-CON2
POS-CON3
ENB
FRP
CAL_H
CAL_L
PRG_LV
SID_LV
PRG
PS
VREF_O
F/H_CNT
SL_DAT
TEST
SL_DAT
F/H_CNT
VREF_O
PS
CAL_H
CAL_L
VDD5
G0
G1
G2
G3
G4
G5
G6
G7
G8
G9
RGTX
VCOM G
VDD5
DCFBOFF
DCFBOFF
VREF G
PVCC
VCC15
PVCC
VCC15
MCLKX
MCLKX
TEST
SID_OUT
SID_OUT
SID_OUT
VCOM_OUT
VCOM_OUT
VCOM_OUT
SHTEST
SHTEST
CLR
13
5
24
1
2
3
4
5
6
7
8
9
10
11
12
13
14
15
16
17
18
19
20
21
22
23
24
1
2
3
4
5
6
7
8
9
10
11
12
13
14
15
16
17
18
19
20
21
22
23
24
25
26
27
28
29
30
31
32
5V-2
HVDD
5V-2
DA DAT
15.5V
15.5V
MCLK G
15.5V
DAC
TG
15.5V
17V
REG_ON
100
1/16W
:CHIP
10
1/16W
:CHIP
15k
1/16W
:RN-CP
10k
1/16W
:CHIP
10k
1/16W
:CHIP
10k
1/16W
:CHIP
47
25V
:AL-CP
47
25V
:AL-CP
10k
1/16W
:CHIP
4.7k
1/16W
:CHIP
1k
1/16W
:RN-CP
15k
1/16W
:RN-CP
47k
1/16W
:RN-CP
PQ20VZ1U
15.5V REG
2.2k
1/16W
:CHIP
2.2k
1/16W
:CHIP
10
1/16W
:CHIP
100
16V
:AL-CP
TK11900MTL
13.5V REG
0.22
25V
B:CHIP
0.1
16V
F:CHIP
1µH
:CHIP
1µH
:CHIP
#
47
25V
:AL-CP
#
#
#
0
:CHIP
10µH
0*4
:CHIP
0*4
:CHIP
100
6.3V
:AL-CP
HN1B01FU-TE85R
BUFF
HN1B01FU-TE85R
BUFF
#
#
#
0.22
16V
B:CHIP
0.22
16V
B:CHIP
0.22
16V
B:CHIP
0.22
16V
B:CHIP
0.1
25V
F:CHIP
0.1
25V
F:CHIP
0.1
25V
F:CHIP
0.1
25V
F:CHIP
0.1
25V
F:CHIP
0.1
25V
F:CHIP
#
0.1
25V
F:CHIP
0.1
25V
F:CHIP
#
#
#
#
#
#
0.01
50V
F:CHIP
150k
1/10W
:RN-CP
0UH
0UH
0UH
0.1 25V F:CHIP
0UH
0
CX6,EX1 ONLY
0
CX6,EX1 ONLY
0
CX6,EX1 ONLY
0
CX6,EX1 ONLY
0.22
16V
B:CHIP
10k
CX6,EX1 ONLY
CXA3562AR-T6
(CX6,EX1 ONLY)
LCD DRIVER(G)
0.22 16V B:CHIP
0.22 16V B:CHIP
0.1
16V
F:CHIP
0.22 16V B:CHIP
#
#
32P CX6,EX1 ONLY
10k
CX6,EX1 ONLY
24P
CS5A/CS6 ONLY
CXA7000R-T6
(CS5A/CS6 ONLY)
LCD DRIVER(G)
R521 R524
R550
R508
R501
R507
C513
C514
R552
R553 R556
R555
R554
IC551
R523
R522
R525
C520
IC550
C552
C501
L502
L501
FB551
C555
R506
R557
R527
R528
L503
RB501
RB502
C504
Q501
Q502
TP501
TP502
TP503
C505
C506
C509
C510
C512
C515
C516
C517
C519
C521
C551
C553
C554
JL501
JL502
JL503
JL505
JL550
JL551
C550
R551
FB503
FB550
FB552
C518
FB502
R509
R510
R519
R520
C511
R502
IC501
C507
C508
C503
C502
R504
R503
CN501
R505
CN502
IC502
1
2
3
4
5
6
7
8
9
10
11
12
13
14
15
16
17
18
19
20
21
22
23
24
1
2
3
4
5
6
7
8
9
10
11
12
13
14
15
16
17
18
19
20
21
22
23
24
25
26
27
28
29
30
31
32
123
4 5 6
1 2 3 4 5 6 7 8 9 10 11 12 13 14 15 16 17 18 19 20 21 22 23 24 25
26
27
28
29
30
31
32
33
34
35
36
37
38
39
40
41
42
43
44
45
46
47
48
49
50
51525354555657585960616263646566676869707172737475
76
77
78
79
80
81
82
83
84
85
86
87
88
89
90
91
92
93
94
95
96
97
98
99
100
1 2 3 4 5 6 7 8 9 10 11 12 13 14 15 16
17
18
19
20
21
22
23
24
25
26
27
28
29
30
31
32
33343536373839404142434445464748
49
50
51
52
53
54
55
56
57
58
59
60
61
62
63
64
G
IO
ON/OFFADJ

6-11
VPL-CS5A/CS6/CX6/EX1 6-11
2
3
4
5
1
A BCDEFGH
C (6/10)C (6/10)
R
R
R
R
+15.5V
+15.5V
+15.5V
+15.5V
+15.5V
+15.5V
7.68.2
8.2
6.9
7.5
7.6
6.9
7.6
7.6
7.6
7.6
7.6
7.6
7.6
7.6
7.6
7.6
7.6
4.6
4.6
5.0
0.3
3.2
3.2
4.8
4.6
0.2
2.8
1.2
7.6
1.4
6.8
7.6
1.0
1.0
1.0
0.9
1.3
1.4
1.0
0.2
0.1
0.2
4.8
1.2
1.4
2.5
4.4
0
3.2
0
3.2
2.4
3.9
4.2
4.8
10.3
10.3
4.8
0.1
7.6
GND
PRG
POSCTR1
POSCTR2
NC
GND
GND
FRP
GND
GND
VCC
NC
NC
PGND
GND
GND
PVCC
NC
NC
NC
VDD
MCLK
MCLKX
GND
GND
F/H_CNT
SIG.C
GND
GND
NC
NC
NC
NC
PVCC
SHOUT1
SHOUT2
SHOUT3
SHOUT4
SHOUT5
SHOUT6
SHOUT7
SHOUT8
SHOUT9
SHOUT10
SHOUT11
SHOUT12
GND
GND
GND
GND
PS
GND
GNDGND
GND
GNDGND
TEST TEST
SL_INV
SL_SCN
SL_DAT
DIRC
VREF_I
VREF_O
SID_LV
PRG_LV
SHST
POSCTR0
POSCTR3
SHTEST
GND
GND
GND
SIG_OFST
CAL_OL
CAL_OH
CAL_IH
CAL_IL
VCOM_OUT
VCOM_OFST
SID_OUTX
SID_OUT
D_A0
D_A9
D_A8
D_A7
D_A6
D_A5
D_A4
D_A3
D_A2
D_A1
D_B0
D_B9
D_B8
D_B7
D_B6
D_B5
D_B4
D_B3
D_B2
D_B1
PRG
POSCTR1
POSCTR2
NC
GND
FRP
GND
GND
NC
NC
PGND
PVCC
NC
NC
MCLK
MCLKX
GND
GND
F/H_CNT
SIG.C
NC
NC
PVCC
SHOUT1
SHOUT2
SHOUT3
SHOUT4
SHOUT5
SHOUT6
GND
GND
TEST
SL_DAT
DIRC
SID_LV
PRG_LV
SHST
POSCTR0
POSCTR3
GND
SIG_OFST
VCOM_OUT
VCOM_OFST
SID_OUT
D_A0
D_A9
D_A8
D_A7
D_A6
D_A5
D_A4
D_A3
D_A2
D_A1
CAL_L
CAL_H
DCFBOFF
DCFBOFF
PGND
VCC15
BGR_O
BGR_I
VDD5
PS
STATUS
SIG R
PSIG R
RED
RED
SHTEST
PS2G
VSSGR
VSIG1
VSIG2
VSIG3
VSIG4
VSIG5
VSIG6
VSIG7
VSIG8
VSIG9
VSIG10
VSIG11
VSIG12
HVDD
RGT
HST
HCK2
HCK1
VSS
VSSGL
BLK
VCK
VST
DWN
HB
VB
PCG
VVDD
COM
TEST
ENB
TO LCD
PSIG
SIG4
SIG3
SIG5
SIG2
SIG6
SIG1
HVDD
RGT
MODE3
MODE2
MODE1
HST
VSS
BLK
ENB
VCK
VST
PCG
DWN
VVDD
COM
HCK1
HCK2
TO LCD
(R)
(R)
(TO P5,P7)
(TO P4,P5,P7)
(TO P4)
(TO P4,P5,P7)
(LCD DRIVER)
C
(6/10)
B-SS1752-C-P6
HST
HCK2R
HCK1R
VCK
VST
PCG
VID4
VID9
VID5
VID8
VID6
VID7
RGT
DWN
VID1
VID2
VID3
VID4
VID5
VID6
VID7
VID8
VID9
VID10
VID11
VID12
RGT
HST
HCK2R
HCK1R
VCK
VST
DWN
PCG
VID8
VID10
VID12
VID4
VID6
VID2
VID1
VID3
VID5
VID7
VID9
VID11
ENB
ENB
POS-CON0
POS-CON1
POS-CON2
POS-CON3
ENB
FRP
VCOM R
VREF R
OFST R
SCEN PRG
RGT
SID_LV
PRG_LV
SH1
SH2
SH3
SH4
SH5
SH6
SH1
SH2
SH3
SH4
SH5
SH6
OFST R
SCEN
POS-CON0
POS-CON1
POS-CON2
POS-CON3
ENB
FRP
CAL_H
CAL_L
PRG_LV
SID_LV
PRG
PS
VREF_O
F/H_CNT
SL_DAT
TEST
SL_DAT
F/H_CNT
VREF_O
PS
CAL_H
CAL_L
VDD5
VCOM R
VDD5
DCFBOFF
DCFBOFF
VREF R
PVCC
VCC15
PVCC
VCC15
MCLKX
MCLKX
TEST
SID_OUT
SID_OUT
SID_OUT
VCOM_OUT
VCOM_OUT
VCOM_OUT
R0
R1
R2
R3
R4
R5
R6
R7
R8
R9
R0
R2
R3
R4
R6
R7
R8
R9
R5
R1
RGT
SHTEST
SHTEST
CLR
1
2
3
4
5
6
7
8
9
10
11
12
13
14
15
16
17
18
19
20
21
22
23
24
1
2
3
4
5
6
7
8
9
10
11
12
13
14
15
16
17
18
19
20
21
22
23
24
25
26
27
28
29
30
31
32
5V-2
HVDD
5V-2
DA DAT
15.5V
15.5V
MCLK R
15.5V
DAC
TG 100
1/16W
:CHIP
10
1/16W
:CHIP
10k
1/16W
:CHIP
10k
1/16W
:CHIP
10k
1/16W
:CHIP
47
25V
:AL-CP
47
25V
:AL-CP
2.2k
1/16W
:CHIP
2.2k
1/16W
:CHIP
10
1/16W
:CHIP
100
16V
:AL-CP
0.1
16V
F:CHIP
1µH
:CHIP
1µH
:CHIP
#
#0
:CHIP
10µH
0*4
:CHIP
0*4
:CHIP
100
6.3V
:AL-CP
HN1B01FU-TE85R
BUFF
HN1B01FU-TE85R
BUFF
#
#
#
0.22
16V
B:CHIP
0.22
16V
B:CHIP
0.22
16V
B:CHIP
0.22
16V
B:CHIP
0.22
16V
B:CHIP
0.1
25V
F:CHIP
0.1
25V
F:CHIP
0.1
25V
F:CHIP
0.1
25V
F:CHIP
0.1
25V
F:CHIP
0.1
25V
F:CHIP
#
#
#
#
0UH
0UH
32P CX6,EX1.ONLY
0.1 25V F:CHIP
10k
CX6,EX1 ONLY
0
CX6,EX1.ONLY
0
CX6,EX1 ONLY
0
CX6,EX1 ONLY
0
CX6,EX1 ONLY
0.22 16V B:CHIP
0.22 16V B:CHIP
0.1
16V
F:CHIP
0.22 16V B:CHIP
#
#
10k
CX6,EX1 ONLY
CXA3562AR-T6
(CX6,EX1 ONLY)
LCD DRIVER(R)
24P
CS5A/CS6 ONLY
CXA7000R-T6
(CS5A/CS6 ONLY)
LCD DRIVER(R)
R621
R624
R608
R601
R607
C613
C614
R623
R622
R625
C620
C601
L602
L601
R606
R627R628
L603
RB601
RB602
C604
Q601
Q602
TP601
TP602
TP603
C605
C606
C609
C610
C611
C612
C615
C616
C617
C619
C621
JL601
JL602
JL603
JL605
FB603
FB602
CN601
C618
R602
R619
R620
R610
R609
C608
C607
C603
C602
R604
R603
R605
IC601
CN602
IC602
1
2
3
4
5
6
7
8
9
10
11
12
13
14
15
16
17
18
19
20
21
22
23
24
1
2
3
4
5
6
7
8
9
10
11
12
13
14
15
16
17
18
19
20
21
22
23
24
25
26
27
28
29
30
31
32
1 2 3 4 5 6 7 8 9 10 11 12 13 14 15 16 17 18 19 20 21 22 23 24 25
26
27
28
29
30
31
32
33
34
35
36
37
38
39
40
41
42
43
44
45
46
47
48
49
50
51525354555657585960616263646566676869707172737475
76
77
78
79
80
81
82
83
84
85
86
87
88
89
90
91
92
93
94
95
96
97
98
99
100
1 2 3 4 5 6 7 8 9 10 11 12 13 14 15 16
17
18
19
20
21
22
23
24
25
26
27
28
29
30
31
32
33343536373839404142434445464748
49
50
51
52
53
54
55
56
57
58
59
60
61
62
63
64

6-12 VPL-CS5A/CS6/CX6/EX1
6-12
2
3
4
5
AB C D E F G H
1
C (7/10)C (7/10)
B
B
B
B
+15.5V
+15.5V
+15.5V
+15.5V
+15.5V
+15.5V
7.6
8.1
7.0
7.5
8.1
7.6
7.6
7.0
7.6
7.6
7.6
7.6
7.6
7.6
7.6
7.6
7.6
7.6
4.8
4.6
5.0
0.3
3.2
3.2
4.8
4.6
0.2
2.8
1.2
7.6
0
6.6
7.6
1.0
1.0
1.0
1.0
2.2
1.0
2.2
2.2
2.2
0.7
4.8
1.1
1.4
2.5
4.4
0
3.2
0
3.2
2.4
3.9
4.2
4.8
10.3
10.3
4.8
4.1
7.6
GND
PRG
POSCTR1
POSCTR2
NC
GND
GND
FRP
GND
GND
VCC
NC
NC
PGND
GND
GND
PVCC
NC
NC
NC
VDD
MCLK
MCLKX
GND
GND
F/H_CNT
SIG.C
GND
GND
NC
NC
NC
NC
PVCC
SHOUT1
SHOUT2
SHOUT3
SHOUT4
SHOUT5
SHOUT6
SHOUT7
SHOUT8
SHOUT9
SHOUT10
SHOUT11
SHOUT12
GND
GND
GND
GND
PS
GND
GNDGND
GND
GNDGND
TEST TEST
SL_INV
SL_SCN
SL_DAT
DIRC
VREF_I
VREF_O
SID_LV
PRG_LV
SHST
POSCTR0
POSCTR3
SHTEST
GND
GND
GND
SIG_OFST
CAL_OL
CAL_OH
CAL_IH
CAL_IL
VCOM_OUT
VCOM_OFST
SID_OUTX
SID_OUT
D_A0
D_A9
D_A8
D_A7
D_A6
D_A5
D_A4
D_A3
D_A2
D_A1
D_B0
D_B9
D_B8
D_B7
D_B6
D_B5
D_B4
D_B3
D_B2
D_B1
PRG
POSCTR1
POSCTR2
NC
GND
FRP
GND
GND
NC
NC
PGND
PVCC
NC
NC
MCLK
MCLKX
GND
GND
F/H_CNT
SIG.C
NC
NC
PVCC
SHOUT1
SHOUT2
SHOUT3
SHOUT4
SHOUT5
SHOUT6
GND
GND
TEST
SL_DAT
DIRC
SID_LV
PRG_LV
SHST
POSCTR0
POSCTR3
GND
SIG_OFST
VCOM_OUT
VCOM_OFST
SID_OUT
D_A0
D_A9
D_A8
D_A7
D_A6
D_A5
D_A4
D_A3
D_A2
D_A1
CAL_L
CAL_H
DCFBOFF
DCFBOFF
PGND
VCC15
BGR_O
BGR_I
VDD5
PS
STATUS
SIG B
PSIG B
BLUE
BLUE
SHTEST
PS2G
VSSGR
VSIG1
VSIG2
VSIG3
VSIG4
VSIG5
VSIG6
VSIG7
VSIG8
VSIG9
VSIG10
VSIG11
VSIG12
HVDD
RGT
HST
HCK2
HCK1
VSS
VSSGL
BLK
VCK
VST
DWN
HB
VB
PCG
VVDD
COM
TEST
ENB
PSIG
SIG4
SIG3
SIG5
SIG2
SIG6
SIG1
HVDD
RGT
MODE3
MODE2
MODE1
HST
VSS
BLK
ENB
VCK
VST
PCG
DWN
VVDD
COM
HCK1
HCK2
TO LCD
(B)
TO LCD
(B)
(TO P5,P6)
(TO P4)
(TO P4,P5,P6)
(TO P4,P5,P6)
(LCD DRIVER)
C
(7/10)
B-SS1752-C-P7
HST
HCK2B
HCK1B
VCK
VST
PCG
VID4
VID9
VID5
VID8
VID6
VID7
RGT
DWN
VID1
VID2
VID3
VID4
VID5
VID6
VID7
VID8
VID9
VID10
VID11
VID12
RGT
HST
HCK2B
HCK1B
VCK
VST
DWN
PCG
VID8
VID10
VID12
VID4
VID6
VID2
VID1
VID3
VID5
VID7
VID9
VID11
ENB
ENB
POS-CON0
POS-CON1
POS-CON2
POS-CON3
ENB
FRP
VCOM B
VREF B
OFST B
SCEN PRG
RGT
SID_LV
PRG_LV
SH1
SH2
SH3
SH4
SH5
SH6
SH1
SH2
SH3
SH4
SH5
SH6
OFST B
SCEN
POS-CON0
POS-CON1
POS-CON2
POS-CON3
ENB
FRP
CAL_H
CAL_L
PRG_LV
SID_LV
PRG
PS
VREF_O
F/H_CNT
SL_DAT
TEST
SL_DAT
F/H_CNT
VREF_O
PS
CAL_H
CAL_L
VDD5
VCOM B
VDD5
DCFBOFF
DCFBOFF
VREF B
PVCC
VCC15
PVCC
VCC15
MCLKX
MCLKX
TEST
SID_OUT
SID_OUT
SID_OUT
VCOM_OUT
VCOM_OUT
VCOM_OUT
B0
B1
B2
B3
B4
B5
B6
B7
B8
B9
B0
B1
B2
B3
B4
B5
B6
B7
B8
B9
RGT
SHTEST
SHTEST
CLR
1
2
3
4
5
6
7
8
9
10
11
12
13
14
15
16
17
18
19
20
21
22
23
24
1
2
3
4
5
6
7
8
9
10
11
12
13
14
15
16
17
18
19
20
21
22
23
24
25
26
27
28
29
30
31
32
5V-2
HVDD
5V-2
DA DAT
15.5V
15.5V
MCLK B
15.5V
DAC
TG 100
1/16W
:CHIP
10
1/16W
:CHIP
10k
1/16W
:CHIP
10k
1/16W
:CHIP
10k
1/16W
:CHIP
47
25V
:AL-CP
47
25V
:AL-CP
2.2k
1/16W
:CHIP
2.2k
1/16W
:CHIP
10
1/16W
:CHIP
100
16V
:AL-CP
0.1
16V
F:CHIP
1µH
:CHIP1µH
:CHIP
#
#
0
:CHIP
10µH
0*4
:CHIP
0*4
:CHIP
100
6.3V
:AL-CP
HN1B01FU-TE85R
BUFF
HN1B01FU-TE85R
BUFF
#
#
#
0.22
16V
B:CHIP
0.22
16V
B:CHIP
0.22
16V
B:CHIP
0.22
16V
B:CHIP
0.22
16V
B:CHIP
0.1
25V
F:CHIP
0.1
25V
F:CHIP
0.1
25V
F:CHIP
0.1
25V
F:CHIP
0.1
25V
F:CHIP
0.1
25V
F:CHIP
#
#
#
#
0UH
32P
CX6,EX1 ONLY
0UH
0
CX6,EX1 ONLY
0
CX6,XE1 ONLY
0
CX6,EX1 ONLY
0
CX6,EX1 ONLY
0.1 25V F:CHIP
CXA3562AR-T6
(CX6,EX1 ONLY)
LCD DRIVER(B)
0.22 16V B:CHIP
0.22 16V B:CHIP
0.1
16V
F:CHIP
0.22 16V B:CHIP
#
#
10k
CX6,EX1 ONLY
10k
CX6,EX1 ONLY
24P
CS5A/CS6,ONLY
CXA7000R-T6
(CS5A/CS6 ONLY)
LCD DRIVER(B)
R721
R724
R708
R701
R707
C713
C714
R723
R722
R725
C720
C701
L702
L701
R706
R727
R728
L703
RB701
RB702
C704
Q701
Q702
TP701
TP702
TP703
C705
C706
C709
C710
C711
C712
C715
C716
C717
C719
C721
JL701
JL702
JL703
JL705
FB703
CN701
FB702
R709
R710
R719
R720
C718
IC701
C708
C707
C703
C702
R703
R704
R705
R702
CN702
IC702
1
2
3
4
5
6
7
8
9
10
11
12
13
14
15
16
17
18
19
20
21
22
23
24
1
2
3
4
5
6
7
8
9
10
11
12
13
14
15
16
17
18
19
20
21
22
23
24
25
26
27
28
29
30
31
32
1 2 3 4 5 6 7 8 9 10 11 12 13 14 15 16 17 18 19 20 21 22 23 24 25
26
27
28
29
30
31
32
33
34
35
36
37
38
39
40
41
42
43
44
45
46
47
48
49
50
51525354555657585960616263646566676869707172737475
76
77
78
79
80
81
82
83
84
85
86
87
88
89
90
91
92
93
94
95
96
97
98
99
100
1 2 3 4 5 6 7 8 9 10 11 12 13 14 15 16
17
18
19
20
21
22
23
24
25
26
27
28
29
30
31
32
33343536373839404142434445464748
49
50
51
52
53
54
55
56
57
58
59
60
61
62
63
64

6-13
VPL-CS5A/CS6/CX6/EX1 6-13
2
3
4
5
1
A BCDEFGH
C (8/10)C (8/10)
3.13.3
3.1
+3.3V
+3.3V
+3.3V
+5V
+5V
+3.3V
+3.3V +3.3V
0.6
0 3.3
3.3
3.3
3.3
0 3.3
3.3
GND
3.3V-15V-1
MD2
VSS
P80/IRQ0-B
VCC
PC0/A0
PC1/A1
PC2/A2
PC3/A3
PC4/A4
VSS
PC5/A5
PC6/A6
PC7/A7
VSS
PB0/A8
PB1/A9
PB2/A10
PB3/A11
PB4/A12
PB5/A13
PB6/A14
PB7/A15
VSS
PA0/A16
PA1/A17
PA2/A18
PA3/A19
PA4/A20/IRQ4-A
PA5/A21/IRQ5-A
PA6/A22/IRQ6-A
PA7/A23/IRQ7-A
EMLE
P82/IRQ2-B
VCC
PE7/D7
VSS
PE6/D6
DCTL
PE5/D5
PE4/D4
PE3/D3
PE2/D2
PE1/D1
PE0/D0
P84/IRQ4-B
P85/IRQ5-B/SCK3
P83/IRQ3-B/RXD3
VSS
P27/PO7/TIOCB5/IRQ15-B
P26/PO6/TIOCA5/IRQ14-B
P25/PO5/TIOCB4/IRQ13-B
P22/PO2/TIOCC3/IRQ10-B
P21/PO1/TIOCB3/IRQ9-B
P24/PO4/TIOCA4/RXD4/IRQ12-B
P23/PO3/TIOCD3/TXD4/IRQ11-B
P17/PO15/TIOCB2/TCLKD/EDRAK3
P15/PO13/TIOCB1/TCLKC
P14/PO12/TIOCA1
P13/PO11/TIOCD0/TCLKB
P12/PO10/TIOCC0/TCLKA
P11/PO9/TIOCB0
P10/PO8/TIOCA0
VCC
NMI
WDTOVFN
PG1/CS1
PG0/CS0
P65/TMO1/DACK1-B/IRQ13-A
P63/TMCI1/TEND1-B/IRQ11-A
STBY
RTCGND
XTAL2
EXTAL2
RTCVCC
VCC
EXTAL
XTAL
VSS
PF7/ Ø
PLLVSS
RES
PLLVCC
PF6/AS
PF5/RD
PF4/HWR
PF3/LWR
PF2/IRQ15-A/LCAS/DQML
PF1/IRQ14-A/UCAS/DQMU
PF0/WAIT
P62/TMCI0/TEND0-B/IRQ10-A
P60/TMRI0/DREQ0-B/IRQ8-A
PD7/D15
PD0/D8
PD1/D9
PD2/D10
PD3/D11
PD4/D12
PD5/D13
PD6/D14
AVCC
VREF
P40/AN0
P41/AN1
P42/AN2
P43/AN3
P44/AN4
P45/AN5
P46/AN6/DA0
P47/AN7/DA1
P90/AN8
P91/AN9
P92/AN10
P93/AN11
P94/AN12/DA2
P95/AN13/DA3
P96/AN14/DA4
P97/AN15/DA5
AVSS
PG4/BREQO
PG5/BACK
PG6/BREQ
P50/TXD2/IRQ0-A
P51/RXD2/IRQ1-A
P52/SCK2/IRQ2-A
P53/ADTRG/IRQ3-A
P35/SCK1/SCL0
P34/SCK0/SCK4/SDA0
P33/RXD1/SCL1
P31/TXD1
P32/RXD0/IRRXD/SDA1
P30/TXD0/IRTXD
MD0
MD1
P20/PO0/TIOCA3/IRQ8-B
P64/TMO0/DACK0-B/IRQ12-A
P61/TMRI1/DREQ1-B/IRQ9-A
PG2
PG3
PH1
PH0
P81/TXD3
PH2/IRQ6-B
PH3/IRQ7-B
P16/PO14/TIOCA2/EDRAK2
-1
OUT
VDD
VSSNC
CD
SCL
SDA
E0
E1
E2
GND
VCC
WC
CPU&PW ROM
LAMP-TEMP
GND
TXD
RXD
VIN
MD1
MD2
RES
P-TX
P-RX
P-EXTSW
GND
MD0
(TO P2)
(TO P10)
(TO P10)
(TO P9)
(TO P3)
(TO P8) (TO P9,P10) (TO P1,P2,P9)
(TO P2)
(TO P4)
(TO P2)
(TO P1)
(TO P2)
(TO P10)
(TO P2)
(TO P2,P4)
(TO P2,P4,P10)
(TO P8)
(TO P3)
(TO P9)
(TO P10)
(TO P3)
C
(8/10)
B-SS1752-C-P8
(MAIN CPU)
INTERLACE
FAN_CONT1
FAN_CONT2
KEY0
LAMP_ON
PSAVE_LED
LAMP_LED
TEMP_LED
POWER_LED
LAMP_PROT
SCL_400K
SDA_400K
SCL_100K
SDA_100K
LAMP_COVER
FILT_COVER
POWER_PROT
FAN_PROT
MENU_STATUS
POWER_ON
SIRCS
AU_MUTE
MS_RESET
BRD_STATUS
RXD_MS
TXD_MS
KEY0_MS
TXD_PW
RXD_PW
P-EXTSW
P-RX
P-TX
USB_REQ
SCL_USB
SDA_USB
PW-OSD_EN
PIC_MUTE
SIRCS
KEY4
RXD
TXD
LAMP-POWER
EXT_TEMP
NF_ON
NR_ON
21
43
65
87
34
12
56
78
1
2
5
6
3
4
7
8
-1 -1
-1
-1
3.3V
VSO
CPU MS-USB
5V
3.3V
5V
MS_SW
VSI
HSI
PW
I2C
TG_RESET
3.3V
3.3V-2
3.3V-2
H_POL
V_POL
TILT_Y
TILT_X
SW1
DEC_EN
DEC_RESET
SCL_E
SDA_E
SCL_E
SDA_E
POS_DET
MS_EN
REG_ON
-13.3V
PWFMBSY
MOT_C
FAN_CONT3
MOT_EN
ILUMI
RES
RXD
TXD
MD0
MD1
MD2
HN1D03FU-TE85R
RESET
22
6.3V
:AL-CP
HN1B01FU-TE85R
RES.SW
0.1
16V
F:CHIP
0.1
16V
F:CHIP
0.1
16V
F:CHIP
0.1
16V
F:CHIP
0.1
16V
F:CHIP
0.1
16V
F:CHIP
BA033F-E2
3.3V REG
47k
1/16W
:CHIP
47k
1/16W
:CHIP
47k
1/16W
:CHIP
10k
1/16W
:CHIP
10k
1/16W
:CHIP
2.2k
1/16W
:CHIP
2.2k
1/16W
:CHIP
10k
1/16W
:CHIP
10k
1/16W
:CHIP
10
1/16W
:CHIP
220
1/16W
:CHIP
47k
1/16W
:CHIP
10k
1/16W
:CHIP
47k
1/16W
:CHIP
10k
1/16W
:CHIP
10k
1/16W
:CHIP
10k
1/16W
:CHIP
1k
1/16W
:CHIP
10k
1/16W
:CHIP
100
1/16W
:CHIP
10k
1/16W
:CHIP
2.7k
1/16W
:CHIP
10k
1/16W
:CHIP
10k
1/16W
:CHIP
10k
1/16W
:CHIP
100
1/16W
:CHIP
100
1/16W
:CHIP
10k
1/16W
:CHIP
10k
1/16W
:CHIP
10k
1/16W
:CHIP
12P
WHT
:SMD
4.7k
1/16W
:RN-CP
4.7k
1/16W
:CHIP
4.7k
1/16W
:CHIP
#
#
1k 1/16W :CHIP
0.1
16V
F:CHIP
0.1
16V
F:CHIP
0.1
16V
F:CHIP
22
6.3V
:AL-CP
4.7k
1/16W
:CHIP
4.7k
1/16W
:CHIP
4.7k
1/16W
:CHIP
4.7k
1/16W
:CHIP
#
16.384MHz
X'TAL
#
10k
1/16W
:CHIP
#
#
0 :CHIP
33k 1/16W :CHIP
33k 1/16W :CHIP
1
10V
F:CHIP
100*4
:CHIP
10k*4
:CHIP
100*4
:CHIP
1k*4
:CHIP
100*4
:CHIP
100*4
:CHIP
100*4
:CHIP
100*4
:CHIP
100*4
:CHIP
100*4
:CHIP
100*4
:CHIP
100*4
:CHIP
100*4
:CHIP
100*4
:CHIP
100*4
:CHIP
100*4
:CHIP
100*4
:CHIP
100*4
:CHIP
100*4
:CHIP
100*4
:CHIP
#
#
#
#
#
#
#
#
#
#
#
#
#
#
##
#
#
#
#
10K
LAMP
0.01
50V
F:CHIP
0.01
50V
F:CHIP
12p
50V
CH:CHIP
12p
50V
CH:CHIP
0.033µF
10V
B:CHIP
3300p
16V
B:CHIP
HD64F2376VFQ33V
MAIN CPU
100 1/16W :CHIP
0UH
10k 1/16W :CHIP
3300p 16V B:CHIP
4.7 10V B:CHIP
10k
CX6,EX1 ONLY
SSM6N15FU(TE85R)
BUS SW
100
CX6 ONLY
100
CX6 ONLY
S-80928CNMC-
G8Y-T2G
RESET
M24C64-WMN6T(B)
EEPROM
10k
CS5A/CS6 ONLY
D800
C800
Q801
C804
C806
C808
C811
C812
C813
IC800
R813
R814
R815
R816
R817
R820 R821
R823
R825
R826
R827
R828
R829
R830
R832
R833 R834
R835
R836
R840
R842
R843
R844 R847
R848
R845 R846
R850
R851
R852
CN800
R800
R809
R810
R804
R831
R853
C819
C820
C821
C802
R803
R805
R818 R819
C823
X800
R824
R822
TP800
TP801
R854
R839
R838
C814
RB800
RB801
RB802
RB803
RB804
RB805
RB806
RB807
RB808
RB809
RB810
RB811
RB813
RB814
RB815
RB816
RB817
RB818
RB819
RB821
JL800
JL801
JL802
JL803
JL804
JL805
JL806
JL807
JL808
JL809
JL813
JL814
JL815
JL816
JL817 JL818
JL822
JL823
JL824
JL825
TH800
C801
C810
C807
C809
C805
C818
IC801
R841
FB800
R801
C822
C803
R802
Q800
R807
R808
IC802 IC803
R806
1 2 3 4 5 6 7 8 9 10 11 12 13 14 15 16 17 18 19 20 21 22 23 24 25 26 27 28 29 30 31 32 33 34 35 36
37
38
39
40
41
42
43
44
45
46
47
48
49
50
51
52
53
54
55
56
57
58
59
60
61
62
63
64
65
66
67
68
69
70
71
72
737475767778798081828384858687888990919293949596979899
1001011021031044105106107108
109
110
111
112
113
114
115
116
117
118
119
120
121
122
123
124
125
126
127
128
129
130
131
132
133
134
135
136
137
138
139
140
141
142
143
144
G2
G1S1 D2
D1 S2
1234
5 6 7 8
1 2 3
45
1234
5 6 7 8
1
2
3
4
5
6
7
8
9
10
11
12

6-14 VPL-CS5A/CS6/CX6/EX1
6-14
2
3
4
5
AB C D E F G H
1
C (9/10), V, UC (9/10), V, U
+3.3V
+3.3V
+3.3V
+B
+B
+B
+B
+3.3V
+3.3V
+3.3V
+5V
+3.3V
+3.3V
+17V +6V
+5V
+5V
2.5
3.1
0.7
0
0
0.7
0
0.6
1.2
7.6
0
0.6
7.8
7.8
1.2
7.0
5.0
5.0
5.0
0
0
4.9
VDD
IRIN1
IRIN2
RES
VSS
IREN1
IREN2
IROUT
17V
GND
AUDIO+B
GND
GND
6V
GND
GND
GND
FAN+B
PCONT
GND
FAN CONT1
D3.3V
D3.3V
PPROT
GND
FAN+B
GND
-1
GND
GND
SUB3.3V
SUB3.3V
LAMP COVER
SUB6V
GND
FILT COVER
SUB+3.3V
EXT_TEMP
V
GND
LAMP COVER
UGND
FLAG
D+3.3V
SCI
H1/LOW
GND
LAMP ON
LAMP CONT
GND
FAN_PROT
FAN+B_OUTF
GND
GND
FAN_PROT
FAN_PROT
FAN+B_INRG
FAN+B_OUTR
GND
FAN_PROT
GND
FAN_PROT
FAN+B_LMP
FAN+B_INB
GND
FILT COVER
SUB+3.3V
EXT_TEMP
D+3.3V
D+3.3V
POWER-LED
POWER-LED
SUB+3.3V
SUB+3.3V
KEY4
KEY4
KEY0
KEY0
GND
GND
TEMP-LED
LAMP-LED
PSAVE-LED
SUB+3.3V
KEY0
GND
SUB+5V
GND
SIRCS-NR
17V
SUB+5V
SIRCS-NF
RXD
TXD
GND
SUB+3.3V
SDA_USB
SCL_USB
SIRCS
USB_REQ
VBUS
US+
US-
GND
L CONT
FAN
FAN
FAN
FAN
FAN
BOARD
TO H1
CN1501
BOARD
TO H2
CN1551
BOARD
TO MSC(1/2)
CN1303
TO BALLAST
BOARD
TO NR BOARD
CN50
TO L BOARD
CN1201
TO GB
CN3301
(TO P8,P10)
(TO P8)
(TO P1,P2,P8)
(TO P8)
(TO P10)
C
(9/10)
(SIRCS I/F)
B-SS1752-C-P9
CS5A/CS6,CX6 ONLY
CS5A/CS6,CX6 ONLY
LAMP_COVER
LAMP_PROT
LAMP_ON
FILT_COVER
KEY0
PSAVE_LED
LAMP_LED
TEMP_LED
POWER_LED
FAN_PROT
FAN_CONT2
POWER_ON
FAN_CONT1
POWER_PROT
SIRCS
KEY4
KEY0
TXD
RXD
LAMP-POWER
EXT_TEMP
US-
US+
VBUS
USB_REQ
SIRCS
SCL_USB
SDA_USB
FAN_CONT1
NF_ON
NR_ON
1
32
4
56
13
5
24
13
5
24
13
5
24
-1 -1
-1
3.3V
3.3V-2
5V
CPU
6V
3.3V-2
3.3V
3.3V-2
17V
AUDIO+B
-13.3V
-13.3V
5V-2
AU_GND
17V
3.3V
FAN_CONT3
-15V
-13.3V
-13.3V
MS-USB
3.3V-5
ILUMI
PQ20VZ1U
REG
HN1C01FU-TE85R
FAILSAFE&INVBUFF
33
25V
:AL-CP
HN1C01FU-TE85R
FAILSAFE&INVBUFF
0.1
16V
F:CHIP
0.1
16V
F:CHIP
100
1/16W
:CHIP
100
1/16W
:CHIP
47k
1/16W
:CHIP
220 1/16W :CHIP
220 1/16W :CHIP
220 1/16W :CHIP
47k
1/16W
:CHIP
5.6k
1/16W
:CHIP
10k
1/16W
:CHIP
10k
1/16W
:CHIP
10k
1/16W
:CHIP
22k
1/16W
:CHIP
22k
1/16W
:CHIP
22k
1/16W
:CHIP
22k
1/16W
:CHIP
22k
1/16W
:CHIP
BA05FP-E2
5V REG
0.1
16V
F:CHIP
22
6.3V
:AL-CP
#
2.2k
1/16W
:CHIP
3.3k
1/16W
:CHIP
33
25V
:AL-CP
PQ20VZ1U
REG
47
6.3V
:AL-CP
BA05FP-E2
5V REG
0.1
16V
F:CHIP
0.1
16V
F:CHIP
10k
1/16W
:CHIP
150
1/16W
:CHIP
150
1/16W
:CHIP
22k
1/16W
:CHIP
10k
1/16W
:CHIP
1k
1/16W
:CHIP
1k
1/16W
:CHIP
1k
1/16W
:CHIP
82
6.3V
:OS
2SC4081T106R
SW
UDZSTE-173.9B
PROTECTOR
DAN202UT106
OR
DAN202UT106
OR
DAN202UT106
OR
1
10V
F:CHIP
0.1
25V
F:CHIP
0.1
25V
F:CHIP
0.1
25V
F:CHIP
BZA456A
PROTECT
33k
1/16W
:RN-CP
4.7k
1/16W
:RN-CP
33k
1/16W
:RN-CP
4.7k
1/16W
:RN-CP
D1FS4A-TA
DROP
D1FS4A-TA
DROP
33k
1/16W
:RN-CP
4.7k
1/16W
:RN-CP
PQ20VZ1U
REG
0.1
25V
F:CHIP
33
25V
:AL-CP
#
220
1/16W
:CHIP
##
#
#
#
#
#
#
#
#
#
#
#
#
#
#
#
#
#
#
#
#
#
#
#
#
#
#
#
#
#
#
#
#
#
#
#
#
#
#
#
#
#
#
#
#
#
#
#
100
1/16W
:CHIP
100
1/16W
:CHIP
#
6.8k
1/16W
:RN-CP
6.8k
1/16W
:RN-CP
6.8k
1/16W
:RN-CP
1k
1/16W
:RN-CP
1k
1/16W
:RN-CP
1k
1/16W
:RN-CP
0.01
50V
F:CHIP
100p
50V
CH:CHIP
100p
50V
CH:CHIP
IRMF-A0T-QTP
SIRCS IF
0UH
0UH
0UH
0
CX6,EX1 ONLY
0UH
0UH
0UH
0UH
0UH
0UH
0UH
0UH
0UH
0UH
0UH
0UH
0UH
0UH
0UH
0UH
0.01
50V
F:CHIP
4P WHT :SMD
10K
LAMP
4.7k
1/16W
:RN-CP
#
2P :SMD
2P RED :SMD
7P WHT :SMD
3P WHT-L :SMD
3P WHT-L :SMD
3P WHT-L :SMD
3P WHT-L :SMD
3P WHT-L :SMD
#
#
0UH
2SA1576A-T106-QR
SW
100 1/16W :CHIP
0UH
0UH
0UH
0UH
0UH
0UH
0UH
0UH
0UH
0UH
#
#
#
#0UH
0UH
0UH
0UH
0UH
0UH
0UH
0UH
0UH
0UH
#
10k 1/16W :CHIP
0UH
0UH
0UH
#
0UH
14P WHT :SMD
5P :SMD
24P FPC :SMD
0UH
6P WHT :SMD
12P FPC
0UH
0UH
4P WHT :SMD
D1F20-TL
D1FS4A-TA
0
CS5A/CS6 ONLY
C911
IC905
Q901
Q902
C903
C906
R904
R905
R906
R907
R908
R909
R911 R912
R922
R923
R924
R928
R930
R931
R932
R933
IC805
C816 C817
FB919
R915
R916
C916
IC906
C918
IC907
C917
C919
R934
R941
R942
R925
R946
R947
R943 R944
C920
Q904
D905
D901
D902
D903
C908
C910
C913
C915
D904
R936
R938
R919
R921
D906 D907
R949
R951
IC908
C921 C922
R945
R910
R952 R953
JL810
JL901
JL902
JL904
JL905
JL909
JL910
JL911
JL913
JL914
JL915
JL917
JL918
JL919
JL920
JL921
JL922
JL923
JL924
JL926
JL927
JL928
JL929
JL930
JL931
JL932
JL933
JL935
JL936
JL937
JL938
JL939
JL940
JL941
JL942
JL943
JL944
JL945
JL946
JL947
JL948
JL949
JL950
JL951
JL952
JL953
JL954
R914R913
JL955
R926
R929
R939
R920
R937
R950
C914
C904
C905
IC903
FB921
FB905
FB922
R954
FB920
FB943
FB944
FB945
FB946
FB947
FB901
FB928
FB925
FB941
FB904
FB942
FB923
FB924
FB918
FB917
S70
C70
CN70
TH70
R70
JL70
S60
CN60
CN906
CN907
CN908
CN909
CN910
CN911
CN912
JL903
JL925
FB929
Q903
R927
FB932
FB931
FB934
FB933
FB935
FB936
FB938
FB937
FB940
FB939
JL906
JL907
JL912
JL916
FB930
FB909
FB913
FB912
FB911
FB910
FB908
FB907
FB906
FB914
JL908
R948
FB927
FB902
FB903
JL934
FB926
CN913
CN914
CN904
FB948
CN915
CN903
FB916
FB915
CN901
D908
D909
R955
IO
G
1
2
3
4
5
1
2
3
4
5
6
IO
G
1
2
3
4
1
2
3
4
5
6
7
1
2
3
4
5
6
7
8
9
10
11
12
13
14
1
2
1234
5 6 7 8
1
2
3
4
5
6
7
8
9
10
11
12
1
2
G
IO
ADJ
ON/OFF
1
2
3
1
2
3
1
2
3
1
2
3
1
2
3
G
IO
ADJ
ON/OFF
1
2
3
4
5
6
7
8
9
10
11
12
13
14
15
16
17
18
19
20
21
22
23
24
G
IO
ADJ
ON/OFF
1
2
3
4

6-15
VPL-CS5A/CS6/CX6/EX1 6-15
2
3
4
5
1
A BCDEFGH
C (10/10), SC (10/10), S
+9V
+3.3V
+3.3V
+9V
+17V
+3.3V
+9V
+5V
+5V
2.4
2.4
5.0
0
4.9
2.6
2.4
2.4
2.4
2.6
3.1
3.1
3.1
0
5.0
0.1
0
0.1
8.2
0
3.2
0
0
0
3.2
3.2
0
1.5
1.5
1.6
1.5
1.0
4.5
4.6
4.5
4.5
4.5
4.5
4.5
4.6
4.6
3.9
7.8
3.2
3.2
3.9
T2
XFT
YFT
XO
GND
N.C.
OUT1
VM
VCC
FIN
N.C.
N.C.
RNF
N.C.
OUT2
N.C.
VREF
RIN
N.C.
N.C.
T1
T2
T3
OUT
VCC
V+
GND
V-
M+
M-
AU +5
OUTL
CSM
SDA
SCL
DGND
GND
ADD
OUTR
IN3L
LOUDL
IN2L
IN1L
VS
CREF
IN1R
IN2R
LOUDR
IN3R
REC OUT L
REC OUT R
INP
INN
GAIN0
GAIN1
PVDD
OUTP
GNDP
BYPASS
AGND
COSC
ROSC
VDD
PVDD
OUTN
GNDN
SHUTDOWN
SP+
SP-
M+
M-
T1
T2
T3
MOTOR+
MOTOR-
S
(TO P8)
(TO P8)
(TO P8)
(TO P9)
(TO P2,P9)
(TO P2)
CX6 ONLYCX6 ONLY
CX6 ONLY CX6 ONLY
(TO P2,P4,P8)
(TO P8,P9)
C
(10/10)
AUDIO PROCESSOR,
MOTOR DRIVER
()
B-SS1752-C-P10
SPEAKER
AU_MUTE
SCL_100K
SDA_100K
17V
3.3V-2
3.3V-2
AUDIO+B
AU_GND
MSAU_L
AU_L
AU_R
MSAU_R
9V
3.3V-2
MOT_C
TILT_X
TILT_Y
POS_DET
CPU
I2C
9V
9V
MOT_EN
0.1
10V
B:CHIP
BA09FP-E2
9V REG
0.1
10V
B:CHIP
0.1
10V
B:CHIP
#
#
47 16V :AL-CP
4.7µH
:CHIP
10
10V
F:CHIP
#
47
6.3V
:AL-CP
100
1/16W
:CHIP
SN74LV02APWR
0.1
16V
F:CHIP
10k
:CHIP
47
16V
:AL-CP
47
16V
:AL-CP
10k
:CHIP
0.1
10V
B:CHIP
0.1
10V
B:CHIP
0.1
16V
F:CHIP
BA05FP-E2
5V REG
0.1
10V
B:CHIP
0.1
10V
B:CHIP
100 1/16W :CHIP
100 1/16W :CHIP
100
1/16W
:CHIP
100
1/16W
:CHIP
0
:CHIP
0
:CHIP
2P
WHT
:SMD
0#
10k
1/16W
:CHIP
47k 1/16W :CHIP
47k 1/16W :CHIP
100
1/16W
:CHIP
100
1/16W
:CHIP
#
#
#
#
100
16V
:AL-CP
0.1
25V
F:CHIP
0.1
25V
F:CHIP
0.1
25V
F:CHIP
#
#
#
1
10V
F:CHIP
1
10V
F:CHIP
1
10V
F:CHIP
220p
16V
CH:CHIP
120k
1/16W
:RN-CP
#
#
#
#
#
#
#
#
#
#
#
100k
:CHIP
1
16V
F:CHIP
820k
1/10W
:RN-CP
#
7P WHT :SMD
1SR154-400TE-25
RECTIFIER
1SR154-400TE-25
RECTIFIER
0UH
0UH
0UH
0UH
5P WHT :SMD
#
0.47 10V B:CHIP
0.47 10V B:CHIP
22
:CHIP
22
:CHIP
#
47 16V :AL-CP
0UH
LMC7101BIM5X
BUF
BA6288FS-E2
MOTOR DRIVER
ADXL202JE-REEL
ACCELEROMETER
DTC144EUA-T106
INV
TDA7309D013TR
AUDIO PROCESSOR
100
1/16W
:CHIP
100
1/16W
:CHIP
0.1 10V B:CHIP
0.1 10V B:CHIP
0.1
10V
B:CHIP
0.1 10V B:CHIP
0.1
10V
B:CHIP
0.1 10V B:CHIP
100k 1/16W :CHIP
TPA2001D1PWR
AUDIO AMP
C1101
IC1104
C1138
C1144
Q1102
Q1103
C1113
L1101
C1120
R1123
C1105
R1102
IC1102
C1140
TH1101
R1124
C1109
C1115
R1146
C1117
C1118
C1143
IC1109
C1114
C1111
R1104
R1106
R1117
R1118
R1131
R1130
CN1102
R1126 R1127
R1122
R1120
R1121
R1132
R1133
C1147
R1147
R1148
TP1102
C1137
C1106 C1110
C1116
C1121
C1122
C1123
C1124
C1127
C1128
C1126
R1129
JL1101
JL1102
JL1103
JL1106
JL1107
JL1108
JL1109
JL1110
JL1111
JL1113
JL1114
R1125
C1125
R1101
R1103
CN1
S1
S2
D1
D2
RV1
FB1103
FB1104
FB1106
FB1107
CN1101
JL1112
C1102
C1103
R1108
R1109
JL1115
C1104
FB1102
IC1108
IC1105
IC1101
Q1104
IC1103
R1105
R1107
C1108
C1112
C1146
C1107
C1145
C1119
R1128
IC1106
12345678
910 11 12 13 14 15 16
IO
G
12345678
910 11 12 13 14 15 16
1
2
M
1
4
8
2
3 5
6
7
OUTVCC
GND
1 2 3
45
12345678910
11 12 13 14 15 16 17 18 19 20
1 2 3 4 5 6 7
891011121314
1
2
3
4
5
1
2
3
4
5
6
7

6-16 VPL-CS5A/CS6/CX6/EX1
6-16
C, S, UC, S, U
C109
C112
C114
C116
C118
C119
C122 C123
C124
C125
C126
C128
C131
C132
C133
C134
C139
C141
C142
C145
C146
C148
C149
C150
C151
C152
C154
C155
C156
C162
C163
C164
C165
C166
C200
C201
C202
C203
C205
C206
C209
C210
C211
C213
C215
C216
C217
C218
C223
C230C233
C245
C260
C261
C262
C263
C264
C300
C301
C302
C310
C316 C319
C323
C325
C327
C328
C329
C342
C402
C416
C450
C451
C473
C507
C508
C510
C512
C515
C516
C605
C607
C608
C610
C612
C618
C705
C706
C707
C708
C807C809
C812
C819
C820
C821
C822
C903
C908
C910
C915
C917
C919
C921
C1107
C1108
C1112
C1114
C1116
C1117C1118
C1119
C1121
C1122
C1125
C1126
C1127
C1128
C1140
C1145
C1146
C1147
CN201
CN202
CN301
CN401
CN501
CN502
CN601
CN602
CN701
CN702
CN800
CN901
CN903
CN904
CN906
CN907
CN908
CN909
CN910
CN911
CN912
CN913
CN914
CN915
CN1101
CN1102
D100
D102
D103
D104
D105
D901
D906
D907
D908 D909
FB100
FB102
FB301
FB302
FB303
FB402
FB403
FB450
FB452
FB471
FB800
FB902
FB904
FB905
FB906
FB907
FB908
FB914
FB915
FB916
FB917
FB918
FB919
FB920
FB921
FB922
FB923
FB924
FB930
FB931
FB932
FB935
FB936
FB937
FB938
FB939
FB940
FB941
FB942
FB1106
FB1107
FL202
IC101
IC103
IC105
IC200
IC202
IC203
IC204
IC205
IC206
IC207
IC300
IC301
IC303
IC304
IC305
IC306
IC401
IC402
IC450
IC451
IC501IC502
IC551
IC601IC602
IC701IC702
IC801
IC805
IC903
IC905
IC906
IC907
IC908
IC1102
IC1103
IC1104 IC1105
IC1106
JL114
JL115
JL116
JL117
JL200JL201
JL202
JL203
JL234
JL472
JL473
L100
L200
L601
L602
Q103
Q104
Q105
Q301
Q302
Q450
Q901
Q903
Q904
R112
R113R114
R119
R120
R122
R128
R131
R132 R133
R134
R138
R143
R144
R145
R146R148
R155
R156
R157
R159
R161
R164
R165
R166
R167
R168
R169
R170
R171
R172
R173
R174
R175R176
R177
R178
R179
R181
R200
R205
R207
R208
R209
R210
R211
R212
R213
R220
R222
R223
R224
R229
R230
R231
R232
R234
R235
R236
R238
R248
R249
R250
R251
R255
R256
R269
R300
R301
R304
R305
R306
R311
R312
R313
R315
R316
R317
R318
R322
R323
R324
R326
R327
R328
R329
R330
R332
R333
R334
R335
R380
R381
R402
R407
R408 R409
R410
R420
R421
R422
R429
R430
R431
R432
R433
R450
R451
R471
R472
R501
R503
R504
R505
R506
R507
R508
R509
R510
R519
R520
R552
R553
R554
R555
R556
R557
R601
R602
R603
R605
R606
R607
R608
R609
R610 R619
R620
R701
R702
R703
R705
R706
R709
R710
R719
R720
R802
R806
R816
R818R819 R820
R823
R836
R838
R839
R842
R845
R846
R850
R851
R853
R854
R907
R908
R909
R910
R913
R914
R915
R916
R919
R920
R921
R923
R926
R928
R929 R930
R932
R934
R936
R937
R938
R939
R941
R943
R944
R945
R946
R948
R949
R950
R951
R952
R953
R954 R955
R1104
R1105
R1106
R1107
R1117
R1118
R1120
R1121
R1123
R1124
R1125
R1126
R1127
R1128
R1129
R1130R1131
R1132
R1133
R1147 R1148
RB100RB101
RB102RB103
RB104RB105
RB200
RB201
RB202RB203
RB205
RB300
RB301
RB302
RB303 RB304
RB305
RB401RB402 RB403
RB405
RB406
RB450
RB453RB454
RB473
RB501 RB502
RB601 RB602
RB701
RB702
RB802RB803RB805RB806
RB807 RB808
RB810RB811 RB813
RB814
RB815
RB816
RB818RB819 RB821
S401
TH100
TP101
TP102
TP201
TP202
TP203
TP301
TP302
TP401
TP449
TP450
TP451
TP452
TP453
TP454
TP455
TP456
TP457
TP458 TP459
TP501
TP502
TP503
TP601
TP602
TP603
TP701
TP702
TP703
TP800
TP801
TP1102
X200
X300
X800
C -A SIDE-
SUFFIX: -11
CN1
D1 D2
RV1
S1
S2
S -A SIDE-
SUFFIX: -11 S -B SIDE-
SUFFIX: -11
CN60
S60
U -A SIDE-
SUFFIX: -11 U -B SIDE-
SUFFIX: -11

6-17
VPL-CS5A/CS6/CX6/EX1 6-17
C,VC,V
C100
C101
C102
C103
C104
C105
C106
C107
C108
C111 C113
C115
C117
C120
C121
C127
C129
C130
C135
C136
C137
C138
C140
C143
C144
C147
C153
C157 C158
C159 C160
C161
C204
C207
C208
C219
C220
C221
C222
C224
C225
C226
C227
C228
C229
C234
C303
C304
C305
C306
C307
C308
C309
C311
C312
C313
C314
C315
C317
C318
C320
C321
C322
C324
C330
C331
C332
C333
C334
C335
C336
C337
C338
C339
C340
C341
C343
C401
C403
C404
C405
C406
C407
C408
C409
C410
C411
C412
C413
C414
C415
C452
C471
C472
C474
C475
C501
C502
C503
C504
C505
C506
C509
C511
C513
C514
C517 C518
C519
C520
C521
C550
C551
C552
C553
C554
C555
C601
C602
C603
C604
C606
C609
C611
C613
C614
C615
C616
C617
C619
C620
C621
C701
C702
C703
C704
C709
C710
C711
C712
C713
C714
C715
C716
C717
C718
C719
C720
C721
C800
C801
C802
C803
C804
C805
C806
C808
C810
C811
C813
C814
C816
C817
C818
C823
C904
C905
C906
C911
C913
C914
C916
C918
C920
C922
C1026
C1101
C1102
C1103
C1104
C1105
C1106
C1109
C1110
C1111
C1113
C1115
C1120
C1123
C1124
C1137
C1138
C1143
C1144
CN100
CN300
D101
D106
D200
D201
D202
D300
D800
D902
D903
D904
D905
D1007
D1008
D1009
FB101
FB200
FB201
FB300
FB401
FB404
FB405
FB451
FB502
FB503
FB550
FB551
FB552
FB602
FB603
FB702
FB703
FB901
FB903
FB909
FB910
FB911
FB912
FB913
FB925
FB926
FB927
FB928
FB929
FB933
FB934
FB943
FB944
FB945
FB946
FB947
FB948
FB1003
FB1005
FB1006FB1007
FB1102
FB1103
FB1104
FL201
IC100
IC102
IC104
IC302
IC307
IC403
IC404
IC405
IC406
IC452
IC471
IC550
IC800
IC802
IC803
IC1101
IC1108
IC1109
J1001
JL100
JL101
JL102
JL103JL104JL105
JL106
JL107
JL108
JL109
JL110
JL113
JL206
JL207
JL208
JL209
JL210
JL211
JL212
JL213
JL214
JL215
JL216
JL217
JL219
JL220
JL221
JL222
JL223
JL224
JL225
JL226 JL227
JL228
JL229
JL230
JL231
JL232
JL233
JL236
JL237
JL300
JL301
JL302
JL304
JL305
JL307
JL310
JL311
JL312
JL318
JL319
JL402
JL403
JL404
JL405
JL406
JL407
JL408
JL450
JL451
JL452
JL453
JL454
JL455
JL456
JL457
JL458
JL459
JL460
JL461
JL462
JL463
JL464
JL465
JL466
JL467
JL468
JL469
JL470
JL471
JL501
JL502
JL503
JL505
JL550
JL551
JL601
JL602
JL603
JL605
JL701
JL702
JL703
JL705
JL800
JL801
JL802
JL803
JL804
JL805
JL806
JL807
JL808
JL809
JL810
JL813JL814
JL815
JL816
JL817
JL818
JL822
JL823
JL824
JL825
JL901
JL902
JL903
JL904
JL905
JL906
JL907
JL908
JL909
JL910
JL911
JL912
JL913JL914
JL915
JL916
JL917
JL918
JL919
JL920
JL921
JL922
JL923
JL924
JL925JL926
JL927
JL928
JL929
JL930
JL931
JL932
JL933
JL934
JL935
JL936
JL937
JL938
JL939
JL940
JL941
JL942
JL943
JL944
JL945
JL946
JL947
JL948
JL949
JL950
JL951
JL952
JL953
JL954
JL955
JL1007
JL1008
JL1009
JL1011
JL1101
JL1102
JL1103
JL1106
JL1107
JL1108JL1109
JL1110
JL1111JL1112
JL1113
JL1114
JL1115
L101
L201
L202
L300
L471
L501L502
L503
L603
L701
L702
L703
L1101
Q100
Q101
Q102
Q402
Q471
Q501Q502
Q601Q602
Q701Q702
Q800
Q801
Q902
Q1102 Q1103
Q1104
R103
R104
R105
R107
R108
R109
R110
R111
R115
R116
R117
R123
R124
R125
R130
R135
R136
R137
R139
R140
R141
R142
R147
R151
R152
R153
R154
R158
R160
R162
R163
R180
R203
R204
R227 R233
R252
R253
R254R257
R263
R264
R265
R266
R267
R302
R303
R308
R309
R310
R314
R325
R331
R401
R403
R404
R405
R406
R411
R416
R419
R423
R424
R425
R426
R427R428
R452
R473
R474
R475
R476
R477
R478
R502
R521
R522
R523
R524
R525
R527
R528
R550
R551
R604
R621
R622
R623
R624
R625
R627
R628
R704 R707
R708
R721R722
R723
R724
R725
R727
R728
R800
R801
R803
R804
R805
R807
R808
R809
R810
R813
R814
R815
R817 R821
R822
R824
R825
R826
R827
R828
R829
R830
R831
R832
R833
R834
R835
R840
R841
R843
R844
R847
R848
R852
R904
R905
R906
R911
R912
R922
R924
R925
R927
R931
R933
R942
R947
R1101
R1102
R1103
R1108
R1109
R1122
R1146
RB404
RB451RB452
RB471RB472
RB800
RB801
RB804
RB809
RB817
TH800
TH1101
C -B SIDE-
SUFFIX: -11
C70
CN70
R70
S70
TH70
JL70
V -A SIDE-
SUFFIX: -11 V -B SIDE-
SUFFIX: -11

6-18 VPL-CS5A/CS6/CX6/EX1
6-18
CC
C BOARD
*:B SIDE
D100 K-3
D101 *J-3
D102 K-1
D103 K-2
D104 K-2
D105 K-2
D106 *J-3
D200 *J-3
D201 *J-3
D202 *J-3
D300 *E-3
D800 *E-7
D901 J-4
D902 *A-4
D903 *B-7
D904 *C-7
D905 *C-7
D906 J-4
D907 J-5
D908 C-4
D909 C-4
D1007 *K-1
D1008 *K-1
D1009 *K-1
IC100 *K-3
IC101 J-2
IC102 *J-2
IC103 H-1
IC104 *J-1
IC105 J-1
IC200 J-4
IC202 H-2
IC203 H-3
IC204 H-3
IC205 H-4
IC206 H-2
IC207 H-4
IC300 G-2
IC301 H-1
IC302 *F-4
IC303 F-3
IC304 F-4
IC305 E-3
IC306 F-4
IC307 *G-2
IC401 E-4
IC402 E-5
IC403 *FF-5
IC404 *F-5
IC405 *F-4
IC406 *E-4
IC450 E-5
IC451 E-5
IC452 *E-5
IC471 *D-6
IC501 D-6
IC502 D-6
IC550 *B-6
IC551 C-7
IC601 B-5
IC602 B-5
IC701 E-4
IC702 E-4
IC800 *D-7
IC801 E-6
IC802 *E-7
IC803 *E-7
IC805 F-6
IC903 C-7
IC905 F-6
IC906 B-7
IC907 F-7
IC908 B-4
IC1101 *F-3
IC1102 E-3
IC1103 A-6
IC1104 E-2
IC1105 F-2
IC1106 A-7
IC1108 *F-3
IC1109 *A-6
Q100 *K-3
Q101 *J-2
Q102 *J-3
Q103 K-2
Q104 J-2
Q105 K-2
Q301 E-2
Q302 F-2
Q402 *E-5
Q450 E-5
Q471 *D-6
Q501 *B-6
Q502 *B-6
Q601 *A-4
Q602 *A-4
Q701 *D-5
Q702 *D-5
Q800 *E-6
Q801 *E-6
Q901 C-7
Q902 *C-7
Q903 D-7
Q904 B-7
Q1102 *B-6
Q1103 *A-6
Q1104 *B-6
TP101 H-1
TP102 H-2
TP201 H-4
TP202 H-4
TP203 J-3
TP301 E-4
TP302 F-3
TP401 E-4
TP449 D-5
TP450 E-5
TP451 D-6
TP452 E-6
TP453 D-5
TP454 A-5
TP455 A-5
TP456 A-5
TP457 B-5
TP458 D-5
TP459 D-5
TP501 C-6
TP502 B-6
TP503 B-6
TP601 A-4
TP602 A-4
TP603 A-4
TP701 D-4
TP702 D-4
TP703 D-5
TP800 D-7
TP801 D-6
TP1102 A-6
5
7
6
8
4
123
I/O
CONTROL
LOGIC
MEMORY
CONTROL
LOGIC
XDEC EEPROM
ARRAY
PAGE LATCHES
H/V
GENERATOR
SENSE AMP
R/W CONTROL
YDEC
SDA
VCLK
SCL
VCC
VSS
NC NC NC
C (1/10) 24LC21AT/SN (IC100)
C (1/10) AD9883AKST-140 (IC105)
AD9883AKST-110 (IC105)
1
2
3
4
5
6
7
8
9
10
11
12
13
14
15
16
17
18
19
20
GND
GREEN7
GREEN6
GREEN5
GREEN4
GREEN3
GREEN2
GREEN1
GREEN0
GND
VDD
BLUE7
BLUE6
BLUE5
BLUE4
BLUE3
BLUE2
BLUE1
BLUE0
GND
60
59
58
57
56
55
54
53
52
51
50
49
48
47
46
45
44
43
42
41
GND
VD
REF BYPASS
SDA
SCL
A0
R AIN
GND
VD
VD
GND
SOGIN
G AIN
GND
VD
VD
GND
B AIN
VD
GND
21 22 23 24 25 26 27 28 29 30 31 32 33 34 35 36 37 38 39 40
GND
VDD
VDD
GND
GND
VD
VD
GND
COAST
HSYNC
VSYNC
GND
FILT
PVD
PVD
GND
MIDSCV
CLAMP
VD
GND
80 79 78 77 76 75 74 73 72 71 70 69 68 67 66 65 64 63 62 61
GND
VDD
VDD
RED0
RED1
RED2
RED3
RED4
RED5
RED6
RED7
VDD
GND
DATACK
HSOUT
SOGOUT
VSOUT
GND
VD
GND
ADC CLAMP
ADC CLAMP
ADC
REF
SERIAL REGISTER
AND
POWER MANAGEMENT
CLAMP
SYNC
PROCESSING
AND CLOCK GEN
8
8
8
C (3/10) ICS332M-SX1735 (IC305)
ICS332M-SX1734 (IC305)
1X1/ICLK
2VDD
3GND
4CLK1
PDTS
SEL
CLK2
7
6
5
X2
8
CRYSTAL
OSC
OUTPUT
BUFFER
PLL CLOCK
SYNTHESIS
AND
CONTROL
OTP
ROM
with
PLL
DIVIDER
VALUES
OUTPUT
BUFFER
C (1/10) M52347FP-TE (IC102)
1
20
2
19
3
18
4
17
5
16
6
15
7
14
8
13
9
12
10
11
CLAMP
GEN
EDGE
SW
LOGIC
LOGIC
SYNC
SEP
V. SYNC
SEP
V TIME
GATE
V
DET
V
SHAPE
H
DET
H
SHAPE
V S/S
IN
V S/S
OUT
VD+
OUT
HD+
OUT
CLAMP+
OUT
CLAMP+
TIMING
CLAMP
SW
V
CC
HD–
OUTV. POL
V. STATEH. STATE
H. POL
GNDGREEN
IN
V IN V DET V TIME GATE
SW
COMP/H
IN
COMP/H
DET
0
1
V
DD
GND
INH
IN
Y0
IN
Y1
IN
YC
OUT
X0
IN
X1
IN
XC
OUT
A
IN
V0
IN
V1
IN
VC
OUT
W0
IN
W1
IN
WC
OUT
0
1
0
10
1
16 15 14 13 12 11 10 9
1 2 3 4 5 6 7 8
C (2/10) SN74LV157APWR (IC205)
20 19 18 17 16 15 14 13 12 11
1 2 3 4 5 6 7 8 9 10
1G
1A1
2Y4
1A2
2Y3
1A3
2Y2
1A4
2Y1
GND 2A4
1Y4
2A3
1Y3
2A3
1Y2
2A4
1Y1
2G
Vcc
C (2/10) SN74LV244APWR (IC204)

6-19
VPL-CS5A/CS6/CX6/EX1 6-19
CC
C (10/10) ADXL202JE-REEL (IC1101)
X SENSOR
DEMOD
Y SENSOR
DEMOD
78
3
OSC
6
X FILT
Y FILT
DUTY
CYCLE
MOD
(DAC)
COM
V
DD
2
R
FILT
32 kZ
R
FILT
32 kZ
5
4
X OUT
Y OUT
1
ST
T2
C (10/10) BA6288FS-E2 (IC1105)
1
GND
2
NC
3
OUT1
4
VM
DRIVER
5
VCC
6
FIN
7
NC
8
NC
RNF
NC
OUT2
NC
VREF
CONTROL
LOGIC
RIN
NC
NC
TSD
POWER
SAVE
16 15 14 13 12 11 10 9
C (4/10) M62392FP (IC471)
1921222324
I2C BUS
161718
A
O3
A
O4
A
O5
CS2 A
O6
V
DD
CS1CS0
1 2 3 4 5 6 7 10 12
GNDA
O10
V
refL
A
O9
A
O8
A
O7
SDASCLR
1320
V
refU2
V
CC
V
refU1
11
8
15
A
O2
8
A
O11
14
A
O1
9
A
O12
CHIP SELECT
TRANSCEIVER
ADDRESS
DECODER
8-BIT
LATCH
8-BIT
LATCH
8-BIT
LATCH
8-BIT
LATCH
8-BIT
LATCH
8-BIT
LATCH
8-BIT
LATCH
8-BIT
LATCH
8-BIT
LATCH
8-BIT
LATCH
8-BIT
LATCH
8-BIT
LATCH
8BIT
UPPER DIGITS
SEGMENT R-2R
8BIT
UPPER DIGITS
SEGMENT R-2R
8BIT
UPPER DIGITS
SEGMENT R-2R
8BIT
UPPER DIGITS
SEGMENT R-2R
8BIT
UPPER DIGITS
SEGMENT R-2R
8BIT
UPPER DIGITS
SEGMENT R-2R
8BIT
UPPER DIGITS
SEGMENT R-2R
8BIT
UPPER DIGITS
SEGMENT R-2R
8BIT
UPPER DIGITS
SEGMENT R-2R
8BIT
UPPER DIGITS
SEGMENT R-2R
8BIT
UPPER DIGITS
SEGMENT R-2R
8BIT
UPPER DIGITS
SEGMENT R-2R
C (10/10) TDA7309D013TR (IC1103)
1
19
18
17
16
15
11
12
13
14
20
LOUDL
IN2L
IN1L
VS
CREF
IN3R
LOUDR
IN2R
IN1R
IN3L
2
3
4
5
6
7
8
9
10
RECOUTL
OUTL
CSM
SDA
SCL
DGND
GND
ADD
OUTR
RECOUTR
MUTE
VOLUME +
LOUDNESS
SERIAL
BUS
DECODER
+
LATCH
MUTE
VOLUME +
LOUDNESS
SOFT
MUTE
SUPPLY
C (10/10) TPA2001D1PWR (IC1106)
GAIN
ADJUST
GAIN
ADJUST
1
16
2
14 13
DEGLITCH
LOGIC
DEGLITCH
LOGIC
RAMP
GEN GATE
DRIVE
COSC
15
AGND
12
VDD
11
PVDD
10
OUTN
9
PGND
BYPASS
ROSC
GATE
DRIVE
OC
DET
START-UP
PROTECTION
BIAS
AND
REF
VDD OK
THERMAL
GAIN
6
PVDD
7
OUTP
8
PGND
5
GAIN1
4
GAIN0
3
SHUTDOWN
INN
INP
SD
2
1
G1 VDD
10
9
8
7
6
5
4
3
2G2
Y1
Y2
Y3
Y4
Y5
Y6
Y7
Y8
20
11
12
13
14
15
16
17
18
19
GND
A8
A7
A6
A5
A4
A3
A2
A1
C (4/10) SN74AHCT541PWR (IC450, IC451)

6-20 VPL-CS5A/CS6/CX6/EX1
6-20
2
3
4
5
AB C D E F G H
1
H1H1
+3.3V
+3.3V
00
2.8 2.8
3.1
3.1
INPUT POWER
ON/STBY
TO C
TILT+TILT-
ON/STBY
H1
(PANEL SW)
B-SS1752-H1
GND
POWER-LED
KEY0
D+3.3V
SUB+3.3V
KEY4
D+3.3V
POWER-LED
SUB+3.3V
KEY4
KEY0
GND
TO C(9/10)
BOARD
CN903
0.1
16V
F:CHIP
100
1/16W
:CHIP
100
1/16W
:CHIP
SEC2422C
POWER/STBY
HN1D03FU-TE85R
PROTECT
HN1D03FU-TE85R
PROTECT
SEC2422C
POWER/STBY
100
1/16W
:CHIP
100
1/16W
:CHIP
#
#
#
#
#
#
RN2904-TE85R
SW
#
#
4.7k
1/16W
:CHIP
47k
1/16W
:CHIP
150
1/16W
:CHIP
180
1/16W
:CHIP
150
1/16W
:CHIP
180
1/16W
:CHIP
2SA1576A-T106-QR
SW
12PIN :SMD
S1503 S1504
S1501
R1506
S1502
R1503
D1502
R1509 R1510 R1507
Q1501
D1501
R1508
D1503 D1504
C1501
JL1505
JL1504
JL1503
JL1502
JL1501
JL1506
R1511
R1512
R1501 R1502
R1504 R1505
Q1502
CN1501
1
2
3
4
5
6
7
8
9
10
11
12
C1501
CN1501
D1501
D1502
D1503D1504 Q1501
Q1502
R1501
R1502
R1503
R1504
R1505
R1506
R1507
R1508
R1509
R1510
R1511
R1512
S1501
S1502
S1503S1504
JL1501
JL1502
JL1503
JL1504JL1505
JL1506
H1 -A SIDE-
SUFFIX: -11 H1 -B SIDE-
SUFFIX: -11

6-21
VPL-CS5A/CS6/CX6/EX1 6-21
2
3
4
5
1
A BCDEFGH
H2H2
+3.3V
00 0
3.33.33.3
GND
KEY0
SUB+3.3V
PSAVE-LED
LANP-LED
TEMP-LED
TEMP
LAMPPSAVE
MENU
ENTER
LEFT DOWN
RIGHTUP
TO C BOARD
CN915
H2
(SW,LED)
B-SS1752-H2
HN1D03FU-TE85R
PROTECT
HN1D03FU-TE85R
PROTECT
100
1/16W
:CHIP
100
1/16W
:CHIP
100
1/16W
:CHIP
0.1
16V
F:CHIP
#
#
#
#
#
#
RN2904-TE85R
SW RN2904-TE85R
SW
2.7k
1/16W
:CHIP
1.2k
1/16W
:CHIP
680
1/16W
:CHIP
390
1/16W
:CHIP
270
1/16W
:CHIP
560
1/16W
:CHIP
6P :SMD
SEC1901C
TEMP-LED
SEC1901C
LAMP-LED
SEC1801C
POWER-SAVE
S1552
R1558 R1559
Q1551
R1560
Q1552
D1554 D1555
C1551
JL1555
JL1554
JL1553
JL1552
JL1551
JL1556
S1551
R1551 R1552 R1553 R1554 R1555 R1556
CN1551
D1552
D1551D1553
1
2
3
4
5
6
D1551
D1552
D1553
S1551
S1552
C1551
CN1551
D1554D1555
JL1551JL1552
JL1553 JL1554JL1555
JL1556
Q1551Q1552
R1551
R1552
R1553
R1554
R1555
R1556
R1557
R1558
R1559
R1560
H2 -A SIDE-
SUFFIX: -11 H2 -B SIDE-
SUFFIX: -11

6-22 VPL-CS5A/CS6/CX6/EX1
6-22
2
3
4
5
AB C D E F G H
1
L, NRL, NR
+17V
17V
L CONT
L
TO C(9/10) BOARD
CN914 PIN4,5
B-SS1752-L
100
:CHIP
100
:CHIP
100
:CHIP
100
:CHIP
2P
NSCW100-TE4
NSCW100-TE4
NSCW100-TE4
NSCW100-TE4
R1201
R1202
R1203
R1204
CN1201
JL1201
JL1202
D1201
D1202
D1203
D1204
1
2
3
2
1
GND2
GND1
OUT
VCC
R51
IC50
CN50
R50
C50
:CHIP1/16W100
IR RX
RS-140-T
:SMDWHT3P
:CHIP
1/16W
47
F:CHIP
16V
2.2
CN914 PIN1-3
TO C(9/10)
BOARD
B-SS1752-NR
NR
SIRCS-NR
GND
SUB+5V
CN1201
D1201
D1202
D1203
D1204
R1201R1202R1203R1204
JL1201JL1202
C50
CN50
IC50
R50
R51
L -A SIDE-
SUFFIX: -11
L -B SIDE-
SUFFIX: -11
NR -A SIDE-
SUFFIX: -11
NR -B SIDE-
SUFFIX: -11

6-23
VPL-CS5A/CS6/CX6/EX1 6-23
2
3
4
5
1
A BCDEFGH
MSC (1/2)MSC (1/2)
0
:CHIP
100k
:CHIP
1k
:CHIP
2.2k
:CHIP
DTC144EUA-T106
SW
22
10V
F:CHIP
10k
:CHIP
0.1
16V
F:CHIP
0.1
16V
F:CHIP
0.1
16V
F:CHIP
0.1
16V
F:CHIP
0
:CHIP
0
:CHIP
2SA1576A-T106-QR
LED DRIVER
47
:CHIP
2SA1576A-T106-QR
SW
MS CONNECTOR
#
SEC1901C
ORANGE LED
:SMD
47
1/16W
:CHIP
0UH
0UH
0UH
0UH
0
:CHIP
0UH
0UH
12P :SMD
0UH
0.1 16V F:CHIP
0.1
16V
F:CHIP
+5V
+3.3V
+5V+3.3V
+3.3V
+3.3V
+3.3V
0
3.3
3.3
2.9
0
3.2
0
3.3
3.3
5.0
BS
VCC
DIO
#
INS
#
SCLK
VCC
GND
GND
MS_BS
VCC
MS_SDIO
GND
MS_SCLK
VCC
GND
MS_INS
USB_DET
USB_MS-
USB_MS+
G
A
GND
VCC
Y
SUB+3.3V
BOARD
TO MS(1/3)
CN1002
MEMORY
STICK
SUB+5V
SIRCS-NF
RXD
TXD
GND
SUB+3.3V
SDA_USB
SCL_USB
SIRCS
USB_REQ
VBUS
US+
US-
GND
BOARD
TO C(9/10)
CN913
RXD
SUB+5V
TXD
GND
EXT_SW
N.C.
(TO P2)
(TO P2)
VPL-CX6 ONLY
MSC (1/2)
(USB,MEMORY STICK )
B-SS1752-MSC-P1
SDA_USB
SCL_USB
SIRCS
USB_REQ
VBUS
US+
US-
USB_MS+
USB_MS-
-15V
-13.3V
-1
-1 3.3V-53.3V-5
3.3V-5
USB_DET
3.3V
5V
MSC-USB
2.2
16V
F:CHIP
47
1/16W
:CHIP
100
1/16W
:CHIP
RS-140-T
IR RX
47
1/16W
:CHIP
47
1/16W
:CHIP
47
1/16W
:CHIP
#
10k
1/16W
:CHIP
#
#
#
#
#
#
#
#
#
#
#
#
#
#
#
#
#
#
#
#
#
0.01
50V
F:CHIP
0UH
0UH
0UH
0UH
0UH
0UH
14P WHT :SMD
TC7SZ125FU
(TE85R)
GATE
47
1/16W
:CHIP
47k
1/16W
:CHIP
5P WHT :SMD
#
#
#
#
#
0.1 16V F:CHIP
IC1301
C1307
R1314
R1315
R1312
R1316
R1320
R1319
R1318
D1305
JL1301
JL1302
JL1303
JL1304
JL1305
JL1306
JL1307
JL1308
JL1309
JL1310
JL1311
JL1312
JL1313
JL1315
JL1316
JL1317
JL1319
JL1320
JL1321
JL1322
C1302
C1303 C1304
C1305 C1306
CN1304
Q1301
Q1302 Q1303
R1301
R1302
R1304
R1305
R1306
R1308
R1309
R1310
R1311
D1301
R1303
C1309
FB1302
FB1304
FB1305
FB1303
FB1306
FB1307
FB1308
FB1309
FB1310
FB1311
CN1303
IC1302
R1313
R1317
CN1302
D1303
D1302
D1304
R1307
FB1301
FB1313
CN1301
FB1312
JL1314
JL1318
C1301
C1308
C1310
VCC
OUT
GND1
GND2
1
2
3
4
5
1
2
3
4
5
6
7
8
9
10
11
12
13
14
1
2
3
4
5
6
7
8
9
10
11
12
123
4 5
1
2
3
4
5
6
7
8
9
10

6-24 VPL-CS5A/CS6/CX6/EX1
6-24
2
3
4
5
AB C D E F G H
1
MSC (2/2)MSC (2/2)
0.1
10V
B:CHIP
0.1
10V
B:CHIP
0.1
10V
B:CHIP
0.1
10V
B:CHIP
0.1
10V
B:CHIP
0.01
16V
B:CHIP
0.1
10V
B:CHIP
1SS355TE-17
PROTECT
DTC144EUA-T106
SW
HN1B01FU-TE85R
MUTE SW
DTC144EUA-T106
INV
HN1C03FU-TE85R
BUS SW
10k
:CHIP 1.5k
:CHIP
10k
:CHIP
1k
1/16W
:CHIP
2.2k
:CHIP
10k
1/16W
:CHIP
0
:CHIP
1k
:CHIP
15
:CHIP
10k
:CHIP 10k
:CHIP
15
:CHIP
15
:CHIP
15k
:CHIP
15k
:CHIP
100k
:CHIP
100k
:CHIP
3.3k
:CHIP
47k
:CHIP
47k
:CHIP
22k
:CHIP
1M
:CHIP 10k
:CHIP
0
:CHIP
1.5k
:CHIP
100
:CHIP
100
:CHIP
47k
:CHIP
47k
:CHIP
24MHz
4.7k
:CHIP 4.7k
:CHIP
22
10V
F:CHIP
#
4MHz
47k
1/16W
:CHIP
47k
1/16W
:CHIP
1k
1/16W
:CHIP
2.2k
1/16W
:CHIP
0.47
10V
B:CHIP
1SS355TE-17
PROTECT
22
10V
F:CHIP
10k
1/16W
:CHIP
1SS355TE-17
PROTECT
0.1
10V
B:CHIP
1.5k
1/16W
:CHIP
SN74AHCT1G08DCKR
LEVEL SHIFT
0.1
10V
B:CHIP
0
:CHIP
22
10V
F:CHIP
33p
50V
CH:CHIP
33p
50V
CH:CHIP 24MHz
1M
1/16W
:CHIP
5.6k
1/16W
:CHIP
0.1
10V
B:CHIP 10k
1/16W
:CHIP
0.1
10V
B:CHIP
DTC144EUA-T106
BUFF
1k
1/16W
:CHIP
4.7k
1/16W
:CHIP
10p
50V
CH:CHIP
10p
50V
CH:CHIP
33p
50V
CH:CHIP
33p
50V
CH:CHIP
470p
50V
B:CHIP
470p
50V
B:CHIP
HN1B01FU-TE85R
SW
75
1/10W
:RN-CP
ST72T631K4M1-201
PJ STSTION CONT
0UH
10k 1/16W :CHIP
10k 1/16W :CHIP
10k 1/16W :CHIP
15k :CHIP
15k :CHIP
15k :CHIP
15k :CHIP
15 :CHIP
15 :CHIP
15 :CHIP
0.01
16V
B:CHIP
15
:CHIP
15
:CHIP
0UH
0.1 10V B:CHIP
0.1 10V B:CHIP
0.1 10V B:CHIP
0.1 10V B:CHIP
S-80942ANMP
-DD6-T2
RESET
0
15
15
RCV4-A1T-MASK-25
MOUSE RECEIVER
µPD72012GB-033
-3B4
HUB & POWER CONT
3.3
3.35.0
5.0
3.3
3.3
0
0
0
5.0
5.0
2.3
2.3
3.8
0
2.7 0
0
2.8
0
0
4.6
0
2.7
0
0
0
2.9
+3.3V
+B
+5V
+B
+5V
+3.3V
+B
VDD
OSCOUT
OSCIN
VSS
PC2
PC1
PC0
N.C.
PB7
PB6
PB5
PB4
PB3
PB2
PB1
VPP
VDDA
USBVCC
USBDM
USBDP
VSSA
PA0
PA1
N.C.
N.C.
N.C.
PA2
PA3
PA4
PA5
PA6
PA7
PB0
RESET
VDD
VSS
PC2
PC1
PC0
N.C.
PB7
PB6
PB5
PB4
PB3
PB2
PB1
VPP
VDDA
USBVCC
VSSA
PA0
PA1
N.C.
N.C.
N.C.
PA2
PA3
PA4
PA5
PA6
PA7
PB0
RESET
X2
X1
USB+
USB-
DVDD
DGND
PSSEL
PVSEL
DGND
UD0
UD1
D10
D11
DGND
D20
D21
D30
D31
DGND
DGND
D40
D41
D50
D51
DGND
RST
OSL
CLK/X2
X1
AGND1
AGND2
AVDD2
DVDD
DGND
CS2
CS1
CLKSEL
DVDD
DVDD
CS3
CS4
CS5
PP1
PP2
PP3
PP4
PP5
AVDD1
OUT
VDD
VSS
-1
A
B
GND
VCC
Y
NC
CD
(TO P1)
(TO P1)
R1463,R1464:
MSC
(2/2)
HUB&POWER CONT,
MOUSE RECEIVER
(
(
B-SS1752-MSC-P2
R1462:
CS5A/CS6,EX1 ONLY
CS5A/CS6,EX1 ONLY
US+
US-
DS2+
DS2-
DS3+
DS3-
DS3-
DS3+
DS2+
DS2-
VBUS
MS+
MS-
REQ
MS+
MS-
SIRCS
SIRCS
USB_MS+
USB_MS-
USB_REQ
SIRCS
SDA_USB
SCL_USB
REQ
VBUS
US-
US+
US+
US-
VBUS
US+
US-
VBUS
-1
-1
-1
5V
5V
3.3V
3.3V
USB_DET
MSC-USB
#
47k
1/16W
:CHIP
#
#
#
#
#
#
#
R1450
R1447
C1401
C1402
C1406
C1409
C1410
C1417
C1418
C1419
C1420
D1402
D1405
IC1510
JL1401
JL1402
JL1403
JL1404
JL1405
JL1406
JL1410
Q1403
R1403
R1409
R1418
R1420
R1432
R1433
R1437
R1440
R1443
R1444
R1459
R1460
X1401
C1403
C1404
C1413
C1414
C1424
C1425
C1427
C1428
D1401
Q1404
Q1405
Q1407
Q1408
R1401
R1402
R1404
R1408
R1410
R1416
R1417
R1419
R1422
R1424 R1427
R1428 R1429
R1430
R1431
R1435
R1438
R1439
R1441
R1442
R1445
R1446
R1448
R1449
R1451
R1452
R1453
R1454
R1455 R1456
R1457
R1458
X1402
X1403
C1415
C1416
C1422
C1423
C1429
C1430
Q1406
R1415
IC1403
FB1402
R1436
R1434
R1421
R1413
R1414
R1412
R1411
R1423
R1425
R1426
C1405
R1407
R1406
FB1401
C1408
C1407
C1411
C1412
IC1404
R1462
R1463
R1464
IC1402
IC1401
1234567891011
12
13
14
15
16
17
18
19
20
21
22
23 24 25 26 27 28 29 30 31 32 33
34
35
36
37
38
39
40
41
42
43
44
1234567891011121314151617
18 19 20 21 22 23 24 25 26 27 28 29 30 31 32 33 34
1234567891011121314151617
18 19 20 21 22 23 24 25 26 27 28 29 30 31 32 33 34
123
4 5
1 2 3
45

A BCDEFGH
6-25
VPL-CS5A/CS6/CX6/EX1 6-25
MSCMSC
C1302
C1303
C1304
C1305
C1306
C1403
C1420
CN1302
CN1304
D1301
D1302D1303D1304D1305
D1401
FB1306
FB1401
JL1301
JL1302JL1303
JL1304
JL1305
JL1306
JL1307
JL1308
JL1309
JL1310 JL1311
JL1312JL1313
JL1314
JL1315
JL1316JL1317JL1318JL1319JL1320
JL1321
JL1322
JL1401
JL1402
JL1403
JL1404
JL1405
JL1406
JL1410
Q1302
Q1303
Q1405
R1301
R1302
R1303
R1304
R1305
R1306
R1307
R1308
R1309
R1310
R1311
R1312R1313R1316
R1401
R1404
R1408
R1410
R1417
R1419
R1442
R1443
R1444
R1459
R1462
C1301
C1307
C1308
C1309
C1310
C1401
C1402
C1404C1405
C1406
C1407
C1408
C1409
C1410
C1411C1412C1413 C1414
C1415C1416
C1417
C1418
C1419
C1422
C1423
C1424
C1425
C1427
C1428 C1429
C1430
CN1301
CN1303
D1402
D1405
FB1301
FB1302
FB1303
FB1304
FB1305
FB1307
FB1308
FB1309
FB1310
FB1311
FB1312
FB1313
FB1402
IC1301
IC1302
IC1401
IC1402
IC1403
IC1404
IC1510
Q1301
Q1403
Q1404
Q1406
Q1407
Q1408
R1314
R1315
R1317
R1318
R1319
R1320
R1402
R1403
R1406
R1407
R1409
R1411
R1412
R1413
R1414
R1415
R1416
R1418
R1420
R1421
R1422
R1423 R1424
R1425
R1426 R1427
R1428
R1429
R1430
R1431
R1432
R1433
R1434
R1435
R1436
R1437
R1438
R1439
R1440
R1441
R1445
R1446
R1447
R1448
R1449
R1450
R1451R1452
R1453
R1454
R1455
R1456
R1457
R1458
R1460
R1463
R1464
X1401
X1402
X1403
MSC -A SIDE-
SUFFIX: -11 MSC -B SIDE-
SUFFIX: -11
MSC BOARD
*:B SIDE
D1301 A-1
D1302 C-2
D1303 C-2
D1304 C-2
D1305 C-2
D1401 C-1
D1402 *B-1
D1405 *C-1
IC1301 *A-1
IC1302 *A-1
IC1401 *B-1
IC1402 *A-2
IC1403 *B-2
IC1404 *C-2
IC1510 *A-1
Q1301 *A-1
Q1302 A-1
Q1303 C-2
Q1403 *A-1
Q1404 *C-1
Q1405 C-2
Q1406 *B-1
Q1407 *B-1
Q1408 *B-2

6-26 VPL-CS5A/CS6/CX6/EX1
6-26
2
3
4
5
AB C D E F G H
1
MS (1/3)MS (1/3)
54
3 2 1
54
3 2 1
54
3 2 1
54
3 2 1
20191817161514131211
10 9 8 7 6 5 4 3 2 1
5 4
321
5 4
321
8765
4 3 2 1
GND
VCCOUT
50
49
48
47
46
45
44
43
42
41
40
39
38
37
36
35
34
33
32
31
30
29
28
27
26
25
24
23
22
21
20
19
18
17
16
15
14
13
12
11
10
9
8
7
6
5
4
3
2
1
161514131211109
8 7 6 5 4 3 2 1
8765
4 3 2 1
176
175
174
173
172
171
170
169
168
167
166
165
164
163
162
161
160
159
158
157
156
155
154
153
152
151
150
149
148
147
146
145
144
143
142
141
140
139
138
137
136
135
134
133
132 131 130 129 128 127 126 125 124 123 122 121 120 119 118 117 116 115 114 113 112 111 110 109 108 107 106 105 104 103 102 101 100 99 98 97 96 95 94 93 92 91 90 89
88
87
86
85
84
83
82
81
80
79
78
77
76
75
74
73
72
71
70
69
68
67
66
65
64
63
62
61
60
59
58
57
56
55
54
53
52
51
50
49
48
47
46
45
4443424140393837363534333231302928272625242322212019181716151413121110987654321
12
11
10
9
8
7
6
5
4
3
2
1
8765
4 3 2 1
IC1005
FB1005
FB1007
FB1004
C1014
IC1004
CN1001
RB1022
R1067
R1068
R1041
JL1069
JL1068
JL1067
JL1066
JL1039
JL1040
JL1041
JL1042
JL1043
JL1044
JL1045
JL1046
CN1002
JL1072
R1040
R1037
R1038
R1039
C1042
C1040
Q1006
FB1016 FB1017
FB1002
FB1013
FB1014
Q1001
IC1013
IC1012
IC1014
IC1015
Q1007
FB1006
FB1009
FB1008
FB1003
FB1001
FB1019
D1001
Q1002
R1016
R1014
C1015
TP1010
TP1009
TP1008
TP1007
TP1006
TP1005
TP1004
TP1003
TP1001
JL1074
JL1073
JL1071
JL1070
JL1064
JL1063
JL1062
JL1061
JL1060
JL1059
JL1058
JL1057
JL1056
JL1055
JL1054
JL1053
JL1052
JL1049
JL1048
JL1037
JL1036
JL1035
JL1034
JL1033
JL1032
JL1031
JL1030
JL1029
RB1023
RB1021
RB1020RB1019RB1018RB1017RB1016
RB1015
RB1014
RB1013
RB1012
RB1011
RB1010
RB1009
RB1008
RB1007
RB1006
RB1004 RB1003
RB1002
RB1001
IC1002
C1045C1044
R1033
R1081
R1034
R1082
R1090
R1089
IC1007
C1041
R1088
R1087
C1043
R1086
R1085
R1026
R1028
R1027
R1084
R1083
R1035
R1036
FB1011
R1076
R1075
R1071
Q1004
IC1009
FB1015
C1037
R1080
R1079
D1002
R1078
R1074
R1073
R1072 R1054
R1053R1050 R1055
R1052
R1051
R1025
R1024
C1036C1035
C1026
FB1018
FB1010
Q1003
IC1011
IC1010
IC1008
R1077
C1018
Q1005
C1039
C1038
R1061
R1070
R1069
R1066
R1065
R1064
R1063
R1062
R1056
R1060
R1059
R1058
R1057
R1048
R1047
R1049
R1045
R1023
R1009
R1010
R1022
C1034
C1033
C1009 C1001
R1008
R1032
R1031
R1030
R1029
R1021
R1020
R1019
R1018 R1017
R1015
R1013
R1012
R1011
R1007
R1006
R1005
L1001
C1032
C1031
C1030
C1029
C1028
C1027
C1025
C1024C1023
C1022
C1021
C1020
C1019
C1017
C1016
C1013 C1012
C1011
C1010 C1008 C1007
IC1006
VIDEO I/F
MB93491
#
0UH
0UH
B:CHIP
10V
0.22
WDT
MM1096AFF
:SMDFFC50P
:CHIP
22*4
#
#
:CHIP47
#
#
#
#
#
#
#
#
#
#
#
#
:SMD12P
#
:CHIP22
:CHIP22
:CHIP22
:CHIP22
F:CHIP
16V
0.1
F:CHIP
16V
0.1
POWER OFF SW
DTA144EUA-T106
0UH 0UH
0UH
0UH
0UH
BUFFER
HN1B01FU-TE85R
SW
TC7S66FU(TE85R)
SW
TC7S66FU(TE85R) BUFFER
LMC7101BIM5X
BUFFER
LMC7101BIM5X
SW
DTC144EUA-T106
0UH
0UH
0UH
0UH
0UH
0UH
ORANGE
#
#
:CHIP
#
:CHIP
#
B:CHIP
50V
470p
#
#
#
#
#
#
#
#
#
#
#
#
#
#
#
#
#
#
#
#
#
#
#
#
#
#
#
#
#
#
#
#
#
#
#
#
#
#
:CHIP
22*4
:CHIP
47*4
:CHIP
47*4
:CHIP
47*4
:CHIP
47*4
:CHIP
47*4
:CHIP
22*4
:CHIP
22*4
:CHIP
22*4
:CHIP
22*4
:CHIP
22*4
:CHIP
22*4
:CHIP
22*4
:CHIP
22*4
:CHIP
22*4
:CHIP
22*4
:CHIP
22*4 :CHIP
22*4
:CHIP
22*4
:CHIP
22*4
1.8V REG
LM1117MPX-1.8
B:CHIP
16V
4700
B:CHIP
16V
4700
:CHIP
100k
:CHIP
100k
:CHIP
100k
:CHIP
100k
:CHIP
1k
#
AUDIO DAC
AK4352VT-E2
F:CHIP
16V
0.1
:CHIP
100
:CHIP
100
F:CHIP
16V
0.1
:CHIP
10k
:CHIP
10k
:CHIP
22
:CHIP
22
:CHIP
22
:CHIP
2.2k
:CHIP
2.2k
:CHIP
47k
:CHIP
47k
#
#
#
#
#
#
##
:CHIP
100
:CHIP
1k
DAN202UT106
:CHIP
22
#
#
##
## #
#
#
#
#
##
#
#
#
#
#
#
#
:CHIP
10k
F:CHIP
16V
0.1
SW
2SA1576A-T106-QR
F:CHIP
16V
0.1
F:CHIP
10V
22
#
#
:CHIP
22
#
#
:CHIP
22
:CHIP
22
:CHIP22
:CHIP22
#
#
#
:CHIP
22
:CHIP
27
:CHIP
27
:CHIP
10k
:CHIP
22
:CHIP
10k
:CHIP
22
:CHIP
10k
:CHIP
1.5k
#
#
##
:CHIP
1M
:CHIP
10k
:CHIP
10k
:CHIP
#
:CHIP
22
:CHIP22
:CHIP22
:CHIP
10k
:CHIP
4.7k
:CHIP
4.7k
:CHIP
10k
:CHIP
0
:CHIP
0
:CHIP
10k
:CHIP
10k
:CHIP
4.7k
:CHIP
4.7k
4.7µH
F:CHIP
10V
4.7
F:CHIP
10V
4.7
F:CHIP
10V
10
F:CHIP
10V
10
F:CHIP
16V
2.2
F:CHIP
16V
0.1
F:CHIP
16V
0.1
F:CHIP
16V
0.1
F:CHIP
16V
0.1
F:CHIP
16V
0.1
F:CHIP
16V
0.1
F:CHIP
16V
0.1
F:CHIP
16V
0.1
F:CHIP
16V
0.1
F:CHIP
10V
22
F:CHIP
16V
0.1
F:CHIP
16V
0.1
F:CHIP
16V
0.1
F:CHIP
10V
22
F:CHIP
16V
0.1
F:CHIP
10V
22
EEPROM
24LC21AT/SN
PIC MUTE MS
MS CTL
AU_MUTE
POWER_DET
SR_SEL
3.3V-5
3.3V-5
3.3V -1
3.3V -1
3.3V -1
3.3V-5
3.3V-5
3.3V-5
3.3V-5
3.3V-5
3.3V-5
3.3V-5
3.3V-5
RXD
WDT ENB
TIMER
BUS CTL
DREQ
IRQ1
IRQ0
CLK66M_RE
1.8V
FD
CLK20M
FA
Y13
AA13
CLK12M
AA4
Y10
CLK54M
CLK48M
MS_SEL
MS_RESET
MS_RESET
SIRCS
SIR
SIR
TXD MS
BRD STATUS
MENU STATUS
FLAG
MS_SEL
M_STATUS
B_STATUS
TXD
USB_DETECT
TXD MS
BRD STATUS
MENU STATUS
FLAG
UDP
UDM
BE3
BE2
BE1
BE0
DIR
CS
BS
RDY
DREQ3
DREQ2
DREQ1
DREQ0
N1
R3
A10
VY0
VY1
VY2
VY3
VY4
VY5
VY6
VY7
VUV0
VUV1
VUV2
VUV3
VUV4
VUV5
VUV6
VUV7
VHS
VVS
VPEN
VCLK
VY7
VY6
VY5
VY4
VY3
VY2
VY1
VY0
VUV7
VUV6
VUV5
VUV4
VUV3
VUV2
VUV1
VUV0
VPEN
VVS
VHS
VCLK
L4
L3
L2
L1
M2
M3
N2
N3
N4
P1
P3
P4
R2
T1
R4
T2
U1
T3
U2
U3
V2
W1
U4
V3
W2
Y1
W3
Y2
Y3
AA2
D9
C9
B9
D10
C10
B10
A11
UDP
UDM
B-SS1754-MS-P1
(1/3)
(VIDEO I/F)
MS
CN202
TO C(2/10)
BOARD
(TO P2)
(TO P2)
(TO P2)
(TO P2)
(TO P2)
(TO P3)
(TO P2)
(TO P3)
(TO P3)
(TO P3)
(TO P2,P3)
(TO P2)
(TO P2,P3)
(TO P2,P3)
(TO P2)
(TO P2,P3)
(TO P3)
(TO P2)
CN1301
TO MSC(1/2)
BOARD
(TO P2)
V-
GND
V+
VCC
OUT
CONT
CONT
VCC
VCC
OUT
OUT
IN
IN
GND
GND V-
GND
V+
VCC
OUT
D3.3V
SUB+3.3V
EN
EN
MS_3.3V
MS_3.3V
MS_3.3V
MS_3.3V
OUT7
OUT6
OUT5
OUT4
OUT3
OUT2
OUT1
OUT0
IN7
IN6
IN5
IN4
IN0
IN1
IN2
IN3
VCC
GND
PIC MUTE MS
NC
GND
USB_MS-
USB_MS+
USB_DET
HS
VS
VPEN
VCLK
AU GND
D 3.3V
GND
GND
V-
GND
V+
VCC
OUT
V-
GND
V+
VCC
OUT
AIN
REF
VDD
CONVST
GND
OTI
SCL
SDA
VDCDISABLE
D 1.8V
SDA
SCL
VCLK
VCC
VSS
NC
NC
NC
VCC
RCT
VS
RSTN
GND
CLK
NC
TC
MS_INS
GND
VCC
MS_SCLK
GND
MS_SDIO
VCC
MS_BS
MSAU_L
MSAU_R
AU_GND
AU_GND
FLAG
MS SW
BRD STATUS
KEY 0
VY0
VY1
VY2
VY3
VY4
VY5
VY6
VY7
VUV0
VUY1
VUV2
VUY3
VUV4
VUY5
VUV6
VUY7
RXD MS
TXD MS
MENU STATUS
MS RESET
SIRCS
GND
GND
GND
GND
GND
GND
GND
VHS
VVS
VPEN
VCLK
GND
GND
OUTR
OUTL
SDAT
VSS
VDD
VREF
VCMR
VCML
CKS
DEM
DIF1
DIF0
LRCK
BICK
PD
MCLK
MPIO
TEST6
VCDCLKIN
VCB(0)/VCCX(0)/VCCB(0)
VCB(1)/VCCX(1)/VCCB(1)
VCB(2)/VCCX(2)/VCCB(2)
VCB(3)/VCCX(3)/VCCB(3)
VCB(4)/VCCX(4)/VCCB(4)
VCB(5)/VCCX(5)/VCCB(5)
VCB(6)/VCCX(6)/VCCB(6)
VCB(7)/VCCX(7)/VCCB(7)
VCG(0)/VCY(0)
VCG(1)/VCY(1)
VCG(2)/VCY(2)
VCG(3)/VCY(3)
VCG(4)/VCY(4)
VCG(5)/VCY(5)
VCG(6)/VCY(6)
VCG(7)/VCY(7)
VCR(0)/PP(16)/VCCR(0)
VCR(1)/PP(17)/VCCR(1)
VCR(2)/PP(18)/VCCR(2)
VCR(3)/PP(19)/VCCR(3)
VCR(4)/PP(20)/VCCR(4)
VCR(5)/PP(21)/VCCR(5)
VCR(6)/PP(22)/VCCR(6)
VDR(7)/PP(23)/VDCR(7)
VDR(6)/PP(22)/VDCR(6)
VDR(5)/PP(21)/VDCR(5)
VDR(4)/PP(20)/VDCR(4)
VDR(3)/PP(19)/VDCR(3)
VDR(2)/PP(18)/VDCR(2)
VDR(1)/PP(17)/VDCR(1)
VCR(7)/PP(23)/VCCR(7)
VDR(0)/PP(16)/VDCR(0)
VDG(7)/VDY(7)
VDG(6)/VDY(6)
VDG(5)/VDY(5)
VDG(4)/VDY(4)
VDG(3)/VDY(3)
VDG(2)/VDY(2)
VDG(1)/VDY(1)
VDG(0)/VDY(0)
VDB(7)/VDCX(7)/VDCB(7)
VDB(6)/VDCX(6)/VDCB(6)
VDB(5)/VDCX(5)/VDCB(5)
VDB(4)/VDCX(4)/VDCB(4)
VDB(3)/VDCX(3)/VDCB(3)
VDB(2)/VDCX(2)/VDCB(2)
VDB(1)/VDCX(1)/VDCB(1)
VDB(0)/VDCX(0)/VDCB(0)
ENABLE
VDPCLKIN
DREQ#(3)
IRQ#(0)
DREQ#(1)
DREQ#(2)
VDD
DREQ#(0)
RDY#
VSS
PRST#
BS#
CS#
RESERVED
CLKIN
DIR
A(9)
A(8)
A(7)
VSS
A(6)
A(5)
A(4)
A(3)
A(2)
TEST5
TEST4
TEST3
TEST2
TEST1
VSS
URESETX#
UPLLRST
USCKI
VDD
RESERVED
UDM
RESERVED
UDP
RESERVED
VSS
SCL1
SDA1
SCL0
SDA0
RESERVED
BCK
LRCK
SD
FSCKI
VCVSYNC
VSS
VCHSYNC
VDD
VSS
VSS
VDD
PP(7)
PP(6)
VSS
PP(5)
PP(4)
PP(3)
PP(2)
PP(1)
PP(0)
VSS
VDD
VSS
VSS
VDVSYNC
VDHSYNC
VDD
VDCLKOUT
MSCKI
VSS
TOPFIELD
MSCKO
MBS
MSDIR
MSDIO
D(31)
D(30)
D(29)
D(28)
D(27)
VSS
D(26)
D(25)
D(24)
D(23)
D(22)
VDD
D(21)
D(20)
D(19)
D(18)
VSS
D(17)
D(16)
D(15)
D(14)
D(13)
D(12)
D(11)
D(10)
D(9)
D(8)
VSS
D(7)
D(6)
D(5)
D(4)
VDD
D(3)
D(2)
D(1)
D(0)
BE(3)
VSS
BE(1)
BE(2)
IRQ#(1)
BE(0)
+3.3V
+3.3V
+1.8V +3.3V
+3.3V
+3.3V
+3.3V
+3.3V +3.3V
Y
C
C
Y

6-27
VPL-CS5A/CS6/CX6/EX1 6-27
2
3
4
5
1
A BCDEFGH
MS (2/3)MS (2/3)
10
9
8
7
6
5
4
3
2
1
FB2001
FB2002
FB2003
Q2001
IC2001(1/4) IC2001(2/4) IC2001(4/4)
R2027
R2021
CN2001
IC2001(3/4)
R2012
R2024
JL2026
JL2025
JL2024
JL2023
JL2022
JL2021
JL2020
JL2018
JL2017
JL2011JL2010
JL2005
JL2001
RB2009
RB2008
RB2007
RB2006
RB2005
RB2004
RB2003
RB2002
RB2001
R2020
R2019
R2026
R2025
R2002
R2023
R2022
R2017
R2018
R2016
R2015
R2014
R2013
R2011
R2010
R2009
R2008
R2007
R2006
R2005
R2004
R2003
R2001
C2031
C2030
C2029
C2028
C2027
C2026
C2025
C2024
C2023
C2022
C2021
C2020
C2019
C2018
C2017
C2016
C2015
C2014
C2013
C2012
C2011
C2010
C2009
C2008
C2007
C2006C2005
C2004C2003
C2002C2001
0UH
0UH
0UH
HN1B01FU-TE85R
MB93401A MB93401A MB93401A
:CHIP100
:CHIP
22
:SMDWHT10P
MB93401A
:CHIP
22
#
#
#
#
#
#
#
#
#
#
#
#
#
#
:CHIP
10k*4
:CHIP
10k*4
:CHIP
10k*4
:CHIP
10k*4
:CHIP
10k*4
:CHIP
10k+4
:CHIP
10k*4
:CHIP
10k*4
:CHIP
10k*4
:CHIP22
:CHIP22
:CHIP10k
:CHIP10k
:CHIP10k
:CHIP22
:CHIP22
:CHIP
100
:CHIP
10k
:CHIP
4.7k
:CHIP
10k
:CHIP22
:CHIP47
:CHIP
10k
:CHIP
10k
:CHIP
10k
:CHIP
10k
:CHIP0
:CHIP0
:CHIP0
:CHIP0
:CHIP
10k
:CHIP
0
F:CHIP
16V
0.1
F:CHIP
16V
0.1
F:CHIP
16V
0.1
F:CHIP
16V
0.1
F:CHIP
16V
0.1
F:CHIP
16V
0.1
F:CHIP
16V
0.1
F:CHIP
16V
0.1
F:CHIP
16V
0.1
F:CHIP
16V
0.1
F:CHIP
16V
0.1
F:CHIP
16V
0.1
F:CHIP
16V
0.1
F:CHIP
16V
0.1
F:CHIP
16V
0.1
F:CHIP
16V
0.1
F:CHIP
16V
0.1
F:CHIP
16V
0.1
F:CHIP
16V
0.1
F:CHIP
16V
0.1
F:CHIP
16V
0.1
F:CHIP
16V
0.1
F:CHIP
16V
0.1
F:CHIP
16V
0.1
F:CHIP
16V
0.1
F:CHIP
10V
22
F:CHIP
16V
0.1
F:CHIP
10V
22
F:CHIP
16V
0.1
F:CHIP
10V
22
F:CHIP
16V
0.1
VDD1.8V-2
VDD3.3V
VDD1.8V
AU_MUTE
POWER_DET
3.3V-5
3.3V-5
RXD
PIC MUTE MS
MS CTL
WDT ENB
TIMER
BUS CTL
DREQ
IRQ1
IRQ0
CLK66M_RO
1.8V
1.8V
Y10
FD
SDRAM-7
SDRAM-6
FA
SDRAM-3
SDRAM-1
SDRAM-2
SDRAM-5
SDRAM-4
AA13
AA4
Y13
J4
J2
87
21
43
65
288
287
286
285
284
283
282
281
280
279
278
277
276
275
274
273
272
271
270
269
268
267
266
265
264
263
262
261
260
259
258
257
256
255
254
253
252
251
250
249
248
247
246
245
244
243
242
241
240
239
238
237
236
235
234
233
232
231
230
229
228
227
226
225
224
223
222
221
220
219
218
217
216
215
214
213
212
211
210
209
208
207
206
205
204
203
202
201
200
199
198
197
196
195
194
193
192
191
190
189
188
187
186
185
184
183
182
181
180
179
178
177
176
175
174
173
172
171
170
169
168
167
166
165
164
163
162
161
160
159
158
157
156
155
154
153
152
151
150
149
148
147
146
145
144
143
142
141
140
139
138
137
136
135
134
133
132
131
130
129
128
127
126
125
124
123
122
121
120
119
118
117
116
115
114
113
112
111
110
109
108
107
106
105
104
103
102
101
100
99
98
97
96
95
94
93
92
91
90
89
88
87
86
85
84
83
82
81
80
79
78
77
76
75
74
73
72
71
70
69
68
67
66
65
64
63
62
61
60
59
58
57
56
55
54
53
52
51
50
49
48
47
46
45
44
43
42
41
40
39
38
37
36
35
34
33
32
31
30
29
28
27
26
25
24
23
22
21
20
19
18
17
16
15
14
13
12
11
10
9
8
7
6
5
4
3
2
1
TXD
M_STATUS
USB_DETECT
B_STATUS
SIRCS
BE0
RDY
BE3
BE1
BS
BE2
CS
DIR
D10
D9
DREQ3
DREQ1
DREQ2
DREQ0
W11
Y12
AA10
AA12
AA12
Y12
AA10
W11
AA2
Y3
Y2
Y1
W3
W2
W1
V3
V2
U4
U3
U2
U1
T3
T2
R4
A4
T1
R3
R2
P4
P3
P1
N4
N3
N2
N1
M3
M2
L4
L3
L2
L1
C11
D7
C10
C9
C8
C7
C6
B10
B9
B8
B7
B6
B5
A11
A10
A7
A6
F20
E21
D22
F19
K20
G19
K19
J21
J20
H21
R22
P22
P21
N21
N20
N19
M22
M20
M19
L22
L21
L20
H20
G22
AB20
AB19
AB17
AA21
AA20
AA19
AA18
AA17
AA16
Y20
Y19
Y18
Y17
Y16
W20
W17
AA22
Y21
W22
W21
V22
V20
U22
U21
U19
T21
T20
T19
R21
R20
R19
P20
B-SS1754-MS-P2
(MICON)
(2/3)
MS
(TO P3)
(TO P1,P3) (TO P1,P3)
(TO P3)
(TO P3)
(TO P3)
(TO P3)
(TO P1)
(TO P3)
(TO P1)
(TO P1)
(TO P1)
(TO P1)
(TO P1)
(TO P1)
(TO P1)
(TO P1)
(TO P1,P3)
(TO P1,P3)
(TO P1)
(TO P1)
(TO P1)
AB16 TESTMODE(1)
AB14 CMODE(3)
AB13 PLLBYPASS
/PP(17)
AB8 DONE(1)#
/PP(12)
AB6 DREQ(0)#
/PP(10)
/PP(07)
AB5 RXD(1)
AB4 TXD(0)
/PP(06)
/PP(02)
AB3 RXD(0)
AB2 IRQ(2)#
AA15 CMODE(1)
/PP(18)
AA9 DREQ(2)#
/PP(15)
AA8 DREQ(1)#
/PP(13)
/PP(08)
AA7 DACK(0)#
AA6 CTS(0)#
GATE(1)/PP(05)
AA4 TOUT(1)/
/PP(01)
AA3 IRQ(1)#
/PP(16)
/PP(14)
Y9 DACK(1)#
/PP(09)
Y8 DONE(0)#
Y7 RTS(0)#
/PP(03)
/PP(00)
Y5 IRQ(3)#
Y4 IRQ(0)#
AB22 VSS
AB21 VDDE
AB20 DDQ(53)
AB19 DDQ(57)
AB18 VDDE
AB17 DDQ(62)
AB15 VSS
AB12 TDC
AB11 TRST#
AB10 VDDE
AB9 CPUHOLD
AB7 VSS
AB1 VSS
AA22 DDQ(46)
AA21 DDQ(49)
AA20 DDQ(51)
AA19 DDQ(54)
AA18 DDQ(58)
AA17 DDQ(60)
AA16 DDQ(63)
AA14 VSS
AA13 PRST#
AA12 ERST#
AA11 LV
AA10 ED
AA5 VSS
AA2 D(00)
AA1 VDDE
Y22 VDDE
Y21 DDQ(47)
Y20 DDQ(50)
Y19 DDQ(52
Y18 DDQ(55)
Y17 DDQ(59)
Y16 DDQ(61)
Y15 CMODE(0)
Y14 VDDE
Y13 HRST#
Y12 ECV
Y11 VSS
Y10 RSTOUT#
Y6 VDDI
Y3 D(01)
Y2 D(02)
Y1 D(04)
W22 DDQ(41)
W21 DDQ(43)
W20 DDQ(48)
W19 VSS
W18 VDDI
W17 DDQ(56)
/PP(19)
W10 DREQ(3)#
PP(11)
W8 TXD(1)/
GATE(0)/PP(04)
W6 TOUT(0)/
W15 TESTMODE(0)
W14 CMODE(2)
W13 RAMBOOT#
V20 DDQ(45)
W7 VDDE
W5 VSS
W4 VSS
W3 D(03)
W2 D(05)
W1 D(08)
V22 DDQ(38)
V21 VSS
V19 VSS
V4 VDDI
V3 D(06)
V2 D(09)
V1 VDDE
U22 DDQ(36)
U21 DDQ(40)
U20 VDDI
U19 DDQ(44)
U4 D(07)
U3 D(10)
U2 D(11)
U1 D(13)
T22 VSS
T21 DDQ(35)
T20 DDQ(39)
T19 DDQ(42)
T4 VSS
T3 D(12)
T2 D(14)
T1 D(16)
R22 DA(00)
R21 DDQ(33)
R20 DDQ(34)
R19 DDQ(37)
R4 D(15)
R3 D(17)
R2 D(18)
R1 VSS
P22 DA(03)
P21 DA(01)
P20 DDQ(32)
P19 VDDE
P4 D(19)
P3 D(20)
P2 VDDE
P1 D(21)
N22 VDDE
N21 DA(05)
N20 DA(04)
N19 DA(02)
N4 D(23)
N3 D(24)
N2 D(25)
N1 D(22)
M22 DA(08)
M21 VSS
M20 DA(07)
M19 DA(06)
M4 VDDI
M3 D(26)
M2 D(27)
M1 VSS
W16 VSS
W12 VDDI
W11 ECLK
W9 VDDE
L22 DA(11)
L21 DA(09)
L20 DA(10)
L19 VDDI
L4 D(31)
L3 D(30)
L2 D(29)
L1 D(28)
K22 DCS(1)#
K21 DA(12)
K20 DCKE
K19 DCS(0)#
K4 BGNT#
K3 BREQ#
K2 ERR#
K1 VDDE
J22 VDDE
J21 DRAS#
J20 DCAS#
J19 VSS
J4 WE#
J3 CS(2)#
J2 CS(0)#
J1 IBW
H22 VSS
H21 DWE#
H20 DBA(0)
H19 DDQM(7)
H4 DIR
H3 RD#
H2 CS(3)#
H1 CS(1)#
G22 DBA(1)
G21 DDQM(6)
G20 DDQM(4)
G19 DCLK
G4 VSS
G3 BE(2)
G2 BS#
G1 VSS
F22 DDQM(5)
F21 VSS
F20 DDQM(3)
F19 DDQM(0)
F4 A(30)
F3 VDDI
F2 VDDE
F1 RDY#
E22 VDDE
E21 DDQM(2)
E20 DCKFB
E19 VDDI
E4 VSS
E3 A(29)
E2 BE(1)
E1 BE(3)
D22 DDQM(1)
D21 VSS
D20 DDQ(00)
D19 VSS
D18 VSS
D17 DDQ(08)
D16 DDQ(11)
D15 DDQ(15)
D14 DDQ(19)
D13 DDQ(24)
D12 DDQ(28)
D11 VDDI
D10 A(05)
D9 A(09)
D8 VSS
D7 A(17)
D6 A(21)
D5 VDDI
D4 VSS
D3 A(26)
D2 A(31)
D1 CLKOUT
C22 VDDP2
C21 DDQ(01)
C20 DDQ(02)
C19 DDQ(04)
C18 DDQ(07)
C17 VDDI
C16 VDDE
C15 DDQ(18)
C14 DDQ(21)
C13 DDQ(26)
C12 DDQ(29)
C11 A(01)
C10 A(04)
C9 A(08)
C8 A(11)
C7 A(15)
C6 A(18)
C5 VDDP1
C4 A(22)
C3 A(24)
C2 A(27)
C1 BE(0)
B22 VDDE
B21 DDQ(03)
B20 DDQ(05)
B19 DDQ(09)
B18 VSS
B17 DDQ(13)
B16 DDQ(17)
B15 DDQ(20)
B14 DDQ(23)
B13 DDQ(27)
B12 DDQ(30)
B11 DDQ(31)
B10 A(03)
B9 A(07)
B8 A(10)
B7 A(13)
B6 A(16)
B5 A(19)
B4 CLKIN
B3 A(23)
B2 A(25)
B1 A(28)
A22 VSS
A21 DDQ(06)
A20 DDQ(10)
A19 DDQ(12)
A18 DDQ(14)
A17 DDQ(16)
A16 VSS
A15 DDQ(22)
A14 DDQ(25)
A13 VDDE
A12 VSS
A11 A(02)
A10 A(06)
A9 VDDE
A8 VSS
A7 A(12)
A6 A(14)
A5 VDDE
A4 A(20)
A3 VSS
A2 VDDE
A1 VSS
WDT KILL
ICE
VCC
NC
ECLK
GND
ED
GND
ECV
GND
ERST#
+1.8V
+1.8V
+3.3V

6-28 VPL-CS5A/CS6/CX6/EX1
6-28
2
3
4
5
AB C D E F G H
1
MS (3/3)MS (3/3)
OUT
VDD CONT
484746454443424140393837363534333231302928272625
24 23 22 21 20 19 18 17 16 15 14 13 12 11 10 9 8 7 6 5 4 3 2 1
545352515049484746454443424140393837363534333231302928
27 26 25 24 23 22 21 20 19 18 17 16 15 14 13 12 11 10 9 8 7 6 5 4 3 2 1
545352515049484746454443424140393837363534333231302928
27 26 25 24 23 22 21 20 19 18 17 16 15 14 13 12 11 10 9 8 7 6 5 4 3 2 1
161514131211109
8 7 6 5 4 3 2 1
IC3003
FB3003
FB3002
FB3001
C3021
R3013
X3001
IC3004
R3001 R3002
JL3003
IC3002
IC3001
TP3001
JL3012
JL3011
JL3010
JL3009
JL3008
JL3007
JL3006
JL3004
JL3002
JL3001
RB3020
RB3019
RB3018
RB3017
RB3016
RB3015 RB3014
RB3013
RB3012
RB3011
RB3010
RB3009
RB3008
RB3007
RB3006
RB3005 RB3004
RB3003
RB3002
RB3001
R3012 R3010
R3009
R3008
R3006
R3011 R3007
R3004
R3005
R3003
L3001
C3024
C3023
C3022
C3020
C3019
C3018
C3017
C3016
C3015
C3014
C3013
C3012
C3011
C3010
C3009
C3008
C3007
C3006
C3005
C3004
C3003
C3002
C3001
FLASH ROM
90TN-SX1754MS100
MBM29LV160BE
0UH
0UH
0UH
F:CHIP
16V
0.1
#
OSCILLATOR
54MHz
DSO531SVL
CLK GEN
CY27027ZCT
:CHIP0:CHIP0
#
SDRAM
75-Y95WT
MT48LC8M16A2TG
SDRAM
75-Y95WT
MT48LC8M16A2TG
#
#
#
#
#
#
#
#
#
#
#
:CHIP
47*4
:CHIP
47*4
:CHIP
47*4
:CHIP
47*4
:CHIP
47*4
:CHIP
47*4 :CHIP
47*4
:CHIP
47*4
:CHIP
47*4
:CHIP
47*4
:CHIP
47*4
:CHIP
47*4
:CHIP
47*4
:CHIP
47*4
:CHIP
47*4
:CHIP
47*4
:CHIP
47*4
:CHIP
47*4
:CHIP
47*4
:CHIP
47*4
:CHIP
0:CHIP47
:CHIP47
:CHIP47
:CHIP
100
:CHIP0:CHIP22
:CHIP22
:CHIP22
:CHIP22
22µH
F:CHIP
16V
0.1
F:CHIP
16V
0.1
F:CHIP
10V
22
F:CHIP
16V
0.1
F:CHIP
16V
0.1
F:CHIP
16V
0.1
F:CHIP
10V
22
F:CHIP
16V
0.1
F:CHIP
16V
0.1
F:CHIP
16V
0.1
F:CHIP
16V
0.1
F:CHIP
16V
0.1
F:CHIP
16V
0.1
F:CHIP
16V
0.1
F:CHIP
10V
22
F:CHIP
16V
0.1
F:CHIP
16V
0.1
F:CHIP
16V
0.1
F:CHIP
16V
0.1
F:CHIP
16V
0.1
F:CHIP
16V
0.1
F:CHIP
16V
0.1
F:CHIP
10V
22
SR_SEL
3.3V-53.3V-53.3V-5
3.3V-5
CLK66M_RO
CLK66M_RE
BUS CTL
CLK12M
CLK48M
CLK20M
CLK54M
J2
Y10
FA
FD
SDRAM-6
SDRAM-7
J4
SDRAM-5
SDRAM-4
SDRAM-3
SDRAM-2
SDRAM-1
DIR
C11
A4
W17
W20
F20
F19
D22
E21
M3
P1
T1
D7
N4
N1
L1
L4
L3
L2
P3
M2
P4
R2
N2
R3
N3
B6
C7
A6
B7
A7
C8
B8
D9
B5
C6
C9
B9
A10
D10
C10
B10
A11
K20
G19
K20
G19
K19
J21
J20
H21
K19
J21
J20
H21
H20
G22
L22
L20
L21
M22
M20
M19
N21
N20P22
N19
P21
R22
L22
L20
L21
M22
M20
M19
N21
N20
G22
H20
P22
N19
P21
R22
AA16
AB17
Y16
AA17
Y17
AA18
AB19
Y18
AA19
AB20
Y19
AA20
Y20
AA21
Y21
AA22
V20
U19
W21
T19
W22
U21T20
V22
R19
U22
T21
R20
R21
P20
(MEMORY)
B-SS1754-MS-P3
(3/3)
MS
(TO P2)
(TO P1,P2)
(TO P2)
(TO P2)
(TO P1,P2)
(TO P1,P2)
(TO P1,P2)
(TO P2)
(TO P2)
(TO P2)
(TO P1)
(TO P2)
(TO P1)
(TO P1)
(TO P1)
MSCK
SSSEL
MSSEL
AUSEL
GND
VDD
CPUCK
ASICCK
AUDCK
VDD
GND
USBCK
VDCK
XIN
GND
GND
VDD
BA1
BA0
BA1
BA0
A0
DQ0
DQ8
DQ1
DQ9
DQ2
DQ10
DQ3
DQ11
DQ4
DQ12
DQ5
DQ13
DQ6
DQ14
DQ7
DQ15/A_1
VCC
RY#/BY#
N.C.3
N.C.2
N.C.1
BYTE
VSS2
VSS1
OE
CE
RESET
WE
A16
A19
A8
A9
A10
A11
A12
A13
A14
A15
A17
A18
A7
A6
A5
A4
A3
A2
A1
DQ0
/CS
/RAS
/CAS
/WE
VSS
A4
A5
A6
A7
A8
A9
A11
NC
CKE
CLK
UDQM
NC
VSS
DQ8
VCCQ
DQ9
DQ10
VSSQ
DQ11
DQ12
VCCQ
DQ13
DQ14
VSSQ
DQ15
VSS
VCC
A3
A2
A1
A0
A10
LDQM
VCC
DQ7
VSSQ
DQ6
DQ5
VCCQ
DQ4
DQ3
VSSQ
DQ2
DQ1
VCCQ
VCC
DQ0
/CS
/RAS
/CAS
/WE
VSS
A4
A5
A6
A7
A8
A9
A11
NC
CKE
CLK
UDQM
NC
VSS
DQ8
VCCQ
DQ9
DQ10
VSSQ
DQ11
DQ12
VCCQ
DQ13
DQ14
VSSQ
DQ15
VSS
VCC
A3
A2
A1
A0
A10
LDQM
VCC
DQ7
VSSQ
DQ6
DQ5
VCCQ
DQ4
DQ3
VSSQ
DQ2
DQ1
VCCQ
VCC
+3.3V
+3.3V +3.3V
+3.3V

A BCDEFGH
6-29
VPL-CS5A/CS6/CX6/EX1 6-29
MSMS
C1001
C1007
C1009
C1010
C1012
C1013
C1014
C1015
C1025
C1026
C1028
C1029
C1030
C1031
C1032
C1033
C1034
C1035 C1036
C1037
C1038
C1039
C2002
C2004
C2006
C2014
C2029
C3001
C3002
C3003
C3004
C3005
C3006
C3007
C3008
C3013
C3015
C3016
C3017
C3018
C3020
C3021
C3022
C3023
C3024
CN1001
CN2001
D1001
FB1002
FB1014
FB1015
FB1016
FB1017
FB1018
FB2001
FB2002
FB3001
FB3002
FB3003
IC1002
IC1004
IC1005
IC1007
IC1008
IC1009
IC1010
IC1011
IC2001
IC3004
JL1030
JL1036
JL1049
JL2001
JL2005
JL2010
JL2017
JL2018
JL2020
JL2021
JL3001 JL3002
L1001
L3001
Q1002
Q1004
Q2001
R1009R1010
R1012
R1013
R1020
R1021
R1024
R1025
R1026
R1027
R1028
R1029
R1033R1034
R1035R1036
R1037
R1038
R1039
R1040
R1041
R1049
R1050
R1051
R1055
R1057
R1064
R1065
R1070
R1075
R1078
R1081
R1082
R2001
R2002
R2010
R2011
R2014
R2015R2016
R2019
R2021
R2024
R3001
R3002
R3003
R3005
R3006
R3007
R3008
R3009
R3010
RB1006RB1007RB1008RB1009RB1010RB1011RB1012
RB1013
RB1014
RB1015
RB1016
RB1017RB1018RB1019
RB1020
RB1021
RB1022
RB2002
RB2003
RB2004
RB2005
RB3001
RB3002
RB3003RB3004
RB3005
RB3006
RB3007
RB3008
RB3009RB3010
RB3011RB3012
RB3013RB3014RB3015
TP1001
TP1003
TP1004
TP1005
TP1006
TP1007
TP1008
TP1009
TP1010
TP3001
X3001
C1008
C1011
C1016
C1017
C1018
C1019
C1020
C1021
C1022
C1023
C1024
C1027
C1040
C1041
C1042
C1043
C1044
C1045
C2001
C2003
C2005
C2007
C2008 C2009
C2010
C2011
C2012
C2013
C2015
C2016
C2017
C2018
C2019
C2020
C2021
C2022
C2023
C2024
C2025
C2026
C2027
C2028
C2030
C2031
C3009
C3010C3011 C3012 C3014
C3019
CN1002
D1002
FB1001
FB1003
FB1004
FB1005
FB1006
FB1007
FB1008
FB1009
FB1010
FB1011
FB1013
FB1019
FB2003
IC1006
IC1012
IC1013
IC1014
IC1015
IC3001
IC3002
IC3003
JL1029
JL1031
JL1032
JL1033
JL1034
JL1035
JL1037
JL1039
JL1040
JL1041JL1042
JL1043
JL1044
JL1045
JL1046
JL1048
JL1052
JL1053
JL1054
JL1055JL1056
JL1057
JL1058
JL1059
JL1060
JL1061
JL1062
JL1063
JL1064
JL1066JL1067JL1068
JL1069
JL1070
JL1071
JL1072
JL1073
JL1074
JL2011
JL2022
JL2023
JL2024
JL2025
JL2026
JL3003
JL3004
JL3006
JL3007
JL3008
JL3009
JL3010
JL3011
JL3012
Q1001
Q1003
Q1005
Q1006
Q1007
R1005
R1006
R1007
R1008
R1011
R1014
R1015
R1016
R1017
R1018
R1019
R1022
R1023
R1030R1031
R1032
R1045
R1047
R1048
R1052
R1053R1054
R1056
R1058
R1059
R1060
R1061
R1062
R1063
R1066
R1067
R1068
R1069
R1071
R1072
R1073 R1074
R1076
R1077
R1079
R1080
R1083
R1084
R1085
R1086
R1087
R1088
R1089
R1090
R2003
R2004
R2005
R2006
R2007
R2008
R2009
R2012R2013
R2017
R2018
R2020
R2022
R2023
R2025
R2026
R2027
R3004
R3011
R3012
R3013
RB1001RB1002
RB1003
RB1004
RB1023
RB2001
RB2006
RB2007
RB2008
RB2009
RB3016 RB3017 RB3018
RB3019RB3020
MS BOARD
*:B SIDE
D1001 D-1
D1002 *D-1
IC1002 A-3
IC1004 D-1
IC1005 D-2
IC1006 *C-3
IC1007 E-2
IC1008 D-3
IC1009 E-1
IC1010 C-2
IC1011 C-3
IC1012 *E-2
IC1013 *E-2
IC1014 *E-1
IC1015 *E-2
IC2001 B-2
IC3001 *A-1
IC3002 *A-2
IC3003 *D-2
IC3004 C-3
Q1001 *D-1
Q1002 D-1
Q1003 *C-3
Q1004 E-1
Q1005 *D-2
Q1006 *C-1
Q1007 *E-2
Q2001 B-3
TP1001 A-1
TP1003 B-3
TP1004 C-1
TP1005 B-1
TP1006 B-1
TP1007 B-1
TP1008 E-2
TP1009 B-3
TP1010 E-1
TP3001 C-3
MS -A SIDE-
SUFFIX: -11 MS -B SIDE-
SUFFIX: -11
MS (1/3) AK4352VT-E2 (IC1007)
SERIAL INPUT
INTERFACE
8X
INTERPOLATOR
T∑
MODULATOR LPF
8X
INTERPOLATOR
T∑
MODULATOR LPF
14
13
12
11
VREF
DE-EMPHASIS
CONTROL CLOCK DIVIDER
1618
DEM MCLK CKS
5
3
4
LRCK
BICK
SDATA
67
DIF0 DIF1
10
9
2
VDD
VSS
PD
15 VCML
AOUTL
AOUTR
VCMR

6-30 VPL-CS5A/CS6/CX6/EX1
6-30
2
3
4
5
AB C D E F G H
1
GAGA
23.5
+24V
+24V
119.3
89.4
0.3
2.2
3.0
373.0
24.0
23.5
DRAIN
GATE
AC SENSE
SOURCE
L SENSE
GND
COMP
VCC
CATHODE
TO BALLAST
VCC
POWER ON
GND
DC(+)
DC(-)
NC
DC(+)
DC(-)
NC
TO GB BOARD
CN3202,CN3203
TO GB BOARD
CN3201
AC INLET
100-240V
50/60Hz
GA
(AC INLET,PFC CONT.)
B-SS1752-GA
43
2
1
47
:HT
100p
CH:CHIP
0.22
25V
B:CHIP
3.9k
:CHIP 4.7
1/4W
:FPRD
0.47
400V
:MPS
10k
:CHIP
2.2k
:CHIP
0.47
275V
4.7k
:CHIP
4.7k
:CHIP
4.7k
:CHIP
0.1
B:CHIP
5.6
5W
:RF
RD16M-T1B2
BIAS
RM11C-V1
RECT
D6SB80
RECT
560k
1/2W
:RC
470p
250V
B:CHIP
470p
250V
B:CHIP
220
450V
1k
1/2W
:CHIP
1k
1/2W
:CHIP
2.2
450V
MA111-TX
PROT
MA111-TX
CLAMP
2P
AC INLET
220µH
MZ1540
PFC CONTOROL
6.3mH
3A
COMMON MODE C
0.15
5W
:RB
70µH
3.6A
HI F CMC
#
#
#
#
#
#
#
3P
3P
3P
2SA1213Y-TE12L
SW
200µH
2SA1213Y-TE12L
RELAY DRIVE
6.3A
250V
0.22
275V
C2104
C2107
C2106
R2106 R3606
C2103
R3609
R3608
C2004
R2102
R2107
R2109
C2105
R2101
D2105
D2101
D2102
R1101
C1101
C1106
C2102
R2104 R2105
C2101
RY2101
D2103
D2104
CN1101
L3204
IC2101
L1101
R3206
L1102
FH1101 FH1102
JL1101
JL1102
JL1103
JL2101
JL2102
JL2103
JL2104
VD1101
CN2001
CN2002
CN3501
Q3601
L2101
Q2101
F1101
C1103
1
23
4
1 3 4 8 9 102 5 7
1
2
3
1
2
56
10
3
47
9
1
2
1
2
3
1
2
3
1
23
4
GA MZ1540 (IC2101)
R4
R2
Q1
R1
R5
R6
D1
R3
C5
C2
C3
C1
C6 C4
9
2
1
6
10
4
7
8
35
6
8
4
7
5
2
10
3 9
1
11
IC1

A BCDEFGH
6-31
VPL-CS5A/CS6/CX6/EX1 6-31
GAGA
C1101
C1103
C1106
C2004
C2101
C2102
C2103
C2104
CN1101
CN2001
CN2002
CN3501
D2101
D2102
D2104
D2105
F1101
FH1101 FH1102
IC2101
L1101
L1102
L2101
L3204
Q2101
R1101
R2101
R2104
R2105
R2106
R2107
R3206
R3606
RY2101
VD1101
C2105
C2106
C2107
D2103
JL1101
JL1102
JL1103
JL2101
JL2102
JL2103
JL2104
Q3601
R2102
R2109
R3608
R3609
GA BOARD
*:B SIDE
D2101 D-2
D2102 B-2
D2103 *C-2
D2104 C-4
D2105 C-2
IC2101 C-3
Q2101 C-2
Q3601 *E-2
GA -A SIDE-
SUFFIX: -11 GA -B SIDE-
SUFFIX: -11

6-32 VPL-CS5A/CS6/CX6/EX1
6-32
GBGB
GB LT1765EFE (IC3201)
2BOOST
4
V IN
SW
GND
VC
FB
SHDN
13
12
11
DRIVER FF
R
S
∑
0.35V
0.005Ω
1.2V
INTERNAL
VCC
INTERNAL VCC
1.33V
SLOPE
COMP
1.25MHz
OSC SYNC
14
2.5V BIAS
REG
3µA
7µA
CURRENT
COMP
POWER
SWITCH
SHUTDOWN
COMP
ERROR
AMP
CURRENT SENS
AMP
3
6
5
9
8
1
ITH/RUN
2
GND
3
VFB
VIN
SENS-
5 4
SWITCHING
LOGIC AND
BLANKING
CIRCUIT
UNDERVOLTAGE
LOCKOUT
VOLTAGE
REF
Q
RS1
0.3V
VIN
VIN
S
R
0.15V
0.35V
0.5µA
0.3V
VREF
+60mV
VREF
0.8V
VREF
0.8V
VIN
VIN
SLOPE
COMP
OSC
FREQ
FOLDBACK
PGATE
6
ICMP
SHORT-CIRCUIT DET
OVP
EAMP
1.2V
BURST
COMP
SLEEP
SHUTDOWN
COMP
REMOTE
VREF
SS OSC
F/B TIMER
TSD
OCP
REGOVLD
VSENSE
COUNTER
LATCH
OVP
CONTROL
LOGIC
LEVEL
SHIFT
1VSENSE
5GND
7 432 6
SS
RT
CT
F/B
TIMER
9
11
12
10
15
16
14
818
OCP
PGND
VG (L)
VC2
VS
VG (H)
VB
VC1
VD
8 7 6 5
1 2 3 4
REF A NCA
KAANC
GB TL431BCDR2 (IC3102)
GB MCZ3001D (IC3100)
GB LTC1772CS6 (IC3202)

6-33
VPL-CS5A/CS6/CX6/EX1 6-33
2
3
4
5
1
A BCDEFGH
GBGB
0
5.2
5.2
3.1
3.4
5.2
3.1
4.7
5.2
3.3
5.1
2.0
3.3
6.5
1.8
2.3
2.5
0
4.6
0
373.0
301.0
302.0
313.0
4.6
10.5
302.0
299.0
373.0
302.0
4.6
0
0
10.7
2.4
3.0
0
6.5
1.1
0
6.2
2.0
6.2
2.0
3.3
0
0.7
1.2
0.9
3.4 3.4
0.4
+6V
+3.3V
+17V
+17V
+6V
+6V
+3.3V
+3.3V
+3.3V
+6V
+6V
+6V
+24V
VSENSE VD
F/B
CT
RT
GND
TIMER
SS
OCP
VC1
NC
VG(H)
VS
VB
NC
VG(L)
P.GND
VC2
REFK
A
A
A
A
GND
VCC
PGATE
VIN
SENSE
GND
VFB
ITH/RUN
GND
VCC
GND
VCC
VCC
POWER ON
GND
DC(+)
DC(-)
PCONT
GND
FAN CONT1
PPROT
GND
FAN+B
GND
FAN+B
17V
GND
AUDIO+B
GND
GND
6V
GND
GND
GND
D3.3V
D3.3V
GND
GND
SUB3.3V
SUB3.3V
SUB6V
GND
GND
BOOST
VIN
VIN
SW
SW
NC
GND
GND
NC
SYNC
VC
FB
NC
GND
SHON
TO C(9/10)
BOARD
CN904
CN2001
CN3501
TO GA
BOARD
TO GA
BOARD
GB
(DC-DC CONV.)
B-SS1752-GB
17V
17V
-16V
-16V
6V-2
6V-2
POWER_CONT
+17V
POWER_PROT
+6V
SUB6V
SUB6V
22
25V
4.7
1/4W
:FPRD
2200
10V
:HT
4.7
10V
B:CHIP
2.2
10V
B:CHIP
UF4005PKG23
RECT
1k
1/4W
:FPRD
330k
1/2W
:CHIP
330k
1/2W
:CHIP
330k
1/2W
:CHIP
TL431BCDR2
SHUNT REG
470p
250V
B:CHIP
D10SC6M
+17V RECT
D10SC4M
+6V RECT
150
6.3V
4.7µH
10
25V
B:CHIP
2SA1162-YG-TE85L
LATCH
MCZ3001D
CONV CONT
0.1
1/2W
:RF
0.68
1/2W
:CHIP
RD18M-T1B1
PROT
RD33M-T1B
OVP RD6.8M-T1B1
OVP
0.68
1/2W
:CHIP
10
10V
B:CHIP
39
16V
:AL
2SC2712-YG-TE85L
LATCH
RB501V-40TE-17
10
10V
F:CHIP
0.01
25V
B:CHIP
0.01
25V
B:CHIP
0.1
16V
B:CHIP
0.1
16V
B:CHIP
1
10V
F:CHIP
0.1
25V
F:CHIP
0.1
16V
B:CHIP
0.1
16V
B:CHIP
#
#
1
10V
B:CHIP
10µH
0.22
25V
B:CHIP
820
25V
:HT
PC123GY2
PC123GY2
PC123GY2
#
#
#
#
#
#
#
#
#
#
#
#
#
#
#
#
#
10
16V
:AL-CP
#
#
47
10V
:AL-CP
#
LT1765EFE
DC-DC CON
0.001
50V
:PP
47
50V
0.1
50V
:PT
220
50V
:HT
0.1
50V
B:CHIP
2200p
50V
B:CHIP
220p
50V
CH:CHIP
100p
50V
CH:CHIP
LTC1772CS6
DC-DC CON
7.5k
1/10W
:RN-CP
100
1/10W
:RN-CP
18k
1/10W
:RN-CP
10
1/10W
:CHIP
270
1/10W
:CHIP
10k
1/10W
:CHIP
10k
1/10W
:CHIP
47k
1/10W
:CHIP
10k
1/10W
:CHIP
10k
1/10W
:CHIP
10k
1/10W
:CHIP
100k
1/10W
:CHIP
1k
1/10W
:CHIP
820
1/10W
:CHIP
22k
1/10W
:CHIP
10k
1/10W
:CHIP
82k
1/10W
:CHIP
47k
1/10W
:CHIP
47k
1/10W
:CHIP
3.3k
1/10W
:CHIP
10k
1/10W
:CHIP
10k
1/10W
:CHIP
22k
1/10W
:CHIP
22k
1/10W
:CHIP
2.2k 1/10W :CHIP
10k
1/10W
:CHIP
10k
1/10W
:CHIP
1k
1/10W
:CHIP
10k
1/10W
:RN-CP
82k
1/10W
:RN-CP
10k
1/10W
:CHIP
10k
1/10W
:CHIP
82k
1/10W
:RN-CP
0.047
1W
:CHIP
10k
1/10W
:CHIP
100k
1/10W
:CHIP
10k
1/10W
:CHIP
10k
1/10W
:CHIP
10k
1/10W
:CHIP
1k
1/10W
:CHIP
1k
1/10W
:CHIP
1k
1/10W
:CHIP
100k
1/10W
:CHIP
27k
1/10W
:CHIP
33k
1/10W
:CHIP
4.7k
1/10W
:CHIP
2.2k
1/10W
:CHIP
100
1/10W
:CHIP
47k
1/10W
:CHIP
27k
1/10W
:RN-CP
3.3k
1/10W
:CHIP
470
1/10W
:CHIP
3.3k
1/10W
:RN-CP
3.9k
1/10W
:RN-CP
2.2k
1/10W
:RN-CP
47k
1/10W
:RN-CP
:PIT
0UH
24P FPC :SMD
#
#
MA111-TX
2SJ530S-TL
SW
MA111-TX
2.7k
1/10W
:RN-CP
2SJ530S-TL
SW
MA111-TX
MA111-TXMA111-TX
270k 1/10W :RN-CP
#
0UH
#
2SJ530S-TL
SW
MA111-TX
0.0047 800V :PP
D2FS6-TA
VCC RECT
680 1/10W :RN-CP
18k 1/10W :RN-CP
MA111-TX
CLAMP
MA111-TX
3P
#WH
#BL
SI9434DY-T1
SW
EC31QS03L-TE12L
EC31QS03L-TE12L
TA75W393FU-TE12R
COMP
TA75W393FU-TE12R
DELAY
2SC4081T106R
SW
2SC4081T106R
PROT
2SK2876-01MR
-F122
CONVERTER
2SK2876-01MR
-F122
CONVERTER
TA75W393FU-TE12R
COMP
DTC144EUA-T106
SW
10
1/10W
:CHIP
C3114
R3107
C3125
C3120
C3111
D3107
R3122
R3119
R3117
R3116
IC3102
C3130
D3110
D3112
C3204
L3206
C3211
Q3104
IC3100
R3126
R3130
D3103
D3108
D3113
R3129
C3210
C3212
Q3105
D3202
C3314
C3107
C3109
C3122
C3131
C3209
C3213
C3331
C3332
R3323
T1101
FB3101
C3128
L3205
C3207
C3123
PH3100
PH3101
PH3102
CN3204
JL3310
JL3311
JL3312
JL3313
JL3317
JL3321
JL3326
JL3328
JL3330
JL3340
JL3341
JL3343
JL3344
JL3345
JL3346
JL3350
C3110
JL3401
JL3402
C3203
R3214
IC3201
C3108
C3112
C3113
C3121
C3126
C3205
C3206
C3214
IC3202
R3113
R3114
R3115
R3120
R3123
R3124
R3125
R3127 R3128
R3131
R3133
R3132
R3134
R3135
R3136
R3139
R3152
R3153
R3157
R3156
R3158
R3161
R3201
R3203
R3202
R3204
R3205
R3207
R3209
R3213
R3216
R3321
R3217
R3219
R3322
R3324
R3325
R3332
R3337
R3327
R3334
R3335
R3330
R3326
R3331
R3333
R3336
R3338
R3339
R3210
R3137
R3138
R3141
R3142
R3144
R3145
FB3103
CN3301
JL3400
JL3320
D3307
Q3302
D3308
R3143
Q3109
D3121
D3118D3116
R3218
JL3331
FB3102
JL3322
Q3107
D3119
C3119
D3109
R3112
R3111
D3104
D3306
CN3201
CN3202
CN3203
Q3201
D3203
D3201
IC3302
IC3307
Q3110
Q3106
Q3102
Q3103
IC3301
Q3301
R3121
123456789
10 11 12 13 14 15 16 17 18
1
2
4
3
1
2
4
3
1
2
4
3
123
4 5 6
1
2
4
5 6
7
8
9
10
1
S
S
S
S
1234
5 6 7 8
1234
5 6 7 8
1234
5 6 7 8
S1S2S3G
D1 D2 D3 D4
1234
5 6 7 8
1234
5 6 7 8
1
2
3
1
1
1
2
3
4
5
6
7
8
9
10
11
12
13
14
15
16
17
18
19
20
21
22
23
24
S
12345678
9 10 11 12 13 14 15 16

6-34 VPL-CS5A/CS6/CX6/EX1
6-34
GBGB
GB BOARD
*:B SIDE
D3103 *E-1
D3104 *E-2
D3107 D-2
D3108 *D-2
D3109 D-2
D3110 B-1
D3112 B-2
D3113 B-2
D3116 *B-2
D3118 *B-2
D3119 *B-1
D3121 *B-2
D3201 *A-2
D3202 *B-2
D3203 *B-1
D3306 A-1
D3307 *A-2
D3308 A-2
IC3100 E-1
IC3102 B-3
IC3201 A-2
IC3202 B-1
IC3301 A-1
IC3302 A-1
IC3307 B-2
Q3102 D-1
Q3103 D-2
Q3104 E-1
Q3105 E-1
Q3106 C-2
Q3107 *B-1
Q3109 *A-2
Q3110 B-2
Q3201 B-1
Q3301 *B-2
Q3302 A-2
C3108 C3110
C3112
C3113
C3114
C3119
C3120
C3121
C3122
C3123
C3125
C3128
C3130
C3131
C3203
C3204
C3205
C3206
C3209
C3212
C3213
C3214
C3314
C3331
CN3201
CN3202
CN3203
CN3204
CN3301
D3107
D3109
D3110 D3112
D3113
D3306 D3308
IC3100
IC3102
IC3201
IC3202
IC3301
IC3302
IC3307
L3205
L3206
PH3100 PH3101PH3102
Q3102 Q3103
Q3104
Q3105
Q3106
Q3110
Q3201
Q3302
R3107
R3120
R3122
R3124
R3126
R3127
R3128
R3135
R3136
R3142
R3144
R3158
R3161
R3201
R3202
R3203
R3204
R3205
R3207
R3216
R3217
R3218
R3321
R3332
R3333
R3336
R3338
R3339
T1101
C3107
C3109
C3111
C3126
C3207
C3210
C3211
C3332
D3103
D3104
D3108
D3116
D3118
D3119
D3121
D3201 D3202
D3203
D3307
FB3101
FB3102
FB3103
JL3310
JL3311
JL3312
JL3313
JL3317
JL3320
JL3321
JL3322
JL3326
JL3328
JL3330
JL3331
JL3340
JL3341
JL3343
JL3344
JL3345
JL3346
JL3350
JL3400
JL3401
JL3402
Q3107
Q3109
Q3301
R3111
R3112
R3113
R3114
R3115 R3116
R3117
R3119
R3121
R3123
R3125
R3129
R3130
R3131
R3132
R3133 R3134
R3137
R3138
R3139
R3141
R3143
R3145
R3152
R3153
R3156
R3157
R3209
R3210
R3213
R3214
R3219
R3322
R3323
R3324
R3325
R3326
R3327
R3330
R3331
R3334
R3335
R3337
GB -A SIDE-
SUFFIX: -11 GB -B SIDE-
SUFFIX: -11

VPL-CS5A/CS6/CX6/EX1
SAFETY CHECK-OUT
After correcting the original service problem,
perform the following safety checks before
releasing the set to the customer :
Check the metal trim, “metallized” knobs, screws,
and all other exposed metal parts for AC
leakage. Check leakage as described below.
LEAKAGE TEST
The AC leakage from any exposed metal part to
earth ground and from all exposed metal parts to
any exposed metal part having a return to
chassis, must not exceed 0.5 mA. Leakage
current can be measured by any one of three
methods.
1. A commercial leakage tester, such as the
Simpson 229 or RCA WT-540A. Follow the
manufacturers’ instructions to use these
instruments.
2. A battery-operated AC milliammeter. The
Data Precision 245 digital multimeter is
suitable for this job.
3. Measuring the voltage drop across a resistor
by means of a VOM or battery-operated AC
voltmeter. The “limit” indication is 0.75 V, so
analog meters must have an accurate low-
voltage scale. The Simpson 250 and Sanwa
SH-63Trd are examples of a passive VOM
that is suitable. Nearly all battery operated
digital multimeters that have a 2 V AC range
are suitable. (See Fig. A)
To Exposed Metal
Parts on Set
Fig A. Using an AC voltmeter to check AC leakage.
AC
voltmeter
(0.75V)
Earth Ground
0.15
µ
F 1.5 k
Z
Printed in Japan
Sony Corporation 2003. 5 16
B&P Company ©2003
VPL-CS5A (U)
VPL-CS6 (SY)
VPL-CX6 (SY)
VPL-EX1 (SY) E
9-870-363-01