VSAAX10
User Manual: VSAAX10
Open the PDF directly: View PDF
.
Page Count: 212 [warning: Documents this large are best viewed by clicking the View PDF Link!]

ORDER NO.
PIONEER ELECTRONIC CORPORATION 4-1, Meguro 1-chome, Meguro-ku, Tokyo 153-8654, Japan
PIONEER ELECTRONICS (USA) INC. P.O. Box 1760, Long Beach, CA 90801-1760, U.S.A.
PIONEER EUROPE NV Haven 1087, Keetberglaan 1, 9120 Melsele, Belgium
PIONEER ELECTRONICS ASIACENTRE PTE. LTD. 253 Alexandra Road, #04-01, Singapore 159936
PIONEER ELECTRONIC CORPORATION 2002
c
RRV2567
T – ZZR JAN. 2002 Printed in Japan
CONTENTS
1. CONTRAST OF MISCELLANEOUS PARTS ........ 2
2. PCB CONNECTION DIAGRAM .......................... 11
3. SCHEMATIC DIAGRAM ..................................... 13
4. REMOTE CONTROL UNIT ................................. 30
AUDIO/VIDEO MULTI-CHANNEL AMPLIFIER
VSA-AX10
VSX-AX10
Type Model Power Requirement The voltage can be converted by
the following method.
VSA-AX10
HY AC220-230V
AC110/120-127V/220V/230-240V With the voltage selector
THIS MANUAL IS APPLICABLE TO THE FOLLOWING MODEL(S) AND TYPE(S).
SDLBPW
VSX-AX10
Model No. Order No. Remarks
VSX-49TX/KU/CA RRV2523
¶This service manual should be used together with the following manual(s):

VSA-AX10, VSX-AX10
2
1. CONTRAST OF MISCELLANEOUS PARTS
Parts marked by "NSP" are generally unavailable because they are not in our Master Spare Parts List.
The mark found on some component parts indicates the importance of the safety factor of the part.
Therefore, when replacing, be sure to use parts of identical designation.
Screws adjacent to mark on product are used for disassembly.
Reference Nos. indicate the pages and Nos. in the service manual for the base model.
NOTES:
When ordering resistors, first convert resistance values into code form as shown in the following examples.
Ex.1 When there are 2 effective digits (any digit apart from 0), such as 560 ohm and 47k ohm (tolerance is shown by J=5%,
and K=10%).
Ex.2 When there are 3 effective digits (such as in high precision metal film resistors).
561
473
R50
1R0
5621
560
47k
0.5
1
RD1/4PU J
RD1/4PU J
RN2H K
RS1P K
56 x 101
47 x 103
R50
1R0
561
473
5.62k RN1/4PC F562 x 1015621
7 CONTRAST OF TABLE
VSX-49TX/KU/CA, VSA-AX10/HY and VSX-AX10/SDLBPW are constructed the same except for the following:
Part No.
Remarks
VSX-49TX VSA-AX10 VSX-AX10
/KU/CA /HY /SDLBPW
PCB ASSEMBLIES
NSP VR & MOTHER ASSY AWM7562 AWM7567 AWM7564
P7- 1 MOTHER ASSY AWX7890 AWX7895 AWX7892
NSP PS & SP ASSY AWK7712 AWK7717 AWM7714
P9- 2 SP (B) ASSY AWX7852 AWX7856 AWX7854
P9- 3 AC PRIMARY ASSY AWX7834 AWX7837 AWX7835
P9- 4 SP (A) ASSY AWX7848 AWX7850 AWX7850
P11- 6 POSISTER (L) ASSY AWX7844 AWX7845 AWX7845
P11- 7 POSISTER (R) ASSY AWX7846 AWX7847 AWX7847
VOLTAGE SEL ASSY Not used Not used AWX7842 No. 1
POSISTER(MT) ASSY Not used AWX8061 AWX8061 No. 2
NSP VIDEO ASSY AWQ7010 AWQ7012 AWQ7012
P9- 6 V-CONVERT ASSY AWX7952 AWX7951 AWX7951
P9- 7 COMPONENT ASSY AWX7953 AWX7955 AWX7955
P9- 9 COMPOSITE ASSY AWX7942 AWX7944 AWX7944
P9-10 A/V I/O ASSY AWX7938 AWX7940 AWX7940
NSP A/D & CONTROL ASSY AWM7558 AWM7560 AWM7659
P9-12 ANALOG IN & A/D ASSY AWX7878 AWX7880 AWX7873
P13- 1 DISPLAY ASSY AWX7864 AWX7866 AWX7866
P9- 1 FM/AM TUNER Module AXQ7237 Not used AXQ7238
PACKING SECTION
P3- 1 AC Power Cord ADG7061 ADG7062 ADG7065
P3- 2 FM Wire Antenna ADH7010 Not used ADH7010
P3- 3 AM Loop Antenna ATB7009 Not used ATB7009
P3- 4 Remote Control Unit AXD7295 AXD7296 AXD7298
P3- 7 Operating Instructions (English) ARB7249 AHA7252 AHA7251
Operating Instructions(German) Not used ARC7345 Not used No. 3
Operating Instructions(French) Not used ARC7346 Not used No. 4
Operating Instructions(Dutch) Not used ARC7348 Not used No. 5
Operating Instructions(Spanish) Not used Not used ARC7344 No. 6
Operating Instructions(Chinese) Not used Not used ARC7343 No. 7
P3- 9 NSP Warranty Card ARY1026 ARY7022 Not used
P3-14 Packing Case AHD8029 AHD8027 AHD8030
Caution 220V Label Not used Not used ARR1003 No. 8
AC Plug Adapter Not used Not used AKX7011 No. 9 Accessories
Ref.
No. Mark Symbol and Description

VSA-AX10, VSX-AX10
3
EXTERIOR SECTION
P5- 1 NSP Top Plate ANE7298 ANE7300 ANE7299
P5- 2 Side Alum AAH7081 AAH7080 AAH7093
P5- 6 NSP Energy Star Label AAX7876 Not used Not used
P5-12 Screw FBT40T080FZK RBA1099 RBA1099
P5-22 DTS License Label ARW7148 Not used Not used
P5-23 Screw BBZ30P080FCC IBZ30T080FCC IBZ30T080FCC
P5-24 65 Label ARW7050 Not used Not used
P5-25 Screw BBT30P100FCC ABA1050 ABA1050
P5-27 NSP FUSE Coution Label VRW-548 Not used Not used
Edge guard Not used Not used PEC1010 No.10
Side Alum Not used AAH7094 AAH7093 No.11
J4001 (2P) ADX7369 ADX7407 ADX7407 No.12
CN4005 Not used B2P-VH B2P-VH No.13
CHASSIS SECTION
P7-12 Power Transformer (T1) ATS7320 ATS7322 Not used
P7-12 Power Transformer Not used Not used ATS7323
(AC110V/120-127V/220V/240V)
P7-29 NSP Fan Holder ANG7373 ANG7371 ANG7371
P7-59 Fuse (FU4 : 4A/125V) VEK1023 REK1027 REK1027
(T3.15A/L250V) (T3.15A/L250V)
P7-60 Fuse (FU5-FU8 : 2A/125V) VEK1019 REK1025 REK1025
(T2.0A/L250V) (T2.0A/L250V)
P7-76 Fuse (FU9,FU10 : 1A/125V) VEK1014 REK1021 REK1021
(T800mA/250V) (T800mA/250V)
Fan Motor Not used AXM7018 AXM7018 No.14
REAR PANEL SECTION
P9-13 Rear Panel ANC8036 ANC8034 ANC8037
P9-20 Fuse (FU1) AEK-306 REK-108 AEK7071
(12A/125v) (T6.3A/L250v) (T10A/L250v)
P9-23 J22 FFC (13P) ADD7333 Not used ADD7333
P9-24 Speaker Sheet AAK7959 AAK7963 AAK7963
Fuse (FU2,FU3 : T6.3A/250V) Not used Not used REK-108 No.15
Voitage Selector Not used Not used AKX-507 No.16
HEAT SINK SECTION
P11- 8 Heat Sink L ANH7155 ANH7148 ANH7148
P11- 9 Heat Sink R ANH7156 ANH7162 ANH7162
FRONT PANEL SECTION
P13-11 Front Panel ANB7269 ANB7267 ANB7270
P13-12 Name Plate PAN1376 VAM1124 PAN1377
P13-13 Rotary Knob L AAA7018 AAA7017 AAA7016
P13-15 Rotary Knob S AAA7015 AAA7014 AAA7013
P13-17 Panel Base L AMB7788 AMB7787 AMB7786
P13-18 Panel Base R AMB7791 AMB7790 AMB7789
P13- 19 POWER Button AAD7440 AAD7645 AAD7485
P13-20 POWER Button M AAD7442 AAD7646 AAD7491
P13-26 Door Pane ANB7273 ANB7272 ANB7271
P13-27 Door Cushion AED7051 AED7050 AED9014
P13-28 Door Plate AAH7077 AAH7075 AAH7078
P13-29 FL Lens AAK7934 AAK7933 AAK7933
P13-30 Inner Panel AAH7087 AAH7085 AAH7088
P13-34 Panel Base C AMB7785 AMB7784 AMB7783
Part No.
Remarks
VSX-49TX VSA-AX10 VSX-AX10
/KU/CA /HY /SDLBPW
Ref.
No. Mark Symbol and Description

VSA-AX10, VSX-AX10
4
FRONT PANEL SECTION
Panel Spacer left S Not used AMR7408 AMR7415 No.17
Panel Spacer right S Not used AMR7409 AMR7416 No.18
Panel Spacer left L Not used AMR7411 AMR7417 No.19
Panel Spacer right L Not used AMR7412 AMR7418 No.20
REMOTE CONTROL SECTION
P161- 2 PCB ASSY AZC7299 AZC7299 AZC7300
P161-13 Seal A AZA7415 AZA7417 AZA7420
P161-14 Seal B AZA7416 AZA7418 AZA7420
P161-16 Case A AZN7783 AZN7885 AZN7795
P161-17 Name Plate AZA7406 AZA7407 AZA7409
P161-21 Case B AZN7784 102RRC24401R AZN7796
P161-23 Pen Holder AZN7786 AZN7798 AZN7798
P161-26 Battery Cover AZN7785 103RRC14701R AZN7797
P161-32 Slide Knob AZA7347 Not used AZA7365
P161-36 Key Top A AZA7345 302RRC09901R AZA7363
P161-37 Key Top B AZA7346 302RRC10001R AZA7364
P161-39 Rubber Sheet B AZA7349 Not used AZA7371
P161-40 Rubber Sheet C AZA7411 AZA7414 AZA7411
÷ PACKING SECTION
EXPLODED VIEWS
Packing Sheet
Top Pad
Top Pad
Bottom
Pad
Bottom
Pad
Polyethylene Bag
Polyethylene Bag
No. 8
Power Cord
No. 9
No.4
No.5
Microphone
Remote Control
VSA-AX10/HY Only
VSA-AX10/HY Only
No.6
No.7
No.3
No.12
VSA-AX10/SDLBPW Only
No.12
VSA-AX10/SDLBPW Only
VSX-AX10/SDLBPW Only
Notes : ÷The numbers in the remarks column correspond to the numbers on the “ EXPLODED VIEWS ”.
÷ For PCB ASSEMBLIES, Refer to “CONTRAST OF PCB ASSEMBLIES”, “2. PCB CONNECTION DIAGRAM” and “3. SCHE-
MATIC DIAGRAM”.
Part No.
Remarks
VSX-49TX VSA-AX10 VSX-AX10
/KU/CA /HY /SDLBPW
Ref.
No. Mark Symbol and Description

VSA-AX10, VSX-AX10
5
÷ EXTERIOR SECTIONS
ABA7076
D
E
E
C
B
IBP30P090FCC
Fan Holder
RBA1099
Wire Saddle
Side Frame L
Side Wall L
Trans Label
TRANS(A)Assy
TRANS(B)Assy
Power Transformer
DIODE Assy
Trans Stabilizer
Trans Frame
Wire Clip(A)
ABA1192
No.10
No.14
No. 2
No.15
No.13
No. 12
Rear Panel
AC Inlet Assy
SP(A)Assy
ABA1011
AC PRIMARY Assy
ABA1011
ABA1011
ABA1011
SP(B)Assy
Fuse(FU1)
AO
No.1
No. 11
RBA1099 Fuse Label
ABA1193
Cushion Circle
Speaker Sheet
No.16
Side Alum
Tape
IBZ30T080FCC
AP
Heat Sink R
DSP ASSY
LOCAL SUPPLY ASSY
VSX-AX10 / SDLBPW
ONLY

VSA-AX10, VSX-AX10
6
CONTRAST OF PCB ASSEMBLIES
FM/AM TUNER Module
AXQ7238 and AXQ7237 are constructed the same except for the following:
Mark Symbol and Description Part No. Remarks
AXQ7237 AXQ7238
C216, C217 CKSRYB153K50 CKSRYB123K50
AWX7940 and AWX7938 are constructed the same except for the following :
A/V I/O ASSY
F
B
Mark Symbol and Description Part No. Remarks
AWX7938 AWX7940
IC2051 UPC4570C Not used
IC2052 M62429FP Not used
Q2051 HN1C03F(AB) Not used
D2051 UDZS5.6B Not used
C2051,C2052,C2059,C2060 CEJQ1R0M50 Not used
C2053,C2054,C2063,C2064 CCSRCH101J50 Not used
C2061,C2065,C2066 CEJQ100M16 Not used
C2069 CKSRYB103K50 Not used
R2051,R2052, R9069 RS1/16S474J RS1/16S0R0J
R2053,R2054 RS1/16S221J Not used
R2055,R2056 RS1/16S474J Not used
R2057,R2058 RS1/16S220J Not used
R2061,R2062 RS1/16S472J Not used
R2063,R2064,R2069,R2070,R2073,R2074 RS1/16S103J Not used
R2065 RD1/2LMF561J Not used
R2067,R2068,R2071,R2072,R2075,R2076 RS1/16S102J Not used
JA2051 DKB1045 Not used
A
No.20
No.19
Panel Base L
Panel Base R
FRONT PANEL
No.18
No.17
÷ FRONT PANEL SECTIONS

VSA-AX10, VSX-AX10
7
AWX7944 and AWX7942 are constructed the same except for the following :
COMPOSITE ASSY
F
C
Mark Symbol and Description Part No. Remarks
AWX7942 AWX7944
IC2107 TC74HC4051AFT Not used
C2159,C2160,C2161 CKSRYB103K50 Not used
C2164 CCSRCH181J50 Not used
R2163,R2164,R2165 RS1/16S102J Not used
R2169 RS1/16S750J Not used
2105 2P PIN JACK AKB7076 Not used
JA2106 1P PIN JACK Not used AKB7142
COMPONENT ASSY
AWX7955 and AWX7953 are constructed the same except for the following:
Mark Symbol and Description Part No. Remarks
AWX7953 AWX7955
D2501 1SS355 Not used
R2572 RS1/16S102J Not used
J2504 AKN7014 Not used
F
AWX7952 and AWX7951 are constructed the same except for the following :
V-CONVERT ASSY
F
E
Mark Symbol and Description Part No. Remarks
AWX7952 AWX7951
IC2861 Not used TA8772AN
Q2855, Q2856 Not used 2SC4081(RS)
Q2857, Q2905 Not used UN5212
C2947, C2949, C2974 Not used CKSRYB103K50
C2950 Not used CEAT470M10
C2948, C2951- C2953, C2955, C2961- C2965 Not used CKSRYB104K16
C2980 Not used CKSRYB104K16
C2954 Not used CEAT100M50
C2956, C2957 Not used CKSRYB474K10
C2958- C2960 Not used CEAT1R0M50
C2975 Not used CEAT101M10
C2988 Not used CCSRCH100D50
L2855 LAU330J LAU270J
L2858 Not used LAU100J
R2868 RS1/16S911J RS1/16S821J
R2909 Not used RS1/16S103J
R2910- R2914, R2938, R2939 Not used RS1/16S102J
R2915 Not used RS1/16S362J
R2916, R2948 Not used RS1/16S473J
R2936, R2937 RS1/16S0R0J Not used
R2941, R2942 Not used RS1/16S153J
X2851 ASS1091 ASS1092

VSA-AX10, VSX-AX10
8
IC3901 BU4052BCF Not used Not used
D3901, D3902 UDZS6.2B Not used Not used
D3401 Not used RB501V-40 Not used
C3951, C3952 CEAT100M50 Not used Not used
C3953, C3954 CKSRYB473K50 Not used Not used
R3533, R3534 Not used RS1/16S105J Not used
R3543, R3544 Not used RS1/16S221J Not used
R3555, R3556 RS1/16S105J Not used Not used
R3951, R3952 RS1/16S472J Not used Not used
R3955- R3957 RS1/16S221 Not used Not used
R3958, R3959 RS1/16S0R0J Not used Not used
JA3502 2P PIN JACK Not used DKB1045 Not used
IC3061 TC74HC4053AFT Not used
Q3003 UN5212 Not used
Q3063 RN2903 Not used
D3029 SLI-343DUW(STU) Not used
D3062- D3064, D3066 1SS355 Not used
C3063 CKSRYB153K50 Not used
R3029 RS1/16S561J Not used
R3063 RS1/16S223J Not used
R3065, R3069 RS1/16S103J Not used
R3066 RS1/16S392J Not used
R3078 Not used RS1/16S0R0J
Mark Symbol and Description Part No.
AWX7864 AWX7866 Remarks
DISPLAY ASSY
AWX7866 and AWX7864 are constructed the same except for the following:
F
M
Q1105 Not used 2SC2412K(QR) 2SC2412K(QR)
Q1106 Not used DTA124EK DTA124EK
D1107 Not used UDZ2.7B UDZ2.7B
D1108 Not used 1SS355 1SS355
R1107 RS1/16S104J RS1/16S473J RS1/16S473J
R1118, R1119 RS1/16S0R0J Not used Not used
R1120 Not used RS1/16S0R0J RS1/16S0R0J
R1121 Not used RS1/16S183J RS1/16S183J
T1101 ATT7043 ATT7040 ATT7041
CN1106 Not used B02B-XASK-1 B02B-XASK-1
Mark Symbol and Description Part No.
AWX7834 AWX7837 AWX7835 Remarks
AC PRIMARY ASSY
AWX7837, AWX7835 and AWX7834 are constructed the same except for the following:
ABF
Mark Symbol and Description Part No.
AWX7880 AWX7873 Remarks
ANALOG IN&A/D ASSY
AWX7880, AWX7873 and AWX7878 are constructed the same except for the following:
AWX7878
F
L

VSA-AX10, VSX-AX10
9
Q5805 2SC5174P Not used 2SC5174P
Q5806 RN4903 Not used RN4903
Q5809 UN5112 Not used Not used
Q5811 Not used RN4903 RN4903
Q5812 Not used RN1903 RN1903
Q5813 Not used 2SC5174P 2SC5174P
Q5814 Not used 2SA1932P 2SA1932P
D5801 UDZ11B Not used UDZ11B
D5808 Not used UDZ36B UDZ36B
D5809, D5816 Not used UDZ12B UDZ12B
D5810, D5812 Not used 1SS355 1SS355
D5811 Not used UDZS5.1B UDZS5.1B
D5813, D5818 Not used UDZ15B UDZ15B
C5801, C5802 CEJQ1R0M50 Not used CEJQ1R0M50
C5818 CEJQ100M16 Not used CEJQ100M16
C5819 CEAT101M16 Not used CEAT101M16
C5820 CKSRYB104K16 Not used CKSRYB104K16
C5851, C5854 Not used CEAT100M50 CEAT100M50
C5852, C5853 Not used CKSRYB103K50 CKSRYB103K50
C5858 CKSRYB103K50 Not used Not used
L5802 ATL7002 Not used ATL7002
R5814-R5818, R5820, R5821 RS1/16S0R0J Not used RS1/16S0R0J
R5891, R5893- R5897 RS1/16S0R0J Not used Not used
R5829 RS1/16S222J Not used RS1/16S222J
R5830 RS1/16S473J Not used RS1/16S473J
R5842 Not used RS1/16S104J RS1/16S104J
R5843, R5844 Not used RS1/16S394J RS1/16S394J
R5845, R5848 Not used RS1/16S101J RS1/16S101J
R5846, R5849 Not used RS1/16S471J RS1/16S471J
R5854 Not used Not used RS1/16S103J
R5855 RS1/16S103J Not used Not used
R5857 Not used RS1/16S103J RS1/16S103J
R5862 RS1/16S102J Not used Not used
R5864 RS1/16S104J Not used Not used
R5819, R5899, R5935 RS1/16S101J Not used RS1/16S101J
R5932 RS1/16S154J Not used Not used
CN5802 52045-1345 Not used 52045-1345
CN5826 Not used KM250MA3 KM250MA3
Mark Symbol and Description Part No.
AWX7890 AWX7895 AWX7892 Remarks
MOTHER ASSY
AWX7895, AWX7892 and AWX7890 are constructed the same except for the following:
F
R

VSA-AX10, VSX-AX10
10
Q1002 DTC124EK Not used Not used
D1003, D1004 1SS355 Not used Not used
R1001, R1002 ACN7104 Not used Not used
R1003 RCN1080 Not used Not used
R1005, R1006 RS1/16S220J RS1/16S0R0J RS1/16S0R0J
R1108 Not used Not used RS1/16S473J
CN1004 1P AC OUTLET AKP1033 AKP1034 Not used
CN1003 RKP1834 AKP7006 Not used
CN1006 4P SPEAKER TERMINAL AKE7076 XKE3019 XKE3019
H1001, H1002 FUSE HOLDER AKR1007 Not used AKR1007
H1007, H1008 FUSE CLIP Not used AKR1004 Not used
H1003- H1006 FUSE CLIP Not used Not used AKR1004
RY1001 ASR7022 ASR7016 ASR7022
RY1002 ASR7016 Not used Not used
J1001 3P BOARD IN WIRE Not used Not used ADX7357
J1002 3P BOARD IN WIRE Not used Not used ADX7389
Mark Symbol and Description Part No.
AWX7852 AWX7856 AWX7854 Remarks
SP (B) ASSY
AWX7856, AWX7854 and AWX7852 are constructed the same except for the following:
AJF
TH1901 POSISTOR AEX7006 AEX7007
Mark Symbol and Description Part No.
AWX7844 AWX7845 Remarks
POSISTER (L) ASSY
AWX7845 and AWX7844 are constructed the same except for the following:
AG
TH1902 POSISTOR AEX7006 AEX7007
Mark Symbol and Description Part No.
AWX7846 AWX7847 Remarks
POSISTER (R) ASSY
AWX7847 and AWX7846 are constructed the same except for the following:
AH
AWX7850 and AWX7848 are constructed the same except for the following :
AP (A) ASSY
Mark Symbol and Description Part No. Remarks
AWX7848 AWX7850
R1213, R1214 Not used RS1LMF471J
CN1201 6P SPEAKER TERMINAL AKE7075 AKE7061
CN1202 8P SPEAKER TERMINAL AKE7074 AKE7059
AD

VSA-AX10, VSX-AX10
11
A
B
C
D
1234
1234
2. PCB CONNECTION DIAGRAM
2.1 VOLTAGE SEL. and POSISTER(MT) ASSYS
A P
VOLTAGE SEL ASSY
SWITCHES
S1401 VOLTAGE SELECTOR AKX1033
OTHERS
CN1905 2P CONNECTOR ASSY ADX7365
TH1903 POSISTOR AEX7006
PCB PARTS LIST
Mark No. Description Part No.
AO
VOLTAGE SEL. ASSY
SIDE A
(ANP7388-B) (ANP7388-B)
SIDE B
AJ
AO
J1001
8061
POSISTER(MT) ASSY
SIDE A
(ANP7388-B) (ANP7388-B)
SIDE B
AB
AP
CN1106
AO
AP
POSISTER(MT) ASSY

VSA-AX10, VSX-AX10
12
SP (B) ASSY
AD
AB
AB
AJ
(ANP7388-A)
CN1102
CN1101
AC IN
AC OUTLET
POWER TRANSFORMER
CN1206
Line Voltage can be changed by the following modification:
1. Disconnect the AC power cord.
2. Remove the cover.
3. Change the connection wire from SP (B)ASSY
(W122,W123 and W137,W138) to POWER TRANSFORMER
as follows.
Voltage Jumper No. of SP(B) ASSY
230V W122,W123 Elimination
240V W137,W138 Addition
4. Stick a line voltage label on the rear panel.
Description Part No.
220V label AAX-193
240V label AAX-192
Line Voltage Selection
A J

VSA-AX10, VSX-AX10
13
A
B
C
D
1234
1234
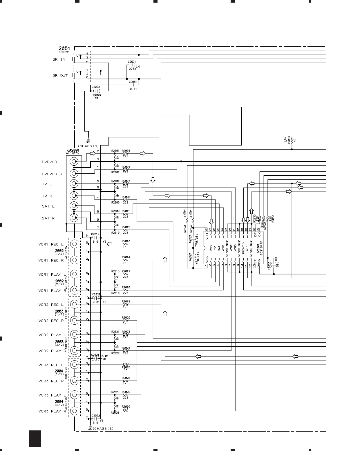
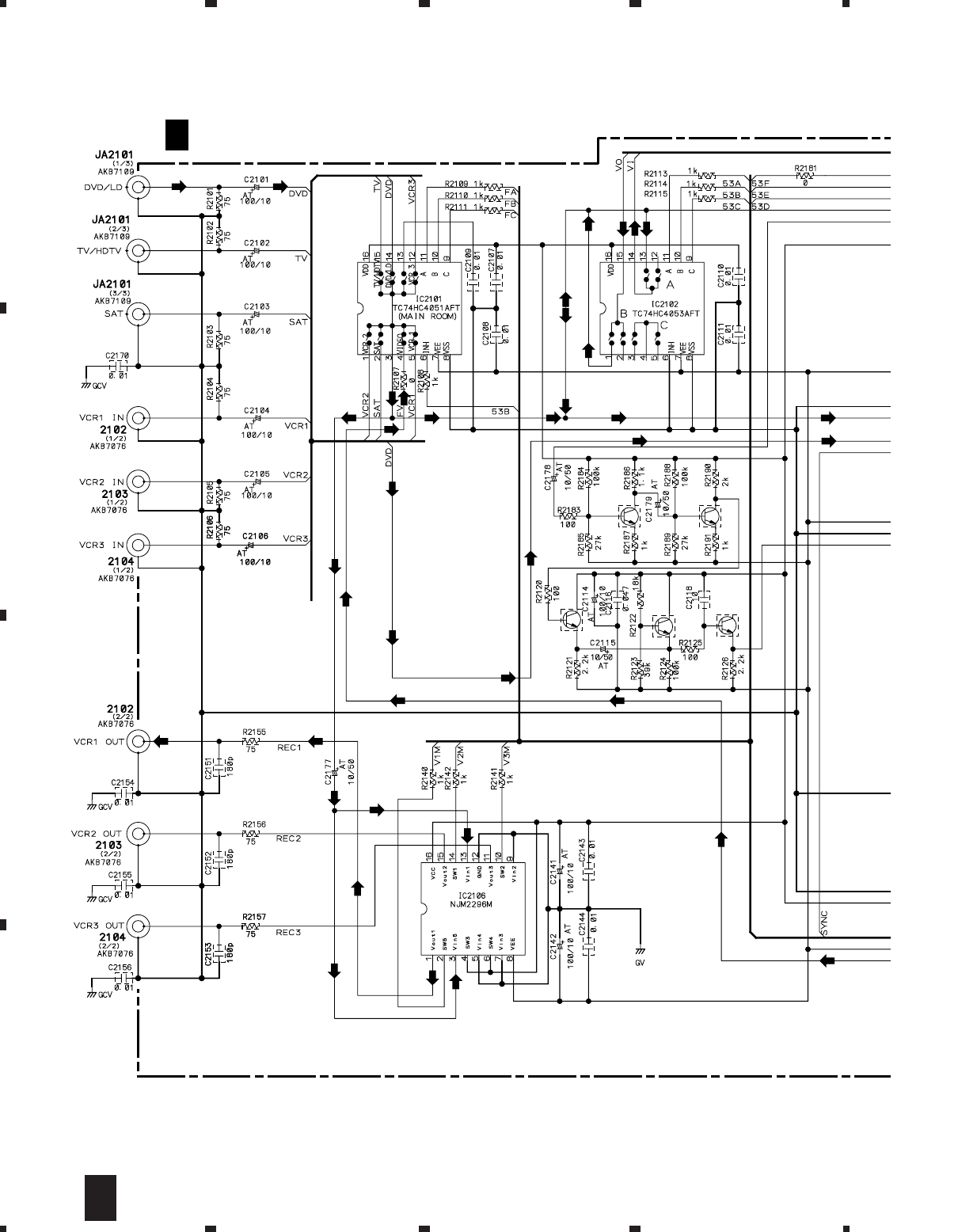
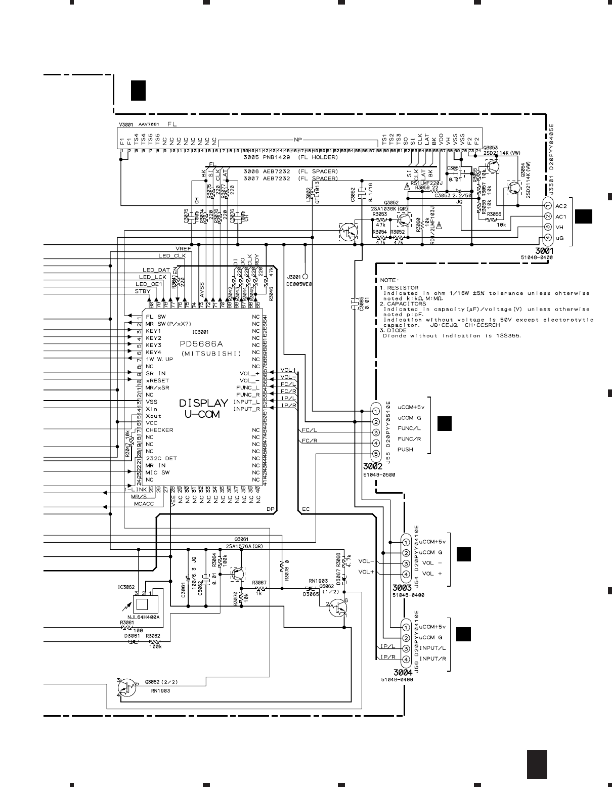
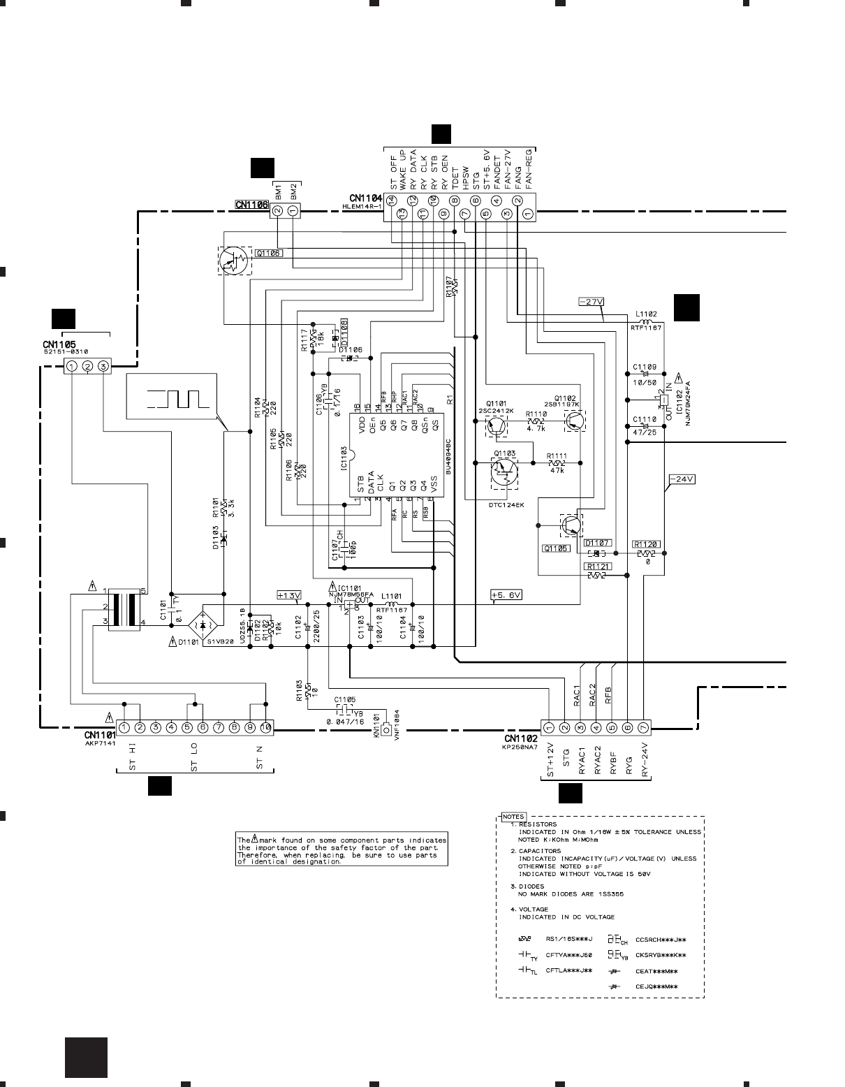
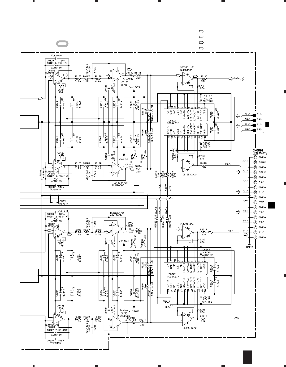
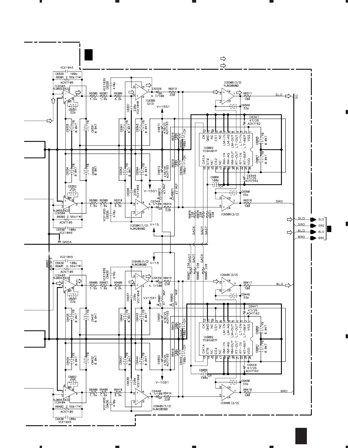
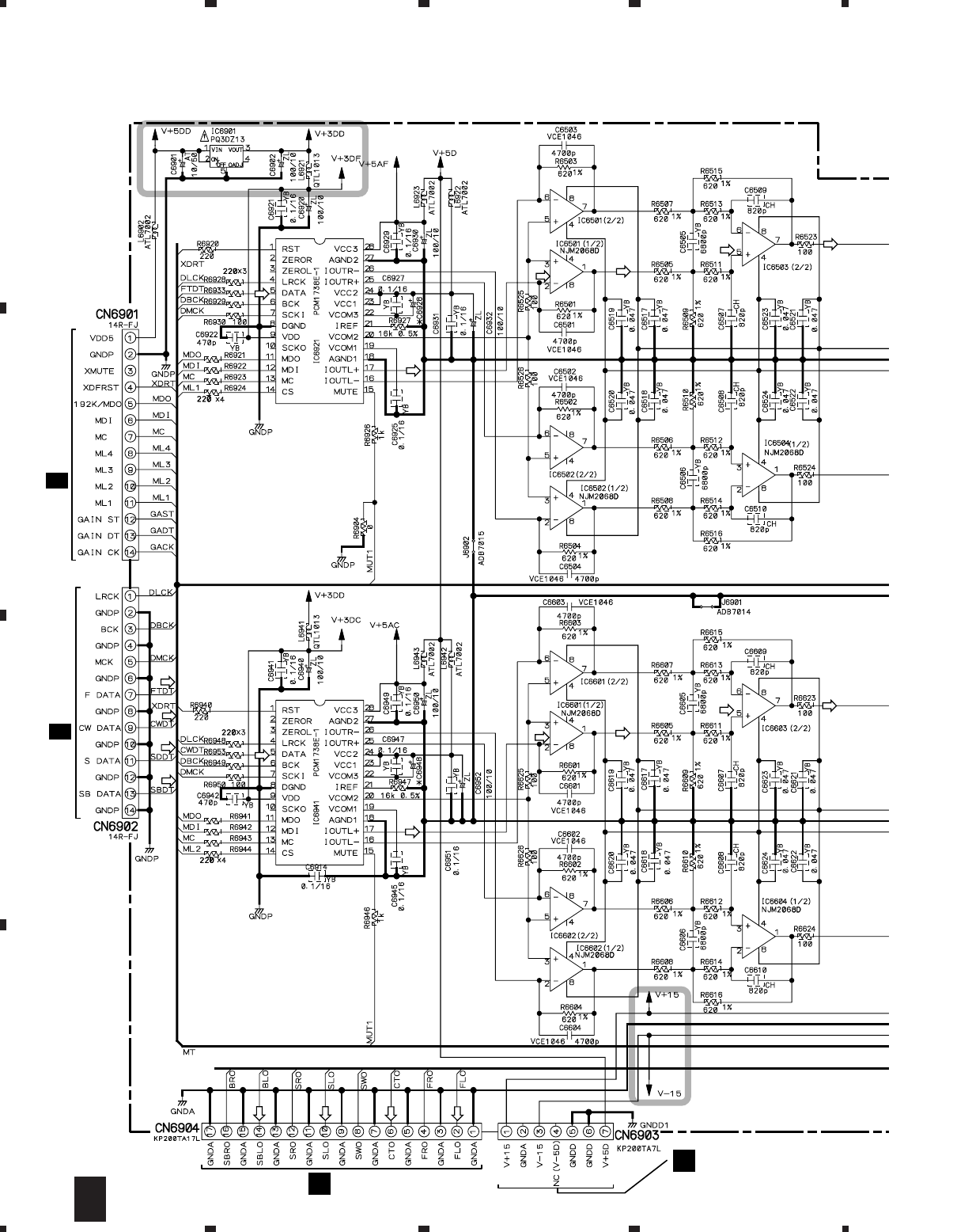
3. SCHEMATIC DIAGRAM
N
E
STANDBY
ASSY
(AWX7901)
INPUT SEL
ASSY
(AWX7868)
FL SUPPLY
ASSY
(AWX7871)
FUSE ASSY
(AWX7843)
TRANS (B) ASSY
( AWX8057 )
AF AE
AL
AK
AN
TRANS (A) ASSY
(AWX7838)
PRIMARY
(/SDLBPW Only)
SP (A) ASSY
(AWX7850)
V-CONVERT
ASSY
( AWX7951 )
RMOTHER ASSY
(AWX7895/HY)
(AWX7892/SD)
MDISPLAY ASSY
( AWX7866 )
DIODE
ASSY
(AWX7841)
AM
AD
AP
AO
SP (B) ASSY
(AWX7856/HY)
(AWX7854/SD)
AJ
AC PRIMARY
ASSY
(AWX7837/HY)
(AWX7835/SD)
AB
POWER SW
ASSY
(AWX7840)
AC
POWER TRANSFORMER
(ATS7322/HY)
(ATS7323/SD)
FU1 : REK-108
(T6.3A/L250V/HY)
AEK7071
(T10A/L250V/SD)
FU2, FU3 : REK-108
(T6.3A/L250V
/SDLBPW Only)
AC INLET ASSY
: ADX7395
CN1007
J1206
C1
ACH7164
Fan Motor
C2
ACH7164
ADX7363
ADX7383(2/2)
ADX7383(1/2)
ADX7384(1/2)
ADX7384
ADX7380
ADX7379
ADD7334
ADX7364
ADX7357
ADX7362
CN5826
ADX7368
ADX7368
ADX7359
ADX7370
AXM7012
ADX7371
ADX7366
(GLY)(GLY)
(BLK)
(BLK)
J1201
J1207
J1208
J1501
ADX7361
ADX7360
ADX7385
ADX7385
J1601
J1801 ADX7377
J3301
J3304
ADD7331
4
10
9
8
7
6
5
ORG : LIVE
WHT : NEUTRAL
3.1 OVERALL WIRING DIAGRAM

VSA-AX10, VSX-AX10
15
A
B
C
D
5678
5678
F
B
A/V I/O ASSY
(AWX7940)
CN5821
CN5820
A/V MR Function
Selector
F
B
: AUDIO SIGNAL ROUTE (DVD)
(DVD)
: AUDIO SIGNAL ROUTE (REC)
(REC)
: AUDIO SIGNAL ROUTE (MIC)
(MIC)
: AUDIO SIGNAL ROUTE (F)
(F)
: AUDIO SIGNAL ROUTE (FV)
(FV)
(MIC)
(MIC)
(FV)
(FV)(FV)(FV)
(REC)
(REC)(REC)
(REC)
(REC)
(REC)
(REC)
(MIC)(MIC)(MIC)
(F) (F)
(F) (F)
(REC)
(F)
RF
RF

VSA-AX10, VSX-AX10
17
A
B
C
D
5678
5678
F
C
Q2105
2SC4081
Q2104
UN5212
Q2108
2SC4081
CN3301
G
CN5822
6dB AMP.
Port Expander
Port Expander
OSD
OSD
Input-Selector
JA2106
RF
: VIDEO SIGNAL ROUTE
: VIDEO SIGNAL ROUTE (OSD)
(OSD)
: VIDEO SIGNAL ROUTE (DVD)
(DVD)
(OSD)
(OSD)
(OSD)
(OSD)
(OSD)
(OSD)
(OSD)
(OSD)
: The power supply is shown with the marked box.
AKB7142

VSA-AX10, VSX-AX10
18
A
B
C
D
1234
1234
F
E
3.4 V-CONVERT ASSY
2SC4081
Q2855 Q2856
Q2905
Q2957
UN5212
UN5212
Q2851
2SA1576A
Q2852
2SA1576A
Q2853
2SC4081
Q2854
2SC4081
Q2904
2SC4081
CN3304
G
Clock Gen. Y/C Sep.
0dB Buffer
0dB Buffer
CHROMA Decoder
2SC4081
(Y)
(C)
(OSD)
(Y)
(C)
(C)
(C)
(CY)
(Y)
(Y)
(C)
(C)
(CY)
(Y)
(Y)
(C)
(Cr)
(Cb)
(CY)
(C)
(Cr)
(Cr)
(Cb)
(Cb)
(Y) (Y)
(Y)

VSA-AX10, VSX-AX10
19
A
B
C
D
5678
5678
F
E
Q2901
2SC4081
Q2902
2SA1576A
V-CONVERT ASSY (AWX7951)
CN5825
Y 0dB Buffer Y Invert Buffer
C 0dB Buffer
OSD SW (C)
OSD SW (Y)
Y/C MIX
Port
Expander
LPF (CHROMA)
0dB Buffer
0dB Buffer
0dB Buffer
+9V
F
E
: C SIGNAL ROUTE
: VIDEO SIGNAL ROUTE (OSD)
(OSD)
: Y SIGNAL ROUTE
(Y)
: VIDEO SIGNAL ROUTE
(C)
: Cb SIGNAL ROUTE (COMPONENT)
: Y SIGNAL ROUTE (COMPONENT)
(CY)
(Cb)
: Cr SIGNAL ROUTE (COMPONENT)
(Cr)
(C)
(CY)
(CY)
(CY)
(Cb)
(Cb)
(Cb)
(Cr)
(Cr)
(CY)
(CY)
(C) (C)
(Y) (Y)
(Y) (Y) (Y) (Y)
(C)
(C)
(C)
(C)
(C)
(C)
(OSD)
(OSD)(OSD)
(OSD)
(Y) (Y)
(Y)
(Y)
(Y)
(Y)
(Y)
(Y)
(Y) (Y)
(C)
(CY)
(Cb)
(Cr)
(C)
(C)
(C)
: The power supply is shown with the marked box.
RF

VSA-AX10, VSX-AX10
20
A
B
C
D
1234
1234
1/3F
L
3.5 ANALOG IN & A/D ASSY (1/3)
VSA-AX10 Only
R3555
VSX-AX10 Only
R3556
VSX-AX10 Only
ANALOG IN & A/D ASSY (VSA-AX10 : AWX7880)
(VSX-AX10 : AWX7873)
2/3
L
Audio Function
Selector
AX10, ACH7163 AX10, ACH7163
1/3 F
L
RB501V-40
VSA-AX10/HY
ONLY
(TX)
(TX)
(TX)
(PH)
(CD)
(F)
(F)
(F)
(F)
(F)
(F)
(F)
(F)
(F)
(S)
(S)
(S)
(S)
(S)
(S)
(CD) (F)(F)
(F)
(F)(F)
(C) (C)
(CD)
(REC)
(REC)
(REC)(REC)
(PH)
(PH)
(PH)
(PH)
(PH)
(TX)
TUNER

VSA-AX10, VSX-AX10
21
A
B
C
D
5678
5678
1/3F
L
CN5814
CN5815
3/3
L
2/3
L
A/D Mode
Selector
AX10, ACH7163 AX10, ACH7163
: AUDIO SIGNAL ROUTE (PHONE)
(PH)
: AUDIO SIGNAL ROUTE (CD)
(CD)
: AUDIO SIGNAL ROUTE (TUNER)
(TX)
: AUDIO SIGNAL ROUTE (FL)
(FL)
: AUDIO SIGNAL ROUTE (C)
(C)
: AUDIO SIGNAL ROUTE (SL)
(S)
: AUDIO SIGNAL ROUTE (SBL)
(SB)
: AUDIO SIGNAL ROUTE (REC)
(REC)
(TX)
(TX)(TX)
(F)
(F)
(F) (F)
(F)
(F)
(F)(F)
(F)(F)
(C)
(S) (S)
(C)
(C)
(C)
(SB) (SB)
(SB)
(SB) (C) (SB)
(C)
(F)
(F)(F)(F)
(F)
(SB)
(F)
(F)
(SB) (SB)
(SB)
(S) (S)
(F)
(S)
(F)
(F)
(C)
(TX)
RF
RF

VSA-AX10, VSX-AX10
22
A
B
C
D
1234
1234
F
M
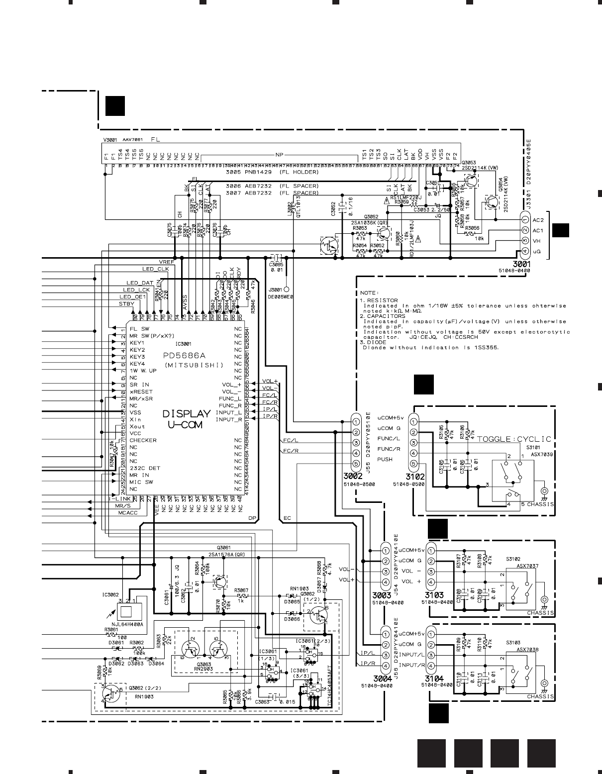
3.6 DISPLAY ASSY
Q3001
UN5212
DISPLAY ASSY
Switches
S3081 : ACOUSTIC CAL.
S3082 : MIDNIGHT
S3083 : LOUDNESS
S3084 : SIGNAL SELECT
S3085 : SP SYSTEM A/B
S3086 : TONE
S3087 : BASS/TREBLE
S3088 : TONE -
S3089 : MULTI CH INPUT
S3090 : TAPE2 MONITOR
S3091 : VIDEO SELECT
S3092 : TONE +
S3093 : DIGITAL NR
S3094 : INPUTATT
S3095 : SELECT
S3096 : –
S3097 : +
S3098 : LISTENING CH SELECT
EFECT
/CH LEVEL
CN1903
AF
CN5807
LED Driver
RF

VSA-AX10, VSX-AX10
24
A
B
C
D
1234
1234
3.7 MOTHER ASSY
To Fan Motor
Q5813
2SC5174P
Q5814 2SA1932P
Q5808
UN5112
MOTHER ASSY
(VSA-AX10 : AWX7895)
(VSX-AX10 : AWX7892)
CN2851
CN3201
ICN3207
HCN3001
CN2301
D
CN2501
F
CN1104
AB
CN4003
AA
CN4004
AA
EEP
ROM
Reset
IC
26.4V
-26.4V
15V
15V
-15V
-15V
Q5805
2SC5174P
CN2705
A
10V
1µ
RDAT
VSX-AX10
/SDLBPW
ONLY
VSX-AX10
/SDLBPW
ONLY
VSX-AX10
/SDLBPW
ONLY
VSX-AX10
/SDLBPW
ONLY
F
R
F
EF
(Y)
(C)
(Y)
(C)
(D)
(D)
(D)
(FV)
(MIC)
(TX)
MF
F
R

VSA-AX10, VSX-AX10
25
A
B
C
D
5678
5678
Q5817
UN5212
Q5818
UN5112
Q5807
UN5212
UN511L
Q5810
CN2101
CN2001
CN2002
CN5002
Q1/3
CN5001
Q1/3
CN5003
Q1/3
CN3403
L2/3
CN3402
L1/3
CN3401
L1/3
CN703
S1/5
CN702
S1/5
CN701
S1/5
CN6004
U1/2
CN6003
U1/2
VSA-AX10
ONLY
Mute
Control
3V → 5V
Converter
Buffer
FF
CF
BF
BF
: AUDIO SIGNAL ROUTE (REC)
(REC)
: AUDIO SIGNAL ROUTE (DIGITAL)
(D)
: AUDIO SIGNAL ROUTE (MIC)
(MIC)
: AUDIO SIGNAL ROUTE (F)
(F)
: AUDIO SIGNAL ROUTE (FV)
(FV)
: AUDIO SIGNAL ROUTE (C)
(C)
: AUDIO SIGNAL ROUTE (S)
(S)
: AUDIO SIGNAL ROUTE (SB)
(SB)
: AUDIO SIGNAL ROUTE (TUNER)
(TX)
: C SIGNAL ROUTE
: VIDEO SIGNAL ROUTE
: Y SIGNAL ROUTE
(Y)
(C)
(MIC)
(REC)
(FV)
(TX)
(F)
(F)
(SB)
(SB)
(SB)
(C)
(F)
(F)
(F) (F)
(F)
(C)
(C)
(C)
(S)
(S)
(SB)
(SB)
(C)
(C)
(S)
(S)
(S)
(SB)
(F)
(C)
(S)
(SB)
(SB)
(C)
(D)
: The power supply is shown with the marked box.
F
R

VSA-AX10, VSX-AX10
27
A
B
C
D
5678
5678
AD
AD
SP (A) ASSY
(AWX7850)
J4801
V
J4802
X
CN1007
AJ
CN3203
K
Speaker Relay
AKE7061
AKE7059
F
: AUDIO SIGNAL ROUTE (C)
(C)
: AUDIO SIGNAL ROUTE (S)
: AUDIO SIGNAL ROUTE (SB)
(S)
(SB)
: AUDIO SIGNAL ROUTE (F)
(F)
: AUDIO SIGNAL ROUTE
(C)
(S)
(SB)
(F)
(F)
(C) (C)
(S)
(SB)
(SB)
(S)
(F)
(F)(F)
(F)
(F) (F)
470 1W F
470 1W F

VSA-AX10, VSX-AX10
28
A
B
C
D
1234
1234
3.9 POSISTER (MT), SP (B), DIODE, TRANS (A), TRANS (B), FUSE and
VOLTAGE SEL. ASSYS
ADX7357
FU2, FU3
SD : REK-108(T6.3A/250V)
CN1004
AKP1034
VOLTAGE SEL.
ASSY(AWX7842)
AO
TRANS (A) ASSY
(AWX7838)
AM
TRANS (B) ASSY
(AWX8057)
AN
SP (B) ASSY
(VSA-AX10/HY:AWX7856)
(VSX-AX10/SD:AWX7854)
AJ
POSISTER
(MT) ASSY
(AWX8061)
AP
CN1106
CN4002
AA
J1503,J1504
AK
AB
CN1101
AC OUTLET
INLET ASSY
AB
5.9V AC
T1
POWER
TRANSFORMER
(ATS7322)
VKP2251
FU1
/SD : AEK7071(10A/250V)
FU1
/HY : REK-108(T6.3A/250V)
FU10 : REK1021
(800mA/250V)
VSX-AX10 /SDLBPW
ONLY
VSX-AX10/SDLBPW
ONLY
VSA-AX10/HY
ONLY
VSA-AX10/HY
ONLY
VSA-AX10/HY
ONLY
FU9 : REK1021
(800mA/250V)
H1703
H1701–H1704 : AKR1004
H1704
H1702H1701
ADX7389
AKX1033
FU3
FU2
F
VSA-AX10/HY : ASR7016
VSX-AX10/SD : ASR7022
F
F
AM AN AO AP
F
AJ

VSA-AX10, VSX-AX10
29
A
B
C
D
5678
5678
AL
F
AJ
FUSE ASSY
(AWX7843)
AL
CN4001
AA
CN1102
AB
J1206
AD
CN1901
AE
• NOTE FOR FUSE REPLACEMENT
FOR CONTINUED PROTECTION AGAINST RISK OF FIRE.
REPLACE WITH SAME TYPE AND RATINGS ONLY.
CAUTION -
AC Relay
Speaker Relay
XKE3019
AKC7002
FU4
FU5
FU6
FU7
FU8
VEK1027
FU5-FU8 :
VEK1025
(T3.15A/250V)
(T2.0A/250V)
(T2.0A/250V)
(T2.0A/250V)
(T2.0A/250V)
VSA-AX10 : ASR7016
VSX-AX10 : ASR7022
F

VSA-AX10, VSX-AX10
30
4. REMOTE CONTROL UNIT [AXD7296&AXD7298]
4.1 CONTRAST OF MISCELLANEOUS PARTS
NOTES : ÷Parts marked by “ NSP ” are generally unavailable because they are not in our Master Spare Parts List.
÷The mark found on some component parts indicates the importance of the safety factor of the part.
Therefore, when replacing, be sure to use parts of identical designation.
÷Screw adjacent to
∞
mark on the product are used for disassembly.
÷Reference Nos. indicate the pages and Nos. in the service manual for the base model.
Part No. Remarks
AXD7295 AXD7296 AXD7298
7 CONTRAST TABLE
AXD7295, AXD7296 and AXD7298 are constructed the same except for the following:
P161- 2 PCB Assy AZC7299 AZC7299 AZC7300
P161-13 Seal A AZA7415 AZA7417 AZA7421
P161-14 Seal B AZA7416 AZA7418 AZA7420
P161-16 Case A AZN7783 AZN7885 AZN7795
P161-17 Name Plate AZA7406 AZA7407 AZA7409
P161-21 Case B AZN7784 102RRC24401R AZN7796
P161-23 Pen Holder AZN7786 AZN7798 AZN7798
P161-26 Battery Cover AZN7785 103RRC14701R AZN7797
P161-32 Slide Knob AZA7347 Not used Not used
P161-36 Key Top A AZA7345 302RRC09901R AZA7363
P161-37 Key Top B AZA7346 302RRC10001R AZA7364
P161-39 Rubber Sheet B AZA7349 Not used AZA7371
P161-40 Rubber Sheet C AZA7411 AZA7414 AZA7411
Ref.
No. Mark Symbol and Description

ORDER NO.
PIONEER ELECTRONIC CORPORATION 4-1, Meguro 1-chome, Meguro-ku, Tokyo 153-8654, Japan
PIONEER ELECTRONICS (USA) INC. P.O. Box 1760, Long Beach, CA 90801-1760, U.S.A.
PIONEER EUROPE NV Haven 1087, Keetberglaan 1, 9120 Melsele, Belgium
PIONEER ELECTRONICS ASIACENTRE PTE. LTD. 253 Alexandra Road, #04-01, Singapore 159936
PIONEER ELECTRONIC CORPORATION 2001
c
VSX-49TX
RRV2523
1. SAFETY INFORMATION...................................... 2
2. EXPLODED VIEWS AND PARTS LIST ............... 3
3. BLOCK DIAGRAM AND SCHEMATIC DIAGRAM ... 14
4. PCB CONNECTION DIAGRAM ......................... 82
5. PCB PARTS LIST ............................................. 122
6. ADJUSTMENT .................................................. 140
CONTENTS
7. GENERAL INFORMATION .............................. 141
7.1 DIAGNOSIS ................................................ 141
7.1.1 TEST MODE ......................................... 141
7.1.2 Protection Circuit Control ..................... 142
7.1.3 DISASSEMBLY .................................... 145
7.2 PARTS ........................................................ 149
7.2.1 IC .......................................................... 149
7.2.2 DISPLAY............................................... 158
7.3 REMOTE CONTROL UNIT ........................ 160
8. PANEL FACILITIES AND SPECIFICATIONS..... 171
T – ZZR OCT. 2001 Printed in Japan
VSX-47TX
AUDIO/VIDEO MULTI-CHANNEL RECEIVER
Type Model Power Requirement Remarks
VSX-49TX VSX-47TX
KU/CA AC120V
THIS MANUAL IS APPLICABLE TO THE FOLLOWING MODEL(S) AND TYPE(S).
STANDBY/ON
OFF ON
STANDBY
DVD/LD TV/DVD SAT VIDEO
VIDEO AUDIO
VCR VCR2 VCR3 CD TUNER PHONO
MAC3
CD-R/
TAPE1/MD MULTI CH
INPUT
LISTENING MODE SELECTOR
MASTER VOLUME
INPUT SELECTOR
VSX-49TX
AUDIO/VIDEO MULTI-CHANNEL AMPLIFIER
DOWN UP

2
VSX-49TX, VSX-47TX
1. SAFETY INFORMATION
This service manual is intended for qualified service technicians ; it is not meant for the casual do-it-
yourselfer. Qualified technicians have the necessary test equipment and tools, and have been trained
to properly and safely repair complex products such as those covered by this manual.
Improperly performed repairs can adversely affect the safety and reliability of the product and may
void the warranty. If you are not qualified to perform the repair of this product properly and safely, you
should not risk trying to do so and refer the repair to a qualified service technician.
WARNING
This product contains lead in solder and certain electrical parts contain chemicals which are known to the state of California to cause
cancer, birth defects or other reproductive harm. Health & Safety Code Section 25249.6 – Proposition 65
NOTICE
(FOR CANADIAN MODEL ONLY)
Fuse symbols (fast operating fuse) and/or (slow operating fuse) on PCB indicate that replacement parts must
be of identical designation.
REMARQUE
(POUR MODÈLE CANADIEN SEULEMENT)
Les symboles de fusible (fusible de type rapide) et/ou (fusible de type lent) sur CCI indiquent que les pièces
de remplacement doivent avoir la même désignation.
ANY MEASUREMENTS NOT WITHIN THE LIMITS
OUTLINED ABOVE ARE INDICATIVE OF A POTENTIAL
SHOCK HAZARD AND MUST BE CORRECTED BEFORE
RETURNING THE APPLIANCE TO THE CUSTOMER.
2. PRODUCT SAFETY NOTICE
Many electrical and mechanical parts in the appliance
have special safety related characteristics. These are
often not evident from visual inspection nor the protection
afforded by them necessarily can be obtained by using
replacement components rated for voltage, wattage, etc.
Replacement parts which have these special safety
characteristics are identified in this Service Manual.
Electrical components having such features are identified
by marking with a on the schematics and on the parts list
in this Service Manual.
The use of a substitute replacement component which does
not have the same safety characteristics as the PIONEER
recommended replacement one, shown in the parts list in
this Service Manual, may create shock, fire, or other hazards.
Product Safety is continuously under review and new
instructions are issued from time to time. For the latest
information, always consult the current PIONEER Service
Manual. A subscription to, or additional copies of, PIONEER
Service Manual may be obtained at a nominal charge from
PIONEER.
1. SAFETY PRECAUTIONS
The following check should be performed for the
continued protection of the customer and service
technician.
LEAKAGE CURRENT CHECK
Measure leakage current to a known earth ground (water
pipe, conduit, etc.) by connecting a leakage current tester
such as Simpson Model 229-2 or equivalent between the
earth ground and all exposed metal parts of the appliance
(input/output terminals, screwheads, metal overlays, control
shaft, etc.). Plug the AC line cord of the appliance directly
into a 120V AC 60Hz outlet and turn the AC power switch
on. Any current measured must not exceed 0.5mA.
(FOR USA MODEL ONLY)
Leakage
current
tester
Reading should
not be above
0.5mA
Device
under
test
Test all
exposed metal
surfaces
Also test with
plug reversed
(Using AC adapter
plug as required)
Earth
ground
AC Leakage Test

VSX-49TX, VSX-47TX
3
2.1 PACKING
1 Power Cord ADG7052
2 FM Wire Antenna ADH7010
3 AM Loop Antenna ATB7009
4 Remote Control Unit AX10KU See Contrast table (2)
5 Remote Control Unit 47TXKU See Contrast table (2)
6 Alkaline Dry Cell Battery VEM1021(2pcs.)
(LR6, AA)
7 Operating Instructions (English) See Contrast table (2)
8 Caution Sheet SP, E ARM7056
NSP 9 Warranty Card EL ARY1026
10 Cushion for Remote See Contrast table (2)
11 Top Pad AHA7362
12 Bottom Pad AHA7363
13 Spacer AHB7057
14 Packing Case See Contrast table (2)
15 Packing Sheet DHL1022
NSP 16 Polyethylene Bag Z21-038
(0.03 × 230 × 340)
17 Remote Control Cable See Contrast table (2)
18 Remote Control Stand See Contrast table (2)
19 Handle Cover AHX7034
20 Microphone See Contrast table (2)
(1) PACKING PARTS LIST
Mark No. Description Part No.
2. EXPLODED VIEWS AND PARTS LIST
NOTES: • Parts marked by "NSP" are generally unavailable because they are not in our Master Spare Parts List.
• The mark found on some component parts indicates the importance of the safety factor of the part.
Therefore, when replacing, be sure to use parts of identical designation.
• Screws adjacent to mark on the product are used for disassembly.
(2) CONTRAST TABLE
VSX-49TX/KU/CA and VSX-47TX/KU/CA constructed the same except for the following :
Mark No. Symbol and Description Part No. Remarks
VSX-49TX/KU/CA VSX-47TX/KU/CA
4
5
7
10
14
17
18
20
Remote Control Unit AX10KU
Remote Control Unit 47TX/KU
Operating Instruction (English)
Cushion for Remote
Packing Case
Remote Control Cable
Remote Control Stand
Microphone
AXD7295
Not used
ARB7249
AXG7080
AHD8029
Not used
Not used
APM7001
Not used
AXD7299
ARB7250
Not used
AHD8028
ADE7083
AEB7243
Not used
4
16
15
9
8
10
7
11
(1/2)
13
14
13
11
(2/2)
12
(1/2)
VSX-49TX
Only
VSX-49TX
Only VSX-47TX
Only
VSX-47TX Only
2
3
6
12
(2/2)
17 18
5
20
19
19
1

VSX-49TX, VSX-47TX
4
2.2 EXTERIOR SECTION
A
A
B
C
D
DB
C
11
1
12
12
12
22 21
4
23
2
(Shows VSX-49TX)
2
(Shows VSX-49TX)
12
20
13 14
16
425
18
6
7
8
17
19 19 17
5
19 10
9
17
9
10
17 18
19
Refer to "2.5 HEAT SINK SECTION."
Refer to "2.6 FRONT PANEL
SECTION."
VSX-49TX ONLY
19
12
4
3
13
14
15
13
25
3
24
20
26
27
4
Refer to "2.3 CHASSIS SECTION."
28
29

VSX-49TX, VSX-47TX
5
NSP 1 Top Plate BK ANE7282
2 Side Alum BK See Contrast table (2)
2 Side Plate BK See Contrast table (2)
NSP 3 Side Panel Sheet See Contrast table (2)
NSP 3 Side Panel Sheet S See Contrast table (2)
NSP 4 Tape See Contrast table (2)
5 UL Caution Card AAX-313
NSP 6 Energy Star Label AAX7876
NSP 7 Bottom Plate B See Contrast table (2)
NSP 8 Bottom Plate A ANF7029
9 Insulator Assy See Contrast table (2)
9 Insulator See Contrast table (2)
10 Screw ABA1054
11 Screw BBT30P060FCC
12 Screw FBT40P080FZK
13 Screw ABA7079
14 Screw RBA1099
15 Screw VBA1056
16 Screw ABA1011
17 Screw ABA1050
18 Screw ABA1193
19 Screw IBZ30P090FCC
20 Washer See Contrast table (2)
21 Coution Label See Contrast table (2)
22 DTS License Label See Contrast table (2)
23 Screw BBZ30P080FCC
24 65 Label ARW7050
25 Screw BBT30P100FCC
26 ICP Coution Label ARW7151
27 FUSE Coution Label VRW-548
28 ICP Coution Label ARW7150
29 Binder ZCA-BK1
(1) EXTERIOR SECTION PARTS LIST
Mark No. Description Part No.
(2) CONTRAST TABLE
VSX-49TX/KU/CA and VSX-47TX/KU/CA are constructed the same except for the following :
Mark No. Symbol and Description Part No. Remarks
VSX-49TX/KU/CA VSX-47TX/KU/CA
NSP
NSP
NSP
NSP
2
2
3
3
4
7
9
9
20
21
22
Side Alum BK
Side Plate BK
Side Panel Sheet
Side panel Sheet S
Tape
Bottom Plate B
Insulator Assy
Insulator
Washer
Caution Label
DTS License Label
AAH7081
Not used
AMR7284
Not used
PNM1249
ANF7030
VXA2368
Not used
Not used
ARW7036
ARW7148
Not used
ANE7279
Not used
AMR7384
Not used
Not used
Not used
PNW2766
ABE7008
Not used
Not used

VSX-49TX, VSX-47TX
6
2.3 CHASSIS SECTION
D
E
E
D
C
B
F
F
C
E
E
B
A
A
11
VSX-49TX ONLY
10 70
70
9
43
43
38
39
27
43
46
46
31
29
57
46 30
30
58
45
33
43
53
67
41
41
43
43
24
33
45
55
68
68
68
65
65
75
18
43
43
6
55
32
55
55
28
45
25
24
24
22
23
48
57
5
59
60
25
43
43
43
43
43
48 49
48
50
17
47
14
15
14
47
16
49
49
50
50 50 50 48
17
43 18
43
43
46
Refer to "2.4 REAR PANEL SECTION".
46
43
45
45
43
43
43
43
61
62
66
43
42
40
53
44
1
43
44
52
51
3
4
64
12
52
13
20
2
21
19
45
53
46
26 45
27
43
7
54
35 36
50
37
56
65
63
5637
50
43
36
46
46
35
54
34
8
68
T
S
R
U
H
AA
AI
AL
AK
AM
AN
72
73
76
71
74

VSX-49TX, VSX-47TX
7
1 MOTHER Assy See Contrast tabel (2)
2 DIODE Assy AWX7841
3 TRANS (A) Assy AWX7838
4 TRANS (B) Assy AWX8057
5 FUSE Assy AWX7843
6 MIC AMP Assy AWX7872
7 DSP DIODE Assy AWX7958
8 LOCAL SUPPLY Assy AWX7887
9 DAC10 Assy See Contrast table (2)
9 DAC8 Assy See Contrast table (2)
10 DSP Assy See Contrast table (2)
11 DSP3 Assy See Contrast table (2)
12 Power Transformer (T1) ATS7320
NSP 13 PCB Holder B ANG7388
14 Capacitor (C1, C2) ACH7164
15 Rubber Spacer AEB7244
NSP 16 Earth Plate ANG7381
NSP 17 Joint Plate ANG7382
NSP 18 PCB Base RNE1849
19 Trans Frame ANA7137
20 Sheet AEE7043
NSP 21 Trans Stabilizer ANG7378
NSP 22 Side Frame L See Contrast table (2)
NSP 23 Side Wall L See Contrast table (2)
NSP 24 Wire Clip (A) VEC1355
NSP 25 Insulator Frame B ANG7377
26 Glass Tube ADN7006
27 Cord Holder RNH1005
28 Panel Stay See Contrast table (2)
NSP 29 Fan Holder B See Contrast table (2)
NSP 30 Wire Saddle DEC1450
NSP 31 Side Wall R See Contrast table (2)
NSP 32 Flat Cable Clamp AEC7376
NSP 33 Insulator Frame A ANG7376
34 Sub Heat Sink ANH7154
NSP 35 PCB Holder D ANG7392
36 Mica Sheet S AEE7042
37 Bushing 26 AEC7128
NSP 38 PCB Spacer AEC7156
NSP 39 Shield Case A See Contrast table (2)
NSP 40 Side Frame R See Contrast table (2)
(1) CHASSIS SECTION PARTS LIST
Mark No. Description Part No.
(2) CONTRAST TABLE
VSX-49TX/KU/CA and VSX-47TX/KU/CA are constructed the same except for the following :
Mark No. Symbol and Description Part No. Remarks
VSX-49TX/KU/CA VSX-47TX/KU/CA
NSP
NSP
NSP
NSP
NSP
NSP
NSP
1
9
9
10
11
22
23
28
29
31
39
40
42
MOTHER Assy
DAC10 Assy
DAC8 Assy
DSP Assy
DSP3 Assy
Side Frame L
Side Wall L
Panel Stay
Fan Holder
Side Wall R
Shield Case A
Side Frame R
Shield Case B
AWX7890
AWK7725
Not used
AWK7719
AWK7727
ANA7133
AND7041
AND7045
ANG7373
AND7043
ANK7093
ANA7135
ANK7095
AWX7891
Not used
AWK7726
AWK7720
Not used
ANA7134
AND7042
AND7046
ANG7374
AND7044
ANK7094
ANA7136
ANK7096
Mark No. Description Part No.
NSP 41 Tape PNM1249
NSP 42 Shield Case B See Contrast table (2)
43 Screw ABA1011
NSP 44 PCB Holder C ANG7389
45 Screw BBZ30P080FCC
46 Screw IBP30P090FCC
47 Screw VBA1056
48 Screw ABA1082
49 Screw BMH40P080FMC
50 Screw ABA7076
51 Trans Label AAX7897
52 Screw ABA1014
53 Screw BBT30P060FCC
54 Screw ABA1050
55 Screw ABA1192
56 Screw ABA7084
57 Screw RBA1099
NSP 58 PCB Frame B ANG7386
59 Fuse (FU4, 4A) VEK1023
60 Fuse (FU5-FU8, 2A) VEK1019
61 J29 FFC (17P) ADD7329
(MOTHER CN5807 – DISPLAY CN3001)
62 J30 FFC (11P) ADD7337
(MOTHER CN5806 – MIC AMP CN3207)
63 J16 8P Connector Assy ADX7379
(LOCAL SUPPLY CN4001 – FUSE CN1802)
64 J17 3P Connector Assy ADX7380
(LOCAL SUPPLY CN4002 – TRANS(B) CN1701)
65 Binder ZCA-BK1
66 Card Spacer REC1156
67 PCB Holder PNW2100
68 Locking Card Spacer VEC2234
69 Screw ABA7017
70 PC Support DEC1772
71 Oval head Terminal wire ADX7366
72 J1601 5P,7P Parallel wire ADX7385
73 J5805 9P Connector Assy ADX7378
(Local Supply CN4004–Mother CN5805)
74 5802 Crimp Connector Assy PF06PP-R27
(Mother CN5827–Mother CN5828)
75 PCB Spacer VEC1508
76 Fuse (FU9-FU10, 1A) VEK1014

VSX-49TX, VSX-47TX
8
2.4 REAR PANEL SECTION
13
16 16
16
16
14
21
17
16
16
16
18
16
23
1
15
4
19
19
22
3
5
6
7
8
9
10
11
12
19
19
2
20
A
Q
L
G
EF
DCB
AJ
AD
AB
28
27
VSX-49TX ONLY
25
24
29
26

VSX-49TX, VSX-47TX
9
1 FM/AM TUNER Module AXQ7237
2 SP (B) Assy AWX7852
3 AC PRIMARY Assy AWX7834
4 SP (A) Assy AWX7848
5 VIDEO CONNECT Assy See Contrast table (2)
6 V-CONVERT Assy See Contrast table (2)
7 COMPONENT Assy See Contrast table (2)
8 S-VIDEO Assy See Contrast table (2)
9 COMPOSITE Assy See Contrast table (2)
10 AV I/O Assy See Contrast table (2)
11 VR & PRE OUT Assy See Contrast table (2)
12 ANALOG IN & A/D Assy See Contrast table (2)
13 Rear Panel See Contrast table (2)
14 Screw with Terminal AKE-031
15 AC Inlet Assy VKP2251
16 Screw BBZ30P080FCC
17 Hexagonal Screw ABA7078
18 Screw ABA1193
19 Screw ABA1011
20 Fuse (FU1, 12A/125V) AEK-306
21 Short Pin Plug AKM7005
22 J23 FFC (14P) ADD7334
(SP(A) CN1104 – MOTHER CN5801)
23 J22 FFC (13P) ADD7333
(TUNER CN2705 – MOTHER CN5802)
(1) REAR PANEL SECTION PARTS LIST
Mark No. Description Part No.
(2) CONTRAST TABLE
VSX-49TX/KU/CA and VSX-47TX/KU/CA are constructed the same except for the following :
Mark No. Symbol and Description Part No. Remarks
VSX-49TX/KU/CA VSX-47TX/KU/CA
5
6
7
8
9
10
11
12
13
VIDEO CONNECT Assy
V-CONVERT Assy
COMPONENT Assy
S-VIDEO Assy
COMPOSITE Assy
AV I/O Assy
VR & PRE OUT Assy
ANALOG IN & A/D Assy
Rear Panel
AWX7876
AWX7952
AWX7953
AWX7948
AWX7942
AWX7938
AWX7888
AWX7878
ANC8036
AWX7877
Not used
AWX7954
AWX7949
AWX7943
AWX7939
AWX7917
AWX7879
ANC8035
Mark No. Description Part No.
24 Speaker Sheet 49 AAK7959
25 Cushion Circle AED7052
26 Jamper Wire 3P D20PYY0365E
(AC Primary CN1105 – Power SW CN1301)
27 J5001 8P Connector Assy ADX7382
(VR&PRE OUT CN5005
– Power AMP(BR) CN4811)
28 J5002 14P Connector Assy ADX7381
(VR&PRE OUT CN5006
– Power AMP(L) CN4801
and Power AMP(R) CN4802)
29 Binder ZCA-BK1

VSX-49TX, VSX-47TX
10
2.5 HEAT SINK SECTION
3
1
14
15
8
15
15
12
12
12
18
10
10
11
11
10
10
10
10
19
16
17
17
17
17
13
13
16
16
16
19
4
5
6
14
12
18
7
9
12
12
15
15
15
2
Y
V
X
Z
W
AG
AH
20
20
21
21

VSX-49TX, VSX-47TX
11
1 POWER AMP (L) Assy AWX7882
2 POWER AMP (R) Assy AWX7883
3 POWER AMP (BR) Assy AWX7885
4 POWER AMP (C) Assy AWX7884
5 POWER AMP (G) Assy AWX7886
6 POSISTER (L) Assy AWX7844
7 POSISTER (R) Assy AWX7846
8 Heat Sink L See Contrast table (2)
9 Heat Sink R See Contrast table (2)
10 Mica Sheet L AEE7045
11 Mica Sheet M AEE7046
NSP 12 PCB Holder A ANG7387
NSP 13 Heat Sink Holder ANG7375
14 Screw ABA1011
15 Screw IBP30P090FCC
16 Screw BMZ30P060FCU
17 Screw RBA1099
18 Screw ABA7076
19 Screw ABA7083
20 Over head Terminal wire(RED) ADX7383
21 Over head Terminal wire(BLUE) ADX7384
• HEAT SINK SECTION PARTS LIST
Mark No. Description Part No.
(2) CONTRAST TABLE
VSX-49TX/KU/CA and VSX-47TX/KU/CA are constructed the same except for the following :
Mark No. Symbol and Description Part No. Remarks
VSX-49TX/KU/CA VSX-47TX/KU/CA
8
9
Heat Sink L
Heat Sink R
ANH7155
ANH7156
ANH7148
ANB7149

VSX-49TX, VSX-47TX
12
2.6 FRONT PANEL SECTION
F
G
A
B
C
E
G
D
D
E
F
C
A
B
1
45
46
46
46
45
44
46
43
3
46
47
53
49
39
43
45
37
35 50
48
33
27
51
30
29
51
28
40
26
27
40
31
41 2
4
41
49
45
38
48
36
34
27
46 46
46
9
46
46
22
24
46
10
46
46
1816 46
22
24
25
23
8
46
22
24
46
23
17
11
12
13
14
49
49
15
13
49
49
14
7
54 6
21
20
52
46
5
19
42
M
J
N
O
P
K
I
AC AE
AF
60
59
58
33
55
55
55
55
55
55 56
57
61
56
56
32

VSX-49TX, VSX-47TX
13
1 DISPLAY Assy See Contrast table (2)
2 HEADPHONE Assy AWX7874
3 FRONT A/V Assy AWX7902
4 MIC & OPT Assy AWX7875
5 STANDBY Assy AWX7901
6 POWER SW Assy AWX7840
7 FL SUPPLY Assy AWX7871
8 INPUT SEL Assy AWX7868
9 MULTI JOG Assy AWX7869
10 VOL Assy AWX7870
11 Front Panel See Contrast table (2)
12 Pioneer Badge PAN1376
13 Rotary Knob L BK AAA7018
14 Plate ANG7198
15 Rotary Knob S BK AAA7015
16 Display Panel AAK7932
17 Panel Base L BK AMB7788
18 Panel Base R BK AMB7791
19 Power Button AAD7440
20 Power Button M AAD7442
21 Washer ABF7008
NSP 22 VR Stabilizer ANG7383
23 Cord Holder RNH1005
24 Nut NK90FCU
NSP 25 Earth Spring ABK7031
26 Door Panel BK ANB7273
NSP 27 Door Cushion BK AED7051
28 Door Plate AAH7077
29 FL Lens AAK7934
30 Inner Panel See Contrast table (2)
31 LED Lens AAK7931
32 Cord Clamper RNH-184
33 LED Lens PNW2019
34 Panel Base C BK AMB7785
NSP 35 Door Hinge L ANG7379
Mark No. Description Part No.
(1) FRONT PANEL SECTION PARTS LIST
(2) CONTRAST TABLE
VSX-49TX/KU/CA and VSX-47TX/KU/CA are constructed the same except for the following :
Mark No. Symbol and Description Part No. Remarks
VSX-49TX/KU/CA VSX-47TX/KU/CA
1
11
30
DISPLAY Assy
Front Panel
Inner Panel
AWX7864
ANB7269
AAH7087
AWX7865
ANB7268
AAH7086
NSP 36 Door Hinge R ANG7380
37 Door Holder L AMR7373
38 Door Holder R AMR7374
39 Damper Assy AXA7108
40 Screw ABA7074
41 Magnet AMF7004
NSP 42 Input Holder ANG7384
NSP 43 Earth Spring ABH7208
44 Shield Plate D AMR7390
45 Screw BBZ30P100FZK
46 Screw BBZ30P080FCC
47 Screw ABA7053
48 Screw BBT30P060FCC
49 Screw ABA1050
50 Screw BBZ20P060FMC
51 Screw ABA7076
52 J33 FFC (3P) ADD7331
(DISPLAY CN3002 – STANDBY CN1903)
53 J35 FFC (4P) ADD7332
(SP(A) CN1206 – HEADPHONE CN3203)
54 J1101 Parallel Wire 3P D20PYY0365E
(POWER SW CN1301 – AC PRIMARY CN1105)
55 Fiber Washer VEC1254
NSP 56 Earth Metal Fitting DE007VC0
NSP 57 Earth Metal Fitting DE012VF0
58 J32 8P Connector Assy ADX7390
(Front A/V CN3204 – MIC AMP CN3206)
59 J99 4P Connector Assy ADX7387
(MIC & OPT CN3202 – MIC AMP CN3205)
60 J31 5P Connector Assy ADX7386
(MIC & OPT CN3201 – Mother CN5804)
61 J1801 4P Connector Assy ADX7377
(FL Supply CN1901 – FUSE CN1803)
Mark No. Description Part No.

A
B
C
D
1234
1234
14
VSX-49TX, VSX-47TX
3. BLOCK DIAGRAM AND SCHEMATIC DIAGRAM
3.1 BLOCK DIAGRAM
3.1.1 Audio Block
AFM/AM TUNER
MODULE
RMOTHER
ASSY(1/5)
LANALOG IN &
A/D ASSY
R
MOTHER
ASSY(2/5)
R
MOTHER
ASSY(3/5)
R
MOTHER
ASSY(4/5)
SDSP ASSY
IMIC & OPT
ASSY(2/2)
H
MIC AMP
ASSY
I
MIC & OPT
ASSY(1/2)
JFRONT A/V
ASSY
B
AV I/O ASSY
ANT
DVD/LD
L
VCR1
PLAY L
VCR2
PLAY L
VCR3
PLAY L
TV L
SAT L
IC2001 TC9164AF
A/V Function Selector
IC2002 TC9162AF
A/V MR
Function Selector
PHONE
L
CD L
27
MR VOL
MIC AMP
DIR & DIT
DSP 1 & 2
DSP U-COM
RF Demodulator
VSX-49TX
ONLY
VSX-49TX ONLY
IC2051-1/2
UPC4570C
IC2053-2/2
BA4558F
IC2052
M62429FP
3
3
2
2
1
1
L CH
CN2705
(13P)
7 7
CN5802
(13P) CN5814
(20P) CN3401
(20P)
TXL TXL
VFUNCL
MR OUTL
RECL
20 20
CN2002
CN5821
CN3205
CN3202
JA3202
SETUP
MIC
CN5820
MIC FV L
1 12
1
22
12
F OPT
OPT5 IN
2
8
5
CN2001
(17P)
CN5806
(11P)
CN3207
(11P)
CN2001
(17P)
(17P)
(17P)
14
8
4
26
25
24
22
VCR3
REC L
MR
OUT L
VCR1
REC L
VCR2
REC L
VIDEO
L
COAX
IN
OPT
IN
OPT
IN
21
18
23
IC3422 TC9163AF
Audio Function Selector
IC3901 BU4052BCF
Audio MR
Function Selector
IC3401 TC9163AF
A/D Mode Selector
IC3461 AK5383VS
Surround
A/D Converter
27
26
24
20
8 7
20
17
19
TAPE1
PLAY L 23
13
11
17
TAPE2
PLAY L 19
TAPE1
REC L 18
TAPE2
REC L
FL IN 22
21
25
IC3423-2/2
M5220P
5
67
SL IN
IC3462-2/2
UPC4570C
5
67
IC3701-2/2
6
57
IC3702-2/2
6
57
IC3424-1/2
UPC4570C
5
67
IC3201-1/2
M5220FP
Q3204
3
21
27
15
14
20
22 415
5
23
24
26
27
IC3421 AK5383VS
Front
A/D Converter
IC3502-2/2
NJM2068D
6
57415
5
IC3441 AK5383VS
C/SW
A/D Converter
IC3601-2/2
6
57
IC3602-2/2
6
57415
5
IC3481 AK5383VS
Back
A/D Converter
IC3801-2/2
6
57
IC3802-2/2
6
57415
5
17
19
18
26
24
23
5
18
25
22
21
20
19
17
1
711
MIC
MIC
CN3206
CN3204
33 FV L
SLOUT
FLOUT
COUT
SBLOUT
FV L
VFUNC INL
MR LOUT
MC CIN
CN3401
(20P)
8MC SBLIN
4
16
12
EX FLOUT
SBLOUT
COUT
FLOUT
SLOUT
EX SBLOUT
EX COUT
CN3402
(17P)
6EX SLOUT
10
14
2
ADFFDT
ADSRDT
ADCWDT
CN3403
(30P) CN5816
(30P) CN5810
(17P)
5
ADSBDT
AF DATA
AS DATA
AC DATA
AB DATA
1
3
7
5
1
3
7
6
2
4
8
CN702
(17P)
CN703
(9P)
CN709
CN707
CN5809
(9P)
CN5804
(5P)
CN3201
(5P)
12
16
14
10
5
OPT
OUT
(S)
(C)
(SB)
(S)
(F)
(F) (F)
(F)
(S)
(C)
(SB)
(F)
(MR)
(MR)
(REC)
(REC)
(REC)
(REC)
(MR)

A
B
C
D
5678
5678
15
VSX-49TX, VSX-47TX
RMOTHER
ASSY(5/5)
QVR & PRE OUT
ASSY
VPOWER AMP (L)
ASSY
W
POWER AMP
(C) ASSY
UDAC 10 ASSY (VSX-49TX)
DAC 8 ASSY (VSX-47TX)
IDSP 3 ASSY
XPOWER AMP
(R) ASSY
AJ
SP (B) ASSY
EXC
IN
EXSBL
IN
SURROUND
L
1
|
4
1
|
4
7
DSP 3
IC5001
TC9274N-016
Mode Selector
5
4
2
6
3
16 19
18
8 10
7
13
11
12
14
12
14
15
13
Surround
Main Volume
Voltage Amp
Voltage Amp
Current Amp
Surround Back Selector
Current Amp
IC5061
TC94A07F
IC5084-2/2
BU4052BCF
7 5 3
21
PREOUT
CENTER
PREOUT
L/SW
Main Volume
IC5041
TC94A07F
7 5 3
21
SB L
Surround Back
Main Volume
IC5081
TC94A07F
7 5 3
21
L
L
Front
Main Volume Pre-Amp
IC5021
TC94A07F
7 5
IC5022-1/2
OPA2134PA
Pre-Amp
IC5082-1/2
OPA2134PA
Pre-Amp
IC5042-1/2
OPA2134PA
Pre-Amp
IC5062-1/2
OPA2134PA
Front Digital
Filter
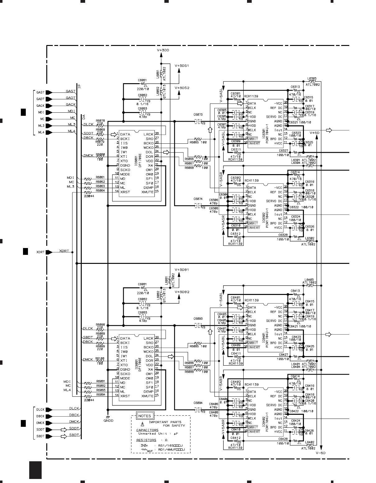
IC6021
DF1706E
D/A Converter
Same as the above circuit.
Note: Shows the DAC 10 ASSY.
IC6101
PCM1704U-1
1 24 2
31
1 14
IC6103
NJM5534DD 6
57
IC6105-2/2
NJM2068D
3
21
IC6105-1/2
NJM2068D
3
21
K
HEADPHONE
ASSY
PHONES
VFUNCL
MC C
MC SDL
EXFLIN
EXSBLIN
EXCIN
EXSLIN
SBLIN
SLIN
CIN
FLIN
MR OUTL
RECL
SBLO
SLO
CTO
FLO
CN5815
(17P)
CN5814
(20P) CN5820
(17P)
8
4
16
12
14
8
4
CN5817
(9P)
CN5818
(30P)
CN5819
(24P)
CN5813
(17P)
4
8
3
6
10
14
2
5
9
13
1
IC5181-1/2
NJM2068D
2
31
IC5181-2/2
NJM2068D
6
57
IC5023-1/2
NJM2068D
2
31
IC5023-2/2
NJM2068D
IC4601
PA9008A IC4602,IC4603
PBD001A,PBD002A
6
57
IC5043-1/2
UPC4570C
3
2
1
IC5083-1/2
UPC4570C
3
2
1
6
2
10
14
28
24
20
CN5002
(9P)
CN5001
(30P)
CN5003
(24P)
4
8
3
5
9
13
1
28
24
20
VSX-49TX ONLY
FL
SL
SBL
HPL
CT
CN5006
(14P)
10
8
12
14
FL
SL
SBL
CT
F
CW
S
SB
C
CN4801
(8P)
CN4805
(15P)
2
CN6004
(17P)
CN4805
(15P)
J4801
7
CN4807
(15P)
6
CN4807
(15P)
CN4807
(15P)
CN4808
5
7
3
12
3
4
1
FRONT
IC4301
PA9008A IC4302
PBD001A
CG1+
ORG FBL
FLO RY1201
RY1205
RY1202
RY1203
RY1204
CO
SLO
BRN
YLW
BLU
SBLO
6
CN4805
(15P)
3
3
CN3203
(4P)
CN1206
(4P)
3
J1206
CN1007
CN1006
10
|
13
10
|
13
Current Amp
CN4806
8
CN4808
CN501
CN6002
IC4303
PBD002A
CG1- 8
CN4806
IC4401
PA9008A IC4402,IC4403
PBD001A,PBD002A
IC4101
PA9008A IC4102,IC4103
PBD001A,PBD002A CN1203
2
3
4
1
CN1201 SPA
FL
FR
SL
SR
SBL
SBR
SPB
CN1202
FL
FR
RY1003
FLO : Audio Signal Route (F)
: Audio Signal Route (C)
: Audio Signal Route (MR)
: Audio Signal Route (REC)
: Audio Signal Route (S)
: Audio Signal Route (SB)
: Audio Signal Route (SBL)
3
6CTO
10 SLO
14 SBO
(C) (C) (C)
(C)
(C)
(C)
(S)
(S) (S) (S)
(S)
(S)
(SB)
(SB)
(SB) (SB)
(SBL)
(SB)
(MR)
(F)
(F)
(F)
(F) (F)
(F)
(S)
(S)
(S)
(C)
(C)
(C)
(C)
(C)
(C)
(F) (F)
(C)
(S)
(SB)
(SBL)
(C)
(S)
(SB)
(SBL) (SBL)
(SBL)
(SBL)
(F)
(F) (F)
(F) (F)
(C)
(C)
(SB)
(SB)
(MR)
(REC)

A
B
C
D
1234
1234
16
VSX-49TX, VSX-47TX
3.1.2 Video and Display Blocks
14 13
3 15
14 13
D
S-VIDEO ASSY
D
COMPOSITE ASSY
R
MOTHER
ASSY(1/2)
J
FRONT A/V
ASSY
H
MIC AMP
ASSY
G
VIDEO
CONNECT
ASSY
F
COMPONENT
ASSY
DVD/LD Y
Y
C
C
C
C
C
Y
Y
Y
Y
C
IC2301
TC74LVX4051FT
Video Function
Selector (Y)
14
MONITOR
OUT
Y
C
TV/HDTV
SAT
VCR1
VSX-49TX
Only
VCR2
C
Y
S-VIDEO
VCR3
VIDEO
15
2
5
VSX-49TX
Only
VSX-49TX
Only
VSX-49TX
Only
1
12
4
3
14 3
IC2303
TC74HC4053AFT
S/OSD SW (Y) IC2307-1/2
TK15420M
+6dB
75Ω
5
13
12
14
4
IC2308
NJM2296M
REC OUT Selector (Y)
13
3
15
11
1
IC2302
TC74LVX4051FT
Video Function
Selector (C)
IC2101
TC74HC4051AFT
Video Function
Selector (COMPOSITE)
IC2103
TC74HC4053AFT
OSD Input
Selector
Q2108
IC2107
TC74HC4051AFT
Video MR Function
Selector (COMPOSITE)
FY
FC
OSD
C
Y
Y
C
OSD
VIN
9
7
10
14
15
2
5
1
12
4
3
IC2304
TC74HC4053AFT
S/O OSD SW (C)
5
13
12
2
14
4
IC2105-1/2
TK15420M
+6dB AMP
IC2105 (2/2)
TK15420M
+6dB AMP
75Ω
75Ω
75ΩMONITOR
OUT 2
Y
3
C
IC2307-2/2
TK15420M
+6dB
75Ω
VCR1 OUT
VCR2 OUT
VCR3 OUT
C
15
Y
Y
Y
IC2309
NJM2296M
REC OUT Selector (C)
13
3
15
11
1
CN2301
(17P)
CN5823
(17P) CN5806
(11P)
18
CN5822
(19P)
CN3204
(8P) CN3206
(8P) CN3207
(11P)
CN2101
(19P)
CN2306
(8P)
3 71 CN2102
(12P)
3 15
CN3303
(10P)
3 15
CN2502
(10P)
6
5
8
6
5
8
3
2
5
DVD/LD
MONITOR
OUT
75ΩMR
OUT
15
TV/HDTV
2
SAT
5
VCR1 IN
1
VCR2 IN
12
VCR3 IN
4
F-VIDEO
FV-Y
CVOUT
VI
VO
CVIN
FV-C
F-VIDEO
FV-Y
FV-C
CN3302
(8P)
CN3304
(18P)
CN3301
(12P)
3
1
5
9
3
5
7
15
13
11
1
3
1
7
F-VIDEO
FV
FV-Y
FV-C
18
FV
VIN
VOUT
OSD
VIN
VOUT
OSD
14 3
15
2
5
5 4
3
IC2102
TC74HC4053AFT
I/O Selector
IC2104
PDC084A
OSD
13 14
151
13 15 14 13
3
IC2501
TC74LVX4052FT
Video Function
Selector (CY)
IC2503
TC74LVX4053FT
Input SW
(COMPONENT)
IC2502
TC74LVX4052FT
Video Function
Selector (Cb, Cr)
Y
COMPONENT
IN1 5
4
3
15
1
14
13
Cb
1314
Cr
IC2105-1/2,2/2
OPA2652U
+6dB AMP
IC2106-1/2
OPA2652U
+6dB AMP
75ΩY
75ΩCr
75ΩCb
VOUT
Y
C
OSD
CYOUT
CbOUT
CrOUT
CYOUT
CbOUT
CrOUT
Video Block
21
6
57
3
21
6
573
21
3
21
6
57
(Y)
(Y) (Y)
(Y)
(Y)
(Y)
(Y) (Y)
(Y)
(OSD)(OSD)
(OSD)
(OSD)
(OSD)
(OSD)
(OSD)
(OSD)
(OSD)
(OSD)
(OSD) (OSD)
(Y)
(Y)
(Y)
(C)
(C)
(C)
(C)
(C)
(C)
(Y)
(C)
(C)
(C)
(C)
(C)
(C)
(C)
(Y)
(C)
(Y)
(C)
(CY)
(Cb)
(Cr)
(CY)
(Cb)
(Cr)
(CY)
(Cb)
(Cr)
(CY)
(CY)
(CY)
(Cb)
(Cb)
(Cb)
(Cr)
(Cr)(Cr)
(CY)
(Cb)
(Cr)
(Y)
(C)
(C)
(C)
(C)
(C) (C)

A
B
C
D
5678
5678
17
VSX-49TX, VSX-47TX
E
V-CONVERT
ASSY
M
DISPLAY ASSY
R
MOTHER
ASSY (2/2)
P
VOL ASSY
B
A/V I/O
ASSY
VSX-49TX
Only
VSX-49TX
Only
SR IN
CN2852
(18P)
IC2855-1/2
TK15420M
Y 0dB Buffer
14 13
IC2859-1/3
TC74LVX4053FT
OSD SW (Y)
VIN
9
3
5
7
15
13
11
1
VOUT
Y
C
OSD
CYOUT
CbOUT
CrOUT
Display Block
Q2904
IC2851
TC90A49F
Y/C SEP.
IC3002
BU2092F
LED Driver
IC3001
PD5686A
Display U-COM
IC3001
PD5685A9
Main U-COM
V3001
FL Display
5
20
24
Q2853
IC2856-1/2
TK15420M
Y Invert Buffer
IC2857-2/2
TK15420M
IC2857-1/2
TK15420M
IC2854-1/2
TK15420M
LPF (Chroma)
15 1
IC2859-2/3
TC74LVX4053FT
Q2854
IC2855-2/2
TK15420M
C 0dB Buffer
IC2856-2/2
TK15420M
Y/C MIX
AIN
YOUT
COUT
IC2860
TC74LVX4053FT
OSD SW (C)
3 4
5
IC2859-3/3
TC74LVX4053FT
3 4
5
IC2853
TA1270BF
Chroma Decoder
6
8
20
21
22
0dB Buffer
IC2858-1/2
TK15420M
0dB Buffer
IC2858-2/2
TK15420M
0dB Buffer
IC2854-2/2
TK15420M
0dB Buffer
11
7
CN3001
(17P)
3003 3103
CN5807
(17P)
RMC
REMOTE
RECEIVER
UNIT
Control Signal
IR IN
RMC
SR OUT
CN5821
(17P)
16
17
15
CN2002
(17P)
16
17
15
SR OUT
O
MULTI JOG
ASSY
3002 3102
N
INPUT SEL
ASSY
3004 3104
3
3
3
2
22
1
11
5
5
6
6
7
7
5
67
5
67
5
67
2
31
2
31
: VIDEO SIGNAL ROUTE
: VIDEO SIGNAL ROUTE (Y)
(Y)
: VIDEO SIGNAL ROUTE (C)
(C)
: Y SIGNAL ROUTE (COMPONENT)
: Cb SIGNAL ROUTE (COMPONENT)
(Cb)
(CY)
: Cr SIGNAL ROUTE (COMPONENT)
(Cr)
: VIDEO SIGNAL ROUTE (OSD)
(OSD)
(OSD)
(OSD)
(OSD)
(CY)
(Cb)
(Cr)
(CY)
(Cb)
(Cr)
(Y)
(Y) (Y) (Y)
(C)
(Y)
(C)
(Y)
(Y) (Y)
(Y)
(Y)
(C) (C)
(C)
(C)
(CY)
(CY)
(Cb)
(Cb)
(Cr)
(Cr)
(CY)
(Cb) (Cr)
(CY)
(Cb)
(Cr)
(C)
(C) (C) (C)

A
B
C
D
1234
1234
18
VSX-49TX, VSX-47TX
3.1.3 Power Supply Block
CN1104
(14P)
SP (B) ASSY
AM
AJ
AB
AC
TRANS (A)
ASSY
AK
DIODE ASSY
AN
TRANS (B)
ASSY
AL
FUSE
ASSY
AE
FL SUPPLY
ASSY
AC PRIMARY
ASSY
AI
DSP DIODE
ASSY
AA
LOCAL SUPPLY
ASSY
AD
SP (A)
ASSY
POWER
SW
ASSY
FU1
RY1002
T1101
D1101 IC1101
NJM78M56FA
IC1102
NJM79M24FA
POWER
RY1001
IC4023
IC4024
IC4035
IC4036
IC4047
IC4045
IC4046
2
1
LIVE
NEUTRAL
+13V
RY-24V
RY-24V
RY-24V
RY-24V
CN1002
CN1601
1
2
3
CN1003
CN1005
Power Supply Block
9
1
7
1
7
1
7
CN1105 CN1301
3
1
3
1
SW1301
CN1001
(10P)
CN1701
(3P)
CN5004
(6P)
CN5005
(8P)
CN4811
(8P)
CN4809
(11P)
CN1801
(12P)
CN1803
(4P) CN1901
(4P)
CN1802 CN4001
CN1101
(10P)
CN1102
(7P)
J4001
(2P)
CN4004
(9P)
CN1103
(8P)
5
3
1
9
1
ST+12V
VL AC1
FL VF
VH AC1
VH AC2
VH AC1
+27VF
VH AC2
FL AC1
FL AC2
FL VF
FL AC1
FL AC2 AC2
VA AC1
VA CT
VA AC2
VA AC1
VA CT
VA AC2
VD ACT
GRY
BRN
+VL (+54V)
-VL (-54V)
BLU
VL AC2
ST+5.6V
VP+9V
+5VP
+5VD
+5VP
7CN1205
(8P)
T1
Power Transformer
IC1703
FU4 4A
D1501
D1502 D1903
D4002 IO
IO
IO
D4003
D4004
D1701
Q1901
FAN -27V
CN5801
(14P)
5
3
ST+5.6V
FAN -27V
RY-24V
4
3
2
1
5
CN1702
6
5
4
3
2
7
6
7
8
9
10
11
12
5
4
3
2
7
6
5
4
3
2
1
8
7
6
5
4
3
2
1
8
1
2
5
3
4
6
7
8
CN5805
(9P)
1
2
5
3
4
6
7
8
J4004
(6P)
1
3
4
6
3
2
1
34 16
3
2
1
CN1902
(4P)
3
2
1
4
1
2
4
1
2
6
7
CN4810
(9P)
6
5
CN5003
(24P)
8
7
10
5
CN5819
(24P)
8
7
10
5
3
1
RED
VD CT
VD AC2
VP AC1
VP AC2
VD AC1
VD CT
VD AC2
VP AC1
VP AC2
FU5 2A
FU6 2A
FU7 2A
FU8 2A
REG.
Q4052
REG.
Q4051
REG.
AC1
VH
VH
3001
1
2
3
J4002
3
4
J4002
1 1
CN1904
CN1904
3
4
AC1
AC2
M
DISPLAY
ASSY
QVR & PRE OUT
ASSY
RMOTHER
ASSY
YPOWER AMP
(BR) ASSY
XPOWER AMP
(R) ASSY
VPOWER AMP
(L) ASSY
+43V
U+5.6V
ST+5.6V
U+5.6V
ST+5.6V
V+16
A+20
V-16
AC1
AC2
REG.
REG.
IC4011
LM10851T-5.0
IC4021
LM2940CT-5.0
REG.
D4005
1
3
IO
IC4022
NJM79M05FA
REG.
IO
IC4033
NJM78M56FA
REG.
IO
IO
IC4031
LM2940CT-5.0
REG.
IO
IC4032
NJM79M05FA
REG.
IO
IC4043
NJM78M15FA
REG.
IO
IC4041
NJM7820FA
REG.
IO
IC4042
NJM7918FA
IC5002
NJM78M15FA
IC5003
NJM79M15FA
REG.
REG.
REG.
IO
I
I
I
I
O
O
O
O
+5V REG.
-27VF
+55VH
V+27 V+27
V-27
V+20
V-20
-55VH
-VH
+VH
-VH
-VH
+VH
+VH
CN4805
(15P)
11
10
-VH
+VH
-VH
+VH
CN4803
(11P)
6
7
CN4804
(9P)
6
5
V+20
V+5D
V-5D
V+5U
V12T
V+20V
V+5V
V-5V
V-20V
V-20
V+20
-5VD
+5.6VU
+5.6VV
-5.6VV
+15VT
+20VA
-20VA
WPOWER
AMP (C)
ASSY
CN4807
(15P)
11
10
-VH
+VH
VST5
CN3001
(17P)
2
1
V+5U
VST5
CN5807
(17P)
16
17
CN4002
(3P)

A
B
C
D
5678
5678
19
VSX-49TX, VSX-47TX
8
7
FCOMPONENT
ASSY
GVIDEO
CONNECT
ASSY
EV-CONVERT
ASSY
V+5C
V-5C
CN704
(2P)
2
CN709
(16P)
2
CN501
(16P)
2
CN706
(14P)
1
VD3U
VDD5
CN5802
(13P)
CN5821
(17P)
CN2705
(13P)
CN2002
(17P)
11 7
+5VP
VDD5
VD5V
6
3
6
3
41
Q5805
REG.
TDSP3
ASSY
SDSP ASSY
A
B
FM/AM TUNER
MODULE
A/V I/O
ASSY CCOMPOSITE
ASSY
VSX-49TX
Only
VSX-49TX
Only
VSX-47TX
Only
IO
IOIO
IO
IO
IO
IO
IO
IO
IO
IO
IO
IO
IC713
PQ3DZ13
REG.
VD3A
IC305
PQ3DZ13
REG.
VD+3B
IC415
PQ3DZ13
REG.
V1R8
IC416
PQ7VZ5
REG.
IC5809
NJM79M15FA
REG.
VE15
V-15
IC5807
NJM79M15FA
REG.
IC5808
NJM78M15FA
REG.
V+15
VC15
IC5806
NJM78M15FA
REG.
VD3C
IC505
PQ3DZ13
REG.
CN6001
(14P)
CN6003
(7P)
1
UDAC10
ASSY
V+3DD
V+15 V+5D
V-5D
V-15
IC6001
PQ3DZ13
REG. VDD5
CN6901
(14P)
1
UDAC8
ASSY
V+3DD
IC6901
PQ3DZ13
REG.
3 7 41 CN6903
(7P)
V+15 V+5D
NC
V-15
3 7
41
CN5812
(7P) 3 7
V+15
V-15
V-5D
V+5D
V+15
V-15
V-5D
V+5D
+10V +10V
VC15I
VC15
VE15I
VC15
VE15
VE15
CN5823
(17P) CN2301
(17P)
15
16
15
16
CN2306
(8P)
8
7
CN3302
(8P)
CN3301
(12P)
CN3304
(18P)
CN2852
(18P)
CN2102
(12P)
8
7
CN3303
(10P)
8
7
109
1817
1817
109
DS-VIDEO
ASSY
V+5.6V
V+5
V-5.6V
V+5S
V-5
CN5806
(11P) CN2307
(11P)
11
6
1
6
HMIC AMP
ASSY
A+20V
V+20
A-20V
A+20V
A-20V
V-20
CN5816
(30P)
19
L
ANALOG IN & A/D
ASSY
VC15I
VC15
VE15I
VC5A
VC5D
VE15
V+5D
V-5S
V+5V
V+5V
V-5V
V-5V
V+5V
V-5V
V+5V
V-5V
V+5Z
V-5Z
CN2502
(10P)
18
20
21
19
18
20
21
CN3403
(30P) VC15I
VE15I
VC5D
VC5A
VC3A
VC5AA VC5F
VC3F
IC3402
PQ3DZ13
L3401
L3402 REG.
L3421
L3422

A
B
C
D
1234
1234
20
VSX-49TX, VSX-47TX
U1/2, U2/2
DAC 10 ASSY
(VSX-49TX : AWK7725)
DAC 8 ASSY
(VSX-47TX : AWK7726)
U
S1/5- S5/5
DSP ASSY
(VSX-49TX : AWK7719)
(VSX-47TX : AWK7720)
S
DSP3 ASSY
(AWK7727)
T
L1/3- L3/3
ANALOG IN & A/D ASSY
(VSX-49TX : AWX7878)
(VSX-47TX : AWX7879)
VR & PRE OUT ASSY
(VSX-49TX : AWX7888)
(VSX-47TX : AWX7917)
L
Q1/3- Q3/3
Q
DISPLAY ASSY
(VSX-49TX : AWX7864)
(VSX-47TX : AWX7865)
M
LOCAL SUPPLY
ASSY
(AWX7887)
FRONT A/V
ASSY
(AWX7902)
J
MIC & OPT
ASSY
(AWX7875)
I
MULTI JOG
ASSY
(AWX7869)
O
MIC AMP
ASSY
(AWX7872)
H
VOL ASSY
(AWX7870)
P
AA
AG
AH
VSX-49TX
ONLY
G
VIDEO CONNECT ASSY
(VSX-49TX : AWX7876)
(VSX-47TX : AWX7877)
F
COMPONENT ASSY
(VSX-49TX : AWX7953)
(VSX-47TX : AWX7954)
D
S-VIDEO ASSY
(VSX-49TX : AWX7948)
(VSX-47TX : AWX7949)
C
COMPOSITE ASSY
(VSX-49TX : AWX7942)
(VSX-47TX : AWX7943)
B
A/V I/O ASSY
(VSX-49TX : AWX7938)
(VSX-47TX : AWX7939)
Y
POWER AMP (BR) ASSY
(AWX7885)
V
X
W
Z
POWER AMP (L)
ASSY
(AWX7882)
POWER AMP
(R) ASSY
(AWX7883)
POWER AMP (G)
ASSY
(AWX7886)
POSISTER (L)
ASSY
(AWX7844)
POSISTER (R)
ASSY
(AWX7846)
AI
DSP DIODE ASSY
(AWX7958) POWER AMP (C) ASSY
(AWX7884)
J48044808 4807
4807
4808
ADX7376
ADX7369
ADX7390
ADX7387
ADX7386
J3002
J3003
ADD7329
ADX7365
ADX7365
ADX7373
ADX7375
J5805
ADX7378
ADX7374
ADX7381
ADX7381
J5002
J5802
ADX7391
J5001
ADX7382
ADX7372
J4803
(BLK)
SHIELD PLATE
4042 AMR7390 J6003
DE012VF0
3.2 OVERALL WIRING DIAGRAM

A
B
C
D
5678
5678
21
VSX-49TX, VSX-47TX
N
K
A
E
VSX-49TX ONLY
STANDBY
ASSY
(AWX7901)
INPUT SEL
ASSY
(AWX7868)
FL SUPPLY
ASSY
(AWX7871)
FUSE ASSY
(AWX7843)
TRANS (B) ASSY
(AWX7839)
AF AE
AL
AK
AN
TRANS (A) ASSY
(AWX7838)
SP (A) ASSY
(AWX7848)
HEADPHONE
ASSY
(AWX7874)
FM/AM TUNER
MODULE
(AXQ7237)
V-CONVERT
ASSY
(AWX7952)
R
MOTHER ASSY
(VSX-49TX : AWX7890)
(VSX-47TX : AWX7891)
DIODE
ASSY
(AWX7841)
AM
AD
SP (B) ASSY
(AWX7852)
AJ
AC PRIMARY ASSY
(AWX7834)
AB
POWER SW
ASSY
(AWX7840)
AC
POWER TRANSFORMER
(ATS7320)
FU1 : AEK-306
(12A/125V)
AC INLET ASSY
: VKP2251
CN1007
J1206
C1
ACH7164
C2
ACH7164
ADX7363
ADX7384
ADX7384
ADX7383
ADX7383
ADX7380
ADX7379
ADD7333
ADD7334
ADX7364
ADD7332
ADX7362
ADX7368
ADX7368
ADX7359
ADX7370
ADX7371
ADX7366
(GLY)(GLY)
(BLK)
(BLK)
J1201
J1207
J1208
J1501
ADX7361
ADX7360
ADX7385
ADX7385
J1601
J1801 ADX7377
J3301
J3304
ADD7331
ORG : LIVE
WHT : NEUTRAL
Note : When ordering service parts, be sure to refer to "EXPLODED VIEWS and PARTS LIST" or "PCB PARTS LIST".

A
B
C
D
5678
5678
25
VSX-49TX, VSX-47TX
BA/V I/O ASSY
(VSX-49TX : AWX7938)
(VSX-47TX : AWX7939)
CN5821
R
CN5820
R
A/V MR Function
Selector
: AUDIO SIGNAL ROUTE (DVD)
(DVD)
: AUDIO SIGNAL ROUTE (REC)
(REC)
: AUDIO SIGNAL ROUTE (MR)
(MR)
: AUDIO SIGNAL ROUTE (MIC)
(MIC)
: AUDIO SIGNAL ROUTE (F)
(F)
: AUDIO SIGNAL ROUTE (FV)
(FV)
(DVD)
(MR)
(MR)
(MR)
(MR)
(MIC)
(MIC)
(MR)
(FV)
(FV)(FV)(FV)
(MR)
(MR)
(REC)
(REC)(REC)
(REC)
(REC)
(REC)
(REC)
(MIC)(MIC)(MIC)
(F) (F)
(F) (F)
(DVD)
(MR)
(MR)
(REC)
(F)
(MR)
(MR)
B

A
B
C
D
1234
1234
26
VSX-49TX, VSX-47TX
Q2106
2SC4081
Q2101
2SC4081
Q2102
2SC4081
Q2103
2SC4081
Q2107
2SC4081
VSX-49TX
ONLY
VSX-49TX
ONLY
CCOMPOSITE ASSY (VSX-49TX : AWX7942)
(VSX-47TX : AWX7943)
I/O Selector
(Composite)
Video Function
Selector
(Composite)
Video MR
Function
Selector
(Composite)
Clamp
REC OUT Selector
(Composite)
(DVD)
(DVD)
(DVD)
3.5 COMPOSITE ASSY
C

A
B
C
D
5678
5678
27
VSX-49TX, VSX-47TX
Q2105
2SC4081
Q2104
UN5212
Q2108
2SC4081
CN3301
G
CN5822
R
6dB AMP.
Port Expander
Port Expander
OSD
OSD
Input-Selector
: VIDEO SIGNAL ROUTE
: VIDEO SIGNAL ROUTE (OSD)
(OSD)
: VIDEO SIGNAL ROUTE (DVD)
(DVD)
(OSD)
(OSD)
(OSD)
(OSD)
(OSD)
(OSD)
(OSD)
(OSD)
: The power supply is shown with the marked box.
C

A
B
C
D
1234
1234
28
VSX-49TX, VSX-47TX
Q2302
2SC4081
Q2303
2SA1576A
VSX-49TX
ONLY
VSX-49TX
ONLY
Video
Function
Selector
(C)
Video
Function
Selector
(Y)
Port
Expander
Sync. Sep.
REC OUT
Selector (Y) REC OUT
Selector (C)
(Y)
(Y)
(Y)
(Y) (Y)
(Y)
(Y)
(Y)
(Y)(Y)
(Y)(Y)(Y)
(Y)
(Y)
(Y)(Y)
(Y)
(C)
(C) (C)
(Y)
(C)
(C)(C) (Y)(Y)
(C)
(C)
(Y)
(Y) (Y)
(C)
(C)
(Y)
(C)
(C)(C)
(C)
(C)
(C)
(C)
(C) (C)
3.6 S-VIDEO ASSY
D

A
B
C
D
5678
5678
29
VSX-49TX, VSX-47TX
D
S-VIDEO ASSY (VSX-49TX : AWX7948)
(VSX-47TX : AWX7949)
CN5823
R
CN3302
G
6dB AMP.
DC SW
S/OSD SW
(C)
S/OSD SW
(Y)
: C SIGNAL ROUTE
: VIDEO SIGNAL ROUTE (OSD)
(OSD)
: Y SIGNAL ROUTE
(Y)
(C)
(Y)
(Y)
(Y) (Y) (OSD)
(OSD)
(OSD)
(OSD)
(OSD)
(OSD)
(Y)
(Y)
(Y)
(Y)
(OSD)
(Y)
(C)
(Y)(Y)
(Y)
(Y)
(Y)
(C)
(C)
(C)(C)
(C)
(C)(C)
(C)
(C)
(C)
(C)
(C)
(C)
(C)
(C)(C)
(C) (C)
(C)(C)
(C)
(Y)
(C) (C)
: The power supply is shown with the marked box.
D

A
B
C
D
5678
5678
31
VSX-49TX, VSX-47TX
Q2901
2SC4081
Q2902
2SA1576A
E
V-CONVERT ASSY (AWX7952)
CN5825
R
Y 0dB Buffer Y Invert Buffer
C 0dB Buffer
OSD SW (C)
OSD SW (Y)
Y/C MIX
Port
Expander
LPF (CHROMA)
0dB Buffer
0dB Buffer
0dB Buffer
+9V
: C SIGNAL ROUTE
: VIDEO SIGNAL ROUTE (OSD)
(OSD)
: Y SIGNAL ROUTE
(Y)
: VIDEO SIGNAL ROUTE
(C)
: Cb SIGNAL ROUTE (COMPONENT)
: Y SIGNAL ROUTE (COMPONENT)
(CY)
(Cb)
: Cr SIGNAL ROUTE (COMPONENT)
(Cr)
(C)
(CY)
(CY)
(CY)
(Cb)
(Cb)
(Cb)
(Cr)
(Cr)
(CY)
(CY)
(C) (C)
(Y) (Y)
(Y) (Y) (Y) (Y)
(C)
(C)
(C)
(C)
(C)
(C)
(OSD)
(OSD)(OSD)
(OSD)
(Y) (Y)
(Y)
(Y)
(Y)
(Y)
(Y)
(Y)
(Y) (Y)
(C)
(CY)
(Cb)
(Cr)
(C)
(C)
(C)
: The power supply is shown with the marked box.
E

A
B
C
D
1234
1234
32
VSX-49TX, VSX-47TX
Q2501
2SC4081
Q2502
2SA1576A
CN5824
R
FCOMPONENT ASSY (VSX-49TX : AWX7953)
(VSX-47TX : AWX7954)
Port Expander
Video Function
Selector
(Cb, Cr)
Video Function
Selector
(CY)
(CY) (CY) (CY)
(CY)
(Cb)(Cb)
(Cb)
(Cb)
(Cr)
(Cr)
(Cr)
(Cr)
(Cr) (Cr)
(Cr)
(Cr)
(Cb)
(Cb)
(CY)
(CY)
(CY)
(CY)
(Cr)
(Cb)
(Cb)
(Cr)
: The power supply is shown with the marked box.
3.8 COMPONENT and VIDEO CONNECT ASSYS
F

A
B
C
D
5678
5678
33
VSX-49TX, VSX-47TX
Q2503
2SC4081
CN2102
C
CN2306
D
CN2852
E
VSX-49TX
ONLY
VSX-49TX
ONLY
GVIDEO CONNECT ASSY
(VSX-49TX : AWX7876)
(VSX-47TX : AWX7877)
6dB AMP.
6dB AMP.
RS232C
Transeiver
Input SW
(Component)
Mute
: Cb SIGNAL ROUTE (COMPONENT)
: Y SIGNAL ROUTE (COMPONENT)
(CY)
(Cb)
: Cr SIGNAL ROUTE (COMPONENT)
(Cr)
: VIDEO SIGNAL ROUTE (C)
: VIDEO SIGNAL ROUTE (Y)
: VIDEO SIGNAL ROUTE
(Y)
(C)
: VIDEO SIGNAL ROUTE (OSD)
(OSD)
(CY) (CY) (CY)
(CY) (CY)
(CY)
(Cb)
(Cb)
(Cb)
(Cb)(Cb)
(Cb)(Cb)
(Cr)
(Cr) (Cr) (Cr)
(Cr)
(Cr)
(Cr) (Cr)
(Cr)
(Cb)
(Cr)
(Cb)
(Cb)
(Cb)(Cb)
(Cr)
(Cr)
(Cr)
(Cr)
(CY)
(CY)
(CY)
(Cr)
(Cb)
(CY)
(Cr)
(Cb)
(CY)
(CY)
(Y)
(C)
(OSD)
(OSD)
(C)
(OSD)
(Cb)
(Cr)
GF

A
B
C
D
5678
5678
35
VSX-49TX, VSX-47TX
PHONES
CN1206
CN5806
R
H
MIC AMP ASSY (AWX7872)
K
HEADPHONE ASSY (AWX7874)
AD
MIC Amp.
: C SIGNAL ROUTE
: Y SIGNAL ROUTE
(Y)
: VIDEO SIGNAL ROUTE
(C)
: AUDIO SIGNAL ROUTE (MIC)
(MIC)
: AUDIO SIGNAL ROUTE (DIGITAL)
(D)
: AUDIO SIGNAL ROUTE (F)
(F)
(F)(F)
(F)
: AUDIO SIGNAL ROUTE (FV)
(FV)
(Y)
(Y)
(C)
(C)
(Y)
(C)
(C)
(MIC)
(MIC)
(MIC)(MIC)
(MIC)
(MIC)
(FV)
(FV)(FV)
(FV)(FV)
(FV)
(FV)
KH

A
B
C
D
1234
1234
36
VSX-49TX, VSX-47TX
L1/3
ANALOG IN & A/D ASSY (VSX-49TX : AWX7878)
(VSX-47TX : AWX7879)
2/3
L
Audio Function
Selector
(TX)
(TX)
(TX) (TX) (TX)
(PH)
(CD)
(F)
(F)
(F)
(F)
(F)
(F)
(F)
(F)
(F)
(S)
(S)
(S)
(S)
(S)
(S)
(CD) (CD) (F)(F)
(F)
(F)(F)
(C) (C)
(CD)
(CD)
(REC)
(REC)
(REC)(REC)
(PH)
(PH)
(PH)
(PH)
(PH)
(TX)
(TX)
3.10 ANALOG IN & A/D ASSY (1/3)
1/3
L

A
B
C
D
5678
5678
37
VSX-49TX, VSX-47TX
CN5814
VSX-49TX
ONLY
R
CN5815
R
3/3
L
2/3
L
Audio MR Function
Selector
A/D Mode
Selector
: AUDIO SIGNAL ROUTE (PHONE)
(PH)
: AUDIO SIGNAL ROUTE (CD)
(CD)
: AUDIO SIGNAL ROUTE (TUNER)
(TX)
: AUDIO SIGNAL ROUTE (FL)
(FL)
: AUDIO SIGNAL ROUTE (C)
(C)
: AUDIO SIGNAL ROUTE (SL)
(S)
: AUDIO SIGNAL ROUTE (SBL)
(SB)
: AUDIO SIGNAL ROUTE (MR)
(MR)
: AUDIO SIGNAL ROUTE (REC)
(REC)
(TX)
(TX)(TX)
(TX) (F)
(F)
(F) (F)
(F)
(F)
(F)(F)
(F)(F)
(C)
(S) (S)
(C)
(C)
(C)
(SB) (SB)
(SB)
(SB) (C) (SB)
(C)
(F)
(F)(F)(F)
(F)
(SB)
(F)
(F)
(SB) (SB)
(SB)
(S) (S)
(F)
(S)
(F)
(F)
(C)
(CD)
(CD)
(TX)
(MR)
(MR)
(MR) (MR)
(TX)
1/3
L

A
B
C
D
1234
1234
38
VSX-49TX, VSX-47TX
VSX-49TX : 0
VSX-47TX : 270
VSX-49TX : 0
VSX-47TX : 270
VSX-49TX : 220
VSX-47TX : 330
VSX-49TX : 220
VSX-47TX : 330
VSX-49TX ONLY
L2/3
ANALOG IN & A/D ASSY (VSX-49TX : AWX7878)
(VSX-47TX : AWX7879)
1/3
L
1/3
L
1/3
L
1/3
L
INPUT
ATT
ON : +15V
OFF : -15V
(at L 3505)
(at L 3491)
(F)
(C) (C)
(C)
(C) (C)
(C)
(C)
(C)
(C)
(F) (F)
(F)
(F)
(F)
(F)
(F)
3.11 ANALOG IN & A/D ASSY (2/3)
2/3
L

A
B
C
D
5678
5678
39
VSX-49TX, VSX-47TX
VSX-49TX
ONLY
CN5816
R
1/3
L
3/3
L
+3.3V
Front A/D Converter
C/SW A/D Converter
(at C3493)
: AUDIO SIGNAL ROUTE (F)
(F)
: AUDIO SIGNAL ROUTE (C)
(C)
: AUDIO SIGNAL ROUTE (SL)
(S)
: AUDIO SIGNAL ROUTE (SBL)
(SB)
(C)
(C)
(C)
(C)
(C) (C)
(C)
(S)
(S)
(SB)
(SB)
(SB)
(S)
(C) (C)
(C)
(F)
(F) (F) (F)
(F)
(F)
(F)(F)
(F)
: The power supply is shown with the marked box.
2/3
L

A
B
C
D
1234
1234
42
VSX-49TX, VSX-47TX
Q3001
Q3003
UN5212
UN5212
DISPLAY ASSY
Switches
S3081 : ACOUSTIC CAL.
S3082 : MIDNIGHT
S3083 : TONE
S3084 : SIGNAL SELECT
S3085 : SP SYSTEM A/B
S3086 : BASS/TREBLE
S3087 : TONE –
S3088 : TONE +
S3089 : MULTI CH INPUT
S3090 : TAPE2 MONITOR
S3091 : VIDEO SELECT
S3092 : DIGITAL NR
S3093 : CLASS
S3094 : -
S3095 : +
S3096 : LISTENING CH SELECT
S3097 : CONTROL
S3098 : ON/OFF MULTI ROOM
& SOURCE
STATION TUNER
VSX-49TX
ONLY
CN1903
AF
CN5807
R
LED Driver
3.13 DISPLAY, INPUT SEL, MULTI JOG and VOL ASSYS
M

A
B
C
D
5678
5678
45
VSX-49TX, VSX-47TX
VSX-49TX : 47/35
VSX-47TX : 47/25
VSX-49TX : 47/35
VSX-47TX : 47/25
VR & PRE OUT ASSY (VSX-49TX : AWX7888)
(VSX-47TX : AWX7917)
Q1/3
2/3
Q
2/3, 3/3
Q
3/3
Q
CN5817
R
CN5819
R
CN4811
Y
J4004
AA
Mode
Selector
+16.2V
-16.2V
: AUDIO SIGNAL ROUTE (F)
(F)
: AUDIO SIGNAL ROUTE (C)
(C)
: AUDIO SIGNAL ROUTE (S)
(S)
: AUDIO SIGNAL ROUTE (SB)
(SB)
(S) (S)
(S)
(S)
(S)
(S)
(C)
(C)
(C)
(F)
(F)
(F)
(F)
(SB)
(SB)
(SB)
(SB) (SB)
(SB) (SB)
(S)
(S) (S)
(C)
(C) (C)
(F)
(F) (F)
(F)
(SB)
(C)
(C)
(SB)
(F)
(F)
: The power supply is shown with the marked box.
1/3
Q

A
B
C
D
1234
1234
50
VSX-49TX, VSX-47TX
Q5808
UN5112
Q5805
2SC5174P
R
MOTHER ASSY
(VSX-49TX : AWX7890)
(VSX-47TX : AWX7891)
CN2851
E
CN2705
A
CN3201
ICN3207
HCN3001
M
CN2301
D
CN2501
F
VSX-49TX
ONLY
CN1104
AB
CN4003
AA
CN4004
AA
VSX-47TX
ONLY VSX-49TX
ONLY
VSX-49TX
ONLY
EEP
ROM
Reset
IC
10V
15V
15V
-15V
-15V
1µ
(Y)
(C)
(Y)
(C)
(D)
(D)
(D)
(FV)
(MIC)
(TX)
(TX)
3.17 MOTHER ASSY
R

A
B
C
D
5678
5678
51
VSX-49TX, VSX-47TX
Q5817
UN5212
Q5818
UN5112
Q5807
UN5212
UN5112
UN511L
Q5809
Q5810
CN2101
C
CN2001
B
CN2002
B
CN5002
Q1/3
CN5001
Q1/3
CN5003
Q1/3
CN3403
L2/3
CN3402
L1/3
CN3401
L1/3
CN703
S1/5
CN702
S1/5
CN701
S1/5
CN6004 (VSX-49TX)
CN6904 (VSX-47TX)
U1/2
CN6003 (VSX-49TX)
CN6903 (VSX-47TX)
U1/2
VSX-47TX
ONLY
VSX-47TX
ONLY
VSX-49TX
ONLY
VSX-49TX
ONLY
VSX-47TX
ONLY
VSX-47TX
ONLY
Mute
Control
3V → 5V
Converter
Buffer
: AUDIO SIGNAL ROUTE (REC)
(REC)
: AUDIO SIGNAL ROUTE (DIGITAL)
(D)
: AUDIO SIGNAL ROUTE (MR)
(MR)
: AUDIO SIGNAL ROUTE (MIC)
(MIC)
: AUDIO SIGNAL ROUTE (F)
(F)
: AUDIO SIGNAL ROUTE (FV)
(FV)
: AUDIO SIGNAL ROUTE (C)
(C)
: AUDIO SIGNAL ROUTE (S)
(S)
: AUDIO SIGNAL ROUTE (SB)
(SB)
: AUDIO SIGNAL ROUTE (TUNER)
(TX)
: C SIGNAL ROUTE
: VIDEO SIGNAL ROUTE
: Y SIGNAL ROUTE
(Y)
(C)
(MIC)
(REC)
(FV)
(MR)
(MR)
(TX)
(F)
(F)
(SB)
(SB)
(SB)
(C)
(F)
(F)
(F) (F)
(F)
(C)
(C)
(C)
(S)
(S)
(SB)
(SB)
(C)
(C)
(S)
(S)
(S)
(SB)
(F)
(C)
(S)
(SB)
(SB)
(C)
(D)
: The power supply is shown with the marked box. R

A
B
C
D
1234
1234
52
VSX-49TX, VSX-47TX
VSX-49TX
ONLY
VSX-49TX
ONLY
VSX-47TX
ONLY
VSX-49TX
ONLY
VSX-49TX
ONLY
VSX-49TX
ONLY
IC701
PD5687A
DSP ASSY
(VSX-49TX : AWX7719)
(VSX-47TX : AWX7720)
S1/5
CN5809
R
CN5811
RCN5810
R
J4001
AA
5/5
S3/5
S
5/5
S
3/5
S
2/5
S
3.3V
Port Expander Port Expander
(D)
(C)
(S)
(SB)
(F)
(C)
(S)
(SB)
(F)
(C)
(S)
(SB)
(F)
3.18 DSP ASSY (1/5)
1/5
S

A
B
C
D
5678
5678
53
VSX-49TX, VSX-47TX
VSX-49TX
ONLY
VSX-49TX
ONLY
VSX-49TX
ONLY
VSX-49TX
ONLY
VSX-47TX
ONLY
VSX-47TX
ONLY
VSX-47TX
ONLY
VSX-49TX
ONLY
VSX-49TX
ONLY
VSX-49TX
ONLY
IC702
MBM29LV400TC-90PFTN (VSX-49TX)
AYW7012 (VSX-47TX)
CN502
TCN501
T
CN6002 (VSX-49TX)
CN6902 (VSX-47TX)
U1/2
CN6001 (VSX-49TX)
CN6901 (VSX-47TX)
U1/2
3/5
S
5/5
S
3/5
S4/5
S
Port Expander
Flash ROM
CN402
: AUDIO SIGNAL ROUTE (C)
(C)
: AUDIO SIGNAL ROUTE (S)
(S)
: AUDIO SIGNAL ROUTE (SB)
(SB)
: AUDIO SIGNAL ROUTE
(DIGITAL)
(D)
: AUDIO SIGNAL ROUTE (F)
(F)
(C)
(S)
(SB)
(F)
(C)
(C)
(C)
(S)
(S)
(S)
(SB)
(SB)
(SB)
(F)
(F)
(F)
(C)
(S)
(SB)
(F)
: The power supply is shown with the marked box.
1/5
S

A
B
C
D
1234
1234
56
VSX-49TX, VSX-47TX
2SB1197(QR)
Q102
DTC124EK
Q101
2
3
1
2
3
1
VSX-49TX
ONLY
VSX-49TX
ONLY
VSX-49TX
: AKB7148
VSX-47TX
: VKB1160
AKB7148
VSX-49TX
ONLY
VSX-49TX
ONLY
VSX-47TX
ONLY
1/5
S
2/5
S
2/5
S
1/5
S
Selector
(D) (D)
(D)
(F) (F)
(F)
(D)
(D) (D)
(D)
(D)
(D)
(D)
(D) (D)
(D)
(D)
(D)
(D)
(D)
(D)
(D) (D)
(D)
(D)
(D)
(D)
(D)
(D)
(D)
3.20 DSP ASSY (3/5)
3/5
S

A
B
C
D
5678
5678
57
VSX-49TX, VSX-47TX
VSX-49TX
ONLY
VSX-49TX
ONLY
VSX-49TX
ONLY
VSX-47TX
ONLY
VSX-47TX
ONLY
VSX-49TX : 100
VSX-47TX : 33
DSP ASSY
(VSX-49TX : AWX7719)
(VSX-47TX : AWX7720)
S3/5
1/5
S
4/5
S
5/5
S
4/5
S
1/5
S
1/5
S
Selector
Counter
Selector
Selector
Selector
: AUDIO SIGNAL ROUTE (C)
(C)
: AUDIO SIGNAL ROUTE (S)
(S)
: AUDIO SIGNAL ROUTE (SB)
(SB)
: AUDIO SIGNAL ROUTE
(DIGITAL)
(D)
: AUDIO SIGNAL ROUTE (F)
(F)
(F)
(F)
(F)
(F)
(F)
(F)
(F)
(F)
(F) (F) (F)
(F)
(F)
(C) (C)
(C)
(C)
(C)
(S)
(S) (S)
(S)
(SB)
(F)
(C)
(S)
(SB)
(SB)
(SB)
(SB)
(F) (F)
3/5
S

A
B
C
D
1234
1234
60
VSX-49TX, VSX-47TX
VSX-49TX
ONLY
VSX-47TX
ONLY
VSX-47TX
ONLY
VSX-47TX
ONLY
VSX-47TX
ONLY
VSX-47TX
ONLY
VSX-47TX
ONLY
VSX-47TX
ONLY
VSX-49TX
ONLY
VSX-49TX
ONLY
3/5
S
1/5
S
4/5
S
1/5
S
1/5
S
4/5
S
Selector
Selector
(C)
(S)
(SB)
(SB)
(SB)
(SB)
(SB)
(SB)
(SB)
(SB)
(SB)
(S)
(C)
(F)
(SB)
(SB)
(SB)
(S)
(C)
(F)
(SB)
(S)
(S)
(S)
(S)
(S) (S)
(F)
(F)(F)
(F)
(F)
(F)
(C)
(C)
(C) (C)
(S)
(S)
(SB)
(SB)
(F)
(F)
(C)
(S)
(S)
(SB)
(SB)
(F)
(F)
(C)
(C)
(C)
(F)
(C)
(S)
(SB)
(SB) (SB)
(S)
(C)
(C)
(F)
(F)
3.22 DSP ASSY (5/5)
5/5
S

A
B
C
D
1234
1234
72
VSX-49TX, VSX-47TX
Q4106
2SC3326
Q4404
2SC3326
Q4604
2SC3326
V
POWER AMP (L) ASSY
(AWX7882)
W
POWER AMP (C) ASSY (AWX7884)
CN4809
YCN5006
Q3/3
CN4806
X
Voltage Amp.
Voltage Amp.
Voltage Amp.
AMUTE1
ON : +4.2V
OFF : -20V
(C) (C) (C)
(C)
(C)
(C)
(S)
(SB)
(SB) (SB)
(SB)
(SB)
(SB)
(F)
(F) (F) (F)
(F)
(F)
(F)
(F)
(S)
(S)
(S)
(S)
(S)(S)
(S)
(C)
(C)
(C)
(C)
(C) (C)
(C)
(C)
(C)
(C) (C)
(C) (C)
(C)
(C)
(C)
(C)
(C)
(C)
3.28 POWER AMP (L) and POWER AMP (C) ASSYS
V W

A
B
C
D
5678
5678
73
VSX-49TX, VSX-47TX
IC4102
PBD001A
IC4103
PBD001A
1
1
2
2
5
5
4
4
3
3
IC4402
PBD001A
1
2
54
3
IC4602
PBD001A
1
2
54
3
IC4302
PBD001A
1
2
54
3
IC4403
PBD001A
12
5
4
3
IC4603
PBD001A
12
5
4
3
To C1
To C2
CN1203
AD
J1901
AG
Over Load Det.
Over Load Det.
Over Load Det.
Over Load Det.
Current Amp.
Current Amp.
Current Amp.
Current Amp.
Current Amp.
Current Amp.
Current Amp.
DC Det.
55V
-55V
: AUDIO SIGNAL ROUTE (C)
(C)
: AUDIO SIGNAL ROUTE (S)
(S)
: AUDIO SIGNAL ROUTE (SB)
(SB)
: AUDIO SIGNAL ROUTE (F)
(F)
(C) (C)
(C)
(C)
(C)
(C)
(C)
(C)
(C) (C)
(C)
(C)
(C)
(C)
(SB)
(SB)
(SB)
(SB)
(SB)
(SB)
(F)
(F)
(F)
(F) (F)
(F)
(s)
(S)
(S)
(S)
(S)
(S)
(S)
(SB)(SB) (S) (F) (F)
(F)
(S)
(F)
(C) (C) (C)
V

A
B
C
D
5678
5678
75
VSX-49TX, VSX-47TX
IC4202
PBD001A
IC4203
PBD002A
1
2
54
3
IC4502
PBD001A
1
2
4
5
3
5
42
3
1
IC4503
PBD002A
5
4
3
2
1
IC4702
PBD001A
1
2
4
5
3
IC4703
PBD002A
5
4
3
2
1
IC4303
PBD002A
5
4
3
2
1
CN4808
W
To C1
To C2
CN1204
AD
J1902
AH
Over Load Det.
Over Load Det.
Over Load Det.
Over Load Det.
Over Load Det.
Current Amp.
DC Det.
Current Amp.
Current Amp.
Current Amp.
Current Amp.
Current Amp.
Current Amp.
55V
-55V
: AUDIO SIGNAL ROUTE (C)
(C)
(C)
(C)
(C)
(C)
(C)
(C)
(C)
(C)
(C)
X

A
B
C
D
5678
5678
79
VSX-49TX, VSX-47TX
SP (A) ASSY
(AWX7848)
AD
STANDBY ASSY
(AWX7901)
AF
J4801
VJ4802
X
CN1007
AJ
CN3203
K
CN3002
M
Speaker Relay
: AUDIO SIGNAL ROUTE (C)
(C)
: AUDIO SIGNAL ROUTE (S)
: AUDIO SIGNAL ROUTE (SB)
(S)
(SB)
: AUDIO SIGNAL ROUTE (F)
(F)
: AUDIO SIGNAL ROUTE
(C)
(S)
(SB)
(F)
(F)
(C) (C)
(S)
(SB)
(SB)
(S)
(F)
(F)(F)
(F)
(F) (F)
AFADAB

A
B
C
D
1234
1234
80
VSX-49TX, VSX-47TX
1004
AKP1033
POSISTER (L) ASSY
(AWX7844)
AG
DSP DIODE ASSY
(AWX7958)
AI
DIODE ASSY
(AWX7841)
AK
TRANS (A) ASSY
(AWX7838)
AM
TRANS (B) ASSY
(AWX8057)
AN
SP (B) ASSY
(AWX7852)
AJ
POSISTER (R) ASSY
(AWX7846)
AH
CN4812
V
CN4813
X
CN4002
AA
J4002
To C1
To C2
AA
CN1101
AC OUTLET
INLET ASSY
AB
5.9V AC
T1
POWER
TRANSFORMER
(ATS7320)
VKP2251
FU1
AEK-306
(12A/125V)
FU10 : VEK1014
(1A/125V)
FU9 : VEK1014
(1A/125V)
H1703
H1701–H1704 : AKR1004
H1704
H1702H1701
AG AH AI AJ AK AM AN
3.32 POSISTER (L), POSISTER (R), DSP DIODE, SP (B), DIODE, FUSE,
TRANS (A) and TRANS (B) ASSYS

A
B
C
D
5678
5678
81
VSX-49TX, VSX-47TX
FUSE ASSY
(AWX7843)
AL
CN4001
AA
CN1102
AB
J1206
AD
CN1901
AE
• NOTE FOR FUSE REPLACEMENT
FOR CONTINUED PROTECTION AGAINST RISK OF FIRE.
REPLACE WITH SAME TYPE AND RATINGS ONLY.
CAUTION -
AC Relay
Speaker Relay
FU4
FU5
FU6
FU7
FU8
VEK1023
FU5-FU8 :
VEK1023
(4A)
(2A)
(2A)
(2A)
(2A)
AEK7076
AKC7002
ALAJ

VSX-49TX, VSX-47TX
82
NOTE FOR PCB DIAGRAMS :
1. Part numbers in PCB diagrams match those in the schematic
diagrams.
2. A comparison between the main parts of PCB and schematic
diagrams is shown below.
3. The parts mounted on this PCB include all necessary parts for
several destinations.
For further information for respective destinations, be sure to
check with the schematic diagram.
4. View point of PCB diagrams.
Symbol In PCB
Diagrams Symbol In Schematic
Diagrams Part Name
BCE
D
D
G
G
S
S
BCE
BCE
DGS
BCEBCE
BCE
Transistor
Transistor
with resistor
Field effect
transistor
Resistor array
3-terminal
regulator
Capacitor
Connector
P.C.Board Chip Part
SIDE A
SIDE B
4. PCB CONNECTION DIAGRAM

VSX-49TX, VSX-47TX
83
A
B
C
D
1234
1234
(ANP7338-B)
(ANP7338-B)
CN5802
R
FM/AM TUNER MODULE
A
FM/AM TUNER MODULE
A
SIDE A
SIDE B
IC201 Q205Q601 Q204
Q203
IC202
Q201Q602
Q202
4.1 FM/AM TUNER MODULE
A

VSX-49TX, VSX-47TX
84
A
B
C
D
1234
1234
B
SIDE A
SIDE B
A/V I/O ASSY
B
(ANP7389-A)
(ANP7389-A)
CN5820
R
CN5821
R
IC2001IC2002IC2053
IC2052IC2051
4.2 A/V I/O ASSY

VSX-49TX, VSX-47TX
85
A
B
C
D
1234
1234
COMPOSITE ASSY
C
(ANP7389-A)
(ANP7389-A)
CN5822
R
CN3301
G
Q2107IC2106
IC2105IC2102
IC2103
Q2101
Q2105
Q2108
IC2104Q2104
IC2108 IC2109
Q2103 IC2107
Q2102 IC2101 Q2106
C
SIDE A
SIDE B
4.3 COMPOSITE ASSY

VSX-49TX, VSX-47TX
86
A
B
C
D
1234
1234
S-VIDEO ASSY
D
(ANP7389-A)
(ANP7389-A)
CN3302
G
CN5823
R
IC2309
IC2308
Q2303Q2302
IC2305IC2306IC2302
IC2301
IC2304IC2307
IC2303
Q2301IC2310
Q2314
SIDE A
SIDE B
D
4.4 S-VIDEO ASSY

VSX-49TX, VSX-47TX
87
A
B
C
D
1234
1234
V-CONVERT ASSY
E
(ANP7389-A)
(ANP7389-A)
CN3304
G
CN5825
R
Q2857Q2855
Q2980
Q2902
Q2901
IC2858
IC2854
Q2852
Q2851
IC2852
IC2851
Q2904 Q2853 Q2854
IC2862
Q2903
IC2860
IC2859
IC2856
IC2855
IC2853
IC2861 IC2857
IC2853
E
SIDE A
SIDE B
4.5 V-CONVERT ASSY (VSX-49TX ONLY)

VSX-49TX, VSX-47TX
88
A
B
C
D
1234
1234
COMPONENT ASSY
F
(ANP7389-A)
(ANP7389-A)
CN5824
R
CN3303
G
Q2502 Q2501
IC2508IC2505 IC2506 IC2503
Q2504
Q2508
Q2506
Q2505
Q2509
Q2507
IC2501 IC2504 IC2502 IC2507 IC2509
SIDE B
F
SIDE A
4.6 COMPONENT ASSY

VSX-49TX, VSX-47TX
89
A
B
C
D
1234
1234
G
4.7 VIDEO CONNECT ASSY
SIDE B
SIDE A
VIDEO CONNECT ASSY
G
(ANP7390-A)
(ANP7390-A)
CN2852
E
CN2502
F
CN2306
D
CN2102
C

VSX-49TX, VSX-47TX
90
A
B
C
D
1234
1234
4.8 MIC AMP, MIC & OPT, RFONT A/V and HEADPHONE ASSYS
H I J
SIDE A
K
HEADPHONE ASSY
K
MIC AMP ASSY
H
MIC & OPT ASSY
I
FRONT A/V ASSY
J
(ANP7390-A)
(ANP7390-A)
(ANP7390-A)
(ANP7390-A)
CN1206
CN5806
R
CN5804
R
Q3204Q3202IC3201
AD

VSX-49TX, VSX-47TX
91
A
B
C
D
1234
1234
SIDE B
H I JK
HEADPHONE ASSY
K
MIC AMP ASSY
H
MIC & OPT ASSY
I
FRONT A/V ASSY
J
(ANP7390-A)
(ANP7390-A)
(ANP7390-A)
(ANP7390-A)

VSX-49TX, VSX-47TX
92
A
B
C
D
1234
1234
4.9 ANALOG IN & A/D ASSY
L
SIDE A
ANALOG IN & A/D ASSY
L
(ANP7390-A)
CN5815
R
CN5816
R
CN5814
R
IC3481
IC3461 IC3441
IC3421
IC3424
IC3401
IC3902
IC3423
IC3462
IC3422
Q3401
Q3801 Q3601
Q3501
IC3801
IC3701 IC3601
IC3501
IC3802
IC3702 IC3602
IC3502
IC3402

VSX-49TX, VSX-47TX
93
A
B
C
D
1234
1234
L
SIDE B
ANALOG IN & A/D ASSY
L
(ANP7390-A)
IC3901

VSX-49TX, VSX-47TX
98
A
B
C
D
1234
1234
4.11 VR & PRE OUT ASSY
QSIDE A
VR & PRE OUT ASSY
Q
AA
(ANP7392-A)
CN5817
R
CN5818
R
CN5819
R
CN4811
Y
J4004
CN4802
CN4801
X
V
IC5181
IC5023 IC5063
IC5182
IC5043
IC5081
IC5061 IC5041
IC5021
IC5082
IC5062 IC5042
IC5022
Q5401
Q5402
Q5301
Q5302
Q5204
Q5202
Q5201
Q5101
Q5102
IC5084
IC5083
IC5002
IC5003
IC5001

VSX-49TX, VSX-47TX
99
A
B
C
D
1234
1234
Q
SIDE B
VR & PRE OUT ASSY
Q
(ANP7392-A)

VSX-49TX, VSX-47TX
104
A
B
C
D
1234
1234
SSIDE A
4.13 DSP ASSY
DSP ASSY
S
AA
(ANP7393-A)
J4001
CN5811
R
CN6902
(47TX)
U
CN6002
(49TX)
U
CN501
T
CN502
T
CN5901
(47TX)
U
CN5001
(49TX)
U
CN5810
R
CN5809
R
IC404
IC413 IC706
IC704
IC705
IC703
IC715
IC716
IC718
IC406
IC403 IC402
IC717,IC714
IC113
IC301
IC715
IC302
Q210
IC303
IC202
IC111 IC112
IC201
IC108
IC116
IC107
IC114
IC101
IC115
IC305
IC5084
IC110 IC304
IC416
IC414
IC415
IC410
IC407
IC710
IC709
IC702
IC412
IC401 IC707
IC708
IC409
IC411 IC711
IC712
IC701

VSX-49TX, VSX-47TX
105
A
B
C
D
1234
1234
SIDE B S
DSP ASSY
S
(ANP7393-A)
IC203
Q213
Q211
Q212
IC204
Q202
Q201
Q204
IC104IC106
IC105
IC205
Q203 IC103
IC102
Q208
Q209 Q101
Q102
Q104 Q105
IC408
IC405

VSX-49TX, VSX-47TX
106
A
B
C
D
1234
1234
SIDE A
4.14 DAC10 ASSY (VSX-49TX ONLY)
U
DAC10 ASSY
U
(ANP7394-A)
CN5812
R
CN5813
R
CN707
S
CN706
S
IC6302
IC6061
IC6062
IC6304 IC6306
IC6303 IC6305
IC6042IC6041
IC6204 IC6206
IC6203 IC6205
IC6022IC6021
IC6104 IC6106
IC6103 IC6105
IC6402 IC6404
IC6406
IC6001 Q6001
IC6403
IC6405
IC6281
IC6401
IC6002
IC6202
IC6201
IC6102
IC6101
IC6301

VSX-49TX, VSX-47TX
107
A
B
C
D
1234
1234
U
SIDE B
DAC10 ASSY
U
(ANP7394-A)
Q6310
Q6309
Q6210
Q6209
Q6110
Q6109
Q6410
Q6409

VSX-49TX, VSX-47TX
108
A
B
C
D
1234
1234
4.15 DAC8 ASSY (VSX-47TX ONLY)
USIDE A
DAC8 ASSY
U
(ANP7416-A)
CN5812
R
CN5813
R
CN707
SCN706
S
IC6961 IC6962
IC6702 IC6704
IC6701 IC6703
IC6941 IC6942
IC6602 IC6604
IC6601 IC6603
IC6921 IC6922
IC6502 IC6504
IC6501 IC6503
Q6902
IC6802 IC6804
IC6801 IC6803
IC6901 Q6901
IC6981 IC6982

VSX-49TX, VSX-47TX
109
A
B
C
D
1234
1234
U
SIDE B
DAC8 ASSY
U
(ANP7416-A)
Q6702
Q6701
Q6602
Q6601
Q6502
Q6501
Q6802
Q6801

VSX-49TX, VSX-47TX
110
A
B
C
D
1234
1234
4.16 DSP3 ASSY (VSX-49TX ONLY)
SIDE A
T
SIDE B
DSP3 ASSY
T
(ANP7417-B)
(ANP7417-B)
CN402
S
CN708
S
IC507
IC502
IC503 IC504 IC501 IC506 IC505

VSX-49TX, VSX-47TX
111
A
B
C
D
1234
1234
SIDE A
V
POWER AMP (L) ASSY
POSISTER (L)
ASSY
V
AG
AD
AD
AD
(ANP7391-B)
CN5006
Q
CN4809
Y
CN4807
W
IC4403
IC4401
IC4402
IC4602
IC4603
IC4302
IC4601
IC4101
IC4401 IC4301
IC4601
IC4103
IC4101
IC4102
CN1203
C1
CN1203
C2
CN1203
4.17 POWER AMP (L) and POSISTER (L) ASSYS
AG

VSX-49TX, VSX-47TX
112
A
B
C
D
1234
1234
SIDE B
V
POWER AMP (L) ASSY
V
POSISTER (L)
ASSY
AG
(ANP7391-B)
Q4801
Q4401
Q4404
Q4402
Q4601
Q4304
Q4604
Q4301
Q4602
IC4101 IC4301
IC4401 IC4601
Q4104
Q4101 Q4803
Q4805
Q4102
AG

VSX-49TX, VSX-47TX
113
A
B
C
D
1234
1234
SIDE A
4.18 POWER AMP (R) and POSISTER (R)ASSYS
POWER AMP (R) ASSY
X
POSISTER(R)
ASSY
AH
AD
AD
AD
(ANP7391-B)
CN5006
Q
CN4806
W
CN4810
Y
IC4502
IC4703
IC4701
IC4503
IC4501
IC4202
IC4203
IC4201
IC4201 IC4501
IC4701
IC4702
IC4303
CN1204
CN1204
CN1204
C 1
C 2
X
AH

VSX-49TX, VSX-47TX
114
A
B
C
D
1234
1234
SIDE B
X
POWER AMP (R) ASSY
X
POSISTER (R)
ASSY
AH
(ANP7391-B)
Q4704Q4702
Q4501
Q4504
Q4502
Q4201
Q4802
Q4302
Q4202
Q4806
Q4804
IC4501
IC4201
Q4701
Q4204
IC4701
AH

VSX-49TX, VSX-47TX
115
A
B
C
D
1234
1234
4.19 POWER AMP (C), POWER AMP (BR) and POWER AMP (G) ASSYS
Z
Y
W
POWER AMP (BR) ASSY
Y
POWER AMP (G) ASSY
Z
POWER AMP (C) ASSY
W
AD
(ANP7391-B) (ANP7391-B)
(ANP7391-B)
(ANP7391-B)
(ANP7391-B)
(ANP7391-B)
CN5005
CN4805
V
CN4803
V
Q
CN4806
X
CN4804
To
MAIN CAPACITOR
X
4808
X
IC4301
Q4403
Q4303
Q4103
4807
V
CN1203
SIDE B
SIDE A

VSX-49TX, VSX-47TX
116
A
B
C
D
1234
1234
LOCAL SUPPLY ASSY
AL
CN704
AA
DSP DIODE ASSY
AI
AN
(ANP7391-B)
CN1802
S
CN5805
CN5004
R
J5806
R
Q
CN1701
IC4047 IC4046
IC4041
IC4042 IC4043
IC4033
IC4031
IC4032
Q4053
IC4045
Q4021 Q4022
Q4051
Q4052 IC4021
IC4022
IC4011
IC4051 IC4052
IC4023 IC4024
IC4035
IC4036
4.20 LOCAL SUPPLY and DSP DIODE ASSYS
AA
SIDE A
AI

VSX-49TX, VSX-47TX
117
A
B
C
D
1234
1234
AA
SIDE B
LOCAL SUPPLY ASSY
AA
DSP DIODE ASSY
AI
(ANP7391-B)
Q4054
AI

VSX-49TX, VSX-47TX
118
A
B
C
D
1234
1234
POWER
SW ASSY
SP (A) ASSY
AC PRIMARY ASSY
AD
AB
AJ
AJ
AJ
AB
AC
AD
(ANP7388-A)
K
CN1103
To
MAIN CAPACITOR
CN1007
R
CN5801
CN1205
CN3203
X
CN1005
CN1001
V
J4801
J4802
IC1101IC1102
IC1103
4.21AC PRIMARY, POWER SW and SP (A) ASSYS
SIDE A
AB AC AD

VSX-49TX, VSX-47TX
119
A
B
C
D
1234
1234
SIDE B
AB AC AD
POWER
SW ASSY
SP (A) ASSY
AC PRIMARY ASSY
AB
AC
AD
(ANP7388-A)
Q1102 Q1104Q1103
Q1101
Q1208Q1209 Q1206 Q1204 Q1202 Q1210Q1201
Q1203 Q1205
Q1207

VSX-49TX, VSX-47TX
120
A
B
C
D
1234
1234
AL
AK
T1
POWER
TRANSFORMER
TRANS (A) ASSY
TRANS (B) ASSY
FUSE ASSY
DIODE ASSY
AE
AA
AA
AK
AM
AN
AL
(ANP7388-A)
(ANP7388-A)
(ANP7388-A)
CN1901
CN4002
CN4001
C 1
C 2
To
MAIN
CAPACITOR
AM AN
SIDE A
4.22 TRANS(A), TRANS(B), DIODE and FUSE ASSYS

VSX-49TX, VSX-47TX
121
A
B
C
D
1234
1234
4.23 SP(B) ASSY
AJ
SP (B) ASSY
AD
AB
AB
AJ
(ANP7388-A)
(ANP7388-A)
CN1102
CN1101
AC IN
AC OUTLET
POWER TRANSFORMER
Q1001
Q1002 Q1004 Q1003
CN1206
SIDE B
SIDE A

Mark No. Description Part No. Mark No. Description Part No.
122
VSX-49TX, VSX-47TX
5. PCB PARTS LIST
NOTES: •Parts marked by "NSP" are generally unavailable because they are not in our Master Spare Parts List.
•The mark found on some component parts indicates the importance of the safety factor of the part.
Therefore, when replacing, be sure to use parts of identical designation.
•When ordering resistors, first convert resistance values into code form as shown in the following examples.
Ex.1 When there are 2 effective digits (any digit apart from 0), such as 560 ohm and 47k ohm (tolerance is shown by J=5%,
and K=10%).
560 Ω→56 × 101→561 ........................................................ RD1/4PU 5 6
1
J
47k Ω→47 × 103→473 ........................................................ RD1/4PU
4
7
3 J
0.5 Ω→R50 ..................................................................................... RN2H R 5
0
K
1 Ω→1R0 ..................................................................................... RS1P 1 R
0
K
Ex.2 When there are 3 effective digits (such as in high precision metal film resistors).
5.62k Ω→ 562 × 101→5621 ...................................................... RN1/4PC 5 6
2
1 F
LIST OF WHOLE PCB ASSEMBLIES
Mark Symbol and Description Part No. Remarks
VSX-49TX/KU/CA VSX-47TX/KU/CA
NSP
NSP
NSP
NSP
NSP
FM/AM TUNER Module
VIDEO Assy
A/V I/O Assy
COMPOSITE Assy
S-VIDEO Assy
V-CONVERT Assy
COMPONENT Assy
A/D & CONTROL Assy
VIDEO CONNECT Assy
MIC AMP Assy
MIC & OPT Assy
FRONT A/V Assy
HEADPHONE Assy
ANALOG IN & A/D Assy
DISPLAY Assy
INPUT SEL Assy
MULTI JOG Assy
VOL Assy
VR & MOTHER Assy
VR & PRE OUT Assy
MOTHER Assy
DSP Assy
DSP3 Assy
DAC10 Assy
DAC8 Assy
POWER AMP Assy
POWER AMP (L) Assy
POWER AMP (C) Assy
POWER AMP (R) Assy
POWER AMP (BR) Assy
POWER AMP (G) Assy
LOCAL SUPPLY Assy
PS & SP Assy
AC PRIMARY Assy
POWER SW Assy
SP (A) Assy
FL SUPPLY Assy
STANDBY Assy
POSISTER (L) Assy
POSISTER (R) Assy
DSP DIODE Assy
SP (B) Assy
DIODE Assy
FUSE Assy
TRANS (A) Assy
TRANS (B) Assy
AXQ7237
AWQ7010
AWX7938
AWX7942
AWX7948
AWX7952
AWX7953
AWM7558
AWX7876
AWX7872
AWX7875
AWX7902
AWX7874
AWX7878
AWX7864
AWX7868
AWX7869
AWX7870
AWM7562
AWX7888
AWX7890
AWK7719
AWK7727
AWK7725
Not used
AWH7004
AWX7882
AWX7884
AWX7883
AWX7885
AWX7886
AWX7887
AWK7712
AWX7834
AWX7840
AWX7848
AWX7871
AWX7901
AWX7844
AWX7846
AWX7958
AWX7852
AWX7841
AWX7843
AWX7838
AWX8057
AXQ7237
AWQ7011
AWX7939
AWX7943
AWX7949
Not used
AWX7954
AWM7559
AWX7877
AWX7872
AWX7875
AWX7902
AWX7874
AWX7879
AWX7865
AWX7868
AWX7869
AWX7870
AWM7563
AWX7917
AWX7891
AWK7720
Not used
Not used
AWK7726
AWH7004
AWX7882
AWX7884
AWX7883
AWX7885
AWX7886
AWX7887
AWK7712
AWX7834
AWX7840
AWX7848
AWX7871
AWX7901
AWX7844
AWX7846
AWX7958
AWX7852
AWX7841
AWX7843
AWX7838
AWX8057

Mark No. Description Part No. Mark No. Description Part No.
123
VSX-49TX, VSX-47TX
A/V I/O ASSY
AWX7938 and AWX7939 are constructed the same except for the following :
B
Mark Symbol and Description Part No. Remarks
AWX7938 AWX7939
R2025, R2026
R2027, R2028
R2029, R2030
R2088-R2091
2004 4P Pin Jack
RS1/16S102J
RS1/16S105J
RS1/16S221J
Not used
AKB7075
Not used
Not used
Not used
RS1/16S0R0J
Not used
COMPOSITE ASSY
AWX7942 and AWX7943 are constructed the same except for the following :
C
Mark Symbol and Description Part No. Remarks
AWX7942 AWX7943
IC2102 Logic IC
C2106
C2153
C2110, C2111, C2156
R2106, R2157
R2113- R2115
2104 2P Pin Jack
TC74HC4053AFT
CEAT101M10
CCSRCH181J50
CKSRYB103K50
RS1/16S750J
RS1/16S102J
AKB7076
Not used
Not used
Not used
Not used
Not used
Not used
Not used
S-VIDEO ASSY
AWX7948 and AWX7949 are constructed the same except for the following :
D
Mark Symbol and Description Part No. Remarks
AWX7948 AWX7949
C2306
C2312
C2318, C2384
C2324, C2375
C2378, C2381
R2306, R2312, R2401, R2404
R2318
R2407
CN2304 Dual 4P Mini DIN Socket
CEAT101M10
CKSRYB473K25
CKSRYB103K50
CKSRYB104K16
CCSRCH181J50
RS1/16S750J
RS1/16S102J
RS1/16S103J
AKP7023
Not used
Not used
Not used
Not used
Not used
Not used
Not used
Not used
Not used
COMPONENT ASSY
AWX7953 and AWX7954 are constructed the same except for the following :
F
Mark Symbol and Description Part No. Remarks
AWX7953 AWX7954
IC2503
C2514, C2515
R2519
R2521
TC74LVX4053FT
CKSRYB103K50
RS1/16S102J
RS1/16S0R0J
Not used
Not used
Not used
Not used

Mark No. Description Part No. Mark No. Description Part No.
124
VSX-49TX, VSX-47TX
VIDEO CONNECT ASSY
AWX7876 and AWX7877 are constructed the same except for the following :
G
Mark Symbol and Description Part No. Remarks
AWX7876 AWX7877
CN3304 18P Plug KM200TA18 Not used
DISPLAY ASSY
AWX7864 and AWX7865 are constructed the same except for the following :
M
Mark Symbol and Description Part No. Remarks
AWX7864 AWX7865
D3013
R3013 SLI-343URW
RS1/16S561J Not used
Not used
VR & PRE OUT ASSY
AWX7888 and AWX7917 are constructed the same except for the following :
Q
Mark Symbol and Description Part No. Remarks
AWX7888 AWX7917
C5007, C5008, C5021, C5022, C5033, C5034
C5041, C5042, C5053, C5054, C5061, C5062
C5081, C5082
C5151, C5152, C5251, C5252, C5351, C5352
C5451, C5452
ACH7163
ACH7163
ACH7163
CEGA470M35
CEGA470M35
CEAT471M25
CEAT471M25
CEAT471M25
CENA470M25
CENA470M25
MOTHER ASSY
AWX7890 and AWX7891 are constructed the same except for the following :
R
Mark Symbol and Description Part No. Remarks
AWX7890 AWX7891
IC5811
IC5812
Q5815
Q5816
Q5817
Q5818
L5805
C5840
C5841
R5854
R5856
R5904, R5905
R5907, R5909, R5944, R5945
R5908, R5910
R5915-R5918, R5933, R5934, R5940-R5942
R5928, R5937
CN5825 JE Connector Socket
TC7S08FU
TC7W126FU
IRF7416
2SK2103
UN5212
UN5112
QTL1013
CKSRYB103K50
CKSRYB104K16
Not used
RS1/16S103J
RS1/16S0R0J
RS1/16S101J
RS1/16S104J
Not used
RS1/16S221J
09R-JE
Not used
Not used
Not used
Not used
Not used
Not used
Not used
Not used
Not used
RS1/16S103J
Not used
Not used
Not used
Not used
RS1/16S0R0J
Not used
Not used

Mark No. Description Part No. Mark No. Description Part No.
125
VSX-49TX, VSX-47TX
FM/AM TUNER MODULE
SEMICONDUCTORS
IC201 BA1451F
IC202 LC72131MD
Q201,Q204,Q205 2SC2412K
Q202 DTA124ES
Q203 DTC124EK
D201 1SS133
D202 MTZJ5.1C
COILS AND FILTERS
L201 FM DET COIL ATE7003
F202 FM CERAMIC FILTER ATF-107
F201 FM CERAMIC FILTER ATF-119
F203 AM CERAMIC FILTER ATF7026
CAPACITORS
C206 CCSRCH100D50
C212,C213,C226,C233-C235 CCSRCH101J50
C240 CCSRCH101J50
C231,C232 CCSRCH150J50
C223 CEAT100M50
C229 CEAT101M10
C224 CEAT1R0M50
C227 CEAT220M25
C241 CEAT2R2M50
C243 CEAT330M16
C228 CEAT3R3M50
C237 CEAT470M10
C211 CEJQ1R0M50
C210 CEJQ470M16
C204,C238,C613 CKSRYB102K50
C101,C102,C208,C220,C239 CKSRYB103K50
C242,C604 CKSRYB103K50
C216,C217,C225 CKSRYB153K50
C201,C205,C209,C214,C230 CKSRYB223K50
C236,C603 CKSRYB223K50
C221 CKSRYB224K10
C202,C222 CKSRYB473K16
C215 CKSRYB681K50
RESISTORS
R211 RD1/4PU221J
R221 RD1/4PU222J
R233 RD1/4PU391J
R243 RS1/10S0R0J
R103 RS1/10S331J
R104 RS1/10S391J
Other Resistors RS1/16S J
OTHERS
CN201 13P FFC CONNECTOR 52044-1345
BN201 2P ANTENNA TERMINAL AKA7002
SHIELD CASE T ANK7072
SHIELD CASE B ANK7073
X201 CRYSTAL RESONATOR ASS1093
(7.2MHz)
A/V I/O ASSY
SEMICONDUCTORS
IC2053 BA4558F-HT
IC2052 M62429FP
IC2002 TC9162AF
IC2001 TC9164AF
IC2051 UPC4570C
Q2051 HN1C03F
D2052,D2053 1SS355
D2051 UDZS5.6B
CAPACITORS
C2025,C2029,C2053,C2054 CCSRCH101J50
C2063,C2064,C2077,C2078 CCSRCH101J50
C2071 CCSRCH221J50
C2079,C2080 CEAT100M50
C2075,C2076 CEAT1R0M50
C2055,C2056 CEAT470M25
C2061,C2065,C2066 CEJQ100M16
C2051,C2052,C2059,C2060 CEJQ1R0M50
C2072 CKSRYB102K50
C2019-C2022,C2069,C2081 CKSRYB103K50
C2023,C2024,C2027,C2028 CKSRYB473K25
C2082,C2083 CKSRYB473K50
RESISTORS
R2065 RD1/2LMF561J
Other Resistors RS1/16S J
OTHERS
CN2002 JE CONNECTOR 17PS-JE
JA2001 6P PIN JACK AKB7073
2002-2004 4P PIN JACK AKB7075
JA2051 2P PIN JACK DKB1045
CN2001 17P SOCKET KP200TA17L
2051 2P MINI JACK VKN1034
COMPOSITE ASSY
SEMICONDUCTORS
IC2108,IC2109 BU4094BCF
IC2106 NJM2296M
IC2104 PDC084A
IC2101,IC2107 TC74HC4051AFT
IC2102,IC2103 TC74HC4053AFT
IC2105 TK15420M
Q2101-Q2103,Q2105-Q2108 2SC4081
Q2104 UN5212
D2101-D2103 1SS355
COILS
L2102,L2103 LAU100J
L2101 LAU330J
Mark No. Description Part No. Mark No. Description Part No.
A B
PCB PARTS LIST FOR VSX-49TX/KU/CA UNLESS OTHERWISE NOTED
C

Mark No. Description Part No. Mark No. Description Part No.
126
VSX-49TX, VSX-47TX
CAPACITORS
C2118 CCSRCH100D50
C2123,C2132 CCSRCH101J50
C2119 CCSRCH150J50
C2120 CCSRCH180J50
C2139,C2151-C2153,C2164 CCSRCH181J50
C2121,C2122 CCSRCH240J50
C2115,C2129,C2177-C2179 CEAT100M50
C2101-C2106,C2114,C2124,C2125 CEAT101M10
C2135,C2136,C2141,C2142 CEAT101M10
C2165,C2166 CEAT101M10
C2131 CEAT1R0M50
C2180 CEAT470M10
C2107-C2113,C2137,C2138 CKSRYB103K50
C2143,C2144,C2154-C2156 CKSRYB103K50
C2159-C2161,C2167,C2168,C2170 CKSRYB103K50
C2130 CKSRYB122K50
C2116,C2126,C2127,C2140 CKSRYB473K25
RESISTORS
All Resistors RS1/16S J
OTHERS
X2101 CRYSTAL RESONATOR ASS1056
(14.31818MHz)
CN2101 JE CONNECTOR 19PS-JE
2102-2105 2P PIN JACK AKB7076
JA2101 3P PIN JACK AKB7109
CN2102 12P SOCKET KP200TA12L
S-VIDEO ASSY
SEMICONDUCTORS
IC2310 BU4094BCF
IC2305 LA7213
IC2308,IC2309 NJM2296M
IC2306 TC74HC4051AFT
IC2303,IC2304 TC74HC4053AFT
IC2301,IC2302 TC74LVX4051FT
IC2307 TK15420M
Q2303 2SA1576A
Q2302 2SC4081
Q2314 HN1B04FU
Q2301 UN5212
D2304,D2305,D2307 1SS355
CAPACITORS
C2337 CCSRCH151J50
C2352,C2353,C2376-C2381 CCSRCH181J50
C2390-C2392 CEAT100M50
C2301-C2306,C2339,C2340 CEAT101M10
C2347,C2348,C2357,C2358 CEAT101M10
C2361,C2362,C2385,C2386 CEAT101M10
C2338 CEAT3R3M50
C2313-C2318,C2325-C2327 CKSRYB103K50
C2330-C2333,C2335,C2336 CKSRYB103K50
C2341,C2342,C2349,C2350,C2356 CKSRYB103K50
C2359,C2360,C2363,C2364 CKSRYB103K50
C2382-C2384,C2387,C2389 CKSRYB103K50
C2319-C2324,C2328,C2351 CKSRYB104K16
C2373-C2375,C2393,C2394 CKSRYB104K16
C2307-C2312 CKSRYB473K25
RESISTORS
All Resistors RS1/16S J
OTHERS
CN2301 JE CONNECTOR 17PS-JE
CN2302-CN2305 AKP7023
DUAL 4P MINI DIN SOCKET
JA2301 TRIPLE 4P MINI DIN SOCKET AKP7049
CN2306 8P SOCKET KP200TA8L
V-CONVERT ASSY (VSX-49TX Only)
SEMICONDUCTORS
IC2862 BU4094BCF
IC2852 MM1093NF
IC2863 NJM78M09FA
IC2853 TA1270BF
IC2859,IC2860 TC74LVX4053FT
IC2851 TC90A49F
IC2854-IC2858 TK15420M
Q2851,Q2852,Q2902 2SA1576A
Q2853,Q2854,Q2901,Q2904 2SC4081
COILS
L2856 CHIP FERRITE BEAD ATL7002
L2852-L2854,L2857 LAU100J
L2855 LAU330J
L2859 LCTA1R0J2520
CAPACITORS
C2865,C2887,C2876 CCSRCH100D50
C2885 CCSRCH101J50
C2919,C2920 CCSRCH120J50
C2968 CCSRCH151J50
C2867 CCSRCH181J50
C2881 CCSRCH391J50
C2873,C2886 CCSRCH560J50
C2879 CCSRCH6R0D50
C2851,C2853,C2981,C2982 CEAT100M50
C2989-C2991 CEAT100M50
C2855,C2860,C2862,C2868 CEAT101M10
C2892,C2893,C2903,C2904 CEAT101M10
C2909,C2910,C2917,C2918,C2928 CEAT101M10
C2938,C2945,C2946,C2970,C2971 CEAT101M10
C2924,C2926 CEAT2R2M50
C2884,C2985 CEAT470M10
C2874,C2877,C2880 CEAT4R7M50
C2882 CKSRYB102K50
C2854,C2856,C2857,C2859,C2861 CKSRYB103K50
C2863,C2866,C2869-C2872,C2875 CKSRYB103K50
C2878,C2883,C2890,C2891 CKSRYB103K50
C2894-C2897,C2901,C2902 CKSRYB103K50
C2907,C2908,C2915,C2916,C2923 CKSRYB103K50
C2929,C2937,C2943,C2944,C2967 CKSRYB103K50
C2978,C2979 CKSRYB103K50
C2852,C2925,C2930-C2936,C2966 CKSRYB104K16
C2986,C2983,C2984 CKSRYB104K16
C2864 CKSRYB122K50
C2921 CKSRYB222K50
C2927 CKSRYB223K50
D
E

Mark No. Description Part No. Mark No. Description Part No.
127
VSX-49TX, VSX-47TX
C2922 CKSRYB224K10
C2858 CKSRYB474K10
C2969 CKSRYB561K50
RESISTORS
All Resistors RS1/16S J
OTHERS
CN2851 JE CONNECTOR 09PS-JE
X2851,X2853 CRYSTAL RESONATOR ASS1091
(3.579545MHz)
X2852 CRYSTAL RESONATOR ASS1092
(4.433619MHz)
X2854 CERAMIC RESONATOR ASS7036
(503kHz)
CN2852 18P SOCKET KP200TA18L
COMPONENT ASSY
SEMICONDUCTORS
IC2507 BU4094BCF
IC2505,IC2506 OPA2652U
IC2509 SP232AEP
IC2504 TC74HC4053AFT
IC2501,IC2502 TC74LVX4052FT
IC2503 TC74LVX4053FT
Q2502 2SA1576A
Q2501,Q2503 2SC4081
D2501-D2503 1SS355
COIL
L2501 LAU1R0J
CAPACITORS
C2541,C2542 CEAT100M50
C2524,C2525,C2532,C2533 CEAT101M10
C2537,C2538,C2567 CEAT101M10
C2563-C2565,C2568 CEAT1R0M50
C2510-C2517,C2522,C2523 CKSRYB103K50
C2530,C2531,C2535,C2536 CKSRYB103K50
C2557,C2558,C2569,C2571-C2579 CKSRYB103K50
C2581 CKSRYB103K50
C2566 CKSRYB104K25
C2582 CKSRYB331K50
RESISTORS
All Resistors RS1/16S J
OTHERS
CN2501 JE CONNECTOR 19PS-JE
JA2502 6P PIN JACK AKB7127
JA2501 6P PIN JACK AKB7141
JA2504 MULTI ROOM JACK AKN7014
CN2505 9P D-SUB SOCKET AKP1213
CN2502 10P SOCKET KP200TA10L
2501 SCREW TERMINAL VNE1948
VIDEO CONNECT ASSY
OTHERS
CN3303 10P PLUG KM200TA10
CN3301 12P PLUG KM200TA12
CN3304 18P PLUG KM200TA18
CN3302 8P PLUG KM200TA8
MIC AMP ASSY
SEMICONDUCTORS
IC3201 M5220FP
Q3204 HN1C01FU
Q3202 RN4903
D3201 1SS355
D3202 UDZS5.6B
CAPACITORS
C3211,C3220,C3226 CCSRCH101J50
C3214 CCSRCH330J50
C3210,C3218,C3221,C3224,C3227 CEAL100M16
C3231,C3232 CEAL101M10
C3206 CEAL220M16
C3212,C3215 CEAL220M35
C3223,C3229,C3230 CEAL330M25
C3205,C3228 CKSRYB104K16
RESISTORS
All Resistors RS1/16S J
OTHERS
CN3207 11P FFC CONNECTOR 52044-1145
CN3205 KR CONNECTOR S4B-PH-K
KN3202 EARTH METAL FITTING VNF1084
MIC & OPT ASSY
COILS
L3202 CHIP SOLID INDUCTOR QTL1013
CAPACITORS
C3203 CEAL470M10
C3202 CKSRYB104K16
C3201 CKSRYB103K50
RESISTORS
All Resistors RS1/16S J
OTHERS
CN3202 KR CONNECTOR B4B-PH-K
CN3201 KR CONNECTOR B5B-PH-K
JA3201 OPTICAL LINK IN GP1FA502RZ
JA3202 REMOTE CONTROL JACK RKN1004
FRONT A/V ASSY
CAPACITORS
C3234,C3237 CKSRYB104K16
C3233 CKSRYB473K50
F
G
H
I
J

Mark No. Description Part No. Mark No. Description Part No.
128
VSX-49TX, VSX-47TX
RESISTORS
All Resistors RS1/16S J
OTHERS
JA3204 FRONT PIN JACK 4P AKX7014
CN3204 KR CONNECTOR B8B-PH-K
J3301 4P JUMPER WIRE D20PYY0405E
J3003,J3004 4P JUMPER WIRE D20PYY0410E
J3002 5P JUMPER WIRE D20PYY0510E
HEADPHONE ASSY
CAPACITOR
C3209 CKSRYB104K16
RESISTORS
R3207 RS1/16S0R0J
OTHERS
CN3203 4P FFC CONNECTOR 52045-0445
JA3203 HEADPHONE JACK RKB1014
KN3201 EARTH METAL FITTING VNF1084
ANALOG IN & A/D ASSY
(AWX7878 for VSX-49TX)
SEMICONDUCTORS
IC3421,IC3441,IC3461,IC3481 AK5383VS
IC3901 BU4052BCF
IC3423 M5220P
IC3501,IC3502,IC3601,IC3602 NJM2068D
IC3701,IC3702,IC3801,IC3802 NJM2068D
IC3402 PQ3DZ13
IC3401,IC3422 TC9163AF
IC3424,IC3462 UPC4570C
Q3501,Q3601,Q3701,Q3801 HN1C03F
Q3401 RN4903
D3501,D3502,D3601,D3602 DAN202K
D3701,D3702,D3801,D3802 DAN202K
D3503,D3504,D3603,D3604 DAP202K
D3703,D3704,D3803,D3804 DAP202K
D3901,D3902 UDZS6.2B
COILS
L3401,L3402,L3421,L3422 ATL7002
CHIP FERRITE BEAD
L3441,L3442,L3461,L3462 ATL7002
CHIP FERRITE BEAD
L3481,L3482 CHIP FERRITE BEAD ATL7002
L3423,L3443,L3463,L3483 QTL1013
CHIP SOLID INDUCTOR
CAPACITORS
C3411-C3414,C3435,C3436 ACH7163
(470µF/25V)
C3473,C3474 (470µF/25V) ACH7163
C3405,C3428,C3503,C3504 CCSRCH101J50
C3549,C3550,C3563,C3564 CCSRCH101J50
C3567,C3568,C3603,C3604 CCSRCH101J50
C3703,C3704,C3755,C3756 CCSRCH101J50
C3759,C3760,C3803,C3804 CCSRCH101J50
C3401,C3547,C3548,C3559,C3560 CEAT100M50
C3951,C3952 CEAT100M50
C3515,C3516,C3615,C3616 CEAT101M10
C3715,C3716,C3815,C3816 CEAT101M10
C3429,C3430 CEAT101M25
C3551,C3552 CEAT470M16
C3402 CEHAZL101M10
C3421,C3422,C3441,C3442 CENA100M50
C3461,C3462,C3481,C3482 CENA100M50
C3509-C3512,C3523,C3524 CENA100M50
C3561,C3562,C3609-C3612 CENA100M50
C3623,C3624,C3709-C3712 CENA100M50
C3723,C3724,C3753,C3754 CENA100M50
C3757,C3758,C3809-C3812 CENA100M50
C3823,C3824 CENA100M50
C3565,C3566 CENA220M25
C3501,C3502,C3601,C3602 CENA470M25
C3701,C3702,C3801,C3802 CENA470M25
C3427,C3447,C3467,C3487 CKSRYB102K50
C3505-C3508,C3513,C3514 CKSRYB103K50
C3605-C3608,C3613,C3614 CKSRYB103K50
C3705-C3708,C3713,C3714 CKSRYB103K50
C3805-C3808,C3813,C3814 CKSRYB103K50
C3423,C3424,C3443,C3444 CKSRYB104K16
C3463,C3464,C3483,C3484 CKSRYB104K16
C3517,C3518,C3521,C3522,C3575 CKSRYB104K16
C3577,C3579,C3581,C3617,C3618 CKSRYB104K16
C3621,C3622,C3717,C3718 CKSRYB104K16
C3721,C3722,C3817,C3818 CKSRYB104K16
C3821,C3822 CKSRYB104K16
C3519,C3520,C3619,C3620 CKSRYB224K10
C3719,C3720,C3819,C3820 CKSRYB224K10
C3425,C3445,C3465,C3485 CKSRYB471K50
C3403,C3404,C3431,C3432 CKSRYB473K50
C3953,C3954 CKSRYB473K50
C3557,C3558 CQMA242J50
C3555,C3556 CQMA822J50
RESISTORS
R3411-R3414,R3471,R3472 RD1/4MUF470J
R3525-R3528,R3625-R3628 RS1/16S1002F
R3725-R3728,R3825-R3828 RS1/16S1002F
R3765,R3766 RS1/16S1201F
R3589,R3590 RS1/16S1801F
R3509,R3510,R3609,R3610 RS1/16S2701F
R3709,R3710,R3809,R3810 RS1/16S2701F
R3587,R3588,R3763,R3764 RS1/16S2702F
R3511-R3516,R3611-R3616 RS1/16S3901F
R3711-R3716,R3811-R3816 RS1/16S3901F
R3407,R3408,R3431-R3436 RS1/16S470J
R3951,R3952 RS1/16S472J
R3501,R3502,R3601,R3602 RS1/16S6801F
R3701,R3702,R3801,R3802 RS1/16S6801F
Other Resistors RS1/16S J
OTHERS
3401,3501,3503,3504 AKB7075
4P PIN JACK
CN3402 17P SOCKET KP200TA17L
CN3401 20P SOCKET KP200TA20L
CN3403 B TO B CONNECTOR 30P VKN1395
K
L

Mark No. Description Part No. Mark No. Description Part No.
129
VSX-49TX, VSX-47TX
ANALOG IN & A/D ASSY
(AWX7879 for VSX-47TX)
SEMICONDUCTORS
IC3421 AK5383VS
IC3901 BU4052BCF
IC3423 M5220P
IC3501,IC3502 NJM2068D
IC3402 PQ3DZ13
IC3422 TC9163AF
IC3424,IC3462 UPC4570C
Q3501 HN1C03F
Q3401 RN4903
D3501,D3502 DAN202K
D3503,D3504 DAP202K
D3901,D3902 UDZS6.2B
COILS
L3401,L3402,L3421,L3422 ATL7002
CHIP FERRITE BEAD
L3423 CHIP SOLID INDUCTOR QTL1013
CAPACITORS
C3428,C3503,C3504,C3549,C3550 CCSRCH101J50
C3563,C3564,C3567,C3568 CCSRCH101J50
C3755,C3756,C3759,C3760 CCSRCH101J50
C3401,C3547,C3548,C3559,C3560 CEAT100M50
C3951,C3952 CEAT100M50
C3515,C3516 CEAT101M10
C3429,C3430 CEAT101M25
C3551,C3552 CEAT470M16
C3411,C3412,C3435,C3436 CEAT471M25
C3473,C3474 CEAT471M25
C3402 CEHAZL101M10
C3421,C3422,C3509-C3512 CENA100M50
C3523,C3524,C3561,C3562 CENA100M50
C3753,C3754,C3757,C3758 CENA100M50
C3565,C3566 CENA220M25
C3501,C3502 CENA470M25
C3427 CKSRYB102K50
C3505-C3508,C3513,C3514 CKSRYB103K50
C3423,C3424,C3517,C3518 CKSRYB104K16
C3521,C3522,C3575,C3577,C3579 CKSRYB104K16
C3581 CKSRYB104K16
C3519,C3520 CKSRYB224K10
C3425 CKSRYB471K50
C3431,C3432,C3953,C3954 CKSRYB473K50
C3557,C3558 CQMA242J50
C3555,C3556 CQMA822J50
RESISTORS
R3411,R3412,R3471,R3472 RD1/4MUF470J
R3525-R3528 RS1/16S1002F
R3765,R3766 RS1/16S1201F
R3589,R3590 RS1/16S1801F
R3591,R3592 RS1/16S2700F
R3509,R3510 RS1/16S2701F
R3587,R3588,R3763,R3764 RS1/16S2702F
R3511-R3516 RS1/16S3901F
R3431-R3436 RS1/16S470J
R3951,R3952 RS1/16S472J
R3501,R3502 RS1/16S6801F
Other Resistors RS1/16S J
OTHERS
3401,3501,3503,3504 AKB7075
4P PIN JACK
CN3402 17P SOCKET KP200TA17L
CN3401 20P SOCKET KP200TA20L
CN3403 B TO B CONNECTOR 30P VKN1395
DISPLAY ASSY
SEMICONDUCTORS
IC3002 BU2092F
IC3001 PD5686B
IC3061 TC74HC4053AFT
Q3052 2SA1036K
Q3061 2SA1576A
Q3053,Q3054 2SD2114K
Q3002,Q3062 RN1903
Q3063 RN2903
Q3001,Q3003,Q3051 UN5212
D3061-D3067 1SS355
D3030,D3031 DAN202K
D3026,D3028,D3029 SLI-343DUW(STU)
D3001,D3003,D3005,D3007,D3009 SLI-343URW(RST)
D3011,D3013,D3015-D3018,D3025 SLI-343URW(RST)
D3019 TLGE68TG(NP)
COILS
L3001 CHIP FERRITE BEAD ATL7002
L3002 CHIP SOLID INDUCTOR QTL1013
SWITCHES
S3081-S3098 ASG7013
CAPACITORS
C3035,C3071,C3075,C3076 CCSRCH101J50
C3031,C3061,C3072,C3074 CEJQ101M6R3
C3053 CEJQ2R2M50
C3081-C3084 CKSRYB102K50
C3051,C3062,C3085 CKSRYB103K50
C3034,C3052,C3073,C3079 CKSRYB104K16
C3063 CKSRYB153K50
C3020,C3021 CKSRYB473K50
RESISTORS
R3060 RD1/2LMF103J
R3059 RS1LMF220J
Other Resistors RS1/16S J
OTHERS
X3001 CERAMIC RESONATOR ASS7042
(4.19MHz)
3001,3003,3004 4P CABLE HOLDER 51048-0400
3002 5P CABLE HOLDER 51048-0500
CN3001 FFC CONNECTOR 17P 52492-1720
V3001 FL TUBE AAV7081
J3001 EARTH LEAD WIRE DE005WE0
CN3002 FFC CONNECTOR 3P HLEM3S-1
IC3062 REMOTE RECEIVER UNIT NJL64H400A
3006,3007 SOACER AEB7232
M
L

Mark No. Description Part No. Mark No. Description Part No.
130
VSX-49TX, VSX-47TX
INPUT SEL ASSY
SWITCH
S3103 ASX7038
CAPACITORS
C3110,C3111 CKSRYB103K50
RESISTORS
R3109,R3110 RS1/16S437J
OTHERS
3104 4P CABLE HOLDER 51048-0400
MULTI JOG ASSY
SWITCH
S3101 ASX7039
CAPACITORS
C3105,C3106 CKSRYB103K50
RESISTORS
R3105,R3106 RS1/16S473J
OTHERS
3102 5P CABLE HOLDER 51048-0500
VOL ASSY
SWITCH
S3102 ASX7037
CAPACITORS
C3108,C3109 CKSRYB103K50
RESISTORS
R3107,R3108 RS1/16S473J
OTHERS
3103 4P CABLE HOLDER 51048-0400
VR & PRE OUT ASSY
SEMICONDUCTORS
IC5084 BU4052BCF
IC5023,IC5063,IC5181,IC5182 NJM2068D
IC5002 NJM78M15FA
IC5003 NJM79M15FA
IC5022,IC5042,IC5062,IC5082 OPA2134PA
IC5001 TC9274N-016
IC5021,IC5041,IC5061,IC5081 TC94A07F
IC5043,IC5083 UPC4570C
Q5101,Q5102,Q5201,Q5202,Q5204 HN1C03F
Q5301,Q5302,Q5401,Q5402 HN1C03F
D5001-D5004 1SS355
D5085-D5090 DA204K
D5083,D5084 UDZS6.2B
CAPACITORS
C5007,C5008,C5021,C5022 ACH7163
(470µF/25V)
C5033,C5034,C5041,C5042 ACH7163
(470µF/25V)
C5053,C5054,C5061,C5062 ACH7163
(470µF/25V)
C5081,C5082 (470µF/25V) ACH7163
C5013,C5024,C5044,C5064,C5084 CCSRCH101J50
C5123,C5124,C5223,C5224 CCSRCH101J50
C5257,C5258,C5261,C5262 CCSRCH101J50
C5323,C5324,C5423,C5424 CCSRCH101J50
C5457,C5458,C5461,C5462 CCSRCH101J50
C5153,C5154,C5181,C5182 CCSRCH220J50
C5189,C5190,C5353,C5354 CCSRCH220J50
C5911,C5912,C5921,C5922 CCSRCH330J50
C5931,C5932,C5941,C5942 CCSRCH330J50
C5003-C5006 CEAT100M50
C5001,C5002 CEAT1R0M50
C5011,C5012,C5095,C5096 CEAT470M25
C5151,C5152,C5251,C5252 CEGA470M35
C5351,C5352,C5451,C5452 CEGA470M35
C5255,C5256,C5259,C5260 CENA100M50
C5455,C5456,C5459,C5460 CENA100M50
C5125-C5128,C5155,C5156 CENA470M25
C5183,C5184,C5225-C5228 CENA470M25
C5325-C5328,C5355,C5356 CENA470M25
C5425-C5428 CENA470M25
C5121,C5122,C5221,C5222 CENA4R7M50
C5321,C5322,C5421,C5422 CENA4R7M50
C5015-C5017,C5031,C5032 CKSRYB103K50
C5051,C5052,C5071,C5072 CKSRYB103K50
C5091,C5092,C5185-C5188 CKSRYB103K50
C5014 CKSRYB104K16
C5009,C5010,C5025,C5026 CKSRYB473K50
C5029,C5030,C5045,C5046 CKSRYB473K50
C5049,C5050,C5065,C5066 CKSRYB473K50
C5069,C5070,C5085,C5086 CKSRYB473K50
C5089,C5090,C5097,C5098 CKSRYB473K50
C5131-C5134,C5233-C5236,C5242 CKSRYB473K50
C5244,C5331-C5334,C5431-C5434 CKSRYB473K50
RESISTORS
R5007,R5008,R5021,R5022 RD1/4MUF470J
R5029,R5030,R5041,R5042 RD1/4MUF470J
R5049,R5050,R5061,R5062 RD1/4MUF470J
R5081,R5082 RD1/4MUF470J
R5001,R5002 RD1/4MUF4R7J
R5267,R5268,R5467,R5468 RS1/16S1201F
R5265,R5266,R5465,R5466 RS1/16S2702F
R5005,R5006 RS1/16S470J
R5091,R5092 RS1/16S472J
Other Resistors RS1/16S J
OTHERS
5002,5021 4P PIN JACK AKB7075
JA5042 AUDIO 2P PIN JACK AKB7144
JA5001 4P PIN JACK AKB7145
CN5005 8P CONNECTOR B08B-XASK-1
CN5006 14P CONNECTOR B14B-XASK-1
N
O
P
Q

Mark No. Description Part No. Mark No. Description Part No.
131
VSX-49TX, VSX-47TX
CN5002 9P SOCKET KP200TA9L
CN5004 6P CONNECTOR S06B-XASK-1
JA5041 1P PIN JACK (AU, BLK) VKB1074
CN5003 B TO B CONNECTOR 24P VKN1392
CN5001 B TO B CONNECTOR 30P VKN1395
MOTHER ASSY
SEMICONDUCTORS
IC5802 AT24C16N-10SI2.5
IC5806,IC5808 NJM78M15FA
IC5807,IC5809 NJM79M15FA
IC5801 PD5685A9
IC5810 PST9242NR
IC5803,IC5804 TC74HCT244AF
IC5811,IC5813 TC7S08FU
IC5812 TC7W126FU
Q5805 2SC5174P
Q5816 2SK2103
Q5815 IRF7416
Q5801 RN1903
Q5806 RN4903
Q5808,Q5809,Q5818 UN5112
Q5810 UN511L
Q5807,Q5817 UN5212
D5803-D5806,D5814,D5815 1SS355
D5821-D5823 1SS355
D5819,D5820 DAN202K
D5817 DAP202K
D5801 UDZ11B
COILS
L5802,L5803,L5806 ATL7002
CHIP FERRITE BEAD
L5804 LCTA1R0J2520
L5805,L5807-L5809 QTL1013
CHIP SOLID INDUCTOR
CAPACITORS
C5839 (0.1µF/5.5V) ACH7141
C5829,C5831,C5834,C5836 CEAT100M50
C5819 CEAT101M16
C5873 CEAT221M6R3
C5868 CEAT331M10
C5847 CEAT471M6R3
C5818 CEJQ100M16
C5832,C5837,C5844 CEJQ100M25
C5801,C5802,C5828,C5830,C5833 CEJQ1R0M50
C5835 CEJQ1R0M50
C5848,C5859 CEJQ221M6R3
C5817,C5838,C5840,C5850,C5858 CKSRYB103K50
C5860,C5861,C5863,C5864,C5869 CKSRYB103K50
C5804,C5820,C5841,C5843,C5845 CKSRYB104K16
C5849,C5856,C5866,C5872 CKSRYB104K16
C5842,C5846 CKSRYB471K50
C5857,C5862,C5867,C5871 CKSRYB473K50
C5803 CKSRYF105Z10
RESISTORS
R5840,R5841 RAB4C104J
R5901,R5920 RAB4C221J
R5835,R5836 RD1/4MUF100J
R5930 RD1/4MUF101J
R5833,R5837 RD1/4MUF4R7J
Other Resistors RS1/16S J
OTHERS
CN5825 JE CONNECTOR 09R-JE
CN5821,CN5823 JE CONNECTOR 17R-JE
CN5822,CN5824 JE CONNECTOR 19R-JE
CN5806 11P FFC CONNECTOR 52045-1145
CN5802 13P FFC CONNECTOR 52045-1345
CN5807 17P FFC CONNECTOR 52045-1745
CN5801 14P FFC CONNECTOR 52492-1420
J5806 2P CONNECTOR ASSY ADX7375
J5801 1P BOARD IN WIRE ADX7376
J5803 1P BOARD IN WIRE ADX7391
X5801 CERAMIC RESONATOR ASS7043
(15.67MHz)
CN5805 9P CONNECTOR B09B-XASK-1
CN5804 KR CONNECTOR B5B-PH-K
CN5827,CN5828 KR CONNECTOR B6B-PH-K
CN5810,CN5811 BTEM17S-1S
B TO B CONNECTOR 17P
CN5809 CONNECTOR BTEM9S-1S
CN5813,CN5815,CN5820 KM200TA17
17P PLUG
CN5814 20P PLUG KM200TA20
CN5812 7P PLUG KM200TA7
CN5817 9P PLUG KM200TA9
5801 PCB BINDER VEF1040
CN5819 B TO B CONNECTOR 24P VKN1405
CN5816,CN5818 VKN1408
B TO B CONNECTOR 30P
KN5802 EARTH METAL FITTING VNF1084
DSP ASSY
(AWK7719 for VSX-49TX)
SEMICONDUCTORS
IC301 ADSST21065LKS-264
IC101 AK4114VQ
IC203 BA4558F-HT
IC703-IC705 BU4094BCFV
IC302,IC303 HY57V161610DTC-10
IC402 IS61LV6416-12T
IC202 IS62C256-45T
IC403 IS63LV1024-12T
IC702 AYW7012
IC304 AYW7014
IC701 M30620SAFP
IC201 PM4007A
IC305,IC415,IC713 PQ3DZ13
IC416 PQ7VZ5
IC102 TC74HC151AF
IC204 TC74HCT08AF
IC406,IC409,IC717 TC74VHC00FT
IC712 TC74VHC04FT
IC111,IC413 TC74VHC08FT
IC114,IC714,IC715,IC718 TC74VHC125FT
IC716 TC74VHC126FT
IC110 TC74VHC153FT
IC112,IC410,IC412 TC74VHC157FT
IC116 TC74VHC257FT
IC711 TC74VHC32FT
S
R

Mark No. Description Part No. Mark No. Description Part No.
132
VSX-49TX, VSX-47TX
IC107 TC74VHC4040FT
IC707-IC710 TC74VHC573FT
IC404,IC407,IC411 TC74VHC74FT
IC414 TC74VHCU04FT
IC103 TC7SET08F
IC719-IC721 TC7SET08FU
IC108 TC7SH04FU
IC405,IC408 TC7SH86F
IC115 TC7WH08FU
IC113 TC7WH157FU
IC104-IC106 TC7WU04F
IC205 TK15420M
IC401 XCA56367PV150
Q203,Q204 2SA1037K
Q101,Q210,Q212 2SB1197K
Q201,Q202 2SC2412K
Q208,Q209 2SC4081
Q213 2SD1781K
Q102 DTC124EK
Q211 RN1903
D203 1SS355
D202 KV1851
COILS AND FILTERS
F201 BAND PASS FILTER ATF7027
L114,L117,L201,L206,L207 ATL7002
CHIP FERRITE BEAD
L303,L305-L307,L405-L407 ATL7002
CHIP FERRITE BEAD
L409,L411,L701-L704 ATL7002
CHIP FERRITE BEAD
L202 LCTA680J2520
L101-L108,L110,L113 QTL1013
CHIP SOLID INDUCTOR
L118-L120,L203,L204,L413 QTL1013
CHIP SOLID INDUCTOR
CAPACITORS
C166,C231,C441,C442 CCSRCH150J50
C120,C128,C136,C165 CCSRCH220J50
C272 CCSRCH221J50
C119,C127,C135 CCSRCH470J50
C216 CCSRCH561J50
C211 CCSRCH750J50
C103,C111,C124,C132,C140 CEAT101M16
C143,C153,C167,C234 CEAT101M16
C180,C183,C312,C316,C703 CEAT101M6R3
C220 CEAT470M10
C147,C207,C209,C219,C254 CEAT470M16
C476,C485 CEHAZA101M10
C158,C161 CEHAZA470M16
C302 CEHAZL101M25
C306,C309,C447,C448,C701 CEJQ101M6R3
C704 CEJQ101M6R3
C481,C482,C718,C744,C745 CEJQ470M16
C229 CEJQNP4R7M25
C164 CFTYA474J50
C223,C224,C456 CKSQYB105K10
C222,C323,C325,C331,C334 CKSRYB102K50
C336,C341,C349,C351,C364 CKSRYB102K50
C423,C430,C452,C455,C462 CKSRYB102K50
C464,C469,C471 CKSRYB102K50
C104,C108,C112,C116,C117 CKSRYB103K50
C123,C125,C131,C133,C139 CKSRYB103K50
C152,C202,C214,C232,C233 CKSRYB103K50
C273,C454,C458 CKSRYB103K50
C101,C105,C109,C113,C121 CKSRYB104K16
C129,C138,C141,C144 CKSRYB104K16
C149,C150,C155,C156,C160 CKSRYB104K16
C168,C172,C174,C176,C178 CKSRYB104K16
C181,C185,C189,C191 CKSRYB104K16
C204-C206,C208,C210 CKSRYB104K16
C212,C213,C215,C225-C228 CKSRYB104K16
C230,C235,C237,C240-C242 CKSRYB104K16
C244,C248,C251,C252,C255 CKSRYB104K16
C257,C304,C315,C318,C320 CKSRYB104K16
C322,C328,C330,C338,C340 CKSRYB104K16
C343,C346,C347,C354 CKSRYB104K16
C356,C357,C360,C362,C366 CKSRYB104K16
C368,C384,C388-C391,C393 CKSRYB104K16
C395,C398,C400,C401,C403 CKSRYB104K16
C405,C407,C422,C424,C427 CKSRYB104K16
C429,C431,C434,C436 CKSRYB104K16
C438,C439,C444,C446,C450 CKSRYB104K16
C460,C461,C467,C473,C478 CKSRYB104K16
C480,C484,C487,C702,C705 CKSRYB104K16
C708,C710,C712-C714,C717 CKSRYB104K16
C719,C721,C723,C725,C727 CKSRYB104K16
C729,C731,C733,C736,C737 CKSRYB104K16
C739,C741,C742,C746,C747 CKSRYB104K16
C749,C751-C756 CKSRYB104K16
C203 CKSRYB223K50
C154,C157,C159,C236 CKSRYB471K50
C238,C239,C243,C247 CKSRYB471K50
C249,C250,C253,C256,C305 CKSRYB471K50
C317,C319,C321,C327,C329 CKSRYB471K50
C337,C339,C345,C348,C353 CKSRYB471K50
C355,C358,C359,C361,C365 CKSRYB471K50
C367,C386,C387,C397,C402 CKSRYB471K50
C404,C408,C443,C449,C451 CKSRYB471K50
C453,C459,C463,C465,C466 CKSRYB471K50
C468,C470,C472,C474,C477 CKSRYB471K50
C479,C706,C707,C709,C716 CKSRYB471K50
C748,C750 CKSRYB471K50
C457 CKSRYB563K16
RESISTORS
R136,R196,R303,R311,R348 RAB4C101J
R701,R712,R729,R730 RAB4C101J
R320,R323,R324 RAB4C103J
R175,R703,R713,R719,R722 RAB4C221J
R771 RAB4C221J
R345,R346,R368,R369,R766 RAB4C330J
R772 RAB4C330J
R329,R330,R365,R376,R377 RAB4C470J
R450 RAB4C470J
R446,R454,R735-R740 RAB4C473J
R356,R371,R372 RAB4C680J
R133 RS1/16S1802D
R467 RS1/16S3600F
R468 RS1/16S7500F
Other Resistors RS1/16S J
OTHERS
CN706,CN707 FJ CONNECTOR 14P 14PL-FJ
JA107,JA108 2P PIN JACK AKB7148

Mark No. Description Part No. Mark No. Description Part No.
133
VSX-49TX, VSX-47TX
CN709 16P PLUG AKM7049
CN708 22P PLUG AKM7052
X201 CRYSTAL RESONATOR ASS7009
(18.432MHz)
X101 CRYSTAL RESONATOR ASS7025
(24.576MHz)
X401 CRYSTAL RESONATOR ASS7040
(33MHz)
X701 CERAMIC RESONATOR ASS7045
(7.7MHz)
CN704 2P VH SIDE CONNECTOR B2PS-VH
CN701,CN702 BTEM17P-1R
B TO B CONNECTOR 17P
CN703 B TO B CONNECTOR 9P BTEM9P-1R
JA101-JA104 OPTICAL LINK IN GP1FA502RZ
JA105,JA106 OPTICAL LINK OUT GP1FA502TZ
CN705 FLEXIBLE CONNECTOR SFW22R-2ST
CN401 7P FFC CONNECTOR VKN1411
CN351 10P FFC CONNECTOR VKN1600
CN9304 ROM SOCKET AKP7169
DSP ASSY
(AWK7720 for VSX-47TX)
SEMICONDUCTORS
IC301 ADSST21065LKS-264
IC101 AK4114VQ
IC702 AYW7012
IC304 AYW7014
IC203 BA4558F-HT
IC703,IC704 BU4094BCFV
IC302,IC303 HY57V161610DTC-10
IC402 IS61LV6416-12T
IC202 IS62C256-45T
IC403 IS63LV1024-12T
IC201 PM4007A
IC305,IC415,IC713 PQ3DZ13
IC416 PQ7VZ5
IC204 TC74HCT08AF
IC406,IC409,IC717 TC74VHC00FT
IC712 TC74VHC04FT
IC111,IC413 TC74VHC08FT
IC114,IC715,IC718 TC74VHC125FT
IC716 TC74VHC126FT
IC110 TC74VHC153FT
IC112 TC74VHC157FT
IC116 TC74VHC257FT
IC711 TC74VHC32FT
IC107 TC74VHC4040FT
IC707,IC708 TC74VHC573FT
IC404,IC407 TC74VHC74FT
IC414 TC74VHCU04FT
IC719-IC721 TC7SET08FU
IC108,IC417 TC7SH04FU
IC405,IC408 TC7SH86F
IC115 TC7WH08FU
IC104,IC105 TC7WU04F
IC205 TK15420M
IC401 XCA56367PV150
IC701 M30620SAFP
Q203,Q204 2SA1037K
Q101,Q210,Q212 2SB1197K
Q201,Q202 2SC2412K
Q208,Q209 2SC4081
Q213 2SD1781K
Q102 DTC124EK
Q211 RN1903
D203 1SS355
D202 KV1851
COILS AND FILTERS
F201 BAND PASS FILTER ATF7027
L114,L117,L201,L206,L207 ATL7002
CHIP FERRITE BEAD
L303,L305-L307,L405-L407 ATL7002
CHIP FERRITE BEAD
L409,L411,L701-L704 ATL7002
CHIP FERRITE BEAD
L202 LCTA680J2520
L102-L106,L108,L110,L118 QTL1013
CHIP SOLID INDUCTOR
L120,L203,L204,L413 QTL1013
CHIP SOLID INDUCTOR
CAPACITORS
C166,C231,C441,C442 CCSRCH150J50
C120,C128,C165 CCSRCH220J50
C272 CCSRCH221J50
C119,C127 CCSRCH470J50
C216 CCSRCH561J50
C211 CCSRCH750J50
C103,C111,C124,C132,C143 CEAT101M16
C153,C167,C234 CEAT101M16
C183,C312,C316,C703 CEAT101M6R3
C220 CEAT470M10
C207,C209,C219,C254 CEAT470M16
C476,C485 CEHAZA101M10
C158,C161 CEHAZA470M16
C302 CEHAZL101M25
C306,C309,C447,C448,C701 CEJQ101M6R3
C704 CEJQ101M6R3
C481,C482,C718,C744,C745 CEJQ470M16
C229 CEJQNP4R7M25
C164 CFTYA474J50
C223,C224,C456 CKSQYB105K10
C222,C323,C325,C331,C334 CKSRYB102K50
C336,C341,C349,C351,C364 CKSRYB102K50
C423,C430,C452,C455,C462 CKSRYB102K50
C464,C469,C471 CKSRYB102K50
C104,C108,C112,C116,C117 CKSRYB103K50
C123,C125,C131,C139,C202 CKSRYB103K50
C214,C232,C233,C273,C454 CKSRYB103K50
C458 CKSRYB103K50
C105,C109,C113,C121,C129 CKSRYB104K16
C141,C144,C155,C156,C160 CKSRYB104K16
C168,C172,C174,C176,C178 CKSRYB104K16
C185,C189,C191,C204-C206 CKSRYB104K16
C208,C210,C212,C213,C215 CKSRYB104K16
C225-C228,C230,C235,C237 CKSRYB104K16
C240-C242,C244,C248 CKSRYB104K16
C251,C252,C255,C257,C304 CKSRYB104K16
C315,C318,C320,C322,C328 CKSRYB104K16
C330,C338,C340,C343 CKSRYB104K16
C346,C347,C354,C356,C357 CKSRYB104K16
C360,C362,C366,C368,C384 CKSRYB104K16
S

Mark No. Description Part No. Mark No. Description Part No.
134
VSX-49TX, VSX-47TX
DSP3 ASSY (VSX-49TX Only)
SEMICONDUCTORS
IC501 ADSST21065LKS-264
IC502,IC503 HY57V161610DTC-10
IC504 AYW7013
IC505 PQ3DZ13
COILS
L503,L505-L507 ATL7002
CHIP FERRITE BEAD
CAPACITORS
C502 CEHAZA101M10
C506,C509,C512,C516 CEJQ101M16
C523,C525,C531,C534,C536 CKSRYB102K50
C541,C549,C551,C564 CKSRYB102K50
C510 CKSRYB103K50
C504,C507,C518,C520,C522 CKSRYB104K16
C528,C530,C538,C540,C543 CKSRYB104K16
C546,C547,C554,C556,C557 CKSRYB104K16
C560,C562,C566,C568,C570 CKSRYB104K16
C572,C573,C575,C584,C586 CKSRYB104K16
C588,C590,C592,C594,C595 CKSRYB104K16
C598 CKSRYB104K16
C505,C517,C519,C521,C527 CKSRYB471K50
C529,C537,C539,C545,C548 CKSRYB471K50
C553,C555,C558,C559,C561 CKSRYB471K50
C565,C567,C571,C574,C587 CKSRYB471K50
C589,C597 CKSRYB471K50
RESISTORS
R503,R511,R582 RAB4C101J
R520,R523,R524 RAB4C103J
R565,R580,R581,R591,R592 RAB4C330J
R560,R561,R563,R564 RAB4C470J
R573-R575 RAB4C470J
R588 RAB4C680J
Other Resistors RS1/16S J
OTHERS
CN501 16P SOCKET AKP7122
CN502 22P SOCKET AKP7125
CN551 10P FFC CONNECTOR VKN1600
CN9504 ROM SOCKET AKP7169
DAC10 ASSY (VSX-49TX Only)
SEMICONDUCTORS
IC6021,IC6041,IC6061,IC6081 DF1706E
IC6105,IC6106,IC6205,IC6206 NJM2068D
IC6305,IC6306,IC6405,IC6406 NJM2068D
IC6103,IC6104,IC6203,IC6204 NJM5534DD
IC6303,IC6304,IC6403,IC6404 NJM5534DD
IC6101,IC6102,IC6201,IC6202 PCM1704U-1
IC6301,IC6302,IC6401,IC6402 PCM1704U-1
IC6001 PQ3DZ13
IC6022,IC6042,IC6062,IC6082 TC94A07F
COILS
L6001,L6021,L6041,L6061,L6081 ATL7002
CHIP FERRITE BEAD
C388-C391,C393,C395,C398 CKSRYB104K16
C400,C401,C403,C405,C407 CKSRYB104K16
C410,C422,C424,C427,C429 CKSRYB104K16
C431,C434,C444,C446,C450 CKSRYB104K16
C460,C461,C467,C473,C478 CKSRYB104K16
C480,C484,C487,C702,C705 CKSRYB104K16
C708,C710,C712,C713,C717 CKSRYB104K16
C719,C721,C723,C725,C733 CKSRYB104K16
C736,C737,C739,C741 CKSRYB104K16
C746,C747,C749,C751-C756 CKSRYB104K16
C203 CKSRYB223K50
C154,C157,C159,C236 CKSRYB471K50
C238,C239,C243,C247 CKSRYB471K50
C249,C250,C253,C256,C305 CKSRYB471K50
C317,C319,C321,C327,C329 CKSRYB471K50
C337,C339,C345,C348,C353 CKSRYB471K50
C355,C358,C359,C361,C365 CKSRYB471K50
C367,C386,C387,C397,C402 CKSRYB471K50
C404,C408,C443,C449,C451 CKSRYB471K50
C453,C459,C463,C465,C466 CKSRYB471K50
C468,C470,C472,C474,C477 CKSRYB471K50
C479,C706,C707,C709,C716 CKSRYB471K50
C748,C750 CKSRYB471K50
C457 CKSRYB563K16
RESISTORS
R763 RAB4C0R0J
R136,R196,R303,R311,R348 RAB4C101J
R701,R712,R729,R730 RAB4C101J
R320,R323,R324 RAB4C103J
R175,R703,R713,R719,R722 RAB4C221J
R771 RAB4C221J
R345,R346,R368,R369 RAB4C330J
R329,R330,R365,R376,R377 RAB4C470J
R450 RAB4C470J
R446,R454,R735-R738 RAB4C473J
R356,R371,R372 RAB4C680J
R133 RS1/16S1802D
R467 RS1/16S3600F
R468 RS1/16S7500F
Other Resistors RS1/16S J
OTHERS
CN706,CN707 FJ CONNECTOR 14P 14PL-FJ
JA107 2P PIN JACK AKB7148
X201 CRYSTAL RESONATOR ASS7009
(18.432MHz)
X101 CRYSTAL RESONATOR ASS7025
(24.576MHz)
X401 CRYSTAL RESONATOR ASS7040
(33MHz)
X701 CERAMIC RESONATOR ASS7045
(7.7MHz)
CN704 2P VH SIDE CONNECTOR B2PS-VH
CN701,CN702 BTEM17P-1R
B TO B CONNECTOR 17P
CN703 B TO B CONNECTOR 9P BTEM9P-1R
JA102-JA104 OPTICAL LINK IN GP1FA502RZ
JA105,JA106 OPTICAL LINK OUT GP1FA502TZ
JA108 1P PIN JACK (BLK, AU) VKB1160
CN401 7P FFC CONNECTOR VKN1411
CN351 10P FFC CONNECTOR VKN1600
CN9304 ROM SOCKET AKP7169
T
U

Mark No. Description Part No. Mark No. Description Part No.
135
VSX-49TX, VSX-47TX
L6101-L6104,L6201-L6204 ATL7002
CHIP FERRITE BEAD
L6301-L6304,L6401-L6404 ATL7002
CHIP FERRITE BEAD
L6022,L6042,L6062,L6082 QTL1013
CHIP SOLID INDUCTOR
CAPACITORS
C6147,C6148,C6247,C6248 ACH7162
(47µF/25V)
C6347,C6348,C6447,C6448 ACH7162
(47µF/25V)
C6031,C6032,C6051,C6052 ACH7163
(470µF/25V)
C6071,C6072,C6091,C6092 ACH7163
(470µF/25V)
C6026,C6046,C6066,C6086 CCSRCH101J50
C6145,C6146,C6245,C6246 CCSRCH101J50
C6345,C6346,C6445,C6446 CCSRCH101J50
C6151,C6152,C6251,C6252 CCSRCH220J50
C6351,C6352,C6451,C6452 CCSRCH220J50
C6149,C6150,C6249,C6250 CCSRCH330J50
C6349,C6350,C6449,C6450 CCSRCH330J50
C6139,C6140,C6239,C6240 CEGA4R7M2A
C6339,C6340,C6439,C6440 CEGA4R7M2A
C6002,C6123,C6124,C6223,C6224 CEHAZA101M10
C6323,C6324,C6423,C6424 CEHAZA101M10
C6117,C6118,C6121,C6122 CEHAZL101M10
C6127,C6128,C6217,C6218 CEHAZL101M10
C6221,C6222,C6227,C6228 CEHAZL101M10
C6317,C6318,C6321,C6322 CEHAZL101M10
C6327,C6328,C6417,C6418 CEHAZL101M10
C6421,C6422,C6427,C6428 CEHAZL101M10
C6021,C6041,C6061,C6081 CEHAZL221M10
C6113,C6114,C6213,C6214 CEHAZL471M16
C6313,C6314,C6413,C6414 CEHAZL471M16
C6001 CENA100M50
C6103,C6104,C6109,C6110 CKSRYB103K50
C6115,C6116,C6125,C6126 CKSRYB103K50
C6203,C6204,C6209,C6210 CKSRYB103K50
C6215,C6216,C6225,C6226 CKSRYB103K50
C6303,C6304,C6309,C6310 CKSRYB103K50
C6315,C6316,C6325,C6326 CKSRYB103K50
C6403,C6404,C6409,C6410 CKSRYB103K50
C6415,C6416,C6425,C6426 CKSRYB103K50
C6022,C6033,C6034,C6042 CKSRYB104K16
C6053,C6054,C6062,C6073,C6074 CKSRYB104K16
C6082,C6093,C6094,C6119,C6120 CKSRYB104K16
C6219,C6220,C6319,C6320 CKSRYB104K16
C6419,C6420 CKSRYB104K16
C6033,Z6034,C6053,C6054 CKSRYB222K50
C6073,C6074,C6093,C6094 CKSRYB222K50
C6023,C6043,C6063,C6083 CKSRYB471K50
C6105-C6108,C6205-C6208 CKSRYB471K50
C6305-C6308,C6405-C6408 CKSRYB471K50
C6027,C6028,C6047,C6048 CKSRYB473K50
C6067,C6068,C6087,C6088 CKSRYB473K50
C6131-C6134,C6141-C6144 CKSRYB473K50
C6231-C6234,C6241-C6244 CKSRYB473K50
C6331-C6334,C6341-C6344 CKSRYB473K50
C6431-C6434,C6441-C6444 CKSRYB473K50
C6101,C6102,C6111,C6112 RCH1139
(47µF/10V)
C6201,C6202,C6211,C6212 RCH1139
(47µF/10V)
C6301,C6302,C6311,C6312 RCH1139
(47µF/10V)
C6401,C6402,C6411,C6412 RCH1139
(47µF/10V)
C6135,C6136,C6235,C6236 (470pF) VCE1035
C6335,C6336,C6435,C6436 (470pF) VCE1035
C6137,C6138,C6237,C6238 (220pF) VCE1040
C6337,C6338,C6437,C6438 (220pF) VCE1040
C6129,C6130,C6229,C6230 (100pF) VCE1045
C6329,C6330,C6429,C6430 (100pF) VCE1045
RESISTORS
R6101,R6102,R6201,R6202 ACN7105
(2.55kΩ, 1/2W)
R6301,R6302,R6401,R6402 ACN7105
(2.55kΩ, 1/2W)
R6031,R6032,R6051,R6052 RD1/4MUF470J
R6071,R6072,R6091,R6092 RD1/4MUF470J
Other Resistors RS1/16S J
OTHERS
CN6001,CN6002 14R-FJ
FJ CONNECTOR14P
CN6004 17P SOCKET KP200TA17L
CN6003 7P SOCKET KP200TA7L
DAC8 ASSY (VSX-47TX Only)
SEMICONDUCTORS
IC6501-IC6504,IC6601-IC6604 NJM2068D
IC6701-IC6704,IC6801-IC6804 NJM2068D
IC6921,IC6941,IC6961,IC6981 PCM1738E-1
IC6901 PQ3DZ13
IC6922,IC6942,IC6962,IC6982 TC94A07F
COILS
L6902,L6922,L6923,L6942,L6943 ATL7002
CHIP FERRITE BEAD
L6962,L6963,L6982,L6983 ATL7002
CHIP FERRITE BEAD
L6921,L6941,L6961,L6981 QTL1013
CHIP SOLID INDUCTOR
CAPACITORS
C6515,C6516,C6615,C6616 ACH7162
(47µF/25V)
C6715,C6716,C6815,C6816 ACH7162
(47µF/25V)
C6513,C6514,C6613,C6614 CCSRCH101J50
C6713,C6714,C6813,C6814,C6939 CCSRCH101J50
C6959,C6979,C6999 CCSRCH101J50
C6525,C6526,C6625,C6626 CCSRCH330J50
C6725,C6726,C6825,C6826 CCSRCH330J50
C6507-C6510,C6607-C6610 CCSRCH821J50
C6707-C6710,C6807-C6810 CCSRCH821J50
C6901 CEAT100M50
C6933,C6934,C6953,C6954 CEAT471M25
C6973,C6974,C6993,C6994 CEAT471M25
C6902,C6920,C6930,C6932,C6940 CEHAZL101M10
U

Mark No. Description Part No. Mark No. Description Part No.
136
VSX-49TX, VSX-47TX
C4801,C4803 CEAT471M63
C4103,C4403,C4603 CEHAT102M10
C4106-C4108,C4406-C4408 CEHAT470M16
C4606-C4608 CEHAT470M16
C4104,C4105,C4404,C4405 CFTLA104J2A
C4604,C4605 CFTLA104J2A
C4112,C4113,C4412,C4413 CFTYA224J50
C4612,C4613 CFTYA224J50
C4102,C4402,C4602 CKSRYB221K50
RESISTORS
R4110,R4111,R4125,R4126,R4310 ACN7107
(0.1Ω)
R4325,R4410,R4411,R4425,R4426 ACN7107
(0.1Ω)
R4610,R4611,R4625,R4626 (0.1Ω) ACN7107
R4117,R4417,R4617 RDR1/4VM103J
R4104,R4404,R4604 RDR1/4VM220J
R4103,R4403,R4603 RDR1/4VM331J
R4127,R4128,R4327,R4427,R4428 RS1/16S1001F
R4627,R4628 RS1/16S1001F
R4129,R4130,R4329,R4429,R4430 RS1/16S1003F
R4629,R4630 RS1/16S1003F
R4116,R4133,R4134,R4316,R4333 RS1/16S1004F
R4416,R4433,R4434,R4616 RS1/16S1004F
R4633,R4634 RS1/16S1004F
R4112,R4113,R4312,R4412,R4413 RS1/16S1502F
R4612,R4613 RS1/16S1502F
R4114,R4115,R4314,R4414,R4415 RS1/16S1503F
R4614,R4615 RS1/16S1503F
R4131,R4132,R4331,R4431,R4432 RS1/16S3902F
R4631,R4632 RS1/16S3902F
R4118,R4418,R4618 RS1LMF2R2J
Other Resistors RS1/16S J
OTHERS
J4801 LEAD WITH HOUSING ADX7370
CN4812 2P CONNECTOR B02B-XASK-1
CN4803 11P PLUG KM250NA11L
CN4805 15P PLUG KM250NA15L
CN4801 8P CONNECTOR S08B-XASK-1
4801,4803,4805 SCREW TERMINAL VNE1949
4809 EARTH METAL FITTING VNF-091
POWER AMP (C) ASSY
SEMICONDUCTORS
IC4301 PA9008A
D4303,D4304 1SS355
D4301,D4302 UDZS7.5B
CAPACITORS
C4310,C4311 CCSRCH220J50
C4315,C4316 CEAT221M63
C4309 CEAT470M16
C4301 CEHAT101M10
C4303 CEHAT102M10
C4306-C4308 CEHAT470M16
C4304,C4305 CFTLA104J2A
C4312,C4313 CFTYA224J50
C4302 CKSRYB221K50
C6950,C6952,C6960,C6970,C6972 CEHAZL101M10
C6980,C6990,C6992 CEHAZL101M10
C6511,C6512,C6611,C6612 CENA4R7M50
C6711,C6712,C6811,C6812 CENA4R7M50
C6914,C6921,C6925,C6927,C6929 CKSRYB104K16
C6931,C6941,C6945,C6947,C6949 CKSRYB104K16
C6951,C6961,C6965,C6967,C6969 CKSRYB104K16
C6971,C6981,C6985,C6987,C6989 CKSRYB104K16
C6991 CKSRYB104K16
C6922,C6942,C6962,C6982 CKSRYB471K50
C6517-C6524,C6617-C6624 CKSRYB473K50
C6717-C6724,C6817-C6824 CKSRYB473K50
C6935,C6936,C6955,C6956 CKSRYB473K50
C6975,C6976,C6995,C6996 CKSRYB473K50
C6505,C6506,C6605,C6606 CKSRYB682K50
C6705,C6706,C6805,C6806 CKSRYB682K50
C6501-C6504,C6601-C6604 VCE1046
(4700pF/40V)
C6701-C6704,C6801-C6804 VCE1046
(4700pF/40V)
RESISTORS
R6931,R6932,R6951,R6952 RD1/4MUF470J
R6971,R6972,R6991,R6992 RD1/4MUF470J
R6501-R6504,R6601-R6604 RDR1/4VM6200F
R6701-R6704,R6801-R6804 RDR1/4VM6200F
R6927,R6947,R6967,R6987 RS1/16S1602D
R6505-R6516,R6605-R6616 RS1/16S6200F
R6705-R6716,R6805-R6816 RS1/16S6200F
Other Resistors RS1/16S J
OTHERS
CN6901,CN6902 14R-FJ
FJ CONNECTOR 14P
CN6904 17P SOCKET KP200TA17L
CN6903 7P SOCKET KP200TA7L
POWER AMP (L) ASSY
SEMICONDUCTORS
IC4101,IC4401,IC4601 PA9008A
IC4102,IC4302,IC4402,IC4602 PBD001A
IC4103,IC4403,IC4603 PBD002A
Q4101,Q4301,Q4401,Q4601 2SA1255
Q4801,Q4803,Q4805 2SC2412K
Q4102,Q4402,Q4602 2SC3138
Q4104,Q4204,Q4304,Q4404,Q4604 2SC3326
D4103-D4106,D4305,D4403-D4406 1SS355
D4603-D4606 1SS355
D4801 UDZ2.7B
D4101,D4102,D4401,D4402 UDZS7.5B
D4601,D4602 UDZS7.5B
CAPACITORS
C4110,C4111,C4410,C4411 CCSRCH220J50
C4610,C4611 CCSRCH220J50
C4101,C4401,C4601 CEAT101M10
C4809 CEAT221M16
C4115,C4116,C4415,C4416 CEAT221M63
C4615,C4616 CEAT221M63
C4109,C4409,C4609 CEAT470M16
V
W

Mark No. Description Part No. Mark No. Description Part No.
137
VSX-49TX, VSX-47TX
RESISTORS
R4317 RDR1/4VM103J
R4304 RDR1/4VM220J
R4303 RDR1/4VM331J
R4318 RS1LMF2R2J
Other Resistors RS1/16S J
OTHERS
CN4808 13P SOCKET KP250NA13
CN4807 15P SOCKET KP250NA15
POWER AMP (R) ASSY
SEMICONDUCTORS
IC4201,IC4501,IC4701 PA9008A
IC4202,IC4502,IC4702 PBD001A
IC4203,IC4303,IC4503,IC4703 PBD002A
Q4201,Q4501,Q4701 2SA1255
Q4802,Q4804,Q4806 2SC2412K
Q4202,Q4302,Q4502,Q4702 2SC3138
Q4504,Q4704 2SC3326
D4203-D4206,D4306,D4503-D4506 1SS355
D4703-D4706 1SS355
D4802 UDZ2.7B
D4201,D4202,D4501,D4502 UDZS7.5B
D4701,D4702 UDZS7.5B
CAPACITORS
C4210,C4211,C4510,C4511 CCSRCH220J50
C4710,C4711 CCSRCH220J50
C4201,C4501,C4701 CEAT101M10
C4810 CEAT221M16
C4215,C4216,C4515,C4516 CEAT221M63
C4715,C4716 CEAT221M63
C4209,C4509,C4709 CEAT470M16
C4802,C4804 CEAT471M63
C4203,C4503,C4703 CEHAT102M10
C4206-C4208,C4506-C4508 CEHAT470M16
C4706-C4708 CEHAT470M16
C4204,C4205,C4504,C4505 CFTLA104J2A
C4704,C4705 CFTLA104J2A
C4212,C4213,C4512,C4513 CFTYA224J50
C4712,C4713 CFTYA224J50
C4202,C4502,C4702 CKSRYB221K50
RESISTORS
R4210,R4211,R4225,R4226,R4311 ACN7107
(0.1Ω)
R4326,R4510,R4511,R4525,R4526 ACN7107
(0.1Ω)
R4710,R4711,R4725,R4726 (0.1Ω) ACN7107
R4217,R4517,R4717 RDR1/4VM103J
R4204,R4504,R4704 RDR1/4VM220J
R4203,R4503,R4703 RDR1/4VM331J
R4227,R4228,R4328,R4527,R4528 RS1/16S1001F
R4727,R4728 RS1/16S1001F
R4229,R4230,R4330,R4529,R4530 RS1/16S1003F
R4729,R4730 RS1/16S1003F
R4216,R4233,R4234,R4334,R4516 RS1/16S1004F
R4533,R4534,R4716,R4733,R4734 RS1/16S1004F
R4212,R4213,R4313,R4512,R4513 RS1/16S1502F
R4712,R4713 RS1/16S1502F
R4214,R4215,R4315,R4514,R4515 S1/16S1503F
R4714,R4715 RS1/16S1503F
R4231,R4232,R4332,R4531,R4532 RS1/16S3902F
R4731,R4732 RS1/16S3902F
R4218,R4518,R4718 RS1LMF2R2J
Other Resistors RS1/16S J
OTHERS
J4802 LEAD WITH HOUSING ADX7371
CN4813 2P CONNECTOR B02B-XASK-1
CN4806 13P PLUG KM250NA13L
CN4804 9P PLUG KM250NA9L
CN4802 6P CONNECTOR S06B-XASK-1
4802,4804,4806 SCREW TERMINAL VNE1949
4810 EARTH METAL FITTING VNF-091
POWER AMP (BR) ASSY
SEMICONDUCTORS
Q4303,Q4403 2SC2412K
Q4103 DTA124EK
D4806 1SS355
D4805 UDZS5.1B
CAPACITOR
C4812 CKSRYF105Z10
RESISTORS
All Resistors RS1/16S J
OTHERS
J4803 BOARD IN WIRE ADX7372
CN4809 11P SOCKET KP250NA11
CN4810 9P SOCKET KP250NA9
CN4811 8P CONNECTOR S08B-XASK-1
POWER AMP (G) ASSY
OTHERS
J4804 BOARD IN WIRE ADX7363
4807,4808 EARTH METAL FITTING VNF-091
LOCAL SUPPLY ASSY
SEMICONDUCTORS
IC4047 (315mA) AEK7003
IC4023,IC4024 (500mA) AEK7005
IC4045,IC4046 (500mA) AEK7005
IC4036 (1A) AEK7009
IC4035 (1.25A) AEK7010
IC4011 LM1085IT-5.0
IC4021,IC4031 LM2940CT-5.0
IC4041 NJM7820FA
IC4043 NJM78M15FA
IC4033 NJM78M56FA
Y
X
Z
AA

Mark No. Description Part No. Mark No. Description Part No.
138
VSX-49TX, VSX-47TX
Q1103 DTC124EK
D1103,D1106 1SS355
D1101 S1VB20/F03
D1102 UDZS5.1B
COILS
L1101,L1102 NOISE FILTER RTF1167
TRANSFORMER
T1101 ATT7043
CAPACITORS
C1107 CCSRCH101J50
C1109 CEAT100M50
C1103,C1104 CEAT101M10
C1102 CEAT222M25
C1110 CEAT470M25
C1101 CFTYA104J50
C1106 CKSRYB104K16
C1105 CKSRYB473K16
RESISTORS
All Resistors RS1/16S J
OTHERS
CN1105 3P JUMPER CONNECTOR 52151-0310
CN1101 6P SOCKET AKP7141
CN1104 FFC CONNECTOR 14P HLEM14R-1
CN1102 7P SOCKET KP250NA7
CN1103 8P SOCKET KP250NA8
KN1101 EARTH METAL FITTING VNF1084
POWER SW ASSY
SWITCH
S1301 ASG7024
CAPACITORS
C1301,C1302 CFTLA103J50
OTHERS
CN1301 3P JUMPER CONNECTOR 52147-0310
SP (A) ASSY
SEMICONDUCTORS
Q1201,Q1203,Q1205,Q1207,Q1209 DTA124EK
Q1202,Q1204,Q1206,Q1208,Q1210 DTC124EK
D1201-D1210 1SS355
COILS
L1201-L1207 AF CHOKE COIL ATH1053
RELAYS
RY1201-RY1205 ASR7001
AD
IC4042 NJM7918FA
IC4022,IC4032 NJM79M05FA
Q4054 2SA1037K
Q4022,Q4052 2SB951A
Q4021,Q4051 2SD1277A
Q4053 2SK1132
D4031,D4032,D4057 1SS355
D4003,D4004 D3SBA20(B)
D4041 HZU2.2B
D4002,D4005 S1VB20/F03
D4059,D4060 UDZ12B
D4051-D4054 UDZ15B
D4055,D4056 UDZ16B
CAPACITORS
C4003 (1µF/250V) ACE7036
C4051,C4052 (2200µF/71V) ACH7117
C4011 (333µF/16V) ACH7159
C4053,C4054 CEAT101M63
C4023,C4024 CEAT471M16
C4021,C4022,C4032 CEAT472M16
C4041,C4042 CEAT472M35
C4031 CEAT682M16
C4045-C4047 CEJQ100M50
C4055,C4056 CEJQ100M63
C4013,C4035,C4036,C4038 CEJQ101M6R3
C4025,C4026,C4029,C4030 CEJQ470M16
C4039,C4040,C4049 CEJQ470M16
C4002 CFTLA474J2A
C4001 CFTYA105J50
C4057 CKSRYB102K50
C4043,C4044,C4048 CKSRYB103K50
C4012,C4027,C4028,C4033,C4034 CKSRYB104K16
C4037 CKSRYB104K16
C4061-C4064 CKSRYB473K16
RESISTORS
R4003 RD1/2MMF470J
R4021,R4022 RD1/4MUF151J
R4001,R4002 RD1/4MUF330J
R4051,R4052 RD1/4MUF472J
Other Resistors RS1/16S J
OTHERS
J4001 2P CONNECTOR ASSY ADX7369
J4004 6P CONNECTOR ASSY ADX7373
J4002 4P CONNECTOR ASSY ADX7374
CN4002 3P CONNECTOR B03B-XASK-1
CN4001 8P CONNECTOR B08B-XASK-1
CN4004 9P CONNECTOR B09B-XASK-1
KN4001,KN4002 VNF1084
EARTH METAL FITTING
AC PRIMARY ASSY
SEMICONDUCTORS
IC1103 BU4094BC
IC1101 NJM78M56FA
IC1102 NJM79M24FA
Q1102 2SB1197K
Q1101 2SC2412K
AB
AC

Mark No. Description Part No. Mark No. Description Part No.
139
VSX-49TX, VSX-47TX
CAPACITORS
C1201-C1207 CQHA102J2A
RESISTORS
R1231-R1237 RD1/4MUF100J
R1211,R1212 RS2LMF331J
R1221-R1225 RS1/16S124J
OTHERS
J1201 BOARD IN WIRE ADX7362
J1206 3P CONNECTOR ASSY ADX7364
J1207,J1208 1P WIRE ADX7368
CN1202 8P SPEAKER TERMINAL AKE7074
CN1201 6P SPEAKER TERMINAL AKE7075
CN1206 FFC CONNECTOR 4P HLEM4S-1
CN1205 8P PLUG KM250NA8L
FL SUPPLY ASSY
SEMICONDUCTORS
Q1901 2SC5174P
D1901,D1902 UDZ22B
CAPACITORS
C1901-C1903 CEJQ100M50
RESISTORS
R1901 RD1/4MUF272J
R1902 RS1/16S470J
OTHERS
CN1902 4P JUMPER CONNECTOR 52147-0410
CN1901 4P CONNECTOR B04B-XASK-1
STANDBY ASSY
SWITCH
S1901 ASG7013
OTHERS
CN1903 3P FFC CONNECTOR 52044-0345
POSISTER (L) ASSY
OTHERS
J1901 2P CONNECTOR ASSY ADX7365
TH1901 POSISTOR AEX7006
POSISTER (R) ASSY
OTHERS
J1902 2P CONNECTOR ASSY ADX7365
TH1902 POSISTOR AEX7006
DSP DIODE ASSY
SEMICONDUCTOR
D1903 D5SBA20(B)
OTHERS
CN1904 4P CONNECTOR S04B-XASK-1
SP (B) ASSY
SEMICONDUCTORS
Q1004 DTA124EK
Q1002,Q1003 DTC124EK
Q1001 DTC143EK
D1001-D1006 1SS355
COIL
L1001 LINE FILTER ATF7018
RELAYS
RY1003 ASR7001
RY1002 ASR7016
RY1001 ASR7022
CAPACITORS
C1001,C1002 (0.01µF/AC250V) ACG7033
C1003,C1004 CQHA102J2A
RESISTORS
R1001,R1002 (15Ω, 10W) ACN7104
R1003 (2.2MΩ, 1/2W) RCN1080
Other Resistors RS1/16S J
OTHERS
CN1006 4P SPEAKER TERMINAL AKE7076
CN1001 6P PLUG AKM7056
1004 1P AC OUTLET AKP1033
H1001,H1002 FUSE HOLDER AKR1007
CN1005 7P PLUG KM250NA7L
CN1002 AC CORD SOCKET RKP1751
CN1003 AMP U-P CONNECTOR RKP1834
1001 SCREW TERMINAL VNE1948
DIODE ASSY
SEMICONDUCTORS
D1501 KCH30A15
D1502 KRH30A15
CAPACITOR
C1501 (1µF/250V) ACE7036
RESISTOR
R1501 RD1/2MMF470J
OTHERS
J1501 BOARD IN WIRE ADX7358
J1502 BOARD IN WIRE ADX7359
J1503 BOARD IN WIRE ADX7360
J1504 BOARD IN WIRE ADX7361
AE
AF
AG
AH
AI
AJ
AK

Mark No. Description Part No. Mark No. Description Part No.
140
VSX-49TX, VSX-47TX
FUSE ASSY
OTHERS
H1801-H1810 FUSE CLIP AKR1004
CN1803 4P CONNECTOR B04B-XASK-1
CN1802 8P CONNECTOR B08B-XASK-1
CN1801 12P CONNECTOR S12B-XASK-1
TRANS (A) ASSY
CAPACITOR
C1601 CFTYA105J50
RESISTOR
R1601 RD1/4MUF100J
OTHERS
CN1601 5P CONNECTOR B05B-XASK-1
TRANS (B) ASSY
SEMICONDUCTORS
IC1703 PROTECTOR (750mA) AEK7007
D1701 S1VB20/F03
D1702 UDZS7.5B
CAPACITORS
C1701 CEAT331M50
C1702 CEJQ101M10
RESISTORS
R1703-R1706 RS1/16S2R2J
R1701,R1702 RS1/16S683J
OTHERS
CN1701 3P CONNECTOR B03B-XASK-1
CN1702 7P CONNECTOR B07B-XASK-1
H701-H704 FUSE CLIP AKR1004
AL
AM
AN
6. ADJUSTMENT
There is no information to be shown in this chapter.

141
VSX-49TX, VSX-47TX
7. GENERAL INFORMATION
7.1 DIAGNOSIS
7.1.1 Test Mode
• How to Enter the Test Mode
With the attached Remote Control Unit.
1. Press the [REMOTE SETUP]+[1] keys simultaneously to enter
the "SECRET" mode.
LCD displays the "SECRET [DVD/LD]"
2. Press the [%]+[fi]+[VCR2] keys simultaneously to enter the Test
Mode.
LCD displays the "SECRET [VCR2]".
1. Test Mode ON (Press [C] key)
• Set the function to CD.
• Set the signal selection to AUTO.
• Set the tuner-preset data.
• Set speaker A to ON and speaker B to OFF.
• Set the BASS and TREBLE to +6.
• Set the remaining items to their factory settings.
Display: TEST MODE
2. Test Mode OFF (Press [0] key)
When you quit Test mode, the unit automatically enters STANDBY
status.
Note: Do NOT quit Test mode by disconnecting the power cord.
Doing so prevents factory-set data from being written to
EEPROM to backup the data.
3. Items to be checked in Test mode
For checking the main unit of a product: Remote control codes
A55F+A500 ([1] key) through A509 ([0] key).
1. FL display check (Press [1] key)
Normal display → All FLs and LEDs on → All FLs and LEDs off
→ Normal display→ . . .
Display transition:
TEST MODE → FL ALL ON → FL ALL OFF → TEST MODE
2. Bass and treble operations (Press [4] key)
Each time this code is issued, the bass and treble values change.
In modes (THX, Direct, Multichannel-Direct) in which tone control
is invalid, the display also changes as shown below.
To use, select a mode (Standard, etc.) in which tone control is valid.
Display transition:
TRE/BASS 0dB → TRE/BASS MAX → TRE/BASS 0dB
Remarks:
In Test mode, the bass and treble keys on the main unit functions as
follows:
+ : 0 dB → +6 dB → 0 dB → +6 dB, . . .
– : 0 dB → – 6 dB → 0 dB → – 6 dB, . . .
3. Master volume switching (Press [5] key)
When this code is issued, the master volume changes.
Trimming of all channels becomes 0 dB at this time.
Display transition:
TEST VOL MIN → TEST VOL MAX → TEST VOL MIN
4. Tuner 9K/10K switching (Press [6] key)
When this code is issued, the reception frequency interval of the
tuner cyclically changes.
The code is valid only with models (SD models) having 9K/10K
switching capability.
Display transition:
TEST TUN 9K → TEST TUN 10K → TEST TUN 9K
5. FAN ON/OFF (Press [8] key)
When this code is issued, the fan turns on or off.
The code is valid only with models having a fan.
Display transition: FAN OFF → FAN ON
OFF : Fan stops.
ON : Fan operates.
6. Microphone input check (Press [9] key)
When this code is issued, Direct mode is selected (a path that
bypasses DSP), and a microphone input signal will be output from
the pre-output on the front panel.
• Set the function to CD.
• Set the signal selection to AUTO.
Display transition: TEST MIC CHECK
7. RS232C operation check (Press [2] key)
When this code is issued, the RS-232C transmission port is switched
to act as a general-purpose port, and self-check of data input/output
ports is performed.
The signal ("L" output) at the data output port is read to the data-
input port and checked as to whether it is correct or not. "H" is
output from the CTS port.
If the port self-check successfully ends:
Display: MAIN RS232C OK
If the port self-check fails:
Display: MAIN RS232C NG
8. Tuner: Auto scan (Press [3] key)
When this code is issued, an auto scan operation begins.
The step of frequency increment is forcibly set to 9K.
If the function is not Tuner, it is switched to Tuner, then auto scanning
starts from 88.5 MHz FM in the + direction.
When the code is issued again, auto scan starts from 1062 kHz AM
in the – direction.

142
VSX-49TX, VSX-47TX
The reception points on the line:
AM : 1008 kHz
FM : 89 MHz
∗If this code is issued during auto scanning, it merely causes the
operation to stop. Issue the code again to resume auto scanning.
9. Video converter operation check (Press [7] key)
When this code is issued, All-through mode will be selected.
The video converter operation is deactivated.
The following assignment will be made for component connectors
1 to 3 and D4 connectors 1 and 2.
Component 1 : DVD/LD
Component 2 : TV/DVD
Component 3 : VCR2
D4-1 : SAT
D4-2 : VCR1/DVR
For checkers: Remote control codes other than A55F+A500 ([1]
key) through A509 ([0] key).
4. DSP Microcomputer Test Mode
232C Test Mode
Overview
This test is for checking the operations of the buffer IC in the 232C
block.
Signal supplied to pin 36 of the DSP microcomputer will be output
from pins 35 and 38.
To enter this mode
You may enter 232C test mode using an identification code for serial
transmission.
Identification code: 55h
5. Display Microcomputer Test Mode
1. Test Mode ON
With pin 17 of PD5686 (M38B5) set to 5 V, set pin 10 (RESET)
from 5 V to GND, then back to 5 V. Enter the Test Mode for checker.
2. How to check
Switch the mode using remote control code (k_afunc=A555) from
SR_IN and MR_IN.
1. FL/LED ALL ON
↓
2. FL/LED ALL OFF
↓
3. FLSW OFF
↓
4. FLSW ON
↓
5. MRSW OFF
↓
6. MRSW ON
↓
Returns to 1
7.1.2 Protection Circuit Control
Specifications
Microcomputer-related ports
TRANS_DET (pin 87)
Input port : To detect temperature rise at the transformer
Active: "L"
TEMP1 (pin 94)
Input port : To detect temperature rise at the heat sink
Active: "H"
FAN_DET (pin 21)
Input port : To detect forcible fan stop
Active: "H"
OL_DET (pin 73)
Input port : To detect overloading at the amplifier (Interrupt
port)
Active: "H"
DC_DET (pin 49)
Input port : For DC detection
Active: "H"
FAN_DRIVE (pin 86)
Output port : For fan on/off
H"= ON, "L"= OFF
AMUTE (pin 66)
Output port : For system muting on/off
H"= ON, "L"= OFF
EXP_DT2 (pin 58)/EXP_CLK2 (pin 59)/EXP_OE2 (pin 60)/
EXP_ST2 (pin 61)
Output ports : Data on the extension IC for relay control
(IC1103 of the AC PRIMARY assembly).
The protection relays mentioned below include
all the relays within the SP(B) assembly except
RY1001 and RY1002.
The following control processes are activated immediately before
the relay system is turned on upon power-on. The time is 4.8 seconds
after power-on. (Control of the relay system is enabled 5.2 seconds
after power-on.)
Only DC detection is enabled 2 seconds after power-on to activate
it before other protection functions.
(1) Fan control
Valid with European and other general-area models only.
1 Fan on/off
If the temperature at the heat sink rises, the TEMP1 port becomes
"H." Detecting "H," the microcomputer starts the fan. No indication
is made on the FL display.
2 Fan detection
If the fan is forcibly stopped, the FAN_DET port becomes "H."
Detecting "H," the microcomputer performs the following
operations:
1. System muting on
2. Protection relays off
The warning indication "FAN STOP" appears (flashing) on the FL
display.
If this status continues for more than 3 seconds, the power is turned
off (for Standby mode).

143
VSX-49TX, VSX-47TX
If the port becomes "L" within 3 seconds, the unit resets
automatically.
(2) Transformer temperature rise control
Valid with European and Japanese domestic models only.
European models
If the temperature at the transformer rises, the TRANS_DET port
becomes "L."
Detecting "L," the microcomputer performs the following operations:
1. System muting on
2. Protection relays off
As long as the detection port remains "L," statuses 1 and 2 are
maintained.
When the port becomes "H" (when the temperature at the transformer
drops), statuses 1 and 2 are canceled, and the unit resets automatically
(automatic reset is requested by safety regulations).
The warning indication "THERMAL" appears on the FL display.
(3) Temperature detection
Valid with North American and Japanese domestic models only.
The process mentioned in (1) is performed with European and other
general-area models.
If the temperature at the heat sink rises, the TEMP1 port becomes
"H." Detecting "H," the microcomputer performs the following
operations:
1. System muting on
2. Protection relays off
The warning indication "THERMAL" appears on the FL display.
If this status continues for more than 3 seconds, the power is turned
off (for Standby mode).
If the port becomes "L" within 3 seconds, the unit resets
automatically.
(4) Overload detection (abnormality detection)
If the speaker terminals are short-circuited or low-load driving is
detected, the OL_DET port becomes "H."
Detecting "H" in an interrupt process, the microcomputer performs
the following operations:
1. System muting on
2. All relays off (expander output off)
The expander output is turned off to perform detection during
the interrupt. As the AC relay is also turned off, no warning
indication appears on the FL display.
3. Power off (Standby mode)
(5) DC detection (defect detection)
Only DC detection is enabled 2 seconds after power-on.
If there is a fault in the power amplifier or a high-level signal lower
than5 Hz is input, the DC_DET port becomes "H."
Detecting "H," the microcomputer performs the following
operations:
1. System muting on
2. Protection relays off
The warning indication "AMP ERR" appears on the FL display.
If this status continues for more than 3 seconds, the power is turned
off (for Standby mode).
If the port becomes "L" within 3 seconds, the unit resets
automatically.
When the power is turned off owing to DC detection (also when a
user prompted by the warning indication turns off the switch on the
primary side), key inputs are disabled for 60 seconds.
The microcomputer backs up the value of the 60-second timer. The
unit will only enter Standby mode, and power will not be turned on
within 60 seconds in response to a key input after power-off on the
primary side. (When the switch on the primary side is turned on
again, key inputs will be limited for 60 seconds even if the timer
value is less than 60 seconds.)
After DC detection, power-on from the multiroom side is also
disabled for 60 seconds.
If the unit resets within 3 seconds (before the power is turned off)
after DC detection, the normal operation is restored.
(6) Diagnostic mode
This mode is only for servicing and checking the circuit design, and
not open to users.
When the DNR key and VSEL key are both held pressed for 3
seconds in Standby mode, the power is turned on, and the number
of times of each defect or abnormality detection is sequentially
displayed on the FL display.
Displayed items:
• DC detection
• Overload detection
• Fan detection
• Temperature detection
Hold the DNR key and VSEL key pressed for 3 seconds in Standby
mode.
PROTECT CHECK
DC 003
↓
PROTECT CHECK
OVER 000
↓
PROTECT CHECK
FAN 000
↓
PROTECT CHECK
TEMP 000
There is no specific mode for clearing the above-mentioned
diagnostic mode.
Diagnostic mode is only cleared with an all-reset operation.
∗ With models other than North
American models
∗ With North American and
Japanese domestic models

144
VSX-49TX, VSX-47TX
metIesopruPdohteMnoitceteDssecorP gninraW noitacidnI skrameR htroN aciremA napaJeporuE lareneG saerA
noitcetedCD
tcefed(egamadreifilpmatcetedoT srekaepstcetorpotssecorpA)sutats lanretxedetcennocfonoitcetorprof( )secived
TED_CDehtnehwstceteD ".H"semocebtrop
noitcetorpdnanognitumsnruT ehtffosnrutneht,ffosyaler .sdnoces3retfarewop
PMA"gnihsalF 3rof"RRE sdnoces
erastupniyek,detcetedecnO ehtfI.sdnoces06rofdelbasid nihtiw"L"semocebtropTED_CD stesertinueht,sdnoces3 .yllacitamotua
OOO O
daolrevoPMA
lamronba(gnidaolrevotcetedoT arognivirddaol-wolhtiW)sutats slanimretrekaepsehtfotiucrictrohs )reifilpmaehtfonoitcetorprof(
LO_PMAehtnehwstceteD skcehc("H"semocebtrop .)tpurretniyb
syalerlladnanognitumsnruT ehtffosnrutyletaidemmidna,ffo .rewop enoNOOOO
lortnocnaF atsniaganoitcnufnoitcetorP knistaehehttaesirerutarepmet
1PMETehtnehwstceteD skcehc("H"semocebtrop .)tpurretniyb .nafehtsetatoRenoN 1PMETehtnehwspotsnafehT ".L"semocebtrop XXOO
potsnaF ahtiwsledom( Jdnanaf )ylnosledom
sinafgnitatorehttahtwonkoT deppotsylbicrof
ehtnehwstceteD semocebtropTED_NAF ".H"
noitcetorpdnanognitumsnruT ehtffosnrutneht,ffosyaler .sdnoces3retfarewop
NAF"gnihsalF 3rof"POTS sdnoces
"L"semocebtropTED_NAFehtfI stesertinueht,sdnoces3nihtiw .yllacitamotua XOOO
remrofsnarT erutarepmet )1(noitceted
atsniaganoitcnufnoitcetorP remrofsnartehtniesirerutarepmet
ehtnehwstceteD semocebtropTED_SNART ".L"
noitcetorpdnanognitumsnruT .ffosyaler gnitacidnI "LAMREHT" semocebtropTED_SNARTehtfI .yllacitamotuastesertinueht",H" XXOX
remrofsnarT erutarepmet )2(noitceted
atsniaganoitcnufnoitcetorP remrofsnartehttaesirerutarepmet
ehtnehwstceteD semocebtropTED_SNART ".L" .nafehtsetatoRenoN ehtnehwspotsnafehT ".L"semocebtropTED_SNART XOX X
erutarepmeT noitceted atsniaganoitcnuftcetorP knistaehehttaesirerutarepmet 1PMETehtnehwstceteD ".H"semocebtrop
noitcetorpdnanognitumsnruT ehtffosnrutneht,ffosyaler .sdnoces3retfarewop
gnihsalF rof"LAMREHT" sdnoces3
"L"semocebtrop1PMETehtfI stesertinueht,sdnoces3nihtiw .yllacitamotua OOX X
:etoN ebyamgninrawehtdna)zH5nahtrewol(seicneuqerfwolsallewsaCDtcetedotdengisedsitiucricnoitcetedCDehtsa,noitcetedCDretfadelbaneeratupniyekdnateseR .tcefedanahtrehtognihtemosybdesuac
÷ Protection process list

145
VSX-49TX, VSX-47TX
7.1.3 DISASSEMBLY
×2
1
×3
1
×3
1
1
Exterior Block
Remove the Top Plate BK (Screws × 13)
3
Remove 9 screws and three connectors
4
Remove four screws
5
Remove the Heat Sink Block
2
Remove the Side Alum BK (Screws × 5)(for VSX-49TX)
Remove the Side Plate BK (Screws × 5)(for VSX-47TX)
1
×3
1
Remove the Insulator Assy (Screws × 4)
2
Remove the Bottom Plate A and Bottom Plate B (Screws × 33)
1
Top Plate BK
Side Alum BK
(Side Plate BK)
Side Alum BK
(Side Plate BK)
Insulator Assy
Screws × 33
Bottom View
Insulator Assy
Bottom Plate A,
Bottom Plate B (VSX-49TX Only)
Insulator Assy
Insulator Assy
×2
1
×2
2
×2
2
2
2
2
1
Heat Sink Block
2
11
2
11
Top View
POWER AMP (R)
Assy
Bottom View Pull-up
3
3
3
33
3
X
POWER AMP (BR)
Assy
Y
POWER AMP (L)
Assy
V
POWER AMP (G)
Assy
ZPOSISTER (L)
Assy
AG
POSISTER (R)
Assy
AH
POWER AMP (C)
Assy
W
4
4
5
4
4

146
VSX-49TX, VSX-47TX
54
1
1
Rear Panel Block
Remove screws (× 33)
2
2
3
Remove the connector from SP (B) Assy
3Remove screws (× 26)
4Remove six connectors from MOTHER Assy
5Remove the Rear Panel
×22
×26
1×11
3Power Supply Block
4
FM/AM TUNER
Module
AVIDEO CONNECT
Assy
Rear Panel
G
A/V I/O Assy
B
SP (A) Assy
Capacitor
(C1, C2)
Power
Transformer
AD
FUSE
Assy
AL
DIODE
Assy
AK
SP (B) Assy
AJ
AC PRIMARY
Assy
AB
TRANS (A)
Assy
AM
TRANS (B)
Assy
AN
V-CONVERT
Assy
(VSX-49TX Only)
E
S-VIDEO
Assy
D
COMPONENT
Assy
FCOMPOSITE
Assy
C

147
VSX-49TX, VSX-47TX
1
DSP and DAC Block
Remove 6 screws
2Remove the Shield Case B
6Remove two PCB Frame B (Screws × 4)
7Remove two Wire Clip
8Remove the screw
9Remove the Shield Case A
3Remove the connector
4Remove 3 screw
5Remove DAC10 Assy (VSX-49TX), DAC8 Assy (VSX-47TX)
and DSP Assy (Connectors × 5)
5
Shield Case B
PCB Frame B ×2
Shield Case A
DAC10 Assy (VSX-49TX)
DAC8 Assy (VSX-47TX)
U
DSP3 Assy
(VSX-49TX Only)
T
ANALOG IN & A/D
Assy
L
VR & PRE OUT
Assy
Q
LOCAL SUPPLY
Assy
AA
DSP DIODE
Assy
AI
MOTHER Assy
R
DSP Assy
S
×3
×4
8
7
7
6
×3
×3
4
3
-1
5
-2
5
2
9
1
1

148
VSX-49TX, VSX-47TX
1
Front Panel Block
Remove screws (× 15)
2
Remove the Front Panel Block
6
DISPLAY Assy
M
MULTI JOG
Assy
O
VOL Assy
P
MIC AMP
Assy
P
HEADPHONE
Assy
KFRONT A/V
Assy
J
MIC & OPT
Assy
I
INPUT SEL
Assy
N
POWER SW
Assy
AC
STANDBY
Assy
AF
FL SUPPLY
Assy
AE
1
1
1
×6
×2
1
2
×3
1
1
×2

149
VSX-49TX, VSX-47TX
• The information shown in the list is basic information and may not correspond exactly to that shown in the schematic diagrams.
PD5685A9 (MOTHER ASSY : IC5801)
• Main Microcomputer
7.2 PARTS
7.2.1 IC
•List of IC
PDG5685A9, PD5686A, PD5687A, BU4094BCFV
1
NC P96
2
NC P95
3
1394 RST P94
4
1394 CS P93
5
1394 DO P92
6
1394 DI P91
7
1394 CK P90
8
GND BYTE
9
GND CMVSS
10
I2C DT P87
11
I2C CLK P86
12
XRESET XRES
13
XOUT XOUT
14
GND VSS
15
XIN XIN
16
5V VCC
17
NMI P85
18
WAKEUP P84
19
1394 INT P83
20
1W WUP P82
21
FAN DET P81
22
DISP EN P80
23
OSD RST P77
24
OSD CS P76
25
SYNC DET P75
26
DISP RST P74
27
DISP RDY
OSD/DISP CLK
P73
28
P72
29
DISP DI P71
30
OSD/DISP DO P70
31
232C TXD P67
32
232C RXD P66
33
JIG CLK P65
34
232C CTS P64
35
DSP DO P63
36
DSP DI
DSP CLK
DSP RST
DSP RDY
DSP MUTE
TC916X DT
TC916X CLK
TC916X ST1
TC916X ST2
TC9274 DTB
P62
37
P61
38
P60
39
P57
40
P56
41
P55
42
P54
43
P53
44
P52
45
P51
46
MR4052A P50
47
MR4052B P47
48
MR4052 INH P46
49
DC PROT P45
50
RELAY P44
100
P97 FWRITE
99
AVCC 5V
98
VREF 5V
97
P100 MIC_AMP
96
AVSS GND
95
P101
94
P102 TEMP1
93
P103 S-DET
92
P104
91
P105 AD1
90
P106 ROM CK
89
P107
88
P00 232C SW
ROM DT
AD2
87
P01 TRANS DET
86
P02 FAN DR
85
P03 EXP ST
84
P04 EXP OE
83
P05 EXP CLK
82
P06 EXP DT
81
P07 TUNED
80
P10 STEREO
79
P11 TMUTE
78
P12 RDS FM+
77
P13 RDS DT/T-P
76
P14 T-DI
75
P15 RDS CLK
74
P16 T-DO
73
P17 OL DET
72
P20 T-CE
71
P21 T-CLK
70
P22 HP
69
P23 NECK
68
P24 VE OFF
67
P25 MR MUTE
66
P26 AMUTE
65
P27 ATT
64
VSS GND
63
P30
62
VCC 5V
61
P31 EXP ST2
60
P32 EXP OE2
59
P33 EXP CLK2
58
P34 EXP DT2
57
P35 EVR CS
56
P36 EVR CLK
55
P37 EVR DT
54
P40 M62429 CLK
53
M62429 DT
52
P42
P41
A4052F
51
P43 A4052E
• Pin Assignment (Top view)

150
VSX-49TX, VSX-47TX
• Pin Function
.oNemaNniPO/InoitcnuFniPevitcA
1– O .dexif"L"CN
2– O .dexif"L"CN
3TSR4931O .dexif"L")desutoN(4931rofybdnatS
4SC4931O .dexif"L")desutoN(4931rofybdnatS
5OD4931O .dexif"L")desutoN(4931rofybdnatS
6ID4931I .tiucricehthtiwybdnatS)desutoN(4931rofybdnatS
7KC4931O .dexif"L")desutoN(4931rofybdnatS
8DNG −dnuorG
9DNG −dnuorG
01TDC2IO/ImetsyssubC2IlortnocCIretrevnocoedivroflangisataD
11KLCC2IO metsyssubC2IlortnocCIretrevnocoedivroflangiskcolC
21TESERX −teseR
31TUOX −rotallicsO
41DNG −dnuorG
51NIX −rotallicsO
61V5−ylppusrewopV5
71IMNI k001(troptupnilaususatiesutonnaC Ωpullup )
81PUEKAWIpuekaW H
91TNI4931I .tiucricehthtiwybdnatS)desutoN(4931rofybdnatS
02PUWW1I )nwodllup()retupmocorcimyalpsidehtmorf(ybdnatstalangispuekaW H
12TEDNAFI .erawdrahehthtiw"L"otxiF
22NEPSIDO retupmocorcimyalpsidehtotlangisgnilbanenoitacinummoC H
32TSRDSOO teseresaeler:H,teser:LlangisteserCI-DSO
42SCDSOO langistcelespihcCI-DSO H
52TEDCNYSI ).CI-DSOfocnyslanretxe/lanretniehthctiwS(noitcetedcnyslanretxe/lanretnI TXE:L
62TSRPSIDO )nwodllup(teseresaeler:H,teser:LlangisteserretupmocorcimyalpsiD
72YDRPSIDI retupmocorcimyalpsidehtmorflangisgnilbanenoitacinummoC H
82KLCPSID/DSOO retupmocorcimyalpsid/CI-DSOehthtiwlangiskcolcnoitacinummoC
92IDPSIDI )pullup:niardnepohcN(retupmocorcimyalpsidehthtiwlangisniatadnoitacinummoC
03ODPSID/DSOO )pullup:niardnepohcN(retupmocorcimyalpsid/CI-DSOehthtiwlangistuoatadnoitacinummoC
13DXTC232O )tuptuoatad(gnitirwerC232roF
23DXRC232I )tupniatad(gnitirwerC232roF
33KLCOdesutoN
43STCC232O )gnilbanenoitacinummoc(gnitirwerC232roF
53ODPSDO retupmocorcimPSDehthtiwlangistuoatadnoitacinummoC
63IDPSDI retupmocorcimPSDehthtiwlangisniatadnoitacinummoC
73KLCPSDO retupmocorcimPSDehthtiwlangiskcolcnoitacinummoC
83TSRPSDO teseresaeler:H,teser:LlangisteserretupmocorcimPSD
93YDRPSDI retupmocorcimPSDehtmorflangisgnilbanenoitacinummoC H
04ETUMPSDI tseuqeretuM:HretupmocorcimPSDehtmorflangistseuqeretuM H
14TDX619CTO atadlortnocWSnoitcnuF
24KLCX619CTO kcolclortnocWSnoitcnuF
341TSX619CTO lortnocgnihctiwsoiduaitluM.3619CTdna2619CTfoebortslortnocgnihctiwsoiduaniaM 4619CTfoeborts
44XTS3619CTO hctiwslangishc2/itluM
54BTS4729CTO ebortslortnocgnihctiwsPSD/TCERID
64A2504RMO metsysoiduamooritlumfo1langislortnocgnihctiwS
74B2504RMO metsysoiduamooritlumfo2langislortnocgnihctiwS
84HNI2504RMO FFOtuptuo:Hmetsysoiduamooritlumfo3langislortnocgnihctiwS
94TORPCDI noitceted:HnoitcetedCD H
05YALEROFFO/NOyalerPS H

151
VSX-49TX, VSX-47TX
.oNemaNniPO/InoitcnuFniPevitcA
15E2504AO hckcabdnuorrusfo1langislortnocgnihctiwstuptuO
25F2504AO hckcabdnuorrusfo2langislortnocgnihctiwstuptuO
35TD92426MO lortnocCIemulovmooritlumroflangisataD
45KLC92426MO lortnocCIemulovmooritlumroflangiskcolC
55TDRVEO emulovcinortcereroflangisataD
65KLCRVEO emulovcinortcereroflangiskcolC
75SCRVEO emulovcinortcereroflangistcelespihC
852TDPXEO lortnocCInoisnapxeroflangisataD
952KLCPXEO lortnocCInoisnapxeroflangiskcolC
062EOPXEO lortnocCInoisnapxeroflangiselbanetuptuO
162TSPXEO lortnocCInoisnapxeroflangiskcolcpihC
26V5−ylppusrewopV5
36CNO.dexif"L"CN
46DNG −dnuorG
56TTAOrotauenettA H
66ETUMAO NOetuM:LetummetsyS L
76ETUMRMO NOetuM:LetummooritluM L
86FFOEVO L:metsysoedivfoFFOrewoPtAhctiwsylppusrewopmetsysoediV L
96KCENO6/4 Ω4hctiws Ω6,H: Ω6:eulavlaitinI,L: Ω
07PHI noitceteD:HnoitcetedenohpdaeH H
17KLCRENUTO lortnocrenutfolangiskcolC
27ECRENUTO lortnocrenutfolangistcelespihC
37TEDLOI noitceteD:Hnoitceteddaolrevo.pmA H
47ODRENUTO lortnocrenutfolangistuptuoataD
57KLCSDROdexif"L"
67IDRENUTI )pullup(lortnocrenutfolangistupniataD
77REWOP-TO eludomrenutfoFFO/NOrewoP H
87CNOCN
97ETUMTOetumrenuT H
08OERETSI )pullup(OERETS:L L
18DENUTI )pullup(DENUT:L L
28TDPXEO lortnocCInoisnapxefolangisataD
38KLCPXEO lortnocCInoisnapxefolangiskcolC
48EOPXEO lortnocCInoisnapxefolangiselbanetuptuO
58TSPXEO lortnocCInoisnapxefolangiskcolcpihC
68RDNAFOdexif"L"
78TEDSNARTI erawdrahybdexif"H"
88WSC232O/IretupmocorcimPSD:H,tinuniaM:LhctiwsC232
98TDMORO/IlangisatadlortnocMORPEE
09KCMORO langiskcolclortnocMORPEE
191EKUMISI1daernoitanitseD
292EKUMISI2daernoitanitseD
39TED-SI noitcetedcnysrof"H"tneserplangisS:HnoitcetedcnyS H
491PMETI NOnoitcnufnoitcetorP:HnoitcetederutarepmeT H
59CNOdexif"L"
69SSVA −SSVottcennoC
79PMACIMO NOPMACIM:HlortnocCInoisrevnocV3-5 H
89FERV −CCVottcennoC
99CCVA −CCVottcennoC
001ETIRWFI )edomgnitirweR:H(noitcetededomgnitirwerdecroF H

152
VSX-49TX, VSX-47TX
PD5686A (DISPLAY ASSY : IC3001)
• Display Microcomputer
• Pin Assignment (Top view)
1
FL SW P75/AN5
2
MR SW P74/AN4
3
KEY1 P73/AN3
4
KEY2 P72/AN2
5
KEY3 P71/AN1
6
KEY4 P70/AN0
7
1W W.UP P61/CNTR0/CNTR2
8
P60/CNTR1
9
SR IN
XRESET
P47/INT2
10
XRESET
11
P91/XCOUT
12
P90/XCIN
13
GND VSS
14
XIN XIN
15
XOUT XOUT
16
VDD VCC
17
CHECKER P46/T2OUT
18
P45/T1OUT
19
P44/PWM1
20
P43/BUZO1
21
P42/INT3
22
MR IN P41/INT1
23
MIC SW P40/INT0
24
POWER ON P87/PWMO/FLD39
25
I-LINK P86/RTP1/FLD38
26
DSF P85/RTP0/FLD37
27
MR/S P84/FLD36
28
GND VEE
29
NC P83/FLD35
30
NC
NC
NC
NC
NC
NC
NC
NC
NC
NC
P82/FLD34
31
P81/FLD33
32
P80/FLD32
33
P37/FLD31
34
P36/FLD30
35
P35/FLD29
36
P34/FLD28
37
P33/FLD27
38
P32/FLD26
39
P31/FLD25
40
NC P30/FLD24
80
P67/AN6 STBY
79
P77/AN7 LED OE1
78
P62/SRDY1/AN8 LED LCK
LED CLK
77
P63/AN9 LED DAT
76
P64/INT4/SBUSY/AN CS
75
P65/SSTB/AN11
74
AREF VDD
73
AVSS GND
72
P50/SIN1
71
P51/SOUT1 FL DO
70
P52/SCLK11 FL CLK
69
P53/SCLK12
68
P54/RXD DI
FL LAT
FL BK
67
P55/TXD DO
66
P56/SCLK21 CLK
65
P57/SRDY2/SCLK22 RDY
64
P20/BUZ02/FLD00 NC
63
P21/FLD01 NC
62
P22/FLD02 NC
61
P23/FLD03 NC
60
P24/FLD04 NC
59
P25/FLD05 NC
58
P26/FLD06 NC
57
P27/FLD07 NC
56
P00/FLD08 VOL_+
55
P01/FLD09 VOL_–
54
P02/FLD10 FUNC_L
53
P03/FLD11 FUNC_R
52
P04/FLD12 INPUT_L
51
P05/FLD13 INPUT_R
50
P06/FLD14 NC
49
P07/FLD15 NC
48
P10/FLD16 NC
47
P11/FLD17
46
P12/FLD18 NC
NC
45
P13/FLD19 NC
44
P14/FLD20 NC
43
P15/FLD21 NC
42
P16/FLD22 NC
41
P17/FLD23 NC

153
VSX-49TX, VSX-47TX
• Pin Function
.oNemaNniPO/InoitcnuFniP.oNemaNniPO/InoitcnuFniP
1WSLFO FFO/NOylppusrewopLF14CN
L/OnoitcennocnoN
2WSRMO REHTO/REENOIPRM24CN
31YEK
ItupniDAYEK
34CN
42YEK44CN
53YEK54CN
64YEK 64CN
7PU.WW1 OpuekawniamecnednopserrocW174CN
8CNL/O84CN
9NIRSI moorniamfotupnilortnocetomeR94CN
01TESER −teseR05CN
11CNL/OnoitcennocnoN 15CN
21CN25R_TUPNIILLEStupnI
31DNG −dnuorG35L_TUPNIIRLEStupnI
41 NIX −rotallicsO45R_CNUFIRGOJitluM
51TUOX −rotallicsO55L_CNUFILGOJitluM
61DDV −ylppusrewoP65–_LOV I–_LOV
71REKCEHCI noitcetededomrekcehC75+_LOV I+_LOV
81CN
L/OnoitcennocnoN
85CN
L/OnoitcennocnoN
91CN95CN
02CN06CN
12CN16CN
22NIRMI moorbusfotupnilortnocetomeR26CN
32WSCIMI noitcetedCIM36CN
42NOREWOPO DELNOrewoP46CN
52KNIL-IODELKNIL-I56YDRO YDRnoitacinummocniaM
62FSDO DELdleifdnuoS66KLCI KLCnoitacinummocniaM
72S/RMODELS/RM76ODO tuoatadnoitacinummocniaM
82DNG −dnuorG86IDI niatadnoitacinummocniaM
92CN
L/OnoitcennocnoN
96TAL_LFOTALVRDLF
03CN07KLC_LFOKLCVRDLF
13CN17OD_LFO ATADVRDLF
23 CN 27KB_LFOKBVRDLF
33CN37DNG −dnuorG
43CN47DDV −ylppusrewoP
53CN57KLC_DELO KLCVRDDEL
63CN67SCO SCnoitacinummocniaM
73CN77TAD_DELO ATADVRDDEL
83CN87KCL_DELO KCLVRDDEL
93CN971EO_DELOEOVRDDEL
04CN08YBTSODELYBTS

154
VSX-49TX, VSX-47TX
PD5687A (DSP ASSY : IC701)
• DSP Microcomputer
• Pin Function
.oNemaNniPO/InoitcnuFniP
1ISOM2PSDO tuptuoatadnoitacinummocPSDdn2
2KCS2PSDO tuptuokcolcnoitacinummocPSDdn2
3ISS2PSDO ebortsnoitacinummocPSDdn2
4TSR2PSDOteserPSDdn2
5ODHO retupmocorcimniamotnoitacinummocretupmocorcimfotuptuoataD
6IDHI retupmocorcimniammorfnoitacinummocretupmocorcimfotupniataD
7KLCHI retupmocorcimniammorfnoitacinummocretupmocorcimfotupnikcolC
8ETYBI )tib8htdiwsub(ccV
9SSVNCI )edomnoisnapxeyromemhtiwesU(ssV
01LEDOMI tupninoitcnitsidledomrewol/reppU
11ETIRWFI tupnilortnocetirwerHSALF
21TESERI retupmocorcimniammorftupniteseR
31TUOXO )zHM7.7(rotanosercimarecatcennoC
41SSV −ssV
51NIXI )zHM7.7(rotanosercimarecatcennoC
61CCV −ccV
71IMNIccV
81STD69I tupninoitcetedzHk69STD
91KLNUI tupnilangisKCOLNU
02ATADI atadrotcafsuoiravRID
12KCLDI KCOLNUrotaludomeD
22EOXEO CInoisnapxefotuptuoEO
32ATADSO CInoisnapxefotuptuoataD
42KCOLCSO CInoisnapxefotuptuokcolC
52BTSO CInoisnapxefotuptuoebortS
62TSR1PSDOteserPSDts1
724269O )zHk69STDta(tuptuoetumCIPSD
82KLCMCADO tuptuokcolc.F.D/CAD
92IDMCSDItupniatadCAD
03ODMCADO tuptuoatad.F.D/CAD
13QER1PSDO tseuqernoitacinummocPSDts1
23RWDR1PSDO hctiwsETIRW/DAERPSDts1
33YSUB1PSDI tiawnoitacinummocYSUBPSDts1
43KCA1PSDI kcehcnoitelpmocnoitacinummocPSDts1
53OTDCO )etirwer(DxT/tuptuoatadnoitacinummoclairesRID
63ITDCI )etirwer(DxR/tupniatadnoitacinummoclairesRID
73KLCCO tuptuonoitacinummoclairesRID
83NSCO )etirwer(STR/tcelespihcnoitacinummoclairesRID
93YDRXIccV
04ELAOCN
14DLOHXIccV
24ADLHXOCN
34KLCBOCN
44EOXO elbanedaerF/IyromemhsalF
54EHBXOCN
64EWXO elbaneetirwF/IyromemhsalF
74DMO tuptuoatadpmaniaG
84CMO tuptuokcolcpmaniaG
94BTSO tuptuoebortspmaniaG
05ECXO lortnocECMORhsalF

155
VSX-49TX, VSX-47TX
.oNemaNniPO/InoitcnuFniP
1591AOCN
2581A
OnoitacinummocyromemhsalffotuptuosserddA
3571A
4561A
5551A
6541A
7531A
8521A
9511A
0601A
169A
26ccV −ccV
368AO noitacinummocyromemhsalffotuptuosserddA
46ssV −ssV
567A
OnoitacinummocyromemhsalffotuptuosserddA
666A
765A
864A
963A
072A
171A
270A
372TSRXO tuptuoteserCDA
47ETUMPSDO )retupmocorcimniamehtotyfitoN(etuM
57YDRHO retupmocorcimniamehtotnoissimrepnoitacinummoC
67QER3PSDO tseuqernoitacinummocPSDdr3
77RWDR3PSDO hctiwsETIRW/DAERPSDdr3
87YSUB3PSDI tiawnoitacinummocYSUBPSDdr3
97KCA3PSDI kcehcetelpmocnoitacinummocPSDdr3
08TSR3PSDOteserPSDdr3
187QD
O/Inoitacinummocyromemhsalffotuptuo/tupniataD
286QD
385QD
484QD
583QD
682QD
781QD
880QD
987ATADPSD
O/I
)tropgnirahs(7tibatadPSDdr3/ts1
096ATADPSD)tropgnirahs(6tibatadPSDdr3/ts1
195ATADPSD)tropgnirahs(5tibatadPSDdr3/ts1
294ATADPSD)tropgnirahs(4tibatadPSDdr3/ts1
393ATADPSD)tropgnirahs(3tibatadPSDdr3/ts1
492ATADPSD)tropgnirahs(2tibatadPSDdr3/ts1
591ATADPSD)tropgnirahs(1tibatadPSDdr3/ts1
69ssVA −ssV
790ATADPSDO/I)tropgnirahs(0tibatadPSDdr3/ts1
89ferV −ccV
99ccVA −ccV
001OSIM2PSDI tupniatadnoitacinummocPSDdn2

156
VSX-49TX, VSX-47TX
BU4094BCFV (DSP ASSY : IC703)
• Expansion IC
• Pin Function
.oNemaNniPO/InoitcnuFniP
1BTSItupniebortS
2ATADI tupniatadlaireS
3KCOLCI tupnikcolclaireS
4TRADOteser.F.D/CAD
5NOIDO hctiwsFFO/NOrewoptupnilatigiD
6SFIHO tuptuognihctiwskcolC
7NDSFO tuptuonwodycneuqerfgnilpmassF
8ssV −ssV
9sQO CInoisnapxefoATADottcennoC
01'sQ −desutoN
114SCADO 4tuptuohctal.F.D/CAD
213SCADO 3tuptuohctal.F.D/CAD
312SCADO 2tuptuohctal.F.D/CAD
411SCADO 1tuptuohctal.F.D/CAD
51EOI EOXEretupmocorciM
61ddV −ddV
BU4094BCFV (DSP ASSY : IC704)
• Expansion IC
• Pin Function
.oNemaNniPO/InoitcnuFniP
1BTSItupniebortS
2ATADI 1CInoisnapxefo9nipottcennoC
3KCOLCI tupnikcolclaireS
4OLTXO lortnocOLTXRID
5MRONO 69STDroftuptuolortnoC
6CDAXO tuptuognihctiwslatigiD/golanA
7POTSO 69STDroftuptuolortnoC
8ssV −ssV
9sQ−3CInoisnapxefoATADottcennoC
01'sQ −desutoN
11NOFRO hctiwsFFO/NOrewopnoitaludomedFR
21PTSDO tuptuopotsrotaludomeD
31TSRDO tuptuoteserrotaludomeD
41NDPXO nwodrewopRID
51EOI EOXEretupmocorciM
61ddV −ddV

157
VSX-49TX, VSX-47TX
BU4094BCFV (DSP ASSY : IC705) (VSX-49TX only)
• Expansion IC
• Pin Function
.oNemaNniPO/InoitcnuFniP
1BTSItupniebortS
2ATADI 2CInoisnapxefo9nipottcennoC
3KCOLCI tupnikcolclaireS
4EEEIO 1tuptuognihctiwstupnI
54TPOO hctiws483/652LLPdn2
6ADVDO hctiwskcolcLLPdn2
7CNOnoitcennocnoN
8ssV −ssV
9sQ−4CInoisnapxefoATADottcennoC
01'sQ −desutoN
11CNOnoitcennocnoN
21K291O tuptuognilpmas4x.F.D
31CNOnoitcennocnoN
41CNOnoitcennocnoN
51EOI EOXEretupmocorciM
61ddV −ddV

158
VSX-49TX, VSX-47TX
1-1A 2-1A 3-1A 4-1A 5-1A
1-2A 2-2A
S1
3-2A 4-2A 5-2A
1-3A 2-3A 3-3A 4-3A 5-3A
1-4A 2-4A 3-4A 4-4A 5-4A
1-5A 2-5A 3-5A 4-5A 5-5A
1-6A 2-6A 3-6A 4-6A 5-6A
1-7A 2-7A 3-7A 4-7A 5-7A
Upper
1-1B 2-1B 3-1B 4-1B 5-1B
1-2B 2-2B
S2
3-2B 4-2B 5-2B
1-3B 2-3B 3-3B 4-3B 5-3B
1-4B 2-4B 3-4B 4-4B 5-4B
1-5B 2-5B 3-5B 4-5B 5-5B
1-6B 2-6B 3-6B 4-6B 5-6B
1-7B 2-7B 3-7B 4-7B 5-7B
Lower
Grid Assignment
17Gd 17Gc 17Gb 17Ga 16G 15G 14G 13G 12G 11G 10G 9G 8G 7G 6G 5G 4G 3G 2G 1Gc 1Gb 1Ga
AAV7081 (DISPLAY ASSY : V3001)
• FL Indicator Tube
7.2.2 DISPLAY

159
VSX-49TX, VSX-47TX
Anode Connection
17Gd to 17Ga 16G to 2G 1Gc to 1Ga 17Gd to 17Ga 16G to 2G 1Gc to 1Ga
P1 1-1A −P37 −1-1B
P2 2-1A −P38 −2-1B
P3 3-1A −P39 −3-1B
P4 4-1A −P40 −4-1B
P5 5-1A −P41 −5-1B
P6 1-2A −P42 −1-2B
P7 2-2A −P43 −2-2B
P8 3-2A −P44 −3-2B
P9 4-2A −P45 −4-2B
P10 5-2A −P46 −5-2B
P11 1-3A −P47 −1-3B
P12 2-3A −P48 −2-3B −
P13 3-3A −P49 −3-3B −
P14 4-3A −P50 −4-3B −
P15 5-3A −P51 −5-3B −
P16 1-4A −P52 −1-4B −
P17 2-4A −P53 −2-4B −
P18 3-4A −P54 −3-4B −
P19 4-4A −P55 −4-4B −
P20 5-4A −P56 −5-4B −
P21 1-5A −P57 −1-5B −
P22 2-5A −P58 −2-5B −
P23 3-5A −P59 −3-5B −
P24 4-5A −P60 −4-5B −
P25 5-5A −P61 −5-5B −
P26 1-6A −P62 −1-6B −
P27 2-6A
(EON) −P63 −2-6B −
P28 3-6A −P64 −3-6B −
P29 −4-6A −P65 −4-6B −
P30 −5-6A −P66 −5-6B −
P31 −1-7A −P67 −1-7B −
P32 −2-7A −P68 −2-7B −
P33 −3-7A −P69 −3-7B −
P34 −4-7A −P70 −4-7B −
P35 −5-7A −P71 −5-7B −
P36 −S1 −P72 −S2 −

VSX-49TX, VSX-47TX
160
7.3 REMOTE CONTROL UNIT
7.3.1 AXD7295 (for VSX-49TX)
7.3.1.1 EXPLODED VIEWS AND PARTS LIST
NOTES: • Parts marked by "NSP" are generally unavailable because they are not in our Master Spare Parts List.
• The mark found on some component parts indicates the importance of the safety factor of the part.
Therefore, when replacing, be sure to use parts of identical designation.
• Screws adjacent to mark on the product are used for disassembly.
17
14
13
16
18
19
18
19
32
31
29
5
6
2
8
9
12
29
39
27
29
29
29
23
22
22
35
21
24
29 30
26
38
36
37
40
11
10
33
7
34
Sub PWB

VSX-49TX, VSX-47TX
161
1 • • • • •
2 PCB Assy AZC7299
3 • • • • •
4 • • • • •
5 Terminal A 411RRC15801R
6 Terminal B 411RRC15901R
7 Jumper Cable E–AA1446–001
8 EL Module AZC7294
9 LCD Module AZC7295
10 Touch Panel NTX01005701R
11 Frame 501RRC01901R
12 LCD Holder AZN7787
13 Seal A AZA7415
14 Seal B AZA7416
15 • • • • •
16 Case A AZN7783
17 Name Plate AZA7406
18 Cushion A 701RRC04801R
19 Cushion B 701RRC04901R
20 • • • • •
21 Case B AZN7784
22 Filter AZA7343
23 Pen Holder AZN7786
24 Terminal 413RRC11201R
25 • • • • •
26 Battery Cover AZN7785
27 Cushion C 701RRC03501R
28 • • • • •
29 Screw AZB7144
30 Touch Pen AZA7350
31 Slide Switch JSB1220–0111
32 Slide Knob AZA7347
33 FPC Connector CFP5519–0101
34 FPC Connector E-CP0535–008
35 MT Switch JPM1030–0801
36 Key Top A AZA7345
37 Key Top B AZA7346
38 Rubber Sheet A AZA7410
39 Rubber Sheet B AZA7349
40 Rubber Sheet C AZA7411
• PARTS LIST
Mark No. Description Part No.

VSX-49TX, VSX-47TX
162
A
B
C
D
1234
1234
Q11
2SK2009
Q12
DTC114YKA
IC3
Z-V0660-02419
Q10
DTA114YKA
Q9
DTA114YKA
18 17 16 15 14 13
12 11 10 9 8 7
6 5 4 3 2 1
R22
100k
Q13
2SC2712
R23
47k
R24 1M
R25
5.6k
R20
100k
R19
100k
R18
100k
X2
C8
100p
C3
0.1
C7
100p
P106
K1 :
K2 : FUNCTION
K6 : VOL -
K7 : FUNCTION
K12 : CH +
K13 : CH -
K18 : VOL +
SUB PWB
P105
P104
C9
0.1
C10 D6
D6 - D9
ISS226
C10 - C13
1000p
C11 C12 C13
R26
100k
R27 1k
R28 1k
R29 1k
R30 1k
D7
2 3 4 5 6 7 81
27
PA
XR
X+
YG
Y-
XG
X-
YR
Y+
26
DC0 25
CTS 24
NC 23
GND 22
ST3 21
ST2 20
RXO
XI 19
1
2
3
4
5
6
7
8
9
P60
P107
P103
P102
P101
P100
P97
P96
P61
P
62
P86
SW2
SW1
SW0
ST0
GND
NC
ST1
ST4
AGND
28 X+
29 X-
30 Y+
31 Y-
32 NC
P63
P65
P64
33 RTS
34 TXD
35 DTR
36
18
CN1
TABLET
17
16
15
14
13
12
11
10
PS
YG
YR
XG
XR
NC
VREF
RST
VDD
XO 3.3
3.3
3.3
D8 D9
D4
1SS294
P73
P90
P81
P92
P72
76 D10
77 D9
78 D8
79 D7
80 D6
81 D5
82 D4
83 D3
84 D2
85 D1
86 D0
D10
D9
D8
D7
D6
D5
D4
D3
D2
D1
D0
87 P107
88 P106
89 P105
90 P104
91 P103
92 P102
93 P101
P107
P106
P105
P104
P103
P102
P101
94 AVSS
95 P100
P100 96 VREF
97 AVCC
98 P97
99 P96
P97
P96
100 P95
74
D12 73
D13 72
D14 71
D15
75
2
3
4
5
1D11 D12
D13
D14
D15
D11
P93
P92
P93
P92
P91
P90
P90
P94
3.3
C17
0.01 C18
47
/10
1
2
3
IC5
IS489
1RESET
P67
2
3
IC9
2.7V
R31
1k
R47
1k
R2
1k
R58
1M
R21
82
R11
7.5
R10
10k
R43
10k R9
82
3.3
3.3
3.33.3
6.0
6.0
3.3
C2
0.1/10
C1
47/10
Q15
DTC114YKA
Q4
2SC3265
Q3
2SC3265
Q2
2SC3265
Q1
2SC1712
Q7
FM02
Q14
2SC2712
1
3
2
3
IC6
3.3V
1
2 IC7
3.6V
R15
7.5
R14
82
R13
82
R12
10k
R16
7.5
R17
100k
IR3
SID303C
IR2
SID303C
IR1
SID303C
1
2
5
4
3
BAT
C4
0.1
RESET
SW
7.3.1.2 SCHEMATIC DIAGRAM

VSX-49TX, VSX-47TX
163
A
B
C
D
5678
5678
C16
0.1
C5
0.1 VDD
VOIN
VCLK
VSTRB
VOUT
8
7
6
5
VSS
ON/OFF
CONT
VIN
1
2
3
4
CL2031-1
EL
MODULE
HON
GND
R45
1k
R3
0
X1 8MHz
R51
1k
1
2
3
4
5
6
7
8
9
10
11
12
13
14
15
16
17
18
19
3.3
6.0
30
3.3
3.3
3.3
3.3
6.0
6.0
30 3.3
D3 1SS294
50
49
48
47
46
45
44
43
42
41
40
39
38
37
36
35
34
33
32
31
30
29
28
27
26
JP1
(H)
(L)
(H)
(L)
A18 A18
IC1
M30612MG-249GP
A19
CS0
P45
CS2
P47
WR
BHE
RD
BCLK
P54
P55
ALE/P56
RDY
P60
P61
P62
P63
P64
P65
P66
P60
P61
P62
P63
P64
P65
P67
P70
P71
P72 P72
70
A0 69
A1 68
A2 67
A3 66
A4 65
A5 64
A6 63
A7
A0
A1
A2
A3
A4
A5
A6
A7
62
VSS 61
A8 A8
60
VCC 59
A9 58
A10 57
A11 56
A12 55
A13 54
A14 53
A15 52
A16
6
7
8
9
10
11
12
13
14
15
16
17
18
19
20
21
22
23
24
BYTE
CNVSS
P87
P87
P86
P86
RESET
RESET
XOUT
VSS
XIN
VCC
NMI
INT2
INT1
INT0
P81
P81
P80
P77
P76
P75
P74 51
A17
A9
A10
A11
A12
A13
A14
A15
A16
A1725 P73
P73
64
VSS 63
VDD 62
M61
LCDENB 60
D15 D15
59
D14 58
D13 57
D12 56
D11 55
D10 54
D9 53
D8
D14
D13
D12
D11
D10
D9
D8
52
VDD 51
VSS 50
D7 49
D6 48
D5 47
D4 46
D3
D2 45
44
D1 43
D0
D7
D6
D5
D4
D3
D2
D1
D0 P93
42
VDD
VSS
VSS
IOCS
RWR
LWR
RD
MCS
WAIT
CS3
WRH
WRL
RD
CS2
RDY
VDD
MPUCLK
RCLK
RST VSS
RESET
MPUSEL
VSS
BHE
A0
A1
A2
A3
A4
A5
A6
A7
A0
A1
A2
A3
A4
A5
A6
A7
VDD
VSS 41
1
2
3
4
5
6
7
8
9
10
11
12
13
14
15
16
17
18
19
20
21
22
23
24
65 VSS
66 CP
67 LP
68 FLM
69 VD0
70 VD1
71 VD2
72 VD3
CP
M
LP
FLM
VD0
VD1
VD2
VD3
73 VD4
74 VD5
75 VD6
76 VD7
77 VDD
78 N.C.
79 N.C.
VSS
VSS
N.C.
N.C.
N.C.
CSE
VSS
VDD
SWAP
A14 A14
A13
A12
A11
A10
A9
A8
A13
A12
A11
A10
A9
A8
VSS
80
40
39
38
37
36
35
34
33
32
31
30
29
28
27
26
25
3.3
3.3
SW1
LOCK
ON
OFF
3.3
JP5 3.3
C24
0.1
JP3
(H)
(L)
JP2
JP6
3.3
3.3
3.3
R5
1k
R4
1k BZ
PKM13EPY-4002
C6
47
/50 C25
47
C22
2,2/50
C23
2.2
/50
C21
3.3/50
C20
2.2/50
C19
2.2/50
R41
47
R42
15
R40
47
R39
47
R38
47
R37
47
CN2
CP
VD3
VD2
VD1
VD0
V3
V2
LP
M
V0
V5
V1
V4
FLM
LCD MODULE
R6
10k
R7
1k
R36
6.8k
R8
1k
Q6
2SJ356
Q5
2SK2009
IC4
SB330A30FS
L1
47µH
R35
6.8k
R34
6.8k
R33
6.8k
R32
6.8k
R57
1k
CS0
CS1
CS2
CS3
WRL
WRH
RD
BCLK
Q8
2SC2712
IC2
M66272FP
14
8
7
1
4
1
24
1
241
2412
11
3
2
4
5
6
9
8
1
10
IC18
IC17
IC16
13 IC15
(2/2)
IC15
(1/2)
D
CLK
Q
Q
PR
3
2
5
6
10
9
12
13
11
IC10 BA10324AF
CLR
D
CLK
Q
Q
PR
CLR

VSX-49TX, VSX-47TX
164
A
B
C
D
1234
1234
SW1
JP5(H)
JP2
(H)
BAT
BAT
RESET
CN1
CN3
CN2
BZ
CN4
19
1
7
1
81
1
10
R49
R51
C2
Q7
IC9
C20
C22
C21
C23
R36
IR2
IR1
IR3
R35
R34
R33
R32
R13
R4
R5
Q8
Q5
C25
D3
D5
Q15
X2
IC4
L1
IC5
IC18
IC17
C17
C7
C8 1M
C3
R31
R44
R46
R45
R22 R23
R24
R25
R26
C9
Q6
Q13
JP1
HL
R50
C24
R8
T1
T2
C19
1
31
1
10 18
19
27
28
IC3
Z-Y0660
-02419
1
1
1
8
5
L
1
23
3
5
C16
C18
IC16
X1
4M
V
GC
50
26
25
51
IC1
IC7
C27
R57 R58
JP3
R19
R20
R3
C5
R18
Q10
Q9
Q12
Q11
R42
R37
R38
R39
R40
R41
64
124
25
C1
40
Q3
D8
D9
Q4
Q1
R41
R15
R11
R16
R17
R10
R12
R27
R28
C13
C12
C11
C10
D6
D7
R29
R30
BA10324AF
R21
R7
R6
C6
JP6
SB330A30FS
R43
Q14
Q2
R9
IC2
M6627AFP
71
14
IC10
8
IC6
R2
11
3
33
IC15
7474 M30622
Open (Remove)
JP1 (H).
Open (Remove)
JP2 (L).
1
1
7
8
100
76
JP2
(L)
JP4
D2
JP5
(L)
IC6 IC7
Q7
Q6
Q13
Q10
Q5
Q4
Q2
Q14
Q3
Q8
Q1
Q9
Q12
Q11
IC10
IC2
IC1
IC15
IC16
IC17
IC3
IC4
IC9
IC5 IC18
SIDE A
7.3.1.3 PCB DIAGRAM

VSX-49TX, VSX-47TX
165
A
B
C
D
1234
1234
SIDE B
K1
K2
K12
K13
K18
K6
K7
EL
HON
GND
VDD

VSX-49TX, VSX-47TX
166
7.3.2.1 EXPLODED VIEWS AND PARTS LIST
NOTES: • Parts marked by "NSP" are generally unavailable because they are not in our Master Spare Parts List.
• The mark found on some component parts indicates the importance of the safety factor of the part.
Therefore, when replacing, be sure to use parts of identical designation.
• Screws adjacent to mark on the product are used for disassembly.
7.3.2 AXD7299 (for VSX-47TX)
• PARTS LIST
Mark No. Description Part No.
1 PCB Assy AZC7301
2 Rubber Sheet AZA7423
3 Case A AZN7890
4 Case B AZN7892
5 Frame AZN7894
6 Battery Cover AZN7896
7 Mini Jack LGY3312-0111
8 Name Plate 201RRC-314-01L
9 Terminal A 411RRC-212-01G
10 Terminal B 411RRC-213-01G
11 Battery Terminal 413RRC-143-01R
12 Spring 413RRC-171-01G
13 Connector 423RRC-046-01G
14 Plate 481RRC-018-01G
15 Sheeld Plate 801RRC-020-01L
16 Filter A 811RRC-109-01G
17 Filter B 811RRC-110-01G
18 Screw A-BA2008-225002
19 Screw A-BJ2006
20 Microphone WM-60A
8
3
13
13
15
19
14
2
7
20
19
16
18
10
12
11
9
4
6
5
1
17
18 18
18
18

VSX-49TX, VSX-47TX
167
A
B
C
D
1234
1234
SIDE A SIDE B
7.3.2.2 PCB DIAGRAM

VSX-49TX, VSX-47TX
168
A
B
C
D
1234
1234
7.3.2.3 SCHEMATIC DIAGRAM
LCD
IC2
NJU6469LFC1-05
IC6
TS7S04F
IC3
IC6
IC1
M30622MC-4J0FP
IC4
CCMMK
COM16
COM15
COM14
COM13
COM12
COM11
COM10
COM9
COM8
COM7
COM6
COM5
COM4
COM3
COM2
COM1
SEG45
SEG44
SEG43
SEG42
SEG41
SEG40
SEG39
SEG38
SEG37
SEG36
SEG35
SEG34
SEG33
SEG32
SEG31
SEG30
SEG29
SEG28
SEG27
SEG26
SEG25
SEG24
SEG23
SEG22
SEG21
SEG20
SEG19
SEG18
SEG17
SEG16
SEG15
SEG14
SEG13
SEG12
SEG11
SEG10
SEG9
SEG8
SEG7
SEG6
SEG5
SEG4
SEG3
SEG2
SEG1
SEG19
SEG20
SEG21
SEG22
SEG23
SEG24
SEG25
SEG26
SEG27
SEG28
SEG29
SEG30
SEG31
SEG32
SEG33
SEG34
SEG35
SEG36
SEG37
SEG38
SEG39
SEG40
SEG41
SEG42
SEG43
SEG44
SEG45
SEG46
SEG47
SEG48
SEG49
SEG50
SEG51
SEG52
SEG53
SEG54
SEG55
SEG56
SEG57
SEG58
SEG59
SEG60
COM8
COM7
COM6
COM5
COM4
COM3
COM2
COM1
COMMK
SEG18
SEG17
SEG16
SEG15
SEG14
SEG13
SEG12
SEG11
SEG10
SEG9
SEG8
SEG7
SEG6
SEG5
SEG4
SEG3
SEG2
SEG1
COM16
COM15
COM14
COM13
COM12
COM11
COM10
COM9
DB7
DB6
DB5
DB4
DB3
DB2
DB1
DB0
E
R/W
RS
P07
P11
P10
P12
P13
P14
INT3/P15
P16
P17
P20
P21
P22
P23
P24
P25
P26
P27
Vss
P30
Vcc
P31
P32
P33
P34
P35
P36
P37
P06
P05
P04
P03
P02
P01
P00
P107
P106
P105
P104
P103
P102
P101
AVss
P100
VREF
AVcc
P97
P97
P97
P97
P97
P97
P97
P97
P97
P97
P97
P97
P97
P97
P97
P97
P97
P97
P97
P97
P97
P97
P97
P97
P97
P97
P97
Vdd
Vci
C1+
C1-
C2+
C2-
VSout
Vss
VS
OSC1
OSC2
51
COM9 - COM16
DB0 - P00
DB1 - P01
DB2 - P02
DB3 - P03
DB4 - P04
DB5 - P05
DB6 - P06
DB7 - P07
5031
R20
80
81100
130
81
80
100
1
COM1 - COM8
COMMK
E - PS1
R/W - PS0
RS - PS2
C15
4.7 C18
0.1
C16
4.7
C14
10
NC
GND
VCC
1
2
34
4
4
4
2
2
1
21
5
R19
62
R18
82
4
1
2
3
MIC
JACK
C19
0.1
BATTERY
1.5V × 4
13
4
NC
IN
ON/
OFF
25
C9
47 C1
0.1 C2
0.1
C3
0.1F
D1
1SS294
Q12
SC-82AB
Q8
SC-82AB
C12
1
C7
1
C4
1000
T1
T3
T2
T5
T4
T8
VD
VD
N-CH
N-CH
D30
RLS-73
D2
RLS-73
R6
47k
R5
47k
R4
47k
R7
5.1k
Q3
2SC2712
Q2
2SC2712
R3
3.3k
R2
3.3k
R21
100k
X1
8MHz
C5
0.1
R22
1M
Q11
RN2414
R48
100k
1/3
31
2
C11
0.1
43

VSX-49TX, VSX-47TX
169
A
B
C
D
5678
5678
IC4
74HC08
IC5
S-93C56AFJ
EEPROM
P40
P41
P42
P43
P97
P97
P97
P97
3
51
50
31
30
456
1872
C10
P44
P45
P46
P47
P50
P51
P52
P53
P54
P07
P07
P07
P07
P07
P07
P07
P07
P07
P07
P07
64 55 46 37 28 19 10 1
72 63 54 45 36 27 18 9
71 62 53 44 35 26 17 8
70 61 52 43 34 25 16 7
69 60 51 42 33 24 15 6
68 59 50 41 32 23 14 5
67 58 49 40 31 22 13 4
66 57 48 39 30 21 12 3
65 56 47 38 29 20 11 2
IC4
KEY BACK LIGHT LCD BACK LIGHT
T6
2/3 6
97 95 94 93 92 91 90 89 88
4
5
Q9
DTD113
D8
R25 R26 R27 R28 R29 R30 R31 R32 R33 R34 R35 R36 R37 R38 R39 R40 R41 R42 R43 R44 R45 R46
D9 D10 D11 D12 D13 D14 D15 D16 D17 D18 D19 D20 D21 D22 D23 D24 D25 D26 D27 D28 D29
Q10
DTD113
C17
0.1
12
7
1314
R25-R42 : 1k R43-R46 : 220
R1
1k
R49
220 R17
4.3
1/4W
Q7
2SC2712 Q6
2SC3265
Q1
RN2414
D5
SID303C-01
R16
220
R47
47k
IC4
3/3
89
10
C6
47
C8
470p
R10
100
Q4
2SA1162 Q5
2SC2712
R11
24K R12
7.5k
R14
4.7k
R15
15k
R13
100k
R70
6.8k
D4
RLS-73
D3
SPS-503C-3
D6
1SS181

VSX-49TX, VSX-47TX
170
7.3.2.4 PCB PARTS LIST
NOTES: •The mark found on some component parts indicates the importance of the safety factor of the part.
Therefore, when replacing, be sure to use parts of identical designation.
•When ordering resistors, first convert resistance values into code form as shown in the following examples.
Ex.1 When there are 2 effective digits (any digit apart from 0), such as 560 ohm and 47k ohm (tolerance is shown by J=5%,
and K=10%).
560 Ω→56 × 101→561 ........................................................ RD1/4PU 5 6
1
J
47k Ω→47 × 103→473 ........................................................ RD1/4PU 4 7
3
J
0.5 Ω→R50 ..................................................................................... RN2H R 5
0
K
1 Ω→1R0 ..................................................................................... RS1P
1
R 0 K
Ex.2 When there are 3 effective digits (such as in high precision metal film resistors).
5.62k Ω→ 562 × 101→5621 ...................................................... RN1/4PC 5 6
2
1 F
Mark No. Description Part No.
IC1 M30622MC-4JOFA
IC2 NJU6469LFC1-05
IC3 S-818A33AMC-BGN
IC4 74HC08
IC6 TC7S04F
Q1,Q11 RN2414
Q2,Q3,Q5,Q7 2SC2712
Q4 2SA1162
Q6 2SC3265
Q9,Q10 DTD113ZK
Q12 S-80826ANNP-EDP
Q8 S-80836ANNP-EDO
D5 SID303C-01
D1 1SS294
D3 SPS-503C
D2,D4,D30 RLS-73
D6 1SS181
D8-D25 BR1111C
D26-D29 FA1101F-430
C3 0.1F/6.3v
C4 1000µF/6.3v
C6, C9 47µF/10v
C14 10µF/10v
C2,C5,C11,C17-C19 0.1µF/25v
C7,C12 1µF/25v
C8 470pF/25v
R17 15Ω 1/4w
Other Resistors RS1/16S J
XI Ceramic Resona(8MHz) CST8.00MTW
LCD T557007

171
VSX-49TX, VSX-47TX
8.1 PANEL FACILITIES
8. PANEL FACILITIES AND SPECIFICATIONS
Front Section (VSX-49TX)
All the controls on the front panel are explained and/or referenced here. To open the front panel push gently on the lower third of
the panel. VSX-49TX
STANDBY/ON
OFF ON
MULTI
ROOM
STANDBY
DVD/LD TV SAT VIDEO
VIDEO AUDIO
VCR1/DVR VCR2 VCR3 CD TUNER PHONO
CD-R/
TAPE1/MD MULTI CH
INPUT
LISTENING MODE SELECTOR
MASTER VOLUME
INPUT SELECTOR
VSX-49TX
AUDIO/VIDEO MULTI-CHANNEL AMPLIFIER
1
11 12 14 16
25
23 4
18 19 20 21 22 2423
13 1715
5687910
PHONES
SP SYSTEM
A/B SIGNAL
SELECT VIDEO
SELECT TAPE2
MONITOR
SETUP
MIC DIGITAL IN S-VIDEO VIDEO
VIDEO INPUT AUDIOLR
MIDNIGHT TONE TONE
BASS/TREBLE DIGITAL NR CLASS STATION
TUNER MULTI ROOM
CONTROL ON/OFF
& SOURCE
ACOUSTIC
CAL.
MULTI CH
INPUT
(DVD-A/SACD)
LISTENING
CH SELECT
1 INPUT SELECTOR dial
Turn to select a source component. (You can
also use to select a source in the MULTI-ROOM
& SOURCE mode.) The input indicators show
the current component.
2 STANDBY/ON button–power ON/OFF
button
Press to switch the receiver ON or into
STANDBY mode or to switch OFF.
3 STANDBY indicator
Lights when the receiver is in STANDBY mode.
(Please note that this receiver consumes a
small amount of power [0.65 W] in the standby
mode.)
4 Remote sensor
Receives the signals from the remote control.
5 Display
6 MCACC indicator
Lights when the ACOUSTIC CAL EQ is on.
(After the Auto Surround Sound Setup has been
completed the ACOUSTIC CAL EQ is set on
and this display will light.)
7 MULTI-ROOM indicator
Shows whether the multi-room function is
active or not.
8 INPUT indicators
Shows which source component is selected.
The MULTI CH INPUT indicator lights when a
component connected to MULTI CH INPUT is
selected.
9 LISTENING MODE SELECTOR dial
10 MASTER VOLUME dial
Adjusts the overall receiver volume.
11 ACOUSTIC CAL. button
Use to switch on and off the Acoustic Calibra-
tion EQ.
12 MIDNIGHT button
Use to switch the receiver into MIDNIGHT
mode.
172
VSX-49TX, VSX-47TX
13 TONE control buttons
TONE button
This button switches between TONE ON and
TONE BYPASS, which bypasses the tone
circuitry.
BASS/TREBLE button
Use to select whether the bass or treble will be
adjusted..
(–/+) buttons
Use to adjust the frequencies.
14 DIGITAL NR button
Switches the DIGITAL NR on or off (cannot be
used in THX).
15
TUNER CONTROL buttons
CLASS button – Press repeatedly to switch the
preset station classes.
–/+ button – Use to choose programmed radio
stations.
16
LISTENING CH SELECT button
Use this button to select the number of
channels used for playback (5.1, 7.1, or AUTO).
17 MULTI-ROOM & SOURCE buttons
Press to use the multi room feature (requires an
optional PIONEER Multi-Room Remote Sensor
Unit MR-100 or another IR receiver).
CONTROL button: Used together with the
INPUT SELECTOR to select the function or use
with the MASTER VOLUME to select the
volume of the MULTI ROOM system.
ON/OFF button: Use to switch Multi-room
function on or off.
18 PHONES jack
Connect headphones for private listening (no
sound will be heard through the speakers).
19
SP SYSTEM A/B button
Use to select the speaker system. A is the
primary setting. The button cycles through the
speaker systems as follows: A]B]A&B]off.
Different conditions apply when bi-amping the
speakers. For this case refer to page 71.
20
SIGNAL SELECT button
Use to select the type of signal being input into
the receiver. Press SIGNAL SELECT repeatedly
to select one of the following:
ANALOG – To select an analog signal.
DIGITAL – To select an optical or coaxial digital
signal.
2 RF – To select an 2 RF signal.
AUTO – This is the default setting. If there are
analog, digital and 2 RF signals input, the
receiver automatically selects the 2 RF signal.
If there are analog and digital signals input the
digital will be selected.
21
VIDEO SELECT button
Switches the receiver between the various
types of video input.
22
TAPE 2 MONITOR button
Selects the tape deck (MD recorder, etc.)
connected to the TAPE 2 MONITOR inputs/
outputs. Allows monitoring of a recording as it's
being made.
23
MULTI CH INPUT button
Use when you have hooked up an external
component that can decode other types of
signals and input them into the VSX-49TX.
24
SETUP MIC jack
Plug in the setup mic here. This is very impor-
tant for setting up your system to get proper
surround sound.
25 Front VIDEO INPUT jacks
DIGITAL IN : digital input for connecting a game
console, portable DVD player, video camera
(etc.), that has an optical digital connection.
S VIDEO : Video input for connecting a video
camera (etc.), that has an S video out.
RCA VIDEO / AUDIO (L/R) : Video input for
connecting a video camera, etc. that has
standard RCA video/audio outputs.

173
VSX-49TX, VSX-47TX
VSX-47TX
PHONES
SP SYSTEM
A/B SIGNAL
SELECT VIDEO
SELECT TAPE2
MONITOR
SETUP
MIC DIGITAL IN S-VIDEO VIDEO
VIDEO INPUT AUDIOLR
MIDNIGHT TONE TONE
BASS/TREBLE DIGITAL NR CLASS STATION
TUNER MULTI ROOM
CONTROL ON/OFF
& SOURCE
ACOUSTIC
CAL.
MULTI CH
INPUT
(DVD-A/SACD)
LISTENING
CH SELECT
STANDBY/ON
OFF ON
STANDBY
DVD/LD TV SAT VIDEO
VIDEO AUDIO
VCR1/DVR VCR2 CD TUNER PHONO
CD-R/
TAPE1/MD MULTI CH
INPUT
LISTENING MODE SELECTOR
MASTER VOLUME
INPUT SELECTOR
VSX-47TX
AUDIO/VIDEO MULTI-CHANNEL AMPLIFIER
PHONES
SP SYSTEM
A/B SIGNAL
SELECT VIDEO
SELECT TAPE2
MONITOR
DIGITAL IN S-VIDEO VIDEO
VIDEO INPUT AUDIOLR
MIDNIGHT TONE TONE
BASS/TEREBLE DIGITAL NR CLASS STATION
TUNER MULTI ROOM
CONTROL ON/OFF
& SOURCE
ACOUSTIC
CAL. LISTENING
CH SELECT
MULTI CH
INPUT
(DVD-A/SACD)
SETUP
MIC
MULTI
ROOM
110
11 13 15
23 54 7
17
18 19 20 21 2322
12 1614
24
689
25
Front Section (VSX-47TX)

174
VSX-49TX, VSX-47TX
Display (VSX-49TX)
All the display information is explained and /or referenced here.
DIGITAL
PRO LOGIC
2ch
PLAYBACK
MPEG
DISC MTRX
Neo :6
OVER ATT
RDS
RF ATT
TUNED STEREO
MONO
SP
AB
L
LFE
TAPE2
CR
L
S
SR
S
3
ENO
SIGNAL
AUTO
RF
DIGITAL
ANALOG
1 2 5 63 4
789
6 Digital format indicators
2 DIGITAL : Lights when a Dolby Digital signal is
detected.
DTS: Lights when a DTS signal is detected.
MPEG: Lights when an MPEG signal is detected.
THX: Lights when the HOME THX mode is
selected.
EX: Lights during Surround EX matrix processing.
ES: Lights when a decoding DTS ES audio.
DISC: Lights during DTS ES discrete processing
MTRX: Lights during DTS ES matrix processing
2 PRO LOGIC II : Lights during Dolby Pro Logic
II processing.
NEO:6: Lights during NEO:6 processing.
2CH PLAYBACK Lights during two-channel
playback.
7 Speaker indicators
Light to indicate the current speaker system, A
and/or B.
8
TAPE 2 indicator
Lights when the TAPE 2 monitor is on.
9
TUNER indicators
MONO : Lights when the tuner is set to receive
FM broadcasts and when selected MPX mode.
STEREO : Lights when a FM stereo broadcast
is received in the auto stereo mode.
TUNED : Lights when a broadcast is received.
1 SIGNAL SELECT indicators
Light to indicate the input signal you selected.
ANALOG : Lights when an analog signal is
selected.
DIGITAL : Lights when a digital signal is selected.
2RF : Lights when an 2 RF signal is selected.
AUTO : Lights when the receiver is set to select
the input signal automatically.
2 Program Format indicators
For Dolby Digital or DTS sources : These
indicators change according to which channels
are active in the source. When all three LS (left
surround), S (surround) and RS (right surround)
light at the same time it means a source with a
6.1ch playback flag is being used.
L – Left front channel.
C – Center channel.
R – Right front channel.
LS – Left surround channel.
S – Surround channel (mono).
RS – Right surround channel.
LFE – Low frequency effects channel.
3((( ))) – Lights when LFE signal is input.
4 Analog level indicators
OVER – This lights if the signal is in danger of
distorting for analog source signals. Press
INPUT ATT on the front panel to lower the
signal level.
ATT – Lights when INPUT ATT is used to
reduce the level of the analog source signal.
5 Character display
Shows current mode, status, etc.

175
VSX-49TX, VSX-47TX
Remote Control Unit (VSX-49TX)
These pages describe the buttons on the remote control used to operate the receiver. Since the screen on this LCD remote
control changes when you select a different function, explanations of buttons for controlling other components/functions can be
found in the sections for those components/functions.
To turn on the remote control
touch it anywhere on the screen.
memo
+
VOL
+
ENTER
FUNCTION
TV
CONTROL
MUTING
MASTER VOLUME
SYSTEM
OFF
MULTI
OPERATION
STANDBY/ON
–
VOL
–
CH
–
CH
+
FUNCTION
use lock
RECEIVER
DVD/LD
VCR1
/DVR
VCR2
VCR3
TV
REMOTE
SETUP
CD-R/
TAPE1
CD
TUNER
VIDEO
SAT
TV
CONTROL
LIGHT
13456
8
7
9
0
-~
!=
2
1 STANDBY/ON button
Press to turn power of the receiver on or to
STANDBY (off).
2LIGHT button
Use to turn on and off the backlight on the remote
control receiver screen.
3RECEIVER button
Press to switch the remote control into receiver
mode or to get receiver screens.
4Function buttons
These buttons are the basic controls that switch
the mode of the receiver and the remote control,
which allows you to control your other
components.
5Remote control screen
6REMOTE SETUP button
Use to customize the remote control functions
and the remote control itself. (See “Setting Up
Remote Control of Other Components“ starting
on )
7LOCK switch
Use to lock the remote control so it doesn't turn
on by accident. For normal use keep it set in USE.
8TV CONTROL buttons
The following buttons are used to control the TV
only and can be used once they are preset to
control your TV.
STANDBY/ON : Press to turn the power of the
TV on/off.
INPUT : Press to select the input source for the
TV.
CH +/– : Use these buttons to change the channel
of the TV.
VOL +/– : Press to control the volume of the TV.
9INPUT button
Press to select a source. The button will cycle
through all the possible sources.
0MASTER VOLUME button
Use to raise or lower the volume of the receiver.
-MUTING button
Press to mute or restore the volume.
=SYSTEM OFF button
This button turns off components in two ways.
First, when pressed it will turn off all PIONEER
components. Secondly, any component that has
programmed into the SYSTEM OFF settings will
be turned off.
For example : If you programmed power off in
the SYSTEM OFF settings for your TV and VCR,
pressing the SYSTEM OFF button will turn off
these components even if they are not PIONEER
products.
~MULTI OPERATION button
Use this button to start the MULTI OPERATION
mode. See p.80 & 81 for how to program and
use the MULTI OPERATION mode.
!5˜∞˜2˜3˜ENTER buttons
These buttons can be used for a variety of
operations. In the SYSTEM SETUP menu, the
5˜∞ buttons can be used to adjust CHANNEL
DELAY or CHANNEL LEVEL.
The 5˜∞ buttons, pressed simultaneously, can
be use to lock or unlock a setting (see p.67).
These buttons are also used to control the DVD
menu for the DVD remote control screen. Also, in
TUNER mode they can select station and
frequency.

176
VSX-49TX, VSX-47TX
Basic Receiver LCD Screens
Receiver MAIN Screen
1
88
234567
MAIN SUB
(DVD-A
/SACD)
DIGITAL
NR
ACOUSTIC
CAL.
MIDNIGHT
LISTENING MODE
LISTENING
CH SEL.
MULTI CH
IN
THX
STANDARD
SURROUND
ADVANCED
CONCERT
ADVANCED
CINEMA
STEREO
/DIRECT
Receiver
1Receiver MAIN button
Press this button to select the MAIN receiver
screen (above) when the remote control is on the
SUB receiver screen.
2MIDNIGHT button
Switches the MIDNIGHT listening mode on or off
(for all modes except THX).
3DIGITAL NR button
Switches the DIGITAL NR on or off (for all modes
except THX).
4LISTENING MODE buttons
STEREO/DIRECT: Switches the receiver into
STEREO mode if it was in a different listening
mode or toggles between DIRECT and STEREO
mode.
THX: Press to put the receiver into HOME THX
sound mode.
STANDARD: Press to put the receiver into
STANDARD listening mode.
ADVANCED CINEMA: Press to put the receiver
into ADVANCED CINEMA listening mode.
ADVANCED CONCERT: Press to put the
receiver into ADVANCED CONCERT listening
mode.
5MULTI CH IN button
Use to hook up an external component (for
example a DVD-Audio player) that can decode
other types of signals and input them into the VSX-
49TX.
6 LISTENING CH SEL. button
Use this button to select a listening channel (5.1,
7.1, or AUTO)
7ACOUSTIC CAL. button
Press to switch on/off the acoustic calibration EQ.
8 DIRECT FUNCTION on/off indicator
These dots indicate weather the DIRECT
FUNCTION is on or off for the function (DVD/LD,
CD, etc.) they point to.

177
VSX-49TX, VSX-47TX
Receiver SUB Screen
-
STATUS
SPEAKER
A/B
LOUDNESS
INPUT
ATT.
Receiver
MAIN SUB
SIGNAL
SELECT
TAPE 2
MONITOR
SYSTEM
SETUP
DISPLAY
DIMMER VIDEO
SELECT
EFFECT/
CH SEL.
BASS/
TREBLE
TONE
1
2
3 0
9
4
57
68
1Receiver SUB button
Press this button to select the SUB receiver
screen (above) when the remote control is on the
main receiver screen.
2DISPLAY DIMMER button
Use to adjust the brightness of the receiver's
display.
3STATUS button
Use to display the present mode of the receiver
and other selected settings.
4SYSTEM SETUP button
Use for all system setups, including the speaker
and sound systems. For more information see
“Setting up for Surround Sound“
starting on.
5VIDEO SELECT button
Use to toggle between the different video input
possibilities.
6SPEAKER A/B button
Use to select the speaker system. A is the
primary setting. The button cycles through the
speaker systems as follows: A]B]A&B]off.
Different conditions apply when bi-amping the
speakers.
7LOUDNESS button
Switches the LOUDNESS mode on or off (for all
modes except THX).
8TAPE 2 MONITOR button
Selects the tape deck (or MD recorder, etc.)
connected to the TAPE 2 MONITOR inputs/
outputs. Allows monitoring of a recording as it's
being made.
9SIGNAL SELECT button
Press SIGNAL SELECT repeatedly to select one of
the following:
ANALOG : To select an analog signal.
DIGITAL : To select a digital signal
2 RF : To select an 2 RF signal
AUTO : This is the default. If there are analog,
digital and 2 RF signals input, the receiver
automatically selects the 2 RF signal. If there are
analog and digital signals input the digital will be
selected.
0INPUT ATT. button
Use to lower the input level of an analog signal
that is too powerful, thus causing the receiver to
distort. In this case the overload (OVER) indicator
will be flashing furiously.
-TONE control/EFFECT CH SEL. buttons
TONE button
This button has two functions. Firstly, it switch-
es between TONE on and TONE BYPASS, which
bypasses the tone circuitry. Secondly, you need
to press the button before using the BASS &
TREBLE (+/–) buttons.
EFFECT/CH SEL. button
Switches the tone adjust controls between the
front, center, surround and surround back
speakers. You can then use the + and – buttons
to adjust the sound.
While in Advanced mode, you can also adjust
the effect level.

178
VSX-49TX, VSX-47TX
Remote Control Unit (VSX-47TX)
These pages describe the buttons on the remote control used to operate the receiver.
OFF
AV PRE-PROGRAMMED AND LEARNING
REMOTE CONTROL UNIT
AXD7290
S0URCE
Î
TV
MULTI CONTROL
SYSTEM RECEIVER
DVD/LD
TV SAT
TV CONT
VCR1/
DVR
VCR2 VIDEO
MULTI
OPERATION
CD
DIMMER
CD-R/
TAPE1
TUNER
RECEIVER
1
INPUT ATT
2
LOUDNESS
3
SPEAKER A/B
4
VIDEO SEL
5
SIGNAL SEL
6
TAPE 2
DIRECT ACCESS DISP MODE
–+
+
10 DISC
ENTER
7
EFFECT/CH SELL
8
TONE
9
BASS/TREBLE
0
SYSTEM SETUP
TUNER EDIT
MENU
REMOTE SETUP
STATUS
MPX
GUIDE
EXIT
RETURN
ENTER
¶
TUNING
–
STATION
SURROUND LISTENING
MODE
–
CHANNEL
–
1
4
DTV ON/OFF
TUNING
+
+
CHANNEL
+
¡
STATION
¢
8
3
7
EXTRA MENU
BAND
DTV MENU CLASS
TV INPUT
TV CONTROL
TV CH
TV VOL VOLUME
INPUT
MIDNIGHT
DIGITAL
NR
STEREO
/DIRECT
THX MUTE
STANDARD
LISTENING
CH SELECT
MULTI CH
INPUT
ACOUSTIC
CAL
ADVANCED
CONCERT
ADVANCED
CINEMA
(DVD-A/SACD)
LIGHT
SETUP
1
5
6
7
8
4
3
2
9
0
-
%
#
@
&
*
~
=
!
(
)
_
^
$
1Remote Control Display Screen
2SOURCE button
Use this button to turn off other components. You
must input the preset code in order to use this
function .
TV button
This is a dedicated TV button. Use it to turn on/off
your TV.
3MULTI CONTROL buttons
The mode of the receiver and allow you to control
your other components.
DVD/LD: Press to switch the remote control into
DVD/LD mode.
TV/SAT: Press to switch the remote control into
TV/SAT (satellite tuner) mode.
VCR 1: Press to switch the remote control into
VCR 1 mode.
VCR 2: Press to switch the remote control into
VCR 2 mode.
MD/TAPE 1: Press to switch the remote control
into MD/TAPE 1 mode.
CD: Press to switch the remote control into CD
mode.
TUNER: Press to switch the remote control into
TUNER mode.
TV CONTROL: Press so that the remote control can
operate the TV CONTROL commands.
4Number buttons
These can be used for many purposes depending on the
mode of the receiver. When the in receiver mode the
buttons operate as below:
Display DIMMER
Use to adjust the brightness of the main display.
INPUT ATT. button
Use to lower the input level of an analog signal that is
too powerful, thus causing the receiver to distort (in this
case the overload indicator will be flashing furiously).
LOUDNESS button
Switches the LOUDNESS mode on or off (for all modes
except THX and MULTI CH IN).
SPEAKER A/B button
Use to select the speaker system. A is the primary
setting. It plays all speakers hooked up to the A system.
A & B setting only plays the front speakers of both the A
& B systems and the subwoofer. Multi channel sources
will be down-mixed to these speakers so no sound will
be lost. B setting only plays the front speakers connect-
ed to the B system and multi channel sources will be
down-mixed to these two speakers. The button cycles
through the speaker systems as follows:
A]B]A&B]off.
VIDEO SELECT button
Use to toggle between the different video input possibil-
ities.
SIGNAL SELECT button
Press SIGNAL SELECT repeatedly to select one of the
following:
ANALOG : To select an analog signal.
DIGITAL : To select a digital signal (DVD/LD, TV/SAT, CD,
MD/TAPE 1, VCR 1, VCR 2).
2 RF : To select an 2 RF signal (DVD/LD, TV/SAT, VCR 1,
VCR 2).
AUTO : This is the default. If there are analog, digital and
2 RF signals input, the receiver automatically selects the
2 RF signal. If there are analog and digital signals input the
digital will be selected.TAPE 2 MONITOR button (See p.57)
Selects the tape deck (or MD recorder, etc.) connected
to the TAPE 2 MONITOR inputs/outputs. Allows monitor-
ing of a recording as it's being made.
EFFECT/CH SEL. button
Switches the tone adjust controls between the front,
center, surround and surround back speakers. You can
then use the +and – buttons to adjust the sound.
TONE buttons
This button has two functions. Firstly, it switches
between TONE on and TONE DIRECT, which bypasses
the tone circuitry. Secondly, you need to press the
button before using the CHANNEL SELECT buttons to
adjust the BASS & TREBLE.

179
VSX-49TX, VSX-47TX
BASS & TREBLE buttons
Use to choose the high or low frequencies to
adjust.
(+/–) buttons
Use to adjust the high and low frequencies,
effect level and channel level.
5SYSTEM SET UP button
Use to set up the speaker and sound systems. For
more information see “Setting up for Surround
Sound“ .
65˜∞˜2˜3˜ENTER buttons
These buttons can be used for a variety of
operations. In the SYSTEM SETUP menu, the
5˜∞ buttons can be used to adjust CHANNEL
DELAY or CHANNEL LEVEL.
These buttons are also used to control the DVD
menu for the DVD remote control screen.
7STATUS button
Use to display the present mode the receiver is
in and another settings.
8Command button for other components
Use these buttons to control other components
you selected with the MULTI CONTROL
buttons. You must input the preset code in
order use this function .
9TV CONTROL buttons
The following buttons are used to control the TV
only and can be used once they are preset to
control your TV.
TV INPUT : Press TV INPUT to select the TV for
remote control operation.
TV CH +/– : Use these buttons to change the
channel of the TV.
TV VOL +/– : Press to control the volume of the
TV.
0LISTENING MODE buttons
THX : Press to put the receiver into THX sound
mode .
STANDARD : Press to put the receiver into
STANDARD sound mode .
STEREO/DIRECT : Switches the receiver into
STEREO mode if it was in a different sound
mode or toggles between DIRECT and STEREO
mode.
ADVANCED CINEMA : Press to put the
receiver into ADVANCED CINEMA sound
mode.
ADVANCED CONCERT : Press to put the
receiver into ADVANCED CONCERT: sound
mode .
-ACOUSTIC CAL. button
Press to switch on/off the acoustic calibration
function.
=MULTI CH INPUT button
Use to hook up an external component that can
decode other types of signals and input them
into the VSX-47TX.
~LISTENING CH SELECT.
Use this button to select a listening channel to
add or subtract the amount of effect applied in
Advanced Theater or other Listening modes.
!SYSTEM OFF button
This button turns off components in two ways.
First, when pressed it will turn off all PIONEER
components. Secondly, any component that
has programmed into the SYSTEM OFF
settings will be turned off.
For example : If you programmed power off in
the SYSTEM OFF settings for your TV and VCR,
pressing the SYSTEM OFF button will turn off
these components even if they are not PIO-
NEER products.
@ RECEIVER (standby/power on) button
Press to turn power of the receiver on or to
standby (off).
#MULTI OPERATION button
Use this button to start the MULTI OPERATION
mode. for how to program and use the MULTI
OPERATION mode.
$RECEIVER button
Use this button to switch the remote control
into receiver mode in order ot get certain
receiver functinos or do receiver setups .
%REMOTE SETUP button.
Use to customize the remote control functions
and the remote control itself. (See “Setting Up
Remote Control of Other Components“ .
^EXIT button
&INPUT button
Press to select an input source. The button will
cycle through all the possible sources.
*VOLUME (+/–) buttons
Use to raise or lower the volume of the receiver.
(MIDNIGHT button
Switches the MIDNIGHT listening mode on or
off (for all modes except THX and MULTI CH
IN).
DIGITAL NR button
Switches the DIGITAL NR on or off (for all
modes except THX and MULTI CH IN).
)MUTE button
Press to mute or restore the volume.
_LIGHT button
Use to light the remote control screen.

180
VSX-49TX, VSX-47TX
8.2 SPECIFICATIONS
VSX-49TX :
Maintenance of External Surfaces
• Use a polishing cloth or dry cloth to wipe off
dust and dirt.
• When the surfaces are dirty, wipe with a soft
cloth dipped in some neutral cleanser diluted
five or six times with water, and wrung out
well, and then wipe again with a dry cloth. Do
not use furniture wax or cleaners.
• Never use thinners, benzine, insecticide
sprays or other chemicals on or near this unit,
since these will corrode the surfaces.
Amplifier Section
Continuous average power output of
160 watts* per channel, min., at 6
ohms, from 20 Hz to 20,000 Hz with no
more than 0.09 %** total harmonic
distortion (front).
Continuous Power Output
Front ........ 130 W + 130 W (20 Hz-20 kHz, 0.09 %, 8 Ω)
Center .................... 130 W (20 Hz-20 kHz, 0.09 %, 8 Ω)
Surround ........... 130 W + 130 W (20 Hz-20 kHz, 0.09 %, 8 Ω)
Surr. back .......... 130 W + 130 W (20 Hz-20 kHz, 0.09 %, 8 Ω)
Audio Section
Input (Sensitivity/Impedance)
PHONO MM.........................................4.7 mV/47 kΩ
LINE.....................................................382 mV/47 kΩ
Phono Overload level (T.H.D.0.1 %, 1kHz)
PHONO MM...................................................... 120 mV
Frequency Response
PHONO MM..................... 20 Hz to 20,000 Hz ± 0.3 dB
LINE .......................................5 Hz to 100,000 Hz dB
Output (Level/Impedance)
LINE ...................................................... 382 mV/2.2 kΩ
Tone Control
BASS .....................................................± 6 dB (100 Hz)
TREBLE ................................................. ± 6 dB (10 kHz)
LOUDNESS ............................+4/+2 dB (100Hz/10 kHz)
(at volume position -40dB)
Signal-to-Noise Ratio (IHF, short circuited, A network)
PHONO MM......................................................... 86 dB
LINE ................................................................... 105 dB
MULTI CHANNEL IN .... 103 dB(Channel Level: Bypass)
Signal-to-Noise Ratio [EIA, at 1 W (1 kHz)]
PHONO MM......................................................... 83 dB
LINE ..................................................................... 93 dB
* Measured pursuant to the Federal Trade Commission’s
Trade Regulation rule on Power Output Claims for
Amplifiers.
** Measured by Audio Spectrum Analyzer.
Video Section
Input (Sensitivity) ..........................................1 Vp-p/75 Ω
Output (Level/Impedance)............................. 1 Vp-p/75 Ω
Signal-to-Noise Ratio.............................................. 70 dB
Frequency Response...................... 5 Hz to 10 MHz dB
Component Video Section
Input (Sensitivity) ..........................................1 Vp-p/75 Ω
Output (Level/Impedance)............................. 1 Vp-p/75 Ω
Signal-to-Noise Ratio.............................................. 70 dB
Frequency Response...................... 5 Hz to 40 MHz dB
FM Tuner Section
Frequency Range ............................ 87.5 MHz to 108 MHz
Usable Sensitivity......... Mono: 13.2 dBf, IHF (1.3 µV/75 Ω)
50 dB Quieting Sensitivity.........................Mono: 20.2 dBf
Stereo: 38.6 dBf
Signal-to-Noise Ratio................... Mono: 73 dB (at 85 dBf)
Stereo: 70 dB (at 85 dBf)
Distortion ........................................ Stereo: 0.5 % (1 kHz)
Alternate Channel Selectivity ................... 60 dB (400 kHz)
Stereo Separation ........................................ 40 dB (1 kHz)
Frequency Response...................30 Hz to 15 kHz (± 1) dB
Antenna Input .........................................75 Ω unbalanced
AM Tuner Section
Frequency Range ............................ 530 kHz to 1,700 kHz
Sensitivity (IHF, Loop antenna) ........................... 350 µV/m
Selectivity................................................................. 25 dB
Signal-to-Noise Ratio................................................ 50 dB
Antenna........................................................Loop antenna
Miscellaneous
Power Requirements ............................... AC 120 V, 60 Hz
Power Consumption................................................ 710 W
Power Consumption in Standby mode................... 0.65 W
AC Outlet
SWITCHED...................................... 100 W (0.8 A) MAX
Dimensions .................... 440 (W) × 203 (H) × 472 (D) mm
(17-5/16 (W) × 8 (H) × 18-9/16 (D) in.)
Weight (without package) ................... 29.3 kg (64 lb 6 oz)
Furnished Parts
FM wire Antenna .............................................................1
AM Loop Antenna ........................................................... 1
AC Power Cord.................................................................1
“AA” IEC LR6 batteries.................................................... 4
Remote Control Unit ........................................................1
Touch Pen ........................................................................ 1
Cushion for Remote .........................................................4
Microphone ......................................................................1
U-shaped connectors .......................................................2
Operating Instructions......................................................1
NOTE:
Specifications and the design are subject to possible
modifications without notice, due to improvements.
+0
–3
+0
–3
+0
–3

181
VSX-49TX, VSX-47TX
Video Section
Input (Sensitivity) ..........................................1 Vp-p/75 Ω
Output (Level/Impedance)............................. 1 Vp-p/75 Ω
Signal-to-Noise Ratio.............................................. 70 dB
Frequency Response...................... 5 Hz to 10 MHz dB
Component Video Section
Input (Sensitivity) ..........................................1 Vp-p/75 Ω
Output (Level/Impedance)............................. 1 Vp-p/75 Ω
Signal-to-Noise Ratio.............................................. 70 dB
Frequency Response...................... 5 Hz to 40 MHz dB
FM Tuner Section
Frequency Range ............................ 87.5 MHz to 108 MHz
Usable Sensitivity......... Mono: 13.2 dBf, IHF (1.3 µV/75 Ω)
50 dB Quieting Sensitivity.........................Mono: 20.2 dBf
Stereo: 38.6 dBf
Signal-to-Noise Ratio................... Mono: 73 dB (at 85 dBf)
Stereo: 70 dB (at 85 dBf)
Distortion ........................................ Stereo: 0.5 % (1 kHz)
Alternate Channel Selectivity ................... 60 dB (400 kHz)
Stereo Separation ........................................ 40 dB (1 kHz)
Frequency Response...................30 Hz to 15 kHz (± 1) dB
Antenna Input .........................................75 Ω unbalanced
AM Tuner Section
Frequency Range ............................ 530 kHz to 1,700 kHz
Sensitivity (IHF, Loop antenna) ........................... 350 µV/m
Selectivity................................................................. 25 dB
Signal-to-Noise Ratio................................................ 50 dB
Antenna........................................................Loop antenna
Miscellaneous
Power Requirements ............................... AC 120 V, 60 Hz
Power Consumption................................................ 710 W
Power Consumption in Standby mode................... 0.65 W
AC Outlet
SWITCHED...................................... 100 W (0.8 A) MAX
Dimensions .................... 440 (W) × 203 (H) × 472 (D) mm
(17-5/16 (W) × 8 (H) × 18-9/16 (D) in.)
Weight (without package) ................... 29.3 kg (64 lb 6 oz)
Furnished Parts
FM wire Antenna .............................................................1
AC Power Cord.................................................................1
AM Loop Antenna ........................................................... 1
“AA” IEC LR6 batteries.................................................... 4
Remote Control Unit ........................................................1
Remote Control Cable......................................................1
Remote Control Stand .................................................... 1
U-shaped connectors .......................................................2
Operating Instructions......................................................1
NOTE:
Specifications and the design are subject to possible
modifications without notice, due to improvements.
Amplifier Section
Continuous average power output of
160 watts* per channel, min., at 6
ohms, from 20 Hz to 20,000 Hz with no
more than 0.09 %** total harmonic
distortion (front).
Continuous Power Output
Front ........ 130 W + 130 W (20 Hz-20 kHz, 0.09 %, 8 Ω)
Center .................... 130 W (20 Hz-20 kHz, 0.09 %, 8 Ω)
Surround ........... 130 W + 130 W (20 Hz-20 kHz, 0.09 %, 8 Ω)
Surr. back .......... 130 W + 130 W (20 Hz-20 kHz, 0.09 %, 8 Ω)
Audio Section
Input (Sensitivity/Impedance)
PHONO MM.........................................4.7 mV/47 kΩ
LINE.....................................................382 mV/47 kΩ
Phono Overload level (T.H.D.0.1 %, 1kHz)
PHONO MM...................................................... 120 mV
Frequency Response
PHONO MM..................... 20 Hz to 20,000 Hz ± 0.3 dB
LINE .......................................5 Hz to 100,000 Hz dB
Output (Level/Impedance)
LINE ...................................................... 382 mV/2.2 kΩ
Tone Control
BASS .....................................................± 6 dB (100 Hz)
TREBLE ................................................. ± 6 dB (10 kHz)
LOUDNESS ............................+4/+2 dB (100Hz/10 kHz)
(at volume position -40dB)
Signal-to-Noise Ratio (IHF, short circuited, A network)
PHONO MM......................................................... 86 dB
LINE ................................................................... 105 dB
MULTI CHANNEL IN .... 103 dB(Channel Level: Bypass)
Signal-to-Noise Ratio [EIA, at 1 W (1 kHz)]
PHONO MM......................................................... 83 dB
LINE ..................................................................... 93 dB
* Measured pursuant to the Federal Trade Commission’s
Trade Regulation rule on Power Output Claims for
Amplifiers.
** Measured by Audio Spectrum Analyzer.
VSX-47TX :
+0
–3
+0
–3
Manufactured under license from Dolby Laboratories.
"Dolby", "Pro Logic" and the double-D symbol are
trademarks of Dolby Laboratories.
"DTS" and "DTS Digital Surround" are trademarks of
Digital Theater Systems, Inc. Manufactured under
license from Digital Theater Systems, Inc.
+0
–3

182
VSX-49TX, VSX-47TX
“AA” IEC LR6
batteries x 4 Touch pen
(AZA7350)
Cushion for
Remote x 4
(AXG7080)
FM wire antenna
(ADH7010) AM loop antenna
(ATB7009) Remote control unit
(Remocon49 : AXD7295)
“AA” IEC LR6
batteries x 4
Remote control unit
(Remocon47 : AXD7299)
VSX-47TX
Accessories (VSX-49TX)
Accessories (VSX-47TX)
FM wire antenna
(ADH7010) AM loop antenna
(ATB7009)
OFF
AV PRE-PROGRAMMED AND LEARNING
REMOTE CONTROL UNIT
AXD7299
S0URCE
Î
TV
MULTI CONTROL
SYSTEM RECEIVER
DVD/LD
TV SAT
TV CONT
VCR1/
DVR
VCR2 VIDEO
MULTI
OPERATION
CD
DIMMER
CD-R/
TAPE1
TUNER
RECEIVER
1
INPUT ATT
2
LOUDNESS
3
SPEAKER A/B
4
VIDEO SEL
5
SIGNAL SEL
6
TAPE 2
DIRECT ACCESS DISP MODE
–+
+
10 DISC
ENTER
7
EFFECT/CH SELL
8
TONE
9
BASS/TREBLE
0
SYSTEM SETUP
TUNER EDIT
MENU
REMOTE SETUP
STATUS
MPX
GUIDE
EXIT
RETURN
ENTER
¶
TUNING
–
STATION
SURROUND LISTENING
MODE
–
CHANNEL
–
1
4
DTV ON/OFF
TUNING
+
+
CHANNEL
+
¡
STATION
¢
8
3
7
EXTRA MENU
BAND
DTV MENU CLASS
TV INPUT
TV CONTROL
TV CH
TV VOL VOLUME
INPUT
MIDNIGHT
DIGITAL
NR
STEREO
/DIRECT
THX MUTE
STANDARD
LISTENING
CH SELECT
MULTI CH
INPUT
ACOUSTIC
CAL
ADVANCED
CONCERT
ADVANCED
CINEMA
(DVD-A/SACD)
LIGHT
SETUP
+
VOL +
ENTER
FUNCTION
TV
CONTROL
MUTING
MASTER VOLUME
SYSTEM
OFF
MULTI
OPERATION
STANDBY/ON
–
VOL –
CH –
CH +
FUNCTION
use lock
RECEIVER
DVD/LD
VCR1
/DVR
VCR2
VCR3
TV
REMOTE
SETUP
CD-R/
TAPE1
CD
TUNER
VIDEO
SAT
TV
CONTROL
LIGHT
Microphone
(APM7001)
AC Power Cord
(ADG7052)
AC Power Cord
(ADG7052)
Remote Control
Cable
(ADE7083)
Remote Control
Stand
(AEB7243)











































