LG Washing Machine WF T1268TH T1491TP
User Manual: LG Washing Machine WF-T1268TH
Open the PDF directly: View PDF
.
Page Count: 56

FEB. 2005 PRINTED IN KOREA P/No.:3828EA3013U

WASHING MACHINE
SERVICE MANUAL
MODELS : WF-T10(~3)0(~2,6)1(~5)TP(H,E,F)(S,3)
WF-T802/T852(A)/T853A
WF-T(F/C)1091~3, 1191~3T(C/H/P)
WF-T(F/C)1022, 1122, 1001T(C/H/P)
WF-T1268TH, 2409KTb, 2602kTa
WF-T1491TP, T11292TP, T1292TP, T1291TP
WF-T1081TP, T1592TP, T1593TP
WF-T1241TP, T1133TH
WF-G15KTB, G13KTC, B15KTB, B13KTC
WF-T1122TPX, T1341TP, T1342TP, T1295TP
LA-1203ST
CAUTION
Before servicing the washer, Read the safety precautions in the manual.

2
SAFETY PRECAUTION!
DISASSEMBLE POWER CORD BEFORE SERVING
RECONNECT ALL GROUNDING DEVICES
IMPORTANT SAFETY NOTICE !
This service information is intended for individuals
possessing adequate backgrounds of electrical,
electronic and mechanical experience.
Any attempt to repair this appliance may result in
personal injury or property damage.
The manufacturer or seller can not be responsible
for the interpretation of this information, nor can it
assume any liability in connection with its use.
CONTENTS
1. Specifications..................................................................................................................................................3
2. Installation Instructions....................................................................................................................................4
3. Operating Instructions
3-1. Identification of Parts...........................................................................................................................10
3-2. Before Starting to Wash......................................................................................................................11
3-3. Function of Each Button......................................................................................................................16
3-4. Washing Programs..............................................................................................................................18
3-5. Other Functions...................................................................................................................................20
3-6. Care and Maintenance........................................................................................................................25
4. Service Information
4-1. Schematic Diagram.............................................................................................................................26
4-2. Wiring Diagram ...................................................................................................................................28
4-3. Program Time Chart............................................................................................................................29
4-4. Adjustment ..........................................................................................................................................32
4-5. Disassembly Instruction ......................................................................................................................33
4-6. Test Running without water.................................................................................................................36
4-7. Trouble Shooting against Common Washing Problems .....................................................................37
4-8. Trouble Shooting Methods According to Error Message ....................................................................38
4-9. How to Diagnose and Repair by Symptom.........................................................................................40
5. Exploded View .............................................................................................................................................52
6. Replacement Part List...................................................................................................................................56

3
1. SPECIFICATIONS
WF-T10(~3)0(~2,6)1(~5)TP(H,E,F)(S,3), WF-T802/T852(A)/T853A
WF-T(F/C)1091~3/1191~3T(C/H/P), WF-T(F/C)1022/1122/1001T(C/H/P)
WF-T1268TH/2409KTb/ 2602kTa/T1491TP/T1022THX/T1133TH
WF-T1081TP/T1491TP/T11292TP/T1292TP/T1291TP, LA-1499ST, WF-T1592TP/T1593TP/T1241TP
WF-G15KTB/G13KTC, WF-B15KTB/B13KTC, WF-T1122TPX/T1341TP/T1342TP/T1295TP, LA-1203ST
Refer to rating label on the back of Washer
Refer to rating label on the back of Washer
Refer to rating label on the back of Washer
Stainless
0.3kgf/cm2~ 8kgf/cm2
250V, 6A for 220~240V/50Hz
125V, 12A for100~127V/60Hz
50Hz : 700 50 / 60Hz : 740 50
Refer to rating label on the back of Washer
Refer to rating label on the back of Washer
Fuzzy, Economy, Jean, Wool
7 Stages
Available for 3 ~ 48 Hr
B.P Sensor (S.F Switch)
B.P Sensor (S.F Switch)
Applied
Double
Applied
Applied
Applied
Applied
Model
Power Sourse
Input
Capacity
Inner Tub
Inlet Water Pressure
Rating of Fuse
Spin Speed
Dim.
Weight
Program
Water Level
Reservation
Unbalance Switch
Lid Interlock Switch
Child Lock
Lint Filter
Softener Dispenser
Detergent Dispenser
Bleach Inlet
Auto Power Off

2. INSTALLATION INSTRUCTIONS
2-1. HOW TO ADJUST LEVEL
4
How to use the adjusting plates
Use the adjusting plates to level the washer when the
adjustable legs cannot cover the gap.
1
2
Adjustable leg
Turn the adjustable legs to set the washer
horizontal (2 EA).
Installation area
Install the washer on flat and firm
surface.
Improper installation of the washer may cause noise and malfunctioning.
1. The ventilating openings in the base area must not be obstructed be carpeting
when the washing machine is installed on a carpeted floor.
2. Install the washing machine on a level and firm surface, any tilt should be
less than 1˚.
CAUTION
Checking level
Open the lid, and check if the washer is
correctly leveled by looking down from
the top.

5
More than 10cm
More than 2cm
More than 2cm
35
4
Horizontal setting
Lift up the front of the washer and
adjust level by turning the adjustable
legs clockwise or using the adjusting
plate.
Confirming level
Distance between drain hose and the wall
Checking slope
If installation surface is tilted, the
washer will be shaken.
Place the washer to original position
and confirm the level.
Distance between drain hose and the wall
should be more than 10 cm, and the distance
between the other part and the wall should be
more than 2 cm.

2-2. CONNECTING WATER SUPPLY HOSE
6
Before connecting Water Supply Hose to water tap, check your hose type
and choose correct instruction. Water Supply Hose may vary according to
the country.
Make sure connect blue inlet hose to cold water tab, and orange inlet hose
to hot water tab.
Connecting Water Supply Hose to water tap
Rubber packing
Water supply hose
Connector
Untighten the screw
Untighten the screw of the connector so
that the tap can be placed in the middle.
Fixing the connector to the tap
Push the upper connector up till the rubber
packing is in tight contact with the tap. Then
tighten the 4 screws.
Attach the water supply hose to the connector
Push the water supply hose vertically
upwards so that the rubber seal within the
hose can adhere completely to the tap.
Check the connection of water supply hose and the connector
After connecting the hose, open the tap to
check for any water leakage.
In case of water leakage, close the tap and
start again from step 1
Fixing the connector of connector and water supply hose
Attach the water supply hose to the
connector and then tighten it by screwing it
to the right.
Normal Type
Normal tab without thread & screw type inlet hose.)
1
2
3
4
5

7
Rubber packing
Screw
Fixed sticker
Rubber packing
Guide plate
Connector
Connector
Fixed sticker
Middle
Connector Middle
Connector
Water Supply Hose
Pressing rod Pressing handle
Connector
Middle
connector Fixed Stiicker
Pressing Handle
Pressing Rod
Water Supply Hose
Separate Middle connector from Water Supply Hose
Separate Middle connector from the Water
Supply Hose by pulling the Pressing Rod and
the Pressing Handle that is attached to the
Water Supply Hose while pressing them.
Loosen the fixed nuts to connect the connector to the tap
Untighten the screw of the connector so that
the tap can be placed in the middle.
Fixing Connectors to the Tap
Push the upper connector up till the rubber
packing is in tight contact with the tap. Then
tighten the 4 screws.
Fixing Upper Connector and Middle Connector
Remove the fixed sticker in between the
Upper and Middle Connectors. Tighten the
connectors by holding one connector and
twist middle connector to the right.
Connecting Middle Connector and Water Supply Hose
Press down the pressing rod of the Water
Supply Hose which was separated from
middle connector(refer to Step1) and then
join it to the middle connector.
One Touch Type
If the tap diameter is too large or is square,
open the 4 screw and take out the guide
plate and follow step 1.
In case the tap is large.
Note
Checking the water leakage
After connecting the hose, open the tap to
check for any water leakage.
In case of water leakage, close the tap and
start again from step 1.
If you skip step1, it may cause water leakage.
(NORMAL TAB WITHOUY THREAD & ONE TOUCH TYPE INLET HOSE.)
1
2
3
4
5
6

8
Attach the water supply hose to the tap.
Push the water supply hose up so that the
rubber packing within the hose can adhere
completely to the tap.
Connect the water supply hose to the tap.
Connect the water supply hose to the tap and
then tighten it by screwing it to the right.
Check water leakage.
After connecting the hose, open the faucet to
check for any water leakage.
Connect the water supply hose to inlet valve
of the washing machine, and then lock it by
turning the hose connecting part.
Check to see if there is a rubber seal inside
the connector.
Screw Type
Water Supply Hose
Rubber Packing
H
Rubber seal
Water
tap
Connecting Water Supply Hose to the machine
1
2
3

9
2-3. CONNECT THE DRAIN HOSE
CAUTION
Hose
Guide
0.9~1.2m Drain Hose
Within 50mm
Connect the drain hose to
the outlet of the drain pump
located at the rear of the
washing machine.
Attach the clip to the drain
hose. And then push it toward
the body of the washing
machine as indicated by the
arrow.
Check that the drain hose is
hung up over the edge of the
laundry tub.
Do not use an extension hose.
Connect the drain hose to the outlet of the
drain located at the back side of the
washing machine.
Fix the drain hose with the clip.
And then push it toward the body as in the
figure.
Keep it downward while the washing machine
is working.
Ensure the hose is free from kinking.
Never lay down the drain hose, as water will be discharged.
Be sure the drain hose is properly routed so it will not kink
or lift from the sink.
The discharge height should be approximately 0.9~1.2m from
the floor.
Connect the drain hose adjusting the length of it not to be
dropped. If drain hose is dropped the drainage could be poor
because of blockage in the hose.
NOTE
:
Do not install the washer where it is directly exposed to sunlight, wind, rain etc.
Plug the power cord of this washer into a properly installed standard electrical outlet
that is switched & earthed.
For pump model
For non - pump model

3. OPERATING INSTRUCTIONS
3-1. IDENTIFICATION OF PARTS
10
SOFTENER DISPENSER
• Softener will automatically
flow into the tub.
BLEACH INLET
DETERGENT DISPENSER
FUNCTION
SELECTORS
PULSATOR
ANTI RAT BASE
ADJUSTABLE LEG
SPINDLE
DRAIN HOSE
For non Pump Model
• Keep downward while the
washing machine is
working.
DRAIN HOSE
For Pump Model
• Check out if the drain hose is
hung up before operating the
washing machine.
POWER SUPPLY
CORD
WATER SUPPLY HOSE
• Make sure that water does
not leak.
• In case of one valve model
water supply hose is one.

11
3-2. BEFORE STARTING TO WASH
•Check all pockets to make sure that they are empty. Things such as nails, hairclips, matches, pens,
coins, and keys can damage both your washer and your clothes.
•Mend any torn garments or loose buttons. Tears or holes may become larger during washing.
• Remove belts, underwires, etc. to prevent damage to the machine or your clothes.
• Pretreat any dirt and stains.
• Make sure the clothes are washable in water.
• Check the washing instructions.
• Remove tissue in pockets.
To get the best results, different fabrics need to be washed in different ways.
• SOIL (Heavy, Normal, Light) Separate clothes according to the type and amount of soil.
• COLOR (Whites, Lights, Darks) Separate white fabrics from colored fabrics.
• LINT (Lint producers, Collectors) Separate lint producers and lint collectors.
Lint Producers Terry cloth, Chenile, Towels, Nappies, Diapers
Lint Collectors Synthetics, Corduroy, Permanent Press, Socks
WIRE
Sorting
Check before Loading
* Look for a care label on your clothes. This will tell you about the fabric content of your garment
and how it should be washed.
Sort clothes into loads that can be washed with the same wash cycle, water temperature and spin speed.
Care Labels
Use nylon nets for long, delicate items. For laundry with long strings or long length , a net
will prevent tangling during washing.
Fasten zippers, hook, and strings to make sure that
these items don't snag on other clothes.
Nylon net is not supplied by LG.
Clothes like downs and woollens are light weight, large and float easily.
Use a nylon net and wash them in a small amount of water. If the laundry floats during the wash
cycle, it may become damaged. Use dissolved detergent to prevent the detergent from clumping.
Light and Large-sized clothing
Long laundry items
Do not wash fabrics containing flammable materials (waxes, cleaning fluids, etc.).
Load Size
The water level should just cover the clothes. Adjust the load size accordingly.
Loosely load clothes no higher than the top row of holes in the washer tub. To
add items after washer has started, press Start button and submerge additional
items. Close the lid and press Start button again to restart.
Loading
• Pretreat shirt collars and cuffs with a pre-wash product or liquid detergent when placing them in the washer.
Before washing treat special stains with bar soaps, liquid detergent or a paste of water and granular detergent.
• Use a pretreat soil and stain remover.
Treat stains AS SOON AS POSSIBLE. The longer they are left the harder they are to remove.
Pretreatment on stains or heavy soil
Fire Hazard
Never place items in the washer that are
dampened with gasoline or other
flammable fluids.
No washer can completely remove oil.
Do not dry anything that has ever had any
type of oil on it (including cooking oils).
Doing so can result in death, explosion, or
fire.
WARNING

12
• The temperature of the water impacts the effectiveness of all laundry additives and therefore, the cleaning
results. We recommend temperatures of:
- HOT 49~60°C…(120-140˚F) White items, diapers, underclothing and heavily soiled, colorfast items.
- WARM 29~40°C…(85-105˚F) Most items
- COLD* 18~24°C…(65-75˚F) Only very bright colors with light soil.
• When washing in cold water additional steps may be needed:
- Adjust detergent amount and pre-dissolve detergent in warm water
- Pretreat spots and stains
- Soak heavily soiled items
- Use appropriate bleach
* Temperature below 18°C…(65˚F) will not activate laundry additives and may cause lint, residue, poor cleaning,
etc. In addition, detergent manufactures and care labels define cold water as 26~29°C…(80-85˚F).
If the temperature of the water in the tub is too cold for your hands, the detergent will not activate and clean
effectively.
Using Detergent
Detergent
Follow the detergent package directions. Using too little detergent is a common cause of laundry problems.
Use more detergent if you have hard water, large loads, greasy or oily soils or lower water temperature.
Choosing the right detergent
We recommend the use of domestic detergent, (powder, liquid or concentrated). Soap flakes or granulated
soap powders should not be used in your washing machine. When washing woolens remember to use
detergent suitable for washing woolens.
Water temperature
Using Water
• The machine sets the appropriate temperature automatically according to the wash program .
• You can change the water temperature by pressing the WATER TEMP button.
• This machine detects the quantity of laundry automatically, then sets the water level and
proper amount of detergent.
• When you select a wash program, the water level and amount of detergent (to be used)
will be shown on the control panel.
• The following table shows the amount of water.
• When the water level is automatically detected, it may differ depending on the quantity of laundry even
though the same water level is indicated on the control panel.
• The amount of a cup in the diagram is about 40g for concentrated detergent.
Amount of Water Level
EX-
LARGE
L
ARGE
M
EDIUM
S
MALL
DETERGENTWATER -
Attention
If iron is present in the water the clothes may become an all-over yellow or they may be stained with brown
or orange spots or streaks. Iron is not always visible. Installation of water softener or an iron filter may be
necessary for severe cases.

13
Open the detergent dispenser and deposit the appropriate
amount of detergent.
Some detergents MUST be fully dissolved before
adding to your machine to get the best wash results.
Check the instructions on the detergent packet.
If you use powdered detergent it is essential that the required amount
be fully dissolved in very hot water before being added to warm or hot
water for the actual wash.
Pre-dissolving detergent in warm water when washing in cold water can
improve its performance.
Attentión
Using Detergent
How much detergent
When you select a wash program the water level and the amount of detergent (to be used) will be shown
on the control panel. The amount of a cup in the diagram is about 40g for concentrated detergent.
The correct amount of detergent will vary depending on the amount of soil in your clothes (Jeans and work
cloches may need more detergent, while bath towels usually need less.).
For liquid and concentrated detergents, follow the recommendations of the detergent manufacturer.
Note: To check you are using the correct amount of detergent, lift the lid of your machine about
half-way through the wash. There should be a thin layer of foam over the surface of the water. Lots
of foam may look good, but it does not contribute to cleaning your clothes. No foam means not
enough detergent has been used; soil and lint can settle back on the clothes or the washing
machine.
If excess detergent is used, the rinse will not be as clean and efficient. Also, it could cause
environmental pollution, so use it accordingly.
Adding the detergent
• Check clothing care label for special instructions and separate
the laundry to be bleached
• Dilute liquid chlorine bleach.
• Measure the recommended amount of liquid bleach carefully
following instructions on the bottle.
• Before starting the washer, pour measured amount of bleach
directly into bleach dispenser. Avoid splashing or overfilling.
Powdered bleach should be mixed with water before pouring.
Using Liquid Bleach
Bleach dispenser
( )
Attention
■Never pour undiluted liquid bleach directly onto clothes or into the wash basket.
This may cause change of color or damage the laundry.
■Do not mix chlorine bleach with ammonia or acids such as vinegar and/or rust remover. Mixing can reduce
a toxic gas which may cause death.
■Do not pour powdered bleach into bleach dispenser.
Where you deposit
the detergent
Powder Detergent

14
Using Fabric Softener
If you wish to use fabric softener we recommend
Scrud(Waxy Build up)
Scrud is the name given to the waxy build-up that can occur within any washer when the fabric softener comes into contact with
detergent. This build-up is not brought about by a fault in the machine.
If scrud is allowed to build-up in the machine it can result in stains on your clothes or an unpleasant smell in your washer.
• Using fabric softener sparingly.
• When filling the dispenser, do not splash or overfill.
• Clean dispenser as soon as the cycle is finished.
• Clean your machine regularly. (refer to page 25)
• Cold water washing increases the chance of this build-up occurring. We recommend a regular warm or hot wash e.g. every 5th
wash should be at least a warm one.
• Fabric softener of thinner consistency is less likely to leave residue on the dispenser and contribute to a build-up.
Fabric Softener Cap
* If the softener is over filled, it can over flow.
Powder Detergent & Fabric Softener dispenser.
Where you deposit
the softener
Available Fabric Softener Type
Depositing Fabric Softener
Limit Line
Depositing
softener
don’t fill it
above the
limit line.
• Do not use concentrated fabric softener. This may cause some problems in automatic dispensing.
• For more details refer to the softener products instructions for use.
• Don't use softener with detergent. Use softener in
last rinse water
• When using dispenser, dilute softener (30ml) with
fresh water (30ml)
• When filling dispenser, do not splash or overfill. It
may stain clothes.
• Never pour fabric softener directly on clothes. It
may stain them
• If spotting occurs, wet and rub hand dishwashing
liquid (or mild bar soap) and rewash.
Fabric Softener will be inserted automatically during the final rinse and the machine gives on alarm sound.
When water pressure is low, the softener may have to be inserted manually.
Note

15
• Remove stains promptly.
• Determine the kind of stain, then follow the recommended treatment in the stain
removal chart below.
• To pretreat stains, use a prewash product, liquid detergent, or a paste made from
granular detergent and water.
• Use cold water on unknown stains because hot water can set stains.
• Check care label instructions for treatments to avoid on specific fabrics.
• Check for colorfastness by testing stain remover on an inside seam.
• Rinse and wash items after stain removal.
For successful stain removal:
Follow fabric care label
instructions
■
Do not use or mix liquid chlorine bleach with other household chemicals such as toilet cleaners, rust removers, acid or products
containing ammonia. These mixtures can produce dangerous fumes which can cause serious injury or death.
■
To reduce the risk of fire or serious injury to persons or property, comply with the basic warnings listed below:
• Read and comply with all instructions on stain removal products.
• Keep stain removal products in their original labeled containers and out of children’s reach.
• Thoroughly wash any utensil used.
• Do not combine stain removal products, especially ammonia and chlorine bleach. Dangerous fumes may result.
• Never wash items which have been previously cleaned in, washed in, soaked in or spotted with gasoline, dry cleaning
solvents or other flammable or explosive substances because they give off vapors that could ignite or explode.
• Never use highly flammable solvents, such as gasoline, inside the home. Vapors can explode on contact with flames or
sparks.
WARNING
Stain Removal
STAIN
Adhesive tape, chewing gum,
rubber cement
Baby formula, dairy products, egg
Beverages (coffee, tea, soda,
juice, alcoholic beverages)
Blood
Candle wax, crayon
Chocolate
Collar or cuff soil, cosmetics
Dye transfer on white fabric
Grass
Grease, oil, tar (butter, fats, salad
dressing, cooking oils, car grease,
motor oils)
Ink
Mildew, scorch
Mud
Mustard, tomato
Nail polish
Paint, varnish
Rust, brown or yellow
discoloration
Shoe polish
Apply ice. Scrape off excess. Place stain face down on paper towels. Saturate with prewash stain remover or
nonflammable dry cleaning fluid.
Use product containing enzymes to pretreat or soak stains.
Pretreat stain. Wash using cold water and bleach safe for fabric.
Rinse with cold water. Rub with bar soap. Or pretreat or soak with product containing enzymes. Wash using
bleach safe for fabric.
Scrape off surface wax. Place stain face down between paper towels. Press with warm iron until wax is
absorbed. Replace paper towels frequently. Treat remaining stain with prewash stain remover or
nonflammable dry cleaning fluid. Hand wash to remove solvent. Wash using bleach safe for fabric.
Pretreat or soak in warm water using product containing enzymes. Wash using bleach safe for fabric.
Pretreat with prewash stain remover or rub with bar soap.
Use packaged color remover. Wash using bleach safe for fabric.
Pretreat or soak in warm water using product containing enzymes. Wash using bleach safe for fabric.
Scrape residue from fabric. Pretreat. Wash using hottest water safe for fabric. For heavy stains and tar, apply
nonflammable dry cleaning fluid to back of stain. Replace towels under stain frequently. Rinse throughly.
Wash using hottest water safe for fabric.
Some inks may be impossible to remove. Washing may set some inks. Use prewash stain remover,
denatured alcohol or nonflammable dry cleaning fluid.
Wash with chlorine bleach if safe for fabric. Or, soak in oxygen bleach and hot water before washing. Badly
mildewed fabrics may be permanently damaged.
Brush off dry mud. Pretreat or soak with product containing enzymes.
Pretreat with prewash stain remover. Wash using bleach safe for fabric.
May be impossible to remove. Place stain face down on paper towels. Apply nail polish remover to back of
stain. Repeat, replacing paper towels frequently. Do not use on acetate fabrics.
WATER BASED : Rinse fabric in cool water while stain is wet. Wash. Once paint is dry, it cannot be removed,
OIL BASED AND VARNISH : Use solvent recommended on can label. Rinse throughly before washing.
For spots, use rust remover safe for fabric. For discoloration of an entire load, use phosphate detergent and
nonchlorine bleach. Do not use chlorine bleach because it may intensify discoloration.
LIQUID : Pretreat with a paste of granular detergent and water. PASTE : Scrape residue from fabric. Pretreat
with prewash stain remover or nonflammable dry cleaning fluid. Rub detergent into dampened area, Wash
using bleach safe for fabric.
TREATMENT
FFSpecial Guide for Stain Removal

16
3-3. FUNCTION OF EACH BUTTON
Changing various functions is possible only in PAUSE state.
Selection button does not work when the washer is in operation (Except for water level, water temp, water power button).
S TRONG
N ORMAL
G ENTLE
WATER
LEVEL
DELAY
START WASH
POWER
EX-
LARGE
L
ARGE
M
EDIUM
S
MALL
LEVEL
TIME
LEFT
DELAY
DETERGENTWATER -
WATER
TEMP.
HOT
WARM
COLD
Upon loading laundry, it
displays the correct amount of
detergent to be added
according to the amount of
laundry (based on
concentrated detergent).
Detergent deposit
display
Use it to adjust the strength of
water current.
By pressing the button, it
cycles
[ ].
Strength of the water current can
be adjusted at any program.
At the beginning, it starts with
MED
( ).
Wash power
Indicates the current washing
status.
Next step is lit, current step blinks
and finished step is turned off.
Wash Process display
Use this function for delayed
washing.
Use it to set the delay time.
By pressing the button, it cycles
[3 45... 11 12 14
16 ... 46 48 3] hours.
(Up to 48 hours can be
delayed).
To cancel delay time, turn the
power switch off.
How to use delayed
washing
By pressing the button, it cycles
[LARGE LARGE EX-LARGE EX-LARGE
SMALL SMALL MEDIUM MEDIUM
MEDIUM LARGE LARGE]
At FUZZY and JEAN program, water level is selected automatically
based on the amount of laundry.
Water level is set to MEDIUM for SPEEDY program, LARGE for
WOOL and DELICATE program, EX-LARGE for BLANKET program.
Water level can be adjusted even when the washer
is in operation.
How to adjust the water level
Use it to select hot or cold
water (When hot water only is
selected, hot water is supplied
for washing and cold water are
supplied for rinsing).
In WOOL, HOME DRY
program, cold water is selected
automatically (Hot water may
damage the fabric).
How to select temp.
NOTE
SN
G
S
The display panel uses the
following abbreviation:
M(minutes), T(Times) and
M(minutes).

17
START
PAUSE
WASH RINSE SPIN
PRO -
GRAM
AUTO OFF
HOME DRY
WOOL
JEAN
FUZZY
BLANKET
ECONOMY
MMT
SOAK WASH SHOWER RINCE
(SPRAY)
(NORMAL) (FAVOURITE)
(DELICATE)
(SPEEDY)
SPIN
INLET Er.
DRAIN Er.
DOOR Er.
SPIN Er.
3
3
In case of abnormal operation, the following indications are displayed.
Abnormal water supply : INLET Er. lamp blinks.
Abnormal drainage : DRAIN Er. lamp blinks.
Abnormal spin : SPIN Er. lamp blinks.
Abnormal water level sensing : displayed.
Abnormal lid open : DOOR Er. lamp blinks.
Abnormal over flooding sensing : displayed.
Displaying abnormal operation
Use it to start or
pause temporarily.
Pressing the button
repeats start and
temporary pause.
After 10 minutes in a
temporary pause
state, the power will
automatically turn
off.
Start and temporary
pause
Use it to select washing
programs.
By pressing the button, it
cycles [ FUZZY(NORMAL)
BLANKET(DELICATE)
ECONOMY(SPEEDY)
JEAN WOOL
HOME DRY(FAVOURITE)
FUZZY(NORMAL) ]
How to select a
washing program
Wash :
Use it to change washing time.
By pressing the button[ 15min
18min 21min 25min 40min
60min 90min OFF 3min 6min 9min
12min 15min]SOAKING is used to
remove old or hardened dirt more
effectively.
Soaking time is about 40,60,90 minutes
(You cannot choose in WOOL , HOME
DRY, DELICATE program.).
Rinse :
Use it to change the frequency of rinses.
By pressing the button,
[ rinse 1 rinse 2 rinse 3 rinse 4
rinse 5 off rinse 1] or
[ Spray rinse+Deep 1 Deep 1 Spray
rinse+Deep 2 Deep 2 off Spray
rinse+Deep 1] are repeated.
When you select rinse only, the
operation starts with water supply.
Spin :
Use it to change the spinning time.
By pressing the button,
[ 6min 8min OFF 1min
2min 4min 6min]
For manual wash, rinse
and spin
When rinsing or spinning only, Fuzzy is set to
[LARGE] and ECONOMY is set to [MEDIUM]
and BLANKET is set to [EX-LARGE]
automatically. Adjust the water level as needed.
NOTE
Use to lock or unlock the
control buttons to prevent
all the setting being change
by a child.
For locking, push both
buttons simultaneously and
for unlocking, push them
one more in washing
process.
Child lock function

18
3-4. WASHING PROGRAMS
Washing
Programs Add
the laundry Add
the detergen
Fuzzy Washing (Normal Wash)
Used for normal loads, this mode
automatically selects the most appropriate
conditions and completes the sequence in
one operation. The built-in sensor detects the
size of the load and the ideal wash power and
wash, rinse and spin times are set accordingly
Economy Wash (Speedy Wash)
Use this mode when washing lightly soiled
clothes for a short time. The weight should
be under 2.0kg.
Blanket Wash
Blankets of different size can be easily
washed.
Jean Wash
Use jeans program when washing heavy,
thick, and extremely dirty laundry such as
jeans and work outfits.
Homedry Wash
Use this program for clothes that have
[HOME WASH and DRY] or [WATER
WASH and DRY] tags. For homedry,
amount of laundry must be less than 1.2kg
at a time.
PRO -
GRAM
1
1
1
1
1
1
2
5
5
4
5
5
5
3
3
3
3
3
2
2
2
2
2
Select the
ECONOMY
(SPEEDY) program
on the Control panel.
Select the
BLANCKET
program on the
Control panel.
Delicate Wash
Use this program for washing delicate
laundry such as lingerie, blouses etc.
1
5
3
2
Select the
DELICATE
program on the
Control panel.
Add the appropriate qua
detergent as indicated b
water level next to WAT
DETERGENT.
Or follow the detergent
manufacturer’s instructio
Select the JEAN
program on the
Control panel.
Select the
WOOL program
on the Control
panel.
Select the
HOMEDRY
program on the
Control panel.
Wool Wash
Use this program for washing delicate fabrics
such as lingerie and woolens.
(wash only “water washable” clothes)
Before washing your woolens check the care
label for the washing instructions.(wash only
water washable clothes)
Use neutral detergent
appropriate for the laun
When washing woolen
a mild detergent
recommended for was
wool.
AUTO OFF

19
Close the lid Finish Caution & Note
START
PAUSE
The pulsator rotates for 8 seconds to
detect the laundry load.
Then the water level and the amount of
detergent to be used will be shown and
water will be supplied.
Water will be supplied for 2
minutes after the start of the
wash to supplement the
water the laundry has
absorbed.
When the wash program
ends, the buzzer will ring for
10 seconds before the
Power goes off
automatically.
If water is already in the tub, or putting wet laundry
into the tub before starting will increase the water
level.
With lightweight bulky loads, water level can be set
low.
Changes to water temperature (hot/cold) and wash
level are possible during operation.
The water level and the amount of
detergent to be used will be shown
and water will be supplied.
3
5
6
7
7
7
7
7
6
6
6
6
6
4
4
4
4
4
When setting the water level manually, do not set to MEDIUM
to prevent damage to laundry.
Washing with hot water may damage the laundry (Water is set
to cold automatically). Ensure that the load is under 2kg
In order to avoid damage to laundry,
the spin cycle may appear slow.
This also avoids wrinkles and clothing may still contain some
water. This is normal.
Soak Wash cannot be selected for the Wool Wash program.
nt
7
6
4
antity of
by the
TER-
ons
ndry.
ns use
hing
Before starting to wash, make sure that the laundry is
washable.
Impossible
Laundry
• electrical • carpets
blankets
Use a nylon net for washing cashmere blankets to prevent
them floating out of the tub.
Water may splash out when washing light laundry , such as
a cashmere blanket or bed sheet with water set at high level.
Possible
Laundry
100% chemical
fiber with the
hand-wash tag
Weight : the weight of
sheet is under 5.0kg
Blanket Stuffing : Weight
about 2kg
(total weight of blanket 3.5kg)
Size : under approx.
2m(width) 2.5m(breadth)
100% Polyester
with the
hand-wash tag

20
3-5. OTHERS FUNCTIONS
1) Soak Wash
Use this mode for washing excessively dirty laundry by soaking in water for some time to remove proteins and
fats. 'SOAK' mode can be used with all washing programs simultaneously except for WOOL and HOME DRY
program.
Note
AUTO OFF
The SOAK will not work in WOOL and HOME DRY cleaning
Program.
The water level and the amount of detergent to be used will
be shown and water will be supplied.
Press the AUTO OFF (Power) button to turn power on.
Press the PROGRAM button to select the washing program.
Add the laundry and press the START/PAUSE button.
When the wash program ends, the buzzer will ring for
10seconds before the Power goes off automatically.
Finish
Keep pressing the WASH button until
the light turns on Soak and Wash
simultaneously as next image.
SOAK program only works when
socking time is 40, 60 or 90 minutes.
Press the WASH button, to select SOAK program.
The appropriate quantity of detergent marked next to the
water level of WATER-DETERGENT.
Add the detergent.
Water will be supplied for 2 minutes after the start of the wash
to supplement the absorbed water by the laundry.
Close the lid.
PRO -
GRAM
WASH
SOAK WASH
min min min min min min min min min min min
Lamp
Off
• Order of Soak-Wash timing
Soak-Wash
• Select soaking time 40minutes, 60minutes, or 90minutes (including washing time) by pressing the Wash
button repeatedly.
• If necessary, select the times of Rinse and the time for Spinning by pressing the Rinse or Spin buttons till
you reach the desired times.
1
3
4
5
6
2

21
2) Delay Start (Reservation) Wash
5
Delay start (Reservation) Wash is used to delay the finishing time of the operation. The hours to be
delayed can be set by the user accordingly.
The time on the display is the finishing time , not the start time.
3
AUTO OFF
• Finishing time can be delayed from 3~48 hours. Delaying from3~12 hours can be done in 1 hour time intervals
and from 12~48 hours in 2 hour time intervals.
• If the lid is open, the machine will not work, and an alarm signal will alarm to remind you to close the lid.
• To select washing time, rinsing times, spinning time, water level, hot/cold or wash power manually, press the
DELAY START (RESERVATION) button and select the desired option. Then press the START/PAUSE button.
• When the laundry cannot be taken out immediately after the wash program ends, it is better to omit the spinning
program . (The laundry will be wrinkled if left for a long time after spinning.)
• When you press the START/PAUSE button the light will blink
and the time will be shown.
• Select the program for laundry on the Control panel.
This method will not work in Wool Program.
Press the
AUTO OFF
(Power) button to turn power on.
Press the
PROGRAM
button to select the washing program.
Add the laundry and press the
START/PAUSE
button.
• The light will ‘ DELAY’ turn on and ‘TIME LEFT’
will be marked.
• Press the button repeatedly to set the desired finishing
time. For example, To finish washing in 9 hours from
now, by make the number 9:00 pressing the DELAY
START (RESERVATION ) button repeatedly.
Press the DELAY START (
RESERVATION
) button.
• The appropriate quantity of detergent marked next to the water
level of WATER-DETERGENT.
• When the lid is open the machine will not operate, and an alarm
signal will remind you to close the lid.
Add the detergent.
• Water will be supplied for 2 minutes after the start of the
wash to supplement the water the laundry has absorbed.
Close the lid.
The washing will be finished according to the delayed time.
SOAK SPINRINSESPRAYWASH
DELAY
INLET Er.
DRAIN Er.
DOOR Er.
SPIN Er.
TIME
LEFT
SOAK SPINRINSESPRAYWASH
DELAY
INLET Er.
DRAIN Er.
DOOR Er.
SPIN Er.
TIME
LEFT
Finish
PRO -
GRAM
DELAY
START
Note
1
2
4
6

22
3) Option Washing
Press the AUTO OFF (Power) button to turn power on.
Press the
WASH
button to select the
desired timing.
Add the laundry into the washing tub.
Press the START/PAUSE button.
Press the WATER LEVEL button, to control the water level according to
the amount of laundry. If you do not choose anything, it is set the middle
water level automatically.
Add the detergent and close the lid.
When you only need the Wash, Wash/Rinse or Rinse cycles, these can be set manually.
WASH
Press the
WASH
button to select the
desired timing.
Press the
RINSE
button to select the
desired times of rinse.
You can use this option for preventing
wrinkles of laundry
WASH
AUTO OFF
RINSE
Only Wash Only Wash,Rinse
1
2
3
4
5
6

23
3) Option Washing
2
Press the
RINSE
button to
select the desired times of
rinse.
Press the
SPIN
button to
select the desired times of
rinse.
Press the AUTO OFF (Power) button to turn power on.
Add the laundry into the washing tub.
Press the START/PAUSE button.
Add the detergent and close the lid.
AUTO OFF
When a Wash, Wash/Rinse or Rinse only option is selected, after the wash is completed the water will not
be drained off. If you wish to drain the water, press SPIN button and wait until the water in the tub has drained
completely. Then press the START/PAUSE button.
If you do not specify the water level, then Medium will be automatically selected.
If only Rinse is selected, the process will start from Water Supply.
Note
RINSE
Only Rinse,Spin
Press the
RINSE
button
to select the desired
times of rinse.
Press the
WATER LEVEL
button to control the water
level according to the amount of laundry.
Only Rinse
Press the
SPIN
button to
select the desired times
of rinse.
When you want to only
drain, wait until the water
in the washing tub drains
completely.
Only Spin/Only drain
PRO -
GRAM
RINSE
SPIN
1
3
4
5
6

24
4) Child Lock Function
After all washing conditions are set according to the manual.
Press the AUTO OFF(Power) button.
Press the START/PAUSE button to start washing.
During the wash program, all the buttons are locked until
washing is completed or it is child- lock
function is deactivated manually.
Press both the WASH button and the RINSE button simultaneously.
Turn Power on.
AUTO
OFF
If you want to use the washing machine without alarm signal sounds, press both the WASH and
SPIN buttons simultaneously.
To make buzzer work, press both the WASH and SPIN buttons simultaneously one more time.
If you want to lock all the keys to prevent all the setting from being changed by a child, you can use the child lock
option.
If you want to unlock during wash, press both the WASH and the RINSE button simultaneously again.
Mute Option
To see the remaining time for each process, press one of the WASH, RINSE and SPIN buttons.
The remaining time for each process will appear for about 1 second.
Seeing Remaining Time
How to Lock
How to Unlock
DELAY
SHOWER
(SPRAY)
“ ” & the remaining time are alternatively shown on the display while they are locked.
Note
2
1
3

25
Wash Inner-tub Leave the lid open after washing to allow moisture to evaporate. If you want to clean
the inner-tub use a clean soft cloth dampened with liquid detergent, then rinse. (Do
not use harsh or gritty cleaners.)
Inlet Hoses Hoses connecting washer to faucet should be replaced every 5 years.
Exterior Immediately wipe off any spills. Wipe with damp cloth. Try not to hit surface with
sharp objects.
Long Vacations Be sure water supply is shut off at faucets. Drain all water from hoses if weather will
be below freezing.
When there is a fear of freezing
If frozen
• Remove the water supply hose, and immerse it in hot water at approx.. 40˚C.
• Pour approx.. 2 liters of hot water at approx.. 40˚C, into the bowl and let it stand for 10 minutes.
• Connect the water supply hose to the water tap and confirm that the washing machine performs
the supply and drainage of water.
• Close the water taps and remove the Water Supply Hose.
• Remove the water which remains in the water supply.
• Lower the drain hose and drain the water in the bowl and the drain hose by spinning.
Cleaning the Inside of your Washer
If you use fabric softener or do regular cold water washing, it is very important that you occasionally
clean the inside of your washer.
• Fill your washer with hot water.
• Add about two cups of a powdered detergent that contains phosphate.
• Let it operate for several minutes.
• Stop the washer, open the lid and leave it to soak overnight.
• After soaking, drain the washer and run it through a normal cycle.
We do not recommend that you wash clothes during this procedure.
3-6. CARE AND MAINTENANCE

26
4. SERVICE INFORMATION
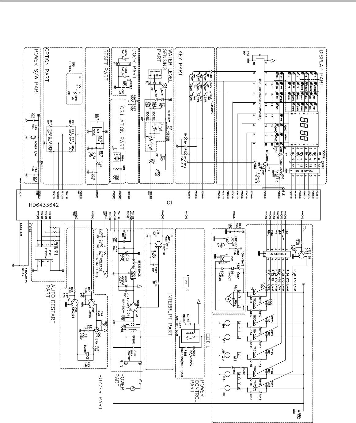
4-1. SCHEMETIC DIAGRAM
1)
WF-T10(~3)0(~2,6)1(~5)TP(H,E,F)(S,3) / WF-T802/T852(A)

27
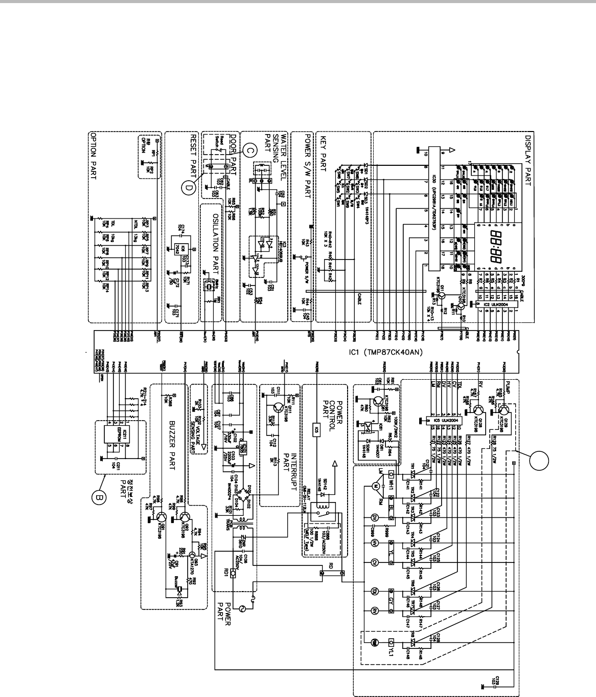
2)
WF-T(F/C)1091~3, 1191~3T(C/H/P), T(F/C)1022,1122,1001T(C/H/P)
WF-T1268TH, 2409KTb, 2602kTa, T1491TP, T1491TP, T11292TP, T1292TP,T1291TP,
LA-1499ST / WF-T1081TP, T1592TP, T1593TP, T1241TP, T1133TH
WF-G15KTB, G13KTC, B15KTB, B13KTC, T1122TPX, T1341TP, T1342TP, T1295TP
LA-1203ST
A

28
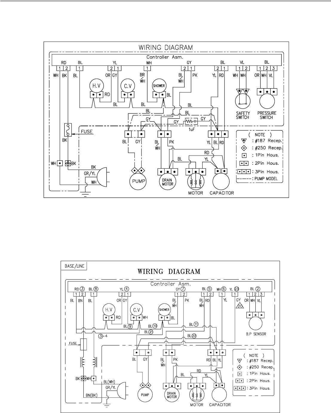
4-2. WIRING DIAGRAM
1)
WF-T10(~3)0(~2,6)1(~5)TP(H,E,F)(S,3) / WF-T802/T852(A)/T853A
2)
WF-T(F/C)1091~3, 1191~3T(C/H/P), T(F/C)1022,1122,1001T(C/H/P)
WF-T1268TH, 2409KTb, 2602kTa, T1491TP, T1081TP, T1491TP, T11292TP,
T1292TP,T1291TP / LA1499ST / WF-T1592TP, T1593TP, T1241TP, T1133TH
WF-G15KTB, G13KTC, B15KTB, B13KTC, T1122TPX, T1341TP, T1342TP, T1295TP
LA-1203ST

29
Water Supply
Washing
Drain
Intermittent Spin
High Speed Spin
No Power Spin
Water Supply
Rinsing
Drain
Intermittent Spin
High Speed Spin
No Power Spin
Water Supply
Rinsing
Drain
Intermittent Spin
High Speed Spin
No Power Spin
Power Off
Fuzzy Ex-large 7 15 4 130" 90" 165" 7 3 4 130" 90" 165" 7 3 4 130" 8 165" 10"
ExL-L 6 15 4 130" 90" 140" 6 3 4 130" 90" 140" 6 3 4 130" 8 140" 10"
Large 6 15 4 100" 90" 140" 6 3 4 100" 90" 140" 6 3 4 100" 6 140" 10"
L-M 5 12 3 100" 90" 120" 5 3 3 100" 90" 120" 5 3 3 100" 6 120" 10"
Medium 5 12 3 100" 90" 120" 5 3 3 100" 90" 120" 5 3 3 100" 6 120" 10"
M-S 4 9 3 55" 90" 100" 4 3 3 55" 90" 100" 4 3 3 55" 4 100" 10"
Small 3 9 3 55" 90" 100" 3 3 3 55" 90" 100" 3 3 3 55" 4 100" 10"
Economy Ex-large 7 9 - -----4130"90"165"734130"4165"10"
ExL-L 6 9 ------4130"90"140"634130"4140"10"
Large 6 9 ------4100"90"140"634100"4140"10"
L-M 59------3100"90"120"533100"4120"10"
Medium 5 9 ------3100"90"120"533100"4120"10"Default
M-S 49------355"90"100"43355"4100"10"
Small 3 9 ------355"90"100"33355"4100"10"
Blanket Ex-large 7 18 4 130" 90" 165" 7 3 4 130" 90" 165" 7 3 4 130" 8 165" 10" Default
ExL-L 6 18 4 130" 90" 140" 6 3 4 130" 90" 140" 6 3 4 130" 8 140" 10"
Large 6 18 4 100" 90" 140" 6 3 4 100" 90" 140" 6 3 4 100" 8 140" 10"
L-M 5 18 3 100" 90" 120" 5 3 3 100" 90" 120" 5 3 3 100" 8 120" 10"
Medium 5 18 3 100" 90" 120" 5 3 3 100" 90" 120" 5 3 3 100" 8 120" 10"
M-S 4 18 3 55" 90" 100" 4 3 3 55" 90" 100" 4 3 3 55" 8 100" 10"
Small 3 18 3 55" 90" 100" 3 3 3 55" 90" 100" 3 3 3 55" 8 100" 10"
Jean Ex-large 7 15 4 130" 90" 165" 7 3 4 130" 90" 165" 7 3 4 130" 8 165" 10"
ExL-L 6 15 4 130" 90" 140" 6 3 4 130" 90" 140" 6 3 4 130" 8 140" 10"
Large 6 15 4 100" 90" 140" 6 3 4 100" 90" 140" 6 3 4 100" 6 140" 10"
L-M 5 15 3 100" 90" 120" 5 3 3 100" 90" 120" 5 3 3 100" 6 120" 10"
Medium 5 15 3 100" 90" 120" 5 3 3 100" 90" 120" 5 3 3 100" 6 120" 10"
M-S 4 15 3 55" 90" 100" 4 3 3 55" 90" 100" 4 3 3 55" 4 100" 10"
Small 3 15 3 55" 90" 100" 3 3 3 55" 90" 100" 3 3 3 55" 4 100" 10"
Wool Ex-large 7 3 4 130" - 100" 7 3 4 130" - 100" 7 3 4 130" - 100" 10"
ExL-L 6 3 4 130" - 100" 6 3 4 130" - 100" 6 3 4 130" - 100" 10"
Large 6 3 4 100" - 100" 6 3 4 100" - 100" 6 3 4 100" - 100" 10" Default
L-M 5 3 3 100" - 100" 5 3 3 100" - 100" 5 3 3 100" - 100" 10"
Medium 5 3 3 100" - 100" 5 3 3 100" - 100" 5 3 3 100" - 100" 10"
M-S 4 3 3 55" - 100" 4 3 3 55" - 100" 4 3 3 55" - 100" 10"
Small 3 3 3 55" - 100" 3 3 3 55" - 100" 3 3 3 55" - 100" 10"
Home Dry Ex-large 7 6 4 130" - 100" 7 3 4 130" - 100" 7 3 4 130" - 100" 10"
ExL-L 6 6 4 130" - 100" 6 3 4 130" - 100" 6 3 4 130" - 100" 10"
Large 6 6 4 100" - 100" 6 3 4 100" - 100" 6 3 4 100" - 100" 10"
L-M 5 6 3 100" - 100" 5 3 3 100" - 100" 5 3 3 100" - 100" 10"
Medium 5 6 3 100" - 100" 5 3 3 100" - 100" 5 3 3 100" - 100" 10" Default
M-S 4 6 3 55" - 100" 4 3 3 55" - 100" 4 3 3 55" - 100" 10"
Small 3 6 3 55" - 100" 3 3 3 55" - 100" 3 3 3 55" - 100" 10"
WASH OPTION
Wash Time 3,6,9,12,15,18,21,25min
Rinse Times 1,2,3,4,5Times
Spin Time 1,2,4,6,8min
* No Power Spin : Spin by remained power
* Time Unit is minute in the chart (34" : 34 second)
* Total time for full process can be changeable depending on the water pressure.
SpinWash 1st Deep Rinse 2nd Deep Rinse
1) WF-T10(~3)0(~2,6)1(~5) Series Program chart
4-3. PROGRAM TIME CHART

30
Water Supply
Washing
Drain
Intermittent Spin
No Power Spin
Rotate Shower
Drain
Intermittent Spin
High Speed Spin
No Power Spin
Water Supply
Rinsing
Drain
Intermittent Spin
High Speed Spin
No Power Spin
Water Supply
Rinsing
Drain
Intermittent Spin
High Speed Spin
No Power Spin
Power Off
Normal Ex-large 7 21 4 128" 2 1.5 4 128" 20" 2 7 3 4 225" 2 2 7 3 4 225" 6 2.5 10"
ExL-L 6 21 4 128" 2 1.5 4 128" 20" 2 6 3 4 225" 2 2 6 3 4 225" 6 2 10"
Large 6 15 4 128" 2 1 4 128" 20" 2634225"22634225"4210"
L-M 5 15 3 128" 1.5 1 3 128" 20" 1.5 5 3 3 225" 2 1.5 5 3 3 225" 4 2 10"
Medium 5 15 3 128" 1.5 45" 3 128" 20" 1.5 5 3 3 225" 2 1.5 5 3 3 225" 4 1.5 10"
M-S 4 9 3 128" 1.5 45" 3 128" 20" 1.5 4 3 3 225" 2 1.5 4 3 3 225" 2 1.5 10"
Small 3 9 3 128" 1.5 45" 3 128" 20" 1.5 3 3 3 225" 2 1.5 3 3 3 225" 2 1.5 10"
Speedy Ex-large 7 6 ----------4225"20"2734225"2210"
ExL-L 6 6 ----------4225"20"2634225"2210"
Large 6 6 ----------4225"20"2634225"2210"
L-M 56----------3225"20"2533225"2210"
Medium 5 6 ----------3225"20"2533225"2210"
M-S 46----------3225"20"2433225"2210"
Small 3 6 ----------3225"20"2333225"2210"
Jean Ex-large 7 21 4 225" ----22734225"22734225"62.510"
ExL-L 6 21 4 225" ----22634225"22634225"6210"
Large 6 15 4 225" ----22634225"22634225"4210"
L-M 5153225"----21.5533225"21.5533225"4210"
Medium 5 15 3 225" ----21.5533225"21.5533225"41.510"
M-S 493225"----21.5433225"21.5433225"21.510"
Small 393225"----21.5333225"21.5333225"21.510"
Wool Ex-large 7 3 4 225" -----2734225"-2734225"-210"
ExL-L 6 3 4 225" -----2634225" 2634225" 210"
Large 6 3 4 225" -----2634225"- 2634225"- 210"
L-M 533225"- - - - - 2533225" 2533225" 210"
Medium 5 3 3 225" - - - - - 2533225"- 2533225"- 210"
M-S 433225"- - - - - 2433225" 2433225" 210"
Small 333225"- - - - - 2333225"- 2333225"- 210"
Delicate Ex-large 7 6 4 225" - - - - - 2734225"- 2734225"- 210"
ExL-L 6 6 4 225" - - - - - 2634225" 2634225" 210"
Large 6 6 4 225" - - - - - 2 6 3 4 225" - 2 6 3 4 225" - 2 10"
L-M 5 6 3 225" - - - - - 2 5 3 3 225" 2 5 3 3 225" 2 10"
Medium 5 6 3 225" -----2533225"-2533225"-210"
M-S 463225"-----2433225" 2433225" 210"
Small 3 6 3 225" -----2333225"-2333225"-210"
WASH OPTION
Wash Time 3,6,9,12,15,18,21,25min
Spin Time 1,2,4,6,8min
* No Power Spin : Spin by remained power
* Time Unit is minute in the chart (34" : 34 second)
* Total time for full process can be changeable depending on the water pressure.
SpinWash 1st Deep Rinse 2nd Deep Rinse
Default
Default
Default
2) WF-T852(A) Program chart

31
Water Suply
Washing
Drain
Intermittent Spin
No Power Spin
Rotate Shower
Drain
Intermittent Spin
High Speed Spin
No Power Spin
Water Suply
Rinsing
Drain
Intermittent Spin
High Speed Spin
No Power Spin
Water Suply
Rinsing
Drain
Intermittent Spin
High Speed Spin
No Power Spin
Power Off
Normal Extreme-Large 7 15 4 135" 2 30" 4 128" 20" 2734194"22734194"5210"
Ex-large 7184135"230"4128"20"2734194"22734194"52.510"
ExL-L 6184135"230"4128"20"2634194"22634194"5210"
Large 6184135"230"4128"20"2634194"22634194"5210"
L-M 5 18 3 135" 1.5 30" 3 128" 20" 1.5 5 3 3 194" 2 1.5 5 3 3 194" 5 2 10"
Medium 5 15 3 135" 1.5 30" 3 128" 20" 1.5 5 3 3 194" 2 1.5 5 3 3 194" 5 1.5 10"
M-S 4 10 3 135" 1.5 30" 3 128" 20" 1.5 4 3 3 194" 2 1.5 4 3 3 194" 3 1.5 10"
Small 3 5 3 135" 1.5 30" 3 128" 20" 1.5 3 3 3 194" 2 1.5 3 3 3 194" 3 1.5 10"
Speedy Extreme-Large 7 6 ----------4194"22734194"5210"
Ex-large 76----------4194"20"2734194"3210"
ExL-L 66----------4194"20"2634194"3210"
Large 66----------4194"20"2634194"3210"
L-M 56----------3194" 20" 2 5 3 3 194" 3 2 10"
Medium 5 6 ----------3194"20"2533194"3210"
M-S 46----------3194" 20" 2 4 3 3 194" 3 2 10"
Small 3 6 ----------3194" 20" 2 3 3 3 194" 3 2 10"
Jean Extreme-Large 7 15 4 135" ----20"2734194"22734194"5210"
Ex-large 7184194"----22734194"22734194"52.510"
ExL-L 6184194"----22634194"22634194"5210"
Large 6184194"----22634194"22634194"5210"
L-M 5 18 3 194" ----21.5533194" 2 1.5 5 3 3 194" 5 2 10"
Medium 5 15 3 194" ----21.5533194" 2 1.5 5 3 3 194" 5 1.5 10"
M-S 4 10 3 194" ----21.5433194" 2 1.5 4 3 3 194" 3 1.5 10"
Small 3 5 3 194" ----21.5333194" 2 1.5 3 3 3 194" 3 1.5 10"
Wool Extreme-Large 7 5 4 135" -----2734194"22734194"5210"
Ex-large 754194"-----2734194"- 2734194"- 210"
ExL-L 654194"-----2634194"- 2634194"- 210"
Large 654194"-----2634194"- 2634194"- 210"
Default
L-M 5 5 3 194" -----2533194" - 2 5 3 3 194" - 2 10"
Medium 5 5 3 194" -----2533194"- 2533194"- 210"
M-S 4 5 3 194" -----2433194" - 2 4 3 3 194" - 2 10"
Small 3 5 3 194" -----2333194" - 2 3 3 3 194" - 2 10"
Delicate Extreme-Large 7 10 4 135" -----2734194"22734194"5210"
Ex-large 7104194"-----2734194"- 2734194"- 210"
ExL-L 6104194"-----2634194" 2634194"- 210"
Large 6104194"-----2634194"- 2634194"- 210"
Default
L-M 5 10 3 194" -----2533194" 2 5 3 3 194" - 2 10"
Medium 5 10 3 194" -----2533194"- 2533194"- 210"
M-S 4 10 3 194" -----2433194" 2 4 3 3 194" - 2 10"
Small 3 10 3 194" -----2333194" - 2 3 3 3 194" - 2 10"
* No Power Spin : Spin by remained power
* Time Unit is minute in the chart (34" : 34 second)
* Total time for full process can be changeable depending on the water pressure.
SpinWash 1st Deep Rinse 2nd Deep Rinse
3)
WF-T(F/C)1091~3, 1191~3T(C/H/P), T(F/C)1022,1122,1001T(C/H/P)
WF-T1268TH, 2409KTb, 2602kTa, T1491TP, T1081TP / LA-1499ST
WF-T1491TP, T11292TP, T1292TP, T1291TP, T853A, T1592TP, T1593TP, T1241TP, T1133TH
WF-G15KTB, G13KTC, B15KTB, B13KTC,
T1122TPX, T1341TP, T1342TP, T1295TP
LA-1203ST

32
4-4. ADJUSTMENT 1) BRAKE LEVER ADJUSTMENT
Motor Pulley
Clutch Pulley
2
2
1
2.0~3.5mm
P.V Link
Brake lever
Motor Pulley
Clutch lever
Brake lever
Lock net
Adjustment
screw
Clutch lever
Brake lever bar
Keep the clearance
1.9 0.1mm between
the tip of the adjustment
screw and brake lever.
• Shown as in the figure, untighten the adjustment
screw to keep clearance less than 1.9 0.1mm
between the tip and the brake lever.
And turn on the lock nut then paint it red.
CAUTION.
• Painting part is adjusted in factory, it does not
need adjusting.
• Adjust the screw properly if the brake doesn't
work during spin.
2) KEEPING CLEARANCE
• Keep the clearance about 2.0~3.5mm between
brake lever and P.V link as shown in the figure.
• Clutch pulley must be turning to one side P.V Link
is pulling the brake Lever.
• Clutch pulley must be turning to the left and the
right when P.V Linke does not pull the brake
Lever.
3) V-BELT ADJUSTMENT
• Adjust the motor pulley by pushing the motor like
arrow , to make V-belt tension parallel when
pushed at the point of arrow .
• When the V-belt is not properly adjusted, the
motor will not be running or the belt will be
slipping.
CAUTION
CAUTION
CAUTION

33
4-5. DISASSEMBLY INSTRUCTION
Be sure to unplug the power to repair and replace
electric parts.
1) Disassembly of Front Panel & PCB
Assembly
Remove two screw caps using a sharp tool and two
special screws.
Push the front panel to the left side then pull it out
Disconnect the leads from the controller
Remove 4 screw from the front panel
Remove the PCB Assembly.
Be sure to make earth connection for trouble
diagnosis and parts replacement. If impossible,
touch earth wire on the body to remove electric
deviation between the body and product before
work.
CAUTION FOR ELECTROSTATICS
Special
screw
Screw cap
Leads
PCB
Assembly
Panel

34
2) Disassembly of Back Panel, Power
Cord, Inlet Valve & BP Sensor
Remove two back panel fixing screws in the back
side.
Disassemble the back panel.
Disconnect two connectors and disassemble the
power cord.
Remove a valve fixing screw & disconnect the
leads form the inlet valve.
Remove the inlet valve.
Disconnect the leads & the pressure tube from the
BP sensor.
Remove the BP sensor.
Fuse is located in the Fuse holder.
For fuse replacement use the following rated fuse
* Rating of fuse
- 250V 6A fusing type for 220-240V product
- 125V 12A fusing type for 100-127V product
3) Disassembly of Lid Assembly, Top
Cover, Tub Cover, Pulsator & Inner Tub
Remove Q-spring & two hinge pins then
disassemble the lid assembly
Remove two top cover fixing screws in the rear
then disassemble the top cover.
Remove tub cover fixing screws then disassemble
the tub cover.
Remove the pulsator fixing screw then disassemble
the pulsator.
Remove the hub fixing nut by a special tool.
Disassemble the inner tub.
Q-spring
Hinge Pin Hinge Pin
Inlet valve ass'y
Back
panel
Fuse
Power
Cord
Fuse holder
B.P Sensor

35
4) Disassembly of Back Cover, Drain
Pump, Clutch(Transmission) & Motor
Remove back cover fixing screws then disassemble
the back cover.
Disconnect the leads and the drain hose-p from the
drain pump.
Remove the pump fixing screws then disassemble
the drain pump.
Fall down the washer for clutch & motor removal.
Remove the belt.
Disassemble the clutch.
Remove two motor fixing screws then disassemble
the motor.
5) Replacement of Damper asm
Separate top cover from washing machine.
As in the fig, lift snubber bar and take it out of out
case with out tub.
Damper assembly shall not be disassembled.
Replace damper as assembly.
For assembly, keep the following.(Location & color)
Location P/No. PIVOT(Color)
, A051 MIDDLE BLUE
, A052 WHITE
A B
CD
C
D
A
B
FRONT
Pump
fixing
screw
Leads Drain hose-p
Hub fixing nut
tub cover
inner
tub
pulsator

36
4-6. TEST RUNNING WITHOUT WATER
1) METHOD TO USE QC TEST MODE
Check method
No. Check points Start/Pause Errorr Remedy
KEY PUSH Press Load Display
1 LED Begining point Buzz once LED on all - Check pressure
and No.200 displayed S/W assembly.
Pressure Sensor LEVEL
No.264~270 is
Check connector.
(check level) displayed. Replace
controller's IC3.
2 Motor Press once Pulsator No.70~125 is Check in unload
rotates to displayed. condition.
left four
Check connector.
times and Check driving
right four part (Motor,
times. Clutch, V-belt,
Capacitor).
3 Cold water valve Press twice Cold
valve -
starts.
4 Hot water valve Press three time Hot water
Top filter of supply
valve valve is clogged
starts with dregs.
Check connector.
Check if TR3(hot)
TR4(cool) and
5 Shower valve Press four times Shower TR5(shower) are
valve
ON in load driving
starts - Part of connector
asm.
6 Check drain valve Press five times Drain valve
Check door.
ON(Turbo Door
Check drain hose
Drum). error and drain motor
.
(Buzz
Check connector.
continued)
Check TR6 in
controller asm.
7 Check the drain Press Six times Drain Pump
Check drain pump
Pump. ON
Check TR8 in
Drain Valve controller asm.
ON
Check connector.
8 Check the AUTO Press Seven times Power off LED off
OFF switch. within 1
sec.
50Hz 60Hz
Normal condition
sensor
Frequency
display
To use check program (QC test mode), power ON with water temperature and water level.
Key pressed in non-load empty water.

37
4-7. TROUBLE SHOOTING AGAINST COMMON WASHING PROBLEMS
Many washing problems involve poor soil & stain removal, residues of lint and scum,
and fabric damage. For satisfactory washing results, follow these instructions.
WASH PROBLEM
Possible Causes
Problems Solutions & Preventive Measures
• Use correct amount of detergent for load size, amount of soil and
water hardness.
• Use warm or hot water for normal soil.
Different water temperature may be required according to soil
type. (refer to page 12)
• Reduce load size.
• Wash with Jean or Soak(Turbo) & Jean wash cycle for heavy
soiled laundry.
• Separate heavily soiled items from lightly soiled ones.
• Pretreat stain and heavy soil according to directions shown on
page 11.
• Rub the stain with bar soap. Wash.
• Do not overfill fabric softener dispenser and do not pour liquid
fabric softener directly onto fabric.
See page 14 for more instructions.
• Keep the recommendations against Scrud(waxy buildup). (refer
to scrud page14.)
• Use correct amount of detergent for load size, amount of soil and
water hardness.
• To restore discolored load of whites, use rust remover safe for
fabric.
• Install nonprecipitating water softener or an iron filter in your
water supply system for an ongoing problem.
• Before washing, run water for a few minutes to clear lines.
• Wash lint givers eg towels, flannelette sheets, separately from lint
collectors eg synthetic fabrics and remove tissues in pockets
before wash. See page 11 for sorting and caring before loading.
• Do not overload the washer
• Do not overload the washer.
• Some detergents need to be pre-dissolved, check the detergent
instructions. Try pre-dissolving the detergent.
• Increase water temperature using hot water safe for fabric.
• Use proper amount of detergent.
• Never pour chlorine bleach directly on fabric.
See page 13 for adding liquid bleach.
• Fasten zippers, hooks, and buckles.
• Remove objects in pockets. See page 11 for caring before
loading.
• Do not overload the washer.
Poor soil
removal • Not enough detergent
• Wash water temperature
too low.
• Overloading the washer
• Incorrect wash cycle
• Incorrect sorting
• Do not pretreat stain
• Undiluted fabric softener
dispensed directly onto
fabric
• A buildup caused by the
interaction of fabric
softener and detergent can
flake off and mark clothes
• Not enough detergent
• Iron or manganese in
water supply, water pipes,
or water heater
• Incorrect sorting
• Tissues left in pocket
• Overloading the washer
• Overloading the washer
• Undissolved detergent
• Use too much detergent
• Incorrect use of chlorine
bleach.
• Unfastened zippers,
hooks, buckles
• Ribs, tears and broken
threads
• Overloading the washer
• Degradation of fabric
Blue Stains
Holes, tears,
or snags
Black or gray
marks on
clothes
Yellow or
brown rust
stains
Lint
Residue or
detergent

38
4-8. TROUBLE SHOOTING METHODS ACCORDING TO ERROR MESSAGE
For more detailed information for trouble shooting refer to page 38 to 49.
Error Determination Expected cause Remedy
INLET Er
lamp blinks.
Water supply doesn't
reach set level within
60 minutes.
DRAIN Er
lamp blinks.
When drain is not
finished within 12
minutes at drain
course.
1. Locked or frozen water tap. • Open water tappet for water
supply.
2. Obstructed water supply. • Wash at supply condition.
3. Top filter of supply valve is
clogged with dregs. • Clean or chunge filter.
4. Connector of supply valve is
disassembleed or wrongly
contacted.
• Reconnect connector or
adjust wrong contact.
5. Yellow 2 pin connector of
controller ASM is
disassembled or wrongly
contacted.
• Reconnect connector and
adjust wrong contact.
6. TR3 (hot), TR4 (cool), TR5
(shower) are not ON at load
drive part of controller ASM.
7. Drain hose is not
hung up.(Pump Model)
6. Wrong drain pump.
(Pump Model)
7. Drain hose is hung up highly
(over 1.3m)
• Check load drive parts of
TR3, TR4 and TR5, and
replace related parts.
• Hung up drain hose.
• Check drain pump.
• Hang up drain hose properly
(0.9~1.3m high)
1.Drain hose is not put down
(Non Pump Model) • Put down drain hose properly.
(0.9~1.3m high)
2. Drain hose is bent or
clogged (Frozen or clogged
with dregs). • Clean clogged drain hose.
3. Connector of drain motor or
white 2 pin connector of
controller ASM is
disassembleed or wrongly
contacted.
• Reconnect connector and
adjust wrong contact.
4. Wrong drain motor (As AC
220V is applied to both ends
of drain motor, the link
opens the drain valve.)
• Replace drain motor.
5. TR8 is not ON at load drive
part of controller ASM. • Check load drive part of TR8.
Replace related parts.

39
Error Determination Expected cause Remedy
SPIN Er
lamp blinks.
Unbalanced water for
spin procedure.
DOOR Er
lamp blinks and
continuous
buzz
Opened lid during
washing procedure.
(wash, rinse and spin)
Opened lid during
delay finish program.
displayed.
displayed.
Frequency generated
by recognizing water
level at pressure
switch is out of
reference value (below
15kHz)
Frequency generated
by recognizing water
level at pressure switch
is out of reference
value (below 22KHz)
1. Water is partially filled in
inner tub asm. • Fill water evenly into inner tub
asm.(horizontally)
2. Machine is slopped (Check
drop position of leveller). • Adjust machine height
horizontally.
3. Safety switch is too closer to
inner tub asm or safety
switch contacted wrongly.
4. Is the CONNECTOR of Ball
Pressure Sensor
disconnected or badly
touched?
• Check and replace safety
switch.
• Check B.P SENSOR
CONNECTOR or replace B.P
sensor
1. Lid is opened during all
washing procedure. • Close lid.
2. Lid is opened during
reservation program. • Close lid.
3. Connector of safety switch
or violet (VI) 2 pin of
controller asm is
disassembled or left wrong
contact.
• Connect connector again or
adjust wrong contact.
4. The safety switch is wrong.
(It is ON in case of the lid
closed.)
5. Ball Pressure Sensor is bad
or bad contact.
• Check and replace safety
switch.
• Check and replace Ball
Pressure Sensor.
1. The connector of Ball
Pressure Sensor (Pressure
Switch) or the blue 3 pin
connector of the controller
ASM is disassembled or
connected wrongly.
• Connect connector again and
adjust wrong contact.
2. Wrong Ball Pressure Sensor
(Pressure Switch).
1. Defect of inlet valve.
2. Defect of PWB asm.
• Replace Ball Pressure
Sensor (Pressure Switch).
• Replace the inlet valve.
• Replace the PWB asm.
3. Wrong controller asm. • Replace controller asm.

40
4-9. HOW TO DIAGNOSE AND REPAIR BY SYMPTOM
1) Washer is not energized.
Where, what & how to check? Result of Check Possible Cause How to repair & settle
Household Power supply
1. Check whether connection between
the plug and the electrical is poor
2. Measure voltage of the electrical.
Wiring of the Washer
1. Measure resistance between both
ends of the power supply cord with
both the plug pins short-circuited.
2. Check whether every connector in
the bundle of connectors has a
good connection.
3. Check resistance of every wire to
find out a open wire.
Electrical component
1. Check resistance with power relay
switch turned on
2. Check the secondary voltage of the
transfomer.
3. Measure resistance to check
whether the T.P of the motor is
blown out.
4. Check whether the fuse is open.
Controller
If there are no defects in the above,
it should be defect of the controller.
If supply voltage is 120% higher than
rating the varistar in the controller may
be broken. Check supply voltage.
Poor
Around rating
0V
Less than 1
Male & female
connectors
separated
Less than 0.5
More than 1.0
10~14V
0V
motor is hot
Open
Over 120%
voltage than
rating check
Defect of the
electrical
No defect
Defect of household
power supply
No defect
Open circuit of the
power supply cord
Poor connection.
Wire is opened.
No defect
Poor contact
No defect
Coil is open
T.P blown out
Defect of the fuse
Change the
electrical
.
Call for power supply
company
Change the power
supply cord.
Remove the cause to
give strain and
reconnect them.
Change the lead wire.
Change the Auto Off
Switch
Change the
transfomerformer
.
Remove cause to
overload the motor
Change the fuse.
CAUTION
Check the fuse rating
AC100~127V:125V 12A
AC220~240V:250V 6A
Change the controller
if all the electrical parts
have no defects.

41
2) Defects on displaying function
Where, what & how to check? Result of Check Possible Cause How to repair & settle
Main voltage
1. Measure mains voltage at the wall
outlet
2. Meaure voltage at the extended
outlet that the washer is plugged in
if the extended outlet is used and
voltage at the electrical outlet
is normal in the above.
Transfomer
1. Measure the secondary voltage of
the transfomer.
Controller
1. Defect of LED.
2. Defect of LED driving circuit.
3. Defect of micom.
Less than 85%
of the rating.
Less than 85%
of the rating
Less than
AC 10V
Low voltage.
The dia of the lead
wire is smaller or
many loads are
connected at the
same outlet
Defect of the
transfomer.
Defect of controller.
To explain that it is
caused by low voltage in
electric supply and
recommend using a
transfomer if voltage has
been continuously low.
To use a transfomer
having a enough
capacity if using
a transfomer.
Change the controller.
Change the controller.
3) Reset During operation
Where, what & how to check? Result of Check Possible Cause How to repair & settle
Mains Voltage
1. Measure voltage of the outlet that the
washer is plugged into during wash and
spin.
2. Reset symptom happens at specific
time zone repeatedly.
3. Check whether a transfomerlent
power cut happens.
(Fluorescent lamp is
transfomeriently blinked.)
Less than
80% of the rating. Mains voltage is too
low or size of a lead
wire is too small.
External noise
inrushed.
Explain that it is caused
by low voltage in electric
mains and recommend
using a suitable size of
leads.
Explain it is caused by
using environment.
(It happens when
equipment with high
frequency is used
around)
Explain it is a problem of
electric supply
environment.

42
4) Water doesn’t come into the wash tub.
Where, what & how to check? Result of Check Possible Cause How to repair & settle
Inlet Valve
1. If water doesn’t come though the
inlet valve works(electric sound
occurs)
1) Check whether water mains is cut.
2) Check whether tabs are turned on.
3) Hot & cold tab are opposite
connected.
4) Wrongly select water temperature
option.
5) If there are no problems in the
above, check the inlet valve filters
after disconnecting the water supply
hoses.
6) If there are no problems in the
above a diaphragm hole in the valve
is blocked by foreign substance or
the plunger in it is locked.
2. If the inlet valve doesn’t work(there
is no electric sound)during filling
cycle.
1) Check whether it’s connectors are
taken off or they have poor
connection.
2) Check resistance of the inlet valve.
Water mains cut.
Don’t tumed on.
Connected
opposite.
Selected
opposite.
Filters blocked
by foreign
substance.
A connector is
taken off.
Mains cut.
Mistake of use.
Wrong installation.
Mistake of use.
Don’t clean.
Defect of the
inlet valve.
Defect of contact.
Coil is open
Explain.
Turn on the tap.
Correct their locations
and turn on the tap.
Explain how to use.
Clean them by brush
and explain cleaning
regulary them.
Change the inlet valve.
Reconnect it or remove
the causes to make poor
connection.
Change the inlet valve.
Where, what & how to check? Result of Check Possible Cause How to repair & settle
Drain Motor
1. Operate washer setting spin only,
then press the start/pause button
when the wash motor starts to work
and then press the start/pause
button again in order for the drain
motor to work intermittently.
Controller
1. If mains voltage and the drain motor
have no defects a defect of the
controller is highly possible.
Reset happens
after the drain
motor works.
Defect of the drain
motor (A noise
generated when the
internal relay
works.)
Change the drain motor
Change the controller.
3) Reset during operation

43
4) Water doesn’t come into the wash bowl.
5) Water fills continuously or intermittently.
Where, what & how to check? Result of Check Possible Cause How to repair & settle
Wrong Installation/Leakage
1. Check whether the drain hose is
laying down on the floor.
(For pump model)
2. Check where water leaks.
Ball Pressure Sensor
(Pressure Switch)
1. Check the pulsator is rotating when
water fills continuously.
2. If there is no defect in the Ball
Pressure Sensor(Pressure Switch),
check whether the air hole of the outer
tub is blocked.
Inlet Valve
1. Does water fills even though it is not
energized (power is off)?
Controller
1. Does water fill immediately after the
power switch turns on before pushing
the start/pause button.
Drain hose
laying down.
Water leaks
from a part.
It doesn’t
rotate.
Blocked.
Water fills.
Wrong installation.
Defect of the part.
Water pressure is not
sensed.
Air hole blocked.
Defect of the inlet
valve.
Short circuit of the
triac of the
controller.
The drain hose should be
hung on the
stand-pipe or the tub.
Change the part.
Repair it.
Check the tube of the
Ball Pressure Sensor
(Pressure Switch), it is
bent or blocked, repair
that.
Repair the blocked hole.
Change the inlet valve.
Change the controller.
Where, what & how to check? Result of Check Possible Cause How to repair & settle
Ball Pressure Sensor
(Pressure Switch)
1. Is there PE error on the display
which means Ball Pressure Senosr
(Pressure Switch) error
2. Check frequency of the Ball
Pressure Sensor(Pressure Switch)
without load if wash is proceeding
without filling.
Controller
1. Defect of controller is highly possible
if inlet valve and Ball Pressure
Sensor have no defects in the
above.
Reconnect the connector
or change leads. Change
the Ball Pressure Sensor
(Pressure Switch)
if coil is open.
Change the
Ball Pressure Sensor
(Pressure Switch).
Change the controller.
PE Error
displayed.
Less then
26.2
Connector is taken
off, or lead or coil is
open.
Defect of the Ball
Pressure Sensor
(Pressure Switch)

44
6) Pulsator doesn’t rotate normally.
Where, what & how to check? Result of Check Possible Cause How to repair & settle
Pulsator rotates at one
direction.
1. The Pulsator rotates normally at the
beginning of wash cycle, but is it not
rotate at clockwise direction (locked)
after some wash cycles though there
is motor-working sound?
2. In the case the pulsator doesn’t
rotates either clockwise or
counterclockwise from the beginning
of wash cycle:
1) Check resistance of the wash
motor if there is nomotor-working
sound.
2) Check belt tension & whether the
clutch rotates normally if there is
motor-working sound.
3. The pulsator doesn’t rotate at both
directions.
1) Check whether motor rotates at
both directions if there is motor-
working sound when it’s
energized.
2) Check resistance of the motor if
there is no motor-working sound.
Clockwise
rotation locked.
Resistance
is normal.
V-belt is loose.
Clutch locked.
Motor rotates
at both
directions.
Motor doesn’t
rotates at both
directions.
Normal
resistance.
Unusual operation.
Defect of
controller or poor
contact of
connectors of
motor leads.
Loose the belt.
Defect of the
clutch.
Loose the belt.
The plusator
locked.
Defect of the
clutch.
Defect of the
capacitor.(check
the capacitor’s
capacitance)
Defect of the
motor.
Motor coil is open.
Contact defect of
the leads.
Turn the power off
and on again then that
symptom disappears.
Explain “Don’t run wash
only continuously”.
Change the controller if
there are no contact
defects in the leads of
the motor.
Adjust belt tension by
changing motor fixing
location and change the
belt if it is impossible to
adjust belt tension.
Change the clutch if the
clutch pulley is locked
when making it rotated
clockwise and
counterclockwise by
hand.
Adjust belt tension or
change the belt if it is
impossible to adjust.
Remove cause
locking the pulsator
Change the clutch.
Change the motor if the
motor is locked when
having its shaft rotated
by hand.
Change the capacitor if
there is no contact defect
in capacitor’s lead
Change the motor.
Remove the causes.

45
6) Pulsator doesn’t rotate normally.
Where, what & how to check? Result of Check Possible Cause How to repair & settle
4. Pulsator weakly rotates.
1) Check voltage at the power outlet
where the washer is plugged into.
2) Check capacitance of the
capacitor.
Less than 85%
of rating.
Indicating
needle rises and
immediately
indicates
The needle is
stopped after it
is raised.
The needle
doesn’t move.
Lower voltage.
Capacitor is
normal.
Lack of
capacitance of the
capacitor.
Capacitor is fully
discharged.
Explain the causes and a
transfomer should be
used if necessary.
Change the capacitor.
Change the capacitor.
7) Water does not drain.
Where, what & how to check? Result of Check Possible Cause How to repair & settle
Drain Pump
1. Check whether there is drain pump
working sound.
2. Check resistance between terminals
if there is no working sound of the
drain pump.
3. Check connection parts of the leads
if there is no working sound and its
resistance is normal.
Drain Hose
1. Check whether the drain hose is put
in a narrow space and kinked.
2. Check whether the internal drain
rubber asm is bent.(For Non-pump
model)
3. Check whether the end of the drain
hose submerged into water or
higher than required.
(For non-pump model)
There is pump
working sound.
Defect in
connection part.
Connection part
has no defects.
Kinked.
Bent.
Submerged or
higher than
required.
Drain pump is
blocked by foreign
objects.
It’s coil is open.
Defect in
connection part.
Defect of the
controller.
Defect of
installation.
Defect of the drain
rubber asm.
Defect of
installation.
Disassemble the drain
pump cap and remove
the foreign objects in the
pump casing.
Change the drain pump.
Repair defected
connection.
Change the controller.
Reinstall so that it should
not be kinked.
Change the drain rubber
asm.
Re-install so that it can’t
be submerged or not
higher than required.

46
7) Water does not drain.
Where, what & how to check? Result of Check Possible Cause How to repair & settle
4. Check whether the drain hose is
blocked by foreign objects. It may
happen in case of the hose is a little
kinked.
PV Case
(for Non-Pump Model only)
1. Check whether the PV asm is
blocked by foreign objects.
Drain Motor
(For Non-Pump Model only)
1. Check resistance of the drain
motor if it can not pull the PV link.
Blocked.
Blocked.
Resistance is
normal.
Blocked hose.
Drain motor coil is
open.
Contact defect in
connection parts
or defect of the
controller.
Remove the objects and
reinstall so that it can’t
be kinked.
Separate the drain motor
from the PV link,
disassemble PV cover
and then remove the
foreign objects within
PV case.
Check the washer works
normally after repair
and reassembling them.
(PV link & drain motor
lever should be
assembled accuratel.)
Change the drain motor
Check the washer
works normally after
reassembling.
(PV link & drain motor
lever should be
assembled accurately.)
Change the controller if
there is no defects in the
connection parts.

47
8) Water drains though it is not the time of drain.
Where, what & how to check? Result of Check Possible Cause How to repair & settle
Drain Motor
(for Non-Pump Model only)
1. Check whether the drain motor is
normally returned after turning
power off.
(It is considered normal if the lever
of the drain motor is fully pulled out
by the PV spring)
PV Case
1. If water drains though the drain
motor is normally returned, check
whether PV asm is blocked by
foreign objects or the bellows in
the PV asm is deformed.
Controller
1. Check whether the drain motor or
the drain pump works immediately
after power is turned on.
Blocked.
Blocked.
Bellows
deformed.
Works.
Defect of the drain
motor.
Defect of PV
Bellows.
Defect of the
controller(Triac
defect)
Change the drain motor.
Remove the objects in
the PV asm.
Change the PV bellows.
(The bellows may swell
up if it contact petroleum
or petrochemical
substance because it is
made of rubber)
Change the controller.
9) Drain error happens while water drains normally.
Where, what & how to check? Result of Check Possible Cause How to repair & settle
Ball Pressure Sensor
(Pressure Switch)
1. Check generation frequency of the
Ball Pressure Sensor
(Pressure Switch) without water.
Less than
26.3 kHz
26.3~27.1 kHz
Defect of the
Ball Pressure
Sensor(Pressure
Switch).
Defect of the
controller.
Change the Ball
Pressure Sensor
(Pressure Swtich)
Change the controller.

48
10) Spin extraction is not proceeded.
Where, what & how to check? Result of Check Possible Cause How to repair & settle
Motor
1. In the case that the wash motor does not
spin during spin extraction;
1) Check there is motor working
sound,or
2) If there is no motor-working
sound;
Check frequency of the
Ball Pressure Sensor (Pressure
Switch), under no load, or
Check contact defect of the safety
switch, defect of connection parts
and whether the lid is open if door
error is displayed.
Is placed the magnetic in Lid-B.
Check resistance of the motor.
Drain Motor/Clutch
1. In the case the motor rotates but the
inner tub does not rotates;
1) Check resistance of the drain
motor if the drain motor doesn’t
work,or
2) Check gap between the PV link
and the brake lever if the inner
tub does not rotates while the
drain motor works.
There is motor
working sound.
Less than
26.3
The lid is open
Defect of
connection part.
The lid is open.
Defect of magnetic in
LID-B
Contact defect of
the Ball Pressure
Sensor(Safety
Switch)
Resistance is
normal
The clearance is
less than 2.0mmor
more then 3.5mm
The gap is normal
(2.0~3.5mm)
Defect of the
capacitor or
Mechanically
locked.
Defect of the
Ball Pressure
Sensor (Pressure
Switch).
Mistake in use.
Mistake in use.
Coil is open.
Coil is open.
Defect of
connection part or
defect of the
controller.
Assembling defect
of the drain motor or
the clutch
Defect of the clutch.
Change the capacitor
after checking defect of
capacitor.
check whether the
washing clutch or the
washing tub is blocked
if the motor rotates after
removing the V-belt.
Check whether the
motor is locked if the
motor does not rotates
even though the V-belt
being removed.
Change the Ball Pressure
Sensor(Pressure Switch).
Explain “The lid is close
during operation”
Reconnect the conncetors.
Explain“The lid is close
during operation”
Change the Lid-B
Change the Ball Pressure
Sensor(Safety Switch).
Change the motor.
Change the drain motor.
Change the controller after
checking connection parts.
Reassemble the drain
motor or the clutch to
keep the clearance.
Change the clutch.

49
11) Spining is going on even though the lid is open.
Where, what & how to check? Result of Check Possible Cause How to repair & settle
Safety Switch
1. Check resistance between both
terminals of the safety switch with
the lid open.
Ball Pressure Sensor
1. Is placed the magnetic on the wash?
0~9Ω
∞Ω
Yes
No
Contact points of
the safety switch
are welded.
Defect of the
controller.
Reed S/W is short
by magnetic on
the washer.
Reed Switch.
Change the Safety
Switch
Change the controller
Keep magnet away from
the washer.
Change the controller.
12) Spin basket doesn’t reach to full speed(normal rpm)
Where, what & how to check? Result of Check Possible Cause How to repair & settle
Main voltage
1. Check voltage at the power outlet
where the washer is plugged into.
Starting Capacitor
1. Check the capacitance of the
starting capacitor.
Clutch Assembling
1. Check the clearance between the
PV link and the brake lever and
clearance between the clutch lever
and the adjustment bolt.
Blocked by foreign objects
1. Check whether the PV asm, the
drain pump & the drain hose are
blocked by foreign objects so that it
makes water-splashing noise in the
tub.
Less than
85% of rating
Lack of
capacitance
The clearance is
less than 2.0
mm
or more than 3.5
mm
Bolt clearance is
out of range
1.9 0.1mm
Tool low voltage
Defect of
capacitor
Defect of the
clutch
Explain the cause and
recommend using a
transfomerformer if
necessary.
Change the capacitor
Adjust PV lever bolt and
paint it red.
Reassemble the drain
motor or the clutch.
Adjust the bolt
clearance.
Remove the foreign
objects.

50
13) Vibration, Noise or Unbalance Error happens during spin.
Where, what & how to check? Result of Check Possible Cause How to repair & settle
Using conditions such as
installation etc.
1. Check whether the washer is
leveled. (Check clearance with out
tub and out case the left gap is the
same as the right and the rear gap is
1.5~2 time bigger than the front gap,
between the cabinet and the wash
bowl, when it is leveled.)
2. Check whether laundry in the wash
bowl is out of balance that can
cause severe vibration & noise.
3. Check whether the pulsator doesn’t
rotate during spin.(To check that,
remove the front lid and than run the
spin only cycle.)
Safety Switch
1. Check whether the lever of the
safety switch touchs the outer tub if
touching noise happens.
Damper
1. Check whether the outer tub cover
hit the top cover without load
during spin.
Not leveled.
Laundry is
unbalanced.
The pulsator
rotates initially
then the inner tub
rotates.
The lever is
bented
Hit
Defect of
installation
Defect of the
clutch
Defect of the
safety switch
Defect of the
damper
Level the washer.
Explain that it is not out
of order and it may
happen when big & long
laundry is washed.
Change the clutch
spring-B or the clutch
asm.
Change the safety
switch.
Don’t repair and reuse it
because it creates
another problem if it is
wrongly repaired.
Change four dampers
simultaneously.
(In assembling, check
the position to damper
asm)
It is very important to find out what kinds of noise & where comes from to settle
noise during spin and accumulately service experiance.

51
14) Power is automatically turned off during operation or immediately
turning on the power switch.
Where, what & how to check? Result of Check Possible Cause How to repair & settle
Main voltage
1. It is mostly caused by noise from
mains or transfomerient power cut.
Auto Off switch or
Controller
1.Check whether power is
automatically turned off when
turning on the auto off switch after
unplugging the power cord from the
outlet
2. It would be defect of the controller if
power is automatically turned off
immediately when turning on the
power switch even though there is
no defects in the auto off switch.
Automatically
turned off
Defect in main.
Mechanical defect
of the auto off
switch.
Explain the cause.
(It happens specially
when a high frequency
equipment is a used
around the washer or in
the case voltage
fluctuation is big)
Change the auto off
switch.
Change the controller.

52
5. EXPLODED VIEW
TUB
ASSEMBLY
TOP COVER
ASSEMBLY
OUT CASE
ASSEMBLY

53
5-1. THE EXPLODED VIEW OF TOP COVER ASSEMBLY
A210
A010
A330
A160
A201
A202
A220
A230
A100 A 120
A240
A060
A110
A026
A020
A030
A200
A050
A040
A023
A273
A274
HOT(ORANGE)
COLD(BLUE)
A271
A272
A275
A276
A277
HOT(ORANGE)
COLD(BLUE)
A270
HOT(ORANGE)
COLD(BLUE)
A180
A190
A150

54
5-2. THE EXPLODED VIEW OF OUT CASE ASSEMBLY
F020
F080
F070
F027
F024
F090
F100
F001
F050
F000
F010
For Non-Pump
For Pump

55
5-3. THE EXPLODED VIEW OF TUB ASSEMBLY
K000
K090
K010
K022
K024
K023
K020
K101
K102
K170
K180
K064
K130
K280 K190
K120
K011
K012
K027
K021
K025
K028
K063
K201
K200
K210
K220
K250
K230
K040
K050
K061
K030
K110
K060
K100
K062
K270
BLUE
NATURAL
K150
K140
K160
or
For Non-Pump
For Non-Pump
For Non-Pump
For Pump
For Pump
: Non-service part
K271
K272
K273
K274
K275
K276
K277
K278
K260
K263
K262
K261
or