WB1826
2017-08-18
: Wb1826 wb1826 images 677 p4dbimg
Open the PDF directly: View PDF
.
Page Count: 4

1
Installation Instructions for
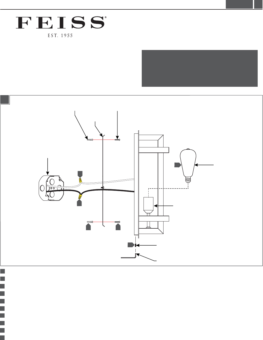
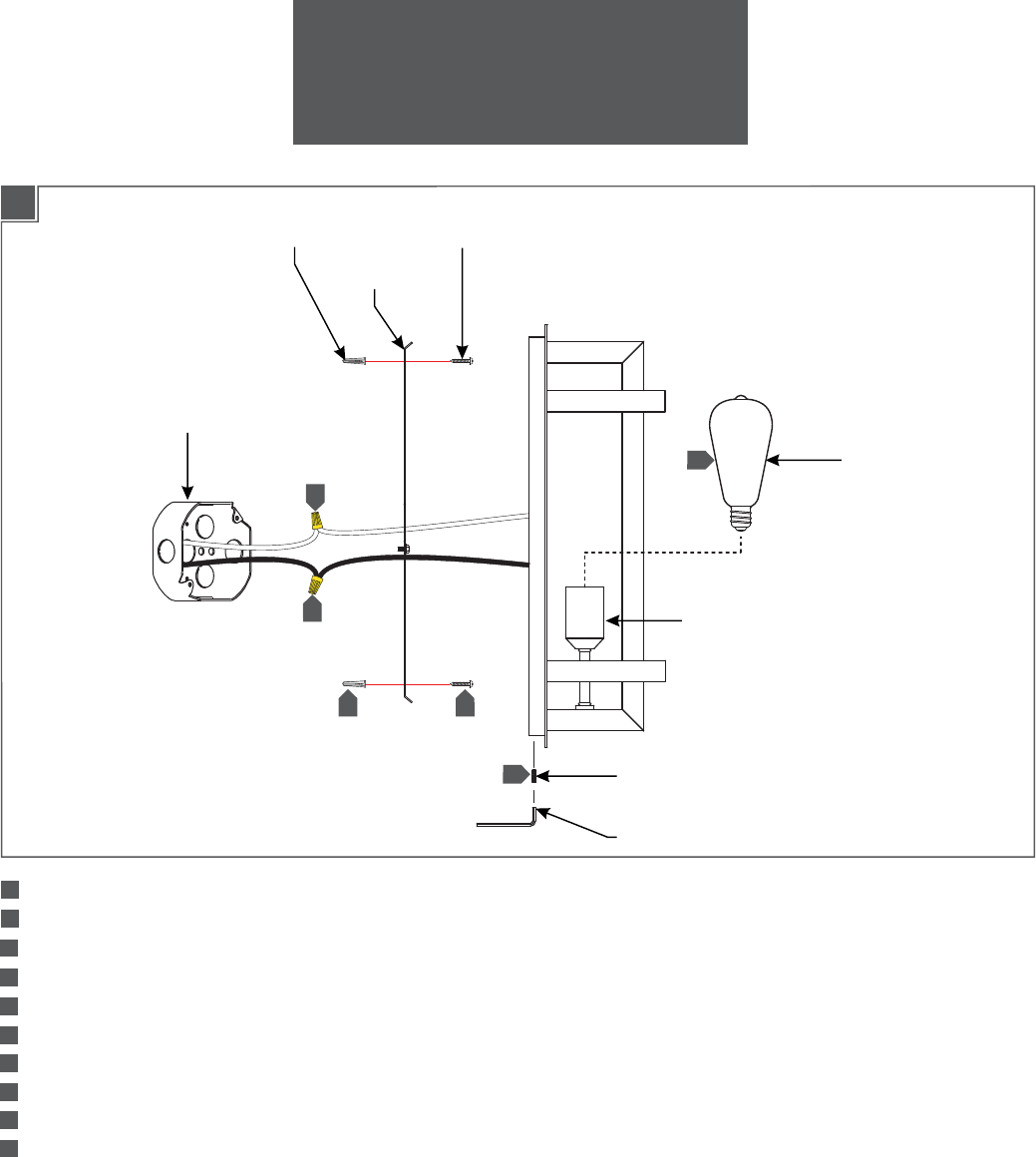
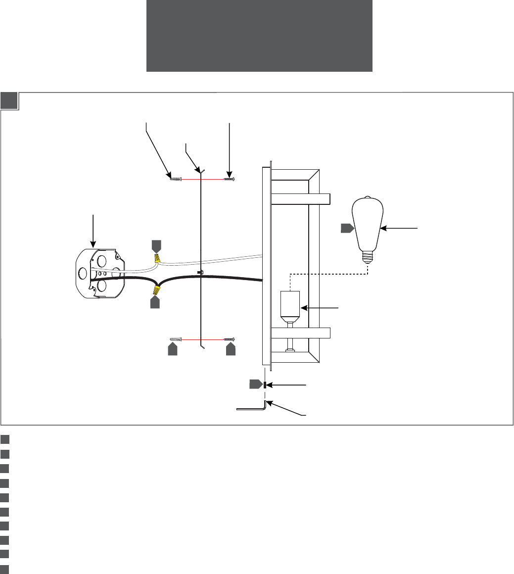
Temporarily install the mounting plate to the junction box.
Mark the anchor hole locations on the mounting plate and remove the mounting plate.
Drill appropriate size holes at the marked locations and install the anchors.
Secure the mounting plate to the junction box.
Screw the anchor screws into the anchors.
Screw the lamp into the socket. Refer to the label on the socket for Max Wattage Information.
Connect the fixture ground wire to a suitable ground in accordance to local electrical codes.
Connect the white fixture wire to the neutral power line wire with a wire nut.
Connect the black fixture wire to the hot power line wire with a wire nut.
Mount the fixture base onto the mounting plate and secure it with the set screw using an Allen wrench.
1
2
3
4
5
Finnegan Wall
1.0
W 1826B
W 1826B
Wall
CAUTION RISK OF FIRE-
This product must be installed in accordance with the
applicable installation code by a person familiar with the
construction and operation of the product and the hazards
involved.
Use minimum 90°c supply conductors.
6
7
8
9
10
GP I :ENERAL RODUCT NFORMATION
These fixtures are intended to be installed utilizing compliant junctionNEC
boxes.
This product is safety listed for damp locations.
Incandescent lamps may be dimmed with a standard incandescent dimmer.
LED LEDlamps may be dimmed with a dimmer. Consult lamp manufacturer for
additional information.
1A
JUNCTION BOX
ANCHOR
MOUNTING
PLATE
8
9
3
ANCHOR
SCREW
ALLEN KEY
SET SCREW
5
10
LAMP
SOCKET
6

1A
3 5
6AMPOULE
VIS ALLEN
2
Installer temporairement la plaque de montage à la boîte de jonction.
Marquer les emplacements des trous d'ancre sur la plaque de montage et enlever la plaque de montage.
Percer des trous de la taille appropriée aux emplacements marqués et installez les ancres.
Fixez la plaque de montage à la boîte de jonction.
Visser les vis d'ancres dans l’ancres.
Visser l’ampoule dans la douille. Reportez-vous à l'étiquette sur la prise de courant pour les informations relatives au débit max.
Connectez le fil de terre de luminaire à un terrain approprié conformément aux codes électriques locaux.
Connectez le fil blanc de luminaire au fil de la ligne d'alimentation neutre avec un écrou de fil.
Connectez le fil noir de luminaire au fil de la ligne d'alimentation chaude avec un écrou de fil.
Montez la base de luminaire sur la plaque de montage et le fixer avec la vis de réglage à l'aide d'une clé Allen.
BOÎTE DE
JONCTION
MISE EN GARDE RISQUE INCENDIE-D'
Ce produit doit être installé selon le code d’installation
pertinent , par une personne qui connaÎt bien le produit et
son fonctionnement ainsi que les risques inhérents
Les fils d’alimentation doivent
convenir pour 90°c.
ANCRE
1
2
3
4
5
6
7
8
9
10
PLAQUE
DE MONTAGE
VIS DE
ANCRE
DOUILLE
CLÉ ALLEN
8
9
10

1A
3 5
6
LLAVE ALLEN
TORNILLO DE FIJACIÓN
3
Instalar temporalmente la placa de montaje a la caja de juntura.
Marque las ubicaciones de los orificios de anclaje en la placa de montaje y retire la placa de montaje.
Taladro agujeros de tamaño apropiado en los lugares marcados y instalar los anclajes.
Fije la placa de montaje a la caja de junctura.
Atornille los tornillos de anclaje en los anclajes.
Enrosque la bombilla en el enchufe. Consulte la etiqueta en el zócalo para obtener información de potencia máxima.
Conecte el cable de tierra de la lámpara a un terreno adecuado, de acuerdo con los códigos eléctricos locales.
Conecte el cable blanco de la lámpara al cable de línea de energía neutra con una tuerca para cable.
Conecte el cable negro de la lámpara al cable de línea eléctrica caliente con una tuerca para cable.
Monte la base de la lámpara en la placa de montaje y fijarlo con el tornillo de fijación con una llave Allen.
CAJA DE
JUNCTURA
ADVERTENCIA RIESGO DE INCENDIO-
Este productor debe ser instalado segun el codigo de
instalacion aplicable por una persona que conozca la
constussion y el funcionamiento del producto y los riesgos
que supone.
Conductores de alimentacion 90°c Min.
2
3
4
5
6
7
8
9
10
BOMBILLA
PLACA
DE MONTAJE
1
ENCHUFE
TORNILLO DEL
ANCLAJE
ANCLAJE
8
9
10

SAVETHESE INSTRUCTIONS!
4
7400 Linder Ave, Skokie, 160077IL
800.969.3347
www.Feiss.com
© 2017 Feiss.All rights reserved.The "Feiss" graphic is a
registered trademark of Feiss. Feiss reserves the right to
change specifications for product improvements without notification.
A Generation Brands Company