Weller Part 1 Parts Catalog
User Manual: Weller Parts Catalog
Open the PDF directly: View PDF .
Page Count: 108 [warning: Documents this large are best viewed by clicking the View PDF Link!]

AG75
AG700
AG701
AG701S
C1C
D550
D650
DEC1001
DS58
DS59
DS100
DS200
DS500
DS500E
DS600
DS700M
DS800
DS1000/ESD
DS2000/ESD
DTL1000
EC1001/EC2001
EC1002-O
EC1002S-O
EC1201A/P/PESD
EC1201AFE
EC1301/ESD
EC1301R
EC1302
EC1302A
EC1503
EC1503A
EC2000 (EC2002A)
EC2000 (EC2002B)
EC2002-O
EC2002M-O
EC3000/EC4000/EC3000ESD/
EC4000ESD
EC3001/EC3001ESD
EC4001/EC4001ESD
GEC120
HAP 701
HYC3000
MC5000
MC5001
MT1000
MT1500
P1
PSI100
TC201-FE
TCP12P/TCP24P
W60P-W100P
WA2000
WAX1
WCC100
WHA1000
WHA2000
WLC100
WLC200
WP25/30/35
WP40S/60S/60H/100S
WPA2
WRS1000
WRS3000
WST2
WST20
WSTA3
WT50
WTCPN
WTCPR
WTCPS
WTCPT
WTLE
WTLE/ESD
WTL24
WTL120
WTL1000
WTT1000
7200
8200
1095
2110S/T
2024
4024
4088AS
4098AS
4624
4924
5088AS
5098AS
6966C
6970
921ZX1
9300 Series
9900AS
DI Series
Imperial Series
Standard Series (Handles)
Standard Series (Heating Elements)
UTC100/200/200HC/300
Weller®/Ungar®
Weller®Ungar®
IMPORTANT NOTE
Just click on the
item you want
Go To Table Of Contents

Replacement Parts
When ordering parts from your original supplier,
be sure you mention the
product model number and the part number
of the replacement part.
Should your equipment require repair or adjustment,
it may be sent to:
CooperTools - Weller Plant
815 State Road
Cheraw, S.C. 29520
Attn.: Repair Department
Tel: (803) 537-5167 Ext. 237
or
Tel: (800) 476-3030 Ext. 2
FAX: (803) 537-0952
For Technical Service:
Tel: (803) 537-5167 Ext.'s 214 or 322
or
Tel: (800) 476-3030 Ext. 1
FAX: (803) 537-0952
Go To Table Of Contents

Warranty
CooperTools warrants the Weller and Ungar soldering stations, desoldering
stations (excluding soldering and desoldering tips), soldering guns, non-
temperature controlled soldering irons manufactured by CooperTools will be
free from defects in material and workmanship for a period of 12 months from
date of purchase. This warranty does not include damage resulting from
accident, misuse of the product, or any alterations of the product (use of a
non-Weller component).
Return the complete product prepaid to The Repair Department, Weller/Wire-
Wrap, State Road, Cheraw, S.C., 29520. Please include the following infor-
mation: description of the problem, approximate date of purchase, your
name, address and telephone number.
In no event shall CooperTools be liable for incidental or consequential dam-
ages. CooperTools' liability for any claims arising out of this warranty shall
not exceed the purchase price of the product.
Some states do not allow the exclusion or limitation of incidental or conse-
quential damages, so the above limitation or exclusion may not apply to you.
Some states do not allow limitation on how long an implied warranty lasts, so
the above limitation may not apply to you.
Go To Table Of Contents

AG75
Electronically Controlled Hot Air System
Go To Table Of Contents

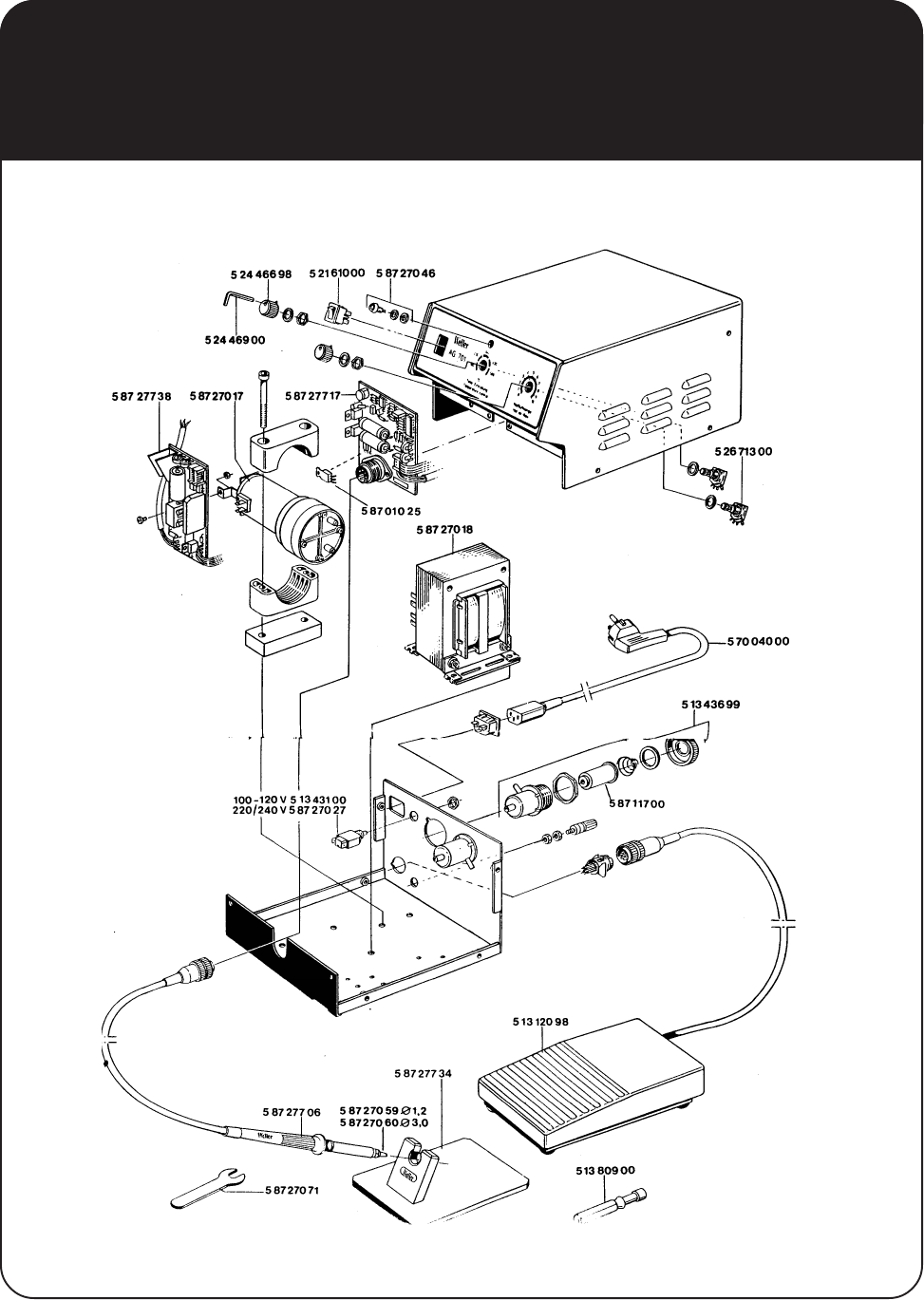
AG700
Hot Air System
Item Part Suggested
No. No. Description Resale
1 51312099 Foot Pedal .....................................................
2 51343699 Silencer .........................................................
3 51353500 Glue Diode .....................................................
4 51361200 Tube-Inside ....................................................
5 51365000 Transformer 220V ...........................................
6 52161000 On/Off Switch .................................................
7 52446698 Knob ..............................................................
8 52446900 Allen Hex Key .................................................
9 92671300 Potentiometer .................................................
10 52710099 Set Stainless Steel Tubes ...............................
11 52715099 Hot Air Pencil .................................................
12 52725498 Connection Part .............................................
13 52734900 Socket for Circuit Board ..................................
14 52735098 Circuit Board-Heating .....................................
15 52735198 Circuit Board-Speed .......................................
16 52872298 Pump .............................................................
17 57004000 Mains-Cord ....................................................
18 58704714 Holder ...........................................................
19 58711006 Locking Cap ..................................................
20 58711700 Filter-Cartridge .............................................
58709004 Regulating Valve ............................................
58709700 Magnetic Valve ..............................................
51357098 Holding Plate .................................................
51364100 Distance Bolt .................................................
58709701 Connecting Tube ............................................
58709706 Cord ..............................................................
SEE ILLUSTRATION ON NEXT PAGE
Go To Table Of Contents

AG700
Hot Air System (cont.)
Go To Table Of Contents

AG 701
AG701
Go To Table Of Contents

AG 701S
AG701S
Go To Table Of Contents

Portasol
C1C
Butane Gas Powered Soldering Tool
Go To Table Of Contents

D550
Professional Soldering Gun
6150
Go To Table Of Contents

D650
Industrial Soldering Gun
Go To Table Of Contents

12
14
15
16
DEC1001
Dual Electronically Controlled Soldering Station
ITEM NO. PART NO. DESCRIPTION ITEM NO. PART NO. DESCRIPTION
1 DEC1001 Dual Power Unit
o
F 120 Vac W/ Stand Ass'y 11 PH1301ESD Iron Stand Assembly (EC1302A Iron)
2 DEC1001D Dual Power Unit
o
C 240 Vac W/ Stand Ass'y 12 PH1503 Iron Stand Assembly (EC1503A Iron)
3 EC213 Receptacle Kit 13 TC204 Spring & Funnel Assembly (EC1201A Iron)
4 EC257 Control Board 14 IH225EC Spring & Funnel Assembly (EC1302A Iron)
5 TR232 Transformer 120 Vac 15 EC254 Spring & Funnel Assembly (EC1503A Iron)
6 TR233 Transformer 240 Vac 16 TC205 Sponge
7 SW110 Switch
8 FP2 Fuse 1.0A 120 Vac 1/4"D. x 1 1/4"L.
9 F147 Fuse 0.5A 240 Vac 5mm Dia. x 20mm Lg.
10 PH1201ESD Iron Stand Assembly (EC1201A Iron)
Go To Table Of Contents

DS58
Desoldering Pencil
ITEM NO. PART NO. DESCRIPTION ITEM NO. PART NO. DESCRIPTION
1 5039 Tip Retainer Assembly 11 5043 Vacuum Tube (Secondary Filter To Base)
2 Tip 12 2047 Secondary Filter
3 5040 Heater Assembly W/ Heat Shield 13 5044 Cordset Assembly
4 5048 Handle Halves W/ Button & Screws 14 4091 Stainless Steel Wire Brush
5 4084 "S" Filter (Pack of 5) 15 4092 Nylon Bristle Brush
6 4082 Solder Chamber (Glass) 16 2002 Tip Cleaning Tool
7 4083 Felt Filter (Pack 10)
8 5049 End Cap W/ Rear Seal
9 5035 Vacuum Tube (Handle To Secondary Filter)
10 5042 Switch & Circuit Board Assembly
Go To Table Of Contents

DS59
Desoldering Pistol
ITEM NO. PART NO. DESCRIPTION ITEM NO. PART NO. DESCRIPTION
1 5020 Tip Retainer Assembly 14 2047 Secondary Filter
2 Tip 15 5029 Barbed Tube Connector
3 5047 Handle Halves W/ Button & Screws 16 5044 Cordset Assembly
4 5022 Switch Release W/ Spring 17 5031 Circuit Board Assembly W/ Fasteners
5 5037 Safety Filter (10 Pack) 18 5032 Heater Assembly
6 2036 O-Ring (Pack of 6) 19 5033 Solder Delivery Tube
7 5050 Rear Seal Assembly W/ Safety Filter 20 5034 Handle Ferrule
8 5024 Vacuum Tube (Handle) 21 5035 Vacuum Tube (Handle To Secondary Filter)
9 5046 Solder Caddy 22 5036 Vacuum Tube (Secondary To Filter To Base)
10 5026 Front Seal (Teflon) W/ O-Ring 23 4091 Stainless Steel Brush
11 5027 Solder Chamber (Glass) 24 4092 Nylon Bristle Brush
12 5028 Primary Filter (10 Pack) 25 2002 Tip Cleaning Tool
Go To Table Of Contents

DS100
Controlled Output Soldering and Desoldering Station
ITEM NO. PART NO. DESCRIPTION ITEM NO. PART NO. DESCRIPTION
1 EC234 Heating Element 11 N/A Receptacle - Foot Switch (2 each)
2 SW60 Switch Assembly 12 DS203 Fuse (U.L. Listed Model Only (2 each )
3 EC232 Handle Assembly 13 N/A Soldenoid / Transducer Assembly
4 DS103 Collector Tube W/Gaskets 14 N/A Transformer
5 DS204 Filter for Desoldering Head 15 PH120IESD Soldering Iron Stand (not shown)
6 DS211 Gasket Kit 16 DS201D Desoldering Iron Stand (not shown)
7 DS217 Desoldering Head 700F Threaded (Std.) 17 DS101P Soldering Iron W/PTA7 Tip
8 DS218 Desoldering Head 800F Threaded (Opt.) 18 DS102P Desoldering Iron W/DS217
9 N/A Vacuum Gauge W/Mounting Bracket
10 N/A Power Switch, 120 Vac
9
10
7
8
14
13
12
11
15
11
17 18
3
3
2
1
3
Go To Table Of Contents

ITEM NO. PART NO. DESCRIPTION ITEM NO. PART NO. DESCRIPTION
1 DEC1001 Dual Power Unit •F 120 VAC W/Stand Ass'y 11 DS2010 Iron Stand Assembly (DS1204A Desoldering)
2 DEC1001D Dual Power UntI • C 240 VAC W/Stand Ass'y 12 N/A Footswitch/Transducer
3 EC213 Receptacle Kit 13 TC204 Spring & Funnel Assembly (EC1201A Iron)
4 EC257 Control Board 14 TC205 Sponge
5 TR232 Transformer 120 VAC
6 TR233 Transformer 240 VAC
7 SW110 Switch
8 FP2 Fuse 1.0A 120 VAC 1/4"D. x 1 1/4"L.
9 F147 Fuse 0.5A 240 VAC 5 MM DIA. x 20 MM LG.
10 PH120IESD Iron Stand Assembly (EC1201A Iron)
DS200
Electronically Controlled Soldering/Desoldering Station
5
6
7
4
4
3
13
2
1
14
10
11
8
9
12
Go To Table Of Contents

DS200
Electronically Controlled Soldering/Desoldering Station (cont.)
ITEM NO. PART NO. DESCRIPTION ITEM NO. PART NO. DESCRIPTION
1 BA60 Barrel / Nut Assembly 11 DS204 Filter for Desoldering Head
2 EC234 Heater Assembly - 42 Watt 12 DS211 Gaskets for Desoldering Head
3 EC229A Sensor Assembly 13 DSH54 Heater Assembly - 54 watt
4 SHA1 Cushion Grip Sleeve 14 EC229A Sensor Assembly
5 EC233 Cord Assembly 15 SHA1 Cushion Grip Sleeve
6 EC258 Handle Assembly (W/O Sensor & Heater) 16 EC233ESD Cord Assembly
7 EC1201A Iron Assembly W/ ETA Tip 17 N/A Handle Assembly (W/O Sensor & Heater)
8 ETA 1/16" ScrewdriverTip 18 DS1204A Desoldering Irion High Mass
9 DS229 High Mass Desoldering Head (Threaded)
10 DS103 Collector Tube W/ Gaskets
16
15
9
10
11
12
7
5
4
3
28
1
6
14
13
17
18
Go To Table Of Contents

DS500
Temperature Controlled Desoldering Station
ITEM NO. PART NO. DESCRIPTION ITEM NO. PART NO. DESCRIPTION
1 EC234 Heater Assembly 11 N/A Power Switch, 120 Vac.
2 SW60 Switch Assembly 12 N/A Circuit Breaker
3 EC232 Handle Assembly 13 N/A Receptacle (iron)
4 DS103 Collector Tube W/ Gaskets 14 N/A Vacuum Gauge W/Mounting Bracket
5 DS204 Filter, Desoldering 15 DS2010 Desoldering Tool Holder (not shown)
6 DS211 Gasket Kit 16 DS102P Desoldering Iron W/ DS227
7 DS227 Desoldering Head 700F Threaded (Std.)
8 DS228 Desoldering Head 800F Threaded (Opt.)
9 N/A Vacuum Regulator / Transducer
10 N/A Transformer
3
3
2
1
3
16
11
12
13
14
9
10
7
8
6
4
5
Go To Table Of Contents

DS500E
Electronically Controlled Desoldering Station
ITEM NO. PART NO. DESCRIPTION ITEM NO. PART NO. DESCRIPTION
1 DS550 Handle Assembly 12 DS204 Filter For Desoldering Head
2 DS551 Control Board 13 DS211 Gasket Kit
3 TL102A Sensor Assembly 14 DS229 Desoldering Head Threaded (Std.)
4 TL103 Heater Assembly 15 DS219T Desoldering Head Tapered (Opt.)
5 DS552 Cord Assembly 16 N/A Vacuum Regulator / Transducer
6 DS553 Temp. Key 70-0F Blue (.50" Reach Tiplet) 17 N/A Transformer
7 DS554 Temp. Key 800F Blue (.50" Reach Tiplet) 18 N/A Power Switch, 120 Vac
8 DS555 Temp. Key 700F Red (.75" Reach Tiplet) 19 N/A Circuit Breaker
9 DS556 Temp. Key 800F Red (.75" Reach Tiplet) 20 N/A Receptacle (Iron)
10 SHAI Cushion Grip Sleeve 21 DS2010 Desoldering Tool Holder (not shown)
11 DS103 Collector Tube W/ Gaskets 22 N/A Vacuum Gauge w/ mounting bracket
6
7
8
9
3
4
1
1
10
21
5
16
17
18
19
20
13
22
11 12
14
15
Go To Table Of Contents

DS600
Portable Desoldering Station
ITEM NO. PART NO. DESCRIPTION ITEM NO. PART NO. DESCRIPTION
1 DS218T Desoldering Head - 800F Tapered 11 N/A Circuit Breaker
2 EC234 Heater Assembly 12 DS603 Vacuum Compressor / Motor
3 SW60 Switch Assembly W/ Spring 13 DS605 Transformer
4 SHA3 Cusion Grip Sleeve 14 FPI Fuse Assembly
5 DS611 Cord W/ Plug 15 DS606 Pump Control Board
6 DS610 Handle Assembly W/ Push-Button Switch 16 DS607 Check Valve
7 DS60IP Desoldering Iron W/ DS218T 17 N/A Power Switch - 120 VAC
8 DS103 Collector Tube W/ Gaskets 18 DS210 Pump Repair Kit (not shown)
9 DS204 Filter For Desoldering Head
10 DS211 Gasket Kit
12
13
11
14
15
16
17
5
4
3
2
6
7
1
8
9
10
Go To Table Of Contents

ITEM NO. PART NO. DESCRIPTION ITEM NO. PART NO. DESCRIPTION
1 EC234 Handle Assembly 11 DS704 Control Board Assembly
2 EC229A Sensor Assembly 12 DS703 Internal Filter
3 SHA3 Cushion Grip 13 DS706 Vacuum Pump
4 N/A Cord Assembly 14 DS607 Check Valve
5 N/A Handle Assembly 15 N/A Power Switch 120 Vac
6 DS103 Collector Tube Assembly 16 DS705 Pump Switch Board
7 DS204 Filter For Desoldering Head 17 DS1201ESD Desoldering Iron
8 DS211 Gasket Kit for Desoldering Head 18 DS219T Desoldering Head - Tapered (Std.)
9 DS707 Power Transformer 120 Vac 19 DS229 Desoldering Head - Threaded (Opt.)
10 FPI Fuse 3A 120 Vac
DS700M
Electronically Controlled Desoldering Station
6
7
18
19
8
Go To Table Of Contents

DS800
Electronically Controlled Desoldering Station
ITEM NO. PART NO. DESCRIPTION ITEM NO. PART NO. DESCRIPTION
1 DS229 High Mass Desoldering Head 11 N/A Vacuum Reservoir / Filter Assembly
2 DSH54 Heater Assembly - 54 Watt 12 EC239 Control Board Assembly
3 EC229A Sensor Assembly 13 N/A Circuit Breaker
4 SHA3 Cushion Grip Sleeve for Iron Assembly 14 N/A Vacuum Pump - Rotary Vane
5 N/A Iron Cord 15 N/A Pump Control Board
6 N/A Handle Assembly 16 N/A Transformer
7 DS1203A HIgh Mass Desoldering Tool 17 N/A Power Switch - 120 Vac
8 DS103 Collector Tube W/ Gaskets 18 FPI Fuse 3A
9 DS204 Filter for Desoldering Head
10 DS211 Gasket Kit for Desoldering Head
13
14
15
17
5
4
3
2
1
8
9
10
7
6
12
11
Go To Table Of Contents

DS1000/ESD
Electronically Controlled Desoldering Station
ITEM NO. PART NO. DESCRIPTION ITEM NO. PART NO. DESCRIPTION
1 DS219T Desoldering Head - Tapered 11 N/A Vacuum Reservoir/ Filter Assembly
2 EC234 Heater Assembly 12 N/A Vacuum Solenoid
3 EC229A Sensor Assembly 13 DS1030 Control Board
4 SHA3 Cushion Grip Sleeve 14 N/A Readout/ Pump Control Board
5 N/A Cord Assembly 15 DS603 Vacuum Compressor/ Motor
6 N/A Handle Assembly W/ Push-Button Switch 16 N/A Circuit Breaker
7 DS1201ESD Desoldering Iron W/ DS219T 17 N/A Transformer - T2
8 DS103 Collector Tube W/ Gaskets 18 N/A Transformer - T1
9 DS204 Filter for Desoldering Head 19 DS2010 Tool Stand - Desoldering (not shown)
10 DS211 Gasket Kit for Desoldering Head
5
4
3
2
6
1
8
9
10
7
Go To Table Of Contents

DS2000/ESD
Electronically Controlled Soldering & Desoldering Station
ITEM NO. PART NO. DESCRIPTION ITEM NO. PART NO. DESCRIPTION
1 N/A Vacuum Reservoir/ Filter Assembly
2 N/A Vacuum Solenoid (2 each)
3 DS1030 Control Board (2 each)
4 N/A Readout/ Pump Control Board
5 DS603 Vacuum Compressor/ Motor
6 N/A Circuit Breaker
7 N/A Transformer - T2
8 N/A Transformer - T1
9 DS2010 Tool Stand - Desoldering (not shown)
6
5
2
1
7
2
3
8
3
4
Go To Table Of Contents

DS2000/ESD
Electronically Controlled Soldering & Desoldering Station (cont.)
ITEM NO. PART NO. DESCRIPTION ITEM NO. PART NO. DESCRIPTION
1 BA60 Barrel Nut Assembly 11 DS204 Filter for Desoldering Head
2 EC234 Heater Assembly - 42 watt 12 DS211 Gaskets for Desoldering Head
3 EC229A Sensor Assembly 13 EC234 Heater Assembly - 54 watt
4 SHA2 Cushion Grip Sleeve 14 EC229A Sensor Assembly
5 EC233 Cord Assembly 15 SHA3 Cushion Grip Sleeve
6 EC258 Handle Assembly (w/o Sensor & Heater) 16 EC233 Cord Assembly
7 EC1201A Iron Assembly w/ ETA Tip 17 N/A Handle Assembly (w/o Sensor & Heater)
8 ETA 1/16" Screwdriver Tip 18 DS1201ESD Desoldering Iron High Mass
9 DS229 High Mass Desoldering Head (Threaded)
10 DS103 Tube w/ Gaskets
DS1201ESD
Go To Table Of Contents

ITEM NO. PART NO. DESCRIPTION ITEM NO. PART NO. DESCRIPTION
1 DTL 1000 Dual Power Unit F 120 VAC W/ Stand Ass'y 11 PH1301ESD Iron Stand Assembly (EC1302A Iron)
2 DTL 1000D Dual Power Unit C 240 W/Stand Ass'y 12 PH1503 Iron Stand Assembly (EC1503A Iron)
3 EC213 Receptacle Kit (2 each) 13 TC204 Spring & Funnel Assembly (EC1201A Iron)
4 TR126 Control Board (2 each) 14 IHF225EC Spring & Funnel Assembly (EC1302A Iron)
5 TR232 Transformer 120 Vac 15 EC254 Spring & Funnel Ass'y (EC1503A Iron)
6 TR233 Transformer 240 Vac 16 TC205 Sponge
7 SW110 Switch (1 each)
8 FP2 Fuse 1.0A 120 Vac 1/4" D. x 1/4" L.
9 N/A Fuse 0.5A 240 Vac 5 mm Dia. x 20 mm Lg.
10 PH1201ESD Iron Stand Assembly (EC1201A Iron)
DTL1000
Dual Thermolock Electronically Controlled Soldering Station
Go To Table Of Contents

EC1001/EC2001 EC1001D/ EC2001D
Electronic Soldering Stations
ITEM NO. PART NO. DESCRIPTION ITEM NO. PART NO. DESCRIPTION
1 BA60 Barrel Nut Assembly 11 EC229 Sensor Assembly Sensor Assembly W/ Spring
2 EC234 Heater Assembly 12 EC239 Control Board Complete (EC1002/D)
3 EC213 Plug, Receptacle Kit 13 EC240 Control Board Complete (EC2002C/D)
4 EC232 Handle Assembly 14 EC236 Display Board - Calibrated F (EC2002C)
5 EC1201A Soldering Tool W/ ETA Tip 15 EC238 Display Board - Calibrated C (EC2002CD)
6 EC2002C Power Unit Only, 120V F 16 TR215 Power Transformer 120V
6a EC2002CD Power Unit Only, 240V C 17 N/A Power Transformer 240V
6b EC1002C Power Unit Only, 120V F 18 SW120 Power Switch 120V
6c EC1002CD Power Unit Only, 240V C 19 N/A Power Switch 240V
7 TC205 Sponge * WC1000 Calibration Reference Unit
8 TC204 Iron Holder W/ Funnel * FP1 Fuse Assembly
9 PH1201ESD Iron Stand W/ Tool Holder * SHA1 Cushion Grip Sleeve for Iron Handle
10 EC233 Cord Assembly * WPB1 Polishing Bar for Tips
*
not shown (When ordering parts for ESD units, add suffix ESD to Part No.)
EC1201A
3
3
Go To Table Of Contents

ITEM NO. PART NO. DESCRIPTION ITEM NO. PART NO. DESCRIPTION
1 EC1002-0 Power Unit F 120 Vac W/O Iron & Stand 11 PH1201ESD Iron Stand Assembly (EC1201A Iron)
2 EC1002-OD Power Unit C 240 VAc W/O Iron & Stand 12 PH1301ESD Iron Stand Assembly (EC1302A Iron)
3 EC213 Receptable Kit 13 PH1503 Iron Stand Assembly (EC1503A Iron)
4 EC239 Control Board 14 TC204 Spring & Funnel Assembly (EC1201A Iron)
5 TR215 Transformer 120 Vac 15 IHF225EC Spring & Funnel Assembly (EC1302A Iron)
6 TR216 Transformer 240 Vac 16 EC254 Spring & Funnel Assembly (EC1503A Iron)
7 SW130 Switch 120 Vac 17 TC205 Sponge
8 SW230 Switch 240 Vac 18 EC266 Knob Replacement (Calibration)
9 FP3 Fuse 0.6A 120 Vac 1/4" D. x 1/4" L.
10 N/A Fuse 0.315A 240 Vac 5mm Dia. x 20 mm Lg.
EC1002-0
Electronically Controlled Soldering Station
11
Go To Table Of Contents

ITEM NO. PART NO. DESCRIPTION ITEM NO. PART NO. DESCRIPTION
1 SW110 Power Switch * EC1201AP EC1201A Tool with Stand
2 EC270 Receptacle and Wire Harness * EC1302AP EC1302A Tool with Stand
3 EC271 Circuit Board Assembly * EC1503AP EC1503A Tool with Stand
4 TR234 Power Tranformer, 120Vac, EC1002S-O
* TR235 Power Transformer, 230Vac, EC1002S-OD
5 FP3 Fuse, .6 AMP Slo Blo
* TC205 Sponge
* TC204 Spring and Funnel for EC1201A Tool
* IHF225EC Spring and Funnel for EC1302A Tool
* EC254 Spring and Funnel for EC1503A Tool
•
not shown
EC1002S-0
Electronically Controlled Soldering Station
Go To Table Of Contents

ITEM NO. PART NO. DESCRIPTION ITEM NO. PART NO. DESCRIPTION
1 BA60 Barrel/ Nut Assembly
2 EC234 Heater Assembly
3 EC229A Sensor Assembly W/ Spring
4 SHA1 Cushion Grip Sleeve
5 EC233 Cord Assembly
6 EC258 Handle Assembly (W/O Sensor & Heater)
7 EC1201A Iron Assembly W/ ETA Tip
8 ETA 1/16" Screwdriver Tip
EC1201A/P/PESD
40 Watt Soldering Tool
Go To Table Of Contents

EC1201AFE
40 Watt Fume Extraction Soldering Tool
ITEM NO. PART NO. DESCRIPTION ITEM NO. PART NO. DESCRIPTION
1 BA60 Barrel Nut Assembly
2 EC234-FE Heater Assembly
3 HEC-FE Handle Assembly with Smoke Tube
4 7-3652 Cord Assembly for EC1201AFE
5 EC268 Sensor Assembly with Spring
6 WF1026 ESD Plastic Tubing
7 T419 Smoke Tube
8 SHA1 Cushion Grip Sleeve
* WC3640 Tube Brush
*
not shown
Go To Table Of Contents

EC1301/ESD
20 Watt Soldering Tool
ITEM NO. PART NO. DESCRIPTION ITEM NO. PART NO. DESCRIPTION
1 EC231 Barrel Nut Assembly
2 EC221 Heater Assembly
3 EC222A Sensor Assembly
4 EC256 Handle, Cord, Terminal Board Assembly
* TC205 Sponge
* IHF225EC Spring and Funnel
* PH1301ESD Tool Stand
*
not shown
Go To Table Of Contents

EC1301R
20 Watt Soldering Tool
ITEM NO. PART NO. DESCRIPTION ITEM NO. PART NO. DESCRIPTION
1 EC231 Barrel/ Nut Assembly
2 EC259 Heater Assembly
3 EC260 Sensor Assembly W/ Spring
4 EPH101 1/64" Micropoint Tip
5 EC261 Cord/ Handle Assembly
6 EC1301R Iron Assembly W/ EPH101 Tip
Go To Table Of Contents

EC1302
20 Watt Soldering Tool
ITEM NO. PART NO. DESCRIPTION ITEM NO. PART NO. DESCRIPTION
1 EC231 Barrel Nut Assembly
2 EC221 Heater Assembly
3 EC222A Sensor Assembly
4 EC256 Handle, Cord, Terminal Board Assembly
* TC205 Sponge
* IHF225EC Spring and Funnel
* PH1301ESD Tool Stand
*
not shown
Go To Table Of Contents

EC1302A
20 Watt Soldering Tool
ITEM NO. PART NO. DESCRIPTION ITEM NO. PART NO. DESCRIPTION
1 EC231 Barrel/ Nut Assembly
2 EC259 Heater Assembly
3 EC260 Sensor Assembly W/ Spring
4 EPH101 1/64" Micropoint Tip
5 EC265 Cord/ Handle Assembly
6 EC1302A Iron Assembly W/ EPH101 Tip
Go To Table Of Contents

EC1503
42 Watt Soldering Tool
ITEM NO. PART NO. DESCRIPTION ITEM NO. PART NO. DESCRIPTION
1 EC250 Heater Assembly
2 EC251 Sensor Assembly
3 EC255 Handle, Cord, Terminal Board Assembly
4 EC253 Barrel Nut Assembly
5 TC205 Sponge
6 EC254 Spring and Funnel
7 PH1503 Tool Stand
Go To Table Of Contents

ITEM NO. PART NO. DESCRIPTION ITEM NO. PART NO. DESCRIPTION
1 EC253 Barrel/ Nut Assembly
2 EC262 Heater Assembly
3 EC263 Sensor Assembly W/ Spring
4 EC264 Cord/ Handle Assembly
5 EMA 1/16" Screwdriver Tip
6 EC1503A/R Iron Assembly W/ EMA Tip
EC1503A/R
42 Watt Soldering Tool
Go To Table Of Contents

EC2000 (EC2002A)
Electronic Soldering Station
ITEM NO. PART NO. DESCRIPTION ITEM NO. PART NO. DESCRIPTION
1 BA60 Barrel Nut Assembly * EC236 Display Board, Calibrated
2 TC208 Heater Assembly * TR215 Power Transformer
3 EC205 Sponge * EC212 Circuit Breaker
4 TC204 Iron Holder w/Funnel * EC219 Power Switch 120V
5 EC1201A 40 Watt Soldering Tool
6 EC2002A Power Unit Only, 120V F
7 EC213 Plug, Receptacle Kit
8 N/A Handle, Cord, Ground Strap Assembly
9 EC229A Sensor Assembly W/ Spring
* EC240 Control Board W/ Control Potentiometer
*
not shown
1
2
9
8
5
4
3
6
7
Go To Table Of Contents

EC2000 (EC2002B)
Electronic Soldering Station
ITEM NO. PART NO. DESCRIPTION ITEM NO. PART NO. DESCRIPTION
1 BA60 Barrel Nut Assembly * SHA1 Cushion Grip Sleeve for Iron Handle
2 EC234 Heater Assembly * EC240 Control Board Complete - EC2000 (D)
3 EC205 Sponge (10 per pack) * EC236 Display Board - Calibrated F (EC2000 Unit Only)
4 TC204 Iron Holder W/ Funnel * EC238 Display Board - Calibrated C (EC2000 D Unit Only)
5 EC1201A Soldering Tool W/ ETA Tip * TR215 Power Transformer, 120V
6 EC2002B Power Unit Only, 120V (Digital Unit) * TR216 Power Transformer, 240V
6a EC2002DB Power Unit Only, 240V * EC219 Switch
7 EC213 Plug Receptacle Kit
8 EC232 Handle Assembly
9 EC229A Sensor Assembly W/ Spring
10 EC233 ESD Cord Assembly
*
not shown
8
8
10
92
8
1
4
3
6
6a
7
5
Go To Table Of Contents

ITEM NO. PART NO. DESCRIPTION ITEM NO. PART NO. DESCRIPTION
1 EC2002-O Power Unit
o
F 120 Vac W/O Iron & Stand 11 FP3 Fuse 0.6A 120 Vac 1/4"D. x 1 1/4"L.)
2 EC2002-OD Power Unit
o
C 240 Vac W/O Iron & Handle 12 FP3-D Fuse 0.312A 240 Vac 5mm Dia. x 20 mm. Lg.
3 EC213 Receptacle Kit 13 PH1201ESD Iron Stand Assembly (EC1201A Iron)
4 EC240 Control Board 14 PH1301ESD Iron Stand Asembly (EC1302A Iron)
5 EC236 Display Board
o
F (120 Vac) 15 PH1503 Iron Stand Assembly (EC1503A Iron)
6 EC238 Display Board
o
C (240 Vac) 16 TC204 Spring & Funnel Assembly (EC1201A Iron)
7 TR215 Transformer 120 Vac 17 IHF225EC Spring & Funnel Assembly (EC1302A Iron)
8 TR216 Transformer 240 Vac 18 EC254 Spring & Funnel Assembly (EC1503A iron)
9 SW130 Switch 120 Vac 19 TC205 Sponge
10 SW230 Switch 240 Vac
EC2002-0
Electronically Controlled Soldering Station
Go To Table Of Contents

EC2002M-0
Microprocessor Controlled Digital Soldering System
ITEM NO. PART NO. DESCRIPTION ITEM NO. PART NO. DESCRIPTION
1 SW110 Power Switch * EC1302AP EC1302A Toll With Stand
2 EC270 Receptacle and Wire Harness * EC1503AP EC1503A Tool With Stand
3 EC269 Circuit Board Assembly * WCM1 Calibration Unit
4 TR234 Power Transformer, 120Vac, EC2002M-0
* TR235 Power Transformer, 240Vac, EC2002M-0D
5 FP3 Fuse, .6 AMP SB
* TC205 Sponge
* TC204 Spring and Funnel for EC1201A Tool
* IHF225EC Spring and Funnel for EC1302A Tool
* EC254 Spring and Funnel for EC1503A Tool
* EC1201AP EC1201A Tool With Stand
*
not shown
Go To Table Of Contents

EC3000/EC4000/EC3000ESD/EC4000ESD
Electronically Controlled Soldering Station
ITEM NO. PART NO. DESCRIPTION ITEM NO. PART NO. DESCRIPTION
1 EC231 Barrel Nut Assembly 10 EC213 Plug/Receptacle Kit
2 EC221 Heater Assembly * EC235 Control Board Calibrated, EC3000/ESD
3 EC222 Sensor Assembly * EC236 Display Board Calibrated, oF
4 EC223 Handle/Cord/Terminal Board Assy. * EC237 Control Board Calibrated, EC4000/ESD
5 EC1301R Soldering Tool w/EPH101Tip * TR227 Power Transformer 120v.
6 EC4002 Power Unit Only - with Display * SW3001 Power Switch 120v. EC3000
6a EC3002 Power Unit Only - without Display * SW4001 Power Switch EC4000
7 TC205 Sponge * WC3000 Calibration Reference Unit
8 IHF225EC Iron Holder w/Funnel
9 PH1301ESD Iron Stand
* Not Shown
Go To Table Of Contents

ITEM NO. PART NO. DESCRIPTION ITEM NO. PART NO. DESCRIPTION
1 EC3002C/ESD Power Unit F 120 Vac W/O Iron & Stand 11 TC205 Sponge
2 EC3002CD/ESD Power Unit C 240 VAc W/O Iron & Stand 12 EC266 Knob Replacement (Calibration)
3 EC213 Receptable Kit
4 EC235 Control Board
5 TR227 Transformer 120 Vac
6 N/A Transformer 240 Va
7 SW130 Switch 120 Vac
8 N/A Switch 240 Vac
9 PH1301ESD Iron Stand Assembly (EC1302A Iron)
10 IHF225EC Spring & Funnel Assembly (EC1302A)
EC3001/EC3001ESD
Electronically Controlled Soldering Station
11
12
10
9
Go To Table Of Contents

ITEM NO. PART NO. DESCRIPTION ITEM NO. PART NO. DESCRIPTION
1 EC4002C/ESD Power Unit F 120 Vac W/O Iron & Stand 11 PH1301ESD Iron Stand Assembly (EC1302A Iron)
2 EC4002CD/ESD Power Unit C 240 Vac W/O Iron & Stand 12 IHF225EC Spring & Funnel Assembly (EC1302A Iron)
3 EC213 Receptacle Kit 13 TC205 Sponge
4 EC237 Control Board
5 EC236 Display Board F (120 Vac)
6 EC238 Display Board C (240 Vac)
7 TR227 Transformer 120 Vac
8 N/A Transformer 240 Vac
9 SW130 Switch 120 Vac
10 N/A SWitch 240 Vac
EC4001/EC4001ESD
Electronically Controlled Soldering Station
11
16
or
12
or
14
13
19
or
Go To Table Of Contents

GEC120
Soldering Station
ITEM NO. PART NO. DESCRIPTION ITEM NO. PART NO. DESCRIPTION
1 GEC500 Trigger Switch
2 GEC501 Heater
3 GEC502 Circuit Board Complete
4 GEC503 Lamp
5 GEC504 Cord Set
6 GEC505 Housing W/ Screws
*
not shown
Go To Table Of Contents

HAP701
Heat-A-Print Station
Item Part Suggested
No. No. Description Resale
1 51353500 Glue Diode ...................................................................
2 51369900 Transformer 220V .........................................................
3 51505999 Basic Plate ...................................................................
4 52161000 On/Off Switch ...............................................................
5 52245000 Spring for Holder ..........................................................
6 52245200 Funnel for Holder ..........................................................
7 52310099 Soldering Pencil ...........................................................
8 52330099 Circuit Board for Pencil .................................................
9 52445100 Socket for Circuit Board ................................................
10 52446500 Potentiometer ...............................................................
11 52446600 Knob ............................................................................
12 52446698 Knob ............................................................................
13 52446900 Allen Hex Key ..............................................................
14 52734900 Socket for Circuit Board ...............................................
15 52830598 Digital Read-out ...........................................................
16 57004000 Mains-Cord ..................................................................
17 58701025 Triac .............................................................................
18 58701028 Spring-Clamp................................................................
19 58701037 Socket with Contact ......................................................
20 58701712 Heating Plate - Complete .............................................
21 58701714 Circuit Board ................................................................
22 58701723 Sensor .........................................................................
SEE ILLUSTRATION ON NEXT PAGE
Go To Table Of Contents

HAP701
Heat-A-Print Station (cont.)
Go To Table Of Contents

HYC3000
Electronically Controlled Soldering Station
ITEM NO. PART NO. DESCRIPTION ITEM NO. PART NO. DESCRIPTION
1 HVC3000 Power Unit F 120 Vac 9 PH1503 Iron Stand Assembly (EC1503A Iron)
2 HVC3000D Power Unit C 240 Vac 10 EC254 Spring & Funnel Assembly (EC1503A Iron)
3 EC213 Receptacle Kit 11 TC205 Sponge
4 TL125 Control Board 12 EC1503R Iron Assembly W/ EMA Tip
5 TR215 Transformer 120 Vac (see illustration next page)
6 TR216 Transformer 240 Vac
7 SW130 Switch 120 Vac
8 SW230 Switch 240 Vac
* FP1 Fuse 0.6A 120 Vac 1/4"D. x 1/4"L.
*
not shown
12
3
4
8
7
10
65
11
9
Go To Table Of Contents

MC5000
Microprocessor Controlled Soldering Station
ITEM NO. PART NO. DESCRIPTION ITEM NO. PART NO. DESCRIPTION
1 MC5000-0 Power Unit Only, 120V 60hz * IHF225EC Tool Holder With Funnel for EC1302
3 MC204 Receptacle Kit * PH1301ESD Tool Stand (ESD) for EC1302
4 TR230 Power Transformer, 120V * MC200 Display Circuit Board Assembly
6 SW120ESD Power Switch, 120V * MC201 CPU Circuit Board Assembly
8 MC203 Fuse, 1 Amp Slow Blow With Sleeve
10 PH1201ESD Tool Stand (ESD) for EC1201PESD
11 TC204 Tool Holder With Funnel for EC1201PESD
12 TC205 Sponge for Tool Stands
* MC202 Keypad
*
not shown
1
3
6
4
8
10
12
11
Go To Table Of Contents

MC5001
Microprocessor Controlled Soldering Station
ITEM NO. PART NO. DESCRIPTION ITEM NO. PART NO. DESCRIPTION
1 MC5000-0 Power Unit Only, 120V 60hz * EC1201A Soldering Tool With ETA Tip, 40 Watt
3 MC204 Receptacle Kit * EC1302A Soldering Tool With EPH101 Tip, 20 Watt
4 TR230 Power Transformer, 120V * EC1503A Soldering Tool With EMA Tip, 40 Watt
6 SW130 Power Switch, 120V * EC254 Spring and Funnel for EC1503A Tool
11 TC204 Spring and Funnel for EC1201A Tool * IHF225EC Spring and Funnel for EC1302 Tool
12 TC205 Sponge for Tool Stands
* MC202 Keypad
* MC200 Display Circuit Board Assembly
* MC201 CPU Circuit Board Assembly
*
not shown
1
3
6
4
8
10
12
11
Go To Table Of Contents

MT 1000
Microtouch Soldering Station
ITEM NO. PART NO. DESCRIPTION ITEM NO. PART NO. DESCRIPTION
* MT109 Handpiece Stand
* MT110 Foot Switch
* MT120 Calibration Tip, .015" Dia. Conical With Type K Thermocouple
*
Not Shown
Go To Table Of Contents

MT1500
Microtouch Plus
ITEM NO. PART NO. DESCRIPTION ITEM NO. PART NO. DESCRIPTION
* MT1501 Replacement Handle
* TC205 Sponge
* MT220 Calibration Tip, Conical .030D
* MT320 Calibration Tip, Screwdriver .047W
* MT620 Calibration Tip, Screwdriver .070W
* PH2000 Universal Iron Stand
*
not shown
Go To Table Of Contents

Portasol
P-1
Cordless, Refillable Butane Gas Powered Soldering Tool
Go To Table Of Contents

Portasol
PSI-100
Butane Gas Powered Soldering Tool
Go To Table Of Contents

TC201-FE
Fume Extraction Soldering Tool
ITEM NO. PART NO. DESCRIPTION ITEM NO. PART NO. DESCRIPTION
1 EC234-FE Heater Assembly
2 3-1450 Switch Assembly W/ Spring
3 3-1540 Cordset W/ Plug
4 BA60 Barrel Nut Assembly
5 HTC-FE Handle Assembly with Smoke Tube
6 SHA1 Cushion Grip Sleeve for Handle
7 RT-FE Plastic Tubing
8 T419 Smoke Tube
Go To Table Of Contents

TCP12P/TCP24P
Controlled Output Field Soldering Irons
ITEM NO. PART NO. DESCRIPTION ITEM NO. PART NO. DESCRIPTION
1 HE12P Heater Element, TCP12P
2 EC234 Heater Element, TCP24P
3 SW60 Switch Assembly
4 BA60 Barrel Nut Assembly
*
not shown
Go To Table Of Contents

W60P - W100 P Series
Controlled Output Soldering Tools
ITEM NO. PART NO. DESCRIPTION ITEM NO. PART NO. DESCRIPTION
1 HEW60P Heater Element, W60P
1a HEW100P Heater Element, W100P
2 SW60 Switch Assembly
3 CS2W Cord Set W/ Strain Relief (2 wire)
3a CS3W Cord Set W/ Strain Relief (3 wire)
4 EC232 Handle Assembly
5 KN60A Tip, Nut, W60P
5a KN100A Tip, Nut, W100P
* PH60 Soldering Tool Stand W/ Sponge (W60P)
* PH100 Soldering Tool Stand W/ Sponge (W100P)
Go To Table Of Contents

WA2000
Soldering Iron Analyzer
ITEM NO. PART NO. DESCRIPTION ITEM NO. PART NO. DESCRIPTION
* C724 Vinyl Accessory Case
* 7-3400 Ground Cord Adaptor
* CP-01 Contact Pyrometer, Large Gauge
* CP-02 Contact Pyrometer, Small Gauge
* K-111 Type K Thermocouple Assembly, ETA tip (EC1201 series)
* K-121 Type K Thermocouple Assembly, EPH107 Tip (EX1301/1302 Series)
* K-131 Type K Thermocouple Assembly, EMA Tip (EX1503 Series)
* K-141 Type K Thermocouple Assembly, WCC100 Tip
* P143 Recorder Cable Assembly
* S719 Iron Stand
* Not Shown Note: Weller offers a calibration and certification service for the WA2000 analyzer through the factory.
Go To Table Of Contents

WAX 1
Weller Airex Fume Extraction Station
ITEM NO. PART NO. DESCRIPTION ITEM NO. PART NO. DESCRIPTION
1 N/A Compressed Air Hose
2 WAX1 Airex (Complete Unit)
3 WAXH1 Extractor Hose 1.5m,
∅ 4,
2mm
4,5,6 WAXF1 Filter
* WAXSF1 Silencer filter
* WAXK2 Kit for connection of two soldering irons
* Not Shown
Go To Table Of Contents

ITEM NO. PART NO. DESCRIPTION ITEM NO. PART NO. DESCRIPTION
1 WCC100 Power Unit F 120 Vac W/ 40 W. Iron
2 WCC106 Control Board W/ Pot
3 SW120 Switch
4 WCC101 Soldering Iron W/ ETA Tip
5 WCC102 Heater Assembly
6 WCC103 Sensor Assembly W/ Spring
7 WCC108 Barrel/ Nut Assembly
8 WCC105 Spring and Funnel Assembly
9 WCC104 Sponge
10 ETA 1/16" Screwdriver Tip
WCC100
Electronic Soldering Station
Go To Table Of Contents

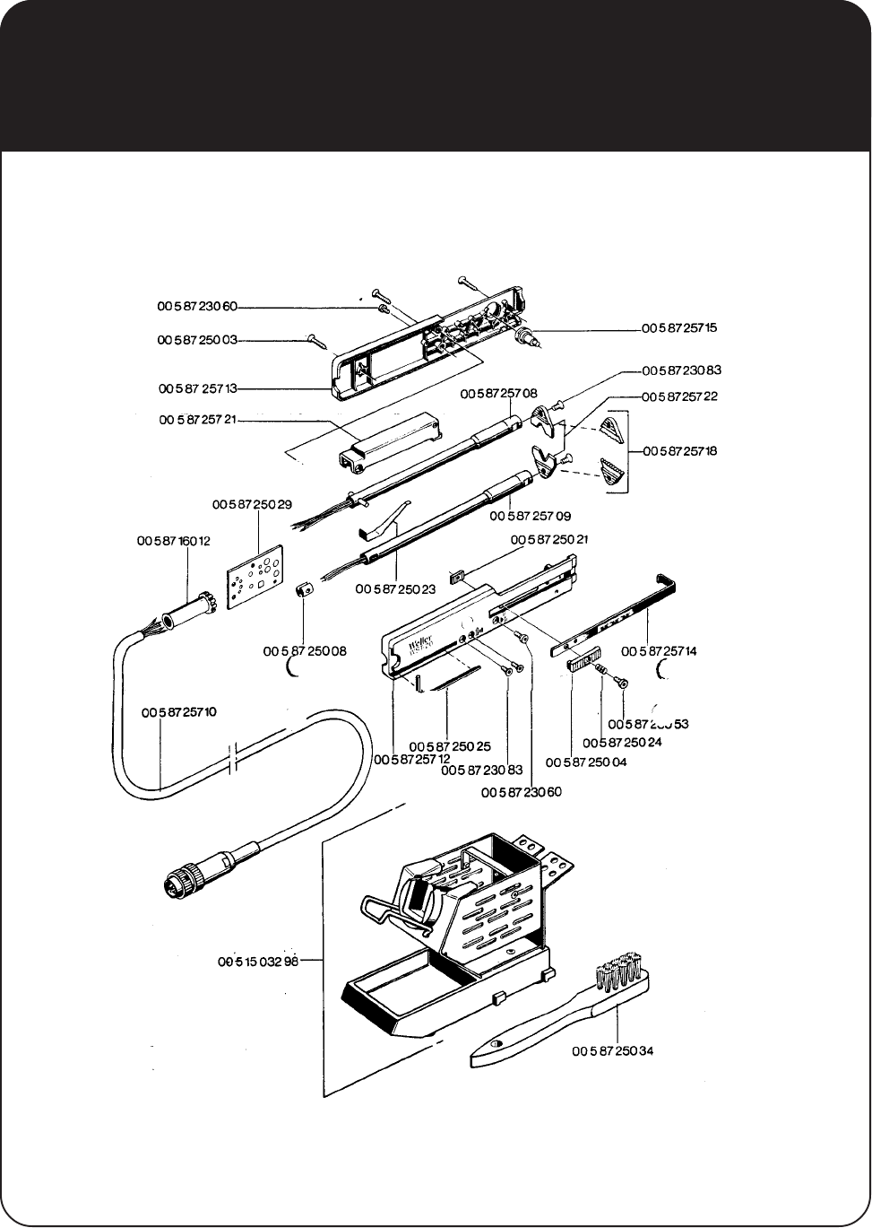
WHA1000
Hot Air Rework Station
Go To Table Of Contents

WHA 2000
Self-Contained Hot Air Reflow System
58736786
58703038
58717013
58736780
57004000
58736158 T63A
58736795 58738014
58736794
58711700
51343699
58736151
58736796
53606099
51504599
53312699
Go To Table Of Contents

WLC 100
Consumer Soldering Station (40 watt)
ITEM NO. PART NO. DESCRIPTION ITEM NO. PART NO. DESCRIPTION
1 HE40 Replacement Heating Element
2 WCC104 Replacement Sponge
Go To Table Of Contents

WLC 200
Stained Glass Soldering Station (80 watt)
ITEM NO. PART NO. DESCRIPTION ITEM NO. PART NO. DESCRIPTION
1 HE80 Replacement Heating Element
2 WCC104 Replacement Sponge
Go To Table Of Contents

WP Series Professional
Soldering Irons (WP25/30/35)
ITEM NO. PART NO. DESCRIPTION ITEM NO. PART NO. DESCRIPTION
* HE 25 Replacement Heater for 25-Watt Iron
* HE 30 Replacement Heater for 30-Watt Iron
* HE35 Replacement Heater for 35-Watt Iron
Heater Replacements Include Heater and Knurled Collar
* Not Shown
Go To Table Of Contents

ITEM NO. PART NO. DESCRIPTION ITEM NO. PART NO. DESCRIPTION
1 WP40SMOD Replacement Heating Element
2 WP60SMOD Replacement Heating Element
2 WP60HMOD Replacement Heating Element
2 WP100SMOD Replacement Heating Element
WP 40S (40 watt)
WP 60S (60 watt)
WP 100S (80 watt)
Replacement Heaters
WP 40SMOD
WP 60SMOD
Pro PlusTM Series Soldering Irons
WP40S/60S/60H/100S
WP 60H (60 watt hatchet)
1
2
WP 60HMOD
3
WP 100SMOD
4
Go To Table Of Contents

WPA2
Self-Igniting Pyropen
ITEM NO. PART NO. DESCRIPTION ITEM NO. PART NO. DESCRIPTION
* WPA-PC Cap
* WPA-B Burner
* WPA-E Ejector
* WPA-CN Cap Nut
* WB1 Butane Refill (70 ml)
*
not shown
Go To Table Of Contents

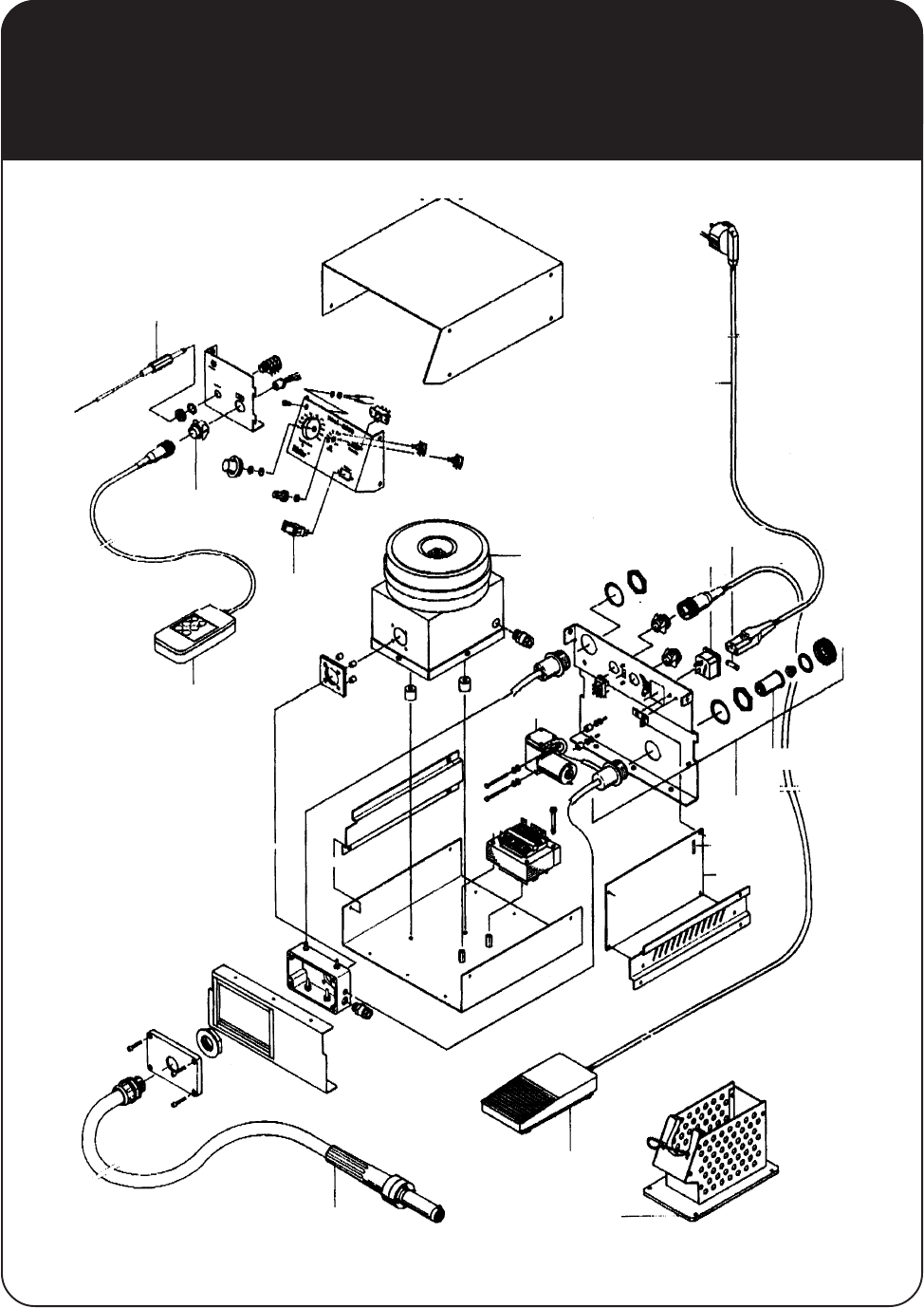
WRS1000
Electronically Controlled Rework System
ITEM NO. PART NO. DESCRIPTION ITEM NO. PART NO. DESCRIPTION
* HAP1 Hot Air Pencil (Replacement)
* 5 87 117 00 Filter, Main (Air Or Vacuum)
* 5 13 444 00 Gasket, Main Filter
* 5 87 397 07 Pump, Repair
* 5 87 150 29 Fuse, 1.6 A Time Delay
Go To Table Of Contents

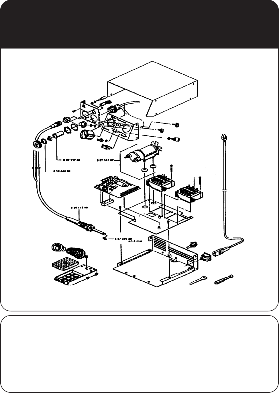
WRS3000
Electronically Controlled Rework System
ITEM NO. PART NO. DESCRIPTION ITEM NO. PART NO. DESCRIPTION
* 5 87 117 00 Filter, Main (Air Or Vacuum)
* 5 13 444 00 Gasket, Main Filter
* 5 87 397 07 Pump, Repair
* 5 87 211 12 Fuse, 5.0 A, 120V
Go To Table Of Contents

WST2
Pyropen
Jr.
ITEM NO. PART NO. DESCRIPTION ITEM NO. PART NO. DESCRIPTION
* WP71-02 Cap
* WP71-04 Burner
* WP71-07 Ejector
* WP71-14 Cap Nut
* WP71-15 Burner
* WP71-28 Shutter Spring
* WP71-27 Air Shutter
* WB1 Butane Refill (70ml)
*
not shown
Cap Nut Cap
Go To Table Of Contents

WST20
Thermal Stripper
Go To Table Of Contents

WSTA3
Pyropen
ITEM NO. PART NO. DESCRIPTION ITEM NO. PART NO. DESCRIPTION
1 WP70S Soldering Ejector
2 WP71T Torch Ejector
3 WAS Accessory Spanner
4 WP72M Set of Tip Housings & Cap Screw
5 WP76HL Handle Only
* WP73TC Tip Cleaner W/ Metal Box
* WP74H Spring Holder
* WP75B Metal Box for Tool
* WB1 Butane Refill (70ml)
*
not shown
Go To Table Of Contents

WT-50
Thermal Tweezers
ITEM NO. PART NO. DIMENSIONS DESCRIPTION
* WT-1 1,0 11 Replacement Tip
* WT-2 3,0 11 Replacement Tip
* WT-3 6,0 11 Replacement Tip
* WT-4 12,5 10 Replacement Tip
* WT-5 18,5 12 Replacement Tip
* AK50 Replacement Iron Stand
*
not shown
Go To Table Of Contents

WTCPN
Controlled Outrput Soldering Station
ITEM NO. PART NO. DESCRIPTION ITEM NO. PART NO. DESCRIPTION
1 TC208 Heater 8a TC202D Power Unit Only (240 v.), includes
2 SW60 Switch Assembly Sponge and Iron Holder for WTCPN
3 N/A Cord Set W/Handle 9. TC206 Tip Tray
4 EC219 Switch/ Light Power Unit (WTCPN TC201T Soldering Pencil, includes BA60 and PTA7 Tip
4a EC220 Switch/ Light Power Unit (WTCPND) N/S PL120 Plug/ Receptacle Kit
5 BA60 Barrel Nut Assembly
6 TC205 Sponge (10 per package)
7 TC204 Iron Holder W/ Funnel
8 TC202 Power Unit Only, Includes Sponge
and Iron Holder for WTCPN
3
21
5
7
6
9
4
4a
8a
8
Go To Table Of Contents

WTCPR / WTCPRD
Controlled Output Soldering Station
ITEM NO. PART NO. DESCRIPTION ITEM NO. PART NO. DESCRIPTION
1 EC234 Heater Assembly 9 TC206 Tip Tray
2 SW60 Switch Assembly W/ Spring 10 PL120 Plug/Receptacle Kit
3 TC217 Cordset W/ Plug and Strain Relief 11 EC232 Handle Assembly
4 EC219 Power Switch 120V 12 TC201T Soldering Pencil W/Tip
4a EC220 Power Switch 240V
5 BA60 Barrel Nut Assembly
6 TC205 Sponge
7 TC204 Iron Holder W/ Funnel
8 TC202 Power Unit Only, Includes Sponge & Iron Holder
8a TC202D Power Unit Only, Includes Sponge & Iron Holder
TC201T
Go To Table Of Contents

WTCPS / WTCPSD
Controlled Output Soldering Station
ITEM NO. PART NO. DESCRIPTION ITEM NO. PART NO. DESCRIPTION
1 EC234 Heater (Plug-In Type) 10 PL120 Plug/Receptacle Kit
2 SW60 Switch Assembly W/Spring 11 EC232 Handle Assembly
3 TC217 Cordset W/ Plug 12 SW120 Switch/Light Power Unit WTCPS
4 TC201T Soldering Pencil W/T ip 12a SW240 Switch/Light Power Unit WTCPSD
5 BA60 Barrel Nut Assembly * TR215 Power Transformer 120V
6 PU120T Power Unit Only WTCPS * TR216 Power Transformer 240V
6a PU240T Power Unit Only WTCPSD * FP1 Fuse
7 TC205 Sponge
8 TC204 Iron Holder W/ Funnel *
not shown
9 PH1201ESD Iron Stand
TC201T
6a
4
Go To Table Of Contents

ITEM NO. PART NO. DESCRIPTION ITEM NO. PART NO. DESCRIPTION
1 PU120T Power Unit 120 VAC W/O Iron & Stand 11 TC204 Spring & Funnel Assembly (EC1201A Iron Ass'y)
2 PU240T Power Unit 240 VAC W/O Irong & Stand 12 TC205 Sponge
3 PL120 Plug/Receptacle Kit
4 TR215 Transformer 120 VAC
5 TR216 Transformer 240 VAC
6 SW120 Switch 120 VAC
7 SW240 Switch 240 VAC
8 FP3 Fuse 120 VAC 1/4" D. x 1 1/4" L. O.6A.
9 FP Fuse 240 VAC 5mm Dia. x 20 mm. LG. 0.315A.
10 PH1201ESD Iron Stand Assembly (EC1201A Iron)
WTCPT
Soldering Station
7
6
3
Go To Table Of Contents

WTCPT
Controlled Output Soldering Station (cont.)
ITEM NO. PART NO. DESCRIPTION ITEM NO. PART NO. DESCRIPTION
1 EC234 Heater Assembly
2 SW60 Switch Assembly W/ Spring
3 TC217 Cordset W/ Plug
4 TC201T Soldering Iron with PTA7 Tip
5 BA60 Barrel Nut Assembly
6 EC282 Handle Assembly
TC201T
4
6
12
6
6
6
6
3
5
Go To Table Of Contents

WTLE
Thermalock
Precision Soldering Tools
ITEM NO. PART NO. DESCRIPTION ITEM NO. PART NO. DESCRIPTION
1 TL103 Heater Assembly, 24V 11 TL101 Handle Assembly, 24V
2 TL102 Sensor Assembly 24V 12 TLA7 Key 700
o
F Category A Tips
3 TL104 Cord Assembly, 24V 13 TL100 Control Board, 24V
4 EC219 Switch W/ Light
5 BA60 Barrel and Nut Assembly
6 TC205 Sponge
7 TC204 Tool Holder
8 TC202 Power Unit, Complete, 120V
9 TC206 Tip Tray
10 PL120 Plug/ Receptacle Kit
Go To Table Of Contents

WTLE / ESD
Thermolock
Precision Soldering Tools
ITEM NO. PART NO. DESCRIPTION ITEM NO. PART NO. DESCRIPTION
1 TL103 Heater Assembly, 24V 10 PL120 Plug/ Receptacle Kit
2 TL102 Sensor Assembly, 24V 11 TL101 Handle Assembly, 24V
3 TL104 Cord Assembly, 24V 12 TLA7 Key 700 F Category A Tips
4 SW120 Switch W/ Light 120V 13 TL100 Control Board, 24V
4a SW240 Switch W/ Light 240V * SHA1 Cushion Grip Sleeve for Iron Handle
5 BA60 Barrel and Nut Assembly * TR215 Power Transformer, 120V
6 PU120L Power Unit, Complete 120V * TR216 Power Transformer, 240V
7 TC205 Sponge * FP1 Fuse
8 TC204 Tool Holder
9 PH1201ESD Iron Stand W/ Tool Holder *
Not Shown
4a
Go To Table Of Contents

WTL24
Thermolock
Precision Soldering Tools
ITEM NO. PART NO. DESCRIPTION ITEM NO. PART NO. DESCRIPTION
1 TL103 Heater Assembly, 24V
2 TL102 Sensor Assembly, 24V
3 TL104 Cord Assembly, 24V
5 BA60 Barrel and Nut Assembly
11 TL101 Handle Assembly, 24V
12 TLA7 Key 700 F Category A Tips
13 TL100 Control Board, 24V
* SHA1 Cushion Grip Sleeve for Iron Handle
*
Not Shown
Go To Table Of Contents

WTL 120
Thermolock
Precision Soldering Tools
ITEM NO. PART NO. DESCRIPTION ITEM NO. PART NO. DESCRIPTION
1 TL123 Heater Assembly, 120V
2 TL122 Sensor Assembly, 120V
3 TL124 Cord Assembly, 120V
5 BA120 Tip Nut
11 TL121 Handle Assembly, 120V
12 TLA7 Key 700 F Category A Tips
13 TL120 Control Board, 120V
5
11
11
1
2
12
11
13
11
11
3
79
Go To Table Of Contents

ITEM NO. PART NO. DESCRIPTION ITEM NO. PART NO. DESCRIPTION
1 WTL1000-0 Power Unit F 120 VAC W/O Iron & Stand 11 PH1201ESD Iron Stand Assembly (EC1201A Iron)
2 WTL1000-0D Power Unit C 240 VAC W/O Iron & Stand 12 PH1301ESD Iron Stand Assembly (EC1302A Iron)
3 EC213 Receptacle Kit 13 PH1503 Iron Stand Assembly (EC1503A Iron)
4 TL125 Control Board 14 TC204 Spring & Funnel Assembly (EC1201A Iron)
5 TR215 Transformer 120 VAC 15 IHF225EC Spring & Funnel Assembly (EC1302A Iron)
6 TR216 Transformer 240 VAC 16 EC254 Spring & Funnel Assembly (EC1503A Iron)
7 SW120 Switch 120 VAC 17 TC205 Sponge
8 SW240 Switch 240 VAC
9 FP3 Fuse 0.6A 120 VAC 1/4"D. x 1/4L.
10 FP3D Fuse 0.315A 240 VAC 5mm Dia. x 20 mm Lg.
WTL1000
Thermolock Electronic Soldering Station
Go To Table Of Contents

WTT1000 / WTT1000D
Zero Load Temperature Monitor
ITEM NO. PART NO. DESCRIPTION ITEM NO. PART NO. DESCRIPTION
1 WTT1001 Probe Assembly, Calibrated
2 WT1002 Power Unit, Calibrated (120V)
3 WTT502 Heat Flow Indicator
4 EC219 Power Switch
5 WTT504 Probe Holder
6 WTT1002D PowerUnit, Calibrated (240V)
* WTT500 Control Board, Calibrated
* WTT501 Display Board
* EC213 Plug/Receptacle
*
Not Shown
Go To Table Of Contents

7200
Standard Soldering Gun
ITEM NO. PART NO. DESCRIPTION ITEM NO. PART NO. DESCRIPTION
7235 Tip Only - 2 Per Card
4206 Flux Brush
7323 Switch for Single Heat Models
Go To Table Of Contents

8200
Universal Soldering Gun
Go To Table Of Contents

1095
Heat Gun
ITEM NO. PART NO. DESCRIPTION ITEM NO. PART NO. DESCRIPTION
1080 Reducer for Concentrating Heat
1081 Scraper for Paint Stripping
1082 Reflector for Heat Shrink Tubing/ Caps
1085 Baffle Kit
R296 Left & Right Enclosure
* 6959 Adaptor for 6966C Baffles
*
Not Shown
Go To Table Of Contents

2110S/T
Electronic Soldering Systems
ITEM NO. PART NO. DESCRIPTION ITEM NO. PART NO. DESCRIPTION
1 2101A Cover Assembly/ Label Tray 11 9908 Ceramic Heater
2 9954 Temperature Controller Knob 12 9950 Rocker Switch
3 2103 PC Board Assembly 13 9951 Power Cord
4 2104 Iron Holder and Mouthpiece 14 9952 Transformer Assembly
5 2106T Tip Ret for Thermal Thrust Tip 9906 Fuse, 2 Amp (5/Pkg)
6 2108S Tip Ret For Standard 9000 Series Tip 2105 Grounding Spring For 2110*
7 2109 Calibration Port Plug 2106 Tip Ret For Thermal Thrust Tip For 2110*
8 2111AT Iron Assembly For 2110T 2107 Cap Ferrule For 2110*
9 2111AS Iron Assembly For 2110S 2108 Tip Ret For Standard Series 9000 Tip For 2110*
10 2114 Mouthpiece 2111AS Iron Assembly For 2110*
*
Not Used On 2110S or 2110T
Go To Table Of Contents

2024
Service Center
ITEM NO. PART NO. DESCRIPTION ITEM NO. PART NO. DESCRIPTION
1 2014 Transducer 9902 Temperature Lock (not shown)
2 4356 Transformer Assembly 9903 Handle Switch Lock (not shown)
3 4357 PCB Assembly (Desoldering) 11 9950 Unlighted Rocker Switch
4 4358 Cover Assembly W/ Iron Holder 12 9954 Knobs for Slide Control
5 4359 Iron Holder
6 4360 Power Cord
7 4361 Rubber Feet (4)
8 4362 Fuse and Holder 3 Amp
9 4363 Bulkhead Fitting
10 4364 Solenoid Valve W/ Elbow
Go To Table Of Contents

4024
Service Center
ITEM NO. PART NO. DESCRIPTION ITEM NO. PART NO. DESCRIPTION
1 4355 Pump Assembly 9903 Handle Switch Lock (not shown)
2 4356 Tranformer Assembly 10 9950 Unlighted Rocker Switch
3 4357 PCB Assembly (Desoldering) 11 9954 Knobs for Slide Control
4 4358 Cover Assembly W/ Iron Holder 2002 Cleaning Tool
5 4359 Iron Holder
6 4360 Power Cord
7 4361 Rubber Feet (4)
8 4362 Fuse and Holder 3 Amp
9 4363 Bulkhead Fitting
9902 Temperature Lock (not shown)
Go To Table Of Contents

4088AS
Desoldering Handle
ITEM NO. PART NO. DESCRIPTION ITEM NO. PART NO. DESCRIPTION
1 4080 Heater Assembly with Heat Shield 11 4091 Stainless Steel Wire Brush
2 4081 Set Screw (10 pack) 12 4092 Nylon Bristle Brush
3 4082 Glass Solder Chamber 13 4093 Tip Insertion Tool
4 4083 Felt Filter (10 pack)
5 4084 Solder Filter Baffle
6 4085 End Cap with Rear Seal
7 4086AS Handle Halves W/ Switch Actuator
8 4087 Handle Cordset/ Vacuum Tube Assy.
9 4089 Switch & Circuit Board Assy.
10 2047 Secondary Filter
Go To Table Of Contents

4098AS
Desoldering Handle
ITEM NO. PART NO. DESCRIPTION ITEM NO. PART NO. DESCRIPTION
1 4350 Handle Switch & Circuit Board Assy. 11 2047 Secondary Filter
2 4351 Heater Assembly W/ O-Ring 12 2035 Glass Solder Chamber
3 2039 Handle Filter (10 pack) 13 2049 End Cap O-Ring (3 pack)
4 2040 Handle Ferrule 14 2036 O-Rings (6 pack)
5 2041 End Cap W/ O-Ring
6 2042 Solder Delivery Tube
7 4824AS Handle Halves W/ Switch Actuator & Screws
8 2044 Vacuum Chamber Adapter W/ O-Ring
9 2045 Wire Nuts (4 pack)
10 4353 Handle Cordset/ Vacuum Tube Assy.
Go To Table Of Contents

4624
Dual Electronic Soldering System
ITEM NO. PART NO. DESCRIPTION ITEM NO. PART NO. DESCRIPTION
1 4355 Pump Assembly 11 4361 Rubber Feet (4)
2 4356 Transformer Assembly 12 4362 Fuse and Holder 3 Amp
3 4357 PCB Assembly (Desoldering) 13 4363 Bulkhead Fitting
4 9955AS PCB Assembly (Soldering)
5 9950 Unlighted Rocker Switch
6 4365 Lighted Rocker Switch
7 9954 Knobs for Slide Control
8 4354 Cover Assembly W/ Irion Holders
9 4359 Iron Holder
10 4360 Power Cord
Go To Table Of Contents

4924
Service Center
ITEM NO. PART NO. DESCRIPTION ITEM NO. PART NO. DESCRIPTION
1 4366 Cover Assembly W/ Iron Holders 11 4370 Regulated Power Supply Variable Control
2 4368 PCB Assy. (Regulated Power Supply) 12 4365 Lighted Rocker Switch
3 9955AS PCB Assembly (Soldering) 13 4371 End Cap O-Ring (3 pack)
4 4357 PCB Assembly (Desoldering) 14 2036 Power Supply Meter
5 4367 Air/ Vacuum Switch
6 4355 Pump Assembly
7 4372 Fuse and Holder 5 Amp
8 4356 Transformer Assy. Soldering/ Desoldering
9 4360 Power Cord
10 4369 Transformer Assy. (Regulated Power Supply)
Go To Table Of Contents

5088AS
Electronic Desoldering InLine Pencil
ITEM NO. PART NO. DESCRIPTION ITEM NO. PART NO. DESCRIPTION
1 5039 Tip Retainer Assembly 11 5043 Vacuum Tube (Secondary Filter To Base)
2 Tip 12 2047 Secondary Filter
3 5040 Heater Assembly W/ Heat Shield 13 5044 Cordset Assembly
4 5041 Handle Halves W/ Button & Screws 14 4091 Stainless Steel Wire Brush
5 4084 "S" Filter (Pack of 5) 15 4092 Nylon Bristle Brush
6 4082 Solder Chamber (Glass) 16 2002 Tip Cleaning Tool
7 4083 Felt Filter (Pack 10)
8 4085 End Cap W/ Rear Seal
9 5035 Vacuum Tube (Handle To Secondary Filter)
10 5042 Switch & Circuit Board Assembly
Go To Table Of Contents

5098AS
Electronic Desoldering Pistol
ITEM NO. PART NO. DESCRIPTION ITEM NO. PART NO. DESCRIPTION
1 5020 Tip Retainer Assembly 14 2047 Secondary Filter
2 Tip 15 5029 Barbed Tube Connector
3 5021 Handle Halves W/ Button & Screws 16 5030 Cordset Assembly
4 5022 Switch Release W/ Spring 17 5031 Circuit Board Assembly W/ Fasteners
5 5037 Safety Filter (10 Pack) 18 5032 Heater Assembly
6 2036 O-Ring (Pack of 6) 19 5033 Solder Delivery Tube
7 5023 Rear Seal Assembly W/ Safety Filter 20 5034 Handle Ferrule
8 5024 Vacuum Tube (Handle) 21 5035 Vacuum Tube (Handle To Secondary Filter)
9 5025 Solder Caddy 22 5036 Vacuum Tube (Secondary To Filter To Base)
10 5026 Front Seal (Teflon) W/ O-Ring 23 4091 Stainless Steel Brush
11 5027 Solder Chamber (Glass) 24 4092 Nylon Bristle Brush
12 5028 Primary Filter (10 Pack) 25 2002 Tip Cleaning Tool
Go To Table Of Contents

6966C
Industrial Heat Gun
ITEM NO. PART NO. DESCRIPTION ITEM NO. PART NO. DESCRIPTION
168 Cone and Insulator 6964 Precision Reflector
182 Heating Element W/Diode Assembly 6965A Heat Fun Holder
183 Motor and Scroll Assembly
185 Ferrule With Screw
187 3-Wire Cord Assembly
188 Hot-Off-Cold Switch
189 Left and Right Enclosures
6956 1/2" Large Reflector
6957 1 1/2" Large Reflector
6958 Reducing Baffle
Go To Table Of Contents

6970
Heat Gun, Heavy Duty
ITEM NO. PART NO. DESCRIPTION ITEM NO. PART NO. DESCRIPTION
1095 Dual Temperature Heat Gun
1080 Reducer for Concentrating Heat
1081 Scraper for Paint Stripping
1082 Reflector for Heat Shrink Tubing/ Caps
1085 Baffle Kit
6959 Baffle Adaptor
6995 Heat Gun Stand
R290 Left and Right Enclosure
R291 Scroll Assembly
Go To Table Of Contents

921ZX1
Electronic Soldering System
ITEM NO. PART NO. DESCRIPTION ITEM NO. PART NO. DESCRIPTION
1 4365 Rocker Switch 2115 Temperature Lock (not shown)
2 9951 Power Cord
3 9952 Transformer Assembly
4 N/A Cover Assembly/Label/Tray, Anti-Static
5 N/A Knobs for Slide Control
6 2103 PCB Assembly for 9900AS
7 9956 RubberFeet (4)
8 N/A Iron Holder with Ceramic Mouthpiece
9 N/A Mouthpiece - Ceramic
9904 Replacement Sponge (not shown)
Go To Table Of Contents

9211
Soldering Irons for 921ZX1 System (cont.)
ITEM NO. PART NO. DESCRIPTION ITEM NO. PART NO. DESCRIPTION
1A 9037 Tip Retainer Assy./ Support Tube for 9211 Standard Tips
1B 9919 Tip Retainer Assy./ Support Tube for 9211 Thermal Thrust Tips
2 9908 Ceramic Heater for 9211
3 9211 Handle Assembly 9211
3
9211
Go To Table Of Contents

9300 Series
Temperature Regulated Irons
ITEM NO. PART NO. DESCRIPTION ITEM NO. PART NO. DESCRIPTION
1A 9037 Tip Retainer Assy. and Support Tube for Standard Tips
1B 9919 Tip Retainer Asssy. and Support Tube for Thermal Thrust Tip
2A 9357 700
o
F Ceramic Heater
2B 9358 800
o
F Ceramic Heater
9054 Adaptor for Princess Tips
Go To Table Of Contents

9900AS
Electronic Soldering System
ITEM NO. PART NO. DESCRIPTION ITEM NO. PART NO. DESCRIPTION
1 9950 Unlighted Rocker Switch 9902 Temperature Lock (Not Shown)
2 9951 Power Cord 9903 Handle Switch Lock (Not Shown)
3 9952 Transformer Assembly 9906 Fuse (5/ pkg) 2 Amp, 250VAC
4 9953AS Cover Assembly/ Lable/ Tray, Anti-Static 9907 Calibration Lock
5 9954 Knobs for Slide Control
6 9955AS PCB Assembly for 9900AS
7 9956 Rubber Feet (4)
8 9923UG Iron Holder with Ceramic Mouthpiece
See Illustration Next Page
9 9924UG Mouthpiece-Ceramic
9901 Replacement Sponge (not shown)
Go To Table Of Contents

9911AS,/9931AS/ 9941AS
Soldering Irons for 9900AS System (cont.)
ITEM NO. PART NO. DESCRIPTION ITEM NO. PART NO. DESCRIPTION
1A 9037 Tip Retainer Assy./ Support Tube for 9911AS Standard Tips
1B 9919 Tip Retainer Assy./ Support Tube for 9911HC Thermal Thrust Tips
2 9908 Ceramic Heater for 9911AS and 9911HC
3 9942 Tip Retainer Assy. W/ Spacer for 9941AS
4A 9932 Tip Retainer Assy. W/ Spacer for 9931AS Standard Tips
4B 9933 Tip Retainer Assy. W/ Spacer for 9931AS Thermal Thrust Tips
4C 9909 Thermal Sleeve for 9931AS
5 Handle Assembly 9911AS/9911HC
6 Heater/ Handle Assembly, 9931AS
7 Heater/ Handle Assembly, 9941AS
Go To Table Of Contents

DI
Series
Double Insulated
ITEM NO. PART NO. DESCRIPTION ITEM NO. PART NO. DESCRIPTION
360 27W Heater for 1/4" Thread-On Tips
361 35W Heater for 1/4" Thread-On Tips
362 45W Heater for 1/4" Thread-On Tips
363 45W Heater, Integral Chisel Tip
5550 Double Insulated 2-Wire Handle
555XR Double Insulated Handle, 20' Cord
555XT Double Insulated Handle, 9' Cord
Go To Table Of Contents

Imperial
Series
ITEM NO. PART NO. DESCRIPTION ITEM NO. PART NO. DESCRIPTION
6100 Perma-Cool Handle 9902 Temperature Lock (Not Shown)
6102 2-Wire Cord Set 9903 Handle Switch Lock (Not Shown)
6103 3-Wire Cord Set 9906 Fuse (5/ pkg)
6200 45W Heater for Imperial Tips 9907 Calibration Lock
6201 35W Heater for Imperial Tips
6202 25W Heater for Imperial Tips
6203 55W Heater for Imperial Tips
6010 Imperial Kit includes:
6100 Handle, 6102 2-Wire Cord Set, 6200 45W Heater and
3 soldering tips (6318, 6312, 6331)
Go To Table Of Contents

Standard Series
Modular Soldering Irons/Handles
ITEM NO. PART NO. DESCRIPTION ITEM NO. PART NO. DESCRIPTION
7400 3-Wire Grounded Handle
7500 3-Wire Grounded Handle
7760 Red 2-Wire Handle
7770 Blue 2-Wire Handle
Go To Table Of Contents

ITEM NO. PART NO. DESCRIPTION ITEM NO. PART NO. DESCRIPTION
533S 23W Heater, Long Chisel Tip 4033S 45W Heater, Long Chisel Tip
535S 23W Heater for Thread-In Tips 4035S 45W Heater for Thread-In Tips
536S 23W Heater, Pyramid Tip 4036S 45W Heater, Pyramid Tip
537S 23W Heater for Thread-On Tips 4037S 45W Heater for Thread-On Tips
539S 23W Heater, Short Chisel Tip 4039S 45W Heater, Short Chisel Tip
1233S 33W Heater, Long Chisel Tip 33 50W Heater, Long Chisel Tip
1235S 33W Heater for Thread-In Tips 37 50W Heater for Thread-On Tips
1236S 33W Heater, Pyramid Tip 8370 700
o
F Heater for Temp. Regulated Irons
1237S 33W Heater for Thread-On Tips
1239S 33W Heater, Short Chisel Tip
Standard Series
Standard Series Heating Elements
Go To Table Of Contents

UTC100/ 200,/200HC,/300
Electronic Soldering System
ITEM NO. PART NO. DESCRIPTION ITEM NO. PART NO. DESCRIPTION
UTC131 Macro-Size Iron Assembly for UTC100 9919 Tip Retainer Assy. for UTC 200 Thermal Thrust Tips
UTC231 Micro-Size Iron for UTC200 9932 Tip Retainer Assy. for UTC300 Standard Tips
UTC233 Ceramic Heater for UTC200 & UTC200 HC 9933 Tip Retainer Assy. for UTC300 Thermal Thrust Tips
UTC234 Sponge
UTC235 Sponge Tray for UTC200/ 200HC/ 300
UTC241 Micro-Size Iron for UTC200HC
UTC331 High Capacity Iron for UTC300
9037 Tip Retainer Assy. for UTC200 Standard Tips
9054 Adapter for 1/8" Princess Tips for UTC200
9128 Fuse 2 AMP, 250 Volt Slo Blo
Go To Table Of Contents