Diagram And/or PartsList !! White Outdoor Parts Manual 13A4616G190 LT 1650 Year 2003
Preview ! White-Outdoor-Parts-Manual-13A4616G190-LT-1650-Year-2003 White Outdoor Lawn Mower Manuals - Lawn Mower Manuals – The Best Lawn Mower Manuals Collection
User Manual: !! White Outdoor Lawn Mower Manuals - Lawn Mower Manuals – The Best Lawn Mower Manuals Collection
Open the PDF directly: View PDF
.
Page Count: 39

13A4616G190 LT-1650 (2003) Page 1 of 39
Carburetor TVT691-600405B
www.mymowerparts.com
For Discount White Outdoor Parts Call 606-678-9623 or 606-561-4983

13A4616G190 LT-1650 (2003) Page 2 of 39
Carburetor TVT691-600405B
Ref # Part Number Qty DescriptionS/P/F
TC-640221 Carburetor (Incl 184 of Engine Parts Lists)1 /P
1 TC-640216 Throttle Shaft & Lever Assembly1
5 TC-640037 Dust Seal1
6 TC-640038 Throttle Shutter1
7 TC-650506 Throttle & Choke Shutter Screws1
10 TC-640217 Choke Shaft & Lever Assembly1
11 TC-632785 Choke Return Spring1
14 TC-64077 Choke Shutter1
17 TC-651025 Throttle Crack Screw/Idle Speed Screw1
18 TC-630766 Tension Spring1
25 TC-640220 Float Bowl Assembly1
?25A TC-730649 Float Bowl Repair Kit1 /P
27 TC-632544 Float Shaft1
28 TC-632543 Float1 /P
29 TC-640047 Float Bowl to Body Gasket1 /P
30 TC-632709 Inlet Needle & Seat1 /P
32 TC-640041 Bowl Drain Screw1
33 TC-27110A Bowl Drain Washer1
36 TC-640067 Main Nozzle Tube1
37 TC-632547 O-Ring1
38 TC-632545 Spring, Main Nozzle Tube1 /P
38A TC-36918 Spring1
39 TC-640218A Float Bowl Retainer1
40 TC-640219 Main Fuel Jet1
47 TC-630748 Welch Plug, Idle Mixing Well1
www.mymowerparts.com
For Discount White Outdoor Parts Call 606-678-9623 or 606-561-4983

13A4616G190 LT-1650 (2003) Page 3 of 39
Carburetor TVT691-600810B
www.mymowerparts.com
For Discount White Outdoor Parts Call 606-678-9623 or 606-561-4983

13A4616G190 LT-1650 (2003) Page 4 of 39
Carburetor TVT691-600810B
Ref # Part Number Qty DescriptionS/P/F
TC-640221 Carburetor (Incl 184 of Engine Parts Lists)1 /P
1 TC-640216 Throttle Shaft & Lever Assembly1
5 TC-640037 Dust Seal1
6 TC-640038 Throttle Shutter1
7 TC-650506 Throttle & Choke Shutter Screws1
10 TC-640217 Choke Shaft & Lever Assembly1
11 TC-632785 Choke Return Spring1
14 TC-64077 Choke Shutter1
17 TC-651025 Throttle Crack Screw/Idle Speed Screw1
18 TC-630766 Tension Spring1
25 TC-640220 Float Bowl Assembly1
?25A TC-730649 Float Bowl Repair Kit1 /P
27 TC-632544 Float Shaft1
28 TC-632543 Float1 /P
29 TC-640047 Float Bowl to Body Gasket1 /P
30 TC-632709 Inlet Needle & Seat1 /P
32 TC-640041 Bowl Drain Screw1
33 TC-27110A Bowl Drain Washer1
36 TC-640067 Main Nozzle Tube1
37 TC-632547 O-Ring1
38 TC-632545 Spring, Main Nozzle Tube1 /P
38A TC-36918 Spring1
39 TC-640218A Float Bowl Retainer1
40 TC-640219 Main Fuel Jet1
47 TC-630748 Welch Plug, Idle Mixing Well1
www.mymowerparts.com
For Discount White Outdoor Parts Call 606-678-9623 or 606-561-4983

13A4616G190 LT-1650 (2003) Page 5 of 39
Deck Assembly "G" 42 Inch
www.mymowerparts.com
For Discount White Outdoor Parts Call 606-678-9623 or 606-561-4983

13A4616G190 LT-1650 (2003) Page 6 of 39
Deck Assembly "G" 42 Inch
Ref # Part Number Qty DescriptionS/P/F
1 711-04069 Grass Catcher Pin, 1/4-201 S
2 618-0574 Spindle Assembly, 5.75 Dia. w/ Fitting1 S
756-0980 Pulley Only1
3 683-04051 42-inch Deck Shell1
4 683-0254 Deck Adjustment Bracket w/ Weld Nut1 S
5 736-0140 Flat Washer, .385 x .62 x .0631 S
6 710-0520 Hex Cap Screw, 1/4-20 x 1.51 /P
7 710-0528 Hex Cap Screw, 5/16-18 x 1.251 /P
8 710-0726 Self-tapping Screw, 5/16-12 x .751 /P
9 710-0751 Hex Cap Screw, 1/4-20 x .621 /P
10 710-1238 Hex Head Washer Screw, 5/16-18 x .8751 /P
11 710-0650 Self-tapping Screw, 5/16-18 x .8751 /P
12 710-3151 Hex Cap Screw, 5/8-18 x .8751 /P
13 712-0337 Hex Nut, 5/8-181
14 712-0417A Hex Flange Nut, 5/8-181 /P
15 712-0431 Flange Lock Nut, 3/8-161 S
16 712-3004A Flange Lock Nut, 5/16-181 /P
17 712-3006 Hex Nut, 1/4-201 /P
18 712-3027 Hex Flange Lock Nut, 1/4-201 S
19 714-0470 Cotter Pin, 1/8 x 1.251 S
20 716-3020 Internal Snap Ring1 S
21 717-1553B Deck Adjustment Gear1 S
22 726-0233 Push Nut. .25 x .51 /P
23 731-1032B Side Discharge Chute Assembly1 S
24 731-2486 Belt Cover1 S
25 732-0306 Compression Spring, .406 x .531 x 1.1 S
26 732-0470A Extension Spring, .50 x 4.741 S
27 734-0973 Deck Wheel, 5 x 1.381 /P
28 712-0641 Hex Nut, M-16 x 1.51 S
29 736-0119 Lock Washer, 5/161 S
30 736-0158 Lock Washer, 5/81 S
31 736-0162 Flat Washer, .64 x 1.0 x .121 /P
32 736-0270 Bell Washer, .265 x .75 x .0621 /P
33 738-0373 Shoulder Screw, .498 x 1.531 S
34 741-0524 Bearing, .625 x 1.574 x .4701 S
35 742-0616A Three-in-one Blade, Star Center, 21.23"1 S
36 747-1116 Deck Release Pin1 /P
37 748-0331 Shoulder Spacer, .625 x .3241 S
38 750-0932A Spacer, .635 x .88 x 1.721 S
39 683-0440 Deck Brake Assembly1
40 754-0498 Deck Belt1 S
41 756-0627B Idler Pulley, 3.51 S
42 756-1202 Double Pulley, 5.01
43 710-1830 Self-tapping Screw, 1/4-20 x 4.01
44 746-0970 Brake Cable, 5.051
45 783-1291 Idler Bracket1 S
46 711-1534 Pin, 3/8-16, 3/8 x 3.271
47 721-0417 O-Ring1 S
48 737-04003 Water Nozzle1 S
49 736-0760 Lock Washer, 17 x 23.8 x 1.951 S
www.mymowerparts.com
For Discount White Outdoor Parts Call 606-678-9623 or 606-561-4983

13A4616G190 LT-1650 (2003) Page 7 of 39
Drive & Rear Wheels
www.mymowerparts.com
For Discount White Outdoor Parts Call 606-678-9623 or 606-561-4983

13A4616G190 LT-1650 (2003) Page 8 of 39
Drive & Rear Wheels
Ref # Part Number Qty DescriptionS/P/F
1 17840 Transaxle Mounting Bracket1 S
2 618-0319 Hydrostatic Transmission1 S
3 629-0949A Reverse Wire Harness Adapter & Ground1
4 736-0242 Bell Washer, .34 x .8721 /P
5 683-0251 Double Idler Bracket Assembly1
6 710-0176 Hex Cap Screw, 5/16-18 x 2.751 /P
7 710-0227 Screw, #8-18 x .51 /P
8 710-0344 Hex Cap Screw, 3/8-16 x 1.51 /P
9 710-0604A Self-tapping Screw, 5/16-18 x .6251 /P
10 710-0599 Self-tapping Screw, 1/4-20 x .51 /P
11 710-3007 Screw, #12-24 x .3751 /P
12 710-3011 Hex Cap Screw, 3/8-16 x 2.251 /P
13 710-3103 Hex Cap Screw, 5/16-18 x 2.01 /P
14 711-0677 Ferrule, 5/16-181 S
15 711-0832 Ferrule, 3/8-241 S
16 712-0333 Hex Nut, 1/2-201 S
17 712-0431 Flange Lock Nut, 3/8-161 S
18 712-3004A Flange Lock Nut, 5/16-181 /P
19 712-3010 Hex Nut, 5/16-181 S
20 712-3017 Hex Nut, 3/8-161 S
21 714-0104 Internal Cotter Pin1 S
22 714-0111 Cotter Pin1 S
23 725-0157 Cable Tie1 /P
24 725-1644 Short Spring Switch1
25 726-0320 Insulator Nut Plate1 S
26 731-1449A 10-inch Fan1 S
27 732-0209 Extension Spring, .48 x 2.031 S
28 732-0716 Extension Spring, .59 x 4.01 S
29 732-0729 Wire Ring1 /P
30 732-0429A Extension Spring, .5 x 3.971 S
31 732-0994 Extension Spring, .5 x 7.01
32 732-3118 Extension Spring, 3/8 x 1.441
33 736-0140 Flat Washer, .385 x .62 x .0631 S
34 736-0142 Flat Washer, .281 x .50 x .0631 S
35 736-0169 Lock Washer, 3/81 S
36 736-0275 Flat Washer, .344 x .688 x .0651 S
37 736-0921 Lock Washer, 1/21 S
38 736-3010 Flat Washer, .407 x .812 x .1351
39 738-0372B Shoulder Spacer, .381 /P
40 747-1149 Hydrostatic Bypass Rod1
41 747-1150 Hydrostatic Brake Rod1
42 747-1151 Hydrostatic Control Rod1
43 750-0535 Spacer, .376 x .625 x .221 S
44 754-0349 Drive Belt1 S
45 756-0116 V-idler Pulley, 3.061 S
46 756-0981A Flat Idler Pulley, 2.751 S
47 756-1166 Input Pulley, 5.01
48 783-0810 Transmission Torque Bracket1 S
49 783-1019 Switch Actuator Bracket1 S
50 647-0031B Brake Control Assembly1 S
51 647-0049 Drive Control Assembly1 S
52 683-0267C Hydro Pedal Assembly1 /P
53 710-0650 Self-tapping Screw, 5/16-18 x .8751 /P
www.mymowerparts.com
For Discount White Outdoor Parts Call 606-678-9623 or 606-561-4983

13A4616G190 LT-1650 (2003) Page 9 of 39
Drive & Rear Wheels
Ref # Part Number Qty DescriptionS/P/F
54 710-1611B Self-tapping Screw, 5/16-18 x .751 /P
55 711-0736 Ferrule, 1/4-201 /P
56 711-1363 Pin, 3/8-16 x 2.431
57 732-0335 Compression Spring, .405 OD x 1.171
58 756-0983B Engine Pulley (LT-1650)1 /P
58 756-0978A Engine Pulley (LT-1850)1 S
59 732-0963 Extension Spring, .50 OD x 6.371
60 735-0662 Drive Pedal Pad1
61 735-3049 Brake Pedal Pad1 S
62 736-0133 Flat Washer, .411 x 1.25 x 1.01 S
63 736-0187 Flat Washer, .64 x 1.24 x .061 /P
64 736-0204 Flat Washer, .344 x .062 x .031 /P
65 736-3004 Flat Washer, .406 x .875 x .1051 S
66 738-0155 Shoulder Screw, .437 x 1.621 S
67 710-0627 Hex Cap Screw, 5/16-24 x .751 /P
68 741-0225 Hex Flange Bearing1 S
69 741-3065B Split Hex Flange Bearing1 /P
70 747-1137 Cruise Control Rod1
71 747-1138 Brake Lock Control Rod1
72 748-0413 Cruise Latch1
73 736-3008 Flat Washer, .344 x .750 x .1201 S
74 783-0653F Steering Support Bracket1 S
75 783-0663C Drive Lockout Bracket1 S
76 783-0773 Brake Pedal1
77 634-0104 Wheel Assembly Complete, 20 x 8 x 8 Used
on Model LT-1650
1
77 634-0177 Wheel Assembly Complete, 20 x 10 x 8 Used
on Model LT-1850
1 /P
77 634-0070 Rim Assembly Only (Not Shown)1 /P
77 734-0255 Air Valve (Not Shown)1 S
77 734-1730 Tire Only, 20 x 8 x 8, Square Shoulder Used
on Model LT-1650 (Not Shown)
1
77 734-1873 Tire Only, 20 x 10 x 8, Square Shoulder Used
on Model LT-1850 (Not Shown)
1
78 731-2290A Deluxe Hub Cap1 /P
79 736-0430 Flat Washer, .350 x 1.59 x .0621 /P
www.mymowerparts.com
For Discount White Outdoor Parts Call 606-678-9623 or 606-561-4983

13A4616G190 LT-1650 (2003) Page 10 of 39
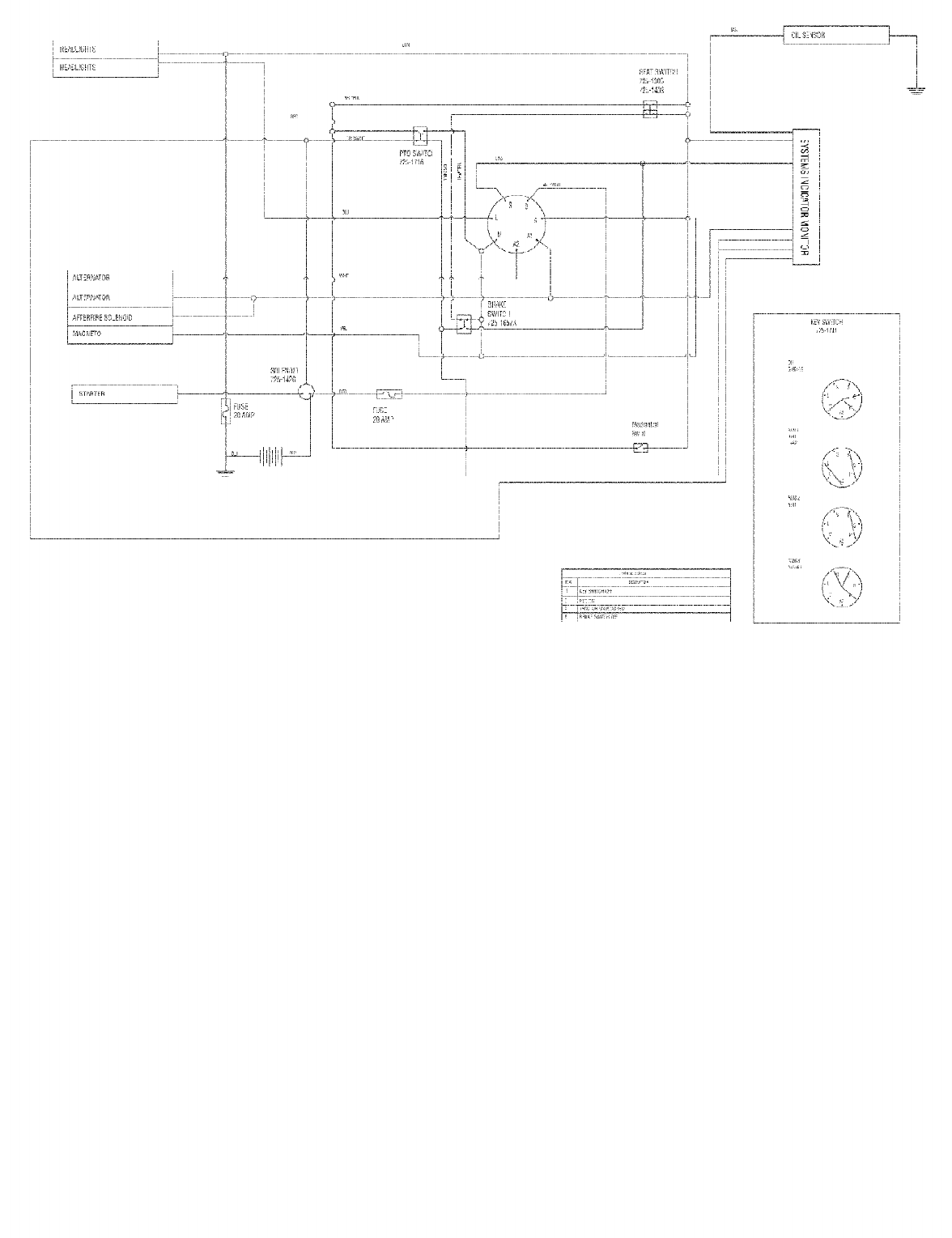
Electrical System
www.mymowerparts.com
For Discount White Outdoor Parts Call 606-678-9623 or 606-561-4983

13A4616G190 LT-1650 (2003) Page 11 of 39
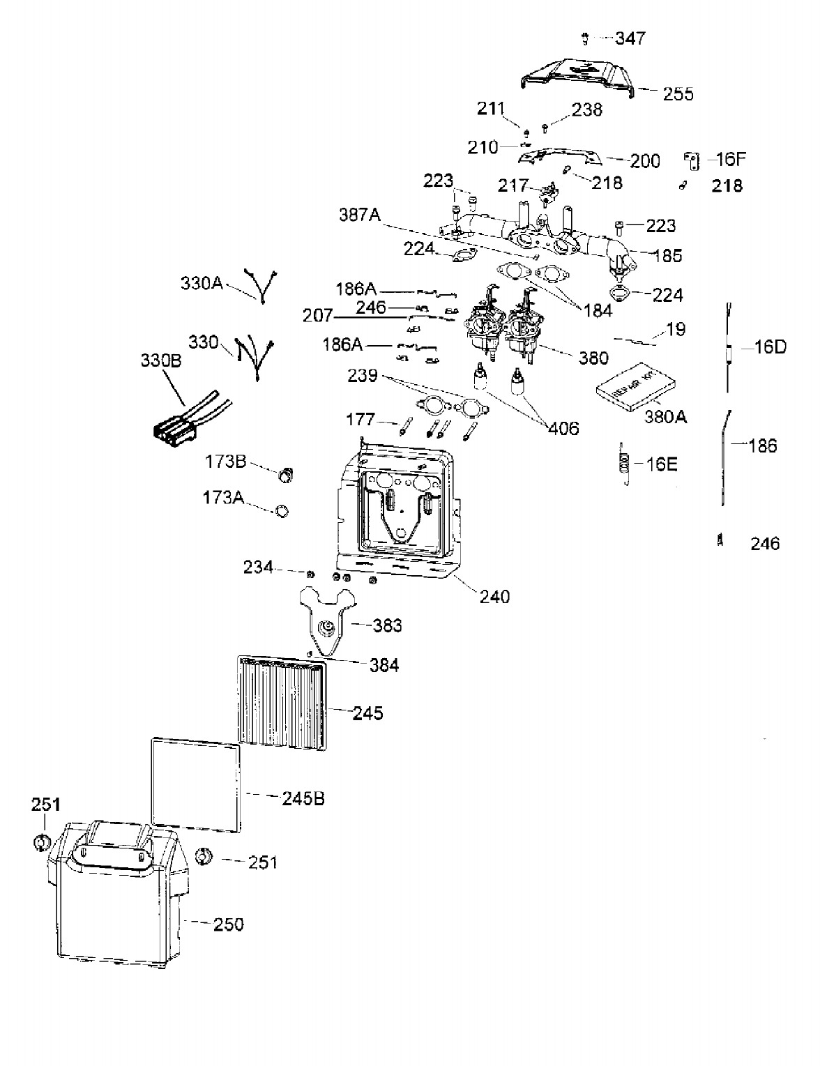
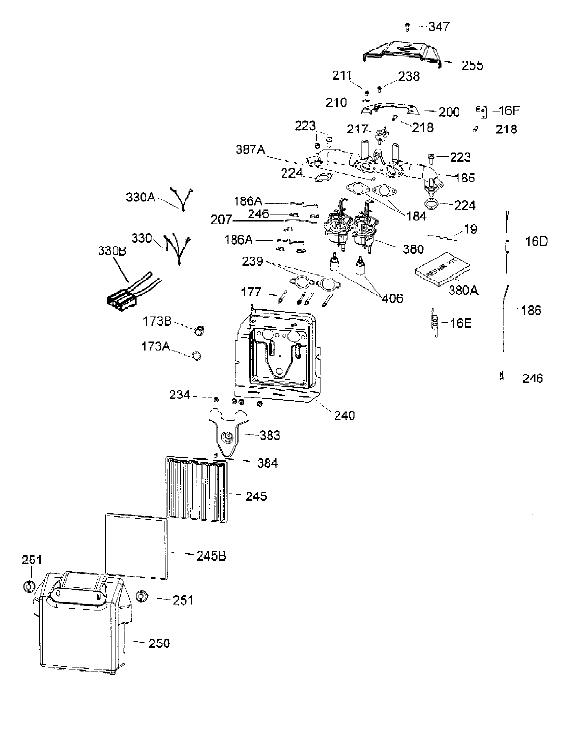
Engine Accessories
www.mymowerparts.com
For Discount White Outdoor Parts Call 606-678-9623 or 606-561-4983

13A4616G190 LT-1650 (2003) Page 12 of 39
Engine Accessories
Ref # Part Number Qty DescriptionS/P/F
1 710-0227 Screw, #8-18 x .51 /P
2 710-0599 Self-tapping Screw, 1/4-20 x .51 /P
3 710-0726 Self-tapping Screw, 5/16-12 x .751 /P
4 710-1314A Socket Cap Screw, 5/16-18 x .6251 /P
5 710-1315 Self-tapping Screw, 3/8-16 x 1.251 /P
6 712-3017 Hex Nut, 3/8-161 S
7 746-1086 Throttle Cable1 S
8 721-0460 Exhaust Gasket1
9 726-0205 Hose Clamp1 /P
10 736-0119 Lock Washer, 5/161 S
11 736-0300 Lock Washer, .406 x .875 x .0591 S
12 783-0625C Engine Heat Shield1 /P
13 751-0535 Fuel Line Hose1
14 751-0564 Muffler Deflector1 S
15 751-0616 Muffler, Twin Inlet1 S
16 751-0814 RH Exhaust Pipe1 S
17 751-0813 LH Exhaust Pipe1 S
18 751-3140 Oil Drain Valve1 S
19 751-3141 Oil Drain Hose1 S
20 751-3142 Oil Drain Cap1
21 783-0615B Muffler Heat Shield1 S
www.mymowerparts.com
For Discount White Outdoor Parts Call 606-678-9623 or 606-561-4983

13A4616G190 LT-1650 (2003) Page 13 of 39
Engine List 1 TVT691-600405B
www.mymowerparts.com
For Discount White Outdoor Parts Call 606-678-9623 or 606-561-4983

13A4616G190 LT-1650 (2003) Page 14 of 39
Engine List 1 TVT691-600405B
Ref # Part Number Qty DescriptionS/P/F
1 UNKNOWN1
2 TC-27652 Dowel Pin1
11 TC-36302 Check Valve1
11A TC-36303 Breather Plate1
11B TC-650990 Screw, 10-32 x 7/16"1
14 TC-37363 Washer1
15 TC-37364 Governor Rod1
15B TC-650738 Screw, 1/4-20 x 5/8"1
16 TC-37413 Governor Lever1
16A TC-37414 Governor Spring Bracket1
17C TC-37429 Breather Tube Clamp1
30 TC-37371 Crankshaft1 S
35 TC-651069 Screw, Carriage 1/4-20 x 1-1/2"1
37 TC-650456 Lock Nut, 1/4-201
38 TC-37365 Retaining Ring1
40 TC-40040 Piston, Pin & Ring Set (Std.)1
40 TC-40041 Piston, Pin & Ring Set (.010" OS)1
41 ~N/A Piston & Pin Ass'y. (Std.), (.010" OS) (Incl.
43)
1
42 TC-40013 Ring Set (Std.)1
42 TC-40014 Ring Set (.010"OS)1
43 TC-27888 Piston Pin Retaining Ring1
45 TC-37372 Connecting Rod Ass'y (Incl. 46)1
46 TC-651063 Connecting Rod Bolt1
48 TC-37373 Valve Lifter1
50 TC-37374 Camshaft (MCR)1 S
52 TC-37305 Oil Pump Ass'y.1
52A TC-37382 Oil Pump Shaft1
52B TC-36333 "O" Ring1
52C TC-36334 Oil Pump Cover (Incl. 52B)1
52D TC-650888 Screw, T-30 1/4-20 x 43/64"1
52E TC-37383 Oil Pump Gear1
52F TC-37384 Oil Pump Gear Retaining Ring1
60A TC-65105 Screw, 1/4-20 x 1/2"1
63 UNKNOWN1
69 TC-37377 Mounting Flange Gasket1 /P
70 TC-37378 Mounting Flange (Incl. 72, 72A, 75, 80,
381-387)
1
72A TC-28483 Oil Drain Plug 3/8-181
75 TC-36301 Oil Seal (1 in Ref 1, 1 in Ref 70)1 /P
75A TC-37369 Oil Seal (Governor Shaft)1
80 TC-37379 Governor Shaft1
81 TC-37381 Washer (Governor Shaft)1
82 TC-37380 Governor Gear Ass'y.1
84 TC-29193 Retaining Ring1
86 TC-651064 Screw, 5/16-18 x 1-15/32"1
89 TC-650592 Flywheel Key1
90 TC-611243 Flywheel (Incl. 91 & 91A)1
91 TC-611241 Flywheel Fan1 S
91A TC-611242 Flywheel Retainer1
92 TC-650666 Flywheel Lock Washer1
93 TC-650594 Flywheel Nut1
www.mymowerparts.com
For Discount White Outdoor Parts Call 606-678-9623 or 606-561-4983

13A4616G190 LT-1650 (2003) Page 15 of 39
Engine List 1 TVT691-600405B
Ref # Part Number Qty DescriptionS/P/F
100 TC-37395 Solid State Ignition (Incl. 101)1 /P
101 TC-610118 Spark Plug Cover1
102 TC-651024 Solid State Mounting Stud1
103 TC-651007 Screw, T-15 10-24 x 15/16"1
119 TC-37388 Cylinder Head Gasket Kit (P)1
120 TC-37387 Cylinder Head, Opp. Breather Side1
120A TC-37389 Cylinder Head, Breather Side1
125 TC-36934 Exhaust Valve (Std.)1
126 TC-36935 Intake Valve (Std)1
127 TC-650691 Flat Washer1
128 TC-650690 Belleville Washer1
130 TC-650697A Screw, 5/16-18 x 2-1/2"(Head Mount)1
135 TC-34645 Spark Plug (RN4C)1 /P
150 TC-33507 Valve Spring1
151 TC-33508 Valve Keeper Retainer & Cap Set1
151A ~N/A Valve Seal1
153 TC-37390 Push Rod Guide1
154 TC-650945 Rocker Arm Stud1
155 TC-35950 Rocker Arm1
158 TC-37391 Push Rod1 /P
159 TC-35952 Rocker Arm Cover Gasket Kit (P)1 /P
160 TC-35953A Rocker Arm Cover, Opp. Breather Side1
160A TC-37392 Rocker Arm Cover, Breather Side1
161 TC-30063 Screw, T-30 1/4-20 x 1/2"1
161A TC-651034 Stud, Valve Cover Mounting1
162 TC-650947 Rocker Arm Jam Nut, 5/16-241
163 TC-650890 Internal Lock Washer, 5/16"1
169 TC-37367 Valve Cover Gasket Kit (P)1
171 TC-37366 Breather Element1
172 TC-37368 Valve Cover1
173 TC-37393 Breather Tube1 S
212 TC-37370 Bushing1
253 TC-37376 Compression Release Weight1
253A TC-37424 Compression Release Pin1
254 TC-37375 Compression Release Spring1
260 TC-37398 Blower Housing (Red)1
261 TC-650737 Screw, 1/4-20 x 1/2"1
265 TC-37627 Cylinder Head Cover, Opp. Breather1
265A TC-37628 Cylinder Head Cover, Breather Side1
270A TC-35829A Exhaust Port Liner1
286 TC-37394 Flywheel Screen1
287 TC-651066 Screw, T-20 8-18 x 1-15/32"1
290 TC-30962 Fuel Line (16.75")1
291 ~N/A Fuel Line 291B N/A, 291C N/A1
291A TC-29774 Fuel Line (8-1/4")1
291B UNKNOWN1
291C UNKNOWN1
292 TC-26460 Fuel Line Clamp1 /P
292A TC-37399 Fuel Line Retainer1 S
293 TC-35787 Pulse Pump1 S
293A TC-650931 Screw, 8-32 x 1-1/2"1
294 TC-35791 Pulse Pump Repair Kit1
295A TC-37422 Fuel Fitting1 S
www.mymowerparts.com
For Discount White Outdoor Parts Call 606-678-9623 or 606-561-4983

13A4616G190 LT-1650 (2003) Page 16 of 39
Engine List 1 TVT691-600405B
Ref # Part Number Qty DescriptionS/P/F
296 TC-34279B Fuel Filter (Incl. 292)1 /P
303 TC-32958 Pulse Pump/Fuel Fitting1
305 TC-36349 Oil Fill Tube1
306 TC-37401 O-Ring (Oil Fill, Bottom) Kit (P)1
307 TC-35499 O-Ring (Oil Fill, Top)1 /P
309 TC-650974 Screw, 1/4-20 x 57/64"1
310 TC-37421 Dipstick1
315 TC-611181 Alternator Coil (3/5 Split) (Incl. 321-323)1
321 TC-611161 Diode1 /P
322 TC-611142 Connector Body1
323 TC-611118 Terminal1
325 TC-36342 Wire Clip1
342 TC-651031 Screw, 1/4-20 x 9/16"(Ref. 240 & 265)1
346 TC-36413 Fuel Pump Bracket1
361 TC-651065 Screw, 5/16-18 x 2-3/8"1
370A TC-35274 Lubrication Decal1
381 TC-650767 Screw, 8-32 x 27/64"1
382 TC-36931 Oil Strainer Screen1
385 TC-570673 Ball1
386 TC-36329 Pressure Release Spring1
387 TC-37652 Cotter Pin1
395 TC-37284 Electric Starter Motor (12 Volt)1 /P
400 TC-37423 Gasket Set (Incl. Items Marked PK in Notes)1
420 UNKNOWN1
428 TC-37362 Spacer1
475 TC-36563 Oil Filter1 /P
476 TC-36929 Oil Filter Adaptor (Incl. 479)1 /P
477 TC-650378 Screw, T-30 5/16-18 x 1 3/32"1
479 TC-36930 Oil Filter Adaptor Gasket Kit (P)1
483 TC-37629 Cylinder Wrap Spacer1
www.mymowerparts.com
For Discount White Outdoor Parts Call 606-678-9623 or 606-561-4983

13A4616G190 LT-1650 (2003) Page 17 of 39
Engine List 1 TVT691-600810B
www.mymowerparts.com
For Discount White Outdoor Parts Call 606-678-9623 or 606-561-4983

13A4616G190 LT-1650 (2003) Page 18 of 39
Engine List 1 TVT691-600810B
Ref # Part Number Qty DescriptionS/P/F
1 UNKNOWN1
2 TC-27652 Dowel Pin1
11 TC-36302 Check Valve1
11A TC-36303 Breather Plate1
11B TC-650902 Screw, 10-32 x 7/16"1
14 TC-37363 Washer1
15 TC-37364 Governor Rod1
15B TC-650738 Screw, 1/4-20 x 5/8"1
16 TC-37413 Governor Lever1
16A TC-37414 Governor Spring Bracket1
17C TC-37429 Breather Tube Clamp1
30 TC-37371 Crankshaft1 S
35 TC-651069 Screw, Carriage 1/4-20 x 1-1/2"1
37 TC-650456 Lock Nut, 1/4-201
38 TC-37365 Retaining Ring1
40 TC-40040 Piston, Pin & Ring Set (Std.)1
40 TC-40041 Piston, Pin & Ring Set (.010"OS)1
41 ~N/A Piston & Pin Ass'y. (Std.), (.010"OS) (Incl. 43)1
42 TC-40013 Ring Set (Std.)1
42 TC-40014 Ring Set (.010"OS)1
43 TC-27888 Piston Pin Retaining Ring1
45 TC-37372 Connecting Rod Ass'y. (Incl. 46)1
46 TC-651063 Connecting Rod Bolt1
48 TC-37373 Valve Lifter1
50 TC-37374 Camshaft (MCR)1 S
52 TC-37305 Oil Pump Ass'y.1
52A TC-37382 Oil Pump Shaft1
52B TC-36333 "O" Ring1
52C TC-36334 Oil Pump Cover (Incl. 52B)1
52D TC-650888 Screw, T-30 1/4-20 x 43/64"1
52E TC-37383 Oil Pump Gear1
52F TC-37384 Oil Pump Gear Retaining Ring1
60A TC-650773 Screw, 1/4-20 x 1/2"1
69 TC-37377 Mounting Flange Gasket1 /P
70 TC-37378 Mounting Flange (Incl. 72, 72A, 75, 80,
381-387)
1
72A ~N/A Oil Drain Plug 3/8-181
75 TC-36301 Oil Seal (1 in Ref 1, 1 in Ref 70)1 /P
75A TC-37369 Oil Seal (Governor Shaft)1
80 TC-37379 Governor Shaft1
81 TC-37381 Washer (Governor Shaft)1
82 TC-37380 Governor Gear Ass'y.1
83 TC-35322 Governor Spool1
84 TC-29193 Retaining Ring1
86 TC-651064 Screw, 5/16-18 x 1-15/32"1
90 TC-611243 Flywheel (Incl. 91 & 91A)1
91 TC-611241 Flywheel Fan1 S
91A TC-611242 Flywheel Retainer1
92 TC-651082 Belleville Washer1
93 TC-650594 Flywheel Nut1
100 TC-37395 Solid State Ignition (Incl. 101)1 /P
101 TC-610118 Spark Plug Cover1
www.mymowerparts.com
For Discount White Outdoor Parts Call 606-678-9623 or 606-561-4983

13A4616G190 LT-1650 (2003) Page 19 of 39
Engine List 1 TVT691-600810B
Ref # Part Number Qty DescriptionS/P/F
102 TC-651024 Solid State Mounting Stud1
103 TC-651007 Screw, T-15 10-24 x 15/16"1
119 TC-37388 Cylinder Head Gasket Kit (P)1
120 TC-37387 Cylinder Head, Opp. Breather Side1
120A TC-37389 Cylinder Head, Breather Side1
125 TC-36934 Exhaust Valve (Std.)1
126 TC-36935 Intake Valve (Std)1
127 TC-650691 Flat Washer1
128 TC-650690 Belleville Washer1
130 TC-650697A Screw, 5/16-18 x 2-1/2" (Head Mount)1
135 TC-34645 Spark Plug (RN4C)1 /P
150 TC-33507 Valve Spring1
151 TC-33508 Valve Keeper Retainer & Cap Set1
151A TC-35862 Valve Seal1
153 TC-37390 Push Rod Guide1
154 TC-650945 Rocker Arm Stud1
155 TC-35950 Rocker Arm1
158 TC-37391 Push Rod1 /P
159 TC-35952 Rocker Arm Cover Gasket Kit (P)1 /P
160 TC-35953A Rocker Arm Cover, Opp. Breather Side1
160A TC-37392 Rocker Arm Cover, Breather Side1
161 TC-30063 Screw, T-30 1/4-20 x 1/2"1
161A TC-651034 Stud, Valve Cover Mounting1
162 TC-650947 Rocker Arm Jam Nut, 5/16-241
163 TC-650890 Internal Lock Washer, 5/16"1
169 TC-37367 Valve Cover Gasket Kit (P)1
171 TC-37366 Breather Element1
172 TC-37368 Valve Cover1
173 TC-37393 Breather Tube1 S
212 TC-37370 Bushing1
253 TC-37376 Compression Release Weight1
253A TC-37424 Compression Release Pin1
254 TC-37375 Compression Release Spring1
260 TC-37398 Blower Housing (Red)1
261 TC-650737 Screw, 1/4-20 x 1/2"1
265A TC-37628 Cylinder Head Cover, Breather Side1
270A TC-35829A Exhaust Port Liner1
285 UNKNOWN1
286 TC-37394 Flywheel Screen1
287 TC-651066 Screw, T-20 8-18 x 1-15/32"1
290 TC-30962 Fuel Line (16.75")1
291 ~N/A Fuel Line (1.56")1
291A ~N/A Fuel Line (8-1/4")1
291B UNKNOWN1
291C TC-34357 Fuel Line (6.75")1
292 TC-26460 Fuel Line Clamp1 /P
292A TC-37399 Fuel Line Retainer1 S
293 TC-35787 Pulse Pump1 S
293A TC-650931 Screw, 8-32 x 1-1/2"1
294 UNKNOWN1
295A TC-37422 Fuel Fitting1 S
296 TC-37768 Fuel Filter (Incl. 292)1 /P
303 TC-32958 Pulse Pump/Fuel Fitting1
www.mymowerparts.com
For Discount White Outdoor Parts Call 606-678-9623 or 606-561-4983

13A4616G190 LT-1650 (2003) Page 20 of 39
Engine List 1 TVT691-600810B
Ref # Part Number Qty DescriptionS/P/F
305 TC-36349 Oil Fill Tube1
306 TC-37401 O-Ring (Oil Fill, Bottom) Kit (P)1
307 TC-35499 O-Ring (Oil Fill, Top)1 /P
309 TC-650974 Screw, 1/4-20 x 57/64"1
310 TC-37421 Dipstick1
315 TC-611280 Alternator Coil (3/5 Split) (Incl. 321-323)1 /P
321 TC-611161 Diode1 /P
322 TC-611281 Connector Body1
323 TC-611282 Terminal1
325 TC-36342 Wire Clip1
342 TC-651031 Screw, 1/4-20 x 9/16"(Ref. 240 & 265)1
346 TC-36413 Fuel Pump Bracket1
361 TC-651065 Screw, 5/16-18 x 2-3/8"1
370A TC-35274 Lubrication Decal1
381 TC-650767 Screw, 8-32 x 27/64"1
382 TC-36931 Oil Strainer Screen1
385 TC-570673 Ball1
386 TC-36329 Pressure Release Spring1
387 TC-37652 Cotter Pin1
395 TC-37284 Electric Starter Motor (12 Volt)1 /P
400 TC-37423 Gasket Set (Incl. Items Marked PK in Notes)1
420 UNKNOWN1
428 TC-37362 Spacer1
475 TC-36563 Oil Filter1 /P
476 TC-36929 Oil Filter Adaptor (Incl. 479)1 /P
477 TC-650378 Screw, T-30 5/16-18 x 1 3/32"1
479 TC-36930 Oil Filter Adaptor Gasket Kit (P)1
483 UNKNOWN1
www.mymowerparts.com
For Discount White Outdoor Parts Call 606-678-9623 or 606-561-4983

13A4616G190 LT-1650 (2003) Page 21 of 39
Engine List 2 TVT691-600405B
www.mymowerparts.com
For Discount White Outdoor Parts Call 606-678-9623 or 606-561-4983

13A4616G190 LT-1650 (2003) Page 22 of 39
Engine List 2 TVT691-600405B
Ref # Part Number Qty DescriptionS/P/F
16D TC-37415 Governor Spring, Hi-speed1
16E TC-37417 Governor Idle Spring1
16F TC-37418 Bell Crank Lever1
19 TC-37416 Throttle Spring1
173A TC-37410 Breather Tube Grommet1
173B TC-37409 Breather Tube Fitting1
177 TC-651067 Carburetor Mounting Stud1
184 TC-36352 Carburetor to Intake Pipe Gasket Kit (P)1 /P
185 TC-37396 Intake Pipe (Incl. 387A)1
186 TC-37404 Governor Link1
186A TC-37405 Choke Link1
200 TC-37400 Control Bracket1
207 TC-37406 Throttle Link1
210 TC-27793 Conduit Clip1 /P
211 TC-28942 Screw, 10-32 x 3/8"1 /P
217 TC-37419 Control Lever1
218 TC-651070 Screw, 10-32 x 1-1/4"1
223 TC-650971 Screw, T-30 5/16-18 x 7/8"1
224 TC-33515A Intake Pipe Gasket (Pipe to Head) Kit (P)1
234 TC-650928 Lock Nut, 1/4-201
238 TC-650902 Screw, 10-32 x 7/16"1
239 TC-36358 Air Cleaner Gasket Kit (P)1 /P
240 TC-37691 Air Cleaner Body Ass'y. (Incl. 239)1
245 TC-37360 Air Cleaner Filter (Paper)1 /P
245B TC-37361 Air Cleaner Pre-Filter (Poly)1 /P
246 TC-37407 Connector Bushing Link1 /P
250 TC-37690 Air Cleaner Cover1
251 TC-37689 Wing Nut, 1/4-20 x 1-19/32"1 /P
255 TC-37647 Control Cover1
330 TC-37402 Fuel Solenoid Wire Assembly (R & G)1
330A TC-37403 Fuel Solenoid Wire Assembly (Black)1
330B TC-37642 Wire Harness1
347 TC-650898A Screw, 10-32 x 27/32"1
380 TC-640221 Carburetor (Incl. 184 & 428)1 /P
380A TC-730649 Carburetor Repair Kit1 /P
383 TC-37411 Carburetor Baffle1
384 TC-30200 Screw, 10-24 x 9/16" Self Tap1 /P
387A TC-37397 Roll Pin1
406 TC-611221 Fuel Shut-Off Solenoid1 /P
www.mymowerparts.com
For Discount White Outdoor Parts Call 606-678-9623 or 606-561-4983

13A4616G190 LT-1650 (2003) Page 23 of 39
Engine List 2 TVT691-600810B
www.mymowerparts.com
For Discount White Outdoor Parts Call 606-678-9623 or 606-561-4983

13A4616G190 LT-1650 (2003) Page 24 of 39
Engine List 2 TVT691-600810B
Ref # Part Number Qty DescriptionS/P/F
16D TC-37415 Governor Spring, Hi-speed1
16E TC-37417 Governor Idle Spring1
16F TC-37418 Bell Crank Lever1
19 TC-37416 Throttle Spring1
173A TC-37410 Breather Tube Grommet1
173B TC-37409 Breather Tube Fitting1
177 TC-651067 Carburetor Mounting Stud1
184 TC-36352 Carburetor to Intake Pipe Gasket Kit (P)1 /P
185 TC-37396 Intake Pipe (Incl. 387A)1
186 TC-37404 Governor Link1
186A TC-37405 Choke Link1
200 TC-37400 Control Bracket1
207 TC-37406 Throttle Link1
210 TC-27793 Conduit Clip1 /P
211 TC-28942 Screw, 10-32 x 3/8"1 /P
217 TC-37419 Control Lever1
218 TC-651070 Screw, 10-32 x 1-1/4"1
223 TC-650971 Screw, T-30 5/16-18 x 7/8"1
224 TC-33515A Intake Pipe Gasket (Pipe to Head) Kit (P)1
234 TC-650928 Lock Nut, 1/4-201
238 TC-650902 Screw, 10-32 x 7/16"1
239 TC-36358 Air Cleaner Gasket Kit (P)1 /P
240 TC-37691 Air Cleaner Body Ass'y. (Incl. 239)1
245 TC-37360 Air Cleaner Filter (Paper)1 /P
245B TC-37361 Air Cleaner Pre-Filter (Poly)1 /P
246 TC-37407 Connector Bushing Link1 /P
250 TC-37690 Air Cleaner Cover1
251 TC-37689 Wing Nut, 1/4-20 x 1-19/32"1 /P
255 TC-37420 Control Cover1
330 TC-37402 Fuel Solenoid Wire Assembly (R & G)1
330A TC-37403 Fuel Solenoid Wire Assembly (Black)1
330B UNKNOWN1
347 TC-650898A Screw, 10-32 x 27/32"1
380 TC-640221 Carburetor (Incl. 184 & 428)1 /P
380A TC-730649 Carburetor Repair Kit1 /P
383 TC-37411 Carburetor Baffle1
384 TC-30200 Screw, 10-24 x 9/16" Self Tap1 /P
387A TC-37397 Roll Pin1
406 TC-611221 Fuel Shut-Off Solenoid1 /P
www.mymowerparts.com
For Discount White Outdoor Parts Call 606-678-9623 or 606-561-4983

13A4616G190 LT-1650 (2003) Page 25 of 39
Fender, Seat, Deck Stabilizer
www.mymowerparts.com
For Discount White Outdoor Parts Call 606-678-9623 or 606-561-4983

13A4616G190 LT-1650 (2003) Page 26 of 39
Fender, Seat, Deck Stabilizer
Ref # Part Number Qty DescriptionS/P/F
1 747-1130B Deck Stabilizer Rod1 /P
2 683-0197B Lift Shaft Assembly1 S
3 711-0332 Clevis Pin, .5 x .781 S
4 712-0206 Hex Nut, 1/2-131 S
5 712-0431 Flange Lock Nut, 3/8-161 S
6 712-3004A Flange Lock Nut, 5/16-181 /P
7 712-3083 Hex Nut, 1/2-131 /P
8 714-0104 Internal Cotter Pin1 S
9 714-0145 Internal Cotter Pin1 S
10 716-0106 E-ring1 /P
11 720-0311 Handle Grip1
12 732-0874 Torsion Spring1 /P
13 732-1027 Extension Spring, .872 x 3.41
14 736-0275 Flat Washer, 5/161 S
15 736-0921 Lock Washer, 1/21 S
16 736-3019 Flat Washer, .31 x 1.062 x .1341
17 736-3084 Flat Washer, .51 x 1.12 x .061 /P
18 738-0138A Hex Cap Screw, 5/16-18 x .621 /P
19 738-0143 Shoulder Screw, 3/8-161 /P
20 741-0225 Hex Flange Bearing1 S
21 741-0715 Snap Flange Bearing1 S
22 746-0968 Lift Cable, 16.16 (LT-1650)1
746-1144 Lift Cable, 15.62 (LT-1850)1
23 747-1111A Lift Handle1 /P
24 756-1154 Roller Pulley1
25 783-0678A Arm Lift1 S
26 783-0720A Deck Stabilizer Bracket1 S
27 710-0260A Carriage Bolt, 5/16 x .621 /P
28 710-0604A Self-tapping Screw, 5/16-18 x .6251 /P
29 710-0895 Self-tapping Screw, 1/4-15 x .751
30 731-1990 Lift Lever Cover1
31 731-1993 C over w/ Cup Holder1
32 736-3078 Flat Washer, .349 x 1.0 x .0631 /P
33 783-0677 Lift Adjustment Bracket1 S
34 783-1279 Fender1 /P
35 783-1489 Seat Mounting Bracket1 S
36 710-1268 Screw, #10-16 x .3751 /P
37 712-3027 Hex Flange Lock Nut, 1/4-201 S
38 720-0309A Seat Adjuster Grip1 /P
39 731-04074 Spacer1
40 732-0499 Compression Spring, .41 x 1.51
41 736-0175 Spring Washer, .265 x .562 x .0251 S
42 736-0204 Flat Washer, .344 x .62 x .031 /P
43 738-0137A Shoulder Screw, .340 x .285,1/4-201 S
44 738-1007 Shoulder Screw, .50 x .50, 3/8-161
45 783-0611 Seat Stop1
46 783-0738 Seat Pivot Bracket1 S
47 783-0739 Seat Adjustment Lever1
48 783-0753 Seat Adjustment Selector1
49 757-04014 Medium Back Seat, Black1 S
50 735-0656 RH Foot Pad1
51 735-0657 LH Foot Pad1
726-3046 Foot Pad Clips (Not Shown)1 /P
www.mymowerparts.com
For Discount White Outdoor Parts Call 606-678-9623 or 606-561-4983

13A4616G190 LT-1650 (2003) Page 27 of 39
Fender, Seat, Deck Stabilizer
Ref # Part Number Qty DescriptionS/P/F
52 714-0111 Cotter Pin1 S
53 731-0511 Trim Strip1 /P
54 783-0209 Seat Lift Bracket1 S
55 726-0201 Speed Clip1
www.mymowerparts.com
For Discount White Outdoor Parts Call 606-678-9623 or 606-561-4983

13A4616G190 LT-1650 (2003) Page 28 of 39
Fuel Tank & Hood Assembly
www.mymowerparts.com
For Discount White Outdoor Parts Call 606-678-9623 or 606-561-4983

13A4616G190 LT-1650 (2003) Page 29 of 39
Fuel Tank & Hood Assembly
Ref # Part Number Qty DescriptionS/P/F
1 710-3015 Hex Cap Screw, 1/4-20 x .751 /P
2 710-0599 Self-tapping Screw, 1/4-20 x .51 /P
3 712-3006 Hex Nut, 1/4-201 /P
4 710-0895 Self-tapping Screw, 1/4-15 x .751
?5 710-0924 Pan Phillips Screw, 1/4-20 x .751 /P
6 710-0376 Hex Cap Screw, 5/16-18 x 1.01 /P
7 712-0292 U-type Speed Nut, 1/4-201 /P
8 712-3004A Flange Lock Nut, 5/16-181 /P
9 726-0201 Speed Nut1
10 747-2127 Hood Latch Rod1
11 731-2286 Head Light Lens1 S
12 683-0305 Hood Bracket Assembly1 S
13 731-2283A Hood1 S
14 731-2307A LH Side Panel1 S
15 731-2308A RH Side Panel1 S
16 736-0329 Lock Washer, 1/41 S
17 736-0342 Flat Washer, .283 x .75 x .0301
18 736-0173 Flat Washer, .28 x .74 x .0631 /P
19 736-3078 Flat Washer, .349 x 1.0 x .0631 /P
20 710-0809 Self-tapping Screw, 1/4-20 x 1.251
21 731-2284 Hood Plenum1
22 710-0604A Self-tapping Screw, 5/16-18 x .6251 /P
23 710-1017 Torx Self-tapping Screw, 1/4-14 x .6251 /P
24 710-3217 Torx Screw, #8-32 x .3751 /P
25 712-0142 Hex Nut, 8-321 /P
26 731-0069C Dash Panel, 4-style (LT-1650)1 S
731-0071D Dash Panel, 4-style (LT-1850)1 S
735-04023 Cargo Net1
726-04029 Clips1
27 731-0072 Parking Brake Button1
28 731-1857 Throttle Control Lever1
29 731-2106 Cruise Control Button1
30 747-1155 Brake/Cruise Pivot Rod1
31 749-1087A Dash Support Tube1 S
32 731-2232 Intake Bellow (LT-1650)1 S
731-2234 Intake Bellow (LT-1850)1 S
33 751-0658D Fuel Tank, 3-gallon1 S
34 751-0603 Fuel Cap1 S
35 725-1745 Ignition Key w/ plastic cover1 S
725-1744 Ignition Key w/o plastic cover1 S
36 710-0726 Self-tapping Screw, 5/16-18 x .751 /P
37 783-1000A Grille Support Bracket1 /P
38 725-04036 Systems Indicator Monitor, Curved Face1 S
39 725-1741 Ignition Switch1 S
40 625-0051 Headlight Assembly1 S
41 710-1611B Self-tapping Screw, 5/16-18 x .751 /P
42 746-1085 Choke Control1 S
629-0469B Headlight Wire Harness1 S
629-1071 Tractor Wire Harness (LT-1650)1 S
629-1067 Tractor Wire Harness (LT-1850)1
www.mymowerparts.com
For Discount White Outdoor Parts Call 606-678-9623 or 606-561-4983

13A4616G190 LT-1650 (2003) Page 30 of 39
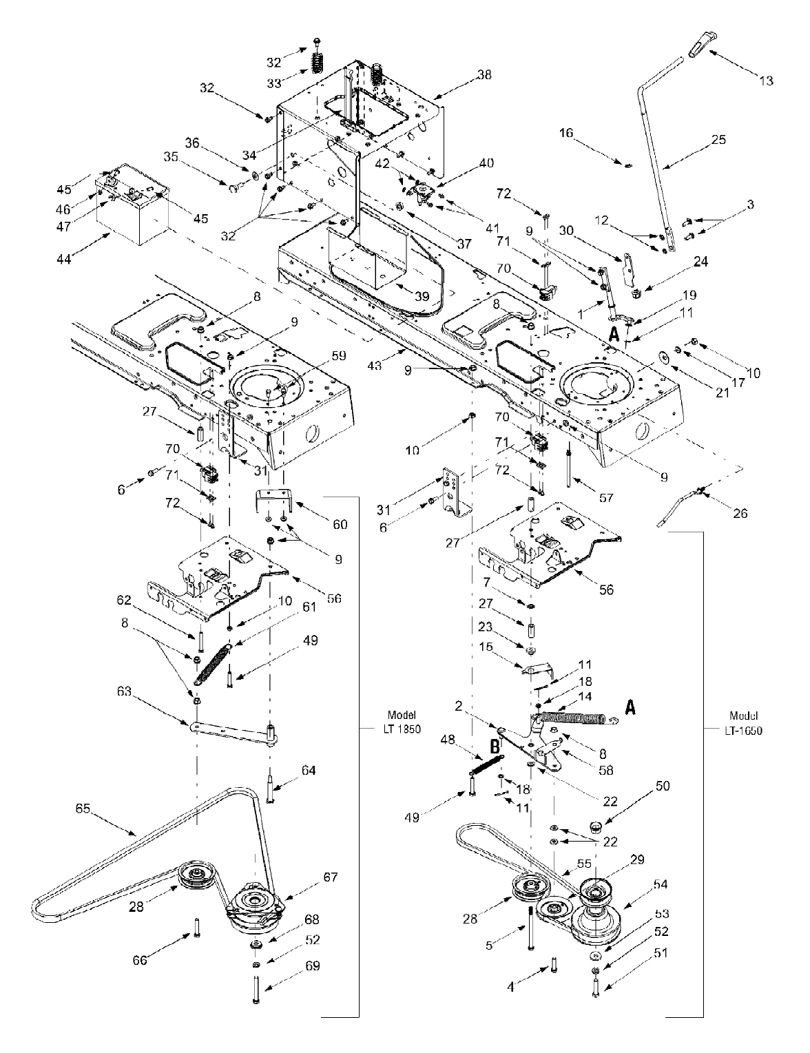
PTO Drive, Battery, Lower Frame
www.mymowerparts.com
For Discount White Outdoor Parts Call 606-678-9623 or 606-561-4983

13A4616G190 LT-1650 (2003) Page 31 of 39
PTO Drive, Battery, Lower Frame
Ref # Part Number Qty DescriptionS/P/F
1 647-0064 PTO Engage Lever Assembly1 /P
2 683-0450 PTO Engage Plate Assembly1 /P
3 710-0276 Carriage Screw, 5/16-18 x 1.001 /P
4 710-0520 Hex Cap Screw, 3/8-16 x 1.51 /P
5 710-0831 Hex Cap Screw, 3/8-16 x 5.51
6 710-1238 Hex Head Washer Screw, 5/16-18 x .8751 /P
7 712-0229 Push Nut, 3/81
8 712-0431 Flange Lock Nut, 3/8-161 S
9 712-3004A Flange Lock Nut, 5/16-181 /P
10 712-3010 Hex Nut, 5/16-181 S
11 714-0470 Cotter Pin, 1/8 x 1.251 S
12 726-0201 Speed Nut, .31251
13 731-2111A PTO Knob1 S
14 732-1170 Extension Spring, .75 x 6.751
15 732-0991A Belt Guard1 /P
16 736-0108 Flat Washer, .510 x .750 x .0331 S
17 736-0119 Lock Washer, 5/161 S
18 736-0140 Flat Washer, .385 x .62 x .0631 S
19 736-0275 Flat Washer, 5/161 S
?20 736-3000 Flat Washer, .406 x .875 x .0591
21 736-0331 Bell Washer, .39 x 1.13 x .0621 /P
22 736-3010 Flat Washer, .407 x .812 x .1351
23 738-0372 Shoulder Spacer, .3801 S
24 741-0708 Hex Split Flange Bearing, .51
25 747-1112D PTO Engagement Handle1 S
26 747-1286A Belt Keeper Rod1 /P
27 748-0415B Spacer, 3/8 x 1.541 /P
28 756-0627B Idler Pulley, 3.51 S
29 756-1208 Idler Pulley, 4.01
30 783-0744A Engagement Stop1
31 783-0891B Deck Stop1
32 710-0604A Self Tapping Screw, 5/16-18 x .6251 /P
33 732-04035 Compression Spring, 1.28 x 3.1251
34 723-0444 Battery Strap1
35 738-1020 Shoulder Screw, .625 x .5, 7/16-201
36 736-0407 Bell Washer, .45 x 1.0 x .0621
37 712-0459 Flange Lock Nut, 7/16-201 /P
38 783-1031A Hitch Plate1
39 783-0349 Battery Tray1
40 725-1426 Solenoid, 12-Volt, 100 Amp1 S
41 710-0599 Self Tapping Screw, 1/4-20 x .51 /P
42 736-0222 Lock Washer, 1/41 S
43 683-0304B Lower Frame Assembly1
44 725-1706 12-volt Battery, 270 CCA1 S
45 710-0751 Hex Cap Screw, 1/4-20 x .621 /P
46 712-0271 Hex Sems Nut, 1/4-201 /P
47 712-3044 Wing Nut, 1/4-201
48 732-1165 Extension Spring, .50 x 5.01 S
49 710-3180 Hex Cap Screw, 5/16-18 x 1.751 /P
50 750-0596 Spacer Cup1
51 710-3029 Hex Head Cap Screw, 7/16-20 x 1.251 /P
52 736-0171 Lock Washer, 7/161 S
53 736-0322 Flat Washer, .450 x 1.251 /P
www.mymowerparts.com
For Discount White Outdoor Parts Call 606-678-9623 or 606-561-4983

13A4616G190 LT-1650 (2003) Page 32 of 39
PTO Drive, Battery, Lower Frame
Ref # Part Number Qty DescriptionS/P/F
54 756-0983B Engine Pulley, 3.56 OD x 5.561 /P
55 754-0497 PTO Belt (LT-1650)1 S
56 783-0653F Steering Support Bracket1 S
57 711-1044 Keeper Pin, 5/16 x 4.751 S
58 732-1013 Belt Guard1
59 710-3025 Hex Cap Screw, 5/16-18 x .6251 /P
60 783-1003 Electric Clutch Anti-rotation Bracket1 S
61 732-0978 Extension Spring, .62 x 5.621
62 710-0859 Hex Cap Screw, 3/8-16 x 2.51 /P
63 683-0297 Idler Bracket Assembly1 S
64 738-3056 Shoulder Screw, 1/2 x 2.51 S
65 754-0474 PTO Belt (LT-1850)1 S
66 710-3144 Hex Cap Screw, 3/8-16 x 2.01 /P
67 717-1708 Electric PTO Clutch1 S
68 738-0785 Shoulder Spacer, 1.38 x .445 x .361 S
69 710-3157 Hex Cap Screw, 7/16-20 x 3.25 (Grade 5)1 S
70 725-1657A Switch1 S
71 17962 Switch Plate1
72 710-0224 Screw, #10-16 x .51 S
www.mymowerparts.com
For Discount White Outdoor Parts Call 606-678-9623 or 606-561-4983

13A4616G190 LT-1650 (2003) Page 33 of 39
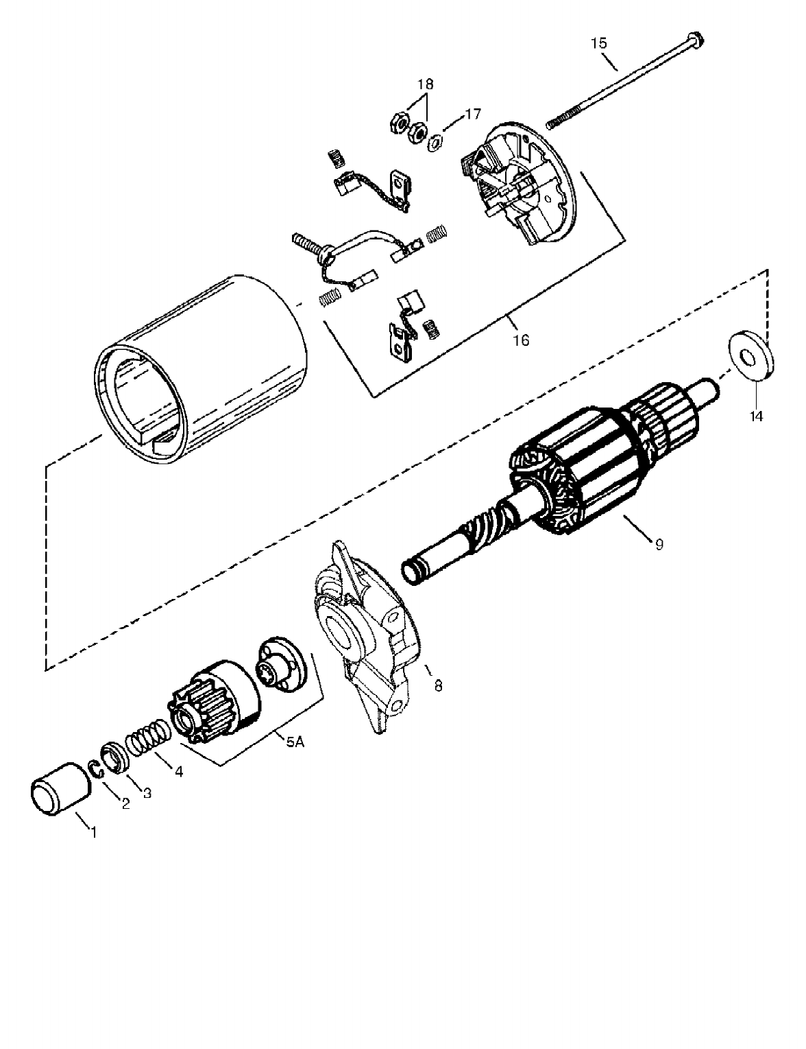
Starter TVT691-600405B
www.mymowerparts.com
For Discount White Outdoor Parts Call 606-678-9623 or 606-561-4983

13A4616G190 LT-1650 (2003) Page 34 of 39
Starter TVT691-600405B
Ref # Part Number Qty DescriptionS/P/F
TC-37284 Electric Starter (12 Volt)1 /P
1 TC-33841 Dust Cover1
2 TC-33842 Retainer Ring1
3 TC-33843 Spring Retainer1
4 TC-33854 Anti-drift Spring1
5A TC-36853 Gear & Nut (Incl. 2)1
8 TC-36854 Drive End Cap Assembly1
9 TC-36855 Armature1
14 TC-35897 Thrust Washer1
15 TC-36856 Case Bolt1
16 TC-37356 End Cap & Brush Card Ass'y (Incl. 14, 17, &
18)
1
17 TC-650168 Washer1
18 TC-650864 Nut1 /P
TC-822500 Replacement Engine for TVT691-600405B
only
1 S
Shortblock (not shown)1
www.mymowerparts.com
For Discount White Outdoor Parts Call 606-678-9623 or 606-561-4983

13A4616G190 LT-1650 (2003) Page 35 of 39
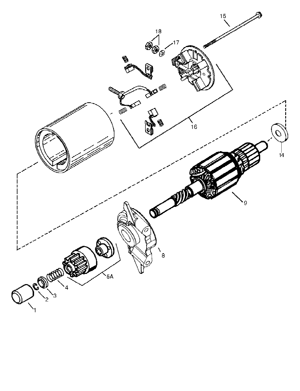
Starter TVT691-600810B
www.mymowerparts.com
For Discount White Outdoor Parts Call 606-678-9623 or 606-561-4983

13A4616G190 LT-1650 (2003) Page 36 of 39
Starter TVT691-600810B
Ref # Part Number Qty DescriptionS/P/F
TC-37284 Electric Starter (12 Volt)1 /P
1 TC-33841 Dust Cover1
2 TC-33842 Retainer Ring1
3 TC-33843 Spring Retainer1
4 TC-33854 Anti-drift Spring1
5A TC-36853 Gear & Nut (Incl. 2)1
8 TC-36854 Drive End Cap Assembly1
9 TC-36855 Armature1
14 TC-35897 Thrust Washer1
15 TC-36856 Case Bolt1
16 TC-37356 End Cap & Brush Card Ass'y (Incl. 14, 17, &
18)
1
17 TC-650168 Washer1
18 TC-650864 Nut1 /P Replacement Engine1 Shortblock (not shown)1
www.mymowerparts.com
For Discount White Outdoor Parts Call 606-678-9623 or 606-561-4983

13A4616G190 LT-1650 (2003) Page 37 of 39
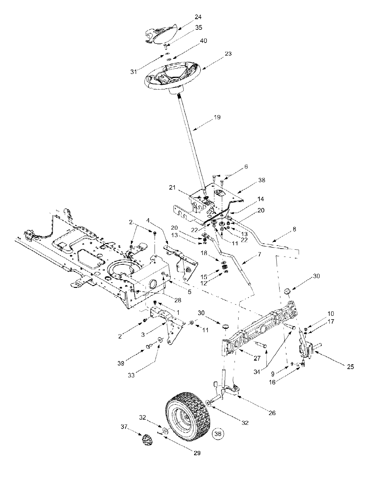
Steering, Front Wheels & Axle
www.mymowerparts.com
For Discount White Outdoor Parts Call 606-678-9623 or 606-561-4983

13A4616G190 LT-1650 (2003) Page 38 of 39
Steering, Front Wheels & Axle
Ref # Part Number Qty DescriptionS/P/F
1 710-1260A Self-tapping Screw, 5/16-18 x .751 /P
2 710-0604A Self-tapping Screw, 16-18 x .6251 /P
3 783-0726B RH Pivot Support Bracket1 S
4 783-0727A LH Pivot Support Bracket1 S
5 783-0728 Pivot Bar Bracket1
6 710-0514 Hex Cap Screw, 3/8-16 x 1 (Grade 5)1 /P
7 711-1408 RH Drag Link1
8 711-1409A LH Drag Link1 /P
9 712-0240 Jam Nut, 7/16-20 (Grade 2)1 S
10 712-0241 Hex Nut, 3/8-24 (Grade 2)1 /P
11 712-0431 Flange Lock Nut, 3/8-161 S
12 712-0459 Flange Lock Nut, 7/16-201 /P
13 712-3004A Flange Lock Nut, 5/16-181 /P
14 717-1550D Steering Gear, 11/90 Ratio1 S
15 717-1554 Steering Pinion Gear1
16 723-0448A Ball Joint, 7/16-201 S
17 736-0169 Lock Washer, 3/81 S
18 736-3084 Flat Washer, .51 x 1.12 x .061 /P
19 738-1001A Steering Shaft, .625 OD x 24.41 /P
20 741-0475 Plastic Bushing, .38 ID1 S
21 741-0656 Hex Flange Bearing, 5/81 S
22 738-0372B Shoulder Spacer, .38 ID1 /P
23 631-04008 Steering Wheel, Soft Grip, Three Spoke1 S
24 731-04065 Steering Wheel Cover1
25 638-0019A LH Axle Assembly, .625 Dia. (Model LT-1650)1 S
25 638-0021 LH Axle Assembly .625 / .750 Dia. Model
LT-1850)
1 S
26 638-0020A RH Axle Assembly, .625 Dia. (Model LT-1650)1 S
26 638-0022 RH Axle Assembly .625 / .750 Dia. Model
LT-1850)
1 S
27 719-0399B Cast Iron Pivot Bar w/ Fittings, .625 (Model
LT-1650)
1 /P
27 719-0525B Cast Iron Pivot Bar w/ Fittings, .75 (Model
LT-1850)
1 S
28 712-0431 Flange Lock Nut, 3/8-161 S
29 714-0162 Cotter Pin1 /P
30 726-0214 Push Cap, .625 (Model LT-1650)1 /P
30 726-0341 Push Cap, .750 (Model LT-1850)1 /P
31 736-0242 Bell Washer, .34 x .8721 /P
32 736-0285 Flat Washer, .635 x 1.589 x .061 /P
33 736-0331 Bell Washer, .39 x 1.13 x .0621 /P
34 738-1011 Shoulder Screw, .5 x 2.2, 3/8-161 S
35 710-0643 Hex Bolt, 5/16-18 X 11 /P
36 634-0115 Wheel Assembly Complete, 15 x 6 x 61
36 634-0051 Rim Only (Not Shown)1 S
36 734-0255 Air Valve (Not Shown)1 S
36 734-1731 Tire Only, Square Shoulder1
36 737-0280 Grease Fitting (Not Shown)1 S
36 741-0569 Ball Bearing (Not Shown)1 S
37 731-2290A Hub Cap1 /P
38 783-0653F Steering Support Bracket1 S
www.mymowerparts.com
For Discount White Outdoor Parts Call 606-678-9623 or 606-561-4983

13A4616G190 LT-1650 (2003) Page 39 of 39
Steering, Front Wheels & Axle
Ref # Part Number Qty DescriptionS/P/F
39 738-0143 Shoulder Screw, 3/8-161 /P
40 736-3004 Flat Washer, .406 x .875 x .1051 S
www.mymowerparts.com
For Discount White Outdoor Parts Call 606-678-9623 or 606-561-4983