Brushbull Rotary Cutter BB48, BB60, BB72, And BB84 !! Woods BBStandard Duty
Preview ! Woods-BBStandardDuty Bush Hog Lawn Mower Manuals - Lawn Mower Manuals – The Best Lawn Mower Manuals Collection
User Manual: !! Bush Hog Lawn Mower Manuals - Lawn Mower Manuals – The Best Lawn Mower Manuals Collection
Open the PDF directly: View PDF
.
Page Count: 58

OPER ATOR'S MANUAL
2-ISO
2-ISO
BRUSHBULL
ROTARY CUTTER
MAN0050
Rev.10/27/2006
Tested. Proven. Unbeatable.
BB48
BB60
BB72
BB84
S/N 994127 & AFTER
Includes Service & Parts Information
for S/N 994126 & Prior
TM

ii Introduction
Gen’l (Rev. 5/23/2005)
TO THE DEALER:
Assembly and proper installation of this product is the responsibility of the Woods® dealer. Read manual instructions
and safety rules. Make sure all items on the Dealer’s Pre-Delivery and Delivery Check Lists in the Operator’s Manual
are completed before releasing equipment to the owner.
The dealer must complete the Product Registration included with the Operator’s Manual. The customer must sign the
registration which certifies that all Dealer Check List items have been completed. The dealer is to return the prepaid
postage portion to Woods, give one copy to the customer, and retain one copy. Failure to complete and return this
card does not diminish customer’s warranty rights.
TO THE OWNER:
Read this manual before operating your Woods equipment. The information presented will prepare you to do a better and
safer job. Keep this manual handy for ready reference. Require all operators to read this manual carefully and become
acquainted with all adjustment and operating procedures before attempting to operate. Replacement manuals can be
obtained from your dealer. To locate your nearest dealer, check the Dealer Locator at www.WoodsEquipment.com, or in
the United States and Canada call 1-800-319-6637.
The equipment you have purchased has been carefully engineered and manufactured to provide dependable and
satisfactory use. Like all mechanical products, it will require cleaning and upkeep. Lubricate the unit as specified.
Observe all safety information in this manual and safety decals on the equipment.
For service, your authorized Woods dealer has trained mechanics, genuine Woods service parts, and the necessary
tools and equipment to handle all your needs.
Use only genuine Woods service parts. Substitute parts will void the warranty and may not meet standards required for
safe and satisfactory operation. Record the model number and serial number of your equipment in the spaces
provided:
Model: _______________________________ Date of Purchase: _____________________
Serial Number: (see Safety Decal section for location) ____________________________________
Provide this information to your dealer to obtain correct repair parts.
Throughout this manual, the term IMPORTANT is used to indicate that failure to observe can cause damage to
equipment. The terms CAUTION, WARNING, and DANGER are used in conjunction with the Safety-Alert Symbol (a
triangle with an exclamation mark) to indicate the degree of hazard for items of personal safety.
CAUTION
CAUTION
IMPORTANT
IMPORTANT
WARNING
WARNING
DANGER
DANGER
NOTE
NOTE
This Safety-Alert Symbol indicates a hazard and means ATTENTION!
BECOME ALERT! YOUR SAFETY IS INVOLVED!
Indicates an imminently hazardous situation that, if not avoided, will
result in death or serious injury.
Indicates a potentially hazardous situation that, if not avoided, could
result in death or serious injury, and includes hazards that are exposed
when guards are removed.
Indicates a potentially hazardous situation that, if not avoided, may
result in minor or moderate injury.
Indicates that failure to observe can cause damage to equipment.
Indicates helpful information.

Introduction 1
MAN0050 (Rev. 1/16/2004)
TABLE OF CONTENTS
INTRODUCTION . . . . . . . . . . . . . . . . . . . . . . . . . . . . INSIDE FRONT COVER
SPECIFICATIONS. . . . . . . . . . . . . . . . . . . . . . . . . . . . . . . . . . . . . . . . . . . . . .2
GENERAL INFORMATION . . . . . . . . . . . . . . . . . . . . . . . . . . . . . . . . . . . . . . .2
SAFETY VIDEO ORDER FORM. . . . . . . . . . . . . . . . . . . . . . . . . . . . . . . . . 3A
SAFETY RULES . . . . . . . . . . . . . . . . . . . . . . . . . . . . . . . . . . . . . . . . . . . . . 3-5
SAFETY DECALS . . . . . . . . . . . . . . . . . . . . . . . . . . . . . . . . . . . . . . . . . . . . 6-7
OPERATION . . . . . . . . . . . . . . . . . . . . . . . . . . . . . . . . . . . . . . . . . . . . . . . . . .8
OWNER SERVICE . . . . . . . . . . . . . . . . . . . . . . . . . . . . . . . . . . . . . . . . . . . .12
TROUBLE SHOOTING . . . . . . . . . . . . . . . . . . . . . . . . . . . . . . . . . . . . . . . . .17
DEALER SERVICE . . . . . . . . . . . . . . . . . . . . . . . . . . . . . . . . . . . . . . . . . . . .18
DEALER CHECK LISTS . . . . . . . . . . . . . . . . . . . . . . . . . . . . . . . . . . . . . . . .27
ASSEMBLY INSTRUCTIONS . . . . . . . . . . . . . . . . . . . . . . . . . . . . . . . . . . . .28
INDEX TO PARTS LISTS . . . . . . . . . . . . . . . . . . . . . . . . . . . . . . . . . . . . . . .35
BOLT TORQUE CHART . . . . . . . . . . . . . . . . . . . . . . . . . . . . . . . . . . . . . . . .50
BOLT SIZE CHART & ABBREVIATIONS . . . . . . . . . . . . . . . . . . . . . . . . . . .51
INDEX . . . . . . . . . . . . . . . . . . . . . . . . . . . . . . . . . . . . . . . . . . . . . . . . . . . . . .52
PRODUCT WARRANTY . . . . . . . . . . . . . . . . . . . . . . . INSIDE BACK COVER
REPLACEMENT PARTS WARRANTY . . . . . . . . . . . . . . . . . . . BACK COVER
Si no lee Ingles, pida ayuda a
alguien que si lo lea para que le
traduzca las medidas de seguridad.
LEA EL INSTRUCTIVO!
!
(Rev. 10/27/2006)

2 Introduction
MAN0050 (Rev. 1/16/2004)
SPECIFICATIONS
3-Point Hitch . . . . . . . . . BB48, BB60, BB72; Category 1 or BB84; Category 2
Cutting Height . . . . . . . . . . . . . . . . . . . . . . . . . . . . . . . . . . . . . . . . . . . . . 1" - 9"
Blade Spindle . . . . . . . . . . . . . . . . . . . . . . . . . . . . . . . . . . . . . . . . . . . . . . . . . 1
Number of Blades . . . . . . . . . . . . . . . . . . . . . . . . . . . . . . . . . . . . . . . . . . . . . . 2
Blades . . . . . . . . . . . . . . . . . . . . . . . . . . . . . . . . . . . . .Heat Treated Alloy Steel
Blade Rotation . . . . . . . . . . . . . . . . . . . . . . . . . . . . . . . . . . . . . . . . . . . . .CCW
Tractor PTO RPM . . . . . . . . . . . . . . . . . . . . . . . . . . . . . . . . . . . . . . . . . . . . 540
Universal Drive . . . . . . . . . . . . . . . . . . . . . . . . . . . . . . . . . . . . Category 3 or 4
Side Frame Thickness . . . . . . . . . . . . . . . . . . . . . . . . . . . . . . .10 Ga or 11 Ga
Tailwheel . . . . . . . . . . . . . . . . . . . . . . . . . . . . . . . . . . . . . . . . . . . . . . . .4" x 16"
GENERAL INFORMATION
■ Some illustrations in this manual show the cut-
ter with safety shields removed to provide a better
view. The cutter should never be operated with any
safety shielding removed.
The purpose of this manual is to assist you in operating
and maintaining your cutter. Read it carefully. It fur-
nishes information and instructions that will help you
achieve years of dependable performance. These
instructions have been compiled from extensive field
experience and engineering data. Some information
may be general in nature due to unknown and varying
operating conditions. However, through experience
and these instructions, you should be able to develop
procedures suitable to your particular situation.
The illustrations and data used in this manual were cur-
rent at the time of printing, but due to possible inline
production changes, your machine may vary slightly in
detail. We reserve the right to redesign and change the
machines as may be necessary without notification.
Throughout this manual, references are made to right
and left direction, These are determined by standing
behind the equipment facing, the direction of forward
travel. Blade rotation is counterclockwise as viewed
from the top of the cutter.
BB48 BB60 BB72 BB84
Cutting Width 48" 60" 72" 84"
Overall Width 51.5" 63.5" 75.5" 87.5"
Weight (Approximate lbs.) 456 lbs 554 lbs 702 lbs 1000 lbs
Blade Speed (Feet per minute) 13,000 14,335 14,963 14,963
Gearbox 1:1.92 1:1.69 1:1.47 1:1.26
Recommended Maximum Tractor HP 15 - 50 25 - 50 30 - 65 35 - 90
(Rev. 5/13/2005)

Safety 3-a
Safety Video Order Form (8/2/2005)
Free Mower Safety Video
Fill out and return the order form and we will send you a FREE VHS
or DVD video outlining
Industrial and Agricultural Mower Safety
Practices
. The 22 minute video, developed in cooperation with
AEM (Association of Equipment Manufacturers), reinforces the
proper procedures to follow while operating your Woods mowing
equipment. The video does not replace the information contained in
the Operator’s Manual, so please review this manual thoroughly
before operating your new mowing equipment.
Safety Training
Does Make a Difference.
BE SAFE!
BE ALERT!
BE ALIVE!
BE TRAINED
Before Operating Mowers!
ASSOCIATION OF
EQUIPMENT
MANUFACTURERS

3-b Safety
Safety Video Order Form (Rev. 2/6/2006)
Free Mower/Cutter Safety Video Order Form
✔ (Select one)
VHS Format - VHS01052 Safety Video
DVD Format - DVD01052 Safety Video
Please send me
Name: ________________________________________ Phone: __________________
Address: _____________________________________
_____________________________________
_____________________________________
Mower/Cutter Model: ______________________ Serial #: ________________________
Send to: ATTENTION: DEALER SERVICES
WOODS EQUIPMENT COMPANY
PO BOX 1000
OREGON IL 61061-1000
Also, available from the Association of Equipment Manufacturers:
A large variety of training materials (ideal for groups) are available for a nominal
charge from AEM. Following is a partial list:
●Training Package for Rotary Mowers/Cutters-English
Contains: DVD & VHS (English)
Guidebook for Rotary Mowers/Cutters (English)
AEM Industrial/Agricultural Mower Safety Manual (English)
AEM Agricultural Tractor Safety Manual (English)
●Training Package for Rotary Mowers/Cutters-English/Spanish
Contains: DVD & VHS (English/Spanish)
Guidebook for Rotary Mowers/Cutters (English/Spanish)
AEM Industrial/Agricultural Mower Safety Manual (English/Spanish)
AEM Agricultural Tractor Safety Manual (English/Spanish)
AEM training packages are available through:
AEM at:
www.aem.org
or
Hubbard Publishing
800-369-2310 tel
608-846-3398 fax

Safety 3
Single Spindle Cutter LD/MD (Rev. 10/27/2006)
TRAINING
Safety instructions are important! Read all
attachment and power unit manuals; follow all
safety rules and safety decal information. (Replace-
ment manuals and safety decals are available from
your dealer. To locate your nearest dealer, check
the Dealer Locator at www.WoodsEquipment.com,
or in the United States and Canada call 1-800-319-
6637.) Failure to follow instructions or safety rules
can result in serious injury or death.
If you do not understand any part of this manual
and need assistance, see your dealer.
Know your controls and how to stop engine and
attachment quickly in an emergency.
Operators must be instructed in and be capable
of the safe operation of the equipment, its attach-
ments, and all controls. Do not allow anyone to
operate this equipment without proper instruc-
tions.
Never allow children or untrained persons to
operate equipment.
PREPARATION
Check that all hardware is properly installed.
Always tighten to torque chart specifications
unless instructed otherwise in this manual.
Always wear relatively tight and belted clothing
to avoid getting caught in moving parts. Wear
sturdy, rough-soled work shoes and protective
equipment for eyes, hair, hands, hearing, and head;
and respirator or filter mask where appropriate.
Make sure attachment is properly secured,
adjusted, and in good operating condition.
Make sure spring-activated locking pin or collar
slides freely and is seated firmly in tractor PTO
spline groove.
Make sure driveline guard tether chains are
attached to the tractor and equipment as shown in
the pamphlet that accompanies the driveline.
Replace if damaged or broken. Check that driveline
guards rotate freely on driveline before putting
equipment into service.
Before starting power unit, check all equipment
driveline guards for damage. Replace any damaged
guards. Make sure all guards rotate freely on all
drivelines. If guards do not rotate freely on drive-
lines, repair and replace bearings before putting
equipment into service.
Power unit must be equipped with ROPS or
ROPS cab and seat belt. Keep seat belt securely
fastened. Falling off power unit can result in death
from being run over or crushed. Keep foldable
ROPS system in “locked up” position at all times.
Inspect chain, rubber, or steel band shielding
before each use. Replace if damaged.
Remove accumulated debris from this equip-
ment, power unit, and engine to avoid fire hazard.
Make sure all safety decals are installed.
Replace if damaged. (See Safety Decals section for
location.)
Make sure shields and guards are properly
installed and in good condition. Replace if dam-
aged.
A minimum 20% of tractor and equipment
weight must be on the tractor front wheels when
attachments are in transport position. Without this
weight, tractor could tip over, causing personal
injury or death. The weight may be attained with a
loader, front wheel weights, ballast in tires or front
tractor weights. Weigh the tractor and equipment.
Do not estimate.
Inspect and clear area of stones, branches, or
other hard objects that might be thrown, causing
injury or damage.
OPERATION
Do not allow bystanders in the area when oper-
ating, attaching, removing, assembling, or servic-
ing equipment.
(Safety Rules continued on next page)
Safety is a primary concern in the design and
manufacture of our products. Unfortunately, our
efforts to provide safe equipment can be wiped
out by an operator’s single careless act.
In addition to the design and configuration of
equipment, hazard control and accident preven-
tion are dependent upon the awareness, con-
cern, judgement, and proper training of
personnel involved in the operation, transport,
maintenance, and storage of equipment.
It has been said, “The best safety device is an
informed, careful operator.” We ask you to be
that kind of operator.
S
AFETY RULE
S
ATTENTION! BECOME ALERT! YOUR SAFETY IS INVOLVED!

4 Safety
Single Spindle Cutter LD/MD (Rev. 10/27/2006)
(Safety Rules continued from previous page)
Full chain, rubber, or steel band shielding,
designed to reduce the possibility of thrown
objects, must be installed when operating in popu-
lated areas or other areas where thrown objects
could injure people or damage property. If this
machine is not equipped with full chain, rubber, or
steel band shielding, operation must be stopped
when anyone comes within several hundred feet.
Never direct discharge toward people, animals,
or property.
Do not operate or transport equipment while
under the influence of alcohol or drugs.
Operate only in daylight or good artificial light.
Keep hands, feet, hair, and clothing away from
equipment while engine is running. Stay clear of all
moving parts.
Always comply with all state and local lighting
and marking requirements.
Never allow riders on power unit or attachment.
Power unit must be equipped with ROPS or
ROPS cab and seat belt. Keep seat belt securely
fastened. Falling off power unit can result in death
from being run over or crushed. Keep foldable
ROPS system in “locked up” position at all times.
Always sit in power unit seat when operating
controls or starting engine. Securely fasten seat
belt, place transmission in neutral, engage brake,
and ensure all other controls are disengaged
before starting power unit engine.
Operate tractor PTO at 540 RPM. Do not exceed.
Do not operate PTO during transport.
Look down and to the rear and make sure area
is clear before operating in reverse.
Do not operate or transport on steep slopes.
Do not stop, start, or change directions sud-
denly on slopes.
Use extreme care and reduce ground speed on
slopes and rough terrain.
Watch for hidden hazards on the terrain during
operation.
Stop power unit and equipment immediately
upon striking an obstruction. Turn off engine,
remove key, inspect, and repair any damage before
resuming operation.
Leak down or failure of mechanical or hydraulic
system can cause equipment to drop.
Before performing any service or maintenance,
disconnect driveline from tractor PTO.
MAINTENANCE
Before performing any service or maintenance,
disconnect driveline from tractor PTO.
Before working underneath, disconnect drive-
line, raise cutter, and block cutter securely. Hydrau-
lic system leak down and failure of mechanical or
hydraulic system can cause equipment to drop.
Do not modify or alter or permit anyone else to
modify or alter the equipment or any of its compo-
nents in any way.
Always wear relatively tight and belted clothing
to avoid getting caught in moving parts. Wear
sturdy, rough-soled work shoes and protective
equipment for eyes, hair, hands, hearing, and head;
and respirator or filter mask where appropriate.
Make sure attachment is properly secured,
adjusted, and in good operating condition.
Do not allow bystanders in the area when oper-
ating, attaching, removing, assembling, or servic-
ing equipment.
Keep all persons away from operator control
area while performing adjustments, service, or
maintenance.
Make certain all movement of equipment com-
ponents has stopped before approaching for ser-
vice.
Frequently check blades. They should be sharp,
free of nicks and cracks, and securely fastened.
Do not handle blades with bare hands. Careless
or improper handling may result in serious injury.
Your dealer can supply genuine replacement
blades. Substitute blades may not meet original
equipment specifications and may be dangerous.
Tighten all bolts, nuts, and screws to torque
chart specifications. Check that all cotter pins are
installed securely to ensure equipment is in a safe
condition before putting unit into service.
Make sure all safety decals are installed.
Replace if damaged. (See Safety Decals section for
location.)
SAFETY RULES
ATTENTION! BECOME ALERT! YOUR SAFETY IS INVOLVED!

Safety 5
Single Spindle Cutter LD/MD (Rev. 10/27/2006)
Make sure shields and guards are properly
installed and in good condition. Replace if dam-
aged.
Leak down or failure of mechanical or hydraulic
system can cause equipment to drop.
STORAGE
Keep children and bystanders away from stor-
age area.
Disconnect cutter driveshaft and secure up off
ground. Raise cutter with 3-point hitch. Place
blocks under cutter side skids. Lower cutter onto
blocks. Disconnect cutter from tractor 3-point hitch
and carefully drive tractor away from cutter.
SAFETY RULES
ATTENTION! BECOME ALERT! YOUR SAFETY IS INVOLVED!

6 Safety
MAN0050 (Rev. 1/16/2004)
CD6332C
8
10
6
6
12
12
2
1
7
1 - SERIAL NUMBER PLATE
ROTATING BLADES AND
THROWN OBJECTS
Do not put hands or feet under or into mower when engine is
running.
Before mowing, clear area of objects that may be thrown by
blade.
Keep bystanders away.
Keep guards in place and in good condition.
BLADE CONTACT OR THROWN OBJECTS CAN CAUSE
SERIOUS INJURY OR DEATH.
DANGER
ROTATING DRIVELINE
CONTACT CAN CAUSE DEATH
KEEP AWAY!
DO NOT OPERATE WITHOUT -
All driveline guards, tractor and
equipment shields in place
Drivelines securely attached at both
ends
Driveline guards that turn freely on
driveline
1006682-A
DANGER
8 - PN 1006682
6 – PN 20106
RED REFLECTOR 4.5"
12 - PN 57123
RED REFLECTOR 9"
MODEL NO. SERIAL NO.
Woods Equipment Company
Oregon, Illinois, U.S.A.
SAFETY & INSTRUCTIONAL DECALS
ATTENTION! BECOME ALERT! YOUR SAFETY IS INVOLVED!
Replace Immediately If Damaged!
(Rev. 8/19/2005)

Safety 7
MAN0050 (Rev. 1/16/2004)
7 - PN 1004114
10 - PN 33347
33347E
BE CAREFUL!
Use a clean, damp cloth to clean safety decals.
Avoid spraying too close to decals when using a
pressure washer; high-pressure water can enter
through very small scratches or under edges of
decals causing them to peel or come off.
Replacement safety decals can be ordered free
from your Woods dealer. To locate your nearest
dealer, check the Dealer Locator at
www.WoodsEquipment.com, or in the United
States and Canada call 1-800-319-6637.
CRUSHING AND PINCHING HAZARD
Be extremely careful handling various parts of the machine.
They are heavy and hands, fingers, feet, and other body parts
could be crushed or pinched between tractor and implement.
Operate tractor controls from tractor seat only.
Do not stand between tractor and implement when tractor is
in gear.
Make sure parking brake is engaged before going between
tractor and implement.
Stand clear of machine while in operation or when it is being
raised or lowered.
FAILURE TO FOLLOW THESE INSTRUCTIONS COULD
RESULT IN SERIOUS INJURY OR DEATH.
WARNING
TO AVOID SERIOUS INJURY OR DEATH:
Read Operator's Manual (available from dealer) and follow all
safety precautions.
Keep all shields in place and in good condition.
Operate mower from tractor seat only.
Lower mower, stop engine and remove key before
dismounting tractor.
Allow no children or untrained persons to operate equipment.
Do not transport towed or semi-mounted units over 20 mph.
FAILURE TO OPERATE SAFELY CAN
RESULT IN INJURY OR DEATH.
WARNING
WARNING
FALLING OFF CAN RESULT IN BEING RUN OVER.
Tractor must be equipped with ROPS (or ROPS CAB) and seat
belt. Keep foldable ROPS systems in "locked up" position at
all times.
Buckle Up! Keep seat belt securely fastened.
Allow no riders.
RAISED EQUIPMENT CAN DROP AND CRUSH.
Before working underneath, follow all instructions and safety
rules in operator's manual and securely block up all corners
of equipment with jack stands.
Securely blocking prevents equipment from dropping from
hydraulic leakdown, hydraulic system failures or mechanical
component failures.
FALLING OFF OR FAILING TO BLOCK SECURELY CAN RESULT
IN SERIOUS INJURY OR DEATH.
1006681
WARNING
DO NOT EXCEED PTO SPEED OF
540 RPM
PTO speeds higher than 540 RPM can cause
equipment failure and personal injury.
2 - 1006681
If shaft connection is visible, shield
is missing. Replace shield before
operating equipment.
DA
NG
NG
ER
ER
1004114
SAFETY & INSTRUCTIONAL DECALS
ATTENTION! BECOME ALERT! YOUR SAFETY IS INVOLVED!
Replace Immediately If Damaged!
(Rev. 5/13/2005)

8 Operation
MAN0050 (Rev. 8/19/2005)
OPERATION
The operator is responsible for the safe operation of
the cutter. The operator must be properly trained.
Operators should be familiar with the cutter, the tractor,
and all safety practices before starting operation. Read
the safety rules and safety decals on pages 3 to 7.
This standard-duty cutter is designed for grass and
weed mowing and shredding.
Recommended mowing speed for most conditions is
from 2 to 5 mph.
Full chain, rubber, or steel band shielding,
designed to reduce the possibility of thrown
objects, must be installed when operating in popu-
lated areas or other areas where thrown objects
could injure people or damage property. If this
machine is not equipped with full chain, rubber, or
steel band shielding, operation must be stopped
when anyone comes within several hundred feet.
Never allow riders on power unit or attachment.
Keep bystanders away from equipment.
Make sure spring-activated locking pin or collar
slides freely and is seated firmly in tractor PTO
spline groove.
Operate tractor PTO at 540 RPM. Do not exceed.
Stop power unit and equipment immediately
upon striking an obstruction. Turn off engine,
remove key, inspect, and repair any damage before
resuming operation.
Always wear relatively tight and belted clothing
to avoid getting caught in moving parts. Wear
sturdy, rough-soled work shoes and protective
equipment for eyes, hair, hands, hearing, and head;
and respirator or filter mask where appropriate.
TRACTOR STABILITY
A minimum 20% of tractor and equipment
weight must be on the tractor front wheels when
attachments are in transport position. Without this
weight, tractor could tip over, causing personal
injury or death. The weight may be attained with a
loader, front wheel weights, ballast in tires or front
tractor weights. Weigh the tractor and equipment.
Do not estimate.
Figure 1. Tractor Stability
ATTACH CUTTER TO TRACTOR
Make sure spring-activated locking pin or collar
slides freely and is seated firmly in tractor PTO
spline groove.
■ Make sure driveline will not bottom out at the
shortest length and that it has at least 1/3 overlap
at the longest length.
■ With cutter adjusted to transport position, set
upper stop on tractor lift quadrant to prevent cutter
from contacting the driveline when being raised.
■ Select a top link mounting pin (maximum
length 3-5/8") that will allow floating link to swing
freely through the cutter A-frame bars.
1. Attach tractor 3-point lift arms to the cutter hitch
pins and secure.
2. Attach tractor top link to cutter clevis using forward
hole. Select a top link mounting pin that will allow
floating link to swing freely through the cutter A-
frame bars.
NOTE: You will need to adjust the top link; refer to
Adjust Top Link, page 9.
3. Connect driveline to tractor PTO shaft.
NOTE: The standard 1-3/8" 6B spline driveline with
a QD yoke is used to connect the cutter to the trac-
tor.
4. Adjust the tractor lower 3-point arm anti-sway
devices to prevent cutter from swinging side to side
during transport.
5. Adjust tractor drawbar so that it will not interfere
with cutter or driveline.
6. Slowly raise and lower cutter to check driveline
length.
CAUTION
CD156
4
(Rev. 12/2/2005)

Operation 9
MAN0050 (Rev. 8/19/2005)
SHREDDING MATERIAL
For shredding, set the cutter lower at rear. Determine
how much lower to set the rear by experimenting in dif-
ferent situations.
ADJUST CUTTING HEIGHT
Keep all persons away from operator control
area while performing adjustments, service, or
maintenance.
■ Avoid low cutting heights. Striking the ground
with blades produces one of the most damaging
shock loads a cutter can encounter. Allowing
blades to contact ground repeatedly will cause
damage to cutter and drive.
1. Level cutter from side to side. Check by measuring
from cutter frame to the ground at each deck rail.
2. Adjust, using tractor 3-point arm leveling device.
NOTE: Keep the front of cutter slightly lower than
rear for best mowing.
3. Control cutting height with tractor 3-point arms,
rear tailwheel adjustment, or optional check chains.
4. To raise rear of cutter, move tailwheel arm down.
5. To raise front of cutter, raise tractor 3-point arms or
shorten optional check chains.
The cutting height is the distance between the blade
and the ground. The blades are approximately 8.5"
below the deck. To check cutting height, do the follow-
ing:
a) Place a straight edge along top edge of deck.
b) Select a cutting height; as an example, for an
approximate cutting height of 3", set the center of
the deck 11.5" above the ground:
c) Adjust the front-to-rear attitude from 1/2" to 3/4"
higher than the front.
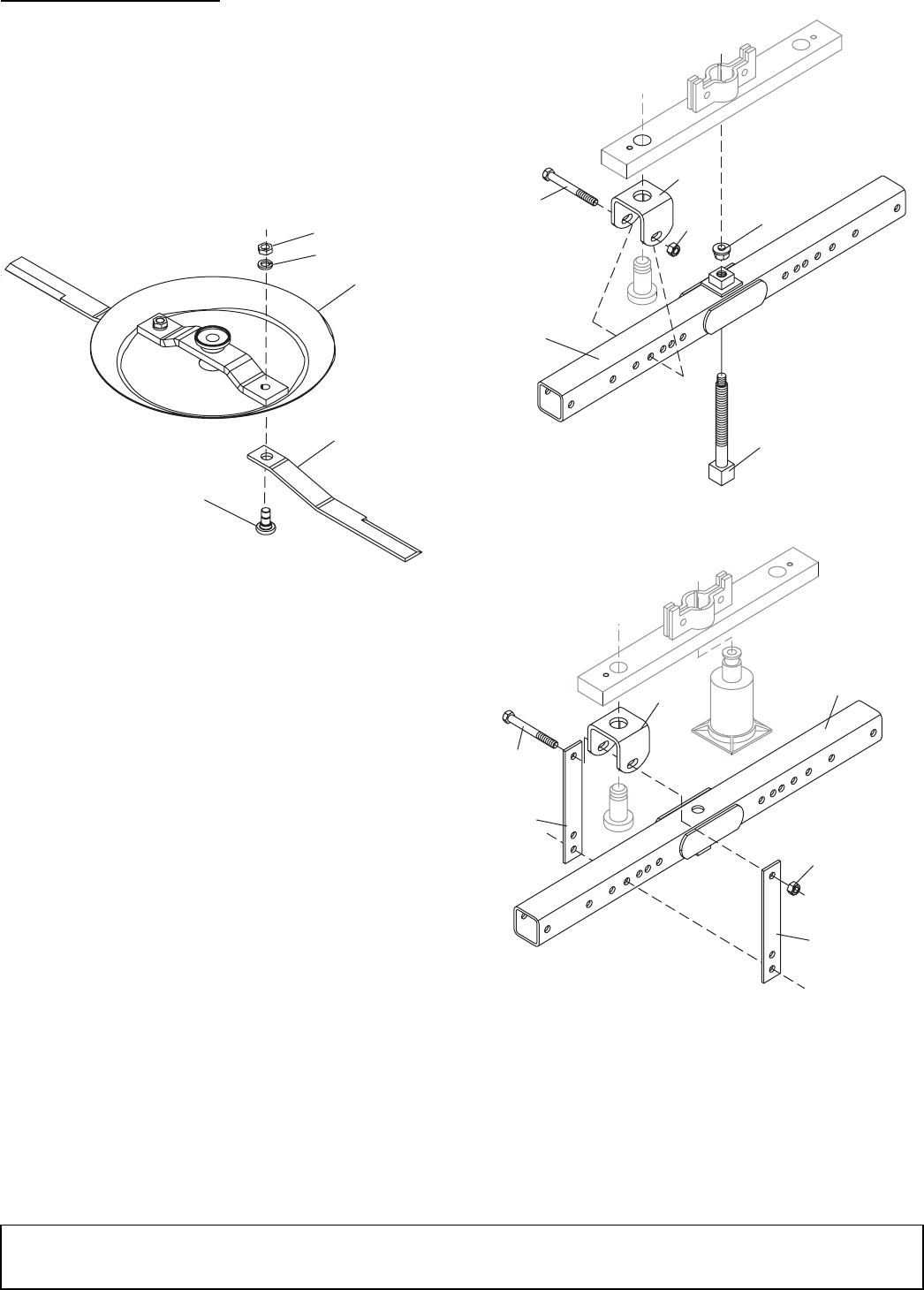
ADJUST TOP LINK
Refer to Figure 2.
IMPORTANT
■ When cutter is adjusted to transport position,
set upper stop on tractor lift quadrant to prevent
cutter from contacting the driveline when being
raised.
IMPORTANT
■ Select a top link mounting pin (maximum
length 3-5/8") that will allow floating link to swing
freely through the cutter A-frame bars.
1. Attach tractor top link (1) to lowest hole provided in
the tractor’s top link bracket (6).
2. Attach rear portion of tractor top link to the first hole
on the cutter floating link (3). Select a top link
mounting pin that will allow the floating link to
swing freely through the cutter A-frame bars (5).
3. Raise cutter to transport position and adjust tractor
top link until cutter is level in the raised position.
NOTE: If you cannot level the cutter using the low-
est hole in the tractor’s top link bracket, move top
link to the next hole and level the cutter.
Figure 2. Top Link Adjustment
(BB72 and BB84 Shown)
ATTACH QUICK HITCH
Refer to Figure 4.
IMPORTANT
■ When cutter is adjusted to transport position,
set upper stop on tractor lift quadrant to prevent
cutter from contacting the driveline when being
raised.
1. Remove brace arms (6), floating link (3), cap screw
(11), spacer (7), and flange lock nut (9) from upper
hole on A-frame bars (5) as shown in Figure 4.
NOTE: A-frame bar(s) are installed to mast plates
with carriage bolts through the square holes.
3" Desired cutting height
+ 8.5" Distance blade cutting edge is below deck
= 11.5"
1. Tractor top link
2. Cutter top link mounting pi
n
3. Floating link
4. Cutter hitch pin
5. A-Frame bars
6. Tractor top link bracket
1
2
3
4
LA2
5
6

10 Operation
MAN0050 (Rev. 8/19/2005)
2. Attach open end of floating link (3) to the bottom
hole of A-frame bars (5). Secure using cap screw
(11), sleeve (10), and flange lock nut (9).
3. Attach closed end of floating link (3) to diagonal
braces (6). Secure using cap screw (8), spacer (7),
and flange lock nut (9) supplied in hardware bag.
NOTE: Quick hitch top hook will pick up on sleeve
(10). Lower quick hitch hook will attach to cutter
hitch pins.
4. Raise cutter to transport position and adjust tractor
top link until cutter is level in the raised position.
INSTALLATION AND REMOVAL
OF DRIVELINE (TRACTOR PTO)
To Install:
Pull locking collar back and at the same time push driv-
eline onto tractor PTO shaft until locking device
engages.
To Remove:
Hold driveline into position, pull locking collar back, and
slide driveline off tractor PTO shaft.
Figure 3. Lock Collar
Figure 4. Standard Hitch and Quick Hitch Configuration
10
3
3
5
5
5
5
6
6
6
6
8
7
9
9
10
11
11
7
Standard Hitch Configuration
Quick Hitch Configuration
CD6316
3. Floating link
5. A-frame
6. Diagonal braces
7. 1/2 x 2-3/4 Spacer
8. 1/2 NC x 4 Cap screw
9. 1/2 NC Flange lock nut
10. 1/2 x 3/4 x 2-13/16 Sleeve
11. 1/2 NC x 5 Cap screw
(Rev. 12/2/2005)

Operation 11
MAN0050 (Rev. 8/19/2005)
ADJUST CHECK CHAINS
1. Refer to Install Optional Check Chains, page 33
for check chain installation.
2. After making cutting height adjustment, adjust both
chains (3) in check chain bracket (2) so you have
the same number of links on each side. This will
keep cutting level.
Figure 5. Check Chain Adjustment
OPERATING TECHNIQUE
1. Power for operating the cutter is supplied by the
tractor PTO. Operate PTO at 540 rpm. Know how
to stop the tractor and cutter quickly in an
emergency.
2. Engage PTO at a low engine rpm to minimize
stress on the drive system and gearbox. With PTO
engaged, raise PTO speed to 540 rpm and
maintain throughout cutting operation.
Gearbox protection is provided by a slip clutch with
replacement fiber disc or a shear bolt. The slip
clutch is designed to slip and the shear bolt will
shear when excessive torsion loads occur.
3. Move slowly into material. Adjust tractor ground
speed to provide a clean cut without lugging the
tractor engine. Use a slow ground speed for better
shredding.
Proper ground speed will depend on the terrain
and the material’s height, type, and density.
Normally, ground speed will range from 2 to 5 mph.
Tall, dense material should be cut at a low speed;
thin, medium-height material can be cut at a faster
ground speed.
4. Always operate tractor PTO at 540 rpm to maintain
proper blade speed and to produce a clean cut.
5. Under certain conditions tractor tires may roll down
some grass and prevent cutting at the same height
as the surrounding area. When this occurs, reduce
your ground speed but maintain PTO at 540 rpm.
The lower ground speed will permit grass to
rebound partially.
STORAGE
Disconnect cutter driveshaft and secure up off
ground. Raise cutter with 3-point hitch. Place
blocks under cutter side skids. Lower cutter onto
blocks. Disconnect cutter from tractor 3-point hitch
and carefully drive tractor away from cutter.
Keep children and bystanders away from stor-
age area.
PRE-OPERATION CHECK LIST
OWNER’S RESPONSIBILITY
___ Review and follow all safety rules and safety
decal instructions on pages 3 through 7.
___ Check that equipment is properly and securely
attached to tractor.
___ Make sure driveline spring-activated locking
pin or collar slides freely and is seated firmly in
tractor PTO spline groove.
___ Set tractor PTO at 540 rpm.
___ Lubricate all grease fitting locations. Make sure
PTO shaft slip joint is lubricated.
___ Check to be sure gear lube runs out the small
check plug on side of gearbox.
___ Check that all hardware is properly installed
and secured.
___ Check that blades are sharp and secure and
cutting edge is positioned to lead in a counter-
clockwise rotation.
___ Check that shields and guards are properly
installed and in good condition. Replace if
damaged.
___ Check cutting height, front-to-rear attitude, and
top link adjustment.
___ Place tractor PTO and transmission in neutral
before starting engine.
___ Inspect area to be cut and remove stones,
branches, or other hard objects that might be
thrown and cause injury or damage.
2
3
3
2
LA5
a
2. Check chain bracket
3. Check chain

12 Owner Service
MAN0050 (Rev. 1/16/2004)
OWNER SERVICE
The information in this section is written for operators
who possess basic mechanical skills. If you need help,
your dealer has trained service technicians available.
For your protection, read and follow the safety informa-
tion in this manual
Keep all persons away from operator control
area while performing adjustments, service, or
maintenance.
If you do not understand any part of this manual
and need assistance, see your dealer.
Always wear relatively tight and belted clothing
to avoid getting caught in moving parts. Wear
sturdy, rough-soled work shoes and protective
equipment for eyes, hair, hands, hearing, and head;
and respirator or filter mask where appropriate.
BLOCKING METHOD
Before performing any service or maintenance,
disconnect driveline from tractor PTO.
Never go underneath equipment (lowered to the
ground or raised) unless it is properly blocked and
secured. Never place any part of the body under-
neath equipment or between moveable parts even
when the engine has been turned off. Hydraulic
system leak down, hydraulic system failures,
mechanical failures, or movement of control levers
can cause equipment to drop or rotate unexpect-
edly and cause severe injury or death. Follow Oper-
ator's Manual instructions for working underneath
and blocking requirements or have work done by a
qualified dealer.
To minimize the potential hazards of working
underneath the cutter, follow these procedures.
1. Jackstands with a load rating of 1000 lbs. or more
are the only approved blocking device for this
cutter. Install a minimum of four jackstands (shown
by Xs in Figure 5) under the cutter before working
underneath unit.
Do not position jackstands under wheels, axles, or
wheel supports. Components can rotate and cause
cutter to fall.
2. Consider the overall stability of the blocked unit.
Just placing jackstands underneath will not ensure
your safety.
The working surface must be level and solid to
support the weight on the jackstands. Make sure
jackstands are stable, both top and bottom. Make
sure cutter is approximately level.
3. With full cutter weight lowered onto jackstands, test
blocking stability before working underneath.
4. If cutter is attached to tractor when blocking, set
the brakes, remove key, and block cutter before
working underneath.
5. Securely block rear tractor wheels, in front and
behind. Tighten tractor lower 3-point arm anti-sway
mechanism to prevent side-to-side movement.
CAUTION
(Rev. 8/19/2005)

Owner Service 13
MAN0050 (Rev. 1/16/2004)
LUBRICATION INFORMATION
1. Do not let excess grease collect on or around
parts, particularly when operating in sandy areas.
2. See Figure 5 for lubrication points and frequency of
lubrication based on normal operating conditions.
Severe or unusual conditions may require more
frequent lubrication.
3. Use a lithium grease of #2 consistency with a
MOLY (molybdenum disulfide) additive for all
locations unless otherwise noted. Be sure to clean
fittings thoroughly before attaching grease gun.
One good pump of most guns is sufficient when the
lubrication schedule is followed.
Gearbox Lubrication
4. For gearbox, use a high quality gear oil with a
viscosity index of 80W or 90W and an API service
rating of GL–4 or –5 in gearboxes.
5. Fill gearbox until oil runs out the side plug on
gearbox. Check gearbox daily for evidence of
leakage, and contact your dealer if leakage occurs.
Driveline Lubrication
1. Lubricate the driveline slip joint every eight
operating hours. Failure to maintain proper
lubrication could result in damage to U-joints,
gearbox, and driveline.
2. Lower cutter to ground, disconnect driveline from
tractor PTO shaft, and slide halves apart but do not
disconnect from each other.
3. Apply a bead of grease completely around male
half where it meets female half. Slide drive halves
over each other several times to distribute grease.
Figure 5. Jackstand Placement and Lubrication Points
SERVICE BLADES
Remove Blades
IMPORTANT
■ If blade pin (1) is seized in crossbar and
extreme force will be needed to remove it, support
crossbar from below to prevent gearbox damage.
1. Disconnect driveline from tractor PTO.
2. Raise cutter and block securely (see Figure 5).
3. Align crossbar (3) with blade access hole in the
cutter frame. Remove nut (5) and lock washer (4)
using a 1-11/16" socket. Carefully drive pin (1) out
of crossbar.
CD6334B
2
3
1
7
7
6
5
4
1. Front U-joint - - - - - - - - - 8 hrs.
2. Slip joint (apply
grease to square shaft) - 8 hrs.
3. Rear U-joint - - - - - - - - - 8 hrs.
4. Gearbox - - - - - - - - - - - - Daily
5. Tailwheel pivot tube - - - - 8 hrs.
6. Tailwheel - - - - - - - - - - - 8 hrs.
7. Plastic shield bearings - - 8 hrs.
X= JACKSTAND PLACEMENT
X
X
X
X
(Rev. 10/27/2006)

14 Owner Service
MAN0050 (Rev. 1/16/2004)
4. Rotate crossbar (3) and repeat for opposite blade.
Figure 6. Blade Assembly
Install Blades
Refer to Figure 6.
Your dealer can supply genuine replacement
blades. Substitute blades may not meet original
equipment specifications and may be dangerous.
■ Crossbar rotation is counterclockwise when
looking down on cutter. Be sure to install blade cut-
ting edge to lead in counterclockwise rotation.
IMPORTANT
■ Always replace or sharpen both blades at the
same time.
1. Inspect blade pin (1) for nicks or gouges, and if you
find any replace the pin.
2. Insert pin through the blade. Blade should swivel
on bolt; if it doesn’t determine the cause and
correct.
3. Align crossbar (3) with blade access hole in cutter
frame. Apply a liberal coating of Never-Seez® or
equivalent to blade pin and crossbar hole. Make
sure blade offset is away from cutter.
4. Insert blade pin (1) through blade. Align key on
blade pin with keyway in crossbar and push blade
pin through crossbar.
5. Insert lock washer (4) and nut (5) through blade
access hole in the cutter frame. Install on blade pin
(1) and tighten to 450 lbs-ft using a 1-11/16"
socket.
Sharpen Blades
IMPORTANT
■ When sharpening blades, grind the same
amount on each blade to maintain balance.
Replace blades in pairs. Unbalanced blades will
cause excessive vibration, which can damage
gearbox bearings. Vibration may also cause struc-
tural cracks to cutter.
1. Sharpen both blades at the same time to maintain
balance. Follow original sharpening pattern.
2. Do not sharpen blade to a razor edge—leave at
least a 1/16" blunt edge.
3. Do not sharpen back side of blade.
Figure 7. Sharpen Blade
ADJUST SLIP CLUTCH
The slip clutch is designed to slip so that the gearbox
and driveline are protected if the cutter strikes an
obstruction.
A new slip clutch or one that has been in storage over
the winter may seize. Before operating the cutter, make
sure it will slip by performing the following operation:
(Walterschied)
1. Turn off tractor engine and remove key.
2. Remove driveline from tractor PTO.
3. Loosen six 10 mm cap screws (6) to remove all
tension from Belleville spring plate (5).
4. Hold clutch hub (3) solid and turn shaft to make
sure clutch slips.
5. If clutch does not slip freely, disassemble and clean
the thrust plate faces (4), flange yoke (1), and
clutch hub (3).
6. Reassemble clutch.
7. Tighten Belleville spring (5) until it is against the
thrust plate (4) of the clutch, and then back off each
1
2
3
4
5
LA7
1. Blade pin
2. Blade
3. Crossbar/Stump jumper assembly
4. Blade pin lock washer
5. Blade pin hex nut
CAUTION
1/16"
Follow Original Pattern
Maintain Corner
CD1257-2
(Rev. 10/27/2006)

Owner Service 15
MAN0050 (Rev. 1/16/2004)
of the six nuts by two full revolutions. The gap
between Belleville spring and thrust plate should
be 1/8" as shown in Figure 8.
8. If a clutch continues to slip when the spring is
compressed to 1/8", check friction discs (2) for
excessive wear. Discs are 1/8" when new. Replace
discs after 1/16" wear. Minimum disc thickness is
1/16".
(Comer)
1. Turn off tractor engine and remove key.
2. Loosen nuts on springs until the springs can rotate
freely, yet remain secure on the bolts.
3. Mark outer plates of slip-disc clutch as shown in
Figure 8.
4. Securely attach implement to the tractor and start
the tractor.
5. Engage PTO for several seconds then quickly
disengage it.
6. Turn tractor off and remove key.
7. The friction lining plates should have "slipped".
Check the marks placed on the outer plates of the
slip-disc clutch in step 3 to make sure this is the
case.
8. If clutch does not slip check assembly for oil,
grease and debris. Clean if necessary.
9. Reassemble clutch and tighten bolts no more than
1/8 of a turn at a time until desired setting of 1.26"
as shown in Figure 8.
10. If excessive slippage continues check lining plates
for excessive wear. They are 1/8" thick when new
and should be replaced after 1/32" of wear to
ensure proper operation.
Figure 8. Slip Clutch Assembly
123245
6
7
LA3
1/8"
1. Flange yoke
2. Friction disc
3. Hub, 1-3/8 round bore
4. Thrust plate
5. Belleville spring plate
6. 10 mm x 1.35P x 50 mm Cap screw
7. 10 mm x 1.5P Hex nut
CD7100
1
234356
7
6
1.26
7.09
Outer Plates
1. Flange yoke
2. Bushing
3. Lining ring
4. Flanged hub F12
5. Pressure plate
6. Bolt and nut M10 x 80
7. Spring
Walterschied Comer
(Rev. 10/27/2006)

16 Owner Service
MAN0050 (Rev. 1/16/2004)
REPLACE DRIVELINE SHEAR BOLTS
IMPORTANT
■ Always use approved 1/2" NC x 3" grade 2
shear bolt as a replacement part. Using a hardened
bolt or shear pin may result in damage to driveline
or gearbox.
1. Remove driveline shield bell (1).
2. Remove damaged shear bolt (4).
3. Rotate driveline to align holes in yoke and shaft.
Install shear bolt and secure with lock nut. Replace
driveline shield bell.
Figure 9. Shear Bolt Driveline Assembly
REPAIR SHIELDING
Full chain, rubber, or steel band shielding,
designed to reduce the possibility of thrown
objects, must be installed when operating in popu-
lated areas or other areas where thrown objects
could injure people or damage property. If this
machine is not equipped with full chain, rubber, or
steel band shielding, operation must be stopped
when anyone comes within several hundred feet.
Repair Rear Band
Inspect rear band each day of operation and replace if
bent, cracked or broken.
Repair Optional Rubber Shielding
Inspect rubber shielding each day of operation and
replace if cracked or broken.
Repair Optional Chain Shielding
Inspect chain shielding each day of operation and
replace any broken or missing chains as required.
CLEANING
After Each Use
●Remove large debris such as clumps of dirt, grass,
crop residue, etc. from machine.
●Inspect machine and replace worn or damaged
parts.
●Replace any safety decals that are missing or not
readable.
Periodically or Before Extended Storage
●Clean large debris such as clumps of dirt, grass,
crop residue, etc. from machine.
●Remove the remainder using a low-pressure water
spray.
1. Be careful when spraying near scratched or torn
safety decals or near edges of decals as water
spray can peel decal off surface.
2. Be careful when spraying near chipped or
scratched paint as water spray can lift paint.
3. If a pressure washer is used, follow the advice
of the pressure washer manufacturer.
●Inspect machine and replace worn or damaged
parts.
●Sand down scratches and the edges of areas of
missing paint and coat with Woods spray paint of
matching color (purchase from your Woods
dealer).
●Replace any safety decals that are missing or not
readable (supplied free by your Woods dealer).
See Safety Decals section for location drawing.
1
2
3
4
5
LA8
6
1. Drive shield
2. Input shaft
3. 1/2 NC Lock nut
4. 1/2 NC x 3 Cap screw GR2
5. Gearbox
6. Retaining ring
(Rev. 10/27/2006)

Owner Service 17
MAN0050 (Rev. 1/16/2004)
TROUBLE SHOOTING
MOWING CONDITIONS
PROBLEM POSSIBLE CAUSE SOLUTION
Grass cut lower in center of swath
than at edge
Height of cutter lower at rear or
front
Adjust cutter height and attitude so
that cutter rear and front are within
1/2" of same height.
Streaking conditions in swath Conditions too wet for mowing Allow grass to dry before mowing.
Blades unable to cut that part of
grass pressed by path of tractor
tires
Slow ground speed of tractor but
keep engine running at full PTO
RPM. Cutting lower will help.
Dull blades Sharpen or replace blades.
Material discharges from cutter
unevenly; bunches of material
along swath
Material too high and too much
material
Reduce ground speed but main-
tain 540 RPM at tractor PTO or
make two passes over material.
Raise cutter for the first pass and
lower to desired height for the sec-
ond and cut at 90° to first pass.
Raise rear of cutter high enough to
permit material to discharge but
not so high as to cause conditions
listed above.
Grass wet Allow grass to dry before mowing.
Slow ground speed of tractor but
keep engine running at full PTO
RPM. Cutting lower will help.
Rear of cutter too low, trapping
material under cutter
Adjust cutter height and attitude.
Cutter will not cut
(Shear bolt drive only)
Shear bolt sheared Install new shear bolt.
Cutter will not cut all the time
(Slip clutch drive only)
Slip clutch slipping Adjust slip clutch according to
instructions in Adjust Slip Clutch,
page 14.

18 Dealer Service
MAN0050 (Rev. 1/16/2004)
DEALER SERVICE
The information in this section is written for dealer ser-
vice personnel. The repair described here requires
special skills and tools. If your shop is not properly
equipped or your mechanics are not properly trained in
this type of repair, you may be time and money ahead
to replace complete assemblies.
Before working underneath, disconnect drive-
line, raise cutter, lock in transport position, and
block cutter securely. Hydraulic system leak down
and failure of mechanical or hydraulic system can
cause equipment to drop.
Keep all persons away from operator control
area while performing adjustments, service, or
maintenance.
Always wear relatively tight and belted clothing
to avoid getting caught in moving parts. Wear
sturdy, rough-soled work shoes and protective
equipment for eyes, hair, hands, hearing, and head;
and respirator or filter mask where appropriate.
GEARBOX MAINTENANCE
NOTE: Read this entire section before starting any
repair. Many steps are dependent on each other.
1. Fill gearbox with SAE 80W or 90W gear lube until it
runs out the side level plug.
NOTE: Repair to this gearbox is limited to replac-
ing bearings, seals, and gaskets. Replacing gears,
shafts, and a housing is not cost effective. Pur-
chasing a complete gearbox is more economical.
2. Inspect gearbox for leakage and bad bearings.
Leakage is a very serious problem and must be
corrected immediately. Bearing failure is indicated
by excessive noise and side-to-side or end-play in
gear shafts.
Seal Replacement
Recommended sealant for gearbox repair is Perma-
tex® Aviation 3D Form-A-Gasket or equivalent.
Leakage can occur at the vertical or horizontal gaskets
and shaft seals.
Leakage at the horizontal gasket or seal can be
repaired without removing the gearbox from the cutter.
Seal Installation
NOTE: Proper seal installation is important. An improp-
erly installed seal will leak.
1. Clean area in housing where seal outer diameter
(OD) seats. Apply a thin coat of Permatex.
2. Inspect area of shaft where seal seats. Remove
any burrs or nicks with an emery cloth.
3. Lubricate gear shaft and seal lips.
4. Place seal squarely on housing, spring-loaded lip
toward housing. Select a piece of pipe or tubing
with an OD that will sit on the outside edge of the
seal but will clear the housing. Tubing with an OD
that is too small will bow seal cage and ruin seal.
5. Carefully press seal into housing, avoiding
distortion to the metal seal cage.
Figure 10. Seal Installation
Vertical Shaft Repair
(BB48, BB60, BB72, all Serial Numbers)
(BB84 - S/N 827627 and after)
Refer to Figure 11.
1. Disconnect and remove the rear driveline from the
gearbox.
2. Remove vent plug (27) and siphon gear lube from
housing through this opening.
3. Remove crossbar (see Remove Crossbar, page
24).
CAUTION
1
3
4
2
CD1094
CD1092
1. Seal
2. Pipe or tube
3. Seal seat
4. Casting
Pipe or tube must
press at outer edge
of seal.
Incorrect
Installation

Dealer Service 19
MAN0050 (Rev. 1/16/2004)
4. Remove vertical shaft seal (21). Replace with new
seal (see Seal Installation, page 18).
Vertical seal should be recessed in housing. Hori-
zontal seal should be pressed flush with outside of
housing.
NOTE: Distortion to seal cage or damage to seal
lip will cause seal to leak.
5. Fill gearbox with SAE 80W or 90W gear lube until it
runs out the level plug.
6. Remove and replace any seal damaged in
installation.
Horizontal Leak Repair
(BB48, BB60, BB72, all Serial Numbers)
(BB84 - S/N 827627 and after)
Refer to Figure 11.
1. Disconnect and remove the rear driveline from the
gearbox.
2. Remove vent plug (27) and siphon gear lube from
housing through this opening.
3. If the leak occurred at either end of horizontal
shaft, remove oil cap (23) and/or oil seal (22).
Replace with new one (refer to Seal Installation,
page 18).
4. Fill gearbox with SAE 80W or 90W gear lube until it
runs out the level plug.
GEARBOX REPAIR
(BB48, BB60, BB72, all Serial Numbers)
(BB84 - S/N 827627 and after)
NOTE: Repair to this gearbox is limited to replacing
bearings, seals, and gaskets. Replacing gears, shafts,
and a housing is not cost effective. Purchasing a com-
plete gearbox is more economical.
Remove Gearbox from Cutter
Refer to Figure 11.
1. Disconnect and remove the rear driveline from the
gearbox.
2. Remove vent plug (27) and siphon gear lube from
housing through this opening.
3. Remove cotter pin, washer, and nut from vertical
shaft and remove crossbar (see Remove
Crossbar, page 24).
4. Remove the four bolts that attach gearbox to cutter
and remove gearbox.
Disassemble Gearbox
Refer to Figure 11.
1. Remove 3/8" plug from side of gearbox and pour
out gear oil.
2. Remove oil cap (23) (to be replaced).
3. Remove snap ring (12) and shim (15) from input
shaft (3).
4. Support gearbox in hand press and push on input
shaft (3) to remove bearing (9) and spacer (14).
5. Remove top cover (25) from housing. Remove
gear (1) from inside housing.
6. Remove oil seal (22) from front of housing (to be
replaced).
7. Remove snap ring (12) and shim (15) from front of
housing (2).
8. Remove input bearing (8) by using a punch and
hammer from outside of housing.
9. Support housing in vise in a horizontal position.
10. The castle nut (17), cotter pin (28), washer (18),
and hub (24) are already removed with the stump
jumper/crossbar. Remove the snap ring (10),
washer (19), and seal (21).
11. Remove cotter pin (11), castle nut (16), and washer
(20) from output shaft (4).
12. Remove output shaft (4) by using a punch and
hammer and tap on top to drive down.
13. Remove gear (5) and shim (15) from inside
housing.
14. Remove bearing (7) by using a punch and hammer
from the top, outside the housing.
15. Support housing upside down (top cover surface)
and remove bearing (6) by using a punch and
hammer from the bottom side of the housing.
16. Inspect gears for broken teeth and wear. Some
wear is normal and will show on loaded side.
Forged gear surfaces are rough when new. Check
that wear pattern is smooth.
17. Inspect vertical and horizontal shafts for grooves,
nicks, or bumps in the areas where the seals seat.
Resurface any damage with emery cloth.
18. Inspect housing and caps for cracks or other
damage.

20 Dealer Service
MAN0050 (Rev. 1/16/2004)
Reassemble Gearbox
Refer to Figure 11.
1. Clean housing, paying specific attention to areas
where gaskets will be installed.
2. Wash housing and all components thoroughly.
Select a clean area for gearbox assembly. Replace
all seals, bearings, and gaskets. All parts must be
clean and lightly oiled before reassembling.
3. Insert output bearings (6 & 7) in the housing, using
a round tube of the correct diameter and a hand
press.
4. Slide output shaft (4) through both bearings (6 & 7)
until it rests against bearing (6).
5. Slide shim (15) over output shaft (4).
6. Press gear (5) onto output shaft (4) and secure
with washer (20), castle nut (16), and cotter pin
(11).
7. Apply grease to lower seal lips (21) and press seal
(21) over output shaft (4), using a tube of the
correct diameter. Be sure not to damage the seal
lip.
Press in housing so that seal is recessed. Insert
protective washer (19) by hand. Install snap ring
(10) and position it together with dual lip seal (21)
by pressing it into position. Verify that snap ring is
seated correctly.
8. Press bearing (8) into the housing, using a round
tube of the correct diameter and a hand press.
Secure with shim (15) and snap ring (12).
9. Secure snap ring (13) on input shaft (3) if not
already secure.
10. Place gear (1) through top of housing and align
gear (1) and gear (5) so that gear teeth are a
match.
11. While holding gear (1) in place, slide input shaft (3)
through gear (1) and bearing (8). Align splines on
shaft (3) and gear (1).
12. Slide spacer (14) over input shaft (3) and press
bearing onto input shaft (3), using a round tube of
the correct diameter and a hand press.
13. Slide shim (15) over input shaft (3) and secure with
snap ring (12).
14. Check input shaft end float by moving the input
shaft (3) by hand. If end float is higher than 0.012”,
insert shim between input shaft (3) and rear
bearing (8). Repeat until end float is less than
0.012". Check rotational torque by hand. The
torque should be less than 2.2 lbs-inch.
15. Check that the gear backlash is between 0.006"
and 0.016". You should not have to adjust the
backlash.
16. Press in input oil seal (22), using tube of correct
diameter. Be careful not to damage seal lip.
17. Press oil cap (23) on to cover the rear of housing,
using a tube of the correct diameter.
18. Check gearbox housing for leaks by plugging all
holes except one. Apply 4 psi compressed air and
immerse the gearbox in water to verify that there
are no leaks.
19. Remove gearbox from water and dry off with
compressed air. Add SAE 80W or 90W EP oil until
it runs out of side level hole. Tighten all plugs.
Reinstall Gearbox
NOTE: Gearbox is heavy: do not attempt to move
without mechanical assistance.
1. Set gearbox on cutter and fasten with bolts and
nuts. Torque bolts as follows:
BB48, BB60, BB72 175 lbs-ft
BB84 300 lbs-ft
2. Attach crossbar (see Remove Crossbar on
page 24).

Dealer Service 21
MAN0050 (Rev. 1/16/2004)
Figure 11. Gearbox Assembly
(BB48, BB60, BB72 All Serial Numbers)
(BB84–S/N 827627 & After)
15 12 22
1
13
3
14
9
12
23
16
20
5
15
15A
6
11
4
7
21
19
10
18
17
25
8
27
15
2
26
CD5753
28
20A
19A
20. Flat washer (BB48, BB60, BB72)
20A. Shim kit (BB84)
21. Metric seal 40 x 80 x 12
22. Oil seal
23. Oil cup
25. Top cover
26. Cap screw 8 mm x 16 (8.8)
27. Vent plug
28. Cotter pin or 6" Wire, 9 ga.
1. Crown gear
2. Gearbox housing
3. Input shaft
4. Output shaft
5. Gear pinion
6. Bearing
7. Bearing
8. Bearing
9. Ball bearing 6207
10. Internal retainer ring
(BB48, BB60 BB72)
11. Cotter pin
12. Snap ring
13. Snap ring (BB48, BB60, BB72)
14. Spacer 35.3 x 48.25
(BB48, BB60, BB72)
15. Shim kit
16. Castle nut
17. Castle nut metric M24 x 2
18. Washer
19. Protective washer
(BB48, BB60, BB72)
19A. Protective screen (BB84)
(Rev. 1/21/2005)

22 Dealer Service
MAN0050 (Rev. 1/16/2004)
GEARBOX REPAIR
(BB84 S/N 827626 & Prior)
Disassemble Gearbox
Refer to Figure 12.
1. Drain oil from gearbox.
2. Remove cover bolts (21) and lock washers (23).
3. Remove front cover plate (16). Remove bearing
(13), gasket (15), and seal (14) from cover plate.
4. Remove shaft (11) along with gear (12) and
bearing (10).
5. Remove lower cover bolts (22) and lock washers
(17) from lower cover plate (1). Remove gasket (2)
and seal (3) from bottom cover plate.
6. Remove output shaft along with bearings, gears,
and castle nut from gearbox housing.
7. Remove cotter pin (18) and castle nut (24).
Remove gear (8). Remove upper bearing cone (5),
spacer (6), and lower bearing (5).
8. Remove bearing cone (5) and shims (7) from gear
(8).
Reassemble Gearbox
Refer to Figure 12.
NOTE: Replace all seals, bearings, and gaskets. All
parts must be clean and lubricated before assembling.
1. Insert bearing (10) into gearbox.
2. Reassemble output shaft (4) with bearings (5),
spacer (6), gear (8), shims (7), and castle nut (24).
Insert output shaft with bearings into gearbox
housing.
3. Tighten castle nut until shaft rolling torque is 5.5 to
13 lbs-inch. Insert cotter pin (18) through nut and
shaft.
4. Insert seal (3) into lower cover (1). Place gasket (2)
on cover (1), being careful to prevent cutting seal
lip. Install lower cover output shaft. Install lock
washers (17) and bolts (22). Shaft should not have
any axial play.
5. Install gear (12) onto shaft (11). Install shim (26) on
rear of shaft (11). Insert shaft (11) into gearbox
housing.
6. Install seal (14) and bearing (13) in front of cover
(16). Place shims (25) on shaft (11). Install gasket
(15) on front cover (16). Install front cover over
input shaft (11). Taking care not to damage seal,
insert bolts (21) and lock washers (23).
7. Check end of shaft (11). Maximum play allowed is
.008". Do not preload ball bearings (10 & 13). Gear
backlash should be .006" to .017" at outer tooth.
Reinstall Gearbox
NOTE: Gearbox is heavy: do not attempt to move with-
out assistance.
1. Set gearbox on cutter and fasten gearbox to cutter,
using bolts and nuts. Torque hardware to 300 lbs-ft.
2. Attach crossbar (see Install Crossbar on page
25).
3. Fill housing to shaft center line with gear lube.

Dealer Service 23
MAN0050 (Rev. 1/16/2004)
Figure 12. Gearbox Assembly (BB84 S/N 827626 & Prior)
6+,0 .,7
1. Lower cover
2. Gasket, 68 mm OD x 50 mm ID
3. Seal, 50 mm x 68 mm
4. Shaft, 2" tapered spline
5. Bearing, 50 mm x 90 mm
6. Spacer
7. Shim, 60.3 mm OD x 45.3 mm ID
8. 15-Tooth beveled pinion gear
9. Gearbox housing
10. Bearing, 35 mm x 80 mm
11. Splined gear shaft
12. 19-Tooth beveled gear
13. Bearing, 40 mm x 90 mm
14. Seal, 56 mm OD x 40 mm ID
15. Gasket
16. Front cover
17. Lock washer, 10 mm
18. Cotter pin, 5/32 x 1"
19. 3/8 NPT Pipe plug
20. Vent plug, 3/8 NPT
21. Bolt, 8 mm x 20 mm
22. Bolt, 10 mm x 25 mm
23. Lock washer 5/16
24. Hex castle nut
25. Shim, 51.5 mm OD x 40.3 mm ID
26. Shim, 43 mm OD x 35.3 mm ID

24 Dealer Service
MAN0050 (Rev. 1/16/2004)
REMOVE CROSSBAR
1. It is necessary to gain access to bottom side of
cutter for crossbar removal. See Blocking
Method, page 12.
NOTE: You will need to use either the puller screw
(Item 6, Figure 14) or a small hydraulic jack to
remove the crossbar.
2. To make crossbar removal easier, remove blades
as shown in Figure 13.
Figure 13. Blade Removal (BB84 Shown)
3. Refer to Figure 14.
Remove retaining wire from
bottom of crossbar and remove nut and washer.
4. Attach a clevis (1) to each end of crossbar, using
blade pins, spacers, keyhole plates, and blade pin
clips.
5. Position tube assembly (5) with threaded nut
toward crossbar for puller screw removal or down
for hydraulic jack removal.
6. For removal with puller screw, attach tube (5) to
each clevis with bolts (2) and nuts (3). Place pad
(4) in nut and thread puller screw (6) into nut from
bottom. Tighten until pad is solid against gearbox
shaft. For best results, strike head of puller screw
with a hammer while tightening with a wrench.
7. For removal with a jack, attach tube to each clevis
with puller links (7), bolts (2), and nuts (3). Place
jack on tube with end of jack pressing against
gearbox shaft. Slowly apply force with jack.
NOTE: Hydraulic jack will not operate if tipped
more than 90-degrees. Use care to prevent bend-
ing crossbar during removal.
Figure 14. Crossbar Removal
1
2
3
4
5
LA7
7
7
5
3
1
2
5
6
4
3
1
2
CD1249A
(Rev. 1/21/2005)

Dealer Service 25
MAN0050 (Rev. 1/16/2004)
INSTALL CROSSBAR
1. Using emery cloth (220 or finer), remove surface
rust, Loctite and foreign material from hub, splined
gearbox, vertical shaft, and crossbar as shown in
Figure 15.
Figure 15.
2. Install crossbar (2) on splined shaft. Install washer
(3) and nut (4). Torque nut:
BB48, BB60, BB72 200 lbs-ft
BB84 300 lbs-ft
3. Install 6" section of 9 gauge wire (not supplied)
through gearbox shaft and slots in nuts. Twist ends
of wire together.
4. Install blades, reinstall them using existing
hardware. Torque blade pin nut to 450 lbs-ft.
Figure 16
UNIVERSAL JOINT REPAIR
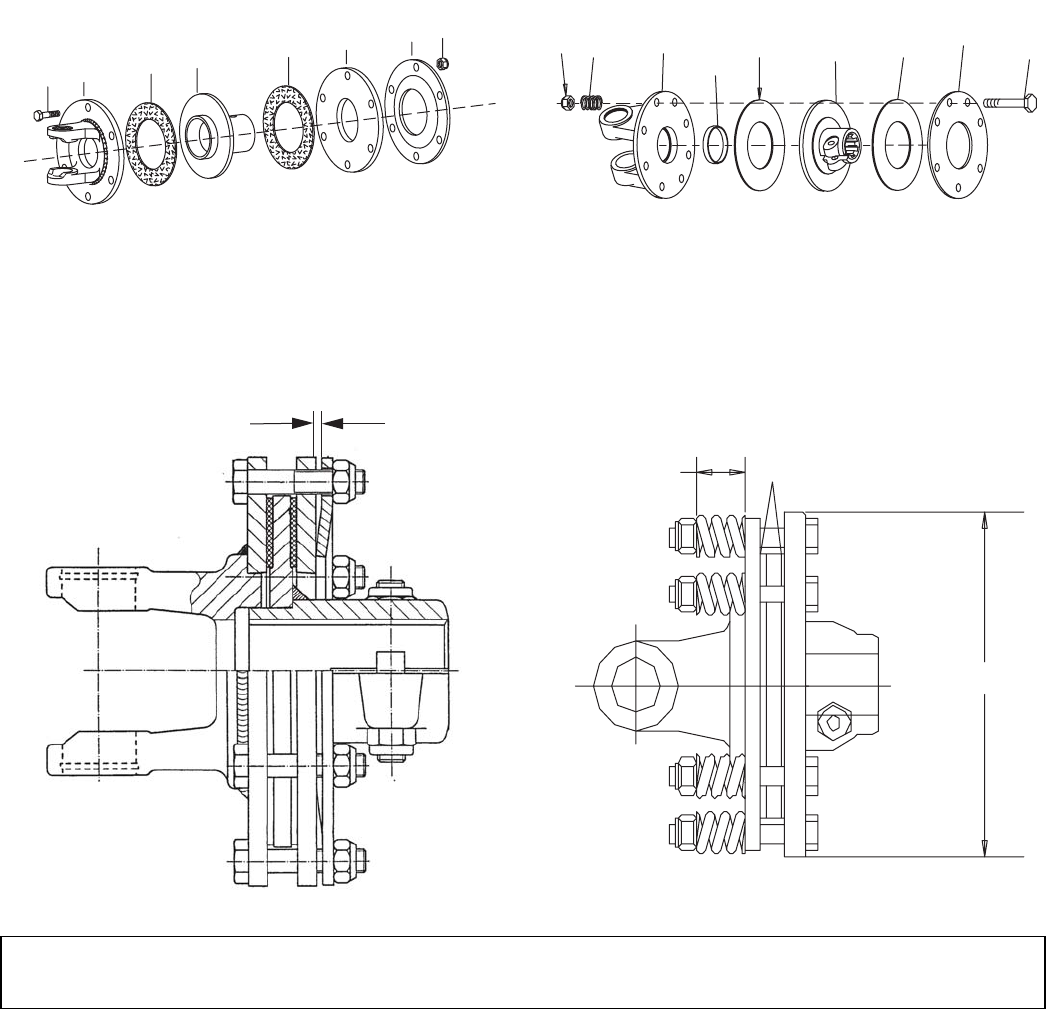
Figure 17. Universal Joint Parts Breakdown
U-Joint Disassembly
1. Remove external snap rings from yokes in four
locations as shown in Figure 18.
Figure 18. Remove Snap Ring
2. With snap rings removed, support drive in vise,
hold yoke in hand and tap on yoke to drive cup up
out of yoke. See Figure 19.
Figure 19. Remove Cups
CD3739
4
3
2
CD4389
3
3
3
3
2
2
2
2
4
1
1
CD1645A
1. Yoke
2. Cup and bearing
3. Snap ring
4. Journal cross
CD1385A

26 Dealer Service
MAN0050 (Rev. 1/16/2004)
3. Clamp cup in vise as shown in Figure 20 and tap
on yoke to completely remove cup from yoke.
Repeat Step 2 and Step 3 for opposite cup.
Figure 20. Remove Cups
4. Place universal cross in vise as shown in Figure 21
and tap on yoke to remove cup. Repeat Step 3 for
final removal. Drive remaining cup out with a drift
and hammer.
Figure 21. Remove Cups
U-Joint Assembly
1. Place seals securely on bearing cups. Insert cup
into yoke from outside and press in with hand
pressure as far as possible. Insert journal cross
into bearing cup with grease fitting away from
shaft. Be careful not to disturb needle bearings.
Insert another bearing cup directly across from first
cup and press in as far as possible with hand
pressure.
Trap cups in vise and apply pressure. Be sure
journal cross is started into bearings and continue
pressure with vise, squeezing in as far as possible.
Tapping the yoke will help.
2. Seat cups by placing a drift or socket (slightly
smaller than the cup) on cup and rap with a
hammer. See Figure 22. Install snap ring and
repeat on opposite cup
3. Repeat Step 1 and Step 2 to install remaining cups
in remaining yoke.
4. Move both yokes in all directions to check for free
movement. If movement is restricted, rap on yokes
sharply with a hammer to relieve any tension.
Repeat until both yokes move in all directions
without restriction.
Figure 22. Install Cups
CD1387
CD1388CD1388
CD1389

Dealer Check List 27
MAN0050 (Rev. 1/16/2004)
DEALER CHECK LISTS
PRE-DELIVERY CHECK LIST
(DEALER’S RESPONSIBILITY)
IMPORTANT
■ Gearbox was not filled at the factory. It must be
serviced before operating cutter. (See Fill Gearbox,
page 32). Failure to service will result in damage to
gearbox.
Inspect cutter thoroughly after assembly to make sure
it is set up properly before delivering it to the customer.
The following check list is a reminder of points to
inspect. Check off each item as it is found satisfactory,
corrections are made, or services are performed.
___ Check all bolts to be sure they are properly
torqued.
___ Check that all cotter pins are properly installed
and secured.
___ Check that PTO shaft is properly installed.
___ Check that gearbox is properly serviced and
seals are not leaking.
___ Check and grease all lubrication points as
identified in, Lubrication Information, page
13.
___ Check that blades have been properly
installed.
DELIVERY CHECK
(DEALER’S RESPONSIBILITY)
___ Show customer how to make adjustments.
Describe the options available for this cutter
and explain their purpose.
___ Explain importance of lubrication to customer
and point out lubrication points on cutter.
___ Present Operator's Manual and request that
customer and all operators read it before oper-
ating equipment. Point out the manual safety
rules, explain their meanings and emphasize
the increased safety hazards that exist when
safety rules are not followed.
___ Point out all guards and shielding. Explain their
importance and the safety hazards that exist
when not kept in place and in good condition.
For mounted units, add wheel weights, ballast
in front tires, and/or front tractor weight to
enhance front end stability. A minimum 20% of
tractor and equipment gross weight must be on
front tractor wheels. When adding weight to
attain 20% of tractor and equipment weight on
front tractor wheels, you must not exceed the
ROPS weight certification. Weigh the tractor
and equipment. Do not estimate!
___ Explain to customer that when equipment is
transported on a road or highway, safety
devices should be used to give adequate warn-
ing to operators of other vehicles.
(Rev. 1/21/2005)

28 Assembly
MAN0050 (Rev. 1/16/2004)
ASSEMBLY
DEALER SET-UP INSTRUCTIONS
Assembly of this cutter is the responsibility of the
Woods dealer. It should be delivered to the owner com-
pletely assembled, lubricated, and adjusted for normal
cutting conditions.
The cutter is shipped partially assembled. Assembly
will be easier if aligned and loosely assembled before
tightening hardware. Recommended torque values for
hardware are located in the Bolt Torque Chart, page
46.
Complete Dealer Check Lists, page 27 when you
have completed the assembly.
Full chain, rubber, or steel band shielding,
designed to reduce the possibility of thrown
objects, must be installed when operating in popu-
lated areas or other areas where thrown objects
could injure people or damage property. If this
machine is not equipped with full chain, rubber, or
steel band shielding, operation must be stopped
when anyone comes within several hundred feet.
Make sure spring-activated locking pin or collar
slides freely and is seated firmly in tractor PTO
spline groove.
Operate tractor PTO at the rpm speed stated in
“Specifications” section.
Always wear relatively tight and belted clothing
to avoid getting caught in moving parts. Wear
sturdy, rough-soled work shoes and protective
equipment for eyes, hair, hands, hearing, and head;
and respirator or filter mask where appropriate.
CAUTION
Figure 23. BB48 & BB60 Shipping Configuration
1. Mounting pin hardware
2. A-frame bar
3. Upper mounting hardware
(under clutch shield)
4. Diagonal brace
5A. Diagonal brace bar
mounting hole
5B. Tailwheel pivot hole
6. Tailwheel bracket
7. PTO Hanger
9. Tailwheel
10. Height adjustment
12. Bag of hardware
13. Driveline (Shear bolt)
14. Clutch shield
2
5A
5B
6
7
9
10
1
DP4
4
13
3
14
(Rev. 12/2/2005)

Assembly 29
MAN0050 (Rev. 1/16/2004)
ASSEMBLE CUTTER
Disassemble Shipping Unit
1. Remove all parts that are wired and strapped to
cutter.
2. Remove cap screws (13) and flange lock nuts (14)
that are securing A-frame bars (2) to the cutting
height adjustment holes (10).
3. Remove cap screws (13) and flange lock nuts (14)
that are securing tailwheel bracket (6) and diagonal
brace bars (4) to cutter. See Figure 25.
2. A-frame bar
4. Diagonal brace bar
6. Tailwheel bracket
10. Height adjustment
13. 5/8 NC x 2 Cap screw
14. 5/8 NC Flange lock nut
Figure 25. BB60 Shown
Figure 24. BB72 & BB84 Shipping Configuration
1
7
DP6A
5A
6
9
12
3
13
1. Mounting pin hardware
2. A-frame bar
3. Upper mounting hardware
4. Diagonal brace
5A. Diagonal brace bar
mounting hole
5B. Tailwheel pivot hole
6. Tailwheel bracket
7. PTO Hanger
9. Tailwheel
10. Height adjustment
12. Bag of hardware
13. Driveline (Slip clutch)
14. Clutch shield
214
10
4
5B
13
13
14
14
6
13 14
4
2
DP5A
10
(Rev. 1/21/2005)

30 Assembly
MAN0050 (Rev. 1/16/2004)
Install Tailwheel
1. Attach tailwheel bracket (6) to cutter at the
tailwheel pivot holes (5B) using cap screw (13) and
flange lock nut (14) previously removed.
NOTE: Make sure grease fitting on tube is on top
when installing tailwheel.
2. Select desired height adjustment holes (10), and
secure tailwheel bracket with cap screws (13) and
flange lock nuts (14). Cutting height adjustment will
be necessary when cutter is fully assembled. See
page 9.
3. Raise rear of cutter and insert tailwheel assembly
(9) into tailwheel bracket (6). Secure with washer
(37) and spiral pin (28).
4. Place diagonal brace bars (4) on the inside of
frame rails and attach to diagonal brace mounting
holes (5A). Secure using cap screws (13) and
flange lock nuts (14).
Figure 26. Tail Wheel Installation
Install A-Frame
BB48 & BB60 Cutters: Attach A-frame bars (2) to the
inside of front mast plates. Secure into position using
carriage bolts (15), sleeves (16), flat washers (17), and
flange lock nuts (14).
Figure 27. BB48 and BB60 Only Assembly
BB72 & BB84 Cutters: A-frame bars (2) are already
attached to the front mast plates. Rotate up for connec-
tion to diagonal brace bars.
Figure 28. BB72 and BB84 Only Assembly
CD6335B
9
13
5B
13
14
14
13
10
13
5A 4
6
6
28
37
4. Diagonal brace bar
5A. Diagonal brace mounting hole
5B. Tailwheel pivot hole
6. Tailwheel bracket
9. Tailwheel assembly
10. Cutting height bracket
13. 5/8 NC x 2 Cap screw
14. 5/8 NC Flange lock nut
28. Spirol pin
37. 33 mm Flat washer
1
5
1
5
1
7
2
16
1
1
6
CD6336
Check Chain
Holes
2. A-frame bar
14. 5/8 NC Flange lock nut
15. 5/8 NC x 2 Carriage bolt
16. 5/8 x 1-9/16 Sleeve
17. 5/8 Flat washer
1
5
1
5
1
7
2
2
1
6
1
6
Check Chain
Holes
CD6337
2. A-frame bar
14. 5/8 NC Flange lock nut
15. 5/8 NC x 2 Carriage bolt
16. 5/8 x 1-9/16 Sleeve
17. 5/8 Flat washer
(Rev. 5/13/2005)

Assembly 31
MAN0050 (Rev. 1/16/2004)
Install A-Frame to Diagonal Brace Bars
1. Remove cap screw (18) and flange lock nut (20)
from top hole on A-frame bars. Leave spacer (19)
and float link (27) together.
2. Position diagonal brace bars (4) on the outside of
A-frame bars (3).
3. Align diagonal brace bars with top hole in A-frame
bars, float link, and spacer. Secure with cap screw
(18) and flange lock nut (20) that were previously
removed.
Figure 29. Diagonal Brace Bars
to A-Frame Connection
Quick Hitch Set-Up
An optional Quick Hitch attachment may be used on
this cutter. Install A-frame as shown below (Figure 30).
Figure 30. Diagonal Brace Bars
to A-Frame Connection for Quick Hitch
INSTALL DRIVELINE
Select either the standard shear bolt or optional slip
clutch driveline.
Install Driveline Shear Bolt
BB48 & BB60 Only
IMPORTANT
■ A grade 2 bolt must be used for the shear bolt
to provide gearbox protection.
1. Remove rear drive shield (1) from driveline.
2. Position clutch shield (5) against gearbox. Secure
using cap screw (7), lock washers (8), and flat
washers (9). Torque hardware to 12 lbs-ft.
3. To prevent seal damage, carefully push driveline
onto gearbox input shaft until it contacts the
gearbox housing.
4. Place retaining ring (6) in slot on input shaft and
snap into place.
5. Align the holes in the driveline yoke and gearbox
input shaft. Install and tighten shear bolt (4) and
nut (3).
6. Install rear drive shield to driveline.
7. Lubricate rear driveline half and install front
driveline half.
8. Attach tether chain to diagonal brace bar.
Figure 31. Shear Bolt Driveline Assembly
4
20
18
19
27
2
CD5744-4
2. A-frame bar
4. Diagonal brace bar
18. 1/2 NC x 5 Cap screw
19. 1/2 NC x 2-3/4 Spacer
20. 1/2 NC Flange lock nut
9
6
8
2
0
2
2
7
32
1
8
2
0
CD5744B-
1
4. Diagonal brace bar
6. A-frame bar
18. 1/2 NC x 5 Cap screw
19. 1/2 NC x 2-3/4 Spacer
20. 1/2 NC Flange lock nut
5
98
7
3
1
2
4
6
CD6593
1. Driveline shield
2. Input shaft (slot)
3. 1/2 NC Lock nut
4. 1/2 NC x 3 Cap screw GR2 (Shear Bolt)
5. Clutch shield
6. Retaining ring
7. M8 x 1.25P x 20 mm Cap screw
8. 5/16 Lock washer
9. 5/16 Flat washer
(Rev. 5/13/2005)

32 Assembly
MAN0050 (Rev. 1/16/2004)
Install Driveline Slip Clutch
(Optional on BB48 and BB60)
IMPORTANT
■ A grade 8 bolt must be used to attach clutch
driveline to gearbox.
A new slip clutch, or one that has been in storage over
the winter, may seize.
1. Before operating slip clutch, make sure it will slip.
Refer to Adjust Slip Clutch, page 15.
2. Position clutch shield (3) against gearbox. Secure
using cap screw (4), lock washers (5), and flat
washers (6). Torque hardware to 12 lbs-ft.
3. Install driveline onto gearbox input shaft and
secure with bolt (1) and nut (2).
4. Secure driveline with bolt (1) and nut (2).
5. Lubricate rear driveline half and install front
driveline half.
6. Attach tether chain to diagonal brace bar.
Figure 32. Optional Slip Clutch Driveline Assembly
BB48 and BB60
Install Driveline Slip Clutch
(BB72 and BB84)
1. Before operating slip clutch, make sure it will slip.
Refer to Adjust Slip Clutch, page 15.
2. Position clutch shield (3) against gearbox. Secure
using cap screw (4), lock washers (5), and flat
washers (6). Torque hardware to 12 lbs-ft.
3. Install driveline onto gearbox input shaft and
secure with bolt (1) and nut (2).
4. Secure drive by releasing lock collar slide onto the
gearbox shaft and release lock collar when balls
are seated into groove. Pull on drive to insure drive
is secure.
INSTALL SAFETY SHIELDING
Install Optional Chain Shielding
Full chain, rubber, or steel band shielding,
designed to reduce the possibility of thrown
objects, must be installed when operating in popu-
lated areas or other areas where thrown objects
could injure people or damage property. If this
machine is not equipped with full chain, rubber, or
steel band shielding, operation must be stopped
when anyone comes within several hundred feet.
The optional chain shielding assemblies are ready for
installation when you receive them.
1. Refer to Front & Rear Chain Shielding, page 48
and attach as shown by inserting the bolts from
inside the cutter frame out through the shielding.
2. Install hardware as shown in the parts drawing.
Install Optional Rubber Deflector
Attach rubber deflector (45) and link (2) to front of cut-
ter using carriage bolts (16) and flange lock nuts (17).
Figure 33. Optional Rubber Deflector Installation
FILL GEARBOX
IMPORTANT
■ Gearbox is not filled at the factory. Prior to
delivery to customer, make sure gearbox is filled
only half-full with 80W or 90W API GL-4 or GL-5
gear lube. Use side plug to remove any excess oil.
1
3
2
5
6
LA9
4
1. 1/2 NC x 3 Cap screw GR8 (Clutch)
2. 1/2 NC Lock nut
3. Clutch shield
4. M8 x 1.25P x 20 mm Cap screw
5. 5/16 Lock washer
6. 5/16 Flat washer
CD6573
1
2
34
1. Rubber deflector
2. Link
3. 3/8 NC x 1 Carriage bolt
4. 3/8 NC Flange lock nut
(Rev. 10/27/2006)

Assembly 33
MAN0050 (Rev. 1/16/2004)
1. Remove solid plug and discard.
2. Make sure vent plug hole is clear.
3. Fill gearbox until oil runs out the side plug on
gearbox. Use a high quality gear oil with a viscosity
index of 80W or 90W and an API service rating of
GL-4 or GL-5.
4. Install vent plug. Use pipe sealant or thread tape
on threads.
INSTALL OPTIONAL CHECK CHAINS
Check chains are used to carry the front of cutter at a
set height.
1. Thread check chains (3) through check chain
bracket (2).
2. Attach lower end of check chain (3) to mast plate (9
or 11) with bolt (6), washer (7), and nut (8).
3. Attach keyhole brackets (2) to each side of tractor
top link bracket (10) with bolt (4) and nut (5).
4. Insert check chains through keyhole brackets and
set cutter height.
Figure 34. Check Chain Installation
9
Check Chain
Holes
CD6337-1
2
3
4
5
7
8
6
10
6
CD6336-1
Check Chain
Holes
10
11
23
4
5
7
8
BB72 or BB84 Check Chain Installation
1. Check chain complete
2. Check chain bracket, lower
3. 3/8 Chain, 32-link and check lug
4. 3/4 NC x 6 Cap screw GR5
5. 3/4 NC Hex lock nut
6. 5/8 NC x 2-1/4 Cap screw GR5
7. 5/8 Flat washer, standard
8. 5/8 NC Hex nut
9. Mast Plate BB72 or BB84
10. Tractor top link bracket
BB48 or BB60 Check Chain Installation
1. Check chain complete
2. Check chain bracket, lower
3. 3/8 Chain, 32-link and check lug
4. 3/4 NC x 6 Cap screw GR5
5. 3/4 NC Hex lock nut
6. 5/8 NC x 2-1/4 Cap screw GR5
7. 5/8 Flat washer, standard
8. 5/8 NC Hex nut
10. Tractor top link bracket
11. Mast Plate BB48 or BB60
(Rev. 1/21/2005)

34 Assembly
MAN0050 (Rev. 1/16/2004)
NOTE
(Rev. 1/21/2005)

Parts 35
MAN0050 (Rev. 1/21/2005)
BRUSHBULL™ STANDARD-DUTY ASSEMBLY . . . . . . . . . . . . . . . . . . . . . 36-37
GEARBOX ASSEMBLY & PARTS LIST
(BB48, BB60, BB72; BB84–S/N 827627 & AFTER) . . . . . . . . . . . . . . . . . . . 38-39
CHECK CHAIN ASSEMBLY (OPTIONAL) . . . . . . . . . . . . . . . . . . . . . . . . . . . . 39
GEARBOX ASSEMBLY
(BB84–S/N 827626 & PRIOR) . . . . . . . . . . . . . . . . . . . . . . . . . . . . . . . . . . . . . 40
BB72 COMER SLIP CLUTCH DRIVELINE ASSEMBLY . . . . . . . . . . . . . . . . . 41
BB72 & BB84 WALTERSCHIED SLIP CLUTCH DRIVELINE ASSEMBLY . . . 42
BB48 COMER STANDARD DRIVELINE ASSEMBLY . . . . . . . . . . . . . . . . . . . 43
BB60 COMER STANDARD DRIVELINE ASSEMBLY . . . . . . . . . . . . . . . . . . . 44
BB48 & BB60 WALTERSCHIED STANDARD DRIVELINE ASSEMBLY . . . . . 45
BB48 & BB60 COMER SLIP CLUTCH DRIVELINE ASSEMBLY (OPTIONAL) 46
BB48 & BB60 WALTERSCHIED SLIP CLUTCH DRIVELINE ASSEMBLY
(OPTIONAL) . . . . . . . . . . . . . . . . . . . . . . . . . . . . . . . . . . . . . . . . . . . . . . . . . . . 47
FRONT & REAR CHAIN SHIELDING. . . . . . . . . . . . . . . . . . . . . . . . . . . . . . . . 48
RUBBER SHIELDING (OPTIONAL) . . . . . . . . . . . . . . . . . . . . . . . . . . . . . . . . . 49
PARTS INDEX
BRUSHBULL
Rotary Cutters:
BB48
BB60
BB72
BB84
TM
(Rev. 10/27/2006)

36 Parts
MAN0050 (Rev. 1/21/2005)
BRUSHBULL STANDARD DUTY ASSEMBLY
BB48, BB60, BB72 & BB84 (BB84 SHOWN)
14A 14
QUICK HITCH
CONFIGURATION
& HARDWARE
34
50
12 735
36
35
10A
41
37
13
38
40
12,55
15
39
14B
11 14C
10B
9
8
7
46
23
23
53
53
47
3
1
6
6
25
26 27
28
29
12
21
21
21
21
24
24
20
18
12
19
19
9
47
6
12
19
19
8
20
22
7
732
18
20
12
33
21
57
49
51
48
56
55
54
30
31
42
43
43
44
5
CD5744F
Units with Serial Number 994126 & prior include tail wheel with fabri-
cated steel hub. Units with Serial Number 994127 & after include tail
wheel with cast iron hub. Item 14 ( 4 x 15 Notat Tire/Wheel) includes
cast iron hub.
(Rev. 10/27/2006)

Parts 37
MAN0050 (Rev. 1/21/2005)
BB48, BB60, BB72 & BB84 PARTS LIST
REF PART QTY DESCRIPTION
3 57236 1 Rear band -
BB48
3 57210 1 Rear band -
BB60
3 57183 1 Rear band -
BB72
3 57184 1 Rear band -
BB84
5 57162 1 Tailwheel assembly
6 57238 2 Link, offset - (A-frame bar)
BB48 & 60
6 57223 2 Link, offset - (A-frame bar)
BB72 & 84
7 57239 2 Link, offset - (Diagonal brace)
BB48
7 57220 2 Link, offset - (Diagonal brace)
BB60
7 57153 2 Link, offset - (Diagonal brace)
BB72
7 57199 2 Link, offset - (Diagonal brace)
BB84
8 64814 1 Spacer 1/2 x 2-3/4
9 15321 1 Link, bent .38 x 2.5 x 9.13
10 57182 1 Sleeve, .656 x .997 x 5.39
10B 1013219 1 Sleeve, .656 x .985 x 5.24 (S/N 994126
& prior / cast iron hub)
11 23638 1 5/8 NC x 7 Cap screw GR5
11 1013878 1 M24 x 2 x 192 Spindle bolt (S/N 994127
& after)
12 19025 13 5/8 NC Flange lock nut
13 13853 1 Spirol pin 3/8 x 1-3/4
13 40775 1 Spirol pin 10 mm x 65 mm (S/N 994127
& after)
14 15373 1 4 x 16 Solid core tire -
BB48
14 1013222 1 4 x 15 Notat tire / wheel (S/N 994126 &
prior)(includes 10B)
14A 1009091 1 Wheel hub assembly (Notat tire only)
14B 1009090 2 Bushing Flange 1.00 x 1.37 x 1.00
(Notat tire only)
14B 1013880 2 Bushing, flanged .984 x 1.378 x .98 (For
cast iron hub only)
14C 1013879 1 Cast iron wheel hub (S/N 994127 &
after)
15 15314 1 Tail wheel clevis
15 1013220 1 Tail wheel clevis (S/N 994127 & after)
16 6697 *8 3/8 NC x 1 Carriage bolt GR5
17 14350 8 3/8 NC Flange lock nut
18 23479 *1 1/2 NC x 5 Cap screw GR5
19 1791 2 Sleeve 5/8 x 1 x 9/16 HT
20 11900 2 1/2 Flange lock nut
21 902 *10 5/8 x 2 Cap screw GR5
22 10380 *1 1/2 NC x 4 Cap screw GR5 (used for
quick hitch only)
23 2855 *2 5/8 x 2 Carriage bolt GR5
24 33661 2 Cat. 1 Mounting pin (with nut &
lock washer; does not include 53)
(BB48, BB60, BB72)
24 30006 2 Cat. 2 Mounting pin (with nut & lock
washer; Does not include 53) (BB84)
25 24801 4 M8 x 1.25P x 20 mm Cap screw
26 35155 *4 5/16 Flat washer
27 2472 *4 5/16 Lock washer
28 1002048 1 Clutch shield, 100 & 143 mm BC
29 57403 1 Complete drive asy -
BB72
(page 42)
29 1020901 1 Complete drive asy -
BB72
30 57409 1 Complete drive asy -
BB84
30 40554 1 Complete drive asy -
BB48
30 40555 1 Complete drive asy -
BB60
30 1009509 1 Complete drive asy -
BB48
30 1009510 1 Complete drive asy -
BB60
31 ——— 1
BB48 & BB60
Standard drive or
BB48
& BB60
Slip clutch drive
32 33657 1 1/2 x 3/4 x 2-13/16 Sleeve
(used for quick hitch only)
33 57817 4 5/8 Flat washer, hardened (
BB48,
BB60, BB72
)
33 57798 4 3/4 Flat washer, hardened
BB84
34 1003828 1 Manual tube
35 24409 *2 5/16 NC x 1 Carriage bolt
36 4529 *2 5/16 NC Hex nut
37 * 1 Washer, 33 mm x 56 mm x 4 mm (S/N
994127 & after)
38 * 1 Cotter pin (S/N 994127 & after)
39 23029 4 M12-1.75P x 25 Cap screw (S/N
994127 & after)
40 * 4 M12 Flat washer (S/N 994127 & after
41 4676 1 4 x 15 Notat tire & rim (S/N 994127 &
after)
42 15349 1 1/2 NC x 3 Shear bolt GR2
43 765 *2 1/2 NC Lock nut -
BB48 & BB60
44 1024632 1 1/2 NC x 3 Cap screw GR8 - Clutch
46 57076 1 Vent plug, (See page 38)
47 692 *2 5/8 Flat washer
48 15331 2 Blade pin -
BB48 & BB60
(includes washer & nut)
48 57093 2 Blade pin -
BB72 & BB84
(includes washer & nut)
49 30310KT 1 Blade 3/8 x 3 x 16 CCW -
BB48
49 15326KT 1 Blade 3/8 x 3 x 20.50 CCW -
BB60
49 57189KT 1 Blade 1/2 x 3 x 26.5 CCW
BB72 & BB84
50 1013200 1 Crossbar and hub -
BB48, BB60, BB72
50 57190 1 Crossbar asy
(
BB84
- S/N 827626 & prior)
50 1004127 1 Crossbar asy
(
BB84
–S/N 827627 & after)
51 15330 1 Stump jumber - (
BB48, BB60, BB72
)
53 1001521 2 Washer, .880 x 1.88 x .50
54 20893 1 Washer, 25 x 44 x 4 mm (
BB48, BB60,
BB72
)
54 39322 1 Washer, 31 x 56 x 4 mm
BB84
55 20892 2 Castle nut metric, M24 x 2 (
BB48,
BB60, BB72
)(S/N 994127 & after)
55 39323 1 Castle nut metric M30 x 2
BB84
56 *1 6" Wire, 9 gauge
57 15345 1 Retaining ring, .05 x 1.38
NS 15358 1 Safety decal set
NS 1000624 1 Complete decal set
* Standard hardware, obtain locally
NS Not Shown
REF PART QTY DESCRIPTION
(Rev. 10/27/2006)

38 Parts
MAN0050 (Rev. 1/21/2005)
GEARBOX ASSEMBLY
(BB48, BB60, BB72 ALL SERIAL NUMBERS)
(BB84–S/N 827627 & AFTER)
15 12 22
1
13
3
14
9
12
23
16
20
5
15
15A
6
11
4
7
21
19
10
18
17
25
8
27
15
2
26
CD5753
28
20A
19A
REF PART QTY DESCRIPTION
A 58800 1 Gearbox repair asy.(BB48)
A 58801 1 Gearbox repair asy. (BB60)
A 58802 1 Gearbox repair asy. (BB72)
A 58803 1 Gearbox repair asy. (BB84)
1 57458 1 Gear crown 25T (BB48)
1 57459 1 Gear crown 24T (BB60)
1 57460 1 Gear crown 22T (BB72)
1 39424 1 Gear crown 19T (BB84)
2 NS 1 Gearbox housing
3 57464 1 Input shaft 1-3/8 smooth shaft (BB48 & 60)
3 57465 1 Input shaft 1-3/8 - 6 spline (BB72)
3 57147 1 Input shaft 1-3/8 - 6 spline (BB84)
4 57489 1 Output shaft (BB48 & 60)
4 57490 1 Output shaft (BB72)
4 57191 1 Output shaft (BB84)
5 57491 1 Gear pinion 13T M5.3 (BB48)
5 57497 1 Gear pinion 14T M5.3 (BB60)
5 57498 1 Gear pinion 15T M5.7 (BB72)
5 39418 1 Gear pinion 15T M6.5 (BB84)
6 57476 1 Bearing cup & cone (BB48 & 60)
6 39257 1 Bearing cup & cone (BB72)
6 39263 1 Bearing cup & cone (BB84)
7 57478 1 Bearing cup & cone (BB48, BB60, BB72)
7 39263 1 Bearing cup & cone (BB84)
8 57462 1 Bearing cup & cone

Parts 39
MAN0050 (Rev. 1/21/2005)
GEARBOX ASSEMBLY PARTS LIST (CONT’D)
CHECK CHAIN ASSEMBLY (OPTIONAL)
REF PART QTY DESCRIPTION
9 20890 1 Bearing-Ball 6207
10 20897 1 Ring retainer 81mm internal (BB48,
BB60, BB72)
11 *1 Cotter pin
12 57466 2 Snap ring
13 57467 1 Snap ring (BB48, BB60, BB72)
14 57373 1 Spacer 35.3 x 48 x 2.5 (BB48, BB60,
BB72)
15 57328 2 Gearbox shim kit
15A 57471 1 Shim kit 50.3 x 70.3 (BB84)
16 57468 1 Castle nut (BB48 & BB60)
16 57469 1 Castle nut (BB72)
16 39261 1 Castle nut (BB84)
17 20892 1 Castle nut metric M24 x 2 (BB48,
BB60, BB72)
17 39323 1 Castle nut metric M30 x 2 (BB84)
18 20893 1 Washer 25 x 44 x 4 mm (BB48,
BB60, BB72)
18 39322 1 Washer 31 x 56 x 4 mm (BB84)
19 57475 1 Protective washer(BB48, BB60,
BB72)
19A 57338 1 Screen protection (BB84)
REF PART QTY DESCRIPTION
20A 57094 1 Shim kit 44 x 30.3 x 1 (BB84)
20 57473 1 Flat washer 21 x 37 x 3
(BB48 & BB60)
20 57474 1 Flat washer 25 x 48 x 2.5
(BB72)
21 20900 1 Seal, metric 40 x 80 x 12
(BB48, BB60, BB72)
21 39289 1 Dust lip 50 x 90 x 10 (BB84)
22 57463 1 Oil seal 35 x 72 x 10
23 57374 1 Oil cap
25 57375 1 Top cover (BB48 & 60)
25 57376 1 Top cover (BB72)
25 57139 1 Top cover (BB84)
26 *6 M8 x 16 Hex head cap screw CL8.8
(BB48, BB60, BB72)
26 *6 M8 x 14 Hex head cap screw CL8.8
(BB84)
27 57076 1 Vent plug 1/2 NPT
28 *1 6" Wire, 9 gauge - or -
28 1 Cotter pin
NS = Not Serviced
* Standard hardware, obtain locally
6
CD6336-1
Check Chain
Holes
10
11
23
4
5
7
8
9
Check Chain
Holes
CD6337-1
2
3
4
5
7
8
6
10
REF PART QTY DESCRIPTION
10521 1 Check chain complete
2 7906 2 Check chain bracket, lower
3 18048 2 3/8 Chain, 32-Link and check lug
4 2377 * 3/4 NC x 6 Hex head cap screw GR5
5 2371 * 3/4 NC Hex lock nut
6 12274 * 5/8 NC x 2-1/4 Hex head cap screw GR5
REF PART QTY DESCRIPTION
7 3632 * 5/8 Standard flat washer
8 6239 * 5/8 NC Hex nut
9 Mast plate BB48 or BB60
10 Tractor top link bracket
11 Mast plate BB72 or BB84
* Standard hardware, obtain locally
BB72 or BB84BB48 or BB60

40 Parts
MAN0050 (Rev. 1/21/2005)
GEARBOX ASSEMBLY (BB84–S/N 827626 & PRIOR)
27 - Shim Kit
CD4332
REF PART QTY DESCRIPTION
A 39124 1 Gearbox repair asy
1 39421 1 Lower cover
2 39323 1 Gasket
3 39420 1 Seal
4 39416 1 Shaft
5 39263 2 Bearing
6 39417 1 Spacer
7 ——— A/R Shim, 45.3 mm ID x 65.3 mm OD
8 39418 1 Pinion gear, 15-tooth
9 ——— Gearbox housing
(not sold separately)
10 39414 1 Bearing
11 39415 1 Shaft
12 39424 1 Gear, 19-tooth
13 39425 1 Bearing
14 39427 1 Seal
15 39426 1 Gasket
16 39428 1 Front cover
17 39422 4 10 mm Lock washer
18 64291 1 5/32 x 1 Cotter pin
19 65294 1 3/8 NPT Square head pipe plug
20 39325 1 3/8 NPT Vented plug
REF PART QTY DESCRIPTION
21 24801 8 8 mm x 1.25P x 20 mm Hex head
cap screw
22 24802 4 10 mm x 1.25P x 25 mm Hex head
cap screw
23 2472 8 5/16 Standard lock washer
24 39261 1 30 mm x 1.50 Hex castle nut
25 ——— A/R Shim, 40.3 mm ID x 51.5 mm OD
26 ——— A/R Shim, 35.3 mm ID x 43.0 mm OD
27 39413 A/R Shim kit (includes items 7, 25, 26)
A/R = As Required

Parts 41
MAN0050 (Rev. 1/21/2005)
BB72 COMER SLIP CLUTCH DRIVELINE ASSEMBLY
CD6937
22
21
19
20
23
6
9
1
34
2
5
2
14
NOTE: EXAMINE THE DRIVELINE PROFILE TO DETERMINE
THE CORRECT REPAIR PARTS FOR THE UNIT
WALTERSCHIED
PROFILE
PG 42
11 1312
10
14 16 17
15
18
COMER
PROFILE
PG 41
REF PART QTY DESCRIPTION
- 1020901 1 Complete 540 driveline asy
1 1001300 2 Complete collar yoke C12 1-3/8 - 6
2 38478 2 Cross and bearing kit
3 1019442 1 Outer cone fix ring
4 30922 6 Protection fixing screw
5 1019444 1 Inner cone fix ring
6 30917 2 Chain-shield tether
9 1001340 1 Lock collar repair kit
10 1019449 1 Friction clutch
11 1001311 8 Spring
12 1001312 1 Flanged yoke
13 1001313 1 Bushing
14 1001314 2 Lining ring
15 1001316 1 Flanged hub F12
16 1001317 1 Pressure plate
17 1001318 8 Bolt & nut M10 x 80
18 1001315 1 Bolt & nut M12 x 1.25 x 65
19 1001302 1 Flexible pin
20 1001301 1 Outer yoke tube
21 1001305 1 Flexible pin
22 1001306 1 Inner tube yoke
23 1021552 1 Shield, complete
REF PART QTY DESCRIPTION
(Rev. 10/27/2006)

42 Parts
MAN0050 (Rev. 1/21/2005)
BB72 & BB84 WALTERSCHIED SLIP CLUTCH DRIVELINE ASSEMBLY
22 20
23
21
16
16
19
12 14
12
17
15
17
42
41
40
38
39
43
44
37
35
36
33
34
32
32
31
2
1
435
8
2
3
7
6
CD5761
NOTE: EXAMINE THE DRIVELINE PROFILE TO DETERMINE
THE CORRECT REPAIR PARTS FOR THE UNIT
WALTERSCHIED
PROFILE
PG 42
COMER
PROFILE
PG 41
REF QTY PART BB72 PART BB84 DESCRIPTION
1 57403 57409 Complete 540 driveline assembly
1 1 40571 40574 Yoke 1-3/8 - 6 spline
2 2 154 110 Cross & bearing kit
3 2 40775 40764 Spring pin 10 x 65
4 1 40572 40575 Inboard yoke
5 1 40583 40587 Inner profile
6 1 40592 40588 Outer profile
7 1 40573 40576 Inboard yoke
8 1 57405 57412 Friction slip clutch
12 2 40776 40766 Bearing ring SC25
14 1 18864 18864 Danger decal, rotating driveline
15 1 33347 33347 Danger decal, shield missing
16 2 40778 40778 Screw, included in items 9 & 13
17 2 40777 40777 Anti-rotation chain
19 1 40589 40589 Slide collar kit
20 1 40759 40590 Outer guard half
21 1 40760 40591 Inner guard half
22 1 40736 57410 Shaft assembly, male (complete with guard)
23 1 57404 57411 Shaft assembly, female (complete with guard)
31 1 57431 57438 Flange yoke
32 2 57432 57432 Friction disc
33 1 57436 57436 Hub, 1-3/8" spline
34 1 57434 57434 Thrust plate
35 1 57435 57439 Belleville spring plate
36 6 57259 57259 10 mm x 1.5P x 50 mm Cap screw
37 6 57260 57260 10 mm x 1.5P Hex lock nut
38 1 ——— ——— Back-up ring
38 3 ——— ——— Ball
40 1 ——— ——— Compression spring
41 1 ——— ——— Lock collar
42 1 ——— ——— Back-up ring
43 1 ——— ——— Snap ring
44 1 57437 57437 QD flange service kit (items 38-43)
(Rev. 10/27/2006)

Parts 43
MAN0050 (Rev. 1/21/2005)
BB48 COMER STANDARD DRIVELINE ASSEMBLY
6
CD6934
11
9
1
3 4
12
13
2
5
2 10
NOTE: EXAMINE THE DRIVELINE PROFILE TO DETERMINE
THE CORRECT REPAIR PARTS FOR THE UNIT
WALTERSCHIED
PROFILE
PG 45
COMER
PROFILE
PG 43
REF PART QTY DESCRIPTION
- 1009509 1 Complete 540 driveline asy
1 1001300 2 Complete collar yoke C12 1-3/8 - 6
2 38478 2 Cross & bearing kit
3 1019442 1 Outer cone fix ring
4 30922 6 Protection fixing screw
5 1019444 1 Inner cone fix ring
6 30917 2 Chain shield tether
9 1001340 1 Lock collar repair kit
10 1019445 1 Special drive yoke
11 1001305 1 Flexible pin
12 1001306 1 Inner tube yoke
13 1021324 1 Shield, complete
REF PART QTY DESCRIPTION
(Rev. 10/27/2006)

44 Parts
MAN0050 (Rev. 1/21/2005)
BB60 COMER STANDARD DRIVELINE ASSEMBLY
6
CD6935
9
1
34
2
5
210
14
13
12 11
15
NOTE: EXAMINE THE DRIVELINE PROFILE TO DETERMINE
THE CORRECT REPAIR PARTS FOR THE UNIT
WALTERSCHIED
PROFILE
PG 45
COMER
PROFILE
PG 44
REF PART QTY DESCRIPTION
- 1009510 1 Complete 540 drivline
1 1001300 2 Complete collar yoke C12 1-3/8 - 6
2 38478 2 Cross & bearing kit
3 1019442 1 Outer cone fix ring
4 30922 6 Protection fixing screw
5 1019444 1 Inner cone fix ring
6 30917 2 Chain shielding tether
9 1001340 1 Lock collar repair kit
10 1019445 1 Special drive yoke
11 1001302 1 Flexible pin
12 1001301 1 Outer yoke tube
13 1001305 1 Flexible pin
14 1001306 1 Inner tube yoke
15 1021550 1 Shield, complete
REF PART QTY DESCRIPTION
(Rev. 10/27/2006)

Parts 45
MAN0050 (Rev. 1/21/2005)
BB48 & BB60 WALTERSCHEID STANDARD DRIVELINE ASSEMBLY
24
23
21
12
14
5
3
4
2
1
20 12 14
22
17
6
732818
19 CD5578
WALTERSCHIED
PROFILE
PG 45
COMER
PROFILE
PG 43 & 44
NOTE: EXAMINE THE DRIVELINE PROFILE TO DETERMINE
THE CORRECT REPAIR PARTS FOR THE UNIT
REF PART QTY DESCRIPTION
40554 1 Complete 540 driveline assembly
(shear bolt) BB48 only
40555 1 Complete 540 driveline assembly
(shear bolt) BB60 only
1 40571 1 Yoke, 1-3/8 - 6 SP
(complete with lock collar)
2 154 2 Cross and bearing kit
3 40775 2 Spring pin 10 mm x 65 mm
(pkg. of 10)
4 40572 1 Inboard yoke (male drive tube)
5 40583 1 Inner profile (cut to length)
6 40592 1 Outer profile (cut to length)
7 40573 1 Inboard yoke (female drive tube)
8 40580 1 Yoke, shear bolt
12 40776 2 Bearing ring (pkg. of 2)
14 40778 2 Screw (pkg. of 2)
REF PART QTY DESCRIPTION
17 40777 2 Anti-rotation chain
18 765 1 1/2 NC Lock nut
19 15349 1 1/2 NC x 3 Shear bolt
20 40589 2 Lock collar repair kit (without yoke)
21 40759 1 Guard, outer half, includes items 12,
13, and 14 (cut to length)
22 40761 1 Guard, inner half
includes items 12, 13, and 17
23 40739 1 BB48 Shaft assembly, male half
(complete with guard)
23 40733 1 BB60 Shaft assembly, male half
(complete with guard)
24 40740 1 BB48 Shaft assembly, female half,
(complete with guard and shear bolt
yoke)
24 40734 1 BB60 Shaft assembly, female half,
(complete with guard and shear bolt
yoke)
(Rev. 10/27/2006)

46 Parts
MAN0050 (Rev. 1/21/2005)
BB48 & BB60 COMER SLIP CLUTCH DRIVELINE ASSEMBLY (OPTIONAL)
6
9
1
3 4
2
5
2
1411 1312
10
14 15 16 17
21
20
18
19
22
CD6936
NOTE: EXAMINE THE DRIVELINE PROFILE TO DETERMINE
THE CORRECT REPAIR PARTS FOR THE UNIT
WALTERSCHIED
PROFILE
PG 47
COMER
PROFILE
PG 46
REF PART QTY DESCRIPTION
- 1020900 1 Complete 540 driveline assembly
1 1001300 2 Complete collar yoke C12 1-3/8 - 6
2 38478 2 Cross & bearing kit
3 1019442 1 Outer cone fix ring
4 30922 6 Protection fixing ring
5 1019444 1 Inner come fix ring
6 30917 2 Chain shield tether
9 1001340 1 Lock collar repair kit
10 1019446 1 Special friction clutch
11 1001311 8 Spring
12 1019447 1 Flanged yoke
13 1001313 1 Bushing
14 1001314 2 Lining ring
15 1019448 1 Special hub F10
16 1001317 1 Pressure plate
17 1001318 8 Bolt & nut M10 x 80
18 1001302 1 Flexible pin
19 1001301 1 Outer yoke tube
20 1001305 1 Flexible pin
21 1001306 1 Inner tube yoke
22 1021551 1 Shield, complete
REF PART QTY DESCRIPTION
(Rev. 10/27/2006)

Parts 47
MAN0050 (Rev. 1/21/2005)
BB48 & BB60 WALTERSCHIED SLIP CLUTCH DRIVELINE ASSEMBLY (OPTIONAL)
16
19
1
3
4512 14
12
17
63
7
15
2
17
2
22 20
23
21
8
37
36 33 34 35
32
32
31
16
CD5760
NOTE: EXAMINE THE DRIVELINE PROFILE TO DETERMINE
THE CORRECT REPAIR PARTS FOR THE UNIT
WALTERSCHIED
PROFILE
PG 47
COMER
PROFILE
PG 46
REF PART QTY DESCRIPTION
57400 1 Complete 540 driveline assembly
1 40571 1 Yoke 1-3/8 - 6 spline
2 154 2 Cross & bearing kit
3 40775 2 Spring pin 10 mm x 65 mm
4 40572 1 Inboard yoke
5 40583 1 Inner profile
6 40592 1 Outer profile
7 40573 1 Inboard yoke
8 57402 1 Friction slip clutch
12 40776 2 Bearing ring SC15
14 18864 1 Decal, danger rotating driveline
15 33347 1 Decal, danger guard missing
16 40778 2 Screw, included in items 9 & 13
17 40777 2 Anti-rotation chain
19 40589 1 Slide collar kit
REF PART QTY DESCRIPTION
20 40759 1 Outer guard half
21 40760 1 Inner guard half
22 40733 1 Shaft assembly, male
(complete with guard)
23 57401 1 Shaft assembly, female
(complete with guard)
31 57431 1 Flange yoke
32 57432 2 Friction disc
33 57433 1 Hub, 1-3/8” round bore
34 57434 1 Thrust plate
35 57435 1 Belleville spring plate
36 57259 6 10 mm x 1.5P x 50 mm
Cap screw GR 8.8
37 57260 6 10 mm x 1.5P Hex lock nut
(w\nylon insert)
(Rev. 10/27/2006)

48 Parts
MAN0050 (Rev. 1/21/2005)
FRONT & REAR CHAIN SHIELDING (OPTIONAL)
2
1
4
3
7
6
9
8
CD5752A
10
11
REF QTY PART
BB48
PART
BB60
PART
BB72
PART
BB84 DESCRIPTION
1 1 57246 57143 57090 57128 Right front chain plate
2 1 57254 57144 57091 57127 Left front chain plate
3 2 1003643 1003645 1007850 1007851 .243 Dia. bent pin (front)
4 AR 5496 5496 5496 5496 5/16 - 7 Link chain (front)
6 1 57248 57142 57088 57125 Right rear chain plate
7 1 57247 57141 57089 57149 Left rear chain plate
8 2 57249 57138 57085 57146 .243 Dia. rolled bent pin (rear)
9 AR 4069 4069 4069 4069 5/16 - 4 Link chain (rear)
10 16 6697 * 6697 * 6697 * 6697 * 3/8 NC x 1 Carriage bolt
11 16 14350 14350 14350 14350 3/8 NC Flange hex nut
AR = As Required
* Standard hardware, obtain locally
(Rev. 10/27/2006)

Parts 49
MAN0050 (Rev. 1/21/2005)
RUBBER SHIELDING (OPTIONAL)
CD6573
1
2
34
REF PART QTY DESCRIPTION
1013207 1 Rubber shield kit - BB48
(includes items 1-4)
1013208 1 Rubber shield kit 5 ft - BB60
(includes items 1-4)
1013209 1 Rubber shield kit 6 ft - BB72
(includes items 1-4)
1013210 1 Rubber shield kit 7 ft - BB84
(includes items 1-4)
1 1004128 2 Rubber deflector 25.25 - BB48
1 1004129 2 Rubber deflector 31.25 - BB60
1 1004130 2 Rubber deflector 37.25 - BB72
1 1004131 2 Rubber deflector 43.25 - BB84
2 1013213 2 Link .25 x 1.00 x 21.50 - BB48
2 1013214 2 Link .25 x 1.00 x 28.75 - BB60
2 1013215 2 Link .25 x 1.00 x 34.75 - BB72
2 1013216 2 Link .25 x 1.00 x 40.50 - BB84
3 6697* 8 3/8NC x 1 Carriage bolt
4 14350 8 3/8NC Flange hex nut
* Standard Hardware - Obtain Locally
(Rev. 10/27/2006)

50 Appendix
Bolt Torque & Size Charts (Rev. 8/14/2002)
BOLT TORQUE CHART
Always tighten hardware to these values unless a different torque value or tightening procedure is listed for a specific
application.
Fasteners must always be replaced with the same grade as specified in the manual parts list.
Always use the proper tool for tightening hardware: SAE for SAE hardware and Metric for metric hardware.
Make sure fastener threads are clean and you start thread engagement properly.
All torque values are given to specifications used on hardware defined by SAE J1701 MAR99 & J1701M JUL96.
Diameter
(Inches)
Wrench
Size
MARKING ON HEAD
SAE 2 SAE 5 SAE 8
lbs-ft N-m lbs-ft N-m lbs-ft N-m
1/4" 7/16" 6 8 10 13 14 18
5/16"1/2"121719262737
3/8"9/16"233135474967
7/16"5/8"3648557578106
1/2" 3/4" 55 75 85 115 120 163
9/16" 13/16" 78 106 121 164 171 232
5/8" 15/16" 110 149 170 230 240 325
3/4" 1-1/8" 192 261 297 403 420 569
7/8" 1-5/16" 306 416 474 642 669 907
1" 1-1/2" 467 634 722 979 1020 1383
A
SAE SERIES
TORQUE
CHART
SAE Bolt Head
Identification
SAE Grade 2
(No Dashes)
SAE Grade 5
(
3 Radial Dashes
)
SAE Grade 8
(
6 Radial Dashes
)
Diameter &
Thread Pitch
(Millimeters)
Wrench
Size
COARSE THREAD FINE THREAD
Diameter &
Thread Pitch
(Millimeters)
MARKING ON HEAD MARKING ON HEAD
Metric 8.8 Metric 10.9 Metric 8.8 Metric 10.9
N-m lbs-ft N-m lbs-ft N-m lbs-ft N-m lbs-ft
6 x 1.0 10 mm 8 6 11 8 8 6 11 8 6 x 1.0
8 x 1.25 13 mm 20 15 27 20 21 16 29 22 8 x 1.0
10 x 1.5 16 mm 39 29 54 40 41 30 57 42 10 x 1.25
12 x 1.75 18 mm 68 50 94 70 75 55 103 76 12 x 1.25
14 x 2.0 21 mm 109 80 151 111 118 87 163 120 14 x 1.5
16 x 2.0 24 mm 169 125 234 173 181 133 250 184 16 x 1.5
18 x 2.5 27 mm 234 172 323 239 263 194 363 268 18 x 1.5
20 x 2.5 30 mm 330 244 457 337 367 270 507 374 20 x 1.5
22 x 2.5 34 mm 451 332 623 460 495 365 684 505 22 x 1.5
24 x 3.0 36 mm 571 421 790 583 623 459 861 635 24 x 2.0
30 x 3.0 46 mm 1175 867 1626 1199 1258 928 1740 1283 30 x 2.0
METRIC SERIES
TORQUE
CHART
Metric Bolt Head
Identification
8.8
Metric
Grade 10.9
10.9
Metric
Grade 8.8
A
Typical Washer Installations
Bolt Lock Washer Flat Washer
Nut 8/9/00
A
A
A

Appendix 51
Bolt Torque & Size Charts (Rev. 8/14/2002)
BOLT SIZE CHART
NOTE: Chart shows bolt thread sizes and corresponding head (wrench) sizes for standard SAE and metric bolts.
5/16 3/8 1/2 5/8 3/4 7/8
SAE Bolt Thread Sizes
MM 25 50 75 100 125 150 175
IN 1 2 3 4 5 6 7
Metric Bolt Thread Sizes
8MM 18MM14MM12MM10MM 16MM
ABBREVIATIONS
AG ............................................................. Agriculture
ATF...............................Automatic Transmission Fluid
BSPP ...........................British Standard Pipe Parallel
BSPTM...............British Standard Pipe Tapered Male
CV .................................................. Constant Velocity
CCW ............................................ Counter-Clockwise
CW ............................................................. Clockwise
F..................................................................... Female
GA................................................................... Gauge
GR (5, etc.) ......................................... Grade (5, etc.)
HHCS.......................................Hex Head Cap Screw
HT ......................................................... Heat-Treated
JIC............... Joint Industry Council 37° Degree Flare
LH ...............................................................Left Hand
LT ......................................................................... Left
m ....................................................................... Meter
mm ..............................................................Millimeter
M ........................................................................ Male
MPa........................................................Mega Pascal
N .................................................................... Newton
NC.................................................... National Coarse
NF ......................................................... National Fine
NPSM................... National Pipe Straight Mechanical
NPT .........................................National Pipe Tapered
NPT SWF ........National Pipe Tapered Swivel Female
ORBM .........................................O-Ring Boss - Male
P......................................................................... Pitch
PBY ..................................................... Power-Beyond
psi ........................................Pounds per Square Inch
PTO.................................................... Power Take Off
QD.................................................. Quick Disconnect
RH............................................................ Right Hand
ROPS ......................... Roll-Over Protective Structure
RPM ...................................... Revolutions Per Minute
RT ......................................................................Right
SAE ........................ Society of Automotive Engineers
UNC ................................................... Unified Coarse
UNF......................................................... Unified Fine
UNS ................................................... Unified Special

52 Index
MAN0050 (Rev. 1/21/2005)
INDEX
ASSEMBLY
Assemble Cutter 29
Disassemble Shipping Unit 29
Install A-Frame 30
Install A-Frame to Diagonal Brace Bars 31
Install Tailwheel 30
Quick Hitch Set-Up 31
Dealer Set-up Instructions 28
Fill Gearbox 32
Install Driveline 31
Install Driveline Shear Bolt BB48 & BB60 Only 31
Install Driveline Slip Clutch 32
Install Optional Check Chains 33
Install Safety Shielding
Install Rubber Deflector & Foot Guard 32
DEALER CHECK LIST
Delivery Check (Dealer’s Responsibility) 27
Pre-Delivery Check List (Dealer’s Responsibility) 27
DEALER SERVICE
Crossbar
Install Crossbar 25
Remove Crossbar 24
Gearbox Maintenance 18
Horizontal Leak Repair
(BB48, BB60, BB72, all Serial Numbers) 19
(BB84 - S/N 827627and after) 19
Seal Installation 18
Seal Replacement 18
Vertical Shaft Repair
(BB48, BB60, BB72, all Serial Numbers) 18
(BB84 - S/N 827627and after) 18
Gearbox Repair
Disassemble Gearbox
(BB48, BB60, BB72, all Serial Numbers) 19
(BB84 - S/N 827627and after) 19
(BB84 S/N 827626 & Prior) 22
Reassemble Gearbox
(BB48, BB60, BB72, all Serial Numbers) 20
(BB84 - S/N 827627and after) 20
(BB84 S/N 827627 & Prior) 22
Reinstall Gearbox
(BB48, BB60, BB72, all Serial Numbers) 20
(BB84 - S/N 827627and after) 20
(BB84 S/N 827626 & Prior) 22
Remove Gearbox
(BB48, BB60, BB72, all Serial Numbers) 19
(BB84 - S/N 827627and after) 19
Universal Joint
Assembly 26
Disassembly 25
Repair 25
GENERAL
Abbreviations 51
Bolt Size Chart 51
Bolt Torque Chart 50
General Information 2
Introduction, Inside Front Cover
Obtaining Replacement Manuals, Inside Front Cover
Specifications 2
Table of Contents 1
Warranty
Product 54
Replacement Parts 53
OPERATION
Adjust Check Chains 11
Adjust Cutting Height 9
Adjust Top Link 9
Attach Cutter to Tractor 9
Attach Quick Hitch 10
Install and Removal of Driveline 10
Operating Technique 11
Pre-Operation Check List
(Owner’s Responsibility) 11
Shredding Material 9
Storage 11
Tractor Stability 8
OWNER SERVICE
Adjust Slip Clutch 15
Blocking Method 12
Cleaning
After Each Use 16
Periodically or Before Extended Storage 16
Lubrication Information 13
Driveline Lubrication 13
Gearbox Lubrication 13
Repair Shielding
Repair Front Guard and Rear Band 16
Repair Optional Chain Shielding 16
Repair Optional Rubber Shielding 16
Replace Driveline Shear Bolt 16
Service Blades
Install Blades 14
Remove Blades 14
Sharpen Blades 14
Trouble Shooting 17
PARTS
Index to Parts Lists 35
SAFETY
Delivery Check List (Dealer’s Responsibility) 27
Pre-Delivery Check List (Dealer’s Responsibility) 27
Pre-Operation Check List
(Owner’s Responsibility) 11
Safety & Instructional Decals 6, 7
Safety Rules 3, 4, 5
Safety Symbols explained, Inside Front Cover
Safety Video Order Form 3a
(Rev. 10/27/2006)

F-3079 (Rev. 10/10/2006)
Woods Equipment
Company
2606 South Illinois Route 2
Post Office Box 1000
Oregon, Illinois 61061
800-319-6637 tel
800-399-6637 fax
www.WoodsEquipment.com
WARRANTY
(All Models Except Mow’n MachineTM Zero-Turn Mowers and Woods BoundaryTM Utility Vehicles)
Please Enter Information Below and Save for Future Reference.
Date Purchased: ____________________________ From (Dealer): ___________________________________________
Model Number: ____________________________ Serial Number: ___________________________________________
Woods Equipment Company (“WOODS”) warrants this product to be free from defect in material and workmanship. Except as otherwise set
forth below, the duration of this Warranty shall be for TWELVE (12) MONTHS COMMENCING ON THE DATE OF DELIVERY OF THE
PRODUCT TO THE ORIGINAL PURCHASER.
Woods backhoe models BH70-X, BH80-X, and BH90-X are warranted for two (2) years from the date of delivery to the original purchaser.
The warranty periods for specific parts or conditions are listed below:
Under no circumstances will this Warranty apply in the event that the product, in the good faith opinion of WOODS, has been subjected to
improper operation, improper maintenance, misuse, or an accident. This Warranty does not apply in the event that the product has been
materially modified or repaired by someone other than WOODS, a WOODS authorized dealer or distributor, and/or a WOODS authorized
service center. This Warranty does not cover normal wear or tear, or normal maintenance items. This Warranty also does not cover repairs made
with parts other than those obtainable through WOODS.
This Warranty is extended solely to the original purchaser of the product. Should the original purchaser sell or otherwise transfer this product to
a third party, this Warranty does not transfer to the third party purchaser in any way. There are no third party beneficiaries of this Warranty.
WOODS makes no warranty, express or implied, with respect to engines, batteries, tires or other parts or accessories not manufactured by
WOODS. Warranties for these items, if any, are provided separately by their respective manufacturers.
WOODS’ obligation under this Warranty is limited to, at WOODS’ option, the repair or replacement, free of charge, of the product if WOODS,
in its sole discretion, deems it to be defective or in noncompliance with this Warranty. The product must be returned to WOODS with proof
of purchase within thirty (30) days after such defect or noncompliance is discovered or should have been discovered, routed through the
dealer and distributor from whom the purchase was made, transportation charges prepaid. WOODS shall complete such repair or
replacement within a reasonable time after WOODS receives the product. THERE ARE NO OTHER REMEDIES UNDER THIS
WARRANTY. THE REMEDY OF REPAIR OR REPLACEMENT IS THE SOLE AND EXCLUSIVE REMEDY UNDER THIS
WA R R A N T Y.
THERE ARE NO WARRANTIES WHICH EXTEND BEYOND THE DESCRIPTION ON THE FACE OF THIS WARRANTY. WOODS
MAKES NO OTHER WARRANTY, EXPRESS OR IMPLIED, AND WOODS SPECIFICALLY DISCLAIMS ANY IMPLIED WARRANTY
OF MERCHANTABILITY AND/OR ANY IMPLIED WARRANTY OF FITNESS FOR A PARTICULAR PURPOSE.
WOODS shall not be liable for any incidental or consequential losses, damages or expenses, arising directly or indirectly from the
product, whether such claim is based upon breach of contract, breach of warranty, negligence, strict liability in tort or any other legal
theory. Without limiting the generality of the foregoing, Woods specifically disclaims any damages relating to (i) lost profits, business, revenues
or goodwill; (ii) loss of crops; (iii) loss because of delay in harvesting; (iv) any expense or loss incurred for labor, supplies, substitute machinery
or rental; or (v) any other type of damage to property or economic loss.
This Warranty is subject to any existing conditions of supply which may directly affect WOODS’ ability to obtain materials or manufacture
replacement parts.
No agent, representative, dealer, distributor, serviceperson, salesperson, or employee of any company, including without limitation, WOODS, its
authorized dealers, distributors, and service centers, is authorized to alter, modify, or enlarge this Warranty.
Answers to any questions regarding warranty service and locations may be obtained by contacting:
Model Number
Part or
Condition
Warranted
Duration (from date of delivery
to the original purchaser)
PHD25, PHD35, PHD65, PHD95, 1260, 2162, 3240, BB48, BB60, BB72, BB84,
BB600, BB720, BB840, BB6000, BB7200, BB8400, BW180-2, BW1800, DS96,
DS120, RCC42, RM550-2, RM660-2, RM990-3, PRD6000, PRD7200, PRD8400,
7144RD-2, 9180RD-2, 9204RD-2, S15CD, S20CD, S22CD, S25CD, S27CD
Gearbox
components 5 years
RDC54, RD60, RD72 Gearbox
components
3 years (1 year if used in rental or
commercial applications)
RM550-2, RM660-2, RM990-3, PRD6000, PRD7200, PRD8400, 7144RD-2,
9180RD-2, 9204RD-2 Blade spindles 3 years
BB600, BB720, BB840, BB6000, BB7200, BB8400, BW126, BW180, BW1260,
BW1800, 1260, 2162, 3240 Rust-through 10 years

F-8494 (Rev. 6/23/2005)
©2000 Woods Equipment Company. All rights reserved. WOODS, the Woods logo, and "Tested. Proven. Unbeatable." are trademarks of Woods
Equipment Company. All other trademarks, trade names, or service marks not owned by Woods Equipment Company that appear in this manual are
the property of their respective companies or mark holders. Specifications subject to change without notice.
WARRANTY
(Replacement Parts For All Models Except Mow’n MachineTM
Zero-Turn Mowers and Woods BoundaryTM Utility Vehicles)
Woods Equipment Company (“WOODS”) warrants this product to be free from defect in material and
workmanship for a period of ninety (90) days from the date of delivery of the product to the original purchaser
with the exception of V-belts, which will be free of defect in material and workmanship for a period of 12 months.
Under no circumstances will this Warranty apply in the event that the product, in the good faith opinion of
WOODS, has been subjected to improper operation, improper maintenance, misuse, or an accident. This Warranty
does not cover normal wear or tear, or normal maintenance items.
This Warranty is extended solely to the original purchaser of the product. Should the original purchaser sell or
otherwise transfer this product to a third party, this Warranty does not transfer to the third party purchaser in any
way. There are no third party beneficiaries of this Warranty.
WOODS’ obligation under this Warranty is limited to, at WOODS’ option, the repair or replacement, free of
charge, of the product if WOODS, in its sole discretion, deems it to be defective or in noncompliance with this
Warranty. The product must be returned to WOODS with proof of purchase within thirty (30) days after
such defect or noncompliance is discovered or should have been discovered, routed through the dealer and
distributor from whom the purchase was made, transportation charges prepaid. WOODS shall complete
such repair or replacement within a reasonable time after WOODS receives the product. THERE ARE NO
OTHER REMEDIES UNDER THIS WARRANTY. THE REMEDY OF REPAIR OR REPLACEMENT IS THE
SOLE AND EXCLUSIVE REMEDY UNDER THIS WARRANTY.
THERE ARE NO WARRANTIES WHICH EXTEND BEYOND THE DESCRIPTION ON THE FACE OF THIS
WARRANTY. WOODS MAKES NO OTHER WARRANTY, EXPRESS OR IMPLIED, AND WOODS
SPECIFICALLY DISCLAIMS ANY IMPLIED WARRANTY OF MERCHANTABILITY AND/OR ANY
IMPLIED WARRANTY OF FITNESS FOR A PARTICULAR PURPOSE.
WOODS shall not be liable for any incidental or consequential losses, damages or expenses, arising directly
or indirectly from the product, whether such claim is based upon breach of contract, breach of warranty,
negligence, strict liability in tort or any other legal theory. Without limiting the generality of the foregoing,
Woods specifically disclaims any damages relating to (i) lost profits, business, revenues or goodwill; (ii) loss of
crops; (iii) loss because of delay in harvesting; (iv) any expense or loss incurred for labor, supplies, substitute
machinery or rental; or (v) any other type of damage to property or economic loss.
This Warranty is subject to any existing conditions of supply which may directly affect WOODS’ ability to obtain
materials or manufacture replacement parts.
No agent, representative, dealer, distributor, service person, salesperson, or employee of any company, including
without limitation, WOODS, its authorized dealers, distributors, and service centers, is authorized to alter, modify,
or enlarge this Warranty.
Answers to any questions regarding warranty service and locations may be obtained by contacting: