C2S00001 XLMP60
User Manual: XLMP60
Open the PDF directly: View PDF
.
Page Count: 84

SERVICE MANUAL
XL-MP60
No. S2509XLMP60U/
MICRO COMPONENT SYSTEM
XL-MP60
MODEL
SHARP CORPORATION
CONTENTS
This document has been published to be used
for after sales service only.
The contents are subject to change without notice.
CHAPTER 1. GENERAL DESCRIPTION
[1] PRECAUTIONS FOR USING LEAD-FREE
SOLDER ........................................................ 1-1
[2] IMPORTANT SERVICE NOTES (FOR
U.S.A. ONLY) ................................................. 1-2
[3] SPECIFICATIONS ......................................... 1-2
[4] NAMES OF PARTS........................................ 1-4
CHAPTER 2. ADJUSTMENTS
[1] ADJUSTMENT ............................................... 2-1
[2] TEST MODE .................................................. 2-2
CHAPTER 3. MECHANICAL DESCRIPTION
[1] REMOVING AND REINSTALLING THE
MAIN PARTS ................................................. 3-1
[2] DISASSEMBLY .............................................. 3-2
CHAPTER 4. DIAGRAMS
[1] BLOCK DIAGRAM MAIN ............................... 4-1
[2] BLOCK DIAGRAM TUNER............................ 4-3
[3] BLOCK DIAGRAM CD/MP3 DISPLAY........... 4-5
CHAPTER 5. CIRCUIT DESCRIPTION
[1] WAVEFORMS OF CD CIRCUIT .................... 5-1
[2] VOLTAGE....................................................... 5-3
CHAPTER 6. CIRCUIT SCHEMATICS AND PARTS
LAYOUT
[1] NOTES ON SCHEMATIC DIAGRAM ............6-1
[2] TYPES OF TRANSISTOR AND LED ............6-1
[3] SCHEMATIC DIAGRAM MAIN/POWER
AMP. ..............................................................6-2
[4] SCHEMATIC DIAGRAM TUNER...................6-4
[5] SCHEMATIC DIAGRAM CD/MP3 .................6-6
[6] SCHEMATIC DIAGRAM DISPLAY ................6-8
[7] WIRING SIDE OF PWB ..............................6-10
[8] WIRING SIDE OF PWB MAIN TOP/POW-
ER AMP./JACK ............................................6-12
[9] WIRING SIDE OF PWB MAIN BOTTOM......6-14
[10] WIRING SIDE OF PWB TUNER .................6-16
[11] WIRING SIDE OF PWB CD/MP3 ................6-18
[12] WIRING SIDE OF PWB DISPLAY/
SWITCH ......................................................6-20
CHAPTER 7. FLOWCHART
[1] TROUBLESHOOTING ..................................7-1
CHAPTER 8. OTHERS
[1] FUNCTION TABLE OF IC .............................8-1
[2] FL DISPLAY ..................................................8-9
Parts Guide
XL-MP60 Micro Component System consisting of XL-MP60
(main unit), CP-MP60F (front speakers) and CP-MP60SW
(subwoofer).
•
In the interests of user-safety the set should be restored to its origi-
nal condition and only parts identical to those specified be used.

XL-MP60
1 – 1
XL-MP60 Service Manual
CHAPTER 1. GENERAL DESCRIPTION
[1] PRECAUTIONS FOR USING LEAD-FREE SOLDER
1. Employing lead-free solder
Example:
Indicates lead-free solder of tin, silver and copper.
2. Using lead-free wire solder
When fixing the PWB soldered with the lead-free solder, apply lead-free wire solder. Repairing with conventional lead wire solder
may cause damage or accident due to cracks.
As the melting point of lead-free solder (Sn-Ag-Cu) is higher than the lead wire solder by 40 C, we recommend you to use a
dedicated soldering bit, if you are not familiar with how to obtain lead-free wire solder or soldering bit, contact our service station
or service branch in your area.
3. Soldering
As the melting point of lead-free solder (Sn-Ag-Cu) is about 220 C which is higher than the conventional lead solder by 40 C,
and as it has poor solder wettability, you may be apt to keep the soldering bit in contact with the PWB for extended period of
time. However, Since the land may be peeled off or the maximum heat-resistance temperature of parts may be exceeded,
remove the bit from the PWB as soon as you confirm the steady soldering condition.
Lead-free solder contains more tin, and the end of the soldering bit may be easily corrected. Make sure to turn on and off the
power of the bit as required.
If a different type of solder stays on the tip of the soldering bit, it is alloyed with lead-free solder. Clean the bit after every use
of it.
When the tip of the soldering bit is blackened during use, file it with steel wool or fine sandpaper.
Be careful when replacing parts with polarity indication on the PWB silk.
Lead-free wire solder for servicing
Ref No. Description
Parts No.
PWB-A DCEKKV517SJ03
"MAIN,TUNER,CD/MP3,DISPLAY,POWER AMP.,JACK,SWITCH" of this model employs lead-free solder.
The LF symbol indicates lead-free solder, and is attached on the PWB and service manuals. The alphabetical character
following LF shows the type of lead-free solder.
Main(A1)/Tuner(A2)/CD/MP3(A3)/Display(A4)/POWER AMP.(A5)/Jack(A6)/Switch(A7)

XL-MP60
1 – 2
[2] IMPORTANT SERVICE NOTES (FOR
U.S.A. ONLY)
BEFORE RETURNING THE AUDIO PRODUCT
(Fire & Shock Hazard)
Before returning the audio product to the user, perform the following
safety checks.
1. Inspect all lead dress to make certain that leads are not pinched or
that hardware is not lodged between the chassis and other metal
parts in the audio product.
2. Inspect all protective devices such as insulating materials, cabinet,
terminal board, adjustment and compartment covers or shields,
mechanical insulators etc.
3. To be sure that no shock hazard exists, check for leakage current in
the following manner.
* Plug the AC line cord directly into a 120 volt AC outlet.
* Using two clip leads, connect a 1.5k ohm, 10 watt resistor paral-
leled by a 0.15µF capacitor in series with all exposed metal cabinet
parts and a known earth ground, such as conduit or electrical
ground connected to earth ground.
* Use a VTVM or VOM with 1000 ohm per volt, or higher, sensitivity
to measure the AC voltage drop across the resistor (See diagram).
* Connect the resistor connection to all exposed metal parts having a
return path to the chassis (antenna, metal cabinet, screw heads,
knobs and control shafts, escutcheon, etc.) and measure the AC
voltage drop across the resistor.
All check must be repeated with the AC line cord plug connection
reversed.
Any reading of 0.3 volt RMS (this corresponds to 0.2 milliamp. AC.) or
more is excessive and indicates a potential shock hazard which must
be corrected before returning the audio product to the owner.
[3] SPECIFICATIONS
FOR A COMPLETE DESCRIPTION OF THE OPERATION OF THIS UNIT, PLEASE REFER TO THE OPERATION MANUAL.
TO EXPOSED
METAL PARTS
CONNECT TO
KNOWN EARTH
GROUND
TEST PROBE
0.15 µ F
1.5k ohms
10W
VTVM
AC SCALE
For U.S.A.
■General
■Amplifier
■CD player
■Tun er
■Front speaker
■Subwoofer
Power source AC 120 V, 60 Hz
Power consumption 121 W
Dimensions Width: 6-5/16" (160 mm)
Height: 9-7/16" (240mm)
Depth: 12-9/16" (319mm)
Weight 11.5 lbs. (5.2 kg)
Output power Front speakers: 37.5 watts minimum RMS
per channel into 6 ohms from 100 Hz to
20 kHz, 10% total harmonic distortion
Subwoofer: 45 watts minimum RMS into
6 ohms from 70 Hz to 130 Hz, 10% total
harmonic distortion
Output terminals Front speakers and subwoofer: 6 ohms
Headphones: 16 - 50 ohms
(recommended: 32 ohms)
Input terminals Video/Auxiliary (audio signal):
500 mV/47 k ohms
Type 5-disc multi-play compact disc player
Signal readout Non-contact, 3-beam semiconductor laser
pickup
D/A converter 1-bit D/A converter
Frequency response 20 - 20,000 Hz
Dynamic range 90 dB (1 kHz)
Frequency range FM: 87.5 - 108 MHz
AM: 530 - 1,720 kHz
Type 2-way type speaker system
(magnetic shield)
1.5" (4 cm) tweeter
4" (10 cm) woofer
Maximum input
power
75 W
Rated input power 37.5 W
Impedance 6 ohms
Dimensions Width: 6-1/2" (165 mm)
Height: 9-7/16" (240 mm)
Depth: 8-3/16" (208 mm)
Weight 4.9 lbs. (2.2 kg)/each
Type 5-1/8" (13 cm) subwoofer system
(magnetic shield)
Maximum input
power
90 W
Rated input power 45 W
Impedance 6 ohms
Dimensions Width: 6-5/16" (160 mm)
Height: 9-7/16" (240 mm)
Depth: 11-1/4" (285mm)
Weight 7.3 lbs. (3.3 kg)/each

XL-MP60
1 – 3
Except for U.S.A
General
Amplifier
CD player
Tun er
Front speaker
Subwoofer
Power source AC120V,60Hz
Power consumption 121 W
Dimensions Width: 160 mm (6-5/16")
Height: 240 mm (9-7/16")
Depth: 319 mm (12-9/16" )
Weight 5.2 kg (11.5 lbs.)
Output power Front speakers:
RMS: 75 W (37.5 W + 37.5 W)
(10 % T.H.D.)
Subwoofer:
RMS: 45 W (10 % T.H.D.)
Output terminals Front speakers and subwoofer: 6 ohms
Headphones: 16 - 50 ohms
(recommended: 32 ohms)
Input terminals Video/Auxiliary (audio signal):
500 mV/47 k ohms
Type 5-disc multi-play compact disc player
Signal readout Non-contact, 3-beam semiconductor laser
pickup
D/A converter 1-bit D/A converter
Frequency response 20 - 20,000 Hz
Dynamic range 90 dB (1 kHz)
Frequency range FM: 87.5 - 108 MHz
AM: 530 - 1,720 kHz
Type 2-way type speaker system
(magnetic shield)
4 cm (1.5") tweeter
10 cm (4") woofer
Maximum input
power
75 W
Rated input power 37.5 W
Impedance 6ohms
Dimensions Width: 165 mm (6-1/2")
Height: 240 mm (9-7/16")
Depth: 208 mm (8-3/16")
Weight 2.2kg(4.9lbs.)/each
Type 13 cm (5-1/8") subwoofer system
(magnetic shield)
Maximum input
power
90 W
Rated input power 45 W
Impedance 6ohms
Dimensions Width: 160 mm (6-5/16")
Height: 240 mm (9-7/16")
Depth: 285 mm (11-1/4" )
Weight 3.3 kg (7.3 lbs.)
Specifications for this model are subject to change without prior
notice.
■
■
■
■
■
■

XL-MP60
1 – 4
[4] NAMES OF PARTS
■Front panel
1. Video/Auxiliary Button
2. Tuner (Band) Button
3. CD Button
4. Power On/Stand-by Button
5. Timer Indicator
6. Disc Stop, Tuning Down Button
7. Disc Play or Repeat, Tuning Up Button
8. Extra Bass/Demo Mode Button
9. Equalizer Mode Select Button
10. Headphone Jack
11. Remote Sensor
12. Disc Number Select Buttons
13. Disc Track Down or Fast Reverse,
Tuner Preset Down Button
14. Disc Track Up or Fast Forward,
Tuner Preset Up Button
15. Memory/Set Button
16. Disc Compartment Open/Close Button
17. Volume Control
18. Disc Compartment
■Display
1. Disc Number Indicators
2. Disc Play Indicator
3. Disc Pause Indicator
4. Memory Indicator
5. Disc Repeat Play Indicator
6. WMA Track Indicator
7. CD Indicator
8. MP3 Track Indicator
9. Extra Bass Indicator
10. Sleep Indicator
11. Timer Play Indicator
12. FM Stereo Mode Indicator
13. FM Stereo Receiving Indicator
10
17
18
11
13
14
15
16
9 10321 4 5 7 86 11
12
13
4
8
9
1
2
3
5
6
7
12
■Rear panel
1. AC Power Input Jack
2. Speaker Terminals
3. FM/AM Loop Antenna Jack
4. Video/Auxiliary (Audio Signal) Input Jacks
5. Cooling Fan
■Front speaker
1. Tweeter
2. Woofer
3. Bass Reflex Duct
4. Speaker Wire
■Subwoofer
1. Sub Duct Pipe
2. Subwoofer
3. Speaker Wire
Note:
The speaker grilles are not removable.
1
3
4
5
3
3
4
2
2
1
1
2

XL-MP60
1 – 5
■Remote control
1. Remote Control Transmitter
2. Power On/Stand-by Button
3. Direct Track Search Buttons
4. Disc Track Down or Fast Reverse,
Tuner Preset Down, Time Down Button
5. Disc Stop Button
6. Extra Bass Button
7. Disc Play or Repeat Button
8. Volume Up and Down Buttons
9. Memory/Set Button
10. Disc Clear Button
11. CD Button
12. MP3/WMA Display Button
13. Disc Number Select Buttons
14. Disc Track Up or Fast Forward,
Tuner Preset Up, Time Up Button
15. Disc Pause Button
16. Equalizer Mode Select Button
17. Disc Random Button
18. Timer/Sleep Button
19. Video/Auxiliary Button
20. Clock Button
21. Tuner (Band) Button
1
20
19
21
18
17
16
15
14
12
13
4
5
6
7
8
9
10
11
2
3

XL-MP60
2 – 1
XL-MP60 Service Manual
CHAPTER 2. ADJUSTMENTS
[1] ADJUSTMENT
1. TUNER SECTION
fL: Low-range frequency
fH: High-range frequency
• AM IF/RF
Signal generator: 400 Hz, 30%, AM modulated
• Check FM VT
Signal generator: 1 kHz, 40 kHz dev., FM modulated
• FM Mute Level
Signal generator: 1 kHz, 40 kHz dev., FM modulated
• FM Detection
Signal generator: 10.7 MHz FM sweep generator
• FM RF
Signal generator: 1 kHz, 75 kHz dev., FM modulated
2. CD SECTION
•Adjustment
Since this CD system incorporates the following automatic adjust-
ment functions, readjustment is not needed when replacing the
pickup. Therefore, different PWBs and pickups can be combined
freely.
Each time a disc is changed, these adjustments are performed
automatically. Therefore, playback of each disc can be performed
under optimum conditions.
Test Stage Frequency Frequency
Display
Setting/
Adjusting
Parts
Instrument
Connection
IF 450 kHz 1,602 kHz L305 *1
AM Band
Coverage
— 522 kHz (fL): L306
1.1 ± 0.1 V
*2
AM Tracking 990 kHz 990 kHz L302 *3
*1. Input: IC301 1Pin Output: IC301 23Pin
*2. Input: Input is not connected Output: TP-VT(IC301 28Pin)
*3. Input: Antenna Output:IC301 23Pin
Frequency Display Check
Point
Instrument
Connection
87.5 MHz 87.5 MHz 1.5V ± 1.0V TP-VT
108 MHz 108 MHz 5.0V ± 1.0V TP-VT
Frequency Display Adjusting
Parts
Instrument
Connection
98.00 MHz
(30 dBµV)
98.00 MHz — Input: Antenna
Output: Speaker Terminal
Test
Stage
Frequency Frequency
Display
Setting/
Adjusting
Parts
Instrument
Connection
FM IF 10.7 MHz 98.00 MHz — Input: Pin 36 of
IC301
Output: Pin 23
of IC301
Test
Stage
Frequency Frequency
Display
Setting/
Adjusting
Parts
Instrument
Connection
FM Band
Coverage
— 87.50 MHz (fL): L307
1.5 ± 0.1 V
*1
FM RF 98.00 MHz
(10 ~ 20dB)
98.00 MHz L304 *1
*1. Input: Antenna Output: 23 Pin of IC301
Figure 1 ADJUSTMENT POINTS
R311
TP-VT
FM BAND
COVERAGE fL
L307
L306
AM BAND
COVERAGE fL
IC301
L304
FM RF
AM
Tracking
L302
L305
AM IF
CNP301
TUNER PWB
36
23

XL-MP60
2 – 2
[2] TEST MODE
The test mode applied to this microcomputer has three modes, namely
the ordinary test mode for adjustment or measurement, the aging test
mode, and the self-diagnosis test mode for self-judgment in case of
final product inspection.
1. Turning on the test mode
For obtaining each test mode, press the Power ON/STAND BY button,
while keeping pressing the following two buttons in the ordinary stand-
by mode (power off). In this case, the main unit buttons are valid.
When turning the POWER on with remote control buttons, test modes
are not obtained.
[Ordinary test mode]
[Self-diagnosis Test Mode]
Processes are different depending on destinations at initial settings.
2. CD Test Mode (TEST 1)
In the CD test mode the operation of each step is possible even if the
LID-SW is off. If focus cannot be taken in step 3 or any error is pro-
cessed, it is impossible to proceed to the next step. During error pro-
cessing, end the test mode by pressing the Power ON/STAND BY
button or return to the step 1 by pressing the CD STOP button. Any
other operations are inhibited.
1. Step 1 Mode
When the CD test mode is obtained, the following display lights up.
Then CD initialization operation flow proceeds up to CD STB off to
wait for the following buttons to be pressed.
Press the following buttons in this state to obtain the operations
specified below.
2. Step 2 Mode
Press the "MEMORY/SET" button in this mode to transmit the laser
lighting command LDON (8400) and turn on the laser. Any other
operations are not performed in this case.
Press the following buttons in this state to obtain the operations
specified below.
3. Step 3 Mode
While the laser keeps lighting, CD initialization operation flow pro-
ceeds up to 'CLV servo ON' to wait for the following buttons to be
pressed.(Focus servo turned on for focus search)
The focus search is repeated to take focus.
Press the following buttons in this state to obtain the operations
specified below.
*If the focus is not received after it has been taken, the process
returns to step 1.
4. Step 4 Mode
The CLV servo ON command (8600) is transmitted to wait for the
following buttons to be pressed. (The disc is rotated for CLV lock.)
The time display always indicates "0:00".
Press the following buttons in this state to obtain the operations
specified below.
*If the focus is not received, the process returns to step 1.
1. CD Test Mode (TEST 1)...........................................................
CD + DISC1
2. Tuner Test Mode (TEST 2)........................................................
TUNER(BAND) + DISC1
3. Electronic Volume Test Mode (TEST 3).....................................
TUNING DOWN + VOLUME UP
4. Timer Test Mode (TEST 4).......................................................
TUNING UP + DISC5
5. FL Test Mode (TEST 5)...........................................................
PRESET DOWN + VOLUME DOWN
6. CD MECHANISM Aging Test Mode (TEST 8)...........................
CD + Equalizer
1. Button input diagnosis test mode (TEST 6)...............................
PRESET UP + DISC5
"POWER ON/STAND BY"... Test mode and power turned off to shift
to the ordinary standby mode.
"FWD".......................... After the pickup returns to the innermost
periphery, it slides toward the outer
periphery while this button is pressed.
"REV"...................... After the pickup returns to the innermost
periphery, it slides toward the inner
periphery while this button is pressed. If
PICKUP IN is on, input is invalid.
"MEMORY/SET"................ Shift to step 2
One second after display lights up
"STOP".............................. Invalid
"VIDEO/AUX".................... CLV
"POWER ON/STAND BY"... Test mode and power turned off to
shift to the ordinary standby mode.
"FWD"................................. The pickup slides toward the outer
periphery while this button is pressed.
"REV".................................. The pickup slides toward the inner
periphery while this button is pressed.
If PICKUP IN is on, input is invalid.
"MEMORY/SET"................ Shift to step 3
"POWER ON/STAND BY"..... Test mode and power turned off to shift
to the ordinary standby mode.
"FWD"................................... The pickup slides toward the outer
periphery while this button is pressed.
"REV".................................... The pickup slides toward the inner
periphery while this button is pressed.
If PICKUP IN is on, input is invalid.
"MEMORY/SET".................. If focus has been taken, shift to step 4 is
executed. If not, acceptance is inhibited.
"POWER ON/STAND BY".... Test mode and power turned off to
shift to the ordinary standby mode.
"FWD".................................. The pickup slides toward the outer
periphery while this button is pressed.
"REV"................................... The pickup slides toward the inner
periphery while this button is pressed.
If PICKUP IN is on, input is invalid.
"MEMORY/SET".................. Return to step 5

XL-MP60
2 – 3
5. Step 5 Mode
When the CD initialization operation flow is completed, the mute is
turned off, and playback is started. Even if playback reaches the
outermost periphery of disc, the operation does not stop. The LCD
display indicates the playback passage time as in case of ordinary
CD playback.
Press the following buttons in this state to obtain the operations
specified below.
*If the focus is not received, the process returns to step 1.
Other cautions
• TOC IL is not available for this test mode.
3. Tuner Test Mode (TEST 2)
1. Outline of tuner (radio) test mode
The tuner test mode is intended to store the adjustment and mea-
surement frequencies in the preset memory CH. When adjusting
the tuner section in the production line, adjusting personnel are not
required to set frequency.
2. Details of tuner test mode
Press the "TUNER(BAND)" and "DISC1" buttons in POWER OFF
state and turn on the power by the use of "POWER ON/STAND BY"
button to preset and store frequency for adjustment and measure-
ment of destination specified by the AREA terminal in the preset
memory CH. However, Ordinary 1 and Ordinary 2 are stored in the
destinations when the test mode is obtained.
(As for frequencies to be preset and stored for each destination, refer
to item 3.)
The tuner test mode is started from preset No.1.
The operations of test mode are identical with the ordinary operations
of TUNER function. FUNCTION switching is invalid.
It is necessary to discard the content of preset memory when the tuner
test mode is ended; be sure to write "0000" or "1111" bits in the mem-
ory to be checked for judging memory error at initial setting and to ini-
tialize memory.
When the tuner test mode is obtained, the following display lights for
one second.
• The TUNER TEST 2 mode is obtained with >> + MEMORY/SET +
POWER ON/STAND-BY. ->Turn off AC in the TEST 2 mode to
restore the initial state.
Turn off POWER to protect the memory of TEST 2 mode.
Turn off POWER again to obtain the ordinary operation while the
data is stored in the memory (besides TUNER).
If AC OFF state is maintained in this state for about 1/2 day, start is
executed in the initial state.
• To clear the whole memory, insert the AC cord, pressing
TUNER(BAND) + DISC2.
3. Preset frequencies for various destinations
(random preset memory)
• The slant line sections of the table store no memory.
4. Electronic volume Test Mode (TEST 3)
When this test mode is obtained, the following display lights for one
second.
In this mode, volume is Volume -14 dB (STEP 23), FLAT AND X-BASS
ON, and start-up function to CD, respectively. The button operations in
the test mode are the same as those of ordinary operation except vol-
ume UP/DOWN.
1) The display is the same as that of ordinary operation except test
mode setting.
2) Unlike the ordinary state, the volume is controlled with the volume
UP/DOWN button in accordance with the following three steps.
Volume- ∞ (STEP 0) <-> Volume-14 dB (STEP 23) <-> Volume-0
(STEP 30)
3) X-BASS is switched when button is pressed.
"POWER ON/STAND BY".... Test mode and power turned off to shift
to the ordinary standby mode.
"FWD".................................. The pickup slides toward the outer
periphery while this button is pressed.
"REV"................................... The pickup slides toward the inner
periphery while this button is pressed.
If PICKUP IN is on, input is invalid.
"PLAY"............................... Invalid
"STOP"............................... Return to step 1 CH BAND FM
1
2
3
4
5
FM STEREO
FM 87.5 MHz
FM108.0 MHz
FM 98.0 MHz
FM 90.0 MHz
FM106.0 MHz
CH BAND FM
6
7
8
9
10
AM
AM 530 kHz
AM1720 kHz
AM 990 kHz
AM 600 kHz
AM1400 kHz
CH BAND FM
16-35 ——————
36
37
38
39
40
FM MONO
FM106.0 MHz
FM 90.0 MHz
FM 98.0 MHz
FM108.0 MHz
FM 87.5 MHz

XL-MP60
2 – 4
5. Timer test Mode (TEST 4)
When this test mode is obtained, the following display lights for one
second.
Set the current time and timer time according to the following proce-
dure to reproduce the timer.
1. Set the current time to 1:00, the timer to ON time 1:05, the function
to CD, and volume to STEP 12, respectively. One minute is
counted as one second, and the timer is reproduced. The fade-in
(when playback is started) is executed at a rate of one step for 1
sec. After completion of fade-in, the fade-out is executed at a rate
of one step for 1 sec (WAIT 1 sec inserted).
After completion of fade-out, the power is turned off (after WAIT 1
sec), and the mode is shifted to the standby.
The display during operation is the same as that of ordinary timer
operation.
6. FL Test Mode (TEST 5)
When the FL test mode is obtained, all the FL segments are lighted.
Then pressing the "PLAY" button switches display as below.
7. Button input diagnosis Test Mode (TEST 6)
When the test mode is obtained, the following is displayed.
(STAND-BY AND DEMO OFF STATUS)
This test mode is intended to check whether all the main unit buttons
can be detected. Accordingly, in this test mode, it is checked whether
the "POWER ON/STAND BY" button was pressed after all the buttons
shown below were pressed. If the result is OK, OK is displayed. If any
one of keys was not pressed, an error is displayed. In both cases of
OK termination or error termination, the mode is shifted to the standby
mode if the "POWER ON/STAND BY" button is pressed subsequently.
All models using this type of microcomputer are not always provided
with the same buttons. Since the buttons used are different depending
on models, types of buttons to be used are determined by whether
SURROUND, and an electric lid are available at the initial setting by
MODEL port.
The order of buttons to be pressed is not determined. Accordingly, it is
checked whether all buttons have been pressed.
1. PU-IN buttons: CUE/PRESET UP + CD STOP
Since this model is provided with SURROUND (HAVE OR NOT),
and electric CD lid, the following 10 buttons are detected as all but-
tons.
PLAY, X-BASS/DEMO, FUNCTION, VOLUME UP/DOWN, MEM-
ORY/SET, REV, FWD, STOP, CD-OPEN/CLOSE
The OK/ERROR display of test result is as follows.
————–
Lighting of all segments
Lighting of odd segments
Lighting of even segments
__________

XL-MP60
2 – 5
8. CD MECHANISM Aging Test Mode (TEST 8)
OPEN/CLOSE & 5 DISC CHANGER aging test.
DISPLAY:
FUNCTION:
Enter the TEST MODE 8, MCU control the 5 DISC CHANGER OPEN/
CLOSE. After close finished, disc1 to disc5 move in then out for 1
cycle. Then start the next cycle.
Request:
Every period include 4 operation. Below is TIMING:open->close-
>disc1->disc2->disc3->disc4->disc5->open
Enter test mode
CHANGER
Find the disc 1 position
open
delay 3S after open finish
rotate 1 circle
close
delay 3S after close finish
rotate 1 circle

XL-MP60
3 – 1
Home StereoXL-MP60Service ManualXL-MP60 Service ManualMarketE
CHAPTER 3. MECHANICAL DESCRIPTION
[1] REMOVING AND REINSTALLING THE MAIN PARTS
1. How to remove CD Disc manually (See Fig. 1,2)
Perform steps 1 to 10 of the disassembly method to remove the CD
Changer unit.(see page 3-2,3-3)
1. Rotate the gear cam until the arm switch C becomes the position of
the Figure 1.
2. Pull the drawer to the front like the Figure 2.
And the CD disc on the carriage is taken out.
Figure 1
Figure 2
CD Changer
Unit
Gear cam
Arm switch C
CD Changer
Unit
CD Disc
Carriage
Drawer

XL-MP60
3 – 2
[2] DISASSEMBLY
Note 1:
After removing the connector for the optical pickup from the connector,
wrap the conductive aluminium foil around the front end of the connec-
tor so as to protect the optical pickup from electrostatic damage.
Caution on Disassembly
Follow the below-mentioned notes when disassembling the unit and
reassembling it, to keep it safe and ensure excellent performance:
1) Be sure to remove the power supply plug from the wall outlet
before starting to disassemble the unit.
2) Take off nylon bands or wire holders where they need to be
removed when disassembling the unit. After servicing the unit,
be sure to rearrange the leads where they were before disas-
sembling.
3) Take sufficient care on static electricity of integrated circuits and
other circuits when servicing.
STEP REMOVAL PROCEDURE FIGURE
1 Top Cabinet 1. Screw...........................(A1) x 5 1
2 Side Panel 1. Screw...........................(B1) x 8 1
3 Rear Panel 1. Screw..........................(C1) x 6 2
4 Tuner PWB 1. Screw..........................(D1) x 1
2. Socket.........................(D2) x 3
2
5 Main PWB 1. Screw...........................(E1) x 3
2. Socket.......................(E2) x 10
3
6 POWER AMP.
PWB
1. Screw...........................(F1) x 4 3
7 Transformer 1. Screw..........................(G1) x 4 4
8 Fan Motor 1. Screw..........................(H1) x 2 4
9 Front Panel/CD
Tray Cover
1. Screw...........................(J1) x 2
2. Flat cable......................(J2) x 1
3. Socket..........................(J3) x 1
4. CD Tray cover..............(J4) x 1
4
5
10 Chassis 2. Screw..........................(K1) x 6 6
11 CD/MP3 PWB
(Note 1)
1. Flat cable.....................(L1) x 1
2. Socket..........................(L2) x 2
3. Screw...........................(L3) x 4
4. Screw...........................(L4) x 2
7
12 CD Changer Unit 1. Screw..........................(M1) x 6 7
13 CD Mechanism 1. Screw..........................(N1) x 4 7
14 Display PWB 1. Knob............................(P1) x 1
2. Screw.........................(P2) x 10
8
15 Jack PWB 1. Screw..........................(Q1) x 1 8
Figure 1
Figure 2
Figure 3
(A1) x2
ø3x10mm
(A1) x2
ø3x10mm
(B1) x2
ø3x10mm
(B1) x2
ø3x12mm
(B1) x2
ø3x10mm
(B1) x2
ø3x10mm
(A1) x1
ø3x10mm
Top Cabinet
Side Panel
(Left)
Side Panel
(Right)
Rear
Panel
(C1) x5
ø3x10mm
(D1) x1
ø3x6mm
(D2) x3
(C1) x1
ø3x12mm
Rear
Panel
Tuner PWB
Main PWB
(E1) x1
ø3x12mm
(F1) x3
ø3x6mm
(F1) x1
ø3x6mm
(E1) x2
ø3x6mm
(E2) x2
(E2) x1
(E2) x1
Main PWB POWER AMP.
PWB
(E2) x2
(E2) x2
(E2) x2
Front Panel

XL-MP60
3 – 3
These speaker CP-MP60F, CP-MP60SW are available in assembles
only and may not be disassembled.
Figure 4
Figure 5
CP-MP60F, CP-MP60SW
(H1) x2
ø3x6mm
(G1) x4
ø4x10mm
Transformer
(J1) x2
ø3x12mm
Front Panel
(J2) x1 (J3) x1
Display PWB
Fan Motor
Front Panel
DVD Changer
Unit
DVD Tray Cover
(J4) x1
DVD Tray Cover
DVD Changer
Unit
Figure 6
Figure 7
Figure 8
(K1) x3
ø3x8mm
(K1) x3
ø3x8mm
CD Changer
Unit
Chassis
(M1) x3
ø3x8mm
(M1) x3
ø3x8mm
(N1) x4
ø2.5x8mm
(L3) x4
ø3x6mm
(L4) x1
ø3x6mm
Bracket
(L4) x1
ø3x6mm
(L1) x1
(L2) x1 (L2) x1
CD Changer
Unit
CD/MP3 PWB
CD Mechanism
Bracket
(P2) x10
ø2.5x8mm
(Q1) x1
ø2.5x8mm
(P1) x1
Nut
Front Panel
Display PWB
Jack PWB

XL-MP60
3 – 4
-MEMO-

XL-MP60
4 – 1
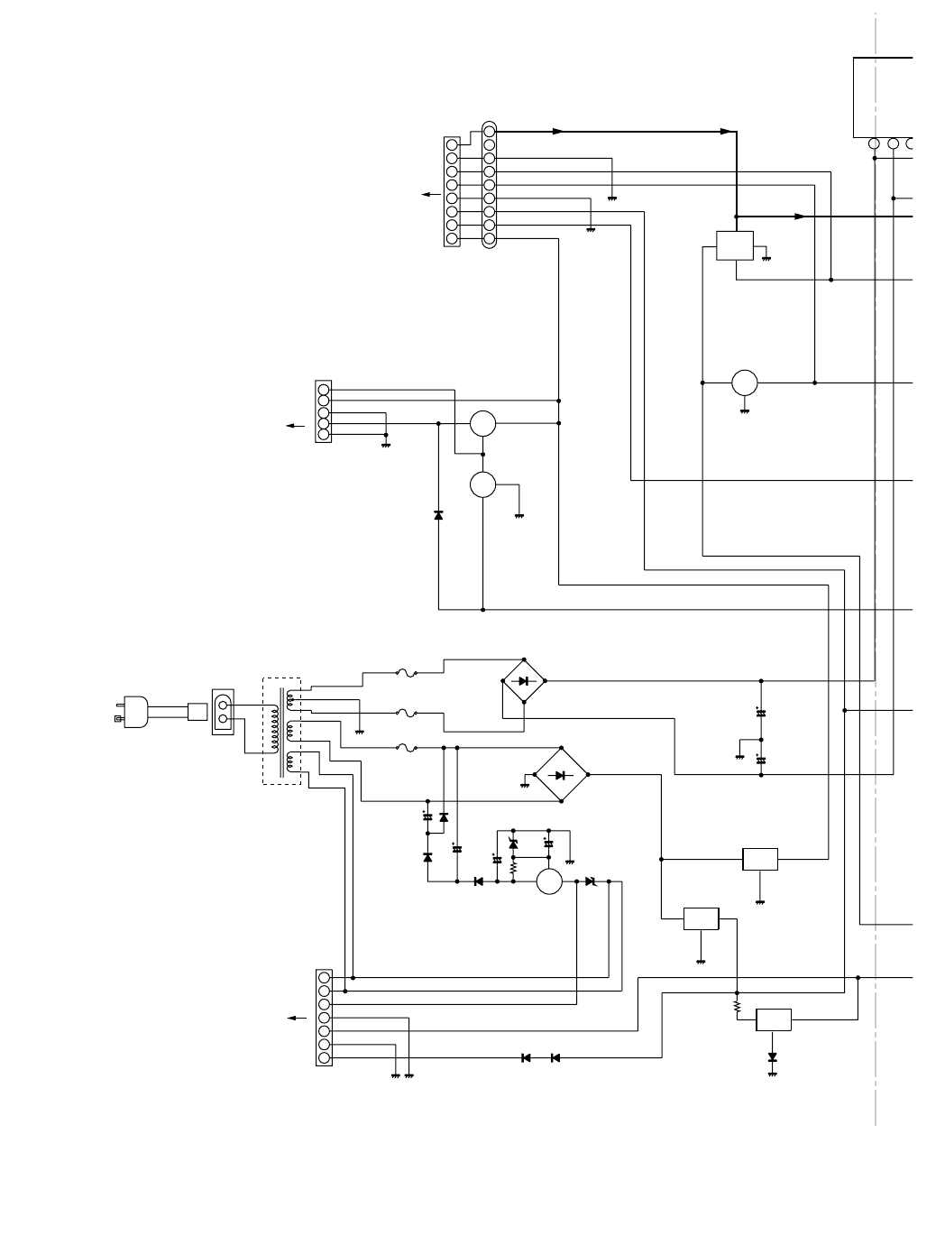
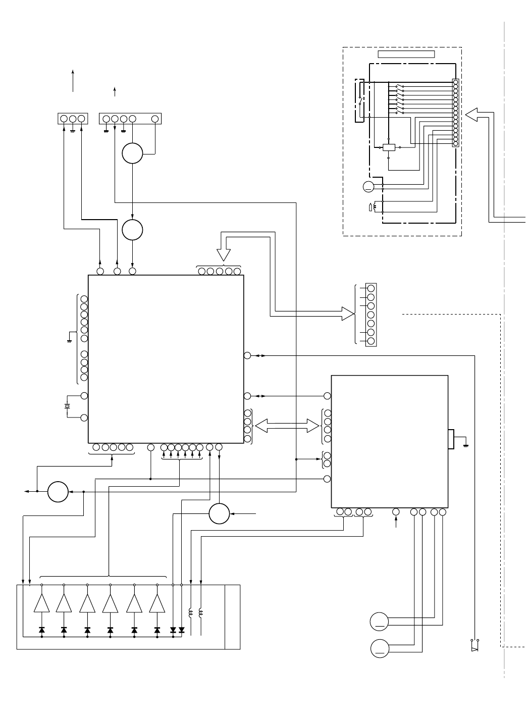
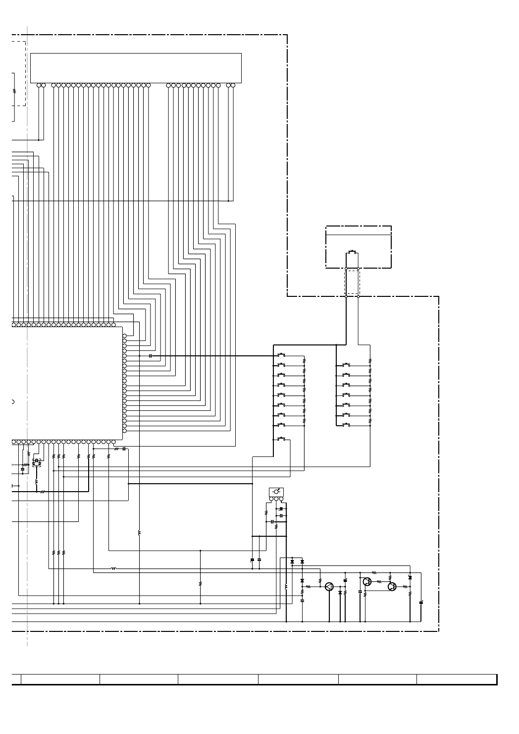
CHAPTER 4. DIAGRAMS
[1] BLOCK DIAGRAM MAIN
KIA7808API
KIA7805API
KIA7812API
+8V
VF2
VF1
POWER
TRANSFORMER
AC SOCKET
1
2
+B1
ÐB1
AGND
+B2
DGND
6.3A 125V
6.3A 125V
1.6A 125V
DGND
DGND
+8V
+8V
D_GND
M_GND
AUDIO+B
+8V A GND
NC
VEE
VCC
+12V
D_GND
S/W_CH
R_CH
A_GND
L_CH
+7V
3
1
4
2
5
+12V
MGND
3.8V
3.8V
Ð30V ÐB
ÐB
ÐB
ÐB
+B
+B
+B
+B
+B
+B
+B
+B
+B
+B
+B
+B
+B
+B
+B
+B
+B
+B
+B
+B
+B
+B
+B
D_GND
+5.6V
1
2
3
4
5
6
7
12
3
1
2
3
4
5
6
7
8
1
2
3
4
5
6
7
89
VOLTAGE
REGULATOR
VOLTAGE
REGULATOR
VOLTAGE
REGULATOR
AC 120V 60Hz
AC POWER
SUPPLY CODE
TO TUNER PWB
TO CD SERVO PWB
TO DISPLAY PWB
CNW602
CNS602
CNP602
Q101
Q102
Q103
Q413
Q414
C211
C212
IC203
IC202
IC201
CNP101
CNS101
ZD202
Q201
ZD201
D205~D208
F202
F203
F201
D201
T201
SO202
CNP407
CNS407
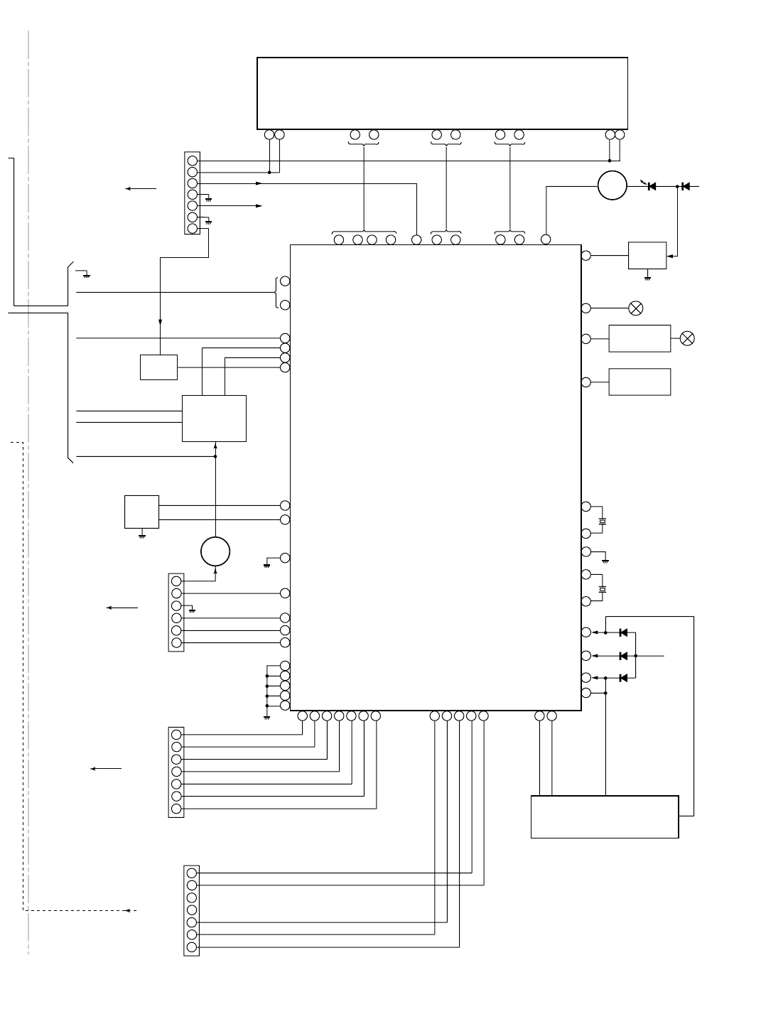
Figure 4-1 BLOCK DIAGRAM (1/6)

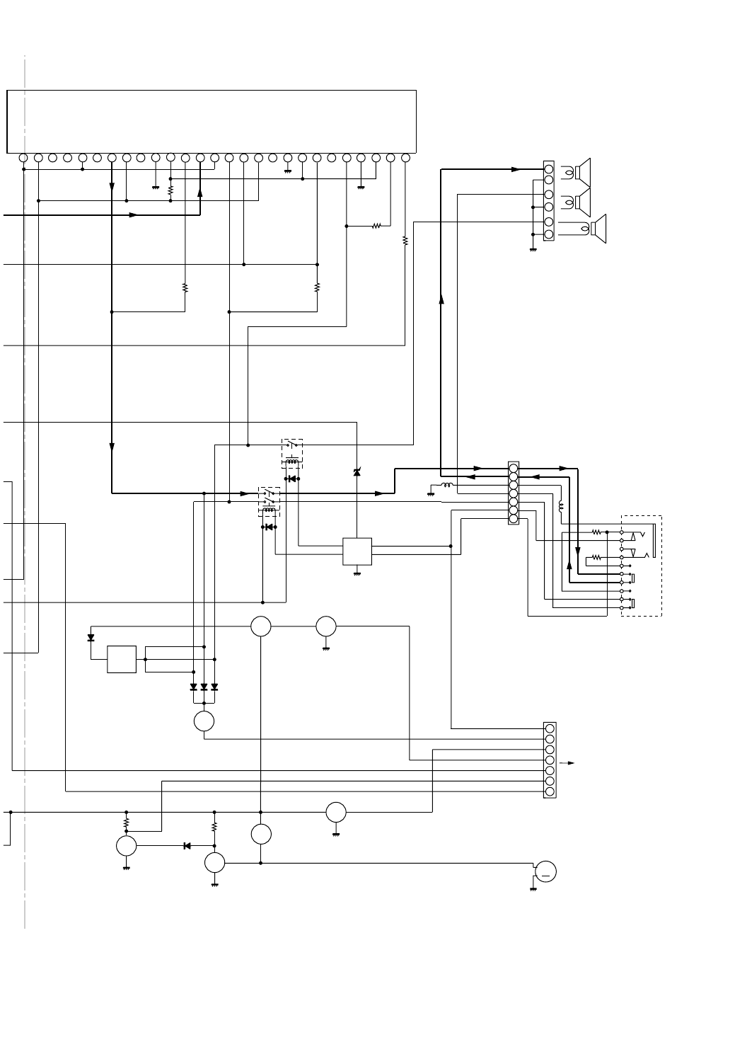
XL-MP60
4 – 2
LM4781TA
SPEAKER TERMINAL
R-CH
L-CH
SUB_RLY OUT
SUB_RLY IN
CD+B
SUB WOOFER
+
Ð
R OUT
L OUT
A_GND
RIN
LIN
Ð
Ð
+
+
FAN_ATART
SP_DETECT
P_MUTE
FAN_PRO
SP_RELAY
SINGAL_LVL
FAN MOTOR
S/W_IN
S/W_RF
MUTE3
GND
S/W_OUT
NC
R_RF
MUTE2
GND
NC
VEE
R_IN
R_OUT
L_RF
L_IN
MUTE1
GND
NC
VEE
L_OUT
NC
VCC
VCC
NC
NC
VEE
VCC
ÐB
ÐB
ÐB
+B
+B
+B
+B
+B
+B
+B
+B
+B
+B
+B
5
3
7
4
2
1
6
123456789
10 11 12 13 14 15 16 17 18 19
21 22 23 24 25 26 2720
M
1
2
3
4
5
6
7
HEADPHONES
11
10
9
8
7
6
5
4
3
2
1
POWER AMP.
TO DISPLAY PWB
Q204
Q109
Q202
Q203
Q107
Q108
Q205
RLY102
Q113
Q112
RLY101
IC101
SO101
CNP103A/B
Q110 Q111
M201
CNP102
CNS102
Q114
JK101
Figure 4-1 BLOCK DIAGRAM (1/6)

XL-MP60
4 – 3
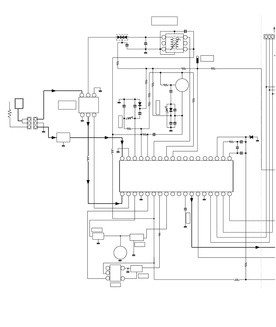
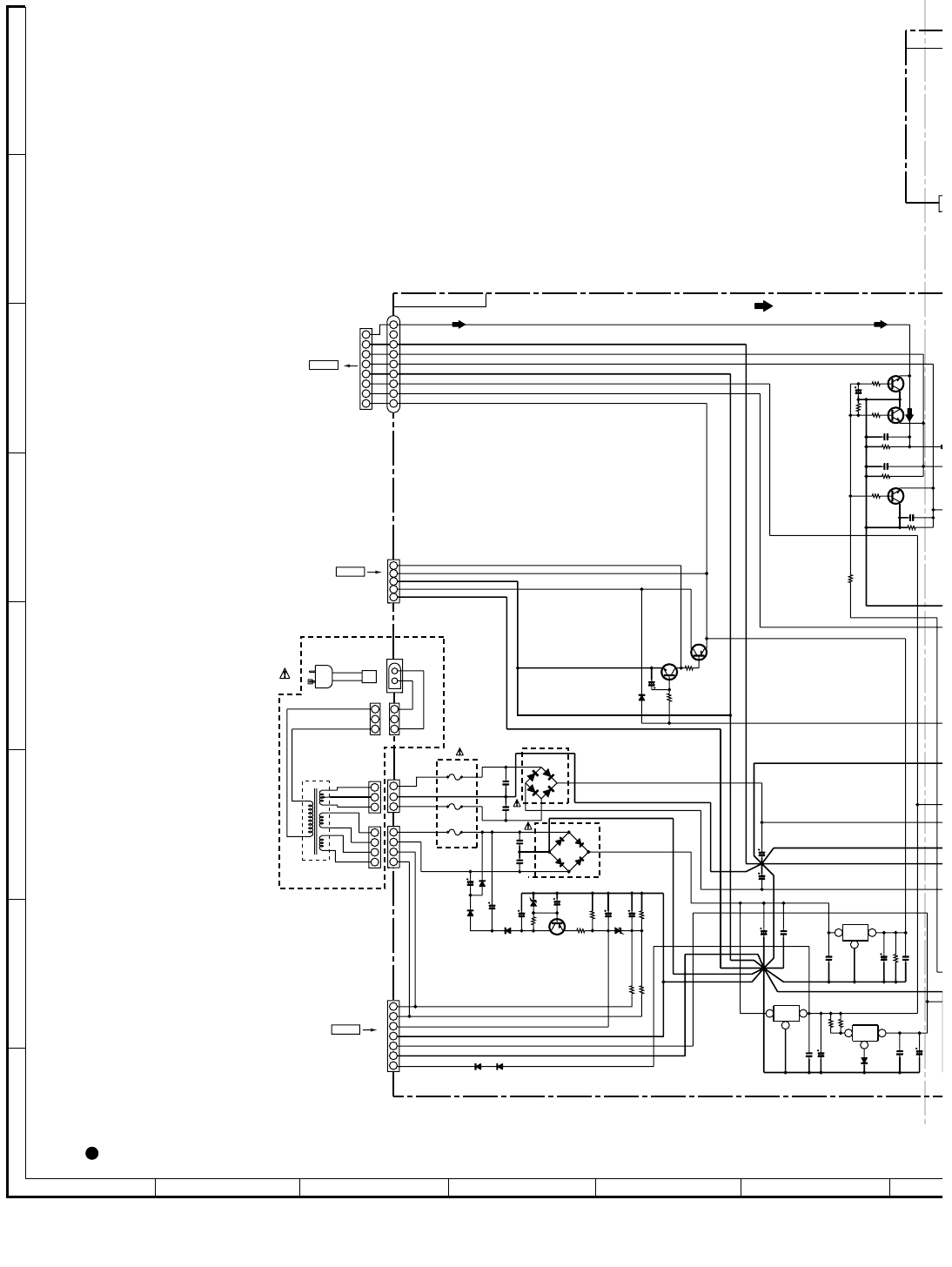
[2] BLOCK DIAGRAM TUNER
PLL(TUNER)
FM IF DET./FM MPX./AM IF
1
2
3
AM ANT.
BAND PASS
FILTER
FM IF
75KHz
+B
1
2
3
321
456
19202136 35 34
123 181716456789101112131415
LV23002M
33 32 31
3
2
16
5
4
222324252627282930
FMRF-IN
FMRF-OUT
VCC2
FM-OSC
AM-OSC
B02
B01
LP-OUT
LP-IN
PD
AGC
AMLOWOUT
DET-OUT
MPX-IN
VDD
XOUT
XIN
DO
CL
DI
R-OUT
L-OUT
FM-IET
P-CCMP
P-DET
CE
VSS
FM IFIN
AM IFIN
VCC1
AM-MIX
GND1
FM-MIX
REG
AMRF-IN
AM LOOP
ANTENNA
FM ANTENNA
AM OSC
+12V
FM RF
FM OSC
FM FRONT END
TP-VT
DO
CLK
DI
CE
TUNÐR
TUNÐL
+8V
+B
DGND
DI
CE
CL
3
456
TO CD DI
S
AM IF
FM IF
FM IF
2
34
6
1
AM IF
CNP301
L302
D307
D306
L304
L307
D305 L306
D308
X301
CF302
IC301
BF301
Q302
CNP302
CNS
3
L305
CF304
CF303
CF301
Q303
AM BAND
COVERAGE fL
AM
Tracking
Figure 4-3 BLOCK DIAGRAM (3/6)

XL-MP60
4 – 4
PLL(TUNER)
FM IF DET./FM MPX./AM IF
DO
CLK
DI
CE
TUNÐR
TUNÐL
+8V
LC75341M
AUDIO PROCESSOR
NJM4558D
BUFFER
CHASSIS
GND
8
7
6
5
4
3
2
1
+8V+B
+B
+B
+B
+B
+B
+B
+B
+B
+B
+B +8V
+
Ð
+
Ð
D_GND
+7V
CD_A_GND
DO
DI
CE
CL
A_GND
AUX_R
CL
AUX R
AUX L
LBS
TUN R
CD R
CD L
CD R
CD L
TUN L
CE
DI
VSS
LOUT
LTRE
LIN
LSL0
L4
L3
R1
L2
L1
VREF
R2
R3
R4
RSL0
RIN
RTRE
RBS
VDD
ROUT
CL
VIDEO/AUX
IN
L-CH
R-CH
CE
DI
L_CH
A_GND
A_GND
A_GND
R_CH
S/W_CH
D_GND
+12V
24
13 14 15 16 17 18 19
20 21 22 23
1
12 11 10
98765432
8765
4321
321
123456
TO CD SERVO PWB
TO CD DISPLAY PWB
TO MAIN PWB
3
08
IC602
IC601
CNP406
CNS406
CNP602
SO601
CNP302
CNS302
CNS602
Figure 4-4 BLOCK DIAGRAM (4/6)

XL-MP60
4 – 5
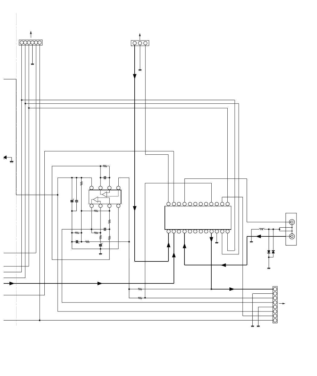
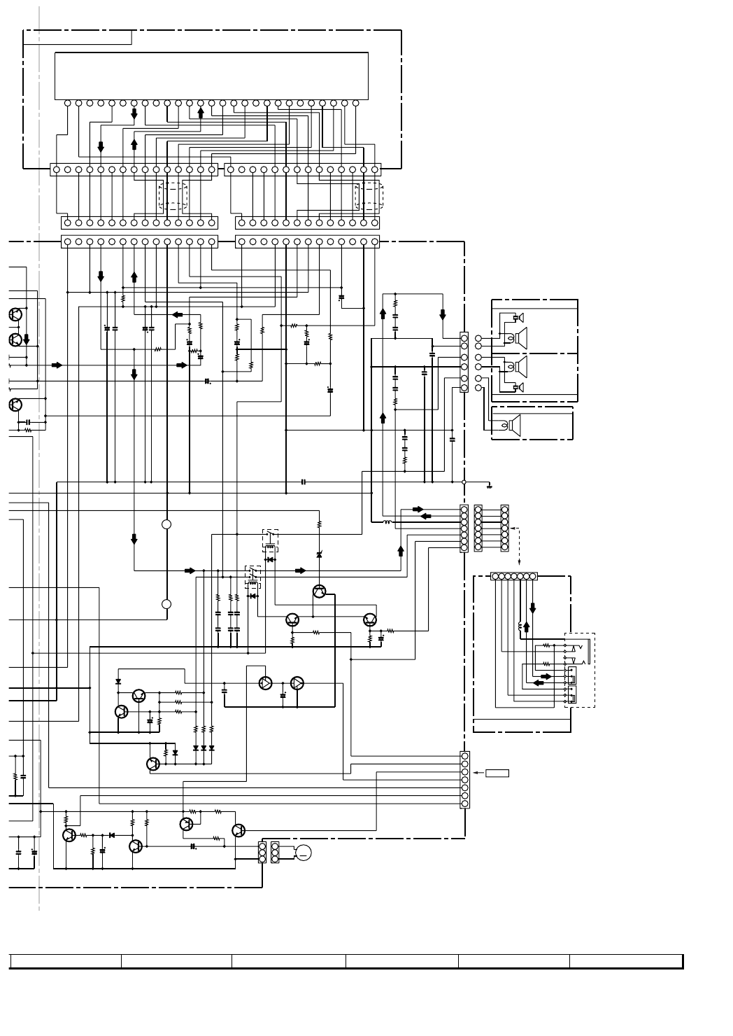
[3] BLOCK DIAGRAM CD/MP3 DISPLAY
+8V
+3.3V
+3.3V
TO MAIN PWB
TO TUNER PWB
CNP406
CONSTANT
VOLTAGE
CONSTANT
VOLTAGE
Q802
Q805
Q806
LASER
DRIVER
+3.3V
+3.3V
Q801
CD PICKUP UNIT
IC801
LC78690
MP3 DECODER
DIGITAL SIGNAL
PROCESSOR
DVDD
LDD
LDS
CNP405A
CNS406 CNS407
CNP407
TRACKING COIL
FOCUS COIL
PICKUP IN
SLED
MOTOR
SPINDLE
MOTOR M
M
DVDD
VVDD1
X801
16.9344 MHz
CD_RES
CD_CE
CD_DO
CD_DI
CD_CL
MGND
VCC
VCC
VG3
VG2
VG1
VG4 IC402
LA6548NH
FOCUS/TRACKING/
SPIN/SLED
DRIVER
XIN
XOUT
AVSS
VVSS1
VVSS3
VVSS2
DVSS
DVSS
LRVSS
DVSS
RESB
DO
DI
CL
CE
AIN
CIN
BIN
DIN
EIN
FIN
TDO
FDO
SLDO
SPDO
PUIN
CONT2
LRVDD
LCHO
18
19
20
23
30
1
MUTE
2
28
VREF
REG_OUT
VO4-
VO4+
VO3+
VO3-
VO2-
VO2+
VO1+
VO1-
27
68
41
XVDD
74
VREF
17 56781314
9
23 2019 1324 10 5 6
6
7
4
5
2
3
1
TO
M
C
434445
26
37
40
42
53
65
57
71
77
32
50
25
24
22
18
4
11
25
+8V
+8V
AUDIO+B
DGND
L-CH
14
53
21
AGND
R-CH
32
75
RCHO
78 76 4647
72
73
DVDD
36
~
+
-
-
+
+5V
E
VCC
VC
D
A
B
C
F
LD
MD
CD_SOL2
CD_PH2
MM+
MMÐ
D_GND
CD_SOL1
CD_PH3
SW1
SW2
SW3
SW4
SW5
SW6
SW7
SW8
MOTOR
SOLENOID
PHOTO
INTERRUPTER
CD CHANGER PWB ASS'Y
1
2
3
4
5
6
7
8
9
10
11
12
13
14
15
M
Figure 4-5 BLOCK DIAGRAM (5/6)

XL-MP60
4 – 6
TO MAIN PWB
CONSTANT
VOLTAGE
Q702,Q703,Q704
RESET
Q705
Q510
LED701
1G
TIMER_LED
VDD3
VDD2
VDD1
VDD4
11G
1
1
2
CNS101
CNP101
TO MAIN PWB
CNP102
TO TUNER PWB
CNP302
1
2
3
4
5
6
7
14 4
~
21 18
~
4551 42
~40 30
29
IRQ
20
POWER_KEY
19
KEY2
~
~
P1
P4
VP
79
89
78
77
80
81
82
84
VSS1
~
P5
P8
~
37 22
3940 ~
50
CNS302
SW700
Q505~Q509
Q502
Q503
Q511
CHANGER
MOTOR
DRAIVER
VOLUME
JOG
6
4
5
2
3
1
CNS102
6
7
4
5
2
3
1
CNP405B
6
7
4
5
2
3
1
87
85
86
88 94 927 2 23 83 95 96 11 2697 98 99
91
47
~
P9
P20
~
~
~
63 52
~
VF1
VF1
VF2
VF2
3.8V
3.8V
Ð30V
ÐB2
+5.6V
+5.6V
+8V
+5V
12V
+5.6V
D_GND
D_GND
D_GND
M_GND
IC701
IXA033SJ
SYSTEM
MICROCOMPUTER
VFD701
FL DISPLAY
RX701
REMOTE
SENSOR
KEY
SW701~SW708
18
16
15
14
17
90
46
72
KEY1
CF2
CF1
KEY
SW710~SW716
SW709
POWER
SW717
OPEN/
CLOSE
X702
8MHz
13
12
XT2
XT1
X701
32.768 kHz
CL
CE
DI
DO
VSS2
JOG_UP
73 CD_PH
64 SW1
71 SW8
74 MM+
75 MM-
76 CD_SOL
JOG_DOWN
FAN_PRO
FAN_START
SP_DETECT
SP_RELAY
SIGAL_LVL
P_MUTE
CD+B
DI
DO
CE
CL
FAN_PRO
P_MUTE
SP_RELAY
FAN_START
SIGAL_LVL
SP_DETECT
CD+B
CD/MP3 RES
CD_CE
CD/MP3 CL
CD/MP3 DO
CD/MP3 DI
CD_CE
CD_CL
CD_DI
CD_DO
CD_RES
RESET
SYS_STOP
+5.6V
Figure 4-6 BLOCK DIAGRAM (6/6)

XL-MP60
5 – 1
Home StereoXL-MP60Service ManualXL-MP60 Service ManualMarketE
CHAPTER 5. CIRCUIT DESCRIPTION
[1] WAVEFORMS OF CD CIRCUIT
1IC801 22
2IC801 23
1IC801 22
3IC801 16
4IC801 2
T
TE
Stopped
CH1=10 V
DC 10:1
CH2=1 V
DC 10:1
100 ms/div
(100 ms/div)
NORM:100 kS/s
2
=Record Length=
Smoothing : ON CH1 : 0.0 V
CH2 : 0.00 V
Main : 100 K
Zoom : 2 K
Mode : NORMAL
Type : EDGE CH1
Delay : 2.924 ms
Hold off : 0.2 µs
CH3 : 0.00 V
CH4 : 0.00 V
BW : FULL
=Trigger=
=Filter= =Offset=
3IC801 16
1IC801 22
5IC801 25
T
FDO
PDOUT1
PDOUT0
Stopped
CH1=500 mV
DC 10:1
CH3=1 V
DC 10:1
CH4=1 V
DC 10:1
500 ms/div
(500 ms/div)
NORM:20 kS/s
1
4
3
=Record Length=
Smoothing : ON CH1 : 0.000 V
CH2 : 0.0 V
Main : 100 K
Zoom : 2 K
Mode : AUTO
Type : EDGE CH2
Delay : 0.0 ns
Hold off : 0.2 µs
CH3 : 0.00 V
CH4 : 0.00 V
BW : FULL
=Trigger==Filter= =Offset=
CH1
v/DIV
500 mV
1999/04/05 17:33:17
1IC801 22
6IC801 28
7IC801 27

XL-MP60
5 – 2
T
T
DOUT
Stopped
CH1=2 V
DC 10:1
500 ns/div
1999/04/07 09:25:28
(500 ns/div)
NORM:200 MS/s
1
=Record Length=
Smoothing : ON CH1 : 0.00 V
CH2 : 0.00 V
Main : 1 K
Zoom : 100
Mode : NORMAL
Type : EDGE CH1
Delay : 2.887 ms
Hold off : 0.2 µs
CH3 : 0.00 V
CH4 : 0.00 V
BW : FULL
=Trigger==Filter= =Offset=
8
IC801 69
T
T
DATA
DATACK
LRSY
Stopped
CH1=2 V
DC 10:1
CH2=2 V
DC 10:1
CH3=2 V
DC 10:1
5 µs/div
(5 µs/div)
NORM:100 kS/s
1
2
3
=Record Length=
Smoothing : ON CH1 : 0.00 V
CH2 : 0.00 V
Main : 5 K
Zoom : 100
Mode : AUTO
Type : EDGE CH3
Delay : 0.0 ns
Hold off : 0.2 µs
CH3 : 0.00 V
CH4 : 0.00 V
BW : FULL
=Trigger==Filter= =Offset=
CH3
v/DIV
2V
1999/04/05 20:50:17
9
IC801 60
IC801 59
IC801 58
10
11
IC801 22
IC801 24
1
12

XL-MP60
5 – 3
[2] VOLTAGE
2.23 V
2.23 V
2.5 V
0V
5.1 V
5.1 V
2.2 V
2.2 V
4.1 V
3.96 V
2.9 V
2.3 V
2.3 V
0V
0V
0V
3.4 V
3.4 V
1.6 V
1.7 V
3.5 V
2.2 V
2.26 V
0V
0.75 V
0V
2V
1.45 V
2.7 V
0V
5V
5V
5V
5V
0V
0.98 V
1
2
3
4
5
6
7
8
9
10
11
12
13
14
15
16
17
18
19
20
21
22
23
24
25
26
27
28
29
30
31
32
33
34
35
36
PIN
NO. VOLTAGE
IC301
0V
0V
0.6 V
E
C
B
PIN
NO. VOLTAGE
Q101
0V
0V
0.6 V
E
C
B
PIN
NO. VOLTAGE
Q102
5V
7.2 V
5.8 V
E
C
B
PIN
NO. VOLTAGE
Q510
0V
0V
0V
E
C
B
PIN
NO. VOLTAGE
Q511
0V
4.8 V
0V
1
2
3
PIN
NO. VOLTAGE
Q702
0.3 V
4.8 V
0.3 V
E
C
B
PIN
NO. VOLTAGE
Q703
0.3 V
4.8 V
6.8 V
E
C
B
PIN
NO. VOLTAGE
Q704
0V
3.6 V
0V
E
C
B
PIN
NO. VOLTAGE
Q705
0V
0V
0.6 V
E
C
B
PIN
NO. VOLTAGE
Q103
30 V
-30 V
30 V
-30 V
30 V
-30 V
0V
-30 V
0V
0V
-3 V
0V
0V
30 V
0V
0V
-30 V
0V
0V
-3 V
0V
0V
0V
0V
-3 V
0V
0V
1
2
3
4
5
6
7
8
9
10
11
12
13
14
15
16
17
18
19
20
21
22
23
24
25
26
27
PIN
NO. VOLTAGE
IC101
10 V
0.6 V
5.6 V
1
2
3
PIN
NO. VOLTAGE
IC201
19.8 V
0V
12 V
1
2
3
PIN
NO. VOLTAGE
IC202
19.8 V
0V
8V
1
2
3
PIN
NO. VOLTAGE
IC203
1.65 V
1.6 V
1.6 V
1.8 V
1.7 V
1.7 V
1.7 V
1.7 V
1.6 V
1.7 V
1.7 V
2.8 V
1.7 V
1.7 V
1.7 V
1.7 V
1.7 V
3.4 V
0V
0V
3.3 V
1.7 V
1.7 V
1.7 V
1.7 V
0V
0V
0.8 V
1V
3.1 V
0V
3.1 V
0V
0V
0V
3.1 V
0V
1.8 V
3.1 V
0V
3.1 V
0V
0V
3.6 V
3.6 V
0V
3.6 V
0V
0V
0V
0V
0V
0V
0V
0V
0V
0V
0V
0V
0V
2.9 V
1.5 V
1.9 V
1.9 V
0V
1.8 V
0V
3.1 V
0V
0V
0V
1.3 V
1.4 V
3V
1.6 V
3.1 V
0V
1.6 V
3.2 V
1.6 V
1
2
3
4
5
6
7
8
9
10
11
12
13
14
15
16
17
18
19
20
21
22
23
24
25
26
27
28
29
30
31
32
33
34
35
36
37
38
39
40
41
42
43
44
45
46
47
48
49
50
51
52
53
54
55
56
57
58
59
60
61
62
63
64
65
66
67
68
69
70
71
72
73
74
75
76
77
78
79
80
PIN
NO. VOLTAGE
IC801
7.7 V
0V
1.65 V
1.65 V
3.4 V
3.4 V
0V
0V
0V
3.3 V
3.3 V
1.65 V
1.65 V
3.3 V
7.12 V
3.3 V
4V
1.65 V
1.65 V
3.5 V
3.5 V
0V
0V
0V
3.3 V
3.5 V
3.5 V
1.65 V
1.65 V
7.7 V
1
2
3
4
5
6
7
8
9
10
11
12
13
14
15
16
17
18
19
20
21
22
23
24
25
26
27
28
29
30
PIN
NO. VOLTAGE
IC402
0V
0V
0V
3.6 V
3.6 V
3.6 V
3.6 V
3.6 V
0V
3.6 V
3.6 V
3.6 V
3.6 V
3.6 V
3.6 V
3.6 V
3.6 V
3.6 V
3.6 V
3.6 V
3.6 V
3.6 V
7.3 V
0V
1
2
3
4
5
6
7
8
9
10
11
12
13
14
15
16
17
18
19
20
21
22
23
24
PIN
NO. VOLTAGE
IC601
6V
6V
6V
0V
6V
6V
6V
12 V
1
2
3
4
5
6
7
8
0V
5.7 V
0V
E
C
B
PIN
NO. VOLTAGE
Q107
0V
5.7 V
0V
E
C
B
PIN
NO. VOLTAGE
Q108
0V
5.7 V
0V
E
C
B
PIN
NO. VOLTAGE
Q109
5.5 V
0V
5.6 V
1
2
3
PIN
NO. VOLTAGE
Q110
PIN
NO. VOLTAGE
IC602
0V
0V
0V
0V
0V
5V
0V
0V
0V
0V
4.85 V
2V
2.4 V
0V
2.3 V
2.5 V
4.9 V
4.9 V
4.9 V
4.9 V
0V
0V
0V
0V
0V
4.9 V
4.9 V
0V
5.1 V
-26.4 V
-26.4 V
-26.4 V
-26.4 V
-26.4 V
-26.4 V
-26.4 V
-26.4 V
-26.4 V
-26.4 V
-26.4 V
0V
-28.5 V
-28.5 V
-28.5 V
-3.94 V
4.8 V
-28.5 V
-28.5 V
-3.9 V
-3.1 V
9
8
7
6
5
4
3
2
1
30
29
28
27
26
25
24
23
22
21
20
19
18
17
16
15
14
13
12
11
10
50
49
48
47
46
45
44
43
42
41
40
39
38
37
36
35
34
33
32
31
PIN
NO. VOLTAGE
IC701
0V
-3.9 V
-28.5 V
-3.9 V
-3.1 V
-3.9 V
-3.9 V
-3.1 V
-3.9 V
-28.5 V
-3.9 V
-3.1 V
-3.9 V
4.77 V
4.77 V
4.77 V
4.77 V
4.77 V
4.77 V
4.77 V
4.77 V
4.86 V
4.77 V
0V
0V
0V
4.77 V
4.77 V
-0.4 V
-0.4 V
-0.4 V
-0.4 V
0V
0V
0V
0V
0V
5V
0V
5V
3.5 V
4.8 V
0V
5.6 V
0V
0.3 V
0V
0V
0.5 V
0.5 V
PIN
NO. VOLTAGE
51
64
63
65
66
67
68
69
70
71
72
73
74
75
76
77
78
79
80
62
61
60
59
58
57
56
55
54
53
52
85
84
86
87
88
89
90
91
92
93
94
95
96
97
98
99
100
83
82
81
0V
4.8 V
0V
1
2
3
PIN
NO. VOLTAGE
Q111
0V
0.2 V
0.84 V
E
C
B
PIN
NO. VOLTAGE
Q112
0V
0V
0.8 V
E
C
B
PIN
NO. VOLTAGE
Q113
0V
4V
0V
E
C
B
PIN
NO. VOLTAGE
Q114
-28.6 V
-36.8 V
-29.2 V
E
C
B
PIN
NO. VOLTAGE
Q201
5.6 V
0V
5.6 V
E
C
B
PIN
NO. VOLTAGE
Q204
0V
5.6 V
0V
E
C
B
PIN
NO. VOLTAGE
Q205
1V
2.8 V
1.8 V
E
C
B
PIN
NO. VOLTAGE
Q302
0V
3.6 V
0.8 V
E
C
B
PIN
NO. VOLTAGE
Q303
-0.4 V
0V
0.7 V
E
C
B
PIN
NO. VOLTAGE
Q202
-0.3 V
5V
-0.1 V
E
C
B
PIN
NO. VOLTAGE
Q203
0V
7.8 V
0V
E
C
B
PIN
NO. VOLTAGE
Q413
0.7 V
0V
0.3 V
E
C
B
PIN
NO. VOLTAGE
Q414
0V
11.3 V
0V
1
2
3
PIN
NO. VOLTAGE
Q502
11.4 V
0.3 V
11.3 V
E
C
B
PIN
NO. VOLTAGE
Q503
0V
0V
0V
E
C
B
PIN
NO. VOLTAGE
Q504
5V
0V
4.7 V
E
C
B
PIN
NO. VOLTAGE
Q505
0V
4.7 V
0V
E
C
B
PIN
NO. VOLTAGE
Q506
5V
0V
4.7 V
E
C
B
PIN
NO. VOLTAGE
Q508
0V
4.7 V
0V
E
C
B
PIN
NO. VOLTAGE
Q507
0V
0V
0V
E
C
B
PIN
NO. VOLTAGE
Q509
3.5 V
0V
3.4 V
E
C
B
PIN
NO. VOLTAGE
Q801
3.3 V
7.8 V
4V
E
C
B
PIN
NO. VOLTAGE
Q802
3.1 V
7.8 V
3.8 V
E
C
B
PIN
NO. VOLTAGE
Q805
7.8 V
7.4 V
0.5 V
E
C
B
PIN
NO. VOLTAGE
Q806

XL-MP60
6 – 1
Home StereoXL-MP60Service ManualXL-MP60 Service ManualMarketE
CHAPTER 6. CIRCUIT SCHEMATICS AND PARTS LAYOUT
[1] NOTES ON SCHEMATIC DIAGRAM
•Resistor:
To differentiate the units of resistors, such symbol as K and M are
used: the symbol K means 1000 ohm and the symbol M means
1000 kohm and the resistor without any symbol is ohm-type resis-
tor. Besides, the one with “Fusible” is a fuse type.
• Capacitor:
To indicate the unit of capacitor, a symbol P is used: this symbol P
means micro-micro-farad and the unit of the capacitor without such
a symbol is microfarad. As to electrolytic capacitor, the expression
“capacitance/withstand voltage” is used.
(CH), (TH), (RH), (UJ): Temperature compensation
(ML): Mylar type
(P.P.): Polypropylene type
• Schematic diagram and Wiring Side of P.W.Board for this model
are subject to change for improvement without prior notice.
• The indicated voltage in each section is the one measured by Digi-
tal Multimeter between such a section and the chassis with no sig-
nal given.
1. In the tuner section,
( ) indicates AM
< > indicates FM stereo
2. In the main section, a tape is being played back.
3. In the deck section, a tape is being played back.
( ) indicates the record state.
4. In the power section, a tape is being played back.
5. In the CD section, the CD is stopped.
• Parts marked with “ ” ( ) are important for
maintaining the safety of the set. Be sure to replace these parts
with specified ones for maintaining the safety and performance of
the set.
[2] TYPES OF TRANSISTOR AND LED
REF. NO DESCRIPTION POSITION
SW700 VOLUME ON—OFF
SW701 EQUALIZER ON—OFF
SW702 TUNING DOWN/STOP ON—OFF
SW703 TUNING UP/PLAY ON—OFF
SW704 PRESET UP ON—OFF
SW705 PRESET DOWN ON—OFF
SW706 DISC1 ON—OFF
SW707 DISC2 ON—OFF
SW708 MEMORY/SET ON—OFF
SW709 POWER ON/STAND-BY ON—OFF
SW710 X-BASS/DEMO ON—OFF
SW711 CD ON—OFF
SW712 TUNER(BAND) ON—OFF
SW713 VIDEO/AUX ON—OFF
SW714 DISC3 ON—OFF
SW715 DISC4 ON—OFF
SW716 DISC5 ON—OFF
SW717 OPEN/CLOSE ON—OFF
REF. NO DESCRIPTION POSITION
(1) (2) (3)
(S) (G) (D)
EC B
FRONT
VIEW FRONT
VIEW
2HC1815 GR
KRA107 M
KRC107 M
2SC535 C
KTC3200 GR
2SB562 C
KTC3203 Y
KTA1271 Y
KRC102 M
2HA1015 GR
SVC201
2SC5477++
2SA1235 F+
BE
C
SVC347S
FRONT
VIEW
LP3052A+

XL-MP60
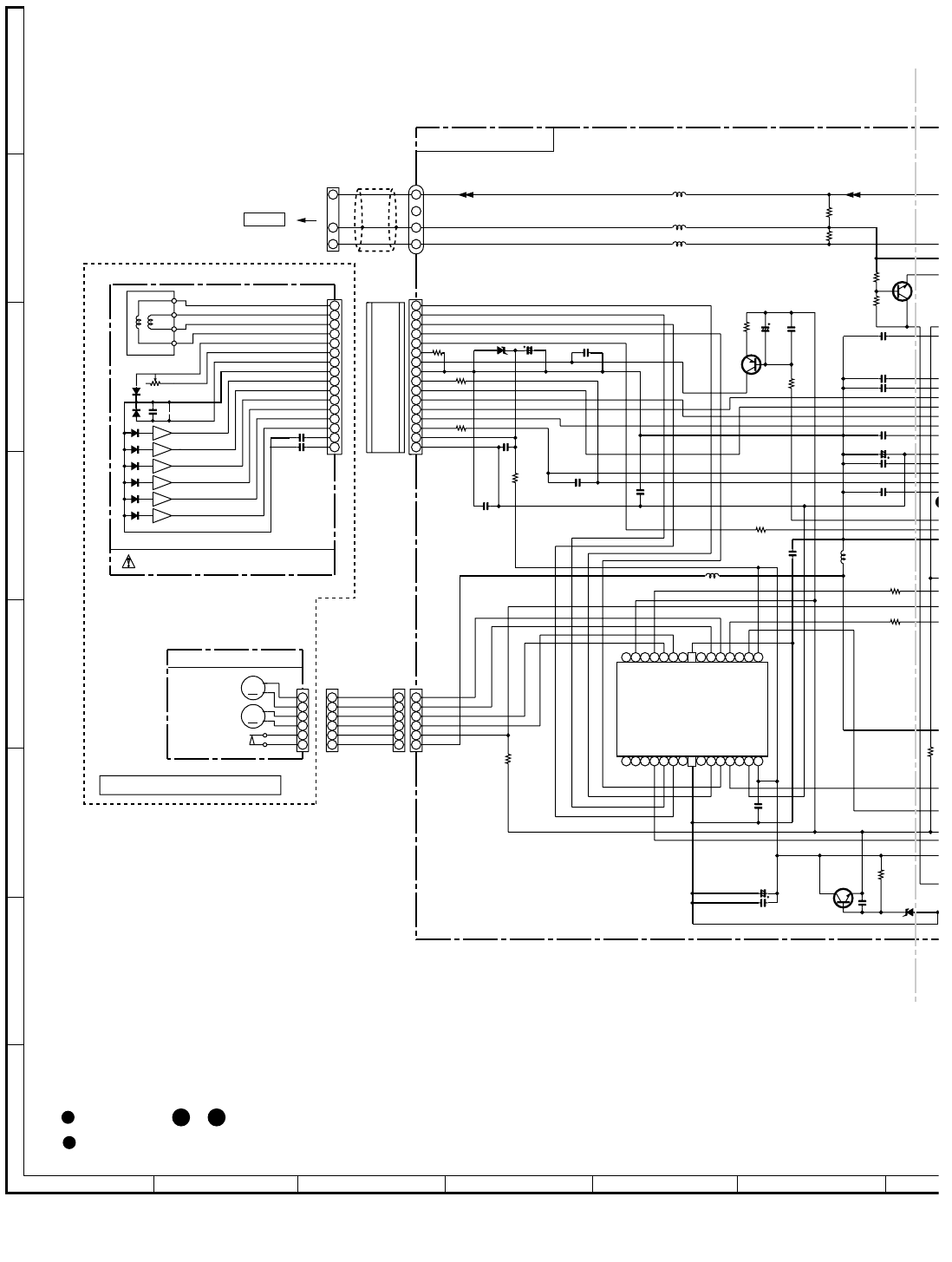
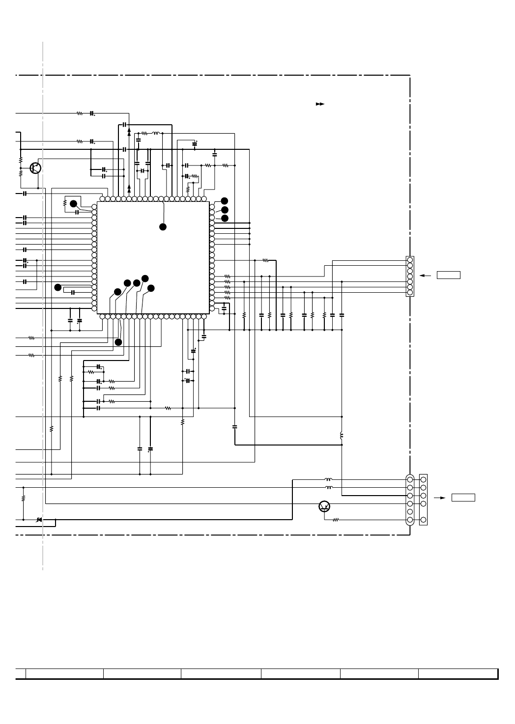
6 – 2
[3] SCHEMATIC DIAGRAM MAIN/POWER AMP.
Figure 6-2 SCHEMATIC DIAGRAM (1/8)
NOTES ON SCHEMATIC DIAGRAM can be found on page 6-1
A
B
C
D
E
F
G
H
123456
VOLTAGE
REGULATOR
VOLTAGE
REGULATOR
VOLTAGE
REGULATOR
1N4004
2HC1815 GR
470/16
4700/35
TS6B04GM-1
3.3K
0.022
10K
2HC1815 GR
220P
1K
0.022
220/25
62
62
1N4148
KIA7808API
31
47/50
4700/35
1N4004
47/50
0.047
6800/25
KIA7805API
31
1N4004
DZH06C2+
47/50
220/50
2HA1015 GR
22K
330
100/50
330
1N4004
330/35
10
47K
100/50
1N4004 12K
DZH3001+
100/50
1K
560
2SB562 C
2HC1815 GR
10K
10K
10/16
2HC1815 GR
6.8K
2.2K
2.2K
220P
220P
0.022
10K
KIA7812API
31
2
2
2
AUDIO+B
+8V
+8V
0.1
0.1
VF1
VF2
+B1
-B1
AGND
+B2
DGND
0.1
0.1
6.3A 125V
6.3A 125V
1.6A 125V
DGND
+8V
D_GND
M_GND
+8V
A GND
+12V
D_GND
S/W_CH
R-CH
A_GND
L-CH
MAIN PWB-A1
+7V
TO TUNER PWB
5
4
3
2
1
4
5
7
6
2
4
1
3
9
8
8
1
3
2
4
6
7
5
1
2
3
1
2
0.047
3
POW
E
6-5 12 - G
CNP602
6-7 11 - F
CNS407
FROM CD SERVO PWB
+12V
MGND
3.8V
3.8V
-30V
D_GND
+5.6V
2
5
3
1
6
4
7
1N4004 1N4004
6-8 3 - C
CNS101
FROM DISPLAY PWB
+B
+B
+B
+B
+B
+B
+B
+B
+B
+B
+B
+B
+B
+B
+B
+B
+B
+B
+B
+B
+B
+B
+B
+B
-B
-B
+B +B
+B
-B
POWER
TRANSFORMER
AC SOCKET
1
2
3
1
3
1
22
3
2
1
1
2
3
4
AC 120V 60Hz
AC POWER
SUPPLY CODE
CNP202
C205
C203
C206
C204
C225
D209
ZD201
D210
C207
D211
C226
R202 Q201
R203
C208
R204
ZD202
C209
C210
R205
D208 D207
D206
D205
C212
C211
C214
C215
IC203
C217
R208
C218
IC202
C219
C220
R218
R219
D212 C221
IC201
C222
C216
R207
R206
C201
D217
Q414
R433
R432
Q413
R155
R109
R106
C103
C102
R107
C101
R105
Q102
R104
C134
R154
Q101
Q103
CNW205
CNW602
CNS602
CNP2
0
CNS2
0
R108
Q203
D201
CNP407
CNP204
F201
F203
F202
CNP101 D215 D214
T201
CNP201
SO202
FM SIGNAL

XL-MP60
6 – 3
Figure 6-3 SCHEMATIC DIAGRAM (2/8)
78 9 10 11 12
POWER AMP.
E
O
R
E
O
R
220
1K
0.0022
0.022
470/16
2.2µH
2HC1815 GR
22K
4.7K
4.7K
KRA107 M
10/50
10/50
1N4004
6.8
0.022
0.022
47/50
2HC1815 GR
220P
1K
220
1K
39K
2HA1015 GR
27K 3.3K
A
PI
10/50
47/50
56
1/50
1/50 1/50
12K
0.047
47/50
5
API
0.0047
0.0047
4.7
4.7
0.0047
4.7
2HC1815 GR
220P
220P
3.3K
2HC1815 GR
2HC1815 GR
KRC107 M
2HC1815 GR
10
KTC3200 GR
1N4148
1N4004
1K
22K
0.1
22K
22K
0.1
2HC1815 GR
1N4004
22K 39K
18K
47/50
470K
3.3/16
330
5.6K
22K
39K
0.022 6.8
0.022
0.022
6.8
0.022
1N4004
1N4004
1N4004
100K
100K
10K
56K
100K
56K
56K
47/50
10K
47K
2HC1815 GR
2HC1815 GR
DZH06B2+
220
1N4004
LM4781TA
123456789
10 11 12 13 14 15 16 17 18 19 20 21 22 23 24 25 26
27
VCC
VEE
VCC
VCC
L_OUT
VEE
GND
MUTE1
L_IN
L_RF
R_OUT
R_IN
VEE
GND
MUTE2
R_RF
S/W_OUT
GND
MUTE3
S/W_RF
S/W_IN
(1/2W)
100/35
100/35
2SC535 C
6ohm
SPEAKER BOX Ass'y
SPEAKER BOX Ass'y
TWEETER
TWEETER
6 ohm
6 ohm
R-CH
L-CH
WOOFER
WOOFER
SUB_RLY OUT
SUB_RLY IN
CD+B
SUB WOOFER BOX Ass'y
-
+
+
-
R OUT
L OUT
A_GND
RIN
LIN
CHASSIS
GND
--
--
++
++
FAN_START
SP_DETECT
P_MUTE
FAN_PRO
SP_RELAY
SINGAL_LVL
FAN MOTOR
G
ND
0.1
3
2
1
11
8
6
3102
6
1
2
4
7
3
5
23
4
7
1410
0.1
0.1
0.1
0.1
0.1
13
11
7
68947512
M
3
2
1
65
4
3
2
1
12 13
4
3
21
7
6
5
4
3
2
1
11
POWER AMP. PWB-A5
S/W_IN
S/W_RF
MUTE3
GND
S/W_OUT
NC
R_RF
MUTE2
GND
NC
VEE
R_IN
R_OUT
L_RF
L_IN
MUTE1
GND
NC
VEE
L_OUT
NC
VCC
VCC
NC
NC
VEE
VCC
68
1110 13
234 5
45
79
9
12
14
1512 13
9
141110
374685
4
2
2
1312
5
10
63
11
8
73
14
98
12
11
6
10
9547
13
2
1
11
1
6-8 2 - F
CNS102
FROM DISPLAY PWB
1
2
3
4
5
6
7
1
2
3
4
5
6
7
JACK PWB-A6
10µH
390
390
HEADPHONES
SUB_RLY OUT
SUB_RLY IN
ROUT
LOUT
A_GND
RIN
LIN
11
10
9
8
7
6
5
4
3
2
1
1234567
SPEAKER TERMINAL
+B
+B
+B
+B
+B
+B
+B
+B
+B
+B
+B
+B
+B
+B
+B
+B
-B
-B -B
+B
C213
R208
C218
2
1
C222
R209
R210
R212
D213
C223
R211 Q202
R213
R216
R215
C224
R214
CNP203
Q205
CNP102
CNP103A CNW103
SO101
C130
R145
C127
C126
C129
R144
C128
C125
R143
C131
C132
D108
Q108
C139
R156
Q109
R157
D107
D105 R141
R140
D106
D104
R137
R138
R139
R142
C140
C141
Q110
R161
R159
Q107
R109
C103
C102
C101
Q102
Q103
C135 C137
C136
R119
C138
R122
C104
C105
R116
C107
R123
R117 C108 R150
R111
C109
R151
R124
R112
R118
C106
C117
CNP206
CNS206
CNW206
CNW205
Q114
R162
C142
R163
RLY101
RLY102
C119
R134
CFW101
CFW101A
CFW101B
C122
C121
R136
C124
C120
R135
C123
D109
ZD101
R160
CNP205
CNS205
IC101
R149
R110
Q204
Q111
Q203
Q112
Q113
L105
D110
CNW203
C133
CNP103B
L103
R147
R146
JK101
M201(218-4)

XL-MP60
6 – 4
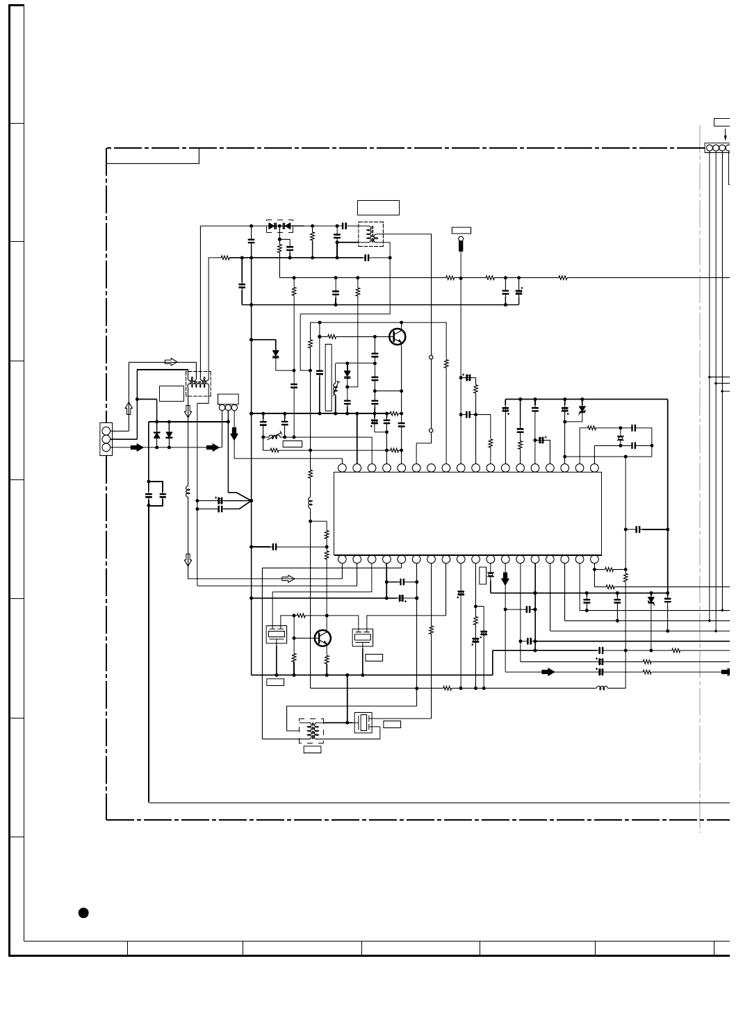
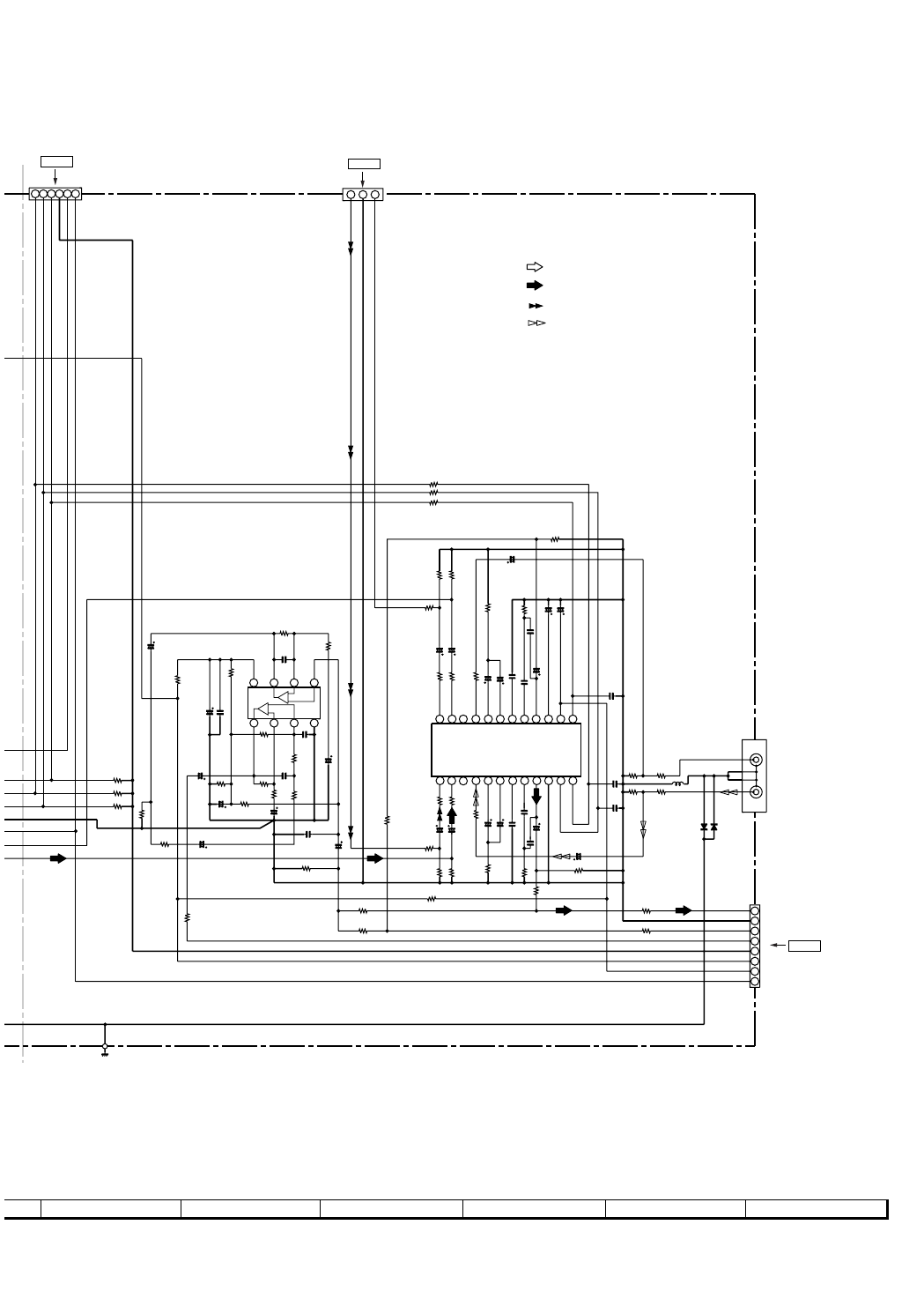
[4] SCHEMATIC DIAGRAM TUNER
Figure 6-4 SCHEMATIC DIAGRAM (3/8)
NOTES ON SCHEMATIC DIAGRAM can be found on page 6-1
A
B
C
D
E
F
G
H
123456
PLL(TUNER)/
FM IF DET./FM MPX./AM IF
1/50
22/50
MTZJ3.6B
10P
330
0
10
0.01
10P
0.001
0
2SC5477++
100K
0.01
100K
220
SVC201
0.022
0.001
0.0047
560P
AM OSC.
10
10µH
100
0.047
2.2K
10P
100K 75KHZ
0.01
SVC201
0.001
5P
330
1K
33P
0.015
33P
5P
100P
0.33/50
4.7K
27P
(UJ)
(UJ)
(UJ)
(CH)
(CH)
(CH)
(CH)
(CH)
(CH)
(CH)
(CH)
100K
1K
0.01
4.7K
100K
22/50
0.1
100P
100P
0.01
100P
0.01
0.1
27K
27K
1/50
1SS133
51
47/50
DZH05C2+
470
1/50
1/50
47µH
680
2SC5477++
2.2K
33
10K
10K
0.033
22/50
0.001
4.7/50
3.3K
0.1
0
47K
1K
390
1SS133
1µH
0.1
0.018
12P(CH)
100K
22/50
0.1
1/50
1/50
1
2
3
123456789101112131415161718
GND
FM
AM
FMRF-IN
FMRF-OUT
VCC2
FM-OSC
AM-OSC
B02
B01
LP-OUT
LP-IN
PD
AGC
AMLOWOUT
DET-OUT
MPX-IN
VDD
XOUT
XIN
D0
CL
DI
R-OUT
L-OUT
FM DET
P-CCMP
P-DET
CE
VSS
FM IFIN
AM IFIN
VCC1
AM-MIX
GND1
FM-MIX
REG
AMRF-IN
DO
CLK
DI
CE
A_GND
TUN R
TUN L
GND2
+12V
+8V
FROM
FM/AM LOOP ANTENNA
6
43
2
1
3
21
6
5
43
12
LV23002M
SVC347S
192021222324252627282930313233343536
TUNER PWB-A2
+B
+B
+B
+B
+B
+B
+B
+B +B
+B
D_GND
DI
CE
CL
3
456
FM FRONT END/
AM ANT.
FM OSC.
BAND PASS
FILTER
FM RF
TP-VT
FM BAND COVERAGE fL
FM IF
AM IF
AM IF
FM IF
FM IF
6-8 2
CNS
3
FROM DIS
AM
Tracking
AM BAND
COVERAGE fL
CFW301A CFW301B
IC301
L305 CF304
CF303
R331
R333
CF301
Q303
C315
C313
C319
R312
R309
C322
C323
R332
C331
C340
C328
C324
CF302
C327
L308
R317
R318
R325
C337
C336
C334
D310
R335
R320
R321
R323
C339
C335
D308
X301
C342
C341
R319
R316 C329
C332
C333
C325
R327
CFW301
D307
L307
C317
C343
R329
R308
C316
C312
C344
C345
C320
C321
R314
C346
R313
R306
C307
C309
C314
D306
R307
L304
R302
BF301
C306
R305
C349
JR304
C305
L302
D302
D303
L303
C302
C347
C303
R334 R336
L301
C301
CNP301
L306
R311 R315
C330
C326
Q302
R328
C348
C311
C310
R304
C318
R310
C308
R303
D305
CNP302
JR303
C659

XL-MP60
6 – 5
Figure 6-5 SCHEMATIC DIAGRAM (4/8)
78 9 10 11 12
(
CH)
DO
CLK
DI
CE
A
_GND
T
UN R
T
UN L
+8V
33/16
10/50
100K
47/50
6.8K
6.8K
6.8K
1K
3.3K
0.1
1K
0.1
LC75341M
AUDIO PROCESSOR
100/50
47/50
10
NJM4558D
BUFFER
10/50
10/50
10/50
10/50
10/50
0.0027
22K
22K
220
22K
22K
1/50
4.7K
100K
10/50
1K
12K
1K
1N4148
3.3K
12K
1N4148
CHASSIS
GND
1/50
4.7K
1K
1/50
1/50
0.1
2.2/16
3.9K
2.2/16
1K
3.9K
2.2µH
0.1
8.2K
8.2K
0.22/63(ML)
22K
22K
10K
0.0033
22K
47K
0.047
270
47/50
100K
0.27/63
(ML)
22K
5.6K
10/50
1K
220P
1K
10/50
10K
10K
1K
1K
100K
1K
100K
1K
10/50
0.0027
1K 1K
1K
220P
1K
220P
220P
100/50
8
7
6
5
4
3
2
1
+8V+B
+B
+B
+B
+B
+B
+B
+B
+B
+B
B
+B +8V
+
-
+
-
D_GND
+7V
CD_A_GND
DO
DI
CE
CL
A_GND
AUX_L
AUX_R
CL
AUX R
AUX L
LBS
TUN R
CD R
CD L
CD R
CD L
TUN L
CE
DI
VSS
LOUT
LTRE
LIN
LSL0
L4
L3
R1
L2
L1
VREF
R2
R3
R4
RSL0
RIN
RTRE
RBS
VDD
ROUT
CL
VIDEO/AUX
IN
L-CH
R-CH
CE
DI
L_CH
A_GND
R_CH
S/W_CH
D_GND
+12V
24
13 14 15 16 17 18 19
20 21 22 23
1
12 11 10
987 65432
8765
4321
321
123456
6-2 3 - C
CNS602
FROM MAIN PWB
6-8 2 - D
CNS302
FROM DISPLAY PWB
6-6 3 - B
CNS406
FROM CD SERVO PWB
C652
R339
R337
R338 C640
C639
R661
R663
R655
R662
C657
R660
R690
C603
IC602
R651
C604
R649
R659
C635
R687
C636
R656
R664
C653 C651
C629
C658
C656
R689
R691
R647
R648
R668
R624
R620 R618
C606
C605
R630
C613
IC601
R667
C609
C607
R606
C615
R628
R612
C622
R669
R604
C611
C624
R101
R102
R643
R623
R644
C620
C619
R601
C601
C602
R603
R602
R621
R625
C625
R613
R607
C614
C612
R666
C610
C608
C623
C616
R605 R629
C617
C618
R622
C621
R619
CNP406
R103
CNP602
R665
R641
D604
SO601
D605
L601
C
NP302
FM SIGNAL
AM SIGNAL
CD SIGNAL
AUX SIGNAL

XL-MP60
6 – 6
[5] SCHEMATIC DIAGRAM CD/MP3
Figure 6-6 SCHEMATIC DIAGRAM (5/8)
NOTES ON SCHEMATIC DIAGRAM can be found on page 6-1
The numbers to are waveform numbers shown in page 5-1
1 12
A
B
C
D
E
F
G
H
123456
+B
+B
+B
+B
+
+B
+B
+B
+B
+B
+B
+B
FOCUS/TRACKING/
SPIN/SLED DRIVER
0.022
0.022
1
0.0056
0.82µH
15K
560
KTC3203 Y
0.001
8.2K
8.2K
10K
6.8K
0.82µH
1K
1K 100K
100K
0.1
100/16
3
0
2SA1235F+
100/16
0.01
0.047
9.1K
0.047/50
2HC1
8
10K
470/10
0.1 DZH04B2+
0.1
470
1K
DZH05C2+
100
330
0.1
3.3
0.1
0.056
0.01/25
0.056
33/16
0.1
LA6548NH
12345698 7
21 22
10
11
121314
17 18 1920 23 2425 2615 16 2728
PICKUP IN
SLED
MOTOR
SPINDLE
MOTOR
-
+
+
SP+
SP-
SL+
SL-
PU-IN
GND
CD MOTOR PWB
CD
RESET
REG_OUT
REG_IN
VIN3 VIN2
VG2
VG3
VO3-
VO3+ VO2+
VO2-
NC
NC
NC
NC
VO1-VO4-
VO4+ VO1+
VG1
VG4
VIN4 VIN1
VREF MUTE
VCC
VCC
GND GND
CD/MP3 PWB-A3
GND
R-CH
L-CH
MD
LD
VR
VC
VCC
LAND
SHORT
SL+
SL-
PU-IN
D_GND
D
VC
SP+
SP-
E
A
B
F
TR-
D
VCC
TR+
ACTUATOR
TR-
FO-
C
CD PICK-UP UNIT
GND
MD
VR
TR+
LD
FO-
A
B
F
C
FO+
D
E
A
FO-
B
FO+
E
C
TR-
GND
MD
FO+
VR
LD
TR+
F
M
M
1
3
23
4
1
2
2
9
10
11
12
13
14
15
16
16 16
8
7
5
4
3
1
11
6
2
9
10
11
12
13
14
15
16
8
7
5
4
3
1
6
3
4
5
6
1
2
3
4
5
6
1
2
3
4
5
6
1
2
3
4
5
6
1
2
6-2 4 - B
CNP406
TO TUNER PWB
CD MECHANISM UNIT (220)
CNS406
FC401 CNP401
R802
R803
R801
C857
R804
C801
ZD801
C803
C802
C809
C804
L812
L811
L803
CNW402 CNP402 R853
C855
Q802
C805
C806 C811
R814
ZD802
R820
R816
L809
C853
R806
L807
R828
R829
C818
C816
C813
C814
C815
C817
Q801
C807
R807 C808
R805
R812
Q
8
R813
C812
R
8
R811
R810
CNW406
IC402

XL-MP60
6 – 7
Figure 6-7 SCHEMATIC DIAGRAM (6/8)
78 9 10 11 12
+B
+B
+B
+B
+B
+B
+B
+B
+B
+B
MP3 Decoder
DIGITAL SIGNAL
PROCESSOR
0.01/25
1
470
2SB562 C
1.5K
0.1
0.1
6.8K
1.5K
1.5K
1.5K
1.5K
0.82µH
15K
560
0.47/16
2.2M
82
0.1
68K
680
0.1
0.047
680
1/16
3.9K 10/16
10/16
3.9K
0.1
470/10
6.8K
12K
10K
0.82µH
1K
0.82µH
82
0.1
0.1
470/10
100/16
330
100/16
0.1
0.01
0.0047
0.1
0.1
100P
0.1
6.8K
100P
3.3K
1/16
82
0.1
20K
150
0.1
0.1
10P(CH)
10P(CH)
0.047
9.1K
7
/50
2HC1815 GR
10K
DZH04B2+
1
6.8K
100P
100P
100P
100/16
100/16
6.8K
0.056
/25
6.8K
0.01
0
56
100/16
100K
1
2
3
4
5
6
7
8
9
10
11
12
13
14
15
16
17
18
19
20
21 22 23 24 25 2627 28 29 30 31 32 33 34 3536 37 38 39 40
41
42
43
44
45
46
47
48
49
50
51
52
53
54
55
56
57
58
59
60
6162636465666768697071727374757677787980
LC78690
AUDIO+B
+8V
MGND
DGND
+8V
CD_CL
CD_DI
CD_DO
CD_RES
CD_CE
AVDD
FIN
PHLPF
AIN
FEC
EIN
DIN
BIN
LPF
CIN
DATACK
TDO
AVSS
LDS LDD
EFMIN
SLCO
JITTC
RFMON
TE
TEC
TEIN
VREF
RF
SLDO
SPDO
FDO
VVSS1
PDOUT1
PCKIST
VVDD1
DMUTEB
PUIN
DEFECT
FSEQ
C2F
DVDD
DVSS
DVDD1.8
VVDD3
PDOUT0
CL
DI
DO
VVSS3
DVDD
DVSS
CE
CONT2
CONT1
CONT0
TEST0
STREQ
STCK
RESB
INTB0
INTB1
STDATA
TEST1
DATA
VVDD2
VPREF2
VCOC2
VPDOUT2
VVSS2
DVDD1.8DVDD1.8
DVSS
DVDD
DOUT
XOUT
AMUTEB
XVSS
XIN
XVDD
LCHO
LRVDD
RCHO
LRVSS
AVDD
4
5
2
3
1
5
6
3
1
4
2
1
2
3
4
5
6
7
LRSY
6-2 4 - B
CNP407
TO MAIN PWB
6-2 4 - B
CNW405
FROM DISPLAY PWB
16.9344MHz
1
R814
ZD802
R820
C828
C827
C826
R815
R816
R828
R829
18
C810
R822
C825
C822
C819
C820
8
16
8
13
8
14
8
15
1
7
R812
Q805
R813
2
C821
R819
C849
C848
R834
C832
C829
C831
X801
IC801
C824
R824
C854
C852
R823 C823
C830
L804
R830
C834
C833
C838
R837
R840
C840
R835
R850
R852
R851
R849
R848
R831
R855
C842
C841
R841
C843
R845
C846
C845
C847
R842
R844
C839
R832
C835
C837
C836
C856
R833
C851
C850
R827
R826
R825
L810
R854
Q806
L808
L802
CNW407 CNS407
CNP405A
CD SIGNAL
1
2
12
3
4
56
7
8
9
10
11

XL-MP60
6 – 8
[6] SCHEMATIC DIAGRAM DISPLAY
Figure 6-8 SCHEMATIC DIAGRAM (7/8)
NOTES ON SCHEMATIC DIAGRAM can be found on page 6-1
A
B
C
D
E
F
G
H
123456
SP_RELAY
+B
+B
+B
+B
+B
+B
+B
+B
+9V
+5V
+9V
+B
+B
+B
+B +B
+B
+B
0.022
330P
0.82µH
0.82µH
0.82µH
24P
24P
1N4148 1N4148
1K
10M
1K
1N4004
0.82µH
LP3052A+
270
2.7K
2HC1815 GR
0.82µH
1K
10K
10K
22K
220
47/16
KTC3203 Y
KTA1271 Y
DZH06B2+
KTA1271 Y
0.82µH
10K
10K
10K
10K
10K
1K
220
220
10K
220
10K
1K
0.1
0
1K
1K
1K
10K
1N4004
0.1
1K
1K
1K
1K
1K
100
390
1K
1K
1K
1K
1K
1K
0.001
0.001
CHASSIS
GND
1N4004
10K
10K
10K
10K
10K
10K
10K
10K
2SB562 C
0.022
56K
KRC107 M
270
(1/2W)
390
470
KTC3203 Y
2HC1815 GR
22K
2HC1815 GR
470
KTC3203 Y
22K
390
KTC3203 Y
123456789
11 12 13 14 15 1
6
10
6
5
666768697071727374757677787980
81
82
83
84
85
86
87
88
89
90
91
92
93
95
94
96
97
98
99
100
NC
+8V
D_GND
CD+B
NC
DO
CL
PROG1
PROG2
PROG3
FAN_START
P_MUTE
SP_DETECT
RESET
XT1
XT2
VSS1
CF1
CF2
CD_SOL
JOG_UP
JOG_DOWN
FM_ST
SD
MM+
MM-
CD_CE
CD/MP3RES
CD_PH
CD/MP3DI
CD/MP3DO
CD/MP3CL
TIMER_LED
CE
DI
SINGAL_LVL
VDD4
VDD2
VSS2
CL
CE
DI
DO
SP_DETECT
P_MUTE
FAN_PRO
CD_CL
CD_DO
CD_DI
CD_RES
CD_CE
SP_RELAY
SINGAL_LVL
C
B
A
3.8V
3.8V
-30V
D_GND
+5.6V
P_STB
FAN_START
CD+B
+12V
M_GND
F1
F2
F2
F2
SPAN
NC
SW8
SW7
SW4
SW3
SW2
SW6
SW5
P_CON
NC
NC
NC
MM+
MM-
5-DISC_M_GND
CD_M_GND
MOTOR DRIVER
1
3
4
2
7
5
6
1
3
2
1
6
7
3
5
2
1
4
6
5
7
2
1
4
3
8
1
2
7
5
6
3
8
4
1
3
4
2
7
5
6
4
7
3
2
5
6
1
4
7
3
2
5
6
4
2
5
3
6
1
6
5
7
2
3
4
1
5-DISC CHANGER
9
10
11
12
13
14
15
8
M
CD_PH3
CD_SOL1
D_GND
MM-
MM+
CD_PH2
CD_SOL2
12
6-2 3 - H
CNP101
TO MAIN PWB
6-5 7 - B
CNP302
TO TUNER PWB
6-3 11 - G
CNP102
TO MAIN PWB
6-7 11 - C
CNP405A
TO CD SERVO PWB
3940
VOLUME
JOG
MIC
R
DISPLAY PWB-A4
4
2
3
7
1
11
6
5
SW7
SW6
SW5
SW4
SW3
SW2
SW1
SW8
1K
1K
1K
1K
1K
1K
1K
1K
32.768kHz
1K
8MHz
CD_SOL2
CD_PH2
MM+
MMÐ
D_GND
CD_SOL1
CD_PH3
SW1
SW2
SW3
SW4
SW5
SW6
SW7
SW8
MOTOR
(125)
SOLENOID
(124)
PHOTO
INTERRUPTER
CD CHANGER PWB ASS'Y(132)
SWITCH PWB ASS'Y(133)
1
2
3
4
5
6
7
8
9
10
11
12
13
14
15
15 15
R745B
C721
L708
C703
C704
R705
LED701
R773
R733
Q705
L704
R703
R756
R737
R739
R738
C702
R797
D706
C701
D708
R727
R716
R788
R789
D701
L502
R787
R508A
R507A
R502A
R501A
R516
R506A
R504A
R503A
R505A
R506B
R502B
R507B
R501B
R508B
R503B
R505B
R504B
R521
Q511
FC501
CNP501
CNW302
CNW101
L707
L706
CNS302
CNS101
CNW405 CNP405B
CNW102CNS102
D710 D709
CFW701
C714
C715
C720
L503 R517
R518
C506
Q510
ZD502
Q505
Q503
C515
R526
Q502
R525
R509
R510
Q504
Q508
R514
Q507
R511
Q506
R513
Q509
R512
R725
R712
R724
R758
R720
R721
R719
R728
R729
R706
R701
R702
R750
R755
R730
R749
R748
R747
R746
L702
X701
R741
R740
X702
SW700

XL-MP60
6 – 9
Figure 6-9 SCHEMATIC DIAGRAM (8/8)
78 9 10 11 12
+B
+B
+B
+B
+B
+B
0
22
P
P
IXA033SJ
10M
1K
5.6K
12
12
1.5K
1.2K
3.9K
1.2K
2.7K
2K 2K
1.5K
1
Y
1.2K
1.2K
5.6K
10K
GP1UD261
47
0.047
100/16
0.82µH
220/10
0
10K
10K
10K
1K
47/16
100P
0.01 2HC1815 GR
1K
10K
1K
1K
82
1K
1N4148
120
DZH03C3+
1N4148
10K
1N4148
100K
2HC1815 GR
33/16
3.3K
1N4148
KRC102 M
0.1
390
0.1
0.1
0.82µH
0.82µH
KTC3203 Y
11 12 13 14 15 16 17 18 1910
21 22 23 24 25 26 27 28 29 3020
515253545556575859
6162636465666768697071 60
31
32
33
34
35
1K
1K
1K
1K
1K
1K
1K
0.022
0
36
37
38
39
40
41
42
43
45
44
46
47
48
49
50
321
NC
EQ
TUNNING DOWN/STOP
TUNNING UP/PLAY
PRE SET DOWN
PRE SET UP
MEMORY/SET
CD
VIDEO/AUX
OPEN/CLOSE
DISC2
POWER
RDS_CLE
RDS_DATA
RDS_VSM
PROG3 P
_
MUTE
RESET
XT1
XT2
VSS1
CF1
CF2
VDD1
KEY1
KEY2
FAN_PRO
PATCH
MODEL
SYS_STOP
IRQ
VDD3
VP
TUNER(BAND)
X-BASS/DEMO
DISC4
DISC3
DISC5
DISC1
6G
P3
2G
3G
10G
7G
1G
4G
5G
P1
P2
9G
8G
11G
P5
P4
P7
P6
P9
P11
P12
P15
P14
P17
P18
P16
P20
P19
P13
P10
P8
NP
F1
F1
6G
2G
3G
10G
7G
1G
4G
5G
9G
8G
11G
NP
NP
NP
P3
P9
P11
P12
P15
P14
P17
P18
P16
P20
P19
P13
P10
P5
P4
P1
P2
P7
P6
P8
F2
F2
NP
SW8
SW7
SW4
SW3
SW2
SW1
SW6
SW5
NC
POWER_KEY
3
2
1
2.7K
3.9K
2
12
456789
1011121314
18192021222324252627282930313233343536373940
REMOTE
SENSOR
+B
SYSTEM
MICROCOMPUTER
SWITCH PWB-A7
32.768kHz
1K 8MHz
FL DISPLAY
CNW702B
CNW702A
SW717
SW713
SW714
SW715
SW716
R783
R785
R786
SW712
SW711
SW710
R782
R781
R780
R772
R767
R765
R770
R766
R769
R768
SW701
SW702
SW703
SW704
SW705
SW706
SW707
SW708
SW709
RX701
R760
C710
L705
C706
R751
C716
C708
C713 Q704
R799
R778
R776
R761
R775
R762
D704
R779
ZD701
D705
R777
D703
R764
Q703
C712
R763
D702
Q702
C711
C707
C709
R704
R745B
R744
R743
R742
L701
L703
7
21
7
03
7
04
Q509
VFD701
L702
X701
R741
R740
R710
R714
R718
R715
R713
R709
R708
C722
R791
C705
R784
X702
IC701

XL-MP60
6 – 10
[7] WIRING SIDE OF PWB
Figure 6-10 WIRING SIDE OF PWB (1/12)
CNS101
CNW101
CNW102
RED LINE
4
321
567
7654321
CNS407
RED LINE
CNW405
CNS406
CNP501
CNP405B
CNP405A
CNW405
CNW406
CNP401
CNP402
CNW407
CN
P
SO202
CNP201
123
CNW702B
CNW702A
7654321
7654321
54321
1
1615
1413
1211
10 9
87
65
43
21
13579111315
2 4 6 8 10 12 14
2
RD
RD
BK
BK
GY
GY
GY
GY
GY
WH WH
34
321
78654321
654321
7654321
CNS102
RED LINE
7
6
5
4
3
2
1
7
8
6
5
4
3
2
1
CNS302 CNW302
RED LINE
BK
CFW701
1
1
2
2
TO
CHASSIS
RED LINE
7
6
5
4
3
2
1
6
5
4
3
2
1
7
6
5
4
3
2
1
1
2
3
4
5
6
C
N
7654
765
4
654321
654321
116
116
116
SPINDLE
MOTOR
SLED
MOTOR
PICKUP IN
564321
CD MECHANISM UNIT(220)
CD MOTOR PWB
CD PICKUP UNIT
GY
GY
GY
GY
GY
RD
CNW402
FC401
SOLENOID
(124)
MOTOR
(125)
CD CHANGER PWB ASS'Y(132)
SWITCH PWB ASS'Y(133)
WH-LINE
DISPLAY PWB-A4
CD/MP3 PWB-A3
JACK
SWITCH PWB-A7
1515
11
FAN MOTOR
RED
M201(218-4)
FC501
1
2
4
6
8
10
12
14
3
5
7
9
11
13
15
AC 120V,60Hz AC POWER SUPPLY CORD

XL-MP60
6 – 11
Figure 6-11 WIRING SIDE OF PWB (2/12)
1234567
54321
1
2
3
RED LINE
123456
65874321
7654321
321
7
123456789
654321
1234567
CNS602
21345678
15 14 13 12 11 10
987654321
14 13 12 11 10
987654321
14 13 12 11 10
987654321
13 12 11 10
987654321
1314 12 11 10
987654321
4
3
2
1
1
2
3
13 12 11 10
987654321
CNP205
CNS205
CNW205
CNW206
CNP206
CNS206
CNP103A
CNP102
CNP203
CNW203
CNP407
CNP101
CNP406
CNP301
CNP302
CNP602
CNP204
CNP202
CNW602
BK
GY
GY
GY
GY
GY
GY
WH
BK
RD
WH
BK
BK
RD BK
CNW103
CNP103B
7654321
7654321
TUNER PWB-A2
MAIN PWB-A1
JACK PWB-A6 POWER AMP. PWB-A5
BK
WH
RED
123
POWER
TRANSFORMER
YL
YL
YL
RD
RD
RD
RD
RD
RD
312
1
3
2
1
2
3
4
T201
BR
COLOR TABLE
RD(R)
OR
YL
GR
BL
VL
GY
WH(W)
BK
PK
BROWN
RED
ORANGE
YELLOW
GREEN
BLUE
VIOLET
GRAY
WHITE
BLACK
PINK

XL-MP60
6 – 12
[8] WIRING SIDE OF PWB MAIN TOP/POWER AMP./JACK
Figure 6-12 WIRING SIDE OF PWB (3/12)
A
B
C
D
E
F
G
H
123456
CFW101B
SO101
MAIN PWB-A1 (TOP VIEW)
POWER AMP. PWB-A5
AC INPUT
SOCKET
AC 120V,60Hz
SPEAKERS
LEFT
FRONT
RIGHT
SUB
WOOFER
Lead-free solder indication
Lead-free solder is used in there MAIN, POWER, JACK PWB.
Refer to "Precautions for handling lead-free solder" for instructions
and precautions.

XL-MP60
6 – 13
Figure 6-13 WIRING SIDE OF PWB (4/12)
78 9 10 11 12
CFW101A
JACK PWB-A6
HEADPHONES

XL-MP60
6 – 14
[9] WIRING SIDE OF PWB MAIN BOTTOM
Figure 6-14 WIRING SIDE OF PWB (5/12)
A
B
C
D
E
F
G
H
123456
Lead-free solder indication
Lead-free solder is used in there MAIN, POWER, JACK PWB.
Refer to "Precautions for handling lead-free solder" for instructions
and precautions.

XL-MP60
6 – 15
Figure 6-15 WIRING SIDE OF PWB (6/12)
78 9 10 11 12
MAIN PWB-A1 (BOTTOM VIEW)
CHASSIS
GND

XL-MP60
6 – 16
[10] WIRING SIDE OF PWB TUNER
Figure 6-16 WIRING SIDE OF PWB (7/12)
A
B
C
D
E
F
G
H
123456
TUNER PWB-A2 (TOP VIEW)
FROM
FM/AM LOOP
ANTENNA
VIDEO/AUX
IN
LEFT
RIGHT
AM
Tracking
AM BAND
COVERAGE fL
FM RF
FM BAND
COVERAGE fL
TP-VT
AM IF
Lead-free solder indication
Lead-free solder is used in the TUNER PWB.
Refer to "Precautions for handling lead-free solder" for instructions
and precautions.

XL-MP60
6 – 17
Figure 6-17 WIRING SIDE OF PWB (8/12)
78 9 10 11 12
CHASSIS
GND
TUNER PWB-A2 (BOTTOM VIEW)
O
P
A
X
C659

XL-MP60
6 – 18
[11] WIRING SIDE OF PWB CD/MP3
Figure 6-18 WIRING SIDE OF PWB (9/12)
A
B
C
D
E
F
G
H
123456
CD/MP3 PWB-A3 (TOP VIEW)
Lead-free solder indication
Lead-free solder is used in the CD MP3 PWB.
Refer to "Precautions for handling lead-free solder" for instructions
and precautions.

XL-MP60
6 – 19
Figure 6-19 WIRING SIDE OF PWB (10/12)
78 9 10 11 12
1
12
13
24
CD/MP3 PWB-A3 (BOTTOM VIEW)
The numbers to are waveform numbers shown in page 5-1
1 12
41
45
50
55
60
61
65
70
75
80
15
10
15
20 21
25
30
35 40
WAVEFORM NUMBERS
IC1
46
11
10
9
3
2
12
1
57
8

XL-MP60
6 – 20
[12] WIRING SIDE OF PWB DISPLAY/SWITCH
Figure 6-20 WIRING SIDE OF PWB (11/12)
A
B
C
D
E
F
G
H
123456
DISPLAY PWB-A4 (TOP VIEW)
SWITCH PWB-A7
Lead-free solder indication
Lead-free solder is used in there DISPLAY,SWITCH PWB.
Refer to "Precautions for handling lead-free solder" for instructions
and precautions.

XL-MP60
6 – 21
Figure 6-21 WIRING SIDE OF PWB (12/12)
78 9 10 11 12
DISPLAY PWB-A4 (BOTTOM VIEW)

XL-MP60
7 – 1
CHAPTER 7. FLOWCHART
[1] TROUBLESHOOTING
1. When the CD does not function
The CD section may not operate when the objective lens of the optical pickup is dirty. Clean the objective lens, and check the playback operation.
When this section does not operate even after the above step is taken, check the following items.
Remove the cabinet and follow the trouble shooting instructions.
"Track skipping and/or no TOC (Table Of Contents) may be caused by build up of dust other foreign matter on the laser pickup lens. Before attempting
any adjustment make certain that the lens is clean. If not, clean it as mentioned below."
Turn the power off.
Gently clean the lens with a lens cleaning tissue and a small amount of isopropyl alcohol.
Do not touch the lens with the bare hand.
2. When a CD cannot be played
2.1. Pressing the CD operation key is accepted, but playback does not occur.
1) Focus-HF system check
2) Tracking system check
3) Spin system check
4) PLL system check
5) Others
Parts code
1. CD optical pickup Lens cleaner disc UDSKA0004AFZZ
HOW TO USE
CAUTION
Cleaning fluid
Cleaner disc
Using the brush in the cleaner cap, apply 1 or 2 drops of the cleaning fluid to the
brush on the CD cleaner disc which has the mark next to it.
Place the CD cleaner disc onto the CD disc tray with the brush side down,then
press the play button.
You will hear music for about 20 seconds and the CD player will automatically stop.
If it still play continuously, press the stop button.
1.
2.
3.
The CD lens cleaner should be effective for 30-50 operations, however if the
brushes become worn out earlier then please replace the cleaner disc.
If the CD cleaner brushes become very wet then wipe off any excess fluid with a soft
cloth.
Do not drink the cleaner fluid or allow it contact with the eyes. In the event of this
happening then drink and / or rinse with clean water and seek medical advice.
The CD cleaner disc must not be used on car CD players or on computer CD-ROM
drives.
All rights reserved. Unauthorized duplicating, broadcasting and renting this product
is prohibited by law.

XL-MP60
7 – 2
Although a CD is inserted and the cover is closed, "NO
DISC" is displayed.
(1) Focus-HF system check.
Press the OPEN/CLOSE switch (SW717) without inserting a
disc, and try starting the playback operation.
Figure 1
1. Does the pickup move to the PICKUP-IN Switch position? No Sled motor.
Yes
2. Does the focus (lens) move up and down?
(Waveform drawing Figure 1)
No Check the focus peripheral circuit.
Yes
3. Is the laser lit? No Check the laser diode driver Q801 peripheral circuit.
Yes
4. Is the turntable rotating? No Spindle motor.
When a disc is loaded, start playback operation.
1. Is focus servo activated?
(Waveform drawing Figure 2)
No Pins 5~9,11, 14 and 18,19 on IC801.
Check the laser diode driver Q801 peripheral circuit.
Yes
2. Does DRF change from "L" to "H"? No Is the disc rotating? No Check the spin system.
Yes
If the disc is spinning and a HF waveform
is generated, DRF will go H.
3. Is the HF waveform normal?
(Waveform drawing Figure 3)
No If the level is not normal.
Figure 2
Figure 3

XL-MP60
7 – 3
Check the TE waveform at pin 16 on IC 801.
(2) Tracking system check.
If the waveform shown in Figure 4 appears and soon after NO
DISC appears? Yes
The tracking servo is not activated.
Check the peripheral circuits at pins 15, 16 and 23 on IC801,
and FC401.
No
"Initialization" is possible, but play is not possible?
Yes
A normal jump operation cannot be completed or the beginning
of the track cannot be found.
Check the around pin 23 on IC801.
No
"Initialization" is not possible. Data cannot be read. Check the VCO-PLL (Pin26~30 on IC801)
system.
Figure 4
T
T
TE
Stopped
CH1=10 V
DC 10:1
CH2=1 V
DC 10:1
100 ms/div
(100 ms/div)
NORM:100 kS/s
2
1
=Record Length=
Smoothing : ON CH1 : 0.0 V
CH2 : 0.00 V
Main : 100 K
Zoom : 2 K
Mode : NORMAL
Type : EDGE CH1
Delay : 2.924 ms
Hold off : 0.2 µs
CH3 : 0.00 V
CH4 : 0.00 V
BW : FULL
=Trigger=
=Filter= =Offset=
(3) Spin system check.
Press the OPEN/CLOSE switch without inserting a disc, and
then try starting the play operation.
1. The turntable rotates a little?
(Waveform drawing Figure 5) Yes
The spin driver circuit is OK.
No
2. The turntable doesn't rotate. Check around pin 25 on IC801, pins 10 and 11 on IC402, and
CNP402.
Figure 5

XL-MP60
7 – 4
The HF waveform is normal and the time is displayed nor-
mally, but no sound is produced. Or the sound has drop-
outs.
(4) PLL system check.
When a disc is loaded, start play operation.
The HF waveform is normal, but the TOC data cannot be read.
Check the PDOUT waveform. (Figure 6)
Check around pins 26~30 on IC801.
Figure 6
T
FDO
PDOUT1
PDOUT0
Stopped
CH1=500 mV
DC 10:1
CH3=1 V
DC 10:1
CH4=1 V
DC 10:1
500 ms/div
(500 ms/div)
NORM:20 kS/s
1
4
3
=Record Length=
Smoothing : ON CH1 : 0.000 V
CH2 : 0.0 V
Main : 100 K
Zoom : 2 K
Mode : AUTO
Type : EDGE CH2
Delay : 0.0 ns
Hold off : 0.2 µs
CH3 : 0.00 V
CH4 : 0.00 V
BW : FULL
=Trigger==Filter= =Offset=
CH1
v/DIV
500 mV
1999/04/05 17:33:17
(5) Others.
Is pin 35 (C2F) on IC801 "L"? No There are too many error flags on a damaged disc which makes
error correction impossible.
Yes
1. When playing at normal speed.
Check the peripheral circuit at pin 69 (DOUT) on IC801 and the
waveform (Figure 7).
Check again using a known good disc.
If OK, Check the unit.
Figure 7
T
T
DOUT
Stopped
CH1=2 V
DC 10:1
500 ns/div
1999/04/07 09:25:28
(500 ns/div)
NORM:200 MS/s
1
=Record Length=
Smoothing : ON CH1 : 0.00 V
CH2 : 0.00 V
Main : 1 K
Zoom : 100
Mode : NORMAL
Type : EDGE CH1
Delay : 2.887 ms
Hold off : 0.2 µs
CH3 : 0.00 V
CH4 : 0.00 V
BW : FULL
=Trigger==Filter= =Offset=

XL-MP60
8 – 1
XL-MP60 Service Manual
CHAPTER 8. OTHERS
[1] FUNCTION TABLE OF IC
IC402 VHILA6548NH-1: Focus/Tracking/Spin Sled Driver (LA6548NH)
In this unit, the terminal with asterisk mark (*) is (open) terminal which is not connected to the outside.
Pin No. Terminal Name Function
1 VCC1 Power supply (short-circuited with VCC 2, pin 28)
2 MUTE Output ON/OFF
3* VIN1 CH 1, input
4 VG1 CH 1, input (gain setting)
5 VO1+ CH 1, output (+)
6 VO1- CH 1, output (-)
7* NC Not available
8* NC Not available
9 VO2- CH 2, output (-)
10 VO2+ CH 2, output (+)
11 VG2 CH 2, input (gain setting)
12* VIN2 CH 2, input
13 REG_C Connect the collector of the external PNP transistor. 3.3 V regulator output.
14* REG_B Connect the base of the external PNP transistor.
15* RESET RESET output
16* CD Connect RESET delay time setting capacitor.
17* VIN3 CH 3, input (gain setting)
18 VG3 CH 3, input (gain setting)
19 VO3+ CH 3, output (+)
20 VO3- CH 3, output (-)
21* NC Not available
22* NC Not available
23 VO4- CH 4, output (-)
24 VO4+ CH 4, output (+)
25 VG4 CH 4, input (gain setting)
26* VIN4 CH 4, input (gain setting)
27 VREF Apply reference voltage.
28 VCC2 Power supply (short-circuited with VCC 1, pin 1)

XL-MP60
8 – 2
IC402 VHILA6548NH-1: Focus/Tracking/Spin Sled Driver (LA6548NH)
Figure 1 BLOCK DIAGRAM OF IC
1
2
3
4
5
15
16
10
11
12
13
14
FR
6
7
8
9
17
18
27
26
22
21
20
19
23
24
25
28
GND GND
VCC1
MUTE
VIN1
VG1
VO1+
VO1-
(NC)
(NC)
VO2-
VO2+
VG2
VIN2
REG_C
REG_B
VCC2
VREF
VIN4
VG4
VO4+
VO4-
(NC)
(NC)
VO3-
VO3+
VG3
VIN3
CD
RESET
FR
15.4k
LEVEL SHIFT
LEVEL SHIFT
LEVEL SHIFT
LEVEL SHIFT
MUTE(OUTPUT ON/OFF)
3.3VREG
Connect the base of the
external PNP transistor.
Connect the collector of the
external PNP transistor.
3.3V regulator output. RESET
11k
+
-
15.4k
11k
15.4k
11k11k
15.4k
+
-
+
-
+
-
+
-
+
-

XL-MP60
8 – 3
IC701 RH-iXA033SJZZ: System Microcomputer (IXA033SJ)
Pin No. Port Name Input/Output Function
14,89 VSS1,VSS2 - • Power supply (-)
17,46,
72,90
VDD1,VDD2,
VDD3,VDD4
- • Power supply (+)
51 VP - • VFD Power supply (-)
85,86,87,
88,91,92,
93*,94
PORT0 P00 to
P07
I/O • 8bit input/output port
• Data direction programmable in nibble units
• Use of pull-up resistor can be specified in nibble units
• Input for HOLD release
• Input for port 0 interrupt
• 14V withstand at N-channel open drain output
• Other functions
P05: clock output (system clock / can selected from sub clock)
P06: timer 6 toggle output
P07: timer 7 toggle output
1,2,95,96,
97,98,99,
100*
PORT1 P10 to
P17
I/O • 8bit input/output port
• Data direction programmable for each bit
• Use of pull-up resistor can be specified for each bit
• Other pin functions
P10: SIO0 data output
P11: SIO0 data input / bus input / output
P12: SIO0 clock input / output
P13: SIO1 data output
P14: SIO1 data input / bus input / output
P15: SIO1 clock input / output
P16: Timer 1 PWML output
P17: Timer 1 PWMH output / Buzzer output
5*,6*,7,8*,
9*,10*
PORT3 P32 to
P37
I/O • 6bit input/output port
• Data direction can be specified for each bit
• Use of pull-up resistor can be specified for each bit
• 14V withstand at P32 to P35 N-channel open drain output
• Other functions:
P32, P33:
P34 to
P37:
AD input
port:
INT4 input / HOLD release input / Timer 1 event input / Timer 0L capture input / Timer
0H capture input
INT5 input / HOLD release input / Timer 1 event input / Timer 0L capture input / Timer
0H capture input
AN12(P36), AN13(P37)
The following types of interrupt detection are possible:
Rising Falling Rising/
Falling
H level L level
INT4 Yes Yes Yes No No
INT5 Yes Yes Yes No No
26,27*,
28*,29
PORT7 P70 to
P73
I/O • 4bit input/output port
• Data direction can be specified for each bit
• Use of pull-up resistor can be specified for each bit
• Other functions
P70:
P71
P72:
P73:
INT0 input / HOLD release input / Timer0L capture input / Output for watchdog timer
INT1 input / HOLD release input / Timer0H capture input
INT2 input / HOLD release input / Timer 0 event input / Timer0L capture input / High
speed clock counter input
INT3 input(noise rejection filter attached input) / Timer 0 event input /Timer 0H capture
input
AD input port: AN8(P70), AN9(P71)
The following types of interrupt detection are possible:
Rising Falling Rising/
Falling
H level L level
INT0 Yes Yes No Yes Yes
INT1 Yes Yes No Yes Yes
INT2 Yes Yes Yes No No
INT3 Yes Yes Yes No No
18,19,20,
21*,22*,
23,24,25
PORT8 P80 to
P87
I/O • 8bit input/output port
• Input/output can be specified in a bit unit
• Other functions:
AD input port: AN0 to AN7
Weak signal detector input port: MICIN(P87)

XL-MP60
8 – 4
In this unit, the terminal with asterisk mark (*) is (open) terminal which is not connected to the outside.
3* PWM2 I/O • PWM2 output port, general input/output port
• Other functions
PWM2:INT4 input / HOLD release input / Timer 1 event input / Timer0L
capture input / Timer0H capture input
The following types of interrupt detection are possible:
Rising Falling Rising/
Falling
H level L level
INT4 Yes Yes Yes No No
4* PWM3 I/O • PWM3 output port, general input/output port
• Other functions
PWM3:INT4 input / HOLD release input / Timer 1 event input / Timer0L
capture input / Timer0H capture input
The following types of interrupt detection are possible:
Rising Falling Rising/
Falling
H level L level
INT4 Yes Yes Yes No No
30,31,32,
33,34,35,
36,37,38
S0/T0 to S8/
T8
O • Large current output for VFD display controller digit
(can be used for segment)
39,40,
41*,42,43,
44,45
S9/T9 to S15/
T15
O • Large current output for VFD display controller segment/digit
47,48,49,
50,52,53,
54,55
S16 to S23 I/O • Output for VFD display controller segment/digit
• Other functions:
High voltage input port: PC0 to PC7
56,57,58,
59,60,61,
62,63
S24 to S31 I/O • Output for VFD display controller segment
• Other functions:
High voltage input port: PD0 to PD7
64,65,66,
67,68,69,
70,71
S32 to S39 I/O • Output for VFD display controller segment
• Other functions:
High voltage input port: PE0 to PE7
73,74,75,
76,77,78,
79,80
S40 to S47 I/O • Output for VFD display controller segment
• Other functions:
High voltage input/output port: PF0 to PF7
81,82,83,
84
S48 to S51 I/O • Output for VFD display controller segment
• Other functions:
High voltage input/output port: PG0 to PG7
11 RES I Reset terminal
12 XT1 I • Input for 32.768kHz crystal oscillation
• Other functions:
General purpose input port
When not in use, connect to VDD1.
AD input port: AN10
13 XT2 I/O • Output for 32.768kHz crystal oscillation
• Other functions:
General purpose input/output port
When not in use, set to oscillation mode and leave open circuit.
AD input port: AN11
15 CF1 I Input terminal for ceramic oscillator
16 CF2 O Output terminal for ceramic oscillator
Pin No. Port Name Input/Output Function

XL-MP60
8 – 5
IC701 RH-iXA033SJZZ: System Microcomputer (IXA033SJ)
Figure 2 BLOCK DIAGRAM OF IC
S19/PC3
S18/PC2
S17/PC1
S16/PC0
VDD3
S15/T15
S14/T14
S13/T13
S12/T12
S11/T11
S10/T10
S9/T9
S8/T8
S7/T7
S6/T6
S5/T5
S4/T4
S3/T3
S2/T2
S1/T1
S48/PG0
S49/PG1
S50/PG2
S51/PG3
P00
P01
P02
P03
VSS2
VDD2
P04
P05/CKO
P06/T6O
P07/T7O
P10/SO0
P11/SI0/SB0
P12/SCK0
P13/SO1
P14/SI1/SB1
P15/SCK1
P16/T1PWML
P17/T1PWMH/BUZ
PWM2/INT4/T1IN
PWM3/INT4/T1IN
P32/INT4/T1IN
P33/INT4/T1IN
P34/INT5/T1IN
P35/INT5/T1IN
P36/INT5/T1IN/AN12
P37/INT5/T1IN/AN13
RES
XT1/AN10
XT2/AN11
VSS1
CF1
CF2
VDD1
P80/AN0
P81/AN1
P82/AN2
P83/AN3
P84/AN4
P85/AN5
P86/AN6
P87/AN7/MICIN
P70/INT0/T0LCP/AN8
P71/INT1/T0HCP/AN9
P72/INT2/T0IN/NKIN
P73/INT3/T0IN
S0/T0
S47/PF7
S46/PF6
S45/PF5
S44/PF4
S43/PF3
S42/PF2
S41/PF1
S40/PF0
VDD4
S39/PE7
S38/PE6
S37/PE5
S36/PE4
S35/PE3
S34/PE2
S33/PE1
S32/PE0
S31/PD7
S30/PD6
S29/PD5
S28/PD4
S27/PD3
S26/PD2
S25/PD1
S24/PD0
S23/PC7
S22/PC6
S21/PC5
S20/PC4
VP
81
82
83
84
85
86
87
88
89
90
91
92
93
94
95
96
97
98
99
100
50
49
48
47
46
45
44
43
42
41
40
39
38
37
36
35
34
33
32
31
1
2
3
4
5
6
7
8
9
10
11
12
13
14
15
16
17
18
19
20
21
22
23
24
25
26
27
28
29
30
80
79
78
77
76
75
74
73
72
71
70
69
68
67
66
65
64
63
62
61
60
59
58
57
56
55
54
53
52
51

XL-MP60
8 – 6
IC801 VHiLC7890/-1: MP3 Decoder Digital Signal Processor (LC78690)
Pin No. Terminal Name Input/Output Setting in Reset Function
1 EFMIN Input Input RF signal input.
2 RFOUT Output Unfix RF signal output.
3 LPF Output Unfix To LPF capacitor for detecting DC level of RF signal.
4 PHLPF Output Unfix To LPF capacitor for detecting scratch.
5 AIN Input Input A signal input.
6 CIN Input Input C signal input.
7 BIN Input Input B signal input.
8 DIN Input Input D signal input.
9 FEC Output Unfix To LPF capacitor for FE signal.
10* RFMON Output Unfix Monitoring for LSI internal analog signal.
11 VREF Output AVDD/2 VREF voltage output.
12 JITTC Output Unfix For jitter detection capacitor.
13 EIN Input Input E signal input.
14 FIN Input Input F signal input.
15 TEC Output Unfix To LPF capacitor for TE signal.
16 TE Output Unfix TE signal output.
17 TEIN Input Input TE signal input for TES signal generation.
18 LDD Output Unfix Laser power control signal output.
19 LDS Input Input Laser power detection signal input.
20 AVSS - - Analog GND. Connected to 0V.
21 AVDD - - Analog power supply.
22 FDO Output AVDD/2 Focus control signal output. D/A output.
23 TDO Output AVDD/2 Tracking control signal output. D/A output.
24 SLDO Output AVDD/2 Sled control signal output. D/A output.
25 SPDO Output AVDD/2 Spindle control signal output. D/A output.
26 VVSS1 - - For EFM
PLL
GND for built-in VCO. Connected to 0V.
27 PDOUT1 Output Unfix Phase comparison output pin 1 for built-in VCO control.
28 PDOUT0 Output Unfix Phase comparison output pin 0 for built-in VCO control.
29 PCKIST Input Input To resistance for current setting of PDOUT0, 1 output.
30 VVDD1 - - Power supply for built-in VCO
31* DMUTEB Output L DMUTEB (general-purpose) output
32 PUIN Input/Output Input PUIN (general-purpose) input/output (Built-in Pull-Up resistance)
33* DEFECT Output L Scratch detection signal output
34* FSEQ Output L Sync signal output. Switches to "H" when sync signal detected from EFM
signal and sync signal generated internally are the same.
35* C2F Output L C2 error signal output.
36 DVDD - - Digital power supply.
37 DVSS - - Digital GND. Connected to 0V.
38 DVDD1.8 Output H To power supply capacitor for digital circuit.
39 VVDD3 - - Power supply for built-in PLL.
40 VVSS3 - - GND for built-in PLL. Connected to 0V.
41 DVDD - - Digital power supply.
42 DVSS - - Digital GND. Connected to 0V.
43 CE Input Input For micro-
processor
interface
Enable signal input.
44 CL Input Input Data transfer clock input.
45 DI Input Input Data input
46 DO Output (H) Data output (Tri-state output: Built-in Pull-Up resistance)
47 RESB Input - Reset input for this LSI. Set as "L" when turning power on.
48* INTB0 Output H Interrupt signal output pin 0 (Servo section)
49* INTB1 Output H Interrupt signal output pin 1 (Decoder section)
50 CONT2 Input/Output Input General-purpose input/
output pin 2
Controlled by command from microprocessor.
When not in use, set as input and connect to
0V, or set as output and leave open.
51* CONT1 Input/Output Input General-purpose input/
output pin 1
52* CONT0 Input/Output Input General-purpose input/
output pin 0 (Built-in Pull-
Up resistance)
53 TEST0 Input L Input for testing. Connected to 0V.
54 STREQ Input/Output Input Stream data request signal output.
55 STCK Input/Output Input Bit clock input for stream data.
56 STDATA Input/Output Input Stream data input.
57 TEST1 Input L Input for testing. Connected to 0V.
58* DATA Output L L/R channel data output.
59* DATACK Output L Bit clock output

XL-MP60
8 – 7
In this unit, the terminal with asterisk mark (*) is (open) terminal which is not connected to the outside.
60* LRSY Output L L/R ch clock output
61 VVDD2 - - For EFM
PLL
Power supply for built-in VCO
62 VPREF2 Input Input Input for oscillation range setting of built-in VCO.
63 VCOC2 Input Input Input for control voltage setting of built-in VCO.
64 VPDOUT2 Output Unfix Output for controlling built-in VCO.
65 VVSS2 - - GND for built-in VCO. Connected to 0V.
66 DVDD1.8 Output H To power supply capacitor for digital circuit.
67 DVSS - - Digital GND. Connected to 0V.
68 DVDD - - Digital power supply.
69* DOUT Output L Digital OUT output. EIAJ format.
70* AMUTEB Output L AMUTEB (general-purpose) output.
71 XVSS - - Digital GND. Connected to 0V.
72 XOUT Output Oscillator For crystal
oscillation
To 16.9344 MHz oscillator
73 XIN Input Oscillator
74 XVDD - - Digital power supply
75 LCHO Output LRVDD/2 D/A con-
verter
L channel output.
76 LRVDD - - Power supply for LR channel.
77 LRVSS - - GND for LR channel. Connected to 0V.
78 RCHO Output LRVDD/2 R channel output.
79 AVDD - - Analog power supply.
80 SLCO Output Unfix Slice level control output.
Pin No. Terminal Name Input/Output Setting in Reset Function

XL-MP60
8 – 8
IC801 VHiLC7890/-1: MP3 Decoder Digital Signal Processor (LC78690)
Figure 3 BLOCK DIAGRAM OF IC
CLOCK
GENERATOR
ERROR
CORRECTION
SLICE LEVEL
CONTROL
EFMIN
RFOUT
LPF
PHLPF
AIN
CIN
BIN
DIN
FEC
RFMON
VREF
JITTC
EIN
FIN
TEC
TE
TEIN
LDD
LDS
ATTENUATION CONTROL
SERVO
CONTROL
Synchronization
Detection
EFM
Demodulation
RF
TES, HFL,
DEFECT
DO
DI
CL
CE
Audio FLT MUTE
CPU I/F
&
PORT
CONTROL
FDO
TDO
SLDO
SPDO
PDOUT1
PDOUT0
PCKIST
DMUTEB
PUIN
DEFECT
FSEQ
C2F
DVDD1.8
1bit DAC
8FS DIGITAL FILTER
DEEMPHASIS
INTERPOLATION MUTE
MP3 & WMA
DECODER
Memory I/F
ROM
DECODER
Memory
1M
Stream
I/F
AUDIO
I/F
PLL3
PLL2
DOUT
SLCO
AVDD
RCHO
LRVSS
LRVDD
LCHO
XVDD
XIN
XOUT
XVSS
AMUTEB
DOUT
DVDD
DVSS
DVDD1.8
VVSS2
VPDOUT2
VCOC2
VPREF2
VVDD2
LRSY
DATACK
DATA
TEST1
STDATA
STCK
STREQ
TEST0
CONT0
CONT1
CONT2
INTB1
INTB0
RESB
DVSS
DVDD
VVSS3
VVDD3
DVSS
DVDD
SUBCODE DECODE
VVDD1
VVSS1
AVDD
AVSS
LPF
SIGNAL
PROCESSOR
VREF
MONITOR
JITTER
APC
A/D
D/A
CD PLL
TEXT
1
2
3
4
5
6
7
8
9
10
11
12
13
14
15
16
17
18
19
20
21 22 23 24 25 26 27 28 29 30 31 32 33 34 35 36 37 38 39 40
60
59
58
57
56
55
54
53
52
51
50
49
48
47
46
45
44
43
42
41
80 79 78 77 76 75 74 73 72 71 70 69 68 67 66 65 64 63 62 61

XL-MP60
8 – 9
[2] FL DISPLAY
VFD701 VVK251116//-1
GRID ASSIGNMENT
ANODE CONNECTION
OUTER DRAWING
PIN CONNECTION

PARTS GUIDE
MICRO COMPONENT SYSTEM
MODEL
SHARP CORPORATION
CONTENTS
Parts marked with " " are important for maintaining the safety of the set. Be sure to replace these
parts with specified ones for maintaining the safety and performance of the set.
This document has been published to be used
for after sales service only.
The contents are subject to change without notice.
XL-MP60
XL-MP60
XL-MP60 Micro Component System consisting of XL-MP60
(main unit), CP-MP60F (front speakers) and CP-MP60SW
(subwoofer).
[1] INTEGRATED CIRCUITS
[2] TRANSISTORS
[3] DIODES
[4] FILTERS
[5] TRANSFORMERS
[6] COILS
[7] VIBRATORS
[8] CAPACITORS
[9] RESISTORS
[10] OTHER CIRCUITRY PARTS
[11] CHANGER MECHANISM PARTS
[12] CABINET PARTS
[13] SPEAKER BOX PARTS
[14] PACKING PARTS
[15] ACCESSORIES
[16] P.W.B. ASSEMBLY (Not
Replacement Item)
[17] OTHER SERVICE PARTS
INDEX

XL-MP60
2
NO. PARTS CODE PRICE
RANK
NEW
MARK
PART
RANK DESCRIPTION
[1] INTEGRATED CIRCUITS
IC101 VHILM4781TA-1 AZ Power Amp.,LM4781TA
IC201 VHIKIA7805API AF Voltage Regulator,KIA7805API
IC202 VHIKIA7812API AE Voltage Regulator,KIA7812API
IC203 VHIKIA7808API AF Voltage Regulator,KIA7808API
IC301 VHILV23002M-1 AS FM FRONT END/PLL (Tuner)/FM IF Det./FM Mpx./AM IF,
IC402 VHILA6548NH-1 AL Focus/Tracking/Spin/Sled Driver,LA6548NH
IC601 VHILC75341M-1 AM Audio Processor,LC75341M
IC602 VHINJM4558D-1 AH Buffer,NJM4558D or AN4558
IC701 RH-IXA033SJZZ BF System Microcomputer,IXA033SJ
IC801 VHILC78690/-1 BE MP3 Decoder Digital Signal Processor,LC78690
[2] TRANSISTORS
Q101 VS2HC1815GR-1 AB Silicon,NPN,2HC1815 GR
Q102 VS2HC1815GR-1 AB Silicon,NPN,2HC1815 GR
Q103 VS2HC1815GR-1 AB Silicon,NPN,2HC1815 GR
Q107 VS2HC1815GR-1 AB Silicon,NPN,2HC1815 GR
Q108 VS2HC1815GR-1 AB Silicon,NPN,2HC1815 GR
Q109 VS2HC1815GR-1 AB Silicon,NPN,2HC1815 GR
Q110 VSKRA107M//-1 AE Digital,PNP,KRA107 M
Q111 VSKRC107M//-1 AC Digital,NPN,KRC107 M
Q112 VS2HC1815GR-1 AB Silicon,NPN,2HC1815 GR
Q113 VS2HC1815GR-1 AB Silicon,NPN,2HC1815 GR
Q114 VS2HC1815GR-1 AB Silicon,NPN,2HC1815 GR
Q201 VS2HA1015GR-1 AB Silicon,PNP,2HA1015 GR
Q202 VS2SC535-C/-1 AC Silicon,NPN,2SC535 C
Q203 VSKTC3200GR-1 AC Silicon,NPN,KTC3200 GR
Q204 VS2HA1015GR-1 AB Silicon,PNP,2HA1015 GR
Q205 VS2HC1815GR-1 AB Silicon,NPN,2HC1815 GR
Q302 VS2SC5477++-1 AD Silicon,NPN,2SC5477++
Q303 VS2SC5477++-1 AD Silicon,NPN,2SC5477++
Q413 VS2SB562-C/-1 AD Silicon,PNP,2SB562 C
Q414 VS2HC1815GR-1 AB Silicon,NPN,2HC1815 GR
Q502 VSKRC107M//-1 AC Digital,NPN,KRC107 M
Q503 VS2SB562-C/-1 AD Silicon,PNP,2SB562 C
Q504 VSKTC3203Y/-1 AC Silicon,NPN,KTC3203 Y
Q505 VSKTA1271Y/-1 AC Silicon,PNP,KTA1271 Y
Q506 VS2HC1815GR-1 AB Silicon,NPN,2HC1815 GR
Q507 VS2HC1815GR-1 AB Silicon,NPN,2HC1815 GR
Q508 VSKTA1271Y/-1 AC Silicon,PNP,KTA1271 Y
Q509 VSKTC3203Y/-1 AC Silicon,NPN,KTC3203 Y
Q510 VSKTC3203Y/-1 AC Silicon,NPN,KTC3203 Y
Q511 VSKTC3203Y/-1 AC Silicon,NPN,KTC3203 Y
Q702 VSKRC102M//-1 AC Digital,NPN,KRC102 M
Q703 VS2HC1815GR-1 AB Silicon,NPN,2HC1815 GR
Q704 VS2HC1815GR-1 AB Silicon,NPN,2HC1815 GR
Q705 VS2HC1815GR-1 AB Silicon,NPN,2HC1815 GR
Q801 VS2SA1235F+-1 AD Silicon,PNP,2SA1235 F+
Q802 VSKTC3203Y/-1 AC Silicon,NPN,KTC3203 Y
Q805 VS2HC1815GR-1 AB Silicon,NPN,2HC1815 GR
Q806 VS2SB562-C/-1 AD Silicon,PNP,2SB562 C
[3] DIODES
D104 VHD1N4004//-1 AB Silicon,1N4004
D105 VHD1N4004//-1 AB Silicon,1N4004
D106 VHD1N4004//-1 AB Silicon,1N4004
D107 VHD1N4004//-1 AB Silicon,1N4004
D108 VHD1N4148//-1 AA Silicon,1N4148
D109 VHD1N4004//-1 AB Silicon,1N4004
D110 VHD1N4004//-1 AB Silicon,1N4004
!
D201 VHDTS6B04GM-1 AP Silicon,TS6B04GM-1
!
D205 VHD1N4004//-1 AB Silicon,1N4004
!
D206 VHD1N4004//-1 AB Silicon,1N4004
!
D207 VHD1N4004//-1 AB Silicon,1N4004
!
D208 VHD1N4004//-1 AB Silicon,1N4004
D209 VHD1N4004//-1 AB Silicon,1N4004
D210 VHD1N4004//-1 AB Silicon,1N4004
D211 VHD1N4004//-1 AB Silicon,1N4004
D212 VHD1N4004//-1 AB Silicon,1N4004
D213 VHD1N4004//-1 AB Silicon,1N4004
D214 VHD1N4004//-1 AB Silicon,1N4004
D215 VHD1N4004//-1 AB Silicon,1N4004
D217 VHD1N4148//-1 AA Silicon,1N4148
D302 VHD1SS133//-1 AA Silicon,1SS133
D303 VHD1SS133//-1 AA Silicon,1SS133
D305 VHCSVC347S/-1 AG Variable Capacitance,SVC347S
D306 VHCSVC201//-1 AE Variable Capacitance,SVC201
D307 VHCSVC201//-1 AE Variable Capacitance,SVC201
D308 VHEMTZJ3R6B-1 AC Zener,3.6V,MTZJ3.6B
D310 VHEDZH05C2+-1 AB Zener,5.1V,DZH05C2+
D604 VHD1N4148//-1 AA Silicon,1N4148
D605 VHD1N4148//-1 AA Silicon,1N4148
D701 VHD1N4004//-1 AB Silicon,1N4004
D702 VHD1N4148//-1 AA Silicon,1N4148
D703 VHD1N4148//-1 AA Silicon,1N4148

XL-MP60
3
NO. PARTS CODE PRICE
RANK
NEW
MARK
PART
RANK DESCRIPTION
D704 VHD1N4148//-1 AA Silicon,1N4148
D705 VHD1N4148//-1 AA Silicon,1N4148
D706 VHD1N4004//-1 AB Silicon,1N4004
D708 VHD1N4004//-1 AB Silicon,1N4004
D709 VHD1N4148//-1 AA Silicon,1N4148
D710 VHD1N4148//-1 AA Silicon,1N4148
LED701 VHPLP3052A+-1 AC LED,Red,LP3052A+
ZD101 VHEDZH06B2+-1 AB Zener,6.2V,DZH06B2+
ZD201 VHEDZH3001+-1 AB Zener,30V,DZH3001+
ZD202 VHEDZH06C2+-1 AB Zener,6.2V,DZH06C2+
ZD502 VHEDZH06B2+-1 AB Zener,6.2V,DZH06B2+
ZD701 VHEDZH03C3+-1 AB Zener,3.3V,DZH03C3+
ZD801 VHEDZH05C2+-1 AB Zener,5.1V,DZH05C2+
ZD802 VHEDZH04B2+-1 AB Zener,3.9V,DZH04B2+
[4] FILTERS
BF301 RFILRA001SJZZ AD Band Pass Filter
CF301 RFILFA001SJZZ AE FM IF
CF302 RFILF0003AWZZ AK FM IF
CF303 RFILFA001SJZZ AE FM IF
CF304 RFILA0003SJZZ AF AM IF
[5] TRANSFORMERS
!
T201 RTRNPA031SJZZ BA Power
[6] COILS
L103 VP-DH100K0000 AB 10 µ H,Choke
L105 VP-DH2R2K0000 AB 2.2 µ H,Peaking
L301 VP-DH1R0K0000 AC 1 µ H
L302 RCILAA002SJZZ AC AM Antenna
L303 VP-DH100K0000 AB 10 µ H,Choke
L304 RCILRA001SJZZ AA FM RF
L305 RCILIA001SJZZ AC AM IF
L306 RCILBA006SJZZ AC AM OSC.
L307 RCILBA004SJZZ AD FM OSC.
L308 VP-DH470K0000 AB 47 µ H,Choke
L502 VP-DHR82K0000 AE 0.82 µ H,Choke
L503 VP-DHR82K0000 AE 0.82 µ H,Choke
L601 VP-DH2R2K0000 AB 2.2 µ H,Peaking
L701 VP-DHR82K0000 AE 0.82 µ H,Choke
L702 RBLN-A003SJZZ AB Ferrite Bead,1 kohms
L703 VP-DHR82K0000 AE 0.82 µ H,Choke
L704 VP-DHR82K0000 AE 0.82 µ H,Choke
L705 VP-DHR82K0000 AE 0.82 µ H,Choke
L706 VP-DHR82K0000 AE 0.82 µ H,Choke
L707 VP-DHR82K0000 AE 0.82 µ H,Choke
L708 VP-DHR82K0000 AE 0.82 µ H,Choke
L802 VP-DHR82K0000 AE 0.82 µ H,Choke
L803 VP-DHR82K0000 AE 0.82 µ H,Choke
L804 VP-DHR82K0000 AE 0.82 µ H,Choke
L807 VP-DHR82K0000 AE 0.82 µ H,Choke
L808 RBLN-A003SJZZ AB Ferrite Bead,1 kohms
L809 RBLN-A003SJZZ AB Ferrite Bead,1 kohms
L810 VP-DHR82K0000 AE 0.82 µ H,Choke
L811 RBLN-A005SJZZ AB 220 ohms (100MHz)
L812 RBLN-A005SJZZ AB 220 ohms (100MHz)
[7] VIBRATORS
X301 RCRSPA006SJZZ AF Crystal,75 kHz
X701 RCRSPA007SJZZ AE Crystal,32.768 kHz
X702 RCRM-0008SJZZ AG Ceramic,8 MHz
X801 RCRSPA002SJZZ AE Crystal,16.9344 MHz
[8] CAPACITORS
C101 VCKYCY1HB221K AA 220 pF,50V
C102 VCKYCY1HB221K AA 220 pF,50V
C103 VCKYCY1HB221K AA 220 pF,50V
C104 RC-GZA105AF1H AB 1 µ F,50V,Electrolytic
C105 RC-GZA105AF1H AB 1 µ F,50V,Electrolytic
C106 RC-GZA105AF1H AB 1 µ F,50V,Electrolytic
C107 RC-GZA106AF1H AB 10 µ F,50V,Electrolytic
C108 RC-GZA106AF1H AB 10 µ F,50V,Electrolytic
C109 RC-GZA106AF1H AB 10 µ F,50V,Electrolytic
C117 RC-GZA476AF1H AB 47 µ F,50V,Electrolytic
C119 VCKYPA1HF223Z AB 0.022 µ F,50V
C120 VCKYPA1HF223Z AB 0.022 µ F,50V
C121 VCKYPA1HF223Z AB 0.022 µ F,50V
C122 VCKYPA1HF223Z AB 0.022 µ F,50V
C123 VCKYPA1HF223Z AB 0.022 µ F,50V
C124 VCKYPA1HF223Z AB 0.022 µ F,50V
C125 VCFYFA1HA104J AC 0.1 µ F,50V,Thin Film
C126 VCFYFA1HA104J AC 0.1 µ F,50V,Thin Film
C127 VCFYFA1HA104J AC 0.1 µ F,50V,Thin Film
C128 VCFYFA1HA104J AC 0.1 µ F,50V,Thin Film
[3] DIODES

XL-MP60
4
NO. PARTS CODE PRICE
RANK
NEW
MARK
PART
RANK DESCRIPTION
C129 VCFYFA1HA104J AC 0.1 µ F,50V,Thin Film
C130 VCFYFA1HA104J AC 0.1 µ F,50V,Thin Film
C131 VCKYPA1HB472K AB 0.0047 µ F,50V
C132 VCKYPA1HB472K AB 0.0047 µ F,50V
C133 VCKYPA1HB472K AB 0.0047 µ F,50V
C134 RC-GZA106AF1C AB 10 µ F,16V,Electrolytic
C135 RC-EZ3001SJZZ AB 100 µ F,35V,Electrolytic
C136 RC-EZ3001SJZZ AB 100 µ F,35V,Electrolytic
C137 VCKYPA1HB104K AC 0.1 µ F,50V
C138 VCKYPA1HB104K AC 0.1 µ F,50V
C139 RC-GZA476AF1H AB 47 µ F,50V,Electrolytic
C140 VCKYCY1HB222K AA 0.0022 µ F,50V
C141 RC-GZA335AF1C AB 3.3 µ F,16V,Electrolytic
C142 RC-GZA476AF1H AB 47 µ F,50V,Electrolytic
C201 RC-GZA476AF1H AB 47 µ F,50V,Electrolytic
C203 VCFYFA1HA104J AC 0.1 µ F,50V,Thin Film
C204 VCFYFA1HA104J AC 0.1 µ F,50V,Thin Film
C205 VCFYFA1HA104J AC 0.1 µ F,50V,Thin Film
C206 VCFYFA1HA104J AC 0.1 µ F,50V,Thin Film
C207 RC-GZV227AF1H AC 220 µ F,50V,Electrolytic
C208 RC-GZA476AF1H AB 47 µ F,50V,Electrolytic
C209 RC-GZV337AF1V AB 330 µ F,35V,Electrolytic
C210 RC-GZA107AF1H AC 100 µ F,50V,Electrolytic
C211 RC-GZW478AF1V AH 4700 µ F,35V,Electrolytic
C212 RC-GZW478AF1V AH 4700 µ F,35V,Electrolytic
C213 VCKYPA1HF473Z AB 0.047 µ F,50V
C214 RC-GZW688AF1E AH 6800 µ F,25V,Electrolytic
C215 VCKYCY1HB473K AB 0.047 µ F,50V
C216 VCKYPA1HF223Z AB 0.022 µ F,50V
C217 RC-GZA477AF1C AC 470 µ F,16V,Electrolytic
C218 VCKYCY1HF223Z AA 0.022 µ F,50V
C219 VCKYPA1HF223Z AB 0.022 µ F,50V
C220 RC-GZA227AF1E AB 220 µ F,25V,Electrolytic
C221 VCFYFA1HA473J AB 0.047 µ F,50V,Thin Film
C222 RC-GZA476AF1H AB 47 µ F,50V,Electrolytic
C223 RC-GZA476AF1H AB 47 µ F,50V,Electrolytic
C224 RC-GZA106AF1H AB 10 µ F,50V,Electrolytic
C225 RC-GZA107AF1H AC 100 µ F,50V,Electrolytic
C226 RC-GZA107AF1H AC 100 µ F,50V,Electrolytic
C301 VCKYCY1HB102K AA 0.001 µ F,50V
C302 RC-GZA105AF1H AB 1 µ F,50V,Electrolytic
C303 VCKYCY1HF104Z AB 0.1 µ F,50V
C305 VCCCPA1HH120J AA 12 pF (CH),50V
C306 VCKYCY1EB103K AA 0.01 µ F,25V
C307 VCCUPA1HJ100D AA 10 pF (UJ),50V
C308 VCKYCY1EB183K AB 0.018 µ F,25V
C309 VCKYPA1HB102J AA 0.001 µ F,50V
C310 VCCUPA1HJ270J AA 27 pF (UJ),50V
C311 VCKYPA1HB561K AA 560 pF,50V
C312 VCKYCY1EB153K AA 0.015 µ F,25V
C313 VCKYCY1HF104Z AB 0.1 µ F,50V
C314 VCKYCY1EB103K AA 0.01 µ F,25V
C315 RC-GZA226AF1H AB 22 µ F,50V,Electrolytic
C316 VCCCPA1HH330J AA 33 pF (CH),50V
C317 VCKYPA1HB102J AA 0.001 µ F,50V
C318 VCKYCY1EB103K AA 0.01 µ F,25V
C319 RC-GZA105AF1H AB 1 µ F,50V,Electrolytic
C320 VCCCCY1HH101J AA 100 pF (CH),50V
C321 RC-GZA334AF1H AA 0.33 µ F,50V,Electrolytic
C322 RC-GZA105AF1H AB 1 µ F,50V,Electrolytic
C323 RC-GZA105AF1H AB 1 µ F,50V,Electrolytic
C324 RC-GZA105AF1H AB 1 µ F,50V,Electrolytic
C325 RC-GZA226AF1H AB 22 µ F,50V,Electrolytic
C326 VCKYCY1HF104Z AB 0.1 µ F,50V
C327 VCKYCY1EB103K AA 0.01 µ F,25V
C328 RC-GZA105AF1H AB 1 µ F,50V,Electrolytic
C329 VCKYCY1EB333K AC 0.033 µ F,25V
C330 RC-GZA226AF1H AB 22 µ F,50V,Electrolytic
C331 VCKYCY1EB103K AA 0.01 µ F,25V
C332 VCKYCY1HB102K AA 0.001 µ F,50V
C333 RC-GZA475AF1H AB 4.7 µ F,50V,Electrolytic
C334 VCCCCY1HH101J AA 100 pF (CH),50V
C335 RC-GZA226AF1H AB 22 µ F,50V,Electrolytic
C336 VCCCCY1HH101J AA 100 pF (CH),50V
C337 VCCCCY1HH101J AA 100 pF (CH),50V
C339 VCKYCY1HF103Z AB 0.01 µ F,50V
C340 VCKYCY1HF104Z AB 0.1 µ F,50V
C341 VCCCCY1HH100J AA 10 pF (CH),50V
C342 VCCCCY1HH100J AA 10 pF (CH),50V
C343 VCCSCY1HL5R0C AD 5 pF,50V
C344 VCCCPA1HH330J AA 33 pF (CH),50V
C345 VCCUPA1HJ5R0C AA 5 pF (UJ),50V
C346 RC-GZA476AF1H AB 47 µ F,50V,Electrolytic
C347 VCKYCY1HB473K AB 0.047 µ F,50V
C348 VCKYCY1HB223K AA 0.022 µ F,50V
[8] CAPACITORS

XL-MP60
5
NO. PARTS CODE PRICE
RANK
NEW
MARK
PART
RANK DESCRIPTION
C349 VCKYCY1HB472K AA 0.0047 µ F,50V
C506 RC-EZD476AF1C AC 47 µ F,16V,Electrolytic
C515 VCKYCY1EF223Z AB 0.022 µ F,25V
C601 RC-GZA106AF1H AB 10 µ F,50V,Electrolytic
C602 RC-GZA106AF1H AB 10 µ F,50V,Electrolytic
C603 RC-GZA106AF1H AB 10 µ F,50V,Electrolytic
C604 RC-GZA476AF1H AB 47 µ F,50V,Electrolytic
C605 RC-GZA106AF1H AB 10 µ F,50V,Electrolytic
C606 RC-GZA106AF1H AB 10 µ F,50V,Electrolytic
C607 RC-GZA105AF1H AB 1 µ F,50V,Electrolytic
C608 RC-GZA105AF1H AB 1 µ F,50V,Electrolytic
C609 RC-GZA105AF1H AB 1 µ F,50V,Electrolytic
C610 RC-GZA105AF1H AB 1 µ F,50V,Electrolytic
C611 VCKYPA1HB272K AA 0.0027 µ F,50V
C612 VCKYPA1HB272K AA 0.0027 µ F,50V
C613 VCFYFA1HA104J AC 0.1 µ F,50V,Thin Film
C614 VCFYFA1HA104J AC 0.1 µ F,50V,Thin Film
C615 RC-GZA225AF1C AC 2.2 µ F,16V,Electrolytic
C616 RC-GZA225AF1C AC 2.2 µ F,16V,Electrolytic
C617 RC-GZA336AF1C AB 33 µ F,16V,Electrolytic
C618 RC-GZA107AF1H AC 100 µ F,50V,Electrolytic
C619 VCKYCY1HB221K AA 220 pF,50V
C620 VCKYCY1HB221K AA 220 pF,50V
C621 VCKYPA1HB221K AA 220 pF,50V
C622 VCKYPA1HB104K AC 0.1 µ F,50V
C623 VCKYPA1HB104K AC 0.1 µ F,50V
C624 RC-GZA106AF1H AB 10 µ F,50V,Electrolytic
C625 RC-GZA106AF1H AB 10 µ F,50V,Electrolytic
C629 RC-GZA106AF1H AB 10 µ F,50V,Electrolytic
C635 VCQYKA1JM224J AC 0.22 µ F,63V,Mylar
C636 VCKYCY1HB332K AA 0.0033 µ F,50V
C639 RC-GZA476AF1H AB 47 µ F,50V,Electrolytic
C640 RC-GZA107AF1H AC 100 µ F,50V,Electrolytic
C651 VCQYKA1JM274J AC 0.27 µ F,63V,Mylar
C652 RC-GZA106AF1H AB 10 µ F,50V,Electrolytic
C653 RC-GZA476AF1H AB 47 µ F,50V,Electrolytic
C656 RC-GZA106AF1H AB 10 µ F,50V,Electrolytic
C657 VCKYCY1EF473Z AB 0.047 µ F,25V
C658 VCKYCY1HB221K AA 220 pF,50V
C659 VCKYCY1HB104K AD 0.1 µ F,50V
C701 VCKYCY1EB104K AD 0.1 µ F,25V
C702 VCKYCY1EB104K AD 0.1 µ F,25V
C703 VCCCCY1HH240J AA 24 pF,50V
C704 VCCCCY1HH240J AA 24 pF,50V
C705 VCKYCY1EB104K AD 0.1 µ F,25V
C706 RC-EZD227AF1A AC 220 µ F,10V,Electrolytic
C707 VCKYCY1EB104K AD 0.1 µ F,25V
C708 VCCSCY1HL101J AA 100 pF,50V
C709 RC-EZD107AF1C AC 100 µ F,16V,Electrolytic
C710 VCKYCY1EF473Z AB 0.047 µ F,25V
C711 VCKYCY1EB104K AD 0.1 µ F,25V
C712 RC-EZD336AF1C AB 33 µ F,16V,Electrolytic
C713 VCKYCY1EB103K AA 0.01 µ F,25V
C714 VCKYCY1HB102K AA 0.001 µ F,50V
C715 VCKYCY1HB102K AA 0.001 µ F,50V
C716 RC-EZD476AF1C AC 47 µ F,16V,Electrolytic
C720 VCKYPA1HB331K AA 330 pF,50V
C721 VCKYCY1EF223Z AB 0.022 µ F,25V
C722 VCKYCY1EF223Z AB 0.022 µ F,25V
C801 VCKYCY1EF104Z AA 0.1 µ F,25V
C802 RC-EZD336AF1C AB 33 µ F,16V,Electrolytic
C803 VCKYCY1EF104Z AA 0.1 µ F,25V
C804 VCKYCY1EF104Z AA 0.1 µ F,25V
C805 RC-EZD477AF1A AB 470 µ F,10V,Electrolytic
C806 VCKYCY1EF104Z AA 0.1 µ F,25V
C807 RC-EZD107AF1C AC 100 µ F,16V,Electrolytic
C808 VCKYCY1EF104Z AA 0.1 µ F,25V
C809 VCKYCY1HB102K AA 0.001 µ F,50V
C810 RC-EZD474AF1C AA 0.47 µ F,16V,Electrolytic
C811 VCKYCY1EF104Z AA 0.1 µ F,25V
C812 VCKYPA1HF473Z AB 0.047 µ F,50V
C813 VCKYCY1EF103Z AA 0.01 µ F,25V
C814 VCKYCY1EF473Z AB 0.047 µ F,25V
C815 VCKYCY1EB563K AD 0.056 µ F,25V
C816 RC-EZD107AF1C AC 100 µ F,16V,Electrolytic
C817 VCKYPA1EF103Z AA 0.01 µ F,25V
C818 VCKYPA1HB563K AC 0.056 µ F,50V
C819 VCKYCY1EF104Z AA 0.1 µ F,25V
C820 VCKYCY1EF103Z AA 0.01 µ F,25V
C821 VCKYCY1HB472K AA 0.0047 µ F,50V
C822 RC-EZD107AF1C AC 100 µ F,16V,Electrolytic
C823 RC-EZD106AF1C AB 10 µ F,16V,Electrolytic
C824 RC-EZD106AF1C AB 10 µ F,16V,Electrolytic
C825 RC-EZD105AF1C AB 1 µ F,16V,Electrolytic
C826 VCKYCY1EF473Z AB 0.047 µ F,25V
[8] CAPACITORS

XL-MP60
6
NO. PARTS CODE PRICE
RANK
NEW
MARK
PART
RANK DESCRIPTION
C827 VCKYCY1EF104Z AA 0.1 µ F,25V
C828 VCKYCY1EF104Z AA 0.1 µ F,25V
C829 VCCCCY1HH100J AA 10 pF (CH),50V
C830 VCKYCY1HB104K AD 0.1 µ F,50V
C831 VCCCCY1HH100J AA 10 pF (CH),50V
C832 VCKYCY1HB104K AD 0.1 µ F,50V
C833 VCKYCY1HB104K AD 0.1 µ F,50V
C834 RC-EZD105AF1C AB 1 µ F,16V,Electrolytic
C835 VCKYCY1HB104K AD 0.1 µ F,50V
C836 RC-EZD107AF1C AC 100 µ F,16V,Electrolytic
C837 RC-EZD107AF1C AC 100 µ F,16V,Electrolytic
C838 RC-EZD107AF1C AC 100 µ F,16V,Electrolytic
C839 VCKYCY1HB104K AD 0.1 µ F,50V
C840 VCKYCY1HB104K AD 0.1 µ F,50V
C841 VCKYCY1HB104K AD 0.1 µ F,50V
C842 VCKYCY1HB101K AB 100 pF,50V
C843 VCKYPA1HB101K AA 100 pF,50V
C845 VCKYPA1HB101K AA 100 pF,50V
C846 VCCSCY1HL101J AA 100 pF,50V
C847 VCKYPA1HB101K AA 100 pF,50V
C848 RC-EZD477AF1A AB 470 µ F,10V,Electrolytic
C849 VCKYCY1EF104Z AA 0.1 µ F,25V
C850 RC-EZD477AF1A AB 470 µ F,10V,Electrolytic
C851 VCKYCY1EF104Z AA 0.1 µ F,25V
C852 VCKYPA1HB104K AC 0.1 µ F,50V
C853 VCKYCY1HB562K AA 0.0056 µ F,50V
C854 VCKYPA1HB104K AC 0.1 µ F,50V
C855 VCKYCY1EF223Z AB 0.022 µ F,25V
C856 VCKYPA1EF103Z AA 0.01 µ F,25V
C857 VCKYPA1HF223Z AB 0.022 µ F,50V
[9] RESISTORS
JR303 VRS-CY1JB000J AA 0 ohm,Jumper,0.8x1.55mm,Green
JR304 VRS-CY1JB000J AA 0 ohm,Jumper,0.8x1.55mm,Green
R101 VRS-CY1JB102J AA 1 kohm,1/16W
R102 VRS-CY1JB102J AA 1 kohm,1/16W
R103 VRD-ST2CD102J AA 1 kohm,1/6W
R104 VRS-CY1JB103J AA 10 kohm,1/16W
R105 VRS-CY1JB103J AA 10 kohm,1/16W
R106 VRS-CY1JB103J AA 10 kohm,1/16W
R107 VRS-CY1JB222J AA 2.2 kohms,1/16W
R108 VRS-CY1JB222J AA 2.2 kohms,1/16W
R109 VRS-CY1JB102J AA 1 kohm,1/16W
R110 VRS-CY1JB102J AA 1 kohm,1/16W
R111 VRD-ST2CD102J AA 1 kohm,1/6W
R112 VRS-CY1JB102J AA 1 kohm,1/16W
R116 VRS-CY1JB393J AA 39 kohms,1/16W
R117 VRS-CY1JB393J AA 39 kohms,1/16W
R118 VRS-CY1JB393J AA 39 kohms,1/16W
R119 VRD-ST2EE123J AA 12 kohms,1/4W
R122 VRS-CY1JB223J AA 22 kohms,1/16W
R123 VRD-ST2CD223J AA 22 kohms,1/6W
R124 VRD-ST2CD223J AA 22 kohms,1/6W
R134 VRD-ST2EE6R8J AA 6.8 ohms,1/4W
R135 VRD-ST2EE6R8J AA 6.8 ohms,1/4W
R136 VRD-ST2EE6R8J AA 6.8 ohms,1/4W
R137 VRS-CY1JB563J AA 56 kohms,1/16W
R138 VRS-CY1JB563J AA 56 kohms,1/16W
R139 VRS-CY1JB563J AA 56 kohms,1/16W
R140 VRD-ST2CD104J AA 100 kohm,1/6W
R141 VRD-ST2CD104J AA 100 kohm,1/6W
R142 VRD-ST2CD104J AA 100 kohm,1/6W
R143 VRD-ST2EE4R7J AA 4.7 ohms,1/4W
R144 VRD-ST2EE4R7J AA 4.7 ohms,1/4W
R145 VRD-ST2EE4R7J AA 4.7 ohms,1/4W
R146 VRD-ST2EE391J AA 390 ohms,1/4W
R147 VRD-ST2EE391J AA 390 ohms,1/4W
R149 VRD-ST2EE221J AA 220 ohms,1/4W
R150 VRD-ST2EE221J AA 220 ohms,1/4W
R151 VRS-CY1JB331J AA 330 ohms,1/16W
R154 VRS-CY1JB682J AA 6.8 kohms,1/16W
R155 VRD-ST2EE332J AA 3.3 kohms,1/4W
R156 VRS-CY1JB562J AA 5.6 kohms,1/16W
R157 VRS-CY1JB183J AA 18 kohms,1/16W
R159 VRS-CY1JB473J AA 47 kohms,1/16W
R160 VRD-ST2CD221J AA 220 ohms,1/6W
R161 VRS-CY1JB472J AA 4.7 kohms,1/16W
R162 VRD-ST2EE472J AA 4.7 kohms,1/4W
R163 VRD-ST2CD223J AA 22 kohms,1/6W
R202 VRS-CY1JB223J AA 22 kohms,1/16W
R203 VRD-ST2EE100J AA 10 ohm,1/4W
R204 VRD-ST2CD473J AA 47 kohms,1/6W
R205 VRD-ST2CD123J AA 12 kohms,1/6W
R206 VRD-ST2CD331J AA 330 ohms,1/6W
R207 VRD-ST2CD331J AA 330 ohms,1/6W
[8] CAPACITORS

XL-MP60
7
NO. PARTS CODE PRICE
RANK
NEW
MARK
PART
RANK DESCRIPTION
R208 VRD-ST2CD103J AA 10 kohm,1/6W
R209 VRS-CY1JB223J AA 22 kohms,1/16W
R210 VRS-CY1JB332J AA 3.3 kohms,1/16W
R211 VRS-CY1JB103J AA 10 kohm,1/16W
R212 VRS-CY1JB223J AA 22 kohms,1/16W
R213 VRS-CY1JB474J AA 470 kohms,1/16W
R214 VRS-VV3AA560J AB 56 ohms,1W
R215 VRS-CY1JB332J AA 3.3 kohms,1/16W
R216 VRS-CY1JB273J AA 27 kohms,1/16W
R218 VRD-RT2HD620J AA 62 ohms,1/2W
R219 VRD-RT2HD620J AA 62 ohms,1/2W
R302 VRD-ST2CD100J AA 10 ohm,1/6W
R303 VRD-ST2CD104J AA 100 kohm,1/6W
R304 VRS-CY1JB104J AA 100 kohm,1/16W
R305 VRS-CY1JB104J AA 100 kohm,1/16W
R306 VRS-CY1JB100J AA 10 ohm,1/16W
R307 VRS-CY1JB222J AA 2.2 kohms,1/16W
R308 VRS-CY1JB102J AA 1 kohm,1/16W
R309 VRS-CY1JB000J AA 0 ohm,Jumper,0.8x1.55mm,Green
R310 VRD-ST2CD104J AA 100 kohm,1/6W
R311 VRD-ST2CD102J AA 1 kohm,1/6W
R312 VRS-CY1JB332J AA 3.3 kohms,1/16W
R313 VRS-CY1JB103J AA 10 kohm,1/16W
R314 VRS-CY1JB472J AA 4.7 kohms,1/16W
R315 VRS-CY1JB472J AA 4.7 kohms,1/16W
R316 VRS-CY1JB103J AA 10 kohm,1/16W
R317 VRS-CY1JB273J AA 27 kohms,1/16W
R318 VRS-CY1JB273J AA 27 kohms,1/16W
R319 VRS-CY1JB104J AA 100 kohm,1/16W
R320 VRS-CY1JB473J AA 47 kohms,1/16W
R321 VRS-CY1JB102J AA 1 kohm,1/16W
R323 VRD-ST2CD391J AA 390 ohms,1/6W
R325 VRD-ST2EE510J AA 51 ohms,1/4W
R327 VRS-CY1JB221J AA 220 ohms,1/16W
R328 VRS-CY1JB104J AA 100 kohm,1/16W
R329 VRS-CY1JB331J AA 330 ohms,1/16W
R331 VRS-CY1JB330J AA 33 ohms,1/16W
R332 VRS-CY1JB222J AA 2.2 kohms,1/16W
R333 VRS-CY1JB681J AA 680 ohms,1/16W
R334 VRS-CY1JB331J AA 330 ohms,1/16W
R335 VRD-ST2EE471J AA 470 ohms,1/4W
R336 VRS-CY1JB101J AA 100 ohm,1/16W
R337 VRS-CY1JB682J AA 6.8 kohms,1/16W
R338 VRS-CY1JB682J AA 6.8 kohms,1/16W
R339 VRS-CY1JB682J AA 6.8 kohms,1/16W
R432 VRD-ST2EE561J AA 560 ohms,1/4W
R433 VRD-ST2CD102J AA 1 kohm,1/6W
R501A VRS-CY1JB102J AA 1 kohm,1/16W
R501B VRS-CY1JB103J AA 10 kohm,1/16W
R502A VRS-CY1JB102J AA 1 kohm,1/16W
R502B VRS-CY1JB103J AA 10 kohm,1/16W
R503A VRS-CY1JB102J AA 1 kohm,1/16W
R503B VRS-CY1JB103J AA 10 kohm,1/16W
R504A VRS-CY1JB102J AA 1 kohm,1/16W
R504B VRS-CY1JB103J AA 10 kohm,1/16W
R505A VRS-CY1JB102J AA 1 kohm,1/16W
R505B VRS-CY1JB103J AA 10 kohm,1/16W
R506A VRS-CY1JB102J AA 1 kohm,1/16W
R506B VRS-CY1JB103J AA 10 kohm,1/16W
R507A VRS-CY1JB102J AA 1 kohm,1/16W
R507B VRS-CY1JB103J AA 10 kohm,1/16W
R508A VRS-CY1JB102J AA 1 kohm,1/16W
R508B VRS-CY1JB103J AA 10 kohm,1/16W
R509 VRD-ST2CD391J AA 390 ohms,1/6W
R510 VRS-CY1JB471J AA 470 ohms,1/16W
R511 VRD-ST2CD223J AA 22 kohms,1/6W
R512 VRS-CY1JB223J AA 22 kohms,1/16W
R513 VRS-CY1JB471J AA 470 ohms,1/16W
R514 VRD-ST2CD391J AA 390 ohms,1/6W
R516 VRD-ST2EE101J AA 100 ohm,1/4W
R517 VRD-ST2CD223J AA 22 kohms,1/6W
R518 VRS-CY1JB221J AA 220 ohms,1/16W
R521 VRS-CY1JB391J AA 390 ohms,1/16W
R525 VRS-VV3AA271J AB 270 ohms,1W
R526 VRS-CY1JB563J AA 56 kohms,1/16W
R601 VRD-ST2CD102J AA 1 kohm,1/6W
R602 VRD-ST2CD102J AA 1 kohm,1/6W
R603 VRS-CY1JB102J AA 1 kohm,1/16W
R604 VRS-CY1JB102J AA 1 kohm,1/16W
R605 VRS-CY1JB102J AA 1 kohm,1/16W
R606 VRS-CY1JB102J AA 1 kohm,1/16W
R607 VRS-CY1JB102J AA 1 kohm,1/16W
R612 VRD-ST2CD392J AA 3.9 kohms,1/6W
R613 VRD-ST2CD392J AA 3.9 kohms,1/6W
R618 VRS-CY1JB472J AA 4.7 kohms,1/16W
[9] RESISTORS

XL-MP60
8
NO. PARTS CODE PRICE
RANK
NEW
MARK
PART
RANK DESCRIPTION
R619 VRD-ST2CD472J AA 4.7 kohms,1/6W
R620 VRS-CY1JB332J AA 3.3 kohms,1/16W
R621 VRS-CY1JB332J AA 3.3 kohms,1/16W
R622 VRD-ST2CD104J AA 100 kohm,1/6W
R623 VRD-ST2CD104J AA 100 kohm,1/6W
R624 VRD-ST2CD123J AA 12 kohms,1/6W
R625 VRD-ST2CD123J AA 12 kohms,1/6W
R628 VRS-CY1JB102J AA 1 kohm,1/16W
R629 VRS-CY1JB102J AA 1 kohm,1/16W
R630 VRD-ST2EE221J AA 220 ohms,1/4W
R641 VRD-ST2CD223J AA 22 kohms,1/6W
R643 VRD-ST2CD102J AA 1 kohm,1/6W
R644 VRS-CY1JB102J AA 1 kohm,1/16W
R647 VRD-ST2CD104J AA 100 kohm,1/6W
R648 VRD-ST2CD104J AA 100 kohm,1/6W
R649 VRS-CY1JB822J AA 8.2 kohms,1/16W
R651 VRS-CY1JB104J AA 100 kohm,1/16W
R655 VRS-CY1JB103J AA 10 kohm,1/16W
R656 VRS-CY1JB473J AA 47 kohms,1/16W
R659 VRS-CY1JB822J AA 8.2 kohms,1/16W
R660 VRS-CY1JB223J AA 22 kohms,1/16W
R661 VRD-ST2EE100J AA 10 ohm,1/4W
R662 VRS-CY1JB223J AA 22 kohms,1/16W
R663 VRS-CY1JB223J AA 22 kohms,1/16W
R664 VRS-CY1JB271J AA 270 ohms,1/16W
R665 VRD-ST2CD223J AA 22 kohms,1/6W
R666 VRS-CY1JB223J AA 22 kohms,1/16W
R667 VRS-CY1JB223J AA 22 kohms,1/16W
R668 VRD-ST2CD102J AA 1 kohm,1/6W
R669 VRD-ST2CD102J AA 1 kohm,1/6W
R687 VRS-CY1JB223J AA 22 kohms,1/16W
R689 VRD-ST2CD562J AA 5.6 kohms,1/6W
R690 VRS-CY1JB103J AA 10 kohm,1/16W
R691 VRS-CY1JB103J AA 10 kohm,1/16W
R701 VRD-ST2CD102J AA 1 kohm,1/6W
R702 VRS-CY1JB102J AA 1 kohm,1/16W
R703 VRD-ST2CD102J AA 1 kohm,1/6W
R704 VRD-ST2CD103J AA 10 kohm,1/6W
R705 VRD-ST2CD102J AA 1 kohm,1/6W
R706 VRD-ST2CD102J AA 1 kohm,1/6W
R708 VRD-ST2CD102J AA 1 kohm,1/6W
R709 VRD-ST2CD102J AA 1 kohm,1/6W
R710 VRD-ST2CD102J AA 1 kohm,1/6W
R712 VRS-CY1JB221J AA 220 ohms,1/16W
R713 VRS-CY1JB102J AA 1 kohm,1/16W
R714 VRD-ST2CD102J AA 1 kohm,1/6W
R715 VRD-ST2CD102J AA 1 kohm,1/6W
R716 VRD-ST2CD103J AA 10 kohm,1/6W
R718 VRS-CY1JB102J AA 1 kohm,1/16W
R719 VRS-CY1JB102J AA 1 kohm,1/16W
R720 VRS-CY1JB102J AA 1 kohm,1/16W
R721 VRS-CY1JB102J AA 1 kohm,1/16W
R724 VRS-CY1JB221J AA 220 ohms,1/16W
R725 VRS-CY1JB221J AA 220 ohms,1/16W
R727 VRD-ST2CD103J AA 10 kohm,1/6W
R728 VRD-ST2CD102J AA 1 kohm,1/6W
R729 VRD-ST2CD102J AA 1 kohm,1/6W
R730 VRD-ST2CD102J AA 1 kohm,1/6W
R733 VRD-ST2CD272J AA 2.7 kohms,1/6W
R737 VRS-CY1JB103J AA 10 kohm,1/16W
R738 VRD-ST2CD103J AA 10 kohm,1/6W
R739 VRS-CY1JB103J AA 10 kohm,1/16W
R740 VRS-CY1JB102J AA 1 kohm,1/16W
R741 VRS-CY1JB106J AA 10 Mohm,1/16W
R742 VRD-ST2CD103J AA 10 kohm,1/6W
R743 VRD-ST2CD103J AA 10 kohm,1/6W
R744 VRD-ST2CD103J AA 10 kohm,1/6W
R745B VRS-CY1JB000J AA 0 ohm,Jumper,0.8x1.55mm,Green
R746 VRD-ST2CD102J AA 1 kohm,1/6W
R747 VRD-ST2CD102J AA 1 kohm,1/6W
R748 VRD-ST2CD102J AA 1 kohm,1/6W
R749 VRD-ST2CD102J AA 1 kohm,1/6W
R750 VRD-ST2CD102J AA 1 kohm,1/6W
R751 VRS-CY1JB102J AA 1 kohm,1/16W
R755 VRD-ST2CD102J AA 1 kohm,1/6W
R756 VRS-CY1JB103J AA 10 kohm,1/16W
R758 VRS-CY1JB102J AA 1 kohm,1/16W
R760 VRD-ST2EE470J AA 47 ohms,1/4W
R761 VRS-CY1JB102J AA 1 kohm,1/16W
R762 VRS-CY1JB102J AA 1 kohm,1/16W
R763 VRS-CY1JB332J AA 3.3 kohms,1/16W
R764 VRS-CY1JB104J AA 100 kohm,1/16W
R765 VRD-ST2CD122J AA 1.2 kohms,1/6W
R766 VRD-ST2CD122J AA 1.2 kohms,1/6W
R767 VRD-ST2CD152J AA 1.5 kohms,1/6W
[9] RESISTORS

XL-MP60
9
NO. PARTS CODE PRICE
RANK
NEW
MARK
PART
RANK DESCRIPTION
R768 VRD-ST2CD202J AA 2 kohms,1/6W
R769 VRS-CY1JB272J AA 2.7 kohms,1/16W
R770 VRS-CY1JB392J AA 3.9 kohms,1/16W
R772 VRS-CY1JB562J AA 5.6 kohms,1/16W
R773 VRS-CY1JB271J AA 270 ohms,1/16W
R775 VRS-CY1JB820J AA 82 ohms,1/16W
R776 VRS-CY1JB102J AA 1 kohm,1/16W
R777 VRS-CY1JB103J AA 10 kohm,1/16W
R778 VRS-CY1JB103J AA 10 kohm,1/16W
R779 VRS-CY1JB121J AA 120 ohms,1/16W
R780 VRD-ST2CD122J AA 1.2 kohms,1/6W
R781 VRD-ST2CD122J AA 1.2 kohms,1/6W
R782 VRD-ST2CD152J AA 1.5 kohms,1/6W
R783 VRD-ST2CD202J AA 2 kohms,1/6W
R784 VRS-CY1JB272J AA 2.7 kohms,1/16W
R785 VRS-CY1JB392J AA 3.9 kohms,1/16W
R786 VRD-ST2CD562J AA 5.6 kohms,1/6W
R787 VRS-CY1JB103J AA 10 kohm,1/16W
R788 VRS-CY1JB103J AA 10 kohm,1/16W
R789 VRS-CY1JB103J AA 10 kohm,1/16W
R791 VRS-CY1JB000J AA 0 ohm,Jumper,0.8x1.55mm,Green
R797 VRD-ST2CD103J AA 10 kohm,1/6W
R799 VRD-ST2CD102J AA 1 kohm,1/6W
R801 VRS-CY1JB000J AA 0 ohm,Jumper,0.8x1.55mm,Green
R802 VRD-ST2CD822J AA 8.2 kohms,1/6W
R803 VRD-ST2CD822J AA 8.2 kohms,1/6W
R804 VRS-CY1JB331J AA 330 ohms,1/16W
R805 VRS-CY1JB3R3J AA 3.3 ohms,1/16W
R806 VRD-ST2CD471J AA 470 ohms,1/6W
R807 VRS-CY1JB101J AA 100 ohm,1/16W
R810 VRS-CY1JB104J AA 100 kohm,1/16W
R811 VRS-CY1JB104J AA 100 kohm,1/16W
R812 VRD-ST2CD912J AA 9.1 kohms,1/6W
R813 VRS-CY1JB103J AA 10 kohm,1/16W
R814 VRD-ST2CD561J AA 560 ohms,1/6W
R815 VRD-ST2CD123J AA 12 kohms,1/6W
R816 VRD-ST2CD103J AA 10 kohm,1/6W
R819 VRS-CY1JB331J AA 330 ohms,1/16W
R820 VRS-CY1JB1R0J AA 1 ohm,1/16W
R822 VRS-CY1JB225J AA 2.2 Mohms,1/16W
R823 VRS-CY1JB392J AA 3.9 kohms,1/16W
R824 VRS-CY1JB392J AA 3.9 kohms,1/16W
R825 VRS-CY1JB681J AA 680 ohms,1/16W
R826 VRS-CY1JB681J AA 680 ohms,1/16W
R827 VRS-CY1JB683J AA 68 kohms,1/16W
R828 VRD-ST2CD153J AA 15 kohms,1/6W
R829 VRD-ST2CD682J AA 6.8 kohms,1/6W
R830 VRS-CY1JB820J AA 82 ohms,1/16W
R831 VRD-ST2CD104J AA 100 kohm,1/6W
R832 VRS-CY1JB820J AA 82 ohms,1/16W
R833 VRS-CY1JB1R0J AA 1 ohm,1/16W
R834 VRS-CY1JB203J AA 20 kohms,1/16W
R835 VRS-CY1JB151J AA 150 ohms,1/16W
R837 VRS-CY1JB332J AA 3.3 kohms,1/16W
R840 VRS-CY1JB820J AA 82 ohms,1/16W
R841 VRS-CY1JB682J AA 6.8 kohms,1/16W
R842 VRD-ST2CD682J AA 6.8 kohms,1/6W
R844 VRD-ST2CD682J AA 6.8 kohms,1/6W
R845 VRS-CY1JB682J AA 6.8 kohms,1/16W
R848 VRS-CY1JB152J AA 1.5 kohms,1/16W
R849 VRS-CY1JB152J AA 1.5 kohms,1/16W
R850 VRS-CY1JB152J AA 1.5 kohms,1/16W
R851 VRS-CY1JB152J AA 1.5 kohms,1/16W
R852 VRS-CY1JB152J AA 1.5 kohms,1/16W
R853 VRS-CY1JB103J AA 10 kohm,1/16W
R854 VRD-ST2EE471J AA 470 ohms,1/4W
R855 VRD-ST2CD682J AA 6.8 kohms,1/6W
[10] OTHER CIRCUITRY PARTS
CFW101 QCNWNA341SJZZ Lead Wire,A-B
CFW301 QCNWNA374SJZZ Lead Wire,A-B
CFW701 QCNWNA373SJZZ Lead Wire Ass'y
CFW702 QCNWNA377SJZZ Flat Wire,A-B
CNP101 QCNCM059GSJZZ AB Plug,7Pin
CNP102 QCNCMA015SJ07 AB Plug,7Pin
CNP103A QCNCMA014SJ07 AB Plug,7Pin
CNP103B QCNCMA014SJ07 AB Plug,7Pin
!
CNP201 QCNCM017BSJZZ AD Plug,3Pin
CNP202 QCNCM018CSJZZ AC Plug,3Pin
CNP203 QCNCM999CAFZZ AG Plug,3Pin
CNP204 QCNCM998DAFZZ AB Plug,4Pin
CNP205 QCNCM999PAFZZ AC Plug,14Pin
CNP206 QCNCM999NAFZZ AC Plug,13Pin
CNP301 QCNCM052CSJZZ AB Plug,3Pin
CNP302 QCNCM999FAFZZ AE Plug,6Pin
[9] RESISTORS

XL-MP60
10
NO. PARTS CODE PRICE
RANK
NEW
MARK
PART
RANK DESCRIPTION
CNP402 QCNCMA018SJ06 AB Plug,6Pin
CNP405A QCNCMA013SJ07 AC Plug,7Pin
CNP405B QCNCMA013SJ07 AC Plug,7Pin
CNP406 QCNCM073CSJZZ AB Plug,3Pin
CNP407 QCNCM999EAFZZ AG Plug,5Pin
CNP501 QCNCW015QSJZZ AE Socket,15Pin
CNP602 QCNCM999HAFZZ AD Plug,8Pin
CNP801 QCNCW014RSJZZ AD Socket,16Pin
CNW101 QCNWNA368SJZZ Connector Ass'y,8/7Pin with CNS101
CNW102 QCNWNA369SJZZ Connector Ass'y,8/7Pin with CNS102
CNW103 QCNWNA340SJZZ Connector Ass'y,7/7Pin
CNW203 QCNWNA314SJZZ Connector Ass'y,3Pin
CNW205 QCNWNA376SJZZ Connector Ass'y,15/14Pin with CNS205
CNW206 QCNWNA375SJZZ Connector Ass'y,14/13Pin with CNS206
CNW302 QCNWNA371SJZZ Connector Ass'y,7/6Pin with CNS302
CNW402 QCNWNA372SJZZ Connector Ass'y,6/6Pin
CNW405 QCNWNA370SJZZ Connector Ass'y,7/7Pin
CNW406 QCNWNA296SJZZ AB Connector Ass'y,4/3Pin with CNS406
CNW407 QCNWNA313SJZZ AE Connector Ass'y,6/5Pin with CNS407
CNW602 QCNWNA367SJZZ Connector Ass'y,9/8Pin with CNS602
CNW702 QCNWNA295SJZZ AB Flat Wire,A-B
!
F201 QFS-D632BSJNI AC Fuse,6.3A/125V
!
F202 QFS-D632BSJNI AC Fuse,6.3A/125V
!
F203 QFS-D162BSJNI AE Fuse,1.6A/125V
FC401 QCNWNA287SJZZ AD Flat Cable,16Pin
FC501 QCNWNA286SJZZ Flat Cable,15Pin
JK101 QJAKMA001SJZZ AG Jack,Headphones
M201 RMOTV0409AFZZ AL Motor,Air Cooling Fan (218-4)
RLY101 RRLYD0014AWZZ AK Relay
RLY102 RRLYDA001SJZZ AH Relay
RX701 VHLGP1UD261-1 AK Remote Sensor,GP1UD261
SO101 QTANAA001SJZZ AF Terminal,Speaker
!
SO202 QSOCA0214AWZZ AD Socket AC Input
SO601 QSOCJ0003SJZZ AG Socket,Video/AUX Input
SW700 QSW-Z0003SJZZ AG Jog [VOLUME]
SW701 QSW-K0002SJZZ AC Switch,Key Type [EQUALISER]
SW702 QSW-K0002SJZZ AC Switch,Key Type [TUNING DOWN/STOP]
SW703 QSW-K0002SJZZ AC Switch,Key Type [TUNING UP/PLAY]
SW704 QSW-K0002SJZZ AC Switch,Key Type [PRESET UP]
SW705 QSW-K0002SJZZ AC Switch,Key Type [PRESET DOWN]
SW706 QSW-K0002SJZZ AC Switch,Key Type [DISC 1]
SW707 QSW-K0002SJZZ AC Switch,Key Type [DISC 2]
SW708 QSW-K0002SJZZ AC Switch,Key Type [MEMORY/SET]
SW709 QSW-K0002SJZZ AC Switch,Key Type [POWER ON/STAND-BY]
SW710 QSW-K0002SJZZ AC Switch,Key Type [X-BASS/DEMO]
SW711 QSW-K0002SJZZ AC Switch,Key Type [CD]
SW712 QSW-K0002SJZZ AC Switch,Key Type [TUNER (BAND)]
SW713 QSW-K0002SJZZ AC Switch,Key Type [VIDEO/AUX]
SW714 QSW-K0002SJZZ AC Switch,Key Type [DISC 3]
SW715 QSW-K0002SJZZ AC Switch,Key Type [DISC 4]
SW716 QSW-K0002SJZZ AC Switch,Key Type [DISC 5]
SW717 QSW-K0002SJZZ AC Switch,Key Type [OPEN/CLOSE]
VFD701 VVK251116//-1 AV FL Display
[10] OTHER CIRCUITRY PARTS

XL-MP60
11
[11] CHANGER MECHANISM PARTS
A
B
C
D
E
F
G
H
123456
101
102
103
104
105
106
107
108
109
110
111
112
113
114
115
116
117
118
119
120
121
122
123
124
125
126
127
128
129
130
131
132
133
134
135
136
137
138
139
140
141
142
143
144
145
146
147
148
149
150 152
153
154
155
156
157
158
159
160
161
161
162
163
164
164
164
164
164
164
165
165
166
167
168
170
169
161
151

XL-MP60
12
NO. PARTS CODE PRICE
RANK
NEW
MARK
PART
RANK DESCRIPTION
[11] CHANGER MECHANISM PARTS
101 9GD662641004 AU Drawer L
102 9GD662641033 AP Drawer R
103 9GD660934115H AT Disc 1 Carriage Ass'y
104 9GD662192019 AP Frame
105 9GD662393025 AE Arm Switch C
106 9GD662224013 AD Gear D1
107 9GD662224014 AD Gear D2
108 9GD662393018 AG Arm Switch D
109 9GD662393024 AF Arm Switch B
110 9GD662393020 AE Arm Lock
111 9GD582593021 AE Lever GC
112 9GD581194039 AE S Bracket
113 9GD662224010 AG Gear Pulley
114 9GD661192094 AU Cover
115 9GD660934103H AP Clamper SA-S Ass'y
116 9GD662392085 AP Arm Clamper
117 9GD662393007 AK Lift Slider L
118 9GD662393005 AK PP Slider
119 9GD662112002 AR FL Base
120 9GD662393008 AK Lift Slider R
121 9GD662113026 AN Up/Down Base
122 9GD662393006 AK Up/Down Slider
123 9GD662101001 AZ Main Chassis
124 9GD660934077H AM Solenoid Ass'y
125 9GD660934073H AN Motor Ass'y
126 9GD662392022 AL Arm Lift
127 9GD662224015 AD Gear E
128 9GD662393039 AF Arm CC Switch
129 9GD662224016 AD Gear F
130 9GD663634068 AG Gear E Collar
131 9GD662393017 AF Arm P Switch
132 9GD660934076H BA CD Changer PWB Ass'y
133 9GD660934072H AK Switch PWB Ass'y
134 9GD662393023 AF Arm Switch A
135 9GD662233009 AL Gear B
136 9GD662192003 AL Plate Cam
137 9GD662213021 AM Gear Cam
138 9GD662593086 AG Lever CL 1
139 9GD662593090 AL Lever CL 2
140 9GD662224088 AH Gear 1
141 9GD662224089 AH Gear 2
142 9GD660004091 AD Felt
143 9GD010814711 AC Gear E Spring
144 9GD010814710 AC Gear 1 Spring
145 9GD010814712 AC Gear D Spring
146 9GD660824059 AD Stop Spring L
147 9GD660824060 AD Stop Spring R
148 9GD010824696 AD Spring
149 9GD010804727 AC Spring A
150 9GD010824717 AG Spring B
151 9GD010824718 AD Spring C
152 9GD010824735 AC Spring 1
153 9GD010824736 AD Spring 2
154 9GD010824737 AD Spring SL
155 9GD010824738 AD Spring SR
156 9GD010814739 AH Spring Gear B
157 9GD660934117H AT Disc 2 Carriage Ass'y
158 9GD660934118H AT Disc 3 Carriage Ass'y
159 9GD660934119H AT Disc 4 Carriage Ass'y
160 9GD660934120H AT Disc 5 Carriage Ass'y
161 9GDGSL20A2606 AB Screw,M2.5x6mm
162 9GDGSP14A2504 AC Screw,M2.5x4mm
163 9GDGSL15A2616 AC Screw,M2.5x16mm
164 9GDGSL15A2608 AC L Screw,M2.5x8mm
165 9GD033004585 AB Screw,M2x6mm
166 9GD033004581 AB Screw,M2x3mm
167 9GD033004577 AC Screw,M2x16mm
168 GEP65X110030 AD Washer
169 9GD020834262 AG Belt
170 9GD033004584 AB Screw,M2.5x5mm

XL-MP60
13
[12] CABINET PARTS
A
B
C
D
E
F
G
H
123456
201
230
231
204
205
228
602
610
610
613
613
610
606
613
610
608
615
608
608
614
614
608
613
613
613
603
604
614
607
606
604
614
243
606
606
610
227
606
603
606
606
606
606
606
606 609
610
237
218
218-1
218-2
218-3
218-4
207
232
240
202
241
208
221 206
219
245
601
609
609
234
233
233
609
609
605
220
242
242
244
203
236
612
612
209
229
201-3
201-1
201-2
201-4
606
224
222
238
242
242
225
235
226
211
213
215
217
212
214
216
210
616
223
239

XL-MP60
14
NO. PARTS CODE PRICE
RANK
NEW
MARK
PART
RANK DESCRIPTION
[12] CABINET PARTS
201 CPNLCA009SJ01 AR Front Panel Ass'y
201-1 -------- - Front Panel
201-2 HDECQA093SJSA AF Decoration Panel,Center
201-3 HDECQA092SJSA AE Window
201-4 PCUSG0017SJSA AB Cushion,Leg
202 GCABCA004SJSC AK Top Cabinet
203 GCABDA005SJSC AK Chassis,Main
204 GCOVAA036SJSA AB Indicator
205 GCOVAA035SJSA AB Cover,Sensor
206 GCOVAA039SJSA AF Changer Cover
207 GITARA044SJSA AG Rear Panel [For U.S.A.]
207 GITARA045SJSA AG Rear Panel [Except for U.S.A.]
208 GITASA003SJSC AK Side Panel,Left
209 GITASA004SJSC AK Side Panel,Right
210 JKNBKA010SJSA AF Knob,Jog
211 JKNBZA053SJSA AD Button,OPEN/CLOSE
212 JKNBZA054SJSA AE Button,X-BASS
213 JKNBZA055SJSA AE Button,MEMORY
214 JKNBZA056SJSA AC Button,PLAY
215 JKNBZA057SJSA AC Button,PRESET
216 JKNBZA058SJSA AC Button,POWER
217 JKNBZA059SJSA AD Button,5CD Select
218 CFANPA002SJ01 AM Fan Motor Ass'y
218-1 LANGKA067SJFW AE Bracket,Fan Motor
218-2 MSPRKA005SJFJ AB Spring,Fan Stoper
218-3 NFANPA002SJSA AD Fan
218-4 RMOTV0409AFZZ AL Motor,Air Cooling Fan (M201)
219 KMECZA001SJZZ BM CD Changer Unit Ass'y
!
220 KRPLE0025SJM2 BB CD Mechanism Unit Ass'y
221 LANGKA076SJFW AB Bracket,Main PWB
222 LANGKA086SJFW AC Bracket,Tuner PWB
223 LANGKA087SJFW AC Bracket,Back Support,Right
224 LANGKA088SJFW AC Bracket,Back Support,Left
225 LANGKA089SJFW AD Bracket,MP3/CD PWB,Right
226 LANGKA090SJFW AD Bracket,MP3/CD PWB,Left
227 LANGKA091SJFW AE Bracket,Heat Sink,Main
228 LCHSSA004SJFW AM Chassis,Sub
229 LHLDW1001SJZZ AD Nylon Band
230 LHLDZA011SJSA AC Holder,FL Display
231 LHLDZA072SJSA AB Holder,LED
232 MSPRKA001SJFW AC Plate Spring
233 MSPRKA002SJFW AB Plate Spring,A
234 MSPRKA003SJFW AB Plate Spring,B
235 MSPRKA004SJFW AB Plate Spring,C
236 PCUSG0017SJSA AB Cushion,Leg
237 PRDARA004SJFW AE Heat Sink (IC)
238 PRDARA031SJFW AN Heat Sink,Main
239 PRDARA033SJFW AC Heat Sink (Diode)
240 PRDARA037SJFW AB Heat Sink,Sub
241 PSHEZA001SJZZ AC Silicon Sheet
242 PSPAIA002SJZZ AB Spacer,PWB
!
243 QFSHD1013CEZZ AB Holder,Fuse
244 9GD450633201 AE Insulator (Purple)
245 9GD450633202 AE Insulator (Gray)
601 LX-JZA001SJFN AB Screw,M2.5x8mm
602 LX-JZA009SJFN AB Screw,M4x10mm
603 LX-JZA011SJFN AB Screw,M3x12mm
604 LX-JZA014SJF9 AB Screw,M3x10mm
605 LX-JZA015SJFN AB Screw,M2.5x8mm
606 XHBSN30P06000 AA Screw,M3x6mm
607 XHBY930P08000 AA Screw,M3x8mm
608 XJBSN25P08000 AA Screw,M2.5x8mm
609 XJBSN30P06000 AA Screw,M3x6mm
610 XJBSN30P08000 AA Screw,M3x8mm
612 XJBY930P08000 Screw,M3x8mm
613 XJBY930P10000 AA Screw,M3x10mm
614 XJBY930P12000 AA Screw,M3x12mm
615 XJPY930P06000 AA Screw,M3x6mm
616 XHBSN20P03000 AA Screw,M2x3mm
[13] SPEAKER BOX PARTS
B3CPMP60F BD Speaker Box Ass'y,L-CH/R-CH
B3CPMP60SW AZ Sub Woofer Box Ass'y

XL-MP60
15
[14] PACKING PARTS
NO. PARTS CODE PRICE
RANK
NEW
MARK
PART
RANK DESCRIPTION
[14] PACKING PARTS
SPAKAA066SJZZ AG Packing Add.,Unit,Left
SPAKAA067SJZZ AG Packing Add.,Unit,Right
SPAKCA122SJZZ AU Packing Case
SPAKPA022SJZZ AE Pad,Accessories
SSAKA0014SJZZ AB Polyethylene Bag,Accessories
SSAKHA040SJZZ AD Polyethylene Bag,Unit
TLABS0046SJZZ AB Label,CUL
TLABZA063SJZZ Label,VJ
Setting position of switches and knobs
CD Lid CLOSE
PACKING METHOD (FOR U.S.A. ONLY)
: Not Replacement Item
SPEAKER
BOX ASS'Y
SUB WOOFER
ASS'Y Polyethylene Bag,Accessories
SSAKA0014SJZZ
FM/AM Loop
Antenna
AC Power
Supply Cord
Remote Control
Operation Manual
Quick Guide
Packing Case
B3CPMP60SW
BSCPMP60F
SPAKCA121SJZZ
Packing Add.,Unit,Left/Right
SPAKAA066SJZZ
Packing Add.,Unit,Left/Right
SPAKAA067SJZZ
SPAKPA022SJZZ
Label,UL
TLABSA003SJZZ
Label,Pop
TLABZA076SJZZ
Accessories Pad
Polyethylene Bag,Unit
SSAKHA040SJZZ

XL-MP60
16
NO. PARTS CODE PRICE
RANK
NEW
MARK
PART
RANK DESCRIPTION
[15] ACCESSORIES
!
QACCU0003SJ00 AH AC Power Supply Cord
QANTL0009SJZZ AG FM/AM Loop Antenna
TINSEA043SJZZ AE Operation Manual [For U.S.A.]
TINSEA044SJZZ AD Quick Guide [For U.S.A. Only]
TINSKA006SJZZ AE Operation Manual [Except for U.S.A.]
3RRMCGA029SJSA AP Remote Control
3-1 GCOVAA026SJSA AC Battery Lid,Remote Control
[16] P.W.B. ASSEMBLY (Not Replacement Item)
!
PWB-A DCEKKV517SJ03 - Main/Tuner/etc.(A1)-(A7)
[17] OTHER SERVICE PARTS
UDSKA0004AFZZ AZ CD Optical Pickup Lens Cleaner Disc

XL-MP60
17
INDEX
PARTS CODE No. PRICE
RANK
NEW
MARK
PART
RANK
[ B ]
B3CPMP60F 13- BD
B3CPMP60SW 13- AZ
[ C ]
CFANPA002SJ01 12-218 AM
CPNLCA009SJ01 12-201 AR
[ D ]
DCEKKV517SJ03 16-PWB-A -
[ G ]
GCABCA004SJSC 12-202 AK
GCABDA005SJSC 12-203 AK
GCOVAA026SJSA 15-3-1 AC
GCOVAA035SJSA 12-205 AB
GCOVAA036SJSA 12-204 AB
GCOVAA039SJSA 12-206 AF
GEP65X110030 11-168 AD
GITARA044SJSA 12-207 AG
GITARA045SJSA 12-207 AG
GITASA003SJSC 12-208 AK
GITASA004SJSC 12-209 AK
[ H ]
HDECQA092SJSA 12-201-3 AE
HDECQA093SJSA 12-201-2 AF
[ J ]
JKNBKA010SJSA 12-210 AF
JKNBZA053SJSA 12-211 AD
JKNBZA054SJSA 12-212 AE
JKNBZA055SJSA 12-213 AE
JKNBZA056SJSA 12-214 AC
JKNBZA057SJSA 12-215 AC
JKNBZA058SJSA 12-216 AC
JKNBZA059SJSA 12-217 AD
[ K ]
KMECZA001SJZZ 12-219 BM
KRPLE0025SJM2 12-220 BB
[ L ]
LANGKA067SJFW 12-218-1 AE
LANGKA076SJFW 12-221 AB
LANGKA086SJFW 12-222 AC
LANGKA087SJFW 12-223 AC
LANGKA088SJFW 12-224 AC
LANGKA089SJFW 12-225 AD
LANGKA090SJFW 12-226 AD
LANGKA091SJFW 12-227 AE
LCHSSA004SJFW 12-228 AM
LHLDW1001SJZZ 12-229 AD
LHLDZA011SJSA 12-230 AC
LHLDZA072SJSA 12-231 AB
LX-JZA001SJFN 12-601 AB
LX-JZA009SJFN 12-602 AB
LX-JZA011SJFN 12-603 AB
LX-JZA014SJF9 12-604 AB
LX-JZA015SJFN 12-605 AB
[ M ]
MSPRKA001SJFW 12-232 AC
MSPRKA002SJFW 12-233 AB
MSPRKA003SJFW 12-234 AB
MSPRKA004SJFW 12-235 AB
MSPRKA005SJFJ 12-218-2 AB
[ N ]
NFANPA002SJSA 12-218-3 AD
[ P ]
PCUSG0017SJSA 12-236 AB
" 12-201-4 AB
PRDARA004SJFW 12-237 AE
PRDARA031SJFW 12-238 AN
PRDARA033SJFW 12-239 AC
PRDARA037SJFW 12-240 AB
PSHEZA001SJZZ 12-241 AC
PSPAIA002SJZZ 12-242 AB
[ Q ]
QACCU0003SJ00 15- AH
QANTL0009SJZZ 15- AG
QCNCM017BSJZZ 10-CNP201 AD
QCNCM018CSJZZ 10-CNP202 AC
QCNCM052CSJZZ 10-CNP301 AB
QCNCM059GSJZZ 10-CNP101 AB
QCNCM073CSJZZ 10-CNP406 AB
QCNCM998DAFZZ 10-CNP204 AB
QCNCM999CAFZZ 10-CNP203 AG
QCNCM999EAFZZ 10-CNP407 AG
QCNCM999FAFZZ 10-CNP302 AE
QCNCM999HAFZZ 10-CNP602 AD
QCNCM999NAFZZ 10-CNP206 AC
QCNCM999PAFZZ 10-CNP205 AC
QCNCMA013SJ07 10-CNP405A AC
" 10-CNP405B AC
QCNCMA014SJ07 10-CNP103A AB
" 10-CNP103B AB
QCNCMA015SJ07 10-CNP102 AB
QCNCMA018SJ06 10-CNP402 AB
QCNCW014RSJZZ 10-CNP801 AD
QCNCW015QSJZZ 10-CNP501 AE
QCNWNA286SJZZ 10-FC501
QCNWNA287SJZZ 10-FC401 AD
QCNWNA295SJZZ 10-CNW702 AB
QCNWNA296SJZZ 10-CNW406 AB
QCNWNA313SJZZ 10-CNW407 AE
QCNWNA314SJZZ 10-CNW203
QCNWNA340SJZZ 10-CNW103
QCNWNA341SJZZ 10-CFW101
QCNWNA367SJZZ 10-CNW602
QCNWNA368SJZZ 10-CNW101
QCNWNA369SJZZ 10-CNW102
QCNWNA370SJZZ 10-CNW405
QCNWNA371SJZZ 10-CNW302
QCNWNA372SJZZ 10-CNW402
QCNWNA373SJZZ 10-CFW701
QCNWNA374SJZZ 10-CFW301
QCNWNA375SJZZ 10-CNW206
QCNWNA376SJZZ 10-CNW205
QCNWNA377SJZZ 10-CFW702
QFS-D162BSJNI 10-F203 AE
QFS-D632BSJNI 10-F201 AC
" 10-F202 AC
QFSHD1013CEZZ 12-243 AB
QJAKMA001SJZZ 10-JK101 AG
QSOCA0214AWZZ 10-SO202 AD
QSOCJ0003SJZZ 10-SO601 AG
QSW-K0002SJZZ 10-SW701 AC
" 10-SW702 AC
" 10-SW703 AC
" 10-SW704 AC
" 10-SW705 AC
" 10-SW706 AC
" 10-SW707 AC
" 10-SW708 AC
" 10-SW709 AC
" 10-SW710 AC
" 10-SW711 AC
" 10-SW712 AC
" 10-SW713 AC
" 10-SW714 AC
" 10-SW715 AC
" 10-SW716 AC
" 10-SW717 AC
QSW-Z0003SJZZ 10-SW700 AG
QTANAA001SJZZ 10-SO101 AF
[ R ]
RBLN-A003SJZZ 6-L702 AB
" 6-L808 AB
" 6-L809 AB
RBLN-A005SJZZ 6-L811 AB
" 6-L812 AB
RC-EZ3001SJZZ 8-C135 AB
" 8-C136 AB
RC-EZD105AF1C 8-C825 AB
" 8-C834 AB
RC-EZD106AF1C 8-C823 AB
" 8-C824 AB
RC-EZD107AF1C 8-C709 AC
" 8-C807 AC
" 8-C816 AC
" 8-C822 AC
" 8-C836 AC
" 8-C837 AC
" 8-C838 AC
RC-EZD227AF1A 8-C706 AC
RC-EZD336AF1C 8-C712 AB
PARTS CODE No. PRICE
RANK
NEW
MARK
PART
RANK

XL-MP60
18
" 8-C802 AB
RC-EZD474AF1C 8-C810 AA
RC-EZD476AF1C 8-C506 AC
" 8-C716 AC
RC-EZD477AF1A 8-C805 AB
" 8-C848 AB
" 8-C850 AB
RC-GZA105AF1H 8-C104 AB
" 8-C105 AB
" 8-C106 AB
" 8-C302 AB
" 8-C319 AB
" 8-C322 AB
" 8-C323 AB
" 8-C324 AB
" 8-C328 AB
" 8-C607 AB
" 8-C608 AB
" 8-C609 AB
" 8-C610 AB
RC-GZA106AF1C 8-C134 AB
RC-GZA106AF1H 8-C107 AB
" 8-C108 AB
" 8-C109 AB
" 8-C224 AB
" 8-C601 AB
" 8-C602 AB
" 8-C603 AB
" 8-C605 AB
" 8-C606 AB
" 8-C624 AB
" 8-C625 AB
" 8-C629 AB
" 8-C652 AB
" 8-C656 AB
RC-GZA107AF1H 8-C210 AC
" 8-C225 AC
" 8-C226 AC
" 8-C618 AC
" 8-C640 AC
RC-GZA225AF1C 8-C615 AC
" 8-C616 AC
RC-GZA226AF1H 8-C315 AB
" 8-C325 AB
" 8-C330 AB
" 8-C335 AB
RC-GZA227AF1E 8-C220 AB
RC-GZA334AF1H 8-C321 AA
RC-GZA335AF1C 8-C141 AB
RC-GZA336AF1C 8-C617 AB
RC-GZA475AF1H 8-C333 AB
RC-GZA476AF1H 8-C117 AB
" 8-C139 AB
" 8-C142 AB
" 8-C201 AB
" 8-C208 AB
" 8-C222 AB
" 8-C223 AB
" 8-C346 AB
" 8-C604 AB
" 8-C639 AB
" 8-C653 AB
RC-GZA477AF1C 8-C217 AC
RC-GZV227AF1H 8-C207 AC
RC-GZV337AF1V 8-C209 AB
RC-GZW478AF1V 8-C211 AH
" 8-C212 AH
RC-GZW688AF1E 8-C214 AH
RCILAA002SJZZ 6-L302 AC
RCILBA004SJZZ 6-L307 AD
RCILBA006SJZZ 6-L306 AC
RCILIA001SJZZ 6-L305 AC
RCILRA001SJZZ 6-L304 AA
RCRM-0008SJZZ 7-X702 AG
RCRSPA002SJZZ 7-X801 AE
RCRSPA006SJZZ 7-X301 AF
RCRSPA007SJZZ 7-X701 AE
RFILA0003SJZZ 4-CF304 AF
RFILF0003AWZZ 4-CF302 AK
RFILFA001SJZZ 4-CF301 AE
" 4-CF303 AE
RFILRA001SJZZ 4-BF301 AD
PARTS CODE No. PRICE
RANK
NEW
MARK
PART
RANK
RH-IXA033SJZZ 1-IC701 BF
RMOTV0409AFZZ 10-M201 AL
" 12-218-4 AL
RRLYD0014AWZZ 10-RLY101 AK
RRLYDA001SJZZ 10-RLY102 AH
RRMCGA029SJSA 15-3 AP
RTRNPA031SJZZ 5-T201 BA
[ S ]
SPAKAA066SJZZ 14- AG
SPAKAA067SJZZ 14- AG
SPAKCA122SJZZ 14- AU
SPAKPA022SJZZ 14- AE
SSAKA0014SJZZ 14- AB
SSAKHA040SJZZ 14- AD
[ T ]
TINSEA043SJZZ 15- AE
TINSEA044SJZZ 15- AD
TINSKA006SJZZ 15- AE
TLABS0046SJZZ 14- AB
TLABZA063SJZZ 14-
[ U ]
UDSKA0004AFZZ 17- AZ
[ V ]
VCCCCY1HH100J 8-C341 AA
" 8-C342 AA
" 8-C829 AA
" 8-C831 AA
VCCCCY1HH101J 8-C320 AA
" 8-C334 AA
" 8-C336 AA
" 8-C337 AA
VCCCCY1HH240J 8-C703 AA
" 8-C704 AA
VCCCPA1HH120J 8-C305 AA
VCCCPA1HH330J 8-C316 AA
" 8-C344 AA
VCCSCY1HL101J 8-C708 AA
" 8-C846 AA
VCCSCY1HL5R0C 8-C343 AD
VCCUPA1HJ100D 8-C307 AA
VCCUPA1HJ270J 8-C310 AA
VCCUPA1HJ5R0C 8-C345 AA
VCFYFA1HA104J 8-C125 AC
" 8-C126 AC
" 8-C127 AC
" 8-C128 AC
" 8-C129 AC
" 8-C130 AC
" 8-C203 AC
" 8-C204 AC
" 8-C205 AC
" 8-C206 AC
" 8-C613 AC
" 8-C614 AC
VCFYFA1HA473J 8-C221 AB
VCKYCY1EB103K 8-C306 AA
" 8-C314 AA
" 8-C318 AA
" 8-C327 AA
" 8-C331 AA
" 8-C713 AA
VCKYCY1EB104K 8-C701 AD
" 8-C702 AD
" 8-C705 AD
" 8-C707 AD
" 8-C711 AD
VCKYCY1EB153K 8-C312 AA
VCKYCY1EB183K 8-C308 AB
VCKYCY1EB333K 8-C329 AC
VCKYCY1EB563K 8-C815 AD
VCKYCY1EF103Z 8-C813 AA
" 8-C820 AA
VCKYCY1EF104Z 8-C801 AA
" 8-C803 AA
" 8-C804 AA
" 8-C806 AA
" 8-C808 AA
" 8-C811 AA
" 8-C819 AA
" 8-C827 AA
" 8-C828 AA
" 8-C849 AA
PARTS CODE No. PRICE
RANK
NEW
MARK
PART
RANK

XL-MP60
19
" 8-C851 AA
VCKYCY1EF223Z 8-C515 AB
" 8-C721 AB
" 8-C722 AB
" 8-C855 AB
VCKYCY1EF473Z 8-C657 AB
" 8-C710 AB
" 8-C814 AB
" 8-C826 AB
VCKYCY1HB101K 8-C842 AB
VCKYCY1HB102K 8-C301 AA
" 8-C332 AA
" 8-C714 AA
" 8-C715 AA
" 8-C809 AA
VCKYCY1HB104K 8-C659 AD
" 8-C830 AD
" 8-C832 AD
" 8-C833 AD
" 8-C835 AD
" 8-C839 AD
" 8-C840 AD
" 8-C841 AD
VCKYCY1HB221K 8-C101 AA
" 8-C102 AA
" 8-C103 AA
" 8-C619 AA
" 8-C620 AA
" 8-C658 AA
VCKYCY1HB222K 8-C140 AA
VCKYCY1HB223K 8-C348 AA
VCKYCY1HB332K 8-C636 AA
VCKYCY1HB472K 8-C349 AA
" 8-C821 AA
VCKYCY1HB473K 8-C215 AB
" 8-C347 AB
VCKYCY1HB562K 8-C853 AA
VCKYCY1HF103Z 8-C339 AB
VCKYCY1HF104Z 8-C303 AB
" 8-C313 AB
" 8-C326 AB
" 8-C340 AB
VCKYCY1HF223Z 8-C218 AA
VCKYPA1EF103Z 8-C817 AA
" 8-C856 AA
VCKYPA1HB101K 8-C843 AA
" 8-C845 AA
" 8-C847 AA
VCKYPA1HB102J 8-C309 AA
" 8-C317 AA
VCKYPA1HB104K 8-C137 AC
" 8-C138 AC
" 8-C622 AC
" 8-C623 AC
" 8-C852 AC
" 8-C854 AC
VCKYPA1HB221K 8-C621 AA
VCKYPA1HB272K 8-C611 AA
" 8-C612 AA
VCKYPA1HB331K 8-C720 AA
VCKYPA1HB472K 8-C131 AB
" 8-C132 AB
" 8-C133 AB
VCKYPA1HB561K 8-C311 AA
VCKYPA1HB563K 8-C818 AC
VCKYPA1HF223Z 8-C119 AB
" 8-C120 AB
" 8-C121 AB
" 8-C122 AB
" 8-C123 AB
" 8-C124 AB
" 8-C216 AB
" 8-C219 AB
" 8-C857 AB
VCKYPA1HF473Z 8-C213 AB
" 8-C812 AB
VCQYKA1JM224J 8-C635 AC
VCQYKA1JM274J 8-C651 AC
VHCSVC201//-1 3-D306 AE
" 3-D307 AE
VHCSVC347S/-1 3-D305 AG
VHD1N4004//-1 3-D104 AB
PARTS CODE No. PRICE
RANK
NEW
MARK
PART
RANK
" 3-D105 AB
" 3-D106 AB
" 3-D107 AB
" 3-D109 AB
" 3-D110 AB
" 3-D205 AB
" 3-D206 AB
" 3-D207 AB
" 3-D208 AB
" 3-D209 AB
" 3-D210 AB
" 3-D211 AB
" 3-D212 AB
" 3-D213 AB
" 3-D214 AB
" 3-D215 AB
" 3-D701 AB
" 3-D706 AB
" 3-D708 AB
VHD1N4148//-1 3-D108 AA
" 3-D217 AA
" 3-D604 AA
" 3-D605 AA
" 3-D702 AA
" 3-D703 AA
" 3-D704 AA
" 3-D705 AA
" 3-D709 AA
" 3-D710 AA
VHD1SS133//-1 3-D302 AA
" 3-D303 AA
VHDTS6B04GM-1 3-D201 AP
VHEDZH03C3+-1 3-ZD701 AB
VHEDZH04B2+-1 3-ZD802 AB
VHEDZH05C2+-1 3-D310 AB
" 3-ZD801 AB
VHEDZH06B2+-1 3-ZD101 AB
" 3-ZD502 AB
VHEDZH06C2+-1 3-ZD202 AB
VHEDZH3001+-1 3-ZD201 AB
VHEMTZJ3R6B-1 3-D308 AC
VHIKIA7805API 1-IC201 AF
VHIKIA7808API 1-IC203 AF
VHIKIA7812API 1-IC202 AE
VHILA6548NH-1 1-IC402 AL
VHILC75341M-1 1-IC601 AM
VHILC78690/-1 1-IC801 BE
VHILM4781TA-1 1-IC101 AZ
VHILV23002M-1 1-IC301 AS
VHINJM4558D-1 1-IC602 AH
VHLGP1UD261-1 10-RX701 AK
VHPLP3052A+-1 3-LED701 AC
VP-DH100K0000 6-L103 AB
" 6-L303 AB
VP-DH1R0K0000 6-L301 AC
VP-DH2R2K0000 6-L105 AB
" 6-L601 AB
VP-DH470K0000 6-L308 AB
VP-DHR82K0000 6-L502 AE
" 6-L503 AE
" 6-L701 AE
" 6-L703 AE
" 6-L704 AE
" 6-L705 AE
" 6-L706 AE
" 6-L707 AE
" 6-L708 AE
" 6-L802 AE
" 6-L803 AE
" 6-L804 AE
" 6-L807 AE
" 6-L810 AE
VRD-RT2HD620J 9-R218 AA
" 9-R219 AA
VRD-ST2CD100J 9-R302 AA
VRD-ST2CD102J 9-R103 AA
" 9-R111 AA
" 9-R311 AA
" 9-R433 AA
" 9-R601 AA
" 9-R602 AA
" 9-R643 AA
PARTS CODE No. PRICE
RANK
NEW
MARK
PART
RANK

XL-MP60
20
" 9-R668 AA
" 9-R669 AA
" 9-R701 AA
" 9-R703 AA
" 9-R705 AA
" 9-R706 AA
" 9-R708 AA
" 9-R709 AA
" 9-R710 AA
" 9-R714 AA
" 9-R715 AA
" 9-R728 AA
" 9-R729 AA
" 9-R730 AA
" 9-R746 AA
" 9-R747 AA
" 9-R748 AA
" 9-R749 AA
" 9-R750 AA
" 9-R755 AA
" 9-R799 AA
VRD-ST2CD103J 9-R208 AA
" 9-R704 AA
" 9-R716 AA
" 9-R727 AA
" 9-R738 AA
" 9-R742 AA
" 9-R743 AA
" 9-R744 AA
" 9-R797 AA
" 9-R816 AA
VRD-ST2CD104J 9-R140 AA
" 9-R141 AA
" 9-R142 AA
" 9-R303 AA
" 9-R310 AA
" 9-R622 AA
" 9-R623 AA
" 9-R647 AA
" 9-R648 AA
" 9-R831 AA
VRD-ST2CD122J 9-R765 AA
" 9-R766 AA
" 9-R780 AA
" 9-R781 AA
VRD-ST2CD123J 9-R205 AA
" 9-R624 AA
" 9-R625 AA
" 9-R815 AA
VRD-ST2CD152J 9-R767 AA
" 9-R782 AA
VRD-ST2CD153J 9-R828 AA
VRD-ST2CD202J 9-R768 AA
" 9-R783 AA
VRD-ST2CD221J 9-R160 AA
VRD-ST2CD223J 9-R123 AA
" 9-R124 AA
" 9-R163 AA
" 9-R511 AA
" 9-R517 AA
" 9-R641 AA
" 9-R665 AA
VRD-ST2CD272J 9-R733 AA
VRD-ST2CD331J 9-R206 AA
" 9-R207 AA
VRD-ST2CD391J 9-R323 AA
" 9-R509 AA
" 9-R514 AA
VRD-ST2CD392J 9-R612 AA
" 9-R613 AA
VRD-ST2CD471J 9-R806 AA
VRD-ST2CD472J 9-R619 AA
VRD-ST2CD473J 9-R204 AA
VRD-ST2CD561J 9-R814 AA
VRD-ST2CD562J 9-R689 AA
" 9-R786 AA
VRD-ST2CD682J 9-R829 AA
" 9-R842 AA
" 9-R844 AA
" 9-R855 AA
VRD-ST2CD822J 9-R802 AA
" 9-R803 AA
PARTS CODE No. PRICE
RANK
NEW
MARK
PART
RANK
VRD-ST2CD912J 9-R812 AA
VRD-ST2EE100J 9-R203 AA
" 9-R661 AA
VRD-ST2EE101J 9-R516 AA
VRD-ST2EE123J 9-R119 AA
VRD-ST2EE221J 9-R149 AA
" 9-R150 AA
" 9-R630 AA
VRD-ST2EE332J 9-R155 AA
VRD-ST2EE391J 9-R146 AA
" 9-R147 AA
VRD-ST2EE470J 9-R760 AA
VRD-ST2EE471J 9-R335 AA
" 9-R854 AA
VRD-ST2EE472J 9-R162 AA
VRD-ST2EE4R7J 9-R143 AA
" 9-R144 AA
" 9-R145 AA
VRD-ST2EE510J 9-R325 AA
VRD-ST2EE561J 9-R432 AA
VRD-ST2EE6R8J 9-R134 AA
" 9-R135 AA
" 9-R136 AA
VRS-CY1JB000J 9-R309 AA
" 9-R791 AA
" 9-R801 AA
" 9-JR303 AA
" 9-JR304 AA
" 9-R745B AA
VRS-CY1JB100J 9-R306 AA
VRS-CY1JB101J 9-R336 AA
" 9-R807 AA
VRS-CY1JB102J 9-R101 AA
" 9-R102 AA
" 9-R109 AA
" 9-R110 AA
" 9-R112 AA
" 9-R308 AA
" 9-R321 AA
" 9-R603 AA
" 9-R604 AA
" 9-R605 AA
" 9-R606 AA
" 9-R607 AA
" 9-R628 AA
" 9-R629 AA
" 9-R644 AA
" 9-R702 AA
" 9-R713 AA
" 9-R718 AA
" 9-R719 AA
" 9-R720 AA
" 9-R721 AA
" 9-R740 AA
" 9-R751 AA
" 9-R758 AA
" 9-R761 AA
" 9-R762 AA
" 9-R776 AA
" 9-R501A AA
" 9-R502A AA
" 9-R503A AA
" 9-R504A AA
" 9-R505A AA
" 9-R506A AA
" 9-R507A AA
" 9-R508A AA
VRS-CY1JB103J 9-R104 AA
" 9-R105 AA
" 9-R106 AA
" 9-R211 AA
" 9-R313 AA
" 9-R316 AA
" 9-R655 AA
" 9-R690 AA
" 9-R691 AA
" 9-R737 AA
" 9-R739 AA
" 9-R756 AA
" 9-R777 AA
" 9-R778 AA
" 9-R787 AA
PARTS CODE No. PRICE
RANK
NEW
MARK
PART
RANK

XL-MP60
21
" 9-R788 AA
" 9-R789 AA
" 9-R813 AA
" 9-R853 AA
" 9-R501B AA
" 9-R502B AA
" 9-R503B AA
" 9-R504B AA
" 9-R505B AA
" 9-R506B AA
" 9-R507B AA
" 9-R508B AA
VRS-CY1JB104J 9-R304 AA
" 9-R305 AA
" 9-R319 AA
" 9-R328 AA
" 9-R651 AA
" 9-R764 AA
" 9-R810 AA
" 9-R811 AA
VRS-CY1JB106J 9-R741 AA
VRS-CY1JB121J 9-R779 AA
VRS-CY1JB151J 9-R835 AA
VRS-CY1JB152J 9-R848 AA
" 9-R849 AA
" 9-R850 AA
" 9-R851 AA
" 9-R852 AA
VRS-CY1JB183J 9-R157 AA
VRS-CY1JB1R0J 9-R820 AA
" 9-R833 AA
VRS-CY1JB203J 9-R834 AA
VRS-CY1JB221J 9-R327 AA
" 9-R518 AA
" 9-R712 AA
" 9-R724 AA
" 9-R725 AA
VRS-CY1JB222J 9-R107 AA
" 9-R108 AA
" 9-R307 AA
" 9-R332 AA
VRS-CY1JB223J 9-R122 AA
" 9-R202 AA
" 9-R209 AA
" 9-R212 AA
" 9-R512 AA
" 9-R660 AA
" 9-R662 AA
" 9-R663 AA
" 9-R666 AA
" 9-R667 AA
" 9-R687 AA
VRS-CY1JB225J 9-R822 AA
VRS-CY1JB271J 9-R664 AA
" 9-R773 AA
VRS-CY1JB272J 9-R769 AA
" 9-R784 AA
VRS-CY1JB273J 9-R216 AA
" 9-R317 AA
" 9-R318 AA
VRS-CY1JB330J 9-R331 AA
VRS-CY1JB331J 9-R151 AA
" 9-R329 AA
" 9-R334 AA
" 9-R804 AA
" 9-R819 AA
VRS-CY1JB332J 9-R210 AA
" 9-R215 AA
" 9-R312 AA
" 9-R620 AA
" 9-R621 AA
" 9-R763 AA
" 9-R837 AA
VRS-CY1JB391J 9-R521 AA
VRS-CY1JB392J 9-R770 AA
" 9-R785 AA
" 9-R823 AA
" 9-R824 AA
VRS-CY1JB393J 9-R116 AA
" 9-R117 AA
" 9-R118 AA
VRS-CY1JB3R3J 9-R805 AA
PARTS CODE No. PRICE
RANK
NEW
MARK
PART
RANK
VRS-CY1JB471J 9-R510 AA
" 9-R513 AA
VRS-CY1JB472J 9-R161 AA
" 9-R314 AA
" 9-R315 AA
" 9-R618 AA
VRS-CY1JB473J 9-R159 AA
" 9-R320 AA
" 9-R656 AA
VRS-CY1JB474J 9-R213 AA
VRS-CY1JB562J 9-R156 AA
" 9-R772 AA
VRS-CY1JB563J 9-R137 AA
" 9-R138 AA
" 9-R139 AA
" 9-R526 AA
VRS-CY1JB681J 9-R333 AA
" 9-R825 AA
" 9-R826 AA
VRS-CY1JB682J 9-R154 AA
" 9-R337 AA
" 9-R338 AA
" 9-R339 AA
" 9-R841 AA
" 9-R845 AA
VRS-CY1JB683J 9-R827 AA
VRS-CY1JB820J 9-R775 AA
" 9-R830 AA
" 9-R832 AA
" 9-R840 AA
VRS-CY1JB822J 9-R649 AA
" 9-R659 AA
VRS-VV3AA271J 9-R525 AB
VRS-VV3AA560J 9-R214 AB
VS2HA1015GR-1 2-Q201 AB
" 2-Q204 AB
VS2HC1815GR-1 2-Q101 AB
" 2-Q102 AB
" 2-Q103 AB
" 2-Q107 AB
" 2-Q108 AB
" 2-Q109 AB
" 2-Q112 AB
" 2-Q113 AB
" 2-Q114 AB
" 2-Q205 AB
" 2-Q414 AB
" 2-Q506 AB
" 2-Q507 AB
" 2-Q703 AB
" 2-Q704 AB
" 2-Q705 AB
" 2-Q805 AB
VS2SA1235F+-1 2-Q801 AD
VS2SB562-C/-1 2-Q413 AD
" 2-Q503 AD
" 2-Q806 AD
VS2SC535-C/-1 2-Q202 AC
VS2SC5477++-1 2-Q302 AD
" 2-Q303 AD
VSKRA107M//-1 2-Q110 AE
VSKRC102M//-1 2-Q702 AC
VSKRC107M//-1 2-Q111 AC
" 2-Q502 AC
VSKTA1271Y/-1 2-Q505 AC
" 2-Q508 AC
VSKTC3200GR-1 2-Q203 AC
VSKTC3203Y/-1 2-Q504 AC
" 2-Q509 AC
" 2-Q510 AC
" 2-Q511 AC
" 2-Q802 AC
VVK251116//-1 10-VFD701 AV
[ X ]
XHBSN20P03000 12-616 AA
XHBSN30P06000 12-606 AA
XHBY930P08000 12-607 AA
XJBSN25P08000 12-608 AA
XJBSN30P06000 12-609 AA
XJBSN30P08000 12-610 AA
XJBY930P08000 12-612
XJBY930P10000 12-613 AA
PARTS CODE No. PRICE
RANK
NEW
MARK
PART
RANK

XL-MP60
22
XJBY930P12000 12-614 AA
XJPY930P06000 12-615 AA
[ 9 ]
9GD010804727 11-149 AC
9GD010814710 11-144 AC
9GD010814711 11-143 AC
9GD010814712 11-145 AC
9GD010814739 11-156 AH
9GD010824696 11-148 AD
9GD010824717 11-150 AG
9GD010824718 11-151 AD
9GD010824735 11-152 AC
9GD010824736 11-153 AD
9GD010824737 11-154 AD
9GD010824738 11-155 AD
9GD020834262 11-169 AG
9GD033004577 11-167 AC
9GD033004581 11-166 AB
9GD033004584 11-170 AB
9GD033004585 11-165 AB
9GD450633201 12-244 AE
9GD450633202 12-245 AE
9GD581194039 11-112 AE
9GD582593021 11-111 AE
9GD660004091 11-142 AD
9GD660824059 11-146 AD
9GD660824060 11-147 AD
9GD660934072H 11-133 AK
9GD660934073H 11-125 AN
9GD660934076H 11-132 BA
9GD660934077H 11-124 AM
9GD660934103H 11-115 AP
9GD660934115H 11-103 AT
9GD660934117H 11-157 AT
9GD660934118H 11-158 AT
9GD660934119H 11-159 AT
9GD660934120H 11-160 AT
9GD661192094 11-114 AU
9GD662101001 11-123 AZ
9GD662112002 11-119 AR
9GD662113026 11-121 AN
9GD662192003 11-136 AL
9GD662192019 11-104 AP
9GD662213021 11-137 AM
9GD662224010 11-113 AG
9GD662224013 11-106 AD
9GD662224014 11-107 AD
9GD662224015 11-127 AD
9GD662224016 11-129 AD
9GD662224088 11-140 AH
9GD662224089 11-141 AH
9GD662233009 11-135 AL
9GD662392022 11-126 AL
9GD662392085 11-116 AP
9GD662393005 11-118 AK
9GD662393006 11-122 AK
9GD662393007 11-117 AK
9GD662393008 11-120 AK
9GD662393017 11-131 AF
9GD662393018 11-108 AG
9GD662393020 11-110 AE
9GD662393023 11-134 AF
9GD662393024 11-109 AF
9GD662393025 11-105 AE
9GD662393039 11-128 AF
9GD662593086 11-138 AG
9GD662593090 11-139 AL
9GD662641004 11-101 AU
9GD662641033 11-102 AP
9GD663634068 11-130 AG
9GDGSL15A2608 11-164 AC
9GDGSL15A2616 11-163 AC
9GDGSL20A2606 11-161 AB
9GDGSP14A2504 11-162 AC
PARTS CODE No. PRICE
RANK
NEW
MARK
PART
RANK

XL-MP60
“HOW TO ORDER REPLACEMENT PARTS”
To have your order filled promptly and correctly, please furnish the
following information.
1. MODEL NUMBER 2. REF. No.
3. PART NO. 4. DESCRIPTION
MARK: SPARE PARTS-DELIVERY SECTION
For U.S.A. only
Contact your nearest SHARP Parts Distributor to order.
For location of SHARP Parts Distributor,
Please call Toll-Free;
1-800-BE-SHARP
Explanation of capacitors/resistors parts codes
Capacitors
VCC ....................... Ceramic type
VCK ........................ Ceramic type
VCT ........................ Semiconductor type
VC••MF............... Cylindrical type (without lead wire)
VC••MN............... Cylindrical type (without lead wire)
VC••TV................ Square type (without lead wire)
VC••TQ............... Square type (without lead wire)
VC••CY............... Square type (without lead wire)
VC••CZ............... Square type (without lead wire)
VC•••••••••J..The13thcharacter represents capacity difference.
("J" ±5%, "K" ±10%, "M" ±20%, "N" ±30%,
"C" ±0.25 pF, "D" ±0.5 pF, "Z" +80-20%.)
If there are no indications for the electrolytic capacitors, error is ±20%.
Resistors
VRD ....................... Carbon-film type
VRS ........................ Carbon-film type
VRN ....................... Metal-film type
VR • • MF ............... Cylindrical type (without lead wire)
VR • • MN............... Cylindrical type (without lead wire)
VR••TV................Square type (without lead wire)
VR••TQ...............Squaretype(without lead wire)
VR••CY...............Square type (without lead wire)
VR••CZ...............Squaretype(without lead wire)
VR•••••••••J..The13thcharacter represents error.
("J" ±5%, "F" ±1%, "D" ±0.5%.)
If there are no indications for other parts, the resistors are ±5%
carbon-film type.
CAUTION:FOR CONTINUED
PROTECTION AGAINST FIRE
HAZARD, REPLACE ONLY WITH
SAME TYPE F201 6.3A, 125V,F202 6.3A, 125V,
F203 1.6A, 125V FUSES.
ATTENTION:POUR ASSURER
UNE LONGUE PROTECTION CONTRE
UN INCENDIE, REMPLACER SEULEMENT
PAR UN FUSIBLE DE
TYPE F201 6.3A, 125V,F202 6.3A, 125V,
F203 1.6A, 125V FUSES.

-MEMO-
XL-MP60

-MEMO-
XL-MP60

No part of this publication may be reproduced,
stored in a retrieval system, or transmitted in
any form or by any means, electronic, mechanical,
photocopying, recording, or otherwise, without
prior written permission of the publisher.
COPYRIGHT
©
2005 BY SHARP CORPORATION
ALL RIGHTS RESERVED.
SHARP CORPORATION
AV Systems Group
Quality & Reliability Control Center
Higashihirosima, Hiroshima 739-0192, Japan
Printed in Japan
A0503-210SS•HA•C
SC•SL
XL-MP60