Manual De Taller Yamaha XTZ 750 Tenere/Super Tenere XTZ750 Wk Shop Manl
User Manual: XTZ750-WkShopManl
Open the PDF directly: View PDF  .
.
Page Count: 434 [warning: Documents this large are best viewed by clicking the View PDF Link!]
- XTZ750-WkShopMan_Ch01_General.pdf
- XTZ750-WkShopMan_Ch02_Specifications.pdf
- XTZ750-WkShopMan_Ch03_Inspection&Service.pdf
- XTZ750-WkShopMan_Ch04_Engine.pdf
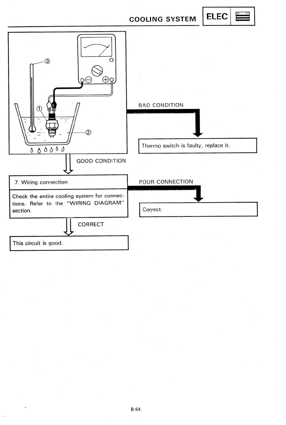
- XTZ750-WkShopMan_Ch05_Cooling.pdf
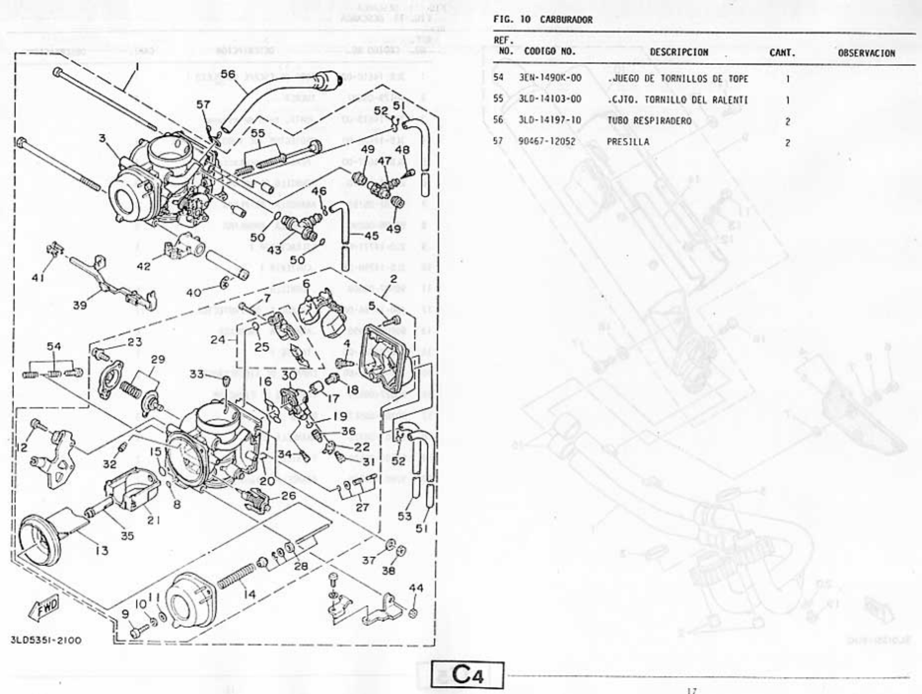
- XTZ750-WkShopMan_Ch06_Carburettor.pdf
- XTZ750-WkShopMan_Ch07_Chassis.pdf
- XTZ750-WkShopMan_Ch08_Electrical.pdf
- XTZ750-WkShopMan_Ch09_Troubleshooting.pdf
- XTZ750-WkShopMan_Ch10_Parts_Catalogue.pdf- Prolog
- Contents
- Cylinder Head
- Cylinder Block
- Crank & pistons (1)
- Crank & pistons (2)
- Valves (1)
- Valves (2)
- Camshafts & camchain
- Water pump
- Radiator & hoses (1)
- Radiator & hoses (2)
- Oil pumps (1)
- Oil pumps (2)
- Airbox (1)
- Airbox (2)
- Carburettor (1)
- Carburettor (2)
- Carburettor (3)
- Exhaust system
- Crankcases (1)
- Crankcases (2)
- Crankcase covers (1)
- Crankcase covers (2)
- Starter motor & starter clutch
- Clutch (1)
- Clutch (2)
- Gearbox (1)
- Gearbox (2)
- Gear selector forks
- Gear shift
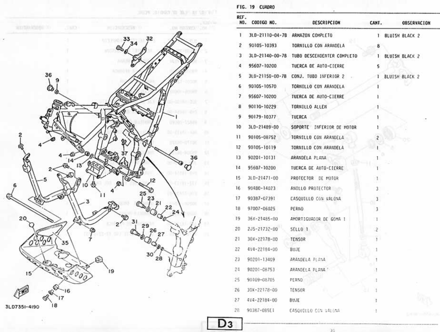
- Frame & bash plate (1)
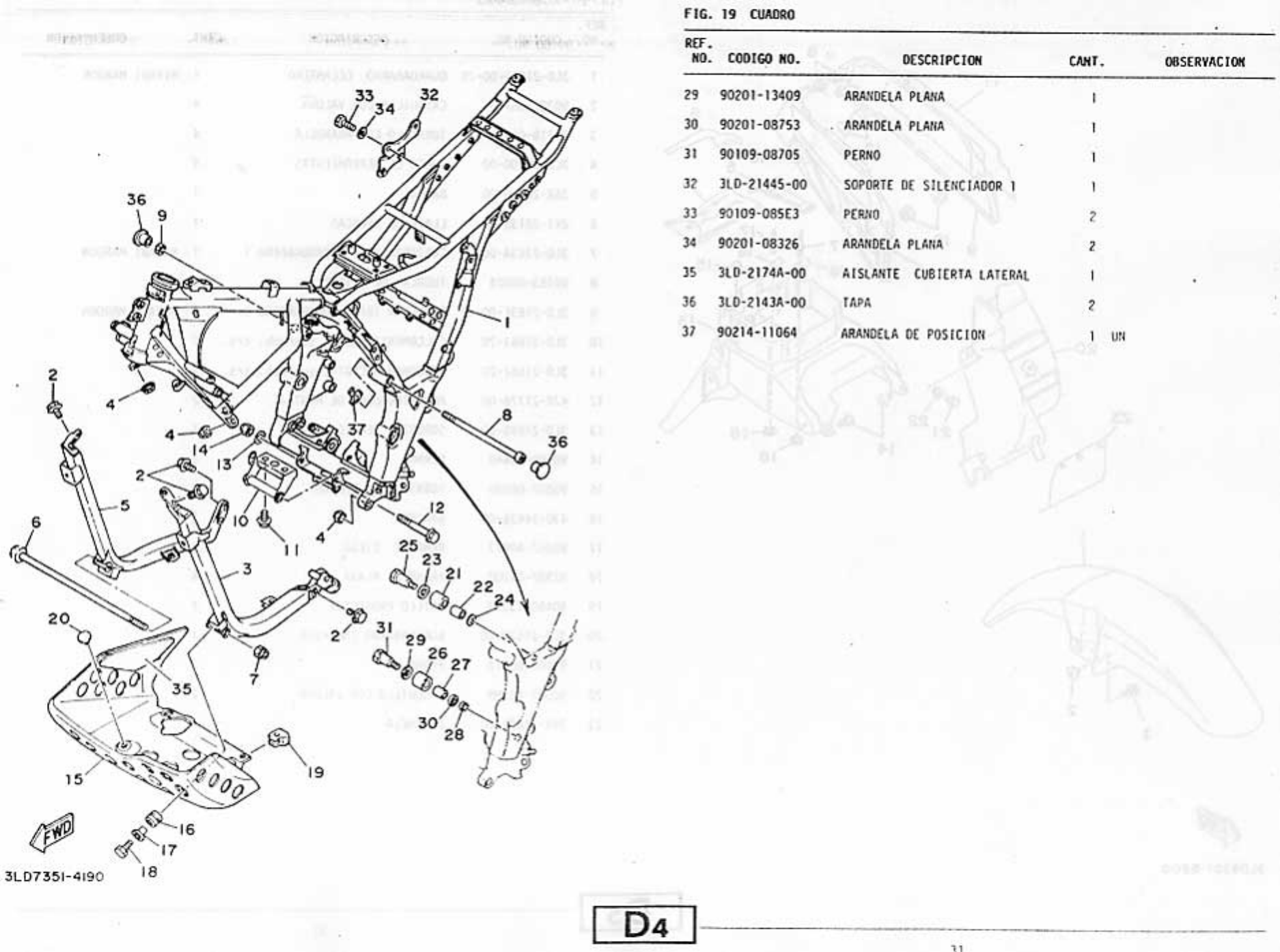
- Frame & bash plate (2)
- Mudguards/rear Bodywork
- Side panels (1), Oil tank, Coolant overflow reservoir, Battery holder
- Side panels (2), Oil tank, Coolant overflow reservoir, Battery holder
- Rear swingarm (1)
- Rear swingarm (2)
- Rear shock absorber
- Steering head
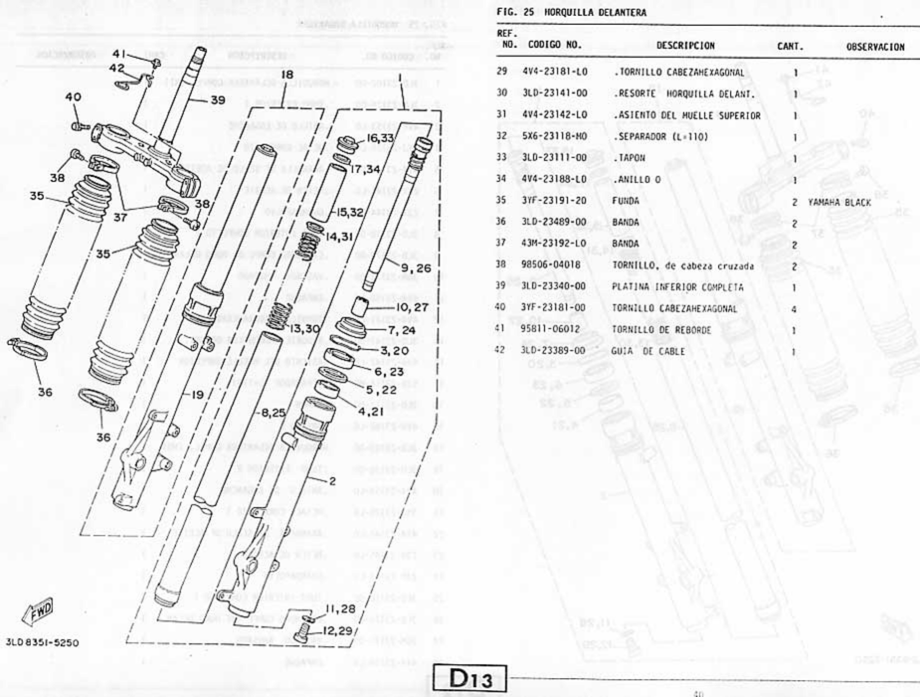
- Front forks (1)
- Front forks (2)
- Fuel tank & fuel pump (1)
- Fuel tank & fuel pump (2)
- Seat & rear luggage rack
- Front wheel
- Front brakes - discs & calipers
- Rear wheel (1)
- Rear wheel (2)
- Rear brake - disc & caliper
- Handlebars & control cables
- Front brake master cylinder
- Foot pegs & side stand
- Rear brake master cylinder & lever (1)
- Rear brake master cylinder & lever (2)
- Front fairing (1)
- Front fairing (2)
- Alternator
 

















































































































































































































































































































































































































































