ALC268 GR, ALC268Q GR Datasheet. Www.s Manuals.com. R1.0 Realtek
User Manual: Datasheets ALC268-GR, ALC268Q-GR.
Open the PDF directly: View PDF
.
Page Count: 86
- General Description
- Features
- System Applications
- Block Diagram
- Pin Assignments
- Pin Descriptions
- High Definition Audio Link Protocol
- Supported Verbs and Parameters
- Verb – Get Parameters (Verb ID=F00h)
- Parameter – Vendor ID (Verb ID=F00h, Parameter ID=00h)
- Parameter – Revision ID (Verb ID=F00h, Parameter ID=02h)
- Parameter – Subordinate Node Count (Verb ID=F00h, Parameter
- Parameter – Function Group Type (Verb ID=F00h, Parameter ID=
- Parameter – Audio Function Capabilities (Verb ID=F00h, Param
- Parameter – Audio Widget Capabilities (Verb ID=F00h, Paramet
- Parameter – Supported PCM Size, Rates (Verb ID=F00h, Paramet
- Parameter – Supported Stream Formats (Verb ID=F00h, Paramete
- Parameter – Pin Capabilities (Verb ID=F00h, Parameter ID=0Ch
- Parameter – Amplifier Capabilities(Verb ID=F00h, Input Ampl
- Parameter – Amplifier Capabilities (Verb ID=F00h, Output Amp
- Parameter – Connect List Length (Verb ID=F00h,Parameter ID=
- Parameter – Supported Power States (Verb ID=F00h,Parameter
- Parameter – Processing Capabilities (Verb ID=F00h,Parameter
- Parameter – GPIO Capabilities (Verb ID=F00h, Parameter ID=11
- Parameter – Volume Knob Capabilities (Verb ID=F00h, Paramete
- Verb – Get Connection Select Control (Verb ID=F01h)
- Verb – Set Connection Select (Verb ID=701h)
- Verb – Get Connection List Entry (Verb ID=F02h)
- Verb – Get Processing State (Verb ID=F03h)
- Verb – Set Processing State (Verb ID=703h)
- Verb – Get Coefficient Index (Verb ID=Dh)
- Verb – Set Coefficient Index (Verb ID=5h)
- Verb – Get Processing Coefficient (Verb ID=Ch)
- Verb – Set Processing Coefficient (Verb ID=4h)
- Verb – Get Amplifier Gain (Verb ID=Bh)
- Verb – Set Amplifier Gain (Verb ID=3h)
- Verb – Get Converter Format (Verb ID=Ah)
- Verb – Set Converter Format (Verb ID=2h)
- Verb – Get Power State (Verb ID=F05h)
- Verb – Set Power State (Verb ID=705h)
- Verb – Get Converter Stream, Channel (Verb ID=F06h)
- Verb – Set Converter Stream, Channel (Verb ID=706h)
- Verb – Get Pin Widget Control (Verb ID=F07h)
- Verb – Set Pin Widget Control (Verb ID=707h)
- Verb – Get Unsolicited Response Control (Verb ID=F08h)
- Verb – Set Unsolicited Response Control (Verb ID=708h)
- Verb – Get Pin Sense (Verb ID=F09h)
- Verb – Execute Pin Sense (Verb ID=709h)
- Verb – Get Configuration Default (Verb ID=F1Ch)
- Verb – Set Configuration Default Bytes 0, 1, 2, 3 (Verb ID=7
- Verb – Get BEEP Generator (Verb ID=F0Ah)
- Verb – Set BEEP Generator (Verb ID=70Ah)
- Verb – Get GPIO Data (Verb ID=F15h)
- Verb – Set GPIO Data (Verb ID=715h)
- Verb – Get GPIO Enable Mask (Verb ID=F16h)
- Verb – Set GPIO Enable Mask (Verb ID=716h)
- Verb – Get GPIO Direction (Verb ID=F17h)
- Verb – Set GPIO Direction (Verb ID=717h)
- Verb – Get GPIO Unsolicited Response Enable Mask (Verb ID=F1
- Verb – Set GPIO Unsolicited Response Enable Mask (Verb ID=7
- Verb – Function Reset (Verb ID=7FFh)
- Verb – Get Digital Converter Control 1 & Control 2 (Verb ID
- Verb – Set Digital Converter Control 1 & Control 2 (Verb ID=
- Get/Set Volume Knob Widget (Verb ID=F0Fh/70Fh)
- Get/Set Subsystem ID [31:0] (Verb ID=F20h / 723h~720h to Se
- Verb – Get Parameters (Verb ID=F00h)
- Electrical Characteristics
- Application Notes
- Mechanical Dimensions
- Ordering Information

ALC268-GR
ALC268Q-GR
2+2 CHANNEL HIGH DEFINITION AUDIO CODEC
DATASHEET
Rev. 1.0
04 September 2006
Track ID: JATR-1076-21
Realtek Semiconductor Corp.
No. 2, Innovation Road II, Hsinchu Science Park, Hsinchu 300, Taiwan
Tel.: +886-3-578-0211. Fax: +886-3-577-6047
www.realtek.com.tw

ALC268 Series
Datasheet
2+2 Channel High Definition Audio Codec ii Track ID: JATR-1076-21 Rev. 1.0
COPYRIGHT
©2006 Realtek Semiconductor Corp. All rights reserved. No part of this document may be reproduced,
transmitted, transcribed, stored in a retrieval system, or translated into any language in any form or by any
means without the written permission of Realtek Semiconductor Corp.
DISCLAIMER
Realtek provides this document “as is”, without warranty of any kind, neither expressed nor implied,
including, but not limited to, the particular purpose. Realtek may make improvements and/or changes in
this document or in the product described in this document at any time. This document could include
technical inaccuracies or typographical errors.
TRADEMARKS
Realtek is a trademark of Realtek Semiconductor Corporation. Other names mentioned in this document
are trademarks/registered trademarks of their respective owners.
USING THIS DOCUMENT
This document is intended for the hardware and software engineer’s general information on the Realtek
ALC268 Series Audio Codecs.
Though every effort has been made to assure that this document is current and accurate, more information
may have become available subsequent to the production of this guide. In that event, please contact your
Realtek representative for additional information that may help in the development process.
REVISION HISTORY
Revision Release Date Summary
1.0 2006/09/04 First release.

ALC268 Series
Datasheet
2+2 Channel High Definition Audio Codec iii Track ID: JATR-1076-21 Rev. 1.0
Table of Contents
1. General Description .................................................................................................... 1
2. Features ........................................................................................................................2
2.1. HARDWARE FEATURES.....................................................................................................................2
2.2. SOFTWARE FEATURES ......................................................................................................................3
3. System Applications .................................................................................................... 3
4. Block Diagram ............................................................................................................. 4
4.1. ANALOG INPUT/OUTPUT UNIT .........................................................................................................4
5. Pin Assignments........................................................................................................... 5
5.1. ALC268-GR (LQFP-48)..................................................................................................................5
5.2. ALC268Q-GR (QFN-48) ................................................................................................................6
5.3. GREEN PACKAGE AND VERSION IDENTIFICATION ............................................................................6
6. Pin Descriptions........................................................................................................... 7
6.1. DIGITAL I/O PINS .............................................................................................................................7
6.2. ANALOG I/O PINS.............................................................................................................................8
6.3. FILTER/REFERENCE/NOT CONNECTED .............................................................................................9
6.4. POWER/GROUND ..............................................................................................................................9
7. High Definition Audio Link Protocol ...................................................................... 10
7.1. LINK SIGNALS ................................................................................................................................10
7.1.1. Signal Definitions ................................................................................................................................................. 11
7.1.2. Signaling Topology ...............................................................................................................................................12
7.2. FRAME COMPOSITION.....................................................................................................................13
7.2.1. Outbound Frame – Single SDO............................................................................................................................13
7.2.2. Outbound Frame – Multiple SDO ........................................................................................................................14
7.2.3. Inbound Frame – Single SDI................................................................................................................................15
7.2.4. Inbound Frame – Multiple SDI ............................................................................................................................16
7.2.5. Variable Sample Rates..........................................................................................................................................16
7.3. RESET AND INITIALIZATION............................................................................................................19
7.3.1. Link Reset .............................................................................................................................................................19
7.3.2. Codec Reset ..........................................................................................................................................................20
7.3.3. Codec Initialization Sequence ..............................................................................................................................21
7.4. VERB AND RESPONSE FORMAT.......................................................................................................22
7.4.1. Command Verb Format ........................................................................................................................................22
7.4.2. Response Format..................................................................................................................................................22
7.5. POWER MANAGEMENT ...................................................................................................................23

ALC268 Series
Datasheet
2+2 Channel High Definition Audio Codec iv Track ID: JATR-1076-21 Rev. 1.0
8. Supported Verbs and Parameters............................................................................ 24
8.1. VERB – GET PARAMETERS (VERB ID=F00H) .................................................................................24
8.1.1. Parameter – Vendor ID (Verb ID=F00h, Parameter ID=00h).............................................................................24
8.1.2. Parameter – Revision ID (Verb ID=F00h, Parameter ID=02h) ..........................................................................24
8.1.3. Parameter – Subordinate Node Count (Verb ID=F00h, Parameter ID=04h)......................................................25
8.1.4. Parameter – Function Group Type (Verb ID=F00h, Parameter ID=05h) ...........................................................26
8.1.5. Parameter – Audio Function Capabilities (Verb ID=F00h, Parameter ID=08h)................................................26
8.1.6. Parameter – Audio Widget Capabilities (Verb ID=F00h, Parameter ID=09h) ...................................................27
8.1.7. Parameter – Supported PCM Size, Rates (Verb ID=F00h, Parameter ID=0Ah).................................................28
8.1.8. Parameter – Supported Stream Formats (Verb ID=F00h, Parameter ID=0Bh)..................................................29
8.1.9. Parameter – Pin Capabilities (Verb ID=F00h, Parameter ID=0Ch) ..................................................................30
8.1.10. Parameter – Amplifier Capabilities (Verb ID=F00h, Input Amplifier Parameter ID=0Dh)................................31
8.1.11. Parameter – Amplifier Capabilities (Verb ID=F00h, Output Amplifier Parameter ID=12h)..............................31
8.1.12. Parameter – Connect List Length (Verb ID=F00h, Parameter ID=0Eh) ............................................................32
8.1.13. Parameter – Supported Power States (Verb ID=F00h, Parameter ID=0Fh).......................................................32
8.1.14. Parameter – Processing Capabilities (Verb ID=F00h, Parameter ID=10h) .......................................................32
8.1.15. Parameter – GPIO Capabilities (Verb ID=F00h, Parameter ID=11h) ...............................................................33
8.1.16. Parameter – Volume Knob Capabilities (Verb ID=F00h, Parameter ID=13h) ...................................................33
8.2. VERB – GET CONNECTION SELECT CONTROL (VERB ID=F01H) ....................................................34
8.3. VERB – SET CONNECTION SELECT (VERB ID=701H) .....................................................................34
8.4. VERB – GET CONNECTION LIST ENTRY (VERB ID=F02H)..............................................................35
8.5. VERB – GET PROCESSING STATE (VERB ID=F03H)........................................................................38
8.6. VERB – SET PROCESSING STATE (VERB ID=703H) ........................................................................38
8.7. VERB – GET COEFFICIENT INDEX (VERB ID=DH) ..........................................................................39
8.8. VERB – SET COEFFICIENT INDEX (VERB ID=5H)............................................................................39
8.9. VERB – GET PROCESSING COEFFICIENT (VERB ID=CH).................................................................40
8.10. VERB – SET PROCESSING COEFFICIENT (VERB ID=4H) ..................................................................40
8.11. VERB – GET AMPLIFIER GAIN (VERB ID=BH) ...............................................................................41
8.12. VERB – SET AMPLIFIER GAIN (VERB ID=3H).................................................................................45
8.13. VERB – GET CONVERTER FORMAT (VERB ID=AH)........................................................................46
8.14. VERB – SET CONVERTER FORMAT (VERB ID=2H) .........................................................................47
8.15. VERB – GET POWER STATE (VERB ID=F05H)................................................................................48
8.16. VERB – SET POWER STATE (VERB ID=705H).................................................................................48
8.17. VERB – GET CONVERTER STREAM, CHANNEL (VERB ID=F06H) ...................................................49
8.18. VERB – SET CONVERTER STREAM, CHANNEL (VERB ID=706H) ....................................................49
8.19. VERB – GET PIN WIDGET CONTROL (VERB ID=F07H)...................................................................50
8.20. VERB – SET PIN WIDGET CONTROL (VERB ID=707H) ...................................................................51
8.21. VERB – GET UNSOLICITED RESPONSE CONTROL (VERB ID=F08H) ...............................................52
8.22. VERB – SET UNSOLICITED RESPONSE CONTROL (VERB ID=708H) ................................................52
8.23. VERB – GET PIN SENSE (VERB ID=F09H) ......................................................................................53
8.24. VERB – EXECUTE PIN SENSE (VERB ID=709H) ..............................................................................53
8.25. VERB – GET CONFIGURATION DEFAULT (VERB ID=F1CH) ...........................................................54
8.26. VERB – SET CONFIGURATION DEFAULT BYTES 0, 1, 2, 3 (VERB ID=71CH/71DH/71EH/71FH FOR
BYTES 0, 1, 2, 3).............................................................................................................................54
8.27. VERB – GET BEEP GENERATOR (VERB ID=F0AH) .......................................................................55
8.28. VERB – SET BEEP GENERATOR (VERB ID=70AH) ........................................................................55
8.29. VERB – GET GPIO DATA (VERB ID=F15H) ...................................................................................56
8.30. VERB – SET GPIO DATA (VERB ID=715H)....................................................................................56

ALC268 Series
Datasheet
2+2 Channel High Definition Audio Codec v Track ID: JATR-1076-21 Rev. 1.0
8.31. VERB – GET GPIO ENABLE MASK (VERB ID=F16H).....................................................................57
8.32. VERB – SET GPIO ENABLE MASK (VERB ID=716H)......................................................................57
8.33. VERB – GET GPIO DIRECTION (VERB ID=F17H)...........................................................................58
8.34. VERB – SET GPIO DIRECTION (VERB ID=717H)............................................................................58
8.35. VERB – GET GPIO UNSOLICITED RESPONSE ENABLE MASK (VERB ID=F19H) .............................59
8.36. VERB – SET GPIO UNSOLICITED RESPONSE ENABLE MASK (VERB ID=719H).............................59
8.37. VERB – FUNCTION RESET (VERB ID=7FFH) ..................................................................................60
8.38. VERB – GET DIGITAL CONVERTER CONTROL 1 & CONTROL 2 (VERB ID=F0DH, F0EH)..............61
8.39. VERB – SET DIGITAL CONVERTER CONTROL 1 & CONTROL 2 (VERB ID=70DH, 70EH)................62
8.40. GET/SET VOLUME KNOB WIDGET (VERB ID=F0FH/70FH)............................................................63
8.41. GET/SET SUBSYSTEM ID [31:0] (VERB ID=F20H / 723H~720H TO SET BIT[31:0]) ......................63
9. Electrical Characteristics ......................................................................................... 64
9.1. DC CHARACTERISTICS ...................................................................................................................64
9.1.1. Absolute Maximum Ratings..................................................................................................................................64
9.1.2. Threshold Voltage .................................................................................................................................................64
9.1.3. Digital Filter Characteristics ...............................................................................................................................65
9.1.4. S/PDIF Output Characteristics ............................................................................................................................65
9.2. AC CHARACTERISTICS ...................................................................................................................66
9.2.1. Link Reset and Initialization Timing.....................................................................................................................66
9.2.2. Link Timing Parameters at the Codec ..................................................................................................................67
9.2.3. S/PDIF Output Timing..........................................................................................................................................68
9.2.4. Test Mode..............................................................................................................................................................68
9.3. ANALOG PERFORMANCE ................................................................................................................69
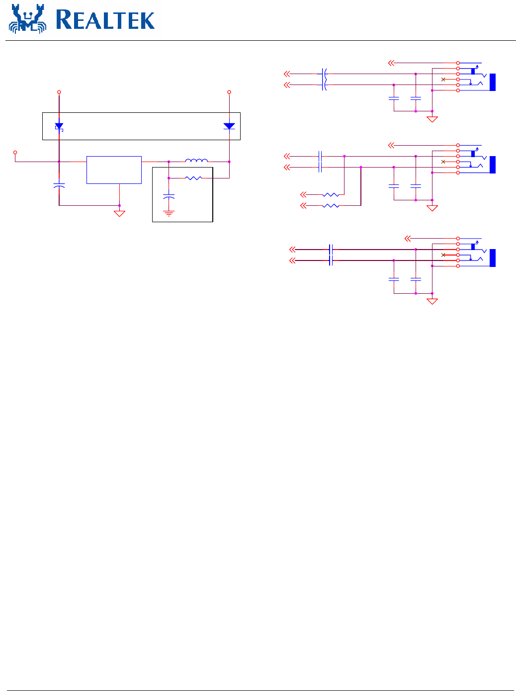
10. Application Notes ...................................................................................................... 70
10.1. APPLICATION CIRCUITS..................................................................................................................70
10.2. DIGITAL MICROPHONE IMPLEMENTATION......................................................................................73
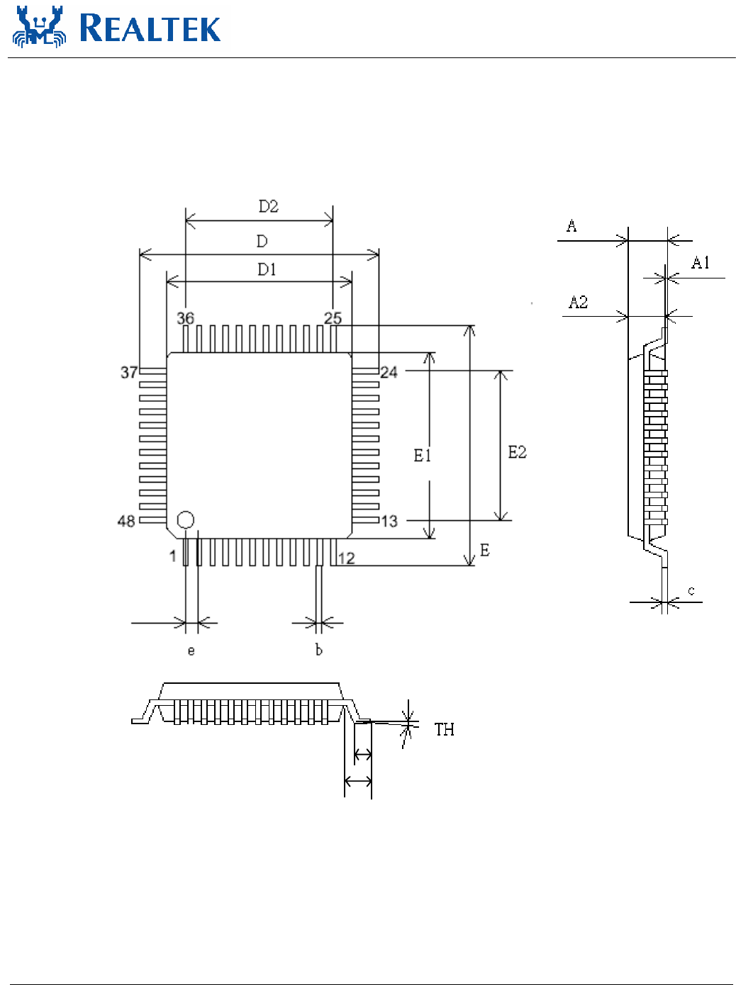
11. Mechanical Dimensions ............................................................................................ 74
11.1. LQFP-48 MECHANICAL DIMENSIONS ............................................................................................74
11.2. LQFP-48 MECHANICAL DIMENSIONS NOTES.................................................................................75
11.3. QFN-48 MECHANICAL DIMENSIONS ..............................................................................................76
12. Ordering Information ............................................................................................... 77

ALC268 Series
Datasheet
2+2 Channel High Definition Audio Codec vi Track ID: JATR-1076-21 Rev. 1.0
List of Tables
Table 1. Digital I/O Pins ...........................................................................................................................7
Table 2. Analog I/O Pins...........................................................................................................................8
Table 3. Filter/Reference...........................................................................................................................9
Table 4. Power/Ground.............................................................................................................................9
Table 5. Link Signal Definitions.............................................................................................................11
Table 6. HDA Signal Definitions............................................................................................................11
Table 7. Defined Sample Rate and Transmission Rate...........................................................................17
Table 8. 48kHz Variable Rate of Delivery Timing .................................................................................17
Table 9. 44.1kHz Variable Rate of Delivery Timing ..............................................................................18
Table 10. 40-Bit Commands in 4-Bit Verb Format...................................................................................22
Table 11. 40-Bit Commands in 12-Bit Verb Format.................................................................................22
Table 12. Solicited Response Format .......................................................................................................22
Table 13. Unsolicited Response Format ...................................................................................................22
Table 14. System Power State Definitions ...............................................................................................23
Table 15. Power Controls in NID=01h .....................................................................................................23
Table 16. Powered Down Conditions .......................................................................................................23
Table 17. Verb – Get Parameters (Verb ID=F00h) ...................................................................................24
Table 18. Parameter – Vendor ID (Verb ID=F00h, Parameter ID=00h) ...................................................24
Table 19. Parameter – Revision ID (Verb ID=F00h, Parameter ID=02h) ................................................24
Table 20. Parameter – Subordinate Node Count (Verb ID=F00h, Parameter ID=04h)............................25
Table 21. Parameter – Function Group Type (Verb ID=F00h, Parameter ID=05h) .................................26
Table 22. Parameter – Audio Function Capabilities (Verb ID=F00h, Parameter ID=08h).......................26
Table 23. Parameter – Audio Widget Capabilities (Verb ID=F00h, Parameter ID=09h) .........................27
Table 24. Parameter – Supported PCM Size, Rates (Verb ID=F00h, Parameter ID=0Ah) ......................28
Table 25. Parameter – Supported Stream Formats (Verb ID=F00h, Parameter ID=0Bh) ........................29
Table 26. Parameter – Pin Capabilities (Verb ID=F00h, Parameter ID=0Ch)..........................................30
Table 27. Parameter – Amplifier Capabilities (Verb ID=F00h, Input Amplifier Parameter ID=0Dh) .....31
Table 28. Parameter – Amplifier Capabilities (Verb ID=F00h, Output Amplifier Parameter ID=12h) ...31
Table 29. Parameter – Connect List Length (Verb ID=F00h, Parameter ID=0Eh) ..................................32
Table 30. Parameter – Supported Power States (Verb ID=F00h, Parameter ID=0Fh) .............................32
Table 31. Parameter – Processing Capabilities (Verb ID=F00h, Parameter ID=10h) ..............................32
Table 32. Parameter – GPIO Capabilities (Verb ID=F00h, Parameter ID=11h) ......................................33
Table 33. Parameter – Volume Knob Capabilities (Verb ID=F00h, Parameter ID=13h) .........................33
Table 34. Verb – Get Connection Select Control (Verb ID=F01h)...........................................................34
Table 35. Verb – Set Connection Select (Verb ID=701h) .........................................................................34
Table 36. Verb – Get Connection List Entry (Verb ID=F02h)..................................................................35
Table 37. Verb – Get Processing State (Verb ID=F03h) ...........................................................................38
Table 38. Verb – Set Processing State (Verb ID=703h)............................................................................38
Table 39. Verb – Get Coefficient Index (Verb ID=Dh).............................................................................39
Table 40. Verb – Set Coefficient Index (Verb ID=5h) ..............................................................................39
Table 41. Verb – Get Processing Coefficient (Verb ID=Ch).....................................................................40
Table 42. Verb – Set Processing Coefficient (Verb ID=4h)......................................................................40
Table 43. Verb – Get Amplifier Gain (Verb ID=Bh) ................................................................................41
Table 44. Verb – Set Amplifier Gain (Verb ID=3h)..................................................................................45

ALC268 Series
Datasheet
2+2 Channel High Definition Audio Codec vii Track ID: JATR-1076-21 Rev. 1.0
Table 45. Verb – Get Converter Format (Verb ID=Ah) ............................................................................46
Table 46. Verb – Set Converter Format (Verb ID=2h)..............................................................................47
Table 47. Verb – Get Power State (Verb ID=F05h) ..................................................................................48
Table 48. Verb – Set Power State (Verb ID=705h)...................................................................................48
Table 49. Verb – Set Converter Stream, Channel (Verb ID=706h)...........................................................49
Table 50. Verb – Get Pin Widget Control (Verb ID=F07h) ......................................................................50
Table 51. Verb – Set Pin Widget Control (Verb ID=707h) .......................................................................51
Table 52. Verb – Get Unsolicited Response Control (Verb ID=F08h) .....................................................52
Table 53. Verb – Set Unsolicited Response Control (Verb ID=708h) ......................................................52
Table 54. Verb – Get Pin Sense (Verb ID=F09h)......................................................................................53
Table 55. Verb – Execute Pin Sense (Verb ID=709h)...............................................................................53
Table 56. Verb – Get Configuration Default (Verb ID=F1Ch) .................................................................54
Table 57. Verb – Set Configuration Default Bytes 0, 1, 2, 3
(Verb ID=71Ch/71Dh/71Eh/71Fh for Bytes 0, 1, 2, 3) ............................................................54
Table 58. Verb – Get BEEP Generator (Verb ID=F0Ah)..........................................................................55
Table 59. Verb – Set BEEP Generator (Verb ID=70Ah)...........................................................................55
Table 60. Verb – Get GPIO Data (Verb ID=F15h) ...................................................................................56
Table 61. Verb – Set GPIO Data (Verb ID=715h) ....................................................................................56
Table 62. Verb – Get GPIO Enable Mask (Verb ID=F16h) ......................................................................57
Table 63. Verb – Set GPIO Enable Mask (Verb ID=716h).......................................................................57
Table 64. Verb – Get GPIO Direction (Verb ID=F17h)............................................................................58
Table 65. Verb – Set GPIO Direction (Verb ID=717h).............................................................................58
Table 66. Verb – Get GPIO Unsolicited Response Enable Mask (Verb ID=F19h) ..................................59
Table 67. Verb – Set GPIO Unsolicited Response Enable Mask (Verb ID=719h) ...................................59
Table 68. Verb – Function Reset (Verb ID=7FFh)....................................................................................60
Table 69. Verb – Get Digital Converter Control 1 & Control 2 (Verb ID=F0Dh, F0Eh) .........................61
Table 70. Verb – Set Digital Converter Control 1 & Control 2 (Verb ID=70Dh, 70Eh) ..........................62
Table 71. Get/Set Volume Knob Widget (Verb ID=F0Fh/70Fh) ..............................................................63
Table 72. Get/Set Subsystem ID [31:0] (Verb ID=F20h / 723h~720h to Set Bit[31:0]) ..........................63
Table 73. Absolute Maximum Ratings .....................................................................................................64
Table 74. Threshold Voltage .....................................................................................................................64
Table 75. Digital Filter Characteristics.....................................................................................................65
Table 76. S/PDIF Input/Output Characteristics ........................................................................................65
Table 77. Link Reset and Initialization Timing ........................................................................................66
Table 78. Link Timing Parameters at the Codec.......................................................................................67
Table 79. S/PDIF Output Timing..............................................................................................................68
Table 80. Analog Performance .................................................................................................................69
Table 81. Ordering Information................................................................................................................77

ALC268 Series
Datasheet
2+2 Channel High Definition Audio Codec viii Track ID: JATR-1076-21 Rev. 1.0
List of Figures
Figure 1. Block Diagram ..........................................................................................................................4
Figure 2. Analog Input/Output Unit .........................................................................................................4
Figure 3. Pin Assignments ALC268-GR (LQFP-48)................................................................................5
Figure 4. Pin Assignments ALC268Q-GR (QFN-48)...............................................................................6
Figure 5. HDA Link Protocol .................................................................................................................10
Figure 6. Bit Timing ...............................................................................................................................11
Figure 7. Signaling Topology .................................................................................................................12
Figure 8. SDO Outbound Frame.............................................................................................................13
Figure 9. SDO Stream Tag is Indicated in SYNC ..................................................................................13
Figure 10. Stripped Stream on Multiple SDOs.........................................................................................14
Figure 11. SDI Inbound Stream ................................................................................................................15
Figure 12. SDI Stream Tag and Data........................................................................................................15
Figure 13. Codec Transmits Data Over Multiple SDIs.............................................................................16
Figure 14. Link Reset Timing...................................................................................................................20
Figure 15. Codec Initialization Sequence.................................................................................................21
Figure 16. Link Reset and Initialization Timing.......................................................................................66
Figure 17. Link Signals Timing ................................................................................................................67
Figure 18. Output Timing .........................................................................................................................68
Figure 19. Filter Connection.....................................................................................................................70
Figure 20. Power and Rear Panel Jack Connection..................................................................................71
Figure 21. Front Panel Header and Front Panel I/O Cable.......................................................................72
Figure 22. S/PDIF-OUT Connection........................................................................................................72
Figure 23. Digital Microphone Implementation-1....................................................................................73
Figure 24. Digital Microphone Implementation-2....................................................................................73

ALC268 Series
Datasheet
2+2 Channel High Definition Audio Codec Track ID: JATR-1076-21 Rev. 1.0
1
1. General Description
The ALC268 series are 4-Channel High Definition Audio Codecs with UAA (Universal Audio
Architecture), featuring two stereo DACs and two stereo ADCs. The 4 channels of DAC support stereo
sound playback on the rear panel and independent stereo sound output on the front panel simultaneously
(multiple streaming). The two stereo ADCs integrate two stereo and independent analog sound inputs.
The ALC268 series incorporates Realtek proprietary converter technology to achieve 95dB dynamic
range playback quality and 90dB dynamic range recording quality. They are designed for Windows Vista
premium desktop and laptop systems.
The ALC268 series also supports up to 4 digital microphone channels (microphone array) with Acoustic
Echo Cancellation (AEC), Beam Forming (BF), and Noise Suppression (NS) technology simultaneously,
significantly improving sound quality for PC VoIP applications.
The S/PDIF output offers easy connection of PCs to high quality consumer electronic products such as
digital decoders and speakers.
The ALC268 supports host/soft audio from the Intel ICH chipset, and also from any other HDA
compatible audio controller. With EAX/Direct Sound 3D/I3DL2/A3D compatibility, and excellent
software utilities like Karaoke mode, environment emulation, and software equalizer audio technology to
provide an excellent entertainment package and game experience for PC users.

ALC268 Series
Datasheet
2+2 Channel High Definition Audio Codec Track ID: JATR-1076-21 Rev. 1.0
2
2. Features
2.1.
Hardware Features
95dB SNR DACs meet Windows Vista Premium requirement
90dB SNR ADCs meet Windows Vista Premium requirement
Two stereo DACs support 16/20/24-bit PCM format for stereo audio playback
Two stereo ADCs support 16/20-bit PCM format for two stereo independent sound inputs
All DACs supports 44.1k/48K/96k/192kHz sample rate
All ADCs support 44.1k/48k/96kHz sample rate
16/20/24-bit S/PDIF-OUT supports 44.1k/48k/88.2k/96k/192kHz sample rate
Up to four channels of digital microphone input are supported
Supports MONO line output with independent volume control
High-quality analog differential CD input
Supports external PCBEEP input and built-in digital BEEP generator
Software selectable 2.5V/3.75V/4.2V VREFOUT
Two jack detection pins each designed to detect up to 4 jacks
1dB resolution of analog output volume control
Programmable 20dB and 40dB boost for analog microphone input
Supports hardware digital volume control for digital microphone input
Built-in headphone amplifiers for port-A and port-D
4 GPIOs (GPIO0/GPIO3 are digital GPIO shared with digital MIC interface, GPIO1/GPIO2 are
analog) for customized applications
EAPD (External Amplifier Power Down) is supported
Supports Anti-pop mode when analog power AVDD is on and digital power is off.
Power support: 3.3V digital core power; 1.5V~3.3V digital IO power for HDA link; 3.3V~5.0V
analog power
Power management features
48-pin LQFP ‘Green’ package
48-pin QFN ‘Green’ package

ALC268 Series
Datasheet
2+2 Channel High Definition Audio Codec Track ID: JATR-1076-21 Rev. 1.0
3
2.2.
Software Features
Meets Microsoft WLP 3.0x audio requirements
EAX™ 1.0 & 2.0 compatible
Direct Sound 3D™ compatible
A3D™ compatible
I3DL2 compatible
HRTF 3D Positional Audio
Emulation of 26 sound environments to enhance gaming experience
10 Software Equalizer Bands
Voice Cancellation and Key Shifting in Karaoke mode
Realtek Media Player
Enhanced Configuration Panels (2 feet UI and 10 feet UI for Media Center)
Microphone Acoustic Echo Cancellation (AEC), Noise Suppression (NS), and Beam Forming (BF)
technology for voice applications
3. System Applications
Windows Vista premium desktop and laptop PCs
Information appliances (IA) with High Definition Audio Controller

ALC268 Series
Datasheet
2+2 Channel High Definition Audio Codec Track ID: JATR-1076-21 Rev. 1.0
4
4. Block Diagram
Figure 1. Block Diagram
4.1.
Analog Input/Output Unit
Pin widgets NID=14h, 15h, 18h and 1Ah are re-tasking IO support input unit, NID=14h and 15h support
amplifier unit.
A
EN_AMP
R
RLeft
EN_IBUF
EN_OBUF
Input_Signal_Left
Output_Signal_Left Right
Output_Signal_Right
Input_Signal_Right
EN_OBUF
Figure 2. Analog Input/Output Unit

ALC268 Series
Datasheet
2+2 Channel High Definition Audio Codec Track ID: JATR-1076-21 Rev. 1.0
5
5. Pin Assignments
5.1.
ALC268-GR (LQFP-48)
Figure 3. Pin Assignments ALC268-GR (LQFP-48)

ALC268 Series
Datasheet
2+2 Channel High Definition Audio Codec Track ID: JATR-1076-21 Rev. 1.0
6
5.2.
ALC268Q-GR (QFN-48)
Figure 4. Pin Assignments ALC268Q-GR (QFN-48)
5.3.
Green Package and Version Identification
The ALC268 series includes the parts listed in section 12 Ordering Information, page 77.
Green package is indicated by a ‘G’ in the location marked ‘T’ in Figure 4. The version number is shown
in the location marked ‘VV’.

ALC268 Series
Datasheet
2+2 Channel High Definition Audio Codec Track ID: JATR-1076-21 Rev. 1.0
7
6. Pin Descriptions
6.1.
Digital I/O Pins
Table 1. Digital I/O Pins
Name Type ALC268-GR
(LQFP-48)
Pin No.
ALC268Q-GR
(QFN-48)
Pin No.
Description Characteristic Definition
RESET# I 11 11 H/W reset control Vt=0.5*DVDD
SYNC I 10 10 Sample Sync (48kHz) Vt=0.5*DVDD
BCLK I 6 6 24MHz Bit clock input Vt=0.5*DVDD
SDATA-OUT I 5 5 Serial TDM data input Vt=0.5*DVDD
SDATA-IN O 8 8 Serial TDM data
output
VOH=0.9*DVDD, VOL=0.1*DVDD
EAPD O 47 47
Signal to power down
ext. amp
Output VOH=DVDD, VOL=DVSS
SPDIFO O 48 48 S/PDIF output Output has 12mA@75Ω driving capability.
GPIO0 /
DMIC-12
I/O 2 2 General Purpose
Input/Output 0
Data input from digital
MIC 1&2
Input Vt=(2/3)*DVDD, output VOH=DVDD,
VOL=DVSS, internal pulled up by 50KΩ
GPIO3 /
DMIC-34
I/O 3 4 General Purpose
Input/Output 3
Data input from digital
MIC 3&4
Input Vt=(2/3)*DVDD, output VOH=DVDD,
VOL=DVSS, internal pulled up by 50KΩ
DMIC-CLK O 46 46 Clock output for
digital MIC
Default 2.048MHz clock output
Total 10 pins 10 pins

ALC268 Series
Datasheet
2+2 Channel High Definition Audio Codec Track ID: JATR-1076-21 Rev. 1.0
8
6.2.
Analog I/O Pins
Table 2. Analog I/O Pins
Name Type ALC268-GR
(LQFP-48)
Pin No.
ALC268Q-GR
(QFN-48)
Pin No.
Description Characteristic Definition
MIC2-L I/O 16 16 2nd stereo microphone
input left channel
Analog input/output, default is input
(PORT –F)
MIC2-R I/O 17 17 2nd stereo microphone
input right channel
Analog input/output, default is input
(PORT –F)
CD-L I 18 18 CD input left channel Analog input, 1.6Vrms of full scale input
CD-G I 19 19
CD input reference
ground
Analog input, 1.6Vrms of full scale input
CD-R I 20 20 CD input right channel Analog input, 1.6Vrms of full scale input
MIC1-L I/O 21 21 1st stereo microphone
input left channel
Analog input/output, default is input
(PORT –B)
MIC1-R I/O 22 22 1st stereo microphone
input right channel
Analog input/output, default is input
(PORT –B)
LINE1-L I/O 23 23 1st line input left
channel
Analog input/output, default is input
(PORT –C)
LINE1-R I/O 24 24 1st line input right
channel
Analog input/output, default is input
(PORT –C)
PCBEEP I 12 pin 12 pin External PCBEEP input Analog input, 1.6Vrms of full scale input
LINE-OUT-L I/O 35 35 Line output left channel Analog output (PORT –D)
LINE-OUT-R I/O 36 36 Line output right
channel
Analog output (PORT –D)
HP-OUT-L I/O 39 39 Headphone out left
channel
Analog output (PORT –A)
HP-OUT-R I/O 41 41 Headphone out right
channel
Analog output (PORT –A)
MONO-OUT O 37 32 MONO output Analog mono output is summation of
(L+R)/2
Sense A I 13 13 Jack Detect pin l Resistor {5.1K, 10K, 20K, 39.2K} w/ 1%
accuracy
Sense B I 34 34 Jack Detect pin 2 Resistor {5.1K, 10K, 20K, 39.2K} w/ 1%
accuracy
GPIO1 I/O 31 31
General Purpose
Input/Output 1
Input Vt=(2/3)*AVDD, output VOH=AVDD,
VOL=AVSS, internal pulled up by 50KΩ
GPIO2 I/O - 30
General Purpose
Input/Output 2
Input Vt=(2/3)*AVDD, output VOH=AVDD,
VOL=AVSS, internal pulled up by 50KΩ
Total 18 pins 19 pins

ALC268 Series
Datasheet
2+2 Channel High Definition Audio Codec Track ID: JATR-1076-21 Rev. 1.0
9
6.3.
Filter/Reference/Not Connected
Table 3. Filter/Reference
Name Type ALC268-GR
(LQFP-48)
Pin No.
ALC268Q-GR
(QFN-48)
Pin No.
Description Characteristic Definition
VREF - 27 27 2.5V Reference voltage 1uf capacitor to analog ground
MIC1-VREFO-L O 28 28 Bias voltage for MIC1 jack 2.5V/3.2/4.2Vreference voltage
LINE1-VREFO O 29 29 Bias voltage for LINE1
jack
2.5V/3.2/4.2Vreference voltage
MIC2-VREFO O 30 - Bias voltage for MIC2 jack 2.5V/3.2/4.2Vreference voltage
MIC1-VREFO-R O 32 - Bias voltage for MIC1 jack 2.5V/3.2/4.2Vreference voltage
JDREF - 40 33 Ref. resistor for Jack Detect 20K, 1% resistor to analog ground
NC - 14 14 Not Connected
NC - 15 15 Not Connected
NC - 33 37 Not Connected
NC - 43 43 Not Connected
NC - 44 44 Not Connected
NC - 45 45 Not Connected
NC - - 40 Not Connected
Total 12 pins 11 pins
6.4.
Power/Ground
Table 4. Power/Ground
Name Type ALC268-GR
(LQFP-48)
Pin No
ALC268Q-GR
(QFN-48)
Pin No.
Description Characteristic Definition
AVDD1 I 25 25 Analog VDD (5V or 3.3V) Analog power for mixer and amplifier
AVSS1 I 26 26 Analog GND Analog ground for mixer and amplifier
AVDD2 I 38 38 Analog VDD (5V or 3.3V) Analog power for DACs and ADCs
AVSS2 I 42 42 Analog GND Analog ground for DACs and ADCs
DVDD I 1 1 Digital VDD (3.3V) Digital power
DVSS I 4 - Digital GND Digital ground
DVDD-IO I 9 3 Digital VDD (1.5V~3.3V) Scalable digital power for HDA link.
DVSS I 7 7 Digital GND Digital ground
DVDD I - 9 Digital VDD (3.3V) Digital power
Total 8 pins 8 pins

ALC268 Series
Datasheet
2+2 Channel High Definition Audio Codec Track ID: JATR-1076-21 Rev. 1.0
10
7. High Definition Audio Link Protocol
7.1.
Link Signals
The High Definition Audio (HDA) Link is the digital serial interface that connects the HDA codecs to the
HDA Controller. The HDA link protocol is controller synchronous, based on a 24.0MHz BIT-CLK sent
by the HDA controller. The input and output streams, including command and PCM data, are isochronous
with a 48kHz frame rate. Figure 5 shows the basic concept of the HDA link protocol.
Command Stream
SDO
SYNC
SDI
BCLK
RST#
T
frame_sync = 20.833 µs (48KHz)
Stream 'B' Data
Stream 'A' Data
Response Stream Stream 'C' Data
(40-bit data)
Stream 'A' Tag
(Here 'A' = 5)
Stream
'C' Tag
Frame SYNC= 8 BCLK
Next Frame
Previous Frame
(36-bit data) (n bytes + 10-bit data)
Stream 'B' Tag
(Here 'B' = 6)
Figure 5. HDA Link Protocol

ALC268 Series
Datasheet
2+2 Channel High Definition Audio Codec Track ID: JATR-1076-21 Rev. 1.0
11
7.1.1. Signal Definitions
Table 5. Link Signal Definitions
Item Description
BCLK 24.0MHz of bit clock sourced from the HDA controller and connecting to all codecs.
SYNC 48kHz of signal is used to synchronize input and output streams on the link. It is sourced from the HDA
controller and connects to all codecs.
SDO Serial data output signal driven by the HDA controller to all codecs. Commands and data streams are carried
on SDO. The data rate is double pumped; the controller drives data onto the SDO, the codec samples data
present on SDO with respect to each edge of BCLK. The HDA controller must support at least one SDO. To
extend outbound bandwidth, multiple SDOs may be supported.
SDI Serial data input signal driven by the codec. It is point-to-point serial data from the codec to the HDA
controller. The controller must support at least one SDI, and up to a maximum of 15 SDI’s can be supported.
SDI is driven by the codec at each rising edge of BCLK, and sampled by the controller at each rising edge of
BCLK. SDI can be driven by the controller to initialize the codec’s ID.
RST# Active low reset signal. Asserted to reset the codec to default power on state. RST# is sourced from the
HDA controller and connects to all codecs.
Table 6. HDA Signal Definitions
Signal Name Source Type for Controller Description
BCLK Controller Output Global 24.0MHz bit clock.
SYNC Controller Output Global 48kHz Frame Sync and outbound tag signal.
SDO Controller Output Serial data output from controller.
SDI Codec/Controller Input/Output
Serial data input from codec. Weakly pulled down by the
controller.
RST# Controller Output Global active low reset signal.
SDO
SYNC
SDI
BCLK
Start of Frame
8-Bit Frame SYNC
7654 0123 999 998 997 996 995 994 993 992 991 990
3 2 1 0 499 498 497 496 495 494
Controller samples SDI at rising edge of BCLK
Codec samples SDO at both rising and falling edge of BCLK
Figure 6. Bit Timing

ALC268 Series
Datasheet
2+2 Channel High Definition Audio Codec Track ID: JATR-1076-21 Rev. 1.0
12
7.1.2. Signaling Topology
The HDA controller supports two SDOs for the outbound stream, up to 15 SDIs for the inbound stream.
RST#, BCLK, SYNC, SDO0 and SDO1 are driven by controller to codecs. Each codec drives its own
point-to-point SDI signal(s) to the controller.
Figure 7 shows the possible connections between the HDA controller and codecs:
Codec 0 is a basic connection. There is one single SDO and one single SDI for normal transmission
Codec 1 has two SDOs for doubled outbound rate, a single SDI for normal inbound rate
Codec 3 supports a single SDO for normal outbound rate, and two SDIs for doubled inbound rate
Codec N has two SDOs and multiple SDIs
The multiple SDOs and multiple SDIs are used to expand the transmission rate between controller and
codecs. Section 7.2 Frame Composition, page 13 describes the detailed outbound and inbound stream
compositions for single and multiple SDOs/SDIs.
The connections shown in Figure 7 can be implemented concurrently in an HDA system. The ALC268 is
designed to receive a single SDO stream.
RST#
BCLK
SYNC
SDO0
SDI0
Codec 0
RST#
BCLK
SYNC
SDO0
SDO1
SDI0
Codec 1
RST#
BCLK
SYNC
SDO0
SDI1
Codec 2
HDA
Controller
RST#
BCLK
SYNC
SDO0
SDO1
SDI0
SDI2
SDI14
RST#
BCLK
SYNC
SDO0
SDO1
SDI1
Codec N
SDI0
SDI0
SDI1
SDI13
. . .
.
.
..
.
.
Single SDO
Single SDI
Two SDOs
Single SDI
Single SDO
Two SDIs
SDI2
Two SDOs
Multiple SDIs
Figure 7. Signaling Topology

ALC268 Series
Datasheet
2+2 Channel High Definition Audio Codec Track ID: JATR-1076-21 Rev. 1.0
13
7.2.
Frame Composition
7.2.1. Outbound Frame – Single SDO
An outbound frame is composed of one 32-Bit command stream and multiple data streams. There are one
or multiple sample blocks in a data stream. Only one sample block exists in a stream if the HDA
controller delivers a 48kHz rate of samples to the codec. Multiple sample blocks in a stream means the
sample rate is a multiple of 48kHz. This means there should be 2 blocks in the same stream to carry
96kHz samples (Figure 8).
For outbound frames, the stream tag is not in SDO, but in the SYNC signal. A new data stream is started
at the end of the stream tag. The stream tag includes a 4-Bit preamble and 4-Bit stream ID (Figure 9).
To keep the cadence of converters bound to the same stream, samples for these converters must be placed
in the same block.
Command Stream
SDO
SYNC
A 48kHz Frame is composed of Command stream and multiple Data streams
Stream 'X' DataStream 'A' Data
Stream 'A' Tag Stream 'X' Tag
Frame SYNC
(Here 'A' = 5) (Here 'X' = 6)
Next FramePrevious Frame
0s
Null Field
Sample Block(s)
Block 1 Block 2 ..
.Block Y
Sample 1 Sample 2 ..
.Sample Z
msb ... lsb
For 48kHz rate, only Block1 is included
One or multiple blocks in a stream
For 96kHz rate, Block1 includes (N)th time of samples, Block2
includes (N+1)th time of samples
Z channels of PCM Sample
msb first in a sample
Padded at the
end of Frame
Figure 8. SDO Outbound Frame
SDO
SYNC
BCLK
Data of Stream 10
7654 0123
Preamble Stream=10
110
0
msb lsb
msb
Previous Stream
Stream Tag
(4-Bit) (4-Bit)
Figure 9. SDO Stream Tag is Indicated in SYNC

ALC268 Series
Datasheet
2+2 Channel High Definition Audio Codec Track ID: JATR-1076-21 Rev. 1.0
14
7.2.2. Outbound Frame – Multiple SDO
The HDA controller allows two SDO signals to be used to strip outbound data, completing transmission
in less time to get more bandwidth. If software determines the target codec supports multiple SDO
capability, it enables the ‘Strip Control’ bit in the controller’s Output Stream Control Register to initiate a
specific stream (Stream ‘A’ in Figure 10) to be transmitted on multiple SDOs. In this case, the MSB of
stream data is always carried on SDO0, the second bit on SDO1 and so forth.
SDO1 is for transmitting a stripped stream. The codec does not support multiple SDOs connected to
SDO0.
To guarantee all codecs can determine their corresponding stream, the command stream is not stripped. It
is always transmitted on SDO0, and copied on SDO1.
Command Stream
SDO0
SYNC
Stream 'X' to Codec X
Stream 'A' Tag Stream 'X' Tag
Frame SYNC
SDO1
D
n
. . .
D
n-1
D
n-2
Dn-3 . . .
. . . Stream 'Y' to Codec Y
0s
Stream 'Y' Tag
Stream 'A' to Codec A
Stream A is "bit-stripped" on SDO0 and SDO1
Command Stream 0s
Command Stream is unchanged, not stripped
Figure 10. Stripped Stream on Multiple SDOs

ALC268 Series
Datasheet
2+2 Channel High Definition Audio Codec Track ID: JATR-1076-21 Rev. 1.0
15
7.2.3. Inbound Frame – Single SDI
An Inbound Frame – Single SDI is composed of one 36-Bit response stream and multiple data streams.
Except for the initialization sequence (turnaround and address frame), SDI is driven by the codec at each
rising edge of BCLK. The controller also samples data at the rising edge of BCLK (Figure 11).
The SDI stream tag is not carried by SYNC, but included in the SDI. A complete SDI data stream
includes one 4-Bit stream tag, one 6-Bit data length, and n-Bit sample blocks. Zeros will be padded if the
total length of the contiguous sample blocks within a given stream is not of integral byte
length (Figure 12).
Response Stream
SDI
SYNC
A 48kHz Frame is Composed of a Response Stream and Multiple Data streams
Stream 'X'
Stream 'A'
Frame SYNC
Next FramePrevious Frame
0s
Null Field
Sample 1 Sample 2 ... Sample Z
msb ... lsb
For 48kHz rate, only Block1 is included
For 96kHz rate, Block{1, 2} includes {(N)th (N+1)th} time of samples
Z channels of PCM Sample
msb first in a sample
Padded at the end of Frame
Sample Block(s)Stream Tag
Block 1 Block 2 ... Block Y Null Pad
Figure 11. SDI Inbound Stream
BCLK
SDI
Data Length in Bytes
Dn-1 00
00
Stream Tag
B0Dn-2
B1
B2
B3
B4
B5
B6
B7
B8
B9D0
(Data Length in Bytes *8)-Bit
Next Stream
Null Pad
n-Bit Sample Block
A Complete Stream
Figure 12. SDI Stream Tag and Data

ALC268 Series
Datasheet
2+2 Channel High Definition Audio Codec Track ID: JATR-1076-21 Rev. 1.0
16
7.2.4. Inbound Frame – Multiple SDI
A codec can deliver data to the controller on multiple SDIs to achieve higher bandwidth. If an inbound
stream exceeds the data transfer limits of a single SDI, the codec can divide the data onto separate SDI
signals, each of which operate independently, with different stream numbers at the same frame time. This
is similar to having multiple codecs connected to the controller. The controller samples the divided stream
into separate memory with multiple DMA descriptors, then software re-combines the divided data into a
meaningful stream.
Response Stream
SDI0
SYNC
Stream 'X'
Frame SYNC
SDI10s
Tag A
Stream A, B, X, and Y are independent and have separate IDs
Data A
Tag B Data B
Codec drives SDI0 and SDI1
Stream 'A'
Stream 'B'
Response Stream 0s
Stream 'Y'
Figure 13. Codec Transmits Data Over Multiple SDIs
7.2.5. Variable Sample Rates
The HDA link is designed for sample rates of 48kHz. Variable rates of sample are delivered in multiple or
sub-multiple rates of 48kHz. Two sample blocks per frame result in a 96kHz delivery rate, one sample
block over two frames results in a 24kHz delivery rate. The HDA specification states that the sample rate
of the outbound stream be synchronized by the controller, not by the codec. Each stream has its own
sample rate, independent of any other stream.
The HDA controller supports 48kHz and 44.1kHz base rates. Table 7, page 17, shows the recommended
sample rates based on multiples or sub-multiples of one of the two base rates.
Rates in sub-multiples (1/n) of 48kHz are interleaving n frames containing no sample blocks. Rates in
multiples (n) of 48kHz contain n sample blocks in a frame. Table 8, page 17, shows the delivery cadence
of variable rates based on 48kHz.

ALC268 Series
Datasheet
2+2 Channel High Definition Audio Codec Track ID: JATR-1076-21 Rev. 1.0
17
The HDA link is defined to operate at a fixed 48kHz frame rate. To deliver samples in (sub) multiple
rates of 44.1kHz, an appropriate ratio between 44.1kHz and 48kHz must be maintained to avoid
frequency drift. The appropriate ratio between 44.1kHz and 48kHz is 147/160. Meaning 147 sample
blocks are transmitted every 160 frames. The cadence
“12-11-11-12-11-11-12-11-11-12-11-11-11- (repeat)”
interleaves 13 frames containing no sample blocks in every 160 frames. It provides a low long-term
frequency drift for 44.1kHz of delivery rate. Rates in sub-multiples (1/n) of 44.1kHz also follow this
cadence AND interleave n empty frames. Rates in multiples (n) of 44.1kHz applying this cadence contain
n sample blocks in the non-empty frame AND interleave an empty frame between non-empty
frames (Table 9, page 18).
Table 7. Defined Sample Rate and Transmission Rate
(Sub) Multiple 48kHz Base 44.1kHz Base
1/6 8kHz (1 sample block every 6 frames)
1/4 12kHz (1 sample block every 4 frames) 11.025kHz (1 sample block every 4 frames)
1/3 16kHz (1 sample block every 3 frames)
1/2 22.05kHz (1 sample block every 2 frames)
2/3 32kHz (2 sample blocks every 3 frames)
1 48kHz (1 sample block per frame) 44.1kHz (1 sample block per frame)
2 96kHz (2 sample blocks per frame) 88.2kHz (2 sample blocks per frame)
4 192kHz (4 sample blocks per frame) 176.4kHz (4 sample blocks per frame)
Table 8. 48kHz Variable Rate of Delivery Timing
Rate Delivery Cadence Description
8kHz YNNNNN (repeat) One sample block is transmitted in every 6 frames
12kHz YNNN (repeat) One sample block is transmitted in every 4 frames
16kHz YNN (repeat) One sample block is transmitted in every 3 frames
32kHz Y2NN (repeat) One sample block is transmitted in every 6 frames
48kHz Y (repeat) One sample block is transmitted in every 6 frames
96kHz Y2 (repeat) Two sample blocks are transmitted in each frame
192kHz Y4 (repeat) Four sample blocks are transmitted in each frame
N: No sample block in a frame
Y: One sample block in a frame
Yx: X sample blocks in a frame

ALC268 Series
Datasheet
2+2 Channel High Definition Audio Codec Track ID: JATR-1076-21 Rev. 1.0
18
Table 9. 44.1kHz Variable Rate of Delivery Timing
Rate Delivery Cadence
11.025kHz {12}{-}{11}{-}{11}{-}{12}{-}{11}{-}{11}{-}{12}{-}{11}{-}{11}{-}{12}{-}{11}{-}{11}{-}{11}{-}
(repeat)
22.05kHz {12}{-}{11}{-}{11}{-}{12}{-}{11}{-}{11}{-}{12}{-}{11}{-}{11}{-}{12}{-}{11}{-}{11}{-}{11}{-}
(repeat)
44.1kHz 12-11-11-12-11-11-12-11-11-12-11-11-11- (repeat)
88.2kHz 122-112-112-122-112-112-122-112-112-122-112-112-112- (repeat)
174.4kHz 124-114-114-124-114-114-124-114-114-124-114-114-114- (repeat)
11.025kHz: {12}=YNNNYNNNYNNNYNNNYNNNYNNNYNNNYNNNYNNNYNNNYNNNYNNN
{11}=YNNNYNNNYNNNYNNNYNNNYNNNYNNNYNNNYNNNYNNNYNNN
{ - } =NNNN
22.050kHz: {12}=YNYNYNYNYNYNYNYNYNYNYNYN
{11}=YNYNYNYNYNYNYNYNYNYNYN
{ - }=NN
44.1kHz 12- =Contiguous 12 frames containing 1 sample blocks each, followed by one frame with
no sample block.
88.2kHz 122- =Contiguous 12 frames containing 2 sample blocks each, followed by one frame with
no sample block.
176.4kHz 124- =Contiguous 12 frames containing 4 sample blocks each, followed by one frame with
no sample block.

ALC268 Series
Datasheet
2+2 Channel High Definition Audio Codec Track ID: JATR-1076-21 Rev. 1.0
19
7.3.
Reset and Initialization
There are two types of reset within an HDA link:
• Link Reset. Generated by assertion of the RST# signal, all codecs return to their power on state
• Codec Reset. Generated by software directing a command to reset a specific codec back to its default
state
An initialization sequence is requested after any of the following three events:
1. Link Reset
2. Codec Reset
3. Codec changes its power state (For example, hot docking a codec to an HDA system)
7.3.1. Link Reset
A link reset may be caused by 3 events:
1. The HDA controller asserts RST# for any reason (power up, or PCI reset)
2. Software initiates a link reset via the ‘CRST’ bit in the Global Control Register (GCR) of the HDA
controller
3. Software initiates power management sequences. Figure 14, page 20, shows the ‘Link Reset’ timing
including the ‘Enter’ sequence (n~r) and ‘Exit’ sequence (s~v)
Enter ‘Link Reset’:
n Software writes a 0 to the ‘CRST’ bit in the Global Control Register of the HDA controller to initiate a
link reset
o As the controller completes the current frame, it does not signal the normal 8-Bit frame SYNC at the
end of the frame
p The controller drives SYNC and all SDOs to low. Codecs also drive SDIs to low
q The controller asserts the RST# signal to low, and enters the ‘Link Reset’ state
r All link signals driven by controller and codecs should be tri-state by internal pull low resistors

ALC268 Series
Datasheet
2+2 Channel High Definition Audio Codec Track ID: JATR-1076-21 Rev. 1.0
20
Exit from ‘Link Reset’:
s If BCLK is re-started for any reason (codec wake-up event, power management, etc.)
t Software is responsible for de-asserting RST# after a minimum of 100µsec BCLK running time (the
100µsec provides time for the codec PLL to stabilize)
u Minimum of 4 BCLK after RST# is de-asserted, the controller starts to signal normal frame SYNC
v When the codec drives it’s SDI to request an initialization sequence (when the SDI is driven high at
the last bit of frame SYNC, it means the codec requests an initialization sequence)
SDOs
SYNC
SDIs
BCLK
Normal Frame
SYNC is absent
RST#
4 BCLK 4 BCLK
Driven Low
Driven Low
Previous Frame
Normal Frame
SYNC
Link in Reset
1
2
4 53 6 7
Pulled Low
Pulled Low
Driven Low Pulled Low
Pulled Low
8
9
>=100 usec >= 4 BCLK Initialization Sequence
Wake Event
Figure 14. Link Reset Timing
7.3.2. Codec Reset
A ‘Codec Reset’ is initiated via the Codec RESET command verb. It results in the target codec being
reset to the default state. After the target codec completes its reset operation, an initialization sequence is
requested.

ALC268 Series
Datasheet
2+2 Channel High Definition Audio Codec Track ID: JATR-1076-21 Rev. 1.0
21
7.3.3. Codec Initialization Sequence
n The codec drives SDI high at the last bit of SYNC to request a Codec Address (CAD) from the
controller.
o The codec will stop driving the SDI during this turnaround period.
pqrs The controller drives SDI to assign a CAD to the codec.
t The controller releases the SDI after the CAD has been assigned.
u Normal operation state.
SDIx
SYNC
BCLK
RST#
Connection Frame
12
456
7
Normal Operation
Response
Turnaround Frame Address Frame
(Non-48kHz Frame)
Codec Drives SDIx
SD0 SD1 SD14
Controller Drives SDIx
Exit from Reset
Codec
Turnaround
(477 BCLK
Max.)
Frame SYNCFrame SYNCFrame SYNC
(Non-48kHz Frame)
Controller
Turnaround
(477 BCLK
Max.)
38
Codec
Drives SDIx
Figure 15. Codec Initialization Sequence

ALC268 Series
Datasheet
2+2 Channel High Definition Audio Codec Track ID: JATR-1076-21 Rev. 1.0
22
7.4.
Verb and Response Format
7.4.1. Command Verb Format
There are two types of verbs: one with 4-Bit identifiers (4-Bit verbs) and 16-Bits of data, the other with
12-Bit identifiers (12-Bit verbs) and 8-Bits of data. Table 10 shows the 4-Bit verb structure of a command
stream sent from the controller to operate the codec. Table 11 is the 12-Bit verb structure that gets and
controls parameters in the codec.
Table 10. 40-Bit Commands in 4-Bit Verb Format
Bit [39:32] Bit [31:28] Bit [27:20] Bit [19:16] Bit [15:0]
Reserved Codec Address Node ID Verb ID Payload
Table 11. 40-Bit Commands in 12-Bit Verb Format
Bit [39:32] Bit [31:28] Bit [27:20] Bit [19:8] Bit [7:0]
Reserved Codec Address Node ID Verb ID Payload
7.4.2. Response Format
There are two types of response from the codec to the controller. Solicited Responses are returned by the
codec in response to a current command verb. The codec will send Solicited Response data in the next
frame, without regard to the Set (Write) or Get (Read) command. The 32-Bit Response is interpreted by
software, opaque to the controller.
Unsolicited Responses are sent by the codec independently of software requests. Jack Detection or GPI
status information can be actively delivered to the controller and interpreted by software. The ‘Tag’ in
Bit[31:28] is used to identify unsolicited events. This tag is undefined in the HDA specifications.
Table 12. Solicited Response Format
Bit [35] Bit [34] Bit [33:32] Bit [31:0]
Valid Unsol=0 Reserved Response
Table 13. Unsolicited Response Format
Bit [35] Bit [34] Bit [33:32] Bit [31:28] Bit [27:0]
Valid Unsol=1 Reserved Tag Response
Note: The response stream in the link protocol is 36-Bits wide. The response is placed in the lower
32-bit field. Bit-35 is a ‘Valid’ bit to indicate the response is ‘Ready’. Bit-34 is set to indicate that
an unsolicited response was sent.

ALC268 Series
Datasheet
2+2 Channel High Definition Audio Codec Track ID: JATR-1076-21 Rev. 1.0
23
7.5.
Power Management
The ALC268 does not support Wake-Up events when in low power mode. All power management state
changes in widgets are driven by software. Table 14 shows the System Power State Definitions.
In the ALC268, all the widgets include output/input converters support power control. Software may have
various power states depending on system configuration.
Table 15 indicates those nodes that support power management. To simplify power control, software can
configure whole codec power states through the audio function (NID=01h). Output converters (DACs)
and input converters (ADCs) have no individual power control to supply fine-grained power control.
Table 14. System Power State Definitions
Power States Definitions
D0 All power on. Individual DACs and ADCs can be powered up or down as required.
D1 All amplifiers and converters (DACs and ADCs) are powered down. State maintained, analog reference
stays up.
D2 All amplifiers and converters (DACs and ADCs) are powered down. State maintained, but analog
reference off (D1 + analog reference off).
D3 (Hot) Power still supplied. The codec stops the internal clock. State is maintained.
D3 (Cold) All power removed. State lost.
Table 15. Power Controls in NID=01h
Description D0 D1 D2 D3 (Hot/Cold) Link Reset
LINK
Response
Normal Normal Normal PD PD
DACs Normal PD PD PD PD
ADCs Normal PD PD PD PD
All Headphone
Drivers
Normal Normal PD PD Normal
All Mixers Normal Normal PD PD Normal
Audio Function
(NID=01h)
All Reference Normal Normal PD PD Normal
Note: PD=Powered Down
Table 16. Powered Down Conditions
Condition Description
LINK Response powered down Internal clock is stopped. SDATA-IN and S/PDIF-OUT are floated with
pulled low 47K resistors internally. Detection of ‘Link Reset Entry’ and
‘Link Reset Exit’ sequences are supported. All states are maintained if
DVDD is supplied.
DAC powered down Analog block and digital filter are powered down.
ADC powered down Analog block and digital filter are powered down. The data on SDATA-IN
is quiet.
Headphone Driver powered down All headphone drivers are powered down.
Mixers powered down All internal mixer widgets are powered down. The DC reference and
VREFOUTx at individual pin complex are still alive.
Reference power down All internal references, DC reference, and VREFOUTx at individual pin
complexes are off.

ALC268 Series
Datasheet
2+2 Channel High Definition Audio Codec Track ID: JATR-1076-21 Rev. 1.0
24
8. Supported Verbs and Parameters
This chapter describes the Verbs and Parameters supported by various widgets in the ALC268. If a verb is
not supported by the addressed widget, it will respond with 32 bits of ‘0’.
8.1.
Verb – Get Parameters (Verb ID=F00h)
The ‘Get Parameters’ verb is used to get system information and the function capabilities of the HDA
codec. All the parameters are read-only. Refer to section 7.4.1 Command Verb Format, page 22, to get
detailed information about supported parameters.
Table 17. Verb – Get Parameters (Verb ID=F00h)
Get Parameter Command Format Codec Response Format
Bit [31:28] Bit [27:20] Bit [19:8] Payload Bit [7:0] Response [31:0]
Cad=X Node ID=00h Verb ID=F00h Parameter ID[7:0] 32-bit Response
Note: If the parameter ID is not supported, the returned response is 32 bits of ‘0’.
8.1.1. Parameter – Vendor ID (Verb ID=F00h, Parameter ID=00h)
Table 18. Parameter – Vendor ID (Verb ID=F00h, Parameter ID=00h)
Codec Response Format
Bit Description
31:16 Vendor ID=10Ech (Realtek’s PCI vendor ID).
15:0 Device ID=0268h.
Note: The Root Node (NID=00h) supports this parameter.
8.1.2. Parameter – Revision ID (Verb ID=F00h, Parameter ID=02h)
Table 19. Parameter – Revision ID (Verb ID=F00h, Parameter ID=02h)
Codec Response Format
Bit Description
31:24 Reserved. Read as 0’s.
23:20 MajRev. The major version number (in decimal) of the HDA Spec to which the ALC268 is fully
compliant.
19:16 MinRev. The minor version number (in decimal) of the HDA Spec to which the ALC268 is fully
compliant.
15:8 Revision ID. The vendor’s revision number.
00h is for the first silicon version A, 01h is for the second version B, etc.
7:0 Stepping ID. The vendor’s stepping number within the given Revision ID.
Note: The Root Node (NID=00h in the ALC268) supports this parameter.
For example the Revision ID=00h and Stepping ID=01h stand for the silicon is A1 version.

ALC268 Series
Datasheet
2+2 Channel High Definition Audio Codec Track ID: JATR-1076-21 Rev. 1.0
25
8.1.3. Parameter – Subordinate Node Count (Verb ID=F00h,
Parameter ID=04h)
For the root node, the Subordinate Node Count provides information about audio function group nodes
associated with the root node.
For function group nodes, it provides the total number of widgets associated with this function node.
Table 20. Parameter – Subordinate Node Count (Verb ID=F00h, Parameter ID=04h)
Codec Response Format
Bit Description
31:24 Reserved. Read as 0’s.
23:16 Starting Node Number.
The starting node number in the sequential widgets.
15:8 Reserved. Read as 0’s.
7:0 Total Number of Nodes.
For a root node, the total number of function groups in the root node.
For a function group, the total number of widget nodes in the function group.

ALC268 Series
Datasheet
2+2 Channel High Definition Audio Codec Track ID: JATR-1076-21 Rev. 1.0
26
8.1.4. Parameter – Function Group Type
(Verb ID=F00h, Parameter ID=05h)
Table 21. Parameter – Function Group Type (Verb ID=F00h, Parameter ID=05h)
Codec Response Format
Bit Description
31:9 Reserved. Read as 0’s.
8 UnSol Capable
0: Unsolicited response is not supported by this function group
1: Unsolicited response is supported by this function group
7:0 Function Group Type.
00h: Reserved
01h: Audio Function
02h: Modem Function
03h~7Fh: Reserved
80h~FFh: Vendor Defined Function.
Note: The Audio Function Group (NID=01h) supports this parameter.
8.1.5. Parameter – Audio Function Capabilities
(Verb ID=F00h, Parameter ID=08h)
Table 22. Parameter – Audio Function Capabilities (Verb ID=F00h, Parameter ID=08h)
Codec Response Format
Bit Description
31:17 Reserved. Read as 0’s.
16 Beep Generator
A ‘1’ indicates the presence of an integrated Beep generator within the Audio Function Group.
15:12 Reserved. Read as 0’s.
11:8 Input Delay.
7:4 Reserved. Read as 0’s.
3:0 Output Delay.
Note: The Audio Function Group (NID=01h) supports this parameter.

ALC268 Series
Datasheet
2+2 Channel High Definition Audio Codec Track ID: JATR-1076-21 Rev. 1.0
27
8.1.6. Parameter – Audio Widget Capabilities
(Verb ID=F00h, Parameter ID=09h)
Table 23. Parameter – Audio Widget Capabilities (Verb ID=F00h, Parameter ID=09h)
Codec Response Format
Bit Description
31:24 Reserved. Read as 0’s.
23:20 Widget Type.
0h: Audio Output 1h: Audio Input 2h: Mixer 3h: Selector 4h: Pin Complex
5h: Power Widget 6h: Volume Knob Widget 7h~Eh: Reserved Fh: Vendor defined audio widget
19:16 Delay. Samples delayed between the HDA link and widgets.
15:11 Reserved. Read as 0’s.
10 Power Control.
0: Power state control is not supported on this widget
1: Power state is supported on this widget
9 Digital.
0: An analog input or output converter
1: A widget translating digital data between the HDA link and digital I/O (S/PDIF, I2S, etc.)
8 ConnList. Connection List.
0: Connected to HDA link. No Connection List Entry should be queried
1: Connection List Entry must be queried
7 UnsolCap. Unsolicited Capable.
0: Unsolicited response is not supported
1: Unsolicited response is supported
6 ProcWidget. Processing Widget.
0: No processing control
1: Processing control is supported
5 Reserved. Read as 0.
4 Format Override.
3 AmpParOvr, AMP Param Override.
2 OutAmpPre, Out AMP Present.
1 InAmpPre, In AMP Present.
0 Stereo.
0: Mono Widget
1: Stereo Widget

ALC268 Series
Datasheet
2+2 Channel High Definition Audio Codec Track ID: JATR-1076-21 Rev. 1.0
28
8.1.7. Parameter – Supported PCM Size, Rates
(Verb ID=F00h, Parameter ID=0Ah)
Parameter in audio function provides default information about formats. Individual converters have their
own parameters to provide supported formats if their ‘Format Override’ bit is set.
Table 24. Parameter – Supported PCM Size, Rates (Verb ID=F00h, Parameter ID=0Ah)
Codec Response Format
Bit Description
31:21 Reserved. Read as 0’s.
20 B32, indicates the 32-Bit audio format is supported or not.
0: Not supported
1: Supported
19 B24, indicates the 24-Bit audio format is supported or not.
0: Not supported
1: Supported
18 B20, indicates the 20-Bit audio format is supported or not.
0: Not supported
1: Supported
17 B16, indicates the 16-Bit audio format is supported or not.
0: Not supported
1: Supported
16 B8, indicates the 8-Bit audio format is supported or not.
0: Not supported
1: Supported
15:12 Reserved. Read as 0’s.
11 R12, indicates the 384kHz (=8*48kHz) rate is supported or not.
0: Not supported
1: Supported
10 R11, indicates the 192kHz (=4*48kHz) rate is supported or not.
0: Not supported
1: Supported
9 R10, indicates the 176.4kHz (=4*44.1kHz) rate is supported or not.
0: Not supported
1: Supported
8 R9, indicates the 96kHz (=2*48kHz) rate is supported or not.
0: Not supported
1: Supported
7 R8, indicates the 88.2kHz (=2*44.1kHz) rate is supported or not.
0: Not supported
1: Supported
6 R7, indicates the 48kHz rate is supported or not.
0: Not supported
1: Supported

ALC268 Series
Datasheet
2+2 Channel High Definition Audio Codec Track ID: JATR-1076-21 Rev. 1.0
29
Codec Response Format
Bit Description
5 R6, indicates the 44.1kHz rate is supported or not.
0: Not supported
1: Supported
4 R5, indicates the 32kHz (=2/3*48kHz) rate is supported or not.
0: Not supported
1: Supported
3 R4, indicates the 22.05kHz (=1/2*44.1kHz) rate is supported or not.
0: Not supported
1: Supported
2 R3, indicates the 16kHz (=1/3*48kHz) rate is supported or not.
0: Not supported
1: Supported
1 R2, indicates the 11.025kHz (=1/4*44.1kHz) rate is supported or not.
0: Not supported
1: Supported
0 R1, indicates the 8kHz (=1/6*48kHz) rate is supported or not.
0: Not supported
1: Supported
8.1.8. Parameter – Supported Stream Formats
(Verb ID=F00h, Parameter ID=0Bh)
Parameters in this node only provide default information for audio function groups. Individual converters
have their own parameters to provide supported formats if the ‘Format Override’ bit is set.
Table 25. Parameter – Supported Stream Formats (Verb ID=F00h, Parameter ID=0Bh)
Codec Response Format
Bit Description
31:3 Reserved. Read as 0’s.
2 AC3.
0: Not supported
1: Supported)
1 Float32.
0: Not supported
1: Supported
0 PCM.
0: Not supported
1: Supported
Note: Input converters and output converters support this parameter.

ALC268 Series
Datasheet
2+2 Channel High Definition Audio Codec Track ID: JATR-1076-21 Rev. 1.0
30
8.1.9. Parameter – Pin Capabilities (Verb ID=F00h, Parameter ID=0Ch)
The Pin Capabilities parameter returns a bit field describing the capabilities of the Pin Complex widget.
Table 26. Parameter – Pin Capabilities (Verb ID=F00h, Parameter ID=0Ch)
Codec Response Format
Bit Description
31:16 Reserved. Read as 0’s.
15:8 VREF Control Capability.
‘1’ in corresponding bit field indicates signal levels of associated Vrefout are specified as a percentage of
AV D D .
7:6 5 4 3 2 1 0
Reserved 100% 80% Reserved Ground 50% Hi-Z
7 L-R Swap. Indicates the capability of swapping the left and rights.
6 Balanced I/O Pin.
‘1’ indicates this pin complex has balanced pins.
5 Input Capable.
‘1’ indicates this pin complex supports input.
4 Output Capable.
‘1’ indicates this pin complex supports output.
3 Headphone Drive Capable.
‘1’ indicates this pin complex has an amplifier to drive a headphone.
2 Presence Detect Capable.
‘1’ indicates this pin complex can detect whether there is anything plugged in.
1 Trigger Required.
‘1’ indicates whether a software trigger is required for an impedance measurement.
0 Impedance Sense Capable.
‘1’ indicates this pin complex can perform analog sense on the attached device to determine its type.
Note: Only Pin Complex widgets support this parameter.

ALC268 Series
Datasheet
2+2 Channel High Definition Audio Codec Track ID: JATR-1076-21 Rev. 1.0
31
8.1.10. Parameter – Amplifier Capabilities
(Verb ID=F00h, Input Amplifier Parameter ID=0Dh)
Parameters in this node provide audio function group default information. Individual converters have
their own parameters to provide amplifier capabilities if the ‘AMP Param Override’ bit is set.
Table 27. Parameter – Amplifier Capabilities (Verb ID=F00h, Input Amplifier Parameter ID=0Dh)
Codec Response Format
Bit Description
31 (Input) Mute Capable.
30:23 Reserved. Read as 0.
22:16 Step Size.
Indicates the size of each step in the gain range. Each step may be 0~32dB, specified in 0.25dB steps.
‘0’ indicates a step of 0.25dB. ‘127’ indicates a step of 32dB.
15 Reserved. Read as 0.
14:8 Number of Steps.
Indicates the number of steps in the gain range. ‘0’ means the gain is fixed.
7 Reserved. Read as 0.
6:0 Offset.
Indicates which step is 0dB.
8.1.11. Parameter – Amplifier Capabilities (Verb ID=F00h, Output
Amplifier Parameter ID=12h)
Parameters in this node provide audio function group default information. Individual converters have
their own parameters to provide amplifier capabilities if the ‘AMP Param Override’ bit is set.
Table 28. Parameter – Amplifier Capabilities (Verb ID=F00h, Output Amplifier Parameter ID=12h)
Codec Response Format
Bit Description
31 (Output) Mute Capable.
30:23 Reserved. Read as 0.
22:16 Step Size.
Indicates the size of each step in the gain range. Each step may be 0~32dB, specified in 0.25dB steps.
‘0’ indicates a step of 0.25dB. ‘127’ indicates a step of 32dB.
15 Reserved. Read as 0.
14:8 Number of Steps.
Indicates the number of steps in the gain range. ‘0’ means the gain is fixed.
7 Reserved. Read as 0.
6:0 Offset.
Indicates which step is 0dB.

ALC268 Series
Datasheet
2+2 Channel High Definition Audio Codec Track ID: JATR-1076-21 Rev. 1.0
32
8.1.12. Parameter – Connect List Length (Verb ID=F00h,
Parameter ID=0Eh)
Parameters in this node provide audio function widget connection information.
Table 29. Parameter – Connect List Length (Verb ID=F00h, Parameter ID=0Eh)
Codec Response Format
Bit Description
31:8 Reserved. Read as 0.
7 Short Form.
0: Short Form
1: Long Form
6:0 Connect List Length.
Indicates the number of inputs connected to a widget. If the Connect List Length is 1, there is only one
input, and there is no Connection Select Control (Not a MUX widget).
8.1.13. Parameter – Supported Power States (Verb ID=F00h,
Parameter ID=0Fh)
Table 30. Parameter – Supported Power States (Verb ID=F00h, Parameter ID=0Fh)
Codec Response Format
Bit Description
31:4 Reserved. Read as 0’s.
3 D3Sup.
1: Power state D3 is supported.
2 D2Sup.
1: Power state D2 is supported.
1 D1Sup.
1: Power state D1 is supported.
0 D0Sup
1: Power state D0 is supported.
8.1.14. Parameter – Processing Capabilities (Verb ID=F00h,
Parameter ID=10h)
Table 31. Parameter – Processing Capabilities (Verb ID=F00h, Parameter ID=10h)
Codec Response Format
Bit Description
31:16 Reserved. Read as 0’s.
15:8 NumCoeff. Number of Coefficient.
7:1 Reserved. Read as 0’s.
0 Benign.
0: Processing unit is not linear and time invariant
1: Processing unit is linear and time invariant

ALC268 Series
Datasheet
2+2 Channel High Definition Audio Codec Track ID: JATR-1076-21 Rev. 1.0
33
8.1.15. Parameter – GPIO Capabilities (Verb ID=F00h,
Parameter ID=11h)
Table 32. Parameter – GPIO Capabilities (Verb ID=F00h, Parameter ID=11h)
Codec Response Format
Bit Description
31 GPIWake=0.
The ALC268 does not support GPIO wake up function.
30 GPIUnsol=1.
The ALC268 supports GPIO unsolicited response.
29:24 Reserved. Read as 0’s.
23:16 NumGPIs=00h.
No GPI pin is supported.
15:8 NumGPOs=00h.
No GPO pin is supported.
7:0 NumGPIOs=04h.
Two GPIO pins are supported.
8.1.16. Parameter – Volume Knob Capabilities (Verb ID=F00h,
Parameter ID=13h)
Table 33. Parameter – Volume Knob Capabilities (Verb ID=F00h, Parameter ID=13h)
Codec Response Format for NID=21h (Volume Control Knob)
Bit Description
31:8 Reserved. Read as 0’s.
7 Delta.
0: Software cannot modify the Volume Control Knob volume
1: Software can write a base volume to the Volume Control Knob
6:0 NumSteps.
The number of steps in the range of the Volume Control Knob.
Note: The ALC268 does not support volume control knob.

ALC268 Series
Datasheet
2+2 Channel High Definition Audio Codec Track ID: JATR-1076-21 Rev. 1.0
34
8.2.
Verb – Get Connection Select Control (Verb ID=F01h)
Table 34. Verb – Get Connection Select Control (Verb ID=F01h)
Get Command Format Codec Response Format
Bit [31:28] Bit [27:20] Bit [19:8] Payload Bit [7:0] Response [31:0]
Cad=X Node ID=Xh Verb ID=F01h 0’s Bit[7:0] are Connection Index
Codec Response for Multiplexer Widget NID=23h
Bit Description
31:8 0’s.
7:0 Connection Index currently Set (Default value is 00h).
00h: Pin Widget NID=18h (port-B)
01h: Pin Widget NID=19h (port-F)
02h: Pin Widget NID=1Ah (port-C)
03h: Pin Widget NID=1Ch (Analog CD-IN)
04h: Pin Widget NID=14h (port-D)
05h: Pin Widget NID=15h (port-A)
06h: Pin Widget NID=12h (Digital MIC 1&2)
Other: Reserved
Codec Response for Multiplexer Widget NID=24h
Bit Description
31:8 0’s.
7:0 Connection Index currently Set (Default value is 00h).
00h: Pin Widget NID=18h (port-B)
01h: Pin Widget NID=19h (port-F)
02h: Pin Widget NID=1Ah (port-C)
03h: Pin Widget NID=1Ch (Analog CD-IN)
04h: Pin Widget NID=14h (port-D)
05h: Pin Widget NID=15h (port-A)
06h: Pin Widget NID=13h (Digital MIC 3&4)
Other: Reserved
Codec Response for other NID
Bit Description
31:0 Not supported (returns 00000000h).
8.3.
Verb – Set Connection Select (Verb ID=701h)
Table 35. Verb – Set Connection Select (Verb ID=701h)
Set Command Format Codec Response Format
Bit [31:28] Bit [27:20] Bit [19:8] Payload Bit [7:0] Response [31:0]
Cad=X Node ID=Xh Verb ID=701h Select Index [7:0] 0’s for all nodes
Note: Only MUX NID-23h and 24h support this verb.

ALC268 Series
Datasheet
2+2 Channel High Definition Audio Codec Track ID: JATR-1076-21 Rev. 1.0
35
8.4.
Verb – Get Connection List Entry (Verb ID=F02h)
Table 36. Verb – Get Connection List Entry (Verb ID=F02h)
Get Command Format Codec Response Format
Bit [31:28] Bit [27:20] Bit [19:8] Payload Bit [7:0] Response [31:0]
Cad=X Node ID=Xh Verb ID=F02h Offset Index – N[7:0] 32-bit Response
Codec Response for NID=07h ADC
Bit Description
31:8 Connection List Entry (N+3), (N+2) and (N+1).
Returns 000000h.
7:0 Connection List Entry (N).
Returns 24h (Sum Widget) for N=0~3.
Returns 00h for N>3.
Codec Response for NID=08h ADC
Bit Description
31:8 Connection List Entry (N+3), (N+2) and (N+1).
Returns 000000h.
7:0 Connection List Entry (N).
Returns 23h (Sum Widget) for N=0~3.
Returns 00h for N>3.
Codec Response for NID=0Eh)
Bit Description
31:24 Connection List Entry (N).
Returns 00h.
23:16 Connection List Entry (N+2).
Returns 00h.
15:8 Connection List Entry (N+1).
Returns 03h (LOUT2 DAC) for N=0~3.
Returns 00h for N>3.
7:0 Connection List Entry (N)
Returns 02h (LOUT1 DAC) for N=0~3.
Returns 00h for N>3.
Codec Response for NID=0Fh)
Bit Description
31:24 Connection List Entry (N).
Returns 00h.
23:16 Connection List Entry (N+2).
Returns 00h.
15:8 Connection List Entry (N+1).
Returns 1Dh (PCBEEP) for N=0~3.
Returns 00h for N>3.
7:0 Connection List Entry (N).
Returns 02h (LOUT1 DAC) for N=0~3.
Returns 00h for N>3.

ALC268 Series
Datasheet
2+2 Channel High Definition Audio Codec Track ID: JATR-1076-21 Rev. 1.0
36
Codec Response for NID=10h)
Bit Description
31:24 Connection List Entry (N).
Returns 00h.
23:16 Connection List Entry (N+2).
Returns 00h.
15:8 Connection List Entry (N+1).
Returns 1Dh (PCBEEP) for N=0~3.
Returns 00h for N>3.
7:0 Connection List Entry (N).
Returns 03h (LOUT2 DAC) for N=0~3.
Returns 00h for N>3.
Codec Response for NID =18h (MIC1, port-B), 1Ah (LINE1, port-C)
Bit Description
31:24 Connection List Entry (N+3).
Returns 00h.
23:16 Connection List Entry (N+2).
Returns 00h.
15:8 Connection List Entry (N+1).
Returns 00h.
7:0 Connection List Entry (N).
Returns 02h (LOUT1 DAC) for N=0~3.
Returns 00h for N>3.
Codec Response for NID =14h (LOUT, port-D)
Bit Description
31:24 Connection List Entry (N+3).
Returns 00h.
23:16 Connection List Entry (N+2).
Returns 00h.
15:8 Connection List Entry (N+1).
Returns 00h.
7:0 Connection List Entry (N).
Returns 0Fh (Mixer) for N=0~3.
Returns 00h for N>3.
Codec Response for NID =15h (HPOUT, port-A)
Bit Description
31:24 Connection List Entry (N+3).
Returns 00h.
23:16 Connection List Entry (N+2).
Returns 00h.
15:8 Connection List Entry (N+1).
Returns 00h.
7:0 Connection List Entry (N).
Returns 10h (Mixer) for N=0~3.
Returns 00h for N>3.

ALC268 Series
Datasheet
2+2 Channel High Definition Audio Codec Track ID: JATR-1076-21 Rev. 1.0
37
Codec Response for NID=16h (Pin Widget: MONO-OUT)
Bit Description
31:8 Connection List Entry (N+3), (N+2) and (N+1).
Returns 000000h.
7:0 Connection List Entry (N).
Returns 0Eh for N=0~3.
Returns 00h for N>3.
Codec Response for NID=1Eh (Pin Widget: S/PDIF-OUT)
Bit Description
31:8 Connection List Entry (N+3), (N+2) and (N+1).
Returns 000000h.
7:0 Connection List Entry (N).
Returns 06h (S/PDIF-OUT Converter) for N=0~3.
Returns 00h for N>3.
Codec Response for NID=23h (MUX Widget)
Bit Description
31:24 Connection List Entry (N+3).
Returns 1Ch (Pin Complex – CD) for N=0~3.
Returns 00h for N>3.
23:16 Connection List Entry (N+2).
Returns 1Ah (Pin Complex – LINE1, port-C) for N=0~3.
Returns 12h (Pin Complex – Digital MIC 1&2) for N=4~7
Returns 00h for N>7.
15:8 Connection List Entry (N+1).
Returns 19h (Pin Complex – MIC2, port-F) for N=0~3.
Returns 15h (Pin Complex – HPOUT, port-A) for N=4~7.
Returns 00h for N>7.
7:0 Connection List Entry (N).
Returns 18h (Pin Complex – MIC1, port-B) for N=0~3.
Returns 14h (Pin Complex – LOUT, port-D) for N=4~7.
Returns 00h for N>7.

ALC268 Series
Datasheet
2+2 Channel High Definition Audio Codec Track ID: JATR-1076-21 Rev. 1.0
38
Codec Response for NID=24h (MUX Widget)
Bit Description
31:24 Connection List Entry (N+3).
Returns 1Ch (Pin Complex – CD) for N=0~3.
Returns 00h for N>3.
23:16 Connection List Entry (N+2).
Returns 1Ah (Pin Complex – LINE1, port-C) for N=0~3.
Returns 13h (Pin Complex – Digital MIC 3&4) for N=4~7
Returns 00h for N>7.
15:8 Connection List Entry (N+1).
Returns 19h (Pin Complex – MIC2, port-F) for N=0~3.
Returns 15h (Pin Complex – HPOUT, port-A) for N=4~7.
Returns 00h for N>7.
7:0 Connection List Entry (N).
Returns 18h (Pin Complex – MIC1, port-B) for N=0~3.
Returns 14h (Pin Complex – LOUT, port-D) for N=4~7.
Returns 00h for N>7.
Codec Response for Other NID
Bit Description
31:0 Not supported (returns 00000000h).
8.5.
Verb – Get Processing State (Verb ID=F03h)
Table 37. Verb – Get Processing State (Verb ID=F03h)
Get Command Format Codec Response Format
Bit [31:28] Bit [27:20] Bit [19:8] Payload Bit [7:0] Response [31:0]
Cad=X Node ID=Xh Verb ID=F03h 0’s 32-bit response
Codec Response for All NID
Bit Description
31:0 Not supported (returns 00000000h).
8.6.
Verb – Set Processing State (Verb ID=703h)
Table 38. Verb – Set Processing State (Verb ID=703h)
Set Command Format Codec Response Format
Bit [31:28] Bit [27:20] Bit [19:8] Payload Bit [7:0] Response [31:0]
Cad=X Node ID=Xh Verb ID=703h Processing State [7:0] 0’s for all nodes
Codec Response for All NID
Bit Description
31:0 0’s

ALC268 Series
Datasheet
2+2 Channel High Definition Audio Codec Track ID: JATR-1076-21 Rev. 1.0
39
8.7.
Verb – Get Coefficient Index (Verb ID=Dh)
Table 39. Verb – Get Coefficient Index (Verb ID=Dh)
Get Command Format Codec Response Format
Bit [31:28] Bit [27:20] Bit [19:16] Payload Bit [15:0] Response [31:0]
Cad=X Node ID=Xh Verb ID=Dh 0’s Bit [15:0] are Coefficient Index
Codec Response for NID=20h (Realtek Vendor Registers)
Bit Description
31:16 Reserved. Read as 0’s.
15:0 Coefficient Index.
Codec Response for Other NID
Bit Description
31:0 Not supported (returns 00000000h).
8.8.
Verb – Set Coefficient Index (Verb ID=5h)
Table 40. Verb – Set Coefficient Index (Verb ID=5h)
Set Command Format Codec Response Format
Bit [31:28] Bit [27:20] Bit [19:16] Payload Bit [15:0] Response [31:0]
Cad=X Node ID=Xh Verb ID=5h Coefficient Index [15:0] 0’s for all nodes
Codec Response for All NID
Bit Description
31:0 0’s

ALC268 Series
Datasheet
2+2 Channel High Definition Audio Codec Track ID: JATR-1076-21 Rev. 1.0
40
8.9.
Verb – Get Processing Coefficient (Verb ID=Ch)
Table 41. Verb – Get Processing Coefficient (Verb ID=Ch)
Get Command Format Codec Response Format
Bit [31:28] Bit [27:20] Bit [19:16] Payload Bit [15:0] Response [31:0]
Cad=X Node ID=Xh Verb ID=Ch 0’s Processing Coefficient [15:0]
Codec Response for NID=20h (Realtek Vendor Registers)
Bit Description
31:16 Reserved. Read as 0’s.
15:0 Processing Coefficient.
Codec Response for Other NID
Bit Description
31:0 Not supported (returns 00000000h).
8.10.
Verb – Set Processing Coefficient (Verb ID=4h)
Table 42. Verb – Set Processing Coefficient (Verb ID=4h)
Set Command Format Codec Response Format
Bit [31:28] Bit [27:20] Bit [19:16] Payload Bit [15:0] Response [31:0]
Cad=X Node ID=Xh Verb ID=4h Coefficient [15:0] 0’s for all nodes
Codec Response for All NID
Bit Description
31:0 0’s

ALC268 Series
Datasheet
2+2 Channel High Definition Audio Codec Track ID: JATR-1076-21 Rev. 1.0
41
8.11.
Verb – Get Amplifier Gain (Verb ID=Bh)
This verb is used to get gain/attenuation settings from each widget.
Table 43. Verb – Get Amplifier Gain (Verb ID=Bh)
Get Command Format Codec Response Format
Bit [31:28] Bit [27:20] Bit [19:16] Payload Bit [15:0] Response [31:0]
Cad=X Node ID=Xh Verb ID=Bh ‘Get’ payload [15:0] Bit[7:0] are responsible for ‘Get’
‘Get’ Payload in Command Bit[15:0]
Bit Description
15 Get Input/Output.
0: Input amplifier gain is requested
1: Output amplifier gain is requested
14 Reserved. Read as 0.
13 Get Left/Right.
0: Right amplifier gain is requested
1: Left amplifier gain is requested
12:4 Reserved. Read as 0’s.
3:0 Index[3:0] for Input Source.
Select amplifier for this converter. If a widget has no multiple input sources, the index will be ignored.
Codec Response for NID=02h (LOUT1 DAC) and 03h (LOUT2 DAC)
Bit Description
31:8 0’s.
7 Payload[15] is 0 in ‘Get Amplifier Gain’: Read as 0 (No Output Amplifier Mute).
Payload[15] is 1 in ‘Get Amplifier Gain’: Read as 0 (No Output Amplifier Mute).
6:0 Payload[15] is 0 in ‘Get Amplifier Gain’: Read as 0’s (No Input Amplifier Gain.)
Payload[15] is 1 in ‘Get Amplifier Gain’: 6-bit control specifying the volume from–64dB~ 0dB in 1dB
step.
Node Gain[6:0] (Default) Gain Range
LOUT1 DAC(NID=02h) 1000000b=40h (0dB) –64dB~0dB in 1dB step
LOUT2 DAC (NID=03h) 1000000b=40h (0dB) –64dB~0dB in 1dB step
Codec Response for NID=0Eh (MONO Sum Widgets)
Bit Description
31:8 0’s.

ALC268 Series
Datasheet
2+2 Channel High Definition Audio Codec Track ID: JATR-1076-21 Rev. 1.0
42
Codec Response for NID=0Eh (MONO Sum Widgets)
7 Payload[15] is 0 in ‘Get Amplifier Gain’: (Input Amplifier Mute, 0: Unmute 1: Mute)
Index[3:0]=0
(from LOUT1)
Index[3:0]=Other
Node Default of Bit [7]
MONO Sum (NID=0Eh) 0 (Unmute) 0
Payload[15] is 1 in ‘Get Amplifier Gain’: Read as 0 (No Output Amplifier Mute).
6:0 Payload[15] is 0 in ‘Get Amplifier Gain’: Read as 0’s. (No Input Amplifier Gain).
Payload[15] is 1 in ‘Get Amplifier Gain’: Read as 4 (No Output Amplifier Gain).
Codec Response for NID=0Fh (LINE-OUT Sum Widgets)
Bit Description
31:8 0’s.
7 Payload[15] is 0 in ‘Get Amplifier Gain’: (Input Amplifier Mute, 0: Unmute 1: Mute)
Index[3:0]=0
(from LOUT1)
Index[3:0]=1
(from BEEP)
Index[3:0]=Other
Node Default of Bit [7] Default of Bit [7]
LINE-OUT Sum 0 (Unmute) 1 (Mute) 0
Payload[15] is 1 in ‘Get Amplifier Gain’: Read as 0 (No Output Amplifier Mute).
6:0 Payload[15] is 0 in ‘Get Amplifier Gain’: Read as 0’s (No Input Amplifier Gain).
Payload[15] is 1 in ‘Get Amplifier Gain’: Read as 0’s (No Output Amplifier Gain).
Codec Response for NID=10h (HP-OUT Sum Widgets)
Bit Description
31:8 0’s.
7 Payload[15] is 0 in ‘Get Amplifier Gain’: (Input Amplifier Mute, 0: Unmute 1: Mute)
Index[3:0]=0
(from LOUT2)
Index[3:0]=1
(from BEEP)
Index[3:0]=2
(from LOUT1)
Index[3:0]=Other
Node Default of Bit [7] Default of Bit [7] Default of Bit [7]
LINE-OUT Sum 1 (Mute) 1 (Mute) 1 (Mute) 0
Payload[15] is 1 in ‘Get Amplifier Gain’: Read as 0 (No Output Amplifier Mute).
6:0 Payload[15] is 0 in ‘Get Amplifier Gain’: Read as 0’s (No Input Amplifier Gain).
Payload[15] is 1 in ‘Get Amplifier Gain’: Read as 0’s (No Output Amplifier Gain).

ALC268 Series
Datasheet
2+2 Channel High Definition Audio Codec Track ID: JATR-1076-21 Rev. 1.0
43
Codec Response for NID=18h (MIC1, port-B) and 1Ah (LINE1, port-C)
Bit Description
31:8 0’s.
7 Payload[15] is 0 in ‘Get Amplifier Gain’: Read as 0 (No Input Amplifier Mute).
Payload[15] is 1 in ‘Get Amplifier Gain’: Output Amplifier Mute, 0:Unmute 1:Mute (Default=1)
6:0 Payload[15] is 0 in ‘Get Amplifier Gain’: Input Amplifier Gain [6:0].
The volume 0dB/20dB/40dB in 20dB per step. (Default=0, 0dB)
Payload[15] is 1 in ‘Get Amplifier Gain’: Read as 0’s (No Output Amplifier Gain).
Codec Response for NID=19h (MIC2, port-F)
Bit Description
31:8 0’s.
7 Payload[15] is 0 in ‘Get Amplifier Gain’: Read as 0 (No Input Amplifier Mute).
Payload[15] is 1 in ‘Get Amplifier Gain’: Read as 0 (No Output Amplifier Mute).
6:0 Payload[15] is 0 in ‘Get Amplifier Gain’: Input Amplifier Gain [6:0].
The volume 0dB/20dB/40dB in 20dB per step. (Default=0, 0dB)
Payload[15] is 1 in ‘Get Amplifier Gain’: Read as 0’s (No Output Amplifier Gain).
Codec Response for NID=14h (LINE-OUT, port-D)
Bit Description
31:8 0’s.
7 Payload[15] is 0 in ‘Get Amplifier Gain’: Read as 0 (No Input Amplifier Mute).
Payload[15] is 1 in ‘Get Amplifier Gain’: Output Amplifier Mute, 0:Unmute 1:Mute (Default=1)
6:0 Payload[15] is 0 in ‘Get Amplifier Gain’: Read as 0’s (No Input Amplifier Gain).
Payload[15] is 1 in ‘Get Amplifier Gain’: Read as 0’s (No Output Amplifier Gain).
Codec Response for NID=15h (HP-OUT, port-A)
Bit Description
31:8 0’s.
7 Payload[15] is 0 in ‘Get Amplifier Gain’: Read as 0 (No Input Amplifier Mute).
Payload[15] is 1 in ‘Get Amplifier Gain’: Output Amplifier Mute, 0:Unmute 1:Mute (Default=1)
6:0 Payload[15] is 0 in ‘Get Amplifier Gain’: Read as 0’s (No Input Amplifier Gain).
Payload[15] is 1 in ‘Get Amplifier Gain’: Read as 0’s (No Output Amplifier Gain).
Codec Response for NID=1Dh (PCBEEP)
Bit Description
31:8 0’s.
7 Payload[15] is 0 in ‘Get Amplifier Gain’: Read as 0 (No Input Amplifier Mute).
Payload[15] is 1 in ‘Get Amplifier Gain’: Read as 0 (No Output Amplifier Mute).
6:0 Payload[15] is 0 in ‘Get Amplifier Gain’: Input Amplifier Gain [6:0] specifying the volume from –24dB
to 0dB in 3dB per step. (Default=0000001b, -21dB)
Payload[15] is 1 in ‘Get Amplifier Gain’: Read as 0’s (No Output Amplifier Mute).

ALC268 Series
Datasheet
2+2 Channel High Definition Audio Codec Track ID: JATR-1076-21 Rev. 1.0
44
Codec Response for NID=12h (Digital MIC DMIC-12) and 13h (Digital MIC DMIC-34)
Bit Description
31:8 0’s.
7 Payload[15] is 0 in ‘Get Amplifier Gain’: Read as 0 (No Input Amplifier Mute).
Payload[15] is 1 in ‘Get Amplifier Gain’: Read as 0 (No Output Amplifier Mute).
6:0 Payload[15] is 0 in ‘Get Amplifier Gain’: Read as 0’s (No Input Amplifier Gain).
Payload[15] is 1 in ‘Get Amplifier Gain’: Read as 0’s (No Output Amplifier Gain).
Codec Response for NID=16h (MONO-OUT)
Bit Description
31:8 0’s.
7 Payload[15] is 0 in ‘Get Amplifier Gain’: Read as 0 (No Input Amplifier Mute).
Payload[15] is 1 in ‘Get Amplifier Gain’: Output Amplifier Mute, 0:Unmute 1:Mute (Default=1)
6:0 Payload[15] is 0 in ‘Get Amplifier Gain’: Read as 0’s (No Input Amplifier Gain).
Payload[15] is 1 in ‘Get Amplifier Gain’: Read as 0’s (No Output Amplifier Gain).
Codec Response for NID=23h and 24h (Multiplexer widgets in front of ADCs)
Bit Description
31:8 0’s.
7 Payload[15] is 0 in ‘Get Amplifier Gain’: Read as 0 (No Input Amplifier Mute for all index.).
Payload[15] is 1 in ‘Get Amplifier Gain’: Output Amplifier Mute, 0:Unmute 1:Mute (Default=1)
6:0 Payload[15] is 0 in ‘Get Amplifier Gain’: Read as 0’s (No Input Amplifier Gain for all index).
Payload[15] is 1 in ‘Get Amplifier Gain’: Output Amplifier Gain [6:0] specifying the volume
from –16.5dB to 30dB in 1.5dB per step. (Default=0000001b, -15dB)
Codec Response to Other NID
Bit Description
31:0 Not supported (returns 00000000h).

ALC268 Series
Datasheet
2+2 Channel High Definition Audio Codec Track ID: JATR-1076-21 Rev. 1.0
45
8.12.
Verb – Set Amplifier Gain (Verb ID=3h)
This verb is used to set amplifier gain/attenuation in each widget.
Table 44. Verb – Set Amplifier Gain (Verb ID=3h)
Set Command Format Codec Response Format
Bit [31:28] Bit [27:20] Bit [19:8] Payload Bit [7:0] Response [31:0]
Cad=X Node ID=Xh Verb ID=3h ‘Set’ payload [7:0] 0’s for all nodes
‘Set’ Payload in Command Bit[15:0]
Bit Description
15 Set Output Amp.
1 indicates output amplifier gain will be set.
14 Set Input Amp.
1 indicates input amplifier gain will be set.
13 Set Left Amp.
1 indicates left amplifier gain will be set.
12 Set Right Amp.
1 indicates right amplifier gain will be set.
11:8 Index Offset (for input amplifiers on Sum widgets and Selector Widgets).
5 bits index offset in connection list is used to select which input gain will be set on a mixer or a
multiplexer widget. The index is ignored if the node is not a mixer or a multiplexer widget, or the ‘Set
Input Amp’ bit is not set.
7 Mute.
0: Unmute
1: Mute (-∞gain)
6:0 Gain[6:0].
A 7-bit step value specifying the amplifier gain.

ALC268 Series
Datasheet
2+2 Channel High Definition Audio Codec Track ID: JATR-1076-21 Rev. 1.0
46
8.13.
Verb – Get Converter Format (Verb ID=Ah)
Table 45. Verb – Get Converter Format (Verb ID=Ah)
Get Command Format Codec Response Format
Bit [31:28] Bit [27:20] Bit [19:16] Payload Bit [15:0] Response [31:0]
Cad=X Node ID=Xh Verb ID=Ah 0’s Bit[15:0] are converter format
Codec Response for NID=02h, 03h, 06h (Output Converters: LOUT1 DAC, LOUT2 DAC, S/PDIF-OUT).
Codec Response for NID=07h, 08h (Input Converters: MIC ADC, LINE ADC)
Bit Description
31:16 Reserved. Read as 0.
15 Stream Type (TYPE).
0: PCM
1: Non-PCM
14 Sample Base Rate (BASE).
0: 48kHz
1: 44.1kHz
13:11 Sample Base Rate Multiple (MULT).
000b: *1 001b: *2 010b: *3 011b: *4 100b~111b: Reserved.
10:8 Sample Base Rate Divisor (DIV).
000b: /1 001b: /2 010b: /3 011b: /4 100b: /5 101b: /6 110b: /7 111b: /8
The ALC268 does not support Divisor. Always read as 000b.
7 Reserved. Read as 0.
6:4 Bits per Sample (BITS).
000b: 8 bits 001b: 16 bits 010b: 20 bits 011b: 24 bits 100b: 32 bits 101b~111b: Reserved
3:0 Number of Channels.
0: 1 channel 1: 2 channels 2: 3 channels ….. 15: 16 channels
BASE MULT DIV BITS Sample rate
0 000b, 001b, 011b 000b 001b, 010b, 011b 48K, 96K,192K NID=02h (LOUT1 DAC)
1 000b 000b 001b, 010b, 011b 44.1K
0 000b, 001b, 011b 000b 001b, 010b, 011b 48K, 96K,192K NID=03h (LOUT2 DAC)
1 000b 000b 001b, 010b, 011b 44.1K
0 000b, 001b, 011b 000b 001b, 010b, 011b, 100b 48K, 96K, 192K NID=06h (S/PDIF-OUT)
1 000b, 001b 000b 001b, 010b, 011b, 100b 44.1K, 88.2K
0 000b, 001b 000b 001b, 010b, 011b 48K, 96K NID=07h (MIC ADC)
1 000b 000b 001b, 010b, 011b 44.1K
0 000b, 001b 000b 001b, 010b, 011b 48K, 96K NID=08h (LINE ADC)
1 000b 000b 001b, 010b, 011b 44.1K
Codec Response for other NID
Bit Description
31:0 Not supported (returns 00000000h).

ALC268 Series
Datasheet
2+2 Channel High Definition Audio Codec Track ID: JATR-1076-21 Rev. 1.0
47
8.14.
Verb – Set Converter Format (Verb ID=2h)
Table 46. Verb – Set Converter Format (Verb ID=2h)
Set Command Format Codec Response Format
Bit [31:28] Bit [27:20] Bit [19:16] Payload Bit [15:0] Response [31:0]
Cad=X Node ID=Xh Verb ID=2h Set format [15:0] 0’s for all nodes
‘Set’ Payload in Command Bit[15:0]
Bit Description
31:16 Reserved. Read as 0.
15 Stream Type (TYPE).
0: PCM
1: Non-PCM
14 Sample Base Rate (BASE).
0: 48kHz
1: 44.1kHz
13:11 Sample Base Rate Multiple (MULT).
000b: *1 001b: *2 010b: *3 011b: *4 100b~111b: Reserved.
10:8 Sample Base Rate Divisor (DIV).
000b: /1 001b: /2 010b: /3 011b: /4 100b: /5 101b: /6 110b: /7 111b: /8
7 Reserved. Read as 0.
6:4 Bits per Sample (BITS).
000b: 8 bits 001b: 16 bits 010b: 20 bits 011b: 24 bits 100b: 32 bits 101b~111b: Reserved
3:0 Number of Channels.
0: 1 channel 1: 2 channels 2: 3 channels …..… 15: 16 channels

ALC268 Series
Datasheet
2+2 Channel High Definition Audio Codec Track ID: JATR-1076-21 Rev. 1.0
48
8.15.
Verb – Get Power State (Verb ID=F05h)
Table 47. Verb – Get Power State (Verb ID=F05h)
Get Command Format Codec Response Format
Bit [31:28] Bit [27:20] Bit [19:8] Payload Bit [7:0] Response [31:0]
Cad=X Node ID=Xh Verb ID=Ah 0’s Power State [7:0]
Codec Response for NID=01h (Audio Function Group)
Bit Description
31:6 Reserved. Read as 0’s.
5:4 PS-Act. Actual Power State [1:0].
00: Power state is D0 01: Power state is D1 10: Power state is D2 11: Power state is D3
PS-Act indicates the actual power state of the referenced node. For Audio Function Group nodes
(NID=01h), PS-Act is always equal to PS-Set.
3:2 Reserved. Read as 0’s.
1:0 PS-Set, Set Power State [1:0].
00: Power state is D0 01: Power state is D1 10: Power state is D2 11: Power state is D3
PS-Set controls the current power setting of the referenced node.
Note: Specific blocks will be powered down in each power state. Refer to section 7.5 Power Management, page 23.
Codec Response for other NID
Bit Description
31:0 Not supported (returns 00000000h).
8.16.
Verb – Set Power State (Verb ID=705h)
Table 48. Verb – Set Power State (Verb ID=705h)
Set Command Format Codec Response Format
Bit [31:28] Bit [27:20] Bit [19:8] Payload Bit [7:0] Response [31:0]
Cad=X Node ID=Xh Verb ID=705h Power State [7:0] 0’s for all nodes
‘Power State’ in Command Bit[7:0]
Bit Description
7:6 Reserved. Read as 0’s.
5:4 PS-Act. Actual Power State [1:0].
00: Power state is D0 01: Power state is D1 10: Power state is D2 11: Power state is D3
PS-Act indicates the actual power state of the referenced node.
3:2 Reserved. Read as 0’s.
1:0 PS-Set. Set Power State [1:0].
00: Power state is D0 01: Power state is D1 10: Power state is D2 11: Power state is D3

ALC268 Series
Datasheet
2+2 Channel High Definition Audio Codec Track ID: JATR-1076-21 Rev. 1.0
49
8.17.
Verb – Get Converter Stream, Channel (Verb ID=F06h)
Table 49. Verb – Get Converter Stream, Channel (Verb ID=F06h)
Get Command Format Codec Response Format
Bit [31:28] Bit [27:20] Bit [19:8] Payload Bit [7:0] Response [31:0]
Cad=X Node ID=Xh Verb ID=F06h 0’s Stream & Channel [7:0]
Codec Response for NID=02h, 03h, 06h (Output Converters: LOUT1 DAC, LOUT2 DAC, S/PDIF-OUT).
Codec Response for NID=07h, 08h (Input Converters: MIC ADC, LINE ADC)
Bit Description
31:8 Reserved. Read as 0’s.
7:4 Stream[3:0].
The link stream used by the converter. 0000b is stream 0, 0001b is stream 1, etc.
3:0 Channel[3:0].
The lowest channel used by the converter. A stereo converter will use the set channel n as well as n+1
for its left and right channel.
Codec Response for other NID
Bit Description
31:0 Not supported (returns 00000000h).
8.18.
Verb – Set Converter Stream, Channel (Verb ID=706h)
Table 49. Verb – Set Converter Stream, Channel (Verb ID=706h)
Set Command Format Codec Response Format
Bit [31:28] Bit [27:20] Bit [19:8] Payload Bit [7:0] Response [31:0]
Cad=X Node ID=Xh Verb ID=706h Stream & Channel [7:0] 0’s for all nodes
‘Stream and Channel’ in Command Bit[7:0]
Bit Description
31:8 Reserved. Read as 0’s.
7:4 Set Stream[3:0].
The link stream used by the converter. 0000b is stream 0, 0001b is stream 1, etc.
1:0 Set Channel[3:0].
The lowest channel used by the converter. A stereo converter will use the set channel n as well as n+1
for its left and right channel.
Note: This verb assigns stream and channel for output converters (NID=02h, 03h, 06h) and input converters
(NID=07h,08h). Other widgets will ignore this verb.

ALC268 Series
Datasheet
2+2 Channel High Definition Audio Codec Track ID: JATR-1076-21 Rev. 1.0
50
8.19.
Verb – Get Pin Widget Control (Verb ID=F07h)
Table 50. Verb – Get Pin Widget Control (Verb ID=F07h)
Get Command Format Codec Response Format
Bit [31:28] Bit [27:20] Bit [19:8] Payload Bit [7:0] Response [31:0]
Cad=X Node ID=Xh Verb ID=F07h 0’s Pin Control [7:0]
Codec Response for pin widget NID=12h (DMIC-12), 13h (DMIC-34), 14h (LINE-OUT), 15h (HP-OUT), 16h (MONO),
18h (MIC1), 19h (MIC2), 1Ah (LINE1), 1Ch (CD-IN), 1Dh (PCBEEP) and 1Eh (S/PDIF-OUT)
Bit Description
31:1 Reserved. Read as 0’s.
7 H-Phn Enable (Headphone Amplifier Enable, EN_AMP for a I/O unit).
0: Disabled
1: Enabled
Note: Only HP-OUT (NID=15h) and LINE-OUT (NID=14h) support the headphone amplifier.
6 Out Enable (Output Buffet Enable, EN_OBUF for a I/O unit).
0: Disabled
1: Enabled
Note: DMIC-12(NID=12h),DMIC-34(NID=13h), MIC2 (NID=19h), CD-IN(NID=1Ch), and
PCBEEP(NID=1Dh) do not support output.
5 In Enable (Input Buffer Enable, EN_IBUF for a I/O unit).
0: Disabled
1: Enabled
Note: MONO-OUT (NID-16h) does not support input.
4:3 Reserved.
2:0 VrefEn (Vrefout Enable Control).
000b: Hi-Z (Disabled)
001b: 50% of AVDD
010b: Ground 0V
011b: Reserved
100b: 80% of AVDD
101b: 100% of AVDD
110b~111b: Reserved
Note: Only MIC1 (NID=18h), MIC2 (NID=19h) and LINE1 (NID=1Ah) support reference voltage
outputs.
Codec Response for other NID
Bit Description
31:0 Not supported (returns 00000000h).

ALC268 Series
Datasheet
2+2 Channel High Definition Audio Codec Track ID: JATR-1076-21 Rev. 1.0
51
8.20.
Verb – Set Pin Widget Control (Verb ID=707h)
Table 51. Verb – Set Pin Widget Control (Verb ID=707h)
Set Command Format Codec Response Format
Bit [31:28] Bit [27:20] Bit [19:8] Payload Bit [7:0] Response [31:0]
Cad=X Node ID=Xh Verb ID=707h Pin Control [7:0] 0’s for all nodes
‘Pin Control’ in command [7:0]: pin widget NID=12h (DMIC-12), 13h (DMIC-34), 14h (LINE-OUT), 15h (HP-OUT),
16h (MONO), 18h (MIC1), 19h (MIC2), 1Ah (LINE1), 1Ch (CD-IN), 1Dh (PCBEEP) and 1Eh (S/PDIF-OUT)
Bit Description
31:1 Reserved. Read as 0’s.
7 H-Phn Enable.
0: Disabled
1: Enabled
Note: Only HP-OUT (NID=15h) and LINE-OUT (NID=14h) support the headphone amplifier.
6 Out Enable.
0: Disabled
1: Enabled
Note; DMIC-12(NID=12h),DMIC-34(NID=13h), MIC2 (NID=19h), CD-IN(NID=1Ch), and
PCBEEP(NID=1Dh) do not support output.
5 In Enable (Input Buffer Enable, EN_IBUF for a I/O unit).
0: Disabled
1: Enabled
Note: MONO-OUT (NID-16h) does not support input.
4: Reserved.
2:0 VrefEn (Vrefout Enable Control).
000b: Hi-Z (Disabled)
001b: 50% of AVDD
010b: Ground 0V
011b: Reserved
100b: 80% of AVDD)
101b: 100% of AVDD
110b~111b: Reserved
Note: Only MIC1 (NID=18h), MIC2 (NID=19h) and LINE1 (NID=1Ah) support reference voltage
outputs.

ALC268 Series
Datasheet
2+2 Channel High Definition Audio Codec Track ID: JATR-1076-21 Rev. 1.0
52
8.21.
Verb – Get Unsolicited Response Control (Verb ID=F08h)
Determines whether a widget is enabled to send an unsolicited response. An HDA codec can use an
unsolicited response to inform software of a real time event.
Table 52. Verb – Get Unsolicited Response Control (Verb ID=F08h)
Get Command Format Codec Response Format
Bit [31:28] Bit [27:20] Bit [19:8] Payload Bit [7:0] Response [31:0]
Cad=X Node ID=Xh Verb ID=F08h 0’s 32-bit Response
Codec Response for NID=01h (GPIO in Audio Function Group), 14h~16h (port jack detect), 18h~1Bh (port jack detect)
Bit Description
31:8 Reserved. Read as 0’s.
7 Unsolicited Response is Enabled.
0: Disabled
1: Enabled
6:4 Reserved. Read as 0’s.
3:0 Assigned Tag for Unsolicited Response.
The tag[3:0] is assigned by software to determine which widget generates unsolicited responses.
Codec Response for other NID
Bit Description
31:0 Not supported (returns 00000000h).
8.22.
Verb – Set Unsolicited Response Control (Verb ID=708h)
Enable a widget to generate an unsolicited response.
Table 53. Verb – Set Unsolicited Response Control (Verb ID=708h)
Set Command Format Codec Response Format
Bit [31:28] Bit [27:20] Bit [19:8] Payload Bit [7:0] Response [31:0]
Cad=X Node ID=Xh Verb ID=708h EnableUnsol [7:0] 0’s for all nodes
‘EnableUnsol’ in Command Bit[7:0]
For NID=01h (GPIO in Audio Function Group), 14h~16h (port jack detect), 18h~1Bh (port jack detect)
Bit Description
31:8 Reserved. Read as 0’s.
7 Enable Unsolicited Response.
0: Disable
1: Enable
6:4 Reserved. Read as 0’s.
3:0 Tag for Unsolicited Response.
Tag[3:0] is defined by software to assign a 4-bit tag for nodes that are enabled to generate unsolicited
responses.

ALC268 Series
Datasheet
2+2 Channel High Definition Audio Codec Track ID: JATR-1076-21 Rev. 1.0
53
8.23.
Verb – Get Pin Sense (Verb ID=F09h)
Returns the Presence Detect status and the impedance of a device attached to the pin.
Table 54. Verb – Get Pin Sense (Verb ID=F09h)
Get Command Format Codec Response Format
Bit [31:28] Bit [27:20] Bit [19:8] Payload Bit [7:0] Response [31:0]
Cad=X Node ID=Xh Verb ID=F09h 0’s 32-bit Response
Codec Response: Pin widget 14h (LINE-OUT), 15h (HP-OUT), 18h (MIC1), 19h (MIC2), 1Ah (LINE1)
Bit Description
31 Presence Detect Status.
0: No device is attached to the pin
1: Device is attached to the pin
30:0 Measured Impedance.
Note: The ALC268 does not support impedance sensing. Read as 0’s.
Codec Response for other NID
Bit Description
31:0 Not supported (returns 00000000h).
8.24.
Verb – Execute Pin Sense (Verb ID=709h)
Table 55. Verb – Execute Pin Sense (Verb ID=709h)
Command Format Codec Response Format
Bit [31:28] Bit [27:20] Bit [19:8] Payload Bit [7:0] Response [31:0]
Cad=X Node ID=Xh Verb ID=709h Right Channel[0] 0’s for all nodes
‘Payload’ in Command Bit[7:0]
Bit Description
7:1 Reserved. Read as 0’s.
0 Right (Ring) Channel Select.
0: Sense Left channel (Tip)
1: Sense Right channel (Ring)
Note: The ALC268 does not support ‘Execute Pin Sense’ and will ignore this verb and respond with 0’s.

ALC268 Series
Datasheet
2+2 Channel High Definition Audio Codec Track ID: JATR-1076-21 Rev. 1.0
54
8.25.
Verb – Get Configuration Default (Verb ID=F1Ch)
Read the 32-bit sticky register for each Pin Widget configured by software.
Table 56. Verb – Get Configuration Default (Verb ID=F1Ch)
Get Command Format Codec Response Format
Bit [31:28] Bit [27:20] Bit [19:8] Payload Bit [7:0] Response [31:0]
Cad=X Node ID=Xh Verb ID=F1Ch 0’s 32-bit Response
Codec Response for Pin Widget: NID=14h (LINE-OUT), 15h (HP-OUT), 16h (MONO-OUT), 18h (MIC1), 19h (MIC2),
1Ah (LINE1), 1Ch (CD-IN), 1Dh (PCBEEP), 1Eh (S/PDIF-OUT), 12h (DMIC-12) and 13h (DMIC-34)
Bit Description
31:0 32-bit configuration information for each pin widget.
Note: The 32-bit registers for each Pin Widget are sticky and will not be reset by a LINK Reset or Codec Reset (Function
Reset Verb).
8.26.
Verb – Set Configuration Default Bytes 0, 1, 2, 3
(Verb ID=71Ch/71Dh/71Eh/71Fh for Bytes 0, 1, 2, 3)
The BIOS can use this verb to figure out the default conditions for the Pin Widgets 14h~1Bh and
1Eh~1Fh such as placement and expected default device.
Table 57. Verb – Set Configuration Default Bytes 0, 1, 2, 3
(Verb ID=71Ch/71Dh/71Eh/71Fh for Bytes 0, 1, 2, 3)
Set Command Format Codec Response Format
Bit [31:28] Bit [27:20] Bit [19:8] Payload Bit [7:0] Response [31:0]
Cad=X Node ID=Xh
Verb ID=71Ch,
71Dh, 71Eh, 71Fh
Label [7:0] 0’s for all nodes
Note: Supported by Pin Widget NID=14h (LINE-OUT), 15h (HP-OUT), 16h (MONO-OUT), 18h (MIC1), 19h (MIC2),
1Ah (LINE1), 1Ch (CD-IN), 1Dh (PCBEEP), 1Eh (S/PDIF-OUT), 12h (DMIC-12) and 13h (DMIC-34). Other widgets
will ignore this verb.
Codec Response for All NID
Bit Description
31:0 0’s.

ALC268 Series
Datasheet
2+2 Channel High Definition Audio Codec Track ID: JATR-1076-21 Rev. 1.0
55
8.27.
Verb – Get BEEP Generator (Verb ID=F0Ah)
Table 58. Verb – Get BEEP Generator (Verb ID=F0Ah)
Get Command Format Codec Response Format
Bit [31:28] Bit [27:20] Bit [19:8] Payload Bit [7:0] Response [31:0]
Cad=X Node ID=Xh Verb ID=F1Bh 0’s Divider [7:0]
‘Response’ for NID=01h (Audio Function Group)
Bit Description
31:8 Reserved.
7:0 Frequency Divider, F[7:0].
The internal BEEP frequency is the result of dividing the 48kHz clock by 4 times the number specified
in F[7:0].
The lowest tone is 48kHz/(255*4)=47Hz.
The highest tone is 48kHz/(1*4)=12kHz.
A value of 00h in F[7:0] disables the internal BEEP generator and allows external PCBEEP input.
Codec Response for Other NID
Bit Description
31:0 0’s.
8.28.
Verb – Set BEEP Generator (Verb ID=70Ah)
Table 59. Verb – Set BEEP Generator (Verb ID=70Ah)
Set Command Format Codec Response Format
Bit [31:28] Bit [27:20] Bit [19:8] Payload Bit [7:0] Response [31:0]
Cad=X Node ID=Xh Verb ID=71Bh Divider [7:0] 0’s for all nodes
‘Divider’ in Set Command
Bit Description
31:8 Reserved.
7:0 Frequency Divider, F[7:0].
The internal BEEP frequency is the result of dividing the 48kHz clock by 4 times the number specified
in F[7:0].
The lowest tone is 48kHz/(255*4)=47Hz.
The highest tone is 48kHz/(1*4)=12kHz.
A value of 00h in F[7:0] disables the internal BEEP generator and allows external PCBEEP input.
Note: All nodes except Audio Function Group (NID=01h) will ignore this verb.
Codec Response for All NID
Bit Description
31:0 0’s.

ALC268 Series
Datasheet
2+2 Channel High Definition Audio Codec Track ID: JATR-1076-21 Rev. 1.0
56
8.29.
Verb – Get GPIO Data (Verb ID=F15h)
Table 60. Verb – Get GPIO Data (Verb ID=F15h)
Get Command Format Codec Response Format
Bit [31:28] Bit [27:20] Bit [19:8] Payload Bit [7:0] Response [31:0]
Cad=X Node ID=01h Verb ID=F15h 0’s 32-bit Response
Codec Response for NID=01h (Audio Function Group)
Bit Description
31:8 Reserved.
7:4 GPIO[7:4] Data. Not supported in the ALC268.
3:0 GPIO[3:0] Data.
The value written (output) or sensed (input) on the corresponding pin if it is enabled.
Codec Response for Other NID
Bit Description
31:0 0’s.
8.30.
Verb – Set GPIO Data (Verb ID=715h)
Table 61. Verb – Set GPIO Data (Verb ID=715h)
Set Command Format Codec Response Format
Bit [31:28] Bit [27:20] Bit [19:8] Payload Bit [7:0] Response [31:0]
Cad=X Node ID=01h Verb ID=715h Data [7:0] 0’s for all nodes
‘Data’ in Set command for NID=01h (Audio Function Group)
Bit Description
31:8 Reserved.
7:4 GPIO[7:4] output Data. Not supported in the ALC268.
3:0 GPIO[3:0] Output Data.
The value written determines the value driven on a pin that is configured as an output pin.
Codec Response for All NID
Bit Description
31:0 0’s.

ALC268 Series
Datasheet
2+2 Channel High Definition Audio Codec Track ID: JATR-1076-21 Rev. 1.0
57
8.31.
Verb – Get GPIO Enable Mask (Verb ID=F16h)
Table 62. Verb – Get GPIO Enable Mask (Verb ID=F16h)
Get Command Format Codec Response Format
Bit [31:28] Bit [27:20] Bit [19:8] Payload Bit [7:0] Response [31:0]
Cad=X Node ID=01h Verb ID=F16h 0’s EnableMask [7:0]
Codec Response for NID=01h (Audio Function Group)
Bit Description
31:8 Reserved.
7:4 Reserved.
3:0 GPIO[3:0] Enable mask
0: The corresponding GPIO pin is disabled and is in Hi-Z state.
1: The corresponding GPIO pin is enabled. It’s behavior is determined by the GPIO direction control.
Note: All nodes except Audio Function Group (NID=01h) will ignore this verb.
Codec Response for Other NID
Bit Description
31:0 0’s.
8.32.
Verb – Set GPIO Enable Mask (Verb ID=716h)
Table 63. Verb – Set GPIO Enable Mask (Verb ID=716h)
Set Command Format Codec Response Format
Bit [31:28] Bit [27:20] Bit [19:8] Payload Bit [7:0] Response [31:0]
Cad=X Node ID=01h Verb ID=716h Enable Mask [7:0] 0’s for all nodes
Codec Response for NID=01h (Audio Function Group)
Bit Description
31:8 Reserved.
7:4 GPIO[7:4] Enable Mask, Not supported in the ALC268
3:0 GPIO[3:0] Enable Mask
0: The corresponding GPIO pin is disabled and is in Hi-Z state
1: The corresponding GPIO pin is enabled. It’s behavior is determined by the GPIO direction control
Note: All nodes except Audio Function Group (NID=01h) will ignore this verb.
Codec Response for All NID
Bit Description
31:0 0’s.

ALC268 Series
Datasheet
2+2 Channel High Definition Audio Codec Track ID: JATR-1076-21 Rev. 1.0
58
8.33.
Verb – Get GPIO Direction (Verb ID=F17h)
Table 64. Verb – Get GPIO Direction (Verb ID=F17h)
Get Command Format Codec Response Format
Bit [31:28] Bit [27:20] Bit [19:8] Payload Bit [7:0] Response [31:0]
Cad=X Node ID=01h Verb ID=F17h 0’s Direction [7:0]
Codec Response for NID=01h (Audio Function Group)
Bit Description
31:8 Reserved.
7:4 GPIO[7:4] Direction Control. Not supported in the ALC268.
3:0 GPIO[3:0] Direction Control.
0: The corresponding GPIO pin is configured as an input
1: The corresponding GPIO pin is configured as an output
Note: All nodes except Audio Function Group (NID=01h) will ignore this verb.
Codec Response for Other NID
Bit Description
31:0 0’s.
8.34.
Verb – Set GPIO Direction (Verb ID=717h)
Table 65. Verb – Set GPIO Direction (Verb ID=717h)
Set Command Format Codec Response Format
Bit [31:28] Bit [27:20] Bit [19:8] Payload Bit [7:0] Response [31:0]
Cad=X Node ID=01h Verb ID=717h Direction [7:0] 0’s for all nodes
Codec Response for NID=01h (Audio Function Group)
Bit Description
31:8 Reserved.
7:4 GPIO[7:4] Direction Control. Not supported in the ALC268.
3:0 GPIO[3:0] Direction Control.
0: The corresponding GPIO pin is configured as an input
1: The corresponding GPIO pin is configured as an output
Note: All nodes except Audio Function Group (NID=01h) will ignore this verb.
Codec Response for Other NID
Bit Description
31:0 0’s.

ALC268 Series
Datasheet
2+2 Channel High Definition Audio Codec Track ID: JATR-1076-21 Rev. 1.0
59
8.35.
Verb – Get GPIO Unsolicited Response Enable Mask
(Verb ID=F19h)
Table 66. Verb – Get GPIO Unsolicited Response Enable Mask (Verb ID=F19h)
Get Command Format Codec Response Format
Bit [31:28] Bit [27:20] Bit [19:8] Payload Bit [7:0] Response [31:0]
Cad=X Node ID=01h Verb ID=F19h 0’s UnsolEnable [7:0]
Codec Response for NID=01h (Audio Function Group)
Bit Description
31:8 Reserved.
7:4 GPIO[7:4] Unsolicited Enable Mask. Not supported in the ALC268.
3:0 GPIO[3:0] Unsolicited Enable mask.
0: Unsolicited response will not be sent on link
1: Unsolicited response will be sent on link when state of corresponding GPIO has been changed
Note: All nodes except Audio Function Group (NID=01h) will ignore this verb.
Codec Response for Other NID
Bit Description
31:0 0’s.
8.36.
Verb – Set GPIO Unsolicited Response Enable Mask
(Verb ID=719h)
Table 67. Verb – Set GPIO Unsolicited Response Enable Mask (Verb ID=719h)
Set Command Format Codec Response Format
Bit [31:28] Bit [27:20] Bit [19:8] Payload Bit [7:0] Response [31:0]
Cad=X Node ID=01h Verb ID=719h UnsolEnable [7:0] 0’s for all nodes
Codec Response for NID=01h (Audio Function Group)
Bit Description
31:8 Reserved.
7:4 GPIO[7:4] Unsolicited Enable Mask. Not supported in the ALC268
3:0 GPIO[3:0] Unsolicited Enable Mask.
0: Unsolicited response will not be sent on link
1: Unsolicited response will be sent on link when state of corresponding GPIO has been changed
Note 1: All nodes except the Audio Function Group (NID=01h) will ignore this verb.
Note 2: The unsolicited response of corresponding GPIO is enabled when it’s ‘Enable Mask’ and Verb-‘Unsolicited
Response’ for NID=01h are enabled.
Codec Response for Other NID
Bit Description
31:0 0’s.

ALC268 Series
Datasheet
2+2 Channel High Definition Audio Codec Track ID: JATR-1076-21 Rev. 1.0
60
8.37.
Verb – Function Reset (Verb ID=7FFh)
Table 68. Verb – Function Reset (Verb ID=7FFh)
Command Format (NID=01H) Codec Response Format
Bit [31:28] Bit [27:20] Bit [19:8] Payload Bit [7:0] Response [31:0]
Cad=X Node ID=01h Verb ID=7FFh 0’s 0’s
Codec Response
Bit Description
31:0 Reserved. Read as 0’s.
Note: The Function Reset command causes all widgets in the ALC268 to return to their power-on default state.

ALC268 Series
Datasheet
2+2 Channel High Definition Audio Codec Track ID: JATR-1076-21 Rev. 1.0
61
8.38.
Verb – Get Digital Converter Control 1 & Control 2
(Verb ID=F0Dh, F0Eh)
Table 69. Verb – Get Digital Converter Control 1 & Control 2 (Verb ID=F0Dh, F0Eh)
Get Command Format Codec Response Format
Bit [31:28] Bit [27:20] Bit [19:8] Payload Bit [7:0] Response [31:0]
Cad=X Node ID=Xh
Verb ID=F0Dh/
F0Eh
0’s Bit[31:16]=0’s, Bit[15:0] are SIC bit
NID=06h (S/PDIF-OUT) Response to ‘Get verb’ – F0Dh (Control 1 for SIC bit[15:0]).
NID=06h (S/PDIF-OUT) Response to ‘Get verb’ – F0Eh (Control 2 for SIC bit[15:0])
Bit Description – SIC (S/PDIF IEC Control) Bit[7:0]
31:16 Read as 0’s.
15 Reserved. Read as 0’s.
14:8 CC[6:0] (Category Code).
7 LEVEL (Generation Level).
6 PRO (Professional or Consumer format).
0: Consumer format
1: Professional format
5 /AUDIO (Non-Audio Data type).
0: PCM data
1: AC3 or other digital non-audio data
4 COPY (Copyright).
0: Asserted
1: Not asserted
3 PRE (Pre-emphasis).
0: None
1: Filter pre-emphasis is 50/15 microseconds
2 VCFG for Validity Control (control V bit and data in Sub-Frame).
1 V for Validity Control (control V bit and data in Sub-Frame).
0 Digital Enable. DigEn.
0: OFF
1: ON
Codec Response for Other NID
Bit Description
31:0 0’s.

ALC268 Series
Datasheet
2+2 Channel High Definition Audio Codec Track ID: JATR-1076-21 Rev. 1.0
62
8.39.
Verb – Set Digital Converter Control 1 & Control 2
(Verb ID=70Dh, 70Eh)
Table 70. Verb – Set Digital Converter Control 1 & Control 2 (Verb ID=70Dh, 70Eh)
Set Command Format (Verb ID=70Dh, Set Control 1) Codec Response Format
Bit [31:28] Bit [27:20] Bit [19:8] Payload Bit [7:0] Response [31:0]
Cad=X Node ID=Xh Verb ID=70Dh SIC [7:0] 0’s
Set Command Format (Verb ID=70Eh, Set Control 2) Codec Response Format
Bit [31:28] Bit [27:20] Bit [19:8] Payload Bit [7:0] Response [31:0]
Cad=X Node ID=Xh Verb ID=70Eh SIC [15:8] 0’s
‘Payload’ in Set Control 1 for NID=06h (S/PDIF-OUT)
Bit Description – SIC (S/PDIF IEC Control) Bit[7:0]
7 LEVEL (Generation Level).
6 PRO (Professional or Consumer format).
0: Consumer format
1: Professional format
5 /AUDIO (Non-Audio Data type).
0: PCM data
1: AC3 or other digital non-audio data
4 COPY (Copyright).
0: Asserted
1: Not asserted
3 PRE (Pre-emphasis).
0: None
1: Filter pre-emphasis is 50/15 microseconds
2 VCFG for Validity Control (control V bit and data in Sub-Frame).
1 V for Validity Control (control V bit and data in Sub-Frame).
0 Digital Enable. DigEn.
0: OFF
1: ON
‘Payload’ in Set Control 2 for NID=06h (S/PDIF-OUT)
Bit Description – SIC (S/PDIF IEC Control) Bit[7:0]
7 Reserved. Read as 0’s.
6:0 CC[6:0] (Category Code).

ALC268 Series
Datasheet
2+2 Channel High Definition Audio Codec Track ID: JATR-1076-21 Rev. 1.0
63
8.40.
Get/Set Volume Knob Widget (Verb ID=F0Fh/70Fh)
Table 71. Get/Set Volume Knob Widget (Verb ID=F0Fh/70Fh)
Get Command Format Codec Response Format
Bit [31:28] Bit [27:20] Bit [19:8] Payload Bit [7:0] Response [31:0]
Cad=X Node ID=Xh Verb ID=F0Fh 0’s Bit[31:8]=0’s, Bit[7:0] is volume
Codec Response for Volume Knob Widget
Bit Description
31:8 Reserved.
7 Direct.
0: The volume generated by an external HW volume control will be sent by unsolicited response.
Software is responsible for programming the amplifier appropriately
1: The volume generated by an external HW volume control will directly affect amplifier volume
6:0 Volume in steps.
Note: The ALC268 does not support volume knob widget will ignore this verb and respond with 0’s.
Set Command Format (Verb ID=70Fh) Codec Response Format
Bit [31:28] Bit [27:20] Bit [19:8] Payload Bit [7:0] Response [31:0]
Cad=X Node ID=Xh Verb ID=70Fh Bit[7] is ‘Direct’ control 0’s
‘Payload’ in Set Command for Volume Knob Widget
Bit Description
31:8 Reserved.
7 Direct.
0: The volume generated by an external HW volume control will be sent by unsolicited response.
Software is responsible for programming the amplifier appropriately
1: The volume generated by an external HW volume control will directly affect amplifier volume
6:0 Reserved.
Note: The ALC268 does not support volume knob widget will ignore this verb and respond with 0’s.
8.41.
Get/Set Subsystem ID [31:0]
(Verb ID=F20h / 723h~720h to Set Bit[31:0])
Table 72. Get/Set Subsystem ID [31:0] (Verb ID=F20h / 723h~720h to Set Bit[31:0])
Get Command Format Codec Response Format
Bit [31:28] Bit [27:20] Bit [19:8] Payload Bit [7:0] Response [31:0]
Cad=X Node ID=Xh Verb ID=F20h 0’s 32 bits response
Codec Response for NID=01h (Audio Function Group)
Bit Description
31:16 Subsystem ID[23:8]. (Default=10Ech)
15:8 Subsystem ID[7:0]. (Default=02h).
7:0
A
ssembly ID[7:0]. (Default=68h).

ALC268 Series
Datasheet
2+2 Channel High Definition Audio Codec Track ID: JATR-1076-21 Rev. 1.0
64
9. Electrical Characteristics
9.1.
DC Characteristics
9.1.1. Absolute Maximum Ratings
Table 73. Absolute Maximum Ratings
Parameter Symbol Minimum Typical Maximum Units
Power Supplies:
Digital power for core
Digital Power for link
Analog power
DVDD
DVDD-IO
AVDD1, AVDD2
3.0
1.5
3.0
3.3
3.3
3.3
3.6
3.6
5.5
V
V
V
Ambient Operating
Temperature
Ta 0 - +70
oC
Storage Temperature Ts +125 oC
ESD (Electrostatic Discharge)
Susceptibility Voltage
4000V
Note: DVDD-IO must be lower than DVDD.
If customers have lower AVDD(=3.0V) request, please contact Realtek sales representatives or agents
9.1.2. Threshold Voltage
DVDD-IO=3.3V±5%, Tambient=25°C, with 50pF external load.
Table 74. Threshold Voltage
Parameter Symbol Minimum Typical Maximum Units
Input Voltage Range Vin -0.30 - DVDD +0.30 V
Low Level Input Voltage
(BCLK, RST#, SDO, SYNC, SDI)
VIL - - 0.30*DVDDIO V
High Level Input Voltage
(BCLK, RST#, SDO, SYNC, SDI)
VIH 0.65* DVDDIO - - V
Low Level Input Voltage
(S/PDIF-OUT, GPIOs)
VIL - - 0.44*DVDD V
High Level Input Voltage
(S/PDIF-OUT, GPIOs)
VIH 0.56* DVDD - - V
High Level Output Voltage VOH 0.9*DVDD - V
Low Level Output Voltage VOL - - 0.1*DVDD V
Input Leakage Current - -10 - 10 µA
Output Leakage Current (Hi-Z) - -10 - 10 µA
Output Buffer Drive Current - - 5 - mA
Internal Pull Up Resistance - - 50k - Ω

ALC268 Series
Datasheet
2+2 Channel High Definition Audio Codec Track ID: JATR-1076-21 Rev. 1.0
65
9.1.3. Digital Filter Characteristics
Table 75. Digital Filter Characteristics
Filter Symbol Minimum Typical Maximum Units
ADC Lowpass Filter Passband 0 - 0.454*Fs (-1dB) kHz
Stopband 28.8 kHz
Stopband Rejection -76.0 dB
Passband Ripple
±0.02 dB
DAC Lowpass Filter Passband 0 - 0.454*Fs (-1dB) kHz
Stopband 28.8 kHz
Stopband Rejection -78.5 dB
Passband Ripple
±0.02 dB
9.1.4. S/PDIF Output Characteristics
DVDD=3.3V, Tambient=25°C, with 75Ω external load.
Table 76. S/PDIF Input/Output Characteristics
Parameter Symbol Minimum Typical Maximum Units
S/PDIF-OUT High Level Output VOH 3.0 3.3 - V
S/PDIF-OUT Low Level Output VOL - 0 0.3 V

ALC268 Series
Datasheet
2+2 Channel High Definition Audio Codec Track ID: JATR-1076-21 Rev. 1.0
66
9.2.
AC Characteristics
9.2.1. Link Reset and Initialization Timing
Table 77. Link Reset and Initialization Timing
Parameter Symbol Minimum Typical Maximum Units
RESET# Active Low Pulse Width TRST 1.0 - - µs
RESET# Inactive to BCLK
Startup delay for PLL ready time
TPLL 20 - - µs
SDI Initialization Request TFRAME - - 1 Frame Time
SDO
SYNC
SDI
BCLK
RESET#
4 BCLK 4 BCLK >= 4 BCLK
Initialization
Sequence
Initialization
Request
TFRAME
T
PLL
TRST
Normal Frame
SYNC
Figure 16. Link Reset and Initialization Timing

ALC268 Series
Datasheet
2+2 Channel High Definition Audio Codec Track ID: JATR-1076-21 Rev. 1.0
67
9.2.2. Link Timing Parameters at the Codec
Table 78. Link Timing Parameters at the Codec
Parameter Symbol Minimum Typical Maximum Units
BCLK Frequency - 24.0 - MHz
BCLK Period Tcycle - 41.67 - ns
BCLK Jitter Tjitter - - 2.0 ns
BCLK High Pulse Width Thigh 18.75
(45%)
- 22.91
(55%)
ns
(%)
BCLK Low Pulse Width Tlow 18.75
(45%)
- 22.91
(55%)
ns
(%)
SDO Setup Time at Both Rising
and Falling Edge of BCLK
Tsetup 2.1 - - ns
SDO Hold Time at Both Rising and
Falling Edge of BCLK
Thold 2.1 - - ns
SDI Valid Time After Rising Edge
of BCLK (1: 50pF external load)
Ttco - 7.5 8.0 ns
SDI Flight Time Tflight - 2.0 - ns
T_cycle
T_high
T_low
T_tco
T_setup T_hold
VIL
VIH
VT
VOH
OL
BCLK
SDI
SDO
T_flight
V
Figure 17. Link Signals Timing

ALC268 Series
Datasheet
2+2 Channel High Definition Audio Codec Track ID: JATR-1076-21 Rev. 1.0
68
9.2.3. S/PDIF Output Timing
Table 79. S/PDIF Output Timing
Parameter Symbol Minimum Typical Maximum Units
S/PDIF-OUT Frequency *1 -
- 3.072 - MHz
S/PDIF-OUT Period *1 T
cycle - 325.6 - ns
S/PDIF-OUT Jitter Tjitter - - 4 ns
S/PDIF-OUT High Level Width *1 T
High 156.2 (48%) 162.8 (50%) 169.2 (52%) ns (%)
S/PDIF-OUT Low Level Width*1 T
Low 156.2 (48%) 162.8 (50%) 169.2 (52%) ns (%)
S/PDIF-OUT Rising Time Trise - 2.0 - ns
S/PDIF-OUT Falling Time Tfall - 2.0 - ns
*1: Bit parameters for 48kHz sample rate of S/PDIF-OUT
low
t
VIL
VIH
OH
OL
high
rise fall
Tcycle
TT
TT
V
V
V
Figure 18. Output Timing
9.2.4. Test Mode
The ALC268 does not support codec test mode or Automatic Test Equipment (ATE) mode.

ALC268 Series
Datasheet
2+2 Channel High Definition Audio Codec Track ID: JATR-1076-21 Rev. 1.0
69
9.3.
Analog Performance
Standard Test Conditions • Tambient=25 oC, DVDD-CORE=3.3V ±5%, AVDD=5.0V±5%
• 1kHz input sine wave; Sampling frequency=48kHz; 0dB=1Vrms
• 10KΩ/50pF load; Test bench Characterization BW:10Hz~22kHz
Table 80. Analog Performance
Parameter Min Typ Max Units
Full Scale Input Voltage
All ADC (gain=0dB)
-
1.1
-
Vrms
Full Scale Output Voltage
All DAC (gain=0dB)
-
1.4
-
Vrms
Dynamic Range with 1kHz tone, DR (A Weighted)
ADC
DAC
-
-
90
95
-
-
dB FSA*
dB FSA
Total Harmonic Distortion plus Noise, THD+N
ADC
DAC
Headphone Out @32Ω Load
-
-
-
-85
-92
-80
-
-
-
dB FS*
dB FS
dB FS
Frequency Response
ADC (-3dB lower edge, -1dB higher edge)
DAC (-3dB lower edge, -1dB higher edge)
10
10
-
-
0.454*Fs
0.454*Fs
Hz
Hz
Power Supply Rejection Ratio - -40 - dB
Total Out-of-Band Noise (28.8kHz~100kHz) - -60 - dB
Amplifier Gain Step
ADC
DAC
-
-
1.5
1.0
-
-
dB
dB
Crosstalk Between Input Channels - -80 dB
Input Impedance (gain=0dB) 47 KΩ
Output Impedance
Amplified Output
Non-amplified Output
-
1
200
-
Ω
Ω
Digital Power Supply Current (normal operation)
DVDD=3.3V, DVDD-IO=3.3V
-
25
-
mA
Digital Power Supply Current (power down mode)
DVDD=3.3V, DVDD-IO=3.3V
-
-
400
µA
Analog Power Supply Current (normal operation)
AV D D 1 , AV D D 2 = 5 . 0 V
AV D D 1 , AV D D 2 = 3 . 3 V
-
-
35
19
-
-
mA
mA
Analog Power Supply Current (power down mode)
AV D D 1 , AV D D 2 = 5 . 0 V
-
-
700
µA
VREFOUTx Output Voltage 0 2.50 4.20 V
VREFOUTx Output Current 5 mA
Note: FSA=Full Scale with A-weighting filter
FS=Full Scale

ALC268 Series
Datasheet
2+2 Channel High Definition Audio Codec Track ID: JATR-1076-21 Rev. 1.0
70
10. Application Notes
10.1.
Application Circuits
Please contact Realtek for the latest application circuits. To get the best compatibility in hardware design
and software driver, any modification should be confirmed by Realtek. Realtek may upload the latest
application circuits onto our web site (www.realtek.com.tw) without modifying this datasheet.
C26 NC
R1
20K, 1%
DGND
+
C5
10u
CN1
CD-IN
1
2
3
4
CN2
BEEP_IN
1
2
C8
0.1u
C25
0.1u
C15
0.1u
MIC2-VREFO
LOUT-JD
LINE1-JD
HP-JD
U1
ALC268
DVDD
1
GPIO0/DMIC-12
2
GPIO3/DMIC-34
3
DVSS
4
SDATA-OUT
5
BIT-CLK
6
DVSS-IO
7
SDATA-IN
8
DVDD-IO
9
SYNC
10
RESET#
11
PCBEEP
12
Sense A 13
NC 14
NC 15
MIC2-L 16
MIC2-R 17
CD-L 18
CD-GND 19
CD-R 20
MIC1-L 21
MIC1-R 22
LINE1-L 23
LINE1-R 24
AVDD1 25
AVSS1 26
VREF 27
MIC1-VREFO-L 28
LINE1-VREFO 29
MIC2-VREFO 30
GPIO1 31
MIC1-VREFO-R 32
NC 33
Sense B 34
LINE-OUT-L 35
LINE-OUT-R 36
MONO
37
AVDD2
38
HP-OUT-L
39
JDREF
40
HP-OUT-R
41
AVSS2
42
NC
43
NC
44
NC
45
DMIC-CLK
46
EAPD
47
SPDIFO
48
+5VA
MIC1-VREFO-R
MIC1-VREFO-L
R17 10
LINE1-R
R13 10
R11 10
LINE1-L
MIC1-R
MIC1-L
MIC2-R
MIC2-L
Tied at one point only under the
codec or near the codec
DMIC-12 or GPIO0
MI C 1- J D
SY NC
RESET#
SDIN
BCLK
SDOUT
C30
0.1u
+
C29
10u
R8
20K, 1%
R7
10K, 1%
R9
39.2K,1%
+3.3VD
+
C14
10u
+
C23
10u
R10 47K
C24 1u
R12
10K
C27
100P
R16 10
C34
10p
+
C7
10u
MIC2-J D
LOUT-L
LOUT-R
MONO-OUT
HP-OUT-L
HP-OUT-R
+5VA
EAPD
DMIC-34 or GPIO3
S/PDIF-OUT
DMIC-CLK
+3. 3VD
GPIO1 (Power by AVDD)
R6
5.1K, 1%
C16 1u
C19 1u
C17 1u
R5
20K, 1%
AGND
C36
10p
C28
10p
Figure 19. Filter Connection

ALC268 Series
Datasheet
2+2 Channel High Definition Audio Codec Track ID: JATR-1076-21 Rev. 1.0
71
+5VA
Standby +5V
+12V
LOUT-JD
LOUT-L
MIC1-JD
MIC1-R
MIC1-VREFO-R
MIC1-VREFO-L
LINE1-R
LINE1-JD
LINE1-L
LOUT-R
MIC1-L
D2
1N4148
B130LAW/1N5817
LM7805CT/200mA
13
2
INOUT
GND
+
+10u
+
+100u
R2
10
FERB
+
C2 100u
+
C1 100u
PH1
LINE-OUT-OUT (Jack-D)
5
4
1
CS
CN
3
PH3
LINE1(Jack-C)
5
4
1
CS
CN
3
PH2
MIC1(Jack-B)
5
4
1
CS
CN
3
C21
100P
C22
100P
R4 2.2K
R3 2.2K
C3
100P
C4
100P
C10
100P
C11
100P
C9 1u
C6 1u
C20 1u
C18 1u
For Standby mode De-pop purpose
For improving the background
noise of MIC boosting.
FRONT(pin-35,36)/Port-D
Pin/Port Assignment Functions
Rear Panel LINE-OUT w/ amplfier
Rear Panel
LINE1 (pin-23,24)/Port-C
MIC1 (pin-21,22)/Port-B
Rear Panel
HP-OUT (pin-39,41)/Port-A Front Panel
MIC2 (pin-16,17)/Port-F Front Panel
Location
Rear Panel: 3 dedicated audio jacks
Front Panel: 2 dedicated audio jacks
Line-In
HP-OOUT w/ amplifier
Mic-In
Mic-In
Configuation: (Standard Case)
Rear Panel
Rear Panel
Rear Panel
Figure 20. Power and Rear Panel Jack Connection

ALC268 Series
Datasheet
2+2 Channel High Definition Audio Codec Track ID: JATR-1076-21 Rev. 1.0
72
MIC2-L
MIC2-R
HP-OUT-L
HP-OUT-L
MIC2-VREFO
MIC2-JD
HP-JD
FIO-JD
FIO-HPOUT-R
FMIC-JD-RETURN
FIO-JD
FHP-JD-RETURN
FIO-MICIN-R
FIO-MICIN-L
FIO-HPOUT-R
FHP-JD-RETURN
FMIC-JD-RETURN
FIO-HPOUT-L
FIO-MICIN-L
FIO-HPOUT-L
FIO-JD
FIO-MICIN-R
R14
2.2K
L5 FERB
C40
100P
L3 FERB
C41
100P
L2 FERB
C37
100P
C38
100P
L4 FERB
D3 1N4148
D4 1N4148
JACK 1
FIO-MICIN
1
2
5
3
4
JACK 2
FIO-HPOUT
1
2
5
3
4
C31 1u
C32 1u
C35 100u
C33 100u
J2
CON10A
1
3
5
7
9
2
4
6
8
10
J1
CON10A
1
3
5
7
9
2
4
6
8
10
R15
2.2K
Key
Front panel header
Non-Polarity Caps are
recommended
For re-tasking purpose,
HD Audio Front Panel I/O Cable
KEY
Figure 21. Front Panel Header and Front Panel I/O Cable
As the ALC268 does not support LINE2 (port-E), the HP-OUT (port-A) may be connected to the front
panel header as the headphone output. To accommodate the ALC268 and ALC262 on the same front
panel I/O cable, the connection of the front panel header in Figure 21 is modified. Please contact Realtek
to confirm your design can accommodate all ALC series HD Audio Codecs
S/PDIF-OUT
S/PDIF-OUT
+5VD
R23 200
J3
S/PDIF OUTPUT
1
2
C43
100P
C42
0.01u
R24
100
C39
0.1u
U3
TOTX178
3
2
1
45
IN
VCC
GND
N.CN.C
R21 10
S/PDIF module option 2: Coaxial
Optical Transmitter
S/PDIF module option 1: Optical
Figure 22. S/PDIF-OUT Connection

ALC268 Series
Datasheet
2+2 Channel High Definition Audio Codec Track ID: JATR-1076-21 Rev. 1.0
73
10.2.
Digital Microphone Implementation
This section describes the ALC268 digital microphone implementation. There is one Clock output pin
and 1 Data input pin in the ALC268. The ALC268 provides the clock signal to the digital microphone.
When the digital microphone receives the external sound input, it converts the analog signals to digital in
a 1-bit format. The 1-bit data is delivered to the codec though the data input pin. The Digital Filter in the
audio codec converts the 1-bit data stream into Pulse Code Modulation (PCM) data. The PCM data is sent
to the HDA controller through the HDA link.
Figure 23. Digital Microphone Implementation-1
The ALC268 supports 2-wire and 3-wire interfaces for the digital microphone and operates in single
channel (mono type) or stereo channels (stereo) digital microphone mode. One pin is clock output to the
digital microphone, and the other two are serial pins. The default clock output is 2.048MHz.
In Type 1 (Figure 24), the ALC268 uses one data pin to support mono input from digital microphones
with an LMV1024 (L), SPD0205ND (L), or AKU2000 (L).
In Type 2 (Figure 24), the ALC268 uses one data pin to support stereo inputs from digital microphones
with an LMV1024/1026 (L/R), SPD0205ND (L & R), or AKU2000 (L & R).
Figure 24. Digital Microphone Implementation-2

ALC268 Series
Datasheet
2+2 Channel High Definition Audio Codec Track ID: JATR-1076-21 Rev. 1.0
74
11. Mechanical Dimensions
11.1.
LQFP-48 Mechanical Dimensions
L1
L
See the Mechanical Dimensions notes on the next page.

ALC268 Series
Datasheet
2+2 Channel High Definition Audio Codec Track ID: JATR-1076-21 Rev. 1.0
75
11.2.
LQFP-48 Mechanical Dimensions Notes
MILLIMETER INCH SYMBOL
MIN. TYP MAX. MIN. TYP MAX
A 1.60 0.063
A1 0.05 0.15 0.002 0.006
A2 1.35 1.40 1.45 0.053 0.055 0.057
c 0.09 0.20 0.004 0.008
D 9.00 BSC 0.354 BSC
D1 7.00 BSC 0.276 BSC
D2 5.50 0.217
E 9.00 BSC 0.354 BSC
E1 7.00BSC 0.276 BSC
E2 5.50 0.217
b 0.17 0.20 0.27 0.007 0.008 0.011
e 0.50 BSC 0.0196 BSC
TH 0o 3.5o 7
o 0
o 3.5o 7
o
L 0.45 0.60 0.75 0.018 0.0236 0.030
L1 1.00 0.0393
TITLE: LQFP-48 (7.0x7.0x1.6mm)
PACKAGE OUTLINE DRAWING, FOOTPRINT 2.0mm
LEADFRAME MATERIAL
DOC. NO. APPROVE
VERSION 02
DWG NO. PKGC-065 CHECK
DATE
REALTEK SEMICONDUCTOR CORP.

ALC268 Series
Datasheet
2+2 Channel High Definition Audio Codec 76 Track ID: JATR-1076-21 Rev. 1.0
11.3.
QFN-48 Mechanical Dimensions
MILLIMETER INCH
SYMBOL MIN. TYPICAL MAX. MIN. TYPICAL MAX
A 0.80 0.85 1.00 0.031 0.033 0.039
A1 0.00 0.02 0.05 0.000 0.001 0.002
A2 --- 0.65 1.00 --- 0.026 0.039
A3 --- 0.20 ---0 --- 0.008 ---
b 0.18 0.23 0.30 0.007 0.009 0.012
D 7.00 BSC 0.276 BSC
D1 6.75 BSC 0.266 BSC
D2 2.25 4.70 5.25 0.089 0.185 0.207
E 7.00 BSC 0.276 BSC
E1 6.75 BSC 0.266 BSC
E2 2.25 4.70 5.25 0.089 0.185 0.207
e 0.50 BSC 0.020 BSC
L 0.30 0.40 0.50 0.012 0.016 0.020
TH 0o --- 12o 0
o --- 12o
aaa --- --- 0.25 --- --- 0.010
bbb --- --- 0.10 --- --- 0.004
chamfer --- --- 0.60 --- --- 0.024
TITLE: QFN-48 (7.0x7.0x1.0mm)
PACKAGE OUTLINE DRAWING
LEADFRAME MATERIAL
DOC. NO. APPROVE
VERSION
DWG NO. CHECK
DATE
REALTEK SEMICONDUCTOR CORP.

ALC268 Series
Datasheet
2+2 Channel High Definition Audio Codec 77 Track ID: JATR-1076-21 Rev. 1.0
12. Ordering Information
Table 81. Ordering Information
Part Number Package Status
ALC268-GR LQFP-48 & ‘Green’ package Sample
ALC268Q-GR QFN-48 & ‘Green’ package Sample
Note 1: Above parts are tested under AVDD =5.0V. If customers have lower AVDD request, please contact Realtek
sales representatives or agents.
Realtek Semiconductor Corp.
Headquarters
No. 2, Innovation Road II
Hsinchu Science Park, Hsinchu 300, Taiwan
Tel.: +886-3-578-0211. Fax: +886-3-577-6047
www.realtek.com.tw
