AP65101 Datasheet. Www.s Manuals.com. R1 2 Diodes
User Manual: Marking of electronic components, SMD Codes RA, RA**, RA***, RA-, RA1, RA4, RA7, RAT, RAW, RAp, RAt, Ra. Datasheets AP65101WU-7, BAV70, BAV99, BAW56, BD53E43G, BZB84-B36, MMSTA28, RP130K121A, SSTA28, Si1553DL.
Open the PDF directly: View PDF 
.
Page Count: 15

AP65101 
Document number: DS38098 Rev. 1 - 2 
1 of 14 
www.diodes.com  
September 2015 
© Diodes Incorporated 
ADVANCED I NF ORMATION  
AP65101 
TSOT26 LIGHT LOAD IMPROVED 1.5A SYNCH DC/DC BUCK CONVERTER 
Description 
The AP65101 is a 500kHz switching frequency internal compensated 
synchronous DC-DC buck converter. It has integrated low RDSON high 
and low side MOSFETs.  
The  AP65101  enables  continuous  load  current  of  up  to  1.5A  with 
efficiency as high as 97%.  
The  AP65101  implements  an  automatic  custom  light-load  efficiency 
improvement algorithm. 
The AP65101 features current mode control operation, which enables 
fast transient response times and easy loop stabilization.  
The  AP65101  simplifies  board  layout  and  reduces  space 
requirements with  its  high  level  of  integration and  minimal  need  for 
external  components,  making  it  ideal  for  distributed  power 
architectures.  
The AP65101 is available in a standard Green TSOT26 package and 
is RoHS compliant. 
Features 
  VIN 4.5V to 16V 
  1.5A Continuous Output Current, 2.5A Peak 
  Efficiency Up to 97% 
  Automated Light Load improvement 
  VOUT Adjustable from 0.8V 
  500kHz Switching Frequency 
  Internal Soft-Start 
  Enable Pin 
  Overcurrent Protection (OCP) with Hiccup 
  Thermal Protection 
 Totally Lead-Free & Fully RoHS Compliant (Notes 1 & 2) 
 Halogen and Antimony Free. “Green” Device (Note 3) 
Pin Assignments 
TSOT26
Top View
3
2
1 6
4
5
IN
GND
SW
FB
EN
BST
Applications 
  Gaming Consoles 
  Flat Screen TV Sets and Monitors 
  Set-Top Boxes 
  Distributed Power Systems 
  Home Audio 
  Consumer Electronics 
  Network Systems 
  FPGA, DSP and ASIC Supplies 
  Green Electronics  
Notes:  1. No purposely added lead. Fully EU Directive 2002/95/EC (RoHS) & 2011/65/EU (RoHS 2) compliant. 
  2. See http://www.diodes.com/quality/lead_free.html for more information about Diodes Incorporated’s definitions of Halogen- and Antimony-free, "Green"      
                       and Lead-free. 
3. Halogen- and Antimony-free "Green” products are defined as those which contain <900ppm bromine, <900ppm chlorine (<1500ppm total Br + Cl) and  
    <1000ppm antimony compounds. 
Typical Applications Circuit 
Efficiency 
AP65101
L1
6.5μH
R1
40.2kΩ  
R2
13kΩ    
C5
1µF
C2
22μF
C1
22μF
ON
OFF
1 
IN
5 
EN
3
SW
4
BST
6
FB
2 
GND
INPUT
OUTPUT
VOUT 
3.3V
VIN 
12V
R3
59kΩ
Figure 1. Typical Application Circuit 
Vin=4.7V 
Vin=12V 
Vin=16V 

AP65101 
Document number: DS38098 Rev. 1 - 2 
2 of 14 
www.diodes.com  
September 2015 
© Diodes Incorporated 
ADVANCED I NF ORMATION  
AP65101 
Pin Descriptions 
Pin 
Name 
Pin Number 
Function 
TSOT26 
IN 
1 
Power Input. IN supplies the power to the IC, as well as the step-down converter switches. Drive IN with a 4.5V 
to 16V power source. Bypass IN to GND with a suitably large capacitor to eliminate noise on the input to the IC. 
See Input Capacitor. 
GND 
2 
Ground 
SW 
3 
Power Switching Output. SW is the switching node that supplies power to the output. Connect the output LC 
filter from SW to the output load. Note that a capacitor is required from SW to BS to power the high-side switch. 
BST 
4 
High-Side Gate Drive Boost Input. BS supplies the drive for the high-side N-Channel MOSFET a 0.01µF or 
greater capacitor from SW to BS to power the high side switch. 
EN 
5 
Enable Input. EN is a digital input that turns the regulator on or off. Drive EN high to turn on the regulator; low to 
turn it off. Attach to IN with a 100kΩ pull up resistor for automatic startup. 
FB 
6 
Feedback Input. FB senses the output voltage and regulates it. Drive FB with a resistive voltage divider 
connected to it from the output voltage. The feedback threshold is 0.8V. See Setting the Output Voltage. 
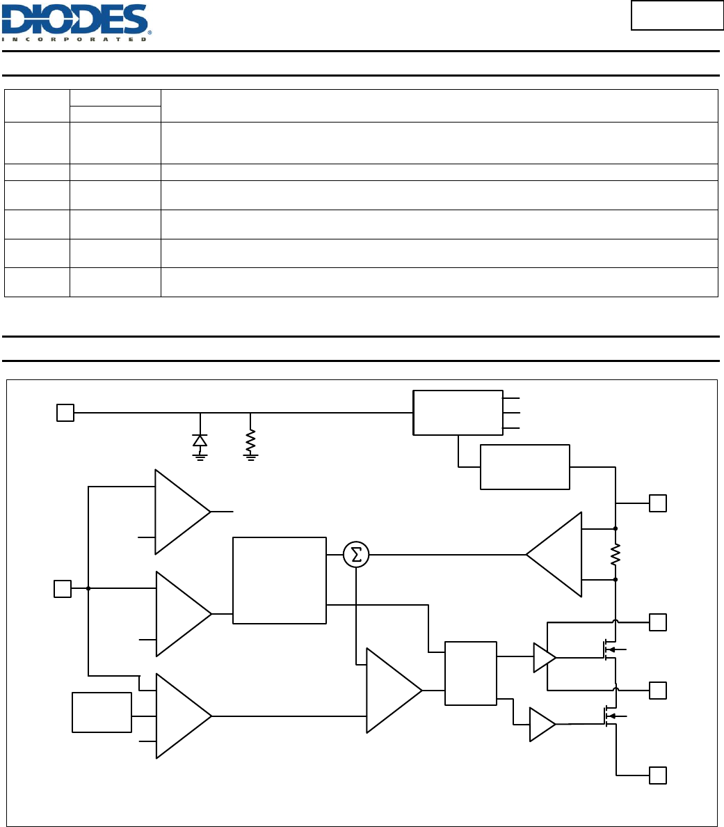
Functional Block Diagram 
E
+
-
+
-
+
-
+
1.1V
0.3 V
INTERNAL
REFERENCE
Logic
0.8V
+
-
Internal 
SS
+
-
OSCILLATOR
CURRENT 
SENSE
AMPLIFIER
OVP
RAMP
CLK
CURRENT
COMPARATOR
FB
EN
0.8 V
GND
SW
BST
IN
500KHz
0.3V
1.1V
Vcc
REGULATOR

AP65101 
Document number: DS38098 Rev. 1 - 2 
3 of 14 
www.diodes.com  
September 2015 
© Diodes Incorporated 
ADVANCED I NF ORMATION  
AP65101 
Absolute Maximum Ratings (Note 4) (@TA = +25°C, unless otherwise specified.)   
Symbol 
Parameter 
Rating 
Unit 
VIN 
Supply Voltage  
-0.3 to 20 
V 
VSW 
Switch Node Voltage 
-1.0 to VIN +0.3 
V 
VBS 
Bootstrap Voltage 
VSW -0.3 to VSW +6.0 
V 
VFB 
Feedback Voltage 
-0.3V to +6.0 
V 
VEN 
Enable/UVLO Voltage 
-0.3V to +6.0 
V 
TST 
Storage Temperature 
-65 to +150 
°C 
TJ 
Junction Temperature 
+160 
°C 
TL 
Lead Temperature 
+260 
°C 
ESD Susceptibility  (Note 5) 
HBM 
Human Body Model 
2.5 
kV 
CDM 
Charged Device Model 
2 
kV 
Notes:  4. Stresses greater than the 'Absolute Maximum Ratings' specified above may cause permanent damage to the device. These are stress ratings only;   
     functional operation of the device at these or any other conditions exceeding those indicated in this specification is not implied. Device reliability may 
     be affected by exposure to absolute maximum rating conditions for extended periods of time. 
  5. Semiconductor devices are ESD sensitive and may be damaged by exposure to ESD events. Suitable ESD precautions should be taken when     
     handling and transporting these devices. 
Thermal Resistance (Note 6) 
Symbol 
Parameter 
Rating 
Unit 
θJA 
Junction to Ambient 
TSOT26 
143 
°C/W 
θJC 
Junction to Case 
TSOT26 
40 
°C/W 
Note:   6. Test condition for TSOT26: Device mounted on FR-4 substrate, single-layer PC board, 2oz copper, with minimum recommended pad layout 
Recommended Operating Conditions (Note 7) (@TA = +25°C, unless otherwise specified.)   
Symbol 
Parameter 
Min 
Max 
Unit 
VIN 
Supply Voltage  
4.5 
16 
V 
TA 
Operating Ambient Temperature Range  
-40 
+85 
°C 
Note:     7. The device function is not guaranteed outside of the recommended operating conditions. 

AP65101 
Document number: DS38098 Rev. 1 - 2 
4 of 14 
www.diodes.com  
September 2015 
© Diodes Incorporated 
ADVANCED I NF ORMATION  
AP65101 
Electrical Characteristics (@TA = +25°C, VIN = 12V, unless otherwise specified.)   
Symbol 
Parameter 
Test Conditions 
Min 
Typ 
Max 
Unit  
ISHDN 
Shutdown Supply Current 
VEN = 0V 
- 
- 
1.0 
µA 
IQ 
Supply Current (Quiescent) 
VEN = 2.0V, VFB = 1.0V 
- 
0.83 
- 
mA 
RDS(ON)1 
High-Side Switch On-Resistance (Note 8) 
- 
- 
200 
- 
mΩ 
RDS(ON)2 
Low-Side Switch On-Resistance (Note 8) 
- 
- 
120 
- 
mΩ 
ILIMIT 
HS Current Limit 
Minimum duty cycle 
2 
2.5 
- 
A 
- 
High-Side Switch Leakage Current 
VEN = 0V, VSW =12V 
- 
- 
1 
μA 
FSW 
Oscillator Frequency 
VFB = 0.75V 
400 
500 
600 
kHz 
DMAX 
Maximum Duty Cycle 
VFB = 800mV 
88 
92 
- 
% 
TON 
Minimum On Time 
- 
- 
90 
- 
ns 
VFB 
Feedback  Voltage 
TA = -40°C to +85°C 
776 
800 
824 
mV 
VEN_RISING 
EN Rising Threshold 
- 
1.4 
1.5 
1.6 
V 
VEN_FALLING 
EN Falling Threshold 
- 
1.23 
1.32 
1.41 
V 
IEN 
EN Input Current 
VEN = 2V 
- 
2.85 
- 
μA 
VEN = 0V 
- 
0 
- 
μA 
INUVVTH 
VIN Under Voltage Threshold Rising 
- 
3.7 
4.05 
4.4 
V 
INUVHYS 
VIN Under Voltage Threshold Hysteresis 
- 
- 
250 
- 
mV 
TSS 
Soft-Start Period 
- 
- 
1 
- 
ms 
TSHDN 
Thermal Shutdown (Note 8) 
- 
- 
+160 
- 
°C 
THYS 
Thermal Hysteresis (Note 8) 
- 
- 
+20 
- 
°C 
Note:      8. Guaranteed by design. 

AP65101 
Document number: DS38098 Rev. 1 - 2 
5 of 14 
www.diodes.com  
September 2015 
© Diodes Incorporated 
ADVANCED I NF ORMATION  
AP65101 
Typical Performance Characteristics (@TA = +25°C, VIN = 12V, VOUT = 3.3V, L = 6.5µH, unless otherwise specified) 
VIN=6.5V 
VIN=12V 
VIN=16V 
VIN=4.7V 
VIN=12V 
VIN=16V 
VIN=4.7V 
VIN=12V 
VIN=16V 
VIN=4.7V 
VIN=12V 
VIN=16V 

AP65101 
Document number: DS38098 Rev. 1 - 2 
6 of 14 
www.diodes.com  
September 2015 
© Diodes Incorporated 
ADVANCED I NF ORMATION  
AP65101 
Typical Performance Characteristics (@TA = +25°C, VIN = 12V, VOUT = 3.3V, L = 6.5µH, unless otherwise specified) 
VIN=4.7V 
VIN=12V 
VIN=16V 
VIN=4.7V 
VIN=12V 
VIN=16V 
VIN=12V 
VIN=16V 
IOUT=1.5A 
VIN=4.7V 
IOUT=0A 
IOUT=1A 

AP65101 
Document number: DS38098 Rev. 1 - 2 
7 of 14 
www.diodes.com  
September 2015 
© Diodes Incorporated 
ADVANCED I NF ORMATION  
AP65101 
Typical Performance Characteristics (cont.) 
(@TA = +25°C, VIN = 12V, VOUT = 3.3V, L = 6.5µH, C1 = 22µF, C2 = 22µF, unless otherwise specified.) 
Startup Through VEN 1.5A Load 
Time-1ms/div 
Startup Through VIN 1.5A Load 
Time-1ms/div 
Short Circuit Test 
 Time-5ms/div 
Shutdown Through VEN 1.5A Load 
 Time-50µs/div 
Shutdown Through VIN 1.5A Load 
Time-1ms/div 
Short Circuit Recovery 
 Time-5ms/div 
Startup Through VEN 0A Load 
Time-1ms/div 
Startup Through VIN 0A Load 
Time-1ms/div 
Transient Response (0.75 to 1.5A) 
 Time-100µs/div 
Shutdown Through VEN 0A Load 
 Time-500ms/div 
Shutdown Through VIN 0A Load 
Time-500ms/div 
Input/Output Ripple (IO=1.5A) 
 Time-2µs/div 
VIN (12V/DIV) 
VOUT (3.3V/DIV) 
IOUT (1.5A/DIV) 
SW (10V/DIV) 
VEN (5V/DIV) 
IOUT (1.5A/DIV) 
SW (10V/DIV) 
VOUT (3.3V/DIV) 
VEN (5V/DIV) 
VOUT (3.3V/DIV) 
IOUT (1.5A/DIV) 
SW (10V/DIV) 
VIN (12V/DIV) 
VOUT (3.3V/DIV) 
IOUT (1.5A/DIV) 
SW (10V/DIV) 
VOUT (2V/DIV) 
IOUT (2A/DIV) 
VOUT (2V/DIV) 
IOUT (2A/DIV) 
IOUT (1A/DIV) 
VOUT_AC (200mV/DIV) 
VOUT_AC (100mV/DIV) 
SW (10V/DIV) 
VEN (5V/DIV) 
IOUT (100mA/DIV) 
SW (10V/DIV) 
VOUT (3.3V/DIV) 
VEN (5V/DIV) 
VOUT (3.3V/DIV) 
IOUT (100mA/DIV) 
SW (10V/DIV) 
VIN (12V/DIV) 
VOUT (3.3V/DIV) 
IOUT (100mA/DIV) 
SW (10V/DIV) 
VIN (12V/DIV) 
VOUT (3.3V/DIV) 
IOUT (100mA/DIV) 
SW (10V/DIV) 
IL (1.5A/DIV) 
VIN_AC (200mV/DIV) 

AP65101 
Document number: DS38098 Rev. 1 - 2 
8 of 14 
www.diodes.com  
September 2015 
© Diodes Incorporated 
ADVANCED I NF ORMATION  
AP65101 
Application Information 
Theory of Operation 
The AP65101 is a 1.5A current mode control, synchronous buck regulator with built in power MOSFETs. Current mode control assures excellent 
line and load regulation and a wide loop bandwidth for fast response to load transients. The Figure 1 depicts the functional block diagram of 
AP65101. 
The operation of one switching cycle can be explained as follows. The rising edge of the 500kHz oscillator clock signal sets the RS Flip-Flop. Its 
output turns on HS MOSFET. When the HS MOSFET is on, inductor current starts to increase. The current sense amplifier senses and amplifies 
the inductor current. Since the current mode control is subject to sub-harmonic oscillations that start at half the switching frequency, ramp slope 
compensation is utilized. This will help to stabilize the power supply. This ramp compensation is summed to the current sense amplifier output 
and  compared  to  the  error  amplifier  output  by  the  PWM  comparator.  When  the  sum  of  the  current  sense  amplifier  output  and  the  slope 
compensation signal exceeds the EA output voltage, the RS Flip-Flop is reset and HS MOSFET is turned off.  
When the HS MOSFET turns off, the synchronous LS MOSFET turns on until the next clock cycle begins. There is a “dead time” between the HS 
turn-off and LS turn-on that prevents the switches from “shooting through” from the input supply to ground. 
For one whole cycle, if the sum of the current sense amplifier output and the slope compensation signal does not exceed the EA output, then the 
falling edge of the oscillator clock resets the Flip-Flop, and forces the MOSFET to turn off.  
The voltage loop is compensated internally.  
Enable 
The enable (EN) input allows the user to control turning on or off the regulator. The AP65101 has an internal pull-down resistor on the EN pin 
and when the EN is not actively pulled up the part turns off.  
Quiescent Current  
Above the ‘EN Rising Threshold’, the internal regulator is turned on and the quiescent current can be measured above this threshold. 
Automated No-Load and Light-Load Operation 
The AP65101 operates in light load high-efficiency mode during low-load current operation. The advantage of this light-load efficiency mode is 
lower power losses at no-load and light-load conditions. The AP65101 automatically detects the peak inductor current and enters the light load 
high-efficiency  mode  when  the  inductor  peak  current  goes  below  500mA.  Once  the  inductor  peak current  exceeds  this  level,  the  AP65101 
transitions from light load high-efficiency mode to continuous PWM mode.  

AP65101 
Document number: DS38098 Rev. 1 - 2 
9 of 14 
www.diodes.com  
September 2015 
© Diodes Incorporated 
ADVANCED I NF ORMATION  
AP65101 
Application Information (continued) 
Current Limit and Hiccup Protection 
In order to reduce the total power dissipation and to protect the application, AP65101 has cycle-by-cycle current-limiting implementation. The 
voltage drop across the internal high-side MOSFET is sensed and compared with the internally set current-limit threshold. This voltage drop is 
sensed at about 30ns after the HS turns on. When the peak inductor current exceeds the set current limit threshold, current limit protection is 
activated. When the voltage at the FB pin reaches 0.2V the device enters Hiccup mode to periodically restart the part. This protection mode 
greatly reduces the power dissipated on chip and reduces the thermal issue to protect the device. AP65101 will exit Hiccup mode when the over 
current situation is resolved. 
Undervoltage Lockout (UVLO) 
Undervoltage Lockout is implemented to prevent the IC from insufficient input voltages. The AP65101 has a UVLO comparator that monitors the 
input voltage and the internal bandgap reference. If the input voltage falls below 4.4V, the AP65101 will latch the undervoltage fault. In this event, 
the output will be pulled low and power has to be re-cycled to reset the UVLO fault.  
Overvoltage Protection 
When the AP65101 FB pin exceeds 115% of the nominal regulation voltage of 0.8V, the overvoltage comparator is tripped. 
Thermal Shutdown 
The AP65101 has on-chip thermal protection that prevents damage to the IC when the die temperature exceeds safe margins. It implements a 
thermal sensing to monitor the operating junction temperature of the IC. Once the die temperature rises to approximately +160°C, the thermal 
protection feature gets activated. The internal thermal sense circuitry turns the IC off thus preventing the power switch from damage.  
A hysteresis in the thermal sense circuit allows the device to cool down to approximately +120°C before the IC is enabled again through soft 
start. This thermal hysteresis feature prevents undesirable oscillations of the thermal protection circuit.  
Setting the Output Voltage 
The output voltage can be adjusted using an external resistor divider. Table 1 shows a list of resistor selection for common output voltages. 
Resistor R1 is selected based on a design tradeoff between efficiency and output voltage accuracy. For high values of R1 there is less current 
consumption in the feedback network. R1 can be determined by the following equation:  
 1
0.8
V
RR OUT
21
Vout
FB
R1
R2
RT
Figure 2.  Feedback Divider Network 
Table 1.  Recommended Component Selection 
VOUT (V) 
R1 (kΩ) 
R2 (kΩ) 
RT (kΩ) 
L1 (µH) 
1.05 
10 
32.4 
150 
2.2 
1.2 
20.5 
41.2 
130 
2.2 
1.8 
40.2 
32.4 
100 
3.3 
2.5 
40.2 
19.1 
59 
4.7 
3.3 
40.2 
13 
59 
6.5 
5 
40.2 
7.68 
59 
6.5 

AP65101 
Document number: DS38098 Rev. 1 - 2 
10 of 14 
www.diodes.com  
September 2015 
© Diodes Incorporated 
ADVANCED I NF ORMATION  
AP65101 
Application Information (cont.) 
Inductor 
Calculating the inductor value is a critical factor in designing a buck converter. For most designs, the following equation can be used to calculate 
the inductor value; 
SWLIN
OUTINOUT
fΔIV
)V(VV
L
Where
L
ΔI
is the inductor ripple current and 
SW
f
 is the buck converter switching frequency. 
Choose the inductor ripple current to be 30% of the maximum load current. The maximum inductor peak current is calculated from: 
2
ΔI
II L
LOADL(MAX) 
Peak current determines the required saturation current rating, which influences the size of the inductor. Saturating the inductor decreases the 
converter efficiency while increasing the temperatures of the inductor and the internal MOSFETs. Hence choosing an inductor with appropriate 
saturation current rating is important. 
A 1µH to 10µH inductor with a DC current rating of at least 25% higher than the maximum load current is recommended for most applications.  
For highest efficiency, the inductor’s DC resistance should be less than 20mΩ. Use a larger inductance for improved efficiency under light load 
conditions. 
Input Capacitor 
The input capacitor reduces the surge current drawn from the input supply and the switching noise from the device. The input capacitor has to 
sustain the ripple current produced during the on time on the upper MOSFET. It must hence have a low ESR to minimize the losses. 
The RMS current rating of the input capacitor is a critical parameter that must be higher than the RMS input current. As a rule of thumb, select an 
input capacitor which has RMs rating that is greater than half of the maximum load current. 
Due to large dI/dt through the input capacitors, electrolytic or ceramics should be used. If a tantalum must be used, it must be surge protected. 
Otherwise, capacitor failure could occur. For most applications, a 10/22µF ceramic capacitor is sufficient. 
Output Capacitor 
The output capacitor keeps the output voltage ripple small, ensures feedback loop stability and reduces the overshoot of the output voltage. The 
output capacitor is a basic component for the fast response of the power supply. In fact, during load transient, for the first few microseconds it 
supplies the current to the load. The converter recognizes the load transient and sets the duty cycle to maximum, but the current slope is limited 
by the inductor value. 
Maximum capacitance required can be calculated from the following equation: 
ESR of the output capacitor dominates the output voltage ripple. The amount of ripple can be calculated from the equation below: 
ESR*ΔIVout inductorcapacitor 
An output capacitor with ample capacitance and low ESR is the best option. For most applications, a 22µF ceramic capacitor will be sufficient. 
2
out
2
out
2
inductor
out
oV)V V(Δ
)
2
ΔI
L(I
C
Where
ΔV
is the maximum output voltage overshoot. 

AP65101 
Document number: DS38098 Rev. 1 - 2 
11 of 14 
www.diodes.com  
September 2015 
© Diodes Incorporated 
ADVANCED I NF ORMATION  
AP65101 
Application Information (cont.) 
PC Board Layout 
This is a high-switching frequency converter. Hence attention must be paid to the switching currents interference in the layout. Switching current 
from one power device to another can generate voltage transients across the impedances of the interconnecting bond wires and circuit traces. 
These interconnecting impedances should be minimized by using wide, short printed circuit traces.  
Figure 3—PC Board Layout 
External Bootstrap Diode 
It is recommended that an external bootstrap diode be added when the input voltage is no greater than 5V or the 5V rail is available in the 
system. This helps to improve the efficiency of the regulator. This solution is also applicable for D > 65%. The bootstrap diode can be a low cost 
one such as BAT54 or a Schottky that has a low VF. 
AP65101
BST
SW
10nF
BOOST 
DIODE
5V
Figure 4—External Bootstrap Compensation Components 
                                                               Recommended Diodes: 
Part Number 
Voltage/Current 
Rating 
Vendor 
B130 
30V, 1A 
Diodes Inc 
SK13 
30V, 1A 
Diodes Inc 

AP65101 
Document number: DS38098 Rev. 1 - 2 
12 of 14 
www.diodes.com  
September 2015 
© Diodes Incorporated 
ADVANCED I NF ORMATION  
AP65101 
Ordering Information 
AP65101WU  - 7
Packing
Package
WU : TSOT26 7 : Tape & Reel
Part Number 
Package Code 
Package 
Identification Code 
Tape and Reel 
Quantity 
Part Number Suffix 
AP65101WU-7 
WU 
TSOT26 
RA 
3,000 
-7 
Marking Information 
(1) TSOT26  
1 2 3
6
7
4
XX YW X
XX : Identification Code
  Y  : Year 0~9
 X : A~Z : Green 
( Top View )
5
W : Week : A~Z : 1~26 week;
a~z : 27~52 week; z represents
52 and 53 week
Part Number 
Package 
Identification Code 
AP65101WU-7 
TSOT26  
RA 

AP65101 
Document number: DS38098 Rev. 1 - 2 
13 of 14 
www.diodes.com  
September 2015 
© Diodes Incorporated 
ADVANCED I NF ORMATION  
AP65101 
Package Outline Dimensions (All dimensions in mm.)   
Please see AP02002 at http://www.diodes.com/datasheets/ap02002.pdf for the latest version. 
(1)  TSOT26 
Suggested Pad Layout 
Please see AP02001 at http://www.diodes.com/datasheets/ap02001.pdf for the latest version. 
 (1)  TSOT26 
TSOT26 
Dim 
Min 
Max 
Typ 
A 
 
1.00 
 
A1 
0.01 
0.10 
 
A2 
0.84 
0.90 
 
D 
 
 
2.90 
E 
 
 
2.80 
E1 
 
 
1.60 
b 
0.30 
0.45 
 
c 
0.12 
0.20 
 
e 
 
 
0.95 
e1 
 
 
1.90 
L 
0.30 
0.50 
L2 
 
 
0.25 
θ 
0° 
8° 
4° 
θ1 
4° 
12° 
 
All Dimensions in mm 
Dimensions 
Value (in mm) 
C 
0.950 
X 
0.700 
Y 
1.000 
Y1 
3.199 
c
A1
L
E1 E
A2
D
e1
e
6x b
4x 1 
L2
A
Y1
C C
X (6x)
Y (6x)

AP65101 
Document number: DS38098 Rev. 1 - 2 
14 of 14 
www.diodes.com  
September 2015 
© Diodes Incorporated 
ADVANCED I NF ORMATION  
AP65101 
IMPORTANT NOTICE 
DIODES  INCORPORATED  MAKES  NO  WARRANTY  OF  ANY  KIND,  EXPRESS  OR  IMPLIED,  WITH  REGARDS  TO  THIS  DOCUMENT, 
INCLUDING, BUT NOT LIMITED TO, THE IMPLIED WARRANTIES OF MERCHANTABILITY AND FITNESS FOR A PARTICULAR PURPOSE 
(AND THEIR EQUIVALENTS UNDER THE LAWS OF ANY JURISDICTION).   
Diodes Incorporated and its  subsidiaries reserve the  right to make modifications, enhancements,  improvements, corrections or  other changes 
without further notice to this document and any product described herein. Diodes  Incorporated does not assume any liability arising out of the 
application or use of this document or any product described herein; neither does Diodes Incorporated convey any license under its patent or 
trademark rights, nor the rights of others.  Any Customer or user of this document or products described herein in such applications shall assume 
all risks of such use and will agree to hold Diodes Incorporated and all the companies whose products are represented on Diodes Incorporated 
website, harmless against all damages.   
Diodes Incorporated does not warrant or accept any liability whatsoever in respect of any products purchased through unauthorized sales channel. 
Should Customers purchase or use Diodes Incorporated products for any unintended or unauthorized application, Customers shall indemnify and 
hold Diodes Incorporated and its representatives harmless against all claims, damages, expenses, and attorney fees arising out of, directly or 
indirectly, any claim of personal injury or death associated with such unintended or unauthorized application. 
Products described herein may be covered by one or more United States, international or foreign patents pending. Product names and markings 
noted herein may also be covered by one or more United States, international or foreign trademarks. 
This document is written in English but may be translated into multiple languages for reference. Only the English version of this document is the 
final and determinative format released by Diodes Incorporated. 
 LIFE SUPPORT 
Diodes Incorporated products are specifically not authorized for use as critical components in life support devices or systems without the express 
written approval of the Chief Executive Officer of Diodes Incorporated. As used herein: 
A.   Life support devices or systems are devices or systems which: 
  1. are intended to implant into the body, or 
 2.  support  or  sustain  life  and  whose  failure  to  perform  when  properly  used  in  accordance  with  instructions  for  use  provided  in  the 
       labeling can be reasonably expected to result in significant injury to the user. 
B.   A critical component is any component in a life support device or system whose failure to perform can be reasonably expected to cause the   
      failure of the life support device or to affect its safety or effectiveness. 
Customers represent that they have all necessary expertise in the safety and regulatory ramifications of their life support devices or systems, and 
acknowledge and agree that they are solely responsible for all legal, regulatory and safety-related requirements concerning their products and any 
use  of  Diodes  Incorporated  products  in  such safety-critical,  life  support  devices  or  systems,  notwithstanding  any  devices-  or  systems-related 
information  or  support  that  may  be  provided  by  Diodes  Incorporated.    Further,  Customers  must  fully  indemnify  Diodes  Incorporated  and  its 
representatives against any damages arising out of the use of Diodes Incorporated products in such safety-critical, life support devices or systems. 
Copyright © 2015, Diodes Incorporated 
www.diodes.com 
