AP65201 Datasheet. Www.s Manuals.com. R2 2 Diodes
User Manual: Marking of electronic components, SMD Codes SA, SA***, SA-, SAG, SAH, SAW, SAp, SAt, sa**. Datasheets AP65201WU-7, BSS123, BSS123N3, BZX84J-B12, KTC4377, PT7M6102CHC4E, PT7M6102CHNE, PT7M6102CHTAE, RP130K341A, TLV70013DDCR, TS391AG-AF5, TS391AG-AL5.
Open the PDF directly: View PDF
.
Page Count: 15

AP65201
Document number: DS36109 Rev. 2 - 2
1 of 14
www.diodes.com
September 2015
© Diodes Incorporated
ADVANCED I NF ORMATION
AP65201
TSOT26 LIGHT LOAD IMPROVED 2A SYNCH DC/DC BUCK CONVERTER
Description
The AP65201 is a 500kHz switching frequency internal compensated
synchronous DC/DC buck converter. It has integrated low RDS(ON)
high and low side MOSFETs.
The AP65201 enables continuous load current of up to 2A with
efficiency as high as 97%.
The AP65201 implements an automatic custom light load efficiency
improvement algorithm.
The AP65201 features current mode control operation, which enables
fast transient response times and easy loop stabilization.
The AP65201 simplifies board layout and reduces space
requirements with its high level of integration and minimal need for
external components, making it ideal for distributed power
architectures.
The AP65201 is available in a standard Green TSOT26 package and
is RoHS compliant.
Features
VIN 4.5V to 16V
2A Continuous Output Current, 3A Peak
Efficiency Up to 97%
Automated Light Load improvement
VOUT Adjustable from 0.8V
500kHz Switching Frequency
Internal Soft-Start
Enable Pin
Overcurrent Protection (OCP) with Hiccup
Thermal Protection
Totally Lead-Free & Fully RoHS Compliant (Notes 1 & 2)
Halogen and Antimony Free. “Green” Device (Note 3)
Pin Assignments
TSOT26
Top View
3
2
1 6
4
5
GND
SW
IN
BST
EN
FB
Applications
Gaming Consoles
Flat Screen TV Sets and Monitors
Set-Top Boxes
Distributed Power Systems
Home Audio
Consumer Electronics
Network Systems
FPGA, DSP and ASIC Supplies
Green Electronics
Notes: 1. No purposely added lead. Fully EU Directive 2002/95/EC (RoHS) & 2011/65/EU (RoHS 2) compliant.
2. See http://www.diodes.com/quality/lead_free.html for more information about Diodes Incorporated’s definitions of Halogen- and Antimony-free, "Green"
and Lead-free.
3. Halogen- and Antimony-free "Green” products are defined as those which contain <900ppm bromine, <900ppm chlorine (<1500ppm total Br + Cl) and
<1000ppm antimony compounds.
Typical Applications Circuit
AP65201
L1
4.7μH
R1
40.2kΩ
R2
13kΩ
C5
1µF
C2
22μF
C1
22μF
ON
OFF
3
IN
5
EN
2
SW
6
BST
4
FB
1
GND
INPUT
OUTPUT
VOUT
3.3V
VIN
12V
R3
75kΩ
Figure 1. Typical Application Circuit

AP65201
Document number: DS36109 Rev. 2 - 2
2 of 14
www.diodes.com
September 2015
© Diodes Incorporated
ADVANCED I NF ORMATION
AP65201
Pin Descriptions
Pin
Name
Pin Number
Function
TSOT26
GND
1
Ground
SW
2
Power Switching Output. SW is the switching node that supplies power to the output. Connect the output LC
filter from SW to the output load. Note that a capacitor is required from SW to BS to power the high-side switch.
IN
3
Power Input. IN supplies the power to the IC, as well as the step-down converter switches. Drive IN with a 4.5V
to 16V power source. Bypass IN to GND with a suitably large capacitor to eliminate noise on the input to the IC.
See Input Capacitor.
FB
4
Feedback Input. FB senses the output voltage and regulates it. Drive FB with a resistive voltage divider
connected to it from the output voltage. The feedback threshold is 0.8V. See Setting the Output Voltage.
EN
5
Enable Input. EN is a digital input that turns the regulator on or off. Drive EN high to turn on the regulator; low to
turn it off. Attach to IN with a 100kΩ pull up resistor for automatic startup.
BST
6
High-Side Gate Drive Boost Input. BS supplies the drive for the high-side N-Channel MOSFET a 0.01µF or
greater capacitor from SW to BS to power the high side switch.
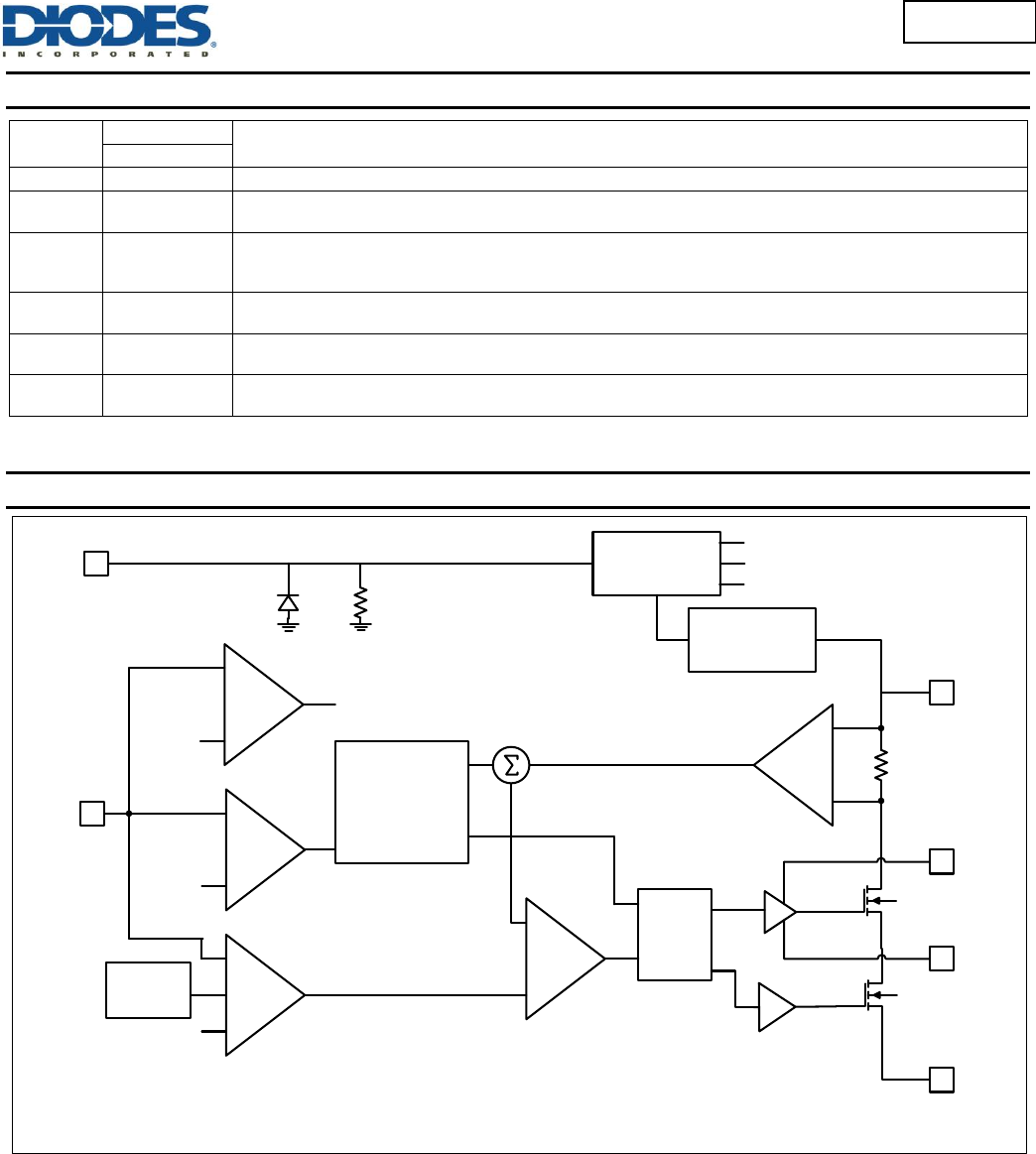
Functional Block Diagram
E
+
-
+
-
+
-
+
1.1V
0.3 V
INTERNAL
REFERENCE
Logic
0.8V
+
-
Internal
SS
+
-
OSCILLATOR
CURRENT
SENSE
AMPLIFIER
OVP
RAMP
CLK
CURRENT
COMPARATOR
FB
EN
0.8 V
GND
SW
BST
IN
500KHz
0.3V
1.1V
Vcc
REGULATOR

AP65201
Document number: DS36109 Rev. 2 - 2
3 of 14
www.diodes.com
September 2015
© Diodes Incorporated
ADVANCED I NF ORMATION
AP65201
Absolute Maximum Ratings (@TA = +25°C, unless otherwise specified.) (Note 4)
Symbol
Parameter
Rating
Unit
VIN
Supply Voltage
-0.3 to 20
V
VSW
Switch Node Voltage
-1.0 to VIN +0.3
V
VBS
Bootstrap Voltage
VSW -0.3 to VSW +6.0
V
VFB
Feedback Voltage
-0.3V to +6.0
V
VEN
Enable/UVLO Voltage
-0.3V to +6.0
V
TST
Storage Temperature
-65 to +150
°C
TJ
Junction Temperature
+160
°C
TL
Lead Temperature
+260
°C
ESD Susceptibility (Note 5)
HBM
Human Body Model
2.5
KV
CDM
Charged Device Model
1
KV
Notes: 4. Stresses greater than the 'Absolute Maximum Ratings' specified above may cause permanent damage to the device. These are stress ratings only;
functional operation of the device at these or any other conditions exceeding those indicated in this specification is not implied. Device reliability may
be affected by exposure to absolute maximum rating conditions for extended periods of time.
5. Semiconductor devices are ESD sensitive and may be damaged by exposure to ESD events. Suitable ESD precautions should be taken when
handling and transporting these devices.
Thermal Resistance (Note 6)
Symbol
Parameter
Rating
Unit
θJA
Junction to Ambient
TSOT26
120
°C/W
θJC
Junction to Case
TSOT26
30
°C/W
Note: 6. Test condition for SOT26: Device mounted on FR-4 substrate, single-layer PC board, 2oz copper, with minimum recommended pad layout
Recommended Operating Conditions (@TA = +25°C, unless otherwise specified.) (Note 7)
Symbol
Parameter
Min
Max
Unit
VIN
Supply Voltage
4.5
16
V
TA
Operating Ambient Temperature Range
-40
+85
°C
Note: 7. The device function is not guaranteed outside of the recommended operating conditions.

AP65201
Document number: DS36109 Rev. 2 - 2
4 of 14
www.diodes.com
September 2015
© Diodes Incorporated
ADVANCED I NF ORMATION
AP65201
Electrical Characteristics (@TA = +25°C, VIN = 12V, unless otherwise specified.)
Symbol
Parameter
Test Conditions
Min
Typ
Max
Unit
ISHDN
Shutdown Supply Current
VEN = 0V
—
1.0
µA
IQ
Supply Current (Quiescent)
VEN = 2.0V, VFB = 0.85V
—
0.83
—
mA
RDS(ON)1
High-Side Switch On-Resistance (Note 8)
—
—
160
—
mΩ
RDS(ON)2
Low-Side Switch On-Resistance (Note 8)
—
—
85
—
mΩ
ILIMIT
HS Current Limit (Note 8)
Minimum duty cycle
2.8
3.5
—
A
ISW_LKG
High-Side Switch Leakage Current
VEN = 0V, VSW =12V
—
—
1
μA
FSW
Oscillator Frequency
VFB = 0.75V
400
500
600
kHz
DMAX
Maximum Duty Cycle
VFB = 700mV
88
92
—
%
TON
Minimum On Time
—
—
90
—
nS
VFB
Feedback Voltage
TA = -40°C to +85°C
776
800
824
mV
VEN_RISING
EN Rising Threshold
—
1.4
1.5
1.6
V
VEN_FALLING
EN Falling Threshold
—
1.23
1.32
1.41
V
IEN
EN Input Current
VEN = 2V
—
2.85
—
μA
VEN = 0V
—
0
—
μA
INUVVTH
VIN Undervoltage Threshold Rising
—
3.7
4.05
4.4
V
INUVHYS
VIN Undervoltage Threshold Hysteresis
—
—
250
—
mV
TSS
Soft-Start Period
—
—
1
—
mS
TSHDN
Thermal Shutdown (Note 8)
—
—
+160
—
°C
THYS
Thermal Hysteresis (Note 8)
—
—
+20
—
°C
Note: 8. Guaranteed by design.

AP65201
Document number: DS36109 Rev. 2 - 2
5 of 14
www.diodes.com
September 2015
© Diodes Incorporated
ADVANCED I NF ORMATION
AP65201
Typical Performance Characteristics (@TA = +25°C, VIN = 12V, VOUT = 3.3V, L = 4.7µH, unless otherwise specified)
VIN=6.5V
VIN=12V
VIN=16V
VIN=4.7V
VIN=12V
VIN=16V
VIN=4.7V
VIN=12V
VIN=16V
VIN=4.7V
VIN=12V
VIN=16V

AP65201
Document number: DS36109 Rev. 2 - 2
6 of 14
www.diodes.com
September 2015
© Diodes Incorporated
ADVANCED I NF ORMATION
AP65201
Typical Performance Characteristics (cont.) (@TA = +25°C, VIN = 12V, VOUT = 3.3V, L = 4.7µH, unless otherwise specified.)
VIN=4.7V
VIN=12V
VIN=16V
VIN=4.7V
VIN=12V
VIN=16V
VIN=12V
VIN=16V
IOUT=2A
VIN=4.7V
IOUT=0A
IOUT=1.5A

AP65201
Document number: DS36109 Rev. 2 - 2
7 of 14
www.diodes.com
September 2015
© Diodes Incorporated
ADVANCED I NF ORMATION
AP65201
Typical Performance Characteristics (cont.) (@TA = +25°C, VIN = 12V, VOUT = 3.3V, L = 4.7µH, C1 = 22µF, C2 = 22µF, unless otherwise specified.)
Startup Through VEN 2A Load
Time-1ms/div
Startup Through VIN 2A Load
Time-1ms/div
Short Circuit Test
Time-5ms/div
Shutdown Through VEN 2A Load
Time-50µs/div
Shutdown Through VIN 2A Load
Time-200µs/div
Short Circuit Recovery
Time-5ms/div
Startup Through VEN 0A Load
Time-1ms/div
Startup Through VIN 0A Load
Time-1ms/div
Transient Response (1 to 2A)
Time-100µs/div
Shutdown Through VEN 0A Load
Time-500ms/div
Shutdown Through VIN 0A Load
Time-500ms/div
Input/Output Ripple (IO=2A)
Time-2µs/div
VIN (12V/DIV)
VOUT (3.3V/DIV)
IOUT (2A/DIV)
SW (10V/DIV)
VEN (5V/DIV)
IOUT (2A/DIV)
SW (10V/DIV)
VOUT (3.3V/DIV)
VEN (5V/DIV)
VOUT (3.3V/DIV)
IOUT (2A/DIV)
SW (10V/DIV)
VIN (12V/DIV)
VOUT (3.3V/DIV)
IOUT (2A/DIV)
SW (10V/DIV)
VOUT (2V/DIV)
IOUT (2A/DIV)
VOUT (2V/DIV)
IOUT (2A/DIV)
IOUT (1A/DIV)
VOUT_AC (200mV/DIV)
VOUT_AC (200mV/DIV)
SW (10V/DIV)
VEN (5V/DIV)
IOUT (100mA/DIV)
SW (10V/DIV)
VOUT (3.3V/DIV)
VEN (5V/DIV)
VOUT (3.3V/DIV)
IOUT (100mA/DIV)
SW (10V/DIV)
VIN (12V/DIV)
VOUT (3.3V/DIV)
IOUT (100mA/DIV)
SW (10V/DIV)
VIN (12V/DIV)
VOUT (3.3V/DIV)
IOUT (100mA/DIV)
SW (10V/DIV)
IL (2A/DIV)
VIN_AC (200mV/DIV)

AP65201
Document number: DS36109 Rev. 2 - 2
8 of 14
www.diodes.com
September 2015
© Diodes Incorporated
ADVANCED I NF ORMATION
AP65201
Application Information
Theory of Operation
The AP65201 is a 2A current mode control, synchronous buck regulator with built-in power MOSFETs. Current mode control assures excellent
line and load regulation and a wide loop bandwidth for fast response to load transients. Figure 1 depicts the functional block diagram of
AP65201.
The operation of one switching cycle can be explained as follows: The rising edge of the 500kHz oscillator clock signal sets the RS Flip-Flop. Its
output turns on HS MOSFET. When the HS MOSFET is on, inductor current starts to increase. The current sense amplifier senses and amplifies
the inductor current. Since the current mode control is subject to sub-harmonic oscillations that start at half of the switching frequency, ramp
slope compensation is utilized. This will help to stabilize the power supply. This ramp compensation is summed to the current sense amplifier
output and compared to the error amplifier output by the PWM comparator. When the sum of the current sense amplifier output and the slope
compensation signal exceeds the EA output voltage, the RS Flip-Flop is reset and HS MOSFET is turned off.
When the HS MOSFET turns off, the synchronous LS MOSFET turns on until the next clock cycle begins. There is a “dead time” between the HS
turn off and LS turn on that prevents the switches from “shooting through” from the input supply to ground.
For one whole cycle, if the sum of the current sense amplifier output and the slope compensation signal does not exceed the EA output, then the
falling edge of the oscillator clock resets the Flip-Flop, and forces the MOSFET to turn off.
The voltage loop is compensated internally.
Enable
The enable (EN) input allows the user to control turning on or off the regulator. The AP65201 has an internal pull down resistor on the EN pin
and when the EN is not actively pulled up the part turns off.
Quiescent Current
Above the ‘EN Rising Threshold’, the internal regulator is turned on and the quiescent current can be measured above this threshold.
Automated No-Load and Light-Load Operation
The AP65201 operates in light load high efficiency mode during low load current operation. The advantage of this light load efficiency mode is
lower power losses at no-load and light-load conditions. The AP65201 automatically detects the peak inductor current and enters the light load
high efficiency mode when the inductor peak current goes below 500mA. Once the inductor peak current exceeds this level, the AP65201
transitions from light load high efficiency mode to continuous PWM mode.

AP65201
Document number: DS36109 Rev. 2 - 2
9 of 14
www.diodes.com
September 2015
© Diodes Incorporated
ADVANCED I NF ORMATION
AP65201
Application Information (continued)
Current Limit Protection
In order to reduce the total power dissipation and to protect the application, AP65201 has cycle-by-cycle current limiting implementation. The
voltage drop across the internal high-side MOSFET is sensed and compared with the internally set current limit threshold. This voltage drop is
sensed at about 30ns after the HS turns on. When the peak inductor current exceeds the set current limit threshold, current limit protection is
activated. When the voltage at the FB pin reaches 0.2V the device enters Hiccup mode to periodically restart the part. This protection mode
greatly reduces the power dissipated on chip and reduces the thermal issue to protect the device. AP65201 will exit Hiccup mode when the over
current situation is resolved.
Undervoltage Lockout (UVLO)
Undervoltage Lockout is implemented to prevent the IC from insufficient input voltages. The AP65201 has a UVLO comparator that monitors the
input voltage and the internal bandgap reference. If the input voltage falls below 4.4V, the AP65201 will latch the undervoltage fault. In this event,
the output will be pulled low and power has to be re-cycled to reset the UVLO fault.
Overvoltage Protection
When the AP65201 FB pin exceeds 115% of the nominal regulation voltage of 0.8V, the overvoltage comparator is tripped.
Thermal Shutdown
The AP65201 has on-chip thermal protection that prevents damage to the IC when the die temperature exceeds safe margins. It implements a
thermal sensing to monitor the operating junction temperature of the IC. Once the die temperature rises to approximately +160°C, the thermal
protection feature gets activated. The internal thermal sense circuitry turns the IC off thus preventing the power switch from damage. A
hysteresis in the thermal sense circuit allows the device to cool down to approximately +120°C before the IC is enabled again through soft start.
This thermal hysteresis feature prevents undesirable oscillations of the thermal protection circuit.
Setting the Output Voltage
The output voltage can be adjusted from 0.8V using an external resistor divider. Table 1 shows a list of resistor selection for common output
voltages. Resistor R1 is selected based on a design tradeoff between efficiency and output voltage accuracy. For high values of R1 there is less
current consumption in the feedback network. R1 can be determined by the following equation:
1
0.8
V
RR OUT
21
Vout
FB
R1
R2
RT
Figure 2. Feedback Divider Network
Table 1. Recommended Component Selection
VOUT (V)
R1 (kΩ)
R2 (kΩ)
RT (kΩ)
L1 (µH)
1.05
10
32.4
300
1.5
1.2
20.5
41.2
249
1.5
1.8
40.2
32.4
120
2.2
2.5
40.2
19.1
100
2.2
3.3
40.2
13
75
4.7
5
40.2
7.68
75
6.5

AP65201
Document number: DS36109 Rev. 2 - 2
10 of 14
www.diodes.com
September 2015
© Diodes Incorporated
ADVANCED I NF ORMATION
AP65201
Application Information (cont.)
Inductor
Calculating the inductor value is a critical factor in designing a buck converter. For most designs, the following equation can be used to calculate
the inductor value;
SWLIN
OUTINOUT
fΔIV
)V(VV
L
Where
L
ΔI
is the inductor ripple current and
SW
f
is the buck converter switching frequency.
Choose the inductor ripple current to be 30% of the maximum load current. The maximum inductor peak current is calculated from:
2
ΔI
II L
LOADL(MAX)
Peak current determines the required saturation current rating, which influences the size of the inductor. Saturating the inductor decreases the
converter efficiency while increasing the temperatures of the inductor and the internal MOSFETs. Hence choosing an inductor with appropriate
saturation current rating is important.
A 1µH to 10µH inductor with a DC current rating of at least 25% higher than the maximum load current is recommended for most applications.
For highest efficiency, the inductor’s DC resistance should be less than 20mΩ. Use a larger inductance for improved efficiency under light load
conditions.
Input Capacitor
The input capacitor reduces the surge current drawn from the input supply and the switching noise from the device. The input capacitor has to
sustain the ripple current produced during the on time on the upper MOSFET. It must hence have a low ESR to minimize the losses.
The RMS current rating of the input capacitor is a critical parameter that must be higher than the RMS input current. As a rule of thumb, select an
input capacitor which has RMs rating that is greater than half of the maximum load current.
Input Capacitor
The input capacitor reduces the surge current drawn from the input supply and the switching noise from the device. The input capacitor has to
sustain the ripple current produced during the on time on the upper MOSFET. It must hence have a low ESR to minimize the losses.
The RMS current rating of the input capacitor is a critical parameter that must be higher than the RMS input current. As a rule of thumb, select an
input capacitor which has RMs rating that is greater than half of the maximum load current.
Due to large dI/dt through the input capacitors, electrolytic or ceramics should be used. If a tantalum must be used, it must be surge protected.
Otherwise, capacitor failure could occur. For most applications, a 10/22µF ceramic capacitor is sufficient.
Output Capacitor
The output capacitor keeps the output voltage ripple small, ensures feedback loop stability and reduces the overshoot of the output voltage. The
output capacitor is a basic component for the fast response of the power supply. In fact, during load transient, for the first few microseconds it
supplies the current to the load. The converter recognizes the load transient and sets the duty cycle to maximum, but the current slope is limited
by the inductor value.
Maximum capacitance required can be calculated from the following equation:
ESR of the output capacitor dominates the output voltage ripple. The amount of ripple can be calculated from the equation below:
ESR*ΔIVout inductorcapacitor
An output capacitor with ample capacitance and low ESR is the best option. For most applications, a 22µF ceramic capacitor will be sufficient.
2
out
2
out
2
inductor
out
oV)V V(Δ
)
2
ΔI
L(I
C
Where
ΔV
is the maximum output voltage overshoot.

AP65201
Document number: DS36109 Rev. 2 - 2
11 of 14
www.diodes.com
September 2015
© Diodes Incorporated
ADVANCED I NF ORMATION
AP65201
Application Information (cont.)
PC Board Layout
This is a high switching frequency converter. Hence, attention must be paid to the switching currents interference in the layout. Switching current
from one power device to another can generate voltage transients across the impedances of the interconnecting bond wires and circuit traces.
These interconnecting impedances should be minimized by using wide, short printed circuit traces.
Figure 3—PC Board Layout
External Bootstrap Diode
It is recommended that an external bootstrap diode be added when the input voltage is no greater than 5V or the 5V rail is available in the
system. This helps to improve the efficiency of the regulator. This solution is also applicable for D > 65%. The bootstrap diode can be a low cost
one such as BAT54 or a Schottky that has a low VF.
AP65201
BST
SW
10nF
BOOST
DIODE
5V
Figure 4—External Bootstrap Compensation Components
Recommended Diodes:
Part Number
Voltage/Current
Rating
Vendor
B130
30V, 1A
Diodes Inc.
SK13
30V, 1A
Diodes Inc.

AP65201
Document number: DS36109 Rev. 2 - 2
12 of 14
www.diodes.com
September 2015
© Diodes Incorporated
ADVANCED I NF ORMATION
AP65201
Ordering Information
AP65201WU - 7
Packing
Package
WU : TSOT26 7 : Tape & Reel
Part Number
Package Code
Package
Identification Code
Tape and Reel
Quantity
Part Number Suffix
AP65201WU-7
WU
TSOT26
SA
3,000
-7
Marking Information
1 2 3
6
7
4
XX Y W X
XX : Identification Code
Y : Year 0~9
X : Internal Code
( Top View )
5
W : Week : A~Z : 1~26 week;
a~z : 27~52 week; z represents
52 and 53 week
Part Number
Package
Identification Code
AP65201WU-7
TSOT26
SA
TSOT26

AP65201
Document number: DS36109 Rev. 2 - 2
13 of 14
www.diodes.com
September 2015
© Diodes Incorporated
ADVANCED I NF ORMATION
AP65201
Package Outline Dimensions
Please see AP02002 at http://www.diodes.com/datasheets/ap02002.pdf for the latest version.
Suggested Pad Layout
Please see AP02001 at http://www.diodes.com/datasheets/ap02001.pdf for the latest version.
D
E1
E1/2
e1
E
E/2
e
A
A2
A1
Seating Plane
0
L2
L
Gauge Plane
01(4x)
01(4x)
c
b
Seating Plane
TSOT26
Dim
Min
Max
Typ
A
1.00
A1
0.010
0.100
A2
0.840
0.900
D
2.800
3.000
2.900
E
2.800 BSC
E1
1.500
1.700
1.600
b
0.300
0.450
c
0.120
0.200
e
0.950 BSC
e1
1.900 BSC
L
0.30
0.50
L2
0.250 BSC
θ
0°
8°
4°
θ1
4°
12°
All Dimensions in mm
Dimensions
Value (in mm)
C
0.950
X
0.700
Y
1.000
Y1
3.199
TSOT26
TSOT26
Y1
C
X
Y

AP65201
Document number: DS36109 Rev. 2 - 2
14 of 14
www.diodes.com
September 2015
© Diodes Incorporated
ADVANCED I NF ORMATION
AP65201
IMPORTANT NOTICE
DIODES INCORPORATED MAKES NO WARRANTY OF ANY KIND, EXPRESS OR IMPLIED, WITH REGARDS TO THIS DOCUMENT,
INCLUDING, BUT NOT LIMITED TO, THE IMPLIED WARRANTIES OF MERCHANTABILITY AND FITNESS FOR A PARTICULAR PURPOSE
(AND THEIR EQUIVALENTS UNDER THE LAWS OF ANY JURISDICTION).
Diodes Incorporated and its subsidiaries reserve the right to make modifications, enhancements, improvements, corrections or other changes
without further notice to this document and any product described herein. Diodes Incorporated does not assume any liability arising out of the
application or use of this document or any product described herein; neither does Diodes Incorporated convey any license under its patent or
trademark rights, nor the rights of others. Any Customer or user of this document or products described herein in such applications shall assume
all risks of such use and will agree to hold Diodes Incorporated and all the companies whose products are represented on Diodes Incorporated
website, harmless against all damages.
Diodes Incorporated does not warrant or accept any liability whatsoever in respect of any products purchased through unauthorized sales channel.
Should Customers purchase or use Diodes Incorporated products for any unintended or unauthorized application, Customers shall indemnify and
hold Diodes Incorporated and its representatives harmless against all claims, damages, expenses, and attorney fees arising out of, directly or
indirectly, any claim of personal injury or death associated with such unintended or unauthorized application.
Products described herein may be covered by one or more United States, international or foreign patents pending. Product names and markings
noted herein may also be covered by one or more United States, international or foreign trademarks.
This document is written in English but may be translated into multiple languages for reference. Only the English version of this document is the
final and determinative format released by Diodes Incorporated.
LIFE SUPPORT
Diodes Incorporated products are specifically not authorized for use as critical components in life support devices or systems without the express
written approval of the Chief Executive Officer of Diodes Incorporated. As used herein:
A. Life support devices or systems are devices or systems which:
1. are intended to implant into the body, or
2. support or sustain life and whose failure to perform when properly used in accordance with instructions for use provided in the
labeling can be reasonably expected to result in significant injury to the user.
B. A critical component is any component in a life support device or system whose failure to perform can be reasonably expected to cause the
failure of the life support device or to affect its safety or effectiveness.
Customers represent that they have all necessary expertise in the safety and regulatory ramifications of their life support devices or systems, and
acknowledge and agree that they are solely responsible for all legal, regulatory and safety-related requirements concerning their products and any
use of Diodes Incorporated products in such safety-critical, life support devices or systems, notwithstanding any devices- or systems-related
information or support that may be provided by Diodes Incorporated. Further, Customers must fully indemnify Diodes Incorporated and its
representatives against any damages arising out of the use of Diodes Incorporated products in such safety-critical, life support devices or systems.
Copyright © 2015, Diodes Incorporated
www.diodes.com
