Cover 27CX0B Ap93 Trainpack
User Manual: 27CX0B
Open the PDF directly: View PDF
.
Page Count: 51
- COVER PAGE
- TABLE OF CONTENTS 1~4
- (1) GENERAL INFORMATION
- (2) MICROPROCESSOR INFORMATION
- (3) POWER SUPPLY DIAGRAMS
- Power On and Off Explanation
- Power On and Off Block Diagram
- Horizontal B+ Defeat Circuit Explanation
- Horizontal B+ Defeat Block Diagram
- Power Supply Frequency During Stand-By Explanation
- Power Supply Frequency During Stand-By Block Diagram
- TV9V and TV5V Operation in Stand-By Explanation
- TV9V and TV5V Operation in Stand-By Block Diagram
- Some Shut Down Circuits Defeated Explanation
- Some Shut Down Circuits Defeated Block Diagram
- Power On and Off Circuit Diagram
- Power Distribution
- Inside I901 Block Diagram
- Shut Down Block
- Shut Down Circuit Diagram
- X-Ray Protect Circuit Diagram
- LEDs for Visual Trouble Shooting
- Power On and Off Explanation
- (4) VIDEO CIRCUIT DIAGRAMS
- TABLE OF CONTENTS 5~7

CONTENTS... 1999/00 AP-93 Chassis Projection Television Information
INSTRUCTOR… Alvie Rodgers C.E.T. (Norcross, GA.)
March, 2000 Training Materials Prepared by: ALVIE RODGERS C.E.T.
1999-2000
MODEL RELEASE
MODEL CHASSIS
50CX29B AP-90
60CX29B AP-90
50GX49B AP-92
50UX57B AP-83R
60UX57B AP-83R
53SBX59B AP-93
61SBX59B AP-93
DIGITAL
61HDX98B DP-85
60SDX88B DP-86
53SDX89B DP-86
52LDX99B DL-1
36SDX88B MM-1
27MM30V PA-2

Contents Page
AP-93 CHASSIS TABLE OF CONTENTS
SECTION (1) GENERAL INFORMATION:
•PTV MODEL to CHASSIS Cross Reference Chart ------------------------------------------------01-01
•PTV CHASSIS to CHASSIS Cross Reference Chart -----------------------------------------------01-02
•CTV MODEL to CHASSIS Cross Reference Chart ------------------------------------------------01-03
•CTV CHASSIS to MODEL Cross Reference Chart ------------------------------------------------01-04
•AP-93 Key Components --------------------------------------------------------------------------------01-05
•Anode Lead Precautions --------------------------------------------------------------------------------01-07
SECTION (2) MICROPROCESSOR INFORMATION:
•Microprocessor “DATA COMMUNICATION” Circuit Diagram ------------------------------- 02-01
•Data Communication “SURROUND PWB” Circuit Diagram ------------------------------------ 02-02
•Audio and Video “MUTE” Circuit Diagram -------------------------------------------------------- 02-03
•Mute Circuit “TERMINAL PWB” Circuit Diagram ----------------------------------------------- 02-04
•“PICTURE BLANKING and VM MUTE” Circuit Diagram ----------------------------------- 02-05
•“AUTO LINK DETECTION” Circuit Diagram --------------------------------------------------- 02-06
•On Screen Display “OSD” Signal Path Circuit Diagram ------------------------------------------- 02-07
•“MEMORY INITIALIZATION” Circuit Diagram ----------------------------------------------- 02-08
•“FRONT SPEAKER OFF” Circuit Diagram ------------------------------------------------------- 02-09
SECTION (3) POWER SUPPLY DIAGRAMS:
•“POWER SUPPLY ON AND OFF” Explanation ------------------------------------------------- 03-01
•“POWER SUPPLY ON/OFF” Circuit Diagram ---------------------------------------------------- 03-04
•“POWER SUPPLY DISTRIBUTION” Block Diagram ------------------------------------------ 03-05
•“I901” Internal Block Diagram ------------------------------------------------------------------------ 03-06
•Power Supply Shut Down “BLOCK” Diagram ----------------------------------------------------- 03-07
•Power Supply “SHUT DOWN” Diagram ----------------------------------------------------------- 03-08
•“X-RAY PROTECT” Circuit Diagram -------------------------------------------------------------- 03-09
•Green and Red “LED” Usage for Visual Trouble Shooting --------------------------------------- 03-10
SECTION (4) VIDEO CIRCUIT INFORMATION:
•Model “VIDEO” Signal Circuit ----------------------------------------------------------------------- 04-01
•“SYNC” Circuit Diagram ------------------------------------------------------------------------------ 04-02
•Horizontal and Vertical “BLANKING” ------------------------------------------------------------- 04-03
•Auto Brightness Limiter “ABL” Circuit -------------------------------------------------------------- 04-04
•Horizontal and Vertical “SWEEP LOSS” Detection Circuit -------------------------------------- 04-05
Page A1

Contents Page
AP-93 CHASSIS TABLE OF CONTENTS
SECTION (5) DIGITAL CONVERGENCE CIRCUIT INFORMATION:
•“MAGIC FOCUS SENSORS” Location Diagram ------------------------------------------------- 05-01
•“DIGITAL CONVERGENCE” Interface Circuit Diagram --------------------------------------- 05-02
•“REMOTE CONTROL CLU-615MP” DCAM Functions -------------------------------------- 05-03
SECTION (6) AUDIO CIRCUIT INFORMATION:
•“AUDIO SIGNAL (Main & Terminal)” Circuit Diagram --------------------------------------- 06-01
•“AUDIO SURROUND” Circuit Diagram ----------------------------------------------------------- 06-02
•“FRONT SPEAKER OFF” Circuit Diagram ------------------------------------------------------ 06-03
•“FRONT GRAPHIC EQUALIZER” Circuit Diagram ------------------------------------------- 06-04
•“CENTER GRAPHIC EQUALIZER” Circuit Diagram ----------------------------------------- 06-05
•“REAR AUDIO OUTPUT” Circuit Diagram ------------------------------------------------------ 06-05
SECTION (7) DEFLECTION CIRCUIT:
•“DEFLECTION” Block Diagram -------------------------------------------------------------------- 07-01
•“SIDE PINCUSHION” Circuit Diagram ------------------------------------------------------------ 07-05
Page A2

SECTION 1
GENERAL
INFORMATION

PTV MODEL TO CHASSIS CROSS REFERENCE CHART
ModelNo
Chassis
ModelNo
Chassis
ModelNo
Chassis
43FDX01B
DP05
50SX6P
AP43B
60SX11K
AP53D
43GX01B
AP02
50UX10B
AP23
60SX11KA
AP53DP
46EX2B/K
AP22
50UX11K
AP23
60SX12B
AP63B
46EX3B/BS
AP32
50UX14B
AP33
60SX13K
AP63B
46EX4K/KS
AP32
50UX15K
AP33
60SX1K
AP14
46GX01B
AP92R
50UX18B
AP43
60SX2K
AP24
46UX10BA
AP13
50UX19K
AP43
60SX3B
AP34
46UX10BF
AP23
50UX22B
AP53
60SX4K
AP34
46UX11KA
AP13
50UX22BA
AP53P
60SX8B
AP43B
46UX11KF
AP23
50UX23K
AP53
60SX9K
AP43B
46UX12B
AP33
50UX23KA
AP53P
60UX54B
AP73
46UX13K
AP33
50UX26B
AP63
60UX55K
AP73
46UX16B
AP43
50UX27K
AP63
60UX57B
AP83R
46UX17K
AP43
50UX52B
AP73
60UX58B
AP83
46UX20B
AP53
50UX53K
AP73
60UX58K
AP83
46UX20BA
AP53P
50UX57B
AP83R
60UX59B
AP93
46UX21K
AP53
50UX58B
AP83
61DMX01W
NEW
46UX21KA
AP53P
50UX58K
AP83
61HDX01W
DP85
46UX24B
AP63
50UX59B
AP93
61HDX98B
DP85
46UX25K
AP63
50UX7B/K/W
AP13
61SBX01B
AP93R
46UX50B
AP73
50UX8D/W
AP13
61SBX59B
AP93
46UX51K
AP73
52LDX99B
DL1
61SDX01B
DP06
46UX7B/K
AP13
53FDX01B
DP05
61SWX01W
DP07
50CX01B
AP90R
53SBX01B
AP93R
70SBX74B
AP74
50CX29B
AP90
53SBX59B
AP93
CT4271
VP6
50ES1B/K
AP31
53SDX01B
DP06
CT4275
VP6X2
50EX01B
AP91R
53SDX88BA
DP86V
CT4520K
VP7X2
50EX10B
AP32
53SDX89B
DP86
CT4521K
VP7X2
50EX11BV
AP32
53SWX01W
DP07
CT4525
VP2
50EX12B
AP32F
55EX15K
AP52
CT4531
VP2
50EX12BA
AP32V
55EX1K
AP12
CT4532
VP2
50EX12BX
AP52
55EX7K
AP32
CT4533K
VP9X1
50EX13K
AP32F
55EX9K
AP32
CT4534
VP3
50EX13KA
AP32V
55FX20B
AP62
CT4535K
VP9X1
50EX13KX
AP52
55FX48B
AP82
CT4536
VP3
50EX14BV
AP52
55FX49B
AP92
CT4546
VP3
50EX16B
AP52
55UX58B
AP83P
CT4555
VP3
50EX20B
AP52
55UX58BA
AP83
CT4580K
VP7X2
50EX2K
AP22
55UX59B
AP93
CT5033K
VP9X1
50EX39B
AP91
60CX01B
AP90R
CT5071
VP6
50EX6K
AP32
60CX29B
AP90
CT5072
VP6
50EX8K
AP32
60EX01B
AP91R
CT5075
VP6X2
50FX18B
AP62
60EX28B
AP52P
CT5080
VP7X2
50FX19K
AP62
60EX38B
AP52P
CT5081K
VP7X2
50FX30B
AP62
60EX39B
AP91
CT5522K
VP7X2
50FX48B
AP62P
60FX32B
AP62
CT5533K
VP9X1
50FX49B
AP92
60GX49B
AP92
CT5582K
VP7X2
50GX10B
AP92R
60SBX72B
AP74
CU4600K
VP8X2
50GX20B
AP92R
60SBX78B
AP84
CU4601K
VP8X2
50GX49B
AP92
60SDX88B
DP86
CU5000K
VP8X2
50SBX70B
AP74
60SDX88BA
DP86V
CU5001B
VP8X2
50SBX78B
AP84
60SX10B
AP53D
CU5002K
VP8X2
50SX5P
AP33B
60SX10BA
AP53DP
CU5003D
VP8X2
PAGE 01-01

PTV CHASSIS TO MODEL CROSS REFERENCE CHART
Chassis
ModelNo
Chassis
ModelNo
Chassis
ModelNo
AP02
43GX01B
AP53
50UX23K
AP92R
46GX01B
AP12
55EX1K
AP53D
60SX10B
AP92R
50GX10B
AP13
46UX10BA
AP53D
60SX11K
AP92R
50GX20B
AP13
46UX11KA
AP53DP
60SX10BA
AP93
50UX59B
AP13
46UX7B/K
AP53DP
60SX11KA
AP93
53SBX59B
AP13
50UX7B/K/W
AP53P
46UX20BA
AP93
55UX59B
AP13
50UX8D/W
AP53P
46UX21KA
AP93
60UX59B
AP14
60SX1K
AP53P
50UX22BA
AP93
61SBX59B
AP22
46EX2B/K
AP53P
50UX23KA
AP93R
53SBX01B
AP22
50EX2K
AP62
50FX18B
AP93R
61SBX01B
AP23
46UX10BF
AP62
50FX19K
DL1
52LDX99B
AP23
46UX11KF
AP62
50FX30B
DP05
43FDX01B
AP23
50UX10B
AP62
55FX20B
DP05
53FDX01B
AP23
50UX11K
AP62
60FX32B
DP06
53SDX01B
AP24
60SX2K
AP62P
50FX48B
DP06
61SDX01B
AP31
50ES1B/K
AP63
46UX24B
DP07
53SWX01W
AP32
46EX3B/BS
AP63
46UX25K
DP07
61SWX01W
AP32
46EX4K/KS
AP63
50UX26B
DP85
61HDX01W
AP32
50EX10B
AP63
50UX27K
DP85
61HDX98B
AP32
50EX11BV
AP63B
60SX12B
DP86
53SDX89B
AP32
50EX6K
AP63B
60SX13K
DP86
60SDX88B
AP32
50EX8K
AP73
46UX50B
DP86V
53SDX88BA
AP32
55EX7K
AP73
46UX51K
DP86V
60SDX88BA
AP32
55EX9K
AP73
50UX52B
NEW
61DMX01W
AP32F
50EX12B
AP73
50UX53K
VP2
CT4525
AP32F
50EX13K
AP73
60UX54B
VP2
CT4531
AP32V
50EX12BA
AP73
60UX55K
VP2
CT4532
AP32V
50EX13KA
AP74
50SBX70B
VP3
CT4534
AP33
46UX12B
AP74
60SBX72B
VP3
CT4536
AP33
46UX13K
AP74
70SBX74B
VP3
CT4546
AP33
50UX14B
AP82
55FX48B
VP3
CT4555
AP33
50UX15K
AP83
50UX58B
VP6
CT4271
AP33B
50SX5P
AP83
50UX58K
VP6
CT5071
AP34
60SX3B
AP83
55UX58BA
VP6
CT5072
AP34
60SX4K
AP83
60UX58B
VP6X2
CT4275
AP43
46UX16B
AP83
60UX58K
VP6X2
CT5075
AP43
46UX17K
AP83P
55UX58B
VP7X2
CT4520K
AP43
50UX18B
AP83R
50UX57B
VP7X2
CT4521K
AP43
50UX19K
AP83R
60UX57B
VP7X2
CT4580K
AP43B
50SX6P
AP84
50SBX78B
VP7X2
CT5080
AP43B
60SX8B
AP84
60SBX78B
VP7X2
CT5081K
AP43B
60SX9K
AP90
50CX29B
VP7X2
CT5522K
AP52
50EX12BX
AP90
60CX29B
VP7X2
CT5582K
AP52
50EX13KX
AP90R
50CX01B
VP8X2
CU4600K
AP52
50EX14BV
AP90R
60CX01B
VP8X2
CU4601K
AP52
50EX16B
AP91
50EX39B
VP8X2
CU5000K
AP52
50EX20B
AP91
60EX39B
VP8X2
CU5001B
AP52
55EX15K
AP91R
50EX01B
VP8X2
CU5002K
AP52P
60EX28B
AP91R
60EX01B
VP8X2
CU5003D
AP52P
60EX38B
AP92
50FX49B
VP9X1
CT4533K
AP53
46UX20B
AP92
50GX49B
VP9X1
CT4535K
AP53
46UX21K
AP92
55FX49B
VP9X1
CT5033K
AP53
50UX22B
AP92
60GX49B
VP9X1
CT5533K
PAGE 01-02

CTV MODEL TO CHASSIS CROSS REFERENCE CHART
ModelNo
Chassis
ModelNo
Chassis
ModelNo
Chassis
13SA10B
OEM
31KX41K
M1CLXU
36SX78B
M8LXU
13VR12B
OEM
31KX6B
G9LXU1M
36TX53K
M7LXU
19VR13B
OEM
31KX7B
G9LXU1M
36UX01B
M10
20CX20B
PANA
31KX9K
G9LXU1M
36UX52B
M7LXU
20MA1B
FH92XS-1
31UX5B
A3LXU
36UX58B
M7LXU2
20SA2B
M2XU
32CX10B
A3LXU2
36UX59B
M9LXU
20SA3B
M3L
32CX11B
A3LXU3
CT1386W/B
G7
20SA4B
M2XU
32CX12B
A3LXU4
CT2075W
G7NU
20SA5B
M3XU
32CX32B
A3LXU3
CT2076W/B
G7NU
27AX0B
M1LXU
32CX33B
A3LXU3
CT2077W/B
G7XU
27AX1B
M1LXU
32CX38B
A3LXU3
CT2079B
G7XU
27AX2B
M1LXU
32CX39B
M9LXU
CT3170
G7LXU
27AX3B
M1CLXU
32CX39B
M9LXU
CT3175
G7LXU
27AX4B
M1CLXU
32CX7B
A3LXU2
CT3190B/K
G9LXU
27AX5BX
M1CLXU
32FX41B-501
M7LXU
CT3196B/K
G9LXU
27CX01B
SHARP
32FX48B
M7LXU2
CT3198K
G9LXU
27CX0B
M1CLXU
32FX49B
M9LXU
CT7872B/K
G9LXU
27CX15B
M3LXU
32GX01B
M10
CT7880
G7NU
27CX1B
M3LXU
32TX78B
A3LXU3
CT7881B/K
G9LXU
27CX21B
M3LXU2
32TX79K
A3LXU3
CT7882B/K
G9LXU
27CX22B
Zenith GX
32UX01B
M10
CT7883B
A1LXU
27CX25B
M3LXU
32UX51B
M7LXU
CT7892B/K
G9LXU
27CX28B
NA6L Pan
32UX58B
M7LXU2
CT7893B
A1LXU
27CX29B
OEM
32UX59B
M9LXU
CT7894B
A1LXU
27CX31B
Zenith GX
32UX8B
A4LXU
CT7896B
G9LXU
27CX3B
A3LXU
35CX30B
A3LXU3
CT7897B
G9LXU
27CX4B
A3LXU
35CX45B
A3LXU4
CT7898B
G9LXU
27CX5B
M3LXU
35TX10B
A3LXU
CT7899K
G9LXU
27CX6B
M3LXU
35TX20B
A3LXU2
27CX75B
M3LXU2
35TX30B
A2LXU
27CX7B
M3LXU2
35TX50B
A2LXU
27DX5B
A1LXU
35TX59K
A2LXU
27FX48B
NA6D Pan
35TX69K
A2LXU
27FX90BC
A2LXU
35TX79K
A4LXU
27GX01B
PANA
35TX88B
A3LXU3
27MM20B
PA-1
35TX89K
A3LXU3
27MMV30B
PA-2
35UX60B
A2LXU
27UX01B
PANA
35UX70B
A4LXU
27UX5B
A3LXU
35UX70B
A4LXUP
31CX4B
A3LXU
35UX80B
A4LXUP
31CX5B
A3LXU2 1995
35UX85B
A6LXU
31CX5B
A3LXU2 1996
36CX35B
M7LXU
31CX6B
A3LXU2
36FX38B
M7LXU2
31DX10B
M1LXU1
36FX42B-501
M7LXU
31DX11B
M1CLXU
36FX48B
M7LXU2
31DX20B
M1LXU1
36FX49B
M9LXU
31DX21B
M1CLXU
36GX01B
M10
31DX22B
M1CLXU
36MMV60B
MM1
31GX31B
M1CLXU
36MMV70B
MM1
31KX1B
G9LXU1M
36SDX01B
MM-1T
31KX2B
G9LXU1M
36SDX01BR
MM-1R
31KX39K
M1CLXU
36SDX88B
MM1
31KX3K
G9LXU1M
36SX72B
M8LXU
PAGE 01-03

CTV CHASSIS TO MODEL CROSS REFERENCE CHART
Chassis
ModelNo
Chassis
ModelNo
Chassis
ModelNo
A1LXU
CT7893B
G9LXU
CT3198K
M7LXU2
36FX38B
A1LXU
CT7883B
G9LXU
CT7896B
M8LXU
36SX72B
A1LXU
27DX5B
G9LXU
CT7892B/K
M8LXU
36SX78B
A1LXU
CT7894B
G9LXU
CT3196B/K
M9LXU
36FX49B
A2LXU
35TX50B
G9LXU
CT7881B/K
M9LXU
36UX59B
A2LXU
35UX60B
G9LXU
CT7882B/K
M9LXU
32CX39B
A2LXU
35TX59K
G9LXU1M
31KX3K
M9LXU
32UX59B
A2LXU
35TX30B
G9LXU1M
31KX1B
M9LXU
32FX49B
A2LXU
27FX90BC
G9LXU1M
31KX2B
M9LXU
32CX39B
A2LXU
35TX69K
G9LXU1M
31KX6B
MM1
36MMV70B
A3LXU
27CX3B
G9LXU1M
31KX7B
MM1
36MMV60B
A3LXU
35TX10B
G9LXU1M
31KX9K
MM1
36SDX88B
A3LXU
27UX5B
M10
36UX01B
MM-1R
36SDX01BR
A3LXU
27CX4B
M10
32GX01B
MM-1T
36SDX01B
A3LXU
31CX4B
M10
36GX01B
NA6D Pan
27FX48B
A3LXU
31UX5B
M10
32UX01B
NA6L Pan
27CX28B
A3LXU2
32CX10B
M1CLXU
31DX22B
OEM
13SA10B
A3LXU2
31CX6B
M1CLXU
27CX0B
OEM
19VR13B
A3LXU2
35TX20B
M1CLXU
31DX21B
OEM
13VR12B
A3LXU2
32CX7B
M1CLXU
27AX4B
OEM
27CX29B
A3LXU2 1995
31CX5B
M1CLXU
31KX39K
PA-1
27MM20B
A3LXU2 1996
31CX5B
M1CLXU
27AX5BX
PA-2
27MMV30B
A3LXU3
32TX78B
M1CLXU
27AX3B
PANA
27UX01B
A3LXU3
35TX89K
M1CLXU
31DX11B
PANA
27GX01B
A3LXU3
35TX88B
M1CLXU
31GX31B
PANA
20CX20B
A3LXU3
32TX79K
M1CLXU
31KX41K
SHARP
27CX01B
A3LXU3
32CX38B
M1LXU
27AX0B
Zenith GX
27CX22B
A3LXU3
32CX33B
M1LXU
27AX1B
Zenith GX
27CX31B
A3LXU3
32CX32B
M1LXU
27AX2B
A3LXU3
32CX11B
M1LXU1
31DX20B
A3LXU3
35CX30B
M1LXU1
31DX10B
A3LXU4
35CX45B
M2XU
20SA2B
A3LXU4
32CX12B
M2XU
20SA4B
A4LXU
32UX8B
M3L
20SA3B
A4LXU
35TX79K
M3LXU
27CX5B
A4LXU
35UX70B
M3LXU
27CX25B
A4LXUP
35UX80B
M3LXU
27CX1B
A4LXUP
35UX70B
M3LXU
27CX15B
A6LXU
35UX85B
M3LXU
27CX6B
FH92XS-1
20MA1B
M3LXU2
27CX75B
G7
CT1386W/B
M3LXU2
27CX21B
G7LXU
CT3170
M3LXU2
27CX7B
G7LXU
CT3175
M3XU
20SA5B
G7NU
CT2075W
M7LXU
36UX52B
G7NU
CT2076W/B
M7LXU
32UX51B
G7NU
CT7880
M7LXU
32FX41B-501
G7XU
CT2079B
M7LXU
36TX53K
G7XU
CT2077W/B
M7LXU
36FX42B-501
G9LXU
CT3190B/K
M7LXU
36CX35B
G9LXU
CT7872B/K
M7LXU2
32UX58B
G9LXU
CT7898B
M7LXU2
36UX58B
G9LXU
CT7897B
M7LXU2
36FX48B
G9LXU
CT7899K
M7LXU2
32FX48B
PAGE 01-04

Page 01-05
Description Part Number Description Part Number
MAIN CHASSIS UE05433
SIGNAL PWB JT09163
•MICROPROCESSOR I001 (CP06614U)
•MEMORY (Service Adjustments) I004 (CP05272U)
•RESET IC for Microprocessor I007 (2000541)
•MICROPROCESSOR for OSD I102 (CP05243U)
•RESET IC for OSD Microprocessor I103 (2000541)
•5 Volt REGULATOR (Prescaler) I106 (CP05571)
•AUDIO OUTPUT IC (TA8200AH) I401 (2004751)
•5 Volt REGULATOR for Microprocessor Q026 (2312171)
•X100 (32kH VCO Crystal) X100 (BP00771)
PinP TUNER U102 (2429691)
PinP UNIT KC-021 U002 (HP00202)
3D/YC COMB FILTER PWB U301 (HP00703)
TERMINAL PWB JT09473
•A/V SELECT IC IY01 (2020452)
•+9V REGULATOR IY02 (2003423)
SURROUND PWB JT09222
•FRONT GRAPHIC EQUALIZATION IG01 (CP02771U)
•CENTER GRAPHIC EQUALIZATION IG10 (CP02771U)
•DOLBY PRO LOGIC DECODER IS01 (CP00801U)
•DOLBY PASSIVE DECODER IS03 (CP00791U)
•FRONT/PinP AUDIO CONTROL IS05 (2020001)
•REAR/CENTER AUDIO CONTROL IS10 (2020001)
•REAR AUDIO OUTPUT IC IS11 (2004751)
•PERFECT VOLUME IS12 (CP02601)
SIGNAL SUB PWB Part of Signal PWB JT09163
•RAINFOREST IC (TA1222BN) I501 (CP03552U)
•COMPONENT SELECTOR IC I503 (CK08951R)
•X502 (32fH VCO Crystal) X502 (2168771)
•X501 (Crystal) X501 (2791501)
POWER / DEFLECTION PWB JT09173
•BRIDGE RECTIFIER D901 (2338313)
•VERTICAL OUTPUT (LA7838) I601 (2003541)
•SIDE PIN CUSHION (Comparator) I602 (CP06351U)
•SWITCHING REGULATOR (Driver IC) I901 (CZ00451)
•SHUT DOWN (Photo Coupler) I902 (2000465)
•120V REGULATOR (Photo Coupler) I903 (2000465)
•120V REGULATOR I905 (2381349)
•+12 REGULATOR I908 (CP05573)
•–12 REGULATOR (M12V) I909 (1360891)
•A12V REGULATOR I910 (CP03912F)
•TV9V REGULATOR I912 (CP03923F)
•TV5V REGULATOR I913 (CP03922F)
•+5V REGULATOR Dig. Conv. IK01 (CP05571)
•+5V REGULATOR Dig. Conv. SRAM IK03 (CP05571)
•CONVERGENCE OUTPUT (RH, GH & GV) IK04 (CZ00431)
•CONVERGENCE OUTPUT (RV, BH & BV) IK05 (CZ00431)
•HORIZONTAL DRIVE TRANSFORMER T701 (2260291U)
•FLYBACK TRANSFORMER (High Voltage) T702 (BW00632)
•HIGH VOLTAGE DRIVER (2SC3116 S/T) Q701 (2326216)
•HORIZONTAL OUTPUT (2SC2514F) Q777 (CF01541F)
•120V B+ CURRENT SENSING (2SA821S) Q903 (CF02281R)
•SHUT DOWN SCR (03P2M TA) Q914 (2323782R)
•HORIZONTAL Vcc ON/OFF SW (2SC458) Q916 (2320591M)
•220V (Screen Voltage) PROTECTOR E701 (AZ00107M)
•RAW 150V PROTECTOR E991 (AZ00109M)
•B+ 120V (Main B+) PROTECTOR E994 (AZ00104M)
•+27V PROTECTOR E995 (AZ00109M)
•-23V PROTECTOR E996 (AZ00109M)
•Audio +32V PROTECTOR E997 (AZ00109M)
•Audio +22V PROTECTOR E998 (AZ00109M)
•+31V PROTECTOR E999 (AZ00109M)
DIGITAL Convergence Unit (UKDG) CS00351
61SBX59B and the 53SBX59B Chassis AP-93

Page 01-06
Description Part Number Description Part Number
•INFRARED RECEIVER HM01 (CZ00523)
VELOCITY MODULATION PWB
Comes with CRT PWB’s JT09192
CRT PWB
Includes the Velocity Modulation PWB JT09192
•RED DRIVER Q861 (2312372F)
•GREEN DRIVER Q831 (2312372F)
•BLUE DRIVER Q801 (2312372F)
CRT Sockets
•RED CRT SOCKET E861 (EY00941)
•GREEN CRT SOCKET E831 (EY00941)
•BLUE CRT SOCKET E801 (EY00941)
REMOTE CONTROL CLU-615MP HL00715
Additional Parts Information
SCREEN ASSY. 61 Inch KR01161
SCREEN ASSY. 53 Inch KR01162
BLUE CRT ASSY. UE04333
GREEN CRT ASSY UE04332
RED CRT ASSY UE04331
MIRROR FRONT SURFACE 61” KS00163
MIRROR FRONT SURFACE 53” KS02021
FOCUS PACK TYPE MHF116 AZ00005
SPEAKER GRILL 61 Inch PH06891
SPEAKER GRILL 53 Inch PH06771
ANTENNA SWITCH HPO00341
Ultra Shield Only 61 Inch KR01292
Ultra Shield Only 53 Inch KR01291
61SBX59B and the 53SBX59B Chassis AP-93

AP-93 ANODE LEAD CHANGES
To remove anode lead from "Flyback Transformer",
Press down slightly and twist either clockwise or counter clockwise.
Then lift, if there is resistance, repeat twisting until a release is felt.
WARNING:
DO NOT FORCE OUT, DAMAGE TO WINGS WILL OCCUR !
Page 01-07
"WINGS"
NOTE:
Easy to bend!
Inserts into
Flyback
"WINGS"
NOTE:
Easy to bend!
Anode Button

SECTION 2
MICROPROCESSOR
INFORMATION

Terminal PWB
RY09
RY10
R0G5
R0G6
59
60
57
18
28
29
30
31
58
37
56
2
IOO1
Micro Processor
R078
R038
R036
R040
R0P1
R0A8
R0A9
R0C1
R0P3
R0R1
R041 12
14
15
PSU2
SCL3
SDA3
GEQ CLK
LOAD
CLOCK
4
5
6
Q119
R128
R127
Clock
Data
Enable
U101
Tuner 1
(MTS)
Main
17
16
15 Clock
Data
Enable U102
Tuner 2
(Mono)
Pinp
R114
R115
R116
R1B2 4
R147 12
R146 11
Reset
OSD Feed Back /
Port OB
SCL2 / Port 02 I2SSC
SDA2 / Port 01 I2SSD
I102
OSD uP IOO4
EEPROM
5
6
SDA3
SCL3 7
6
PCB
4
5
PSU1
IY01
A/V Select
SDA3
19
20
SCL3
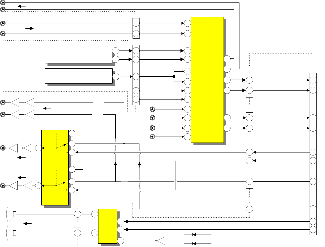
AP-93 CHASSIS MICROPROCESSOR DATA COMMUNICATIONS CIRCUIT DIAGRAM
R570
R571
2
1
PSI1
I501
Rainforest
SCL3
27
28
SDA3
A5V
R572
D507
D508
Signal Sub PWB
A5V
R573
SDA1 /OSD
Feedback
SCL2
SDA3
SCL3
KeyOut 4 / CLOCK
LOAD
GEQ CLK
KeyOut 1 / FE-CLK
KeyOut 2 / FE-DATA
FE-ENABLE 1
FE-ENABLE 2
RO37
A5V
RO35
A5V
36 13 DATA
KeyOut 3 / DATA
See
Surroun
d
PWB
SDA2
Page 02-01
45 R060 R161
R160
Q107 35OSD Reset
RO59
A5V I103
Reset 3
2
1
C128
48
Hi = External
Lo = Internal 7CTLC I503
Comp
Switch
17
PSI2
2
12
CTLA
CTLB
R5E9
YUVSW
A5V
QA32
YUVSW
YOUSW

AP-93 SERIES CHASSIS MICROPROCESSOR DATA COMMUNICATIONS (SURROUND PWB)
PSU1
4
5
PSU2
13
12
14
15
IS05
FRONT/
PinP
Audio Control
3
2
4
GEQ
CLK
LOAD
CLOCK
DATA
SCL3
SDA3
R547 16
17
R542
SCL3
SDA3
IS10
REAR/CENTER
Audio Control
RSA2 16
17
RSA1
SCL3
SDA3
ISO3
DOLBY
Passive
Decoder
40
42
41
Enable
Clock
ISO1
DOLBY
Pro
Logic
Decoder
RS23
RS26 5V
RS22
RS25
RS245V
5V
RS27
DS02
DS01
DS03
RS01
RS03
RS02 Data
17
16 Data
Clock
IG10
Center
Graphi
c
EQ
17
16
Data
Clock
IG01
FRONT
Graphi
c
EQl
Data
Clock
Enable
RG88
RG54
RG08
RG09
See
AP-93 Chassis
Microprocessor
Data
Communications
Circuit Diagram
GEQ CLK
DATA
NOTE:
PSU1 (Pins 4 & 5) are
labeled incorrectly in the
schematic,
Shown correctly here.
Page 02-02

I001
AP-93 Series Chassis AUDIO and VIDEO MUTE Circuit
(See also Terminal Mute Circuit)
D024
ROE5
PSD2 6
D040
ROE6
Q015
R0E7
Q014
R0M2
D041
D055
R0R8
C040
Q028
R0E3
R0E4
V. Mute 2
Micro
Processor
V MUTE 1
RO49
R0T1
PSI1
8
I501
25
D513
R0T1
R569
C545
FBP
In
Service
H.Blk
"HV PROTECT"
Horizontal Sweep Loss
Det.
Vertical Sweep Loss Det.
AC Loss Det.
(From Deflection PWB)
MUTE
U101
24
MUTE
TUNER
1
Q013
R0E2
R412
R413 C412
R411
Q403
R0E8
D405
C411
I401
FRONT
L&R
Audio
Output
Mute
R404
Q402
C404
2
4
R In R
Out
L In L Out
C405
Q401
R402
C401
D401
D402
D404 11
14
PSU1
16
Lum. Sub PWB
V.
Mute
V.
Mute
Signal PWB
R134
RO51
RO50
PCB
12
11 Terminal
PWB
15
14
Page 02-03
A12V
51
50
A+5V
SRS PWB
From IZ05
pin 2
< Right Ft. Audio >
< Left Ft. Audio >
<F. Spk Off>
V. Mute
C019
C403
C402 12
7
Mute = Lo
MUTE 2

AP-93 SERIES CHASSIS MUTE CIRCUIT (TERMINAL PWB)
Also see AP-93 Series Chassis Audio & Video Mute Circuit
PCB
11
JY01
<Sub Woofer
Audio>
RAC2
RAC7DA14 DA18
DA13
CA79 RAC4 CA65
RACB
Left
< Transmitter Out LEFT >
RA55
RA46DA05 DA07
DA06
CA33 RA56 CA35
RA47
Right
< Transmitter Out Right >
RA57
RA48
DA08
CA31 RA54 CA36
RA49
Left
< Out to Hi-Fi Left >
RA51
RA32DA01 DA04
DA02
CA27 RA50 CA37
RA49
Right
< Out to Hi-Fi Right >
RA53
RA30
DA03
CA29 RA52 CA34
RA49
< M >
Page 02-04
12 V.Mute
V.Mute 2
QA77
QA11
QA12
QA06
QA05

I105
Q007
Busy
Q030
PBlk
I001
Micro
Processor
P Blk
OSD H Blk
PSD1
52
Q008
11
I102
OSD Micro
Processor
27
Q024
HBlk
41
41
D005
D005
PSI1
7
I501
Rainforest IC
36
PVM1
4
12
13
Blank
D111
PIP
12
PSI2
324
D112
YS2
< 0.75V
Normal RGB signal
used.
= or > 2.25V
OSD RGB used
YS1
< 0.75V,
Normal RGB signal
used.
=> 2.25V
PinP RGB used
PinP module
U002 MV7
Velocity
Modulation PWB
= or > 0.75V
Velocity Modulation Defeated
Dig. circuit
Busy
OSD
Blanking
Picture
Blanking
YS1/VM YS PinP
PinP YS1
YS1/VM
OSD
YS
Digital
Convergence
Module Busy
AP-93 PICTURE BLANKING AND VELOCITY MODULATION MUTE CIRCUIT
Page 02-05
5V
5V
5V
5V
YS1/VM

40
7
13
5
9
11
15
17
S-1 In
S-2 In
Y
C
Y
C
SCL 3
SDA 3
19
20
Video 1
Video 2
Video 3
V Out 2
Terminal PWB
58
57
I001
Microprocessor
DA15
19
6
7
21
Signal PWB 1of 4
43
DA16
Y Out 2
S Detection
V Detection
V/Y
Det
S/V Det
Active
High
AP-93 AUTO LINK DETECTION CIRUCIT
2
Front Control PWB
IR Receiver
HM01
QM01
Q019
IR Det.
20
DA25
Component Video To I503
S-3 In
Y
C
3
1
PFV
V3 Y
V3 C
Y2
C2
V2
V3
Y3
C3
C1
Y1
V1
S-Video
3 In
S-Video
2 In
Page 02-06
18
12
Video 1 In
6
IY01
5
3
9
1
S3 Det
S1
S3
S2
Y
PFJ
PCD
PCB
QA74
QA75
A/V
Selector
IC

Q030
AP-93 CHASSIS "On Screen Display, OSD" SIGNAL CIRCUIT DIAGRAM
I001
Main uP
Q113
OSD B
OSD G
OSD R
HB
HG
HR
BTX
Q027
Bus
y
Signal PWB I105
D/H OSD Sel
OSD Blk.
Dig OSD
3
6
8
GTX
RTX
Blank
Digital
Convergenc
e
Unit
"DCU"
"Mounted on
Deflection
PWB"
Signal PWB
Deflection PWB
UKDG
HC2091
PDG
8IR-In 3
10 BUSY 1
4
5
6
7
3
2
1-5V
+5V
+5V SRAM
HBlk
A Size
VD
I501
Rain
forest
OSD R 39
38
OSD G
OSD B 37
I102
OSD
Up
PFJ
2
PSD1
1
3
27
SDA2 / SCL2
Q111
Q112
Q516
Q515
To CRTs
B
G
R
41
42
43
Q517
36
32
YS1
YS2
Q008
P Blk
OSD Blk
Q007
Q024
A5V
OSD Blk
P Blk
D053
D005
PINP
4
D112
D111
To Velocity Modulation PWB
PY1
5
4
3
PSI1
7
PSI2
4
Signal SUB PWB
6
5
4
OSD B
13 QK08 2
6
OSD G 4
12 QK07 4
OSD R
11 QK06 62
Front
Control
PWB
IR
Receiver
PVM1
4
From PinP Module
YS1/VM
11
YS(PInP)
(PInP)
YS1
YS1/VM
Dig OSD
Dig OSD
HB
HG
HR
Data & Clock
OSD Blk.
HM01
A5V
Busy
Page 02-07
42
43
44
52
41
32
28
1
P/N
CS00152
4
5
1
2
10
9
13
12
H002 B
G
R
26
24
25
12
5
2I106
14
4
15 Q109
Q108
Q110
13
Sync2 for Closed Caption ZB
ZG
ZR

1.) Disconnect Power to Television.
2.) Remove the Back Cover.
3.) Remove the two screws holding the Main chassis to the Cabinet if necessary.
4.) Disconnect wiring harness clips to free up the chassis if necessary.
5.) Reconnect Power to the Television and turn the set ON.
6.) Locate P001 and add a jumper between pins 1 and 2 of the P001
connector as shown below.
7.) Hold jumper in place for 5 seconds. (A beep should be heard).
8.) Remove the jumper.
9.) Confirm EEPROM reset, Input source is now set to Air and not to Cable 1 or 2.
No Child Lock, and only channels 2 through 13 are in memory.
10.) Reassemble Chassis and reinstall PTV back. Set is now ready to operate.
NOTE: All customers' Auto Programming and Set-Ups are returned to factory settings.
Page 02-08
I001
MicroProcessor
FE-DATA
KEYOUT2
KEY-IN1
32 29
1 2 P001
Connector
Jumper
R0C4 R0C5
D058
AP-93 MEMORY INITIALIZATION PROCEDURE (EEPROM RESET)

PSU2
IS05
AP-93 Series Chassis Front Speaker Off Circuit
(See also Main and Terminal Mute Circuit)
Front/PinP
Audio Control
Ft. Spk. Off
R1 Out
R412
R413 C412
R411
Q403
C411
I401
FRONT
L&R
Audio
Output
Mute
R404
Q402
C442
2
4
R In
L In
C441
Q401
R402
C401
D402
D404 11
PSU1
Page 02-09
2
15 Right Ft. Audio
Left Ft. Audio
F. Spk Off
5
14
L1 Out 18 15
SCL 3 16 4
SDA 3 17 5
SCL 3
SDA 3 58
57
I001
Microprocessor
SCL 3
SDA 3
Miss-Labeled
On Schematic
Signal PWB
SRS PWB

SECTION 3
POWER SUPPLY
INFORMATION

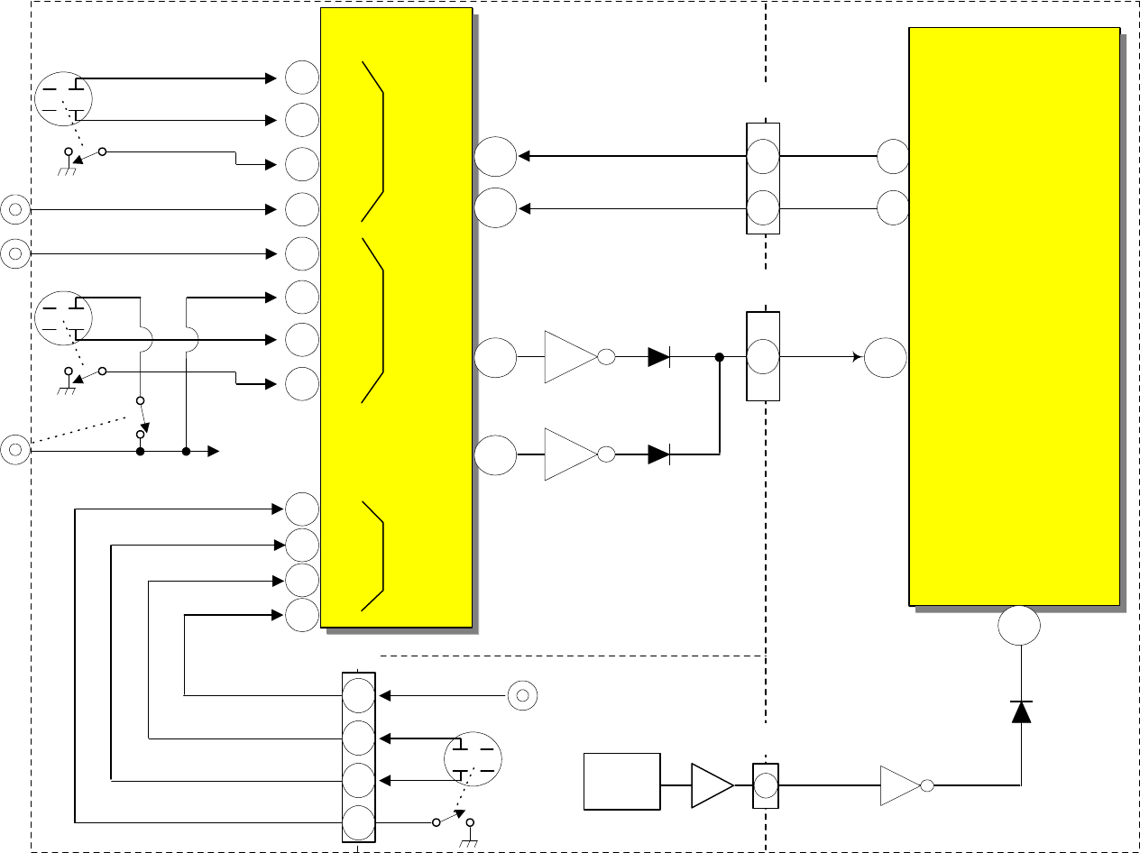
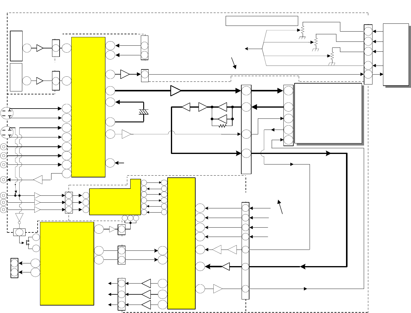
POWER SUPPLY ON AND OFF (STAND-BY) OPERATION EXPLANATION
PAGE 03-01
T
he power supply in the AP-93 chassis works very similar to the previous models, with
only a few exceptions. This power supply runs all the time when the AC is applied. The
use of the power supply creating the A12V supply eliminates the need for a Stand-By trans-
former. The following explanation will describe the Turning ON and OFF of the projection
television.
T
he Microprocessor generates the ON-OFF control signal as before, with the exception
that there is no Relay Driver. The schematic shows a relay driver Q003, however it is in
parentheses. This means that the component doesn’t exist in the set.
This On/Off control will perform the following :
•Turns on the regulation control signal
•Turns on the A5V and A9V regulator
•Turns on the Shut Down “Power Shorted” detection circuit
•Turns on the Horizontal Vcc supply to the Rainforest IC, I501
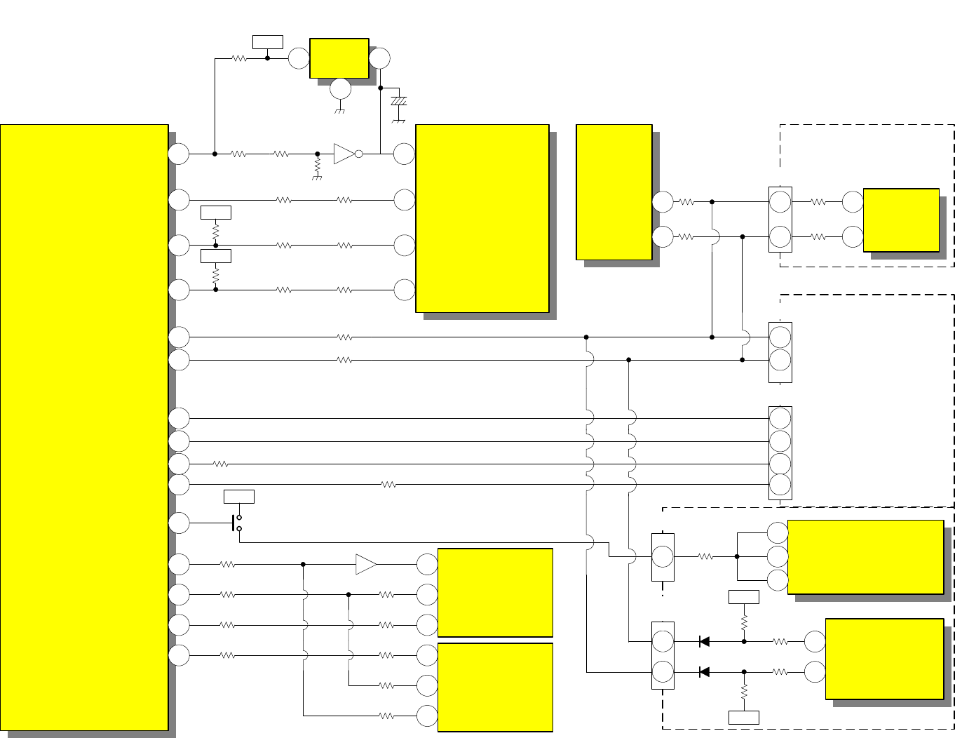
The Microprocessor outputs the On/Off control from Pin 35, to the PSD3 connector Pin 4.
(See Figure 1) The active state is On = High and Off = Low. The high for Power On is then
routed to Q908 and Q907. Q908 is turned On, removing the base bias for Q907. Q907 turns
off and removes D948 from the circuit of Pin 2 of I905 which is the regulation error voltage
feedback line for the regulator IC, I901.
The purpose of D948 during Stand-By, is to create a false feedback that artificially compen-
sates for the reduction in output voltage when the power supply switches to a lower frequency.
However, due to another factor, this doesn’t cause the power supply frequency to rise to maxi-
mum which will be described next.
HORIZONTAL B+ DEFEAT CIRCUIT: (See Figure 2)
W
hen the power supply goes into Stand-By mode, the Horizontal Drive signal for de-
flection is shut off. This is accomplished by Q916 and Q917. The Low out produced
from the Power On/Off pin 35 of the Microprocessor is detected by the base of Q916. This
allows the collector voltage to go high. This action turns off Q917 which removes the B+
from its collector. The Collector of Q917 is connected to the Deflection B+ pin 22 of the
Rainforest IC, I501 via pin 3 of the PSD2 connector and Pin 13 of the PSI1 connector. This
action stop I501 from producing a horizontal deflection drive signal.
(Continued on page 2)
Fig. 1
11.1V (Set On)
10.1V (Set Off)
I905
Regulator
2
I903
Photo Coupler
1
120V
Deflection B+
I001
Microprocessor
PSD3
435
D948
6
I901
Photo Coupler
32
Set On, pin 35 High
Set Off, pin 25 Low
Q908
Q907

POWER SUPPLY ON AND OFF (STAND-BY) OPERATION EXPLANATION
PAGE 03-02
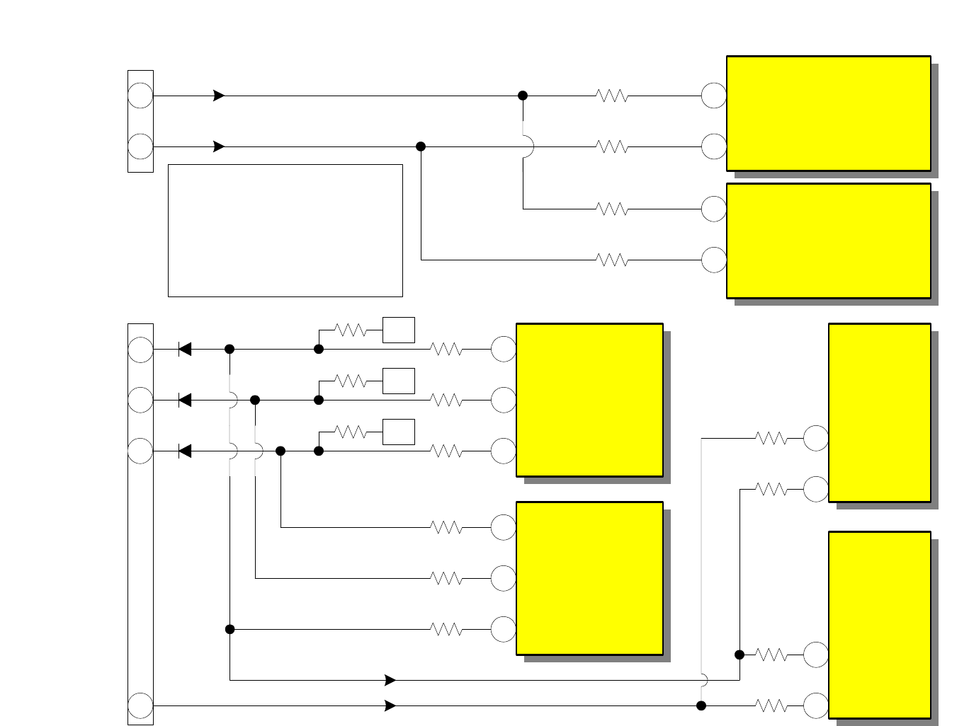
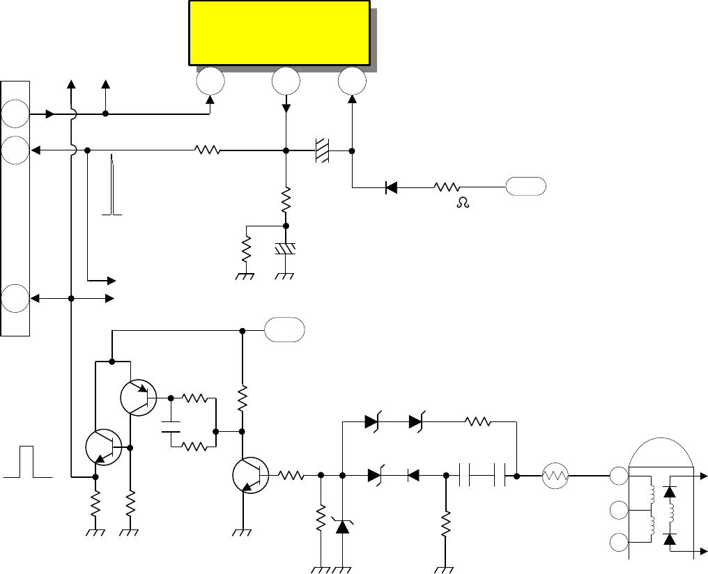
POWER SUPPLY OPERATIONAL FREQUENCY DURING STAND-BY:
(See Figure 3)
W
hen the Horizontal deflection is defeated, the power supply no longer has a deflection
load. This low current demand is detected by the three resistors connected to the
source of the internal Switch MOS FET inside I901 via pin 2. Pin 4 of I901 is the over cur-
rent detection pin, however it is also the current demand sensing pin. When the current de-
mand is low due to horizontal defeat, pin 4 will be less that 1.4V and the internal frequency
will switch to 20Khz. This is caused by the Quasi Resonant circuit operation which is covered
in a Hi-Lite article.
This reduction of power supply frequency will move the frequency below the Bell of the
power supply transformer and all secondary voltages will reduce to approximately 1/2 of their
normal voltage.
Due to the fact that the power supply is still operating at 1/2 voltage output, the Green LEDs
used for visual trouble sensing will reduce in intensity, however they will remain lit. With the
exception of the TV9V and TV5V regulator. Which are turned off in Stand By.
(Continued on page 3)
HVcc
C964
3
Signal PWB
13
23
22
Def.B+
Hoz. Out
To Horz.Drive
Transistor Q701
Signal Sub PWB
PSI1
12
PSD2
1
9V
t1 t2 t3 t4 t5
0V
A12V
Q917
PSD3
435
Power
On/Off
I001
Micro
B
B
Q916
CE
11.77V
0.71V
C
11.78V
I501
Rainforest IC
OFF
= Lo (0V)
Fig. 2
R960
Q908
R958
Q907
R975
I903
Regulation
Photocoupler
2 3
Cold Gnd. Hot Gnd.
1
2
3
I905
0.0V
0.59V 10.18V
60V
10.74V 0.2V
Normal Freq. 30 ~ 50Khz
Pin 4 > 1.4V = Normal
Pin 4 < 1.4V = 20Khz.
D948
D971
I901
6Freq. Control &
Power Supply
Driver & Output IC
R917
R986
R987
0.1
each
Inhibit PC Line 2
R909
Raw B+
150V
PSD3
4
OFF = Lo
35
Power
On/Off
Deflection B+
I001 Micro
4
1
Fig. 3

POWER SUPPLY ON AND OFF (STAND-BY) OPERATION EXPLANATION
PAGE 03-03
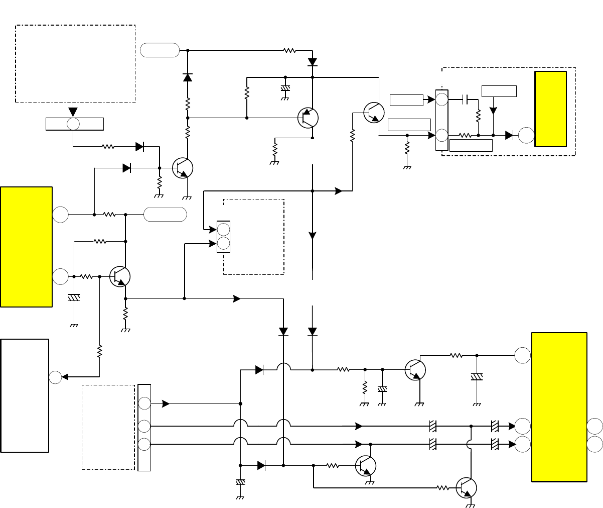
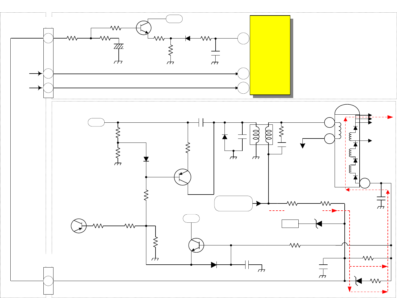
TV9V AND TV5V REGULATOR OPERATION IN STAND-BY:
(See Figure 4)
B
oth of these ICs as well as the A12V regulator are DC to DC converters just like last
year. This is because of the wide range of input voltages from Stand-By to Normal op-
eration of the Power Supply.
The TV9V regulator (I912) and the TV5V regulator (I913) are shut off during Stand-By
mode. This is accomplished by Q906 and Q905. When the low for the power On/Off pin 35
of the Microprocessor is detected by Q906, it’s collector will go high. This action will turn
ON Q905 and its collector will go low. This will pull pin 5 of I912 and I913 low, turning off
the two DC to DC converters.
SOME SHUT-DOWN DETECTION CIRCUITS SHUT OFF DURING STAND-BY:
(See Figure 5)
D
uring Stand-By, all of the secondary voltages are reduced to approximately 50% of
their normal voltage. This could cause a potential problem with the Short Detection
circuits for shutdown. To avoid accidental shut down, Q906 also controls the activity of
Q905. During Stand-By, Q906 is turned off. This allows the Base of Q905 to be pulled up
which turns on Q905 and its collector voltage is low. Q918 is also turned off because its
base voltage is pulled low through D975. This prevents any pull-up voltage from appearing
on the emitter of Q913. The base of Q913 is connected to 6 Low Detection inputs, (See AP-
93 Power Supply Shut Down Circuit). When the power supply operates at 50%, the Short
Detection circuit could activate. By turning off Q913, no accidental shut down operation can
occur. For added protection, Q912 also prevents any Shut-Down voltage from reaching the
Gate of Q914, which is the Shut-Down SCR latch.
PSD3
4
Q906 Q905
R940
C945
R937
A9.65V
OFF = Lo
0V
TV5V
TV9V
0V
15.6V
I912
TV9V Reg IC
5
1
I913
TV5V Reg IC
1
5
2
2
3
3
35
Power
On/Off
I001 Micro
0.73V
0V
0V
ON = Hi
4.07V
0V
Fig. 4
Q906
Q905
R940
C945
R937
A9.65V
R989
R990
Q918 Q913
R968 D956
To Gate of
Q914
Shutdown
SCR
R969
6 Shutdown Inputs,
Active Low
A5V
C965
C954
Power/Deflection PWB
3.34V
0.52V
0.22V
2.6V
0V
0.1V
0V
7.29V
0.0V
D975
PSD3
4
OFF = Lo
35
Power
On/Off
I001 Micro
7.29V
Q912
Fig. 5

AP-93 SERIES "POWER ON & OFF" DIAGRAM
I001
Microprocessor
35 PSD3
4R960
Q908
R958
R926
Q907
R957
I903
Regulation
Photocoupler
2
I901
3 6
Q906
Q905
R940
C945
R937
A7V
R989
R990
Q918 Q913 R968 D956 To Gate of Q914
(Shutdown SCR)
Q912
R969
6 Shutdown
Inputs,
Active Low
Power
On/Off
A5V
Freq. Control &
Power Supply
Driver & Output IC
Cold
Gnd. Hot Gnd.
C965
C954
31V
ON = Hi
OFF = Lo
TV5V
TV9V
Power/Deflection PWB
Signal PWB
1
120V Def. B+
R980 Q916 R982
C962
R983
R981
HVcc
C964
3
Signal PWB
Def. B+ Hi = pin 2 low
Def. B+ Lo = pin 2 Hi
Power/Deflection
PWB
13
R566
I501
Rainforest IC
23 22
Def.B+Hoz. Out
To Horz.Drive
Transistor Q701
Signal Sub PWB
PSI1
12
PSD2
1
9V
D505
C544 C538
2
3Regulator IC
I905
0.7V 0V 0V
11.1V
2.5V
0V
119.1V
10.8V
0.2V
2.5V
4.6V
3.1V
2.6V
2.6V
0V
0.1V
11.8V
11.1V
0V
0.7V
9.1V
1.5V
0V
0V
0.7V
5.1V
R917
R986
R987
0.1
each
4
31V I912
TV9V Reg IC
5
1
I913
TV5V Reg IC
1
5
2
2
3
3
VDD
5V
L002 Q026
R029
D044
C065
1
C064
A12V
A5V
11.7V
5.7V
5.2V
61 54
Reset
I007
Reset 2
3
1
A12V
5.2V5.2V
C018
R034
I910
A12V
1
Normal Freq. 30 ~ 50Khz
Pin 4 > 1.4V = Normal
Pin 4 < 1.4V = 20Khz.
Inhibit PC Line
Q917
9V
t1 t2 t3 t4 t5
0V
D975
D974
D045
D948
D971 1
2
R909
Raw B+
150V
from Primary
Page 03-04

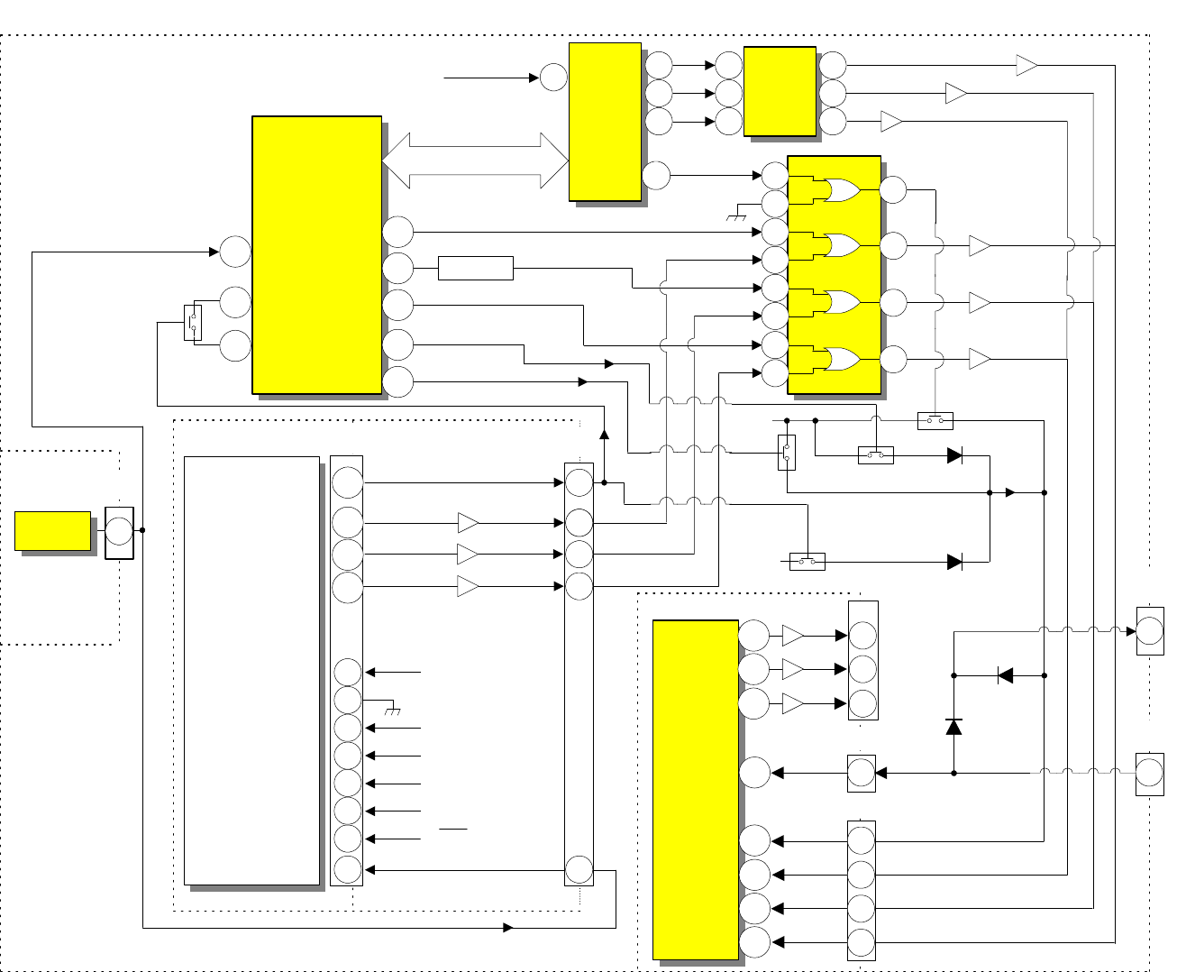
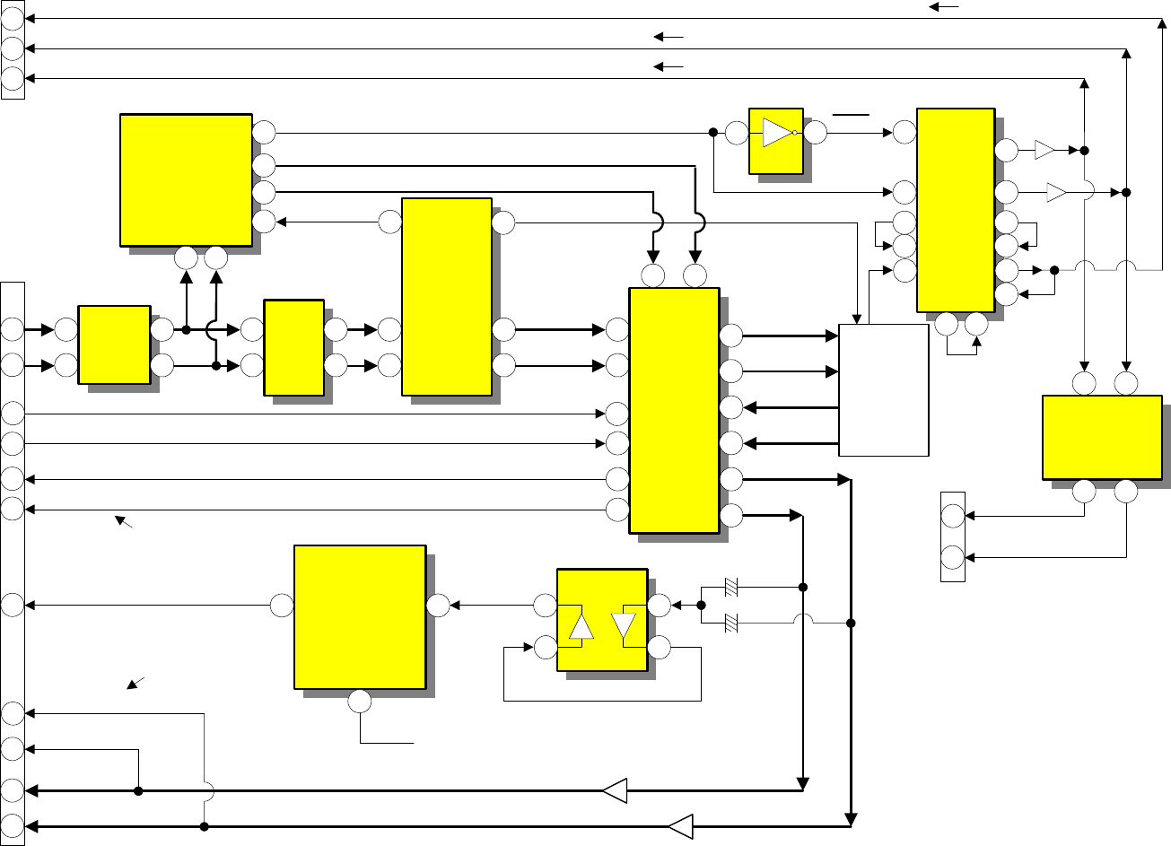
AP93 POWER SUPPLY DISTRIBUTION DIAGRAM
Page 03-05
Rectifier
+31.5 : D972
Rectifier
+120V : D929
Voltage Control
+B : I905
Stand By : Q907
Switching
Transformer
T901
FUSE
F901
Switching
Control
I901
Feedback
I903
Protect
I902 TV ON/OFF
Mode Switch
Q905, 6, Q908
D912:
Protect Red LED
Audio +22.5V
AC Plug
Live Cold
AC Input
Noise Filter
L901, 2, 3
Rectifier
D901
AC Clock
I904
AC Clock
60Hz
TV Main ON/OFF
ON = LO
OFF = Hi
Rectifier
+22V : D913
Rectifier
+27V : D914
= RED L.E.D.
Rectifier
-27V : D915
Rectifier
+31V : D916
Audio +31.5V
Regulator
A12V : I910
Regulator
+25V : Q902
Regulator
12V : Q908
Regulator
-12V : I909
Regulator
TV9V : I912
Regulator
TV5V : I913
Conv., Vert. +25V
Conv., TV +12V
Conv. -12V
Stand By A12V
TV Singal Circuit TV+9V
TV Singal Circuit TV+5V
+B 120V

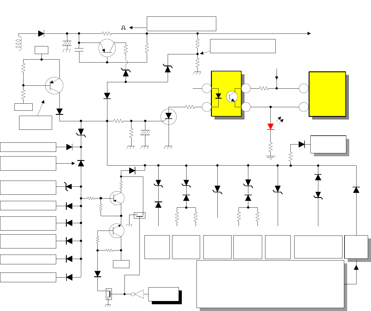
AP-93 (I901) POWER SUPPLY DRIVER
IC
STR-M6811A Internal Block Diagram
Page 03-06
R5
START
Start Up
R2
C1
LATCH
OSC INH
R4
C4 C3
R3
C2
OCP
R1
Q1
7
3 6
4
1
2
5
0.5
V
1.5
V
Gnd Feed Back
OCP-
INH
D
S
FET
Vin
Pin 7 SS Trigger
3.1V
9.9V
Comp. 1
Comp. 2
OVP
Over Voltage
Protection
TSD
Thermal
Shutdown
REGULATOR DRIVE
Indicates Available only in STR-M5611A and STR-M6812A

X-RAY PROTECT
From Deflection Trouble
Detection Circuits
Leaky Short Det.
Diode Det.
"HV PROTECT"
Mutes CRTs through
MUTE Cirucit when
Q914's Gate is High
AP-93 POWER SUPPLY SHUTDOWN BLOCK DIAGRAM
12V Too
High Det.
Leaking C614
(Pump Up Cap.)
Det.
Vertical IC
Excess Current
Det.
Excessive High
Voltage Det. Hi Volt Det.
Loss Det.
Q913
6
PSD2 Signal PWB
Power
Deflection
PWB
Page 03-07
-M12V
Loss Det.
Vert. 26V
Too High
Det.
-M23V
Loss Det.
Deflection B+ (120V)
Excessive Voltage Det.
Deflection B+ (120V)
Excessive Current Det.
Shorted
(TV9V Reg.)
I912 Det.
12V Too
High Det.
Shorted
I913 Det.
A12V Too
High Det.
A12V
Loss Det.
Q914
ShutDown
S.C.R.
I902
ShutDown
Photocoupler
I901
ShutDown Pin (7)
on Power Supply
Driver &
Output IC
Shorted I909
(-M12V Reg)
Det.
5V Short Det.
AUDIO 22V
Short Det.
AUDIO 32V
Short Det.
TV9V Short Det.
TV12V
Short Det.
22 SHUT DOWN INPUTS

AP-93 POWER SUPPLY SHUTDOWN CIRCUIT
D936
D937
D958
D957
5V
R963
R962
A12V D952
R949
R950
C943 Q914
R948
A12V
I902
R916
Osc. B+ & Run B+
Shut Down
I901
2
1 4
3
Osc B+
"RED"
D912
R915
RED LED
Not On = Start Up B+ Missing
Normal Glow = Osc. B+ Present
BLINK= SHUTDOWN
D919
12V Too
High Det.
D921
-M12V
Loss Det.
D920
R920 R921
12V -M12V
D922
Vert. 26V
Too High
Det.
D923
-M23V
Loss Det.
D924
R922 R923
27V -M23V
D942
D941
I913
Shorted
Det.
Vert.
26V 12V
R970
R969
A5V
D975
R931 0.47
D929
C929 120+
To Flyback
R932 R934
R935
D932
D931 D933
R933
15
T901
Deflection B+ (120V)
Excessive Voltage Det.
Power ON
High
R989
R990
D961
X-Ray
Protect
R971
D960 HV Protect
Mutes CRTs
D956
R968
I912 (TV9V Reg.)
Shorted Det.
Leaky Short Det.
Diode Det.
Deflection B+
X-RAY PROTECT FROM DEFLECTION CIRCUIT
D607 = 12V Too High Det.
D608 = Leaking C614 (Pump Up) Det.
Q609 & D615 = Vertical IC Excess Current Det.
D709 = Excessive High Voltage Det.
Q710 & D725 = Excessive Hi. Volt Det. Loss Det.
Deflection B+ (120V)
Excessive Current Det.
7
5
11.3V
11.9V 24.2V
1.9V
0.1V
11.3V
11.5V
0V
4.6V 118.5V
119.1V 0.9V
24.2V
1.9V
A5V
0.1V
2.6V
2.6V
3.1V
4.6V
A12V Loss
Det.
Page 03-08
Q912
Q905 Q906
Q913
Q918
Q909
Q903
D925
I909 (-M12V Reg)
Shorted Det.
D963
5V Short Det.
D976
Audio 22V
Short Det.
D945
AUDIO 32V
Short Det.
D944
TV9V Short Det.
D943
TV12V Short Det.
D959
A12V Too High Det.
TV9V

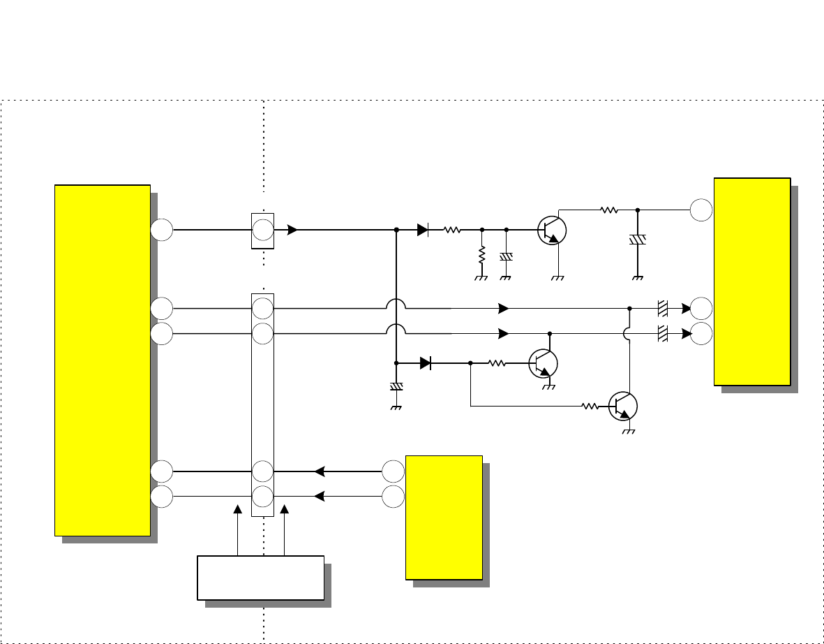
AP-93 SERIES "X-RAY PROTECT" BLOCK DIAGRAM
I601
Vertical Output IC
12V R651
D607 R649
R633
R634C612
D606
To X-Ray Protect
See Power Suppply
Shut Down
Block Diagram
or
Power Suppply
Shut Down Circuit
D611
C619
R645 0.68
R646
R647
R648
D615
H
R737
D712
C731
R716
R715
R750
R753
D725
TV9V
R752 C740
D721
D722
D723
V26V
Q609 & R645
Vertical IC Excessive
Current Detection
D607
+12V too High
Detection
D606
Vertical IC failure
Detection
Pump-Up
Cap.
D709
Excessive High
Voltage Detection
Q710
Heater Voltage
Loss Detection.
No Heater = Lose Hi
Voltage Detection
PSD2
11
T702
Flyback
Heater
To Sweep Loss Detection
V. Blk 131 9
10
X-RAY
PROTECT
C614
Deflection PWB
+-
Q609
Q710
10.9V 1.9V 24.7V
25.1V
0V
4.7V
6.2V
0V
4.8V
D709
Page 03-09
R751
D724
8
C622
C611

R915
7
I901
Driver/Output IC
I902
100% Dead Time &
IC B+ Detection
5
Osc B+
4
R916
I902 Shutdown
Photocoupler
Q914
Shutdown
SCR
D912 is a RED L.E.D.
Off = No I901 B+
On (Mid) = I901 B+ (Supplied from I901
internal regulator)
On (Blinking) = Shutdown
R919
-M23V
R974
TV 9V
R943
TV 5V
R918
27V
R944
Def. B+ 120V
R991
Audio 32V
R945 R972
Audio 22V
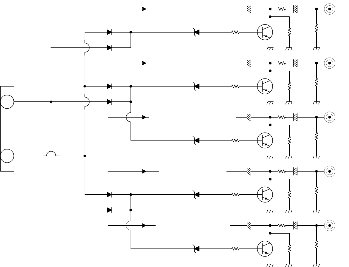
AP-93 CHASSIS L.E.D. (VISUAL TROUBLE DETECTION) DIODES
8 GREEN L.E.D.s and 1 RED L.E.D.
(9 Total L.E.Ds. for visual trouble sensing observation)
3
1
2
A12V
8 GREEN L.E.D.s
23 Shut Down
Inputs
Start Up or Run
24.2V
1.9V
24.2V
1.9V
11.9V
11.3V
D912
D967 D946 D939D966 D940 D977 D964
Page 03-10
R972
A12V
D964

SECTION 4
VIDEO
INFORMATION

QY10
35
C Out 1
Y Out Video Out (Tuner or S)
Terminal PWB
43
37
Y In 1
V Out 1
CY02
PCX
11 Comp/ S-Y
9Y Out
73-D-C (Chroma)
C In 1
3-D Y/C
Comb Filter
45
Y Out
3D-C (Comb Filter Chroma)
C Out
QY08
C Buffer
QY04 QY02 QY01
QY03
Super
Contrast
40
S Chroma
PCD
5
7
9
11
I503
I001
Micro Processor
Communications,
Controls the following:
Brightness, Contrast,
Auto Color,
Sharpness, Color, Tint,
Shoot Balance, TCPE,
emphisist, YNR, &
CNR.
ONE
Tuner 1
Q101
Signal Sub PWB
R
G
B
I501
1
PinP B
PinP G
PinP R
R0M4
R0M5
R0M6
IY01
18
PCB
147 23
PCC
15
PINP
5
6
7
13
To Lum Sub
(See Below)
3
4
5
42
41
Q515
Q516
Q517
PinP R
PinP G
PinP B
28
27
33
34
35
43
7
13
1
1
2
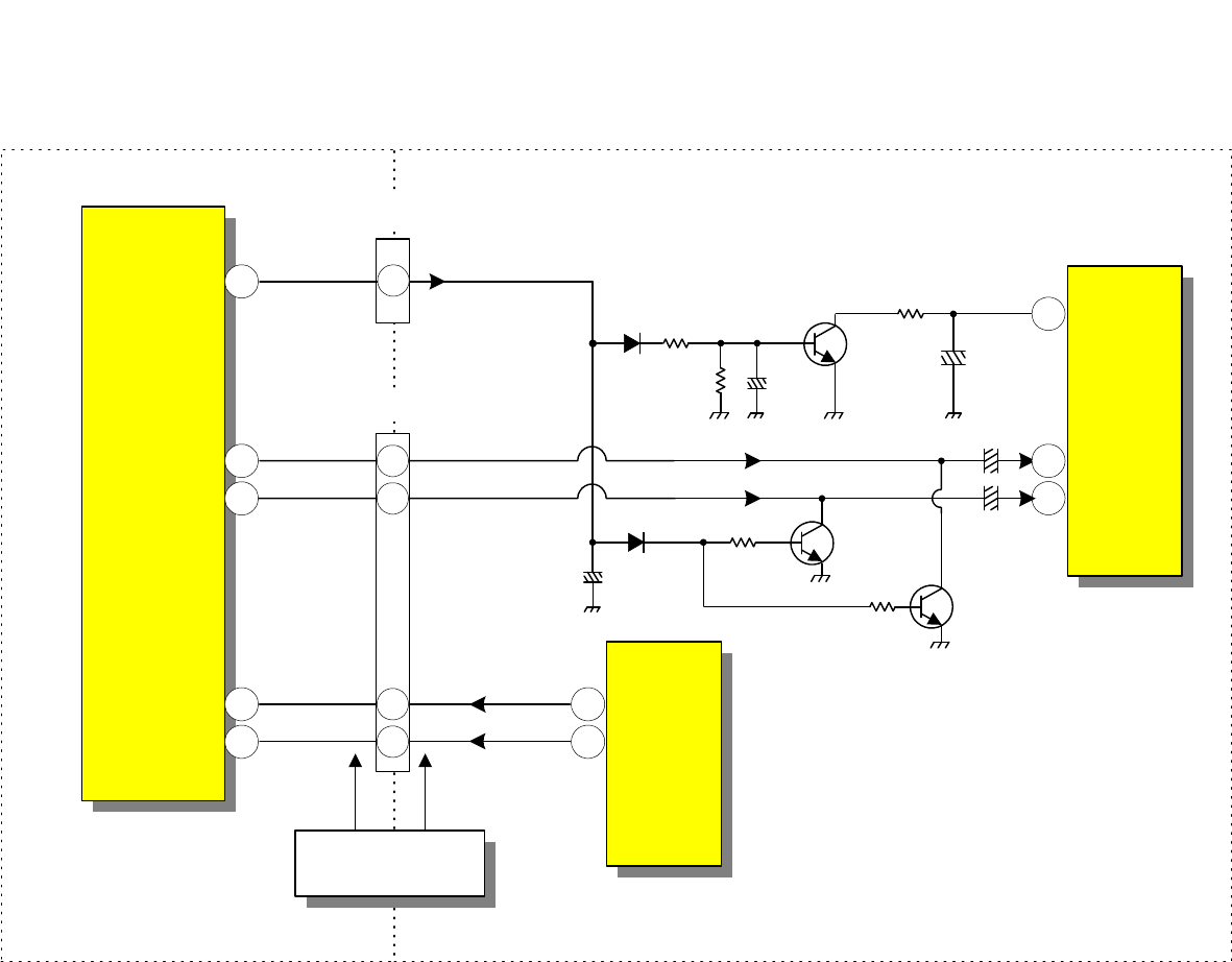
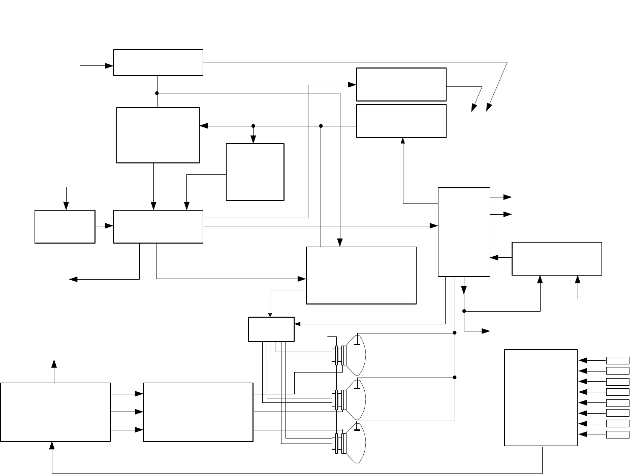
AP-93 CHASSIS VIDEO BLOCK DIAGRAM
1
2
3
To PinP
Adjust
(See Above)
Main
In
Tuner (2) for PinP only.
Tuner (2) uses Auto Programming info from Antenna 1 only.
To CRT PWB
Q512
12
BPF
Q505
Q509
16
15
Signal PWB Signal PWB
PinP Out
Tuner 2
Q102
23
PCC
8 33
TWO
9
11
15
17
S-1 In
S-2 In
Y
C
PinP In
C In
C Out 1
QY11
PinP White Balance Adj.
32 4
Luma
Rainforest
Chroma
SDA
SCL 3
SDA 3
60
59
SCL 3
SDA 3
PCB
6
7
19
20 To Microprocessor
(See Below)
4
YS (PinP)
PCB
6
7
To IY01
Selector IC
(See Above)
58
57
SCL 3
SDA 3
Video 1
Video 2
Video 3
Video Out
Terminal PWB
V Out 1
YS1
PinP R
PinP G
PinP B
PinP YS1
Signal PWB
PinP
Unit
Page 04-01
18
Q504
CW
Y
C
Comp
Y
cR
cB
PST1
5
3
6
5
9
8
52
51
6
5
16
11
9
IN1A
IN1B
IN1C
Out C
Out B
IN2B
IN2C V/I Out
U/Q Out
U/Q In
V/I In
PCD
13 33
QA80
Comp Det
28
Q009
QY07
QY57
QY58~60
QY61~63
3
1
53
Y1 Out
Y2 In
Out A
INZA 4
YUVSW
48 Q032 17
1272 Switch
Control
2 of 2
1 of 2
29
15 CW
13
PinP Video
Luminance
PSI1
PY1
PSI2
Luminance
Chroma
PinP YS1
Not Used
13 S-C In (Chroma)
C Out 2
Y/SY
Y In 1
PSI2

Deflection PWB
Terminal PWB
Tuner 2
U102
I008
PCC
AP-93 SYNC CIRCUIT
Page 04-02
200
T702 Flyback
Vertical Output I.C.
H.Blk E701
V.Blk
I601
9
PSD2
Q705
Pump Up
Tuner 1
U101
Q102
Q101
11
2
PCB
1
8
10
IY01
Selector
IC
47
33
43
9
8
I001
Main
Micro
I501
Rain-
forest
IC
PSI2
14
V Drive 2V Drive
V Drive
25 FBP In
31
PSI1
10
14
17Sync In
39
55
40
I102
OSD
Micro
28
29
Q002
Q001
Q004 Q006
15 23
7
5
3
Q005
Q513
V
H
PinP V
Sync 2
TV-V2
TV
PinP
Unit
V Sync
H Sync
SD
V Sync
H Sync
Signal Sub PWB
Signal PWB 1 of 4
Signal PWB 1 of 4
Signal PWB 4 of 4
Signal PWB 3 of 4
Signal PWB 3 of 4
Signal PWB 3 of 4
EV
Y-Out
V-Out 3
PinP Out
Sync
18
23
3D-
Y/C
U301 11
9
PCD
911
V/S-Y
Y/S-Y
I301
37
5V/S-Y
Y
Signal PWB 3 of 4 Signal PWB
4 of 4
15
N/C
Y Out
10
U002
Sync Switch QY54
QY51
QY10
QY11

AP-93 HORIZONTAL & VERTICAL BLANKING CIRCUIT
I601
9 13
Pump Up Vcc
R649 C614
D611
0.68
+26V
C612
R633
R634
V. Blk
Vertical
Blanking
D715
R725
C721
C722
R726
R773
Q711
R772
11.6V P/P
H. Blk
Horizontal
Blanking
12V
200
H
Gnd
T702
Flyback
To Anode
High
Voltage
To
Focus
D778
D777
D716
Vertical Output I.C.
Vertical Blanking Creation Circuit
PSD2
11
2
H.Blk
24V P/P
R645
E701
Horizontal Blanking Creation Circuit
Page 04-03
10
From PSI1
pin 10
2
Drive
To Digital
Convergence Circuit
To U002
PinP
V.Blk
V.Drive
To Sweep
Loss Det.
V.Blk
D720
R721
R770
Q712
Q705 R723
R771
R722
C771

AP-93 CHASSIS A.B.L. CIRCUIT DIAGRAM
D502 R540
C515
PSD2
4
T702
ABL
B+
To
Focus
C724
C
R719R718
Deflection B+
120V
12V
R727
R728
D717
T703
D708
R713
C730
C714
R710
R711 D706
R712
C719
R708
D705
R709
12V
9V
R503
R510
I501
Rainforest
IC
ABL
SCL3
SDA3
PSI1
SCL3
SDA3
1
2
To Anodes
ABL
To Q777
Collector of Horz.
Output Transistor
Signal Sub
PWB
Deflection
PWB
Signal
PWB
High Voltage Stability
Clamp
ABL Pull-Up Resistors
4.4V
4.0V
12.2V
7.1V
4.4V
As Brightness goes Up, ABL Voltage goes Down. (Inverse Proportional)
[ Current Path ]
Q500
R508
R509 C504 R511
28
15
27
Q703
2.4V
Q702
12V
T703 max. 7X
resonance of Horz.
Min. Current =
Max. Resonance
See uP
Data
Signal
Path
Page 04-04
C713
C715
R714
D710
45
R740
Q602 R605
See Side
Pincushion
Circuit

AP-93 HORIZONTAL & VERTICAL SWEEP LOSS DETECTION CIRCUIT
10V P/
P
DN01
DN02
12V
RN04
DN03
CN02
CN01 RN01
V. Blk.
24V P/P
H. Blk.
CN04
RN11
RN12
DN06
RN13
RN09
CN03 DN05
DN04 RN06
RN07
12V
RN08
DN09
DN11
RN16
DN07
0V
RN15
CN05
RN17
CN06
DN08
RN18
ACK 5V
11.6V P/P
12V
H.V.
PROTECT
8.57V 8.57V
RN02
RN03 RN05
RN10
DN10
RN14
From I904 Pin 3
AC Photo Coupler
9.72V
6
To Signal 01/04
Grid F9
Base Q015
"V MUTE"
Vertical
Blanking
From
Pin 9 I601
Horizontal
Blanking
From
Q705 Emitter
Page 04-05
QN05
QN03
QN04
QN06
D960
R971
From the Power Supply
Shut Down Line going to
the gate of the Shut
Down SCR Q914
Prevents
CRT Burn
QN02
QN01
PSD2

SECTION 5
DIGITAL
CONVERGENCE
INFORMATION

SENSOR " 0 "
SENSOR " 7 "
SENSOR " 6 "
SENSOR " 2 "
SENSOR " 3 "
SENSOR " 4 "
SENSOR " 5 "
SENSOR " 1 "
FRONT VIEW
AP-93 DIGITAL CONVERGENCE
"MAGIC FOCUS" SENSOR LOCATION
Page 05-01

Digital
Convergence
Unit
"DCU"
"Mounted on
Deflection
PWB"
AP-93 CHASSIS "DIGITAL CONVERGENCE" INTERCONNECTION CIRCUIT DIAGRAM
+5V
N/C
Gnd
Gnd
S7
S6
S5
S4
S3
S2
S1
S0
PDS1
1
2
3
4
5
6
7
8
9
10
11
12
PDS
1
2
3
4
5
6
7
8
9
Gnd
S7
S6
S5
S4
S3
S2
S1
S0
PDG
4
5
6
7
8
9
10
11
12
13
14
15
3
2
1
PDC
1
2
3
4
5
6
7
8
9
BV
BH
Gnd
GV
GH
Gnd
RV
RH
Mute
15 16
5
10
+33V
+27P
8 4
-29V-23P
+-
14 13
11
+-
7
9
+-
6 7
8
9
4
10 8
+27P +33V
+-
14 13
11
+-
15 16
18
+-
IK04
RH
GH
GV
IK05
BV
BH
RV
6
PCB
2
1
3
PCR
1
4
1
PCG
4
3
2
1
18
4
2
CYH+
CYH-
CYV+
CYV-
CYV+
CYV-
CYH+
CYH-
CYV+
CYV-
CYH+
CYH-
+27V
IK02 2
1
3
To Blue Convergence Yokes To Red Convergence Yokes To Green Convergence Yokes
-5V
+5V
+5V SRAM
HBlk
ASize
5V Digital
VD
OSD R
BUSY
IR-In
OSDG
ADJ
OSDB
STAT
"DCAM" Digital
Convergence Mode
QK0
7
QK0
6
QK0
8
I001
Main Up
PSD1
4
5
6
7
3
2
1
PFJ
5
9
Auto Digicon
Magic Focus
I501
Rainforest
PY1
5
4
3
41
42
43
37
38
39
Q112
4
5
1
2
10
D/H OSD Sel
9
Dig OSD R
Dig OSD G
Dig OSD B
OSD B
OSD G
OSD R
HB
HG
HR
HB
HG
HR
Dig OSD B
Dig OSD G
Dig OSD R
PSI1
6
5
4
To CRTs
B
G
R
OSD B
OSD G
OSD R
I105
6
3
8BTX
GTX
RTX
B
G
R
Deflection PWB
Ft. Control
PWB
Signal PWB
2
SM09
28
32
Q027
Busy
I102
OSD
Up
Deflection PWB
Signal PWB
HMO1
QM01
1
IR Receiver
1
23 3
A5V
IR
Out
SK01
Sensor
PWB
LED
S0-S7
8 Total
Sensors
UKDG
HC2091
P/N CS00152
Deflection PWB
Q113
Q111
Q516
Q515
Q517
Normal
"Lo"
Page 05-02
44
42
43
BTX
GTX
RTX

AP-93 SERIES CHASSIS "CLU-615MP" REMOTE CONTROL
REMOTE PERSONALITY WHILE IN THE
DIGITAL CONVERGENCE ADJUSTMENT MODE "D.C.A.M.
VOL CH
MUTE
LST-CH
TV / CABLE / DSS
V C R
AUDIO
MENU
FAV
CH
FAV
CH
GUIDE
INFO EXIT
REC SELECT
SVCS SCHED
RECALL C.S.
1
4
7
2
5
8
3
6
9
0
HITACHI
CLU-615MP
L
I
G
H
T
TV DSSCABLE
PIP MOVESWAP
PIP CH FRZ
HELP
POWER
SLEEPINPUT
"SWAP" = "ROM READ"
Reads old R.O.M. data.
(Last data stored in R.O.M.
(Press 2 times)
"MOVE" = "ROM WRITE"
(STORE)
Stores data into R.O.M..
(Press 2 times)
"FRZ" = "RASTER POSITION"
Aligns selected color's digital
raster (Digital Centering).
Only perform after mechanical
Centering is complete.
"PIP CH" = "INITIALIZE"
Perform after STORE &
before EXIT
[MOVE + PIP CH]
"MENU" = "REMOVE COLOR"
Removes color not being
adjusted.
(Will NOT remove GREEN )
"RECALL" ="GREEN adjust"
Digital Cursor Blinks GREEN
3x3 adjustment mode
(Press 5 times), can only be
entered when R.A.M. is cleared.
"CURSOR" =
"CURSOR (adjust)"
Adjust the selected color at
the current stopping position.
Up
Down
Left
Right
"MOVES DIGITAL CURSOR"
Moves Adjustment Point
(2) Up, (4) Left,
(5) Down, (6) Right
"INPUT" = "BLUE adjust"
Digital Cursor Blinks BLUE
13 x 9 adjustment mode
(Press 5 times)
" 0 " = "RED adjust"
Digital Cursor Blinks RED
7x5 adjustment mode
(Press 5 times)
"HELP" = "PHASE"
(Aligns Cursor to Grid)
"INFO" = "INTERPOLATE"
(Calculates mid-points)
"EXIT" = "ENTER & EXIT"
Enter or Exit the D.C.A.M.
Must initially enter D.C.A.M. with
Service Button on chassis.
(Press 5X)
Toggles between External Video
and Internally generated Cross
hatch. After exiting the DCAM,
set can change channels or
external video source.
To Clear R.A.M. data.
Turn set OFF.
Press and hold the Service Button,
(D.C.A.M.) on deflection P.W.B..
Turn set ON.
*
*
*
*
Page 05-03

SECTION 6
AUDIO
INFORMATION

TUNER Two (Mono)
Always PinP
TUNER One (MTS Decoder)
Always Main
AP-93 SERIES CHASSIS AUDIO SIGNAL PATH (Main & Terminal)
L
RMonitor Out (Fixed)
Main Audio
11
12
9
8
2
IY01
39
38
Lum/Audio
Selector IC
24
22
3
4
20
27
26
8
7
3L
3R
Main Audio
(See Surround Audio Signal Path)
U101
U102
Avx 3 In
Left Total
Right Total
PinP
Audio
13
12
6
7
PinP Left
PinP Right
1
HiFi Front Left (Main)
HiFi Front Right (Main)
15 1
L
R
IA02
QA07
QA78
Out R
Transmitter
Out
Out L
FR
PR
(Switch Control)
PL
FL
(Switch Control)
QA03QA04
QA01
QA02
Hi-Fi Out
Front Left
PinP Left
Front Right
PinP Right
<FR>
<FL>
Mono PinP
F L Out
F R Out
15
Front Left
Front Right
I401 4
2
FT/Audio Output IC
Spk
10
15
14
9
2
5
13
3
QA09
QA79
Left Total
Right Total
PinP Left
PinP Right
17
18
2
3
14
48
46
4
2
31
32
7
12
2
2
Terminal PWB
Signal PWB
Signal PWB
Front Control PWB
PR
PCB
PCD
PCC
PFV
PCB
Signal PWB
Signal PWB
Terminal PWB
Terminal PWB
9
Main Audio
Varable
Page 06-01
Spk
PSU1
PL
Aux Input 3
Q403
11
D404
D405
Front Speaker Off
V Mute
SCL3
SDA3
1L
2L
2R
1R
8
10
14
16
AVX 1
AVX 2
Aux Inputs
19
20
6
7
1 of 2
2 of 2
26
28
Main Audio

AP-93 SERIES CHASSIS SURROUND AUDIO SIGNAL PATH
Page 06-02
IS08
11
12
PSU2
9
8
2
See Audio Signal Path (Main & Terminal)
PinP Left
PinP Right
HiFi Ft Left
HiFi Ft Right
16
1
F L Out
F R Out
15
L
R
PinP Left
PinP Right
17
18
14
3
PSU1
Center
1
10
IS12
Perfect
Volume
3
8
3
5
IS02
L/R
Buffer
9
10
1
7
IS01
Pro
Logic
Decoder 37
36
L Out
R Out
3
5
IS05
Front/
PinP
Audio
Control
28
30
20
13
QS24
QS25
18
15
Front L
Front R
CS79
CS78
5
IS09
Sub Woofer
Volume Control
& Amp
17
24
9
23
10
See
Graphic
EQ
Circuit
IG01~15
35 34 Center Out
S Out
IS03
Passive
Decoder 10
8 9 R inL in
S In
15
16
1 32 FR M/H RinFL M/H Lin
R Mix Out (Off/Matrix/Hall)
L Mix Out (Off/Matrix/Hall)
PinP L In
PinP R In
L2 Out (PinP L Out)
R2 Out (PinP R Out)
Ft L Out
Ft R Out
Ft L In
Ft R In
Center
IS10
32
1
S M/H R In
S M/H L In
QS23
QS22
13 (Rear)
S Out
20
13
7
8
IS11
Rear Audio
Output
2 4
12 7
2
1
JS01
Rear R Out
Rear L Out
R2 Out
L2 Out
Rear Left to Transmitter Out Circuit HiFi (R) L
Rear Right to Transmitter Out Circuit HiFi (R) R
HiFi (R) L
HiFi (R) R
15 Center
5
Center
30
9
10
Center
Rear Audio
Output Jack
Sub Woofer Audio 3
1
7
Sub Woofer Buffer
3
Control
24
23
18 28
L1 Out
Rear L In
R1 Out
Rear R In
LR
Rear & Center Audio Control
Rear
IS04
L-R Amp
7Rear
Rear
(Rear)
L
R
6
Rear
Front Right and Left to
Transmitter Out circuit
PinP Audio, Right and Left
to Transmitter Out circuit

IS05
AP-93 Series Chassis Front Speaker Off Circuit
(See also Main and Terminal Mute Circuit)
Front/PinP
Audio Control
Ft. Spk. Off
R1 Out
R412
R413 C412
R411
Q403
C411
I401
FRONT
L&R
Audio
Output
Mute
R404
Q402
C442
2
4
R In
L In
C441
Q401
R402
C401
D402
D404 11
Page 06-03
2
15 Right Ft. Audio
Left Ft. Audio
F. Spk Off
5
14
L1 Out 18 15
SCL 3 16 4
SDA 3 17 5
SCL 3
SDA 3 58
57
I001
Microprocessor
SCL 3
SDA 3
Miss-Labeled
On Schematic
Signal PWB
SRS PWB
PSU2
PSU1

IS05
IG01
Front EQ 4
5
6
7
8
9
10
19
20
21
22
23
24
3IN2L
26 IN2R
10KHz IG08
4.5KHz
2KHz
1KHz IG05
400Hz IG04
150Hz IG03
60Hz IG02
IG07
IG06
10KHz
4.5KHz
2KHz
1KHz
400Hz
150Hz
60Hz
Left
Front
Right
Front
17 18
GEQ Clock Determines the Frequency Characteristics
controled by Customers OSD Menu.
"See Microprocessor Data Communication
Path" Diagram for more details.
FL GEQ
FR GEQ
FL In
FR In
AP-93 FRONT AUDIO RIGHT & LEFT
GRAPHIC EQUALIZER CIRCUIT
24
9
10
23FL In
FR In
FR Out
FL Out
Data
For continuation of Front Left and Right Audio signal flow, see AP-93 Series Chassis Surround
Audio Signal Path Diagram (Surround and Main/Terminal)
FRONT & PinP
AUDIO CONTROL IC
Left EQ
Right EQ
5
1
7
6
3
2
2IN1L
27 IN1R
25
Front Graphic Equalizer
IG09
Buffer
-
+
-
+
Page 06-04

IS10
Rear/Center
Audio Control
2 of 2
IS01
Pro-Logic
Decoder
IG10
Center
EQ
4
5
9
3IN2L
10KHz
4.5KHz
2KHz
1KHz
400Hz
150Hz
60Hz
Center
17 18
GEQ Clock
Determines the Frequency Characteristics
controled by Customers OSD Menu.
"See Microprocessor Data Communication
Path" Diagram for more details.
C GEQ
AP-93 SERIES CHASSIS CENTER GRAPHIC EQUALIZER CIRCUIT
AND REAR (SURROUND) AUDIO OUTPUT CIRCUIT
34
3
Center
For continuation of Center Channel Audio signal flow,
See AP-93 Series Chassis Surround Audio Signal Path Diagram
Data
5IS10
Rear/Center
Audio Control
1 of 2
C In
IG12
IG13
IG14
IG15
PSU2
IS03
Dolby
Passive
Decoder
35
10
Rear (Surround)
13
S (Rear) IS04
Surround
Buffer
6 7 32 13
1
S
S20
R2 Out
L2 Out
(Rear)
QS23
QS22
IS11
Rear
Audio
Output IC
4
22
1
Rear
Left
JS01
Rear
Right
To
Rear
Speakers
7
8
Rear Left
Rear Right
Rear Left to Transmitter Out
Rear Right to Transmitter Out
Center
15
5
1
7
IG11
Buffer
6
3
2-
+
-
+
2IN1L
Rear (S)
7
10
6
8
Page 07-05
7
12

SECTION 7
DEFLECTION
CIRCUIT
INFORMATION

AP93 DEFLECTION BLOCK DIAGRAM
Page 07-01
Digital
Convergence
Unit
Convergence Out
IK04, IK05
STK392-110
Bootstrap
Dynamic Focus Out
QF06, QF07,
(2SC4686A) QF08
Flyback
T702
High Voltage
Stability
High Voltage
Feed Back
H. Lin.
Control
Vert. Out I601
LA7838
H. Size
Side-Pin
PWM Control
Q606 2SC3969
Horz. Out
Q777 2SC5124
Horz. Drive
I701
V. Parabola
CY to
Conv. Yokes
Sensor
Distribution
PWB
Sensors
ABL
30KV
12KV To Focus Pack
To Anode of CRTs
ABL
Raster
Distortion
Control
QF10, QF11
H. Parabola
H. Blk.
H.D.
V.D.
To Vert. Yokes
To Horz. Yokes
Focus
Pack
DY
Focus
Screens
30KV
12KV
VM
R
G
B
120V
RGB

Q606
Q602
6
1
75
2
3
I602
+
-
-
+
R602
R603
H.Size
Q602
12V
Hi Voltage Fluctuations
ABL Fluctuations
QN05
A Size From DCU
R606 R607
R627 Q607
R625
12V
R626
Q603
R609
R610
C603
Vertical Pulse
8
4
12V
R613R614
R615
R616
12V R617
R618
C602
C601
L705
C729
Collector of
Horizontal Output
Q777
DC Changes Size
Waveform Corrects Pincushion
R620
Q604
12V
R622
R652
D603
R624
C608
L601 C609
120V B+ D604
R620 D603
R612
R621
C606
Heater Pulse
C605
AP-93 SIDE PINCUSHION CIRCUIT DIAGRAM
Page 07-02