Product Detail Manual AT
User Manual: at
Open the PDF directly: View PDF
.
Page Count: 502 [warning: Documents this large are best viewed by clicking the View PDF Link!]
- QUICK REFERENCE INDEX
- Table of Contents
- RL4R01A
- PRECAUTIONS
- PREPARATION
- OVERALL SYSTEM
- TROUBLE DIAGNOSIS — BASIC INSPECTION
- TROUBLE DIAGNOSIS — GENERAL DESCRIPTION
- DTC P1775 TORQUE CONVERTER CLUTCH SOLENOID
- TROUBLE DIAGNOSES
- A/T SHIFT LOCK SYSTEM
- ON-VEHICLE SERVICE
- REMOVAL AND INSTALLATION
- OVERHAUL
- OIL PUMP
- CONTROL VALVE ASSEMBLY
- CONTROL VALVE UPPER BODY
- CONTROL VALVE LOWER BODY
- GOVERNOR VALVE ASSEMBLY
- PARKING GEAR
- REVERSE CLUTCH
- HIGH CLUTCH
- FORWARD AND OVERRUN CLUTCHES
- LOW & REVERSE BRAKE
- FORWARD CLUTCH DRUM ASSEMBLY
- REAR INTERNAL GEAR AND FORWARD CLUTCH HUB
- BAND SERVO PISTON ASSEMBLY
- PARKING PAWL COMPONENTS
- ASSEMBLY
- SERVICE DATA AND SPECIFICATIONS (SDS)
- RE4R01A
- TROUBLE DIAGNOSIS — INDEX
- PRECAUTIONS
- PREPARATION
- OVERALL SYSTEM
- ON BOARD DIAGNOSTIC SYSTEM DESCRIPTION
- TROUBLE DIAGNOSIS — INTRODUCTION
- TROUBLE DIAGNOSIS — BASIC INSPECTION
- TROUBLE DIAGNOSIS — GENERAL DESCRIPTION
- TROUBLE DIAGNOSIS FOR POWER SUPPLY
- DTC P0705 PARK/NEUTRAL POSITION (PNP) SWITCH
- DTC P0710 A/T FLUID TEMPERATURE SENSOR CIRCUIT
- DTC P0720 VEHICLE SPEED SENSOR·A/T (REVOLUTION SENSOR)
- DTC P0725 ENGINE SPEED SIGNAL
- DTC P0731 IMPROPER SHIFTING TO 1ST GEAR POSITION
- DTC P0732 IMPROPER SHIFTING TO 2ND GEAR POSITION
- DTC P0733 IMPROPER SHIFTING TO 3RD GEAR POSITION
- DTC P0734 IMPROPER SHIFTING TO 4TH GEAR POSITION
- DTC P0740 TORQUE CONVERTER CLUTCH SOLENOID VALVE
- DTC P0744 IMPROPER LOCK-UP OPERATION
- DTC P0745 LINE PRESSURE SOLENOID VALVE
- DTC P0750 SHIFT SOLENOID VALVE A
- DTC P0755 SHIFT SOLENOID VALVE B
- DTC P1705 THROTTLE POSITION SENSOR
- DTC P1760 OVERRUN CLUTCH SOLENOID VALVE
- DTC BATT/FLUID TEMP SEN (A/T FLUID TEMP SENSOR CIRCUIT AND TCM POWER SOURCE)
- DTC VEHICLE SPEED SENSOR·MTR
- DTC TURBINE REVOLUTION SENSOR (VG33ER ONLY)
- DTC CONTROL UNIT (RAM), CONTROL UNIT (ROM)
- DTC CONTROL UNIT (EEP ROM)
- TROUBLE DIAGNOSES FOR SYMPTOMS
- Wiring Diagram — AT — NONDTC
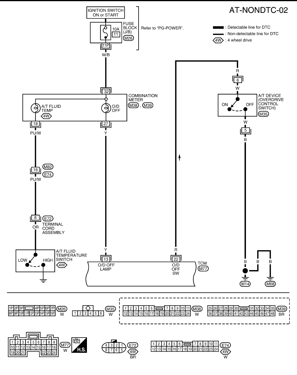
- 1. O/D OFF Indicator Lamp Does Not Come On
- 2. Engine Cannot Be Started In P and N Position
- 3. In “P” Position, Vehicle Moves Forward Or Backward When Pushed
- 4. In N Position, Vehicle Moves
- 5. Large Shock. N -> R Position
- 6. Vehicle Does Not Creep Backward In R Position
- 7. Vehicle Does Not Creep Forward In D, 2 Or 1 Position
- 8. Vehicle Cannot Be Started From D1
- 9. A/T Does Not Shift: D1 -> D2 Or Does Not Kickdown: D4 -> D2
- 10. A/T Does Not Shift: D2 -> D3
- 11. A/T Does Not Shift: D3 -> D4
- 12. A/T Does Not Perform Lock-up
- 13. A/T Does Not Hold Lock-up Condition
- 14. Lock-up Is Not Released
- 15. Engine Speed Does Not Return To Idle (Light Braking D4 -> D3)
- 16. Vehicle Does Not Start From D1
- 17. A/T Does Not Shift: D4 -D3, When Overdrive Control Switch ON -> OFF
- 18. A/T Does Not Shift: D3 -> 22, When Selector Lever D -> 2 Position
- 19. A/T Does Not Shift: 22 -> 11, When Selector Lever 2 -> 1 Position
- 20. Vehicle Does Not Decelerate By Engine Brake
- 21. TCM Self-diagnosis Does Not Activate (PNP, Overdrive Control and Throttle Position Switches C...
- A/T SHIFT LOCK SYSTEM
- KEY INTERLOCK CABLE
- ON-VEHICLE SERVICE
- REMOVAL AND INSTALLATION
- OVERHAUL
- OIL PUMP
- CONTROL VALVE ASSEMBLY
- CONTROL VALVE UPPER BODY
- CONTROL VALVE LOWER BODY
- REVERSE CLUTCH
- HIGH CLUTCH
- FORWARD AND OVERRUN CLUTCHES
- LOW & REVERSE BRAKE
- FORWARD CLUTCH DRUM ASSEMBLY
- REAR INTERNAL GEAR AND FORWARD CLUTCH HUB
- BAND SERVO PISTON ASSEMBLY
- PARKING PAWL COMPONENTS
- ASSEMBLY
- SERVICE DATA AND SPECIFICATIONS (SDS)
- General Specifications
- Shift Schedule
- Stall Revolution
- Line Pressure
- Return Springs
- Accumulator O-ring
- Clutches and Brakes
- Oil Pump and Low One-way Clutch
- Total End Play
- Reverse Clutch Drum End Play
- Removal and Installation
- Shift Solenoid Valves
- Solenoid Valves
- A/T Fluid Temperature Sensor
- Turbine Revolution Sensor
- Revolution Sensor
- Dropping Resistor
- RL4R01A
- SUPER MULTIPLE JUNCTION (SMJ)
- FUSE BLOCK — JUNCTION BOX (J/B)
- FUSE AND FUSIBLE LINK BOX
- ELECTRICAL UNITS

AT-1
AUTOMATIC TRANSMISSION
C TRANSMISSION/TRANSAXLE
CONTENTS
D
E
F
G
H
I
J
K
L
M
SECTION
A
B
AT
RL4R01A
PRECAUTIONS .......................................................... 5
Precautions for Supplemental Restraint System
(SRS) “AIR BAG” and “SEAT BELT PRE-TEN-
SIONER” .................................................................. 5
Precautions .............................................................. 5
Service Notice or Precautions .................................. 6
Wiring Diagrams and Trouble Diagnosis .................. 6
PREPARATION ........................................................... 7
Special Service Tools ............................................... 7
OVERALL SYSTEM ................................................... 9
Circuit Diagram ........................................................ 9
Wiring Diagram ...................................................... 10
Cross-sectional View .............................................. 13
Hydraulic Control Circuits ....................................... 14
Shift Mechanism ..................................................... 15
TROUBLE DIAGNOSIS — BASIC INSPECTION .... 26
A/T Fluid Check ...................................................... 26
Stall Test ................................................................. 26
Line Pressure Test ................................................. 29
Road Test ............................................................... 31
TROUBLE DIAGNOSIS — GENERAL DESCRIP-
TION .......................................................................... 33
Symptom Chart ...................................................... 33
DTC P1775 TORQUE CONVERTER CLUTCH
SOLENOID ............................................................... 41
Diagnostic Procedure ............................................. 41
TROUBLE DIAGNOSES .......................................... 44
Component Inspection ........................................... 44
Electrical Component Inspection ............................ 50
A/T SHIFT LOCK SYSTEM ...................................... 51
Description ............................................................. 51
Shift Lock System Electrical Parts Location ........... 51
Removal and Installation ........................................ 51
Wiring Diagram ...................................................... 53
Diagnostic Procedure ............................................. 54
ON-VEHICLE SERVICE ........................................... 58
Control Valve Assembly and Accumulators ............ 58
Rear Oil Seal Replacement .................................... 59
Parking Components Inspection ............................ 59
Governor Valve ....................................................... 59
Throttle Wire Adjustment ........................................ 60
Park/Neutral Position (PNP) Switch Adjustment .... 60
Control Cable Adjustment ....................................... 61
REMOVAL AND INSTALLATION ............................. 62
Removal ................................................................. 62
Installation .............................................................. 64
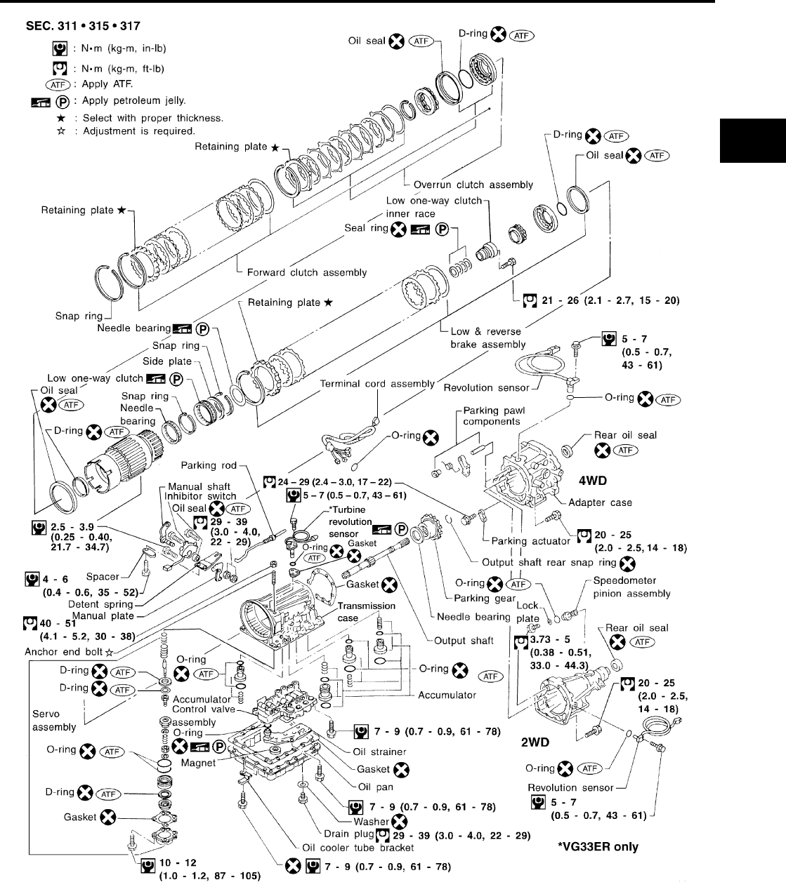
OVERHAUL .............................................................. 66
Components ........................................................... 66
Oil Channel ............................................................. 68
Locations of Needle Bearings, Thrust Washers and
Snap Rings ............................................................. 69
Disassembly ........................................................... 70
OIL PUMP ................................................................. 83
Components ........................................................... 83
Disassembly ........................................................... 83
Inspection ............................................................... 85
Assembly ................................................................ 86
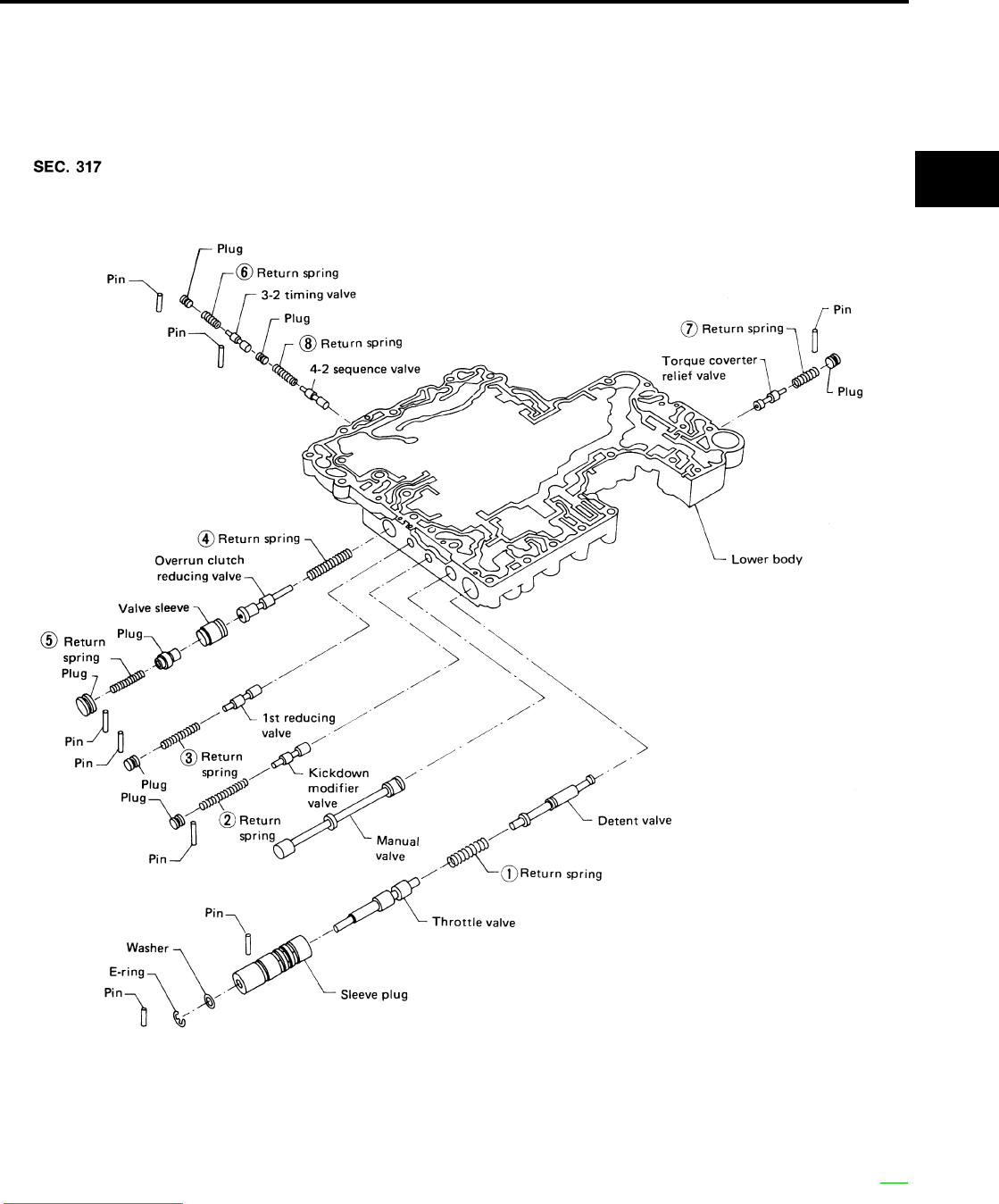
CONTROL VALVE ASSEMBLY ................................ 88
Components ........................................................... 88
Disassembly ........................................................... 89
Inspection ............................................................... 90
Assembly ................................................................ 91
CONTROL VALVE UPPER BODY ............................ 94
Components ........................................................... 94
Disassembly ........................................................... 95
Inspection ............................................................... 96
Assembly ................................................................ 97
CONTROL VALVE LOWER BODY ........................... 99
Components ........................................................... 99
Disassembly .........................................................100
Inspection .............................................................100
Assembly ..............................................................100
GOVERNOR VALVE ASSEMBLY ..........................101
Components .........................................................101
Inspection .............................................................101
PARKING GEAR .....................................................102
Inspection .............................................................102
REVERSE CLUTCH ................................................103
Components .........................................................103

AT-2
Disassembly .........................................................103
Inspection .............................................................104
Assembly ..............................................................105
HIGH CLUTCH ........................................................108
Components .........................................................108
Disassembly and Assembly ..................................108
FORWARD AND OVERRUN CLUTCHES ..............110
Components .........................................................110
Disassembly and Assembly ...................................111
LOW & REVERSE BRAKE .....................................115
Components .........................................................115
Disassembly .........................................................115
Inspection .............................................................116
Assembly ..............................................................117
FORWARD CLUTCH DRUM ASSEMBLY ..............119
Components .........................................................119
Disassembly .........................................................119
Inspection .............................................................119
Assembly ..............................................................120
REAR INTERNAL GEAR AND FORWARD CLUTCH
HUB .........................................................................121
Components .........................................................121
Disassembly .........................................................121
Inspection .............................................................122
Assembly ..............................................................122
BAND SERVO PISTON ASSEMBLY ......................124
Components .........................................................124
Disassembly .........................................................124
Inspection .............................................................125
Assembly ..............................................................126
PARKING PAWL COMPONENTS ...........................129
Components .........................................................129
Disassembly .........................................................129
Inspection .............................................................130
Assembly ..............................................................130
ASSEMBLY .............................................................132
Assembly (1) .........................................................132
Adjustment ............................................................140
Assembly (2) .........................................................143
SERVICE DATA AND SPECIFICATIONS (SDS) ....150
General Specifications ..........................................150
Shift Schedule ......................................................150
Stall Revolution .....................................................150
Line Pressure .......................................................150
Governor Pressure ...............................................150
Return Springs ......................................................151
Accumulator O-ring ...............................................152
Clutch and Brakes ................................................152
Oil Pump and Low One-way Clutch ......................154
Total End Play .......................................................154
Parking Gear ........................................................154
Reverse Clutch Drum End Play ............................154
Removal and Installation ......................................154
RE4R01A
TROUBLE DIAGNOSIS — INDEX ..........................156
Alphabetical & P No. Index for DTC .....................156
PRECAUTIONS .......................................................158
Precautions for Supplemental Restraint System
(SRS) “AIR BAG” and “SEAT BELT PRE-TEN-
SIONER” ...............................................................158
Precautions for On Board Diagnostic (OBD) System
of A/T and Engine .................................................158
Precautions ...........................................................159
Service Notice or Precautions ...............................160
Wiring Diagrams and Trouble Diagnosis ...............161
PREPARATION .......................................................162
Special Service Tools ............................................162
OVERALL SYSTEM ................................................164
A/T Electrical Parts Location .................................164
Circuit Diagram .....................................................165
Cross-sectional View ............................................166
Hydraulic Control Circuit .......................................167
Shift Mechanism ...................................................168
Control System .....................................................177
Control Mechanism ...............................................178
Control Valve .........................................................183
ON BOARD DIAGNOSTIC SYSTEM DESCRIP-
TION ........................................................................185
Introduction ...........................................................185
OBD-II Function for A/T System ...........................185
One or Two Trip Detection Logic of OBD-II ...........185
OBD-II Diagnostic Trouble Code (DTC) ................185
Malfunction Indicator Lamp (MIL) .........................189
CONSULT-II ..........................................................189
Diagnostic Procedure Without CONSULT-II .........198
TROUBLE DIAGNOSIS — INTRODUCTION .........204
Introduction ...........................................................204
Work Flow .............................................................208
TROUBLE DIAGNOSIS — BASIC INSPECTION ...211
A/T Fluid Check ....................................................211
Stall Test ................................................................211
Line Pressure Test ................................................214
Road Test ..............................................................216
Symptom Chart .....................................................230
TROUBLE DIAGNOSIS — GENERAL DESCRIP-
TION ........................................................................242
TCM Terminals and Reference Value ...................242
TROUBLE DIAGNOSIS FOR POWER SUPPLY ....246
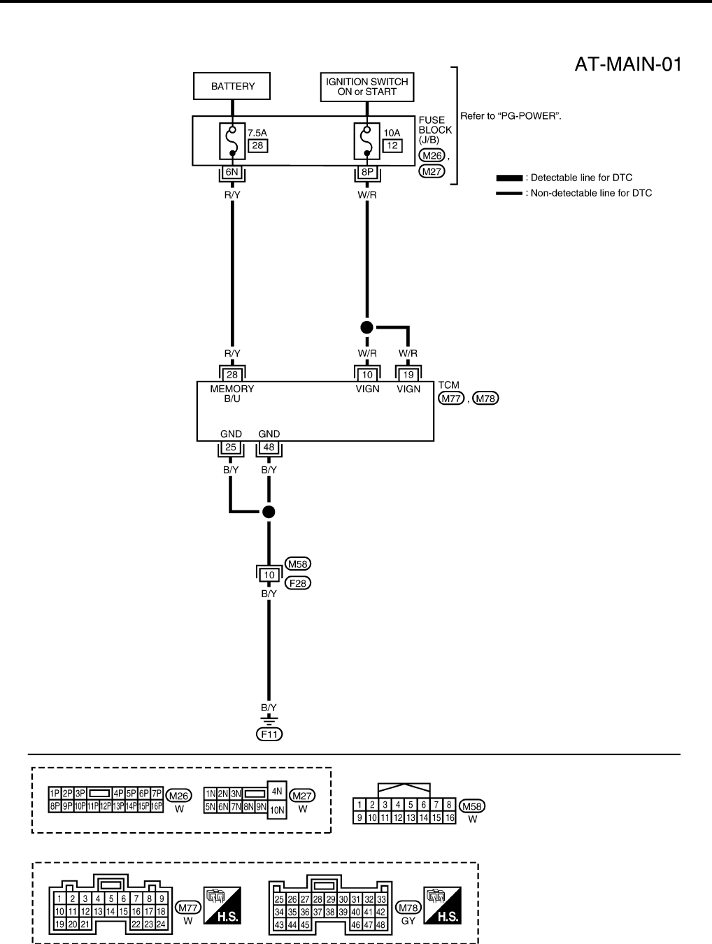
Wiring Diagram — AT — MAIN .............................246
Diagnostic Procedure ............................................247
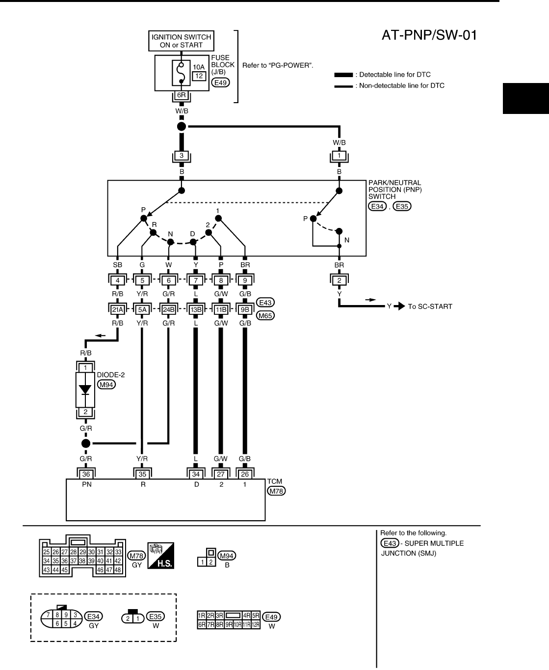
DTC P0705 PARK/NEUTRAL POSITION (PNP)
SWITCH ...................................................................249
Description ............................................................249
Wiring Diagram — AT — PNP/SW .......................251
Diagnostic Procedure ............................................252
Component Inspection ..........................................254
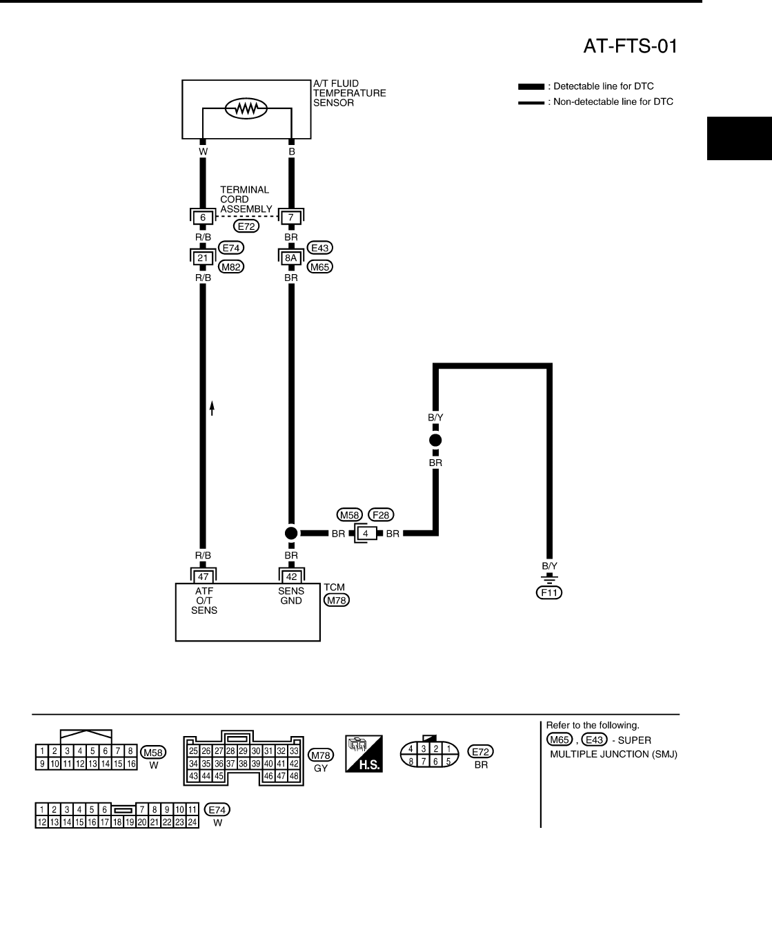
DTC P0710 A/T FLUID TEMPERATURE SENSOR
CIRCUIT ..................................................................255
Description ............................................................255
Wiring Diagram — AT — FTS ...............................257
Diagnostic Procedure ............................................258
Component Inspection ..........................................260
DTC P0720 VEHICLE SPEED SENSOR·A/T (REV-
OLUTION SENSOR) ...............................................261
Description ............................................................261

AT-3
D
E
F
G
H
I
J
K
L
M
A
B
AT
Wiring Diagram — AT — VSSA/T ........................ 263
Diagnostic Procedure ........................................... 264
Component Inspection ......................................... 265
DTC P0725 ENGINE SPEED SIGNAL ................... 266
Description ........................................................... 266
Wiring Diagram — AT — ENGSS ........................ 267
Diagnostic Procedure ........................................... 268
DTC P0731 IMPROPER SHIFTING TO 1ST GEAR
POSITION ............................................................... 270
Description ........................................................... 270
Wiring Diagram — AT — 1ST .............................. 273
Diagnostic Procedure ........................................... 274
Component Inspection ......................................... 275
DTC P0732 IMPROPER SHIFTING TO 2ND GEAR
POSITION ............................................................... 276
Description ........................................................... 276
Wiring Diagram — AT — 2ND .............................. 278
Diagnostic Procedure ........................................... 279
Component Inspection ......................................... 279
DTC P0733 IMPROPER SHIFTING TO 3RD GEAR
POSITION ............................................................... 281
Description ........................................................... 281
Wiring Diagram — AT — 3RD .............................. 283
Diagnostic Procedure ........................................... 284
Component Inspection ......................................... 285
DTC P0734 IMPROPER SHIFTING TO 4TH GEAR
POSITION ............................................................... 286
Description ........................................................... 286
Wiring Diagram — AT — 4TH .............................. 289
Diagnostic Procedure ........................................... 290
Component Inspection ......................................... 292
DTC P0740 TORQUE CONVERTER CLUTCH
SOLENOID VALVE ................................................. 293
Description ........................................................... 293
Wiring Diagram — AT — TCV .............................. 295
Diagnostic Procedure ........................................... 296
Component Inspection ......................................... 297
DTC P0744 IMPROPER LOCK-UP OPERATION .. 298
Description ........................................................... 298
Wiring Diagram — AT — TCCSIG ....................... 301
Diagnostic Procedure ........................................... 302
Component Inspection ......................................... 304
DTC P0745 LINE PRESSURE SOLENOID VALVE . 306
Description ........................................................... 306
Wiring Diagram — AT — LPSV ............................ 308
Diagnostic Procedure ........................................... 309
Component Inspection ......................................... 310
DTC P0750 SHIFT SOLENOID VALVE A ...............311
Description ............................................................311
Wiring Diagram — AT — SSV/A .......................... 313
Diagnostic Procedure ........................................... 314
Component Inspection ......................................... 315
DTC P0755 SHIFT SOLENOID VALVE B .............. 316
Description ........................................................... 316
Wiring Diagram — AT — SSV/B .......................... 318
Diagnostic Procedure ........................................... 319
Component Inspection ......................................... 320
DTC P1705 THROTTLE POSITION SENSOR ....... 321
Description ........................................................... 321
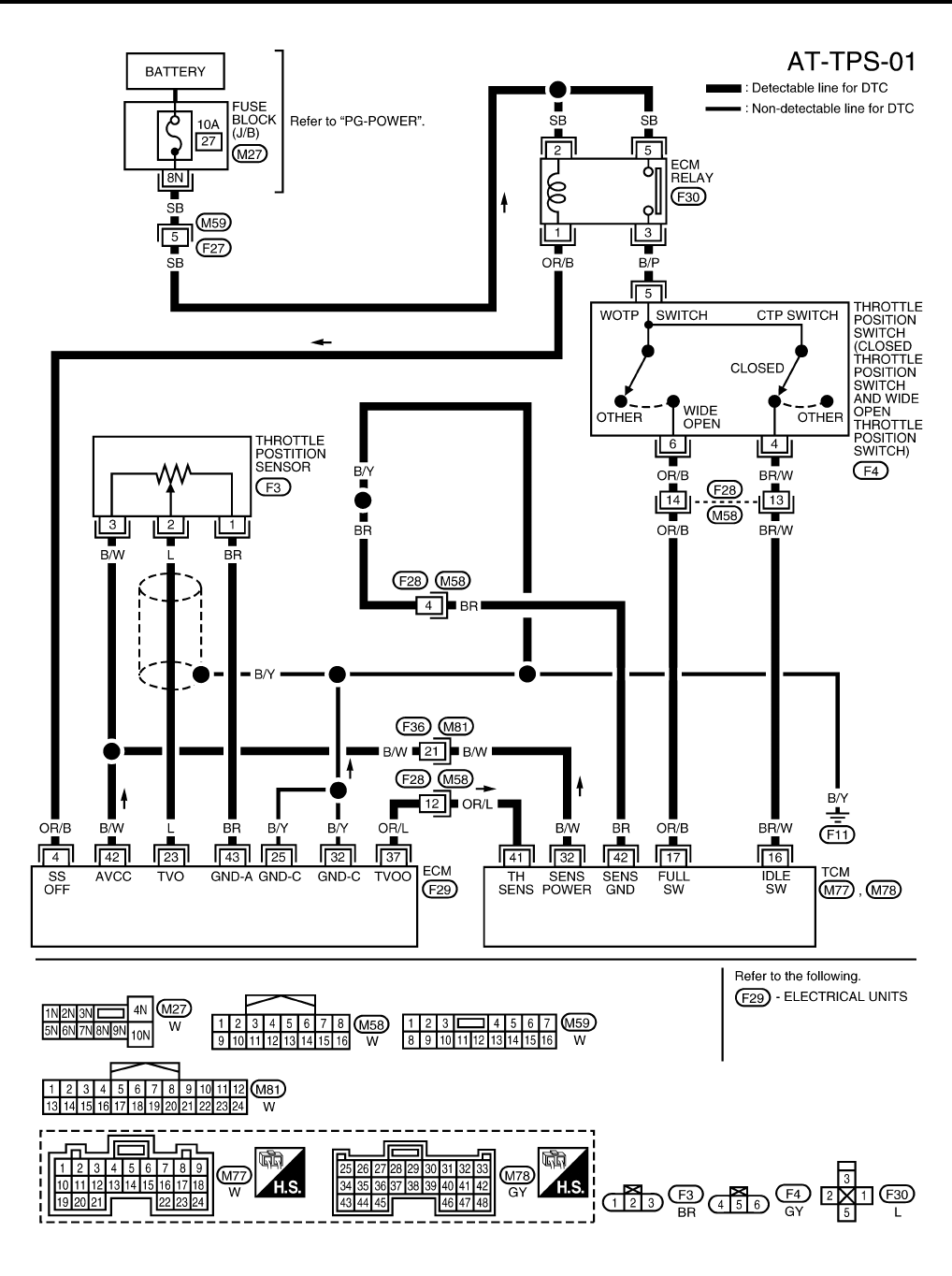
Wiring Diagram — AT — TPS ..............................324
Diagnostic Procedure ...........................................325
Component Inspection ..........................................328
DTC P1760 OVERRUN CLUTCH SOLENOID
VALVE .....................................................................329
Description ............................................................329
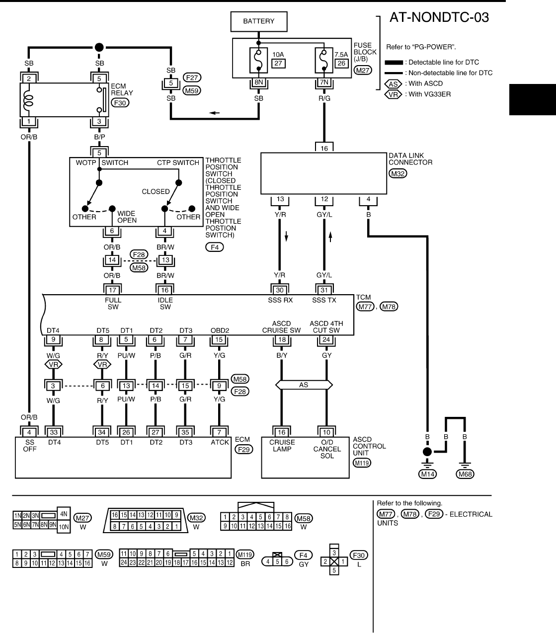
Wiring Diagram — AT — OVRCSV ......................331
Diagnostic Procedure ...........................................332
Component Inspection ..........................................333
DTC BATT/FLUID TEMP SEN (A/T FLUID TEMP
SENSOR CIRCUIT AND TCM POWER SOURCE) .334
Description ............................................................334
Wiring Diagram — AT — BA/FTS .........................336
Diagnostic Procedure ...........................................337
Component Inspection ..........................................339
DTC VEHICLE SPEED SENSOR·MTR ..................340
Description ............................................................340
Wiring Diagram — AT — VSSMTR ......................342
Diagnostic Procedure ...........................................343
DTC TURBINE REVOLUTION SENSOR (VG33ER
ONLY) ......................................................................344
Description ............................................................344
Wiring Diagram — AT — TRSA/T ........................346
Diagnostic Procedure ...........................................347
Component Inspection ..........................................348
DTC CONTROL UNIT (RAM), CONTROL UNIT
(ROM) ......................................................................349
Description ............................................................349
Diagnostic Procedure ...........................................350
DTC CONTROL UNIT (EEP ROM) .........................351
Description ............................................................351
Diagnostic Procedure ...........................................352
TROUBLE DIAGNOSES FOR SYMPTOMS ..........353
Wiring Diagram — AT — NONDTC ......................353
1. O/D OFF Indicator Lamp Does Not Come On ..356
2. Engine Cannot Be Started In P and N Position .358
3. In “P” Position, Vehicle Moves Forward Or Back-
ward When Pushed ..............................................359
4. In N Position, Vehicle Moves ............................360
5. Large Shock. N → R Position ...........................362
6. Vehicle Does Not Creep Backward In R Position .364
7. Vehicle Does Not Creep Forward In D, 2 Or 1 Posi-
tion ........................................................................367
8. Vehicle Cannot Be Started From D1 .................369
9. A/T Does Not Shift: D1 → D2 Or Does Not Kick-
down: D4 → D2 .....................................................372
10. A/T Does Not Shift: D2 → D3 ..........................374
11. A/T Does Not Shift: D3 → D4 ..........................376
12. A/T Does Not Perform Lock-up ......................378
13. A/T Does Not Hold Lock-up Condition ............379
14. Lock-up Is Not Released ................................381
15. Engine Speed Does Not Return To Idle (Light
Braking D4 → D3 ) ................................................382
16. Vehicle Does Not Start From D1 .....................383
17. A/T Does Not Shift: D4 → D3 , When Overdrive
Control Switch ON → OFF ...................................385
18. A/T Does Not Shift: D3 → 22 , When Selector
Lever D → 2 Position ............................................386
19. A/T Does Not Shift: 22 → 11 , When Selector

AT-4
Lever 2 → 1 Position ............................................387
20. Vehicle Does Not Decelerate By Engine Brake .387
21. TCM Self-diagnosis Does Not Activate (PNP,
Overdrive Control and Throttle Position Switches
Circuit Checks) .....................................................387
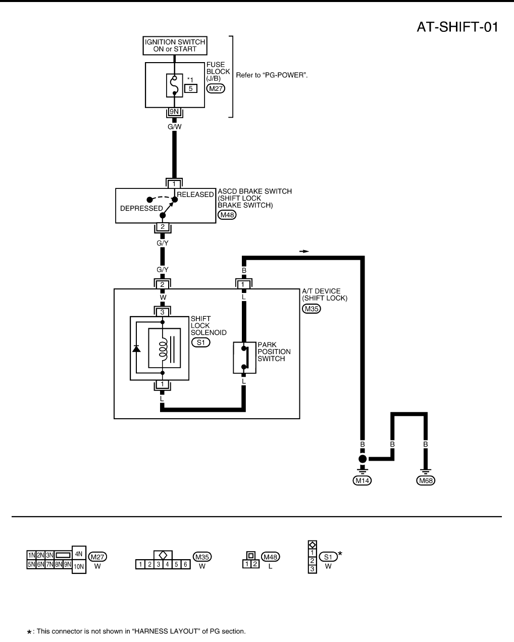
A/T SHIFT LOCK SYSTEM .....................................395
Description ............................................................395
Wiring Diagram — SHIFT — ................................396
Diagnostic Procedure ...........................................397
Component Check ................................................399
KEY INTERLOCK CABLE ......................................400
Components .........................................................400
Removal ...............................................................400
Installation .............................................................401
ON-VEHICLE SERVICE ..........................................402
Control Valve Assembly and Accumulators ..........402
Revolution Sensor Replacement ..........................403
Turbine Revolution Sensor Replacement (VG33ER
only) ......................................................................404
Rear Oil Seal Replacement ..................................404
Parking Components Inspection ...........................405
Park/Neutral Position (PNP) Switch Adjustment ...405
Manual Control Linkage Adjustment .....................406
REMOVAL AND INSTALLATION ...........................407
Removal ...............................................................407
Installation .............................................................408
OVERHAUL .............................................................410
Components .........................................................410
Oil Channel ...........................................................412
Locations of Needle Bearings, Thrust Washers and
Snap Rings ...........................................................413
Disassembly .........................................................414
OIL PUMP ...............................................................426
Components .........................................................426
Disassembly .........................................................426
Inspection .............................................................428
Assembly ..............................................................428
CONTROL VALVE ASSEMBLY ..............................431
Components .........................................................431
Disassembly .........................................................432
Inspection .............................................................433
Assembly ..............................................................435
CONTROL VALVE UPPER BODY ..........................438
Components .........................................................438
Disassembly .........................................................439
Inspection .............................................................440
Assembly ..............................................................441
CONTROL VALVE LOWER BODY .........................443
Components .........................................................443
Disassembly .........................................................444
Inspection .............................................................444
Assembly ..............................................................444
REVERSE CLUTCH ................................................445
Components .........................................................445
Disassembly .........................................................445
Inspection ..............................................................446
Assembly ..............................................................447
HIGH CLUTCH ........................................................450
Components ..........................................................450
Disassembly and Assembly ..................................450
FORWARD AND OVERRUN CLUTCHES ..............453
Components ..........................................................453
Disassembly and Assembly ..................................454
LOW & REVERSE BRAKE .....................................458
Components ..........................................................458
Disassembly ..........................................................458
Inspection ..............................................................459
Assembly ..............................................................460
FORWARD CLUTCH DRUM ASSEMBLY ..............463
Components ..........................................................463
Disassembly ..........................................................463
Inspection ..............................................................464
Assembly ..............................................................464
REAR INTERNAL GEAR AND FORWARD CLUTCH
HUB .........................................................................466
Components ..........................................................466
Disassembly ..........................................................466
Inspection ..............................................................468
Assembly ..............................................................468
BAND SERVO PISTON ASSEMBLY ......................470
Components ..........................................................470
Disassembly ..........................................................470
Inspection ..............................................................472
Assembly ..............................................................472
PARKING PAWL COMPONENTS ...........................475
Components ..........................................................475
Disassembly ..........................................................475
Assembly ..............................................................477
ASSEMBLY .............................................................478
Assembly (1) .........................................................478
Adjustment ............................................................486
Assembly (2) .........................................................489
SERVICE DATA AND SPECIFICATIONS (SDS) ....496
General Specifications ..........................................496
Shift Schedule .......................................................496
Stall Revolution .....................................................496
Line Pressure ........................................................497
Return Springs ......................................................497
Accumulator O-ring ...............................................498
Clutches and Brakes .............................................498
Oil Pump and Low One-way Clutch ......................500
Total End Play .......................................................501
Reverse Clutch Drum End Play ............................501
Removal and Installation .......................................501
Shift Solenoid Valves ............................................501
Solenoid Valves ....................................................501
A/T Fluid Temperature Sensor ..............................501
Turbine Revolution Sensor ....................................502
Revolution Sensor .................................................502
Dropping Resistor .................................................502

PRECAUTIONS
AT-5
[RL4R01A]
D
E
F
G
H
I
J
K
L
M
A
B
AT
PRECAUTIONS PFP:00001
Precautions for Supplemental Restraint System (SRS) “AIR BAG” and “SEAT
BELT PRE-TENSIONER”
ECS007IH
The Supplemental Restraint System such as “AIR BAG” and “SEAT BELT PRE-TENSIONER”, used along
with a front seat belt, helps to reduce the risk or severity of injury to the driver and front passenger for certain
types of collision. This system may include seat belt switch inputs and dual stage front air bag modules. If
equipped with dual stage front air bag modules, the SRS system uses the seat belt switches to determine the
front air bag deployment, and may only deploy one front air bag, depending on the severity of a collision and
whether the front occupants are belted or unbelted. Information necessary to service the system safely is
included in the SRS and SB section of this Service Manual.
The vehicle may be equipped with a passenger air bag deactivation switch. Because no rear seat exists where
a rear-facing child restraint can be placed, the switch is designed to turn off the passenger air bag so that a
rear-facing child restraint can be used in the front passenger seat. The switch is located in the center of the
instrument panel, near the ashtray. When the switch is turned to the ON position, the passenger air bag is
enabled and could inflate for certain types of collision. When the switch is turned to the OFF position, the pas-
senger air bag is disabled and will not inflate. A passenger air bag OFF indicator on the instrument panel lights
up when the passenger air bag is switched OFF. The driver air bag always remains enabled and is not affected
by the passenger air bag deactivation switch.
WARNING:
●To avoid rendering the SRS inoperative, which could increase the risk of personal injury or death
in the event of a collision which would result in air bag inflation, all maintenance must be per-
formed by an authorized NISSAN/INFINITI dealer.
●Improper maintenance, including incorrect removal and installation of the SRS, can lead to per-
sonal injury caused by unintentional activation of the system. For removal of Spiral Cable and Air
Bag Module, see the SRS section.
●Do not use electrical test equipment on any circuit related to the SRS unless instructed to in this
Service Manual. SRS wiring harnesses can be identified by yellow and/or orange harnesses or
harness connectors.
●The vehicle may be equipped with a passenger air bag deactivation switch which can be operated
by the customer. When the passenger air bag is switched OFF, the passenger air bag is disabled
and will not inflate. When the passenger air bag is switched ON, the passenger air bag is enabled
and could inflate for certain types of collision. After SRS maintenance or repair, make sure the
passenger air bag deactivation switch is in the same position (ON or OFF) as when the vehicle
arrived for service.
Precautions
ECS007II
1. Before proceeding with disassembly, thoroughly clean the outside of the transmission. It is important to
prevent the internal parts from becoming contaminated by dirt or other foreign matter.
2. Disassembly should be done in a clean work area.
3. Use lint-free cloth or towels for wiping parts clean. Common shop rags can leave fibers that could interfere
with the operation of the transmission.
4. Place disassembled parts in order for easier and proper assembly.
5. All parts should be carefully cleaned with a general purpose, non-flammable solvent before inspection or
reassembly.
6. Gaskets, seals and O-rings should be replaced any time the transmission is disassembled.
7. The valve body contains precision parts and requires extreme care when parts are removed and serviced.
Place removed parts in order, on a parts rack, so they can be put back in the valve body in the same posi-
tions and sequences. Care will also prevent springs and small parts from becoming scattered or lost.
8. Properly installed valves, sleeves, plugs, etc. will slide along their bores in the valve body under their own
weight.
9. Before assembly, apply a coat of recommended ATF to all parts. Apply petroleum jelly to protect O-rings
and seals, or hold small bearings and washers in place during assembly. Do not use grease.
10. Extreme care should be taken to avoid damage to O-rings, seals and gaskets when assembling.

AT-6
[RL4R01A]
PRECAUTIONS
11. If A/T fluid contains frictional material (clutches, bands, etc.) or if an A/T is repaired, overhauled, or
replaced, inspect and clean the A/T oil cooler mounted in the radiator or replace radiator. Flush cooler
lines using cleaning solvent and compressed air after repair. Check Service Bulletins for latest A/T oil
cooler cleaning procedure. For radiator replacement refer to CO-30, "RADIATOR" .
12. After overhaul, refill the transmission with new ATF.
13. When the A/T drain plug is removed, only some of the fluid is drained. Old A/T fluid will remain in torque
converter and ATF cooling system.
Always follow the procedures when changing A/T fluid. Refer to MA-38, "Changing A/T Fluid" .
Service Notice or Precautions
ECS007IJ
TORQUE CONVERTER SERVICE
The torque converter should be replaced under any of the following conditions:
●External leaks in the hub weld area.
●Converter hub is scored or damaged.
●Converter pilot is broken, damaged or fits poorly into crankshaft.
●Steel particles are found after flushing the cooler and cooler lines.
●Pump is damaged or steel particles are found in the converter.
●Vehicle has TCC shudder and/or no TCC apply. Replace only after all hydraulic and electrical diagnoses
have been made (Converter clutch material may be glazed).
●Converter is contaminated with engine coolant containing antifreeze.
●Internal failure of stator roller clutch.
●Heavy clutch debris due to overheating (blue converter).
●Steel particles or clutch lining material found in fluid filter or on magnet when no internal parts in unit are
worn or damaged — indicates that lining material came from converter.
The torque converter should not be replaced if:
●The fluid has an odor, is discolored, and there is no evidence of metal or clutch facing particles.
●The threads in one or more of the converter bolt holes are damaged.
●Transmission failure did not display evidence of damaged or worn internal parts, steel particles or clutch
plate lining material in unit and inside the fluid filter.
●Vehicle has been exposed to high mileage (only). The exception may be where the torque converter
clutch dampener plate lining has seen excess wear by vehicles operated in heavy and/or constant traffic,
such as taxi, delivery or police use.
ATF COOLER SERVICE
If A/T fluid contains frictional material (clutches, bands, etc.) or if an A/T is repaired, overhauled, or replaced,
inspect and clean the A/T oil cooler mounted in the radiator or replace radiator. Flush cooler lines using clean-
ing solvent and compressed air after repair. Check Service Bulletins for latest A/T oil cooler cleaning proce-
dure. For radiator replacement refer to CO-30, "RADIATOR" .
Wiring Diagrams and Trouble Diagnosis
ECS007IK
When you read wiring diagrams, refer to the following:
●Refer to GI-13, "How to Read Wiring Diagrams" .
●Refer to PG-9, "POWER SUPPLY ROUTING" for power distribution circuit.
When you perform trouble diagnosis, refer to the following:
●Refer to GI-9, "HOW TO FOLLOW TEST GROUPS IN TROUBLE DIAGNOSES" .
●Refer to GI-25, "How to Perform Efficient Diagnosis for an Electrical Incident" .

PREPARATION
AT-7
[RL4R01A]
D
E
F
G
H
I
J
K
L
M
A
B
AT
PREPARATION PFP:00002
Special Service Tools
ECS007IL
The actual shapes of Kent-Moore tools may differ from those of special service tools illustrated here.
Tool number
(Kent-Moore No.)
Tool name Description
(J-34301-C)
Oil pressure gauge set
1 (J34301-1)
Oil pressure gauge
2 (J-34301-2)
Hose
3 (J-34298)
Joint pipe
4 (J-34282-2)
Adapter
5 (790-301-1230-A)
60° Adapter
6 (J-34301-15)
Square socket
Measuring line pressure and governor pres-
sure
ST07870000
(J-37068)
Transmission case stand
Disassembling and assembling A/T
a: 182 mm (7.17 in)
b: 282 mm (11.10 in)
c: 230 mm (9.06 in)
d: 100 mm (3.94 in)
KV31102100
(J-37065)
Torque converter one-way clutch
check tool
Checking one-way clutch in torque converter
ST25850000
(J-25721-A)
Sliding hammer
Removing oil pump assembly
a: 179 mm (7.05 in)
b: 70 mm (2.76 in)
c: 40 mm (1.57 in) dia.
d: M12 x 1.75P
KV31102400
(J-34285 and J-34285-87)
Clutch spring compressor
Removing and installing clutch return springs
a: 320 mm (12.60 in)
b: 174 mm (6.85 in)
ST33200000
(J-26082)
Drift
Installing oil pump housing oil seal
Installing rear oil seal
a: 60 mm (2.36 in) dia.
b: 44.5 mm (1.752 in) dia.
AAT546
NT421
NT098
NT422
NT423
NT091

AT-8
[RL4R01A]
PREPARATION
(J-34291)
Shim setting gauge set
Selecting oil pump cover bearing race and oil
pump thrust washer
(J-45499)
Ring gear stopper
Removing and Installing A/T assembly
Tool number
(Kent-Moore No.)
Tool name Description
NT101
LBIA0362E

OVERALL SYSTEM
AT-9
[RL4R01A]
D
E
F
G
H
I
J
K
L
M
A
B
AT
OVERALL SYSTEM PFP:00000
Circuit Diagram
ECS007IM
WCWA0086E

AT-10
[RL4R01A]
OVERALL SYSTEM
Wiring Diagram
ECS007IN
WCWA0145E

OVERALL SYSTEM
AT-11
[RL4R01A]
D
E
F
G
H
I
J
K
L
M
A
B
AT
WCWA0088E

AT-12
[RL4R01A]
OVERALL SYSTEM
WCWA0089E

OVERALL SYSTEM
AT-13
[RL4R01A]
D
E
F
G
H
I
J
K
L
M
A
B
AT
Cross-sectional View
ECS007IO
LCIA0279E

AT-14
[RL4R01A]
OVERALL SYSTEM
Hydraulic Control Circuits
ECS007IP
WCIA0157E

OVERALL SYSTEM
AT-15
[RL4R01A]
D
E
F
G
H
I
J
K
L
M
A
B
AT
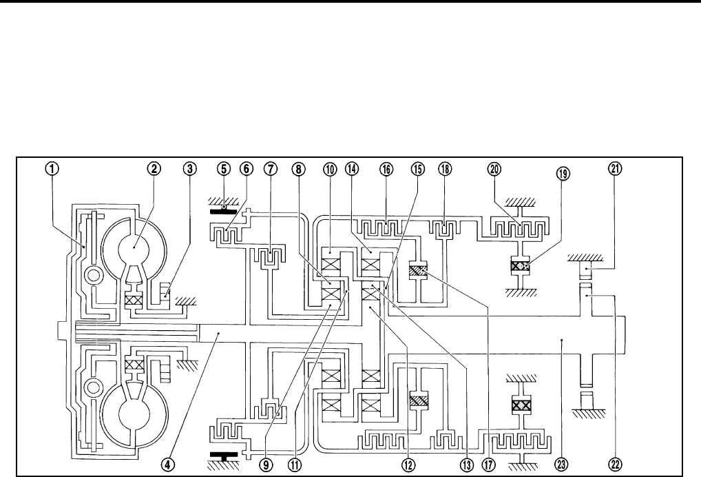
Shift Mechanism
ECS007IQ
The automatic transmission uses compact, dual planetary gear systems to improve power-transmission effi-
ciency, simplify construction and reduce weight.
It also employs an optimum shift control and superwide gear ratios to improve starting performance and accel-
eration during medium and high-speed operation.
Two one-way clutches are also employed: one is used for the forward clutch, and the other for the low clutch.
These one-way clutches, combined with four accumulators, reduce shifting shock to a minimum.
CONSTRUCTION
SAT026HA

AT-16
[RL4R01A]
OVERALL SYSTEM
FUNCTION OF CLUTCH AND BRAKE
CLUTCH AND BAND CHART
*1 : Operates when overdrive control switch is set in OFF position.
*2 : Oil pressure is applied to both 2nd “apply” side and 3rd “release” side of band servo piston. However, brake band does not contract
because oil pressure area on the “release” side is greater than that on the “apply” side.
*3 : Oil pressure is applied to 4th “apply” side in condition *2 above, and brake band contracts.
*4 : A/T will not shift to 4th when overdrive control switch is set to OFF position.
: Operates.
A: Operates when throttle opening is less than 3/16, activating engine brake.
B: Operates during “progressive” acceleration.
C: Operates but does not affect power-transmission.
D: Operates when throttle opening is less than 3/16, but does not affect engine brake.
Clutch and brake compo-
nents Abbr. Function
Reverse clutch 6R/C To transmit input power to front sun gear 9 .
High clutch 7H/C To transmit input power to front planetary carrier 11 .
Forward clutch 16 F/C To connect front planetary carrier 11 with forward one-way clutch 17 .
Overrun clutch 18 O/C To connect front planetary carrier 11 with rear internal gear 14 .
Brake band 5B/B To lock front sun gear 9 .
Forward one-way clutch 17 F/O.C When forward clutch 16 is engaged, to stop rear internal gear 14 from rotating in
opposite direction.
Low one-way clutch 19 L/O.C At D1 position, to prevent rear internal gear 14 from rotating in opposite direction.
Low & reverse brake 20 L & R/B To lock rear internal gear 14 (2, 12 and 11 ), to lock front planetary carrier 11 (R posi-
tion).
Shift posi-
tion
Reverse
clutch 6
High
clutch
7
For-
ward
clutch
16
Over-
run
clutch
18
Band servo For-
ward
one-
way
clutch
17
Low
one-
way
clutch
19
Low &
revers
e
brake
20
Lock-up Remarks
2nd
apply
3rd
releas
e
4th
apply
P
PARK
POSI-
TION
R
REVERS
E POSI-
TION
N
NEU-
TRAL
POSI-
TION
D *4
1st D B B Automatic
shift
1 ←→ 2
←→ 3
←→ 4
2nd *1A B
3rd A *2C C B
4th C *3C C
2
1st D B B Automatic
shift
1 ←→ 2
2nd B
1
1st BLocks
(held sta-
tionary) in
1st speed
1 ← 2
2nd B

OVERALL SYSTEM
AT-17
[RL4R01A]
D
E
F
G
H
I
J
K
L
M
A
B
AT
POWER TRANSMISSION
“N” and “P” Positions
●“N” position
No control members operate. Power from the input shaft is not transmitted to the output shaft because the
clutches do not operate.
●“P” position
Similar to the “N” position, no control members operate. The parking pawl interconnected with the select
lever engages with the parking gear to mechanically hold the output shaft so that the powertrain is locked.
SAT039J

AT-18
[RL4R01A]
OVERALL SYSTEM
“11 ” Position
SAT100J
●Forward clutch
●Forward one-way clutch
●Overrun clutch
●Low and reverse brake
As overrun clutch engages, rear internal gear is locked by the operation of low and
reverse brake.
This is different from that of D1 and 21 .
Engine brake Overrun clutch always engages, therefore engine brake can be obtained when decel-
erating.

OVERALL SYSTEM
AT-19
[RL4R01A]
D
E
F
G
H
I
J
K
L
M
A
B
AT
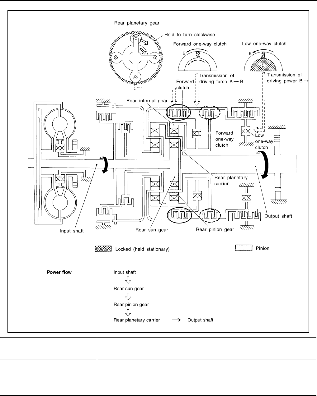
“D1 ” and “21 ” Positions
SAT096J
●Forward one-way clutch
●Forward clutch
●Low one-way clutch
Rear internal gear is locked to rotate counterclockwise because of the functioning of
these three clutches (Start-up at D1 ).
Overrun clutch
engagement conditions
(Engine brake)
D1 : Overdrive control switch “OFF” and throttle opening is less than 3/16
21 : Throttle opening less than 3/16
At D1 and 21 positions, engine brake is not activated due to free turning of low one-
way clutch.

AT-20
[RL4R01A]
OVERALL SYSTEM
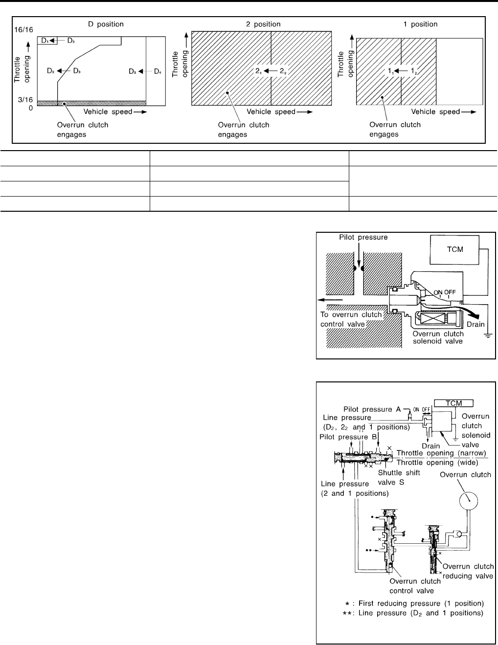
“D2 ”, “22 ” and “12 ” Positions
SAT097J
●Forward clutch
●Forward one-way clutch
●Brake band
Rear sun gear drives rear planetary carrier and combined front internal gear. Front
internal gear now rotates around front sun gear accompanying front planetary carrier.
As front planetary carrier transfers the power to rear internal gear through forward
clutch and forward one-way clutch, this rotation of rear internal gear increases the
speed of rear planetary carrier compared with that of the 1st speed.
Overrun clutch
engagement conditions
D2 : Overdrive control switch “OFF” and throttle opening is less than 3/16
22 : Throttle opening less than 3/16
12 : Always engaged

OVERALL SYSTEM
AT-21
[RL4R01A]
D
E
F
G
H
I
J
K
L
M
A
B
AT
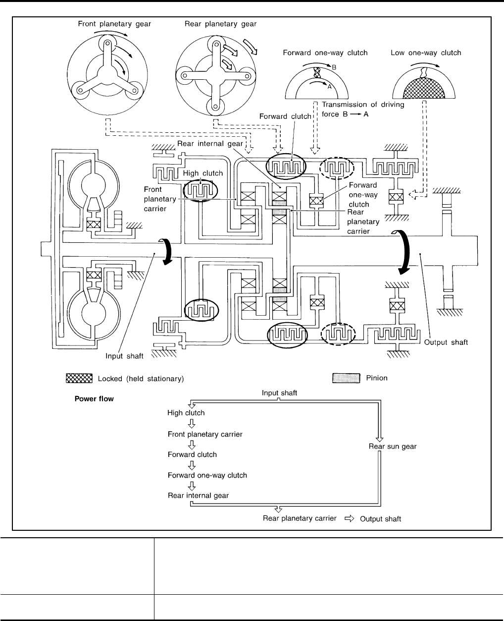
“D3 ” Position
SAT098J
●High clutch
●Forward clutch
●Forward one-way clutch
Input power is transmitted to front planetary carrier through high clutch. And front plan-
etary carrier is connected to rear internal gear by operation of forward clutch and for-
ward one-way clutch.
This rear internal gear rotation and another input (the rear sun gear) accompany rear
planetary carrier to turn at the same speed.
Overrun clutch
engagement conditions
D3 : Overdrive control switch “OFF” and throttle opening is less than 3/16
Throttle opening less than 3/16

AT-22
[RL4R01A]
OVERALL SYSTEM
“D4 ” (O/D) Position
SAT099J
●High clutch
●Brake band
●Forward clutch (Does not affect power
transmission)
Input power is transmitted to front carrier through high clutch.
This front carrier turns around the sun gear, which is fixed by brake band, and makes
front internal gear (output) turn faster.
Engine brake At D4 position, there is no one-way clutch in the power transmission line and engine
brake can be obtained when decelerating.

OVERALL SYSTEM
AT-23
[RL4R01A]
D
E
F
G
H
I
J
K
L
M
A
B
AT
“R” Position
SAT101J
●Reverse clutch
●Low and reverse brake
Front planetary carrier is stationary because of the operation of low and reverse brake.
Input power is transmitted to front sun gear through reverse clutch, which drives front
internal gear in the opposite direction.
Engine brake As there is no one-way clutch in the power transmission line, engine brake can be
obtained when decelerating.

AT-24
[RL4R01A]
OVERALL SYSTEM
FUNCTION OF CONTROL VALVES
Valve Name Function
Pressure regulator valve Optimally controls oil under pressure discharged from oil pump in response to driving
conditions.
Throttle valve Regulates line pressure to throttle pressure corresponding with throttle opening.
Detent valve Activates throttle valve via spring in response to changes in throttle opening, thereby
regulating throttle pressure.
Pressure modifier valve Serves as an auxiliary signal valve of pressure regulator valve to control line pressure
in response to driving conditions.
Accumulator control valve Regulates accumulator pressure to pressure corresponding with driving conditions.
Manual valve Directs line pressure to each oil circuit selected by the selector lever position.
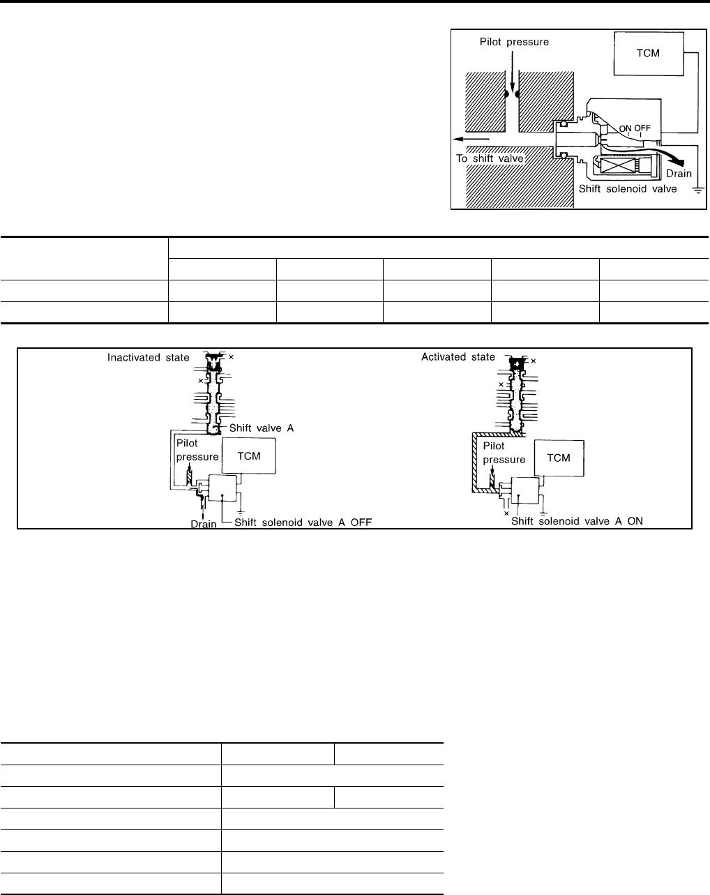
Position Circuit
1234
P
R
N
D
2
1
Hydraulic pressure drains when the shift lever is in N and P.
●1-2 shift valve
●2-3 shift valve
●3-4 shift valve
Provides automatic shift control in response to driving conditions, such as vehicle
speed, throttle opening, etc. Shift control is accomplished by activating or deactivating
the clutch, brakes, brake bands, etc.
2-3 throttle modifier valve Controls line pressure to provide optimum shifting point (2nd → 3rd) during partial-
open throttle.
(2-3 throttle modulator pressure)
3-2 downshift valve Delivers throttle pressure in a direction that overcomes 2-3 shift valve's governor pres-
sure while shifting from “3rd” to “2nd” in the “D” position.
Kickdown modifier valve Controls line pressure to provide optimum shifting points (1st → 2nd) and (2nd → 3rd)
during kickdowns.
(Kickdown modifier pressure)
4-2 relay valve Operates in conjunction with the 4-2 sequence valve to prevent downshifting from 4th
to 3rd, then to 2nd while directly shifting from 4th to 2nd.
4-2 sequence valve Prevents 4th band servo “apply” pressure from draining during direct shifting from 4th
to 2nd before high clutch “apply” pressure and band servo “release” pressure in the
same oil circuit are drained.
3-2 timing valve Engine speed increases in a short period of time at low engine speeds when accelera-
tor is depressed during downshifts from D3 to D2 . However, it takes longer for the
engine to increase speed at high engine speeds. The 3-2 timing valve serves to delay
the band servo “release” draining speed (At this point, the transmission is tentatively
set in Neutral) during downshifts from D3 to D2 at speeds greater than those in the
specifications, thereby providing smooth shifting.
1st reducing valve Controls low & reverse brake “apply” pressure to relief shocks caused by engine
brakes while shifting from 2nd to 1st in the 1 position.
AAT681A

OVERALL SYSTEM
AT-25
[RL4R01A]
D
E
F
G
H
I
J
K
L
M
A
B
AT
Overrun clutch reducing valve Controls pressure that operates the overrun clutch to relief shocks caused during
engine braking.
Line pressure acts on the overrun clutch reducing valve in the 1st or 2nd position to
increase the pressure-regulating point with resultant high engine braking capabilities.
4th speed cut valve Determines lock-up speed while operating in 4th gear.
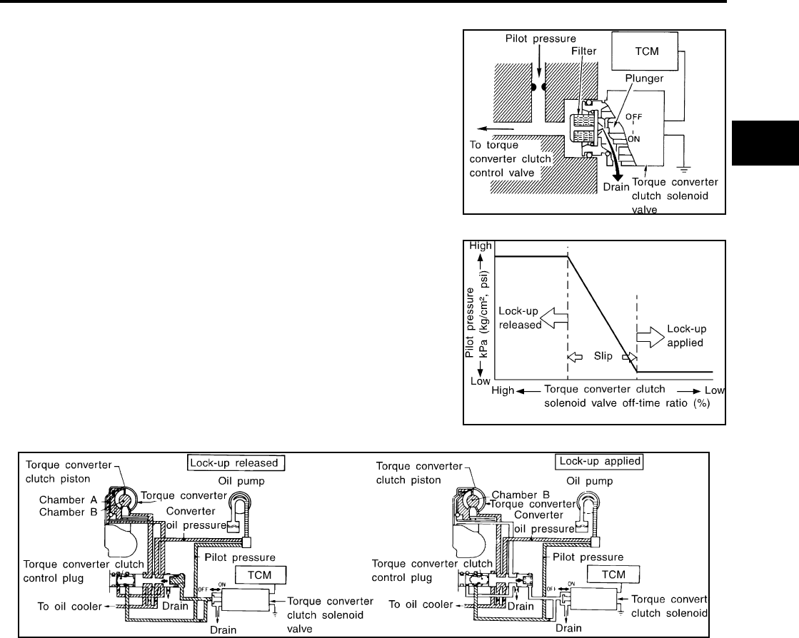
●Torque converter clutch control valve
●Torque converter clutch solenoid valve
Activates or deactivates lock-up system.
Torque converter relief valve Prevents abnormal increase of converter oil pressure.
Valve Name Function

AT-26
[RL4R01A]
TROUBLE DIAGNOSIS — BASIC INSPECTION
TROUBLE DIAGNOSIS — BASIC INSPECTION PFP:00000
A/T Fluid Check
ECS007IR
FLUID LEAKAGE CHECK
1. Clean area suspected of leaking, — for example, mating surface
of converter housing and transmission case.
2. Start engine, apply foot brake, place selector lever in D position
and wait a few minutes.
3. Stop engine.
4. Check for fresh leakage.
FLUID CONDITION CHECK
FLUID LEVEL CHECK
Refer to MA-37, "Checking A/T Fluid" .
Stall Test
ECS007IS
STALL TEST PROCEDURE
1. Check A/T fluid and engine oil levels. If necessary, add fluid and
oil.
2. Drive vehicle for approx. 10 minutes or until fluid and oil reach
operating temperature.
3. Set parking brake and block wheels.
4. Install a tachometer where it can be seen by driver during test.
●It is good practice to put a mark on point of specified
engine speed on indicator.
SAT288G
Fluid color Suspected problem
Dark or black with burned odor Wear of frictional material
Milky pink
Water contamination
●Road water entering through filler
tube or breather
Varnished fluid, light to dark brown and
tacky
Oxidation
●Over or under filling
●Overheating
SAT638A
ATF operating temperature : 50 - 80°C (122 - 176°F)
SAT647B
SAT513G

TROUBLE DIAGNOSIS — BASIC INSPECTION
AT-27
[RL4R01A]
D
E
F
G
H
I
J
K
L
M
A
B
AT
5. Start engine, apply foot brake, and place selector lever in D
position.
6. Accelerate to wide open throttle gradually while applying foot
brake.
●During test, never hold throttle wide open for more than 5
seconds.
7. Quickly note the engine stall revolution and immediately release
throttle.
8. Shift selector lever to N position.
9. Cool off ATF.
●Run engine at idle for at least one minute.
10. Repeat steps 5 through 9 with selector lever in 2, 1 and R posi-
tions.
Stall revolution standard : 2,100 - 2,300 rpm
SAT514G
SAT414F

AT-28
[RL4R01A]
TROUBLE DIAGNOSIS — BASIC INSPECTION
JUDGEMENT OF STALL TEST
LCIA0280E

TROUBLE DIAGNOSIS — BASIC INSPECTION
AT-29
[RL4R01A]
D
E
F
G
H
I
J
K
L
M
A
B
AT
Line Pressure Test
ECS007IT
LINE PRESSURE TEST PORTS
Location of line pressure test ports are shown in illustration.
●Line pressure plugs are hexagon-headed bolts.
●Always replace line pressure plugs as they are self-sealing
bolts.
LINE PRESSURE TEST PROCEDURE
1. Check A/T fluid and engine oil levels. If necessary, add fluid and
oil.
2. Drive vehicle for approx. 10 minutes or until fluid and oil reach
operating temperature.
3. Install pressure gauge to line pressure port.
— D, 2 and 1 positions —
— R position —
SAT176G
ATF operating temperature : 50 - 80°C (122 - 176°F)
SAT647B
AAT809
AAT810

AT-30
[RL4R01A]
TROUBLE DIAGNOSIS — BASIC INSPECTION
4. Set parking brake and block wheels.
●Continue to depress brake pedal fully while performing
line pressure test at stall speed.
5. Start engine and measure line pressure at idle and stall speed.
●When measuring line pressure at stall speed, follow the
stall test procedure.
JUDGEMENT OF LINE PRESSURE TEST
SAT513G
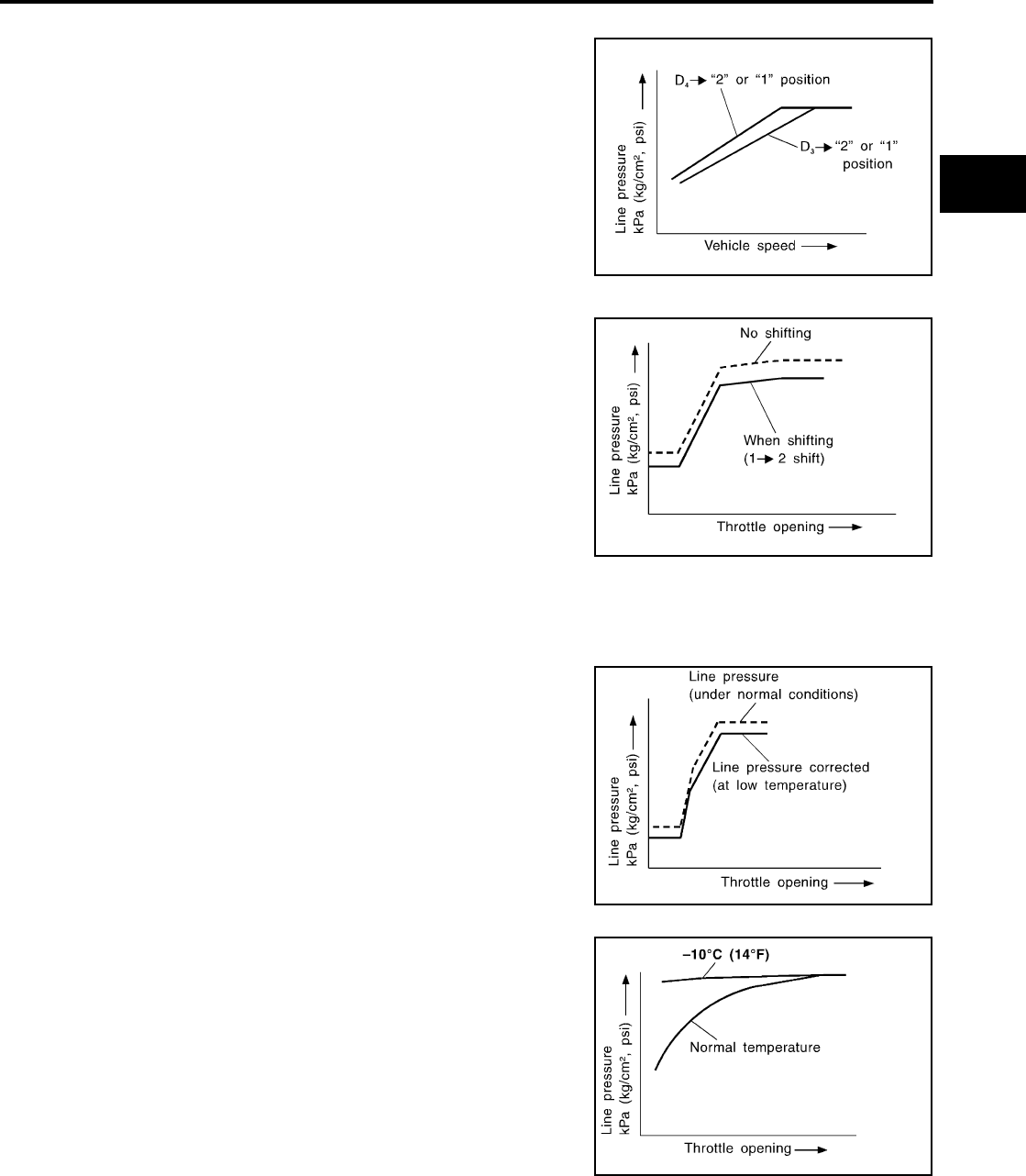
Line pressure : Refer to AT-150, "Line Pressure" .
SAT494G
Judgement Suspected parts
At idle Line pressure is low in all positions. ●Oil pump wear
●Control piston damage
●Pressure regulator valve or plug sticking
●Spring for pressure regulator valve damaged
●Fluid pressure leakage between oil strainer and pres-
sure regulator valve
●Clogged strainer
Line pressure is low in particular position. ●Fluid pressure leakage between manual valve and par-
ticular clutch.
●For example, line pressure is:
— Low in R and 1 positions, but
— Normal in D and 2 positions.
Therefore, fluid leakage exists at or around low &
reverse brake circuit.
Refer to AT-152, "Clutch and Brakes" .
Line pressure is high. ●Maladjustment of throttle position sensor
●Fluid temperature sensor damaged
●Line pressure solenoid valve sticking
●Short circuit of line pressure solenoid valve circuit
●Pressure modifier valve sticking
●Pressure regulator valve or plug sticking
At stall speed Line pressure is low. ●Maladjustment of throttle position sensor
●Control piston damaged
●Line pressure solenoid valve sticking
●Short circuit of line pressure solenoid valve circuit
●Pressure regulator valve or plug sticking
●Pressure modifier valve sticking
●Pilot valve sticking

TROUBLE DIAGNOSIS — BASIC INSPECTION
AT-31
[RL4R01A]
D
E
F
G
H
I
J
K
L
M
A
B
AT
Governor Pressure Testing
1. Check A/T and engine fluid levels. If necessary, add fluid.
2. Drive vehicle for approx. 10 minutes or until engine oil and ATF
reach operating temperature.
3. Install pressure gauge to governor pressure port.
4. Jack up front and rear wheels.
5. Set selector lever in D position and gradually depress accelera-
tor pedal.
●Be careful of rotating wheels.
●Governor pressure is not generated when vehicle is
stopped.
●Governor pressure rises gradually in response to vehicle
speed.
If not, check governor valve assembly. Refer to AT-101, "GOVER-
NOR VALVE ASSEMBLY" .
Road Test
ECS007IU
Perform road tests using symptom chart. Refer to AT-33, "Symptom Chart" .
P POSITION
1. Place selector lever in P position and start the engine. Stop the engine and repeat the procedure in all
positions, including N position.
2. Stop vehicle on a slight upgrade and place selector lever in P position. Release parking brake to make
sure vehicle remains locked.
R POSITION
1. Manually move selector lever from P or R, and note shift quality.
2. Drive vehicle in reverse long enough to detect slippage or other abnormalities.
N POSITION
1. Manually move selector lever from R and D to N and note shift quality.
2. Release parking brake with selector lever in N position. Lightly depress accelerator pedal to make sure
vehicle does not move. (When vehicle is new or soon after clutches have been replaced, vehicle may
move slightly. This is not a problem.)
ATF operating temperature : 50 - 80°C (122 - 176°F)
AAT682A
AAT875
Governor pressure : Refer to AT-150, "Governor
Pressure" .
AAT876

AT-32
[RL4R01A]
TROUBLE DIAGNOSIS — BASIC INSPECTION
D POSITION
1. Manually shift selector lever from N to D position, and note shift
quality.
2. Using the shift schedule as a reference, drive vehicle in D posi-
tion. Record, on Symptom Chart, respective vehicle speeds at
which up-shifting and down-shifting occur. These speeds are to
be read at three different throttle positions light, half and full.
Also determine the timing at which shocks are encountered dur-
ing shifting and which clutches are engaged.
3. Determine whether lock-up properly occurs while driving vehicle
in proper gear position and at proper speeds.
4. Check to determine if shifting to overdrive gear cannot be made
while overdrive control switch is OFF.
5. Drive vehicle at 65 to 80 km/h (40 to 50 MPH) with half to light
throttle position (D3 position). Fully depress accelerator pedal to
make sure transmission downshifts from 3rd to 2nd gear.
6. Drive vehicle at 35 to 45 km/h (22 to 28 MPH) with half to light
throttle position (D2 position). Fully depress accelerator pedal to
make sure transmission downshifts from 2nd to 1st gear.
2 POSITION
1. Shift to 2 position and make sure vehicle starts in 1st gear.
2. Increase vehicle speed to make sure transmission upshifts from 1st to 2nd gear.
3. Further increase vehicle speed. Make sure transmission does not upshift to 3rd gear.
4. Drive vehicle at 35 to 45 km/h (22 to 28 MPH) with throttle at half to light position (22 position). Fully
depress accelerator pedal to make sure transmission downshifts from 2nd to 1st gear.
5. Drive vehicle at idle in 2 position to make sure that transmission downshifts to 1st gear.
6. Move selector lever to D position and drive vehicle at 40 to 50 km/h (25 to 31 MPH). Then, move selector
lever to 2 position to make sure transmission downshifts to 2nd gear.
1 POSITION
1. Place selector lever in 1 position and accelerate. Make sure transmission does not shift from 1st to 2nd
gear although vehicle speed increases.
2. While driving vehicle in 1 position, release accelerator pedal to make sure that engine compression acts
as a brake.
3. Place selector lever in D or 2 position and drive vehicle at 20 to 30 km/h (12 to 19 MPH). Then move
selector lever to 1 position to make sure transmission downshifts to 1st gear.
AAT164A
AAT165A

TROUBLE DIAGNOSIS — GENERAL DESCRIPTION
AT-33
[RL4R01A]
D
E
F
G
H
I
J
K
L
M
A
B
AT
TROUBLE DIAGNOSIS — GENERAL DESCRIPTION PFP:00000
Symptom Chart
ECS007IV
Numbers are arranged in order of the inspection.
Perform inspections starting with number one and work up.
Numbers in the OFF VEHICLE columns indicate that the transmission must be removed from the vehicle to perform the inspection.
*: Valve suspected to be malfunctioning
Symptom Condition Diagnostic Item
Sharp shocks in shifting from N to D position ON VEHICLE
1. Fluid level and fluid quality
2. Control linkage
3. Engine idling speed
4. Line pressure
5. Throttle wire
6. Accumulator N-D
7. Accumulator 3-4 (N-R)
8. Control valve
* Pressure regulator valve
* Pressure modifier valve
* Accumulator control valve
* Throttle valve & detent valve
* Kickdown modifier valve
OFF VEHICLE 9. Reverse clutch
Shift shocks
When shifting from 1st to 2nd or 2nd to
3rd. ON VEHICLE
1. Fluid level and fluid quality
2. Control linkage
3. Line pressure
4. Throttle wire
5. Accumulator 1-2
6. Accumulator 2-3
7. Control valve
* Pressure regulator valve
* Pressure modifier valve
* Accumulator control valve
When shifting from 3rd to 4th.
ON VEHICLE
1. Fluid level and fluid quality
2. Control linkage
3. Line pressure
4. Throttle wire
5. Accumulator 3-4 (N-R)
6. Control valve
* 4th speed cut valve
* Pressure regulator valve
* Pressure modifier valve
OFF VEHICLE 7. Brake band
8. Overrun clutch
When shifting from D to 2 and 1 posi-
tion.
When overdrive control switch is set
from ON to OFF
ON VEHICLE
1. Fluid level and fluid quality
2. Control linkage
3. Line pressure
4. Throttle wire
5. Control valve
* Pressure regulator valve
* Pressure modifier valve
* Throttle valve & detent valve
* Overrun clutch reducing valve
OFF VEHICLE 6. Brake band
7. High clutch
Shift shocks When shifting from 2nd to 1st in 1 posi-
tion
ON VEHICLE
1. Fluid level and fluid quality
2. Control linkage
3. Line pressure
4. Throttle wire
5. Control valve
* Pressure regulator valve
* Pressure modifier valve
* 1st reducing valve
OFF VEHICLE 6. Low one-way clutch

AT-34
[RL4R01A]
TROUBLE DIAGNOSIS — GENERAL DESCRIPTION
Shift slippage when
upshifting
When shifting from 1st to 2nd ON VEHICLE
1. Fluid level and fluid quality
2. Control linkage
3. Line pressure
4. Throttle wire
5. Accumulator 1-2
6. Control valve
* Pressure regulator valve
* Pressure modifier valve
* Throttle valve & detent valve
* Kickdown modifier valve
OFF VEHICLE 7. Brake band
When shifting from 2nd to 3rd
ON VEHICLE
1. Fluid level and fluid quality
2. Control linkage
3. Line pressure
4. Throttle wire
5. Accumulator 2-3
6. Control valve
* Pressure regulator valve
* Pressure modifier valve
* Throttle valve & detent valve
* Kickdown modifier valve
OFF VEHICLE 7. Brake band
8. High clutch
When shifting from 3rd to 4th
ON VEHICLE
1. Fluid level and fluid quality
2. Control linkage
3. Line pressure
4. Throttle wire
5. Accumulator 3-4 (N-R)
6. Control valve
* Pressure regulator valve
* Pressure modifier valve
* Throttle valve & detent valve
* Kickdown modifier valve
OFF VEHICLE 7. Brake band
8. High clutch
Symptom Condition Diagnostic Item

TROUBLE DIAGNOSIS — GENERAL DESCRIPTION
AT-35
[RL4R01A]
D
E
F
G
H
I
J
K
L
M
A
B
AT
Shift slippage with
accelerator pedal
depressed
When shifting from 4th to 2nd.
ON VEHICLE
1. Fluid level and fluid quality
2. Control linkage
3. Line pressure
4. Governor pressure
5. Throttle wire
6. Accumulator N-D
7. Control valve
* Pressure regulator valve
* Pressure modifier valve
* Throttle valve & detent valve
* Kickdown modifier valve
* 4-2 sequence valve
8. Accumulator 3-4 (N-R)
9. Accumulator 1-2
10. Accumulator 2-3
11. Governor valve
* Primary governor valve
* Secondary governor valve 1
* Secondary governor valve 2
OFF VEHICLE
12. Torque converter
13. Fluid pump
14. Reverse clutch
15. High clutch
16. Forward clutch
17. Forward one-way clutch
18. Overrun clutch
19. Low one-way clutch
20. Low & reverse clutch
21. Brake band
When shifting from 4th to 3rd.
ON VEHICLE
1. Fluid level and fluid quality
2. Control linkage
3. Line pressure
4. Throttle wire
5. Accumulator 1-2
6. Control valve
* Pressure regulator valve
* Pressure modifier valve
* Throttle valve & detent valve
* Kickdown modifier valve
7. Accumulator 2-3
8. Accumulator 3-4 (N-R)
OFF VEHICLE
9. Fluid pump
10. High clutch
11. Brake band
12. Overrun clutch
13. Low & reverse clutch
Symptom Condition Diagnostic Item

AT-36
[RL4R01A]
TROUBLE DIAGNOSIS — GENERAL DESCRIPTION
Shift slippage with
accelerator pedal
depressed
When shifting from 4th to 1st and shift-
ing from 3rd to 1st.
ON VEHICLE
1. Fluid level and fluid quality
2. Control linkage
3. Line pressure
4. Governor pressure
5. Throttle wire
6. Accumulator 2-3
7. Control valve
* Pressure regulator valve
* Pressure modifier valve
* Throttle valve & detent valve
* Kickdown modifier valve
* 3-2 timing valve
8. Governor valve
* Primary governor valve
* Secondary governor valve 1
* Secondary governor valve 2
OFF VEHICLE
9. High clutch
10. Brake band
11. Forward one-way clutch
Poor power/accelera-
tion
When vehicle starts.
ON VEHICLE
1. Fluid level and fluid quality
2. Control linkage
3. Line pressure
4. Throttle wire
5. Accumulator 2-3
6. Control valve
* Pressure regulator valve
* Pressure modifier valve
* Throttle valve & detent valve
* Kickdown modifier valve
OFF VEHICLE 7. High clutch
8. Forward clutch
When upshifting. ON VEHICLE
1. Fluid level and fluid quality
2. Control linkage
3. Line pressure
4. Throttle wire
5. Governor pressure
6. Accumulator 2-3
7. Control valve
* Pressure regulator valve
* Pressure modifier valve
* Throttle valve & detent valve
* Kickdown modifier valve
* 3-2 timing valve
8. Governor valve
* Primary governor valve
* Secondary governor valve 1
* Secondary governor valve 2
OFF VEHICLE 9. Forward clutch
No engine braking When shifting from D to 2 and 1 posi-
tion.
ON VEHICLE
1. Fluid level and fluid quality
2. Control linkage
3. Line pressure
4. Throttle wire
5. Accumulator 2-3
6. Control valve
* Pressure regulator valve
* Pressure modifier valve
* Throttle valve & detent valve
* Overrun clutch reducing valve
OFF VEHICLE 7. Overrun clutch
Symptom Condition Diagnostic Item

TROUBLE DIAGNOSIS — GENERAL DESCRIPTION
AT-37
[RL4R01A]
D
E
F
G
H
I
J
K
L
M
A
B
AT
No engine braking
When overdrive control switch is set
from ON to OFF.
ON VEHICLE
1. Fluid level and fluid quality
2. Control linkage
3. Line pressure
4. Throttle wire
5. Accumulator 2-3
6. Overdrive control switch, overdrive hold
control module (if equipped), overdrive cancel
relay (if equipped), and wiring
7. Overdrive cancel solenoid valve
8. Control valve
* Pressure regulator valve
* Pressure modifier valve
* Throttle valve & detent valve
* Overrun clutch reducing valve
OFF VEHICLE 9. Overrun clutch
When shifting from 2nd to 1st in 1 posi-
tion.
ON VEHICLE
1. Fluid level and fluid quality
2. Control linkage
3. Line pressure
4. Throttle wire
6. Control valve
* Pressure regulator valve
* Pressure modifier valve
* Throttle valve & detent valve
* 1st reducing valve
OFF VEHICLE 7. Overrun clutch
8. Low & reverse clutch
Shift quality
Too low a gear change point from 2nd
to 3rd and from 3rd to 2nd. ON VEHICLE
1. Fluid level and fluid quality
2. Line pressure
3. Governor pressure
4. Throttle wire
5. Control valve
* 2-3 throttle modifier valve
6. Governor valve
* Primary governor valve
* Secondary governor valve 1
* Secondary governor valve 2
Too high a gear change point from 2nd
to 3rd and from 3rd to 2nd. ON VEHICLE
1. Fluid level and fluid quality
2. Line pressure
3. Governor pressure
4. Throttle wire
5. Control valve
* 2-3 shift valve
* 2-3 throttle modifier valve
6. Governor valve
* Primary governor valve
* Secondary governor valve 1
* Secondary governor valve 2
Too low a gear change point from 2nd
to 1st in 1 position. ON VEHICLE
1. Fluid level and fluid quality
2. Line pressure
3. Governor pressure
4. Throttle wire
5. Control valve
* Pressure regulator valve
* Pressure modifier valve
* Throttle valve & detent valve
* 1st reducing valve
6. Governor valve
* Primary governor valve
* Secondary governor valve 1
* Secondary governor valve 2
Symptom Condition Diagnostic Item

AT-38
[RL4R01A]
TROUBLE DIAGNOSIS — GENERAL DESCRIPTION
Shift quality
Too high a gear change point from 2nd
to 1st in 1 position. ON VEHICLE
1. Fluid level and fluid quality
2. Line pressure
3. Governor pressure
4. Throttle wire
5. Control valve
* 1st reducing valve
6. Governor valve
* Primary governor valve
* Secondary governor valve 1
* Secondary governor valve 2
Failure to change gear from 4th to 2nd
with accelerator pedal depressed. ON VEHICLE
1. Fluid level and fluid quality
2. Line pressure
3. Governor pressure
4. Throttle wire
5. Control valve
* 4-2 relay valve
* 4-2 sequence valve
6. Governor valve
* Primary governor valve
* Secondary governor valve 1
* Secondary governor valve 2
Failure to change gear from 3rd to 2nd
with accelerator pedal depressed. ON VEHICLE
1. Fluid level and fluid quality
2. Line pressure
3. Governor pressure
4. Throttle wire
5. Control valve
* 3-2 downshift valve
6. Governor valve
* Primary governor valve
* Secondary governor valve 1
* Secondary governor valve 2
Failure to change gear from 1st to 2nd
in D and 2 position. ON VEHICLE
1. Fluid level and fluid quality
2. Line pressure
3. Governor pressure
4. Throttle wire
5. Control valve
* 1-2 shift valve
6. Governor valve
* Primary governor valve
* Secondary governor valve 1
* Secondary governor valve 2
Vehicle does not start from 1st in D
and 2 position. ON VEHICLE
1. Fluid level and fluid quality
2. Line pressure
3. Governor pressure
4. Throttle wire
5. Control valve
* 1-2 shift valve
6. Governor valve
* Primary governor valve
* Secondary governor valve 1
* Secondary governor valve 2
Symptom Condition Diagnostic Item

TROUBLE DIAGNOSIS — GENERAL DESCRIPTION
AT-39
[RL4R01A]
D
E
F
G
H
I
J
K
L
M
A
B
AT
Shift quality
Failure to change gear to 3rd to 4th in
D position. ON VEHICLE
1. Fluid level and fluid quality
2. Line pressure
3. Governor pressure
4. Throttle wire
5. Overdrive control switch, overdrive hold
control module (if equipped), overdrive cancel
relay (if equipped), and wiring
6. Overdrive cancel solenoid valve
7. Control valve
* 2-3 shift valve
* 3-4 shift valve
8. Governor valve
* Primary governor valve
* Secondary governor valve 1
* Secondary governor valve 2
Changes gear to 1st directly when
selector lever is set from D to 1 posi-
tion.
ON VEHICLE
1. Fluid level and fluid quality
2. Line pressure
3. Governor pressure
4. Throttle wire
5. Control valve
* 1st reducing valve
6. Governor valve
* Primary governor valve
* Secondary governor valve 1
* Secondary governor valve 2
Changes gear to 2nd in 1 position. ON VEHICLE
1. Fluid level and fluid quality
2. Line pressure
3. Governor pressure
4. Throttle wire
5. Control valve
* Pressure regulator valve
* Pressure modifier valve
* Throttle valve & detent valve
* 1st reducing valve
6. Governor valve
* Primary governor valve
* Secondary governor valve 1
* Secondary governor valve 2
Too high or low a change point when
lock-up operates. ON VEHICLE
1. Fluid level and fluid quality
2. Line pressure
3. Governor pressure
4. Throttle wire
5. Control valve
* Pressure regulator valve
* Pressure modifier valve
* Throttle valve & detent valve
* Kickdown modifier valve
6. Governor valve
* Primary governor valve
* Secondary governor valve 1
* Secondary governor valve 2
Symptom Condition Diagnostic Item

AT-40
[RL4R01A]
TROUBLE DIAGNOSIS — GENERAL DESCRIPTION
Lock-up quality
Lock-up point is extremely high or low. ON VEHICLE
1. Fluid level and fluid quality
2. Line pressure
3. Governor pressure
4. Throttle wire
5. Control valve
* 4th speed cut valve
* Pressure regulator valve
* Pressure modifier valve
* Torque converter clutch control valve
* Throttle valve & detent valve
6. Governor valve
* Primary governor valve
* Secondary governor valve 1
* Secondary governor valve 2
Torque converter does not lock-up. ON VEHICLE
1. Fluid level and fluid quality
2. Line pressure
3. Governor pressure
4. Throttle wire
5. Control valve
* 4th speed cut valve
* Torque converter clutch control valve
6. Governor valve
* Primary governor valve
* Secondary governor valve 1
* Secondary governor valve 2
OFF VEHICLE 7. Torque converter
Lock-up is not released when acceler-
ator pedal is released. ON VEHICLE 1. Fluid level and fluid quality
2. Torque converter clutch solenoid valve
Engine does not start in P and N positions, or engine starts in
positions other than P and N positions. ON VEHICLE
1. Ignition switch and starter motor
2. Control linkage
3. PNP switch and wiring
Vehicle moves with selector lever in P position. ON VEHICLE 1. Control linkage
OFF VEHICLE 2. Parking components
Symptom Condition Diagnostic Item

DTC P1775 TORQUE CONVERTER CLUTCH SOLENOID
AT-41
[RL4R01A]
D
E
F
G
H
I
J
K
L
M
A
B
AT
DTC P1775 TORQUE CONVERTER CLUTCH SOLENOID PFP:31940
Diagnostic Procedure
ECS007IW
When the malfunction indicator lamp indicates DTC P1775, refer to
EC-524, "DTC P1775 TCC SOLENOID VALVE" .
1. CHECK GROUND CIRCUIT
1. Turn ignition switch OFF.
2. Disconnect ECM harness connector and torque converter clutch solenoid valve harness connector.
3. Check resistance between solenoid valve unit harness connector E36 terminal 3 and ECM harness con-
nector F29 terminal 115.
OK or NG
OK >> GO TO 2.
NG >> Repair or replace harness between ECM and torque
converter clutch solenoid valve.
2. CHECK POWER SOURCE CIRCUIT
1. Turn ignition switch ON.
2. Check voltage between solenoid valve unit harness connector E36 terminal 1 and ground.
OK or NG
OK >> GO TO 4.
NG >> GO TO 3.
AAT127A
Resistance : Approximately 0Ω
AAT128A
Voltage : Battery voltage
AAT129A

AT-42
[RL4R01A]
DTC P1775 TORQUE CONVERTER CLUTCH SOLENOID
3. DETECT MALFUNCTIONING ITEM
Check the following items:
●Ignition switch and fuse
Refer to PG-9, "POWER SUPPLY ROUTING" .
●Harness continuity between fuse and torque converter clutch solenoid valve.
OK or NG
OK >> GO TO 4.
NG >> Repair or replace damaged parts.
4. CHECK TORQUE CONVERTER CLUTCH SOLENOID VALVE (RESISTANCE)
Check resistance between solenoid valve unit connector E36 terminals 1 and 3.
OK or NG
OK >> GO TO 5.
NG >> Replace torque converter clutch solenoid valve.
5. CHECK TORQUE CONVERTER CLUTCH SOLENOID VALVE (OPERATION)
1. Remove torque converter clutch solenoid valve. Refer to AT-62, "Removal" .
2. Check torque converter clutch solenoid valve operation.
OK or NG
OK >> GO TO 6.
NG >> Replace torque converter clutch solenoid valve.
Resistance : Approximately 25Ω
AAT130A
AAT131A

DTC P1775 TORQUE CONVERTER CLUTCH SOLENOID
AT-43
[RL4R01A]
D
E
F
G
H
I
J
K
L
M
A
B
AT
6. CHECK CONTROL VALVE
1. Disassemble control valve assembly. Refer to AT-88, "CONTROL VALVE ASSEMBLY" .
2. Check torque converter clutch control valve.
–Valve, and sleeve slide along valve bore under their own weight.
–Valve, and sleeve are free from burrs, dents and scratches.
–Control valve springs are free from damage, deformation and fatigue.
–Hydraulic line is free from obstacles.
OK or NG
OK >> GO TO 7.
NG >> Repair control valve.
7. CHECK MALFUNCTION
Is malfunction eliminated?
Yes or No
Yes >> INSPECTION END.
No >> Check control valve again. Repair or replace control valve assembly.
SAT740H

AT-44
[RL4R01A]
TROUBLE DIAGNOSES
TROUBLE DIAGNOSES PFP:00004
Component Inspection
ECS007IX
OVERDRIVE CONTROL SWITCH AND OVERDRIVE CANCEL SOLENOID VALVE
1. CHECK O/D OFF INDICATOR LAMP CIRCUIT
1. Turn ignition switch ON.
(Do not start engine).
2. Press and release overdrive control switch.
OK or NG
OK >> GO TO 5.
NG >> GO TO 2.
2. CHECK OVERDRIVE CANCEL RELAY
Refer to AT-50, "OVERDRIVE CANCEL RELAY"
OK or NG
OK >> GO TO 3.
NG >> Replace overdrive cancel relay.
3. DETECT MALFUNCTIONING ITEM
Check the following items:
●O/D OFF indicator lamp
Refer to DI-25, "WARNING LAMPS" .
●Ignition switch and fuse for overdrive hold control module and overdrive cancel solenoid
Refer to PG-9, "POWER SUPPLY ROUTING" .
OK or NG
OK >> GO TO 4.
NG >> Repair or replace damaged parts.
WCIA0158E
Resistance : Approximately 25Ω

TROUBLE DIAGNOSES
AT-45
[RL4R01A]
D
E
F
G
H
I
J
K
L
M
A
B
AT
4. CHECK OVERDRIVE CONTROL SWITCH
Check continuity between overdrive control switch terminals 1 and 2.
OK or NG
OK >> GO TO 5.
NG >> Replace overdrive control switch.
5. CHECK OVERDRIVE CANCEL SOLENOID VALVE CIRCUIT
Check resistance between overdrive cancel solenoid valve terminals 1 and 2.
OK or NG
OK >> GO TO 6.
NG >> Replace overdrive cancel solenoid valve.
6. DETECT MALFUNCTIONING ITEM
Check the following items:
1. Harness continuity between fuse and overdrive cancel solenoid valve
2. Harness continuity between fuse and overdrive hold control module
3. Harness continuity between overdrive cancel solenoid valve and overdrive cancel relay
4. Condition of diode
5. Harness continuity between overdrive hold control module and overdrive cancel relay
6. Harness continuity between overdrive hold control module and overdrive control switch
7. Harness continuity between overdrive hold control module and ground
OK or NG
OK >> Replace overdrive hold control module.
NG >> Repair or replace damaged parts.
LAT500
Resistance : Approximately 25Ω
AAT132A

AT-46
[RL4R01A]
TROUBLE DIAGNOSES
PARK/NEUTRAL POSITION (PNP) SWITCH
1. CHECK PNP SWITCH CIRCUIT STEP 1
1. Turn ignition switch ON.
(Do not start engine).
2. Check voltage between ECM harness connector F29 terminal 22 and ground while moving selector lever
through each position.
OK or NG
OK >> INSPECTION END.
NG >> GO TO 2.
AAT133A
P, N position : 0V
R, D, 2, 1 position : Approximately 5V
AAT148A

TROUBLE DIAGNOSES
AT-47
[RL4R01A]
D
E
F
G
H
I
J
K
L
M
A
B
AT
2. CHECK POWER SUPPLY FOR PNP SWITCH
1. Disconnect PNP switch harness connector.
2. Turn ignition switch ON.
(Do not start engine).
Do approximately 12 volts exist between PNP switch harness con-
nector E35 terminal 1 and body ground?
Yes or No
Yes >> GO TO 3.
No >> Check 10A fuse (No. 11, located in the fuse block), har-
ness and connector. Refer to PG-9, "POWER SUPPLY
ROUTING" .
3. CHECK PNP SWITCH
●Check continuity in N and P positions.
●With manual lever held in each position, turn manual shaft 1.5° in both directions (When manual lever is in
each position, continuity normally exists within 1.5° range). If continuity does not exist equally in either
direction, properly adjust PNP switch. Refer to AT-60, "Park/Neutral Position (PNP) Switch Adjustment" .
OK or NG
OK >> GO TO 4.
NG >> Replace PNP switch.
AAT519A
LAT394
AAT520A

AT-48
[RL4R01A]
TROUBLE DIAGNOSES
4. CHECK POWER SUPPLY FOR PNP RELAY
1. Reconnect PNP switch harness connector.
2. Turn ignition switch ON.
3. Disconnect PNP relay harness connector.
4. Put selector lever in P or N position.
Do approximately 12 volts exist between PNP relay harness connec-
tor E27 terminal 2 and body ground?
Yes or No
Yes >> GO TO 6.
No >> GO TO 5.
5. CHECK PNP SWITCH CIRCUIT STEP 2
1. Turn ignition switch OFF.
2. Disconnect PNP switch harness connector E35. Check circuit continuity between PNP switch harness
connector E35 terminal 2 and PNP relay harness connector E27 terminal 2.
OK or NG
OK >> GO TO 6.
NG >> Repair harness or connector.
6. CHECK BODY GROUND CIRCUIT FOR PNP RELAY
1. Turn ignition switch OFF.
2. Does continuity exist between PNP relay E27 terminals (1, 6) and body ground?
OK or NG
OK >> GO TO 7.
NG >> Repair harness or connector.
AAT521A
Continuity should exist.
AAT522A
Continuity should exist.
AAT523A

TROUBLE DIAGNOSES
AT-49
[RL4R01A]
D
E
F
G
H
I
J
K
L
M
A
B
AT
7. CHECK PNP RELAY
Check continuity between terminals 6 and 7.
OK or NG
OK >> GO TO 8.
NG >> Replace PNP relay.
8. CHECK PNP SWITCH CIRCUIT STEP 3
1. Turn ignition switch OFF.
2. Check circuit continuity between ECM harness connector F27 terminal 22 and PNP relay harness con-
nector E27 terminal 7.
If OK, check harness for short.
OK or NG
OK >> Replace ECM.
NG >> Repair harness or connector.
AAT124A
MTBL0198
Continuity should exist.
AAT524A

AT-50
[RL4R01A]
TROUBLE DIAGNOSES
Electrical Component Inspection
ECS007IY
OVERDRIVE CANCEL RELAY
Check continuity between terminals 3 and 5.
If NG, replace relay.
Conditions Continuity
12V direct current supply between terminals 1 and 2 Yes
No current supply No
SEF090M

A/T SHIFT LOCK SYSTEM
AT-51
[RL4R01A]
D
E
F
G
H
I
J
K
L
M
A
B
AT
A/T SHIFT LOCK SYSTEM PFP:34950
Description
ECS007IZ
●The mechanical key interlock mechanism also operates as a shift lock:
With the key switch turned to ON, the selector lever cannot be shifted from P (Park) to any other position
unless the brake pedal is depressed.
With the key removed, the selector lever cannot be shifted from P to any other position.
The key cannot be removed unless the selector lever is placed in P.
●The shift lock and key interlock mechanisms are controlled by the ON-OFF operation of the shift lock sole-
noid and by the operation of the rotator and slider located inside the key cylinder, respectively.
Shift Lock System Electrical Parts Location
ECS007J0
Removal and Installation
ECS007J1
SHIFT LOCK SOLENOID
1. Remove lower instrument cover LH and knee protector.
2. Remove steering column covers.
3. Disconnect A/T device connector.
4. Remove two screws and two nuts attaching steering column.
5. Disconnect shift lock rod.
6. Remove shift control cable.
7. Remove two bolts attaching shift control tube and remove shift control tube.
8. Remove two screws from shift lock solenoid and two screws from park position switch.
AAT149A

AT-52
[RL4R01A]
A/T SHIFT LOCK SYSTEM
SHIFT LOCK ROD
Removal
1. Turn ignition key to ACC position.
2. Unlock slider by squeezing lock tabs.
3. Remove shift lock rod from key interlock rod.
Installation and Adjustment
1. Place selector lever in P (Park) position.
2. Turn ignition key to ACC position.
3. Insert shift lock rod into slider.
4. Grab key interlock rod and push toward shift lock rod to adjust.
Do not hold shift lock rod.
5. Lock slider into position.
6. Test shift lock operation.
AAT683A
AAT163A

A/T SHIFT LOCK SYSTEM
AT-53
[RL4R01A]
D
E
F
G
H
I
J
K
L
M
A
B
AT
Wiring Diagram
ECS007J2
WCWA0113E

AT-54
[RL4R01A]
A/T SHIFT LOCK SYSTEM
Diagnostic Procedure
ECS007J3
SYMPTOM 1:
●Selector lever cannot be moved from P position with key in ON position and brake pedal applied.
●Selector lever can be moved from P position with key in ON position and brake pedal released.
●Selector lever can be moved from P position when key is removed from key cylinder.
SYMPTOM 2:
●Ignition key cannot be removed when selector lever is set to P position.
●Ignition key can be removed when selector lever is set to any position except P.
1. CHECK SHIFT LOCK ROD
Check shift lock rod for damage.
OK or NG
OK >> GO TO 2.
NG >> Repair shift lock rod. Refer to AT-52, "SHIFT LOCK ROD" .
2. CHECK SELECTOR LEVER POSITION
Check selector lever position indicator and selector lever for damage.
OK or NG
OK >> GO TO 3.
NG >> Check selector lever. Refer to AT-60, "Park/Neutral Position (PNP) Switch Adjustment" and AT-
61, "Control Cable Adjustment" .
3. CHECK POWER SOURCE
1. Turn ignition switch ON.
(Do not start engine.)
2. Check voltage between A/T shift lock switch (ASCD brake switch) harness connector M48 terminal 1 and
ground.
OK or NG
OK >> GO TO 5.
NG >> GO TO 4.
4. DETECT MALFUNCTIONING ITEM
Check the following items:
●7.5A fuse (No. 5, located in the fuse block)
●Harness for short or open between fuse and A/T shift lock switch (ASCD brake switch) harness connector
terminal 1
●Ignition switch. Refer to PG-14, "IGNITION POWER SUPPLY — IGNITION SW. IN ON AND/OR START" .
OK or NG
OK >> GO TO 5.
NG >> Repair or replace damaged parts.
Voltage : Battery voltage
AAT140A

A/T SHIFT LOCK SYSTEM
AT-55
[RL4R01A]
D
E
F
G
H
I
J
K
L
M
A
B
AT
5. CHECK INPUT SIGNAL [A/T SHIFT LOCK SWITCH (ASCD BRAKE SWITCH)]
1. Turn ignition switch ON.
(Do not start engine.)
2. Check voltage between A/T device harness connector M35, terminal 2 (B/W) and ground.
OK or NG
OK >> GO TO 7.
NG >> GO TO 6.
6. DETECT MALFUNCTIONING ITEM
Check the following items:
●Harness for short or open between A/T device harness connector M35 terminal 2 and A/T shift lock switch
(ASCD brake switch) harness connector terminal 2
●A/T shift lock switch (ASCD brake switch)
Check continuity between terminals 1 and 2
Check A/T shift lock switch (ASCD brake switch) after adjusting brake pedal. Refer to BR-7,
"BRAKE PEDAL AND BRACKET" .
OK or NG
OK >> GO TO 7.
NG >> Repair or replace damaged parts.
WAT524
AAT145A
MTBL0208

AT-56
[RL4R01A]
A/T SHIFT LOCK SYSTEM
7. CHECK GROUND CIRCUIT
1. Turn ignition switch OFF.
2. Disconnect A/T device harness connector.
3. Check continuity between A/T device harness connector M35 terminal 1 and ground.
If OK, check harness for short to ground and short to power.
OK or NG
OK >> GO TO 8.
NG >> Repair harness or connector.
8. CHECK PARK POSITION SWITCH
●Check continuity between A/T device harness connector M35 terminal 1 (B) and park position switch har-
ness connector S1 terminal 2 (L).
OK or NG
OK >> GO TO 9.
NG >> Replace park position switch.
9. CHECK SHIFT LOCK SOLENOID
●Check operation by applying battery voltage to A/T device connector M35 terminal 2 (B/W) and shift lock
solenoid harness connector S1 terminal 2 (B).
OK or NG
OK >> GO TO 10.
NG >> Replace shift lock solenoid.
Continuity should exist.
AAT142A
WAT333
WAT334

A/T SHIFT LOCK SYSTEM
AT-57
[RL4R01A]
D
E
F
G
H
I
J
K
L
M
A
B
AT
10. CHECK SHIFT LOCK OPERATION
1. Reconnect A/T device harness connector.
2. Turn ignition switch from OFF to ON position. (Do not start engine.)
3. Recheck shift lock operation.
OK or NG
OK >> INSPECTION END.
NG >> 1. Perform A/T device input/output signal inspection test.
2. If NG, recheck harness connector connection.

AT-58
[RL4R01A]
ON-VEHICLE SERVICE
ON-VEHICLE SERVICE PFP:00000
Control Valve Assembly and Accumulators
ECS007J4
REMOVAL
1. Drain ATF from drain plug.
2. Remove oil pan and gasket.
3. Remove oil strainer.
4. Disconnect harness connector.
5. Remove control valve assembly by removing fixing bolts.
Bolt length and location
●Be careful not to drop manual valve out of valve body.
6. Remove solenoids and valves from valve body if necessary.
7. Remove terminal cord assembly if necessary.
SAT103C
SAT714C
Bolt symbol mm (in)
A33 (1.30)
B45 (1.77)

ON-VEHICLE SERVICE
AT-59
[RL4R01A]
D
E
F
G
H
I
J
K
L
M
A
B
AT
8. Remove accumulators A , B , C and D by applying compressed
air if necessary.
●Hold each piston with a rag.
9. Reinstall any part removed.
●Always use new sealing parts.
●Always replace oil pan bolts as they are self-sealing
bolts.
●After installing control valve assembly, make sure that
selector lever can be moved to all positions.
Rear Oil Seal Replacement
ECS007J5
1. Remove propeller shaft from vehicle. Refer to PR-8, "Removal
and Installation" .
2. Remove rear oil seal.
3. Install rear oil seal.
●Apply ATF before installing.
4. Reinstall any part removed.
Parking Components Inspection
ECS007J6
1. Remove propeller shaft from vehicle. Refer to PR-8, "Removal
and Installation" .
2. Support A/T assembly with a jack.
3. Remove rear engine mounting member.
4. Remove rear extension from transmission case.
5. Replace parking components if necessary.
6. Reinstall any part removed.
●Always use new sealing parts.
Governor Valve
ECS007J7
1. Remove propeller shaft from vehicle. Refer to PR-8, "Removal
and Installation" .
2. Support A/T assembly with a jack.
3. Remove rear engine mounting member from A/T assembly.
4. Remove rear extension from transmission case.
5. Remove governor valve assembly.
6. Inspect and repair governor valve assembly. Refer to AT-101,
"Inspection" .
SAT074BA
SAT614G
SAT107C
SAT108C

AT-60
[RL4R01A]
ON-VEHICLE SERVICE
Throttle Wire Adjustment
ECS007J8
1. Turn ignition switch OFF.
2. While pressing lock plate, move adjusting tube in Direction T.
3. Release lock plate. (Adjusting tube is locked at this time.)
4. Move throttle drum from P2 (Idling position) to P1 (Full throttle
position) quickly and release.
5. Ensure that throttle wire stroke “L” is within the specified range,
between full throttle and idle.
●Adjust throttle wire stroke after accelerator wire is installed
and adjusted.
●When connecting throttle wire to throttle drum, do not use
tools. Manually hook wire.
●Put mark on throttle wire for measuring wire stroke.
If throttle wire stroke is improperly adjusted, the following problems
may arise.
●When the throttle drum fully-open position P1 is too far toward
Direction T, the shift schedule will be as shown by 2 in the fig-
ure, and the kickdown range will greatly increase.
●When the throttle drum fully-open position P1 is too far toward
Direction U, the shift schedule will be as shown by 1 in the fig-
ure, and kickdown will not occur.
Park/Neutral Position (PNP) Switch Adjustment
ECS007J9
1. Remove control linkage and manual lever from manual shaft.
2. Set manual shaft in N position.
3. Loosen PNP switch fixing bolts.
4. Insert pin into adjustment holes in both PNP switch and manual
as near vertical as possible.
5. Tighten PNP switch fixing bolts.
6. Remove pin.
7. Reinstall any part removed.
8. Adjust control linkage. Refer to AT-61, "Control Cable Adjust-
ment" .
9. Check continuity of PNP switch. Refer to AT-46, "PARK/NEUTRAL POSITION (PNP) SWITCH" .
Throttle wire stroke “L” : 39 - 43 mm (1.54 - 1.69 in)
SAT551D
SAT411
SAT081B

ON-VEHICLE SERVICE
AT-61
[RL4R01A]
D
E
F
G
H
I
J
K
L
M
A
B
AT
Control Cable Adjustment
ECS007JA
Move the selector lever from the P position to 1 position. You should be able to feel the detents in each posi-
tion.
If the detents cannot be felt, the linkage needs adjustment.
1. Place selector lever in P position.
2. Loosen control cable lock nut and place manual shaft in P position.
3. Push control cable in the direction of the arrow shown in the illustration by specified force.
4. Return control cable in the opposite direction of the arrow for 1.0 mm (0.039 in).
5. Tighten control cable lock nut.
6. Move selector lever from P to 1 position again. Make sure that selector lever moves smoothly.
7. Apply grease to contacting areas of selector lever and control cable. Install any part removed.
●Make sure that the starter operates when the selector lever is placed in the N or P position.
●Make sure that the transmission is locked properly when the selector lever is placed in the P posi-
tion.
LCIA0294E
Specified force : 19.6 N (2.0 kg, 4.4 lb)

AT-62
[RL4R01A]
REMOVAL AND INSTALLATION
REMOVAL AND INSTALLATION PFP:00000
Removal
ECS007JB
AAT151A

REMOVAL AND INSTALLATION
AT-63
[RL4R01A]
D
E
F
G
H
I
J
K
L
M
A
B
AT
CAUTION:
Before separating the A/T assembly from engine, first remove the crankshaft position sensor (OBD)
from the assembly. Be careful not to damage sensor edge.
NOTE:
To prevent oil spills, drain the A/T fluid before removing A/T assembly, Refer to MA-38, "Changing A/T
Fluid" or insert plug into rear oil seal after removing propeller shaft.
1. Disconnect battery negative terminal.
2. Remove fluid charging pipe from A/T assembly and plug opening.
3. Remove oil cooler pipe from A/T assembly and plug opening.
4. Remove A/T vent hose.
5. Remove propeller shaft.
Refer to PR-8, "Removal and Installation" .
●Be careful not to damage spline, sleeve yoke and rear oil seal.
6. Remove A/T control cable from manual shaft.
7. Disconnect A/T harness connectors and vehicle speed sensor harness connector.
8. Disconnect throttle wire from A/T assembly.
9. Remove the starter motor. Refer to SC-25, "Removal and Installation" .
10. Remove the rear plate
11. Remove bolts securing torque converter to drive plate.
●Rotate crankshaft to gain access to securing bolts.
●If necessary, install tool to keep crankshaft from rotating
12. Support A/T assembly with a jack.
13. Remove rear mounting bracket from body and A/T assembly.
Refer to EM-47, "REMOVAL" .
14. Remove bolts securing A/T assembly to engine.
15. Pull A/T assembly backwards.
●Secure torque converter to prevent it from dropping.
●Secure A/T assembly to a jack.
SAT800C
Tool number : — J-45499
LBIA0364E
SAT802C

AT-64
[RL4R01A]
REMOVAL AND INSTALLATION
16. Slant and lower A/T assembly.
Installation
ECS007JC
1. Check drive plate runout.
CAUTION:
Do not allow any magnetic materials to contact the ring
gear teeth.
If this runout is out of specification, replace drive plate with ring
gear.
2. When connecting torque converter to transmission, measure
distance “A” to be certain that they are correctly assembled.
3. Install converter to drive plate.
●Rotate crankshaft to gain access to securing bolts.
●If necessary, install tool to keep crankshaft from rotating.
●With converter installed, rotate crankshaft several turns
to check that transmission rotates freely without binding.
SAT803C
Maximum allowable
runout
: Refer to EM-58, "FLY-
WHEEL/DRIVE PLATE
RUNOUT" .
SAT977H
Distance “A” : 26.0 mm (1.024 in) or
more
SAT017B
Tool number : — J-45499
SAT006G

REMOVAL AND INSTALLATION
AT-65
[RL4R01A]
D
E
F
G
H
I
J
K
L
M
A
B
AT
4. Install the rear plate.
5. Tighten bolts securing transmission.
6. Installation of the remaining components is in the reverse order
of removal.
7. Adjust control cable. Refer to AT-61, "Control Cable Adjustment"
.
8. Adjust throttle wire. Refer to AT-60, "Throttle Wire Adjustment" .
9. Adjust PNP switch. Refer to AT-60, "Park/Neutral Position (PNP)
Switch Adjustment" .
10. Refill transmission with ATF and check fluid level.
11. Move selector lever through all positions to be sure that trans-
mission operates correctly.
With parking brake applied, allow engine to idle. Move selector
lever through N to D, to 2, to 1 and to R. A slight shock should
be felt through hand gripping the selector each time the trans-
mission is shifted.
12. Perform road test. Refer to AT-31, "Road Test" .
Rear plate bolts
10 mm 3-4 Nm (0.3-0.4 kg-m, 32-
35 in-lb)
14 mm 16-22 Nm (1.6 2.2kg-m, 12-
16 ft-lb)
LBIA0363E
Bolt No. Tightening torque
N·m (kg-m, ft-lb)
Bolt length “”
mm (in)
139 - 49 (4.0 - 5.0, 29 - 36) 43 (1.69)
23 - 4 (0.3 - 0.4, 2.2 - 2.9) 16 (0.63)
316 - 22 (1.6 - 2.2, 12 - 16) 16 (0.63)
AAT153A
SAT638A

AT-66
[RL4R01A]
OVERHAUL
OVERHAUL PFP:00000
Components
ECS007JD
WAT516

OVERHAUL
AT-67
[RL4R01A]
D
E
F
G
H
I
J
K
L
M
A
B
AT
WCIA0159E

AT-68
[RL4R01A]
OVERHAUL
Oil Channel
ECS007JE
WCIA0160E

OVERHAUL
AT-69
[RL4R01A]
D
E
F
G
H
I
J
K
L
M
A
B
AT
Locations of Needle Bearings, Thrust Washers and Snap Rings
ECS007JF
WAT378

AT-70
[RL4R01A]
OVERHAUL
Disassembly
ECS007JG
1. Removing torque converter by holding it firmly and turning while
pulling straight out.
2. Check torque converter one-way clutch.
a. Insert Tool into spline of one-way clutch inner race.
b. Hook bearing support unitized with one-way clutch outer race
with suitable wire.
c. Check that one-way clutch inner race rotates only clockwise with
Tool while holding bearing support with wire.
3. Remove PNP switch from transmission case.
4. Separate the oil pan and transmission case.
a. Drain ATF from drain plug.
b. Raise oil pan by placing wooden blocks under converter housing
and adapter case.
c. Remove oil pan and gasket.
●Always place oil pan straight down so that foreign parti-
cles inside will not move.
●Always replace oil pan bolts as they are self-sealing
bolts.
SAT018B
SAT019BA
AAT528A
SAT186B

OVERHAUL
AT-71
[RL4R01A]
D
E
F
G
H
I
J
K
L
M
A
B
AT
5. Check foreign materials in oil pan to help determine cause of
malfunction. If the fluid is very dark, smells burned, or contains
foreign particles, the frictional material (clutches, band) may
need replacement. A tacky film that will not wipe clean indicates
varnish buildup. Varnish can cause valves, servo, and clutches
to stick and may inhibit pump pressure.
●If frictional material is detected, replace radiator after
repair of A/T. Refer to CO-14, "RADIATOR" .
6. Place transmission into Tool with the control valve facing up.
7. Remove torque converter clutch solenoid valve and overdrive
cancel solenoid valve connectors.
8. Remove oil strainer.
a. Remove oil strainer from control valve assembly.
Then remove O-ring from oil strainer.
SAT171B
SAT522G
SAT132C
SAT306I

AT-72
[RL4R01A]
OVERHAUL
b. Check oil strainer screen for damage.
9. Remove control valve assembly.
a. Straighten terminal clips to free terminal cords, then remove ter-
minal clips.
b. Remove bolts A and B , and remove control valve assembly
from transmission.
c. Remove manual valve from control valve assembly.
SAT025B
SAT307I
Bolt mm (in)
A33 (1.30)
B45 (1.77)
SAT146HA
SAT127B

OVERHAUL
AT-73
[RL4R01A]
D
E
F
G
H
I
J
K
L
M
A
B
AT
10. Remove terminal cord assembly from transmission case while
pushing on stopper.
●Be careful not to damage cord.
●Do not remove terminal cord assembly unless it is dam-
aged.
11. Remove converter housing.
a. Remove converter housing bolts.
b. Remove traces of sealant.
●Be careful not to scratch converter housing.
12. Remove O-ring from input shaft.
13. Remove oil pump assembly.
a. Attach Tool to oil pump assembly and extract it evenly from
transmission case.
SAT308I
SAT999A
SAT995A
SAT027B

AT-74
[RL4R01A]
OVERHAUL
b. Remove O-ring from oil pump assembly.
c. Remove traces of sealant from oil pump housing.
●Be careful not to scratch pump housing.
d. Remove needle bearing and thrust washer from oil pump
assembly.
14. Remove input shaft and oil pump gasket.
15. Remove brake band and band strut.
a. Loosen lock nut and remove band servo anchor end pin from
transmission case.
SAT028B
SAT108B
SAT988A
SAT029B

OVERHAUL
AT-75
[RL4R01A]
D
E
F
G
H
I
J
K
L
M
A
B
AT
b. Remove brake band and band strut from transmission case.
●To prevent brake linings from cracking or peeling, do not
stretch the flexible band unnecessarily. When removing
the brake band, always secure it with a clip as shown in
the figure at left. Leave the clip in position after removing
the brake band.
c. Check brake band facing for damage, cracks, wear and burns.
16. Remove front side clutch and gear components.
a. Remove clutch pack (reverse clutch, high clutch and front sun
gear) from transmission case.
b. Remove front bearing race from clutch pack.
c. Remove rear bearing race from clutch pack.
SAT986A
SAT655
SAT030B
SAT374I

AT-76
[RL4R01A]
OVERHAUL
d. Remove front planetary carrier from transmission case.
e. Remove front needle bearing from front planetary carrier.
f. Remove rear bearing from front planetary carrier.
g. Remove rear sun gear from transmission case.
17. Remove rear extension case.
a. Remove rear extension case from transmission case.
b. Remove rear extension gasket from transmission case.
c. Remove oil seal from rear extension case.
●Do not remove oil seal unless it is to be replaced.
SAT031B
SAT968A
SAT974A
SAT309I
SAT190B

OVERHAUL
AT-77
[RL4R01A]
D
E
F
G
H
I
J
K
L
M
A
B
AT
18. Remove output shaft and parking gear.
a. Remove governor valve assembly.
b. Remove rear snap ring from output shaft.
c. Slowly push output shaft all the way forward.
●Do not use excessive force.
d. Remove snap ring from output shaft.
e. Remove output shaft and parking gear as a unit from transmis-
sion case.
f. Remove parking gear from output shaft.
SAT120C
SAT310I
SAT957A
SAT311I

AT-78
[RL4R01A]
OVERHAUL
g. Remove needle bearing from transmission case.
19. Remove rear side clutch and gear components.
a. Remove front internal gear.
b. Remove bearing race from front internal gear.
c. Remove needle bearing from rear internal gear.
d. Remove rear internal gear, forward clutch hub and overrun
clutch hub as a set from transmission case.
SAT033B
SAT954A
SAT110B
SAT111B
SAT951A

OVERHAUL
AT-79
[RL4R01A]
D
E
F
G
H
I
J
K
L
M
A
B
AT
e. Remove needle bearing from overrun clutch hub.
f. Remove overrun clutch hub from rear internal gear and forward
clutch hub.
g. Remove thrust washer from overrun clutch hub.
h. Remove forward clutch assembly from transmission case.
20. Remove band servo and accumulator components.
a. Remove band servo retainer from transmission case.
b. Apply compressed air to oil hole until band servo piston comes
out of transmission case.
●Hold piston with a rag and gradually direct air to oil hole.
c. Remove return springs.
SAT682H
SAT036B
SAT037B
SAT038B
SAT039B

AT-80
[RL4R01A]
OVERHAUL
d. Remove springs from accumulator pistons A , B , C and D .
e. Apply compressed air to each oil hole until piston comes out.
●Hold piston with a rag and gradually direct air to oil hole.
f. Remove O-ring from each piston.
21. Remove throttle wire components if necessary.
a. Remove throttle wire from A/T assembly.
b. Remove throttle lever shaft E-ring.
c. Remove return spring.
d. Remove throttle lever.
SAT040BA
Identification of accumulator pistons ABCD
Identification of oil holes abcd
SAT618GA
SAT135C
SAT136C

OVERHAUL
AT-81
[RL4R01A]
D
E
F
G
H
I
J
K
L
M
A
B
AT
e. Remove throttle lever shaft retaining pin and throttle lever shaft.
22. Remove manual shaft components, if necessary.
a. Hold width across flats of manual shaft (outside the transmission
case) and remove lock nut from shaft.
b. Remove retaining pin from transmission case.
c. While pushing detent spring down, remove manual plate and
parking rod from transmission case.
d. Remove manual shaft from transmission case.
SAT137C
SAT041B
SAT042B
SAT935A
SAT043B

AT-82
[RL4R01A]
OVERHAUL
e. Remove spacer and detent spring from transmission case.
f. Remove oil seal from transmission case.
SAT934A
SAT044B

OIL PUMP
AT-83
[RL4R01A]
D
E
F
G
H
I
J
K
L
M
A
B
AT
OIL PUMP PFP:15010
Components
ECS007JH
Disassembly
ECS007JI
1. Loosen bolts in numerical order and remove oil pump cover.
2. Remove rotor, vane rings and vanes.
●Inscribe a mark on back of rotor for identification of fore-
aft direction when reassembling rotor. Then remove
rotor.
LCIA0295E
SAT649A
SAT650A

AT-84
[RL4R01A]
OIL PUMP
3. While pushing on cam ring, remove pivot pin.
●Be careful not to scratch oil pump housing.
4. While holding cam ring and cam ring return spring, lift out cam
ring return spring.
●Be careful not to damage oil pump housing.
●Hold cam ring return spring to prevent it from jumping.
5. Remove cam ring and cam ring return spring from oil pump
housing.
6. Remove pivot pin from control piston and remove control piston
assembly.
SAT651A
SAT652A
SAT653A
SAT654A

OIL PUMP
AT-85
[RL4R01A]
D
E
F
G
H
I
J
K
L
M
A
B
AT
7. Remove oil seal from oil pump housing.
●Be careful not to scratch oil pump housing.
Inspection
ECS007JJ
OIL PUMP COVER, ROTOR, VANES, CONTROL PISTON, SIDE SEALS, CAM RING AND FRIC-
TION RING
●Check for wear and damage.
SIDE CLEARANCES
●Measure side clearances between end of oil pump housing and
cam ring, rotor, vanes and control piston in at least four places
along their circumferences. Maximum measured values should
be within specified ranges.
●Before measuring side clearance, check that friction rings, O-ring, control piston side seals and
cam ring return spring are removed.
●If not within standard clearance, replace oil pump assembly except oil pump cover assembly.
SAT655A
SAT656A
SAT657A
SAT658A
Standard clearance (Cam ring, rotor,
vanes and control piston)
: Refer to AT-154, "Oil Pump and Low One-way
Clutch" .

AT-86
[RL4R01A]
OIL PUMP
SEAL RING CLEARANCE
●Measure clearance between seal ring and ring groove.
●If not within wear limit, replace oil pump cover assembly.
Assembly
ECS007JK
1. Drive oil seal into oil pump housing.
●Apply ATF to outer periphery and lip surface.
2. Install cam ring in oil pump housing as follows:
a. Install side seal on control piston.
●Pay attention to its direction — black surface faces
toward control piston.
●Apply petroleum jelly to side seal.
b. Install control piston on oil pump.
c. Install O-ring and friction ring on cam ring.
●Apply petroleum jelly to O-ring.
d. Assemble cam ring, cam ring return spring and spring seat.
Install spring by pushing it against pump housing.
Standard clearance : 0.10 - 0.25 mm (0.0039 -
0.0098 in)
Wear limit : 0.25 mm (0.0098 in)
SAT081E
SAT654A
SAT660A
SAT661A

OIL PUMP
AT-87
[RL4R01A]
D
E
F
G
H
I
J
K
L
M
A
B
AT
e. While pushing on cam ring, install pivot pin.
3. Install rotor, vanes and vane rings.
●Pay attention to direction of rotor.
4. Install oil pump housing and oil pump cover.
a. Wrap masking tape around splines of oil pump cover assembly
to protect seal. Position oil pump cover assembly in oil pump
housing assembly, then remove masking tape.
b. Tighten bolts in numerical order as shown.
5. Install seal rings carefully after packing ring grooves with petro-
leum jelly. Press rings down into jelly for a close fit.
●Seal rings come in two different diameters. Check fit
carefully in each groove.
●Do not spread gap of seal ring excessively while install-
ing. It may deform ring.
SAT651A
SAT662A
SAT649A
Small dia. seal ring : No mark
Large dia. seal ring : Yellow mark in area
shown by arrow
SAT663A

AT-88
[RL4R01A]
CONTROL VALVE ASSEMBLY
CONTROL VALVE ASSEMBLY PFP:31705
Components
ECS007JL
LCIA0281E

CONTROL VALVE ASSEMBLY
AT-89
[RL4R01A]
D
E
F
G
H
I
J
K
L
M
A
B
AT
Disassembly
ECS007JM
1. Remove solenoids.
a. Remove overdrive cancel solenoid valve and side plate from
lower body.
b. Remove O-ring from solenoid.
c. Remove torque converter clutch solenoid valve from upper
body.
d. Remove O-ring from solenoid valve.
2. Disassemble upper and lower bodies.
a. Place upper body facedown, and remove bolts, reamer bolts,
side plate and support plates.
b. Remove lower body and separator plate as a unit from upper
body.
●Be careful not to drop orifice check valve, spring and
steel balls.
c. Place lower body facedown, and remove separator plate.
d. Remove orifice check valve and orifice check spring.
AAT814
SAT144G
SAT138C
AAT258A

AT-90
[RL4R01A]
CONTROL VALVE ASSEMBLY
e. Check to see that steel balls are properly positioned in upper
body and side plate, then remove them from upper body.
Inspection
ECS007JN
LOWER AND UPPER BODIES
●Check to see that there are pins and retainer plates in lower
body.
●Check to see that there are pins and retainer plates in upper
body.
●Be careful not to lose these parts.
●Check to make sure that oil circuits are clean and free from
damage.
●Check tube brackets and tube connectors for damage.
SAT726C
SAT139C
SAT140C
SAT141C

CONTROL VALVE ASSEMBLY
AT-91
[RL4R01A]
D
E
F
G
H
I
J
K
L
M
A
B
AT
SEPARATOR PLATES
●Check to make sure that separator plate is free of damage and
not deformed and oil holes are clean.
OVERDRIVE CANCEL SOLENOID VALVE AND TORQUE CONVERTER CLUTCH SOLENOID
VALVE
●Check that filter is not clogged or damaged.
●Measure resistance. Refer to AT-44, "Component Inspection" .
Assembly
ECS007JO
1. Install upper and lower bodies.
a. Position upper body with oil circuit facing up. Install steel balls in
their proper positions.
b. Install reamer bolts from bottom of upper body.
c. Position lower body with oil circuit facing up. Install orifice check
spring, orifice check valve.
SAT151G
SAT726C
SAT147H
D : 2.0 mm (0.079 in)
SAT763G

AT-92
[RL4R01A]
CONTROL VALVE ASSEMBLY
d. Install separator plate on lower body.
e. Temporarily install support plates, side plate (with steel ball) and
tube brackets.
f. Temporarily assemble lower and upper bodies, using reamer
bolt as a guide.
●Be careful not to dislocate or drop steel balls, orifice
check spring and orifice check valve.
g. Install and temporarily tighten bolts and tube brackets in their
proper locations.
SAT312I
SAT198B
AAT877

CONTROL VALVE ASSEMBLY
AT-93
[RL4R01A]
D
E
F
G
H
I
J
K
L
M
A
B
AT
Bolt length and location:
2. Install solenoids.
a. Attach O-ring and install overdrive cancel solenoid valve and
side plate onto lower body.
b. Attach O-ring and install torque converter clutch solenoid valve
onto upper body.
3. Tighten bolt.
Bolt symbol
ab
Bolt length mm
(in) 45 (1.77) 33 (1.30)
AAT815
SAT144G

CONTROL VALVE UPPER BODY
AT-95
[RL4R01A]
D
E
F
G
H
I
J
K
L
M
A
B
AT
Disassembly
ECS007JQ
1. Remove valves at parallel pins.
●Do not use a magnetic pick-up tool.
a. Use a wire paper clip to push out parallel pins.
b. Remove parallel pins while pressing their corresponding plugs
and sleeves.
●Remove plug slowly to prevent internal parts from jump-
ing out.
c. Place mating surface of valve facedown, and remove internal
parts.
●If a valve is hard to remove, place valve body facedown
and lightly tap it with a soft hammer.
●Be careful not to drop or damage valves and sleeves.
SAT140C
SAT822A
SAT823A
SAT824A

AT-96
[RL4R01A]
CONTROL VALVE UPPER BODY
2. Remove valves at retainer plates.
a. Pry out retainer plate with wire paper clip.
b. Remove retainer plates while holding spring.
c. Place mating surface of valve facedown, and remove internal
parts.
●If a valve is hard to remove, lightly tap valve body with a
soft hammer.
●Be careful not to drop or damage valves, sleeves, etc.
Inspection
ECS007JR
VALVE SPRINGS
●Measure free length and outer diameter of each valve spring.
Also check for damage or deformation.
●Replace valve springs if deformed or fatigued.
CONTROL VALVES
●Check sliding surfaces of valves, sleeves and plugs.
SAT825A
SAT826A
SAT827A
Inspection standard : Refer to AT-151, "Return
Springs" .
SAT829A

CONTROL VALVE UPPER BODY
AT-97
[RL4R01A]
D
E
F
G
H
I
J
K
L
M
A
B
AT
Assembly
ECS007JS
1. Lubricate the control valve body and all valves with ATF. Install
control valves by sliding them carefully into their bores.
●Be careful not to scratch or damage valve body.
●Wrap a small screwdriver with vinyl tape and use it to insert
the valves into proper position.
ACCUMULATOR CONTROL PLUG
●Align protrusion of accumulator control sleeve with notch in plug.
●Align parallel pin groove in plug with parallel pin, and install
accumulator control valve.
1. Install parallel pins and retainer plates.
SAT830A
SAT831A
SAT833A
SAT140C

AT-98
[RL4R01A]
CONTROL VALVE UPPER BODY
●While pushing plug, install parallel pin.
●Insert retainer plate while pushing spring.
SAT449E

AT-100
[RL4R01A]
CONTROL VALVE LOWER BODY
Disassembly
ECS007JU
1. Remove valves at parallel pins.
2. Remove valves at retainer plates.
For removal procedures, refer to AT-89, "Disassembly" .
Inspection
ECS007JV
VALVE SPRINGS
●Check each valve spring for damage and deformation. Also
measure free length and outer diameter.
●Replace valve springs if deformed or fatigued.
CONTROL VALVES
●Check sliding surfaces of control valves, sleeves and plugs for damage.
Assembly
ECS007JW
●Install control valves.
For installation procedures, refer to AT-91, "Assembly" .
SAT139C
Inspection standard : Refer to AT-151, "Return
Springs" .
SAT829A
SAT139C

GOVERNOR VALVE ASSEMBLY
AT-101
[RL4R01A]
D
E
F
G
H
I
J
K
L
M
A
B
AT
GOVERNOR VALVE ASSEMBLY PFP:31860
Components
ECS007JX
Numbers preceding valve springs correspond with those shown in AT-151, "Return Springs" .
Inspection
ECS007JY
VALVE SPRINGS
●Measure free length and outer diameter of each valve spring.
Also check for damage or deformation.
GOVERNOR VALVES AND VALVE BODY
●Check governor valves and valve body for indication of burning or scratches.
SAT450EB
Inspection standard : Refer to AT-151, "Return
Springs" .
SAT829A

AT-102
[RL4R01A]
PARKING GEAR
PARKING GEAR PFP:31486
Inspection
ECS007JZ
●Check contacting surface of parking gear and ring groove areas
for wear.
●Measure clearance between seal ring and ring groove.
Standard clearance : 0.15 - 0.40 mm (0.0059 -
0.0157 in)
Wear limit : 0.40 mm (0.0157 in)
SAT152G

REVERSE CLUTCH
AT-103
[RL4R01A]
D
E
F
G
H
I
J
K
L
M
A
B
AT
REVERSE CLUTCH PFP:31510
Components
ECS007K0
Disassembly
ECS007K1
1. Check operation of reverse clutch.
a. Install seal ring onto oil pump cover and install reverse clutch.
Apply compressed air to oil hole.
b. Check to see that retaining plate moves to snap ring.
c. If retaining plate does not contact snap ring,
●D-ring might be damaged.
●Oil seal might be damaged.
●Fluid might be leaking past piston check ball.
2. Remove snap ring, drive plates, driven plates, retaining plate
and dish plate.
AAT108A
SAT841A
SAT842A

AT-104
[RL4R01A]
REVERSE CLUTCH
3. Remove snap ring from clutch drum while compressing clutch
springs.
●Set Tool directly over springs.
●Do not expand snap ring excessively.
4. Remove spring retainer and return spring.
5. Install seal ring onto oil pump cover and install reverse clutch
drum. While holding piston, gradually apply compressed air to
oil hole until piston is removed.
●Do not apply compressed air abruptly.
6. Remove D-ring and oil seal from piston.
Inspection
ECS007K2
REVERSE CLUTCH SNAP RING AND SPRING RETAINER
●Check for deformation, fatigue and damage.
REVERSE CLUTCH RETURN SPRINGS
●Check for deformation and damage. Also, measure free length
and outside diameter.
REVERSE CLUTCH DRIVE PLATES
●Check facing for burns, cracks and damage.
●Measure thickness of facing.
●If not within wear limit, replace.
REVERSE CLUTCH DISH PLATE
●Check for deformation and damage.
SAT620G
SAT844A
Inspection standard : Refer to AT-151, "Return
Springs" .
SAT829A
Thickness of drive plate
Standard value : 1.90 - 2.05 mm (0.0748 - 0.0807 in)
Wear limit : 1.80 mm (0.0709 in)
SAT845A

REVERSE CLUTCH
AT-105
[RL4R01A]
D
E
F
G
H
I
J
K
L
M
A
B
AT
REVERSE CLUTCH PISTON
●Shake piston to assure that balls are not seized.
●Apply compressed air to check ball oil hole opposite the return
spring to assure that there is no air leakage.
●Also apply compressed air to oil hole on return spring side to
assure that air leaks past ball.
Assembly
ECS007K3
1. Install D-ring and oil seal on piston.
●Apply ATF to both parts.
●Take care with the direction of oil seal.
2. Install piston assembly by turning it slowly and evenly.
●Apply ATF to inner surface of drum.
3. Install return springs and spring retainer.
SAT846A
SAT847A
SAT848A
SAT849A

AT-106
[RL4R01A]
REVERSE CLUTCH
4. Set Tool on spring retainer and install snap ring while compress-
ing clutch springs.
●Do not align snap ring gap with spring retainer stopper.
5. Install drive plates, driven plates, retaining plate and dish plate.
6. Install snap ring.
7. Measure clearance between retaining plate and snap ring. If not
within allowable limit, select proper retaining plate.
SAT620G
SAT850A
SAT842A
Specified clearance
Standard : 0.5 - 0.8 mm (0.020 -
0.031 in)
Allowable limit : 1.2 mm (0.047 in)
Retaining plate : Refer to AT-104, "Inspec-
tion" .
SAT852A

AT-108
[RL4R01A]
HIGH CLUTCH
HIGH CLUTCH PFP:31410
Components
ECS007K4
Disassembly and Assembly
ECS007K5
Service procedures for high clutch are essentially the same as those
for reverse clutch, with the following exceptions:
●Check of high clutch operation
●Removal and installation of return spring
LCIA0284E
SAT854A
SAT621G

HIGH CLUTCH
AT-109
[RL4R01A]
D
E
F
G
H
I
J
K
L
M
A
B
AT
●Inspection of high clutch return springs
●Inspection of high clutch drive plate
●Measurement of clearance between retaining plate and snap
ring
Inspection standard : Refer to AT-151, "Return
Springs" .
SAT829A
Thickness of drive plate
Standard : 1.52 - 1.67 mm (0.0598 - 0.0657 in)
Wear limit : 1.40 mm (0.0551 in)
SAT845A
Specified clearance
Standard : 1.8 - 2.2 mm (0.071 - 0.087 in)
Allowable limit : 2.8 mm (0.110 in)
Retaining plate : Refer to AT-152, "Clutch and
Brakes" .
SAT858A

AT-110
[RL4R01A]
FORWARD AND OVERRUN CLUTCHES
FORWARD AND OVERRUN CLUTCHES PFP:31570
Components
ECS007K6
LCIA0285E

FORWARD AND OVERRUN CLUTCHES
AT-111
[RL4R01A]
D
E
F
G
H
I
J
K
L
M
A
B
AT
Disassembly and Assembly
ECS007K7
Service procedures for forward and overrun clutches are essentially
the same as those for reverse clutch, with the following exceptions:
●Check of forward clutch operation
●Check of overrun clutch operation
●Removal of forward clutch drum
Remove forward clutch drum from transmission case by holding
snap ring.
●Removal of forward clutch and overrun clutch pistons
–While holding overrun clutch piston, gradually apply com-
pressed air to oil hole.
SAT860A
SAT861A
SAT865A
SAT862A

AT-112
[RL4R01A]
FORWARD AND OVERRUN CLUTCHES
–Remove overrun clutch from forward clutch.
●Removal and installation of return springs
●Inspection of forward clutch and overrun clutch return springs
●Inspection of forward clutch drive plates
SAT863A
SAT148H
Inspection standard : Refer to AT-151, "Return
Springs" .
SAT829A
Thickness of drive plate
Standard : 1.52 - 1.67 mm (0.0598 - 0.0657 in)
Wear limit : 1.40 mm (0.0551 in)
SAT845A

FORWARD AND OVERRUN CLUTCHES
AT-113
[RL4R01A]
D
E
F
G
H
I
J
K
L
M
A
B
AT
●Inspection of overrun clutch drive plates
●Installation of forward clutch piston and overrun clutch piston
–Install forward clutch piston by turning it slowly and evenly.
•Apply ATF to inner surface of clutch drum.
•Align notch in forward clutch piston with groove in forward
clutch drum.
–Install overrun clutch by turning it slowly and evenly.
•Apply ATF to inner surface of forward clutch piston.
●Measurement of clearance between retaining plate and snap
ring of overrun clutch
Thickness of drive plate
Standard : 1.90 - 2.05 mm (0.0748 - 0.0807 in)
Wear limit : 1.80 mm (0.0709 in)
SAT845A
SAT741G
SAT153G
Specified clearance
Standard : 1.0 - 1.4 mm (0.039 - 0.055 in)
Allowable limit : 2.0 mm (0.079 in)
Retaining plate : Refer to AT-153, "OVERRUN
CLUTCH" .
SAT869A

LOW & REVERSE BRAKE
AT-115
[RL4R01A]
D
E
F
G
H
I
J
K
L
M
A
B
AT
LOW & REVERSE BRAKE PFP:31645
Components
ECS007K8
Disassembly
ECS007K9
1. Check operation of low and reverse brake.
a. Install seal ring onto oil pump cover and install reverse clutch.
Apply compressed air to oil hole.
b. Check to see that retaining plate moves to snap ring.
c. If retaining plate does not contact snap ring:
●D-ring might be damaged.
●Oil seal might be damaged.
●Fluid might be leaking past piston check ball.
2. Remove snap ring, low & reverse brake drive plates, driven
plates and dish plate.
AAT111A
SAT872A
SAT873A

AT-116
[RL4R01A]
LOW & REVERSE BRAKE
3. Remove low one-way clutch inner race, spring retainer and
return spring from transmission case.
4. Remove seal rings from low one-way clutch inner race.
5. Remove needle bearing from low one-way clutch inner race.
6. Remove low & reverse brake piston using compressed air.
7. Remove oil seal and D-ring from piston.
Inspection
ECS007KA
LOW & REVERSE BRAKE SNAP RING AND SPRING RETAINER
●Check for deformation, or damage.
●Replace if necessary.
LOW & REVERSE BRAKE RETURN SPRINGS
●Check for deformation or damage. Also measure free length and
outside diameter.
LOW & REVERSE BRAKE DRIVE PLATES
●Check facing for burns, cracks or damage.
●Measure thickness of facing.
●If not within wear limit, replace.
SAT154G
SAT876A
Inspection standard : Refer to AT-151, "Return
Springs" .
SAT829A
Thickness of drive plate
Standard value : 1.52 - 1.67 mm (0.0598 - 0.0657 in)
Wear limit : 1.4 mm (0.055 in)
SAT845A

LOW & REVERSE BRAKE
AT-117
[RL4R01A]
D
E
F
G
H
I
J
K
L
M
A
B
AT
LOW ONE-WAY CLUTCH INNER RACE
●Check frictional surface of inner race for wear or damage.
●Install new seal rings onto low one-way clutch inner race.
●Be careful not to expand seal ring gap excessively.
●Measure seal ring-to-groove clearance.
●If not within allowable limit, replace low one-way clutch inner
race.
Assembly
ECS007KB
1. Install needle bearing onto one-way clutch inner race.
●Pay attention to its direction — black surface faces to
rear side.
●Apply petroleum jelly to thrust washers.
2. Install oil seal and D-ring onto piston.
●Apply ATF to oil seal and D-ring.
3. Install piston by rotating it slowly and evenly.
●Apply ATF to inner surface of transmission case.
Inspection standard
Standard value : 0.10 - 0.25 mm (0.0039 - 0.0098 in)
Allowable limit : 0.25 mm (0.0098 in)
SAT155G
SAT112B
SAT879A
SAT880A

AT-118
[RL4R01A]
LOW & REVERSE BRAKE
4. Install return springs, spring retainer and low one-way clutch
inner race onto transmission case.
5. Install dish plate, low & reverse brake drive plates, driven plates
and retaining plate.
6. Install snap ring on transmission case.
7. Check operation of low & reverse brake clutch piston. Refer to
AT-115, "Disassembly" .
8. Measure clearance between retaining plate and snap ring. If not
within allowable limit, select proper retaining plate.
9. Install low one-way clutch inner race seal ring.
●Apply petroleum jelly to seal ring.
●Make sure seal rings are pressed firmly into place and
held by petroleum jelly.
SAT881A
SAT872A
Specified clearance
Standard : 0.5 - 0.8 mm (0.020 - 0.031 in)
Allowable limit : 2.3 mm (0.091 in)
Retaining plate : Refer to AT-153, "LOW & REVERSE
BRAKE" .
SAT885A
SAT884A

FORWARD CLUTCH DRUM ASSEMBLY
AT-119
[RL4R01A]
D
E
F
G
H
I
J
K
L
M
A
B
AT
FORWARD CLUTCH DRUM ASSEMBLY PFP:31571
Components
ECS007KC
Disassembly
ECS007KD
1. Remove snap ring from forward clutch drum.
2. Remove side plate from forward clutch drum.
3. Remove low one-way clutch from forward clutch drum.
4. Remove snap ring from forward clutch drum.
5. Remove needle bearing from forward clutch drum.
Inspection
ECS007KE
FORWARD CLUTCH DRUM
●Check spline portion for wear or damage.
●Check frictional surfaces of low one-way clutch and needle
bearing for wear or damage.
SAT886AA
SAT887A
SAT892A

AT-120
[RL4R01A]
FORWARD CLUTCH DRUM ASSEMBLY
NEEDLE BEARING AND LOW ONE-WAY CLUTCH
●Check frictional surface for wear or damage.
Assembly
ECS007KF
1. Install needle bearing in forward clutch drum.
2. Install snap ring onto forward clutch drum.
3. Install low one-way clutch onto forward clutch drum by pushing
the roller in evenly.
●Install low one-way clutch with flange facing rearward.
4. Install side plate onto forward clutch drum.
5. Install snap ring onto forward clutch drum.
SAT893A
SAT149H
SAT894A
SAT895A

REAR INTERNAL GEAR AND FORWARD CLUTCH HUB
AT-121
[RL4R01A]
D
E
F
G
H
I
J
K
L
M
A
B
AT
REAR INTERNAL GEAR AND FORWARD CLUTCH HUB PFP:31450
Components
ECS007KG
Disassembly
ECS007KH
1. Remove rear internal gear by pushing forward clutch hub for-
ward.
2. Remove thrust washer from rear internal gear.
3. Remove snap ring from forward clutch hub.
4. Remove end bearing.
5. Remove forward one-way clutch and end bearing as a unit from
forward clutch hub.
6. Remove snap ring from forward clutch hub.
LCIA0286E
SAT897A
SAT287G

AT-122
[RL4R01A]
REAR INTERNAL GEAR AND FORWARD CLUTCH HUB
Inspection
ECS007KI
REAR INTERNAL GEAR AND FORWARD CLUTCH HUB
●Check gear for excessive wear, chips or cracks.
●Check frictional surfaces of forward one-way clutch and thrust
washer for wear or damage.
●Check spline for wear or damage.
SNAP RING AND END BEARING
●Check for deformation or damage.
Assembly
ECS007KJ
1. Install snap ring onto forward clutch hub.
2. Install end bearing.
3. Install forward one-way clutch onto clutch hub.
●Install forward one-way clutch with flange facing rear-
ward.
4. Install end bearing.
5. Install snap ring onto forward clutch hub.
SAT902A
SAT903A
SAT901A
SAT904A

REAR INTERNAL GEAR AND FORWARD CLUTCH HUB
AT-123
[RL4R01A]
D
E
F
G
H
I
J
K
L
M
A
B
AT
6. Install thrust washer onto rear internal gear.
●Apply petroleum jelly to thrust washer.
●Securely insert pawls of thrust washer into holes in rear
internal gear.
7. Position forward clutch hub in rear internal gear.
8. After installing, check to assure that forward clutch hub rotates
clockwise.
SAT906A
SAT907A
SAT905A

AT-124
[RL4R01A]
BAND SERVO PISTON ASSEMBLY
BAND SERVO PISTON ASSEMBLY PFP:31615
Components
ECS007KK
Disassembly
ECS007KL
1. Block one oil hole in O/D servo piston retainer and the center
hole in O/D band servo piston.
2. Apply compressed air to the other oil hole in piston retainer to
remove O/D band servo piston from retainer.
3. Remove D-ring from O/D band servo piston.
4. Remove band servo piston assembly from servo piston retainer
by pushing it forward.
AAT112A
SAT909A
SAT910A

BAND SERVO PISTON ASSEMBLY
AT-125
[RL4R01A]
D
E
F
G
H
I
J
K
L
M
A
B
AT
5. Place piston stem end on a wooden block. While pushing servo
piston spring retainer down, remove E-ring.
6. Remove servo piston spring retainer, return spring C and piston
stem from band servo piston.
7. Remove E-ring from band servo piston.
8. Remove servo cushion spring retainer from band servo piston.
9. Remove D-rings from band servo piston.
10. Remove O-rings from servo piston retainer.
Inspection
ECS007KM
PISTONS, RETAINERS AND PISTON STEM
●Check frictional surfaces for abnormal wear or damage.
SAT911A
SAT912A
SAT914A
SAT915A

AT-126
[RL4R01A]
BAND SERVO PISTON ASSEMBLY
RETURN SPRINGS
●Check for deformation or damage. Measure free length and
outer diameter.
Assembly
ECS007KN
1. Install O-rings onto servo piston retainer.
●Apply ATF to O-rings.
●Pay attention to position of each O-ring.
2. Install servo cushion spring retainer onto band servo piston.
3. Install E-ring onto servo cushion spring retainer.
4. Install D-rings onto band servo piston.
●Apply ATF to D-rings.
Inspection standard : Refer toAT-151, "Return
Springs" .
SAT916AA
SAT917A
SAT918A
SAT920A

BAND SERVO PISTON ASSEMBLY
AT-127
[RL4R01A]
D
E
F
G
H
I
J
K
L
M
A
B
AT
5. Install servo piston spring retainer, return spring C and piston
stem onto band servo piston.
6. Place piston stem end on a wooden block. While pushing servo
piston spring retainer down, install E-ring.
7. Install band servo piston assembly onto servo piston retainer by
pushing it inward.
8. Install D-ring on O/D band servo piston.
●Apply ATF to D-ring.
SAT912A
SAT921A
SAT922A
SAT923A

AT-128
[RL4R01A]
BAND SERVO PISTON ASSEMBLY
9. Install O/D band servo piston onto O/D servo piston retainer by
pushing it inward.
SAT924A

PARKING PAWL COMPONENTS
AT-129
[RL4R01A]
D
E
F
G
H
I
J
K
L
M
A
B
AT
PARKING PAWL COMPONENTS PFP:31991
Components
ECS007KO
Disassembly
ECS007KP
1. Slide return spring to the front of rear extension flange.
2. Remove return spring, pawl spacer and parking pawl from rear
extension.
3. Remove parking pawl shaft from rear extension.
LCIA0287E
SAT226H
SAT227H

AT-130
[RL4R01A]
PARKING PAWL COMPONENTS
4. Remove parking actuator support from rear extension.
Inspection
ECS007KQ
PARKING PAWL AND PARKING ACTUATOR SUPPORT
●Check contact surface of parking rod and parking gear for wear.
Assembly
ECS007KR
1. Install parking actuator support onto rear extension.
2. Insert parking pawl shaft into rear extension.
3. Install return spring, pawl spacer and parking pawl onto parking
pawl shaft.
SAT228H
AAT888
SAT229H
SAT227H

PARKING PAWL COMPONENTS
AT-131
[RL4R01A]
D
E
F
G
H
I
J
K
L
M
A
B
AT
4. Bend return spring upward and install it onto rear extension.
SAT226H

AT-132
[RL4R01A]
ASSEMBLY
ASSEMBLY PFP:00000
Assembly (1)
ECS007KS
1. Install manual shaft components.
a. Install oil seal onto manual shaft.
●Apply ATF to oil seal.
●Wrap threads of manual shaft with masking tape.
b. Insert manual shaft and oil seal as a unit into transmission case.
c. Remove masking tape.
d. Push oil seal evenly and install it onto transmission case.
e. Align groove in shaft with drive pin hole; then drive pin into posi-
tion as shown in figure at left.
f. Install detent spring and spacer.
SAT931A
SAT932A
SAT933A
SAT934A

ASSEMBLY
AT-133
[RL4R01A]
D
E
F
G
H
I
J
K
L
M
A
B
AT
g. While pushing detent spring down, install manual plate onto
manual shaft.
h. Install lock nuts onto manual shaft.
2. Install throttle lever components.
a. Install throttle lever shaft.
b. Align groove in shaft with drive pin hole, then drive pin into posi-
tion as shown in figure at left.
c. Install throttle lever, return spring, spring retainer and E-ring.
d. Install throttle wire.
SAT935A
SAT936A
SAT148C
SAT149C
SAT135C

AT-134
[RL4R01A]
ASSEMBLY
●Apply ATF to O-ring.
3. Install accumulator piston.
a. Install O-rings onto accumulator piston.
●Apply ATF to O-rings.
b. Install return spring for accumulator A onto transmission case.
c. Install accumulator pistons A , B , C and D .
●Apply ATF to transmission case.
SAT150C
Accumulator piston O-
rings
: Refer to AT-152, "Accu-
mulator O-ring" .
SAT937AA
Free length of return
spring
: Refer to AT-151, "Return
Springs" .
SAT938A
SAT939AA

ASSEMBLY
AT-135
[RL4R01A]
D
E
F
G
H
I
J
K
L
M
A
B
AT
4. Install band servo piston.
a. Install return springs onto band servo piston.
b. Install band servo piston onto transmission case.
●Apply ATF to O-ring of band servo piston and transmis-
sion case.
c. Install gasket for band servo onto transmission case.
d. Install O/D servo piston retainer onto transmission case.
5. Install rear side clutch and gear components.
a. Place transmission case in vertical position.
b. Slightly lift forward clutch drum assembly and slowly rotate it
clockwise until its hub passes fully over the clutch inner race
inside transmission case.
SAT941A
SAT942A
SAT940A
SAT943A
SAT944A

AT-136
[RL4R01A]
ASSEMBLY
c. Check to be sure that rotation direction of forward clutch assem-
bly is correct.
d. Install thrust washer onto front of overrun clutch hub.
●Apply petroleum jelly to the thrust washer.
●Insert pawls of thrust washer securely into holes in over-
run clutch hub.
e. Install overrun clutch hub onto rear internal gear assembly.
f. Install needle bearing onto rear of overrun clutch hub.
●Apply petroleum jelly to needle bearing.
g. Check that overrun clutch hub rotates as shown while holding
forward clutch hub.
SAT945A
SAT946A
SAT947A
SAT697H
SAT949A

ASSEMBLY
AT-137
[RL4R01A]
D
E
F
G
H
I
J
K
L
M
A
B
AT
h. Place transmission case into horizontal position.
i. Install rear internal gear, forward clutch hub and overrun clutch
hub as a unit onto transmission case.
j. Install needle bearing onto rear internal gear.
●Apply petroleum jelly to needle bearing.
k. Install bearing race onto rear of front internal gear.
●Apply petroleum jelly to bearing race.
●Securely engage pawls of bearing race with holes in front
internal gear.
l. Install front internal gear on transmission case.
6. Install output shaft and parking gear.
a. Insert output shaft from rear of transmission case while slightly
lifting front internal gear.
●Do not force output shaft against front of transmission
case.
b. Carefully push output shaft against front of transmission case.
Install snap ring on front of output shaft.
●Check to be sure output shaft cannot be removed in rear
direction.
SAT156G
SAT953A
SAT954A
SAT956A
SAT957A

AT-138
[RL4R01A]
ASSEMBLY
c. Install needle bearing on transmission case.
●Pay attention to its direction — black side faces the rear.
●Apply petroleum jelly to needle bearing.
d. Install parking gear on transmission case.
e. Install snap ring on rear of output shaft.
●Check to be sure output shaft cannot be removed in for-
ward direction.
f. Install governor valve assembly on oil distributor.
7. Install rear extension case.
a. Install oil seal on rear extension case.
●Apply ATF to oil seal.
SAT044E
SAT311I
SAT310I
SAT120C
SAT528G

ASSEMBLY
AT-139
[RL4R01A]
D
E
F
G
H
I
J
K
L
M
A
B
AT
b. Install rear extension gasket on transmission case.
c. Install parking rod on transmission case.
d. Install rear extension case on transmission case. Tighten bolts
to specified torque.
8. Install front side clutch and gear components.
a. Install rear sun gear on transmission case.
●Pay attention to its direction.
b. Install needle bearing on front of front planetary carrier.
●Apply petroleum jelly to needle bearing.
c. Install needle bearing on rear of front planetary carrier.
●Apply petroleum jelly to needle bearing.
●Pay attention to its direction — black side faces the front.
SAT963A
SAT964A
: 20 - 25 N·m (2.0 - 2.5 kg-m, 14 - 18 ft-lb)
SAT309I
SAT974A
SAT967A

AT-140
[RL4R01A]
ASSEMBLY
d. While rotating forward clutch drum clockwise, install front plane-
tary carrier on forward clutch drum.
●Check that portion A of front planetary carrier protrudes
approximately 2 mm (0.08 in) beyond portion B of forward
clutch assembly.
e. Install bearing races on front and rear of clutch pack.
●Apply petroleum jelly to bearing races.
●Securely engage pawls of bearing races with holes in
clutch pack.
f. Place transmission case in vertical position.
g. Install clutch pack into transmission case.
Adjustment
ECS007KT
When any parts listed in the following table are replaced, total end play or reverse clutch end play must be
adjusted.
SAT969A
SAT970A
SAT971A
SAT973A
Part name
Item
Total end play Reverse clutch
end play
Transmission case ●●
Low one-way clutch inner race ●●

ASSEMBLY
AT-141
[RL4R01A]
D
E
F
G
H
I
J
K
L
M
A
B
AT
1. Adjust total end play.
a. With original needle bearing installed, place J34291-1 (bridge),
J34291-2 (legs) and the J34291-5 (gauging cylinder) onto oil
pump. The long ends of legs should be placed firmly on
machined surface of oil pump assembly, and gauging cylinder
should rest on top of the needle bearing. Lock gauging cylinder
in place with set screw.
b. Install J34291-23 (gauging plunger) into gauging cylinder.
Overrun clutch hub ●●
Rear internal gear ●●
Rear planetary carrier ●●
Rear sun gear ●●
Front planetary carrier ●●
Front sun gear ●●
High clutch hub ●●
High clutch drum ●●
Oil pump cover ●●
Reverse clutch drum —●
Total end play “T1 ” : 0.25 - 0.55 mm (0.0098 - 0.0217 in)
Part name
Item
Total end play Reverse clutch
end play
SAT975A
SAT976A
SAT977A

AT-142
[RL4R01A]
ASSEMBLY
c. With original bearing race installed inside reverse clutch drum,
place shim selecting gauge with its legs on machined surface of
transmission case (no gasket) and allow gauging plunger to rest
on bearing race. Lock gauging plunger in place with set screw.
d. Remove Tool and use feeler gauge to measure gap between
gauging cylinder and gauging plunger. This measurement
should give exact total end play.
●If end play is out of specification, decrease or increase thick-
ness of oil pump cover bearing race as necessary.
2. Adjust reverse clutch drum end play.
a. Place J34291-1 (bridge), J34291-2 (legs) and J34291-5 (gaug-
ing cylinder) on machined surface of transmission case (no gas-
ket) and allow gauging cylinder to rest on front thrust surface of
reverse clutch drum. Lock cylinder in place with set screw.
b. Install J34291-23 (gauging plunger) into gauging cylinder.
SAT978A
Total end play “T1
”
: 0.25 - 0.55 mm (0.0098 - 0.0217 in)
Available oil pump cover
bearing race
: Refer to AT-154, "Total
End Play" .
SAT979A
Reverse clutch drum
end play “T2 ”
: 0.55 - 0.90 mm (0.0217 -
0.0354 in)
SAT636G
SAT981A
AAT125A

ASSEMBLY
AT-143
[RL4R01A]
D
E
F
G
H
I
J
K
L
M
A
B
AT
c. With original thrust washer installed on oil pump, place shim set-
ting gauge legs onto machined surface of oil pump assembly
and allow gauging plunger to rest on thrust washer. Lock
plunger in place with set screw.
d. Use feeler gauge to measure gap between gauging plunger and
gauging cylinder. This measurement should give you exact
reverse clutch drum and play.
●If end play is out of specification, decrease or increase thick-
ness of oil pump thrust washer as necessary.
Assembly (2)
ECS007KU
1. Place transmission case into horizontal position.
2. Install brake band and band strut.
a. Install band strut on brake band.
●Apply petroleum jelly to band strut.
b. Place brake band around reverse clutch drum, and insert band
strut into end of band servo piston stem.
SAT983A
Reverse clutch drum
end play “T2 ”
: 0.55 - 0.90 mm (0.0217 -
0.0354 in)
Available oil pump
thrust washer
: Refer to AT-154,
"Reverse Clutch Drum
End Play" . SAT984A
SAT985A
SAT986A

AT-144
[RL4R01A]
ASSEMBLY
c. Install anchor end pin on transmission case. Then, tighten
anchor end pin just enough so that reverse clutch drum (clutch
pack) will not tilt forward.
3. Install input shaft on transmission case.
●Pay attention to its direction — O-ring groove side faces
front.
4. Install gasket on transmission case.
5. Install oil pump assembly.
a. Install needle bearing on oil pump assembly.
●Apply petroleum jelly to the needle bearing.
b. Install selected thrust washer on oil pump assembly.
●Apply petroleum jelly to thrust washer.
c. Carefully install seal rings into grooves and press them into the
petroleum jelly so that they are a tight fit.
SAT987A
SAT988A
SAT989A
SAT990A

ASSEMBLY
AT-145
[RL4R01A]
D
E
F
G
H
I
J
K
L
M
A
B
AT
d. Install O-ring on oil pump assembly.
●Apply petroleum jelly to O-ring.
e. Apply petroleum jelly to mating surface of transmission case and
oil pump assembly.
f. Install oil pump assembly.
●Install two converter housing securing bolts in bolt holes
in oil pump assembly as guides.
●Insert oil pump assembly to the specified position in
transmission, as shown at left.
SAT991A
SAT992A
SAT993A
SAT994A

AT-146
[RL4R01A]
ASSEMBLY
6. Install O-ring on input shaft.
●Apply ATF to O-rings.
7. Install converter housing.
a. Apply Genuine Anaerobic Liquid Gasket or equivalent around
bolt holes in converter housing. Refer to GI-42, "RECOM-
MENDED CHEMICAL PRODUCTS AND SEALANTS" .
●Do not apply too much sealant.
b. Apply Genuine Anaerobic Liquid Gasket or equivalent to seating
surfaces of bolts that secure front of converter housing. Refer to
GI-42, "RECOMMENDED CHEMICAL PRODUCTS AND SEAL-
ANTS" .
c. Install converter housing on transmission case.
8. Adjust brake band.
a. Tighten anchor end pin to specified torque.
b. Back off anchor end pin two and a half turns.
SAT114B
SAT397C
SAT158G
Anchor end pin
: 4 - 6 N·m (0.4 - 0.6 kg-m, 35 - 52 in-lb)
SAT001B

ASSEMBLY
AT-147
[RL4R01A]
D
E
F
G
H
I
J
K
L
M
A
B
AT
c. While holding anchor end pin, tighten lock nut.
9. Install terminal cord assembly.
a. Install O-ring on terminal cord assembly.
●Apply petroleum jelly to O-ring.
b. Compress terminal cord assembly stopper and install terminal
cord assembly on transmission case.
10. Install control valve assembly.
a. Install accumulator piston return springs B , C and D .
b. Install manual valve on control valve.
●Apply ATF to manual valve.
c. Install control valve assembly on transmission case.
d. Install connector tube brackets and tighten bolts A and B .
●Check that terminal assembly harness does not catch.
SAT002B
SAT316I
Free length of return
springs
: Refer to AT-151, "Return
Springs" .
SAT004BA
SAT005B
Bolt mm (in)
A33 (1.30)
B45 (1.77)
SAT448EA

AT-148
[RL4R01A]
ASSEMBLY
e. Install O-ring on oil strainer.
●Apply petroleum jelly to O-ring.
f. Install oil strainer on control valve.
g. Securely fasten terminal harness with clips.
11. Install oil pan.
a. Attach a magnet to oil pan.
b. Install new oil pan gasket on transmission case.
c. Install oil pan and bracket on transmission case.
●Always replace oil pan bolts as they are self-sealing
bolts.
●Before installing bolts, remove traces of sealant and oil
from mating surface and thread holes.
●Tighten four bolts in a crisscross pattern to prevent dis-
location of gasket.
d. Tighten drain plug.
SAT306I
SAT307I
SAT011B
SAT099H

ASSEMBLY
AT-149
[RL4R01A]
D
E
F
G
H
I
J
K
L
M
A
B
AT
12. Install park/neutral position (PNP) switch.
a. Check that manual shaft is in 1 position.
b. Temporarily install PNP switch on manual shaft.
c. Move manual shaft to N.
d. Use a 4 mm (0.16 in) pin for this adjustment.
i. Insert the pin straight into the manual shaft adjustment hole.
ii. Rotate PNP switch until the pin can also be inserted straight into
hole in PNP switch.
e. Tighten PNP switch fixing bolts.
f. Remove pin from adjustment hole after adjusting PNP switch.
13. Install torque converter.
a. Pour ATF into torque converter.
●Approximately 2 liters (2-1/8 US qt, 1-3/4 Imp qt) of fluid
are required for a new torque converter.
●When reusing old torque converter, add the same amount
of fluid as was drained.
b. Install torque converter while aligning notches and oil pump.
c. Measure distance A to check that torque converter is in proper
position.
SAT299I
SAT081B
SAT015BA
SAT016B
Distance “A” : 26.0 mm (1.024 in) or more
SAT017B

AT-150
[RL4R01A]
SERVICE DATA AND SPECIFICATIONS (SDS)
SERVICE DATA AND SPECIFICATIONS (SDS) PFP:00030
General Specifications
ECS007KV
*1: Refer to MA-12, "RECOMMENDED FLUIDS AND LUBRICANTS" .
Shift Schedule
ECS007KW
VEHICLE SPEED WHEN SHIFTING GEARS
VEHICLE SPEED WHEN PERFORMING AND RELEASING LOCK-UP
Stall Revolution
ECS007KX
Line Pressure
ECS007KY
Governor Pressure
ECS007KZ
Automatic transmission model RL4R01A
Transmission model code number 49X11
Stall torque ratio 2.0 : 1
Transmission gear ratio
1st 2.785
2nd 1.545
Top 1.000
O/D 0.694
Reverse 2.272
Recommended fluid
Nissan Matic “D” (Continental U.S. and
Alaska) or Genuine Nissan Automatic
Transmission Fluid (Canada)*1
Fluid capacity (US qt, Imp qt) 7.9 (8-3/8, 7)
Throttle position Vehicle speed km/h (MPH)
D1 → D2D2 → D3D3 → D4D4 → D3D3 → D2D2 → D112 → 11
Full throttle 46 - 50 (29 -
31)
88 - 96 (55 -
60) —126 - 136
(78 - 85)
80 - 88 (50 -
55)
41 - 45 (25 -
28)
41 - 45 (25 -
28)
Half throttle 29 - 33 (18 -
21)
56 - 64 (35 -
40)
105 - 114
(65 - 71)
60 - 70 (37 -
43)
26 - 32 (16 -
20)
12 - 16 (7 -
10)
41 - 45 (25 -
28)
Throttle position
D4 (O/D ON)
Vehicle speed km/h (MPH)
Lock-up ON Lock-up OFF
4/8 105 - 113 (65 - 70) 61 - 69 (38 - 43)
3/8 76 - 84 (47 - 52) 55 - 63 (34 - 39)
2/8 58 - 66 (36 - 41) 55 - 63 (34 - 39)
1/8 58 - 66 (36 - 41) 55 - 63 (34 - 39)
Stall revolution rpm 2,100 - 2,300
Engine
speed rpm
Line pressure kPa (kg/cm2 , psi)
D position (Overdrive control switch
ON and OFF) 2 and 1 positions R position
Idle 471 - 510 (4.8 - 5.2, 68 - 74) 883 - 961 (9.0 - 9.8, 128 - 139) 736 - 775 (7.5 - 7.9, 107 - 112)
Stall 912 - 991 (9.3 - 10.1, 132 - 144) 883 - 961 (9.0 - 9.8, 128 - 139) 1,442 - 1,520 (14.7 - 15.5, 209 - 220)
Vehicle speed Governor pressure kPa (kg/cm2 , psi)
0 km/h (0 MPH) 0 (0, 0)
29 km/h (18 MPH) 119.6 - 123.6 (1.22 - 1.26, 17 - 18)

SERVICE DATA AND SPECIFICATIONS (SDS)
AT-151
[RL4R01A]
D
E
F
G
H
I
J
K
L
M
A
B
AT
Return Springs
ECS007L0
Unit: mm (in)
57 km/h (35 MPH) 235.4 - 284.4 (2.40 - 2.90, 34 - 41)
86 km/h (53 MPH) 351.1 - 409.9 (3.58 - 4.18, 51 - 59)
Vehicle speed Governor pressure kPa (kg/cm2 , psi)
Parts Item
Part No.* Free length Outer diameter
Control
valve
Upper body
14th speed cut valve spring 31756-48X06 23.5 (0.925) 7.4 (0.2913)
2Pressure regulator valve spring 31742-48X23 51.2 (2.016) 12.1 (0.476)
3Pressure modifier valve spring 31742-48X13 40.83 (1.6075) 8.0 (0.315)
41-2 shift valve spring 31762-48X00 43.4 (1.709) 6.0 (0.236)
52-3 shift valve spring 31762-48X14 47.4 (1.866) 9.0 (0.354)
63-4 shift valve spring 31762-48X06 44.03 (1.7335) 8.0 (0.315)
7Accumulator control valve spring 31742-48X24 30.3 (1.193) 8.0 (0.315)
—3-2 downshift valve spring ———
82-3 throttle modifier valve spring 31742-41X21 33.0 (1.299) 6.5 (0.256)
94-2 relay valve spring 31756-41X00 29.1 (1.146) 6.95 (0.2736)
1
0
Torque converter clutch control
valve spring 31742-48X07 20.0 (0.787) 5.45 (0.2146)
Lower body
1Throttle valve & detent valve
spring 31802-48X02 34.23 (1.3476) 11.0 (0.433)
2Kickdown modifier valve spring 31756-48X12 42.8 (1.685) 7.0 (0.276)
31st reducing valve spring 31756-48X04 34.1 (1.343) 7.0 (0.276)
4Overrun clutch reducing valve
spring
31742-48X21 33.2 (1.307) 7.7 (0.303)
531742-48X05 31.0 (1.220) 5.2 (0.205)
63-2 timing valve spring 31742-48X15 23.0 (0.906) 7.0 (0.276)
7Torque converter relief valve
spring 31742-41X23 38.0 (1.496) 9.0 (0.354)
84-2 sequence valve spring 31756-41X00 29.1 (1.146) 6.95 (0.2736)
Governor valve
1Primary valve spring 31742-48X11 19.1 (0.752) 9.05 (0.3563)
2Secondary governor valve I
spring 31742-48X09 30.58 (1.2039) 9.2 (0.362)
3Secondary governor valve II
spring 31742-48X10 16.79 (0.6610) 9.0 (0.354)
Reverse clutch 16 pcs 31521-41X02
(Assembly) 19.7 (0.7756) 11.6 (0.457)
High clutch 10 pcs 31521-41X03
(Assembly) 24.2 (0.9528) 11.6 (0.457)
Forward clutch
(Overrun clutch) 20 pcs 31521-41X04
(Assembly) 35.77 (1.4083) 9.7 (0.382)
Low & reverse brake 18 pcs 31655-41X00
(Assembly) 22.3 (0.878) 11.2 (0.4409)
Band servo
Spring A31605-41X05 45.6 (1.795) 34.3 (1.350)
Spring B31605-41X00 53.8 (2.118) 40.3 (1.587)
Spring C31605-41X01 29.7 (1.1693) 27.6 (1.087)

AT-152
[RL4R01A]
SERVICE DATA AND SPECIFICATIONS (SDS)
*: Always check with the Parts Department for the latest parts information.
Accumulator O-ring
ECS007L1
Clutch and Brakes
ECS007L2
REVERSE CLUTCH
*: Always check with the Parts Department for the latest parts information.
HIGH CLUTCH
*: Always check with the Parts Department for the latest parts information.
Accumulator
Accumulator A31605-41X02 43.0 (1.693) 18.0 (0.709)
Accumulator B31605-41X15 66.0 (2.598) 20.8 (0.819)
Accumulator C31605-51X01 45.0 (1.772) 29.3 (1.154)
Accumulator D31605-41X06 58.4 (2.299) 17.3 (0.681)
Parts Item
Part No.* Free length Outer diameter
Accumulator Diameter mm (in)
ABCD
Small diameter end 29 (1.14) 32 (1.26) 45 (1.77) 29 (1.14)
Large diameter end 45 (1.77) 50 (1.97) 50 (1.97) 45 (1.77)
Code number 49X11
Number of drive plates 2
Number of driven plates 2
Thickness of drive plate mm
(in)
Standard 1.90 - 2.05 (0.0748 - 0.0807)
Wear limit 1.80 (0.0709)
Clearance mm (in) Standard 0.5 - 0.8 (0.020 - 0.031)
Allowable limit 1.2 (0.047)
Thickness of retaining plate
Thickness mm (in) Part No.*
4.8 (0.189)
5.0 (0.197)
5.2 (0.205)
5.4 (0.213)
5.6 (0.220)
31537-42X02
31537-42X03
31537-42X04
31537-42X05
31537-42X06
Code number 49X11
Number of drive plates 5
Number of driven plates 5
Thickness of drive plate mm
(in)
Standard 1.52 - 1.67 (0.0598 - 0.0657)
Wear limit 1.40 (0.0551)
Clearance mm (in) Standard 1.8 - 2.2 (0.071 - 0.087)
Allowable limit 3.2 (0.126)
Thickness of retaining plate
Thickness mm (in) Part No.*
3.4 (0.134)
3.6 (0.142)
3.8 (0.150)
4.0 (0.157)
4.2 (0.165)
4.4 (0.173)
4.6 (0.181)
4.8 (0.189)
31537-41X71
31537-41X61
31537-41X62
31537-41X63
31537-41X64
31537-41X65
31537-41X66
31537-41X67

SERVICE DATA AND SPECIFICATIONS (SDS)
AT-153
[RL4R01A]
D
E
F
G
H
I
J
K
L
M
A
B
AT
FORWARD CLUTCH
*: Always check with the Parts Department for the latest parts information.
OVERRUN CLUTCH
*: Always check with the Parts Department for the latest parts information.
LOW & REVERSE BRAKE
Code number 49X11
Number of drive plates 5
Number of driven plates 5
Thickness of drive plate mm
(in)
Standard 1.52 - 1.67 (0.0598 - 0.0657)
Wear limit 1.40 (0.0551)
Clearance mm (in) Standard 0.35 - 0.75 (0.0138 - 0.0295)
Allowable limit 1.75 (0.069)
Thickness of retaining plate
Thickness mm (in) Part No.*
8.0 (0.315)
8.1 (0.319)
8.2 (0.323)
8.3 (0.327)
8.4 (0.331)
8.5 (0.335)
8.6 (0.339)
8.7 (0.343)
8.8 (0.346)
8.9 (0.350)
9.0 (0.354)
9.1 (0.358)
9.2 (0.362)
31537-41X00
31537-42X60
31537-41X01
31537-42X61
31537-41X02
31537-42X62
31537-41X03
31537-42X63
31537-41X04
31537-42X64
31537-41X05
31537-42X65
31537-41X06
Code number 49X11
Number of drive plates 3
Number of driven plates 5
Thickness of drive plate mm
(in)
Standard 1.90 - 2.05 (0.0748 - 0.0807)
Wear limit 1.80 (0.0709)
Clearance mm (in) Standard 1.0 - 1.4 (0.039 - 0.055)
Allowable limit 2.0 (0.079)
Thickness of retaining plate
Thickness mm (in) Part No.*
4.2 (0.165)
4.4 (0.173)
4.6 (0.181)
4.8 (0.189)
5.0 (0.197)
31537-41X80
31537-41X81
31537-41X82
31537-41X83
31537-41X84
Code number 49X11
Number of drive plates 5
Number of driven plates 7
Thickness of drive plate mm
(in)
Standard 1.52 - 1.67 (0.0598 - 0.0657)
Wear limit 1.40 (0.0551)
Clearance mm (in) Standard 0.5 - 0.8 (0.020 - 0.031)
Allowable limit 1.8 (0.071)

AT-154
[RL4R01A]
SERVICE DATA AND SPECIFICATIONS (SDS)
*: Always check with the Parts Department for the latest parts information.
BRAKE BAND
Oil Pump and Low One-way Clutch
ECS007L3
Total End Play
ECS007L4
*: Always check with the Parts Department for the latest parts information.
Parking Gear
ECS007L5
Reverse Clutch Drum End Play
ECS007L6
*: Always check with the Parts Department for the latest parts information.
Removal and Installation
ECS007L7
Thickness of retaining plate
Thickness mm (in) Part No.*
7.2 (0.283)
7.4 (0.291)
7.6 (0.299)
7.8 (0.307)
8.0 (0.315)
8.2 (0.323)
8.4 (0.331)
8.6 (0.339)
8.8 (0.346)
9.0 (0.354)
9.2 (0.362)
31667-41X13
31667-41X14
31667-41X07
31667-41X08
31667-41X00
31667-41X01
31667-41X02
31667-41X03
31667-41X04
31667-41X05
31667-41X06
Code number 49X11
Anchor end pin nut tightening torque N·m (kg-m, ft-lb) 40 - 51 (4.1 - 5.2, 30 - 37)
Anchor end pin tightening torque N·m (kg-m, in-lb) 4 - 6 (0.4 - 0.6, 35 - 52)
Number of returning revolutions for anchor end pin 2.5
Oil pump clearance mm (in) Cam ring — oil pump housing Standard 0.01 - 0.024 (0.0004 - 0.0009)
Rotor, vanes and control piston — oil pump housing Standard 0.03 - 0.044 (0.0012 - 0.0017)
Seal ring clearance mm (in) Standard 0.10 - 0.25 (0.0039 - 0.0098)
Allowable limit 0.25 (0.0098)
Total end play “T1 ”0.25 - 0.55 mm (0.0098 - 0.0217 in)
Thickness of oil pump cover bearing race
Thickness mm (in) Part No.*
0.8 (0.031)
1.0 (0.039)
1.2 (0.047)
1.4 (0.055)
1.6 (0.063)
1.8 (0.071)
2.0 (0.079)
31435-41X01
31435-41X02
31435-41X03
31435-41X04
31435-41X05
31435-41X06
31435-41X07
Seal ring — ring groove clearance mm (in) Standard 0.15 - 0.20 (0.006 - 0.008)
Allowable limit 0.20 (0.008)
Reverse clutch drum end play “T2 ”0.55 - 0.90 mm (0.0217 - 0.0354 in)
Thickness of oil pump thrust washer
Thickness mm (in) Part No.*
0.9 (0.035)
1.1 (0.043)
1.3 (0.051)
1.5 (0.059)
1.7 (0.067)
1.9 (0.075)
31528-21X01
31528-21X02
31528-21X03
31528-21X04
31528-21X05
31528-21X06

SERVICE DATA AND SPECIFICATIONS (SDS)
AT-155
[RL4R01A]
D
E
F
G
H
I
J
K
L
M
A
B
AT
Manual control cable
Number of returning revolutions for lock
nut 1
Lock nut tightening torque N·m (kg-m, ft-
lb) 10.8 - 12.7 (1.09 - 1.29, 8.0 - 9.3)
Distance between end of converter housing and torque converter mm (in) 26.0 (1.024) or more

AT-156
[RE4R01A]
TROUBLE DIAGNOSIS — INDEX
TROUBLE DIAGNOSIS — INDEX PFP:00000
Alphabetical & P No. Index for DTC
ECS007L8
ALPHABETICAL INDEX FOR DTC
●*1: These numbers are prescribed by SAE J2012.
●*2: When the fail-safe operation occurs, the MIL illuminates.
●*3: The MIL illuminates when both the “Revolution sensor signal” and the “Vehicle speed sensor signal” meet the fail-safe condition at
the same time.
Items
(CONSULT-II screen terms)
DTC
Reference page
CONSULT-II
GST*1
A/T 1ST GR FNCTN P0731 AT-270
A/T 2ND GR FNCTN P0732 AT-27 6
A/T 3RD GR FNCTN P0733 AT-28 1
A/T 4TH GR FNCTN P0734 AT-28 6
A/T TCC S/V FNCTN P0744 AT-298
ATF TEMP SEN/CIRC P0710 AT-255
ENGINE SPEED SIG P0725 AT-266
L/PRESS SOL/CIRC P0745 AT-306
O/R CLTCH SOL/CIRC P1760 AT-329
PNP SW/CIRC P0705 AT-249
SFT SOL A/CIRC*2 P0750 AT-311
SFT SOL B/CIRC*2 P0755 AT-31 6
TCC SOLENOID/CIRC P0740 AT-293
TP SEN/CIRC A/T*2 P1705 AT-321
VEH SPD SEN/CIR AT*3 P0720 AT-261

TROUBLE DIAGNOSIS — INDEX
AT-157
[RE4R01A]
D
E
F
G
H
I
J
K
L
M
A
B
AT
P NO. INDEX FOR DTC
●*1: These numbers are prescribed by SAE J2012.
●*2: When the fail-safe operation occurs, the MIL illuminates.
●*3: The MIL illuminates when both the “Revolution sensor signal” and the “Vehicle speed sensor signal” meet the fail-safe condition at
the same time.
DTC Items
(CONSULT-II screen terms) Reference page
CONSULT-II
GST*1
P0705 PNP SW/CIRC AT-249
P0710 ATF TEMP SEN/CIRC AT-255
P0720 VEH SPD SEN/CIR AT*3 AT-261
P0725 ENGINE SPEED SIG AT-266
P0731 A/T 1ST GR FNCTN AT-270
P0732 A/T 2ND GR FNCTN AT-276
P0733 A/T 3RD GR FNCTN AT-281
P0734 A/T 4TH GR FNCTN AT-286
P0740 TCC SOLENOID/CIRC AT-293
P0744 A/T TCC S/V FNCTN AT-298
P0745 L/PRESS SOL/CIRC AT-306
P0750 SFT SOL A/CIRC*2 AT-311
P0755 SFT SOL B/CIRC*2 AT-316
P1705 TP SEN/CIRC A/T*2 AT-321
P1760 O/R CLTCH SOL/CIRC AT-329

AT-158
[RE4R01A]
PRECAUTIONS
PRECAUTIONS PFP:00001
Precautions for Supplemental Restraint System (SRS) “AIR BAG” and “SEAT
BELT PRE-TENSIONER”
ECS007L9
The Supplemental Restraint System such as “AIR BAG” and “SEAT BELT PRE-TENSIONER”, used along
with a front seat belt, helps to reduce the risk or severity of injury to the driver and front passenger for certain
types of collision. This system may include seat belt switch inputs and dual stage front air bag modules. If
equipped with dual stage front air bag modules, the SRS system uses the seat belt switches to determine the
front air bag deployment, and may only deploy one front air bag, depending on the severity of a collision and
whether the front occupants are belted or unbelted. Information necessary to service the system safely is
included in the SRS and SB section of this Service Manual.
The vehicle may be equipped with a passenger air bag deactivation switch. Because no rear seat exists where
a rear-facing child restraint can be placed, the switch is designed to turn off the passenger air bag so that a
rear-facing child restraint can be used in the front passenger seat. The switch is located in the center of the
instrument panel, near the ashtray. When the switch is turned to the ON position, the passenger air bag is
enabled and could inflate for certain types of collision. When the switch is turned to the OFF position, the pas-
senger air bag is disabled and will not inflate. A passenger air bag OFF indicator on the instrument panel lights
up when the passenger air bag is switched OFF. The driver air bag always remains enabled and is not affected
by the passenger air bag deactivation switch.
WARNING:
●To avoid rendering the SRS inoperative, which could increase the risk of personal injury or death
in the event of a collision which would result in air bag inflation, all maintenance must be per-
formed by an authorized NISSAN/INFINITI dealer.
●Improper maintenance, including incorrect removal and installation of the SRS, can lead to per-
sonal injury caused by unintentional activation of the system. For removal of Spiral Cable and Air
Bag Module, see the SRS section.
●Do not use electrical test equipment on any circuit related to the SRS unless instructed to in this
Service Manual. SRS wiring harnesses can be identified by yellow and/or orange harnesses or
harness connectors.
●The vehicle may be equipped with a passenger air bag deactivation switch which can be operated
by the customer. When the passenger air bag is switched OFF, the passenger air bag is disabled
and will not inflate. When the passenger air bag is switched ON, the passenger air bag is enabled
and could inflate for certain types of collision. After SRS maintenance or repair, make sure the
passenger air bag deactivation switch is in the same position (ON or OFF) as when the vehicle
arrived for service.
Precautions for On Board Diagnostic (OBD) System of A/T and Engine
ECS007LA
The ECM has an on board diagnostic system. It will light up the malfunction indicator lamp (MIL) to warn the
driver of a malfunction causing emission deterioration.
CAUTION:
●Be sure to turn the ignition switch OFF and disconnect the negative battery terminal before any
repair or inspection work. The open/short circuit of related switches, sensors, solenoid valves,
etc. will cause the MIL to light up.
●Be sure to connect and lock the connectors securely after work. A loose (unlocked) connector will
cause the MIL to light up due to an open circuit (Be sure the connector is free from water, grease,
dirt, bent terminals, etc.).
●Be sure to route and secure the harnesses properly after work. Interference of the harness with a
bracket, etc. may cause the MIL to light up due to a short circuit.
●Be sure to connect rubber tubes properly after work. A misconnected or disconnected rubber tube
may cause the MIL to light up due to a malfunction of the EGR system or fuel injection system, etc.
●Be sure to erase the unnecessary malfunction information (repairs completed) from the TCM and
ECM before returning the vehicle to the customer.

PRECAUTIONS
AT-159
[RE4R01A]
D
E
F
G
H
I
J
K
L
M
A
B
AT
Precautions
ECS007LB
●Before connecting or disconnecting the TCM harness con-
nector, turn ignition switch OFF and disconnect negative
battery terminal. Failure to do so may damage the TCM,
because battery voltage is applied to TCM even if ignition
switch is turned off.
●When connecting or disconnecting pin connectors into or
from TCM, take care not to damage pin terminals (bend or
break).
Make sure that there are not any bends or breaks on TCM
pin terminal, when connecting pin connectors.
●Before replacing TCM, perform TCM input/output signal
inspection and determine whether TCM functions properly
or not. Refer to AT-242, "TCM INSPECTION TABLE" .
●After performing each TROUBLE DIAGNOSIS, perform
“DTC (Diagnostic Trouble Code) CONFIRMATION PROCE-
DURE”.
The DTC should not be displayed in the “DTC CONFIRMA-
TION PROCEDURE” if the repair is completed.
●Before proceeding with disassembly, thoroughly clean the out-
side of the transmission. It is important to prevent the internal
parts from becoming contaminated by dirt or other foreign mat-
ter.
●Disassembly should be done in a clean work area.
●Use lint-free cloth or towels for wiping parts clean. Common
shop rags can leave fibers that could interfere with the operation
of the transmission.
●Place disassembled parts in order for easier and proper assembly.
●All parts should be carefully cleaned with a general purpose, non-flammable solvent before inspection or
reassembly.
●Gaskets, seals and O-rings should be replaced any time the transmission is disassembled.
●It is very important to perform functional tests whenever they are indicated.
SEF289H
AAT470A
MEF040DA
SAT964I

AT-160
[RE4R01A]
PRECAUTIONS
●The valve body contains precision parts and requires extreme care when parts are removed and serviced.
Place disassembled valve body parts in order for easier and proper assembly. Care will also prevent
springs and small parts from becoming scattered or lost.
●Properly installed valves, sleeves, plugs, etc. will slide along bores in valve body under their own weight.
●Before assembly, apply a coat of recommended ATF to all parts. Apply petroleum jelly to protect O-rings
and seals, or hold bearings and washers in place during assembly. Do not use grease.
●Extreme care should be taken to avoid damage to O-rings, seals and gaskets when assembling.
●Clean or replace ATF cooler if excessive foreign material is found in oil pan or clogging strainer. Refer to
AT-160, "ATF COOLER SERVICE" .
●After overhaul, refill the transmission with new ATF.
●When the A/T drain plug is removed, only some of the fluid is drained. Old A/T fluid will remain in torque
converter and ATF cooling system.
Always follow the procedures when changing A/T fluid. Refer to MA-37, "Checking A/T Fluid" .
Service Notice or Precautions
ECS007LC
FAIL-SAFE
The TCM has an electronic Fail-Safe (limp home mode). This allows the vehicle to be driven even if a major
electrical input/output device circuit is damaged.
Under Fail-Safe, the vehicle always runs in third gear, even with a shift lever position of 1, 2 or D. The cus-
tomer may complain of sluggish or poor acceleration.
When the ignition key is turned ON following Fail-Safe operation, O/D OFF indicator lamp blinks for about 8
seconds. Refer to AT-198, "TCM SELF-DIAGNOSTIC PROCEDURE (NO TOOLS)" .
The blinking of the O/D OFF indicator lamp for about 8 seconds will appear only once and be cleared. The
customer may resume normal driving conditions.
Always follow the “Work Flow”. Refer to AT-208, "Work Flow" .
The SELF-DIAGNOSIS results will be as follows:
The first SELF-DIAGNOSIS will indicate damage to the vehicle speed sensor or the revolution sensor.
During the next SELF-DIAGNOSIS, performed after checking the sensor, no damages will be indicated.
TORQUE CONVERTER SERVICE
The torque converter should be replaced under any of the following conditions:
●External leaks in the hub weld area.
●Converter hub is scored or damaged.
●Converter pilot is broken, damaged or fits poorly into crankshaft.
●Steel particles are found after flushing the cooler and cooler lines.
●Pump is damaged or steel particles are found in the converter.
●Vehicle has TCC shudder and/or no TCC apply. Replace only after all hydraulic and electrical diagnoses
have been made (Converter clutch material may be glazed).
●Converter is contaminated with engine coolant containing antifreeze.
●Internal failure of stator roller clutch.
●Heavy clutch debris due to overheating (blue converter).
●Steel particles or clutch lining material found in fluid filter or on magnet when no internal parts in unit are
worn or damaged — indicates that lining material came from converter.
The torque converter should not be replaced if:
●The fluid has an odor, is discolored, and there is no evidence of metal or clutch facing particles.
●The threads in one or more of the converter bolt holes are damaged.
●Transmission failure did not display evidence of damaged or worn internal parts, steel particles or clutch
plate lining material in unit and inside the fluid filter.
●Vehicle has been exposed to high mileage (only). The exception may be where the torque converter
clutch dampener plate lining has seen excess wear by vehicles operated in heavy and/or constant traffic,
such as taxi, delivery or police use.
ATF COOLER SERVICE
If A/T fluid contains frictional material (clutches, bands, etc.) or if an A/T is repaired, overhauled, or replaced,
inspect and clean the A/T oil cooler mounted in the radiator or replace radiator. Flush cooler lines using clean-

PRECAUTIONS
AT-161
[RE4R01A]
D
E
F
G
H
I
J
K
L
M
A
B
AT
ing solvent and compressed air after repair. Check Service Bulletins for latest A/T oil cooler cleaning proce-
dure. For radiator replacement refer to CO-30, "RADIATOR" .
OBD-II SELF-DIAGNOSIS
●A/T self-diagnosis is performed by the TCM in combination with the ECM. The results can be read through
the blinking pattern of the O/D OFF indicator or the malfunction indicator lamp (MIL). Refer to the table on
AT-189 for the indicator used to display each self-diagnostic result.
●The self-diagnostic results indicated by the MIL are automatically stored in both the ECM and TCM mem-
ories.
Always perform the procedure “HOW TO ERASE DTC”. Refer to AT-187, "HOW TO ERASE DTC" to
complete the repair and avoid unnecessary blinking of the MIL.
●The following self-diagnostic items can be detected using ECM self-diagnostic results mode* only when
the O/D OFF indicator lamp does not indicate any malfunctions.
–Park/neutral position (PNP) switch
–A/T 1st, 2nd, 3rd, or 4th gear function
–A/T TCC S/V function (lock-up)
*: For details of OBD-II, refer to EC-619, "ON BOARD DIAGNOSTIC (OBD) SYSTEM" (VG33E only) or EC-
1220, "ON BOARD DIAGNOSTIC (OBD) SYSTEM" (VG33ER only).
●Certain systems and components, especially those related to OBD, may use a new style slide-
locking type harness connector. For description and how to disconnect, refer to PG-4, "HARNESS
CONNECTOR" .
Wiring Diagrams and Trouble Diagnosis
ECS007LD
When you read wiring diagrams, refer to the following:
●Refer to GI-13, "How to Read Wiring Diagrams" .
●Refer to PG-9, "POWER SUPPLY ROUTING" for power distribution circuit.
When you perform trouble diagnosis, refer to the following:
●Refer toGI-9, "HOW TO FOLLOW TEST GROUPS IN TROUBLE DIAGNOSES" .
●Refer to GI-25, "How to Perform Efficient Diagnosis for an Electrical Incident" .

AT-162
[RE4R01A]
PREPARATION
PREPARATION PFP:00002
Special Service Tools
ECS007LE
The actual shapes of Kent-Moore tools may differ from those of special service tools illustrated here.
Tool number
(Kent-Moore No.)
Tool name
Description
ST2505S001
(J34301-C)
Oil pressure gauge set
1 ST25051001
(—)
Oil pressure gauge
2 ST25052000
(—)
Hose
3 ST25053000
(—)
Joint pipe
4 ST25054000
(—)
Adapter
5 ST25055000
(—)
Adapter
Measuring line pressure
ST07870000
(J37068)
Transmission case stand
Disassembling and assembling A/T
a: 182 mm (7.17 in)
b: 282 mm (11.10 in)
c: 230 mm (9.06 in)
d: 100 mm (3.94 in)
KV31102100
(J37065)
Torque converter one-way clutch
check tool
Checking one-way clutch in torque converter
ST25850000
(J25721-A)
Sliding hammer
Removing oil pump assembly
a: 179 mm (7.05 in)
b: 70 mm (2.76 in)
c: 40 mm (1.57 in) dia.
d: M12 x 1.75P
KV31102400
(J34285 and J34285-87)
Clutch spring compressor
Removing and installing clutch return springs
a: 320 mm (12.60 in)
b: 174 mm (6.85 in)
ZZA0600D
NT421
NT098
NT422
NT423

PREPARATION
AT-163
[RE4R01A]
D
E
F
G
H
I
J
K
L
M
A
B
AT
ST33200000
(J26082)
Drift
Installing oil pump housing oil seal Installing
rear oil seal
a: 60 mm (2.36 in) dia.
b: 44.5 mm (1.752 in) dia.
(J34291)
Shim setting gauge set
Selecting oil pump cover bearing race and oil
pump thrust washer
Tool number
(Kent-Moore No.)
Tool name
Description
NT091
NT101

AT-164
[RE4R01A]
OVERALL SYSTEM
OVERALL SYSTEM PFP:00000
A/T Electrical Parts Location
ECS007LF
WAT494

OVERALL SYSTEM
AT-165
[RE4R01A]
D
E
F
G
H
I
J
K
L
M
A
B
AT
Circuit Diagram
ECS007LG
WCWA0090E

AT-166
[RE4R01A]
OVERALL SYSTEM
Cross-sectional View
ECS007LH
LCIA0288E

OVERALL SYSTEM
AT-167
[RE4R01A]
D
E
F
G
H
I
J
K
L
M
A
B
AT
Hydraulic Control Circuit
ECS007LI
LCIA0264E

AT-168
[RE4R01A]
OVERALL SYSTEM
Shift Mechanism
ECS007LJ
The automatic transmission uses compact, dual planetary gear systems to improve power-transmission effi-
ciency, simplify construction and reduce weight.
It also employs an optimum shift control and superwide gear ratios. They improve starting performance and
acceleration during medium and high-speed operation.
Two one-way clutches are also employed: one is used for the forward clutch and the other for the low clutch.
These one-way clutches, combined with four accumulators, reduce shifting shock to a minimum.
CONSTRUCTION
1. Torque converter clutch piston 2. Torque converter 3. Oil pump
4. Input shaft 5. Brake band 6. Reverse clutch
7. High clutch 8. Front pinion gear 9. Front sun gear
10. Front internal gear 11. Front planetary carrier 12. Rear sun gear
13. Rear pinion gear 14. Rear internal gear 15. Rear planetary carrier
16. Forward clutch 17. Forward one-way clutch 18. Overrun clutch
19. Low one-way clutch 20. Low & reverse brake 21. Parking pawl
22. Parking gear 23. Output shaft
SAT509I

OVERALL SYSTEM
AT-169
[RE4R01A]
D
E
F
G
H
I
J
K
L
M
A
B
AT
FUNCTION OF CLUTCH AND BRAKE
CLUTCH AND BAND CHART
●*1: Operates when overdrive control switch is being set in OFF position.
●*2: Oil pressure is applied to both 2nd “apply” side and 3rd “release” side of band servo piston. However, brake band does not con-
tract because oil pressure area on the “release” side is greater than that on the “apply” side.
●*3: Oil pressure is applied to 4th “apply” side in condition *2 above, and brake band contracts.
●*4: A/T will not shift to 4th when overdrive control switch is set in OFF position.
●*5: Operates when overdrive control switch is OFF.
● : Operates.
●A: Operates when throttle opening is less than 3/16, activating engine brake.
●B: Operates during “progressive” acceleration.
●C: Operates but does not affect power transmission.
●D: Operates when throttle opening is less than 3/16, but does not affect engine brake.
Clutch and brake components Abbr. Function
Reverse clutch 6R/C To transmit input power to front sun gear 9 .
High clutch 7H/C To transmit input power to front planetary carrier 11 .
Forward clutch 16 F/C To connect front planetary carrier 11 with forward one-way clutch
17 .
Overrun clutch 18 O/C To connect front planetary carrier 11 with rear internal gear 14 .
Brake band 5B/B To lock front sun gear 9 .
Forward one-way clutch 17 F/O.C When forward clutch 16 is engaged, to stop rear internal gear 14
from rotating in opposite direction against engine revolution.
Low one-way clutch 19 L/O.C To stop front planetary carrier 11 from rotating in opposite direc-
tion against engine revolution.
Low & reverse brake 20 L & R/B To lock front planetary carrier 11 .
Shift posi-
tion
Reverse
clutch
High
clutch
For-
ward
clutch
Over-
run
clutch
Band servo For-
ward
one-
way
clutch
Low
one-
way
clutch
Low &
revers
e
brake
Lock-up Remarks
2nd
apply
3rd
releas
e
4th
apply
PPARK
POSITION
RREVERSE
POSITION
NNEUTRAL
POSITION
D*4
1st *1D B B
Automatic
shift
1 ⇔ 2 ⇔ 3
⇔ 4
2nd *1A B
3rd *1A *2C C B *5
4th C *3C C
2
1st D B B Automatic
shift
1 ⇔ 2
2nd A B
1
1st BB Locks
(held sta-
tionary) in
1st speed
1 ⇐ 2
2nd B

AT-170
[RE4R01A]
OVERALL SYSTEM
POWER TRANSMISSION
P and N Positions
●P position
Similar to the N position, no control members operate. The parking pawl interconnected with the select
lever engages with the parking gear to mechanically hold the output shaft so that the power train is locked.
●N position
No control members operate. Power from the input shaft is not transmitted to the output shaft since the
clutch does not operate.
SAT039J

OVERALL SYSTEM
AT-171
[RE4R01A]
D
E
F
G
H
I
J
K
L
M
A
B
AT
11 Position
SAT100J
Forward clutch
Forward one-way clutch
Overrun clutch
Low and reverse brake
As overrun clutch engages, rear internal gear is locked by the operation of low and reverse
brake.
This is different from that of D1 and 21 .
Engine brake Overrun clutch always engages, therefore engine brake can be obtained when decelerating.

AT-172
[RE4R01A]
OVERALL SYSTEM
D1 and 21 Positions
SAT096J
Forward one-way clutch
Forward clutch
Low one-way clutch
Rear internal gear is locked to rotate counterclockwise because of the functioning of these
three clutches. (Start-up at D1 )
Overrun clutch
engagement conditions
(Engine brake)
D1 : Overdrive control switch in OFF
Throttle opening less than 3/16
21 : Throttle opening less than 3/16
At D1 and 21 positions, engine brake is not activated due to free turning of low one-way
clutch.

OVERALL SYSTEM
AT-173
[RE4R01A]
D
E
F
G
H
I
J
K
L
M
A
B
AT
D2 , 22 and 12 Positions
SAT097J
Forward clutch
Forward one-way clutch
Brake band
Rear sun gear drives rear planetary carrier and combined front internal gear. Front internal
gear now rotates around front sun gear accompanying front planetary carrier.
As front planetary carrier transfers the power to rear internal gear through forward clutch and
forward one-way clutch, this rotation of rear internal gear increases the speed of rear plane-
tary carrier compared with that of the 1st speed.
Overrun clutch
engagement conditions
D2 : Overdrive control switch in OFF
Throttle opening less than 3/16
22 : Throttle opening less than 3/16
12 : Always engaged

AT-174
[RE4R01A]
OVERALL SYSTEM
D3 Position
SAT098J
High clutch
Forward clutch
Forward one-way clutch
Input power is transmitted to front planetary carrier through high clutch. And front planetary
carrier is connected to rear internal gear by operation of forward clutch and forward one-way
clutch.
This rear internal gear rotation and another input (the rear sun gear) accompany rear plane-
tary carrier to turn at the same speed.
Overrun clutch
engagement conditions
D3 : Overdrive control switch in OFF
Throttle opening less than 3/16

OVERALL SYSTEM
AT-175
[RE4R01A]
D
E
F
G
H
I
J
K
L
M
A
B
AT
D4 (O/D) Position
SAT099J
High clutch
Brake band
Forward clutch
(Does not affect power transmission)
Input power is transmitted to front carrier through high clutch.
This front planetary carrier turns around the sun gear which is fixed by brake band and
makes front internal gear (output) turn faster.
Engine brake At D4 position, there is no one-way clutch in the power transmission line and engine brake
can be obtained when decelerating.

AT-176
[RE4R01A]
OVERALL SYSTEM
R Position
SAT101J
Reverse clutch
Low and reverse brake
Front planetary carrier is stationary because of the operation of low and reverse brake.
Input power is transmitted to front sun gear through reverse clutch, which drives front inter-
nal gear in the opposite direction.
Engine brake As there is no one-way clutch in the power transmission line, engine brake can be obtained
when decelerating.

OVERALL SYSTEM
AT-177
[RE4R01A]
D
E
F
G
H
I
J
K
L
M
A
B
AT
Control System
ECS007LK
OUTLINE
The automatic transmission senses vehicle operating conditions through various sensors. It always controls
the optimum shift position and reduces shifting and lock-up shocks.
CONTROL SYSTEM
SENSORS TCM ACTUATORS
PNP switch
Throttle position sensor
Closed throttle position switch
Wide open throttle position switch
Engine speed signal
A/T fluid temperature sensor
Revolution sensor
Vehicle speed sensor
Overdrive control switch
ASCD control unit
Stop lamp switch (VG33ER only)
Turbine revolution sensor
(VG33ER only)
Shift control
Line pressure control
Lock-up control
Overrun clutch control
Timing control
Fail-safe control
Self-diagnosis
CONSULT-II communication line
Duet-EA control
Shift solenoid valve A
Shift solenoid valve B
Overrun clutch solenoid valve
Torque converter clutch solenoid
valve
Line pressure solenoid valve
O/D OFF indicator lamp
WAT495

AT-178
[RE4R01A]
OVERALL SYSTEM
TCM FUNCTION
The function of the TCM is to:
●Receive input signals sent from various switches and sensors.
●Determine required line pressure, shifting point, lock-up operation, and engine brake operation.
●Send required output signals to the respective solenoids.
INPUT/OUTPUT SIGNAL OF TCM
Control Mechanism
ECS007LL
LINE PRESSURE CONTROL
TCM has the various line pressure control characteristics to meet the driving conditions.
An ON-OFF duty signal is sent to the line pressure solenoid valve based on TCM characteristics.
Hydraulic pressure on the clutch and brake is electronically controlled through the line pressure solenoid valve
to accommodate engine torque. This results in smooth shift operation.
Normal Control
The line pressure to throttle opening characteristics is set for suitable
clutch operation.
Sensors and solenoid valves Function
Input
PNP switch Detects select lever position and sends a signal to TCM.
Throttle position sensor Detects throttle valve position and sends a signal to TCM.
Closed throttle position switch Detects throttle valve's fully-closed position and sends a signal to TCM.
Wide open throttle position switch Detects a throttle valve position of greater than 1/2 of full throttle and sends a
signal to TCM.
Engine speed signal From ECM.
A/T fluid temperature sensor Detects transmission fluid temperature and sends a signal to TCM.
Revolution sensor Detects output shaft rpm and sends a signal to TCM.
Vehicle speed sensor Used as an auxiliary vehicle speed sensor. Sends a signal when revolution
sensor (installed on transmission) malfunctions.
Overdrive control switch Sends a signal, which prohibits a shift to D4 (overdrive) position, to the TCM.
ASCD control unit Sends the cruise signal and D4 (overdrive) cancellation signal from ASCD
control unit to TCM.
Turbine revolution sensor (VG33ER
only)
Sends the input shaft revolution signal.
Stop lamp switch (VG33ER only) Sends the lock-up release signal to the TCM at the time of D4 (lock-up)
Output
Shift solenoid valve A/B Selects shifting point suited to driving conditions in relation to a signal sent
from TCM.
Line pressure solenoid valve Regulates (or decreases) line pressure suited to driving conditions in relation
to a signal sent from TCM.
Torque converter clutch solenoid
valve
Regulates (or decreases) lock-up pressure suited to driving conditions in rela-
tion to a signal sent from TCM.
Overrun clutch solenoid valve Controls an “engine brake” effect suited to driving conditions in relation to a
signal sent from TCM.
O/D OFF indicator lamp Shows TCM faults, when A/T control components malfunction.
SAT003J

OVERALL SYSTEM
AT-179
[RE4R01A]
D
E
F
G
H
I
J
K
L
M
A
B
AT
Back-up Control (Engine brake)
If the selector lever is shifted to 2 position while driving in D4 (O/D)
or D3 , great driving force is applied to the clutch inside the transmis-
sion. Clutch operating pressure (line pressure) must be increased to
deal with this driving force.
During Shift Change
The line pressure is temporarily reduced corresponding to a change
in engine torque when shifting gears (that is, when the shift solenoid
valve is switched for clutch operation) to reduce shifting shock.
At Low Fluid Temperature
●Fluid viscosity and frictional characteristics of the clutch facing change with fluid temperature. Clutch
engaging or band-contacting pressure is compensated for, according to fluid temperature, to stabilize
shifting quality.
●The line pressure is reduced below 60°C (140°F) to prevent
shifting shock due to low viscosity of automatic transmission
fluid when temperature is low.
●Line pressure is increased to a maximum irrespective of the
throttle opening when fluid temperature drops to −10°C (14°F).
This pressure rise is adopted to prevent a delay in clutch and
brake operation due to extreme drop of fluid viscosity at low
temperature.
SHIFT CONTROL
The shift is regulated entirely by electronic control to accommodate vehicle speed and varying engine opera-
tions. This is accomplished by electrical signals transmitted by the revolution sensor and throttle position sen-
sor. This results in improved acceleration performance and fuel economy.
SAT004J
SAT005J
SAT006J
SAT007J

AT-180
[RE4R01A]
OVERALL SYSTEM
Control of Shift Solenoid Valves A and B
The TCM activates shift solenoid valves A and B according to sig-
nals from the throttle position sensor and revolution sensor to select
the optimum gear position on the basis of the shift schedule memo-
rized in the TCM.
The shift solenoid valve performs simple ON-OFF operation. When
set to ON, the drain circuit closes and pilot pressure is applied to the
shift valve.
[Relation between shift solenoid valves A and B and gear positions]
Control of Shift Valves A and B
Pilot pressure generated by the operation of shift solenoid valves A and B is applied to the end face of shift
valves A and B.
The drawing shows the operation of shift valve B. When the shift solenoid valve is “ON”, pilot pressure applied
to the end face of the shift valve overcomes spring force, moving the valve upward.
LOCK-UP CONTROL
The torque converter clutch piston in the torque converter is locked to eliminate torque converter slip to
increase power transmission efficiency. The solenoid valve is controlled by an ON-OFF duty signal sent from
the TCM. The signal is converted to oil pressure signal which controls the torque converter clutch piston.
Conditions for Lock-up Operation
When vehicle is driven in 4th gear position, vehicle speed and throttle opening are detected. If the detected
values fall within the lock-up zone memorized in the TCM, lock-up is performed.
SAT008J
Shift solenoid valve Gear position
D1 , 21 , 11D2 , 22 , 12D3D4 (O/D) N-P
A ON (Closed) OFF (Open) OFF (Open) ON (Closed) ON (Closed)
B ON (Closed) ON (Closed) OFF (Open) OFF (Open) ON (Closed)
SAT047J
Overdrive control switch ON OFF
Selector lever D position
Gear position D4D3
Vehicle speed sensor More than set value
Throttle position sensor Less than set opening
Closed throttle position switch OFF
A/T fluid temperature sensor More than 40°C (104°F)

OVERALL SYSTEM
AT-181
[RE4R01A]
D
E
F
G
H
I
J
K
L
M
A
B
AT
Torque Converter Clutch Solenoid Valve Control
The torque converter clutch solenoid valve is controlled by the TCM.
The plunger closes the drain circuit during the OFF period, and
opens the circuit during the ON period. If the percentage of OFF-time
increases in one cycle, the pilot pressure drain time is reduced and
pilot pressure remains high.
The torque converter clutch piston is designed to slip to adjust the
ratio of ON-OFF, thereby reducing lock-up shock.
OFF-time INCREASING
↓
Amount of drain DECREASING
↓
Pilot pressure HIGH
↓
Lock-up RELEASING
Torque Converter Clutch Control Valve Operation
Lock-up Released
The OFF-duration of the torque converter clutch solenoid valve is long, and pilot pressure is high. The pilot
pressure pushes the end face of the torque converter clutch control valve in combination with spring force to
move the valve to the left. As a result, converter pressure is applied to chamber A (torque converter clutch pis-
ton release side). Accordingly, the torque converter clutch piston remains unlocked.
Lock-up Applied
When the OFF-duration of the torque converter clutch solenoid valve is short, pilot pressure drains and
becomes low. Accordingly, the control valve moves to the right by the pilot pressure of the other circuit and
converter pressure. As a result, converter pressure is applied to chamber B, keeping the torque converter
clutch piston applied.
Also smooth lock-up is provided by transient application and release of the lock-up.
OVERRUN CLUTCH CONTROL (ENGINE BRAKE CONTROL)
Forward one-way clutch is used to reduce shifting shocks in downshifting operations. This clutch transmits
engine torque to the wheels. However, drive force from the wheels is not transmitted to the engine because
the one-way clutch rotates idle. This means the engine brake is not effective.
The overrun clutch operates when the engine brake is needed.
SAT010J
SAT011J
SAT048J

AT-182
[RE4R01A]
OVERALL SYSTEM
Overrun Clutch Operating Conditions
Overrun Clutch Solenoid Valve Control
The overrun clutch solenoid valve is operated by an ON-OFF signal
transmitted by the TCM to provide overrun clutch control (engine
brake control).
When this solenoid valve is ON, the pilot pressure drain port closes.
When it is OFF, the drain port opens.
During the solenoid valve ON pilot pressure is applied to the end
face of the overrun clutch control valve.
Overrun Clutch Control Valve Operation
When the solenoid valve is ON, pilot pressure A is applied to the
overrun clutch control valve. This pushes up the overrun clutch con-
trol valve. The line pressure is then shut off so that the clutch does
not engage.
When the solenoid valve is OFF, pilot pressure A is not generated. At
this point, the overrun clutch control valve moves downward by
spring force. As a result, overrun clutch operation pressure is pro-
vided by the overrun clutch reducing valve. This causes the overrun
clutch to engage.
In the 1 position, the overrun clutch control valve remains pushed
down so that the overrun clutch is engaged at all times.
SAT014J
Gear position Throttle opening
D position D1 , D2 , D3 gear position Less than 3/16
2 position 21 , 22 gear position
1 position 11 , 12 gear position At any position
SAT015J
SAT049J

OVERALL SYSTEM
AT-183
[RE4R01A]
D
E
F
G
H
I
J
K
L
M
A
B
AT
Control Valve
ECS007LM
FUNCTION OF CONTROL VALVE
Valve name Function
●Pressure regulator valve
●Pressure regulator plug
●Pressure regulator sleeve plug
Regulate oil discharged from the oil pump to provide optimum line pressure for all driving
conditions.
Pressure modifier valve Used as a signal supplementary valve to the pressure regulator valve. Regulates pres-
sure-modifier pressure (signal pressure) which controls optimum line pressure for all
driving conditions.
Modifier accumulator piston Smooths hydraulic pressure regulated by the pressure modifier valve to prevent pulsa-
tions.
Pilot valve Regulates line pressure to maintain a constant pilot pressure level which controls lock-up
mechanism, overrun clutch, 3-2 timing required for shifting.
Accumulator control valve
Accumulator control sleeve
Regulate accumulator back-pressure to pressure suited to driving conditions.
Manual valve Directs line pressure to oil circuits corresponding to select positions.
Hydraulic pressure drains when the shift lever is in Neutral.
Shift valve A Simultaneously switches three oil circuits using output pressure of shift solenoid valve A
to meet driving conditions (vehicle speed, throttle opening, etc.).
Provides automatic downshifting and up-shifting (1st → 2nd → 3rd → 4th gears/4th →
3rd → 2nd → 1st gears) in combination with shift valve B.
Shift valve B Simultaneously switches three oil circuits using output pressure of shift solenoid valve B
in relation to driving conditions (vehicle speed, throttle opening, etc.).
Provides automatic downshifting and up-shifting (1st → 2nd → 3rd → 4th gears/4th →
3rd → 2nd → 1st gears) in combination with shift valve A.
Shuttle shift valve S Switches hydraulic circuits to provide 3-2 timing control and overrun clutch control in
relation to the throttle opening.
Inactivates the overrun clutch to prevent interlocking in 4th gear when the throttle is wide
open.
Overrun clutch control valve Switches hydraulic circuits to prevent engagement of the overrun clutch simultaneously
with application of the brake band in 4th gear. (Interlocking occurs if the overrun clutch
engages during D4 gear operation.)
4-2 relay valve Memorizes that the transmission is in 4th gear. Prevents the transmission from down-
shifting from 4th gear to 3rd and then to 2nd in combination with 4-2 sequence valve and
shift valves A and B when downshifting from 4th to 2nd gear.
4-2 sequence valve Prevents band servo pressure from draining before high clutch operating pressure and
band servo releasing pressure drain (from the same circuit) during downshifting from 4th
to 2nd gear.
Servo charger valve An accumulator and a one-way orifice are used in the 2nd gear band servo oil circuit to
dampen shifting shock when shifting from 1st to 2nd gear.
To maintain adequate flow rate when downshifting from 4th or 3rd gear to 2nd gear, the
servo charger valve directs 2nd gear band servo hydraulic pressure to the circuit without
going through the one-way orifice when downshifting from 3rd or a higher gear.
3-2 timing valve Prevents a late operation of the brake band when shifting selector lever from D to 1 or 2
position while driving in D3 .
1 reducing valve Reduces low & reverse brake pressure to dampen engine-brake shock when downshift-
ing from the 1 position 2nd gear to 1st gear.
Overrun clutch reducing valve Reduces oil pressure directed to the overrun clutch and prevents engine-brake shock.
In 1 and 2 positions, line pressure acts on the overrun clutch reducing valve to increase
the pressure-regulating point, with resultant engine brake capability.
Torque converter relief valve Prevents an excessive rise in torque converter pressure.

AT-184
[RE4R01A]
OVERALL SYSTEM
Torque converter clutch control valve,
torque converter clutch control plug and
torque converter clutch control sleeve
Activate or inactivate the lock-up function.
Also provide smooth lock-up through transient application and release of the lock-up
system.
Shuttle shift valve D Switches hydraulic circuits so that output pressure of the torque converter clutch sole-
noid valve acts on the lock-up valve in the D position of 2nd, 3rd and 4th gears. (In the D
position 1st gear, lock-up is inhibited.)
●Lock-up control is not affected in D position 2nd, 3rd or 4th gears, unless output pres-
sure of the torque converter clutch solenoid valve is generated by a signal from the
control unit.
Valve name Function

ON BOARD DIAGNOSTIC SYSTEM DESCRIPTION
AT-185
[RE4R01A]
D
E
F
G
H
I
J
K
L
M
A
B
AT
ON BOARD DIAGNOSTIC SYSTEM DESCRIPTION PFP:00000
Introduction
ECS007LN
The A/T system has two self-diagnostic systems.
The first is the emission-related on board diagnostic system (OBD-II) performed by the TCM in combination
with the ECM. The malfunction is indicated by the MIL (malfunction indicator lamp) and is stored as a DTC in
the ECM memory but not the TCM memory.
The second is the TCM original self-diagnosis indicated by the O/D OFF indicator lamp. The malfunction is
stored in the TCM memory. The detected items are overlapped with OBD-II self-diagnostic items. For detail,
refer to AT-190, "SELF-DIAGNOSTIC RESULT TEST MODE" .
OBD-II Function for A/T System
ECS007LO
The ECM provides emission-related on board diagnostic (OBD-II) functions for the A/T system. One function
is to receive a signal from the TCM used with OBD-related parts of the A/T system. The signal is sent to the
ECM when a malfunction occurs in the corresponding OBD-related part. The other function is to indicate a
diagnostic result by means of the MIL (malfunction indicator lamp) on the instrument panel. Sensors, switches
and solenoid valves are used as sensing elements.
The MIL automatically illuminates in One or Two Trip Detection Logic when a malfunction is sensed in relation
to A/T system parts.
One or Two Trip Detection Logic of OBD-II
ECS007LP
ONE TRIP DETECTION LOGIC
If a malfunction is sensed during the first test drive, the MIL will illuminate and the malfunction will be stored in
the ECM memory as a DTC. The TCM is not provided with such a memory function.
TWO TRIP DETECTION LOGIC
When a malfunction is sensed during the first test drive, it is stored in the ECM memory as a 1st trip DTC
(diagnostic trouble code) or 1st trip freeze frame data. At this point, the MIL will not illuminate. — First Trip
If the same malfunction as that experienced during the first test drive is sensed during the second test drive,
the MIL will illuminate. — Second Trip
A/T-related parts for which the MIL illuminates during the first or second test drive are listed below.
The “trip” in the “One or Two Trip Detection Logic” means a driving mode in which self-diagnosis is performed
during vehicle operation.
OBD-II Diagnostic Trouble Code (DTC)
ECS007LQ
HOW TO READ DTC AND 1ST TRIP DTC
DTC and 1st trip DTC can be read by the following methods.
1. ( with CONSULT-II or GST) CONSULT-II or GST (Generic Scan Tool) Examples: P0705, P0710,
P0720, P0725, etc.
These DTCs are prescribed by SAE J2012.
(CONSULT-II also displays the malfunctioning component or system.)
●1st trip DTC No. is the same as DTC No.
●Output of the diagnostic trouble code indicates that the indicated circuit has a malfunction. How-
ever, in case of the Mode II and GST they do not indicate whether the malfunction is still occurring
or occurred in the past and returned to normal.
CONSULT-II can identify them as shown below. Therefore, using CONSULT-II (if available) is rec-
ommended.
Items MIL
One trip detection Two trip detection
Shift solenoid valve A — DTC: P0750 (1108) X
Shift solenoid valve B — DTC: P0755 (1201) X
Throttle position sensor or switch — DTC: P1705 (1206) X
Except above X

AT-186
[RE4R01A]
ON BOARD DIAGNOSTIC SYSTEM DESCRIPTION
A sample of CONSULT-II display for DTC and 1st trip DTC is shown
below. DTC or 1st trip DTC of a malfunction is displayed in SELF-
DIAGNOSTIC RESULTS mode for “ENGINE” with CONSULT-II.
Time data indicates how many times the vehicle was driven after the
last detection of a DTC.
If the DTC is being detected currently, the time data will be “0”.
If a 1st trip DTC is stored in the ECM, the time data will be “[1t]”.
Freeze Frame Data and 1st Trip Freeze Frame Data
The ECM has a memory function, which stores the driving condition such as fuel system status, calculated
load value, engine coolant temperature, short term fuel trim, long term fuel trim, engine speed and vehicle
speed at the moment the ECM detects a malfunction.
Data which are stored in the ECM memory, along with the 1st trip DTC, are called 1st trip freeze frame data,
and the data, stored together with the DTC data, are called freeze frame data and displayed on CONSULT-II
or GST. The 1st trip freeze frame data can only be displayed on the CONSULT-II screen, not on the GST. For
detail, refer to EC-675, "CONSULT-II Function" (VG33E only) or EC-1276, "CONSULT-II Function" (VG33ER
only).
Only one set of freeze frame data (either 1st trip freeze frame data of freeze frame data) can be stored in the
ECM. 1st trip freeze frame data is stored in the ECM memory along with the 1st trip DTC. There is no priority
for 1st trip freeze frame data and it is updated each time a different 1st trip DTC is detected. However, once
freeze frame data (2nd trip detection/MIL on) is stored in the ECM memory, 1st trip freeze frame data is no
longer stored. Remember, only one set of freeze frame data can be stored in the ECM. The ECM has the fol-
lowing priorities to update the data.
SAT014K
SAT015K
SAT016K
Priority Items
1 Freeze frame data Misfire — DTC: P0300 - P0306 (0701, 0603 - 0608)
Fuel Injection System Function — DTC: P0171 (0115), P0172 (0114), P0174 (0209), P0175
(0210)
2 Except the above items (Includes A/T related items)
3 1st trip freeze frame data

ON BOARD DIAGNOSTIC SYSTEM DESCRIPTION
AT-187
[RE4R01A]
D
E
F
G
H
I
J
K
L
M
A
B
AT
Both 1st trip freeze frame data and freeze frame data (along with the DTCs) are cleared when the ECM mem-
ory is erased.
HOW TO ERASE DTC
The diagnostic trouble code can be erased by CONSULT-II, GST or ECM DIAGNOSTIC TEST MODE as
described following.
●If the battery terminal is disconnected, the diagnostic trouble code will be lost within 24 hours.
●When you erase the DTC, using CONSULT-II or GST is easier and quicker than switching the mode
selector on the ECM.
The following emission-related diagnostic information is cleared from the ECM memory when erasing DTC
related to OBD-II. For details, refer to EC-632, "HOW TO ERASE EMISSION-RELATED DIAGNOSTIC
INFORMATION" (VG33E only) or EC-1233, "HOW TO ERASE EMISSION-RELATED DIAGNOSTIC INFOR-
MATION" (VG33ER only).
●Diagnostic trouble codes (DTC)
●1st trip diagnostic trouble codes (1st trip DTC)
●Freeze frame data
●1st trip freeze frame data
●System readiness test (SRT) codes
●Test values
HOW TO ERASE DTC (WITH CONSULT-II)
●If a DTC is displayed for both ECM and TCM, it needs to be erased for both ECM and TCM.
1. If the ignition switch stays ON after repair work, be sure to turn ignition switch OFF once. Wait at least 5
seconds and then turn it ON (engine stopped) again.
2. Turn CONSULT-II ON and touch “A/T”.
3. Touch “SELF-DIAG RESULTS”.
4. Touch “ERASE”, (The DTC in the TCM will be erased), then touch “BACK” twice.
5. Touch “ENGINE”.
6. Touch “SELF-DIAG RESULTS”.

AT-188
[RE4R01A]
ON BOARD DIAGNOSTIC SYSTEM DESCRIPTION
7. Touch “ERASE”, (The DTC in the ECM will be erased).
HOW TO ERASE DTC (WITH GST)
1. If the ignition switch stays ON after repair work, be sure to turn ignition switch OFF once. Wait at least 5
seconds and then turn it ON (engine stopped) again.
2. Perform “OBD-II SELF-DIAGNOSTIC PROCEDURE (NO TOOLS)”. Refer to AT-198, "OBD-II SELF-
DIAGNOSTIC PROCEDURE (NO TOOLS)" . (The engine warm-up step can be skipped when performing
the diagnosis only to erase the DTC.)
3. Select Mode 4 with Generic Scan Tool (GST). For details, refer to EC-685, "Generic Scan Tool (GST)
Function" (VG33E only) or EC-1286, "Generic Scan Tool (GST) Function" (VG33ER only).
HOW TO ERASE DTC (NO TOOLS)
1. If the ignition switch stays ON after repair work, be sure to turn ignition switch OFF once. Wait at least 5
seconds and then turn it ON (engine stopped) again.
2. Perform “TCM SELF-DIAGNOSTIC PROCEDURE (NO TOOLS)”. Refer to AT-198, "TCM SELF-DIAG-
NOSTIC PROCEDURE (NO TOOLS)" . (The engine warm-up step can be skipped when performing the
diagnosis only to erase the DTC.)
SAT017K

ON BOARD DIAGNOSTIC SYSTEM DESCRIPTION
AT-189
[RE4R01A]
D
E
F
G
H
I
J
K
L
M
A
B
AT
Malfunction Indicator Lamp (MIL)
ECS007LR
1. The malfunction indicator lamp will light up when the ignition
switch is turned ON without the engine running. This is for
checking the lamp.
●If the malfunction indicator lamp does not light up, refer to DI-
25, "WARNING LAMPS" or EC-634, "Malfunction Indicator
Lamp (MIL)" (VG33E only) or EC-1235, "Malfunction Indica-
tor Lamp (MIL)" (VG33ER only).
2. When the engine is started, the malfunction indicator lamp
should go off.
If the lamp remains on, the on board diagnostic system has
detected an emission-related (OBD-II) malfunction. For detail,
refer to EC-619, "ON BOARD DIAGNOSTIC (OBD) SYSTEM" (VG33E only) or EC-1220, "ON BOARD
DIAGNOSTIC (OBD) SYSTEM" (VG33ER only).
CONSULT-II
ECS007LS
After performing “SELF-DIAGNOSTIC PROCEDURE (WITH CONSULT-II)” [Refer to AT-189, "SELF-DIAG-
NOSTIC PROCEDURE (WITH CONSULT-II)" ], place check marks for results on the Diagnostic Worksheet.
Refer to AT-205, "DIAGNOSTIC WORKSHEET" . Reference pages are provided following the items.
NOTICE:
1. The CONSULT-II electrically displays shift timing and lock-up timing (that is, operation timing of each sole-
noid).
Check for time difference between actual shift timing and the CONSULT-II display. If the difference is
noticeable, mechanical parts (except solenoids, sensors, etc.) may be malfunctioning. Check mechanical
parts using applicable diagnostic procedures.
2. Shift schedule (which implies gear position) displayed on CONSULT-II and that indicated in Service Man-
ual may differ slightly. This occurs because of the following reasons:
–Actual shift schedule has more or less tolerance or allowance,
–Shift schedule indicated in Service Manual refers to the point where shifts start, and
–Gear position displayed on CONSULT-II indicates the point where shifts are completed.
3. Shift solenoid valve “A” or “B” is displayed on CONSULT-II at the start of shifting. Gear position is dis-
played upon completion of shifting (which is computed by TCM).
4. Additional CONSULT-II information can be found in the Operation Manual supplied with the CONSULT-II
unit.
SELF-DIAGNOSTIC PROCEDURE (WITH CONSULT-II)
1. Turn on CONSULT-II and touch “ENGINE” for OBD-II detected
items or touch “A/T” for TCM self-diagnosis.
If A/T is not displayed, check TCM power supply and ground cir-
cuit. Refer to AT-246, "Wiring Diagram — AT — MAIN" . If result
is NG, refer to PG-9, "POWER SUPPLY ROUTING" .
SAT964I
SAT014K

AT-190
[RE4R01A]
ON BOARD DIAGNOSTIC SYSTEM DESCRIPTION
2. Touch “SELF-DIAG RESULTS”.
Display shows malfunction experienced since the last erasing
operation.
CONSULT-II performs REAL-TIME SELF-DIAGNOSIS.
Also, any malfunction detected while in this mode will be dis-
played at real time.
SELF-DIAGNOSTIC RESULT TEST MODE
SAT987J
Detected items
(Screen terms for CONSULT-II, “SELF-
DIAG RESULTS” test mode)
Malfunction is detected when ...
TCM self-diagnosis OBD-II (DTC)
Available by O/D OFF
indicator lamp or “A/T”
on CONSULT-II
Available by malfunc-
tion indicator lamp*2,
“ENGINE” on CON-
SULT-II or GST
“A/T”“ENGINE”
PNP position switch circuit ●TCM does not receive the correct
voltage signal (based on the gear
position) from the switch.
—P0705
—PNP SW/CIRC
Revolution sensor ●TCM does not receive the proper
voltage signal from the sensor. X P0720
VHCL SPEED
SEN·A/T
VEH SPD SEN/CIR
AT
Vehicle speed sensor (Meter) ●TCM does not receive the proper
voltage signal from the sensor. X—
VHCL SPEED
SEN·MTR —
A/T 1st gear function ●A/T cannot be shifted to the 1st
gear position even if electrical cir-
cuit is good.
—P0731*1
—A/T 1ST GR FNCTN
A/T 2nd gear function ●A/T cannot be shifted to the 2nd
gear position even if electrical cir-
cuit is good.
—P0732*1
—A/T 2ND GR FNCTN
A/T 3rd gear function ●A/T cannot be shifted to the 3rd
gear position even if electrical cir-
cuit is good.
—P0733*1
—A/T 3RD GR FNCTN
A/T 4th gear function ●A/T cannot be shifted to the 4th
gear position even if electrical cir-
cuit is good.
—P0734*1
—A/T 4TH GR FNCTN
A/T TCC S/V function (lock-up) ●A/T cannot perform lock-up even if
electrical circuit is good. —P0744*1
—A/T TCC S/V
FNCTN
Shift solenoid valve A ●TCM detects an improper voltage
drop when it tries to operate the
solenoid valve. X P0750
SHIFT SOLENOID/V
A
SFT SOL A/CIRC
Shift solenoid valve B ●TCM detects an improper voltage
drop when it tries to operate the
solenoid valve. X P0755
SHIFT SOLENOID/V
B
SFT SOL B/CIRC
Overrun clutch solenoid valve ●TCM detects an improper voltage
drop when it tries to operate the
solenoid valve. X P1760
OVERRUN
CLUTCH S/V
O/R CLUCH SOL/
CIRC

ON BOARD DIAGNOSTIC SYSTEM DESCRIPTION
AT-191
[RE4R01A]
D
E
F
G
H
I
J
K
L
M
A
B
AT
X: Applicable
—: Not applicable
*1: These malfunctions cannot be displayed by MIL if another malfunction is assigned to MIL.
*2: Refer to EC-634, "Malfunction Indicator Lamp (MIL)" (VG33E only) or EC-1235, "Malfunction Indicator Lamp (MIL)" (VG33ER only).
T/C clutch solenoid valve ●TCM detects an improper voltage
drop when it tries to operate the
solenoid valve. X P0740
T/C CLUTCH SOL/V TCC SOLENOID/
CIRC
Line pressure solenoid valve ●TCM detects an improper voltage
drop when it tries to operate the
solenoid valve. X P0745
LINE PRESSURE S/
V
L/PRESS SOL/CIRC
Throttle position sensor
Throttle position switch
●TCM receives an excessively low
or high voltage from the sensor. X P1705
THROTTLE POSI
SEN
TP SEN/CIRC A/T
Engine speed signal ●TCM does not receive the proper
voltage signal from the ECM. X P0725
ENGINE SPEED SIG
A/T fluid temperature sensor ●TCM receives an excessively low
or high voltage from the sensor. X P0710
BATT/FLUID TEMP
SEN
ATF TEMP SEN/
CIRC
Turbine revolution sensor (VG33ER only) ●TCM does not receive the proper
voltage signal from the sensor. X—
TURBINE REV —
TCM (RAM) ●TCM memory (RAM) is malfunc-
tioning. ——
CONTROL UNIT
(RAM) —
TCM (ROM) ●TCM memory (ROM) is malfunc-
tioning. ——
CONTROL UNIT
(ROM) —
TCM (EEP ROM) ●TCM memory (EEP ROM) is mal-
functioning. ——
CONT UNIT (EEP
ROM) —
Initial start ●This is not a malfunction message
(Whenever shutting off a power
supply to the control unit, this
message appears on the screen).
X—
INITIAL START —
No failure
(NO DTC IS DETECTED FURTHER TEST-
ING MAY BE REQUIRED**)
●No failure has been detected.
XX
Detected items
(Screen terms for CONSULT-II, “SELF-
DIAG RESULTS” test mode)
Malfunction is detected when ...
TCM self-diagnosis OBD-II (DTC)
Available by O/D OFF
indicator lamp or “A/T”
on CONSULT-II
Available by malfunc-
tion indicator lamp*2,
“ENGINE” on CON-
SULT-II or GST
“A/T”“ENGINE”

AT-192
[RE4R01A]
ON BOARD DIAGNOSTIC SYSTEM DESCRIPTION
DATA MONITOR MODE (A/T)
Item Display
Monitor item
Description Remarks
TCM input
signals
Main sig-
nals
Vehicle speed sensor 1 (A/
T)
(Revolution sensor)
VHCL/S SE·A/T
[km/h] or [mph]
X—
●Vehicle speed computed
from signal of revolution
sensor is displayed.
When racing engine in P or
N position with vehicle sta-
tionary, CONSULT-II data
may not indicate 0 km/h (0
mph).
Vehicle speed sensor 2
(Meter)
VHCL/S
SE·MTR
[km/h] or [mph] X—
●Vehicle speed computed
from signal of vehicle
speed sensor is dis-
played.
Vehicle speed display may
not be accurate under
approx. 10 km/h (6 mph). It
may not indicate 0 km/h (0
mph) when vehicle is sta-
tionary.
Throttle position sensor THRTL POS
SEN
[V]
X—
●Throttle position sensor
signal voltage is dis-
played.
A/T fluid temperature sen-
sor
FLUID TEMP SE
[V]
X—
●A/T fluid temperature
sensor signal voltage is
displayed.
●Signal voltage lowers as
fluid temperature rises.
Battery voltage BATTERY VOLT
[V] X—●Source voltage of TCM is
displayed.
Engine speed ENGINE SPEED
[rpm]
XX
●Engine speed, computed
from engine speed signal,
is displayed.
Engine speed display may
not be accurate under
approx. 800 rpm. It may not
indicate 0 rpm even when
engine is not running.
Turbine revolution sensor
(VG33ER only)
TURBINE REV
[rpm] X—
●Turbine revolution com-
puted from signal of tur-
bine revolution sensor is
displayed.
Error may occur under
approx. 800 rpm and will
not indicate 0 rpm even if
engine is not running.
Overdrive control switch OVERDRIVE
SW
[ON/OFF]
X—
●ON/OFF state computed
from signal of overdrive
control SW is displayed.
PN position switch PN POSI SW
[ON/OFF] X —
●ON/OFF state computed
from signal of PN position
SW is displayed.
R position switch R POSITION SW
[ON/OFF] X —
●ON/OFF state computed
from signal of R position
SW is displayed.
D position switch D POSITION SW
[ON/OFF] X —
●ON/OFF state computed
from signal of D position
SW is displayed.
2 position switch 2 POSITION SW
[ON/OFF] X —
●ON/OFF status, com-
puted from signal of 2
position SW, is displayed.
1 position switch 1 POSITION SW
[ON/OFF] X —
●ON/OFF status, com-
puted from signal of 1
position SW, is displayed.
ASCD cruise signal ASCD - CRUISE
[ON/OFF]
X—
●Status of ASCD cruise
signal is displayed.
ON ... Cruising state
OFF ... Normal running
state
●This is displayed even
when no ASCD is
mounted.

ON BOARD DIAGNOSTIC SYSTEM DESCRIPTION
AT-193
[RE4R01A]
D
E
F
G
H
I
J
K
L
M
A
B
AT
ASCD - O/D cut signal ASCD - O/D
CUT
[ON/OFF] X —
●Status of ASCD O/D
release signal is dis-
played.
ON ... O/D released
OFF ... O/D not released
●This is displayed even
when no ASCD is
mounted.
Kickdown switch KICKDOWN SW
[ON/OFF] X —
●ON/OFF status, com-
puted from signal of kick-
down SW, is displayed.
●This is displayed even
when no kickdown switch
is equipped.
Closed throttle position
switch
CLOSED THL/
SW
[ON/OFF] X—
●ON/OFF status, com-
puted from signal of
closed throttle position
SW, is displayed.
Wide open throttle position
switch
W/O THRL/P-
SW
[ON/OFF] X—
●ON/OFF status, com-
puted from signal of wide
open throttle position SW,
is displayed.
Stop lamp switch (VG33ER
only)
BRAKE SW
[ON/OFF]
X—
●ON/OFF status is dis-
played.
ON...Brake pedal is
depressed.
OFF...Brake pedal switch
is released.
Gear position GEAR
—X
●Gear position data used
for computation by TCM,
is displayed.
Selector lever position SLCT LVR POSI
—X
●Selector lever position
data, used for computa-
tion by TCM, is displayed.
●A specific value used for
control is displayed if fail-
safe is activated due to
error.
Vehicle speed VEHICLE
SPEED
[km/h] or [mph]
—X
●Vehicle speed data, used
for computation by TCM,
is displayed.
Throttle position THROTTLE
POSI
[/8] —X
●Throttle position data,
used for computation by
TCM, is displayed.
●A specific value used for
control is displayed if fail-
safe is activated due to
error.
Line pressure duty LINE PRES DTY
[%] —X
●Control value of line pres-
sure solenoid valve, com-
puted by TCM from each
input signal, is displayed.
Torque converter clutch
solenoid valve duty
TCC S/V DUTY
[%]
—X
●Control value of torque
converter clutch solenoid
valve, computed by TCM
from each input signal, is
displayed.
Shift solenoid valve A SHIFT S/V A
[ON/OFF] —X
●Control value of shift sole-
noid valve A, computed
by TCM from each input
signal, is displayed.
Control value of solenoid is
displayed even if solenoid
circuit is disconnected.
The “OFF” signal is dis-
played if solenoid circuit is
shorted.
Shift solenoid valve B SHIFT S/V B
[ON/OFF] —X
●Control value of shift sole-
noid valve B, computed
by TCM from each input
signal, is displayed.
Item Display
Monitor item
Description Remarks
TCM input
signals
Main sig-
nals

AT-194
[RE4R01A]
ON BOARD DIAGNOSTIC SYSTEM DESCRIPTION
X: Applicable
—: Not applicable
DTC WORK SUPPORT MODE WITH CONSULT-II
CONSULT-II Setting Procedure
CAUTION:
If CONSULT-II is used with no connection of CONSULT-II CONVERTER, malfunctions might be
detected in self-diagnosis depending on control unit which carry out CAN communication.
●For details, refer to the separate “CONSULT-II Operations Man-
ual”.
1. Turn ignition switch OFF.
2. Connect CONSULT-II to data link connector. The data link con-
nector is located in instrument lower panel on driver side.
3. Turn ignition switch ON.
4. Touch “START (NISSAN BASED VHCL)”.
Overrun clutch solenoid
valve
OVERRUN/C S/
V
[ON/OFF] —X
●Control value of overrun
clutch solenoid valve
computed by TCM from
each input signal is dis-
played.
Self-diagnosis display lamp
(O/D OFF indicator lamp)
SELF-D DP LMP
[ON/OFF] —X
●Control status of O/D
OFF indicator lamp is dis-
played.
Item Display
Monitor item
Description Remarks
TCM input
signals
Main sig-
nals
BBIA0369E
LEC104A
WKIA1606E

ON BOARD DIAGNOSTIC SYSTEM DESCRIPTION
AT-195
[RE4R01A]
D
E
F
G
H
I
J
K
L
M
A
B
AT
5. Touch “A/T”.
6. Touch “DTC WORK SUPPORT”.
7. Touch select item menu (1ST, 2ND, etc.).
8. Touch “START”.
SAT014K
SAT971J
SAT018K
SAT589J

AT-196
[RE4R01A]
ON BOARD DIAGNOSTIC SYSTEM DESCRIPTION
9. Perform driving test according to “DTC CONFIRMATION PRO-
CEDURE” in “TROUBLE DIAGNOSIS FOR DTC”.
●When testing conditions are satisfied, CONSULT-II screen
changes from “OUT OF CONDITION” to “TESTING”.
10. Stop vehicle. If “NG” appears on the screen, malfunction may
exist. Go to “DIAGNOSTIC PROCEDURE”.
11. Perform test drive to check gear shift feeling in accordance with
instructions displayed.
SAT019K
SAT591J
SAT592J
SAT593J
SAT594J

ON BOARD DIAGNOSTIC SYSTEM DESCRIPTION
AT-197
[RE4R01A]
D
E
F
G
H
I
J
K
L
M
A
B
AT
12. Touch “YES” or “NO”.
13. CONSULT-II procedure ended.
If “NG” appears on the screen, a malfunction may exist. Go to “DIAGNOSTIC PROCEDURE”.
DTC WORK SUPPORT MODE
SAT595J
SAT596J
SAT593J
DTC work support item Description Check item
1ST GR FNCTN P0731
Following items for “A/T 1st gear function (P0731)” can be con-
firmed.
●Self-diagnosis status (whether the diagnosis is being conducted
or not)
●Self-diagnosis result (OK or NG)
●Shift solenoid valve A
●Shift solenoid valve B
●Each clutch
●Hydraulic control circuit
2ND GR FNCTN P0732
Following items for “A/T 2nd gear function (P0732)” can be con-
firmed.
●Self-diagnosis status (whether the diagnosis is being conducted
or not)
●Self-diagnosis result (OK or NG)
●Shift solenoid valve B
●Each clutch
●Hydraulic control circuit
3RD GR FNCTN P0733
Following items for “A/T 3rd gear function (P0733)” can be con-
firmed.
●Self-diagnosis status (whether the diagnosis is being conducted
or not)
●Self-diagnosis result (OK or NG)
●Shift solenoid valve A
●Each clutch
●Hydraulic control circuit

AT-198
[RE4R01A]
ON BOARD DIAGNOSTIC SYSTEM DESCRIPTION
Diagnostic Procedure Without CONSULT-II
ECS007LT
OBD-II SELF-DIAGNOSTIC PROCEDURE (WITH GST)
Refer to EC-685, "Generic Scan Tool (GST) Function" (VG33E only) or EC-1286, "Generic Scan Tool (GST)
Function" (VG33ER only), .
OBD-II SELF-DIAGNOSTIC PROCEDURE (NO TOOLS)
Refer to EC-634, "Malfunction Indicator Lamp (MIL)" (VG33E only) or EC-1235, "Malfunction Indicator Lamp
(MIL)" VG33ER only).
TCM SELF-DIAGNOSTIC PROCEDURE (NO TOOLS)
1. CHECK O/D OFF INDICATOR LAMP
1. Selector lever in P position. Start the engine. Warm engine to
normal operating temperature.
2. Turn ignition switch to OFF position.
3. Wait at least 5 seconds.
4. Turn ignition switch to ON position
(Do not start engine).
5. Does O/D OFF indicator lamp come on for about 2 seconds?
Yes or No
Yes >> GO TO 2.
No >> Go to AT-356, "1. O/D OFF Indicator Lamp Does Not Come On" .
4TH GR FNCTN P0734
Following items for “A/T 4th gear function (P0734)” can be con-
firmed.
●Self-diagnosis status (whether the diagnosis is being conducted
or not)
●Self-diagnosis result (OK or NG)
●Shift solenoid valve A
●Shift solenoid valve B
●Overrun clutch solenoid valve
●Line pressure solenoid valve
●Each clutch
●Hydraulic control circuit
TCC S/V FNCTN P0744
Following items for “A/T TCC S/V function (lock-up) (P0744)” can
be confirmed.
●Self-diagnosis status (whether the diagnosis is being conducted
or not)
●Self-diagnosis result (OK or NG)
●Torque converter clutch sole-
noid valve
●Each clutch
●Hydraulic control circuit
DTC work support item Description Check item
SAT967I
WAT496

ON BOARD DIAGNOSTIC SYSTEM DESCRIPTION
AT-199
[RE4R01A]
D
E
F
G
H
I
J
K
L
M
A
B
AT
2. JUDGEMENT PROCEDURE STEP 1
1. Turn ignition switch to OFF position.
2. Depress shift lock release button.
3. Move selector lever from P to D position.
4. Turn ignition switch to ON position. Do not start engine.
5. Depress and hold overdrive control switch in OFF position (the O/D OFF indicator lamp will be ON) until
directed to release the switch (If O/D OFF indicator lamp does not come on, go to step 3 on AT-387 ).
6. Turn ignition switch to OFF position.
7. Turn ignition switch to ON position (Do not start engine).
8. Release the overdrive control switch (the O/D OFF indicator
lamp will be OFF).
–Wait for more than 2 seconds after ignition switch ON.
9. Move selector lever to 2 position.
10. Depress and release the overdrive control switch (the O/D OFF
indicator lamp will be ON).
11. Depress and hold the overdrive control switch (the O/D OFF
indicator lamp will be OFF) until directed to release the switch.
>> GO TO 3.
SAT968I
SAT969I

AT-200
[RE4R01A]
ON BOARD DIAGNOSTIC SYSTEM DESCRIPTION
3. JUDGEMENT PROCEDURE STEP 2
1. Move selector lever to 1 position.
2. Release the overdrive control switch.
3. Depress and release the overdrive control switch (the O/D OFF indicator lamp will be ON).
4. Depress and release the overdrive control switch (the O/D OFF indicator lamp will be OFF).
5. Depress and hold the overdrive control switch (the O/D OFF
indicator lamp will be ON) until directed to release the switch.
6. Depress accelerator pedal fully and release.
7. Release the overdrive control switch (the O/D OFF indicator
lamp will begin to flash ON and OFF).
>> GO TO 4.
4. CHECK SELF-DIAGNOSIS CODE
Check O/D OFF indicator lamp.
Refer to AT-201, "JUDGEMENT OF SELF-DIAGNOSIS CODE (VG33E ONLY)" or AT-202, "JUDGEMENT
OF SELF-DIAGNOSIS CODE (VG33ER ONLY)" .
>> DIAGNOSIS END.
SAT970I
SAT981F
WAT496

ON BOARD DIAGNOSTIC SYSTEM DESCRIPTION
AT-201
[RE4R01A]
D
E
F
G
H
I
J
K
L
M
A
B
AT
JUDGEMENT OF SELF-DIAGNOSIS CODE (VG33E ONLY)
O/D OFF indicator lamp:
All judgement flickers are same.
All circuits that can be confirmed by self-diagnosis are OK.
1st judgement flicker is longer than others.
Revolution sensor circuit is short-circuited or disconnected.
Þ Go to AT-261, "DTC P0720 VEHICLE SPEED SENSOR·A/T
(REVOLUTION SENSOR)" .
2nd judgement flicker is longer than others.
Vehicle speed sensor circuit is short-circuited or disconnected.
Þ Go toAT-340, "DTC VEHICLE SPEED SENSOR·MTR" .
3rd judgement flicker is longer than others.
Throttle position sensor circuit is short-circuited or disconnected.
Þ Go to AT-321, "DTC P1705 THROTTLE POSITION SEN-
SOR" .
4th judgement flicker is longer than others.
Shift solenoid valve A circuit is short-circuited or disconnected.
Þ Go toAT-311, "DTC P0750 SHIFT SOLENOID VALVE A" .
5th judgement flicker is longer than others.
Shift solenoid valve B circuit is short-circuited or disconnected.
Þ Go to AT-316, "DTC P0755 SHIFT SOLENOID VALVE B" .
6th judgement flicker is longer than others.
Overrun clutch solenoid valve circuit is short-circuited or discon-
nected.
Þ Go to AT-329, "DTC P1760 OVERRUN CLUTCH SOLENOID
VALVE" .
7th judgement flicker is longer than others.
Torque converter clutch solenoid valve circuit is short-circuited or
disconnected.
Þ Go to AT-293, "DTC P0740 TORQUE CONVERTER CLUTCH
SOLENOID VALVE" .
8th judgement flicker is longer than others.
A/T fluid temperature sensor is disconnected or TCM power
source circuit is damaged.
Þ Go to AT-334, "DTC BATT/FLUID TEMP SEN (A/T FLUID
TEMP SENSOR CIRCUIT AND TCM POWER SOURCE)" .
9th judgement flicker is longer than others.
Engine speed signal circuit is short-circuited or disconnected.
Þ Go to AT-266, "DTC P0725 ENGINE SPEED SIGNAL" .
SAT436F SAT437F
SAT439F SAT441F
SAT443F SAT445F
SAT447F SAT449F
SAT451F SAT453F

AT-202
[RE4R01A]
ON BOARD DIAGNOSTIC SYSTEM DESCRIPTION
t1 = 2.5 seconds t2 = 2.0 seconds t3 = 1.0 second t4 = 1.0 second
JUDGEMENT OF SELF-DIAGNOSIS CODE (VG33ER ONLY)
10th judgement flicker is longer than others.
Line pressure solenoid valve circuit is short-circuited or discon-
nected.
Þ Go to AT-306, "DTC P0745 LINE PRESSURE SOLENOID
VALVE" .
Flickers as shown below.
Battery power is low.
Battery has been disconnected for a long time.
Battery is connected conversely.
(When reconnecting TCM connectors. — This is not a problem.)
Lamp comes on.
PNP switch, overdrive control switch or throttle position switch cir-
cuit is disconnected or TCM is damaged.
Þ Go to AT-387, "21. TCM Self-diagnosis Does Not Activate
(PNP, Overdrive Control and Throttle Position Switches Cir-
cuit Checks)" .
O/D OFF indicator lamp:
SAT455F SAT457F
SAT367J
O/D OFF indicator lamp:
All judgement flickers are same.
All circuits that can be confirmed by self-diagnosis are OK.
1st judgement flicker is longer than others.
Revolution sensor circuit is short-circuited or disconnected.
Þ Go to AT-261, "DTC P0720 VEHICLE SPEED SENSOR·A/T
(REVOLUTION SENSOR)" .
2nd judgement flicker is longer than others.
Vehicle speed sensor circuit is short-circuited or disconnected.
Þ Go to AT-340, "DTC VEHICLE SPEED SENSOR·MTR" .
3rd judgement flicker is longer than others.
Throttle position sensor circuit is short-circuited or disconnected.
Þ Go to AT-321, "DTC P1705 THROTTLE POSITION SEN-
SOR" .
LAT425 LAT426
LAT427 LAT428

ON BOARD DIAGNOSTIC SYSTEM DESCRIPTION
AT-203
[RE4R01A]
D
E
F
G
H
I
J
K
L
M
A
B
AT
t1 = 2.5 seconds t2 = 2.0 seconds t3 = 1.0 second t4 = 1.0 second
4th judgement flicker is longer than others.
Shift solenoid valve A circuit is short-circuited or disconnected.
Þ Go to AT-311, "DTC P0750 SHIFT SOLENOID VALVE A" .
5th judgement flicker is longer than others.
Shift solenoid valve B circuit is short-circuited or disconnected.
Þ Go to AT-316, "DTC P0755 SHIFT SOLENOID VALVE B" .
6th judgement flicker is longer than others.
Overrun clutch solenoid valve circuit is short-circuited or discon-
nected.
Þ Go to AT-329, "DTC P1760 OVERRUN CLUTCH SOLENOID
VALVE" .
7th judgement flicker is longer than others.
Torque converter clutch solenoid valve circuit is short-circuited or
disconnected.
Þ Go to AT-293, "DTC P0740 TORQUE CONVERTER CLUTCH
SOLENOID VALVE" .
8th judgement flicker is longer than others.
A/T fluid temperature sensor is disconnected or TCM power
source circuit is damaged.
Þ Go to AT-334, "DTC BATT/FLUID TEMP SEN (A/T FLUID
TEMP SENSOR CIRCUIT AND TCM POWER SOURCE)" .
9th judgement flicker is longer than others.
Engine speed signal circuit is short-circuited or disconnected.
Þ Go to AT-266, "DTC P0725 ENGINE SPEED SIGNAL" .
10th judgement flicker is longer than others.
Þ Go to AT-344, "DTC TURBINE REVOLUTION SENSOR
(VG33ER ONLY)" .
11th judgement flicker is longer than others.
Line pressure solenoid valve circuit is short-circuited or discon-
nected.
Þ Go to AT-306, "DTC P0745 LINE PRESSURE SOLENOID
VALVE" .
Flickers as shown below.
Battery power is low.
Battery has been disconnected for a long time.
Battery is connected conversely.
(When reconnecting TCM connectors. — This is not a problem.)
Lamp comes on.
PNP switch, overdrive control switch or throttle position switch cir-
cuit is disconnected or TCM is damaged.
Þ Go to AT-387, "21. TCM Self-diagnosis Does Not Activate
(PNP, Overdrive Control and Throttle Position Switches Cir-
cuit Checks)" .
O/D OFF indicator lamp:
LAT429 LAT430
LAT431 LAT432
LAT433 LAT434
LAT435 SAT455F
SAT457F SAT367J

AT-204
[RE4R01A]
TROUBLE DIAGNOSIS — INTRODUCTION
TROUBLE DIAGNOSIS — INTRODUCTION PFP:00000
Introduction
ECS007LU
The TCM receives a signal from the vehicle speed sensor, throttle
position sensor or PNP switch and provides shift control or lock-up
control via A/T solenoid valves.
The TCM also communicates with the ECM by means of a signal
sent from sensing elements used with the OBD-related parts of the
A/T system for malfunction-diagnostic purposes. The TCM is capa-
ble of diagnosing malfunctioning parts while the ECM can store mal-
functions in its memory.
Input and output signals must always be correct and stable in the
operation of the A/T system. The A/T system must be in good oper-
ating condition and be free of valve seizure, solenoid valve malfunc-
tion, etc.
It is much more difficult to diagnose a problem that occurs intermit-
tently rather than continuously. Most intermittent problems are
caused by poor electric connections or improper wiring. In this case,
careful checking of suspected circuits may help prevent the replace-
ment of good parts.
A visual check only may not find the cause of the problems. A road
test with CONSULT-II (or GST) or a circuit tester connected should
be performed. Follow the “Work Flow”. Refer to AT-208, "Work Flow"
.
Before undertaking actual checks, take a few minutes to talk with a
customer who approaches with a driveability complaint. The cus-
tomer can supply good information about such problems, especially
intermittent ones. Find out what symptoms are present and under what conditions they occur. A “Diagnostic
Worksheet” should be used. Refer to AT-205, "DIAGNOSTIC WORKSHEET" .
Start your diagnosis by looking for “conventional” problems first. This
will help troubleshoot driveability problems on an electronically con-
trolled engine vehicle.
Also check related Service bulletins.
AAT473A
SAT632I
SEF234G

TROUBLE DIAGNOSIS — INTRODUCTION
AT-205
[RE4R01A]
D
E
F
G
H
I
J
K
L
M
A
B
AT
DIAGNOSTIC WORKSHEET
Information From Customer
KEY POINTS
●WHAT..... Vehicle & A/T model
●WHEN..... Date, Frequencies
●WHERE..... Road conditions
●HOW..... Operating conditions, Symptoms
Customer name MR/MS Model & Year VIN
Trans. model Engine Mileage
Incident Date Manuf. Date In Service Date
Frequency ❏ Continuous ❏ Intermittent ( times a day)
Symptoms ❏ Vehicle does not move. (❏ Any position ❏ Particular position)
❏ No up-shift (❏ 1st → 2nd ❏ 2nd → 3rd ❏ 3rd → O/D)
❏ No down-shift (❏ O/D → 3rd ❏ 3rd → 2nd ❏ 2nd → 1st)
❏ Lockup malfunction
❏ Shift point too high or too low.
❏ Shift shock or slip (❏ N → D ❏ Lockup ❏ Any drive position)
❏ Noise or vibration
❏ No kickdown
❏ No pattern select
❏ Others
()
O/D OFF indicator lamp Blinks for about 8 seconds.
❏ Continuously lit ❏ Not lit
Malfunction indicator lamp (MIL) ❏ Continuously lit ❏ Not lit

AT-206
[RE4R01A]
TROUBLE DIAGNOSIS — INTRODUCTION
Diagnostic Worksheet
1. ❏ Read the Fail-safe Remarks and listen to customer complaints. AT-160
2. ❏ CHECK A/T FLUID AT-211
❏ Leakage (Follow specified procedure)
❏ Fluid condition
❏ Fluid level
3. Perform STALL TEST and LINE PRESSURE TEST. AT-211, AT-
214
❏ Stall test — Mark possible damaged components/others.
❏ Torque converter one-way clutch
❏ Reverse clutch
❏ Forward clutch
❏ Overrun clutch
❏ Forward one-way clutch
❏ Low & reverse brake
❏ Low one-way clutch
❏ Engine
❏ Line pressure is low
❏ Clutches and brakes except high clutch and
brake band are OK
❏ Line pressure test — Suspected parts:
4. ❏ Perform all ROAD TEST and mark required procedures. AT-216
4-
1.
Check before engine is started. AT-217
❏ SELF-DIAGNOSTIC PROCEDURE - Mark detected items.
❏PNP switch, AT-249 .
❏ A/T fluid temperature sensor, AT-255 .
❏ Vehicle speed sensor·A/T (Revolution sensor), AT-261 .
❏ Engine speed signal, AT-266 .
❏ Torque converter clutch solenoid valve, AT-293 .
❏ Line pressure solenoid valve, AT-306 .
❏ Shift solenoid valve A, AT-311 .
❏ Shift solenoid valve B, AT-316 .
❏ Throttle position sensor, AT-321 .
❏ Overrun clutch solenoid valve, AT-329 .
❏ A/T fluid temperature sensor and TCM power source, AT-334 .
❏ PNP, overdrive control and throttle position switches, AT-353 .
❏ Vehicle speed sensor·MTR, AT-340 .
❏ Turbine revolution sensor (VG33ER only), AT-344 .
❏ Control unit (RAM), control unit (ROM), AT-349 .
❏ Control unit (EEP ROM), AT-351 .
❏ Battery
❏ Others
4-
2.
Check at idle AT-218
❏ 1. O/D OFF Indicator Lamp Does Not Come On, AT-356 .
❏ 2. Engine Cannot Be Started In P And N Position,AT-358 .
❏ 3. In P Position, Vehicle Moves Forward Or Backward When Pushed, AT-359 .
❏ 4. In N Position, Vehicle Moves, AT-360 .
❏ 5. Large Shock. N → R Position, AT-362 .
❏ 6. Vehicle Does Not Creep Backward In R Position,AT-364 .
❏ 7. Vehicle Does Not Creep Forward In D, 2 Or 1 Position, AT-367 .

TROUBLE DIAGNOSIS — INTRODUCTION
AT-207
[RE4R01A]
D
E
F
G
H
I
J
K
L
M
A
B
AT
4. 4-
3.
Cruise test AT-219
AT-223
Part-1
❏ 8. Vehicle Cannot Be Started From D1 , AT-369 .
❏ 9. A/T Does Not Shift: D1 → D2 Or Does Not Kickdown: D4 → D2 , AT-372 .
❏ 10. A/T Does Not Shift: D2 →D3 , AT-374 .
❏ 11. A/T Does Not Shift: D3 →D4 , AT-376 .
❏ 12. A/T Does Not Perform Lock-up, AT-378 .
❏ 13. A/T Does Not Hold Lock-up Condition, AT-379 .
❏ 14. Lock-up Is Not Released, AT-38 1 .
❏ 15. Engine Speed Does Not Return To Idle (Light Braking D4 → D3 ), AT-382 .
Part-2 AT-226
❏ 9. A/T Does Not Shift: D1 → D2 Or Does Not Kickdown: D4 → D2 , AT-372 .
❏ 10. A/T Does Not Shift: D2 →D3 , AT-374 .
❏ 11. A/T Does Not Shift: D3 →D4 , AT-376 .
❏ 16. Vehicle Does Not Start From D1 , AT-383 .
Part-3 AT-228
❏ 17. A/T Does Not Shift: D4 →D3 When Overdrive Control Switch ON → OFF, AT-385
❏ 15. Engine Speed Does Not Return To Idle (Light Braking D4 →D3 ), AT-382 .
❏ 18. A/T Does Not Shift: D3 →22 , When Selector Lever D → 2 Position, AT-386 .
❏ 15. Engine Speed Does Not Return To Idle (Light Braking D4 →D3 ), AT-382 .
❏ 19. A/T Does Not Shift: 22 →11 , When Selector Lever 2 → 1 Position, AT-387 .
❏ 20. Vehicle Does Not Decelerate By Engine Brake, AT-387 .
❏ SELF-DIAGNOSTIC PROCEDURE — Mark detected items.
❏ PNP switch, AT-249 .
❏ A/T fluid temperature sensor, AT-255 .
❏ Vehicle speed sensor·A/T (Revolution sensor), AT-261 .
❏ Engine speed signal, AT-266 .
❏ Torque converter clutch solenoid valve, AT-293 .
❏ Line pressure solenoid valve, AT-306 .
❏ Shift solenoid valve A, AT-311 .
❏ Shift solenoid valve B, AT-316 .
❏ Throttle position sensor,AT-321 .
❏ Overrun clutch solenoid valve, AT-329 .
❏ A/T fluid temperature sensor and TCM power source, AT-334 .
❏ PNP, overdrive control and throttle position switches, AT-353 .
❏ Vehicle speed sensor·MTR, AT-340 .
❏ Turbine revolution sensor (VG33ER only), AT-344 .
❏ Control unit (RAM), control unit (ROM), AT-349 .
❏ Control unit (EEP ROM), AT-351 .
❏ Battery
❏ Battery
❏ Others
5. ❏ For self-diagnosis NG items, inspect each component. Repair or replace the damaged parts. AT-190
6. ❏ Perform all ROAD TEST and re-mark required procedures. AT-216
7. ❏ Perform DTC CONFIRMATION PROCEDURE for following MIL indicating items and check out NG items.
Refer to EC-620, "Emission-related Diagnostic Information" (VG33E only) or EC-1221, "Emission-related Diag-
nostic Information" (VG33ER only).
EC-683
(VG33E only)
or EC-1284
(VG33ER
only)
❏ DTC (P0731, 1103) A/T 1st gear function, AT-27 0 .
❏ DTC (P0732, 1104) A/T 2nd gear function, AT-276 .
❏ DTC (P0733, 1105) A/T 3rd gear function, AT-281 .
❏ DTC (P0734, 1106) A/T 4th gear function, AT-286 .
❏ DTC (P0744, 1107) A/T TCC S/V function (lock-up), AT-298 .
8. ❏ Perform the Diagnostic Procedures for all remaining items marked NG. Repair or replace the damaged parts.
Refer to the Symptom Chart when you perform the procedures, (The chart also shows some other possible
symptoms and the component inspection orders).
AT-189
AT-230
9. ❏ Erase DTC from TCM and ECM memories. AT-187

AT-208
[RE4R01A]
TROUBLE DIAGNOSIS — INTRODUCTION
Work Flow
ECS007LV
HOW TO PERFORM TROUBLE DIAGNOSES FOR QUICK AND ACCURATE REPAIR
A good understanding of the malfunction conditions can make troubleshooting faster and more accurate.
In general, each customer feels differently about a problem. It is important to fully understand the symptoms or
conditions for a customer complaint.
Make good use of the two sheets provided, “Information From Customer”, AT-205 , and “Diagnostic Work-
sheet”, AT-206 , to perform the best troubleshooting possible.

TROUBLE DIAGNOSIS — BASIC INSPECTION
AT-211
[RE4R01A]
D
E
F
G
H
I
J
K
L
M
A
B
AT
TROUBLE DIAGNOSIS — BASIC INSPECTION PFP:00000
A/T Fluid Check
ECS007LW
FLUID LEAKAGE CHECK
1. Clean area suspected of leaking. — for example, mating surface of converter housing and transmission
case.
2. Start engine, apply foot brake, place selector lever in D position and wait a few minutes.
3. Stop engine.
4. Check for fresh leakage.
FLUID CONDITION CHECK
FLUID LEVEL CHECK
Refer to MA-37, "Checking A/T Fluid" .
Stall Test
ECS007LX
STALL TEST PROCEDURE
1. Check A/T fluid and engine oil levels. If necessary, add fluid or
oil.
2. Drive vehicle for approx. 10 minutes or until engine oil and ATF
reach operating temperature.
3. Set parking brake and block wheels.
4. Install a tachometer where it can be seen by driver during test.
●It is good practice to put a mark on point of specified
engine rpm on indicator.
Fluid color Suspected problem
Dark or black with burned odor Wear of frictional material
Milky pink Water contamination — Road water
entering through filler tube or breather
Varnished fluid, light to dark brown and
tacky
Oxidation — Over or under filling, —
Overheating
SAT638A
ATF operating temperature : 50 - 80°C (122 - 176°F)
SAT647B
SAT513G

AT-212
[RE4R01A]
TROUBLE DIAGNOSIS — BASIC INSPECTION
5. Start engine, apply foot brake, and place selector lever in D
position.
6. Accelerate to wide open throttle gradually while applying foot
brake.
7. Quickly note the engine stall revolution and immediately release
throttle.
●During test, never hold throttle wide open for more than 5
seconds.
8. Move selector lever to N position.
9. Cool off ATF.
●Run engine at idle for at least one minute.
10. Repeat steps 5 through 9 with selector lever in 2, 1 and R posi-
tions.
JUDGEMENT OF STALL TEST
The test result and possible damaged components relating to each result are shown in the illustration. In order
to pinpoint the possible damaged components, follow the WORK FLOW. Refer to AT-208, "Work Flow" .
NOTE:
Stall revolution is too high in D or 2 position:
●Slippage occurs in 1st gear but not in 2nd and 3rd gears. ..... Low one-way clutch slippage
●Slippage occurs at the following gears:
1st through 3rd gears in D position and engine brake functions.
1st and 2nd gears in 2 position and engine brake functions with accelerator pedal released (fully closed
throttle). ..... Forward clutch or forward one-way clutch slippage
Stall revolution is too high in R position:
●Engine brake does not function in 1 position. ..... Low & reverse brake slippage
●Engine brake functions in 1 position. ..... Reverse clutch slippage
Stall revolution within specifications:
●Vehicle does not achieve speed of more than 80 km/h (50 MPH). ..... One-way clutch seizure in torque
converter housing
CAUTION:
Be careful since automatic fluid temperature increases abnormally.
●Slippage occurs in 3rd and 4th gears in D position. ..... High clutch slippage
●Slippage occurs in 2nd and 4th gear in D position. ..... Brake band slippage
Stall revolution
VG33E : 2,450 - 2,650 rpm
VG33ER : 2,420 - 2,620 rpm
SAT514G
SAT771B

TROUBLE DIAGNOSIS — BASIC INSPECTION
AT-213
[RE4R01A]
D
E
F
G
H
I
J
K
L
M
A
B
AT
Stall revolution less than specifications:
●Poor acceleration during starts. ..... One-way clutch seizure in torque converter
LCIA0265E

AT-214
[RE4R01A]
TROUBLE DIAGNOSIS — BASIC INSPECTION
Line Pressure Test
ECS007LY
LINE PRESSURE TEST PORTS
●Location of line pressure test ports.
● Always replace line pressure plugs as they are self-sealing
bolts.
LINE PRESSURE TEST PROCEDURE
1. Check A/T fluid and engine oil levels. If necessary, add fluid or
oil.
2. Drive vehicle for approx. 10 minutes or until engine oil and ATF
reach operating temperature.
3. Install pressure gauge to corresponding line pressure port.
SAT209GA
ATF operating temperature : 50 - 80°C (122 - 176°F)
SAT647B
SAT518GB
SAT519GB

TROUBLE DIAGNOSIS — BASIC INSPECTION
AT-215
[RE4R01A]
D
E
F
G
H
I
J
K
L
M
A
B
AT
4. Set parking brake and block wheels.
● Continue to depress brake pedal fully while line pressure
test is being performed at stall speed.
5. Start engine and measure line pressure at idle and stall speed.
●When measuring line pressure at stall speed, follow the
stall test procedure.
JUDGEMENT OF LINE PRESSURE TEST
SAT513G
Line pressure : Refer to AT-497, "Line Pressure" .
SAT493G
Judgement Suspected parts
At idle
Line pressure is low in all posi-
tions.
●Oil pump wear
●Control piston damage
●Pressure regulator valve or plug sticking
●Spring for pressure regulator valve damaged
●Fluid pressure leakage between oil strainer and pressure regulator valve
●Clogged strainer
Line pressure is low in particular
position.
●Fluid pressure leakage between manual valve and particular clutch
●For example, line pressure is:
— Low in R and 1 positions, but
— Normal in D and 2 positions.
Then, fluid leakage exists at or around low and reverse brake circuit.
Refer to AT-498, "Clutches and Brakes" .
Line pressure is high. ●Maladjustment of throttle position sensor
●Fluid temperature sensor damaged
●Line pressure solenoid valve sticking
●Short circuit of line pressure solenoid valve circuit
●Pressure modifier valve sticking
●Pressure regulator valve or plug sticking
●Open in dropping resistor circuit
At stall speed
Line pressure is low. ●Maladjustment of throttle position sensor
●Line pressure solenoid valve sticking
●Short circuit of line pressure solenoid valve circuit
●Pressure regulator valve or plug sticking
●Pressure modifier valve sticking
●Pilot valve sticking

AT-216
[RE4R01A]
TROUBLE DIAGNOSIS — BASIC INSPECTION
Road Test
ECS007LZ
DESCRIPTION
●The purpose of the test is to determine overall performance of A/
T and analyze causes of problems.
●The road test consists of the following three parts:
–Check before engine is started
–Check at idle
–Cruise test
●Before road test, familiarize yourself with all test procedures and
items to check.
●Conduct tests on all items until specified symptom is found.
Troubleshoot items which check out No Good after road test.
Refer to AT-185, "ON BOARD DIAGNOSTIC SYSTEM
DESCRIPTION" and AT-353, "TROUBLE DIAGNOSES FOR
SYMPTOMS" .
SAT786A
SAT496G

TROUBLE DIAGNOSIS — BASIC INSPECTION
AT-217
[RE4R01A]
D
E
F
G
H
I
J
K
L
M
A
B
AT
1. CHECK BEFORE ENGINE IS STARTED
1. CHECK O/D OFF INDICATOR LAMP
1. Park vehicle on flat surface.
2. Move selector lever to P position.
3. Turn ignition switch to OFF position.
Wait at least 5 seconds.
4. Turn ignition switch to ON position. (Do not start engine.)
5. Does O/D OFF indicator lamp come on for about 2 seconds?
Yes or No
Yes >> GO TO 2.
No >> Go to AT-356, "1. O/D OFF Indicator Lamp Does Not Come On" .
2. CHECK O/D OFF INDICATOR LAMP
Does O/D OFF indicator lamp flicker for about 8 seconds?
Yes or No
Yes >> Perform self-diagnosis. Refer to AT-198, "TCM SELF-DIAGNOSTIC PROCEDURE (NO TOOLS)"
.
No >> GO TO 3.
SAT967I
WAT496
WAT496

AT-218
[RE4R01A]
TROUBLE DIAGNOSIS — BASIC INSPECTION
3. CHECK NG ITEM
1. Turn ignition switch to OFF position.
2. Perform self-diagnosis and note NG items.
Refer to AT-198, "TCM SELF-DIAGNOSTIC PROCEDURE (NO TOOLS)" .
>> Go to AT-358, "2. Engine Cannot Be Started In P and N Position" .
2. CHECK AT IDLE
1. CHECK ENGINE START
1. Park vehicle on flat surface.
2. Turn ignition switch to OFF position.
3. Move selector lever to P or N position.
4. Turn ignition switch to start position.
5. Is engine started?
Yes or No
Yes >> GO TO 2.
No >> Go to AT-358, "2. Engine Cannot Be Started In P and N Position" .
2. CHECK ENGINE START
1. Turn ignition switch to OFF position.
2. Move selector lever to D, 1, 2 or R position.
3. Turn ignition switch to start position.
4. Is engine started?
Yes or No
Yes >> Go toAT-358, "2. Engine Cannot Be Started In P and N Position" .
No >> GO TO 3.
3. CHECK VEHICLE MOVE
1. Turn ignition switch to OFF position.
2. Move selector lever to P position.
3. Release parking brake.
4. Push vehicle forward or backward.
5. Does vehicle move when it is pushed forward or backward?
Yes or No
Yes >> Go to AT-359, "3. In “P” Position, Vehicle Moves For-
ward Or Backward When Pushed" .
No >> GO TO 4.
SAT796A

TROUBLE DIAGNOSIS — BASIC INSPECTION
AT-219
[RE4R01A]
D
E
F
G
H
I
J
K
L
M
A
B
AT
4. CHECK VEHICLE MOVE
1. Apply parking brake.
2. Move selector lever to N position.
3. Turn ignition switch to START position and start engine.
4. Release parking brake.
5. Does vehicle move forward or backward?
Yes or No
Yes >> Go to AT-360, "4. In N Position, Vehicle Moves" .
No >> GO TO 5.
5. CHECK SHIFT SHOCK
1. Apply foot brake.
2. Move selector lever to R position.
3. Is there large shock when changing from N to R position?
Yes or No
Yes >> Go to AT-362, "5. Large Shock. N → R Position" .
No >> GO TO 6.
6. CHECK VEHICLE REVERSE MOVEMENT
1. Release foot brake for several seconds.
2. Does vehicle creep backward when foot brake is released?
Yes or No
Yes >> GO TO 7.
No >> Go to AT-364, "6. Vehicle Does Not Creep Backward In R Position" .
7. CHECK VEHICLE FORWARD MOVEMENT
1. Move selector lever to D, 2 and 1 position and check if vehicle creeps forward.
2. Does vehicle creep forward in all three positions?
Yes or No
Yes >> Go to AT-219, "3. CRUISE TEST" .
No >> Go to AT-367, "7. Vehicle Does Not Creep Forward In D, 2 Or 1 Position" .
3. CRUISE TEST
●Check all items listed in Parts 1 through 3.
SAT082J
SAT601J

AT-220
[RE4R01A]
TROUBLE DIAGNOSIS — BASIC INSPECTION
With CONSULT-II
●Using CONSULT-II, conduct a cruise test and record the result.
●Print the result and ensure that shifts and lock-ups take place as per “Shift Schedule”.
CONSULT-II Setting Procedure
1. Turn ignition switch OFF.
2. Connect “CONSULT-II” to data link connector.
The data link connector is located in instrument lower panel on
driver side.
3. Turn ignition switch ON.
4. Touch “START”.
5. Touch “A/T”.
6. Touch “DATA MONITOR”.
LEC104A
SAT586J
SAT014K
SAT971J

TROUBLE DIAGNOSIS — BASIC INSPECTION
AT-221
[RE4R01A]
D
E
F
G
H
I
J
K
L
M
A
B
AT
7. Touch “MAIN SIGNALS” or “TCM INPUT SIGNALS”.
8. See “Numerical Display”, “Bar Chart Display”, or “Line Graph
Display”.
9. Touch “SETTING” to set recording condition (“AUTO TRIG” or
“MANU TRIG”) and touch “BACK”.
10. Touch “START”.
11. When performing cruise test touch “STORE DATA”.
12. After finishing cruise test part 1, touch “STOP”.
SAT175K
SAT973J
SAT134K
SAT135K

AT-222
[RE4R01A]
TROUBLE DIAGNOSIS — BASIC INSPECTION
13. Touch “STORE” and touch “BACK”.
14. Touch “DISPLAY”.
15. Touch “PRINT”.
16. Check the monitor data printed out.
17. Continue cruise test part 2 and 3.
Without CONSULT-II
●Throttle position sensor can be checked by measuring voltage
across terminals 41 and 42 of TCM.
SAT987J
SAT974J
SAT975J
AAT474A

TROUBLE DIAGNOSIS — BASIC INSPECTION
AT-223
[RE4R01A]
D
E
F
G
H
I
J
K
L
M
A
B
AT
Cruise Test — Part 1
1. CHECK STARTING GEAR (D1 ) POSITION
1. Drive vehicle for approx. 10 minutes to warm engine oil and ATF up to operating temperature.
2. Park vehicle on flat surface.
3. Set overdrive control switch to ON position.
4. Move selector lever to P position.
5. Start engine.
6. Move selector lever to D position.
7. Accelerate vehicle by constantly depressing accelerator pedal
halfway.
8. Does vehicle start from D1 ?
Read gear position.
Yes or No
Yes >> GO TO 2.
No >> Go to AT-369, "8. Vehicle Cannot Be Started From D1" .
ATF operating temperature : 50 - 80°C (122 - 176°F)
SAT001J
SAT952I
SAT953I

AT-224
[RE4R01A]
TROUBLE DIAGNOSIS — BASIC INSPECTION
2. CHECK SHIFT UP (D1 TO D2 )
Does A/T shift from D1 to D2 at the specified speed?
Read gear position, throttle opening and vehicle speed.
Yes or No
Yes >> GO TO 3.
No >> Go to AT-372, "9. A/T Does Not Shift: D1 → D2 Or Does
Not Kickdown: D4 → D2" .
3. CHECK SHIFT UP (D2 TO D3 )
Does A/T shift from D2 to D3 at the specified speed?
Read gear position, throttle opening and vehicle speed.
Yes or No
Yes >> GO TO 4.
No >> Go to AT-374, "10. A/T Does Not Shift: D2 → D3" .
4. CHECK SHIFT UP (D3 TO D4 )
Does A/T shift from D3 to D4 at the specified speed?
Read gear position, throttle opening and vehicle speed.
Yes or No
Yes >> GO TO 5.
No >> Go to AT-376, "11. A/T Does Not Shift: D3 → D4" .
Specified speed when
shifting from D1 to D2
: Refer to AT-496, "Shift
Schedule" .
SAT954I
Specified speed when
shifting from D2 to D3
: Refer to AT-496, "Shift
Schedule" .
SAT955I
Specified speed when
shifting from D3 to D4
: Refer to AT-496, "Shift
Schedule" .
SAT956I

TROUBLE DIAGNOSIS — BASIC INSPECTION
AT-225
[RE4R01A]
D
E
F
G
H
I
J
K
L
M
A
B
AT
5. CHECK LOCK-UP (D4 TO D4 L/U)
Does A/T perform lock-up at the specified speed?
Read vehicle speed, throttle position when lock-up duty becomes 94%.
Yes or No
Yes >> GO TO 6.
No >> Go to AT-378, "12. A/T Does Not Perform Lock-up" .
6. CHECK HOLD LOCK-UP
Does A/T hold lock-up condition for more than 30 seconds?
Yes or No
Yes >> GO TO 7.
No >> Go to AT-379, "13. A/T Does Not Hold Lock-up Condition" .
7. CHECK LOCK-UP OFF (D4 L/U TO D4 )
1. Release accelerator pedal.
2. Is lock-up released when accelerator pedal is released?
Yes or No
Yes >> GO TO 8.
No >> Go to AT-381, "14. Lock-up Is Not Released" .
8. CHECK SHIFT DOWN (D4 TO D3 )
1. Decelerate vehicle by applying foot brake lightly.
2. Does engine speed return to idle smoothly when A/T is shifted from D4 to D3 ?
Read gear position and engine speed.
Yes or No
Yes >> 1. Stop vehicle.
2. Go to AT-226, "Cruise Test — Part 2" .
No >> Go to AT-382, "15. Engine Speed Does Not Return To
Idle (Light Braking D4 → D3 )" .
Specified speed when
lock-up occurs
: Refer to AT-496, "Shift
Schedule" .
SAT957I
SAT958I
SAT959I

AT-226
[RE4R01A]
TROUBLE DIAGNOSIS — BASIC INSPECTION
Cruise Test — Part 2
1. CHECK STARTING GEAR (D1 ) POSITION
1. Confirm overdrive control switch is in ON position.
2. Confirm selector lever is in D position.
3. Accelerate vehicle by half throttle again.
4. Does vehicle start from D1 ?
Read gear position.
Yes or No
Yes >> GO TO 2.
No >> Go to AT-383, "16. Vehicle Does Not Start From D1" .
2. CHECK SHIFT UP AND SHIFT DOWN (D3 TO D4 TO D2 )
1. Accelerate vehicle to 80 km/h (50 MPH) as shown in illustration.
2. Release accelerator pedal and then quickly depress it fully.
3. Does A/T shift from D4 to D2 as soon as accelerator pedal is depressed fully?
Read gear position and throttle position.
Yes or No
Yes >> GO TO 3.
No >> Go to AT-372, "9. A/T Does Not Shift: D1 → D2 Or Does
Not Kickdown: D4 → D2" .
3. CHECK SHIFT UP (D2 TO D3 )
Does A/T shift from D2 to D3 at the specified speed?
Read gear position, throttle position and vehicle speed.
Yes or No
Yes >> GO TO 4.
No >> Go to AT-374, "10. A/T Does Not Shift: D2 → D3" .
SAT495G
SAT404H
Specified speed when
shifting from D2 to D3
: Refer to AT-496, "Shift
Schedule" .
SAT960I

TROUBLE DIAGNOSIS — BASIC INSPECTION
AT-227
[RE4R01A]
D
E
F
G
H
I
J
K
L
M
A
B
AT
4. CHECK SHIFT UP (D3 TO D4 ) AND ENGINE BRAKE
Release accelerator pedal after shifting from D2 to D3 .
Does A/T shift from D3 to D4 and does vehicle decelerate by engine brake?
Read gear position, throttle position and vehicle speed.
Yes or No
Yes >> 1. Stop vehicle.
2. Go to AT-228, "Cruise Test — Part 3" .
No >> Go to AT-376, "11. A/T Does Not Shift: D3 → D4" .
SAT405H

AT-228
[RE4R01A]
TROUBLE DIAGNOSIS — BASIC INSPECTION
Cruise Test — Part 3
1. VEHICLE SPEED D4 POSITION
1. Confirm overdrive control switch is in ON position.
2. Confirm selector lever is in D position.
3. Accelerate vehicle using half-throttle to D4 .
>> GO TO 2.
2. CHECK SHIFT DOWN (D4 TO D3 )
1. Release accelerator pedal.
2. Set overdrive control switch to OFF position while driving in D4 .
3. Does A/T shift from D4 to D3 (O/D OFF)?
Read gear position and vehicle speed.
Yes or No
Yes >> GO TO 3.
No >> Go to AT-385, "17. A/T Does Not Shift: D4 → D3 , When
Overdrive Control Switch ON → OFF" .
3. CHECK ENGINE BRAKE
Does vehicle decelerate by engine brake?
Yes or No
Yes >> GO TO 4.
No >> Go to AT-382, "15. Engine Speed Does Not Return To
Idle (Light Braking D4 → D3 )" .
SAT812A
SAT999I
SAT999I

TROUBLE DIAGNOSIS — BASIC INSPECTION
AT-229
[RE4R01A]
D
E
F
G
H
I
J
K
L
M
A
B
AT
4. CHECK SHIFT DOWN (D3 TO D2 )
1. Move selector lever from D to 2 position while driving in D3 (O/D OFF).
2. Does A/T shift from D3 (O/D OFF) to 22 ?
Read gear position.
Yes or No
Yes >> GO TO 5.
No >> Go to AT-386, "18. A/T Does Not Shift: D3 → 22 , When
Selector Lever D → 2 Position" .
5. CHECK ENGINE BRAKE
Does vehicle decelerate by engine brake?
Yes or No
Yes >> GO TO 6.
No >> Go to AT-382, "15. Engine Speed Does Not Return To
Idle (Light Braking D4 → D3 )" .
6. CHECK SHIFT DOWN (22 TO 11 )
1. Move selector lever from 2 to 1 position while driving in 22 .
2. Does A/T shift from 22 to 11 position?
Yes or No
Yes >> GO TO 7.
No >> Go to AT-387, "19. A/T Does Not Shift: 22 → 11 , When
Selector Lever 2 → 1 Position" .
7. CHECK ENGINE BRAKE
Does vehicle decelerate by engine brake?
Yes or No
Yes >> 1. Stop vehicle.
2. Perform self-diagnosis. Refer to AT-198, "TCM SELF-
DIAGNOSTIC PROCEDURE (NO TOOLS)" .
No >> Go to AT-387, "20. Vehicle Does Not Decelerate By
Engine Brake" .
SAT791GA
SAT791GA
SAT778B
SAT778B

AT-230
[RE4R01A]
TROUBLE DIAGNOSIS — BASIC INSPECTION
Symptom Chart
ECS007M0
Numbers are arranged in order of inspection.
Perform inspections starting with number one and work up.
Items Symptom Condition Diagnostic Item Reference Page
VG33E only VG33ER only
No Lock-up
Engagement/
TCC Inopera-
tive
Torque con-
verter is not
locked up.
ON vehicle
1. Throttle position sensor (Adjust-
ment) EC-646 EC-1247
2. Vehicle speed sensor·A/T (Revolu-
tion sensor) and vehicle speed sen-
sor·MTR
AT-261, AT-340
3. Park/neutral position (PNP) switch
adjustment AT-405
4. Engine speed signal AT-266
5. A/T fluid temperature sensor AT-255
6. Line pressure test AT-214
7. Torque converter clutch solenoid
valve AT-293
8. Control valve assembly AT-431
OFF vehicle 9. Torque converter AT-414
Torque con-
verter clutch
piston slip.
ON vehicle
1. Fluid level AT-211
2. Throttle position sensor (Adjust-
ment) EC-646 EC-1247
3. Line pressure test AT-255
4. Torque converter clutch solenoid
valve AT-255
5. Line pressure solenoid valve AT-306
6. Control valve assembly AT-255
OFF vehicle 7. Torque converter AT-414
Lock-up point
is extremely
high or low.
AT-378
ON vehicle
1. Throttle position sensor (Adjust-
ment) EC-646 EC-1247
2. Vehicle speed sensor·A/T (Revolu-
tion sensor) and vehicle speed sen-
sor·MTR
AT-261, AT-340
3. Torque converter clutch solenoid
valve AT-255
4. Control valve assembly AT-255
Shift Shock
Sharp shock
in shifting
from N to D
position.
ON vehicle
1. Engine idling rpm EC-604 EC-1205
2. Throttle position sensor (Adjust-
ment) EC-646 EC-1247
3. Line pressure test AT-255
4. A/T fluid temperature sensor AT-255
5. Engine speed signal AT-266
6. Line pressure solenoid valve AT-306
7. Control valve assembly AT-255
8. Accumulator N-D AT-255
OFF vehicle 9. Turbine revolution sensor AT-344
10. Forward Clutch AT-453

TROUBLE DIAGNOSIS — BASIC INSPECTION
AT-231
[RE4R01A]
D
E
F
G
H
I
J
K
L
M
A
B
AT
Shift Shock
Too sharp a
shock in
change from
D1 to D2 .
ON vehicle
1. Throttle position sensor (Adjust-
ment) EC-646 EC-1247
2. Line pressure test AT-255
3. Accumulator servo release AT-255
4. Control valve assembly AT-255
5. A/T fluid temperature sensor AT-255
OFF vehicle 6. Brake band AT-470
Too sharp a
shock in
change from
D2 to D3 .
ON vehicle
1. Throttle position sensor (Adjust-
ment) EC-646 EC-1247
2. Line pressure test AT-255
3. Control valve assembly AT-255
OFF vehicle 4. High clutch AT-450
5. Brake band AT-306
Too sharp a
shock in
change from
D3 to D4 .
ON vehicle
1. Throttle position sensor (Adjust-
ment) EC-646 EC-1247
2. Line pressure test AT-255
3. Control valve assembly AT-255
OFF vehicle 4. Brake band AT-306
5. Overrun clutch AT-306
Gear change
shock felt dur-
ing decelera-
tion by
releasing
accelerator
pedal.
ON vehicle
1. Throttle position sensor (Adjust-
ment) EC-646 EC-1247
2. Line pressure test AT-255
3. Overrun clutch solenoid valve AT-329
4. Control valve assembly AT-255
Large shock
changing from
12 to 11 in 1
position.
ON vehicle 1. Control valve assembly AT-255
ON vehicle 2. Low & reverse brake AT-458
Items Symptom Condition Diagnostic Item Reference Page
VG33E only VG33ER only

AT-232
[RE4R01A]
TROUBLE DIAGNOSIS — BASIC INSPECTION
Improper Shift
Timing
Too high a
gear change
point from D1
to D2 , from
D2 to D3 ,
from D3 to D4
.
AT-372, AT-
374 , AT-376
ON vehicle
1. Throttle position sensor (Adjust-
ment) EC-646 EC-1247
2. Vehicle speed sensor·A/T (Revolu-
tion sensor) and vehicle speed sen-
sor·MTR
AT-261, AT-340
3. Shift solenoid valve A AT-311
4. Shift solenoid valve B AT-316
Gear change
directly from
D1 to D3
occurs.
ON vehicle 1. Fluid level AT-414
2. Accumulator servo release AT-255
OFF vehicle 3. Brake band AT-306
Too high a
change point
from D4 to D3
, from D3 to
D2 , from D2
to D1 .
ON vehicle
1. Throttle position sensor (Adjust-
ment) EC-646 EC-1247
2. Vehicle speed sensor·A/T (Revolu-
tion sensor) and vehicle speed sen-
sor·MTR
AT-261, AT-340
Kickdown
does not oper-
ate when
depressing
pedal in D4
within kick-
down vehicle
speed.
ON vehicle
1. Throttle position sensor (Adjust-
ment) EC-646 EC-1247
2. Vehicle speed sensor·A/T (Revolu-
tion sensor) and vehicle speed sen-
sor·MTR
AT-261, AT-340
3. Shift solenoid valve A AT-311
4. Shift solenoid valve B AT-316
Improper Shift
Timing
Kickdown
operates or
engine over-
runs when
depressing
pedal in D4
beyond kick-
down vehicle
speed limit.
ON vehicle
1. Vehicle speed sensor·A/T (Revolu-
tion sensor) and vehicle speed sen-
sor·MTR
AT-261, AT-340
2. Throttle position sensor (Adjust-
ment) EC-646 EC-1247
3. Shift solenoid valve A AT-311
4. Shift solenoid valve B AT-316
Gear change
from 22 to 23
in 2 position.
ON vehicle 1. Park/neutral position (PNP) switch
adjustment AT-405
Gear change
from 11 to 12
in 1 position.
ON vehicle
1. Park/neutral position (PNP) switch
adjustment AT-405
2. Manual control linkage adjustment AT-405
Items Symptom Condition Diagnostic Item Reference Page
VG33E only VG33ER only

TROUBLE DIAGNOSIS — BASIC INSPECTION
AT-233
[RE4R01A]
D
E
F
G
H
I
J
K
L
M
A
B
AT
No Down Shift
Failure to
change gear
from D4 to D3
.
ON vehicle
1. Fluid level AT-414
2. Throttle position sensor (Adjust-
ment) EC-646 EC-1247
3. Overrun clutch solenoid valve AT-450
4. Shift solenoid valve A AT-311
5. Line pressure solenoid valve AT-306
6. Control valve assembly AT-255
OFF vehicle 7. Low & reverse brake AT-450
8. Overrun clutch AT-306
Failure to
change gear
from D3 to D2
or from D4 to
D2 .
ON vehicle
1. Fluid level AT-414
2. Throttle position sensor (Adjust-
ment) EC-646 EC-1247
3. Shift solenoid valve A AT-311
4. Shift solenoid valve B AT-316
5. Control valve assembly AT-255
OFF vehicle 6. High clutch AT-450
7. Brake band AT-306
Failure to
change gear
from D2 to D1
or from D3 to
D1 .
ON vehicle
1. Fluid level AT-414
2. Throttle position sensor (Adjust-
ment) EC-646 EC-1247
3. Shift solenoid valve A AT-311
4. Shift solenoid valve B AT-316
5. Control valve assembly AT-255
OFF vehicle
6. Low one-way clutch
7. High clutch AT-450
8. Brake band AT-306
Items Symptom Condition Diagnostic Item Reference Page
VG33E only VG33ER only

AT-234
[RE4R01A]
TROUBLE DIAGNOSIS — BASIC INSPECTION
No Down Shift
Failure to
change from
D3 to 22
when chang-
ing lever into
2 position.
AT-386
ON vehicle
1. Park/neutral position (PNP) switch
adjustment AT-405
2. Throttle position sensor (Adjust-
ment) EC-646 EC-1247
3. Overrun clutch solenoid valve AT-450
4. Shift solenoid valve B AT-316
5. Shift solenoid valve A AT-311
6. Control valve assembly AT-255
7. Manual control linkage adjustment AT-405
OFF vehicle 8. Brake band AT-306
9. Overrun clutch AT-306
Does not
change from
12 to 11 in 1
position.
ON vehicle
1. Park/neutral position (PNP) switch
adjustment AT-405
2. Vehicle speed sensor·A/T (Revolu-
tion sensor) and vehicle speed sen-
sor·MTR
AT-261, AT-340
3. Shift solenoid valve A AT-311
4. Control valve assembly AT-255
5. Overrun clutch solenoid valve AT-450
OFF vehicle 6. Overrun clutch AT-306
7. Low & reverse brake AT-450
No Up Shift
Failure to
change gear
from D1 to D2
.
ON vehicle
1. Park/neutral position (PNP) switch
adjustment AT-405
2. Manual control linkage adjustment AT-405
3. Shift solenoid valve A AT-311
4. Control valve assembly AT-255
5. Vehicle speed sensor·A/T (Revolu-
tion sensor) and vehicle speed sen-
sor·MTR
AT-261, AT-340
OFF vehicle 6. Brake band AT-306
Failure to
change gear
from D2 to D3
.
ON vehicle
1. Park/neutral position (PNP) switch
adjustment AT-405
2. Manual control linkage adjustment AT-405
3. Shift solenoid valve B AT-316
4. Control valve assembly AT-255
5. Vehicle speed sensor·A/T (Revolu-
tion sensor) and vehicle speed sen-
sor·MTR
AT-261, AT-340
OFF vehicle 6. High clutch AT-450
7. Brake band AT-306
Items Symptom Condition Diagnostic Item Reference Page
VG33E only VG33ER only

TROUBLE DIAGNOSIS — BASIC INSPECTION
AT-235
[RE4R01A]
D
E
F
G
H
I
J
K
L
M
A
B
AT
No Up Shift
Failure to
change gear
from D3 to D4
.
ON vehicle
1. Park/neutral position (PNP) switch
adjustment AT-405
2. Manual control linkage adjustment AT-405
3. Shift solenoid valve A AT-311
4. Vehicle speed sensor·A/T (Revolu-
tion sensor) and vehicle speed sen-
sor·MTR
AT-261, AT-340
5. A/T fluid temperature sensor AT-255
OFF vehicle 6. Brake band AT-306
A/T does not
shift to D4
when driving
with overdrive
control switch
ON.
ON vehicle
1. Throttle position sensor (Adjust-
ment) EC-646 EC-1247
2. Park/neutral position (PNP) switch
adjustment AT-405
3. Vehicle speed sensor·A/T (Revolu-
tion sensor) and vehicle speed sen-
sor·MTR
AT-261, AT-340
4. Shift solenoid valve A AT-311
5. Overrun clutch solenoid valve AT-450
6. Control valve assembly AT-255
7. A/T fluid temperature sensor AT-255
8. Line pressure solenoid valve AT-306
OFF vehicle 9. Brake band AT-306
10. Overrun clutch AT-306
Slips/Will Not
Engage
Vehicle will
not run in R
position (but
runs in D, 2
and 1 posi-
tions). Clutch
slips.
Very poor
acceleration.
AT-364
ON vehicle
1. Manual control linkage adjustment AT-405
2. Line pressure test AT-255
3. Line pressure solenoid valve AT-306
4. Control valve assembly AT-255
OFF vehicle
5. Reverse clutch AT-306
6. High clutch AT-450
7. Forward clutch AT-306
8. Overrun clutch AT-306
9. Low & reverse brake AT-450
Vehicle will
not run in D
and 2 posi-
tions (but runs
in 1 and R
positions).
ON vehicle 1. Manual control linkage adjustment AT-405
OFF vehicle 2. Low one-way clutch AT-463
Items Symptom Condition Diagnostic Item Reference Page
VG33E only VG33ER only

AT-236
[RE4R01A]
TROUBLE DIAGNOSIS — BASIC INSPECTION
Slips/Will Not
Engage
Vehicle will
not run in D,
1, 2 positions
(but runs in R
position).
Clutch slips.
Very poor
acceleration.
AT-367
ON vehicle
1. Fluid level AT-414
2. Line pressure test AT-255
3. Line pressure solenoid valve AT-306
4. Control valve assembly AT-255
5. Accumulator N-D AT-255
OFF vehicle
6. Reverse clutch AT-306
7. High clutch AT-450
8. Forward clutch AT-306
9. Forward one-way clutch AT-306
10. Low one-way clutch AT-306
Clutches or
brakes slip
somewhat in
starting.
ON vehicle
1. Fluid level AT-414
2. Manual control linkage adjustment AT-405
3. Throttle position sensor (Adjust-
ment) EC-646 EC-1247
4. Line pressure test AT-255
5. Line pressure solenoid valve AT-306
6. Control valve assembly AT-255
7. Accumulator N-D AT-255
OFF vehicle
8. Forward clutch AT-306
9. Reverse clutch AT-306
10. Low & reverse brake AT-450
11. Oil pump AT-426
12. Torque converter AT-414
No creep at
all.
AT-364, AT-
367
ON vehicle
1. Fluid level AT-414
2. Line pressure test AT-255
3. Control valve assembly AT-255
OFF vehicle
4. Forward clutch AT-306
5. Oil pump AT-306
6. Torque converter AT-414
Almost no
shock or
clutches slip-
ping in
change from
D1 to D2 .
ON vehicle
1. Fluid level AT-414
2. Throttle position sensor (Adjust-
ment) EC-646 EC-1247
3. Line pressure test AT-255
4. Accumulator servo release AT-255
5. Control valve assembly AT-255
OFF vehicle 6. Brake band AT-306
Items Symptom Condition Diagnostic Item Reference Page
VG33E only VG33ER only

TROUBLE DIAGNOSIS — BASIC INSPECTION
AT-237
[RE4R01A]
D
E
F
G
H
I
J
K
L
M
A
B
AT
Slips/Will Not
Engage
Almost no
shock or slip-
ping in
change from
D2 to D3 .
ON vehicle
1. Fluid level AT-414
2. Throttle position sensor (Adjust-
ment) EC-646 EC-1247
3. Line pressure test AT-255
4. Control valve assembly AT-255
OFF vehicle 5. High clutch AT-450
6. Forward clutch AT-306
Almost no
shock or slip-
ping in
change from
D3 to D4 .
ON vehicle
1. Fluid level AT-414
2. Throttle position sensor (Adjust-
ment) EC-646 EC-1247
3. Line pressure test AT-255
4. Control valve assembly AT-255
OFF vehicle 5. High clutch AT-450
6. Brake band AT-306
Races
extremely fast
or slips in
changing from
D4 to D3
when
depressing
pedal.
ON vehicle
1. Fluid level AT-414
2. Throttle position sensor (Adjust-
ment) EC-646 EC-1247
3. Line pressure test AT-255
4. Line pressure solenoid valve AT-306
5. Control valve assembly AT-255
OFF vehicle 6. High clutch AT-450
7. Forward clutch AT-306
Items Symptom Condition Diagnostic Item Reference Page
VG33E only VG33ER only

AT-238
[RE4R01A]
TROUBLE DIAGNOSIS — BASIC INSPECTION
Slips/Will Not
Engage
Races
extremely fast
or slips in
changing from
D4 to D2
when
depressing
pedal.
ON vehicle
1. Fluid level AT-414
2. Throttle position sensor (Adjust-
ment) EC-646 EC-1247
3. Line pressure test AT-255
4. Line pressure solenoid valve AT-306
5. Shift solenoid valve A AT-311
6. Control valve assembly AT-255
OFF vehicle 7. Brake band AT-306
8. Forward clutch AT-306
Races
extremely fast
or slips in
changing from
D3 to D2
when
depressing
pedal.
ON vehicle
1. Fluid level AT-414
2. Throttle position sensor (Adjust-
ment) EC-646 EC-1247
3. Line pressure test AT-255
4. Line pressure solenoid valve AT-306
5. Control valve assembly AT-255
6. A/T fluid temperature sensor AT-255
OFF vehicle
7. Brake band AT-306
8. Forward clutch AT-306
9. High clutch AT-450
Races
extremely fast
or slips in
changing from
D4 or D3 to
D1 when
depressing
pedal.
ON vehicle
1. Fluid level AT-414
2. Throttle position sensor (Adjust-
ment) EC-646 EC-1247
3. Line pressure test AT-255
4. Line pressure solenoid valve AT-306
5. Control valve assembly AT-255
OFF vehicle
6. Forward clutch AT-306
7. Forward one-way clutch AT-306
8. Low one-way clutch AT-306
Slips/Will Not
Engage
Vehicle will
not run in any
position.
ON vehicle
1. Fluid level AT-414
2. Manual control linkage adjustment AT-406
3. Line pressure test AT-255
4. Line pressure solenoid valve AT-306
OFF vehicle
5. Oil pump AT-306
6. High clutch AT-450
7. Brake band AT-306
8. Low & reverse brake AT-450
9. Torque converter AT-414
10. Parking pawl components AT-475
Items Symptom Condition Diagnostic Item Reference Page
VG33E only VG33ER only

TROUBLE DIAGNOSIS — BASIC INSPECTION
AT-239
[RE4R01A]
D
E
F
G
H
I
J
K
L
M
A
B
AT
NOT USED
Engine cannot
be started in P
and N posi-
tions.
AT-358
ON vehicle
1. Ignition switch and starter SC-9
2. Manual control linkage adjustment AT-405
3. Park/neutral position (PNP) switch
adjustment AT-405
Engine starts
in positions
other than P
and N.
AT-358
ON vehicle
1. Manual control linkage adjustment AT-405
2. Park/neutral position (PNP) switch
adjustment AT-405
Transmission
noise in P and
N positions.
ON vehicle
1. Fluid level AT-414
2. Line pressure test AT-255
3. Throttle position sensor (Adjust-
ment) EC-646 EC-1247
4. Vehicle speed sensor·A/T (Revolu-
tion sensor) and vehicle speed sen-
sor·MTR
AT-261, AT-340
5. Engine speed signal AT-266
OFF vehicle 6. Oil pump AT-306
7. Torque converter AT-414
NOT USED
Vehicle
moves when
changing into
P position or
parking gear
does not dis-
engage when
shifted out of
P position.
AT-359
ON vehicle 1. Manual control linkage adjustment AT-405
OFF vehicle 2. Parking pawl components AT-414
Vehicle runs
in N position.
AT-360
ON vehicle 1. Manual control linkage adjustment AT-405
OFF vehicle
2. Forward clutch AT-306
3. Reverse clutch AT-306
4. Overrun clutch AT-306
Vehicle
braked when
shifting into R
position.
ON vehicle
1. Fluid level AT-414
2. Manual control linkage adjustment AT-405
3. Line pressure test AT-255
4. Line pressure solenoid valve AT-306
5. Control valve assembly AT-255
OFF vehicle
6. High clutch AT-450
7. Brake band AT-306
8. Forward clutch AT-306
9. Overrun clutch AT-306
Excessive
creep. ON vehicle 1. Engine idling rpm EC-604 EC-1205
Engine stops
when shifting
lever into R,
D, 2 and 1.
ON vehicle
1. Engine idling rpm EC-604 EC-1205
2. Torque converter clutch solenoid
valve AT-255
3. Control valve assembly AT-255
OFF vehicle 4. Torque converter AT-414
Items Symptom Condition Diagnostic Item Reference Page
VG33E only VG33ER only

AT-240
[RE4R01A]
TROUBLE DIAGNOSIS — BASIC INSPECTION
NOT USED
Vehicle
braked by
gear change
from D1 to D2
.
ON vehicle 1. Fluid level AT-414
OFF vehicle
2. Reverse clutch AT-306
3. Low & reverse brake AT-450
4. High clutch AT-450
5. Low one-way clutch AT-306
Vehicle
braked by
gear change
from D2 to D3
.
ON vehicle 1. Fluid level AT-414
OFF vehicle 2. Brake band AT-306
Vehicle
braked by
gear change
from D3 to D4
.
ON vehicle 1. Fluid level AT-414
OFF vehicle
2. Overrun clutch AT-306
3. Forward one-way clutch AT-306
4. Reverse clutch AT-306
Maximum
speed not
attained.
Acceleration
poor.
ON vehicle
1. Fluid level AT-414
2. Park/neutral position (PNP) switch
adjustment AT-405
3. Shift solenoid valve A AT-311
4. Shift solenoid valve B AT-316
5. Control valve assembly AT-255
OFF vehicle
6. Reverse clutch AT-306
7. High clutch AT-450
8. Brake band AT-306
9. Low & reverse brake AT-450
10. Oil pump AT-306
11. Torque converter AT-414
NOT USED
Transmission
noise in D, 2,
1 and R posi-
tions.
ON vehicle 1. Fluid level AT-414
ON vehicle 2. Torque converter AT-414
Engine brake
does not oper-
ate in “1” posi-
tion.
AT-387
ON vehicle
1. Park/neutral position (PNP) switch
adjustment AT-405
2. Manual control linkage adjustment AT-405
3. Throttle position sensor (Adjust-
ment) EC-646 EC-1247
4. Vehicle speed sensor·A/T (Revolu-
tion sensor) and vehicle speed sen-
sor·MTR
AT-261, AT-340
5. Shift solenoid valve A AT-311
6. Control valve assembly AT-255
7. Overrun clutch solenoid valve AT-450
OFF vehicle 8. Overrun clutch AT-306
9. Low & reverse brake AT-450
Items Symptom Condition Diagnostic Item Reference Page
VG33E only VG33ER only

TROUBLE DIAGNOSIS — BASIC INSPECTION
AT-241
[RE4R01A]
D
E
F
G
H
I
J
K
L
M
A
B
AT
NOT USED
Transmission
overheats.
ON vehicle
1. Fluid level AT-414
2. Engine idling rpm EC-604 EC-1205
3. Throttle position sensor (Adjust-
ment) EC-646 EC-1247
4. Line pressure test AT-255
5. Line pressure solenoid valve AT-306
6. Control valve assembly AT-255
OFF vehicle
7. Oil pump AT-306
8. Reverse clutch AT-306
9. High clutch AT-450
10. Brake band AT-306
11. Forward clutch AT-306
12. Overrun clutch AT-306
13. Low & reverse brake AT-450
14. Torque converter AT-414
ATF shoots
out during
operation.
White smoke
emitted from
exhaust pipe
during opera-
tion.
ON vehicle 1. Fluid level AT-414
OFF vehicle
2. Reverse clutch AT-306
3. High clutch AT-450
4. Brake band AT-306
5. Forward clutch AT-306
6. Overrun clutch AT-306
7. Low & reverse brake AT-450
Offensive
smell at fluid
charging pipe.
ON vehicle 1. Fluid level AT-414
OFF vehicle
2. Torque converter AT-414
3. Oil pump AT-306
4. Reverse clutch AT-445
5. High clutch AT-450
6. Brake band AT-306
7. Forward clutch AT-306
8. Overrun clutch AT-306
9. Low & reverse brake AT-450
Engine is
stopped at R,
D, 2 and 1
positions.
ON vehicle
1. Fluid level AT-414
2. Torque converter clutch solenoid
valve AT-255
3. Shift solenoid valve B AT-316
4. Shift solenoid valve A AT-311
5. Control valve assembly AT-255
Items Symptom Condition Diagnostic Item Reference Page
VG33E only VG33ER only

AT-242
[RE4R01A]
TROUBLE DIAGNOSIS — GENERAL DESCRIPTION
TROUBLE DIAGNOSIS — GENERAL DESCRIPTION PFP:00000
TCM Terminals and Reference Value
ECS007M1
PREPARATION
●Measure voltage between each terminal and terminal 25 or 48
by following “TCM INSPECTION TABLE”.
TCM HARNESS CONNECTOR TERMINAL LAYOUT
TCM INSPECTION TABLE
(Data are reference values.)
AAT475A
AAT494A
Termi-
nal No. Wire color Item Condition Judgement stan-
dard (Approx.)
1GY/R
Line pressure
solenoid valve
When releasing accelerator pedal
after warming up engine. 1.5 - 2.5V
When depressing accelerator pedal
fully after warming up engine. 0V
2BR/Y
Line pressure
solenoid valve
(with dropping
resistor)
When releasing accelerator pedal
after warming up engine. 4 - 14V
When depressing accelerator pedal
fully after warming up engine. 0V
3G/OR
Torque converter
clutch solenoid
valve
When A/T performs lock-up. Battery voltage
When A/T does not perform lock-up. 0V
5*1 PU/W DT1
—
——
6*1 P/B DT2 ——
7*1 G/R DT3 ——
8*1,*3 R/Y DT5 ———
9*1,*3 W/G DT4 ———
10 W/R Power source
or When turning ignition switch to ON. Battery voltage
When turning ignition switch to OFF. 0V

TROUBLE DIAGNOSIS — GENERAL DESCRIPTION
AT-243
[RE4R01A]
D
E
F
G
H
I
J
K
L
M
A
B
AT
11 L/W Shift solenoid
valve A
When shift solenoid valve A operates
(When driving in D1 or D4 ). Battery voltage
When shift solenoid valve A does not
operate
(When driving in D2 or D3 ).
0V
12 L/Y Shift solenoid
valve B
When shift solenoid valve B operates
(When driving in D1 or D2 ). Battery voltage
When shift solenoid valve B does not
operate
(When driving in D3 or D4 ).
0V
13 Y O/D OFF indica-
tor lamp
When setting overdrive control
switch in OFF position. 0V
When setting overdrive control
switch in ON position. Battery voltage
15*1 Y/G OBD-II ———
16 BR/W
Closed throttle
position switch (in
throttle position
switch)
When releasing accelerator pedal
after warming up engine. Battery voltage
When depressing accelerator pedal
after warming up engine. 0V
17 OR/B
Wide open throt-
tle position switch
(in throttle posi-
tion switch)
When depressing accelerator pedal
more than half-way after warming up
engine.
Battery voltage
When releasing accelerator pedal
after warming up engine. 0V
18 B/Y ASCD cruise sig-
nal
When ASCD cruise is being per-
formed (“CRUISE” light comes on). Battery voltage
When ASCD cruise is not being per-
formed, (“CRUISE” light does not
comes on).
0V
19 W/R Power source
(Same as No. 10)
or When turning ignition switch to ON Battery voltage
When turning ignition switch to OFF 0V
20 L/B Overrun clutch
solenoid valve
When overrun clutch solenoid valve
operates. Battery voltage
When overrun clutch shift solenoid
valve does not operates. 0V
22 R Overdrive control
switch
When setting overdrive control
switch in OFF position 0V
When setting overdrive control
switch in ON position Battery voltage
24 GY ASCD O/D cut
signal
When ASCD permits O/D. 5 - 8V
When ASCD requires O/D to be OFF. 0V
Te r m i-
nal No. Wire color Item Condition Judgement stan-
dard (Approx.)

AT-244
[RE4R01A]
TROUBLE DIAGNOSIS — GENERAL DESCRIPTION
25 B/Y Ground ——0V
26 G/B PNP switch 1
position
When setting selector lever to 1 posi-
tion. Battery voltage
When setting selector lever to other
position. 0V
27 G/W PNP switch 2
position
When setting selector lever to 2 posi-
tion. Battery voltage
When setting selector lever to other
position. 0V
28 R/Y Power source
(Memory back-up)
or When turning ignition switch to ON. Battery voltage
When turning ignition switch to OFF. Battery voltage
29 Y
Revolution sensor
(Measure in AC
range)
When vehicle cruises at 30 km/h (19
MPH).
1V or more
Voltage rises
gradually in
response to vehi-
cle speed.
When vehicle parks. 0V
30*2 Y/R DATA LINK CON-
NECTOR data in ———
31*2 GY/L DATA LINK CON-
NECTOR data out ———
32 B/W
Throttle position
sensor (Power
source)
Ignition switch ON 4.5 - 5.5V
Ignition switch OFF 0V
34 L PNP switch D
position
When setting selector lever to D
position. Battery voltage
When setting selector lever to other
position. 0V
35 Y/R PNP switch R
position
When setting selector lever to R
position. Battery voltage
When setting selector lever to other
position. 0V
36 G/R PNP switch P or N
position
When setting selector lever to P or N
position. Battery voltage
When setting selector lever to other
position. 0V
38*3 Y
Turbine revolution
sensor (mea-
sured in AC
range)
When engine runs at approximately
1,000 rpm. 1.2V
39 P/L Engine speed sig-
nal When engine runs at idle speed. 0.5 - 2.5V
Termi-
nal No. Wire color Item Condition Judgement stan-
dard (Approx.)

TROUBLE DIAGNOSIS — GENERAL DESCRIPTION
AT-245
[RE4R01A]
D
E
F
G
H
I
J
K
L
M
A
B
AT
*1: These terminals are connected to the ECM.
*2: These terminals are connected to the Data link connector for CONSULT-II.
*3: VG33ER only.
40 G/B Vehicle speed
sensor
When moving vehicle at 2 to 3 km/h
(1 to 2 MPH) for 1m (3 ft) or more.
Voltage varies
between less
than 1V and
more than 4.5V
41 OR/L Throttle position
sensor
When depressing accelerator pedal
slowly after warming up engine (Volt-
age rises gradually in response to
throttle position).
Fully-closed
throttle:
0.5V - 0.7V
Fully-open throt-
tle:
4V
42 BR Throttle position
sensor (Ground) —0V
45*3 BR/R Stop lamp switch —When brake pedal is depressed. Battery voltage
When brake pedal is released. 0V
47 R/B A/T fluid tempera-
ture sensor
When ATF temperature is 20°C
(68°F). 1.5V
When ATF temperature is 80°C
(176°F). 0.5V
48 B/Y Ground (Same as
No. 25) ——0V
Te r m i-
nal No. Wire color Item Condition Judgement stan-
dard (Approx.)

AT-246
[RE4R01A]
TROUBLE DIAGNOSIS FOR POWER SUPPLY
TROUBLE DIAGNOSIS FOR POWER SUPPLY PFP:00000
Wiring Diagram — AT — MAIN
ECS007M2
WCWA0146E

TROUBLE DIAGNOSIS FOR POWER SUPPLY
AT-247
[RE4R01A]
D
E
F
G
H
I
J
K
L
M
A
B
AT
TCM TERMINALS AND REFERENCE VALUE
Remarks: Specification data are reference values.
Diagnostic Procedure
ECS007M3
1. CHECK TCM POWER SOURCE
1. Turn ignition switch to ON position.
(Do not start engine.)
2. Check voltage between TCM harness connectors M77, M78 ter-
minals (10, 19, 28) and ground.
3. Turn ignition switch to OFF position.
4. Check voltage between TCM harness connector M78 terminal
28 and ground.
OK or NG
OK >> GO TO 2.
NG >> Check the following items:
●Harness for open or short between fuse block J/B harness connectors M26, M27 and TCM har-
ness connectors M77, M78
●Ignition switch and fuse
Refer to PG-9, "POWER SUPPLY ROUTING" .
Terminal
No. Wire color Item Condition Judgement stan-
dard (Approx.)
10 W/R Power source
or
When turning ignition switch to ON Battery voltage
When turning ignition switch to OFF 0V
19 W/R Power source
(Same as No. 10) Same as No. 10
25 B/Y Ground
or
When turning ignition switch to ON 0V
When turning ignition switch to OFF 0V
28 R/Y
Power source
(Memory back-
up)
When turning ignition switch to OFF Battery voltage
When turning ignition switch to ON Battery voltage
48 B/Y Ground (Same
as No. 25)
When turning ignition switch to ON 0V
When turning ignition switch to OFF 0V
Voltage : Battery voltage
Voltage : Battery voltage
AAT476A

AT-248
[RE4R01A]
TROUBLE DIAGNOSIS FOR POWER SUPPLY
2. CHECK TCM GROUND CIRCUIT
1. Turn ignition switch to OFF position.
2. Disconnect TCM harness connector.
3. Check continuity between TCM harness connector M78 termi-
nals (25, 48) and ground.
If OK, check harness for short to ground and short to power.
OK or NG
OK >> INSPECTION END.
NG >> Repair open circuit or short to ground or short to power
in harness or connectors.
Continuity should exist.
AAT477A

DTC P0705 PARK/NEUTRAL POSITION (PNP) SWITCH
AT-249
[RE4R01A]
D
E
F
G
H
I
J
K
L
M
A
B
AT
DTC P0705 PARK/NEUTRAL POSITION (PNP) SWITCH PFP:32006
Description
ECS007M4
●The PNP switch assembly includes a transmission range switch.
●The transmission range switch detects the selector position and
sends a signal to the TCM.
TCM TERMINALS AND REFERENCE VALUE
Remarks: Specification data are reference values.
ON BOARD DIAGNOSIS LOGIC
DIAGNOSTIC TROUBLE CODE (DTC) CONFIRMATION PROCEDURE
CAUTION:
Always drive vehicle at a safe speed.
NOTE:
If “DIAGNOSTIC TROUBLE CODE CONFIRMATION PROCEDURE” has been previously conducted,
always turn ignition switch OFF and wait at least 5 seconds before conducting the next test.
After the repair, perform the following procedure to confirm the malfunction is eliminated.
With CONSULT-II
1. Turn ignition switch ON.
AAT478A
Terminal
No. Wire color Item Condition Judgement stan-
dard (Approx.)
26 G/B PNP switch 1
position
When setting selector lever to 1 posi-
tion. Battery voltage
When setting selector lever to other
positions. 0V
27 G/W PNP switch 2
position
When setting selector lever to 2 posi-
tion. Battery voltage
When setting selector lever to other
positions. 0V
34 L PNP switch D
position
When setting selector lever to D
position. Battery voltage
When setting selector lever to other
positions. 0V
35 Y PNP switch R
position
When setting selector lever to R
position. Battery voltage
When setting selector lever to other
positions. 0V
36 G/R PNP switch P or
N position
When setting selector lever to P or N
position. Battery voltage
When setting selector lever to other
positions. 0V
Diagnostic trouble code Malfunction is detected when ... Check item (Possible cause)
: PNP SW/CIRC TCM does not receive the correct voltage
signal from the switch based on the gear
position.
●Harness or connectors
(The PNP switch circuit is open or
shorted)
●PNP switch
: P0705

AT-250
[RE4R01A]
DTC P0705 PARK/NEUTRAL POSITION (PNP) SWITCH
2. Select “DATA MONITOR” mode for “ENGINE” with CONSULT-II.
3. Start engine and maintain the following conditions for at least 5
consecutive seconds.
VHCL SPEED SE: 10 km/h (6 MPH) or more
THRTL POS SEN: More than 1.3V
Selector lever: D position (O/D ON or OFF)
With GST
●Follow the procedure “With CONSULT-II”.
SAT014K
SEF949Y

DTC P0705 PARK/NEUTRAL POSITION (PNP) SWITCH
AT-251
[RE4R01A]
D
E
F
G
H
I
J
K
L
M
A
B
AT
Wiring Diagram — AT — PNP/SW
ECS007M5
WCWA0092E

AT-252
[RE4R01A]
DTC P0705 PARK/NEUTRAL POSITION (PNP) SWITCH
Diagnostic Procedure
ECS007M6
1. CHECK PNP SWITCH CIRCUIT (WITH CONSULT-II)
With CONSULT-II
1. Turn ignition switch to ON position
(Do not start engine).
2. Select “TCM INPUT SIGNALS” in “DATA MONITOR” mode for “A/T” with CONSULT-II.
3. Read out P, R, N, D, 2 and 1 position switches moving selector
lever to each position. Check the signal of the selector lever
position is indicated properly.
OK or NG
OK >> GO TO 3.
NG >> Check the following items:
●PNP switch
Refer to AT-254, "PNP SWITCH" .
●Harness for short or open between ignition switch and
PNP switch (Main harness)
●Harness for short or open between PNP switch and
TCM (Main harness)
●Diode (P position)
SAT701J

DTC P0705 PARK/NEUTRAL POSITION (PNP) SWITCH
AT-253
[RE4R01A]
D
E
F
G
H
I
J
K
L
M
A
B
AT
2. CHECK PNP SWITCH CIRCUIT (WITHOUT CONSULT-II)
Without CONSULT-II
1. Turn ignition switch to ON position
(Do not start engine).
2. Check voltage between TCM harness connector M78 terminals (26, 27, 34, 35, 36) and ground while
moving selector lever through each position.
Does battery voltage exist (B) or non-existent (0)?
Yes >> GO TO 3.
No >> Check the following items:
●PNP switch
Refer to AT-254, "PNP SWITCH" .
●Harness for short or open between ignition switch and PNP switch
●Harness for short or open between PNP switch connector E34 and TCM connector M78
●Diode (P position)
3. CHECK DTC
Perform Diagnostic Trouble Code (DTC) confirmation procedure. Refer to AT-249, "DIAGNOSTIC TROUBLE
CODE (DTC) CONFIRMATION PROCEDURE" .
OK or NG
OK >> INSPECTION END.
NG >> 1. Perform TCM input/output signal inspection.
2. If NG, recheck TCM pin terminals for damage or loose connection with harness connector.
AAT480A
AAT479A

AT-254
[RE4R01A]
DTC P0705 PARK/NEUTRAL POSITION (PNP) SWITCH
Component Inspection
ECS007M7
PNP SWITCH
1. Check continuity between terminals 1 and 2 and between termi-
nals 3 and (4, 5, 6, 7, 8, 9) while moving manual shaft through
each position.
2. If NG, check again with manual control linkage disconnected
from manual shaft of A/T assembly. Refer to step 1.
3. If OK on step 2, adjust manual control linkage. Refer to AT-406,
"Manual Control Linkage Adjustment" .
4. If NG on step 2, remove PNP switch from A/T and check conti-
nuity of PNP switch terminals. Refer to step 1.
5. If OK on step 4, adjust PNP switch. Refer to AT-405, "Park/Neu-
tral Position (PNP) Switch Adjustment" .
6. If NG on step 4, replace PNP switch.
Lever position P R N D 2 1
Terminal No. 1 - 2 3 - 5 1 - 2 3 - 7 3 - 8 3 - 9
3 - 4 3 - 6
SAT517GB
AAT482A
AAT551A
AAT481A

DTC P0710 A/T FLUID TEMPERATURE SENSOR CIRCUIT
AT-255
[RE4R01A]
D
E
F
G
H
I
J
K
L
M
A
B
AT
DTC P0710 A/T FLUID TEMPERATURE SENSOR CIRCUIT PFP:31940
Description
ECS007M8
The A/T fluid temperature sensor detects the A/T fluid temperature
and sends a signal to the TCM.
CONSULT-II REFERENCE VALUE IN DATA MONITOR
MODE
Remarks: Specification data are reference values.
TCM TERMINALS AND REFERENCE VALUE
Remarks: Specification data are reference values.
ON BOARD DIAGNOSIS LOGIC
DIAGNOSTIC TROUBLE CODE (DTC) CONFIRMATION PROCEDURE
CAUTION:
Always drive vehicle at a safe speed.
NOTE:
If “DIAGNOSTIC TROUBLE CODE CONFIRMATION PROCEDURE” has been previously conducted,
always turn ignition switch OFF and wait at least 5 seconds before conducting the next test.
After the repair, perform the following procedure to confirm the malfunction is eliminated.
SAT342HA
SAT021J
Monitor item Condition Specification (Approx.)
A/T fluid temperature
sensor
Cold [20°C (68°F)]
↓
Hot [80°C (176°F)]
1.5V
↓
0.5V
2.5kΩ
↓
0.3kΩ
Terminal
No. Wire color Item Condition Judgement stan-
dard (Approx.)
42 BR
Throttle position
sensor
(Ground)
——
47 R/B A/T fluid temper-
ature sensor
When ATF temperature is 20°C
(68°F). 1.5V
When ATF temperature is 80°C
(176°F). 0.5V
Diagnostic trouble code Malfunction is detected when.... Check item (Possible cause)
: ATF TEMP SEN/CIRC TCM receives an excessively low or high
voltage from the sensor.
●Harness or connectors
(The sensor circuit is open or shorted)
●A/T fluid temperature sensor
: P0710

AT-256
[RE4R01A]
DTC P0710 A/T FLUID TEMPERATURE SENSOR CIRCUIT
With CONSULT-II
1. Turn ignition switch ON and select “DATA MONITOR” mode for
“ENGINE” with CONSULT-II.
2. Start engine and maintain the following conditions for at least 10
minutes (Total: It is not necessary to maintain continuously).
CMPS·RPM (REF): 450 rpm or more
VHCL SPEED SE: 10 km/h (6 MPH) or more
THRTL POS SEN: More than 1.2V
Selector lever: D position (O/D ON)
With GST
●Follow the procedure “With CONSULT-II”.
SAT014K
SEF949Y

DTC P0710 A/T FLUID TEMPERATURE SENSOR CIRCUIT
AT-257
[RE4R01A]
D
E
F
G
H
I
J
K
L
M
A
B
AT
Wiring Diagram — AT — FTS
ECS007M9
WCWA0147E

AT-258
[RE4R01A]
DTC P0710 A/T FLUID TEMPERATURE SENSOR CIRCUIT
Diagnostic Procedure
ECS007MA
1. CHECK A/T FLUID TEMPERATURE SENSOR WITH TERMINAL CORD ASSEMBLY
1. Turn ignition switch to OFF position.
2. Disconnect terminal cord assembly connector in engine compartment.
3. Check resistance between terminal cord assembly connector E72 terminals 6 and 7 when A/T is cold
[20°C (68°F)].
Is resistance approx. 2.5 kΩ?
Yes >> GO TO 2.
No >> 1. Remove oil pan.
2. Check the following items:
–A/T fluid temperature sensor
Refer to AT-260, "A/T FLUID TEMPERATURE SENSOR" .
–Harness of terminal cord assembly for short or open
AAT483A

DTC P0710 A/T FLUID TEMPERATURE SENSOR CIRCUIT
AT-259
[RE4R01A]
D
E
F
G
H
I
J
K
L
M
A
B
AT
2. CHECK INPUT SIGNAL OF A/T FLUID TEMPERATURE SENSOR
With CONSULT-II
1. Start engine.
2. Select “TCM INPUT SIGNALS” in “DATA MONITOR” mode for “A/T” with CONSULT-II.
3. Read out the value of “FLUID TEMP SE”.
Without CONSULT-II
1. Start engine.
2. Check voltage between TCM harness connector M78 terminal 47 and ground while warming up A/T.
OK or NG
OK >> GO TO 3.
NG >> Check the following item:
●Harness for short or open between TCM and terminal cord assembly (Main harness)
3. CHECK DTC
Perform Diagnostic Trouble Code (DTC) confirmation procedure. Refer to AT-255, "DIAGNOSTIC TROUBLE
CODE (DTC) CONFIRMATION PROCEDURE" .
OK or NG
OK >> INSPECTION END.
NG >> 1. Perform TCM input/output signal inspection.
2. If NG, recheck TCM pin terminals for damage or loose connection with harness connector.
Voltage
Cold [20°C (68°F)] →
Hot [80°C (176°F)]
: Approximately 1.5V →
0.5V
SAT614J
Voltage
Cold [20°C (68°F)] →
Hot [80°C (176°F)]
: Approximately 1.5V →
0.5V
AAT484A

AT-260
[RE4R01A]
DTC P0710 A/T FLUID TEMPERATURE SENSOR CIRCUIT
Component Inspection
ECS007MB
A/T FLUID TEMPERATURE SENSOR
●For removal, refer to “AT-407, "Removal" .
●Check resistance between A/T fluid temperature sensor termi-
nals 6 and 7 while changing temperature as shown at left.
Temperature °C (°F) Resistance (Approx.)
20 (68) 2.5 kΩ
80 (176) 0.3 kΩ
AAT485A

DTC P0720 VEHICLE SPEED SENSOR·A/T (REVOLUTION SENSOR)
AT-261
[RE4R01A]
D
E
F
G
H
I
J
K
L
M
A
B
AT
DTC P0720 VEHICLE SPEED SENSOR·A/T (REVOLUTION SENSOR) PFP:32702
Description
ECS007MC
The revolution sensor detects the revolution of the output shaft park-
ing pawl lock gear and emits a pulse signal. The pulse signal is sent
to the TCM which converts it into vehicle speed.
TCM TERMINALS AND REFERENCE VALUE
Remarks: Specification data are reference values.
ON BOARD DIAGNOSIS LOGIC
DIAGNOSTIC TROUBLE CODE (DTC) CONFIRMATION PROCEDURE
CAUTION:
●Always drive vehicle at a safe speed.
●Be careful not to rev engine into the red zone on the tachometer.
NOTE:
If “DIAGNOSTIC TROUBLE CODE CONFIRMATION PROCEDURE” has been previously conducted,
always turn ignition switch OFF and wait at least 5 seconds before conducting the next test.
After the repair, perform the following procedure to confirm the malfunction is eliminated.
AAT478A
Terminal
No. Wire color Item Condition Judgement stan-
dard (Approx.)
29 Y
Revolution sen-
sor
(Measure in AC
range)
When vehicle cruises at 30 km/h (19
MPH).
1V or more
Voltage rises
gradually in
response to vehi-
cle speed.
When vehicle parks. 0V
42 BR
Throttle position
sensor
(Ground)
—0V
Diagnostic trouble code Malfunction is detected when ... Check item (Possible cause)
: VEH SPD SEN/CIR AT TCM does not receive the proper voltage
signal from the sensor.
●Harness or connectors
(The sensor circuit is open or shorted)
●Revolution sensor
: P0720

AT-262
[RE4R01A]
DTC P0720 VEHICLE SPEED SENSOR·A/T (REVOLUTION SENSOR)
With CONSULT-II
1. Turn ignition switch ON and select “DATA MONITOR” mode for
“A/T” with CONSULT-II.
2. Drive vehicle and check for an increase of “VHCL/S SE·MTR”
value.
If the check result is NG, go to AT-264, "Diagnostic Procedure" .
If the check result is OK, go to following step.
3. Select “DATA MONITOR” mode for “ENGINE” with CONSULT-II.
4. Start engine and maintain the following conditions for at least 5
consecutive seconds.
VHCL SPEED SE: 30 km/h (19 MPH) or more
THRTL POS SEN: More than 1.2V
Selector lever: D position (O/D ON)
Driving condition: Driving the vehicle uphill (increased
engine load) will help maintain the driving conditions
required for this test.
If the check result is NG, go to AT-264, "Diagnostic Procedure" .
If the check result is OK, go to following step.
5. Maintain the following conditions for at least 5 consecutive sec-
onds.
CMPS·RPM (REF): 3,500 rpm or more
THRTL POS SEN: More than 1.2V
Selector lever: D position (O/D ON)
Driving condition: Driving the vehicle uphill (increased
engine load) will help maintain the driving conditions required for this test.
With GST
●Follow the procedure “With CONSULT-II”.
SAT014K
SAT971J
SEF949Y

DTC P0720 VEHICLE SPEED SENSOR·A/T (REVOLUTION SENSOR)
AT-263
[RE4R01A]
D
E
F
G
H
I
J
K
L
M
A
B
AT
Wiring Diagram — AT — VSSA/T
ECS007MD
WCWA0148E

AT-264
[RE4R01A]
DTC P0720 VEHICLE SPEED SENSOR·A/T (REVOLUTION SENSOR)
Diagnostic Procedure
ECS007ME
1. CHECK REVOLUTION SENSOR
Refer to AT-265, "Component Inspection" .
OK or NG
OK >> GO TO 2.
NG >> Repair or replace revolution sensor.
2. CHECK INPUT SIGNAL
With CONSULT-II
1. Start engine.
2. Select “TCM INPUT SIGNALS” in “DATA MONITOR” mode for “A/T” with CONSULT-II.
3. Read out the value of “VHCL/S SE·A/T” while driving.
Check the value changes according to driving speed.
Without CONSULT-II
1. Start engine.
2. Check voltage between TCM harness connector M78 terminal 29 (Y) and ground while driving.
(Measure with AC range)
OK or NG
OK >> GO TO 3.
NG >> Check the following items:
●Harness for short or open between TCM and revolution sensor (Main harness)
●Harness for short or open between revolution sensor harness connector E73 and ECM harness
connector M78
●Ground circuit for ECM
Refer to AT-246, "TROUBLE DIAGNOSIS FOR POWER SUPPLY" .
SAT614J
Voltage
At 0 km/h (0 MPH) : 0V
At 30 km/h (19 MPH) : 1V or more
(Voltage rises gradually
in response to vehicle
speed.)
LCIA0290E

DTC P0720 VEHICLE SPEED SENSOR·A/T (REVOLUTION SENSOR)
AT-265
[RE4R01A]
D
E
F
G
H
I
J
K
L
M
A
B
AT
3. CHECK DTC
Perform Diagnostic Trouble Code (DTC) confirmation procedure. Refer to AT-261, "DIAGNOSTIC TROUBLE
CODE (DTC) CONFIRMATION PROCEDURE" .
OK or NG
OK >> INSPECTION END
NG >> 1. Perform TCM input/output signal inspection.
2. If NG, recheck TCM pin terminals for damage or loose connection with harness connector.
Component Inspection
ECS007MF
REVOLUTION SENSOR
●For removal, refer to AT-407, "Removal" .
●Check resistance between terminals 1 and 2.
Terminal No. Resistance
1 2 500 - 650Ω
AAT487A

AT-266
[RE4R01A]
DTC P0725 ENGINE SPEED SIGNAL
DTC P0725 ENGINE SPEED SIGNAL PFP:24825
Description
ECS007MG
The engine speed signal is sent from the ECM to the TCM.
TCM TERMINALS AND REFERENCE VALUE
Remarks: Specification data are reference values.
ON BOARD DIAGNOSIS LOGIC
DIAGNOSTIC TROUBLE CODE (DTC) CONFIRMATION PROCEDURE
CAUTION:
Always drive vehicle at a safe speed.
NOTE:
If “DIAGNOSTIC TROUBLE CODE CONFIRMATION PROCE-
DURE” has been previously conducted, always turn ignition
switch OFF and wait at least 5 seconds before conducting the
next test.
After the repair, perform the following procedure to confirm the mal-
function is eliminated.
With CONSULT-II
1. Turn ignition switch ON and select “DATA MONITOR” mode for
“ENGINE” with CONSULT-II.
2. Start engine and maintain the following conditions for at least 10
consecutive seconds.
VHCL SPEED SE: 10 km/h (6 MPH) or more
THRTL POS SEN: More than 1.2V
Selector lever: D position (O/D ON)
With GST
●Follow the procedure “With CONSULT-II”.
Terminal
No. Wire color Item Condition Judgement stan-
dard (Approx.)
39 P/L Engine speed
signal When engine runs at idle speed. 0.5 - 2.5V
Diagnostic trouble code Malfunction is detected when ... Check item (Possible cause)
: ENGINE SPEED SIG TCM does not receive the proper voltage
signal from ECM.
●Harness or connectors
(The sensor circuit is open or shorted)
: P0725
SAT014K
SEF949Y

DTC P0725 ENGINE SPEED SIGNAL
AT-267
[RE4R01A]
D
E
F
G
H
I
J
K
L
M
A
B
AT
Wiring Diagram — AT — ENGSS
ECS007MH
WCWA0149E

AT-268
[RE4R01A]
DTC P0725 ENGINE SPEED SIGNAL
Diagnostic Procedure
ECS007MI
1. CHECK DTC WITH ECM
Perform diagnostic test mode II (self-diagnostic results) for engine control. Check ignition signal circuit condi-
tion.
OK or NG
OK >> GO TO 2.
NG >> Check ignition signal circuit for engine control. Refer to EC-1134 (VG33E only) or EC-1710
(VG33ER only), “IGNITION SIGNAL”.
2. CHECK INPUT SIGNAL
With CONSULT-II
1. Start engine.
2. Select “TCM INPUT SIGNALS” in “DATA MONITOR” mode for “A/T” with CONSULT-II.
3. Read out the value of “ENGINE SPEED”.
Check engine speed changes according to throttle position.
Without CONSULT-II
1. Start engine.
2. Check voltage between TCM harness connector M78 terminal 39 and ground.
Does battery voltage (idle speed) 0.5 - 2.5V?
Yes >> GO TO 3.
No >> Check the following items:
●Harness for short or open between TCM connector M78 and ECM connector F29
●Resistor
●Ignition coil
Refer to EC-1134 (VG33E only) or EC-1710 (VG33ER only), “IGNITION SIGNAL”.
SAT645J
AAT488A

DTC P0725 ENGINE SPEED SIGNAL
AT-269
[RE4R01A]
D
E
F
G
H
I
J
K
L
M
A
B
AT
3. CHECK DTC
Perform Diagnostic Trouble Code (DTC) confirmation procedure. Refer to AT-266, "DIAGNOSTIC TROUBLE
CODE (DTC) CONFIRMATION PROCEDURE" .
OK or NG
OK >> INSPECTION END.
NG >> 1. Perform TCM input/output signal inspection.
2. If NG, recheck TCM pin terminals for damage or loose connection with harness connector.

AT-270
[RE4R01A]
DTC P0731 IMPROPER SHIFTING TO 1ST GEAR POSITION
DTC P0731 IMPROPER SHIFTING TO 1ST GEAR POSITION PFP:31940
Description
ECS007MJ
●This is an OBD-II self-diagnostic item and not available in TCM self-diagnosis.
●This malfunction will not be detected while the O/D OFF indicator lamp is indicating another self-diagnosis
malfunction.
●This malfunction is detected when the A/T does not shift into first gear position as instructed by the TCM.
This is not caused by electrical malfunction (circuits open or shorted) but by mechanical malfunction such
as control valve sticking, improper solenoid valve operation, etc.
TCM TERMINALS AND REFERENCE VALUE
Remarks: Specification data are reference values.
ON BOARD DIAGNOSIS LOGIC
This diagnosis monitors actual gear position by checking the torque converter slip ratio calculated by TCM as
follows:
Torque converter slip ratio = A x C/B
A: Output shaft revolution signal from revolution sensor
B: Engine speed signal from ECM
C: Gear ratio determined as gear position which TCM supposes
If the actual gear position is higher than the position (1st) supposed by TCM, the slip ratio will be more than
normal. In case the ratio exceeds the specified value, TCM judges this diagnosis malfunction.
This malfunction will be caused when either shift solenoid valve A is stuck open or shift solenoid valve B is
stuck open.
*: P0731 is detected.
Gear position 1 2 3 4
Shift solenoid valve A ON (Closed) OFF (Open) OFF (Open) ON (Closed)
Shift solenoid valve B ON (Closed) ON (Closed) OFF (Open) OFF (Open)
Terminal
No. Wire color Item Condition Judgement stan-
dard (Approx.)
11 L/W Shift solenoid
valve A
When shift solenoid valve A oper-
ates.
(When driving in D1 or D4 )
Battery voltage
When shift solenoid valve A does not
operate.
(When driving in D2 or D3 )
0V
12 L/Y Shift solenoid
valve B
When shift solenoid valve B oper-
ates.
(When driving in D1 or D2 )
Battery voltage
When shift solenoid valve B does not
operate.
(When driving in D3 or D4 )
0V
Gear position supposed by TCM 1 2 3 4
In case of gear position with no malfunctions 1 2 3 4
In case of gear position with shift solenoid valve A stuck open 2* 2 3 3
In case of gear position with shift solenoid valve B stuck open 4* 3 3 4
Diagnostic trouble code Malfunction is detected when ... Check item (Possible cause)
: A/T 1ST GR FNCTN
A/T cannot be shifted to the 1st gear posi-
tion even if electrical circuit is good.
●Shift solenoid valve A
●Shift solenoid valve B
●Each clutch
●Hydraulic control circuit
: P0731

DTC P0731 IMPROPER SHIFTING TO 1ST GEAR POSITION
AT-271
[RE4R01A]
D
E
F
G
H
I
J
K
L
M
A
B
AT
DIAGNOSTIC TROUBLE CODE (DTC) CONFIRMATION PROCEDURE
CAUTION:
●Always drive vehicle at a safe speed.
●Be careful not to rev engine into the red zone on the
tachometer.
NOTE:
If “DIAGNOSTIC TROUBLE CODE CONFIRMATION PROCE-
DURE” has been previously conducted, always turn ignition
switch OFF and wait at least 5 seconds before conducting the
next test.
TESTING CONDITIONS:
Always drive vehicle on a level road to improve the accuracy of test.
After the repair, perform the following procedure to confirm the mal-
function is eliminated.
With CONSULT-II
1. Start engine and select “DATA MONITOR” mode for “A/T” with
CONSULT-II.
2. Make sure that output voltage of A/T fluid temperature sensor is
within the range below.
FLUID TEMP SEN: 0.4 - 1.5V
If out of range, drive the vehicle to decrease the voltage (warm
up the fluid) or stop engine to increase the voltage (cool down
the fluid).
3. Select “1ST GR FNCTN P0731” of “DTC WORK SUPPORT”
mode for “A/T” with CONSULT-II and touch “START”.
4. Accelerate vehicle to 17 to 23 km/h (11 to 14 MPH) under the
following condition and release the accelerator pedal com-
pletely.
THROTTLE POSI: Less than 1/8 (at all times during step 4)
Selector lever: D position (O/D ON)
–Check that “GEAR” shows 2 after releasing pedal.
5. Depress accelerator pedal to WOT (more than 7/8 of “THROT-
TLE POSI”) quickly from a speed of 17 to 23 km/h (11 to 14
MPH) until “TESTING” changes to “STOP VEHICLE” or “COM-
PLETED”. (It will take approximately 3 seconds)
If the check result NG appears on CONSULT-II screen, go to AT-
274, "Diagnostic Procedure" .
If “STOP VEHICLE” appears on CONSULT-II screen, go to the
following step.
–Check that “GEAR” shows 1 when depressing accelerator
pedal to WOT.
–If “TESTING” does not appear on CONSULT-II for a long time, select “SELF-DIAG RESULTS” for
“ENGINE”. In case a 1st trip DTC other than P0731 is shown, refer to applicable “TROUBLE DIAG-
NOSIS FOR DTC”.
6. Stop vehicle.
7. Follow the instruction displayed. (Check for normal shifting referring to the table below.)
8. Make sure that “OK” is displayed. (If “NG” is displayed, refer to “DIAGNOSTIC PROCEDURE”.)
Refer to AT-274, "Diagnostic Procedure" .
Refer to AT-496, "Shift Schedule" .
Vehicle condition Gear on actual transmission shift pattern when
screen is changed to 1 → 2 → 3 → 4
No malfunction exists 1 → 2 → 3 → 4
Malfunction for P0731 exists. 2 → 2 → 3 → 3
4 → 3 → 3 → 4
SAT014K
SAT971J
SAT021J

AT-272
[RE4R01A]
DTC P0731 IMPROPER SHIFTING TO 1ST GEAR POSITION
With GST
●Follow the procedure “With CONSULT-II”.

DTC P0731 IMPROPER SHIFTING TO 1ST GEAR POSITION
AT-273
[RE4R01A]
D
E
F
G
H
I
J
K
L
M
A
B
AT
Wiring Diagram — AT — 1ST
ECS007MK
WCWA0150E

AT-274
[RE4R01A]
DTC P0731 IMPROPER SHIFTING TO 1ST GEAR POSITION
Diagnostic Procedure
ECS007ML
1. CHECK SHIFT SOLENOID VALVE
1. Remove control valve assembly. Refer to AT-431, "CONTROL VALVE ASSEMBLY" .
2. Check shift solenoid valve operation.
–Shift solenoid valve A
–Shift solenoid valve B
Refer to AT-275, "Component Inspection" .
OK or NG
OK >> GO TO 2.
NG >> Repair or replace shift solenoid valve assembly.
2. CHECK CONTROL VALVE
1. Disassemble control valve assembly.
Refer to AT-431, "CONTROL VALVE ASSEMBLY" .
2. Check to ensure that:
–Valve, sleeve and plug slide along valve bore under their own weight.
–Valve, sleeve and plug are free from burrs, dents and scratches.
–Control valve springs are free from damage, deformation and fatigue.
–Hydraulic line is free from obstacles.
OK or NG
OK >> GO TO 3.
NG >> Repair control valve assembly.
3. CHECK DTC
Perform Diagnostic Trouble Code (DTC) confirmation procedure. Refer to AT-271, "DIAGNOSTIC TROUBLE
CODE (DTC) CONFIRMATION PROCEDURE" .
OK or NG
OK >> INSPECTION END.
NG >> Check control valve again. Repair or replace control valve assembly.
SAT367H

DTC P0731 IMPROPER SHIFTING TO 1ST GEAR POSITION
AT-275
[RE4R01A]
D
E
F
G
H
I
J
K
L
M
A
B
AT
Component Inspection
ECS007MM
SHIFT SOLENOID VALVE A AND B
●For removal, refer toAT-431, "CONTROL VALVE ASSEMBLY" .
Resistance Check
●Check resistance between terminals (2 or 3) and ground.
Operation Check
●Check solenoid valve by listening for its operating sound while
applying battery voltage to the terminals (2 or 3) and ground.
SAT649I
Solenoid valve Terminal No. Resistance (Approx.)
Shift solenoid valve A 3 Ground 20 - 40Ω
Shift solenoid valve B 2
SAT648I

AT-276
[RE4R01A]
DTC P0732 IMPROPER SHIFTING TO 2ND GEAR POSITION
DTC P0732 IMPROPER SHIFTING TO 2ND GEAR POSITION PFP:31940
Description
ECS007MN
●This is an OBD-II self-diagnostic item and not available in TCM self-diagnosis.
●This malfunction will not be detected while the O/D OFF indicator lamp is indicating another self-diagnosis
malfunction.
●This malfunction is detected when the A/T does not shift into second gear position as instructed by the
TCM. This is not caused by electrical malfunction (circuits open or shorted) but by mechanical malfunction
such as control valve sticking, improper solenoid valve operation, etc.
TCM TERMINALS AND REFERENCE VALUE
Remarks: Specification data are reference values.
ON BOARD DIAGNOSIS LOGIC
This diagnosis monitors actual gear position by checking the torque converter slip ratio calculated by TCM as
follows:
Torque converter slip ratio = A x C/B
A: Output shaft revolution signal from revolution sensor
B: Engine speed signal from ECM
C: Gear ratio determined as gear position which TCM supposes
If the actual gear position is higher than the position (2nd) supposed by TCM, the slip ratio will be more than
normal. In case the ratio exceeds the specified value, TCM judges this diagnosis malfunction.
This malfunction will be caused when shift solenoid valve B is stuck open.
*: P0732 is detected.
Gear position 1 2 3 4
Shift solenoid valve A ON (Closed) OFF (Open) OFF (Open) ON (Closed)
Shift solenoid valve B ON (Closed) ON (Closed) OFF (Open) OFF (Open)
Terminal
No. Wire color Item Condition Judgement stan-
dard (Approx.)
12 L/Y Shift solenoid
valve B
When shift solenoid valve B oper-
ates. (When driving in “D1 ” or “D2 ”)Battery voltage
When shift solenoid valve B does not
operate. (When driving in “D3 ” or “D4
”)
0V
Gear position supposed by TCM 1 2 3 4
In case of gear position with no malfunctions 1 2 3 4
In case of gear position with shift solenoid valve B stuck
open 43* 3 4
Diagnostic trouble code Malfunction is detected when ... Check item
(Possible cause)
: A/T 2ND SIGNAL A/T cannot be shifted to the 2nd gear
position even if electrical circuit is good.
●Shift solenoid valve B
●Each clutch
●Hydraulic control circuit
: P0732

DTC P0732 IMPROPER SHIFTING TO 2ND GEAR POSITION
AT-277
[RE4R01A]
D
E
F
G
H
I
J
K
L
M
A
B
AT
DIAGNOSTIC TROUBLE CODE (DTC) CONFIRMATION PROCEDURE
CAUTION:
●Always drive vehicle at a safe speed.
●Be careful not to rev engine into the red zone on the
tachometer.
NOTE:
If “DIAGNOSTIC TROUBLE CODE CONFIRMATION PROCE-
DURE” has been previously conducted, always turn ignition
switch OFF and wait at least 5 seconds before conducting the
next test.
TESTING CONDITIONS:
Always drive vehicle on a level road to improve the accuracy of
test.
After the repair, perform the following procedure to confirm the mal-
function is eliminated.
With CONSULT-II
1. Start engine and select “DATA MONITOR” mode for “A/T” with
CONSULT-II.
2. Make sure that output voltage of A/T fluid temperature sensor is
within the range below.
FLUID TEMP SEN: 0.4 - 1.5V
If out of range, drive the vehicle to decrease the voltage (warm
up the fluid) or stop engine to increase the voltage (cool down
the fluid).
3. Select “2ND GR FNCTN P0732” of “DTC WORK SUPPORT”
mode for “A/T” with CONSULT-II and touch “START”.
4. Accelerate vehicle to 50 to 55 km/h (31 to 34 MPH) under the
following condition and release the accelerator pedal com-
pletely.
THROTTLE POSI: Less than 1/8 (at all times during step 4)
Selector lever: D position (O/D ON)
–Check that “GEAR” shows 3 or 4 after releasing pedal.
5. Depress accelerator pedal to WOT (more than 7/8 of “THROT-
TLE POSI”) quickly from a speed of 50 to 55 km/h (31 to 34
MPH) until “TESTING” changes to “STOP VEHICLE” or “COM-
PLETED”. (It will take approximately 3 seconds.)
If the check result NG appears on CONSULT-II screen, go to AT-279, "Diagnostic Procedure" .
If “STOP VEHICLE” appears on CONSULT-II screen, go to following step.
–Check that “GEAR” shows 2 when depressing accelerator pedal to WOT.
–If “TESTING” does not appear on CONSULT-II for a long time, select “SELF-DIAG RESULTS” for
“ENGINE”. In case a 1st trip DTC other than P0732 is shown, refer to applicable “TROUBLE DIAG-
NOSIS FOR DTC”.
6. Stop vehicle.
7. Follow the instruction displayed. (Check for normal shifting referring to the table below.)
8. Make sure that “OK” is displayed. (If “NG” is displayed, refer to “DIAGNOSTIC PROCEDURE”.) Refer to
AT-279, "Diagnostic Procedure" . Refer to AT-496, "Shift Schedule" .
With GST
●Follow the procedure “With CONSULT-II”.
Vehicle condition Gear on actual transmission shift pattern when
screen is changed to 1 → 2 → 3 → 4
No malfunction exists 1 → 2 → 3 → 4
Malfunction for P0732 exists. 4 → 3 → 3 → 4
SAT014K
SAT971J
SAT021J

AT-278
[RE4R01A]
DTC P0732 IMPROPER SHIFTING TO 2ND GEAR POSITION
Wiring Diagram — AT — 2ND
ECS007MO
WCWA0096E

DTC P0732 IMPROPER SHIFTING TO 2ND GEAR POSITION
AT-279
[RE4R01A]
D
E
F
G
H
I
J
K
L
M
A
B
AT
Diagnostic Procedure
ECS007MP
1. CHECK SHIFT SOLENOID VALVE
1. Remove control valve assembly. Refer to AT-402, "REMOVAL" .
2. Check shift solenoid valve operation.
–Shift solenoid valve B
Refer to AT-320, "SHIFT SOLENOID VALVE B" .
OK or NG
OK >> GO TO 2.
NG >> Repair or replace shift solenoid valve assembly.
2. CHECK CONTROL VALVE
1. Disassemble control valve assembly.
Refer to AT-431, "CONTROL VALVE ASSEMBLY" .
2. Check to ensure that:
–Valve, sleeve and plug slide along valve bore under their own weight.
–Valve, sleeve and plug are free from burrs, dents and scratches.
–Control valve springs are free from damage, deformation and fatigue.
–Hydraulic line is free from obstacles.
OK or NG
OK >> GO TO 3.
NG >> Repair control valve assembly.
3. CHECK DTC
Perform Diagnostic Trouble Code (DTC) confirmation procedure. Refer to AT-277, "DIAGNOSTIC TROUBLE
CODE (DTC) CONFIRMATION PROCEDURE" .
OK or NG
OK >> INSPECTION END.
NG >> Check control valve again. Repair or replace control valve assembly.
Component Inspection
ECS007MQ
SHIFT SOLENOID VALVE B
●For removal, refer to AT-402, "REMOVAL"AT-402, "REMOVAL" .
Resistance Check
●Check resistance between terminal 2 and ground.
SAT367H
SAT651I

AT-280
[RE4R01A]
DTC P0732 IMPROPER SHIFTING TO 2ND GEAR POSITION
Operation Check
●Check solenoid valve by listening for its operating sound while
applying battery voltage to the terminal 2 and ground.
Solenoid valve Terminal No. Resistance (Approx.)
Shift solenoid valve B 2 Ground 20 - 40Ω
SAT650I

DTC P0733 IMPROPER SHIFTING TO 3RD GEAR POSITION
AT-281
[RE4R01A]
D
E
F
G
H
I
J
K
L
M
A
B
AT
DTC P0733 IMPROPER SHIFTING TO 3RD GEAR POSITION PFP:31940
Description
ECS007MR
●This is an OBD-II self-diagnostic item and not available in TCM self-diagnosis.
●This malfunction will not be detected while the O/D OFF indicator lamp is indicating another self-diagnosis
malfunction.
●This malfunction is detected when the A/T does not shift into third gear position as instructed by the TCM.
This is not caused by electrical malfunction (circuits open or shorted) but by mechanical malfunction such
as control valve sticking, improper solenoid valve operation, malfunctioning servo piston or brake band,
etc.
TCM TERMINALS AND REFERENCE VALUE
Remarks: Specification data are reference values.
ON BOARD DIAGNOSIS LOGIC
This diagnosis monitors actual gear position by checking the torque converter slip ratio calculated by TCM as
follows:
Torque converter slip ratio = A x C/B
A: Output shaft revolution signal from revolution sensor
B: Engine speed signal from ECM
C: Gear ratio determined as gear position which TCM supposes
If the actual gear position is higher than the position (3rd) supposed by TCM, the slip ratio will be more than
normal. In case the ratio exceeds the specified value, TCM judges this diagnosis malfunction.
This malfunction will be caused when shift solenoid valve A is stuck closed.
*: P0733 is detected.
Gear position 1 2 3 4
Shift solenoid valve A ON (Closed) OFF (Open) OFF (Open) ON (Closed)
Shift solenoid valve B ON (Closed) ON (Closed) OFF (Open) OFF (Open)
Terminal
No. Wire color Item Condition Judgement stan-
dard (Approx.)
11 L/W Shift solenoid
valve A
When shift solenoid valve A oper-
ates. (When driving in D1 or D4 ) Battery voltage
When shift solenoid valve A does not
operate. (When driving in D2 or D3 ) 0V
Gear position supposed by TCM 1 2 3 4
In case of gear position with no malfunctions 1 2 3 4
In case of gear position with shift solenoid valve A stuck
closed 114*4
Diagnostic trouble code Malfunction is detected when ... Check item
(Possible cause)
: A/T 3RD GR FNCTN A/T cannot be shifted to the 3rd gear posi-
tion even if electrical circuit is good.
●Shift solenoid valve A
●Each clutch
●Hydraulic control circuit
: P0733

AT-282
[RE4R01A]
DTC P0733 IMPROPER SHIFTING TO 3RD GEAR POSITION
DIAGNOSTIC TROUBLE CODE (DTC) CONFIRMATION PROCEDURE
CAUTION:
●Always drive vehicle at a safe speed.
●Be careful not to rev engine into the red zone on the
tachometer.
NOTE:
If “DIAGNOSTIC TROUBLE CODE CONFIRMATION PROCE-
DURE” has been previously conducted, always turn ignition
switch OFF and wait at least 5 seconds before conducting the
next test.
TESTING CONDITIONS:
Always drive vehicle on a level road to improve the accuracy of
test.
After the repair, perform the following procedure to confirm the mal-
function is eliminated.
With CONSULT-II
1. Start engine and select “DATA MONITOR” mode for “A/T” with
CONSULT-II.
2. Make sure that output voltage of A/T fluid temperature sensor is
within the range below.
FLUID TEMP SEN: 0.4 - 1.5V
If out of range, drive the vehicle to decrease the voltage (warm
up the fluid) or stop engine to increase the voltage (cool down
the fluid).
3. Select “3RD GR FNCTN P0733” of “DTC WORK SUPPORT”
mode for “A/T” with CONSULT-II and touch “START”.
4. Accelerate vehicle to 70 to 85 km/h (43 to 53 MPH) under the
following condition and release the accelerator pedal com-
pletely.
THROTTLE POSI: Less than 1/8 (at all times during step 4)
Selector lever: D position (O/D ON)
–Check that “GEAR” shows 4 after releasing pedal.
5. Depress accelerator pedal steadily with 3.5/8 - 4.5/8 of “THROT-
TLE POSI” from a speed of 70 to 85 km/h (43 to 53 MPH) until
“TESTING” changes to “STOP VEHICLE” or “COMPLETED”. (It
will take approximately 3 seconds.)
If the check result NG appears on CONSULT-II screen, go to AT-284, "Diagnostic Procedure" .
If “STOP VEHICLE” appears on CONSULT-II screen, go to following step.
–Check that “GEAR” shows 3 when depressing accelerator pedal with 3.5/8 - 4.5/8 of “THROTTLE
POSI”.
–If “TESTING” does not appear on CONSULT-II for a long time, select “SELF-DIAG RESULTS” for
“ENGINE”. In case a 1st trip DTC other than P0733 is shown, refer to applicable “TROUBLE DIAG-
NOSIS FOR DTC”.
6. Stop vehicle.
7. Follow the instruction displayed. (Check for normal shifting referring to the table below.)
8. Make sure that “OK” is displayed. (If “NG” is displayed, refer to AT-284, "Diagnostic Procedure" .
Refer to AT-496, "Shift Schedule" .
With GST
●Follow the procedure “With CONSULT-II”.
Vehicle condition Gear on actual transmission shift pattern when
screen is changed to 1 → 2 → 3 → 4
No malfunction exists. 1 → 2 → 3 → 4
Malfunction for P0733 exists. 1 → 1 → 4 → 4
SAT014K
SAT971J
SAT021J

DTC P0733 IMPROPER SHIFTING TO 3RD GEAR POSITION
AT-283
[RE4R01A]
D
E
F
G
H
I
J
K
L
M
A
B
AT
Wiring Diagram — AT — 3RD
ECS007MS
WCWA0151E

AT-284
[RE4R01A]
DTC P0733 IMPROPER SHIFTING TO 3RD GEAR POSITION
Diagnostic Procedure
ECS007MT
1. CHECK SHIFT SOLENOID VALVE
1. Remove control valve assembly. Refer to AT-402, "REMOVAL" .
2. Check shift solenoid valve operation.
–Shift solenoid valve A
Refer to AT-315, "SHIFT SOLENOID VALVE A" .
OK or NG
OK >> GO TO 2.
NG >> Repair or replace shift solenoid valve assembly.
2. CHECK CONTROL VALVE
1. Disassemble control valve assembly.
Refer to AT-431, "CONTROL VALVE ASSEMBLY" .
2. Check to ensure that:
–Valve, sleeve and plug slide along valve bore under their own weight.
–Valve, sleeve and plug are free from burrs, dents and scratches.
–Control valve springs are free from damage, deformation and fatigue.
–Hydraulic line is free from obstacles.
OK or NG
OK >> GO TO 3.
NG >> Repair control valve assembly.
3. CHECK DTC
Perform Diagnostic Trouble Code (DTC) confirmation procedure. Refer to AT-282, "DIAGNOSTIC TROUBLE
CODE (DTC) CONFIRMATION PROCEDURE" .
OK or NG
OK >> INSPECTION END.
NG >> Check control valve again. Repair or replace control valve assembly.
SAT367H

DTC P0733 IMPROPER SHIFTING TO 3RD GEAR POSITION
AT-285
[RE4R01A]
D
E
F
G
H
I
J
K
L
M
A
B
AT
Component Inspection
ECS007MU
SHIFT SOLENOID VALVE A
●For removal, refer to AT-402, "REMOVAL" .
Resistance Check
●Check resistance between terminal 3 and ground.
Operation Check
●Check solenoid valve by listening for its operating sound while
applying battery voltage to the terminal 3 and ground.
SAT654I
Solenoid valve Terminal No. Resistance (Approx.)
Shift solenoid valve A 3 Ground 20 - 40Ω
SAT653I

AT-286
[RE4R01A]
DTC P0734 IMPROPER SHIFTING TO 4TH GEAR POSITION
DTC P0734 IMPROPER SHIFTING TO 4TH GEAR POSITION PFP:31940
Description
ECS007MV
●This is an OBD-II self-diagnostic item and not available in TCM self-diagnosis.
●This malfunction will not be detected while the O/D OFF indicator lamp is indicating another self-diagnosis
malfunction.
●This malfunction is detected when the A/T does not shift into fourth gear position or the torque converter
clutch does not lock up as instructed by the TCM. This is not caused by electrical malfunction (circuits
open or shorted) but by mechanical malfunction such as control valve sticking, improper solenoid valve
operation, malfunctioning oil pump or torque converter clutch, etc.
CONSULT-II REFERENCE VALUE IN DATA MONITOR MODE
Remarks: Specification data are reference values.
TCM TERMINALS AND REFERENCE VALUE
Remarks: Specification data are reference values.
ON BOARD DIAGNOSIS LOGIC
This diagnosis monitors actual gear position by checking the torque converter slip ratio calculated by TCM as
follows:
Torque converter slip ratio = A x C/B
A: Output shaft revolution signal from revolution sensor
B: Engine speed signal from ECM
C: Gear ratio determined as gear position which TCM supposes
If the actual gear position is much lower than the position (4th) supposed by TCM, the slip ratio will be much
less than normal. In case the ratio does not reach the specified value, TCM judges this diagnosis malfunction.
This malfunction will be caused when shift solenoid valve B is stuck closed.
Monitor item Condition Specification (Approx.)
Torque converter clutch sole-
noid valve duty
Lock-up OFF
↓
Lock-up ON
4%
↓
94%
Line pressure solenoid valve
duty
Small throttle opening (Low line pressure)
↓
Large throttle opening (High line pressure)
24%
↓
95%
Gear position 1 2 3 4
Shift solenoid valve A ON (Closed) OFF (Open) OFF (Open) ON (Closed)
Shift solenoid valve B ON (Closed) ON (Closed) OFF (Open) OFF (Open)
Terminal
No. Wire color Item Condition Judgement stan-
dard (Approx.)
1GY/R
Line pressure
solenoid valve
When releasing accelerator pedal
after warming up engine. 1.5 - 2.5V
When depressing accelerator pedal
fully after warming up engine. 0V
2BR/Y
Line pressure
solenoid valve
(with dropping
resistor)
When releasing accelerator pedal
after warming up engine. 4 - 14V
When depressing accelerator pedal
fully after warming up engine. 0V
11 L/W Shift solenoid
valve A
When shift solenoid valve A oper-
ates. (When driving in D1 or D4 .) Battery voltage
When shift solenoid valve A does not
operate. (When driving in D2 or D3 .) 0V
12 L/Y Shift solenoid
valve B
When shift solenoid valve B oper-
ates. (When driving in D1 or D2 .) Battery voltage
When shift solenoid valve B does not
operate. (When driving in D3 or D4 .) 0V

DTC P0734 IMPROPER SHIFTING TO 4TH GEAR POSITION
AT-287
[RE4R01A]
D
E
F
G
H
I
J
K
L
M
A
B
AT
*: P0734 is detected.
DIAGNOSTIC TROUBLE CODE (DTC) CONFIRMATION PROCEDURE
CAUTION:
●Always drive vehicle at a safe speed.
●Be careful not to rev engine into the red zone on the
tachometer.
NOTE:
If “DIAGNOSTIC TROUBLE CODE CONFIRMATION PROCE-
DURE” has been previously conducted, always turn ignition
switch OFF and wait at least 5 seconds before conducting the
next test.
TESTING CONDITIONS:
Always drive vehicle on a level road to improve the accuracy of
test.
After the repair, perform the following procedure to confirm the mal-
function is eliminated.
With CONSULT-II
1. Start engine and select “DATA MONITOR” mode for “A/T” with
CONSULT-II.
2. Make sure that output voltage of A/T fluid temperature sensor is
within the range below.
FLUID TEMP SEN: 0.4 - 1.5V
If out of range, drive the vehicle to decrease the voltage (warm
up the fluid) or stop engine to increase the voltage (cool down
the fluid).
3. Select “4TH GR FNCTN P0734” of “DTC WORK SUPPORT”
mode for “A/T” with CONSULT-II and touch “START”.
4. Accelerate vehicle to 50 to 60 km/h (31 to 37 MPH) under the
following condition and release the accelerator pedal com-
pletely.
THROTTLE POSI: Less than 5.5/8 (at all times during step 4)
Selector lever: D position (O/D ON)
–Check that “GEAR” shows 3 after releasing pedal.
5. Depress accelerator pedal steadily with 1/8 - 2/8 of “THROTTLE
POSI” from a speed of 50 to 60 km/h (31 to 37 MPH) until
“TESTING” has turned to “STOP VEHICLE” or “COMPLETED”.
(It will take approximately 3 seconds.)
If the check result NG appears on CONSULT-II screen, go to AT-290, "Diagnostic Procedure" .
If “STOP VEHICLE” appears on CONSULT-II screen, go to following step.
–Check that “GEAR” shows 4 when depressing accelerator pedal with 1/8 - 2/8 of “THROTTLE
POSI”.
Gear position supposed by TCM 1 2 3 4
In case of gear position with no malfunctions 1 2 3 4
In case of gear position with shift solenoid valve B stuck
closed 1221*
Diagnostic trouble code Malfunction is detected when ... Check item
(Possible cause)
: A/T 4TH GR FNCTN
A/T cannot be shifted to the 4th gear posi-
tion even if electrical circuit is good.
●Shift solenoid valve A
●Shift solenoid valve B
●Line pressure solenoid valve
●Each clutch
●Hydraulic control circuit
: P0734
SAT014K
SAT971J
SAT021J

AT-288
[RE4R01A]
DTC P0734 IMPROPER SHIFTING TO 4TH GEAR POSITION
–If “TESTING” does not appear on CONSULT-II for a long time, select “SELF-DIAG RESULTS” for
“ENGINE”. In case a 1st trip DTC other than P0734 is shown, refer to applicable “TROUBLE DIAG-
NOSIS FOR DTC”.
6. Stop vehicle.
7. Follow the instruction displayed. (Check for normal shifting referring to the table below.)
8. Make sure that “OK” is displayed. (If “NG” is displayed, refer to AT-290, "Diagnostic Procedure" .
Refer to AT-496, "Shift Schedule" .
With GST
●Follow the procedure “With CONSULT-II”.
Vehicle condition Gear on actual transmission shift pattern when
screen is changed to 1 → 2 → 3 → 4
No malfunction exists 1 → 2 → 3 → 4
Malfunction for P0734 exists. 1 → 2 → 2 → 1

DTC P0734 IMPROPER SHIFTING TO 4TH GEAR POSITION
AT-289
[RE4R01A]
D
E
F
G
H
I
J
K
L
M
A
B
AT
Wiring Diagram — AT — 4TH
ECS007MW
WCWA0152E

AT-290
[RE4R01A]
DTC P0734 IMPROPER SHIFTING TO 4TH GEAR POSITION
Diagnostic Procedure
ECS007MX
1. CHECK SHIFT UP (D3 TO D4 )
During AT-223, "Cruise Test — Part 1" , does A/T shift from D3 to D4
at the specified speed?
Yes or No
Yes >> GO TO 9.
No >> GO TO 2.
2. CHECK LINE PRESSURE
Perform line pressure test. Refer to AT-214, "Line Pressure Test" .
OK or NG
OK >> GO TO 3.
NG >> GO TO 7.
3. CHECK SOLENOID VALVES
1. Remove control valve assembly. Refer to AT-402, "REMOVAL" .
2. Refer to AT-315, "SHIFT SOLENOID VALVE A" and AT-320, "SHIFT SOLENOID VALVE B" .
OK or NG
OK >> GO TO 4.
NG >> Replace solenoid valve assembly.
4. CHECK CONTROL VALVE
1. Disassemble control valve assembly. Refer to AT-431, "CONTROL VALVE ASSEMBLY" .
2. Check to ensure that:
–Valve, sleeve and plug slide along valve bore under their own weight.
–Valve, sleeve and plug are free from burrs, dents and scratches.
–Control valve springs are free from damage, deformation and fatigue.
–Hydraulic line is free from obstacles.
OK or NG
OK >> GO TO 5.
NG >> Repair control valve.
5. CHECK SHIFT UP (D3 TO D4 )
Does A/T shift from D3 to D4 at the specified speed?
Yes or No
Yes >> GO TO 9.
No >> Check control valve again. Repair or replace control valve assembly.
SAT988H
SAT367H

DTC P0734 IMPROPER SHIFTING TO 4TH GEAR POSITION
AT-291
[RE4R01A]
D
E
F
G
H
I
J
K
L
M
A
B
AT
6. CHECK LINE PRESSURE SOLENOID VALVE
1. Remove control valve assembly. Refer to AT-402, "REMOVAL" .
2. Refer to AT-310, "LINE PRESSURE SOLENOID VALVE" .
OK or NG
OK >> GO TO 7.
NG >> Replace solenoid valve assembly.
7. CHECK CONTROL VALVE
1. Disassemble control valve assembly. Refer to AT-431, "CONTROL VALVE ASSEMBLY" .
2. Check line pressure circuit valves for sticking.
–Pressure regulator valve
–Pilot valve
–Pressure modifier valve
OK or NG
OK >> GO TO 8.
NG >> Repair control valve.
8. CHECK SHIFT UP (D3 TO D4 )
Does A/T shift from D3 to D4 at the specified speed?
OK or NG
OK >> GO TO 9.
NG >> Check control valve again. Repair or replace control valve assembly.
9. CHECK DTC
Perform Diagnostic Trouble Code (DTC) confirmation procedure. Refer to AT-287, "DIAGNOSTIC TROUBLE
CODE (DTC) CONFIRMATION PROCEDURE" .
OK or NG
OK >> INSPECTION END.
NG >> Perform “Cruise Test — Part 1” again and return to the start point of this flow chart.
SAT367H

AT-292
[RE4R01A]
DTC P0734 IMPROPER SHIFTING TO 4TH GEAR POSITION
Component Inspection
ECS007MY
SOLENOID VALVES
●For removal, refer to AT-402, "REMOVAL" .
Resistance Check
●Check resistance between terminals (3, 2, or 6) and ground.
Operation Check
●Check solenoid valve by listening for its operating sound while
applying battery voltage to the terminals (3, 2, 4, 6 or 7) and
ground.
AAT613A
Solenoid valve Terminal No. Resistance (Approx.)
Shift solenoid valve A 3
Ground 20 - 40Ω
Shift solenoid valve B 2
Line pressure solenoid valve 6 2.5 - 5Ω
SAT158J

DTC P0740 TORQUE CONVERTER CLUTCH SOLENOID VALVE
AT-293
[RE4R01A]
D
E
F
G
H
I
J
K
L
M
A
B
AT
DTC P0740 TORQUE CONVERTER CLUTCH SOLENOID VALVE PFP:31940
Description
ECS007MZ
The torque converter clutch solenoid valve is activated, with the gear
in D4 , by the TCM in response to signals sent from the vehicle
speed and throttle position sensors. Lock-up piston operation will
then be controlled.
Lock-up operation, however, is prohibited when A/T fluid tempera-
ture is too low.
When the accelerator pedal is depressed (less than 2/8) in lock-up
condition, the engine speed should not change abruptly. If there is a
big jump in engine speed, there is no lock-up.
CONSULT-II REFERENCE VALUE IN DATA MONITOR MODE
Remarks: Specification data are reference values.
TCM TERMINALS AND REFERENCE VALUE
Remarks: Specification data are reference values.
ON BOARD DIAGNOSIS LOGIC
SAT342HA
Monitor item Condition Specification (Approx.)
Torque converter clutch sole-
noid valve duty
Lock-up OFF
↓
Lock-up ON
4%
↓
94%
Terminal
No. Wire color Item Condition Judgement stan-
dard (Approx.)
3G/OR
Torque converter
clutch solenoid
valve
When A/T performs lock-up. 8 - 15V
When A/T does not perform lock-up. 0V
Diagnostic trouble code Malfunction is detected when ... Check item
(Possible cause)
: TCC SOLENOID/CIRC TCM detects an improper voltage drop
when it tires to operate the solenoid valve.
●Harness or connectors (The solenoid cir-
cuit is open or shorted.)
●T/C clutch solenoid valve
: P0740

AT-294
[RE4R01A]
DTC P0740 TORQUE CONVERTER CLUTCH SOLENOID VALVE
DIAGNOSTIC TROUBLE CODE (DTC) CONFIRMATION PROCEDURE
NOTE:
If “DIAGNOSTIC TROUBLE CODE CONFIRMATION PROCE-
DURE” has been previously conducted, always turn ignition
switch OFF and wait at least 5 seconds before conducting the
next test.
After the repair, perform the following procedure to confirm the mal-
function is eliminated.
With CONSULT-II
1. Turn ignition switch ON.
2. Select “DATA MONITOR” mode for “ENGINE” with CONSULT-II
and wait at least 1 second.
With GST
●Follow the procedure “With CONSULT-II”.
SAT014K
SEF949Y

DTC P0740 TORQUE CONVERTER CLUTCH SOLENOID VALVE
AT-295
[RE4R01A]
D
E
F
G
H
I
J
K
L
M
A
B
AT
Wiring Diagram — AT — TCV
ECS007N0
WCWA0099E

AT-296
[RE4R01A]
DTC P0740 TORQUE CONVERTER CLUTCH SOLENOID VALVE
Diagnostic Procedure
ECS007N1
1. CHECK GROUND CIRCUIT
1. Turn ignition switch to OFF position.
2. Disconnect terminal cord assembly connector in engine compartment.
3. Check resistance between terminal cord assembly connector E72 terminal 5 and ground. Refer to wiring
diagram.
Is resistance approx. 10 - 20 Ω?
Yes >> GO TO 2.
No >> 1. Remove oil pan. Refer to AT-402, "REMOVAL" .
2. Check the following items:
–Torque converter clutch solenoid valve
Refer to AT-297, "TORQUE CONVERTER CLUTCH SOLENOID VALVE" .
–Harness of terminal cord assembly for short or open
2. CHECK RESISTANCE
1. Turn ignition switch to OFF position.
2. Disconnect TCM harness connector.
3. Check resistance between terminal cord assembly connector E72 terminal 5 and TCM harness connector
M77 terminal 3. Refer to wiring diagrams.
If OK, check harness for short to ground and short to power.
Is resistance approx. 0 Ω?
Yes >> GO TO 3.
No >> Repair open circuit or short to ground or short to power in harness or connectors.
3. CHECK DTC
Perform Diagnostic Trouble Code (DTC) confirmation procedure. Refer to AT-294, "DIAGNOSTIC TROUBLE
CODE (DTC) CONFIRMATION PROCEDURE" .
OK or NG
OK >> INSPECTION END.
NG >> 1. Perform TCM input/output signal inspection.
2. If NG, recheck TCM pin terminals for damage or loose connection with harness connector.

DTC P0740 TORQUE CONVERTER CLUTCH SOLENOID VALVE
AT-297
[RE4R01A]
D
E
F
G
H
I
J
K
L
M
A
B
AT
Component Inspection
ECS007N2
TORQUE CONVERTER CLUTCH SOLENOID VALVE
●For removal, refer to AT-402, "REMOVAL" .
Resistance Check
●Check resistance between torque converter clutch solenoid valve terminal 7 and ground.
Operation Check
●Check solenoid valve by listening for its operating sound while
applying battery voltage to the terminal 7 and ground.
SAT160J
Solenoid valve Terminal No. Resistance (Approx.)
Torque converter clutch sole-
noid valve 7 Ground 10 - 20 Ω
SAT161J

AT-298
[RE4R01A]
DTC P0744 IMPROPER LOCK-UP OPERATION
DTC P0744 IMPROPER LOCK-UP OPERATION PFP:31940
Description
ECS007N3
●This is an OBD-II self-diagnostic item and not available in TCM self-diagnosis.
●This malfunction will not be detected while the O/D OFF indicator lamp is indicating another self-diagnosis
malfunction.
●This malfunction is detected when the A/T does not shift into fourth gear position, or the torque converter
clutch does not lock up as instructed by the TCM. This is not caused by electrical malfunction (circuits
open or shorted), but by mechanical malfunction such as control valve sticking, improper solenoid valve
operation, malfunctioning oil pump or torque converter clutch, etc.
CONSULT-II REFERENCE VALUE IN DATA MONITOR MODE
Remarks: Specification data are reference values.
TCM TERMINALS AND REFERENCE VALUE
Remarks: Specification data are reference values.
Monitor item Condition Specification (Approx.)
Torque converter clutch sole-
noid valve duty
Lock-up OFF
↓
Lock-up ON
4%
↓
94%
Terminal
No. Wire color Item Condition Judgement stan-
dard (Approx.)
1GY/R
Line pressure
solenoid valve
When releasing accelerator pedal
after warming up engine. 1.5 - 2.5V
When depressing accelerator pedal
fully after warming up engine. 0V
2BR/Y
Line pressure
solenoid valve
(with dropping
resistor)
When releasing accelerator pedal
after warming up engine. 4 - 14V
When depressing accelerator pedal
fully after warming up engine. 0V
3 G/OR
Torque converter
clutch solenoid
valve
When A/T performs lock-up. 8 - 15V
When A/T does not perform lock- up. 0V

DTC P0744 IMPROPER LOCK-UP OPERATION
AT-299
[RE4R01A]
D
E
F
G
H
I
J
K
L
M
A
B
AT
ON BOARD DIAGNOSIS LOGIC
This diagnosis monitors actual gear position by checking the torque converter slip ratio calculated by TCM as
follows:
Torque converter slip ratio = A x C/B
A: Output shaft revolution signal from revolution sensor
B: Engine speed signal from ECM
C: Gear ratio determined as gear position which TCM supposes
If the actual gear position is much lower than the position (4th) supposed by TCM, the slip ratio will be much
less than normal. In case the ratio does not reach the specified value, TCM judges this diagnosis malfunction.
This malfunction will be caused when shift solenoid valve B is stuck closed.
*: P0744 is detected.
DIAGNOSTIC TROUBLE CODE (DTC) CONFIRMATION PROCEDURE
CAUTION:
Always drive vehicle at a safe speed.
NOTE:
If “DIAGNOSTIC TROUBLE CODE CONFIRMATION PROCE-
DURE” has been previously conducted, always turn ignition
switch OFF and wait at least 5 seconds before conducting the
next test.
After the repair, perform the following procedure to confirm the mal-
function is eliminated.
With CONSULT-II
1. Start engine and select “DATA MONITOR” mode for “A/T” with
CONSULT-II.
2. Make sure that output voltage of A/T fluid temperature sensor is
within the range below.
FLUID TEMP SEN: 0.4 - 1.5V
If out of range, drive the vehicle to decrease the voltage (warm
up the fluid), or stop engine to increase the voltage (cool down
the fluid).
3. Select “TCC S/V FNCTN P0744” of “DTC WORK SUPPORT”
mode for “A/T” with CONSULT-II and touch “START”.
Gear position supposed by TCM 1 2 3 4
In case of gear position with no malfunctions 1 2 3 4
In case of gear position with shift solenoid valve B stuck closed 1 2 2 1*
Diagnostic trouble code Malfunction is detected when ... Check item (Possible cause)
: A/T TCC S/V FNCTN
A/T cannot perform lock-up even if electri-
cal circuit is good.
●Line pressure solenoid valve
●Torque converter clutch solenoid valve
●Each clutch
●Hydraulic control circuit
: P0744
SAT014K
SAT971J

AT-300
[RE4R01A]
DTC P0744 IMPROPER LOCK-UP OPERATION
4. Accelerate vehicle to more than 70 km/h (43 MPH) and maintain
the following condition continuously until “TESTING” has turned
to “COMPLETED”. (It will take approximately 30 seconds after
“TESTING” shows.)
THROTTLE POSI: 1/8 - 2/8 (at all times during step 4)
Selector lever: D position (O/D ON)
TCC S/V DUTY: More than 94%
VHCL/S SE·A/T: Constant speed of more than 70 km/h (43
MPH)
–Check that “GEAR” shows 4.
–For shift schedule, refer to AT-496, "Shift Schedule" .
–If “TESTING” does not appear on CONSULT II for a long
time, select “SELF-DIAG RESULTS”. In case a 1st trip DTC other than P0744 is shown, refer to
applicable “TROUBLE DIAGNOSIS FOR DTC”.
5. Make sure that “OK” is displayed. (If “NG” is displayed, refer to AT-302, "Diagnostic Procedure" .)
Refer to AT-496, "Shift Schedule" .
With GST
●Follow the procedure “With CONSULT-II”.
SAT021J

DTC P0744 IMPROPER LOCK-UP OPERATION
AT-301
[RE4R01A]
D
E
F
G
H
I
J
K
L
M
A
B
AT
Wiring Diagram — AT — TCCSIG
ECS007N4
WCWA0100E

AT-302
[RE4R01A]
DTC P0744 IMPROPER LOCK-UP OPERATION
Diagnostic Procedure
ECS007N5
1. CHECK SHIFT UP (D3 TO D4 )
During AT-223, "Cruise Test — Part 1" , does A/T shift from D3 to D4
at the specified speed?
Yes or No
Yes >> Check for proper lock-up. GO TO 10.
No >> GO TO 2.
2. CHECK LINE PRESSURE
Perform line pressure test. Refer to AT-214, "Line Pressure Test" .
OK or NG
OK >> GO TO 3.
NG >> GO TO 6.
3. CHECK CONTROL VALVE
1. Disassemble control valve assembly. Refer to AT-431, "CONTROL VALVE ASSEMBLY" .
2. Check to ensure that:
–Valve, sleeve and plug slide along valve bore under their own weight.
–Valve, sleeve and plug are free from burrs, dents and scratches.
–Control valve springs are free from damage, deformation and fatigue.
–Hydraulic line is free from obstacles.
OK or NG
OK >> GO TO 4.
NG >> Repair control valve.
4. CHECK SHIFT UP (D3 TO D4 )
Does A/T shift from D3 to D4 at the specified speed?
Yes or No
Yes >> GO TO 5.
No >> Check control valve again. Repair or replace control valve assembly.
5. CHECK DTC
Perform Diagnostic Trouble Code (DTC) confirmation procedure. Refer to AT-299, "DIAGNOSTIC TROUBLE
CODE (DTC) CONFIRMATION PROCEDURE" .
OK or NG
OK >> INSPECTION END.
NG >> ●Check for proper lock-up. GO TO 10.
SAT988H
SAT367H

DTC P0744 IMPROPER LOCK-UP OPERATION
AT-303
[RE4R01A]
D
E
F
G
H
I
J
K
L
M
A
B
AT
6. CHECK LINE PRESSURE SOLENOID VALVE
1. Remove control valve assembly. Refer to AT-402, "REMOVAL" .
2. Check line pressure solenoid valve operation. Refer to AT-304, "SOLENOID VALVES" .
OK or NG
OK >> GO TO 7.
NG >> Replace solenoid valve assembly.
7. CHECK CONTROL VALVE
1. Disassemble control valve assembly. Refer to AT-431, "CONTROL VALVE ASSEMBLY" .
2. Check line pressure circuit valves for sticking.
–Pressure regulator valve
–Pilot valve
–Pressure modifier valve
OK or NG
OK >> GO TO 8.
NG >> Repair control valve.
8. CHECK SHIFT UP (D3 TO D4 )
Does A/T shift from D3 to D4 at the specified speed?
Yes or No
Yes >> GO TO 9.
No >> Check control valve again. Repair or replace control valve assembly.
9. CHECK DTC
Perform Diagnostic Trouble Code (DTC) confirmation procedure. Refer to AT-299, "DIAGNOSTIC TROUBLE
CODE (DTC) CONFIRMATION PROCEDURE" .
OK or NG
OK >> INSPECTION END.
NG >> ●Check for proper lock-up. GO TO 10.
10. CHECK LOCK-UP CONDITION
During AT-223, "Cruise Test — Part 1" ,
Does A/T perform lock-up at the specified speed?
Yes or No
Yes >> Perform “Cruise Test − Part 1” again and return to the start point of this flow chart.
No >> GO TO 11.
11. CHECK TORQUE CONVERTER CLUTCH SOLENOID VALVE
1. Remove control valve assembly. Refer to AT-402, "REMOVAL" .
2. Check torque converter clutch solenoid valve operation.
Refer to AT-297, "TORQUE CONVERTER CLUTCH SOLENOID VALVE" .
OK or NG
OK >> GO TO 12.
NG >> Replace solenoid valve assembly.
SAT367H

AT-304
[RE4R01A]
DTC P0744 IMPROPER LOCK-UP OPERATION
12. CHECK CONTROL VALVE
1. Disassemble control valve assembly. Refer to AT-431, "CONTROL VALVE ASSEMBLY" .
2. Check control valves for sticking.
–Torque converter clutch control valve
–Torque converter clutch relief valve
OK or NG
OK >> GO TO 13.
NG >> Repair control valve.
13. CHECK LOCK-UP CONDITION
Does A/T perform lock-up at the specified speed?
Yes or No
Yes >> GO TO 14.
No >> Check control valve again. Repair or replace control valve assembly.
14. CHECK DTC
Perform Diagnostic Trouble Code (DTC) confirmation procedure. Refer to AT-299, "DIAGNOSTIC TROUBLE
CODE (DTC) CONFIRMATION PROCEDURE" .
OK or NG
OK >> INSPECTION END.
NG >> Perform “Cruise Test — Part 1” again and return to the start point of this flow chart.
Component Inspection
ECS007N6
SOLENOID VALVES
●For removal, refer to AT-402, "REMOVAL" .
SAT367H
AAT614A

DTC P0744 IMPROPER LOCK-UP OPERATION
AT-305
[RE4R01A]
D
E
F
G
H
I
J
K
L
M
A
B
AT
Resistance Check
●Check resistance between terminals (6, 7) and ground.
Operation Check
●Check solenoid valve by listening for its operating sound while
applying battery voltage to the terminals (3, 2, 4, 6 or 7) and
ground.
Solenoid valve Terminal No. Resistance (Approx.)
Line pressure solenoid valve 6
Ground
2.5 - 5 Ω
Torque converter clutch sole-
noid valve 7 10 - 20 Ω
SAT158J

AT-306
[RE4R01A]
DTC P0745 LINE PRESSURE SOLENOID VALVE
DTC P0745 LINE PRESSURE SOLENOID VALVE PFP:31940
Description
ECS007N7
The line pressure solenoid valve regulates the oil pump discharge
pressure to suit the driving condition in response to a signal sent
from the TCM.
The line pressure duty cycle value is not consistent when the
closed throttle position switch is ON. To confirm the line pres-
sure duty cycle at low pressure, the accelerator (throttle)
should be open until the closed throttle position switch is OFF.
CONSULT-II REFERENCE VALUE IN DATA MONITOR MODE
Remarks: Specification data are reference values.
NOTE:
The line pressure duty cycle value is not consistent when the closed throttle position switch is ON. To confirm the line pressure duty
cycle at low pressure, the accelerator (throttle) should be open until the closed throttle position switch is OFF.
TCM TERMINALS AND REFERENCE VALUE
Remarks: Specification data are reference values.
ON BOARD DIAGNOSIS LOGIC
SAT341H
Monitor item Condition Specification (Approx.)
Line pressure solenoid valve
duty
Small throttle opening (Low line pressure)
↓
Large throttle opening (High line pressure)
24%
↓
95%
Terminal
No. Wire color Item Condition Judgement stan-
dard (Approx.)
1GY/R
Line pressure
solenoid valve
When releasing accelerator pedal
after warming up engine. 1.5 - 2.5V
When depressing accelerator pedal
fully after warming up engine. 0V
2BR/Y
Line pressure
solenoid valve
(with dropping
resistor)
When releasing accelerator pedal
after warming up engine. 4 - 14V
When depressing accelerator pedal
fully after warming up engine. 0V
Diagnostic trouble code Malfunction is detected when ... Check item
(Possible cause)
: L/PRESS SOL/CIRC TCM detects an improper voltage drop
when it tries to operate the solenoid valve.
●Harness or connectors
(The solenoid circuit is open or shorted)
●Line pressure solenoid valve
: P0745

DTC P0745 LINE PRESSURE SOLENOID VALVE
AT-307
[RE4R01A]
D
E
F
G
H
I
J
K
L
M
A
B
AT
DIAGNOSTIC TROUBLE CODE (DTC) CONFIRMATION PROCEDURE
NOTE:
If “DIAGNOSTIC TROUBLE CODE CONFIRMATION PROCE-
DURE” has been previously conducted, always turn ignition
switch OFF and wait at least 5 seconds before conducting the
next test.
After the repair, perform the following procedure to confirm the mal-
function is eliminated.
With CONSULT-II
1. Turn ignition switch ON and select “DATA MONITOR” mode for
“ENGINE” with CONSULT-II.
2. Depress accelerator pedal completely and wait at least 1 sec-
ond.
With GST
●Follow the procedure “With CONSULT-II”.
SAT014K
SEF949Y

AT-308
[RE4R01A]
DTC P0745 LINE PRESSURE SOLENOID VALVE
Wiring Diagram — AT — LPSV
ECS007N8
WCWA0101E

DTC P0745 LINE PRESSURE SOLENOID VALVE
AT-309
[RE4R01A]
D
E
F
G
H
I
J
K
L
M
A
B
AT
Diagnostic Procedure
ECS007N9
1. CHECK GROUND CIRCUIT
1. Turn ignition switch to OFF position.
2. Disconnect terminal cord assembly connector in engine compartment.
3. Check resistance between terminal cord assembly connector E72 terminal 4 and ground. Refer to the wir-
ing diagram.
Is resistance approx. 2.5 - 5Ω?
Yes >> GO TO 2.
No >> 1. Remove control valve assembly.
Refer to AT-402, "REMOVAL" .
2. Check the following items:
–Line pressure solenoid valve
Refer to AT-310, "LINE PRESSURE SOLENOID VALVE" .
–Harness of terminal cord assembly for short or open
2. CHECK POWER SOURCE CIRCUIT
1. Turn ignition switch to OFF position.
2. Disconnect TCM harness connector.
3. Check resistance between terminal cord assembly connector E72 terminal 4 and TCM harness connector
M77 terminal 2. Refer to the wiring diagram.
Is resistance approx. 12Ω?
Yes >> GO TO 3.
No >> Check the following items:
●Dropping resistor
Refer toAT-310, "DROPPING RESISTOR" .
●Harness for short or open between TCM terminal 2 and terminal cord assembly connector
3. CHECK POWER SOURCE CIRCUIT
1. Turn ignition switch to OFF position.
2. Check resistance between terminal cord assembly connector E72 terminal 4 and TCM harness connector
M77 terminal 1. Refer to the wiring diagram.
Is resistance approx. 0Ω?
Yes >> GO TO 4.
No >> Repair or replace harness between TCM terminal 1 and terminal cord assembly.
4. CHECK DTC
Perform Diagnostic Trouble Code (DTC) confirmation procedure. Refer to AT-307, "DIAGNOSTIC TROUBLE
CODE (DTC) CONFIRMATION PROCEDURE" .
OK or NG
OK >> INSPECTION END.
NG >> 1. Perform TCM input/output signal inspection.
2. If NG, recheck TCM pin terminals for damage or loose connection with harness connector.

AT-310
[RE4R01A]
DTC P0745 LINE PRESSURE SOLENOID VALVE
Component Inspection
ECS007NA
LINE PRESSURE SOLENOID VALVE
●For removal, refer to AT-402, "REMOVAL" .
Resistance Check
●Check resistance between terminal 6 and ground.
Operation Check
●Check solenoid valve by listening for its operating sound while
applying battery voltage to the terminal 6 and ground.
DROPPING RESISTOR
●Check resistance between terminals 1 and 2.
SAT657I
Solenoid valve Terminal No. Resistance (Approx.)
Line pressure solenoid valve 6 Ground 2.5 - 5 Ω
SAT658I
Resistance : Approx. 12Ω
AAT492A

DTC P0750 SHIFT SOLENOID VALVE A
AT-311
[RE4R01A]
D
E
F
G
H
I
J
K
L
M
A
B
AT
DTC P0750 SHIFT SOLENOID VALVE A PFP:31940
Description
ECS007NB
Shift solenoid valves A and B are turned ON or OFF by the TCM in
response to signals sent from the PNP switch, vehicle speed and
throttle position sensors. Gears will then be shifted to the optimum
position.
TCM TERMINALS AND REFERENCE VALUE
Remarks: Specification data are reference values.
ON BOARD DIAGNOSIS LOGIC
DIAGNOSTIC TROUBLE CODE (DTC) CONFIRMATION PROCEDURE
CAUTION:
Always drive vehicle at a safe speed.
NOTE:
If “DIAGNOSTIC TROUBLE CODE CONFIRMATION PROCE-
DURE” has been previously conducted, always turn ignition
switch OFF and wait at least 5 seconds before conducting the
next test.
After the repair, perform the following procedure to confirm the mal-
function is eliminated.
With CONSULT-II
1. Turn ignition switch ON and select “DATA MONITOR” mode for
“ENGINE” with CONSULT-II.
SAT341H
Gear position 1 2 3 4
Shift solenoid valve A ON (Closed) OFF (Open) OFF (Open) ON (Closed)
Shift solenoid valve B ON (Closed) ON (Closed) OFF (Open) OFF (Open)
Terminal
No. Wire color Item Condition Judgement stan-
dard (Approx.)
11 L/W Shift solenoid
valve A
When shift solenoid valve A oper-
ates. (When driving in D1 or D4 ) Battery voltage
When shift solenoid valve A does not
operate. (When driving in D2 or D3 ) 0V
Diagnostic trouble code Malfunction is detected when ... Check item
(Possible cause)
: SFT SOL A/CIRC TCM detects an improper voltage drop
when it tires to operate the solenoid valve.
●Harness or connectors (The solenoid cir-
cuit is open or shorted)
●Shift solenoid valve A
: P0750
SAT014K

AT-312
[RE4R01A]
DTC P0750 SHIFT SOLENOID VALVE A
2. Start engine.
3. Drive vehicle in D position and allow the transmission to shift 1
→ 2 (“GEAR”).
With GST
●Follow the procedure “With CONSULT-II”.
SEF949Y

DTC P0750 SHIFT SOLENOID VALVE A
AT-313
[RE4R01A]
D
E
F
G
H
I
J
K
L
M
A
B
AT
Wiring Diagram — AT — SSV/A
ECS007NC
WCWA0153E

AT-314
[RE4R01A]
DTC P0750 SHIFT SOLENOID VALVE A
Diagnostic Procedure
ECS007ND
1. CHECK GROUND CIRCUIT
1. Turn ignition switch to OFF position.
2. Disconnect terminal cord assembly connector in engine compartment.
3. Check resistance between terminal cord assembly connector
E72 terminal 2 and ground.
Is resistance approx. 20 - 40Ω?
Yes >> GO TO 2.
No >> 1. Remove control valve assembly.
Refer toAT-402, "REMOVAL" .
2. Check the following items:
–Shift solenoid valve A
Refer to AT-315, "SHIFT SOLENOID VALVE A" .
–Harness of terminal cord assembly for short or open
2. CHECK POWER SOURCE CIRCUIT
1. Turn ignition switch to OFF position.
2. Disconnect TCM harness connector.
3. Check resistance between terminal cord assembly connector E72 terminal 2 and TCM harness connector
M77 terminal 11. Refer to wiring diagram.
If OK, check harness for short to ground and short to power.
Is resistance approx. 0Ω?
Yes >> GO TO 3.
No >> Repair open circuit or short to ground or short to power in harness or connectors.
3. CHECK DTC
Perform Diagnostic Trouble Code (DTC) confirmation procedure. Refer to AT-311, "DIAGNOSTIC TROUBLE
CODE (DTC) CONFIRMATION PROCEDURE" .
OK or NG
OK >> INSPECTION END.
NG >> 1. Perform TCM input/output signal inspection.
2. If NG, recheck TCM pin terminals for damage or loose connection with harness connector.
AAT506A

DTC P0750 SHIFT SOLENOID VALVE A
AT-315
[RE4R01A]
D
E
F
G
H
I
J
K
L
M
A
B
AT
Component Inspection
ECS007NE
SHIFT SOLENOID VALVE A
●For removal, refer to AT-402, "REMOVAL" .
Resistance Check
●Check resistance between terminal 3 and ground.
Operation Check
●Check solenoid valve by listening for its operating sound while
applying battery voltage to the terminal 3 and ground.
SAT654I
Solenoid valve Terminal No. Resistance (Approx.)
Shift solenoid valve A 3 Ground 20 - 40 Ω
SAT653I

AT-316
[RE4R01A]
DTC P0755 SHIFT SOLENOID VALVE B
DTC P0755 SHIFT SOLENOID VALVE B PFP:31940
Description
ECS007NF
Shift solenoid valves A and B are turned ON or OFF by the TCM in
response to signals sent from the PNP switch, vehicle speed and
throttle position sensors. Gears will then be shifted to the optimum
position.
TCM TERMINALS AND REFERENCE VALUE
Remarks: Specification data are reference values.
ON BOARD DIAGNOSIS LOGIC
DIAGNOSTIC TROUBLE CODE (DTC) CONFIRMATION PROCEDURE
CAUTION:
Always drive vehicle at a safe speed.
NOTE:
If “DIAGNOSTIC TROUBLE CODE CONFIRMATION PROCE-
DURE” has been previously conducted, always turn ignition
switch OFF and wait at least 5 seconds before conducting the
next test.
After the repair, perform the following procedure to confirm the mal-
function is eliminated.
With CONSULT-II
1. Turn ignition switch ON and select “DATA MONITOR” mode for
“ENGINE” with CONSULT-II.
SAT341H
Gear position 1 2 3 4
Shift solenoid valve A ON (Closed) OFF (Open) OFF (Open) ON (Closed)
Shift solenoid valve B ON (Closed) ON (Closed) OFF (Open) OFF (Open)
Terminal
No. Wire color Item Condition Judgement stan-
dard (Approx.)
12 L/Y Shift solenoid
valve B
When shift solenoid valve B oper-
ates. (When driving in D1 or D2 ) Battery voltage
When shift solenoid valve B does not
operate. (When driving in D3 or D4 ) 0V
Diagnostic trouble code Malfunction is detected when ... Check item
(Possible cause)
: SFT SOL B/CIRC TCM detects an improper voltage drop
when it tires to operate the solenoid valve.
●Harness or connectors
(The solenoid circuit is open or shorted)
●Shift solenoid valve B
: P0755
SAT014K

DTC P0755 SHIFT SOLENOID VALVE B
AT-317
[RE4R01A]
D
E
F
G
H
I
J
K
L
M
A
B
AT
2. Drive vehicle in D position and allow the transmission to shift 1
→ 2 → 3 (“GEAR”).
With GST
●Follow the procedure “With CONSULT-II”.
SEF949Y

AT-318
[RE4R01A]
DTC P0755 SHIFT SOLENOID VALVE B
Wiring Diagram — AT — SSV/B
ECS007NG
WCWA0103E

DTC P0755 SHIFT SOLENOID VALVE B
AT-319
[RE4R01A]
D
E
F
G
H
I
J
K
L
M
A
B
AT
Diagnostic Procedure
ECS007NH
1. CHECK GROUND CIRCUIT
1. Turn ignition switch to OFF position.
2. Disconnect terminal cord assembly connector in engine compartment.
3. Check resistance between terminal cord assembly connector
E72 terminal 1 and ground.
Is resistance approx. 20 - 40Ω?
Yes >> GO TO 2.
No >> 1. Remove control valve assembly.
Refer to AT-402, "REMOVAL" .
2. Check the following items:
–Shift solenoid valve B
Refer to AT-320, "SHIFT SOLENOID VALVE B" .
–Harness of terminal cord assembly for short or open
2. CHECK POWER SOURCE CIRCUIT
1. Turn ignition switch to OFF position.
2. Disconnect TCM harness connector.
3. Check resistance between terminal cord assembly connector E72 terminal 1 and TCM harness connector
M77 terminal 12. Refer to wiring diagram.
If OK, check harness for short to ground and short to power.
Is resistance approx. 0Ω?
Yes >> GO TO 3.
No >> Repair open circuit or short to ground or short to power in harness or connectors.
3. CHECK DTC
Perform Diagnostic Trouble Code (DTC) confirmation procedure. Refer to AT-316, "DIAGNOSTIC TROUBLE
CODE (DTC) CONFIRMATION PROCEDURE" .
OK or NG
OK >> INSPECTION END.
NG >> 1. Perform TCM input/output signal inspection.
2. If NG, recheck TCM pin terminals for damage or loose connection with harness connector.
AAT508A

AT-320
[RE4R01A]
DTC P0755 SHIFT SOLENOID VALVE B
Component Inspection
ECS007NI
SHIFT SOLENOID VALVE B
●For removal, refer to AT-402, "REMOVAL" .
Resistance Check
●Check resistance between terminal 2 and ground.
Operation Check
●Check solenoid valve by listening for its operating sound while
applying battery voltage to the terminal 2 and ground.
SAT651I
Solenoid valve Terminal No. Resistance (Approx.)
Shift solenoid valve B 2 Ground 20 - 40Ω
SAT650I

DTC P1705 THROTTLE POSITION SENSOR
AT-321
[RE4R01A]
D
E
F
G
H
I
J
K
L
M
A
B
AT
DTC P1705 THROTTLE POSITION SENSOR PFP:22620
Description
ECS007NJ
●Throttle position sensor
The throttle position sensor detects the throttle valve position
and sends a signal to the TCM.
●Throttle position switch
Consists of a wide open throttle position switch and a closed
throttle position switch. The wide open position switch sends a
signal to the TCM when the throttle valve is open at least 1/2 of
the full throttle position. The closed throttle position switch sends
a signal to the TCM when the throttle valve is fully closed.
CONSULT-II REFERENCE VALUE IN DATA MONITOR MODE
Remarks: Specification data are reference values.
TCM TERMINALS AND REFERENCE VALUE
Remarks: Specification data are reference values.
ON BOARD DIAGNOSIS LOGIC
AAT495A
Monitor item Condition Specification
Throttle position sensor Fully-closed throttle Approximately 0.5V
Fully-open throttle Approximately 4V
Terminal
No. Wire color Item Condition Judgement stan-
dard (Approx.)
16 BR/W
Closed throttle
position switch
(in throttle posi-
tion switch)
When releasing accelerator pedal
after warming up engine. [Refer to
AT-198, "TCM SELF-DIAGNOSTIC
PROCEDURE (NO TOOLS)" ]
Battery voltage
When depressing accelerator pedal
after warming up engine. 0V
17 OR/B
Wide open throt-
tle position
switch (in throttle
position switch)
When depressing accelerator pedal
more than half-way after warming up
engine. [Refer to AT-198, "TCM
SELF-DIAGNOSTIC PROCEDURE
(NO TOOLS)" ]
Battery voltage
When releasing accelerator pedal
after warming up engine. 0V
32 B/W
Throttle position
sensor (Power
source)
or
Ignition switch ON 4.5 - 5.5V
Ignition switch OFF 0V
41 OR/L Throttle position
sensor
When depressing accelerator pedal
slowly after warming up engine.
(Voltage rises gradually in response
to throttle position.)
Fully-closed
throttle: 0.5V
Fully-open throt-
tle: 4V
42 BR Throttle position
sensor (Ground) —0V

AT-322
[RE4R01A]
DTC P1705 THROTTLE POSITION SENSOR
Diagnostic trouble code Malfunction is detected when ... Check item
(Possible cause)
: TP SEN/CIRC A/T TCM receives an excessively low or high
voltage from the sensor.
●Harness or connectors
(The solenoid circuit is open or shorted.)
●Throttle position sensor
●Throttle position switch
: P1705

DTC P1705 THROTTLE POSITION SENSOR
AT-323
[RE4R01A]
D
E
F
G
H
I
J
K
L
M
A
B
AT
DIAGNOSTIC TROUBLE CODE (DTC) CONFIRMATION PROCEDURE
CAUTION:
Always drive vehicle at a safe speed.
NOTE:
If “DIAGNOSTIC TROUBLE CODE CONFIRMATION PROCE-
DURE” has been previously conducted, always turn ignition
switch OFF and wait at least 5 seconds before conducting the
next test.
After the repair, perform the following procedure to confirm the mal-
function is eliminated.
With CONSULT-II
1. Turn ignition switch ON and select “DATA MONITOR” mode for
“A/T” with CONSULT-II.
2. Apply vacuum to the throttle opener, then check the following.
Refer to step 1 and step 2 of AT-198, "TCM SELF-DIAGNOSTIC
PROCEDURE (NO TOOLS)" .
If the check result is NG, go to AT-325, "Diagnostic Procedure" .
If the check result is OK, go to following step.
3. Turn ignition switch ON and select “DATA MONITOR” mode for
“ENGINE” with CONSULT-II.
4. Start engine and maintain the following conditions for at least 3
consecutive seconds. Then release accelerator pedal com-
pletely.
VHCL SPEED SE: 10 km/h (6 MPH) or more
THRTL POS SEN: Approximately 3V or less
Selector lever: D position (O/D ON)
If the check result is NG, go to AT-325, "Diagnostic Procedure" .
If the check result is OK, go to following step.
5. Maintain the following conditions for at least 3 consecutive sec-
onds. Then release accelerator pedal completely.
VHCL SPEED SE: 10 km/h (6 MPH) or more
Accelerator pedal: Wide open throttle
Selector lever: D position (O/D ON)
With GST
●Follow the procedure “With CONSULT-II”.
Accelerator pedal
condition THRTL POS SEN CLOSED THL/SW W/O THRL/P·SW
Fully released Less than 4.7V ON OFF
Partially
depressed 0.1 - 4.6V OFF OFF
Fully depressed More than 1.9 -
4.6V OFF ON
SAT014K
SAT971J
SAT014K
SEF949Y

AT-324
[RE4R01A]
DTC P1705 THROTTLE POSITION SENSOR
Wiring Diagram — AT — TPS
ECS007NK
WCWA0154E

DTC P1705 THROTTLE POSITION SENSOR
AT-325
[RE4R01A]
D
E
F
G
H
I
J
K
L
M
A
B
AT
Diagnostic Procedure
ECS007NL
1. CHECK DTC WITH ECM
Perform diagnostic test mode II (self-diagnostic results) for engine control. Refer to EC-634 (VG33E only) or
EC-1235 (VG33ER only), “Malfunction Indicator Lamp (MIL)”.
OK or NG
OK >> GO TO 2.
NG >> Check throttle position sensor circuit for engine control. Refer to EC-743, "DTC P0121 TP SEN-
SOR" (VG33E only) or EC-1350, "DTC P0121 TP SENSOR" (VG33ER only).
2. CHECK INPUT SIGNAL
With CONSULT-II
1. Turn ignition switch to ON position.
(Do not start engine.)
2. Select “TCM INPUT SIGNALS” in “DATA MONITOR” mode for “A/T” with CONSULT-II.
3. Read out the value of “THRTL POS SEN”.
Without CONSULT-II
1. Turn ignition switch to ON position.
(Do not start engine.)
2. Check voltage between TCM terminals 41 and 42 while acceler-
ator pedal is depressed slowly.
OK or NG
OK (With CONSULT-II)>>GO TO 3.
OK (Without CONSULT-II)>>GO TO 4.
NG >> Check harness for short or open between ECM and TCM regarding throttle position sensor circuit.
(Main harness)
Voltage
Fully-closed throttle : Approximately 0.5V
Fully-open throttle : Approximately 4V
Voltage
Fully-closed throttle
valve
: Approximately 0.5V
Fully-open throttle
valve
: Approximately 4V
(Voltage rises gradually
in response to throttle
position.)
SAT614J
AAT474A

AT-326
[RE4R01A]
DTC P1705 THROTTLE POSITION SENSOR
3. CHECK THROTTLE POSITION SWITCH CIRCUIT (WITH CONSULT-II)
With CONSULT-II
1. Turn ignition switch to ON position.
(Do not start engine.)
2. Select “TCM INPUT SIGNALS” in “DATA MONITOR” mode for “A/T” with CONSULT-II.
3. Read out “CLOSED THL/SW” and “W/O THRL/P-SW” depressing and releasing accelerator pedal.
Check the signal of throttle position switch is indicated properly.
OK or NG
OK >> GO TO 5.
NG >> Check the following items:
●Throttle position switch
Refer to AT-328, "THROTTLE POSITION SWITCH" .
●Harness for short or open between ignition switch and throttle position switch (Main harness)
●Harness for short or open between throttle position switch and TCM (Main harness)
SAT646J
MTBL0011

DTC P1705 THROTTLE POSITION SENSOR
AT-327
[RE4R01A]
D
E
F
G
H
I
J
K
L
M
A
B
AT
4. CHECK THROTTLE POSITION SWITCH CIRCUIT (WITHOUT CONSULT-II)
Without CONSULT-II
1. Turn ignition switch to ON position.
(Do not start engine.)
2. Check voltage between TCM connector M77 terminals 16 (BR/W), 17 (OR/B) and ground while depress-
ing, and releasing accelerator pedal slowly. (after warming up engine)
OK or NG
OK >> GO TO 5.
NG >> Check the following items:
●Throttle position switch
Refer to AT-328, "THROTTLE POSITION SWITCH" .
●Harness for short or open between ignition switch and throttle position switch (Main harness)
●Harness for short or open between throttle position switch and TCM (Main harness)
5. CHECK DTC
Perform Diagnostic Trouble Code (DTC) confirmation procedure. Refer to AT-323, "DIAGNOSTIC TROUBLE
CODE (DTC) CONFIRMATION PROCEDURE" .
OK or NG
OK >> INSPECTION END
NG >> 1. Perform TCM input/output signal inspection.
2. If NG, recheck TCM pin terminals for damage or loose connection with harness connector.
WAT337

AT-328
[RE4R01A]
DTC P1705 THROTTLE POSITION SENSOR
Component Inspection
ECS007NM
THROTTLE POSITION SWITCH
Closed Throttle Position Switch (Idle position)
●Check continuity between terminals 4 and 5.
●To adjust closed throttle position switch, refer to EC-646, "Basic
Inspection" (VG33E only) or EC-1247, "Basic Inspection"
(VG33ER only).
Wide Open Throttle Position Switch
●Check continuity between terminals 5 and 6.
Accelerator pedal condition Continuity
Released Yes
Depressed No
AAT498A
Accelerator pedal condition Continuity
Released No
Depressed Yes
AAT499A

DTC P1760 OVERRUN CLUTCH SOLENOID VALVE
AT-329
[RE4R01A]
D
E
F
G
H
I
J
K
L
M
A
B
AT
DTC P1760 OVERRUN CLUTCH SOLENOID VALVE PFP:31940
Description
ECS007NN
The overrun clutch solenoid valve is activated by the TCM in
response to signals sent from the PNP switch, overdrive control
switch, vehicle speed and throttle position sensors. The overrun
clutch operation will then be controlled.
TCM TERMINALS AND REFERENCE VALUE
Remarks: Specification data are reference values.
ON BOARD DIAGNOSIS LOGIC
SAT341H
Terminal
No. Wire color Item Condition Judgement stan-
dard (Approx.)
20 L/B Overrun clutch
solenoid valve
When overrun clutch solenoid valve
operates. Battery voltage
When overrun clutch solenoid valve
does not operate. 0V
Diagnostic trouble code Malfunction is detected when ... Check item
(Possible cause)
: O/R CLTCH SOL/CIRC TCM detects an improper voltage drop
when it tries to operate the solenoid valve.
●Harness or connectors
(The solenoid circuit is open or shorted.)
●Overrun clutch solenoid valve
: P1760

AT-330
[RE4R01A]
DTC P1760 OVERRUN CLUTCH SOLENOID VALVE
DIAGNOSTIC TROUBLE CODE (DTC) CONFIRMATION PROCEDURE
CAUTION:
Always drive vehicle at a safe speed.
NOTE:
If “DIAGNOSTIC TROUBLE CODE CONFIRMATION PROCE-
DURE” has been previously conducted, always turn ignition
switch OFF and wait at least 5 seconds before conducting the
next test.
TESTING CONDITION:
Always drive vehicle on a level road to improve accuracy of
test.
After the repair, perform the following procedure to confirm the mal-
function is eliminated.
With CONSULT-II
●Turn ignition switch ON and select “DATA MONITOR” mode for
“ENGINE” with CONSULT-II.
●Start engine.
●Accelerate vehicle to a speed of more than 10 km/h (6MPH) in D
position (O/D ON).
●Release accelerator pedal completely in D position (O/D OFF).
With GST
1. Follow the procedure “With CONSULT-II”.
SAT014K
SEF949Y

DTC P1760 OVERRUN CLUTCH SOLENOID VALVE
AT-331
[RE4R01A]
D
E
F
G
H
I
J
K
L
M
A
B
AT
Wiring Diagram — AT — OVRCSV
ECS007NO
WCWA0105E

AT-332
[RE4R01A]
DTC P1760 OVERRUN CLUTCH SOLENOID VALVE
Diagnostic Procedure
ECS007NP
1. CHECK GROUND CIRCUIT
1. Turn ignition switch to OFF position.
2. Disconnect terminal cord assembly connector in engine compartment.
3. Check resistance between terminal cord assembly connector
E72 terminal 3 and ground.
Is resistance approx. 20 - 40Ω?
Yes >> GO TO 2.
No >> 1. Remove control valve assembly.
Refer to AT-402, "REMOVAL" .
2. Check the following items:
–Overrun clutch solenoid valve
Refer to AT-333, "OVERRUN CLUTCH SOLENOID
VALVE" .
–Harness of terminal cord assembly for short or open
2. CHECK POWER SOURCE CIRCUIT
1. Turn ignition switch to OFF position.
2. Disconnect TCM harness connector.
3. Check resistance between terminal cord assembly connector E72 terminal 3 and TCM harness connector
M77 terminal 20.
If OK, check harness for short to ground and short to power.
Is resistance approx 0Ω?
Yes >> GO TO 3.
No >> Repair open circuit or short to ground or short to power in harness or connectors.
3. CHECK DTC
Perform Diagnostic Trouble Code (DTC) confirmation procedure. Refer to AT-330, "DIAGNOSTIC TROUBLE
CODE (DTC) CONFIRMATION PROCEDURE" .
OK or NG
OK >> INSPECTION END.
NG >> 1. Perform TCM input/output signal inspection.
2. If NG, recheck TCM pin terminals for damage or loose connection with harness connector.
AAT500A

DTC P1760 OVERRUN CLUTCH SOLENOID VALVE
AT-333
[RE4R01A]
D
E
F
G
H
I
J
K
L
M
A
B
AT
Component Inspection
ECS007NQ
OVERRUN CLUTCH SOLENOID VALVE
●For removal, refer to AT-402, "REMOVAL" .
Resistance Check
●Check resistance between terminal 4 and ground.
Operation Check
●Check solenoid valve by listening for its operating sound while
applying battery voltage to the terminal 4 and ground.
SAT139K
Solenoid valve Terminal No. Resistance (Approx.)
Overrun clutch solenoid valve 4 Ground 20 - 40Ω
SAT688I

AT-334
[RE4R01A]
DTC BATT/FLUID TEMP SEN (A/T FLUID TEMP SENSOR CIRCUIT AND TCM
POWER SOURCE)
DTC BATT/FLUID TEMP SEN (A/T FLUID TEMP SENSOR CIRCUIT AND TCM
POWER SOURCE) PFP:31940
Description
ECS007NR
The A/T fluid temperature sensor detects the A/T fluid temperature
and sends a signal to the TCM.
CONSULT-II REFERENCE VALUE IN DATA MONITOR
MODE
Remarks: Specification data are reference values.
TCM TERMINALS AND REFERENCE VALUE
Remarks: Specification data are reference values.
SAT342HA
SAT021J
Monitor item Condition Specification (Approx.)
A/T fluid temperature
sensor
Cold [20°C (68°F)]
↓
Hot [80°C (176°F)]
1.5V
↓
0.5V
2.5kΩ
↓
0.3kΩ
Terminal
No. Wire color Item Condition Judgement stan-
dard (Approx.)
10 W/R Power source When turning ignition switch to ON. Battery voltage
When turning ignition switch to OFF. 0V
19 W/R Power source
(Same as No. 10)
When turning ignition switch to ON. Battery voltage
When turning ignition switch to OFF. 0V
28 R/Y
Power source
(Memory back-
up)
or When turning ignition switch to OFF. Battery voltage
When turning ignition switch to ON. Battery voltage
42 BR Throttle position
sensor (Ground) —0V
47 R/B A/T fluid temper-
ature sensor
When ATF temperature is 20°C
(68°F). 1.5V
When ATF temperature is 80°C
(176°F). 0.5V

DTC BATT/FLUID TEMP SEN (A/T FLUID TEMP SENSOR CIRCUIT AND TCM
POWER SOURCE)
AT-335
[RE4R01A]
D
E
F
G
H
I
J
K
L
M
A
B
AT
ON BOARD DIAGNOSIS LOGIC
DIAGNOSTIC TROUBLE CODE (DTC) CONFIRMATION
PROCEDURE
After the repair, perform the following procedure to confirm the mal-
function is eliminated.
With CONSULT-II
1. Start engine.
2. Select “DATA MONITOR” mode for “A/T” with CONSULT-II.
3. Drive vehicle under the following conditions:
Selector lever in D position, vehicle speed higher than 20 km/h
(12 MPH).
Without CONSULT-II
●Follow the procedure “With CONSULT-II”.
Diagnostic trouble code Malfunction is detected when ... Check item
(Possible cause)
: BATT/FLUID TEMP SEN TCM receives an excessively low or high
voltage from the sensor.
●Harness or connections
(The sensor circuit is open or shorted)
●A/T fluid temperature sensor
: 8th judgement flicker
SAT014K
SAT971J
SAT335HB

AT-336
[RE4R01A]
DTC BATT/FLUID TEMP SEN (A/T FLUID TEMP SENSOR CIRCUIT AND TCM
POWER SOURCE)
Wiring Diagram — AT — BA/FTS
ECS007NS
WCWA0155E

DTC BATT/FLUID TEMP SEN (A/T FLUID TEMP SENSOR CIRCUIT AND TCM
POWER SOURCE)
AT-337
[RE4R01A]
D
E
F
G
H
I
J
K
L
M
A
B
AT
Diagnostic Procedure
ECS007NT
1. CHECK TCM POWER SOURCE
1. Turn ignition switch to ON position.
(Do not start engine.)
2. Check voltage between TCM harness connectors M77, M78 ter-
minals (10, 19, 28) and ground.
3. Turn ignition switch to OFF position.
4. Check voltage between TCM terminal 28 and ground.
OK or NG
OK >> GO TO 2.
NG >> Check the following items:
●Harness for short or open between fuse block J/B harness and TCM terminals (10, 19 and 28)
(Main harness)
●Ignition switch and fuse
Refer toPG-9, "POWER SUPPLY ROUTING" .
2. CHECK A/T FLUID TEMPERATURE SENSOR WITH TERMINAL CORD ASSEMBLY
1. Turn ignition switch to OFF position.
2. Disconnect terminal cord assembly connector in engine compartment.
3. Check resistance between terminals 6 and 7 when A/T is cold
[20°C (68°F)].
Is resistance approx. 2.5kΩ?
Yes >> GO TO 3.
No >> 1. Remove oil pan.
2. Check the following items:
–A/T fluid temperature sensor
Refer to AT-339, "A/T FLUID TEMPERATURE SEN-
SOR" .
–Harness of terminal cord assembly for short or open
Voltage : Battery voltage
Voltage : Battery voltage
AAT476A
AAT502A

AT-338
[RE4R01A]
DTC BATT/FLUID TEMP SEN (A/T FLUID TEMP SENSOR CIRCUIT AND TCM
POWER SOURCE)
3. CHECK INPUT SIGNAL OF A/T FLUID TEMPERATURE SENSOR
With CONSULT-II
1. Start engine.
2. Select “TCM INPUT SIGNALS” in “DATA MONITOR” mode for “A/T” with CONSULT-II.
3. Read out the value of “FLUID TEMP SE”.
Without CONSULT-II
1. Start engine.
2. Check voltage between TCM terminal 47 and ground while
warming up A/T.
OK or NG
OK >> GO TO 4.
NG >> Check the following item:
●Harness for short or open between TCM and terminal
cord assembly (Main harness)
4. CHECK DTC
Perform Diagnostic Trouble Code (DTC) confirmation procedure. Refer to AT-335, "DIAGNOSTIC TROUBLE
CODE (DTC) CONFIRMATION PROCEDURE" .
OK or NG
OK >> INSPECTION END.
NG >> ●Perform TCM input/output signal inspection.
●If NG, recheck TCM pin terminals for damage or loose connection with harness connector.
Voltage
Cold [20°C (68°F)] →
Hot [80°C (176°F)]
: Approximately 1.5V →
0.5V
Voltage :
Cold [20°C (68°F)] →
Hot [80°C (176°F)]
: Approximately 1.5V →
0.5V
SAT614J
AAT503A

DTC BATT/FLUID TEMP SEN (A/T FLUID TEMP SENSOR CIRCUIT AND TCM
POWER SOURCE)
AT-339
[RE4R01A]
D
E
F
G
H
I
J
K
L
M
A
B
AT
Component Inspection
ECS007NU
A/T FLUID TEMPERATURE SENSOR
●For removal, refer to AT-402, "REMOVAL" .
●Check resistance between terminals 6 and 7 while changing
temperature as shown at left.
Temperature °C (°F) Resistance (Approx.)
20 (68) 2.5 kΩ
80 (176) 0.3 kΩ
AAT485A

AT-340
[RE4R01A]
DTC VEHICLE SPEED SENSOR·MTR
DTC VEHICLE SPEED SENSOR·MTR PFP:24814
Description
ECS007NV
The vehicle speed sensor·MTR is built into the speedometer assem-
bly. The sensor functions as an auxiliary device to the revolution sen-
sor when it is malfunctioning. The TCM will then use a signal sent
from the vehicle speed sensor·MTR.
TCM TERMINALS AND REFERENCE VALUE
Remarks: Specification data are reference values.
ON BOARD DIAGNOSIS LOGIC
WAT497
Terminal
No. Wire color Item Condition Judgement stan-
dard (Approx.)
40 G/B Vehicle speed
sensor
When moving vehicle at 2 to 3 km/h
(1 to 2 MPH) for 1 m (3 ft) or more.
Voltage varies
between less
than 1V and
more than 4.5V
Diagnostic trouble code Malfunction is detected when ... Check item
(Possible cause)
: VHCL SPEED SEN·MTR TCM does not receive the proper voltage
signal from the sensor.
●Harness or connectors
(The sensor circuit is open or shorted.)
●Vehicle speed sensor
: 2nd judgement flicker

DTC VEHICLE SPEED SENSOR·MTR
AT-341
[RE4R01A]
D
E
F
G
H
I
J
K
L
M
A
B
AT
DIAGNOSTIC TROUBLE CODE (DTC) CONFIRMATION PROCEDURE
CAUTION:
●Always drive vehicle at a safe speed.
●If conducting this “DTC CONFIRMATION PROCEDURE”
again, always turn ignition switch OFF and wait at least 5
seconds before continuing.
After the repair, perform the following procedure to confirm the malfunction is eliminated.
With CONSULT-II
1. Turn ignition switch ON and select “DATA MONITOR” mode for “A/T” with CONSULT-II.
2. Start engine and accelerate vehicle from 0 to 25 km/h (0 to 6
MPH).
Without CONSULT-II
●Follow the procedure “With CONSULT-II”.
SAT014K
SAT971J
LAT436

AT-342
[RE4R01A]
DTC VEHICLE SPEED SENSOR·MTR
Wiring Diagram — AT — VSSMTR
ECS007NW
WCWA0156E

DTC VEHICLE SPEED SENSOR·MTR
AT-343
[RE4R01A]
D
E
F
G
H
I
J
K
L
M
A
B
AT
Diagnostic Procedure
ECS007NX
1. CHECK INPUT SIGNAL.
With CONSULT-II
1. Start engine.
2. Select “TCM INPUT SIGNALS” in “DATA MONITOR” mode for “A/T” with CONSULT-II.
3. Read out the value of “VHCL/S SE·MTR” while driving.
Check the value changes according to driving speed.
Without CONSULT-II
1. Start engine.
2. Check voltage between TCM harness connector M78 terminal
40 and ground while driving at 2 to 3 km/h (1 to 2 MPH) for 1 m
(3 ft) or more.
Does battery voltage vary between less than 1V and more than
4.5V?
Yes >> GO TO 2.
No >> Check the following items:
●Vehicle speed sensor and ground circuit for vehicle
speed sensor. Refer to DI-3, "METERS AND
GAUGES" .
●Harness for short or open between TCM and vehicle
speed sensor (Main harness)
2. CHECK DTC
Perform AT-341, "DIAGNOSTIC TROUBLE CODE (DTC) CONFIRMATION PROCEDURE" .
OK or NG
OK >> INSPECTION END.
NG >> 1. Perform TCM input/output signal inspection.
2. If NG, recheck TCM pin terminals for damage or loose connection with harness connector.
SAT614J
AAT504A

AT-344
[RE4R01A]
DTC TURBINE REVOLUTION SENSOR (VG33ER ONLY)
DTC TURBINE REVOLUTION SENSOR (VG33ER ONLY) PFP:31935
Description
ECS007NY
The turbine revolution sensor detects input shaft rpm (revolutions
per minute). It is located on the input side of the automatic transmis-
sion. The vehicle speed sensor A/T (Revolution sensor) is located on
the output side of the automatic transmission. With the two sensors,
input and output shaft rpms are accurately detected. The result is
optimal shift timing during deceleration and improved shifting.
TCM TERMINALS AND REFERENCE VALUE
Remarks: Specification data are reference values.
ON BOARD DIAGNOSIS LOGIC
SAT136K
Te r m i-
nal No. Wire color Item Condition
Judgement
standard
(Approx.)
38 Y
Turbine revolu-
tion sensor
(Measure in AC
range)
When engine is running at 1,000 rpm
1.2V
Voltage rises
gradually in
response to
engine speed.
42 BR Throttle position
sensor (Ground) —0V
Diagnostic trouble code Malfunction is detected when ... Check item (Possible cause)
: TURBINE REV TCM does not receive the proper voltage
signal from the sensor.
●Harness or connectors
(The sensor circuit is open or shorted.)
●Turbine revolution sensor
: 10th judgement flicker

DTC TURBINE REVOLUTION SENSOR (VG33ER ONLY)
AT-345
[RE4R01A]
D
E
F
G
H
I
J
K
L
M
A
B
AT
DIAGNOSTIC TROUBLE CODE (DTC) CONFIRMATION PROCEDURE
CAUTION:
●Always drive vehicle at a safe speed.
●If conducting this “DTC CONFIRMATION PROCEDURE”
again, always turn ignition switch “OFF” and wait at least 5
seconds before continuing.
After the repair, perform the following procedure to confirm the mal-
function is eliminated.
With CONSULT-II
1. Start engine.
2. Select “DATA MONITOR” mode for “A/T” with CONSULT-II.
3. Drive vehicle under the following conditions:
Selector lever in “D”, vehicle speed higher than 40 km/h (25
MPH), engine speed higher than 1,500 rpm, throttle opening
greater than 1.0/8 of the full throttle position and driving for more
than 5 seconds.
No Tools
1. Start engine.
2. Drive vehicle under the following conditions:
Selector lever in “D”, vehicle speed higher than 40 km/h (25
MPH), engine speed higher than 1,500 rpm, throttle opening
greater than 1/8 of the full throttle position and driving for more
than 5 seconds.
3. Perform self-diagnosis.
Refer to AT-198, "TCM SELF-DIAGNOSTIC PROCEDURE (NO
TOOLS)" .
SAT014K
SAT971J
SAT635I

AT-346
[RE4R01A]
DTC TURBINE REVOLUTION SENSOR (VG33ER ONLY)
Wiring Diagram — AT — TRSA/T
ECS007NZ
WCWA0157E

DTC TURBINE REVOLUTION SENSOR (VG33ER ONLY)
AT-347
[RE4R01A]
D
E
F
G
H
I
J
K
L
M
A
B
AT
Diagnostic Procedure
ECS007O0
1. CHECK INPUT SIGNAL
With CONSULT-II
1. Start engine.
2. Select “TCM INPUT SIGNALS” in “DATA MONITOR” mode for “A/T” with CONSULT-II.
3. Read out the value of “TURBINE REV”. Check the value
changes according to engine speed.
Without CONSULT-II
1. Start engine.
2. Check voltage between TCM harness connector M78 terminal 38 (Y) and ground. (Measure in AC range.)
OK or NG
OK >> GO TO 3.
NG >> GO TO 2.
2. DETECT MALFUNCTIONING ITEM
Check harness for short or open between TCM and turbine revolution sensor.
OK or NG
OK >> GO TO 3.
NG >> Repair or replace damaged parts.
3. CHECK DTC
Perform AT-345, "DIAGNOSTIC TROUBLE CODE (DTC) CONFIRMATION PROCEDURE" .
OK or NG
OK >> INSPECTION END.
NG >> GO TO 4.
4. CHECK TCM INSPECTION
1. Perform TCM input/output signal inspection.
2. If NG, recheck TCM pin terminal for damage or loose connection with harness connector.
OK or NG
OK >> INSPECTION END.
NG >> Repair or replace damaged parts.
SAT740J
LAT509

AT-348
[RE4R01A]
DTC TURBINE REVOLUTION SENSOR (VG33ER ONLY)
Component Inspection
ECS007O1
TURBINE REVOLUTION SENSOR
●Check resistance between terminals 1, 2 and 3.
Terminal No. Resistance (Approx.)
1 2 2.4 - 2.8 kΩ
1 3 No continuity
2 3 No continuity
LAT449

DTC CONTROL UNIT (RAM), CONTROL UNIT (ROM)
AT-349
[RE4R01A]
D
E
F
G
H
I
J
K
L
M
A
B
AT
DTC CONTROL UNIT (RAM), CONTROL UNIT (ROM) PFP:31036
Description
ECS007O2
The TCM consists of a microcomputer and connectors for signal
input and output and for power supply. The unit controls the A/T.
ON BOARD DIAGNOSIS LOGIC
DIAGNOSTIC TROUBLE CODE (DTC) CONFIRMATION
PROCEDURE
NOTE:
If “DTC CONFIRMATION PROCEDURE” has been previously
conducted, always turn ignition switch OFF and wait at least 5
seconds before conducting the next test.
With CONSULT-II
1. Turn ignition switch ON and select “DATA MONITOR” mode for
A/T with CONSULT-II.
2. Start engine.
3. Run engine for at least 2 seconds at idle speed.
SAT574J
Diagnostic trouble code Malfunction is detected when ... Check Items (Possible Cause)
: CONTROL UNIT (RAM)
: CONTROL UNIT (ROM)
●TCM memory (RAM) or (ROM) is mal-
functioning.
●TCM
SAT014K
SAT971J

AT-350
[RE4R01A]
DTC CONTROL UNIT (RAM), CONTROL UNIT (ROM)
Diagnostic Procedure
ECS007O3
1. INSPECTION START
With CONSULT-II
1. Turn ignition switch ON and select “SELF DIAG RESULTS” mode for A/T with CONSULT-II.
2. Touch “ERASE”.
3. Turn ignition switch OFF for 10 seconds.
4. Perform AT-349, "DIAGNOSTIC TROUBLE CODE (DTC) CONFIRMATION PROCEDURE" .
Is the “CONTROL UNIT (RAM)” or “CONTROL UNIT (ROM)” displayed again?
Yes or No
Yes >> Replace TCM.
No >> INSPECTION END.

DTC CONTROL UNIT (EEP ROM)
AT-351
[RE4R01A]
D
E
F
G
H
I
J
K
L
M
A
B
AT
DTC CONTROL UNIT (EEP ROM) PFP:31036
Description
ECS007O4
The TCM consists of a microcomputer and connectors for signal
input and output and for power supply. The unit controls the A/T.
ON BOARD DIAGNOSIS LOGIC
DIAGNOSTIC TROUBLE CODE (DTC) CONFIRMATION
PROCEDURE
NOTE:
If “DTC CONFIRMATION PROCEDURE” has been previously
conducted, always turn ignition switch OFF and wait at least 5
seconds before conducting the next test.
With CONSULT-II
1. Turn ignition switch ON and select “DATA MONITOR” mode for
A/T with CONSULT-II.
2. Start engine.
3. Run engine for at least 2 seconds at idle speed.
SAT574J
Diagnostic trouble code Malfunction is detected when ... Check item (Possible cause)
: CONT UNIT (EEP ROM) TCM memory (EEP ROM) is malfunction-
ing. TCM
SAT014K
SAT971J

AT-352
[RE4R01A]
DTC CONTROL UNIT (EEP ROM)
Diagnostic Procedure
ECS007O5
1. INSPECTION START
With CONSULT-II
1. Turn ignition switch ON and select “SELF DIAG RESULTS” mode for A/T with CONSULT-II.
2. Move selector lever to “R” position.
3. Depress accelerator pedal (Full throttle position).
4. Touch “ERASE”.
5. Turn ignition switch OFF for ten seconds.
Perform AT-351, "DIAGNOSTIC TROUBLE CODE (DTC) CONFIRMATION PROCEDURE" .
Is the “CONT UNIT (EEP ROM)” displayed again?
Yes or No
Yes >> Replace TCM.
No >> INSPECTION END.

TROUBLE DIAGNOSES FOR SYMPTOMS
AT-353
[RE4R01A]
D
E
F
G
H
I
J
K
L
M
A
B
AT
TROUBLE DIAGNOSES FOR SYMPTOMS PFP:00007
Wiring Diagram — AT — NONDTC
ECS007O6
WCWA0171E

AT-354
[RE4R01A]
TROUBLE DIAGNOSES FOR SYMPTOMS
WCWA0110E

TROUBLE DIAGNOSES FOR SYMPTOMS
AT-355
[RE4R01A]
D
E
F
G
H
I
J
K
L
M
A
B
AT
WCWA0158E

AT-356
[RE4R01A]
TROUBLE DIAGNOSES FOR SYMPTOMS
1. O/D OFF Indicator Lamp Does Not Come On
ECS007O7
SYMPTOM:
●O/D OFF indicator lamp does not come on for about 2 seconds when turning ignition switch to ON.
1. CHECK TCM POWER SOURCE
1. Turn ignition switch to ON position.
(Do not start engine.)
2. Check voltage between TCM harness connectors (M77, M78)
terminals (10, 19, 28) and ground.
3. Turn ignition switch to OFF position.
4. Check voltage between TCM connector terminal 28
and ground.
OK or NG
OK >> GO TO 2.
NG >> Check the following items:
●Harness for short or open between ignition switch and TCM (Main harness)
●Refer toAT-246, "Wiring Diagram — AT — MAIN" .
●Ignition switch and fuse
Refer to PG-9, "POWER SUPPLY ROUTING" .
2. CHECK TCM GROUND CIRCUIT
1. Turn ignition switch to OFF position.
2. Disconnect TCM harness connector.
3. Check resistance between TCM harness connector M78 terminals (25, 48) and ground. Refer to wiring
diagram.
If OK, check harness for short to ground and short to power.
Is resistance approx. 0Ω?
Yes >> GO TO 3.
No >> ●Repair open circuit or short to ground or short to power in harness or connectors.
●Refer to AT-246, "Wiring Diagram — AT — MAIN" .
3. CHECK LAMP CIRCUIT
1. Turn ignition switch to ON position.
2. Set overdrive control switch to ON position.
3. Check voltage between TCM harness connector M78 terminal
13 and ground.
Does battery voltage exist?
Yes >> GO TO 4.
No >> Check the following items.
●Fuse
●O/D OFF indicator lamp
Refer to DI-25, "WARNING LAMPS" .
●Harness for short or open between ignition switch and
O/D OFF indicator lamp (Main harness)
●Refer to PG-9, "POWER SUPPLY ROUTING" .
●Harness for short or open between O/D OFF indicator lamp and TCM
Voltage : Battery voltage
Voltage : Battery voltage
AAT476A
AAT505A

TROUBLE DIAGNOSES FOR SYMPTOMS
AT-357
[RE4R01A]
D
E
F
G
H
I
J
K
L
M
A
B
AT
4. CHECK SYMPTOM
Check again.
OK or NG
OK >> INSPECTION END.
NG >> 1. Perform TCM input/output signal inspection.
2. If NG, recheck TCM pin terminals for damage or loose connection with harness connector.

AT-358
[RE4R01A]
TROUBLE DIAGNOSES FOR SYMPTOMS
2. Engine Cannot Be Started In P and N Position
ECS007O8
SYMPTOM:
●Engine cannot be started with selector lever in P or N position.
● Engine cannot be started with selector lever in P. Engine can be started with selector lever in D, 2,
1 or R position.
1. CHECK PNP SWITCH CIRCUIT
With CONSULT-II
Does “TCM INPUT SIGNALS” in Data Monitor show damage to PNP switch circuit?
Without CONSULT-II
Does self-diagnosis show damage to PNP switch circuit?
Yes or No
Yes >> Check PNP switch circuit. Refer to AT-249, "DTC P0705
PARK/NEUTRAL POSITION (PNP) SWITCH" .
No >> GO TO 2.
2. CHECK PNP SWITCH INSPECTION
Check for short or open of PNP switch 2-pin connector. Refer to AT-
393, "PNP Switch" .
OK or NG
OK >> GO TO 3.
NG >> Repair or replace PNP switch.
3. CHECK STARTING SYSTEM
Check starting system. Refer to SC-9, "STARTING SYSTEM" .
OK or NG
OK >> INSPECTION END.
NG >> Repair or replace damaged parts.
SAT367J
AAT482A

TROUBLE DIAGNOSES FOR SYMPTOMS
AT-359
[RE4R01A]
D
E
F
G
H
I
J
K
L
M
A
B
AT
3. In “P” Position, Vehicle Moves Forward Or Backward When Pushed
ECS007O9
SYMPTOM:
●Vehicle moves when it is pushed forward or backward with selector lever in P position.
1. CHECK PARKING COMPONENTS
Check parking components.
Refer to AT-475, "PARKING PAWL COMPONENTS" .
OK or NG
OK >> INSPECTION END.
NG >> Repair or replace damaged parts.
SAT133B

AT-360
[RE4R01A]
TROUBLE DIAGNOSES FOR SYMPTOMS
4. In N Position, Vehicle Moves
ECS007OA
SYMPTOM:
●Vehicle moves forward or backward when selecting N position.
1. CHECK PNP SWITCH CIRCUIT
With CONSULT
Does “TCM INPUT SIGNALS” in Data Monitor show damage to PNP switch circuit?
Without CONSULT
Does self-diagnosis show damage to PNP switch circuit?
Yes or No
Yes >> Check PNP switch circuit. Refer to AT-249, "DTC P0705
PARK/NEUTRAL POSITION (PNP) SWITCH" .
No >> GO TO 2.
2. CHECK CONTROL LINKAGE
Check control linkage. Refer to AT-406, "Manual Control Linkage
Adjustment" .
OK or NG
OK >> GO TO 3.
NG >> Adjust control linkage. Refer to AT-406, "Manual Control
Linkage Adjustment" .
3. CHECK A/T FLUID LEVEL
Check A/T fluid level again.
OK or NG
OK >> GO TO 4.
NG >> Refill ATF.
SAT367J
SAT032G
SAT638A

TROUBLE DIAGNOSES FOR SYMPTOMS
AT-361
[RE4R01A]
D
E
F
G
H
I
J
K
L
M
A
B
AT
4. CHECK A/T FLUID CONDITION
1. Remove oil pan.
2. Check A/T fluid condition.
OK or NG
OK >> GO TO 5.
NG >> 1. Disassemble A/T.
2. Check the following items:
–Forward clutch assembly
–Overrun clutch assembly
–Reverse clutch assembly
5. CHECK SYMPTOM
Check again.
OK or NG
OK >> INSPECTION END.
NG >> 1. Perform TCM input/output signal inspection.
2. If NG, recheck TCM pin terminals for damage or loose connection with harness connector.
SAT171B

AT-362
[RE4R01A]
TROUBLE DIAGNOSES FOR SYMPTOMS
5. Large Shock. N → R Position
ECS007OB
SYMPTOM:
●There is large shock when changing from N to R position.
1. CHECK SELF-DIAGNOSTIC RESULTS
Does self-diagnosis show damage to A/T fluid temperature sensor, line pressure solenoid valve or throttle
position sensor circuit?
Yes or No
Yes >> Check damaged circuit. Refer to AT-255, "DTC P0710 A/T FLUID TEMPERATURE SENSOR
CIRCUIT" , AT-306, "DTC P0745 LINE PRESSURE SOLENOID VALVE" , AT-321, "DTC P1705
THROTTLE POSITION SENSOR" .
No >> GO TO 2.
2. CHECK THROTTLE POSITION SENSOR
Check throttle position sensor. Refer to EC-743, "DTC P0121 TP
SENSOR" (VG33E only) or EC-1350, "DTC P0121 TP SENSOR"
(VG33ER only).
OK or NG
OK >> GO TO 3.
NG >> Repair or replace throttle position sensor.
3. CHECK LINE PRESSURE
Check line pressure at idle with selector lever in D position. Refer to
AT-214, "Line Pressure Test" .
OK or NG
OK >> GO TO 4.
NG >> 1. Remove control valve assembly. Refer to AT-402,
"REMOVAL" .
2. Check the following items:
–Valves to control line pressure (Pressure regulator
valve, pressure modifier valve, pilot valve and pilot fil-
ter)
–Line pressure solenoid valve
LAT456
AAT495A
SAT494G

TROUBLE DIAGNOSES FOR SYMPTOMS
AT-363
[RE4R01A]
D
E
F
G
H
I
J
K
L
M
A
B
AT
4. CHECK SYMPTOM
Check again.
OK or NG
OK >> INSPECTION END.
NG >> 1. Perform TCM input/output signal inspection.
2. If NG, recheck TCM pin terminals for damage or loose connection with harness connector.

AT-364
[RE4R01A]
TROUBLE DIAGNOSES FOR SYMPTOMS
6. Vehicle Does Not Creep Backward In R Position
ECS007OC
SYMPTOM:
●Vehicle does not creep backward when selecting R position.
1. CHECK A/T FLUID LEVEL
Check A/T fluid level again.
OK or NG
OK >> GO TO 2.
NG >> Refill ATF.
2. CHECK STALL TEST
Check stall revolution with selector lever in 1 and R positions.
Refer to AT-496, "Stall Revolution" .
OK or NG
OK >> GO TO 3.
OK in 1 position, NG in R position>>1.Remove control valve
assembly. Refer to AT-402, "REMOVAL" .
2. Check the following items:
–Valves to control line pressure (Pressure regulator
valve, pressure modifier valve, pilot valve and pilot fil-
ter)
–Line pressure solenoid valve
3. Disassemble A/T.
4. Check the following items:
–Oil pump assembly
–Torque converter
–Reverse clutch assembly
–High clutch assembly
NG in both 1 and R positions>> GO TO 6.
SAT638A
SAT493G

TROUBLE DIAGNOSES FOR SYMPTOMS
AT-365
[RE4R01A]
D
E
F
G
H
I
J
K
L
M
A
B
AT
3. CHECK LINE PRESSURE
Check line pressure at idle with selector lever in R position. Refer to
AT-214, "Line Pressure Test" .
OK or NG
OK >> GO TO 4.
NG >> 1. Remove control valve assembly. Refer to AT-402,
"REMOVAL" .
2. Check the following items:
–Valves to control line pressure (Pressure regulator
valve, pressure modifier valve, pilot valve and pilot fil-
ter)
–Line pressure solenoid valve
3. Disassemble A/T.
4. Check the following items:
–Oil pump assembly
4. CHECK A/T FLUID CONDITION
1. Remove oil pan.
2. Check A/T fluid condition.
OK or NG
OK >> GO TO 5.
NG >> GO TO 6.
5. CHECK SYMPTOM
Check again.
OK or NG
OK >> INSPECTION END.
NG >> 1. Perform TCM input/output signal inspection.
2. If NG, recheck TCM pin terminals for damage or loose connection with harness connector.
SAT494G
SAT171B

AT-366
[RE4R01A]
TROUBLE DIAGNOSES FOR SYMPTOMS
6. DETECT MALFUNCTIONING ITEM
1. Remove control valve assembly. Refer to AT-402, "REMOVAL" .
2. Check the following items:
–Valves to control line pressure (Pressure regulator valve, pressure modifier valve, pilot valve and pilot fil-
ter)
–Line pressure solenoid valve
3. Disassemble A/T.
4. Check the following items:
–Oil pump assembly
–Torque converter
–Reverse clutch assembly
–High clutch assembly
–Low & reverse brake assembly
–Low one-way clutch
>> Repair or replace damaged parts.

TROUBLE DIAGNOSES FOR SYMPTOMS
AT-367
[RE4R01A]
D
E
F
G
H
I
J
K
L
M
A
B
AT
7. Vehicle Does Not Creep Forward In D, 2 Or 1 Position
ECS007OD
SYMPTOM:
●Vehicle does not creep forward when selecting D, 2 or 1 position.
1. CHECK A/T FLUID LEVEL
Check A/T fluid level again.
OK or NG
OK >> GO TO 2.
NG >> Refill ATF.
2. CHECK STALL TEST
Check stall revolution with selector lever in D position.
Refer to AT-211, "Stall Test" .
OK or NG
OK >> GO TO 3.
NG >> GO TO 6.
3. CHECK LINE PRESSURE
Check line pressure at idle with selector lever in R position.
Refer to AT-214, "Line Pressure Test" .
OK or NG
OK >> GO TO 4.
NG >> 1. Remove control valve assembly.
Refer to AT-402, "REMOVAL" .
2. Check the following items:
–Valves to control line pressure (Pressure regulator
valve, pressure modifier valve, pilot valve and pilot fil-
ter)
–Line pressure solenoid valve
3. Disassemble A/T.
4. Check the following items:
–Oil pump assembly
SAT638A
SAT493G
SAT494G

AT-368
[RE4R01A]
TROUBLE DIAGNOSES FOR SYMPTOMS
4. CHECK A/T FLUID CONDITION
1. Remove oil pan.
2. Check A/T fluid condition.
OK or NG
OK >> GO TO 5.
NG >> GO TO 6.
5. CHECK SYMPTOM
Check again.
OK or NG
OK >> INSPECTION END.
NG >> 1. Perform TCM input/output signal inspection.
2. If NG, recheck TCM pin terminals for damage or loose connection with harness connector.
6. DETECT MALFUNCTIONING ITEM
1. Remove control valve assembly. Refer to AT-402, "REMOVAL" .
2. Check the following items:
–Valves to control line pressure (Pressure regulator valve, pressure modifier valve, pilot valve and pilot fil-
ter)
–Line pressure solenoid valve
3. Disassemble A/T.
4. Check the following items:
–Oil pump assembly
–Forward clutch assembly
–Forward one-way clutch
–Low one-way clutch
–Low & reverse brake assembly
–Torque converter
>> Repair or replace damaged parts.
SAT171B

TROUBLE DIAGNOSES FOR SYMPTOMS
AT-369
[RE4R01A]
D
E
F
G
H
I
J
K
L
M
A
B
AT
8. Vehicle Cannot Be Started From D1
ECS007OE
SYMPTOM:
●Vehicle cannot be started from D1 on Cruise Test — Part 1.
1. CHECK SYMPTOM
Is “6. Vehicle Does Not Creep Backward In R Position” OK?
Yes or No
Yes >> GO TO 2.
No >> Go to AT-364, "6. Vehicle Does Not Creep Backward In R Position" .
2. CHECK SELF-DIAGNOSTIC RESULTS
Does self-diagnosis show damage to vehicle speed sensor·A/T (rev-
olution sensor), shift solenoid valve A, B or vehicle speed sen-
sor·MTR after cruise test?
Yes or No
Yes >> Check damaged circuit. Refer to AT-261, "DTC P0720
VEHICLE SPEED SENSOR·A/T (REVOLUTION SEN-
SOR)" , AT-311, "DTC P0750 SHIFT SOLENOID VALVE
A" , AT-316, "DTC P0755 SHIFT SOLENOID VALVE B" ,
or AT-340, "DTC VEHICLE SPEED SENSOR·MTR" .
No >> GO TO 3.
3. CHECK THROTTLE POSITION SENSOR
Check throttle position sensor. Refer to EC-743, "DTC P0121 TP
SENSOR" (VG33E only) or EC-1350, "DTC P0121 TP SENSOR"
(VG33ER only).
OK or NG
OK >> GO TO 4.
NG >> Repair or replace throttle position sensor.
4. CHECK LINE PRESSURE
Check line pressure at stall point with selector lever in D position.
Refer to AT-214, "Line Pressure Test" .
OK or NG
OK >> GO TO 5.
NG >> GO TO 8.
SAT934FB
AAT495A
SAT494G

AT-370
[RE4R01A]
TROUBLE DIAGNOSES FOR SYMPTOMS
5. CHECK A/T FLUID CONDITION
1. Remove oil pan.
2. Check A/T fluid condition.
OK or NG
OK >> GO TO 6.
NG >> GO TO 8.
6. DETECT MALFUNCTIONING ITEM
1. Remove control valve assembly.
Refer to AT-402, "REMOVAL" .
2. Check the following items:
–Shift valve A
–Shift valve B
–Shift solenoid valve A
–Shift solenoid valve B
–Pilot valve
–Pilot filter
OK or NG
OK >> GO TO 7.
NG >> Repair or replace damaged parts.
7. CHECK SYMPTOM
Check again.
OK or NG
OK >> INSPECTION END.
NG >> 1. Perform TCM input/output signal inspection.
2. If NG, recheck TCM pin terminals for damage or loose connection with harness connector.
SAT171B

TROUBLE DIAGNOSES FOR SYMPTOMS
AT-371
[RE4R01A]
D
E
F
G
H
I
J
K
L
M
A
B
AT
8. DETECT MALFUNCTIONING ITEM
1. Remove control valve assembly.
Refer to AT-402, "REMOVAL" .
2. Check the following items:
–Shift valve A
–Shift valve B
–Shift solenoid valve A
–Shift solenoid valve B
–Pilot valve
–Pilot filter
3. Disassemble A/T.
4. Check the following items:
–Forward clutch assembly
–Forward one-way clutch
–Low one-way clutch
–High clutch assembly
–Torque converter
–Oil pump assembly
OK or NG
OK >> GO TO 7.
NG >> Repair or replace damaged parts.

AT-372
[RE4R01A]
TROUBLE DIAGNOSES FOR SYMPTOMS
9. A/T Does Not Shift: D1 → D2 Or Does Not Kickdown: D4 → D2
ECS007OF
SYMPTOM:
●A/T does not shift from D1 to D2 at the specified speed.
A/T does not shift from D4 to D2 when depressing accelerator pedal fully at the specified speed.
1. CHECK SYMPTOM
Are “7. Vehicle Does Not Creep Forward In D, 2 Or 1 Position” and “8. Vehicle Cannot Be Started From D1 ”
OK?
Yes or No
Yes >> GO TO 2.
No >> Go to AT-367, "7. Vehicle Does Not Creep Forward In D, 2 Or 1 Position" and AT-369, "8. Vehicle
Cannot Be Started From D1" .
2. CHECK PNP SWITCH CIRCUIT
With CONSULT
Does “TCM INPUT SIGNALS” in Data Monitor show damage to PNP switch circuit?
Without CONSULT
Does self-diagnosis show damage to PNP switch circuit?
Yes or No
Yes >> Check PNP switch circuit. Refer to AT-249, "DTC P0705
PARK/NEUTRAL POSITION (PNP) SWITCH" .
No >> GO TO 3.
3. CHECK VEHICLE SPEED SENSOR·A/T AND VEHICLE SPEED SENSOR·MTR CIRCUIT
Check vehicle speed sensor·A/T (revolution sensor) and vehicle speed sensor·MTR circuit. Refer to AT-261,
"DTC P0720 VEHICLE SPEED SENSOR·A/T (REVOLUTION SENSOR)" and AT-340, "DTC VEHICLE
SPEED SENSOR·MTR" .
OK or NG
OK >> GO TO 4.
NG >> Repair or replace vehicle speed sensor·A/T (revolution sensor) and vehicle speed sensor·MTR
circuits.
4. CHECK THROTTLE POSITION SENSOR
Check throttle position sensor. Refer to EC-743, "DTC P0121 TP
SENSOR" (VG33E only) or EC-1350, "DTC P0121 TP SENSOR"
(VG33ER only).
OK or NG
OK >> GO TO 5.
NG >> Repair or replace throttle position sensor.
SAT367J
AAT495A

TROUBLE DIAGNOSES FOR SYMPTOMS
AT-373
[RE4R01A]
D
E
F
G
H
I
J
K
L
M
A
B
AT
5. CHECK A/T FLUID CONDITION
1. Remove oil pan.
2. Check A/T fluid condition.
OK or NG
OK >> GO TO 6.
NG >> GO TO 8.
6. DETECT MALFUNCTIONING ITEM
1. Remove control valve. Refer to AT-402, "REMOVAL" .
2. Check the following items:
–Shift valve A
–Shift solenoid valve A
–Pilot valve
–Pilot filter
OK or NG
OK >> GO TO 7.
NG >> Repair or replace damaged parts.
7. CHECK SYMPTOM
Check again.
OK or NG
OK >> INSPECTION END.
NG >> 1. Perform TCM input/output signal inspection.
2. If NG, recheck TCM pin terminals for damage or loose connection with harness connector.
8. DETECT MALFUNCTIONING ITEM
1. Remove control valve. Refer to AT-402, "REMOVAL" .
2. Check the following items:
–Shift valve A
–Shift solenoid valve A
–Pilot valve
–Pilot filter
3. Disassemble A/T.
4. Check the following items:
–Servo piston assembly
–Brake band
–Oil pump assembly
OK or NG
OK >> GO TO 7.
NG >> Repair or replace damaged parts.
SAT171B

AT-374
[RE4R01A]
TROUBLE DIAGNOSES FOR SYMPTOMS
10. A/T Does Not Shift: D2 → D3
ECS007OG
SYMPTOM:
●A/T does not shift from D2 to D3 at the specified speed.
1. CHECK SYMPTOM
Are “7. Vehicle Does Not Creep Forward In D, 2 Or 1 Position” and “8. Vehicle Cannot Be Started From D1 ”
OK?
Yes or No
Yes >> GO TO 2.
No >> Go to AT-367, "7. Vehicle Does Not Creep Forward In D, 2 Or 1 Position" and AT-369, "8. Vehicle
Cannot Be Started From D1" .
2. CHECK PNP SWITCH CIRCUIT
With CONSULT
Does “TCM INPUT SIGNALS” in Data Monitor show damage to PNP switch circuit?
Without CONSULT
Does self-diagnosis show damage to PNP switch circuit?
Yes or No
Yes >> Check PNP switch circuit. Refer to AT-249, "DTC P0705
PARK/NEUTRAL POSITION (PNP) SWITCH" .
No >> GO TO 3.
3. CHECK THROTTLE POSITION SENSOR
Check throttle position sensor. Refer to EC-743, "DTC P0121 TP
SENSOR" (VG33E only) or EC-1350, "DTC P0121 TP SENSOR"
(VG33ER only).
OK or NG
OK >> GO TO 4.
NG >> Repair or replace throttle position sensor.
SAT367J
AAT495A

TROUBLE DIAGNOSES FOR SYMPTOMS
AT-375
[RE4R01A]
D
E
F
G
H
I
J
K
L
M
A
B
AT
4. CHECK A/T FLUID CONDITION
1. Remove oil pan.
2. Check A/T fluid condition.
OK or NG
OK >> GO TO 5.
NG >> GO TO 7.
5. DETECT MALFUNCTIONING ITEM
1. Remove control valve assembly. Refer to AT-402, "REMOVAL" .
2. Check the following items:
–Shift valve B
–Shift solenoid valve B
–Pilot valve
–Pilot filter
OK or NG
OK >> GO TO 6.
NG >> Repair or replace damaged parts.
6. CHECK SYMPTOM
Check again.
OK or NG
OK >> INSPECTION END.
NG >> 1. Perform TCM input/output signal inspection.
2. If NG, recheck TCM pin terminals for damage or loose connection with harness connector.
7. DETECT MALFUNCTIONING ITEM
1. Remove control valve assembly. Refer to AT-402, "REMOVAL" .
2. Check the following items:
–Shift valve B
–Shift solenoid valve B
–Pilot valve
–Pilot filter
3. Disassemble A/T.
4. Check the following items:
–Servo piston assembly
–High clutch assembly
–Oil pump assembly
OK or NG
OK >> GO TO 6.
NG >> Repair or replace damaged parts.
SAT171B

AT-376
[RE4R01A]
TROUBLE DIAGNOSES FOR SYMPTOMS
11. A/T Does Not Shift: D3 → D4
ECS007OH
SYMPTOM:
● A/T does not shift from D3 to D4 at the specified speed.
●A/T must be warm before D3 to D4 shift will occur.
1. CHECK SYMPTOM
Are “7. Vehicle Does Not Creep Forward In D, 2 Or 1 Position” and “8. Vehicle Cannot Be Started From D1 ”
OK?
Yes or No
Yes >> GO TO 2.
No >> Go to AT-367, "7. Vehicle Does Not Creep Forward In D, 2 Or 1 Position" and AT-369, "8. Vehicle
Cannot Be Started From D1" .
2. CHECK SELF-DIAGNOSTIC RESULTS
With CONSULT
Does self-diagnosis, after Cruise Test, show damage to any of the following circuits?
●PNP switch
●Overdrive control switch
●A/T fluid temperature sensor
●Revolution sensor
●Shift solenoid valve A or B
●Vehicle speed sensor
Yes or No
Yes >> Check damaged circuit. Refer to AT-321, "DTC P1705
THROTTLE POSITION SENSOR" , AT-255, "DTC
P0710 A/T FLUID TEMPERATURE SENSOR CIRCUIT"
, AT-261, "DTC P0720 VEHICLE SPEED SENSOR·A/T
(REVOLUTION SENSOR)" , AT-311, "DTC P0750
SHIFT SOLENOID VALVE A" , AT-316, "DTC P0755
SHIFT SOLENOID VALVE B" , or AT-340, "DTC VEHI-
CLE SPEED SENSOR·MTR" .
No >> GO TO 3.
3. CHECK THROTTLE POSITION SENSOR
Check throttle position sensor. Refer to EC-743, "DTC P0121 TP
SENSOR" (VG33E only) or EC-1350, "DTC P0121 TP SENSOR"
(VG33ER only).
OK or NG
OK >> GO TO 4.
NG >> Repair or replace throttle position sensor.
SAT363HA
AAT495A

TROUBLE DIAGNOSES FOR SYMPTOMS
AT-377
[RE4R01A]
D
E
F
G
H
I
J
K
L
M
A
B
AT
4. CHECK A/T FLUID CONDITION
1. Remove oil pan.
2. Check A/T fluid condition.
OK or NG
OK >> GO TO 5.
NG >> GO TO 7.
5. DETECT MALFUNCTIONING ITEM
1. Remove control valve assembly. Refer to AT-402, "REMOVAL" .
2. Check the following items:
–Shift valve B
–Overrun clutch control valve
–Shift solenoid valve B
–Pilot valve
–Pilot filter
OK or NG
OK >> GO TO 6.
NG >> Repair or replace damaged parts.
6. CHECK SYMPTOM
Check again.
OK or NG
OK >> INSPECTION END.
NG >> 1. Perform TCM input/output signal inspection.
2. If NG, recheck TCM pin terminals for damage or loose connection with harness connector.
7. DETECT MALFUNCTIONING ITEM
1. Remove control valve assembly. Refer to AT-402, "REMOVAL" .
2. Check the following items:
–Shift valve B
–Overrun clutch control valve
–Shift solenoid valve B
–Pilot valve
–Pilot filter
3. Disassemble A/T.
4. Check the following items:
–Servo piston assembly
–Brake band
–Torque converter
–Oil pump assembly
OK or NG
OK >> GO TO 6.
NG >> Repair or replace damaged parts.
SAT171B

AT-378
[RE4R01A]
TROUBLE DIAGNOSES FOR SYMPTOMS
12. A/T Does Not Perform Lock-up
ECS007OI
SYMPTOM:
●A/T does not perform lock-up at the specified speed.
1. CHECK SELF-DIAGNOSTIC RESULTS
Does self-diagnosis show damage to torque converter clutch sole-
noid valve circuit after Cruise Test?
Yes or No
Yes >> Check torque converter clutch solenoid valve circuit.
Refer to AT-293, "DTC P0740 TORQUE CONVERTER
CLUTCH SOLENOID VALVE" .
No >> GO TO 2.
2. CHECK THROTTLE POSITION SENSOR
Check throttle position sensor. Refer to EC-743, "DTC P0121 TP
SENSOR" (VG33E only) or EC-1350, "DTC P0121 TP SENSOR"
(VG33ER only).
OK or NG
OK >> GO TO 3.
NG >> Repair or replace throttle position sensor.
3. DETECT MALFUNCTIONING ITEM
1. Remove control valve. Refer to AT-402, "REMOVAL" .
2. Check following items:
–Torque converter clutch control valve
–Torque converter relief valve
–Torque converter clutch solenoid valve
–Pilot valve
–Pilot filter
OK or NG
OK >> GO TO 4.
NG >> Repair or replace damaged parts.
4. CHECK SYMPTOM
Check again.
OK or NG
OK >> INSPECTION END.
NG >> 1. Perform TCM input/output signal inspection.
2. If NG, recheck TCM pin terminals for damage or loose connection with harness connector.
SAT346H
AAT495A

TROUBLE DIAGNOSES FOR SYMPTOMS
AT-379
[RE4R01A]
D
E
F
G
H
I
J
K
L
M
A
B
AT
13. A/T Does Not Hold Lock-up Condition
ECS007OJ
SYMPTOM:
●A/T does not hold lock-up condition for more than 30 seconds.
1. CHECK DIAGNOSTIC RESULTS
Does self-diagnosis show damage to engine speed signal circuit
after Cruise Test?
Yes or No
Yes >> Check engine speed signal circuit. Refer to AT-266,
"DTC P0725 ENGINE SPEED SIGNAL" .
No >> GO TO 2.
2. CHECK A/T FLUID CONDITION
1. Remove oil pan.
2. Check A/T fluid condition.
OK or NG
OK >> GO TO 3.
NG >> GO TO 5.
3. DETECT MALFUNCTIONING ITEM
1. Remove control valve assembly. Refer to AT-402, "REMOVAL" .
2. Check the following items:
–Torque converter clutch control valve
–Pilot valve
–Pilot filter
OK or NG
OK >> GO TO 4.
NG >> Repair or replace damaged parts.
4. CHECK SYMPTOM
Check again.
OK or NG
OK >> INSPECTION END.
NG >> 1. Perform TCM input/output signal inspection.
2. If NG, recheck TCM pin terminals for damage or loose connection with harness connector.
SAT347H
SAT171B

AT-380
[RE4R01A]
TROUBLE DIAGNOSES FOR SYMPTOMS
5. DETECT MALFUNCTIONING ITEM
1. Remove control valve assembly. Refer to AT-402, "REMOVAL" .
2. Check the following items:
–Torque converter clutch control valve
–Pilot valve
–Pilot filter
3. Disassemble A/T.
4. Check torque converter and oil pump assembly.
OK or NG
OK >> GO TO 4.
NG >> Repair or replace damaged parts.

TROUBLE DIAGNOSES FOR SYMPTOMS
AT-381
[RE4R01A]
D
E
F
G
H
I
J
K
L
M
A
B
AT
14. Lock-up Is Not Released
ECS007OK
SYMPTOM:
●Lock-up is not released when accelerator pedal is released.
1. CHECK THROTTLE POSITION SWITCH CIRCUIT
With CONSULT
Does “TCM INPUT SIGNALS” in Data Monitor show damage to closed throttle position switch circuit?
Without CONSULT
Does self-diagnosis show damage to closed throttle position switch
circuit?
Yes or No
Yes >> Check closed throttle position switch circuit. Refer to AT-
321, "DTC P1705 THROTTLE POSITION SENSOR" .
No >> GO TO 2.
2. CHECK SYMPTOM
Check again.
OK or NG
OK >> INSPECTION END
NG >> 1. Perform TCM input/output signal inspection.
2. If NG, recheck TCM pin terminals for damage or loose connection with harness connector.
SAT367J

AT-382
[RE4R01A]
TROUBLE DIAGNOSES FOR SYMPTOMS
15. Engine Speed Does Not Return To Idle (Light Braking D4 → D3 )
ECS007OL
SYMPTOM:
● Engine speed does not smoothly return to idle when A/T shifts from D4 to D3 .
●Vehicle does not decelerate by engine brake when turning overdrive control switch OFF.
●Vehicle does not decelerate by engine brake when shifting A/T from D to 2 position.
1. CHECK SELF-DIAGNOSTIC RESULTS
Does self-diagnosis show damage to overrun clutch solenoid valve
circuit after Cruise Test?
Yes or No
Yes >> Check overrun clutch solenoid valve circuit. Refer to AT-
329, "DTC P1760 OVERRUN CLUTCH SOLENOID
VALVE" .
No >> GO TO 2.
2. CHECK THROTTLE POSITION SENSOR
Check throttle position sensor. Refer to EC-743, "DTC P0121 TP
SENSOR" (VG33E only) or EC-1350, "DTC P0121 TP SENSOR"
(VG33ER only).
OK or NG
OK >> GO TO 3.
NG >> Repair or replace throttle position sensor.
3. CHECK A/T FLUID CONDITION
1. Remove oil pan.
2. Check A/T fluid condition.
OK or NG
OK >> GO TO 4.
NG >> GO TO 6.
SAT348H
AAT495A
SAT171B

TROUBLE DIAGNOSES FOR SYMPTOMS
AT-383
[RE4R01A]
D
E
F
G
H
I
J
K
L
M
A
B
AT
4. DETECT MALFUNCTIONING ITEM
1. Remove control valve assembly. Refer to AT-402, "REMOVAL" .
2. Check the following items:
–Overrun clutch control valve
–Overrun clutch reducing valve
–Overrun clutch solenoid valve
OK or NG
OK >> GO TO 5.
NG >> Repair or replace damaged parts.
5. CHECK SYMPTOM
Check again.
OK or NG
OK >> INSPECTION END
NG >> 1. Perform TCM input/output signal inspection.
2. If NG, recheck TCM pin terminals for damage or loose connection with harness connector.
6. DETECT MALFUNCTIONING ITEM
1. Remove control valve assembly. Refer to AT-402, "REMOVAL" .
2. Check the following items:
–Overrun clutch control valve
–Overrun clutch reducing valve
–Overrun clutch solenoid valve
3. Disassemble A/T.
4. Check the following items:
–Overrun clutch assembly
–Oil pump assembly
OK or NG
OK >> GO TO 5.
NG >> Repair or replace damaged parts.
16. Vehicle Does Not Start From D1
ECS007OM
SYMPTOM:
●Vehicle does not start from D1 on Cruise Test — Part 2.
1. CHECK SELF-DIAGNOSTIC RESULTS
Does self-diagnosis show damage to vehicle speed sensor·A/T (rev-
olution sensor), shift solenoid valve A, B or vehicle speed sen-
sor·MTR after Cruise Test?
Yes or No
Yes >> Check damaged circuit. Refer to AT-261, "DTC P0720
VEHICLE SPEED SENSOR·A/T (REVOLUTION SEN-
SOR)" , AT-311, "DTC P0750 SHIFT SOLENOID VALVE
A" , AT-316, "DTC P0755 SHIFT SOLENOID VALVE B" ,
or AT-340, "DTC VEHICLE SPEED SENSOR·MTR" .
No >> GO TO 2.
SAT633I

TROUBLE DIAGNOSES FOR SYMPTOMS
AT-385
[RE4R01A]
D
E
F
G
H
I
J
K
L
M
A
B
AT
17. A/T Does Not Shift: D4 → D3 , When Overdrive Control Switch ON → OFF
ECS007ON
SYMPTOM:
●A/T does not shift from D4 to D3 when changing overdrive control switch to OFF position.
1. CHECK OVERDRIVE CONTROL SWITCH CIRCUIT
With CONSULT
Does “TCM INPUT SIGNALS” in Data Monitor show damage to overdrive control switch circuit?
Without CONSULT
Does self-diagnosis show damage to overdrive control switch cir-
cuit?
Yes or No
Yes >> Check overdrive control switch circuit. Refer to AT-389,
"DIAGNOSTIC PROCEDURE" .
No >> Go to AT-374, "10. A/T Does Not Shift: D2 → D3" .
SAT344H

AT-386
[RE4R01A]
TROUBLE DIAGNOSES FOR SYMPTOMS
18. A/T Does Not Shift: D3 → 22 , When Selector Lever D → 2 Position
ECS007OO
SYMPTOM:
●A/T does not shift from D3 to 22 when changing selector lever from D to 2 position.
1. CHECK PNP SWITCH CIRCUIT
With CONSULT
Does “TCM INPUT SIGNALS” in Data Monitor show damage to PNP switch circuit?
Without CONSULT
Does self-diagnosis show damage to PNP switch circuit?
Yes or No
Yes >> Check PNP switch circuit. Refer to AT-249, "DTC P0705
PARK/NEUTRAL POSITION (PNP) SWITCH" .
No >> Go to AT-372, "9. A/T Does Not Shift: D1 → D2 Or Does
Not Kickdown: D4 → D2" .
SAT367J

TROUBLE DIAGNOSES FOR SYMPTOMS
AT-387
[RE4R01A]
D
E
F
G
H
I
J
K
L
M
A
B
AT
19. A/T Does Not Shift: 22 → 11 , When Selector Lever 2 → 1 Position
ECS007OP
SYMPTOM:
●A/T does not shift from 22 to 11 when changing selector lever from 2 to 1 position.
1. CHECK PNP SWITCH CIRCUIT
With CONSULT
Does “TCM INPUT SIGNALS” in Data Monitor show damage to PNP switch circuit?
Without CONSULT
Does self-diagnosis show damage to PNP switch circuit?
Yes or No
Yes >> Check PNP switch circuit. Refer to AT-249, "DTC P0705
PARK/NEUTRAL POSITION (PNP) SWITCH" .
No >> GO TO 2.
2. CHECK SYMPTOM
Check again.
OK or NG
OK >> INSPECTION END.
NG >> 1. Perform TCM input/output signal inspection.
2. If NG, recheck TCM pin terminals for damage or loose
connection with harness connector.
20. Vehicle Does Not Decelerate By Engine Brake
ECS007OQ
SYMPTOM:
●Vehicle does not decelerate by engine brake when shifting from 22 (12 ) to 11 .
1. CHECK SYMPTOM
Is “6. Vehicle Does Not Creep Backward In R Position” OK?
Yes or No
Yes >> Go to AT-382, "15. Engine Speed Does Not Return To Idle (Light Braking D4 → D3 )" .
No >> Go to AT-364, "6. Vehicle Does Not Creep Backward In R Position" .
21. TCM Self-diagnosis Does Not Activate (PNP, Overdrive Control and Throttle
Position Switches Circuit Checks)
ECS007OR
SYMPTOM:
●O/D OFF indicator lamp does not come on in TCM self-diagnostic procedure even the lamp circuit
is good.
SAT367J
SAT778B

AT-388
[RE4R01A]
TROUBLE DIAGNOSES FOR SYMPTOMS
DESCRIPTION
●PNP switch
The PNP switch assembly includes a transmission range switch.
The transmission range switch detects the selector position and
sends a signal to the TCM.
●Overdrive control switch
Detects the overdrive control switch position (ON or OFF) and
sends a signal to the TCM.
●Throttle position switch
Consists of a wide open throttle position switch and a closed
throttle position switch.
The wide open position switch sends a signal to the TCM when
the throttle valve is open at least 1/2 of the full throttle position.
The closed throttle position switch sends a signal to the TCM
when the throttle valve is fully closed.
AAT478A
SAT341I
AAT495A

TROUBLE DIAGNOSES FOR SYMPTOMS
AT-389
[RE4R01A]
D
E
F
G
H
I
J
K
L
M
A
B
AT
DIAGNOSTIC PROCEDURE
NOTE:
The diagnostic procedure includes inspections for the overdrive control and throttle position switch circuits.
1. CHECK PNP SWITCH CIRCUIT (WITH CONSULT-II)
With CONSULT-II
1. Turn ignition switch to ON position.
(Do not start engine.)
2. Select “TCM INPUT SIGNALS” in “DATA MONITOR” mode for “A/T” with CONSULT-II.
3. Read out P, R, N, D, 2 and 1 position switches moving selector
lever to each position. Check the signal of the selector lever
position is indicated properly.
OK or NG
OK >> GO TO 3.
NG >> Check the following items:
●PNP switch
Refer to AT-393, "PNP Switch" .
●Harness for short or open between ignition switch and
PNP switch (Main harness)
●Harness for short or open between PNP switch and
TCM (Main harness)
2. CHECK PNP SWITCH CIRCUIT (WITHOUT CONSULT-II)
Without CONSULT-II
1. Turn ignition switch to ON position.
(Do not start engine.)
2. Check voltage between TCM terminals (26, 27, 34, 35, 36) and ground while moving selector lever
through each position.
Does battery voltage exist (B) or non-existent (0)?
Yes >> GO TO 3.
No >> Check the following items:
●PNP switch
Refer to AT-393, "PNP Switch" .
●Harness for short or open between ignition switch
and PNP switch (Main harness)
●Harness for short or open between PNP switch and
TCM (Main harness)
SAT701J
Lever Position Terminals
36 35 34 27 26
P, N B0000
R0B000
D00B00
2 0 00B0
10000B
LAT457

AT-390
[RE4R01A]
TROUBLE DIAGNOSES FOR SYMPTOMS
3. CHECK OVERDRIVE CONTROL SWITCH CIRCUIT
With CONSULT-II
1. Turn ignition switch to ON position.
(Do not start engine.)
2. Select “TCM INPUT SIGNALS” in “DATA MONITOR” mode for “A/T” with CONSULT-II.
3. Read out “OVERDRIVE SW”. Check the signal of the overdrive control switch is indicated properly.
(Overdrive control switch ON displayed on CONSULT-II means
overdrive OFF.)
Without CONSULT-II
1. Turn ignition switch to ON position.
(Do not start engine.)
2. Check voltage between TCM harness connector M77 terminal
22 and ground when overdrive control switch is ON and OFF.
OK or NG
OK (With CONSULT-II)>> GO TO 4.
OK (Without CONSULT-II)>> GO TO 5.
NG >> Check the following items:
●Overdrive control switch
Refer to AT-392, "Overdrive Control Switch" .
●Harness for short or open between TCM and overdrive control switch (Main harness)
●Harness for short or open of ground circuit for overdrive control switch (Main harness)
SAT645J
Voltage
Switch position ON : Battery voltage
Switch position OFF : 1V or less
AAT510A

TROUBLE DIAGNOSES FOR SYMPTOMS
AT-391
[RE4R01A]
D
E
F
G
H
I
J
K
L
M
A
B
AT
4. CHECK THROTTLE POSITION SWITCH CIRCUIT (WITH CONSULT-II)
With CONSULT-II
1. Turn ignition switch to ON position.
(Do not start engine.)
2. Select “TCM INPUT SIGNALS” in “DATA MONITOR” mode for “A/T” with CONSULT-II.
3. Read out “CLOSED THL/SW” and “W/O THRL/P-SW” depressing and releasing accelerator pedal.
Check the signal of throttle position switch is indicated properly.
OK or NG
OK >> GO TO 6.
NG >> Check the following items:
●Throttle position switch
Refer to AT-394, "Throttle Position Switch" .
●Harness for short or open between ignition switch and throttle position switch (Main harness)
●Harness for short or open between throttle position switch and TCM (Main harness)
Accelerator pedal condi-
tion
Data Monitor
CLOSED THL/SW W/O THRL/P-SW
Released ON OFF
Fully depressed OFF ON
SAT646J

AT-392
[RE4R01A]
TROUBLE DIAGNOSES FOR SYMPTOMS
5. CHECK THROTTLE POSITION SWITCH CIRCUIT (WITHOUT CONSULT-II)
Without CONSULT-II
1. Turn ignition switch to ON position.
(Do not start engine.)
2. Check voltage between TCM terminals (16, 17) and ground while depressing, and releasing accelerator
pedal slowly. (after warming up engine).
OK or NG
OK >> GO TO 6.
NG >> Check the following items:
●Throttle position switch
Refer to AT-394, "Throttle Position Switch" .
●Harness for short or open between ignition switch and throttle position switch (Main harness)
●Harness for short or open between throttle position switch and TCM (Main harness)
6. CHECK DTC
Perform diagnostic procedure. Refer to AT-389, "DIAGNOSTIC PROCEDURE" .
OK or NG
OK >> INSPECTION END.
NG >> 1. Perform TCM input/output signal inspection.
2. If NG, recheck TCM pin terminals for damage or loose connection with harness connector.
COMPONENT INSPECTION
Overdrive Control Switch
●Check continuity between terminals 5 and 6.
WAT337
Continuity
Switch position ON : No
Switch position OFF : Yes
AAT512A

TROUBLE DIAGNOSES FOR SYMPTOMS
AT-393
[RE4R01A]
D
E
F
G
H
I
J
K
L
M
A
B
AT
PNP Switch
1. Check continuity between terminals 1 and 2 and between termi-
nals 3 and (4, 5, 6, 7, 8, 9) while moving manual shaft through
each position.
2. If NG, check again with manual control linkage disconnected
from manual shaft of A/T assembly. Refer to step 1.
3. If OK on step 2, adjust manual control linkage. Refer to AT-406,
"Manual Control Linkage Adjustment" .
4. If NG on step 2, remove PNP switch from A/T and check conti-
nuity of PNP switch terminals. Refer to step 1.
5. If OK on step 4, adjust PNP switch. Refer to AT-405, "Park/Neu-
tral Position (PNP) Switch Adjustment" .
6. If NG on step 4, replace PNP switch.
Lever position P R N D 2 1
Terminal No. 1 - 2 3 - 5 1 - 2 3 - 7 3 - 8 3 - 9
3 - 4 3 - 6
SAT517GB
AAT482A
AAT551A
AAT481A

AT-394
[RE4R01A]
TROUBLE DIAGNOSES FOR SYMPTOMS
Throttle Position Switch
Closed Throttle Position Switch (Idle Position)
●Check continuity between terminals 4 and 5.
●To adjust closed throttle position switch, refer to EC-646
(VG33E only) or EC-1247 (VG33ER only), “Basic Inspection”.
Wide Open Throttle Position Switch
●Check continuity between terminals 5 and 6.
Accelerator pedal condition Continuity
Released Yes
Depressed No
AAT498A
Accelerator pedal condition Continuity
Released No
Depressed Yes
AAT499A

A/T SHIFT LOCK SYSTEM
AT-395
[RE4R01A]
D
E
F
G
H
I
J
K
L
M
A
B
AT
A/T SHIFT LOCK SYSTEM PFP:34950
Description
ECS007OS
●The mechanical key interlock mechanism also operates as a shift lock:
With the key switch turned to ON, the selector lever cannot be shifted from P (park) to any other position
unless the brake pedal is depressed.
With the key removed, the selector lever cannot be shifted from P to any other position.
The key cannot be removed unless the selector lever is placed in P.
●The shift lock and key interlock mechanisms are controlled by the ON-OFF operation of the shift lock sole-
noid and by the operation of the rotator and slider located inside the key cylinder, respectively.
SAT138JA

AT-396
[RE4R01A]
A/T SHIFT LOCK SYSTEM
Wiring Diagram — SHIFT —
ECS007OT
WCWA0112E

A/T SHIFT LOCK SYSTEM
AT-397
[RE4R01A]
D
E
F
G
H
I
J
K
L
M
A
B
AT
Diagnostic Procedure
ECS007OU
SYMPTOM 1:
●Selector lever cannot be moved from P position with key in ON position and brake pedal applied.
●Selector lever can be moved from P position with key in ON position and brake pedal released.
●Selector lever can be moved from P position when key is removed from key cylinder.
SYMPTOM 2:
●Ignition key cannot be removed when selector lever is set to P position. It can be removed when
selector lever is set to any position except P.
1. CHECK KEY INTERLOCK CABLE
Check key interlock cable for damage.
OK or NG
OK >> GO TO 2.
NG >> Repair key interlock cable. Refer to AT-400, "KEY INTERLOCK CABLE" .
2. CHECK SELECTOR LEVER POSITION
Check selector lever position for damage.
OK or NG
OK >> GO TO 3.
NG >> Check selector lever. Refer to AT-405, "Park/Neutral Position (PNP) Switch Adjustment" and AT-
406, "Manual Control Linkage Adjustment" .
3. CHECK POWER SOURCE
1. Turn ignition switch to ON position.
(Do not start engine.)
2. Check voltage between ASCD brake switch (shift lock brake
switch) harness terminal 1 and ground.
Does battery voltage exist?
Yes >> GO TO 4.
No >> Check the following items:
●Harness for short or open between battery and ASCD
brake switch (shift lock brake switch) harness terminal
1
●Fuse
●Ignition switch
Refer to PG-9, "POWER SUPPLY ROUTING" .
AAT513A

AT-398
[RE4R01A]
A/T SHIFT LOCK SYSTEM
4. CHECK INPUT SIGNAL (BRAKE SWITCH)
Turn ignition switch to ON position.
(Do not start engine.)
●Check voltage between A/T device harness connector M35 terminal 2 (GY) and ground.
OK or NG
OK >> GO TO 5.
NG >> Check the following items:
●Harness for short or open between A/T device harness connector 2 and ASCD brake switch
(shift lock brake switch) harness connector 2
●ASCD brake switch (shift lock brake switch)
Refer to AT-399, "ASCD BRAKE SWITCH (SHIFT LOCK BRAKE SWITCH)" .
5. CHECK GROUND CIRCUIT
1. Turn ignition switch to OFF position.
2. Disconnect A/T device harness connector.
3. Check continuity between A/T device harness terminal 1 and ground.
OK or NG
OK >> GO TO 6.
NG >> Repair harness or connector.
6. CHECK PARK POSITION SWITCH
Refer to AT-399, "PARK POSITION SWITCH" .
OK or NG
OK >> GO TO 7.
NG >> Replace park position switch.
Voltage
Brake pedal depressed : 0V
Brake pedal released : Battery voltage
LAT421
AAT515A

A/T SHIFT LOCK SYSTEM
AT-399
[RE4R01A]
D
E
F
G
H
I
J
K
L
M
A
B
AT
7. CHECK SHIFT LOCK SOLENOID
Refer to AT-399, "SHIFT LOCK SOLENOID" .
OK or NG
OK >> GO TO 8.
NG >> Replace shift lock solenoid.
8. CHECK SHIFT LOCK OPERATION
1. Reconnect shift lock harness connector.
2. Turn ignition switch from OFF to ON” position. (Do not start engine.)
3. Recheck shift lock operation.
OK or NG
OK >> INSPECTION END.
NG >> 1. Perform A/T device input/output signal inspection test.
2. If NG, recheck harness connector connection.
Component Check
ECS007OV
SHIFT LOCK SOLENOID
●Check operation by applying battery voltage between shift lock
solenoid connector terminals 1 and 3.
PARK POSITION SWITCH
●Check continuity between park position switch harness connec-
tor terminal 1 and A/T device harness connector terminal 1.
ASCD BRAKE SWITCH (SHIFT LOCK BRAKE SWITCH)
●Check continuity between ASCD brake switch (shift lock brake
switch) harness connector terminals 1 and 2.
Check ASCD brake switch (shift lock brake switch) after adjust-
ing brake pedal — refer to BR-8, "Adjustment" .
AAT516A
Condition Continuity
When selector lever is set in “P” position and selector
lever button is released Yes
Except above No
AAT517A
Condition Continuity
When brake pedal is depressed No
When brake pedal is released Yes
AAT518A

AT-400
[RE4R01A]
KEY INTERLOCK CABLE
KEY INTERLOCK CABLE PFP:34908
Components
ECS007OW
CAUTION:
●Install key interlock cable in such a way that it will not be damaged by sharp bends, twists or inter-
ference with adjacent parts.
●After installing key interlock cable to control device, make sure that casing cap and bracket are
firmly secured in their positions. If casing cap can be removed with an external load of less than
39.2 N (4.0 kg, 8.8 lb), replace key interlock cable with new one.
Removal
ECS007OX
Unlock slider from adjuster holder and remove rod from cable.
SAT352I
SAT353I

KEY INTERLOCK CABLE
AT-401
[RE4R01A]
D
E
F
G
H
I
J
K
L
M
A
B
AT
Installation
ECS007OY
1. Set key interlock cable to steering lock assembly and install lock
plate.
2. Clamp cable to steering column and fix to control cable with
band.
3. Set selector lever to P position.
4. Insert interlock rod into adjuster holder.
5. Install casing cap to bracket.
6. Move slider in order to fix adjuster holder to interlock rod.
SAT354I
SAT355I
SAT356I

AT-402
[RE4R01A]
ON-VEHICLE SERVICE
ON-VEHICLE SERVICE PFP:00000
Control Valve Assembly and Accumulators
ECS007OZ
REMOVAL
1. Drain ATF through drain plug.
2. Remove exhaust front tube.
3. Remove oil pan and gasket.
●Always replace oil pan bolts as they are self-sealing
bolts.
4. Remove A/T fluid temperature sensor if necessary.
5. Remove oil strainer.
6. Remove control valve assembly by removing fixing bolts and
disconnecting harness connector.
SAT359I
SAT073BA
SAT353B

ON-VEHICLE SERVICE
AT-403
[RE4R01A]
D
E
F
G
H
I
J
K
L
M
A
B
AT
Bolt length and location
7. Remove solenoids and valves from valve body if necessary.
8. Remove terminal cord assembly if necessary.
9. Remove accumulator A, B, C and D by applying compressed
air if necessary.
●Hold each piston with rag.
10. Reinstall any part removed.
●Always use new sealing parts.
●Always replace oil pan bolts as they are self-sealing bolts.
Revolution Sensor Replacement
ECS007P0
—4WD MODEL—
1. Remove rear engine mounting member from side member while supporting A/T with transfer case with
jack. Tighten rear engine mounting member to the specified torque. Refer to EM-129, "REMOVAL" .
2. Lower A/T with transfer case as much as possible.
3. Remove revolution sensor from A/T.
4. Reinstall any part removed.
●Always use new sealing parts.
—2WD MODEL—
●Remove revolution sensor from A/T.
●Always use new sealing parts.
Bolt symbol
mm (in)
A 33 (1.30)
B 45 (1.77)
SAT074BA
AAT565A
SAT661I

AT-404
[RE4R01A]
ON-VEHICLE SERVICE
Turbine Revolution Sensor Replacement (VG33ER only)
ECS007P1
1. Remove A/T assembly. Refer to AT-407, "Removal" .
2. Remove turbine revolution sensor from A/T assembly upper
side.
3. Reinstall any part removed.
●Always use new sealing parts.
Rear Oil Seal Replacement
ECS007P2
—4WD MODEL—
1. Remove transfer case from vehicle. Refer to TF-11, "Removal" .
2. Remove rear oil seal.
3. Install rear oil seal.
●Apply ATF before installing.
4. Reinstall any part removed.
—2WD MODEL—
1. Remove propeller shaft from vehicle. Refer to PR-8, "Removal
and Installation" .
2. Remove rear oil seal.
3. Install rear oil seal.
–Apply ATF before installing.
4. Reinstall any part removed.
SAT136K
SAT035E
SAT662I

ON-VEHICLE SERVICE
AT-405
[RE4R01A]
D
E
F
G
H
I
J
K
L
M
A
B
AT
Parking Components Inspection
ECS007P3
—4WD MODEL—
1. Remove propeller shaft. Refer to PR-8, "Removal and Installa-
tion" .
2. Remove transfer case from vehicle. Refer to TF-11, "Removal" .
3. Remove A/T control cable bracket from transmission case.
4. Support A/T assembly with a jack.
5. Remove adapter case from transmission case.
6. Replace parking components if necessary.
7. Reinstall any part removed.
●Always use new sealing parts.
—2WD MODEL—
1. Remove propeller shaft from vehicle. Refer to PR-8, "Removal and Installation" .
2. Support A/T assembly with jack.
3. Remove rear engine mounting member. Tighten rear engine mounting member to the specified torque.
Refer EM-129, "REMOVAL" .
4. Remove rear extension from transmission case.
5. Replace parking components if necessary.
6. Reinstall any part removed.
–Always use new sealing parts.
Park/Neutral Position (PNP) Switch Adjustment
ECS007P4
1. Remove manual control linkage from manual shaft of A/T
assembly.
2. Set manual shaft of A/T assembly in N position.
3. Loosen PNP switch fixing bolts.
4. Insert pin into adjustment holes in both PNP switch and manual
shaft of A/T assembly as near vertical as possible.
5. Reinstall any part removed.
6. Check continuity of PNP switch. Refer to AT-393, "PNP Switch" .
AAT564A
SAT078B
SAT081B

AT-406
[RE4R01A]
ON-VEHICLE SERVICE
Manual Control Linkage Adjustment
ECS007P5
Move selector lever from P position to 1 position. You should be able
to feel the detents in each position.
If the detents cannot be felt or the pointer indicating the position is
improperly aligned, the linkage needs adjustment.
1. Place selector lever in P position.
2. Loosen lock nuts.
3. Tighten turn buckle until it aligns with inner cable, pulling selec-
tor lever toward R position side without pushing button.
4. Back off turn buckle 1 turn and tighten lock nuts to the specified
torque.
5. Move selector lever from P position to 1 position. Make sure that
selector lever can move smoothly.
SAT361I
Lock nut
: 4.4 - 5.9 N·m (0.45 - 0.60 kg-m, 39.1 - 52.1 in-lb)
SAT032G

REMOVAL AND INSTALLATION
AT-407
[RE4R01A]
D
E
F
G
H
I
J
K
L
M
A
B
AT
REMOVAL AND INSTALLATION PFP:00000
Removal
ECS007P6
—4WD MODEL—
CAUTION:
When removing the A/T assembly from engine, first remove the crankshaft position sensor (OBD)
from the A/T assembly upper side. Be careful not to damage sensor edge.
NOTE:
To prevent oil spills, drain the A/T fluid before removing the A/T assembly, Refer
to MA-38, "Changing A/T Fluid" or insert a plug into the rear oil seal after removing the propeller shaft.
1. Remove battery negative terminal.
2. Remove exhaust front and rear tubes.
3. Remove fluid charging pipe from A/T assembly.
4. Remove oil cooler pipe from A/T assembly.
5. Plug up openings such as the fluid charging pipe hole, etc.
6. Remove propeller shaft. Refer to PR-6, "FRONT PROPELLER SHAFT" (front), PR-7, "REAR PROPEL-
LER SHAFT" (rear).
7. Remove transfer control linkage from transfer. Refer to TF-11, "Removal" .
●Insert plug into rear oil seal after removing rear propeller shaft.
●Be careful not to damage spline, sleeve yoke and rear oil seal.
8. Remove A/T control cable from A/T assembly.
9. Disconnect A/T, turbine revolution sensor (VG33ER only) and vehicle speed sensor harness connectors.
10. Remove the starter motor.SC-25, "Removal and Installation" .
11. Remove the gusset and the rear plate securing engine to A/T assembly.
12. Remove bolts securing torque converter to drive plate.
●Remove the bolts by turning crankshaft.
AAT563A
SAT800C

AT-408
[RE4R01A]
REMOVAL AND INSTALLATION
13. Support A/T and transfer assembly with a jack.
14. Remove rear engine mounting member from body and A/T
assembly. Refer to EM-129, "REMOVAL" .
15. Remove bolts securing A/T assembly to engine.
16. Lower A/T assembly with transfer.
—2WD MODEL—
1. Remove battery negative terminal.
2. Remove exhaust front and rear tubes.
3. Remove fluid charging pipe from A/T assembly.
4. Remove oil cooler pipe from A/T assembly.
5. Plug up openings such as the fluid charging pipe hole, etc.
6. Remove propeller shaft. Refer to PR-7, "REAR PROPELLER
SHAFT" .
–Insert plug into rear oil seal after removing rear propeller
shaft.
–Be careful not to damage spline, sleeve yoke and rear oil
seal.
7. Remove A/T control cable from A/T assembly.
8. Disconnect A/T, turbine revolution sensor (VG33ER only) and vehicle speed sensor harness connectors.
9. Remove starter motor.SC-25, "Removal and Installation" .
10. Remove the gusset and the rear plate securing engine to A/T assembly.
11. Remove bolts securing torque converter to drive plate.
–Remove the bolts by turning crankshaft.
12. Support A/T assembly with a jack.
13. Remove rear engine mounting member from body and A/T assembly. Refer to EM-129, "REMOVAL" .
14. Remove bolts securing A/T assembly to engine.
15. Pull A/T assembly backwards.
–Secure torque converter to prevent it from dropping.
–Secure A/T assembly to a jack.
16. Lower A/T assembly.
Installation
ECS007P7
● Drive plate runout
If this runout is out of specification, replace drive plate with ring
gear.
SAT801C
SAT663I
Maximum allowable
runout
: Refer to EM-140, "FLY-
WHEEL/DRIVE PLATE
RUNOUT" .
SAT977H

REMOVAL AND INSTALLATION
AT-409
[RE4R01A]
D
E
F
G
H
I
J
K
L
M
A
B
AT
●When connecting torque converter to transmission, measure
distance “A” to be certain that they are correctly assembled.
●Install converter to drive plate.
●After converter is installed to drive plate, rotate crankshaft
several turns and check to be sure that transmission
rotates freely without binding.
●Tighten bolts securing transmission.
●Reinstall any part removed.
●Check fluid level in transmission.
●Move selector lever through all positions to be sure that trans-
mission operates correctly.
With parking brake applied, rotate engine at idling. Move selec-
tor lever through N to D, to 2, to 1 and to R positions. A slight
shock should be felt by hand gripping selector each time trans-
mission is shifted.
●Perform road test. Refer to “AT-216, "Road Test" .
Distance “A”
VG33E : 26.0 mm (1.024 in) or more
VG33ER : 25.0 mm (0.984 in) or more
SAT017B
SAT006G
Bolt No. Tightening torque
N·m (kg-m, ft-lb)
Bolt length
“$$$Use Symbol
(litre)$$$”
mm (in)
1 39 - 49 (4.0 - 5.0, 29 - 36) 47.5 (1.870)
2 39 - 49 (4.0 - 5.0, 29 - 36) 58.0 (2.283)
3 29 - 39 (3.0 - 4.0, 22 - 29) 25.0 (0.984)
Gusset to engine 29 - 39 (3.0 - 4.0, 22 - 29) 20.0 (0.787)
SAT553H
SAT638A

AT-410
[RE4R01A]
OVERHAUL
OVERHAUL PFP:00000
Components
ECS007P8
WAT515

OVERHAUL
AT-411
[RE4R01A]
D
E
F
G
H
I
J
K
L
M
A
B
AT
WAT499

AT-412
[RE4R01A]
OVERHAUL
Oil Channel
ECS007P9
LCIA0274E

OVERHAUL
AT-413
[RE4R01A]
D
E
F
G
H
I
J
K
L
M
A
B
AT
Locations of Needle Bearings, Thrust Washers and Snap Rings
ECS007PA
WAT378

AT-414
[RE4R01A]
OVERHAUL
Disassembly
ECS007PB
1. Drain ATF through drain plug.
2. Remove turbine revolution sensor (VG33ER only).
3. Remove torque converter by holding it firmly and turning while
pulling straight out.
4. Check torque converter one-way clutch.
a. Insert Tool into spline of one-way clutch inner race.
b. Hook bearing support unitized with one-way clutch outer race
with suitable wire.
c. Check that one-way clutch inner race rotates only clockwise with
Tool while holding bearing support with wire.
5. Remove park/neutral position (PNP) switch from transmission
case.
6. Remove oil pan.
●Always place oil pan straight down so that foreign particles
inside will not move.
●Always replace oil pan bolts as they are self-sealing bolts.
SAT018B
SAT521G
AAT562A
SAT754I

OVERHAUL
AT-415
[RE4R01A]
D
E
F
G
H
I
J
K
L
M
A
B
AT
7. Place transmission into Tool with the control valve facing up.
8. Check foreign materials in oil pan to help determine cause of
malfunction. If the fluid is very dark, smells burned, or contains
foreign particles, the frictional material (clutches, band) may
need replacement. A tacky film that will not wipe clean indicates
varnish build up. Varnish can cause valves, servo, and clutches
to stick and may inhibit pump pressure.
●If frictional material is detected, replace radiator after repair
of A/T. Refer to CO-30, "Removal and Installation" .
9. Remove torque converter clutch solenoid valve and A/T fluid
temperature sensor connectors.
●Be careful not to damage connector.
10. Remove oil strainer.
a. Remove oil strainer from control valve assembly.
Then remove O-ring from oil strainer.
SAT522G
SAT171B
AAT561A
SAT008B

AT-416
[RE4R01A]
OVERHAUL
b. Check oil strainer screen for damage.
11. Remove control valve assembly.
a. Straighten terminal clips to free terminal cords then remove ter-
minal clips.
b. Remove bolts A and B, and remove control valve assembly from
transmission.
c.
Remove solenoid connector.
●Be careful not to damage connector.
SAT025B
SAT009B
Bolt symbol Length mm (in)
A 33 (1.30)
B 45 (1.77)
SAT353B
SAT026B

OVERHAUL
AT-417
[RE4R01A]
D
E
F
G
H
I
J
K
L
M
A
B
AT
d. Remove manual valve from control valve assembly.
12. Remove terminal cord assembly from transmission case while
pushing on stopper.
●Be careful not to damage cord.
●Do not remove terminal cord assembly unless it is dam-
aged.
13. Remove converter housing from transmission case.
●Be careful not to scratch converter housing.
14. Remove O-ring from input shaft.
SAT127B
SAT128B
SAT999A
SAT995A

AT-418
[RE4R01A]
OVERHAUL
15. Remove oil pump assembly.
a. Attach Tool to oil pump assembly and extract it evenly from
transmission case.
b. Remove O-ring from oil pump assembly.
c. Remove traces of sealant from oil pump housing.
●Be careful not to scratch pump housing.
d. Remove needle bearing and thrust washer from oil pump
assembly.
16. Remove input shaft and oil pump gasket.
SAT027B
SAT028B
SAT108B
SAT988A

OVERHAUL
AT-419
[RE4R01A]
D
E
F
G
H
I
J
K
L
M
A
B
AT
17. Remove brake band and band strut.
a. Loosen lock nut and remove band servo anchor end pin from
transmission case.
b. Remove brake band and band strut from transmission case.
c. Hold brake band in a circular shape with clip.
18. Remove front side clutch and gear components.
a. Remove clutch pack (reverse clutch, high clutch and front sun
gear) from transmission case.
b. Remove front bearing race from clutch pack.
c. Remove rear bearing race from clutch pack.
SAT029B
SAT986A
SAT655
SAT030B
SAT113B

AT-420
[RE4R01A]
OVERHAUL
d. Remove front planetary carrier from transmission case.
e. Remove front needle bearing from front planetary carrier.
f. Remove rear bearing from front planetary carrier.
g. Remove rear sun gear from transmission case.
19. Remove rear extension or adapter case.
a. Remove rear extension or adapter case from transmission case.
b. Remove rear extension or adapter case gasket from transmis-
sion case.
SAT031B
SAT968A
SAT974A
SAT716C

OVERHAUL
AT-421
[RE4R01A]
D
E
F
G
H
I
J
K
L
M
A
B
AT
c. Remove oil seal from adapter case or rear extension.
●Do not remove oil seal unless it is to be replaced.
d. Remove revolution sensor from adapter case or rear extension.
e. Remove O-ring from revolution sensor.
20. Remove output shaft and parking gear.
a. Remove rear snap ring from output shaft.
b. Slowly push output shaft all the way forward.
●Do not use excessive force.
c. Remove snap ring from output shaft.
d. Remove output shaft and parking gear as a unit from transmis-
sion case.
e. Remove parking gear from output shaft.
SAT146GA
SAT147G
SAT960A
SAT957A
SAT109B

AT-422
[RE4R01A]
OVERHAUL
f. Remove needle bearing from transmission case.
21. Remove rear side clutch and gear components.
a. Remove front internal gear.
b. Remove bearing race from front internal gear.
c. Remove needle bearing from rear internal gear.
d. Remove rear internal gear, forward clutch hub and overrun
clutch hub as a set from transmission case.
SAT033B
SAT954A
SAT110B
SAT111B
SAT951A

OVERHAUL
AT-423
[RE4R01A]
D
E
F
G
H
I
J
K
L
M
A
B
AT
e. Remove needle bearing from overrun clutch hub.
f. Remove overrun clutch hub from rear internal gear and forward
clutch hub.
g. Remove thrust washer from overrun clutch hub.
h. Remove forward clutch assembly from transmission case.
22. Remove band servo and accumulator components.
a. Remove band servo retainer from transmission case.
b. Apply compressed air to oil hole until band servo piston comes
out of transmission case.
●Hold piston with a rag and gradually direct air to oil hole.
c. Remove return springs.
SAT148G
SAT036B
SAT037B
SAT038B
SAT039B

AT-424
[RE4R01A]
OVERHAUL
d. Remove springs from accumulator pistons B, C and D.
e. Apply compressed air to each oil hole until piston comes out.
●Hold piston with a rag and gradually direct air to oil hole.
f. Remove O-ring from each piston.
23. Remove manual shaft components, if necessary.
a. Hold width across flats of manual shaft (outside the transmission
case) and remove lock nut from shaft.
b. Remove retaining pin from transmission case.
c. While pushing detent spring down, remove manual plate and
parking rod from transmission case.
Identification of accumulator pistons A B C D
Identification of oil holes a b c d
SAT040BA
SAT523GA
SAT041B
SAT042B
SAT935A

OVERHAUL
AT-425
[RE4R01A]
D
E
F
G
H
I
J
K
L
M
A
B
AT
d. Remove manual shaft from transmission case.
e. Remove spacer and detent spring from transmission case.
f. Remove oil seal from transmission case.
SAT043B
SAT934A
SAT044B

AT-426
[RE4R01A]
OIL PUMP
OIL PUMP PFP:15010
Components
ECS007PC
Disassembly
ECS007PD
1. Loosen bolts in numerical order and remove oil pump cover.
2. Remove rotor, vane rings and vanes.
●Inscribe a mark on back of rotor for identification of fore-aft
direction when reassembling rotor. Then remove rotor.
WAT379
SAT649A
SAT650A

OIL PUMP
AT-427
[RE4R01A]
D
E
F
G
H
I
J
K
L
M
A
B
AT
3. While pushing on cam ring remove pivot pin.
●Be careful not to scratch oil pump housing.
4. While holding cam ring and spring lift out cam ring spring.
●Be careful not to damage oil pump housing.
●Hold cam ring spring to prevent it from jumping.
5. Remove cam ring and cam ring spring from oil pump housing.
6. Remove pivot pin from control piston and remove control piston
assembly.
7. Remove oil seal from oil pump housing.
●Be careful not to scratch oil pump housing.
SAT651A
SAT652A
SAT653A
SAT654A
SAT655A

AT-428
[RE4R01A]
OIL PUMP
Inspection
ECS007PE
OIL PUMP COVER, ROTOR, VANES, CONTROL PISTON, SIDE SEALS, CAM RING AND FRIC-
TION RING
●Check for wear or damage.
SIDE CLEARANCES
●Measure side clearances between end of oil pump housing and
cam ring, rotor, vanes and control piston. Measure in at least
four places along their circumferences. Maximum measured val-
ues should be within specified positions.
●Before measurement, check that friction rings, O-ring, con-
trol piston side seals and cam ring spring are removed.
●If not within standard clearance, replace oil pump assembly
except oil pump cover assembly.
SEAL RING CLEARANCE
●Measure clearance between seal ring and ring groove.
●If not within wear limit, replace oil pump cover assembly.
Assembly
ECS007PF
1. Drive oil seal into oil pump housing.
●Apply ATF to outer periphery and lip surface.
SAT656A
Standard clearance
(Cam ring, rotor, vanes
and control piston)
: Refer to AT-500, "Oil
Pump and Low One-way
Clutch" .
SAT657A
Standard clearance : 0.10 - 0.25 mm (0.0039 -
0.0098 in)
Wear limit : 0.25 mm (0.0098 in)
SAT658A
SAT081E

OIL PUMP
AT-429
[RE4R01A]
D
E
F
G
H
I
J
K
L
M
A
B
AT
2. Install cam ring in oil pump housing as follows:
a. Install side seal on control piston.
●Pay attention to its direction — Black surface goes
toward control piston.
●Apply petroleum jelly to side seal.
b. Install control piston on oil pump.
c. Install O-ring and friction ring on cam ring.
●Apply petroleum jelly to O-ring.
d. Assemble cam ring, cam ring spring and spring seat. Install
spring by pushing it against pump housing.
e. While pushing on cam ring install pivot pin.
3. Install rotor, vanes and vane rings.
●Pay attention to direction of rotor.
SAT654A
SAT660A
SAT661A
SAT651A
SAT662A

AT-430
[RE4R01A]
OIL PUMP
4. Install oil pump housing and oil pump cover.
a. Wrap masking tape around splines of oil pump cover assembly
to protect seal. Position oil pump cover assembly in oil pump
housing assembly, then remove masking tape.
b. Tighten bolts in a crisscross pattern.
5. Install new seal rings carefully after packing ring grooves with
petroleum jelly. Press rings down into jelly to a close fit.
●Seal rings come in two different diameters. Check fit care-
fully in each groove.
●Do not spread gap of seal ring excessively while installing.
It may deform ring.
SAT649A
Small dia. seal ring : No mark
Large dia. seal ring : Yellow mark in area
shown by arrow
SAT663A

CONTROL VALVE ASSEMBLY
AT-431
[RE4R01A]
D
E
F
G
H
I
J
K
L
M
A
B
AT
CONTROL VALVE ASSEMBLY PFP:31705
Components
ECS007PG
LCIA0275E

AT-432
[RE4R01A]
CONTROL VALVE ASSEMBLY
Disassembly
ECS007PH
1. Remove solenoids.
a. Remove torque converter clutch solenoid valve and side plate
from lower body.
b. Remove O-ring from solenoid.
c. Remove line pressure solenoid valve from upper body.
d. Remove O-ring from solenoid.
e. Remove 3-unit solenoid assembly from upper body.
f. Remove O-rings from solenoids.
2. Disassemble upper and lower bodies.
a. Place upper body face down, and remove bolts, reamer bolts,
side plate and support plates.
b. Remove lower body and separator plate as a unit from upper
body.
●Be careful not to drop pilot filter, orifice check valve,
spring and steel balls.
SAT194B
SAT667A
SAT043G
SAT195B

CONTROL VALVE ASSEMBLY
AT-433
[RE4R01A]
D
E
F
G
H
I
J
K
L
M
A
B
AT
c. Place lower body face down, and remove separator plate.
d. Remove pilot filter, orifice check valve and orifice check spring.
e. Check to see that steel balls are properly positioned in upper
body. Then remove them from upper body.
Inspection
ECS007PI
LOWER AND UPPER BODIES
●Check to see that there are pins and retainer plates in lower
body.
●Check to see that there are pins and retainer plates in upper
body.
●Be careful not to lose these parts.
SAT670A
SAT671A
SAT672A
SAT673A

AT-434
[RE4R01A]
CONTROL VALVE ASSEMBLY
●Check to make sure that oil circuits are clean and free from
damage.
●Check tube brackets and tube connectors for damage.
SEPARATOR PLATE
●Make sure that separator plate is free of damage and not
deformed and oil holes are clean.
PILOT FILTER
●Check to make sure that filter is not clogged or damaged.
TORQUE CONVERTER CLUTCH SOLENOID VALVE
●Check that filter is not clogged or damaged.
●Measure resistance. Refer to AT-297, "TORQUE CONVERTER
CLUTCH SOLENOID VALVE" .
LINE PRESSURE SOLENOID VALVE
●Check that filter is not clogged or damaged.
●Measure resistance. Refer to AT-310, "LINE PRESSURE SOLENOID VALVE" .
SAT674A
SAT675A
SAT676A
SAT149G

CONTROL VALVE ASSEMBLY
AT-435
[RE4R01A]
D
E
F
G
H
I
J
K
L
M
A
B
AT
3-UNIT SOLENOID ASSEMBLY (OVERRUN CLUTCH SOLENOID VALVE AND SHIFT SOLE-
NOID VALVES A AND B)
●Measure resistance of each solenoid. Refer to AT-333, "OVER-
RUN CLUTCH SOLENOID VALVE" , AT-315, "SHIFT SOLE-
NOID VALVE A" , AT-320, "SHIFT SOLENOID VALVE B" .
A/T FLUID TEMPERATURE SENSOR
●Measure resistance. Refer to AT-339, "A/T FLUID TEMPERA-
TURE SENSOR" .
Assembly
ECS007PJ
1. Install upper and lower bodies.
a. Place oil circuit of upper body face up. Install steel balls in their
proper positions.
b. Install reamer bolts from bottom of upper body.
SAT095B
SAT196BA
SAT671A
SAT681A

AT-436
[RE4R01A]
CONTROL VALVE ASSEMBLY
c. Place oil circuit of lower body face up. Install orifice check
spring, orifice check valve and pilot filter.
d. Install separator plate on lower body.
e. Install and temporarily tighten support plates, fluid temperature
sensor and tube brackets.
f. Temporarily assemble lower and upper bodies, using reamer
bolt as a guide.
●Be careful not to dislocate or drop steel balls, orifice
check spring, orifice check valve and pilot filter.
g. Install and temporarily tighten bolts and tube brackets in their
proper locations.
SAT682A
SAT197B
SAT198B
SAT199BA

CONTROL VALVE ASSEMBLY
AT-437
[RE4R01A]
D
E
F
G
H
I
J
K
L
M
A
B
AT
Bolt length and location:
2. Install solenoids.
a. Attach O-ring and install torque converter clutch solenoid valve
and side plates onto lower body.
b. Attach O-rings and install 3-unit solenoids assembly onto upper
body.
c. Attach O-ring and install line pressure solenoid valve onto upper
body.
3. Tighten all bolts.
Bolt symbol a b c d
Bolt length mm (in) 70 (2.76) 50 (1.97) 33 (1.30) 27 (1.06)
SAT200B
SAT150G

CONTROL VALVE UPPER BODY
AT-439
[RE4R01A]
D
E
F
G
H
I
J
K
L
M
A
B
AT
Disassembly
ECS007PL
1. Remove valves at parallel pins.
●Do not use a magnetic hand.
a. Use a wire paper clip to push out parallel pins.
b. Remove parallel pins while pressing their corresponding plugs
and sleeves.
●Remove plug slowly to prevent internal parts from jump-
ing out.
c. Place mating surface of valve face down, and remove internal
parts.
●If a valve is hard to remove, place valve body face down
and lightly tap it with a soft hammer.
●Be careful not to drop or damage valves and sleeves.
SAT834A
SAT822A
SAT823A
SAT824A

AT-440
[RE4R01A]
CONTROL VALVE UPPER BODY
2. Remove valves at retainer plates.
a. Pry out retainer plate with wire paper clip.
b. Remove retainer plates while holding spring.
c. Place mating surface of valve face down, and remove internal
parts.
●If a valve is hard to remove, lightly tap valve body with a
soft hammer.
●Be careful not to drop or damage valves, sleeves, etc.
●4-2 sequence valve and relay valve are located far back in
upper body. If they are hard to remove, carefully push them
out using stiff wire.
●Be careful not to scratch sliding surface of valve with
wire.
Inspection
ECS007PM
SAT825A
SAT826A
SAT827A
SAT828A
SAT829A

CONTROL VALVE UPPER BODY
AT-441
[RE4R01A]
D
E
F
G
H
I
J
K
L
M
A
B
AT
VALVE SPRINGS
●Measure free length and outer diameter of each valve spring. Also check for damage or deformation.
●Replace valve springs if deformed or fatigued.
CONTROL VALVES
●Check sliding surfaces of valves, sleeves and plugs.
Assembly
ECS007PN
1. Lubricate the control valve body and all valves with ATF. Install
control valves by sliding them carefully into their bores.
●Be careful not to scratch or damage valve body.
●Wrap a small screwdriver with vinyl tape and use it to insert
the valves into proper position.
Pressure regulator valve
●If pressure regulator plug is not centered properly, sleeve cannot
be inserted into bore in upper body. If this happens, use vinyl
tape wrapped screwdriver to center sleeve until it can be
inserted.
●Turn sleeve slightly while installing.
Accumulator control plug
●Align protrusion of accumulator control sleeve with notch in plug.
●Align parallel pin groove in plug with parallel pin, and install
accumulator control valve.
2. Install parallel pins and retainer plates.
Inspection standard : Refer to AT-497, "Return
Springs" .
SAT830A
SAT831ASAT832A
SAT833A
SAT834A

AT-442
[RE4R01A]
CONTROL VALVE UPPER BODY
●While pushing plug, install parallel pin.
4-2 sequence valve and relay valve
●Push 4-2 sequence valve and relay valve with wire wrapped in
vinyl tape to prevent scratching valve body. Install parallel pins.
●Insert retainer plate while pushing spring.
SAT823ASAT835A
SAT836A

AT-444
[RE4R01A]
CONTROL VALVE LOWER BODY
Disassembly
ECS007PP
1. Remove valves at parallel pins.
2. Remove valves at retainer plates.
For removal procedures, refer to “DISASSEMBLY” of control
valve upper body.
Inspection
ECS007PQ
VALVE SPRINGS
● Check each valve spring for damage or deformation. Also mea-
sure free length and outer diameter.
●Replace valve springs if deformed or fatigued.
CONTROL VALVES
●Check sliding surfaces of control valves, sleeves and plugs for damage.
Assembly
ECS007PR
●Install control valves.
For installation procedures, refer to AT-478, "ASSEMBLY" .
SAT838A
Inspection standard : Refer to AT-497, "Return
Springs" .
SAT829A
SAT838A

REVERSE CLUTCH
AT-445
[RE4R01A]
D
E
F
G
H
I
J
K
L
M
A
B
AT
REVERSE CLUTCH PFP:31510
Components
ECS007PS
Disassembly
ECS007PT
1. Check operation of reverse clutch.
a. Install seal ring onto oil pump cover and install reverse clutch.
Apply compressed air to oil hole.
b. Check to see that retaining plate moves to snap ring.
c. If retaining plate does not contact snap ring:
●D-ring might be damaged.
●Oil seal might be damaged.
●Fluid might be leaking past piston check ball.
LCIA0276E
SAT841A

AT-446
[RE4R01A]
REVERSE CLUTCH
2. Remove drive plates, driven plates, retaining plate, dish plate
and snap ring.
3. Remove snap ring from clutch drum while compressing clutch
spring(s).
●Do not expand snap ring excessively.
4. Remove spring retainer and return spring.
5. Install seal ring onto oil pump cover and install reverse clutch
drum. While holding piston, gradually apply compressed air to
oil hole until piston is removed.
●Do not apply compressed air abruptly.
6. Remove D-ring and oil seal from piston.
Inspection
ECS007PU
REVERSE CLUTCH SNAP RING AND SPRING RETAINER
●Check for deformation, fatigue or damage.
REVERSE CLUTCH RETURN SPRINGS (VG33E ONLY)
●Check for deformation or damage. Also measure free length and
outside diameter.
SAT842A
SAT524G
SAT844A
Inspection standard : Refer to AT-497, "Return
Springs" .
SAT829A

REVERSE CLUTCH
AT-447
[RE4R01A]
D
E
F
G
H
I
J
K
L
M
A
B
AT
REVERSE CLUTCH DRIVE PLATES
●Check facing for burns, cracks or damage.
●Measure thickness of facing.
●If not within wear limit, replace.
REVERSE CLUTCH DISH PLATE
●Check for deformation or damage.
REVERSE CLUTCH PISTON
●Shake piston to assure that balls are not seized.
●Apply compressed air to check ball oil hole opposite the return
spring. Make sure there is no air leakage.
●Also apply compressed air to oil hole on return spring side to
assure that air leaks past ball.
Assembly
ECS007PV
1. Install D-ring and oil seal on piston.
●Apply ATF to both parts.
2. Install piston assembly by turning it slowly and evenly.
●Apply ATF to inner surface of drum.
Thickness of drive
plate
Standard value : 1.90 - 2.05 mm (0.0748 -
0.0807 in)
Wear limit : 1.80 mm (0.0709 in)
SAT845A
SAT846A
SAT847A
SAT848A

AT-448
[RE4R01A]
REVERSE CLUTCH
3. Install return springs and spring retainer (VG33E only) or spring
retainer (VG33ER only).
4. Install snap ring while compressing clutch springs.
●Do not align snap ring gap with spring retainer stopper.
5. Install drive plates, driven plates, retaining plate and dish plate.
6. Install snap ring.
SAT849A
SAT524G
SAT850A
SAT842A

REVERSE CLUTCH
AT-449
[RE4R01A]
D
E
F
G
H
I
J
K
L
M
A
B
AT
7. Measure clearance between retaining plate and snap ring. If not
within allowable limit, select proper retaining plate.
8. Check operation of reverse clutch.
Refer to AT-445, "Disassembly" .
Specified clearance
Standard : 0.5 - 0.8 mm (0.020 -
0.031 in)
Allowable limit : 1.2 mm (0.047 in)
Retaining plate : Refer to AT-498,
"REVERSE CLUTCH" .
SAT852A
SAT841A

AT-450
[RE4R01A]
HIGH CLUTCH
HIGH CLUTCH PFP:31410
Components
ECS007PW
Disassembly and Assembly
ECS007PX
Service procedures for high clutch are essentially the same as those
for reverse clutch, with the following exception:
LAT437
SAT853A

HIGH CLUTCH
AT-451
[RE4R01A]
D
E
F
G
H
I
J
K
L
M
A
B
AT
●Check of high clutch operation
●Removal and installation of return spring
●Inspection of high clutch return springs
●Inspection of high clutch drive plate
SAT854A
SAT525G
Inspection standard : Refer to AT-497, "Return
Springs" .
SAT829A
Thickness of drive plate
Standard : 1.52 - 1.67 mm (0.0598 -
0.0657 in)
Wear limit : 1.40 mm (0.0551 in)
SAT845A

FORWARD AND OVERRUN CLUTCHES
AT-453
[RE4R01A]
D
E
F
G
H
I
J
K
L
M
A
B
AT
FORWARD AND OVERRUN CLUTCHES PFP:31570
Components
ECS007PY
LCIA0261E

AT-454
[RE4R01A]
FORWARD AND OVERRUN CLUTCHES
Disassembly and Assembly
ECS007PZ
Forward and overrun clutches are serviced essentially the same way
as reverse clutch is serviced. However, note the following excep-
tions.
●Check of forward clutch operation
●Check of overrun clutch operation
●Removal of forward clutch drum
Remove forward clutch drum from transmission case by holding
snap ring.
●Removal of forward clutch and overrun clutch pistons
–While holding overrun clutch piston, gradually apply com-
pressed air to oil hole.
SAT860A
SAT861A
SAT865A
SAT862A

FORWARD AND OVERRUN CLUTCHES
AT-455
[RE4R01A]
D
E
F
G
H
I
J
K
L
M
A
B
AT
–Remove overrun clutch from forward clutch.
●Removal and installation of return springs
●Inspection of forward clutch and overrun clutch return springs
●Inspection of forward clutch drive plates
SAT863A
SAT526G
Inspection standard : Refer to AT-497, "Return
Springs" .
SAT829A
Thickness of drive plate
Standard : 1.52 - 1.67 mm (0.0598 - 0.0657 in)
Wear limit : 1.40 mm (0.0551 in)
SAT845A

AT-456
[RE4R01A]
FORWARD AND OVERRUN CLUTCHES
●Inspection of overrun clutch drive plates
●Installation of forward clutch piston and overrun clutch piston
–Install forward clutch piston by turning it slowly and evenly.
•Apply ATF to inner surface of clutch drum.
•Align notch in forward clutch piston with groove in forward
clutch drum.
–Install overrun clutch by turning it slowly and evenly.
•Apply ATF to inner surface of forward clutch piston.
Thickness of drive plate
Standard : 1.90 - 2.05 mm (0.0748 - 0.0807 in)
Wear limit : 1.80 mm (0.0709 in)
SAT845A
SAT866A
SAT867A
SAT868A

FORWARD AND OVERRUN CLUTCHES
AT-457
[RE4R01A]
D
E
F
G
H
I
J
K
L
M
A
B
AT
●Measurement of clearance between retaining plate and snap
ring of overrun clutch
●Measurement of clearance between retaining plate and snap
ring of forward clutch
Specified clearance
Standard : 1.0 - 1.4 mm (0.039 - 0.055 in)
Allowable limit : 2.4 mm (0.094 in)
Retaining plate : Refer to AT-499, "FORWARD
CLUTCH" .
Specified clearance
Standard : 0.35 - 0.75 mm (0.0138 - 0.0295 in)
Allowable limit
VG33E only
Model 4FX17 (2WD) : 2.15 mm (0.085 in)
Model 4FX18 (4WD) : 2.15 mm (0.085 in)
VG33ER only
Model 4FX19 (2WD) : 2.15 mm (0.085 in)
Model 4FX20 (4WD) : 2.35 mm (0.093 in)
Retaining plate : Refer to AT-499, "FORWARD
CLUTCH" .
SAT869A
SAT870A

AT-458
[RE4R01A]
LOW & REVERSE BRAKE
LOW & REVERSE BRAKE PFP:31645
Components
ECS007Q0
Disassembly
ECS007Q1
1. Check operation of low and reverse brake.
a. Install seal ring onto oil pump cover and install reverse clutch.
Apply compressed air to oil hole.
b. Check to see that retaining plate moves to snap ring.
c. If retaining plate does not contact snap ring:
●D-ring might be damaged.
●Oil seal might be damaged.
●Fluid might be leaking past piston check ball.
2. Remove snap ring, low and reverse brake drive plates, driven
plates and dish plate.
LAT423
SAT872A
SAT873A

LOW & REVERSE BRAKE
AT-459
[RE4R01A]
D
E
F
G
H
I
J
K
L
M
A
B
AT
3. Remove low one-way clutch inner race, spring retainer and
return spring from transmission case.
4. Remove seal rings from low one-way clutch inner race.
5. Remove needle bearing from low one-way clutch inner race.
6. Remove low and reverse brake piston using compressed air.
7. Remove oil seal and D-ring from piston.
Inspection
ECS007Q2
LOW AND REVERSE BRAKE SNAP RING AND SPRING RETAINER
●Check for deformation, or damage.
LOW AND REVERSE BRAKE RETURN SPRINGS
●Check for deformation or damage. Also measure free length and
outside diameter.
LOW AND REVERSE BRAKE DRIVE PLATES
●Check facing for burns, cracks or damage.
●Measure thickness of facing.
●If not within wear limit, replace.
SAT382I
SAT876A
Inspection standard : Refer to AT-497, "Return
Springs" .
SAT829A
Thickness of drive plate
Standard value : 1.52 - 1.67 mm (0.0598 -
0.0657 in)
Wear limit : 1.40 mm (0.0551 in)
SAT845A

AT-460
[RE4R01A]
LOW & REVERSE BRAKE
LOW ONE-WAY CLUTCH INNER RACE
●Check frictional surface of inner race for wear or damage.
●Install a new seal rings onto low one-way clutch inner race.
●Be careful not to expand seal ring gap excessively.
●Measure seal ring-to-groove clearance.
●If not within allowable limit, replace low one-way clutch inner
race.
Assembly
ECS007Q3
1. Install needle bearing onto one-way clutch inner race.
●Pay attention to its direction — Black surface goes to rear
side.
●Apply petroleum jelly to needle bearing.
2. Install oil seal and D-ring onto piston.
●Apply ATF to oil seal and D-ring.
SAT877A
Inspection standard
Standard value : 0.10 - 0.25 mm (0.0039 -
0.0098 in)
Allowable limit : 0.25 mm (0.0098 in)
SAT878A
SAT112B
SAT879A

LOW & REVERSE BRAKE
AT-461
[RE4R01A]
D
E
F
G
H
I
J
K
L
M
A
B
AT
3. Install piston by rotating it slowly and evenly.
●Apply ATF to inner surface of transmission case.
4. Install return springs, spring retainer and low one-way clutch
inner race onto transmission case.
5. Install dish plate, low and reverse brake drive plates, driven
plates and retaining plate.
6. Install snap ring on transmission case.
7. Check operation of low and reverse brake clutch piston. Refer to
AT-414, "Disassembly" .
8. Measure clearance between retaining plate and snap ring.
If not within allowable limit, select proper retaining plate.
SAT880A
SAT881A
SAT872A
Specified clearance
Standard : 0.8 - 1.1 mm (0.031 -
0.043 in)
Allowable limit
VG33E only : 2.5 mm (0.098 in)
VG33ER only : 2.7 mm (0.106 in)
Retaining plate : Refer to AT-500, "LOW &
REVERSE BRAKE" .
SAT885A

AT-462
[RE4R01A]
LOW & REVERSE BRAKE
9. Install low one-way clutch inner race seal ring.
●Apply petroleum jelly to seal ring.
●Make sure seal rings are pressed firmly into place and held
by petroleum jelly.
SAT884A

FORWARD CLUTCH DRUM ASSEMBLY
AT-463
[RE4R01A]
D
E
F
G
H
I
J
K
L
M
A
B
AT
FORWARD CLUTCH DRUM ASSEMBLY PFP:31571
Components
ECS007Q4
Disassembly
ECS007Q5
1. Remove snap ring from forward clutch drum.
2. Remove side plate from forward clutch drum.
3. Remove low one-way clutch from forward clutch drum.
4. Remove snap ring from forward clutch drum.
5. Remove needle bearing from forward clutch drum.
SAT211GA
SAT212G
SAT213G
SAT891A

AT-464
[RE4R01A]
FORWARD CLUTCH DRUM ASSEMBLY
Inspection
ECS007Q6
FORWARD CLUTCH DRUM
●Check spline portion for wear or damage.
●Check frictional surfaces of low one-way clutch and needle
bearing for wear or damage.
NEEDLE BEARING AND LOW ONE-WAY CLUTCH
●Check frictional surface for wear or damage.
Assembly
ECS007Q7
1. Install needle bearing in forward clutch drum.
2. Install snap ring onto forward clutch drum.
3. Install low one-way clutch onto forward clutch drum by pushing
the roller in evenly.
SAT892A
SAT893A
SAT214G
SAT894A

FORWARD CLUTCH DRUM ASSEMBLY
AT-465
[RE4R01A]
D
E
F
G
H
I
J
K
L
M
A
B
AT
●Install low one-way clutch with flange facing rearward.
4. Install side plate onto forward clutch drum.
5. Install snap ring onto forward clutch drum.
SAT895A
SAT887A

AT-466
[RE4R01A]
REAR INTERNAL GEAR AND FORWARD CLUTCH HUB
REAR INTERNAL GEAR AND FORWARD CLUTCH HUB PFP:31450
Components
ECS007Q8
Disassembly
ECS007Q9
1. Remove rear internal gear by pushing forward clutch hub for-
ward.
2. Remove thrust washer from rear internal gear.
SAT896AA
SAT897A
SAT898A

REAR INTERNAL GEAR AND FORWARD CLUTCH HUB
AT-467
[RE4R01A]
D
E
F
G
H
I
J
K
L
M
A
B
AT
3. Remove snap ring from forward clutch hub.
4. Remove end bearing.
5. Remove forward one-way clutch and end bearing as a unit from
forward clutch hub.
6. Remove snap ring from forward clutch hub.
SAT899A
SAT900A
SAT955A
SAT901A

AT-468
[RE4R01A]
REAR INTERNAL GEAR AND FORWARD CLUTCH HUB
Inspection
ECS007QA
REAR INTERNAL GEAR AND FORWARD CLUTCH HUB
●Check gear for excessive wear, chips or cracks.
●Check frictional surfaces of forward one-way clutch and thrust
washer for wear or damage.
●Check spline for wear or damage.
SNAP RING AND END BEARING
●Check for deformation or damage.
Assembly
ECS007QB
1. Install snap ring onto forward clutch hub.
2. Install end bearing.
3. Install forward one-way clutch onto clutch hub.
●Install forward one-way clutch with flange facing rearward.
4. Install end bearing.
5. Install snap ring onto forward clutch hub.
SAT902A
SAT903A
SAT901A
SAT904A

REAR INTERNAL GEAR AND FORWARD CLUTCH HUB
AT-469
[RE4R01A]
D
E
F
G
H
I
J
K
L
M
A
B
AT
6. Install thrust washer onto rear internal gear.
●Apply petroleum jelly to thrust washer.
●Securely insert pawls of thrust washer into holes in rear
internal gear.
7. Position forward clutch hub in rear internal gear.
8. After installing, check to assure that forward clutch hub rotates
clockwise.
SAT906A
SAT907A
SAT905A

AT-470
[RE4R01A]
BAND SERVO PISTON ASSEMBLY
BAND SERVO PISTON ASSEMBLY PFP:31615
Components
ECS007QC
Disassembly
ECS007QD
1. Block one oil hole in O/D servo piston retainer and the center
hole in O/D band servo piston.
2. Apply compressed air to the other oil hole in piston retainer to
remove O/D band servo piston from retainer.
3. Remove D-ring from O/D band servo piston.
4. Remove band servo piston assembly from servo piston retainer
by pushing it forward.
LCIA0277E
SAT909A
SAT910A

BAND SERVO PISTON ASSEMBLY
AT-471
[RE4R01A]
D
E
F
G
H
I
J
K
L
M
A
B
AT
5. Place piston stem end on a wooden block. While pushing servo
piston spring retainer down, remove E-ring.
6. Remove servo piston spring retainer, return spring C and piston
stem from band servo piston.
7. Remove E-ring from band servo piston.
8. Remove servo cushion spring retainer from band servo piston.
9. Remove D-rings from band servo piston.
10. Remove O-rings from servo piston retainer.
SAT911A
SAT912A
SAT913A
SAT914A

AT-472
[RE4R01A]
BAND SERVO PISTON ASSEMBLY
Inspection
ECS007QE
PISTONS, RETAINERS AND PISTON STEM
●Check frictional surfaces for abnormal wear or damage.
RETURN SPRINGS
●Check for deformation or damage. Measure free length and
outer diameter.
Assembly
ECS007QF
1. Install O-rings onto servo piston retainer.
●Apply ATF to O-rings.
●Pay attention to position of each O-ring.
2. Install servo cushion spring retainer onto band servo piston.
SAT915A
Inspection standard : Refer to AT-497, "Return
Springs" .
SAT916AA
SAT917A
SAT918A

BAND SERVO PISTON ASSEMBLY
AT-473
[RE4R01A]
D
E
F
G
H
I
J
K
L
M
A
B
AT
3. Install E-ring onto servo cushion spring retainer.
4. Install D-rings onto band servo piston.
●Apply ATF to D-rings.
5. Install servo piston spring retainer, return spring C and piston
stem onto band servo piston.
6. Place piston stem end on a wooden block. While pushing servo
piston spring retainer down, install E-ring.
SAT919A
SAT920A
SAT912A
SAT921A

AT-474
[RE4R01A]
BAND SERVO PISTON ASSEMBLY
7. Install band servo piston assembly onto servo piston retainer by
pushing it inward.
8. Install D-ring on O/D band servo piston.
●Apply ATF to D-ring.
9. Install O/D band servo piston onto servo piston retainer by push-
ing it inward.
SAT922A
SAT923A
SAT924A

PARKING PAWL COMPONENTS
AT-475
[RE4R01A]
D
E
F
G
H
I
J
K
L
M
A
B
AT
PARKING PAWL COMPONENTS PFP:31991
Components
ECS007QG
Disassembly
ECS007QH
1. Slide return spring to the front of adapter case flange.
2. Remove return spring, pawl spacer and parking pawl from
adapter case.
3. Remove parking pawl shaft from adapter case.
SAT379I
SAT226H

AT-476
[RE4R01A]
PARKING PAWL COMPONENTS
4. Remove parking actuator support from adapter case.
SAT228H

PARKING PAWL COMPONENTS
AT-477
[RE4R01A]
D
E
F
G
H
I
J
K
L
M
A
B
AT
Assembly
ECS007QI
1. Install parking actuator support onto adapter case.
2. Insert parking pawl shaft into adapter case.
3. Install return spring, pawl spacer and parking pawl onto parking
pawl shaft.
4. Bend return spring upward and install it onto adapter case.
SAT229H
SAT226H

AT-478
[RE4R01A]
ASSEMBLY
ASSEMBLY PFP:00000
Assembly (1)
ECS007QJ
1. Install manual shaft components.
a. Install oil seal onto manual shaft.
●Apply ATF to oil seal.
●Wrap threads of manual shaft with masking tape.
b. Insert manual shaft and oil seal as a unit into transmission case.
c. Remove masking tape.
d. Push oil seal evenly and install it onto transmission case.
e. Align groove in shaft with drive pin hole, then drive pin into posi-
tion as shown.
f. Install detent spring and spacer.
g. While pushing detent spring down, install manual plate onto
manual shaft.
SAT931A
SAT932A
SAT933A
SAT901E

ASSEMBLY
AT-479
[RE4R01A]
D
E
F
G
H
I
J
K
L
M
A
B
AT
h. Install lock nuts onto manual shaft.
2. Install accumulator piston.
a. Install O-rings onto accumulator piston.
●Apply ATF to O-rings.
Accumulator piston O-rings
Unit: mm (in)
b. Install return spring for accumulator A onto transmission case.
c. Install accumulator pistons A, B, C and D.
●Apply ATF to transmission case.
SAT936A
SAT523GA
Accumulator A B C D
Small diameter end 29 (1.14) 32 (1.26) 45 (1.77) 29 (1.14)
Large diameter end 45 (1.77) 50 (1.97) 50 (1.97) 45 (1.77)
Free length of return
spring
: Refer to AT-497, "Return
Springs" .
SAT938A
SAT939AA

AT-480
[RE4R01A]
ASSEMBLY
3. Install band servo piston.
a. Install return springs onto servo piston.
b. Install band servo piston onto transmission case.
●Apply ATF to O-ring of band servo piston and transmis-
sion case.
c. Install gasket for band servo onto transmission case.
d. Install band servo retainer onto transmission case.
4. Install rear side clutch and gear components.
a. Place transmission case in vertical position.
b. Slightly lift forward clutch drum assembly. Then slowly rotate it
clockwise until its hub passes fully over clutch inner race inside
transmission case.
SAT941A
SAT942A
SAT940A
SAT943A
SAT944A

ASSEMBLY
AT-481
[RE4R01A]
D
E
F
G
H
I
J
K
L
M
A
B
AT
c. Check to be sure that rotation direction of forward clutch assem-
bly is correct.
d. Install thrust washer onto front of overrun clutch hub.
●Apply petroleum jelly to the thrust washer.
●Insert pawls of thrust washer securely into holes in over-
run clutch hub.
e. Install overrun clutch hub onto rear internal gear assembly.
f. Install needle bearing onto rear of overrun clutch hub.
●Apply petroleum jelly to needle bearing.
g. Check that overrun clutch hub rotates as shown while holding
forward clutch hub.
SAT945A
SAT946A
SAT947A
SAT948A
SAT949A

AT-482
[RE4R01A]
ASSEMBLY
h. Place transmission case into horizontal position.
i. Install rear internal gear, forward clutch hub and overrun clutch
hub as a unit onto transmission case.
j. Install needle bearing onto rear internal gear.
●Apply petroleum jelly to needle bearing.
k. Install bearing race onto rear of front internal gear.
●Apply petroleum jelly to bearing race.
●Securely engage pawls of bearing race with holes in front
internal gear.
l. Install front internal gear on transmission case.
SAT527G
SAT951A
SAT952A
SAT953A
SAT954A

ASSEMBLY
AT-483
[RE4R01A]
D
E
F
G
H
I
J
K
L
M
A
B
AT
5. Install output shaft and parking gear.
a. Insert output shaft from rear of transmission case while slightly
lifting front internal gear.
●Do not force output shaft against front of transmission
case.
b. Carefully push output shaft against front of transmission case.
Install snap ring on front of output shaft.
●Check to be sure output shaft cannot be removed in rear
direction.
c. Install needle bearing on transmission case.
●Pay attention to its direction — black side goes to rear.
●Apply petroleum jelly to needle bearing.
d. Install parking gear on transmission case.
e. Install snap ring on rear of output shaft.
●Check to be sure output shaft cannot be removed in for-
ward direction.
SAT216B
SAT957A
SAT217B
SAT218B
SAT960A

AT-484
[RE4R01A]
ASSEMBLY
6. Install adapter case or rear extension.
a. Install oil seal on adapter case or rear extension.
●Apply ATF to oil seal.
b. Install O-ring on revolution sensor.
●Apply ATF to O-ring.
c. Install revolution sensor on adapter case or rear extension.
d. Install rear extension gasket on transmission case.
e. Install parking rod on transmission case.
SAT157G
SAT147G
SAT963A
SAT964A

ASSEMBLY
AT-485
[RE4R01A]
D
E
F
G
H
I
J
K
L
M
A
B
AT
f. Install rear extension or adapter case on transmission case.
7. Install front side clutch and gear components.
a. Install rear sun gear on transmission case.
●Pay attention to its direction.
b. Make sure needle bearing is on front of front planetary carrier.
●Apply petroleum jelly to needle bearing.
c. Make sure needle bearing is on rear of front planetary carrier.
●Apply petroleum jelly to bearing.
●Pay attention to its direction — Black side goes to front.
d. While rotating forward clutch drum clockwise, install front plane-
tary carrier on forward clutch drum.
SAT716C
SAT974A
SAT967A
SAT969A

AT-486
[RE4R01A]
ASSEMBLY
●Check that portion A of front planetary carrier protrudes
approximately 2 mm (0.08 in) beyond portion B of forward
clutch assembly.
e. Make sure bearing races are on front and rear of clutch pack.
●Apply petroleum jelly to bearing races.
●Securely engage pawls of bearing races with holes in
clutch pack.
f. Install clutch pack into transmission case.
Adjustment
ECS007QK
When any parts listed in the following table are replaced, total end play or reverse clutch end play must be
adjusted.
SAT970A
SAT971A
SAT973A
Part name Total end play Reverse clutch end play
Transmission case ●●
Low one-way clutch inner race ●●
Overrun clutch hub ●●
Rear internal gear ●●
Rear planetary carrier ●●
Rear sun gear ●●
Front planetary carrier ●●
Front sun gear ●●
High clutch hub ●●
High clutch drum ●●
Oil pump cover ●●
Reverse clutch drum —●

ASSEMBLY
AT-487
[RE4R01A]
D
E
F
G
H
I
J
K
L
M
A
B
AT
1. Adjust total end play.
a. With needle bearing installed, place J34291-1 (bridge), J34291-
2 (legs) and the J34291-5 (gauging cylinder) onto oil pump. The
long ends of legs should be placed firmly on machined surface
of oil pump assembly. The gauging cylinder should rest on top of
the needle bearing. Lock gauging cylinder in place with set
screw.
b. Install J34291-23 (gauging plunger) into gauging cylinder.
c. Install original bearing race inside reverse clutch drum. Place
shim selecting gauge with its legs on machined surface of trans-
mission case (no gasket). Allow gauging plunger to rest on bear-
ing race. Lock gauging plunger in place with set screw.
d. Remove Tool and use feeler gauge to measure gap between
gauging cylinder and gauging plunger. This measurement
should give exact total end play.
●If end play is out of specification, decrease or increase thick-
ness of oil pump cover bearing race as necessary.
Total end play “T1 ” : 0.25 - 0.55 mm (0.0098 -
0.0217 in)
SAT975A
SAT976A
SAT977A
SAT978A
Total end play “T1 ” : 0.25 - 0.55 mm (0.0098 -
0.0217 in)
Available oil pump
cover bearing race
: Refer to AT-501, "Total
End Play" .
SAT979A

AT-488
[RE4R01A]
ASSEMBLY
2. Adjust reverse clutch drum end play.
a. Place J34291-1 (bridge), J34291-2 (legs) and J34291-5 (gaug-
ing cylinder) on machined surface of transmission case (no gas-
ket). Allow gauging cylinder to rest on front thrust surface of
reverse clutch drum. Lock cylinder in place with set screw.
b. Install J34291-23 (gauging plunger) into gauging cylinder.
c. Install original thrust washer on oil pump. Place shim setting
gauge legs onto machined surface of oil pump assembly. Allow
gauging plunger to rest on thrust washer. Lock plunger in place
with set screw.
d. Use feeler gauge to measure gap between gauging plunger and
gauging cylinder. This measurement should give you exact
reverse clutch drum end play.
●If end play is out of specification, decrease or increase thick-
ness of oil pump thrust washer as necessary.
Reverse clutch drum
end play “T2 ”
: 0.55 - 0.90 mm (0.0217 -
0.0354 in)
SAT980A
SAT981A
SAT982AA
SAT983A
Reverse clutch drum
end play “T2 ”
: 0.55 - 0.90 mm (0.0217 -
0.0354 in)
SAT984A

ASSEMBLY
AT-489
[RE4R01A]
D
E
F
G
H
I
J
K
L
M
A
B
AT
Assembly (2)
ECS007QL
1. Install brake band and band strut.
a. Install band strut on brake band.
● Apply petroleum jelly to band strut.
b. Place brake band on periphery of reverse clutch drum, and
insert band strut into end of band servo piston stem.
c. Install anchor end pin on transmission case. Then, tighten
anchor end pin just enough so that reverse clutch drum (clutch
pack) will not tilt forward.
2. Install input shaft on transmission case.
●Pay attention to its direction — O-ring groove side is front.
3. Install gasket on transmission case.
Available oil pump
thrust washer
: Refer to AT-501,
"Reverse Clutch Drum
End Play" .
SAT985A
SAT986A
SAT987A
SAT988A

AT-490
[RE4R01A]
ASSEMBLY
4. Install oil pump assembly.
a. Install needle bearing on oil pump assembly.
●Apply petroleum jelly to the needle bearing.
b. Install selected thrust washer on oil pump assembly.
●Apply petroleum jelly to thrust washer.
c. Carefully install seal rings into grooves and press them into the
petroleum jelly so that they are a tight fit.
d. Install O-ring on oil pump assembly.
●Apply petroleum jelly to O-ring.
e. Apply petroleum jelly to mating surface of transmission case and
oil pump assembly.
f. Install oil pump assembly.
●Install two converter housing securing bolts in bolt holes
in oil pump assembly as guides.
SAT989A
SAT990A
SAT991A
SAT992A
SAT993A

ASSEMBLY
AT-491
[RE4R01A]
D
E
F
G
H
I
J
K
L
M
A
B
AT
●Insert oil pump assembly to the specified position in
transmission, as shown at left.
5. Install O-ring on input shaft.
●Apply ATF to O-rings.
6. Install converter housing.
a. Apply Genuine Anaerobic Liquid Gasket or equivalent to outer
periphery of bolt holes in converter housing. Refer to GI-42,
"RECOMMENDED CHEMICAL PRODUCTS AND SEALANTS"
.
●Do not apply too much sealant.
b. Apply Genuine Anaerobic Liquid Gasket or equivalent to seating
surfaces of bolts that secure front of converter housing. Refer to
GI-42, "RECOMMENDED CHEMICAL PRODUCTS AND SEAL-
ANTS" .
c. Install converter housing on transmission case.
7. Install turbine revolution sensor (VG33ER only).
SAT994A
SAT114B
SAT397C
SAT158G

AT-492
[RE4R01A]
ASSEMBLY
8. Adjust brake band.
a. Tighten anchor end bolt to specified torque.
b. Back off anchor end bolt two and a half turns.
c. While holding anchor end pin, tighten lock nut.
9. Install terminal cord assembly.
a. Install O-ring on terminal cord assembly.
●Apply petroleum jelly to O-ring.
b. Compress terminal cord assembly stopper and install terminal
cord assembly on transmission case.
10. Install control valve assembly.
a. Install accumulator piston return springs B, C and D.
b. Install manual valve on control valve.
●Apply ATF to manual valve.
Anchor end bolt :
: 4 - 6 N·m (0.4 - 0.6 kg-m,
35 - 52 in-lb)
SAT001B
SAT002B
SAT115B
Free length of return
springs
: Refer to AT-497, "Return
Springs" .
SAT004BA
SAT005B

ASSEMBLY
AT-493
[RE4R01A]
D
E
F
G
H
I
J
K
L
M
A
B
AT
c. Place control valve assembly on transmission case. Connect
solenoid connector for upper body.
d. Install connector clip.
e. Install control valve assembly on transmission case.
f. Install connector tube brackets and tighten bolts A and B.
●Check that terminal assembly does not catch.
g. Install O-ring on oil strainer.
●Apply petroleum jelly to O-ring.
h. Install oil strainer on control valve.
i. Securely fasten terminal harness with clips.
SAT006B
Bolt symbol mm (in)
A 33 (1.30)
B 45 (1.77)
SAT353B
SAT221B
SAT009B

AT-494
[RE4R01A]
ASSEMBLY
j. Install torque converter clutch solenoid valve and fluid tempera-
ture sensor connectors.
11. Install oil pan.
a. Attach a magnet to oil pan.
b. Install new oil pan gasket on transmission case.
c. Install oil pan and bracket on transmission case.
●Always replace oil pan bolts as they are self-sealing
bolts.
●Before installing bolts, remove traces of sealant and oil
from mating surface and thread holes.
●Tighten four bolts in a crisscross pattern to prevent dislo-
cation of gasket.
d. Tighten drain plug.
12. Install park/neutral position (PNP) switch.
a. Check that manual shaft is in 1 position.
b. Temporarily install park/neutral position (PNP) switch on manual
shaft.
c. Move manual shaft to N.
SAT010B
SAT011B
SAT365I
SAT299I

ASSEMBLY
AT-495
[RE4R01A]
D
E
F
G
H
I
J
K
L
M
A
B
AT
d. Tighten bolts while inserting 4.0 mm (0.157 in) dia. pin vertically
into locating holes in park/neutral position (PNP) switch and
manual shaft.
13. Install torque converter.
a. Pour ATF into torque converter.
●Approximately 2 liters (2-1/8 US qt, 1-3/4 Imp qt) of fluid
are required for a new torque converter.
●When reusing old torque converter, add the same amount
of fluid as was drained.
b. Install torque converter while aligning notches and oil pump.
c. Measure distance A to check that torque converter is in proper
position.
SAT014B
SAT428DA
SAT016B
Distance “A”
VG33E only : 26.0 mm (1.024 in) or
more
VG33ER only : 25.0 mm (0.984 in) or
more
SAT017B

AT-496
[RE4R01A]
SERVICE DATA AND SPECIFICATIONS (SDS)
SERVICE DATA AND SPECIFICATIONS (SDS) PFP:00030
General Specifications
ECS007QM
*1: Refer to MA-12, "RECOMMENDED FLUIDS AND LUBRICANTS" .
Shift Schedule
ECS007QN
VEHICLE SPEED WHEN SHIFTING GEARS THROTTLE POSITION
VEHICLE SPEED WHEN PERFORMING AND RELEASING LOCK-UP
Stall Revolution
ECS007QO
Applied model VG33E engine VG33ER engine
2WD4WD2WD4WD
Automatic transmission model RE4R01A
Transmission model code number 4FX17 4FX18 4FX19 4FX20
Stall torque ratio 2.0 : 1
Transmission gear ratio
1st 2.785
2nd 1.545
Top 1.000
O/D 0.694
Reverse 2.272
Recommended fluid Nissan Matic “D” (Continental U.S. and Alaska) or Genuine Nissan Automatic Trans-
mission Fluid (Canada)*1
Fluid capacity 8.3 (8-3/4 US qt,
7-1/4 Imp qt)
8.5 (9 US qt, 7-1/
2 Imp qt)
8.3 (8-3/4 US qt,
7-1/4 Imp qt)
8.5 (9 US qt, 7-1/
2 Imp qt)
Throttle position Vehicle speed km/h (MPH)
D1 → D2D2 → D3D3 → D4D4 → D3D3 → D2D2 → D112 → 11
Full throttle
VG33E only 47 - 51
(29 - 32)
92 - 100
(57 - 62)
146 - 156
(91 - 97)
141 - 151
(88 - 94)
87 - 95
(54 - 59)
42 - 46
(26 - 29)
43 - 47
(27 - 29)
VG33ER only 49 - 53
(30 - 33)
94 - 102
(58 - 63)
151 - 161
(94 - 100)
147 - 157
(91 - 98)
87 - 95
(54 - 59)
43 - 47
(27 - 29)
54 - 58
(34 - 36)
Half throttle
VG33E only 34 - 38
(21 - 24)
68 - 74
(42 - 46)
132 - 140
(82 - 87)
59 - 67
(37 - 42)
31 - 37
(19 - 23)
10 - 14
(6 - 9)
43 - 47
(27 - 29)
VG33ER only 41 - 45
(25 - 28)
68 - 74
(42 - 46)
121 - 129
(75 - 80)
76 - 84
(47 - 52)
41 - 47
(25 - 29)
11 - 15
(7 - 9)
54 - 58
(34 - 36)
Throttle position Overdrive control switch
[Shift position]
Vehicle speed km/h (MPH)
Lock-up “ON”Lock-up “OFF”
Full throttle
VG33E only ON [D4 ] 147 - 155 (91 - 96) 142 - 150 (88 - 93)
OFF [D3 ] 74 - 82 (46 - 51) 71 - 79 (44 - 49)
VG33ER only ON [D4 ] 152 - 160 (94 - 99) 148 -156 (92 - 97)
OFF [D3 ] 86 - 94 (53 - 58) 83 - 91 (52 - 57)
Half throttle
VG33E only ON [D4 ] 139 - 147 (86 - 91) 84 - 92 (52 - 57)
OFF [D3 ] 74 - 82 (46 - 51) 71 - 79 (44 - 49)
VG33ER only ON [D4 ] 134 - 142 (83 - 88) 103 - 111 (64 - 69)
OFF [D3 ] 86 - 94 (53 - 58) 83 - 91 (52 - 57)
Engine Stall revolution rpm
VG33E only 2,450 - 2,650
VG33ER only 2,420 - 2,620

SERVICE DATA AND SPECIFICATIONS (SDS)
AT-497
[RE4R01A]
D
E
F
G
H
I
J
K
L
M
A
B
AT
Line Pressure
ECS007QP
Return Springs
ECS007QQ
Unit: mm (in)
Engine speed
rpm
Line pressure kPa (kg/cm2 , psi)
D, 2 and 1 positions R position
Idle 422 - 461 (4.3 - 4.7, 61 - 67) 667 - 706 (6.8 - 7.2, 97 - 102)
Stall 1,020 - 1,098 (10.4 - 11.2, 148 - 159) 1,422 - 1,500 (14.5 - 15.3, 206 - 218)
Parts
Item
Part No.* Free length Outer diame-
ter
Control
valve
Upper
body
1 Torque converter relief valve spring 31742-41X23 38.0 (1.496) 9.0 (0.354)
2 Pressure regulator valve spring 31742-41X24 44.02 (1.7331) 14.0 (0.551)
3 Pressure modifier valve spring 31742-41X19 31.95 (1.2579) 6.8 (0.268)
—Accumulator control valve spring ———
4 Shuttle shift valve D spring 31762-41X01 25.0 (0.984) 7.0 (0.276)
5 4-2 sequence valve spring 31756-41X00 29.1 (1.146) 6.95 (0.2736)
6 Shift valve B spring 31762-41X01 25.0 (0.984) 7.0 (0.276)
7 4-2 relay valve spring 31756-41X00 29.1 (1.146) 6.95 (0.2736)
8 Shift valve A spring 31762-41X01 25.0 (0.984) 7.0 (0.276)
9 Overrun clutch control valve spring 31762-41X03 23.6 (0.929) 7.0 (0.276)
10 Overrun clutch reducing valve spring
31762-41X14
(VG33ER only)
31742-41X20
(VG33E only)
38.9 (1.531)
(VG33ER only)
32.5 (1.280)
(VG33E only)
7.0 (0.276)
11 Shuttle shift valve S spring 31762-41X04 51.0 (2.008) 5.65 (0.2224)
12 Pilot valve spring 31742-41X13 25.7 (1.012) 9.0 (0.354)
13 Lock-up control valve spring 31742-41X22 18.5 (0.728) 13.0 (0.512)
Lower
body
1 Modifier accumulator piston spring 31742-27X70 31.4 (1.236) 9.8 (0.386)
2 1st reducing valve spring
31756-41X05
(VG33E only)
31756-60X00
(VG33ER only)
25.4 (1.000)
(VG33E only)
29.5 (1.161)
(VG33ER only)
6.75 (0.2657)
(VG33E only)
7.00 (0.2756)
(VG33ER
only)
3 3-2 timing valve spring 31742-41X06 23.0 (0.906) 6.7 (0.264)
4 Servo charger valve spring 31742-41X06 23.0 (0.906) 6.7 (0.264)
Reverse clutch
16 pcs
(VG33E only)
1 pc
(VG33ER only)
31521-41X02
(Assembly)
(VG33E only)
31505-41X07
(Assembly)
(VG33ER only)
19.7 (0.7756)
(VG33E only)
—
(VG33ER only)
11.6 (0.457)
(VG33E only)
—
(VG33ER
only)
High clutch 10 pcs 31521-41X03
(Assembly) 24.2 (0.9528) 11.6 (0.457)
Forward clutch (Over-
run clutch) 20 pcs 31521-41X04
(Assembly) 35.77 (1.4083) 9.7 (0.382)
Low & reverse brake 18 pcs 31655-41X00
(Assembly) 22.3 (0.878) 11.2 (0.441)

AT-498
[RE4R01A]
SERVICE DATA AND SPECIFICATIONS (SDS)
*: Always check with the Parts Department for the latest parts information.
Accumulator O-ring
ECS007QR
Clutches and Brakes
ECS007QS
REVERSE CLUTCH
*: Always check with the Parts Department for the latest parts information.
HIGH CLUTCH
Band servo
Spring A
31605-41X05
(VG33E only)
31605-41X14
(VG33ER only)
45.6 (1.795)
(VG33E only)
47.6 (1.874)
(VG33ER only)
34.3 (1.350)
(VG33E only)
26.5 (1.043)
(VG33ER
only)
Spring B 31605-41X00
(VG33E only)
53.8 (2.118)
(VG33E only)
40.3 (1.587)
(VG33E only)
Spring C 31605-41X01 29.7 (1.169) 27.6 (1.087)
Accumulator
Accumulator A 31605-41X02 43.0 (1.693) 18.0 (0.709)
Accumulator B
31605-41X10
(VG33E only)
31605-4AX03
(VG33ER only)
66.0 (2.598) 20.0 (0.787)
Accumulator C 31605-41X09 45.0 (1.772) 29.3 (1.154)
Accumulator D 31605-41X06 58.4 (2.299) 17.3 (0.681)
Parts
Item
Part No.* Free length Outer diame-
ter
Accumulator Diameter mm (in)
ABC D
Small diameter end 29 (1.14) 32 (1.26) 45 (1.77) 29 (1.14)
Large diameter end 45 (1.77) 50 (1.97) 50 (1.97) 45 (1.77)
Code number 4FX17 4FX18 4FX19 4FX20
Number of drive plates 2
Number of driven plates 2
Thickness of drive
plate mm (in)
Standard 1.90 - 2.05 (0.0748 - 0.0807)
Wear limit 1.80 (0.0709)
Clearance mm (in) Standard 0.5 - 0.8 (0.020 - 0.031)
Allowable limit 1.2 (0.047)
Thickness of retaining plate
Thickness mm (in) Part No.* Thickness mm (in) Part No.*
4.8 (0.189)
5.0 (0.197)
5.2 (0.205)
5.4 (0.213)
5.6 (0.220)
31537-42X02
31537-42X03
31537-42X04
31537-42X05
31537-42X06
4.6 (0.181)
4.8 (0.189)
5.0 (0.197)
5.2 (0.205)
5.4 (0.213)
31537-42X20
31537-42X21
31537-42X22
31537-42X23
31537-42X24
Code number 4FX17 4FX18 4FX19 4FX20
Number of drive plates 5
Number of driven plates 5 6
Thickness of drive
plate mm (in)
Standard 1.52 - 1.67 (0.0598 - 0.0657)
Wear limit 1.40 (0.0551)
Clearance mm (in) Standard 1.8 - 2.2 (0.071 - 0.087)
Allowable limit 3.2 (0.126) 2.2 (0.087)

SERVICE DATA AND SPECIFICATIONS (SDS)
AT-499
[RE4R01A]
D
E
F
G
H
I
J
K
L
M
A
B
AT
*: Always check with the Parts Department for the latest parts information.
FORWARD CLUTCH
*: Always check with the Parts Department for the latest parts information.
Thickness of retaining plate
Thickness mm (in) Part No.* Thickness mm (in) Part No.*
3.4 (0.134)
3.6 (0.142)
3.8 (0.150)
4.0 (0.157)
4.2 (0.165)
4.4 (0.173)
4.6 (0.181)
4.8 (0.189)
31537-41X71
31537-41X61
31537-41X62
31537-41X63
31537-41X64
31537-41X65
31537-41X66
31537-41X67
4.0 (0.157)
4.2 (0.165)
4.4 (0.173)
4.6 (0.181)
4.8 (0.189)
5.0 (0.197)
31537-41X63
31537-41X64
31537-41X65
31537-41X66
31537-41X67
31537-41X68
Code number 4FX17 4FX18 4FX19 4FX20
Number of drive plates 7 7 7 8
Number of driven plates 7 7 7 8
Thickness of drive
plate mm (in)
Standard 1.52 - 1.67 (0.0598 - 0.0657)
Wear limit 1.40 (0.0551)
Clearance mm (in) Standard 0.35 - 0.75 (0.0138 - 0.0295)
Allowable limit 2.15 (0.0846) 2.15 (0.0846) 2.15 (0.0846) 2.35 (0.0925)
Thickness of retaining plate
Thick-
ness
mm (in)
Part
No.*
Thick-
ness
mm (in)
Part
No.*
Thick-
ness
mm (in)
Part
No.*
Thick-
ness
mm (in)
Part
No.*
4.6
(0.181)
4.8
(0.189)
5.0
(0.197)
5.2
(0.205)
5.4
(0.213)
5.6
(0.220)
5.8
(0.228)
31537-
42X13
31537-
42X14
31537-
42X15
31537-
4AX00
31537-
4AX01
31537-
4AX02
31537-
4AX03
4.6
(0.181)
4.8
(0.189)
5.0
(0.197)
5.2
(0.205)
5.4
(0.213)
5.6
(0.220)
5.8
(0.228)
31537-
42X13
31537-
42X14
31537-
42X15
31537-
4AX00
31537-
4AX01
31537-
4AX02
31537-
4AX03
4.6
(0.181)
4.8
(0.189)
5.0
(0.197)
5.2
(0.205)
5.4
(0.213)
5.6
(0.220)
5.8
(0.228)
31537-
42X13
31537-
42X14
31537-
42X15
31537-
4AX00
31537-
4AX01
31537-
4AX02
31537-
4AX03
4.0
(0.157)
4.2
(0.165)
4.4
(0.173)
4.6
(0.181)
4.8
(0.189)
5.0
(0.197)
5.2
(0.205)
5.4
(0.213)
31537-
42X10
31537-
42X11
31537-
42X12
31537-
42X13
31537-
42X14
31537-
42X15
31537-
4AX00
31537-
4AX01

AT-500
[RE4R01A]
SERVICE DATA AND SPECIFICATIONS (SDS)
OVERRUN CLUTCH
*: Always check with the Parts Department for the latest parts information.
LOW & REVERSE BRAKE
*: Always check with the Parts Department for the latest parts information.
BRAKE BAND
Oil Pump and Low One-way Clutch
ECS007QT
Unit: mm (in)
Code number 4FX17 4FX18 4FX19 4FX20
Number of drive plates 3
Number of driven plates 5
Thickness of drive plate
mm (in)
Standard 1.90 - 2.05 (0.0748 - 0.0807)
Wear limit 1.80 (0.0709)
Clearance mm (in) Standard 1.0 - 1.4 (0.039 - 0.055)
Allowable limit 2.4 (0.094)
Thickness of retaining plate
Thickness mm (in) Part No.*
4.2 (0.165)
4.4 (0.173)
4.6 (0.181)
4.8 (0.189)
5.0 (0.197)
31537-41X80
31537-41X81
31537-41X82
31537-41X83
31537-41X84
Code number 4FX17 4FX18 4FX19 4FX20
Number of drive plates 7 8
Number of driven plates 7 8
Thickness of drive
plate mm (in)
Standard 1.52 - 1.67 (0.0598 - 0.0657)
Wear limit 1.40 (0.0551)
Clearance mm (in) Standard 0.8 - 1.1 (0.031 - 0.043)
Allowable limit 2.5 (0.098) 2.7 (0.106)
Thickness of retaining plate
Thickness mm (in) Part No.* Thickness mm (in) Part No.*
6.6 (0.260)
6.8 (0.268)
7.0 (0.276)
7.2 (0.283)
7.4 (0.291)
7.6 (0.299)
7.8 (0.307)
8.0 (0.315)
8.2 (0.323)
8.4 (0.331)
8.6 (0.339)
8.8 (0.346)
9.0 (0.354)
31667-41X17
31667-41X11
31667-41X12
31667-41X13
31667-41X14
31667-41X07
31667-41X08
31667-41X00
31667-41X01
31667-41X02
31667-41X03
31667-41X04
31667-41X05
7.6 (0.299)
7.8 (0.307)
8.0 (0.315)
8.2 (0.323)
8.4 (0.331)
8.6 (0.339)
8.8 (0.346)
9.0 (0.354)
9.2 (0.362)
9.4 (0.370)
9.6 (0.378)
31667-41X07
31667-41X08
31667-41X00
31667-41X01
31667-41X02
31667-41X03
31667-41X04
31667-41X05
31667-41X06
31667-41X09
31667-41X10
Anchor end bolt tightening torque 4 - 6 N·m (0.4 - 0.6 kg-m, 35 - 52 in-lb)
Number of returning revolution for anchor end bolt 2.5
Oil pump clearance
Cam ring — oil pump housing Standard 0.01 - 0.024 (0.0004 - 0.0009)
Rotor, vanes and control piston — oil
pump housing Standard 0.03 - 0.044 (0.0012 - 0.0017)
Seal ring clearance Standard 0.10 - 0.25 (0.0039 - 0.0098)
Allowable limit 0.25 (0.0098)

SERVICE DATA AND SPECIFICATIONS (SDS)
AT-501
[RE4R01A]
D
E
F
G
H
I
J
K
L
M
A
B
AT
Total End Play
ECS007QU
*: Always check with the Parts Department for the latest parts information.
Reverse Clutch Drum End Play
ECS007QV
*: Always check with the Parts Department for the latest parts information.
Removal and Installation
ECS007QW
Shift Solenoid Valves
ECS007QX
Solenoid Valves
ECS007QY
A/T Fluid Temperature Sensor
ECS007QZ
Remarks: Specification data are reference values.
Total end play “T1 ”0.25 - 0.55 mm (0.0098 - 0.0217 in)
Thickness of oil pump cover bearing race
Thickness mm (in) Part No.*
0.8 (0.031)
1.0 (0.039)
1.2 (0.047)
1.4 (0.055)
1.6 (0.063)
1.8 (0.071)
2.0 (0.079)
31435-41X01
31435-41X02
31435-41X03
31435-41X04
31435-41X05
31435-41X06
31435-41X07
Reverse clutch drum end play “T2 ”0.55 - 0.90 mm (0.0217 - 0.0354 in)
Thickness of oil pump thrust washer
Thickness mm (in) Part No.*
0.9 (0.035)
1.1 (0.043)
1.3 (0.051)
1.5 (0.059)
1.7 (0.067)
1.9 (0.075)
31528-21X01
31528-21X02
31528-21X03
31528-21X04
31528-21X05
31528-21X06
Manual control linkage
Number of returning revolutions for lock
nut 2
Lock nut tightening torque 4.4 - 5.9 N·m (0.45 - 0.60 kg-m, 39.1 - 52.1
in-lb)
Distance between end of clutch housing and torque converter 26.0 mm (1.024 in) or more (VG33E only)
25.0 mm (0.984 in) or more (VG33ER only)
Gear position 1 2 3 4
Shift solenoid valve A ON (Closed) OFF (Open) OFF (Open) ON (Closed)
Shift solenoid valve B ON (Closed) ON (Closed) OFF (Open) OFF (Open)
Solenoid valves Resistance (Approx.) ΩTerminal No.
Shift solenoid valve A 20 - 40 3
Shift solenoid valve B 20 - 40 2
Overrun clutch solenoid valve 20 - 40 4
Line pressure solenoid valve 2.5 - 5 6
Torque converter clutch solenoid valve 10 - 20 7
Monitor item Condition Specification (Approx.)
A/T fluid temper-
ature sensor
Cold [20°C (68°F)]
↓
Hot [80°C (176°F)]
1.5V
↓
0.5V
2.5 kΩ
↓
0.3 kΩ

AT-502
[RE4R01A]
SERVICE DATA AND SPECIFICATIONS (SDS)
Turbine Revolution Sensor
ECS007R0
Revolution Sensor
ECS007R1
Dropping Resistor
ECS007R2
Terminal No. Resistance (Approx.)
1 2 2.4 - 2.8 KΩ
1 3 No continuity
2 3 No continuity
Terminal No. Resistance (Approx.)
1 2 500 - 650Ω
2 3 No continuity
1 3 No continuity
Resistance Approx. 12Ω









