ATmega128/L Datasheet Atmel Atmega128 Manual
User Manual:
Open the PDF directly: View PDF
.
Page Count: 386 [warning: Documents this large are best viewed by clicking the View PDF Link!]
- Features
- Pin Configurations
- Overview
- Resources
- Data Retention
- About Code Examples
- Capacitive touch sensing
- AVR CPU Core
- AVR ATmega128 Memories
- In-System Reprogrammable Flash Program Memory
- SRAM Data Memory
- EEPROM Data Memory
- I/O Memory
- External Memory Interface
- Overview
- ATmega103 Compatibility
- Using the External Memory Interface
- Address Latch Requirements
- Pull-up and Bus- keeper
- Timing
- XMEM Register Description
- MCU Control Register – MCUCR
- External Memory Control Register A – XMCRA
- External Memory Control Register B – XMCRB
- Using all Locations of External Memory Smaller than 64 Kbyte
- Using all 64 Kbyte Locations of External Memory
- System Clock and Clock Options
- Power Management and Sleep Modes
- System Control and Reset
- Interrupts
- I/O Ports
- Introduction
- Ports as General Digital I/O
- Alternate Port Functions
- Register Description for I/O Ports
- Port A Data Register – PORTA
- Port A Data Direction Register – DDRA
- Port A Input Pins Address – PINA
- Port B Data Register – PORTB
- Port B Data Direction Register – DDRB
- Port B Input Pins Address – PINB
- Port C Data Register – PORTC
- Port C Data Direction Register – DDRC
- Port C Input Pins Address – PINC
- Port D Data Register – PORTD
- Port D Data Direction Register – DDRD
- Port D Input Pins Address – PIND
- Port E Data Register – PORTE
- Port E Data Direction Register – DDRE
- Port E Input Pins Address – PINE
- Port F Data Register – PORTF
- Port F Data Direction Register – DDRF
- Port F Input Pins Address – PINF
- Port G Data Register – PORTG
- Port G Data Direction Register – DDRG
- Port G Input Pins Address – PING
- External Interrupts
- 8-bit Timer/Counter0 with PWM and Asynchronous Operation
- 16-bit Timer/Counter (Timer/Counter 1 and Timer/Counter3 )
- Restrictions in ATmega103 Compatibility Mode
- Overview
- Accessing 16-bit Registers
- Timer/Counter Clock Sources
- Counter Unit
- Input Capture Unit
- Output Compare Units
- Compare Match Output Unit
- Modes of Operation
- Timer/Counter Timing Diagrams
- 16-bit Timer/Counter Register Description
- Timer/Counter1 Control Register A – TCCR1A
- Timer/Counter3 Control Register A – TCCR3A
- Timer/Counter1 Control Register B – TCCR1B
- Timer/Counter3 Control Register B – TCCR3B
- Timer/Counter1 Control Register C – TCCR1C
- Timer/Counter3 Control Register C – TCCR3C
- Timer/Counter1 – TCNT1H and TCNT1L
- Timer/Counter3 – TCNT3H and TCNT3L
- Output Compare Register 1 A – OCR1AH and OCR1AL
- Output Compare Register 1 B – OCR1BH and OCR1BL
- Output Compare Register 1 C – OCR1CH and OCR1CL
- Output Compare Register 3 A – OCR3AH and OCR3AL
- Output Compare Register 3 B – OCR3BH and OCR3BL
- Output Compare Register 3 C – OCR3CH and OCR3CL
- Input Capture Register 1 – ICR1H and ICR1L
- Input Capture Register 3 – ICR3H and ICR3L
- Timer/Counter Interrupt Mask Register – TIMSK
- Extended Timer/Counter Interrupt Mask Register – ETIMSK
- Timer/Counter Interrupt Flag Register – TIFR
- Extended Timer/Counter Interrupt Flag Register – ETIFR
- Timer/Counter3, Timer/Counter2, and Timer/Counter1 Prescalers
- 8-bit Timer/Counter2 with PWM
- Output Compare Modulator (OCM1C2)
- Serial Peripheral Interface – SPI
- USART
- Two-wire Serial Interface
- Analog Comparator
- Analog to Digital Converter
- JTAG Interface and On-chip Debug System
- Features
- Overview
- Test Access Port – TAP
- TAP Controller
- Using the Boundary-scan Chain
- Using the On-chip Debug System
- On-chip Debug Specific JTAG Instructions
- On-chip Debug Related Register in I/O Memory
- Using the JTAG Programming Capabilities
- Bibliography
- IEEE 1149.1 (JTAG) Boundary- scan
- Features
- System Overview
- Data Registers
- Boundary-scan Specific JTAG Instructions
- Boundary-scan Related Register in I/O Memory
- Boundary-scan Chain
- ATmega128 Boundary-scan Order
- Boundary-scan Description Language Files
- Boot Loader Support – Read- While-Write Self- Programming
- Boot Loader Features
- Application and Boot Loader Flash Sections
- Read-While-Write and No Read- While-Write Flash Sections
- Boot Loader Lock Bits
- Entering the Boot Loader Program
- Addressing the Flash During Self- Programming
- Self-Programming the Flash
- Performing Page Erase by SPM
- Filling the Temporary Buffer (Page Loading)
- Performing a Page Write
- Using the SPM Interrupt
- Consideration While Updating BLS
- Prevent Reading the RWW Section During Self-Programming
- Setting the Boot Loader Lock Bits by SPM
- EEPROM Write Prevents Writing to SPMCSR
- Reading the Fuse and Lock Bits from Software
- Preventing Flash Corruption
- Programming Time for Flash when Using SPM
- Simple Assembly Code Example for a Boot Loader
- ATmega128 Boot Loader Parameters
- Memory Programming
- Program and Data Memory Lock Bits
- Fuse Bits
- Signature Bytes
- Calibration Byte
- Parallel Programming Parameters, Pin Mapping, and Commands
- Parallel Programming
- Enter Programming Mode
- Considerations for Efficient Programming
- Chip Erase
- Programming the Flash
- Programming the EEPROM
- Reading the Flash
- Reading the EEPROM
- Programming the Fuse Low Bits
- Programming the Fuse High Bits
- Programming the Extended Fuse Bits
- Programming the Lock Bits
- Reading the Fuse and Lock Bits
- Reading the Signature Bytes
- Reading the Calibration Byte
- Parallel Programming Characteristics
- Serial Downloading
- SPI Serial Programming Pin Mapping
- Programming Via the JTAG Interface
- Programming Specific JTAG Instructions
- AVR_RESET ($C)
- PROG_ENABLE ($4)
- PROG_COMMANDS ($5)
- PROG_PAGELOAD ($6)
- PROG_PAGEREAD ($7)
- Data Registers
- Reset Register
- Programming Enable Register
- Programming Command Register
- Virtual Flash Page Load Register
- Virtual Flash Page Read Register
- Programming Algorithm
- Entering Programming Mode
- Leaving Programming Mode
- Performing Chip Erase
- Programming the Flash
- Reading the Flash
- Programming the EEPROM
- Reading the EEPROM
- Programming the Fuses
- Programming the Lock Bits
- Reading the Fuses and Lock Bits
- Reading the Signature Bytes
- Reading the Calibration Byte
- Electrical Characteristics
- Typical Characteristics
- Active Supply Current
- Idle Supply Current
- Power-down Supply Current
- Power-save Supply Current
- Standby Supply Current
- Pin Pull-up
- Pin Driver Strength
- Pin Thresholds and Hysteresis
- BOD Thresholds and Analog Comparator Offset
- Internal Oscillator Speed
- Current Consumption of Peripheral Units
- Current Consumption in Reset and Reset Pulse width
- Register Summary
- Instruction Set Summary
- Ordering Information
- Packaging Information
- Errata
- Datasheet Revision History
- Rev. 2467X-06/11
- Rev. 2467W-05/11
- Rev. 2467V-02/11
- Rev. 2467U-08/10
- Rev. 2467T-07/10
- Rev. 2467S-07/09
- Rev. 2467R-06/08
- Rev. 2467Q-05/08
- Rev. 2467P-08/07
- Rev. 2467O-10/06
- Rev. 2467N-03/06
- Rev. 2467M-11/04
- Rev. 2467L-05/04
- Rev. 2467K-03/04
- Rev. 2467J-12/03
- Rev. 2467I-09/03
- Rev. 2467H-02/03
- Rev. 2467G-09/02
- Rev. 2467F-09/02
- Rev. 2467E-04/02
- Rev. 2467D-03/02
- Rev. 2467C-02/02
- Table of Contents

Features
•High-performance, Low-power Atmel®AVR®8-bit Microcontroller
•Advanced RISC Architecture
– 133 Powerful Instructions – Most Single Clock Cycle Execution
– 32 x 8 General Purpose Working Registers + Peripheral Control Registers
– Fully Static Operation
– Up to 16MIPS Throughput at 16MHz
– On-chip 2-cycle Multiplier
•High Endurance Non-volatile Memory segments
– 128Kbytes of In-System Self-programmable Flash program memory
– 4Kbytes EEPROM
– 4Kbytes Internal SRAM
– Write/Erase cycles: 10,000 Flash/100,000 EEPROM
– Data retention: 20 years at 85°C/100 years at 25°C(1)
– Optional Boot Code Section with Independent Lock Bits
In-System Programming by On-chip Boot Program
True Read-While-Write Operation
– Up to 64Kbytes Optional External Memory Space
– Programming Lock for Software Security
– SPI Interface for In-System Programming
•QTouch® library support
– Capacitive touch buttons, sliders and wheels
– QTouch and QMatrix acquisition
– Up to 64 sense channels
•JTAG (IEEE std. 1149.1 Compliant) Interface
– Boundary-scan Capabilities According to the JTAG Standard
– Extensive On-chip Debug Support
– Programming of Flash, EEPROM, Fuses and Lock Bits through the JTAG Interface
•Peripheral Features
– Two 8-bit Timer/Counters with Separate Prescalers and Compare Modes
– Two Expanded 16-bit Timer/Counters with Separate Prescaler, Compare Mode and Capture
Mode
– Real Time Counter with Separate Oscillator
– Two 8-bit PWM Channels
– 6 PWM Channels with Programmable Resolution from 2 to 16 Bits
– Output Compare Modulator
– 8-channel, 10-bit ADC
8 Single-ended Channels
7 Differential Channels
2 Differential Channels with Programmable Gain at 1x, 10x, or 200x
– Byte-oriented Two-wire Serial Interface
– Dual Programmable Serial USARTs
– Master/Slave SPI Serial Interface
– Programmable Watchdog Timer with On-chip Oscillator
– On-chip Analog Comparator
•Special Microcontroller Features
– Power-on Reset and Programmable Brown-out Detection
– Internal Calibrated RC Oscillator
– External and Internal Interrupt Sources
– Six Sleep Modes: Idle, ADC Noise Reduction, Power-save, Power-down, Standby, and
Extended Standby
– Software Selectable Clock Frequency
– ATmega103 Compatibility Mode Selected by a Fuse
– Global Pull-up Disable
•I/O and Packages
– 53 Programmable I/O Lines
– 64-lead TQFP and 64-pad QFN/MLF
•Operating Voltages
– 2.7 - 5.5V ATmega128L
– 4.5 - 5.5V ATmega128
•Speed Grades
– 0 - 8MHz ATmega128L
– 0 - 16MHz ATmega128
8-bit Atmel
Microcontroller
with 128KBytes
In-System
Programmable
Flash
ATmega128
ATmega128L
Rev. 2467X–AVR–06/11

2
2467X–AVR–06/11
ATmega128
Pin
Configurations
Figure 1. Pinout ATmega128
Note: The Pinout figure applies to both TQFP and MLF packages. The bottom pad under the QFN/MLF
package should be soldered to ground.
Overview The Atmel® AVR® ATmega128 is a low-power CMOS 8-bit microcontroller based on the AVR
enhanced RISC architecture. By executing powerful instructions in a single clock cycle, the
ATmega128 achieves throughputs approaching 1MIPS per MHz allowing the system designer to
optimize power consumption versus processing speed.
1
2
3
4
5
6
7
8
9
10
11
12
13
14
15
16
48
47
46
45
44
43
42
41
40
39
38
37
36
35
34
33
PEN
RXD0/(PDI) PE0
(TXD0/PDO) PE1
(XCK0/AIN0) PE2
(OC3A/AIN1) PE3
(OC3B/INT4) PE4
(OC3C/INT5) PE5
(T3/INT6) PE6
(ICP3/INT7) PE7
(SS) PB0
(SCK) PB1
(MOSI) PB2
(MISO) PB3
(OC0) PB4
(OC1A) PB5
(OC1B) PB6
PA3 (AD3)
PA4 (AD4)
PA5 (AD5)
PA6 (AD6)
PA7 (AD7)
PG2(ALE)
PC7 (A15)
PC6 (A14)
PC5 (A13)
PC4 (A12)
PC3 (A11)
PC2 (A10)
PC1 (A9)
PC0 (A8)
PG1(RD)
PG0(WR)
64
63
62
61
60
59
58
57
56
55
54
53
52
51
50
49
17
18
19
20
21
22
23
24
25
26
27
28
29
30
31
32
(OC2/OC1C) PB7
TOSC2/PG3
TOSC1/PG4
RESET
VCC
GND
XTAL2
XTAL1
(SCL/INT0) PD0
(SDA/INT1) PD1
(RXD1/INT2) PD2
(TXD1/INT3) PD3
(ICP1) PD4
(XCK1) PD5
(T1) PD6
(T2) PD7
AVCC
GND
AREF
PF0 (ADC0)
PF1 (ADC1)
PF2 (ADC2)
PF3 (ADC3)
PF4 (ADC4/TCK)
PF5 (ADC5/TMS)
PF6 (ADC6/TDO)
PF7 (ADC7/TDI)
GND
VCC
PA0 (AD0)
PA1 (AD1)
PA2 (AD2)

3
2467X–AVR–06/11
ATmega128
Block Diagram
Figure 2. Block Diagram
PROGRAM
COUNTER
INTERNAL
OSCILLATOR
WATCHDOG
TIMER
STACK
POINTER
PROGRAM
FLASH
MCU CONTROL
REGISTER
SRAM
GENERAL
PURPOSE
REGISTERS
INSTRUCTION
REGISTER
TIMER/
COUNTERS
INSTRUCTION
DECODER
DATA DIR.
REG. PORTB
DATA DIR.
REG. PORTE
DATA DIR.
REG. PORTA
DATA DIR.
REG. PORTD
DATA REGISTER
PORTB
DATA REGISTER
PORTE
DATA REGISTER
PORTA
DATA REGISTER
PORTD
TIMING AND
CONTROL
OSCILLATOR
OSCILLATOR
INTERRUPT
UNIT
EEPROM
SPI
USART0
STATUS
REGISTER
Z
Y
X
ALU
PORTB DRIVERS
PORTE DRIVERS
PORTA DRIVERS
PORTF DRIVERS
PORTD DRIVERS
PORTC DRIVERS
PB0 - PB7PE0 - PE7
PA0 - PA7PF0 - PF7
RESET
VCC
AGND
GND
AREF
XTAL1
XTAL2
CONTROL
LINES
+
-
ANALOG
COMPARATOR
PC0 - PC7
8-BIT DATA BUS
AVCC
USART1
CALIB. OSC
DATA DIR.
REG. PORTC
DATA REGISTER
PORTC
ON-CHIP DEBUG
JTAG TAP
PROGRAMMING
LOGIC
PEN
BOUNDARY-
SCAN
DATA DIR.
REG. PORTF
DATA REGISTER
PORTF
ADC
PD0 - PD7
DATA DIR.
REG. PORTG
DATA REG.
PORTG
PORTG DRIVERS
PG0 - PG4
TWO-WIRE SERIAL
INTERFACE

4
2467X–AVR–06/11
ATmega128
The Atmel® AVR® core combines a rich instruction set with 32 general purpose working regis-
ters. All the 32 registers are directly connected to the Arithmetic Logic Unit (ALU), allowing two
independent registers to be accessed in one single instruction executed in one clock cycle. The
resulting architecture is more code efficient while achieving throughputs up to ten times faster
than conventional CISC microcontrollers.
The ATmega128 provides the following features: 128Kbytes of In-System Programmable Flash
with Read-While-Write capabilities, 4Kbytes EEPROM, 4Kbytes SRAM, 53 general purpose I/O
lines, 32 general purpose working registers, Real Time Counter (RTC), four flexible Timer/Coun-
ters with compare modes and PWM, 2 USARTs, a byte oriented Two-wire Serial Interface, an 8-
channel, 10-bit ADC with optional differential input stage with programmable gain, programma-
ble Watchdog Timer with Internal Oscillator, an SPI serial port, IEEE std. 1149.1 compliant
JTAG test interface, also used for accessing the On-chip Debug system and programming and
six software selectable power saving modes. The Idle mode stops the CPU while allowing the
SRAM, Timer/Counters, SPI port, and interrupt system to continue functioning. The Power-down
mode saves the register contents but freezes the Oscillator, disabling all other chip functions
until the next interrupt or Hardware Reset. In Power-save mode, the asynchronous timer contin-
ues to run, allowing the user to maintain a timer base while the rest of the device is sleeping.
The ADC Noise Reduction mode stops the CPU and all I/O modules except Asynchronous
Timer and ADC, to minimize switching noise during ADC conversions. In Standby mode, the
Crystal/Resonator Oscillator is running while the rest of the device is sleeping. This allows very
fast start-up combined with low power consumption. In Extended Standby mode, both the main
Oscillator and the Asynchronous Timer continue to run.
Atmel offers the QTouch® library for embedding capacitive touch buttons, sliders and wheels
functionality into AVR microcontrollers. The patented charge-transfer signal acquisition offers
robust sensing and includes fully debounced reporting of touch keys and includes Adjacent Key
Suppression® (AKS™) technology for unambiguous detection of key events. The easy-to-use
QTouch Suite toolchain allows you to explore, develop and debug your own touch applications.
The device is manufactured using Atmel’s high-density nonvolatile memory technology. The On-
chip ISP Flash allows the program memory to be reprogrammed in-system through an SPI serial
interface, by a conventional nonvolatile memory programmer, or by an On-chip Boot program
running on the AVR core. The boot program can use any interface to download the application
program in the application Flash memory. Software in the Boot Flash section will continue to run
while the Application Flash section is updated, providing true Read-While-Write operation. By
combining an 8-bit RISC CPU with In-System Self-Programmable Flash on a monolithic chip,
the Atmel ATmega128 is a powerful microcontroller that provides a highly flexible and cost effec-
tive solution to many embedded control applications.
The ATmega128 device is supported with a full suite of program and system development tools
including: C compilers, macro assemblers, program debugger/simulators, in-circuit emulators,
and evaluation kits.
ATmega103 and
ATmega128
Compatibility
The ATmega128 is a highly complex microcontroller where the number of I/O locations super-
sedes the 64 I/O locations reserved in the AVR instruction set. To ensure backward compatibility
with the ATmega103, all I/O locations present in ATmega103 have the same location in
ATmega128. Most additional I/O locations are added in an Extended I/O space starting from $60
to $FF, (i.e., in the ATmega103 internal RAM space). These locations can be reached by using
LD/LDS/LDD and ST/STS/STD instructions only, not by using IN and OUT instructions. The relo-
cation of the internal RAM space may still be a problem for ATmega103 users. Also, the
increased number of interrupt vectors might be a problem if the code uses absolute addresses.
To solve these problems, an ATmega103 compatibility mode can be selected by programming
the fuse M103C. In this mode, none of the functions in the Extended I/O space are in use, so the
internal RAM is located as in ATmega103. Also, the Extended Interrupt vectors are removed.

5
2467X–AVR–06/11
ATmega128
The ATmega128 is 100% pin compatible with ATmega103, and can replace the ATmega103 on
current Printed Circuit Boards. The application note “Replacing ATmega103 by ATmega128”
describes what the user should be aware of replacing the ATmega103 by an ATmega128.
ATmega103
Compatibility Mode
By programming the M103C fuse, the Atmel®ATmega128 will be compatible with the
ATmega103 regards to RAM, I/O pins and interrupt vectors as described above. However, some
new features in ATmega128 are not available in this compatibility mode, these features are
listed below:
• One USART instead of two, Asynchronous mode only. Only the eight least significant bits of
the Baud Rate Register is available.
• One 16 bits Timer/Counter with two compare registers instead of two 16-bit Timer/Counters
with three compare registers.
• Two-wire serial interface is not supported.
• Port C is output only.
• Port G serves alternate functions only (not a general I/O port).
• Port F serves as digital input only in addition to analog input to the ADC.
• Boot Loader capabilities is not supported.
• It is not possible to adjust the frequency of the internal calibrated RC Oscillator.
• The External Memory Interface can not release any Address pins for general I/O, neither
configure different wait-states to different External Memory Address sections.
In addition, there are some other minor differences to make it more compatible to ATmega103:
• Only EXTRF and PORF exists in MCUCSR.
• Timed sequence not required for Watchdog Time-out change.
• External Interrupt pins 3 - 0 serve as level interrupt only.
• USART has no FIFO buffer, so data overrun comes earlier.
Unused I/O bits in ATmega103 should be written to 0 to ensure same operation in ATmega128.
Pin Descriptions
VCC Digital supply voltage.
GND Ground.
Port A (PA7..PA0) Port A is an 8-bit bi-directional I/O port with internal pull-up resistors (selected for each bit). The
Port A output buffers have symmetrical drive characteristics with both high sink and source
capability. As inputs, Port A pins that are externally pulled low will source current if the pull-up
resistors are activated. The Port A pins are tri-stated when a reset condition becomes active,
even if the clock is not running.
Port A also serves the functions of various special features of the ATmega128 as listed on page
72.
Port B (PB7..PB0) Port B is an 8-bit bi-directional I/O port with internal pull-up resistors (selected for each bit). The
Port B output buffers have symmetrical drive characteristics with both high sink and source
capability. As inputs, Port B pins that are externally pulled low will source current if the pull-up
resistors are activated. The Port B pins are tri-stated when a reset condition becomes active,
even if the clock is not running.
Port B also serves the functions of various special features of the ATmega128 as listed on page
73.

6
2467X–AVR–06/11
ATmega128
Port C (PC7..PC0) Port C is an 8-bit bi-directional I/O port with internal pull-up resistors (selected for each bit). The
Port C output buffers have symmetrical drive characteristics with both high sink and source
capability. As inputs, Port C pins that are externally pulled low will source current if the pull-up
resistors are activated. The Port C pins are tri-stated when a reset condition becomes active,
even if the clock is not running.
Port C also serves the functions of special features of the Atmel® AVR®ATmega128 as listed on
page 76. In ATmega103 compatibility mode, Port C is output only, and the port C pins are not tri-
stated when a reset condition becomes active.
Note: The ATmega128 is by default shipped in ATmega103 compatibility mode. Thus, if the parts are not
programmed before they are put on the PCB, PORTC will be output during first power up, and until
the ATmega103 compatibility mode is disabled.
Port D (PD7..PD0) Port D is an 8-bit bi-directional I/O port with internal pull-up resistors (selected for each bit). The
Port D output buffers have symmetrical drive characteristics with both high sink and source
capability. As inputs, Port D pins that are externally pulled low will source current if the pull-up
resistors are activated. The Port D pins are tri-stated when a reset condition becomes active,
even if the clock is not running.
Port D also serves the functions of various special features of the ATmega128 as listed on page
77.
Port E (PE7..PE0) Port E is an 8-bit bi-directional I/O port with internal pull-up resistors (selected for each bit). The
Port E output buffers have symmetrical drive characteristics with both high sink and source
capability. As inputs, Port E pins that are externally pulled low will source current if the pull-up
resistors are activated. The Port E pins are tri-stated when a reset condition becomes active,
even if the clock is not running.
Port E also serves the functions of various special features of the ATmega128 as listed on page
80.
Port F (PF7..PF0) Port F serves as the analog inputs to the A/D Converter.
Port F also serves as an 8-bit bi-directional I/O port, if the A/D Converter is not used. Port pins
can provide internal pull-up resistors (selected for each bit). The Port F output buffers have sym-
metrical drive characteristics with both high sink and source capability. As inputs, Port F pins
that are externally pulled low will source current if the pull-up resistors are activated. The Port F
pins are tri-stated when a reset condition becomes active, even if the clock is not running. If the
JTAG interface is enabled, the pull-up resistors on pins PF7(TDI), PF5(TMS), and PF4(TCK) will
be activated even if a Reset occurs.
The TDO pin is tri-stated unless TAP states that shift out data are entered.
Port F also serves the functions of the JTAG interface.
In ATmega103 compatibility mode, Port F is an input Port only.
Port G (PG4..PG0) Port G is a 5-bit bi-directional I/O port with internal pull-up resistors (selected for each bit). The
Port G output buffers have symmetrical drive characteristics with both high sink and source
capability. As inputs, Port G pins that are externally pulled low will source current if the pull-up
resistors are activated. The Port G pins are tri-stated when a reset condition becomes active,
even if the clock is not running.
Port G also serves the functions of various special features.
The port G pins are tri-stated when a reset condition becomes active, even if the clock is not
running.

7
2467X–AVR–06/11
ATmega128
In ATmega103 compatibility mode, these pins only serves as strobes signals to the external
memory as well as input to the 32kHz Oscillator, and the pins are initialized to PG0 = 1, PG1 = 1,
and PG2 = 0 asynchronously when a reset condition becomes active, even if the clock is not
running. PG3 and PG4 are oscillator pins.
RESET Reset input. A low level on this pin for longer than the minimum pulse length will generate a
reset, even if the clock is not running. The minimum pulse length is given in Table 19 on page
50. Shorter pulses are not guaranteed to generate a reset.
XTAL1 Input to the inverting Oscillator amplifier and input to the internal clock operating circuit.
XTAL2 Output from the inverting Oscillator amplifier.
AVCC AVCC is the supply voltage pin for Port F and the A/D Converter. It should be externally con-
nected to VCC, even if the ADC is not used. If the ADC is used, it should be connected to VCC
through a low-pass filter.
AREF AREF is the analog reference pin for the A/D Converter.
PEN PEN is a programming enable pin for the SPI Serial Programming mode, and is internally pulled
high . By holding this pin low during a Power-on Reset, the device will enter the SPI Serial Pro-
gramming mode. PEN has no function during normal operation.

8
2467X–AVR–06/11
ATmega128
Resources A comprehensive set of development tools, application notes, and datasheets are available for
download on http://www.atmel.com/avr.
Note: 1.
Data Retention Reliability Qualification results show that the projected data retention failure rate is much less
than 1 PPM over 20 years at 85°C or 100 years at 25°C
About Code
Examples
This datasheet contains simple code examples that briefly show how to use various parts of the
device. These code examples assume that the part specific header file is included before compi-
lation. Be aware that not all C compiler vendors include bit definitions in the header files and
interrupt handling in C is compiler dependent. Please confirm with the C compiler documentation
for more details.
For I/O registers located in extended I/O map, “IN”, “OUT”, “SBIS”, “SBIC”, “CBI”, and “SBI”
instructions must be replaced with instructions that allow access to extended I/O. Typically
“LDS” and “STS” combined with “SBRS”, “SBRC”, “SBR”, and “CBR”.
Capacitive touch sensing
The Atmel QTouch Library provides a simple to use solution to realize touch sensitive interfaces
on most Atmel AVR microcontrollers. The QTouch Library includes support for the QTouch and
QMatrix acquisition methods.
Touch sensing can be added to any application by linking the appropriate Atmel QTouch Library
for the AVR Microcontroller. This is done by using a simple set of APIs to define the touch chan-
nels and sensors, and then calling the touch sensing API’s to retrieve the channel information
and determine the touch sensor states.
The QTouch Library is FREE and downloadable from the Atmel website at the following location:
www.atmel.com/qtouchlibrary. For implementation details and other information, refer to the
Atmel QTouch Library User Guide - also available for download from the Atmel website.

9
2467X–AVR–06/11
ATmega128
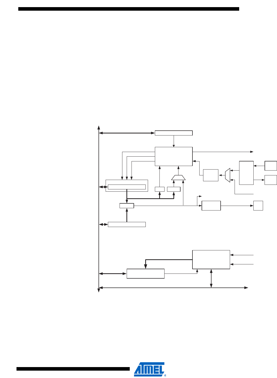
AVR CPU Core
Introduction This section discusses the Atmel® AVR® core architecture in general. The main function of the
CPU core is to ensure correct program execution. The CPU must therefore be able to access
memories, perform calculations, control peripherals and handle interrupts.
Architectural
Overview
Figure 3. Block Diagram of the AVR Architecture
In order to maximize performance and parallelism, the AVR uses a Harvard architecture – with
separate memories and buses for program and data. Instructions in the program memory are
executed with a single level pipelining. While one instruction is being executed, the next instruc-
tion is pre-fetched from the program memory. This concept enables instructions to be executed
in every clock cycle. The program memory is In-System Reprogrammable Flash memory.
The fast-access Register file contains 32 x 8-bit general purpose working registers with a single
clock cycle access time. This allows single-cycle Arithmetic Logic Unit (ALU) operation. In a typ-
ical ALU operation, two operands are output from the Register file, the operation is executed,
and the result is stored back in the Register file – in one clock cycle.
Six of the 32 registers can be used as three 16-bit indirect address register pointers for Data
Space addressing – enabling efficient address calculations. One of the these address pointers
can also be used as an address pointer for look up tables in Flash Program memory. These
added function registers are the 16-bit X-register, Y-register and Z-register, described later in
this section.
The ALU supports arithmetic and logic operations between registers or between a constant and
a register. Single register operations can also be executed in the ALU. After an arithmetic opera-
tion, the Status Register is updated to reflect information about the result of the operation.
Flash
Program
Memory
Instruction
Register
Instruction
Decoder
Program
Counter
Control Lines
32 x 8
General
Purpose
Registrers
ALU
Status
and Control
I/O Lines
EEPROM
Data Bus 8-bit
Data
SRAM
Direct Addressing
Indirect Addressing
Interrupt
Unit
SPI
Unit
Watchdog
Timer
Analog
Comparator
I/O Module 2
I/O Module1
I/O Module n

10
2467X–AVR–06/11
ATmega128
Program flow is provided by conditional and unconditional jump and call instructions, able to
directly address the whole address space. Most AVR instructions have a single 16-bit word for-
mat. Every program memory address contains a 16-bit or 32-bit instruction.
Program Flash memory space is divided in two sections, the Boot Program section and the
Application Program section. Both sections have dedicated Lock bits for write and read/write
protection. The SPM instruction that writes into the Application Flash Memory section must
reside in the Boot Program section.
During interrupts and subroutine calls, the return address Program Counter (PC) is stored on the
Stack. The Stack is effectively allocated in the general data SRAM, and consequently the stack
size is only limited by the total SRAM size and the usage of the SRAM. All user programs must
initialize the SP in the reset routine (before subroutines or interrupts are executed). The Stack
Pointer – SP – is read/write accessible in the I/O space. The data SRAM can easily be accessed
through the five different addressing modes supported in the AVR architecture.
The memory spaces in the AVR architecture are all linear and regular memory maps.
A flexible interrupt module has its control registers in the I/O space with an additional global
interrupt enable bit in the Status Register. All interrupts have a separate interrupt vector in the
interrupt vector table. The interrupts have priority in accordance with their interrupt vector posi-
tion. The lower the interrupt vector address, the higher the priority.
The I/O memory space contains 64 addresses which can be accessed directly, or as the Data
Space locations following those of the Register file, $20 - $5F. In addition, the ATmega128 has
Extended I/O space from $60 - $FF in SRAM where only the ST/STS/STD and LD/LDS/LDD
instructions can be used.
ALU – Arithmetic
Logic Unit
The high-performance AVR ALU operates in direct connection with all the 32 general purpose
working registers. Within a single clock cycle, arithmetic operations between general purpose
registers or between a register and an immediate are executed. The ALU operations are divided
into three main categories – arithmetic, logical, and bit-functions. Some implementations of the
architecture also provide a powerful multiplier supporting both signed/unsigned multiplication
and fractional format. See the “Instruction Set” section for a detailed description.
Status Register The Status Register contains information about the result of the most recently executed arithme-
tic instruction. This information can be used for altering program flow in order to perform
conditional operations. Note that the Status Register is updated after all ALU operations, as
specified in the Instruction Set Reference. This will in many cases remove the need for using the
dedicated compare instructions, resulting in faster and more compact code.
The status register is not automatically stored when entering an interrupt routine and restored
when returning from an interrupt. This must be handled by software.
The AVR status Register – SREG – is defined as:
Bit 76543210
I T H S V N Z C SREG
Read/Write R/WR/WR/WR/WR/WR/WR/WR/W
Initial Value 0 0 0 0 0 0 0 0

11
2467X–AVR–06/11
ATmega128
• Bit 7 – I: Global Interrupt Enable
The Global Interrupt Enable bit must be set for the interrupts to be enabled. The individual inter-
rupt enable control is then performed in separate control registers. If the Global Interrupt Enable
Register is cleared, none of the interrupts are enabled independent of the individual interrupt
enable settings. The I-bit is cleared by hardware after an interrupt has occurred, and is set by
the RETI instruction to enable subsequent interrupts. The I-bit can also be set and cleared in
software with the SEI and CLI instructions, as described in the instruction set reference.
• Bit 6 – T: Bit Copy Storage
The Bit Copy instructions BLD (Bit LoaD) and BST (Bit STore) use the T-bit as source or desti-
nation for the operated bit. A bit from a register in the Register file can be copied into T by the
BST instruction, and a bit in T can be copied into a bit in a register in the Register file by the BLD
instruction.
• Bit 5 – H: Half Carry Flag
The Half Carry Flag H indicates a half carry in some arithmetic operations. Half carry is useful in
BCD arithmetic. See the “Instruction Set Description” for detailed information.
• Bit 4 – S: Sign Bit, S = N ⊕ V
The S-bit is always an exclusive or between the negative flag N and the two’s complement over-
flow flag V. See the “Instruction Set Description” for detailed information.
• Bit 3 – V: Two’s Complement Overflow Flag
The Two’s Complement Overflow Flag V supports two’s complement arithmetics. See the
“Instruction Set Description” for detailed information.
• Bit 2 – N: Negative Flag
The Negative Flag N indicates a negative result in an arithmetic or logic operation. See the
“Instruction Set Description” for detailed information.
• Bit 1 – Z: Zero Flag
The Zero Flag Z indicates a zero result in an arithmetic or logic operation. See the “Instruction
Set Description” for detailed information.
• Bit 0 – C: Carry Flag
The Carry Flag C indicates a carry in an arithmetic or logic operation. See the “Instruction Set
Description” for detailed information.
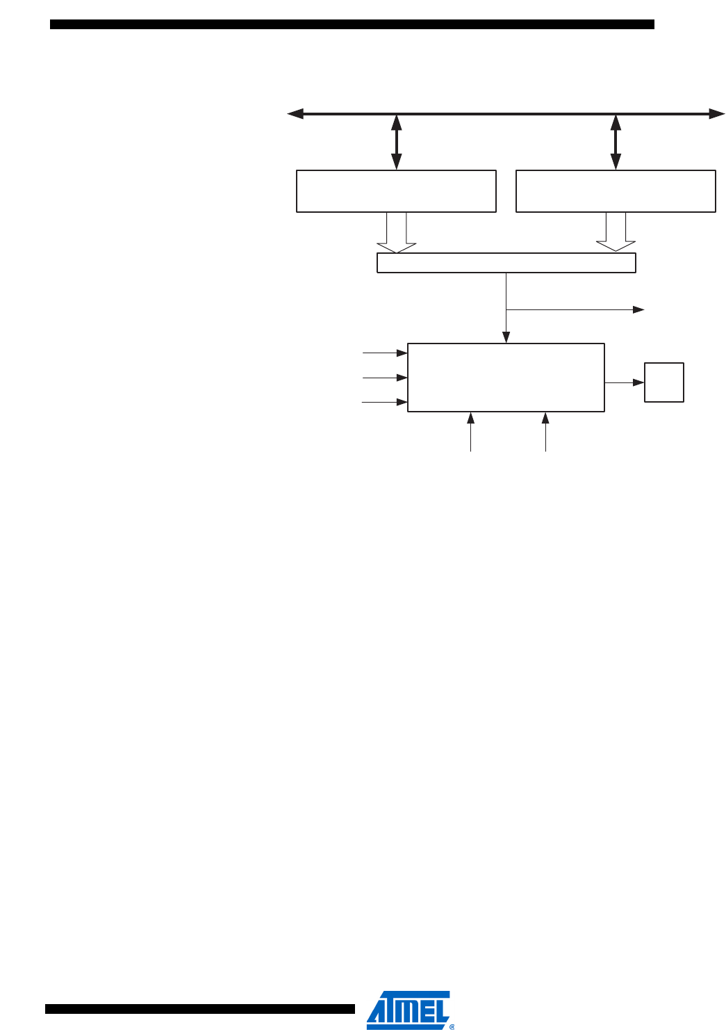
General Purpose
Register File
The Register file is optimized for the AVR Enhanced RISC instruction set. In order to achieve the
required performance and flexibility, the following input/output schemes are supported by the
Register file:
• One 8-bit output operand and one 8-bit result input
• Two 8-bit output operands and one 8-bit result input
• Two 8-bit output operands and one 16-bit result input
• One 16-bit output operand and one 16-bit result input
Figure 4 on page 12 shows the structure of the 32 general purpose working registers in the
CPU.

12
2467X–AVR–06/11
ATmega128
Figure 4. AVR CPU General Purpose Working Registers
Most of the instructions operating on the Register file have direct access to all registers, and
most of them are single cycle instructions.
As shown in Figure 4, each register is also assigned a data memory address, mapping them
directly into the first 32 locations of the user Data Space. Although not being physically imple-
mented as SRAM locations, this memory organization provides great flexibility in access of the
registers, as the X-, Y-, and Z-pointer Registers can be set to index any register in the file.
X-register, Y-register,
and Z-register
The registers R26..R31 have some added functions to their general purpose usage. These reg-
isters are 16-bit address pointers for indirect addressing of the Data Space. The three indirect
address registers X, Y, and Z are described in Figure 5.
Figure 5. The X-, Y-, and Z-registers
In the different addressing modes these address registers have functions as fixed displacement,
automatic increment, and automatic decrement (see the Instruction Set Reference for details).
7 0 Addr.
R0 $00
R1 $01
R2 $02
…
R13 $0D
General R14 $0E
Purpose R15 $0F
Working R16 $10
Registers R17 $11
…
R26 $1A X-register Low Byte
R27 $1B X-register High Byte
R28 $1C Y-register Low Byte
R29 $1D Y-register High Byte
R30 $1E Z-register Low Byte
R31 $1F Z-register High Byte
15 XH XL 0
X - register 7 0 7 0
R27 ($1B) R26 ($1A)
15 YH YL 0
Y - register 7 0 7 0
R29 ($1D) R28 ($1C)
15 ZH ZL 0
Z - register 7 0 7 0
R31 ($1F) R30 ($1E)

13
2467X–AVR–06/11
ATmega128
Stack Pointer The Stack is mainly used for storing temporary data, for storing local variables and for storing
return addresses after interrupts and subroutine calls. The Stack Pointer Register always points
to the top of the Stack. Note that the Stack is implemented as growing from higher memory loca-
tions to lower memory locations. This implies that a Stack PUSH command decreases the Stack
Pointer.
The Stack Pointer points to the data SRAM stack area where the Subroutine and Interrupt
Stacks are located. This Stack space in the data SRAM must be defined by the program before
any subroutine calls are executed or interrupts are enabled. The Stack Pointer must be set to
point above $60. The Stack Pointer is decremented by one when data is pushed onto the Stack
with the PUSH instruction, and it is decremented by two when the return address is pushed onto
the Stack with subroutine call or interrupt. The Stack Pointer is incremented by one when data is
popped from the Stack with the POP instruction, and it is incremented by two when data is
popped from the Stack with return from subroutine RET or return from interrupt RETI.
The AVR Stack Pointer is implemented as two 8-bit registers in the I/O space. The number of
bits actually used is implementation dependent. Note that the data space in some implementa-
tions of the AVR architecture is so small that only SPL is needed. In this case, the SPH Register
will not be present.
RAM Page Z Select
Register – RAMPZ
• Bits 7..1 – Res: Reserved Bits
These are reserved bits and will always read as zero. When writing to this address location,
write these bits to zero for compatibility with future devices.
• Bit 0 – RAMPZ0: Extended RAM Page Z-pointer
The RAMPZ Register is normally used to select which 64K RAM Page is accessed by the Z-
pointer. As the ATmega128 does not support more than 64K of SRAM memory, this register is
used only to select which page in the program memory is accessed when the ELPM/SPM
instruction is used. The different settings of the RAMPZ0 bit have the following effects:
Note that LPM is not affected by the RAMPZ setting.
Instruction
Execution Timing
This section describes the general access timing concepts for instruction execution. The AVR
CPU is driven by the CPU clock clkCPU, directly generated from the selected clock source for the
chip. No internal clock division is used.
Bit 151413121110 9 8
SP15 SP14 SP13 SP12 SP11 SP10 SP9 SP8 SPH
SP7 SP6 SP5 SP4 SP3 SP2 SP1 SP0 SPL
76543210
Read/Write R/WR/WR/WR/WR/WR/WR/WR/W
R/WR/WR/WR/WR/WR/WR/WR/W
Initial Value 0 0 0 0 0 0 0 0
00000000
Bit 76543 2 1 0
– –– – – – – – RAMPZ0 RAMPZ
Read/Write R R R R R R R R/W
Initial Value 0 0 0 0 0 0 0 0
RAMPZ0 = 0: Program memory address $0000 - $7FFF (lower 64 Kbytes) is
accessed by ELPM/SPM
RAMPZ0 = 1: Program memory address $8000 - $FFFF (higher 64 Kbytes) is
accessed by ELPM/SPM

14
2467X–AVR–06/11
ATmega128
Figure 6 shows the parallel instruction fetches and instruction executions enabled by the Har-
vard architecture and the fast-access Register file concept. This is the basic pipelining concept
to obtain up to 1 MIPS per MHz with the corresponding unique results for functions per cost,
functions per clocks, and functions per power-unit.
Figure 6. The Parallel Instruction Fetches and Instruction Executions
Figure 7 shows the internal timing concept for the Register file. In a single clock cycle an ALU
operation using two register operands is executed, and the result is stored back to the destina-
tion register.
Figure 7. Single Cycle ALU Operation
Reset and
Interrupt Handling
The AVR provides several different interrupt sources. These interrupts and the separate reset
vector each have a separate program vector in the program memory space. All interrupts are
assigned individual enable bits which must be written logic one together with the Global Interrupt
Enable bit in the Status Register in order to enable the interrupt. Depending on the Program
Counter value, interrupts may be automatically disabled when Boot Lock bits BLB02 or BLB12
are programmed. This feature improves software security. See the section “Memory Program-
ming” on page 286 for details.
The lowest addresses in the program memory space are by default defined as the Reset and
Interrupt vectors. The complete list of vectors is shown in “Interrupts” on page 59. The list also
determines the priority levels of the different interrupts. The lower the address the higher is the
priority level. RESET has the highest priority, and next is INT0 – the External Interrupt Request
0. The interrupt vectors can be moved to the start of the boot Flash section by setting the IVSEL
bit in the MCU Control Register (MCUCR). Refer to “Interrupts” on page 59 for more information.
The Reset vector can also be moved to the start of the boot Flash section by programming the
BOOTRST fuse, see “Boot Loader Support – Read-While-Write Self-Programming” on page
273.
When an interrupt occurs, the Global Interrupt Enable I-bit is cleared and all interrupts are dis-
abled. The user software can write logic one to the I-bit to enable nested interrupts. All enabled
interrupts can then interrupt the current interrupt routine. The I-bit is automatically set when a
Return from Interrupt instruction – RETI – is executed.
clk
1st Instruction Fetch
1st Instruction Execute
2nd Instruction Fetch
2nd Instruction Execute
3rd Instruction Fetch
3rd Instruction Execute
4th Instruction Fetch
T1 T2 T3 T4
CPU
Total Execution Time
Register Operands Fetch
ALU Operation Execute
Result Write Back
T1 T2 T3 T4
clkCPU

15
2467X–AVR–06/11
ATmega128
There are basically two types of interrupts. The first type is triggered by an event that sets the
interrupt flag. For these interrupts, the Program Counter is vectored to the actual interrupt vector
in order to execute the interrupt handling routine, and hardware clears the corresponding inter-
rupt flag. Interrupt flags can also be cleared by writing a logic one to the flag bit position(s) to be
cleared. If an interrupt condition occurs while the corresponding interrupt enable bit is cleared,
the interrupt flag will be set and remembered until the interrupt is enabled, or the flag is cleared
by software. Similarly, if one or more interrupt conditions occur while the global interrupt enable
bit is cleared, the corresponding interrupt flag(s) will be set and remembered until the global
interrupt enable bit is set, and will then be executed by order of priority.
The second type of interrupts will trigger as long as the interrupt condition is present. These
interrupts do not necessarily have interrupt flags. If the interrupt condition disappears before the
interrupt is enabled, the interrupt will not be triggered.
When the AVR exits from an interrupt, it will always return to the main program and execute one
more instruction before any pending interrupt is served.
Note that the Status Register is not automatically stored when entering an interrupt routine, nor
restored when returning from an interrupt routine. This must be handled by software.
When using the CLI instruction to disable interrupts, the interrupts will be immediately disabled.
No interrupt will be executed after the CLI instruction, even if it occurs simultaneously with the
CLI instruction. The following example shows how this can be used to avoid interrupts during the
timed EEPROM write sequence.
Assembly Code Example
in r16, SREG ; store SREG value
cli ; disable interrupts during timed sequence
sbi EECR, EEMWE ; start EEPROM write
sbi EECR, EEWE
out SREG, r16 ; restore SREG value (I-bit)
C Code Example
char cSREG;
cSREG = SREG; /* store SREG value */
/* disable interrupts during timed sequence */
__disable_interrupt();
EECR |= (1<<EEMWE); /* start EEPROM write */
EECR |= (1<<EEWE);
SREG = cSREG; /* restore SREG value (I-bit) */

16
2467X–AVR–06/11
ATmega128
When using the SEI instruction to enable interrupts, the instruction following SEI will be exe-
cuted before any pending interrupts, as shown in this example.
Interrupt Response
Time
The interrupt execution response for all the enabled AVR interrupts is four clock cycles mini-
mum. After four clock cycles, the program vector address for the actual interrupt handling routine
is executed. During this 4-clock cycle period, the Program Counter is pushed onto the Stack.
The vector is normally a jump to the interrupt routine, and this jump takes three clock cycles. If
an interrupt occurs during execution of a multi-cycle instruction, this instruction is completed
before the interrupt is served. If an interrupt occurs when the MCU is in Sleep mode, the inter-
rupt execution response time is increased by four clock cycles. This increase comes in addition
to the start-up time from the selected sleep mode.
A return from an interrupt handling routine takes four clock cycles. During these 4-clock cycles,
the Program Counter (two bytes) is popped back from the Stack, the Stack Pointer is incre-
mented by two, and the I-bit in SREG is set.
Assembly Code Example
sei ; set global interrupt enable
sleep; enter sleep, waiting for interrupt
; note: will enter sleep before any pending
; interrupt(s)
C Code Example
__enable_interrupt(); /* set global interrupt enable */
__sleep(); /* enter sleep, waiting for interrupt */
/* note: will enter sleep before any pending interrupt(s) */

17
2467X–AVR–06/11
ATmega128
AVR
ATmega128
Memories
This section describes the different memories in the Atmel® AVR® ATmega128. The AVR archi-
tecture has two main memory spaces, the Data Memory and the Program Memory space. In
addition, the ATmega128 features an EEPROM Memory for data storage. All three memory
spaces are linear and regular.
In-System
Reprogrammable
Flash Program
Memory
The ATmega128 contains 128Kbytes On-chip In-System Reprogrammable Flash memory for
program storage. Since all AVR instructions are 16 or 32 bits wide, the Flash is organized as
64K x 16. For software security, the Flash Program memory space is divided into two sections,
Boot Program section and Application Program section.
The Flash memory has an endurance of at least 10,000 write/erase cycles. The ATmega128
Program Counter (PC) is 16 bits wide, thus addressing the 64K program memory locations. The
operation of Boot Program section and associated Boot Lock bits for software protection are
described in detail in “Boot Loader Support – Read-While-Write Self-Programming” on page
273. “Memory Programming” on page 286 contains a detailed description on Flash programming
in SPI, JTAG, or Parallel Programming mode.
Constant tables can be allocated within the entire program memory address space (see the LPM
– Load Program Memory and ELPM – Extended Load Program Memory instruction description).
Timing diagrams for instruction fetch and execution are presented in “Instruction Execution Tim-
ing” on page 13.
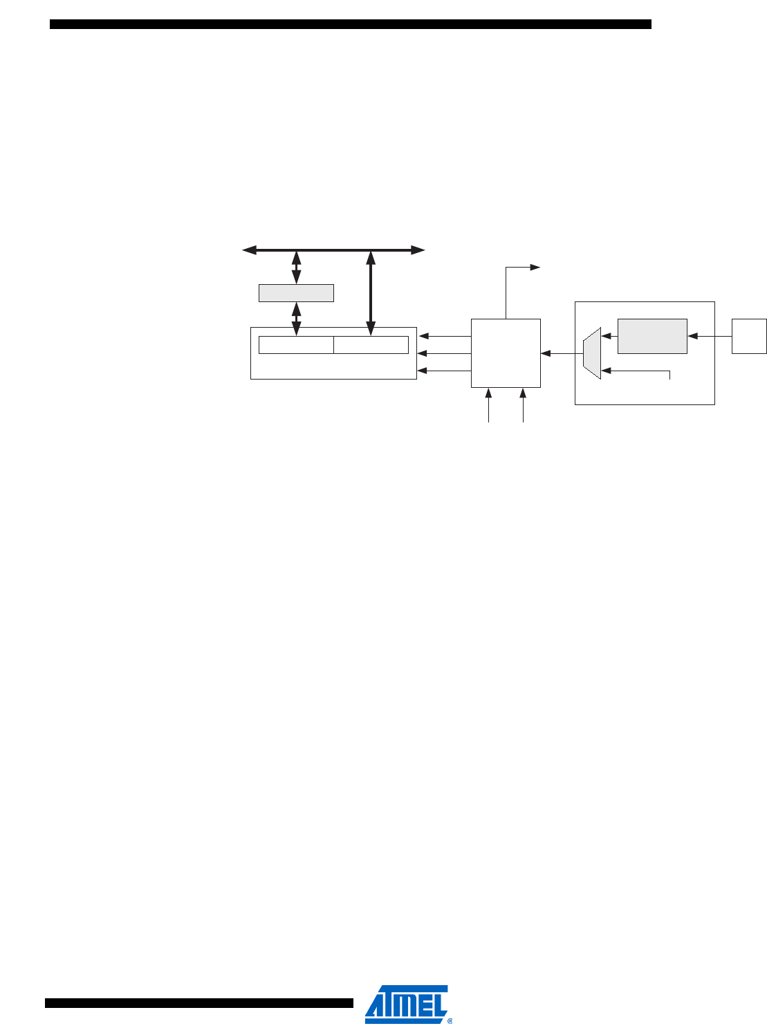
Figure 8. Program Memory Map
$0000
$FFFF
Program Memory
Application Flash Section
Boot Flash Section

18
2467X–AVR–06/11
ATmega128
SRAM Data
Memory
The Atmel® AVR® ATmega128 supports two different configurations for the SRAM data memory
as listed in Table 1.
Figure 9 shows how the ATmega128 SRAM Memory is organized.
The ATmega128 is a complex microcontroller with more peripheral units than can be supported
within the 64 location reserved in the Opcode for the IN and OUT instructions. For the Extended
I/O space from $60 - $FF in SRAM, only the ST/STS/STD and LD/LDS/LDD instructions can be
used. The Extended I/O space does not exist when the ATmega128 is in the ATmega103 com-
patibility mode.
In normal mode, the first 4352 Data Memory locations address both the Register file, the I/O
Memory, Extended I/O Memory, and the internal data SRAM. The first 32 locations address the
Register file, the next 64 location the standard I/O memory, then 160 locations of Extended I/O
memory, and the next 4096 locations address the internal data SRAM.
In ATmega103 compatibility mode, the first 4096 Data Memory locations address both the Reg-
ister file, the I/O Memory and the internal data SRAM. The first 32 locations address the Register
file, the next 64 location the standard I/O memory, and the next 4000 locations address the inter-
nal data SRAM.
An optional external data SRAM can be used with the ATmega128. This SRAM will occupy an
area in the remaining address locations in the 64K address space. This area starts at the
address following the internal SRAM. The Register file, I/O, Extended I/O and Internal SRAM
occupies the lowest 4352bytes in normal mode, and the lowest 4096bytes in the ATmega103
compatibility mode (Extended I/O not present), so when using 64Kbyte (65536 bytes) of Exter-
nal Memory, 61184bytes of External Memory are available in normal mode, and 61440 bytes in
ATmega103 compatibility mode. See “External Memory Interface” on page 25 for details on how
to take advantage of the external memory map.
When the addresses accessing the SRAM memory space exceeds the internal data memory
locations, the external data SRAM is accessed using the same instructions as for the internal
data memory access. When the internal data memories are accessed, the read and write strobe
pins (PG0 and PG1) are inactive during the whole access cycle. External SRAM operation is
enabled by setting the SRE bit in the MCUCR Register.
Accessing external SRAM takes one additional clock cycle per byte compared to access of the
internal SRAM. This means that the commands LD, ST, LDS, STS, LDD, STD, PUSH, and POP
take one additional clock cycle. If the Stack is placed in external SRAM, interrupts, subroutine
calls and returns take three clock cycles extra because the two-byte program counter is pushed
and popped, and external memory access does not take advantage of the internal pipe-line
memory access. When external SRAM interface is used with wait-state, one-byte external
access takes two, three, or four additional clock cycles for one, two, and three wait-states
respectively. Interrupts, subroutine calls and returns will need five, seven, or nine clock cycles
more than specified in the instruction set manual for one, two, and three wait-states.
The five different addressing modes for the data memory cover: Direct, Indirect with Displace-
ment, Indirect, Indirect with Pre-decrement, and Indirect with Post-increment. In the Register file,
registers R26 to R31 feature the indirect addressing pointer registers.
The direct addressing reaches the entire data space.
Table 1. Memory Configurations
Configuration Internal SRAM Data Memory External SRAM Data Memory
Normal mode 4096 up to 64K
ATmega103 Compatibility
mode 4000 up to 64K

19
2467X–AVR–06/11
ATmega128
The Indirect with Displacement mode reaches 63 address locations from the base address given
by the Y- or Z-register.
When using register indirect addressing modes with automatic pre-decrement and post-incre-
ment, the address registers X, Y, and Z are decremented or incremented.
The 32 general purpose working registers, 64 I/O registers, and the 4096bytes of internal data
SRAM in the ATmega128 are all accessible through all these addressing modes. The Register
file is described in “General Purpose Register File” on page 11.
Figure 9. Data Memory Map
Memory Configuration B
32 Registers
64 I/O Registers
Internal SRAM
(4000 x 8)
$0000 - $001F
$0020 - $005F
$1000
$0FFF
$FFFF
$0060
Data Memory
External SRAM
(0 - 64K x 8)
Memory Configuration A
32 Registers
64 I/O Registers
Internal SRAM
(4096 x 8)
$0000 - $001F
$0020 - $005F
$1100
$10FF
$FFFF
$0060 - $00FF
Data Memory
External SRAM
(0 - 64K x 8)
160 Ext I/O Reg.
$0100

20
2467X–AVR–06/11
ATmega128
Data Memory Access
Times
This section describes the general access timing concepts for internal memory access. The
internal data SRAM access is performed in two clkCPU cycles as described in Figure 10.
Figure 10. On-chip Data SRAM Access Cycles
EEPROM Data
Memory
The Atmel® AVR®ATmega128 contains 4Kbytes of data EEPROM memory. It is organized as a
separate data space, in which single bytes can be read and written. The EEPROM has an
endurance of at least 100,000 write/erase cycles. The access between the EEPROM and the
CPU is described in the following, specifying the EEPROM Address Registers, the EEPROM
Data Register, and the EEPROM Control Register.
“Memory Programming” on page 286 contains a detailed description on EEPROM programming
in SPI, JTAG, or Parallel Programming mode
EEPROM Read/Write
Access
The EEPROM access registers are accessible in the I/O space.
The write access time for the EEPROM is given in Table 2. A self-timing function, however, lets
the user software detect when the next byte can be written. If the user code contains instructions
that write the EEPROM, some precautions must be taken. In heavily filtered power supplies, VCC
is likely to rise or fall slowly on Power-up/down. This causes the device for some period of time
to run at a voltage lower than specified as minimum for the clock frequency used. See “Prevent-
ing EEPROM Corruption” on page 24. for details on how to avoid problems in these situations.
In order to prevent unintentional EEPROM writes, a specific write procedure must be followed.
Refer to the description of the EEPROM Control Register for details on this.
When the EEPROM is read, the CPU is halted for four clock cycles before the next instruction is
executed. When the EEPROM is written, the CPU is halted for two clock cycles before the next
instruction is executed.
EEPROM Address
Register – EEARH and
EEARL
• Bits 15..12 – Res: Reserved Bits
These are reserved bits and will always read as zero. When writing to this address location,
write these bits to zero for compatibility with future devices.
clk
WR
RD
Data
Data
Address Address valid
T1 T2 T3
Compute Address
Read Write
CPU
Memory access instruction Next instruction
Bit 15141312 11 10 9 8
– – – – EEAR11 EEAR10 EEAR9 EEAR8 EEARH
EEAR7 EEAR6 EEAR5 EEAR4 EEAR3 EEAR2 EEAR1 EEAR0 EEARL
7654 3 2 10
Read/WriteRRRRR/WR/WR/WR/W
R/WR/WR/WR/WR/WR/WR/WR/W
Initial Value 0 0 0 0 X X X X
XXXX X X XX

21
2467X–AVR–06/11
ATmega128
• Bits 11..0 – EEAR11..0: EEPROM Address
The EEPROM Address Registers – EEARH and EEARL – specify the EEPROM address in the 4
Kbytes EEPROM space. The EEPROM data bytes are addressed linearly between 0 and 4096.
The initial value of EEAR is undefined. A proper value must be written before the EEPROM may
be accessed.
EEPROM Data
Register – EEDR
• Bits 7..0 – EEDR7.0: EEPROM Data
For the EEPROM write operation, the EEDR Register contains the data to be written to the
EEPROM in the address given by the EEAR Register. For the EEPROM read operation, the
EEDR contains the data read out from the EEPROM at the address given by EEAR.
EEPROM Control
Register – EECR
• Bits 7..4 – Res: Reserved Bits
These bits are reserved bits in the ATmega128 and will always read as zero.
• Bit 3 – EERIE: EEPROM Ready Interrupt Enable
Writing EERIE to one enables the EEPROM Ready Interrupt if the I-bit in SREG is set. Writing
EERIE to zero disables the interrupt. The EEPROM Ready interrupt generates a constant inter-
rupt when EEWE is cleared.
• Bit 2 – EEMWE: EEPROM Master Write Enable
The EEMWE bit determines whether setting EEWE to one causes the EEPROM to be written.
When EEMWE is written to one, writing EEWE to one within four clock cycles will write data to
the EEPROM at the selected address. If EEMWE is zero, writing EEWE to one will have no
effect. When EEMWE has been written to one by software, hardware clears the bit to zero after
four clock cycles. See the description of the EEWE bit for an EEPROM write procedure.
• Bit 1 – EEWE: EEPROM Write Enable
The EEPROM Write Enable Signal EEWE is the write strobe to the EEPROM. When address
and data are correctly set up, the EEWE bit must be set to write the value into the EEPROM.
The EEMWE bit must be set when the logical one is written to EEWE, otherwise no EEPROM
write takes place. The following procedure should be followed when writing the EEPROM (the
order of steps 3 and 4 is not essential):
1. Wait until EEWE becomes zero.
2. Wait until SPMEN in SPMCSR becomes zero.
3. Write new EEPROM address to EEAR (optional).
4. Write new EEPROM data to EEDR (optional).
5. Write a logical one to the EEMWE bit while writing a zero to EEWE in EECR.
6. Within four clock cycles after setting EEMWE, write a logical one to EEWE.
Bit 76543210
MSB LSB EEDR
Read/Write R/WR/WR/WR/WR/WR/WR/WR/W
Initial Value00000000
Bit 76543210
– – – – EERIE EEMWE EEWE EERE EECR
Read/WriteRRRRR/WR/WR/WR/W
Initial Value 0 0 0 0 0 0 X 0

22
2467X–AVR–06/11
ATmega128
The EEPROM can not be programmed during a CPU write to the Flash memory. The software
must check that the Flash programming is completed before initiating a new EEPROM write.
Step 2 is only relevant if the software contains a boot loader allowing the CPU to program the
Flash. If the Flash is never being updated by the CPU, step 2 can be omitted. See “Boot Loader
Support – Read-While-Write Self-Programming” on page 273 for details about boot
programming.
Caution: An interrupt between step 5 and step 6 will make the write cycle fail, since the
EEPROM Master Write Enable will time-out. If an interrupt routine accessing the EEPROM is
interrupting another EEPROM access, the EEAR or EEDR Register will be modified, causing the
interrupted EEPROM access to fail. It is recommended to have the global interrupt flag cleared
during the four last steps to avoid these problems.
When the write access time has elapsed, the EEWE bit is cleared by hardware. The user soft-
ware can poll this bit and wait for a zero before writing the next byte. When EEWE has been set,
the CPU is halted for two cycles before the next instruction is executed.
• Bit 0 – EERE: EEPROM Read Enable
The EEPROM Read Enable Signal EERE is the read strobe to the EEPROM. When the correct
address is set up in the EEAR Register, the EERE bit must be written to a logic one to trigger the
EEPROM read. The EEPROM read access takes one instruction, and the requested data is
available immediately. When the EEPROM is read, the CPU is halted for four cycles before the
next instruction is executed.
The user should poll the EEWE bit before starting the read operation. If a write operation is in
progress, it is neither possible to read the EEPROM, nor to change the EEAR Register.
The calibrated Oscillator is used to time the EEPROM accesses. Table 2 lists the typical pro-
gramming time for EEPROM access from the CPU.
Note: 1. Uses 1MHz clock, independent of CKSEL-fuse settings.
Table 2. EEPROM Programming Time
Symbol
Number of Calibrated RC
Oscillator Cycles(1) Typ Programming Time
EEPROM Write (from CPU) 8448 8.5ms

23
2467X–AVR–06/11
ATmega128
The following code examples show one assembly and one C function for writing to the
EEPROM. The examples assume that interrupts are controlled (for example, by disabling inter-
rupts globally) so that no interrupts will occur during execution of these functions. The examples
also assume that no flash boot loader is present in the software. If such code is present, the
EEPROM write function must also wait for any ongoing SPM command to finish.
Assembly Code Example
EEPROM_write:
; Wait for completion of previous write
sbic EECR,EEWE
rjmp EEPROM_write
; Set up address (r18:r17) in address register
out EEARH, r18
out EEARL, r17
; Write data (r16) to data register
out EEDR,r16
; Write logical one to EEMWE
sbi EECR,EEMWE
; Start eeprom write by setting EEWE
sbi EECR,EEWE
ret
C Code Example
void EEPROM_write(unsigned int uiAddress, unsigned char ucData)
{
/* Wait for completion of previous write */
while(EECR & (1<<EEWE))
;
/* Set up address and data registers */
EEAR = uiAddress;
EEDR = ucData;
/* Write logical one to EEMWE */
EECR |= (1<<EEMWE);
/* Start eeprom write by setting EEWE */
EECR |= (1<<EEWE);
}

24
2467X–AVR–06/11
ATmega128
The next code examples show assembly and C functions for reading the EEPROM. The exam-
ples assume that interrupts are controlled so that no interrupts will occur during execution of
these functions.
EEPROM Write During
Power-down Sleep
Mode
When entering Power-down sleep mode while an EEPROM write operation is active, the
EEPROM write operation will continue, and will complete before the write access time has
passed. However, when the write operation is completed, the Oscillator continues running, and
as a consequence, the device does not enter Power-down entirely. It is therefore recommended
to verify that the EEPROM write operation is completed before entering Power-down.
Preventing EEPROM
Corruption
During periods of low VCC, the EEPROM data can be corrupted because the supply voltage is
too low for the CPU and the EEPROM to operate properly. These issues are the same as for
board level systems using EEPROM, and the same design solutions should be applied.
An EEPROM data corruption can be caused by two situations when the voltage is too low. First,
a regular write sequence to the EEPROM requires a minimum voltage to operate correctly. Sec-
ondly, the CPU itself can execute instructions incorrectly, if the supply voltage is too low.
EEPROM data corruption can easily be avoided by following this design recommendation:
Keep the AVR RESET active (low) during periods of insufficient power supply voltage. This can
be done by enabling the internal Brown-out Detector (BOD). If a reset occurs while a write oper-
Assembly Code Example
EEPROM_read:
; Wait for completion of previous write
sbic EECR,EEWE
rjmp EEPROM_read
; Set up address (r18:r17) in address register
out EEARH, r18
out EEARL, r17
; Start eeprom read by writing EERE
sbi EECR,EERE
; Read data from data register
in r16,EEDR
ret
C Code Example
unsigned char EEPROM_read(unsigned int uiAddress)
{
/* Wait for completion of previous write */
while(EECR & (1<<EEWE))
;
/* Set up address register */
EEAR = uiAddress;
/* Start eeprom read by writing EERE */
EECR |= (1<<EERE);
/* Return data from data register */
return EEDR;
}

25
2467X–AVR–06/11
ATmega128
ation is in progress, the write operation will be completed provided that the power supply voltage
is sufficient.
I/O Memory The I/O space definition of the ATmega128 is shown in “Register Summary” on page 362.
All Atmel® AVR®ATmega128 I/Os and peripherals are placed in the I/O space. All I/O locations
may be accessed by the LD/LDS/LDD and ST/STS/STD instructions, transferring data between
the 32 general purpose working registers and the I/O space. I/O registers within the address
range $00 - $1F are directly bit-accessible using the SBI and CBI instructions. In these registers,
the value of single bits can be checked by using the SBIS and SBIC instructions. Refer to the
instruction set section for more details. When using the I/O specific commands IN and OUT, the
I/O addresses $00 - $3F must be used. When addressing I/O registers as data space using LD
and ST instructions, $20 must be added to these addresses. The ATmega128 is a complex
microcontroller with more peripheral units than can be supported within the 64 location reserved
in Opcode for the IN and OUT instructions. For the Extended I/O space from $60 - $FF in SRAM,
only the ST/STS/STD and LD/LDS/LDD instructions can be used. The Extended I/O space is
replaced with SRAM locations when the ATmega128 is in the ATmega103 compatibility mode.
For compatibility with future devices, reserved bits should be written to zero if accessed.
Reserved I/O memory addresses should never be written.
Some of the status flags are cleared by writing a logical one to them. Note that the CBI and SBI
instructions will operate on all bits in the I/O register, writing a one back into any flag read as set,
thus clearing the flag. The CBI and SBI instructions work with registers $00 to $1F only.
The I/O and peripherals control registers are explained in later sections.
External Memory
Interface
With all the features the External Memory Interface provides, it is well suited to operate as an
interface to memory devices such as External SRAM and Flash, and peripherals such as LCD-
display, A/D, and D/A. The main features are:
•Four different wait-state settings (including no wait-state).
•Independent wait-state setting for different extErnal Memory sectors (configurable sector size).
•The number of bits dedicated to address high byte is selectable.
•Bus-keepers on data lines to minimize current consumption (optional).
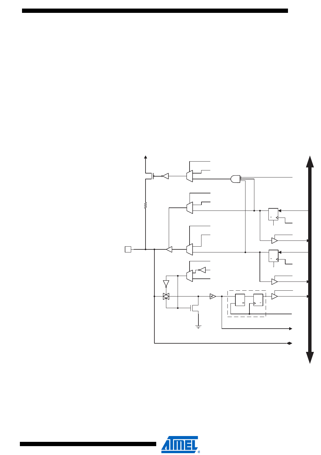
Overview When the eXternal MEMory (XMEM) is enabled, address space outside the internal SRAM
becomes available using the dedicated External Memory pins (see Figure 1 on page 2, Table 27
on page 72, Table 33 on page 76, and Table 45 on page 84). The memory configuration is
shown in Figure 11.

26
2467X–AVR–06/11
ATmega128
Figure 11. External Memory with Sector Select
Note: ATmega128 in non ATmega103 compatibility mode: Memory Configuration A is available (Memory
Configuration B N/A)
ATmega128 in ATmega103 compatibility mode: Memory Configuration B is available (Memory
Configuration A N/A)
ATmega103
Compatibility
Both External Memory Control Registers (XMCRA and XMCRB) are placed in Extended I/O
space. In ATmega103 compatibility mode, these registers are not available, and the features
selected by these registers are not available. The device is still ATmega103 compatible, as
these features did not exist in ATmega103. The limitations in ATmega103 compatibility mode
are:
• Only two wait-states settings are available (SRW1n = 0b00 and SRW1n = 0b01).
• The number of bits that are assigned to address high byte are fixed.
• The External Memory section can not be divided into sectors with different wait-state
settings.
• Bus-keeper is not available.
•RD
, WR and ALE pins are output only (Port G in ATmega128).
Using the External
Memory Interface
The interface consists of:
• AD7:0: Multiplexed low-order address bus and data bus.
• A15:8: High-order address bus (configurable number of bits).
• ALE: Address latch enable.
•RD
: Read strobe.
•WR: Write strobe.
Memory Configuration A
0x0000
0x10FF
External Memory
(0-60K x 8)
0xFFFF
Internal memory
SRL[2..0]
SRW11
SRW10
SRW01
SRW00
Lower sector
Upper sector
0x1100
Memory Configuration B
0x0000
External Memory
(0-60K x 8)
0xFFFF
Internal memory
SRW10
0x0FFF
0x1000

27
2467X–AVR–06/11
ATmega128
The control bits for the External Memory Interface are located in three registers, the MCU Con-
trol Register – MCUCR, the External Memory Control Register A – XMCRA, and the External
Memory Control Register B – XMCRB.
When the XMEM interface is enabled, the XMEM interface will override the setting in the data
direction registers that corresponds to the ports dedicated to the XMEM interface. For details
about the port override, see the alternate functions in section “I/O Ports” on page 65. The XMEM
interface will auto-detect whether an access is internal or external. If the access is external, the
XMEM interface will output address, data, and the control signals on the ports according to Fig-
ure 13 (this figure shows the wave forms without wait-states). When ALE goes from high-to-low,
there is a valid address on AD7:0. ALE is low during a data transfer. When the XMEM interface
is enabled, also an internal access will cause activity on address, data and ALE ports, but the
RD and WR strobes will not toggle during internal access. When the External Memory Interface
is disabled, the normal pin and data direction settings are used. Note that when the XMEM inter-
face is disabled, the address space above the internal SRAM boundary is not mapped into the
internal SRAM. Figure 12 illustrates how to connect an external SRAM to the AVR using an octal
latch (typically “74 x 573” or equivalent) which is transparent when G is high.
Address Latch
Requirements
Due to the high-speed operation of the XRAM interface, the address latch must be selected with
care for system frequencies above 8MHz @ 4V and 4MHz @ 2.7V. When operating at condi-
tions above these frequencies, the typical old style 74HC series latch becomes inadequate. The
External Memory Interface is designed in compliance to the 74AHC series latch. However, most
latches can be used as long they comply with the main timing parameters. The main parameters
for the address latch are:
• D to Q propagation delay (tPD).
• Data setup time before G low (tSU).
• Data (address) hold time after G low (TH).
The External Memory Interface is designed to guaranty minimum address hold time after G is
asserted low of th = 5 ns. Refer to tLAXX_LD/tLLAXX_ST in “External Data Memory Timing” Tables
137 through Tables 144 on pages 328 - 330. The D-to-Q propagation delay (tPD) must be taken
into consideration when calculating the access time requirement of the external component. The
data setup time before G low (tSU) must not exceed address valid to ALE low (tAVLLC) minus PCB
wiring delay (dependent on the capacitive load).
Figure 12. External SRAM Connected to the AVR
D[7:0]
A[7:0]
A[15:8]
RD
WR
SRAM
DQ
G
AD7:0
ALE
A15:8
RD
WR
AVR

28
2467X–AVR–06/11
ATmega128
Pull-up and Bus-
keeper
The pull-ups on the AD7:0 ports may be activated if the corresponding Port register is written to
one. To reduce power consumption in sleep mode, it is recommended to disable the pull-ups by
writing the Port register to zero before entering sleep.
The XMEM interface also provides a bus-keeper on the AD7:0 lines. The bus-keeper can be dis-
abled and enabled in software as described in “External Memory Control Register B – XMCRB”
on page 32. When enabled, the bus-keeper will ensure a defined logic level (zero or one) on the
AD7:0 bus when these lines would otherwise be tri-stated by the XMEM interface.
Timing External Memory devices have different timing requirements. To meet these requirements, the
ATmega128 XMEM interface provides four different wait-states as shown in Table 4. It is impor-
tant to consider the timing specification of the External Memory device before selecting the wait-
state. The most important parameters are the access time for the external memory compared to
the set-up requirement of the ATmega128. The access time for the External Memory is defined
to be the time from receiving the chip select/address until the data of this address actually is
driven on the bus. The access time cannot exceed the time from the ALE pulse must be
asserted low until data is stable during a read sequence (See tLLRL+ tRLRH - tDVRH in Tables 137
through Tables 144 on pages 328 - 330). The different wait-states are set up in software. As an
additional feature, it is possible to divide the external memory space in two sectors with individ-
ual wait-state settings. This makes it possible to connect two different memory devices with
different timing requirements to the same XMEM interface. For XMEM interface timing details,
please refer to Table 137 to Table 144 and Figure 157 to Figure 160 in the “External Data Mem-
ory Timing” on page 328.
Note that the XMEM interface is asynchronous and that the waveforms in the following figures
are related to the internal system clock. The skew between the internal and external clock
(XTAL1) is not guarantied (varies between devices temperature, and supply voltage). Conse-
quently, the XMEM interface is not suited for synchronous operation.
Figure 13. External Data Memory Cycles without Wait-state (SRWn1=0 and SRWn0=0)
Note: 1. SRWn1 = SRW11 (upper sector) or SRW01 (lower sector), SRWn0 = SRW10 (upper sector) or
SRW00 (lower sector). The ALE pulse in period T4 is only present if the next instruction
accesses the RAM (internal or external).
ALE
T1 T2 T3
Write
Read
WR
T4
A15:8 AddressPrev. addr.
DA7:0 Address DataPrev. data XX
RD
DA7:0 (XMBK = 0) DataPrev. data Address
DataPrev. data Address
DA7:0 (XMBK = 1)
System Clock (CLK
CPU
)
XXXXX XXXXXXXX

29
2467X–AVR–06/11
ATmega128
Figure 14. External Data Memory Cycles with SRWn1 = 0 and SRWn0 = 1(1)
Note: 1. SRWn1 = SRW11 (upper sector) or SRW01 (lower sector), SRWn0 = SRW10 (upper sector) or
SRW00 (lower sector).
The ALE pulse in period T5 is only present if the next instruction accesses the RAM (internal
or external).
Figure 15. External Data Memory Cycles with SRWn1 = 1 and SRWn0 = 0(1)
Note: 1. SRWn1 = SRW11 (upper sector) or SRW01 (lower sector), SRWn0 = SRW10 (upper sector) or
SRW00 (lower sector).
The ALE pulse in period T6 is only present if the next instruction accesses the RAM (internal
or external).
ALE
T1 T2 T3
Write
Read
WR
T5
A15:8 AddressPrev. addr.
DA7:0 Address DataPrev. data XX
RD
DA7:0 (XMBK = 0) DataPrev. data Address
DataPrev. data Address
DA7:0 (XMBK = 1)
System Clock (CLK
CPU
)
T4
ALE
T1 T2 T3
Write
Read
WR
T6
A15:8 AddressPrev. addr.
DA7:0 Address DataPrev. data XX
RD
DA7:0 (XMBK = 0) DataPrev. data Address
DataPrev. data Address
DA7:0 (XMBK = 1)
System Clock (CLK
CPU
)
T4 T5

30
2467X–AVR–06/11
ATmega128
Figure 16. External Data Memory Cycles with SRWn1 = 1 and SRWn0 = 1(1)
Note: 1. SRWn1 = SRW11 (upper sector) or SRW01 (lower sector), SRWn0 = SRW10 (upper sector) or
SRW00 (lower sector).
The ALE pulse in period T7 is only present if the next instruction accesses the RAM (internal
or external).
XMEM Register
Description
MCU Control Register
– MCUCR
• Bit 7 – SRE: External SRAM/XMEM Enable
Writing SRE to one enables the External Memory Interface.The pin functions AD7:0, A15:8,
ALE, WR, and RD are activated as the alternate pin functions. The SRE bit overrides any pin
direction settings in the respective data direction registers. Writing SRE to zero, disables the
External Memory Interface and the normal pin and data direction settings are used.
• Bit 6 – SRW10: Wait-state Select Bit
For a detailed description in non-ATmega103 compatibility mode, see common description for
the SRWn bits below (XMCRA description). In ATmega103 compatibility mode, writing SRW10
to one enables the wait-state and one extra cycle is added during read/write strobe as shown in
Figure 14.
External Memory
Control Register A –
XMCRA
• Bit 7 – Res: Reserved Bit
This is a reserved bit and will always read as zero. When writing to this address location, write
this bit to zero for compatibility with future devices.
ALE
T1 T2 T3
Write
Read
WR
T7
A15:8 AddressPrev. addr.
DA7:0 Address DataPrev. data XX
RD
DA7:0 (XMBK = 0) DataPrev. data Address
DataPrev. data Address
DA7:0 (XMBK = 1)
System Clock (CLKCPU)
T4 T5 T6
Bit 76543210
SRE SRW10 SE SM1 SM0 SM2 IVSEL IVCE MCUCR
Read/Write R/WR/WR/WR/WR/WR/WR/WR/W
Initial Value00000000
Bit 76543210
– SRL2 SRL1 SRL0 SRW01 SRW00 SRW11 – XMCRA
Read/Write R R/WR/WR/WR/WR/WR/WR
Initial Value00000000

31
2467X–AVR–06/11
ATmega128
• Bit 6..4 – SRL2, SRL1, SRL0: Wait-state Sector Limit
It is possible to configure different wait-states for different External Memory addresses. The
external memory address space can be divided in two sectors that have separate wait-state bits.
The SRL2, SRL1, and SRL0 bits select the split of the sectors, see Table 3 and Figure 11. By
default, the SRL2, SRL1, and SRL0 bits are set to zero and the entire external memory address
space is treated as one sector. When the entire SRAM address space is configured as one sec-
tor, the wait-states are configured by the SRW11 and SRW10 bits.
• Bit 1 and Bit 6 MCUCR – SRW11, SRW10: Wait-state Select Bits for Upper Sector
The SRW11 and SRW10 bits control the number of wait-states for the upper sector of the exter-
nal memory address space, see Table 4.
• Bit 3..2 – SRW01, SRW00: Wait-state Select Bits for Lower Sector
The SRW01 and SRW00 bits control the number of wait-states for the lower sector of the exter-
nal memory address space, see Table 4.
Note: 1. n = 0 or 1 (lower/upper sector).
For further details of the timing and wait-states of the External Memory Interface, see Figures
13 through Figures 16 for how the setting of the SRW bits affects the timing.
• Bit 0 – Res: Reserved Bit
This is a reserved bit and will always read as zero. When writing to this address location, write
this bit to zero for compatibility with future devices.
Table 3. Sector limits with different settings of SRL2..0
SRL2 SRL1 SRL0 Sector Limits
0 0 0 Lower sector = N/A
Upper sector = 0x1100 - 0xFFFF
0 0 1 Lower sector = 0x1100 - 0x1FFF
Upper sector = 0x2000 - 0xFFFF
0 1 0 Lower sector = 0x1100 - 0x3FFF
Upper sector = 0x4000 - 0xFFFF
0 1 1 Lower sector = 0x1100 - 0x5FFF
Upper sector = 0x6000 - 0xFFFF
1 0 0 Lower sector = 0x1100 - 0x7FFF
Upper sector = 0x8000 - 0xFFFF
1 0 1 Lower sector = 0x1100 - 0x9FFF
Upper sector = 0xA000 - 0xFFFF
1 1 0 Lower sector = 0x1100 - 0xBFFF
Upper sector = 0xC000 - 0xFFFF
1 1 1 Lower sector = 0x1100 - 0xDFFF
Upper sector = 0xE000 - 0xFFFF
Table 4. Wait States(1)
SRWn1 SRWn0 Wait States
0 0 No wait-states
01Wait one cycle during read/write strobe
10Wait two cycles during read/write strobe
11Wait two cycles during read/write and wait one cycle before driving out
new address

32
2467X–AVR–06/11
ATmega128
External Memory
Control Register B –
XMCRB
• Bit 7– XMBK: External Memory Bus-keeper Enable
Writing XMBK to one enables the bus keeper on the AD7:0 lines. When the bus keeper is
enabled, it will ensure a defined logic level (zero or one) on AD7:0 when they would otherwise
be tri-stated. Writing XMBK to zero disables the bus keeper. XMBK is not qualified with SRE, so
even if the XMEM interface is disabled, the bus keepers are still activated as long as XMBK is
one.
• Bit 6..4 – Res: Reserved Bits
These are reserved bits and will always read as zero. When writing to this address location,
write these bits to zero for compatibility with future devices.
• Bit 2..0 – XMM2, XMM1, XMM0: External Memory High Mask
When the External Memory is enabled, all Port C pins are default used for the high address byte.
If the full 60 Kbyte address space is not required to access the External Memory, some, or all,
Port C pins can be released for normal Port Pin function as described in Table 5. As described in
“Using all 64 Kbyte Locations of External Memory” on page 34, it is possible to use the XMMn
bits to access all 64 Kbyte locations of the External Memory.
Using all Locations of
External Memory
Smaller than 64 Kbyte
Since the external memory is mapped after the internal memory as shown in Figure 11, the
external memory is not addressed when addressing the first 4,352 bytes of data space. It may
appear that the first 4,352 bytes of the external memory are inaccessible (external memory
addresses 0x0000 to 0x10FF). However, when connecting an external memory smaller than 64
Kbyte, for example 32 Kbyte, these locations are easily accessed simply by addressing from
address 0x8000 to 0x90FF. Since the External Memory Address bit A15 is not connected to the
external memory, addresses 0x8000 to 0x90FF will appear as addresses 0x0000 to 0x10FF for
the external memory. Addressing above address 0x90FF is not recommended, since this will
address an external memory location that is already accessed by another (lower) address. To
the Application software, the external 32 Kbyte memory will appear as one linear 32 Kbyte
address space from 0x1100 to 0x90FF. This is illustrated in Figure 17. Memory configuration B
refers to the ATmega103 compatibility mode, configuration A to the non-compatible mode.
When the device is set in ATmega103 compatibility mode, the internal address space is 4,096
bytes. This implies that the first 4,096 bytes of the external memory can be accessed at
Bit 76543210
XMBK – – – – XMM2 XMM1 XMM0 XMCRB
Read/Write R/WRRRRR/WR/WR/W
Initial Value00000000
Table 5. Port C Pins Released as Normal Port Pins when the External Memory is Enabled
XMM2 XMM1 XMM0 # Bits for External Memory Address Released Port Pins
0 0 0 8 (Full 60 Kbyte space) None
0017 PC7
0106 PC7 - PC6
0115 PC7 - PC5
1004 PC7 - PC4
1013 PC7 - PC3
1102 PC7 - PC2
1 1 1 No Address high bits Full Port C

33
2467X–AVR–06/11
ATmega128
addresses 0x8000 to 0x8FFF. To the Application software, the external 32 Kbyte memory will
appear as one linear 32 Kbyte address space from 0x1000 to 0x8FFF.
Figure 17. Address Map with 32 Kbyte External Memory
0x0000
0x10FF
0xFFFF
0x1100
0x7FFF
0x8000
0x90FF
0x9100
0x0000
0x10FF
0x1100
0x7FFF
Memory Configuration A Memory Configuration B
Internal Memory
(Unused)
AVR Memory Map External 32K SRAM
External
Memory
0x0000
0x0FFF
0xFFFF
0x1000
0x7FFF
0x8000
0x8FFF
0x9000
0x0000
0x0FFF
0x1000
0x7FFF
Internal Memory
(Unused)
AVR Memory Map External 32K SRAM
External
Memory

34
2467X–AVR–06/11
ATmega128
Using all 64 Kbyte
Locations of External
Memory
Since the External Memory is mapped after the Internal Memory as shown in Figure 11, only 60
Kbyte of External Memory is available by default (address space 0x0000 to 0x10FF is reserved
for internal memory). However, it is possible to take advantage of the entire External Memory by
masking the higher address bits to zero. This can be done by using the XMMn bits and control
by software the most significant bits of the address. By setting Port C to output 0x00, and releas-
ing the most significant bits for normal Port Pin operation, the Memory Interface will address
0x0000 - 0x1FFF. See the following code examples.
Note: 1. See “About Code Examples” on page 8.
Care must be exercised using this option as most of the memory is masked away.
Assembly Code Example(1)
; OFFSET is defined to 0x2000 to ensure
; external memory access
; Configure Port C (address high byte) to
; output 0x00 when the pins are released
; for normal Port Pin operation
ldi r16, 0xFF
out DDRC, r16
ldi r16, 0x00
out PORTC, r16
; release PC7:5
ldi r16, (1<<XMM1)|(1<<XMM0)
sts XMCRB, r16
; write 0xAA to address 0x0001 of external
; memory
ldi r16, 0xaa
sts 0x0001+OFFSET, r16
; re-enable PC7:5 for external memory
ldi r16, (0<<XMM1)|(0<<XMM0)
sts XMCRB, r16
; store 0x55 to address (OFFSET + 1) of
; external memory
ldi r16, 0x55
sts 0x0001+OFFSET, r16
C Code Example(1)
#define OFFSET 0x2000
void XRAM_example(void)
{
unsigned char *p = (unsigned char *) (OFFSET + 1);
DDRC = 0xFF;
PORTC = 0x00;
XMCRB = (1<<XMM1) | (1<<XMM0);
*p = 0xaa;
XMCRB = 0x00;
*p = 0x55;
}

35
2467X–AVR–06/11
ATmega128
System Clock
and Clock
Options
Clock Systems
and their
Distribution
Figure 18 presents the principal clock systems in the AVR and their distribution. All of the clocks
need not be active at a given time. In order to reduce power consumption, the clocks to modules
not being used can be halted by using different sleep modes, as described in “Power Manage-
ment and Sleep Modes” on page 44. The clock systems are detailed below.
Figure 18. Clock Distribution
CPU Clock – clkCPU The CPU clock is routed to parts of the system concerned with operation of the AVR core.
Examples of such modules are the General Purpose Register File, the Status Register and the
data memory holding the Stack Pointer. Halting the CPU clock inhibits the core from performing
general operations and calculations.
I/O Clock – clkI/O The I/O clock is used by the majority of the I/O modules, like Timer/Counters, SPI, and USART.
The I/O clock is also used by the External Interrupt module, but note that some external inter-
rupts are detected by asynchronous logic, allowing such interrupts to be detected even if the I/O
clock is halted. Also note that address recognition in the TWI module is carried out asynchro-
nously when clkI/O is halted, enabling TWI address reception in all sleep modes.
Flash Clock – clkFLASH The Flash clock controls operation of the Flash interface. The Flash clock is usually active simul-
taneously with the CPU clock.
General I/O
modules
Asynchronous
Timer/Counter ADC CPU Core RAM
clk
I/O
clk
ASY
AVR Clock
Control Unit
clk
CPU
Flash and
EEPROM
clk
FLASH
clk
ADC
Source clock
Watchdog Timer
Watchdog
Oscillator
Reset Logic
Clock
Multiplexer
Watchdog clock
Calibrated RC
Oscillator
Timer/Counter
Oscillator
Crystal
Oscillator
Low-Frequency
Crystal Oscillator
External RC
Oscillator External clock

36
2467X–AVR–06/11
ATmega128
Asynchronous Timer
Clock – clkASY
The Asynchronous Timer clock allows the Asynchronous Timer/Counter to be clocked directly
from an external 32kHz clock crystal. The dedicated clock domain allows using this Timer/Coun-
ter as a real-time counter even when the device is in sleep mode.
ADC Clock – clkADC The ADC is provided with a dedicated clock domain. This allows halting the CPU and I/O clocks
in order to reduce noise generated by digital circuitry. This gives more accurate ADC conversion
results.
XTAL Divide Control
Register – XDIV
The XTAL Divide Control Register is used to divide the Source clock frequency by a number in
the range 2 - 129. This feature can be used to decrease power consumption when the require-
ment for processing power is low.
• Bit 7 – XDIVEN: XTAL Divide Enable
When the XDIVEN bit is written one, the clock frequency of the CPU and all peripherals (clkI/O,
clkADC, clkCPU, clkFLASH) is divided by the factor defined by the setting of XDIV6 - XDIV0. This bit
can be written run-time to vary the clock frequency as suitable to the application.
• Bits 6..0 – XDIV6..XDIV0: XTAL Divide Select Bits 6 - 0
These bits define the division factor that applies when the XDIVEN bit is set (one). If the value of
these bits is denoted d, the following formula defines the resulting CPU and peripherals clock
frequency fCLK:
The value of these bits can only be changed when XDIVEN is zero. When XDIVEN is written to
one, the value written simultaneously into XDIV6..XDIV0 is taken as the division factor. When
XDIVEN is written to zero, the value written simultaneously into XDIV6..XDIV0 is rejected. As
the divider divides the master clock input to the MCU, the speed of all peripherals is reduced
when a division factor is used.
When the system clock is divided, Timer/Counter0 can be used with Asynchronous clock only. The fre-
quency of the asynchronous clock must be lower than 1/4th of the frequency of the scaled down Source
clock. Otherwise, interrupts may be lost, and accessing the Timer/Counter0 registers may fail.
Clock Sources The device has the following clock source options, selectable by Flash fuse bits as shown
below. The clock from the selected source is input to the AVR clock generator, and routed to the
appropriate modules.
Bit 7 6543210
XDIVEN XDIV6 XDIV5 XDIV4 XDIV3 XDIV2 XDIV1 XDIV0 XDIV
Read/Write R/WR/WR/WR/WR/WR/WR/WR/W
Initial Value 0 0 0 0 0 0 0 0
fCLK Source clock
129 d–
----------------------------------=
Table 6. Device Clocking Options Select
Device Clocking Option CKSEL3..0(1)
External Crystal/Ceramic Resonator 1111 - 1010
External Low-frequency Crystal 1001
External RC Oscillator 1000 - 0101
Calibrated Internal RC Oscillator 0100 - 0001
External Clock 0000

37
2467X–AVR–06/11
ATmega128
Note: 1. For all fuses “1” means unprogrammed while “0” means programmed.
The various choices for each clocking option is given in the following sections. When the CPU
wakes up from Power-down or Power-save, the selected clock source is used to time the start-
up, ensuring stable Oscillator operation before instruction execution starts. When the CPU starts
from reset, there is as an additional delay allowing the power to reach a stable level before com-
mencing normal operation. The Watchdog Oscillator is used for timing this real-time part of the
start-up time. The number of WDT Oscillator cycles used for each time-out is shown in Table 7.
The frequency of the Watchdog Oscillator is voltage dependent as shown in the “Typical Char-
acteristics” on page 333.
Default Clock
Source
The device is shipped with CKSEL = “0001” and SUT = “10”. The default clock source setting is
therefore the Internal RC Oscillator with longest startup time. This default setting ensures that all
users can make their desired clock source setting using an In-System or Parallel Programmer.
Table 7. Number of Watchdog Oscillator Cycles
Typical Time-out (VCC = 5.0V) Typical Time-Out (VCC = 3.0V) Number of Cycles
4.1ms 4.3ms 4K (4,096)
65ms 69ms 64K (65,536)

38
2467X–AVR–06/11
ATmega128
Crystal Oscillator XTAL1 and XTAL2 are input and output, respectively, of an inverting amplifier which can be con-
figured for use as an On-chip Oscillator, as shown in Figure 19. Either a quartz crystal or a
ceramic resonator may be used. The CKOPT fuse selects between two different Oscillator
Amplifier modes. When CKOPT is programmed, the Oscillator output will oscillate will a full rail-
to-rail swing on the output. This mode is suitable when operating in a very noisy environment or
when the output from XTAL2 drives a second clock buffer. This mode has a wide frequency
range. When CKOPT is unprogrammed, the Oscillator has a smaller output swing. This reduces
power consumption considerably. This mode has a limited frequency range and it can not be
used to drive other clock buffers.
For resonators, the maximum frequency is 8MHz with CKOPT unprogrammed and 16MHz with
CKOPT programmed. C1 and C2 should always be equal for both crystals and resonators. The
optimal value of the capacitors depends on the crystal or resonator in use, the amount of stray
capacitance, and the electromagnetic noise of the environment. Some initial guidelines for
choosing capacitors for use with crystals are given in Table 8. For ceramic resonators, the
capacitor values given by the manufacturer should be used.
Figure 19. Crystal Oscillator Connections
The Oscillator can operate in three different modes, each optimized for a specific frequency
range. The operating mode is selected by the fuses CKSEL3..1 as shown in Table 8.
Note: 1. This option should not be used with crystals, only with ceramic resonators.
The CKSEL0 fuse together with the SUT1..0 fuses select the start-up times as shown in Table 9.
Table 8. Crystal Oscillator Operating Modes
CKOPT CKSEL3..1
Frequency Range
(MHz)
Recommended Range for Capacitors
C1 and C2 for Use with Crystals
1 101(1) 0.4 - 0.9 –
1 110 0.9 - 3.0 12 - 22pF
1 111 3.0 - 8.0 12 - 22pF
0 101, 110, 111 1.0 - 12 - 22pF
XTAL2
XTAL1
GND
C2
C1

39
2467X–AVR–06/11
ATmega128
Notes: 1. These options should only be used when not operating close to the maximum frequency of the
device, and only if frequency stability at start-up is not important for the application. These
options are not suitable for crystals.
2. These options are intended for use with ceramic resonators and will ensure frequency stability
at start-up. They can also be used with crystals when not operating close to the maximum fre-
quency of the device, and if frequency stability at start-up is not important for the application.
Low-frequency
Crystal Oscillator
To use a 32.768kHz watch crystal as the clock source for the device, the Low-frequency Crystal
Oscillator must be selected by setting the CKSEL fuses to “1001”. The crystal should be con-
nected as shown in Figure 19. By programming the CKOPT fuse, the user can enable internal
capacitors on XTAL1 and XTAL2, thereby removing the need for external capacitors. The inter-
nal capacitors have a nominal value of 36pF.
When this Oscillator is selected, start-up times are determined by the SUT fuses as shown in
Table 10.
Note: 1. These options should only be used if frequency stability at start-up is not important for the
application.
Table 9. Start-up Times for the Crystal Oscillator Clock Selection
CKSEL0 SUT1..0
Start-up Time from
Power-down and
Power-save
Additional Delay
from Reset
(VCC = 5.0V) Recommended Usage
000 258 CK(1) 4.1ms Ceramic resonator, fast
rising power
001 258 CK(1) 65ms Ceramic resonator,
slowly rising power
010 1K CK(2) – Ceramic resonator,
BOD enabled
011 1K CK(2) 4.0ms Ceramic resonator, fast
rising power
100 1K CK(2) 65ms Ceramic resonator,
slowly rising power
101 16K CK – Crystal Oscillator, BOD
enabled
110 16K CK 4.1ms Crystal Oscillator, fast
rising power
111 16K CK 65ms Crystal Oscillator,
slowly rising power
Table 10. Start-up Times for the Low-frequency Crystal Oscillator Clock Selection
SUT1..0
Start-up Time from
Power-down and
Power-save
Additional Delay
from Reset
(VCC = 5.0V) Recommended Usage
00 1K CK(1) 4.1ms Fast rising power or BOD enabled
01 1K CK(1) 65ms Slowly rising power
10 32K CK 65ms Stable frequency at start-up
11 Reserved

40
2467X–AVR–06/11
ATmega128
External RC
Oscillator
For timing insensitive applications, the External RC configuration shown in Figure 20 can be
used. The frequency is roughly estimated by the equation f = 1/(3RC). C should be at least
22pF. By programming the CKOPT fuse, the user can enable an internal 36pF capacitor
between XTAL1 and GND, thereby removing the need for an external capacitor. For more infor-
mation on Oscillator operation and details on how to choose R and C, refer to the External RC
Oscillator application note.
Figure 20. External RC Configuration
The Oscillator can operate in four different modes, each optimized for a specific frequency
range. The operating mode is selected by the fuses CKSEL3..0 as shown in Table 11.
When this Oscillator is selected, start-up times are determined by the SUT fuses as shown in
Table 12.
Note: 1. This option should not be used when operating close to the maximum frequency of the device.
Table 11. External RC Oscillator Operating Modes
CKSEL3..0 Frequency Range (MHz)
0101 0.1 - 0.9
0110 0.9 - 3.0
0111 3.0 - 8.0
1000 8.0 - 12.0
Table 12. Start-Up Times for the External RC Oscillator Clock Selection
SUT1..0
Start-up Time from
Power-down and
Power-save
Additional Delay
from Reset
(VCC = 5.0V) Recommended Usage
00 18 CK – BOD enabled
01 18 CK 4.1ms Fast rising power
10 18 CK 65ms Slowly rising power
11 6 CK(1) 4.1ms Fast rising power or BOD enabled
XTAL2
XTAL1
GND
C
R
VCC
NC

41
2467X–AVR–06/11
ATmega128
Calibrated Internal
RC Oscillator
The Calibrated Internal RC Oscillator provides a fixed 1.0, 2.0, 4.0, or 8.0MHz clock. All frequen-
cies are nominal values at 5V and 25°C. This clock may be selected as the system clock by
programming the CKSEL fuses as shown in Table 13. If selected, it will operate with no external
components. The CKOPT fuse should always be unprogrammed when using this clock option.
During Reset, hardware loads the calibration byte for the 1MHz oscillator into the OSCCAL Reg-
ister and thereby automatically calibrates the RC Oscillator. At 5V, 25°C and 1.0MHz Oscillator
frequency selected, this calibration gives a frequency within ±3% of the nominal frequency.
Using calibration methods as described in application notes available at www.atmel.com/avr it is
possible to achieve ±1% accuracy at any given VCC and Temperature. When this Oscillator is
used as the chip clock, the Watchdog Oscillator will still be used for the Watchdog Timer and for
the Reset Time-out. For more information on the pre-programmed calibration value, see the sec-
tion “Calibration Byte” on page 289.
Note: 1. The device is shipped with this option selected.
When this Oscillator is selected, start-up times are determined by the SUT fuses as shown in
Table 14. XTAL1 and XTAL2 should be left unconnected (NC).
Notes: 1. The device is shipped with this option selected.
Oscillator Calibration
Register – OSCCAL
Note: OSCCAL Register is not available in ATmega103 compatibility mode.
• Bits 7..0 – CAL7..0: Oscillator Calibration Value
Writing the calibration byte to this address will trim the Internal Oscillator to remove process vari-
ations from the Oscillator frequency. During Reset, the 1MHz calibration value which is located
in the signature row high byte (address 0x00) is automatically loaded into the OSCCAL Register.
If the internal RC is used at other frequencies, the calibration values must be loaded manually.
This can be done by first reading the signature row by a programmer, and then store the calibra-
tion values in the Flash or EEPROM. Then the value can be read by software and loaded into
the OSCCAL Register. When OSCCAL is zero, the lowest available frequency is chosen. Writing
non-zero values to this register will increase the frequency of the Internal Oscillator. Writing $FF
Table 13. Internal Calibrated RC Oscillator Operating Modes
CKSEL3..0 Nominal Frequency (MHz)
0001(1) 1.0
0010 2.0
0011 4.0
0100 8.0
Table 14. Start-up Times for the Internal Calibrated RC Oscillator Clock Selection
SUT1..0
Start-up Time from Power-
down and Power-save
Additional Delay from
Reset (VCC = 5.0V) Recommended Usage
00 6 CK – BOD enabled
01 6 CK 4.1ms Fast rising power
10(1) 6 CK 65ms Slowly rising power
11 Reserved
Bit 76543210
CAL7 CAL6 CAL5 CAL4 CAL3 CAL2 CAL1 CAL0 OSCCAL
Read/Write R/WR/WR/WR/WR/WR/WR/WR/W
Initial Value Device Specific Calibration Value

42
2467X–AVR–06/11
ATmega128
to the register gives the highest available frequency. The calibrated Oscillator is used to time
EEPROM and Flash access. If EEPROM or Flash is written, do not calibrate to more than 10%
above the nominal frequency. Otherwise, the EEPROM or Flash write may fail. Note that the
Oscillator is intended for calibration to 1.0MHz, 2.0MHz, 4.0MHz, or 8.0MHz. Tuning to other
values is not guaranteed, as indicated in Table 15.
External Clock To drive the device from an external clock source, XTAL1 should be driven as shown in Figure
21. To run the device on an external clock, the CKSEL fuses must be programmed to “0000”. By
programming the CKOPT fuse, the user can enable an internal 36 pF capacitor between XTAL1
and GND.
Figure 21. External Clock Drive Configuration
When this clock source is selected, start-up times are determined by the SUT fuses as shown in
Table 16.
When applying an external clock, it is required to avoid sudden changes in the applied clock fre-
quency to ensure stable operation of the MCU. A variation in frequency of more than 2% from
one clock cycle to the next can lead to unpredictable behavior. It is required to ensure that the
MCU is kept in Reset during such changes in the clock frequency.
Table 15. Internal RC Oscillator Frequency Range.
OSCCAL Value
Min Frequency in Percentage of
Nominal Frequency (%)
Max Frequency in Percentage of
Nominal Frequency (%)
$00 50 100
$7F 75 150
$FF 100 200
Table 16. Start-up Times for the External Clock Selection
SUT1..0
Start-up Time from Power-
down and Power-save
Additional Delay from
Reset (VCC = 5.0V) Recommended Usage
00 6 CK – BOD enabled
01 6 CK 4.1ms Fast rising power
10 6 CK 65ms Slowly rising power
11 Reserved
EXTERNAL
CLOCK
SIGNAL

43
2467X–AVR–06/11
ATmega128
Timer/Counter
Oscillator
For AVR microcontrollers with Timer/Counter Oscillator pins (TOSC1 and TOSC2), the crystal is
connected directly between the pins. No external capacitors are needed. The Oscillator is opti-
mized for use with a 32.768kHz watch crystal. Applying an external clock source to TOSC1 is
not recommended.
Note: The Timer/Counter Oscillator uses the same type of crystal oscillator as Low-Frequency Oscillator
and the internal capacitors have the same nominal value of 36pF.

44
2467X–AVR–06/11
ATmega128
Power
Management
and Sleep
Modes
Sleep modes enable the application to shut down unused modules in the MCU, thereby saving
power. The AVR provides various sleep modes allowing the user to tailor the power consump-
tion to the application’s requirements.
To enter any of the six sleep modes, the SE bit in MCUCR must be written to logic one and a
SLEEP instruction must be executed. The SM2, SM1, and SM0 bits in the MCUCR Register
select which sleep mode (Idle, ADC Noise Reduction, Power-down, Power-save, Standby, or
Extended Standby) will be activated by the SLEEP instruction. See Table 17 for a summary. If
an enabled interrupt occurs while the MCU is in a sleep mode, the MCU wakes up. The MCU is
then halted for four cycles in addition to the start-up time, it executes the interrupt routine, and
resumes execution from the instruction following SLEEP. The contents of the register file and
SRAM are unaltered when the device wakes up from sleep. If a reset occurs during sleep mode,
the MCU wakes up and executes from the Reset Vector.
Figure 18 on page 35 presents the different clock systems in the ATmega128, and their distribu-
tion. The figure is helpful in selecting an appropriate sleep mode.
MCU Control Register
– MCUCR
The MCU Control Register contains control bits for power management.
• Bit 5 – SE: Sleep Enable
The SE bit must be written to logic one to make the MCU enter the Sleep mode when the
SLEEP instruction is executed. To avoid the MCU entering the Sleep mode unless it is the pro-
grammers purpose, it is recommended to write the Sleep Enable (SE) bit to one just before the
execution of the SLEEP instruction and to clear it immediately after waking up.
• Bits 4..2 – SM2..0: Sleep Mode Select Bits 2, 1, and 0
These bits select between the six available sleep modes as shown in Table 17.
Note: 1. Standby mode and Extended Standby mode are only available with external crystals or
resonators.
Bit 76543210
SRE SRW10 SE SM1 SM0 SM2 IVSEL IVCE MCUCR
Read/Write R/WR/WR/WR/WR/WR/WR/WR/W
Initial Value00000000
Table 17. Sleep Mode Select
SM2 SM1 SM0 Sleep Mode
000Idle
0 0 1 ADC Noise Reduction
010Power-down
011Power-save
100Reserved
101Reserved
110Standby
(1)
1 1 1 Extended Standby(1)

45
2467X–AVR–06/11
ATmega128
Idle Mode When the SM2..0 bits are written to 000, the SLEEP instruction makes the MCU enter Idle
mode, stopping the CPU but allowing SPI, USART, Analog Comparator, ADC, Two-wire Serial
Interface, Timer/Counters, Watchdog, and the interrupt system to continue operating. This sleep
mode basically halts clkCPU and clkFLASH, while allowing the other clocks to run.
Idle mode enables the MCU to wake up from external triggered interrupts as well as internal
ones like the Timer Overflow and USART Transmit Complete interrupts. If wake-up from the
Analog Comparator interrupt is not required, the Analog Comparator can be powered down by
setting the ACD bit in the Analog Comparator Control and Status Register – ACSR. This will
reduce power consumption in Idle mode. If the ADC is enabled, a conversion starts automati-
cally when this mode is entered.
ADC Noise
Reduction Mode
When the SM2..0 bits are written to 001, the SLEEP instruction makes the MCU enter ADC
Noise Reduction mode, stopping the CPU but allowing the ADC, the External Interrupts, the
Two-wire Serial Interface address watch, Timer/Counter0 and the Watchdog to continue
operating (if enabled). This sleep mode basically halts clkI/O, clkCPU, and clkFLASH, while allowing
the other clocks to run.
This improves the noise environment for the ADC, enabling higher resolution measurements. If
the ADC is enabled, a conversion starts automatically when this mode is entered. Apart form the
ADC Conversion Complete interrupt, only an External Reset, a Watchdog Reset, a Brown-out
Reset, a Two-wire Serial Interface address match interrupt, a Timer/Counter0 interrupt, an
SPM/EEPROM ready interrupt, an External Level Interrupt on INT7:4, or an External Interrupt on
INT3:0 can wake up the MCU from ADC Noise Reduction mode.
Power-down Mode When the SM2..0 bits are written to 010, the SLEEP instruction makes the MCU enter Power-
down mode. In this mode, the External Oscillator is stopped, while the External Interrupts, the
Two-wire Serial Interface address watch, and the Watchdog continue operating (if enabled).
Only an External Reset, a Watchdog Reset, a Brown-out Reset, a Two-wire Serial Interface
address match interrupt, an External Level Interrupt on INT7:4, or an External Interrupt on
INT3:0 can wake up the MCU. This sleep mode basically halts all generated clocks, allowing
operation of asynchronous modules only.
Note that if a level triggered interrupt is used for wake-up from Power-down mode, the changed
level must be held for some time to wake up the MCU. Refer to “External Interrupts” on page 89
for details.
When waking up from Power-down mode, there is a delay from the wake-up condition occurs
until the wake-up becomes effective. This allows the clock to restart and become stable after
having been stopped. The wake-up period is defined by the same CKSEL fuses that define the
Reset Time-out period, as described in “Clock Sources” on page 36.
Power-save Mode When the SM2..0 bits are written to 011, the SLEEP instruction makes the MCU enter Power-
save mode. This mode is identical to Power-down, with one exception:
If Timer/Counter0 is clocked asynchronously, i.e., the AS0 bit in ASSR is set, Timer/Counter0
will run during sleep. The device can wake up from either Timer Overflow or Output Compare
event from Timer/Counter0 if the corresponding Timer/Counter0 interrupt enable bits are set in
TIMSK, and the global interrupt enable bit in SREG is set.
If the Asynchronous Timer is NOT clocked asynchronously, Power-down mode is recommended
instead of Power-save mode because the contents of the registers in the asynchronous timer
should be considered undefined after wake-up in Power-save mode if AS0 is 0.
This sleep mode basically halts all clocks except clkASY, allowing operation only of asynchronous
modules, including Timer/Counter0 if clocked asynchronously.

46
2467X–AVR–06/11
ATmega128
Standby Mode When the SM2..0 bits are 110 and an External Crystal/Resonator clock option is selected, the
SLEEP instruction makes the MCU enter Standby mode. This mode is identical to Power-down
with the exception that the Oscillator is kept running. From Standby mode, the device wakes up
in 6 clock cycles.
Extended Standby
Mode
When the SM2..0 bits are 111 and an external crystal/resonator clock option is selected, the
SLEEP instruction makes the MCU enter Extended Standby mode. This mode is identical to
Power-save mode with the exception that the Oscillator is kept running. From Extended Standby
mode, the device wakes up in six clock cycles.
Notes: 1. External Crystal or resonator selected as clock source
2. If AS0 bit in ASSR is set
3. Only INT3:0 or level interrupt INT7:4
Table 18. Active Clock Domains and Wake Up Sources in the Different Sleep Modes
Active Clock Domains Oscillators Wake Up Sources
Sleep
Mode clkCPU clkFLASH clkIO clkADC clkASY
Main Clock
Source
Enabled
Timer
Osc
Enabled INT7:0
TWI
Address
Match Timer 0
SPM/
EEPROM
Ready ADC
Other
I/O
Idle X X X X X(2) XX X XXX
ADC
Noise
Reduction
XX X X
(2) X(3) XX XX
Power-
down X(3) X
Power-
save X(2) X(2) X(3) XX
(2)
Standby(1) XX
(3) X
Extended
Standby(1) X(2) XX
(2) X(3) XX
(2)

47
2467X–AVR–06/11
ATmega128
Minimizing Power
Consumption
There are several issues to consider when trying to minimize the power consumption in an AVR
controlled system. In general, sleep modes should be used as much as possible, and the sleep
mode should be selected so that as few as possible of the device’s functions are operating. All
functions not needed should be disabled. In particular, the following modules may need special
consideration when trying to achieve the lowest possible power consumption. See also “System
Clock and Clock Options” on page 35.
Analog to Digital
Converter
If enabled, the ADC will be enabled in all sleep modes. To save power, the ADC should be dis-
abled before entering any sleep mode. When the ADC is turned off and on again, the next
conversion will be an extended conversion. Refer to “Analog to Digital Converter” on page 230
for details on ADC operation.
Analog Comparator When entering Idle mode, the Analog Comparator should be disabled if not used. When entering
ADC Noise Reduction mode, the Analog Comparator should be disabled. In the other sleep
modes, the Analog Comparator is automatically disabled. However, if the Analog Comparator is
set up to use the Internal Voltage Reference as input, the Analog Comparator should be dis-
abled in all sleep modes. Otherwise, the Internal Voltage Reference will be enabled,
independent of sleep mode. Refer to “Analog Comparator” on page 227 for details on how to
configure the Analog Comparator.
Brown-out Detector If the Brown-out Detector is not needed in the application, this module should be turned off. If the
Brown-out Detector is enabled by the BODEN fuse, it will be enabled in all sleep modes, and
hence, always consume power. In the deeper sleep modes, this will contribute significantly to
the total current consumption. Refer to “Brown-out Detector” on page 47 for details on how to
configure the Brown-out Detector.
Internal Voltage
Reference
The Internal Voltage Reference will be enabled when needed by the Brown-out Detector, the
Analog Comparator or the ADC. If these modules are disabled as described in the sections
above, the internal voltage reference will be disabled and it will not be consuming power. When
turned on again, the user must allow the reference to start up before the output is used. If the
reference is kept on in sleep mode, the output can be used immediately. Refer to “Internal Volt-
age Reference” on page 53 for details on the start-up time.
Watchdog Timer If the Watchdog Timer is not needed in the application, this module should be turned off. If the
Watchdog Timer is enabled, it will be enabled in all sleep modes, and hence, always consume
power. In the deeper sleep modes, this will contribute significantly to the total current consump-
tion. Refer to “Watchdog Timer” on page 54 for details on how to configure the Watchdog Timer.
Port Pins When entering a sleep mode, all port pins should be configured to use minimum power. The
most important thing is then to ensure that no pins drive resistive loads. In sleep modes where
the both the I/O clock (clkI/O) and the ADC clock (clkADC) are stopped, the input buffers of the
device will be disabled. This ensures that no power is consumed by the input logic when not
needed. In some cases, the input logic is needed for detecting wake-up conditions, and it will
then be enabled. Refer to the section “Digital Input Enable and Sleep Modes” on page 69 for
details on which pins are enabled. If the input buffer is enabled and the input signal is left floating
or have an analog signal level close to VCC/2, the input buffer will use excessive power.

48
2467X–AVR–06/11
ATmega128
JTAG Interface and
On-chip Debug
System
If the On-chip debug system is enabled by the OCDEN Fuse and the chip enter Power down or
Power save sleep mode, the main clock source remains enabled. In these sleep modes, this will
contribute significantly to the total current consumption. There are three alternative ways to
avoid this:
• Disable OCDEN Fuse.
• Disable JTAGEN Fuse.
•Write one to the JTD bit in MCUCSR.
The TDO pin is left floating when the JTAG interface is enabled while the JTAG TAP controller is
not shifting data. If the hardware connected to the TDO pin does not pull up the logic level,
power consumption will increase. Note that the TDI pin for the next device in the scan chain con-
tains a pull-up that avoids this problem. Writing the JTD bit in the MCUCSR register to one or
leaving the JTAG fuse unprogrammed disables the JTAG interface.

49
2467X–AVR–06/11
ATmega128
System Control
and Reset
Resetting the AVR During Reset, all I/O registers are set to their initial values, and the program starts execution
from the Reset Vector. The instruction placed at the Reset Vector must be a JMP – absolute
jump – instruction to the reset handling routine. If the program never enables an interrupt
source, the interrupt vectors are not used, and regular program code can be placed at these
locations. This is also the case if the Reset Vector is in the Application section while the interrupt
vectors are in the Boot section or vice versa. The circuit diagram in Figure 22 shows the reset
logic. Table 19 defines the electrical parameters of the reset circuitry.
The I/O ports of the AVR are immediately reset to their initial state when a reset source goes
active. This does not require any clock source to be running.
After all reset sources have gone inactive, a delay counter is invoked, stretching the internal
reset. This allows the power to reach a stable level before normal operation starts. The time-out
period of the delay counter is defined by the user through the CKSEL fuses. The different selec-
tions for the delay period are presented in “Clock Sources” on page 36.
Reset Sources The Atmel® AVR® ATmega128 has five sources of reset:
• Power-on Reset. The MCU is reset when the supply voltage is below the Power-on Reset
threshold (VPOT).
• External Reset. The MCU is reset when a low level is present on the RESET pin for longer
than the minimum pulse length.
•Watchdog Reset. The MCU is reset when the Watchdog Timer period expires and the
Watchdog is enabled.
• Brown-out Reset. The MCU is reset when the supply voltage VCC is below the Brown-out
Reset threshold (VBOT) and the Brown-out Detector is enabled.
• JTAG AVR Reset. The MCU is reset as long as there is a logic one in the Reset Register,
one of the scan chains of the JTAG system. Refer to the section “IEEE 1149.1 (JTAG)
Boundary-scan” on page 252 for details.

50
2467X–AVR–06/11
ATmega128
Figure 22. Reset Logic
Notes: 1. The Power-on Reset will not work unless the supply voltage has been below VPOT (falling)
Table 19. Reset Characteristics
Symbol Parameter Condition Min Typ Max Units
VPOT
Power-on Reset
Threshold Voltage
(rising)
1.4 2.3
V
Power-on Reset
Threshold Voltage
(falling)(1) 1.3 2.3
VRST
RESET Pin Threshold
Voltage 0.2 VCC 0.85 VCC
tRST
Pulse width on RESET
Pin 1.5 µs
VBOT
Brown-out Reset
Threshold Voltage(2)
BODLEVEL = 1 2.4 2.6 2.9 V
BODLEVEL = 0 3.7 4.0 4.5
tBOD
Minimum low voltage
period for Brown-out
Detection
BODLEVEL = 1 2
µs
BODLEVEL = 0 2
VHYST
Brown-out Detector
hysteresis 100 mV
MCU Control and Status
Register (MCUCSR)
Brown-Out
Reset Circuit
BODEN
BODLEVEL
Delay Counters
CKSEL[3:0]
CK
TIMEOUT
WDRF
BORF
EXTRF
PORF
DATA BUS
Clock
Generator
SPIKE
FILTER
Pull-up Resistor
JTRF
JTAG Reset
Register
Watchdog
Oscillator
SUT[1:0]
COUNTER RESET
Watchdog
Timer
RESET
Pull-up Resistor
PEN
Reset Circuit
L
DQ
Q
Power-On Reset
Circuit

51
2467X–AVR–06/11
ATmega128
2. VBOT may be below nominal minimum operating voltage for some devices. For devices where
this is the case, the device is tested down to VCC = VBOT during the production test. This guar-
antees that a Brown-out Reset will occur before VCC drops to a voltage where correct
operation of the microcontroller is no longer guaranteed. The test is performed using
BODLEVEL=1for ATmega128L and BODLEVEL=0 for ATmega128. BODLEVEL=1 is not
applicable forATmega128
Power-on Reset A Power-on Reset (POR) pulse is generated by an On-chip detection circuit. The detection level
is defined in Table 19. The POR is activated whenever VCC is below the detection level. The
POR circuit can be used to trigger the Start-up Reset, as well as to detect a failure in supply
voltage.
A Power-on Reset (POR) circuit ensures that the device is reset from Power-on. Reaching the
Power-on Reset threshold voltage invokes the delay counter, which determines how long the
device is kept in RESET after VCC rise. The RESET signal is activated again, without any delay,
when VCC decreases below the detection level.
Figure 23. MCU Start-up, RESET Tied to VCC.
Figure 24. MCU Start-up, RESET Extended Externally
External Reset An External Reset is generated by a low level on the RESET pin. Reset pulses longer than the
minimum pulse width (see Table 19) will generate a reset, even if the clock is not running.
Shorter pulses are not guaranteed to generate a reset. When the applied signal reaches the
Reset Threshold Voltage – VRST on its positive edge, the delay counter starts the MCU after the
Time-out period tTOUT has expired.
V
RESET
TIME-OUT
INTERNAL
RESET
tTOUT
VPOT
VRST
CC
RESET
TIME-OUT
INTERNAL
RESET
tTOUT
VPOT
VRST
V
CC

52
2467X–AVR–06/11
ATmega128
Figure 25. External Reset During Operation
Brown-out Detection ATmega128 has an On-chip Brown-out Detection (BOD) circuit for monitoring the VCC level dur-
ing operation by comparing it to a fixed trigger level. The trigger level for the BOD can be
selected by the fuse BODLEVEL to be 2.7V (BODLEVEL unprogrammed), or 4.0V (BODLEVEL
programmed). The trigger level has a hysteresis to ensure spike free Brown-out Detection. The
hysteresis on the detection level should be interpreted as VBOT+ = VBOT + VHYST/2 and VBOT- =
VBOT - VHYST/2.
The BOD circuit can be enabled/disabled by the fuse BODEN. When the BOD is enabled
(BODEN programmed), and VCC decreases to a value below the trigger level (VBOT- in Figure
26), the Brown-out Reset is immediately activated. When VCC increases above the trigger level
(VBOT+ in Figure 26), the delay counter starts the MCU after the time-out period tTOUT has
expired.
The BOD circuit will only detect a drop in VCC if the voltage stays below the trigger level for lon-
ger than tBOD given in Table 19.
Figure 26. Brown-out Reset During Operation
CC
V
CC
RESET
TIME-OUT
INTERNAL
RESET
V
BOT-
V
BOT+
tTOUT

53
2467X–AVR–06/11
ATmega128
Watchdog Reset When the Watchdog times out, it will generate a short reset pulse of 1 CK cycle duration. On the
falling edge of this pulse, the delay timer starts counting the Time-out period tTOUT. Refer to page
54 for details on operation of the Watchdog Timer.
Figure 27. Watchdog Reset During Operation
MCU Control and
Status Register –
MCUCSR
The MCU Control and Status Register provides information on which reset source caused an
MCU reset.
Note that only EXTRF and PORF are available in Atmel® AVR®ATmega103 compatibility mode.
• Bit 4 – JTRF: JTAG Reset Flag
This bit is set if a reset is being caused by a logic one in the JTAG Reset Register selected by
the JTAG instruction AVR_RESET. This bit is reset by a Power-on Reset, or by writing a logic
zero to the flag.
• Bit 3 – WDRF: Watchdog Reset Flag
This bit is set if a Watchdog Reset occurs. The bit is reset by a Power-on Reset, or by writing a
logic zero to the flag.
• Bit 2 – BORF: Brown-out Reset Flag
This bit is set if a Brown-out Reset occurs. The bit is reset by a Power-on Reset, or by writing a
logic zero to the flag.
• Bit 1 – EXTRF: External Reset Flag
This bit is set if an External Reset occurs. The bit is reset by a Power-on Reset, or by writing a
logic zero to the flag.
• Bit 0 – PORF: Power-On Reset Flag
This bit is set if a Power-on Reset occurs. The bit is reset only by writing a logic zero to the flag.
To make use of the reset flags to identify a reset condition, the user should read and then reset
the MCUCSR as early as possible in the program. If the register is cleared before another reset
occurs, the source of the reset can be found by examining the reset flags.
Internal Voltage
Reference
ATmega128 features an internal bandgap reference. This reference is used for Brown-out
Detection, and it can be used as an input to the Analog Comparator or the ADC. The 2.56V ref-
erence to the ADC is generated from the internal bandgap reference.
CK
CC
Bit 76543210
JTD –– JTRF WDRF BORF EXTRF PORF MCUCSR
Read/Write R/WRRR/WR/WR/WR/WR/W
Initial Value 0 0 0 See Bit Description

54
2467X–AVR–06/11
ATmega128
Voltage Reference
Enable Signals and
Start-up Time
The voltage reference has a start-up time that may influence the way it should be used. The
start-up time is given in Table 20. To save power, the reference is not always turned on. The ref-
erence is on during the following situations:
1. When the BOD is enabled (by programming the BODEN fuse).
2. When the bandgap reference is connected to the Analog Comparator (by setting the
ACBG bit in ACSR).
3. When the ADC is enabled.
Thus, when the BOD is not enabled, after setting the ACBG bit or enabling the ADC, the user
must always allow the reference to start up before the output from the Analog Comparator or
ADC is used. To reduce power consumption in Power-down mode, the user can avoid the three
conditions above to ensure that the reference is turned off before entering Power-down mode.
Watchdog Timer The Watchdog Timer is clocked from a separate On-chip Oscillator which runs at 1MHz. This is
the typical value at VCC = 5V. See characterization data for typical values at other VCC levels. By
controlling the Watchdog Timer prescaler, the Watchdog Reset interval can be adjusted as
shown in Table 22 on page 56. The WDR – Watchdog Reset – instruction resets the Watchdog
Timer. The Watchdog Timer is also reset when it is disabled and when a Chip Reset occurs.
Eight different clock cycle periods can be selected to determine the reset period. If the reset
period expires without another Watchdog Reset, the ATmega128 resets and executes from the
Reset Vector. For timing details on the Watchdog Reset, refer to page 53.
To prevent unintentional disabling of the Watchdog or unintentional change of time-out period, 3
different safety levels are selected by the Fuses M103C and WDTON as shown in Table 21.
Safety level 0 corresponds to the setting in ATmega103. There is no restriction on enabling the
WDT in any of the safety levels. Refer to “Timed Sequences for Changing the Configuration of
the Watchdog Timer” on page 57 for details.
Table 20. Internal Voltage Reference Characteristics
Symbol Parameter Min Typ Max Units
VBG Bandgap reference voltage 1.15 1.23 1.40 V
tBG Bandgap reference start-up time 40 70 µs
IBG Bandgap reference current consumption 10 µA

55
2467X–AVR–06/11
ATmega128
Figure 28. Watchdog Timer
Watchdog Timer
Control Register –
WDTCR
• Bits 7..5 – Res: Reserved Bits
These bits are reserved bits in the ATmega128 and will always read as zero.
• Bit 4 – WDCE: Watchdog Change Enable
This bit must be set when the WDE bit is written to logic zero. Otherwise, the Watchdog will not
be disabled. Once written to one, hardware will clear this bit after four clock cycles. Refer to the
description of the WDE bit for a Watchdog disable procedure. In Safety Level 1 and 2, this bit
must also be set when changing the prescaler bits. See “Timed Sequences for Changing the
Configuration of the Watchdog Timer” on page 57.
• Bit 3 – WDE: Watchdog Enable
When the WDE is written to logic one, the Watchdog Timer is enabled, and if the WDE is written
to logic zero, the Watchdog Timer function is disabled. WDE can only be cleared if the WDCE bit
has logic level one. To disable an enabled Watchdog Timer, the following procedure must be
followed:
Table 21. WDT Configuration as a Function of the Fuse Settings of M103C and WDTON.
M103C WDTON
Safety
Level
WDT Initial
State
How to Disable
the WDT
How to
Change
Time-out
Unprogrammed Unprogrammed 1 Disabled Timed
sequence
Timed
sequence
Unprogrammed Programmed 2 Enabled Always enabled Timed
sequence
Programmed Unprogrammed 0 Disabled Timed
sequence
No
restriction
Programmed Programmed 2 Enabled Always enabled Timed
sequence
WATCHDOG
OSCILLATOR
Bit 76543210
– – – WDCE WDE WDP2 WDP1 WDP0 WDTCR
Read/Write R R R R/WR/WR/WR/WR/W
Initial Value00000000

56
2467X–AVR–06/11
ATmega128
1. In the same operation, write a logic one to WDCE and WDE. A logic one must be written
to WDE even though it is set to one before the disable operation starts.
2. Within the next four clock cycles, write a logic 0 to WDE. This disables the Watchdog.
In safety level 2, it is not possible to disable the Watchdog Timer, even with the algorithm
described above. See “Timed Sequences for Changing the Configuration of the Watchdog
Timer” on page 57.
• Bits 2..0 – WDP2, WDP1, WDP0: Watchdog Timer Prescaler 2, 1, and 0
The WDP2, WDP1, and WDP0 bits determine the Watchdog Timer prescaling when the Watch-
dog Timer is enabled. The different prescaling values and their corresponding Timeout Periods
are shown in Table 22.
Table 22. Watchdog Timer Prescale Select
WDP2 WDP1 WDP0
Number of WDT
Oscillator Cycles
Typical Time-out
at VCC = 3.0V
Typical Time-out
at VCC = 5.0V
0 0 0 16K (16,384) 14.8ms 14.0ms
0 0 1 32K (32,768) 29.6ms 28.1ms
0 1 0 64K (65,536) 59.1ms 56.2ms
0 1 1 128K (131,072) 0.12s 0.11s
1 0 0 256K (262,144) 0.24s 0.22s
1 0 1 512K (524,288) 0.47s 0.45s
1 1 0 1,024K (1,048,576) 0.95s 0.9s
1 1 1 2,048K (2,097,152) 1.9s 1.8s

57
2467X–AVR–06/11
ATmega128
The following code example shows one assembly and one C function for turning off the WDT.
The example assumes that interrupts are controlled (e.g. by disabling interrupts globally) so that
no interrupts will occur during execution of these functions.
Timed Sequences for Changing the Configuration of the Watchdog Timer
The sequence for changing configuration differs slightly between the three safety levels. Sepa-
rate procedures are described for each level.
Safety Level 0 This mode is compatible with the Watchdog operation found in ATmega103. The Watchdog
Timer is initially disabled, but can be enabled by writing the WDE bit to 1 without any restriction.
The time-out period can be changed at any time without restriction. To disable an enabled
Watchdog Timer, the procedure described on page 55 (WDE bit description) must be followed.
Safety Level 1 In this mode, the Watchdog Timer is initially disabled, but can be enabled by writing the WDE bit
to 1 without any restriction. A timed sequence is needed when changing the Watchdog Time-out
period or disabling an enabled Watchdog Timer. To disable an enabled Watchdog Timer, and/or
changing the Watchdog Time-out, the following procedure must be followed:
1. In the same operation, write a logic one to WDCE and WDE. A logic one must be written
to WDE regardless of the previous value of the WDE bit.
2. Within the next four clock cycles, in the same operation, write the WDE and WDP bits as
desired, but with the WDCE bit cleared.
Safety Level 2 In this mode, the Watchdog Timer is always enabled, and the WDE bit will always read as one. A
timed sequence is needed when changing the Watchdog Time-out period. To change the
Watchdog Time-out, the following procedure must be followed:
Assembly Code Example
WDT_off:
; Reset WDT
wdr
in r16, WDTCR
; Write logical one to WDCE and WDE
ori r16, (1<<WDCE)|(1<<WDE)
out WDTCR, r16
; Turn off WDT
ldi r16, (0<<WDE)
out WDTCR, r16
ret
C Code Example
void WDT_off(void)
{
/* Reset WDT*/
__watchdog_reset();
/* Write logical one to WDCE and WDE */
WDTCR |= (1<<WDCE) | (1<<WDE);
/* Turn off WDT */
WDTCR = 0x00;
}

58
2467X–AVR–06/11
ATmega128
1. In the same operation, write a logical one to WDCE and WDE. Even though the WDE
always is set, the WDE must be written to one to start the timed sequence.
2. Within the next four clock cycles, in the same operation, write the WDP bits as desired,
but with the WDCE bit cleared. The value written to the WDE bit is irrelevant.

59
2467X–AVR–06/11
ATmega128
Interrupts This section describes the specifics of the interrupt handling as performed in Atmel® AVR®
ATmega128. For a general explanation of the AVR interrupt handling, refer to “Reset and Inter-
rupt Handling” on page 14.
Interrupt Vectors
in ATmega128 Table 23. Reset and Interrupt Vectors
Vector
No.
Program
Address(2) Source Interrupt Definition
1 $0000(1) RESET
External Pin, Power-on Reset, Brown-out Reset,
Watchdog Reset, and JTAG AVR Reset
2 $0002 INT0 External Interrupt Request 0
3 $0004 INT1 External Interrupt Request 1
4 $0006 INT2 External Interrupt Request 2
5 $0008 INT3 External Interrupt Request 3
6 $000A INT4 External Interrupt Request 4
7 $000C INT5 External Interrupt Request 5
8 $000E INT6 External Interrupt Request 6
9 $0010 INT7 External Interrupt Request 7
10 $0012 TIMER2 COMP Timer/Counter2 Compare Match
11 $0014 TIMER2 OVF Timer/Counter2 Overflow
12 $0016 TIMER1 CAPT Timer/Counter1 Capture Event
13 $0018 TIMER1 COMPA Timer/Counter1 Compare Match A
14 $001A TIMER1 COMPB Timer/Counter1 Compare Match B
15 $001C TIMER1 OVF Timer/Counter1 Overflow
16 $001E TIMER0 COMP Timer/Counter0 Compare Match
17 $0020 TIMER0 OVF Timer/Counter0 Overflow
18 $0022 SPI, STC SPI Serial Transfer Complete
19 $0024 USART0, RX USART0, Rx Complete
20 $0026 USART0, UDRE USART0 Data Register Empty
21 $0028 USART0, TX USART0, Tx Complete
22 $002A ADC ADC Conversion Complete
23 $002C EE READY EEPROM Ready
24 $002E ANALOG COMP Analog Comparator
25 $0030(3) TIMER1 COMPC Timer/Countre1 Compare Match C
26 $0032(3) TIMER3 CAPT Timer/Counter3 Capture Event
27 $0034(3) TIMER3 COMPA Timer/Counter3 Compare Match A
28 $0036(3) TIMER3 COMPB Timer/Counter3 Compare Match B
29 $0038(3) TIMER3 COMPC Timer/Counter3 Compare Match C
30 $003A(3) TIMER3 OVF Timer/Counter3 Overflow

60
2467X–AVR–06/11
ATmega128
Notes: 1. When the BOOTRST fuse is programmed, the device will jump to the Boot Loader address at
reset, see “Boot Loader Support – Read-While-Write Self-Programming” on page 273.
2. When the IVSEL bit in MCUCR is set, interrupt vectors will be moved to the start of the Boot
Flash section. The address of each interrupt vector will then be address in this table added to
the start address of the boot Flash section.
3. The Interrupts on address $0030 - $0044 do not exist in ATmega103 compatibility mode.
Table 24 shows Reset and interrupt vectors placement for the various combinations of
BOOTRST and IVSEL settings. If the program never enables an interrupt source, the interrupt
vectors are not used, and regular program code can be placed at these locations. This is also
the case if the Reset Vector is in the Application section while the interrupt vectors are in the
Boot section or vice versa.
Note: The Boot Reset Address is shown in Table 112 on page 284. For the BOOTRST fuse “1” means
unprogrammed while “0” means programmed.
31 $003C(3) USART1, RX USART1, Rx Complete
32 $003E(3) USART1, UDRE USART1 Data Register Empty
33 $0040(3) USART1, TX USART1, Tx Complete
34 $0042(3) TWI Two-wire Serial Interface
35 $0044(3) SPM READY Store Program Memory Ready
Table 24. Reset and Interrupt Vectors Placement
BOOTRST IVSEL Reset Address Interrupt Vectors Start Address
1 0 $0000 $0002
1 1 $0000 Boot Reset Address + $0002
0 0 Boot Reset Address $0002
0 1 Boot Reset Address Boot Reset Address + $0002
Table 23. Reset and Interrupt Vectors
Vector
No.
Program
Address(2) Source Interrupt Definition

61
2467X–AVR–06/11
ATmega128
The most typical and general program setup for the Reset and Interrupt Vector Addresses in
ATmega128 is:
Address LabelsCode Comments
$0000 jmp RESET ; Reset Handler
$0002 jmp EXT_INT0 ; IRQ0 Handler
$0004 jmp EXT_INT1 ; IRQ1 Handler
$0006 jmp EXT_INT2 ; IRQ2 Handler
$0008 jmp EXT_INT3 ; IRQ3 Handler
$000A jmp EXT_INT4 ; IRQ4 Handler
$000C jmp EXT_INT5 ; IRQ5 Handler
$000E jmp EXT_INT6 ; IRQ6 Handler
$0010 jmp EXT_INT7 ; IRQ7 Handler
$0012 jmp TIM2_COMP ; Timer2 Compare Handler
$0014 jmp TIM2_OVF ; Timer2 Overflow Handler
$0016 jmp TIM1_CAPT ; Timer1 Capture Handler
$0018 jmp TIM1_COMPA; Timer1 CompareA Handler
$001A jmp TIM1_COMPB; Timer1 CompareB Handler
$001C jmp TIM1_OVF ; Timer1 Overflow Handler
$001E jmp TIM0_COMP ; Timer0 Compare Handler
$0020 jmp TIM0_OVF ; Timer0 Overflow Handler
$0022 jmp SPI_STC ; SPI Transfer Complete Handler
$0024 jmp USART0_RXC; USART0 RX Complete Handler
$0026 jmp USART0_DRE; USART0,UDR Empty Handler
$0028 jmp USART0_TXC; USART0 TX Complete Handler
$002A jmp ADC ; ADC Conversion Complete Handler
$002C jmp EE_RDY ; EEPROM Ready Handler
$002E jmp ANA_COMP ; Analog Comparator Handler
$0030 jmp TIM1_COMPC; Timer1 CompareC Handler
$0032 jmp TIM3_CAPT ; Timer3 Capture Handler
$0034 jmp TIM3_COMPA; Timer3 CompareA Handler
$0036 jmp TIM3_COMPB; Timer3 CompareB Handler
$0038 jmp TIM3_COMPC; Timer3 CompareC Handler
$003A jmp TIM3_OVF ; Timer3 Overflow Handler
$003C jmp USART1_RXC; USART1 RX Complete Handler
$003E jmp USART1_DRE; USART1,UDR Empty Handler
$0040 jmp USART1_TXC; USART1 TX Complete Handler
$0042 jmp TWI ; Two-wire Serial Interface Interrupt Handler
$0044 jmp SPM_RDY ; SPM Ready Handler
;
$0046 RESET:ldir16, high(RAMEND); Main program start
$0047 out SPH,r16 ; Set stack pointer to top of RAM
$0048 ldi r16, low(RAMEND)
$0049 out SPL,r16
$004A sei ; Enable interrupts
$004B <instr> xxx
... ... ... ...

62
2467X–AVR–06/11
ATmega128
When the BOOTRST fuse is unprogrammed, the Boot section size set to 8Kbytes and the
IVSEL bit in the MCUCR Register is set before any interrupts are enabled, the most typical and
general program setup for the Reset and Interrupt Vector Addresses is:
Address LabelsCode Comments
$0000 RESET:ldi r16,high(RAMEND); Main program start
$0001 out SPH,r16 ; Set stack pointer to top of RAM
$0002 ldi r16,low(RAMEND)
$0003 out SPL,r16
$0004 sei ; Enable interrupts
$0005 <instr> xxx
;
.org $F002
$F002 jmp EXT_INT0 ; IRQ0 Handler
$F004 jmp EXT_INT1 ; IRQ1 Handler
... ... ... ;
$F044 jmp SPM_RDY ; Store Program Memory Ready Handler
When the BOOTRST fuse is programmed and the Boot section size set to 8Kbytes, the most
typical and general program setup for the Reset and Interrupt Vector Addresses is:
Address LabelsCode Comments
.org $0002
$0002 jmp EXT_INT0 ; IRQ0 Handler
$0004 jmp EXT_INT1 ; IRQ1 Handler
... ... ... ;
$0044 jmp SPM_RDY ; Store Program Memory Ready Handler
;
.org $F000
$F000 RESET: ldi r16,high(RAMEND); Main program start
$F001 out SPH,r16 ; Set stack pointer to top of RAM
$F002 ldi r16,low(RAMEND)
$F003 out SPL,r16
$F004 sei ; Enable interrupts
$F005 <instr> xxx
When the BOOTRST fuse is programmed, the Boot section size set to 8Kbytes and the IVSEL
bit in the MCUCR Register is set before any interrupts are enabled, the most typical and general
program setup for the Reset and Interrupt Vector Addresses is:
Address Labels Code Comments
;
.org $F000
$F000 jmp RESET ; Reset handler
$F002 jmp EXT_INT0 ; IRQ0 Handler
$F004 jmp EXT_INT1 ; IRQ1 Handler
... ... ... ;
$F044 jmp SPM_RDY ; Store Program Memory Ready Handler
$F046 RESET: ldi r16,high(RAMEND); Main program start
$F047 out SPH,r16 ; Set stack pointer to top of RAM
$F048 ldi r16,low(RAMEND)

63
2467X–AVR–06/11
ATmega128
$F049 out SPL,r16
$F04A sei ; Enable interrupts
$F04B <instr> xxx
Moving Interrupts
Between Application
and Boot Space
The General Interrupt Control Register controls the placement of the interrupt vector table.
MCU Control Register
– MCUCR
• Bit 1 – IVSEL: Interrupt Vector Select
When the IVSEL bit is cleared (zero), the interrupt vectors are placed at the start of the Flash
memory. When this bit is set (one), the interrupt vectors are moved to the beginning of the Boot
Loader section of the flash. The actual address of the start of the Boot Flash section is deter-
mined by the BOOTSZ fuses. Refer to the section “Boot Loader Support – Read-While-Write
Self-Programming” on page 273 for details. To avoid unintentional changes of interrupt vector
tables, a special write procedure must be followed to change the IVSEL bit:
1. Write the Interrupt Vector Change Enable (IVCE) bit to one.
2. Within four cycles, write the desired value to IVSEL while writing a zero to IVCE.
Interrupts will automatically be disabled while this sequence is executed. Interrupts are disabled
in the cycle IVCE is set, and they remain disabled until after the instruction following the write to
IVSEL. If IVSEL is not written, interrupts remain disabled for four cycles. The I-bit in the Status
Register is unaffected by the automatic disabling.
Note: If interrupt vectors are placed in the Boot Loader section and Boot Lock bit BLB02 is programmed,
interrupts are disabled while executing from the Application section. If interrupt vectors are placed
in the Application section and Boot Lock bit BLB12 is programed, interrupts are disabled while
executing from the Boot Loader section. Refer to the section “Boot Loader Support – Read-While-
Write Self-Programming” on page 273 for details on Boot Lock bits.
Bit 76543210
SRE SRW10 SE SM1 SM0 SM2 IVSEL IVCE MCUCR
Read/Write R/WR/WR/WR/WR/WR/WR/WR/W
Initial Value00000000

64
2467X–AVR–06/11
ATmega128
• Bit 0 – IVCE: Interrupt Vector Change Enable
The IVCE bit must be written to logic one to enable change of the IVSEL bit. IVCE is cleared by
hardware four cycles after it is written or when IVSEL is written. Setting the IVCE bit will disable
interrupts, as explained in the IVSEL description above. See Code Example below.
Assembly Code Example
Move_interrupts:
; Enable change of interrupt vectors
ldi r16, (1<<IVCE)
out MCUCR, r16
; Move interrupts to boot flash section
ldi r16, (1<<IVSEL)
out MCUCR, r16
ret
C Code Example
void Move_interrupts(void)
{
/* Enable change of interrupt vectors */
MCUCR = (1<<IVCE);
/* Move interrupts to boot flash section */
MCUCR = (1<<IVSEL);
}

65
2467X–AVR–06/11
ATmega128
I/O Ports
Introduction All Atmel® AVR® ports have true Read-Modify-Write functionality when used as general digital
I/O ports. This means that the direction of one port pin can be changed without unintentionally
changing the direction of any other pin with the SBI and CBI instructions. The same applies
when changing drive value (if configured as output) or enabling/disabling of pull-up resistors (if
configured as input). Each output buffer has symmetrical drive characteristics with both high sink
and source capability. The pin driver is strong enough to drive LED displays directly. All port pins
have individually selectable pull-up resistors with a supply-voltage invariant resistance. All I/O
pins have protection diodes to both VCC and Ground as indicated in Figure 29. Refer to “Electri-
cal Characteristics” on page 318 for a complete list of parameters.
Figure 29. I/O Pin Equivalent Schematic
All registers and bit references in this section are written in general form. A lower case “x” repre-
sents the numbering letter for the port, and a lower case “n” represents the bit number. However,
when using the register or bit defines in a program, the precise form must be used. For example,
PORTB3 for bit no. 3 in Port B, here documented generally as PORTxn. The physical I/O regis-
ters and bit locations are listed in “Register Description for I/O Ports” on page 86.
Three I/O memory address locations are allocated for each port, one each for the Data Register
– PORTx, Data Direction Register – DDRx, and the Port Input Pins – PINx. The Port Input Pins
I/O location is read only, while the Data Register and the Data Direction Register are read/write.
In addition, the Pull-up Disable – PUD bit in SFIOR disables the pull-up function for all pins in all
ports when set.
Using the I/O port as General Digital I/O is described in “Ports as General Digital I/O” on page
66. Most port pins are multiplexed with alternate functions for the peripheral features on the
device. How each alternate function interferes with the port pin is described in “Alternate Port
Functions” on page 70. Refer to the individual module sections for a full description of the alter-
nate functions.
Note that enabling the alternate function of some of the port pins does not affect the use of the
other pins in the port as General Digital I/O.
CPIN
Logic
RPU
See Figure
"General Digital I/O" for
Details
Pxn

66
2467X–AVR–06/11
ATmega128
Ports as General
Digital I/O
The ports are bi-directional I/O ports with optional internal pull-ups. Figure 30 shows a functional
description of one I/O port pin, here generically called Pxn.
Figure 30. General Digital I/O(1)
Note: 1. WPx, WDx, RRx, RPx, and RDx are common to all pins within the same port. clkI/O, SLEEP,
and PUD are common to all ports.
Configuring the Pin Each port pin consists of three Register bits: DDxn, PORTxn, and PINxn. As shown in “Register
Description for I/O Ports” on page 86, the DDxn bits are accessed at the DDRx I/O address, the
PORTxn bits at the PORTx I/O address, and the PINxn bits at the PINx I/O address.
The DDxn bit in the DDRx Register selects the direction of this pin. If DDxn is written logic one,
Pxn is configured as an output pin. If DDxn is written logic zero, Pxn is configured as an input
pin.
If PORTxn is written logic one when the pin is configured as an input pin, the pull-up resistor is
activated. To switch the pull-up resistor off, PORTxn has to be written logic zero or the pin has to
be configured as an output pin. The port pins are tri-stated when a Reset condition becomes
active, even if no clocks are running.
If PORTxn is written logic one when the pin is configured as an output pin, the port pin is driven
high (one). If PORTxn is written logic zero when the pin is configured as an output pin, the port
pin is driven low (zero).
When switching between tri-state ({DDxn, PORTxn} = 0b00) and output high ({DDxn, PORTxn}
= 0b11), an intermediate state with either pull-up enabled ({DDxn, PORTxn} = 0b01) or output
clk
RPx
RRx
WPx
RDx
WDx
PUD
SYNCHRONIZER
WDx: WRITE DDRx
WPx: WRITE PORTx
RRx: READ PORTx REGISTER
RPx: READ PORTx PIN
PUD: PULLUP DISABLE
clk
I/O
: I/O CLOCK
RDx: READ DDRx
D
L
Q
Q
RESET
RESET
Q
Q
D
Q
QD
CLR
PORTxn
Q
QD
CLR
DDxn
PINxn
DATA BUS
SLEEP
SLEEP: SLEEP CONTROL
Pxn
I/O

67
2467X–AVR–06/11
ATmega128
low ({DDxn, PORTxn} = 0b10) must occur. Normally, the pull-up enabled state is fully accept-
able, as a high-impedant environment will not notice the difference between a strong high driver
and a pull-up. If this is not the case, the PUD bit in the SFIOR Register can be written to one to
disable all pull-ups in all ports.
Switching between input with pull-up and output low generates the same problem. The user
must use either the tri-state ({DDxn, PORTxn} = 0b00) or the output high state ({DDxn, PORTxn}
= 0b11) as an intermediate step.
Table 25 summarizes the control signals for the pin value.
Reading the Pin Value Independent of the setting of Data Direction bit DDxn, the port pin can be read through the
PINxn Register bit. As shown in Figure 30, the PINxn Register bit and the preceding latch consti-
tute a synchronizer. This is needed to avoid metastability if the physical pin changes value near
the edge of the internal clock, but it also introduces a delay. Figure 31 shows a timing diagram of
the synchronization when reading an externally applied pin value. The maximum and minimum
propagation delays are denoted tpd,max and tpd,min respectively.
Figure 31. Synchronization when Reading an Externally Applied Pin Value
Consider the clock period starting shortly after the first falling edge of the system clock. The latch
is closed when the clock is low, and goes transparent when the clock is high, as indicated by the
Table 25. Port Pin Configurations
DDxn PORTxn
PUD
(in SFIOR) I/O Pull-up Comment
0 0 X Input No Tri-state (Hi-Z)
0 1 0 Input Yes
Pxn will source current if ext. pulled
low.
0 1 1 Input No Tri-state (Hi-Z)
1 0 X Output No Output Low (Sink)
1 1 X Output No Output High (Source)
SYSTEM CLK
INSTRUCTIONS
SYNC LATCH
PINxn
r17
in r17, PINx
0xFF
0x00
tpd, max
XXXXXX
tpd, min

68
2467X–AVR–06/11
ATmega128
shaded region of the “SYNC LATCH” signal. The signal value is latched when the system clock
goes low. It is clocked into the PINxn Register at the succeeding positive clock edge. As indi-
cated by the two arrows tpd,max and tpd,min, a single signal transition on the pin will be delayed
between ½ and 1½ system clock period depending upon the time of assertion.
When reading back a software assigned pin value, a nop instruction must be inserted as indi-
cated in Figure 32. The out instruction sets the “SYNC LATCH” signal at the positive edge of the
clock. In this case, the delay tpd through the synchronizer is one system clock period.
Figure 32. Synchronization when Reading a Software Assigned Pin Value
nop in r17, PINx
0xFF
0x00 0xFF
t
pd
out PORTx, r16
SYSTEM CLK
r16
INSTRUCTIONS
SYNC LATCH
PINxn
r17

69
2467X–AVR–06/11
ATmega128
The following code example shows how to set port B pins 0 and 1 high, 2 and 3 low, and define
the port pins from 4 to 7 as input with pull-ups assigned to port pins 6 and 7. The resulting pin
values are read back again, but as previously discussed, a nop instruction is included to be able
to read back the value recently assigned to some of the pins.
Note: 1. For the assembly program, two temporary registers are used to minimize the time from pull-
ups are set on pins 0, 1, 6, and 7, until the direction bits are correctly set, defining bit 2 and 3
as low and redefining bits 0 and 1 as strong high drivers.
Digital Input Enable
and Sleep Modes
As shown in Figure 30, the digital input signal can be clamped to ground at the input of the
schmitt-trigger. The signal denoted SLEEP in the figure, is set by the MCU Sleep Controller in
Power-down mode, Power-save mode, Standby mode, and Extended Standby mode to avoid
high power consumption if some input signals are left floating, or have an analog signal level
close to VCC/2.
SLEEP is overridden for port pins enabled as External Interrupt pins. If the External Interrupt
Request is not enabled, SLEEP is active also for these pins. SLEEP is also overridden by vari-
ous other alternate functions as described in “Alternate Port Functions” on page 70.
If a logic high level (“one”) is present on an Asynchronous External Interrupt pin configured as
“Interrupt on Rising Edge, Falling Edge, or Any Logic Change on Pin” while the external interrupt
is not enabled, the corresponding External Interrupt Flag will be set when resuming from the
above mentioned sleep modes, as the clamping in these sleep modes produces the requested
logic change.
Assembly Code Example(1)
...
; Define pull-ups and set outputs high
; Define directions for port pins
ldi r16,(1<<PB7)|(1<<PB6)|(1<<PB1)|(1<<PB0)
ldi r17,(1<<DDB3)|(1<<DDB2)|(1<<DDB1)|(1<<DDB0)
out PORTB,r16
out DDRB,r17
; Insert nop for synchronization
nop
; Read port pins
in r16,PINB
...
C Code Example(1)
unsigned char i;
...
/* Define pull-ups and set outputs high */
/* Define directions for port pins */
PORTB = (1<<PB7)|(1<<PB6)|(1<<PB1)|(1<<PB0);
DDRB = (1<<DDB3)|(1<<DDB2)|(1<<DDB1)|(1<<DDB0);
/* Insert nop for synchronization*/
__no_operation();
/* Read port pins */
i = PINB;
...

70
2467X–AVR–06/11
ATmega128
Unconnected pins If some pins are unused, it is recommended to ensure that these pins have a defined level. Even
though most of the digital inputs are disabled in the deep sleep modes as described above, float-
ing inputs should be avoided to reduce current consumption in all other modes where the digital
inputs are enabled (Reset, Active mode and Idle mode).
The simplest method to ensure a defined level of an unused pin, is to enable the internal pull-up.
In this case, the pull-up will be disabled during reset. If low power consumption during reset is
important, it is recommended to use an external pull-up or pull-down. Connecting unused pins
directly to VCC or GND is not recommended, since this may cause excessive currents if the pin is
accidentally configured as an output.
Alternate Port
Functions
Most port pins have alternate functions in addition to being general digital I/Os. Figure 33 shows
how the port pin control signals from the simplified Figure 30 can be overridden by alternate
functions. The overriding signals may not be present in all port pins, but the figure serves as a
generic description applicable to all port pins in the AVR microcontroller family.
Figure 33. Alternate Port Functions(1)
Note: 1. WPx, WDx, RLx, RPx, and RDx are common to all pins within the same port. clkI/O, SLEEP,
and PUD are common to all ports. All other signals are unique for each pin.
clk
RPx
RRx
WPx
RDx
WDx
PUD
SYNCHRONIZER
WDx: WRITE DDRx
WPx: WRITE PORTx
RRx: READ PORTx REGISTER
RPx: READ PORTx PIN
PUD: PULLUP DISABLE
clk
I/O
: I/O CLOCK
RDx: READ DDRx
D
L
Q
Q
SET
CLR
0
1
0
1
0
1
DIxn
AIOxn
DIEOExn
PVOVxn
PVOExn
DDOVxn
DDOExn
PUOExn
PUOVxn
PUOExn: Pxn PULL-UP OVERRIDE ENABLE
PUOVxn: Pxn PULL-UP OVERRIDE VALUE
DDOExn: Pxn DATA DIRECTION OVERRIDE ENABLE
DDOVxn: Pxn DATA DIRECTION OVERRIDE VALUE
PVOExn: Pxn PORT VALUE OVERRIDE ENABLE
PVOVxn: Pxn PORT VALUE OVERRIDE VALUE
DIxn: DIGITAL INPUT PIN n ON PORTx
AIOxn: ANALOG INPUT/OUTPUT PIN n ON PORTx
RESET
RESET
Q
QD
CLR
Q
QD
CLR
Q
Q
D
CLR
PINxn
PORTxn
DDxn
DATA BUS
0
1
DIEOVxn
SLEEP
DIEOExn: Pxn DIGITAL INPUT-ENABLE OVERRIDE ENABLE
DIEOVxn: Pxn DIGITAL INPUT-ENABLE OVERRIDE VALUE
SLEEP: SLEEP CONTROL
Pxn
I/O

71
2467X–AVR–06/11
ATmega128
Table 26 summarizes the function of the overriding signals. The pin and port indexes from Fig-
ure 33 are not shown in the succeeding tables. The overriding signals are generated internally in
the modules having the alternate function.
The following subsections shortly describes the alternate functions for each port, and relates the
overriding signals to the alternate function. Refer to the alternate function description for further
details.
Table 26. Generic Description of Overriding Signals for Alternate Functions.
Signal
Name Full Name Description
PUOE Pull-up
Override Enable
If this signal is set, the pull-up enable is controlled by the
PUOV signal. If this signal is cleared, the pull-up is
enabled when {DDxn, PORTxn, PUD} = 0b010.
PUOV Pull-up
Override Value
If PUOE is set, the pull-up is enabled/disabled when
PUOV is set/cleared, regardless of the setting of the
DDxn, PORTxn, and PUD Register bits.
DDOE Data Direction
Override Enable
If this signal is set, the Output Driver Enable is controlled
by the DDOV signal. If this signal is cleared, the Output
driver is enabled by the DDxn Register bit.
DDOV Data Direction
Override Value
If DDOE is set, the Output Driver is enabled/disabled
when DDOV is set/cleared, regardless of the setting of the
DDxn Register bit.
PVOE Port Value
Override Enable
If this signal is set and the Output Driver is enabled, the
port value is controlled by the PVOV signal. If PVOE is
cleared, and the Output Driver is enabled, the port Value
is controlled by the PORTxn Register bit.
PVOV Port Value
Override Value
If PVOE is set, the port value is set to PVOV, regardless of
the setting of the PORTxn Register bit.
DIEOE Digital Input
Enable Override
Enable
If this bit is set, the Digital Input Enable is controlled by the
DIEOV signal. If this signal is cleared, the Digital Input
Enable is determined by MCU-state (Normal mode, Sleep
modes).
DIEOV Digital Input
Enable Override
Value
If DIEOE is set, the Digital Input is enabled/disabled when
DIEOV is set/cleared, regardless of the MCU state
(Normal mode, Sleep modes).
DI Digital Input This is the Digital Input to alternate functions. In the
figure, the signal is connected to the output of the schmitt
trigger but before the synchronizer. Unless the Digital
Input is used as a clock source, the module with the
alternate function will use its own synchronizer.
AIO Analog
Input/output
This is the Analog Input/output to/from alternate functions.
The signal is connected directly to the pad, and can be
used bi-directionally.

72
2467X–AVR–06/11
ATmega128
Special Function IO
Register – SFIOR
• Bit 2 – PUD: Pull-up disable
When this bit is written to one, the pull-ups in the I/O ports are disabled even if the DDxn and
PORTxn Registers are configured to enable the pull-ups ({DDxn, PORTxn} = 0b01). See “Con-
figuring the Pin” on page 66 for more details about this feature.
Alternate Functions of
Port A
The Port A has an alternate function as the address low byte and data lines for the External
Memory Interface.
Table 28 and Table 29 relates the alternate functions of Port A to the overriding signals shown in
Figure 33 on page 70.
Note: 1. ADA is short for ADdress Active and represents the time when address is output. See “Exter-
nal Memory Interface” on page 25 for details.
Bit 7 6 5 4 3 2 1 0
TSM – – – ACME PUD PSR0 PSR321 SFIOR
Read/Write R/WRRRR/WR/WR/WR/W
Initial Value 0 0 0 0 0 0 0 0
Table 27. Port A Pins Alternate Functions
Port Pin Alternate Function
PA7 AD7 (External memory interface address and data bit 7)
PA6 AD6 (External memory interface address and data bit 6)
PA5 AD5 (External memory interface address and data bit 5)
PA4 AD4 (External memory interface address and data bit 4)
PA3 AD3 (External memory interface address and data bit 3)
PA2 AD2 (External memory interface address and data bit 2)
PA1 AD1 (External memory interface address and data bit 1)
PA0 AD0 (External memory interface address and data bit 0)
Table 28. Overriding Signals for Alternate Functions in PA7..PA4
Signal
Name PA7/AD7 PA6/AD6 PA5/AD5 PA4/AD4
PUOE SRE SRE SRE SRE
PUOV ~(WR | ADA(1)) •
PORTA7 • PUD
~(WR | ADA) •
PORTA6 • PUD
~(WR | ADA) •
PORTA5 • PUD
~(WR | ADA) •
PORTA4 • PUD
DDOE SRE SRE SRE SRE
DDOV WR | ADA WR | ADA WR | ADA WR | ADA
PVOE SRE SRE SRE SRE
PVOV A7 • ADA | D7
OUTPUT • WR
A6 • ADA | D6
OUTPUT • WR
A5 • ADA | D5
OUTPUT • WR
A4 • ADA | D4
OUTPUT • WR
DIEOE 0 0 0 0
DIEOV 0 0 0 0
DID7 INPUTD6 INPUTD5 INPUTD4 INPUT
AIO – – – –

73
2467X–AVR–06/11
ATmega128
Alternate Functions of
Port B
The Port B pins with alternate functions are shown in Table 30.
Note: 1. OC1C not applicable in ATmega103 compatibility mode.
The alternate pin configuration is as follows:
• OC2/OC1C, Bit 7
OC2, Output Compare Match output: The PB7 pin can serve as an external output for the
Timer/Counter2 Output Compare. The pin has to be configured as an output (DDB7 set “one”) to
serve this function. The OC2 pin is also the output pin for the PWM mode timer function.
OC1C, Output Compare Match C output: The PB7 pin can serve as an external output for the
Timer/Counter1 Output Compare C. The pin has to be configured as an output (DDB7 set (one))
to serve this function. The OC1C pin is also the output pin for the PWM mode timer function.
Table 29. Overriding Signals for Alternate Functions in PA3..PA0
Signal
Name PA3/AD3 PA2/AD2 PA1/AD1 PA0/AD0
PUOE SRE SRE SRE SRE
PUOV ~(WR | ADA) •
PORTA3 • PUD
~(WR | ADA) •
PORTA2 • PUD
~(WR | ADA) •
PORTA1 • PUD
~(WR | ADA) •
PORTA0 • PUD
DDOE SRE SRE SRE SRE
DDOV WR | ADA WR | ADA WR | ADA WR | ADA
PVOE SRE SRE SRE SRE
PVOV A3 • ADA | D3
OUTPUT • WR
A2• ADA | D2
OUTPUT • WR
A1 • ADA | D1
OUTPUT • WR
A0 • ADA | D0
OUTPUT • WR
DIEOE 0 0 0 0
DIEOV 0 0 0 0
DI D3 INPUT D2 INPUT D1 INPUT D0 INPUT
AIO – – – –
Table 30. Port B Pins Alternate Functions
Port Pin Alternate Functions
PB7 OC2/OC1C(1) (Output Compare and PWM Output for Timer/Counter2 or Output
Compare and PWM Output C for Timer/Counter1)
PB6 OC1B (Output Compare and PWM Output B for Timer/Counter1)
PB5 OC1A (Output Compare and PWM Output A for Timer/Counter1)
PB4 OC0 (Output Compare and PWM Output for Timer/Counter0)
PB3 MISO (SPI Bus Master Input/Slave Output)
PB2 MOSI (SPI Bus Master Output/Slave Input)
PB1 SCK (SPI Bus Serial Clock)
PB0 SS (SPI Slave Select input)

74
2467X–AVR–06/11
ATmega128
• OC1B, Bit 6
OC1B, Output Compare Match B output: The PB6 pin can serve as an external output for the
Timer/Counter1 Output Compare B. The pin has to be configured as an output (DDB6 set (one))
to serve this function. The OC1B pin is also the output pin for the PWM mode timer function.
• OC1A, Bit 5
OC1A, Output Compare Match A output: The PB5 pin can serve as an external output for the
Timer/Counter1 Output Compare A. The pin has to be configured as an output (DDB5 set (one))
to serve this function. The OC1A pin is also the output pin for the PWM mode timer function.
• OC0, Bit 4
OC0, Output Compare Match output: The PB4 pin can serve as an external output for the
Timer/Counter0 Output Compare. The pin has to be configured as an output (DDB4 set (one)) to
serve this function. The OC0 pin is also the output pin for the PWM mode timer function.
• MISO – Port B, Bit 3
MISO: Master Data input, Slave Data output pin for SPI channel. When the SPI is enabled as a
master, this pin is configured as an input regardless of the setting of DDB3. When the SPI is
enabled as a slave, the data direction of this pin is controlled by DDB3. When the pin is forced to
be an input, the pull-up can still be controlled by the PORTB3 bit.
• MOSI – Port B, Bit 2
MOSI: SPI Master Data output, Slave Data input for SPI channel. When the SPI is enabled as a
slave, this pin is configured as an input regardless of the setting of DDB2. When the SPI is
enabled as a master, the data direction of this pin is controlled by DDB2. When the pin is forced
to be an input, the pull-up can still be controlled by the PORTB2 bit.
• SCK – Port B, Bit 1
SCK: Master Clock output, Slave Clock input pin for SPI channel. When the SPI is enabled as a
slave, this pin is configured as an input regardless of the setting of DDB1. When the SPI is
enabled as a master, the data direction of this pin is controlled by DDB1. When the pin is forced
to be an input, the pull-up can still be controlled by the PORTB1 bit.
•SS
– Port B, Bit 0
SS: Slave Port Select input. When the SPI is enabled as a slave, this pin is configured as an
input regardless of the setting of DDB0. As a slave, the SPI is activated when this pin is driven
low. When the SPI is enabled as a master, the data direction of this pin is controlled by DDB0.
When the pin is forced to be an input, the pull-up can still be controlled by the PORTB0 bit.
Table 31 and Table 32 relate the alternate functions of Port B to the overriding signals shown in
Figure 33 on page 70. SPI MSTR INPUT and SPI SLAVE OUTPUT constitute the MISO signal,
while MOSI is divided into SPI MSTR OUTPUT and SPI SLAVE INPUT.

75
2467X–AVR–06/11
ATmega128
Note: 1. See “Output Compare Modulator (OCM1C2)” on page 160 for details. OC1C does not exist in
ATmega103 compatibility mode.
Table 31. Overriding Signals for Alternate Functions in PB7..PB4
Signal Name PB7/OC2/OC1C PB6/OC1B PB5/OC1A PB4/OC0
PUOE 0 0 0 0
PUOV 0 0 0 0
DDOE 0 0 0 0
DDOV 0 0 0 0
PVOE OC2/OC1C ENABLE(1) OC1B ENABLE OC1A ENABLE OC0 ENABLE
PVOV OC2/OC1C(1) OC1B OC1A OC0B
DIEOE 0 0 0 0
DIEOV 0 0 0 0
DI – – – –
AIO – – – –
Table 32. Overriding Signals for Alternate Functions in PB3..PB0
Signal
Name PB3/MISO PB2/MOSI PB1/SCK PB0/SS
PUOE SPE • MSTR SPE • MSTR SPE • MSTR SPE • MSTR
PUOV PORTB3 • PUD PORTB2 • PUD PORTB1 • PUD PORTB0 • PUD
DDOE SPE • MSTR SPE • MSTR SPE • MSTR SPE • MSTR
DDOV 0 0 0 0
PVOE SPE • MSTR SPE • MSTR SPE • MSTR 0
PVOV SPI SLAVE OUTPUT SPI MSTR OUTPUT SCK OUTPUT 0
DIEOE 0 0 0 0
DIEOV 0 0 0 0
DI SPI MSTR INPUT SPI SLAVE INPUT SCK INPUT SPI SS
AIO – – – –

76
2467X–AVR–06/11
ATmega128
Alternate Functions of
Port C
In ATmega103 compatibility mode, Port C is output only. The ATmega128 is by default shipped
in compatibility mode. Thus, if the parts are not programmed before they are put on the PCB,
PORTC will be output during first power up, and until the ATmega103 compatibility mode is dis-
abled. The Port C has an alternate function as the address high byte for the External Memory
Interface.
Table 34 and Table 35 relate the alternate functions of Port C to the overriding signals shown in
Figure 33 on page 70.
Note: 1. XMM = 0 in ATmega103 compatibility mode.
Table 33. Port C Pins Alternate Functions
Port Pin Alternate Function
PC7 A15
PC6 A14
PC5 A13
PC4 A12
PC3 A11
PC2 A10
PC1 A9
PC0 A8
Table 34. Overriding Signals for Alternate Functions in PC7..PC4
Signal
Name PC7/A15 PC6/A14 PC5/A13 PC4/A12
PUOE SRE • (XMM(1)<1) SRE • (XMM<2) SRE • (XMM<3) SRE • (XMM<4)
PUOV 0 0 0 0
DDOE SRE • (XMM<1) SRE • (XMM<2) SRE • (XMM<3) SRE • (XMM<4)
DDOV 1 1 1 1
PVOE SRE • (XMM<1) SRE • (XMM<2) SRE • (XMM<3) SRE • (XMM<4)
PVOV A15 A14 A13 A12
DIEOE 0 0 0 0
DIEOV 0 0 0 0
DI – – – –
AIO – – – –

77
2467X–AVR–06/11
ATmega128
Note: 1. XMM = 0 in ATmega103 compatibility mode.
Alternate Functions of
Port D
The Port D pins with alternate functions are shown in Table 36.
Note: 1. XCK1, TXD1, RXD1, SDA, and SCL not applicable in ATmega103 compatibility mode.
The alternate pin configuration is as follows:
• T2 – Port D, Bit 7
T2, Timer/Counter2 counter source.
• T1 – Port D, Bit 6
T1, Timer/Counter1 counter source.
• XCK1 – Port D, Bit 5
XCK1, USART1 External clock. The Data Direction Register (DDD4) controls whether the clock
is output (DDD4 set) or input (DDD4 cleared). The XCK1 pin is active only when the USART1
operates in Synchronous mode.
Table 35. Overriding Signals for Alternate Functions in PC3..PC0(1)
Signal
Name PC3/A11 PC2/A10 PC1/A9 PC0/A8
PUOE SRE • (XMM<5) SRE • (XMM<6) SRE • (XMM<7) SRE • (XMM<7)
PUOV0000
DDOE SRE • (XMM<5) SRE • (XMM<6) SRE • (XMM<7) SRE • (XMM<7)
DDOV 1 1 1 1
PVOE SRE • (XMM<5) SRE • (XMM<6) SRE • (XMM<7) SRE • (XMM<7)
PVOV A11 A10 A9 A8
DIEOE0000
DIEOV0000
DI––––
AIO––––
Table 36. Port D Pins Alternate Functions
Port Pin Alternate Function
PD7 T2 (Timer/Counter2 Clock Input)
PD6 T1 (Timer/Counter1 Clock Input)
PD5 XCK1(1) (USART1 External Clock Input/Output)
PD4 ICP1 (Timer/Counter1 Input Capture Pin)
PD3 INT3/TXD1(1) (External Interrupt3 Input or UART1 Transmit Pin)
PD2 INT2/RXD1(1) (External Interrupt2 Input or UART1 Receive Pin)
PD1 INT1/SDA(1) (External Interrupt1 Input or TWI Serial DAta)
PD0 INT0/SCL(1) (External Interrupt0 Input or TWI Serial CLock)

78
2467X–AVR–06/11
ATmega128
• ICP1 – Port D, Bit 4
ICP1 – Input Capture Pin1: The PD4 pin can act as an Input Capture Pin for Timer/Counter1.
• INT3/TXD1 – Port D, Bit 3
INT3, External Interrupt source 3: The PD3 pin can serve as an external interrupt source to the
MCU.
TXD1, Transmit Data (Data output pin for the USART1). When the USART1 Transmitter is
enabled, this pin is configured as an output regardless of the value of DDD3.
• INT2/RXD1 – Port D, Bit 2
INT2, External Interrupt source 2. The PD2 pin can serve as an External Interrupt source to the
MCU.
RXD1, Receive Data (Data input pin for the USART1). When the USART1 receiver is enabled
this pin is configured as an input regardless of the value of DDD2. When the USART forces this
pin to be an input, the pull-up can still be controlled by the PORTD2 bit.
• INT1/SDA – Port D, Bit 1
INT1, External Interrupt source 1. The PD1 pin can serve as an external interrupt source to the
MCU.
SDA, Two-wire Serial Interface Data: When the TWEN bit in TWCR is set (one) to enable the
Two-wire Serial Interface, pin PD1 is disconnected from the port and becomes the Serial Data
I/O pin for the Two-wire Serial Interface. In this mode, there is a spike filter on the pin to sup-
press spikes shorter than 50 ns on the input signal, and the pin is driven by an open drain driver
with slew-rate limitation.
•INT0/SCL – Port D, Bit 0
INT0, External Interrupt source 0. The PD0 pin can serve as an external interrupt source to the
MCU.
SCL, Two-wire Serial Interface Clock: When the TWEN bit in TWCR is set (one) to enable the
Two-wire Serial Interface, pin PD0 is disconnected from the port and becomes the Serial Clock
I/O pin for the Two-wire Serial Interface. In this mode, there is a spike filter on the pin to sup-
press spikes shorter than 50ns on the input signal, and the pin is driven by an open drain driver
with slew-rate limitation.
Table 37 and Table 38 relates the alternate functions of Port D to the overriding signals shown in
Figure 33 on page 70.

79
2467X–AVR–06/11
ATmega128
Note: 1. When enabled, the Two-wire Serial Interface enables Slew-Rate controls on the output pins
PD0 and PD1. This is not shown in this table. In addition, spike filters are connected between
the AIO outputs shown in the port figure and the digital logic of the TWI module.
Table 37. Overriding Signals for Alternate Functions PD7..PD4
Signal Name PD7/T2 PD6/T1 PD5/XCK1 PD4/ICP1
PUOE 0 0 0 0
PUOV 0 0 0 0
DDOE 0 0 0 0
DDOV 0 0 0 0
PVOE 0 0 UMSEL1 0
PVOV 0 0 XCK1 OUTPUT 0
DIEOE 0 0 0 0
DIEOV 0 0 0 0
DI T2 INPUT T1 INPUT XCK1 INPUT ICP1 INPUT
AIO – – – –
Table 38. Overriding Signals for Alternate Functions in PD3..PD0(1)
Signal Name PD3/INT3/TXD1 PD2/INT2/RXD1 PD1/INT1/SDA PD0/INT0/SCL
PUOE TXEN1 RXEN1 TWEN TWEN
PUOV 0 PORTD2 • PUD PORTD1 • PUD PORTD0 • PUD
DDOE TXEN1 RXEN1 TWEN TWEN
DDOV 1 0 SDA_OUT SCL_OUT
PVOE TXEN1 0 TWEN TWEN
PVOV TXD1 0 0 0
DIEOE INT3 ENABLE INT2 ENABLE INT1 ENABLE INT0 ENABLE
DIEOV 1 1 1 1
DI INT3 INPUT INT2 INPUT/RXD1 INT1 INPUT INT0 INPUT
AIO – – SDA INPUT SCL INPUT

80
2467X–AVR–06/11
ATmega128
Alternate Functions of
Port E
The Port E pins with alternate functions are shown in Table 39.
Note: 1. ICP3, T3, OC3C, OC3B, OC3B, OC3A, and XCK0 not applicable in ATmega103 compatibility
mode.
• INT7/ICP3 – Port E, Bit 7
INT7, External Interrupt source 7: The PE7 pin can serve as an external interrupt source.
ICP3 – Input Capture Pin3: The PE7 pin can act as an Input Capture Pin for Timer/Counter3.
• INT6/T3 – Port E, Bit 6
INT6, External Interrupt source 6: The PE6 pin can serve as an external interrupt source.
T3, Timer/Counter3 counter source.
• INT5/OC3C – Port E, Bit 5
INT5, External Interrupt source 5: The PE5 pin can serve as an External Interrupt source.
OC3C, Output Compare Match C output: The PE5 pin can serve as an External output for the
Timer/Counter3 Output Compare C. The pin has to be configured as an output (DDE5 set “one”)
to serve this function. The OC3C pin is also the output pin for the PWM mode timer function.
• INT4/OC3B – Port E, Bit 4
INT4, External Interrupt source 4: The PE4 pin can serve as an External Interrupt source.
OC3B, Output Compare Match B output: The PE4 pin can serve as an External output for the
Timer/Counter3 Output Compare B. The pin has to be configured as an output (DDE4 set (one))
to serve this function. The OC3B pin is also the output pin for the PWM mode timer function.
• AIN1/OC3A – Port E, Bit 3
AIN1 – Analog Comparator Negative input. This pin is directly connected to the negative input of
the Analog Comparator.
OC3A, Output Compare Match A output: The PE3 pin can serve as an External output for the
Timer/Counter3 Output Compare A. The pin has to be configured as an output (DDE3 set “one”)
to serve this function. The OC3A pin is also the output pin for the PWM mode timer function.
• AIN0/XCK0 – Port E, Bit 2
AIN0 – Analog Comparator Positive input. This pin is directly connected to the positive input of
the Analog Comparator.
Table 39. Port E Pins Alternate Functions
Port Pin Alternate Function
PE7 INT7/ICP3(1) (External Interrupt 7 Input or Timer/Counter3 Input Capture Pin)
PE6 INT6/ T3(1) (External Interrupt 6 Input or Timer/Counter3 Clock Input)
PE5 INT5/OC3C(1) (External Interrupt 5 Input or Output Compare and PWM Output C
for Timer/Counter3)
PE4 INT4/OC3B(1) (External Interrupt4 Input or Output Compare and PWM Output B for
Timer/Counter3)
PE3 AIN1/OC3A (1) (Analog Comparator Negative Input or Output Compare and PWM
Output A for Timer/Counter3)
PE2 AIN0/XCK0(1) (Analog Comparator Positive Input or USART0 external clock
input/output)
PE1 PDO/TXD0 (Programming Data Output or UART0 Transmit Pin)
PE0 PDI/RXD0 (Programming Data Input or UART0 Receive Pin)

81
2467X–AVR–06/11
ATmega128
XCK0, USART0 External clock. The Data Direction Register (DDE2) controls whether the clock
is output (DDE2 set) or input (DDE2 cleared). The XCK0 pin is active only when the USART0
operates in Synchronous mode.
• PDO/TXD0 – Port E, Bit 1
PDO, SPI Serial Programming Data Output. During Serial Program Downloading, this pin is
used as data output line for the ATmega128.
TXD0, UART0 Transmit pin.
• PDI/RXD0 – Port E, Bit 0
PDI, SPI Serial Programming Data Input. During Serial Program Downloading, this pin is used
as data input line for the ATmega128.
RXD0, USART0 Receive Pin. Receive Data (Data input pin for the USART0). When the
USART0 receiver is enabled this pin is configured as an input regardless of the value of DDRE0.
When the USART0 forces this pin to be an input, a logical one in PORTE0 will turn on the inter-
nal pull-up.
Table 40 and Table 41 relates the alternate functions of Port E to the overriding signals shown in
Figure 33 on page 70.
Table 40. Overriding Signals for Alternate Functions PE7..PE4
Signal
Name PE7/INT7/ICP3 PE6/INT6/T3 PE5/INT5/OC3C PE4/INT4/OC3B
PUOE 0 0 0 0
PUOV 0 0 0 0
DDOE 0 0 0 0
DDOV 0 0 0 0
PVOE 0 0 OC3C ENABLE OC3B ENABLE
PVOV 0 0 OC3C OC3B
DIEOE INT7 ENABLE INT6 ENABLE INT5 ENABLE INT4 ENABLE
DIEOV 1 1 1 1
DI INT7 INPUT/ICP3
INPUT
INT7 INPUT/T3
INPUT
INT5 INPUT INT4 INPUT
AIO – – – –

82
2467X–AVR–06/11
ATmega128
Alternate Functions of
Port F
The Port F has an alternate function as analog input for the ADC as shown in Table 42. If some
Port F pins are configured as outputs, it is essential that these do not switch when a conversion
is in progress. This might corrupt the result of the conversion. In ATmega103 compatibility mode
Port F is input only. If the JTAG interface is enabled, the pull-up resistors on pins PF7(TDI),
PF5(TMS), and PF4(TCK) will be activated even if a Reset occurs.
• TDI, ADC7 – Port F, Bit 7
ADC7, Analog to Digital Converter, Channel 7.
TDI, JTAG Test Data In: Serial input data to be shifted in to the Instruction Register or Data Reg-
ister (scan chains). When the JTAG interface is enabled, this pin can not be used as an I/O pin.
• TDO, ADC6 – Port F, Bit 6
ADC6, Analog to Digital Converter, Channel 6.
TDO, JTAG Test Data Out: Serial output data from Instruction Register or Data Register. When
the JTAG interface is enabled, this pin can not be used as an I/O pin.
The TDO pin is tri-stated unless TAP states that shift out data are entered.
• TMS, ADC5 – Port F, Bit 5
ADC5, Analog to Digital Converter, Channel 5.
Table 41. Overriding Signals for Alternate Functions in PE3..PE0
Signal Name PE3/AIN1/OC3A PE2/AIN0/XCK0 PE1/PDO/TXD0 PE0/PDI/RXD0
PUOE 0 0 TXEN0 RXEN0
PUOV 0 0 0 PORTE0 • PUD
DDOE 0 0 TXEN0 RXEN0
DDOV 0 0 1 0
PVOE OC3B ENABLE UMSEL0 TXEN0 0
PVOV OC3B XCK0 OUTPUT TXD0 0
DIEOE 0 0 0 0
DIEOV 0 0 0 0
DI 0 XCK0 INPUT – RXD0
AIO AIN1 INPUT AIN0 INPUT – –
Table 42. Port F Pins Alternate Functions
Port Pin Alternate Function
PF7 ADC7/TDI (ADC input channel 7 or JTAG Test Data Input)
PF6 ADC6/TDO (ADC input channel 6 or JTAG Test Data Output)
PF5 ADC5/TMS (ADC input channel 5 or JTAG Test Mode Select)
PF4 ADC4/TCK (ADC input channel 4 or JTAG Test ClocK)
PF3 ADC3 (ADC input channel 3)
PF2 ADC2 (ADC input channel 2)
PF1 ADC1 (ADC input channel 1)
PF0 ADC0 (ADC input channel 0)

83
2467X–AVR–06/11
ATmega128
TMS, JTAG Test Mode Select: This pin is used for navigating through the TAP-controller state
machine. When the JTAG interface is enabled, this pin can not be used as an I/O pin.
• TCK, ADC4 – Port F, Bit 4
ADC4, Analog to Digital Converter, Channel 4.
TCK, JTAG Test Clock: JTAG operation is synchronous to TCK. When the JTAG interface is
enabled, this pin can not be used as an I/O pin.
• ADC3 – ADC0 – Port F, Bit 3..0
Analog to Digital Converter, Channel 3..0.
Table 43. Overriding Signals for Alternate Functions in PF7..PF4
Signal
Name PF7/ADC7/TDI PF6/ADC6/TDO PF5/ADC5/TMS PF4/ADC4/TCK
PUOE JTAGEN JTAGEN JTAGEN JTAGEN
PUOV 1 0 1 1
D D O E J TA G E N J TA G EN J TAG E N J TAG E N
DDOV 0 SHIFT_IR +
SHIFT_DR
00
PVOE 0 JTAGEN 0 0
PVOV 0 TDO 0 0
D I E O E J TA G EN J TA G E N J TAG E N J TA G E N
DIEOV 0 0 0 0
DI – – – –
AIO TDI/ADC7 INPUT ADC6 INPUT TMS/ADC5
INPUT
TCK/ADC4
INPUT
Table 44. Overriding Signals for Alternate Functions in PF3..PF0
Signal Name PF3/ADC3 PF2/ADC2 PF1/ADC1 PF0/ADC0
PUOE0000
PUOV0000
DDOE0000
DDOV0000
PVOE0000
PVOV0000
DIEOE0000
DIEOV0000
DI––––
AIO ADC3 INPUT ADC2 INPUT ADC1 INPUT ADC0 INPUT

84
2467X–AVR–06/11
ATmega128
Alternate Functions of
Port G
In Atmel® AVR®ATmega103 compatibility mode, only the alternate functions are the defaults for
Port G, and Port G cannot be used as General Digital Port Pins. The alternate pin configuration
is as follows:
• TOSC1 – Port G, Bit 4
TOSC1, Timer Oscillator pin 1: When the AS0 bit in ASSR is set (one) to enable asynchronous
clocking of Timer/Counter0, pin PG4 is disconnected from the port, and becomes the input of the
inverting Oscillator amplifier. In this mode, a Crystal Oscillator is connected to this pin, and the
pin can not be used as an I/O pin.
• TOSC2 – Port G, Bit 3
TOSC2, Timer Oscillator pin 2: When the AS0 bit in ASSR is set (one) to enable asynchronous
clocking of Timer/Counter0, pin PG3 is disconnected from the port, and becomes the inverting
output of the Oscillator amplifier. In this mode, a Crystal Oscillator is connected to this pin, and
the pin can not be used as an I/O pin.
• ALE – Port G, Bit 2
ALE is the external data memory Address Latch Enable signal.
•RD
– Port G, Bit 1
RD is the external data memory read control strobe.
•WR
– Port G, Bit 0
WR is the external data memory write control strobe.
Table 46 and Table 47 relates the alternate functions of Port G to the overriding signals shown in
Figure 33 on page 70.
Table 45. Port G Pins Alternate Functions
Port Pin Alternate Function
PG4 TOSC1 (RTC Oscillator Timer/Counter0)
PG3 TOSC2 (RTC Oscillator Timer/Counter0)
PG2 ALE (Address Latch Enable to external memory)
PG1 RD (Read strobe to external memory)
PG0 WR (Write strobe to external memory)
Table 46. Overriding Signals for Alternate Functions in PG4..PG1
Signal Name PG4/TOSC1 PG3/TOSC2 PG2/ALE PG1/RD
PUOE AS0 AS0 SRE SRE
PUOV 0 0 0 0
DDOE AS0 AS0 SRE SRE
DDOV 0 0 1 1
PVOE 0 0 SRE SRE
PVOV 0 0 ALE RD
DIEOE AS0 AS0 0 0
DIEOV 0 0 0 0
DI – – – –
AIO T/C0 OSC INPUT T/C0 OSC OUTPUT – –

85
2467X–AVR–06/11
ATmega128
Table 47. Overriding Signals for Alternate Functions in PG0
Signal Name PG0/WR
PUOE SRE
PUOV 0
DDOE SRE
DDOV 1
PVOE SRE
PVOV WR
DIEOE 0
DIEOV 0
DI –
AIO –

86
2467X–AVR–06/11
ATmega128
Register
Description for I/O
Ports
Port A Data Register –
PORTA
Port A Data Direction
Register – DDRA
Port A Input Pins
Address – PINA
Port B Data Register –
PORTB
Port B Data Direction
Register – DDRB
Port B Input Pins
Address – PINB
Port C Data Register –
PORTC
Port C Data Direction
Register – DDRC
Bit 76543210
PORTA7 PORTA6 PORTA5 PORTA4 PORTA3 PORTA2 PORTA1 PORTA0 PORTA
Read/Write R/WR/WR/WR/WR/WR/WR/WR/W
Initial Value00000000
Bit 76543210
DDA7 DDA6 DDA5 DDA4 DDA3 DDA2 DDA1 DDA0 DDRA
Read/Write R/WR/WR/WR/WR/WR/WR/WR/W
Initial Value00000000
Bit 7 6543210
PINA7 PINA6 PINA5 PINA4 PINA3 PINA2 PINA1 PINA0 PINA
Read/WriteR RRRRRRR
Initial Value N/A N/A N/A N/A N/A N/A N/A N/A
Bit 76543210
PORTB7 PORTB6 PORTB5 PORTB4 PORTB3 PORTB2 PORTB1 PORTB0 PORTB
Read/Write R/WR/WR/WR/WR/WR/WR/WR/W
Initial Value00000000
Bit 76543210
DDB7 DDB6 DDB5 DDB4 DDB3 DDB2 DDB1 DDB0 DDRB
Read/Write R/WR/WR/WR/WR/WR/WR/WR/W
Initial Value00000000
Bit 76543210
PINB7 PINB6 PINB5 PINB4 PINB3 PINB2 PINB1 PINB0 PINB
Read/WriteRRRRRRRR
Initial Value N/A N/A N/A N/A N/A N/A N/A N/A
Bit 76543210
PORTC7 PORTC6 PORTC5 PORTC4 PORTC3 PORTC2 PORTC1 PORTC0 PORTC
Read/Write R/WR/WR/WR/WR/WR/WR/WR/W
Initial Value00000000
Bit 76543210
DDC7 DDC6 DDC5 DDC4 DDC3 DDC2 DDC1 DDC0 DDRC
Read/Write R/WR/WR/WR/WR/WR/WR/WR/W
Initial Value00000000

87
2467X–AVR–06/11
ATmega128
Port C Input Pins
Address – PINC
In Atmel® AVR®ATmega103 compatibility mode, DDRC and PINC Registers are initialized to
being Push-Pull Zero Output. The port pins assumes their initial value, even if the clock is not
running. Note that the DDRC and PINC Registers are available in ATmega103 compatibility
mode, and should not be used for 100% back-ward compatibility.
Port D Data Register –
PORTD
Port D Data Direction
Register – DDRD
Port D Input Pins
Address – PIND
Port E Data Register –
PORTE
Port E Data Direction
Register – DDRE
Port E Input Pins
Address – PINE
Port F Data Register –
PORTF
Bit 76543210
PINC7 PINC6 PINC5 PINC4 PINC3 PINC2 PINC1 PINC0 PINC
Read/WriteRRRRRRRR
Initial Value N/A N/A N/A N/A N/A N/A N/A N/A
Bit 76543210
PORTD7 PORTD6 PORTD5 PORTD4 PORTD3 PORTD2 PORTD1 PORTD0 PORTD
Read/Write R/WR/WR/WR/WR/WR/WR/WR/W
Initial Value00000000
Bit 76543210
DDD7 DDD6 DDD5 DDD4 DDD3 DDD2 DDD1 DDD0 DDRD
Read/Write R/WR/WR/WR/WR/WR/WR/WR/W
Initial Value00000000
Bit 76543210
PIND7 PIND6 PIND5 PIND4 PIND3 PIND2 PIND1 PIND0 PIND
Read/WriteRRRRRRRR
Initial Value N/A N/A N/A N/A N/A N/A N/A N/A
Bit 76543210
PORTE7 PORTE6 PORTE5 PORTE4 PORTE3 PORTE2 PORTE1 PORTE0 PORTE
Read/Write R/WR/WR/WR/WR/WR/WR/WR/W
Initial Value00000000
Bit 76543210
DDE7 DDE6 DDE5 DDE4 DDE3 DDE2 DDE1 DDE0 DDRE
Read/Write R/WR/WR/WR/WR/WR/WR/WR/W
Initial Value00000000
Bit 76543210
PINE7 PINE6 PINE5 PINE4 PINE3 PINE2 PINE1 PINE0 PINF
Read/WriteRRRRRRRR
Initial Value N/A N/A N/A N/A N/A N/A N/A N/A
Bit 76543210
PORTF7 PORTF6 PORTF5 PORTF4 PORTF3 PORTF2 PORTF1 PORTF0 PORTF
Read/Write R/WR/WR/WR/WR/WR/WR/WR/W
Initial Value00000000

88
2467X–AVR–06/11
ATmega128
Port F Data Direction
Register – DDRF
Port F Input Pins
Address – PINF
Note that PORTF and DDRF Registers are not available in Atmel® AVR®ATmega103 compatibil-
ity mode where Port F serves as digital input only.
Port G Data Register –
PORTG
Port G Data Direction
Register – DDRG
Port G Input Pins
Address – PING
Note that PORTG, DDRG, and PING are not available in ATmega103 compatibility mode. In the
ATmega103 compatibility mode Port G serves its alternate functions only (TOSC1, TOSC2, WR,
RD and ALE).
Bit 76543210
DDF7 DDF6 DDF5 DDF4 DDF3 DDF2 DDF1 DDF0 DDRF
Read/Write R/WR/WR/WR/WR/WR/WR/WR/W
Initial Value00000000
Bit 76543210
PINF7 PINF6 PINF5 PINF4 PINF3 PINF2 PINF1 PINF0 PINF
Read/WriteRRRRRRRR
Initial Value N/A N/A N/A N/A N/A N/A N/A N/A
Bit 76543210
–––
PORTG4 PORTG3 PORTG2 PORTG1 PORTG0 PORTG
Read/WriteRRRR/WR/WR/WR/WR/W
Initial Value00000000
Bit 76543210
– – – DDG4 DDG3 DDG2 DDG1 DDG0 DDRG
Read/WriteRRRR/WR/WR/WR/WR/W
Initial Value00000000
Bit 76543210
– – – PING4 PING3 PING2 PING1 PING0 PING
Read/WriteRRRRRRRR
Initial Value 0 0 0 N/A N/A N/A N/A N/A

89
2467X–AVR–06/11
ATmega128
External
Interrupts
The External Interrupts are triggered by the INT7:0 pins. Observe that, if enabled, the interrupts
will trigger even if the INT7:0 pins are configured as outputs. This feature provides a way of gen-
erating a software interrupt. The External Interrupts can be triggered by a falling or rising edge or
a low level. This is set up as indicated in the specification for the External Interrupt Control Reg-
isters – EICRA (INT3:0) and EICRB (INT7:4). When the external interrupt is enabled and is
configured as level triggered, the interrupt will trigger as long as the pin is held low. Note that
recognition of falling or rising edge interrupts on INT7:4 requires the presence of an I/O clock,
described in “Clock Systems and their Distribution” on page 35. Low level interrupts and the
edge interrupt on INT3:0 are detected asynchronously. This implies that these interrupts can be
used for waking the part also from sleep modes other than Idle mode. The I/O clock is halted in
all sleep modes except Idle mode.
Note that if a level triggered interrupt is used for wake-up from Power-down mode, the changed
level must be held for some time to wake up the MCU. This makes the MCU less sensitive to
noise. The changed level is sampled twice by the Watchdog Oscillator clock. The period of the
Watchdog Oscillator is 1µs (nominal) at 5.0V and 25°C. The frequency of the Watchdog Oscilla-
tor is voltage dependent as shown in the “Electrical Characteristics” on page 318. The MCU will
wake up if the input has the required level during this sampling or if it is held until the end of the
start-up time. The start-up time is defined by the SUT fuses as described in “Clock Systems and
their Distribution” on page 35. If the level is sampled twice by the Watchdog Oscillator clock but
disappears before the end of the start-up time, the MCU will still wake up, but no interrupt will be
generated. The required level must be held long enough for the MCU to complete the wake up to
trigger the level interrupt.
External Interrupt
Control Register A –
EICRA
This Register can not be reached in Atmel® AVR®ATmega103 compatibility mode, but the initial
value defines INT3:0 as low level interrupts, as in ATmega103.
• Bits 7..0 – ISC31, ISC30 – ISC00, ISC00: External Interrupt 3 - 0 Sense Control Bits
The External Interrupts 3 - 0 are activated by the external pins INT3:0 if the SREG I-flag and the
corresponding interrupt mask in the EIMSK is set. The level and edges on the external pins that
activate the interrupts are defined in Table 48. Edges on INT3..INT0 are registered asynchro-
nously. Pulses on INT3:0 pins wider than the minimum pulse width given in Table 49 will
generate an interrupt. Shorter pulses are not guaranteed to generate an interrupt. If low level
interrupt is selected, the low level must be held until the completion of the currently executing
instruction to generate an interrupt. If enabled, a level triggered interrupt will generate an inter-
rupt request as long as the pin is held low. When changing the ISCn bit, an interrupt can occur.
Therefore, it is recommended to first disable INTn by clearing its Interrupt Enable bit in the
EIMSK Register. Then, the ISCn bit can be changed. Finally, the INTn interrupt flag should be
cleared by writing a logical one to its Interrupt Flag bit (INTFn) in the EIFR Register before the
interrupt is re-enabled.
Bit 76543210
ISC31 ISC30 ISC21 ISC20 ISC11 ISC10 ISC01 ISC00 EICRA
Read/Write R/WR/WR/WR/WR/WR/WR/WR/W
Initial Value00000000

90
2467X–AVR–06/11
ATmega128
Note: 1. n = 3, 2, 1or 0.
When changing the ISCn1/ISCn0 bits, the interrupt must be disabled by clearing its Interrupt
Enable bit in the EIMSK Register. Otherwise an interrupt can occur when the bits are changed.
External Interrupt
Control Register B –
EICRB
• Bits 7..0 – ISC71, ISC70 - ISC41, ISC40: External Interrupt 7 - 4 Sense Control Bits
The External Interrupts 7 - 4 are activated by the external pins INT7:4 if the SREG I-flag and the
corresponding interrupt mask in the EIMSK is set. The level and edges on the external pins that
activate the interrupts are defined in Table 50. The value on the INT7:4 pins are sampled before
detecting edges. If edge or toggle interrupt is selected, pulses that last longer than one clock
period will generate an interrupt. Shorter pulses are not guaranteed to generate an interrupt.
Observe that CPU clock frequency can be lower than the XTAL frequency if the XTAL divider is
enabled. If low level interrupt is selected, the low level must be held until the completion of the
currently executing instruction to generate an interrupt. If enabled, a level triggered interrupt will
generate an interrupt request as long as the pin is held low.
Note: 1. n = 7, 6, 5 or 4.
When changing the ISCn1/ISCn0 bits, the interrupt must be disabled by clearing its Interrupt
Enable bit in the EIMSK Register. Otherwise an interrupt can occur when the bits are changed.
Table 48. Interrupt Sense Control(1)
ISCn1 ISCn0 Description
0 0 The low level of INTn generates an interrupt request.
01Reserved
1 0 The falling edge of INTn generates asynchronously an interrupt request.
1 1 The rising edge of INTn generates asynchronously an interrupt request.
Table 49. Asynchronous External Interrupt Characteristics
Symbol Parameter Condition Min Typ Max Units
tINT
Minimum pulse width for
asynchronous external interrupt 50 ns
Bit 76543210
ISC71 ISC70 ISC61 ISC60 ISC51 ISC50 ISC41 ISC40 EICRB
Read/Write R/WR/WR/WR/WR/WR/WR/WR/W
Initial Value00000000
Table 50. Interrupt Sense Control(1)
ISCn1 ISCn0 Description
0 0 The low level of INTn generates an interrupt request.
0 1 Any logical change on INTn generates an interrupt request
10
The falling edge between two samples of INTn generates an interrupt
request.
11
The rising edge between two samples of INTn generates an interrupt
request.

91
2467X–AVR–06/11
ATmega128
External Interrupt
Mask Register –
EIMSK
• Bits 7..0 – INT7 – INT0: External Interrupt Request 7 - 0 Enable
When an INT7 – INT0 bit is written to one and the I-bit in the Status Register (SREG) is set
(one), the corresponding external pin interrupt is enabled. The Interrupt Sense Control bits in the
External Interrupt Control Registers – EICRA and EICRB – defines whether the external inter-
rupt is activated on rising or falling edge or level sensed. Activity on any of these pins will trigger
an interrupt request even if the pin is enabled as an output. This provides a way of generating a
software interrupt.
External Interrupt Flag
Register – EIFR
• Bits 7..0 – INTF7 - INTF0: External Interrupt Flags 7 - 0
When an edge or logic change on the INT7:0 pin triggers an interrupt request, INTF7:0 becomes
set (one). If the I-bit in SREG and the corresponding interrupt enable bit, INT7:0 in EIMSK, are
set (one), the MCU will jump to the interrupt vector. The flag is cleared when the interrupt routine
is executed. Alternatively, the flag can be cleared by writing a logical one to it. These flags are
always cleared when INT7:0 are configured as level interrupt. Note that when entering sleep
mode with the INT3:0 interrupts disabled, the input buffers on these pins will be disabled. This
may cause a logic change in internal signals which will set the INTF3:0 flags. See “Digital Input
Enable and Sleep Modes” on page 69 for more information.
Bit 76543210
INT7 INT6 INT5 INT4 INT3 INT2 INT1 IINT0 EIMSK
Read/Write R/WR/WR/WR/WR/WR/WR/WR/W
Initial Value00000000
Bit 76543210
INTF7 INTF6 INTF5 INTF4 INTF3 INTF2 INTF1 IINTF0 EIFR
Read/Write R/WR/WR/WR/WR/WR/WR/WR/W
Initial Value00000000

92
2467X–AVR–06/11
ATmega128
8-bit
Timer/Counter0
with PWM and
Asynchronous
Operation
Timer/Counter0 is a general purpose, single channel, 8-bit Timer/Counter module. The main
features are:
•Single Channel Counter
•Clear Timer on Compare Match (Auto Reload)
•Glitch-free, Phase Correct Pulse Width Modulator (PWM)
•Frequency Generator
•10-bit Clock Prescaler
•Overflow and Compare Match Interrupt Sources (TOV0 and OCF0)
•Allows Clocking from External 32kHz Watch Crystal Independent of the I/O Clock
Overview A simplified block diagram of the 8-bit Timer/Counter is shown in Figure 34. For the actual place-
ment of I/O pins, refer to “Pin Configurations” on page 2. CPU accessible I/O registers, including
I/O bits and I/O pins, are shown in bold. The device-specific I/O register and bit locations are
listed in the “8-bit Timer/Counter Register Description” on page 103.
Figure 34. 8-bit Timer/Counter Block Diagram
Registers The Timer/Counter (TCNT0) and Output Compare Register (OCR0) are 8-bit registers. Interrupt
request (shorten as Int.Req.) signals are all visible in the Timer Interrupt Flag Register (TIFR).
All interrupts are individually masked with the Timer Interrupt Mask Register (TIMSK). TIFR and
TIMSK are not shown in the figure since these registers are shared by other timer units.
The Timer/Counter can be clocked internally, via the prescaler, or asynchronously clocked from
the TOSC1/2 pins, as detailed later in this section. The asynchronous operation is controlled by
the Asynchronous Status Register (ASSR). The Clock Select logic block controls which clock
source the Timer/Counter uses to increment (or decrement) its value. The Timer/Counter is inac-
Timer/Counter
DATABU S
=
TCNTn
Waveform
Generation OCn
= 0
Control Logic
=
0xFF
TOPBOTTOM
count
clear
direction
TOVn
(Int.Req.)
OCn
(Int.Req.)
Synchronization Unit
OCRn
TCCRn
ASSRn
Status flags
clk
I/O
clk
ASY
Synchronized Status flags
asynchronous mode
select (ASn)
TOSC1
T/C
Oscillator
TOSC2
Prescaler
clk
Tn
clk
I/O

93
2467X–AVR–06/11
ATmega128
tive when no clock source is selected. The output from the clock select logic is referred to as the
timer clock (clkT0).
The double buffered Output Compare Register (OCR0) is compared with the Timer/Counter
value at all times. The result of the compare can be used by the waveform generator to generate
a PWM or variable frequency output on the Output Compare Pin (OC0). See “Output Compare
Unit” on page 94. for details. The compare match event will also set the compare flag (OCF0)
which can be used to generate an output compare interrupt request.
Definitions Many register and bit references in this document are written in general form. A lower case “n”
replaces the Timer/Counter number, in this case 0. However, when using the register or bit
defines in a program, the precise form must be used (i.e., TCNT0 for accessing Timer/Counter0
counter value and so on).
The definitions in Table 51 are also used extensively throughout the document.
Timer/Counter
Clock Sources
The Timer/Counter can be clocked by an internal synchronous or an external asynchronous
clock source. The clock source clkT0 is by default equal to the MCU clock, clkI/O. When the AS0
bit in the ASSR Register is written to logic one, the clock source is taken from the Timer/Counter
Oscillator connected to TOSC1 and TOSC2. For details on asynchronous operation, see “Asyn-
chronous Status Register – ASSR” on page 106. For details on clock sources and prescaler, see
“Timer/Counter Prescaler” on page 109.
Counter Unit The main part of the 8-bit Timer/Counter is the programmable bi-directional counter unit. Figure
35 shows a block diagram of the counter and its surrounding environment.
Figure 35. Counter Unit Block Diagram
Table 51. Definitions
BOTTOM The counter reaches the BOTTOM when it becomes zero (0x00).
MAX The counter reaches its MAXimum when it becomes 0xFF (decimal 255).
TOP The counter reaches the TOP when it becomes equal to the highest
value in the count sequence. The TOP value can be assigned to be the
fixed value 0xFF (MAX) or the value stored in the OCR0 Register. The
assignment is dependent on the mode of operation.
DATA BU S
TCNTn Control Logic
count
TOVn
(Int.Req.)
topbottom
direction
clear
TOSC1
T/C
Oscillator
TOSC2
Prescaler
clkI/O
clk Tn

94
2467X–AVR–06/11
ATmega128
Signal description (internal signals):
count Increment or decrement TCNT0 by 1.
direction Selects between increment and decrement.
clear Clear TCNT0 (set all bits to zero).
clkT0Timer/Counter clock.
top Signalizes that TCNT0 has reached maximum value.
bottom Signalizes that TCNT0 has reached minimum value (zero).
Depending on the mode of operation used, the counter is cleared, incremented, or decremented
at each timer clock (clkT0). clkT0 can be generated from an external or internal clock source,
selected by the clock select bits (CS02:0). When no clock source is selected (CS02:0 = 0) the
timer is stopped. However, the TCNT0 value can be accessed by the CPU, regardless of
whether clkT0 is present or not. A CPU write overrides (has priority over) all counter clear or
count operations.
The counting sequence is determined by the setting of the WGM01 and WGM00 bits located in
the Timer/Counter Control Register (TCCR0). There are close connections between how the
counter behaves (counts) and how waveforms are generated on the output compare output
OC0. For more details about advanced counting sequences and waveform generation, see
“Modes of Operation” on page 97.
The Timer/Counter overflow (TOV0) flag is set according to the mode of operation selected by
the WGM01:0 bits. TOV0 can be used for generating a CPU interrupt.
Output Compare
Unit
The 8-bit comparator continuously compares TCNT0 with the Output Compare Register
(OCR0). Whenever TCNT0 equals OCR0, the comparator signals a match. A match will set the
output compare flag (OCF0) at the next timer clock cycle. If enabled (OCIE0 = 1), the output
compare flag generates an output compare interrupt. The OCF0 flag is automatically cleared
when the interrupt is executed. Alternatively, the OCF0 flag can be cleared by software by writ-
ing a logical one to its I/O bit location. The waveform generator uses the match signal to
generate an output according to operating mode set by the WGM01:0 bits and compare output
mode (COM01:0) bits. The max and bottom signals are used by the waveform generator for han-
dling the special cases of the extreme values in some modes of operation (“Modes of Operation”
on page 97). Figure 36 shows a block diagram of the output compare unit.

95
2467X–AVR–06/11
ATmega128
Figure 36. Output Compare Unit, Block Diagram
The OCR0 Register is double buffered when using any of the Pulse Width Modulation (PWM)
modes. For the normal and Clear Timer on Compare (CTC) modes of operation, the double buff-
ering is disabled. The double buffering synchronizes the update of the OCR0 Compare Register
to either top or bottom of the counting sequence. The synchronization prevents the occurrence
of odd-length, non-symmetrical PWM pulses, thereby making the output glitch-free.
The OCR0 Register access may seem complex, but this is not case. When the double buffering
is enabled, the CPU has access to the OCR0 buffer Register, and if double buffering is disabled
the CPU will access the OCR0 directly.
Force Output
Compare
In non-PWM waveform generation modes, the match output of the comparator can be forced by
writing a one to the Force Output Compare (FOC0) bit. Forcing compare match will not set the
OCF0 flag or reload/clear the timer, but the OC0 pin will be updated as if a real compare match
had occurred (the COM01:0 bits settings define whether the OC0 pin is set, cleared or toggled).
Compare Match
Blocking by TCNT0
Write
All CPU write operations to the TCNT0 Register will block any compare match that occurs in the
next timer clock cycle, even when the timer is stopped. This feature allows OCR0 to be initialized
to the same value as TCNT0 without triggering an interrupt when the Timer/Counter clock is
enabled.
Using the Output
Compare Unit
Since writing TCNT0 in any mode of operation will block all compare matches for one timer clock
cycle, there are risks involved when changing TCNT0 when using the output compare channel,
independently of whether the Timer/Counter is running or not. If the value written to TCNT0
equals the OCR0 value, the compare match will be missed, resulting in incorrect waveform gen-
eration. Similarly, do not write the TCNT0 value equal to BOTTOM when the counter is
downcounting.
The setup of the OC0 should be performed before setting the Data Direction Register for the port
pin to output. The easiest way of setting the OC0 value is to use the force output compare
OCFn (Int.Req.)
= (8-bit Comparator )
OCRn
OCxy
DATA BUS
TCNTn
WGMn1:0
Waveform Generator
top
FOCn
COMn1:0
bottom

96
2467X–AVR–06/11
ATmega128
(FOC0) strobe bit in normal mode. The OC0 Register keeps its value even when changing
between waveform generation modes.
Be aware that the COM01:0 bits are not double buffered together with the compare value.
Changing the COM01:0 bits will take effect immediately.
Compare Match
Output Unit
The Compare Output mode (COM01:0) bits have two functions. The waveform generator uses
the COM01:0 bits for defining the Output Compare (OC0) state at the next compare match. Also,
the COM01:0 bits control the OC0 pin output source. Figure 37 shows a simplified schematic of
the logic affected by the COM01:0 bit setting. The I/O registers, I/O bits, and I/O pins in the fig-
ure are shown in bold. Only the parts of the General I/O Port Control Registers (DDR and PORT)
that are affected by the COM01:0 bits are shown. When referring to the OC0 state, the reference
is for the internal OC0 Register, not the OC0 pin.
Figure 37. Compare Match Output Unit, Schematic
The general I/O port function is overridden by the output compare (OC0) from the waveform
generator if either of the COM01:0 bits are set. However, the OC0 pin direction (input or output)
is still controlled by the Data Direction Register (DDR) for the port pin. The Data Direction Regis-
ter bit for the OC0 pin (DDR_OC0) must be set as output before the OC0 value is visible on the
pin. The port override function is independent of the waveform generation mode.
The design of the output compare pin logic allows initialization of the OC0 state before the out-
put is enabled. Note that some COM01:0 bit settings are reserved for certain modes of
operation. See “8-bit Timer/Counter Register Description” on page 103.
Compare Output Mode
and Waveform
Generation
The waveform generator uses the COM01:0 bits differently in normal, CTC, and PWM modes.
For all modes, setting the COM01:0 = 0 tells the Waveform Generator that no action on the OC0
Register is to be performed on the next compare match. For compare output actions in the non-
PWM modes refer to Table 53 on page 104. For fast PWM mode, refer to Table 54 on page 104,
and for phase correct PWM refer to Table 55 on page 105.
A change of the COM01:0 bits state will have effect at the first compare match after the bits are
written. For non-PWM modes, the action can be forced to have immediate effect by using the
FOC0 strobe bits.
PORT
DDR
DQ
DQ
OCn
Pin
OCn
DQ
Waveform
Generator
COMn1
COMn0
0
1
DATA BU S
FOCn
clk
I/O

97
2467X–AVR–06/11
ATmega128
Modes of
Operation
The mode of operation, i.e., the behavior of the Timer/Counter and the output compare pins, is
defined by the combination of the Waveform Generation mode (WGM01:0) and Compare Output
mode (COM01:0) bits. The Compare Output mode bits do not affect the counting sequence,
while the Waveform Generation mode bits do. The COM01:0 bits control whether the PWM out-
put generated should be inverted or not (inverted or non-inverted PWM). For non-PWM modes
the COM01:0 bits control whether the output should be set, cleared, or toggled at a compare
match (See “Compare Match Output Unit” on page 96.).
For detailed timing information refer to “Timer/Counter Timing Diagrams” on page 101.
Normal Mode The simplest mode of operation is the normal mode (WGM01:0 = 0). In this mode the counting
direction is always up (incrementing), and no counter clear is performed. The counter simply
overruns when it passes its maximum 8-bit value (TOP = 0xFF) and then restarts from the bot-
tom (0x00). In normal operation the Timer/Counter overflow flag (TOV0) will be set in the same
timer clock cycle as the TCNT0 becomes zero. The TOV0 flag in this case behaves like a ninth
bit, except that it is only set, not cleared. However, combined with the timer overflow interrupt
that automatically clears the TOV0 flag, the timer resolution can be increased by software. There
are no special cases to consider in the normal mode, a new counter value can be written
anytime.
The output compare unit can be used to generate interrupts at some given time. Using the out-
put compare to generate waveforms in normal mode is not recommended, since this will occupy
too much of the CPU time.
Clear Timer on
Compare Match (CTC)
Mode
In Clear Timer on Compare or CTC mode (WGM01:0 = 2), the OCR0 Register is used to manip-
ulate the counter resolution. In CTC mode the counter is cleared to zero when the counter value
(TCNT0) matches the OCR0. The OCR0 defines the top value for the counter, hence also its
resolution. This mode allows greater control of the compare match output frequency. It also sim-
plifies the operation of counting external events.
The timing diagram for the CTC mode is shown in Figure 38. The counter value (TCNT0)
increases until a compare match occurs between TCNT0 and OCR0, and then counter (TCNT0)
is cleared.
Figure 38. CTC Mode, Timing Diagram
An interrupt can be generated each time the counter value reaches the TOP value by using the
OCF0 flag. If the interrupt is enabled, the interrupt handler routine can be used for updating the
TOP value. However, changing the TOP to a value close to BOTTOM when the counter is run-
ning with none or a low prescaler value must be done with care since the CTC mode does not
have the double buffering feature. If the new value written to OCR0 is lower than the current
TCNTn
OCn
(Toggle)
OCn Interrupt Flag Set
1 4
Period
2 3
(COMn1:0 = 1)

98
2467X–AVR–06/11
ATmega128
value of TCNT0, the counter will miss the compare match. The counter will then have to count to
its maximum value (0xFF) and wrap around starting at 0x00 before the compare match can
occur.
For generating a waveform output in CTC mode, the OC0 output can be set to toggle its logical
level on each compare match by setting the Compare Output mode bits to Toggle mode
(COM01:0 = 1). The OC0 value will not be visible on the port pin unless the data direction for the
pin is set to output. The waveform generated will have a maximum frequency of fOC0 = fclk_I/O/2
when OCR0 is set to zero (0x00). The waveform frequency is defined by the following equation:
The N variable represents the prescale factor (1, 8, 32, 64, 128, 256, or 1024).
As for the normal mode of operation, the TOV0 flag is set in the same timer clock cycle that the
counter counts from MAX to 0x00.
Fast PWM Mode The fast Pulse Width Modulation or fast PWM mode (WGM01:0 = 3) provides a high frequency
PWM waveform generation option. The fast PWM differs from the other PWM option by its sin-
gle-slope operation. The counter counts from BOTTOM to MAX then restarts from BOTTOM. In
non-inverting Compare Output mode, the output compare (OC0) is cleared on the compare
match between TCNT0 and OCR0, and set at BOTTOM. In inverting Compare Output mode, the
output is set on compare match and cleared at BOTTOM. Due to the single-slope operation, the
operating frequency of the fast PWM mode can be twice as high as the phase correct PWM
mode that uses dual-slope operation. This high frequency makes the fast PWM mode well suited
for power regulation, rectification, and DAC applications. High frequency allows physically small
sized external components (coils, capacitors), and therefore reduces total system cost.
In fast PWM mode, the counter is incremented until the counter value matches the MAX value.
The counter is then cleared at the following timer clock cycle. The timing diagram for the fast
PWM mode is shown in Figure 39. The TCNT0 value is in the timing diagram shown as a histo-
gram for illustrating the single-slope operation. The diagram includes non-inverted and inverted
PWM outputs. The small horizontal line marks on the TCNT0 slopes represent compare
matches between OCR0 and TCNT0.
fOCn
fclk_I/O
2N1OCRn+()⋅⋅
-----------------------------------------------=

99
2467X–AVR–06/11
ATmega128
Figure 39. Fast PWM Mode, Timing Diagram
The Timer/Counter overflow flag (TOV0) is set each time the counter reaches Max If the interrupt
is enabled, the interrupt handler routine can be used for updating the compare value.
In fast PWM mode, the compare unit allows generation of PWM waveforms on the OC0 pin. Set-
ting the COM01:0 bits to 2 will produce a non-inverted PWM and an inverted PWM output can
be generated by setting the COM01:0 to 3 (See Table 54 on page 104). The actual OC0 value
will only be visible on the port pin if the data direction for the port pin is set as output. The PWM
waveform is generated by setting (or clearing) the OC0 Register at the compare match between
OCR0 and TCNT0, and clearing (or setting) the OC0 Register at the timer clock cycle the coun-
ter is cleared (changes from MAX to BOTTOM).
The PWM frequency for the output can be calculated by the following equation:
The N variable represents the prescale factor (1, 8, 32, 64, 128, 256, or 1024).
The extreme values for the OCR0 Register represent special cases when generating a PWM
waveform output in the fast PWM mode. If the OCR0 is set equal to BOTTOM, the output will be
a narrow spike for each MAX+1 timer clock cycle. Setting the OCR0 equal to MAX will result in a
constantly high or low output (depending on the polarity of the output set by the COM01:0 bits.)
A frequency (with 50% duty cycle) waveform output in fast PWM mode can be achieved by set-
ting OC0 to toggle its logical level on each compare match (COM01:0 = 1). The waveform
generated will have a maximum frequency of foc0 = fclk_I/O/2 when OCR0 is set to zero. This fea-
ture is similar to the OC0 toggle in CTC mode, except the double buffer feature of the output
compare unit is enabled in the fast PWM mode.
TCNTn
OCRn Update
and
TOVn Interrupt Flag Set
1
Period
2 3
OCn
OCn
(COMn1:0 = 2)
(COMn1:0 = 3)
OCRn Interrupt Flag Set
4 5 6 7
fOCnPWM
fclk_I/O
N256⋅
------------------=

100
2467X–AVR–06/11
ATmega128
Phase Correct PWM
Mode
The phase correct PWM mode (WGM01:0 = 1) provides a high resolution phase correct PWM
waveform generation option. The phase correct PWM mode is based on a dual-slope operation.
The counter counts repeatedly from BOTTOM to MAX and then from MAX to BOTTOM. In non-
inverting Compare Output mode, the output compare (OC0) is cleared on the compare match
between TCNT0 and OCR0 while counting up, and set on the compare match while downcount-
ing. In inverting Output Compare mode, the operation is inverted. The dual-slope operation has
lower maximum operation frequency than single slope operation. However, due to the symmet-
ric feature of the dual-slope PWM modes, these modes are preferred for motor control
applications.
The PWM resolution for the phase correct PWM mode is fixed to 8 bits. In phase correct PWM
mode the counter is incremented until the counter value matches Max When the counter
reaches MAX, it changes the count direction. The TCNT0 value will be equal to MAX for one
timer clock cycle. The timing diagram for the phase correct PWM mode is shown on Figure 40.
The TCNT0 value is in the timing diagram shown as a histogram for illustrating the dual-slope
operation. The diagram includes non-inverted and inverted PWM outputs. The small horizontal
line marks on the TCNT0 slopes represent compare matches between OCR0 and TCNT0.
Figure 40. Phase Correct PWM Mode, Timing Diagram
The Timer/Counter Overflow Flag (TOV0) is set each time the counter reaches BOTTOM. The
interrupt flag can be used to generate an interrupt each time the counter reaches the BOTTOM
value.
In phase correct PWM mode, the compare unit allows generation of PWM waveforms on the
OC0 pin. Setting the COM01:0 bits to 2 will produce a non-inverted PWM. An inverted PWM out-
put can be generated by setting the COM01:0 to 3 (See Table 55 on page 105). The actual OC0
value will only be visible on the port pin if the data direction for the port pin is set as output. The
PWM waveform is generated by clearing (or setting) the OC0 Register at the compare match
between OCR0 and TCNT0 when the counter increments, and setting (or clearing) the OC0
Register at compare match between OCR0 and TCNT0 when the counter decrements. The
TOVn Interrupt Flag Set
OCn Interrupt Flag Set
1 2 3
TCNTn
Period
OCn
OCn
(COMn1:0 = 2)
(COMn1:0 = 3)
OCRn Update

101
2467X–AVR–06/11
ATmega128
PWM frequency for the output when using phase correct PWM can be calculated by the follow-
ing equation:
The N variable represents the prescale factor (1, 8, 32, 64, 128, 256, or 1024).
The extreme values for the OCR0 Register represent special cases when generating a PWM
waveform output in the phase correct PWM mode. If the OCR0 is set equal to BOTTOM, the out-
put will be continuously low and if set equal to MAX the output will be continuously high for non-
inverted PWM mode. For inverted PWM the output will have the opposite logic values.
At the very start of Period 2 in Figure 40 OCn has a transition from high to low even though there
is no Compare Match. The point of this transition is to guarantee symmetry around BOTTOM.
There are two cases that give a transition without Compare Match:
• OCR0 changes its value from MAX, like in Figure 40. When the OCR0 value is MAX the
OCn pin value is the same as the result of a down-counting Compare Match. To ensure
symmetry around BOTTOM the OCn value at MAX must correspond to the result of an up-
counting Compare Match.
• The timer starts counting from a higher value than the one in OCR0, and for that reason
misses the Compare Match and hence the OCn change that would have happened on the
way up.
Timer/Counter
Timing Diagrams
Figure 41 and Figure 42 contain timing data for the Timer/Counter operation. The Timer/Counter
is a synchronous design and the timer clock (clkT0) is therefore shown as a clock enable signal.
The figure shows the count sequence close to the MAX value. Figure 43 and Figure 44 show the
same timing data, but with the prescaler enabled. The figures illustrate when interrupt flags are
set.
The following figures show the Timer/Counter in Synchronous mode, and the timer clock (clkT0)
is therefore shown as a clock enable signal. In asynchronous mode, clkI/O should be replaced by
the Timer/Counter Oscillator clock. The figures include information on when interrupt flags are
set. Figure 41 contains timing data for basic Timer/Counter operation. The figure shows the
count sequence close to the MAX value in all modes other than phase correct PWM mode.
Figure 41. Timer/Counter Timing Diagram, No Prescaling
Figure 42 shows the same timing data, but with the prescaler enabled.
fOCnPCPWM
fclk_I/O
N510⋅
------------------=
clk
Tn
(clkI/O/1)
TOVn
clk
I/O
TCNTn
MAX - 1 MAX BOTTOM BOTTOM + 1

102
2467X–AVR–06/11
ATmega128
Figure 42. Timer/Counter Timing Diagram, with Prescaler (fclk_I/O/8)
Figure 43 shows the setting of OCF0 in all modes except CTC mode.
Figure 43. Timer/Counter Timing Diagram, Setting of OCF0, with Prescaler (fclk_I/O/8)
Figure 44 shows the setting of OCF0 and the clearing of TCNT0 in CTC mode.
TOVn
TCNTn
MAX - 1 MAX BOTTOM BOTTOM + 1
clk
I/O
clk
Tn
(clkI/O/8)
OCFn
OCRn
TCNTn
OCRn Value
OCRn - 1 OCRn OCRn + 1 OCRn + 2
clk
I/O
clk
Tn
(clkI/O/8)

103
2467X–AVR–06/11
ATmega128
Figure 44. Timer/Counter Timing Diagram, Clear Timer on Compare Match Mode, with Pres-
caler (fclk_I/O/8)
8-bit
Timer/Counter
Register
Description
Timer/Counter Control
Register – TCCR0
• Bit 7 – FOC0: Force Output Compare
The FOC0 bit is only active when the WGM bits specify a non-PWM mode. However, for ensur-
ing compatibility with future devices, this bit must be set to zero when TCCR0 is written when
operating in PWM mode. When writing a logical one to the FOC0 bit, an immediate compare
match is forced on the waveform generation unit. The OC0 output is changed according to its
COM01:0 bits setting. Note that the FOC0 bit is implemented as a strobe. Therefore it is the
value present in the COM01:0 bits that determines the effect of the forced compare.
A FOC0 strobe will not generate any interrupt, nor will it clear the timer in CTC mode using
OCR0 as TOP.
The FOC0 bit is always read as zero.
• Bit 6, 3 – WGM01:0: Waveform Generation Mode
These bits control the counting sequence of the counter, the source for the maximum (TOP)
counter value, and what type of waveform generation to be used. Modes of operation supported
by the Timer/Counter unit are: Normal mode, Clear Timer on Compare match (CTC) mode, and
two types of Pulse Width Modulation (PWM) modes. See Table 52 and “Modes of Operation” on
page 97.
OCFn
OCRn
TCNTn
(CTC)
TOP
TOP - 1 TOP BOTTOM BOTTOM + 1
clk
I/O
clk
Tn
(clkI/O/8)
Bit 76543210
FOC0 WGM00 COM01 COM00 WGM01 CS02 CS01 CS00 TCCR0
Read/Write WR/WR/WR/WR/WR/WR/WR/W
Initial Value 0 0 0 0 0 0 0 0

104
2467X–AVR–06/11
ATmega128
Note: 1. The CTC0 and PWM0 bit definition names are now obsolete. Use the WGM01:0 definitions.
However, the functionality and location of these bits are compatible with previous versions of
the timer.
• Bit 5:4 – COM01:0: Compare Match Output Mode
These bits control the output compare pin (OC0) behavior. If one or both of the COM01:0 bits
are set, the OC0 output overrides the normal port functionality of the I/O pin it is connected to.
However, note that the Data Direction Register (DDR) bit corresponding to OC0 pin must be set
in order to enable the output driver.
When OC0 is connected to the pin, the function of the COM01:0 bits depends on the WGM01:0
bit setting. Table 53 shows the COM01:0 bit functionality when the WGM01:0 bits are set to a
normal or CTC mode (non-PWM).
Table 54 shows the COM01:0 bit functionality when the WGM01:0 bits are set to fast PWM
mode.
Note: 1. A special case occurs when OCR0 equals TOP and COM01 is set. In this case, the compare
match is ignored, but the set or clear is done at BOTTOM. See “Fast PWM Mode” on page 98
for more details.
Table 55 shows the COM01:0 bit functionality when the WGM01:0 bits are set to phase correct
PWM mode.
Table 52. Waveform Generation Mode Bit Description
Mode
WGM01(1)
(CTC0)
WGM00(1)
(PWM0)
Timer/Counter
Mode of Operation TOP
Update of
OCR0 at
TOV0 Flag
Set on
0 0 0 Normal 0xFF Immediate MAX
10 1PWM, Phase
Correct
0xFF TOP BOTTOM
2 1 0 CTC OCR0 Immediate MAX
31 1Fast PWM0xFFBOTTOMMAX
Table 53. Compare Output Mode, non-PWM Mode
COM01 COM00 Description
0 0 Normal port operation, OC0 disconnected.
0 1 Toggle OC0 on compare match
1 0 Clear OC0 on compare match
1 1 Set OC0 on compare match
Table 54. Compare Output Mode, Fast PWM Mode(1)
COM01 COM00 Description
0 0 Normal port operation, OC0 disconnected.
01Reserved
1 0 Clear OC0 on compare match, set OC0 at BOTTOM,
(non-inverting mode)
1 1 Set OC0 on compare match, clear OC0 at BOTTOM,
(inverting mode)

105
2467X–AVR–06/11
ATmega128
Note: 1. A special case occurs when OCR0 equals TOP and COM01 is set. In this case, the compare
match is ignored, but the set or clear is done at TOP. See “Phase Correct PWM Mode” on page
100 for more details.
• Bit 2:0 – CS02:0: Clock Select
The three clock select bits select the clock source to be used by the Timer/Counter, see Table
56.
Timer/Counter
Register – TCNT0
The Timer/Counter Register gives direct access, both for read and write operations, to the
Timer/Counter unit 8-bit counter. Writing to the TCNT0 Register blocks (removes) the compare
match on the following timer clock. Modifying the counter (TCNT0) while the counter is running,
introduces a risk of missing a compare match between TCNT0 and the OCR0 Register.
Output Compare
Register – OCR0
The Output Compare Register contains an 8-bit value that is continuously compared with the
counter value (TCNT0). A match can be used to generate an output compare interrupt, or to
generate a waveform output on the OC0 pin.
Table 55. Compare Output Mode, Phase Correct PWM Mode(1)
COM01 COM00 Description
0 0 Normal port operation, OC0 disconnected.
01Reserved
1 0 Clear OC0 on compare match when up-counting. Set OC0 on compare
match when downcounting.
1 1 Set OC0 on compare match when up-counting. Clear OC0 on compare
match when downcounting.
Table 56. Clock Select Bit Description
CS02 CS01 CS00 Description
0 0 0 No clock source (Timer/Counter stopped)
001clkT0S/(No prescaling)
010
clkT0S/8 (From prescaler)
011
clkT0S/32 (From prescaler)
100
clkT0S/64 (From prescaler)
101
clkT0S/128 (From prescaler)
110clk
T0S/256 (From prescaler)
111clk
T0S/1024 (From prescaler)
Bit 76543210
TCNT0[7:0] TCNT0
Read/Write R/WR/WR/WR/WR/WR/WR/WR/W
Initial Value00000000
Bit 76543210
OCR0[7:0] OCR0
Read/Write R/WR/WR/WR/WR/WR/WR/WR/W
Initial Value00000000

106
2467X–AVR–06/11
ATmega128
Asynchronous
Operation of the
Timer/Counter
Asynchronous Status
Register – ASSR
• Bit 3 – AS0: Asynchronous Timer/Counter0
When AS0 is written to zero, Timer/Counter0 is clocked from the I/O clock, clkI/O. When AS0 is
written to one, Timer/Counter is clocked from a crystal Oscillator connected to the Timer Oscilla-
tor 1 (TOSC1) pin. When the value of AS0 is changed, the contents of TCNT0, OCR0, and
TCCR0 might be corrupted.
• Bit 2 – TCN0UB: Timer/Counter0 Update Busy
When Timer/Counter0 operates asynchronously and TCNT0 is written, this bit becomes set.
When TCNT0 has been updated from the temporary storage register, this bit is cleared by hard-
ware. A logical zero in this bit indicates that TCNT0 is ready to be updated with a new value.
• Bit 1 – OCR0UB: Output Compare Register0 Update Busy
When Timer/Counter0 operates asynchronously and OCR0 is written, this bit becomes set.
When OCR0 has been updated from the temporary storage register, this bit is cleared by hard-
ware. A logical zero in this bit indicates that OCR0 is ready to be updated with a new value.
• Bit 0 – TCR0UB: Timer/Counter Control Register0 Update Busy
When Timer/Counter0 operates asynchronously and TCCR0 is written, this bit becomes set.
When TCCR0 has been updated from the temporary storage register, this bit is cleared by hard-
ware. A logical zero in this bit indicates that TCCR0 is ready to be updated with a new value.
If a write is performed to any of the three Timer/Counter0 Registers while its update busy flag is
set, the updated value might get corrupted and cause an unintentional interrupt to occur.
The mechanisms for reading TCNT0, OCR0, and TCCR0 are different. When reading TCNT0,
the actual timer value is read. When reading OCR0 or TCCR0, the value in the temporary stor-
age register is read.
Asynchronous
Operation of
Timer/Counter0
When Timer/Counter0 operates asynchronously, some considerations must be taken.
•Warning: When switching between asynchronous and synchronous clocking of
Timer/Counter0, the Timer Registers TCNT0, OCR0, and TCCR0 might be corrupted. A
safe procedure for switching clock source is:
1. Disable the Timer/Counter0 interrupts by clearing OCIE0 and TOIE0.
2. Select clock source by setting AS0 as appropriate.
3. Write new values to TCNT0, OCR0, and TCCR0.
4. To switch to asynchronous operation: Wait for TCN0UB, OCR0UB, and TCR0UB.
5. Clear the Timer/Counter0 interrupt flags.
6. Enable interrupts, if needed.
• The Oscillator is optimized for use with a 32.768 kHz watch crystal. Applying an external
clock to the TOSC1 pin may result in incorrect Timer/Counter0 operation. The CPU main
clock frequency must be more than four times the Oscillator frequency.
Bit 76543 2 1 0
–––– AS0 TCN0UB OCR0UB TCR0UB ASSR
Read/WriteRRRRR/WRRR
Initial Value 0 0 0 0 0 0 0 0

107
2467X–AVR–06/11
ATmega128
•When writing to one of the registers TCNT0, OCR0, or TCCR0, the value is transferred to a
temporary register, and latched after two positive edges on TOSC1. The user should not
write a new value before the contents of the Temporary Register have been transferred to its
destination. Each of the three mentioned registers have their individual temporary register,
which means that e.g., writing to TCNT0 does not disturb an OCR0 write in progress. To
detect that a transfer to the destination register has taken place, the Asynchronous Status
Register – ASSR has been implemented.
•When entering Power-save or Extended Standby mode after having written to TCNT0,
OCR0, or TCCR0, the user must wait until the written register has been updated if
Timer/Counter0 is used to wake up the device. Otherwise, the MCU will enter sleep mode
before the changes are effective. This is particularly important if the Output Compare0
interrupt is used to wake up the device, since the output compare function is disabled during
writing to OCR0 or TCNT0. If the write cycle is not finished, and the MCU enters sleep mode
before the OCR0UB bit returns to zero, the device will never receive a compare match
interrupt, and the MCU will not wake up.
• If Timer/Counter0 is used to wake the device up from Power-save or Extended Standby
mode, precautions must be taken if the user wants to re-enter one of these modes: The
interrupt logic needs one TOSC1 cycle to be reset. If the time between wake-up and re-
entering sleep mode is less than one TOSC1 cycle, the interrupt will not occur, and the
device will fail to wake up. If the user is in doubt whether the time before re-entering Power-
save or Extended Standby mode is sufficient, the following algorithm can be used to ensure
that one TOSC1 cycle has elapsed:
1. Write a value to TCCR0, TCNT0, or OCR0.
2. Wait until the corresponding Update Busy flag in ASSR returns to zero.
3. Enter Power-save or Extended Standby mode.
•When the asynchronous operation is selected, the 32.768kHz Oscillator for Timer/Counter0
is always running, except in Power-down and Standby modes. After a Power-up Reset or
wake-up from Power-down or Standby mode, the user should be aware of the fact that this
Oscillator might take as long as one second to stabilize. The user is advised to wait for at
least one second before using Timer/Counter0 after power-up or wake-up from Power-down
or Standby mode. The contents of all Timer/Counter0 Registers must be considered lost
after a wake-up from Power-down or Standby mode due to unstable clock signal upon start-
up, no matter whether the Oscillator is in use or a clock signal is applied to the TOSC1 pin.
• Description of wake up from Power-save or Extended Standby mode when the timer is
clocked asynchronously: When the interrupt condition is met, the wake up process is started
on the following cycle of the timer clock, that is, the timer is always advanced by at least one
before the processor can read the counter value. After wake-up, the MCU is halted for four
cycles, it executes the interrupt routine, and resumes execution from the instruction
following SLEEP.
• Reading of the TCNT0 Register shortly after wake-up from Power-save may give an
incorrect result. Since TCNT0 is clocked on the asynchronous TOSC clock, reading TCNT0
must be done through a register synchronized to the internal I/O clock domain.
Synchronization takes place for every rising TOSC1 edge. When waking up from Power-
save mode, and the I/O clock (clkI/O) again becomes active, TCNT0 will read as the previous
value (before entering sleep) until the next rising TOSC1 edge. The phase of the TOSC
clock after waking up from Power-save mode is essentially unpredictable, as it depends on
the wake-up time. The recommended procedure for reading TCNT0 is thus as follows:
1. Write any value to either of the registers OCR0 or TCCR0.
2. Wait for the corresponding Update Busy Flag to be cleared.
3. Read TCNT0.

108
2467X–AVR–06/11
ATmega128
• During asynchronous operation, the synchronization of the interrupt flags for the
asynchronous timer takes three processor cycles plus one timer cycle. The timer is therefore
advanced by at least one before the processor can read the timer value causing the setting
of the interrupt flag. The output compare pin is changed on the timer clock and is not
synchronized to the processor clock.
Timer/Counter
Interrupt Mask
Register – TIMSK
• Bit 1 – OCIE0: Timer/Counter0 Output Compare Match Interrupt Enable
When the OCIE0 bit is written to one, and the I-bit in the Status Register is set (one), the
Timer/Counter0 Compare Match interrupt is enabled. The corresponding interrupt is executed if
a compare match in Timer/Counter0 occurs, i.e., when the OCF0 bit is set in the Timer/Counter
Interrupt Flag Register – TIFR.
• Bit 0 – TOIE0: Timer/Counter0 Overflow Interrupt Enable
When the TOIE0 bit is written to one, and the I-bit in the Status Register is set (one), the
Timer/Counter0 Overflow interrupt is enabled. The corresponding interrupt is executed if an
overflow in Timer/Counter0 occurs, i.e., when the TOV0 bit is set in the Timer/Counter Interrupt
Flag Register – TIFR.
Timer/Counter
Interrupt Flag Register
– TIFR
• Bit 1 – OCF0: Output Compare Flag 0
The OCF0 bit is set (one) when a compare match occurs between the Timer/Counter0 and the
data in OCR0 – Output Compare Register0. OCF0 is cleared by hardware when executing the
corresponding interrupt handling vector. Alternatively, OCF0 is cleared by writing a logic one to
the flag. When the I-bit in SREG, OCIE0 (Timer/Counter0 Compare Match Interrupt Enable), and
OCF0 are set (one), the Timer/Counter0 Compare Match Interrupt is executed.
• Bit 0 – TOV0: Timer/Counter0 Overflow Flag
The bit TOV0 is set (one) when an overflow occurs in Timer/Counter0. TOV0 is cleared by hard-
ware when executing the corresponding interrupt handling vector. Alternatively, TOV0 is cleared
by writing a logic one to the flag. When the SREG I-bit, TOIE0 (Timer/Counter0 Overflow Inter-
rupt Enable), and TOV0 are set (one), the Timer/Counter0 Overflow Interrupt is executed. In
PWM mode, this bit is set when Timer/Counter0 changes counting direction at $00.
Bit 7654 3210
OCIE2 TOIE2 TICIE1 OCIE1A OCIE1B TOIE1 OCIE0 TOIE0 TIMSK
Read/Write R/WR/WR/WR/WR/WR/WR/WR/W
Initial Value 0 0 0 0 0 0 0 0
Bit 76543210
OCF2 TOV2 ICF1 OCF1A OCF1B TOV1 OCF0 TOV0 TIFR
Read/Write R/WR/WR/WR/WR/WR/WR/WR/W
Initial Value00000000

109
2467X–AVR–06/11
ATmega128
Timer/Counter
Prescaler
Figure 45. Prescaler for Timer/Counter0
The clock source for Timer/Counter0 is named clkT0. clkT0 is by default connected to the main
system clock clkI/O. By setting the AS0 bit in ASSR, Timer/Counter0 is asynchronously clocked
from the TOSC1 pin. This enables use of Timer/Counter0 as a Real Time Counter (RTC). When
AS0 is set, pins TOSC1 and TOSC2 are disconnected from Port C. A crystal can then be con-
nected between the TOSC1 and TOSC2 pins to serve as an independent clock source for
Timer/Counter0. The Oscillator is optimized for use with a 32.768kHz crystal. Applying an exter-
nal clock source to TOSC1 is not recommended.
For Timer/Counter0, the possible prescaled selections are: clkT0S/8, clkT0S/32, clkT0S/64,
clkT0S/128, clkT0S/256, and clkT0S/1024. Additionally, clkT0S as well as 0 (stop) may be selected.
Setting the PSR0 bit in SFIOR resets the prescaler. This allows the user to operate with a pre-
dictable prescaler.
Special Function IO
Register – SFIOR
• Bit 7 – TSM: Timer/Counter Synchronization Mode
Writing the TSM bit to one activates the Timer/Counter Synchronization mode. In this mode, the
value that is written to the PSR0 and PSR321 bits is kept, hence keeping the corresponding
prescaler reset signals asserted. This ensures that the corresponding Timer/Counters are halted
and can be configured to the same value without the risk of one of them advancing during con-
figuration. When the TSM bit is written to zero, the PSR0 and PSR321 bits are cleared by
hardware, and the Timer/Counters start counting simultaneously.
10-BIT T/C PRESCALER
TIMER/COUNTER0 CLOCK SOURCE
clk
I/O
clk
T0S
TOSC1
AS0
CS00
CS01
CS02
clk
T0S
/8
clk
T0S
/64
clk
T0S
/128
clk
T0S
/1024
clk
T0S
/256
clk
T0S
/32
0
PSR0
Clear
clk
T0
Bit 7 6 5 4 3 2 1 0
TSM – – – ACME PUD PSR0 PSR321 SFIOR
Read/Write R/WRRRR/WR/WR/WR/W
Initial Value 0 0 0 0 0 0 0 0

110
2467X–AVR–06/11
ATmega128
• Bit 1 – PSR0: Prescaler Reset Timer/Counter0
When this bit is one, the Timer/Counter0 prescaler will be reset. This bit is normally
cleared immediately by hardware. If this bit is written when Timer/Counter0 is operating
in asynchronous mode, the bit will remain one until the prescaler has been reset. The bit
will not be cleared by hardware if the TSM bit is set.

111
2467X–AVR–06/11
ATmega128
16-bit
Timer/Counter
(Timer/Counter
1 and
Timer/Counter3
)
The 16-bit Timer/Counter unit allows accurate program execution timing (event management),
wave generation, and signal timing measurement. The main features are:
•True 16-bit Design (i.e.,Allows 16-bit PWM)
•Three Independent Output Compare Units
•Double Buffered Output Compare Registers
•One Input Capture Unit
•Input Capture Noise Canceler
•Clear Timer on Compare Match (Auto Reload)
•Glitch-free, Phase Correct Pulse width Modulator (PWM)
•Variable PWM Period
•Frequency Generator
•External Event Counter
•Ten Independent Interrupt Sources (TOV1, OCF1A, OCF1B, OCF1C, ICF1, TOV3, OCF3A, OCF3B,
OCF3C, and ICF3)
Restrictions in
ATmega103
Compatibility Mode
Note that in Atmel® AVR® ATmega103 compatibility mode, only one 16-bit Timer/Counter is
available (Timer/Counter1). Also note that in ATmega103 compatibility mode, the
Timer/Counter1 has two Compare Registers (Compare A and Compare B) only.
Overview Most register and bit references in this section are written in general form. A lower case “n”
replaces the Timer/Counter number, and a lower case “x” replaces the Output Compare unit
channel. However, when using the register or bit defines in a program, the precise form must be
used i.e., TCNT1 for accessing Timer/Counter1 counter value and so on.
A simplified block diagram of the 16-bit Timer/Counter is shown in Figure 46. For the actual
placement of I/O pins, refer to “Pin Configurations” on page 2. CPU accessible I/O Registers,
including I/O bits and I/O pins, are shown in bold. The device-specific I/O Register and bit loca-
tions are listed in the “16-bit Timer/Counter Register Description” on page 132.

112
2467X–AVR–06/11
ATmega128
Figure 46. 16-bit Timer/Counter Block Diagram
Note: Refer to Figure 1 on page 2, Table 30 on page 73, and Table 39 on page 80 for Timer/Counter1
and 3 pin placement and description.
Registers The Timer/Counter (TCNTn), Output Compare Registers (OCRnA/B/C), and Input Capture Reg-
ister (ICRn) are all 16-bit registers. Special procedures must be followed when accessing the 16-
bit registers. These procedures are described in the section “Accessing 16-bit Registers” on
page 114. The Timer/Counter Control Registers (TCCRnA/B/C) are 8-bit registers and have no
CPU access restrictions. Interrupt requests (shorten as Int.Req.) signals are all visible in the
Timer Interrupt Flag Register (TIFR) and Extended Timer Interrupt Flag Register (ETIFR). All
interrupts are individually masked with the Timer Interrupt Mask Register (TIMSK) and Extended
Timer Interrupt Mask Register (ETIMSK). (E)TIFR and (E)TIMSK are not shown in the figure
since these registers are shared by other timer units.
The Timer/Counter can be clocked internally, via the prescaler, or by an external clock source on
the Tn pin. The Clock Select logic block controls which clock source and edge the Timer/Counter
uses to increment (or decrement) its value. The Timer/Counter is inactive when no clock source
is selected. The output from the clock select logic is referred to as the timer clock (clkTn).
The double buffered Output Compare Registers (OCRnA/B/C) are compared with the
Timer/Counter value at all time. The result of the compare can be used by the waveform gener-
ator to generate a PWM or variable frequency output on the Output Compare Pin (OCnA/B/C).
ICFx (Int.Req.)
TOVx
(Int.Req.)
Clock Select
Timer/Counter
DATABUS
OCRxA
OCRxB
OCRxC
ICRx
=
=
=
TCNTx
Waveform
Generation
Waveform
Generation
Waveform
Generation
OCxA
OCxB
OCxC
Noise
Canceler
ICPx
=
Fixed
TOP
Values
Edge
Detector
Control Logic
=
0
TOP BOTTOM
Count
Clear
Direction
OCFxA
(Int.Req.)
OCFxB
(Int.Req.)
OCFxC
(Int.Req.)
TCCRxA TCCRxB TCCRxC
( From Analog
Comparator Ouput )
Tx
Edge
Detector
( From Prescaler )
TCLK

113
2467X–AVR–06/11
ATmega128
See “Output Compare Units” on page 120.. The compare match event will also set the compare
match flag (OCFnA/B/C) which can be used to generate an output compare interrupt request.
The Input Capture Register can capture the Timer/Counter value at a given external (edge trig-
gered) event on either the Input Capture Pin (ICPn) or on the Analog Comparator pins (See
“Analog Comparator” on page 227.) The Input Capture unit includes a digital filtering unit (Noise
Canceler) for reducing the chance of capturing noise spikes.
The TOP value, or maximum Timer/Counter value, can in some modes of operation be defined
by either the OCRnA Register, the ICRn Register, or by a set of fixed values. When using
OCRnA as TOP value in a PWM mode, the OCRnA Register can not be used for generating a
PWM output. However, the TOP value will in this case be double buffered allowing the TOP
value to be changed in run time. If a fixed TOP value is required, the ICRn Register can be used
as an alternative, freeing the OCRnA to be used as PWM output.
Definitions The following definitions are used extensively throughout the document:
Compatibility The 16-bit Timer/Counter has been updated and improved from previous versions of the 16-bit
AVR Timer/Counter. This 16-bit Timer/Counter is fully compatible with the earlier version
regarding:
• All 16-bit Timer/Counter related I/O register address locations, including timer interrupt
registers.
• Bit locations inside all 16-bit Timer/Counter Registers, including Timer Interrupt Registers.
• Interrupt vectors.
The following control bits have changed name, but have same functionality and register location:
•PWMn0 is changed to WGMn0.
•PWMn1 is changed to WGMn1.
• CTCn is changed to WGMn2.
The following registers are added to the 16-bit Timer/Counter:
• Timer/Counter Control Register C (TCCRnC).
• Output Compare Register C, OCRnCH and OCRnCL, combined OCRnC.
The following bits are added to the 16-bit Timer/Counter Control Registers:
• COM1C1:0 are added to TCCR1A.
• FOCnA, FOCnB, and FOCnC are added in the new TCCRnC Register.
•WGMn3 is added to TCCRnB.
Interrupt flag and mask bits for output compare unit C are added.
The 16-bit Timer/Counter has improvements that will affect the compatibility in some special
cases.
Table 57. Definitions
BOTTOM The counter reaches the BOTTOM when it becomes 0x0000.
MAX The counter reaches its MAXimum when it becomes 0xFFFF (decimal 65535).
TOP The counter reaches the TOP when it becomes equal to the highest value in the
count sequence. The TOP value can be assigned to be one of the fixed values:
0x00FF, 0x01FF, or 0x03FF, or to the value stored in the OCRnA or ICRn
Register. The assignment is dependent of the mode of operation.

114
2467X–AVR–06/11
ATmega128
Accessing 16-bit
Registers
The TCNTn, OCRnA/B/C, and ICRn are 16-bit registers that can be accessed by the AVR CPU
via the 8-bit data bus. The 16-bit register must be byte accessed using two read or write opera-
tions. Each 16-bit timer has a single 8-bit register for temporary storing of the high byte of the 16-
bit access. The same Temporary Register is shared between all 16-bit registers within each 16-
bit timer. Accessing the low byte triggers the 16-bit read or write operation. When the low byte of
a 16-bit register is written by the CPU, the high byte stored in the Temporary Register, and the
low byte written are both copied into the 16-bit register in the same clock cycle. When the low
byte of a 16-bit register is read by the CPU, the high byte of the 16-bit register is copied into the
Temporary Register in the same clock cycle as the low byte is read.
Not all 16-bit accesses uses the Temporary Register for the high byte. Reading the OCRnA/B/C
16-bit registers does not involve using the Temporary Register.
To do a 16-bit write, the high byte must be written before the low byte. For a 16-bit read, the low
byte must be read before the high byte.
The following code examples show how to access the 16-bit timer registers assuming that no
interrupts updates the temporary register. The same principle can be used directly for accessing
the OCRnA/B/C and ICRn Registers. Note that when using “C”, the compiler handles the 16-bit
access.
Note: 1. See “About Code Examples” on page 8.
The assembly code example returns the TCNTn value in the r17:r16 register pair.
It is important to notice that accessing 16-bit registers are atomic operations. If an interrupt
occurs between the two instructions accessing the 16-bit register, and the interrupt code
updates the temporary register by accessing the same or any other of the 16-bit Timer Regis-
ters, then the result of the access outside the interrupt will be corrupted. Therefore, when both
the main code and the interrupt code update the temporary register, the main code must disable
the interrupts during the 16-bit access.
Assembly Code Examples(1)
...
; Set TCNTn to 0x01FF
ldi r17,0x01
ldi r16,0xFF
out TCNTnH,r17
out TCNTnL,r16
; Read TCNTn into r17:r16
in r16,TCNTnL
in r17,TCNTnH
...
C Code Examples(1)
unsigned int i;
...
/* Set TCNTn to 0x01FF */
TCNTn = 0x1FF;
/* Read TCNTn into i */
i = TCNTn;
...

115
2467X–AVR–06/11
ATmega128
The following code examples show how to do an atomic read of the TCNTn Register contents.
Reading any of the OCRnA/B/C or ICRn Registers can be done by using the same principle.
Note: 1. See “About Code Examples” on page 8.
The assembly code example returns the TCNTn value in the r17:r16 register pair.
Assembly Code Example(1)
TIM16_ReadTCNTn:
; Save global interrupt flag
in r18,SREG
; Disable interrupts
cli
; Read TCNTn into r17:r16
in r16,TCNTnL
in r17,TCNTnH
; Restore global interrupt flag
out SREG,r18
ret
C Code Example(1)
unsigned int TIM16_ReadTCNTn( void )
{
unsigned char sreg;
unsigned int i;
/* Save global interrupt flag */
sreg = SREG;
/* Disable interrupts */
__disable_interrupt();
/* Read TCNTn into i */
i = TCNTn;
/* Restore global interrupt flag */
SREG = sreg;
return i;
}

116
2467X–AVR–06/11
ATmega128
The following code examples show how to do an atomic write of the TCNTn Register contents.
Writing any of the OCRnA/B/C or ICRn Registers can be done by using the same principle.
Note: 1. See “About Code Examples” on page 8.
The assembly code example requires that the r17:r16 register pair contains the value to be
written to TCNTn.
Reusing the
Temporary High Byte
Register
If writing to more than one 16-bit register where the high byte is the same for all registers written,
then the high byte only needs to be written once. However, note that the same rule of atomic
operation described previously also applies in this case.
Assembly Code Example(1)
TIM16_WriteTCNTn:
; Save global interrupt flag
in r18,SREG
; Disable interrupts
cli
; Set TCNTn to r17:r16
out TCNTnH,r17
out TCNTnL,r16
; Restore global interrupt flag
out SREG,r18
ret
C Code Example(1)
void TIM16_WriteTCNTn( unsigned int i )
{
unsigned char sreg;
unsigned int i;
/* Save global interrupt flag */
sreg = SREG;
/* Disable interrupts */
__disable_interrupt();
/* Set TCNTn to i */
TCNTn = i;
/* Restore global interrupt flag */
SREG = sreg;
}

117
2467X–AVR–06/11
ATmega128
Timer/Counter
Clock Sources
The Timer/Counter can be clocked by an internal or an external clock source. The clock source
is selected by the clock select logic which is controlled by the Clock Select (CSn2:0) bits located
in the Timer/Counter Control Register B (TCCRnB). For details on clock sources and prescaler,
see “Timer/Counter3, Timer/Counter2, and Timer/Counter1 Prescalers” on page 143.
Counter Unit The main part of the 16-bit Timer/Counter is the programmable 16-bit bi-directional counter unit.
Figure 47 shows a block diagram of the counter and its surroundings.
Figure 47. Counter Unit Block Diagram
Signal description (internal signals):
Count Increment or decrement TCNTn by 1.
Direction Select between increment and decrement.
Clear Clear TCNTn (set all bits to zero).
clkTnTimer/Counter clock.
TOP Signalize that TCNTn has reached maximum value.
BOTTOM Signalize that TCNTn has reached minimum value (zero).
The 16-bit counter is mapped into two 8-bit I/O memory locations: Counter High (TCNTnH) con-
taining the upper 8-bits of the counter, and Counter Low (TCNTnL) containing the lower 8-bits.
The TCNTnH Register can only be indirectly accessed by the CPU. When the CPU does an
access to the TCNTnH I/O location, the CPU accesses the high byte Temporary Register
(TEMP). The Temporary Register is updated with the TCNTnH value when the TCNTnL is read,
and TCNTnH is updated with the Temporary Register value when TCNTnL is written. This
allows the CPU to read or write the entire 16-bit counter value within one clock cycle via the 8-bit
data bus. It is important to notice that there are special cases of writing to the TCNTn Register
when the counter is counting that will give unpredictable results. The special cases are
described in the sections where they are of importance.
Depending on the mode of operation used, the counter is cleared, incremented, or decremented
at each Timer Clock (clkTn). The clkTn can be generated from an external or internal clock
source, selected by the Clock Select bits (CSn2:0). When no clock source is selected (CSn2:0 =
0) the timer is stopped. However, the TCNTn value can be accessed by the CPU, independent
of whether clkTn is present or not. A CPU write overrides (has priority over) all counter clear or
count operations.
The counting sequence is determined by the setting of the Waveform Generation mode bits
(WGMn3:0) located in the Timer/Counter Control Registers A and B (TCCRnA and TCCRnB).
There are close connections between how the counter behaves (counts) and how waveforms
TEMP (8-bit)
DATA BUS
(8-bit)
TCNTn (16-bit Counter)
TCNTnH (8-bit) TCNTnL (8-bit) Control Logic
Count
Clear
Direction
TOVn
(Int.Req.)
Clock Select
TOP BOTTOM
Tn
Edge
Detector
( From Prescaler )
clk
Tn

118
2467X–AVR–06/11
ATmega128
are generated on the output compare outputs OCnx. For more details about advanced counting
sequences and waveform generation, see “Modes of Operation” on page 123.
The Timer/Counter Overflow (TOVn) flag is set according to the mode of operation selected by
the WGMn3:0 bits. TOVn can be used for generating a CPU interrupt.
Input Capture Unit The Timer/Counter incorporates an Input Capture unit that can capture external events and give
them a time-stamp indicating time of occurrence. The external signal indicating an event, or mul-
tiple events, can be applied via the ICPn pin or alternatively, for the Timer/Counter1 only, via the
Analog Comparator unit. The time-stamps can then be used to calculate frequency, duty-cycle,
and other features of the signal applied. Alternatively the time-stamps can be used for creating a
log of the events.
The Input Capture unit is illustrated by the block diagram shown in Figure 48. The elements of
the block diagram that are not directly a part of the Input Capture unit are gray shaded. The
small “n” in register and bit names indicates the Timer/Counter number.
Figure 48. Input Capture Unit Block Diagram
Note: The Analog Comparator Output (ACO) can only trigger the Timer/Counter1 ICP – not
Timer/Counter3.
When a change of the logic level (an event) occurs on the Input Capture Pin (ICPn), alternatively
on the analog Comparator output (ACO), and this change confirms to the setting of the edge
detector, a capture will be triggered. When a capture is triggered, the 16-bit value of the counter
(TCNTn) is written to the Input Capture Register (ICRn). The Input Capture Flag (ICFn) is set at
the same system clock as the TCNTn value is copied into ICRn Register. If enabled (TICIEn =
1), the Input Capture flag generates an Input Capture interrupt. The ICFn flag is automatically
cleared when the interrupt is executed. Alternatively the ICFn flag can be cleared by software by
writing a logical one to its I/O bit location.
Reading the 16-bit value in the Input Capture Register (ICRn) is done by first reading the low
byte (ICRnL) and then the high byte (ICRnH). When the low byte is read the high byte is copied
ICFn (Int.Req.)
Analog
Comparator
WRITE ICRn (16-bit Register)
ICRnH (8-bit)
Noise
Canceler
ICPn
Edge
Detector
TEMP (8-bit)
DATA BUS (8-bit)
ICRnL (8-bit)
TCNTn (16-bit Counter)
TCNTnH (8-bit) TCNTnL (8-bit)
ACIC* ICNC ICES
ACO*

119
2467X–AVR–06/11
ATmega128
into the high byte Temporary Register (TEMP). When the CPU reads the ICRnH I/O location it
will access the TEMP Register.
The ICRn Register can only be written when using a Waveform Generation mode that utilizes
the ICRn Register for defining the counter’s TOP value. In these cases the Waveform Genera-
tion mode (WGMn3:0) bits must be set before the TOP value can be written to the ICRn
Register. When writing the ICRn Register the high byte must be written to the ICRnH I/O location
before the low byte is written to ICRnL.
For more information on how to access the 16-bit registers refer to “Accessing 16-bit Registers”
on page 114.
Input Capture Pin
Source
The main trigger source for the Input Capture unit is the Input Capture Pin (ICPn).
Timer/Counter1 can alternatively use the analog comparator output as trigger source for the
Input Capture unit. The Analog Comparator is selected as trigger source by setting the analog
Comparator Input Capture (ACIC) bit in the Analog Comparator Control and Status Register
(ACSR). Be aware that changing trigger source can trigger a capture. The Input Capture flag
must therefore be cleared after the change.
Both the Input Capture Pin (ICPn) and the Analog Comparator output (ACO) inputs are sampled
using the same technique as for the Tn pin (Figure 59 on page 143). The edge detector is also
identical. However, when the noise canceler is enabled, additional logic is inserted before the
edge detector, which increases the delay by four system clock cycles. Note that the input of the
noise canceler and edge detector is always enabled unless the Timer/Counter is set in a Wave-
form Generation mode that uses ICRn to define TOP.
An Input Capture can be triggered by software by controlling the port of the ICPn pin.
Noise Canceler The noise canceler improves noise immunity by using a simple digital filtering scheme. The
noise canceler input is monitored over four samples, and all four must be equal for changing the
output that in turn is used by the edge detector.
The noise canceler is enabled by setting the Input Capture Noise Canceler (ICNCn) bit in
Timer/Counter Control Register B (TCCRnB). When enabled the noise canceler introduces addi-
tional four system clock cycles of delay from a change applied to the input, to the update of the
ICRn Register. The noise canceler uses the system clock and is therefore not affected by the
prescaler.
Using the Input
Capture Unit
The main challenge when using the Input Capture unit is to assign enough processor capacity
for handling the incoming events. The time between two events is critical. If the processor has
not read the captured value in the ICRn Register before the next event occurs, the ICRn will be
overwritten with a new value. In this case the result of the capture will be incorrect.
When using the Input Capture interrupt, the ICRn Register should be read as early in the inter-
rupt handler routine as possible. Even though the Input Capture interrupt has relatively high
priority, the maximum interrupt response time is dependent on the maximum number of clock
cycles it takes to handle any of the other interrupt requests.
Using the Input Capture unit in any mode of operation when the TOP value (resolution) is
actively changed during operation, is not recommended.
Measurement of an external signal’s duty cycle requires that the trigger edge is changed after
each capture. Changing the edge sensing must be done as early as possible after the ICRn
Register has been read. After a change of the edge, the Input Capture flag (ICFn) must be
cleared by software (writing a logical one to the I/O bit location). For measuring frequency only,
the clearing of the ICFn flag is not required (if an interrupt handler is used).

120
2467X–AVR–06/11
ATmega128
Output Compare
Units
The 16-bit comparator continuously compares TCNTn with the Output Compare Register
(OCRnx). If TCNT equals OCRnx the comparator signals a match. A match will set the Output
Compare Flag (OCFnx) at the next timer clock cycle. If enabled (OCIEnx = 1), the output com-
pare flag generates an output compare interrupt. The OCFnx flag is automatically cleared when
the interrupt is executed. Alternatively the OCFnx flag can be cleared by software by writing a
logical one to its I/O bit location. The Waveform Generator uses the match signal to generate an
output according to operating mode set by the Waveform Generation mode (WGMn3:0) bits and
Compare Output mode (COMnx1:0) bits. The TOP and BOTTOM signals are used by the wave-
form generator for handling the special cases of the extreme values in some modes of operation
(See “Modes of Operation” on page 123.)
A special feature of output compare unit A allows it to define the Timer/Counter TOP value (i.e.,
counter resolution). In addition to the counter resolution, the TOP value defines the period time
for waveforms generated by the waveform generator.
Figure 49 shows a block diagram of the output compare unit. The small “n” in the register and bit
names indicates the device number (n = n for Timer/Counter n), and the “x” indicates output
compare unit (A/B/C). The elements of the block diagram that are not directly a part of the output
compare unit are gray shaded.
Figure 49. Output Compare Unit, Block Diagram
The OCRnx Register is double buffered when using any of the twelve Pulse Width Modulation
(PWM) modes. For the normal and Clear Timer on Compare (CTC) modes of operation, the dou-
ble buffering is disabled. The double buffering synchronizes the update of the OCRnx Compare
Register to either TOP or BOTTOM of the counting sequence. The synchronization prevents the
occurrence of odd-length, non-symmetrical PWM pulses, thereby making the output glitch-free.
OCFnx (Int.Req.)
=
(16-bit Comparator )
OCRnx Buffer (16-bit Register)
OCRnxH Buf. (8-bit)
OCnx
TEMP (8-bit)
DATA BU S
(8-bit)
OCRnxL Buf. (8-bit)
TCNTn (16-bit Counter)
TCNTnH (8-bit) TCNTnL (8-bit)
COMnx1:0WGMn3:0
OCRnx (16-bit Register)
OCRnxH (8-bit) OCRnxL (8-bit)
Waveform Generator
TOP
BOTTOM

121
2467X–AVR–06/11
ATmega128
The OCRnx Register access may seem complex, but this is not case. When the double buffering
is enabled, the CPU has access to the OCRnx buffer register, and if double buffering is disabled
the CPU will access the OCRnx directly. The content of the OCR1x (buffer or compare) register
is only changed by a write operation (the Timer/Counter does not update this register automati-
cally as the TCNTn- and ICRn Register). Therefore OCRnx is not read via the high byte
Temporary Register (TEMP). However, it is a good practice to read the low byte first as when
accessing other 16-bit registers. Writing the OCRnx registers must be done via the TEMP Regis-
ter since the compare of all 16 bits is done continuously. The high byte (OCRnxH) has to be
written first. When the high byte I/O location is written by the CPU, the TEMP Register will be
updated by the value written. Then when the low byte (OCRnxL) is written to the lower 8 bits, the
high byte will be copied into the upper 8 bits of either the OCRnx buffer or OCRnx Compare
Register in the same system clock cycle.
For more information of how to access the 16-bit registers refer to “Accessing 16-bit Registers”
on page 114.
Force Output
Compare
In non-PWM Waveform Generation modes, the match output of the comparator can be forced by
writing a one to the Force Output Compare (FOCnx) bit. Forcing compare match will not set the
OCFnx flag or reload/clear the timer, but the OCnx pin will be updated as if a real compare
match had occurred (the COMnx1:0 bits settings define whether the OCnx pin is set, cleared or
toggled).
Compare Match
Blocking by TCNTn
Write
All CPU writes to the TCNTn Register will block any compare match that occurs in the next timer
clock cycle, even when the timer is stopped. This feature allows OCRnx to be initialized to the
same value as TCNTn without triggering an interrupt when the Timer/Counter clock is enabled.
Using the Output
Compare Unit
Since writing TCNTn in any mode of operation will block all compare matches for one timer clock
cycle, there are risks involved when changing TCNTn when using any of the output compare
channels, independent of whether the Timer/Counter is running or not. If the value written to
TCNTn equals the OCRnx value, the compare match will be missed, resulting in incorrect wave-
form generation. Do not write the TCNTn equal to TOP in PWM modes with variable TOP
values. The compare match for the TOP will be ignored and the counter will continue to 0xFFFF.
Similarly, do not write the TCNTn value equal to BOTTOM when the counter is downcounting.
The setup of the OCnx should be performed before setting the Data Direction Register for the
port pin to output. The easiest way of setting the OCnx value is to use the force output compare
(FOCnx) strobe bits in normal mode. The OCnx Register keeps its value even when changing
between waveform generation modes.
Be aware that the COMnx1:0 bits are not double buffered together with the compare value.
Changing the COMnx1:0 bits will take effect immediately.

122
2467X–AVR–06/11
ATmega128
Compare Match
Output Unit
The Compare Output mode (COMnx1:0) bits have two functions. The waveform generator uses
the COMnx1:0 bits for defining the output compare (OCnx) state at the next compare match.
Secondly the COMnx1:0 bits control the OCnx pin output source. Figure 50 shows a simplified
schematic of the logic affected by the COMnx1:0 bit setting. The I/O registers, I/O bits, and I/O
pins in the figure are shown in bold. Only the parts of the general I/O port control registers (DDR
and PORT) that are affected by the COMnx1:0 bits are shown. When referring to the OCnx
state, the reference is for the internal OCnx Register, not the OCnx pin. If a system Reset occur,
the OCnx Register is reset to “0”.
Figure 50. Compare Match Output Unit, Schematic
The general I/O port function is overridden by the output compare (OCnx) from the Waveform
Generator if either of the COMnx1:0 bits are set. However, the OCnx pin direction (input or out-
put) is still controlled by the Data Direction Register (DDR) for the port pin. The data direction
register bit for the OCnx pin (DDR_OCnx) must be set as output before the OCnx value is visible
on the pin. The port override function is generally independent of the waveform generation
mode, but there are some exceptions. Refer to Table 58, Table 59 and Table 60 for details.
The design of the output compare pin logic allows initialization of the OCnx state before the out-
put is enabled. Note that some COMnx1:0 bit settings are reserved for certain modes of
operation. See “16-bit Timer/Counter Register Description” on page 132.
The COMnx1:0 bits have no effect on the Input Capture unit.
Compare Output Mode
and Waveform
Generation
The waveform generator uses the COMnx1:0 bits differently in normal, CTC, and PWM modes.
For all modes, setting the COMnx1:0 = 0 tells the waveform generator that no action on the
OCnx Register is to be performed on the next compare match. For compare output actions in the
non-PWM modes refer to Table 58 on page 132. For fast PWM mode refer to Table 59 on page
133, and for phase correct and phase and frequency correct PWM refer to Table 60 on page
133.
A change of the COMnx1:0 bits state will have effect at the first compare match after the bits are
written. For non-PWM modes, the action can be forced to have immediate effect by using the
FOCnx strobe bits.
PORT
DDR
DQ
DQ
OCnx
Pin
OCnx
DQ
Waveform
Generator
COMnx1
COMnx0
0
1
DATA B U S
FOCnx
clk
I/O

123
2467X–AVR–06/11
ATmega128
Modes of
Operation
The mode of operation, i.e., the behavior of the Timer/Counter and the output compare pins, is
defined by the combination of the Waveform Generation mode (WGMn3:0) and Compare Output
mode (COMnx1:0) bits. The Compare Output mode bits do not affect the counting sequence,
while the waveform generation mode bits do. The COMnx1:0 bits control whether the PWM
output generated should be inverted or not (inverted or non-inverted PWM). For non-PWM
modes the COMnx1:0 bits control whether the output should be set, cleared or toggle at a
compare match (See “Compare Match Output Unit” on page 122.)
For detailed timing information refer to “Timer/Counter Timing Diagrams” on page 130.
Normal Mode The simplest mode of operation is the normal mode (WGMn3:0 = 0). In this mode the counting
direction is always up (incrementing), and no counter clear is performed. The counter simply
overruns when it passes its maximum 16-bit value (MAX = 0xFFFF) and then restarts from the
BOTTOM (0x0000). In normal operation the Timer/Counter Overflow Flag (TOVn) will be set in
the same timer clock cycle as the TCNTn becomes zero. The TOVn flag in this case behaves
like a 17th bit, except that it is only set, not cleared. However, combined with the timer overflow
interrupt that automatically clears the TOVn flag, the timer resolution can be increased by soft-
ware. There are no special cases to consider in the normal mode, a new counter value can be
written anytime.
The Input Capture unit is easy to use in normal mode. However, observe that the maximum
interval between the external events must not exceed the resolution of the counter. If the interval
between events are too long, the timer overflow interrupt or the prescaler must be used to
extend the resolution for the capture unit.
The output compare units can be used to generate interrupts at some given time. Using the out-
put compare to generate waveforms in normal mode is not recommended, since this will occupy
too much of the CPU time.
Clear Timer on
Compare Match (CTC)
Mode
In Clear Timer on Compare or CTC mode (WGMn3:0 = 4 or 12), the OCRnA or ICRn Register
are used to manipulate the counter resolution. In CTC mode the counter is cleared to zero when
the counter value (TCNTn) matches either the OCRnA (WGMn3:0 = 4) or the ICRn
(WGMn3:0 = 12). The OCRnA or ICRn define the top value for the counter, hence also its reso-
lution. This mode allows greater control of the compare match output frequency. It also simplifies
the operation of counting external events.
The timing diagram for the CTC mode is shown in Figure 51. The counter value (TCNTn)
increases until a compare match occurs with either OCRnA or ICRn, and then counter (TCNTn)
is cleared.
Figure 51. CTC Mode, Timing Diagram
TCNTn
OCnA
(Toggle)
OCnA Interrupt Flag Set
or ICFn Interrupt Flag Set
(Interrupt on TOP)
1 4
Period
2 3
(COMnA1:0 = 1)

124
2467X–AVR–06/11
ATmega128
An interrupt can be generated at each time the counter value reaches the TOP value by either
using the OCFnA or ICFn flag according to the register used to define the TOP value. If the inter-
rupt is enabled, the interrupt handler routine can be used for updating the TOP value. However,
changing the TOP to a value close to BOTTOM when the counter is running with none or a low
prescaler value must be done with care since the CTC mode does not have the double buffering
feature. If the new value written to OCRnA or ICRn is lower than the current value of TCNTn, the
counter will miss the compare match. The counter will then have to count to its maximum value
(0xFFFF) and wrap around starting at 0x0000 before the compare match can occur. In many
cases this feature is not desirable. An alternative will then be to use the fast PWM mode using
OCRnA for defining TOP (WGMn3:0 = 15) since the OCRnA then will be double buffered.
For generating a waveform output in CTC mode, the OCnA output can be set to toggle its logical
level on each compare match by setting the compare output mode bits to toggle mode
(COMnA1:0 = 1). The OCnA value will not be visible on the port pin unless the data direction for
the pin is set to output (DDR_OCnA = 1). The waveform generated will have a maximum fre-
quency of fOCnA = fclk_I/O/2 when OCRnA is set to zero (0x0000). The waveform frequency is
defined by the following equation:
The N variable represents the prescaler factor (1, 8, 64, 256, or 1024).
As for the normal mode of operation, the TOVn flag is set in the same timer clock cycle that the
counter counts from MAX to 0x0000.
Fast PWM Mode The fast Pulse Width Modulation or fast PWM mode (WGMn3:0 = 5,6,7,14, or 15) provides a
high frequency PWM waveform generation option. The fast PWM differs from the other PWM
options by its single-slope operation. The counter counts from BOTTOM to TOP then restarts
from BOTTOM. In non-inverting Compare Output mode, the output compare (OCnx) is cleared
on the compare match between TCNTn and OCRnx, and setat BOTTOM. In inverting compare
output mode output is set on compare match and cleared at BOTTOM. Due to the single-slope
operation, the operating frequency of the fast PWM mode can be twice as high as the phase cor-
rect and phase and frequency correct PWM modes that use dual-slope operation. This high
frequency makes the fast PWM mode well suited for power regulation, rectification, and DAC
applications. High frequency allows physically small sized external components (coils, capaci-
tors), hence reduces total system cost.
The PWM resolution for fast PWM can be fixed to 8-bit, 9-bit, or 10-bit, or defined by either ICRn
or OCRnA. The minimum resolution allowed is 2-bit (ICRn or OCRnA set to 0x0003), and the
maximum resolution is 16-bit (ICRn or OCRnA set to MAX). The PWM resolution in bits can be
calculated by using the following equation:
In fast PWM mode the counter is incremented until the counter value matches either one of the
fixed values 0x00FF, 0x01FF, or 0x03FF (WGMn3:0 = 5, 6, or 7), the value in ICRn
(WGMn3:0 = 14), or the value in OCRnA (WGMn3:0 = 15). The counter is then cleared at the
following timer clock cycle. The timing diagram for the fast PWM mode is shown in Figure 52.
The figure shows fast PWM mode when OCRnA or ICRn is used to define TOP. The TCNTn
value is in the timing diagram shown as a histogram for illustrating the single-slope operation.
The diagram includes non-inverted and inverted PWM outputs. The small horizontal line marks
on the TCNTn slopes represent compare matches between OCRnx and TCNTn. The OCnx
interrupt flag will be set when a compare match occurs.
fOCnA
fclk_I/O
2N1OCRnA+()⋅⋅
---------------------------------------------------=
RFPWM
TOP 1+()log
2()log
-----------------------------------=

125
2467X–AVR–06/11
ATmega128
Figure 52. Fast PWM Mode, Timing Diagram
The Timer/Counter Overflow Flag (TOVn) is set each time the counter reaches TOP. In addition
the OCnA or ICFn flag is set at the same timer clock cycle as TOVn is set when either OCRnA or
ICRn is used for defining the TOP value. If one of the interrupts are enabled, the interrupt han-
dler routine can be used for updating the TOP and compare values.
When changing the TOP value the program must ensure that the new TOP value is higher or
equal to the value of all of the compare registers. If the TOP value is lower than any of the com-
pare registers, a compare match will never occur between the TCNTn and the OCRnx. Note that
when using fixed TOP values the unused bits are masked to zero when any of the OCRnx Reg-
isters are written.
The procedure for updating ICRn differs from updating OCRnA when used for defining the TOP
value. The ICRn Register is not double buffered. This means that if ICRn is changed to a low
value when the counter is running with none or a low prescaler value, there is a risk that the new
ICRn value written is lower than the current value of TCNTn. The result will then be that the
counter will miss the compare match at the TOP value. The counter will then have to count to the
MAX value (0xFFFF) and wrap around starting at 0x0000 before the compare match can occur.
The OCRnA Register however, is double buffered. This feature allows the OCRnA I/O location
to be written anytime. When the OCRnA I/O location is written the value written will be put into
the OCRnA buffer Register. The OCRnA Compare Register will then be updated with the value
in the buffer register at the next timer clock cycle the TCNTn matches TOP. The update is done
at the same timer clock cycle as the TCNTn is cleared and the TOVn flag is set.
Using the ICRn Register for defining TOP works well when using fixed TOP values. By using
ICRn, the OCRnA Register is free to be used for generating a PWM output on OCnA. However,
if the base PWM frequency is actively changed (by changing the TOP value), using the OCRnA
as TOP is clearly a better choice due to its double buffer feature.
In fast PWM mode, the compare units allow generation of PWM waveforms on the OCnx pins.
Setting the COMnx1:0 bits to 2 will produce a non-inverted PWM and an inverted PWM output
can be generated by setting the COMnx1:0 to 3 (See Table 59 on page 133). The actual OCnx
value will only be visible on the port pin if the data direction for the port pin is set as output
(DDR_OCnx). The PWM waveform is generated by setting (or clearing) the OCnx Register at
the compare match between OCRnx and TCNTn, and clearing (or setting) the OCnx Register at
the timer clock cycle the counter is cleared (changes from TOP to BOTTOM).
TCNTn
OCRnx / TOP Update
and TOVn Interrupt Flag
Set and OCnA Interrupt
Flag Set or ICFn
Interrupt Flag Set
(Interrupt on TOP)
1 7
Period
2 3 4 5 6 8
OCnx
OCnx
(COMnx1:0 = 2)
(COMnx1:0 = 3)

126
2467X–AVR–06/11
ATmega128
The PWM frequency for the output can be calculated by the following equation:
The N variable represents the prescaler divider (1, 8, 64, 256, or 1024).
The extreme values for the OCRnx Register represents special cases when generating a PWM
waveform output in the fast PWM mode. If the OCRnx is set equal to BOTTOM (0x0000) the out-
put will be a narrow spike for each TOP+1 timer clock cycle. Setting the OCRnx equal to TOP
will result in a constant high or low output (depending on the polarity of the output set by the
COMnx1:0 bits.)
A frequency (with 50% duty cycle) waveform output in fast PWM mode can be achieved by set-
ting OCnA to toggle its logical level on each compare match (COMnA1:0 = 1). This applies only
if OCRnA is used to define the TOP value (WGMn3:0 = 15). The waveform generated will have
a maximum frequency of fOCnA = fclk_I/O/2 when OCRnA is set to zero (0x0000). This feature is
similar to the OCnA toggle in CTC mode, except the double buffer feature of the output compare
unit is enabled in the fast PWM mode.
Phase Correct PWM
Mode
The phase correct Pulse Width Modulation or phase correct PWM mode (WGMn3:0 = 1, 2, 3,
10, or 11) provides a high resolution phase correct PWM waveform generation option. The
phase correct PWM mode is, like the phase and frequency correct PWM mode, based on a dual-
slope operation. The counter counts repeatedly from BOTTOM (0x0000) to TOP and then from
TOP to BOTTOM. In non-inverting compare output mode, the output compare (OCnx) is cleared
on the compare match between TCNTn and OCRnx while counting up, and set on the compare
match while downcounting. In inverting Output Compare mode, the operation is inverted. The
dual-slope operation has lower maximum operation frequency than single slope operation. How-
ever, due to the symmetric feature of the dual-slope PWM modes, these modes are preferred for
motor control applications.
The PWM resolution for the phase correct PWM mode can be fixed to 8-bit, 9-bit, or 10-bit, or
defined by either ICRn or OCRnA. The minimum resolution allowed is 2 bit (ICRn or OCRnA set
to 0x0003), and the maximum resolution is 16 bit (ICRn or OCRnA set to MAX). The PWM reso-
lution in bits can be calculated by using the following equation:
In phase correct PWM mode the counter is incremented until the counter value matches either
one of the fixed values 0x00FF, 0x01FF, or 0x03FF (WGMn3:0 = 1, 2, or 3), the value in ICRn
(WGMn3:0 = 10), or the value in OCRnA (WGMn3:0 = 11). The counter has then reached the
TOP and changes the count direction. The TCNTn value will be equal to TOP for one timer clock
cycle. The timing diagram for the phase correct PWM mode is shown on Figure 53. The figure
shows phase correct PWM mode when OCRnA or ICRn is used to define TOP. The TCNTn
value is in the timing diagram shown as a histogram for illustrating the dual-slope operation. The
diagram includes non-inverted and inverted PWM outputs. The small horizontal line marks on
the TCNTn slopes represent compare matches between OCRnx and TCNTn. The OCnx inter-
rupt flag will be set when a compare match occurs.
fOCnxPWM
fclk_I/O
N1TOP+()⋅
-----------------------------------=
RPCPWM
TOP 1+()log
2()log
-----------------------------------=

127
2467X–AVR–06/11
ATmega128
Figure 53. Phase Correct PWM Mode, Timing Diagram
The Timer/Counter Overflow Flag (TOVn) is set each time the counter reaches BOTTOM. When
either OCRnA or ICRn is used for defining the TOP value, the OCnA or ICFn flag is set accord-
ingly at the same timer clock cycle as the OCRnx Registers are updated with the double buffer
value (at TOP). The interrupt flags can be used to generate an interrupt each time the counter
reaches the TOP or BOTTOM value.
When changing the TOP value the program must ensure that the new TOP value is higher or
equal to the value of all of the compare registers. If the TOP value is lower than any of the com-
pare registers, a compare match will never occur between the TCNTn and the OCRnx. Note that
when using fixed TOP values, the unused bits are masked to zero when any of the OCRnx Reg-
isters are written. As the third period shown in Figure 53 illustrates, changing the TOP actively
while the Timer/Counter is running in the phase correct mode can result in an unsymmetrical
output. The reason for this can be found in the time of update of the OCRnx Register. Since the
OCRnx update occurs at TOP, the PWM period starts and ends at TOP. This implies that the
length of the falling slope is determined by the previous TOP value, while the length of the rising
slope is determined by the new TOP value. When these two values differ the two slopes of the
period will differ in length. The difference in length gives the unsymmetrical result on the output.
It is recommended to use the phase and frequency correct mode instead of the phase correct
mode when changing the TOP value while the Timer/Counter is running. When using a static
TOP value there are practically no differences between the two modes of operation.
In phase correct PWM mode, the compare units allow generation of PWM waveforms on the
OCnx pins. Setting the COMnx1:0 bits to 2 will produce a non-inverted PWM and an inverted
PWM output can be generated by setting the COMnx1:0 to 3 (See Table 60 on page 133). The
actual OCnx value will only be visible on the port pin if the data direction for the port pin is set as
output (DDR_OCnx). The PWM waveform is generated by setting (or clearing) the OCnx Regis-
ter at the compare match between OCRnx and TCNTn when the counter increments, and
clearing (or setting) the OCnx Register at compare match between OCRnx and TCNTn when
OCRnx / TOP Update
and
OCnA Interrupt Flag Set
or ICFn Interrupt Flag Set
(Interrupt on TOP)
1 2 3 4
TOVn Interrupt Flag Set
(Interrupt on Bottom)
TCNTn
Period
OCnx
OCnx
(COMnx1:0 = 2)
(COMnx1:0 = 3)

128
2467X–AVR–06/11
ATmega128
the counter decrements. The PWM frequency for the output when using phase correct PWM can
be calculated by the following equation:
The N variable represents the prescaler divider (1, 8, 64, 256, or 1024).
The extreme values for the OCRnx Register represents special cases when generating a PWM
waveform output in the phase correct PWM mode. If the OCRnx is set equal to BOTTOM the
output will be continuously low and if set equal to TOP the output will be continuously high for
non-inverted PWM mode. For inverted PWM the output will have the opposite logic values.
If OCnA is used to define the TOP value (WGMn3:0 = 11) and COMnA1:0 = 1, the OCnA Output
will toggle with a 50% duty cycle.
Phase and Frequency
Correct PWM Mode
The phase and frequency correct Pulse Width Modulation, or phase and frequency correct PWM
mode (WGMn3:0 = 8 or 9) provides a high resolution phase and frequency correct PWM wave-
form generation option. The phase and frequency correct PWM mode is, like the phase correct
PWM mode, based on a dual-slope operation. The counter counts repeatedly from BOTTOM
(0x0000) to TOP and then from TOP to BOTTOM. In non-inverting Compare Output mode, the
output compare (OCnx) is cleared on the compare match between TCNTn and OCRnx while
counting up, and set on the compare match while downcounting. In inverting Compare Output
mode, the operation is inverted. The dual-slope operation gives a lower maximum operation fre-
quency compared to the single-slope operation. However, due to the symmetric feature of the
dual-slope PWM modes, these modes are preferred for motor control applications.
The main difference between the phase correct, and the phase and frequency correct PWM
mode is the time the OCRnx Register is updated by the OCRnx buffer Register, (see Figure 53
and Figure 54).
The PWM resolution for the phase and frequency correct PWM mode can be defined by either
ICRn or OCRnA. The minimum resolution allowed is 2-bit (ICRn or OCRnA set to 0x0003), and
the maximum resolution is 16-bit (ICRn or OCRnA set to MAX). The PWM resolution in bits can
be calculated using the following equation:
In phase and frequency correct PWM mode the counter is incremented until the counter value
matches either the value in ICRn (WGMn3:0 = 8), or the value in OCRnA (WGMn3:0 = 9). The
counter has then reached the TOP and changes the count direction. The TCNTn value will be
equal to TOP for one timer clock cycle. The timing diagram for the phase correct and frequency
correct PWM mode is shown on Figure 54. The figure shows phase and frequency correct PWM
mode when OCRnA or ICRn is used to define TOP. The TCNTn value is in the timing diagram
shown as a histogram for illustrating the dual-slope operation. The diagram includes non-
inverted and inverted PWM outputs. The small horizontal line marks on the TCNTn slopes repre-
sent compare matches between OCRnx and TCNTn. The OCnx interrupt flag will be set when a
compare match occurs.
fOCnxPCPWM
fclk_I/O
2NTOP⋅⋅
----------------------------=
RPFCPWM
TOP 1+()log
2()log
-----------------------------------=

129
2467X–AVR–06/11
ATmega128
Figure 54. Phase and Frequency Correct PWM Mode, Timing Diagram
The Timer/Counter Overflow Flag (TOVn) is set at the same timer clock cycle as the OCRnx
Registers are updated with the double buffer value (at BOTTOM). When either OCRnA or ICRn
is used for defining the TOP value, the OCnA or ICFn flag set when TCNTn has reached TOP.
The interrupt flags can then be used to generate an interrupt each time the counter reaches the
TOP or BOTTOM value.
When changing the TOP value the program must ensure that the new TOP value is higher or
equal to the value of all of the compare registers. If the TOP value is lower than any of the com-
pare registers, a compare match will never occur between the TCNTn and the OCRnx.
As Figure 54 shows the output generated is, in contrast to the phase correct mode, symmetrical
in all periods. Since the OCRnx Registers are updated at BOTTOM, the length of the rising and
the falling slopes will always be equal. This gives symmetrical output pulses and is therefore fre-
quency correct.
Using the ICRn Register for defining TOP works well when using fixed TOP values. By using
ICRn, the OCRnA Register is free to be used for generating a PWM output on OCnA. However,
if the base PWM frequency is actively changed by changing the TOP value, using the OCRnA as
TOP is clearly a better choice due to its double buffer feature.
In phase and frequency correct PWM mode, the compare units allow generation of PWM
waveforms on the OCnx pins. Setting the COMnx1:0 bits to 2 will produce a non-inverted PWM
and an inverted PWM output can be generated by setting the COMnx1:0 to 3 (See Table 60 on
page 133). The actual OCnx value will only be visible on the port pin if the data direction for the
port pin is set as output (DDR_OCnx). The PWM waveform is generated by setting (or clearing)
the OCnx Register at the compare match between OCRnx and TCNTn when the counter
increments, and clearing (or setting) the OCnx Register at compare match between OCRnx and
TCNTn when the counter decrements. The PWM frequency for the output when using phase
and frequency correct PWM can be calculated by the following equation:
The N variable represents the prescaler divider (1, 8, 64, 256, or 1024).
OCRnx / TOP Update
and
TOVn Interrupt Flag Set
(Interrupt on Bottom)
OCnA Interrupt Flag Set
or ICFn Interrupt Flag Set
(Interrupt on TOP)
1 2 3 4
TCNTn
Period
OCnx
OCnx
(COMnx1:0 = 2)
(COMnx1:0 = 3)
fOCnxPFCPWM
fclk_I/O
2NTOP⋅⋅
----------------------------=

130
2467X–AVR–06/11
ATmega128
The extreme values for the OCRnx Register represent special cases when generating a PWM
waveform output in the phase correct PWM mode. If the OCRnx is set equal to BOTTOM the
output will be continuously low and if set equal to TOP the output will be set to high for non-
inverted PWM mode. For inverted PWM the output will have the opposite logic values.
If OCRnA is used to define the TOP value (WGMn3:0 = 9) and COMnA1:0 = 1, the OCnA Output
will toggle with a 50% duty cycle.
Timer/Counter
Timing Diagrams
The Timer/Counter is a synchronous design and the timer clock (clkTn) is therefore shown as a
clock enable signal in the following figures. The figures include information on when interrupt
flags are set, and when the OCRnx Register is updated with the OCRnx buffer value (only for
modes utilizing double buffering). Figure 55 shows a timing diagram for the setting of OCFnx.
Figure 55. Timer/Counter Timing Diagram, Setting of OCFnx, no Prescaling
Figure 56 shows the same timing data, but with the prescaler enabled.
Figure 56. Timer/Counter Timing Diagram, Setting of OCFnx, with Prescaler (fclk_I/O/8)
clk
Tn
(clkI/O/1)
OCFnx
clk
I/O
OCRnx
TCNTn
OCRnx Value
OCRnx - 1 OCRnx OCRnx + 1 OCRnx + 2
OCFnx
OCRnx
TCNTn
OCRnx Value
OCRnx - 1 OCRnx OCRnx + 1 OCRnx + 2
clk
I/O
clk
Tn
(clkI/O/8)

131
2467X–AVR–06/11
ATmega128
Figure 57 shows the count sequence close to TOP in various modes. When using phase and
frequency correct PWM mode the OCRnx Register is updated at BOTTOM. The timing diagrams
will be the same, but TOP should be replaced by BOTTOM, TOP-1 by BOTTOM+1 and so on.
The same renaming applies for modes that set the TOVn flag at BOTTOM.
Figure 57. Timer/Counter Timing Diagram, no Prescaling
Figure 58 shows the same timing data, but with the prescaler enabled.
Figure 58. Timer/Counter Timing Diagram, with Prescaler (fclk_I/O/8)
TOVn (FPWM)
and ICFn (if used
as TOP)
OCRnx
(Update at TOP)
TCNTn
(CTC and FPWM)
TCNTn
(PC and PFC PWM) TOP - 1 TOP TOP - 1 TOP - 2
Old OCRnx Value New OCRnx Value
TOP - 1 TOP BOTTOM BOTTOM + 1
clkTn
(clkI/O/1)
clkI/O
TOVn
(FPWM)
and ICFn
(if used
as TOP)
OCRnx
(Update at TOP)
TCNTn
(CTC and FPWM)
TCNTn
(PC and PFC PWM) TOP - 1 TOP TOP - 1 TOP - 2
Old OCRnx Value New OCRnx Value
TOP - 1 TOP BOTTOM BOTTOM + 1
clkI/O
clkTn
(clkI/O/8)

132
2467X–AVR–06/11
ATmega128
16-bit
Timer/Counter
Register
Description
Timer/Counter1
Control Register A –
TCCR1A
Timer/Counter3
Control Register A –
TCCR3A
•Bit 7:6 – COMnA1:0: Compare Output Mode for Channel A
•Bit 5:4 – COMnB1:0: Compare Output Mode for Channel B
•Bit 3:2 – COMnC1:0: Compare Output Mode for Channel C
The COMnA1:0, COMnB1:0, and COMnC1:0 control the output compare pins (OCnA, OCnB,
and OCnC respectively) behavior. If one or both of the COMnA1:0 bits are written to one, the
OCnA output overrides the normal port functionality of the I/O pin it is connected to. If one or
both of the COMnB1:0 bits are written to one, the OCnB output overrides the normal port func-
tionality of the I/O pin it is connected to. If one or both of the COMnC1:0 bits are written to one,
the OCnC output overrides the normal port functionality of the I/O pin it is connected to. How-
ever, note that the Data Direction Register (DDR) bit corresponding to the OCnA, OCnB or
OCnC pin must be set in order to enable the output driver.
When the OCnA, OCnB or OCnC is connected to the pin, the function of the COMnx1:0 bits is
dependent of the WGMn3:0 bits setting. Table 58 shows the COMnx1:0 bit functionality when
the WGMn3:0 bits are set to a normal or a CTC mode (non-PWM).
Bit 76543210
COM1A1 COM1A0 COM1B1 COM1B0 COM1C1 COM1C0 WGM11 WGM10 TCCR1A
Read/Write R/WR/WR/WR/WR/WR/WR/WR/W
Initial Value 0 0 0 0 0 0 0 0
Bit 76543210
COM3A1 COM3A0 COM3B1 COM3B0 COM3C1 COM3C0 WGM31 WGM30 TCCR3A
Read/Write R/WR/WR/WR/WR/WR/WR/WR/W
Initial Value 0 0 0 0 0 0 0 0
Table 58. Compare Output Mode, non-PWM
COMnA1/COMnB1/
COMnC1
COMnA0/COMnB0/
COMnC0 Description
0 0 Normal port operation, OCnA/OCnB/OCnC
disconnected.
0 1 Toggle OCnA/OCnB/OCnC on compare
match.
1 0 Clear OCnA/OCnB/OCnC on compare
match (set output to low level).
1 1 Set OCnA/OCnB/OCnC on compare match
(set output to high level).

133
2467X–AVR–06/11
ATmega128
Table 59 shows the COMnx1:0 bit functionality when the WGMn3:0 bits are set to the fast PWM
mode
Note: A special case occurs when OCRnA/OCRnB/OCRnC equals TOP and
COMnA1/COMnB1/COMnC1 is set. In this case the compare match is ignored, but the set or clear
is done at BOTTOM. See “Fast PWM Mode” on page 124. for more details.
Table 59 shows the COMnx1:0 bit functionality when the WGMn3:0 bits are set to the phase cor-
rect and frequency correct PWM mode.
Note: A special case occurs when OCRnA/OCRnB/OCRnC equals TOP and
COMnA1/COMnB1//COMnC1 is set. See “Phase Correct PWM Mode” on page 126. for more
details.
Table 59. Compare Output Mode, Fast PWM
COMnA1/COMnB1/
COMnC1
COMnA0/COMnB0/
COMnC0 Description
0 0 Normal port operation, OCnA/OCnB/OCnC
disconnected.
01WGMn3:0 = 15: Toggle OCnA on Compare
Match, OCnB/OCnC disconnected (normal
port operation).
For all other WGMn settings, normal port
operation, OCnA/OCnB/OCnC
disconnected.
1 0 Clear OCnA/OCnB/OCnC on compare
match, set OCnA/OCnB/OCnC at BOTTOM,
(non-inverting mode)
1 1 Set OCnA/OCnB/OCnC on compare match,
clear OCnA/OCnB/OCnC at BOTTOM,
(inverting mode)
Table 60. Compare Output Mode, Phase Correct and Phase and Frequency Correct PWM
COMnA1/COMnB1/
COMnC1
COMnA0/COMnB0/
COMnC0 Description
0 0 Normal port operation, OCnA/OCnB/OCnC
disconnected.
01WGMn3:0 = 9 or 11: Toggle OCnA on
Compare Match, OCnB/OCnC disconnected
(normal port operation).
For all other WGMn settings, normal port
operation, OCnA/OCnB/OCnC
disconnected.
1 0 Clear OCnA/OCnB/OCnC on compare
match when up-counting. Set
OCnA/OCnB/OCnC on compare match
when downcounting.
1 1 Set OCnA/OCnB/OCnC on compare match
when up-counting. Clear
OCnA/OCnB/OCnC on compare match
when downcounting.

134
2467X–AVR–06/11
ATmega128
• Bit 1:0 – WGMn1:0: Waveform Generation Mode
Combined with the WGMn3:2 bits found in the TCCRnB Register, these bits control the counting
sequence of the counter, the source for maximum (TOP) counter value, and what type of wave-
form generation to be used, see Table 61. Modes of operation supported by the Timer/Counter
unit are: Normal mode (counter), Clear Timer on Compare match (CTC) mode, and three types
of Pulse Width Modulation (PWM) modes. (See “Modes of Operation” on page 123.)
Note: 1. The CTCn and PWMn1:0 bit definition names are obsolete. Use the WGMn2:0 definitions. However, the functionality and
location of these bits are compatible with previous versions of the timer.
Table 61. Waveform Generation Mode Bit Description
Mode WGMn3
WGMn2
(CTCn)
WGMn1
(PWMn1)
WGMn0
(PWMn0)
Timer/Counter Mode of
Operation(1) TOP
Update of
OCRnx at
TOVn Flag
Set on
0 0 0 0 0 Normal 0xFFFF Immediate MAX
10 0 0 1PWM, Phase Correct, 8-bit 0x00FF TOP BOTTOM
20 0 1 0PWM, Phase Correct, 9-bit 0x01FF TOP BOTTOM
30 0 1 1PWM, Phase Correct, 10-bit 0x03FF TOP BOTTOM
4 0 1 0 0 CTC OCRnA Immediate MAX
50 1 0 1Fast PWM, 8-bit 0x00FF BOTTOM TOP
60 1 1 0Fast PWM, 9-bit 0x01FF BOTTOM TOP
70 1 1 1Fast PWM, 10-bit 0x03FF BOTTOM TOP
81 0 0 0PWM, Phase and Frequency
Correct ICRn BOTTOM BOTTOM
91 0 0 1PWM, Phase and Frequency
Correct OCRnA BOTTOM BOTTOM
10 1 0 1 0 PWM, Phase Correct ICRn TOP BOTTOM
11 1 0 1 1 PWM, Phase Correct OCRnA TOP BOTTOM
12 1 1 0 0 CTC ICRn Immediate MAX
13 1 1 0 1 (Reserved) – – –
14 1 1 1 0 Fast PWMICRnBOTTOMTOP
15 1 1 1 1 Fast PWMOCRnABOTTOMTOP

135
2467X–AVR–06/11
ATmega128
Timer/Counter1
Control Register B –
TCCR1B
Timer/Counter3
Control Register B –
TCCR3B
• Bit 7 – ICNCn: Input Capture Noise Canceler
Setting this bit (to one) activates the Input Capture Noise Canceler. When the Noise Canceler is
activated, the input from the Input Capture Pin (ICPn) is filtered. The filter function requires four
successive equal valued samples of the ICPn pin for changing its output. The Input Capture is
therefore delayed by four Oscillator cycles when the noise canceler is enabled.
• Bit 6 – ICESn: Input Capture Edge Select
This bit selects which edge on the Input Capture Pin (ICPn) that is used to trigger a capture
event. When the ICESn bit is written to zero, a falling (negative) edge is used as trigger, and
when the ICESn bit is written to one, a rising (positive) edge will trigger the capture.
When a capture is triggered according to the ICESn setting, the counter value is copied into the
Input Capture Register (ICRn). The event will also set the Input Capture Flag (ICFn), and this
can be used to cause an Input Capture Interrupt, if this interrupt is enabled.
When the ICRn is used as TOP value (see description of the WGMn3:0 bits located in the
TCCRnA and the TCCRnB Register), the ICPn is disconnected and consequently the Input Cap-
ture function is disabled.
• Bit 5 – Reserved Bit
This bit is reserved for future use. For ensuring compatibility with future devices, this bit must be
written to zero when TCCRnB is written.
• Bit 4:3 – WGMn3:2: Waveform Generation Mode
See TCCRnA Register description.
• Bit 2:0 – CSn2:0: Clock Select
The three clock select bits select the clock source to be used by the Timer/Counter, see Figure
55 and Figure 56.
Bit 76543210
ICNC1 ICES1 – WGM13 WGM12 CS12 CS11 CS10 TCCR1B
Read/Write R/WR/WRR/WR/WR/WR/WR/W
Initial Value 0 0 0 0 0 0 0 0
Bit 76543210
ICNC3 ICES3 – WGM33 WGM32 CS32 CS31 CS30 TCCR3B
Read/Write R/WR/WRR/WR/WR/WR/WR/W
Initial Value 0 0 0 0 0 0 0 0

136
2467X–AVR–06/11
ATmega128
If external pin modes are used for the Timer/Countern, transitions on the Tn pin will clock the
counter even if the pin is configured as an output. This feature allows software control of the
counting.
Timer/Counter1
Control Register C –
TCCR1C
Timer/Counter3
Control Register C –
TCCR3C
•Bit 7 – FOCnA: Force Output Compare for Channel A
•Bit 6 – FOCnB: Force Output Compare for Channel B
•Bit 5 – FOCnC: Force Output Compare for Channel C
The FOCnA/FOCnB/FOCnC bits are only active when the WGMn3:0 bits specifies a non-PWM
mode. When writing a logical one to the FOCnA/FOCnB/FOCnC bit, an immediate compare
match is forced on the waveform generation unit. The OCnA/OCnB/OCnC output is changed
according to its COMnx1:0 bits setting. Note that the FOCnA/FOCnB/FOCnC bits are imple-
mented as strobes. Therefore it is the value present in the COMnx1:0 bits that determine the
effect of the forced compare.
A FOCnA/FOCnB/FOCnC strobe will not generate any interrupt nor will it clear the timer in Clear
Timer on Compare Match (CTC) mode using OCRnA as TOP.
The FOCnA/FOCnB/FOCnB bits are always read as zero.
•Bit 4:0 – Reserved Bits
These bits are reserved for future use. For ensuring compatibility with future devices, these bits
must be written to zero when TCCRnC is written.
Table 62. Clock Select Bit Description
CSn2 CSn1 CSn0 Description
0 0 0 No clock source. (Timer/Counter stopped)
001clk
I/O/1 (No prescaling
010clk
I/O/8 (From prescaler)
011clk
I/O/64 (From prescaler)
100clk
I/O/256 (From prescaler)
101clk
I/O/1024 (From prescaler)
1 1 0 External clock source on Tn pin. Clock on falling edge
1 1 1 External clock source on Tn pin. Clock on rising edge
Bit 76543210
FOC1AFOC1BFOC1C–––––TCCR1C
Read/Write WWW RRRRR
Initial Value00000000
Bit 76543210
FOC3AFOC3BFOC3C–––––TCCR3C
Read/Write WWW RRRRR
Initial Value00000000

137
2467X–AVR–06/11
ATmega128
Timer/Counter1 –
TCNT1H and TCNT1L
Timer/Counter3 –
TCNT3H and TCNT3L
The two Timer/Counter I/O locations (TCNTnH and TCNTnL, combined TCNTn) give direct
access, both for read and for write operations, to the Timer/Counter unit 16-bit counter. To
ensure that both the high and low bytes are read and written simultaneously when the CPU
accesses these registers, the access is performed using an 8-bit temporary High Byte Register
(TEMP). This Temporary Register is shared by all the other 16-bit registers. See “Accessing 16-
bit Registers” on page 114.
Modifying the counter (TCNTn) while the counter is running introduces a risk of missing a com-
pare match between TCNTn and one of the OCRnx Registers.
Writing to the TCNTn Register blocks (removes) the compare match on the following timer clock
for all compare units.
Output Compare
Register 1 A –
OCR1AH and OCR1AL
Output Compare
Register 1 B –
OCR1BH and OCR1BL
Output Compare
Register 1 C –
OCR1CH and OCR1CL
Output Compare
Register 3 A –
OCR3AH and OCR3AL
Bit 76543210
TCNT1[15:8] TCNT1H
TCNT1[7:0] TCNT1L
Read/Write R/WR/WR/WR/WR/WR/WR/WR/W
Initial Value00000000
Bit 76543210
TCNT3[15:8] TCNT3H
TCNT3[7:0] TCNT3L
Read/Write R/WR/WR/WR/WR/WR/WR/WR/W
Initial Value00000000
Bit 76543210
OCR1A[15:8] OCR1AH
OCR1A[7:0] OCR1AL
Read/Write R/WR/WR/WR/WR/WR/WR/WR/W
Initial Value00000000
Bit 76543210
OCR1B[15:8] OCR1BH
OCR1B[7:0] OCR1BL
Read/Write R/WR/WR/WR/WR/WR/WR/WR/W
Initial Value00000000
Bit 76543210
OCR1C[15:8] OCR1CH
OCR1C[7:0] OCR1CL
Read/Write R/WR/WR/WR/WR/WR/WR/WR/W
Initial Value00000000
Bit 76543210
OCR3A[15:8] OCR3AH
OCR3A[7:0] OCR3AL
Read/Write R/WR/WR/WR/WR/WR/WR/WR/W
Initial Value00000000

138
2467X–AVR–06/11
ATmega128
Output Compare
Register 3 B –
OCR3BH and OCR3BL
Output Compare
Register 3 C –
OCR3CH and OCR3CL
The Output Compare Registers contain a 16-bit value that is continuously compared with the
counter value (TCNTn). A match can be used to generate an output compare interrupt, or to
generate a waveform output on the OCnx pin.
The Output Compare Registers are 16-bit in size. To ensure that both the high and low bytes are
written simultaneously when the CPU writes to these registers, the access is performed using an
8-bit temporary High Byte Register (TEMP). This Temporary Register is shared by all the other
16-bit registers. See “Accessing 16-bit Registers” on page 114.
Input Capture Register
1 – ICR1H and ICR1L
Input Capture Register
3 – ICR3H and ICR3L
The Input Capture is updated with the counter (TCNTn) value each time an event occurs on the
ICPn pin (or optionally on the Analog Comparator Output for Timer/Counter1). The Input Cap-
ture can be used for defining the counter TOP value.
The Input Capture Register is 16-bit in size. To ensure that both the high and low bytes are read
simultaneously when the CPU accesses these registers, the access is performed using an 8-bit
temporary High Byte Register (TEMP). This Temporary Register is shared by all the other 16-bit
registers. See “Accessing 16-bit Registers” on page 114.
Timer/Counter
Interrupt Mask
Register – TIMSK
Note: This register contains interrupt control bits for several Timer/Counters, but only Timer1 bits are
described in this section. The remaining bits are described in their respective timer sections.
Bit 76543210
OCR3B[15:8] OCR3BH
OCR3B[7:0] OCR3BL
Read/Write R/WR/WR/WR/WR/WR/WR/WR/W
Initial Value00000000
Bit 76543210
OCR3C[15:8] OCR3CH
OCR3C[7:0] OCR3CL
Read/Write R/WR/WR/WR/WR/WR/WR/WR/W
Initial Value00000000
Bit 76543210
ICR1[15:8] ICR1H
ICR1[7:0] ICR1L
Read/Write R/WR/WR/WR/WR/WR/WR/WR/W
Initial Value00000000
Bit 76543210
ICR3[15:8] ICR3H
ICR3[7:0] ICR3L
Read/Write R/WR/WR/WR/WR/WR/WR/WR/W
Initial Value00000000
Bit 76543210
OCIE2 TOIE2 TICIE1 OCIE1A OCIE1B TOIE1 OCIE0 TOIE0 TIMSK
Read/Write R/WR/WR/WR/WR/WR/WR/WR/W
Initial Value 0 0 0 0 0 0 0 0

139
2467X–AVR–06/11
ATmega128
• Bit 5 – TICIE1: Timer/Counter1, Input Capture Interrupt Enable
When this bit is written to one, and the I-flag in the Status Register is set (interrupts globally
enabled), the Timer/Counter1 Input Capture interrupt is enabled. The corresponding interrupt
vector (See “Interrupts” on page 59.) is executed when the ICF1 flag, located in TIFR, is set.
• Bit 4 – OCIE1A: Timer/Counter1, Output Compare A Match Interrupt Enable
When this bit is written to one, and the I-flag in the Status Register is set (interrupts globally
enabled), the Timer/Counter1 Output Compare A Match Interrupt is enabled. The corresponding
interrupt vector (See “Interrupts” on page 59) is executed when the OCF1A flag, located in TIFR,
is set.
• Bit 3 – OCIE1B: Timer/Counter1, Output Compare B Match Interrupt Enable
When this bit is written to one, and the I-flag in the Status Register is set (interrupts globally
enabled), the Timer/Counter1 Output Compare B Match Interrupt is enabled. The corresponding
interrupt vector (See “Interrupts” on page 59) is executed when the OCF1B flag, located in TIFR,
is set.
• Bit 2 – TOIE1: Timer/Counter1, Overflow Interrupt Enable
When this bit is written to one, and the I-flag in the Status Register is set (interrupts globally
enabled), the Timer/Counter1 overflow interrupt is enabled. The corresponding interrupt vector
(See “Interrupts” on page 59) is executed when the TOV1 flag, located in TIFR, is set.
Extended
Timer/Counter
Interrupt Mask
Register – ETIMSK
Note: This register is not available in ATmega103 compatibility mode.
• Bit 7:6 – Reserved Bits
These bits are reserved for future use. For ensuring compatibility with future devices, these bits
must be set to zero when ETIMSK is written.
• Bit 5 – TICIE3: Timer/Counter3, Input Capture Interrupt Enable
When this bit is written to one, and the I-flag in the Status Register is set (interrupts globally
enabled), the Timer/Counter3 Input Capture Interrupt is enabled. The corresponding interrupt
vector (See “Interrupts” on page 59) is executed when the ICF3 flag, located in ETIFR, is set.
• Bit 4 – OCIE3A: Timer/Counter3, Output Compare A Match Interrupt Enable
When this bit is written to one, and the I-flag in the Status Register is set (interrupts globally
enabled), the Timer/Counter3 Output Compare A Match Interrupt is enabled. The corresponding
interrupt vector (See “Interrupts” on page 59) is executed when the OCF3A flag, located in
ETIFR, is set.
• Bit 3 – OCIE3B: Timer/Counter3, Output Compare B Match Interrupt Enable
When this bit is written to one, and the I-flag in the Status Register is set (interrupts globally
enabled), the Timer/Counter3 Output Compare B Match Interrupt is enabled. The corresponding
interrupt vector (See “Interrupts” on page 59) is executed when the OCF3B flag, located in
ETIFR, is set.
Bit 76543210
– – TICIE3 OCIE3A OCIE3B TOIE3 OCIE3C OCIE1C ETIMSK
Read/Write R R R/WR/WR/WR/WR/WR/W
Initial Value 0 0 0 0 0 0 0 0

140
2467X–AVR–06/11
ATmega128
• Bit 2 – TOIE3: Timer/Counter3, Overflow Interrupt Enable
When this bit is written to one, and the I-flag in the Status Register is set (interrupts globally
enabled), the Timer/Counter3 Overflow Interrupt is enabled. The corresponding interrupt vector
(See “Interrupts” on page 59) is executed when the TOV3 flag, located in ETIFR, is set.
• Bit 1 – OCIE3C: Timer/Counter3, Output Compare C Match Interrupt Enable
When this bit is written to one, and the I-flag in the Status Register is set (interrupts globally
enabled), the Timer/Counter3 Output Compare C Match Interrupt is enabled. The corresponding
interrupt vector (See “Interrupts” on page 59) is executed when the OCF3C flag, located in
ETIFR, is set.
• Bit 0 – OCIE1C: Timer/Counter1, Output Compare C Match Interrupt Enable
When this bit is written to one, and the I-flag in the Status Register is set (interrupts globally
enabled), the Timer/Counter1 Output Compare C Match Interrupt is enabled. The corresponding
interrupt vector (See “Interrupts” on page 59) is executed when the OCF1C flag, located in
ETIFR, is set.
Timer/Counter
Interrupt Flag Register
– TIFR
Note: This register contains flag bits for several Timer/Counters, but only timer 1 bits are described in
this section. The remaining bits are described in their respective timer sections.
• Bit 5 – ICF1: Timer/Counter1, Input Capture Flag
This flag is set when a capture event occurs on the ICP1 pin. When the Input Capture Register
(ICR1) is set by the WGMn3:0 to be used as the TOP value, the ICF1 flag is set when the coun-
ter reaches the TOP value.
ICF1 is automatically cleared when the Input Capture Interrupt vector is executed. Alternatively,
ICF1 can be cleared by writing a logic one to its bit location.
• Bit 4 – OCF1A: Timer/Counter1, Output Compare A Match Flag
This flag is set in the timer clock cycle after the counter (TCNT1) value matches the Output
Compare Register A (OCR1A).
Note that a forced output compare (FOC1A) strobe will not set the OCF1A flag.
OCF1A is automatically cleared when the Output Compare Match A interrupt vector is executed.
Alternatively, OCF1A can be cleared by writing a logic one to its bit location.
• Bit 3 – OCF1B: Timer/Counter1, Output Compare B Match Flag
This flag is set in the timer clock cycle after the counter (TCNT1) value matches the Output
Compare Register B (OCR1B).
Note that a forced output compare (FOC1B) strobe will not set the OCF1B flag.
OCF1B is automatically cleared when the Output Compare Match B interrupt vector is executed.
Alternatively, OCF1B can be cleared by writing a logic one to its bit location.
• Bit 2 – TOV1: Timer/Counter1, Overflow Flag
The setting of this flag is dependent of the WGMn3:0 bits setting. In normal and CTC modes, the
TOV1 flag is set when the timer overflows. Refer to Table 61 on page 134 for the TOV1 flag
behavior when using another WGMn3:0 bit setting.
Bit 76543210
OCF2 TOV2 ICF1 OCF1A OCF1B TOV1 OCF0 TOV0 TIFR
Read/Write R/WR/WR/WR/WR/WR/WR/WR/W
Initial Value00000000

141
2467X–AVR–06/11
ATmega128
TOV1 is automatically cleared when the Timer/Counter1 Overflow interrupt vector is executed.
Alternatively, TOV1 can be cleared by writing a logic one to its bit location.
Extended
Timer/Counter
Interrupt Flag Register
– ETIFR
• Bit 7:6 – Reserved Bits
These bits are reserved for future use. For ensuring compatibility with future devices, these bits
must be set to zero when ETIFR is written.
• Bit 5 – ICF3: Timer/Counter3, Input Capture Flag
This flag is set when a capture event occurs on the ICP3 pin. When the Input Capture Register
(ICR3) is set by the WGM3:0 to be used as the TOP value, the ICF3 flag is set when the counter
reaches the TOP value.
ICF3 is automatically cleared when the Input Capture 3 interrupt vector is executed. Alterna-
tively, ICF3 can be cleared by writing a logic one to its bit location.
• Bit 4 – OCF3A: Timer/Counter3, Output Compare A Match Flag
This flag is set in the timer clock cycle after the counter (TCNT3) value matches the Output
Compare Register A (OCR3A).
Note that a forced output compare (FOC3A) strobe will not set the OCF3A flag.
OCF3A is automatically cleared when the Output Compare Match 3 A interrupt vector is exe-
cuted. Alternatively, OCF3A can be cleared by writing a logic one to its bit location.
• Bit 3 – OCF3B: Timer/Counter3, Output Compare B Match Flag
This flag is set in the timer clock cycle after the counter (TCNT3) value matches the Output
Compare Register B (OCR3B).
Note that a forced output compare (FOC3B) strobe will not set the OCF3B flag.
OCF3B is automatically cleared when the Output Compare Match 3 B interrupt vector is exe-
cuted. Alternatively, OCF3B can be cleared by writing a logic one to its bit location.
• Bit 2 – TOV3: Timer/Counter3, Overflow Flag
The setting of this flag is dependent of the WGM3:0 bits setting. In normal and CTC modes, the
TOV3 flag is set when the timer overflows. Refer to Table 52 on page 104 for the TOV3 flag
behavior when using another WGM3:0 bit setting.
TOV3 is automatically cleared when the Timer/Counter3 Overflow interrupt vector is executed.
Alternatively, TOV3 can be cleared by writing a logic one to its bit location.
• Bit 1 – OCF3C: Timer/Counter3, Output Compare C Match Flag
This flag is set in the timer clock cycle after the counter (TCNT3) value matches the Output
Compare Register C (OCR3C).
Note that a forced output compare (FOC3C) strobe will not set the OCF3C flag.
OCF3C is automatically cleared when the Output Compare Match 3 C interrupt vector is exe-
cuted. Alternatively, OCF3C can be cleared by writing a logic one to its bit location.
• Bit 0 – OCF1C: Timer/Counter1, Output Compare C Match Flag
This flag is set in the timer clock cycle after the counter (TCNT1) value matches the Output
Compare Register C (OCR1C).
Bit 76543210
– – ICF3 OCF3A OCF3B TOV3 OCF3C OCF1C ETIFR
Read/Write R/WR/WR/WR/WR/WR/WR/WR/W
Initial Value00000000

142
2467X–AVR–06/11
ATmega128
Note that a forced output compare (FOC1C) strobe will not set the OCF1C flag.
OCF1C is automatically cleared when the Output Compare Match 1 C interrupt vector is exe-
cuted. Alternatively, OCF1C can be cleared by writing a logic one to its bit location.

143
2467X–AVR–06/11
ATmega128
Timer/Counter3,
Timer/Counter2,
and
Timer/Counter1
Prescalers
Timer/Counter3, Timer/Counter1, and Timer/Counter2 share the same prescaler module, but
the Timer/Counters can have different prescaler settings. The description below applies to all of
the mentioned Timer/Counters.
Internal Clock Source The Timer/Counter can be clocked directly by the System Clock (by setting the CSn2:0 = 1).
This provides the fastest operation, with a maximum Timer/Counter clock frequency equal to
system clock frequency (fCLK_I/O). Alternatively, one of four taps from the prescaler can be used
as a clock source. The prescaled clock has a frequency of either fCLK_I/O/8, fCLK_I/O/64,
fCLK_I/O/256, or fCLK_I/O/1024.
Prescaler Reset The prescaler is free running, i.e., operates independently of the clock select logic of the
Timer/Counter, and it is shared by Timer/Counter1, Timer/Counter2, and Timer/Counter3. Since
the prescaler is not affected by the Timer/Counter’s clock select, the state of the prescaler will
have implications for situations where a prescaled clock is used. One example of prescaling arti-
facts occurs when the timer is enabled and clocked by the prescaler (6 > CSn2:0 > 1). The
number of system clock cycles from when the timer is enabled to the first count occurs can be
from 1 to N+1 system clock cycles, where N equals the prescaler divisor (8, 64, 256, or 1024).
It is possible to use the Prescaler Reset for synchronizing the Timer/Counter to program execu-
tion. However, care must be taken if the other Timer/Counter that shares the same prescaler
also use prescaling. A Prescaler Reset will affect the prescaler period for all Timer/Counters it is
connected to.
External Clock Source An external clock source applied to the Tn pin can be used as Timer/Counter clock
(clkT1/clkT2/clkT3). The Tn pin is sampled once every system clock cycle by the pin synchroniza-
tion logic. The synchronized (sampled) signal is then passed through the edge detector. Figure
59 shows a functional equivalent block diagram of the Tn synchronization and edge detector
logic. The registers are clocked at the positive edge of the internal system clock (clkI/O). The latch
is transparent in the high period of the internal system clock.
The edge detector generates one clkT1/clkT2/clkT3 pulse for each positive (CSn2:0 = 7) or nega-
tive (CSn2:0 = 6) edge it detects.
Figure 59. Tn Pin Sampling
The synchronization and edge detector logic introduces a delay of 2.5 to 3.5 system clock cycles
from an edge has been applied to the Tn pin to the counter is updated.
Enabling and disabling of the clock input must be done when Tn has been stable for at least one
system clock cycle, otherwise it is a risk that a false Timer/Counter clock pulse is generated.
Tn_sync
(To Clock
Select Logic)
Edge DetectorSynchronization
DQDQ
LE
DQ
Tn
clkI/O

144
2467X–AVR–06/11
ATmega128
Each half period of the external clock applied must be longer than one system clock cycle to
ensure correct sampling. The external clock must be guaranteed to have less than half the sys-
tem clock frequency (fExtClk < fclk_I/O/2) given a 50/50% duty cycle. Since the edge detector uses
sampling, the maximum frequency of an external clock it can detect is half the sampling fre-
quency (Nyquist sampling theorem). However, due to variation of the system clock frequency
and duty cycle caused by Oscillator source (crystal, resonator, and capacitors) tolerances, it is
recommended that maximum frequency of an external clock source is less than fclk_I/O/2.5.
An external clock source can not be prescaled.
Figure 60. Prescaler for Timer/Counter1, Timer/Counter2, and Timer/Counter3
Note: The synchronization logic on the input pins (T3/T2/T1) is shown in Figure 59.
Special Function IO
Register – SFIOR
• Bit 7 – TSM: Timer/Counter Synchronization Mode
Writing the TSM bit to one activates the Timer/Counter Synchronization mode. In this mode, the
value that is written to the PSR0 and PSR321 bits is kept, hence keeping the corresponding
prescaler reset signals asserted. This ensures that the corresponding Timer/Counters are halted
and can be configured to the same value without the risk of one of them advancing during con-
figuration. When the TSM bit is written to zero, the PSR0 and PSR321 bits are cleared by
hardware, and the Timer/Counters start counting simultaneously.
• Bit 0 – PSR321: Prescaler Reset Timer/Counter3, Timer/Counter2, and Timer/Counter1
When this bit is one, the Timer/Counter3, Timer/Counter1, and Timer/Counter2 prescaler will be
reset. This bit is normally cleared immediately by hardware, except if the TSM bit is set. Note
that Timer/Counter3, Timer/Counter1, and Timer/Counter2 share the same prescaler and a
reset of this prescaler will affect all three timers.
PSR321
Clear
clk
T2
TIMER/COUNTER2 CLOCK SOURCE
0
CS20
CS21
CS22
T2
clk
T1
TIMER/COUNTER1 CLOCK SOURCE
0
CS10
CS11
CS12
T1
clk
T3
TIMER/COUNTER3 CLOCK SOURCE
0
CS30
CS31
CS32
T3
10-BIT T/C PRESCALER
CK
CK/8
CK/64
CK/256
CK/1024
Bit 7 6 5 4 3 2 1 0
TSM – – – ACME PUD PSR0 PSR321 SFIOR
Read/Write R/WRRRR/WR/WR/WR/W
Initial Value 0 0 0 0 0 0 0 0

145
2467X–AVR–06/11
ATmega128
8-bit
Timer/Counter2
with PWM
Timer/Counter2 is a general purpose, single channel, 8-bit Timer/Counter module. The main
features are:
•Single Channel Counter
•Clear Timer on Compare Match (Auto Reload)
•Glitch-free, Phase Correct Pulse width Modulator (PWM)
•Frequency Generator
•External Event Counter
•10-bit Clock Prescaler
•Overflow and Compare Match Interrupt Sources (TOV2 and OCF2)
Overview A simplified block diagram of the 8-bit Timer/Counter is shown in Figure 61. For the actual place-
ment of I/O pins, refer to “Pin Configurations” on page 2. CPU accessible I/O registers, including
I/O bits and I/O pins, are shown in bold. The device-specific I/O register and bit locations are
listed in the “8-bit Timer/Counter Register Description” on page 156.
Figure 61. 8-Bit Timer/Counter Block Diagram
Registers The Timer/Counter (TCNT2) and Output Compare Register (OCR2) are 8-bit registers. Interrupt
request (abbreviated to Int.Req. in the figure) signals are all visible in the Timer Interrupt Flag
Register (TIFR). All interrupts are individually masked with the Timer Interrupt Mask Register
(TIMSK). TIFR and TIMSK are not shown in the figure since these registers are shared by other
timer units.
The Timer/Counter can be clocked internally, via the prescaler, or by an external clock source on
the T2 pin. The Clock Select logic block controls which clock source and edge the Timer/Counter
uses to increment (or decrement) its value. The Timer/Counter is inactive when no clock source
is selected. The output from the clock select logic is referred to as the timer clock (clkT2).
Timer/Counter
DATA BU S
=
TCNTn
Waveform
Generation OCn
= 0
Control Logic
= 0xFF
BOTTOM
count
clear
direction
TOVn
(Int.Req.)
OCRn
TCCRn
Clock Select
Tn
Edge
Detector
( From Prescaler )
clk
Tn
TOP
OCn
(Int.Req.)

146
2467X–AVR–06/11
ATmega128
The double buffered Output Compare Register (OCR2) is compared with the Timer/Counter
value at all times. The result of the compare can be used by the waveform generator to generate
a PWM or variable frequency output on the Output Compare Pin (OC2). See “Output Compare
Unit” on page 147. for details. The compare match event will also set the compare flag (OCF2)
which can be used to generate an output compare interrupt request.
Definitions Many register and bit references in this document are written in general form. A lower case “n”
replaces the Timer/Counter number, in this case 2. However, when using the register or bit
defines in a program, the precise form must be used (i.e., TCNT2 for accessing Timer/Counter2
counter value and so on).
The definitions in Table 63 are also used extensively throughout the document.
Timer/Counter
Clock Sources
The Timer/Counter can be clocked by an internal or an external clock source. The clock source
is selected by the clock select logic which is controlled by the clock select (CS22:0) bits located
in the Timer/Counter Control Register (TCCR2). For details on clock sources and prescaler, see
“Timer/Counter3, Timer/Counter2, and Timer/Counter1 Prescalers” on page 143.
Counter Unit The main part of the 8-bit Timer/Counter is the programmable bi-directional counter unit. Figure
62 shows a block diagram of the counter and its surroundings.
Figure 62. Counter Unit Block Diagram
Signal description (internal signals):
count Increment or decrement TCNT2 by 1.
direction Select between increment and decrement.
clear Clear TCNT2 (set all bits to zero).
clkTnTimer/Counter clock, referred to as clkT0 in the following.
top Signalize that TCNT2 has reached maximum value.
Table 63. Definitions
BOTTOM The counter reaches the BOTTOM when it becomes 0x00.
MAX The counter reaches its MAXimum when it becomes 0xFF (decimal 255).
TOP The counter reaches the TOP when it becomes equal to the highest
value in the count sequence. The TOP value can be assigned to be the
fixed value 0xFF (MAX) or the value stored in the OCR2 Register. The
assignment is dependent on the mode of operation.
DATA B US
TCNTn Control Logic
count
TOVn
(Int.Req.)
Clock Select
top
Tn
Edge
Detector
( From Prescaler )
clkTn
bottom
direction
clear

147
2467X–AVR–06/11
ATmega128
bottom Signalize that TCNT2 has reached minimum value (zero).
Depending of the mode of operation used, the counter is cleared, incremented, or decremented
at each timer clock (clkT2). clkT2 can be generated from an external or internal clock source,
selected by the clock select bits (CS22:0). When no clock source is selected (CS22:0 = 0) the
timer is stopped. However, the TCNT2 value can be accessed by the CPU, regardless of
whether clkT2 is present or not. A CPU write overrides (has priority over) all counter clear or
count operations.
The counting sequence is determined by the setting of the WGM01 and WGM00 bits located in
the Timer/Counter Control Register (TCCR2). There are close connections between how the
counter behaves (counts) and how waveforms are generated on the output compare output
OC2. For more details about advanced counting sequences and waveform generation, see
“Modes of Operation” on page 149.
The Timer/Counter overflow (TOV2) flag is set according to the mode of operation selected by
the WGM21:0 bits. TOV2 can be used for generating a CPU interrupt.
Output Compare
Unit
The 8-bit comparator continuously compares TCNT2 with the Output Compare Register
(OCR2). Whenever TCNT2 equals OCR2, the comparator signals a match. A match will set the
output compare flag (OCF2) at the next timer clock cycle. If enabled (OCIE2 = 1 and global inter-
rupt flag in SREG is set), the output compare flag generates an output compare interrupt. The
OCF2 flag is automatically cleared when the interrupt is executed. Alternatively, the OCF2 flag
can be cleared by software by writing a logical one to its I/O bit location. The waveform genera-
tor uses the match signal to generate an output according to operating mode set by the
WGM21:0 bits and compare output mode (COM21:0) bits. The max and bottom signals are used
by the waveform generator for handling the special cases of the extreme values in some modes
of operation (see “Modes of Operation” on page 149). Figure 63 shows a block diagram of the
output compare unit.
Figure 63. Output Compare Unit, Block Diagram
The OCR2 Register is double buffered when using any of the pulse width modulation (PWM)
modes. For the normal and Clear Timer on Compare (CTC) modes of operation, the double buff-
OCFn (Int.Req.)
= (8-bit Comparator )
OCRn
OCn
DATA B US
TCNTn
WGMn1:0
Waveform Generator
top
FOCn
COMn1:0
bottom

148
2467X–AVR–06/11
ATmega128
ering is disabled. The double buffering synchronizes the update of the OCR2 Compare Register
to either top or bottom of the counting sequence. The synchronization prevents the occurrence
of odd-length, non-symmetrical PWM pulses, thereby making the output glitch-free.
The OCR2 Register access may seem complex, but this is not case. When the double buffering
is enabled, the CPU has access to the OCR2 buffer Register, and if double buffering is disabled
the CPU will access the OCR2 directly.
Force Output
Compare
In non-PWM Waveform Generation modes, the match output of the comparator can be forced by
writing a one to the force output compare (FOC2) bit. Forcing compare match will not set the
OCF2 flag or reload/clear the timer, but the OC2 pin will be updated as if a real compare match
had occurred (the COM21:0 bits settings define whether the OC2 pin is set, cleared or toggled).
Compare Match
Blocking by TCNT2
Write
All CPU write operations to the TCNT2 Register will block any compare match that occur in the
next timer clock cycle, even when the timer is stopped. This feature allows OCR2 to be initialized
to the same value as TCNT2 without triggering an interrupt when the Timer/Counter clock is
enabled.
Using the Output
Compare Unit
Since writing TCNT2 in any mode of operation will block all compare matches for one timer clock
cycle, there are risks involved when changing TCNT2 when using the output compare channel,
independently of whether the Timer/Counter is running or not. If the value written to TCNT2
equals the OCR2 value, the compare match will be missed, resulting in incorrect waveform gen-
eration. Similarly, do not write the TCNT2 value equal to BOTTOM when the counter is
downcounting.
The setup of the OC2 should be performed before setting the Data Direction Register for the port
pin to output. The easiest way of setting the OC2 value is to use the Force Output Compare
(FOC2) strobe bits in normal mode. The OC2 Register keeps its value even when changing
between waveform generation modes.
Be aware that the COM21:0 bits are not double buffered together with the compare value.
Changing the COM21:0 bits will take effect immediately.
Compare Match
Output Unit
The Compare Output mode (COM21:0) bits have two functions. The waveform generator uses
the COM21:0 bits for defining the output compare (OC2) state at the next compare match. Also,
the COM21:0 bits control the OC2 pin output source. Figure 64 shows a simplified schematic of
the logic affected by the COM21:0 bit setting. The I/O registers, I/O bits, and I/O pins in the fig-
ure are shown in bold. Only the parts of the general I/O Port Control Registers (DDR and PORT)
that are affected by the COM21:0 bits are shown. When referring to the OC2 state, the reference
is for the internal OC2 Register, not the OC2 pin. If a System Reset occur, the OC2 Register is
reset to “0”.

149
2467X–AVR–06/11
ATmega128
Figure 64. Compare Match Output Unit, Schematic
The general I/O port function is overridden by the output compare (OC2) from the waveform
generator if either of the COM21:0 bits are set. However, the OC2 pin direction (input or output)
is still controlled by the Data Direction Register (DDR) for the port pin. The Data Direction Regis-
ter bit for the OC2 pin (DDR_OC2) must be set as output before the OC2 value is visible on the
pin. The port override function is independent of the Waveform Generation mode.
The design of the output compare pin logic allows initialization of the OC2 state before the out-
put is enabled. Note that some COM21:0 bit settings are reserved for certain modes of
operation. See “8-bit Timer/Counter Register Description” on page 156.
Compare Output Mode
and Waveform
Generation
The waveform generator uses the COM21:0 bits differently in normal, CTC, and PWM modes.
For all modes, setting the COM21:0 = 0 tells the waveform generator that no action on the OC2
Register is to be performed on the next compare match. For compare output actions in the non-
PWM modes refer to Table 65 on page 157. For fast PWM mode, refer to Table 66 on page 157,
and for phase correct PWM refer to Table 67 on page 157.
A change of the COM21:0 bits state will have effect at the first compare match after the bits are
written. For non-PWM modes, the action can be forced to have immediate effect by using the
FOC2 strobe bits.
Modes of
Operation
The mode of operation, i.e., the behavior of the Timer/Counter and the Output Compare pins, is
defined by the combination of the Waveform Generation mode (WGM21:0) and Compare Output
mode (COM21:0) bits. The Compare Output mode bits do not affect the counting sequence,
while the Waveform Generation mode bits do. The COM21:0 bits control whether the PWM out-
put generated should be inverted or not (inverted or non-inverted PWM). For non-PWM modes
the COM21:0 bits control whether the output should be set, cleared, or toggled at a compare
match (See “Compare Match Output Unit” on page 148).
For detailed timing information refer to Figure 68, Figure 69, Figure 70, and Figure 71 in
“Timer/Counter Timing Diagrams” on page 154.
Normal Mode The simplest mode of operation is the normal mode (WGM21:0 = 0). In this mode the counting
direction is always up (incrementing), and no counter clear is performed. The counter simply
PORT
DDR
DQ
DQ
OCn
Pin
OCn
DQ
Waveform
Generator
COMn1
COMn0
0
1
DATA B U S
FOCn
clk
I/O

150
2467X–AVR–06/11
ATmega128
overruns when it passes its maximum 8-bit value (TOP = 0xFF) and then restarts from the bot-
tom (0x00). In normal operation the Timer/Counter overflow flag (TOV2) will be set in the same
timer clock cycle as the TCNT2 becomes zero. The TOV2 flag in this case behaves like a ninth
bit, except that it is only set, not cleared. However, combined with the timer overflow interrupt
that automatically clears the TOV2 flag, the timer resolution can be increased by software. There
are no special cases to consider in the normal mode, a new counter value can be written
anytime.
The output compare unit can be used to generate interrupts at some given time. Using the out-
put compare to generate waveforms in normal mode is not recommended, since this will occupy
too much of the CPU time.
Clear Timer on
Compare Match (CTC)
Mode
In Clear Timer on Compare or CTC mode (WGM21:0 = 2), the OCR2 Register is used to manip-
ulate the counter resolution. In CTC mode the counter is cleared to zero when the counter value
(TCNT2) matches the OCR2. The OCR2 defines the top value for the counter, hence also its
resolution. This mode allows greater control of the compare match output frequency. It also sim-
plifies the operation of counting external events.
The timing diagram for the CTC mode is shown in Figure 65. The counter value (TCNT2)
increases until a compare match occurs between TCNT2 and OCR2 and then counter (TCNT2)
is cleared.
Figure 65. CTC Mode, Timing Diagram
An interrupt can be generated each time the counter value reaches the TOP value by using the
OCF2 flag. If the interrupt is enabled, the interrupt handler routine can be used for updating the
TOP value. However, changing the TOP to a value close to BOTTOM when the counter is run-
ning with none or a low prescaler value must be done with care since the CTC mode does not
have the double buffering feature. If the new value written to OCR2 is lower than the current
value of TCNT2, the counter will miss the compare match. The counter will then have to count to
its maximum value (0xFF) and wrap around starting at 0x00 before the compare match can
occur.
For generating a waveform output in CTC mode, the OC2 output can be set to toggle its logical
level on each compare match by setting the compare output mode bits to toggle mode
(COM21:0 = 1). The OC2 value will not be visible on the port pin unless the data direction for the
pin is set to output. The waveform generated will have a maximum frequency of fOC2 = fclk_I/O/2
when OCR2 is set to zero (0x00). The waveform frequency is defined by the following equation:
TCNTn
OCn
(Toggle)
OCn Interrupt Flag Set
1 4
Period
2 3
(COMn1:0 = 1)
fOCn
fclk_I/O
2N1OCRn+()⋅⋅
-----------------------------------------------=

151
2467X–AVR–06/11
ATmega128
The N variable represents the prescale factor (1, 8, 64, 256, or 1024).
As for the normal mode of operation, the TOV2 flag is set in the same timer clock cycle that the
counter counts from MAX to 0x00.
Fast PWM Mode The fast Pulse Width Modulation or fast PWM mode (WGM21:0 = 3) provides a high frequency
PWM waveform generation option. The fast PWM differs from the other PWM option by its sin-
gle-slope operation. The counter counts from BOTTOM to MAX then restarts from BOTTOM. In
non-inverting Compare Output mode, the output compare (OC2) is cleared on the compare
match between TCNT2 and OCR2, and set at BOTTOM. In inverting Compare Output mode, the
output is set on compare match and cleared at BOTTOM. Due to the single-slope operation, the
operating frequency of the fast PWM mode can be twice as high as the phase correct PWM
mode that use dual-slope operation. This high frequency makes the fast PWM mode well suited
for power regulation, rectification, and DAC applications. High frequency allows physically small
sized external components (coils, capacitors), and therefore reduces total system cost.
In fast PWM mode, the counter is incremented until the counter value matches the MAX value.
The counter is then cleared at the following timer clock cycle. The timing diagram for the fast
PWM mode is shown in Figure 66. The TCNT2 value is in the timing diagram shown as a histo-
gram for illustrating the single-slope operation. The diagram includes non-inverted and inverted
PWM outputs. The small horizontal line marks on the TCNT2 slopes represent compare
matches between OCR2 and TCNT2.
Figure 66. Fast PWM Mode, Timing Diagram
The Timer/Counter overflow flag (TOV2) is set each time the counter reaches Max If the inter-
rupt is enabled, the interrupt handler routine can be used for updating the compare value.
In fast PWM mode, the compare unit allows generation of PWM waveforms on the OC2 pin. Set-
ting the COM21:0 bits to 2 will produce a non-inverted PWM and an inverted PWM output can
be generated by setting the COM21:0 to 3 (see Table 66 on page 157). The actual OC2 value
will only be visible on the port pin if the data direction for the port pin is set as output. The PWM
waveform is generated by setting (or clearing) the OC2 Register at the compare match between
OCR2 and TCNT2, and clearing (or setting) the OC2 Register at the timer clock cycle the coun-
ter is cleared (changes from MAX to BOTTOM).
TCNTn
OCRn Update
and
TOVn Interrupt Flag Set
1
Period 2 3
OCn
OCn
(COMn1:0 = 2)
(COMn1:0 = 3)
OCRn Interrupt Flag Set
4 5 6 7

152
2467X–AVR–06/11
ATmega128
The PWM frequency for the output can be calculated by the following equation:
The N variable represents the prescale factor (1, 8, 64, 256, or 1024).
The extreme values for the OCR2 Register represents special cases when generating a PWM
waveform output in the fast PWM mode. If the OCR2 is set equal to BOTTOM, the output will be
a narrow spike for each MAX+1 timer clock cycle. Setting the OCR2 equal to MAX will result in a
constantly high or low output (depending on the polarity of the output set by the COM21:0 bits.)
A frequency (with 50% duty cycle) waveform output in fast PWM mode can be achieved by set-
ting OC2 to toggle its logical level on each compare match (COM21:0 = 1). The waveform
generated will have a maximum frequency of fOC2 = fclk_I/O/2 when OCR2 is set to zero. This fea-
ture is similar to the OC2 toggle in CTC mode, except the double buffer feature of the output
compare unit is enabled in the fast PWM mode.
Phase Correct PWM
Mode
The phase correct PWM mode (WGM21:0 = 1) provides a high resolution phase correct PWM
waveform generation option. The phase correct PWM mode is based on a dual-slope operation.
The counter counts repeatedly from BOTTOM to MAX and then from MAX to BOTTOM. In non-
inverting Compare Output mode, the output compare (OC2) is cleared on the compare match
between TCNT2 and OCR2 while counting up, and set on the compare match while downcount-
ing. In inverting Output Compare mode, the operation is inverted. The dual-slope operation has
lower maximum operation frequency than single slope operation. However, due to the symmet-
ric feature of the dual-slope PWM modes, these modes are preferred for motor control
applications.
The PWM resolution for the phase correct PWM mode is fixed to 8 bits. In phase correct PWM
mode the counter is incremented until the counter value matches Max When the counter
reaches MAX, it changes the count direction. The TCNT2 value will be equal to MAX for one
timer clock cycle. The timing diagram for the phase correct PWM mode is shown on Figure 67.
The TCNT2 value is in the timing diagram shown as a histogram for illustrating the dual-slope
operation. The diagram includes non-inverted and inverted PWM outputs. The small horizontal
line marks on the TCNT2 slopes represent compare matches between OCR2 and TCNT2.
fOCnPWM
fclk_I/O
N256⋅
------------------=

153
2467X–AVR–06/11
ATmega128
Figure 67. Phase Correct PWM Mode, Timing Diagram
The Timer/Counter Overflow Flag (TOV2) is set each time the counter reaches BOTTOM. The
interrupt flag can be used to generate an interrupt each time the counter reaches the BOTTOM
value.
In phase correct PWM mode, the compare unit allows generation of PWM waveforms on the
OC2 pin. Setting the COM21:0 bits to 2 will produce a non-inverted PWM. An inverted PWM out-
put can be generated by setting the COM21:0 to 3 (see Table 67 on page 157). The actual OC2
value will only be visible on the port pin if the data direction for the port pin is set as output. The
PWM waveform is generated by clearing (or setting) the OC2 Register at the compare match
between OCR2 and TCNT2 when the counter increments, and setting (or clearing) the OC2
Register at compare match between OCR2 and TCNT2 when the counter decrements. The
PWM frequency for the output when using phase correct PWM can be calculated by the follow-
ing equation:
The N variable represents the prescale factor (1, 8, 64, 256, or 1024).
The extreme values for the OCR2 Register represent special cases when generating a PWM
waveform output in the phase correct PWM mode. If the OCR2 is set equal to BOTTOM, the out-
put will be continuously low and if set equal to MAX the output will be continuously high for non-
inverted PWM mode. For inverted PWM the output will have the opposite logic values.
At the very start of Period 2 in Figure 67 OCn has a transition from high to low even though there
is no Compare Match. The point of this transition is to guarantee symmetry around BOTTOM.
There are two cases that give a transition without a Compare Match:
• OCR2A changes its value from MAX, like in Figure 67. When the OCR2A value is MAX the
OCn pin value is the same as the result of a down-counting Compare Match. To ensure
symmetry around BOTTOM the OCn value at MAX must correspond to the result of an up-
counting Compare Match.
TOVn Interrupt Flag Set
OCn Interrupt Flag Set
1 2 3
TCNTn
Period
OCn
OCn
(COMn1:0 = 2)
(COMn1:0 = 3)
OCRn Update
fOCnPCPWM
fclk_I/O
N510⋅
------------------=

154
2467X–AVR–06/11
ATmega128
• The timer starts counting from a value higher than the one in OCR2A, and for that reason
misses the Compare Match and hence the OCn change that would have happened on the
way up.
Timer/Counter
Timing Diagrams
The Timer/Counter is a synchronous design and the timer clock (clkT2) is therefore shown as a
clock enable signal in the following figures. The figures include information on when interrupt
flags are set. Figure 68 contains timing data for basic Timer/Counter operation. The figure
shows the count sequence close to the MAX value in all modes other than phase correct PWM
mode.
Figure 68. Timer/Counter Timing Diagram, no Prescaling
Figure 69 shows the same timing data, but with the prescaler enabled.
Figure 69. Timer/Counter Timing Diagram, with Prescaler (fclk_I/O/8)
Figure 70 shows the setting of OCF2 in all modes except CTC mode.
clk
Tn
(clk
I/O
/1)
TOVn
clk
I/O
TCNTn
MAX - 1 MAX BOTTOM BOTTOM + 1
TOVn
TCNTn MAX - 1 MAX BOTTOM BOTTOM + 1
clk
I/O
clk
Tn
(clk
I/O
/8)

155
2467X–AVR–06/11
ATmega128
Figure 70. Timer/Counter Timing Diagram, Setting of OCF2, with Prescaler (fclk_I/O/8)
Figure 71 shows the setting of OCF2 and the clearing of TCNT2 in CTC mode.
Figure 71. Timer/Counter Timing Diagram, Clear Timer on Compare Match Mode, with Pres-
caler (fclk_I/O/8)
OCFn
OCRn
TCNTn
OCRn Value
OCRn - 1 OCRn OCRn + 1 OCRn + 2
clk
I/O
clk
Tn
(clkI/O/8)
OCFn
OCRn
TCNTn
(CTC)
TOP
TOP - 1 TOP BOTTOM BOTTOM + 1
clk
I/O
clk
Tn
(clkI/O/8)

156
2467X–AVR–06/11
ATmega128
8-bit
Timer/Counter
Register
Description
Timer/Counter Control
Register – TCCR2
• Bit 7 – FOC2: Force Output Compare
The FOC2 bit is only active when the WGM20 bit specifies a non-PWM mode. However, for
ensuring compatibility with future devices, this bit must be set to zero when TCCR2 is written
when operating in PWM mode. When writing a logical one to the FOC2 bit, an immediate com-
pare match is forced on the waveform generation unit. The OC2 output is changed according to
its COM21:0 bits setting. Note that the FOC2 bit is implemented as a strobe. Therefore it is the
value present in the COM21:0 bits that determines the effect of the forced compare.
A FOC2 strobe will not generate any interrupt, nor will it clear the Timer in CTC mode using
OCR2 as TOP.
The FOC2 bit is always read as zero.
• Bit 6, 3 – WGM21:0: Waveform Generation Mode
These bits control the counting sequence of the counter, the source for the maximum (TOP)
counter value, and what type of waveform generation to be used. Modes of operation supported
by the Timer/Counter unit are: Normal mode, Clear Timer on Compare match (CTC) mode, and
two types of Pulse Width Modulation (PWM) modes. See Table 64 and “Modes of Operation” on
page 149.
Note: The CTC2 and PWM2 bit definition names are now obsolete. Use the WGM21:0 definitions. How-
ever, the functionality and location of these bits are compatible with previous versions of the timer.
• Bit 5:4 – COM21:0: Compare Match Output Mode
These bits control the Output Compare Pin (OC2) behavior. If one or both of the COM21:0 bits
are set, the OC2 output overrides the normal port functionality of the I/O pin it is connected to.
However, note that the Data Direction Register (DDR) bit corresponding to the OC2 pin must be
set in order to enable the output driver.
When OC2 is connected to the pin, the function of the COM21:0 bits depends on the WGM21:0
bit setting. Table 65 shows the COM21:0 bit functionality when the WGM21:0 bits are set to a
normal or CTC mode (non-PWM).
Bit 76543210
FOC2 WGM20 COM21 COM20 WGM21 CS22 CS21 CS20 TCCR2
Read/Write WR/WR/WR/WR/WR/WR/WR/W
Initial Value 0 0 0 0 0 0 0 0
Table 64. Waveform Generation Mode Bit Description
Mode
WGM21
(CTC2)
WGM20
(PWM2)
Timer/Counter Mode
of Operation TOP
Update of
OCR2 at
TOV2 Flag
Set on
0 0 0 Normal 0xFF Immediate MAX
10 1PWM, Phase Correct 0xFF TOP BOTTOM
2 1 0 CTC OCR2 Immediate MAX
31 1Fast PWM0xFFBOTTOMMAX

157
2467X–AVR–06/11
ATmega128
Table 66 shows the COM21:0 bit functionality when the WGM21:0 bits are set to fast PWM
mode.
Note: 1. A special case occurs when OCR2 equals TOP and COM21 is set. In this case, the compare
match is ignored, but the set or clear is done at BOTTOM. See “Fast PWM Mode” on page 151
for more details.
Table 67 shows the COM21:0 bit functionality when the WGM21:0 bits are set to phase correct
PWM mode.
Note: 1. A special case occurs when OCR2 equals TOP and COM21 is set. In this case, the compare
match is ignored, but the set or clear is done at TOP. See “Phase Correct PWM Mode” on page
152 for more details.
• Bit 2:0 – CS22:0: Clock Select
The three clock select bits select the clock source to be used by the Timer/Counter.
Table 65. Compare Output Mode, Non-PWM Mode
COM21 COM20 Description
0 0 Normal port operation, OC2 disconnected.
0 1 Toggle OC2 on compare match
1 0 Clear OC2 on compare match
1 1 Set OC2 on compare match
Table 66. Compare Output Mode, Fast PWM Mode(1)
COM21 COM20 Description
0 0 Normal port operation, OC2 disconnected.
01Reserved
1 0 Clear OC2 on compare match, set OC2 at BOTTOM,
(non-inverting mode)
1 1 Set OC2 on compare match, clear OC2 at BOTTOM,
(inverting mode)
Table 67. Compare Output Mode, Phase Correct PWM Mode(1)
COM21 COM20 Description
0 0 Normal port operation, OC2 disconnected.
01Reserved
1 0 Clear OC2 on compare match when up-counting. Set OC2 on compare
match when downcounting.
1 1 Set OC2 on compare match when up-counting. Clear OC2 on compare
match when downcounting.
Table 68. Clock Select Bit Description
CS22 CS21 CS20 Description
0 0 0 No clock source (Timer/Counter stopped)
001clk
I/O/(No prescaling)
010clk
I/O/8 (From prescaler)
011clk
I/O/64 (From prescaler)

158
2467X–AVR–06/11
ATmega128
If external pin modes are used for the Timer/Counter2, transitions on the T2 pin will clock the
counter even if the pin is configured as an output. This feature allows software control of the
counting.
Timer/Counter
Register – TCNT2
The Timer/Counter Register gives direct access, both for read and write operations, to the
Timer/Counter unit 8-bit counter. Writing to the TCNT2 Register blocks (removes) the compare
match on the following timer clock. Modifying the counter (TCNT2) while the counter is running,
introduces a risk of missing a compare match between TCNT2 and the OCR2 Register.
Output Compare
Register – OCR2
The Output Compare Register contains an 8-bit value that is continuously compared with the
counter value (TCNT2). A match can be used to generate an output compare interrupt, or to
generate a waveform output on the OC2 pin.
Timer/Counter
Interrupt Mask
Register – TIMSK
• Bit 7 – OCIE2: Timer/Counter2 Output Compare Match Interrupt Enable
When the OCIE2 bit is written to one, and the I-bit in the Status Register is set (one), the
Timer/Counter2 Compare Match interrupt is enabled. The corresponding interrupt is executed if
a compare match in Timer/Counter2 occurs, i.e., when the OCF2 bit is set in the Timer/Counter
Interrupt Flag Register – TIFR.
• Bit 6 – TOIE2: Timer/Counter2 Overflow Interrupt Enable
When the TOIE2 bit is written to one, and the I-bit in the Status Register is set (one), the
Timer/Counter2 Overflow interrupt is enabled. The corresponding interrupt is executed if an
overflow in Timer/Counter2 occurs, i.e., when the TOV2 bit is set in the Timer/Counter Interrupt
Flag Register – TIFR.
100clk
I/O/256 (From prescaler)
101clk
I/O/1024 (From prescaler)
1 1 0 External clock source on T2 pin. Clock on falling edge
1 1 1 External clock source on T2 pin. Clock on rising edge
Table 68. Clock Select Bit Description
CS22 CS21 CS20 Description
Bit 76543210
TCNT2[7:0] TCNT2
Read/Write R/WR/WR/WR/WR/WR/WR/WR/W
Initial Value00000000
Bit 76543210
OCR2[7:0] OCR2
Read/Write R/WR/WR/WR/WR/WR/WR/WR/W
Initial Value00000000
Bit 7654 3210
OCIE2 TOIE2 TICIE1 OCIE1A OCIE1B TOIE1 OCIE0 TOIE0 TIMSK
Read/Write R/WR/WR/WR/WR/WR/WR/WR/W
Initial Value 0 0 0 0 0 0 0 0

159
2467X–AVR–06/11
ATmega128
Timer/Counter
Interrupt Flag Register
– TIFR
• Bit 7 – OCF2: Output Compare Flag 2
The OCF2 bit is set (one) when a compare match occurs between the Timer/Counter2 and the
data in OCR2 – Output Compare Register2. OCF2 is cleared by hardware when executing the
corresponding interrupt handling vector. Alternatively, OCF2 is cleared by writing a logic one to
the flag. When the I-bit in SREG, OCIE2 (Timer/Counter2 Compare Match Interrupt Enable), and
OCF2 are set (one), the Timer/Counter2 Compare Match Interrupt is executed.
• Bit 6 – TOV2: Timer/Counter2 Overflow Flag
The bit TOV2 is set (one) when an overflow occurs in Timer/Counter2. TOV2 is cleared by hard-
ware when executing the corresponding interrupt handling vector. Alternatively, TOV2 is cleared
by writing a logic one to the flag. When the SREG I-bit, TOIE2 (Timer/Counter2 Overflow Inter-
rupt Enable), and TOV2 are set (one), the Timer/Counter2 Overflow interrupt is executed. In
PWM mode, this bit is set when Timer/Counter2 changes counting direction at $00.
Bit 76543210
OCF2 TOV2 ICF1 OCF1A OCF1B TOV1 OCF0 TOV0 TIFR
Read/Write R/WR/WR/WR/WR/WR/WR/WR/W
Initial Value00000000

160
2467X–AVR–06/11
ATmega128
Output
Compare
Modulator
(OCM1C2)
Overview The Output Compare Modulator (OCM) allows generation of waveforms modulated with a carrier
frequency. The modulator uses the outputs from the Output Compare Unit C of the 16-bit
Timer/Counter1 and the Output Compare Unit of the 8-bit Timer/Counter2. For more details
about these Timer/Counters see “16-bit Timer/Counter (Timer/Counter1 and Timer/Counter3)”
on page 111 and “8-bit Timer/Counter2 with PWM” on page 145. Note that this feature is not
available in ATmega103 compatibility mode.
Figure 72. Output Compare Modulator, Block Diagram
When the modulator is enabled, the two output compare channels are modulated together as
shown in the block diagram (Figure 72).
Description The Output Compare unit 1C and Output Compare unit 2 shares the PB7 port pin for output. The
outputs of the Output Compare units (OC1C and OC2) overrides the normal PORTB7 Register
when one of them is enabled (i.e., when COMnx1:0 is not equal to zero). When both OC1C and
OC2 are enabled at the same time, the modulator is automatically enabled.
The functional equivalent schematic of the modulator is shown on Figure 73. The schematic
includes part of the Timer/Counter units and the port B pin 7 output driver circuit.
Figure 73. Output Compare Modulator, Schematic
OC1C
Pin
OC1C /
OC2 / PB7
Timer/Counter 1
Timer/Counter 2 OC2
PORTB7 DDRB7
DQDQ
Pin
COM21
COM20
DATABUS
OC1C /
OC2 / PB7
COM1C1
COM1C0
Modulator
1
0
OC1C
DQ
OC2
DQ
( From Waveform Generator )
( From Waveform Generator )
0
1
Vcc

161
2467X–AVR–06/11
ATmega128
When the modulator is enabled the type of modulation (logical AND or OR) can be selected by
the PORTB7 Register. Note that the DDRB7 controls the direction of the port independent of the
COMnx1:0 bit setting.
Timing Example Figure 74 illustrates the modulator in action. In this example the Timer/Counter1 is set to operate
in fast PWM mode (non-inverted) and Timer/Counter2 uses CTC waveform mode with toggle
Compare Output mode (COMnx1:0 = 1).
Figure 74. Output Compare Modulator, Timing Diagram
In this example, Timer/Counter2 provides the carrier, while the modulating signal is generated
by the Output Compare unit C of the Timer/Counter1.
The resolution of the PWM signal (OC1C) is reduced by the modulation. The reduction factor is
equal to the number of system clock cycles of one period of the carrier (OC2). In this example
the resolution is reduced by a factor of two. The reason for the reduction is illustrated in Figure
74 at the second and third period of the PB7 output when PORTB7 equals zero. The period 2
high time is one cycle longer than the period 3 high time, but the result on the PB7 output is
equal in both periods.
1 2
OC2
(CTC Mode)
OC1C
(FPWM Mode)
PB7
(PORTB7 = 0)
PB7
(PORTB7 = 1)
(Period)
3
clk
I/O

162
2467X–AVR–06/11
ATmega128
Serial
Peripheral
Interface – SPI
The Serial Peripheral Interface (SPI) allows high-speed synchronous data transfer between the
Atmel AVR ATmega128 and peripheral devices or between several AVR devices. The
ATmega128 SPI includes the following features:
•Full-duplex, Three-wire Synchronous Data Transfer
•Master or Slave Operation
•LSB First or MSB First Data Transfer
•Seven Programmable Bit Rates
•End of Transmission Interrupt Flag
•Write Collision Flag Protection
•Wake-up from Idle Mode
•Double Speed (CK/2) Master SPI Mode
Figure 75. SPI Block Diagram
Note: Refer to Figure 1 on page 2 and Table 30 on page 73 for SPI pin placement.
The interconnection between Master and Slave CPUs with SPI is shown in Figure 76. The sys-
tem consists of two Shift Registers, and a Master clock generator. The SPI Master initiates the
communication cycle when pulling low the Slave Select SS pin of the desired Slave. Master and
Slave prepare the data to be sent in their respective Shift Registers, and the Master generates
the required clock pulses on the SCK line to interchange data. Data is always shifted from Mas-
ter to Slave on the Master Out – Slave In, MOSI, line, and from Slave to Master on the Master In
– Slave Out, MISO, line. After each data packet, the Master will synchronize the Slave by pulling
high the Slave Select, SS, line.
SPI2X
SPI2X
DIVIDER
/2/4/8/16/32/64/128

163
2467X–AVR–06/11
ATmega128
When configured as a Master, the SPI interface has no automatic control of the SS line. This
must be handled by user software before communication can start. When this is done, writing a
byte to the SPI Data Register starts the SPI clock generator, and the hardware shifts the 8 bits
into the Slave. After shifting one byte, the SPI clock generator stops, setting the end of transmis-
sion flag (SPIF). If the SPI interrupt enable bit (SPIE) in the SPCR Register is set, an interrupt is
requested. The Master may continue to shift the next byte by writing it into SPDR, or signal the
end of packet by pulling high the Slave Select, SS line. The last incoming byte will be kept in the
buffer register for later use.
When configured as a Slave, the SPI interface will remain sleeping with MISO tri-stated as long
as the SS pin is driven high. In this state, software may update the contents of the SPI Data
Register, SPDR, but the data will not be shifted out by incoming clock pulses on the SCK pin
until the SS pin is driven low. As one byte has been completely shifted, the end of transmission
flag, SPIF is set. If the SPI interrupt enable bit, SPIE, in the SPCR Register is set, an interrupt is
requested. The Slave may continue to place new data to be sent into SPDR before reading the
incoming data. The last incoming byte will be kept in the buffer register for later use.
Figure 76. SPI Master-Slave Interconnection
The system is single buffered in the transmit direction and double buffered in the receive direc-
tion. This means that bytes to be transmitted cannot be written to the SPI Data Register before
the entire shift cycle is completed. When receiving data, however, a received character must be
read from the SPI Data Register before the next character has been completely shifted in. Oth-
erwise, the first byte is lost.
In SPI Slave mode, the control logic will sample the incoming signal of the SCK pin. To ensure
correct sampling of the clock signal, the minimum low and high period should be:
Low period: Longer than 2 CPU clock cycles.
High period: Longer than 2 CPU clock cycles.
When the SPI is enabled, the data direction of the MOSI, MISO, SCK, and SS pins is overridden
according to Table 69. For more details on automatic port overrides, refer to “Alternate Port
Functions” on page 70.
Table 69. SPI Pin Overrides(1)
Pin Direction, Master SPI Direction, Slave SPI
MOSI User Defined Input
MISO Input User Defined
SCK User Defined Input
SS User Defined Input
SHIFT
ENABLE

164
2467X–AVR–06/11
ATmega128
Note: 1. See “Alternate Functions of Port B” on page 73 for a detailed description of how to define the
direction of the user defined SPI pins.
The following code examples show how to initialize the SPI as a Master and how to perform a
simple transmission. DDR_SPI in the examples must be replaced by the actual data direction
register controlling the SPI pins. DD_MOSI, DD_MISO and DD_SCK must be replaced by the
actual data direction bits for these pins. For example, if MOSI is placed on pin PB5, replace
DD_MOSI with DDB5 and DDR_SPI with DDRB.
Note: 1. See “About Code Examples” on page 8.
Assembly Code Example(1)
SPI_MasterInit:
; Set MOSI and SCK output, all others input
ldi r17,(1<<DD_MOSI)|(1<<DD_SCK)
out DDR_SPI,r17
; Enable SPI, Master, set clock rate fck/16
ldi r17,(1<<SPE)|(1<<MSTR)|(1<<SPR0)
out SPCR,r17
ret
SPI_MasterTransmit:
; Start transmission of data (r16)
out SPDR,r16
Wait_Transmit:
; Wait for transmission complete
sbis SPSR,SPIF
rjmp Wait_Transmit
ret
C Code Example(1)
void SPI_MasterInit(void)
{
/* Set MOSI and SCK output, all others input */
DDR_SPI = (1<<DD_MOSI)|(1<<DD_SCK);
/* Enable SPI, Master, set clock rate fck/16 */
SPCR = (1<<SPE)|(1<<MSTR)|(1<<SPR0);
}
void SPI_MasterTransmit(char cData)
{
/* Start transmission */
SPDR = cData;
/* Wait for transmission complete */
while(!(SPSR & (1<<SPIF)))
;
}

165
2467X–AVR–06/11
ATmega128
The following code examples show how to initialize the SPI as a slave and how to perform a sim-
ple reception.
Note: 1. See “About Code Examples” on page 8.
Assembly Code Example(1)
SPI_SlaveInit:
; Set MISO output, all others input
ldi r17,(1<<DD_MISO)
out DDR_SPI,r17
; Enable SPI
ldi r17,(1<<SPE)
out SPCR,r17
ret
SPI_SlaveReceive:
; Wait for reception complete
sbis SPSR,SPIF
rjmp SPI_SlaveReceive
; Read received data and return
in r16,SPDR
ret
C Code Example(1)
void SPI_SlaveInit(void)
{
/* Set MISO output, all others input */
DDR_SPI = (1<<DD_MISO);
/* Enable SPI */
SPCR = (1<<SPE);
}
char SPI_SlaveReceive(void)
{
/* Wait for reception complete */
while(!(SPSR & (1<<SPIF)))
;
/* Return data register */
return SPDR;
}

166
2467X–AVR–06/11
ATmega128
SS Pin
Functionality
Slave Mode When the SPI is configured as a slave, the Slave Select (SS) pin is always input. When SS is
held low, the SPI is activated, and MISO becomes an output if configured so by the user. All
other pins are inputs. When SS is driven high, all pins are inputs except MISO which can be user
configured as an output, and the SPI is passive, which means that it will not receive incoming
data. Note that the SPI logic will be reset once the SS pin is driven high.
The SS pin is useful for packet/byte synchronization to keep the slave bit counter synchronous
with the master clock generator. When the SS pin is driven high, the SPI slave will immediately
reset the send and receive logic, and drop any partially received data in the Shift Register.
Master Mode When the SPI is configured as a master (MSTR in SPCR is set), the user can determine the
direction of the SS pin.
If SS is configured as an output, the pin is a general output pin which does not affect the SPI
system. Typically, the pin will be driving the SS pin of the SPI slave.
If SS is configured as an input, it must be held high to ensure Master SPI operation. If the SS pin
is driven low by peripheral circuitry when the SPI is configured as a master with the SS pin
defined as an input, the SPI system interprets this as another master selecting the SPI as a
slave and starting to send data to it. To avoid bus contention, the SPI system takes the following
actions:
1. The MSTR bit in SPCR is cleared and the SPI system becomes a slave. As a result of the
SPI becoming a slave, the MOSI and SCK pins become inputs.
2. The SPIF flag in SPSR is set, and if the SPI interrupt is enabled, and the I-bit in SREG is
set, the interrupt routine will be executed.
Thus, when interrupt-driven SPI transmission is used in master mode, and there exists a possi-
bility that SS is driven low, the interrupt should always check that the MSTR bit is still set. If the
MSTR bit has been cleared by a slave select, it must be set by the user to re-enable SPI master
mode.
SPI Control Register –
SPCR
• Bit 7 – SPIE: SPI Interrupt Enable
This bit causes the SPI interrupt to be executed if SPIF bit in the SPSR Register is set and the if
the global interrupt enable bit in SREG is set.
• Bit 6 – SPE: SPI Enable
When the SPE bit is written to one, the SPI is enabled. This bit must be set to enable any SPI
operations.
• Bit 5 – DORD: Data Order
When the DORD bit is written to one, the LSB of the data word is transmitted first.
When the DORD bit is written to zero, the MSB of the data word is transmitted first.
• Bit 4 – MSTR: Master/Slave Select
This bit selects Master SPI mode when written to one, and Slave SPI mode when written logic
zero. If SS is configured as an input and is driven low while MSTR is set, MSTR will be cleared,
Bit 76543210
SPIE SPE DORD MSTR CPOL CPHA SPR1 SPR0 SPCR
Read/Write R/WR/WR/WR/WR/WR/WR/WR/W
Initial Value00000000

167
2467X–AVR–06/11
ATmega128
and SPIF in SPSR will become set. The user will then have to set MSTR to re-enable SPI Mas-
ter mode.
• Bit 3 – CPOL: Clock Polarity
When this bit is written to one, SCK is high when idle. When CPOL is written to zero, SCK is low
when idle. Refer to Figure 77 and Figure 78 for an example. The CPOL functionality is summa-
rized below:
• Bit 2 – CPHA: Clock Phase
The settings of the clock phase bit (CPHA) determine if data is sampled on the leading (first) or
trailing (last) edge of SCK. Refer to Figure 77 and Figure 78 for an example. The CPHA func-
tionality is summarized below:
• Bits 1, 0 – SPR1, SPR0: SPI Clock Rate Select 1 and 0
These two bits control the SCK rate of the device configured as a master. SPR1 and SPR0 have
no effect on the slave. The relationship between SCK and the Oscillator Clock frequency fosc is
shown in the following table:
Table 70. CPOL functionality
CPOL Leading edge Trailing edge
0 Rising Falling
1 Falling Rising
Table 71. CPHA functionality
CPHA Leading edge Trailing edge
0 Sample Setup
1Setup Sample
Table 72. Relationship Between SCK and the Oscillator Frequency
SPI2X SPR1 SPR0 SCK Frequency
000
fosc /4
001
fosc /16
010
fosc /64
011
fosc /128
100
fosc /2
101
fosc /8
110
fosc /32
111
fosc /64

168
2467X–AVR–06/11
ATmega128
SPI Status Register –
SPSR
• Bit 7 – SPIF: SPI Interrupt Flag
When a serial transfer is complete, the SPIF flag is set. An interrupt is generated if SPIE in
SPCR is set and global interrupts are enabled. If SS is an input and is driven low when the SPI is
in Master mode, this will also set the SPIF flag. SPIF is cleared by hardware when executing the
corresponding interrupt handling vector. Alternatively, the SPIF bit is cleared by first reading the
SPI Status Register with SPIF set, then accessing the SPI Data Register (SPDR).
• Bit 6 – WCOL: Write COLlision flag
The WCOL bit is set if the SPI Data Register (SPDR) is written during a data transfer. The
WCOL bit (and the SPIF bit) are cleared by first reading the SPI Status Register with WCOL set,
and then accessing the SPI Data Register.
• Bit 5..1 – Res: Reserved Bits
These bits are reserved bits in the ATmega128 and will always read as zero.
• Bit 0 – SPI2X: Double SPI Speed Bit
When this bit is written logic one the SPI speed (SCK Frequency) will be doubled when the SPI
is in Master mode (see Table 72). This means that the minimum SCK period will be 2 CPU clock
periods. When the SPI is configured as Slave, the SPI is only guaranteed to work at fosc /4 or
lower.
The SPI interface on the ATmega128 is also used for program memory and EEPROM down-
loading or uploading. See page 300 for SPI Serial Programming and verification.
SPI Data Register –
SPDR
The SPI Data Register is a Read/Write Register used for data transfer between the register file
and the SPI Shift Register. Writing to the register initiates data transmission. Reading the regis-
ter causes the Shift Register Receive buffer to be read.
Bit 76543210
SPIFWCOL–––––SPI2XSPSR
Read/WriteRRRRRRRR/W
Initial Value00000000
Bit 76543210
MSB LSB SPDR
Read/Write R/WR/WR/WR/WR/WR/WR/WR/W
Initial Value X X X X X X X X Undefined

169
2467X–AVR–06/11
ATmega128
Data Modes There are four combinations of SCK phase and polarity with respect to serial data, which are
determined by control bits CPHA and CPOL. The SPI data transfer formats are shown in Figure
77 and Figure 78. Data bits are shifted out and latched in on opposite edges of the SCK signal,
ensuring sufficient time for data signals to stabilize. This is clearly seen by summarizing Table
70 and Table 71, as done below:
Figure 77. SPI Transfer Format with CPHA = 0
Figure 78. SPI Transfer Format with CPHA = 1
Table 73. CPOL and CPHA Functionality
Leading edge Trailing edge SPI mode
CPOL = 0, CPHA = 0 Sample (Rising) Setup (Falling) 0
CPOL = 0, CPHA = 1 Setup (Rising) Sample (Falling) 1
CPOL = 1, CPHA = 0 Sample (Falling) Setup (Rising) 2
CPOL = 1, CPHA = 1 Setup (Falling) Sample (Rising) 3
Bit 1
Bit 6
LSB
MSB
SCK (CPOL = 0)
mode 0
SAMPLE I
MOSI/MISO
CHANGE 0
MOSI PIN
CHANGE 0
MISO PIN
SCK (CPOL = 1)
mode 2
SS
MSB
LSB
Bit 6
Bit 1
Bit 5
Bit 2
Bit 4
Bit 3
Bit 3
Bit 4
Bit 2
Bit 5
MSB first (DORD = 0)
LSB first (DORD = 1)
SCK (CPOL = 0)
mode 1
SAMPLE I
MOSI/MISO
CHANGE 0
MOSI PIN
CHANGE 0
MISO PIN
SCK (CPOL = 1)
mode 3
SS
MSB
LSB
Bit 6
Bit 1
Bit 5
Bit 2
Bit 4
Bit 3
Bit 3
Bit 4
Bit 2
Bit 5
Bit 1
Bit 6
LSB
MSB
MSB first (DORD = 0)
LSB first (DORD = 1)

170
2467X–AVR–06/11
ATmega128
USART The Universal Synchronous and Asynchronous serial Receiver and Transmitter (USART) is a
highly flexible serial communication device. The main features are:
•Full Duplex Operation (Independent Serial Receive and Transmit Registers)
•Asynchronous or Synchronous Operation
•Master or Slave Clocked Synchronous Operation
•High Resolution Baud Rate Generator
•Supports Serial Frames with 5, 6, 7, 8, or 9 Data Bits and 1 or 2 Stop Bits
•Odd or Even Parity Generation and Parity Check Supported by Hardware
•Data OverRun Detection
•Framing Error Detection
•Noise Filtering Includes False Start Bit Detection and Digital Low Pass Filter
•Three Separate Interrupts on TX Complete, TX Data Register Empty, and RX Complete
•Multi-processor Communication Mode
•Double Speed Asynchronous Communication Mode
Dual USART The ATmega128 has two USART’s, USART0 and USART1. The functionality for both USART’s
is described below. USART0 and USART1 have different I/O registers as shown in “Register
Summary” on page 362. Note that in ATmega103 compatibility mode, USART1 is not available,
neither is the UBRR0H or UCRS0C Registers. This means that in ATmega103 compatibility
mode, the ATmega128 supports asynchronous operation of USART0 only.
Overview A simplified block diagram of the USART transmitter is shown in Figure 79. CPU accessible I/O
registers and I/O pins are shown in bold.

171
2467X–AVR–06/11
ATmega128
Figure 79. USART Block Diagram
Note: Refer to Figure 1 on page 2, Table 36 on page 77, and Table 39 on page 80 for USART pin
placement.
The dashed boxes in the block diagram separate the three main parts of the USART (listed from
the top): Clock Generator, Transmitter, and Receiver. Control registers are shared by all units.
The clock generation logic consists of synchronization logic for external clock input used by syn-
chronous slave operation, and the baud rate generator. The XCK (Transfer Clock) pin is only
used by Synchronous Transfer mode. The Transmitter consists of a single write buffer, a serial
Shift Register, parity generator and control logic for handling different serial frame formats. The
write buffer allows a continuous transfer of data without any delay between frames. The
Receiver is the most complex part of the USART module due to its clock and data recovery
units. The recovery units are used for asynchronous data reception. In addition to the recovery
units, the receiver includes a parity checker, control logic, a Shift Register and a two level
receive buffer (UDR). The receiver supports the same frame formats as the Transmitter, and can
detect frame error, data overrun and parity errors.
PARITY
GENERATOR
UBRR[H:L]
UDR (Transmit)
UCSRA UCSRB UCSRC
BAUD RATE GENERATOR
TRANSMIT SHIFT REGISTER
RECEIVE SHIFT REGISTER RxD
TxD
PIN
CONTROL
UDR (Receive)
PIN
CONTROL
XCK
DATA
RECOVERY
CLOCK
RECOVERY
PIN
CONTROL
TX
CONTROL
RX
CONTROL
PARITY
CHECKER
DATABUS
OSC
SYNC LOGIC
Clock Generator
Transmitter
Receiver

172
2467X–AVR–06/11
ATmega128
AVR USART vs. AVR
UART – Compatibility
The USART is fully compatible with the AVR UART regarding:
• Bit locations inside all USART registers
• Baud Rate Generation
• Transmitter Operation
• Transmit Buffer Functionality
• Receiver Operation
However, the receive buffering has two improvements that will affect the compatibility in some
special cases:
• A second buffer register has been added. The two buffer registers operate as a circular FIFO
buffer. Therefore the UDR must only be read once for each incoming data! More important is
the fact that the error flags (FE and DOR) and the ninth data bit (RXB8) are buffered with the
data in the receive buffer. Therefore the status bits must always be read before the UDR
Register is read. Otherwise the error status will be lost since the buffer state is lost.
• The receiver Shift Register can now act as a third buffer level. This is done by allowing the
received data to remain in the serial Shift Register (see Figure 79) if the buffer registers are
full, until a new start bit is detected. The USART is therefore more resistant to Data OverRun
(DOR) error conditions.
The following control bits have changed name, but have same functionality and register location:
• CHR9 is changed to UCSZ2
• OR is changed to DOR
Clock Generation The clock generation logic generates the base clock for the transmitter and receiver. The
USART supports four modes of clock operation: Normal Asynchronous, Double Speed Asyn-
chronous, Master Synchronous, and Slave Synchronous mode. The UMSEL bit in USART
Control and Status Register C (UCSRC) selects between asynchronous and synchronous oper-
ation. Double speed (Asynchronous mode only) is controlled by the U2X found in the UCSRA
Register. When using Synchronous mode (UMSEL = 1), the Data Direction Register for the XCK
pin (DDR_XCK) controls whether the clock source is internal (Master mode) or external (Slave
mode). The XCK pin is only active when using Synchronous mode.
Figure 80 shows a block diagram of the clock generation logic.
Figure 80. Clock Generation Logic, Block Diagram
Signal description:
Prescaling
Down-Counter / 2
UBRR
/ 4 / 2
fosc
UBRR+1
Sync
Register
OSC
XCK
Pin
txclk
U2X
UMSEL
DDR_XCK
0
1
0
1
xcki
xcko
DDR_XCK rxclk
0
1
1
0
Edge
Detector
UCPOL

173
2467X–AVR–06/11
ATmega128
txclk Transmitter clock. (Internal Signal)
rxclk Receiver base clock. (Internal Signal)
xcki Input from XCK pin (internal Signal). Used for synchronous slave operation.
xcko Clock output to XCK pin (Internal Signal). Used for synchronous master
operation.
fosc XTAL pin frequency (System Clock).
Internal Clock
Generation – The
Baud Rate Generator
Internal clock generation is used for the asynchronous and the synchronous master modes of
operation. The description in this section refers to Figure 80.
The USART Baud Rate Register (UBRR) and the down-counter connected to it function as a
programmable prescaler or baud rate generator. The down-counter, running at system clock
(fosc), is loaded with the UBRR value each time the counter has counted down to zero or when
the UBRRL Register is written. A clock is generated each time the counter reaches zero. This
clock is the baud rate generator clock output (= fosc/(UBRR+1)). The transmitter divides the
baud rate generator clock output by 2, 8, or 16 depending on mode. The baud rate generator
output is used directly by the receiver’s clock and data recovery units. However, the recovery
units use a state machine that uses 2, 8, or 16 states depending on mode set by the state of the
UMSEL, U2X and DDR_XCK bits.
Table 74 contains equations for calculating the baud rate (in bits per second) and for calculating
the UBRR value for each mode of operation using an internally generated clock source.
Note: 1. The baud rate is defined to be the transfer rate in bit per second (bps).
BAUD Baud rate (in bits per second, bps)
fOSC System Oscillator clock frequency
UBRR Contents of the UBRRH and UBRRL Registers, (0 - 4095)
Some examples of UBRR values for some system clock frequencies are found in Table 82 (see
page 193).
Double Speed
Operation (U2X)
The transfer rate can be doubled by setting the U2X bit in UCSRA. Setting this bit only has effect
for the asynchronous operation. Set this bit to zero when using synchronous operation.
Setting this bit will reduce the divisor of the baud rate divider from 16 to 8, effectively doubling
the transfer rate for asynchronous communication. Note however that the receiver will in this
case only use half the number of samples (reduced from 16 to 8) for data sampling and clock
recovery, and therefore a more accurate baud rate setting and system clock are required when
this mode is used. For the Transmitter, there are no downsides.
Table 74. Equations for Calculating Baud Rate Register Setting
Operating Mode
Equation for Calculating
Baud Rate(1)
Equation for Calculating
UBRR Value
Asynchronous Normal Mode
(U2X = 0)
Asynchronous Double Speed
Mode (U2X = 1)
Synchronous Master Mode
BAUD fOSC
16 UBRR 1+()
---------------------------------------=
UBRR fOSC
16BAUD
------------------------1–=
BAUD fOSC
8UBRR 1+()
-----------------------------------=
UBRR fOSC
8BAUD
-------------------- 1–=
BAUD fOSC
2UBRR 1+()
-----------------------------------=
UBRR fOSC
2BAUD
-------------------- 1–=

174
2467X–AVR–06/11
ATmega128
External Clock External clocking is used by the synchronous slave modes of operation. The description in this
section refers to Figure 80 for details.
External clock input from the XCK pin is sampled by a synchronization register to minimize the
chance of meta-stability. The output from the synchronization register must then pass through
an edge detector before it can be used by the transmitter and receiver. This process introduces
a two CPU clock period delay and therefore the maximum external XCK clock frequency is lim-
ited by the following equation:
Note that fosc depends on the stability of the system clock source. It is therefore recommended to
add some margin to avoid possible loss of data due to frequency variations.
Synchronous Clock
Operation
When Synchronous mode is used (UMSEL = 1), the XCK pin will be used as either clock input
(slave) or clock output (master). The dependency between the clock edges and data sampling or
data change is the same. The basic principle is that data input (on RxD) is sampled at the oppo-
site XCK clock edge of the edge the data output (TxD) is changed.
Figure 81. Synchronous Mode XCK Timing.
The UCPOL bit UCRSC selects which XCK clock edge is used for data sampling and which is
used for data change. As Figure 81 shows, when UCPOL is zero the data will be changed at ris-
ing XCK edge and sampled at falling XCK edge. If UCPOL is set, the data will be changed at
falling XCK edge and sampled at rising XCK edge.
fXCK
fOSC
4
-----------
<
RxD / TxD
XCK
RxD / TxD
XCK
UCPOL = 0
UCPOL = 1
Sample
Sample

175
2467X–AVR–06/11
ATmega128
Frame Formats A serial frame is defined to be one character of data bits with synchronization bits (start and stop
bits), and optionally a parity bit for error checking. The USART accepts all 30 combinations of
the following as valid frame formats:
• 1 start bit
• 5, 6, 7, 8, or 9 data bits
• no, even or odd parity bit
• 1 or 2 stop bits
A frame starts with the start bit followed by the least significant data bit. Then the next data bits,
up to a total of nine, are succeeding, ending with the most significant bit. If enabled, the parity bit
is inserted after the data bits, before the stop bits. When a complete frame is transmitted, it can
be directly followed by a new frame, or the communication line can be set to an idle (high) state.
Figure 82 illustrates the possible combinations of the frame formats. Bits inside brackets are
optional.
Figure 82. Frame Formats
St Start bit, always low.
(n) Data bits (0 to 8).
P Parity bit. Can be odd or even.
Sp Stop bit, always high.
IDLE No transfers on the communication line (RxD or TxD). An IDLE line must be
high.
The frame format used by the USART is set by the UCSZ2:0, UPM1:0 and USBS bits in UCSRB
and UCSRC. The receiver and transmitter use the same setting. Note that changing the setting
of any of these bits will corrupt all ongoing communication for both the receiver and transmitter.
The USART Character SiZe (UCSZ2:0) bits select the number of data bits in the frame. The
USART Parity mode (UPM1:0) bits enable and set the type of parity bit. The selection between
one or two stop bits is done by the USART Stop Bit Select (USBS) bit. The receiver ignores the
second stop bit. An FE (Frame Error) will therefore only be detected in the cases where the first
stop bit is zero.
Parity Bit Calculation The parity bit is calculated by doing an exclusive-or of all the data bits. If odd parity is used, the
result of the exclusive or is inverted. The relation between the parity bit and data bits is as
follows:
Peven Parity bit using even parity
Podd Parity bit using odd parity
dnData bit n of the character
If used, the parity bit is located between the last data bit and first stop bit of a serial frame.
10 2 3 4 [5] [6] [7] [8] [P]St Sp1 [Sp2] (St / IDLE)(IDLE)
FRAME
Peven dn1–…d3d2d1d00
Podd
⊕⊕⊕⊕⊕⊕
dn1–…d3d2d1d01⊕⊕⊕⊕⊕⊕
=
=

176
2467X–AVR–06/11
ATmega128
USART
Initialization
The USART has to be initialized before any communication can take place. The initialization pro-
cess normally consists of setting the baud rate, setting frame format and enabling the
Transmitter or the Receiver depending on the usage. For interrupt driven USART operation, the
global interrupt flag should be cleared (and interrupts globally disabled) when doing the
initialization.
Before doing a re-initialization with changed baud rate or frame format, be sure that there are no
ongoing transmissions during the period the registers are changed. The TXC flag can be used to
check that the Transmitter has completed all transfers, and the RXC flag can be used to check
that there are no unread data in the receive buffer. Note that the TXC flag must be cleared
before each transmission (before UDR is written) if it is used for this purpose.
The following simple USART initialization code examples show one assembly and one C func-
tion that are equal in functionality. The examples assume asynchronous operation using polling
(no interrupts enabled) and a fixed frame format. The baud rate is given as a function parameter.
For the assembly code, the baud rate parameter is assumed to be stored in the r17:r16
registers.
Note: 1. See “About Code Examples” on page 8.
More advanced initialization routines can be made that include frame format as parameters,
disable interrupts and so on. However, many applications use a fixed setting of the baud and
control registers, and for these types of applications the initialization code can be placed
directly in the main routine, or be combined with initialization code for other I/O modules.
Assembly Code Example(1)
USART_Init:
; Set baud rate
out UBRRH, r17
out UBRRL, r16
; Enable receiver and transmitter
ldi r16, (1<<RXEN)|(1<<TXEN)
out UCSRB,r16
; Set frame format: 8data, 2stop bit
ldi r16, (1<<USBS)|(3<<UCSZ0)
out UCSRC,r16
ret
C Code Example(1)
#define FOSC 1843200// Clock Speed
#define BAUD 9600
#define MYUBRR FOSC/16/BAUD-1
void main( void )
{
...
USART_Init ( MYUBRR );
...
}
void USART_Init( unsigned int ubrr )
{
/* Set baud rate */
UBRRH = (unsigned char)(ubrr>>8);
UBRRL = (unsigned char)ubrr;
/* Enable receiver and transmitter */
UCSRB = (1<<RXEN)|(1<<TXEN);
/* Set frame format: 8data, 2stop bit */
UCSRC = (1<<USBS)|(3<<UCSZ0);
}

177
2467X–AVR–06/11
ATmega128
Data Transmission
– The USART
Transmitter
The USART Transmitter is enabled by setting the Transmit Enable (TXEN) bit in the UCSRB
Register. When the Transmitter is enabled, the normal port operation of the TxD pin is overrid-
den by the USART and given the function as the transmitter’s serial output. The baud rate, mode
of operation and frame format must be set up once before doing any transmissions. If synchro-
nous operation is used, the clock on the XCK pin will be overridden and used as transmission
clock.
Sending Frames with
5 to 8 Data Bit
A data transmission is initiated by loading the transmit buffer with the data to be transmitted. The
CPU can load the transmit buffer by writing to the UDR I/O location. The buffered data in the
transmit buffer will be moved to the Shift Register when the Shift Register is ready to send a new
frame. The Shift Register is loaded with new data if it is in idle state (no ongoing transmission) or
immediately after the last stop bit of the previous frame is transmitted. When the Shift Register is
loaded with new data, it will transfer one complete frame at the rate given by the baud register,
U2X bit or by XCK depending on mode of operation.
The following code examples show a simple USART transmit function based on polling of the
Data Register Empty (UDRE) flag. When using frames with less than eight bits, the most signifi-
cant bits written to the UDR are ignored. The USART has to be initialized before the function can
be used. For the assembly code, the data to be sent is assumed to be stored in Register R16
Note: 1. See “About Code Examples” on page 8..
The function simply waits for the transmit buffer to be empty by checking the UDRE flag, before
loading it with new data to be transmitted. If the data register empty interrupt is utilized, the inter-
rupt routine writes the data into the buffer.
Assembly Code Example(1)
USART_Transmit:
; Wait for empty transmit buffer
sbis UCSRA,UDRE
rjmp USART_Transmit
; Put data (r16) into buffer, sends the data
out UDR,r16
ret
C Code Example(1)
void USART_Transmit( unsigned char data )
{
/* Wait for empty transmit buffer */
while ( !( UCSRA & (1<<UDRE)) )
;
/* Put data into buffer, sends the data */
UDR = data;
}

178
2467X–AVR–06/11
ATmega128
Sending Frames with
9 Data Bit
If 9-bit characters are used (UCSZ = 7), the ninth bit must be written to the TXB8 bit in UCSRB
before the low byte of the character is written to UDR. The following code examples show a
transmit function that handles 9 bit characters. For the assembly code, the data to be sent is
assumed to be stored in Registers R17:R16.
Note: 1. These transmit functions are written to be general functions. They can be optimized if the con-
tents of the UCSRB is static. I.e., only the TXB8 bit of the UCSRB Register is used after
initialization.
For I/O registers located in extended I/O map, “IN”, “OUT”, “SBIS”, “SBIC”, “CBI”, and “SBI”
instructions must be replaced with instructions that allow access to extended I/O. Typically
“LDS” and “STS” combined with “SBRS”, “SBRC”, “SBR”, and “CBR”.
The ninth bit can be used for indicating an address frame when using multi processor communi-
cation mode or for other protocol handling as for example synchronization.
Transmitter Flags and
Interrupts
The USART Transmitter has two flags that indicate its state: USART Data Register Empty
(UDRE) and Transmit Complete (TXC). Both flags can be used for generating interrupts.
The Data Register Empty (UDRE) flag indicates whether the transmit buffer is ready to receive
new data. This bit is set when the transmit buffer is empty, and cleared when the transmit buffer
contains data to be transmitted that has not yet been moved into the Shift Register. For compat-
ibility with future devices, always write this bit to zero when writing the UCSRA Register.
When the Data Register empty Interrupt Enable (UDRIE) bit in UCSRB is written to one, the
USART Data Register Empty Interrupt will be executed as long as UDRE is set (provided that
global interrupts are enabled). UDRE is cleared by writing UDR. When interrupt-driven data
Assembly Code Example(1)
USART_Transmit:
; Wait for empty transmit buffer
sbis UCSRA,UDRE
rjmp USART_Transmit
; Copy 9th bit from r17 to TXB8
cbi UCSRB,TXB8
sbrc r17,0
sbi UCSRB,TXB8
; Put LSB data (r16) into buffer, sends the data
out UDR,r16
ret
C Code Example
void USART_Transmit( unsigned int data )
{
/* Wait for empty transmit buffer */
while ( !( UCSRA & (1<<UDRE)) )
;
/* Copy 9th bit to TXB8 */
UCSRB &= ~(1<<TXB8);
if ( data & 0x0100 )
UCSRB |= (1<<TXB8);
/* Put data into buffer, sends the data */
UDR = data;
}

179
2467X–AVR–06/11
ATmega128
transmission is used, the data register empty Interrupt routine must either write new data to UDR
in order to clear UDRE or disable the data register empty interrupt, otherwise a new interrupt will
occur once the interrupt routine terminates.
The Transmit Complete (TXC) flag bit is set one when the entire frame in the Transmit Shift Reg-
ister has been shifted out and there are no new data currently present in the transmit buffer. The
TXC flag bit is automatically cleared when a transmit complete interrupt is executed, or it can be
cleared by writing a one to its bit location. The TXC flag is useful in half-duplex communication
interfaces (like the RS485 standard), where a transmitting application must enter receive mode
and free the communication bus immediately after completing the transmission.
When the Transmit Compete Interrupt Enable (TXCIE) bit in UCSRB is set, the USART Transmit
Complete Interrupt will be executed when the TXC flag becomes set (provided that global inter-
rupts are enabled). When the transmit complete interrupt is used, the interrupt handling routine
does not have to clear the TXC flag, this is done automatically when the interrupt is executed.
Parity Generator The parity generator calculates the parity bit for the serial frame data. When parity bit is enabled
(UPM1 = 1), the transmitter control logic inserts the parity bit between the last data bit and the
first stop bit of the frame that is sent.
Disabling the
Transmitter
The disabling of the Transmitter (setting the TXEN to zero) will not become effective until ongo-
ing and pending transmissions are completed, i.e., when the Transmit Shift Register and
Transmit Buffer register do not contain data to be transmitted. When disabled, the Transmitter
will no longer override the TxD pin.
Data Reception –
The USART
Receiver
The USART Receiver is enabled by writing the Receive Enable (RXEN) bit in the UCSRB Regis-
ter to one. When the receiver is enabled, the normal pin operation of the RxD pin is overridden
by the USART and given the function as the receiver’s serial input. The baud rate, mode of oper-
ation and frame format must be set up once before any serial reception can be done. If
synchronous operation is used, the clock on the XCK pin will be used as transfer clock.
Receiving Frames with
5 to 8 Data Bits
The Receiver starts data reception when it detects a valid start bit. Each bit that follows the start
bit will be sampled at the baud rate or XCK clock, and shifted into the Receive Shift Register until
the first stop bit of a frame is received. A second stop bit will be ignored by the receiver. When
the first stop bit is received, i.e., a complete serial frame is present in the Receive Shift Register,
the contents of the Shift Register will be moved into the receive buffer. The receive buffer can
then be read by reading the UDR I/O location.

180
2467X–AVR–06/11
ATmega128
The following code example shows a simple USART receive function based on polling
of the Receive Complete (RXC) flag. When using frames with less than eight bits the
most significant bits of the data read from the UDR will be masked to zero. The USART
has to be initialized before the function can be used.
Note: 1. See “About Code Examples” on page 8.
The function simply waits for data to be present in the receive buffer by checking the
RXC flag, before reading the buffer and returning the value.
Assembly Code Example(1)
USART_Receive:
; Wait for data to be received
sbis UCSRA, RXC
rjmp USART_Receive
; Get and return received data from buffer
in r16, UDR
ret
C Code Example(1)
unsigned char USART_Receive( void )
{
/* Wait for data to be received */
while ( !(UCSRA & (1<<RXC)) )
;
/* Get and return received data from buffer */
return UDR;
}

181
2467X–AVR–06/11
ATmega128
Receiving Frames with
9 Data Bits
If 9-bit characters are used (UCSZ=7) the ninth bit must be read from the RXB8 bit in UCSRB
before reading the low bits from the UDR. This rule applies to the FE, DOR and UPE status
flags as well. Read status from UCSRA, then data from UDR. Reading the UDR I/O location will
change the state of the receive buffer FIFO and consequently the TXB8, FE, DOR, and UPE
bits, which all are stored in the FIFO, will change.
The following code example shows a simple USART receive function that handles both nine bit
characters and the status bits.
Assembly Code Example(1)
USART_Receive:
; Wait for data to be received
sbis UCSRA, RXC
rjmp USART_Receive
; Get status and 9th bit, then data from buffer
in r18, UCSRA
in r17, UCSRB
in r16, UDR
; If error, return -1
andi r18,(1<<FE)|(1<<DOR)|(1<<UPE)
breq USART_ReceiveNoError
ldi r17, HIGH(-1)
ldi r16, LOW(-1)
USART_ReceiveNoError:
; Filter the 9th bit, then return
lsr r17
andi r17, 0x01
ret
C Code Example(1)
unsigned int USART_Receive( void )
{
unsigned char status, resh, resl;
/* Wait for data to be received */
while ( !(UCSRA & (1<<RXC)) )
;
/* Get status and 9th bit, then data */
/* from buffer */
status = UCSRA;
resh = UCSRB;
resl = UDR;
/* If error, return -1 */
if ( status & (1<<FE)|(1<<DOR)|(1<<UPE) )
return -1;
/* Filter the 9th bit, then return */
resh = (resh >> 1) & 0x01;
return ((resh << 8) | resl);
}

182
2467X–AVR–06/11
ATmega128
Note: 1. See “About Code Examples” on page 8.
The receive function example reads all the I/O registers into the register file before any compu-
tation is done. This gives an optimal receive buffer utilization since the buffer location read will
be free to accept new data as early as possible.
Receive Compete Flag
and Interrupt
The USART Receiver has one flag that indicates the receiver state.
The Receive Complete (RXC) flag indicates if there are unread data present in the receive buf-
fer. This flag is one when unread data exist in the receive buffer, and zero when the receive
buffer is empty (i.e., does not contain any unread data). If the Receiver is disabled (RXEN = 0),
the receive buffer will be flushed and consequently the RXC bit will become zero.
When the Receive Complete Interrupt Enable (RXCIE) in UCSRB is set, the USART Receive
Complete Interrupt will be executed as long as the RXC flag is set (provided that global inter-
rupts are enabled). When interrupt-driven data reception is used, the receive complete routine
must read the received data from UDR in order to clear the RXC flag, otherwise a new interrupt
will occur once the interrupt routine terminates.
Receiver Error Flags The USART receiver has three error flags: Frame Error (FE), Data OverRun (DOR) and Parity
Error (UPE). All can be accessed by reading UCSRA. Common for the error flags is that they are
located in the receive buffer together with the frame for which they indicate the error status. Due
to the buffering of the error flags, the UCSRA must be read before the receive buffer (UDR),
since reading the UDR I/O location changes the buffer read location. Another equality for the
error flags is that they can not be altered by software doing a write to the flag location. However,
all flags must be set to zero when the UCSRA is written for upward compatibility of future
USART implementations. None of the error flags can generate interrupts.
The Frame Error (FE) flag indicates the state of the first stop bit of the next readable frame
stored in the receive buffer. The FE flag is zero when the stop bit was correctly read (as one),
and the FE flag will be one when the stop bit was incorrect (zero). This flag can be used for
detecting out-of-sync conditions, detecting break conditions and protocol handling. The FE flag
is not affected by the setting of the USBS bit in UCSRC since the receiver ignores all, except for
the first, stop bits. For compatibility with future devices, always set this bit to zero when writing to
UCSRA.
The Data OverRun (DOR) flag indicates data loss due to a receiver buffer full condition. A data
overrun occurs when the receive buffer is full (two characters), it is a new character waiting in
the Receive Shift Register, and a new start bit is detected. If the DOR flag is set there was one
or more serial frame lost between the frame last read from UDR, and the next frame read from
UDR. For compatibility with future devices, always write this bit to zero when writing to UCSRA.
The DOR flag is cleared when the frame received was successfully moved from the Shift Regis-
ter to the receive buffer.
The Parity Error (UPE) flag indicates that the next frame in the receive buffer had a parity error
when received. If parity check is not enabled the UPE bit will always be read zero. For compati-
bility with future devices, always set this bit to zero when writing to UCSRA. For more details see
“Parity Bit Calculation” on page 175 and “Parity Checker” on page 183.

183
2467X–AVR–06/11
ATmega128
Parity Checker The parity checker is active when the high USART Parity mode (UPM1) bit is set. Type of parity
check to be performed (odd or even) is selected by the UPM0 bit. When enabled, the parity
checker calculates the parity of the data bits in incoming frames and compares the result with
the parity bit from the serial frame. The result of the check is stored in the receive buffer together
with the received data and stop bits. The Parity Error (UPE) flag can then be read by software to
check if the frame had a Parity Error.
The UPE bit is set if the next character that can be read from the receive buffer had a parIty
Error when received and the parity checking was enabled at that point (UPM1 = 1). This bit is
valid until the Receive buffer (UDR) is read.
Disabling the Receiver In contrast to the Transmitter, disabling of the Receiver will be immediate. Data from ongoing
receptions will therefore be lost. When disabled (i.e., the RXEN is set to zero) the receiver will no
longer override the normal function of the RxD port pin. The receiver buffer FIFO will be flushed
when the receiver is disabled. Remaining data in the buffer will be lost
Flushing the Receive
Buffer
The receiver buffer FIFO will be flushed when the receiver is disabled, i.e. the buffer will be emp-
tied of its contents. Unread data will be lost. If the buffer has to be flushed during normal
operation, due to for instance an error condition, read the UDR I/O location until the RXC flag is
cleared. The following code example shows how to flush the receive buffer.
Note: 1. “About Code Examples” on page 8.
The USART includes a clock recovery and a data recovery unit for handling asynchronous
data reception. The clock recovery logic is used for synchronizing the internally generated
baud rate clock to the incoming asynchronous serial frames at the RxD pin. The data recovery
logic samples and low pass filters each incoming bit, thereby improving the noise immunity of
the receiver. The asynchronous reception operational range depends on the accuracy of the
internal baud rate clock, the rate of the incoming frames, and the frame size in number of bits.
Assembly Code Example(1)
USART_Flush:
sbis UCSRA, RXC
ret
in r16, UDR
rjmp USART_Flush
C Code Example(1)
void USART_Flush( void )
{
unsigned char dummy;
while ( UCSRA & (1<<RXC) ) dummy = UDR;
}

184
2467X–AVR–06/11
ATmega128
Asynchronous Clock
Recovery
The clock recovery logic synchronizes internal clock to the incoming serial frames. Figure 83
illustrates the sampling process of the start bit of an incoming frame. The sample rate is 16 times
the baud rate for normal mode, and 8 times the baud rate for Double Speed mode. The horizon-
tal arrows illustrate the synchronization variation due to the sampling process. Note the larger
time variation when using the double speed mode (U2X = 1) of operation. Samples denoted zero
are samples done when the RxD line is idle (i.e., no communication activity).
Figure 83. Start Bit Sampling
When the clock recovery logic detects a high (idle) to low (start) transition on the RxD line, the
start bit detection sequence is initiated. Let sample 1 denote the first zero-sample as shown in
the figure. The clock recovery logic then uses samples 8, 9, and 10 for normal mode, and sam-
ples 4, 5, and 6 for Double Speed mode (indicated with sample numbers inside boxes on the
figure), to decide if a valid start bit is received. If two or more of these three samples have logical
high levels (the majority wins), the start bit is rejected as a noise spike and the receiver starts
looking for the next high to low-transition. If however, a valid start bit is detected, the clock recov-
ery logic is synchronized and the data recovery can begin. The synchronization process is
repeated for each start bit.
Asynchronous Data
Recovery
When the receiver clock is synchronized to the start bit, the data recovery can begin. The data
recovery unit uses a state machine that has 16 states for each bit in normal mode and 8 states
for each bit in Double Speed mode. Figure 84 shows the sampling of the data bits and the parity
bit. Each of the samples is given a number that is equal to the state of the recovery unit.
Figure 84. Sampling of Data and Parity Bit
The decision of the logic level of the received bit is taken by doing a majority voting of the logic
value to the three samples in the center of the received bit. The center samples are emphasized
on the figure by having the sample number inside boxes. The majority voting process is done as
follows: If two or all three samples have high levels, the received bit is registered to be a logic 1.
If two or all three samples have low levels, the received bit is registered to be a logic 0. This
majority voting process acts as a low pass filter for the incoming signal on the RxD pin. The
recovery process is then repeated until a complete frame is received. Including the first stop bit.
Note that the receiver only uses the first stop bit of a frame. Figure 85 shows the sampling of the
stop bit and the earliest possible beginning of the start bit of the next frame.
12345678 9 10 11 12 13 14 15 16 12
STARTIDLE
00
BIT 0
3
1234 5 678120
RxD
Sample
(U2X = 0)
Sample
(U2X = 1)
12345678 9 10 11 12 13 14 15 16 1
BIT n
1234 5 6781
RxD
Sample
(U2X = 0)
Sample
(U2X = 1)

185
2467X–AVR–06/11
ATmega128
Figure 85. Stop Bit Sampling and Next Start Bit Sampling
The same majority voting is done to the stop bit as done for the other bits in the frame. If the stop
bit is registered to have a logic 0 value, the Frame Error (FE) flag will be set.
A new high to low transition indicating the start bit of a new frame can come right after the last of
the bits used for majority voting. For Normal Speed mode, the first low level sample can be at
point marked (A) in Figure 85. For Double Speed mode the first low level must be delayed to (B).
(C) marks a stop bit of full length. The early start bit detection influences the operational range of
the receiver.
Asynchronous
Operational Range
The operational range of the Receiver is dependent on the mismatch between the received bit
rate and the internally generated baud rate. If the Transmitter is sending frames at too fast or too
slow bit rates, or the internally generated baud rate of the receiver does not have a similar (see
Table 75) base frequency, the Receiver will not be able to synchronize the frames to the start bit.
The following equations can be used to calculate the ratio of the incoming data rate and internal
receiver baud rate.
D Sum of character size and parity size (D = 5 to 10-bit)
S Samples per bit. S = 16 for Normal Speed mode and S = 8 for Double Speed
mode.
SFFirst sample number used for majority voting. SF = 8 for Normal Speed and SF = 4
for Double Speed mode.
SMMiddle sample number used for majority voting. SM = 9 for Normal Speed and
SM = 5 for Double Speed mode.
Rslow is the ratio of the slowest incoming data rate that can be accepted in relation to the receiver
baud rate. Rfast is the ratio of the fastest incoming data rate that can be accepted in relation to
the receiver baud rate.
Table 75 and Table 76 list the maximum receiver baud rate error that can be tolerated. Note that
normal speed mode has higher toleration of baud rate variations.
12345678 9 10 0/1 0/1 0/1
STOP 1
1234 5 6 0/1
RxD
Sample
(U2X = 0)
Sample
(U2X = 1)
(A) (B) (C)
Rslow
D1+()S
S1–DS⋅SF
++
-------------------------------------------=
Rfast
D2+()S
D1+()SS
M
+
-----------------------------------=

186
2467X–AVR–06/11
ATmega128
The recommendations of the maximum receiver baud rate error was made under the assump-
tion that the receiver and transmitter equally divides the maximum total error.
There are two possible sources for the receivers baud rate error. The receiver’s system clock
(XTAL) will always have some minor instability over the supply voltage range and the tempera-
ture range. When using a crystal to generate the system clock, this is rarely a problem, but for a
resonator the system clock may differ more than 2% depending of the resonators tolerance. The
second source for the error is more controllable. The baud rate generator can not always do an
exact division of the system frequency to get the baud rate wanted. In this case an UBRR value
that gives an acceptable low error can be used if possible.
Multi-processor
Communication
Mode
Setting the Multi-processor Communication mode (MPCM) bit in UCSRA enables a filtering
function of incoming frames received by the USART receiver. Frames that do not contain
address information will be ignored and not put into the receive buffer. This effectively reduces
the number of incoming frames that has to be handled by the CPU, in a system with multiple
MCUs that communicate via the same serial bus. The transmitter is unaffected by the MPCM
setting, but has to be used differently when it is a part of a system utilizing the Multi-processor
Communication mode.
If the receiver is set up to receive frames that contain 5 to 8 data bits, then the first stop bit indi-
cates if the frame contains data or address information. If the receiver is set up for frames with 9
data bits, then the ninth bit (RXB8) is used for identifying address and data frames. When the
frame type bit (the first stop or the 9th bit) is one, the frame contains an address. When the
frame type bit is zero the frame is a data frame.
Table 75. Recommended Maximum Receiver Baud Rate Error for Normal Speed Mode (U2X =
0)
D
# (Data+Parity Bit) Rslow %R
fast %
Max Total
Error %
Recommended Max
Receiver Error %
5 93.20 106.67 +6.67/-6.8 ±3.0
6 94.12 105.79 +5.79/-5.88 ±2.5
7 94.81 105.11 +5.11/-5.19 ±2.0
8 95.36 104.58 +4.58/-4.54 ±2.0
9 95.81 104.14 +4.14/-4.19 ±1.5
10 96.17 103.78 +3.78/-3.83 ±1.5
Table 76. Recommended Maximum Receiver Baud Rate Error for Double Speed Mode (U2X =
1)
D
# (Data+Parity Bit) Rslow %R
fast %
Max Total
Error %
Recommended Max
Receiver Error %
5 94.12 105.66 +5.66/-5.88 ±2.5
6 94.92 104.92 +4.92/-5.08 ±2.0
7 95.52 104.35 +4.35/-4.48 ±1.5
8 96.00 103.90 +3.90/-4.00 ±1.5
9 96.39 103.53 +3.53/-3.61 ±1.5
10 96.70 103.23 +3.23/-3.30 ±1.0

187
2467X–AVR–06/11
ATmega128
The Multi-processor Communication mode enables several slave MCUs to receive data from a
master MCU. This is done by first decoding an address frame to find out which MCU has been
addressed. If a particular slave MCU has been addressed, it will receive the following data
frames as normal, while the other slave MCUs will ignore the received frames until another
address frame is received.
Using MPCM For an MCU to act as a master MCU, it can use a 9-bit character frame format (UCSZ = 7). The
ninth bit (TXB8) must be set when an address frame (TXB8 = 1) or cleared when a data frame
(TXB = 0) is being transmitted. The slave MCUs must in this case be set to use a 9-bit character
frame format.
The following procedure should be used to exchange data in Multi-processor Communication
mode:
1. All slave MCUs are in Multi-processor Communication mode (MPCM in UCSRA is set).
2. The master MCU sends an address frame, and all slaves receive and read this frame. In
the slave MCUs, the RXC flag in UCSRA will be set as normal.
3. Each slave MCU reads the UDR Register and determines if it has been selected. If so, it
clears the MPCM bit in UCSRA, otherwise it waits for the next address byte and keeps
the MPCM setting.
4. The addressed MCU will receive all data frames until a new address frame is received.
The other slave MCUs, which still have the MPCM bit set, will ignore the data frames.
5. When the last data frame is received by the addressed MCU, the addressed MCU sets
the MPCM bit and waits for a new address frame from master. The process then repeats
from 2.
Using any of the 5-bit to 8-bit character frame formats is possible, but impractical since the
receiver must change between using n and n+1 character frame formats. This makes full-duplex
operation difficult since the transmitter and receiver uses the same character size setting. If 5-bit
to 8-bit character frames are used, the transmitter must be set to use two stop bit (USBS = 1)
since the first stop bit is used for indicating the frame type.
Do not use read-modify-write instructions (SBI and CBI) to set or clear the MPCM bit. The
MPCM bit shares the same I/O location as the TXC flag and this might accidentally be cleared
when using SBI or CBI instructions.

188
2467X–AVR–06/11
ATmega128
USART Register
Description
USARTn I/O Data
Register – UDRn
The USARTn Transmit Data Buffer Register and USARTn Receive Data Buffer Registers share
the same I/O address referred to as USARTn Data Register or UDRn. The Transmit Data Buffer
Register (TXBn) will be the destination for data written to the UDRn Register location. Reading
the UDRn Register location will return the contents of the receive data buffer register (RXBn).
For 5-bit, 6-bit, or 7-bit characters the upper unused bits will be ignored by the Transmitter and
set to zero by the Receiver.
The transmit buffer can only be written when the UDREn flag in the UCSRAn Register is set.
Data written to UDRn when the UDREn flag is not set, will be ignored by the USARTn Transmit-
ter. When data is written to the transmit buffer, and the Transmitter is enabled, the Transmitter
will load the data into the Transmit Shift Register when the Shift Register is empty. Then the
data will be serially transmitted on the TxDn pin.
The receive buffer consists of a two level FIFO. The FIFO will change its state whenever the
receive buffer is accessed. Due to this behavior of the receive buffer, do not use read modify
write instructions (SBI and CBI) on this location. Be careful when using bit test instructions (SBIC
and SBIS), since these also will change the state of the FIFO.
USART Control and
Status Register A –
UCSRnA
• Bit 7 – RXCn: USART Receive Complete
This flag bit is set when there are unread data in the receive buffer and cleared when the receive
buffer is empty (i.e., does not contain any unread data). If the receiver is disabled, the receive
buffer will be flushed and consequently the RXCn bit will become zero. The RXCn flag can be
used to generate a Receive Complete interrupt (see description of the RXCIEn bit).
• Bit 6 – TXCn: USART Transmit Complete
This flag bit is set when the entire frame in the Transmit Shift Register has been shifted out and
there are no new data currently present in the transmit buffer (UDRn). The TXCn flag bit is auto-
matically cleared when a transmit complete interrupt is executed, or it can be cleared by writing
a one to its bit location. The TXCn flag can generate a Transmit Complete interrupt (see descrip-
tion of the TXCIEn bit).
• Bit 5 – UDREn: USART Data Register Empty
The UDREn flag indicates if the transmit buffer (UDRn) is ready to receive new data. If UDREn is
one, the buffer is empty, and therefore ready to be written. The UDREn flag can generate a Data
Register Empty interrupt (see description of the UDRIEn bit).
UDREn is set after a reset to indicate that the Transmitter is ready.
• Bit 4 – FEn: Frame Error
Bit 76543210
RXBn[7:0] UDRn (Read)
TXBn[7:0] UDRn (Write)
Read/Write R/WR/WR/WR/WR/WR/WR/WR/W
Initial Value 0 0 0 0 0 0 0 0
Bit 76543210
RXCn TXCn UDREn FEn DORn UPEn U2Xn MPCMn UCSRnA
Read/Write R R/WRRRRR/WR/W
Initial Value00100000

189
2467X–AVR–06/11
ATmega128
This bit is set if the next character in the receive buffer had a Frame Error when received. I.e.
when the first stop bit of the next character in the receive buffer is zero. This bit is valid until the
receive buffer (UDRn) is read. The FEn bit is zero when the stop bit of received data is one.
Always set this bit to zero when writing to UCSRnA.
• Bit 3 – DORn: Data OverRun
This bit is set if a Data OverRun condition is detected. A data overrun occurs when the receive
buffer is full (two characters), it is a new character waiting in the Receive Shift Register, and a
new start bit is detected. This bit is valid until the receive buffer (UDRn) is read. Always set this
bit to zero when writing to UCSRnA.
• Bit 2 – UPEn: Parity Error
This bit is set if the next character in the receive buffer had a Parity Error when received and the
parity checking was enabled at that point (UPMn1 = 1). This bit is valid until the receive buffer
(UDRn) is read. Always set this bit to zero when writing to UCSRnA.
• Bit 1 – U2Xn: Double the USART Transmission Speed
This bit only has effect for the asynchronous operation. Write this bit to zero when using syn-
chronous operation.
Writing this bit to one will reduce the divisor of the baud rate divider from 16 to 8 effectively dou-
bling the transfer rate for asynchronous communication.
• Bit 0 – MPCMn: Multi-Processor Communication Mode
This bit enables the Multi-processor Communication mode. When the MPCMn bit is written to
one, all the incoming frames received by the USART Receiver that do not contain address infor-
mation will be ignored. The transmitter is unaffected by the MPCMn setting. For more detailed
information see “Multi-processor Communication Mode” on page 186.
USARTn Control and
Status Register B –
UCSRnB
• Bit 7 – RXCIEn: RX Complete Interrupt Enable
Writing this bit to one enables interrupt on the RXC flag. A USART Receive Complete interrupt
will be generated only if the RXCIE bit is written to one, the global interrupt flag in SREG is writ-
ten to one and the RXC bit in UCSRnA is set.
• Bit 6 – TXCIEn: TX Complete Interrupt Enable
Writing this bit to one enables interrupt on the TXCn flag. A USARTn Transmit Complete inter-
rupt will be generated only if the TXCIEn bit is written to one, the global interrupt flag in SREG is
written to one and the TXCn bit in UCSRnA is set.
• Bit 5 – UDRIEn: USART Data Register Empty Interrupt Enable
Writing this bit to one enables interrupt on the UDREn flag. A Data Register Empty interrupt will
be generated only if the UDRIEn bit is written to one, the global interrupt flag in SREG is written
to one and the UDREn bit in UCSRnA is set.
• Bit 4 – RXENn: Receiver Enable
Writing this bit to one enables the USARTn Receiver. The Receiver will override normal port
operation for the RxDn pin when enabled. Disabling the Receiver will flush the receive buffer
invalidating the FEn, DORn and UPEn flags.
• Bit 3 – TXENn: Transmitter Enable
Bit 76543210
RXCIEn TXCIEn UDRIEn RXENn TXENn UCSZn2 RXB8n TXB8n UCSRnB
Read/Write R/WR/WR/WR/WR/WR/WRR/W
Initial Value00000000

190
2467X–AVR–06/11
ATmega128
Writing this bit to one enables the USARTn Transmitter. The Transmitter will override normal
port operation for the TxDn pin when enabled. The disabling of the Transmitter (writing TXENn
to zero) will not become effective until ongoing and pending transmissions are completed, i.e.,
when the Transmit Shift Register and transmit buffer register do not contain data to be transmit-
ted. When disabled, the transmitter will no longer override the TxDn port.
• Bit 2 – UCSZn2: Character Size
The UCSZn2 bits combined with the UCSZn1:0 bit in UCSRnC sets the number of data bits
(character size) in a frame the Receiver and Transmitter use.
• Bit 1 – RXB8n: Receive Data Bit 8
RXB8n is the ninth data bit of the received character when operating with serial frames with 9-
data bits. Must be read before reading the low bits from UDRn.
• Bit 0 – TXB8n: Transmit Data Bit 8
TXB8n is the 9th data bit in the character to be transmitted when operating with serial frames
with 9 data bits. Must be written before writing the low bits to UDRn.
USART Control and
Status Register C –
UCSRnC
Note that this register is not available in ATmega103 compatibility mode.
• Bit 7 – Reserved Bit
This bit is reserved for future use. For compatibility with future devices, these bit must be written
to zero when UCSRnC is written.
• Bit 6 – UMSELn: USART Mode Select
This bit selects between Asynchronous and Synchronous mode of operation.
• Bit 5:4 – UPMn1:0: Parity Mode
These bits enable and set type of parity generation and check. If enabled, the Transmitter will
automatically generate and send the parity of the transmitted data bits within each frame. The
Receiver will generate a parity value for the incoming data and compare it to the UPMn0 setting.
If a mismatch is detected, the UPEn flag in UCSRnA will be set.
Bit 7 6 5 4 3 2 1 0
– UMSELn UPMn1 UPMn0 USBSn UCSZn1 UCSZn0 UCPOLn UCSRnC
Read/Write R/WR/WR/WR/WR/WR/WR/WR/W
Initial Value 0 0 0 0 0 1 1 0
Table 77. UMSELn Bit Settings
UMSELn Mode
0 Asynchronous Operation
1 Synchronous Operation
Table 78. UPMn Bits Settings
UPMn1 UPMn0 Parity Mode
0 0 Disabled
0 1 (Reserved)
1 0 Enabled, Even Parity
1 1 Enabled, Odd Parity

191
2467X–AVR–06/11
ATmega128
• Bit 3 – USBSn: Stop Bit Select
This bit selects the number of stop bits to be inserted by the Transmitter. The Receiver ignores
this setting.
• Bit 2:1 – UCSZn1:0: Character Size
The UCSZn1:0 bits combined with the UCSZn2 bit in UCSRnB sets the number of data bits
(character size) in a frame the Receiver and Transmitter use.
• Bit 0 – UCPOLn: Clock Polarity
This bit is used for synchronous mode only. Write this bit to zero when Asynchronous mode is
used. The UCPOLn bit sets the relationship between data output change and data input sample,
and the synchronous clock (XCKn).
USART Baud Rate
Registers – UBRRnL
and UBRRnH
UBRRnH is not available in mega103 compatibility mode
Table 79. USBSn Bit Settings
USBSn Stop Bit(s)
01-bit
12-bits
Table 80. UCSZn Bits Settings
UCSZn2 UCSZn1 UCSZn0 Character Size
0005-bit
0016-bit
0107-bit
0118-bit
100Reserved
101Reserved
110Reserved
1119-bit
Table 81. UCPOLn Bit Settings
UCPOLn
Transmitted Data Changed (Output of
TxDn Pin)
Received Data Sampled (Input on
RxDn Pin)
0 Rising XCKn Edge Falling XCKn Edge
1 Falling XCKn Edge Rising XCKn Edge
Bit 151413121110 9 8
– – – – UBRRn[11:8] UBRRnH
UBRRn[7:0] UBRRnL
76543210
Read/WriteRRRRR/WR/WR/WR/W
R/WR/WR/WR/WR/WR/WR/WR/W
Initial Value00000000
00000000

192
2467X–AVR–06/11
ATmega128
• Bit 15:12 – Reserved Bits
These bits are reserved for future use. For compatibility with future devices, these bit must be
written to zero when UBRRnH is written.
• Bit 11:0 – UBRRn11:0: USARTn Baud Rate Register
This is a 12-bit register which contains the USARTn baud rate. The UBRRnH contains the four
most significant bits, and the UBRRnL contains the eight least significant bits of the USARTn
baud rate. Ongoing transmissions by the transmitter and receiver will be corrupted if the baud
rate is changed. Writing UBRRnL will trigger an immediate update of the baud rate prescaler.

193
2467X–AVR–06/11
ATmega128
Examples of Baud
Rate Setting
For standard crystal and resonator frequencies, the most commonly used baud rates for asyn-
chronous operation can be generated by using the UBRR settings in Table 82. UBRR values
which yield an actual baud rate differing less than 0.5% from the target baud rate, are bold in the
table. Higher error ratings are acceptable, but the receiver will have less noise resistance when
the error ratings are high, especially for large serial frames (see “Asynchronous Operational
Range” on page 185). The error values are calculated using the following equation:
Error[%] BaudRateClosest Match
BaudRate
-------------------------------------------------------- 1–
⎝⎠
⎛⎞
100%•=
Table 82. Examples of UBRR Settings for Commonly Used Oscillator Frequencies
Baud
Rate
(bps)
fosc = 1.0000MHz fosc = 1.8432MHz fosc = 2.0000MHz
U2X = 0 U2X = 1 U2X = 0 U2X = 1 U2X = 0 U2X = 1
UBRR Error UBRR Error UBRR Error UBRR Error UBRR Error UBRR Error
2400 250.2%510.2%470.0%950.0%510.2%1030.2%
4800 120.2%250.2%230.0%470.0%250.2%510.2%
9600 6 -7.0% 12 0.2% 11 0.0% 23 0.0% 12 0.2% 25 0.2%
14.4k 3 8.5% 8 -3.5% 7 0.0% 15 0.0% 8 -3.5% 16 2.1%
19.2k 2 8.5% 6 -7.0% 5 0.0% 11 0.0% 6 -7.0% 12 0.2%
28.8k 1 8.5% 3 8.5% 3 0.0% 7 0.0% 3 8.5% 8 -3.5%
38.4k 1 -18.6% 2 8.5% 2 0.0% 5 0.0% 2 8.5% 6 -7.0%
57.6k 0 8.5% 1 8.5% 1 0.0% 3 0.0% 1 8.5% 3 8.5%
76.8k – – 1 -18.6% 1 -25.0% 2 0.0% 1 -18.6% 2 8.5%
115.2k – – 0 8.5% 0 0.0% 1 0.0% 0 8.5% 1 8.5%
230.4k––––––00.0%––––
250k––––––––––00.0%
Max (1) 62.5Kbps 125Kbps 115.2Kbps 230.4Kbps 125Kbps 250Kbps
1. UBRR = 0, Error = 0.0%

194
2467X–AVR–06/11
ATmega128
Table 83. Examples of UBRR Settings for Commonly Used Oscillator Frequencies
Baud
Rate
(bps)
fosc = 3.6864MHz fosc = 4.0000MHz fosc = 7.3728MHz
U2X = 0 U2X = 1 U2X = 0 U2X = 1 U2X = 0 U2X = 1
UBRR Error UBRR Error UBRR Error UBRR Error UBRR Error UBRR Error
2400 95 0.0% 191 0.0% 103 0.2% 207 0.2% 191 0.0% 383 0.0%
4800 47 0.0% 95 0.0% 51 0.2% 103 0.2% 95 0.0% 191 0.0%
9600 230.0%470.0%250.2%510.2%470.0%950.0%
14.4k 15 0.0% 31 0.0% 16 2.1% 34 -0.8% 31 0.0% 63 0.0%
19.2k 11 0.0% 23 0.0% 12 0.2% 25 0.2% 23 0.0% 47 0.0%
28.8k 7 0.0% 15 0.0% 8 -3.5% 16 2.1% 15 0.0% 31 0.0%
38.4k 5 0.0% 11 0.0% 6 -7.0% 12 0.2% 11 0.0% 23 0.0%
57.6k 3 0.0% 7 0.0% 3 8.5% 8 -3.5% 7 0.0% 15 0.0%
76.8k 2 0.0% 5 0.0% 2 8.5% 6 -7.0% 5 0.0% 11 0.0%
115.2k 1 0.0% 3 0.0% 1 8.5% 3 8.5% 3 0.0% 7 0.0%
230.4k 0 0.0% 1 0.0% 0 8.5% 1 8.5% 1 0.0% 3 0.0%
250k 0 -7.8% 1 -7.8% 0 0.0% 1 0.0% 1 -7.8% 3 -7.8%
0.5M – – 0 -7.8% – – 0 0.0% 0 -7.8% 1 -7.8%
1M ––––––––––0-7.8%
Max (1) 230.4Kbps 460.8Kbps 250Kbps 0.5Mbps 460.8Kbps 921.6Kbps
1. UBRR = 0, Error = 0.0%

195
2467X–AVR–06/11
ATmega128
Table 84. Examples of UBRR Settings for Commonly Used Oscillator Frequencies
Baud
Rate
(bps)
fosc = 8.0000MHz fosc = 11.0592MHz fosc = 14.7456MHz
U2X = 0 U2X = 1 U2X = 0 U2X = 1 U2X = 0 U2X = 1
UBRR Error UBRR Error UBRR Error UBRR Error UBRR Error UBRR Error
2400 207 0.2% 416 -0.1% 287 0.0% 575 0.0% 383 0.0% 767 0.0%
4800 103 0.2% 207 0.2% 143 0.0% 287 0.0% 191 0.0% 383 0.0%
9600 51 0.2% 103 0.2% 71 0.0% 143 0.0% 95 0.0% 191 0.0%
14.4k 34 -0.8% 68 0.6% 47 0.0% 95 0.0% 63 0.0% 127 0.0%
19.2k 25 0.2% 51 0.2% 35 0.0% 71 0.0% 47 0.0% 95 0.0%
28.8k 16 2.1% 34 -0.8% 23 0.0% 47 0.0% 31 0.0% 63 0.0%
38.4k 12 0.2% 25 0.2% 17 0.0% 35 0.0% 23 0.0% 47 0.0%
57.6k 8 -3.5% 16 2.1% 11 0.0% 23 0.0% 15 0.0% 31 0.0%
76.8k 6 -7.0% 12 0.2% 8 0.0% 17 0.0% 11 0.0% 23 0.0%
115.2k 3 8.5% 8 -3.5% 5 0.0% 11 0.0% 7 0.0% 15 0.0%
230.4k 1 8.5% 3 8.5% 2 0.0% 5 0.0% 3 0.0% 7 0.0%
250k 1 0.0% 3 0.0% 2 -7.8% 5 -7.8% 3 -7.8% 6 5.3%
0.5M 0 0.0% 1 0.0% – – 2 -7.8% 1 -7.8% 3 -7.8%
1M – – 0 0.0% – – – – 0 -7.8% 1 -7.8%
Max (1) 0.5Mbps 1Mbps 691.2Kbps 1.3824Mbps 921.6Kbps 1.8432Mbps
1. UBRR = 0, Error = 0.0%

196
2467X–AVR–06/11
ATmega128
Table 85. Examples of UBRR Settings for Commonly Used Oscillator Frequencies
Baud
Rate
(bps)
fosc = 16.0000MHz
U2X = 0 U2X = 1
UBRR Error UBRR Error
2400 416 -0.1% 832 0.0%
4800 207 0.2% 416 -0.1%
9600 103 0.2% 207 0.2%
14.4k 68 0.6% 138 -0.1%
19.2k 51 0.2% 103 0.2%
28.8k 34 -0.8% 68 0.6%
38.4k 25 0.2% 51 0.2%
57.6k 16 2.1% 34 -0.8%
76.8k 12 0.2% 25 0.2%
115.2k 8 -3.5% 16 2.1%
230.4k 3 8.5% 8 -3.5%
250k 3 0.0% 7 0.0%
0.5M 1 0.0% 3 0.0%
1M 0 0.0% 1 0.0%
Max (1) 1Mbps 2Mbps
1. UBRR = 0, Error = 0.0%

197
2467X–AVR–06/11
ATmega128
Two-wire Serial
Interface
Features •Simple yet Powerful and Flexible Communication Interface, only Two Bus Lines Needed
•Both Master and Slave Operation Supported
•Device can Operate as Transmitter or Receiver
•7-bit Address Space allows up to 128 Different Slave Addresses
•Multi-master Arbitration Support
•Up to 400kHz Data Transfer Speed
•Slew-rate Limited Output Drivers
•Noise Suppression Circuitry Rejects Spikes on Bus Lines
•Fully Programmable Slave Address with General Call Support
•Address Recognition Causes Wake-up when AVR is in Sleep Mode
Two-wire Serial
Interface Bus
Definition
The Two-wire Serial Interface (TWI) is ideally suited for typical microcontroller applications. The
TWI protocol allows the systems designer to interconnect up to 128 different devices using only
two bi-directional bus lines, one for clock (SCL) and one for data (SDA). The only external hard-
ware needed to implement the bus is a single pull-up resistor for each of the TWI bus lines. All
devices connected to the bus have individual addresses, and mechanisms for resolving bus
contention are inherent in the TWI protocol.
Figure 86. TWI Bus Interconnection
TWI Terminology The following definitions are frequently encountered in this section.
Electrical
Interconnection
As depicted in Figure 86, both bus lines are connected to the positive supply voltage through
pull-up resistors. The bus drivers of all TWI-compliant devices are open-drain or open-collector.
This implements a wired-AND function which is essential to the operation of the interface. A low
level on a TWI bus line is generated when one or more TWI devices output a zero. A high level
is output when all TWI devices tri-state their outputs, allowing the pull-up resistors to pull the line
Device 1 Device 2 Device 3 Device n
SDA
SCL
........ R1 R2
VCC
Table 86. TWI Terminology
Term Description
Master The device that initiates and terminates a transmission. The master also
generates the SCL clock
Slave The device addressed by a master
Transmitter The device placing data on the bus
Receiver The device reading data from the bus

198
2467X–AVR–06/11
ATmega128
high. Note that all AVR devices connected to the TWI bus must be powered in order to allow any
bus operation.
The number of devices that can be connected to the bus is only limited by the bus capacitance
limit of 400pF and the 7-bit slave address space. A detailed specification of the electrical charac-
teristics of the TWI is given in “Two-wire Serial Interface Characteristics” on page 322. Two
different sets of specifications are presented there, one relevant for bus speeds below 100kHz,
and one valid for bus speeds up to 400kHz.
Data Transfer and
Frame Format
Transferring Bits Each data bit transferred on the TWI bus is accompanied by a pulse on the clock line. The level
of the data line must be stable when the clock line is high. The only exception to this rule is for
generating start and stop conditions.
Figure 87. Data Validity
START and STOP
Conditions
The master initiates and terminates a data transmission. The transmission is initiated when the
master issues a START condition on the bus, and it is terminated when the master issues a
STOP condition. Between a START and a STOP condition, the bus is considered busy, and no
other master should try to seize control of the bus. A special case occurs when a new START
condition is issued between a START and STOP condition. This is referred to as a REPEATED
START condition, and is used when the master wishes to initiate a new transfer without relin-
quishing control of the bus. After a REPEATED START, the bus is considered busy until the next
STOP. This is identical to the START behavior, and therefore START is used to describe both
START and REPEATED START for the remainder of this datasheet, unless otherwise noted. As
depicted below, START and STOP conditions are signalled by changing the level of the SDA
line when the SCL line is high.
Figure 88. START, REPEATED START and STOP Conditions
SDA
SCL
Data Stable Data Stable
Data Change
SDA
SCL
START STOPREPEATED STARTSTOP START

199
2467X–AVR–06/11
ATmega128
Address Packet
Format
All address packets transmitted on the TWI bus are 9 bits long, consisting of 7 address bits, one
READ/WRITE control bit and an acknowledge bit. If the READ/WRITE bit is set, a read opera-
tion is to be performed, otherwise a write operation should be performed. When a slave
recognizes that it is being addressed, it should acknowledge by pulling SDA low in the ninth SCL
(ACK) cycle. If the addressed slave is busy, or for some other reason can not service the mas-
ter’s request, the SDA line should be left high in the ACK clock cycle. The master can then
transmit a STOP condition, or a REPEATED START condition to initiate a new transmission. An
address packet consisting of a slave address and a READ or a WRITE bit is called SLA+R or
SLA+W, respectively.
The MSB of the address byte is transmitted first. Slave addresses can freely be allocated by the
designer, but the address 0000 000 is reserved for a general call.
When a general call is issued, all slaves should respond by pulling the SDA line low in the ACK
cycle. A general call is used when a master wishes to transmit the same message to several
slaves in the system. When the general call address followed by a Write bit is transmitted on the
bus, all slaves set up to acknowledge the general call will pull the SDA line low in the ack cycle.
The following data packets will then be received by all the slaves that acknowledged the general
call. Note that transmitting the general call address followed by a Read bit is meaningless, as
this would cause contention if several slaves started transmitting different data.
All addresses of the format 1111 xxx should be reserved for future purposes.
Figure 89. Address Packet Format
Data Packet Format All data packets transmitted on the TWI bus are 9 bits long, consisting of one data byte and an
acknowledge bit. During a data transfer, the master generates the clock and the START and
STOP conditions, while the receiver is responsible for acknowledging the reception. An
Acknowledge (ACK) is signalled by the receiver pulling the SDA line low during the ninth SCL
cycle. If the receiver leaves the SDA line high, a NACK is signalled. When the receiver has
received the last byte, or for some reason cannot receive any more bytes, it should inform the
transmitter by sending a NACK after the final byte. The MSB of the data byte is transmitted first.
SDA
SCL
START
12 789
Addr MSB Addr LSB R/W ACK

200
2467X–AVR–06/11
ATmega128
Figure 90. Data Packet Format
Combining Address
and Data Packets Into
a Transmission
A transmission basically consists of a START condition, a SLA+R/W, one or more data packets
and a STOP condition. An empty message, consisting of a START followed by a STOP condi-
tion, is illegal. Note that the Wired-ANDing of the SCL line can be used to implement
handshaking between the master and the slave. The slave can extend the SCL low period by
pulling the SCL line low. This is useful if the clock speed set up by the master is too fast for the
slave, or the slave needs extra time for processing between the data transmissions. The slave
extending the SCL low period will not affect the SCL high period, which is determined by the
master. As a consequence, the slave can reduce the TWI data transfer speed by prolonging the
SCL duty cycle.
Figure 91 shows a typical data transmission. Note that several data bytes can be transmitted
between the SLA+R/W and the STOP condition, depending on the software protocol imple-
mented by the application software.
Figure 91. Typical Data Transmission
Multi-master Bus
Systems,
Arbitration and
Synchronization
The TWI protocol allows bus systems with several masters. Special concerns have been taken
in order to ensure that transmissions will proceed as normal, even if two or more masters initiate
a transmission at the same time. Two problems arise in multi-master systems:
• An algorithm must be implemented allowing only one of the masters to complete the
transmission. All other masters should cease transmission when they discover that they
have lost the selection process. This selection process is called arbitration. When a
contending master discovers that it has lost the arbitration process, it should immediately
switch to slave mode to check whether it is being addressed by the winning master. The fact
that multiple masters have started transmission at the same time should not be detectable to
the slaves, i.e., the data being transferred on the bus must not be corrupted.
• Different masters may use different SCL frequencies. A scheme must be devised to
synchronize the serial clocks from all masters, in order to let the transmission proceed in a
lockstep fashion. This will facilitate the arbitration process.
12 789
Data MSB Data LSB ACK
Aggregate
SDA
SDA from
Transmitter
SDA from
Receiver
SCL from
Master
SLA+R/W Data Byte
STOP, REPEATED
START or Next
Data Byte
12 789
Data Byte
Data MSB Data LSB ACK
SDA
SCL
START
12 789
Addr MSB Addr LSB R/W ACK
SLA+R/W STOP

201
2467X–AVR–06/11
ATmega128
The wired-ANDing of the bus lines is used to solve both these problems. The serial clocks from
all masters will be wired-ANDed, yielding a combined clock with a high period equal to the one
from the master with the shortest high period. The low period of the combined clock is equal to
the low period of the master with the longest low period. Note that all masters listen to the SCL
line, effectively starting to count their SCL high and low time-out periods when the combined
SCL line goes high or low, respectively.
Figure 92. SCL Synchronization between Multiple Masters
Arbitration is carried out by all masters continuously monitoring the SDA line after outputting
data. If the value read from the SDA line does not match the value the master had output, it has
lost the arbitration. Note that a master can only lose arbitration when it outputs a high SDA value
while another master outputs a low value. The losing master should immediately go to slave
mode, checking if it is being addressed by the winning master. The SDA line should be left high,
but losing masters are allowed to generate a clock signal until the end of the current data or
address packet. Arbitration will continue until only one master remains, and this may take many
bits. If several masters are trying to address the same slave, arbitration will continue into the
data packet.
Figure 93. Arbitration Between two Masters
TA
low
TA
high
SCL from
master A
SCL from
master B
SCL Bus
Line
TB
low
TB
high
Masters Start
Counting Low Period
Masters Start
Counting High Period
SDA from
Master A
SDA from
Master B
SDA Line
Synchronized
SCL Line
START Master A loses
Arbitration, SDA
A
SDA

202
2467X–AVR–06/11
ATmega128
Note that arbitration is not allowed between:
• A REPEATED START condition and a data bit
• A STOP condition and a data bit
• A REPEATED START and a STOP condition
It is the user software’s responsibility to ensure that these illegal arbitration conditions never
occur. This implies that in multi-master systems, all data transfers must use the same composi-
tion of SLA+R/W and data packets. In other words: All transmissions must contain the same
number of data packets, otherwise the result of the arbitration is undefined.

203
2467X–AVR–06/11
ATmega128
Overview of the
TWI Module
The TWI module is comprised of several submodules, as shown in Figure 94. All registers drawn
in a thick line are accessible through the AVR data bus.
Figure 94. Overview of the TWI Module
Scl and SDA Pins These pins interface the AVR TWI with the rest of the MCU system. The output drivers contain a
slew-rate limiter in order to conform to the TWI specification. The input stages contain a spike
suppression unit removing spikes shorter than 50ns. Note that the internal pull-ups in the AVR
pads can be enabled by setting the PORT bits corresponding to the SCL and SDA pins, as
explained in the I/O Port section. The internal pull-ups can in some systems eliminate the need
for external ones.
Bit Rate Generator
Unit
This unit controls the period of SCL when operating in a Master mode. The SCL period is con-
trolled by settings in the TWI Bit Rate Register (TWBR) and the Prescaler bits in the TWI Status
Register (TWSR). Slave operation does not depend on Bit Rate or Prescaler settings, but the
CPU clock frequency in the slave must be at least 16 times higher than the SCL frequency. Note
that slaves may prolong the SCL low period, thereby reducing the average TWI bus clock
period. The SCL frequency is generated according to the following equation:
•TWBR = Value of the TWI Bit Rate Register
•TWPS = Value of the prescaler bits in the TWI Status Register
Note: Pull-up resistor values should be selected according to the SCL frequency and the capacitive bus
line load. See Table 133 on page 322 for value of pull-up resistor.
Bus Interface Unit This unit contains the Data and Address Shift Register (TWDR), a START/STOP Controller and
Arbitration detection hardware. The TWDR contains the address or data bytes to be transmitted,
or the address or data bytes received. In addition to the 8-bit TWDR, the Bus Interface Unit also
contains a register containing the (N)ACK bit to be transmitted or received. This (N)ACK Regis-
ter is not directly accessible by the application software. However, when receiving, it can be set
TWI Unit
Address Register
(TWAR)
Address Match Unit
Address Comparator
Control Unit
Control Register
(TWCR)
Status Register
(TWSR)
State Machine and
Status control
SCL
Slew-rate
Control
Spike
Filter
SDA
Slew-rate
Control
Spike
Filter
Bit Rate Generator
Bit Rate Register
(TWBR)
Prescaler
Bus Interface Unit
START / STOP
Control
Arbitration detection Ack
Spike Suppression
Address/Data Shift
Register (TWDR)
SCL frequency CPU Clock frequency
16 2(TWBR) 4TWPS
⋅+
-----------------------------------------------------------=

204
2467X–AVR–06/11
ATmega128
or cleared by manipulating the TWI Control Register (TWCR). When in Transmitter mode, the
value of the received (N)ACK bit can be determined by the value in the TWSR.
The START/STOP Controller is responsible for generation and detection of START, REPEATED
START, and STOP conditions. The START/STOP controller is able to detect START and STOP
conditions even when the AVR MCU is in one of the sleep modes, enabling the MCU to wake up
if addressed by a master.
If the TWI has initiated a transmission as master, the Arbitration Detection hardware continu-
ously monitors the transmission trying to determine if arbitration is in process. If the TWI has lost
an arbitration, the Control Unit is informed. Correct action can then be taken and appropriate
status codes generated.
Address Match Unit The Address Match unit checks if received address bytes match the 7-bit address in the TWI
Address Register (TWAR). If the TWI General Call Recognition Enable (TWGCE) bit in the
TWAR is written to one, all incoming address bits will also be compared against the General Call
address. Upon an address match, the Control Unit is informed, allowing correct action to be
taken. The TWI may or may not acknowledge its address, depending on settings in the TWCR.
The Address Match unit is able to compare addresses even when the AVR MCU is in sleep
mode, enabling the MCU to wake up if addressed by a master. If another interrupt (e.g., INT0)
occurs during TWI Power-down address match and wakes up the CPU, the TWI aborts opera-
tion and return to it’s idle state. If this cause any problems, ensure that TWI Address Match is the
only enabled interrupt when entering Power-down.
Control Unit The Control unit monitors the TWI bus and generates responses corresponding to settings in the
TWI Control Register (TWCR). When an event requiring the attention of the application occurs
on the TWI bus, the TWI Interrupt Flag (TWINT) is asserted. In the next clock cycle, the TWI Sta-
tus Register (TWSR) is updated with a status code identifying the event. The TWSR only
contains relevant status information when the TWI Interrupt Flag is asserted. At all other times,
the TWSR contains a special status code indicating that no relevant status information is avail-
able. As long as the TWINT flag is set, the SCL line is held low. This allows the application
software to complete its tasks before allowing the TWI transmission to continue.
The TWINT flag is set in the following situations:
• After the TWI has transmitted a START/REPEATED START condition
• After the TWI has transmitted SLA+R/W
• After the TWI has transmitted an address byte
• After the TWI has lost arbitration
• After the TWI has been addressed by own slave address or general call
• After the TWI has received a data byte
• After a STOP or REPEATED START has been received while still addressed as a slave
•When a bus error has occurred due to an illegal START or STOP condition

205
2467X–AVR–06/11
ATmega128
TWI Register
Description
TWI Bit Rate Register
– TWBR
• Bits 7..0 – TWI Bit Rate Register
TWBR selects the division factor for the bit rate generator. The bit rate generator is a frequency
divider which generates the SCL clock frequency in the Master modes. See “Bit Rate Generator
Unit” on page 203 for calculating bit rates.
TWI Control Register –
TWCR
The TWCR is used to control the operation of the TWI. It is used to enable the TWI, to initiate a
master access by applying a START condition to the bus, to generate a receiver acknowledge,
to generate a stop condition, and to control halting of the bus while the data to be written to the
bus are written to the TWDR. It also indicates a write collision if data is attempted written to
TWDR while the register is inaccessible.
• Bit 7 – TWINT: TWI Interrupt Flag
This bit is set by hardware when the TWI has finished its current job and expects application
software response. If the I-bit in SREG and TWIE in TWCR are set, the MCU will jump to the
TWI interrupt vector. While the TWINT flag is set, the SCL low period is stretched.
The TWINT flag must be cleared by software by writing a logic one to it. Note that this flag is not
automatically cleared by hardware when executing the interrupt routine. Also note that clearing
this flag starts the operation of the TWI, so all accesses to the TWI Address Register (TWAR),
TWI Status Register (TWSR), and TWI Data Register (TWDR) must be complete before clearing
this flag.
• Bit 6 – TWEA: TWI Enable Acknowledge Bit
The TWEA bit controls the generation of the acknowledge pulse. If the TWEA bit is written to
one, the ACK pulse is generated on the TWI bus if the following conditions are met:
1. The device’s own slave address has been received.
2. A general call has been received, while the TWGCE bit in the TWAR is set.
3. A data byte has been received in Master Receiver or Slave Receiver mode.
By writing the TWEA bit to zero, the device can be virtually disconnected from the Two-wire
Serial Bus temporarily. Address recognition can then be resumed by writing the TWEA bit to one
again.
• Bit 5 – TWSTA: TWI START Condition Bit
The application writes the TWSTA bit to one when it desires to become a master on the Two-
wire Serial Bus. The TWI hardware checks if the bus is available, and generates a START con-
dition on the bus if it is free. However, if the bus is not free, the TWI waits until a STOP condition
is detected, and then generates a new START condition to claim the bus Master status. TWSTA
must be cleared by software when the START condition has been transmitted.
Bit 76543210
TWBR7 TWBR6 TWBR5 TWBR4 TWBR3 TWBR2 TWBR1 TWBR0 TWBR
Read/Write R/WR/WR/WR/WR/WR/WR/WR/W
Initial Value00000000
Bit 76543210
TWINT TWEA TWSTA TWSTO TWWC TWEN – TWIE TWCR
Read/Write R/WR/WR/WR/WRR/WRR/W
Initial Value00000000

206
2467X–AVR–06/11
ATmega128
• Bit 4 – TWSTO: TWI STOP Condition Bit
Writing the TWSTO bit to one in Master mode will generate a STOP condition on the Two-wire
Serial Bus. When the STOP condition is executed on the bus, the TWSTO bit is cleared auto-
matically. In slave mode, setting the TWSTO bit can be used to recover from an error condition.
This will not generate a STOP condition, but the TWI returns to a well-defined unaddressed
Slave mode and releases the SCL and SDA lines to a high impedance state.
• Bit 3 – TWWC: TWI Write Collision Flag
The TWWC bit is set when attempting to write to the TWI Data Register – TWDR when TWINT is
low. This flag is cleared by writing the TWDR Register when TWINT is high.
• Bit 2 – TWEN: TWI Enable Bit
The TWEN bit enables TWI operation and activates the TWI interface. When TWEN is written to
one, the TWI takes control over the I/O pins connected to the SCL and SDA pins, enabling the
slew-rate limiters and spike filters. If this bit is written to zero, the TWI is switched off and all TWI
transmissions are terminated, regardless of any ongoing operation.
• Bit 1 – Res: Reserved Bit
This bit is a reserved bit and will always read as zero.
• Bit 0 – TWIE: TWI Interrupt Enable
When this bit is written to one, and the I-bit in SREG is set, the TWI interrupt request will be acti-
vated for as long as the TWINT flag is high.
TWI Status Register –
TWSR
• Bits 7..3 – TWS: TWI Status
These 5 bits reflect the status of the TWI logic and the Two-wire Serial Bus. The different status
codes are described later in this section. Note that the value read from TWSR contains both the
5-bit status value and the 2-bit prescaler value. The application designer should mask the pres-
caler bits to zero when checking the Status bits. This makes status checking independent of
prescaler setting. This approach is used in this datasheet, unless otherwise noted.
• Bit 2 – Res: Reserved Bit
This bit is reserved and will always read as zero.
• Bits 1..0 – TWPS: TWI Prescaler Bits
These bits can be read and written, and control the bit rate prescaler.
To calculate bit rates, see “Bit Rate Generator Unit” on page 203. The value of TWPS1..0 is
used in the equation.
Bit 76543210
TWS7 TWS6 TWS5 TWS4 TWS3 – TWPS1 TWPS0 TWSR
Read/WriteRRRRRRR/WR/W
Initial Value11111000
Table 87. TWI Bit Rate Prescaler
TWPS1 TWPS0 Prescaler Value
001
014
1016
1164

207
2467X–AVR–06/11
ATmega128
TWI Data Register –
TWDR
In Transmit mode, TWDR contains the next byte to be transmitted. In receive mode, the TWDR
contains the last byte received. It is writable while the TWI is not in the process of shifting a byte.
This occurs when the TWI interrupt flag (TWINT) is set by hardware. Note that the Data Register
cannot be initialized by the user before the first interrupt occurs. The data in TWDR remains sta-
ble as long as TWINT is set. While data is shifted out, data on the bus is simultaneously shifted
in. TWDR always contains the last byte present on the bus, except after a wake up from a sleep
mode by the TWI interrupt. In this case, the contents of TWDR is undefined. In the case of a lost
bus arbitration, no data is lost in the transition from Master to Slave. Handling of the ACK bit is
controlled automatically by the TWI logic, the CPU cannot access the ACK bit directly.
• Bits 7..0 – TWD: TWI Data Register
These eight bits constitute the next data byte to be transmitted, or the latest data byte received
on the Two-wire Serial Bus.
TWI (Slave) Address
Register – TWAR
The TWAR should be loaded with the 7-bit slave address (in the seven most significant bits of
TWAR) to which the TWI will respond when programmed as a slave transmitter or receiver, and
not needed in the master modes. In multimaster systems, TWAR must be set in masters which
can be addressed as slaves by other masters.
The LSB of TWAR is used to enable recognition of the general call address ($00). There is an
associated address comparator that looks for the slave address (or general call address if
enabled) in the received serial address. If a match is found, an interrupt request is generated.
• Bits 7..1 – TWA: TWI (Slave) Address Register
These seven bits constitute the slave address of the TWI unit.
• Bit 0 – TWGCE: TWI General Call Recognition Enable Bit
If set, this bit enables the recognition of a General Call given over the Two-wire Serial Bus.
Using the TWI The AVR TWI is byte-oriented and interrupt based. Interrupts are issued after all bus events, like
reception of a byte or transmission of a START condition. Because the TWI is interrupt-based,
the application software is free to carry on other operations during a TWI byte transfer. Note that
the TWI Interrupt Enable (TWIE) bit in TWCR together with the Global Interrupt Enable bit in
SREG allow the application to decide whether or not assertion of the TWINT flag should gener-
ate an interrupt request. If the TWIE bit is cleared, the application must poll the TWINT flag in
order to detect actions on the TWI bus.
When the TWINT flag is asserted, the TWI has finished an operation and awaits application
response. In this case, the TWI Status Register (TWSR) contains a value indicating the current
state of the TWI bus. The application software can then decide how the TWI should behave in
the next TWI bus cycle by manipulating the TWCR and TWDR Registers.
Figure 95 is a simple example of how the application can interface to the TWI hardware. In this
example, a master wishes to transmit a single data byte to a slave. This description is quite
Bit 76543210
TWD7 TWD6 TWD5 TWD4 TWD3 TWD2 TWD1 TWD0 TWDR
Read/Write R/WR/WR/WR/WR/WR/WR/WR/W
Initial Value11111111
Bit 76543210
TWA6 TWA5 TWA4 TWA3 TWA2 TWA1 TWA0 TWGCE TWAR
Read/Write R/WR/WR/WR/WR/WR/WR/WR/W
Initial Value11111110

208
2467X–AVR–06/11
ATmega128
abstract, a more detailed explanation follows later in this section. A simple code example imple-
menting the desired behavior is also presented.
Figure 95. Interfacing the Application to the TWI in a Typical Transmission
1. The first step in a TWI transmission is to transmit a START condition. This is done by
writing a specific value into TWCR, instructing the TWI hardware to transmit a START
condition. Which value to write is described later on. However, it is important that the
TWINT bit is set in the value written. Writing a one to TWINT clears the flag. The TWI will
not start any operation as long as the TWINT bit in TWCR is set. Immediately after the
application has cleared TWINT, the TWI will initiate transmission of the START condition.
2. When the START condition has been transmitted, the TWINT flag in TWCR is set, and
TWSR is updated with a status code indicating that the START condition has success-
fully been sent.
3. The application software should now examine the value of TWSR, to make sure that the
START condition was successfully transmitted. If TWSR indicates otherwise, the applica-
tion software might take some special action, like calling an error routine. Assuming that
the status code is as expected, the application must load SLA+W into TWDR. Remember
that TWDR is used both for address and data. After TWDR has been loaded with the
desired SLA+W, a specific value must be written to TWCR, instructing the TWI hardware
to transmit the SLA+W present in TWDR. Which value to write is described later on.
However, it is important that the TWINT bit is set in the value written. Writing a one to
TWINT clears the flag. The TWI will not start any operation as long as the TWINT bit in
TWCR is set. Immediately after the application has cleared TWINT, the TWI will initiate
transmission of the address packet.
4. When the address packet has been transmitted, the TWINT flag in TWCR is set, and
TWSR is updated with a status code indicating that the address packet has successfully
been sent. The status code will also reflect whether a slave acknowledged the packet or
not.
5. The application software should now examine the value of TWSR, to make sure that the
address packet was successfully transmitted, and that the value of the ACK bit was as
expected. If TWSR indicates otherwise, the application software might take some special
action, like calling an error routine. Assuming that the status code is as expected, the
START SLA+W A Data A STOP
1. Application
writes to TWCR
to initiate
transmission of
START
2. TWINT set.
Status code indicates
START condition sent
4. TWINT set.
Status code indicates
SLA+W sendt, ACK
received
6. TWINT set.
Status code indicates
data sent, ACK received
3. Check TWSR to see if START
was sent. Application loads
SLA+W into TWDR, and loads
appropriate control signals into
TWCR, making sure that TWINT
is written to one, and TWSTA is
written to zero.
5. Check TWSR to see if SLA+W
was sent and ACK received.
Application loads data into TWDR,
and loads appropriate control signals
into TWCR, making sure that TWINT
is written to one.
7. Check TWSR to see if data
was sent and ACK received.
Application loads appropriate
control signals to send STOP
into TWCR, making sure that
TWINT is written to one
TWI bus
Indicates
TWINT set
Application
Action
TWI
Hardware
Action

209
2467X–AVR–06/11
ATmega128
application must load a data packet into TWDR. Subsequently, a specific value must be
written to TWCR, instructing the TWI hardware to transmit the data packet present in
TWDR. Which value to write is described later on. However, it is important that the
TWINT bit is set in the value written. Writing a one to TWINT clears the flag. The TWI will
not start any operation as long as the TWINT bit in TWCR is set. Immediately after the
application has cleared TWINT, the TWI will initiate transmission of the data packet.
6. When the data packet has been transmitted, the TWINT flag in TWCR is set, and TWSR
is updated with a status code indicating that the data packet has successfully been sent.
The status code will also reflect whether a slave acknowledged the packet or not.
7. The application software should now examine the value of TWSR, to make sure that the
data packet was successfully transmitted, and that the value of the ACK bit was as
expected. If TWSR indicates otherwise, the application software might take some special
action, like calling an error routine. Assuming that the status code is as expected, the
application must write a specific value to TWCR, instructing the TWI hardware to transmit
a STOP condition. Which value to write is described later on. However, it is important that
the TWINT bit is set in the value written. Writing a one to TWINT clears the flag. The TWI
will not start any operation as long as the TWINT bit in TWCR is set. Immediately after
the application has cleared TWINT, the TWI will initiate transmission of the STOP condi-
tion. Note that TWINT is NOT set after a STOP condition has been sent.

210
2467X–AVR–06/11
ATmega128
Even though this example is simple, it shows the principles involved in all TWI transmissions.
These can be summarized as follows:
•When the TWI has finished an operation and expects application response, the TWINT flag
is set. The SCL line is pulled low until TWINT is cleared.
•When the TWINT flag is set, the user must update all TWI Registers with the value relevant
for the next TWI bus cycle. As an example, TWDR must be loaded with the value to be
transmitted in the next bus cycle.
• After all TWI Register updates and other pending application software tasks have been
completed, TWCR is written. When writing TWCR, the TWINT bit should be set. Writing a
one to TWINT clears the flag. The TWI will then commence executing whatever operation
was specified by the TWCR setting.
In the following an assembly and C implementation of the example is given. Note that the code
below assumes that several definitions have been made for example by using include-files.

211
2467X–AVR–06/11
ATmega128
Note: For I/O registers located in extended I/O map, “IN”, “OUT”, “SBIS”, “SBIC”, “CBI”, and “SBI” instructions must be replaced with
instructions that allow access to extended I/O. Typically “LDS” and “STS” combined with “SBRS”, “SBRC”, “SBR”, and “CBR”.
Assembly Code Example C Example Comments
1ldi r16,
(1<<TWINT)|(1<<TWSTA)|
(1<<TWEN)
out TWCR, r16
TWCR = (1<<TWINT)|(1<<TWSTA)|
(1<<TWEN) Send START condition
2wait1:
in r16,TWCR
sbrs r16,TWINT
rjmp wait1
while (!(TWCR & (1<<TWINT)))
;Wait for TWINT flag set. This indicates that the
START condition has been transmitted
3in r16,TWSR
andi r16, 0xF8
cpi r16, START
brne ERROR
if ((TWSR & 0xF8) != START)
ERROR(); Check value of TWI Status Register. Mask
prescaler bits. If status different from START
go to ERROR
ldi r16, SLA_W
out TWDR, r16
ldi r16, (1<<TWINT) |
(1<<TWEN)
out TWCR, r16
TWDR = SLA_W;
TWCR = (1<<TWINT) |
(1<<TWEN);
Load SLA_W into TWDR Register. Clear
TWINT bit in TWCR to start transmission of
address
4wait2:
in r16,TWCR
sbrs r16,TWINT
rjmp wait2
while (!(TWCR & (1<<TWINT)))
;Wait for TWINT flag set. This indicates that the
SLA+W has been transmitted, and
ACK/NACK has been received.
5in r16,TWSR
andi r16, 0xF8
cpi r16, MT_SLA_ACK
brne ERROR
if ((TWSR & 0xF8) !=
MT_SLA_ACK)
ERROR();
Check value of TWI Status Register. Mask
prescaler bits. If status different from
MT_SLA_ACK go to ERROR
ldi r16, DATA
out TWDR, r16
ldi r16, (1<<TWINT) |
(1<<TWEN)
out TWCR, r16
TWDR = DATA;
TWCR = (1<<TWINT) |
(1<<TWEN); Load DATA into TWDR Register. Clear TWINT
bit in TWCR to start transmission of data
6wait3:
in r16,TWCR
sbrs r16,TWINT
rjmp wait3
while (!(TWCR & (1<<TWINT)))
;Wait for TWINT flag set. This indicates that the
DATA has been transmitted, and ACK/NACK
has been received.
7in r16,TWSR
andi r16, 0xF8
cpi r16, MT_DATA_ACK
brne ERROR
if ((TWSR & 0xF8) !=
MT_DATA_ACK)
ERROR();
Check value of TWI Status Register. Mask
prescaler bits. If status different from
MT_DATA_ACK go to ERROR
ldi r16,
(1<<TWINT)|(1<<TWEN)|
(1<<TWSTO)
out TWCR, r16
TWCR = (1<<TWINT)|(1<<TWEN)|
(1<<TWSTO); Transmit STOP condition

212
2467X–AVR–06/11
ATmega128
Transmission
Modes
The TWI can operate in one of four major modes. These are named Master Transmitter (MT),
Master Receiver (MR), Slave Transmitter (ST) and Slave Receiver (SR). Several of these
modes can be used in the same application. As an example, the TWI can use MT mode to write
data into a TWI EEPROM, MR mode to read the data back from the EEPROM. If other masters
are present in the system, some of these might transmit data to the TWI, and then SR mode
would be used. It is the application software that decides which modes are legal.
The following sections describe each of these modes. Possible status codes are described
along with figures detailing data transmission in each of the modes. These figures contain the
following abbreviations:
S: START condition
Rs: REPEATED START condition
R: Read bit (high level at SDA)
W: Write bit (low level at SDA)
A: Acknowledge bit (low level at SDA)
A: Not acknowledge bit (high level at SDA)
Data: 8-bit data byte
P: STOP condition
SLA: Slave Address
In Figure 97 to Figure 103, circles are used to indicate that the TWINT flag is set. The numbers
in the circles show the status code held in TWSR, with the prescaler bits masked to zero. At
these points, actions must be taken by the application to continue or complete the TWI transfer.
The TWI transfer is suspended until the TWINT flag is cleared by software.
When the TWINT flag is set, the status code in TWSR is used to determine the appropriate soft-
ware action. For each status code, the required software action and details of the following serial
transfer are given in Table 88 to Table 91. Note that the prescaler bits are masked to zero in
these tables.
Master Transmitter
Mode
In the Master Transmitter mode, a number of data bytes are transmitted to a slave receiver (see
Figure 96). In order to enter a Master mode, a START condition must be transmitted. The format
of the following address packet determines whether Master Transmitter or Master Receiver
mode is to be entered. If SLA+W is transmitted, MT mode is entered, if SLA+R is transmitted,
MR mode is entered. All the status codes mentioned in this section assume that the prescaler
bits are zero or are masked to zero.

213
2467X–AVR–06/11
ATmega128
Figure 96. Data Transfer in Master Transmitter Mode
A START condition is sent by writing the following value to TWCR:
TWEN must be set to enable the Two-wire Serial Interface, TWSTA must be written to one to
transmit a START condition and TWINT must be written to one to clear the TWINT flag. The TWI
will then test the Two-wire Serial Bus and generate a START condition as soon as the bus
becomes free. After a START condition has been transmitted, the TWINT flag is set by hard-
ware, and the status code in TWSR will be $08 (See Table 88). In order to enter MT mode,
SLA+W must be transmitted. This is done by writing SLA+W to TWDR. Thereafter the TWINT bit
should be cleared (by writing it to one) to continue the transfer. This is accomplished by writing
the following value to TWCR:
When SLA+W have been transmitted and an acknowledgment bit has been received, TWINT is
set again and a number of status codes in TWSR are possible. Possible status codes in Master
mode are $18, $20, or $38. The appropriate action to be taken for each of these status codes is
detailed in Table 88.
When SLA+W has been successfully transmitted, a data packet should be transmitted. This is
done by writing the data byte to TWDR. TWDR must only be written when TWINT is high. If not,
the access will be discarded, and the Write Collision bit (TWWC) will be set in the TWCR Regis-
ter. After updating TWDR, the TWINT bit should be cleared (by writing it to one) to continue the
transfer. This is accomplished by writing the following value to TWCR:
This scheme is repeated until the last byte has been sent and the transfer is ended by generat-
ing a STOP condition or a repeated START condition. A STOP condition is generated by writing
the following value to TWCR:
A REPEATED START condition is generated by writing the following value to TWCR:
TWCR TWINT TWEA TWSTA TWSTO TWWC TWEN –TWIE
value 1 X10X10 X
TWCR TWINT TWEA TWSTA TWSTO TWWC TWEN –TWIE
value 1 X00X10 X
TWCR TWINT TWEA TWSTA TWSTO TWWC TWEN –TWIE
value 1 X00X10 X
TWCR TWINT TWEA TWSTA TWSTO TWWC TWEN –TWIE
value 1 X01X10 X
TWCR TWINT TWEA TWSTA TWSTO TWWC TWEN –TWIE
value 1 X10X10 X
Device 1
MASTER
TRANSMITTER
Device 2
SLAVE
RECEIVER
Device 3 Device n
SDA
SCL
........ R1 R2
V
CC

214
2467X–AVR–06/11
ATmega128
After a repeated START condition (state $10) the Two-wire Serial Interface can access the
same slave again, or a new slave without transmitting a STOP condition. Repeated START
enables the master to switch between slaves, Master Transmitter mode and Master Receiver
mode without losing control of the bus.
Table 88. Status Codes for Master Transmitter Mode
Status Code
(TWSR)
Prescaler Bits
are 0
Status of the Two-wire Serial
Bus and Two-wire Serial Inter-
face Hardware
Application Software Response
Next Action Taken by TWI Hardware
To/from TWDR
To TWCR
STA STO TWINT TWEA
$08 A START condition has been
transmitted
Load SLA+W0 0 1 X SLA+W will be transmitted;
ACK or NOT ACK will be received
$10 A repeated START condition
has been transmitted
Load SLA+W or
Load SLA+R
0
0
0
0
1
1
X
X
SLA+W will be transmitted;
ACK or NOT ACK will be received
SLA+R will be transmitted;
Logic will switch to master receiver mode
$18 SLA+W has been transmitted;
ACK has been received
Load data byte or
No TWDR action or
No TWDR action or
No TWDR action
0
1
0
1
0
0
1
1
1
1
1
1
X
X
X
X
Data byte will be transmitted and ACK or NOT ACK will
be received
Repeated START will be transmitted
STOP condition will be transmitted and
TWSTO flag will be reset
STOP condition followed by a START condition will be
transmitted and TWSTO flag will be reset
$20 SLA+W has been transmitted;
NOT ACK has been received
Load data byte or
No TWDR action or
No TWDR action or
No TWDR action
0
1
0
1
0
0
1
1
1
1
1
1
X
X
X
X
Data byte will be transmitted and ACK or NOT ACK will
be received
Repeated START will be transmitted
STOP condition will be transmitted and
TWSTO flag will be reset
STOP condition followed by a START condition will be
transmitted and TWSTO flag will be reset
$28 Data byte has been transmitted;
ACK has been received
Load data byte or
No TWDR action or
No TWDR action or
No TWDR action
0
1
0
1
0
0
1
1
1
1
1
1
X
X
X
X
Data byte will be transmitted and ACK or NOT ACK will
be received
Repeated START will be transmitted
STOP condition will be transmitted and
TWSTO flag will be reset
STOP condition followed by a START condition will be
transmitted and TWSTO flag will be reset
$30 Data byte has been transmitted;
NOT ACK has been received
Load data byte or
No TWDR action or
No TWDR action or
No TWDR action
0
1
0
1
0
0
1
1
1
1
1
1
X
X
X
X
Data byte will be transmitted and ACK or NOT ACK will
be received
Repeated START will be transmitted
STOP condition will be transmitted and
TWSTO flag will be reset
STOP condition followed by a START condition will be
transmitted and TWSTO flag will be reset
$38 Arbitration lost in SLA+W or data
bytes
No TWDR action or
No TWDR action
0
1
0
0
1
1
X
X
Two-wire Serial Bus will be released and not addressed
slave mode entered
A START condition will be transmitted when the bus be-
comes free

215
2467X–AVR–06/11
ATmega128
Figure 97. Formats and States in the Master Transmitter Mode
S SLA W A DATA A P
$08 $18 $28
R SLA W
$10
AP
$20
P
$30
A or A
$38
A
Other master
continues
A or A
$38
Other master
continues
R
A
$68
Other master
continues
$78 $B0
To corresponding
states in slave mode
MT
MR
Successfull
transmission
to a slave
receiver
Next transfer
started with a
repeated start
condition
Not acknowledge
received after the
slave address
Not acknowledge
received after a data
byte
Arbitration lost in slave
address or data byte
Arbitration lost and
addressed as slave
DATA A
n
From master to slave
From slave to master
Any number of data bytes
and their associated acknowledge bits
This number (contained in TWSR) corresponds
to a defined state of the Two-wire Serial Bus. The
prescaler bits are zero or masked to zero
S

216
2467X–AVR–06/11
ATmega128
Master Receiver Mode In the Master Receiver Mode, a number of data bytes are received from a slave transmitter (see
Figure 98). In order to enter a Master mode, a START condition must be transmitted. The format
of the following address packet determines whether Master Transmitter or Master Receiver
mode is to be entered. If SLA+W is transmitted, MT mode is entered, if SLA+R is transmitted,
MR mode is entered. All the status codes mentioned in this section assume that the prescaler
bits are zero or are masked to zero.
Figure 98. Data Transfer in Master Receiver Mode
A START condition is sent by writing the following value to TWCR:
TWEN must be written to one to enable the Two-wire Serial Interface, TWSTA must be written to
one to transmit a START condition and TWINT must be set to clear the TWINT flag. The TWI will
then test the Two-wire Serial Bus and generate a START condition as soon as the bus becomes
free. After a START condition has been transmitted, the TWINT flag is set by hardware, and the
status code in TWSR will be $08 (See Table 88). In order to enter MR mode, SLA+R must be
transmitted. This is done by writing SLA+R to TWDR. Thereafter the TWINT bit should be
cleared (by writing it to one) to continue the transfer. This is accomplished by writing the follow-
ing value to TWCR:
When SLA+R have been transmitted and an acknowledgment bit has been received, TWINT is
set again and a number of status codes in TWSR are possible. Possible status codes in Master
mode are $38, $40, or $48. The appropriate action to be taken for each of these status codes is
detailed in Table 97. Received data can be read from the TWDR Register when the TWINT flag
is set high by hardware. This scheme is repeated until the last byte has been received. After the
last byte has been received, the MR should inform the ST by sending a NACK after the last
received data byte. The transfer is ended by generating a STOP condition or a repeated START
condition. A STOP condition is generated by writing the following value to TWCR:
A REPEATED START condition is generated by writing the following value to TWCR:
After a repeated START condition (state $10) the Two-wire Serial Interface can access the
same slave again, or a new slave without transmitting a STOP condition. Repeated START
TWCR TWINT TWEA TWSTA TWSTO TWWC TWEN –TWIE
value 1 X10X10 X
TWCR TWINT TWEA TWSTA TWSTO TWWC TWEN –TWIE
value 1 X00X10 X
TWCR TWINT TWEA TWSTA TWSTO TWWC TWEN –TWIE
value 1 X01X10 X
TWCR TWINT TWEA TWSTA TWSTO TWWC TWEN –TWIE
value 1 X10X10 X
Device 1
MASTER
RECEIVER
Device 2
SLAVE
TRANSMITTER
Device 3 Device n
SDA
SCL
........ R1 R2
V
CC

217
2467X–AVR–06/11
ATmega128
enables the master to switch between slaves, Master Transmitter mode and Master Receiver
mode without losing control over the bus.
Figure 99. Formats and States in the Master Receiver Mode
S SLA R A DATA A
$08 $40 $50
SLA R
$10
AP
$48
A or A
$38
Other master
continues
$38
Other master
continues
W
A
$68
Other master
continues
$78 $B0
To corresponding
states in slave mode
MR
MT
Successfull
reception
from a slave
receiver
Next transfer
started with a
repeated start
condition
Not acknowledge
received after the
slave address
Arbitration lost in slave
address or data byte
Arbitration lost and
addressed as slave
DATA A
n
From master to slave
From slave to master
Any number of data bytes
and their associated acknowledge bits
This number (contained in TWSR) corresponds
to a defined state of the Two-wire Serial Bus. The
prescaler bits are zero or masked to zero
PDATA A
$58
A
R
S

218
2467X–AVR–06/11
ATmega128
Slave Receiver Mode In the Slave Receiver mode, a number of data bytes are received from a master transmitter (see
Figure 100). All the status codes mentioned in this section assume that the prescaler bits are
zero or are masked to zero.
Figure 100. Data Transfer in Slave Receiver Mode
To initiate the Slave Receiver mode, TWAR and TWCR must be initialized as follows:
Table 89. Status Codes for Master Receiver Mode
Status Code
(TWSR)
Prescaler Bits
are 0
Status of the Two-wire Serial
Bus and Two-wire Serial Inter-
face Hardware
Application Software Response
Next Action Taken by TWI Hardware
To/from TWDR
To TWCR
STA STO TWINT TWEA
$08 A START condition has been
transmitted
Load SLA+R 0 0 1 X SLA+R will be transmitted
ACK or NOT ACK will be received
$10 A repeated START condition
has been transmitted
Load SLA+R or
Load SLA+W
0
0
0
0
1
1
X
X
SLA+R will be transmitted
ACK or NOT ACK will be received
SLA+W will be transmitted
Logic will switch to master transmitter mode
$38 Arbitration lost in SLA+R or NOT
ACK bit
No TWDR action or
No TWDR action
0
1
0
0
1
1
X
X
Two-wire Serial Bus will be released and not addressed
slave mode will be entered
A START condition will be transmitted when the bus
becomes free
$40 SLA+R has been transmitted;
ACK has been received
No TWDR action or
No TWDR action
0
0
0
0
1
1
0
1
Data byte will be received and NOT ACK will be
returned
Data byte will be received and ACK will be returned
$48 SLA+R has been transmitted;
NOT ACK has been received
No TWDR action or
No TWDR action or
No TWDR action
1
0
1
0
1
1
1
1
1
X
X
X
Repeated START will be transmitted
STOP condition will be transmitted and TWSTO flag will
be reset
STOP condition followed by a START condition will be
transmitted and TWSTO flag will be reset
$50 Data byte has been received;
ACK has been returned
Read data byte or
Read data byte
0
0
0
0
1
1
0
1
Data byte will be received and NOT ACK will be
returned
Data byte will be received and ACK will be returned
$58 Data byte has been received;
NOT ACK has been returned
Read data byte or
Read data byte or
Read data byte
1
0
1
0
1
1
1
1
1
X
X
X
Repeated START will be transmitted
STOP condition will be transmitted and TWSTO flag will
be reset
STOP condition followed by a START condition will be
transmitted and TWSTO flag will be reset
TWAR TWA6 TWA5 TWA4 TWA3 TWA2 TWA1 TWA0 TWGCE
value Device’s Own Slave Address
Device 3 Device n
SDA
SCL
........ R1 R2
V
CC
Device 2
MASTER
TRANSMITTER
Device 1
SLAVE
RECEIVER

219
2467X–AVR–06/11
ATmega128
The upper seven bits are the address to which the Two-wire Serial Interface will respond when
addressed by a master. If the LSB is set, the TWI will respond to the general call address ($00),
otherwise it will ignore the general call address.
TWEN must be written to one to enable the TWI. The TWEA bit must be written to one to enable
the acknowledgment of the device’s own slave address or the general call address. TWSTA and
TWSTO must be written to zero.
When TWAR and TWCR have been initialized, the TWI waits until it is addressed by its own
slave address (or the general call address if enabled) followed by the data direction bit. If the
direction bit is “0” (write), the TWI will operate in SR mode, otherwise ST mode is entered. After
its own slave address and the write bit have been received, the TWINT flag is set and a valid
status code can be read from TWSR. The status code is used to determine the appropriate soft-
ware action. The appropriate action to be taken for each status code is detailed in Table 90. The
slave receiver mode may also be entered if arbitration is lost while the TWI is in the master mode
(see states $68 and $78).
If the TWEA bit is reset during a transfer, the TWI will return a “Not Acknowledge” (“1”) to SDA
after the next received data byte. This can be used to indicate that the slave is not able to
receive any more bytes. While TWEA is zero, the TWI does not acknowledge its own slave
address. However, the Two-wire Serial Bus is still monitored and address recognition may
resume at any time by setting TWEA. This implies that the TWEA bit may be used to temporarily
isolate the TWI from the Two-wire Serial Bus.
In all sleep modes other than Idle mode, the clock system to the TWI is turned off. If the TWEA
bit is set, the interface can still acknowledge its own slave address or the general call address by
using the Two-wire Serial Bus clock as a clock source. The part will then wake up from sleep
and the TWI will hold the SCL clock low during the wake up and until the TWINT flag is cleared
(by writing it to one). Further data reception will be carried out as normal, with the AVR clocks
running as normal. Observe that if the AVR is set up with a long start-up time, the SCL line may
be held low for a long time, blocking other data transmissions.
Note that the Two-wire Serial Interface Data Register – TWDR does not reflect the last byte
present on the bus when waking up from these sleep modes.
TWCR TWINT TWEA TWSTA TWSTO TWWC TWEN –TWIE
value 0100010 X

220
2467X–AVR–06/11
ATmega128
Table 90. Status Codes for Slave Receiver Mode
Status Code
(TWSR)
Prescaler Bits
are 0
Status of the Two-wire Serial Bus
and Two-wire Serial Interface
Hardware
Application Software Response
Next Action Taken by TWI Hardware
To/from TWDR
To TWCR
STA STO TWINT TWEA
$60 Own SLA+W has been received;
ACK has been returned
No TWDR action or
No TWDR action
X
X
0
0
1
1
0
1
Data byte will be received and NOT ACK will be
returned
Data byte will be received and ACK will be returned
$68 Arbitration lost in SLA+R/W as
master; own SLA+W has been
received; ACK has been returned
No TWDR action or
No TWDR action
X
X
0
0
1
1
0
1
Data byte will be received and NOT ACK will be
returned
Data byte will be received and ACK will be returned
$70 General call address has been
received; ACK has been returned
No TWDR action or
No TWDR action
X
X
0
0
1
1
0
1
Data byte will be received and NOT ACK will be
returned
Data byte will be received and ACK will be returned
$78 Arbitration lost in SLA+R/W as
master; General call address has
been received; ACK has been
returned
No TWDR action or
No TWDR action
X
X
0
0
1
1
0
1
Data byte will be received and NOT ACK will be
returned
Data byte will be received and ACK will be returned
$80 Previously addressed with own
SLA+W; data has been received;
ACK has been returned
Read data byte or
Read data byte
X
X
0
0
1
1
0
1
Data byte will be received and NOT ACK will be
returned
Data byte will be received and ACK will be returned
$88 Previously addressed with own
SLA+W; data has been received;
NOT ACK has been returned
Read data byte or
Read data byte or
Read data byte or
Read data byte
0
0
1
1
0
0
0
0
1
1
1
1
0
1
0
1
Switched to the not addressed slave mode;
no recognition of own SLA or GCA
Switched to the not addressed slave mode;
own SLA will be recognized;
GCA will be recognized if TWGCE = “1”
Switched to the not addressed slave mode;
no recognition of own SLA or GCA;
a START condition will be transmitted when the bus
becomes free
Switched to the not addressed slave mode;
own SLA will be recognized;
GCA will be recognized if TWGCE = “1”;
a START condition will be transmitted when the bus
becomes free
$90 Previously addressed with
general call; data has been re-
ceived; ACK has been returned
Read data byte or
Read data byte
X
X
0
0
1
1
0
1
Data byte will be received and NOT ACK will be
returned
Data byte will be received and ACK will be returned
$98 Previously addressed with
general call; data has been
received; NOT ACK has been
returned
Read data byte or
Read data byte or
Read data byte or
Read data byte
0
0
1
1
0
0
0
0
1
1
1
1
0
1
0
1
Switched to the not addressed slave mode;
no recognition of own SLA or GCA
Switched to the not addressed slave mode;
own SLA will be recognized;
GCA will be recognized if TWGCE = “1”
Switched to the not addressed slave mode;
no recognition of own SLA or GCA;
a START condition will be transmitted when the bus
becomes free
Switched to the not addressed slave mode;
own SLA will be recognized;
GCA will be recognized if TWGCE = “1”;
a START condition will be transmitted when the bus
becomes free
$A0 A STOP condition or repeated
START condition has been
received while still addressed as
slave
No Action 0
0
1
1
0
0
0
0
1
1
1
1
0
1
0
1
Switched to the not addressed slave mode;
no recognition of own SLA or GCA
Switched to the not addressed slave mode;
own SLA will be recognized;
GCA will be recognized if TWGCE = “1”
Switched to the not addressed slave mode;
no recognition of own SLA or GCA;
a START condition will be transmitted when the bus
becomes free
Switched to the not addressed slave mode;
own SLA will be recognized;
GCA will be recognized if TWGCE = “1”;
a START condition will be transmitted when the bus
becomes free

221
2467X–AVR–06/11
ATmega128
Figure 101. Formats and States in the Slave Receiver Mode
Slave Transmitter
Mode
In the Slave Transmitter mode, a number of data bytes are transmitted to a master receiver (see
Figure 102). All the status codes mentioned in this section assume that the prescaler bits are
zero or are masked to zero.
Figure 102. Data Transfer in Slave Transmitter Mode
To initiate the Slave Transmitter mode, TWAR and TWCR must be initialized as follows:
S SLA W A DATA A
$60 $80
$88
A
$68
Reception of the
own slave address
and one or more
data bytes. All are
acknowledged
Last data byte received
is not acknowledged
Arbitration lost as master
and addressed as slave
Reception of the general call
address and one or more data
bytes
Last data byte received is
not acknowledged
n
From master to slave
From slave to master
Any number of data bytes
and their associated acknowledge bits
This number (contained in TWSR) corresponds
to a defined state of the Two-wire Serial Bus. The
prescaler bits are zero or masked to zero
P or SDATA A
$80 $A0
P or SA
A DATA A
$70 $90
$98
A
$78
P or SDATA A
$90 $A0
P or SA
General Call
Arbitration lost as master and
addressed as slave by general call
DATA A
Device 3 Device n
SDA
SCL
........ R1 R2
V
CC
Device 2
MASTER
RECEIVER
Device 1
SLAVE
TRANSMITTER

222
2467X–AVR–06/11
ATmega128
The upper seven bits are the address to which the Two-wire Serial Interface will respond when
addressed by a master. If the LSB is set, the TWI will respond to the general call address ($00),
otherwise it will ignore the general call address.
TWEN must be written to one to enable the TWI. The TWEA bit must be written to one to enable
the acknowledgment of the device’s own slave address or the general call address. TWSTA and
TWSTO must be written to zero.
When TWAR and TWCR have been initialized, the TWI waits until it is addressed by its own
slave address (or the general call address if enabled) followed by the data direction bit. If the
direction bit is “1” (read), the TWI will operate in ST mode, otherwise SR mode is entered. After
its own slave address and the write bit have been received, the TWINT flag is set and a valid
status code can be read from TWSR. The status code is used to determine the appropriate soft-
ware action. The appropriate action to be taken for each status code is detailed in Table 91. The
Slave Transmitter mode may also be entered if arbitration is lost while the TWI is in the Master
mode (see state $B0).
If the TWEA bit is written to zero during a transfer, the TWI will transmit the last byte of the trans-
fer. State $C0 or state $C8 will be entered, depending on whether the master receiver transmits
a NACK or ACK after the final byte. The TWI is switched to the not addressed slave mode, and
will ignore the master if it continues the transfer. Thus the master receiver receives all “1” as
serial data. State $C8 is entered if the master demands additional data bytes (by transmitting
ACK), even though the slave has transmitted the last byte (TWEA zero and expecting NACK
from the master).
While TWEA is zero, the TWI does not respond to its own slave address. However, the Two-wire
Serial Bus is still monitored and address recognition may resume at any time by setting TWEA.
This implies that the TWEA bit may be used to temporarily isolate the TWI from the Two-wire
Serial Bus.
In all sleep modes other than Idle mode, the clock system to the TWI is turned off. If the TWEA
bit is set, the interface can still acknowledge its own slave address or the general call address by
using the Two-wire Serial Bus clock as a clock source. The part will then wake up from sleep
and the TWI will hold the SCL clock will low during the wake up and until the TWINT flag is
cleared (by writing it to one). Further data transmission will be carried out as normal, with the
AVR clocks running as normal. Observe that if the AVR is set up with a long start-up time, the
SCL line may be held low for a long time, blocking other data transmissions.
Note that the Two-wire Serial Interface Data Register – TWDR does not reflect the last byte
present on the bus when waking up from these sleep modes.
TWAR TWA6 TWA5 TWA4 TWA3 TWA2 TWA1 TWA0 TWGCE
value Device’s Own Slave Address
TWCR TWINT TWEA TWSTA TWSTO TWWC TWEN –TWIE
value 0100010 X

223
2467X–AVR–06/11
ATmega128
Figure 103. Formats and States in the Slave Transmitter Mode
Table 91. Status Codes for Slave Transmitter Mode
Status Code
(TWSR)
Prescaler Bits
are 0
Status of the Two-wire Serial Bus
and Two-wire Serial Interface
Hardware
Application Software Response
Next Action Taken by TWI Hardware
To/from TWDR
To TWCR
STA STO TWINT TWEA
$A8 Own SLA+R has been received;
ACK has been returned
Load data byte or
Load data byte
X
X
0
0
1
1
0
1
Last data byte will be transmitted and NOT ACK should
be received
Data byte will be transmitted and ACK should be re-
ceived
$B0 Arbitration lost in SLA+R/W as
master; own SLA+R has been
received; ACK has been returned
Load data byte or
Load data byte
X
X
0
0
1
1
0
1
Last data byte will be transmitted and NOT ACK should
be received
Data byte will be transmitted and ACK should be re-
ceived
$B8 Data byte in TWDR has been
transmitted; ACK has been
received
Load data byte or
Load data byte
X
X
0
0
1
1
0
1
Last data byte will be transmitted and NOT ACK should
be received
Data byte will be transmitted and ACK should be re-
ceived
$C0 Data byte in TWDR has been
transmitted; NOT ACK has been
received
No TWDR action or
No TWDR action or
No TWDR action or
No TWDR action
0
0
1
1
0
0
0
0
1
1
1
1
0
1
0
1
Switched to the not addressed slave mode;
no recognition of own SLA or GCA
Switched to the not addressed slave mode;
own SLA will be recognized;
GCA will be recognized if TWGCE = “1”
Switched to the not addressed slave mode;
no recognition of own SLA or GCA;
a START condition will be transmitted when the bus
becomes free
Switched to the not addressed slave mode;
own SLA will be recognized;
GCA will be recognized if TWGCE = “1”;
a START condition will be transmitted when the bus
becomes free
$C8 Last data byte in TWDR has been
transmitted (TWEA = “0”); ACK
has been received
No TWDR action or
No TWDR action or
No TWDR action or
No TWDR action
0
0
1
1
0
0
0
0
1
1
1
1
0
1
0
1
Switched to the not addressed slave mode;
no recognition of own SLA or GCA
Switched to the not addressed slave mode;
own SLA will be recognized;
GCA will be recognized if TWGCE = “1”
Switched to the not addressed slave mode;
no recognition of own SLA or GCA;
a START condition will be transmitted when the bus
becomes free
Switched to the not addressed slave mode;
own SLA will be recognized;
GCA will be recognized if TWGCE = “1”;
a START condition will be transmitted when the bus
becomes free
S SLA R A DATA A
$A8 $B8
A
$B0
Reception of the
own slave address
and one or
more data bytes
Last data byte transmitted.
Switched to not addressed
slave (TWEA = '0')
Arbitration lost as master
and addressed as slave
n
From master to slave
From slave to master
Any number of data bytes
and their associated acknowledge bits
This number (contained in TWSR) corresponds
to a defined state of the Two-wire Serial Bus. The
prescaler bits are zero or masked to zero
P or SDATA
$C0
DATA A
A
$C8
P or SAll 1's
A

224
2467X–AVR–06/11
ATmega128
Miscellaneous States There are two status codes that do not correspond to a defined TWI state, see Table 92.
Status $F8 indicates that no relevant information is available because the TWINT flag is not set.
This occurs between other states, and when the TWI is not involved in a serial transfer.
Status $00 indicates that a bus error has occurred during a Two-wire Serial Bus transfer. A bus
error occurs when a START or STOP condition occurs at an illegal position in the format frame.
Examples of such illegal positions are during the serial transfer of an address byte, a data byte,
or an acknowledge bit. When a bus error occurs, TWINT is set. To recover from a bus error, the
TWSTO flag must set and TWINT must be cleared by writing a logic one to it. This causes the
TWI to enter the not addressed slave mode and to clear the TWSTO flag (no other bits in TWCR
are affected). The SDA and SCL lines are released, and no STOP condition is transmitted.
Combining Several
TWI Modes
In some cases, several TWI modes must be combined in order to complete the desired action.
Consider for example reading data from a serial EEPROM. Typically, such a transfer involves
the following steps:
1. The transfer must be initiated
2. The EEPROM must be instructed what location should be read
3. The reading must be performed
4. The transfer must be finished
Note that data is transmitted both from master to slave and vice versa. The master must instruct
the slave what location it wants to read, requiring the use of the MT mode. Subsequently, data
must be read from the slave, implying the use of the MR mode. Thus, the transfer direction must
be changed. The master must keep control of the bus during all these steps, and the steps
should be carried out as an atomical operation. If this principle is violated in a multimaster sys-
tem, another master can alter the data pointer in the EEPROM between steps 2 and 3, and the
master will read the wrong data location. Such a change in transfer direction is accomplished by
transmitting a REPEATED START between the transmission of the address byte and reception
of the data. After a REPEATED START, the master keeps ownership of the bus. The following
figure shows the flow in this transfer.
Figure 104. Combining Several TWI Modes to Access a Serial EEPROM
Table 92. Miscellaneous States
Status Code
(TWSR)
Prescaler Bits
are 0
Status of the Two-wire Serial
Bus and Two-wire Serial Inter-
face Hardware
Application Software Response
Next Action Taken by TWI Hardware
To/from TWDR
To TWCR
STA STO TWINT TWEA
$F8 No relevant state information
available; TWINT = “0”
No TWDR action No TWCR action Wait or proceed current transfer
$00 Bus error due to an illegal
START or STOP condition
No TWDR action 0 1 1 X Only the internal hardware is affected, no STOP condi-
tion is sent on the bus. In all cases, the bus is released
and TWSTO is cleared.
Master Transmitter Master Receiver
S = START Rs = REPEATED START P = STOP
Transmitted from master to slave Transmitted from slave to master
S SLA+W A ADDRESS A Rs SLA+R A DATA A P

225
2467X–AVR–06/11
ATmega128
Multi-master
Systems and
Arbitration
If multiple masters are connected to the same bus, transmissions may be initiated simultane-
ously by one or more of them. The TWI standard ensures that such situations are handled in
such a way that one of the masters will be allowed to proceed with the transfer, and that no data
will be lost in the process. An example of an arbitration situation is depicted below, where two
masters are trying to transmit data to a slave receiver.
Figure 105. An Arbitration Example
Several different scenarios may arise during arbitration, as described below:
• Two or more masters are performing identical communication with the same slave. In this
case, neither the slave nor any of the masters will know about the bus contention.
• Two or more masters are accessing the same slave with different data or direction bit. In this
case, arbitration will occur, either in the READ/WRITE bit or in the data bits. The masters
trying to output a one on SDA while another master outputs a zero will lose the arbitration.
Losing masters will switch to not addressed slave mode or wait until the bus is free and
transmit a new START condition, depending on application software action.
• Two or more masters are accessing different slaves. In this case, arbitration will occur in the
SLA bits. Masters trying to output a one on SDA while another master outputs a zero will
lose the arbitration. Masters losing arbitration in SLA will switch to slave mode to check if
they are being addressed by the winning master. If addressed, they will switch to SR or ST
mode, depending on the value of the READ/WRITE bit. If they are not being addressed, they
will switch to not addressed slave mode or wait until the bus is free and transmit a new
START condition, depending on application software action.
This is summarized in Figure 106. Possible status values are given in circles.
Device 1
MASTER
TRANSMITTER
Device 2
MASTER
TRANSMITTER
Device 3
SLAVE
RECEIVER
Device n
SDA
SCL
........ R1 R2
V
CC

226
2467X–AVR–06/11
ATmega128
Figure 106. Possible Status Codes Caused by Arbitration
Own
Address / General Call
received
Arbitration lost in SLA
TWI bus will be released and not addressed slave mode will be entered
A START condition will be transmitted when the bus becomes free
No
Arbitration lost in Data
Direction
Yes
Write
Data byte will be received and NOT ACK will be returned
Data byte will be received and ACK will be returned
Last data byte will be transmitted and NOT ACK should be received
Data byte will be transmitted and ACK should be received
Read
B0
68/78
38
SLASTART Data STOP

227
2467X–AVR–06/11
ATmega128
Analog
Comparator
The Analog Comparator compares the input values on the positive pin AIN0 and negative pin
AIN1. When the voltage on the positive pin AIN0 is higher than the voltage on the negative pin
AIN1, the Analog Comparator Output, ACO, is set. The comparator’s output can be set to trigger
the Timer/Counter1 Input Capture function. In addition, the comparator can trigger a separate
interrupt, exclusive to the Analog Comparator. The user can select Interrupt triggering on com-
parator output rise, fall or toggle. A block diagram of the comparator and its surrounding logic is
shown in Figure 107.
Figure 107. Analog Comparator Block Diagram
Notes: 1. See Table 94 on page 229.
2. Refer to Figure 1 on page 2 and Table 39 on page 80 for Analog Comparator pin placement.
Special Function IO
Register – SFIOR
• Bit 3 – ACME: Analog Comparator Multiplexer Enable
When this bit is written logic one and the ADC is switched off (ADEN in ADCSRA is zero), the
ADC multiplexer selects the negative input to the Analog Comparator. When this bit is written
logic zero, AIN1 is applied to the negative input of the Analog Comparator. For a detailed
description of this bit, see “Analog Comparator Multiplexed Input” on page 228.
Analog Comparator
Control and Status
Register – ACSR
• Bit 7 – ACD: Analog Comparator Disable
When this bit is written logic one, the power to the Analog Comparator is switched off. This bit
can be set at any time to turn off the Analog Comparator. This will reduce power consumption in
Active and Idle mode. When changing the ACD bit, the Analog Comparator Interrupt must be
ACBG
BANDGAP
REFERENCE
ADC MULTIPLEXER
OUTPUT
ACME
ADEN
1)
Bit 7 6 5 4 3 2 1 0
TSM – – – ACME PUD PSR0 PSR321 SFIOR
Read/Write R/WRRRR/WR/WR/WR/W
Initial Value 0 0 0 0 0 0 0 0
Bit 76543210
ACD ACBG ACO ACI ACIE ACIC ACIS1 ACIS0 ACSR
Read/Write R/WR/WRR/WR/WR/WR/WR/W
Initial Value00N/A00000

228
2467X–AVR–06/11
ATmega128
disabled by clearing the ACIE bit in ACSR. Otherwise an interrupt can occur when the bit is
changed.
• Bit 6 – ACBG: Analog Comparator Bandgap Select
When this bit is set, a fixed bandgap reference voltage replaces the positive input to the Analog
Comparator. When this bit is cleared, AIN0 is applied to the positive input of the Analog Compar-
ator. See “Internal Voltage Reference” on page 53.
• Bit 5 – ACO: Analog Comparator Output
The output of the Analog Comparator is synchronized and then directly connected to ACO. The
synchronization introduces a delay of 1 – 2 clock cycles.
• Bit 4 – ACI: Analog Comparator Interrupt Flag
This bit is set by hardware when a comparator output event triggers the interrupt mode defined
by ACIS1 and ACIS0. The Analog Comparator Interrupt routine is executed if the ACIE bit is set
and the I-bit in SREG is set. ACI is cleared by hardware when executing the corresponding inter-
rupt handling vector. Alternatively, ACI is cleared by writing a logic one to the flag.
• Bit 3 – ACIE: Analog Comparator Interrupt Enable
When the ACIE bit is written logic one and the I-bit in the Status Register is set, the Analog Com-
parator interrupt is activated. When written logic zero, the interrupt is disabled.
• Bit 2 – ACIC: Analog Comparator Input Capture Enable
When written logic one, this bit enables the Input Capture function in Timer/Counter1 to be trig-
gered by the Analog Comparator. The comparator output is in this case directly connected to the
Input Capture front-end logic, making the comparator utilize the noise canceler and edge select
features of the Timer/Counter1 Input Capture interrupt. When written logic zero, no connection
between the analog comparator and the Input Capture function exists. To make the comparator
trigger the Timer/Counter1 Input Capture interrupt, the TICIE1 bit in the Timer Interrupt Mask
Register (TIMSK) must be set.
• Bits 1, 0 – ACIS1, ACIS0: Analog Comparator Interrupt Mode Select
These bits determine which comparator events that trigger the Analog Comparator interrupt. The
different settings are shown in Table 93.
When changing the ACIS1/ACIS0 bits, the Analog Comparator Interrupt must be disabled by
clearing its Interrupt Enable bit in the ACSR Register. Otherwise an interrupt can occur when the
bits are changed.
Analog
Comparator
Multiplexed Input
It is possible to select any of the ADC7..0 pins to replace the negative input to the Analog Com-
parator. The ADC multiplexer is used to select this input, and consequently, the ADC must be
switched off to utilize this feature. If the Analog Comparator Multiplexer Enable bit (ACME in
SFIOR) is set and the ADC is switched off (ADEN in ADCSRA is zero), MUX2..0 in ADMUX
select the input pin to replace the negative input to the Analog Comparator, as shown in Table
Table 93. ACIS1/ACIS0 Settings
ACIS1 ACIS0 Interrupt Mode
0 0 Comparator Interrupt on Output Toggle
01Reserved
1 0 Comparator Interrupt on Falling Output Edge
1 1 Comparator Interrupt on Rising Output Edge

229
2467X–AVR–06/11
ATmega128
94. If ACME is cleared or ADEN is set, AIN1 is applied to the negative input to the Analog
Comparator.
Table 94. Analog Comparator Multiplexed Input
ACME ADEN MUX2..0 Analog Comparator Negative Input
0 x xxx AIN1
1 1 xxx AIN1
1 0 000 ADC0
1 0 001 ADC1
1 0 010 ADC2
1 0 011 ADC3
1 0 100 ADC4
1 0 101 ADC5
1 0 110 ADC6
1 0 111 ADC7

230
2467X–AVR–06/11
ATmega128
Analog to
Digital
Converter
Features •10-bit Resolution
•0.5LSB Integral Non-linearity
•±2LSB Absolute Accuracy
•13 - 260µs Conversion Time
•Up to 76.9kSPS (Up to 15 kSPS at Maximum Resolution)
•8 Multiplexed Single Ended Input Channels
•7 Differential Input Channels
•2 Differential Input Channels with Optional Gain of 10x and 200x
•Optional Left Adjustment for ADC Result Readout
•0 - VCC ADC Input Voltage Range
•Selectable 2.56V ADC Reference Voltage
•Free Running or Single Conversion Mode
•Interrupt on ADC Conversion Complete
•Sleep Mode Noise Canceler
The Atmel® AVR®ATmega128 features a 10-bit successive approximation ADC. The ADC is
connected to an 8-channel Analog Multiplexer which allows 8 single-ended voltage inputs con-
structed from the pins of Port F. The single-ended voltage inputs refer to 0V (GND).
The device also supports 16 differential voltage input combinations. Two of the differential inputs
(ADC1, ADC0 and ADC3, ADC2) are equipped with a programmable gain stage, providing
amplification steps of 0 dB (1x), 20dB (10x), or 46dB (200x) on the differential input voltage
before the A/D conversion. Seven differential analog input channels share a common negative
terminal (ADC1), while any other ADC input can be selected as the positive input terminal. If 1x
or 10x gain is used, 8-bit resolution can be expected. If 200x gain is used, 7-bit resolution can be
expected.
The ADC contains a Sample and Hold circuit which ensures that the input voltage to the ADC is
held at a constant level during conversion. A block diagram of the ADC is shown in Figure 108.
The ADC has a separate analog supply voltage pin, AVCC. AVCC must not differ more than
±0.3V from VCC. See the paragraph “ADC Noise Canceler” on page 236 on how to connect this
pin.
Internal reference voltages of nominally 2.56V or AVCC are provided On-chip. The voltage refer-
ence may be externally decoupled at the AREF pin by a capacitor for better noise performance.

231
2467X–AVR–06/11
ATmega128
Figure 108. Analog to Digital Converter Block Schematic
ADC CONVERSION
COMPLETE IRQ
8-BIT DATA BUS
15 0
ADC MULTIPLEXER
SELECT (ADMUX) ADC CTRL. & STATUS
REGISTER (ADCSRA) ADC DATA REGISTER
(ADCH/ADCL)
MUX2
ADIE
ADFR
ADSC
ADEN
ADIF ADIF
MUX1
MUX0
ADPS0
ADPS1
ADPS2
MUX3
CONVERSION LOGIC
10-BIT DAC
+
-
SAMPLE & HOLD
COMPARATOR
INTERNAL 2.56V
REFERENCE
MUX DECODER
MUX4
AVCC
ADC7
ADC6
ADC5
ADC4
ADC3
ADC2
ADC1
ADC0
REFS0
REFS1
ADLAR
+
-
CHANNEL SELECTION
GAIN SELECTION
ADC[9:0]
ADC MULTIPLEXER
OUTPUT
GAIN
AMPLIFIER
AREF
BANDGAP
REFERENCE
PRESCALER
SINGLE ENDED / DIFFERENTIAL SELECTION
AGND
POS.
INPUT
MUX
NEG.
INPUT
MUX

232
2467X–AVR–06/11
ATmega128
Operation The ADC converts an analog input voltage to a 10-bit digital value through successive approxi-
mation. The minimum value represents GND and the maximum value represents the voltage on
the AREF pin minus 1 SB. Optionally, AVCC or an internal 2.56V reference voltage may be con-
nected to the AREF pin by writing to the REFSn bits in the ADMUX Register. The internal
voltage reference may thus be decoupled by an external capacitor at the AREF pin to improve
noise immunity.
The analog input channel and differential gain are selected by writing to the MUX bits in
ADMUX. Any of the ADC input pins, as well as GND and a fixed bandgap voltage reference, can
be selected as single ended inputs to the ADC. A selection of ADC input pins can be selected as
positive and negative inputs to the differential gain amplifier.
If differential channels are selected, the differential gain stage amplifies the voltage difference
between the selected input channel pair by the selected gain factor. This amplified value then
becomes the analog input to the ADC. If single ended channels are used, the gain amplifier is
bypassed altogether.
The ADC is enabled by setting the ADC Enable bit, ADEN in ADCSRA. Voltage reference and
input channel selections will not go into effect until ADEN is set. The ADC does not consume
power when ADEN is cleared, so it is recommended to switch off the ADC before entering power
saving sleep modes.
The ADC generates a 10-bit result which is presented in the ADC Data Registers, ADCH and
ADCL. By default, the result is presented right adjusted, but can optionally be presented left
adjusted by setting the ADLAR bit in ADMUX.
If the result is left adjusted and no more than 8-bit precision is required, it is sufficient to read
ADCH. Otherwise, ADCL must be read first, then ADCH, to ensure that the content of the data
registers belongs to the same conversion. Once ADCL is read, ADC access to data registers is
blocked. This means that if ADCL has been read, and a conversion completes before ADCH is
read, neither register is updated and the result from the conversion is lost. When ADCH is read,
ADC access to the ADCH and ADCL Registers is re-enabled.
The ADC has its own interrupt which can be triggered when a conversion completes. When ADC
access to the data registers is prohibited between reading of ADCH and ADCL, the interrupt will
trigger even if the result is lost.
Starting a
Conversion
A single conversion is started by writing a logical one to the ADC Start Conversion bit, ADSC.
This bit stays high as long as the conversion is in progress and will be cleared by hardware
when the conversion is completed. If a different data channel is selected while a conversion is in
progress, the ADC will finish the current conversion before performing the channel change.
In Free Running mode, the ADC is constantly sampling and updating the ADC Data Register.
Free Running mode is selected by writing the ADFR bit in ADCSRA to one. The first conversion
must be started by writing a logical one to the ADSC bit in ADCSRA. In this mode the ADC will
perform successive conversions independently of whether the ADC Interrupt Flag, ADIF is
cleared or not.

233
2467X–AVR–06/11
ATmega128
Prescaling and
Conversion Timing
Figure 109. ADC Prescaler
By default, the successive approximation circuitry requires an input clock frequency between
50kHz and 200kHz to get maximum resolution. If a lower resolution than 10 bits is needed, the
input clock frequency to the ADC can be higher than 200kHz to get a higher sample rate.
The ADC module contains a prescaler, which generates an acceptable ADC clock frequency
from any CPU frequency above 100kHz. The prescaling is set by the ADPS bits in ADCSRA.
The prescaler starts counting from the moment the ADC is switched on by setting the ADEN bit
in ADCSRA. The prescaler keeps running for as long as the ADEN bit is set, and is continuously
reset when ADEN is low.
When initiating a single ended conversion by setting the ADSC bit in ADCSRA, the conversion
starts at the following rising edge of the ADC clock cycle. See “Differential Gain Channels” on
page 235 for details on differential conversion timing.
A normal conversion takes 13 ADC clock cycles. The first conversion after the ADC is switched
on (ADEN in ADCSRA is set) takes 25 ADC clock cycles in order to initialize the analog circuitry.
The actual sample-and-hold takes place 1.5 ADC clock cycles after the start of a normal conver-
sion and 13.5 ADC clock cycles after the start of an first conversion. When a conversion is
complete, the result is written to the ADC data registers, and ADIF is set. In single conversion
mode, ADSC is cleared simultaneously. The software may then set ADSC again, and a new
conversion will be initiated on the first rising ADC clock edge.
In Free Running mode, a new conversion will be started immediately after the conversion com-
pletes, while ADSC remains high. For a summary of conversion times, see Table 95.
7-BIT ADC PRESCALER
ADC CLOCK SOURCE
CK
ADPS0
ADPS1
ADPS2
CK/128
CK/2
CK/4
CK/8
CK/16
CK/32
CK/64
Reset
ADEN

234
2467X–AVR–06/11
ATmega128
Figure 110. ADC Timing Diagram, First Conversion (Single Conversion Mode)
Figure 111. ADC Timing Diagram, Single Conversion
Figure 112. ADC Timing Diagram, Free Running Conversion
MSB of Result
LSB of Result
ADC Clock
ADSC
Sample &Hold
ADIF
ADCH
ADCL
Cycle Number
ADEN
1212
13 14 15 16 17 18 19 20 21 22 23 24 25 1 2
First Conversion Next
Conversion
3
MUX and REFS
Update MUX and REFS
Update
Conversion
Complete
12345678910 11 12 13
MSB of Result
LSB of Result
ADC Clock
ADSC
ADIF
ADCH
ADCL
Cycle Number 12
One Conversion Next Conversion
3
Sample & Hold
MUX and REFS
Update
Conversion
Complete MUX and REFS
Update
11 12 13
MSB of Result
LSB of Result
ADC Clock
ADSC
ADIF
ADCH
ADCL
Cycle Number 12
One Conversion Next Conversion
34
Conversion
Complete
Sample & Hold
MUX and REFS
Update

235
2467X–AVR–06/11
ATmega128
Differential Gain
Channels
When using differential gain channels, certain aspects of the conversion need to be taken into
consideration.
Differential conversions are synchronized to the internal clock CKADC2 equal to half the ADC
clock. This synchronization is done automatically by the ADC interface in such a way that the
sample-and-hold occurs at a specific edge of CKADC2. A conversion initiated by the user (i.e., all
single conversions, and the first free running conversion) when CKADC2 is low will take the same
amount of time as a single ended conversion (13 ADC clock cycles from the next prescaled
clock cycle). A conversion initiated by the user when CKADC2 is high will take 14 ADC clock
cycles due to the synchronization mechanism. In free running mode, a new conversion is initi-
ated immediately after the previous conversion completes, and since CKADC2 is high at this time,
all automatically started (i.e., all but the first) free running conversions will take 14 ADC clock
cycles.
The gain stage is optimized for a bandwidth of 4kHz at all gain settings. Higher frequencies may
be subjected to non-linear amplification. An external low-pass filter should be used if the input
signal contains higher frequency components than the gain stage bandwidth. Note that the ADC
clock frequency is independent of the gain stage bandwidth limitation. E.g. the ADC clock period
may be 6 µs, allowing a channel to be sampled at 12kSPS, regardless of the bandwidth of this
channel.
Changing Channel
or Reference
Selection
The MUXn and REFS1:0 bits in the ADMUX Register are single buffered through a temporary
register to which the CPU has random access. This ensures that the channels and reference
selection only takes place at a safe point during the conversion. The channel and reference
selection is continuously updated until a conversion is started. Once the conversion starts, the
channel and reference selection is locked to ensure a sufficient sampling time for the ADC. Con-
tinuous updating resumes in the last ADC clock cycle before the conversion completes (ADIF in
ADCSRA is set). Note that the conversion starts on the following rising ADC clock edge after
ADSC is written. The user is thus advised not to write new channel or reference selection values
to ADMUX until one ADC clock cycle after ADSC is written.
Special care should be taken when changing differential channels. Once a differential channel
has been selected, the gain stage may take as much as 125µs to stabilize to the new value.
Thus conversions should not be started within the first 125µs after selecting a new differential
channel. Alternatively, conversion results obtained within this period should be discarded.
The same settling time should be observed for the first differential conversion after changing
ADC reference (by changing the REFS1:0 bits in ADMUX).
If the JTAG Interface is enabled, the function of ADC channels on PORTF7:4 is overridden.
Refer to Table 42, “Port F Pins Alternate Functions,” on page 82.
Table 95. ADC Conversion Time
Condition
Sample & Hold (Cycles from
Start of Conversion)
Conversion Time
(Cycles)
First conversion 13.5 25
Normal conversions, single ended 1.5 13
Normal conversions, differential 1.5/2.5 13/14

236
2467X–AVR–06/11
ATmega128
ADC Input Channels When changing channel selections, the user should observe the following guidelines to ensure
that the correct channel is selected:
In Single Conversion mode, always select the channel before starting the conversion. The chan-
nel selection may be changed one ADC clock cycle after writing one to ADSC. However, the
simplest method is to wait for the conversion to complete before changing the channel selection.
In Free Running mode, always select the channel before starting the first conversion. The chan-
nel selection may be changed one ADC clock cycle after writing one to ADSC. However, the
simplest method is to wait for the first conversion to complete, and then change the channel
selection. Since the next conversion has already started automatically, the next result will reflect
the previous channel selection. Subsequent conversions will reflect the new channel selection.
When switching to a differential gain channel, the first conversion result may have a poor accu-
racy due to the required settling time for the automatic offset cancellation circuitry. The user
should preferably disregard the first conversion result.
ADC Voltage
Reference
The reference voltage for the ADC (VREF) indicates the conversion range for the ADC. Single
ended channels that exceed VREF will result in codes close to 0x3FF. VREF can be selected as
either AVCC, internal 2.56V reference, or external AREF pin.
AVCC is connected to the ADC through a passive switch. The internal 2.56V reference is gener-
ated from the internal bandgap reference (VBG) through an internal amplifier. In either case, the
external AREF pin is directly connected to the ADC, and the reference voltage can be made
more immune to noise by connecting a capacitor between the AREF pin and ground. VREF can
also be measured at the AREF pin with a high impedant voltmeter. Note that VREF is a high
impedant source, and only a capacitive load should be connected in a system.
If the user has a fixed voltage source connected to the AREF pin, the user may not use the other
reference voltage options in the application, as they will be shorted to the external voltage. If no
external voltage is applied to the AREF pin, the user may switch between AVCC and 2.56 V as
reference selection. The first ADC conversion result after switching reference voltage source
may be inaccurate, and the user is advised to discard this result.
If differential channels are used, the selected reference should not be closer to AVCC than
indicated in Table 136 on page 326.
ADC Noise
Canceler
The ADC features a noise canceler that enables conversion during sleep mode to reduce noise
induced from the CPU core and other I/O peripherals. The noise canceler can be used with ADC
Noise Reduction and Idle mode. To make use of this feature, the following procedure should be
used:
1. Make sure that the ADC is enabled and is not busy converting. Single Conversion
mode must be selected and the ADC conversion complete interrupt must be
enabled.
2. Enter ADC Noise Reduction mode (or Idle mode). The ADC will start a conversion
once the CPU has been halted.
3. If no other interrupts occur before the ADC conversion completes, the ADC interrupt
will wake up the CPU and execute the ADC Conversion Complete interrupt routine. If
another interrupt wakes up the CPU before the ADC conversion is complete, that
interrupt will be executed, and an ADC Conversion Complete interrupt request will be
generated when the ADC conversion completes. The CPU will remain in active mode
until a new sleep command is executed.
Note that the ADC will not be automatically turned off when entering other sleep modes than Idle
mode and ADC Noise Reduction mode. The user is advised to write zero to ADEN before enter-
ing such sleep modes to avoid excessive power consumption. If the ADC is enabled in such

237
2467X–AVR–06/11
ATmega128
sleep modes and the user wants to perform differential conversions, the user is advised to
switch the ADC off and on after waking up from sleep to prompt an extended conversion to get a
valid result.
Analog Input Circuitry The Analog Input circuitry for single ended channels is illustrated in Figure 113. An analog
source applied to ADCn is subjected to the pin capacitance and input leakage of that pin, regard-
less of whether that channel is selected as input for the ADC. When the channel is selected, the
source must drive the S/H capacitor through the series resistance (combined resistance in the
input path).
The ADC is optimized for analog signals with an output impedance of approximately 10kΩ or
less. If such a source is used, the sampling time will be negligible. If a source with higher imped-
ance is used, the sampling time will depend on how long time the source needs to charge the
S/H capacitor, with can vary widely. The user is recommended to only use low impedant sources
with slowly varying signals, since this minimizes the required charge transfer to the S/H
capacitor.
If differential gain channels are used, the input circuitry looks somewhat different, although
source impedances of a few hundred kΩ or less is recommended.
Signal components higher than the Nyquist frequency (fADC / 2) should not be present for either
kind of channels, to avoid distortion from unpredictable signal convolution. The user is advised
to remove high frequency components with a low-pass filter before applying the signals as
inputs to the ADC.
Figure 113. Analog Input Circuitry
Analog Noise
Canceling Techniques
Digital circuitry inside and outside the device generates EMI which might affect the accuracy of
analog measurements. If conversion accuracy is critical, the noise level can be reduced by
applying the following techniques:
1. Keep analog signal paths as short as possible. Make sure analog tracks run over the
ground plane, and keep them well away from high-speed switching digital tracks.
2. The AVCC pin on the device should be connected to the digital VCC supply voltage
via an LC network as shown in Figure 114.
3. Use the ADC noise canceler function to reduce induced noise from the CPU.
4. If any ADC port pins are used as digital outputs, it is essential that these do not
switch while a conversion is in progress.
ADCn
IIH
1..100 kΩ
CS/H= 14 pF
VCC/2
IIL

238
2467X–AVR–06/11
ATmega128
Figure 114. ADC Power Connections
Offset Compensation
Schemes
The gain stage has a built-in offset cancellation circuitry that nulls the offset of differential mea-
surements as much as possible. The remaining offset in the analog path can be measured
directly by selecting the same channel for both differential inputs. This offset residue can be then
subtracted in software from the measurement results. Using this kind of software based offset
correction, offset on any channel can be reduced below one LSB.
VCC
GND
100nF
(ADC0) PF0
(ADC7) PF7
(ADC1) PF1
(ADC2) PF2
(ADC3) PF3
(ADC4) PF4
(ADC5) PF5
(ADC6) PF6
AREF
GND
AVCC
52
53
54
55
56
57
58
59
60
6161
6262
6363
6464
1
51
PEN
(AD0) PA0
10µH

239
2467X–AVR–06/11
ATmega128
ADC Accuracy
Definitions
An n-bit single-ended ADC converts a voltage linearly between GND and VREF in 2n steps
(LSBs). The lowest code is read as 0, and the highest code is read as 2n-1.
Several parameters describe the deviation from the ideal behavior:
• Offset: The deviation of the first transition (0x000 to 0x001) compared to the ideal transition
(at 0.5LSB). Ideal value: 0LSB.
Figure 115. Offset Error
• Gain Error: After adjusting for offset, the gain error is found as the deviation of the last
transition (0x3FE to 0x3FF) compared to the ideal transition (at 1.5LSB below maximum).
Ideal value: 0LSB
Figure 116. Gain Error
• Integral Non-linearity (INL): After adjusting for offset and gain error, the INL is the maximum
deviation of an actual transition compared to an ideal transition for any code. Ideal value:
0LSB.
Output Code
VREF Input Voltage
Ideal ADC
Actual ADC
Offset
Error
Output Code
V
REF
Input Voltage
Ideal ADC
Actual ADC
Gain
Error

240
2467X–AVR–06/11
ATmega128
Figure 117. Integral Non-linearity (INL)
• Differential Non-linearity (DNL): The maximum deviation of the actual code width (the
interval between two adjacent transitions) from the ideal code width (1LSB). Ideal value:
0LSB.
Figure 118. Differential Non-linearity (DNL)
• Quantization Error: Due to the quantization of the input voltage into a finite number of codes,
a range of input voltages (1LSB wide) will code to the same value. Always ±0.5LSB.
• Absolute Accuracy: The maximum deviation of an actual (unadjusted) transition compared
to an ideal transition for any code. This is the compound effect of offset, gain error,
differential error, non-linearity, and quantization error. Ideal value: ±0.5LSB.
Output Code
V
REF
Input Voltage
Ideal ADC
Actual ADC
INL
Output Code
0x3FF
0x000
0V
REF
Input Voltage
DNL
1 LSB

241
2467X–AVR–06/11
ATmega128
ADC Conversion
Result
After the conversion is complete (ADIF is high), the conversion result can be found in the ADC
Result Registers (ADCL, ADCH).
For single ended conversion, the result is
where VIN is the voltage on the selected input pin and VREF the selected voltage reference (see
Table 97 on page 242 and Table 98 on page 243). 0x000 represents ground, and 0x3FF repre-
sents the selected reference voltage minus one LSB.
If differential channels are used, the result is
where VPOS is the voltage on the positive input pin, VNEG the voltage on the negative input pin,
GAIN the selected gain factor, and VREF the selected voltage reference. The result is presented
in two’s complement form, from 0x200 (-512d) through 0x1FF (+511d). Note that if the user
wants to perform a quick polarity check of the results, it is sufficient to read the MSB of the result
(ADC9 in ADCH). If this bit is one, the result is negative, and if this bit is zero, the result is posi-
tive. Figure 119 shows the decoding of the differential input range.
Table 96 shows the resulting output codes if the differential input channel pair (ADCn - ADCm) is
selected with a gain of GAIN and a reference voltage of VREF.
Figure 119. Differential Measurement Range
ADC VIN 1024⋅
VREF
--------------------------=
ADC VPOS VNEG
–()GAIN 512⋅⋅
VREF
------------------------------------------------------------------------=
0
Output Code
0x1FF
0x000
V
REF
/GAIN Differential Input
Voltage (Volts)
0x3FF
0x200
- V
REF
/GAIN

242
2467X–AVR–06/11
ATmega128
Example:
ADMUX = 0xED (ADC3 - ADC2, 10x gain, 2.56V reference, left adjusted result)
Voltage on ADC3 is 300mV, voltage on ADC2 is 500mV.
ADCR = 512 * 10 * (300 - 500) / 2560 = -400 = 0x270
ADCL will thus read 0x00, and ADCH will read 0x9C. Writing zero to ADLAR right adjusts the
result: ADCL = 0x70, ADCH = 0x02.
ADC Multiplexer
Selection Register –
ADMUX
• Bit 7:6 – REFS1:0: Reference Selection Bits
These bits select the voltage reference for the ADC, as shown in Table 97. If these bits are
changed during a conversion, the change will not go in effect until this conversion is complete
(ADIF in ADCSRA is set). The internal voltage reference options may not be used if an external
reference voltage is being applied to the AREF pin.
• Bit 5 – ADLAR: ADC Left Adjust Result
The ADLAR bit affects the presentation of the ADC conversion result in the ADC Data Register.
Write one to ADLAR to left adjust the result. Otherwise, the result is right adjusted. Changing the
ADLAR bit will affect the ADC Data Register immediately, regardless of any ongoing
Table 96. Correlation Between Input Voltage and Output Codes
VADCn Read code Corresponding decimal value
VADCm + VREF /GAIN 0x1FF 511
VADCm + 511/512 VREF /GAIN 0x1FF 511
VADCm + 511/512 VREF /GAIN 0x1FE 510
... ... ...
VADCm + 1/512 VREF /GAIN 0x001 1
VADCm 0x000 0
VADCm - 1/512 VREF /GAIN 0x3FF -1
... ... ...
VADCm - 511/512 VREF /GAIN 0x201 -511
VADCm - VREF /GAIN 0x200 -512
Bit 76543210
REFS1 REFS0 ADLAR MUX4 MUX3 MUX2 MUX1 MUX0 ADMUX
Read/Write R/WR/WR/WR/WR/WR/WR/WR/W
Initial Value00000000
Table 97. Voltage Reference Selections for ADC
REFS1 REFS0 Voltage Reference Selection
0 0 AREF, Internal Vref turned off
0 1 AVCC with external capacitor at AREF pin
10Reserved
1 1 Internal 2.56V Voltage Reference with external capacitor at AREF pin

243
2467X–AVR–06/11
ATmega128
conversions. For a complete description of this bit, see “The ADC Data Register – ADCL and
ADCH” on page 245.
• Bits 4:0 – MUX4:0: Analog Channel and Gain Selection Bits
The value of these bits selects which combination of analog inputs are connected to the ADC.
These bits also select the gain for the differential channels. See Table 98 for details. If these bits
are changed during a conversion, the change will not go in effect until this conversion is
complete (ADIF in ADCSRA is set).
Table 98. Input Channel and Gain Selections
MUX4..0
Single Ended
Input
Positive Differential
Input
Negative Differential
Input Gain
00000 ADC0
00001 ADC1
00010 ADC2
00011 ADC3 N/A
00100 ADC4
00101 ADC5
00110 ADC6
00111 ADC7
01000(1) ADC0 ADC0 10x
01001 ADC1 ADC0 10x
01010(1) ADC0 ADC0 200x
01011 ADC1 ADC0 200x
01100 ADC2 ADC2 10x
01101 ADC3 ADC2 10x
01110 ADC2 ADC2 200x
01111 ADC3 ADC2 200x
10000 ADC0 ADC1 1x
10001 ADC1 ADC1 1x
10010 N/A ADC2 ADC1 1x
10011 ADC3 ADC1 1x
10100 ADC4 ADC1 1x
10101 ADC5 ADC1 1x
10110 ADC6 ADC1 1x
10111 ADC7 ADC1 1x
11000 ADC0 ADC2 1x
11001 ADC1 ADC2 1x
11010 ADC2 ADC2 1x
11011 ADC3 ADC2 1x
11100 ADC4 ADC2 1x

244
2467X–AVR–06/11
ATmega128
Note: 1. Can be used for offset calibration.
ADC Control and
Status Register A –
ADCSRA
• Bit 7 – ADEN: ADC Enable
Writing this bit to one enables the ADC. By writing it to zero, the ADC is turned off. Turning the
ADC off while a conversion is in progress, will terminate this conversion.
• Bit 6 – ADSC: ADC Start Conversion
In Single Conversion mode, write this bit to one to start each conversion. In Free Running mode,
write this bit to one to start the first conversion. The first conversion after ADSC has been written
after the ADC has been enabled, or if ADSC is written at the same time as the ADC is enabled,
will take 25 ADC clock cycles instead of the normal 13. This first conversion performs initializa-
tion of the ADC.
ADSC will read as one as long as a conversion is in progress. When the conversion is complete,
it returns to zero. Writing zero to this bit has no effect.
• Bit 5 – ADFR: ADC Free Running Select
When this bit is written to one, the ADC operates in Free Running mode. In this mode, the ADC
samples and updates the data registers continuously. Writing zero to this bit will terminate Free
Running mode.
• Bit 4 – ADIF: ADC Interrupt Flag
This bit is set when an ADC conversion completes and the data registers are updated. The ADC
Conversion Complete Interrupt is executed if the ADIE bit and the I-bit in SREG are set. ADIF is
cleared by hardware when executing the corresponding interrupt handling vector. Alternatively,
ADIF is cleared by writing a logical one to the flag. Beware that if doing a read-modify-write on
ADCSRA, a pending interrupt can be disabled. This also applies if the SBI and CBI instructions
are used.
• Bit 3 – ADIE: ADC Interrupt Enable
When this bit is written to one and the I-bit in SREG is set, the ADC Conversion Complete Inter-
rupt is activated.
• Bits 2:0 – ADPS2:0: ADC Prescaler Select Bits
These bits determine the division factor between the XTAL frequency and the input clock to the
ADC.
11101 ADC5 ADC2 1x
11110 1.23V (VBG) N/A
11111 0V (GND)
Table 98. Input Channel and Gain Selections (Continued)
MUX4..0
Single Ended
Input
Positive Differential
Input
Negative Differential
Input Gain
Bit 76543210
ADEN ADSC ADFR ADIF ADIE ADPS2 ADPS1 ADPS0 ADCSRA
Read/Write R/WR/WR/WR/WR/WR/WR/WR/W
Initial Value00000000

245
2467X–AVR–06/11
ATmega128
The ADC Data
Register – ADCL and
ADCH
ADLAR = 0:
ADLAR = 1:
When an ADC conversion is complete, the result is found in these two registers. If differential
channels are used, the result is presented in two’s complement form.
When ADCL is read, the ADC Data Register is not updated until ADCH is read. Consequently, if
the result is left adjusted and no more than 8-bit precision is required, it is sufficient to read
ADCH. Otherwise, ADCL must be read first, then ADCH.
The ADLAR bit in ADMUX, and the MUXn bits in ADMUX affect the way the result is read from
the registers. If ADLAR is set, the result is left adjusted. If ADLAR is cleared (default), the result
is right adjusted.
• ADC9:0: ADC Conversion Result
These bits represent the result from the conversion, as detailed in “ADC Conversion Result” on
page 241.
Table 99. ADC Prescaler Selections
ADPS2 ADPS1 ADPS0 Division Factor
000 2
001 2
010 4
011 8
100 16
101 32
110 64
1 1 1 128
Bit 151413121110 9 8
– – – – – – ADC9 ADC8 ADCH
ADC7 ADC6 ADC5 ADC4 ADC3 ADC2 ADC1 ADC0 ADCL
76543210
Read/WriteRRRRRRRR
RRRRRRRR
Initial Value00000000
00000000
Bit 151413121110 9 8
ADC9 ADC8 ADC7 ADC6 ADC5 ADC4 ADC3 ADC2 ADCH
ADC1 ADC0 – –––––ADCL
76543210
Read/WriteRRRRRRRR
RRRRRRRR
Initial Value00000000
00000000

246
2467X–AVR–06/11
ATmega128
JTAG Interface
and On-chip
Debug System
Features •JTAG (IEEE std. 1149.1 Compliant) Interface
•Boundary-scan Capabilities According to the IEEE std. 1149.1 (JTAG) Standard
•Debugger Access to:
– All Internal Peripheral Units
– Internal and External RAM
– The Internal Register File
– Program Counter
– EEPROM and Flash Memories
•Extensive On-chip Debug Support for Break Conditions, Including
–AVR Break Instruction
– Break on Change of Program Memory Flow
– Single Step Break
– Program Memory Breakpoints on Single Address or Address Range
– Data Memory Breakpoints on Single Address or Address Range
•Programming of Flash, EEPROM, Fuses, and Lock Bits through the JTAG Interface
•On-chip Debugging Supported by AVR Studio
Overview The AVR IEEE std. 1149.1 compliant JTAG interface can be used for
• Testing PCBs by using the JTAG Boundary-scan capability
• Programming the non-volatile memories, Fuses and Lock bits
• On-chip debugging
A brief description is given in the following sections. Detailed descriptions for Programming via
the JTAG interface, and using the Boundary-scan Chain can be found in the sections “Program-
ming Via the JTAG Interface” on page 305 and “IEEE 1149.1 (JTAG) Boundary-scan” on page
252, respectively. The On-chip Debug support is considered being private JTAG instructions,
and distributed within ATMEL and to selected third party vendors only.
Figure 120 shows a block diagram of the JTAG interface and the On-chip Debug system. The
TAP Controller is a state machine controlled by the TCK and TMS signals. The TAP Controller
selects either the JTAG Instruction Register or one of several Data Registers as the scan chain
(Shift Register) between the TDI – input and TDO – output. The Instruction Register holds JTAG
instructions controlling the behavior of a Data Register.
The ID-Register, Bypass Register, and the Boundary-scan Chain are the data registers used for
board-level testing. The JTAG Programming Interface (actually consisting of several physical
and virtual Data Registers) is used for serial programming via the JTAG interface. The Internal
Scan Chain and Break Point Scan Chain are used for On-chip debugging only.
Test Access Port –
TAP
The JTAG interface is accessed through four of the AVR’s pins. In JTAG terminology, these pins
constitute the Test Access Port –– TAP. These pins are:
• TMS: Test mode select. This pin is used for navigating through the TAP-controller state
machine.
• TCK: Test clock. JTAG operation is synchronous to TCK.
• TDI: Test Data In. Serial input data to be shifted in to the Instruction Register or Data
Register (Scan Chains).
• TDO: Test Data Out. Serial output data from Instruction Register or Data Register.

247
2467X–AVR–06/11
ATmega128
The IEEE std. 1149.1 also specifies an optional TAP signal; TRST – Test ReSeT – which is not
provided.
When the JTAGEN fuse is unprogrammed, these four TAP pins are normal port pins and the
TAP controller is in reset. When programmed and the JTD bit in MCUCSR is cleared, the TAP
input signals are internally pulled high and the JTAG is enabled for Boundary-scan and program-
ming. In this case, the TAP output pin (TDO) is left floating in states where the JTAG TAP
controller is not shifting data, and must therefore be connected to a pull-up resistor or other
hardware having pull-ups (for instance the TDI-input of the next device in the scan chain). The
device is shipped with this fuse programmed.
For the On-chip Debug system, in addition to the JTAG interface pins, the RESET pin is moni-
tored by the debugger to be able to detect External Reset sources. The debugger can also pull
the RESET pin low to reset the whole system, assuming only open collectors on the Reset line
are used in the application.
Figure 120. Block Diagram
TAP
CONTROLLER
TDI
TDO
TCK
TMS
FLASH
MEMORY
AVR CPU
DIGITAL
PERIPHERAL
UNITS
JTAG / AVR CORE
COMMUNICATION
INTERFACE
BREAKPOINT
UNIT FLOW CONTROL
UNIT
OCD STATUS
AND CONTROL
INTERNAL
SCAN
CHAIN
M
U
X
INSTRUCTION
REGISTER
ID
REGISTER
BYPASS
REGISTER
JTAG PROGRAMMING
INTERFACE
PC
Instruction
Address
Data
BREAKPOINT
SCAN CHAIN
ADDRESS
DECODER
ANALOG
PERIPHERIAL
UNITS
I/O PORT 0
I/O PORT n
BOUNDARY SCAN CHAIN
Analog inputs
Control & Clock lines
DEVICE BOUNDARY

248
2467X–AVR–06/11
ATmega128
Figure 121. TAP Controller State Diagram
TAP Controller The TAP controller is a 16-state finite state machine that controls the operation of the Boundary-
scan circuitry, JTAG programming circuitry, or On-chip Debug system. The state transitions
depicted in Figure 121 depend on the signal present on TMS (shown adjacent to each state tran-
sition) at the time of the rising edge at TCK. The initial state after a Power-on Reset is Test-
Logic-Reset.
As a definition in this document, the LSB is shifted in and out first for all Shift Registers.
Assuming Run-Test/Idle is the present state, a typical scenario for using the JTAG interface is:
• At the TMS input, apply the sequence 1, 1, 0, 0 at the rising edges of TCK to enter the Shift
Instruction Register – Shift-IR state. While in this state, shift the 4 bits of the JTAG
instructions into the JTAG instruction register from the TDI input at the rising edge of TCK.
The TMS input must be held low during input of the 3LSB in order to remain in the Shift-IR
state. The MSB of the instruction is shifted in when this state is left by setting TMS high.
While the instruction is shifted in from the TDI pin, the captured IR-state 0x01 is shifted out
Test-Logic-Reset
Run-Test/Idle
Shift-DR
Exit1-DR
Pause-DR
Exit2-DR
Update-DR
Select-IR Scan
Capture-IR
Shift-IR
Exit1-IR
Pause-IR
Exit2-IR
Update-IR
Select-DR Scan
Capture-DR
0
1
011 1
00
00
11
10
1
1
0
1
0
0
10
1
1
0
1
0
0
00
11

249
2467X–AVR–06/11
ATmega128
on the TDO pin. The JTAG Instruction selects a particular Data Register as path between
TDI and TDO and controls the circuitry surrounding the selected Data Register.
• Apply the TMS sequence 1, 1, 0 to re-enter the Run-Test/Idle state. The instruction is
latched onto the parallel output from the Shift Register path in the Update-IR state. The Exit-
IR, Pause-IR, and Exit2-IR states are only used for navigating the state machine.
• At the TMS input, apply the sequence 1, 0, 0 at the rising edges of TCK to enter the Shift
Data Register – Shift-DR state. While in this state, upload the selected Data Register
(selected by the present JTAG instruction in the JTAG Instruction Register) from the TDI
input at the rising edge of TCK. In order to remain in the Shift-DR state, the TMS input must
be held low during input of all bits except the MSB. The MSB of the data is shifted in when
this state is left by setting TMS high. While the Data Register is shifted in from the TDI pin,
the parallel inputs to the Data Register captured in the Capture-DR state is shifted out on the
TDO pin.
• Apply the TMS sequence 1, 1, 0 to re-enter the Run-Test/Idle state. If the selected Data
Register has a latched parallel-output, the latching takes place in the Update-DR state. The
Exit-DR, Pause-DR, and Exit2-DR states are only used for navigating the state machine.
As shown in the state diagram, the Run-Test/Idle state need not be entered between selecting
JTAG instruction and using Data Registers, and some JTAG instructions may select certain
functions to be performed in the Run-Test/Idle, making it unsuitable as an Idle state.
Note: Independent of the initial state of the TAP Controller, the Test-Logic-Reset state can always be
entered by holding TMS high for 5 TCK clock periods.
For detailed information on the JTAG specification, refer to the literature listed in “Bibliography”
on page 251.
Using the
Boundary-scan
Chain
A complete description of the Boundary-scan capabilities are given in the section “IEEE 1149.1
(JTAG) Boundary-scan” on page 252.
Using the On-chip
Debug System
As shown in Figure 120, the hardware support for On-chip Debugging consists mainly of
• A scan chain on the interface between the internal AVR CPU and the internal peripheral
units
• Break point unit
• Communication interface between the CPU and JTAG system
All read or modify/write operations needed for implementing the Debugger are done by applying
AVR instructions via the internal AVR CPU Scan Chain. The CPU sends the result to an I/O
memory mapped location which is part of the communication interface between the CPU and the
JTAG system.
The Break point Unit implements Break on Change of Program Flow, Single Step Break, two
Program Memory Breakpoints, and two combined break points. Together, the four break points
can be configured as either:
• 4 single Program Memory break points
• 3 Single Program Memory break point + 1 single Data Memory break point
• 2 single Program Memory break points + 2 single Data Memory break points
• 2 single Program Memory break points + 1 Program Memory break point with mask (“range
break point”)
• 2 single Program Memory break points + 1 Data Memory break point with mask “range
break point”.

250
2467X–AVR–06/11
ATmega128
A debugger, like the Atmel® AVR Studio®, may however use one or more of these resources for
its internal purpose, leaving less flexibility to the end-user.
A list of the On-chip Debug specific JTAG instructions is given in “On-chip Debug Specific JTAG
Instructions” on page 250.
The JTAGEN fuse must be programmed to enable the JTAG Test Access Port. In addition, the
OCDEN fuse must be programmed and no Lock bits must be set for the On-chip Debug system
to work. As a security feature, the On-chip Debug system is disabled when any Lock bits are set.
Otherwise, the On-chip Debug system would have provided a back-door into a secured device.
The AVR Studio enables the user to fully control execution of programs on an AVR device with
On-chip Debug capability, AVR In-Circuit Emulator, or the built-in AVR Instruction Set Simulator.
AVR Studio supports source level execution of Assembly programs assembled with Atmel Cor-
poration’s AVR Assembler and C programs compiled with third party vendors’ compilers.
AVR Studio runs under Microsoft® Windows® 95/98/2000 and Windows NT® and Windows XP®.
For a full description of the AVR Studio, please refer to the AVR Studio User Guide found in the
Online Help in AVR Studio. Only highlights are presented in this document.
All necessary execution commands are available in AVR Studio, both on source level and on
disassembly level. The user can execute the program, single step through the code either by
tracing into or stepping over functions, step out of functions, place the cursor on a statement and
execute until the statement is reached, stop the execution, and reset the execution target. In
addition, the user can have an unlimited number of code break points (using the BREAK instruc-
tion) and up to two data memory break points, alternatively combined as a mask (range) break
point.
On-chip Debug
Specific JTAG
Instructions
The On-chip debug support is considered being private JTAG instructions, and distributed within
ATMEL and to selected third-party vendors only. Instruction opcodes are listed for reference.
PRIVATE0; $8 Private JTAG instruction for accessing On-chip Debug system.
PRIVATE1; $9 Private JTAG instruction for accessing On-chip Debug system.
PRIVATE2; $A Private JTAG instruction for accessing On-chip Debug system.
PRIVATE3; $B Private JTAG instruction for accessing On-chip Debug system.

251
2467X–AVR–06/11
ATmega128
On-chip Debug
Related Register in
I/O Memory
On-chip Debug
Register – OCDR
The OCDR Register provides a communication channel from the running program in the micro-
controller to the debugger. The CPU can transfer a byte to the debugger by writing to this
location. At the same time, an internal flag; I/O Debug Register Dirty – IDRD – is set to indicate
to the debugger that the register has been written. When the CPU reads the OCDR Register the
7LSB will be from the OCDR Register, while the MSB is the IDRD bit. The debugger clears the
IDRD bit when it has read the information.
In some AVR devices, this register is shared with a standard I/O location. In this case, the OCDR
Register can only be accessed if the OCDEN fuse is programmed, and the debugger enables
access to the OCDR Register. In all other cases, the standard I/O location is accessed.
Refer to the debugger documentation for further information on how to use this register.
Using the JTAG
Programming
Capabilities
Programming of Atmel® AVR® devices via JTAG is performed via the four-pin JTAG port, TCK,
TMS, TDI, and TDO. These are the only pins that need to be controlled/observed to perform
JTAG programming (in addition to power pins). It is not required to apply 12V externally. The
JTAGEN fuse must be programmed and the JTD bit in the MCUCSR Register must be cleared
to enable the JTAG Test Access Port.
The JTAG programming capability supports:
• Flash programming and verifying
• EEPROM programming and verifying
• Fuse programming and verifying
• Lock bit programming and verifying
The Lock bit security is exactly as in Parallel Programming mode. If the Lock bits LB1 or LB2 are
programmed, the OCDEN Fuse cannot be programmed unless first doing a chip erase. This is a
security feature that ensures no back-door exists for reading out the content of a secured
device.
The details on programming through the JTAG interface and programming specific JTAG
instructions are given in the section “Programming Via the JTAG Interface” on page 305.
Bibliography For more information about general Boundary-scan, the following literature can be consulted:
• IEEE: IEEE Std 1149.1-1990. IEEE Standard Test Access Port and Boundary-scan
Architecture, IEEE, 1993
• Colin Maunder: The Board Designers Guide to Testable Logic Circuits, Addison-Wesley,
1992
Bit 7 6543210
MSB/IDRD LSB OCDR
Read/Write R/WR/WR/WR/WR/WR/WR/WR/W
Initial Value 0 0000000

252
2467X–AVR–06/11
ATmega128
IEEE 1149.1
(JTAG) Boundary-
scan
Features •JTAG (IEEE std. 1149.1 Compliant) Interface
•Boundary-scan Capabilities According to the JTAG Standard
•Full Scan of all Port Functions as well as Analog Circuitry having Off-chip Connections
•Supports the Optional IDCODE Instruction
•Additional Public AVR_RESET Instruction to Reset the AVR
System Overview The Boundary-scan Chain has the capability of driving and observing the logic levels on the dig-
ital I/O pins, as well as the boundary between digital and analog logic for analog circuitry having
off-chip connections. At system level, all ICs having JTAG capabilities are connected serially by
the TDI/TDO signals to form a long Shift Register. An external controller sets up the devices to
drive values at their output pins, and observe the input values received from other devices. The
controller compares the received data with the expected result. In this way, Boundary-scan pro-
vides a mechanism for testing interconnections and integrity of components on Printed Circuits
Boards by using the four TAP signals only.
The four IEEE 1149.1 defined mandatory JTAG instructions IDCODE, BYPASS, SAMPLE/PRE-
LOAD, and EXTEST, as well as the AVR specific public JTAG instruction AVR_RESET can be
used for testing the Printed Circuit Board. Initial scanning of the data register path will show the
ID-code of the device, since IDCODE is the default JTAG instruction. It may be desirable to have
the AVR device in reset during Test mode. If not reset, inputs to the device may be determined
by the scan operations, and the internal software may be in an undetermined state when exiting
the Test mode. Entering Reset, the outputs of any Port Pin will instantly enter the high imped-
ance state, making the HIGHZ instruction redundant. If needed, the BYPASS instruction can be
issued to make the shortest possible scan chain through the device. The device can be set in
the Reset state either by pulling the external RESET pin low, or issuing the AVR_RESET
instruction with appropriate setting of the Reset Data Register.
The EXTEST instruction is used for sampling external pins and loading output pins with data.
The data from the output latch will be driven out on the pins as soon as the EXTEST instruction
is loaded into the JTAG IR-register. Therefore, the SAMPLE/PRELOAD should also be used for
setting initial values to the scan ring, to avoid damaging the board when issuing the EXTEST
instruction for the first time. SAMPLE/PRELOAD can also be used for taking a snapshot of the
external pins during normal operation of the part.
The JTAGEN fuse must be programmed and the JTD bit in the I/O register MCUCSR must be
cleared to enable the JTAG Test Access Port.
When using the JTAG interface for Boundary-scan, using a JTAG TCK clock frequency higher
than the internal chip frequency is possible. The chip clock is not required to run.
Data Registers The data registers relevant for Boundary-scan operations are:
• Bypass Register
• Device Identification Register
• Reset Register
• Boundary-scan Chain

253
2467X–AVR–06/11
ATmega128
Bypass Register The Bypass Register consists of a single Shift Register stage. When the Bypass Register is
selected as path between TDI and TDO, the register is reset to 0 when leaving the Capture-DR
controller state. The Bypass Register can be used to shorten the scan chain on a system when
the other devices are to be tested.
Device Identification
Register
Figure 122 shows the structure of the Device Identification Register.
Figure 122. The Format of the Device Identification Register
Version Version is a 4-bit number identifying the revision of the component. The JTAG version number
follows the revision of the device, and wraps around at revision P (0xF). Revision A and Q is
0x0, revision B and R is 0x1 and so on.
Part Number The part number is a 16-bit code identifying the component. The JTAG Part Number for Atmel®
AVR® ATmega128 is listed in Table 100.
Manufacturer ID The Manufacturer ID is a 11-bit code identifying the manufacturer. The JTAG manufacturer ID
for ATMEL is listed in Table 101.
Reset Register The Reset Register is a Test Data Register used to reset the part. Since the AVR tri-states Port
Pins when reset, the Reset Register can also replace the function of the unimplemented optional
JTAG instruction HIGHZ.
A high value in the Reset Register corresponds to pulling the External Reset low. The part is
reset as long as there is a high value present in the Reset Register. Depending on the Fuse set-
tings for the clock options, the part will remain reset for a Reset Time-Out Period (refer to “Clock
Sources” on page 36) after releasing the Reset Register. The output from this Data Register is
not latched, so the Reset will take place immediately, as shown in Figure 123.
MSB LSB
Bit 31 28 27 12 11 1 0
Device ID Version Part Number Manufacturer ID 1
4 bits 16 bits 11 bits 1-bit
Table 100. AVR JTAG Part Number
Part Number JTAG Part Number (Hex)
ATmega128 0x9702
Table 101. Manufacturer ID
Manufacturer JTAG Manufacturer ID (Hex)
ATM E L 0 x 0 1 F

254
2467X–AVR–06/11
ATmega128
Figure 123. Reset Register
Boundary-scan Chain The Boundary-scan Chain has the capability of driving and observing the logic levels on the dig-
ital I/O pins, as well as the boundary between digital and analog logic for analog circuitry having
off-chip connections.
See “Boundary-scan Chain” on page 255 for a complete description.
Boundary-scan
Specific JTAG
Instructions
The Instruction Register is 4-bit wide, supporting up to 16 instructions. Listed below are the
JTAG instructions useful for Boundary-scan operation. Note that the optional HIGHZ instruction
is not implemented, but all outputs with tri-state capability can be set in high-impedant state by
using the AVR_RESET instruction, since the initial state for all port pins is tri-state.
As a definition in this data sheet, the LSB is shifted in and out first for all Shift Registers.
The OPCODE for each instruction is shown behind the instruction name in hex format. The text
describes which data register is selected as path between TDI and TDO for each instruction.
EXTEST; $0 Mandatory JTAG instruction for selecting the Boundary-scan Chain as Data Register for testing
circuitry external to the AVR package. For port-pins, Pull-up Disable, Output Control, Output
Data, and Input Data are all accessible in the scan chain. For Analog circuits having off-chip
connections, the interface between the analog and the digital logic is in the scan chain. The con-
tents of the latched outputs of the Boundary-scan chain is driven out as soon as the JTAG IR-
register is loaded with the EXTEST instruction.
The active states are:
• Capture-DR: Data on the external pins are sampled into the Boundary-scan Chain.
• Shift-DR: The Internal Scan Chain is shifted by the TCK input.
• Update-DR: Data from the scan chain is applied to output pins.
IDCODE; $1 Optional JTAG instruction selecting the 32-bit ID Register as Data Register. The ID Register
consists of a version number, a device number and the manufacturer code chosen by JEDEC.
This is the default instruction after power-up.
The active states are:
• Capture-DR: Data in the IDCODE Register is sampled into the Boundary-scan Chain.
• Shift-DR: The IDCODE scan chain is shifted by the TCK input.
DQ
From
TDI
ClockDR · AVR_RESET
To
TDO
From Other Internal and
External Reset Sources
Internal Reset

255
2467X–AVR–06/11
ATmega128
SAMPLE_PRELOAD;
$2
Mandatory JTAG instruction for pre-loading the output latches and taking a snap-shot of the
input/output pins without affecting the system operation. However, the output latched are not
connected to the pins. The Boundary-scan Chain is selected as Data Register.
The active states are:
• Capture-DR: Data on the external pins are sampled into the Boundary-scan Chain.
• Shift-DR: The Boundary-scan Chain is shifted by the TCK input.
• Update-DR: Data from the Boundary-scan Chain is applied to the output latches. However,
the output latches are not connected to the pins.
AVR_RESET; $C The AVR specific public JTAG instruction for forcing the AVR device into the Reset mode or
releasing the JTAG Reset source. The TAP controller is not reset by this instruction. The one bit
Reset Register is selected as Data Register. Note that the Reset will be active as long as there
is a logic 'one' in the Reset Chain. The output from this chain is not latched.
The active states are:
• Shift-DR: The Reset Register is shifted by the TCK input.
BYPASS; $F Mandatory JTAG instruction selecting the Bypass Register for Data Register.
The active states are:
• Capture-DR: Loads a logic “0” into the Bypass Register.
• Shift-DR: The Bypass Register cell between TDI and TDO is shifted.
Boundary-scan
Related Register in
I/O Memory
MCU Control and
Status Register –
MCUCSR
The MCU Control and Status Register contains control bits for general MCU functions, and pro-
vides information on which reset source caused an MCU Reset.
• Bit 7 – JTD: JTAG Interface Disable
When this bit is zero, the JTAG interface is enabled if the JTAGEN fuse is programmed. If this bit
is one, the JTAG interface is disabled. In order to avoid unintentional disabling or enabling of the
JTAG interface, a timed sequence must be followed when changing this bit: The application soft-
ware must write this bit to the desired value twice within four cycles to change its value.
If the JTAG interface is left unconnected to other JTAG circuitry, the JTD bit should be set to
one. The reason for this is to avoid static current at the TDO pin in the JTAG interface.
• Bit 4 – JTRF: JTAG Reset Flag
This bit is set if a Reset is being caused by a logic one in the JTAG Reset Register selected by
the JTAG instruction AVR_RESET. This bit is reset by a Power-on Reset, or by writing a logic
zero to the flag.
Boundary-scan
Chain
The Boundary-scan chain has the capability of driving and observing the logic levels on the digi-
tal I/O pins, as well as the boundary between digital and analog logic for analog circuitry having
off-chip connection.
Bit 76543210
JTD ––JTRFWDRF BORF EXTRF PORF MCUCSR
Read/Write R/WRRR/WR/WR/WR/WR/W
Initial Value 0 0 0 See Bit Description

256
2467X–AVR–06/11
ATmega128
Scanning the Digital
Port Pins
Figure 124 shows the Boundary-scan Cell for a bi-directional port pin with pull-up function. The
cell consists of a standard Boundary-scan cell for the Pull-up Enable – PUExn – function, and a
bi-directional pin cell that combines the three signals Output Control – OCxn, Output Data –
ODxn, and Input Data – IDxn, into only a two-stage Shift Register. The port and pin indexes are
not used in the following description
The Boundary-scan logic is not included in the figures in the Data Sheet. Figure 125 shows a
simple digital Port Pin as described in the section “I/O Ports” on page 65. The Boundary-scan
details from Figure 124 replaces the dashed box in Figure 125.
When no alternate port function is present, the Input Data – ID corresponds to the PINxn Regis-
ter value (but ID has no synchronizer), Output Data corresponds to the PORT Register, Output
Control corresponds to the Data Direction – DD Register, and the Pull-up Enable – PUExn – cor-
responds to logic expression PUD · DDxn · PORTxn.
Digital alternate port functions are connected outside the dotted box in Figure 125 to make the
scan chain read the actual pin value. For Analog function, there is a direct connection from the
external pin to the analog circuit, and a scan chain is inserted on the interface between the digi-
tal logic and the analog circuitry.
Figure 124. Boundary-scan Cell for Bi-directional Port Pin with Pull-Up Function.
DQ DQ
G
0
1
0
1
DQ DQ
G
0
1
0
1
0
1
0
1
DQ DQ
G
0
1
Port Pin (PXn)
VccEXTESTTo Next CellShiftDR
Output Control (OC)
Pullup Enable (PUE)
Output Data (OD)
Input Data (ID)
From Last Cell UpdateDRClockDR
FF2 LD2
FF1 LD1
LD0FF0

257
2467X–AVR–06/11
ATmega128
Figure 125. General Port Pin Schematic diagram
Boundary-scan and
the Two-wire Interface
The two Two-wire Interface pins SCL and SDA have one additional control signal in the scan-
chain; Two-wire Interface Enable – TWIEN. As shown in Figure 126, the TWIEN signal enables
a tri-state buffer with slew-rate control in parallel with the ordinary digital port pins. A general
scan cell as shown in Figure 130 is attached to the TWIEN signal.
Notes: 1. A separate scan chain for the 50 ns spike filter on the input is not provided. The ordinary scan
support for digital port pins suffice for connectivity tests. The only reason for having TWIEN in
the scan path, is to be able to disconnect the slew-rate control buffer when doing boundary-
scan.
2. Make sure the OC and TWIEN signals are not asserted simultaneously, as this will lead to
drive contention.
CLK
RPx
RRx
WPx
RDx
WDx
PUD
SYNCHRONIZER
WDx: WRITE DDRx
WPx: WRITE PORTx
RRx: READ PORTx REGISTER
RPx: READ PORTx PIN
PUD: PULLUP DISABLE
CLK : I/O CLOCK
RDx: READ DDRx
D
L
Q
Q
RESET
RESET
Q
Q
D
Q
QD
CLR
PORTxn
Q
QD
CLR
DDxn
PINxn
DATA BU S
SLEEP
SLEEP: SLEEP CONTROL
Pxn
I/O
I/O
See Boundary-Scan description
for details!
PUExn
OCxn
ODxn
IDxn
PUExn: PULLUP ENABLE for pin Pxn
OCxn: OUTPUT CONTROL for pin Pxn
ODxn: OUTPUT DATA to pin Pxn
IDxn: INPUT DATA from pin Pxn

258
2467X–AVR–06/11
ATmega128
Figure 126. Additional Scan Signal for the Two-wire Interface
Scanning the RESET
Pin
The RESET pin accepts 5V active low logic for standard Reset operation, and 12V active high
logic for High Voltage Parallel programming. An observe-only cell as shown in Figure 127 is
inserted both for the 5V Reset signal; RSTT, and the 12V Reset signal; RSTHV.
Figure 127. Observe-only Cell
Scanning the Clock
Pins
The Atmel® AVR® devices have many clock options selectable by fuses. These are: Internal RC
Oscillator, External RC, External Clock, (High Frequency) Crystal Oscillator, Low-frequency
Crystal Oscillator, and Ceramic Resonator.
Figure 128 shows how each Oscillator with external connection is supported in the scan chain.
The Enable signal is supported with a general boundary-scan cell, while the Oscillator/Clock out-
put is attached to an observe-only cell. In addition to the main clock, the Timer Oscillator is
scanned in the same way. The output from the internal RC Oscillator is not scanned, as this
Oscillator does not have external connections.
Pxn
PUExn
ODxn
IDxn
TWIEN
OCxn
Slew-rate limited
SRC
0
1
DQ
From
previous
cell
ClockDR
ShiftDR
To
next
cell
From system pin To system logic
FF1

259
2467X–AVR–06/11
ATmega128
Figure 128. Boundary-scan Cells for Oscillators and Clock Options
Table 102 summaries the scan registers for the external clock pin XTAL1, oscillators with
XTAL1/XTAL2 connections as well as 32kHz Timer Oscillator.
Notes: 1. Do not enable more than one clock source as main clock at a time.
2. Scanning an Oscillator output gives unpredictable results as there is a frequency drift between
the Internal Oscillator and the JTAG TCK clock. If possible, scanning an external clock is
preferred.
3. The clock configuration is programmed by fuses. As a fuse is not changed run-time, the clock
configuration is considered fixed for a given application. The user is advised to scan the same
clock option as to be used in the final system. The enable signals are supported in the scan
chain because the system logic can disable clock options in sleep modes, thereby disconnect-
ing the Oscillator pins from the scan path if not provided. The INTCAP fuses are not supported
in the scan-chain, so the boundary scan chain can not make a XTAL Oscillator requiring inter-
nal capacitors to run unless the fuse is correctly programmed.
Scanning the Analog
Comparator
The relevant Comparator signals regarding Boundary-scan are shown in Figure 129. The
Boundary-scan cell from Figure 130 is attached to each of these signals. The signals are
described in Table 103.
The Comparator need not be used for pure connectivity testing, since all analog inputs are
shared with a digital port pin as well.
Table 102. Scan Signals for the Oscillators(1)(2)(3)
Enable signal
Scanned Clock
Line Clock Option
Scanned Clock Line
when not Used
EXTCLKEN EXTCLK (XTAL1) External Clock 0
OSCON OSCCK External Crystal
External Ceramic Resonator
0
RCOSCEN RCCK External RC 1
OSC32EN OSC32CK Low Freq. External Crystal 0
TOSKON TOSCK 32kHz Timer Oscillator 0
0
1
DQ
From
Previous
Cell
ClockDR
ShiftDR
To
next
cell
To System Logic
FF1
0
1
DQ DQ
G
0
1
From
Previous
Cell
ClockDR UpdateDR
ShiftDR
To
Next
Cell EXTEST
From Digital Logic
XTAL1/TOSC1 XTAL2/TOSC2
Oscillator
ENABLE OUTPUT

260
2467X–AVR–06/11
ATmega128
Figure 129. Analog comparator
Figure 130. General Boundary-scan Cell used for Signals for Comparator and ADC
ACBG
BANDGAP
REFERENCE
ADC MULTIPLEXER
OUTPUT
ACME
AC_IDLE
ACO
ADCEN
0
1
DQ DQ
G
0
1
From
Previous
Cell
ClockDR UpdateDR
ShiftDR
To
Next
Cell EXTEST
To Analog Circuitry/
To Digital Logic
From Digital Logic/
From Analog Ciruitry

261
2467X–AVR–06/11
ATmega128
Scanning the ADC Figure 131 shows a block diagram of the ADC with all relevant control and observe signals. The
Boundary-scan cell from Figure 127 is attached to each of these signals. The ADC need not be
used for pure connectivity testing, since all analog inputs are shared with a digital port pin as
well.
Figure 131. Analog to Digital Converter
The signals are described briefly in Table 104.
Table 103. Boundary-scan Signals for the Analog Comparator
Signal
Name
Direction as
Seen from the
Comparator Description
Recommended
Input when not
in Use
Output values when
Recommended
Inputs are Used
AC_IDLE Input Turns off Analog
comparator when
true
1 Depends upon µC
code being executed
ACO Output Analog
Comparator
Output
Will become
input to µC code
being executed
0
ACME Input Uses output
signal from ADC
mux when true
0 Depends upon µC
code being executed
ACBG Input Bandgap
Reference enable
0 Depends upon µC
code being executed
10-bit DAC +
-
AREF
PRECH
DACOUT
COMP
MUXEN_7
ADC_7
MUXEN_6
ADC_6
MUXEN_5
ADC_5
MUXEN_4
ADC_4
MUXEN_3
ADC_3
MUXEN_2
ADC_2
MUXEN_1
ADC_1
MUXEN_0
ADC_0
NEGSEL_2
ADC_2
NEGSEL_1
ADC_1
NEGSEL_0
ADC_0
EXTCH
+
-
+
-
10x 20x
G10 G20
ST
ACLK
AMPEN
2.56V
ref
IREFEN
AREF
VCCREN
DAC_9..0
ADCEN
HOLD
PRECH
GNDEN
PASSEN
ACTEN
COMP
SCTEST ADCBGEN
To Comparator
1.22V
ref
AREF

262
2467X–AVR–06/11
ATmega128
Table 104. Boundary-scan Signals for the ADC
Signal
Name
Direction
as Seen
from the
ADC Description
Recommended
Input
when not
in Use
Output Values when
Recommended Inputs
are Used, and CPU is
not Using the ADC
COMP Output Comparator Output 0 0
ACLK Input Clock signal to gain stages
implemented as Switch-
cap filters
00
ACTEN Input Enable path from gain
stages to the comparator
00
ADCBGEN Input Enable Band-gap
reference as negative
input to comparator
00
ADCEN Input Power-on signal to the
ADC
00
AMPEN Input Power-on signal to the
gain stages
00
DAC_9 Input Bit 9 of digital value to DAC 1 1
DAC_8 Input Bit 8 of digital value to DAC 0 0
DAC_7 Input Bit 7 of digital value to DAC 0 0
DAC_6 Input Bit 6 of digital value to DAC 0 0
DAC_5 Input Bit 5 of digital value to DAC 0 0
DAC_4 Input Bit 4 of digital value to DAC 0 0
DAC_3 Input Bit 3 of digital value to DAC 0 0
DAC_2 Input Bit 2 of digital value to DAC 0 0
DAC_1 Input Bit 1 of digital value to DAC 0 0
DAC_0 Input Bit 0 of digital value to DAC 0 0
EXTCH Input Connect ADC channels 0 -
3 to by-pass path around
gain stages
11
G10 Input Enable 10x gain 0 0
G20 Input Enable 20x gain 0 0
GNDEN Input Ground the negative input
to comparator when true
00
HOLD Input Sample & Hold signal.
Sample analog signal
when low. Hold signal
when high. If gain stages
are used, this signal must
go active when ACLK is
high.
11
IREFEN Input Enables Band-gap
reference as AREF signal
to DAC
00

263
2467X–AVR–06/11
ATmega128
Note: Incorrect setting of the switches in Figure 131 will make signal contention and may damage the
part. There are several input choices to the S&H circuitry on the negative input of the output com-
parator in Figure 131. Make sure only one path is selected from either one ADC pin, Bandgap
reference source, or Ground.
If the ADC is not to be used during scan, the recommended input values from Table 104 should
be used. The user is recommended not to use the Differential Gain stages during scan. Switch-
Cap based gain stages require fast operation and accurate timing which is difficult to obtain
when used in a scan chain. Details concerning operations of the differential gain stage is there-
fore not provided.
MUXEN_7 Input Input Mux bit 7 0 0
MUXEN_6 Input Input Mux bit 6 0 0
MUXEN_5 Input Input Mux bit 5 0 0
MUXEN_4 Input Input Mux bit 4 0 0
MUXEN_3 Input Input Mux bit 3 0 0
MUXEN_2 Input Input Mux bit 2 0 0
MUXEN_1 Input Input Mux bit 1 0 0
MUXEN_0 Input Input Mux bit 0 1 1
NEGSEL_2 Input Input Mux for negative
input for differential signal,
bit 2
00
NEGSEL_1 Input Input Mux for negative
input for differential signal,
bit 1
00
NEGSEL_0 Input Input Mux for negative
input for differential signal,
bit 0
00
PASSEN Input Enable pass-gate of gain
stages.
11
PRECH Input Precharge output latch of
comparator. (Active low)
11
SCTEST Input Switch-cap TEST enable.
Output from x10 gain
stage send out to Port Pin
having ADC_4
00
ST Input Output of gain stages will
settle faster if this signal is
high first two ACLK
periods after AMPEN goes
high.
00
VCCREN Input Selects Vcc as the ACC
reference voltage.
00
Table 104. Boundary-scan Signals for the ADC (Continued)
Signal
Name
Direction
as Seen
from the
ADC Description
Recommended
Input
when not
in Use
Output Values when
Recommended Inputs
are Used, and CPU is
not Using the ADC

264
2467X–AVR–06/11
ATmega128
The Atmel® AVR® ADC is based on the analog circuitry shown in Figure 131 with a successive
approximation algorithm implemented in the digital logic. When used in Boundary-scan, the
problem is usually to ensure that an applied analog voltage is measured within some limits. This
can easily be done without running a successive approximation algorithm: apply the lower limit
on the digital DAC[9:0] lines, make sure the output from the comparator is low, then apply the
upper limit on the digital DAC[9:0] lines, and verify the output from the comparator to be high.
The ADC need not be used for pure connectivity testing, since all analog inputs are shared with
a digital port pin as well.
When using the ADC, remember the following
• The Port Pin for the ADC channel in use must be configured to be an input with pull-up
disabled to avoid signal contention.
• In normal mode, a dummy conversion (consisting of 10 comparisons) is performed when
enabling the ADC. The user is advised to wait at least 200ns after enabling the ADC before
controlling/observing any ADC signal, or perform a dummy conversion before using the first
result.
• The DAC values must be stable at the midpoint value 0x200 when having the HOLD signal
low (Sample mode).
As an example, consider the task of verifying a 1.5V ±5% input signal at ADC channel 3 when
the power supply is 5.0V and AREF is externally connected to VCC.
The recommended values from Table 104 are used unless other values are given in the algo-
rithm in Table 105. Only the DAC and Port Pin values of the Scan Chain are shown. The column
“Actions” describes what JTAG instruction to be used before filling the Boundary-scan Register
with the succeeding columns. The verification should be done on the data scanned out when
scanning in the data on the same row in the table.
Table 105. Algorithm for Using the ADC
Step Actions ADCEN DAC MUXEN HOLD PRECH
PA3.
Data
PA3 .
Control
PA3.
Pullup_
Enable
1SAMPLE_
PRELOAD 1 0x200 0x08 1 1 0 0 0
2 EXTEST 1 0x200 0x08 0 1 0 0 0
3 1 0x200 0x08 1 1 0 0 0
4 1 0x123 0x08 1 1 0 0 0
5 1 0x123 0x08 1 0 0 0 0
6
Verify the
COMP bit
scanned
out to be 0
1 0x200 0x08 1 1 0 0 0
7 1 0x200 0x08 0 1 0 0 0
8 1 0x200 0x08 1 1 0 0 0
The lower limit is: 1024 1.5V0,95 5V⁄⋅⋅ 291 0x123==
The upper limit is: 1024 1.5V1.05 5V⁄⋅⋅ 323 0x143==

265
2467X–AVR–06/11
ATmega128
Using this algorithm, the timing constraint on the HOLD signal constrains the TCK clock fre-
quency. As the algorithm keeps HOLD high for five steps, the TCK clock frequency has to be at
least five times the number of scan bits divided by the maximum hold time, thold,max
9 1 0x143 0x08 1 1 0 0 0
10 1 0x143 0x08 1 0 0 0 0
11
Verify the
COMP bit
scanned
out to be 1
1 0x200 0x08 1 1 0 0 0
Table 105. Algorithm for Using the ADC
Step Actions ADCEN DAC MUXEN HOLD PRECH
PA3.
Data
PA3 .
Control
PA3.
Pullup_
Enable

266
2467X–AVR–06/11
ATmega128
ATmega128
Boundary-scan
Order
Table 106 shows the Scan order between TDI and TDO when the Boundary-scan Chain is
selected as data path. Bit 0 is the LSB; the first bit scanned in, and the first bit scanned out. The
scan order follows the pin-out order as far as possible. Therefore, the bits of Port A is scanned in
the opposite bit order of the other ports. Exceptions from the rules are the Scan chains for the
analog circuits, which constitute the most significant bits of the scan chain regardless of which
physical pin they are connected to. In Figure 124, PXn. Data corresponds to FF0, PXn. Control
corresponds to FF1, and PXn. Pullup_enable corresponds to FF2. Bit 2, 3, 4, and 5 of Port C is
not in the scan chain, since these pins constitute the TAP pins when the JTAG is enabled.
Table 106. ATmega128 Boundary-scan Order
Bit Number Signal Name Module
204 AC_IDLE Comparator
203 ACO
202 ACME
201 AINBG
200 COMP ADC
199 PRIVATE_SIGNAL1(1)
198 ACLK
197 ACTEN
196 PRIVATE_SIGNAL1(2)
195 ADCBGEN
194 ADCEN
193 AMPEN
192 DAC_9
191 DAC_8
190 DAC_7
189 DAC_6
188 DAC_5
187 DAC_4
186 DAC_3
185 DAC_2
184 DAC_1
183 DAC_0
182 EXTCH
181 G10
180 G20
179 GNDEN
178 HOLD
177 IREFEN
176 MUXEN_7

267
2467X–AVR–06/11
ATmega128
175 MUXEN_6 ADC
174 MUXEN_5
173 MUXEN_4
172 MUXEN_3
171 MUXEN_2
170 MUXEN_1
169 MUXEN_0
168 NEGSEL_2
167 NEGSEL_1
166 NEGSEL_0
165 PASSEN
164 PRECH
163 SCTEST
162 ST
161 VCCREN
160 PEN Programming enable (observe only)
159 PE0.Data Port E
158 PE0.Control
157 PE0.Pullup_Enable
156 PE1.Data
155 PE1.Control
154 PE1.Pullup_Enable
153 PE2.Data
152 PE2.Control
151 PE2.Pullup_Enable
150 PE3.Data
149 PE3.Control
148 PE3.Pullup_Enable
147 PE4.Data
146 PE4.Control
145 PE4.Pullup_Enable
144 PE5.Data
143 PE5.Control
142 PE5.Pullup_Enable
141 PE6.Data
140 PE6.Control
Table 106. ATmega128 Boundary-scan Order (Continued)
Bit Number Signal Name Module

268
2467X–AVR–06/11
ATmega128
139 PE6.Pullup_Enable Port E
138 PE7.Data
137 PE7.Control
136 PE7.Pullup_Enable
135 PB0.Data Port B
134 PB0.Control
133 PB0.Pullup_Enable
132 PB1.Data
131 PB1.Control
130 PB1.Pullup_Enable
129 PB2.Data
128 PB2.Control
127 PB2.Pullup_Enable
126 PB3.Data
125 PB3.Control
124 PB3.Pullup_Enable
123 PB4.Data
122 PB4.Control
121 PB4.Pullup_Enable
120 PB5.Data
119 PB5.Control
118 PB5.Pullup_Enable
117 PB6.Data
116 PB6.Control
115 PB6.Pullup_Enable
114 PB7.Data
113 PB7.Control
112 PB7.Pullup_Enable
111 PG3.Data Port G
110 PG3.Control
109 PG3.Pullup_Enable
108 PG4.Data
107 PG4.Control
106 PG4.Pullup_Enable
105 TOSC 32kHz Timer Oscillator
104 TOSCON
Table 106. ATmega128 Boundary-scan Order (Continued)
Bit Number Signal Name Module

269
2467X–AVR–06/11
ATmega128
103 RSTT Reset Logic
(Observe-only)
102 RSTHV
101 EXTCLKEN Enable signals for main Clock/Oscillators
100 OSCON
99 RCOSCEN
98 OSC32EN
97 EXTCLK (XTAL1) Clock input and Oscillators for the main clock
(Observe-only)
96 OSCCK
95 RCCK
94 OSC32CK
93 TWIEN TWI
92 PD0.Data Port D
91 PD0.Control
90 PD0.Pullup_Enable
89 PD1.Data
88 PD1.Control
87 PD1.Pullup_Enable
86 PD2.Data
85 PD2.Control
84 PD2.Pullup_Enable
83 PD3.Data
82 PD3.Control
81 PD3.Pullup_Enable
80 PD4.Data
79 PD4.Control
78 PD4.Pullup_Enable
77 PD5.Data
76 PD5.Control
75 PD5.Pullup_Enable
74 PD6.Data
73 PD6.Control
72 PD6.Pullup_Enable
71 PD7.Data
70 PD7.Control
69 PD7.Pullup_Enable
68 PG0.Data Port G
Table 106. ATmega128 Boundary-scan Order (Continued)
Bit Number Signal Name Module

270
2467X–AVR–06/11
ATmega128
67 PG0.Control Port G
66 PG0.Pullup_Enable
65 PG1.Data
64 PG1.Control
63 PG1.Pullup_Enable
62 PC0.Data Port C
61 PC0.Control
60 PC0.Pullup_Enable
59 PC1.Data
58 PC1.Control
57 PC1.Pullup_Enable
56 PC2.Data
55 PC2.Control
54 PC2.Pullup_Enable
53 PC3.Data
52 PC3.Control
51 PC3.Pullup_Enable
50 PC4.Data
49 PC4.Control
48 PC4.Pullup_Enable
47 PC5.Data
46 PC5.Control
45 PC5.Pullup_Enable
44 PC6.Data
43 PC6.Control
42 PC6.Pullup_Enable
41 PC7.Data
40 PC7.Control
39 PC7.Pullup_Enable
38 PG2.Data Port G
37 PG2.Control
36 PG2.Pullup_Enable
35 PA7.Data Port A
34 PA7.Control
33 PA7.Pullup_Enable
32 PA6.Data
Table 106. ATmega128 Boundary-scan Order (Continued)
Bit Number Signal Name Module

271
2467X–AVR–06/11
ATmega128
Notes: 1. PRIVATE_SIGNAL1 should always scanned in as zero.
2. PRIVATE_SIGNAL2 should always scanned in as zero.
31 PA6.Control Port A
30 PA6.Pullup_Enable
29 PA5.Data
28 PA5.Control
27 PA5.Pullup_Enable
26 PA4.Data
25 PA4.Control
24 PA4.Pullup_Enable
23 PA3.Data
22 PA3.Control
21 PA3.Pullup_Enable
20 PA2.Data
19 PA2.Control
18 PA2.Pullup_Enable
17 PA1.Data
16 PA1.Control
15 PA1.Pullup_Enable
14 PA0.Data
13 PA0.Control
12 PA0.Pullup_Enable
11 PF3.Data Port F
10 PF3.Control
9 PF3.Pullup_Enable
8PF2.Data
7PF2.Control
6 PF2.Pullup_Enable
5PF1.Data
4PF1.Control
3 PF1.Pullup_Enable
2PF0.Data
1PF0.Control
0 PF0.Pullup_Enable
Table 106. ATmega128 Boundary-scan Order (Continued)
Bit Number Signal Name Module

272
2467X–AVR–06/11
ATmega128
Boundary-scan
Description
Language Files
Boundary-scan Description Language (BSDL) files describe Boundary-scan capable devices in
a standard format used by automated test-generation software. The order and function of bits in
the Boundary-scan Data Register are included in this description.

273
2467X–AVR–06/11
ATmega128
Boot Loader
Support – Read-
While-Write
Self-
Programming
The Boot Loader Support provides a real Read-While-Write Self-Programming mechanism for
downloading and uploading program code by the MCU itself. This feature allows flexible applica-
tion software updates controlled by the MCU using a Flash-resident Boot Loader program. The
Boot Loader program can use any available data interface and associated protocol to read code
and write (program) that code into the Flash memory, or read the code from the program mem-
ory. The program code within the Boot Loader section has the capability to write into the entire
Flash, including the Boot Loader memory. The Boot Loader can thus even modify itself, and it
can also erase itself from the code if the feature is not needed anymore. The size of the Boot
Loader memory is configurable with fuses and the Boot Loader has two separate sets of Boot
Lock bits which can be set independently. This gives the user a unique flexibility to select differ-
ent levels of protection.
Boot Loader
Features
•Read-While-Write Self-Programming
•Flexible Boot Memory Size
•High Security (Separate Boot Lock Bits for a Flexible Protection)
•Separate Fuse to Select Reset Vector
•Optimized Page(1) Size
•Code Efficient Algorithm
•Efficient Read-Modify-Write Support
Note: 1. A page is a section in the flash consisting of several bytes (see Table 123 on page 291) used
during programming. The page organization does not affect normal operation.
Application and
Boot Loader Flash
Sections
The Flash memory is organized in two main sections, the Application section and the Boot
Loader section (see Figure 133). The size of the different sections is configured by the BOOTSZ
fuses as shown in Table on page 284 and Figure 133. These two sections can have different
level of protection since they have different sets of Lock bits.
Application Section The application section is the section of the Flash that is used for storing the application code.
The protection level for the application section can be selected by the application Boot Lock bits
(Boot Lock bits 0), see Table on page 275. The application section can never store any Boot
Loader code since the SPM instruction is disabled when executed from the application section.
Boot Loader Section –
BLS
While the application section is used for storing the application code, the The Boot Loader soft-
ware must be located in the BLS since the SPM instruction can initiate a programming when
executing from the BLS only. The SPM instruction can access the entire Flash, including the
BLS itself. The protection level for the Boot Loader section can be selected by the Boot Loader
Lock bits (Boot Lock bits 1), see Table 109 on page 276.
Read-While-Write
and No Read-
While-Write Flash
Sections
Whether the CPU supports Read-While-Write or if the CPU is halted during a Boot Loader soft-
ware update is dependent on which address that is being programmed. In addition to the two
sections that are configurable by the BOOTSZ fuses as described above, the Flash is also
divided into two fixed sections, the Read-While-Write (RWW) section and the No Read-While-
Write (NRWW) section. The limit between the RWW- and NRWW sections is given in Table
Note: on page 284 and Figure 133 on page 275. The main difference between the two sections
is:
•When erasing or writing a page located inside the RWW section, the NRWW section can be
read during the operation.
•When erasing or writing a page located inside the NRWW section, the CPU is halted during
the entire operation.
Note that the user software can never read any code that is located inside the RWW section dur-
ing a Boot Loader software operation. The syntax “Read-While-Write section” refers to which

274
2467X–AVR–06/11
ATmega128
section that is being programmed (erased or written), not which section that actually is being
read during a Boot Loader software update.
Read-While-Write
Section – RWW
If a Boot Loader software update is programming a page inside the RWW section, it is possible
to read code from the Flash, but only code that is located in the NRWW section. During an on-
going programming, the software must ensure that the RWW section never is being read. If the
user software is trying to read code that is located inside the RWW section (i.e., by a
call/jmp/lpm or an interrupt) during programming, the software might end up in an unknown
state. To avoid this, the interrupts should either be disabled or moved to the Boot Loader Sec-
tion. The Boot Loader section is always located in the NRWW section. The RWW Section Busy
bit (RWWSB) in the Store Program Memory Control and Status Register (SPMCSR) will be read
as logical one as long as the RWW section is blocked for reading. After a programming is com-
pleted, the RWWSB must be cleared by software before reading code located in the RWW
section. See “Store Program Memory Control and Status Register – SPMCSR” on page 277. for
details on how to clear RWWSB.
No Read-While-Write
Section – NRWW
The code located in the NRWW section can be read when the Boot Loader software is updating
a page in the RWW section. When the Boot Loader code updates the NRWW section, the CPU
is halted during the entire page erase or page write operation.
Figure 132. Read-While-Write vs. No Read-While-Write
Table 107. Read-While-Write Features
Which Section does the Z-
pointer Address During the
Programming?
Which Section can be
Read During
Programming?
Is the CPU
Halted?
Read-While-
Write
Supported?
RWW section NRWW section No Yes
NRWW section None Yes No
Read-While-Write
(RWW) Section
No Read-While-Write
(NRWW) Section
Z-pointer
Addresses RWW
Section
Z-pointer
Addresses NRWW
Section
CPU is Halted
During the Operation
Code Located in
NRWW Section
Can be Read During
the Operation

275
2467X–AVR–06/11
ATmega128
Figure 133. Memory Sections(1)
Note: 1. The parameters in the figure above are given in Table on page 284.
Boot Loader Lock
Bits
If no Boot Loader capability is needed, the entire Flash is available for application code. The
Boot Loader has two separate sets of Boot Lock bits which can be set independently. This gives
the user a unique flexibility to select different levels of protection.
The user can select:
• To protect the entire Flash from a software update by the MCU
• To protect only the Boot Loader Flash section from a software update by the MCU
• To protect only the Application Flash section from a software update by the MCU
• Allow software update in the entire Flash
See Table 108 and Table 109 for further details. The Boot Lock bits can be set in software and in
Serial or Parallel Programming mode, but they can be cleared by a chip erase command only.
The general Write Lock (Lock bit mode 2) does not control the programming of the Flash mem-
ory by SPM instruction. Similarly, the general Read/Write Lock (Lock bit mode 3) does not
control reading nor writing by LPM/SPM, if it is attempted.
$0000
Flashend
Program Memory
BOOTSZ = '11'
Application Flash Section
Boot Loader Flash Section Flashend
Program Memory
BOOTSZ = '10'
$0000
Program Memory
BOOTSZ = '01'
Program Memory
BOOTSZ = '00'
Application Flash Section
Boot Loader Flash Section
$0000
Flashend
Application Flash Section
Flashend
End RWW
Start NRWW
Application flash Section
Boot Loader Flash Section
Boot Loader Flash Section
End RWW
Start NRWW
End RWW
Start NRWW
$0000
End RWW, End Application
Start NRWW, Start Boot Loader
Application Flash SectionApplication Flash Section
Application Flash Section
Read-While-Write SectionNo Read-While-Write Section Read-While-Write SectionNo Read-While-Write Section
Read-While-Write SectionNo Read-While-Write SectionRead-While-Write SectionNo Read-While-Write Section
End Application
Start Boot Loader
End Application
Start Boot Loader
End Application
Start Boot Loader

276
2467X–AVR–06/11
ATmega128
Note: 1. “1” means unprogrammed, “0” means programmed
Note: 1. “1” means unprogrammed, “0´means programmed
Entering the Boot
Loader Program
Entering the Boot Loader takes place by a jump or call from the application program. This may
be initiated by a trigger such as a command received via USART, or SPI interface. Alternatively,
the Boot Reset Fuse can be programmed so that the Reset Vector Reset is pointing to the Boot
Flash start address after a reset. In this case, the Boot Loader is started after a reset. After the
application code is loaded, the program can start executing the application code. Note that the
fuses cannot be changed by the MCU itself. This means that once the Boot Reset Fuse is pro-
grammed, the Reset Vector will always point to the Boot Loader Reset and the fuse can only be
changed through the serial or parallel programming interface.
Note: 1. “1” means unprogrammed, “0´means programmed
Table 108. Boot Lock Bit0 Protection Modes (Application Section)(1)
BLB0 mode BLB02 BLB01 Protection
111
No restrictions for SPM or LPM accessing the Application
section.
2 1 0 SPM is not allowed to write to the Application section.
300
SPM is not allowed to write to the Application section, and
LPM executing from the Boot Loader section is not
allowed to read from the Application section. If interrupt
vectors are placed in the Boot Loader section, interrupts
are disabled while executing from the Application section.
401
LPM executing from the Boot Loader section is not
allowed to read from the Application section. If interrupt
vectors are placed in the Boot Loader section, interrupts
are disabled while executing from the Application section.
Table 109. Boot Lock Bit1 Protection Modes (Boot Loader Section)(1)
BLB1 mode BLB12
BLB1
1Protection
111
No restrictions for SPM or LPM accessing the Boot Loader
section.
2 1 0 SPM is not allowed to write to the Boot Loader section.
300
SPM is not allowed to write to the Boot Loader section,
and LPM executing from the Application section is not
allowed to read from the Boot Loader section. If interrupt
vectors are placed in the Application section, interrupts are
disabled while executing from the Boot Loader section.
401
LPM executing from the Application section is not allowed
to read from the Boot Loader section. If interrupt vectors
are placed in the Application section, interrupts are
disabled while executing from the Boot Loader section.
Table 110. Boot Reset Fuse(1)
BOOTRST Reset Address
1 Reset Vector = Application Reset (address $0000)
0 Reset Vector = Boot Loader Reset (see Table 112 on page 284)

277
2467X–AVR–06/11
ATmega128
Store Program
Memory Control and
Status Register –
SPMCSR
The Store Program Memory Control and Status Register contains the control bits needed to con-
trol the Boot Loader operations.
• Bit 7 – SPMIE: SPM Interrupt Enable
When the SPMIE bit is written to one, and the I-bit in the Status Register is set (one), the SPM
ready interrupt will be enabled. The SPM ready Interrupt will be executed as long as the SPMEN
bit in the SPMCSR Register is cleared.
• Bit 6 – RWWSB: Read-While-Write Section Busy
When a Self-Programming (page erase or page write) operation to the RWW section is initiated,
the RWWSB will be set (one) by hardware. When the RWWSB bit is set, the RWW section can-
not be accessed. The RWWSB bit will be cleared if the RWWSRE bit is written to one after a
self-programming operation is completed. Alternatively the RWWSB bit will automatically be
cleared if a page load operation is initiated.
• Bit 5 – Res: Reserved Bit
This bit is a reserved bit in the ATmega128 and always read as zero.
• Bit 4 – RWWSRE: Read-While-Write Section Read Enable
When Programming (page erase or page write) to the RWW section, the RWW section is
blocked for reading (the RWWSB will be set by hardware). To re-enable the RWW section, the
user software must wait until the programming is completed (SPMEN will be cleared). Then, if
the RWWSRE bit is written to one at the same time as SPMEN, the next SPM instruction within
four clock cycles re-enables the RWW section. The RWW section cannot be re-enabled while
the Flash is busy with a page erase or a page write (SPMEN is set). If the RWWSRE bit is writ-
ten while the Flash is being loaded, the Flash load operation will abort and the data loaded will
be lost.
• Bit 3 – BLBSET: Boot Lock Bit Set
If this bit is written to one at the same time as SPMEN, the next SPM instruction within four clock
cycles sets Boot Lock bits, according to the data in R0. The data in R1 and the address in the Z-
pointer are ignored. The BLBSET bit will automatically be cleared upon completion of the lock bit
set, or if no SPM instruction is executed within four clock cycles.
An LPM instruction within three cycles after BLBSET and SPMEN are set in the SPMCSR Reg-
ister, will read either the Lock bits or the Fuse bits (depending on Z0 in the Z-pointer) into the
destination register. See “Reading the Fuse and Lock Bits from Software” on page 281 for
details.
• Bit 2 – PGWRT: Page Write
If this bit is written to one at the same time as SPMEN, the next SPM instruction within four clock
cycles executes page write, with the data stored in the temporary buffer. The page address is
taken from the high part of the Z-pointer. The data in R1 and R0 are ignored. The PGWRT bit
will auto-clear upon completion of a page write, or if no SPM instruction is executed within four
clock cycles. The CPU is halted during the entire page write operation if the NRWW section is
addressed.
• Bit 1 – PGERS: Page Erase
If this bit is written to one at the same time as SPMEN, the next SPM instruction within four clock
cycles executes page erase. The page address is taken from the high part of the Z-pointer. The
data in R1 and R0 are ignored. The PGERS bit will auto-clear upon completion of a page erase,
Bit 7 6 5 4 3 2 1 0
SPMIE RWWSB – RWWSRE BLBSET PGWRT PGERS SPMEN SPMCSR
Read/Write R/WRRR/WR/WR/WR/WR/W
Initial Value 0 0 0 0 0 0 0 0

278
2467X–AVR–06/11
ATmega128
or if no SPM instruction is executed within four clock cycles. The CPU is halted during the entire
page write operation if the NRWW section is addressed.
• Bit 0 – SPMEN: Store Program Memory Enable
This bit enables the SPM instruction for the next four clock cycles. If written to one together with
either RWWSRE, BLBSET, PGWRT’ or PGERS, the following SPM instruction will have a spe-
cial meaning, see description above. If only SPMEN is written, the following SPM instruction will
store the value in R1:R0 in the temporary page buffer addressed by the Z-pointer. The LSB of
the Z-pointer is ignored. The SPMEN bit will auto-clear upon completion of an SPM instruction,
or if no SPM instruction is executed within four clock cycles. During page erase and page write,
the SPMEN bit remains high until the operation is completed.
Writing any other combination than “10001”, “01001”, “00101”, “00011” or “00001” in the lower
five bits will have no effect.
Addressing the
Flash During Self-
Programming
The Z-pointer together with RAMPZ are used to address the SPM commands. For details on
how to use the RAMPZ, see “RAM Page Z Select Register – RAMPZ” on page 13.
Since the Flash is organized in pages (see Table 123 on page 291), the program counter can be
treated as having two different sections. One section, consisting of the least significant bits, is
addressing the words within a page, while the most significant bits are addressing the pages.
This is shown in Figure 134. Note that the page erase and page write operations are addressed
independently. Therefore it is of major importance that the Boot Loader software addresses the
same page in both the page erase and page write operation. Once a programming operation is
initiated, the address is latched and the Z-pointer/RAMPZ can be used for other operations.
The only SPM operation that does not use the Z-pointer/RAMPZ is setting the Boot Loader Lock
bits. The content of the Z-pointer/RAMPZ is ignored and will have no effect on the operation.
The (E)LPM instruction does also use the Z-pointer/RAMPZ to store the address. Since this
instruction addresses the Flash byte by byte, also the LSB (bit Z0) of the Z-pointer is used.
Bit 151413121110 9 8
ZH (R31) Z15 Z14 Z13 Z12 Z11 Z10 Z9 Z8
ZL (R30) Z7 Z6 Z5 Z4 Z3 Z2 Z1 Z0
76543210

279
2467X–AVR–06/11
ATmega128
Figure 134. Addressing the Flash During SPM(1)
Notes: 1. The different variables used in Figure 134 are listed in Table 114 on page 285.
2. PCPAGE and PCWORD are listed in Table 124 on page 291.
Self-Programming
the Flash
The program memory is updated in a page by page fashion. Before programming a page with
the data stored in the temporary page buffer, the page must be erased. The temporary page buf-
fer is filled one word at a time using SPM and the buffer can be filled either before the page
erase command or between a page erase and a page write operation:
Alternative 1, fill the buffer before a page erase
• Fill temporary page buffer
• Perform a page erase
• Perform a page write
Alternative 2, fill the buffer after page erase
• Perform a page erase
• Fill temporary page buffer
• Perform a page write
If only a part of the page needs to be changed, the rest of the page must be stored (for example
in the temporary page buffer) before the erase, and then be rewritten. When using alternative 1,
the Boot Loader provides an effective Read-Modify-Write feature which allows the user software
to first read the page, do the necessary changes, and then write back the modified data. If alter-
native 2 is used, it is not possible to read the old data while loading since the page is already
erased. The temporary page buffer can be accessed in a random sequence. It is essential that
the page address used in both the page erase and page write operation is addressing the same
page. See “Simple Assembly Code Example for a Boot Loader” on page 282 for an assembly
code example.
PROGRAM MEMORY
0115
Z - REGISTER
BIT
0
ZPAGEMSB
WORD ADDRESS
WITHIN A PAGE
PAGE ADDRESS
WITHIN THE FLASH
ZPCMSB
INSTRUCTION WORD
PAGE PCWORD[PAGEMSB:0]:
00
01
02
PAGEEND
PAGE
PCWORDPCPAGE
PCMSB PAGEMSB
PROGRAM
COUNTER
RAMPZ

280
2467X–AVR–06/11
ATmega128
Performing Page
Erase by SPM
To execute page erase, set up the address in the Z-pointer and RAMPZ, write “X0000011” to
SPMCSR and execute SPM within four clock cycles after writing SPMCSR. The data in R1 and
R0 is ignored. The page address must be written to PCPAGE in the Z-register. Other bits in the
Z-pointer must be written zero during this operation.
• Page Erase to the RWW section: The NRWW section can be read during the page erase.
• Page Erase to the NRWW section: The CPU is halted during the operation.
Filling the Temporary
Buffer (Page Loading)
To write an instruction word, set up the address in the Z-pointer and data in R1:R0, write
“00000001” to SPMCSR and execute SPM within four clock cycles after writing SPMCSR. The
content of PCWORD in the Z-register is used to address the data in the temporary buffer. The
temporary buffer will auto-erase after a page write operation or by writing the RWWSRE bit in
SPMCSR. It is also erased after a System Reset. Note that it is not possible to write more than
one time to each address without erasing the temporary buffer.
Note: If the EEPROM is written in the middle of an SPM Page Load operation, all data loaded will be
lost.
Performing a Page
Write
To execute page write, set up the address in the Z-pointer and RAMPZ, write “X0000101” to
SPMCSR and execute SPM within four clock cycles after writing SPMCSR. The data in R1 and
R0 is ignored. The page address must be written to PCPAGE. Other bits in the Z-pointer must
be written zero during this operation.
• Page Write to the RWW section: The NRWW section can be read during the page write.
• Page Write to the NRWW section: The CPU is halted during the operation.
Using the SPM
Interrupt
If the SPM interrupt is enabled, the SPM interrupt will generate a constant interrupt when the
SPMEN bit in SPMCSR is cleared. This means that the interrupt can be used instead of polling
the SPMCSR Register in software. When using the SPM interrupt, the interrupt vectors should
be moved to the BLS section to avoid that an interrupt is accessing the RWW section when it is
blocked for reading. How to move the interrupts is described in “Interrupts” on page 59.
Consideration While
Updating BLS
Special care must be taken if the user allows the Boot Loader section to be updated by leaving
Boot Lock bit11 unprogrammed. An accidental write to the Boot Loader itself can corrupt the
entire Boot Loader, and further software updates might be impossible. If it is not necessary to
change the Boot Loader software itself, it is recommended to program the Boot Lock bit11 to
protect the Boot Loader software from any internal software changes.
Prevent Reading the
RWW Section During
Self-Programming
During Self-Programming (either page erase or page write), the RWW section is always blocked
for reading. The user software itself must prevent that this section is addressed during the Self-
Programming operation. The RWWSB in the SPMCSR will be set as long as the RWW section is
busy. During Self-Programming the interrupt vector table should be moved to the BLS as
described in “Interrupts” on page 59, or the interrupts must be disabled. Before addressing the
RWW section after the programming is completed, the user software must clear the RWWSB by
writing the RWWSRE. See “Simple Assembly Code Example for a Boot Loader” on page 282 for
an example.

281
2467X–AVR–06/11
ATmega128
Setting the Boot
Loader Lock Bits by
SPM
To set the Boot Loader Lock bits, write the desired data to R0, write “X0001001” to SPMCSR
and execute SPM within four clock cycles after writing SPMCSR. The only accessible lock bits
are the Boot Lock bits that may prevent the Application and Boot Loader section from any soft-
ware update by the MCU.
See Table 108 and Table 109 for how the different settings of the Boot Loader Bits affect the
Flash access.
If bits 5..2 in R0 are cleared (zero), the corresponding Boot Lock bit will be programmed if an
SPM instruction is executed within four cycles after BLBSET and SPMEN are set in SPMCSR.
The Z-pointer is don’t care during this operation, but for future compatibility it is recommended to
load the Z-pointer with $0001 (same as used for reading the Lock bits). For future compatibility It
is also recommended to set bits 7, 6, 1, and 0 in R0 to “1” when writing the lock-bits. When pro-
gramming the Lock Bits the entire Flash can be read during the operation.
EEPROM Write
Prevents Writing to
SPMCSR
Note that an EEPROM write operation will block all software programming to Flash. Reading the
Fuses and Lock bits from software will also be prevented during the EEPROM write operation. It
is recommended that the user checks the status bit (EEWE) in the EECR Register and verifies
that the bit is cleared before writing to the SPMCSR Register.
Reading the Fuse and
Lock Bits from
Software
It is possible to read both the Fuse and Lock bits from software. To read the Lock bits, load the
Z-pointer with $0001 and set the BLBSET and SPMEN bits in SPMCSR. When an LPM instruc-
tion is executed within three CPU cycles after the BLBSET and SPMEN bits are set in SPMCSR,
the value of the Lock bits will be loaded in the destination register. The BLBSET and SPMEN
bits will auto-clear upon completion of reading the Lock bits or if no LPM instruction is executed
within three CPU cycles or no SPM instruction is executed within four CPU cycles. When BLB-
SET and SPMEN are cleared, LPM will work as described in the Instruction set Manual.
The algorithm for reading the Fuse Low bits is similar to the one described above for reading the
Lock bits. To read the Fuse Low bits, load the Z-pointer with $0000 and set the BLBSET and
SPMEN bits in SPMCSR. When an LPM instruction is executed within three cycles after the
BLBSET and SPMEN bits are set in the SPMCSR, the value of the Fuse Low bits (FLB) will be
loaded in the destination register as shown below. Refer to Table 119 on page 288 for a detailed
description and mapping of the Fuse Low bits.
Similarly, when reading the Fuse High bits, load $0003 in the Z-pointer. When an LPM instruc-
tion is executed within three cycles after the BLBSET and SPMEN bits are set in the SPMCSR,
the value of the Fuse High bits (FHB) will be loaded in the destination register as shown below.
Refer to Table 118 on page 288 for detailed description and mapping of the Fuse High bits.
When reading the Extended Fuse bits, load $0002 in the Z-pointer. When an LPM instruction is
executed within three cycles after the BLBSET and SPMEN bits are set in the SPMCSR, the
value of the Extended Fuse bits (EFB) will be loaded in the destination register as shown below.
Refer to Table 117 on page 287 for detailed description and mapping of the Fuse High bits.
Bit 76543210
R0 1 1 BLB12 BLB11 BLB02 BLB01 1 1
Bit 76543210
Rd – – BLB12 BLB11 BLB02 BLB01 LB2 LB1
Bit 76543210
Rd FLB7 FLB6 FLB5 FLB4 FLB3 FLB2 FLB1 FLB0
Bit 76543210
Rd FHB7 FHB6 FHB5 FHB4 FHB3 FHB2 FHB1 FHB0
Bit 76543210
Rd ––––––EFB1EFB0

282
2467X–AVR–06/11
ATmega128
Fuse and Lock bits that are programmed, will be read as zero. Fuse and Lock bits that are
unprogrammed, will be read as one.
Preventing Flash
Corruption
During periods of low VCC, the Flash program can be corrupted because the supply voltage is too
low for the CPU and the Flash to operate properly. These issues are the same as for board level
systems using the Flash, and the same design solutions should be applied.
A Flash program corruption can be caused by two situations when the voltage is too low. First, a
regular write sequence to the Flash requires a minimum voltage to operate correctly. Secondly,
the CPU itself can execute instructions incorrectly, if the supply voltage for executing instructions
is too low.
Flash corruption can easily be avoided by following these design recommendations (one is
sufficient):
1. If there is no need for a Boot Loader update in the system, program the Boot Loader Lock
bits to prevent any Boot Loader software updates.
2. Keep the AVR RESET active (low) during periods of insufficient power supply voltage.
This can be done by enabling the internal Brown-out Detector (BOD) if the operating volt-
age matches the detection level. If not, an external low VCC Reset Protection circuit can
be used. If a Reset occurs while a write operation is in progress, the write operation will
be completed provided that the power supply voltage is sufficient.
3. Keep the AVR core in Power-down Sleep mode during periods of low VCC. This will pre-
vent the CPU from attempting to decode and execute instructions, effectively protecting
the SPMCSR Register and thus the Flash from unintentional writes.
Programming Time for
Flash when Using
SPM
The calibrated RC Oscillator is used to time Flash accesses. Table 111 shows the typical pro-
gramming time for Flash accesses from the CPU.
Simple Assembly
Code Example for a
Boot Loader
;-the routine writes one page of data from RAM to Flash
; the first data location in RAM is pointed to by the Y pointer
; the first data location in Flash is pointed to by the Z-pointer
;-error handling is not included
;-the routine must be placed inside the boot space
; (at least the Do_spm sub routine). Only code inside NRWW section can
; be read during self-programming (page erase and page write).
;-registers used: r0, r1, temp1 (r16), temp2 (r17), looplo (r24),
; loophi (r25), spmcsrval (r20)
; storing and restoring of registers is not included in the routine
; register usage can be optimized at the expense of code size
;-It is assumed that either the interrupt table is moved to the Boot
; loader section or that the interrupts are disabled.
.equ PAGESIZEB = PAGESIZE*2 ;PAGESIZEB is page size in BYTES, not words
.org SMALLBOOTSTART
Write_page:
; page erase
ldi spmcsrval, (1<<PGERS) | (1<<SPMEN)
call Do_spm
; re-enable the RWW section
ldi spmcsrval, (1<<RWWSRE) | (1<<SPMEN)
call Do_spm
Table 111. SPM Programming Time.
Symbol Min Programming Time Max Programming Time
Flash write (page erase, page write,
and write lock bits by SPM) 3.7 ms 4.5 ms

283
2467X–AVR–06/11
ATmega128
; transfer data from RAM to Flash page buffer
ldi looplo, low(PAGESIZEB);init loop variable
ldi loophi, high(PAGESIZEB);not required for PAGESIZEB<=256
Wrloop:
ld r0, Y+
ld r1, Y+
ldi spmcsrval, (1<<SPMEN)
call Do_spm
adiw ZH:ZL, 2
sbiw loophi:looplo, 2 ;use subi for PAGESIZEB<=256
brne Wrloop
; execute page write
subi ZL, low(PAGESIZEB) ;restore pointer
sbci ZH, high(PAGESIZEB) ;not required for PAGESIZEB<=256
ldi spmcsrval, (1<<PGWRT) | (1<<SPMEN)
call Do_spm
; re-enable the RWW section
ldi spmcsrval, (1<<RWWSRE) | (1<<SPMEN)
call Do_spm
; read back and check, optional
ldi looplo, low(PAGESIZEB);init loop variable
ldi loophi, high(PAGESIZEB);not required for PAGESIZEB<=256
subi YL, low(PAGESIZEB) ;restore pointer
sbci YH, high(PAGESIZEB)
Rdloop:
lpm r0, Z+
ld r1, Y+
cpse r0, r1
jmp Error
sbiw loophi:looplo, 1 ;use subi for PAGESIZEB<=256
brne Rdloop
; return to RWW section
; verify that RWW section is safe to read
Return:
lds temp1, SPMCSR
sbrs temp1, RWWSB ; If RWWSB is set, the RWW section is not ready
yet
ret
; re-enable the RWW section
ldi spmcsrval, (1<<RWWSRE) | (1<<SPMEN)
call Do_spm
rjmp Return
Do_spm:
; check for previous SPM complete
Wait_spm:
lds temp1, SPMCSR
sbrc temp1, SPMEN
rjmp Wait_spm
; input: spmcsrval determines SPM action
; disable interrupts if enabled, store status
in temp2, SREG
cli
; check that no EEPROM write access is present

284
2467X–AVR–06/11
ATmega128
Wait_ee:
sbic EECR, EEWE
rjmp Wait_ee
; SPM timed sequence
sts SPMCSR, spmcsrval
spm
; restore SREG (to enable interrupts if originally enabled)
out SREG, temp2
ret
ATmega128 Boot
Loader Parameters
In Table 112 through Table 114, the parameters used in the description of the self programming
are given.
Note: The different BOOTSZ fuse configurations are shown in Figure 133
Note: 1. For details about these two section, see “No Read-While-Write Section – NRWW” on page
274 and “Read-While-Write Section – RWW” on page 274
Table 112. Boot Size Configuration
BOOTSZ1 BOOTSZ0
Boot
Size Pages
Application
Flash
Section
Boot
Loader
Flash
Section
End
Application
section
Boot
Reset
Address
(start Boot
Loader
Section)
11
512
words 4$0000 -
$FDFF
$FE00 -
$FFFF $FDFF $FE00
10
1024
words 8$0000 -
$FBFF
$FC00 -
$FFFF $FBFF $FC00
01
2048
words 16 $0000 -
$F7FF
$F800 -
$FFFF $F7FF $F800
00
4096
words 32 $0000 -
$EFFF
$F000 -
$FFFF $EFFF $F000
Table 113. Read-While-Write Limit(1)
Section Pages Address
Read-While-Write section (RWW) 480 $0000 - $EFFF
No Read-While-Write section (NRWW) 32 $F000 - $FFFF

285
2467X–AVR–06/11
ATmega128
Notes: 1. The Z-register is only 16 bits wide. Bit 16 is located in the RAMPZ register in the I/O map.
2. Z0: should be zero for all SPM commands, byte select for the (E)LPM instruction.
3. See “Addressing the Flash During Self-Programming” on page 278 for details about the use of
Z-pointer during self-programming.
Table 114. Explanation of Different Variables Used in Figure 134 and the Mapping to the Z-
Pointer(3)
Variable
Corresponding
Z-value Description(2)
PCMSB 15 Most significant bit in the program counter. (The
program counter is 16 bits PC[15:0])
PAG E M SB
6 Most significant bit which is used to address the
words within one page (128 words in a page
requires 7 bits PC [6:0]).
ZPCMSB
Z16(1) Bit in Z-register that is mapped to PCMSB.
Because Z0 is not used, the ZPCMSB equals
PCMSB + 1.
ZPAGEMSB
Z7 Bit in Z-register that is mapped to PAGEMSB.
Because Z0 is not used, the ZPAGEMSB
equals PAGEMSB + 1.
PCPAGE PC[15:7] Z16(1):Z8 Program counter page address: Page select, for
page erase and page write
PCWORD
PC[6:0] Z7:Z1 Program counter word address: Word select, for
filling temporary buffer (must be zero during
page write operation)

286
2467X–AVR–06/11
ATmega128
Memory
Programming
Program and Data
Memory Lock Bits
The Atmel® AVR®ATmega128 provides six Lock bits which can be left unprogrammed (“1”) or
can be programmed (“0”) to obtain the additional features listed in Table 116. The Lock bits can
only be erased to “1” with the Chip Erase command.
Note: “1” means unprogrammed, “0´means programmed
Table 115. Lock Bit Byte
Lock Bit Byte Bit No. Description Default Value
7 – 1 (unprogrammed)
6 – 1 (unprogrammed)
BLB12 5 Boot lock bit 1 (unprogrammed)
BLB11 4 Boot lock bit 1 (unprogrammed)
BLB02 3 Boot lock bit 1 (unprogrammed)
BLB01 2 Boot lock bit 1 (unprogrammed)
LB2 1 Lock bit 1 (unprogrammed)
LB1 0 Lock bit 1 (unprogrammed)
Table 116. Lock Bit Protection Modes
Memory Lock Bits Protection Type
LB mode LB2 LB1
1 1 1 No memory lock features enabled.
210
Further programming of the Flash and EEPROM is
disabled in Parallel and SPI/JTAG Serial Programming
mode. The Fuse bits are locked in both Serial and Parallel
Programming mode.(1)
300
Further programming and verification of the Flash and
EEPROM is disabled in Parallel and SPI/JTAG Serial
Programming mode. The Fuse bits are locked in both
Serial and Parallel Programming mode.(1)
BLB0 mode BLB02 BLB01
111
No restrictions for SPM or (E)LPM accessing the
Application section.
2 1 0 SPM is not allowed to write to the Application section.
300
SPM is not allowed to write to the Application section, and
(E)LPM executing from the Boot Loader section is not
allowed to read from the Application section. If interrupt
vectors are placed in the Boot Loader section, interrupts
are disabled while executing from the Application section.
401
(E)LPM executing from the Boot Loader section is not
allowed to read from the Application section. If interrupt
vectors are placed in the Boot Loader section, interrupts
are disabled while executing from the Application section.
BLB1 mode BLB12 BLB11

287
2467X–AVR–06/11
ATmega128
Notes: 1. Program the fuse bits before programming the Lock bits.
2. “1” means unprogrammed, “0´means programmed
Fuse Bits The Atmel® AVR®ATmega128 has three fuse bytes. Table 117 - Table 119 describe briefly the
functionality of all the fuses and how they are mapped into the fuse bytes. Note that the fuses
are read as logical zero, “0”, if they are programmed.
Notes: 1. See “ATmega103 and ATmega128 Compatibility” on page 4 for details.
2. See “Watchdog Timer Control Register – WDTCR” on page 55 for details.
111
No restrictions for SPM or (E)LPM accessing the Boot
Loader section.
2 1 0 SPM is not allowed to write to the Boot Loader section.
300
SPM is not allowed to write to the Boot Loader section,
and (E)LPM executing from the Application section is not
allowed to read from the Boot Loader section. If interrupt
vectors are placed in the Application section, interrupts
are disabled while executing from the Boot Loader section.
401
(E)LPM executing from the Application section is not
allowed to read from the Boot Loader section. If interrupt
vectors are placed in the Application section, interrupts
are disabled while executing from the Boot Loader section.
Table 116. Lock Bit Protection Modes (Continued)
Memory Lock Bits Protection Type
Table 117. Extended Fuse Byte
Extended Fuse Byte Bit No. Description Default Value
–7– 1
–6– 1
–5– 1
–4– 1
–3– 1
–2– 1
M103C(1) 1 ATmega103 compatibility mode 0 (programmed)
WDTON(2) 0Watchdog Timer always on 1 (unprogrammed)

288
2467X–AVR–06/11
ATmega128
Notes: 1. The SPIEN fuse is not accessible in SPI Serial Programming mode.
2. The CKOPT fuse functionality depends on the setting of the CKSEL bits. See “Clock
Sources” on page 36 for details.
3. The default value of BOOTSZ1..0 results in maximum Boot Size. See Table 112 on page 284
4. Never ship a product with the OCDEN Fuse programmed regardless of the setting of lock bits
and the JTAGEN Fuse. A programmed OCDEN Fuse enables some parts of the clock system
to be running in all sleep modes. This may increase the power consumption.
5. If the JTAG interface is left unconnected, the JTAGEN fuse should if possible be disabled. This
to avoid static current at the TDO pin in the JTAG interface.
Notes: 1. The default value of SUT1..0 results in maximum start-up time. See Table 14 on page 41 for
details.
2. The default setting of CKSEL3..0 results in Internal RC Oscillator @ 1MHz. See Table 6 on
page 36 for details.
The status of the Fuse bits is not affected by Chip Erase. Note that the Fuse bits are locked if
Lock bit1 (LB1) is programmed. Program the Fuse bits before programming the Lock bits.
Latching of Fuses The Fuse values are latched when the device enters Programming mode and changes of the
fuse values will have no effect until the part leaves Programming mode. This does not apply to
Table 118. Fuse High Byte
Fuse High
Byte Bit No. Description Default Value
OCDEN(4) 7 Enable OCD 1 (unprogrammed, OCD
disabled)
JTAGEN(5) 6 Enable JTAG 0 (programmed, JTAG enabled)
SPIEN(1) 5 Enable Serial Program and
Data Downloading
0 (programmed, SPI prog.
enabled)
CKOPT(2) 4 Oscillator options 1 (unprogrammed)
EESAVE 3 EEPROM memory is preserved
through the Chip Erase
1 (unprogrammed, EEPROM not
preserved)
BOOTSZ1 2 Select Boot Size (see Table 112
for details)
0 (programmed)(3)
BOOTSZ0 1 Select Boot Size (see Table 112
for details)
0 (programmed)(3)
BOOTRST 0 Select Reset Vector 1 (unprogrammed)
Table 119. Fuse Low Byte
Fuse Low
Byte Bit No. Description Default Value
BODLEVEL 7 Brown out detector trigger level 1 (unprogrammed)
BODEN 6 Brown out detector enable 1 (unprogrammed, BOD disabled)
SUT1 5 Select start-up time 1 (unprogrammed)(1)
SUT0 4 Select start-up time 0 (programmed)(1)
CKSEL3 3 Select Clock source 0 (programmed)(2)
CKSEL2 2 Select Clock source 0 (programmed)(2)
CKSEL1 1 Select Clock source 0 (programmed)(2)
CKSEL0 0 Select Clock source 1 (unprogrammed)(2)

289
2467X–AVR–06/11
ATmega128
the EESAVE fuse which will take effect once it is programmed. The fuses are also latched on
power-up in normal mode.
Signature Bytes All Atmel microcontrollers have a three-byte signature code which identifies the device. This
code can be read in both serial and parallel mode, also when the device is locked. The three
bytes reside in a separate address space.
For theAtmel® AVR® ATmega128 the signature bytes are:
1. $000: $1E (indicates manufactured by Atmel)
2. $001: $97 (indicates 128Kbyte Flash memory)
3. $002: $02 (indicates ATmega128 device when $001 is $97)
Calibration Byte The ATmega128 stores four different calibration values for the internal RC Oscillator. These
bytes resides in the signature row high byte of the addresses 0x000, 0x0001, 0x0002, and
0x0003 for 1MHz, 2MHz, 4MHz, and 8MHz respectively. During Reset, the 1MHz value is auto-
matically loaded into the OSCCAL Register. If other frequencies are used, the calibration value
has to be loaded manually, see “Oscillator Calibration Register – OSCCAL” on page 41 for
details.

290
2467X–AVR–06/11
ATmega128
Parallel
Programming
Parameters, Pin
Mapping, and
Commands
This section describes how to parallel program and verify Flash Program memory, EEPROM
Data memory, Memory Lock bits, and Fuse bits in the Atmel® AVR®ATmega128. Pulses are
assumed to be at least 250ns unless otherwise noted.
Signal Names In this section, some pins of the ATmega128 are referenced by signal names describing their
functionality during parallel programming, see Figure 135 and Table 120. Pins not described in
the following table are referenced by pin names.
The XA1/XA0 pins determine the action executed when the XTAL1 pin is given a positive pulse.
The bit coding is shown in Table 122.
When pulsing WR or OE, the command loaded determines the action executed. The different
Commands are shown in Table 123.
Figure 135. Parallel Programming
Table 120. Pin Name Mapping
Signal Name in
Programming Mode Pin Name I/O Function
RDY/BSY PD1 O 0: Device is busy programming, 1: Device is ready for new
command
OE PD2 I Output Enable (Active low)
WRPD3 I Write Pulse (Active low)
BS1 PD4 I Byte Select 1 (“0” selects low byte, “1” selects high byte)
XA0 PD5 I XTAL Action Bit 0
XA1 PD6 I XTAL Action Bit 1
VCC
+5V
GND
XTAL1
PD1
PD2
PD3
PD4
PD5
PD6
PB7 - PB0
DATA
RESET
PD7
+12 V
BS1
XA0
XA1
OE
RDY/BSY
PAGEL
PA0
WR
BS2
AVCC
+5V

291
2467X–AVR–06/11
ATmega128
PAGEL PD7 I Program Memory and EEPROM data Page Load
BS2 PA0 I Byte Select 2 (“0” selects low byte, “1” selects 2’nd high
byte)
DATA PB7-0 I/O Bi-directional Data bus (Output when OE is low)
Table 121. Pin Values Used to Enter Programming Mode
Pin Symbol Value
PAGEL Prog_enable[3] 0
XA1 Prog_enable[2] 0
XA0 Prog_enable[1] 0
BS1 Prog_enable[0] 0
Table 122. XA1 and XA0 Coding
XA1 XA0 Action when XTAL1 is Pulsed
0 0 Load Flash or EEPROM Address (High or low address byte determined by BS1)
0 1 Load Data (High or Low data byte for Flash determined by BS1)
1 0 Load Command
1 1 No Action, Idle
Table 123. Command Byte Bit Coding
Command Byte Command Executed
1000 0000 Chip Erase
0100 0000 Write Fuse bits
0010 0000 Write Lock bits
0001 0000 Write Flash
0001 0001 Write EEPROM
0000 1000 Read Signature Bytes and Calibration byte
0000 0100 Read Fuse and Lock bits
0000 0010 Read Flash
0000 0011 Read EEPROM
Table 124. No. of Words in a Page and no. of Pages in the Flash
Flash Size Page Size PCWORD No. of Pages PCPAGE PCMSB
64K words (128 Kbytes) 128 words PC[6:0] 512 PC[15:7] 15
Table 120. Pin Name Mapping (Continued)
Signal Name in
Programming Mode Pin Name I/O Function

292
2467X–AVR–06/11
ATmega128
Parallel
Programming
Enter Programming
Mode
The following algorithm puts the device in parallel programming mode:
1. Apply 4.5V - 5.5V between VCC and GND, and wait at least 100µs.
2. Set RESET to “0” and toggle XTAL1 at least SIX times.
3. Set the Prog_enable pins listed in Table 121 on page 291 to “0000” and wait at least
100ns.
4. Apply 11.5 - 12.5V to RESET
. Any activity on Prog_enable pins within 100ns after +12V
has been applied to RESET, will cause the device to fail entering programming mode.
Note, if External Crystal or External RC configuration is selected, it may not be possible to apply
qualified XTAL1 pulses. In such cases, the following algorithm should be followed:
1. Set Prog_enable pins listed in Table on page 291 to “0000”.
2. Apply 4.5 - 5.5V between VCC and GND simultaneously as 11.5 - 12.5V is applied to
RESET.
3. Wait 100 µs.
4. Re-program the fuses to ensure that External Clock is selected as clock source
(CKSEL3:0 = 0b0000) If Lock bits are programmed, a Chip Erase command must be
executed before changing the fuses.
5. Exit Programming mode by power the device down or by bringing RESET pin to 0b0.
6. Entering Programming mode with the original algorithm, as described above.
Considerations for
Efficient Programming
The loaded command and address are retained in the device during programming. For efficient
programming, the following should be considered.
• The command needs only be loaded once when writing or reading multiple memory
locations.
• Skip writing the data value $FF, that is the contents of the entire EEPROM (unless the
EESAVE fuse is programmed) and Flash after a Chip Erase.
• Address high byte needs only be loaded before programming or reading a new 256 word
window in Flash or 256-byte EEPROM. This consideration also applies to Signature bytes
reading.
Chip Erase The Chip Erase will erase the Flash and EEPROM(1) memories plus Lock bits. The Lock bits are
not reset until the program memory has been completely erased. The Fuse bits are not
changed. A Chip Erase must be performed before the Flash and/or the EEPROM are
reprogrammed.
Note: 1. The EEPRPOM memory is preserved during chip erase if the EESAVE fuse is programmed.
Load Command “Chip Erase”
1. Set XA1, XA0 to “10”. This enables command loading.
2. Set BS1 to “0”.
3. Set DATA to “1000 0000”. This is the command for Chip Erase.
4. Give XTAL1 a positive pulse. This loads the command.
Table 125. No. of Words in a Page and no. of Pages in the EEPROM
EEPROM Size Page Size PCWORD No. of Pages PCPAGE EEAMSB
4 Kbytes 8 bytes EEA[2:0] 512 EEA[11:3] 8

293
2467X–AVR–06/11
ATmega128
5. Give WR a negative pulse. This starts the Chip Erase. RDY/BSY goes low.
6. Wait until RDY/BSY goes high before loading a new command.
Programming the
Flash
The Flash is organized in pages, see Table 123 on page 291. When programming the Flash, the
program data is latched into a page buffer. This allows one page of program data to be pro-
grammed simultaneously. The following procedure describes how to program the entire Flash
memory:
A. Load Command “Write Flash”
1. Set XA1, XA0 to “10”. This enables command loading.
2. Set BS1 to “0”.
3. Set DATA to “0001 0000”. This is the command for Write Flash.
4. Give XTAL1 a positive pulse. This loads the command.
B. Load Address Low byte
1. Set XA1, XA0 to “00”. This enables address loading.
2. Set BS1 to “0”. This selects low address.
3. Set DATA = Address low byte ($00 - $FF).
4. Give XTAL1 a positive pulse. This loads the address low byte.
C. Load Data Low Byte
1. Set XA1, XA0 to “01”. This enables data loading.
2. Set DATA = Data low byte ($00 - $FF).
3. Give XTAL1 a positive pulse. This loads the data byte.
D. Load Data High Byte
1. Set BS1 to “1”. This selects high data byte.
2. Set XA1, XA0 to “01”. This enables data loading.
3. Set DATA = Data high byte ($00 - $FF).
4. Give XTAL1 a positive pulse. This loads the data byte.
E. Latch Data
1. Set BS1 to “1”. This selects high data byte.
2. Give PAGEL a positive pulse. This latches the data bytes. (See Figure 137 for signal
waveforms)
F. Repeat B through E until the entire buffer is filled or until all data within the page is loaded.
While the lower bits in the address are mapped to words within the page, the higher bits address
the pages within the FLASH. This is illustrated in Figure 136 on page 294. Note that if less than
8 bits are required to address words in the page (pagesize < 256), the most significant bit(s) in
the address low byte are used to address the page when performing a page write.
G. Load Address High byte
1. Set XA1, XA0 to “00”. This enables address loading.
2. Set BS1 to “1”. This selects high address.
3. Set DATA = Address high byte ($00 - $FF).
4. Give XTAL1 a positive pulse. This loads the address high byte.
H. Program Page

294
2467X–AVR–06/11
ATmega128
1. Set BS1 = “0”
2. Give WR a negative pulse. This starts programming of the entire page of data. RDY/BSY
goes low.
3. Wait until RDY/BSY goes high. (See Figure 137 for signal waveforms)
I. Repeat B through H until the entire Flash is programmed or until all data has been
programmed.
J. End Page Programming
1. 1. Set XA1, XA0 to “10”. This enables command loading.
2. Set DATA to “0000 0000”. This is the command for No Operation.
3. Give XTAL1 a positive pulse. This loads the command, and the internal write signals are
reset.
Figure 136. Addressing the Flash which is Organized in Pages
Note: 1. PCPAGE and PCWORD are listed in Table 124 on page 291.
PROGRAM MEMORY
WORD ADDRESS
WITHIN A PAGE
PAGE ADDRESS
WITHIN THE FLASH
INSTRUCTION WORD
PAGE PCWORD[PAGEMSB:0]:
00
01
02
PAGEEND
PAGE
PCWORDPCPAGE
PCMSB PAGEMSB
PROGRAM
COUNTER

295
2467X–AVR–06/11
ATmega128
Figure 137. Programming the Flash Waveforms
Note: “XX” is don’t care. The letters refer to the programming description above.
Programming the
EEPROM
The EEPROM is organized in pages, see Table 124 on page 291. When programming the
EEPROM, the program data is latched into a page buffer. This allows one page of data to be
programmed simultaneously. The programming algorithm for the EEPROM data memory is as
follows (refer to “Programming the Flash” on page 293 for details on Command, Address and
Data loading):
1. A: Load Command “0001 0001”.
2. G: Load Address High Byte ($00 - $FF).
3. B: Load Address Low Byte ($00 - $FF).
4. C: Load Data ($00 - $FF).
5. E: Latch data (give PAGEL a positive pulse).
K: Repeat 3 through 5 until the entire buffer is filled.
L: Program EEPROM page:
1. Set BS1 to “0”.
2. Give WR a negative pulse. This starts programming of the EEPROM page. RDY/BSY
goes low.
3. Wait until to RDY/BSY goes high before programming the next page.
(See Figure 138 for signal waveforms.)
RDY/BSY
WR
OE
RESET +12V
PAGEL
BS2
0x10 ADDR. LOW ADDR. HIGH
DATA
DATA LOW DATA HIGH ADDR. LOW DATA LOW DATA HIGH
XA1
XA0
BS1
XTAL1
XX XX XX
AB CDEB CDEGH
F

296
2467X–AVR–06/11
ATmega128
Figure 138. Programming the EEPROM Waveforms
Reading the Flash The algorithm for reading the Flash memory is as follows (refer to “Programming the Flash” on
page 293 for details on Command and Address loading):
1. A: Load Command “0000 0010”.
2. G: Load Address High Byte ($00 - $FF).
3. B: Load Address Low Byte ($00 - $FF).
4. Set OE to “0”, and BS1 to “0”. The Flash word low byte can now be read at DATA.
5. Set BS1 to “1”. The Flash word high byte can now be read at DATA.
6. Set OE to “1”.
Reading the EEPROM The algorithm for reading the EEPROM memory is as follows (refer to “Programming the Flash”
on page 293 for details on Command and Address loading):
1. A: Load Command “0000 0011”.
2. G: Load Address High Byte ($00 - $FF).
3. B: Load Address Low Byte ($00 - $FF).
4. Set OE to “0”, and BS1 to “0”. The EEPROM Data byte can now be read at DATA.
5. Set OE to “1”.
Programming the
Fuse Low Bits
The algorithm for programming the Fuse Low bits is as follows (refer to “Programming the Flash”
on page 293 for details on Command and Data loading):
1. A: Load Command “0100 0000”.
2. C: Load Data Low Byte. Bit n = “0” programs and bit n = “1” erases the Fuse bit.
3. Set BS1 to “0” and BS2 to “0”.
4. Give WR a negative pulse and wait for RDY/BSY to go high.
RDY/BSY
WR
OE
RESET +12V
PAGEL
BS2
0x11 ADDR. HIGH
DATA
ADDR. LOW DATA ADDR. LOW DATA XX
XA1
XA0
BS1
XTAL1
XX
AGB CEB C EL
K

297
2467X–AVR–06/11
ATmega128
Programming the
Fuse High Bits
The algorithm for programming the Fuse High bits is as follows (refer to “Programming the
Flash” on page 293 for details on Command and Data loading):
1. A: Load Command “0100 0000”.
2. C: Load Data Low Byte. Bit n = “0” programs and bit n = “1” erases the Fuse bit.
3. Set BS1 to “1” and BS2 to “0”. This selects high data byte.
4. Give WR a negative pulse and wait for RDY/BSY to go high.
5. Set BS1 to “0”. This selects low data byte.
Programming the
Extended Fuse Bits
The algorithm for programming the Extended Fuse bits is as follows (refer to “Programming the
Flash” on page 293 for details on Command and Data loading):
1. A: Load Command “0100 0000”.
2. C: Load Data Low Byte. Bit n = “0” programs and bit n = “1” erases the Fuse bit.
3. Set BS2 to “1” and BS1 to “0”. This selects extended data byte.
4. Give WR a negative pulse and wait for RDY/BSY to go high.
5. Set BS2 to “0”. This selects low data byte.
Figure 139. Programming the Fuses
Programming the Lock
Bits
The algorithm for programming the Lock bits is as follows (refer to “Programming the Flash” on
page 293 for details on Command and Data loading):
1. A: Load Command “0010 0000”.
2. C: Load Data Low Byte. Bit n = “0” programs the Lock bit.
3. Give WR a negative pulse and wait for RDY/BSY to go high.
The Lock bits can only be cleared by executing Chip Erase.
Reading the Fuse and
Lock Bits
The algorithm for reading the Fuse and Lock bits is as follows (refer to “Programming the Flash”
on page 293 for details on Command loading):
1. A: Load Command “0000 0100”.
2. Set OE to “0”, BS2 to “0”, and BS1 to “0”. The status of the Fuse Low bits can now be
read at DATA (“0” means programmed).
3. Set OE to “0”, BS2 to “1”, and BS1 to “1”. The status of the Fuse High bits can now be
read at DATA (“0” means programmed).
RDY/BSY
WR
OE
RESET +12V
PAGEL
$40
DATA
DATA XX
XA1
XA0
BS1
XTAL1
AC
$4 0 DATA XX
AC
Write Fuse Low byte Write Fuse high byte
$4 0 DATA XX
AC
Write Extended Fuse byte
BS2

298
2467X–AVR–06/11
ATmega128
4. Set OE to “0”, BS2 to “1”, and BS1 to “0”. The status of the Extended Fuse bits can now
be read at DATA (“0” means programmed).
5. Set OE to “0”, BS2 to “0”, and BS1 to “1”. The status of the Lock bits can now be read at
DATA (“0” means programmed).
6. Set OE to “1”.
Figure 140. Mapping Between BS1, BS2 and the Fuse- and Lock Bits During Read
Reading the Signature
Bytes
The algorithm for reading the Signature bytes is as follows (refer to Programming the Flash for
details on Command and Address loading):
1. A: Load Command “0000 1000”.
2. B: Load Address Low Byte ($00 - $02).
3. Set OE to “0”, and BS1 to “0”. The selected Signature byte can now be read at DATA.
4. Set OE to “1”.
Reading the
Calibration Byte
The algorithm for reading the Calibration byte is as follows (refer to Programming the Flash for
details on Command and Address loading):
1. A: Load Command “0000 1000”.
2. B: Load Address Low Byte.
3. Set OE to “0”, and BS1 to “1”. The Calibration byte can now be read at DATA.
4. Set OE to “1”.
Parallel Programming
Characteristics
Figure 141. Parallel Programming Timing, Including some General Timing Requirements
Lock bits 0
1
BS2
Fuse high byte
0
1
BS1
DATA
Fuse Low Byte 0
1
BS2
Extended Fuse byte
Data & Contol
(DATA, XA0/1, BS1, BS2)
XTAL1 t
XHXL
t
WL WH
t
DVXH
t
XLDX
t
PLWL
t
WLRH
WR
RDY/BSY
PAGEL t
PHPL
t
PLBX
t
BVPH
t
XLWL
t
WLBX
t
BVWL
WLRL

299
2467X–AVR–06/11
ATmega128
Figure 142. Parallel Programming Timing, Loading Sequence with Timing Requirements
Note: The timing requirements shown in Figure 141 (i.e. tDVXH, tXHXL, and tXLDX) also apply to loading
operation.
Figure 143. Parallel Programming Timing, Reading Sequence (Within the Same Page) with
Timing Requirements
Note: The timing requirements shown in Figure 141 (i.e. tDVXH, tXHXL, and tXLDX) also apply to reading
operation.
Table 126. Parallel Programming Characteristics, VCC = 5 V ±10%
Symbol Parameter Min Typ Max Units
VPP Programming Enable Voltage 11.5 12.5 V
IPP Programming Enable Current 250 μA
tDVXH Data and Control Valid before XTAL1 High 67 ns
tXLXH XTAL1 Low to XTAL1 High 200 ns
tXHXL XTAL1 Pulse Width High 150 ns
tXLDX Data and Control Hold after XTAL1 Low 67 ns
tXLWLXTAL1 Low to WR Low 0 ns
XTAL1
PAGEL
t
PLXH
XLXH
tt
XLPH
ADDR0 (Low Byte) DATA (Low Byte) DATA (High Byte) ADDR1 (Low Byte)
DATA
BS1
XA0
XA1
LOAD ADDRESS
(LOW BYTE)
LOAD DATA
(LOW BYTE)
LOAD DATA
(HIGH BYTE)
LOAD DATA
LOAD ADDRESS
(LOW BYTE)
XTAL1
OE
ADDR0 (Low Byte) DATA (Low Byte) DATA (High Byte) ADDR1 (Low Byte)
DATA
BS1
XA0
XA1
LOAD ADDRESS
(LOW BYTE)
READ DATA
(LOW BYTE)
READ DATA
(HIGH BYTE)
LOAD ADDRESS
(LOW BYTE)
t
BHDV
t
OLDV
t
XLOL
t
OHDZ

300
2467X–AVR–06/11
ATmega128
Notes: 1. tWLRH is valid for the Write Flash, Write EEPROM, Write Fuse bits and Write Lock bits
commands.
2. tWLRH_CE is valid for the Chip Erase command.
Serial
Downloading
Both the Flash and EEPROM memory arrays can be programmed using the serial SPI bus while
RESET is pulled to GND. The serial interface consists of pins SCK, MOSI (input) and MISO (out-
put). After RESET is set low, the Programming Enable instruction needs to be executed first
before program/erase operations can be executed. NOTE, in Table 127 on page 300, the pin
mapping for SPI programming is listed. Not all parts use the SPI pins dedicated for the internal
SPI interface. Note that throughout the description about Serial downloading, MOSI and MISO
are used to describe the serial data in and serial data out respectively. For Atmel®
AVR®ATmega128 these pins are mapped to PDI and PDO.
SPI Serial
Programming Pin
Mapping
Even though the SPI Programming interface re-uses the SPI I/O module, there is one important
difference: The MOSI/MISO pins that are mapped to PB2 and PB3 in the SPI I/O module are not
used in the Programming interface. Instead, PE0 and PE1 are used for data in SPI Program-
ming mode as shown in Table 127.
tXLPH XTAL1 Low to PAGEL high 0 ns
tPLXH PAGEL low to XTAL1 high 150 ns
tBVPH BS1 Valid before PAGEL High 67 ns
tPHPL PAGE L P u l se Width High 150 ns
tPLBX BS1 Hold after PAGEL Low 67 ns
tWLBX BS2/1 Hold after WR Low 67 ns
tPLWLPAGEL Low to WR Low 67 ns
tBVWLBS1 Valid to WR Low 67 ns
tWLWHWR Pulse Width Low 150 ns
tWLRL WR Low to RDY/BSY Low 0 1 μs
tWLRH WR Low to RDY/BSY High(1) 3.7 5 ms
tWLRH_CE WR Low to RDY/BSY High for Chip Erase(2) 7.5 10 ms
tXLOL XTAL1 Low to OE Low 0 ns
tBVDV BS1 Valid to DATA valid 0 250 ns
tOLDV OE Low to DATA Valid 250 ns
tOHDZ OE High to DATA Tri-stated 250 ns
Table 126. Parallel Programming Characteristics, VCC = 5 V ±10% (Continued)
Symbol Parameter Min Typ Max Units
Table 127. Pin Mapping SPI Serial Programming
Symbol Pins I/O Description
MOSI (PDI) PE0 I Serial data in
MISO (PDO) PE1 O Serial data out
SCK PB1 I Serial clock

301
2467X–AVR–06/11
ATmega128
Figure 144. SPI Serial Programming and Verify(1)
Notes: 1. If the device is clocked by the Internal Oscillator, it is no need to connect a clock source to the
XTAL1 pin.
2. VCC - 0.3V < AVCC < VCC + 0.3V, however, AVCC should always be within 2.7 - 5.5V.
When programming the EEPROM, an auto-erase cycle is built into the self-timed programming
operation (in the serial mode ONLY) and there is no need to first execute the Chip Erase instruc-
tion. The Chip Erase operation turns the content of every memory location in both the Program
and EEPROM arrays into $FF.
Depending on CKSEL Fuses, a valid clock must be present. The minimum low and high periods
for the serial clock (SCK) input are defined as follows:
Low:> 2 CPU clock cycles for fck < 12MHz, 3 CPU clock cycles for fck ≥ 12MHz
High:> 2 CPU clock cycles for fck < 12MHz, 3 CPU clock cycles for fck ≥ 12MHz
SPI Serial
Programming
Algorithm
When writing serial data to the ATmega128, data is clocked on the rising edge of SCK.
When reading data from the ATmega128, data is clocked on the falling edge of SCK. See Figure
145 for timing details.
To program and verify the ATmega128 in the SPI Serial Programming mode, the following
sequence is recommended (See four byte instruction formats in Table 145):
1. Power-up sequence:
Apply power between VCC and GND while RESET and SCK are set to “0”. In some sys-
tems, the programmer can not guarantee that SCK is held low during power-up. In this
case, RESET must be given a positive pulse of at least two CPU clock cycles duration
after SCK has been set to “0”.
As an alternative to using the RESET signal, PEN can be held low during Power-on
Reset while SCK is set to “0”. In this case, only the PEN value at Power-on Reset is
important. If the programmer cannot guarantee that SCK is held low during power-up, the
PEN method cannot be used. The device must be powered down in order to commence
normal operation when using this method.
2. Wait for at least 20 ms and enable SPI Serial Programming by sending the Programming
Enable serial instruction to pin MOSI.
VCC
GND
XTAL1
SCK
PDO
PDI
RESET
PE0
PE1
PB1
+2.7 - 5.5V
AVCC
+2.7 - 5.5V
(2)

302
2467X–AVR–06/11
ATmega128
3. The SPI Serial Programming instructions will not work if the communication is out of syn-
chronization. When in sync. the second byte ($53), will echo back when issuing the third
byte of the Programming Enable instruction. Whether the echo is correct or not, all FOUR
bytes of the instruction must be transmitted. If the $53 did not echo back, give RESET a
positive pulse and issue a new Programming Enable command.
4. The Flash is programmed one page at a time. The page size is found in Table 124 on
page 291. The memory page is loaded one byte at a time by supplying the 7 LSB of the
address and data together with the Load Program Memory Page instruction. To ensure
correct loading of the page, the data low byte must be loaded before data high byte is
applied for given address. The Program Memory Page is stored by loading the Write Pro-
gram Memory Page instruction with the 9MSB of the address. If polling is not used, the
user must wait at least tWD_FLASH before issuing the next page. (See Table 128).
Note: If other commands than polling (read) are applied before any write operation (Flash,
EEPROM, Lock bits, Fuses) is completed, may result in incorrect programming.
5. The EEPROM array is programmed one byte at a time by supplying the address and data
together with the appropriate Write instruction. An EEPROM memory location is first
automatically erased before new data is written. If polling is not used, the user must wait
at least tWD_EEPROM before issuing the next byte. (See Table 128). In a chip erased device,
no $FFs in the data file(s) need to be programmed.
6. Any memory location can be verified by using the Read instruction which returns the con-
tent at the selected address at serial output MISO.
7. At the end of the programming session, RESET can be set high to commence normal
operation.
8. Power-off sequence (if needed):
Set RESET to “1”.
Tur n V CC power off.
Data Polling Flash When a page is being programmed into the Flash, reading an address location within the page
being programmed will give the value $FF. At the time the device is ready for a new page, the
programmed value will read correctly. This is used to determine when the next page can be writ-
ten. Note that the entire page is written simultaneously and any address within the page can be
used for polling. Data polling of the Flash will not work for the value $FF, so when programming
this value, the user will have to wait for at least tWD_FLASH before programming the next page. As
a chip-erased device contains $FF in all locations, programming of addresses that are meant to
contain $FF, can be skipped. See Table 128 for tWD_FLASH value
Data Polling EEPROM When a new byte has been written and is being programmed into EEPROM, reading the
address location being programmed will give the value $FF. At the time the device is ready for a
new byte, the programmed value will read correctly. This is used to determine when the next
byte can be written. This will not work for the value $FF, but the user should have the following in
mind: As a chip-erased device contains $FF in all locations, programming of addresses that are
meant to contain $FF, can be skipped. This does not apply if the EEPROM is re-programmed
without chip-erasing the device. In this case, data polling cannot be used for the value $FF, and
the user will have to wait at least tWD_EEPROM before programming the next byte. See Table 128
for tWD_EEPROM value.

303
2467X–AVR–06/11
ATmega128
Figure 145. .SPI Serial Programming Waveforms
Table 128. Minimum Wait Delay before Writing the Next Flash or EEPROM Location, VCC = 5V
±10%
Symbol Minimum Wait Delay
tWD_FUSE 4.5ms
tWD_FLASH 5ms
tWD_EEPROM 10ms
tWD_ERASE 10ms
MSB
MSB
LSB
LSB
SERIAL CLOCK INPUT
(SCK)
SERIAL DATA INPUT
(MOSI)
(MISO)
SAMPLE
SERIAL DATA OUTPUT

304
2467X–AVR–06/11
ATmega128
Note: a = address high bits
b = address low bits
H = 0 - Low byte, 1 - High Byte
o = data out
i = data in
x = don’t care
Table 129. SPI Serial Programming Instruction Set
Instruction
Instruction Format
OperationByte 1 Byte 2 Byte 3 Byte 4
Programming Enable 1010 1100 0101 0011 xxxx xxxx xxxx xxxx Enable SPI Serial Programming after RESET
goes low.
Chip Erase 1010 1100 100x xxxx xxxx xxxx xxxx xxxx Chip Erase EEPROM and Flash.
Read Program
Memory
0010 H000 aaaa aaaa bbbb bbbb oooo oooo Read H (high or low) data o from Program
memory at word address a:b.
Load Program
Memory Page
0100 H000 xxxx xxxx xbbb bbbb iiii iiii Write H (high or low) data i to Program
Memory page at word address b. Data low
byte must be loaded before data high byte is
applied within the same address.
Write Program
Memory Page
0100 1100 aaaa aaaa bxxx xxxx xxxx xxxx
Write Program Memory Page at address a:b.
Read EEPROM
Memory
1010 0000 xxxx aaaa bbbb bbbb oooo oooo Read data o from EEPROM memory at
address a:b.
Write EEPROM
Memory
1100 0000 xxxx aaaa bbbb bbbb iiii iiii Write data i to EEPROM memory at address
a:b.
Read Lock bits 0101 1000 0000 0000 xxxx xxxx xxoo oooo Read Lock bits. “0” = programmed, “1” =
unprogrammed. See Table 115 on page
286 for details.
Write Lock bits 1010 1100 111x xxxx xxxx xxxx 11ii iiii Write Lock bits. Set bits = “0” to program Lock
bits. See Table 115 on page 286 for details.
Read Signature Byte 0011 0000 xxxx xxxx xxxx xxbb oooo oooo Read Signature Byte o at address b.
Write Fuse bits 1010 1100 1010 0000 xxxx xxxx iiii iiii Set bits = “0” to program, “1” to unprogram.
See Table 119 on page 288 for details.
Write Fuse High Bits 1010 1100 1010 1000 xxxx xxxx iiii iiii Set bits = “0” to program, “1” to unprogram.
See Table 118 on page 288 for details.
Write Extended Fuse
bits
1010 1100 1010 0100 xxxx xxxx xxxx xxii Set bits = “0” to program, “1” to unprogram.
See Table 119 on page 288 for details.
Read Fuse bits 0101 0000 0000 0000 xxxx xxxx oooo oooo Read Fuse bits. “0” = programmed, “1” =
unprogrammed. See Table 119 on page
288 for details.
Read Extendend
Fuse bits
0101 0000 0000 1000 xxxx xxxx oooo oooo Read Extended Fuse bits. “0” = pro-grammed,
“1” = unprogrammed. See Table 119 on
page 288 for details.
Read Fuse High Bits 0101 1000 0000 1000 xxxx xxxx oooo oooo Read Fuse high bits. “0” = pro-grammed, “1” =
unprogrammed. See Table 118 on page
288 for details.
Read Calibration Byte 0011 1000 xxxx xxxx 0000 00bb oooo oooo Read Calibration Byte o at address b.

305
2467X–AVR–06/11
ATmega128
SPI Serial
Programming
Characteristics
For characteristics of the SPI module, see “SPI Timing Characteristics” on page 323.
Programming Via
the JTAG Interface
Programming through the JTAG interface requires control of the four JTAG specific pins: TCK,
TMS, TDI, and TDO. Control of the Reset and clock pins is not required.
To be able to use the JTAG interface, the JTAGEN fuse must be programmed. The device is
default shipped with the Fuse programmed. In addition, the JTD bit in MCUCSR must be
cleared. Alternatively, if the JTD bit is set, the external reset can be forced low. Then, the JTD bit
will be cleared after two chip clocks, and the JTAG pins are available for programming. This pro-
vides a means of using the JTAG pins as normal port pins in running mode while still allowing In-
System Programming via the JTAG interface. Note that this technique can not be used when
using the JTAG pins for Boundary-scan or On-chip Debug. In these cases the JTAG pins must
be dedicated for this purpose.
As a definition in this data sheet, the LSB is shifted in and out first of all Shift Registers.
Programming Specific
JTAG Instructions
The instruction register is 4-bit wide, supporting up to 16 instructions. The JTAG instructions
useful for Programming are listed below.
The OPCODE for each instruction is shown behind the instruction name in hex format. The text
describes which data register is selected as path between TDI and TDO for each instruction.
The Run-Test/Idle state of the TAP controller is used to generate internal clocks. It can also be
used as an idle state between JTAG sequences. The state machine sequence for changing the
instruction word is shown in Figure 146.

306
2467X–AVR–06/11
ATmega128
Figure 146. State Machine Sequence for Changing the Instruction Word
AVR_RESET ($C) The AVR specific public JTAG instruction for setting the AVR device in the Reset mode or taking
the device out from the Reset mode. The TAP controller is not reset by this instruction. The one
bit Reset Register is selected as Data Register. Note that the reset will be active as long as there
is a logic 'one' in the Reset Chain. The output from this chain is not latched.
The active states are:
• Shift-DR: The Reset Register is shifted by the TCK input.
PROG_ENABLE ($4) The AVR specific public JTAG instruction for enabling programming via the JTAG port. The 16-
bit Programming Enable Register is selected as data register. The active states are the
following:
• Shift-DR: the programming enable signature is shifted into the data register.
• Update-DR: the programming enable signature is compared to the correct value, and
Programming mode is entered if the signature is valid.
Test-Logic-Reset
Run-Test/Idle
Shift-DR
Exit1-DR
Pause-DR
Exit2-DR
Update-DR
Select-IR Scan
Capture-IR
Shift-IR
Exit1-IR
Pause-IR
Exit2-IR
Update-IR
Select-DR Scan
Capture-DR
0
1
011 1
00
00
11
10
1
1
0
1
0
0
10
1
1
0
1
0
0
00
11

307
2467X–AVR–06/11
ATmega128
PROG_COMMANDS
($5)
The AVR specific public JTAG instruction for entering programming commands via the JTAG
port. The 15-bit Programming Command Register is selected as data register. The active states
are the following:
• Capture-DR: the result of the previous command is loaded into the data register.
• Shift-DR: the data register is shifted by the TCK input, shifting out the result of the previous
command and shifting in the new command.
• Update-DR: the programming command is applied to the Flash inputs.
• Run-Test/Idle: one clock cycle is generated, executing the applied command.
PROG_PAGELOAD
($6)
The AVR specific public JTAG instruction to directly load the Flash data page via the JTAG port.
The 2048-bit Virtual Flash Page Load Register is selected as data register. This is a virtual scan
chain with length equal to the number of bits in one Flash page. Internally the Shift Register is 8-
bit. Unlike most JTAG instructions, the Update-DR state is not used to transfer data from the
Shift Register. The data are automatically transferred to the Flash page buffer byte by byte in the
Shift-DR state by an internal state machine. This is the only active state:
• Shift-DR: Flash page data are shifted in from TDI by the TCK input, and automatically
loaded into the Flash page one byte at a time.
Note: The JTAG instruction PROG_PAGELOAD can only be used if the AVR device is the first device in
JTAG scan chain. If the AVR cannot be the first device in the scan chain, the byte-wise program-
ming algorithm must be used.
PROG_PAGEREAD
($7)
The AVR specific public JTAG instruction to read one full Flash data page via the JTAG port.
The 2056-bit Virtual Flash Page Read Register is selected as data register. This is a virtual scan
chain with length equal to the number of bits in one Flash page plus 8. Internally the Shift Regis-
ter is 8-bit. Unlike most JTAG instructions, the Capture-DR state is not used to transfer data to
the Shift Register. The data are automatically transferred from the Flash page buffer byte by
byte in the Shift-DR state by an internal state machine. This is the only active state:
• Shift-DR: Flash data are automatically read one byte at a time and shifted out on TDO by the
TCK input. The TDI input is ignored.
Note: The JTAG instruction PROG_PAGEREAD can only be used if the AVR device is the first device in
JTAG scan chain. If the AVR cannot be the first device in the scan chain, the byte-wise program-
ming algorithm must be used.
Data Registers The data registers are selected by the JTAG instruction registers described in section “Program-
ming Specific JTAG Instructions” on page 305. The data registers relevant for programming
operations are:
• Reset Register
• Programming Enable Register
• Programming Command Register
• Virtual Flash Page Load Register
• Virtual Flash Page Read Register

308
2467X–AVR–06/11
ATmega128
Reset Register The Reset Register is a Test Data Register used to reset the part during programming. It is
required to reset the part before entering programming mode.
A high value in the Reset Register corresponds to pulling the external Reset low. The part is
reset as long as there is a high value present in the Reset Register. Depending on the Fuse set-
tings for the clock options, the part will remain reset for a Reset Time-Out Period (refer to “Clock
Sources” on page 36) after releasing the Reset Register. The output from this Data Register is
not latched, so the reset will take place immediately, as shown in Figure 123 on page 254.
Programming Enable
Register
The Programming Enable Register is a 16-bit register. The contents of this register is compared
to the programming enable signature, binary code 1010_0011_0111_0000. When the contents
of the register is equal to the programming enable signature, programming via the JTAG port is
enabled. The Register is reset to 0 on Power-on Reset, and should always be reset when leav-
ing Programming mode.
Figure 147. Programming Enable Register
TDI
TDO
D
A
T
A
=DQ
ClockDR & PROG_ENABLE
Programming enable
$A370

309
2467X–AVR–06/11
ATmega128
Programming
Command Register
The Programming Command Register is a 15-bit register. This register is used to serially shift in
programming commands, and to serially shift out the result of the previous command, if any. The
JTAG Programming Instruction Set is shown in Table 130. The state sequence when shifting in
the programming commands is illustrated in Figure 149.
Figure 148. Programming Command Register
TDI
TDO
S
T
R
O
B
E
S
A
D
D
R
E
S
S
/
D
A
T
A
Flash
EEPROM
Fuses
Lock Bits

310
2467X–AVR–06/11
ATmega128
Table 130. JTAG Programming Instruction
Set
a = address high bits, b = address low bits, H = 0 - Low Byte, 1 - High Byte, o = data out, i = data in, x = don’t care
Instruction TDI sequence TDO sequence Notes
1a. Chip erase 0100011_10000000
0110001_10000000
0110011_10000000
0110011_10000000
xxxxxxx_xxxxxxxx
xxxxxxx_xxxxxxxx
xxxxxxx_xxxxxxxx
xxxxxxx_xxxxxxxx
1b. Poll for chip erase complete 0110011_10000000 xxxxxox_xxxxxxxx (2)
2a. Enter Flash Write 0100011_00010000 xxxxxxx_xxxxxxxx
2b. Load Address High Byte 0000111_aaaaaaaa xxxxxxx_xxxxxxxx (9)
2c. Load Address Low Byte 0000011_bbbbbbbb xxxxxxx_xxxxxxxx
2d. Load Data Low Byte 0010011_iiiiiiii xxxxxxx_xxxxxxxx
2e. Load Data High Byte 0010111_iiiiiiii xxxxxxx_xxxxxxxx
2f. Latch Data 0110111_00000000
1110111_00000000
0110111_00000000
xxxxxxx_xxxxxxxx
xxxxxxx_xxxxxxxx
xxxxxxx_xxxxxxxx
(1)
2g. Write Flash Page 0110111_00000000
0110101_00000000
0110111_00000000
0110111_00000000
xxxxxxx_xxxxxxxx
xxxxxxx_xxxxxxxx
xxxxxxx_xxxxxxxx
xxxxxxx_xxxxxxxx
(1)
2h. Poll for Page Write complete 0110111_00000000 xxxxxox_xxxxxxxx (2)
3a. Enter Flash Read 0100011_00000010 xxxxxxx_xxxxxxxx
3b. Load Address High Byte 0000111_aaaaaaaa xxxxxxx_xxxxxxxx (9)
3c. Load Address Low Byte 0000011_bbbbbbbb xxxxxxx_xxxxxxxx
3d. Read Data Low and High Byte 0110010_00000000
0110110_00000000
0110111_00000000
xxxxxxx_xxxxxxxx
xxxxxxx_oooooooo
xxxxxxx_oooooooo
low byte
high byte
4a. Enter EEPROM Write 0100011_00010001 xxxxxxx_xxxxxxxx
4b. Load Address High Byte 0000111_aaaaaaaa xxxxxxx_xxxxxxxx (9)
4c. Load Address Low Byte 0000011_bbbbbbbb xxxxxxx_xxxxxxxx
4d. Load Data Byte 0010011_iiiiiiii xxxxxxx_xxxxxxxx
4e. Latch Data 0110111_00000000
1110111_00000000
0110111_00000000
xxxxxxx_xxxxxxxx
xxxxxxx_xxxxxxxx
xxxxxxx_xxxxxxxx
(1)
4f. Write EEPROM Page 0110011_00000000
0110001_00000000
0110011_00000000
0110011_00000000
xxxxxxx_xxxxxxxx
xxxxxxx_xxxxxxxx
xxxxxxx_xxxxxxxx
xxxxxxx_xxxxxxxx
(1)
4g. Poll for Page Write complete 0110011_00000000 xxxxxox_xxxxxxxx (2)
5a. Enter EEPROM Read 0100011_00000011 xxxxxxx_xxxxxxxx
5b. Load Address High Byte 0000111_aaaaaaaa xxxxxxx_xxxxxxxx (9)

311
2467X–AVR–06/11
ATmega128
5c. Load Address Low Byte 0000011_bbbbbbbb xxxxxxx_xxxxxxxx
5d. Read Data Byte 0110011_bbbbbbbb
0110010_00000000
0110011_00000000
xxxxxxx_xxxxxxxx
xxxxxxx_xxxxxxxx
xxxxxxx_oooooooo
6a. Enter Fuse Write 0100011_01000000 xxxxxxx_xxxxxxxx
6b. Load Data Low Byte(6) 0010011_iiiiiiii xxxxxxx_xxxxxxxx (3)
6c. Write Fuse Extended Byte 0111011_00000000
0111001_00000000
0111011_00000000
0111011_00000000
xxxxxxx_xxxxxxxx
xxxxxxx_xxxxxxxx
xxxxxxx_xxxxxxxx
xxxxxxx_xxxxxxxx
(1)
6d. Poll for Fuse Write complete 0110111_00000000 xxxxxox_xxxxxxxx (2)
6e. Load Data Low Byte(7) 0010011_iiiiiiii xxxxxxx_xxxxxxxx (3)
6f. Write Fuse High Byte 0110111_00000000
0110101_00000000
0110111_00000000
0110111_00000000
xxxxxxx_xxxxxxxx
xxxxxxx_xxxxxxxx
xxxxxxx_xxxxxxxx
xxxxxxx_xxxxxxxx
(1)
6g. Poll for Fuse Write complete 0110111_00000000 xxxxxox_xxxxxxxx (2)
6h. Load Data Low Byte(7) 0010011_iiiiiiii xxxxxxx_xxxxxxxx (3)
6i. Write Fuse Low Byte 0110011_00000000
0110001_00000000
0110011_00000000
0110011_00000000
xxxxxxx_xxxxxxxx
xxxxxxx_xxxxxxxx
xxxxxxx_xxxxxxxx
xxxxxxx_xxxxxxxx
(1)
6j. Poll for Fuse Write complete 0110011_00000000 xxxxxox_xxxxxxxx (2)
7a. Enter Lock bit Write 0100011_00100000 xxxxxxx_xxxxxxxx
7b. Load Data Byte(9) 0010011_11iiiiii xxxxxxx_xxxxxxxx (4)
7c. Write Lock bits 0110011_00000000
0110001_00000000
0110011_00000000
0110011_00000000
xxxxxxx_xxxxxxxx
xxxxxxx_xxxxxxxx
xxxxxxx_xxxxxxxx
xxxxxxx_xxxxxxxx
(1)
7d. Poll for Lock bit Write complete 0110011_00000000 xxxxxox_xxxxxxxx (2)
8a. Enter Fuse/Lock bit Read 0100011_00000100 xxxxxxx_xxxxxxxx
8b. Read Extended Fuse Byte(6) 0111010_00000000
0111011_00000000
xxxxxxx_xxxxxxxx
xxxxxxx_oooooooo
8c. Read Fuse High Byte(7) 0111110_00000000
0111111_00000000
xxxxxxx_xxxxxxxx
xxxxxxx_oooooooo
8d. Read Fuse Low Byte(8) 0110010_00000000
0110011_00000000
xxxxxxx_xxxxxxxx
xxxxxxx_oooooooo
8e. Read Lock bits(9) 0110110_00000000
0110111_00000000
xxxxxxx_xxxxxxxx
xxxxxxx_xxoooooo
(5)
Table 130. JTAG Programming Instruction (Continued)
Set (Continued) a = address high bits, b = address low bits, H = 0 - Low Byte, 1 - High Byte, o = data out, i = data in, x = don’t care
Instruction TDI sequence TDO sequence Notes

312
2467X–AVR–06/11
ATmega128
Notes: 1. This command sequence is not required if the seven MSB are correctly set by the previous command sequence (which is
normally the case).
2. Repeat until o = “1”.
3. Set bits to “0” to program the corresponding fuse, “1” to unprogram the Fuse.
4. Set bits to “0” to program the corresponding lock bit, “1” to leave the Lock bit unchanged.
5. “0” = programmed, “1” = unprogrammed.
6. The bit mapping for Fuses Extended Byte is listed in Table 117 on page 287
7. The bit mapping for Fuses High Byte is listed in Table 118 on page 288
8. The bit mapping for Fuses Low Byte is listed in Table 119 on page 288
9. The bit mapping for Lock bits Byte is listed in Table 115 on page 286
10. Address bits exceeding PCMSB and EEAMSB (Table 123 and Table 124) are don’t care
8f. Read Fuses and Lock bits 0111010_00000000
0111110_00000000
0110010_00000000
0110110_00000000
0110111_00000000
xxxxxxx_xxxxxxxx
xxxxxxx_oooooooo
xxxxxxx_oooooooo
xxxxxxx_oooooooo
xxxxxxx_oooooooo
(5)
fuse ext. byte
fuse high byte
fuse low byte
lock bits
9a. Enter Signature Byte Read 0100011_00001000 xxxxxxx_xxxxxxxx
9b. Load Address Byte 0000011_bbbbbbbb xxxxxxx_xxxxxxxx
9c. Read Signature Byte 0110010_00000000
0110011_00000000
xxxxxxx_xxxxxxxx
xxxxxxx_oooooooo
10a. Enter Calibration Byte Read 0100011_00001000 xxxxxxx_xxxxxxxx
10b. Load Address Byte 0000011_bbbbbbbb xxxxxxx_xxxxxxxx
10c. Read Calibration Byte 0110110_00000000
0110111_00000000
xxxxxxx_xxxxxxxx
xxxxxxx_oooooooo
11a. Load No Operation Command 0100011_00000000
0110011_00000000
xxxxxxx_xxxxxxxx
xxxxxxx_xxxxxxxx
Table 130. JTAG Programming Instruction (Continued)
Set (Continued) a = address high bits, b = address low bits, H = 0 - Low Byte, 1 - High Byte, o = data out, i = data in, x = don’t care
Instruction TDI sequence TDO sequence Notes

313
2467X–AVR–06/11
ATmega128
Figure 149. State Machine Sequence for Changing/Reading the Data Word
Virtual Flash Page
Load Register
The Virtual Flash Page Load Register is a virtual scan chain with length equal to the number of
bits in one Flash page. Internally the Shift Register is 8-bit, and the data are automatically trans-
ferred to the Flash page buffer byte by byte. Shift in all instruction words in the page, starting
with the LSB of the first instruction in the page and ending with the MSB of the last instruction in
the page. This provides an efficient way to load the entire Flash page buffer before executing
Page Write.
Test-Logic-Reset
Run-Test/Idle
Shift-DR
Exit1-DR
Pause-DR
Exit2-DR
Update-DR
Select-IR Scan
Capture-IR
Shift-IR
Exit1-IR
Pause-IR
Exit2-IR
Update-IR
Select-DR Scan
Capture-DR
0
1
011 1
00
00
11
10
1
1
0
1
0
0
10
1
1
0
1
0
0
00
11

314
2467X–AVR–06/11
ATmega128
Figure 150. Virtual Flash Page Load Register
Virtual Flash Page
Read Register
The Virtual Flash Page Read Register is a virtual scan chain with length equal to the number of
bits in one Flash page plus 8. Internally the Shift Register is 8-bit, and the data are automatically
transferred from the Flash data page byte by byte. The first eight cycles are used to transfer the
first byte to the internal Shift Register, and the bits that are shifted out during these 8 cycles
should be ignored. Following this initialization, data are shifted out starting with the LSB of the
first instruction in the page and ending with the MSB of the last instruction in the page. This pro-
vides an efficient way to read one full Flash page to verify programming.
Figure 151. Virtual Flash Page Read Register
Programming
Algorithm
All references below of type “1a”, “1b”, and so on, refer to Table 130.
TDI
TDO
D
A
T
A
Flash
EEPROM
Fuses
Lock Bits
STROBES
ADDRESS
State
machine
TDI
TDO
D
A
T
A
Flash
EEPROM
Fuses
Lock Bits
STROBES
ADDRESS
State
machine

315
2467X–AVR–06/11
ATmega128
Entering Programming
Mode
1. Enter JTAG instruction AVR_RESET and shift 1 in the Reset Register.
2. Enter instruction PROG_ENABLE and shift 1010_0011_0111_0000 in the Programming
Enable Register.
Leaving Programming
Mode
1. Enter JTAG instruction PROG_COMMANDS.
2. Disable all programming instructions by using no operation instruction 11a.
3. Enter instruction PROG_ENABLE and shift 0000_0000_0000_0000 in the programming
Enable Register.
4. Enter JTAG instruction AVR_RESET and shift 0 in the Reset Register.
Performing Chip Erase 1. Enter JTAG instruction PROG_COMMANDS.
2. Start chip erase using programming instruction 1a.
3. Poll for chip erase complete using programming instruction 1b, or wait for tWLRH_CE (refer
to Table Note: on page 299).
Programming the
Flash
Before programming the Flash a Chip Erase must be performed. See “Performing Chip Erase”
on page 315.
1. Enter JTAG instruction PROG_COMMANDS.
2. Enable Flash write using programming instruction 2a.
3. Load address high byte using programming instruction 2b.
4. Load address low byte using programming instruction 2c.
5. Load data using programming instructions 2d, 2e and 2f.
6. Repeat steps 4 and 5 for all instruction words in the page.
7. Write the page using programming instruction 2g.
8. Poll for Flash write complete using programming instruction 2h, or wait for tWLRH (refer to
Table Note: on page 299).
9. Repeat steps 3 to 7 until all data have been programmed.
A more efficient data transfer can be achieved using the PROG_PAGELOAD instruction:
1. Enter JTAG instruction PROG_COMMANDS.
2. Enable Flash write using programming instruction 2a.
3. Load the page address using programming instructions 2b and 2c. PCWORD (refer to
Table 123 on page 291) is used to address within one page and must be written as 0.
4. Enter JTAG instruction PROG_PAGELOAD.
5. Load the entire page by shifting in all instruction words in the page, starting with the LSB
of the first instruction in the page and ending with the MSB of the last instruction in the
page.
6. Enter JTAG instruction PROG_COMMANDS.
7. Write the page using programming instruction 2g.
8. Poll for Flash write complete using programming instruction 2h, or wait for tWLRH (refer to
Table Note: on page 299).
9. Repeat steps 3 to 8 until all data have been programmed.

316
2467X–AVR–06/11
ATmega128
Reading the Flash 1. Enter JTAG instruction PROG_COMMANDS.
2. Enable Flash read using programming instruction 3a.
3. Load address using programming instructions 3b and 3c.
4. Read data using programming instruction 3d.
5. Repeat steps 3 and 4 until all data have been read.
A more efficient data transfer can be achieved using the PROG_PAGEREAD instruction:
1. Enter JTAG instruction PROG_COMMANDS.
2. Enable Flash read using programming instruction 3a.
3. Load the page address using programming instructions 3b and 3c. PCWORD (refer to
Table 123 on page 291) is used to address within one page and must be written as 0.
4. Enter JTAG instruction PROG_PAGEREAD.
5. Read the entire page by shifting out all instruction words in the page, starting with the
LSB of the first instruction in the page and ending with the MSB of the last instruction in
the page. Remember that the first 8 bits shifted out should be ignored.
6. Enter JTAG instruction PROG_COMMANDS.
7. Repeat steps 3 to 6 until all data have been read.
Programming the
EEPROM
Before programming the EEPROM a Chip Erase must be performed. See “Performing Chip
Erase” on page 315.
1. Enter JTAG instruction PROG_COMMANDS.
2. Enable EEPROM write using programming instruction 4a.
3. Load address high byte using programming instruction 4b.
4. Load address low byte using programming instruction 4c.
5. Load data using programming instructions 4d and 4e.
6. Repeat steps 4 and 5 for all data bytes in the page.
7. Write the data using programming instruction 4f.
8. Poll for EEPROM write complete using programming instruction 4g, or wait for tWLRH
(refer to Table Note: on page 299).
9. Repeat steps 3 to 8 until all data have been programmed.
Note that the PROG_PAGELOAD instruction can not be used when programming the EEPROM
Reading the EEPROM 1. Enter JTAG instruction PROG_COMMANDS.
2. Enable EEPROM read using programming instruction 5a.
3. Load address using programming instructions 5b and 5c.
4. Read data using programming instruction 5d.
5. Repeat steps 3 and 4 until all data have been read.
Note that the PROG_PAGEREAD instruction can not be used when reading the EEPROM

317
2467X–AVR–06/11
ATmega128
Programming the
Fuses
1. Enter JTAG instruction PROG_COMMANDS.
2. Enable Fuse write using programming instruction 6a.
3. Load data byte using programming instructions 6b. A bit value of “0” will program the cor-
responding fuse, a “1” will unprogram the fuse.
4. Write Extended Fuse byte using programming instruction 6c.
5. Poll for Fuse write complete using programming instruction 6d, or wait for tWLRH (refer to
Table Note: on page 299).
6. Load data byte using programming instructions 6e. A bit value of “0” will program the cor-
responding fuse, a “1” will unprogram the fuse.
7. Write Fuse high byte using programming instruction 6f.
8. Poll for Fuse write complete using programming instruction 6g, or wait for tWLRH (refer to
Table Note: on page 299).
9. Load data byte using programming instructions 6h. A “0” will program the fuse, a “1” will
unprogram the fuse.
10. Write Fuse low byte using programming instruction 6i.
11. Poll for Fuse write complete using programming instruction 6j, or wait for tWLRH (refer to
Table Note: on page 299).
Programming the Lock
Bits
1. Enter JTAG instruction PROG_COMMANDS.
2. Enable Lock bit write using programming instruction 7a.
3. Load data using programming instructions 7b. A bit value of “0” will program the corre-
sponding lock bit, a “1” will leave the lock bit unchanged.
4. Write Lock bits using programming instruction 7c.
5. Poll for Lock bit write complete using programming instruction 7d, or wait for tWLRH (refer
to Table Note: on page 299).
Reading the Fuses
and Lock Bits
1. Enter JTAG instruction PROG_COMMANDS.
2. Enable Fuse/Lock bit read using programming instruction 8a.
3. To read all Fuses and Lock bits, use programming instruction 8f.
To only read Extended Fuse byte, use programming instruction 8b.
To only read Fuse high byte, use programming instruction 8c.
To only read Fuse low byte, use programming instruction 8d.
To only read Lock bits, use programming instruction 8e.
Reading the Signature
Bytes
1. Enter JTAG instruction PROG_COMMANDS.
2. Enable Signature byte read using programming instruction 9a.
3. Load address $00 using programming instruction 9b.
4. Read first signature byte using programming instruction 9c.
5. Repeat steps 3 and 4 with address $01 and address $02 to read the second and third
signature bytes, respectively.
Reading the
Calibration Byte
1. Enter JTAG instruction PROG_COMMANDS.
2. Enable Calibration byte read using programming instruction 10a.
3. Load address $00 using programming instruction 10b.
4. Read the calibration byte using programming instruction 10c.

318
2467X–AVR–06/11
ATmega128
Electrical Characteristics
Note: Typical values contained in this data sheet are based on simulations and characterization of other AVR microcontrollers manu-
factured on the same process technology. Min and Max values will be available after the device is characterized.
Absolute Maximum Ratings*
DC Characteristics
Operating Temperature.................................. -55°C to +125°C*NOTICE: Stresses beyond those listed under “Absolute
Maximum Ratings” may cause permanent dam-
age to the device. This is a stress rating only and
functional operation of the device at these or
other conditions beyond those indicated in the
operational sections of this specification is not
implied. Exposure to absolute maximum rating
conditions for extended periods may affect device
reliability.
Storage Temperature ..................................... -65°C to +150°C
Voltage on any Pin except RESET
with respect to Ground ................................-0.5V to VCC+0.5V
Voltage on RESET with respect to Ground......-0.5V to +13.0V
Maximum Operating Voltage ............................................ 6.0V
DC Current per I/O Pin ............................................... 40.0 mA
DC Current VCC and GND Pins..................... 200.0 - 400.0mA
TA = -40°C to 85°C, VCC = 2.7V to 5.5V (unless otherwise noted)
Symbol Parameter Condition Min Typ Max Units
VIL
Input Low Voltage except
XTAL1 and RESET pins VCC = 2.7V - 5.5V -0.5 0.2 VCC(1)
V
VIH
Input High Voltage except
XTAL1 and RESET pins VCC = 2.7V - 5.5V 0.6 VCC(2) VCC + 0.5
VIL1
Input Low Voltage
XTAL1 pin VCC = 2.7V - 5.5V -0.5 0.1 VCC(1)
VIH1
Input High Voltage XTAL1
pin VCC = 2.7V - 5.5V 0.7 VCC(2) VCC + 0.5
VIL2
Input Low Voltage
RESET pin VCC = 2.7V - 5.5V -0.5 0.2 VCC(1)
VIH2
Input High Voltage
RESET pin VCC = 2.7V - 5.5V 0.85 VCC(2) VCC + 0.5
VOL
Output Low Voltage(3)
(Ports A,B,C,D, E, F, G)
IOL = 20mA, VCC = 5V
IOL = 10mA, VCC = 3V
0.7
0.5
V
V
VOH
Output High Voltage(4)
(Ports A,B,C,D, E, F, G)
IOH = -20mA, VCC = 5V
IOH = -10mA, VCC = 3V
4.2
2.2
V
V
IIL
Input Leakage
Current I/O Pin
Vcc = 5.5V, p i n l o w
(absolute value) 1.0
µA
IIH
Input Leakage
Current I/O Pin
Vcc = 5.5V, pin high
(absolute value) 1.0
RRST Reset Pull-up Resistor 30 85
kΩRPEN PEN Pull-up Resistor 30 60
RPU I/O Pin Pull-up Resistor 20 50

319
2467X–AVR–06/11
ATmega128
Notes: 1. “Max” means the highest value where the pin is guaranteed to be read as low
2. “Min” means the lowest value where the pin is guaranteed to be read as high
3. Although each I/O port can sink more than the test conditions (20mA at VCC = 5V, 10mA at VCC = 3V) under steady state
conditions (non-transient), the following must be observed:
TQFP and QFN/MLF Package:
1] The sum of all IOL, for all ports, should not exceed 400mA.
2] The sum of all IOL, for ports A0 - A7, G2, C3 - C7 should not exceed 100mA.
3] The sum of all IOL, for ports C0 - C2, G0 - G1, D0 - D7, XTAL2 should not exceed 100mA.
4] The sum of all IOL, for ports B0 - B7, G3 - G4, E0 - E7 should not exceed 100mA.
5] The sum of all IOL, for ports F0 - F7, should not exceed 100mA.
If IOL exceeds the test condition, VOL may exceed the related specification. Pins are not guaranteed to sink current greater
than the listed test condition.
4. Although each I/O port can source more than the test conditions (20mA at Vcc = 5V, 10mA at Vcc = 3V) under steady state
conditions (non-transient), the following must be observed:
TQFP and QFN/MLF Package:
1] The sum of all IOH, for all ports, should not exceed 400mA.
2] The sum of all IOH, for ports A0 - A7, G2, C3 - C7 should not exceed 100mA.
3] The sum of all IOH, for ports C0 - C2, G0 - G1, D0 - D7, XTAL2 should not exceed 100mA.
4] The sum of all IOH, for ports B0 - B7, G3 - G4, E0 - E7 should not exceed 100mA.
5] The sum of all IOH, for ports F0 - F7, should not exceed 100mA.
If IOH exceeds the test condition, VOH may exceed the related specification. Pins are not guaranteed to source current
greater than the listed test condition.
ICC
Power Supply Current
Active 4MHz, VCC = 3V
(ATmega128L) 55.5
mA
Active 8MHz, VCC = 5V
(ATmega128) 17 19
Idle 4MHz, VCC = 3V
(ATmega128L) 22.5
Idle 8MHz, VCC = 5V
(ATmega128) 811
Power-down mode WDT enabled, VCC = 3V < 15 25 µA
WDT disabled, VCC = 3V < 5 10
VACIO
Analog Comparator
Input Offset Voltage
VCC = 5V
Vin = VCC/2 40 mV
IACLK
Analog Comparator
Input Leakage Current
VCC = 5V
Vin = VCC/2 -50 50 nA
tACPD
Analog Comparator
Propagation Delay
VCC = 2.7V
VCC = 5.0V
750
500 ns
TA = -40°C to 85°C, VCC = 2.7V to 5.5V (unless otherwise noted) (Continued)
Symbol Parameter Condition Min Typ Max Units

320
2467X–AVR–06/11
ATmega128
Speed Grades Figure 152. Maximum frequency vs. VCC
External Clock
Drive Waveforms
Figure 153. External Clock Drive Waveforms
External Clock
Drive
2.7V4.5V5.5V
Safe Operating Area
16MHz
8MHz
VIL1
VIH1
Table 131. External Clock Drive
Symbol Parameter
VCC = 2.7V to 5.5VV
CC = 4.5V to 5.5V
UnitsMin Max Min Max
1/tCLCL Oscillator Frequency 0 8 0 16 MHz
tCLCL Clock Period 125 62.5 ns
tCHCX High Time 50 25 ns
tCLCX Low Time 50 25 ns
tCLCH Rise Time 1.6 0.5 μs
tCHCL Fall Time 1.6 0.5 μs
ΔtCLCL
Change in period from
one clock cycle to the
next
22%

321
2467X–AVR–06/11
ATmega128
Notes: 1. R should be in the range 3kΩ - 100kΩ, and C should be at least 20pF. The C values given in
the table includes pin capacitance. This will vary with package type.
2. The frequency will vary with package type and board layout.
Table 132. External RC Oscillator, Typical Frequencies
R [kΩ](1) C [pF] f(2)
33 22 650kHz
10 22 2.0MHz

322
2467X–AVR–06/11
ATmega128
Two-wire Serial Interface Characteristics
Table 133 describes the requirements for devices connected to the Two-wire Serial Bus. The ATmega128 Two-wire Serial
Interface meets or exceeds these requirements under the noted conditions.
Timing symbols refer to Figure 154.
Notes: 1. In ATmega128, this parameter is characterized and not 100% tested.
2. Required only for fSCL > 100kHz.
3. Cb = capacitance of one bus line in pF.
4. fCK = CPU clock frequency
Table 133. Two-wire Serial Bus Requirements
Symbol Parameter Condition Min Max Units
VIL Input Low-voltage -0.5 0.3 VCC
V
VIH Input High-voltage 0.7 VCC VCC + 0.5
Vhys(1) Hysteresis of Schmitt Trigger Inputs 0.05 VCC(2) –
VOL(1) Output Low-voltage 3mA sink current 0 0.4
tr(1) Rise Time for both SDA and SCL 20 + 0.1Cb(3)(2) 300
nstof(1) Output Fall Time from VIHmin to VILmax 10pF < Cb < 400pF(3) 20 + 0.1Cb(3)(2) 250
tSP(1) Spikes Suppressed by Input Filter 0 50(2)
IiInput Current each I/O Pin 0.1 VCC < Vi < 0.9 VCC -10 10 µA
Ci(1) Capacitance for each I/O Pin – 10 pF
fSCL SCL Clock Frequency fCK(4) > max(16fSCL, 250kHz)(5) 0 400 kHz
Rp Value of Pull-up resistor
fSCL ≤ 100kHz
fSCL > 100kHz
tHD;STA Hold Time (repeated) START Condition fSCL ≤ 100kHz 4.0 –
µs
fSCL > 100kHz 0.6 –
tLOWLow Period of the SCL Clock fSCL ≤ 100kHz 4.7 –
fSCL > 100kHz 1.3 –
tHIGH High period of the SCL clock fSCL ≤ 100kHz 4.0 –
fSCL > 100kHz 0.6 –
tSU;STA Set-up time for a repeated START condition fSCL ≤ 100kHz 4.7 –
fSCL > 100kHz 0.6 –
tHD;DAT Data hold time fSCL ≤ 100kHz 0 3.45
fSCL > 100kHz 0 0.9
tSU;DAT Data setup time fSCL ≤ 100kHz 250 – ns
fSCL > 100kHz 100 –
tSU;STO Setup time for STOP condition fSCL ≤ 100kHz 4.0 –
µs
fSCL > 100kHz 0.6 –
tBUF
Bus free time between a STOP and START
condition fSCL ≤ 100kHz 4.7 –
VCC 0.4V–
3mA
----------------------------
1000ns
Cb
-------------------
Ω
VCC 0.4V–
3mA
----------------------------
300ns
Cb
----------------
Ω

323
2467X–AVR–06/11
ATmega128
5. This requirement applies to all Atmel® AVR® ATmega128 Two-wire Serial Interface operation. Other devices connected to
the Two-wire Serial Bus need only obey the general fSCL requirement.
Figure 154. Two-wire Serial Bus Timing
SPI Timing
Characteristics
See Figure 155 and Figure 156 for details.
Note: 1. In SPI Programming mode the minimum SCK high/low period is:
- 2 tCLCL for fCK < 12MHz
- 3 tCLCL for fCK >12MHz
tSU;STA
tLOW
tHIGH
tLOW
tof
tHD;STA tHD;DAT tSU;DAT tSU;STO
tBUF
SCL
SDA
tr
Table 134. SPI Timing Parameters
Description Mode Min Typ Max
1 SCK period Master See Table 72
ns
2 SCK high/low Master 50% duty cycle
3 Rise/Fall time Master 3.6
4 Setup Master 10
5 Hold Master 10
6 Out to SCK Master 0.5 • tsck
7 SCK to out Master 10
8 SCK to out high Master 10
9 SS low to out Slave 15
10 SCK period Slave 4 • tck
11 SCK high/low(1) Slave 2 • tck
12 Rise/Fall time Slave 1.6 µs
13 Setup Slave 10
ns
14 Hold Slave 10
15 SCK to out Slave 15
16 SCK to SS high Slave 20
17 SS high to tri-state Slave 10
18 SS low to SCK Slave 2 • tck

324
2467X–AVR–06/11
ATmega128
Figure 155. SPI Interface Timing Requirements (Master Mode)
Figure 156. SPI Interface Timing Requirements (Slave Mode)
MOSI
(Data Output)
SCK
(CPOL = 1)
MISO
(Data Input)
SCK
(CPOL = 0)
SS
MSB LSB
LSBMSB
...
...
61
22
345
8
7
MISO
(Data Output)
SCK
(CPOL = 1)
MOSI
(Data Input)
SCK
(CPOL = 0)
SS
MSB LSB
LSBMSB
...
...
10
11 11
1213 14
17
15
9
X
16
18

325
2467X–AVR–06/11
ATmega128
ADC Characteristics
Notes: 1. Values are guidelines only.
2. Minimum for AVCC is 2.7V.
3. Maximum for AVCC is 5.5V
Table 135. ADC Characteristics, Single Ended Channels
Symbol Parameter Condition Min(1) Typ(1) Max(1) Units
Resolution Single Ended Conversion 10 Bits
Absolute Accuracy
(Including INL, DNL, Quantization Error, Gain
and Offset Error)
Single Ended Conversion
VREF = 4V, VCC = 4V
ADC clock = 200kHz
1.5
LSB
Single Ended Conversion
VREF = 4V, VCC = 4V
ADC clock = 1MHz
3.25
Single Ended Conversion
VREF = 4V, VCC = 4V
ADC clock = 200kHz
Noise Reduction mode
1.5
Single Ended Conversion
VREF = 4V, VCC = 4V
ADC clock = 1MHz
Noise Reduction mode
3.75
Integral Non-Linearity (INL)
Single Ended Conversion
VREF = 4V, VCC = 4V
ADC clock = 200kHz
0.75
Differential Non-Linearity (DNL)
Single Ended Conversion
VREF = 4V, VCC = 4V
ADC clock = 200kHz
0.5
Gain Error
Single Ended Conversion
VREF = 4V, VCC = 4V
ADC clock = 200kHz
1
Offset error
Single Ended Conversion
VREF = 4V, VCC = 4V
ADC clock = 200kHz
1
Clock Frequency 50 1000 kHz
Conversion Time 13 260 µs
AVCC Analog Supply Voltage VCC - 0.3(2) VCC + 0.3(3)
VVREF Reference Voltage 2.0 AVCC
VIN Input Voltage GND VREF
Input Bandwidth 38.5 kHz
VINT Internal Voltage Reference 2.3 2.56 2.7 V
RREF Reference Input Resistance 32 kΩ
RAIN Analog Input Resistance 55 100 MΩ

326
2467X–AVR–06/11
ATmega128
Table 136. ADC Characteristics, Differential Channels
Symbol Parameter Condition Min(1) Typ(1) Max(1) Units
Resolution
Gain = 1x 10
BitsGain = 10x 10
Gain = 200x 10
Absolute Accuracy
Gain = 1x
VREF = 4V, VCC = 5V
ADC clock = 50 - 200kHz
17
LSB
Gain = 10x
VREF = 4V, VCC = 5V
ADC clock = 50 - 200kHz
17
Gain = 200x
VREF = 4V, VCC = 5V
ADC clock = 50 - 200kHz
7
Integral Non-Linearity (INL)
(Accuracy after Calibration for Offset and
Gain Error)
Gain = 1x
VREF = 4V, VCC = 5V
ADC clock = 50 - 200kHz
1.5
Gain = 10x
VREF = 4V, VCC = 5V
ADC clock = 50 - 200kHz
2
Gain = 200x
VREF = 4V, VCC = 5V
ADC clock = 50 - 200kHz
5
Gain Error
Gain = 1x 1.5
%Gain = 10x 1.5
Gain = 200x 0.5
Offset Error
Gain = 1x
VREF = 4V, VCC = 5V
ADC clock = 50 - 200kHz
2
LSB
Gain = 10x
VREF = 4V, VCC = 5V
ADC clock = 50 - 200kHz
3
Gain = 200x
VREF = 4V, VCC = 5V
ADC clock = 50 - 200kHz
4
Clock Frequency 50 200 kHz
Conversion Time 65 260 µs
AVCC Analog Supply Voltage VCC - 0.3(2) VCC + 0.3(3)
V
VREF Reference Voltage 2.0 AVCC - 0.5
VIN Input Voltage GND VCC
VDIFF Input Differential Voltage -VREF/Gain VREF/Gain
ADC Conversion Output -511 511 LSB
Input Bandwidth 4kHz

327
2467X–AVR–06/11
ATmega128
Notes: 1. Values are guidelines only.
2. Minimum for AVCC is 2.7V.
3. Maximum for AVCC is 5.5V.
VINT Internal Voltage Reference 2.3 2.56 2.7 V
RREF Reference Input Resistance 32 kΩ
RAIN Analog Input Resistance 55 100 MΩ
Table 136. ADC Characteristics, Differential Channels (Continued)
Symbol Parameter Condition Min(1) Typ(1) Max(1) Units

328
2467X–AVR–06/11
ATmega128
External Data Memory Timing
Notes: 1. This assumes 50% clock duty cycle. The half period is actually the high time of the external clock, XTAL1.
2. This assumes 50% clock duty cycle. The half period is actually the low time of the external clock, XTAL1.
Table 137. External Data Memory Characteristics, 4.5 - 5.5 Volts, No Wait-state
Symbol Parameter
8MHz Oscillator Variable Oscillator
UnitMin Max Min Max
01/t
CLCL Oscillator Frequency 0.0 16 MHz
1t
LHLL ALE Pulse Width 115 1.0tCLCL-10
ns
2t
AVLL Address Valid A to ALE Low 57.5 0.5tCLCL-5(1)
3a tLLAX_ST
Address Hold After ALE Low,
write access 55
3b tLLAX_LD
Address Hold after ALE Low,
read access 55
4t
AVLLC Address Valid C to ALE Low 57.5 0.5tCLCL-5(1)
5t
AVRL Address Valid to RD Low 115 1.0tCLCL-10
6t
AVWLAddress Valid to WR Low 115 1.0tCLCL-10
7t
LLWLALE Low to WR Low 47.5 67.5 0.5tCLCL-15(2) 0.5tCLCL+5(2)
8t
LLRL ALE Low to RD Low 47.5 67.5 0.5tCLCL-15(2) 0.5tCLCL+5(2)
9t
DVRH Data Setup to RD High 40 40
10 tRLDV Read Low to Data Valid 75 1.0tCLCL-50
11 tRHDX Data Hold After RD High 0 0
12 tRLRH RD Pulse Width 115 1.0tCLCL-10
13 tDVWLData Setup to WR Low 42.5 0.5tCLCL-20(1)
14 tWHDX Data Hold After WR High 115 1.0tCLCL-10
15 tDVWHData Valid to WR High 125 1.0tCLCL
16 tWLWHWR Pulse Width 115 1.0tCLCL-10
Table 138. External Data Memory Characteristics, 4.5 - 5.5V, 1 Cycle Wait-state
Symbol Parameter
8MHz Oscillator Variable Oscillator
UnitMin Max Min Max
01/t
CLCL Oscillator Frequency 0.0 16 MHz
10 tRLDV Read Low to Data Valid 200 2.0tCLCL-50
ns
12 tRLRH RD Pulse Width 240 2.0tCLCL-10
15 tDVWHData Valid to WR High 240 2.0tCLCL
16 tWLWHWR Pulse Width 240 2.0tCLCL-10

329
2467X–AVR–06/11
ATmega128
Table 139. External Data Memory Characteristics, 4.5 - 5.5V, SRWn1 = 1, SRWn0 = 0
Symbol Parameter
4MHz Oscillator Variable Oscillator
UnitMin Max Min Max
01/t
CLCL Oscillator Frequency 0.0 16 MHz
10 tRLDV Read Low to Data Valid 325 3.0tCLCL-50
ns
12 tRLRH RD Pulse Width 365 3.0tCLCL-10
15 tDVWHData Valid to WR High 375 3.0tCLCL
16 tWLWHWR Pulse Width 365 3.0tCLCL-10
Table 140. External Data Memory Characteristics, 4.5 - 5.5 Volts, SRWn1 = 1, SRWn0 = 1
Symbol Parameter
4MHz Oscillator Variable Oscillator
UnitMin Max Min Max
01/t
CLCL Oscillator Frequency 0.0 16 MHz
10 tRLDV Read Low to Data Valid 325 3.0tCLCL-50
ns
12 tRLRH RD Pulse Width 365 3.0tCLCL-10
14 tWHDX Data Hold After WR High 240 2.0tCLCL-10
15 tDVWHData Valid to WR High 375 3.0tCLCL
16 tWLWHWR Pulse Width 365 3.0tCLCL-10
Table 141. External Data Memory Characteristics, 2.7 - 5.5V, No Wait-state
Symbol Parameter
4MHz Oscillator Variable Oscillator
UnitMin Max Min Max
01/t
CLCL Oscillator Frequency 0.0 8 MHz
1t
LHLL ALE Pulse Width 235 tCLCL-15
ns
2t
AVLL Address Valid A to ALE Low 115 0.5tCLCL-10(1)
3a tLLAX_ST
Address Hold After ALE Low,
write access 55
3b tLLAX_LD
Address Hold after ALE Low,
read access 55
4t
AVLLC Address Valid C to ALE Low 115 0.5tCLCL-10(1)
5t
AVRL Address Valid to RD Low 235 1.0tCLCL-15
6t
AVWLAddress Valid to WR Low 235 1.0tCLCL-15
7t
LLWLALE Low to WR Low 115 130 0.5tCLCL-10(2) 0.5tCLCL+5(2)
8t
LLRL ALE Low to RD Low 115 130 0.5tCLCL-10(2) 0.5tCLCL+5(2)
9t
DVRH Data Setup to RD High 45 45
10 tRLDV Read Low to Data Valid 190 1.0tCLCL-60
11 tRHDX Data Hold After RD High 0 0

330
2467X–AVR–06/11
ATmega128
Notes: 1. This assumes 50% clock duty cycle. The half period is actually the high time of the external clock, XTAL1.
2. This assumes 50% clock duty cycle. The half period is actually the low time of the external clock, XTAL1.
12 tRLRH RD Pulse Width 235 1.0tCLCL-15
ns
13 tDVWLData Setup to WR Low 105 0.5tCLCL-20(1)
14 tWHDX Data Hold After WR High 235 1.0tCLCL-15
15 tDVWHData Valid to WR High 250 1.0tCLCL
16 tWLWHWR Pulse Width 235 1.0tCLCL-15
Table 141. External Data Memory Characteristics, 2.7 - 5.5V, No Wait-state (Continued)
Symbol Parameter
4MHz Oscillator Variable Oscillator
UnitMin Max Min Max
Table 142. External Data Memory Characteristics, 2.7 - 5.5V, SRWn1 = 0, SRWn0 = 1
Symbol Parameter
4MHz Oscillator Variable Oscillator
UnitMin Max Min Max
01/t
CLCL Oscillator Frequency 0.0 8 MHz
10 tRLDV Read Low to Data Valid 440 2.0tCLCL-60
ns
12 tRLRH RD Pulse Width 485 2.0tCLCL-15
15 tDVWHData Valid to WR High 500 2.0tCLCL
16 tWLWHWR Pulse Width 485 2.0tCLCL-15
Table 143. External Data Memory Characteristics, 2.7 - 5.5V, SRWn1 = 1, SRWn0 = 0
Symbol Parameter
4MHz Oscillator Variable Oscillator
UnitMin Max Min Max
01/t
CLCL Oscillator Frequency 0.0 8 MHz
10 tRLDV Read Low to Data Valid 690 3.0tCLCL-60
ns
12 tRLRH RD Pulse Width 735 3.0tCLCL-15
15 tDVWHData Valid to WR High 750 3.0tCLCL
16 tWLWHWR Pulse Width 735 3.0tCLCL-15
Table 144. External Data Memory Characteristics, 2.7 - 5.5V, SRWn1 = 1, SRWn0 = 1
Symbol Parameter
4MHz Oscillator Variable Oscillator
UnitMin Max Min Max
01/t
CLCL Oscillator Frequency 0.0 8 MHz
10 tRLDV Read Low to Data Valid 690 3.0tCLCL-60
ns
12 tRLRH RD Pulse Width 735 3.0tCLCL-15
14 tWHDX Data Hold After WR High 485 2.0tCLCL-15
15 tDVWHData Valid to WR High 750 3.0tCLCL
16 tWLWHWR Pulse Width 735 3.0tCLCL-15

331
2467X–AVR–06/11
ATmega128
Figure 157. External Memory Timing (SRWn1 = 0, SRWn0 = 0
Figure 158. External Memory Timing (SRWn1 = 0, SRWn0 = 1)
ALE
T1 T2 T3
Write
Read
WR
T4
A15:8
AddressPrev. addr.
DA7:0
Address DataPrev. data XX
RD
DA7:0 (XMBK = 0)
DataAddress
System Clock (CLK
CPU
)
1
4
2
7
6
3a
3b
5
8 12
16
13
10
11
14
15
9
ALE
T1 T2 T3
Write
Read
WR
T5
A15:8
AddressPrev. addr.
DA7:0
Address Data
Prev. data XX
RD
DA7:0 (XMBK = 0)
DataAddress
System Clock (CLK
CPU
)
1
4
2
7
6
3a
3b
5
8 12
16
13
10
11
14
15
9
T4

332
2467X–AVR–06/11
ATmega128
Figure 159. External Memory Timing (SRWn1 = 1, SRWn0 = 0)
Figure 160. External Memory Timing (SRWn1 = 1, SRWn0 = 1)(1)
Note: 1. The ALE pulse in the last period (T4-T7) is only present if the next instruction accesses the
RAM (internal or external).
ALE
T1 T2 T3
Write
Read
WR
T6
A15:8
Address
Prev. addr.
DA7:0
Address DataPrev. data XX
RD
DA7:0 (XMBK = 0)
Data
Address
System Clock (CLKCPU)
1
4
2
7
6
3a
3b
5
8 12
16
13
10
11
14
15
9
T4 T5
ALE
T1 T2 T3
Write
Read
WR
T7
A15:8 Address
Prev. addr.
DA7:0 Address DataPrev. data XX
RD
DA7:0 (XMBK = 0) Data
Address
System Clock (CLKCPU)
1
4
2
7
6
3a
3b
5
8 12
16
13
10
11
14
15
9
T4 T5 T6

333
2467X–AVR–06/11
ATmega128
Typical
Characteristics
The following charts show typical behavior. These figures are not tested during manufacturing.
All current consumption measurements are performed with all I/O pins configured as inputs and
with internal pull-ups enabled. A sine wave generator with rail-to-rail output is used as clock
source.
The power consumption in Power-down mode is independent of clock selection.
The current consumption is a function of several factors such as: operating voltage, operating
frequency, loading of I/O pins, switching rate of I/O pins, code executed and ambient tempera-
ture. The dominating factors are operating voltage and frequency.
The current drawn from capacitive loaded pins may be estimated (for one pin) as CL*VCC*f where
CL = load capacitance, VCC = operating voltage and f = average switching frequency of I/O pin.
The parts are characterized at frequencies higher than test limits. Parts are not guaranteed to
function properly at frequencies higher than the ordering code indicates.
The difference between current consumption in Power-down mode with Watchdog Timer
enabled and Power-down mode with Watchdog Timer disabled represents the differential cur-
rent drawn by the Watchdog Timer.
Active Supply Current Figure 161. Active Supply Current vs. Frequency (0.1 - 1.0MHz)
5.5V
5.0V
4.5V
4.0V
3.3V
2.7V
0
0.5
1
1.5
2
2.5
3
3.5
0 0.1 0.2 0.30.4 0.5 0.6 0.7 0.80.9 1
Frequency (MHz)
I
CC
(mA)

334
2467X–AVR–06/11
ATmega128
Figure 162. Active Supply Current vs. Frequency (1 - 20MHz)
Figure 163. Active Supply Current vs. VCC (Internal RC Oscillator, 1MHz)
5.0V
4.5V
0
5
10
15
20
25
30
35
40
45
0 2 4 6 8 101214161820
Frequency (MHz)
ICC (mA)
2.7V
3.0V
3.3V3.6V
4.0V
85 °C
25 °C
-40 °C
1.5
2
2.5
3
3.5
4
2.5 33.5 4 4.5 5 5.5
VCC (V)
I
CC
(mA)

335
2467X–AVR–06/11
ATmega128
Figure 164. Active Supply Current vs. VCC (Internal RC Oscillator, 2MHz)
Figure 165. Active Supply Current vs. VCC (Internal RC Oscillator, 4MHz)
85 °C
25 °C
-40 °C
0
1
2
3
4
5
6
7
8
2.5 3 3.5 4 4.5 5 5.5
VCC (V)
I
CC
(mA)
,
85 °C
25 °C
-40 °C
0
2
4
6
8
10
12
14
2.5 3 3.5 4 4.5 5 5.5
V
CC
(V)
I
CC
(mA)

336
2467X–AVR–06/11
ATmega128
Figure 166. Active Supply Current vs. VCC (Internal RC Oscillator, 8MHz)
Figure 167. Active Supply Current vs. VCC (32kHz External Oscillator)
85 °C
25 °C
-40 °C
0
5
10
15
20
25
2.5 3 3.5 4 4.5 5 5.5
V
CC
(V)
I
CC
(mA)
25 °C
0
20
40
60
80
100
120
140
2.5 3 3.5 4 4.5 5 5.5
VCC (V)
ICC (uA)

337
2467X–AVR–06/11
ATmega128
Idle Supply Current Figure 168. Idle Supply Current vs. Frequency (0.1 - 1.0MHz)
Figure 169. Idle Supply Current vs. Frequency (1 - 20MHz)
5.5V
5.0V
4.5V
4.0V
3.6V
3.3V
3.0V
2.7V
0
0.2
0.4
0.6
0.8
1
1.2
1.4
0 0.1 0.2 0.3 0.4 0.5 0.6 0.7 0.8 0.9 1
Frequency (MHz)
I
CC
(mA)
5.5V
5.0V
4.5V
4.0V
0
5
10
15
20
25
0 2 4 6 8 10 12 14 16 18 20
Frequency (MHz)
I
CC
(mA)
2.7V
3.0V
3.3V
3.6V

338
2467X–AVR–06/11
ATmega128
Figure 170. Idle Supply Current vs. VCC (Internal RC Oscillator, 1MHz)
Figure 171. Idle Supply Current vs. VCC (Internal RC Oscillator, 2MHz)
85 °C
25 °C
-40 °C
0
0.2
0.4
0.6
0.8
1
1.2
1.4
1.6
2.5 3 3.5 4 4.5 5 5.5
V
CC
(V)
I
CC
(mA)
85 °C
25 °C
-40 °C
0
0.5
1
1.5
2
2.5
3
2.5 3 3.5 4 4.5 5 5.5
VCC (V)
I
CC
(mA)

339
2467X–AVR–06/11
ATmega128
Figure 172. Idle Supply Current vs. VCC (Internal RC Oscillator, 4MHz)
Figure 173. Idle Supply Current vs. VCC (Internal RC Oscillator, 8MHz)
85 °C
25 °C
-40 °C
0
1
2
3
4
5
6
2.5 3 3.5 4 4.5 5 5.5
V
CC
(V)
I
CC
(mA)
85 °C
25 °C
-40 °C
0
2
4
6
8
10
12
2.5 3 3.5 4 4.5 5 5.5
V
CC
(V)
I
CC
(mA)

340
2467X–AVR–06/11
ATmega128
Figure 174. Idle Supply Current vs. VCC (32kHz External Oscillator)
Power-down Supply
Current
Figure 175. Power-down Supply Current vs. VCC (Watchdog Timer Disabled)
25 °C
0
10
20
30
40
50
60
2.5 3 3.5 4 4.5 5 5.5
VCC (V)
ICC (uA)
85 °C
25 °C
-40 °C
0
0.5
1
1.5
2
2.5
3
3.5
4
4.5
2.5 3 3.5 4 4.5 5 5.5
V
CC
(V)
I
CC
(uA)

341
2467X–AVR–06/11
ATmega128
Figure 176. Power-down Supply Current vs. VCC (Watchdog Timer Enabled)
Power-save Supply
Current
Figure 177. Power-save Supply Current vs. VCC (Watchdog Timer Disabled)
85 °C
25 °C
-40 °C
0
5
10
15
20
25
30
35
2.5 3 3.5 4 4.5 5 5.5
V
CC
(V)
ICC (uA)
25 °C
0
2
4
6
8
10
12
14
16
2.5 3 3.5 4 4.5 5 5.5
V
CC
(V)
I
CC
(uA)

342
2467X–AVR–06/11
ATmega128
Standby Supply
Current
Figure 178. Standby Supply Current vs. VCC,
Figure 179. Standby Supply Current vs. VCC (CKOPT programmed)
6 MHz Xtal
6 MHz Res
455 kHz Res
4 MHz Xtal
4 MHz Res
2 MHz Xtal
2 MHz Res
1 MHz Res
0
0.02
0.04
0.06
0.08
0.1
0.12
0.14
0.16
0.18
0.2
2.5 3 3.5 4 4.5 5 5.5
V
CC
(V)
I
CC
(mA)
6 MHz Xtal
4 MHz Xtal
16 MHz Xtal
12 MHz Xtal
0
0.5
1
1.5
2
2.5
2.5 3 3.5 4 4.5 5 5.5
V
CC
(V)
I
CC
(mA)

343
2467X–AVR–06/11
ATmega128
Pin Pull-up Figure 180. I/O Pin Pull-up Resistor Current vs. Input Voltage (VCC = 5V)
Figure 181. I/O Pin Pull-up Resistor Current vs. Input Voltage (VCC = 2.7V)
85 °C 25 °C
-40 °C
0
20
40
60
80
100
120
140
160
0 0.5 1 1.5 2 2.5 3 3.5 4 4.5 5
VOP (V)
I
OP
(uA)
85 °C 25 °C
-40 °C
0
10
20
30
40
50
60
70
80
0 0.5 1 1.5 2 2.5 3
V
OP
(V)
I
OP
(uA)

344
2467X–AVR–06/11
ATmega128
Pin Driver Strength Figure 182. I/O Pin Source Current vs. Output Voltage (VCC = 5V)
Figure 183. I/O Pin Source Current vs. Output Voltage (VCC = 2.7V)
85 °C
25 °C
-40 °C
0
10
20
30
40
50
60
70
80
90
2.5 3 3.5 4 4.5 5
V
OH
(V)
I
OH
(mA)
85 °C
25 °C
-40 °C
0
5
10
15
20
25
30
0.5 1 1.5 2 2.5 3
V
OH
(V)
I
OH
(mA)

345
2467X–AVR–06/11
ATmega128
Figure 184. I/O Pin Sink Current vs. Output Voltage (VCC = 5V)
Figure 185. I/O Pin Sink Current vs. Output Voltage, VCC = 2.7V
85 °C
25 °C
-40 °C
0
10
20
30
40
50
60
70
80
90
0 0.5 1 1.5 2 2.5
V
OL
(V)
I
OL
(mA)
85 °C
25 °C
-40 °C
0
5
10
15
20
25
30
35
0 0.5 1 1.5 2 2.5
VOL (V)
I
OL
(mA)

346
2467X–AVR–06/11
ATmega128
Pin Thresholds and
Hysteresis
Figure 186. I/O Pin Input Threshold Voltage vs. VCC (VIH, I/O Pin Read as ‘1’)
Figure 187. I/O Pin Input Threshold Voltage vs. VCC (VIH, I/O Pin Read as ‘0’)
85 °C
25 °C
-40 °C
1
1.2
1.4
1.6
1.8
2
2.2
2.5 3 3.5 4 4.5 5 5.5
VCC (V)
Threshold (V)
85 °C
25 °C
-40 °C
0.8
0.9
1
1.1
1.2
1.3
1.4
1.5
1.6
2.5 3 3.5 4 4.5 5 5.5
V
CC
(V)
Threshold (V)

347
2467X–AVR–06/11
ATmega128
Figure 188. I/O Pin Input Hysteresis vs. VCC
BOD Thresholds and
Analog Comparator
Offset
Figure 189. BOD Threshold vs. Temperature (BODLEVEL is 4.0V)
85 °C
25 °C
-40 °C
0
0.1
0.2
0.3
0.4
0.5
0.6
0.7
2.5 3 3.5 4 4.5 5 5.5
V
CC
(V)
Input Hysteresis (V)
3.4
3.6
3.8
4
4.2
4.4
-60 -40 -20 0 20 40 60 80 100
Temperature (°C)
Threshold (V)
Rising V
CC
Falling V
CC

348
2467X–AVR–06/11
ATmega128
Figure 190. BOD Threshold vs. Temperature (BODLEVEL is 2.7V)
Figure 191. Bandgap Voltage vs. Operating Voltage
2
2.2
2.4
2.6
2.8
3
-60 -40 -20 0 20 40 60 80 100
Temperature (°C)
Threshold (V)
Rising VCC
Falling VCC
85 °C
25 °C
-40 °C
1.25
1.255
1.26
1.265
1.27
1.275
2.5 3 3.5 4 4.5 5 5.5
V
CC
(V)
Bandgap Voltage (V)

349
2467X–AVR–06/11
ATmega128
Internal Oscillator
Speed
Figure 192. Watchdog Oscillator Frequency vs. VCC
Figure 193. Calibrated 1MHz RC Oscillator Frequency vs. Temperature
85 °C
25 °C
-40 °C
1060
1080
1100
1120
1140
1160
1180
1200
1220
2.5 3 3.5 4 4.5 5 5.5
VCC (V)
F
RC
(kHz)
5.5V
5.0V
4.5V
4.0V
3.6V
3.3V
2.7V
0.9
0.92
0.94
0.96
0.98
1
1.02
-60 -40 -20 0 20 40 60 80 100
Temperature (°C)
FRC (MHz)

350
2467X–AVR–06/11
ATmega128
Figure 194. Calibrated 1MHz RC Oscillator Frequency vs. VCC
Figure 195. 1MHz RC Oscillator Frequency vs. Osccal Value
85 °C
25 °C
-40 °C
0.9
0.92
0.94
0.96
0.98
1
1.02
2.5 3 3.5 4 4.5 5 5.5
VCC (V)
F
RC
(MHz)
25 °C
0.4
0.5
0.6
0.7
0.8
0.9
1
1.1
1.2
1.3
1.4
1.5
0 16 32 48 64 80 96 112 128 144 160 176 192 208 224 240 256
OSCCAL VALUE
F
RC
(MHz)

351
2467X–AVR–06/11
ATmega128
Figure 196. Calibrated 2MHz RC Oscillator Frequency vs. Temperature
Figure 197. Calibrated 2MHz RC Oscillator Frequency vs. VCC
5.5V
5.0V
4.5V
4.0V
3.6V
3.3V
2.7V
1.75
1.8
1.85
1.9
1.95
2
2.05
-60 -40 -20 0 20 40 60 80 100
Temperature (°C)
F
RC
(MHz)
85 °C
25 °C
-40 °C
1.8
1.85
1.9
1.95
2
2.05
2.5 3 3.5 4 4.5 5 5.5
V
CC
(V)
FRC (MHz)

352
2467X–AVR–06/11
ATmega128
Figure 198. 2MHz RC Oscillator Frequency vs. Osccal Value
Figure 199. Calibrated 4MHz RC Oscillator Frequency vs. Temperature
25 °C
0
0.5
1
1.5
2
2.5
3
3.5
4
0 16 32 48 64 80 96 112 128 144 160 176 192 208 224 240 256
OSCCAL VALUE
F
RC
(MHz)
5.5V
5.0V
4.5V
4.0V
3.6V
3.3V
2.7V
3.6
3.65
3.7
3.75
3.8
3.85
3.9
3.95
4
4.05
4.1
-60 -40 -20 0 20 40 60 80 100
Temperature (°C)
F
RC
(MHz)

353
2467X–AVR–06/11
ATmega128
Figure 200. Calibrated 4MHz RC Oscillator Frequency vs. VCC
Figure 201. 4MHz RC Oscillator Frequency vs. Osccal Value
85 °C
25 °C
-40 °C
3.6
3.65
3.7
3.75
3.8
3.85
3.9
3.95
4
4.05
4.1
2.5 3 3.5 4 4.5 5 5.5
VCC (V)
F
RC
(MHz)
25 °C
0
1
2
3
4
5
6
7
8
9
0 16 32 48 64 80 96 112 128 144 160 176 192 208 224 240
OSCCAL VALUE
FRC (MHz)

354
2467X–AVR–06/11
ATmega128
Figure 202. Calibrated 8MHz RC Oscillator Frequency vs. Temperature
Figure 203. Calibrated 8MHz RC Oscillator Frequency vs. VCC
C 8 C OSC O QU C U
5.5V
5.0V
4.5V
4.0V
3.6V
3.3V
2.7V
6.6
6.8
7
7.2
7.4
7.6
7.8
8
8.2
8.4
-60 -40 -20 0 20 40 60 80 100
Temperature (°C)
F
RC
(MHz)
85 °C
25 °C
-40 °C
6.6
6.8
7
7.2
7.4
7.6
7.8
8
8.2
8.4
2.5 3 3.5 4 4.5 5 5.5
V
CC
(V)
F
RC
(MHz)

355
2467X–AVR–06/11
ATmega128
Figure 204. 8MHz RC Oscillator Frequency vs. Osccal Value
Current Consumption
of Peripheral Units
Figure 205. Brownout Detector Current vs. VCC
25 °C
0
2
4
6
8
10
12
14
16
0 16 32 48 64 80 96 112 128 144 160 176 192 208 224 240 256
OSCCAL VALUE
F
RC
(MHz)
85 °C
25 °C
-40 °C
0
5
10
15
20
25
2.5 3 3.5 4 4.5 5 5.5
V
CC
(V)
I
CC
(uA)

356
2467X–AVR–06/11
ATmega128
Figure 206. ADC Current vs. AVCC (ADC at 50kHz)
Figure 207. ADC Current vs. AVCC (ADC at 1MHz)
85 °C
25 °C
-40 °C
0
100
200
300
400
500
600
2.5 3 3.5 4 4.5 5 5.5
V
CC
(V)
I
CC
(uA)
85 °C
25 °C
-40 °C
0
50
100
150
200
250
2.5 3 3.5 4 4.5 5 5.5
VCC (V)
I
CC
(uA)

357
2467X–AVR–06/11
ATmega128
Figure 208. Analog Comparator Current vs. VCC
Figure 209. Programming Current vs. VCC
85 °C
25 °C
-40 °C
0
10
20
30
40
50
60
70
80
90
100
2.5 3 3.5 4 4.5 5 5.5
V
CC
(V)
I
CC
(uA)
85 °C
25 °C
-40 °C
0
1
2
3
4
5
6
7
8
9
2.5 3 3.5 4 4.5 5 5.5
V
CC
(V)
I
CC
(mA)

358
2467X–AVR–06/11
ATmega128
Current Consumption
in Reset and Reset
Pulse width
Figure 210. Reset Supply Current vs. VCC (0.1 - 1.0MHz, Excluding Current Through The Reset
Pull-up)
Figure 211. Reset Supply Current vs. VCC (1 - 20MHz, Excluding Current Through The Reset
Pull-up)
5.5V
5.0V
4.5V
4.0V
3.6V
3.3V
3.0V
2.7V
0
0.5
1
1.5
2
2.5
3
3.5
4
4.5
0 0.1 0.2 0.3 0.4 0.5 0.6 0.7 0.8 0.9 1
Frequency (MHz)
I
CC
(mA)
,
5.5V
5.0V
4.5V
4.0V
3.6V
3.3V
3.0V
2.7V
0
5
10
15
20
25
30
35
40
0 2 4 6 8 101214161820
Frequency (MHz)
ICC (mA)

359
2467X–AVR–06/11
ATmega128
Figure 212. Reset Pull-up Resistor Current vs. Reset Pin Voltage (VCC = 5.0V)
Figure 213. Reset Pull-up Resistor Current vs. Reset Pin Voltage (VCC = 2.7V
85 °C
25 °C
-40 °C
0
20
40
60
80
100
120
0123456
V
RESET
(V)
I
RESET
(uA)
85 °C
25 °C
-40 °C
0
10
20
30
40
50
60
0 0.5 1 1.5 2 2.5 3
V
RESET
(V)
I
RESET
(uA)

360
2467X–AVR–06/11
ATmega128
Figure 214. Reset Input Threshold Voltage vs. VCC (VIH, Reset Pin Read as ‘1’)
Figure 215. Reset Input Threshold Voltage vs. VCC (VIL, Reset Pin Read as ‘0’)
85 °C
25 °C
-40 °C
0
0.5
1
1.5
2
2.5
2.5 3 3.5 4 4.5 5 5.5
V
CC
(V)
Threshold (V)
85 °C
25 °C
-40 °C
0
0.5
1
1.5
2
2.5
2.5 3 3.5 4 4.5 5 5.5
VCC (V)
Threshold (V)

361
2467X–AVR–06/11
ATmega128
Figure 216. Reset Input Pin Hysteresis vs. VCC
Figure 217. Reset Pulse width vs. VCC (External Clock, 1MHz)
85 °C
25 °C
-40 °C
0
0.05
0.1
0.15
0.2
0.25
0.3
0.35
0.4
0.45
0.5
2.5 3 3.5 4 4.5 5 5.5
V
CC
(V)
Input Hysteresis (mV)
85 °C
25 °C
-40 °C
0
0.2
0.4
0.6
0.8
1
1.2
2.5 3 3.5 4 4.5 5 5.5
V
CC
(V)
Pulsewidth (µs)

362
2467X–AVR–06/11
ATmega128
Register Summary
Address Name Bit 7 Bit 6 Bit 5 Bit 4 Bit 3 Bit 2 Bit 1 Bit 0 Page
($FF) Reserved – – – – – – – –
.. Reserved – – – – – – – –
($9E) Reserved – – – – – – – –
($9D) UCSR1C – UMSEL1 UPM11 UPM10 USBS1 UCSZ11 UCSZ10 UCPOL1 190
($9C) UDR1 USART1 I/O Data Register 188
($9B) UCSR1A RXC1 TXC1 UDRE1 FE1 DOR1 UPE1 U2X1 MPCM1 188
($9A) UCSR1B RXCIE1 TXCIE1 UDRIE1 RXEN1 TXEN1 UCSZ12 RXB81 TXB81 189
($99) UBRR1L USART1 Baud Rate Register Low 191
($98) UBRR1H –––– USART1 Baud Rate Register High 191
($97) Reserved – – – – – – – –
($96) Reserved – – – – – – – –
($95) UCSR0C – UMSEL0 UPM01 UPM00 USBS0 UCSZ01 UCSZ00 UCPOL0 190
($94) Reserved – – – – – – – –
($93) Reserved – – – – – – – –
($92) Reserved – – – – – – – –
($91) Reserved – – – – – – – –
($90) UBRR0H –––– USART0 Baud Rate Register High 191
($8F) Reserved – – – – – – – –
($8E) Reserved – – – – – – – –
($8D) Reserved – – – – – – – –
($8C) TCCR3C FOC3A FOC3B FOC3C – – – – – 136
($8B) TCCR3A COM3A1 COM3A0 COM3B1 COM3B0 COM3C1 COM3C0 WGM31 WGM30 132
($8A) TCCR3B ICNC3 ICES3 –WGM33 WGM32 CS32 CS31 CS30 135
($89) TCNT3H Timer/Counter3 – Counter Register High Byte 137
($88) TCNT3L Timer/Counter3 – Counter Register Low Byte 137
($87) OCR3AH Timer/Counter3 – Output Compare Register A High Byte 137
($86) OCR3AL Timer/Counter3 – Output Compare Register A Low Byte 137
($85) OCR3BH Timer/Counter3 – Output Compare Register B High Byte 138
($84) OCR3BL Timer/Counter3 – Output Compare Register B Low Byte 138
($83) OCR3CH Timer/Counter3 – Output Compare Register C High Byte 138
($82) OCR3CL Timer/Counter3 – Output Compare Register C Low Byte 138
($81) ICR3H Timer/Counter3 – Input Capture Register High Byte 138
($80) ICR3L Timer/Counter3 – Input Capture Register Low Byte 138
($7F) Reserved – – – – – – – –
($7E) Reserved – – – – – – – –
($7D) ETIMSK –– TICIE3 OCIE3A OCIE3B TOIE3 OCIE3C OCIE1C 139
($7C) ETIFR –– ICF3 OCF3A OCF3B TOV3 OCF3C OCF1C 140
($7B) Reserved – – – – – – – –
($7A) TCCR1C FOC1A FOC1B FOC1C – – – – – 136
($79) OCR1CH Timer/Counter1 – Output Compare Register C High Byte 137
($78) OCR1CL Timer/Counter1 – Output Compare Register C Low Byte 137
($77) Reserved – – – – – – – –
($76) Reserved – – – – – – – –
($75) Reserved – – – – – – – –
($74) TWCR TWINT TWEA TWSTA TWSTO TWWCTWEN –TWIE 205
($73) TWDR Two-wire Serial Interface Data Register 207
($72) TWAR TWA6 TWA5 TWA4 TWA3 TWA2 TWA1 TWA0 TWGCE 207
($71) TWSR TWS7 TWS6 TWS5 TWS4 TWS3 –TWPS1 TWPS0 206
($70) TWBR Two-wire Serial Interface Bit Rate Register 205
($6F) OSCCAL Oscillator Calibration Register 41
($6E) Reserved – – – – – – – –
($6D) XMCRA – SRL2 SRL1 SRL0 SRW01 SRW00 SRW11 30
($6C) XMCRB XMBK –––– XMM2 XMM1 XMM0 32
($6B) Reserved – – – – – – – –
($6A) EICRA ISC31 ISC30 ISC21 ISC20 ISC11 ISC10 ISC01 ISC00 89
($69) Reserved – – – – – – – –
($68) SPMCSR SPMIE RWWSB –RWWSRE BLBSET PGWRT PGERS SPMEN 277
($67) Reserved – – – – – – – –
($66) Reserved – – – – – – – –
($65) PORTG – – – PORTG4 PORTG3 PORTG2 PORTG1 PORTG0 88
($64) DDRG – – – DDG4 DDG3 DDG2 DDG1 DDG0 88
($63) PING – – – PING4 PING3 PING2 PING1 PING0 88
($62) PORTF PORTF7 PORTF6 PORTF5 PORTF4 PORTF3 PORTF2 PORTF1 PORTF0 87

363
2467X–AVR–06/11
ATmega128
($61) DDRF DDF7 DDF6 DDF5 DDF4 DDF3 DDF2 DDF1 DDF0 88
($60) Reserved – – – – – – – –
$3F ($5F) SREG I T H S V N Z C 10
$3E ($5E) SPH SP15 SP14 SP13 SP12 SP11 SP10 SP9 SP8 13
$3D ($5D) SPL SP7 SP6 SP5 SP4 SP3 SP2 SP1 SP0 13
$3C ($5C) XDIV XDIVEN XDIV6 XDIV5 XDIV4 XDIV3 XDIV2 XDIV1 XDIV0 36
$3B ($5B) RAMPZ – – – – – – – RAMPZ0 13
$3A ($5A) EICRB ISC71 ISC70 ISC61 ISC60 ISC51 ISC50 ISC41 ISC40 90
$39 ($59) EIMSK INT7 INT6 INT5 INT4 INT3 INT2 INT1 INT0 91
$38 ($58) EIFR INTF7 INTF6 INTF5 INTF4 INTF3 INTF INTF1 INTF0 91
$37 ($57) TIMSK OCIE2 TOIE2 TICIE1 OCIE1A OCIE1B TOIE1 OCIE0 TOIE0 108, 138, 158
$36 ($56) TIFR OCF2 TOV2 ICF1 OCF1A OCF1B TOV1 OCF0 TOV0 108, 140, 159
$35 ($55) MCUCR SRE SRW10 SE SM1 SM0 SM2 IVSEL IVCE 30, 44, 63
$34 ($54) MCUCSR JTD ––JTRFWDRF BORF EXTRF PORF 53, 254
$33 ($53) TCCR0 FOC0 WGM00 COM01 COM00 WGM01 CS02 CS01 CS00 103
$32 ($52) TCNT0 Timer/Counter0 (8 Bit) 105
$31 ($51) OCR0 Timer/Counter0 Output Compare Register 105
$30 ($50) ASSR –––– AS0 TCN0UB OCR0UB TCR0UB 106
$2F ($4F) TCCR1A COM1A1 COM1A0 COM1B1 COM1B0 COM1C1 COM1C0 WGM11 WGM10 132
$2E ($4E) TCCR1B ICNC1 ICES1 –WGM13 WGM12 CS12 CS11 CS10 135
$2D ($4D) TCNT1H Timer/Counter1 – Counter Register High Byte 137
$2C ($4C) TCNT1L Timer/Counter1 – Counter Register Low Byte 137
$2B ($4B) OCR1AH Timer/Counter1 – Output Compare Register A High Byte 137
$2A ($4A) OCR1AL Timer/Counter1 – Output Compare Register A Low Byte 137
$29 ($49) OCR1BH Timer/Counter1 – Output Compare Register B High Byte 137
$28 ($48) OCR1BL Timer/Counter1 – Output Compare Register B Low Byte 137
$27 ($47) ICR1H Timer/Counter1 – Input Capture Register High Byte 138
$26 ($46) ICR1L Timer/Counter1 – Input Capture Register Low Byte 138
$25 ($45) TCCR2 FOC2 WGM20 COM21 COM20 WGM21 CS22 CS21 CS20 156
$24 ($44) TCNT2 Timer/Counter2 (8 Bit) 158
$23 ($43) OCR2 Timer/Counter2 Output Compare Register 158
$22 ($42) OCDR IDRD/OCDR7 OCDR6 OCDR5 OCDR4 OCDR3 OCDR2 OCDR1 OCDR0 251
$21 ($41) WDTCR – – – WDCE WDE WDP2 WDP1 WDP0 55
$20 ($40) SFIOR TSM ––– ACME PUD PSR0 PSR321 72, 109, 144, 227
$1F ($3F) EEARH –––– EEPROM Address Register High 20
$1E ($3E) EEARL EEPROM Address Register Low Byte 20
$1D ($3D) EEDR EEPROM Data Register 21
$1C ($3C) EECR –––– EERIE EEMWEEEWEEERE 21
$1B ($3B) PORTA PORTA7 PORTA6 PORTA5 PORTA4 PORTA3 PORTA2 PORTA1 PORTA0 86
$1A ($3A) DDRA DDA7 DDA6 DDA5 DDA4 DDA3 DDA2 DDA1 DDA0 86
$19 ($39) PINA PINA7 PINA6 PINA5 PINA4 PINA3 PINA2 PINA1 PINA0 86
$18 ($38) PORTB PORTB7 PORTB6 PORTB5 PORTB4 PORTB3 PORTB2 PORTB1 PORTB0 86
$17 ($37) DDRB DDB7 DDB6 DDB5 DDB4 DDB3 DDB2 DDB1 DDB0 86
$16 ($36) PINB PINB7 PINB6 PINB5 PINB4 PINB3 PINB2 PINB1 PINB0 86
$15 ($35) PORTC PORTC7 PORTC6 PORTC5 PORTC4 PORTC3 PORTC2 PORTC1 PORTC0 86
$14 ($34) DDRC DDC7 DDC6 DDC5 DDC4 DDC3 DDC2 DDC1 DDC0 86
$13 ($33) PINC PINC7 PINC6 PINC5 PINC4 PINC3 PINC2 PINC1 PINC0 87
$12 ($32) PORTD PORTD7 PORTD6 PORTD5 PORTD4 PORTD3 PORTD2 PORTD1 PORTD0 87
$11 ($31) DDRD DDD7 DDD6 DDD5 DDD4 DDD3 DDD2 DDD1 DDD0 87
$10 ($30) PIND PIND7 PIND6 PIND5 PIND4 PIND3 PIND2 PIND1 PIND0 87
$0F ($2F) SPDR SPI Data Register 168
$0E ($2E) SPSR SPIF WCOL – – – – – SPI2X 168
$0D ($2D) SPCR SPIE SPE DORD MSTR CPOL CPHA SPR1 SPR0 166
$0C ($2C) UDR0 USART0 I/O Data Register 188
$0B ($2B) UCSR0A RXC0 TXC0 UDRE0 FE0 DOR0 UPE0 U2X0 MPCM0 188
$0A ($2A) UCSR0B RXCIE0 TXCIE0 UDRIE0 RXEN0 TXEN0 UCSZ02 RXB80 TXB80 189
$09 ($29) UBRR0L USART0 Baud Rate Register Low 191
$08 ($28) ACSR ACD ACBG ACO ACI ACIE ACIC ACIS1 ACIS0 227
$07 ($27) ADMUX REFS1 REFS0 ADLAR MUX4 MUX3 MUX2 MUX1 MUX0 242
$06 ($26) ADCSRA ADEN ADSC ADFR ADIF ADIE ADPS2 ADPS1 ADPS0 244
$05 ($25) ADCH ADC Data Register High Byte 245
$04 ($24) ADCL ADC Data Register Low Byte 245
$03 ($23) PORTE PORTE7 PORTE6 PORTE5 PORTE4 PORTE3 PORTE2 PORTE1 PORTE0 87
$02 ($22) DDRE DDE7 DDE6 DDE5 DDE4 DDE3 DDE2 DDE1 DDE0 87
Register Summary (Continued)
Address Name Bit 7 Bit 6 Bit 5 Bit 4 Bit 3 Bit 2 Bit 1 Bit 0 Page

364
2467X–AVR–06/11
ATmega128
Notes: 1. For compatibility with future devices, reserved bits should be written to zero if accessed. Reserved I/O memory addresses
should never be written.
2. Some of the status flags are cleared by writing a logical one to them. Note that the CBI and SBI instructions will operate on
all bits in the I/O register, writing a one back into any flag read as set, thus clearing the flag. The CBI and SBI instructions
work with registers $00 to $1F only.
$01 ($21) PINE PINE7 PINE6 PINE5 PINE4 PINE3 PINE2 PINE1 PINE0 87
$00 ($20) PINF PINF7 PINF6 PINF5 PINF4 PINF3 PINF2 PINF1 PINF0 88
Register Summary (Continued)
Address Name Bit 7 Bit 6 Bit 5 Bit 4 Bit 3 Bit 2 Bit 1 Bit 0 Page

365
2467X–AVR–06/11
ATmega128
Instruction Set Summary
Mnemonics Operands Description Operation Flags #Clocks
ARITHMETIC AND LOGIC INSTRUCTIONS
ADD Rd, Rr Add two Registers Rd ← Rd + Rr Z,C,N,V,H 1
ADC Rd, Rr Add with Carry two Registers Rd ← Rd + Rr + C Z,C,N,V,H 1
ADIWRdl,K Add Immediate to Word Rdh:Rdl ← Rdh:Rdl + K Z,C,N,V,S 2
SUB Rd, Rr Subtract two Registers Rd ← Rd - Rr Z,C,N,V,H 1
SUBI Rd, K Subtract Constant from Register Rd ← Rd - K Z,C,N,V,H 1
SBC Rd, Rr Subtract with Carry two Registers Rd ← Rd - Rr - C Z,C,N,V,H 1
SBCI Rd, K Subtract with Carry Constant from Reg. Rd ← Rd - K - C Z,C,N,V,H 1
SBIWRdl,K Subtract Immediate from Word Rdh:Rdl ← Rdh:Rdl - K Z,C,N,V,S 2
AND Rd, Rr Logical AND Registers Rd ← Rd • Rr Z,N,V 1
ANDI Rd, K Logical AND Register and Constant Rd ← Rd • K Z,N,V 1
OR Rd, Rr Logical OR Registers Rd ← Rd v Rr Z,N,V 1
ORI Rd, K Logical OR Register and Constant Rd ← Rd v K Z,N,V 1
EOR Rd, Rr Exclusive OR Registers Rd ← Rd ⊕ Rr Z,N,V 1
COM Rd One’s Complement Rd ← $FF − Rd Z,C,N,V 1
NEG Rd Two’s Complement Rd ← $00 − Rd Z,C,N,V,H 1
SBR Rd,K Set Bit(s) in Register Rd ← Rd v K Z,N,V 1
CBR Rd,K Clear Bit(s) in Register Rd ← Rd • ($FF - K) Z,N,V 1
INC Rd Increment Rd ← Rd + 1 Z,N,V 1
DEC Rd Decrement Rd ← Rd − 1 Z,N,V 1
TST Rd Test for Zero or Minus Rd ← Rd • Rd Z,N,V 1
CLR Rd Clear Register Rd ← Rd ⊕ Rd Z,N,V 1
SER Rd Set Register Rd ← $FF None 1
MUL Rd, Rr Multiply Unsigned R1:R0 ← Rd x Rr Z,C 2
MULS Rd, Rr Multiply Signed R1:R0 ← Rd x Rr Z,C 2
MULSU Rd, Rr Multiply Signed with Unsigned R1:R0 ← Rd x Rr Z,C 2
FMUL Rd, Rr Fractional Multiply Unsigned R1:R0 ← (Rd x Rr) << 1 Z,C 2
FMULS Rd, Rr Fractional Multiply Signed R1:R0 ← (Rd x Rr) << 1 Z,C 2
FMULSU Rd, Rr Fractional Multiply Signed with Unsigned R1:R0 ← (Rd x Rr) << 1 Z,C 2
BRANCH INSTRUCTIONS
RJMP k Relative Jump PC ← PC + k + 1 None 2
IJMP Indirect Jump to (Z) PC ← Z None 2
JMP k Direct Jump PC ← kNone3
RCALL k Relative Subroutine Call PC ← PC + k + 1 None 3
ICALL Indirect Call to (Z) PC ← ZNone3
CALL k Direct Subroutine Call PC ← kNone4
RET Subroutine Return PC ← STACK None 4
RETI Interrupt Return PC ← STACK I 4
CPSE Rd,Rr Compare, Skip if Equal if (Rd = Rr) PC ← PC + 2 or 3 None 1 / 2 / 3
CP Rd,Rr Compare Rd − Rr Z, N,V,C,H 1
CPC Rd,Rr Compare with Carry Rd − Rr − C Z, N,V,C,H 1
CPI Rd,K Compare Register with Immediate Rd − K Z, N,V,C,H 1
SBRC Rr, b Skip if Bit in Register Cleared if (Rr(b)=0) PC ← PC + 2 or 3 None 1 / 2 / 3
SBRS Rr, b Skip if Bit in Register is Set if (Rr(b)=1) PC ← PC + 2 or 3 None 1 / 2 / 3
SBIC P, b Skip if Bit in I/O Register Cleared if (P(b)=0) PC ← PC + 2 or 3 None 1 / 2 / 3
SBIS P, b Skip if Bit in I/O Register is Set if (P(b)=1) PC ← PC + 2 or 3 None 1 / 2 / 3
BRBS s, k Branch if Status Flag Set if (SREG(s) = 1) then PC←PC+k + 1 None 1 / 2
BRBC s, k Branch if Status Flag Cleared if (SREG(s) = 0) then PC←PC+k + 1 None 1 / 2
BREQ k Branch if Equal if (Z = 1) then PC ← PC + k + 1 None 1 / 2
BRNE k Branch if Not Equal if (Z = 0) then PC ← PC + k + 1 None 1 / 2
BRCS k Branch if Carry Set if (C = 1) then PC ← PC + k + 1 None 1 / 2
BRCC k Branch if Carry Cleared if (C = 0) then PC ← PC + k + 1 None 1 / 2
BRSH k Branch if Same or Higher if (C = 0) then PC ← PC + k + 1 None 1 / 2
BRLO k Branch if Lower if (C = 1) then PC ← PC + k + 1 None 1 / 2
BRMI k Branch if Minus if (N = 1) then PC ← PC + k + 1 None 1 / 2
BRPL k Branch if Plus if (N = 0) then PC ← PC + k + 1 None 1 / 2
BRGE k Branch if Greater or Equal, Signed if (N ⊕ V= 0) then PC ← PC + k + 1 None 1 / 2
BRLT k Branch if Less Than Zero, Signed if (N ⊕ V= 1) then PC ← PC + k + 1 None 1 / 2
BRHS k Branch if Half Carry Flag Set if (H = 1) then PC ← PC + k + 1 None 1 / 2
BRHC k Branch if Half Carry Flag Cleared if (H = 0) then PC ← PC + k + 1 None 1 / 2
BRTS k Branch if T Flag Set if (T = 1) then PC ← PC + k + 1 None 1 / 2
BRTC k Branch if T Flag Cleared if (T = 0) then PC ← PC + k + 1 None 1 / 2
BRVS k Branch if Overflow Flag is Set if (V = 1) then PC ← PC + k + 1 None 1 / 2
BRVC k Branch if Overflow Flag is Cleared if (V = 0) then PC ← PC + k + 1 None 1 / 2

366
2467X–AVR–06/11
ATmega128
Mnemonics Operands Description Operation Flags #Clocks
BRIE k Branch if Interrupt Enabled if ( I = 1) then PC ← PC + k + 1 None 1 / 2
BRID k Branch if Interrupt Disabled if ( I = 0) then PC ← PC + k + 1 None 1 / 2
DATA TRANSFER INSTRUCTIONS
MOV Rd, Rr Move Between Registers Rd ← Rr None 1
MOVWRd, Rr Copy Register Word Rd+1:Rd ← Rr+1:Rr None 1
LDI Rd, K Load Immediate Rd ← KNone1
LD Rd, X Load Indirect Rd ← (X) None 2
LD Rd, X+ Load Indirect and Post-Inc. Rd ← (X), X ← X + 1 None 2
LD Rd, - X Load Indirect and Pre-Dec. X ← X - 1, Rd ← (X) None 2
LD Rd, Y Load Indirect Rd ← (Y) None 2
LD Rd, Y+ Load Indirect and Post-Inc. Rd ← (Y), Y ← Y + 1 None 2
LD Rd, - Y Load Indirect and Pre-Dec. Y ← Y - 1, Rd ← (Y) None 2
LDD Rd,Y+q Load Indirect with Displacement Rd ← (Y + q) None 2
LD Rd, Z Load Indirect Rd ← (Z) None 2
LD Rd, Z+ Load Indirect and Post-Inc. Rd ← (Z), Z ← Z+1 None 2
LD Rd, -Z Load Indirect and Pre-Dec. Z ← Z - 1, Rd ← (Z) None 2
LDD Rd, Z+q Load Indirect with Displacement Rd ← (Z + q) None 2
LDS Rd, k Load Direct from SRAM Rd ← (k) None 2
ST X, Rr Store Indirect (X) ← Rr None 2
ST X+, Rr Store Indirect and Post-Inc. (X) ← Rr, X ← X + 1 None 2
ST - X, Rr Store Indirect and Pre-Dec. X ← X - 1, (X) ← Rr None 2
ST Y, Rr Store Indirect (Y) ← Rr None 2
ST Y+, Rr Store Indirect and Post-Inc. (Y) ← Rr, Y ← Y + 1 None 2
ST - Y, Rr Store Indirect and Pre-Dec. Y ← Y - 1, (Y) ← Rr None 2
STD Y+q,Rr Store Indirect with Displacement (Y + q) ← Rr None 2
ST Z, Rr Store Indirect (Z) ← Rr None 2
ST Z+, Rr Store Indirect and Post-Inc. (Z) ← Rr, Z ← Z + 1 None 2
ST -Z, Rr Store Indirect and Pre-Dec. Z ← Z - 1, (Z) ← Rr None 2
STD Z+q,Rr Store Indirect with Displacement (Z + q) ← Rr None 2
STS k, Rr Store Direct to SRAM (k) ← Rr None 2
LPM Load Program Memory R0 ← (Z) None 3
LPM Rd, Z Load Program Memory Rd ← (Z) None 3
LPM Rd, Z+ Load Program Memory and Post-Inc Rd ← (Z), Z ← Z+1 None 3
ELPM Extended Load Program Memory R0 ← (RAMPZ:Z) None 3
ELPM Rd, Z Extended Load Program Memory Rd ← (RAMPZ:Z) None 3
ELPM Rd, Z+ Extended Load Program Memory and Post-Inc Rd ← (RAMPZ:Z), RAMPZ:Z ← RAMPZ:Z+1 None 3
SPM Store Program Memory (Z) ← R1:R0 None -
IN Rd, P In Port Rd ← PNone1
OUT P, Rr Out Port P ← Rr None 1
PUSH Rr Push Register on Stack STACK ← Rr None 2
POP Rd Pop Register from Stack Rd ← STACK None 2
BIT AND BIT-TEST INSTRUCTIONS
SBI P,b Set Bit in I/O Register I/O(P,b) ← 1None2
CBI P,b Clear Bit in I/O Register I/O(P,b) ← 0None2
LSL Rd Logical Shift Left Rd(n+1) ← Rd(n), Rd(0) ← 0 Z,C,N,V 1
LSR Rd Logical Shift Right Rd(n) ← Rd(n+1), Rd(7) ← 0 Z,C,N,V 1
ROL Rd Rotate Left Through Carry Rd(0)←C,Rd(n+1)← Rd(n),C←Rd(7) Z,C,N,V 1
ROR Rd Rotate Right Through Carry Rd(7)←C,Rd(n)← Rd(n+1),C←Rd(0) Z,C,N,V 1
ASR Rd Arithmetic Shift Right Rd(n) ← Rd(n+1), n=0..6 Z,C,N,V 1
SWAP Rd Swap Nibbles Rd(3..0)←Rd(7..4),Rd(7..4)←Rd(3..0) None 1
BSET s Flag Set SREG(s) ← 1 SREG(s) 1
BCLR s Flag Clear SREG(s) ← 0 SREG(s) 1
BST Rr, b Bit Store from Register to T T ← Rr(b) T 1
BLD Rd, b Bit load from T to Register Rd(b) ← TNone1
SEC Set Carry C ← 1C1
CLC Clear Carry C ← 0 C 1
SEN Set Negative Flag N ← 1N1
CLN Clear Negative Flag N ← 0 N 1
SEZ Set Zero Flag Z ← 1Z1
CLZ Clear Zero Flag Z ← 0 Z 1
SEI Global Interrupt Enable I ← 1I1
CLI Global Interrupt Disable I ← 0 I 1
SES Set Signed Test Flag S ← 1S1
CLS Clear Signed Test Flag S ← 0 S 1
Instruction Set Summary (Continued)

367
2467X–AVR–06/11
ATmega128
Mnemonics Operands Description Operation Flags #Clocks
SEV Set Twos Complement Overflow. V ← 1V1
CLV Clear Twos Complement Overflow V ← 0 V 1
SET Set T in SREG T ← 1T1
CLT Clear T in SREG T ← 0 T 1
SEH Set Half Carry Flag in SREG H ← 1H1
CLH Clear Half Carry Flag in SREG H ← 0 H 1
MCU CONTROL INSTRUCTIONS
NOP No Operation None 1
SLEEP Sleep (see specific descr. for Sleep function) None 1
WDR Watchdog Reset (see specific descr. for WDR/timer) None 1
BREAK Break For On-chip Debug Only None N/A
Instruction Set Summary (Continued)

368
2467X–AVR–06/11
ATmega128
Ordering Information
Notes: 1. Pb-free packaging complies to the European Directive for Restriction of Hazardous Substances (RoHS directive). Also
Halide free and fully Green.
2. The device can also be supplied in wafer form. Please contact your local Atmel sales office for detailed ordering information
and minimum quantities.
3. Tape and Reel
Speed (MHz) Power Supply Ordering Code(1) Package(2) Operation Range
8 2.7 – 5.5V
ATmega128L-8AU
ATmega128L-8AUR(3)
ATmega128L-8MU
ATmega128L-8MUR(3)
64A
64A
64M1
64M1 Industrial
(-40oC to 85oC)
16 4.5 – 5.5V
ATmega128-16AU
ATmega128-16AUR(3)
ATmega128-16MU
ATmega128-16MUR(3)
64A
64A
64M1
64M1
8 3.0 – 5.5V
ATmega128L–8AN
ATmega128L–8ANR(3)
ATmega128L–8MN
ATmega128L–8MNR(3)
64A
64A
64M1
64M1 Extended
(-40°C to 105°C)
16 4.5 – 5.5V
ATmega128–16AN
ATmega128–16ANR(3)
ATmega128–16MN
ATmega128–16MNR(3)
64A
64A
64M1
64M1
Package Type
64A 64-lead, 14 x 14 x 1.0mm, Thin Profile Plastic Quad Flat Package (TQFP)
64M1 64-pad, 9 x 9 x 1.0mm, Quad Flat No-Lead/Micro Lead Frame Package (QFN/MLF)

369
2467X–AVR–06/11
ATmega128
Packaging Information
64A
2325 Orchard Parkway
San Jose, CA 95131
TITLE DRAWING NO.
R
REV.
64A, 64-lead, 14 x 14 mm Body Size, 1.0 mm Body Thickness,
0.8 mm Lead Pitch, Thin Profile Plastic Quad Flat Package (TQFP) C
64A
2010-10-20
PIN 1 IDENTIFIER
0°~7°
PIN 1
L
C
A1 A2 A
D1
D
e
E1 E
B
COMMON DIMENSIONS
(Unit of Measure = mm)
SYMBOL MIN NOM MAX NOTE
Notes:
1.This package conforms to JEDEC reference MS-026, Variation AEB.
2. Dimensions D1 and E1 do not include mold protrusion. Allowable
protrusion is 0.25 mm per side. Dimensions D1 and E1 are maximum
plastic body size dimensions including mold mismatch.
3. Lead coplanarity is 0.10 mm maximum.
A – – 1.20
A1 0.05 – 0.15
A2 0.95 1.00 1.05
D 15.75 16.00 16.25
D1 13.90 14.00 14.10 Note 2
E 15.75 16.00 16.25
E1 13.90 14.00 14.10 Note 2
B 0.30 – 0.45
C 0.09 – 0.20
L 0.45 – 0.75
e 0.80 TYP

370
2467X–AVR–06/11
ATmega128
64M1
2325 Orchard Parkway
San Jose, CA 95131
TITLE DRAWING NO.
R
REV.
64M1, 64-pad, 9 x 9 x 1.0 mm Body, Lead Pitch 0.50 mm,
H
64M1
2010-10-19
COMMON DIMENSIONS
(Unit of Measure = mm)
SYMBOL MIN NOM MAX NOTE
A 0.80 0.90 1.00
A1 – 0.02 0.05
b 0.180.25 0.30
D
D2 5.20 5.40 5.60
8.90 9.00 9.10
8.90 9.00 9.10
E
E2 5.20 5.40 5.60
e 0.50 BSC
L0.35 0.40 0.45
Notes:
1. JEDEC Standard MO-220, (SAW Singulation) Fig. 1, VMMD.
2. Dimension and tolerance conform to ASMEY14.5M-1994.
TOP VIEW
SIDE VIEW
BOTTOM VIEW
D
E
Marked Pin# 1 ID
SEATING PLANE
A1
C
A
C
0.08
1
2
3
K 1.25 1.40 1.55
E2
D2
be
Pin #1 Corner
L
Pin #1
Tr i angle
Pin #1
Chamfer
(C 0.30)
Option A
Option B
Pin #1
Notch
(0.20 R)
Option C
K
K
5.40 mm Exposed Pad, Micro Lead Frame Package (MLF)

371
2467X–AVR–06/11
ATmega128
Errata The revision letter in this section refers to the revision of the ATmega128 device.
ATmega128 Rev. F to M
•First Analog Comparator conversion may be delayed
•Interrupts may be lost when writing the timer registers in the asynchronous timer
•Stabilizing time needed when changing XDIV Register
•Stabilizing time needed when changing OSCCAL Register
•IDCODE masks data from TDI input
•Reading EEPROM by using ST or STS to set EERE bit triggers unexpected interrupt request
1. First Analog Comparator conversion may be delayed
If the device is powered by a slow rising VCC, the first Analog Comparator conversion will
take longer than expected on some devices.
Problem Fix/Workaround
When the device has been powered or reset, disable then enable theAnalog Comparator
before the first conversion.
2. Interrupts may be lost when writing the timer registers in the asynchronous timer
The interrupt will be lost if a timer register that is synchronous timer clock is written when the
asynchronous Timer/Counter register (TCNTx) is 0x00.
Problem Fix/Workaround
Always check that the asynchronous Timer/Counter register neither have the value 0xFF nor
0x00 before writing to the asynchronous Timer Control Register (TCCRx), asynchronous
Timer Counter Register (TCNTx), or asynchronous Output Compare Register (OCRx).
3. Stabilizing time needed when changing XDIV Register
After increasing the source clock frequency more than 2% with settings in the XDIV register,
the device may execute some of the subsequent instructions incorrectly.
Problem Fix / Workaround
The NOP instruction will always be executed correctly also right after a frequency change.
Thus, the next 8 instructions after the change should be NOP instructions. To ensure this,
follow this procedure:
1.Clear the I bit in the SREG Register.
2.Set the new pre-scaling factor in XDIV register.
3.Execute 8 NOP instructions
4.Set the I bit in SREG
This will ensure that all subsequent instructions will execute correctly.
Assembly Code Example:
CLI ; clear global interrupt enable
OUT XDIV, temp ; set new prescale value
NOP ; no operation
NOP ; no operation
NOP ; no operation
NOP ; no operation
NOP ; no operation
NOP ; no operation
NOP ; no operation
NOP ; no operation

372
2467X–AVR–06/11
ATmega128
SEI ; set global interrupt enable
4. Stabilizing time needed when changing OSCCAL Register
After increasing the source clock frequency more than 2% with settings in the OSCCAL reg-
ister, the device may execute some of the subsequent instructions incorrectly.
Problem Fix / Workaround
The behavior follows errata number 3., and the same Fix / Workaround is applicable on this
errata.
5. IDCODE masks data from TDI input
The JTAG instruction IDCODE is not working correctly. Data to succeeding devices are
replaced by all-ones during Update-DR.
Problem Fix / Workaround
– If ATmega128 is the only device in the scan chain, the problem is not visible.
– Select the Device ID Register of the ATmega128 by issuing the IDCODE instruction
or by entering the Test-Logic-Reset state of the TAP controller to read out the
contents of its Device ID Register and possibly data from succeeding devices of the
scan chain. Issue the BYPASS instruction to the ATmega128 while reading the
Device ID Registers of preceding devices of the boundary scan chain.
– If the Device IDs of all devices in the boundary scan chain must be captured
simultaneously, the ATmega128 must be the fist device in the chain.
6. Reading EEPROM by using ST or STS to set EERE bit triggers unexpected interrupt
request.
Reading EEPROM by using the ST or STS command to set the EERE bit in the EECR reg-
ister triggers an unexpected EEPROM interrupt request.
Problem Fix / Workaround
Always use OUT or SBI to set EERE in EECR.

373
2467X–AVR–06/11
ATmega128
Datasheet
Revision
History
Please note that the referring page numbers in this section are referred to this document. The
referring revision in this section are referring to the document revision.
Rev. 2467X-06/11 1. Corrected typos in “Ordering Information” on page 368.
Rev. 2467W-05/11 1. Added Atmel QTouch Library Support and QTouch Sensing Capability Features.
2. Updated “DC Characteristics” on page 318. RRST maximum value changed from 60kΩ
to 85kΩ.
3. Updated “Ordering Information” on page 368 to include Tape & Reel devices.
Rev. 2467V-02/11 1. Updated the literature number (2467) that accidently changed in rev U.
2. Editing update according to the Atmel new style guide. No more space betweeen the
numbers and their units.
3. Reorganized the swapped chapters in rev U: 8-bit Timer/Counter 0, 16-bit TC1 and
TC3, and 8-bit TC2 with PWM.
Rev. 2467U-08/10 1. Updated “Ordering Information” on page 368. Added Ordering information for Appen-
dix A ATmega128/L 105°C.
Rev. 2467T-07/10 1. Updated the “USARTn Control and Status Register B – UCSRnB” on page 189.
2. Added a link from “Minimizing Power Consumption” on page 47 to “System Clock
and Clock Options” on page 35.
3. Updated use of Technical Terminology in datasheet
4. Corrected formula in Table 133, “Two-wire Serial Bus Requirements,” on page 322
5. Note 6 and Note 7 below Table 133, “Two-wire Serial Bus Requirements,” on page 322
have been removed
Rev. 2467S-07/09 1. Updated the “Errata” on page 371.
2. Updated the TOC with the newest template (version 5.10).
3. Added note “Not recommended from new designs“ from the front page.
4. Added typical ICC values for Active and Idle mode in “DC Characteristics” on page
318.
Rev. 2467R-06/08 1. Removed “Not recommended from new designs“ from the front page.

374
2467X–AVR–06/11
ATmega128
Rev. 2467Q-05/08 1. Updated “Preventing EEPROM Corruption” on page 24.
Removed sentence “If the detection level of the internal BOD does not match the needed
detection level, and external low VCC Reset Protection circuit can be used.“
2. Updated Table 85 on page 196 in “Examples of Baud Rate Setting” on page 193.
Remomved examples of frequencies above 16MHz.
3. Updated Figure 114 on page 238.
Inductor value corrected from 10mH to 10µH.
4. Updated description of “Version” on page 253.
5. ATmega128L removed from “DC Characteristics” on page 318.
6. Added “Speed Grades” on page 320.
7. Updated “Ordering Information” on page 368.
Pb-Plated packages are no longer offered, and the ordering information for these packages
are removed.
There will no longer exist separate ordering codes for commercial operation range, only
industrial operation range.
8. Updated “Errata” on page 371:
Merged errata description for rev.F to rev.M in “ATmega128 Rev. F to M”.
Rev. 2467P-08/07 1. Updated “Features” on page 1.
2. Added “Data Retention” on page 8.
3. Updated Table 60 on page 133 and Table 95 on page 235.
4. Updated “C Code Example(1)” on page 176.
5. Updated Figure 114 on page 238.
6. Updated “XTAL Divide Control Register – XDIV” on page 36.
7. Updated “Errata” on page 371.
8. Updated Table 34 on page 76.
9. Updated “Slave Mode” on page 166.
Rev. 2467O-10/06 1. Added note to “Timer/Counter Oscillator” on page 43.
2. Updated “Fast PWM Mode” on page 124.
3. Updated Table 52 on page 104, Table 54 on page 104, Table 59 on page 133, Table 61
on page 134, Table 64 on page 156, and Table 66 on page 157.
4. Updated “Errata” on page 371.

375
2467X–AVR–06/11
ATmega128
Rev. 2467N-03/06 1. Updated note for Figure 1 on page 2.
2. Updated “Alternate Functions of Port D” on page 77.
3. Updated “Alternate Functions of Port G” on page 84.
4. Updated “Phase Correct PWM Mode” on page 100.
5. Updated Table 59 on page 133, Table 60 on page 133.
6. Updated “Bit 2 – TOV3: Timer/Counter3, Overflow Flag” on page 141.
7. Updated “Serial Peripheral Interface – SPI” on page 162.
8. Updated Features in “Analog to Digital Converter” on page 230
9. Added note in “Input Channel and Gain Selections” on page 243.
10. Updated “Errata” on page 371.
Rev. 2467M-11/04 1. Removed “analog ground”, replaced by “ground”.
2. Updated Table 11 on page 40, Table 114 on page 285, Table 128 on page 303, and
Table 132 on page 321. Updated Figure 114 on page 238.
3. Added note to “Port C (PC7..PC0)” on page 6.
4. Updated “Ordering Information” on page 368.
Rev. 2467L-05/04 1. Removed “Preliminary” and “TBD” from the datasheet, replaced occurrences of ICx
with ICPx.
2. Updated Table 8 on page 38, Table 19 on page 50, Table 22 on page 56, Table 96 on
page 242, Table 126 on page 299, Table 128 on page 303, Table 132 on page 321, and
Table 134 on page 323.
3. Updated “External Memory Interface” on page 25.
4. Updated “Device Identification Register” on page 253.
5. Updated “Electrical Characteristics” on page 318.
6. Updated “ADC Characteristics” on page 325.
7. Updated “Typical Characteristics” on page 333.
8. Updated “Ordering Information” on page 368.
Rev. 2467K-03/04 1. Updated “Errata” on page 371.

376
2467X–AVR–06/11
ATmega128
Rev. 2467J-12/03 1. Updated “Calibrated Internal RC Oscillator” on page 41.
Rev. 2467I-09/03 1. Updated note in “XTAL Divide Control Register – XDIV” on page 36.
2. Updated “JTAG Interface and On-chip Debug System” on page 48.
3. Updated values for VBOT (BODLEVEL = 1) in Table 19 on page 50.
4. Updated “Test Access Port – TAP” on page 246 regarding JTAGEN.
5. Updated description for the JTD bit on page 255.
6. Added a note regarding JTAGEN fuse to Table 118 on page 288.
7. Updated RPU values in “DC Characteristics” on page 318.
8. Added a proposal for solving problems regarding the JTAG instruction IDCODE in
“Errata” on page 371.
Rev. 2467H-02/03 1. Corrected the names of the two Prescaler bits in the SFIOR Register.
2. Added Chip Erase as a first step under “Programming the Flash” on page 315 and
“Programming the EEPROM” on page 316.
3. Removed reference to the “Multipurpose Oscillator” application note and the “32kHz
Crystal Oscillator” application note, which do not exist.
4. Corrected OCn waveforms in Figure 52 on page 125.
5. Various minor Timer1 corrections.
6. Added information about PWM symmetry for Timer0 and Timer2.
7. Various minor TWI corrections.
8. Added reference to Table 124 on page 291 from both SPI Serial Programming and Self
Programming to inform about the Flash Page size.
9. Added note under “Filling the Temporary Buffer (Page Loading)” on page 280 about
writing to the EEPROM during an SPM Page load.
10. Removed ADHSM completely.
11. Added section “EEPROM Write During Power-down Sleep Mode” on page 24.
12. Updated drawings in “Packaging Information” on page 369.
Rev. 2467G-09/02 1. Changed the Endurance on the Flash to 10,000 Write/Erase Cycles.
Rev. 2467F-09/02 1. Added 64-pad QFN/MLF Package and updated “Ordering Information” on page 368.

377
2467X–AVR–06/11
ATmega128
2. Added the section “Using all Locations of External Memory Smaller than 64 Kbyte”
on page 32.
3. Added the section “Default Clock Source” on page 37.
4. Renamed SPMCR to SPMCSR in entire document.
5. When using external clock there are some limitations regards to change of frequency.
This is descried in “External Clock” on page 42 and Table 131, “External Clock
Drive,” on page 320.
6. Added a sub section regarding OCD-system and power consumption in the section
“Minimizing Power Consumption” on page 47.
7. Corrected typo (WGM-bit setting) for:
“Fast PWM Mode” on page 98 (Timer/Counter0).
“Phase Correct PWM Mode” on page 100 (Timer/Counter0).
“Fast PWM Mode” on page 151 (Timer/Counter2).
“Phase Correct PWM Mode” on page 152 (Timer/Counter2).
8. Corrected Table 81 on page 191 (USART).
9. Corrected Table 102 on page 259 (Boundary-Scan)
10. Updated Vil parameter in “DC Characteristics” on page 318.
Rev. 2467E-04/02 1. Updated the Characterization Data in Section “Typical Characteristics” on page 333.
2. Updated the following tables:
Table 19 on page 50, Table 20 on page 54, Table 68 on page 157, Table 102 on page 259,
and Table 136 on page 328.
3. Updated Description of OSCCAL Calibration Byte.
In the data sheet, it was not explained how to take advantage of the calibration bytes for
2MHz, 4MHz, and 8MHz Oscillator selections. This is now added in the following sections:
Improved description of “Oscillator Calibration Register – OSCCAL” on page 41 and “Cali-
bration Byte” on page 289.
Rev. 2467D-03/02 1. Added more information about “ATmega103 Compatibility Mode” on page 5.
2. Updated Table 2, “EEPROM Programming Time,” on page 22.
3. Updated typical Start-up Time in Table 7 on page 37, Table 9 and Table 10 on page 39,
Table 12 on page 40, Table 14 on page 41, and Table 16 on page 42.
4. Updated Table 22 on page 56 with typical WDT Time-out.
5. Corrected description of ADSC bit in “ADC Control and Status Register A – ADCSRA”
on page 244.

378
2467X–AVR–06/11
ATmega128
6. Improved description on how to do a polarity check of the ADC differential results in
“ADC Conversion Result” on page 241.
7. Corrected JTAG version numbers in “JTAG Version Numbers” on page 256.
8. Improved description of addressing during SPM (usage of RAMPZ) on “Addressing
the Flash During Self-Programming” on page 278, “Performing Page Erase by SPM”
on page 280, and “Performing a Page Write” on page 280.
9. Added not regarding OCDEN Fuse below Table 118 on page 288.
10. Updated Programming Figures:
Figure 135 on page 290 and Figure 144 on page 301 are updated to also reflect that AVCC
must be connected during Programming mode. Figure 139 on page 297 added to illustrate
how to program the fuses.
11. Added a note regarding usage of the PROG_PAGELOAD and PROG_PAGEREAD
instructions on page 307.
12. Added Calibrated RC Oscillator characterization curves in section “Typical Charac-
teristics” on page 333.
13. Updated “Two-wire Serial Interface” section.
More details regarding use of the TWI Power-down operation and using the TWI as master
with low TWBRR values are added into the data sheet. Added the note at the end of the “Bit
Rate Generator Unit” on page 203. Added the description at the end of “Address Match Unit”
on page 204.
14. Added a note regarding usage of Timer/Counter0 combined with the clock. See
“XTAL Divide Control Register – XDIV” on page 36.
Rev. 2467C-02/02 1. Corrected Description of Alternate Functions of Port G
Corrected description of TOSC1 and TOSC2 in “Alternate Functions of Port G” on page 84.
2. Added JTAG Version Numbers for rev. F and rev. G
Updated Table 100 on page 256.
3 Added Some Preliminary Test Limits and Characterization Data
Removed some of the TBD's in the following tables and pages:
Table 19 on page 50, Table 20 on page 54, “DC Characteristics” on page 318, Table 131 on
page 320, Table 134 on page 323, and Table 136 on page 328.
4. Corrected “Ordering Information” on page 368.
5. Added some Characterization Data in Section “Typical Characteristics” on page 333..
6. Removed Alternative Algortihm for Leaving JTAG Programming Mode.
See “Leaving Programming Mode” on page 315.
7. Added Description on How to Access the Extended Fuse Byte Through JTAG Pro-
gramming Mode.

i
2467X–AVR–06/11
ATmega128
Table of
Contents
Features 1
Pin Configurations 2
Overview 2
Block Diagram 3
ATmega103 and ATmega128 Compatibility 4
Pin Descriptions 5
Resources 8
Data Retention 8
About Code Examples 9
AVR CPU Core 10
Introduction 10
Architectural Overview 10
ALU – Arithmetic Logic Unit 11
Status Register 11
General Purpose Register File 12
Stack Pointer 14
Instruction Execution Timing 14
Reset and Interrupt Handling 15
AVR ATmega128 Memories 18
In-System Reprogrammable Flash Program Memory 18
SRAM Data Memory 19
EEPROM Data Memory 21
I/O Memory 26
External Memory Interface 26
System Clock and Clock Options 36
Clock Systems and their Distribution 36
Clock Sources 37
Default Clock Source 38
Crystal Oscillator 39
Low-frequency Crystal Oscillator 40
External RC Oscillator 40
Calibrated Internal RC Oscillator 42
External Clock 43
Timer/Counter Oscillator 44
Power Management and Sleep Modes 45
Idle Mode 46
ADC Noise Reduction Mode 46

ii
2467X–AVR–06/11
ATmega128
Power-down Mode 46
Power-save Mode 46
Standby Mode 47
Extended Standby Mode 47
Minimizing Power Consumption 48
System Control and Reset 50
Internal Voltage Reference 54
Watchdog Timer 55
Timed Sequences for Changing the Configuration of the Watchdog Timer 58
Interrupts 60
Interrupt Vectors in ATmega128 60
I/O Ports 66
Introduction 66
Ports as General Digital I/O 67
Alternate Port Functions 71
Register Description for I/O Ports 87
External Interrupts 90
8-bit Timer/Counter0 with PWM and Asynchronous Operation 93
Overview 93
Timer/Counter Clock Sources 94
Counter Unit 94
Output Compare Unit 95
Compare Match Output Unit 97
Modes of Operation 98
Timer/Counter Timing Diagrams 102
8-bit Timer/Counter Register Description 104
Asynchronous Operation of the Timer/Counter 107
Timer/Counter Prescaler 110
16-bit Timer/Counter (Timer/Counter1 and Timer/Counter3) 112
Overview 112
Accessing 16-bit Registers 115
Timer/Counter Clock Sources 118
Counter Unit 118
Input Capture Unit 119
Output Compare Units 121
Compare Match Output Unit 123
Modes of Operation 124
Timer/Counter Timing Diagrams 131
16-bit Timer/Counter Register Description 133

iii
2467X–AVR–06/11
ATmega128
Timer/Counter3, Timer/Counter2, and Timer/Counter1 Prescalers
143
8-bit Timer/Counter2 with PWM 145
Overview 145
Timer/Counter Clock Sources 146
Counter Unit 146
Output Compare Unit 147
Compare Match Output Unit 148
Modes of Operation 149
Timer/Counter Timing Diagrams 155
8-bit Timer/Counter Register Description 157
Output Compare Modulator (OCM1C2) 161
Overview 161
Description 161
Serial Peripheral Interface – SPI 163
SS Pin Functionality 167
Data Modes 170
USART 171
Overview 171
Clock Generation 173
Frame Formats 176
USART Initialization 177
Data Transmission – The USART Transmitter 178
Data Reception – The USART Receiver 180
Multi-processor Communication Mode 187
USART Register Description 189
Examples of Baud Rate Setting 194
Two-wire Serial Interface 198
Features 198
Two-wire Serial Interface Bus Definition 198
Data Transfer and Frame Format 199
Multi-master Bus Systems, Arbitration and Synchronization 201
Overview of the TWI Module 204
TWI Register Description 206
Using the TWI 208
Transmission Modes 213
Multi-master Systems and Arbitration 225
Analog Comparator 227
Analog Comparator Multiplexed Input 228

iv
2467X–AVR–06/11
ATmega128
Analog to Digital Converter 230
Features 230
Operation 232
Starting a Conversion 232
Prescaling and Conversion Timing 233
Changing Channel or Reference Selection 235
ADC Noise Canceler 236
ADC Conversion Result 241
JTAG Interface and On-chip Debug System 246
Features 246
Overview 246
Test Access Port – TAP 246
TAP Controller 248
Using the Boundary-scan Chain 249
Using the On-chip Debug System 249
On-chip Debug Specific JTAG Instructions 250
On-chip Debug Related Register in I/O Memory 251
Using the JTAG Programming Capabilities 251
Bibliography 251
IEEE 1149.1 (JTAG) Boundary-scan 252
Features 252
System Overview 252
Data Registers 252
Boundary-scan Specific JTAG Instructions 254
Boundary-scan Related Register in I/O Memory 255
Boundary-scan Chain 255
ATmega128 Boundary-scan Order 266
Boundary-scan Description Language Files 272
Boot Loader Support – Read-While-Write Self-Programming 273
Boot Loader Features 273
Application and Boot Loader Flash Sections 273
Read-While-Write and No Read-While-Write Flash Sections 273
Boot Loader Lock Bits 275
Entering the Boot Loader Program 276
Addressing the Flash During Self-Programming 278
Self-Programming the Flash 279
Memory Programming 286
Program and Data Memory Lock Bits 286
Fuse Bits 287
Signature Bytes 289
Calibration Byte 289
Parallel Programming Parameters, Pin Mapping, and Commands 290
Parallel Programming 292

v
2467X–AVR–06/11
ATmega128
Serial Downloading 300
SPI Serial Programming Pin Mapping 300
Programming Via the JTAG Interface 305
Electrical Characteristics 318
Absolute Maximum Ratings* 318
DC Characteristics 318
Speed Grades 320
External Clock Drive Waveforms 320
External Clock Drive 320
Two-wire Serial Interface Characteristics 322
SPI Timing Characteristics 323
ADC Characteristics 325
External Data Memory Timing 328
Typical Characteristics 333
Register Summary 362
Instruction Set Summary 365
Ordering Information 368
368
Packaging Information 369
64A 369
64M1 370
Errata 371
ATmega128 Rev. F to Q 371
Datasheet Revision History 373
Rev. 2467Q-03/08 373
Rev. 2467P-08/07 373
Rev. 2467O-10/06 374
Rev. 2467N-03/06 374
Rev. 2467M-11/04 374
Rev. 2467L-05/04 374
Rev. 2467K-03/04 375
Rev. 2467J-12/03 375
Rev. 2467I-09/03 375
Rev. 2467H-02/03 375
Rev. 2467G-09/02 376
Rev. 2467F-09/02 376
Rev. 2467E-04/02 376
Rev. 2467D-03/02 376

vi
2467X–AVR–06/11
ATmega128
Rev. 2467C-02/02 377
Table of Contents i

2467X–AVR–06/11
Atmel Corporation
2325 Orchard Parkway
San Jose, CA 95131
USA
Tel: (+1)(408) 441-0311
Fax: (+1)(408) 487-2600
www.atmel.com
Atmel Asia Limited
Unit 1-5 & 16, 19/F
BEA Tower, Millennium City 5
418 Kwun Tong Road
Kwun Tong, Kowloon
HONG KONG
Tel: (+852) 2245-6100
Fax: (+852) 2722-1369
Atmel Munich GmbH
Business Campus
Parkring 4
D-85748 Garching b. Munich
GERMANY
Tel: (+49) 89-31970-0
Fax: (+49) 89-3194621
Atmel Japan
9F, Tonetsu Shinkawa Bldg.
1-24-8 Shinkawa
Chuo-ku, Tokyo 104-0033
JAPAN
Tel: (+81)(3) 3523-3551
Fax: (+81)(3) 3523-7581
© 2011 Atmel Corporation. All rights reserved.
Atmel®, Atmel logo and combinations thereof, AVR®, QTouch®, QMatrix®, AVR Studio® and others are registered trademarks or trade-
marks of Atmel Corporation or its subsidiaries. Windows® and others are registered trademarks of Microsoft Corporation in U.S. and
other countries. Other terms and product names may be trademarks of others.
Disclaimer: The information in this document is provided in connection with Atmel products. No license, express or implied, by estoppel or otherwise, to
any intellectual property right is granted by this document or in connection with the sale of Atmel products. EXCEPT AS SET FORTH IN THE ATMEL
TERMS AND CONDITIONS OF SALES LOCATED ON THE ATMEL WEBSITE, ATMEL ASSUMES NO LIABILITY WHATSOEVER AND DISCLAIMS ANY
EXPRESS, IMPLIED OR STATUTORY WARRANTY RELATING TO ITS PRODUCTS INCLUDING, BUT NOT LIMITED TO, THE IMPLIED WARRANTY OF
MERCHANTABILITY, FITNESS FOR A PARTICULAR PURPOSE, OR NON-INFRINGEMENT. IN NO EVENT SHALL ATMEL BE LIABLE FOR ANY DIRECT,
INDIRECT, CONSEQUENTIAL, PUNITIVE, SPECIAL OR INCIDENTAL DAMAGES (INCLUDING, WITHOUT LIMITATION, DAMAGES FOR LOSS AND PROF-
ITS, BUSINESS INTERRUPTION, OR LOSS OF INFORMATION) ARISING OUT OF THE USE OR INABILITY TO USE THIS DOCUMENT, EVEN IF ATMEL
HAS BEEN ADVISED OF THE POSSIBILITY OF SUCH DAMAGES. Atmel makes no representations or warranties with respect to the accuracy or com-
pleteness of the contents of this document and reserves the right to make changes to specifications and product descriptions at any time without notice.
Atmel does not make any commitment to update the information contained herein. Unless specifically provided otherwise, Atmel products are not suit-
able for, and shall not be used in, automotive applications. Atmel products are not intended, authorized, or warranted for use as components in applica-
tions intended to support or sustain life.
