AXP192 Datasheet. Www.s Manuals.com. X Powers
User Manual: Datasheets AXP192.
Open the PDF directly: View PDF
.
Page Count: 54
© 2010 X-Powers Limited - All rights reserved
X-Powers
DATASHEET
Enhanced single Cell Li-Battery and Power System Management IC
AXP192
VQ.QW WPPIQPWE CC Confidential Page 2/53
Enhanced single Cell Li-Battery and Power System Management IC
AXP192
目录
1.概述(Summary)............................................................................................................................................ 3
2.特性(Feature) ................................................................................................................................................ 4
3.典型应用(Typical Application) ................................................................................................................. 5
4.极限参数(Absolute Maximum Ratings) ............................................................................................... 6
5.电气特性(Electrical Characteristics)....................................................................................................... 6
6.典型特性(Typical Characteristics)........................................................................................................... 9
7.管脚定义(Pin Description)....................................................................................................................... 13
8.功能框图(Functional Block Diagram).................................................................................................. 15
9.控制和操作(Control and Operating) .................................................................................................... 16
9.1 工作模式和复位(Power On/Off & Reset) ...................................................................................... 16
9.2 电源通路管理(IPS)............................................................................................................................... 19
9.3 自适应充电器(Adaptive Charger) ................................................................................................... 21
9.4 备用电池(Backup Batttery) .............................................................................................................. 24
9.5 多路电源输出(Multi-Power Outputs)............................................................................................. 24
9.6 默认电压/启动时序的设置(Default Voltage/Timing Setting).................................................... 25
9.7 信号采集系统(Signal Capture)......................................................................................................... 26
9.8 多功能管脚说明(Multi-Function Pin Description) ...................................................................... 26
9.9 定时器(Timer)...................................................................................................................................... 27
9.10 HOST 接口及中断(TWSI and IRQ)................................................................................................. 28
9.11 寄存器(Registers)............................................................................................................................. 29
10.封装(Package) .......................................................................................................................................... 52

VQ.QW WPPIQPWE CC Confidential Page 3/53
Enhanced single Cell Li-Battery and Power System Management IC
AXP192
1.概述(Summary)
AXP192 是高度集成的电源系统管理芯片,针对单芯锂电池(锂离子或锂聚合物)且需要多路电源转换
输出的应用,提供简单易用而又可以灵活配置的完整电源解决方案,充分满足目前日益复杂的应用处理
器系统对于电源相对复杂而精确控制的要求。
AXP192 内部集成了一个自适应的 USB-Compatible 的充电器,3路降压转换器(Buck DC-DC
converter),4路线性稳压器(LDO),电压/电流/温度监视等多路 12-Bit ADC。为保证电源系统安全稳定,
AXP192 还整合了过/欠压(OVP/UVP)、过温(OTP)、过流(OCP)等保护电路。
AXP192 的智慧电能平衡(Intelligent Power Select, IPS™)电路可以在 USB 以及外部交流适配器、锂电
池和应用系统负载之间安全透明的分配电能,并且在只有外部输入电源而没有电池(或者电池过放/损坏)
的情况下也可以使应用系统正常工作。
AXP192 具有外部适配器和 USB 以及电池等三输入能力,支持可充电备用电池。
AXP192 提供了一个与主机通讯的两线串行通讯接口:Two Wire Serial Interface (TWSI),应用处理器可
以通过这个接口去打开或关闭某些电源输出,设置它们的电压,访问内部寄存器和多种测量数据(包括 Fuel
Gauge)。高精度(0.5%)的电量测量数据方便消费者更清楚的实时掌握电能使用状况,给消费者带来前
所未有的设备电能使用体验。
AXP192 提供 6mm x 6mm 48-pin QFN 封装。
应用产品
z 手持式移动设备
智能移动电话, PMP/MP4, 数
码相机, 数字摄像机, 手持导
航设备 GPS, PDA, 手持数字
广播电视接收机
z 移动互联网设备 MID
z 数码相框,便携 DVD 播放器,
超便携移动电脑 UMPC and
UMPC-like,学习机
z 应用处理器电路系统
Application Processor systems
z 其它电池和多电源应用系统
管脚定义

VQ.QW WPPIQPWE CC Confidential Page 4/53
Enhanced single Cell Li-Battery and Power System Management IC
AXP192
2.特性(Feature)
• 电源管理 (IPS)
o 宽输入电压范围:
2.9V~6.3V (AMR:-0.3V~11V)
o 可配置的高效智慧电能平衡“IPS™”系统
o 自适应 USB 或交流适配器限压限流
(4.4V/500mA/100mA)
o 内部理想二极管的等效内阻小于 100mΩ
• 全集成充电器 (Charger)
o 内置 MOSFET 最大充电电流可达 1.4A
o 支持电池温度监测
o 全面支持 USB 充电,符合规范要求
o 充电精度高,误差小于 0.5%
o 支持 4.1V/4.15V/4.2V/4.36V 等多种电池
o 自动进行充电流程控制
o 可直接驱动 LED 指示充电状态
o 根据系统负载情况自动调节充电电流
• 备用电池 (Backup Battery)
o 可使用备用电池给 RTC 模块供电
o 支持备用电池充电,可设置充电电流
• 3路同步降压转换器 (DC-DC)
o DC-DC1:可在 0.7V~3.5V 之间调节,
25mV/step, 驱动能力 1.2A
o DC-DC2:可在 0.7-2.275V 之间调节,
25mV/step, 驱动能力 1.6A, 支持 VRC
o DC-DC3:可在 0.7-3.5V 之间调节,
25mV/step, 驱动能力 0.7A
• 4路线性稳压器 (LDO)
o LDO1:30mA,始终有效
o LDO2:低噪声 LDO,1.8V~3.3V 可调节,
100mV/step, 驱动能力 200mA
o LDO3:低噪声 LDO, 1.8-3.3V 可调节,
100mV/step, 驱动能力 200mA
o LDOIO0:低噪声 LDO, 1.8-3.3V 可调节,
100mV/step, 驱动能力 50mA
注:VRC,Voltage Ramp Control,电压斜
率控制。
• 信号采集系统 (Signal Capture)
o 内建 16 路12 Bit ADC
o 接受 4路外部信号输入
o 提供电池和外部输入电源的电流电压数
据
o 内建高精度库仑计及 Fuelgauge 系统
o 提供丰富的电源管理信息,如瞬时耗电
(mA or mW),剩余电池电量(% or mAh),
充电状态(%) 和剩余电池使用时间或充
电时间等
o 低电警告及保护
o 提供芯片温度信息
• 应用处理器接口 (Host Interface)
o Host 可以通过 TWSI 接口进行数据交换
o 可以灵活配置的中断管理
o 灵活的管脚功能设置,多路 GPIO 可分别
设置为 IO、PWM 等功能
o 内置计时器
o 提供四组寄存器,可用于系统关机时的
数据保存
• 系统管理(System Management)
o 可以软复位或硬复位
o 支持软关机或硬关机,支持外部唤醒开
机
o 支持输出电压监测、自诊断功能
o PWROK 用于系统复位或关机指示
o 外部电源检测(插入/移除/驱动能力不足)
o 所有输出电压都支持软启动
o 过/欠压保护 (OVP/UVP)
o 过流保护 (OCP)
o 过温保护 (OTP)
o 支持 OTG VBUS 电源状态设置/监测
• 高整合度(Fully Integration)
o 内部产生高精度参考电压(0.5%)
o 内置 MOSFET
o 可定制时序和输出电压

VQ.QW WPPIQPWE CC Confidential Page 5/53
Enhanced single Cell Li-Battery and Power System Management IC
AXP192
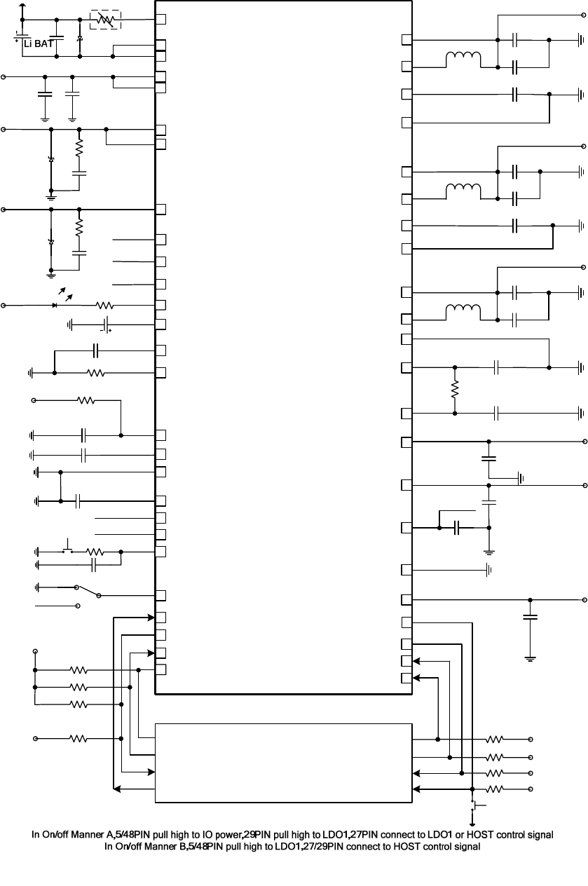
3.典型应用(Typical Application)
AXP192
WAKEUP/IRQ
PWRON
PWROK/N_LBO
TS
BAT
APS
VIN2
GND
GND
C14
HOST
10uF
1nF
10uF
4.7uH
2.2uH
Reset
Power On/Off
GND
GND
1uF
4.7uC13
10u
C16
4.7uF
LDO1
LDO2
LX2
DCDC2
LX1
DCDC1
EXTEN
DCDC2
DCDC1
VIN1
LDO2
LDO1
GND
IPSOUT
10K 1%
470ohm CHGLED
IPSOUT
VREF
0.22u
GND
GND
IPSOUT
GND
10uF
IPSOUT
C3
GND
0.22u
IPSOUT
VBUS
Adapter
EXT_WAKEUP
SCK
SCK
SDA
SDA
RESETDRVVBUS
C9 1u
10uF
1nF
IPSOUT
PWREN
PWREN
DCDC3
VBUS
IPSOUT
BAT
ACIN
PGND2
PGND1
LDO3
4.7uF
0 Ohm
2.2k
2.2k
51k
VCCIO
C21
C22
C24
C2
C1
GND
GND
LDO3
BIAS
VINT
200K
C6
1uF
N_VBUSEN
N_RSTO
GND
GND
1nF
4.7uH
2.2uF
C19
LX3
DCDC3
VIN3 IPSOUT
10uF
PGND3
GPIO0/LDOio0
AGND
SYSEN
VCCIO
GPIO1
GPIO2
N_OE
BACKUP
ACIN
GPIO4
NC
GPIO3
GND
SYSEN
10k
N_RSTI
LDOIN
C20
10uF
GND
IPSOUT
1 Ohm
C10
4.7uF
4.7uF
C8
C11
C12
C15
C17
C18
0 Ohm
C23
1uF
1
23
4
5
6
7
8
9
10
11
12
13
14
15
16
17
18
19
20
21
22
23
24
25
26
27
28
29
30
31
32
33
34
35
36
37
38
39
40
41
42
43
44
45
46
47
48
EP 49 GND
GND
GND
GND
GND
GND
LDO1
10k
LDO1 NC/51k
LDO1
10k
LDO1
10k
EXTEN
C6
2.2ohm
C6
2.2ohm
4.7uF
C25
GND
100p
1K
GND
GND
GND
GND

VQ.QW WPPIQPWE CC Confidential Page 6/53
Enhanced single Cell Li-Battery and Power System Management IC
AXP192
4.极限参数(Absolute Maximum Ratings)
Symbol Description Value Units
ACIN Input Voltage 输入电压 -0.3 to 11 V
VBUS Input Voltage 输入电压 -0.3 to 11 V
TJ Operating Temperature Range 工作温度 -40 to 130 ℃
Ts Storage Temperature Range 储运温度 -40 to 150 ℃
TLEAD Maximum Soldering Temperature (at leads,10sec)
锡焊温度
300 ℃
VESD Maximum ESD stress voltage,Human Body Model
抗静电能力
>4000 V
PD Internal Power Dissipation
内部功率消耗耐受
2100 mW
5.电气特性(Electrical Characteristics)
VIN =5V, BAT=3.8V, T
A= 25℃
SYMBOL DESCRIPTION CONDITIONS MIN TYP MAX UNITS
ACIN
VIN ACIN Input Voltage 3.8 6.3 V
IOUT V
OUT Current Available Before
Loading BAT
500mV Voltage Drop 2000 mA
VUVLO ACIN Under Voltage Lockout 3.8 V
VOUT IPS Output Voltage 2.9 5.0 V
RACIN Internal Ideal Diode On
Resistance
PIN to PIN, ACIN to
IPSOUT
200 mΩ
VBUS
VIN VBUS Input Voltage 3.8 6.3 V
IOUT V
OUT Current Available Before
Loading BAT
400mV Voltage Drop 500 900 mA
VUVLO VBUS Under Voltage Lockout 3.8 V
VOUT IPS Output Voltage 2.9 5.0 V
RVBUS Internal Ideal Diode On
Resistance
PIN to PIN, VBUS to
IPSOUT
300 mΩ
Battery Charger
VTRGT BAT Charge Target Voltage -0.5% 4.2 +0.5% V
ICHRG Charge Current 780 1320 mA
ITRKL Trickle Charge Current 10% ICHRG

VQ.QW WPPIQPWE CC Confidential Page 7/53
Enhanced single Cell Li-Battery and Power System Management IC
AXP192
mA
VTRKL Trickle Charge Threshold
Voltage
3.0 V
ΔVRECHG Recharge Battery Threshold
Voltage
Threshold Voltage
Relative to VTARGET
-100 mV
TTIMER1 Charger Safety Timer
Termination Time
Trickle Mode 40 Min
TTIMER2 Charger Safety Timer
Termination Time
CC Mode 480 Min
IEND End of Charge Indication
Current Ratio
CV Mode 10% 15% ICHRG
mA
Backup Battery
VTRGT Backup Battery Charge Target
Voltage
2.5 3.0 3.1 V
ICHRG Backup Battery Charge Current 50 200 400 uA
IBackup Current when use Backup
Battery
10 15 uA
NTC
Charge 2.112 VTL Cold Temperature Fault
Threshold Voltage Discharge 0 3.226 3.264 V
Charge 0.397 VTH Hot Temperature Fault Threshold
Voltage Discharge 0 0.282 3.264 V
VTE NTC Disable Threshold Voltage Falling Threshold
Hysteresis
0.2 V
Ideal Diode
Rds(on) Internal Ideal Diode On
Resistance(BAT to IPSOUT)
100 mΩ
SYMBOL DESCRIPTION CONDITIONS MIN TYP MAX UNITS
Off Mode Current
IBATOFF OFF Mode Current BAT=3.8V 27 μA
ISUSPEND USB VBUS suspend Mode
current
BAT=3.8V,
VBUS=5V,
N_VBUSEN=1
86 μA
Logic
VIL Logic Low Input Voltage 0.3 V
VIH Logic High Input Voltage 2 V
TWSI
VCC Input Supply Voltage 3.3 V
ADDRESS TWSI Address 0x68
fSCK Clock Operating Frequency 400 1200 kHZ

VQ.QW WPPIQPWE CC Confidential Page 8/53
Enhanced single Cell Li-Battery and Power System Management IC
AXP192
tf Clock Data Fall Time 2.2Kohm Pull High 60 ns
tr Clock Data Rise Time 2.2Kohm Pull High 100 ns
DCDC
fOSC Oscillator Frequency Default 1.5 MHz
DCDC1
IVIN1 Input Current PFM Mode
IDC1OUT =0
26 μA
ILIM1 PMOS Switch Current Limit PWM Mode 1600 mA
IDC1OUT Available Output Current PWM Mode 1200 mA
VDC1OUT Output Voltage Default 0.7 3.3 3.5 V
DCDC2
IVIN2 Input Current PFM Mode
IDC2OUT =0
20 μA
ILIM2 PMOS Switch Current Limit PWM Mode 2300 mA
IDC2OUT Available Output Current PWM Mode 1600 mA
VDC2OUT Output Voltage Range 0.7 1.25 2.275 V
DCDC3
IVIN3 Input Current PFM Mode
IDC3OUT =0
20 uA
ILIM3 PMOS Switch Current Limit PWM Mode 1000 mA
IDC3OUT Available Output Current PWM Mode 700 mA
VDC3OUT Output Voltage Range 0.7 2.5 3.5 V
SYMBOL DESCRIPTION CONDITIONS MIN TYP MAX UNITS
LDO1
VLDO1 Output Voltage ILDO1=1mA
-1%
1.25
1.8
2.5
3.3
1%
V
ILDO1 Output Current 30 mA
LDO2
VLDO2 Output Voltage ILDO2=1mA -1% 3 1% V
ILDO2 Output Current 200 mA
IQ Quiescent Current 100 μA
PSRR Power Supply Rejection Ratio ILDO2=60mA,1KHz TBD dB
eN Output Noise,20-80KHz Vo=3V , Io=150mA 28 μVRMS
LDO3
VLDO3 Output Voltage ILDO3=1mA -1% 3.3 1% V
ILDO3 Output Current 200 mA
IQ Quiescent Current 100 μA
PSRR Power Supply Rejection Ratio ILDO3=10mA, 1KHz TBD dB

VQ.QW WPPIQPWE CC Confidential Page 9/53
Enhanced single Cell Li-Battery and Power System Management IC
AXP192
eN Output Noise,20-80KHz Vo=1.8V , Io=150mA 18 μVRMS
LDOIO0
VLDOIO0 Output Voltage I LDOIO0=1mA -1% 3.3 1% V
ILDOIO0 Output Current 50 mA
IQ Quiescent Current 90 μA
PSRR Power Supply Rejection Ratio I LDOIO0=10mA,1KHz TBD dB
eN Output Noise,20-80KHz Vo=1.8V, Io=30mA 18 μVRMS
6.典型特性(Typical Characteristics)
DC-DC Efficiency vs. Load(3.8Vin)
DC-DC Load Transient(Typical)

VQ.QW WPPIQPWE CC Confidential Page 10/53
Enhanced single Cell Li-Battery and Power System Management IC
AXP192
DC-DC Ripple
VREF vs Temperature

VQ.QW WPPIQPWE CC Confidential Page 11/53
Enhanced single Cell Li-Battery and Power System Management IC
AXP192
VTRGT vs Temperature

VQ.QW WPPIQPWE CC Confidential Page 12/53
Enhanced single Cell Li-Battery and Power System Management IC
AXP192
Off Mode Current vs V
BAT

VQ.QW WPPIQPWE CC Confidential Page 13/53
Enhanced single Cell Li-Battery and Power System Management IC
AXP192
7.管脚定义(Pin Description)
Num Name Type Condition Function Description
1 SDA IO Data pin for serial interface,normally it connect a 2.2K
resistor to 3.3V I/O power
2 SCK I it is the Clock pin for serial interface,normally it connect a
2.2K resistor to 3.3V I/O power
LDO1 Reset output 3 N_RSTO IO REG9EH[7] GPIO[5]
4 N_OE I Power output on/off switch
GND:on; IPSOUT:off
SYSEN=LDO1 Power good indication 5 PWROK/
N_LBO
O
Low power detect output
6 N_VBUSEN I VBUS to IPSOUT Selection
GND:IPSOUT select VBUS
High:IPSOUT do not select VBUS
7 VIN2 PI DCDC2 input source
8 LX2 IO Inductor Pin for DCDC2
9 PGND2 G NMOS Ground for DCDC2
10 DCDC2 I DC-DC2 feedback pin
11 LDO3 O Output Pin of LDO3
12 LDO2 O Output Pin of LDO2
13 LDOIN PI Input to LDO2 and LDO3
14 VIN3 PI DCDC3 input source
15 LX3 IO Inductor Pin for DCDC3
16 PGND3 G NMOS GND for DCDC3
17 DCDC3 I Feed back to DCDC3
GPIO 2
PWM 2
18 GPIO1 IO REG
93H[2:0] ADC Input
GPIO 0
Low noise LDO
19 GPIO0 IO REG
90H[2:0] ADC Input
GPIO 1
PWM 1
20 GPIO2 IO REG
92H[2:0] ADC Input
21 APS PI Internal Power Input
22 AGND G Analog Ground

VQ.QW WPPIQPWE CC Confidential Page 14/53
Enhanced single Cell Li-Battery and Power System Management IC
AXP192
23 PWRON I Power On-Off key input,Internal 100k pull high to APS
24 BIAS IO External 200Kohm 1% resistor
25 VREF O Internal reference voltage
26 VINT PO Internal logic power, 2.5V
27 PWREN IO it is the Low-voltage Power domain enable signal
28 LDO1 O LDO1 output,for Host RTC block
29 SYSEN IO it is the High-voltage Power domain enable signal
30 BACKUP IO Backup battery pin
31 VBUS PI USB VBUS input
32,33 ACIN PI Adapter input
34,35 BAT IO Main Battery
36 CHGLED O charger status indication
37 TS I Battery Temperature sensor input or an external ADC input
38,39 IPSOUT PO System power source
40 EXTEN O External power module Enable
41 GPIO3 I GPIO3
42 GPIO4 I REG95H[7] GPIO4
43 NC O NC
44 VIN1 PI DCDC1 input source
45 LX1 IO Inductor Pin for DCDC1
46 PGND1 G NMOS Ground for DCDC1
47 DCDC1 I DCDC1 feedback pin
48 IRQ/
WAKEUP
IO IRQ output or wakeup
49 EP G Exposed Pad, need to connect to system ground

VQ.QW WPPIQPWE CC Confidential Page 15/53
Enhanced single Cell Li-Battery and Power System Management IC
AXP192
8.功能框图(Functional Block Diagram)
BAT
Bat
Temperature
Monitor
DC-DC1 LX1
Output
voltage
monitor/LBO
LDO2
DC-DC3
DC-DC2
Serial Interface
EXTEN
LDO3
IPS
Adaptive
Linear
charger
IRQ
SCK
SDA
VBUS IPSOUT
APS
Control Logic
PWRON
DCDC1
PGND1
PWREN
GPIO1
GPIO0/LDOio0
GPIO2
SYSEN
PWROK
AGND
EP
GPIO3
LDO1
N_RSTO
Reference
Voltage
TS
N_VBUSEN
ACIN
Register
CHGLED
NC
BIAS
VIN1
GPIO4
12 bit ADC
Current Monitor
Voltage Monitor
Temperature Monitor
LDO2
LDO3
LDO1
LX2
DCDC2
PGND2
VIN2
LX3
DCDC3
PGND3
VIN3
VREF
BACKUP
LDOIN
VINT
N_OE
VQ.QW WPPIQPWE CC Confidential Page 16/53
Enhanced single Cell Li-Battery and Power System Management IC
AXP192
9.控制和操作(Control and Operating)
当AXP192 工作时,TWSI 接口 SCK/SDA 管脚上拉到系统 IO 电源,则Host 可以通过此接口对 AXP192
的工作状态进行灵活的调整和监视,并可获得丰富的信息。
注:“Host”指的是应用系统的主处理器。
注:如下所指“外部电源”包含 ACIN 及VBUS 输入。
9.1 工作模式和复位(Power On/Off & Reset)
工作模式按键(PEK)
AXP192 的PWRON 管脚到 GND 之间可以连接一个按键,作为独立的开关机键 Power Enable Key(PEK)
或休眠/唤醒按键。AXP192 可以自动识别这个按键的“长按”和“短按”并做出相应的反应。
几个开机源(Power on Source)
1, ACIN、VBUS 及电池接入。
2, N_OE 由高变低。
3, PEK。
开机(Power On)—方式 A
当SYSEN 管脚与 LDO1 连接在一起时,AXP192 处于开关机方式 A。
N_OE 为低时,当符合要求的主电源(ACIN 或VBUS>3.8V,电池电压高于关机电压)接入时,AXP192
会自动开机(外部电源接入时是否自动开机可根据外部需求改写)。
而在 N_OE 为低且处于关机状态下,开机动作需要通过 PEK 操作来完成。
在有外部电源或电池的情况下,N_OE 由高到低的变化也会导致 AXP192 开机。
AXP192 可以由 PEK(按键时间超过“ONLEVEL”)开机。在实际应用中,Host 的定时(Alarm)输出信
号也可以连接到 PWRON—与 PEK 并联,Alarm 信号有效(低电平)时相当于 PEK 按下,也可以将 AXP192
开机。
开机后,DC-DC 和LDO 将按照设定的时序顺序软启动,启动完成后可由 Host 或是通过 PWREN 管
脚打开/关闭相应电源。
关机(Power Off)—方式 A
PEK“长按”时间大于 IRQLEVEL 时,在 PEK 中断服务程序中,Host 可将“寄存器 REG32H[7]”
写入“1”来通知 AXP192 进入关机状态。AXP192 进入关机状态时会关掉除 LDO1 之外的所有电源输出。
VQ.QW WPPIQPWE CC Confidential Page 17/53
Enhanced single Cell Li-Battery and Power System Management IC
AXP192
在下列情况下,AXP192 会自动关机:
1, 输入电压过低,低电保护;
2, 负载过大引起电源的输出电压过低,过负载保护;
3, 输入电压过高,过压保护(具体细节参见“电源通路管理”章节);
4, N_OE 由低到高变化,而在设定的时间内没有关机;
5, PEK 大于 OFFLEVEL 时(默认 6S)系统自动关闭除 LDO1 以外的其它输出;
AXP192 的自动保护机制,可以避免应用系统异常时发生被供电器件的不可逆转损坏,从而保护整个
系统。
开机(Power On)—方式 B
当SYSEN 管脚非与 LDO1 连接在一起时,AXP192 处于开关机方式 B。
在开机方式 B下,各路电源输出由 SYSEN/PWREN 控制,当 SYSEN/PWREN 为高时,其对应的电
源通路输出打开,否则输出将关闭。
与方式 A区别的是,各开机源发生时只会在 WAKEUP 管脚上产生一个低电平脉冲,以此通知 HOST
拉高 SYSEN/PWREN 开机。
注:此种方式设想用于 PXA 系列及电源管理方式相近的处理器应用中。
关机(Power Off)—方式 B
如关机方式 A所描述的关机源,各关机方式不会立即直接关闭 AXP192 的输出,而是在 N_LBO 管
脚上产生一个低电平信号,以便通知系统拉低 SYSEN/PWREN 进入关机模式;如果 2S 之内系统未拉低
SYSEN/PWREN,则 AXP192 自动关机;当然 HOST 也可直接拉低 SYSEN/PWREN 进入相应的关机模式。
注:如同开机方式 B,关机方式 B亦设想用于 PXA 系列及电源管理方式相近的处理器应用中。
注:部分处理器分为睡眠(Sleep,SYSEN/PWREN 一路为低,一路为高)和深度睡眠(Deep Sleep,
SYSEN/PWREN 都为低,除 LDO1 外所有输出关闭)两种模式。
休眠和唤醒(Sleep and wakeup)
在MannerA 且开机的情况下,如果系统需要进入 Sleep 模式,并将其中某一路或几路电源关闭,则
可由 REG31[3]控制,决定是否由 PEK 短按信号触发 wakeup,让 PMU 将各路输出电源恢复到 REG31[3]
被置 1时的状态,各路被关闭的电源依次按照规定的上电时序进行。
如下为 Sleep 和wakeup 模式下其控制流程。

VQ.QW WPPIQPWE CC Confidential Page 18/53
Enhanced single Cell Li-Battery and Power System Management IC
AXP192
系统复位功能和输出监控功能 (PWROK/N_LBO)
在开关机方式 A下:
AXP192 的PWROK 可以作为应用系统的复位信号。在 AXP192 的开机过程中,PWROK 输出低电平,
当各路电源的输出电压稳定达到预设值后,PWROK 会被拉高,从而实现应用系统的上电复位。
在应用系统正常工作过程中,AXP192 一直监视各路输出的电压和负载状况,并且在过负载或是欠电
压的情况下,PWROK 立刻输出低电平,复位应用系统,防止误动作以及可能的数据错误。
在开关机方式 B下:
此管脚作为 N_LBO 信号,其低电平用于指示系统需要进入关机模式。具体功能如同关机方式 B描
述。
将REG31[3]写1
打开唤醒功能,
PMU 记录此时
REG12H 的设置
写12H 寄存器,
关闭相应电源
Sleep 并等待
PEK 按键发生
按键?
电源恢复至
REG31H[3] 写1
时的状态
Y
N

VQ.QW WPPIQPWE CC Confidential Page 19/53
Enhanced single Cell Li-Battery and Power System Management IC
AXP192
9.2 电源通路管理(IPS)
AXP192 的电源输入可以来自锂电池 BAT、USB VBUS 输入、外部电源 ACIN(比如交流适配器 AC
Adapter),IPS 根据外部电源和锂电池的状态来选择适合的电能分配方式。
o 当仅接入锂电池,无外部电源输入时,使用锂电池供电;
o 当接入外部电源时(VBUS 或ACIN),优先使用外部电源供电;
o 电池连接的情况下,外部电源移除时,立刻“无缝”转用锂电池供电;
o 当VBUS 和ACIN 两者同时接入时,优先使用 ACIN 供电,并且对锂电池充电;
o 若此时 ACIN 驱动能力不足够时,将适时打开 VBUS 通路,实现 ACIN/VBUS 共同供电;
o 如果驱动能力仍然不足,则将减小充电电流直至 0,继而用电池补充供电;
参见如下图示:
如上图所示,当 ACIN 负载能力不足时,IPSOUT 电压下降,BAT 由原来的被充电转为放电与 ACIN
一起配合提供负载电流。
Host 可以通过 TWSI 访问 AXP192 的内部寄存器来设置 IPS 的参数和读取其反馈的信息。
限压/限流模式和直通模式
为了不影响 USB 通讯,VBUS 通路默认工作在“VBUS 限压模式”。在此模式下,AXP192 会将 VBUS
电压维持在一个可设置的参考电压 VHOLD 之上,以满足 USB 规范。VHOLD 默认为 4.4V,可在寄存器
Reg30H[5:3]调整。
如果系统对从 USB VBUS 吸取的电流大小有限制需求,则提供一个限流模式可供选择(参见寄存器
REG30H[1]),限流值可选 500mA/100mA(寄存器 Reg30H[0])。

VQ.QW WPPIQPWE CC Confidential Page 20/53
Enhanced single Cell Li-Battery and Power System Management IC
AXP192
如果系统只是使用 USB 供电而不介意 USB 通讯,或者使用 USB 电源适配器,可以通过修改寄存器
REG30H[6]将AXP192 设置成“VBUS 直通模式”,此时 AXP192 会优先满足应用系统的用电需求。当 USB
Host 驱动能力太弱或系统耗电太强而使 VBUS 电压低于 VHOLD,AXP192 将发出 IRQ,告知 Host VBUS
供电能力弱,指示 USB 通信可能会受到影响,后续动作可由 Host 软件决定。
外部电源插入时 AXP192 的反应
AXP192 可以自动检测外部电源的插入动作。当 AXP192 检测到外部电源插入后,会自动判断外部电
源是否可用,并将结果设置在相应的寄存器中,同时发出 IRQ,通知 Host。
关于外部电源的寄存器状态位及含义如下表所示:
寄存器的状态位 含义
寄存器 REG00H[7] 指示外部适配器电源 ACIN 是否存在
寄存器 REG00H[6] 指示外部适配器电源 ACIN 是否可用
寄存器 REG00H[5] 指示外部电源 VBUS 是否存在
寄存器 REG00H[4] 指示外部电源 VBUS 是否可用
寄存器 REG00H[3] 指示接入外部电源 VBUS 时,VBUS 的电压是否高于 VHOLD
寄存器 REG00H[1] 指示外部电源 ACIN/VBUS 是否在 PCB 上短接
寄存器 REG00H[0] 指示系统是否由 ACIN/VBUS 触发开机
“指示接入外部电源 VBUS 时,VBUS 的电压是否高于 VHOLD”这个标志位,可以让 Host 在收到 IRQ7
时(指VBUS 供电能力弱),判断 VBUS 是因为系统负载接入而被拉低还是因为外部电源本身电压就低于
VHOLD,从而方便 Host 软件决定是继续工作在限压模式还是改为直通模式。
是否选用 VBUS 作为输入电源
AXP192 是否选用 VBUS 作为输入电源,将由 N_VBUSEN 和寄存器 REG30H[7]来决定:
N_VBUSEN REG30H[7] 输入电源 含义
Low 0 VBUS VBUS 有效且无 ACIN 时选用
Low 1 VBUS
High 1 VBUS
VBUS 有效时可以 VBUS 作为输入电源
High 0 ACIN/BAT 不选用 VBUS
低电警告和低电保护(自动关机)
AXP192 可以设置两级低电警告电压 VWA R N I N G 和自动关机电压 VOFF,并 将 APS 与其比较。一旦发现
APS 低于 VWA R N I N G ,就发出 IRQ19。如果 APS 低于 VOFF,AXP192 自动进入关机模式,关闭除 LDO1 之
外的所有输出。
V
WA R N I N G 可设置 LEVEL1/LEVEL2,当 APS 电压下降低于 LEVEL2 后发出 IRQ30,APS 电压重新上
升到 LEVEL1 后自动清除此 IRQ。

VQ.QW WPPIQPWE CC Confidential Page 21/53
Enhanced single Cell Li-Battery and Power System Management IC
AXP192
V
WA R N I N G 和VOFF 默认值分别可在寄存器 REG3AH、REG3BH 和REG31H Bit[2:0]设置。
过压保护
当外部电源电压超过 6.3V 时,APX19x 发出 IRQ1/4,提示外部电源过压。当外部电源超过 7V,AXP192
自动关机。
9.3 自适应充电器(Adaptive Charger)
AXP192 集成了一个恒流/恒压充电器,可以自动控制充电周期,内置的安全时钟可以自动停止充电
而无需处理器的干预。此充电器可以根据系统的功耗自动调整充电电流,还带有电池检测、涓流充电和
激活功能,内置的温度检测电路可以在温度过高或过低时自动减小充电电流。
自适应充电过程的启动
充电器默认处于使能状态(可以通过设置寄存器来关闭,参见“寄存器 REG33H”)。当外部电源接入
后,AXP192 首先判断外部电源是否可用于充电,当符合外部电源可用的条件,且此时充电功能被打开,
则AXP192 自动开始充电过程,向 Host 发出 IRQ,表示充电过程开始。同时,CHGLED 管脚输出低电平,
可以驱动外部发光二极管指示充电状态。
充电过程电压电流示意图
ITRKL
VTRKL
ICHRG
VTRGT
两个标志电压
VQ.QW WPPIQPWE CC Confidential Page 22/53
Enhanced single Cell Li-Battery and Power System Management IC
AXP192
V
TRGT,充电目标电压。VTRGT 可由寄存器设置,默认为 4.2V(参见“寄存器 REG33H[6:5]”)。同时,
在外部电源电压较低时,AXP192 会自动调节充电目标电压。
V
RCH,自动再充电电压。VRCH=VTRGT-0.1V。
充电电流
充电电流可以通过寄存器 REG33H[3:0]设置,默认值为 450mA 或者 780mA。
充电流程
如果电池电压低于 3.0V,充电器自动进入预充电模式,充电电流为预设值的 1/10。如果 40 分钟内(这
个时间可调整,参见“寄存器 REG34H”),电池电压仍不能达到 3.0V,充电器自动进入电池激活模式。
具体细节参见“电池激活模式”。
电池电压一旦高过 3.0V,充电器开始进入恒流模式。如果充电电流小于预设值的 65%时,系统发出
IRQ17 以此通知“外部电源驱动能力不足,此时充电电流没有达到设定值,从而会延长充电时间,若想
更快充满电,建议更换更强电源或关掉耗电大的功能”。
当电池电压达到目标电压 VTRGT 后,充电器从恒流模式进入恒压模式,充电电流减小。
当充电电流低于预设值的 10%或15%时(可设,参见“寄存器 REG33H”),充电周期结束,充电停
止,充电结束时,AXP192 会发出 IRQ18,CHGLED 管脚停止指示充电状态。当电池电压重新低于 VRCH
时,会自动开始再充电,同时发出 IRQ17。
在非预充电模式下,如果在 480 分钟内(这个时间可以调整,参见“寄存器 REG34H”),充电周期没
有结束,充电器将自动进入电池激活模式。
电池激活模式
无论从预充电模式还是从恒流充电模式进入电池激活模式(计时器超时的情况下),AXP192 都会发出
IRQ10,表示电池可能损坏。
在电池激活模式,Charger 始终以较小的电流给电池充电,如果能够使电池电压达到 VRCH,则退出
激活模式,同时发出 IRQ11。
AXP192 在寄存器 REG01H 中指示充电器是否处于电池激活模式。
CHGLED
CHGLED 管脚用来指示充电状态和报警,它有四个状态:正在充电、不在充电、电池异常报警和外部
电源过压报警。CHGLED 是NMOS Open Drain(漏极开路型)输出,可以通过一个限流电阻来直接驱动一
个发光二极管来显示这四种状态。其在各状态下的表现如下表所示:

VQ.QW WPPIQPWE CC Confidential Page 23/53
Enhanced single Cell Li-Battery and Power System Management IC
AXP192
状态 表现 注释
正在充电 低电平
不在充电 高阻
电池异常 25% duty 1Hz 跳变 充电器进入电池激活模式,或者电池温度过高、过低
过压 25% duty 4Hz 跳变 外部电源输入电压过高
电池温度检测
在充电/使用过程中,AXP192 可以通过在 TS 管脚外接一个温敏电阻来监视电池的温度。电路示意如
下图:
NTC
TS
BAT
C2
10uF
GND
在上图中,VTH/VTL分别为高温和低温的门限设置,可分别通过寄存器REG38H/39H/3CH/3DH设置,
VTE=0.2V。建议温敏电阻选用25℃时为10Kohm、精度1%的NTC温敏电阻。AXP192将在TS管脚上送出
恒定电流,此电流可设置为20uA、40uA、60uA、80uA四种(参见寄存器REG84H),以适应不同的NTC电
阻。此电流流过温敏电阻,得到一个检测电压,AXP192通过ADC测出电压值并与设置值进行比较,从而
发出相应的IRQ或是暂停充电。
如果温敏电阻阻值过大或过小,可以在其通路上并联或是串联上额外的电阻,以便扩大其检测范围。
如果电池没有温敏电阻,可以把 TS 管脚接到地,此时 AXP192 自动禁止电池温度监测功能。
电池检测
AXP192 会自动检测电池是否存在,并在寄存器中标识(参见寄存器 REG01H)和发出 IRQ13、IRQ14。
电池检测功能可由 Host 控制打开或者关闭(参见寄存器 REG32H)。

VQ.QW WPPIQPWE CC Confidential Page 24/53
Enhanced single Cell Li-Battery and Power System Management IC
AXP192
9.4 备用电池(Backup Batttery)
AXP192 支持备用电池的使用和充电,当无主电源(BAT/ACIN/VBUS)存在时,LDO1 输入源选择备用
电池,其输出用于维持系统实时时钟等部分电路工作。
当主电源存在时,可通过设置 REG35H[7]对备用电池充电,其目标电压默认为 3.0V(可通过
REG35H[6:5]设置)、默认充电电流为 200uA(亦可通过 REG35H[1:0]设置)。
9.5 多路电源输出(Multi-Power Outputs)
AXP192 的提供的多路输出电压及功能列表如下:
输出通路 类型 默认电压 应用举例 驱动能力
DCDC1 BUCK 可设置 3.3V I/O 1200 mA
DCDC2 BUCK 可设置 1.25Vcore 1600 mA
DCDC3 BUCK 可设置 2.5Vddr 700 mA
LDO1 LDO 可设置 RTC 30 mA
LDO2 LDO 可设置 Analog/FM 200 mA
LDO3 LDO 可设置 1.8V HDMI 200 mA
LDOIO0 LDO 可设置 Vmic 50 mA
AXP192 包含 3路同步降压型 DC-DC、4路LDO、多种启动时序及控制方式。DC-DC 的工作频率默
认为 1.5MHz,可以通过设置寄存器来调整,外围可使用小型电感和电容元件。3个DC-DC 都可以设置
成PWM 模式或自动模式(由AXP192 根据负载的大小自动切换),参见“寄存器 REG80H”。
DC-DC1/2/3
DCDC1/3 输出电压范围为 0.7-3.5V,DCDC2 输出电压为 0.7-2.275V,可由寄存器设置(参见“寄存器
REG23H 26H 27H 29H”)。
DCDC1/2/3 输出电容推荐使用 10uF X7R 以上小 ESR 陶瓷电容;当输出电压设置为 2.5V 以上时,推
荐使用 2.2uH 电感,在 2.5V 以下时,推荐使用 4.7uH 电感,其中电感饱和电流需大于此电源通路最大需
求电流的 50%以上。
如下是推荐电感电容列表:
电感
型号 电流规格 直流内阻
Murata LQH55PN2R2NR0 2100mA@2.2uH 30mOhm
Murata LQH55PN4R7NR0 1400mA@4.7uH 60mOhm
Murata LQH44PN2R2MP0 2000mA@2.2uH 49mOhm
Murata LQH44PN4R7MP0 1700mA@2.2uH 80mOhm
TDK VLF5010ST-2R2M2R3 2700mA@2.2uH 41mOhm

VQ.QW WPPIQPWE CC Confidential Page 25/53
Enhanced single Cell Li-Battery and Power System Management IC
AXP192
TDK VLF5014ST-4R7M1R7 1700mA@4.7uH 98mOhm
TDK SLF6045T-4R7N2R4-3PF 2400mA@4.7uH 27mOhm
电容
型号 温度特性 容差
TDK C2012X5R0J475K X5R/X7R 10%@4.7uF
TDK C2012X5R0J106K X5R/X7R 10%@10uF
Murata GRM31E71A475K X7R 10%@4.7uF
Murata GRM21E71A106K X7R 10%@10uF
Murata GRM31E71A106K X7R 10%@10uF
LDO1
LDO1 永远开启,可以为应用系统的实时时钟电路(RTC)提供不间断的电源,其驱动能力为 30mA。
LDO2/3
LDO2/3 采用了低噪声设计,可以为应用系统的模拟电路提供电源,其驱动能力为 200mA。
LDOIO0
LDOIO0 也采用了低噪声的设计,输出驱动能力为 50mA。
软启动(Soft Start)
所有 DC-DC 和LDO 都支持软启动的输出建立方式,避免启动时电流的突然变化对输入通路的冲击。
自诊断:负载监测与限流保护
所有 DC-DC 和LDO 都有负载监测和限流功能,当负载电流超过其驱动能力时,各输出电压都会下
降,以保护内部电路。三个 DC-DC 输出电压低于设定电压的 85%时,AXP192 自动关机。同时系统内部
自动记录具体因哪一路输出电压过低导致关机(参见寄存器 REG46H[5:2])并发出相应的 IRQ。
所有 DC-DC 不需要外部的肖特基二极管和电阻分压反馈电路。如果应用中不需要用到某个 DC-DC,
只需要将对应的 LX 管脚悬空即可。
9.6 默认电压/启动时序的设置(Default Voltage/Timing Setting)
AXP192 可定制各路电源的默认电压、启动时序等。
启动时序:共包含 8级启动,即 0-7,其中第 7级表示上电默认不启动此路电源。其他 0-6 级分别表示
第1-7 步启动此路电源。同时可设置每步启动时间间隔,可选范围为 1、4、16mS。

VQ.QW WPPIQPWE CC Confidential Page 26/53
Enhanced single Cell Li-Battery and Power System Management IC
AXP192
默认电压设置:每一路 DCDC/LDO 可设置范围包含了从最低电压到最高电压的选择。
关于此部分内容,请参见“默认配置说明”文档。
9.7 信号采集系统(Signal Capture)
一般的电池电量监测器通常是通过测量电池电压来估算电池电量,而 AXP192 的多路 12Bit ADC 除
了可以测量电池电压之外,还可以测量电池电流和外部电源电压、电流,同时内部集成了电池充放电库
仑计。Host 可以根据这些数据更为准确的计算出电池电量,除此之外,还可以计算出系统的实时功耗、
电池剩余电量、电池充电进度、电池剩余使用时间及剩余充满时间等丰富的电源信息。
各路 ADC 的使能控制和采样速度可以通过寄存器 REG82H、83H、84H 来设置,采样结果存储在相
应的寄存器中,参见寄存器说明之 ADC 数据类。其中 GPIO[3:0]输入范围可通过寄存器 REG85H 设置。
电池电流方向是充电还是放电由寄存器 REG00H[2]来指示。
Channel 000H STEP FFFH
Battery Voltage 0mV 1.1mV 4.5045V
Bat discharge current 0mA 0.5mA 4.095A
Bat charge current 0mA 0.5mA 4.095A
ACIN volatge 0mV 1.7mV 6.9615V
ACIN current 0mA 0.625mA 2.5594A
VBUS voltage 0mV 1.7mV 6.9615V
VBUS current 0mA 0.375mA 1.5356A
Internal temperature -144.7℃ 0.1℃ 264.8℃
APS voltage 0mV 1.4mV 5.733V
TS pin input 0mV 0.8mV 3.276V
GPIO0 0/0.7V 0.5mV 2.0475/2.7475V
GPIO1 0/0.7V 0.5mV 2.0475/2.7475V
GPIO2 0/0.7V 0.5mV 2.0475/2.7475V
GPIO3 0/0.7V 0.5mV 2.0475/2.7475V
9.8 多功能管脚说明(Multi-Function Pin Description)
GPIO[4:0]
可作为 GPIO[4:0]、ADC Input(监测外部信号)、LDO、PWM 等,具体参见 REG90H-96H 说明。
N_RSTO
LDO1 状态监测信号(上拉到 LDO1)或是 GPIO5,使用方式参见 REG9EH 说明。
VQ.QW WPPIQPWE CC Confidential Page 27/53
Enhanced single Cell Li-Battery and Power System Management IC
AXP192
CHGLED
充电状态指示、过温过压等报警功能以及 GPO 功能,使用方式参见 REG32H 说明。
IRQ(WAKEUP)
当AXP192 处于开关机方式 A时,此管脚作为 IRQ 状态指示管脚,当有中断发生时,其输出拉低通
知HOST 进行中断处理,上拉到系统 IO 电源。
当AXP192 处于开关机方式 B时,此管脚作为 WAKEUP 触发信号指示,上拉到 LDO1,其具体功能
参见开机方式 B说明。
PWROK(N_LBO)
在开关机方式 A 下为系统复位信号(上拉到系统 IO 电源),在开关机方式 B 下为关机指示信号(上
拉到 LDO1),参见“9.2 开关机和复位”之“系统复位功能和输出监控功能”。
9.9 定时器(Timer)
AXP192 包含一个内部定时器,通过设置寄存器 REG8AH[6:0]可改变计时器值,其最低分辨率为分
钟(Minute),计时器超时后将置位 REG8AH[7]。

VQ.QW WPPIQPWE CC Confidential Page 28/53
Enhanced single Cell Li-Battery and Power System Management IC
AXP192
9.10 HOST 接口及中断(TWSI and IRQ)
…
… …
… …
… …
…
…
…
…
……
…
图1:Single Read and Write
…
…
…
……
……
……
…
…
… …
… …
… …
…
…
…
图2:Multi Read and Write
Host 可以通过 TWSI 接口访问 AXP192 的寄存器,其操作时序如上图所示,支持标准 100KHz 或

VQ.QW WPPIQPWE CC Confidential Page 29/53
Enhanced single Cell Li-Battery and Power System Management IC
AXP192
400KHz 频率,最高速度可达 1.2MHz,同时支持连读/写操作,设备地址为 69H(读)和68H(写)。
在某些特定事件发生时,AXP192 通过拉低 IRQ 的中断机制来提醒 Host,并将中断状态保存在中断
状态寄存器中(参见寄存器 REG44H、寄存器 REG45H、寄存器 REG46H、寄存器 REG47H),向相应的状
态寄存器位写 1则清除相应的中断,当无中断事件时,IRQ 输出拉高(通过外部上拉 51K 电阻)。每个中
断都可以通过中断控制寄存器来屏蔽(参见寄存器 REG40H、寄存器 REG41H、寄存器 REG42H、寄存器
REG43H)。
位置 中断号 含义 位置 中断号 含义
寄存器 44H[7] IRQ1 电源 ACIN 超压 寄存器 46H[7] IRQ16 IC 内部过温
寄存器 44H[6] IRQ2 电源 ACIN 插入 寄存器 46H[6] IRQ17 充电电流不足
寄存器 44H[5] IRQ3 电源 ACIN 移除 寄存器 46H[5] IRQ18 DCDC1 电压过低
寄存器 44H[4] IRQ4 电源 VBUS 超压 寄存器 46H[4] IRQ19 DCDC2 电压过低
寄存器 44H[3] IRQ5 电源 VBUS 插入 寄存器 46H[3] IRQ20 DCDC3 电压过低
寄存器 44H[2] IRQ6 电源 VBUS 移除 寄存器 46H[2] 保留
寄存器 44H[1] IRQ7 VBUS 电压小于
VHOLD
寄存器 46H[1] IRQ22 PEK 短按
寄存器 44H[0] 保留 寄存器 46H[0] IRQ23 PEK 长按
寄存器 45H[7] IRQ8 电池接入 寄存器 47H[7] IRQ24 N_OE 开机
寄存器 45H[6] IRQ9 电池移除 寄存器 47H[6] IRQ25 N_OE 关机
寄存器 45H[5] IRQ10 进入电池激活模式 寄存器 47H[5] IRQ26 VBUS 有效
寄存器 45H[4] IRQ11 退出电池激活模式 寄存器 47H[4] IRQ27 VBUS 无效
寄存器 45H[3] IRQ12 正在充电 寄存器 47H[3] IRQ28 VBUS Session Valid
寄存器 45H[2] IRQ13 充电完成 寄存器 47H[2] IRQ29 VBUS Session End
寄存器 45H[1] IRQ14 电池温度过高 寄存器 47H[1] 保留
寄存器 45H[0] IRQ15 电池温度过低 寄存器 47H[0] IRQ30 低电警告
9.11 寄存器(Registers)
第1组,电源控制类
地址 寄存器描述 R/W 默认值
00 电源状态寄存器 R
01 电源模式/充电状态寄存器 R
04 OTG VBUS 状态寄存器 R
06-0B 数据缓存寄存器 0-5 R/W F0/0F/00/FF/
00/00
10 EXTEN & DC-DC2 开关控制寄存器 R/W X5H
12 DC-DC1/3 & LDO2/3 开关控制寄存器 R/W XFH
23 DC-DC2 电压设置寄存器 R/W 16H
25 DC-DC2 电压斜率参数设置寄存器 R/W 00H

VQ.QW WPPIQPWE CC Confidential Page 30/53
Enhanced single Cell Li-Battery and Power System Management IC
AXP192
26 DC-DC1 电压设置寄存器 R/W 68H
27 DC-DC3 电压设置寄存器 R/W 48H
28 LDO2/3 电压设置寄存器 R/W CFH
30 VBUS-IPSOUT 通路设置寄存器 R/W 60H
31 VOFF 关机电压设置寄存器 R/W X3H
32 关机、电池检测、CHGLED 控制寄存器 R/W 46H
33 充电控制寄存器 1 R/W C8H
34 充电控制寄存器 2 R/W 41H
35 备用电池充电控制寄存器 R/W 22H
36 PEK 参数设置寄存器 R/W 5DH
37 DCDC 转换器工作频率设置寄存器 R/W 08H
38 电池充电低温报警设置寄存器 R/W A5H
39 电池充电高温报警设置寄存器 R/W 1FH
3A APS 低电 Level1 设置寄存器 R/W 68H
3B APS 低电 Level2 设置寄存器 R/W 5FH
3C 电池放电低温报警设置寄存器 R/W FCH
3D 电池放电高温报警设置寄存器 R/W 16H
80 DCDC 工作模式设置寄存器 R/W E0H
82 ADC 使能设置寄存器 1 R/W 83H
83 ADC 使能设置寄存器 2 R/W 80H
84 ADC 采样率设置,TS pin 控制寄存器 R/W 32H
85 GPIO [3:0]输入范围设置寄存器 R/W X0H
86 GPIO1 ADC IRQ 上升沿门限设置 R/W FFH
87 GPIO1 ADC IRQ 下降沿门限设置 R/W 00H
8A 定时器控制寄存器 R/W 00H
8B VBUS 监测设置寄存器 R/W 00H
8F 过温关机控制寄存器 R/W 01H
第2组,GPIO 控制类
地址 寄存器描述 R/W 默认值
90 GPIO0 控制寄存器 R/W 07H
91 GPIO0 LDO 模式输出电压设置寄存器 R/W A0H
92 GPIO1 控制寄存器 R/W 07H
93 GPIO2 控制寄存器 R/W 07H
94 GPIO[2:0]信号状态寄存器 R/W 00H
95 GPIO[4:3]功能控制寄存器 R/W 00H
96 GPIO[4:3]信号状态寄存器 R/W 00H
97 GPIO[2:0]下拉控制寄存器 R/W 00H
98 PWM1 频率设置寄存器 R/W 00H
99 PWM1 占空比设置寄存器 1 R/W 16H
9A PWM1 占空比设置寄存器 2 R/W 0BH

VQ.QW WPPIQPWE CC Confidential Page 31/53
Enhanced single Cell Li-Battery and Power System Management IC
AXP192
9B PWM2 频率设置寄存器 R/W 00H
9C PWM2 占空比设置寄存器 1 R/W 16H
9D PWM2 占空比设置寄存器 2 R/W 0BH
9E N_RSTO (GPIO5) 控制寄存器 R/W 20H
第3组,中断控制类
地址 寄存器描述 R/W 默认值
40 IRQ 使能控制寄存器 1 R/W D8H
41 IRQ 使能控制寄存器 2 R/W FFH
42 IRQ 使能控制寄存器 3 R/W 3BH
43 IRQ 使能控制寄存器 4 R/W C1H
4A IRQ 使能控制寄存器 5 R/W 00H
44 IRQ 状态寄存器 1 R/W 00H
45 IRQ 状态寄存器 2 R/W 00H
46 IRQ 状态寄存器 3 R/W 00H
47 IRQ 状态寄存器 4 R/W 00H
4D IRQ 状态寄存器 5 R/W 00H
第4组,ADC 数据类
地址 寄存器描述 R/W
56 ACIN 电压 ADC 数据高 8位 R
57 ACIN 电压 ADC 数据低 4位 R
58 ACIN 电流 ADC 数据高 8位 R
59 ACIN 电流 ADC 数据低 4位 R
5A VBUS 电压 ADC 数据高 8位 R
5B VBUS 电压 ADC 数据低 4位 R
5C VBUS 电流 ADC 数据高 8位 R
5D VBUS 电流 ADC 数据低 4位 R
5E AXP192 内部温度监测 ADC 数据高 8位 R
5F AXP192 内部温度监测 ADC 数据低 4位 R
62 TS 输入 ADC 数据高 8位,默认监测电池温度 R
63 TS 输入 ADC 数据低 4位,默认监测电池温度 R
64 GPIO0 电压 ADC 数据高 8位 R
65 GPIO0 电压 ADC 数据低 4位 R
66 GPIO1 电压 ADC 数据高 8位 R
67 GPIO1 电压 ADC 数据低 4位 R
68 GPIO2 电压 ADC 数据高 8位 R
69 GPIO2 电压 ADC 数据低 4位 R
6A GPIO3 电压 ADC 数据高 8位 R
6B GPIO3 电压 ADC 数据低 4位 R

VQ.QW WPPIQPWE CC Confidential Page 32/53
Enhanced single Cell Li-Battery and Power System Management IC
AXP192
70 电池瞬时功率高 8位 R
71 电池瞬时功率中 8位 R
72 电池瞬时功率低 8位 R
78 电池电压高 8位 R
79 电池电压低 4位 R
7A 电池充电电流高 8位 R
7B 电池充电电流低 5位 R
7C 电池放电电流高 8位 R
7D 电池放电电流低 5位 R
7E APS 电压高 8位 R
7F APS 电压低 4位 R
注:电池供电功率计算方法为
Pbat = 寄存器值 * 电压 LSB * 电流 LSB / 1000。
其中,电压 LSB 为1.1mV,电流 LSB 为0.5mA,计算结果单位为 mW。
地址 寄存器描述 R/W 默认值
B0 电池充电库仑计数据寄存器[31:24] R/W 00H
B1 电池充电库仑计数据寄存器[23:16] R/W 00H
B2 电池充电库仑计数据寄存器[15:8] R/W 00H
B3 电池充电库仑计数据寄存器[7:0] R/W 00H
B4 电池放电库仑计数据寄存器[31:24] R/W 00H
B5 电池放电库仑计数据寄存器[23:16] R/W 00H
B6 电池放电库仑计数据寄存器[15:8] R/W 00H
B7 电池放电库仑计数据寄存器[7:0] R/W 00H
B8 库仑计控制寄存器 R/W 00H
库仑计算方法:C= 65536 * 电流 LSB *(充电库仑计值-放电库仑计值) / 3600 / ADC 采样率。
其中:ADC 采样率参考 REG84H 的设置;电流 LSB 为0.5mA;计算结果单位为 mAh。
REG 00H:输入电源状态
Bit 描述 R/W
7 ACIN 存在指示
0:ACIN 不存在;1:ACIN 存在
R
6 指示 ACIN 是否可用 R
5 VBUS 存在指示
0:VBUS 不存在;1:VBUS 存在
R
4 指示 VBUS 是否可用 R
3 指示 VBUS 接入在使用之前是否大于 V
HOLD R
2 指示电池电流方向
0:电池在放电;1:电池被充电
R

VQ.QW WPPIQPWE CC Confidential Page 33/53
Enhanced single Cell Li-Battery and Power System Management IC
AXP192
1 指示 ACIN 和VBUS 输入是否在 PCB 被短接 R
0 指示启动源是否为 ACIN 或VBUS
0:启动源非 ACIN/VBUS; 1:启动源为 ACIN/VBUS
R
REG 01H:电源工作模式以及充电状态指示
Bit 描述 R/W
7 指示 AXP192 是否过温
0:未过温; 1:过温
R
6 充电指示
0:未充电或充电已完成; 1:正在充电
R
5 电池存在状态指示
0:无电池连接到 AXP192; 1:电池已经连接到 AXP192
R
4 保留,不可更改 R
3 指示电池是否进入激活模式
0:未进入电池激活模式; 1:已进入电池激活模式
R
2 指示充电电流是否小于期望电流
0:实际充电电流等于期望电流; 1:实际充电电流小于期望电流
R
1 AXP192 开关机方式指示
0:方式 A; 1:方式 B
R
0 保留,不可更改 R
REG 02H:USB OTG VBUS 状态指示
Bit 描述 R/W
7-3 保留,不可更改
2 指示 VBUS 是否有效,1表示有效 R
1 指示 VBUS Session A/B 是否有效,1表示有效 R
0 指示 Session End 状态,1表示有效 R
REG 06-0BH:数据缓存
注:只要外部电源、电池或备用电池某一路电源存在,此数据就会一直保存,不受开关机影响。
默认值为 F0/0F/00/FF/00/00H

VQ.QW WPPIQPWE CC Confidential Page 34/53
Enhanced single Cell Li-Battery and Power System Management IC
AXP192
REG 10H:EXTEN & DC-DC2 输出控制
默认值:XXH
Bit 描述 R/W 默认值
7-3 保留,不可更改
2 EXTEN 开关控制 0:关闭; 1:打开 RW X
1 保留,不可更改
0 DC-DC2 开关控制 0:关闭; 1:打开 RW X
注:X表示由定制情况而定,以下值为X的部分同此。
REG 12H:电源输出控制
默认值:XXH
Bit 描述 R/W 默认值
7 保留,不可更改 RW X
6 EXTEN 开关控制 0:关闭; 1:打开 RW X
5 保留,不可更改 RW X
4 DC-DC2 开关控制 RW X
3 LDO3 开关控制 RW X
2 LDO2 开关控制 RW X
1 DC-DC3 开关控制 RW X
0 DC-DC1 开关控制
0:关闭; 1:打开
RW X
注:REG12Hbit6/4 分别对应 REG10Hbit2/0。
REG 23H:DC-DC2 输出电压设置
默认值:16H
Bit 描述 R/W 默认值
7-6 保留,不可更改
5 DC-DC2 输出电压设置 Bit5 RW X
4 DC-DC2 输出电压设置 Bit4 RW X
3 DC-DC2 输出电压设置 Bit3 RW X
2 DC-DC2 输出电压设置 Bit2 RW X
1 DC-DC2 输出电压设置 Bit1 RW X
0 DC-DC2 输出电压设置 Bit0
0.7-2.275V,25mV/step
RW X

VQ.QW WPPIQPWE CC Confidential Page 35/53
Enhanced single Cell Li-Battery and Power System Management IC
AXP192
REG 25H:DC-DC2 动态电压调节参数设置
默认值:00H
Bit 描述 R/W 默认值
7-3 保留,不可更改
2 DC-DC2 VRC 使能控制
0:打开; 1:关闭
RW 0
1 保留,不可更改 RW 0
0 DC-DC2 VRC 电压上升斜率控制 0: 25mV/15.625us=1.6mV/us
1: 25mV/31.250us=0.8mV/us
RW 0
REG 26H:DC-DC1 输出电压设置
默认值:68H
Bit 描述 R/W 默认值
7 保留,不可更改
6 DC-DC1 输出电压设置 Bit6 RW X
5 DC-DC1 输出电压设置 Bit5 RW X
4 DC-DC1 输出电压设置 Bit4 RW X
3 DC-DC1 输出电压设置 Bit3 RW X
2 DC-DC1 输出电压设置 Bit2 RW X
1 DC-DC1 输出电压设置 Bit1 RW X
0 DC-DC1 输出电压设置 Bit0
0.7-3.5V, 25mV/step
RW X
REG 27H:DC-DC3 输出电压设置
默认值:48H
Bit 描述 R/W 默认值
7 保留,不可更改
6 DC-DC3 输出电压设置 Bit6 RW X
5 DC-DC3 输出电压设置 Bit5 RW X
4 DC-DC3 输出电压设置 Bit4 RW X
3 DC-DC3 输出电压设置 Bit3 RW X
2 DC-DC3 输出电压设置 Bit2 RW X
1 DC-DC3 输出电压设置 Bit1 RW X
0 DC-DC3 输出电压设置 Bit0
0.7-3.5V, 25mV/step
RW X

VQ.QW WPPIQPWE CC Confidential Page 36/53
Enhanced single Cell Li-Battery and Power System Management IC
AXP192
REG 28H:LDO2/3 输出电压设置
默认值:CFH
Bit 描述 R/W 默认值
7 LDO2 输出电压设置 Bit3 RW X
6 LDO2 输出电压设置 Bit2 RW X
5 LDO2 输出电压设置 Bit1 RW X
4 LDO2 输出电压设置 Bit0
1.8-3.3V, 100mV/step
RW X
3 LDO3 输出电压设置 Bit3 RW X
2 LDO3 输出电压设置 Bit2 RW X
1 LDO3 输出电压设置 Bit1 RW X
0 LDO3 输出电压设置 Bit0
1.8-3.3V, 100mV/step
RW X
REG 30H:VBUS-IPSOUT 通路管理
默认值:6XH
Bit 描述 R/W 默认值
7 VBUS 可用时 VBUS-IPSOUT 通路选择控制信号
0:由N_VBUSEN pin 决定是否打开此通路
1:VBUS-IPSOUT 通路可以被选择打开,不管 N_VBUSEN 的状态
RW 0
6 VBUS VHOLD 限压控制
0:不限压; 1:限压
RW 1
5 VHOLD 设置 Bit 2 RW 1
4 VHOLD 设置 Bit 1 RW 0
3 VHOLD 设置 Bit 0
000: 4.0V; 001: 4.1V; 010: 4.2V
011: 4.3V; 100: 4.4V; 101: 4.5V
110: 4.6V; 111: 4.7V RW 0
2 保留,不可更改
1 VBUS 限流控制使能信号
0:关闭; 1:打开
RW X
0 VBUS 限流控制打开时限流选择
0:500mA; 1:100mA
RW 0
REG 31H:VOFF 关机电压设置
默认值:X3H
Bit 描述 R/W 默认值
7-4 保留,不可更改
3 Sleep 模式下 PWRON 短按唤醒功能使能设置:

VQ.QW WPPIQPWE CC Confidential Page 37/53
Enhanced single Cell Li-Battery and Power System Management IC
AXP192
0:短按唤醒功能关闭
1:短按唤醒功能打开
此bit 写完后自动清 0,因此每次进 Sleep 模式前需再次写 1
2 VOFF 设置 Bit2 RW 0
1 VOFF 设置 Bit1 RW 1
0 VOFF 设置 Bit0
000-2.6V ; 001-2.7V ; 010-2.8V ;
011-2.9V; 100-3.0V; 101-3.1V;
110-3.2V; 111-3.3V RW 1
REG 32H:关机设置、电池检测以及 CHGLED 管脚控制
默认值:46H
Bit 描述 R/W 默认值
7 方式 A下关机控制
此位写 1会关闭 AXP192 的输出
RW 0
6 电池监测功能设置位: 0:关闭; 1:打开 RW 1
5-4 CHGLED 管脚功能设置 00: 高阻
01: 25% 1Hz 闪烁
10: 25% 4Hz 闪烁
11: 输出低电平
RW 00
3 CHGLED 管脚控制设置 0: 由充电功能控制
1: 由寄存器 REG 32HBit[5:4]控制
RW 0
2 保留,不可更改
1-0 N_OE 由低变高后 AXP192 关机延
迟时间
00: 0.5S; 01: 1S;
10: 2S; 11: 3S
RW 10
REG 33H:充电控制 1
默认值:C8H
Bit 描述 R/W 默认值
7 充电功能使能控制位,包含内部通道和外部通道
0:关闭, 1:打开
RW 1
6:5 充电目标电压设置
00:4.1V; 01:4.15V; 10:4.2V; 11:4.36V
RW 10
4 充电结束电流设置
0:充电电流小于 10%设置值时结束充电
1:充电电流小于 15%设置值时结束充电
RW 0
3-0 内部通路充电电流设置
0000:100mA; 0001:190mA; 0010:280mA; 0011:360mA;
0100:450mA; 0101:550mA; 0110:630mA; 0111:700mA;
RW 1000

VQ.QW WPPIQPWE CC Confidential Page 38/53
Enhanced single Cell Li-Battery and Power System Management IC
AXP192
1000:780mA; 1001:880mA; 1010:960mA; 1011:1000mA;
1100:1080mA;1101:1160mA; 1110:1240mA; 1111:1320mA
REG 34H:充电控制 2
默认值:41H
Bit 描述 R/W 默认值
7 预充电超时设置 Bit1 RW 0
6 预充电超时设置 Bit0
00: 30 min; 01: 40min;
10: 50min; 11: 60min RW 1
5-3 外部通路充电电流设置
范围 300-1000mA, 100mA/step, 默认值 300mA
RW 000
2 充电时外部通路使能设置
0:关闭; 1:打开
RW 0
1 恒流模式下超时设置 Bit1 RW 0
0 恒流模式下超时设置 Bit0
00: 7Hours; 01: 8Hours;
10: 9Hours; 11: 10Hours RW 1
REG 35H:备用电池充电控制
默认值:22H
Bit 描述 R/W 默认值
7 备用电池充电使能控制
0:关闭;1:打开
RW 0
6:5 备用电池充电目标电压设置
00:3.1V;01:3.0V;10:3.0V;11:2.5V
RW 01
4-2 保留,不可更改
1:0 备用电池充电电流设置 00: 50uA; 01: 100uA;
10: 200uA; 11: 400uA
RW 10
REG 36H:PEK 按键参数设置
默认值:5DH
Bit 描述 R/W 默认值
7 开机时间设置 Bit1 RW 0
6 开机时间设置 Bit0
00: 128mS; 01: 512mS;
10: 1S; 11: 2S. RW 1
5 长按键时间设置 Bit1 RW 0
4 长按键时间设置 Bit0
00: 1S; 01: 1.5S;
10: 2S; 11: 2.5S. RW 1

VQ.QW WPPIQPWE CC Confidential Page 39/53
Enhanced single Cell Li-Battery and Power System Management IC
AXP192
3 按键时长大于关机时长时自动关机功能设置
0:关闭; 1:打开
RW 1
2 电源启动完成后 PWROK 信号延时
0:32mS; 1:64mS
RW 1
1 关机时长设置 Bit1 RW 0
0 关机时长设置 Bit0
00: 4S; 01: 6S;
10: 8S; 11: 10S. RW 1
REG 37H:DC-DC 工作频率设置
默认值:08H
Bit 描述 R/W 默认值
7-4 保留,不可更改
3 DC-DC 开关频率设置 Bit 3 RW 1
2 DC-DC 开关频率设置 Bit 2 RW 0
1 DC-DC 开关频率设置 Bit 1 RW 0
0 DC-DC 开关频率设置 Bit 0
每一级改变 5%,默认值 1.5MHz
RW 0
REG 38H:VLTF-charge 电池充电低温门限设置
默认值:A5H
Bit 描述 R/W 默认值
7-0 充电时电池低温门限设置,M M*10H,当 M=A5H 时对应 2.112V;可
对应电压 0V~3.264V
RW A5H
VLTF-charge = M *10H * 0.0008V
REG 39H:VHTF-charge 电池充电高温门限设置
默认值:1FH
Bit 描述 R/W 默认值
7-0 充电时电池高温门限设置,N N*10H,当 N=1FH,对应 0.397V;可
对应电压 0V~3.264V
RW 1FH
VHTF-charge = N *10H * 0.0008V
REG 3AH:APS 低电级别 1
默认值:68H
Bit 描述 R/W 默认值

VQ.QW WPPIQPWE CC Confidential Page 40/53
Enhanced single Cell Li-Battery and Power System Management IC
AXP192
7-0 APS 低电设置级别 1 RW 68H
REG 3BH:APS 低电级别 2
默认值:5FH
Bit 描述 R/W 默认值
7-0 APS 低电设置级别 2 RW 5FH
REG3AH、REG3BH对应的APS电压设置为如下关系(假设寄存器值为n):
Vwarning = 2.8672 + 1.4mV * n * 4
REG 3CH:VLTF-discharge 电池放电低温门限设置
默认值:FCH
Bit 描述 R/W 默认值
7-0 放电时电池低温门限设置,M M*10H,当 M=FCH 时对应 3.226V;可
对应电压 0V~3.264V
RW FCH
VLTF-discharge = M *10H * 0.0008V
REG 3DH:VHTF-discharge 电池放电高温门限设置
默认值:16H
Bit 描述 R/W 默认值
7-0 放电时电池高温门限设置,N N*10H,当 N=16H,对 应 0.282V;可 对
应电压 0V~3.264V
RW 16H
VLTF-discharge = N *10H * 0.0008V
REG 80H:DC-DC 工作模式选择
默认值:E0H
Bit 描述 R/W 默认值
7-4 保留,不可更改
3 DC-DC1 工作模式控制 RW 0
2 DC-DC2 工作模式控制 RW 0
1 DC-DC3 工作模式控制
0:PFM/PWM 自动切换
1:固定 PWM
RW 0
0 保留,不可更改

VQ.QW WPPIQPWE CC Confidential Page 41/53
Enhanced single Cell Li-Battery and Power System Management IC
AXP192
REG 82H:ADC 使能 1
默认值:83H
Bit 描述 R/W 默认值
7 电池电压 ADC 使能 RW 1
6 电池电流 ADC 使能 RW 0
5 ACIN 电压 ADC 使能 RW 0
4 ACIN 电流 ADC 使能 RW 0
3 VBUS 电压 ADC 使能 RW 0
2 VBUS 电流 ADC 使能 RW 0
1 APS 电压 ADC 使能 RW 1
0 TS 管脚 ADC 功能使能
0:关闭, 1:打开
RW 1
REG 83H:ADC 使能 2
默认值:80H
Bit 描述 R/W 默认值
7 AXP192 内部温度监测 ADC 使能 0:关闭, 1:打开 RW 1
6-4 保留,不可更改
3 GPIO0 ADC 功能使能 RW 0
2 GPIO1 ADC 功能使能 RW 0
1 GPIO2 ADC 功能使能 RW 0
0 GPIO[3] ADC 功能使能
0:关闭, 1:打开
RW 0
REG 84H:ADC 采样速率设置,TS 管脚控制
默认值:32H
Bit 描述 R/W 默认值
7 ADC 采样速率设置 Bit 1 RW 0
6 ADC 采样速率设置 Bit 0
25×2n
采样率分别为 25, 50, 100, 200Hz RW 0
5-4 TS 管脚输出电流设置:
00:20uA; 01:40uA; 10:60uA; 11:80uA
RW 11
3 保留,不可更改
2 TS 管脚功能选择
0:电池温度监测功能,1:外部独立的 ADC 输入通路
RW 0
RW 1
1-0
TS 管脚电流输出方式设置 00:关闭
01:充电时输出电流 RW 0

VQ.QW WPPIQPWE CC Confidential Page 42/53
Enhanced single Cell Li-Battery and Power System Management IC
AXP192
10:ADC 采样时输入,可以省电
11:一直打开
REG 85H:ADC 输入范围
默认值:X0H
Bit 描述 R/W 默认值
7-4 保留,不可更改
3 GPIO3 ADC 输入范围 RW 0
2 GPIO2 ADC 输入范围 RW 0
1 GPIO1 ADC 输入范围 RW 0
0 GPIO0 ADC 输入范围
0:0-2.0475V
1:0.7-2.7475V
RW 0
REG 86H:GPIO1 ADC IRQ 上升沿门限设置
默认值:FFH
Bit 描述 R/W 默认值
7-0 一个 LSB 为8mV RW FF
REG 87H:GPIO1 ADC IRQ 下降沿门限设置
默认值:00H
Bit 描述 R/W 默认值
7-0 一个 LSB 为8mV RW 00
REG 8AH:定时器控制
默认值:00H
Bit 描述 R/W 默认值
7 定时器超时
写1清除此状态
RW 0
6-0 设置定时时间,单位为分
写全 0则关闭此定时器
RW 0000000

VQ.QW WPPIQPWE CC Confidential Page 43/53
Enhanced single Cell Li-Battery and Power System Management IC
AXP192
REG 8BH:VBUS 管脚监测 SRP 功能控制
默认值:00H
Bit 描述 R/W 默认值
7-6 保留,不可更改
5-4 VBUS 有效电压设置
00:4.0V; 01:4.15V; 10:4.45V; 11:4.55V
RW 00
3 VBUS Valid 检测功能设置:0:关闭,1:打开 RW 0
2 VBUS Session 检测功能设置:0:关闭,1:打开 RW 0
1 Discharge VBUS 放电功能设置
0:关闭 VBUS 的放电电阻;1:使用 VBUS 的放电电阻
RW 0
0 Charge VBUS 充电功能设置
0:断开 VBUS 充电电阻;1:使用 VBUS 充电电阻给 VBUS 充电
RW 0
REG 8FH:过温关机等功能设置
默认值:01H
Bit 描述 R/W 默认值
7-3 保留,不可更改 RW 0
2 AXP192 内部过温关机功能设置
0:不关机; 1:关机
RW 0
1-0 保留,不可更改
REG 90H:GPIO0 功能设置
默认值:07H
Bit 描述 R/W 默认值
7-3 保留,不可更改 RW 0
2 GPIO0 管脚功能设置 Bit 2
RW 1
1 GPIO0 管脚功能设置 Bit 1
RW 1
0 GPIO0 管脚功能设置 Bit 0
000:NMOS 漏极开路输出
001:通用输入功能
010:低噪声 LDO
011:保留
100:ADC 输入
101:输出低
11X:浮空
RW 1

VQ.QW WPPIQPWE CC Confidential Page 44/53
Enhanced single Cell Li-Battery and Power System Management IC
AXP192
REG 91H:GPIO0 为 LDO 模式时输出电压设置
默认值:A0H
Bit 描述 R/W 默认值
7-4 GPIO0 LDO 模式下输出电压设置
0000: 1.8V; 0001: 1.9V; 0010: 2.0V; 0011: 2.1V;
0100: 2.2V; 0101: 2.3V; 0110: 2.4V; 0111: 2.5V;
1000: 2.6V; 1001: 2.7V; 1010: 2.8V; 1011: 2.9V;
1100: 3.0V; 1101: 3.1V; 1110: 3.2V; 1111: 3.3V
RW 1010
3-0 保留,不可更改
REG 92H:GPIO1 功能设置
默认值:07H
Bit 描述 R/W 默认值
7-3 保留,不可更改 RW 0
2 GPIO1 管脚功能设置 Bit 2
RW 1
1 GPIO1 管脚功能设置 Bit 1
RW 1
0 GPIO1 管脚功能设置 Bit 0
000:NMOS 漏极开路输出
001:通用输入功能
010:PWM1 输出,高电平为 VINT,不
可加小于 100K 下拉电阻
011:保留
100:ADC 输入
101:输出低
11X:浮空
RW 1
REG 93H:GPIO2 功能设置
默认值:07H
Bit 描述 R/W 默认值
7-3 保留,不可更改 RW 0
2 GPIO2 管脚功能设置 Bit 2
RW 1
1 GPIO2 管脚功能设置 Bit 1
RW 1
0 GPIO2 管脚功能设置 Bit 0
000:NMOS 漏极开路输出
001:通用输入功能
010:PWM2 输出,高电平为 VINT,不
可加小于 100K 下拉电阻
011:保留
100:ADC 输入
101:输出低
11X:浮空
RW 1

VQ.QW WPPIQPWE CC Confidential Page 45/53
Enhanced single Cell Li-Battery and Power System Management IC
AXP192
REG 94H:GPIO[2:0]信号状态设置及监测
默认值:00H
Bit 描述 R/W 默认值
7 保留,不可更改 R
6 GPIO2 输入状态 R
5 GPIO1 输入状态 R
4 GPIO0 输入状态
0:输入低电平
1:输入高电平
R
3 保留,不可更改
2 GPIO2 输出设置 RW 0
1 GPIO1 输出设置 RW 0
0 GPIO0 输出设置
0:输出低电平,接地 NMOS 打开
1:输出浮空,接地 NMOS 关闭
RW 0
REG 95H:GPIO[4:3]管脚功能设置
默认值:00H
Bit 描述 R/W 默认值
7 GPIO[4:3]控制:
1:GPIO 功能
RW 0
6-4 保留,不可更改 RW 0
3:2 GPIO4 管脚功能设置 Bit 1-0 00:外部充电控制
01:NMOS 漏极开路输出端口 4
10:通用输入端口 4
11:未定义
RW 00
1:0 GPIO3 管脚功能设 Bit1-0 00:外部充电控制
01:NMOS 漏极开路输出端口 3
10:通用输入端口 3
11:ADC 输入
RW 00
REG 96H:GPIO[4:3]信号状态设置及监测
默认值:00H
Bit 描述 R/W 默认值
7-6 保留,不可更改 R

VQ.QW WPPIQPWE CC Confidential Page 46/53
Enhanced single Cell Li-Battery and Power System Management IC
AXP192
5 GPIO4 输入状态 R
4 GPIO3 输入状态
0:输入低电平
1:输入高电平 R
3-2 保留,不可更改
1 GPIO4 输出设置 RW 0
0 GPIO3 输出设置
0:输出低电平,NMOS 打开
1:浮空,NMOS 关闭 RW 0
REG 97H:GPIO[2:0]作为输入时的下拉设置
默认值:00H
Bit 描述 R/W 默认值
7-3 保留,不可更改
2 GPIO2 作为输入时的下拉电阻控制 RW 0
1 GPIO1 作为输入时的下拉电阻控制 RW 0
0 GPIO0 作为输入时的下拉电阻控制
0:关闭下拉电阻
1:使用下拉电阻
RW 0
REG 98H:PWM1 输出频率设置
默认值:00H
Bit 描述 R/W 默认值
7-0 PWM1 输出频率设置 X RW 00H
REG 99H:PWM1 占空比设置 1
默认值:16H
Bit 描述 R/W 默认值
7-0 PWM1 占空比设置 Y1 RW 16H
REG 9AH:PWM1 占空比设置 2
默认值:0BH
Bit 描述 R/W 默认值
7-6 PWM1 占空比设置 Y2 RW 0BH

VQ.QW WPPIQPWE CC Confidential Page 47/53
Enhanced single Cell Li-Battery and Power System Management IC
AXP192
REG 9BH:PWM2 输出频率设置
默认值:00H
Bit 描述 R/W 默认值
7-0 PWM2 输出频率设置 X RW 00H
REG 9CH:PWM2 占空比设置 1
默认值:16H
Bit 描述 R/W 默认值
7-0 PWM2 占空比设置 Y1 RW 16H
REG 9DH:PWM2 占空比设置 2
默认值:0BH
Bit 描述 R/W 默认值
7-6 PWM2 占空比设置 Y2 RW 0BH
注:PWM输出频率 = 2.25MHz / (X+1) / Y1
PWM输出占空比 = Y2 / Y1
REG 9EH:N_RSTO (GPIO5) 管脚功能设置
默认值:20H
Bit 描述 R/W 默认值
7 N_RSTO 管脚功能设置
0:N_RSTO, LDO1 状态监测; 1:通用输入输出端口 5
RW 0
6 N_RSTO 作为通用输入输出端口 5设置
0:NMOS 漏极开路输出; 1:通用输入功能
RW 0
5 N_RSTO 作为输出端口 5时的设置
0:输出低电平,NMOS 打开; 1:浮空,NMOS 关闭
RW 1
4 N_RSTO 作为输入端口 5时的状态
0:输入低电平;1:输入高电平
R
3-0 保留,不可更改 RW 0000

VQ.QW WPPIQPWE CC Confidential Page 48/53
Enhanced single Cell Li-Battery and Power System Management IC
AXP192
REG 40H:IRQ 使能 1
默认值:D8H
REG 41H:IRQ 使能 2
默认值:FFH
Bit 描述 R/W 默认值
7 电池接入 IRQ 使能 RW 1
6 电池移出 IRQ 使能 RW 1
5 电池激活模式 IRQ 使能 RW 1
4 退出电池激活模式 IRQ 使能 RW 1
3 正在充电 IRQ 使能 RW 1
2 充电完成 IRQ 使能 RW 1
1 电池过温 IRQ 使能 RW 1
0 电池低温 IRQ 使能 RW 1
REG 42H:IRQ 使能 3
默认值:3BH
Bit 描述 R/W 默认值
7 AXP192 内部过温 IRQ 使能 RW 0
6 充电电流小于设置电流 IRQ 使能 RW 0
5 DC-DC1 输出电压小于设置值 IRQ 使能 RW 1
4 DC-DC2 输出电压小于设置值 IRQ 使能 RW 1
3 DC-DC3 输出电压小于设置值 IRQ 使能 RW 1
2 保留,不可更改
1 短按键 IRQ 使能 RW 1
Bit 描述 R/W 默认值
7 ACIN 过压 IRQ 使能 RW 1
6 ACIN 接入 IRQ 使能 RW 1
5 ACIN 移出 IRQ 使能 RW 0
4 VBUS 过压 IRQ 使能 RW 1
3 VBUS 接入 IRQ 使能 RW 1
2 VBUS 移出 IRQ 使能 RW 0
1 VBUS 可用但小于 VHOLDIRQ 使能 RW 0
0 保留,不可更改 RW 0

VQ.QW WPPIQPWE CC Confidential Page 49/53
Enhanced single Cell Li-Battery and Power System Management IC
AXP192
0 长按键 IRQ 使能 RW 1
REG 43H:IRQ 使能 4
默认值:C1H
Bit 描述 R/W 默认值
7 N_OE 开机 IRQ 使能 RW 1
6 N_OE 关机 IRQ 使能 RW 1
5 VBUS 有效 IRQ 使能 RW 0
4 VBUS 无效 IRQ 使能 RW 0
3 VBUS Session A/B IRQ 使能 RW 0
2 VBUS Session End IRQ 使能 RW 0
1 保留,不可更改 RW 1
0 APS 低压 IRQ 使能 RW 1
REG 4AH:IRQ 使能 5
默认值:00H
Bit 描述 R/W 默认值
7 计时器超时 IRQ 使能 RW 0
6-3 保留,不可更改 RW 0
2 GPIO2 输入边沿触发 IRQ 使能 RW 0
1 GPIO1 输入边沿触发 IRQ 使能 RW 0
0 GPIO0 输入边沿触发 IRQ 使能 RW 0
REG 44H:IRQ 状态 1
默认值:00H
Bit 描述 R/W 默认值
7 ACIN 过压 IRQ 状态 RW 0
6 ACIN 接入 IRQ 状态 RW 0
5 ACIN 移出 IRQ 状态 RW 0
4 VBUS 过压 IRQ 状态 RW 0
3 VBUS 接入 IRQ 状态 RW 0
2 VBUS 移出 IRQ 状态 RW 0
1 VBUS 可用但小于 VHOLDIRQ 状态 RW 0
0 保留,不可更改 RW 0

VQ.QW WPPIQPWE CC Confidential Page 50/53
Enhanced single Cell Li-Battery and Power System Management IC
AXP192
REG 45H:IRQ 状态 2
默认值:00H
Bit 描述 R/W 默认值
7 电池接入 IRQ 状态 RW 0
6 电池移出 IRQ 状态 RW 0
5 电池激活模式 IRQ 状态 RW 0
4 退出电池激活模式 IRQ 状态 RW 0
3 正在充电 IRQ 状态 RW 0
2 充电完成 IRQ 状态 RW 0
1 电池过温 IRQ 状态 RW 0
0 电池低温 IRQ 状态 RW 0
REG 46H:IRQ 状态 3
默认值:00H
Bit 描述 R/W 默认值
7 AXP192 内部过温 IRQ 状态 RW 0
6 充电电流小于设置电流 IRQ 状态 RW 0
5 DC-DC1 输出电压小于设置值 IRQ 状态 RW 0
4 DC-DC2 输出电压小于设置值 IRQ 状态 RW 0
3 DC-DC3 输出电压小于设置值 IRQ 状态 RW 0
2 保留,不可更改
1 短按键 IRQ 状态 RW 0
0 长按键 IRQ 状态 RW 0
REG 47H:IRQ 状态 4
默认值:00H
Bit 描述 R/W 默认值
7 N_OE 开机 IRQ 状态 RW 0
6 N_OE 关机 IRQ 状态 RW 0
5 VBUS 有效 IRQ 状态 RW 0
4 VBUS 无效 IRQ 状态 RW 0
3 VBUS Session A/B IRQ 状态 RW 0
2 VBUS Session End IRQ 状态 RW 0

VQ.QW WPPIQPWE CC Confidential Page 51/53
Enhanced single Cell Li-Battery and Power System Management IC
AXP192
1 保留,不可更改 RW 0
0 APS 低压 IRQ 状态,APS 电压低于 Warning Leve2 后置位,超过 Warning Level1
后将清 0
RW 0
REG 4DH:IRQ 状态 5
默认值:00H
Bit 描述 R/W 默认值
7 计时器超时 IRQ 状态 RW 0
6-3 保留,不可更改 RW 0
2 GPIO2 输入边沿触发 IRQ 状态 RW 0
1 GPIO1 输入边沿触发 IRQ 状态 RW 0
0 GPIO0 输入边沿触发 IRQ 状态 RW 0
注:所有 IRQ 状态寄存器对应位写 1将清除相应状态。
REG B8H:库仑计控制
默认值:00H
Bit 描述 R/W 默认值
7 库仑计开关控制 RW 0
6 库仑计暂停控制, 此位写 1将暂停库仑计数, 同时此位将自清零 RW 0
5 清除库仑计控制, 此位写 1会将库仑计清零, 同时此位将自清零 RW 0
4-0 保留,不可更改 RW 0

VQ.QW WPPIQPWE CC Confidential Page 52/53
Enhanced single Cell Li-Battery and Power System Management IC
AXP192
10.封装(Package)
VQ.QW WPPIQPWE CC Confidential Page 53/53
Enhanced single Cell Li-Battery and Power System Management IC
AXP192
© 2011 X-Powers Limited - All rights reserved
X-Powers cannot assume responsibility for use of any circuitry other than circuitry entirely embodied in
a X-Powers product. No circuit patent licenses, copyrights, or other intellectual property rights are implied.
X-Powers reserves the right to make changes to the specifications and products at any time without notice.
