Barton 818 Turbine Meters Preamplifiers Iom
User Manual: Resource Library
Open the PDF directly: View PDF
.
Page Count: 12

Barton Model 818A
Turbine Meter Pre-Amplifier
Installation Manual
Manual No. 10940, Rev. B
November 2004
SECTION 1 - INTRODUCTION
General
The Barton Model 818A Pre-Amplifier converts low-level AC signals from turbine
meter pickup coils to a higher-energy digital pulse that can be transmitted to elec-
tronic processing instrumentation.
The signal is amplified locally at the flowmeter
to elevate the signal energy above the ambient
electrical noise, eliminating problems with noise
being interpreted as flowmeter pulses by the
receiving electronics. In other applications, the
receiving electronics are not sensitive enough to
measure low-level signals; therefore, amplifica-
tion is required. The 818A is one member of a
family of flowmeter signal conditioning products.
SAFETY
Before installing this instrument, become familiar with the installation instructions in
Section 2. WARNING notes that appear on the following pages of this manual should be
reviewed before proceeding: 8 and 9.
WARNING notes indicate the presence of a hazard which can cause severe personal
injury, death, or substantial property damage if warning is ignored.
CONTENTS
Section 1 - Introduction .................................................................... Page 1
Specifications.................................................................. Page 2
Section 2 - Installation ...................................................................... Page 5
Section 3 - Maintenance ................................................................... Page 9
Section 4 - Parts Drawing/List ........................................................... Page 10

2
Product Description
The 818A consists of the a single circuit board enclosed in an aluminum electron-
ics module, which is mounted in an explosionproof condulet housing. The 818A
is usually mounted directly on a turbine meter pickup coil boss with electrical con-
nections made to a terminal block on the electronics module.
Specifications
Operating Specifications:
Supply Voltage ...........................18-36 VDC
Input Signal Amplitude ...............Minimum: 5 mV AC rms
(15 mV AC peak-to-peak)
Maximum: 6 VAC rms
(18 VAC peak-to-peak)
Standard Output Signals .............0 to 5 V ±0.5 V square wave*
0.5 to 5.5 mA ±0.5 mA square wave
Alternate Output Signals .............7 to 12 mA square wave
0 to 10 V ±0.5 V square wave*
Notes:
* High impedance output - 10K ohm maximum load
For lower operating voltage or higher voltage outputs, consult Cameron's Mea-
surement Systems Division.
Operating Temperature ...............-40°F/°C to +160°F (+70°C)
Humidity ....................................0 to 95% (non-condensing)
Maximum
Transmission Distance ................Current Output: 3 miles (5 km)
Voltage Output: 1000 feet (300 m) in closed conduit
Physical Specifications:
Enclosure ...................................Explosionproof/gasket condulet
Classification ..............................CSA Class I, Div. 1, Groups C & D; Class II,
Groups E, F, & G; Class III, Enclosure 4 opera-
tion, Temperature T3C (Optional Group B
enclosure available)
Mounting ....................................Direct; using stand-off tube to turbine meter
boss; remote; supported by elecrical conduit.
Conduit Connection ...................1-inch FNPT
Enclosure Material ......................Painted low copper-aluminum
Standoff Tube .............................4 in. long with 3/4 in. NPT turbine coil boss
connection (standard)
4 in. long with 1 in. NPT turbine coil boss
connection (optional)
18 in. long tube available for high-temperature,
direct-mount application (optional)

3
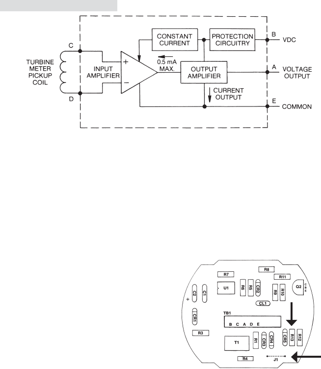
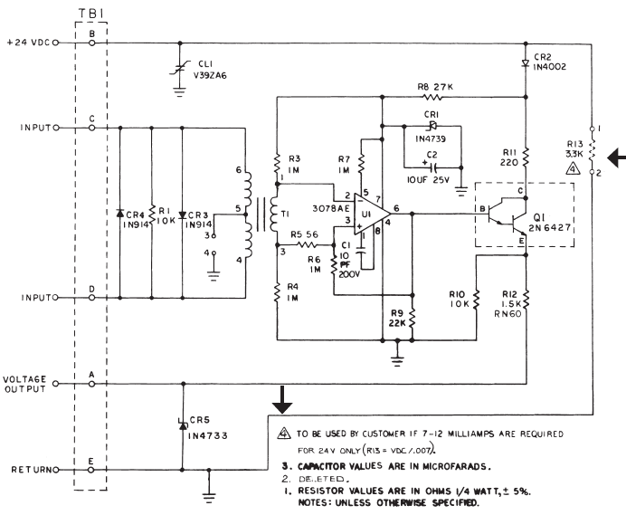
Functional Description
The turbine meter pickup coil is connected to screw terminals C and D, which
are connected to the primary of the input transformer. The transformer second-
ary drives the operational amplifier in a differential mode, with a small amount of
hysteresis provided by resistors R5 and R6.
The power for the operational amplifier is controlled by CR1, a zener diode, and
filtered by capacitor C2.
The signal amplifier square wave output is used to control the output Darlington
transistor, which provides the final current and voltage output signals. When the
drive is high, current flows through R12; when the drive is low, no current flows
through R12; thus, a square wave output proportional to the turbine meter fre-
quency is obtained.
When the output is taken from terminal
A (with terminal E as common) a 0 to
5 volt pulse is obtained. If a 0.5 to 5.5
mA current output is desired, a jumper
is installed between terminals A and
E; the output is then taken from the
combination across an inline resistor. If
a 7 to 12 mA current output is required,
an additional resistor (R13) is installed
on the circuit board (see note 4 on
schematic below).
In addition, a non-linear resistor CL1 absorbs transient energy spikes greater than
39 volts and CR2 protects the circuitry against inadvertent reversal of the power
input polarity.
If the input device (i.e., pickup coil) is isolated from ground, Jumper J1 (see circuit
board above) can be installed to increase the preamplifier's immunity to noise (all
Barton Turbine Meter pickup coils are isolated).

4

5
SECTION 2 - INSTALLATION
Unpacking
Remove the unit from the shipping carton and inspect for signs of damage. If
damage is evident, notify the shipper and the nearest Cameron Measurement
Systems representative as soon as possible.
Installation
Mount the 818A on a turbine meter coil boss is illustrated below:
1. Screw a turbine meter pickup coil into the coil boss. Hand tighten until the
pickup coil is seated.
2. Attach the electrical connector to the pickup coil and hand tighten the
threaded attachment ring.
3. Unscrew the 818A cover.
4. Route the connector wires through the standoff tube and into the condulet.
5. Apply thread lubricant to the threads on the outside of the turbine meter coil
boss.

6
6. Tighten the standoff tube down on the coil boss threads and ensure the
threads are sealed.
7. Attach the pickup coil wires to terminals C and D on the circuit board (See
illustrations that follow).
8. Attach conduit using 1-inch pipe thread fittings, as required, to the output
port of the 818A housing.
9. Output connections are dependent upon the type of output desired (cur-
rent or voltage). Voltage output is typically used for local transmission and
is limited to 1000 feet (300 meters) to ensure immunity to induced noise.
The current output is typically used for remote tranmission over distances up
to 3 miles (5 km). The voltage output is NOT compatible with TTL readout
devices. The current output, with a suitable load resistor, is used in applica-
tions requiring TTL compatibility.
10. Attach the signal output leads to the 818A terminal block, as follows:
a. Voltage Output (3-wire) - 0-5V or 0-10V
Voltage output should be used only with devices that have an input
impedance of 10K ohms or higher. Connections are direct to the readout
device - no load resistor is needed.
SECTION 2 - INSTALLATION (continued)

7
b. Current Output (0.5-5.5 or 7-12 mA) (2-wire) - TTL Compatible
A load reisistor is used to convert the current signal from the 818A to
a voltage signal (required by most readout devices). A voltage source,
usually provided by the readout device, is used to supply current to the
818A. Load resistor (RL) should be selected to obtain desired signal volt-
age (1,000 ohms for a 0.5 to 5.5V signal).
11. Tighten all terminal connections and attach the green ground wire from the
electronics module to the ground screw on the condulet housing.
12. Attach and tighten the condulet cover.
Transmission Line Limitations
The signal wires should be
shielded, twisted pair, 22-16
AWG, and jacketed with a suit-
able protective coating. Belden
#9322 or equivalent is recom-
mended when in current output
mode. The maximum length of
the transmission line is a func-
tion of the wire gage, the supply
voltage level, the size of the load
resistor (see chart on right), and
the receiving devices sentitivi-
ties to ambient noise that may
or may not exist in any given
application.
Note: Operating range must be
in shaded area of the chart.

8
SECTION 2 - INSTALLATION (continued)
To account for lead resistance, a 1000-ft (300-m) loop will have the following
resistance:
Wire gage Ohms
22 32.2
20 20.5
18 12.8
Optional Operational Check
WARNING
EXPLOSION HAZARD
DISCONNECT 818A FROM POWER SUPPLY BEFORE
REMOVING THE 818A ENCLOSURE COVER. KEEP COVER
TIGHT WHILE CIRCUITS ARE ALIVE.
The following tests CANNOT be performed in a hazardous atmosphere. To per-
form these tests, either the area must be certified safe or power must be discon-
nected from the 818A Pre-amplifier, the electronic module must be removed, and
the module tested in a safe location.
In a safe location:
With the condulet cover removed and all connections made to a readout device
(and associated power supply):
1. Verify the voltage between terminals B (positive) and E (common) is between
18 and 36 VDC.
2. With the turbine meter
operating, examine signal
between terminals C and
D to verify that the ampli-
tude is at least 5 mV rms.
3. Observe the voltage at
terminal A with an oscil-
loscope. A digital pulse
train should appear with
a frequency equal to the
turbine meter signal fre-
quency.
Routine Operation
The 818A does not have any adjustments or controls. Once it is installed, opera-
tion is automatic.
0
-2
2
4
6
0
-1
1
Volts
Volts

9
SECTION 3 - MAINTENANCE
Routine Maintenance
None.
Troubleshooting
Repair
WARNING
EXPLOSION HAZARD
DISCONNECT 818A FROM POWER SUPPLY BEFORE
REMOVING THE 818A ENCLOSURE COVER. KEEP COVER
TIGHT WHILE CIRCUITS ARE ALIVE.
A. Electronics Module Removal
1. Turn off readout device (remove voltage from signal output wires)
2. Remove condulet cover.
3. Disconnect signal wires from electronics module terminals A, B, and E.
4. Disconnect turbine meter pickup coil wires from terminals C and D.
5. Remove the module from the housing by squeezing the (2) clips.
6. Disconnect the ground wire from the condulet housing ground screw.
B. Electronics Module Installation
1. Connect green grounding wire from module to condulet housing screw.
2. Squeezing (2) clips on module, insert it into the condulet housing.
3. Connect TM pickup coil leads to terminals C and D on module.
4. Connect signal output wires to terminals A, B, and E, per Section 2.
5. Perform an operational check, if desired, per Section 2.
6. Install the condulet cover.

10
818A Parts Drawing
SECTION 4 - PARTS DRAWING/LIST
818A Parts List
Item Description Part No. Per Unit
1 Electronic module 0818.0010B-01 1
2 Housing 0818.0002B 1
3 4-in. Standoff Tube 0818.1028CA-21 1
18-in. Standoff Tube 0818.1028CA-27
4 Connector Assembly 100005116 1
5 1-in. NPT Nipple FQ10-1042C (1) alternate
6 1-in. NPT Coupling FQ10-1034C (1) alternate
11
Blank page

ms-kl@c-a-m.com
+603.5569.0501
Product Warranty
A. Warranty
Cameron International Corporation (“Cameron”) warrants that at the time of shipment, the
products manufactured by Cameron and sold hereunder will be free from defects in mate-
rial and workmanship, and will conform to the specications furnished by or approved by
Cameron.
B. Warranty Adjustment
1. If any defect within this warranty appears, Buyer shall notify Cameron immediately
2. Cameron agrees to repair or furnish a replacement for, but not install, any product
which within one (1) year from the date of shipment by Cameron shall, upon test and
examination by Cameron, prove defective within the above warranty.
3. No product will be accepted for return or replacement without the written authoriza-
tion of Cameron. Upon such authorization, and in accordance with instructions by
Cameron, the product will be returned shipping charges prepaid by Buyer. Replace-
ments made under this warranty will be shipped prepaid.
C. Exclusions from Warranty
1. THE FOREGOING WARRANTY IS IN LIEU OF AND EXCLUDES ALL OTHER
EXPRESSED OR IMPLIED WARRANTIES OF MERCHANTABILITY, OR FIT-
NESS FOR A PARTICULAR PURPOSE, OR OTHERWISE.
2. Components manufactured by any supplier other than Cameron shall bear only the
warranty made by the manufacturer of that product, and Cameron assumes no respon-
sibility for the performance or reliability of the unit as a whole.
3. “In no event shall Cameron be liable for indirect, incidental, or consequential dam-
ages nor shall the liability of Cameron arising in connection with any products sold
hereunder (whether such liability arises from a claim based on contract, warranty, tort,
or otherwise) exceed the actual amount paid by Buyer to Cameron for the products
delivered hereunder.”
4. The warranty does not extend to any product manufactured by Cameron which has
been subjected to misuse, neglect, accident, improper installation or to use in violation
of instructions furnished by Cameron.
5. The warranty does not extend to or apply to any unit which has been repaired or
altered at any place other than at Cameron’s factory or service locations by persons
not expressly approved by Cameron.
Product Brand
Barton® is a registered trademark of Cameron International Corporation (“Cameron”).