BAV70 Datasheet. Www.s Manuals.com. Taitron
User Manual: Marking of electronic components, SMD Codes JA, JA***, JA-, JA-***, JA=***, JAD_, JAW, JAp, JAt. Datasheets AX2012CT, AX2012Z8, BAV70, BAV74, RP130Q401B, RT9166-12PXL, RT9167A-25GB, RT9818C-34PV, TS5A1066.
Open the PDF directly: View PDF
.
Page Count: 6

Rev. A
/
AH
2008
-
01
-
11
BAV70
Three Terminals
SMD Switching Diode
TAITRON COMPONEN
T
S INCORPORATED www.taitroncomponents.com
Page 1
of 5
Tel: (800)
-
TAITRON (800)
-
824
-
8766 (661)
-
257
-
6060
Fax: (800)-TAITFAX (800)-824-8329 (661)-257-6415
Three Terminals SMD Switching Diode
Features
• Silicon Epitaxial Planar Diode
• Fast Switching Dual Diode with Common Cathode
• RoHS Compliant
Mechanical Data
Case: SOT-23, Plastic Package
Terminals: Solderable per MIL-STD-202G, Method 208
Weight: Approx. 0.008 gram
Maximum Ratings* (T
Ambient
=25ºC unless noted otherwise)
Symbol Description BAV70 Unit Conditions
Marking Code A4/JA
VRRM Maximum Repetitive Reverse Voltage 70 V
IF(AV) Average Rectified Forward Current 200 mA
Pulse Width=1.0s 1.0
IFSM Non-Repetitive Peak
Forward Surge Current Pulse Width=1.0μs 2.0
A
PD Power Dissipation 350 mW
RthJA Thermal Resistance, Junction to Ambient 357 ° C/W
TJ Operating Junction Temperature 150 ° C
TSTG Storage Temperature Range -55 to +150 ° C
Note: * These ratings are limiting values above which the serviceability of the diode may be
impaired.
1: These ratings are based on a maximum junction temperature of 150 degree C.
2: These are steady limits. The factory should be consulted on applications involving pulse or
low duty cycle operations.
SOT-23

Three Terminals SMD Switching Diode
Rev. A
/
AH
2008
-
01
-
11
BAV70
www.taitroncomponents.com Page 2
of 5
Electrical Characteristics (T
Ambient
=25ºC unless noted otherwise)
Symbol Description Min. Max. Unit Conditions
VR Breakdown Voltage 75 - V
IR=100μA
0.715 IF=1.0mA
0.855 IF=10mA
1.0 IF=50mA
VF Forward Voltage -
1.25
V
IF=150mA
5.0 VR=70V
60 VR=25V, TA=150° C
IR Reverse Current -
100
µA
VR=70V, TA=150° C
CT Total Capacitance - 1.5 pF
VR=0V, f=1MHz
Trr Reverse Recovery Time - 6.0 nS
IF=IR=10mA, IRR=1.0mA,
RL=100Ω

Three Terminals SMD Switching Diode
Rev. A
/
AH
2008
-
01
-
11
BAV70
www.taitroncomponents.com Page 3
of 5
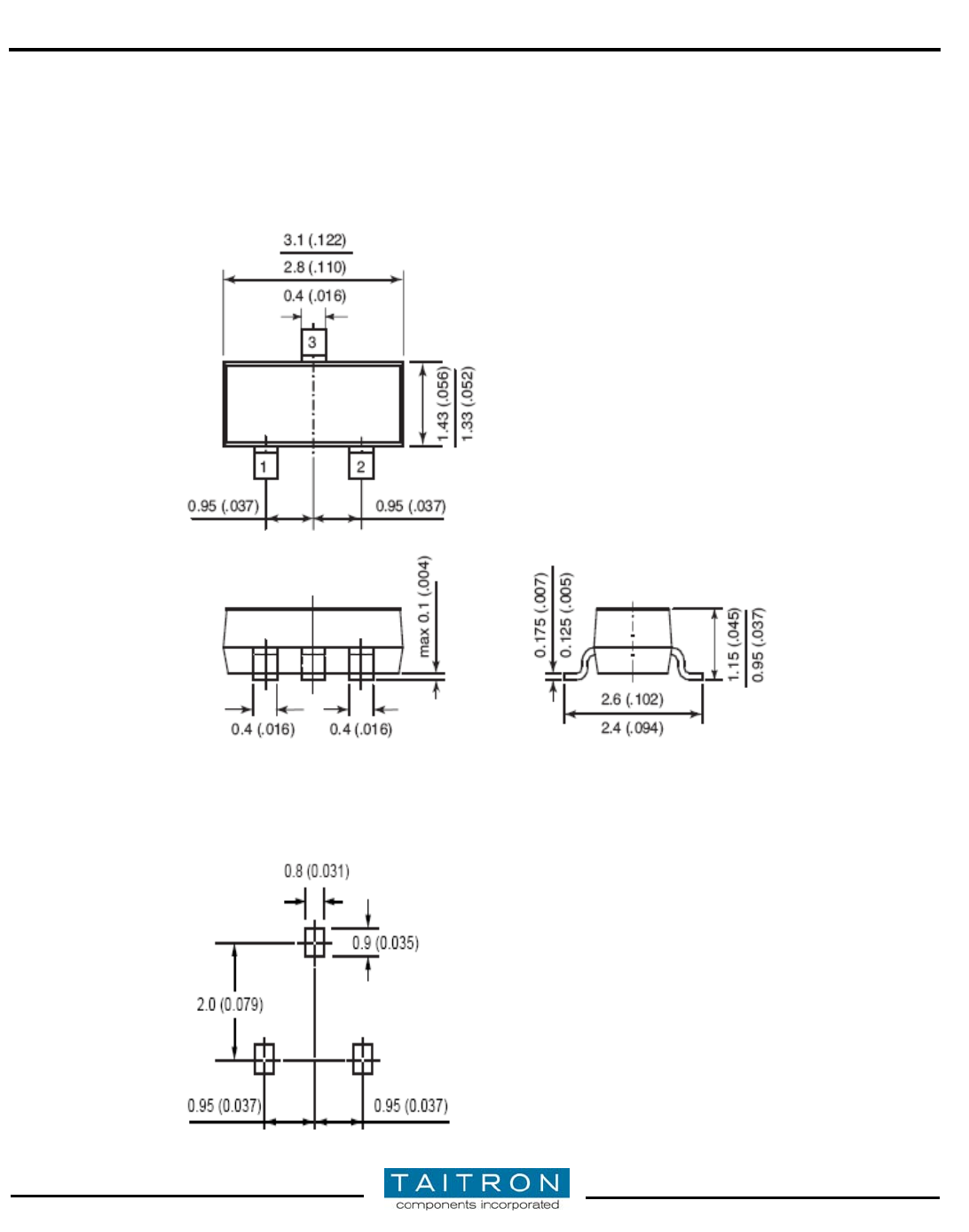
Dimensions in mm (inch)
Mounting Pad Layout in mm (inch)
SOT-23

Three Terminals SMD Switching Diode
Rev. A
/
AH
2008
-
01
-
11
BAV70
www.taitroncomponents.com Page 4
of 5
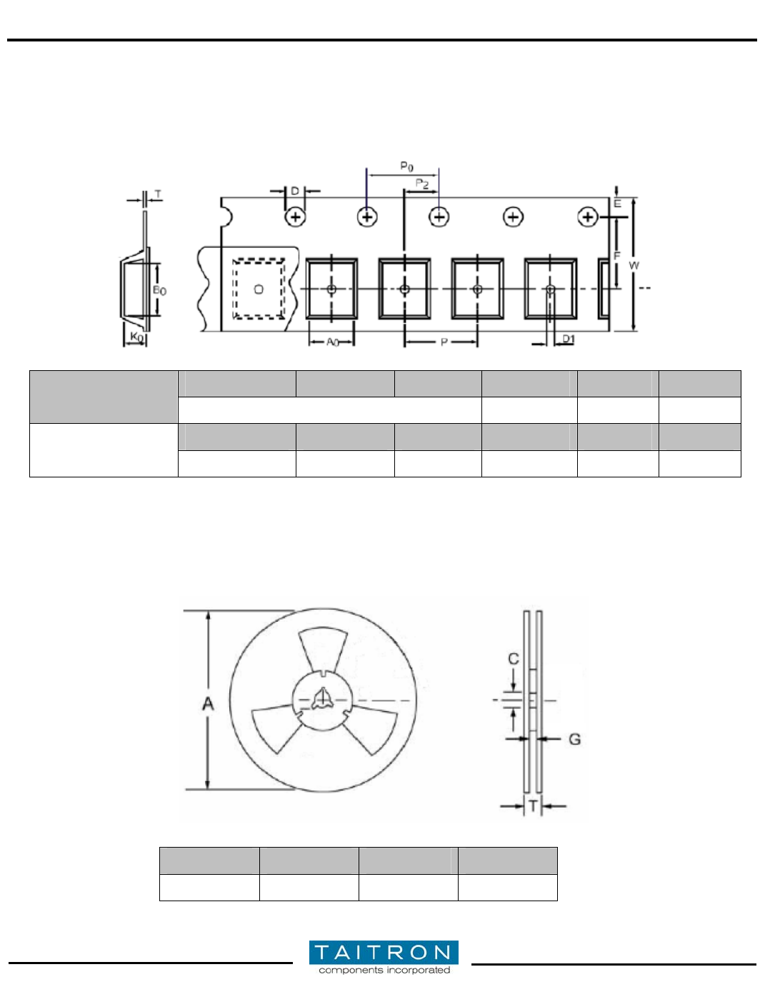
Packing Information:
Carrier Tape Dimensions (in mm)
Note: Symbol A0, B0, K0 are determined by the maximum dimensions of the component size.
The clearance between the component and the cavity must be within
0.05 mm (0.002’’) min. to 0.50 mm (0.02’’) max. for 8 mm tape.
Reel Dimensions (in mm)
A0 B0 K0 D P0 P
Product Type See Note 1.55±0.5 4.0±0.1 4.0±0.1
W E T D1 F P2
SOT-23 8.0+0.3/-0.1 1.75±0.1 0.38±0.1 1.0±0.05 3.5±0.5 2.0±0.05
A C G T
178.0±2.0 13.0±0.5 8.4±2.0 14.4 max.

Three Terminals SMD Switching Diode
Rev. A
/
AH
2008
-
01
-
11
BAV70
www.taitroncomponents.com Page 5
of 5
Packing Quantity Information:
Quantity PCS per Inner Box PCS per Inner Carton
TR70 Tape & Reel 3000/Reel 15000
Inner Carton Size Information:
Cartoon Size
190X190X80 (in mm)
How to contact us:
US HEADQUARTERS
28040 WEST HARRISON PARKWAY, VALENCIA, CA 91355-4162
Tel: (800) TAITRON (800) 824-8766 (661) 257-6060
Fax: (800) TAITFAX (800) 824-8329 (661) 257-6415
Email: taitron@taitroncomponents.com
Http://www.taitroncomponents.com
TAITRON COMPONENTS MEXICO, S.A .DE C.V.
BOULEVARD CENTRAL 5000 INTERIOR 5 PARQUE INDUSTRIAL ATITALAQUIA, HIDALGO C.P. 42970
MEXICO
Tel: +52-55-5560-1519
Fax: +52-55-5560-2190
TAITRON COMPONENTS INCORPORATED REPRESENTAÇÕES DO BRASIL LTDA
RUA DOMINGOS DE MORAIS, 2777, 2.ANDAR, SALA 24 SAÚDE - SÃO PAULO-SP 04035-001 BRAZIL
Tel: +55-11-5574-7949
Fax: +55-11-5572-0052
TAITRON COMPONENTS INCORPORATED, SHANGHAI REPRESENTATIVE OFFICE
METROBANK PLAZA, 1160 WEST YAN’ AN ROAD, SUITE 1503, SHANGHAI, 200052, CHINA
Tel: +86-21-5424-9942
Fax: +86-21-5424-9931
