Bctm.maker Instant Recovery 24 BB Bctm2.maker
User Manual: Instant Recovery 24 BB
Open the PDF directly: View PDF
.
Page Count: 103 [warning: Documents this large are best viewed by clicking the View PDF Link!]
- Loop Filters
- SPICE tip: current-controlled R/switch
- Clock and Data Recovery for Serial Digital Communication
- Agenda
- Diversity of CDR applications
- • Clock and Data Recovery (CDR) applications span the range from ultra-high-volume, low cost data...
- • Many different trade-offs tailor each circuit to the target application area
- 1.25Gb/s Gigabit Ethernet Transceiver <$6 in volume (datacom application)
- 3
- Serial data transmission sends binary bits of information as a series of optical or electrical pu...
- 0111011000111110011010010000101011101100011111..
- The transmission channel (coax, radio, fiber) generally distorts the signal in various ways:
- From this signal we must recover both clock and data
- Basic Idea
- Bit Error Rate (BER) Testing
- • Pseudo-Random-Bit-Sequence (PRBS) is used to simulate random data for transmission across the link
- • PRBS pattern 2N-1 Bits long contains all N-bit patterns
- • Number of errored-bits divided by total bits = BER.
- • Typical links are designed for BERs better than 10-12
- PRBS data generator
- PRBS data receiver
- clock in
- clock in
- Eye diagram construction
- Some Signal Degradation Mechanisms
- Multiplex Jitter
- Time/Voltage aberrations from AC-coupling
- Quantized Feedback
- Skin Loss and Dielectric Loss
- Skin Loss Equalization at Receiver
- Skin Loss Equalization at Transmitter
- Decision Threshold Generation
- Code Disparity
- Coding for Desirable Properties
- Simple 3B/4B code example
- Scrambling
- • Uses a feedback shift register to randomize data - reversing process at receiver restores origi...
- Shift Register
- XOR
- Clk
- Data Input
- Data Output
- Scrambled Data
- PRBS Generators
- Caveat: Only guarantees balance and run- length under very specific data conditions!
- 18
- -3T
- -2T
- -T
- 0
- T
- 2T
- 3T
- 4T
- -3T
- -2T
- -T
- 0
- T
- 2T
- 3T
- 4T
- unit interval
- Definition of Jitter
- Spectrum of NRZ data
- NRZ and RZ signalling
- Filter Method Examples
- Summary of Filter Method
- Q-Factor in resonant circuits
- Voltage envelope of ringing circuit falls to 1/sqrt(e) in Q radians.
- 1.0
- 1.0/sqrt(e)
- Q/2*PI cycles
- Fcenter
- Q also equals the center frequency of a filter divided by the full-width of the resonance measure...
- Fcenter/
- amplitude
- High-Q filter can be emulated by PLL with low loop B.W.
- 24
- Phase Detector
- Low-pass Loop Filter
- Voltage Controlled Oscillator
- D
- Retimed Data
- Jittered Data Signal
- Q
- Data Recovery with simple PLL
- Analytic Treatment of Jitter
- Model of Loop
- Loop frequency response
- Phase Detectors
- “Self-Correcting Phase Detector”
- Binary Quantized Phase Detector
- Metastability
- Regeneration time constant t
- VCO alternatives
- Speed
- Technology Dependent 1-10’s of GHz, CMOS 1-2 GHz
- Phase Noise
- Good
- Poor
- Integration
- Poor
- (L, Varactor)
- Excellent
- Tunability
- Narrow/Slow
- Wide/Fast
- Stability
- Good
- Poor
- (needs acquisition aid)
- Other
- Multi-Phase Clocks
- • [Cor79, Ena87, Wal89, DeV91, Lam93, WKG94]
- 37
- Itune
- Capacitor is alternately charged and discharged by constant current
- Tuned by varying Itune in current source
- Diode clamps keep output voltage constant independent of frequency
- Relies on non-linear switching for oscillation behavior, and so is limited to moderate frequencies.
- Frequency =
- Multivibrator VCO
- Example Ring Oscillator VCO
- False or Harmonic Locking to Data
- Decision Circuit
- • Quantizes amplitude at precise sample instant
- • Typically uses positive feedback to resolve small input signals
- • A master/slave D-flip-flop carefully optimized for input sensitivity and clock phase margin is ...
- • Latches data on the rising edge of clock signal
- 32
- data in
- clock in
- Vbias
- data out
- -5V
- master latch
- slave latch
- gnd
- Example Bipolar Decision Circuit
- Aided Acquistion
- Training Loops
- Phasor Diagram
- Example Lock Detector
- Communication Trends
- Multiphase Receiver Block Diagram
- DLL vs PLL which is “best”?
- Jitter Measurements
- Jitter Tolerance Test Setup
- SONET Jitter Tolerance Mask
- Jitter Transfer Measurement
- Jitter Transfer Specification
- Jitter Generation
- Jitter Generation (cont.)
- clock amplitude
- sideband
- resultant
- 1) Measure Jitter Sidebands around Clock
- 2) Multiply Jitter components by Filter Mask
- 3) RMS sum total noise voltages over band
- 4) Convert RMS noise voltage to RMS jitter
- OC-48 (2.488 Gb/s SONET) specifies 12 kHz hipass filter, and maximum 0.01 UI RMS integrated jitter.
- 56
- Why bother with a BB loop?
- Simple first-order BB loop
- How to simulate a loop?
- The need for fast simulation
- Efficient Simulation Strategy
- Model of First-order Loop
- The simulator main loop
- void update() /* this routine responsible for updating node[] */
- {
- fin(1,FIN,FSTEP,STEPTIME); /* vo, f, fs, t0 */
- difference(1,8,2); /* plus, minus, out */
- freq_to_phase(2,3); /* in, out */
- sing(11,PHIFREQ,180.0*PHIDEV); /* phase modulation input */
- difference(3,11,4); /* in+, in-, output */
- sample(4,6,UTIME,VPHI,0.0); /* in, out, utime, swing, err */
- rcfilter(6,7,TAU1); /* in, out, tau */
- vco(7,8,FVCO,FDEL); /* in, out, nom, del */
- }
- • notice similiarity to SPICE deck (numbered nodes)
- • input “deck” parsing done by C-compiler
- • user must assign nodes manually
- The update() routine
- difference() and sine generator code
- void rcfilter(in, out, tau) /* a single pole rc filter */
- int in, out;
- double tau;
- {
- double temp1, temp2;
- /* Implements discrete diff. eqn:
- Vout = Vin - (tau * dVout/dt)
- where dVout = nodenew[out]-node[out] */
- temp1 = node[in] + tau*(node[out])/stepsize;
- temp2 = 1 + tau/stepsize;
- nodenew[out] = (temp1/temp2);
- }
- RC-filter implementation
- void freq_to_phase(in, out) /* performs true integral of input */
- int in, out; /* scaled by factor of 360. This */
- /* gives output of 1 volt/degree */
- {
- double chunk; /* new integrated portion of signal */
- chunk = (180.0 * (nodeold[in] + node[in]) * stepsize);
- nodenew[out] = node[out] + chunk;
- # now wrap it into the range of -180 to +180 degrees
- if (nodenew[out] > 180)
- nodenew[out] = nodenew[out]-360;
- if (nodenew[out] < -180)
- nodenew[out] = nodenew[out]+360;
- }
- The freq_to_phase() block
- Lock Range for 1st-order loop
- 1st-order loop: locked region
- 1st-order loop: slew-rate limiting
- Summary of 1st-order loop
- Observations
- • Jitter generation, Lock range, and Jitter tolerance are all inconveniently controlled by one pa...
- • Phase detector average duty-cycle is proportional to frequency error.
- • Strategy: Use the average duty cycle to control loop center frequency. This decouples the lock ...
- • tristating doesn’t change vco frequency when no transition in the data.
- • Untristated loop has peak jitter run-length times worse than tristated loop
- 2nd-order BB loop
- 2nd-order loop step response
- Stability Factor x
- structural evolution of 2nd-order loop
- 2nd-order loop: small step in F
- 2nd-order loop: large step in F
- 2nd-order loop: phase jitter tracking
- 2nd-order loop: slope overload
- normalized DS form of 2nd-order loop
- DS linear system analogy for bb-loop
- solve for slope overload
- slope overload limit vs x
- jitter generation in frequency-domain
- example jitter generation calculation
- The ultimate in simulator speed
- simulator core loop
- for (cycle=1; cycle<=numpoints; cycle++) {
- data_phase = gauss()*jitter;
- vco_phase += direction*bangbang;
- vco_phase += 2.0*loop_filter*bangbang/psi;
- vco_phase += direction*bangbang/psi;
- printf(“%d %g\n”, cycle, vco_phase); fflush(stdout);
- direction = (vco_phase >= data_phase) ? (-1) : (1);
- loop_filter += direction;
- }
- gaussian jitter generation & gain vs x
- Stability with run-length & latency
- x > 2e
- Effect of BB/charge-pump tristating
- Public Domain Tools
- CDR Application Space
- References
- CDR Design Checklist
- RCW 01/15/97, updated 9/18/98
- 1) Eye Margin
- • how much noise can be added to the input signal while maintaining target BER? (voltage margin)
- • How far can clock phase alignment be varied while maintaining target BER? (phase margin)
- • how much does the static phase error vary versus frequency, temperature and process variation?
- • Is input amplifier gain, noise and offset sufficient?
- 2) Jitter Characteristics
- 3) Pattern Dependency
- 4) Acquisition Time
- 5) How is precision achieved?
- 6) Input/output impedance
- 7) Power Supply
- 8) False lock susceptibility
- • can false lock occur with particular data patterns?
- • are false lock conditions be detected and eliminated?
- • does the phase detector have VCO frequency leakage that can cause injection locking?
- • can the VCO run faster than the phase/frequency detector can operate? (another “killer”)
- • have all latchup/deadly embrace conditions been considered and eliminated?
- vco phase noise
- source phase noise
- bb phase noise
- computed phase noise
- measured phase noise
- see [WSY97]: fvco=2.488 GHz, fbb = 6 MHz, x=32000, tupdate=400ps.
- 1) Eye Margin
- RCW 01/15/97, updated 9/18/98
- Summary
- VCO injection locking (problem)
- VCO injection locking (a solution)

Clock and Data Recovery for Serial
Digital Communication
(plus a tutorial on bang-bang Phase-Locked-Loops )
Rick Walker
Hewlett-Packard Company
Palo Alto, California
walker@opus.hpl.hp.com

Agenda
•Overview of serial data communications
•Degradation mechanisms, data coding
•Clock recovery methods and components
•Jitter measurements
•
Break
•BB PLL Theory
•Simulation techniques
•1st, 2nd order loops
•Key design parameters
2

Diversity of
C
DR applications
•Clock and Data Recovery (CDR) applications span the
range from ultra-high-volume, low cost datacom
applications to very high precision, long-haul telecom
applications
•Many different trade-offs tailor each circuit to the target
application area
1.25Gb/s Gigabit
Ethernet Transceiver
<$6 in volume
(datacom application)
2.488Gb/s SONET
CDR ~$400 (telecom
application)
1cm 3

Serial data transmission sends binary bits of
information as a series of optical or electrical pulses:
0111011000111110011010010000101011101100011111..
The transmission channel (coax, radio, fiber) generally
distorts the signal in various ways:
From this signal we must recover both clock and data
Basic Idea
4

Bit Error Rate
(
BER
)
Testing
•Pseudo-Random-Bit-Sequence (PRBS) is used to
simulate random data for transmission across the link
•PRBS pattern 2N-1 Bits long contains
all
N-bit patterns
•Number of errored-bits divided by total bits = BER.
•Typical links are designed for BERs better than 10-12
PRBS
data
generator
TX RX
synth
link
PRBS
data
receiver
clock in clock in
5

Eye diagram construction
random
data TX RX
synth trigger
link
scope
XX
Y
Y
symbol cell (UI)
amplitude
distribution at Y-Y
jitter
Use a precise clock to chop the data
overlay each period onto one plot
into equal periods
6


Some Signal Degradation Mechanisms
•Multiplex Jitter
•AC Coupling
•Optical Pulse Dispersion
•Skin Loss
•Random Noise
•E+O Crosstalk
•Intersymbol Interference
7

Multiplex Jitter
high speed data
bit stuffing events
sub-rate data
phase error
[in UI]
time
Multiplex jitter is not a problem on the high rate channel
itself - it only occurs on non-synchronous, lower speed
tributaries that have been sent over the high-speed
channel (e.g.: DS3 over SONET OC-48).
8

Time
/
Voltage aberrations from A
C
-coupling
V
Vt
t=0 t=t1
Percent AC coupled droop is .
Jitter is introduced by finite slope of pulse rise/fall time:
PVV
t
–
V
----------------100×t1
RC
--------100×≈≡
∆ttrt1
2RC()
----------------=
∆t
9

clock
Output Data
(models ideal
TX waveform)
TX RX
AC-Coupled Transmission Link
Feedback voltage models missing DC information
Hω()
1H–ω()
DQ
Quantized Feedback
10

S
kin Loss and Dielectric Loss
Nearly all cables are well modelled by a product of Skin Loss
, and Dielectric Loss with
appropriate k,l factors. Dielectric Loss dominates in the multi-
GHz range. Both plot as straight lines on log(dB) vs log(f) graph.
Sf() 10 k–()f
=Df() 10 l–()f
=
Three-element equivalent
circuit of a conductor with
skin loss
1k 10Gfreq (log scale)
1.0
0.0
linear amplitude
k=.00001
k=.0001
k=.001
R1
L2
L3
R3
R2
Ring 3
Ring 2
Ring1
[YFW82] 11

Skin Loss Equalization at Receiver
0
1
pure skin
loss
0.0
1.0
1k 10Gfreq (log)
transmission (linear scale)
3dB boost
1.4
2x improvement in
maximum usable
bit-rate
equalized
0.5
[WWS92]
12

S
kin Loss Equalization at Transmitter
boost the first pulse after every transition
[FMW97]
Error at sampling pt.
usable signal
before after 13

Decision Threshold
G
eneration
•To minimize bit-error rate, the decision threshold X-X
must centered in the signal swing. Two common ways of
automatically generating threshold voltage are:
•Peak detection of signal extremes, limited run-length
required
•Decision threshold = signal average, balanced signal
required
positive peak detector
negative peak detector
Signal Decision
Threshold
Signal Low-Pass Filter Decision
Threshold
After Tom Hornak: “Interface Electronics for Fiber Optic Computer Links”, (see bibliography for full citation) 14

Code Disparity
Disparity is defined as Nhigh - Nlow in past transmitted signal
+5
-5
0
encoded data signal
signal disparity
•In an
unbalanced
code the disparity can grow
without limit. e.g.: 4B5B code of FDDI
•In a
balanced
code, the disparity is limited to a
finite worst case value. e.g.: 8B10B of
FibreChannel
15
After Tom Hornak: “Interface Electronics for Fiber Optic Computer Links”, (see bibliography for full citation)

C
oding for Desirable Properties
•DC balance, low disparity
•Bounded run length
•High Coding Efficiency
•Spectral Properties (decrease HF and/or DC
component)
•
Many Variations are Possible!
•Manchester [San82]
•mB/nB [Gri69][Rou76][WiF83] [YKI84] [Pet88]
•Scrambling [CCI90]
•CIMT [WHY91], Conservative Code [Ofe89]
16

Si
mp
l
e
3B/4B
co
d
e examp
l
e
3B Input Data 4B Output Data
Even Words Odd Words
000 0011
001 0101
010 0110
011 1001
100 1010
101 1100
110 0100 1011
111 0010 1101
SyncA 0111 1110
SyncB 1000 0001
Maximum Runlength is 6
Coding Efficiency is 4/3
Sending Sync Sequence:
SyncA(even), SyncA(odd),
SyncB(even), SyncB(odd)
allows the unambiguous
alignment of 4-bit frame
17

Scrambling
•Uses a feedback shift register to randomize data -
reversing process at receiver restores original data
12 j n
12jn
Shift Register
XOR
Clk
Data Input Data Output
Scrambled Data
PRBS Generators
Caveat: Only guarantees balance and run-
length under very specific data conditions!
After Tom Hornak: “Interface Electronics for Fiber Optic Computer Links”, (see bibliography for full citation) 18

-3T -2T -T 0 T 2T 3T 4T
-3T -2T -T 0 T 2T 3T 4T
unit
interval
Impulses spaced equally in time (jitter free signal)
Impulses spaced irregularly in time (jittered signal)
Errors treated as discrete samples of continuous time jitter
time
19
After Trischitta and Varma: “Jitter in Digital Transmission Systems”
D
e
fi
n
iti
on o
f
Jitt
er

S
pectrum of NRZ data
variations due to DC balance strategy
12T⁄1T⁄32T⁄2T⁄f0=
2πfT()sin
2πfT
-------------------------
missing clock
frequency
power in dB
20

NRZ and RZ signalling
NRZ = “non return to zero” data
RZ = “return to zero” data
++
+
++
+++
++
neither
clock
nor
data frequency in
spectrum
clock
,but
no
data
frequency in
spectrum
data frequency
clock frequency
T
NRZ signalling is almost universally used. 21

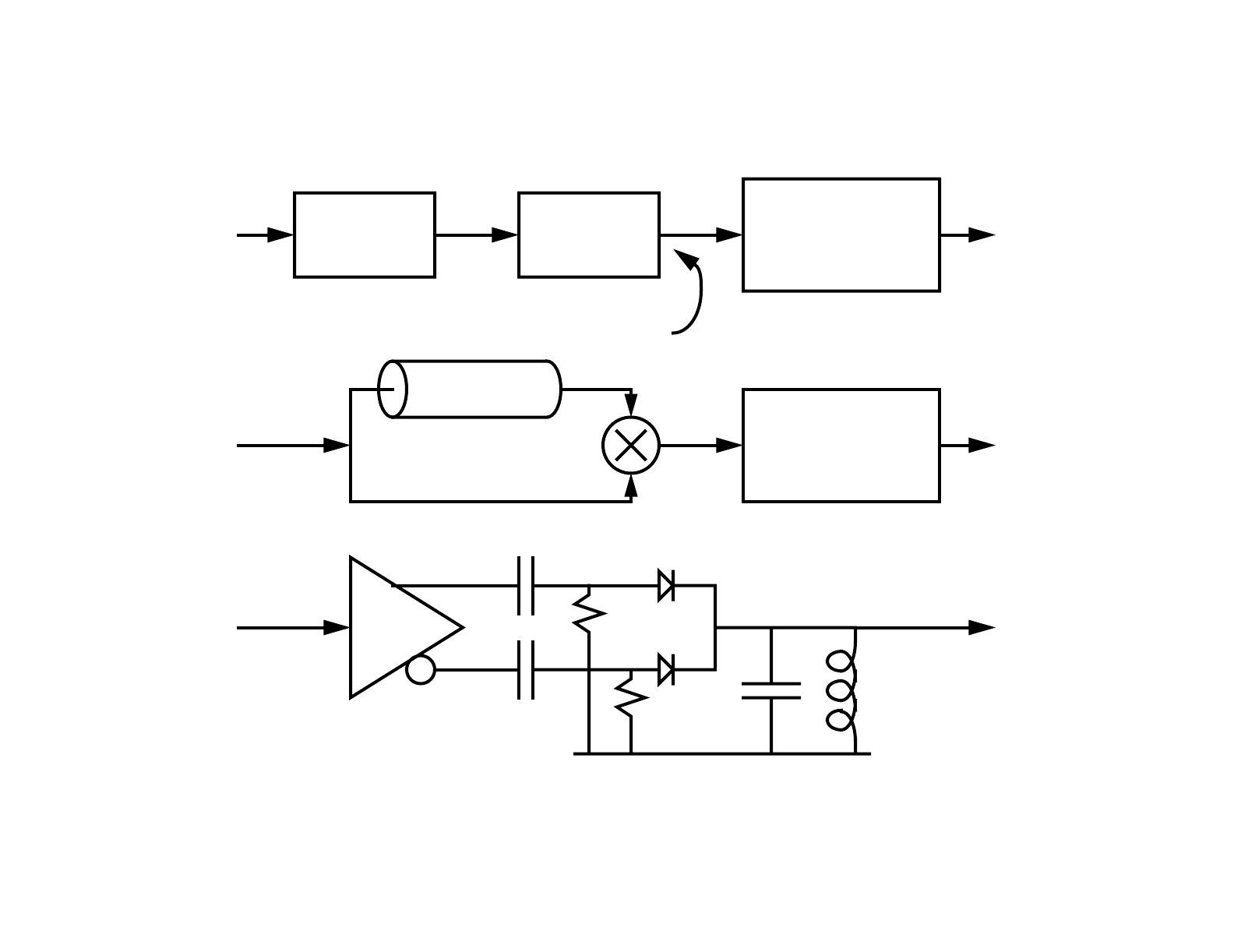
Filter Method Examples
ddt⁄X2bandpass
filter
bandpass
filter
delay
NRZ Data Input
Recovered Clock Output
e.g.: SAW filter
LC tank
non-linear element
(this last circuit can be thought of as an NRZ-RZ converter)
[Yam80][YTY80]
[RFC84][Ros84]
[FHH84][AFK87]
22

Summary of Filter Method
Retimed DataJittered NRZ Data Signal
ddt⁄X2bandpass
filter/limiter
DQ
Con:
Temperature and frequency variation
of filter group delay makes sampling
time difficult to control
Narrow pulses imply high fT
Hi-Q filter difficult to integrate
Pro:
Very simple to implement
Can be built with
microwave “tinkertoys”
using coax to very high
frequencies
τ
23

Q
-Factor in resonant circuits
Voltage envelope of ringing circuit falls to 1/sqrt(e) in Q
radians.
1.0 1.0/sqrt(e)
Q/2*PI cycles
Fcenter
Q also equals the center
frequency of a filter divided by
the full-width of the resonance
measured at the half power
points: Fcenter/
amplitude
High-Q filter can be emulated by PLL with low loop B.W.
24

Phase
Detector
Low-pass
Loop Filter
Voltage
Controlled
Oscillator
D
Retimed
Data
Jittered Data
Signal
PLL
Q
25
D
a
t
a
R
ecovery w
ith
s
i
mp
l
e
PLL

xt() Aωcos ct=
xt() Aωctφt()+[]cos=
Perfect Clock:
Jittered Clock:
is then treated as a continuous time signalφt()
After Behzad Razavi: “Monolithic Phase-Locked Loops, ISSCC96 Tutorial” 26
A
na
l
y
ti
c
T
rea
t
men
t
o
f
Jitt
er

Phase
Detector Loop
Filter VCO
Kφ1
s
---
Kv
β1
1sτ+()
-------------------+
Warning: Extra Integration in loop makes for tricky design!
27
See Floyd M. Gardner, “Phaselock Techniques”, John Wiley and Sons, for good introduction to PLL theory
M
o
d
e
l
o
f
L
oop

28
Kv
s
------
Kφβ1
1sτ+()
-------------------+
a
b
c
c/a c/b
open loop gain
10k 100k 1M 10M 100M 1G 10G1k
0dB
40dB
80dB
-40dB
-80dB
(input
data jitter)
Loop frequency response

Phase Detectors
•Phase detectors generate a DC component proportional
to deviation of the sampling point from center of bit-cell
•Phase detectors are:
•Binary quantized phase detectors are also called “Bang-
bang” phase detectors
0°
90°180°
90– °
180– °
Continuous
Binary Quantized
After Tom Hornak: “Interface Electronics for Fiber Optic Computer Links”, (see bibliography for full citation) 29

[Hog85][Shi87]
DQDQ
UP
DOWNData
Clock Data
1 = Data.................
2= Clock (Early).....
3 = 1 retimed..........
4 = Clock.................
5 = 3 retimed..........
6 = 1 xor 3 (UP).....
7 = 3xor 5 (DOWN)
“Self-Correcting Phase Detector”
30

Binary
Q
uantized Phase Detector
•NRZ data is sampled at each bit cell and near the
transitions of each bit cell
•The sign of the transition sample is compared with the
preceeding and following bit cell sample to deduce the
phase error
ATB
DQ
DQ
DQ
DQ A
T
B
Data
Clock
A T B Output
0 0 0 tristate
0 0 1 vco fast
010 ?
0 1 1 vco slow
1 0 0 vco slow
101 ?
1 1 0 vco fast
1 1 1 tristate
[Ale75][WHY91][LaW91][ReG73] 31

DQ
simplified schematic symbol:
clock
Decision Circuit
•Quantizes amplitude at precise sample instant
•Typically uses positive feedback to resolve small input
signals
•A master/slave D-flip-flop carefully optimized for input
sensitivity and clock phase margin is a common choice
•Latches data on the rising edge of clock signal
32

Example Bipolar Decision Circuit
data in
clock in
Vbias
data out
-5V
master latch slave latch
gnd
•many clever optimizations are possible
[OhT83][Con84][Lai90][Run91][Hau91][Run91]
33

Loop Filters
UP DOWN
VOUT UP DOWN VOUT
0 0 tristate
0 1 ramp DOWN
1 0 ramp UP
1 1 tristate
[Den88] [Dev91]
[LaW91] [WuW92]
•should have provision for holding value constant (tri-
stating) under long run-length conditions
•may be analog (integrator) or digital (up-down
counter) - but
watch out for metastability
!34

Metastability
∆T
∆VεDQ
slope = dv/dt
For uniform clock jitter, and a latch “danger zone” of ,
the metastability probability , is .
ε
pmetastability ε
∆T
------- dt
dv
------
⋅
35

Regeneration time constant τ
time [ns]
0.0
0.5
-1.0 0.0 1.0 2.0 3.0
0.0
-8.0
vdiff
log10(vdiff)
voltslog10(volts)
v=ε
vdiff
A small voltage εis forced on latch, until t=0. Differential
voltage grows as . For a given and ,
the regeneration time required is .
Vdiff εetτ⁄
⋅Vmin ε
τVmin
ε
-------------
log⋅36

SPICE tip: current-controlled R/switch
# SPICE time variable resistor.
# the resistance between %in and %out is numerically
# equal to the current pulled out of %ic
.SUBCKT tvres %in %out %ic
h1 %inx %outx poly(2) vx vc 0 0 0 0 1
rdamp %out %outx 0.001
vx %inx %in 0
vc %ic 0 0
.ENDS
in out
iin
ic
R = iin * 1 Ω/Α
ic vc
vx
in out
h1
v(h1)=i(vx)*i(vc)*1 Ω/Α
36a

V
CO
alternatives
•[Cor79, Ena87, Wal89, DeV91, Lam93, WKG94]
LC Oscillator Multivibrator Ring Oscillator
Speed Technology Dependent 1-10’s of GHz, CMOS 1-2 GHz
Phase Noise Good Poor
Integration Poor
(L, Varactor)
Excellent
Tunability Narrow/Slow Wide/Fast
Stability Good Poor
(needs acquisition aid)
Other Multi-Phase
Clocks
After Todd Weigandt, B. Kim, P.Gray, “Timing Jitter Analysis for High-Frequency CMOS Ring Oscillators”, March 10, 1994 37

Multivibrator V
CO
Itune
Capacitor is alternately charged and
discharged by constant current
Tuned by varying Itune in current source
Diode clamps keep output voltage
constant independent of frequency
Relies on non-linear switching for
oscillation behavior, and so is limited to
moderate frequencies.
Frequency = Itune
4CVbe
-----------------
After Alan B. Grebene, “Analog Integrated Circuit Design”, Van Nostrand Reinhold, 1972, pp 313-315 38

Example Ring
O
scillator V
CO
Input 1
Input 2
Output
[SyA86]
[EnA87]
[Wal89]
Input 1
Tune
Input 2
Tune
Input 1
Input 2
Output
Output
39

VCO injection locking (problem)
40
τ
Vtune
Vcc Noise glitchNoise coupling back to VCO
propagation delay
τ
high VCO
nom VCO
slow VCO
delayed
glitch
most VCO’s
sample
the tune
voltage once per cycle - down
converting the system noise.
•PLL: Fosc αVtune αθ
error
•ILO: Fosc α Vtune αθ
error
VCO can
injection lock
to its own
delayed signal more rapidly than
to input data!

VCO injection locking (a solution)
41
Decompose the
loopfilter pole/zero
into two separate
tuning inputs:
•a wide range input
with very low
bandwidth
• a narrow tuning
range input with
wide BW.
this greatly reduces
effect of VCO noise
on tuning curve.
Σ
VCO
low gain, wide BW
high gain, low BW

False or Harmonic Locking to Data
42
data
clock
4/3 clock
2x clock
1/2 clock
correct early late correct
early/late indications
cancel in loop filter,
leaving an attenuated,
but possibly stable lock
signal.

Aided Acquistion
•Tricky task due to Nyquist sampling constraints caused
by stuttering data transitions
•Still subject to false lock if VCO range is too wide
PD loop filter 1
loop filter 2
FD
VCO
Input Data
43
After Behzad Razavi: “Monolithic Phase-Locked Loops, ISSCC96 Tutorial”

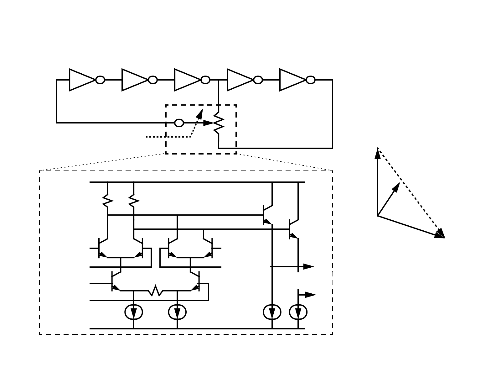
Training Loops
1/256
VCO
State
Machine
PDET
FDET
SEL charge
pump
Input
Data
Reference Clock flock
dlock
dtrans LOS
Clock/256
Clock
2.488GHz/256
divider
bang-bang drive
retimed data
An increasingly common technique is to provide a
reference clock to the CDR circuit. This allows the VCO
process-variation to be dynamically trimmed out, avoiding
false locking problems.
[WSY97]
44

Phasor Diagram
•Graph of relative phase between clock and data
•Each complete rotation is 1 unit interval of phase slip
•Rotations/second = frequency error (in Hz)
90°
0°
270°
180°
Plot of data transitions
versus VCO clock phase.
Data at 1/2, or VCO at 2x,
the proper frequency look
locked. This puts a limit on
VCO tolerance to prevent
false locking.
= missing transitions
= actual transitions 45
dθ/dt = ∆F

Example Lock Detector
90°
0°
270°
180°
D
D
Q
Q
ideal data eye
noisy data eye
clock a,b
data Raw out-of lock
indication
[WSY97]
46

20G
10G
5G
2G
1G
500M
200M
100M
50M
20M
1988 1990 1992 1994 1996 1998
4X
10X
8X
2X
8x
Si Bipolar Trend (0.05-0.4 fT)
CMOS Trend (0.05-0.4 effective f
T
)
20M
10M
5M
2M
1M
500K
200K
100K
50K
20K
Serial Link Speed
Internet Host Count
Si Bipolar
CMOS
CDR
only
Year of Publication (ISSCC)
Internet Host Count
Communication Trends
47
?

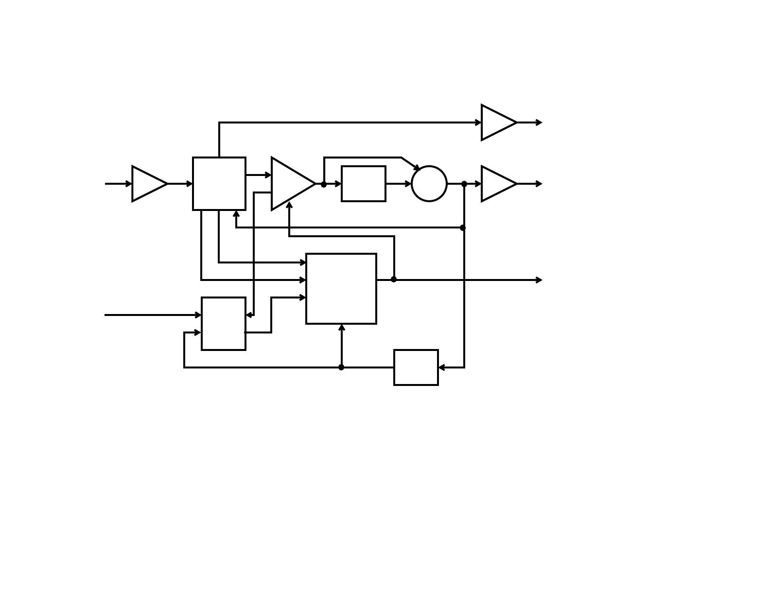
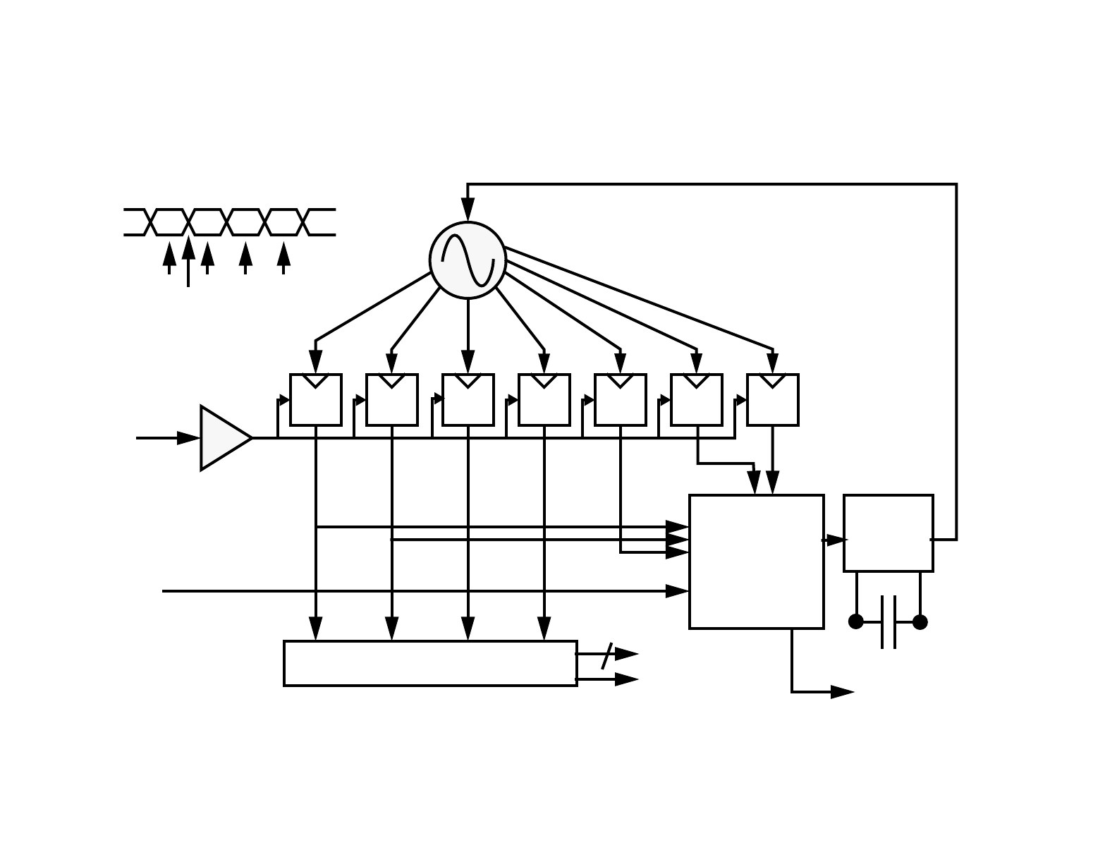
Multiphase Receiver Block Diagram
fT -doubler
data amplifier phase-
detector/
state
machine
multi-phase clock generator
(VCO + interpolator)
4:16 demultiplexer
Data input
loop
filter
LOS
16 data
clock
Reference Clock
2.5GHz/128
0o90o180o270o45o22o67o
DQDQDQDQDQDQDQ
0123
[WHK98] 48

DLL vs PLL which is “best”?
•DLLs do not filter input reference jitter, but do not
accumulate VCO phase errors - best for clock
synthesizers running from clean reference.
•PLLs can have higher phase noise because of multiple
passes through the delay gates of VCO, however is able
to filter noisy input signals.
49
τ delayline
Degraded clock period
ck
ck
1234
1234
123
[KWG94]

Jitter Measurements
•SONET has the most complete set of jitter
measurement standards, but the techniques are
useful and relevant for datacom applications also
•Jitter Tolerance
•Jitter Transfer
•Jitter Generation
50

Jitter Tolerance Test Setup
sine wave
generator
retiming
circuit
bit error
rate tester
decision
circuit
xamp +
limiter
data
generator
FM
modulated
clock
l
aser
transmitter opt
i
ca
l
receiver
optical
attenuator
At each frequency, the sinewave
modulation amplitude is increased until
the BER penalty is equal to that
caused by 1dB optical attentuation
After Trischitta and Varma: “Jitter in Digital Transmission Systems” 51

SONET Jitter Tolerance Mask
Data Rate f0[Hz] f1[Hz] f2 [Hz] f3[kHz] ft[kHz]
155 Mb 10 30 300 6.5 65
622 Mb 10 30 300 25 250
2.488 Gb 10 600 6000 100 1000
10 Gb ? ? ? 400 4000
f0f1f2f3ft
15 UI
1.5 UI
0.15 UI
acceptable
range
from SONET SPEC: TA-NWT-000253 Issue 6, Sept. 1990, fig 5-13 52

Jitter Transfer Measurement
retiming
circuit
decision
circuit
data
generator
network
analyzer
clock
Signal
Generator
IN OUT
ϕ
Phase
detector
Phase
modulator
D.U.T.
[TrV89] [RaO91]
53

Jitter Transfer
S
pecification
fc
P[dB] slope = -20 dB/decade
acceptable
range
Data Rate fc[kHz] P[dB]
155 Mb 130 0.1
622 Mb 500 0.1
2.488 Gb 2000 0.1
This specification is
intended to control
jitter peaking in long
repeater chains
54

Jitter Generation
retiming
circuit
computerdecision
circuit
S.U.T.
spectrum
analyzer
recovered
clock
55

Jitter
G
eneration
(
cont.
)
clock amplitude
sideband
resultant
∆Θ
1) Measure Jitter Sidebands around Clock
2) Multiply Jitter components by Filter Mask
3) RMS sum total noise voltages over band
4) Convert RMS noise voltage to RMS jitter
Jitterpp rads()
2∆Θ=2
Vsideband
Vclock
--------------------------
atan≅
OC-48 (2.488 Gb/s SONET) specifies 12 kHz hipass filter,
and maximum 0.01 UI RMS integrated jitter.
56

Why bother with a BB loop?
•it may be difficult to maintain optimum sampling point
with traditional PD/PLL or with filter method over
process, temperature and supply variation
•Narrow pulses of linear PD’s may not work well at
extremely high bit rates
•for monolithic implementation, BB PD has excellent
match between retiming latch and PD latch - allows
for operation at highest latch toggle frequency
57
DQ
DQ
DQ
DQ A
T
B
data
clk
DQ
PD
filter VCO
data

Simple first-order BB loop
D Q
VCO
•VCO runs at two discrete frequencies: .
•Phase error is evaluated at a discrete time interval
. In the general case, this can be considered
approximately equal to mean transition time of the
data.
fnom fbb
±
tupdate
tupdate
58

How to simulate a loop?
•SPICE (boolean & polynomial)
•timestep simulator [FLS63]
•event driven simulator [Mac87]
•actual hardware
The need for
fast
simulation
•
understand
the design space
•check corner cases
•build intuition 59

Efficient Simulation Strategy
•Simulating VCO
waveform
is unnecessary to accurately
model ideal PLL behavior.
•Only frequency and phase is needed.
•Model all circuit time-varying state variables as voltages.
•Convert between frequency and phase variables with
explicit integration block.
60

Model of First-order Loop
ΣΣ Kvco
vtd
∫
node: Fin ∆F ∆θ1Θerror bbtune Fvco
unit: Hz Hz UI UI V Hz
φmod
fsample
Fin
61

for (simtime=STARTTIME; simtime<=STOPTIME; simtime+=stepsize) {
update(); /* update nodes each tstep */
if (simtime-SAVETIME >= savestep*points_plotted) {
output();
points_plotted++;
}
/* swap pointers to avoid copying data arrays */
temp = nodeold;
nodeold = node;
node = nodenew;
nodenew = temp;
}
The simulator main loop
012 2NN 3N
nodeold node nodenew 62

void update() /* this routine responsible for updating node[] */
{
fin(1,FIN,FSTEP,STEPTIME); /* vo, f, fs, t0 */
difference(1,8,2); /* plus, minus, out */
freq_to_phase(2,3); /* in, out */
sing(11,PHIFREQ,180.0*PHIDEV); /* phase modulation input */
difference(3,11,4); /* in+, in-, output */
sample(4,6,UTIME,VPHI,0.0); /* in, out, utime, swing, err */
rcfilter(6,7,TAU1); /* in, out, tau */
vco(7,8,FVCO,FDEL); /* in, out, nom, del */
}
•notice similiarity to SPICE deck (numbered nodes)
•input “deck” parsing done by C-compiler
•user must assign nodes manually
The update() routine
63

void difference(plus, minus, out) /* output node = plus - minus */
int plus, minus, out;
{
nodenew[out] = node[plus] - node[minus];
}
void sing(out, freq, ampl) /* a sinusoidal voltage source */
int out;
double freq,ampl;
{
nodenew[out] = ampl*sin(2.0*M_PI*simtime*freq);
}
difference() and sine generator code
64

void rcfilter(in, out, tau) /* a single pole rc filter */
int in, out;
double tau;
{
double temp1, temp2;
/* Implements discrete diff. eqn:
Vout = Vin - (tau * dVout/dt)
where dVout = nodenew[out]-node[out] */
temp1 = node[in] + tau*(node[out])/stepsize;
temp2 = 1 + tau/stepsize;
nodenew[out] = (temp1/temp2);
}
RC-filter implementation
vin vout
I = C dv/dt
R
65

void freq_to_phase(in, out) /* performs true integral of input */
int in, out; /* scaled by factor of 360. This */
/* gives output of 1 volt/degree */
{
double chunk; /* new integrated portion of signal */
chunk = (180.0 * (nodeold[in] + node[in]) * stepsize);
nodenew[out] = node[out] + chunk;
# now wrap it into the range of -180 to +180 degrees
if (nodenew[out] > 180)
nodenew[out] = nodenew[out]-360;
if (nodenew[out] < -180)
nodenew[out] = nodenew[out]+360;
}
The freq_to_phase() block
66

Lock Range for 1st-order loop
MHzDegrees
time (µseconds)
06:52Aug 1998
2490.0
2484.0
5.0 10.0 15.0
0.0
-200.0
200.0
vcofreq
phierr
fin
67

1st-order loop: locked region
MHzDegrees
time (µseconds)
06:52Aug 1998
2485.0
2490.0
8.0 10.0 12.0
0.0
-40.0
40.0
phierr
fin
vcofreq
68

1st-order loop: slew-rate limiting
MHzDegreesDegrees
time (µseconds)
05:32Jul 1998
2490.0
2486.0
0.0
-200.0
5.0 6.0 7.0 8.0
0.0
-100.0
fin
vcofreq
dphi1
phimod
phierr
69

Summary of 1st-order loop
•Lock range: .
•Jitter (peak to peak): .
•Maximum amplitude of phase modulation at frequency
before onset of slew-rate limiting:
•If locked, then the duty cycle , must result in the
average loop frequency being equal to the input
frequency ,
•Phase detector average duty cycle , given by
(proportional to ).
fnom fbb
+()fcfnom fbb
–()<<
Jpp 2≈360 tupdate fbb
⋅⋅ ⋅
fmod
C
fc
fcfnom ∆f+Cf
nom fbb
+()1C–()fnom fbb
–()+==
C
1
2
---∆f
2f⋅bb
()
---------------------+
∆f
70

Observations
•Jitter generation, Lock range, and Jitter tolerance are all
inconveniently controlled by one parameter, .
•Phase detector average duty-cycle is proportional to
frequency error.
•Strategy: Use the average duty cycle to control loop
center frequency. This decouples the lock range from
jitter tolerance/generation giving more design freedom.
fbb
71

2nd-order BB loop
D Q
VCO
1
τ
---vtd
∫
Integral branch
Proportional (BB) branch
Kvco
β
Σ
Vφ
72

2nd-order loop step response
tupdate
pd output
BB frequency change
BB phase phase change
Integrator path frequency change
Integrator path phase change
Vφ
VφβKv
VφβKvt
VφKvt/τ
VφKvt2/2τ
73

Stability Factor ξ
tupdate
phase change from BB path
phase change from integral path
To quantify the relative independance of the two feedback
loops, take ratio of phase change from BB path to the
phase change of the integral path:
ξ∆θbb
∆θint
-------------
≡βVφKvt
VφKvt22τ()⁄
----------------------------------2βτ
tupdate
------------------==
74

structural evolution of 2nd-order loop
ΣΣ Kv
vtd
∫
φmod
fsample
Fin
1
τ
---vtd
∫
β
Σ
ΣKv
vtd
∫
φmod
Fin Σ
fsample
1
τ
---vtd
∫
Σ
βKvvtd
∫
∆F∆θ1∆θ2∆θ3
Fint θbb
Vφ
75

2nd-order loop: small step in F
time (µseconds)
2490.0
2487.0
0.0
40.0
4.0 5.0 6.0 7.0
0.0
-2.0
2.0
33
1
1
11
1
1
11
11
11
Fin
Fint
∆θ1θbb
∆θ3
Vφ
MHz
degreesvolts
76

2nd-order loop: large step in F
time (µseconds)
2500.0
2480.0
0.0
400.0
4.0 5.0 6.0 7.0
0.0
-2.0
2.0
Fin
Fint
θbb
∆θ3
∆θ1
Vφ
MHz
degreesvolts
77

2nd-order loop: phase jitter tracking
time (µseconds)
0.0
-100.0
100.0
0.0
-50.0
50.0
4.0 5.0 6.0 7.0
0.0
-2.0
2.0
1
1
11
1
22
2
2
2
2
333
2
∆θ1
φmod
∆θ2
∆θ3
θbb
∆θ2
Vφ
degrees
degreesvolts
78

2nd-order loop: slope overload
time (µseconds)
0.0
-200.0
200.0
0.0
-100.0
100.0
4.0 5.0 6.0 7.0
0.0
-2.0
2.0
1
Vφ
∆θ1
φmod
∆θ2
∆θ2∆θ3
degrees
degreesvolts
79
θbb

normalized ∆Σ form of 2nd-order loop
•pull integrators through the summing node
•normalize update interval to 1
•let βKvVφ = fbb
•substitute in definition for ξ
Σvtd
∫
Fin
t=0,1,2...
Σ
fbb
∆F∆θ vtd
∫2fbb
ξ
------------
1st-order ∆Σ on ∆F
±1
80

∆Σ linear system analogy for bb-loop
H(z)
Σ Σ
Q(z)
X(z) Y(z)
(integration)
Yz() Hz()
1Hz()+
--------------------- Xz() 1
1Hz()+
--------------------- Qz()+=
gain
freq
gain
freq
[Hau91b]
[Gal95]
81

solve for slope overload
Σ1
s
---
Fin Σ
fbb
∆F∆θ 2fbb
ξ
------------
1
s
---
•Slew rate limiting occurs when ∆F > fbb
•Maximum input phase modulation in UI, normalized
to ∆θbbis .s2s2
ξ
---++
s3s2
+()⁄
82

slope overload limit vs ξ
1µ10µ100µ1m 10m 0.1 1 10
jitter frequency * tupdate
0.1
10
1k
100k
10M
1G
100G
max jitter before S.R.L [normalized to ∆θBB]
ξ=0.1
ξ=1
ξ=10
ξ=100
ξ=1000
s2s2
ξ
---++
s3s2
+()⁄
simulation
points shown
are from numerical
83

jitter generation in frequency-domain
•∆Σ approximation justifies replacing BB phase detector
with a noise source.
•Combine total loop phase noise by combining each
phase noise source in RMS fashion.
84
Σβ1
sτ
-----+ Kv
s
------ ΣΣ
source
phase
noise
BB phase noise VCO open loop phase noise
output
of form: Asin(x)/x
Hs() Kv
s
------=β1
sτ
-----+

example jitter generation calculation
-120
-100
-80
-60
-40
-20
0
-140
-130
-120
-110
-100
-90
-80
1k 10k 100k 1M 10M 100M 1G
-140
-130
-120
-110
-100
-90
-80
dBdBc/HzdBc/Hz
1
1Hs()+
--------------------- Hs()
1Hs()+
---------------------
vco phase noise
source
phase noise
bb phase noise
computed phase noise
measured phase noise
see [WSY97]: fvco=2.488 GHz, fbb = 6 MHz, ξ=32000, tupdate=400ps. 85

The ultimate in simulator speed
•Compute precise transient response of system at
discrete update times with Laplace transforms.
fbb
2fbb
ξs
------------
1±
s
------ vc
s
-----
2fbb
ξs
------------
Σfv
s
------
Φt1+()Φt() b±b2bb
ξ
------earlylate()
0
t
∑bb
ξ
------
±+=
86

simulator core loop
for (cycle=1; cycle<=numpoints; cycle++) {
data_phase = gauss()*jitter;
vco_phase += direction*bangbang;
vco_phase += 2.0*loop_filter*bangbang/psi;
vco_phase += direction*bangbang/psi;
printf(“%d %g\n”, cycle, vco_phase); fflush(stdout);
direction = (vco_phase >= data_phase) ? (-1) : (1);
loop_filter += direction;
}
87

gaussian jitter generation & gain vs ξ
1m 10m 0.1 1 10 100 1k 10k 100k 1M
RMS input jitter [normalized to θBB]
0.1
1
10
100
1k
10k
100k
1M
10M
RMS output jitter [normalized to θBB]
ξ = 1e-06
ξ = 1e-05
ξ = 1e-04
ξ = 0.001
ξ = 0.01
ξ = 0.1
ξ = 1 Jidle = 0.6+(1.65/ξ)
Jlin = 2*Jin/(1+sqrt(ξ))
Jwalk = 0.7*sqrt(Jin)
Jtot = Jidle + Jlin +Jwalk
ξ = 10
88
( non-tristated loop , ptransition = 100% , 108 timesteps simulated per point)

Stability with run-length & latency
0ε
∆1
∆0
ε2/ξ - Sε
Slope(t=0) = S
For bounded convergence and stable operation, the
overshoot ∆1 must be less than or equal to the
undershoot ∆0. This condition is guaranteed if
ξ > 2ε
(ε is the loop update latency normalized to tupdate)
89

Effect of BB/charge-pump tristating
90
timestep [normalized to bit time]
-15
-10
-5
0
5
10
15
jitter [normalized to θBB]
8880 8920 8960 9000
-4
0
4
8
12
•tristating doesn’t change
vco frequency when no
transition in the data.
•Untristated loop has peak
jitter
run-length
times
worse than tristated loop
tristated loop
non-tristated
(simulated with ξ=100, ptransition = 50% )
0 1000 2000 3000 4000 5000 6000 7000 8000 9000 10000

Public Domain Tools
Linux (a free UNIX clone for INTEL x86 platforms) - Excellent
platform for creative circuit design and simulation. See
www.cheapbytes.com for a $1.95 distribution CD.
•Homepage: http://www.linux.org/
•Documentation: http://sunsite.unc.edu/mdw/LDP
•Scientific Apps: http://SAL.KachinaTech.COM/index.shtml
•ACS Circuit simulator
•EOS Electronic Object Simulator
•Berkeley SPICE 3f5 (bsim3 models)
•SCEPTRE
91

Summary
A lot of complexity for a “simple” system...
It’s more of an art than a science
After understanding:
•the components,
•the block diagrams,
•the problems and the attempted solutions,
•and the unique needs for your application,
Then it’s time to have fun!
92

7% 26%
3%
23%
3%
(disk 3%)
0.5%
numbers estimated from ~250 attendees at February 1997 ISSCC CDR tutorial
CDR Application Space
Telecom Datacom
Copper Radio
Fiber
IR
coax tp
pcb
Other

CDR Design Checklist
RCW 01/15/97, updated 9/18/98
1) Eye Margin
•how much noise can be added to the input signal while maintaining target BER?
(voltage margin)
•How far can clock phase alignment be varied while maintaining target BER? (phase
margin)
•how much does the static phase error vary versus frequency, temperature and
process variation?
•Is input amplifier gain, noise and offset sufficient?
2) Jitter Characteristics
•what is the jitter generation? (VCO phase noise, etc)
•what is the jitter transfer function? (peaking and bandwidth)
•what is the jitter tracking tolerance versus frequency?
3) Pattern Dependency
•how do long runlengths affect system performance?
•is bandwidth sufficient for individual isolated bit pulses?

•are there other problematic data patterns? (resonances)
•does PLL bandwidth, jitter, and stability change versus transition density?
4) Acquisition Time
•what is the initial, power-on lock time?
•what is the phase-lock aquisition time when input source is changed?
5) How is precision achieved?
•are external capacitors, inductors needed?
•does the CDR need an external reference frequency?
•are laser-trimming or highly precise IC processes required?
6) Input/output impedance
•Is S11/S22 (input/output impedance) maintained across the frequency band?
•are reflections large enough to lead to eye closure and pattern dependency?
•is >15 dB return loss maintained across the band?
7) Power Supply
•does the CDR create power supply noise?
•how sensitive is the CDR to supply noise?
•Is the VCO self-modulated through its own supply noise? (can be “deadly”)

•what is the total static power dissipation?
•what is the die temperature under worse case conditions?
8) False lock susceptibility
•can false lock occur with particular data patterns?
•are false lock conditions be detected and eliminated?
•does the phase detector have VCO frequency leakage that can cause injection
locking?
•can the VCO run faster than the phase/frequency detector can operate? (another
“killer”)
•have all latchup/deadly embrace conditions been considered and eliminated?

References
[Ale75] Alexander, J. D. H., Clock Recovery from Random Binary Signals, Electronics Letters 11, 22 (30th October 1975), 541-542. {binary
quantized phase detector}.
[AFD87] Andrews, G. E., D. C. Farley, S. H. Dravitz, A. W. Schelling, P. C. Davis and L. G. McAfee, A 300Mb/s Clock Recovery and Data
Retiming System, ISSCC Digest of Technical Papers, 1987, 188-189. {SAW Filter Clock Recovery with emphasis on phase alignment
problem}.
[Arm83] Armitage, C. B., SAW Filter Retiming in the AT&T 432 Mb/s Lightwave Regenerator, Conference Proceedings: AT&T Bell Labs.,
Holmdel, NJ, USA, September 3-6, 1984, 102-103. {matches tempco of SAW to tempco of electronics.}.
[Baa86] Baack, C., Optical Wide Band Transmission Systems, CRC Press Inc., 1986. {example of PLL for clock recovery}.
[Buc92] Buchwald et al., A., A 6GHz Integrated Phase-Locked Loop using AlGaAs/GaAs Heterojunction Bipolar Transistors, ISSCC Digest
of Technical Papers, 1992, 98,99,253. {Frequency multiplying ring oscillator}.
[Byr63] Byrne et al., C. J., Systematic Jitter in Chain of Digital Regenerators, The Bell System Technical Journal, November 1963, 2679.
{clock extraction by filtering}.
[CCI90] CCITT, Digital Line systems based on the synchronous digital hierarchy for use on optical fiber cables, CCITT G.958, 1990.
{SONET Payload test patterns regenerator scrambling}.
[Car56] Carter, R. O., Low-Disparity Binary Coding System, Electronics Letters 1, 3 (May, 1956), 67-68. {conditional inversion data encod-
ing disparity}.
[Cho92] Chona, F. M. R., Draft Standard, SONET inter-office and intra-office line jitter re., T1X1.3, May 11, 1992. {Standards SONET jitter}.
[Con84] Connor et al., P. O., A Monolithic Multigigabit/Second DCFL GaAs Decision Circuit, IEEE Electron Device Letters EDL-5, 7 (July
1984), 226-227. {GaAs Fet decision circuit example}.
[Cor79] Cordell et al., R. R., A 50MHz Phase and Frequency Locked Loop, IEEE Journal of Solid State Circuits SC-14, 6 (December 1979),
1003-1009. {quadricorrellator phase detector, Tunable LC Oscillator}.
[DR78] D’Andrea, N. A. and F. Russo, A Binary Quantized Digital Phase Locked Loop: A Graphical Analysis, IEEE Transactions on Com-
munications COM-26, 9 (September 1978), 1355-1364. {Analysis of BB loop}.
[DeV91] DeVito et al., L., A 52 MHz and 155MHz Clock-Recovery PLL, ISSCC Digest of Technical Papers, February 13-15, 1991, 142, 143,
306. {multivibrator example, Negative resistor chargepump, rotational freq.det.}.
[Den88] Den Dulk, R. C., Digital Fast Acquisition Method for Phase-Lock Loops, Electronics Letters 24, 17 (18th August 1988), 1079-1080.
{2 order of magnitude locking speed-up with fancy slip detector & charge pump}.
[EnA87] Enam, S. K. and A. A. Abidi, Decision and clock Recovery Circuits for Gigahertz Optical Fiber Receivers in Silicon NMOS, Journal
of Lightwave Technology LT-5, 3 (March 1987), 367-372. {MOS tunable monolithic ring oscillator example - Some clever circuit
ideas for gigabit rates}.

[EnA92] Enam, S. K. and A. A. Abidi, MOS Decision and Clock Recovery Circuits for Gb/s Optical-Fiber Receivers, ISSCC Digest of Techni-
cal Papers, 1992, 96,97,253. {quadratic phase detector} {MOS decision circuit example}.
[FHH84] Faulkner, D. W., I. Hawker, R. J. Hawkins and A. Stevenson, An Integrated Regenerator for High Speed Optical Fiber Transmission
Systems, IEE Conference Proceedings (November 30 - December 1, 1983) 8-13. {uses rectifier/SAW combo}.
[FLS63] Feynman, R., R. B. Leighton and M. Sands, The Feynman Lectures on Physics, Addison-Wesley Publishing Company, 1963. {Short,
simple presentation of timestep analysis for planetary motion}.
[FMW97] Fiedler, A., R. Mactaggart, J. Welch and S. Krishnan, A 1.0625Gbps Transceiver with 2x-Oversampling and Transmit Signal Pre-
Emphasis, ISSCC Digest of Technical Papers 40 (February 6-8 1997), 238,239,464. {transmit pre-emphasis, skin loss equalizer}.
[Gal94] Galton, I., Higher-order Delta-Sigma Frequency-to-Digital Conversion, Proceedings of IEEE International Symposium on Circuits
and Systems (May 30 - June 2, 1994) 441-444 {Delta-Sigma BB loops phase tracking frequency digitalization PLL}.
[Gal95] Galton, I., Analog-Input Digital Phase-Locked Loops for Precise Frequency and Phase Demodulation, Transactions on Circuits and
Systems-II: Analog and Digital Signal Processing 42, 10 (October 1995), 621-630. {good discussion of delta-sigma analysis of BB
PLL’s}.
[Gar79] Gardner, F. M., Phaselock Techniques, Second Edition, John Wiley and Sons, Inc., 1979. {example of using exor-gate to generate
clock component from NRZ data}.
[Gla85] Glance, B. S., New Phase-Lock Loop Circuit Providing Very Fast Acquistion Time, IEEE Transactions on Microwave Theory and
Techniques MTT-33, 9 (September 1985), 747-754. {adds non-linear time constant to speed PLL acquisition by 2 orders of mag.}.
[Gri69] Griffiths, J. M., Binary Code Suitable for Line Transmission, Electronics Letters 5, 4 (February 20, 1969), 79-81. {5b/6b encoding
example}.
[GMP78] Gruber, J., P. Marten, R. Petschacher and P. Russer, Electronic Circuits for High Bit Rate Digital Fiber Optic Communication Sys-
tems, IEEE Transactions on Communications COM-26, 7 (July 1978), 1088-1098.
[Gup75] Gupta, S. C., Phase-Locked Loops, Proceedings of the IEEE 63, 2 (February 1975), 291-306. {Good systematic outline survey of
communication-type PLL’s}.
[Hau91a] Hauenschild et al., J., A Silicon Bipolar Decision Circuit Operating up to 15Gb/s, IEEE Journal of Solid State Circuits 26, No.11
(November 1991), 1734-1736. {Si bipolar decision circuit example}.
[Hau91b] Hauser, M. W., Principles of Oversampling A/D Conversion, J. Audio Eng. So. Vol 39, 1/2 (Jan/February 1991), 3-26. {excellent tuto-
rial on Delta Sigma AD, Oversampling, noiseshaping}.
[HeS88] Hein, J. P. and J. W. Scott, z-Domain Model for Discrete-Time PLL’s, IEEE Transactions on Circuits and Systems 35, 11 (November
1988), 1393-1400. {good discussion of using z-transforms in PLL analysis}.
[Hog85] Hogge, Jr., C. R., A Self Correcting Clock Recovery Circuit, IEEE Transactions on Electron Devices ED-32, 12 (December 1985),
2704-2706. {Original Hogge detector, interesting phase detector idea...}.
[Hor92] Hornak, T., Interface Electronics for Fiber Optic Computer Links, Intensive Course on Practical Aspects in Analog IC Design, Lau-
sanne, Switzerland, June 29-July 10, 1992. {Excellent overview of components for serial optical data transmission}.
[Hu93] Hu, T. and P. Gray, A Monolithic 480 Mb/s AGC/Decision/Clock Recovery Circuit in 1.2 um CMOS, IEEE Journal of Solid State
Circuits 28, 12 (Dec. 1993) 1314-20 {CMOS parallel signal paths multiphase sampling CDR mux}.

[Kas85] Kasper et al., B. L., SAGM Avalanche Photodiode Optical Receiver for 2 Gbit/s and 4 Gbit/s, Electronic Letters 21, 21 (10th October
1985), 982-984. {eye diagram}.
[KWG94] Kim, B., T. C. Weigandt and P. R. Gray, PLL/DLL System Noise Analysis for Low Jitter Clock Synthesizer Design, ISCAS proceed-
ings, May 30 - June 2, 1994, 31-34. {Excellent and Intuitive discussion of Jitter in Ring Oscillators}.
[Lai90] Lai, B., Decision Circuit Lowers Transmission Bit Error Rates, Microwaves and RF, July 1990, 118- 122. {Si bipolar decision circuit
example}.
[LaW91] Lai, B. and R. C. Walker, A Monolithic 622Mb/s Clock Extraction Data Retiming Circuit, ISSCC Digest of Technical Papers 34 (Feb-
ruary 13-15, 1991), 144,145. {binary quantized phase detector}.
[Lam93] Lam, V. M. T., Microwave Oscillator Phase Noise Reduction Using Negative Resistance Compensation, Electronics Letters 29, 4
(February 18th, 1993), 379-340. {Leeson negative resistance phase noise second harmonic IC}.
[LiC81] Lindsey, W. C. and C. M. Chie, A Survey of Digital Phase-Locked Loops, Proceeding of the IEEE 69, 4 (April 1981), 410-431. {Pre-
sents a good taxonomy of digital PLLs}.
[Mac87] MacDougall, M. H., Simulating Computer Systems - Techniques and Tools, The MIT Press, Cambridge, Massachusetts, 1987.
{description and source code for event driven simulator}.
[McG90] McGaughey, J. T., Convert NRZ format to Biphase, Electronic Design, April 12, 1990, 86. {biphase example}.
[OFC84] O’Connor, P., P. G. Flahive, W. Clemetson, R. L. Panock, S. H. Wemple, S. C. Shunk and D. P. Takahashi, A Monolithic Multigigabit/
Second DCFL GaAs Decision Circuit, IEEE Electron Device Letters EDL-5, 7 (July 1984),. {2.4 GHz ED GaAs Mesfet Flip-flop w/
input buffer amp}.
[Ofe89] Ofek, Y., The Conservative Code for Bit Synchronization, IEEE Transactions on Communications, 1989. {conserves transition num-
ber uses divider for clock recovery}.
[OhT83] Ohta, N. and T. Takada, High Speed GaAs SCFL Monolithic Integrated Decision Circuit for Gb/s Optical Repeaters, Electronics Let-
ters, September 1983. {GaAs Decision Circuit}.
[Par89] Park et al., M. S., Novel Regeneration Having Simple Clock Extraction and Automatic Phase Controlled Retiming Circuit, Electronic
Letters 25 (January 1989), 83-84. {clock extraction by filtering}.
[Pet88] Petrovic, R., Low Redundancy Optical Fiber Line Code, Journal of Optical Communication 9, 3 (1988), 108-111. {13B/14B code
design}.
[RaO91] Ransijn, H. and P. O’Connor, A PLL-Based 2.5-Gb/s GaAs Clock and Data Regenerator IC, JSSC 26, 10 (October 1991), 1345-1353.
{Rotational frequency detector, Limiting Amp, Jitter Transfer Measurement}.
[Raz96a] B. Razavi, ed., Monolithic phase-locked loops and clock recovery circuits: theory and design, IEEE Press, 1996. {A volume of
selected reprints with bibliography}.
[Raz96b] Razavi, B., Monolithic Phase-Locked Loops, ISSCC Tutorial, San Francisco, CA, February 7, 1996. {Good overview of non-data-
driven PLL theory}.
[ReG73] Reddy, C. P. and S. C. Gupta, A Class of All-Digital Phase Locked Loops: Modeling and Analysis, IEEE Transactions on industrial
Electronics and Control Instrumentation IECI-20, 4 (November 1973), 239-251. {discusses of binary-quantized phase detection}.

[RCF84] Rosenberg, R. L., C. Chamzas and D. A. Fishman, Timing Recovery with SAW Transversal Filters in the Regenerators of Undersea
Long-Haul Fiber Transmission Systems, Journal of Lightwave Technology LT-2, 6 (December 1984), 917-925. {discusses jitter accu-
mulation}.
[Ros84] Rosenberg et al., R. L., Timing Recovery with SAW Transversal filters in the Regenerators of Undersea Long-haul Fiber Transmis-
sion Systems, IEEE Journal of Lightwave Technology LT-2, 6 (December 1984), 917-925. {clock extraction by SAW}.
[Ros85] Ross, F. E., An Overview of FDDI: the Fiber Distributed Data Interface, IEEE Journal on Selected Areas in Communications 7, 7
(September 1985), 1046, Table 1. {4b/5b encoding example, example of frame synch characters}.
[RHF90] Ross, F. E., J. R. Hamstra and R. L. Fink, FDDI - A LAN among MANs, ACM Computer Communications Review, July 1990, 16-31.
{4b/5b encoding example}.
[Rou76] Rousseau, M., Block Codes for Optical-Fibre Communication, Electronics Letters 12, 18 (2nd September 1976), 478-479. {mBnB
code discussion, run length limits, power spectra, 5b6b recommended}.
[RoM77] Roza, E. and P. W. Millenaar, An Experimental 560 MBit/s Repeater with Integrated Circuits, IEEE Transactions on Communications
COM-25, 9 (September 1977),. {coax-based. good comparison of PLL vs filter-type clock extraction}.
[RuG91] Runge, K. and J. L. Gimlett, 20Gb/s AlGaAs HBT Decision Circuit IC, Electronics Letters 27, 25 (5th December 1991), 2376-2378.
{GaAs HBT decision circuit example}.
[Run91] Runge et al., K., Silicon Bipolar Integrated Circuits for Multi-Gb/s Optical Communication Systems, IEEE Journal on Selected Areas
in Communications 9, 5 (June 1991), 640. {Si bipolar decision circuit example}.
[San82] Sandera, L., Improve Datacomm Links by Using Manchester Code, EDN, February 17, 1982, 155-162. {manchester coding exam-
ple}.
[Shi87] Shin et al., D., Selfcorrecting Clock Recovery Circuit with Improved Jitter Performance, Electronics Letters 23, 3 (29th January
1987), 110-111. {Improved Hogge detector}.
[SyA86] Syed, K. E. and A. A. Abidi, Gigahertz Voltage Controlled Oscillator, Electronics Letters 22 (June 5, 1986), 677-679. {MOS tunable
monolithic ring oscillator example}.
[TrV89] Trischitta, P. R. and E. L. Varma, Jitter in digital transmission systems, Artech House, Inc., 1989. {good overview of jitter (textbook)
ISBN 0-89006-248-X}.
[Wal89] Walker, R. C., Fully Integrated High Speed Voltage Controlled Ring Oscillator, U.S. Patent 4,884,041, Granted Nov. 28, 1989. {Si
bipolar tunable monolithic ring oscillator example}.
[WHY91] Walker, R. C., T. Hornak, C. Yen, J. Doernberg and K. H. Springer, A 1.5Gb/s Link Interface Chipset for Computer Data Transmis-
sion, IEEE Journal on Selected Areas in Communications 9, 5 (June 1991), 698-703. {binary quantized phase detector with master
transition}.
[WWS92] Walker, R., J. Wu, C. Stout, B. Lai, C. Yen, T. Hornak and P. Petruno, A 2-Chip 1.5Gb/s Bus-Oriented Serial Link Interface, ISSCC
Digest of Technical Papers 35 (February 19-21 1992), 226,227,291. {MT Code, Ring Osc} binary quantized phase detector with mas-
ter transition}.
[WSY97] Walker, R., C. Stout and C. Yen, A 2.488Gb/s Si-Bipolar Cloc k and Data Recovery IC with Robust Loss of Signal Detection, ISSCC
Digest of Technical Papers 40 (February 6-8 1997), 246,247,466. {training loop, loss of signal detection, bb-loop, ring oscillator}.

[WHK98] Walker, R. C., K. Hsieh, T. A. Knotts and C. Yen, A 10Gb/s Si-Bipolar TX/RX Chipset for Computer Data Transmission, ISSCC
Digest of Technical Papers 41 (February 5-7 1998), 302,303,450. {multi-phase architecture, 8-phase VCO, ft-doubler amplifier, bb-
loop}.
[WKG94] Weigandt, T. C., B. Kim and P. R. Gray, Analysis of Timing Jitter in CMOS Ring Oscillators, ISCAS proceedings, May 30 - June 2,
1994. {Excellent and Intuitive discussion of Jitter in Ring Oscillators}.
[WiF83] Widmar, A. X. and P. A. Franaszek, A DC Balanced, partitioned-Block 8B/10B Transmission Code, IBM Journal of Research and
Development 27, 5 (September 1983), 440-451. {8b/10b encoding example - Precursor to Fiber Channel’s 8B/10B code}.
[Wu92] Wu, J. and R. C. Walker, A Bipolar 1.5Gb/s Monolithic Phase Locked Loop for Clock and Data Extraction, VLSI Circuit Symposium,
Seattle, June 3-5, 1992. {positive feedback PLL loop filter}.
[YTY80] Yamada, J., J. Temmyo, S. Yoshikawa and T. Kimura, 1.6 Gbit/s Optical Receiver at 1.3um with SAW Timing Retrieval Circuit, Elec-
tronics Letters, 1980, 57-58. {basic SAW system, with discussion of power penalty for SAW phase shifts}.
[Yam80] Yamada et al., J., 1.6Gb/s Optical Receiver at 1.3um with SAW Timing Retrieval Circuit, Electronics Letters 16, 2 (17th January
1980), 57- 58. {clock extraction by SAW}.
[YFW82] Yen, C., Z. Fazarinc and R. Wheeler, Time-domain skin-effect model for transient analysis of lossy transmission lines., Proceedings
of the IEEE 70, 7 (July 1982), 750-757. {skin-effect lossy transmission line transient simulation modelling}.
[YKI84] Yoshikai, N., K. Katagiri and T. Ito, mB1C Code and its Performance in an Optical Communication System, IEEE Transactions on
Communications COM-32, 2 (February 1984). {uses m binary bits + one complementary bit stuffed to break runs}.