611 Koffee King OM 8542 Bloomfield 8571 8572 User Manual
8542-D1 to the manual 7463d9af-2617-437d-bf46-b1f2913360d8
User Manual: KOFFEE-KING 8542
Open the PDF directly: View PDF
.
Page Count: 28

PRINTED IN UNITED STATES OF AMERICA
WELLS BLOOMFIELD, LLC
2 ERIK CIRCLE, P. O. Box 280 Verdi, NV 89439
telephone: 775-689-5707 fax: 775-689-5976
www.wellsbloomfield.com
p/n 75804 Rev. F ECN-13387 M611 071115 cps
OWNERS MANUAL
For
MODULAR
BREWING SYSTEMS
MODELS
POUR OVER AUTOMATIC AUTOMATIC
UNITS UNITS UNITS
WITH FAUCET
8542 8541 8540
8543 8573 8572
8571 8574
Includes:
Installation
Use & Care
Servicing Instructions
Model 8574 Brewer
with optional
8900-Series Glass Decanters
611

M611 75804 Owners Manual Koffee-King™ Brewers
NOTE: For your protection, please note that equipment in
this shipment was carefully inspected and packaged by
skilled personnel before leaving the factory.
Upon acceptance of this shipment, the transportation
company assumes full responsibility for its safe delivery.
IF SHIPMENT ARRIVES DAMAGED:
1. VISIBLE LOSS OR DAMAGE: Be certain that any
visible loss or damage is noted on the freight bill
or express receipt, and that the note of loss or damage
is signed by the delivery person.
2. FILE CLAIM FOR DAMAGE IMMEDIATELY:
Regardless of the extent of the damage.
3. CONCEALED LOSS OR DAMAGE: if damage is
unnoticed until the merchandise is unpacked, notify the
transportation company or carrier immediately, and file
“CONCEALED DAMAGE” claim with them. This
must be done within fifteen (15) days from the date the
delivery was made to you. Be sure to retain the
container for inspection.
Wells Bloomfield cannot assume liability for damage or loss
incurred in transit. We will, however, at your request, supply
you with the necessary documents to support your claim.
WARRANTY STATEMENT
SERVICE POLICY AND PROCEDURE GUIDE
ADDITIONAL WARRANTY EXCLUSIONS
SHIPPING DAMAGE CLAIMS PROCEDURE
1. Resetting of safety thermostats, circuit breakers,
overload protectors, or fuse replacements unless
warranted conditions are the cause.
2. All problems due to operation at voltages other than
specified on equipment nameplates; conversion to
correct voltage must be the customer’s responsibility.
3. All problems due to electrical connections not made in
accordance with electrical code requirements and
wiring diagrams supplied with the equipment.
4. Replacement of items subject to normal wear, to include
such items as knobs and light bulbs. Normal maintenance
functions including adjustment of thermostats, microswitches,
and replacement of fuses and indicating lights are not
covered under warranty.
5. All problems due to inadequate water supply, such as
fluctuating, or high or low water pressure.
6. All problems due to mineral/calcium deposits, or
contamination from chlorides/chlorines. De-liming is
considered a preventative maintenance function and is
not covered by warranty.
All electrical equipment manufactured by WELLS
BLOOMFIELD, LLC is warranted against defects in materials
and workmanship for a period of one year from the date of
original installation or eighteen (18) months from the date of
shipment from our factory, whichever comes first, and is for
the benefit of the original purchaser, except that:
a. airpots carry a 30 day parts warranty only.
b. dispensers; i.e., tea and coffee carry a 90 days parts
warranty only, excludes decanters.
THE FOREGOING OBLIGATION IS EXPRESSLY GIVEN IN
LIEU OF ANY OTHER WARRANTIES, EXPRESSED OR
IMPLIED, INCLUDING ANY IMPLIED WARRANTY OF
MERCHANTABILITY OR FITNESS FOR A PARTICULAR
PURPOSE, WHICH ARE HEREBY EXCLUDED.
WELLS BLOOMFIELD, LLC
SHALL
NOT BE LIABLE
FOR INDIRECT, INCIDENTAL OR
CONSEQUENTIAL
DAMAGES OR LOSSES FROM ANY CAUSE
WHATSOEVER.
This warranty is void if it is determined that upon inspection by
an Authorized Service Agency that the equipment has been
modified, misused, misapplied, improperly installed, or
damaged in transit or by fire, flood or act of God.
It also does not apply if the serial nameplate has been
removed or unauthorized service personnel perform service.
The prices charged by Bloomfield Industries for its products
are based upon the limitations in this warranty. Seller’s
obligation under this warranty is limited to the repair of defects
without charge by a Bloomfield Authorized Service Agency or
one of its sub-agencies. This service will be provided on
customer’s premises for non-portable models. Portable
models (a device with a cord and plug) must be taken or
shipped to the closest Authorized Service Agency, transporta-
tion charges prepaid, for services.
In addition to restrictions contained in this warranty, specific
limitations are shown below (Additional Warranty Exclusions).
Bloomfield Industries Authorized Service Agencies are located
in principal cities.
This warranty is valid in the United States and void elsewhere.
Please consult your classified telephone directory or your food
service equipment dealer; or, for information and other details
concerning warranty, write to:
Service Parts Department
Wells Bloomfield, LLC
P.O. Box 280
Verdi, NV 89439
Phone: (775) 689-5707 Fax: (775) 689-5976
7. Full use, care and maintenance instructions are supplied
with each machine. Those miscellaneous adjustments
noted are customer responsibility. Proper attention will
prolong the life of the machine.
8. Travel mileage is limited to sixty (60) miles from an
authorized Service Agency or one of its sub-agencies.
9. All labor shall be performed during normal working hours.
Overtime premium shall be charged to the customer.
10. All genuine Bloomfield replacement parts are warranted
for ninety (90) days from date of purchase on non-
warranted equipment. Any use of non-genuine
Bloomfield parts completely voids any warranty.
11. Installation, labor and job check-out are not considered
warranty.
12. Charges incurred by delays, waiting time or operating
restrictions that hinder the service technicians ability
to perform services are not covered by warranty.
This includes institutional and correctional facilities.
xi

TABLE OF CONTENTS
Thank You for purchasing this
Wells Bloomfield appliance.
Proper installation, professional
operation and consistent
maintenance of this appliance will
ensure that it gives you the very
best performance and a long,
economical service life.
This manual contains the
information needed to properly
install this appliance, and to use,
care for and maintain or repair the
appliance in a manner which will
ensure its optimum performance.
WARRANTY STATEMENT xi
SPECIFICATIONS 1
FEATURES & OPERATING CONTROLS 2
PRECAUTIONS & GENERAL INFORMATION 3
AGENCY APPROVAL INFORMATION 3
INSTALLATION INSTRUCTIONS 4
OPERATION 6
BREWING COFFEE 8
CLEANING INSTRUCTIONS 9
TROUBLESHOOTING SUGGESTIONS 10
SERVICING INSTRUCTIONS 11
Deliming Instructions 16
EXPLODED VIEWS & PARTS LISTS 18
WIRING DIAGRAMS 22
1
SPECIFICATIONS
MODEL TYPE WARMERS FAUCET VOLTS
1ø AMPS WATTS POWER
CORD
8540
In-Line,
Automatic,
Plumbed-In
2 YES 120VAC 14.1
(11.7)
1700
(1400k) NEMA 5-15P
8541
In-Line,
Automatic,
Plumbed-In
2 NO 120VAC 14.1
(11.7)
1700
(1400k) NEMA 5-15P
8542 In-Line,
Pour-Over 1 NO 120VAC 13.3 1600 NEMA 5-15P
8543 In-Line,
Pour-Over 2 NO 120VAC 14.1
(11.7)
1700
(1400k) NEMA 5-15P
8571 3-Station,
Pour-Over 3 NO 120VAC 15.0 1800 NEMA 5-15P
8572
3-Station,
Automatic,
Plumbed-In
3 YES 120VAC 15.0
(12.5)
1800
(1500k) NEMA 5-15P
8573
3-Station,
Automatic,
Plumbed-In
3 NO 120VAC 15.0
(12.5)
1800
(1500k) NEMA 5-15P
8574
3-Station,
Automatic,
Plumbed-In
3 YES 115/230VAC 17.0 3700 not provided
k Canadian brewers are 1500W maximum.
M611 75804 Owners Manual Koffee-King™ Brewers

FEATURES AND OPERATING CONTROLS
Fig. 1 Features & Operating Controls
2
M611 75804 Owners Manual Koffee-King™ Brewers
TIMER
ACCESS

PRECAUTIONS AND GENERAL INFORMATION
WARNING: ELECTRIC SHOCK HAZARD
All servicing requiring access to non-insulated components must be performed by qualified
service personnel. Do not open any access panels which require the use of tools. Failure to
heed this warning can result in electrical shock.
WARNING: INJURY HAZARD
All installation procedures must be performed by qualified personnel with full knowledge of all
applicable electrical and plumbing codes. Failure could result in property damage and
personal injury.
WARNING: ELECTRIC SHOCK HAZARD
Brewer must be properly grounded to prevent possible shock hazard. DO NOT assume a
plumbing line will provide such a ground. Electrical shock will cause death or serious Injury.
WARNING: BURN HAZARD
This appliance dispenses very hot liquid. Serious bodily injury from scalding can occur from
contact with dispensed liquids.
This appliance is intended for commercial use only.
This appliance is intended for use to brew beverage products for
human consumption. No other use is recommended or
authorized by the manufacturer or its agents.
This appliance is intended for use in commercial establishments,
where all operators are familiar with the appliance use,
limitations and associated hazards. Operating instructions and
warnings must be read and understood by all operators and
users.
Except as noted, this piece of equipment is made in the USA
and has American sizes on hardware. All metric conversions
are approximate and can vary in size.
The following trouble shooting, component views and parts lists
are included for general reference, and are intended for use by
qualified service personnel.
This manual should be considered a permanent part of this
appliance. The manual must remain with the appliance if it is
sold or moved to another location.
These brewer are listed under UL file E9253, and
listed under LR21315.
This brewer meets Standard 4 only when installed,
operated and maintained in accordance with the enclosed
instructions.
CAUTION:
EQUIPMENT DAMAGE
DO NOT plug in or energize this
appliance until all Installation
Instructions are read and followed.
Damage to the Brewer will occur if
these instructions are not followed.
CAUTION:
BURN HAZARD
Exposed surfaces of the
appliance, brew chamber and
decanter may be HOT to the
touch, and can cause serious
burns.
E9253
STD 4
AGENCY APPROVAL INFORMATION
3
LR21315
M611 75804 Owners Manual Koffee-King™ Brewers

INSTALLATION INSTRUCTIONS
READ THIS CAREFULLY BEFORE STARTING THE INSTALLATION
REFER TO EXPLODED VIEWS PAGES 18 thru 22 FOR
COMPONENT NAMES/NUMBERS
Unpack the unit. Inspect all components for completeness and
condition. Ensure that all packing materials have been removed
from the unit.
Verify that the Spray Head Gasket (#33) and Spray Disk (#34)
are properly installed.
LEVELING THE UNIT
Verify that an adjustable leg is installed at each corner of the
brewer.
Set Brewer in its operating location. Level the Brewer. A spirit
level should be placed on the top of the unit, at the edge, as a
guide when making level adjustments.
Level the unit from left to right and front to back by turning the
adjustable feet. Be sure all four feet touch the counter to prevent
tipping.
PLUMBER’S INSTALLATION INSTRUCTIONS
Brewer should be connected to a POTABLE WATER, COLD
WATER line. Flush water line before connecting to Brewer.
DO NOT use a saddle valve with a self-piercing tap for the water
line connection. Such a tap can become restricted by waterline
debris. For systems that must use a saddle tap, shut off the main
water supply and drill a 3/16” (minimum) tap for the saddle
connection, in order to insure an ample water supply. Remember
to flush the line prior to installing the saddle.
The brewer must be installed on a water line with average
pressure between 20 PSI and 90 PSI. If your water pressure
exceeds 90 PSI at anytime, a pressure regulator must be
installed in the water supply line to limit the pressure to not more
than 90 PSI in order to avoid damage to lines and solenoid.
A water shut-off valve should be installed on the incoming water
line in a convenient location (Use a low restriction type valve,
such as a 1/4-turn ball valve, to avoid loss of water flow thru the
valve.
The provided water line strainer must be installed in the supply
line, between the shutoff valve and inlet fitting. Note FLOW
arrow marking on strainer body.
IMPORTANT:
To enable the installer to make
a quality installation and to
minimize installation time, the
following suggestions and tests
should be done before the
actual unit installation is started:
CAUTION:
EQUIPMENT DAMAGE
DO NOT plug in or energize this
appliance until all Installation
Instructions are read and
followed. Damage to the
Brewer will occur if these
instructions are not followed.
CAUTION:
UNSTABLE
EQUIPMENT HAZARD
It is very important for safety
and for proper operation that the
brewer is level and stable when
standing in its final operating
position. Provided adjustable,
non-skid legs must be installed
at each corner of the unit.
Failure to do so will result in
movement of the brewer which
can cause personal Injury and/
or damage to brewer.
NOTE: Water supply inlet line
must meet certain minimum
criteria to insure successful
operation of the brewer.
Bloomfield recommends 1/4"
copper tubing for installation of
less than 25 feet and 3/8" for
more than 25 feet from a 1/2"
water supply line.
4
M611 75804 Owners Manual Koffee-King™ Brewers

INSTALLATION INSTRUCTIONS (continued)
NOTE: This equipment must be
installed to comply with
applicable federal, state and
local plumbing codes and
ordinances.
WARNING:
SHOCK HAZARD
Brewer must be properly
grounded to prevent possible
shock hazard. DO NOT
assume a plumbing line will
provide such a ground.
Electrical shock will cause death
or serious injury.
IMPORTANT: Do not connect
brewer to electrical power until
the tank is filled with water.
Pour water into the pour-over
opening until water flows from
the brew head.
IMPORTANT:
Supply power must match
nameplate for voltage and
phase. Connecting to the
wrong voltage will damage the
brewer or result in decreased
performance. Such damage is
not covered by warranty.
NSF requires that the brewer be able to be moved for cleaning
underneath. A flex line or loops of copper tubing will satisfy this
requirement. See Figure 2 below.
In some areas, local codes require a backflow preventer (check
valve) to be installed on the inlet water line. If a backflow
preventer is used, you must install a water hammer arrester in
the incoming line, between the backflow preventer and the
brewer inlet, as far away from the brewer as space will allow.
This will relieve the excessive back pressures that can cause
faucet leaks and solenoid malfunctions.
ELECTRICIAN’S INSTALLATION INSTRUCTIONS
REFER TO ELECTRICAL SPECIFICATIONS - Page 1
Check the nameplate to determine correct electrical service
required for the Brewer to be installed.
IMPORTANT: Before connecting to electricity, make sure
automatic brewers are connected to the water supply.
All models (except 8574) are equipped with a cord and plug.
They require a 115 - 125 volt 20 amp circuit (50/60 Hz, 2 wire
plus ground, with NEMA 5-15R or 5-20R Receptacle).
IMPORTANT: The ground prong of the plug is part of a system
designed to protect you from electrical shock in the event of
internal damage. Never cut off the ground prong nor twist a
blade to fit an existing receptacle. Contact a licensed electrician
to install the proper circuit and receptacle.
Model 8574 must be wired by an electrician, and requires a
115/230V 20A circuit (50/60 Hz, 2 hot legs / 1 neutral leg, plus
ground). Remove front panel to gain access to terminal block.
Green terminal must be connected to a suitable building ground.
Circuit must be capable of 3800 Watts. See figure 3 at right.
IMPORTANT: Wiring must be installed in approved solid or
flexible conduit, and must be secured to the brewer with a strain
relief (to be provided by the installer).
5
Fig. 2 Water Supply Installation
New-style shown
Fig. 3 115/240 Volt Terminal Block
M611 75804 Owners Manual Koffee-King™ Brewers

OPERATION
Fig. 4 Brewer Operation Diagram
A. START-UP
For initial start-up, or if the brewer has not been used for an
extended period of time:
♦ Be sure spray disk and brew gasket are properly installed in the
brew head.
♦ Be sure the water supply is properly connected and the water
supply valve is turned ON.
♦ Be sure the WATER TANK IS FILLED
BEFORE plugging the brewer into a receptacle, or otherwise
connecting brewer to electrical power THE WATER TANK MUST
BE FILLED. Place an empty decanter under the brew head. Lift
the pour-over cover then pour warm tap water into the pour-over
opening until water flows from the brew head. When water stops
dripping from the brew head, empty the container.
Once the tank is full of water, connect the brewer to electrical
power. The heating elements will begin heating the water in the
tank. When the water has reached the proper temperature, the
“READY To BREW” light will glow.
IMPORTANT:
Tank must be full of water
before connecting brewer
to electrical power.
Heating elements will be
damaged if allowed to
operate without being fully
submerged in water.
Damage caused by
operating the brewer
without water in the tank
is NOT COVERED BY
WARRANTY.
6
M611 75804 Owners Manual Koffee-King™ Brewers

OPERATION (continued)
7
WATER HEATER
Water temperature is sensed by a
thermobulb inserted into the water tank. This
temperature signal is fed to the thermostat,
which controls line power to the heating
element.
The setpoint temperature is adjustable at the
thermostat.
The element is protected from over-
temperature by a hi-limit thermostat.
WATER FLOW
POUR-OVER FEATURE
Pouring any amount of cold water into the
pour-over opening and into the basin pan
forces an identical amount of hot water out
of the tank and through the spray head into
the brew chamber.
AUTOMATIC OPERATION
Pressing BREW button energizes the
solenoid valve, allowing water from an
external water supply to flow into the basin
pan and then into the hot water tank. This
forces an identical amount of hot water out
of the tank and through the spray head into
the brew chamber
The solenoid uses a flow control device so
that flow is consistent between 20 p.s.i. and
90 p.s.i.
Length of time the solenoid is open is
controlled by the timer.
HOT WATER FAUCET
The faucet water coil is submerged in the hot
water tank and draws heat from the brew
water. Water going to the water coil is not
controlled by the solenoid valve.
The faucet is at supply water pressure any
time the faucet shut-off valve is OPEN.
Fig. 6 Water Flow Diagram
Fig. 5 Heat Control Diagram
M611 75804 Owners Manual Koffee-King™ Brewers

BREWING COFFEE
CAUTION:
BURN HAZARD
Exposed surfaces of the
brewer, brew chamber and
decanter may be HOT to
the touch, and can cause
serious burns.
CAUTION:
BURN HAZARD
To avoid splashing or over-
flowing hot liquids,
ALWAYS place an empty
decanter under the brew
chamber before starting
the brew cycle. Failure to
comply can cause serious
burns.
CAUTION:
BURN HAZARD
After a brew cycle, brew
chamber contents are
HOT. Remove the brew
chamber and dispose of
used grounds with care.
Failure to comply can
cause serious burns.
NOTE: Water for the hot
water faucet is heated in a
coil inside of the water
tank. Use of the faucet will
not affect the volume of
water delivered for a brew.
However, overuse of the
faucet during a brew may
lower the temperature of
the brew water.
B. PREPARATION
Place one (1) genuine Bloomfield
paper filter in the brew chamber.
Add a pre-measured amount of
fresh coffee grounds.
Gently shake the brew chamber to
level the bed of grounds. Slide the
brew chamber into place under the
brew head.
C. POUR-OVER OPERATION
NOTE: Any Integrity™ brewer can be used in the pour-over mode.
BE sure “READY TO BREW” light is lit.
Place the appropriate EMPTY decanter in place under the brew
chamber.
Fill a decanter with tap water. Lift the pour-over cover and pour the
entire contents of the decanter into the pour-over opening, which
will fill the basin.
Water from the basin will displace a like amount of heated water
from the tank. The hot water will be forced into the brew head
where it will spray over the bed of grounds. Freshly brewed coffee
will begin to fill the container under the brew chamber. When the
flow and all dripping stops, the coffee is ready to serve.
Discard the contents of the brew chamber. Rinse the brew
chamber in a sink. When the ”READY TO BREW” light glows, the
brewer is ready for another brew cycle.
C. AUTOMATIC OPERATION
BE sure “READY TO BREW” light is lit.
Place an EMPTY decanter in place under the brew chamber.
Press the “BREW” switch. The solenoid will open for an amount of
time determined by the timer setting, admitting a measured quantity
of water into the basin.
Water from the basin will displace a like amount of heated water
from the tank. The hot water will be forced into the brew head
where it will spray over the bed of grounds. Freshly brewed coffee
will begin to fill the decanter under the brew chamber. When the
coffee flow and all dripping stops, the coffee is ready to serve.
Discard the contents of the brew chamber and rinse it in a sink.
When the ”READY TO BREW” light glows, the brewer is ready
for another brew cycle.
PAPER
FILTER
BREW
CHAMBER
Fig. 7 Brew Chamber
8
M611 75804 Owners Manual Koffee-King™ Brewers

CLEANING INSTRUCTIONS
PROCEDURE: Clean Coffee Brewer
PRECAUTIONS: Disconnect brewer from electric power.
Allow brewer to cool.
FREQUENCY: Daily
TOOLS: Mild Detergent, Clean Soft Cloth or Sponge
Bristle Brush.
1. Disconnect brewer from electric power.
Allow brewer to cool before cleaning.
2. Remove and empty decanters.
3. Remove and empty brew chamber.
4. Remove the spray disk from the brew head (See figure 8):
Press up on the spray disk ears, then turn the disk to the left
to unlatch. Remove the gasket from inside the brew head.
5. Wipe inside of brew head and area around the brew head
with a soft clean cloth or sponge moistened with clean water.
6. Wash the spray disk in a sink using warm water and a mild
detergent. A bristle brush may be used to clear clogged
spray holes. Rinse the spray disk with clean water and allow
to air dry.
7. Wash the brew chamber in a sink using warm water and a
mild detergent. A bristle brush may be used to clean the
inside. Rinse with clean water and allow to air dry. For
stainless steel brew chambers, be sure the wire rack is
properly reinstalled.
8. Wipe the exterior of the brewer with a soft clean cloth or
sponge moistened with clean water.
10. Reinstall the gasket INSIDE the brew head, then reinstall the
spray disk.
11. Reinstall the brew chamber.
12. Decanters may be washed in a dishwasher or sink.
Procedure is complete
CAUTION:
BURN HAZARD
Brewing and serving
temperatures of coffee are
extremely hot.
Hot coffee will cause
serious skin burns.
CAUTION:
SHOCK HAZARD
Do not submerge or immerse
brewer in water.
IMPORTANT:
DO NOT use steel wool, sharp
objects, or caustic, abrasive or
chlorinated cleansers to clean
the brewer.
Fig. 8 Cleaning
9
M611 75804 Owners Manual Koffee-King™ Brewers

10
TROUBLESHOOTING SUGGESTIONS
SUGGESTED REMEDY
Check power supply cord
Check / reset circuit breaker
Set for desired temperature
Allow to cool
Reset hi-limit (8786, 8788)
Examine wiring & connectors,
thermostat and heating element
Repair/replace as needed
Be sure to add sufficient water
Increase water amount
Adjust amount of grounds
Adjust timer
Use one (1) genuine Bloomfield
filter per brew
Thoroughly clean brew chamber
Adjust coffee amount and grind
Check/reinstall gasket on
INSIDE of brew head
Clean spray disk
Turn water supply ON
Clean strainer (see pg. 14)
Replace filter element
Replace switch
Examine wiring & connectors,
brew switch and solenoid
Repair/replace as needed
Turn faucet valve ON
Disassemble faucet, clean
Adjust water temp 195-205ºF
POSSIBLE CAUSE
Brewer unplugged or circuit
breaker tripped
Thermostat set too low
Hi-Limit thermostat tripped
Damaged internal component or
wiring
Pourover - no water or too little
water added at startup
Not enough water poured in
Too much coffee grounds
Timer out of adjustment
Too many filter papers or wrong
filter paper
Brew chamber dispense hole
plugged
Too much coffee or too fine a
grind
Spray gasket improperly
installed
Spray disk plugged
Water supply OFF
Water line strainer plugged
Water filter (if used) plugged
Bad BREW switch
Damaged internal component or
wiring
Faucet valve turned OFF
Faucet plugged
Water not hot enough
SYMPTOM
Water won’t heat
Coffee level low (pour-over)
Coffee level too high or low
(automatic)
Brew chamber overflows
Sprays water from brew head
No brew (automatic)
No flow from hot water faucet
Poor coffee quality
Keep brewer, and decanters clean. Install a taste and odor filter
in water supply, and replace cartridges regularly.
Use a quality coffee with a consistent roast. Use proper grind
and amount of coffee per brew.
M611 75804 Owners Manual Koffee-King™ Brewers

SERVICING INSTRUCTIONS
ACCESS PANELS
Each warmer plate has a center stud which screws into a
bracket. Warmer plates on Canadian brewers are secured with
a nut. Remove button plug on bottom of brewer to access nut
on warmer plate. Remove warmer plates by turning counter-
clockwise.
Solenoid door is held by two screws and a retaining lip.
Front Panel (In-Line Models) and Top / Rear Panel (3-Station
Models):
a. Remove warmer plate by turning counter-clockwise
until it unscrews.
b. Remove screws from two retaining clips under
warmer plate.
c. Lift off panel.
Front Panel (3-Station Models):
a. Remove warmer plates by turning counter-clockwise
until they unscrew.
b. Remove screws from two retaining clips under each
warmer plate.
c. Remove three screws from bottom-side of front lip.
d. Pull bottom of panel forward until it clears.
Top Panel (All Models):
a. Remove two screws from rear of top panel.
b. Lift rear of panel, remove to rear.
CAUTION:
SHOCK HAZARD
Opening access panels or
removing warmer plates on this
brew may expose uninsulated
electrical components.
Disconnect brewer from
electrical power before
removing any panel or warmer
plate.
Fig. 9 Access Panels
11
M611 75804 Owners Manual Koffee-King™ Brewers

SERVICING INSTRUCTIONS (continued)
12
M611 75804 Owners Manual Koffee-King™ Brewers
TEMPERATURE ADJUSTMENT
Unplug power cord or turn circuit breaker OFF. Remove top
panel.
Pull vent tube out of tank lid and insert a thermometer of known
accuracy in vent hole. Reconnect brewer to electrical power.
Place an empty decanter under brew chamber. Energize brewer
and pour one decanter (64 oz.) of cold water into pour-over
opening. When READY TO BREW light comes on, read
temperature displayed on thermometer.
Adjust thermostat by turning shaft; clockwise increases
temperature. 1/8 turn = approximately 10ºF.
Refer to Table 1 below for proper brewing temperature based on
altitude.
Upon completion, remove thermometer and reinstall vent tube.
Fig. 10 Checking and Adjusting Brew Temperature
CAUTION:
SHOCK HAZARD
These procedures involve
exposed electrical circuits.
These procedures are to be
performed by qualified
technical personnel only.
NOTE:
Optimum brewing temperature
range is 195ºF to 205ºF (90ºC
to 96ºC).
IMPORTANT:
A mechanical thermostat will
maintain temperature within
±5ºF. To prevent boiling water
in the brewer, thermostat should
be adjusted to a maximum
temperature equal to the local
boiling temperature minus 5ºF.
NOTE: 1/8 turn = approximately
10ºF (5.6ºC).
Table 1 Boiling Temperature by Altitude
Fig. 11 Adjust Thermostat
ELEVATION (feet above seal level)
0
500
1,000
1,500
2,000
2,500
3,000
3,500
4,000
4,500
5,000
5,500
6,000
6,500
TEMP. (ºF)
195
200
205
210
190
IDEAL
BREWING
TEMPERATURE
MAXIMUM
TEMPERATURE
SETTING
BOILING
POINT OF
WATER
ELEVATION (meters above seal level)
0
150
300
450
600
750
900
1.050
1.200
1.350
1.500
1.650
1.800
1.950
TEMP. (ºC)
91
94
97
100
88
IDEAL
BREWING
TEMPERATURE
RANGE
MAXIMUM
TEMPERATURE
SETTING
BOILING
POINT OF
WATER

SERVICING INSTRUCTIONS (continued)
13
M611 75804 Owners Manual Koffee-King™ Brewers
IMPORTANT: Water pressure
must be between 20 p.s.i and
90 p.s.i. flowing pressure.
If water pressure exceeds this
value, or if water pressure
varies greatly, a pressure
regulator must be installed in
the water supply line.
IMPORTANT: Before setting
assembly into tank, make sure
tank lid gasket is properly
seated on flange of lid.
DO NOT OVER-TIGHTEN.
IMPORTANT:
If mounting thermostat
p/n 8512-51, be sure to place
a new seal washer below the
fitting on the capillary line.
If replacing gray-bodied thermo
with p/n 8512-51, be sure to
remove tube from thermowell.
TIMER ADJUSTMENT
The amount of water dispensed automatically during a brew cycle
is controlled by the timer.
Place empty decanter under brew chamber. Press BREW
button. Brewer should dispense one decanter of water. To
adjust amount:
Remove brew chamber and button plug. Adjust knob on timer;
clockwise increases time. Run several cycles to check amount
of water delivered. Replace button plug.
REMOVE TANK LID ASSEMBLY
Unplug brewer or turn circuit breaker OFF. Turn OFF water
supply. Remove top panel. Pull vent tube and inlet elbow out of
basin pan.
Pull water inlet tube out of basin pan. Remove basin pan.
On models with faucet, disconnect inlet pipe at faucet shut-off
valve and outlet pipe at faucet.
Disconnect all wiring from thermostat, hi-limit, and heating
element.
Loosen center screw on tank hold-down bracket. Remove
hold-down bracket by sliding short slotted end off of locking stud
and lifting it off. Remove cover assembly by lifting it straight up.
Reassemble in reverse order.
REPLACE THERMOSTAT
Unplug brewer or turn circuit breaker OFF. Turn OFF water
supply. Remove top panel.
Disconnect all wiring from thermostat only. Loosen and free
jam nut from pass-thru fitting securing temperature sensing bulb.
Remove two screws holding thermostat to bracket.
Lift out thermostat, sensing bulb and thermostat gasket.
Push sensing bulb into tank lid thermowell until fitting seats.
Tighten capillary lock nut only enough to ensure no water
leakage. Excessive tightening is not necessary.
Reassemble in reverse order.

SERVICING INSTRUCTIONS (continued)
14
M611 75804 Owners Manual Koffee-King™ Brewers
REPLACE HEATING ELEMENT
Remove tank lid assembly as described on page 13.
Remove two hex nuts holding element to cover. Pull element
from mounting holes.
Reassemble in reverse order.
REPLACE SOLENOID
Symptom: Automatic brewer will not flow water; or,
automatic brewer drips continuously from brew head.
NOTE: Wrench p/n 86660 is designed to allow easy removal of
the hoses from the plastic solenoid valve.
IMPORTANT: Shut-off water and electric supply to brewer
before removing hoses or wiring.
Remove water supply flare fitting:
a. Slide the 5/8" end of the wrench over the flats on the
inlet fitting of the valve.
b. Hold the wrench to prevent the inlet fitting from turning
while installing or removing the inlet water supply flare
nut.
Remove braided hose:
a. Slide the 7/16" end of the wrench between the valve
body and the white ring on the extreme end of the metal
hose fitting.
b. Pressure on the white ring toward the metal ferrule
releases the clinch ring, allowing the hose to be easily
slid off of the solenoid bypass outlet.
c. Install hose on new valve by pressing end of hose onto
bypass outlet until it is fully seated.
Disconnect wiring.
Remove two screws holding solenoid to access door.
Reassemble in reverse order.
CLEAN SOLENOID SCREEN
Symptom: Automatic brewer will not flow water.
Unplug power cord or turn circuit breaker OFF. Turn OFF and
disconnect water supply from brewer inlet fitting.
Unscrew water inlet fitting from solenoid.
Using needle-nose pliers, withdraw strainer screen from solenoid.
Clean screen under faucet. A stiff bristle brush may be used if
necessary.
Reinsert screen in solenoid. Be careful to maintain correct
orientation. (The OPEN END of the screen goes in FIRST.)
Reassemble in reverse order.
Fig. 12 Clean Strainer Screen
Fig. 11 Remove Faucet
Supply from Solenoid
IMPORTANT: When replacing
heating element, also replace
seal gaskets.

SERVICING INSTRUCTIONS (continued)
IMPORTANT: When replacing
water faucet coil, also replace
seal gaskets.
NOTE: Any abrasion or
roughness on the flat end of the
seat cup will require replacing
the seat cup:
Work the seat cup out of the
bonnet and off of the end of the
stem.
Install a new seat cup, making
sure the knob on the stem is
fully inserted into the pocket of
the seat cup, and the skirt of the
seat cup is fully inserted into the
bonnet.
REPLACE TIMER ASSEMBLY
Unplug power cord or turn circuit breaker OFF.
Remove front panel. Remove knob and three screws holding
timer to bracket. Disconnect wiring to timer.
Reassemble in reverse order.
Adjust timer as described on page 13
REPLACE HOT WATER FAUCET COIL
Symptom: Brewer drips continuously from brew head, except
when faucet valve is turned OFF.
Remove tank lid assembly per above.
Remove two hex nuts hot water coil to cover. Pull coil from
mounting holes.
Reassemble in reverse order.
REPAIR HOT WATER FAUCET
Remove top panel and turn faucet valve OFF.
Unscrew aerator cap from faucet and remove handle retaining
clip. Do not let faucet body turn.
Pull bonnet assembly from faucet body.
Examine the interior of the faucet body and the surface of the
seat cup. Clean out any debris in the faucet body, using a stiff
bristle brush if necessary.
Examine the aerator. Clean any debris from the screen or flow
straightener, using a stiff bristle brush if necessary.
Reassemble in reverse order.
REPLACE BREW READY LIGHT or BREW BUTTON
Unplug power cord or turn circuit breaker OFF.
Using Switch Removal Tool (p/n 83209) or a thin screwdriver, pry
light or switch from mounting hole. Disconnect leads.
Reassemble in reverse order.
15
M611 75804 Owners Manual Koffee-King™ Brewers

CAUTION:
CHEMICAL BURN
HAZARD
Deliming chemicals are caustic.
Wear appropriate protective
gloves and goggles during this
procedure.
Never siphon deliming
chemicals or solutions by
mouth.
This operation should only be
performed by qualified and ex-
perienced service personnel.
IMPORTANT: DO NOT spill,
splash or pour water or deliming
solution into or over any internal
component other than the inside
of the water tank.
IMPORTANT: DO NOT allow
any internal components to
come into contact with the
deliming solution. Take care to
keep all internal components
dry.
NOTE: Repeat steps 4 thru 5
as required to remove all scale
and lime build-up.
PROCEDURE: Delime the Water Tank
PRECAUTIONS: Disconnect brewer from electric power.
Allow brewer to cool.
FREQUENCY: As required (Brewer slow to heat)
TOOLS: Deliming Solution
Protective Gloves, Goggles & Apron
Mild Detergent, Clean Soft Cloth or Sponge
Bristle Brush, Bottle Brush
Large Sink (or other appropriate work area)
1. Disconnect brewer from the electrical supply. Turn off the
water shut-off valve and disconnect the water supply line
from the brewer inlet fitting.
2. Remove the tank lid assembly as described on page 13.
3. Remove the water tank from the brewer body by lifting
straight up. Empty all water from the tank. Set the tank back
into the brewer.
4. Mix 2 quarts of deliming solution according to the
manufacturer’s directions. Carefully pour the deliming
solution into the water tank. Lower the lid assembly back
onto the tank. Allow to sit for 30 minutes, or as directed by
the manufacturer.
5. At end of soaking period, remove lid assembly from tank.
Thoroughly rinse internal components of lid assembly with
clear water. Using a stiff bristle brush, scrub the heating
element (and faucet water coil on automatic brewers) to
remove lime and calcium build-up. Rinse with clean water.
Store lid assembly in a safe location .
6. Remove the tank from the brewer and empty. Using a stiff
bristle brush, scrub the interior of the water tank to remove
lime and calcium build-up. Rinse with clean water.
SERVICING INSTRUCTIONS (continued)
16
M611 75804 Owners Manual Koffee-King™ Brewers

7. Set the tank back into the brewer. Reassemble the tank lid to
the water tank. Make sure the gasket is properly in place,
then reinstall the hold-down strap.
8. Reinstall wiring to heating element and thermostat. Reinstall
the hi-limit thermostat (if removed). For brewers with hot
water faucet, reassemble faucet piping. Verify that all internal
components are dry, then reinstall the top panel.
10. Reconnect brewer to electrical supply and, for automatic
brewers, reconnect water supply.
11. Install the brew chamber without filter paper or grounds.
Run at least three full brew cycles and discard all water
generated.
12. Brewer is ready to use.
NOTE: Normally, silicone
hoses do not need to be
delimed. Should deliming
hoses become necessary,
Bloomfield recommends
replacing the hoses.
SERVICING INSTRUCTIONS (continued)
17
M611 75804 Owners Manual Koffee-King™ Brewers

Koffee-King™ EXPLODED VIEW & PARTS LIST
CABINET & RELATED COMPONENTS
18
M611 75804 Owners Manual Koffee-King™ Brewers

Koffee-King™ EXPLODED VIEW & PARTS LIST (continued)
19
M611 75804 Owners Manual Koffee-King™ Brewers
ITEM PART NO. DESCRIPTION USED ON
1 8700-16 COVER PLATE, WARMER, BLACK ALL
4 8543-80 CLIP, PANEL RETAINING ALL
20 8543-23 NUT, #8SMS, TINNERMAN (not shown) ALL
23 8543-69 BUSHING, HEYCO ALL
33 8543-42 GASKET, SPRAY HEAD ALL
34 82727 SPRAY DISK, EMBOSSED ALL
34a 8543-45 RETAINER, SPRAY HEAD (REQUIRES DRILL/RIVETS TO INSTALL) ALL
35 85089 DOOR, SOLENOID ACCESS, PLASTIC 8540, -41, -72, -73, -74
38 8574-10 DOOR, ELECTRIC ACCESS 8574
40 8706-76 BUTTON PLUG, 1-1/8" DIA, METAL (WARMER PLATE RETAINER) ALL (Canadian)
41 18-50 NUT, WARMER PLATE RETAINING, 1/4-28 ALL (Canadian)
47 8810-12 BUTTON PLUG, 1/2" DIA, PLASTIC (NON FAUCET MODELS) 8541, -42, -43, -71, -73
47a 8033-60 BUTTON PLUG, 3/8" DIA, METAL (HI-LIMIT RESET) 8574
48 81732 ASSEMBLY, ADJUSTABLE LEG ALL
70 8706-75 BUTTON PLUG, 2" DIA, METAL (TIMER) 8540, -41, -71, -72, -73
101 8572-13 ASSEMBLY, BREWER TOP (BASIN) ALL
102 8512-56
8542-6
BASIN COVER W/WARMER MOUNT
BASIN COVER, W/O WARMER MOUNT
8540, 8541, 8543
8542, -71, -72, -73, -74
103 86666 ASSEMBLY, POUR-OVER PLASTIC ALL
108 8541-21
8543-29
BASIN PAN (AUTOMATIC)
BASIN PAN (POUR-OVER)
8540, -41, -72, -73, -74
8542, 8543, 8571
110
8542-110
8543-160
8541-160
8572-110
8571-20
LABEL, CONTROL PANEL DECAL (IN-LINE POUR-OVER 1W)
LABEL, CONTROL PANEL DECAL (IN-LINE POUR-OVER 2W)
LABEL, CONTROL PANEL DECAL (IN-LINE AUTOMATIC 2W)
LABEL, CONTROL PANEL DECAL (STEP-UP AUTOMATIC 3W)
LABEL, CONTROL PANEL DECAL (STEP-UP POUR-OVER 3W)
8542
8543
8540, 8541
8572, 8573, 8574
8571
111
8542-25
8540-25
8571-13
8572-33
(none)
ASSEMBLY, BREWER BASE (IN-LINE POUR-OVER)
ASSEMBLY, BREWER BASE (IN-LINE AUTOMATIC)
ASSEMBLY, BREWER BASE (STEP-UP POUR-OVER)
ASSEMBLY, BREWER BASE (STEP-UP AUTOMATIC)
ASSEMBLY, BREWER BASE (STEP-UP AUTOMATIC)
8542, 8543
8540, 8541
8571
8572, 8573
8574
112
8541-155
8543-48
8571-3
8572-10
PANEL, FRONT (IN-LINE AUTOMATIC)
PANEL, FRONT (IN-LINE POUR-OVER)
PANEL, FRONT (STEP-UP POUR-OVER)
PANEL, FRONT (STEP-UP AUTOMATIC)
8540, 8541
8542, 8543
8571
8572, 8573, 8574
114
8718-61
8549-26
8752-66
8571-19
PANEL, BOTTOM PLATE (IN-LINE)
PANEL, BOTTOM PLATE (IN-LINE W/ACCESS HOLE)
PANEL, BOTTOM PLATE (STEP-UP)
PANEL, BOTTOM PLATE (STEP-UP W/ACCESS HOLE)
IN-LINE (exc. Canadian)
IN-LINE (Canadian
STEP-UP (exc. Canadian)
STEP-UP (Canadian)
115 8572-16 PANEL, COVER W/WARMER MOUNT 8571, 8572, 8573, 8574
200 8942-6B
8942-6
8707-6
BREW CHAMBER, BLACK PLASTIC
BREW CHAMBER, BROWN PLASTIC
(OPTIONAL limited to stock on hand)
BREW CHAMBER, STAINLESS W/ WIRE BASKET (OPTIONAL)
ALL
201 POF FILTER PAPER, COFFEE (CASE OF 1000) ALL

Koffee-King™ EXPLODED VIEW & PARTS LIST (continued)
HOT WATER TANK ASSEMBLY
20
M611 75804 Owners Manual Koffee-King™ Brewers
ITEM PART NO. DESCRIPTION USED ON
13 8043-5 HOLD-DOWN STRAP ALL
50 8512-51
86280
THERMOSTAT (BLACK BODY - INCL. SEAL & MOUNTING SCREWS)
THERMO (ALT) (GRAY BODY - INCL. TUBE & MOUNTING SCREWS) ALL
52 8512-41 SEAL WASHER, THERMO CAP TUBE (ONLY) ALL
54 8043-12 TANK COVER GASKET ALL
56 8043-30 SEAL GASKET, ELEMENT OR WATER COIL ALL
58 8540-6 HOT WATER COIL 8540, 8572, 8574
59 8043-8 TUBE, BASIN OUTLET/TANK INLET, SILICONE ALL
60 8043-15 TUBE, VENT, SILICONE ALL
61 8043-11 ELBOW, TANK OUTLET, SILICONE ALL
63 8043-83
8552-50
THERMOSTAT, HI-LIMIT
THERMOSTAT, HI-LIMIT RESET
ALL, except 8574
8574
66 8043-24 WATER INLET TUBE ALL
67 8043-93
8043-14
8716-1
HEATING ELEMENT (120V, 1200W)
HEATING ELEMENT (120V, 1500W)
HEATING ELEMENT (240V, 3500W)
ALL Canadian
ALL, exc. Canadian & 8574
8574
68 8043-10 TANK BODY ALL
70 80625 BRACKET, HI LIMIT THERMOSTAT 8574
8541WF-
300
INCLUDES: MOUNTED THERMO, HI-LIMIT, 120V 1500W HEATING
ELEMENT & HOT WATER COIL)
TANK COVER ASSEMBLY
14 83457 NUT, HEX 8-32 KEPS ALL
66a 8543-74 NUT, HEX 4-40 SS ALL
66b 8543-73 SCREW 4-40 x 1 PAN HEAD ALL
62 8512-45
8514-68
TAN COVER, PLATE ONLY, 6 HOLES
TAN COVER, PLATE ONLY, 8 HOLES
8541, 8542, 8543, 8571, 8573
8540, 8572, 8574
55 8043-28 NUT HEX 1/2-20 BRASS ALL
8543-300 INCLUDES: MOUNTED THERMO, HI-LIMIT, 120V 1500W HEATING
ELEMENT. NO HOT WATER COIL)
57 8941-21 NUT HEX 7/16-20 BRASS 8540, 8572, 8574
FAUCET
MODELS
ONLY
ALL
MODELS
68
56
57
58
63
56
61
50
52
62
55
54
70
66
66a
13
67
66b
59
60 14
ALTERNATE
50

INTERNAL PLUMBING COMPONENTS
Koffee-King™ EXPLODED VIEW & PARTS LIST (continued)
21
M611 75804 Owners Manual Koffee-King™ Brewers
ITEM PART NO. DESCRIPTION USED ON
8 8540-3 FORMED TUBE, FAUCET OUTLET ASSEMBLY 10-7/8" LONG 8540, 8572, 8574
9 8540-4 FORMED TUBE, FAUCET COIL INLET ASSEMBLY 8540, 8572, 8574
10 8551-30 ADAPTER, 1/4" MALE FLARE x 1/8" FPT BRASS 8540, 8572, 8574
11 8514-26 VALVE, FAUCET SHUT OFF, NEEDLE SEAT 8540, 8572, 8574
12 85681 BRAIDED TUBE, FAUCET INLET 6MM x 299MM (11-3/4") LONG 8540, 8572, 8574
18 8540-30 ELBOW, BASIN INLET DIVERTER POLYPROPYLENE 8540, -41, -72, -73, -74
24 8043-26 TUBE, BREW OUTLET, METAL 4-3/4" LONG ALL
25 8043-13 ELBOW, SPRAYER, SILICONE ALL
27 8551-100B LOCK WASHER 7/16" EXT SEMS (FAUCET) 8540, 8572, 8574
28 82681 WASHER, FLAT 15/32" x 1-1/8" x 1/16" SS 8540, 8572, 8574
29 82556 FAUCET ASSEMBLY, PRESSURE 8540, 8572, 8574
33 8543-42 GASKET, SPRAY HEAD ALL
34 82727 SPRAY DISK, EMBOSSED ALL
34a 8543-45 RETAINER, SPRAY HEAD (REQUIRES DRILL/RIVETS TO INSTALL) ALL
43 8541-46 TUBE, BASIN INLET, SILICONE 13" 8540, -41, -72, -73, -74
45 83612
85685
SOLENOID, SINGLE, 120V, .75 GPM
SOLENOID W/BYPASS, 120V, .75 GPM
8541, 8573
8540, 8572, 8574
59 8043-8 TUBE, BASIN OUTLET/TANK INLET, SILICONE ALL
60 8043-15 TUBE, VENT, SILICONE ALL
61 8043-11 ELBOW, TANK OUTLET, SILICONE ALL
108 8541-21
8543-29
BASIN PAN (AUTOMATIC)
BASIN PAN (POUR-OVER)
8540, -41, -72, -73, -74
8542, 8543, 8571
FAUCET REPAIR KITS
82573 HANDLE, FAUCET RED (29a)
82575 SEAT CUP (29c)
82576 FAUCET REPAIR KIT, INCL: HANDLE (29a), SEAT CUP (29c),
SPRING (29d), STEM (29h), PIN (29j) & BONNET (29k)
82682 RETAINER CLIP (29b)
84804 AERATOR REPLACEMENT, INCL: O-RING (29e), DISK (29f) & CAP (29g)
84870 AERATOR REPAIR KIT, INCL: O-RING (29e) & DISK (29f)
26 82680 LOCK NUT, HEX 7-16-20 8540, 8572, 8574
33
34
25
24
34a
108
43
26
28
27
29
8
12
29d
29e
29f
29g
29h 29j 29k
TANK ASSY
see PAGE 20
61 59 18
11
60
10
9
29a
29b
29c
45

Koffee-King™ EXPLODED VIEW & PARTS LIST (continued)
ELECTRICAL COMPONENTS
22
M611 75804 Owners Manual Koffee-King™ Brewers
45a
45b
45c
45d
ITEM PART NO. DESCRIPTION USED ON
2 8572-18 HEATING ELEMENT, WARMER 120V 100W ALL
30 6710-23 SWITCH, WARMER ON/OFF 120V ALL
31 8572-24
8707-55
SWITCH, MOMENTARY PUSH-BUTTON, BREW
SWITCH, MOMENTARY ROCKER, BREW
8572, 8573, 8574
8540, 8541
32 8718-31 INDICATOR, 120V, READY-TO-BREW ALL
35 8718-1 TIMER, 2-MINUTE (WITH DIAL & KNOB) 120V 8540, -41, -72, -73, 74
36 6407-15 POWER CORD ASSEMBLY, 120V NEMA 5-15P ALL (exc. 8574)
37 35-210 STRAIN RELIEF ALL (exc. 8574)
43 8552-18 TERMINAL BLOCK, 4P 8574
45 83612
85685
SOLENOID, SINGLE, 120V, .75 GPM
SOLENOID W/BYPASS, 120V, .75 GPM
8541, 8573
8540, 8572, 8574
50 8512-51
86280
THERMOSTAT (BLACK BODY - INCL. SEAL & MOUNTING SCREWS)
THERMO (ALT) (GRAY BODY - INCL. TUBE & MOUNTING SCREWS) ALL
63 8043-83
8552-50
THERMO, HI-LIMIT
THERMO, HI-LIMIT, RESET
ALL (exc. 8574)
8574
67 8043-93
8043-14
8716-1
HEATING ELEMENT (120V, 1200W)
HEATING ELEMENT (120V, 1500W)
HEATING ELEMENT (240V, 3500W)
ALL Canadian
ALL, exc. Canadian & 8574
8574
SOLENOID REPAIR KITS
83612 SOLENOID 120V SINGLE .75GPM, COMPLETE
85685 SOLENOID 120V W/BYPASS .75GPM, COMPLETE
85218 INLET FITTING KIT INCLUDES: CAP (45a), FITTING (45b),
GASKET (45c) & STRAINER (45d)
85219 INLET STRAINER ( 45d ONLY)
36
37
50
32
35
63
63
43
2
120V
67
67
240V
240V
120V
50
ALTERNATE
30
45
31

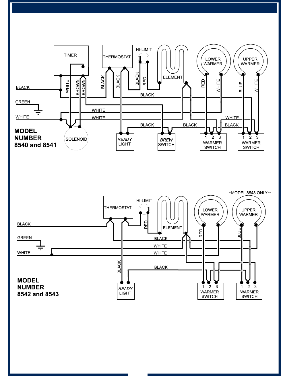
Koffee-King™ WIRING DIAGRAMS
23
M611 75804 Owners Manual Koffee-King™ Brewers

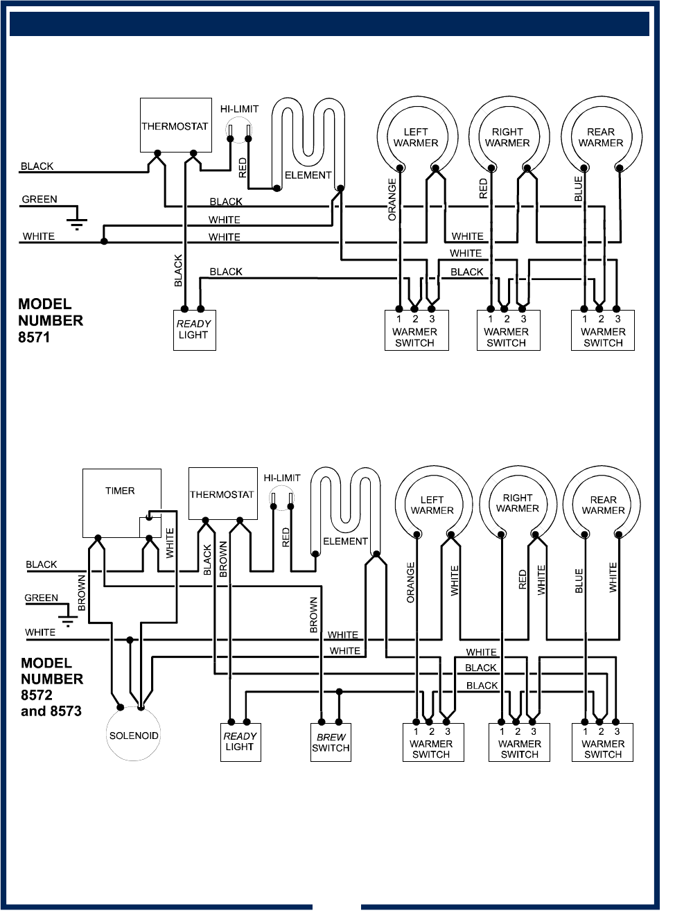
Koffee-King™ WIRING DIAGRAMS (continued)
24
M611 75804 Owners Manual Koffee-King™ Brewers

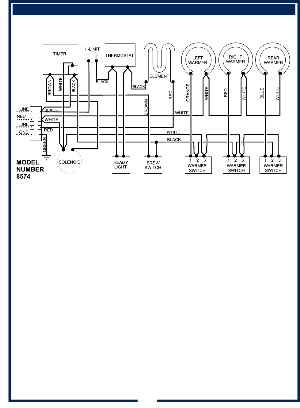
Koffee-King™ WIRING DIAGRAMS (continued)
25
M611 75804 Owners Manual Koffee-King™ Brewers

Genuine Parts
Protect - YOU - All - Ways
SERVICE TRAINING - QUALITY SERVICE
SERVICE TRAINING - QUALITY SERVICE
CUSTOMER SATISFACTION
CUSTOMER SATISFACTION
Wells Bloomfield proudly supports CFESA
Commercial Food Equipment Service Association
Commercial Food Equipment Service Association
PRINTED IN UNITED STATES OF AMERICA
WELLS BLOOMFIELD, LLC
2 ERIK CIRCLE, P. O. Box 280 Verdi, NV 89439
telephone: 775-689-5707 fax: 775-689-5976
www.wellsbloomfield.com