988721FC Parts Manual Factory Cleaning ES1720TD REV STAR 0110.pmd Bulldog WD20
User Manual:
Open the PDF directly: View PDF
.
Page Count: 31

Parts Manual
Bulldog 20” Traction Drive
Walk Behind Scrubber

• Stop on level surface.
• Disconnect the power to the machine by pulling the red Battery Connector located under the recovery tank near the batteries.
• Avoid moving parts. Do not wear loose jackets, shirts, or sleeves when working on machine.
• Avoid contact with battery acid. Battery acid can cause burns. When working on or around batteries, wear protective clothing and
safety glasses. Remove metal jewelry. Do not lay tools or metal objects on top of batteries.
• Do not clean machine with a pressure washer.
• Authorized personnel must perform repairs and maintenance. Use Manufacturer supplied replacement parts.
For Safety When Servicing or Maintaining Machine
Parts Manual - Bulldog 20” Traction Drive Walk Behind Scrubber
Model Bulldog 20” Traction Drive Walk Behind Scrubber
Model No. E20DTDQP-FC / E20DTDQPG-FC
Technical Specifications
Current (Max)
Battery Capacity (Lead Acid)
Battery Capacity (Gel)
Sound Level
Cleaning path width
Squeegee width
Productivity
Working speed
Transport Speed
Rated voltage
Vacuum flow
Vacuum waterlift
Vacuum power
Brush type
Brush motor(s) power
Number of brushes
Brush RPM
Aqua-Stop equipped
Solution capacity
Recovery capacity
Working Grade
Weight with batteries
Weight without batteries
Dimensions (LxWxH)
Drive Motor Power
40 amps
140Ah @20 hr
95Ah @20 hr
69 dBA
20 in (51 cm)
34 in (86 cm)
27,280 ft2 /hr ( 2,534 m2)
3.1 mph (5 km per hr)
3 mph (4.8 km per hr)
24 volts
65 cfm (110 m3/hr)
45 inches ( 112mbar)
.60 HP (450 W)
Disc
3/4 HP (560W)
1
180 RPM
Coming Soon
12 Gal (45 liters)
13 Gal (49 liters)
2%
372 lbs (169 kg)
238 lbs (108 kg)
47.4 x 21.3 x 42.3 (120.4 x 54.1 107.4 cm)
1/5 HP (150W)

Parts Manual - Bulldog 20” Traction Drive Walk Behind Scrubber
Table of Contents
Main Assembly ................................................................................................................................ 1
Main Assembly BOM ....................................................................................................................... 2
Traction Drive Base Assembly ........................................................................................................ 3
Traction Drive Base Assembly BOM ............................................................................................... 4
Base Assembly................................................................................................................................ 5
Chassis Assembly ........................................................................................................................... 6
Chassis Assembly BOM .................................................................................................................. 7
Solution Valve Assembly ................................................................................................................. 8
Solution Tank Assembly .................................................................................................................. 9
Lift Pedal Stop Assembly ............................................................................................................... 10
Recovery Tank Assembly .............................................................................................................. 11
Recovery Tank Assembly BOM ..................................................................................................... 12
Handle Assembly .......................................................................................................................... 13
Battery Tray Assembly .................................................................................................................. 14
Electrical Box Assembly ................................................................................................................ 15
Electrical Box Assembly BOM ....................................................................................................... 16
Electrical Box Cover Assembly...................................................................................................... 17
Vac Motor Assembly ...................................................................................................................... 18
20” TD Disk Deck Assembly .......................................................................................................... 19
20” TD Disk Deck Assembly BOM................................................................................................. 20
Brush Hub Assembly ..................................................................................................................... 21
Rear Squeegee Assembly (Curved) .............................................................................................. 22
Squeegee Mechanism Assembly .................................................................................................. 23
Optional Pump Kit ......................................................................................................................... 24
Wiring Diagrams............................................................................................................................ 25

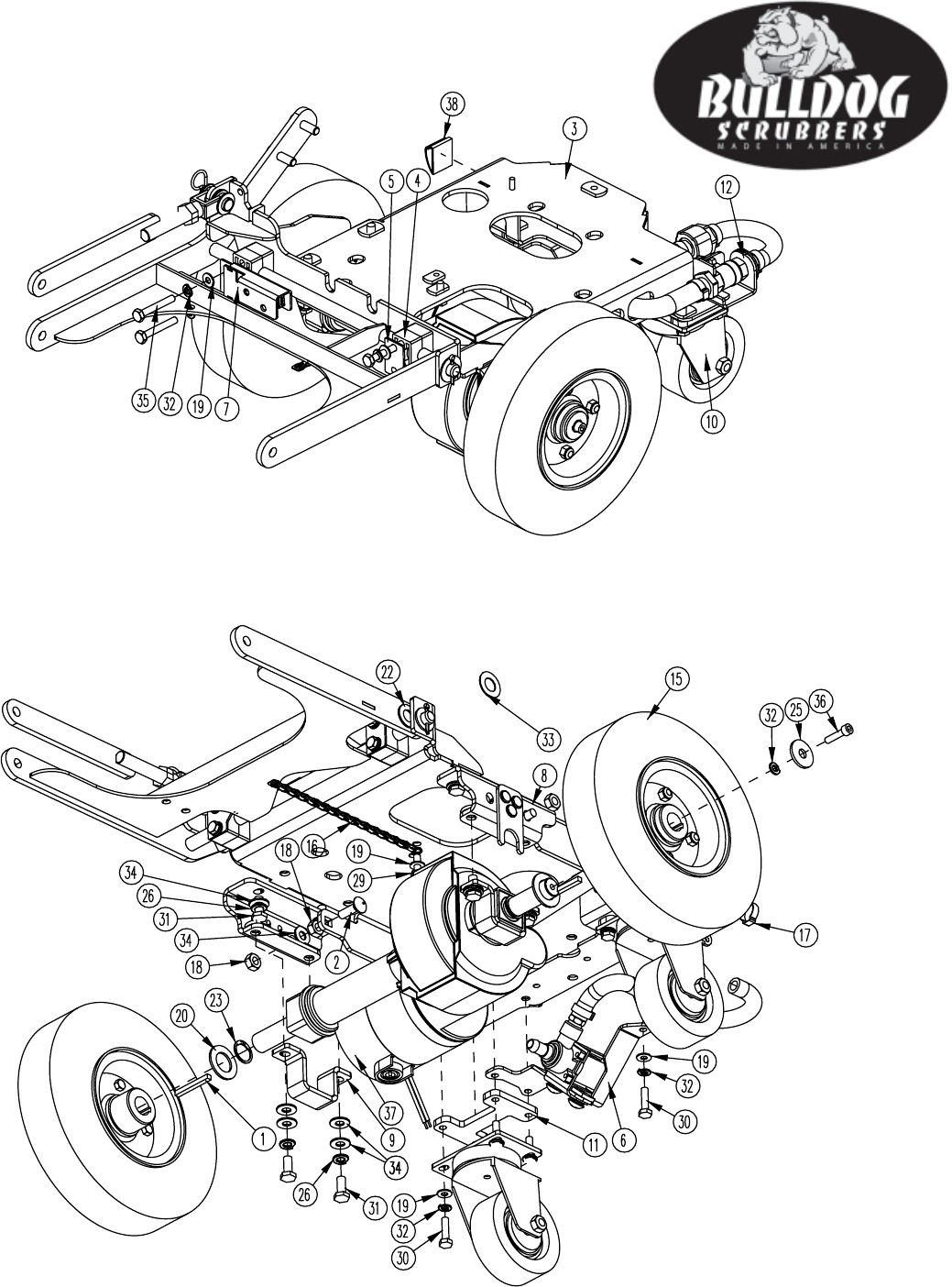
Page 1Parts Manual - Bulldog 20” Traction Drive Walk Behind Scrubber
Main Assembly

Page 2Parts Manual - Bulldog 20” Traction Drive Walk Behind Scrubber
Main Assembly BOM
ITEM PART NO. DESCRIPTION
4.1 172520-2 20" PAD DRIVER
4.2 172520-3 BRUSH, 20" POLY GRIT
4.3 172520-6 DISC BRUSH 20", SCRUB GRIT 2, 120GR RED
OPTIONAL BRUSHES
ITEM PART NO. REQ'D DESCRIPTION
1 172010 1 HOSE, CLEAR VAC W/ 45 CUFF
2 172018 1 SOLUTION TANK LID ASSY
3 172100TD 1 BRUSH DECK ASSY 20"
4 172520-1 1 BRUSH, 20" NYLON
5 172150 1 SQUEEGEE LIFT MECH ASSY
6 172159 1 FILTER, FILL PORT
7 172230 1 SQUEEGEE ASSY, 34" (860MM) CURVED
8 450076 1 CLAMP-CRIMP 185R SS
9 711118 1 SCR-ST-A 10 X .75 SS
10 711374 1 NUT-NYLOC 5/16-18
11 711375 3 NUT-NYLOC 3/8-16 X 1/2 NUT
12 711523 1 WSR-WAVE .37X .68 X .08
13 711569 1 WSR-FLT .390 X .880 X .062 NYL
14 711592 6 WSR-FLAT .506 X .9 X .064 NYL
15 712143 1 BLT-SHLD 3/8 X 2.0, 5/16-18
16 712301 2 WSR-FLAT .37 X .87 X .06
17 715920FC 2 DECAL (NOT SHOWN)
18 740164-1 1 JUMPER CABLE ASSY, RED 4G 12"
19 747649 1 CABLE ASSY, BATTERY
20 956140 2 BATTERY, 12V 140AH
20G 956100 2 GEL BATTERY 12V 95AH
21 172001TDFC 1 BRUSH DRIVE BASE ASSY
22 712099PLT 3 BLT- SHLDR 1/2 X 1/2 ZINC PLT
23 715914FC 1 DECAL (NOT SHOWN)
24 172008 1 SOLUTION TANK LID
25 172123 1 CHAIN, BEADED SS W/EYELETS
26 712145 1 SCR-MC 6-32 X .37 PPH SS
BILL OF MATERIAL - E20DTDQP-FC / E20DTDQPG-FC

Page 3Parts Manual - Bulldog 20” Traction Drive Walk Behind Scrubber
Traction Drive Base Assembly

Page 4Parts Manual - Bulldog 20” Traction Drive Walk Behind Scrubber
Traction Drive Base Assembly BOM
ITEM PART NO. REQ'D DESCRIPTION ITEM PART NO. REQ'D DESCRIPTION
1 172009 1 TD CHASSIS ASSY 30 711519 3 WSR- FLAT .25 X 1.01 X .06
2 172012 1 BATTERY TRAY ASSY 31 711523 1 WSR-WAVE .37X .68 X .08
3 172015 1 TD HANDLE ASSY 32 711543 1 WSR-HELICAL #10
4 172032 1 LIFT PEDAL WMT 33 711544 9 WSR-HELICAL 1/4
5 172050 1 VAC MOTOR ASSY 34 711546 6 WSR-HELICAL 3/8
6 172055 1 BKT, VAC AREA INSIDE COVER 35 711575 6 WSR-FLT .31x.75x..06ST
7 172075-120 1 ELEC BOX TD ASSY 120V 36 711803 1 COTTER PIN
8 172079FC 1 TD ELEC BOX COVER ASSY 37 712041 1 BLT- SHLDR .31 X .375 X 1/4-20
9 172085 2 KNOB, 3/8-16 STUD, 3 LOBE 38 712117 1 CLEVIS PIN 3/16
10 172112 1 SOL CONTROL ASSY 39 712301 6 WSR-FLAT .37 X .87 X .06
11 172129 1 BKT, PWR CORD MOUNT 40 712312 2 WSR-FLAT .187 X 1.25
12 172166 1 TD LIFT PEDAL BKT ASSY 41 712562 2 BOLT-HH 1/4-20X3/4 SS
13 172179 1 CHARGER INLET ASSEMBLY 42 712683 2 NUT, HEX 5/16-18 NYLOC SS
14 172184 1 FOAM COVER, REAR 1 43 712758 2 WSR-HELICAL 1/4 SS
15 172185 1 FOAM COVER, REAR 2 44 712772 2 WSR-FLAT .344 x .75 x .06 SS
16 172187 1 FOAM COVER, FRONT 2 45 712800 1 SCR-MC 10-24 X .25 ST PL
17 210142 1 PEDAL PAD 46 712810 5 SCR-MC 10-24 X .37 ST PL
18 260203 1 WIRE GRIP HOSE CLAMP 47 713042 4 BLT-HH 3/8-16 X 1 #5
19 293080 1 STRAIN RELIEF-HEYCO 1207 48 715029 1 DECAL-NAME PLATE SERIAL
20 342440 1 FITTING, TEE 3/4MPT 1/2BARB 49 715047 1 DECAL-CLEAR LAMINATE 2X3
21 430156 1 HOSE, 1/2 X 42 CLEAR 50 715950 1 LABEL, PATENT NUMBERS
22 450093 2 CRIMP CLAMP 3/4" STEPLESS 51 717025 1 WSR-FLAT 13/16ID X 1.25 X .08
23 710177 1 SCR-MC 1/4-20 X .37 ST PL 52 760592 1 KNOB, OVAL TAPERED
24 710178 10 SCR-MC 1/4-20 X .50 TRUSS STPL 53 809443 1 CLIP-WIRE & CORD
25 710380 5 SCR-MC RD HD 1/4-20 X .75 STL PL 54 172001FC 1 BASE ASSY
26 710985 2 SCR-SC 3/8-16 X .62 ST PL 55 172115 1 SOL CNTRL LEVER ASSY
27 711504 2 WSR-FLAT 1/4 ID SS 56 172122 1 NUT, PUSH-ON WSR CAP, 3/16
28 711507 2 WSR-FLAT .37 X 1.12 X .06 57 172069 1 ROD, SOL. CTRL, ES1720
29 711508 2 WSR-FLAT .44X 1.0X.08 58 172062 1 YOKE, 3/16 CLEVIS, 10-32, LONG
BILL OF MATERIAL - 172001TDFC

Page 5Parts Manual - Bulldog 20” Traction Drive Walk Behind Scrubber
Base Assembly
ITEM PART NO. REQ'D DESCRIPTION
1 172013FC 1 SOL TANK ASSY, E1720
2 172014FC 1 REC TANK ASSY
3 172144 1 PANEL, FRONT 1720
4 711504 3 WSR-FLAT 1/4 ID SS
5 711543 4 WSR-HELICAL #10
6 712041 1 BLT- SHLDR 1/4-20 X .44 X .37
7 712312 4 WSR-FLAT .187 X 1.25
8 712565 2 SCR-MC 1/4-20X.63 SS TR HD
9 712757 1 WSR - HELICAL #10 SS
10 712758 2 WSR-HELICAL 1/4 SS
11 712812 4 SCR-MC 10-24 X .62 PPH ST PL
12 712822 1 SCR-MC TR HD 10-24 X .50 SS
BILL OF MATERIAL - 172001FC

Page 6Parts Manual - Bulldog 20” Traction Drive Walk Behind Scrubber
Chassis Assembly

Page 7Parts Manual - Bulldog 20” Traction Drive Walk Behind Scrubber
Chassis Assembly BOM
ITEM PART NO. REQ'D DESCRIPTION
1 61-65-A 2 KEY, 3/16 X 1-3/4"
2 70-516-16 2 BLT-CAR 5/16-18 X 1.00 ZP
3 172020 1 MAIN FRAME WMT
4 172038 4 BEARING BLOCK
5 172039 1 BEARING BLOCK PLATE
6 172104 1 TD SOLENOID ASSY
7 172110 1 DECK SWITCH ASSY
8 172113 2 BKT, TRANSAXLE MOUNT BASE
9 172114 2 BKT, TRANSAXLE MOUNT
10 172167 2 CASTER, 3-1/2 POLYURETHANE
11 172192 2 PLATE, 1/4" SPACER
12 172264 1 SOLUTION VALVE ASSY
13 172368 1 UPPER LIFT ARM
14 172370 1 DISC DECK LIFT WMT
15 200172-2 2 WHEEL, 8.5" FOAM FILL
16 281200 1 DRAG CHAIN ASSY, FRAME
17 450076 1 CLAMP-CRIMP 185R SS
18 711383 4 NUT-HEX CLR LOC 5/16-18
19 711504 13 WSR-FLAT 1/4 ID SS
20 711512 2 WSR-FLAT .75X1.37X.08
21 711569 4 WSR-FLT .390 X .880 X .062 NYL
22 711592 2 WSR-FLAT .506 X .9 X .064 NYL
23 711715 2 RETAINING RING EXT .75
24 711809 1 COTTER PIN, 1/8 X 1.0
25 711855 2 WSR-FLT .37X1.12X.10 STL Z HARD
26 712140 8 WSR-HELICAL 5/16 SS
27 712265 1 CLEVIS-YOKE, 1/2-20 W/ .375 PIN
28 712301 2 WSR-FLAT .37 X .87 X .06
29 712562 1 BOLT-HH 1/4-20X3/4 SS
30 712564 8 BOLT-HH 1/4-20X1.00 SS
31 712575 8 BLT-HH 5/16-18 X .75 SS
32 712758 14 WSR-HELICAL 1/4 SS
33 712760 1 WSR-FLAT .56X1.06X.04 SS
34 712772 14 WSR-FLAT .344 x .75 x .06 SS
35 713006 4 BLT-HH 1/4-20 X 1 3/4 #5
36 717026 2 SCR-SC SHCS M6X1.0 X 25 STL Z
37 747606 1 TRANSAXLE, 24V
38 809444 1 CLIP-CORD
39 833374 1 PIN, HAIRPIN COTTER 3/8
40 833833 1 PIN-CLEVIS 3/8 X 1.25
41 3400449 1 NUT-HEX JAM 1/2-20 ZP
BILL OF MATERIAL - 172009

Page 8Parts Manual - Bulldog 20” Traction Drive Walk Behind Scrubber
Solution Valve Assembly
ITEM PART NO. REQ'D DESCRIPTION
1 172158 1 HOSE, 1/2"ID X 7.5" NYLOBRAID
2 172263 1 BKT, SOL VALVE MOUNT
3 320265 1 FITTING DUBL 3/8HBx3/8MPT
4 383347 1 CRIMP CLAMP 1/2 HOSE SS 185R
5 711512 2 WSR-FLAT .75X1.37X.08
6 711513 1 WSR-FLAT .69 X 1.06 X .03 SS
7 809415 1 VALVE, 3/8 FPT, 45 OPEN/CLOSE
8 827008 1 FITTING, 3/8 MPT 1/2 HOSE
BILL OF MATERIAL - 172264

Page 9Parts Manual - Bulldog 20” Traction Drive Walk Behind Scrubber
Solution Tank Assembly
ITEM PARTNO. REQ'D DESCRIPTION
1 172003FC 1 SOLUTIONTANK
2 172080 1 HANDLEMOUNTASSY,LEFT
3 172082 1 HANDLEMOUNTASSY,RIGHT
4 172341 1 HOOK,DRAINHOSEWITHTWISTVALVE
5 260579 1 TOOLCLIP,1.5"HOSE
6 342438 1 FITTING,1/2MPT1/2HBBRASS
7 711507 4 WSR‐FLAT.37X1.12X.06
8 711546 4 WSR‐HELICAL3/8
9 712822 4 SCR‐MCTRHD10‐24X.50SS
10 713041 4 BLT‐HH3/8‐16X3/4#5
BILLOFMATERIAL‐172013FC

Page 10Parts Manual - Bulldog 20” Traction Drive Walk Behind Scrubber
Lift Pedal Stop Assembly
ITEM PART NO. REQ'D DESCRIPTION
1 172036 1 BKT, PEDAL STOP
2 172065 1 CLIP, FOR 1/2" ID HOSE
3 710493 2 SCR-MC 4-40 X .75 PAN HD
4 710530 2 SCR-MC FL HD 8-32 X .50 BRS
5 711428 2 NUT-HEX 4-40
6 712326 2 WSR-INT LOCK #4
7 715685 1 DECAL, REMOVE SPLASH GUARD
8 747603-2 1 SWITCH ASY, MICRO ROLLER W/PACK/CONDUIT
BILL OF MATERIAL - 172157

Page 11Parts Manual - Bulldog 20” Traction Drive Walk Behind Scrubber
Recovery Tank Assembly

Page 12Parts Manual - Bulldog 20” Traction Drive Walk Behind Scrubber
Recovery Tank Assembly BOM
ITEM PART NO. REQ'D DESCRIPTION
1 172004FC 1 RECOVERY TANK
2 172005FC 1 VACUUM MANIFOLD
3 172007FC 1 LID
4 97090096 1 DRAIN HOSE ASSY, RECOVERY TANK
5 172017 1 GASKET, LID
6 172049 1 HINGE, RECOVERY TANK
7 172067 1 REC TANK CABLE ASSY 11.625
8 172132 1 SCREENED FLOAT
9 172329 1 CLAMP-HOSE 1.56" 102122 MURRAY
10 711210 2 BLT-HH 1/4-20 X 1.25 STPL
11 711212 1 BLT-HH 1/4-20 X 1.50 STPL
12 711379 1 NUT, FLANGED WIZZ 5/16-18
13 711519 6 WSR- FLAT .25 X 1.01 X .06
14 711544 3 WSR-HELICAL 1/4
15 712565 3 SCR-MC 1/4-20X.63 SS TR HD
16 712758 3 WSR-HELICAL 1/4 SS
17 15282072 1 REPLACEMENT O-RING (NOT SHOWN)
18 90304528 1 REPLACEMENT CAP
BILL OF MATERIAL - 172014FC

Page 13Parts Manual - Bulldog 20” Traction Drive Walk Behind Scrubber
Handle Assembly
ITEM PART NO. REQ'D DESCRIPTION
1 172006 1 HANDLE
2 172053 1 BAIL PLATE WMT RH
3 172054 1 BAIL PLATE WMT LH
4 172057 2 LEAF SPRING
5 172059 1 BAIL, HANDLE
6 172074 2 SPACER, 5/16OD X 17GA, ALUM
7 270143 2 HANDLE PIVOT JAW
8 710353 4 SCR-MC RD HD 10-32 X .37 STL
BILL OF MATERIAL - 172015

Page 14Parts Manual - Bulldog 20” Traction Drive Walk Behind Scrubber
Battery Tray Assembly
ITEM PART NO. REQ'D DESCRIPTION
1 172116 1 BATTERY BOX
2 172213 1 BKT, SPACER FOR BATTERIES
3 210414 2 O RING 2-113
4 260224 1 18" HOSE
5 320271 1 NOZZLE BODY-ELBOW
6 320272 2 NOZZLE BODY LOCKNUT
7 320273 1 HOSE SHUT-OFF CLAMP
8 710178 2 SCR-MC 1/4-20 X .50 TRUSS STPL
9 711575 2 WSR-FLT .31x.75x..06ST
10 828490 1 CRIMP CLAMP 140R
BILL OF MATERIAL - 172012

Page 15Parts Manual - Bulldog 20” Traction Drive Walk Behind Scrubber
Electrical Box Assembly

Page 16Parts Manual - Bulldog 20” Traction Drive Walk Behind Scrubber
Electrical Box Assembly BOM
ITEM PARTNO. REQ'D DESCRIPTION
1 369‐416 3 NUT‐HEX1/4‐20NYLOCSERATED
2 172077 1 ELECBOX‐BOTHALFWMT
3 172088 1 ELECBOX‐TOPHALFWMT
4 172107 1 BKT,UPPERBUSHINGMOUNT
5 172141 1 VACSWITCHASSY
6 172152 1 VACLEVERWMT
7 172188_ 1 FOAMTAPE,1/2"SQX16.5"
8 172381 1 CABLEASSY,SQUEEGEELIFT
9 172385 1 120VCHARGERASSEMBLY
10 670093 1 SPRING,COMPRESSION
11 710178 3 SCR‐MC1/4‐20X.50TRUSSSTPL
12 710534 2 SCR‐MCTRHD8‐32X1.00SS
13 711372 2 NUT‐NYLOC8‐32STLZINC
14 711383 2 NUT‐HEXCLRLOC5/16‐18
15 711505 9 1/4FLATWASHER,STEEL
16 711508 1 WSR‐FLAT.44X1.0X.08
17 711516 2 WSR‐FLAT.31X1.25X.05
18 711544 3 WSR‐HELICAL1/4
19 712320 2 WSR‐NYLON.22X.45X.04
20 712770 6 WSRINTLOCK#10ASS
21 712810 6 SCR‐MC10‐24X.37STPL
22 742748 4 CIRCUITBREAKERBOOT
23 747608 1 I‐DRIVE,24V70APMMOTORCONTROL
24 747637 1 WIREASY,MACHINE‐BATTERYE1720
25 747670 1 ELECPANELASSY
26 760134 2 MOUNTRING
27 762084 1 SPRING‐EXT.25ODX2"F.L.MUSIC
28 762400 1 HEYCOBUSHING2.00"
29 828062 1 CABLETIELARGE
30 15592033_CAP 2 CAP,SAFETYNUTCOVERM8
BILL OF MATERIAL - 172075-120

Page 17Parts Manual - Bulldog 20” Traction Drive Walk Behind Scrubber
Electrical Box Cover Assembly
ITEM PART NO. REQ'D DESCRIPTION
1 172182 1 TD COVER WMT
2 172193 1 GASKET, CB OUT LINE
3 172194 1 GASKET, CHARGER CORD PLAT E
4 715671FC 1 DECAL, TD DASHBOARD
5 715672 1 DECAL, CHARGE STATUS, SOLUTION CTRL
6 715674 1 DECAL, TD CIRCUIT BREAKER
7 715678 1 DECAL. DIAGNOSTIC CODES TD
8 747011 1 BATTERY GAUGE, TRUCHARGE
9 747026 1 POTENTIOMETE0R ASSY SPEED CONTROL
10 747614 1 CHARGE STATUS INDICATOR
11 747617-2 1 KEYSWITCH ASY, KEYSWITCH + WIR
12 748201 1 SWITCH, DPDT ON/OFF/ON
13 748209 1 GASKET-FOR 2 POLE ROCKER SWITCHES
14 809874 1 KNOB, SPEED CONTROL
BILL OF MATERIAL - 172079FC

Page 18Parts Manual - Bulldog 20” Traction Drive Walk Behind Scrubber
Vac Motor Assembly
ITEM PART NO. REQ'D DESCRIPTION ITEM PART NO. REQ'D DESCRIPTION
1 172045 1 VAC MOUNT WMT, ES1720 7 450095 1 CRIMP CLAMP, 1.75"
2 172048 1 HOSE, STRETCH 13" 8 711160 4 #10 X 5/8 HI-LO
3 172124 1 EDGE TRIM, .063 X 3.0, BLACK 9 711503 4 W SR, FLAT#10
4 172186 1 FOAM COVER, FRONT 1 10 715676 1 DECAL, BATT CABLE ROUTE, E1720
5 172187 1 FOAM COVER, FRONT 2 11 747607-1 1 VAC MOTOR ASY, E1720
6 172188 2 FOAM TAPE, 1/2" SQ X 16.5"
BILL OF MATERIAL - 172050



Page 21Parts Manual - Bulldog 20” Traction Drive Walk Behind Scrubber
Brush Hub Assembly
ITEM PART NO. REQ'D DESCRIPTION
1 11127000 3 SCR-SHCS M6X30 SS, ISO4762
2 12310256 3 WSR-FLT 6.4X12X1.6, SS DIN125
3 90541814 1 DRIVE HUB, PLASTIC 3 LOBE
4 172096MCH 1 BASE, DRIVE HUB WITH KEYWAY
BILL OF MATERIAL - 172510

Page 22Parts Manual - Bulldog 20” Traction Drive Walk Behind Scrubber
Rear Squeegee Assembly (Curved)
ITEM PART NO. REQ'D DESCRIPTION
1 172074 2 SPACER, 5/16OD X 17GA, ALUM
2 172162 1 BLADE, FRONT 34" SQUEEGEE
3 172163 1 BLADE, REAR 34" SQUEEGEE
4 172234 1 LEVER, 90535758
5 172235 1 SQUEEGEE W MT, 34" (860)
6 172240 1 STRAP W MT, FRONT LEFT
7 172241 1 STRAP W MT, FRONT
8 172245 1 STRAP W MT, REAR
9 172246 1 STRAP W MT, REAR
10 172250 2 SQUEEGEE CASTER ASSY
11 172271 1 BUMPER, 34" SQG
12 172274 1 EDGE TRIM 5/16 X 10" BLACK
13 430322 2 BUSHING .435 X .625 X .50
14 712772 8 W SR-FLAT .344 x .75 x .06 SS
15 712773 2 W SR FLAT .438 X 1.25 X .07 SS
16 11039567 6 BLT-HH M8 X 25 SS DIN933
17 11175494 2 SCR-MC M5 X 25 SS DIN7985
18 11518313 1 BLT-EYE M5 X 40 SS
19 12022430 1 NUT-HEX M5 SS DIN934
20 12040283 2 NUT-HEX M5 NYLOC SS DIN985
21 17133026 2 KNOB, M10 STAR HANDLE
22 90336637 2 W HEEL, 3.15OD
23 90513631 1 PIN, THD 90513631
BILL OF MATERIAL - 172230

Page 23Parts Manual - Bulldog 20” Traction Drive Walk Behind Scrubber
Squeegee Mechanism Assembly
ITEM PART NO. REQ'D DESCRIPTION ITEM PART NO. REQ'D DESCRIPTION
1 172134 1 BKT, MAIN SQUEEGEE HINGE 15 711678 2 CLEVIS PIN 3/8 X 2-1/4
2 172155 1 SQUEEGEE MOUNT WMT 16 711717 2 RETAINING RING- E TYPE .37
3 172196 1 SQ TOP LINK W/ BUSHING 17 711720 2 .25O DIA RETAINING RING- E TYPE
4 172197 1 SQ BOT LINK W/ BUSH 18 712147 1 ROD-THD 5/16-18 X 3.5 SS
5 172261 1 TORSION SPRING 19 712148 1 CLEVIS PIN, 1/2 x 2.25 W/ HOLE
6 172352 1 PIN, 3/8 X 3.0, SQG STRAP 20 712157 2 NUT- WING 5/16-18 SS
7 172357 1 STRAP, 9" PU, BLACK 21 712562 2 BOLT-HH 1/4-20X3/4 SS
8 260579 1 TOOL CLIP, 1.5" HOSE 22 712665 2 NUT-HEX 1/4-20 SS
9 430051 1 RETURN SPRING-3.00" 23 712680 1 NUT-HEX 5/16-18 SS
10 710530 2 SCR-MC FL HD 8-32 X .50 BRS 24 712683 2 NUT, HEX 5/16-18 NYLOC SS
11 711504 4 WSR-FLAT 1/4 ID SS 25 712758 2 WSR-HELICAL 1/4 SS
12 711515 2 WSR-FLAT .406 X .812 X .0625 26 712760 3 WSR-FLAT .56X1.06X.04 SS
13 711523 2 WSR-WAVE .37X .68 X .08 27 712772 2 WSR-FLAT .344 x .75 x .06 SS
14 711592 2 WSR-FLAT .506 X .9 X .064 NYL 28 3400125 1 PIN-COTTER 3/8 RUE RING
BILL OF MATERIAL - 172150

Page 24Parts Manual - Bulldog 20” Traction Drive Walk Behind Scrubber
Optional Pump Kit
ITEM PART NO. REQ'D DESCRIPTION
1 172400 1 FITTING-TEE 1/2X1/2X3/8HB NYLON
2 241097_PUMP 1 HOSE-WIRE REINF 3/8 X 31"
3 383347 2 CRIMP CLAMP 1/2 HOSE SS 185R
4 430114 1 1/4" FPT PLASTIC CAP
5 450076 2 CLAMP-CRIMP 185R SS
6 828952 1 FITTING PP 1/4" MPT X 3/8" HOSE BARB
BILL OF MATERIAL - 172405
ITEM PART NO. REQ'D DESCRIPTION
1 172401-1 1 PUMP BKT ASM
2 320253 1 HOSE-WIRE REINF 3/8 X 14"
3 320264 1 FITTING BRASS - 3/8 DBL BARB X 1/4MPT
4 450076 2 CLAMP-CRIMP 185R SS
5 710356 4 SCR-MC 10-32X.62 STPL
6 711350 4 NUT-NYLOC 10-32
7 712764 4 WSR #10 SS
8 747691 1 PUMP, 24VDC 35PSI 3/8HOSE w/CONNECTOR
BILL OF MATERIAL - 172402
ITEM PART NO. REQ'D DESCRIPTION
1 172402 1 PUMP ASSY
2 711594 4 WSR-FLAT .56 X .88 X .03
3 747693-1 1 SWITCH ASY, TOGGLE ON-ON SPDT W/ 3P
4 828062-B 4 CABLE TIE LARGE-BLACK
5 828368 1 MALE COUPLER
6 172144FC 1 FRONT PANEL, FOR OAW, E1720
BILL OF MATERIAL - K-E1720P

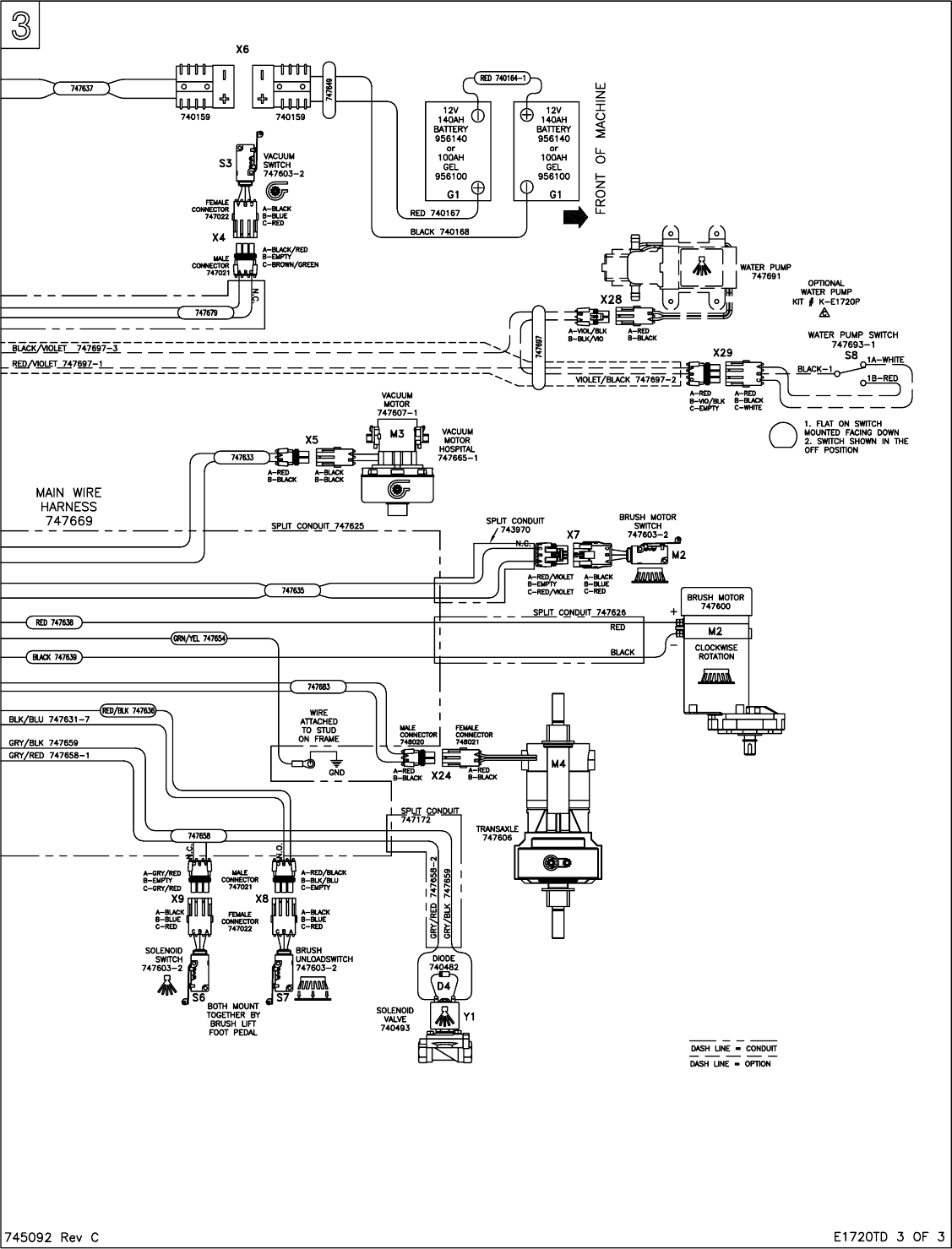
Wiring Diagrams



E1720TD PART REFERENCE LIST
Schematic 745092
REFERENCE # COMPONENT NAME PART NUMBE
R
M1 (optional) PUMP, WATER (KIT K-E1720P) 748691
M2 MOTOR, BRUSH 748692
M3 MOTOR, VACUUM ASSEMBLY 747607-1
M3 (model specific) MOTOR, VACUUM ASSEMBLY (H20 only) 747665-1
M4 TRANSAXLE 747606
Y1 SOLENOID VALVE, WATER 740493
K1 RELAY, MAIN 90331026
K2 RELAY, BRUSH MOTOR 747615
K3 RELAY, VACUUM 747616
CB1 CIRCUIT BREAKER 4.0A, CONTROL 747609
CB2 CIRCUIT BREAKER 30A, BRUSH MOTOR 740247
CB3 CIRCUIT BREAKER 20A, VACUUM MOTOR 740220
CB4 CIRCUIT BREAKER 20A, TRANSAXLE 740220
S1 KEYSWITCH 747617
S2A SWITCH, BRUSH MOTOR (at motor) 747603-2
S2B SWITCH, BRUSH MOTOR (handle) 748603-1
S3 SWITCH, VACUUM MOTOR 748603-2
S4 SWITCH, TRANSAXLE (handle) 748603-1
S5 SWITCH, DIRECTION 748201
S6 SWITCH, BRUSH UNLOAD 748603-2
S7 SWITCH, SOLENOID 747603-2
S8 (optional) SWITCH, PUMP- OFF AISLE WAND (KIT K-1720P) 747693-1
A1 CONTROLLER, I-DRIVE 747608
CSI CHARGER STATUS INDICATOR 747614
HM (optional) HOUR METER (KIT K-E1720HM) 747624
BC (model specific) BATTERY CHARGER 115VAC (battery type specific) 957761 (-2 or G-4)
BC (model specific) BATTERY CHARGER 230VAC (battery type specific) 957760 (-2 or G-4)
G1 BATTERY, 12V 140AH (2 REQUIRED) 956140
G1 (optional) BATTERY, GEL 12V 100AH (2 REQUIRED) 956100
D1 DIODE, MAIN RELAY Part of K1
D2 DIODE ASM, BRUSH MOTOR RELAY 740482
D3 DIODE ASM, VACUUM MOTOR RELAY 740482
D4 DIODE ASM, SOLENOID VALVE 740482
REFERENCE # CONNECTOR FUNCTION PART # -female PART # -male
X1 KEYSWITCH (S1) 744012 748037
X2 SWITCH, BRUSH MOTOR (S2B) 747022 747021
X3 CHARGER STATUS INDICATOR (CSI) Part of CSI Part of BC
X4 SWITCH, VACUUM (S3) 747022 747021
X5 MOTOR, VACUUM (M3) 748021 748020
X6 BATTERY CONNECTOR 740159 740159
X7 SWITCH, BRUSH MOTOR (S2A) 747022 747021
X8 SWITCH, BRUSH UNLOAD (S6) 747022 747021
X9 SOLENOID VALVE, WATER (Y1) 747022 747021
X10 OPERATOR HANDLE CABLE 741093 740697
X11 OPERATOR HANDLE CABLE 740366 740697
X12 KEYSWITCH (S1)- MAIN RELAY COIL (K1) 741093 741165
X13 BATTERY CHARGER (BC)- INTERNAL RELAY 740366 740697
X14 BATTERY CHARGER (BC)-INTERNAL RELAY 740366 740697
X15 SOLENOID (Y1) /HOUR METER CONNECTION (HM) 740366 741165
X16 SOLENOID (Y1) /HOUR METER CONNECTION (HM) 740366 741165
X17 (optional) OPTIONAL HOUR METER (HM) WIRE-747656 740366 741165
X18 (optional) OPTIONAL HOUR METER (HM) WIRE-747657 740366 741165
X19 BATTERY GAUGE (BDI) Part of BDI 747033
X20 SPEED POT ASSEMBLY (R1) 741298 741302
X21 SWITCH, TRANSAXLE (S4) 747022 747021
X22 OPERATOR HANDLE CABLE: 747632-1 747029 747033
X23 I-DRIVE HARNESS: 747673 Part of A1 748037
X24 TRANSAXLE (M4) 748021 748020
X25 I-DRIVE (A1) TO VACUUM SWITCH (S3) 740366-1 741165
X26 I-DRIVE (A1) TO VACUUM SWITCH (S3) 741093 740698
X27 I-DRIVE (A1) TO VACUUM RELAY-CONTACT 741093 741165
X28 (optional) SWITCH, TOGGLE WATER PUMP (S8) 747022 747021
X29 (optional) PUMP, OFF AISLE WAND (M1) 748021 748020
Last Updated 01/05/10