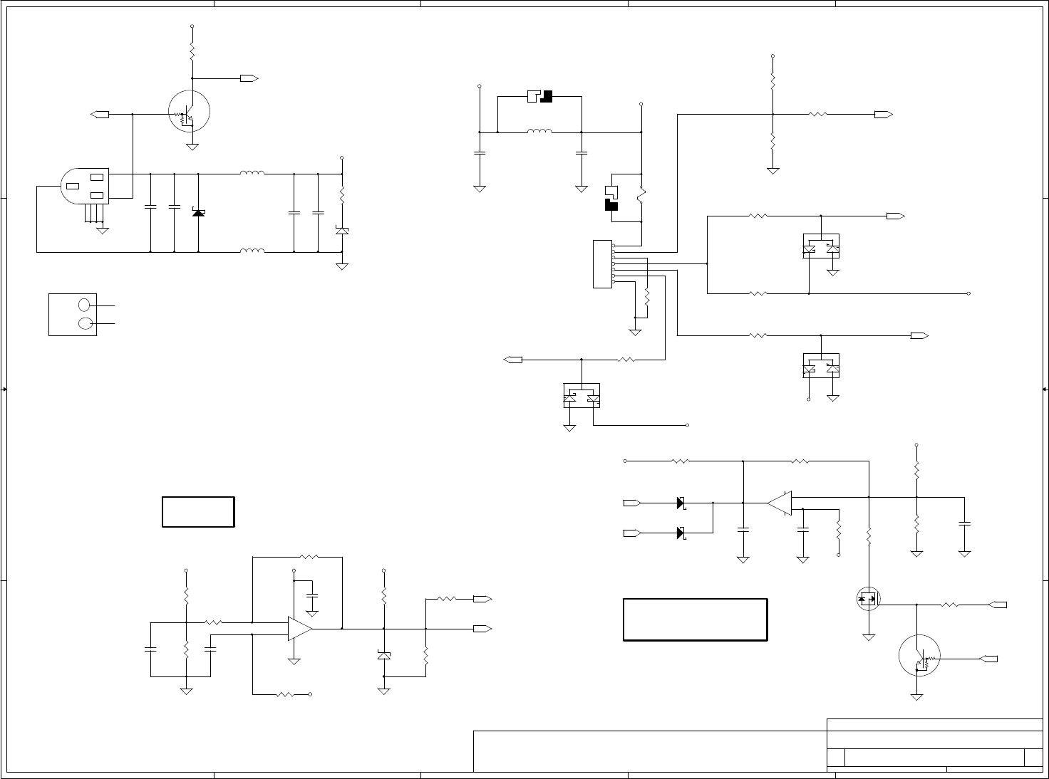
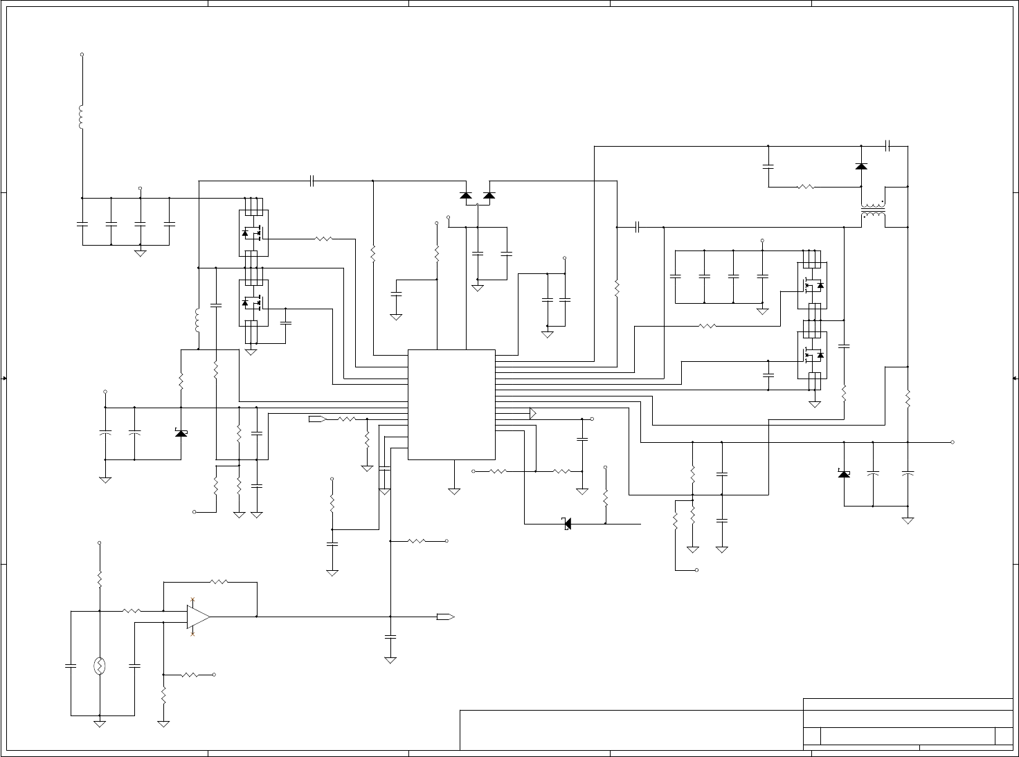
Compal LA 1181 Schematics. Www.s Manuals.com. R4 Schematics
User Manual: Motherboard Compal LA-1181 ADY11 Tang - Schematics. Free.
Open the PDF directly: View PDF
.
Page Count: 42

A
A
B
B
C
C
D
D
E
E
1 1
2 2
3 3
4 4
2002-02-04
uFCBGA/uFCPGA Coppermine-T or Tualatin
REV: 4
Tang/TangBTO Schematics Document
ADY11 LA-1181 3A
Cover Sheet
1 41Monday, February 04, 2002
Compal Electronics, Inc.
Title
Size Document Number Rev
Date: Sheet of
THIS SHEET OF ENGINEERING DRAWING IS THE PROPRIETARY PROPERTY OF COMPAL ELECTRONICS,INC. AND CONTAINS CONFIDENTIAL
AND TRADE SECRET INFORMATION . THIS SHEET MAY NOT BE TRANSFERRED FROM THE CUSTODY OF THE COMPETENT DIVISION OF R&D
DEPARTMENT EXCEPT AS AUTHORIZED BY COMPAL ELECTRONICS,INC. NEITHER THIS SHEET NOR THE INFORMATION CONTAINS MAY BE
USED BY OR DISCLOSED TO ANY THIRD PARTY WITHOUT PRIOR WRITTEN CONSENT OF COMPAL ELECTRONICS,INC.

A
A
B
B
C
C
D
D
E
E
1 1
2 2
3 3
4 4
PCI BUS
LPC BUS
Clock Generator
USB conn
uFCBGA/uFCPGA CPU
CardBus Controller
Almador-M
GMCH-M
HUB Link
HD#(0..63)HA#(3..31)
Compal confidential
Model Name :ADY11(Tang)
AMP& Phone
Jack
page 4,5
page 15
page 21
page 24
page 14
page 8,9,10
page 30
File Name : LA-1181 Coppermine-T or
Tualatin
Block Diagram
Power Circuit
DC/DC
page
32,33,34,35,36,37
Slot 0
page 22
page 31
DC/DC Interface
Suspend
IDE Connector
(HDD/CR-ROM)
page 19
AC97
Codec
page 23
SIOPIO
FDD
page 27 page 27
page 19
NS PC87393
page 26
Power On/Off
Reset & RTC
page 30
PSB
ICH3-M
BIOS
Int.KBD
Touch Pad
14M_5V EC 87570
PS/2 conn
page 28
page 27
page 29 page 27
page 29
EC I/O Buffer
page 29
LPC to X-BUS
& Super I/O
X BUS
OZ 6912
DVO Link
Memory BUS
CPU Bypass
& CPUVID
page 6
133MHz
1.8V 66MHz
3.3V 33MHz
3.3V 133MHz
3.3V 48MHz
3.3V 24.576MHz
3.3V ATA100
3.3V 33MHz
LAN
3COM -3C920
page 20
MDC
page 25
page 7
VCH Conn
page 15
625 BGA
421 BGA
page 16,17
SO-DIMM X2
BANK 0, 1, 2, 3page 12,13
VCH
Board
Thermal Sensor
MAX6654 W320-04
page 5
Fan Control
page 7
STAC9700
RJ45
page 20
IDSEL:AD17
(PIRQA#,GNT# 3,REQ#3)
IDSEL:AD20
(PIRQA/B#,GN T#2,REQ#2) AC-LINK
ITP Connector
CRT Connector
PCI debug
port
page 27
ADY11 LA-1181 3A
Block Diagram
2 41Wednesday, January 23, 2002
Compal Electronics, Inc.
Title
SizeDocument Number Rev
Date: Sheet of
THIS SHEET OF ENGINEERING DRAWING IS THE PROPRIETARY PROPERTY OF COMPAL ELECTRONICS,I
NC. AND CONTAINS CONFIDENTIAL
AND TRADE SECRET INFORMATION . THIS SHEET MAY NOT BE TRANSFERRED FROM THE CUSTODY OF
THE COMPETENT DIVISION OF R&D
DEPARTMENT EXCEPT AS AUTHORIZED BY COMPAL ELECTRONICS,INC. NEITHER THIS SHEET NOR THE
INFORMATION CONTAINS MAY BE
USED BY OR DISCLOSED TO ANY THIRD PARTY WITHOUT PRIOR WRITTEN CONSENT OF
COMPAL ELECTRONICS,INC.

5
5
4
4
3
3
2
2
1
1
D D
C C
B B
A A
Compal Electronics, Inc.
SST-Build
FW82830MG FW82801CAM
QB63QB88
3C920-ST06CHIPS Rev CHIPS Rev
Lot:M28010
DC:C0117
SST2-Build Lot:M28010
DC:C0117
QC34 QB62
PT-Build QB62 Lot:M28010
DC:C0117
TangM2P3
FDD
PS/2
Series port
Parallel port
RJ45
Function
Model
3Com Lan
chipset(3C920)
YES
YES
NO
YES
YES
NO
YES
NO
YES
NO
NOYES
Note:"@" means all model depop
"#" means Tang depop
Note:"@" means all model depop
"&" means M2P3 depop
"#" means Tang depop
Lot:M28010
DC:C0117
ST-Build
QC34
QC34 QC42
ADY11 LA-1181 2
Note & Revision
3 41Friday, November 16, 2001
Title
Size Document Number Rev
Date: Sheet of

A
A
B
B
C
C
D
D
E
E
1 1
2 2
3 3
4 4
Mobile
Tualatin
Address
Lines
Request
Signals
Interface
Error
Arbitration
Signals
VCC
Snoop
Signals VSS VCC
Data
Signals
ADY11 LA-1181 2
Mobile Tualatin uFCPGA
4 41Friday, November 16, 2001
Compal Electronics, Inc.
Title
SizeDocument Number Rev
Date: Sheet of
HD#[0..63]
HREQ#[0..4]
HA#[3..31]
HD#52
HD#43
HD#14
HA#27
HA#14
HA#11
HD#41
HD#40
HD#39
HD#38
HD#9
HA#22
HA#20
HA#12
HD#26
HD#25
HD#63
HD#19
HD#15
HD#10
HREQ#4
HA#23
HA#17
HD#33
HD#16
HA#30
HA#21
HA#9
HA#3
HD#51
HD#50
HD#42
HD#32
HD#31
HD#30
HD#12
HA#16
HA#26
HA#24
HA#18
HD#62
HD#8
HD#6
HD#11
HD#5
HD#3
HA#31
HA#29
HD#57
HD#56
HD#55
HD#54
HD#53
HD#49
HD#48
HD#47
HD#46
HD#45
HD#44
HD#18
HD#29
HD#1
HD#0
HREQ#3
HD#28
HD#27
HREQ#2
HREQ#1
HREQ#0
HA#28
HA#15
HA#7
HA#6
HA#4
HD#24
HD#23
HD#22
HD#21
HD#20
HD#17
HD#13
HD#2
HA#25
HA#10
HA#5
HD#61
HD#60
HD#7
HD#4
HA#13
HA#8
HD#59
HD#58
HD#37
HD#36
HD#35
HD#34
HA#19
+CPU_CORE
+1.5VS
+CPU_CORE
THIS SHEET OF ENGINEERING DRAWING IS THE PROPRIETARY PROPERTY OF COMPAL ELECTRONICS,I
NC. AND CONTAINS CONFIDENTIAL
AND TRADE SECRET INFORMATION . THIS SHEET MAY NOT BE TRANSFERRED FROM THE CUSTODY OF
THE COMPETENT DIVISION OF R&D
DEPARTMENT EXCEPT AS AUTHORIZED BY COMPAL ELECTRONICS,INC. NEITHER THIS SHEET NOR THE
INFORMATION CONTAINS MAY BE
USED BY OR DISCLOSED TO ANY THIRD PARTY WITHOUT PRIOR WRITTEN CONSENT OF
COMPAL ELECTRONICS,INC.
R108 1.5K
1 2
R121 10_0402
1 2
U5A
TUALATIN
K1
J1
G2
K3
J2
H3
G1
A3
J3
H1
D3
F3
G3
C2
B5
B11
C6
B9
B7
C8
A8
A10
B3
A13
A9
C3
C12
C10
A6
A15
A14
B13
A12
R1
L3
T1
U1
L1
T4
AA3
W2
AB3
P3
C14
AF23
AF4
L2
R2
AD23
C22
C4
A7
V3
T3
U2
AA2
A16
B17
A17
D23
B19
C20
C16
A20
A22
A19
A23
A24
C18
D24
B24
A18
E23
B21
B23
E26
C24
F24
D25
E24
B25
G24
H24
F26
L24
H25
C26
K24
G26
K25
J24
K26
F25
N26
J26
M24
U26
P25
L26
R24
R26
M25
V25
T24
M26
P24
AA26
T26
U24
Y25
W26
V26
AB25
T25
Y24
W24
Y26
AB24
AA24
V24
D22
F22
E21
H22
G21
K22
J21
M22
L21
P22
N21
T22
R21
V22
U21
Y22
W21
AB22
AA21
AC21
D20
F20
E19
AB20
AA19
AC19
D18
F18
E17
AB18
AA17
AC17
D16
F16
E15
AB16
AA15
AC15
D14
F14
E13
AB14
AA13
AC13
D12
F12
E11
AB12
AA11
AC11
D10
F10
E9
AB10
AA9
AC9
D8
F8
E7
AB8
AA7
AC7
D6
F6
E5
H6
G5
K6
J5
N5
T6
V6
U5
Y6
W5
AB6
AA5
AC5
M6
P6
E16
R4
E25
G25
J25
L25
N25
R25
U25
W25
AA25
AC25
AF25
AE26
C23
F23
H23
K23
M23
P23
T23
V23
Y23
AB23
AE23
B22
D21
F21
E22
H21
G22
K21
J22
M21
L22
P21
N22
T21
R22
V21
U22
Y21
W22
AB21
AA22
AC22
AE21
B20
D19
AB19
AA20
AC20
AE19
B18
D17
F17
E18
AB17
A#3
A#4
A#5
A#6
A#7
A#8
A#9
A#10
A#11
A#12
A#13
A#14
A#15
A#16
A#17
A#18
A#19
A#20
A#21
A#22
A#23
A#24
A#25
A#26
A#27
A#28
A#29
A#30
A#31
A#32
A#33
A#34
A#35
REQ#0
REQ#1
REQ#2
REQ#3
REQ#4
RP#
ADS#
AERR#
AP#0
AP#1
BERR#
BINIT#
IERR#
BNR#
BPRI#
NC
NC
NC
BREQ0#
LOCK#
DEFER#
HITM#
HIT#
D#0
D#1
D#2
D#3
D#4
D#5
D#6
D#7
D#8
D#9
D#10
D#11
D#12
D#13
D#14
D#15
D#16
D#17
D#18
D#19
D#20
D#21
D#22
D#23
D#24
D#25
D#26
D#27
D#28
D#29
D#30
D#31
D#32
D#33
D#34
D#35
D#36
D#37
D#38
D#39
D#40
D#41
D#42
D#43
D#44
D#45
D#46
D#47
D#48
D#49
D#50
D#51
D#52
D#53
D#54
D#55
D#56
D#57
D#58
D#59
D#60
D#61
D#62
D#63
VCC_0
VCC_1
VCC_2
VCC_3
VCC_4
VCC_5
VCC_6
VCC_7
VCC_8
VCC_9
VCC_10
VCC_11
VCC_12
VCC_13
VCC_14
VCC_15
VCC_16
VCC_17
VCC_18
VCC_19
VCC_20
VCC_21
VCC_22
VCC_23
VCC_24
VCC_25
VCC_26
VCC_27
VCC_28
VCC_29
VCC_30
VCC_31
VCC_32
VCC_33
VCC_34
VCC_35
VCC_36
VCC_37
VCC_38
VCC_39
VCC_40
VCC_41
VCC_42
VCC_43
VCC_44
VCC_45
VCC_46
VCC_47
VCC_48
VCC_49
VCC_50
VCC_51
VCC_52
VCC_53
VCC_54
VCC_55
VCC_56
VCC_57
VCC_58
VCC_59
VCC_61
VCC_62
VCC_63
VCC_64
VCC_65
VCC_66
VCC_67
VCC_68
VCC_69
VCC_70
VCC_71
VCC_72
VCC_73
VCC_74
VCC_75
VCC_76
VCC_77
VCC_78
VCC_79
VCC_80
VSS_0
VSS_1
VSS_2
VSS_3
VSS_4
VSS_5
VSS_6
VSS_7
VSS_8
VSS_9
VSS_10
VSS_11
VSS_12
VSS_13
VSS_14
VSS_15
VSS_16
VSS_17
VSS_18
VSS_19
VSS_20
VSS_21
VSS_22
VSS_23
VSS_24
VSS_25
VSS_26
VSS_27
VSS_28
VSS_29
VSS_30
VSS_31
VSS_32
VSS_33
VSS_34
VSS_35
VSS_36
VSS_37
VSS_38
VSS_39
VSS_40
VSS_41
VSS_42
VSS_43
VSS_44
VSS_45
VSS_46
VSS_47
VSS_48
VSS_49
VSS_50
VSS_51
VSS_52
VSS_53
VSS_54
VSS_55
VSS_56
VSS_57
HA#[3..31]<8>
HREQ#[0..4]<8>
HD#[0..63] <8>
HADS#<8>
HBNR#<8> HBPRI#<8>
HLOCK#<8>
HIT#<8>
HITM#<8>
HDEFER#<8>

A
A
B
B
C
C
D
D
E
E
1 1
2 2
3 3
4 4
Place
R_K<0.1"
from CPU
Note :
GHI# Pull-Up internally
Mobile
Tualatin
Data
Compatibility
Signals
VTT Ref
Analog
VCCTVID
Test
Access
PORT
( ITP )
Debug
Break
Point
APIC
Request
Signals GND
If used ITP port mu st depop
GTL Reference Voltage
1. Place R_A and R_B between and GMCH and CPU.
2. Place decoupling caps near CPU.(Within 500mils)
Layout note :
R_A
R_B
Address :1001_110X
W=15mil
Thermal Sensor
MAX6654MEE
CMOS Reference Voltage
1. Place R_E1 and R_F near CPU.
2. Place decoupling caps near CPU.
Layout note :
R_E
R_F
R_K
ADY11 LA-1181 2
Mobile Tualatin uFCPGA & Thermal sensor
5 41Friday, November 16, 2001
Compal Electronics, Inc.
Title
SizeDocument Number Rev
Date: Sheet of
ITP_TCK
H_THERMDA
H_IGNNE#
H_INTR
TESTHI2
H_THERMDC
ITP_TDI
H_A20M#
CLK_HCLK#
TESTLO2
TESTHI1
ITP_TMS
ITP_TRST#
ITP_PREQ#
CLK_HCLK
H_NMI
TESTLO1
+VTT_PLL
ITP_TDO
VTT_PWRGD
ITP_PRDY#
ITP_TDI
ITP_TMS
ITP_TRST#
ITP_TCK
ITP_PREQ#
ITP_PRDY#
TESTHI1
TESTHI2
TESTLO1
TESTLO2
+VTT_C
VTT_PWRGD
H_THERMDA
H_THERMDC
+VTT_PLLIN
+3VS
+VTT
+CPU_CORE
+V_AGTLREF
+VTT
+VTT
+VS_CMOSREF
+VTT
+1.5VS
+1.5VS
+1.5VS
+1.8VS
+VTT
+VTT
+1.5VS
+VTT
+VTT
+V_AGTLREF
+5VALW
+5VALW
+5VALW
+1.5VS
+VS_CMOSREF
THIS SHEET OF ENGINEERING DRAWING IS THE PROPRIETARY PROPERTY OF COMPAL ELECTRONICS,I
NC. AND CONTAINS CONFIDENTIAL
AND TRADE SECRET INFORMATION . THIS SHEET MAY NOT BE TRANSFERRED FROM THE CUSTODY OF
THE COMPETENT DIVISION OF R&D
DEPARTMENT EXCEPT AS AUTHORIZED BY COMPAL ELECTRONICS,INC. NEITHER THIS SHEET NOR THE
INFORMATION CONTAINS MAY BE
USED BY OR DISCLOSED TO ANY THIRD PARTY WITHOUT PRIOR WRITTEN CONSENT OF
COMPAL ELECTRONICS,INC.
R24
1.5K
12
R18
1.5K
12
R28
56.2_1%
12
R34 110_1%
1 2
R37
150
12
R30 56.2_1%
1 2
R134 14_1%
1 2
R19
3K
12
R36
150
12
R6
10K_0402
12
L22 FLM-201209-4R7K
1 2
R11
1K_0402
12
Q2
3904
23
1
C38
@10PF_0402
R35
@33_0402
1 2
U5B
TUALATIN
Y3
V1
U3
M5
W1
AC3
AF6
AF5
AD9
AD3
AB4
AE4
AF8
AD15
AE14
AE6
B15
Y1
W3
AF14
AF13
AF10
AE12
AF16
AE20
AF22
AD22
AD21
AD7
AD10
AD11
AF7
AF15
AF19
AE22
AD5
AF12
AE16
L5
AF21
AB26
H26
A21
AF9
A4
N1
AA1
Y4
R5
N3
N2
P1
P5
E1
F1
AC1
AD1
M1
AF18
AD16
AF11
AE8
N24
E2
P4
AD19
AD17
AF20
AE10
AE24
AD25
AE25
AC24
AF24
AD26
AC26
AD24
AD4
A5
D1
AD13
B1
P26
A11
E3
D26
AA18
AC18
AE17
B16
D15
F15
AB15
AA16
AC16
AE15
B14
D13
F13
E14
AB13
AA14
AC14
AE13
B12
D11
F11
E12
AB11
AA12
AC12
AE11
B10
D9
F9
E10
AB9
AA10
AC10
AE9
B8
D7
F7
E8
AB7
AA8
AC8
AE7
B6
F5
H5
G6
K5
J6
N6
L6
T5
R6
V5
U6
Y5
W6
AB5
AA6
AC6
AE5
B4
D4
F4
H4
K4
M3
U4
W4
B2
D2
F2
H2
K2
M2
P2
T2
V2
Y2
AB2
AD2
AE1
A25
C25
E20
F19
A26
G23
J23
L23
N23
R23
U23
W23
AA23
C21
C19
AD20
C17
AD18
C15
C13
AD14
C11
AD12
C9
C7
AD8
C5
AD6
AC23
AA4
E4
G4
J4
L4
AC4
V4
AE3
AF2
AF1
AE18
D5
E6
AB1
AC2
AE2
AF3
R3
B26
M4
AF26
C1
AF17
N4
RS#0
RS#1
RS#2
RSP#
TRDY#
A20M#
FERR#
FLUSH#
IGNNE#
SMI#
PWRGOOD
STPCLK#
DPSLP#
INTR/LINT0
NMI/LINT1
INIT#
RESET#
DRDY#
DBSY#
THERMDC
THERMDA
SELFSB1
SELFSB0
EDGECTRLP
RP3#
RP2#
BPM0#
BPM1#
TDI
TCK
TDO
TMS
TRST#
PREQ#
PRDY#
CMOSREF_0
CMOSREF_1
RTTIMPDEP
GHI#
VREF_1
VREF_2
VREF_3
VREF_4
VREF_5
VREF_6
VREF_7
VREF_8
TESTLO
VCC
PLL1
PLL2
NC
NC
NC
NC
CLK0
CLK0#
TESTLO
NC
NCHCTRLP
TESTHI
NC
NC
TESTHI
NC
PICD0
PICD1
PICCLK
NC
DEP#0
DEP#1
DEP#2
DEP#3
DEP#4
DEP#5
DEP#6
DEP#7
NC_1
NC_2
NC_3
NC_4
NC_5
NC_6
NC_7
VTTPWRGOOD
NC
VSS_58
VSS_59
VSS_60
VSS_61
VSS_62
VSS_63
VSS_64
VSS_65
VSS_66
VSS_67
VSS_68
VSS_69
VSS_70
VSS_71
VSS_72
VSS_73
VSS_74
VSS_75
VSS_76
VSS_77
VSS_78
VSS_79
VSS_80
VSS_81
VSS_82
VSS_83
VSS_84
VSS_85
VSS_86
VSS_87
VSS_88
VSS_89
VSS_90
VSS_91
VSS_92
VSS_93
VSS_94
VSS_95
VSS_96
VSS_97
VSS_98
VSS_99
VSS_100
VSS_101
VSS_102
VSS_103
VSS_104
VSS_105
VSS_106
VSS_107
VSS_108
VSS_109
VSS_110
VSS_111
VSS_112
VSS_113
VSS_114
VSS_115
VSS_116
VSS_117
VSS_118
VSS_119
VSS_120
VSS_121
VSS_122
VSS_123
VSS_124
VSS_125
VSS_126
VSS_127
VSS_128
VSS_129
VSS_130
VSS_131
VSS_132
VSS_133
VSS_134
VSS_135
VSS_136
VSS_137
VSS_138
VSS_139
VSS_140
VSS_141
VSS_142
VCCT_1
VCCT_2
VCCT_3
VCCT_4
VCCT_5
VCCT_6
VCCT_7
VCCT_8
VCCT_9
VCCT_10
VCCT_11
VCCT_12
VCCT_13
VCCT_14
VCCT_15
VCCT_16
VCCT_17
VCCT_18
VCCT_19
VCCT_20
VCCT_21
VCCT_22
VCCT_23
VCCT_24
VCCT_25
VCCT_26
VCCT_27
VCCT_28
VCCT_29
VCCT_30
VCCT_31
VCCT_32
VCCT_33
VCCT_34
VCCT_35
VCCT_36
VCCT_37
VCCT_38
VID0
VID1
VID2
VID3
VID4
VSS
VSS
VSS
NC
NC
NC
RP6 8P4R_1.5K
1 8
2 7
3 6
4 5
R136 1.5K
12
R38 56.2_1%
12
R7 1K_0402
12
R10 1K_0402
12
R25 1K_0402
12
R9 1K_0402
12
+
C22
33UF_D2_16V
R14
19.6K
1 2
R31
1K_1%
12
R21
2K_1%
12
C26
.1UF_0402
12
C41
.1UF_0402
12
C30
.1UF_0402
12
C36
.1UF_0402
12
R26
10K_0402
1 2
C34
2200PF
12
C35
.1UF_0402
1 2
R23
1K_0402
1 2
R27
10K_0402
1 2
R29 1K_0402
12
R20
499_1%
12
C33
.1UF_0402
12
R22
1K_1%
12
C31
.1UF_0402
12
C25
.1UF_0402
12
U6
MAX6654MEE
1
2
3
4
5
6
7
8 9
10
11
12
13
14
15
16
NC
VCC
DXP
DXN
NC
ADD1
GND
GND NC
ADD0
ALERT
SMBDATA
NC
SMBCLK
STBY
NC
R15
0_0402
12
H_RS#0<8> H_RS#1<8> H_RS#2<8>
H_TRDY#<8>
H_A20M#<16>
H_IGNNE#<16> H_SMI#<16>
H_STPCLK#<16> H_DPSLP#<16,32> H_INTR<16> H_NMI<16>H_INIT#<16>
H_DBSY#<8> H_DRDY#<8>
H_BSEL0<14> H_BSEL1<14>
CLK_CPU_APIC<14>
PM_CPUPERF#<16>
CLK_HCLK <14>
CLK_HCLK# <14>
CPU_VR_VID4 <6>
CPU_VR_VID1 <6>
CPU_VR_VID2 <6>
CPU_VR_VID0 <6>
CPU_VR_VID3 <6>
SMB_EC_DA1 <15,28,29,33>
SMB_EC_CK1 <15,28,29,33>
H_PWRGD<16>
H_FERR#<16>
H_RESET#<8>
ITP_TCK<7> ITP_TDI<7> ITP_TDO<7> ITP_TMS<7>
ITP_TRST#<7> ITP_PREQ#<7>
VTT_PWRGD# <14,28>
VTT_PWRGD<32>
ITP_PRDY#<7>
THRM# <29>
PICD0<16> PICD1<16>

A
A
B
B
C
C
D
D
E
E
1 1
2 2
3 3
4 4
EMI Clip PAD for CPU
Layout note :
Place .22uF caps underneath balls on solder side.
Use 2~3 vias per PAD.
Place 10uF caps on the peripheral near balls.
Place close to CPU, Use 2~3 vias per PAD.
Pls used X7R(uFCPGA EMTS Rev0.7)
Pls used X7R(uFCPGA EMTS Rev0.7)
Pls used X7R(uFCPGA EMTS Rev0.7)
Pls used X7R(uFCPGA EMTS Rev0.7)
Place close to CPU,
Use 2 vias per PAD.
Layout note :
CPU Voltage ID
PM_GMUXSEL = 0 : for low Voltage A-C
1 : for high Voltage B-C
D4 D3 D2 D1 D0 CPU_Core(V) ES(before MP)
-------------------------------------------------------
0 0 1 0 1 1.50V
1.15V0 1 1 0 0
-------------------------------------------------------
D4 D3 D2 D1 D0 CPU_Core(V) QS ( MP)
-------------------------------------------------------
0 1 1.40V
1.15V0 1 1 0 0
-------------------------------------------------------
Tualatin Coppermine-T
D4 D3 D2 D1 D0 CPU_Core(V) ES(before MP)
------------------------------------------------------ -
0 0 0 0 1 1.70V
1.35V0 1 0 0 0
------------------------------------------------------ -
D4 D3 D2 D1 D0 CPU_Core(V) QS ( MP)
------------------------------------------------------ -
0
1 0
0
00
0
0
------------------------------------------------------ -
10
1.35V
1.70V0 1 1
ADY11 LA-1181 2
CPU Bypass & CPU VID
6 41Friday, November 16, 2001
Compal Electronics, Inc.
Title
SizeDocument Number Rev
Date: Sheet of
CPU_VID3
CPU_VID2
CPU_VID1
CPU_VID0
CPU_VID4
+CPU_CORE
+CPU_CORE
+CPU_CORE
+CPU_CORE
+CPU_CORE
+CPU_CORE
+VTT
+VTT
+CPU_CORE
+3VS
+5VS
THIS SHEET OF ENGINEERING DRAWING IS THE PROPRIETARY PROPERTY OF COMPAL ELECTRONICS,I
NC. AND CONTAINS CONFIDENTIAL
AND TRADE SECRET INFORMATION . THIS SHEET MAY NOT BE TRANSFERRED FROM THE CUSTODY OF
THE COMPETENT DIVISION OF R&D
DEPARTMENT EXCEPT AS AUTHORIZED BY COMPAL ELECTRONICS,INC. NEITHER THIS SHEET NOR THE
INFORMATION CONTAINS MAY BE
USED BY OR DISCLOSED TO ANY THIRD PARTY WITHOUT PRIOR WRITTEN CONSENT OF
COMPAL ELECTRONICS,INC.
PAD2
PAD-2.5X3
1
PAD7
PAD-2.5X3
1
PAD6
PAD-2.5X3
1
PAD8
PAD-2.5X3
1
C234
.22UF_X7R
12
C230
.22UF_X7R
12
C146
.22UF_X7R
12
C196
.22UF_X7R
12
C216
.22UF_X7R
12
C229
.22UF_X7R
12
C205
.22UF_X7R
12
C233
.22UF_X7R
12
C142
.22UF_X7R
12
C188
.22UF_X7R
12
C228
.22UF_X7R
12
C235
.22UF_X7R
12
C212
.22UF_X7R
12
C192
.22UF_X7R
12
C194
.22UF_X7R
12
C165
.22UF_X7R
12
C231
.22UF_X7R
12
C145
.22UF_X7R
12
C143
.22UF_X7R
12
C141
.22UF_X7R
12
C174
.22UF_X7R
12
C200
10UF_10V_1206
12
C202
10UF_10V_1206
12
C28
10UF_10V_1206
12
C183
10UF_10V_1206
12
C151
10UF_10V_1206
12
C191
10UF_10V_1206
12
C24
10UF_10V_1206
12
C184
10UF_10V_1206
12
+C29
220UF_D2_4V
12
+C126
@220UF_D2_4V
12
+C292
220UF_D2_4V
12
+C153
220UF_D2_4V
12
+C293
@220UF_D2_4V
12
+C210
@220UF_D2_4V
12
+C119
220UF_D2_4V
12
+C260
220UF_D2_4V
12
C173
.22UF_X7R
12
C144
.22UF_X7R
12
C164
.22UF_X7R
12
C201
10UF_10V_1206
12
C182
10UF_10V_1206
12
+C118
@220UF_D2_4V
12
C130
1UF
12
C135
1UF
12
C152
1UF
12
+C37
220UF_D2_4V
12
C129
1UF
12
C248
1UF
12
C249
1UF
12
C222
1UF
12
C227
1UF
12
C199
1UF
12
C123
1UF
12
+C283
220UF_D2_4V
12
+C32
220UF_D2_4V
12
+C289
220UF_D2_4V
12
C455
.01UF_0402
12
U24
SN74CBT3383
1
23
4 5
67
8 9
1011
1213
14 15
1617
18 19
2021
22 23
24
BE#
C0A0
B0 D0
C1A1
B1 D1
C2A2
GNDBX
B2 D2
C3A3
B3 D3
C4A4
B4 D4
VCC
RP7
8P4R_1K
18 27 36 45
R257
1K_0402
12
AC_VID1<17>
AC_VID3<17>
AC_VID0<17>
PM_GMUXSEL<16,32>
AC_VID2<17>
AC_VID4<17>
CPU_VR_VID3<5>
CPU_VR_VID1<5>
CPU_VR_VID4<5>
CPU_VR_VID2<5>
CPU_VR_VID0<5> CPU_VID0 <32>
CPU_VID1 <32>
CPU_VID2 <32>
CPU_VID3 <32>
CPU_VID4 <32>

5
5
4
4
3
3
2
2
1
1
D D
C C
B B
A A
ITP PORT
COMPAL Electronics,Inc
+5VS POWER
Fan Control circuit
ADY11 LA-1181 2
ITP PORT & Fan control
7 41Friday, November 16, 2001
Title
Size Document Number Rev
Date: Sheet of
ITP_PRDY#
ITP_TDI
ITP_TRST#
ITP_TDO
ITP_PREQ#
ITP_TCK
ITP_TMS
+5VFAN
+VTT +3VS +VTT +VTT+1.5VS +1.5VS
+12VALW
+3V
+5VALW
R85
@56.2_1%
R86
@200
R87
@10K_0402
R96
@56_1%
R95 @240
R94
240 R89
@1.5K
R249 @0_0402
R84 @240
R88
@510
R91
@39 R90
@150 R92
@200
JP18
@AMP104078-4
1
3
5
7
9
11
13
15
17
19
21
23
25
27
29
2
4
6
8
10
12
14
16
18
20
22
24
26
28
30
1
3
5
7
9
11
13
15
17
19
21
23
25
27
29
2
4
6
8
10
12
14
16
18
20
22
24
26
28
30
U26C
74HCT08
9
10 8
R93
@39
THIS SHEET OF ENGINEERING DRAWING IS THE PROPRIETARY PROPERTY OF COMPAL ELECTRONICS,INC. AND CONTAINS CONFIDENTIAL
AND TRADE SECRET INFORMATION . THIS SHEET MAY NOT BE TRANSFERRED FROM THE CUSTODY OF THE COMPETENT DIVISION OF R&D
DEPARTMENT EXCEPT AS AUTHORIZED BY COMPAL ELECTRONICS,INC. NEITHER THIS SHEET NOR THE INFORMATION CONTAINS MAY BE
USED BY OR DISCLOSED TO ANY THIRD PARTY WITHOUT PRIOR WRITTEN CONSENT OF COMPAL ELECTRONICS,INC.
D2
1SS355
2 1
D8
1N4148
21
Q10
2SA1036K
23
1
Q4
FMMT619
23
1
R235
3.48K_1%
1 2
C420
2.2UF_16V_0805
1 2
D1
1N4148
2 1
R375
10K_0402
12
JP17
53398-0310
1
2
3
C99
@1000PF_0402
R245
10K_0402
12
R415 5.6K_0402
1 2
R416 100_0402
1 2
ITP_PREQ# <5>
ITP_TRST# <5>
ITP_TDI <5>
ITP_TDO <5>
ITP_PRDY# <5>
ITP_PWROK<16,30>
ITP_TMS<5>
H_RESETX#<8>
PM_PWROK <16>
ITP_TCK<5>
CLK_ITPP# <14>CLK_ITPP<14>
EN_DFAN<28>
FAN1_TACH <28>
EC_HPOWON <28>

A
A
B
B
C
C
D
D
E
E
1 1
2 2
3 3
4 4
Almador-M
GMCH
Host
Interface
Host
Interface
VSS
10 mils wide,length <=500 mils.
Close to Ball R6.
HUB Interface Reference
1. Place R_C and R_D in middle of Bus.
2. Place capacitors near GMCH.
Layout note :
R_C
R_D
Place Reference Circuit near GMCH
ADY11 LA-1181 2
Almador-M GMCH(1/3)
8 41Friday, November 16, 2001
Compal Electronics, Inc.
Title
SizeDocument Number Rev
Date: Sheet of
HA#[3..31]HD#[0..63]
HREQ#[0..4]
H_RS#[0..2]
HA#3
HA#4
HA#5
HA#6
HA#7
HA#8
HA#9
HA#10
HA#11
HA#12
HA#13
HA#14
HA#15
HA#16
HA#17
HA#18
HA#19
HA#20
HA#21
HA#22
HA#23
HA#24
HA#25
HA#26
HA#27
HA#28
HA#29
HA#30
HA#31
HD#3
HD#40
HD#23
HD#31
HD#6
HD#38
HD#34
HD#4
HD#19
HD#14
HD#28
HD#24
HD#17
HD#8
HD#25
HD#29
HD#21
HD#10
HD#22
HD#12
HD#26
HD#36
HD#16
HD#13
HD#15
HD#37
HD#1
HD#9
HD#0
HD#35
HD#20
HD#7
HD#41
HD#11
HD#2
HD#30
HD#27
HD#18
HD#5
HD#33
HD#32
HD#39
HD#42
HD#43
HD#44
HD#45
HD#46
HD#47
HD#48
HD#49
HD#50
HD#51
HD#52
HD#53
HD#54
HD#55
HD#56
HD#57
HD#58
HD#59
HD#60
HD#61
HD#62
HD#63
HUB_PD0
HUB_PD1
HUB_PD2
HUB_PD3
HUB_PD4
HUB_PD5
HUB_PD7
HUB_PD6
HUB_PD8
HUB_PD9
HUB_PD10
H_RS#2
H_RS#0
HREQ#0
HREQ#4
HREQ#3
HREQ#2
HREQ#1
H_RS#1
CLKGBOUT
CLK_GBIN
+VS_HUBREF
VGAREF
+V_AGTLREF
+1.8VS
+VS_HUBREF
+1.5VS
VGAREF
THIS SHEET OF ENGINEERING DRAWING IS THE PROPRIETARY PROPERTY OF COMPAL ELECTRONICS,I
NC. AND CONTAINS CONFIDENTIAL
AND TRADE SECRET INFORMATION . THIS SHEET MAY NOT BE TRANSFERRED FROM THE CUSTODY OF
THE COMPETENT DIVISION OF R&D
DEPARTMENT EXCEPT AS AUTHORIZED BY COMPAL ELECTRONICS,INC. NEITHER THIS SHEET NOR THE
INFORMATION CONTAINS MAY BE
USED BY OR DISCLOSED TO ANY THIRD PARTY WITHOUT PRIOR WRITTEN CONSENT OF
COMPAL ELECTRONICS,INC.
C178
.01UF_0402
12
R126 27.4_1%
1 2
R127 54.9_1%
1 2
R128 54.9_1%
12
C263
.1UF_0402
12
R116 80.6_1%
1 2
C185
.1UF_0402
12
C190
.1UF_0402
12
R133 @0_0402
1 2
R156 47_0402
1 2
C259
@10PF_0402
R151
@33_0402
1 2
R168
33_0402
1 2
C297
5PF_0402
C277 .01UF_0402
1 2
R138 54.9_1%
1 2
R167
@240K
12
R124
301_1%
12
R125
301_1%
12
C176
.1UF_0402
12
R142
1K_1%
12
R141
1K_1%
12
C261 470PF
1 2
R143
82.5_1%
12
R147
82.5_1%
12
C270 470PF
1 2
U7A
ALMADOR-M
U4
P1
W6
U2
U6
R1
N3
W5
V4
P3
R3
U1
V6
W4
T3
P2
V3
R2
T1
W3
U3
Y4
AA3
W1
V1
Y1
Y6
AD3
AB4
AB5
V2
Y3
Y2
AA4
AA1
AA6
AB1
AC4
AA2
AB3
AD2
AD1
AC2
AB6
AC6
AC1
AF3
AD4
AD6
AC3
AH3
AE5
AE3
AG2
AF4
AF2
AJ3
AE4
AG1
AE1
AG4
AH4
AG3
AF1
H2
E3
G3
N4
M6
F1
F2
J3
F3
P6
G1
N5
H1
P4
T4
M2
J2
L2
R4
K1
L3
L1
J1
N1
T5
H3
M3
M1
K3
R6
C1
E1
L4
G5
J4
F4
D3
D1
J6
G4
K6
M4
K5
K4
L6
H6
H4
G6
AJ4
AH5
AC19
AG26
AD24
G26
H28
H29
H27
F29
F27
E29
E28
G25
G27
H26
G29
H24
F28
AC22
F6
J23
J25
K24
AB24
AA7
J7
C2
AB23
AC23
M12
M13
M17
M18
N12
N13
N14
N15
N16
N17
N18
P13
P14
P15
P16
P17
R13
R14
R15
R16
R17
T13
T14
T15
T16
T17
U12
U13
U14
U15
U16
U17
U18
V12
V13
V17
V18
AJ5
D2
AC5
Y5
U5
P5
L5
H5
AH2
AE2
AB2
W2
T2
N2
K2
G2
AC7
AH19
AH20
AF5
G28
H25
AC26
AD22
AE28
AH24
AF25
AF27
AH26
G8
AD7
H_D#0
H_D#1
H_D#2
H_D#3
H_D#4
H_D#5
H_D#6
H_D#7
H_D#8
H_D#9
H_D#10
H_D#11
H_D#12
H_D#13
H_D#14
H_D#15
H_D#16
H_D#17
H_D#18
H_D#19
H_D#20
H_D#21
H_D#22
H_D#23
H_D#24
H_D#25
H_D#26
H_D#27
H_D#28
H_D#29
H_D#30
H_D#31
H_D#32
H_D#33
H_D#34
H_D#35
H_D#36
H_D#37
H_D#38
H_D#39
H_D#40
H_D#41
H_D#42
H_D#43
H_D#44
H_D#45
H_D#46
H_D#47
H_D#48
H_D#49
H_D#50
H_D#51
H_D#52
H_D#53
H_D#54
H_D#55
H_D#56
H_D#57
H_D#58
H_D#59
H_D#60
H_D#61
H_D#62
H_D#63
H_A#3
H_A#4
H_A#5
H_A#6
H_A#7
H_A#8
H_A#9
H_A#10
H_A#11
H_A#12
H_A#13
H_A#14
H_A#15
H_A#16
H_A#17
H_A#18
H_A#19
H_A#20
H_A#21
H_A#22
H_A#23
H_A#24
H_A#25
H_A#26
H_A#27
H_A#28
H_A#29
H_A#30
H_A#31
H_CPURST#
H_ADS#
H_BNR#
H_BPRI#
H_DBSY#
H_DEFER#
H_DRDY#
H_HIT#
H_HITM#
H_LOCK#
H_TRDY#
H_REQ#0
H_REQ#1
H_REQ#2
H_REQ#3
H_REQ#4
H_RS#0
H_RS#1
H_RS#2
CLK_HT
CLK_HT#
CLK_DREF
CLK_GBIN
CLK_GBOUT
HUB_PD0
HUB_PD1
HUB_PD2
HUB_PD3
HUB_PD4
HUB_PD5
HUB_PD6
HUB_PD7
HUB_PD8
HUB_PD9
HUB_PD10
HUB_PSTRB
HUB_REF
HUB_PSTRB#
DVO_RCOMP
SM_RCOMP
HUB_RCOMP
AGP_REF
AGP_RCOMP/DVOBC_RCOMP
RESET#
H_GTLREF1
H_GTLREF0
H_GTLRCOMP
VSS
VSS
VSS0
VSS1
VSS2
VSS3
VSS4
VSS5
VSS6
VSS7
VSS8
VSS9
VSS10
VSS11
VSS12
VSS13
VSS14
VSS15
VSS16
VSS17
VSS18
VSS19
VSS20
VSS21
VSS22
VSS23
VSS24
VSS25
VSS26
VSS27
VSS28
VSS29
VSS30
VSS31
VSS32
VSS33
VSS34
VSS35
VSS36
VSS_H0
VSS_H1
VSS_H2
VSS_H3
VSS_H4
VSS_H5
VSS_H6
VSS_H7
VSS_H8
VSS_H9
VSS_H10
VSS_H11
VSS_H12
VSS_H13
VSS_H14
VSS_H15
VSS_H16
VSSPCMOS_LM0
VSSPCMOS_LM1
VSSPCMOS_LM2
VSSP_HUB0
VSSP_HUB1
VSSP_IO0
VSSP_IO1
VSSP_IO2
VSSP_DVO0
VSSP_DVO1
VSSP_DVO2
VSSA_DAC
VSSA_CPLL
VSSA_HPLL
HA#[3..31] <4>HD#[0..63]<4>
HREQ#[0..4] <4>
H_RESET# <5>
HADS# <4>
HBNR# <4>
HBPRI# <4>
H_DBSY# <5>
HDEFER# <4>
H_DRDY# <5>
HIT# <4>
HITM# <4>
HLOCK# <4>
H_TRDY# <5>
HUB_PD[0..10]<16> HUB_PSTRB<16>HUB_PSTRB#<16>
H_RS#[0..2] <5>
CLK_GHT <14>
CLK_GHT# <14>
CLK_DREF <14>
CLK_GBIN <14>
CLK_GBOUT <14>
PCIRST# <15,16,20,21,26,27,28>
H_RESETX#<7>

A
A
B
B
C
C
D
D
E
E
1 1
2 2
3 3
4 4
System Memory Reference
Memory
Almador-M
GMCH
Power
VSS
Layout note :
Layout note
SM_OCLK_RCLK trace length 150mil +-50mil
System
XOR
System
VSS
SDRAM
Layout Note:
F20,E 20,F12,E11
ADD Testpoint
for Factory
SDRAM
Close to Ball E5 and F24
near pin A24
Memory
Layout note
Cap near pin A8
Place resistors near GMCH
Layout note :
Place resistors near GMCH
Layout note :
Cap
near pin A12
ADY11 LA-1181 2
Almador-M GMCH(2/3)
9 41Friday, November 16, 2001
Compal Electronics, Inc.
Title
SizeDocument Number Rev
Date: Sheet of
SM_CKE2
SM_CKE3
MMA3
MMA9
MMA5
MMA12
MMA1
SM_D_RAS#
MMA0
MMA11
MMA2
MMA6
MMA7
SM_D_BA1
SM_OCLK_RCLK
SM_D_CLK2
SM_CKE0
SM_CS#3
SM_D_BA0
SM_D_CLK0
MMA8
MMA4
MMA10
SM_CKE1
SM_CS#2
SM_D_WE#
SM_CS#1
SM_DQM3
SM_DQM4
SM_DQM5
SM_DQM6
SM_DQM7
SM_CS#0
SM_DQM1
SM_DQM2
SM_DQM0
SM_D_CAS#
SM_DQ56
SM_DQ31
SM_DQ37
SM_DQ10
SM_DQ42
SM_DQ45
SM_DQ16
SM_DQ17
SM_DQ22
SM_DQ2
SM_DQ38
SM_DQ46
SM_DQ33
SM_DQ23
SM_DQ25
SM_DQ61
SM_DQ49
SM_DQ39
SM_DQ54
SM_DQ26
SM_DQ4
SM_DQ21
SM_DQ18
SM_DQ1
SM_DQ40
SM_DQ9
SM_DQ20
SM_DQ5
SM_DQ60
SM_DQ55
SM_DQ28
SM_DQ27
SM_DQ8
SM_DQ14
SM_DQ7
SM_DQ50
SM_DQ47
SM_DQ19
SM_DQ[0..63]
SM_DQ0
SM_DQ15
SM_DQ11
SM_DQ24
SM_DQ41
SM_DQ34
SM_DQ59
SM_DQ57
SM_DQ36
SM_DQ53
SM_DQ58
SM_DQ51
SM_DQ32
SM_DQ63
SM_DQ48
SM_DQ43
SM_DQ13
SM_DQ29
SM_DQ52
SM_DQ62
SM_DQ12
SM_DQ44
SM_DQ35
SM_DQ30
SM_DQ6
SM_DQ3
SM_D_CLK1
SM_D_CLK3
MMA12
MMA1
MMA3
MMA0
MMA11
MMA10
MMA9
MMA7
MMA6
MMA5
MMA8
MMA4
MMA2
SM_MA0
SM_MA1
SM_MA2
SM_MA3
SM_MA4
SM_MA5
SM_MA6
SM_MA7
SM_MA8
SM_MA9
SM_MA10
SM_MA11
SM_MA12
+3V
+V_SMREF
+V_SMREF
+3V
+3V
+VTT
+3V
THIS SHEET OF ENGINEERING DRAWING IS THE PROPRIETARY PROPERTY OF COMPAL ELECTRONICS,I
NC. AND CONTAINS CONFIDENTIAL
AND TRADE SECRET INFORMATION . THIS SHEET MAY NOT BE TRANSFERRED FROM THE CUSTODY OF
THE COMPETENT DIVISION OF R&D
DEPARTMENT EXCEPT AS AUTHORIZED BY COMPAL ELECTRONICS,INC. NEITHER THIS SHEET NOR THE
INFORMATION CONTAINS MAY BE
USED BY OR DISCLOSED TO ANY THIRD PARTY WITHOUT PRIOR WRITTEN CONSENT OF
COMPAL ELECTRONICS,INC.
R122
249_1%
12
R123
49.9_1%
12
R120 10_0402
1 2
R111 10_0402
1 2
R114 10_0402
1 2
R118 10_0402
1 2
C157
.1UF_0402
12
C132 .1UF_0402
1 2
R115 10_0402
1 2
C160
.1UF_0402
12
C134
@22PF_0402
12
C131
.1UF_0402
12
U7B
ALMADOR-M
D29
C29
D27
C27
A27
B26
E24
C25
E23
B25
C23
F22
B23
C22
E21
B22
C12
D10
C11
A10
C10
C8
A7
E9
C7
E8
A5
F8
C5
D6
B4
C4
E27
C28
B28
E26
C26
D25
A26
D24
F23
A25
G22
D22
A23
F21
D21
A22
F11
A11
B11
F10
B10
B8
D9
B7
F9
A6
C6
D7
B5
E6
A4
D4
A20
B20
B19
C19
A18
A19
C17
C18
B17
A17
A16
C15
C14
F20
E20
F12
E11
C21
F19
E12
A12
B16
C16
F18
D18
D13
D12
E18
F17
F14
F13
E17
F16
D16
D15
E15
E14
A15
B2
B14
A3
A14
C3
A13
C9
C13
A9
B13
A8
C20
D19
A21
A24
C24
E5
F24
AD8
AD9
AD10
AJ21
AE8
AE9
AE10
AE11
AE12
AE13
AE17
AE19
AH21
AF8
AF9
AF10
AF11
AF12
AF13
AF14
AF15
AF16
AF17
AF18
AF19
AF20
AG7
AG15
AG16
AG21
AH6
AH8
AH9
AH11
AH12
AH14
AH17
AH18
B3
B6
B9
B12
B15
B18
B21
B24
B27
E7
E10
E13
E16
E19
E22
E25
G9
G21
E4
D28
K28
N28
T28
W28
AB28
L25
P25
U25
Y25
AE20
G24
H7
H23
K7
K23
L7
N6
T6
W7
Y7
AB7
M24
P24
T24
V24
Y23
M14
M15
M16
P12
R12
T12
P18
R18
T18
SM_DQ0
SM_DQ1
SM_DQ2
SM_DQ3
SM_DQ4
SM_DQ5
SM_DQ6
SM_DQ7
SM_DQ8
SM_DQ9
SM_DQ10
SM_DQ11
SM_DQ12
SM_DQ13
SM_DQ14
SM_DQ15
SM_DQ16
SM_DQ17
SM_DQ18
SM_DQ19
SM_DQ20
SM_DQ21
SM_DQ22
SM_DQ23
SM_DQ24
SM_DQ25
SM_DQ26
SM_DQ27
SM_DQ28
SM_DQ29
SM_DQ30
SM_DQ31
SM_DQ32
SM_DQ33
SM_DQ34
SM_DQ35
SM_DQ36
SM_DQ37
SM_DQ38
SM_DQ39
SM_DQ40
SM_DQ41
SM_DQ42
SM_DQ43
SM_DQ44
SM_DQ45
SM_DQ46
SM_DQ47
SM_DQ48
SM_DQ49
SM_DQ50
SM_DQ51
SM_DQ52
SM_DQ53
SM_DQ54
SM_DQ55
SM_DQ56
SM_DQ57
SM_DQ58
SM_DQ59
SM_DQ60
SM_DQ61
SM_DQ62
SM_DQ63
SM_MA0
SM_MA1
SM_MA2
SM_MA3
SM_MA4
SM_MA5
SM_MA6
SM_MA7
SM_MA8
SM_MA9
SM_MA10
SM_MA11
SM_MA12
NC
NC
NC
NC
VSS
VSS
VCC_SM
VCC_SM
SM_BA0
SM_BA1
SM_DQM0
SM_DQM1
SM_DQM2
SM_DQM3
SM_DQM4
SM_DQM5
SM_DQM6
SM_DQM7
SM_CS#0
SM_CS#1
SM_CS#2
SM_CS#3
VCCQ_SM
VSS
SM_CLK0
SM_CLK1
SM_CLK2
SM_CLK3
VSS
VSS
SM_CKE0
SM_CKE1
SM_CKE2
SM_CKE3
VSS
VCC_SM
SM_RAS#
SM_CAS#
SM_WE#
SM_OCLK
SM_RCLK
SM_VREF0
SM_VREF1
VSS_LM
VSS_LM
VSS_LM
VSS_LM
VSS_LM
VSS_LM
VSS_LM
VSS_LM
VSS_LM
VSS_LM
VSS_LM
VSS_LM
VSS_LM
VSS_LM
VSS_LM
VSS_LM
VSS_LM
VSS_LM
VSS_LM
VSS_LM
VSS_LM
VSS_LM
VSS_LM
VSS_LM
VSS_LM
VSS_LM
VSS_LM
VSS_LM
VSS_LM
VSS_LM
VSS_LM
VSS_LM
VSS_LM
VSS_LM
VSS_LM
VSS_LM
VSS_LM
VSS_LM
VSSP_SM0
VSSP_SM1
VSSP_SM2
VSSP_SM3
VSSP_SM4
VSSP_SM5
VSSP_SM6
VSSP_SM7
VSSP_SM8
VSSP_SM9
VSSP_SM10
VSSP_SM11
VSSP_SM12
VSSP_SM13
VSSP_SM14
VSSP_SM15
VSSP_SM16
VSSP_SM17
VSSP_SM18
VSSP_SM19
VSSP_AGP0
VSSP_AGP1
VSSP_AGP2
VSSP_AGP3
VSSP_AGP4
VSSP_AGP5
VSSP_AGP6
VSSP_AGP7
VSSP_AGP8
VSSA_DPLL0
VSSA_DPLL1
VCC
VCC
VCC
VCC
VCC
VCC
VCC
VCC
VCC
VCC
VCC
VCC
VCC
VCC
VCC
VCC
VCC
VCC
VCC
VCC
VCC
VCC
VCC
VCC
R113 10_0402
1 2
R119 10_0402
1 2
R109 10_0402
1 2
R110 10_0402
1 2
RP4
8P4R_10
1 8
2 7
3 6
4 5
RP5
8P4R_10
1 8
2 7
3 6
4 5
RP3
8P4R_10
1 8
2 7
3 6
4 5
R112 10_0402
1 2
SM_CKE3<13>
SM_DQM[0..7] <12,13>
SM_CKE2<13>
SM_CKE0<12>
SM_CKE1<12>
SM_CS#1<12>
SM_BA1 <12,13>
SM_BA0 <12,13>
SM_WE#<12,13>
SM_CS#3<13>
SM_CAS# <12,13>
SM_CS#2<13>
SM_RAS#<12,13>
SM_CS#0<12>
SM_DQ[0..63] <12,13>
SMD_CLK3<13>
SMD_CLK2<13>
SMD_CLK1<12>
SMD_CLK0<12>
SM_MA[0..12] <12,13>
VSSA_DPLL1 <10>
VSSA_DPLL0 <10>

A
A
B
B
C
C
D
D
E
E
1 1
2 2
3 3
4 4
Almador-M
GMCH
Place close to AE16,
AE15 of GMCH
Layout note :
AGP
Interface
Local Memory
Interface
Local Memory
Interface
Interface
Display
Power
Interface
(DVOB/DVOC & ZV port)
(DVOA port)
AGP_PAR : Strapping option for SW detection of
AGP or DVO device.
0 -> DVO B/C device
1 -> AGP device
Layout Note:
AE24,AJ25
ADD Testpoint
for Factory
XOR
1. Place R_I and R_J near GMCH.
R_I
R_J
DVOA_D1 IOQD=1 IOQD=8
DVOA_D5 Desktop Mobile
DVOA_D6 Dual Ended Term Single Ended Term
Strap Name Low High
37.4_1% resistors and cap
must be placed after RGB
pi filter near CRT
connector.
1.5V level clock
ADY11 LA-1181 2
Almador-M GMCH(3/3)
10 41Friday, November 16, 2001
Compal Electronics, Inc.
Title
SizeDocument Number Rev
Date: Sheet of
VCCA_DPLL
DVOA_CLKIN
DVOA_INTR#
DVOA_D6
DVOA_D5
DVOA_D1
DVOA_D1
DVOA_D5
DVOA_D6
VCCADPLL
AGP_PAR
DVOA_INTR#
DVOA_CLKIN
AGP_PAR
AGP_FRAME#
AGP_IRDY#
AGP_TRDY#
AGP_STOP#
AGP_DEVSEL#
AGP_DEVSEL#
DVO_STALL
AGP_WBF#
AGP_RBF#
AGP_PIPE#
AGP_REQ#
AGP_GNT#
AGP_REQ#
AGP_GNT#
AGP_PIPE#
AGP_WBF#
AGP_RBF#
AGP_ST0
AGP_ST1
AGP_ST2
DVO_INT#
AGP_ST0
AGP_ST1
AGP_ST2
AGP_IRDY#
DVO_INT#
DVO_STALLCRT_R#
CRT_G#
CRT_B#
CRT_R#
CRT_G#
CRT_B#
DPMS_CLK
VCCA_DPLL0
VCCA_DPLL1
AGP_FRAME#
AGP_TRDY#
AGP_STOP#
+VTT
+VTT
+1.8VS
+VTT
+VS_RIMMREF
+1.8VS
+3V
+1.5VS
+3V
+1.5VS
+VTT
+3V
+1.8VS
+1.5VS
+3VS
+1.5VS
+1.8VS
+VS_RIMMREF
+3VS
+1.5VS
+3VS
+1.5VS
+1.5VS
+VTT
+1.5VS
+3VS
+3VS
+3VS
+1.8VS
+1.5VS
THIS SHEET OF ENGINEERING DRAWING IS THE PROPRIETARY PROPERTY OF COMPAL ELECTRONICS,I
NC. AND CONTAINS CONFIDENTIAL
AND TRADE SECRET INFORMATION . THIS SHEET MAY NOT BE TRANSFERRED FROM THE CUSTODY OF
THE COMPETENT DIVISION OF R&D
DEPARTMENT EXCEPT AS AUTHORIZED BY COMPAL ELECTRONICS,INC. NEITHER THIS SHEET NOR THE
INFORMATION CONTAINS MAY BE
USED BY OR DISCLOSED TO ANY THIRD PARTY WITHOUT PRIOR WRITTEN CONSENT OF
COMPAL ELECTRONICS,INC.
C278
68PF
12
C281 .1UF_0402
12
C170.1UF_0402
12
C266
68PF
12
R169
10K_0402
1 2
R170 10K_0402
1 2
R132 330
1 2
C632
.01UF_0402
12
C290
.1UF_0402
12
R166 10K_0402
1 2
R146 @2.2K
1 2
R144 2.2K
1 2
R173 @2.2K
1 2
R172 255_1%
1 2
C167
.1UF_0402
12
R162 10K_0402
1 2
R157 100K_0402
1 2
R164 100K_0402
1 2
R154
2K_1%
12
R159
576_1%
12
R152 10K_0402
1 2
R137 8.2K_0402
1 2
R153 10K_0402
1 2
R145 10K_0402
1 2
L49
FBM-11-201209-601T
1 2 R176 0_0402
1 2
RP9
@8P4R_8.2K
1 8
2 7
3 6
4 5
R150 @8.2K_0402
1 2
L45
FBM-11-201209-601T
1 2 R117 0_0402
1 2
C294
.1UF_0402
12
R131 100K_0402
1 2
R155 @8.2K_0402
1 2
R163 @8.2K_0402
1 2
R149 @8.2K_0402
1 2
R160 10K_0402
1 2
R161 10K_0402
1 2
R417 8.2K_0402
1 2
U7C
ALMADOR-M
AA29
AA24
AA25
Y24
Y27
Y26
W24
Y28
AB26
AB29
AB25
AC28
AC29
AB27
L29
L28
U29
U28
AA27
AA28
R29
P26
P27
N25
R28
AC27
AD29
P28
L27
P29
R27
T25
J29
J28
K26
K25
L26
J27
K29
K27
M29
M28
L24
M27
N29
M25
N26
N27
R25
R24
T29
T27
T26
U27
V27
V28
U26
V29
W29
V25
W26
W25
W27
Y29
AD21
AD20
AJ27
AD27
AE27
AH28
AG29
AF29
AE29
AH27
AG28
AF28
AD28
AF23
AF22
AD25
AC25
AG24
AJ24
AJ22
AH22
AG22
AJ23
AH23
AG23
AE23
AE24
AJ25
AH25
AG25
AJ26
AD26
AE26
AE21
AE22
AG17
AJ17
AG18
AJ18
AG19
AJ19
AG20
AJ20
AJ11
AH10
AJ10
AG10
AJ9
AG9
AJ8
AG8
AH7
AF7
AJ7
AG11
AJ12
AG12
AH13
AG13
AJ13
AG14
AJ14
AJ6
AG6
AD14
AE14
AC24
AH15
AJ15
AJ16
AH16
V14
V15
V16
AE16
AE15
AD15
AD16
AE25
AD23
J24
F26
N24
W23
J26
M26
R26
V26
AA26
L23
AA23
U24
AE6
G7
G10
G20
AF6
AE7
AC9
AC8
AF26
AG27
F5
J5
M5
R5
V5
AA5
AD5
AG5
E2
D5
D8
D11
D14
D17
D20
D23
D26
F7
F15
G11
G19
G23
AC10
AC11
AD11
AD12
AD13
AE18
AD17
AD18
AD19
AC20
F25
AC21
AF21
AF24
AGP_SBA0/ZV_D8
AGP_SBA1/ZV_D7
AGP_SBA2/ZV_D6
AGP_SBA3/ZV_D5
AGP_SBA4/ZV_D2
AGP_SBA5/ZV_D1
AGP_SBA6/ZV_D0
AGP_SBA7/ZV_HREF
AGP_PIPE#/ZV_D10
AGP_WBF#/ZV_D9
AGP_RBF#/ZV_D11
AGP_ST0/ZV_D14
AGP_ST1/ZV_D13
AGP_ST2/ZV_D12
AGP_ADSTB0/DVOB_CLK
AGP_ADSTB#0/DVOB_CLK#
AGP_ADSTB1/DVOC_CLK
AGP_ADSTB#1/DVOC_CLK#
AGP_SBSTB/ZV_D4
AGP_SBSTB#/ZV_D3
AGP_FRAME#/M_DDC2_DATA
AGP_IRDY#/M_I2C_CLK
AGP_TRDY#/M_DDC2_CLK
AGP_STOP#
AGP_DEVSEL#/M_I2C_DATA
AGP_REQ#/ZV_CLK
AGP_GNT#/ZV_D15
AGP_PAR
AGP_CBE#0/DVOB_D7
AGP_CBE#1/DVOB_BLANK#
AGP_CBE#2/ZV_VSYNC
AGP_CBE#3/DVOC_D5
AGP_AD0/DVOB_HSYNC
AGP_AD1/DVOB_VSYNC
AGP_AD2/DVOB_D1
AGP_AD3/DVOB_D0
AGP_AD4/DVOB_D3
AGP_AD5/DVOB_D2
AGP_AD6/DVOB_D5
AGP_AD7/DVOB_D4
AGP_AD8/DVOB_D6
AGP_AD9/DVOB_D9
AGP_AD10/DVOB_D8
AGP_AD11/DVOB_D11
AGP_AD12/DVOB_D10
AGP_AD13/DVOBC_CLKINT#
AGP_AD14/DVOB_FLD/STL
AGP_AD15
AGP_AD16/DVOC_VSYNC
AGP_AD17/DVOC_HSYNC
AGP_AD18/DVOC_BLANK#
AGP_AD19/DVOC_D0
AGP_AD20/DVOC_D1
AGP_AD21/DVOC_D2
AGP_AD22/DVOC_D3
AGP_AD23/DVOC_D4
AGP_AD24/DVOC_D7
AGP_AD25/DVOC_D6
AGP_AD26/DVOC_D9
AGP_AD27/DVOC_D8
AGP_AD28/DVOC_D11
AGP_AD29/DVOC_D10
AGP_AD30/DVOC_INT#/DPMS_CLK
AGP_AD31/DVOC_FLD/STL
DVO_BLANK#
DVO_CLKIN
DAC_REFSET
IO_DDC1DATA
IO_DDC1CLK
DAC_BLUE
DAC_GREEN
DAC_RED
DAC_VSYNC
DAC_BLUE#
DAC_GREEN#
DAC_RED#
DAC_HSYNC
DVO_VSYNC
DVO_HSYNC
IO_I2CCLK
IO_I2CDATA
DVO_CLK#
DVO_CLK
DVO_D0
DVO_D1
DVO_D2
DVO_D3
DVO_D4
DVO_D5
DVO_D6
DVO_D7
DVO_D8
DVO_D9
DVO_D10
DVO_D11
IO_DDC2DATA
IO_DDC2CLK
DVO_INTR#
DVO_FIELD
LM_DQA0
LM_DQA1
LM_DQA2
LM_DQA3
LM_DQA4
LM_DQA5
LM_DQA6
LM_DQA7
LM_DQB0
LM_DQB1
LM_DQB2
LM_DQB3
LM_DQB4
LM_DQB5
LM_DQB6
LM_DQB7
LM_CMD
LM_SCK
LM_SIO
LM_RQ0
LM_RQ1
LM_RQ2
LM_RQ3
LM_RQ4
LM_RQ5
LM_RQ6
LM_RQ7
LM_RCLK
LM_GCLK
LM_RAMREF0
LM_RAMREF1
AGP_BUSY#
LM_CTM
LM_CTM#
LM_CFM
LM_CFM#
VDD_LM
VDD_LM
VDD_LM
VDD_LM
VDD_LM
VDD_LM
VDD_LM
VCCP_IO
VCCP_IO
VCCP_HUB
VCCP_HUB
VCCQ_AGP
VCCQ_AGP
VCCP_AGP
VCCP_AGP
VCCP_AGP
VCCP_AGP
VCCP_AGP
VCCP_AGP
VCCP_AGP
VCCP_AGP
VCCA_HPLL
VCCA_CPLL
VCCQ_SM
VCCQ_SM
VCCPCMOS_LM
VCCPCMOS_LM
VCCPCMOS_LM
VCCPCMOS_LM
VCCA_DAC
VCCA_DAC
VCC_H
VCC_H
VCC_H
VCC_H
VCC_H
VCC_H
VCC_H
VCC_H
VCC_H
VCCP_SM
VCCP_SM
VCCP_SM
VCCP_SM
VCCP_SM
VCCP_SM
VCCP_SM
VCCP_SM
VCCP_SM
VCCP_SM
VCCP_SM
VCCP_SM
VCCP_SM
VCC_LM
VCC_LM
VCC_LM
VCC_LM
VCC_LM
VCC_LM
VCC_LM
VCC_LM
VCC_LM
VCCA_DPLL0
VCCA_DPLL1
VCCP_DVO
VCCP_DVO
VCCP_DVO
R129 @100K_0402
1 2
R418 37.4_1%
1 2
R419 37.4_1%
1 2
R420 37.4_1%
1 2
R422
604_1%
1 2
R421 732_1%
12
U47
TC7SH14
1
2
34
5
NC
A
GND Y
VCC
+C180
100UF_D2_6.3V
12
+C302
100UF_D2_6.3V
12
R430 8.2K_0402
1 2
R431 8.2K_0402
1 2
R432 @8.2K_0402
1 2
T52
1
T53
1
C627 @.1UF_0402
1 2
C628 @.1UF_0402
1 2
C629 @.1UF_0402
1 2
AGP_BUSY# <16>
DVO_D0<15> DVO_D1<15>
DVO_D2<15> DVO_D3<15>
DVO_D4<15> DVO_D5<15>
DVO_D6<15>
DVO_HSYNC<15> DVO_VSYNC<15>
DVO_D8<15>
DVO_D7<15>
DVO_D9<15>
DVO_D10<15> DVO_D11<15>
DVO_CLK<15> DVO_CLK#<15>
DVO_BL#<15>
CRT_R <15>
CRT_G <15>
CRT_B <15>
CRT_VSYNC <15>
CRT_HSYNC <15>
3VDDCCL <15>
3VDDCDA <15>
VSSA_DPLL1 <9>
LTVCK<15>
LTVDA<15>
DVO_STALL<15>
VSSA_DPLL0 <9>
RTCCLK<16>
GMBSCL <15>
GMBSDA<15>

5
5
4
4
3
3
2
2
1
1
D D
C C
B B
A A
Compal Electronics, Inc.
Layout note :
Distribute as close as possible
to GMCH Processor Quadrant .
Layout note :
Distribute as close as possible
to VCCPCMOS_LM. (GMCH pin
AF6, AE7, AC9, AC8)
Layout note :
Distribute as close as possible
to GMCH Local Memory Quadrant .
Distribute as close as possible
to GMCH AGP/DVO Quadrant .
Layout note :
Distribute as close as possible
to GMCH System Memory Quadrant .
Layout note :
Layout note :
Distribute as close as possible
to IO Quadrant .
.1UF Cap Used X7R
ADY11 LA-1181 2
GMCH-M Decoupling
11 41Friday, November 16, 2001
Title
Size Document Number Rev
Date: Sheet of
+VTT
+VTT
+VTT
+VTT
+VTT
+VTT
+3V
+3V
+1.5VS
+1.8VS
+VTT
+3V
+1.8VS
C206
.1UF_0402
12
C220
.1UF_0402
12
C177
.1UF_0402
12
C207
.1UF_0402
12
C224
.1UF_0402
12
C238
.1UF_0402
12
C169
.1UF_0402
12
C208
.1UF_0402
12
C198
.1UF_0402
12
C193
.1UF_0402
12
C237
.1UF_0402
12
C247
.1UF_0402
12
C225
.1UF_0402
12
C291
.1UF_0402
12
C158
.1UF_0402
12
C203
.1UF_0402
12
C239
.1UF_0402
12
C256
.1UF_0402
12
C219
.1UF_0402
12
C286
.1UF_0402
12
+C27
220UF_D2_4V
12
+C23
220UF_D2_4V
12
C282
.1UF_0402
12
C288
@.1UF_0402
12
C269
@.01UF_0402
12
C268
.01UF_0402
12
C213
.1UF_0402
12
C223
.1UF_0402
12
C271
.1UF_0402
12
C236
.1UF_0402
12
C163
.1UF_0402
12
C274
.1UF_0402
12
C204
.1UF_0402
12
C246
.1UF_0402
12
C156
.1UF_0402
12
C258
82PF
12
C279
.1UF_0402
12
C254
.1UF_0402
12
C275
.1UF_0402
12
C252
82PF
12
+C304
22UF_10V_1206
12
+C273
22UF_10V_1206
12
C296
82PF
12
C214
.1UF_0402
12
C255
.1UF_0402
12
C159
.1UF_0402
12
C168
.1UF_0402
12
C162
.1UF_0402
12
C140
.1UF_0402
12
+C133
22UF_10V_1206
12
C171
82PF
12
C154
.1UF_0402
12
C139
.1UF_0402
12
C179
82PF
12
C150
.1UF_0402
12
C166
82PF
12
C147
.1UF_0402
12
C148
.1UF_0402
12
C284
82PF
12
C149
.1UF_0402
12
C138
.1UF_0402
12
C280
.1UF_0402
12
+C122
@220UF_D2_4V
12
C276
.1UF_0402
12
+C127
@220UF_D2_4V
12
C251
.1UF_0402
12
C264
.1UF_0402
12
C265
.1UF_0402
12
C257
.1UF_0402
12
C181
.1UF_0402
12
C295
.1UF_0402
12
C197
.1UF_0402
12
C221
.1UF_0402
12
C267
.1UF_0402
12
C243
.1UF_0402
12
C245
.1UF_0402
12
+C125
22UF_10V_1206
12
C155
.1UF_0402
12
C137
.1UF_0402
12
C187
.1UF_0402
12
C244
.1UF_0402
12
C242
.1UF_0402
12
C232
.1UF_0402
12
C272
82PF
12
C250
.1UF_0402
12
C240
.1UF_0402
12
C285
82PF
12
C209
.1UF_0402
12
C262
.1UF_0402
12
C299
82PF
12
C287
.1UF_0402
12
C306
10UF_10V_1206
12
C300
10UF_10V_1206
12
+C303
220UF_D2_4V
12
C186
.01UF_0402
12

A
A
B
B
C
C
D
D
E
E
F
F
G
G
H
H
1 1
2 2
3 3
4 4
Layout note :
One .1uF cap per power pin .
Place each cap close to SODIMM(DIMM 0) pin .
DIMM0
Place closely to DIMM0
System S MBus Select
SM_SEL#
0=SODIMM0 ;
1=SODIMM1
ADY11 LA-1181 2
SO-DIMM SLOT0 /Decoupling & DIMM Select
12 41Friday, November 16, 2001
Compal Electronics, Inc.
Title
SizeDocument Number Rev
Date: Sheet of
SM_DQM4
SM_MA0
SM_MA1
SM_MA2
SMD_CLK0
SM_RAS#
SM_MA9
SODIMM0_SMDAT0
SM_DQM0
SM_MA3
SM_CKE1
SM_MA12
SM_BA0
SM_BA1
SM_MA11
SM_DQM3
SM_DQM5
SM_DQM6
SM_DQM7SM_DQM2
SM_DQM1
SM_MA6
SM_MA8
SM_MA10
SM_MA7
SM_MA4
SM_MA5
SM_DQ13
SM_DQ9
SM_DQ30
SM_DQ25
SM_DQ24
SM_DQ1
SM_DQ62
SM_DQ4
SM_DQ34SM_DQ3
SM_DQ29
SM_DQ44
SM_DQ2
SM_DQ7
SM_DQ8
SM_DQ31
SM_DQ58SM_DQ27
SM_DQ5
SM_DQ35
SM_DQ50
SM_DQ43
SM_DQ60
SM_DQ14
SM_DQ52
SM_DQ47
SM_DQ11
SM_DQ59
SM_DQ33
SM_DQ38
SM_DQ54
SM_DQ6
SM_DQ61
SM_DQ48
SM_DQ42
SM_DQ53
SM_DQ17
SM_DQ12
SM_DQ32
SM_DQ46
SM_DQ26
SM_DQ23
SM_DQ40
SM_DQ37
SM_DQ28
SM_DQ22
SM_DQ56
SM_DQ57
SM_DQ20
SM_DQ51
SM_DQ63
SM_DQ19
SM_DQ49
SM_DQ10
SM_DQ15
SM_DQ0
SM_DQ36
SM_DQ16
SM_DQ21
SM_DQ18
SM_DQ41
SM_DQ55
SM_DQ45
SMD_CLK1
SM_WE#
SM_CS#0
SM_CS#1
SODIMM_SMCLK
SM_CKE0
SM_CAS#
SM_DQ39
SMD_CLK1SMD_CLK0
SODIMM_SMCLK
SM_SEL
SM_SEL#
SM_SEL
SM_SEL#
+3V
+3V
+3V +3V
+5VS
+3V
+3VS
THIS SHEET OF ENGINEERING DRAWING IS THE PROPRIETARY PROPERTY OF COMPAL ELECTRONICS,I
NC. AND CONTAINS CONFIDENTIAL
AND TRADE SECRET INFORMATION . THIS SHEET MAY NOT BE TRANSFERRED FROM THE CUSTODY OF
THE COMPETENT DIVISION OF R&D
DEPARTMENT EXCEPT AS AUTHORIZED BY COMPAL ELECTRONICS,INC. NEITHER THIS SHEET NOR THE
INFORMATION CONTAINS MAY BE
USED BY OR DISCLOSED TO ANY THIRD PARTY WITHOUT PRIOR WRITTEN CONSENT OF
COMPAL ELECTRONICS,INC.
C329
.1UF_0402
12
C347
.1UF_0402
12
C69
.1UF_0402
12
C71
.1UF_0402
12
+C316
22UF_10V_1206
12
C335
.1UF_0402
12
C331
.1UF_0402
12
C334
.1UF_0402
12
C327
.1UF_0402
12
C328
.1UF_0402
12
C72
.1UF_0402
12
C68
.1UF_0402
12
C330
.1UF_0402
12
C70
.1UF_0402
12
C65
.1UF_0402
12
C333
.1UF_0402
12
C67
.1UF_0402
12
C66
.1UF_0402
12
C332
.1UF_0402
12
JP21
SO-DIMM144-Reverse
1
3
5
7
9
11
13
15
17
19
21
23
25
27
29
31
33
35
37
39
41
43
45
47
49
51
53
55
57
59
61
63
65
67
69
71
73
75
77
79
81
83
85
87
89
91
93
95
97
99
101
103
105
107
109
111
113
115
117
119
121
123
125
127
129
131
133
135
137
139
141
143
2
4
6
8
10
12
14
16
18
20
22
24
26
28
30
32
34
36
38
40
42
44
46
48
50
52
54
56
58
60
62
64
66
68
70
72
74
76
78
80
82
84
86
88
90
92
94
96
98
100
102
104
106
108
110
112
114
116
118
120
122
124
126
128
130
132
134
136
138
140
142
144
VSS
DQ0
DQ1
DQ2
DQ3
VCC
DQ4
DQ5
DQ6
DQ7
VSS
CKE0#DQMB0
CKE1#/DQMB1
VCC
A0
A1
A2
VSS
DQ8
DQ9
DQ10
DQ11
VCC
DQ12
DQ13
DQ14
DQ15
VSS
RFU/DQ64
RFU/DQ65
RFU/CLK0
VCC
RFU/RAS#
WE#
RE0#/S0#
RE1#/S1#
RFU/EDO_OE#
VSS
RFU/DQ66
RFU/DQ67
VCC
DQ16
DQ17
DQ18
DQ19
VSS
DQ20
DQ21
DQ22
DQ23
VCC
A6
A8
VSS
A9
A10
VCC
CE2#/DQMB2
CE3#/DQMB3
VSS
DQ24
DQ25
DQ26
DQ27
VCC
DQ28
DQ29
DQ30
DQ31
VSS
SDA
VCC
VSS
DQ32
DQ33
DQ34
DQ35
VCC
DQ36
DQ37
DQ38
DQ39
VSS
DQMB4/CE4#
DQMB5/CE5#
VCC
A3
A4
A5
VSS
DQ40
DQ41
DQ42
DQ43
VCC
DQ44
DQ45
DQ46
DQ47
VSS
DQ68/RFU
DQ69/RFU
CKE0/RFU
VCC
CAS#/RFU
CKE1/RFU
A12/RFU
A13/RFU
CLK1/RFU
VSS
DQ70/RFU
DQ71/RFU
VCC
DQ48
DQ49
DQ50
DQ51
VSS
DQ52
DQ53
DQ54
DQ55
VCC
A7
BA0
VSS
BA1
A11
VCC
DQMB6/CE6#
DQMB7/CE7#
VSS
DQ56
DQ57
DQ58
DQ59
VCC
DQ60
DQ61
DQ62
DQ63
VSS
SCL
VCC
R50 0_0402
1 2
C326
@15PF
12
C73
@15PF
12
R49
@10
12
R185
@10
12
G
D
S
Q18
2N7002
2
13
G
D
S
Q16
2N7002
2
13
G
D
S
Q19
2N7002
2
13
R183
10K_0402
12
R184
10K_0402
12
R48
10K_0402
12
G
D
S
Q17
2N7002
2
13
R268
10K_0402
12
SM_DQ[0..63] <9,13>
SM_DQM4<9,13> SM_DQM5<9,13>
SM_DQM6<9,13> SM_DQM7<9,13> SM_DQM3<9,13>
SM_DQM2<9,13>
SM_DQM1<9,13>
SM_DQM0<9,13>
SM_MA0<9,13> SM_MA1<9,13> SM_MA2<9,13>
SM_MA6<9,13> SM_MA8<9,13>
SM_MA10<9,13> SM_MA9<9,13>
SM_MA7 <9,13>
SM_MA12 <9,13>
SM_MA3 <9,13>
SM_MA4 <9,13>
SM_MA5 <9,13>
SMD_CLK0<9>
SMD_CLK1<9>
SM_RAS#<9,13> SM_WE#<9,13> SM_CS#0<9> SM_CS#1<9>
SM_MA11 <9,13>
SM_BA1 <9,13>
SM_BA0 <9,13>
SM_CAS#<9,13>
SM_CKE1<9>
SM_CKE0<9>
SMB_DATA<14,16,18> SODIMM1_SMDAT1<13>
SODIMM_SMCLK<13>SMB_CLK<14,16,18>
SM_SEL#<16>

A
A
B
B
C
C
D
D
E
E
1 1
2 2
3 3
4 4
EMI Clip PAD for Memory DoorDIMM1
Place closely to DIMM1
Layout note :
One .1uF cap per power pin .
Place each cap close to SODIMM(DIMM 1) pin .
ADY11 LA-1181 2
SO-DIMM SLOT1 & Decoupling
13 41Friday, November 16, 2001
Compal Electronics, Inc.
Title
SizeDocument Number Rev
Date: Sheet of
SM_DQM4
SM_MA3
SM_CKE3
SM_MA12
SM_BA0
SM_BA1
SM_MA11
SM_DQM7
SM_DQM6
SM_DQM5
SM_MA7
SM_MA4
SM_MA5
SM_DQ63
SM_DQ48
SM_DQ57
SM_DQ42
SM_DQ53
SM_DQ32
SM_DQ54
SM_DQ39
SM_DQ40
SM_DQ34
SM_DQ55
SM_DQ43
SM_DQ33
SM_DQ56
SM_DQ35
SM_DQ47
SM_DQ61
SM_DQ52
SM_DQ46
SM_DQ36
SM_DQ45
SM_DQ58
SM_DQ44
SM_DQ38
SM_DQ51
SM_DQ37
SM_DQ60
SM_DQ62
SM_DQ49
SM_DQ59
SM_DQ50
SM_DQ41
SMD_CLK3
SODIMM_SMCLK
SM_CKE2
SM_CAS#
SM_DQM0
SM_MA0
SM_MA1
SM_MA2
SMD_CLK2
SM_RAS#
SM_MA9
SODIMM1_SMDAT1
SM_DQM1
SM_DQM2
SM_DQM3
SM_MA6
SM_MA8
SM_MA10
SM_DQ17
SM_DQ27
SM_DQ16
SM_DQ22
SM_DQ11
SM_DQ18
SM_DQ12
SM_DQ19
SM_DQ31
SM_DQ15
SM_DQ5
SM_DQ29
SM_DQ28
SM_DQ20
SM_DQ3
SM_DQ6
SM_DQ23
SM_DQ8
SM_DQ7
SM_DQ2
SM_DQ30
SM_DQ9
SM_DQ21
SM_DQ13
SM_DQ25
SM_DQ1
SM_DQ26
SM_DQ4
SM_DQ24
SM_DQ14
SM_DQ0
SM_DQ10
SM_WE#
SM_CS#2
SM_CS#3
SMD_CLK2SMD_CLK3
+3V +3V
+3V
+3V
THIS SHEET OF ENGINEERING DRAWING IS THE PROPRIETARY PROPERTY OF COMPAL ELECTRONICS,I
NC. AND CONTAINS CONFIDENTIAL
AND TRADE SECRET INFORMATION . THIS SHEET MAY NOT BE TRANSFERRED FROM THE CUSTODY OF
THE COMPETENT DIVISION OF R&D
DEPARTMENT EXCEPT AS AUTHORIZED BY COMPAL ELECTRONICS,INC. NEITHER THIS SHEET NOR THE
INFORMATION CONTAINS MAY BE
USED BY OR DISCLOSED TO ANY THIRD PARTY WITHOUT PRIOR WRITTEN CONSENT OF
COMPAL ELECTRONICS,INC.
PAD10
PAD-2.5X3
1
PAD12
PAD-2.5X3
1
PAD18
PAD-2.5X3
1
PAD14
PAD-2.5X3
1
PAD19
PAD-2.5X3
1
PAD11
PAD-2.5X3
1
PAD16
PAD-2.5X3
1
JP13
SO-DIMM144-Normal
1
3
5
7
9
11
13
15
17
19
21
23
25
27
29
31
33
35
37
39
41
43
45
47
49
51
53
55
57
59
61
63
65
67
69
71
73
75
77
79
81
83
85
87
89
91
93
95
97
99
101
103
105
107
109
111
113
115
117
119
121
123
125
127
129
131
133
135
137
139
141
143
2
4
6
8
10
12
14
16
18
20
22
24
26
28
30
32
34
36
38
40
42
44
46
48
50
52
54
56
58
60
62
64
66
68
70
72
74
76
78
80
82
84
86
88
90
92
94
96
98
100
102
104
106
108
110
112
114
116
118
120
122
124
126
128
130
132
134
136
138
140
142
144
VSS
DQ0
DQ1
DQ2
DQ3
VCC
DQ4
DQ5
DQ6
DQ7
VSS
CKE0#DQMB0
CKE1#/DQMB1
VCC
A0
A1
A2
VSS
DQ8
DQ9
DQ10
DQ11
VCC
DQ12
DQ13
DQ14
DQ15
VSS
RFU/DQ64
RFU/DQ65
RFU/CLK0
VCC
RFU/RAS#
WE#
RE0#/S0#
RE1#/S1#
RFU/EDO_OE#
VSS
RFU/DQ66
RFU/DQ67
VCC
DQ16
DQ17
DQ18
DQ19
VSS
DQ20
DQ21
DQ22
DQ23
VCC
A6
A8
VSS
A9
A10
VCC
CE2#/DQMB2
CE3#/DQMB3
VSS
DQ24
DQ25
DQ26
DQ27
VCC
DQ28
DQ29
DQ30
DQ31
VSS
SDA
VCC
VSS
DQ32
DQ33
DQ34
DQ35
VCC
DQ36
DQ37
DQ38
DQ39
VSS
DQMB4/CE4#
DQMB5/CE5#
VCC
A3
A4
A5
VSS
DQ40
DQ41
DQ42
DQ43
VCC
DQ44
DQ45
DQ46
DQ47
VSS
DQ68/RFU
DQ69/RFU
CKE0/RFU
VCC
CAS#/RFU
CKE1/RFU
A12/RFU
A13/RFU
CLK1/RFU
VSS
DQ70/RFU
DQ71/RFU
VCC
DQ48
DQ49
DQ50
DQ51
VSS
DQ52
DQ53
DQ54
DQ55
VCC
A7
BA0
VSS
BA1
A11
VCC
DQMB6/CE6#
DQMB7/CE7#
VSS
DQ56
DQ57
DQ58
DQ59
VCC
DQ60
DQ61
DQ62
DQ63
VSS
SCL
VCC
R46 0_0402
1 2
R47
@10
12
C64
@15PF
12
C45
@15PF
12
R44
@10
12
C54
.1UF_0402
12
C59
.1UF_0402
12
C62
.1UF_0402
12
C49
.1UF_0402
12
C61
.1UF_0402
12
C46
.1UF_0402
12
C60
.1UF_0402
12
C47
.1UF_0402
12
+C44
22UF_10V_1206
12
C56
.1UF_0402
12
C52
.1UF_0402
12
C51
.1UF_0402
12
C55
.1UF_0402
12
C48
.1UF_0402
12
C50
.1UF_0402
12
C63
.1UF_0402
12
C53
.1UF_0402
12
C57
.1UF_0402
12
C58
.1UF_0402
12
SMD_CLK3<9>
SM_CKE3 <9>
SM_CKE2 <9>
SMD_CLK2<9>
SM_CS#2<9> SM_CS#3<9>
SM_DQ[0..63] <9,12>
SM_MA2<9,12> SM_MA1<9,12> SM_MA0<9,12>
SM_DQM1<9,12> SM_DQM0<9,12>
SM_WE#<9,12> SM_RAS#<9,12>
SM_MA10<9,12>
SM_MA6<9,12> SM_MA8<9,12>
SM_MA9<9,12>
SM_DQM2<9,12>
SM_BA1 <9,12>
SM_BA0 <9,12>
SM_MA11 <9,12>
SM_MA7 <9,12>
SM_DQM7<9,12>
SM_DQM6<9,12>
SM_MA12 <9,12>
SM_CAS# <9,12>
SM_DQM5<9,12>
SM_DQM4<9,12>
SM_MA4 <9,12>
SM_MA3 <9,12>
SM_MA5 <9,12>
SODIMM1_SMDAT1<12> SODIMM_SMCLK <12>
SM_DQM3<9,12>

A
A
B
B
C
C
D
D
E
E
F
F
G
G
H
H
1 1
2 2
3 3
4 4
Place Crystal within 500 mils of CK_Titan
Place near CPU
caps are internal
to CK_TITAN
Place all these Block's
Components near CPU
Place all these Block's
Components near
GMCH
Place all these Block's
Components near ITP
port
* 33
Width=40 m
ils
Close to CLKGEN
0 Ohm resistor for ICH3 d oesn't
need to support APIC fu nction
Place near ICH
*BLM21A60
1SPT
Note:
CPU_CLK[2:0] needs to be running in C3, C4.
Please clos ely pin42
or IC S 9508-05
ADY11 LA-1181 2
Clock Generator
14 41Friday, November 16, 2001
Compal Electronics, Inc.
Title
SizeDocument Number Rev
Date: Sheet of
CLKDREF
CLK_HT#
CLK_BCLK#
CLK_ICH48M
CLKPCI_SIO
CLKPCI_F2
CLKICHHUB
CLKGBIN
CLKPCI_F1 PCIF1
CLKPCI_PCM
PCIF1
CLK_ICH14M
H_BSEL0
H_BSEL1
CLKPCI_LAN
CLK_ITP
CLK_ITP#
CLK_HT
CLKPCI_LPC
CLK_BCLK
CLKPCI_F0 PCIF0
PCIF0
CLKOSC_VCH
+3VS
+3VS
+3VS
+3VS
+3VS
+3V_CLK
+3VS_CLKVDD
+3VS
+3VS_VDD48M
THIS SHEET OF ENGINEERING DRAWING IS THE PROPRIETARY PROPERTY OF COMPAL ELECTRONICS,I
NC. AND CONTAINS CONFIDENTIAL
AND TRADE SECRET INFORMATION . THIS SHEET MAY NOT BE TRANSFERRED FROM THE CUSTODY OF
THE COMPETENT DIVISION OF R&D
DEPARTMENT EXCEPT AS AUTHORIZED BY COMPAL ELECTRONICS,INC. NEITHER THIS SHEET NOR THE
INFORMATION CONTAINS MAY BE
USED BY OR DISCLOSED TO ANY THIRD PARTY WITHOUT PRIOR WRITTEN CONSENT OF
COMPAL ELECTRONICS,INC.
R42 33_1%
1 2
R59 10_0402
1 2
R43 33_1%
1 2
R45
475_1%
12
R40 61.9_1%
1 2
R41 61.9_1%
1 2
R16 33_1%
1 2
R12 33_1%
1 2
R13
475_1%
12
R17 61.9_1%
1 2
R8 61.9_1%
1 2
R52 22_0402
1 2
R51 221_1%
1 2
R74 33_0402
1 2
R72 33_0402
1 2
R68 33_0402
1 2
C90 @10PF_0402
12
C93 @10PF_0402
12
Y1
14.318MHZ
12
+C95
22UF_10V_1206
12
C76
.1UF_0402
12
C87
.1UF_0402
12
C78
.1UF_0402
12
C89
.1UF_0402
12
C82
.1UF_0402
12
C88
.1UF_0402
12
C77
.1UF_0402
12
L24
FBM-11-201209-601T
1 2
C86
.1UF_0402
12
R67 33_0402
1 2
R33 26.7_1%
1 2
R32
137_1%
12
R71 33_0402
1 2
R65 33_0402
1 2
R64 33_0402
1 2
R63 33_0402
1 2
R61
@0_0402
12
R54
@0_0402
12
R55
@0_0402
12
R58
10K_0402
12
R57 10K_0402
1 2
R56 0_0402
1 2
R73 33_0402
1 2
R81 33_1%
1 2
R82 @33_1%
1 2
R78
475_1%
12
R80 61.9_1%
1 2
R83 61.9_1%
1 2
U9
W320-04
1
8
14
19
32
37
46
50
26
4
9
15
20
31
36
41
47
273
2
40
55
54
25
34
53
28
43
29
30
33
35
42
45
44
49
48
52
51
24
23
22
21
7
6
5
18
17
16
13
12
11
10
39
38
56
VDD_REF
VDD_PCI
VDD_PCI
VDD_3V66
VDD_3V66
VDD_48MHZ
VDD_CPU
VDD_CPU
VDD_CORE
GND_REF
GND_PCI
GND_PCI
GND_3V66
GND_3V66
GND_48MHZ
GND_IREF
GND_CPU
GND_COREXTAL_OUT
XTAL_IN
SEL2
SEL1
SEL0
PWR_DWN#
PCI_STOP#
CPU_STOP#
VTT_PWRGD#
MULT0
SDATA
SCLK
3V66_0/DRCG
3V66_1/VCH_CLK
IREF
CPUCLKT2
CPU_CLKC2
CPUCLKT1
CPUCLKC1
CPUCLKT0
CPUCLKC0
66MHZ_IN/3V66_5
66MHZ_OUT2/3V66_4
66MHZ_OUT1/3V66_3
66MHZ_OUT0/3V66_2
PCICLK_F2
PCICLK_F1
PCICLK_F0
PCICLK6
PCICLK5
PCICLK4
PCICLK3
PCICLK2
PCICLK1
PCICLK0
48MHZ_USB
48MHZ_DOT
REF
C92
10PF_0402
R69
33_040212
R66 33_0402
1 2
R75 33_0402
1 2
R70
240K
12
L23
FBM-11-201209-601T
1 2
R354 51.1_1%
1 2
R355
348_1%
12
R53 33_0402
1 2
R60
1K_0402
12
R62
1K_0402
12
L25 10_0805
1 2
C75
.1UF_0402
12
L64
FBM-11-201209-601T
1 2
C98
10UF_10V_1206
12
C94
10UF_10V_1206
12
R433 0_0402
1 2
CLK_DREF<8>
CLK_GHT <8>
CLK_GHT# <8>
CLK_HCLK <5>
CLK_HCLK# <5>
CLK_ICH48<16>
SLP_S1#<16,28> PM_STPPCI#<16> PM_STPCPU#<16>
CLK_GBOUT <8>
CLK_CPU_APIC <5>
CLK_ICHHUB <16>
CLK_ICHPCI <16>
CLK_GBIN <8>
CLK_ICH14<16>
CLK_14M_SIO<26>
SMB_CLK<12,16,18> SMB_DATA<12,16,18>
H_BSEL1<5> H_BSEL0<5>
CLK_ITPP <7>
CLK_ITPP# <7>
VTT_PWRGD#<5,28>
CLK_PCI_LAN <20>
CLK_PCI_PCM <21>
CLK_PCI_SIO <26>
CLK_PCI_LPC <27>
CLK_OSC_VCH<15>
CLK_ICHAPIC <16>

A
A
B
B
C
C
D
D
E
E
1 1
2 2
3 3
4 4
CRT Connector
DDC_MONID0
Please closely to VCH Conn. power pin
ADY11 LA-1181 2
VCH Conn. & CRT
15 41Monday, February 25, 2002
Compal Electronics, Inc.
Title
SizeDocument Number Rev
Date: Sheet of
VCH_RST#
M_SEN#
DISPOFF#
CRTB
CRTR
M_SEN#
CRTG
DISPOFF#
+3VS
+1.8VS
+12VALW
B+
+5VALW
+3VS
CRTVCC
+3VS
CRTVCC
+1.8VS
CRTVCC
CRTVCC
CRTVCC
+5VS
+5VS
+1.5VS
B++12VALW
+5VALW +5VS +3VS+1.8VS +1.5VS
+5VS
+12VALW
THIS SHEET OF ENGINEERING DRAWING IS THE PROPRIETARY PROPERTY OF COMPAL ELECTRONICS,I
NC. AND CONTAINS CONFIDENTIAL
AND TRADE SECRET INFORMATION . THIS SHEET MAY NOT BE TRANSFERRED FROM THE CUSTODY OF
THE COMPETENT DIVISION OF R&D
DEPARTMENT EXCEPT AS AUTHORIZED BY COMPAL ELECTRONICS,INC. NEITHER THIS SHEET NOR THE
INFORMATION CONTAINS MAY BE
USED BY OR DISCLOSED TO ANY THIRD PARTY WITHOUT PRIOR WRITTEN CONSENT OF
COMPAL ELECTRONICS,INC.
JP9
VCH Conn.
1 2
3 4
5 6
7 8
9 10
11 12
13 14
15 16
17 18
19 20
21 22
23 24
25 26
27 28
29 30
31 32
33 34
35 36
37 38
39 40
41 42
43 44
45 46
47 48
49 50
51 52
53 54
55 56
57 58
59 60
G1 G2
3 4
5 6
7 8
9 10
11 12
13 14
15 16
17 18
19 20
G21 G22
23 24
25 26
27 28
29 30
31 32
33 34
35 36
37 38
G39 G40
41 42
43 44
45 46
47 48
49 50
51 52
53 54
55 56
57 58
G59 G60
R1
10K_0402
12
C8
3.3PF
12
C6
3.3PF
12
G
D
S
Q5
2N7002
2
1 3
L4FBM-11-160808-121
1 2
R101
4.7K_0402
1 2
D4 @DAN217
1
2
3
C3
.1UF_0402
12
C9
27PF
12
L14 FCM2012C-800(0805)
1 2
L15
FCM2012C-800(0805)
1 2
D3 @DAN217
1
2
3
JP2
CRT CONN.
6
11
1
7
12
2
8
13
3
9
14
4
10
15
5
R4
75_1%
12
U10
74AHCT1G125GW
2 4
1
3
5
R3
75_1%
12
C105
100PF_0402
12
C110
.1UF_0402
12
U2
74AHCT1G125GW
2 4
1
3
5
L5 FBM-11-160808-121
1 2
C106
.1UF_0402
12
C7
3.3PF
12
C103
100PF_0402
12
D5 @DAN217
1
2
3
L13
FCM2012C-800(0805)
1 2
R5
75_1%
12
R98
4.7K_0402
12
R103
0_0402
12
R97
10K_0402
12
C104
100PF_0402
12
C2
100PF_0402
12
C4
27PF
12
G
D
S
Q6
2N7002
2
1 3
U12
TC7ST08FU
2
14
5
R139 @0_0402
1 2
R135 0_0402
1 2
C172
.1UF_25V
12
C195
.1UF_0402
12
C211
.1UF_0402
12
C218
.1UF_0402
12
C217
.1UF_0402
12
C241
.1UF_0402
12
C161
.1UF_0402
12
C621
@3.3PF
12
C622
@3.3PF
12
C623
@3.3PF
12
G
D
S
Q1
SI2302DS
2
13
G
D
S
Q15
2N7002
2
13
R261
68K_0402_5%
12
R264
100K_0402_1%
1 2
DVO_D0<10> DVO_D1<10>
DVO_D2<10>
DVO_D3<10>
DVO_D4<10> DVO_D5<10>
DVO_D7<10>
DVO_D6<10>
DVO_D8<10>
DVO_D9<10> DVO_D11<10>
DVO_D10<10>
DVO_CLK#<10>
DVO_BL#<10>
DVO_STALL<10>
DVO_HSYNC<10> DVO_VSYNC<10>
GMBSCL <10>
GMBSDA<10>
DVO_CLK<10>
CLK_OSC_VCH<14>
SMB_EC_CK1 <5,28,29,33>
LTVCK <10>
LTVDA <10>
DAC_BRIG <28>
SMB_EC_DA1 <5,28,29,33>
INVT_PWM <28>
ENABKL <29>
3VDDCDA <10>
CRT_VSYNC<10>
CRT_R<10>
CRT_B<10>
3VDDCCL <10>
CRT_HSYNC<10>
CRT_G<10>
BKOFF#<28>
ENABKL<29>
PCIRST# <8,16,20,21,26,27,28>
EC_VCHRST# <29>
CRT_ON#<28>

A
A
B
B
C
C
D
D
1 1
2 2
3 3
4 4
(for use if CPU unable
to support DPSLP#)
ICH3-M (1/2)
Interface
PCI
Interface
LAN
PCI
Interface
HubLink
Interface
VSS
AC'97
Interface LPC
Interface
Clocks EEPROM
Interface
Interface
CPU
Interface
System
Managment
Interface
Interrupt
GPIO
unMUX
GeyservillePower Management
Place closely to
ICH3-M
Place closely to
ICH3-M
Close to ICH3-M.
HUB Interface VSwing Voltage
1. Place R_G and R_H in middle of Bus.
R_G
R_H
Place closely to
ICH3-M
Layout note:
Locate J1 and R265 on bottom side and with
easy access through memo ry door
PT Change la yout pad
ADY11 LA-1181 2
Intel ICH3-M
16 41Friday, November 16, 2001
Compal Electronics, Inc.
Title
SizeDocument Number Rev
Date: Sheet of
HUB_PD[0..10]
PIRQA#
PIRQB#
PIRQD#
PIRQC#
+R_VBAIS
AD27
AD16
AD13
AD12
RTC_X1
GPIO5
RTC_X2
ICH_WAKE_UP#
AD8
AD3
AD2
AD1
CLK_ICHAPIC
ICH_L_OUT#
HUB_PD5
AD14
AD9
PIRQB#
HUB_PD0
AD26
AD20
AD17
AD11
AD10
AD7
AD6
CLK_ICH14
CLK_ICH14 HUB_ICH_RCOMP
GPIO3
HUB_PD10
HUB_PD4
AD22
RTC_VBIAS
HUB_PD9
HUB_PD3
HUB_PD2
AD31
AD30
AD21
RTC_VBIAS
RTC_X2
RTC_X1
CLK_ICH48
AD28
PBTN_OUT#
IDE_PATADET
HUB_PD8
AD23
AD19
CLK_ICHPCI
GPIO2
ICH_SCI#
HUB_PD6
HUB_PD1
CLK_ICHPCI
AD4
CLK_ICHHUB
ICH_THRM#
PIRQA#
PIRQC#
GPIO4
AD25
AD24
EC_SMI#
AD29
PIRQD#
HUB_PD7
AD15
CLK_ICH48
RTC_RST#
AD18
AD5
AD0
CLK_ICHHUB
IAC_BITCLK
AC_RST#
SDATA_IN0
SDATA_IN1
SDATAO
IAC_BITCLK
SDATA_IN0
SDATA_IN1
IAC_SYNC
IAC_SDATAO
IAC_SYNC
CLK_ICHAPIC
EC_SMI#
ICH_SCI#
ICH_L_OUT#
ICH_THRM#
PBTN_OUT#
PM_PWROK BATTLOW#
BATTLOW#
IDE_PATADET
SDATAO
PIDEPWR
GPIO2
GPIO3
GPIO4
GPIO5
ICH_RI#
ICH_RI#
ICH_WAKE_UP#
AC_RST#
+RTCVCC
+RTCVCC
+VS_HUBREF
+VS_HUBVSWING
+1.5VS
+1.8VS
+VS_HUBVSWING
+3VS
+3VALW
+3VALW
+3VS
+3VS
+3VS
+3VALW
THIS SHEET OF ENGINEERING DRAWING IS THE PROPRIETARY PROPERTY OF COMPAL ELECTRONICS,I
NC. AND CONTAINS CONFIDENTIAL
AND TRADE SECRET INFORMATION . THIS SHEET MAY NOT BE TRANSFERRED FROM THE CUSTODY OF
THE COMPETENT DIVISION OF R&D
DEPARTMENT EXCEPT AS AUTHORIZED BY COMPAL ELECTRONICS,INC. NEITHER THIS SHEET NOR THE
INFORMATION CONTAINS MAY BE
USED BY OR DISCLOSED TO ANY THIRD PARTY WITHOUT PRIOR WRITTEN CONSENT OF
COMPAL ELECTRONICS,INC.
R335 36.5_1%
1 2
R265
1K_0402
12
C539
.01UF_0402
12
C534
.01UF_0402
12
R287
@10K_0402
12
C518
15PF
12
R311
10_0402
12
R282 10M
1 2
C460
12PF
12
R281 10M
1 2
C482
.047UF
1 2
R273 1K_0402
1 2
X2
32.768KHZ
C465
12PF
12
J1
JOPEN
12
C477
1UF
12
R280 15K
1 2
C554
@15PF
12
R336
@10
12
C574
5PF_0402
12
R369
10_0402
12
C514
5PF_0402
R306
33_0402
1 2
R408
10K_0402
1 2
C595 @33PF_0402
1 2
R391
@22_0402
1 2
R392
33_0402
1 2
R298 33_0402
12
U37A
ICH3-M
J2
K1
J4
K3
H5
K4
H3
L1
L2
G2
L4
H4
M4
J3
M5
J1
F5
N2
G4
P2
G1
P1
F2
P3
F3
R1
E2
N4
D1
P4
E1
P5
K2
K5
N1
R2
A4
E3
D2
D5
B4
D3
F4
A3
R4
E4
U22
W23
Y21
AA23
AB23
AA21
J22
AB22
V23
Y22
AC5
AB5
AC4
AB2
AC3
Y6
H1
H2
L5
Y1
W1
M1
M2
G5
N3
B3
B6
D4
C4
F1
M3
T5
U23
Y23
W21
L22
M21
M23
N20
P21
R22
R20
T23
M19
P19
N19
T19
R19
N22
P23
K19
L20
L19
E9
D8
E8
D10
C8
A8
A9
B9
C10
A10
C9
D7
V4
Y5
AB3
V5
AC2
AB21
AB1
AA6
AA1
AA7
W20
AA5
AA2
V21
U21
AA4
AB4
U5
U20
Y20
V19
B7
D11
B11
C11
C7
A7
V1
U3
T3
U2
T2
U4
U1
V2
W2
Y4
Y2
W3
W4
Y3
AC6
AC7
Y7
F20
J23
AB7
H22
W19
AB14
A5
C5
B5
A6
A2
B2
C1
B1
J21
J20
J19
A1
A13
A16
A17
A20
A23
B8
B10
B13
B14
B15
B18
B19
B20
B22
C3
C6
F19
C14
C15
C16
C17
C18
C19
C20
C21
C22
D9
D13
D16
D17
D20
D21
D22
E5
PCI_AD0
PCI_AD1
PCI_AD2
PCI_AD3
PCI_AD4
PCI_AD5
PCI_AD6
PCI_AD7
PCI_AD8
PCI_AD9
PCI_AD10
PCI_AD11
PCI_AD12
PCI_AD13
PCI_AD14
PCI_AD15
PCI_AD16
PCI_AD17
PCI_AD18
PCI_AD19
PCI_AD20
PCI_AD21
PCI_AD22
PCI_AD23
PCI_AD24
PCI_AD25
PCI_AD26
PCI_AD27
PCI_AD28
PCI_AD29
PCI_AD30
PCI_AD31
PCI_C/BE#0
PCI_C/BE#1
PCI_C/BE#2
PCI_C/BE#3
PCI_GNT#0
PCI_GNT#1
PCI_GNT#2
PCI_GNT#3
PCI_GNT#4
PCI_REQ#0
PCI_REQ#1
PCI_REQ#2
PCI_REQ#3
PCI_REQ#4
CPU_RCIN#
CPU_PWRGOOD
CPU_NMI
CPU_INTR
CPU_INIT#
CPU_IGNNE#
CPU_FERR#
CPU_DPSLP#
CPU_A20M#
CPU_A20GATE
SMB_ALERT#/GPIO11
SMB_DATA
SMB_CLK
SMLINK1
SMLINK0
SM_INTRUDER#
PCI_TRDY#
STOP#
PCI_SERR#
PCI_RST#
PCI_PME#
PCI_LOCK#
PCI_PERR#
PCI_PAR
PCI_IRDY#
PCI_GPIO17/GNTB#/GNT5#
PCI_GPIO16/GNTA#
PCI_GPIO1/REQB#/REQ5#
PCI_GPIO0/REQA#
PCI_FRAME#
PCI_DEVSEL#
PCI_CLK
STPCLK#
CPU_SMI#
CPU_SLP#
HUB_PD0
HUB_PD1
HUB_PD2
HUB_PD3
HUB_PD4
HUB_PD5
HUB_PD6
HUB_PD7
HUB_PD8
HUB_PD9
HUB_PD10
HUB_CLK
HUB_PAR
HUB_PSTRB
HUB_PSTRB#
HUB_RCOMP
HUB_VREF
HUB_VSWING
EEP_CS
EEP_DIN
EEP_DOUT
EEP_SHCLK
LAN_RXD0
LAN_RXD1
LAN_RXD2
LAN_TXD0
LAN_TXD1
LAN_TXD2
LAN_JCLK
LAN_RSTSYNC
PM_AGPBUSY#/GPIO6
PM_AUXPWROK
PM_BATLOW#
PM_C3_STAT#/GPIO21
PM_CLKRUN#/GPIO24
PM_DPRSLPVR
PM_PWRBTN#
PM_PWROK
PM_RI#
PM_RSMRST#
PM_SLP_S1#/GPIO19
PM_SLP_S3#
PM_SLP_S5#
PM_STPCPU#/GPIO20
PM_STPPCI#/GPIO18
PM_SUS_CLK
PM_SUS_STAT#
PM_THRM#
PM_GMUXSEL/GPIO23
PM_CPUPREF#/GPIO22
PM_VGATE/VRMPWRGD
AC_BITCLK
AC_RST#
AC_SDATAIN0
AC_SDATAIN1
AC_SDATAOUT
AC_SYNC
LPC_AD0
LPC_AD1
LPC_AD2
LPC_AD3
LPC_DRQ#0
LPC_DRQ#1
LPC_FRAME#
GPIO_7
GPIO_8
GPIO_12
GPIO_13
GPIO_25
GPIO_27
GPIO_28
CLK_RTCX2
CLK_RTCX1
CLK_RTEST#
CLK_48
CLK_14
CLK_VBIAS
INT_SERIRQ
INT_IRQ15
INT_IRQ14
INT_PIRQH#/GPIO5
INT_PIRQG#/GPIO4
INT_PIRQF#/GPIO3
INT_PIRQE#/GPIO2
INT_PIRQD#
INT_PIRQC#
INT_PIRQB#
INT_PIRQA#
INT_APICD1
INT_APICD0
INT_APICCLK
VSS0
VSS1
VSS2
VSS3
VSS4
VSS5
VSS6
VSS7
VSS8
VSS9
VSS10
VSS11
VSS12
VSS13
VSS14
VSS15
VSS16
VSS17
VSS18
VSS19
VSS20
VSS21
VSS22
VSS23
VSS24
VSS25
VSS26
VSS27
VSS28
VSS29
VSS30
VSS31
VSS32
VSS33
VSS34
R318
301_1%
12
R319
301_1%
12
C532
.1UF_0402
12
C559
10PF_0402
12
R352
10_0402
12
R288 0_0402
1 2
D13
RB751V
21 R304 10K_0402
1 2
D12
RB751V
21 R300 10K_0402
1 2
D14
RB751V
21 R308 10K_0402
1 2
D11
RB751V
21
R277
0_0402
1 2
D9 1SS355
21 R266 10K_0402
1 2
R285 10K_0402
1 2
C606
@27PF
12
C607
@27PF
12
R393
22_0402
12
R396 @10K_0402
1 2
R411 10K_0402
1 2
R409 @10K_0402
1 2
R425 10K_0402
1 2
R426 10K_0402
1 2
R427 10K_0402
1 2
R424 10K_0402
1 2
D26
RB751V
21
D25
RB751V
21
R423 10K_0402
1 2
R440
@1K_0402
1 2
R438 33_0402
1 2
R445 @22M
1 2
R446
@2.4M_1%
1 2
CLK_ICH14<14>
PCIRST# <8,15,20,21,26,27,28>
LAD1 <26>
CLK_ICHPCI <14>
HUB_PSTRB <8>
GNT#1<18>
REQ#4<18>
PM_DPRSLPVR<32>
GNT#2<18,21>
LAD2 <26>
FRAME# <18,20,21,27>
C/BE#0<20,21,27>
LAD0 <26>
REQ#0<18>
C/BE#3<20,21,27>
HUB_PD[0..10] <8>
CLK_ICH48<14>
TRDY# <18,20,21,27>
LAD3 <26>
REQ#3<18,20>
HUB_PSTRB# <8>
C/BE#1<20,21,27>
REQ#1<18>
AD[0..31]<20,21,27>
PM_GMUXSEL<6,32>
C/BE#2<20,21,27>
CLK_ICHHUB <14>
IRDY# <18,20,21>
STOP#<18,20,21>
PCI_REQB# <18>
PCI_REQA# <18>
PERR# <18,20,21>
REQ#2<18,21>
PAR <20,21>
DEVSEL# <18,20,21>
SIRQ <18,21,26>
LDRQ#0 <26>
KBRST# <28>
PM_CPUPERF#<5>
SM_INTRUDER# <18>
SMB_CLK <12,14,18>
SMB_DATA <12,14,18>
PM_CLKRUN#<18,20,21,26> IRQ14 <18,19>
IRQ15 <18,19>
SLP_S3#<28> SLP_S1#<14,28>
SLP_S5#<28> PM_STPCPU#<14> PM_STPPCI#<14>
SUS_STAT#<26>
H_DPSLP#<5,32>
SMB_ALERT# <18>
SM_SEL# <12>
LDRQ#1
GATEA20<28>
H_SMI# <5>
H_INIT# <5>
SMLINK1 <18>
H_NMI <5>
SMLINK0 <18>
H_STPCLK# <5>
H_INTR <5>
H_FERR# <5>
H_PWRGD <5>
H_IGNNE# <5>
ICH_VGATE<7,30>
PIRQA#<18,21> PIRQB#<18,20> PIRQC#<18> PIRQD#<18>
GNT#3<18,20>
AGP_BUSY#<10>
PM_C3_STAT#
GNT#0<18>
IAC_BITCLK<23,25>
AC97_RST#<23,25>
SDATA_IN0<23>
RSMRST#<30>
RTCCLK<10>
SDATA_IN1<25> SERR# <18,20,21>
PLOCK# <18,21>
GNT#4<18>
IAC_SYNC<23,25>
IAC_SDATAO<23,25>
PM_PWROK<7>
CLK_ICHAPIC <14>
H_A20M# <5>
EC_SMI#<26,28>
SCI#<28>
LID_OUT#<29>
EC_THRM#<28>
PWRBTN_OUT#<29>
VLBA#<29>
PICD0 <5>
PICD1 <5>
SWI#<29>
EC_WAKEUP#<29>
LFRAME# <26>
PIDEPWR <19>
ICH_RI#<18>

A
A
B
B
C
C
D
D
1 1
2 2
3 3
4 4
ICH3-M (2/2)Interface
IDE
Interface
USB
Misc
Power
Power
VSS
Layout note The Cap c lose to
ICH3-M (< 1 inch)
Disable Timeo ut feature
0=I2C CTRL CPUVID select
1=Bus switch CPUVID select
M/B ID
MB_ID0 MB_ID1
SST
PT
ST
QT
0 0
01
10
1 1
Note:
R376=22.6_1% for B0(QB63 part)
R376=18.2_1% for B0(QB62 & SL5LF pa rt)
Close ly Pin AB6
*
ADY11 LA-1181 2
Intel ICH3-M
17 41Friday, November 16, 2001
Compal Electronics, Inc.
Title
SizeDocument Number Rev
Date: Sheet of
SDD10
SDD1
PDD0
PDD9
SDD11
PDD6
PDD2
SDD8
SDD0
PDD3
PDD13
PDD12
SDD12
OVCUR#1
PDD7
SDD13
PDD8
PDD1
SDD6
PDD11
SDD4
VCC5REF
SDD3
SDD2
PDD5
USBP0-
AV_VID4
USBP0+
PDD4
SDD7
PDD10
SDD9
PDD15
PDD14
SDD5
USBP2+
USBP2-
OVCUR#2
OVCUR#3
OVCUR#4
OVCUR#5
ICH_SPKR
VCC1.8SUS
VCC1.8SUS
ICH_ACIN
ICH_ACIN
VCCPAU
USBP0-
USBP0+
USBP2+
VCCREFSUS
ICH_SPKR
USBP2-
OVCUR#5
OVCUR#4
OVCUR#3
OVCUR#1
OVCUR#0
SDD15
SDD14
ICH_IDE_SRST#
AV_VID4
MB_ID0
MB_ID1
MB_ID0
MB_ID1
+5VS+3VS+3VALW
+3VALW
+1.5VS
+1.8VALW
+VCC_RTC
+V1.8_ICHLAN
+1.8VALW
+3VS+1.8VS
+3VS
+3VALW
+1.8VS
+3VS
+3V
VCCPSUS
VCC1.8SUS
+5VS
+3VS
+3VS
+RTCVCC+VCC_RTC
THIS SHEET OF ENGINEERING DRAWING IS THE PROPRIETARY PROPERTY OF COMPAL ELECTRONICS,I
NC. AND CONTAINS CONFIDENTIAL
AND TRADE SECRET INFORMATION . THIS SHEET MAY NOT BE TRANSFERRED FROM THE CUSTODY OF
THE COMPETENT DIVISION OF R&D
DEPARTMENT EXCEPT AS AUTHORIZED BY COMPAL ELECTRONICS,INC. NEITHER THIS SHEET NOR THE
INFORMATION CONTAINS MAY BE
USED BY OR DISCLOSED TO ANY THIRD PARTY WITHOUT PRIOR WRITTEN CONSENT OF
COMPAL ELECTRONICS,INC.
D10
1SS355
21
C573
1UF
12
C488
.1UF_0402
12
R248
1K_0402
12
R376
18.2_1%
12
L63
FBM-11-201209-601T
1 2
D23 RB751V
21
R370
100K_0402
12
R397
0_0402
12
R389
0_0805
1 2
R403
0_0805
12
R402
0_0805
12
R395
0_0805
1 2
C597 5PF_0402
1 2
C598 5PF_0402
1 2
C602
.1UF_0402
12
R346
@1K_0402
1 2
RP22
8P4R_10K
1 8
2 7
3 6
4 5
U37B
ICH3-M
D19
A19
E17
B17
D15
A15
D18
A18
E16
B16
D14
A14
E12
D12
C12
B12
A12
A11
H20
G22
F21
G19
E22
E21
H21
G23
F23
G21
D23
E23
B21
AC15
AB15
AC21
AC22
AA14
AC14
AA15
AC20
AA19
AB20
W12
AB11
AA10
AC10
W11
Y9
AB9
AA9
AC9
Y10
W9
Y11
AB10
AC11
AA11
AC12
Y17
W17
AC17
AB16
W16
Y14
AA13
W15
W13
Y16
Y15
AC16
AB17
AA17
Y18
AC18
Y13
Y19
AB12
AB18
AC13
AC19
Y12
AA18
AB13
AB19
H23
E13
F14
K12
P10
V6
V7
F15
F16
F7
F8
K10
AB6
E6
W8
C13
W5
F9
F10
P14
U18
V22
C23
B23
E7
T21
D6
T1
C2
A21
A22
F6
G6
H6
J6
M10
R6
T6
U6
G18
H18
P12
V15
V16
V17
V18
J18
M14
R18
T18
U19
F17
F18
K14
E10
V8
V9
E11
K6
K18
P6
P18
V10
V14
E14
E15
E18
E19
E20
F22
G3
G20
H19
AA22
J5
K11
K13
K20
K21
K22
K23
L3
L10
L11
L12
L13
L14
L21
L23
M11
M12
M13
M20
M22
N5
N10
N11
N12
N13
N14
N21
N23
P11
P13
P20
P22
R3
R5
R21
R23
T4
T20
T22
V3
AC23
V20
W6
W7
W10
W14
W18
W22
Y8
AA3
AA8
AA12
AA16
AA20
AB8
AC1
AC8
USB_PP0
USB_PP1
USB_PP2
USB_PP3
USB_PP4
USB_PP5
USB_PN#0
USB_PN#1
USB_PN#2
USB_PN#3
USB_PN#4
USB_PN#5
USB_OC#0
USB_OC#1
USB_OC#2
USB_OC#3
USB_OC#4
USB_OC#5
USB_LEDA#0/GPIO32
USB_LEDA#1/GPIO33
USB_LEDA#2/GPIO34
USB_LEDA#3/GPIO35
USB_LEDA#4/GPIO36
USB_LEDA#5/GPIO37
USB_LEDG#0/GPIO38
USB_LEDG#1/GPIO39
USB_LEDG#2/GPIO40
USB_LEDG#3/GPIO41
USB_LEDG#4/GPIO42
USB_LEDG#5/GPIO43
USB_RBIAS
IDE_PDCS1#
IDE_PDCS3#
IDE_SDCS1#
IDE_SDCS3#
IDE_PDA0
IDE_PDA1
IDE_PDA2
IDE_SDA0
IDE_SDA1
IDE_SDA2
IDE_PDD0
IDE_PDD1
IDE_PDD2
IDE_PDD3
IDE_PDD4
IDE_PDD5
IDE_PDD6
IDE_PDD7
IDE_PDD8
IDE_PDD9
IDE_PDD10
IDE_PDD11
IDE_PDD12
IDE_PDD13
IDE_PDD14
IDE_PDD15
IDE_SDD0
IDE_SDD1
IDE_SDD2
IDE_SDD3
IDE_SDD4
IDE_SDD5
IDE_SDD6
IDE_SDD7
IDE_SDD8
IDE_SDD9
IDE_SDD10
IDE_SDD11
IDE_SDD12
IDE_SDD13
IDE_SDD14
IDE_SDD15
IDE_PDDACK#
IDE_SDDACK#
IDE_PDDREQ
IDE_SDDREQ
IDE_PDIOR#
IDE_SDIOR#
IDE_PDIOW#
IDE_SDIOW#
IDE_PIORDY
IDE_SIORDY
SPKR
VCC_SUS0
VCC_SUS1
VCC_SUS2
VCC_SUS3
VCC_SUS4
VCC_SUS5
VCC_USB0/VCC_SUS6
VCC_USB1/VCC_SUS7
VCC_AUX0/VCCLAN1_8
VCC_AUX1/VCCLAN1_8
VCC_AUX2/VCCLAN1_8
VCC_RTC
VCC5REF1
VCC5REF2
VCC5REFSUS1
VCC5REFSUS2
VCCPAUX0/VCCLAN3_3
VCCPAUX1/VCCLAN3_3
VCCPCPU0
VCCPCPU1
VCCPCPU2
VCCUSBBG/VCC_SUS8
VCCUSBPLL/VCC_SUS9
N/C0
N/C1
N/C2
N/C3
N/C4
VSS102
VSS103
VCCPPCI0
VCCPPCI1
VCCPPCI2
VCCPPCI3
VCCPPCI4
VCCPPCI5
VCCPPCI6
VCCPPCI7
VCCP0
VCCP1
VCCPIDE0
VCCPIDE1
VCCPIDE2
VCCPIDE3
VCCPIDE4
VCCPHL0
VCCPHL1
VCCPHL2
VCCPHL3
VCCA
VCCPSUS3/VCCPUSB0
VCCPSUS4/VCCPUSB1
VCCPSUS5/VCCPUSB2
VCCPSUS0
VCCPSUS1
VCCPSUS2
VCCCORE0
VCCCORE1
VCCCORE2
VCCCORE3
VCCCORE4
VCCCORE5
VCCCORE6
VSS35
VSS36
VSS37
VSS38
VSS39
VSS40
VSS41
VSS42
VSS43
VSS44
VSS45
VSS46
VSS47
VSS48
VSS49
VSS50
VSS51
VSS52
VSS53
VSS54
VSS55
VSS56
VSS57
VSS58
VSS59
VSS60
VSS61
VSS62
VSS63
VSS64
VSS65
VSS66
VSS67
VSS68
VSS69
VSS70
VSS71
VSS72
VSS73
VSS74
VSS75
VSS76
VSS77
VSS78
VSS79
VSS80
VSS81
VSS82
VSS83
VSS84
VSS85
VSS86
VSS87
VSS88
VSS89
VSS90
VSS91
VSS92
VSS93
VSS94
VSS95
VSS96
VSS97
VSS98
VSS99
VSS100
VSS101
U25
@74AHCT1G125GW
24
1
3
5
R363
1K_0402
12
R254 0_0402
1 2
R441
@10K_0402
12
R443
10K_0402
12
R442
10K_0402
12
R444
@10K_0402
12
C631
.1UF_0402
12
R451
1K_0402
1 2
R453 0_0402
1 2
PDDACK# <19>
SDIORDY <19>
PDA1 <19>
SDCS3# <19>
AC_VID2<6> SDD[0..15] <19>
PDIORDY <19>
AC_VID4<6>
PDA0 <19>
PDD[0..15] <19>
SDCS1# <19>
AC_VID1<6>
PDA2 <19>
AC_VID0<6>
PDIOW# <19>
PDCS1# <19>
SDDREQ <19>
PDCS3# <19>
SDIOR# <19>
PDDREQ <19>
SDA1 <19>
SDIOW# <19>
SDA2 <19>
SDDACK# <19>
AC_VID3<6>
PDIOR# <19>
SDA0 <19>
ICH_SPKR<24>
ICH_M_SEN#<18>
ACIN<28,33,35>
USBP2-<30> USBP2+<30>
USBP0+<30> USBP0-<30>
EC_FLASH#<28>
OVCUR#2<30>
OVCUR#0<30>
SIDERST#<19>
PIDERST#<19>

A
A
B
B
C
C
D
D
1 1
2 2
3 3
4 4
ADY11 LA-1181 2
ICH3-M Decoupling & Pull-Up
18 41Friday, November 16, 2001
Compal Electronics, Inc.
Title
SizeDocument Number Rev
Date: Sheet of
+3VS +3VS
+3VS
+3VS +3VS
+3VS
+3VALW
+3VS
+3VALW
+3VS
+1.5VS
+1.8VS
VCC1.8SUS
+3VS
+3VS
+RTCVCC
+3VS
VCCPSUS
THIS SHEET OF ENGINEERING DRAWING IS THE PROPRIETARY PROPERTY OF COMPAL ELECTRONICS,I
NC. AND CONTAINS CONFIDENTIAL
AND TRADE SECRET INFORMATION . THIS SHEET MAY NOT BE TRANSFERRED FROM THE CUSTODY OF
THE COMPETENT DIVISION OF R&D
DEPARTMENT EXCEPT AS AUTHORIZED BY COMPAL ELECTRONICS,INC. NEITHER THIS SHEET NOR THE
INFORMATION CONTAINS MAY BE
USED BY OR DISCLOSED TO ANY THIRD PARTY WITHOUT PRIOR WRITTEN CONSENT OF
COMPAL ELECTRONICS,INC.
R289 10K_0402
1 2
R291 10K_0402
1 2
C499
.1UF_0402
12
+C503
1UF
12
C517
.1UF_0402
12
C479
47PF_0402
12
C576
47PF_0402
12
C563
47PF_0402
12
C485
.1UF_0402
12
+C596
22UF_10V_1206
12
C569
.1UF_0402
12
C568
.1UF_0402
12
C524
.1UF_0402
12
C567
.1UF_0402
12
C591
.1UF_0402
12
+C475
22UF_10V_1206
12
C491
.1UF_0402
12
C610
47PF_0402
12
C523
.1UF_0402
12
C490
.1UF_0402
12
C608
47PF_0402
12
C521
.1UF_0402
12
C476
.1UF_0402
12
C611
.1UF_0402
12
C566
.1UF_0402
12
C590
.1UF_0402
12
+C609
22UF_10V_1206
12
C588
.1UF_0402
12
C600
.1UF_0402
12
C601
.1UF_0402
12
RP13
10P8R_8.2K
10
9
8
7
6
1
2
3
4
5
RP21
10P8R_8.2K
10
9
8
7
6
1
2
3
4
5
RP19
10P8R_8.2K
10
9
8
7
6
1
2
3
4
5
R400 @8.2K_0402
1 2
C550
.1UF_0402
12
C519
33PF_0402
12
C545
.1UF_0402
12
C509
.1UF_0402
12
C561
.1UF_0402
12
C530
33PF_0402
12
C497
.1UF_0402
12
+C522
100UF_D2_6.3V
12
C583
.1UF_0402
12
C603
.1UF_0402
12
+C586
22UF_10V_1206
12
C589
.1UF_0402
12
R398 @8.2K_0402
1 2
R399 @8.2K_0402
1 2
R283 4.7K_0402
1 2
R284 4.7K_0402
1 2
R263 10K_0402
1 2
R262 4.7K_0402
1 2
R267 4.7K_0402
1 2
R434 10K_0402
1 2
R435 10K_0402
1 2
STOP#<16,20,21>
GNT#2<16,21>
FRAME#<16,20,21,27>
TRDY#<16,20,21,27> IRDY#<16,20,21> SERR# <16,20,21>
DEVSEL# <16,20,21>
PERR# <16,20,21>
PLOCK# <16,21>
PCI_REQA#<16> PCI_REQB#<16> REQ#3 <16,20>
REQ#2 <16,21>
REQ#1<16> REQ#0<16> REQ#4 <16>
IRQ14<16,19>
IRQ15 <16,19>
PIRQA# <16,21>
PIRQB# <16,20>
PIRQC# <16>
PIRQD#<16>
SMB_ALERT#<16>
ICH_RI#<16>
GNT#1<16>
SIRQ <16,21,26>
GNT#3<16,20>
PM_CLKRUN#<16,20,21,26>
SMLINK0<16> SMLINK1<16>
SMB_DATA<12,14,16> SMB_CLK<12,14,16>
GNT#0<16>
ICH_M_SEN#<17>
GNT#4<16>
SM_INTRUDER#<16>

A
A
B
B
C
C
D
D
E
E
1 1
2 2
3 3
4 4
W=80mils
Placec caps. near FDD CONN.
CD-ROM Connector
Placea caps. near HDD
CONN.
FDD Connector
HDD Connector
Placea caps. near CDROM
CONN.
Correct HDD pin define ,pls update layout
# means no-pop for Tang
Note: PT-test must pop these component s
S
Layout Note: +5VSHD D trace
width 60 mil
SI2301DS: P CHANNEL
VGS: -4.5V, RDS: 130 mOHM
VGS: -2.5V, RDS: 190mOHM
Id(MAX): 2.3A
VGS(MAX): +-8V
3
D1
G
2
ADY11 LA-1181 2
IDE/FDD/CD-ROM Module
19 41Friday, November 16, 2001
Compal Electronics, Inc.
Title
SizeDocument Number Rev
Date: Sheet of
WDATA#
MTR0#
FDDIR#
DISKCHG#
INDEX#
WRPRT#
TRK0#
SDD11
SDD13
SDD6
SDD3
SDD1
SDD8
SDD14
RIRQ15
SDD7
RSDDACK#
SDD10
SDD0
SDD5
SDIORDY
SDD2 SDD15
SDDREQ
SDD9
PDIAG#
SDD4 SDD12
HDSEL#
WGATE#
RDATA#
STEP#
SEC_CSEL
DRV0#
SDD[0..15]
PDD[0..15]
PDD8
PDD6
PDD5
PDD4 PDD11
PDD3 PDD12
PDD2 PDD13
PDD1 PDD14
PDD0 PDD15
RPDDACK#
PDDREQ
PDIORDY
RIRQ14
PCSEL
PDD10
PDD9
DRV0# ACT_LED#
PDD7
STEP#
WRPRT#
DRV0#
WGATE#
RDATA#
DISKCHG#
INDEX#
HDSEL#
WDATA#
TRK0#
FDDIR#
MTR0#
3MODE#_11
3MODE#_13
3MODE#
3MODE#_11
3MODE#_13
PDIORDY
SDIORDY
PDDREQ
RPDDACK#
RIRQ14
SDDREQ
RSDDACK#
RIRQ15
PHDD_LED#
PHDD_LED#
SHDD_LED#
SHDD_LED#
+5VS
+5VS
+5VS
+5VS
+5VS
+5VS
+5VS
+5VSHDD
+5VSHDD
+5VS
+5VS
+5VS
+3VS
+3VS
+5VS
+5VSHDD
+5VS
+12VALW+5VS+5VSHDD
THIS SHEET OF ENGINEERING DRAWING IS THE PROPRIETARY PROPERTY OF COMPAL ELECTRONICS,I
NC. AND CONTAINS CONFIDENTIAL
AND TRADE SECRET INFORMATION . THIS SHEET MAY NOT BE TRANSFERRED FROM THE CUSTODY OF
THE COMPETENT DIVISION OF R&D
DEPARTMENT EXCEPT AS AUTHORIZED BY COMPAL ELECTRONICS,INC. NEITHER THIS SHEET NOR THE
INFORMATION CONTAINS MAY BE
USED BY OR DISCLOSED TO ANY THIRD PARTY WITHOUT PRIOR WRITTEN CONSENT OF
COMPAL ELECTRONICS,INC.
C366
1UF_25V_0805
12
C364
.1UF_0402
12
C102
.1UF_0402
12
C451
1000PF_0402
12
C584
#.1UF_0402
12
C83 .1UF_0402
1 2
C100
1UF_25V_0805
12
C599
#.1UF_0402
12
C587
#1UF_25V_0805
12
C365
1000PF_0402
12
RP15
10P8R_1K
10
9
8
7
6
1
2
3
4
5
RP20
8P4R_1K
1 8
2 7
3 6
4 5
R197
470_0402
1 2
C445
10UF_16V_1206
12
C592
#10UF_16V_1206
12
C81
10UF_16V_1206
12
R239
470_0402
1 2
C101
.1UF_0402
1 2
R76
@10K_0402
1 2
R244
@10K_0402
1 2
R206 100K_0402
1 2
JP24
#85201-2605-ACES-FDDCON
1
2
3
4
5
6
7
8
9
10
11
12
13
14
15
16
17
18
19
20
21
22
23
24
25
26
+5V
INDEX
+5V
DRIVE SELECT
+5V
DISK CHANGE
NC
READY
DENSITY OUT
MOTOR ON
NC
DIRECTION
DENSITY 2
STEP
GND / NC
WRITE DATA
GND
WRITE GATE
GND
TRACK 00
NC / GND
WRITE PROTECT
GND
READ DATA
GND
SIDE 1 SELECT
R366 @0_0402
1 2
R365 #0_0402
1 2
R243
4.7K_0402
1 2
R212
4.7K_0402
1 2
C85
10UF_16V_1206
12
C376
1000PF_0402
12
C377
.1UF_0402
12
C378
1UF_25V_0805
12
R242 22_0402
1 2
R241 22_0402
1 2
R240 @5.6K_0402
1 2
R213 22_0402
1 2
R207 22_0402
1 2
R217 @5.6K_0402
1 2
C443
33PF_0402
1 2
C399
33PF_0402
1 2
C444
10UF_16V_1206
12
U26A
74HCT08
1
23
14
7
R79
100K_0402
1 2
JP20
HH99221-S6-HDDCON
1 2
3 4
5 6
7 8
9 10
11 12
13 14
15 16
17 18
19 20
21 22
23 24
25 26
27 28
29 30
31 32
33 34
35 36
37 38
39 40
41 42
43 44
U26D
74HCT08
12
13 11
JP16
CD-ROM CONN.
1 2
3 4
5 6
7 8
9 10
11 12
13 14
15 16
17 18
19 20
21 22
23 24
25 26
27 28
29 30
31 32
33 34
35 36
37 38
39 40
41 42
43 44
45 46
47 48
49 50
R238
100K_0402
1 2
C413 47PF_0402
1 2
C416 47PF_0402
1 2
C411 47PF_0402
1 2
R237
100K_0402
12
C438
.01UF_0402
12
R428
150K
12
G
D
S
Q13
2N7002
2
13
Q14
SI2301DS
2
13
SDIOW#<17>SDIORDY<17>
SDCS1#<17> SDA0<17> SDA1<17>
INT_CD_R <23>
CD_AGND <23>
SIDERST#<17>
INT_CD_L<23>
SDA2 <17>
SDDREQ <17>
SDIOR# <17>
SDCS3# <17>
SDD[0..15]<17>
PDDREQ<17> PDIOW#<17> PDIOR#<17> PDIORDY<17>
PDA1<17> PDA0<17> PDCS1#<17> PDCS3# <17>
PDA2 <17>
ACT_LED# <27>
INDEX#<26>
DRV0#<26>
DISKCHG#<26>
MTR0#<26>
FDDIR#<26>
WDATA#<26>
HDSEL#<26>
TRK0#<26>
STEP#<26>
WRPRT#<26>
WGATE#<26>
RDATA#<26>
3MODE#<26>
PIDERST#<17>
PDD[0..15]<17>
PDDACK#<17>
IRQ14<16,18>
IRQ15<16,18>
SDDACK#<17>
FDD_PRES#<29>
PIDEPWR<16>

5
5
4
4
3
3
2
2
1
1
D D
C C
B B
A A
DSX630G H:1.2mm +-30ppm
(20PF)
Compal Electron ics, Inc.
Set Standard features
Set SMBus Mandatory
Set 16K EEPROM
3COM
3C920 LAN CONTROLLER
Layout Note:
H0022 Pls closely to RJ45 Conn.
Place closely to Lan chips
Place closely to Lan chips
Note1
Note1:Place this test point in the RAM door area
AT93C66 P in6 (ORG)
1=16 bit ; 0=8 bit
(LAN_ACT)
(LAN_100LI
NK)
(LAN_10LI
NK)
The cap please closely to H0022
10M LINK : Green LED
100M LINK :O range LED
Activity :
Blink(Y ellow LED)
R448 Closel y AT93C86
FDC6320C
Gate 1: N-MOS
Gate 2: P-MOS
ADY11 LA-1181 2
3COM 3C920 LAN
20 41Friday, November 16, 2001
Title
Size Document Number Rev
Date: Sheet of
SOS6#
AD8
AD11
AD12
SOS2#
SOS3#
AD15
AD2
AD6
AD10
AD30
AD7
AD14
AD22
SOS7#
AD26
AD16
AD9
AD19
LAN_SOS5#
AD21
AD20
AD24
AD31
SOS4#
AD1
AD3
AD4
AD5
AD17
AD18
AD25
AD29
LAN_SOS1#
LAN_CRY1
AD0
AD13
AD27
AD28
AD23
LAN_AD17
CLK_PCI_LAN
LAN_AD17AD17
LAN_TX+
LAN_RX+
LAN_CRY2
LAN_RJ45T+
LAN_RJ45R+
LAN_RJ45T-
LAN_RJ45R-
LAN_100
LAN_10
LAN_100
LAN_10
SOS2#
SOS1#
SOS3#
SOS4#
SOS5#
SOS6#
SOS7#
CLK_PCI_LAN
LAN_RX+
LAN_RX-
LAN_TX+
LAN_TX-
LAN_EESEL
LAN_DFRMEE
LAN_DTOEE
LAN_P1
LAN_P1
LAN_RX-
LAN_TX-
LAN_EECLK
LAN_DTOEE
LAN_DFRMEE
LAN_EECLK
LAN_RST#
LAN_RST#
LAN_SOS5#
LAN_SOS1#
+3VASB +3VALW+3RX_PWR
+3TX_PWR+3TX_PWR
+3VS
+3VASB
+3RX_PWR
+3RX_PWR+3VASB
+3VS
+3VASB+3VASB
+3VASB
+3V
+3VASB
+3VASB
+3VASB
+3VASB+3VASB
+3VS
L51 @BLM21A601SPT
12
L56
#FBM-11-160808-121T
12
L54
#FBM-11-160808-121T
12
C361
#.01UF_0402
12
C356
#2.2UF_16V_0805
C428
#2.2UF_16V_0805
C381
#2.2UF_16V_0805
R215 #10K_0402
1 2
R218 #10K_0402
1 2
C424
#33PF_0402
12
Y2
XTAL
#25MHZ
1 2
R222 #10K_0402
1 2
C422
#.01UF_0402
12
C423
#33PF_0402
12
R236
#10K_0402
12
C419
#1UF
12
R233 #10K_0402
1 2
R226
#10K_0402
1 2
R178
#75_1%
12
R158
#75_1%
12
R177
#75_1%
12
R165
#75_1%
12
C298
@1000PF_1206_2KV
1 2
C253
#1000PF_1206_2KV
1 2
C425
#.01UF_0402
12
C426
#.01UF_0402
12
C427
#.01UF_0402
12
C396
#.01UF_0402
12
C389
#.01UF_0402
12
C369
#.01UF_0402
12
C374
#.01UF_0402
12
C363
#.01UF_0402
12
C397
#.01UF_0402
12
C410
#.01UF_0402
12
C375
#.01UF_0402
12
C395
#.01UF_0402
12
R231
#11.5K_1%
12
U21
#3C920-V3
B11
D11
C11
B12
A12
C12
B13
A14
C13
E11
B14
E12
D13
F11
E13
E14
J12
J13
K11
L12
K12
K13
L11
L13
N14
N13
P14
P12
M11
N12
P11
N11
D12
F12
H13
M13
N10
M14
H14
D14
A13
D2
J2
A10
A7
E2
F2
H2
P1
P7
N8
K14
A8
L1
N2
P3
K2
P5
M6
F6
F7
F8
F9
G6
G7
G8
G9
H6
H7
H8
H9
J6
J7
J8
J9
M3
L3
L4
K3
F4
C2
B1
K1
M2
M7
P10
L14
C14
A11
G14
D1
J1
B10
A6
E1
G1
H1
P9
J14
B8
P2
N3
N1
N5
N7
M1
M4
G12
M12
L9
N9
M9
L10
J11
H11
G13
H12
F14
G11
F13
M8
M10
A1
C3
G3
C10
D10
L8
B7
C7
B6
D6
C6
C5
A5
B5
A4
D5
B4
C4
A3
A2
C1
D3
E4
E3
F3
G4
H3
H4
J4
J3
K4
D7
B3
D4
B2
D9
A9
C8
D8
N6
P6
N4
P4
L5
M5
L6
L7
C9
B9
F1
G2
L2
P8
P13
AD0
AD1
AD2
AD3
AD4
AD5
AD6
AD7
AD8
AD9
AD10
AD11
AD12
AD13
AD14
AD15
AD16
AD17
AD18
AD19
AD20
AD21
AD22
AD23
AD24
AD25
AD26
AD27
AD28
AD29
AD30
AD31
CBE#0
CBE#1
CBE#2
CBE#3
VSSPCI1
VSSPCI2
VSSPCI3
VSSPCI4
VSSPCI5
VSSIO1
VSSIO2
VSSIO3
VSSIO4
VSSX1
VSSX2
VSSX3
VSSX4
VSSX5
VSSX6
VSSX7
VSSX8
VSSX9
VSSRX1
VSSRX2
VSSRX3
VSSTX1
VSSTX2
GND
GND
GND
GND
GND
GND
GND
GND
GND
GND
GND
GND
GND
GND
GND
GND
SOS1#
SOS2# / TXCLK
SOS3# / TXEN
SOS4# / CRS
SOS5# / RXOE
SOS6# / RXCLK
SOS7# / MDCLK
MAINP5
AUX5PN
AUXP
VDDPCI1
VDDPCI2
VDDPCI3
VDDPCI4
VDDPCI5
VDDIO1
VDDIO2
VDDIO3
VDDIO4
VDDX1
VDDX2
VDDX3
VDDX4
VDDX5
VDDX7
VDDRX1
VDDRX2
VDDRX3
VDDTX1
VDDTX2
PME
VDDLVDET
PAR
IDSEL
INTA#
RST#
GNT#
REQ#
FRAME#
IRDY#
TRDY#
DEVSEL#
STOP#
PERR#
SERR#
PME#
CLKRUN#
SMBDATA
SMBCLK
SMBCS#
WPOUT
GRST#
PCICLK
LD0 / POR0
LD1 / POR1
LD2 / POR2
LD3
LD4 / POR4
LD5
LD6 / POR6
LD7
LA0
LA1
LA2 / POR10
LA3
LA4
LA5
RXD0 / LA6
RXD1 / LA7
RXD2 / LA8
RXD3 / LA9
RXER / LA10
RXDV / LA11
TXD0 / LA12
TXD1 / LA13
TXD2 / LA14
TXD3 / LA15
COL / LA16
ROMCS#
MEMR#
MEMW#
MDIO
EESEL
EECLK / ACT
DTOEE / 100LNK
DFRAMEE / 10LNK
TXOP
TXON
RXIP
RXIN
TXCT (NC)
REF100
REF10
MEDTEST
GLBTEST#
PHYTEST#
X25HI
X25L0
NC3
NC5
NC6
R209
#1.62K_1%
12
R204
#1.91K_1%
12
C388
#.01UF_0402
12
C417
#.1UF_0402
12
RP10
@8P4R_10K
1 8
2 7
3 6
4 5 R232 @10K_0402
1 2
R234 @10K_0402
1 2
R224 @10K_0402
1 2
THIS SHEET OF ENGINEERING DRAWING IS THE PROPRIETARY PROPERTY OF COMPAL ELECTRONICS,I
NC. AND CONTAINS CONFIDENTIAL
AND TRADE SECRET INFORMATION . THIS SHEET MAY NOT BE TRANSFERRED FROM THE CUSTODY OF
THE COMPETENT DIVISION OF R&D
DEPARTMENT EXCEPT AS AUTHORIZED BY COMPAL ELECTRONICS,INC. NEITHER THIS SHEET NOR THE
INFORMATION CONTAINS MAY BE
USED BY OR DISCLOSED TO ANY THIRD PARTY WITHOUT PRIOR WRITTEN CONSENT OF
COMPAL ELECTRONICS,INC.
C367
@10PF_0402
R199
@33_0402
1 2
R174
#0_0402
1 2
L55
#FLM-160808-68NKT
12
R214
#61.9_1%_0805
12
U15
#Pulse-H0022
1
2
3
6
7
8 9
10
11
14
15
16
RD+
RD-
CT
CT
TD+
TD- TX-
TX+
CT
CT
RX-
RX+
R228
#56.2_1%_0805
12
C407
#.1UF_0402
12
R225
#56.2_1%_0805
12
C412
#4.7PF_NPO
1 2
R223
#61.9_1%_0805
12
L52 #FBM-11-201209-601T
12
T1
1
R414
#10K_0402
1 2
U17
#AT93C86-10SC2.7
1
2
3
4
8
7
6
5
CS
SK
DI
DO
VCC
NC
NC/ORG
GND
R447
#200_0402
12
R436
#10K_0402
1 2
Q37
#FDC6320C
1
2
3 4
5
6
G1
S2
G2 D2
S1
D1
Q36
#FDC6320C
1
2
3 4
5
6
G1
S2
G2 D2
S1
D1
R437
#200_0402
12
R448
#200_0402
12
JP10
#JM36113-L5H7
2
1
3
4
5
6
7
8
13
14
12
11
10
9
PR1-
PR1+
PR2+
PR3+
PR3-
PR2-
PR4+
PR4-
SHLD1
SHLD2
LED_GREEN
LED_ORANGE
LDE_YELLOW+
LDE_YELLOW-
R198
#100_0402
1 2
D29 #RB751V
21
R452 #10K_0402
1 2
R208 @0_0402
1 2
R450 #10K_0402
1 2
D27 #RB751V
21
D28 #RB751V
21 R449 #10K_0402
1 2
C371
#.01UF_0402
12
C370
#.01UF_0402
12
C372
#.01UF_0402
12
C373
#.01UF_0402
12
LAN_PME#<29>
AD[0..31]<16,21,27>
FRAME#<16,18,21,27>
DEVSEL#<16,18,21>
PERR#<16,18,21>
PCIRST#<8,15,16,21,26,27,28>
IRDY#<16,18,21>
C/BE#0<16,21,27>
C/BE#2<16,21,27>
PIRQB#<16,18>
C/BE#3<16,21,27>
SERR#<16,18,21>
PAR<16,21>
GNT#3<16,18> REQ#3<16,18>
STOP#<16,18,21>
TRDY#<16,18,21,27>
C/BE#1<16,21,27>
CLK_PCI_LAN<14>
PM_CLKRUN#<16,18,21,26>
LAN_DISABLE#<28>
SOS1#<29>
SOS5#<29>

A
A
B
B
C
C
D
D
E
E
4 4
3 3
2 2
1 1
ADY11 LA-11812
PCMCIA controller OZ6912
21 41Friday, November 16, 2001
Compal Electronics, Ltd.
Title
Size Document Number Rev
Date: Sheet of
S1_A[0..25]
S1_D[0..15]
S1_BVD1
S1_A23
S1_IOWR#
S1_INPACK#
S1_A15
S1_WE#
S1_A24
S1_A11
PCM_SPK#
S1_D1
S1_A10
S1_D4
S1_D0
S1_A3
S1_A22
S1_A21
S1_CE2#
S1_RDY#
S1_A4
S1_A25
S1_A14
S1_A13
S1_CD1#
S1_D2
S1_CD2#
S1_A17
S1_D7
S1_D6
S1_D5
S1_D12
S1_D10
S1_VS1
S1_A5
S1_A7
S1_A12
S1_A20
S1_A1
S1_RST
S1_A6
PCIRST#
S1_OE#
S1_D13
S1_D3
S1_D8
S1_A2
S1_D11
S1_D14
S1_BVD2
S1_A0
S1_A19
S1_A8
S1_CE1#
S1_D15
S1_D9
S1_WAIT#
S1_REG#
S1_VS2
S1_A9
S1_IORD#
S1_WP
CLK_PCI_PCM
AD26
AD5
AD29
AD10
AD24
AD18
AD3
AD22
AD14
AD30
AD6
AD21
AD28
AD16
AD19
AD7
AD31
AD9
AD8
AD12
AD27
AD15
AD13
AD4
AD25
AD20
AD23
AD17
AD11
AD2
AD1
AD0
AD[0..31]
AD20
PCM_RI#
S1_A18
S1_A16
S1_VCC
+3VALW
+3VS
+3VS
+3VS
+3VS
R203 100_0402
1 2
R201
@33_0402
12
C384
@22PF_0402
12
C339
.1UF_0402
12
C351
.1UF_0402
12
C345
.1UF_0402
1 2
D7
RB751V
21
THIS SHEET OF ENGINEERING DRAWING IS THE PROPRIETARY PROPERTY OF COMPAL ELECTRONICS,INC. AND CONTAINS CONFIDENTIAL
AND TRADE SECRET INFORMATION . THIS SHEET MAY NOT BE TRANSFERRED FROM THE CUSTODY OF THE COMPETENT DIVISION OF R&D
DEPARTMENT EXCEPT AS AUTHORIZED BY COMPAL ELECTRONICS,INC. NEITHER THIS SHEET NOR THE INFORMATION CONTAINS MAY BE
USED BY OR DISCLOSED TO ANY THIRD PARTY WITHOUT PRIOR WRITTEN CONSENT OF COMPAL ELECTRONICS,INC.
R192 10K_0402
1 2
C383
.1UF_0402
12
C353
.1UF_0402
12
C338
.1UF_0402
12
C337
.1UF_0402
12
C382
.1UF_0402
12
C357
.1UF_0402
12
PQFP 144
22.2 X
22.2 X
1.60
U18
OZ6912
1
2
3
4
5
6
7
8
9
10
11
12
13
14
15
16
17
18
19
20
21
22
23
24
25
26
27
28
29
30
31
32
33
34
35
36
37
38
39
40
41
42
43
44
45
46
47
48
49
50
51
52
53
54
55
56
57
58
59
60
61 62
63
64
65
66
67
68
69
70
71
72
73
74
75
76
77
78
79
80
81
82
83
84
85
86
87
88
89
90
91
92
93
94
95
96
97
98
99
100
101
102
103
104
105
106
107
108
109
110
111
112
113
114
115
116
117
118
119
120
121
122
123
124
125
126
127
128
129
130
131
132
133
134
135
136
137
138
139
140
141
142
143
144
PCIREQ#
PCIGNT#
AD31
AD30
AD29
GND
AD28
AD27
AD26
AD25
AD24
C/BE3#
IDSEL
VCC
AD23
AD22
AD21
VCCP
AD20
PCIRST#
PCIPCLK
GND
AD19
AD18
AD17
AD16
C/BE2#
PCIFRAME#
PCIIRDY#
VCCP
PCITRDY#
PCIDEVSEL#
PCISTOP#
PCIPERR#
PCISERR#
PCIPAR
C/BE1#
AD15
AD14
AD13
AD12
GND
AD11
VCCP
AD10
AD9
AD8
C/BE0#
AD7
VCCP
AD6
AD5
AD4
AD3
AD2
AD1
AD0
GND
RI_OUT#/PME#
MF0
MF1 SPKROUT
VCCI
MF2
MF3
G_RST#
MF4
MF5
MF6
SUSPEND#
VPPD0
VPPD1
VCCD0#
VCCD1#
CCD1#/CD1#
CAD0/D3
CAD2/D11
GND
CAD1/D4
CAD4/D12
CAD3/D5
CAD6/D13
CAD5/D6
RSVD/D14
CAD7/D7
VCC
CAD8/D15
CCBE0#/CE1#
CAD9/A10
VCCCB
CAD10/CE2#
CAD11/OE#
CAD13/IORD#
GND
CAD12/A11
CAD15/IOWR#
CAD14/A9
CAD16/A17
CCBE1#/A8
RSVD/A18
CPAR/A13
VCC
CBLOCK#/A19
CPERR#/A14
CSTOP#/A20
CGNT#/WE#
CDEVSEL#/A21
CCCLK/A16
CTRDY#/A22
CIRDY#/A15
CFRAME#/A23
CCBE2#/A12
CAD17/A24
GND
CAD18/A7
CAD19/A25
CVS2/VS2#
CAD20/A6
CRST#/RESET
CAD21/A5
CAD22/A4
VCC
CREQ#/INPACK#
CAD23/A3
CCBE3#/REG#
VCCCB
CAD24/A2
CAD25/A1
CAD26/A0
GND
CVS1/VS1#
CINT#/READY
CSERR#/WAIT#
CAUDIO#/BVD2
CSTSCHNG/BVD1
CCLKRUN#/WP
CCD2#/CD2#
VCC
CAD27/D0
CAD28/D8
CAD29/D1
CAD30/D9
RSVD/D2
CAD31/D10
R195 0_0402
1 2
C340
.1UF_0402
R186 33_0402
1 2
C348
.1UF_0402
12
C359
4.7UF_10V_0805
12
SIRQ<16,18,26>
PM_CLKRUN#<16,18,20,26>
PCIRST#<8,15,16,20,26,27,28>
S1_WAIT# <22>
S1_INPACK# <22>
S1_WE# <22>
S1_BVD1 <22>
S1_WP <22>
S1_RDY# <22>
PCM_SPK#<24>
S1_BVD2 <22>
S1_A[0..25] <22>
S1_CD2# <22>
S1_CD1# <22>
S1_VS2 <22>
S1_VS1 <22>
S1_RST <22>
S1_CE2# <22>
S1_CE1# <22>
S1_REG# <22>
S1_OE#<22>
S1_IORD# <22>
S1_IOWR# <22>
VCCD0#<22> VCCD1#<22>
VPPD1<22> VPPD0<22>S1_D[0..15] <22>
PCM_SUSP#<28>
V_PRST#<22,28>
AD[0..31]<16,20,27>
CLK_PCI_PCM<14>
DEVSEL#<16,18,20>
FRAME#<16,18,20,27>IRDY#<16,18,20>TRDY#<16,18,20,27>
STOP#<16,18,20>
PAR<16,20>
PERR#<16,18,20>SERR#<16,18,20>
REQ#2<16,18>GNT#2<16,18>
PIRQA#<16,18>
PLOCK#<16,18>
C/BE#3<16,20,27>C/BE#2<16,20,27>C/BE#1<16,20,27>C/BE#0<16,20,27>
PCM_RI#<27>
PCM_PME#<29>

A
A
B
B
C
C
D
D
E
E
1 1
2 2
3 3
4 4
CardBus Socket
PCMCIA Power Controller
ADY11 LA-1181 2
CardBus Socket
22 41Friday, November 16, 2001
Compal Electronics, Inc.
Title
SizeDocument Number Rev
Date: Sheet of
S1_A[0..25]
S1_D[0..15]
S1_A23
S1_WP
S1_VCCL
V_PRST#
S1_D3 S1_CD1#
S1_D4
S1_D5
S1_D6
S1_D7
S1_CE1#
S1_A10
S1_OE#
S1_A11
S1_A9
S1_A8
S1_A13
S1_A14
S1_WE#
S1_RDY#
S1_A16
S1_A15
S1_A12
S1_A7
S1_A6
S1_A5
S1_A4
S1_A3
S1_A2
S1_A1
S1_A0
S1_D0
S1_D1
S1_D2
S1_WP
S1_D11
S1_D12
S1_D13
S1_D14
S1_D15
S1_CE2#
S1_VS1
S1_IORD#
S1_IOWR#
S1_A17
S1_A18
S1_A19
S1_A20
S1_A21
S1_A22
S1_A23
S1_A24
S1_A25
S1_VS2
S1_RST
S1_WAIT#
S1_INPACK#
S1_REG#
S1_BVD2
S1_BVD1
S1_D8
S1_D9
S1_D10
S1_CD2#
S1_VCCLS1_VCCL
S1_VPP
S1_VCC
S1_VCC
+5VALW
+3VALW
S1_VCC
S1_VPP
+3VALW +5VALW
+12VALW
S1_VPP
S1_VPPS1_VPP
S1_VCC
THIS SHEET OF ENGINEERING DRAWING IS THE PROPRIETARY PROPERTY OF COMPAL ELECTRONICS,I
NC. AND CONTAINS CONFIDENTIAL
AND TRADE SECRET INFORMATION . THIS SHEET MAY NOT BE TRANSFERRED FROM THE CUSTODY OF
THE COMPETENT DIVISION OF R&D
DEPARTMENT EXCEPT AS AUTHORIZED BY COMPAL ELECTRONICS,INC. NEITHER THIS SHEET NOR THE
INFORMATION CONTAINS MAY BE
USED BY OR DISCLOSED TO ANY THIRD PARTY WITHOUT PRIOR WRITTEN CONSENT OF
COMPAL ELECTRONICS,INC.
C355
.01UF_0402
12
C350
.1UF_0402
12
+C362
4.7UF_25V_1206
C346
10UF_10V_1206
12
R181 22K_0402
1 2
R193 22K_0402
1 2
C432
.1UF_0402
C404
4.7UF_10V_0805
12
C414
.1UF_0402
C431
.1UF_0402
C406
.1UF_0402
C435
10UF_10V_1206
12
C405
10UF_10V_1206
12
U22
TPS2211
1
2
3
4
5
6
7
8
9
10
11
12
13
14
15
16
VCCD0
VCCD1
3.3V
3.3V
5V
5V
GND
OC
12V
VPP
VCC
VCC
VCC
VPPD1
VPPD0
SHDN
C409
1UF_25V_0805
12
JP11
FOXCONN_1CA415M1-TA_68P
1
3
5
7
9
11
13
15
17
19
21
23
25
27
29
31
33
35
37
39
41
43
45
47
49
51
53
55
57
59
61
63
65
67
69
71
73
75
77
79
81
83
2
4
6
8
10
12
14
16
18
20
22
24
26
28
30
32
34
36
38
40
42
44
46
48
50
52
54
56
58
60
62
64
66
68
70
72
74
76
78
80
82
84
1
3
5
7
9
11
13
15
17
19
21
23
25
27
29
31
33
35
37
39
41
43
45
47
49
51
53
55
57
59
61
63
65
67
GND
GND
GND
GND
GND
GND
GND
GND
2
4
6
8
10
12
14
16
18
20
22
24
26
28
30
32
34
36
38
40
42
44
46
48
50
52
54
56
58
60
62
64
66
68
GND
GND
GND
GND
GND
GND
GND
GND
L50
FBM-11-160808-800LMT
1 2
C400
1000PF_0402
12
C324
1000PF_0402
1 2
S1_D[0..15]<21> S1_A[0..25]<21>
VCCD0# <21>
VCCD1# <21>
VPPD0<21>
VPPD1<21>
S1_CD1# <21>
S1_CE1#<21> S1_CE2#<21>
S1_OE#<21> S1_VS1<21>
S1_IORD# <21>
S1_IOWR# <21>
S1_WE#<21> S1_RDY#<21>
S1_VS2<21>
S1_RST <21>
S1_WAIT# <21>
S1_INPACK# <21>
S1_REG# <21>
S1_BVD2<21>
S1_BVD1<21>
S1_CD2# <21>S1_WP<21>
V_PRST# <21,28>

A
A
B
B
C
C
D
D
E
E
F
F
G
G
H
H
1 1
2 2
3 3
4 4
W=40Mil
reserve for AC97 coedc us
ing only
short the digital ground and ana
long ground
ADY11 LA-1181 2
AC97 CODEC
23 41Friday, November 16, 2001
Compal Electronics, Inc.
Title
SizeDocument Number Rev
Date: Sheet of
CD_R_R
CD_GNA
CD_L_R
MDMIC
LINEL
LINER
CD_GNA
MONO_IN
MDSPK
VDDA
VDDA
+3VS
VDDC
AVDD_AC97
+5VALW
+12VALW
+5VAU
+5VALW
VDDA
VDDA+5VALW
THIS SHEET OF ENGINEERING DRAWING IS THE PROPRIETARY PROPERTY OF COMPAL ELECTRONICS,I
NC. AND CONTAINS CONFIDENTIAL
AND TRADE SECRET INFORMATION . THIS SHEET MAY NOT BE TRANSFERRED FROM THE CUSTODY OF
THE COMPETENT DIVISION OF R&D
DEPARTMENT EXCEPT AS AUTHORIZED BY COMPAL ELECTRONICS,INC. NEITHER THIS SHEET NOR THE
INFORMATION CONTAINS MAY BE
USED BY OR DISCLOSED TO ANY THIRD PARTY WITHOUT PRIOR WRITTEN CONSENT OF
COMPAL ELECTRONICS,INC.
C449
@.1UF_0402
12
C450
@4.7UF_10V_0805
12
R276 @10K_0402
12
L59
FBM-11-201209-121MT
1 2
C498 1000PF_0402
1 2
R302 0_0805
1 2
R272
@100K_0402
1 2
+C493
@4.7U_25V_1206
C473
.1UF_0402
12
R345 6.8K_1%
12
R327 6.8K_1%
12
R296 47_0402
1 2
C495 1000PF_0402
1 2
R321 1K_0402
12
C484
.1UF_0402
12
R322
3.3K_0402
12
C478
1000PF_0402
1 2
C501
4.7UF_10V_0805
12
R295 22_0402
1 2
C512
4.7UF_10V_0805
12
C474 @1000PF_0402
1 2
Y3
24.576 MHz
C528 2.2UF_16V_0805
1 2
U30
STAC9700
14
15
17
16
23
24
18
20
19
21
22
13
12
35
36
37
11
10
6
5
8
2
3
29
30
28
27
1
9
25
38
32
46
47
48
4
7
39
41
31
33
34
43
44
45
40
26
42
AUX_L
AUX_R
VIDEO_R
VIDEO_L
LIN_IN_L
LIN_IN_R
CD_L
CD_R
CD_GNA
MIC1
MIC2
PHONE
PC_BEEP
LINE_OUT_L
LINE_OUT_R
MONO_OUT
RESET#
SYNC
BIT_CLK
SDATA_OUT
SDATA_IN
XTL_IN
XTL_OUT
AFLT1
AFLT2
VREFOUT
REFFLT
VCC
VCC
AVCC
AVCC
FLT3D
ID1#
EAPD#
S/PDIF_OUT
GND
GND
HP_OUT_L
HP_OUT_R
BPCFG
FLTI
FLTO
NC
NC
ID0#
NC
AGND
AGND
R275 @10K_0402
12
C494
@1UF_25V_0805
12
C527 1UF_25V_0805
1 2
C472 @1000PF_0402
1 2
C471 @1000PF_0402
1 2
C489
@1000PF_0402
12
R326 6.8K_1%
12
C483 22PF_0402
R299
@100K_0402
1 2
C487
@.047UF
12
C486 22PF_0402
C467
1000PF_0402
12
R328 6.8K_1%
12
R330
3.3K_0402
12
C529 1UF_25V_0805
1 2
C480
@1UF_25V_0805
1 2
C516
2700PF
12
R310
47K_0402
1 2
R309
4.7K_0402
1 2
C507 1UF_25V_0805
1 2
C496
@15PF_0402
D20
@AS2431L
1 3
2
C571 @68PF
12
+
-
U34A
@LM358
3
21
84
L61
@BLM21A601SPT
12
C557
@.1UF_0402
1 2
C572
@.1UF_0402
12
C560
@.1UF_0402
12
@5.1K
R359
12
@5.11K_0.5%R341
1 2
@100K_0402
R364
1 2
@2.4K
R353
12
@5.11K_0.5%
R343
1 2
@442_1%
R344
1 2
G
D
S
Q25
@SI2306DS
2
13
G
D
SQ30
@2N7002
2
13
@0_0402
R340
1 2
C548 @220PF
12
C549
@.1UF_0402
12
C581
.1UF_0402
12
C582
.1UF_0402
12
C580
@4.7UF_10V_0805
12
C579
4.7UF_10V_0805
12
C577
.01UF_0402
12
C515
.1UF_0402
12
C510
.1UF_0402
12
C500
.1UF_0402
12
28.7K_1%
R383
1 2
10K_1%
R394
12
U36
SI9182DH-AD
4
8
5
3
6
7 1
2
VIN
ON/OFF#
VOUT
GND
SENSE
ERROR CNOISE
DELAY
C619
2200PF
12
C618 .1UF_0402
1 2
C492
1UF_25V_0805
12
C502
1UF_25V_0805
12
C506
.1UF_0402
12
C620
.1UF_0402
12
C526 1UF_25V_0805
1 2
R320 @1K_0402
12
INT_CD_L<19>
INT_CD_R<19>
MD_SPK<25>
IAC_SDATAO<16,25>
LEFT <24>
IAC_BITCLK <16,25>
SDATA_IN0 <16>
IAC_SYNC<16,25>
CD_AGND<19>
MD_MIC <25>
RIGHT <24>
MONO_IN<24>
SUSP <31>
SUSP#<27,28,31,32,36>
MICIN<24>
AC97_RST#<16,25>

A
A
B
B
C
C
D
D
E
E
1 1
2 2
3 3
4 4
+3V POWER
+5V POWER
Speaker Connector
W=40mils
LINE OUT
10 mils tr
ace
Modify schematic for remove pre-AMP
EXT. MIC
ADY11 LA-1181 2
AMP & Audio Jack
24 41Monday, February 04, 2002
Compal Electronics, Inc.
Title
SizeDocument Number Rev
Date: Sheet of
LEFT
RIGHT
MONO_IN
INTSPK_R-
INTSPK_L+
INTSPK_R+
INTSPK_L-
INTSPK_L+
INTSPK_L-
LEFT
RIGHT
INTSPK_R+
INTSPK_R-
INTSPK_L+
INTSPK_R+
INTSPK_L+
INTSPK_R+
OPBPASS
PR_LEFT
INTSPK_R+
INTSPK_L+
PR_RIGHT PR
NBA_PLUG
PL
NBA_PLUG
OP_SHUT
OP_SHUT
BIAS
MICSEL
MIC-
VBIAS
EXTRMIC
MIC_IN
MIC+
MICSEL
EXTMIC EXT_MIC
VBIAS+3VS
+5VAMP
+5VS VDDA
VDDA
VDDA
+3VS
+5VALW
VDDA
VDDA
VDDA
AVDD_AC97
AVDD_MIC
C453 .01UF_0402
1 2
C454 .01UF_0402
1 2
C463
.1UF_0402
12
C462
.1UF_0402
12
R329
100K_0402
12
C525
1UF_25V_0805
1 2
R360
10K_0402
1 2
R357
100K_0402
12
C456 1UF_25V_0805
1 2
C457 1UF_25V_0805
1 2
L58
@BLM21A05_0805
1 2
JP19
Speaker Conn.
1
2
3
4
1
2
3
4
C464
4.7UF_10V_0805
12
R25050K
1 2
R25350K
1 2
R251150K
1 2
R256100K
1 2
R25575K
1 2
R252150K
1 2
R258100K
1 2
R25975K
1 2
C459
4.7UF_10V_0805
12
C461
.1UF_0402
12
C128
47PF_0402
12
R269
100K
C121
47PF_0402
12
+
C448
220UF_10V_D
1 2
+
C447
220UF_10V_D
1 2
R339
2K_0402
1 2
R331
2K_0402
1 2
R348
2K_0402
1 2 C533
@.1UF_0402
1 2
C536
1UF_25V_0805
1 2
C553
1UF_25V_0805
1 2
C562
.1UF_0402
12
Q21
2SC2411EK
23
1
R356
100K_0402
12
C546
1UF_25V_0805
1 2
R315
@10K_0402
12
D16
1SS355
2 1
C556
.1UF_0402
1 2
U35
TC7SH14
1
2
34
5
NC
A
GND Y
VCC
L44 FBM-11-160808-121T
1 2
L43 FBM-11-160808-121T
1 2
U26B
74HCT08
4
56
L57
BLM21A05_0805
1 2
THIS SHEET OF ENGINEERING DRAWING IS THE PROPRIETARY PROPERTY OF COMPAL ELECTRONICS,I
NC. AND CONTAINS CONFIDENTIAL
AND TRADE SECRET INFORMATION . THIS SHEET MAY NOT BE TRANSFERRED FROM THE CUSTODY OF
THE COMPETENT DIVISION OF R&D
DEPARTMENT EXCEPT AS AUTHORIZED BY COMPAL ELECTRONICS,INC. NEITHER THIS SHEET NOR THE
INFORMATION CONTAINS MAY BE
USED BY OR DISCLOSED TO ANY THIRD PARTY WITHOUT PRIOR WRITTEN CONSENT OF
COMPAL ELECTRONICS,INC.
JP7
JA6333L-100
1
2
3
4
5
6
U27
TPA0202
1
12
13
24
7
18
11
8
14
16
20
19
6
23
17
2
9
10
3
15
22
5
21
4
GND/HS
GND/HS
GND/HS
GND/HS
LVDD
RVDD
MUTEIN
SHUTDW
SE/BTL#
HO/LINE#
RHPIN
RBYPASS
LBYPASS
NC
NC
NC
MUTEOUT
LOUT-
LOUT+
ROUT-
ROUT+
LHPIN
RLINEIN
LLINEIN
C124
47PF_0402
12
R351
@100K_0402
12
L46
FBM-11-160808-121T
1 2
C538
@.22UF_0805
1 2
R350
@2K_0402
R337
@2K_0402
R349
@1K_0402
R338
@1K_0402
C558
@1UF_25V_0805
12
C552
@1UF_25V_0805
12
C537
@.22UF_0805
1 2
JP8
JA6333L-100
1
2
3
4
5
6
C175
47PF_0402
12
C446
@.22UF_0805
1 2
C542
@.1UF_0402
12
U32
@CMAMP110
1
2
3
4
5
6
7
8
SEL
OUT
BIAS
VSUP
INT_MIC+
INT_MIC-
GND
EXT_MIC
R246
1K_0402
R247
2K_0402
C452
10UF_10V_0805
12
C520
@.22UF_0805
1 2
C531
.22UF_0805
1 2
R317
@0
R312 1K_0402
C626
@47PF_0402
12
C226
47PF_0402
12
L47
FBM-11-160808-121T
1 2
C633
@10UF_10V_1206
12
R567
@49.9
R568 2K_0402
PCM_SPK#<21>
ICH_SPKR<17>
BEEP<29>
LEFT<23>
RIGHT<23>
MONO_IN <23>
MUTE<28>
INT_MIC- <30>
INT_MIC+ <30>
MICIN<23>

5
5
4
4
3
3
2
2
1
1
D D
C C
B B
A A
1: Have primary CODEC on mot
her board
Pin 2 is NC for Pctel and connexant MDC modem
Pin 1 is NC for Pctel and connexant MDC modem
MDC Conn.
Screw Hole
Fiduial Mark
Spare Logic Gate
MDC Note
ADY11 LA-1181 2
MDC connector / Skew Hole
25 41Friday, December 07, 2001
Compal Electronics, Inc.
Title
Size Document Number Rev
Date: Sheet of
+5VMDC
+3V
+3V
+3VMDC
+5V
+3VMDC
+3V
+3VALW
+12VALW
C394
@.1UF_0402
12
C393
@1000PF_0402
12
C380
@.1UF_0402
12
R216 10K_0402
1 2
R200 @0_0805
1 2
R221
@22_0402
12
C379
.1UF_0402
1 2
R220
22_0402
12
JP22
AMP-108-5424
1
3
5
7
9
11
13
15
23
21
17
19
25
27
29
2
4
6
8
10
12
14
16
18
20
22
24
26
28
30
MONO_OUT/PC_BEEP
AGND
AUXA_RIGHT
AUXA_LEFT
CD_GND
CD_RIGHT
CD_LEFT
GND
AC97_SDATA_OUT
3.3Vmain
3.3Vaux
GND
AC97_RESET#
GND
AC97_MSTRCLK
AUDIO_PWDN
MONO_PHONE
RESERVED
GND
+5V
RESERVED
RESERVED
RESERVED
RESERVED
RESERVED
AC97_SYNC
AC97_SDATA_IN1
AC97_SDATA_IN0
GND
AC97_BITCLK
R191 @0_0805
1 2
R190 0_0805
1 2
THIS SHEET OF ENGINEERING DRAWING IS THE PROPRIETARY PROPERTY OF COMPAL ELECTRONICS,I
NC. AND CONTAINS CONFIDENTIAL
AND TRADE SECRET INFORMATION . THIS SHEET MAY NOT BE TRANSFERRED FROM THE CUSTODY OF
THE COMPETENT DIVISION OF R&D
DEPARTMENT EXCEPT AS AUTHORIZED BY COMPAL ELECTRONICS,INC. NEITHER THIS SHEET NOR THE
INFORMATION CONTAINS MAY BE
USED BY OR DISCLOSED TO ANY THIRD PARTY WITHOUT PRIOR WRITTEN CONSENT OF
COMPAL ELECTRONICS,INC.
H6
C315D126
1
H2
C315D126
1
H1
C315D126
1
H13
O193X134D193X134N
1
H12
S315D118
1
H7
C315D126
1
H22
C315D118
1
H4
C315D157
1
H3
C315D157
1
H10
C256D157
1
H11
C256D157
1
H8
C315D157
1
H23
C354D244
1
H24
C354D244
1
H15
O217X106D177X67
1
H16
O217X106D177X67
1
H25
O106X217D67X177
1
H19
O106X217D67X177
1
H17
C134D134N
1
M2
S394D138
1
M9
S276D110
1
H27
C315D110
1
H20
O75X213D40X177
1
H21
O75X213D40X177
1
H26
O75X213D40X177
1
H18
S315D118
1
H14
S315D118
1
M3
S315D118
1
H9
R256X315D138
1
FD1
FIDUCIAL MARK
1FD3
FIDUCIAL MARK
1FD2
FIDUCIAL MARK
1
FD6
FIDUCIAL MARK
1FD5
FIDUCIAL MARK
1
CF3
SMDC40M80
1CF1
SMDC40M80
1CF14
SMDC40M80
1CF18
SMDC40M80
1CF2
SMDC40M80
1
CF4
SMDC40M80
1CF13
SMDC40M80
1CF6
SMDC40M80
1CF15
SMDC40M80
1
CF7
SMDC40M80
1CF11
SMDC40M80
1CF17
SMDC40M80
1
CF12
SMDC40M80
1CF16
SMDC40M80
1
FD4
FIDUCIAL MARK
1
+
-
U34B
@LM358
5
67
84
M1
C315D118
1
M6
C315D118
1
M10
S315D244
1
U38D
74LVC125
12 11
13
U38C
74LVC125
9 8
10
C386
@1000PF_0402
12
CF8
SMDC40M80
1
CF10
SMDC40M80
1
C630
4.7UF_16V_A
12
H5
C315D118
1
M11
SMDC200M157
1
M5
S173D95X118
1
M4
S173D95
1
MD_SPK <23>
AC97_RST#<16,23>
IAC_SDATAO<16,23>
MD_MIC<23> MDC_DN# <28>
IAC_BITCLK <16,23>
IAC_SYNC <16,23>
SDATA_IN1 <16>

A
A
B
B
C
C
D
D
E
E
1 1
2 2
3 3
4 4
BASE ADDRESS CONFIG
URATION
XBUS RESET CONFIGU
RATION
BADDR PULL-UP
:4E
BADDR PULL-DO
WN:2E
(DEFAULT)
XCNF0
XCNF1
Pin # 61
Signal Pin # Description
BADDR
TEST
XCNF[2:0]
61
58
90, 4, 59
BASE Address Selection
"0": 2E~2F (Default)
"1": 4E~4F
"0": Normal (Default)
"1": Test Mode
2 1 0 Function
x 0 0 No BIOS
x 0 1 Normal Mode. XRDY dis abled
0 1 0 Latch Mode. XA12-19, XRDY enab led
1 1 0 Latch Mode. GPIO10~17,XRDY enab led
0 1 1 Latch Mode. XA12-19, XRDY disab led
1 1 1 Latch Mode. GPIO10~17,XRDY disab led
(default) * 1 ROM SOLUTION
IRQ8
BOARD_ID = HIGH -------> TANGBTO
BOARD_ID = LOW --------> TANG
$ means no-pop for TANGBTO
ADY11 LA-1181 2
LPC Super I/O NS PC87393
26 41Friday, November 16, 2001
Compal Electronics, Inc.
Title
SizeDocument Number Rev
Date: Sheet of
WRPRT#
INDEX#
LPTSLCTIN#
LPTSTB#
LPTINIT#
TXDA
XIOCHRDY
XA3
DRV0#
LPTSLCT
LPTERR#
LPTAFD#
XA1
XA0
LPTPE
LPTBUSY
LPTACK#
DTRA#
LPD4
XCNF2
LPD6
LPD7
DSRA#
RXDA
FDDIR#
3MODE#
RTSA#
CTSA#
XSTB0#
STEP#
LPD0
XD2
WGATE#
XD3
WDATA#
LPD2
LPD5
DCDA#
XD0
XD1
XD5
XD6
LPD3
XMEMR#
HDSEL#
RDATA#
MTR0#
XD4
XA2
TRK0#
LPD1
XD7
XMEMW#
DTRA#
XA12
XA13
XA16
TXDA
XMEMW#
XCNF2
XA17
XA14
XA15
XA18
XIOR#
XIOW#
RIA#
LAD1
LAD0
LPCSMI#
SIRQ
LAD2
LAD3
LFRAME#
LDRQ#0
CLK_PCI_SIO
LPC_RST#
CLK_14M_SIOCLK_PCI_SIO CLK_14M_SIO
DISKCHG#
LPC_RST#
BOARD_ID
BOARD_ID
+3VS
+3VS
+3VS
+3VS
+3VS +3VS
+3VS
+3VS
+3VS
+3VALW+3VALW
+3VS
THIS SHEET OF ENGINEERING DRAWING IS THE PROPRIETARY PROPERTY OF COMPAL ELECTRONICS,I
NC. AND CONTAINS CONFIDENTIAL
AND TRADE SECRET INFORMATION . THIS SHEET MAY NOT BE TRANSFERRED FROM THE CUSTODY OF
THE COMPETENT DIVISION OF R&D
DEPARTMENT EXCEPT AS AUTHORIZED BY COMPAL ELECTRONICS,INC. NEITHER THIS SHEET NOR THE
INFORMATION CONTAINS MAY BE
USED BY OR DISCLOSED TO ANY THIRD PARTY WITHOUT PRIOR WRITTEN CONSENT OF
COMPAL ELECTRONICS,INC.
C543
5PF_0402
12
C544
@15PF_0402
12
C535
.1UF_0402
12
C511
1000PF_0402
12
PC87393
U33
PC87393F
15
16
17
18
8
9
12
6
7
11
10
19
20
14
39
63
88
13
38
64
89
21
22
23
24
25
26
27
28
29
30
31
32
33
34
52
50
48
46
45
44
43
42
35
36
37
40
41
47
49
51
53
54
55
56
57
58
59
60
61
62
70
69
68
67
66
3
2
1
100
99
98
97
96
4
5
73
71
72
74
75
76
77
78
79
80
81
82
83
84
85
86
87
90
91
92
93
94
95
LAD0
LAD1
LAD2
LAD3
LCLK
LRESET#
LFRAME#
CLKRUN#/GPIO36
LPCPD#
LDRQ#
SERIRQ
SMI#/GPIO35
CLKIN
VDD
VDD
VDD
VDD
VSS
VSS
VSS
VSS
DSKCHG#
HDSEL#
RDATA#
WP#
TRK0#
WGATE#
WDATA#
SETP#
DIR#
DR0#
MTR0#
INDEX#
DENSEL
DRATE0/IRSL2
PD0/INDEX#
PD1/TRK0#
PD2/WP#
PD3/RDATA#
PD4/DSKCHG#
PD5/MSEN0
PD6/DRATE0
PD7/MSEN1
PNF/XRDY
SLCT/WGATE#
PE/WDATA#
BUSY_WAIT#/MTR1#
ACK#/DR1#
SLIN#_ASTRB#/STEP#
INIT#/DIR#
ERR#/HDSEL#
AFD#_DSTRB#/DENSEL
STB#_WRITE#
DCD1#
DSR1#
SIN1
RTS1#/TEST
SOUT1/XCNF0
CTS1#
DTR1#_BOUT1/BADDR
RI1#
IRTX
IRRX1
IRRX2_IRSL0
IRSL1
IRSL3/PWUREQ#
XD0/GPIO00/JOYABTN1
XD1/GPIO01/JOYBBTN1
XD2/GPIO02/JOYAY
XD3/GPIO03/JOYBY
XD4/GPIO04/JOYBX
XD5/GPIO05/JOYAX
XD6/GPIO06/JOYBBTN0
XD7/GPIO07/JOYABTN0
XWR#/XCNF1
XRD#/GPIO34/WDO#
XIOWR#/XCS1#/MTR1#/DRATE0
XIORD#/GPIO37/IRSL2/DR1#
XCS0#/DR1#/XDRY/GPIO25
XA19/DCD2#/JOYABTN0/GPIO17
XA18/GPIO16/JOYBBTN0/DSR2#
XA17/GPIO15/JOYAX/SIN2
XA16/GPIO14/JOYBX/RTS2#
XA15/GPIO13/JOYBY/SOUT2
XA14/GPIO12/JOYAY/CTS2#
XA13/GPIO11/JOYBBTN1/DTR2#_BOUT2
XA12/GPIO10/JOYABTN1/RI2#
XA11/GPIO33/XIOWR#/MDTX
XA10/GPIO32/XIORD#/MDRX
XA9/GPIO31/MTR1#/PIRQD
XA8/GPIO30/PIRQC
XA7/GPIO27/PIRQB
XA6/GPIO26/PRIQA/XSTB2#
XA5/XSTB1#/XCNF2
XA4/GPIO24/XSTB0#
XA3/GPIO23
XA2/GPIO22
XA1/GPIO21
XA0/GPIO20
C505
.1UF_0402
12
C481
4.7UF_10V_0805
12
R342 @0_0402
1 2
R278 @10K_0402
1 2
R332
4.7K_0402
12
R333 10K_0402
1 2
R303 @10K_0402
1 2
R323 10K_0402
1 2
R27410K_0402 12
R334 @10K_0402
1 2
R279 @10K_0402
1 2
R325
@33_0402
12
R324
10_0402
12
RP11
8P4R_10K
1 8
2 7
3 6
4 5
U40C
74LVC14
5 6
7 14
R429 10K_0402
1 2
C624
.01UF_0402
12
U40D
74LVC14
9 8
7 14
R565
10K_0402
1 2
R566
$0_0402
1 2
XIOR#<28> XIOW#<28>
DCDA# <27>
DSRA# <27>
RXDA<27>
CTSA#<27>
LPD0 <27>
LPD1 <27>
LPD2 <27>
LPD3 <27>
LPD4 <27>
LPD5 <27>
LPD6 <27>
LPD7 <27>
LPTBUSY <27>
LPTSLCTIN# <27>
LPTSLCT<27>
LPTACK#<27>
LPTERR# <27>
LPTPE<27>
IRQ1<28>
MTR0#<19>
FDDIR#<19> DRV0#<19>
HDSEL#<19>
IRQ11<28> IRQ12<28>
XIOCHRDY <28>
WGATE#<19>
WDATA#<19> STEP#<19>
XA12<28> XA13<28> XA14<28> XA15<28> XA16<28>
XA18<28> XA17<28>
XA1<28> XA0<28>
XA3<28> XA2<28>
XMEMR# <28>
XMEMW# <28>
XD0 <28>
XD1 <28>
XD2 <28>
XD3 <28>
XD4 <28>
XD5 <28>
XD6 <28>
XD7 <28>
RIA# <27>
LAD2<16> LAD1<16>
LDRQ#0<16>
LAD3<16>
LAD0<16>
SIRQ<16,18,21>
EC_SMI#<16,28>
XSTB0#<28>
3MODE#<19>
RTSA# <27>
TXDA <27>
LPTSTB# <27>
LPTAFD# <27>
LPTINIT# <27>
DTRA# <27>
SUS_STAT#<16>
LFRAME#<16>
CLK_14M_SIO<14>
CLK_PCI_SIO<14>
PM_CLKRUN#<16,18,20,21>
WRPRT#<19> RDATA#<19>
TRK0#<19>
INDEX#<19>
DISKCHG#<19>
PCIRST#<8,15,16,20,21,27,28>

A
A
B
B
C
C
D
D
E
E
1 1
2 2
3 3
4 4
w=10mils
w=10mils
Parallel Port
4516
W=40milsW=40mils
PS2 CONN.
Touch Pad & Status LED Conn.
S/W debug only
ACPI Debug port
from card
bus
Debug PORT
ADY11 LA-1181 2
PIO/SIO/PS2 Port/T_P Conn. & LPC Debug Conn.
27 41Monday, November 19, 2001
Compal Electronics, Inc.
Title
SizeDocument Number Rev
Date: Sheet of
ACK#
BUSY
PE
LPTSTB#
LPD0
LPD1
LPD2
LPD3
LPD4
LPD5
LPD6
LPD7
AFD/3M#
ERR#
PRNINIT#
SLCTIN#
ACK#
BUSY
PE
SLCT
FD4
FD5
FD6
FD7
FD7
FD6
FD5
FD4
FD0
FD3
FD1
FD2
PRNINIT#
AFD/3M# SLCT
SLCTIN#
ERR#
LPD[0..7]
FD3
FD2
FD1
FD0
AFD/3M#
FD0
ERR#
FD1
PRNINIT#
FD2
SLCTIN#
FD3
FD4
FD5
FD6
FD7
ACK#
BUSY
PE
SLCT
PWRPRN
SUSP#
KBD_DATA
PS2_DATA
PS2_CLK
KBD_CLK
TP_CLK
TP_DATA
PWR_LED#
ACT_LED#
BATT_LED#
CHARGE_LED#
TP_CLKTP_DATA
ACT_LED#
CHARGE_LED#
PWR_LED#
BATT_LED#
CLK_PCI_LPC
RIA0
DSRA#
CTSA#
DTRA#
RXDADCDA#
TXDA
RIA#
RTSA#
+5V_PRN
+5V_PRN
+5V_PRN
+5V_PRN
+5V_PRN
+5VS
+5V_PRN
+5VS KB_ASPS2KB_VCC
+5VS
+5VALW
+5VALW
+5VS
+5VS
+3VALW
+5VALW
RP1
10P8R_2.7K
10
9
8
7
6
1
2
3
4
5
RP2
10P8R_2.7K
10
9
8
7
6
1
2
3
4
5
R99
33_0402
1 2
R100
2.7K_0402
12
CP13
8P4C_270PF
1 8
2 7
3 6
4 5
CP4
8P4C_270PF
1 8
2 7
3 6
4 5
CP12
8P4C_270PF
1 8
2 7
3 6
4 5
THIS SHEET OF ENGINEERING DRAWING IS THE PROPRIETARY PROPERTY OF COMPAL ELECTRONICS,I
NC. AND CONTAINS CONFIDENTIAL
AND TRADE SECRET INFORMATION . THIS SHEET MAY NOT BE TRANSFERRED FROM THE CUSTODY OF
THE COMPETENT DIVISION OF R&D
DEPARTMENT EXCEPT AS AUTHORIZED BY COMPAL ELECTRONICS,INC. NEITHER THIS SHEET NOR THE
INFORMATION CONTAINS MAY BE
USED BY OR DISCLOSED TO ANY THIRD PARTY WITHOUT PRIOR WRITTEN CONSENT OF
COMPAL ELECTRONICS,INC.
C108
4.7UF_10V_0805
12
CP3
8P4C_270PF
1 8
2 7
3 6
4 5 C107
.1UF_0402
12
L39 0
1 2
L7 0
1 2
L38 0
1 2
L6 0
1 2
L8 0
1 2
L37 0
1 2
L36 0
1 2
L35 0
1 2
L34 0
1 2
L9 0
1 2
L10 0
1 2
L11 0
1 2
L1 0
1 2
L2 0
1 2
L3 0
1 2
L12 0
1 2
JP1
LPTCN-25-SUYIN
13
25
12
24
11
23
10
22
9
21
8
20
7
19
6
18
5
17
4
16
3
15
2
14
1
D6
1SS355
2 1
C111
47PF_0402
1 2
JP6
KBD/PS2_6
33005A-06T1-01-PS2
I16795326
5
6
3
1
2
4
F1
POLYSWITCH_1.1A
U4
KBMF01SC6
1
2
3 4
5
6
DATA IN
GND
CLK IN CLK OUT
VCC
DATA OUT
L41
FBM-11-451616-800T
1 2
C114
1UF_25V_0805
12
U3
KBMF01SC6
1
2
3 4
5
6
DATA IN
GND
CLK IN CLK OUT
VCC
DATA OUT
CP11
@8P4C_220PF
18 27 36 45
C97
@220PF
1 2
C96
@220PF
1 2
JP15
JST BM20B-SRDS-G
1 2
3 4
5 6
7 8
9 10
12
14
11
13
15 16
17
19 18
20
R374
20K_0402
12
D22
RB751V
21
R564
@33_0402
1 2
C842
@10PF_0402
JP23
@AMP 5-175638-0
1 2
3 4
5 6
7 8
9 10
12
14
11
13
15 16
17
19 18
20
JP3
@E&T 2041-012-12
1
3
5
7
9
2
4
6
8
10
11 12
+
+
+
+
+
+
+
+
+
+
+ +
LPTACK#<26>
LPTBUSY<26>
LPTPE<26>
LPTSLCT<26>
LPTERR#<26>
LPTAFD#<26>
LPD[0..7]<26>
LPTSTB#<26>
LPTINIT#<26>
LPTSLCTIN#<26>
SUSP#<23,28,31,32,36>
KBD_CLK<28>
KBD_DATA<28>
PS2_CLK<28>
PS2_DATA<28>
TP_DATA<28>TP_CLK<28>
ACT_LED#<19>
CHARGE_LED#<29>
PWR_LED# <29>
BATT_LED#<29>
RING# <28>PCM_RI#<21>
AD9<16,20,21>
AD6<16,20,21> AD2<16,20,21> AD1<16,20,21> AD5<16,20,21> AD8<16,20,21>
C/BE#2<16,20,21>
C/BE#0 <16,20,21>
AD4 <16,20,21>
AD0 <16,20,21>
AD3 <16,20,21>
AD7 <16,20,21>
C/BE#1 <16,20,21>
C/BE#3 <16,20,21>
PCIRST# <8,15,16,20,21,26,28>FRAME#<16,18,20,21> TRDY# <16,18,20,21>
CLK_PCI_LPC <14>
LID_SW# <29,30>
CTSA#<26>
DSRA# <26>
RXDA<26>
DTRA# <26>
TXDA<26>
RIA#<26>
RTSA#<26>
DCDA#<26>

A
A
B
B
C
C
D
D
E
E
1 1
2 2
3 3
4 4
NC: 1,2,43,44,45,46,87,88,89,90,131,132,133,134,175,176
Pin 130 PU for
Zero Latch
IREF: Charger current control
ADPREF: Adapter current
control
LI/MH#
ADY11 LA-1181 2
PC87570
28 41Friday, November 16, 2001
Compal Electronics, Inc.
Title
SizeDocument Number Rev
Date: Sheet of
KBA[0..18]
ADB[0..7]
KSI[0..7]
KSO[0..15]
XA0
XA1
XA2
XA3
XA12
XA13
XA14
XA15
XA16
XA17
XA18
XD0
XD1
XD2
XD3
XD4
XD7
XD4
XD0
XD5
XD6
ECAGND
XD5
51RST
SMB_EC_CK1
SMB_EC_DA1
CRY2
CRY1
KBA0
KBA1
KBA2
KBA3
KBA4
KBA5
KBA6
KBA7
KBA8
KBA9
KBA10
KBA11
KBA12
KBA13
KBA14
KBA15
KBA16
KBA17
KBA18
KBA18
ADB0
ADB0
ADB1
ADB2
ADB3
ADB4
ADB5
ADB6
ADB7
ADB1
ADB2
ADB3
ADB4
ADB5
ADB6
ADB7
FWR#
FRD#
FSEL#
KSI0
KSI1
KSI2
KSI3
KSI4
KSI5
KSI6
KSI7
KSO0
KSO1
KSO2
KSO3
KSO4
KSO5
KSO6
KSO7
KSO8
KSO9
KSO10
KSO11
KSO12
KSO13
KSO14
KSO15
KBD_DATA
KBD_CLK
PS2_DATA
PS2_CLK
TP_DATA
TP_CLK
FWR#
EC_THRM#
EC_ON
FSEL#
KBA18
KBD_DATA
PS2_DATA
PS2_CLK
FRD#
TP_DATA
TP_CLK
KBD_CLK
XD7
XD6
XD2
XD1
XD3
FWE#
KBA15
KBA17
BKOFF#
SELIO#
VBATT
BATT_CHGI
XD[0..7]
HMEMR#
G_RST#
ECAGNDBATT_TEMP
RCL#
RCL#
G20
SMB_EC_DA1
SMB_EC_CK1
G_RST#
G20
570_SMI#
570_SMI#
HMEMW#
ACOFF
PFAIL#
570_SMI#
PCM_SUSP#
KSO17
BATT_TEMP
ECAGNDVBATT
BATT_CHGI ECAGND
ECAGNDBATT-OVP
KB_VCC
+5VS
+5VS
+5VS
+5VALW
+5VALW
+5VALW
+5VALW
+5VALW
+3VALW
+5VALW
+3VS
+5VALW
+5VS
+5VBIOS
+5VALW
+RTCVCC
+5VALW
+3VALW
+5VALW
THIS SHEET OF ENGINEERING DRAWING IS THE PROPRIETARY PROPERTY OF COMPAL ELECTRONICS,I
NC. AND CONTAINS CONFIDENTIAL
AND TRADE SECRET INFORMATION . THIS SHEET MAY NOT BE TRANSFERRED FROM THE CUSTODY OF
THE COMPETENT DIVISION OF R&D
DEPARTMENT EXCEPT AS AUTHORIZED BY COMPAL ELECTRONICS,INC. NEITHER THIS SHEET NOR THE
INFORMATION CONTAINS MAY BE
USED BY OR DISCLOSED TO ANY THIRD PARTY WITHOUT PRIOR WRITTEN CONSENT OF
COMPAL ELECTRONICS,INC.
X1
32.768KHZ
RP12
10P8R_10K
10
9
8
7
6
1
2
3
4
5
L62
FBM-11-160808-601T
12
C541
.1UF_0402
1 2
R271
22M
1 2
R270
51K_0402
12
R406
100K_0402
1 2
R188
0_0402
12
R187
10K_0402
12
R410
100K_0402
1 2
G
D
S
Q33
2N7002
2
1 3 RP17
8P4R_10K
1 8
2 7
3 6
4 5
G
D
S
Q22
2N7002
2
13
R372
100K
12
U31
7SH32
2
14
5
R407
100K_0402
1 2
G
D
S
Q23
2N7002
2
13
R297
@0_0402
1 2
C547 .01UF_0402
1 2
R347
10K_0402
1 2
D17
RB751V
2 1
R313
4.7K_0402
12
R316
4.7K_0402
12
R314
10K_0402
1 2
D15
RB751V
2 1
L60
FBM-11-160808-601T
1 2
C504
.1UF_0402
12
C508
1000PF_0402
12
RP16
8P4R_10K
1 8
2 7
3 6
4 5
C470
33PF_0402
12
C341
.1UF_0402
1 2
R307
10K_0402
12
C468
10PF_0402
12
PC87570
U29
PC87570C4-176PIN
166
167
168
169
170
171
172
173
174
3
4
5
6
7
8
9
10
11
12
15
16
17
18
19
20
21
22
13
14
158
159
157
162
163
164
165
161
108
67
23
28
91
24
26
66
109
160
156
155
154
153
25
27
36
35
34
33
32
31
30
29
56
55
54
53
52
51
50
49
48
47
42
41
40
39
38
37
57
58
59
60
69
70
114
115
116
117
118
119
120
121
122
123
124
125
126
127
128
129
130
135
136
137
138
139
140
141
142
143
144
145
146
147
148
149
150
151
152
112
113
95
96
97
98
81
82
83
84
85
86
93
94
61
62
63
64
65
68
104
103
102
101
100
99
71
72
73
74
75
76
77
78
79
110
107
106
105
111
80
92
HA0
HA1
HA2
HA3
HA4
HA5
HA6
HA7
HA8
HA9
HA10
HA11
HA12
HA13
HA14
HA15
PA3/HA16
PA4/HA17
PE0/HA18
HD0
HD1
HD2
HD3
HD4
HD5
HD6
HD7
HAEN
HIOCHRDY
HIOR#
HIOW#
HMEMCS#/PA0
HMEMRD#/PA1
HMEMWR#/PA2
HMR
HPWRON
VCC
VCC
VCC
VCC
VBAT
AVCC
GND
GND
GND
GND
GND
IRQ1
IRQ8#
IRQ11
IRQ12
32KX1/32CLKIN
32KX2
KBSIN0
KBSIN1
KBSIN2
KBSIN3
KBSIN4
KBSIN5
KBSIN6
KBSIN7
KBSOUT0
KBSOUT1
KBSOUT2
KBSOUT3
KBSOUT4
KBSOUT5
KBSOUT6
KBSOUT7
KBSOUT8
KBSOUT9
KBSOUT10
KBSOUT11
KBSOUT12
KBSOUT13
KBSOUT14
KBSOUT15
PSDAT1
PSCLK1
PSDAT2
PSCLK2
PSDAT3/PC7
PSCLK3/PC6
A0
A1
A2
A3
A4
A5
A6
A7
A8
A9
A10
A11
A12
A13/BE0
A14/BE1
A15/PG1/CBRD
A16/PA5/FXBUSEN
A17/PA6
A18/PE1/SHBM#
D0
D1
D2
D3
D4
D5
D6
D7
D8/PF0
D9/PF1
D10/PF2
D11/PF3
D12/PF4
D13/PF5
D14/PF6
D15/PF7
WR0#
PG4/WR1#
DA0
DA1
DA2
DA3
PD0/AD0
PD1/AD1
PD2/AD2
PD3/AD3
PD4/AD4
PD5/AD5
PD6/AD6
PD7/AD7
PC0
PC1
PC2
PC3/EXINT0
PC4/EXINT11
PC5/EXINT15
PH0/BST0/ENV0
PH1/BST1/ENV1
PH2/BST2/TRIS
PH3/PFS
PH4/PLI
PH5/ISE#
PB0/RING#
PB1/SCL
PB2/SDA
PB3/TA
PB4/TB/EXINT10
PB5/GA20
PB6/HRSTO#
PB7/SWIN
PFAIL#
PG0/SELIO
PG2/CLK
PG3/SEL1#
HRMS/SEL0#
RD/HDEN
VREF
AGND
C513
.1UF_0402
12
R3051K_040212
U16
28F040
12
11
10
9
8
7
6
5
27
26
23
25
4
28
29
3
2
22
24
31
1
13
14
15
17
18
19
20
21
32
16
30
A0
A1
A2
A3
A4
A5
A6
A7
A8
A9
A10
A11
A12
A13
A14
A15
A16
CE#
OE#
WE#
VPP
D0
D1
D2
D3
D4
D5
D6
D7
VCC
GND
A17
R292 10K_0402
12
RP18
8P4R_10K
1 8
2 7
3 6
4 5
C565
.1UF_0402
12
R361 10K_0402
12
+C342
10UF_10V_1206
12
C466
1UF_25V_0805
1 2
C469
1000PF_0402
12
U45A
74HCT32
1
2
3
14
7
D18
RB751V
21
R301
100K_0402
12
C551 .01UF_0402
1 2
C555 .01UF_0402
1 2
C540 .01UF_0402
1 2
R260
@0_0402
12
R293
012
XA1<26> XA0<26>
XA3<26> XA2<26>
XA12<26> XA13<26> XA14<26> XA15<26> XA16<26>
XA18<26> XA17<26>
XIOCHRDY<26> XIOR#<26> XIOW#<26>
TP_CLK<27>
KBD_CLK<27>
IRQ1<26>
IRQ12<26>
XSTB0#<26>
SLP_S3#<16> SLP_S5#<16>
SLP_S1#<14,16>
SMB_EC_CK1<5,15,29,33> SMB_EC_DA1<5,15,29,33>
ACIN <17,33,35>
BKOFF# <15>
FSTCHG <34>
TP_DATA<27>
KBD_DATA<27>
SELIO# <29>
EC_ON <30>
KBA[0..18] <29>
ADB[0..7] <29>
KSI[0..7] <29,30>
KSO[0..15] <29>
SCI# <16>
XD0<26> XD1<26>
XD6<26>
XD2<26>
XD5<26>
XD3<26>
XD7<26>
XD4<26>
IRQ11<26>
KSO17<30>
PS2_DATA <27>
PS2_CLK<27>
EC_THRM# <16>
EC_HPOWON<7>
SCRLED#<30>NUMLED#<30>
RING#<27>
ON/OFF<30>
EC_FLASH# <17>
TRICKLE
XD[0..7]<26>
XMEMW#<26>
XMEMR#<26>
CAPSLED#<30>
PCIRST#<8,15,16,20,21,26,27> V_PRST# <21,22>
MUTE <24>
EN_DFAN<7>
DAC_BRIG<15>
IREF<34>
KBRST#<16>
GATEA20<16>
EC_SMI# <16,26>
PCM_SUSP#<21>
INVT_PWM<15> ACOFF <34>FAN1_TACH<7>
SYSON <31,33>
LAN_DISABLE# <20>
BATT-OVP<34>
MDC_DN#<25>
CRT_ON#<15> SUSP#<23,27,31,32,36> G_RST#
VR_ON <31,32>
BATT_TEMP<33>
VTT_PWRGD# <5,14>

A
A
B
B
C
C
D
D
E
E
1 1
2 2
3 3
4 4
EC I2C Bus Address:
NM24C164 Address definition: 1 A2 A1# A0 B2 B1 B0 R/W#
24C164: 1011 xxx R/W#
24C16: 101 0xxx R/W#
Input Port Output Port
INT_KBD CONN.
2/29 01
3/06 01
ADY11 LA-1181 2
EC Extend I/O KB Conn. & BIOS
29 41Friday, November 16, 2001
Compal Electronics, Inc.
Title
SizeDocument Number Rev
Date: Sheet of
ADB[0..7]
KSO[0..15]
KSI[0..7]
KBA[0..18]
ADB0
ADB1
ADB2
ADB3
ADB4
ADB5
ADB6
ADB7
KBA3AA
SELIO# LARST#
KBA1
SELIO#
ADB6
ADB4
ADB5
ADB0
ADB3
ADB2
ADB7
ADB1
PCM_PME#
CC
PCM_PME# AA
CC
KBA2
SELIO#
ADB6
ADB4
ADB5
ADB0
ADB3
ADB2
ADB7
ADB1
DD
ADB0
ADB1
ADB2
ADB3
ADB4
ADB5
ADB6
ADB7
KBA4BB
SELIO# LARST#
BB
DD
KSO15
KSO7
KSO13
KSO12
KSO3
KSO6
KSO8
KSO10
KSO2
KSO11
KSO14
KSO4
KSI2
KSO0
KSI5
KSI4
KSO9
KSI2
KSI0
KSI7
KSO13
KSO11
KSO3
KSO4
KSI5
KSO8
KSO5
KSO15
KSO6
KSO1
KSI1
KSO0
KSO7
KSO14
KSI3
KSO12
KSI4
KSI6
KSO2
KSO10
KSI6
KSO9
KSI1
KSI7
KSO5
KSI3
KSI0
KSO1
+5VALW
+5VALW
+5VALW
+5VALW
+5VALW
+5VALW
+3V
+5VALW
+5VALW
+5VALW
+5VALW
+5VALW +5VALW
+5VALW
+5VALW
+3VALW
+3VALW
+5VALW
+5VALW
+5VALW
THIS SHEET OF ENGINEERING DRAWING IS THE PROPRIETARY PROPERTY OF COMPAL ELECTRONICS,I
NC. AND CONTAINS CONFIDENTIAL
AND TRADE SECRET INFORMATION . THIS SHEET MAY NOT BE TRANSFERRED FROM THE CUSTODY OF
THE COMPETENT DIVISION OF R&D
DEPARTMENT EXCEPT AS AUTHORIZED BY COMPAL ELECTRONICS,INC. NEITHER THIS SHEET NOR THE
INFORMATION CONTAINS MAY BE
USED BY OR DISCLOSED TO ANY THIRD PARTY WITHOUT PRIOR WRITTEN CONSENT OF
COMPAL ELECTRONICS,INC.
R385 20K_0402
1 2
R387 100K_0402
1 2
R286
100K_0402
12
RP23
@8P4R_100K
18 27 36 45
RP25
@8P4R_100K
18 27 36 45
RP24
8P4R_100K
1 8
2 7
3 6
4 5
R380
@0_040212
R384
100K_0402
1 2
R390
100K_0402
1 2
R404
100K_0402
1 2
U44
@7SH32
2
14
5
U42
74HCT273
2
4 5
7 6
8 9
13 12
14 15
17 16
18 19
3
11
20
1
10
Q0
D1 Q1
D2 Q2
D3 Q3
D4 Q4
D5 Q5
D6 Q6
D7 Q7
D0
CLK
VCC
CLR
GND
U28
NM24C16
1
2
5
6
8
3
4
7A0
A1
SDA
SCL
VCC
A2
GND
WC
U39
74HCT244
2 18
4 16
6 14
8 12
11 9
13 7
15 5
17 3
1
19
20
10
1A1 1Y1
1A2 1Y2
1A3 1Y3
1A4 1Y4
2A1 2Y1
2A2 2Y2
2A3 2Y3
2A4 2Y4
1G
2G
VCC
GND
C575
.1UF_0402
1 2
C593
.1UF_0402
1 2
C612
.1UF_0402
1 2
CP5
8P4C_220PF
1 8
2 7
3 6
4 5
C613
@.1UF_0402
1 2
U45C
74HCT32
9
10 8
14
7
C614
@.1UF_0402
1 2
U41
74HCT273
2
4 5
7 6
8 9
13 12
14 15
17 16
18 19
3
11
20
1
10
Q0
D1 Q1
D2 Q2
D3 Q3
D4 Q4
D5 Q5
D6 Q6
D7 Q7
D0
CLK
VCC
CLR
GND
C458 .1UF_0402
1 2
CP6
8P4C_220PF
1 8
2 7
3 6
4 5
U45B
74HCT32
4
56
14
7
C594
1UF_25V_0805
1 2
U45D
74HCT32
12
13 11
14
7
U43
@74HCT244
2 18
4 16
6 14
8 12
11 9
13 7
15 5
17 3
1
19
20
10
1A1 1Y1
1A2 1Y2
1A3 1Y3
1A4 1Y4
2A1 2Y1
2A2 2Y2
2A3 2Y3
2A4 2Y4
1G
2G
VCC
GND
C578
.1UF_0402
1 2
CP7
8P4C_220PF
1 8
2 7
3 6
4 5
JP14
INT_KB_CONN.
1
23
45
67
89
10 11
12 13
14 15
16 17
18 19
20 21
22 23
24 25
1
23
45
67
89
10 11
12 13
14 15
16 17
18 19
20 21
22 23
24
Dummy
R378
100K_0402
1 2
R371
100K_0402
1 2
CP10
8P4C_220PF
1 8
2 7
3 6
4 5
CP8
8P4C_220PF
1 8
2 7
3 6
4 5
CP9
8P4C_220PF1 8
2 7
3 6
4 5
ADB[0..7]<28>
KSO[0..15]<28>
KSI[0..7]<28,30>
BEEP<24>
LID_OUT# <16>
PWRBTN_OUT# <16>
SMB_EC_CK1<5,15,28,33> SMB_EC_DA1<5,15,28,33>
KBA[0..18]<28>
SELIO#<28>
PCM_PME#<21>
AIR_ADP#<33>
LID_SW#<27,30>
ENABKL<15>
THRM#<5>
LAN_PME#<20> VLBA#<16>
BATT_LED#<27>
PWR_LED# <27>
CHARGE_LED# <27>
SWI# <16>
6C/8C#/4C#<33,34>
FDD_PRES#<19>
EC_VCHRST# <15>
SOS1#<20>
SOS5#<20>
EC_WAKEUP# <16>

A
A
B
B
C
C
D
D
E
E
1 1
2 2
3 3
4 4
WHEN R=0,Vbe=1
.35V
WHEN R=33K,Vbe
=0.8V
- + Power BTN
Power ON Circuit RTC Battery
W=40mils
USB Over Current
Note:
USB_AS=USB_BS=Trace width=40mils
W=40mils
4516
Place close to USB connector.
USB Port 0
W=40mils
4516
Place close to USB connector.
USB Port 1
LID Switch & Function Button
ADY11 LA-1181 2
Power OK/Reset/RTC battery/USB Conn.& Lid Switch
30 41Friday, November 16, 2001
Compal Electronics, Inc.
Title
SizeDocument Number Rev
Date: Sheet of
RTCPWR
EC_ON
ON/OFFBTN# ON/OFF
OVCUR#0
OVCUR#2
USB0D-
USB0D+USBP0+
USBP0-
USB0D-
USB0D+
USBP2+ USB2D+
USBP2- USB2D-
USB2D-
USB2D+
ON/OFFBTN#
+5VALW
+RTCVCC
CHGRTC
+5VALW
+3VALW
+3VALW +3VALW
+3VALW +3VALW
+3V
+3V
+5VSUSB_BS +3VUSB_AS
USB_AUSB_AS
USB_BS USB_B
+3VALW
+5VS
+3VALW
THIS SHEET OF ENGINEERING DRAWING IS THE PROPRIETARY PROPERTY OF COMPAL ELECTRONICS,I
NC. AND CONTAINS CONFIDENTIAL
AND TRADE SECRET INFORMATION . THIS SHEET MAY NOT BE TRANSFERRED FROM THE CUSTODY OF
THE COMPETENT DIVISION OF R&D
DEPARTMENT EXCEPT AS AUTHORIZED BY COMPAL ELECTRONICS,INC. NEITHER THIS SHEET NOR THE
INFORMATION CONTAINS MAY BE
USED BY OR DISCLOSED TO ANY THIRD PARTY WITHOUT PRIOR WRITTEN CONSENT OF
COMPAL ELECTRONICS,INC.
12
D21
RLZ20A
22K
22K
Q31
DTC124EK
2
13
C564
1000PF_0402
12
D24
HSM126S
1
2
3
C585
.1UF_0402
12
BATT1
RTCBATT
12 D19
DAN202U
1
2
3
R367
4.7K_0402
12
R362
100K_0402
12
R358
22K_0402
1 2
R379
1M_0402
12
R388
150K
12
C570
1UF_0805_X7R
1 2
R377 20K_0402
1 2
R373
10K_0402
12
R381 @0_0402
1 2
R386
@10K_0402
12
U11
TPS2042
1
2
5
6
8
3
4
7
GND
IN
OC2#
OUT2
OC1#
EN1#
EN2#
OUT1
R105
100K_0402
12
C116
.1UF_0402
12
C115
.1UF_0402
12
R104 47K_0402
1 2
R107 47K_0402
1 2
C117
.1UF_0402
12
R106
100K_0402
12
L42
FBM-11-451616-800T
1 2
+C112
150UF_10V_E
L18
FBM-11-160808-121
1 2
L19
FBM-11-160808-121
1 2
C19
.1UF_0402
12
C21
1000PF_0402
1 2
C18 @150PF_0402
1 2
C17 @150PF_0402
1 2
L40
FBM-11-451616-800T
1 2
C20
1000PF_0402
1 2
JP4
USB_CONN
1
2
3
4
VCC
D-
D+
GND
L20
FBM-11-160808-121
1 2
L21
FBM-11-160808-121
1 2
+C113
150UF_10V_E
C15
.1UF_0402
12
C14 @150PF_0402
1 2
C13 @150PF_0402
1 2
U38B
@74LVC125
5 6
4
U38A
74LVC125
2 3
1
14
7
G
D
S
Q28
@2N7002
2
13
U40B
74LVC14
3 4
7 14
U40E
74LVC14
11 10
7 14
U40F
74LVC14
13 12
7 14
U40A
74LVC14
1 2
147
R401
10K_0402
12
JP5
USB_CONN
1
2
3
4
VCC
D-
D+
GND
JP12
SUYIN 12750AR-16G2T-9
1 2
3 4
5 6
7 8
9 10
12
14
11
13
15 16
ON/OFF <28>
EC_ON# <36>
RSMRST# <16>
EC_ON<28>
ITP_PWROK <7,16>
VGATE<32>
ICH_VGATE <7,16>
OVCUR#2 <17>
OVCUR#0 <17>
USBP0+<17> USBP0-<17>
USBP2+<17> USBP2-<17>
VR_ON#<31>
KSO17<28> KSI0 <28,29>
KSI1<28,29> KSI2 <28,29>
KSI3<28,29>
INT_MIC-<24> INT_MIC+ <24>
SCRLED# <28>
CAPSLED#<28> NUMLED# <28>
LID_SW#<27,29>

A
A
B
B
C
C
D
D
E
E
1 1
2 2
3 3
4 4
+5VALW to +5V Transfer
+3VALW to +3V Transfer
+5VALW to +5VS Transfer
+3VALW to +3VS Transfer
+1.8VALW to +1.8VS Transfer
1.8VALW/+1.5VS Power direct prov ide
ADY11 LA-1181 2
DC/DC Circuit
31 41Friday, November 16, 2001
Compal Electronics, Inc.
Title
SizeDocument Number Rev
Date: Sheet of
SYSON#
SUSON
SUSON SYSON#
SUSP
SUSP
SUSP
SYSON#
SYSON#
VR_ON
RUNON
SUSP
RUNON
RUNON
VR_ON#
+12VALW
+5V
+12VALW
+5VALW
+3V
+3VALW
+5VALW +5VALW
+5VS
+12VALW
+5VALW
+5VALW
+3VALW +3VS
+5VALW
+12VALW
+3VALW +CPU_CORE
+VTT
+1.8VS+1.8VALW
THIS SHEET OF ENGINEERING DRAWING IS THE PROPRIETARY PROPERTY OF COMPAL ELECTRONICS,I
NC. AND CONTAINS CONFIDENTIAL
AND TRADE SECRET INFORMATION . THIS SHEET MAY NOT BE TRANSFERRED FROM THE CUSTODY OF
THE COMPETENT DIVISION OF R&D
DEPARTMENT EXCEPT AS AUTHORIZED BY COMPAL ELECTRONICS,INC. NEITHER THIS SHEET NOR THE
INFORMATION CONTAINS MAY BE
USED BY OR DISCLOSED TO ANY THIRD PARTY WITHOUT PRIOR WRITTEN CONSENT OF
COMPAL ELECTRONICS,INC.
R77
47K_0402
12
G
D
S
Q3
2N7002
2
13
C418
.01UF_0402
12
U23
SI4800
1
2
3
4
8
7
6
5
S
S
S
G
D
D
D
D
U13
SI4800
1
2
3
4
8
7
6
5
S
S
S
G
D
D
D
DC305
22UF_10V_1206
12
C317
10UF_10V_A
12
C439
.1UF_0402
12
C301
.1UF_0402
12
C441
10UF_10V_1206
12
R229
100K_0402
12
R230
1M_0402
12
R227
470_0402
12
R175
470_0402
12
G
D
S
Q12
2N7002
2
13
G
D
SQ7
2N7002
2
13
Q20
@SMO5
1
2
3
C442
4.7UF_16V_A
12
+C440
33UF_D2_16V
12
+C307
100UF_D_10V
12
C616
.1UF_0402
12
G
D
S
Q34
2N7002
2
13
R412
1M_0402
12
R405
100K_0402
12
C615
.01UF_0402
12
G
D
S
Q35
2N7002
2
13
R413
470_0402
12
U46 SI4800
1
2
3
4
8
7
6
5
S
S
S
G
D
D
D
DC617
22UF_10V_1206
12
C604
4.7UF_16V_A
12
G
D
S
Q9
2N7002
2
13
R189
470_0402
12
C336
22UF_10V_1206
12
C421
.1UF_0402
12
C315
10UF_10V_A
12
+C605
100UF_D_16V
12
+C325
100UF_D_10V
12
G
D
SQ11
2N7002
2
13
U14 SI4800 1
2
3
4
8
7
6
5
S
S
S
G
D
D
D
D
R382
10K_0402
12
G
D
S
Q32
2N7002
2
13
G
D
SQ27
@2N7002
2
13
G
D
SQ24
@2N7002
2
13
G
D
SQ29
@2N7002
2
13
R140
@330
12
R368
@100K_0402
1 2
R179
@330
12
R39
470_0402
12
C40
10UF_6.3V_A
12
C43
22UF_10V_1206
12
C42
.1UF_0402
12
G
D
S
Q8
2N7002
2
13
U8 SI4800 1
2
3
4
8
7
6
5
S
S
S
G
D
D
D
D
SYSON<28,33>
SUSP#<23,27,28,32,36>
SUSP<23>
VR_ON<28,32>
VR_ON#<30>

A
A
B
B
C
C
D
D
E
E
1 1
2 2
3 3
4 4
1.10
1.25
1.40
1.55
1.70
1.05
1.20
1.35
1.50
1.65
1.15
1.30
1.45
1.60
1.75
0
0
1
VOLTS
0.650
D3
0
1
1
0.725
0.800
0
0
1
1
0
0
1
1
0
0
1
1
0.875
0
0
1
1
OUTPUT
0.950
D0D2
0
1
1
0.625
0.700
0
0
1
1
0.775
0
0
1
1
0
0
1
1
0
0
1
1
0.850
0.925
0
0
1
10.600
0
0
1
0.675
0.750
0
0
1
1
0
0
1
1
D1
0
0
1
1
0.825
0
0
1
1
0.900
0.975
D4 = 0
1.00
D4 = 1
CPU-CORE/VTT
2VREF
ADY11 LA-1181 2
CPU VCORE
32 41Friday, November 16, 2001
Compal Electronics, Ltd.
Title
Size Document Number Rev
Date: Sheet of
VTTVLX
VTTVILIM
VTTVREF
VTTVFB
VTTBST
VTTLX
VTTVDL
SB+
+5VALWP
+VTTP
B+
+5VALWP
B++
+3VALWP
+5VALWP
+5VALWP
B+SB+
+CPU_CORE
NC_TEST3
B++
+3VALWP
NC_TEST4
PR219
27.4K
+PC145
220UF_D_4V
PR195 10
PC137
150PF
PC128
0.22UF_0805_16V
PL16
4.7UH-SPC-1205P-4R7A
PC1290.1UF_0805
PD32
1SS355
21
+
PC144
220UF_D_4V
PR201
14.3K_1%
1 2
PR209
150K_1%
12
PC155
4.7UF_1206_16V
PR206
12K_1%
PR220
3K_1%
PC156
4.7UF_1206_16V
PC141
1UF_0805_25V
PU3
MAX1714A
14
19
20
13
1
12
11
9
5
48
2
7
16
18
6
3
10
17
15 VDD
BST
LX
DL
DH
PGND
N/C
N/C
OUT
FBAGND
N/C
REF
TON
SKIP
ILIM
SHDN
PGOOD
V+
VCC
PC127
0.01UF PC130
0.1UF_0805_25V
PR228 3mR
12
PL17
CEP125-0R8NC-U
PD35
EC31QS04
2 1
PC160
4.7UF_1210_25V
PR191
1M
1 2
PR217
20
1 2
PR1920
1 2
PR196
0
1 2
PC140
1U
PC131
0.1UF_0805
PR188
1M
1 2
PC157
4.7UF_0805_10V
PR189
1M
1 2
PC165
470PF_0603
PC162
4.7UF_1210_25V
PR190
1M
1 2
PR225
51K 12
PC132
0.1UF_0805
PD33
1SS355
21
PC154
4.7UF_0805_10V
PR218
24.9K
PC167
@.01U/16V
PC136
1000PF_0603
PU10
MAX4524
1
2
3
4
5 6
7
8
9
10
NO2
NO3
NO1
INH
GND ADDB
ADDA
NO0
COM
V+
PR226
604K_1%
1 2
PR211
19.6K_1%
1 2
PR210
16.2K_1%
1 2
PR202
10K
1 2
PR203
10K
1 2
PC148
4700PF
PC149
4700PF
PC150
4700PF PC151
4700PF
PR187
1M
1 2
PC147
4700PF
PR181
0
1 2
PR182
0
1 2
PR185
0
1 2
PU6 MAX1718
21
22
23
24
25
14
3
2
17
6
20
11
12
15 10
7
8
18
19
5
13
4
1
16
26
28
27
9
D4
D3
D2
D1
D0
VGATE
TIME
SDN/SKIP
VDD
CC
OVP
REF
ILIM
GND TON
S0
S1
SUS
ZMODE
NEG
POS
FB
V+
DL
BST
DH
LX
VCC
PR186
@10K
12
PR230
@10K
12
PC163
4.7UF_1210_25V
+PC146
220UF_D_4V
THIS SHEET OF ENGINEERING DRAWING IS THE PROPRIETARY PROPERTY OF COMPAL ELECTRONICS,INC. AND CONTAINS CONFIDENTIAL
AND TRADE SECRET INFORMATION . THIS SHEET MAY NOT BE TRANSFERRED FROM THE CUSTODY OF THE COMPETENT DIVISION OF R&D
DEPARTMENT EXCEPT AS AUTHORIZED BY COMPAL ELECTRONICS,INC. NEITHER THIS SHEET NOR THE INFORMATION CONTAINS MAY BE
USED BY OR DISCLOSED TO ANY THIRD PARTY WITHOUT PRIOR WRITTEN CONSENT OF COMPAL ELECTRONICS,INC.
PQ39
SI4362DY
3 6
5
7
8
2
4
1
PR229 3mR
12
PQ31
2SC2411K
13
2
-
+
PU7
MAX4322
1
2
3
4
5
PR214 510_1%
12
PR215 604_1%
12
PC133
0.1UF_0805
PR216 1K_1%
12
PR227
61.9K_1%
1 2
PR1930
1 2
PR207
316K_1%
PR208
180K_1%
PC164
4.7UF_1210_25V
PC152
4.7UF_1210_25V
PC153
4.7UF_1210_25V
PC134
0.1UF_0805_25V
PL19
KC-FBM-L11-322513-201LMAT
PL18
KC-FBM-L11-322513-201LMAT
PR183
0
1 2
PR237
@0
12
PR197 0
1 2
PR236 @0
1 2
PC161
4.7UF_1210_25V
PR242 0
1 2
PR243
0
PR245
@0
1 2
PR246
0
1 2
PR244
0
12
PQ38
SI4362DY
3 6
5
7
8
2
4
1
PQ36
IR7811A
3 6
5
7
8
2
4
1
PQ37
SI4362DY
3 6
5
7
8
2
4
1
PQ35
IR7811A
3 6
5
7
8
2
4
1
PC169
2200PF
PC170
0.1UF_0805_25V
12
PC171
0.1UF_0805_25V
12
PR184
0
1 2
S
G
D
PQ43
SI3456DV
3
6
2
4 5
1
PR247 @0
1 2
PR232 0
1 2
PR212
1K_1%
12
PQ42
SI4810DY
3 6
5
7
8
2
4
1
CPU_VID3<6>
CPU_VID4<6>
CPU_VID1<6>
CPU_VID0<6>
VGATE<30>
PM_DPRSLPVR <16>
VR_ON<28,31>
SUSP#<23,27,28,31,36>
VTT_PWRGD<5>
CPU_VID2<6>
2VREF
H_DPSLP#<5,16>
PM_GMUXSEL<6,16>

A
A
B
B
C
C
D
D
E
E
1 1
2 2
3 3
4 4
Detector
Precharge detector
15.9V/13.2V FOR
ADAPTOR
SMART Battery:
1.BAT+
2.LI/MH#
3.B/I
4.TS
5.SMB_EC_DA1
6.SMB_EC_CK1
7.GND
Vin Detector
17.93V/17.2V
PCN2 battery connector pin assignm ent
ADY11 LA-1181 2
Detector
33 41Friday, November 16, 2001
Compal Electronics, Inc.
Title
SizeDocument Number Rev
Date: Sheet of
PACIN
SYSON
BATT+
ADPIN
ADPGND
ADPGND
BATT_TEMP
ADPIN
BATT++
VIN
+5VALWP
BATT++
+5VP
RTCVREF
B+
BATT+
+5VALWP
+5VALWP
RTCVREF
VIN VINVS
+5VALWP
+5VALWP
THIS SHEET OF ENGINEERING DRAWING IS THE PROPRIETARY PROPERTY OF COMPAL ELECTRONICS,I
NC. AND CONTAINS CONFIDENTIAL
AND TRADE SECRET INFORMATION . THIS SHEET MAY NOT BE TRANSFERRED FROM THE CUSTODY OF
THE COMPETENT DIVISION OF R&D
DEPARTMENT EXCEPT AS AUTHORIZED BY COMPAL ELECTRONICS,INC. NEITHER THIS SHEET NOR THE
INFORMATION CONTAINS MAY BE
USED BY OR DISCLOSED TO ANY THIRD PARTY WITHOUT PRIOR WRITTEN CONSENT OF
COMPAL ELECTRONICS,INC.
PC29
1000PF
12
VIN
GND
AIR_ADP
PCN1
RP34-8RD-3PDL2J
3
2
1
4
5
6
7
PC26
1000PF
12
PC25
100PF
12
PC28
100PF
12
PD8
@BAS40-04
2
3
1
PD9
@BAS40-04
2
3
1
PQ12
2N7002
2
13
PC31
1000PF
12
PC32
0.1UF_16V
12
PC24
470PF_0805_25V
12
PC23
470PF_0805_25V
12
PR29
100K_0402
12
PR43 100 12
PR37
100
1 2
PR50
10K
1 2
PR49
499K_1%
12
PR48
215K_1%
12
PR54
47K 12
PR44
100K
1 2
PR45
1M_1%12 PR46
499K_1%
12
PCN2
BTC-07GR4 7P
1
2
3
4
5
6
7
PR36
1K
1 2
PD7
@BAS40-04
2
3
1
PR35
6.49K_1%
1 2
PR34
1K
1 2
100K
100K
PQ11
DTC115EUA
2
13
100K
100K
PQ13
DTC115EUA
2
13
PD10
RB751V
12
PD11
RB751V
12
1
2
PCN3
@2DC-S107B200
1
2
PL4
FBM-L11-453215-900LMAT
1 2
PL2
FBM-L11-453215-900LMAT
1 2
PL3
FBM-L11-453215-900LMAT
1 2
PD31
@EC10QS04
12
PC108
0.1UF_16V
12
PZD5
RLZ5.1B
12
PC107
1000PF
12
PC109
0.01UF
12
PR157
84.5K_1%
12
PR158
20K_1%
12
PR162
10K
12
PR161
10K
12
PR163
10k
1 2
PR159
22K
1 2
PR160
1M_1%
1 2
PR164
10K
12
+
-
PU12A
LM393A
3
21
84
+
-
PU12B
LM393A
5
6
7
PC111
1000PF
12
PR170
10_1206
12
PZD6
RLZ24B
12
PJP11
4MM
21
PR1
100K
PR2
1K_1%
PR3
@1K_1%
PF1
@7A
PJP4
4MM
2 1
AIR_ADP# <29>
BATT_TEMP <28>
SYSON <28,31>
SHDN#<35>
SMB_EC_DA1 <5,15,28,29>
SMB_EC_CK1<5,15,28,29>
ACIN <17,28,35>
PACIN <34>
ACON<34>
PACIN <34>
6C/8C#/4C# <29,34>
AIR_ADP
<34>

A
A
B
B
C
C
D
D
E
E
1 1
2 2
3 3
4 4
Charger
IREF=1 .746*Icharge
IREF=0~5V
OVP voltage :
LI-4S :18.0V----BATT-OVP =3.97V
BATT-OVP=0.2 206*BATT++
LI-3S :13.5V----BATT-OVP =2.98V
4S LI-ION
Charge voltage
3S LI- ION : 12.75V
NI-MH : 17.00V
Iadp=0~3.07A
Iair=0~2.26A
ADY11 LA-1181 2
Charger
34 41Wednesday, November 21, 2001
Compal Electronics, Inc.
Title
SizeDocument Number Rev
Date: Sheet of
ACON
LXCHRG
ACOFF#
ACOFF#
BATT+
VIN
VIN
BATT+
B+
P2 P3
B+++
BATT++
+5VP
THIS SHEET OF ENGINEERING DRAWING IS THE PROPRIETARY PROPERTY OF COMPAL ELECTRONICS,I
NC. AND CONTAINS CONFIDENTIAL
AND TRADE SECRET INFORMATION . THIS SHEET MAY NOT BE TRANSFERRED FROM THE CUSTODY OF
THE COMPETENT DIVISION OF R&D
DEPARTMENT EXCEPT AS AUTHORIZED BY COMPAL ELECTRONICS,INC. NEITHER THIS SHEET NOR THE
INFORMATION CONTAINS MAY BE
USED BY OR DISCLOSED TO ANY THIRD PARTY WITHOUT PRIOR WRITTEN CONSENT OF
COMPAL ELECTRONICS,INC.
PC49
1500PF
1 2
PC46
2200PF
1 2
PU5
MB3878
1
2
3
4
24
23
22
21
5
6
7
8
9
10
11
12
20
19
18
17
16
15
14
13
-INC2
OUTC2
+INE2
-INE2
+INC2
GND
CS
VCC(o)
FB2
VREF
FB1
-INE1
+INE1
OUTC1
OUTD
-INC1
OUT
VH
VCC
RT
-INE3
FB3
CTL
+INC1
PC41
2200PF
1 2
PC43
4700PF
1 2
PC45
0.1UF_16V
12
PC44
0.1UF_16V
1 2
PL5
SLF12565T-220M
1 2
PQ17
FDS4435
36
5
7
82
4
1
PC50
4.7UF_1210_25V
12
+
PC48
68UF_EC_25V
12
PC51
4.7UF_1210_25V
12
PC36
4.7UF_1210_25V
12
PC37
4.7UF_1210_25V
12
PD13
1SS355
1 2
PD12
1SS355
1 2
PC39
0.1UF_0805_25V
12
PC40
2200PF
PC42
0.1UF_0805_25V
1 2
PR71
1K
1 2
PR73
66.5K_1%
1 2
PR77
330K
1 2
PR68
22.6K_1%
12
PR75
100K_1%
1 2
PR76
10K
12
PR69
10K
1 2
PR66
100K
12
PR78
40.2K_1%
12
PR80
152K_0.1%
12
PR74
0.02_2512_1%
1 2
PR70
10K_1%
12
PR81
309K_0.1%
12
PR64
0
12
PR61
47K
1 2
PR67
47K_0402
1 2
PR72
@30.1K_1%
12
PR65
19.6K_1%
1 2
PR79
10K
12
PC47
0.1UF_0805_25V
1 2
PQ14
SI4835DY
36
5
7
82
4
1
PR60
200K_0402
12
PQ15
SI4835DY
3 6
5
7
8
2
4
1
PR63
150K_0402
12
PQ16
SI4835DY
3 6
5
7
8
2
4
1
100K
100KPQ18
DTC115EUA
2
13
PR131
47K
1 2
PR132
47K
1 2
PC101
1000PF
12
PR59
0.02_2010_1%
12
PL9
FBM-L11-322513-151LMAT
1 2
PD30
RB051L-40
12
G
D
SPQ19
2N7002
2
13
PR169
10K
1 2
PC112
10PF
1 2
PC113
22PF
1 2
PR174
2.2K
12
PR175
300K_0.5%
12
PR176
143K_0.5%
12
PC115
@0.1UF_16V
12
PC116
0.01UF
PR177
205K_1%
12
PC117
.01UF_0402_16V
12
PC118
.01UF_0402_16V
12
+
-
PU2B
LM3585
6
7
PR4
305K_0.1%PQ9
2N7002
2
13
PR5
100K
100K
100K
PQ10
DTC115EK
2
13
PC173
0.1UF
G
D
S
PQ30
2N7002
2
13
PACIN<33>
ACON<33>
IREF<28>
FSTCHG <28>
ACOFF <28>
AIR_ADP<33>
BATT-OVP<28>
6C/8C#/4C# <29,33>

A
A
B
B
C
C
D
D
E
E
1 1
2 2
3 3
4 4
+3.3V/+5V/+12V
+3.3V Ipeak = 6.6 6A ~ 10A
+5V Ipeak = 6. 66A ~ 10A
Recovery at 45 degree C
CPU thermal protection at 85 degree C
ADY11 LA-1181 2
+3.3V/+5V/+12V
35 41Friday, November 16, 2001
Compal Electronics, Inc.
Title
SizeDocument Number Rev
Date: Sheet of
FLYBACKSNB
BST31
DH31
DH51
POK
BST51
CSL5
LX3
DH3
DL5 CSH5
DL3
CSH3
+5VALWP
VS
VL
B++++
B++++
VL
+5VALWP
+12VALWP
B+
+3VALWP
VL
VL
VS
NC_TEST1
NC_TEST2
2.5VREF
VL
THIS SHEET OF ENGINEERING DRAWING IS THE PROPRIETARY PROPERTY OF COMPAL ELECTRONICS,I
NC. AND CONTAINS CONFIDENTIAL
AND TRADE SECRET INFORMATION . THIS SHEET MAY NOT BE TRANSFERRED FROM THE CUSTODY OF
THE COMPETENT DIVISION OF R&D
DEPARTMENT EXCEPT AS AUTHORIZED BY COMPAL ELECTRONICS,INC. NEITHER THIS SHEET NOR THE
INFORMATION CONTAINS MAY BE
USED BY OR DISCLOSED TO ANY THIRD PARTY WITHOUT PRIOR WRITTEN CONSENT OF
COMPAL ELECTRONICS,INC.
PC68
0.1UF_0805_25V
1 2
+
PC86
150UF_D_6.3V_FP
12
PT1
SDT-1205P-100
1
4
3
2
PC67
4.7UF_1210_25V
12
PC80
@1000PF
12
PD19
EC11FS2
12
PC63
0.1UF_0805_25V
1 2
PC73
4.7UF_1210_25V
12
+
PC87
150UF_D_6.3V_FP
12
PC74
4.7UF_1210_25V
12
PC61
470PF_0805_100V
1 2
PC79
@1000PF
12
PC66
4.7UF_1210_25V
12
PQ21
SI4800DY
3 6
5
7
8
2
4
1
PQ23
SI4810DY
3 6
5
7
8
2
4
1
PC64
0.1UF_0805_25V
12
PC65
2200PF
PC71
2200PF
PC72
0.1UF_0805_25V
12
PC76
0.1UF_0805_25V
12
PC69
4.7UF_1206_10V
12
PC70
0.1UF_16V
1 2
PC75
4.7UF_1210_25V
12
PR98
10_1206
12
PR101
0.012_2512_1%
12
PR99
0_0402
1 2
PR103
0_0402
1 2
PR96
22_120612
PR97
0_0402
12
PR105
@100K_0402
12
PD23
EP10QY03
2 1
PQ22
SI4800DY
3 6
5
7
8
2
4
1
PQ24
SI4810DY
3 6
5
7
8
2
4
1
PR22
0_0402
1 2
PR23
0_0402
1 2
PD24
@RB751V
1 2 PR136
10K_0402_1%
12
PR137
10.2K_0402_1%
12
PC78
0.1UF_0805_25V
12
PD20
DAP202U
1
2
3
PL12
FBM-L11-322513-151LMAT
1 2
PR100
0.012_2512_1%
12
PL7
SLF12565T-100M
12
PR135
3.57K_1%
1 2
+
PC83
150UF_D_6.3V_FP
12
PR134
10K_0402
1 2
+
PC82
150UF_D_6.3V_FP
12
PD22
EP10QY03
2 1
PR155
47K_1%
PR153
100K_1%
PR154
100K_1%
PR150
2.15K_1% PR152
16.9K_1%
PC104
1UF_0805_25V
PC106
0.047UF_16V
12
PR156
47K_0402
12
PH1
10K_1%_0805
PC121
@.01UF_0402
12
PR178
1M_0402
1 2
PC119
47PF_0402
12
PC123
100PF_0402
12
PC124
@100PF_0402
12
PR179
2M_0402
12
PC122
47PF_0402
12
PC103
1000PF
12
+
-
PU4B
LM393A
5
67
84
PR238
@0
1 2
PR239
@0
12
PR241
@300K_0402
12
PR240
10K_0402
1 2
PC81
4.7UF_1206_10V
12
PR104
@0_0402
1 2
PC120
100PF_0402
12
PU9
MAX1632
26
24
25
27
1
2
3
10
8
4
5
18
16
17
19
20
14
13
12
15
9
6
11
23
7
28
21
22
LX3
DL3
BST3
DH3
CSH3
CSL3
FB3
SKIP#
GND
12OUT
VDD
BST5
DH5
LX5
DL5
PGND
CSH5
CSL5
FB5
SEQ
REF
SYNC
RST#
SHDN#
TIME/ON5
RUN/ON3
VL
V+
PC89
0.047UF_16V
12
PR106
47K_0402_1%
12
PC172
680PF_0402
12
PC60
4.7UF_1210_25V
1 2
SHDN# <33>
ACIN<17,28,33>

A
A
B
B
C
C
D
D
E
E
1 1
2 2
3 3
4 4
+1.8VALW/+1.5VS
+1.8V+-5%
+1.5VS+-5%
ADY11 LA-1181 2
+1.8VALW
36 41Tuesday, November 20, 2001
Compal Electronics, Inc.
Title
SizeDocument Number Rev
Date: Sheet of
LX18
2.5VREF
CHGRTCP
+1.5VS
+5VALW+5VALWP
+12VALW
+3VALW
+12VALWP
+3VALWP
+VTT
+1.8VALW
+1.8VALWP
+VTTP
+1.5VSP
+5VALWP
+1.8VALWP
2.5VREF
VS
+1.5VSP
+1.8VALWP
+5VALWP
+5VP
VIN
CHGRTC
RTCVREF
BATT+
B+
VS1
VS
VL
PJP5
4MM
21
PJP10
3MM
21
PJP8
3MM
21
PJP7
3MM
21
PC159
4.7UF_1206_25V
12
PQ25
2SC2411K
21
3
+PC138
150UF_D_6.3V_KO
12
PC142
2200PF
12
+
-
PU4A
LM393A 3
2
1
84
PD37
RB751V
1 2
PQ32
2SA1036K 2
3
1
PD36
RB051L-40
12
PR213
1K
1 2
PL14
5UH_SPC_06704-5R0A
12
PC126
0.01UF
12
S
G
D
PQ41
SI3445DV
3
6
2
4 5
1
PR199
100K_1%
12
PR222
38.3K_1%
12
PR235
@10K
12
PR204
10K
12
PR205
10K
12
PC166
68PF
S
GD
PQ40
SI3442DV
3
6
245
1
PC135
0.1UF_16V
12
PC143
220PF
+PC139
150UF_D_6.3V_KO
12
PC125
0.01UF
100K
100K
PQ26
DTC115EK
2
13
PC158
4.7UF_1206_25V
+
-
PU2A
LM3583
2
1
84
PR194
0
1 2
PR223
5.1K
1 2
PR200
200K_1%
12
PR221
300K_0.5%
1 2
PR224
5.1K
1 2
PR198
100K
1 2
PD15
RLS4148
12
PD17
RLS4148
12
PZD2
RLZ4.3B
12
PR89
200_0805
12
PR95
200
1 2
PR84
1.5K_1206
12
PR85
1.5K_1206
12
PR126
1.5K_1206
12
PR91
100K
12
PR94
22K
1 2
PC54
0.22UF_1206_25V
12
PZD4
RLZ16B
12
PR83
200_1206
1 2
PQ20
TP0610T
2
13
PD16
RLS414812
PZD3
RLZ5.1B
12
PC59
4.7UF_1206_25V
12
PU8
S-81233SG
2
1
3
IN
GND
OUT
PR90
10K
1 2
PC55
0.1UF_0805_25V
12
PR92
150K
12
PC58
1UF_0805_25V
12
PC56
0.1UF_16V
12
PR173
200_1206
1 2
100K
100K
PQ33
DTC115EK
2
13
PC168
0.1UF_16V
12
PR20
1.5K_1206
12
PR21
200
1 2
PJP6
3MM
21
SUSP# <23,27,28,31,32>
EC_ON#<30>
2.5VREF <35>

5
5
4
4
3
3
2
2
1
1
D D
C C
B B
A A
Version change list (P.I.R. List) Page 1 of 2
Reason for change Rev.PG# Modify List B.Ver# PhaseFixed IssueItem
Compal Electronics, Inc.
Core-logic Chipset r evision Revision er ror 0.1B 3 FW82830M should be QB88 and FW8280 1CAM should
be QB6 3
0.1 SST
2 Leakage is sue +5VSHDD is on when plug AC-in and OS en ter S3,S4,S5.
we used GPIO25 of ICH3-M to control IDE power,but this
pin is resume plane, keep high af ter RSMRST#.
0.1B 19 Q14 pin3 change from +5VALW to +5V S power plan
3 Leakage is sue +5VS has about 500mv backdrive on S3;U2 6 is +5VS but
pin9 pull up to +3V
7 R94 pull up change t o +3VS
4 Leakage is sue +3VS has about 253mv backdrive on S3;Q 16 is on when
S3
12 R268 pull up change t o +3VS
5 Leakage is sue +3VS has about 253mv backdrive on S3;U37 pinU5
(ICH_THRM#)is +3VS plane
16 ICH_THRM# pull up change to +3VS
6 SM_CLK/DATA read and progr am failed Correct net,U9 pin29 should be connec t to SMB_DATA
U9 pin30 should be connect t o SMB_CLK
14Signal connect e rror
7 Level shi ft U26 is +5V output,but ICH3(U37 )pinAA 6 is 3V level Change R415 from 100_0402 to 5.6K_04 02;BOM change7
8 Correct Part v aule BOM and schematic vaule d ifferent Change JP20 vaule from"HH9927-S6" t o"HH9921-S6"
Change JP10 vaule from"JM361 13-L1H" to
"JM36113-L5 H7"
19
20
9 None Original design, EC_FLASH control by IC H3-M GPIO40 or
97338 pin 71. Follow compal common desi gn, use ICH3-M
GPIO40 control EC_F LASH#.
27 Change U33(97338) pin7 1 to NC
10 VR_ON cont rol For EC can control VR_ON after VT T_PWRGD# on 29 VTT_PWRGD# connect to U2 9 pin146
11 Debug ca rd Design change,used PCI port 80 debug card solution 28 Change JP23 connector type from "SUYI N 12793-10G2"
to "AMP 5-175638-0";BOM change
12 None 7 Change Q4 from "2SC2411EK" to "FMMT619"
BOM chan ge
0.1B
0.1B
0.1B
0.1B
0.1B
0.1B
0.1B
0.1B
0.1B
0.2
0.2
0.2
0.2
0.2
0.1
0.1
0.2
0.2
0.2
0.2
SST-2
SST-2
SST-2
SST-2
SST-2
SST
SST
SST-2
SST-2
SST-2
SST-20.1BFAN power transistor change. Max. power of 2 SC2411 is 0.2W.
Max. power of FMMT619 is 0.615W.
13 Component pad size Component is 0402 size,but layout pad size is 0603 0.1C 17 Layout modified and correct vaule from"5PF" to
"5PF_0402";BOM needn't change
14 Mechanical limit issue Mechanical limit H:2.2mm,used compone nt over limit 320.1C Change C440 from "100UF_D_16V" to " 33UF_D2_16V"
D2 size H=1.9mm; BOM change
0.2
0.2
SST-2
SST-2
15 Delect item 11 PT implement PCI port 80 solution 0.1C 28 SST2 don't ch ange
16 Clock wavef orm Clock waveform ove r SPEC
1.CLK_HCLK/H CLK#
2.CLK_DR EF
3.CLK_ICHA PIC
0.1C 14 1.Change R16,R12 from"33_1%" to"10_1%"
2.Change R59 from"22_0402" to "10_0402"
3.Pop R352 (10_0402) and pop
C559(10PF_04 02)
16
0.2
SST-2
SST-2
0.2
*
17 None LPC debug card on developer stage , depop it. 0.1C 28 Depop JP23 (S ST2) 0.2 SST-2
1
18 Correct Part v aule BOM and schematic vaule d ifferent 0.1D 24 Change R383 vaule from "29K_1%" to "28.7K_1%" 0.1 SST
19 Fixed EE issue list item11( 2001/6/5) Intel recommend series resistor on IDERST 0.1D 17 Add R453(0_0402) series resistor on PIDERST #--- BOM modify 0.2 SST-2
20 Fixed EE issue list item10( 2001/6/5) VCCA_DAC should have a 0.1uf and 0 .01uf nearby 0.1D 10,1 1We check layout file,C290 closely U7 pin AF26,so change
C290 from pag11 to pag10, C156 and C 186 change to
page 11(not change layout),and add C632 [0.01UF_0402]
near AF 26
0.2 SST-2
21 Fixed EE issue list item26,27( 2001/7/12) 1.Change CPU thermal skew hole s ize change.
2.CD-ROM skew hole size change.
0.1D 1.Change H1,H2,H6,H7 from 2.8m m to 3.2mm
2.Change H9 from 3.5mm long by 3.0mm wide
0.2 SST-2
22 CLK_HCLK/HCLK# resistor need n't change 0.1E 14 R12,R16 resistor to restore,de l item16-1 0.1 SST
23 ICH3 revis ion SST2 used QB62 or SL5LF revision 0.1E 17 Change R376 from"22.6_1%" to "18.2_1% ",BOM already
change O K.
0.2 SST-2
Follow Dell's reco mmend*
26
24 CLK EMI is sue Add AC termination on as belo w signals
1.CLK_GB IN
2.CLK_ICHH UB
3.CLK_ICH 48
4.CLK_PCI_S IO
5.CLK_GBO UT
6.CLK_ICHP CI
8 1.Pop R168(33_0402) and C297( 5PF_0402)
16 2.Pop R306(33_0402) and C514( 5PF_0402)
3.Pop R369(10_0402) and C574( 5PF_0402)
27 4.Pop R324(10_0402) and C543( 5PF_0402)
14 5.Pop R69(33_0402) and C92(1 0PF_0402)
16 6.Pop R311(10_0402) and C518( 15PF_0402)
0.1F 0.2 SST-2
25 Gerber rele ase Change Schematic revisio n to 0.20.2None SST-20.2
ADY11 LA-1181 2
P.I.R History
37 41Friday, November 16, 2001
Title
Size Document Number Rev
Date: Sheet of

5
5
4
4
3
3
2
2
1
1
D D
C C
B B
A A
Version change list (P.I.R. List) Page 2 of 2
Reason for change Rev.PG# Modify List B.Ver# PhaseFixed IssueItem
Compal Electronics, Inc.
26 None Connector cha nge 0.2A FDD Connector change to ACES 85201-2605 0.3 PT19
27 None Remove OZ6933 PCMCIA Co ntroller 210.2A 1. Del Page 21, and shift down page
2. Del CF5, CF9
0.3 PT
0.3 PT0.2A28 None 22Remove Power Switch (2 slot) and change Ca rdBus Connector
0.2A
1. Schematic remove U20, C437, C403, C402 , C436, C434,
C433, C415, C408, C429, R219, R211, C79, C 80, C430, C318,
L53, C358, C343, C401
2. Change PCMCIA Socket vaule to FOXCO NN 1CA415M1-TA
0.3 PT29 None Add Board_ID for check Mosaic and Tang 26 Add U33 Pin71 for BOARD_ID, and Add Resiste r R565 10K_0402
and R566 0_0 402
30 None Remove Serial Port 0.2A 27 De-pop C1, C5, C10, C11, C109, U1, JP3, CP1, CP2, L26,
L27, L28, L29, L30, L31, L32, L33, Q26.
0.3 PT
31 None Lid Switch function change to Touc h-pad Board 0.2A 27 Schematic change, JP15 Pin17 net to +3VS, JP15 Pin18 net
to LID_S W#
0.3 PT
PT0.3None32 0.2A 27Debug Port change con nector Debug Port change connector from SUYIN 12793A-10G2 to
AMP 5-17563 8-0
33 None Power on switch board change connector 0.2A 30 Power On switch board change from AM P 4-175638 to
SUYIN 12750AR-16 G2T-9
0.3 PT
34 None ICH_VGATE de lay 0.2A 30 0.3 PT1. Schematic change, connect R381 pin2 to U40 Pin12
2. De-pop R386, R381
35 None Schematic remove Serial PORT function 0.2A 27 Schematic remove U1, CP1, CP2, C1, C5, C 10, C11, C109,
L26, L27, L28, L29, L30, L31, L32 , L33, Q26.
0.3 PT
25
36 CMOSREF not strong enough t o provide
the target 2/3 ratio devider
Change divider to 0.5K/1K at the ne xt available
opportunity to gain more CMOSR EF margin.
0.2A 5 BOM change R20 from 1K_1% to 499_1%, R22 from 2K_1% to
1K_1%
0.3 PT
37
None 0.3 Gerber release, schematic cha nge to 0.3 0.3 PT38
None 0.2A 0.3 PTM/B ID change t o PT 17 BOM add R441 10K_0402, Depop R4 43 10K_0402
39 PT0.31. BOM depop C126, C120, C293, C210, C283, C118.0.3Cost do wn
Gerber rele ase
Core_VCC and VTT capacitor reduce. 2. BOM change from 150UF_D2_6.3V (45mOhm) to
220U_D2_4V(25mOhm), Location C29, C39, C3 2, C292, C260,
C119, C153, C289, C37.
6
11 3. BOM depop C122, C127.
4. BOM change from 150UF_D2_6.3V (45mOhm) to
220U_D2_4V(25mOhm), Location C27, C23, C303.
40 None Remove Capaci tor 0.3B 6 Schematic remove C120.
41 None Resister Package e rror. 0.3B 24 Change R351 100K_0603 to R351 100K_0402
1.0
1.0
ST
ST
42 Suspend from lid switch, ca n't resume
from open L CD.
Change Lid switch power plan from +3 VS to +3VALW. 0.3C 27 2. Schematic JP12 Pin.15 t o +3VALW
3. Schematic R404 Pin.1 t o +3VALW
29
30
1.0 ST
43 For thermal module difference Mosaic-P4 Add stand-off on mother board. 0.3C 6
1. Schematic JP15 Pin.17 t o +3VALW
Schematic remove C39, add M11 S MDC200M157,
BOM add C283 220U_ 4V_D2.
1.0 ST
None Change Capacitor spec. 0.3C 31 BOM change C307, C325, C605 from 10 0UF_D_16V to
100UF_D_10 V.
1.0 ST
CRT connector layout shift. Shift CRT connector 1.33mm 0.3C
Factory DXF fix. Layout modi fy. 0.3C
ST
ST
1.0
1.0
Test point rev iew. Layout modi fy. 0.3C ST1.0
3COM 3C920 referance RJMA G version
update .
VDDPCI[1:5] pins from +3VASB to +3VS. 0.3C 20 1. Schematic modify, U21 some pin change p ower plan from
+3VASB to +3VS ( VDDPCI [1:5] )
1.0 ST
2. Schematic C370, C371, C373 change po wer plan from
+3VASB to +3 VS.
44
46
47
48
45
49 Poor quality w/static noise on
recording func tion.
Change MIC-AMP power plan. 0.3C 24 ST
1.050 None M/B ID change t o ST 0.3D 17
1.0
STBOM depop R441, R444, add R442, R4 43 10K_0402
1. Schematic modify, MIC-AMP change power plan from VDDA
to AVDD_MIC with R567 49.9Ohm to AVDD_AC97
2. Schematic add C633 10UF_ 10V_1206
51 None Change Back-light gate pow er plan. 1.0 15 1. U12 power plan from +3VS to +5VS.
2. U12 from SH08 t o ST08
52 Remove Internal MIC f unction None 3.0 24 1. BOM remove C538, C537 0. 22UF_0805
2. BOM remove C552, C558 1U_0805
3. BOM remove R337, R350 2K_0402
4. BOM remove R338, R349 1K_0402
3A QT
52 Design margin for CRT Pow er MosFET Change some resi ster. 3.0 15 1. BOM change R261 from 47K_0402_5% change to 68K_0402_5%.
2. BOM change R264 from 100K_0402_5% change to 100K_0402_1%.
4.0 MVB
ADY11 LA-1181 3A
P.I.R History
38 41Monday, February 25, 2002
Title
Size Document Number Rev
Date: Sheet of

5
5
4
4
3
3
2
2
1
1
D D
C C
B B
A A
Version change list (P.I.R. List) Page 1 of 3
Reason for change Rev. PG# Modify List B.Ver#PhaseFixed IssueItem
1Change PWM frequency from 300KHZ to 200KHz 0.1B 33 1.Change PR197 from 100 to 0
2.Connect pin10 of PU6 to pin9 of PU6 0.1 SST
2Change PWM frequency from 200KHz to 300KHz 36 1.Delete PR104 and add PR103 0_0402
2.Connect pin15 of PU9 to ground
+5VALWP is unstable
Change PC48 to small size,the height limited is 6mm in
this area 35Output capacitor of Charger interfere
mechanical (switch board)
3
37
4
5
0.1
0.2
0.2
0.2
SST
SST2
SST2
SST2
0.1B
0.1B
0.1B
Add PC172 680PF connected to pin7 of PU936Delay 3.3VALWP start-up time 0.1B
Change PU8 from S-81235SG to S-81233SG0.1B 37 0.2 SST2
6
CPU_CORE voltage is unstable
Change PC48 from 100UF to 68UF
The time sequency of +1.5VS is error Change REF voltage from 2VREF of MAX1718 to
2.5VREF of MAX1632 .Change PR200 from 100K_1% to 200K_1%
The time sequency between 1.8VALWP
and 3.3VALWP is error
34 1.Change PR157 from 78.7K_1% to 84.5K_1%
2.Change PR48 from 249K_1% to 215K_1%
RTC battery that will be shortage.We
changed RTC battery from Panasonic
VL1220 to Maxell ML1220
Change LDO charger to 3.3V for Maxell ML1220
Modify Vin Detector and Precharger Detector circuit
7BOM and schematic vaule differentCorrect part vaule 0.1D 37 Change PL14 vaule from"5UH_SPC_06703" to
"5UH_SPC_06704-5R0A" 0.1 SST
8Correct curreent limited value Modify current limited from 2.86A to 3.22A 0.1E 35 0.1 SST1. Change PR68 from 24.9K_1% to 21K_1%
2. Change PR65 from 14.3K_1% to 15.8K_1%
9SST0.1Correct OCP of +VTTModify OCP current from 4.6A to 7A,because peak
current of +VTT is 6A in spec. 0.1E 33 1. Change PR201 from 10K_1% to 14.3K_1%
2. Change PR209 from 15K_1% to 150K_1%
340.1F
10 Add ferrite bead for EMI Based on EMI dept. test result, we must add bead
and change capacity for EMI issue
1. Add PL4 FBM-L11-453215-900LMAT
2. Change PC 24 from 0.1UF to 470PF and add PC23
470PF PT0.3
0.1F 34 Add PF1 7A fuseAdd NI-MH battery prevent NI-MH battery over charge/discharge
11
12
0.3 PT
Plug in AC adapter and battery on
time the system can't turn on. Separate precharge path from VS net because leakage
current is larger than p recharge current 0.1F 37 1. Connect pad2 of PD16 to VIN
2. Add PR20 1.5K and change PR84,PR85,and PR126 to
1.5K 0.3 PT
13 0.3 PT0.1F 37 1.Add PR21 200 ohm
Safety protection for RTC battery Add PR21 to prevent damging PR95 to damage RTC
battery
14 Design margin is not enough increase design margin for battery OVP prevent it
misses 0.1F 0.3 PT
Change battery OVP from 18.1V to 18.3V and
BATT-OVP will be changed from 4V to 4.04V
35
ADY11 LA-1181 2
PIR
Compal Electronics, Inc.
39 41Friday, November 16, 2001
Title
Size Document Number Rev
Date: Sheet of
THIS SHEET OF ENGINEERING DRAWING IS THE PROPRIETARY PROPERTY OF COMPAL ELECTRONICS,INC. AND CONTAINS CONFIDENTIAL
AND TRADE SECRET INFORMATION . THIS SHEET MAY NOT BE TRANSFERRED FROM THE CUSTODY OF THE COMPETENT DIVISION OF R&D
DEPARTMENT EXCEPT AS AUTHORIZED BY COMPAL ELECTRONICS,INC. NEITHER THIS SHEET NOR THE INFORMATION CONTAINS MAY BE
USED BY OR DISCLOSED TO ANY THIRD PARTY WITHOUT PRIOR WRITTEN CONSENT OF COMPAL ELECTRONICS,INC.

5
5
4
4
3
3
2
2
1
1
D D
C C
B B
A A
0.1G
0.1H
Reason for change
0.1F
1.0
1. No-pop PCN3 and Populate PCN1
2. Populate PR29 and PQ11
3. Change PR68 from 28.7K_1% to21K_1%
4. Populate PQ30, PR65,PR131,PC101
PT2
PT
Change PC60 form 2.2F_1206_25V to 4.7UF_1210_25
modify constant power limited to 64W and
support air line adaptor identified
modify constant power limited to 49W and
disable air adapter
35
Support NI-MH battery
PT
0.3
0.3C
modify charge voltage
AC adapter is changed to 60W
Charger can't charge
35
0.3C
0.3
Phase
AC adapter is changed to 70W
1. Populate PC122 47PF_0402
2. Populate PR179 2M_0402
3. Populate PR137 10.2K_0402_1%
4. Populate PC123 100PF_0402
5. Change PR136 from 0_0402 to
10K_0402_1%
0.1F
PT
0.3
Pin3 of PQ9 isn't connectted pad2 of PR80
24
1. Change PR80 from 100K_0.1% to 152_0.1%
2. Change PR81 from 316K_0.1% to 309_0.1%
3. Add PR4 305K_0.1% and PR5 100K
4. Add PQ9 2N7002 and PQ10 DTC115EK
5. Add PC173 0.1U
34
0.3C
33
1.0
Implement 6cell li-on
34
Delete on-pop component
Add identifird signal 6C/8C#/4C#
Version change list (P.I.R. List)
33
Rev.
1.0
Modify List
23
1.Change control signal from AIR_ADP# to
AIR_ADP
2.Change PQ30 from TP0610T to 2N7002
15
33
34
PT
Item
0.3
PT2
PT2
The solution will reduce quantity of output
capacitor and increase stability
Change choice heighter capacitor
The control signal can't turn on PQ30
0.1F
0.1G
0.3D
Page 2 of 3
19
20
PT
0.3
21
Fixed Issue
0.3
16
B.Ver#
power limited for airline adapter is
disabled
noise issue from DC-DC
35Add compensation solution
for +5VALWP
18
34
1.Add PR1 100K and PR2 1K_1%
2.Add PR3 no-pop
Delete PC84,PC85,PC88
STReverse PF1 and add PJP4
22
PT
17
PG#
1. No-pop PCN1 and Populate PCN3
2. No-pop PR29 and PQ11
3. Change PR68 from 21K_1% to 28.7K_1%
4. No-pop PQ30, PR65,PR131,PC101
1.0
Pin3 of PQ9 isn't connectted pad2 of PR80
Because the reverse component is not need
34
Change 4S charge voltage to 17V for 4 cell/8 cell
and NI-MH,other 3S is 12.75V for 6cell
33
25
Add FUSE for safety of battery
Fix Battery OVP protect point Fix the table of Battery OVP and reserve
PC115 about OP Amps oscillates 1.0 34 1.0 STNo-pop PC115
ADY11 LA-1181 2
PIR
Compal Electronics, Inc.
40 41Friday, November 16, 2001
Title
Size Document Number Rev
Date: Sheet of
THIS SHEET OF ENGINEERING DRAWING IS THE PROPRIETARY PROPERTY OF COMPAL ELECTRONICS,INC. AND CONTAINS CONFIDENTIAL
AND TRADE SECRET INFORMATION . THIS SHEET MAY NOT BE TRANSFERRED FROM THE CUSTODY OF THE COMPETENT DIVISION OF R&D
DEPARTMENT EXCEPT AS AUTHORIZED BY COMPAL ELECTRONICS,INC. NEITHER THIS SHEET NOR THE INFORMATION CONTAINS MAY BE
USED BY OR DISCLOSED TO ANY THIRD PARTY WITHOUT PRIOR WRITTEN CONSENT OF COMPAL ELECTRONICS,INC.

5
5
4
4
3
3
2
2
1
1
D D
C C
B B
A A
Reason for change
1.0 Change PCN2 from BTC-07GR1 to BTC-07GR4 ST
1.0modify constant power limit spec.
33 1.0
Phase
ST2
1. Change PR68 from 21K_1% to 22.6_1%
2. Change PR65 from 15.8K_1% to19.6K_1%
34
Version change list (P.I.R. List)
Rev. Modify List
26
Item
enhance conductivity of battery connector based on
customer's requirement
1.0
Page 3 of 3
Fixed Issue B.Ver#
enhance conductivity of connector
27
PG#
modify constant power limited from 3.22A to 3.07A
28 Fix DFX issue 1.0 36 1.0 ST2
Delete PL15
The PL14 and PL15 is co-layout, but PL15 will not
be used.
29 Fix DFX issue Delete PJP9 for SMT process. 1.0 36 Delete PJP9
ADY11 LA-1181 2
PIR
Compal Electronics, Inc.
41 41Tuesday, November 20, 2001
Title
Size Document Number Rev
Date: Sheet of
THIS SHEET OF ENGINEERING DRAWING IS THE PROPRIETARY PROPERTY OF COMPAL ELECTRONICS,INC. AND CONTAINS CONFIDENTIAL
AND TRADE SECRET INFORMATION . THIS SHEET MAY NOT BE TRANSFERRED FROM THE CUSTODY OF THE COMPETENT DIVISION OF R&D
DEPARTMENT EXCEPT AS AUTHORIZED BY COMPAL ELECTRONICS,INC. NEITHER THIS SHEET NOR THE INFORMATION CONTAINS MAY BE
USED BY OR DISCLOSED TO ANY THIRD PARTY WITHOUT PRIOR WRITTEN CONSENT OF COMPAL ELECTRONICS,INC.
