Compal LA A994P Schematics. Www.s Manuals.com. R1.0 Schematics
User Manual: Motherboard Compal LA-A994P ZSO50 - Schematics. Free.
Open the PDF directly: View PDF
.
Page Count: 44

A
A
B
B
C
C
D
D
E
E
11
2
2
3
3
44
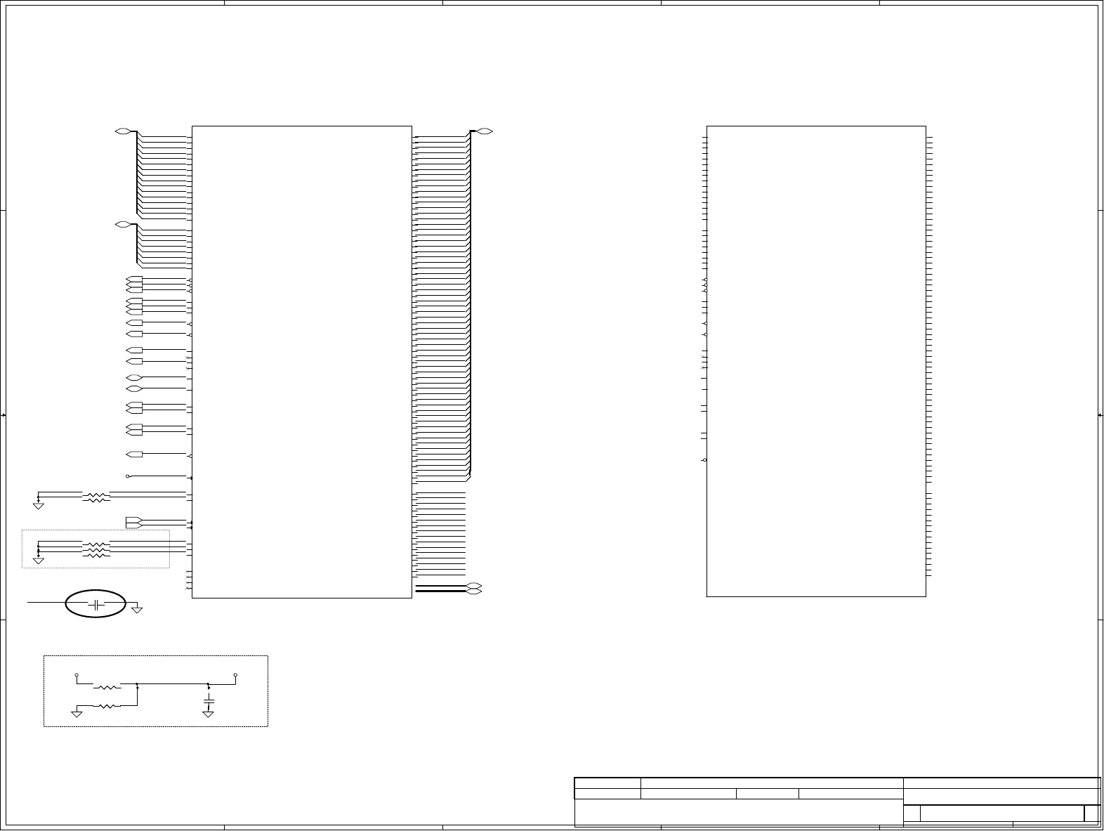
Intel Bay Trail M VC
ULC UMA M/B LA-A994P Schematics Document
Compal Confidential
Model Name :
File Name :
2014/02/05
MV Rev. 1.0
Project Code : ZSO50
Title
Size Document Number Rev
Date: Sheet
of
Security Classification
Compal Secret Data
THIS SHEET OF ENGINEERING DRAWING IS THE PROPRIETARY PROPERTY OF COMPAL ELECTRONICS, INC. AND CONTAINS CONFIDENTIAL
AND TRADE SECRET INFORMATION. THIS SHEET MAY NOT BE TRANSFERED FROM THE CUSTODY OF THE COMPETENT DIVISION OF R&D
DEPARTMENT EXCEPT AS AUTHORIZED BY COMPAL ELECTRONICS, INC. NEITHER THIS SHEET NOR THE INFORMATION IT CONTAINS
MAY BE USED BY OR DISCLOSED TO ANY THIRD PARTY WITHOUT PRIOR WRITTEN CONSENT OF COMPAL ELECTRONICS, INC.
Issued Date
Deciphered Date
LA-A994P
0.1
Cover Page
B
1 43Friday, February 21, 2014
2012/12/01 2013/07/10
Compal Electronics, Inc.
Title
Size Document Number Rev
Date: Sheet of
Security Classification
Compal Secret Data
THIS SHEET OF ENGINEERING DRAWING IS THE PROPRIETARY PROPERTY OF COMPAL ELECTRONICS, INC. AND CONTAINS CONFIDENTIAL
AND TRADE SECRET INFORMATION. THIS SHEET MAY NOT BE TRANSFERED FROM THE CUSTODY OF THE COMPETENT DIVISION OF R&D
DEPARTMENT EXCEPT AS AUTHORIZED BY COMPAL ELECTRONICS, INC. NEITHER THIS SHEET NOR THE INFORMATION IT CONTAINS
MAY BE USED BY OR DISCLOSED TO ANY THIRD PARTY WITHOUT PRIOR WRITTEN CONSENT OF COMPAL ELECTRONICS, INC.
Issued Date
Deciphered Date
LA-A994P
0.1
Cover Page
B
1 43Friday, February 21, 2014
2012/12/01 2013/07/10
Compal Electronics, Inc.
Title
Size Document Number Rev
Date: Sheet of
Security Classification
Compal Secret Data
THIS SHEET OF ENGINEERING DRAWING IS THE PROPRIETARY PROPERTY OF COMPAL ELECTRONICS, INC. AND CONTAINS CONFIDENTIAL
AND TRADE SECRET INFORMATION. THIS SHEET MAY NOT BE TRANSFERED FROM THE CUSTODY OF THE COMPETENT DIVISION OF R&D
DEPARTMENT EXCEPT AS AUTHORIZED BY COMPAL ELECTRONICS, INC. NEITHER THIS SHEET NOR THE INFORMATION IT CONTAINS
MAY BE USED BY OR DISCLOSED TO ANY THIRD PARTY WITHOUT PRIOR WRITTEN CONSENT OF COMPAL ELECTRONICS, INC.
Issued Date
Deciphered Date
LA-A994P
0.1
Cover Page
B
1 43Friday, February 21, 2014
2012/12/01 2013/07/10
Compal Electronics, Inc.
Part Number
Description
ZSO50 BayTrail-M
DAZ14Z00200 PCB 14Z LA-A994P REV0 M/B 4
DAX
Part Number
Description
ZSO50 BayTrail-M
DAZ14Z00200 PCB 14Z LA-A994P REV0 M/B 4
DAX

A
A
B
B
C
C
D
D
E
E
1
1
2
2
33
4
4
Port 1 Port 0
Card Reader
RTS5239
HDMI Conn.
Digital Display Interfaces (DDI)
VALLEYVIEW-M
LVDS Conn.
BANK 0, 1, 2
204pin DDRIII-SO-DIMM X1
1.35V DDR3L 1333MHz
Memory BUS(DDR3) Single Channel
page17 page18
page15
LVDS Translater
RTS2132R
GPP2
Card Reader
Conn.
page16
USB/B
Sub-borad
page27
PWR BTN/B
TP BTN/B
HDD
Conn.
Port 0 SATA III
HD Audio(AZ)
Audio
ALC3227
Int. Speaker
Conn.
Combo Jacks
ODD
Conn.
Port1
page22
SATA I
page22
page20
page20 page20
USB3.0 USB3.0
Conn.X1
Port 0
Port 0
USB2.0
USB
Camera
WLAN
BT Combo
Port 3
Touch Screen
Port 2
page17page24
page21
BIOS (8M)
Touch PadInt.KBD
ENE
KBC9012
MINI Card
(WLAN/BT)
GPP0GPP1
Transformer
RJ45
10/100
LAN Controller
RTL8166-CG
PCIE
SPI LPC
FAN/LED
page21 page23
page23
page26
page27 page27
page28
SOC
FCBGA 1170 Pin
USB HUB
FE1.1s(STT)
USB2.0
Conn.
Port 1
page24page24
page25
page23
page23
page6~13
USB2.0
Conn.
Port 1
page24
Port 2
Debug port
VGA Conn.
VGA
page19
page28
page24
Title
Size Document Number Rev
Date: Sheet
of
Security Classification
Compal Secret Data
THIS SHEET OF ENGINEERING DRAWING IS THE PROPRIETARY PROPERTY OF COMPAL ELECTRONICS, INC. AND CONTAINS CONFIDENTIAL
AND TRADE SECRET INFORMATION. THIS SHEET MAY NOT BE TRANSFERED FROM THE CUSTODY OF THE COMPETENT DIVISION OF R&D
DEPARTMENT EXCEPT AS AUTHORIZED BY COMPAL ELECTRONICS, INC. NEITHER THIS SHEET NOR THE INFORMATION IT CONTAINS
MAY BE USED BY OR DISCLOSED TO ANY THIRD PARTY WITHOUT PRIOR WRITTEN CONSENT OF COMPAL ELECTRONICS, INC.
Issued Date Deciphered Date
LA-A994P
0.1
Block Diagrams
Custom
2 43Friday, February 21, 2014
2012/12/01 2013/07/10
Compal Electronics, Inc.
Title
Size Document Number Rev
Date: Sheet of
Security Classification
Compal Secret Data
THIS SHEET OF ENGINEERING DRAWING IS THE PROPRIETARY PROPERTY OF COMPAL ELECTRONICS, INC. AND CONTAINS CONFIDENTIAL
AND TRADE SECRET INFORMATION. THIS SHEET MAY NOT BE TRANSFERED FROM THE CUSTODY OF THE COMPETENT DIVISION OF R&D
DEPARTMENT EXCEPT AS AUTHORIZED BY COMPAL ELECTRONICS, INC. NEITHER THIS SHEET NOR THE INFORMATION IT CONTAINS
MAY BE USED BY OR DISCLOSED TO ANY THIRD PARTY WITHOUT PRIOR WRITTEN CONSENT OF COMPAL ELECTRONICS, INC.
Issued Date Deciphered Date
LA-A994P
0.1
Block Diagrams
Custom
2 43Friday, February 21, 2014
2012/12/01 2013/07/10
Compal Electronics, Inc.
Title
Size Document Number Rev
Date: Sheet of
Security Classification
Compal Secret Data
THIS SHEET OF ENGINEERING DRAWING IS THE PROPRIETARY PROPERTY OF COMPAL ELECTRONICS, INC. AND CONTAINS CONFIDENTIAL
AND TRADE SECRET INFORMATION. THIS SHEET MAY NOT BE TRANSFERED FROM THE CUSTODY OF THE COMPETENT DIVISION OF R&D
DEPARTMENT EXCEPT AS AUTHORIZED BY COMPAL ELECTRONICS, INC. NEITHER THIS SHEET NOR THE INFORMATION IT CONTAINS
MAY BE USED BY OR DISCLOSED TO ANY THIRD PARTY WITHOUT PRIOR WRITTEN CONSENT OF COMPAL ELECTRONICS, INC.
Issued Date Deciphered Date
LA-A994P
0.1
Block Diagrams
Custom
2 43Friday, February 21, 2014
2012/12/01 2013/07/10
Compal Electronics, Inc.

A
A
B
B
C
C
D
D
E
E
11
2
2
3
3
44
Voltage Rails
VIN
B+
19V Adapter power supply
AC or battery power rail for power circuit. (19V/12V)
Note : ON* means that this power plane is ON only with AC power available, otherwise it is OFF.
S0 S3 S4/S5Power Plane Description
BATT+ 12V Battery power supply
EC SM Bus1 address
Device
SOC SM Bus address
Device Address
Address Address
EC SM Bus2 address
Device
Smart Battery
0001 011X b
ChannelA DIMM0
A0 1010 000X
JDIMM1(SPD)
XDP@
CONN@Connector
BOARD ID Table
Board ID
DB
SI
PV
MV
PCB Revision
0.1
0.2
BOM Option Table
BTO Item BOM Structure
0.3
1.0
+0.675VS +0.675V power rail for DDR3L Terminator
+1.8VS
+3VS
+5VALW
+3VALW +3.3v Always power rail
+VSB +VSBP to +VSB always on power rail for sequence control
+1.35V power rail for DDR3L+1.35V
+5VS
XDP (Debug Port)
EMI@EMI requirement
@EMI@EMI requirement unpop
BOM Structure43 Level Description
43 level BOM table
Unpop @
+1.0VALW
+RTCVCC RTC Battery Power
+1.0VS
+1.05VS
+1.2VALW
+1.8VALW +1.8v Always power rail
+1.2v Always power rail
+1.0v Always power rail
+5.0v Always power rail
+SOC_VNN GFX voltage for SOC
+SOC_VCC Core voltage for SOC
ON
OFF
ON ON
ON ONON
ON ONON
ON ONON
ON ONON
ON ONON
ON ONON
ON ONON
ON ONON
ON ONON
ON ON
ON
ON
OFF OFF
OFF OFF
ON OFF OFF
ON OFF OFF
ON OFF OFF
+1.35VS
+1.5VS
ON OFF OFF
ON OFF OFF
ON OFF OFF
ON OFF OFF
ON OFF OFF
+1.0v system power rail
+1.05v system power rail
+1.35v system power rail
+1.5v system power rail
+1.8v system power rail
+3.3v system power rail
+5.0v system power rail
SMT MB AA231 V1UE3 HDMI 4319P6BOL01
ESD requirement unpop
ESD requirement ESD@
@ESD@
8161 LAN controller 8161@
8166 LAN controller 8166@
LVDS LVDS@
LVDS LDO mode LVDSLDO@
Translator RTS2132R 2132R@
Translator RTS2132S 2132S@
LVDS SWR mode LVDSSWR@
Short Pad RS@
Clean CMOS CMOS@
Jump JP@
Title
Size Document Number Rev
Date: Sheet
of
Security Classification
Compal Secret Data
THIS SHEET OF ENGINEERING DRAWING IS THE PROPRIETARY PROPERTY OF COMPAL ELECTRONICS, INC. AND CONTAINS CONFIDENTIAL
AND TRADE SECRET INFORMATION. THIS SHEET MAY NOT BE TRANSFERED FROM THE CUSTODY OF THE COMPETENT DIVISION OF R&D
DEPARTMENT EXCEPT AS AUTHORIZED BY COMPAL ELECTRONICS, INC. NEITHER THIS SHEET NOR THE INFORMATION IT CONTAINS
MAY BE USED BY OR DISCLOSED TO ANY THIRD PARTY WITHOUT PRIOR WRITTEN CONSENT OF COMPAL ELECTRONICS, INC.
Issued Date
Deciphered Date
LA-A994P
0.1
Notes List
B
3 43Monday, February 24, 2014
2012/12/01 2013/07/10
Compal Electronics, Inc.
Title
Size Document Number Rev
Date: Sheet of
Security Classification
Compal Secret Data
THIS SHEET OF ENGINEERING DRAWING IS THE PROPRIETARY PROPERTY OF COMPAL ELECTRONICS, INC. AND CONTAINS CONFIDENTIAL
AND TRADE SECRET INFORMATION. THIS SHEET MAY NOT BE TRANSFERED FROM THE CUSTODY OF THE COMPETENT DIVISION OF R&D
DEPARTMENT EXCEPT AS AUTHORIZED BY COMPAL ELECTRONICS, INC. NEITHER THIS SHEET NOR THE INFORMATION IT CONTAINS
MAY BE USED BY OR DISCLOSED TO ANY THIRD PARTY WITHOUT PRIOR WRITTEN CONSENT OF COMPAL ELECTRONICS, INC.
Issued Date
Deciphered Date
LA-A994P
0.1
Notes List
B
3 43Monday, February 24, 2014
2012/12/01 2013/07/10
Compal Electronics, Inc.
Title
Size Document Number Rev
Date: Sheet of
Security Classification
Compal Secret Data
THIS SHEET OF ENGINEERING DRAWING IS THE PROPRIETARY PROPERTY OF COMPAL ELECTRONICS, INC. AND CONTAINS CONFIDENTIAL
AND TRADE SECRET INFORMATION. THIS SHEET MAY NOT BE TRANSFERED FROM THE CUSTODY OF THE COMPETENT DIVISION OF R&D
DEPARTMENT EXCEPT AS AUTHORIZED BY COMPAL ELECTRONICS, INC. NEITHER THIS SHEET NOR THE INFORMATION IT CONTAINS
MAY BE USED BY OR DISCLOSED TO ANY THIRD PARTY WITHOUT PRIOR WRITTEN CONSENT OF COMPAL ELECTRONICS, INC.
Issued Date
Deciphered Date
LA-A994P
0.1
Notes List
B
3 43Monday, February 24, 2014
2012/12/01 2013/07/10
Compal Electronics, Inc.
USOC1
B3 1.86G
186@
SA00007EO10
USOC1
B3 1.86G
186@
SA00007EO10
USOC1
CeleronR N2815 Dual 7.5W 2C
CR3@
SA00007EO60
USOC1
CeleronR N2815 Dual 7.5W 2C
CR3@
SA00007EO60
USOC1
CeleronR N2815 Dual 7.5W 2C
CR1@
SA00007EO30
USOC1
CeleronR N2815 Dual 7.5W 2C
CR1@
SA00007EO30
USOC1
PentiumR N3520 Quad 7.5W 4C
PR3@
SA00007E950
USOC1
PentiumR N3520 Quad 7.5W 4C
PR3@
SA00007E950
USOC1
PentiumR N3520 Quad 7.5W 4C
PR1@
SA00007E940
USOC1
PentiumR N3520 Quad 7.5W 4C
PR1@
SA00007E940
USOC1
B3 2.17G
217@
SA00007E920
USOC1
B3 2.17G
217@
SA00007E920

5
5
4
4
3
3
2
2
1
1
D
D
C
C
BB
A
A
NOTE:
1. T1 and T2 are recommended time for all the VR rails
unless specified otherwise. The VR ramp up time T2 and
subsequent rail delay T3 are put in place to avoid
inrush current which may be caused by multiple loads
turning on simultaneously or fast charging of VR output
decoupling.
2. Platform devices other than SOC sequencing are not
explicitly shown as they are not limited by the SOC
sequencing requirement.
+1.0VALW
+1.8VALW
ON/OFF
EC_RSMRST#
PBTN_OUT#
EC_SLP_S4#
EC_SLP_S3#
SYSON
+1.35V
DDR_PWROK
VR_ON
+SOC_VCC
+SOC_VNN
VGATE
SUSP#
+1.0VS
+1.05VS
+1.35VS
+1.5VS
+1.8VS
+3VS
+5VS
+0.675VS
PMC_CORE_PWROK
DDR_CORE_PWROK
PMC_PLTRST#
1.53ms
1.58ms
SPOK
3.77ms
4.41ms
12.83ms
KBRST#
49.83ms
110ms
110ms
116ms
584ms
G3->S0 S0->S3 S3->S0
33.68ms
8.85ms
10.55ms
11.71ms
2.56ms
1.56ms
8ms
10.71ms
16.59ms
15.31ms
20.48ms
19.61ms
144ms
11.71ms
11.71ms
8.8ms
2.50ms
2.50ms
22.32ms
279us
42.56ms
31.12us
1.29ms
1.83ms
2.8ms
2.08ms
3.77ms
4.41ms
12.77ms
49.87ms
110ms
110ms
116ms
S0->S5
ACIN
+3VLP
EC_ON
+3VALW
+5VALW
+1.0VALW
+1.8VALW
ON/OFF
EC_RSMRST#
PBTN_OUT#
EC_SLP_S4#
EC_SLP_S3#
SYSON
+1.35V
DDR_PWROK
VR_ON
+SOC_VCC
+SOC_VNN
VGATE
SUSP#
+1.0VS
+1.05VS
+1.35VS
+1.5VS
+1.8VS
+3VS
+5VS
+0.675VS
PMC_PLTRST#
SPOK
KBRST#
PMC_CORE_PWROK
DDR_CORE_PWROK
36.20ms
204ms
3.29ms
3.29ms
9.81ms
11.5ms
5.57ms
2.18ms
1.52ms
8.12ms
10.71ms
16.63ms
15.34ms
20.27ms
19.60ms
148.3ms
SUSP#
2.38ms
7.28ms
8.23ms
95.38ms
101ms
101ms
102ms
102ms
222ms
0.6ms
1.71ms
21ms
2.49ms
2.50ms
0.28ms
263ms
31.28us
1.30ms
1.84ms
2.79ms
2.11ms
ACIN
+3VLP
EC_ON
+3VALW
+5VALW
Title
Size Document Number Rev
Date: Sheet
of
Security Classification
Compal Secret Data
THIS SHEET OF ENGINEERING DRAWING IS THE PROPRIETARY PROPERTY OF COMPAL ELECTRONICS, INC. AND CONTAINS CONFIDENTIAL
AND TRADE SECRET INFORMATION. THIS SHEET MAY NOT BE TRANSFERED FROM THE CUSTODY OF THE COMPETENT DIVISION OF R&D
DEPARTMENT EXCEPT AS AUTHORIZED BY COMPAL ELECTRONICS, INC. NEITHER THIS SHEET NOR THE INFORMATION IT CONTAINS
MAY BE USED BY OR DISCLOSED TO ANY THIRD PARTY WITHOUT PRIOR WRITTEN CONSENT OF COMPAL ELECTRONICS, INC.
Issued Date
Deciphered Date
LA-A994P
0.1
Power Sequence
C
4 43Friday, February 21, 2014
2012/12/01 2013/07/10
Compal Electronics, Inc.
Title
Size Document Number Rev
Date: Sheet
of
Security Classification
Compal Secret Data
THIS SHEET OF ENGINEERING DRAWING IS THE PROPRIETARY PROPERTY OF COMPAL ELECTRONICS, INC. AND CONTAINS CONFIDENTIAL
AND TRADE SECRET INFORMATION. THIS SHEET MAY NOT BE TRANSFERED FROM THE CUSTODY OF THE COMPETENT DIVISION OF R&D
DEPARTMENT EXCEPT AS AUTHORIZED BY COMPAL ELECTRONICS, INC. NEITHER THIS SHEET NOR THE INFORMATION IT CONTAINS
MAY BE USED BY OR DISCLOSED TO ANY THIRD PARTY WITHOUT PRIOR WRITTEN CONSENT OF COMPAL ELECTRONICS, INC.
Issued Date
Deciphered Date
LA-A994P
0.1
Power Sequence
C
4 43Friday, February 21, 2014
2012/12/01 2013/07/10
Compal Electronics, Inc.
Title
Size Document Number Rev
Date: Sheet of
Security Classification
Compal Secret Data
THIS SHEET OF ENGINEERING DRAWING IS THE PROPRIETARY PROPERTY OF COMPAL ELECTRONICS, INC. AND CONTAINS CONFIDENTIAL
AND TRADE SECRET INFORMATION. THIS SHEET MAY NOT BE TRANSFERED FROM THE CUSTODY OF THE COMPETENT DIVISION OF R&D
DEPARTMENT EXCEPT AS AUTHORIZED BY COMPAL ELECTRONICS, INC. NEITHER THIS SHEET NOR THE INFORMATION IT CONTAINS
MAY BE USED BY OR DISCLOSED TO ANY THIRD PARTY WITHOUT PRIOR WRITTEN CONSENT OF COMPAL ELECTRONICS, INC.
Issued Date
Deciphered Date
LA-A994P
0.1
Power Sequence
C
4 43Friday, February 21, 2014
2012/12/01 2013/07/10
Compal Electronics, Inc.

5
5
4
4
3
3
2
2
1
1
DD
C
C
B
B
AA
AC Adapter
19V
Charger
Page. 32
BQ24725ARGRR
B+
BATTERY
8V~12V
CHG_B+
PU801
ISL95833HRTZ
Page. 37
PU501
RT8207MZQW
Page. 34
PWM
PWM
PU604
Page. 35
Regulator
+SOC_VNN
+SOC_VCC
+0.675VS
+1.35V
+1.0VALW
PU301
+VBATT
SY8206DQNC
+3VALW
Regulator
PU402
SY8208CQNC
Page. 33
+5VALW
PU703
Regulator
Page. 36
SY8033BDBC
+1.8VALW
Regulator
PU701
SY8032ABC
Page. 36
+1.2VALW
PU601
Regulator +1.05VS
Page. 35
SY8032ABC
SY8208BQNC
Regulator
Page. 33
PU401
+3VS
+5VS
+1.8VS
+1.5VS
MOSFET
U35
Page. 28
DMN3030LSS
+1.35VS
+1.0VS
MOSFET
Page. 28
U37
DMN3030LSS
Page. 28
MOSFET
AO4304L
U36
MOSFET
Page. 28
DMN3030LSS
U38
MOSFET
Page. 28
U33
DMN3030LSS
LDO
Page. 36
APL5930KAI
PU702
Title
Size Document Number Rev
Date: Sheet
of
Security Classification
Compal Secret Data
THIS SHEET OF ENGINEERING DRAWING IS THE PROPRIETARY PROPERTY OF COMPAL ELECTRONICS, INC. AND CONTAINS CONFIDENTIAL
AND TRADE SECRET INFORMATION. THIS SHEET MAY NOT BE TRANSFERED FROM THE CUSTODY OF THE COMPETENT DIVISION OF R&D
DEPARTMENT EXCEPT AS AUTHORIZED BY COMPAL ELECTRONICS, INC. NEITHER THIS SHEET NOR THE INFORMATION IT CONTAINS
MAY BE USED BY OR DISCLOSED TO ANY THIRD PARTY WITHOUT PRIOR WRITTEN CONSENT OF COMPAL ELECTRONICS, INC.
Issued Date
Deciphered Date
LA-A994P
0.1
Power Map
B
5 43Friday, February 21, 2014
2012/12/01 2013/07/10
Compal Electronics, Inc.
Title
Size Document Number Rev
Date: Sheet of
Security Classification
Compal Secret Data
THIS SHEET OF ENGINEERING DRAWING IS THE PROPRIETARY PROPERTY OF COMPAL ELECTRONICS, INC. AND CONTAINS CONFIDENTIAL
AND TRADE SECRET INFORMATION. THIS SHEET MAY NOT BE TRANSFERED FROM THE CUSTODY OF THE COMPETENT DIVISION OF R&D
DEPARTMENT EXCEPT AS AUTHORIZED BY COMPAL ELECTRONICS, INC. NEITHER THIS SHEET NOR THE INFORMATION IT CONTAINS
MAY BE USED BY OR DISCLOSED TO ANY THIRD PARTY WITHOUT PRIOR WRITTEN CONSENT OF COMPAL ELECTRONICS, INC.
Issued Date
Deciphered Date
LA-A994P
0.1
Power Map
B
5 43Friday, February 21, 2014
2012/12/01 2013/07/10
Compal Electronics, Inc.
Title
Size Document Number Rev
Date: Sheet of
Security Classification
Compal Secret Data
THIS SHEET OF ENGINEERING DRAWING IS THE PROPRIETARY PROPERTY OF COMPAL ELECTRONICS, INC. AND CONTAINS CONFIDENTIAL
AND TRADE SECRET INFORMATION. THIS SHEET MAY NOT BE TRANSFERED FROM THE CUSTODY OF THE COMPETENT DIVISION OF R&D
DEPARTMENT EXCEPT AS AUTHORIZED BY COMPAL ELECTRONICS, INC. NEITHER THIS SHEET NOR THE INFORMATION IT CONTAINS
MAY BE USED BY OR DISCLOSED TO ANY THIRD PARTY WITHOUT PRIOR WRITTEN CONSENT OF COMPAL ELECTRONICS, INC.
Issued Date
Deciphered Date
LA-A994P
0.1
Power Map
B
5 43Friday, February 21, 2014
2012/12/01 2013/07/10
Compal Electronics, Inc.

5
5
4
4
3
3
2
2
1
1
D
D
C
C
BB
A
A
Close To SOC Pin
0.675V
Follow CRB v1.15
0705:for ESD request
DDR_TERMN0
DDR_TERMN1
DDR_RCOMP0
DDR_RCOMP1
DDR_RCOMP2
DDR_A_D0
DDR_A_D1
DDR_A_D2
DDR_A_D3
DDR_A_D4
DDR_A_D5
DDR_A_D6
DDR_A_D7
DDR_A_D8
DDR_A_D9
DDR_A_D10
DDR_A_D11
DDR_A_D12
DDR_A_D13
DDR_A_D14
DDR_A_D15
DDR_A_D16
DDR_A_D17
DDR_A_D18
DDR_A_D19
DDR_A_D20
DDR_A_D21
DDR_A_D22
DDR_A_D23
DDR_A_D24
DDR_A_D25
DDR_A_D26
DDR_A_D27
DDR_A_D28
DDR_A_D29
DDR_A_D30
DDR_A_D31
DDR_A_D32
DDR_A_D33
DDR_A_D34
DDR_A_D35
DDR_A_D36
DDR_A_D37
DDR_A_D38
DDR_A_D39
DDR_A_D40
DDR_A_D41
DDR_A_D42
DDR_A_D43
DDR_A_D44
DDR_A_D45
DDR_A_D46
DDR_A_D47
DDR_A_D48
DDR_A_D49
DDR_A_D50
DDR_A_D51
DDR_A_D52
DDR_A_D53
DDR_A_D54
DDR_A_D55
DDR_A_D56
DDR_A_D57
DDR_A_D58
DDR_A_D59
DDR_A_D60
DDR_A_D61
DDR_A_D62
DDR_A_D63
DDR_A_MA0
DDR_A_MA1
DDR_A_MA2
DDR_A_MA3
DDR_A_MA4
DDR_A_MA5
DDR_A_MA6
DDR_A_MA7
DDR_A_MA8
DDR_A_MA9
DDR_A_MA10
DDR_A_MA11
DDR_A_MA12
DDR_A_MA13
DDR_A_MA14
DDR_A_MA15
DDR_A_DM0
DDR_A_DM1
DDR_A_DM2
DDR_A_DM3
DDR_A_DM4
DDR_A_DM5
DDR_A_DM6
DDR_A_DM7
DDR_A_DQS#3
DDR_A_DQS#5
DDR_A_DQS#2
DDR_A_DQS#0
DDR_A_DQS#7
DDR_A_DQS#6
DDR_A_DQS#4
DDR_A_DQS#1
DDR_A_DQS2
DDR_A_DQS0
DDR_A_DQS3
DDR_A_DQS4
DDR_A_DQS5
DDR_A_DQS6
DDR_A_DQS1
DDR_A_DQS7
DDR_CORE_PWROK
DDR_A_WE#15
DDR_A_CAS#15
DDR_A_RAS#15
DDR_A_BS115
DDR_A_BS015
DDR_A_BS215
DDR_PWROK38
DDR_CORE_PWROK9
DDR_A_CKE015
DDR_A_CS2#15
DDR_A_CS0#15
DDR_A_CKE215
DDR_A_RST#15
DDR_A_CLK015
DDR_A_CLK0#15
DDR_A_CLK215
DDR_A_CLK2#15
DDR_A_MA[0..15]15
DDR_A_DM[0..7]15
DDR_A_D[0..63] 15
DDR_A_DQS#[0..7] 15
DDR_A_DQS[0..7] 15
DDR_A_ODT015
DDR_A_ODT215
+1.35V +DDR_SOC_VREF
+DDR_SOC_VREF
Title
Size Document Number Rev
Date: Sheet of
Security Classification
Compal Secret Data
THIS SHEET OF ENGINEERING DRAWING IS THE PROPRIETARY PROPERTY OF COMPAL ELECTRONICS, INC. AND CONTAINS CONFIDENTIAL
AND TRADE SECRET INFORMATION. THIS SHEET MAY NOT BE TRANSFERED FROM THE CUSTODY OF THE COMPETENT DIVISION OF R&D
DEPARTMENT EXCEPT AS AUTHORIZED BY COMPAL ELECTRONICS, INC. NEITHER THIS SHEET NOR THE INFORMATION IT CONTAINS
MAY BE USED BY OR DISCLOSED TO ANY THIRD PARTY WITHOUT PRIOR WRITTEN CONSENT OF COMPAL ELECTRONICS, INC.
Issued Date
Deciphered Date
LA-A994P
0.1
VLV-M SOC Memory DDR3L
C
6 43Friday, February 21, 2014
2013/04/12 2014/04/12
Compal Electronics, Inc.
Title
Size Document Number Rev
Date: Sheet of
Security Classification
Compal Secret Data
THIS SHEET OF ENGINEERING DRAWING IS THE PROPRIETARY PROPERTY OF COMPAL ELECTRONICS, INC. AND CONTAINS CONFIDENTIAL
AND TRADE SECRET INFORMATION. THIS SHEET MAY NOT BE TRANSFERED FROM THE CUSTODY OF THE COMPETENT DIVISION OF R&D
DEPARTMENT EXCEPT AS AUTHORIZED BY COMPAL ELECTRONICS, INC. NEITHER THIS SHEET NOR THE INFORMATION IT CONTAINS
MAY BE USED BY OR DISCLOSED TO ANY THIRD PARTY WITHOUT PRIOR WRITTEN CONSENT OF COMPAL ELECTRONICS, INC.
Issued Date
Deciphered Date
LA-A994P
0.1
VLV-M SOC Memory DDR3L
C
6 43Friday, February 21, 2014
2013/04/12 2014/04/12
Compal Electronics, Inc.
Title
Size Document Number Rev
Date: Sheet of
Security Classification
Compal Secret Data
THIS SHEET OF ENGINEERING DRAWING IS THE PROPRIETARY PROPERTY OF COMPAL ELECTRONICS, INC. AND CONTAINS CONFIDENTIAL
AND TRADE SECRET INFORMATION. THIS SHEET MAY NOT BE TRANSFERED FROM THE CUSTODY OF THE COMPETENT DIVISION OF R&D
DEPARTMENT EXCEPT AS AUTHORIZED BY COMPAL ELECTRONICS, INC. NEITHER THIS SHEET NOR THE INFORMATION IT CONTAINS
MAY BE USED BY OR DISCLOSED TO ANY THIRD PARTY WITHOUT PRIOR WRITTEN CONSENT OF COMPAL ELECTRONICS, INC.
Issued Date
Deciphered Date
LA-A994P
0.1
VLV-M SOC Memory DDR3L
C
6 43Friday, February 21, 2014
2013/04/12 2014/04/12
Compal Electronics, Inc.
R966
4.7K_0402_1%
R966
4.7K_0402_1%
12
2 OF 13
USOC1B
FH8065301546401_FCBGA131170
2 OF 13
USOC1B
FH8065301546401_FCBGA131170
DRAM1_ODT_0
AP41
DRAM1_CKN_0
AV48 DRAM1_CKP_0
AV50
DRAM1_DRAMRST#
AT41
DRAM1_CKN_2
AT48
DRAM1_CKP_2
AT50
DRAM1_DQSN_7 AJ51
DRAM1_DQSP_7 AH52
DRAM1_DQSN_6 AK48
DRAM1_DQSP_6 AK47
DRAM1_DQSN_5 AP44
DRAM1_DQSP_5 AP42
DRAM1_DQSN_4 AV52
DRAM1_DQSP_4 AU53
DRAM1_DQSN_3 BG43
DRAM1_DQSP_3 BH44
DRAM1_DQSN_2 AY38
DRAM1_DQSP_2 BA38
DRAM1_DQSN_1 BH34
DRAM1_DQSP_1 BG35
DRAM1_DQSN_0 BD40
DRAM1_DQSP_0 BF40
DRAM1_DQ_63 AF51
DRAM1_DQ_62 AF52
DRAM1_DQ_61 AK51
DRAM1_DQ_60 AL53
DRAM1_DQ_59 AG51
DRAM1_DQ_58 AG53
DRAM1_DQ_57 AL51
DRAM1_DQ_56 AM52
DRAM1_DQ_55 AK45
DRAM1_DQ_54 AH44
DRAM1_DQ_53 AM50
DRAM1_DQ_52 AM48
DRAM1_DQ_51 AF50
DRAM1_DQ_50 AF48
DRAM1_DQ_49 AM47
DRAM1_DQ_48 AM45
DRAM1_DQ_47 AH40
DRAM1_DQ_46 AK42
DRAM1_DQ_45 AP50
DRAM1_DQ_44 AP48
DRAM1_DQ_43 AM41
DRAM1_DQ_42 AK40
DRAM1_DQ_41 AP45
DRAM1_DQ_40 AP47
DRAM1_DQ_39 AR53
DRAM1_DQ_38 AR51
DRAM1_DQ_37 AW53
DRAM1_DQ_36 AW51
DRAM1_DQ_35 AP51
DRAM1_DQ_34 AP52
DRAM1_DQ_33 AY51
DRAM1_DQ_32 AY52
DRAM1_DQ_31 BH47
DRAM1_DQ_30 BH48
DRAM1_DQ_29 BH40
DRAM1_DQ_28 BG40
DRAM1_DQ_27 BH46
DRAM1_DQ_26 BJ45
DRAM1_DQ_25 BG41
DRAM1_DQ_24 BJ41
DRAM1_DQ_23 AY40
DRAM1_DQ_22 AY42
DRAM1_DQ_21 AV36
DRAM1_DQ_20 BA36
DRAM1_DQ_19 AT40
DRAM1_DQ_18 AV40
DRAM1_DQ_17 AT36
DRAM1_DQ_16 AU36
DRAM1_DQ_15 BH38
DRAM1_DQ_14 BG37
DRAM1_DQ_13 BJ33
DRAM1_DQ_12 BG33
DRAM1_DQ_11 BJ37
DRAM1_DQ_10 BG36
DRAM1_DQ_9 BG32
DRAM1_DQ_8 BH32
DRAM1_DQ_7 BC44
DRAM1_DQ_6 BF42
DRAM1_DQ_5 BD36
DRAM1_DQ_4 BC38
DRAM1_DQ_3 BD42
DRAM1_DQ_2 BA42
DRAM1_DQ_1 BC40
DRAM1_DQ_0 BG38
DRAM1_ODT_2
AT42
DRAM1_CKE_2
BD44
DRAM1_CKE_0
BG47
DRAM1_CS_2#
AT45
DRAM1_CS_0#
AT44
DRAM1_BS_2
BF52 DRAM1_BS_1
AY44
DRAM1_BS_0
AY47
DRAM1_WE#
BB51 DRAM1_CAS#
AV44 DRAM1_RAS#
AV45
DRAM1_DM_7
AK52 DRAM1_DM_6
AK50
DRAM1_DM_5
AM42 DRAM1_DM_4
AT51 DRAM1_DM_3
BH42 DRAM1_DM_2
BC36
DRAM1_DM_1
BH36 DRAM1_DM_0
BD38
DRAM1_MA_15
BH50 DRAM1_MA_14
BH49 DRAM1_MA_13
BA51 DRAM1_MA_12
BD47
DRAM1_MA_11
BE51 DRAM1_MA_10
AY48
DRAM1_MA_9
BE52 DRAM1_MA_8
BC52 DRAM1_MA_7
BF50 DRAM1_MA_6
BB49
DRAM1_MA_5
BC53 DRAM1_MA_4
BB50 DRAM1_MA_3
BB44
DRAM1_MA_2
AW41 DRAM1_MA_1
BB47 DRAM1_MA_0
AY45
RESERVED_BF48
BF48
RESERVED_BE46
BE46
1 OF 13
USOC1A
FH8065301546401_FCBGA131170
1 OF 13
USOC1A
FH8065301546401_FCBGA131170
DRAM0_DM_7
Y52
DRAM0_MA_9
E52
DRAM0_MA_14
B49
DRAM0_BS_2
D52
DRAM0_DQ_19 J42
DRAM0_DQ_18 F42
DRAM0_DQ_24 A41
DRAM0_DQ_23 D42
DRAM0_DQ_22 G44
DRAM0_DQ_21 C38
DRAM0_DQ_20 G40
DRAM0_DQ_29 B40
DRAM0_DQ_28 C40
DRAM0_DQ_27 B46
DRAM0_DQ_26 A45
DRAM0_DQ_25 C41
DRAM0_DQ_34 T52
DRAM0_DQ_33 K51
DRAM0_DQ_32 K52
DRAM0_DQ_31 B47
DRAM0_DQ_30 B48
DRAM0_DQ_39 R53
DRAM0_DQ_38 R51
DRAM0_DQ_37 L53
DRAM0_DQ_36 L51
DRAM0_DQ_35 T51
DRAM0_DQ_40 T47
DRAM0_DQ_44 T48
DRAM0_DQ_43 V41
DRAM0_DQ_42 Y40
DRAM0_DQ_41 T45
DRAM0_DQ_45 T50
DRAM0_DQ_49 V47
DRAM0_DQ_48 V45
DRAM0_DQ_47 AB40
DRAM0_DQ_46 Y42
DRAM0_DQ_50 AD48
DRAM0_DQ_55 Y45
DRAM0_DQ_54 AB44
DRAM0_DQ_53 V50
DRAM0_DQ_52 V48
DRAM0_DQ_51 AD50
DRAM0_DQ_60 W53
DRAM0_DQ_59 AC51
DRAM0_DQ_58 AC53
DRAM0_DQ_57 W51
DRAM0_DQ_56 V52
DRAM0_DQ_63 AD51
DRAM0_DQ_62 AD52
DRAM0_DQ_61 Y51
DRAM0_DQSP_0 J38
DRAM0_DQSN_0 K38
DRAM0_DQSN_1 B34
DRAM0_DQSP_1 C35
DRAM0_DQSP_2 D40
DRAM0_DQSP_3 B44
DRAM0_DQSN_2 F40
DRAM0_DQSN_3 C43
DRAM0_DQSP_4 N53
DRAM0_DQSN_4 M52
DRAM0_DQSN_5 T44
DRAM0_DQSP_5 T42
DRAM0_DQSP_7 AB52
DRAM0_DQSN_6 Y48
DRAM0_DQSP_6 Y47
DRAM0_DQSN_7 AA51
DRAM0_MA_3
H44
DRAM0_MA_2
L41 DRAM0_MA_1
H47
DRAM0_MA_0
K45
DRAM0_MA_4
H50
DRAM0_MA_6
H49 DRAM0_MA_5
G53
DRAM0_MA_15
B50
DRAM0_DM_1
B36
DRAM0_DM_0
G36
DRAM0_DM_2
F38
DRAM0_DM_4
P51
DRAM0_WE#
H51
DRAM0_BS_0
K47
DRAM0_CS_2#
P45
DRAM_RCOMP_0
AD44
DRAM_RCOMP_1
AF45
DRAM_RCOMP_2
AD45
RESERVED_AF40
AF40
RESERVED_AF41
AF41
RESERVED_AD41
AD41 RESERVED_AD40
AD40
DRAM0_MA_8
G52 DRAM0_MA_7
D50
DRAM0_CAS#
M44 DRAM0_RAS#
M45
DRAM0_DM_6
Y50 DRAM0_DM_5
V42
DRAM_CORE_PWROK
AB42
DRAM0_CKE_0
C47
DRAM0_CKE_2
F44
DRAM0_ODT_0
T41
DRAM0_ODT_2
P42
DRAM0_CKP_0
M50
DRAM0_CKN_0
M48
DRAM0_DRAMRST#
P41
DRAM0_CKN_2
P48 DRAM0_CKP_2
P50
DRAM_VREF
AF44
DRAM0_CS_0#
P44
DRAM0_BS_1
K44
DRAM0_DM_3
B42
DRAM0_DQ_17 G38
DRAM0_DQ_16 F36
DRAM0_DQ_15 B38
DRAM0_DQ_14 C37
DRAM0_DQ_13 A33
DRAM0_DQ_12 C33
DRAM0_DQ_11 A37
DRAM0_DQ_10 C36
DRAM0_DQ_9 C32
DRAM0_DQ_8 B32
DRAM0_DQ_7 K42
DRAM0_DQ_6 K40
DRAM0_DQ_5 N36
DRAM0_DQ_4 P36
DRAM0_DQ_3 M40
DRAM0_DQ_2 P40
DRAM0_DQ_1 J36
DRAM0_DQ_0 M36
DRAM0_MA_13
J51 DRAM0_MA_12
F47 DRAM0_MA_11
E51
DRAM0_MA_10
K48
RESERVED_E46
E46
RESERVED_D48
D48
ICLK_DRAM_TERMN_AH42
AH42 ICLK_DRAM_TERMN_AF42
AF42
DRAM_VDD_S4_PWROK
AD42
C1132
.1U_0402_16V7K
C1132
.1U_0402_16V7K
1
2
R961100K_0402_5%
R961100K_0402_5%
1
2
R960100K_0402_5% R960100K_0402_5%
12
R965
4.7K_0402_1%
R965
4.7K_0402_1%
12
C1159
0.01U_0402_16V7K
@ESD@
C1159
0.01U_0402_16V7K
@ESD@
1
2
R96329.4_0402_1% R96329.4_0402_1%
12
R96223.2_0402_1%
R96223.2_0402_1%
12
R964162_0402_1% R964162_0402_1%
1
2

5
5
4
4
3
3
2
2
1
1
DD
CC
BB
AA
HDMI eDP Panel
Follow CRB v1.15
1.8V
1.8V
1.8V
1.8V
1.8V
1.8V
1.0V
1.0V
1.0V1.0V
1.8V
1.8V
1.8V
3.3V
3.3V
3.3V
3.3V
0504
GPIO_S0_NC[13]:
Multiplexed with Hardware Straps Pin:MDSI_DDCDATA
Follow CRB v1.15 0ohm till to GND
Follow CRB v1.15 0ohm till to GND
Control by RTS2132R
CRT
0918 add CRT
0504
DDI1_PWM
DDI1_ENBKL
DDI1_ENVDD
DDI1_ENABLE
DDI0_RCOMPP
DDI0_RCOMPN
GPIO_NC14
GPIO_NC13
DDI1_PWM
DDI1_ENVDD
DDI1_ENBKL
GPIO_NC12
DDI1_ENBKL
DDI1_ENVDD
DDI1_PWM
CRT_IREF
CRT_HSYNC
CRT_VSYNC
CRT_DDC_CLK
CRT_DDC_DATA
CRT_G
ENBKL
ENVDD
INVT_PWM
CRT_R
CRT_B
CRT_R
CRT_B
CRT_G
CRT_L_G
CRT_L_B
CRT_L_R
HDMI_HPD#18
EDP_TXP0 16
EDP_TXN0 16
HDMI_TX2+18
HDMI_TX2-18
HDMI_TX1+18
HDMI_TX1-18
HDMI_TX0+18
HDMI_TX0-18
HDMI_CLK+18
HDMI_CLK-18
EDP_HPD# 16
HDMI_DDCCLK18
HDMI_DDCDATA18
EDP_AUXP 16
EDP_AUXN 16
INVT_PWM 16
ENBKL 26
ENVDD 17
CRT_HSYNC 19
CRT_VSYNC 19
CRT_DDC_CLK 19
CRT_DDC_DATA 19
CRT_R 19
CRT_G 19
CRT_B 19
+1.8VS
+1.8VS
+3VS
+1.8VS
+1.8VALW
+1.8VS
+1.8VALW
+1.8VS
+1.8VALW
Title
Size Document Number Rev
Date: Sheet
of
Security Classification
Compal Secret Data
THIS SHEET OF ENGINEERING DRAWING IS THE PROPRIETARY PROPERTY OF COMPAL ELECTRONICS, INC. AND CONTAINS CONFIDENTIAL
AND TRADE SECRET INFORMATION. THIS SHEET MAY NOT BE TRANSFERED FROM THE CUSTODY OF THE COMPETENT DIVISION OF R&D
DEPARTMENT EXCEPT AS AUTHORIZED BY COMPAL ELECTRONICS, INC. NEITHER THIS SHEET NOR THE INFORMATION IT CONTAINS
MAY BE USED BY OR DISCLOSED TO ANY THIRD PARTY WITHOUT PRIOR WRITTEN CONSENT OF COMPAL ELECTRONICS, INC.
Issued Date Deciphered Date
LA-A994P
0.1
VLV-M SOC Display
Custom
7 43Friday, February 21, 2014
2013/04/12 2014/04/12
Compal Electronics, Inc.
Title
Size Document Number Rev
Date: Sheet of
Security Classification
Compal Secret Data
THIS SHEET OF ENGINEERING DRAWING IS THE PROPRIETARY PROPERTY OF COMPAL ELECTRONICS, INC. AND CONTAINS CONFIDENTIAL
AND TRADE SECRET INFORMATION. THIS SHEET MAY NOT BE TRANSFERED FROM THE CUSTODY OF THE COMPETENT DIVISION OF R&D
DEPARTMENT EXCEPT AS AUTHORIZED BY COMPAL ELECTRONICS, INC. NEITHER THIS SHEET NOR THE INFORMATION IT CONTAINS
MAY BE USED BY OR DISCLOSED TO ANY THIRD PARTY WITHOUT PRIOR WRITTEN CONSENT OF COMPAL ELECTRONICS, INC.
Issued Date Deciphered Date
LA-A994P
0.1
VLV-M SOC Display
Custom
7 43Friday, February 21, 2014
2013/04/12 2014/04/12
Compal Electronics, Inc.
Title
Size Document Number Rev
Date: Sheet
of
Security Classification
Compal Secret Data
THIS SHEET OF ENGINEERING DRAWING IS THE PROPRIETARY PROPERTY OF COMPAL ELECTRONICS, INC. AND CONTAINS CONFIDENTIAL
AND TRADE SECRET INFORMATION. THIS SHEET MAY NOT BE TRANSFERED FROM THE CUSTODY OF THE COMPETENT DIVISION OF R&D
DEPARTMENT EXCEPT AS AUTHORIZED BY COMPAL ELECTRONICS, INC. NEITHER THIS SHEET NOR THE INFORMATION IT CONTAINS
MAY BE USED BY OR DISCLOSED TO ANY THIRD PARTY WITHOUT PRIOR WRITTEN CONSENT OF COMPAL ELECTRONICS, INC.
Issued Date Deciphered Date
LA-A994P
0.1
VLV-M SOC Display
Custom
7 43Friday, February 21, 2014
2013/04/12 2014/04/12
Compal Electronics, Inc.
U61
NL17SZ07DFT2G_SC70-5
SA00004BV00
U61
NL17SZ07DFT2G_SC70-5
SA00004BV00
NC
1
A
2
G
3
Y4
P5
R1044
0_0402_5%
@
R1044
0_0402_5%
@
1
2
U62
NL17SZ07DFT2G_SC70-5
SA00004BV00
U62
NL17SZ07DFT2G_SC70-5
SA00004BV00
NC
1
A
2
G
3
Y4
P5
R970
10K_0402_5%
@
R970
10K_0402_5%
@
1
2
U64
NL17SZ07DFT2G_SC70-5
SA00004BV00
U64
NL17SZ07DFT2G_SC70-5
SA00004BV00
NC
1
A
2
G
3
Y4
P5
R968
402_0402_1%
R968
402_0402_1%
12
R974 47NH_LQG15HS47NJ02D_0.2A_5%EMICRT@ R974 47NH_LQG15HS47NJ02D_0.2A_5%EMICRT@
1
2
T186
T186
R973 47NH_LQG15HS47NJ02D_0.2A_5%EMICRT@
SH000001G00
R973 47NH_LQG15HS47NJ02D_0.2A_5%EMICRT@
SH000001G00
1
2
R1040
0_0402_5%
@
R1040
0_0402_5%
@
1
2
R967 2.2K_0402_5%
R967 2.2K_0402_5%
12
R986 47NH_LQG15HS47NJ02D_0.2A_5%EMICRT@
R986 47NH_LQG15HS47NJ02D_0.2A_5%EMICRT@
1
2
3 OF 10
USOC1C
FH8065301546401_FCBGA131170
3 OF 10
USOC1C
FH8065301546401_FCBGA131170
DDI1_TXP_0 AG3
DDI0_HPD
D27
DDI1_TXN_1 AF2
DDI1_TXP_1 AF3
VGA_HSYNC BD2
VGA_IRTN AY3
VGA_IREF AW1
VGA_GREEN BA1
DDI0_TXP_0
AV3
DDI0_TXN_0
AV2
DDI0_TXP_1
AT2
DDI0_TXN_1
AT3
DDI0_TXP_2
AR3
DDI0_TXP_3
AP3
DDI0_TXN_2
AR1
DDI0_TXN_3
AP2
DDI0_AUXP
AL3
DDI0_AUXN
AL1
DDI0_DDCDATA
C26
DDI0_DDCCLK
C28
DDI0_BKLTEN
C27 DDI0_VDDEN
B28
DDI0_RCOMP_N
AK13
RESERVED_AM13
AM13
RESERVED_T2
T2
RESERVED_W3
W3
RESERVED_W1
W1
RESERVED_V2
V2
RESERVED_R3
R3
RESERVED_V3
V3
RESERVED_R1
R1
RESERVED_AD6
AD6
RESERVED_AD4
AD4
RESERVED_AB7
AB7 RESERVED_AB9
AB9
RESERVED_Y4
Y4
RESERVED_Y6
Y6
RESERVED_V4
V4
GPIO_S0_NC_13
A29 RESERVED_V6
V6
GPIO_S0_NC14
C29
RESERVED_AB14
AB14
GPIO_S0_NC_12
B30
RESERVED_C30
C30
DDI1_TXN_0 AG1
DDI1_TXP_2 AD3
DDI1_TXN_2 AD2
VGA_BLUE AY2
VGA_RED BA3
DDI1_BKLTCTL M30
DDI1_BKLTEN J30
DDI1_VDDEN N30
DDI1_DDCCLK G30
DDI1_DDCDATA P30
DDI1_HPD K30
DDI1_AUXN AK2
DDI1_AUXP AK3
DDI1_TXN_3 AC1
DDI1_TXP_3 AC3
RESERVED_AF13 AF13
RESERVED_AF14 AF14
RESERVED_AH13 AH13
RESERVED_AH14 AH14
VGA_DDCDATA BC2
VGA_DDCCLK BC1
VGA_VSYNC BF2
GPIO_S0_NC_15 F34
GPIO_S0_NC_16 M32
GPIO_S0_NC_17 D28
GPIO_S0_NC_26 D32
RESERVED_T7 T7
RESERVED_AB13 AB13
RESERVED_T9 T9
RESERVED_AB12 AB12
RESERVED_Y13 Y13
RESERVED_Y12 Y12
RESERVED_T12 T12
RESERVED_V9 V9
RESERVED_V10 V10
RESERVED_V14 V14
RESERVED_T10 T10
RESERVED_T13 T13
RESERVED_T14 T14
RESERVED_V13 V13
RESERVED_T4 T4
RESERVED_T6 T6
RESERVED_P14 P14
GPIO_S0_NC_25 N32
GPIO_S0_NC_24 J34
GPIO_S0_NC_23 K28
GPIO_S0_NC_22 F28
GPIO_S0_NC_21 F32
GPIO_S0_NC_20 D34
GPIO_S0_NC_19 K34
GPIO_S0_NC_18 J28
DDI0_BKLTCTL
B26
DDI0_RCOMP_P
AK12
RESERVED_AM14
AM14
RESERVED_Y2
Y2 RESERVED_Y3
Y3
RESERVED_AB2
AB2 RESERVED_AB3
AB3 RESERVED_T3
T3
VSS_AM3
AM3
VSS_AM2
AM2
VSS_AH2 AH2
VSS_AH3 AH3
R1043
0_0402_5% @
R1043
0_0402_5% @
12
R969 357_0402_1%CRT@
R969 357_0402_1%CRT@
12
RP45
100K_0804_8P4R_5%
RP45
100K_0804_8P4R_5%
1
8
2
7
3
6
4
5
RP50
4.7K_0804_8P4R_5%
RP50
4.7K_0804_8P4R_5%
1
8
2
7
3
6
4
5
T187
T187
R1045
0_0402_5% @
R1045
0_0402_5% @
12
R971
10K_0402_5%
R971
10K_0402_5%
1
2
R1042
0_0402_5%
@
R1042
0_0402_5%
@
1
2
RP43
150_0804_8P4R_1%
CRT@
RP43
150_0804_8P4R_1%
CRT@
1
8
2
7
3
6
4
5
R1041
0_0402_5% @
R1041
0_0402_5% @
1
2

5
5
4
4
3
3
2
2
1
1
DD
C
C
B
B
AA
HDD
Internal PD 2K
For EMI
WLAN
GPIO_S0_SC_63:
BIOS/EFI Boot Strap (BBS)
BIOS Boot Selection
0 = LPC
1 = SPI
GPIO_S0_SC_65:
Security Flash Descriptors
0 = Override
1 = Normal Operation
(Internal PU)
ODD
Pull High 10k at LED Page
8411 Pin 36 O/D
Follow CRB V1.15 0ohm till to GND
Follow CRB V1.15 0ohm till to GND
Follow CRB v1.15
EC programing :
"High"for Flash BIOS
Card Reader
09/13a
PCIE LAN
HDA_BIT_CLK
HDA_SYNC
HDA_RST#
SATA_LED#_SOC
HDA_BIT_CLK
HDA_SYNC
HDA_RST#
HDA_SDOUT
SATA_RCOMPP
SATA_RCOMPN
HDA_RCOMP
PCIE_RCOMPP
PCIE_RCOMPN
HDA_SDOUT
HDA_SDIN0
HDA_BITCLK_AUDIO
SATA_LED#_SOC
PCIE_PTX_DRX_N1
PCIE_PRX_DTX_P1
PCIE_PTX_DRX_P1
PCIE_PRX_DTX_N1
WLAN_CLKREQ#
GPIO_S0_SC_65
GPIO_S0_SC_63
GPIO_S0_SC_65
GPIO_S0_SC_63
SOC_SCI#
CR_CLKREQ#
WLAN_CLKREQ#
LAN_CLKREQ#
CR_CLKREQ#
PCIE_CLKREQ_0#
PCIE_PTX_DRX_N2
PCIE_PTX_DRX_P2
PCIE_PRX_DTX_P2
PCIE_PRX_DTX_N2
ODD_PLUG#
ODD_PWR
TS_GPIO_CPU
PCIE_PTX_DRX_P3
PCIE_PTX_DRX_N3
PCIE_PRX_DTX_N3
PCIE_PRX_DTX_P3
ODD_DA#
ODD_PLUG#
ODD_PWR
LAN_CLKREQ#
PCIE_CLKREQ_0#
ODD_DA#
H_PROCHOT# 26,34,35
TXE_DBG 26
SATA_PRX_DTX_P022
SATA_PRX_DTX_N022
SATA_PRX_DTX_P122
SATA_PRX_DTX_N122
PCIE_PTX_C_DRX_P1 21
PCIE_PTX_C_DRX_N1 21
SOC_SCI#9
SATA_PTX_DRX_P022
SATA_PTX_DRX_N022
HDA_BITCLK_AUDIO 20
HDA_SYNC_AUDIO 20
HDA_RST_AUDIO# 20
HDA_SDOUT_AUDIO 20
SOC_SATALED#28
SATA_PTX_DRX_P122
SATA_PTX_DRX_N122
PCIE_PRX_DTX_P1 21
PCIE_PRX_DTX_N1 21
WLAN_CLKREQ# 21
HDA_SDIN0 20
PCIE_PRX_DTX_P2 23
PCIE_PTX_C_DRX_P2 23
PCIE_PRX_DTX_N2 23
PCIE_PTX_C_DRX_N2 23
CR_CLKREQ# 23
ODD_PLUG#22
ODD_PWR22
TS_GPIO_CPU17
PCIE_PTX_C_DRX_P3 23
PCIE_PTX_C_DRX_N3 23
PCIE_PRX_DTX_P3 23
PCIE_PRX_DTX_N3 23
LAN_CLKREQ# 23
ODD_DA#22
+1.0VS
+1.8VS
+1.8VS
+1.8VS
+1.8VS
+1.8VS
Title
Size Document Number Rev
Date: Sheet of
Security Classification
Compal Secret Data
THIS SHEET OF ENGINEERING DRAWING IS THE PROPRIETARY PROPERTY OF COMPAL ELECTRONICS, INC. AND CONTAINS CONFIDENTIAL
AND TRADE SECRET INFORMATION. THIS SHEET MAY NOT BE TRANSFERED FROM THE CUSTODY OF THE COMPETENT DIVISION OF R&D
DEPARTMENT EXCEPT AS AUTHORIZED BY COMPAL ELECTRONICS, INC. NEITHER THIS SHEET NOR THE INFORMATION IT CONTAINS
MAY BE USED BY OR DISCLOSED TO ANY THIRD PARTY WITHOUT PRIOR WRITTEN CONSENT OF COMPAL ELECTRONICS, INC.
Issued Date
Deciphered Date
LA-A994P
0.1
VLV-M SOC SATA/PCI-E/HDA
B
8 43Friday, February 21, 2014
2013/04/12 2014/04/12
Compal Electronics, Inc.
Title
Size Document Number Rev
Date: Sheet
of
Security Classification
Compal Secret Data
THIS SHEET OF ENGINEERING DRAWING IS THE PROPRIETARY PROPERTY OF COMPAL ELECTRONICS, INC. AND CONTAINS CONFIDENTIAL
AND TRADE SECRET INFORMATION. THIS SHEET MAY NOT BE TRANSFERED FROM THE CUSTODY OF THE COMPETENT DIVISION OF R&D
DEPARTMENT EXCEPT AS AUTHORIZED BY COMPAL ELECTRONICS, INC. NEITHER THIS SHEET NOR THE INFORMATION IT CONTAINS
MAY BE USED BY OR DISCLOSED TO ANY THIRD PARTY WITHOUT PRIOR WRITTEN CONSENT OF COMPAL ELECTRONICS, INC.
Issued Date
Deciphered Date
LA-A994P
0.1
VLV-M SOC SATA/PCI-E/HDA
B
8 43Friday, February 21, 2014
2013/04/12 2014/04/12
Compal Electronics, Inc.
Title
Size Document Number Rev
Date: Sheet
of
Security Classification
Compal Secret Data
THIS SHEET OF ENGINEERING DRAWING IS THE PROPRIETARY PROPERTY OF COMPAL ELECTRONICS, INC. AND CONTAINS CONFIDENTIAL
AND TRADE SECRET INFORMATION. THIS SHEET MAY NOT BE TRANSFERED FROM THE CUSTODY OF THE COMPETENT DIVISION OF R&D
DEPARTMENT EXCEPT AS AUTHORIZED BY COMPAL ELECTRONICS, INC. NEITHER THIS SHEET NOR THE INFORMATION IT CONTAINS
MAY BE USED BY OR DISCLOSED TO ANY THIRD PARTY WITHOUT PRIOR WRITTEN CONSENT OF COMPAL ELECTRONICS, INC.
Issued Date
Deciphered Date
LA-A994P
0.1
VLV-M SOC SATA/PCI-E/HDA
B
8 43Friday, February 21, 2014
2013/04/12 2014/04/12
Compal Electronics, Inc.
R972
402_0402_1%
R972
402_0402_1%
12
G
D
S
Q62
MESS138W-G_SOT323-3
G
D
S
Q62
MESS138W-G_SOT323-3
1
2
3
C1133.1U_0402_16V7K C1133.1U_0402_16V7K
12
R979
33.2_0402_1%
R979
33.2_0402_1%
12
RP46
33_0804_8P4R_5%
RP46
33_0804_8P4R_5%
1
8
2
7
3
6
4
5
C1134.1U_0402_16V7K C1134.1U_0402_16V7K 1
2
R975
402_0402_1%
R975
402_0402_1%
12
R978
10K_0402_5%
R978
10K_0402_5%
1
2
R97649.9_0402_1% R97649.9_0402_1% 1
2
R956 10K_0402_5%
R956 10K_0402_5%
1
2
R955 1K_0402_5%
R955 1K_0402_5%
1
2
G
D
S
Q63
MESS138W-G_SOT323-3
G
D
S
Q63
MESS138W-G_SOT323-3
1
2
3
C1001
22P_0402_50V8J
@RF@
C1001
22P_0402_50V8J
@RF@
12
CC7.1U_0402_16V7K
CC7.1U_0402_16V7K 12
T189
T189
R957 10K_0402_5%@
R957 10K_0402_5%@ 1
2
CC6.1U_0402_16V7K CC6.1U_0402_16V7K 1
2
R977
10K_0402_5%
R977
10K_0402_5%
1
2
C1000.1U_0402_16V7K C1000.1U_0402_16V7K
12
T190
T190
T214
T214
4 OF 10
USOC1D
FH8065301546401_FCBGA131170
4 OF 10
USOC1D
FH8065301546401_FCBGA131170
VSS_BB10
BB10
VSS_BC10
BC10
VSS_BB7 BB7
VSS_BB5 BB5
LPE_I2S2_CLK / SATA_DEVSLP_1 / GPIO_S0_SC_62 BF28
SD3_RCOMP
BF26
SD3_1P8EN / GPIO_S0_SC_40
BF22
HDA_LPE_RCOMP BF20
LPE_I2S2_DATAIN / GPIO_S0_SC_64 BD28
SD3_PWREN# / GPIO_S0_SC_41
BD22
LPE_I2S2_DATAOUT / GPIO_S0_SC_65 BC30
SD3_CD# / GPIO_S0_SC_38
BC24
SD2_CMD / GPIO_S0_SC_32
BC18
LPE_I2S2_FRM / GPIO_S0_SC_63 BA30
MMC1_RST# / SATA_DEVSLP_0 / GPIO_S0_SC_26
BA24
SD2_CLK / GPIO_S0_SC_27
BA18
SD3_CLK / GPIO_S0_SC_33
AY26
MMC1_RCOMP
AY18
SD3_CMD / GPIO_S0_SC_39
AV28
MMC1_CMD / GPIO_S0_SC_25
AV26
MMC1_CLK / GPIO_S0_SC_16
AT22
PCIE_CLKREQ_0# / GPIO_S0_SC_3 BG3
PCIE_CLKREQ_1# / GPIO_S0_SC_4 BD7
PCIE_CLKREQ_2# / GPIO_S0_SC_5 BG5
PCIE_CLKREQ_3# / GPIO_S0_SC_6 BE3
PCIE_TXN_0 AY6
SATA_TXP_0
BF6
SATA_TXN_0
BG7
PCIE_RXP_0 AT14
PCIE_RXN_0 AT13
SATA_RXN_0
AV16
PCIE_TXP_1 AV6
PCIE_TXN_1 AV4
SATA_TXN_1
BF10
PCIE_RXN_1 AT9
PCIE_RXP_1 AT10
SATA_RXN_1
BA16
PCIE_TXP_2 AT7
PCIE_TXN_2 AT6
PCIE_RXN_3 AP7
PCIE_RXP_3 AP9
PCIE_TXN_3 AP4
RESERVED_P34 P34
RESERVED_N34 N34
RESERVED_AK9 AK9
RESERVED_AK7 AK7
PROCHOT# C24
SD3_WP / GPIO_S0_SC_7 BD5
PCIE_RCOMP_P AP14
PCIE_RCOMP_N AP13
RESERVED_BB4 BB4
RESERVED_AV10 AV10
RESERVED_AV9 AV9
RESERVED_BB3 BB3
HDA_RST# / LPE_I2S0_CLK / GPIO_S0_SC_8 BG22
HDA_SYNC / LPE_I2S0_FRM / GPIO_S0_SC_9 BH20
HDA_CLK / LPE_I2S0_DATAOUT / GPIO_S0_SC_10 BJ21
HDA_SDO / LPE_I2S0_DATAIN / GPIO_S0_SC_11 BG20
HDA_SDI0 / LPE_I2S1_CLK / GPIO_S0_SC_12 BG19
HDA_SDI1 / LPE_I2S1_FRM / GPIO_S0_SC_13 BG21
HDA_DOCKRST# / LPE_I2S1_DATAOUT / GPIO_S0_SC_14 BH18
HDA_DOCKEN# / LPE_I2S1_DATAIN / GPIO_S0_SC_15 BG18
PCIE_RXP_2 AP12
PCIE_RXN_2 AP10
PCIE_TXP_3 AP6
SATA_GP0 / GPIO_S0_SC_0
BA12
SATA_LED# / GPIO_S0_SC_2
AY12 SATA_GP1 / SATA_DEVSLP_0 / GPIO_S0_SC_1
AY14
SATA_RCOMP_N
AT18
SATA_RCOMP_P
AU18
PCIE_TXP_0 AY7
SATA_RXP_1
AY16
SATA_TXP_1
BD10
SATA_RXP_0
AU16
MMC1_D0 / GPIO_S0_SC_17
AV20
MMC1_D1 / GPIO_S0_SC_18
AU22
MMC1_D2 / GPIO_S0_SC_19
AV22
MMC1_D3 / GPIO_S0_SC_20
AT20
MMC1_D4 / GPIO_S0_SC_21
AY24
MMC1_D5 / GPIO_S0_SC_22
AU26
MMC1_D6 / GPIO_S0_SC_23
AT26
MMC1_D7 / GPIO_S0_SC_24
AU20
SD2_D0 / GPIO_S0_SC_28
AY20
SD2_D1 / GPIO_S0_SC_29
BD20
SD2_D2 / GPIO_S0_SC_30
BA20
SD2_D3_CD# / GPIO_S0_SC_31
BD18
SD3_D0 / GPIO_S0_SC_34
AT28
SD3_D1 / GPIO_S0_SC_35
BD26
SD3_D2 / GPIO_S0_SC_36
AU28
SD3_D3 / GPIO_S0_SC_37
BA26
R980
10K_0402_5%
R980
10K_0402_5%
12
C1002
10P_0402_50V8J
@ESD@
C1002
10P_0402_50V8J
@ESD@
1
2
T191
T191
RP51
10K_0804_8P4R_5%
RP51
10K_0804_8P4R_5%
18
27
36
45
C1135.1U_0402_16V7K C1135.1U_0402_16V7K 1
2

5
5
4
4
3
3
2
2
1
1
D
D
C
C
BB
A
A
Reserve for EMI(Near SPI ROM)
SPI ROM ( 8MByte ) 1.8V
Clear CMOS
RTC_RST
close to RAM door
RTC domain
PLT_RST Buffer
1.8V 3.3V
FOR EMI/ESD Require 01/15
WLAN
32.768k output
1.35V3.3V
Check Intel
Close To SOC <1000mil
PDG v1.2 update
20mil
20mil
Change To 10pF for Vendor Suggest.
0701
0705:for ESD change to 0.1uF
0705:for ESD request
0705:for ESD request
0705:for ESD request
Card reader
remove LS_OE pin??
0918 Update footprint.
LAN
Need Change footprint : pin 4 / 6 wrong
XTAL_25M_OUT
XTAL_25M_IN
XTAL_25M_OUT
XTAL_25M_IN
ICLK_ICOMP
ICLK_RCOMP
GPIO_RCOMP
SOC_SPI_MOSI
SOC_SPI_MISO
SOC_SPI_CLK
SOC_SPI_CS0#
SPI_MISO
SPI_MOSI
SPI_CLK
SPI_HOLD#
SPI_CLK
SPI_CS0#
SPI_MISO
SPI_CS0#
SPI_WP#
PMC_CORE_PWROK
EC_RSMRST#
SOC_SMI#
PMC_SUSCLK
PMC_SLP_S4#
PMC_SLP_S3#
PMC_ACIN
PMC_BATLOW#
PMC_PWRBTN#
PMC_PCIE_WAKE#
VR_SVID_ALERT#_SOC
ILB_RTC_X1
ILB_RTC_X2
ILB_RTC_EXTPAD
ILB_RTC_X1
ILB_RTC_X2
PMC_ACIN
RTC_TEST#
RTC_RST#
RTC_RST#
RTC_TEST#
XDP_OBSDATA_A0
XDP_OBSDATA_A1
XDP_OBSDATA_A2
XDP_OBSDATA_A3
XDP_H_TCK
XDP_H_TRST#
SOC_LID_OUT#
SOC_KBRST#
XDP_H_TMS
XDP_H_TDI
XDP_H_TCK
XDP_H_TMS
XDP_H_TDI
XDP_H_PRDY#
XDP_RSTBTN#
PMC_CORE_PWROK
PMC_PLTRST#
XDP_H_PRDY#
SOC_SPI_CS0#
SOC_SPI_MISO
PMC_BATLOW#
PMC_PCIE_WAKE#
GPIO_S5_14
GPIO_S5_14
PMC_PLTRST#
VR_SVID_DATA_SOC
GPIO_S5_17
SPI_MOSI
SOC_SPI_MOSI
+RTCBATT_R
PMC_RSTBTN#
DDR_CORE_PWROK
PLT_RST_BUF#
EC_RSMRST#
PBTN_OUT#
PMC_PWRBTN#
EC_KBRST#
SOC_KBRST#
EC_SCI#
EC_SLP_S3#
SOC_SCI#
EC_SMI#
EC_LID_OUT#
SOC_LID_OUT#
SOC_SMI#
EC_SLP_S4#
SOC_SERIRQ
ACCEL_INT#
ACCEL_INT#
SPI_CLK
SOC_SPI_CLK
EC_SERIRQ
PMC_CORE_PWROK
PMC_SLP_S4#
PMC_SLP_S3#
ACIN 26,34..36
CLK_PCIE_WLAN#21
CLK_PCIE_WLAN21
PLT_RST_BUF# 21,23,26,27
XDP_H_TRST#14
XDP_H_PREQ_BUF#14
PMC_PLTRST# 14
SVID_DATA 40
SVID_CLK 40
XDP_H_TDO14
DDR_CORE_PWROK 6
EC_RSMRST# 26
XDP_RSTBTN# 14
PMC_CORE_PWROK14,26
SVID_ALERT# 40
CLK_PCIE_CR#23
CLK_PCIE_CR23
PBTN_OUT#26
EC_KBRST#26
EC_SCI#26
SOC_SCI# 8
EC_SLP_S3# 26
EC_SMI#26
EC_LID_OUT#26
EC_SLP_S4# 26,38
SOC_SERIRQ10
CLK_PCIE_LAN23
CLK_PCIE_LAN#23
ACCEL_INT#30
EC_SERIRQ 26,27
+RTCVCC
+1.8VALW
+1.8VALW
+BIOS_SPI
+BIOS_SPI
+1.8VALW
+1.8VALW
+RTCVCC
+3VS
+1.35VS
+3VALW
+1.0VS
+3VLP
+RTCBATT
+RTCVCC
+RTCBATT
+3VALW_EC
+1.8VALW
+3VALW_EC
+1.8VALW
+3VALW_EC
+1.8VALW
+3VALW_EC
+1.8VALW
+3VALW_EC
+1.8VALW
+3VALW_EC
+1.8VALW
+3VALW_EC
+1.8VALW
+3VALW_EC
+1.8VALW
+1.8VALW
+1.8VALW
+3VALW
+3VALW_EC
+3VALW_EC +3VALW
+1.8VS
+1.8VALW
Title
Size Document Number Rev
Date: Sheet of
Security Classification
Compal Secret Data
THIS SHEET OF ENGINEERING DRAWING IS THE PROPRIETARY PROPERTY OF COMPAL ELECTRONICS, INC. AND CONTAINS CONFIDENTIAL
AND TRADE SECRET INFORMATION. THIS SHEET MAY NOT BE TRANSFERED FROM THE CUSTODY OF THE COMPETENT DIVISION OF R&D
DEPARTMENT EXCEPT AS AUTHORIZED BY COMPAL ELECTRONICS, INC. NEITHER THIS SHEET NOR THE INFORMATION IT CONTAINS
MAY BE USED BY OR DISCLOSED TO ANY THIRD PARTY WITHOUT PRIOR WRITTEN CONSENT OF COMPAL ELECTRONICS, INC.
Issued Date
Deciphered Date
LA-A994P
0.1
VLV-M SOC CLK/PMU/SPI
C
9 43Friday, February 21, 2014
2013/04/12 2014/04/12
Compal Electronics, Inc.
Title
Size Document Number Rev
Date: Sheet
of
Security Classification
Compal Secret Data
THIS SHEET OF ENGINEERING DRAWING IS THE PROPRIETARY PROPERTY OF COMPAL ELECTRONICS, INC. AND CONTAINS CONFIDENTIAL
AND TRADE SECRET INFORMATION. THIS SHEET MAY NOT BE TRANSFERED FROM THE CUSTODY OF THE COMPETENT DIVISION OF R&D
DEPARTMENT EXCEPT AS AUTHORIZED BY COMPAL ELECTRONICS, INC. NEITHER THIS SHEET NOR THE INFORMATION IT CONTAINS
MAY BE USED BY OR DISCLOSED TO ANY THIRD PARTY WITHOUT PRIOR WRITTEN CONSENT OF COMPAL ELECTRONICS, INC.
Issued Date
Deciphered Date
LA-A994P
0.1
VLV-M SOC CLK/PMU/SPI
C
9 43Friday, February 21, 2014
2013/04/12 2014/04/12
Compal Electronics, Inc.
Title
Size Document Number Rev
Date: Sheet
of
Security Classification
Compal Secret Data
THIS SHEET OF ENGINEERING DRAWING IS THE PROPRIETARY PROPERTY OF COMPAL ELECTRONICS, INC. AND CONTAINS CONFIDENTIAL
AND TRADE SECRET INFORMATION. THIS SHEET MAY NOT BE TRANSFERED FROM THE CUSTODY OF THE COMPETENT DIVISION OF R&D
DEPARTMENT EXCEPT AS AUTHORIZED BY COMPAL ELECTRONICS, INC. NEITHER THIS SHEET NOR THE INFORMATION IT CONTAINS
MAY BE USED BY OR DISCLOSED TO ANY THIRD PARTY WITHOUT PRIOR WRITTEN CONSENT OF COMPAL ELECTRONICS, INC.
Issued Date
Deciphered Date
LA-A994P
0.1
VLV-M SOC CLK/PMU/SPI
C
9 43Friday, February 21, 2014
2013/04/12 2014/04/12
Compal Electronics, Inc.
R1035
0_0402_5%
@
R1035
0_0402_5%
@
1
2
D40
RB751V40_SC76-2
D40
RB751V40_SC76-2
1
2
C1004
10P_0402_25V8K
C1004
10P_0402_25V8K
1
2
R991
100K_0402_5%
R991
100K_0402_5%
1
2
R1038
0_0402_5%
@
R1038
0_0402_5%
@
12
U57
NL17SZ07DFT2G_SC70-5
SA00004BV00
U57
NL17SZ07DFT2G_SC70-5
SA00004BV00
NC
1
A
2
G
3
Y4
P5
U53
NL17SZ07DFT2G_SC70-5
SA00004BV00
U53
NL17SZ07DFT2G_SC70-5
SA00004BV00
NC
1
A
2
G
3
Y4
P5
U65
NL17SZ07DFT2G_SC70-5
SA00004BV00
U65
NL17SZ07DFT2G_SC70-5
SA00004BV00
NC
1
A
2
G
3
Y4
P5
C1011
1U_0402_6.3V6K
C1011
1U_0402_6.3V6K
1
2
T196
T196
R3
4.7K_0402_5%
R3
4.7K_0402_5%
1
2
R1039
0_0402_5%
R1039
0_0402_5%
12
R990 100K_0402_5%
R990 100K_0402_5%
1
2
R1000 3.3K_0402_5%
R1000 3.3K_0402_5%
12
JRTC1
LOTES_AAA-BAT-054-K01
SP07000H700
CONN@
JRTC1
LOTES_AAA-BAT-054-K01
SP07000H700
CONN@
+1
-
2
C1174
0.01U_0402_16V7K
@ESD@
C1174
0.01U_0402_16V7K
@ESD@
12
U58
NL17SZ07DFT2G_SC70-5
SA00004BV00
U58
NL17SZ07DFT2G_SC70-5
SA00004BV00
NC
1
A
2
G
3
Y4
P5
T209
T209
R1001 3.3K_0402_5%
R1001 3.3K_0402_5%
1
2
T197
T197
T193
T193
RP47
10K_0804_8P4R_5%
RP47
10K_0804_8P4R_5%
18
27
36
45
T206
T206
R989 51_0402_5%XDP@
R989 51_0402_5%XDP@
12
Y8
32.768KHZ_12.5PF_Q13FC135000040
SJ10000EC00
Y8
32.768KHZ_12.5PF_Q13FC135000040
SJ10000EC00
12
R1065 20_0402_1%
R1065 20_0402_1%
1
2
T210
T210
R993
10K_0402_5%
R993
10K_0402_5%
1
2
T198
T198
5 OF 13
USOC1E
FH8065301546401_FCBGA131170
5 OF 13
USOC1E
FH8065301546401_FCBGA131170
ICLK_ICOMP
AD14
ICLK_RCOMP
AD13
ICLK_OSCOUT
AH10
RESERVED_AD9
AD9
RESERVED_AD10
AD10
RESERVED_AD12
AD12
PCIE_CLKN_0
AF6
PCIE_CLKP_0
AF4
PCIE_CLKN_1
AF9
PCIE_CLKP_1
AF7
GPIO_RCOMP
N26
PMC_PLT_CLK_0 / GPIO_S0_SC_96
BH7
PMC_PLT_CLK_2 / GPIO_S0_SC_98
BH4 PMC_PLT_CLK_1 / GPIO_S0_SC_97
BH5
PMC_PLT_CLK_3 / GPIO_S0_SC_99
BH8
PMC_PLT_CLK_4 / GPIO_S0_SC_100
BH6
PMC_PLT_CLK_5 / GPIO_S0_SC_101
BJ9
ILB_RTC_RST# C12
PCIE_CLKP_2
AK6 PCIE_CLKN_2
AK4
PCIE_CLKP_3
AM6 PCIE_CLKN_3
AM4
RESERVED_AM9
AM9
RESERVED_AM10
AM10
TAP_TCK
D14
TAP_TDO
G16
TAP_PREQ#
F16 TAP_PRDY#
D18
RESERVED_AT34
AT34
PCU_SPI_CS_0#
C23
PCU_SPI_CS_1# / GPIO_S5_21
C21
PCU_SPI_MISO
B22
PCU_SPI_MOSI
A21
PCU_SPI_CLK
C22
SIO_UART2_CTS# / GPIO_S0_SC_77 BF32
SIO_SPI_CS# / GPIO_S0_SC_66 AV32
SIO_SPI_MISO / GPIO_S0_SC_67 BA28
SIO_SPI_CLK / GPIO_S0_SC_69 AY30
SIO_SPI_MOSI / GPIO_S0_SC_68 AY28
SIO_PWM_0 / GPIO_S0_SC_94 AU32
SIO_PWM_1 / GPIO_S0_SC_95 AT32
SVID_CLK C25
PMC_SUSPWRDNACK / GPIO_S5_11 D26
PMC_SLP_S0IX# / GPIO_S5_13 F18
PMC_SUSCLK_0 / GPIO_S5_12 G24
PMC_SLP_S4# F22
GPIO_S5_14 J20
PMC_SLP_S3# D22
PMC_BATLOW # K26
PMC_ACPRESENT D20
PMC_RSTBTN# BG9
PMC_PWRBTN# / GPIO_S5_16 J26
PMC_PLTRST# F20
SIO_UART2_RTS# / GPIO_S0_SC_76 BD32
SIO_UART2_TXD / GPIO_S0_SC_75 BD34
SIO_UART2_RXD / GPIO_S0_SC_74 BF34
SIO_UART1_TXD / GPIO_S0_SC_71 AV34
SIO_UART1_RTS# / GPIO_S0_SC_72 BA34
SIO_UART1_CTS# / GPIO_S0_SC_73 AY34
ICLK_OSCIN
AH12
SIO_UART1_RXD / GPIO_S0_SC_70 AU34
TAP_TRST#
G12
TAP_TMS
F14
TAP_TDI
F12
SVID_DATA A25
SVID_ALERT# B24
ILB_RTC_EXTPAD B8
ILB_RTC_X2 A9
ILB_RTC_X1 C9
PMC_CORE_PWROK B7
PMC_RSMRST# B10
ILB_RTC_TEST# C11
PMC_SUS_STAT# / GPIO_S5_18 G18
GPIO_S5_17 J24
PMC_WAKE_PCIE_0# / GPIO_S5_15 F26
GPIO_S5_22 K24
GPIO_S5_23 N24
GPIO_S5_24 M20
GPIO_S5_25 J18
GPIO_S5_26 M18
GPIO_S5_27 K18
GPIO_S5_28 K20
GPIO_S5_29 M22
GPIO_S5_30 M24
GPIO_S5_0
B18
GPIO_S5_1 / PMC_WAKE_PCIE_1
B16
GPIO_S5_2 / PMC_WAKE_PCIE_2
C18
GPIO_S5_3 / PMC_WAKE_PCIE_3
A17
GPIO_S5_4
C17
GPIO_S5_5 / PMU_SUSCLK_1
C16
GPIO_S5_6 / PMU_SUSCLK_2
B14
GPIO_S5_7 / PMU_SUSCLK_3
C15
GPIO_S5_8
C13
GPIO_S5_9
A13
GPIO_S5_10
C19
RTC_VCC_P22 P22
RP48
22_0804_8P4R_5%
RP48
22_0804_8P4R_5%
18
27
36
45
T211
T211
R6
4.7K_0402_5%
R6
4.7K_0402_5%
1
2
R1083
0_0402_5%
RS@
R1083
0_0402_5%
RS@
12
C1006
.1U_0402_16V7K
@ESD@
C1006
.1U_0402_16V7K
@ESD@
1
2
R984 4.02K_0402_1%
R984 4.02K_0402_1%
12
C1155
.1U_0402_16V7K
@ESD@
C1155
.1U_0402_16V7K
@ESD@
12
R982
4.7K_0402_5%
R982
4.7K_0402_5%
1
2
R1036
10K_0402_5%
R1036
10K_0402_5%
1
2
T212
T212
U56
W25Q64DWSSIG_SO8
SA00006ZV00
U56
W25Q64DWSSIG_SO8
SA00006ZV00
CS#
1
DO(IO1)
2
WP#(IO2)
3
GND
4
VCC 8
HOLD#(IO3) 7
CLK 6
DI(IO0) 5
R1
4.7K_0402_5%
@R1
4.7K_0402_5%
@
1
2
R987
10K_0402_5%
R987
10K_0402_5%
12
T205
T205
R1066 16.9_0402_1%
R1066 16.9_0402_1%
12
U63
NL17SZ07DFT2G_SC70-5
SA00004BV00
U63
NL17SZ07DFT2G_SC70-5
SA00004BV00
NC
1
A
2
G
3
Y4
P5
R997
20K_0402_1%
R997
20K_0402_1%
1
2
R996
20K_0402_1%
R996
20K_0402_1%
12
CLRP1
SHORT PADS
CMOS@
CLRP1
SHORT PADS
CMOS@
1
2
C1007
0.047U_0402_25V7K
@ESD@
C1007
0.047U_0402_25V7K
@ESD@
1
2
RP52
51_0804_8P4R_5%
XDP@
RP52
51_0804_8P4R_5%
XDP@
18
2
7
36
45
R101622_0402_5%
EMI@
R101622_0402_5%
EMI@
12
C1008
.1U_0402_16V7K
C1008
.1U_0402_16V7K
1
2
C1009
18P_0402_50V8J
C1009
18P_0402_50V8J
1
2
R4
4.7K_0402_5%
R4
4.7K_0402_5%
1
2
R983
2.2K_0402_5%
R983
2.2K_0402_5%
1
2
U54
NL17SZ07DFT2G_SC70-5
SA00004BV00
U54
NL17SZ07DFT2G_SC70-5
SA00004BV00
NC
1
A
2
G
3
Y4
P5
T192
T192
R985 47.5_0402_1%
R985 47.5_0402_1%
1
2
U67
SA00007CX00
G2129TL1U_SC70-6
U67
SA00007CX00
G2129TL1U_SC70-6
VCCA
1
GND
2
A4
3
VCCB 4
EO 5
B4 6
C1014
10P_0402_50V8J
@EMI@
C1014
10P_0402_50V8J
@EMI@
1
2
C1003
10P_0402_25V8K
C1003
10P_0402_25V8K
1
2
C1013 .1U_0402_16V7K
C1013 .1U_0402_16V7K
12
R1033
0_0402_5%
@
R1033
0_0402_5%
@
1
2
R8
4.7K_0402_5%
R8
4.7K_0402_5%
1
2
R994
10M_0402_5%
R994
10M_0402_5%
12
R998 0_0402_5%RS@
R998 0_0402_5%RS@
12
C1158
0.01U_0402_16V7K
@ESD@
C1158
0.01U_0402_16V7K
@ESD@
1
2
R995
49.9_0402_1%
R995
49.9_0402_1%
12
C1005
.1U_0402_16V7K
@ESD@
C1005
.1U_0402_16V7K
@ESD@
12
U59
NL17SZ07DFT2G_SC70-5
SA00004BV00
U59
NL17SZ07DFT2G_SC70-5
SA00004BV00
NC
1
A
2
G
3
Y4
P5
R1064
73.2_0402_1%
R1064
73.2_0402_1%
1
2
C1012
1U_0402_6.3V6K
C1012
1U_0402_6.3V6K
1
2
R10
4.7K_0402_5%
R10
4.7K_0402_5%
1
2
R1037
10K_0402_5%
R1037
10K_0402_5%
12
R999 3.3K_0402_5%
R999 3.3K_0402_5%
12
R446
1K_0402_5%
R446
1K_0402_5%
12
R1032
0_0402_5%
R1032
0_0402_5%
12
R94.7K_0402_5%
R94.7K_0402_5%
12
U66
NL17SZ07DFT2G_SC70-5
SA00004BV00
U66
NL17SZ07DFT2G_SC70-5
SA00004BV00
NC
1
A
2
G
3
Y4
P5
BAV70W-7-F_SOT323-3
D32
BAV70W-7-F_SOT323-3
D32
2
3
1
R7
4.7K_0402_5%
R7
4.7K_0402_5%
1
2
C1010
18P_0402_50V8J
C1010
18P_0402_50V8J
1
2
R1002
33_0402_5%
@EMI@
R1002
33_0402_5%
@EMI@
1
2
R1034
0_0402_5%
R1034
0_0402_5%
1
2
R2
4.7K_0402_5%
@
R2
4.7K_0402_5%
@
1
2
R981
1M_0402_5%
R981
1M_0402_5%
1
2
Y7
25MHZ_10PF_7V25000014
Y7
25MHZ_10PF_7V25000014
GND
2
33
1
1
GND
4
R5
4.7K_0402_5%
R5
4.7K_0402_5%
1
2
U55
NL17SZ07DFT2G_SC70-5
SA00004BV00
U55
NL17SZ07DFT2G_SC70-5
SA00004BV00
NC
1
A
2
G
3
Y4
P5

5
5
4
4
3
3
2
2
1
1
D
D
C
C
BB
A
A
USB3 Port 0
GPIO_S0_SC_56:
A16 Swap Override
0 = Enable
1 = Disable
Reference EDS Page 216
DDR(15,16)
Minicard(21)
EC(24)
ILB_LPC_CLK_1 is for CLK_0 feedback.(Input)
Set to Outpot for Normal Usage
NOTE: Ref checklist rev1.0 p.25
USB_HSIC_RCOMP must NOT float if they are not being used.
Pull High at EC side
PDA (Platform Debug Assistant) Test Points
ILB_LPC_CLK_0 : Output of 25MHz,
Need Check with EC
USB30
HUB
Camera
USB20 DB port
Address:0100_1100 EMC1402-1
Address:0100_1101 EMC1402-2
USB_OC0#
USB_OC1#
USB_RCOMP
USB3_REXT0
LPC_RCOMP
LPC_CLK_0
ICLK_USB_TERMP
ICLK_USB_TERMN
PCU_SMB_CLK
PCU_SMB_DATA
PCU_SMB_ALERT#
SOC_SPKR
GPIO_S0_SC_56
USB_PLL_MON
USB_OC0#
USB_OC1#
HSIC_RCOMP
DBG_UART_TXD
DBG_UART_RXD
PCU_SMB_ALERT#
LPC_CLK_0
PCU_SMB_DATA
PCU_SMB_CLK
PCU_SMB_DATA
PCU_SMB_CLK
GPIO_S0_SC_92
GPIO_S0_SC_93
SOC_I2C0_DATA
SOC_I2C0_CLK
LPC_CLK1
NMI_DBG#_CPU
EC_SMB_CK2
CPU_THERM#
H_THERMDC
H_THERMDA EC_SMB_DA2
THERMAL_ALERT#
PCU_SMB_ALERT#
THERMAL_ALERT#
CPU_THERMAL
CPU_THERMAL
USB3_TX0_P 24
USB3_RX0_P 24
USB3_TX0_N 24
USB3_RX0_N 24
USB_OC0#24
SOC_SPKR 20
LPC_AD126,27
LPC_AD226,27
LPC_AD326,27
LPC_FRAME#26,27
LPC_AD026,27
LPC_CLK_EC26
SOC_SERIRQ9
USB20_N024
USB20_P024
USB20_N124
USB20_P124
USB20_P317
USB20_N317
EC_SMB_CK215,16,26
EC_SMB_DA215,16,26
USB_OC1#24
USB20_N225
USB20_P225
LPC_CLK_TPM27
NMI_DBG#_CPU 26
CPU_THERMAL26
+1.8VS
+1.8VALW
+1.8VS
+1.8VS
+3VS
+3VS
+3VS
+3VS
Title
Size Document Number Rev
Date: Sheet of
Security Classification
Compal Secret Data
THIS SHEET OF ENGINEERING DRAWING IS THE PROPRIETARY PROPERTY OF COMPAL ELECTRONICS, INC. AND CONTAINS CONFIDENTIAL
AND TRADE SECRET INFORMATION. THIS SHEET MAY NOT BE TRANSFERED FROM THE CUSTODY OF THE COMPETENT DIVISION OF R&D
DEPARTMENT EXCEPT AS AUTHORIZED BY COMPAL ELECTRONICS, INC. NEITHER THIS SHEET NOR THE INFORMATION IT CONTAINS
MAY BE USED BY OR DISCLOSED TO ANY THIRD PARTY WITHOUT PRIOR WRITTEN CONSENT OF COMPAL ELECTRONICS, INC.
Issued Date
Deciphered Date
LA-A994P
0.1
VLV-M SOC USB/LPC/SMBus
C
10 43Friday, February 21, 2014
2013/04/12 2014/04/12
Compal Electronics, Inc.
Title
Size Document Number Rev
Date: Sheet of
Security Classification
Compal Secret Data
THIS SHEET OF ENGINEERING DRAWING IS THE PROPRIETARY PROPERTY OF COMPAL ELECTRONICS, INC. AND CONTAINS CONFIDENTIAL
AND TRADE SECRET INFORMATION. THIS SHEET MAY NOT BE TRANSFERED FROM THE CUSTODY OF THE COMPETENT DIVISION OF R&D
DEPARTMENT EXCEPT AS AUTHORIZED BY COMPAL ELECTRONICS, INC. NEITHER THIS SHEET NOR THE INFORMATION IT CONTAINS
MAY BE USED BY OR DISCLOSED TO ANY THIRD PARTY WITHOUT PRIOR WRITTEN CONSENT OF COMPAL ELECTRONICS, INC.
Issued Date
Deciphered Date
LA-A994P
0.1
VLV-M SOC USB/LPC/SMBus
C
10 43Friday, February 21, 2014
2013/04/12 2014/04/12
Compal Electronics, Inc.
Title
Size Document Number Rev
Date: Sheet
of
Security Classification
Compal Secret Data
THIS SHEET OF ENGINEERING DRAWING IS THE PROPRIETARY PROPERTY OF COMPAL ELECTRONICS, INC. AND CONTAINS CONFIDENTIAL
AND TRADE SECRET INFORMATION. THIS SHEET MAY NOT BE TRANSFERED FROM THE CUSTODY OF THE COMPETENT DIVISION OF R&D
DEPARTMENT EXCEPT AS AUTHORIZED BY COMPAL ELECTRONICS, INC. NEITHER THIS SHEET NOR THE INFORMATION IT CONTAINS
MAY BE USED BY OR DISCLOSED TO ANY THIRD PARTY WITHOUT PRIOR WRITTEN CONSENT OF COMPAL ELECTRONICS, INC.
Issued Date
Deciphered Date
LA-A994P
0.1
VLV-M SOC USB/LPC/SMBus
C
10 43Friday, February 21, 2014
2013/04/12 2014/04/12
Compal Electronics, Inc.
RP49
4.7K_0804_8P4R_5%
RP49
4.7K_0804_8P4R_5%
1
8
2
7
3
6
4
5
T204
T204
G
D
S
Q66
MESS138W-G_SOT323-3
@
G
D
S
Q66
MESS138W-G_SOT323-3
@
1
2
3
R1003
1.24K_0402_1%
R1003
1.24K_0402_1%
12
T208
T208
T201
T201
RHG1
10K_0402_1%_ERTJ0EG103FA
@RHG1
10K_0402_1%_ERTJ0EG103FA
@
1
2
R1006
10K_0402_5%
@
R1006
10K_0402_5%
@
1
2
R101349.9_0402_1% R101349.9_0402_1%
12
R10051K_0402_1% R10051K_0402_1%
1
2
R1012 45.3_0402_1%
R1012 45.3_0402_1%
12
CT33
.1U_0402_16V7K
@CT33
.1U_0402_16V7K
@
1
2
6 OF 13
USOC1F
FH8065301546401_FCBGA131170
6 OF 13
USOC1F
FH8065301546401_FCBGA131170
SIO_I2C5_DATA / GPIO_S0_SC_88 BH28
SIO_I2C5_CLK / GPIO_S0_SC_89 BG28
PCU_SMB_ALERT# / GPIO_S0_SC_53
BG11 PCU_SMB_CLK / GPIO_S0_SC_52
BH10
PCU_SMB_DATA / GPIO_S0_SC_51
BG12
ILB_LPC_SERIRQ / GPIO_S0_SC_50
BG13
ILB_LPC_CLK_0 / GPIO_S0_SC_47
BG15
ILB_LPC_AD_3 / GPIO_S0_SC_45
BG14
ILB_LPC_AD_1 / GPIO_S0_SC_43
BJ17
ILB_LPC_CLKRUN# / GPIO_S0_SC_49
BG16 ILB_LPC_CLK_1 / GPIO_S0_SC_48
BH14
ILB_LPC_FRAME# / GPIO_S0_SC_46
BG17
ILB_LPC_AD_2 / GPIO_S0_SC_44
BJ13
ILB_LPC_AD_0 / GPIO_S0_SC_42
BH16
USB_HSIC_RCOMP
A7 SIO_I2C0_CLK / GPIO_S0_SC_79 BG23
SIO_I2C0_DATA / GPIO_S0_SC_78 BH22
USB_HSIC1_STROBE
D2 USB_HSIC1_DATA
E2
USB_HSIC0_STROBE
B5
USB_HSIC0_DATA
B4
USB_PLL_MON
M13
USB_RCOMPO
D6
USB_RCOMPI
C7
USB_OC_0# / GPIO_S5_19
C20
USB_OC_1# / GPIO_S5_20
B20
RESERVED_M9 M9
RESERVED_M10 M10
RESERVED_H7 H7
RESERVED_H8 H8
SIO_I2C1_CLK / GPIO_S0_SC_81 BH24
SIO_I2C1_DATA / GPIO_S0_SC_80 BG24
SIO_I2C2_DATA / GPIO_S0_SC_82 BG25
SIO_I2C2_CLK / GPIO_S0_SC_83 BJ25
SIO_I2C6_CLK / GPIO_S0_SC_91 / SD3_WP BG29
SIO_I2C6_DATA / GPIO_S0_SC_90 BJ29
SIO_I2C4_CLK / GPIO_S0_SC_87 BG27
SIO_I2C4_DATA / GPIO_S0_SC_86 BF27
SIO_I2C3_CLK / GPIO_S0_SC_85 BH26
SIO_I2C3_DATA / GPIO_S0_SC_84 BG26
ILB_8254_SPKR / GPIO_S0_SC_54 BH12
GPIO_S0_SC_55 BD12
GPIO_S0_SC_56 BC12
GPIO_S0_SC_57 / PCU_UART_TXD BD14
GPIO_S0_SC_58 BC14
GPIO_S0_SC_59 BF14
GPIO_S0_SC_60 BD16
GPIO_S0_SC_61 / PCU_UART_RXD BC16
LPC_RCOMP / VGA_RCOMP
BF18
ICLK_USB_TERMP
D10
ICLK_USB_TERMN
F10
RESERVED_H4 H4
RESERVED_H5 H5
RESERVED_M4 M4
RESERVED_M6 M6
RESERVED_M7 M7
RESERVED_P6 P6
RESERVED_P7 P7
RESERVED_P10 P10
RESERVED_P12 P12
USB_DN0
K16
USB_DN1
G14
USB_DN2
J12
USB_DN3
H10
USB_DP0
M16
USB_DP1
J14
USB_DP2
K12
USB_DP3
K10
GPIO_S0_SC_092 BH30
GPIO_S0_SC_093 BG30
GPIO_S5_31
G2
GPIO_S5_32
M3
GPIO_S5_33
L1
GPIO_S5_34
K2
GPIO_S5_35
K3
GPIO_S5_36
M2
GPIO_S5_37
N3
GPIO_S5_38
P2
GPIO_S5_39
L3
GPIO_S5_40
J3
GPIO_S5_41
P3
GPIO_S5_42
H3
GPIO_S5_43
B12
USB3_REXT0 M12
USB3_RXN0 E3
USB3_RXP0 D4
USB3_TXN0 K7
USB3_TXP0 K6
R1010
0_0402_5%
@
R1010
0_0402_5%
@
1
2
G
D
S
Q64
MESS138W-G_SOT323-3
G
D
S
Q64
MESS138W-G_SOT323-3
1
2
3
R1011
10K_0402_5%
@
R1011
10K_0402_5%
@
1
2
CC15
2200P_0402_50V7K
CC15
2200P_0402_50V7K
1
2
T202
T202
R1008
45.3_0402_1%
R1008
45.3_0402_1%
1
2
CC14
0.1U_0402_16V4Z
CC14
0.1U_0402_16V4Z
1
2
RC96 33K_0402_5%
RC96 33K_0402_5%
12
R1007 10K_0402_5%
R1007 10K_0402_5%
1
2
G
D
S
Q65
MESS138W-G_SOT323-3
G
D
S
Q65
MESS138W-G_SOT323-3
1
2
3
UC3
ADM1032ARMZ-2REEL_MSOP8
SA00003PU00
UC3
ADM1032ARMZ-2REEL_MSOP8
SA00003PU00
VDD
1
ALERT# 6
THERM#
4GND 5
D+
2
D-
3
SCLK 8
SDATA 7
R10041K_0402_1% R10041K_0402_1%
1
2
RC105 10K_0402_5%
RC105 10K_0402_5%
1
2
R10140_0402_5% EMI@
R10140_0402_5% EMI@
12
T207
T207
R1009 10K_0402_5%
R1009 10K_0402_5%
12
T203
T203
R10150_0402_5% EMI@
R10150_0402_5% EMI@
12
C1015
10P_0402_50V8J
@RF@
C1015
10P_0402_50V8J
@RF@
1
2

5
5
4
4
3
3
2
2
1
1
DD
C
C
B
B
AA
420mA
12A
14A
1250mA
DRAM_VDD_S4 DG spec
0.1uFX1
1uFX1
2.2uFX4
DRAM_V1P35_S0iX_F1 DG spec
1uFX2
DRAM_V1P0_S0iX DG spec
1uFX2
For CRT issue reseave
VOUT = 1.25 (1 + R1/R2).
TP2_CORE_VCC_S0iX
VGA_V1P35_S3_F1
DRAM_VDD_S4_CLK
+1.35V_SOC
VGA_V1P35_S3_F1
VCCSENSE40
VCC_GFXSENSE40
VSSSENSE40
SUSP#26,29,38,39,43
+SOC_VCC
+SOC_VNN +1.35VS
+SOC_VNN
+SOC_VCC
+1.35V
+1.35V_SOC
+3VALW
Title
Size Document Number Rev
Date: Sheet of
Security Classification
Compal Secret Data
THIS SHEET OF ENGINEERING DRAWING IS THE PROPRIETARY PROPERTY OF COMPAL ELECTRONICS, INC. AND CONTAINS CONFIDENTIAL
AND TRADE SECRET INFORMATION. THIS SHEET MAY NOT BE TRANSFERED FROM THE CUSTODY OF THE COMPETENT DIVISION OF R&D
DEPARTMENT EXCEPT AS AUTHORIZED BY COMPAL ELECTRONICS, INC. NEITHER THIS SHEET NOR THE INFORMATION IT CONTAINS
MAY BE USED BY OR DISCLOSED TO ANY THIRD PARTY WITHOUT PRIOR WRITTEN CONSENT OF COMPAL ELECTRONICS, INC.
Issued Date
Deciphered Date
LA-A994P
0.1
VLV-M SOC Power
B
11 43Friday, February 21, 2014
2013/04/12 2014/04/12
Compal Electronics, Inc.
Title
Size Document Number Rev
Date: Sheet of
Security Classification
Compal Secret Data
THIS SHEET OF ENGINEERING DRAWING IS THE PROPRIETARY PROPERTY OF COMPAL ELECTRONICS, INC. AND CONTAINS CONFIDENTIAL
AND TRADE SECRET INFORMATION. THIS SHEET MAY NOT BE TRANSFERED FROM THE CUSTODY OF THE COMPETENT DIVISION OF R&D
DEPARTMENT EXCEPT AS AUTHORIZED BY COMPAL ELECTRONICS, INC. NEITHER THIS SHEET NOR THE INFORMATION IT CONTAINS
MAY BE USED BY OR DISCLOSED TO ANY THIRD PARTY WITHOUT PRIOR WRITTEN CONSENT OF COMPAL ELECTRONICS, INC.
Issued Date
Deciphered Date
LA-A994P
0.1
VLV-M SOC Power
B
11 43Friday, February 21, 2014
2013/04/12 2014/04/12
Compal Electronics, Inc.
Title
Size Document Number Rev
Date: Sheet of
Security Classification
Compal Secret Data
THIS SHEET OF ENGINEERING DRAWING IS THE PROPRIETARY PROPERTY OF COMPAL ELECTRONICS, INC. AND CONTAINS CONFIDENTIAL
AND TRADE SECRET INFORMATION. THIS SHEET MAY NOT BE TRANSFERED FROM THE CUSTODY OF THE COMPETENT DIVISION OF R&D
DEPARTMENT EXCEPT AS AUTHORIZED BY COMPAL ELECTRONICS, INC. NEITHER THIS SHEET NOR THE INFORMATION IT CONTAINS
MAY BE USED BY OR DISCLOSED TO ANY THIRD PARTY WITHOUT PRIOR WRITTEN CONSENT OF COMPAL ELECTRONICS, INC.
Issued Date
Deciphered Date
LA-A994P
0.1
VLV-M SOC Power
B
11 43Friday, February 21, 2014
2013/04/12 2014/04/12
Compal Electronics, Inc.
C1018 .1U_0402_16V7K
C1018 .1U_0402_16V7K
12
C1033 1U_0402_6.3V6K
C1033 1U_0402_6.3V6K
12
C1022 2.2U_0402_6.3V6M
C1022 2.2U_0402_6.3V6M
1
2
U68
G916T1UF_SOT23-5
CRT@
U68
G916T1UF_SOT23-5
CRT@
IN 1
GND 2
SHDN 3
OUT
5
BYP
4
C1024 22U_0805_6.3V6M
C1024 22U_0805_6.3V6M
12
C1029 1U_0402_6.3V6K
C1029 1U_0402_6.3V6K
12
C1020 2.2U_0402_6.3V6M
C1020 2.2U_0402_6.3V6M
1
2
C1025 1U_0402_6.3V6K
C1025 1U_0402_6.3V6K
1
2
C1023 10U_0603_6.3V6M
C1023 10U_0603_6.3V6M
1
2
7 OF 13
USOC1G
FH8065301546401_FCBGA131170
7 OF 13
USOC1G
FH8065301546401_FCBGA131170
UNCORE_VNN_S3_AC24
AC24
CORE_VSS_SENSE_N28
N28 CORE_VCC_SENSE_P28
P28
DRAM_VDD_S4_A48 A48
TP2_CORE_VCC_S0iX
AA22
UNCORE_VNN_S3_AA24
AA24
CORE_VCC_S0iX_AA27
AA27
CORE_VCC_S0iX_AA29
AA29
CORE_VCC_S0iX_AA30
AA30
UNCORE_VNN_S3_AC22
AC22
CORE_VCC_S0iX_AC27
AC27
CORE_VCC_S0iX_AC29
AC29
CORE_VCC_S0iX_AC30
AC30
UNCORE_VNN_S3_AD22
AD22
CORE_VCC_S0iX_AD27
AD27
CORE_VCC_S0iX_AD29
AD29
CORE_VCC_S0iX_AD30
AD30
DRAM_VDD_S4_AD38 AD38
UNCORE_VNN_S3_AF22
AF22 UNCORE_VNN_S3_AF24
AF24
CORE_VCC_S0iX_AF27
AF27
CORE_VCC_S0iX_AF29
AF29
DRAM_VDD_S4_AF38 AF38
UNCORE_VNN_S3_AG22
AG22
UNCORE_VNN_S3_AG24
AG24
CORE_VCC_S0iX_AG27
AG27
CORE_VCC_S0iX_AG29
AG29
CORE_VCC_S0iX_AG30
AG30
UNCORE_VNN_S3_AJ22
AJ22 UNCORE_VNN_S3_AJ24
AJ24
UNCORE_VNN_S3_AK22
AK22 UNCORE_VNN_S3_AK24
AK24 UNCORE_VNN_S3_AK25
AK25 UNCORE_VNN_S3_AK27
AK27
UNCORE_VNN_S3_AK29
AK29 UNCORE_VNN_S3_AK30
AK30 UNCORE_VNN_S3_AK32
AK32
DRAM_VDD_S4_AK38 AK38
UNCORE_VNN_S3_AM22
AM22
DRAM_VDD_S4_AM38 AM38
DRAM_VDD_S4_AV41 AV41
DRAM_VDD_S4_AV42 AV42
UNCORE_VNN_SENSE
BB8
DRAM_VDD_S4_BB46 BB46
DRAM_VDD_S4_BD49 BD49
DRAM_VDD_S4_BD52 BD52
DRAM_VDD_S4_BD53 BD53
DRAM_VDD_S4_BF44 BF44
DRAM_VDD_S4_BG51 BG51
DRAM_VDD_S4_BJ48 BJ48
DRAM_VDD_S4_C51 C51
DRAM_VDD_S4_D44 D44
DRAM_VDD_S4_F49 F49
DRAM_VDD_S4_F52 F52
DRAM_VDD_S4_F53 F53
DRAM_VDD_S4_H46 H46
DRAM_VDD_S4_M41 M41
DRAM_VDD_S4_M42 M42
CORE_VCC_S0iX_P26
P26
CORE_VCC_S0iX_P27
P27
CORE_VCC_S0iX_U27
U27
CORE_VCC_S0iX_U29
U29
CORE_VCC_S0iX_V27
V27
CORE_VCC_S0iX_V29
V29
CORE_VCC_S0iX_V30
V30
DRAM_VDD_S4_V38 V38
CORE_VCC_S0iX_Y27
Y27
CORE_VCC_S0iX_Y29
Y29
CORE_VCC_S0iX_Y30
Y30 DRAM_VDD_S4_Y38 Y38
UNCORE_V1P35_S0iX_F1_AG19 AG19
UNCORE_V1P35_S0iX_F2_AG32 AG32
UNCORE_V1P35_S0iX_F3_V36 V36
UNCORE_V1P35_S0iX_F4_U36 U36
UNCORE_V1P35_S0iX_F5_AA25 AA25
UNCORE_V1P35_S0iX_F6_AF19 AF19
ICLK_V1P35_S3_F2_AG18 AG18
ICLK_V1P35_S3_F1_AJ19 AJ19
VGA_V1P35_S3_F1_BD1 BD1
DRAM_V1P35_S0iX_F1_AD36 AD36
UNCORE_VNN_S3_AD24
AD24
C1017 1U_0402_6.3V6K
C1017 1U_0402_6.3V6K
1
2
R1084
8.06K_0402_1%
CRT@
R1084
8.06K_0402_1%
CRT@
1
2
C1182 22U_0805_6.3V6M
@
C1182 22U_0805_6.3V6M
@
12
C1179
1U_0402_6.3V6K
CRT@
C1179
1U_0402_6.3V6K
CRT@
1
2
L49 BLM15AG601SN1D_2P
L49 BLM15AG601SN1D_2P
12
C1148 10U_0603_6.3V6M@
C1148 10U_0603_6.3V6M@
12
R1085
100K_0402_1%
CRT@
R1085
100K_0402_1%
CRT@
1
2
T194
T194
C1031 1U_0402_6.3V6K
C1031 1U_0402_6.3V6K
12
R1020
100_0402_1%
R1020
100_0402_1%
1
2
R1019
100_0402_1%
R1019
100_0402_1%
1
2
JP4
JUMP_43X118
JP@
JP4
JUMP_43X118
JP@
R1017 0_0402_5%RS@ R1017 0_0402_5%RS@
12
R1018
100_0402_1%
R1018
100_0402_1%
1
2
C1027 1U_0402_6.3V6K
C1027 1U_0402_6.3V6K
12
C1028 1U_0402_6.3V6K
C1028 1U_0402_6.3V6K
1
2
C1021 2.2U_0402_6.3V6M
C1021 2.2U_0402_6.3V6M
1
2
C1019 2.2U_0402_6.3V6M
C1019 2.2U_0402_6.3V6M
1
2
C1026 1U_0402_6.3V6K
C1026 1U_0402_6.3V6K
1
2
C1030 1U_0402_6.3V6K
C1030 1U_0402_6.3V6K
12
R1087
36K_0402_5%
CRT@
R1087
36K_0402_5%
CRT@
1
2
C1181
.1U_0402_16V7K
CRT@
C1181
.1U_0402_16V7K
CRT@
1
2
JP3
JUMP_43X118
JP@
JP3
JUMP_43X118
JP@
C1147 10U_0603_6.3V6M@
C1147 10U_0603_6.3V6M@
12
C1032 1U_0402_6.3V6K
C1032 1U_0402_6.3V6K
1
2

5
5
4
4
3
3
2
2
1
1
DD
C
C
B
B
AA
58mA
325mA
50mA
35mA
65mA
10mA
33mA
2750mA
1000mA
Follow CRBv1.15
For EVT measurement
For EVT measurement
DRAM_V1P0_S0iX 1uF*4
DDI_V1P0_S0iX 1uF*4
UNCORE_V1P0_S0iX 22uF*3
1uF*2
CORE_V1P05_S3 1uF*3
PCIE_SATA_V1P0_S3 1uF*1
UNCORE_V1P0_S3 1uF*1
PCIE_V1P0_S3 1uF*1
VGA_V1P0_S3 1uF*1
USB_V1P0_S3 0.1uF*1
USB3DEV_V1P0_S3 0.01uF*1
GPIO_V1P0_S3 1uF*1
SVID_V1P0_S3 1uF*1
USB3_V1P0_G3 0.01uF*1
UNCORE_V1P0_G3 1uF*4
VGA_V3P3_S3 1uF*1
HDA_LPE_V1P5V1P8_S3 1uF*1
UNCORE_V1P8_S3 1uF*4
USB_HSIC_V1P2_G3 1uF*1
USB_V3P3_G3 0.1uF*1
USB_ULPI_V1P8_S3 1uF*1
PMC_V1P8_G3 1uF*1
PCU_V3P3_G3 1uF*1
Disable HSIC
If the USB HSIC is not used, pin V18 can be connected
to either +V1P2A or +V1P0A.
Pop when use +1.2VALW
+3VS_SOC
+3VALW_SOC
TP_CORE_V1P05_S4
+1.05VS_SOC
+1.0VALW
+1.8VALW
+3VALW
+1.5VS
+3VS
+1.0VS
+1.05VS
+1.8VS
+1.0VALW
Title
Size Document Number Rev
Date: Sheet
of
Security Classification
Compal Secret Data
THIS SHEET OF ENGINEERING DRAWING IS THE PROPRIETARY PROPERTY OF COMPAL ELECTRONICS, INC. AND CONTAINS CONFIDENTIAL
AND TRADE SECRET INFORMATION. THIS SHEET MAY NOT BE TRANSFERED FROM THE CUSTODY OF THE COMPETENT DIVISION OF R&D
DEPARTMENT EXCEPT AS AUTHORIZED BY COMPAL ELECTRONICS, INC. NEITHER THIS SHEET NOR THE INFORMATION IT CONTAINS
MAY BE USED BY OR DISCLOSED TO ANY THIRD PARTY WITHOUT PRIOR WRITTEN CONSENT OF COMPAL ELECTRONICS, INC.
Issued Date
Deciphered Date
LA-A994P
0.1
VLV-M SOC Power
B
12 43Friday, February 21, 2014
2013/04/12 2014/04/12
Compal Electronics, Inc.
Title
Size Document Number Rev
Date: Sheet of
Security Classification
Compal Secret Data
THIS SHEET OF ENGINEERING DRAWING IS THE PROPRIETARY PROPERTY OF COMPAL ELECTRONICS, INC. AND CONTAINS CONFIDENTIAL
AND TRADE SECRET INFORMATION. THIS SHEET MAY NOT BE TRANSFERED FROM THE CUSTODY OF THE COMPETENT DIVISION OF R&D
DEPARTMENT EXCEPT AS AUTHORIZED BY COMPAL ELECTRONICS, INC. NEITHER THIS SHEET NOR THE INFORMATION IT CONTAINS
MAY BE USED BY OR DISCLOSED TO ANY THIRD PARTY WITHOUT PRIOR WRITTEN CONSENT OF COMPAL ELECTRONICS, INC.
Issued Date
Deciphered Date
LA-A994P
0.1
VLV-M SOC Power
B
12 43Friday, February 21, 2014
2013/04/12 2014/04/12
Compal Electronics, Inc.
Title
Size Document Number Rev
Date: Sheet
of
Security Classification
Compal Secret Data
THIS SHEET OF ENGINEERING DRAWING IS THE PROPRIETARY PROPERTY OF COMPAL ELECTRONICS, INC. AND CONTAINS CONFIDENTIAL
AND TRADE SECRET INFORMATION. THIS SHEET MAY NOT BE TRANSFERED FROM THE CUSTODY OF THE COMPETENT DIVISION OF R&D
DEPARTMENT EXCEPT AS AUTHORIZED BY COMPAL ELECTRONICS, INC. NEITHER THIS SHEET NOR THE INFORMATION IT CONTAINS
MAY BE USED BY OR DISCLOSED TO ANY THIRD PARTY WITHOUT PRIOR WRITTEN CONSENT OF COMPAL ELECTRONICS, INC.
Issued Date
Deciphered Date
LA-A994P
0.1
VLV-M SOC Power
B
12 43Friday, February 21, 2014
2013/04/12 2014/04/12
Compal Electronics, Inc.
C1050 1U_0402_6.3V6K
C1050 1U_0402_6.3V6K
12
C1058 1U_0402_6.3V6K
C1058 1U_0402_6.3V6K
1
2
C1035 1U_0402_6.3V6K
C1035 1U_0402_6.3V6K
12
8 OF 13
USOC1H
FH8065301546401_FCBGA131170
8 OF 13
USOC1H
FH8065301546401_FCBGA131170
SVID_V1P0_S3_V32
V32
VGA_V1P0_S3_BJ6
BJ6
DRAM_V1P0_S0iX_AD35
AD35
DRAM_V1P0_S0iX_AF35
AF35
DRAM_V1P0_S0iX_AF36
AF36
DRAM_V1P0_S0iX_AA36
AA36
DRAM_V1P0_S0iX_AJ36
AJ36
DRAM_V1P0_S0iX_AK35
AK35
DRAM_V1P0_S0iX_AK36
AK36
DRAM_V1P0_S0iX_Y35
Y35
DRAM_V1P0_S0iX_Y36
Y36
DDI_V1P0_S0iX_AK19
AK19
DDI_V1P0_S0iX_AK21
AK21
DDI_V1P0_S0iX_AJ18
AJ18
DDI_V1P0_S0iX_AM16
AM16
VIS_V1P0_S0iX_AN29
AN29
VIS_V1P0_S0iX_AN30
AN30
VIS_V1P0_S0iX_V24
V24
VIS_V1P0_S0iX_Y22
Y22
VIS_V1P0_S0iX_Y24
Y24
UNCORE_V1P0_S3_AF16
AF16
UNCORE_V1P0_S3_AF18
AF18
UNCORE_V1P0_S3_Y18
Y18
UNCORE_V1P0_S3_G1
G1
PCIE_V1P0_S3_AK18
AK18
PCIE_V1P0_S3_AM18
AM18
PCIE_V1P0_S3_AM21
AM21
PCIE_V1P0_S3_AN21
AN21
USB_V1P0_S3_U19
U19
GPIO_V1P0_S3_AN25
AN25
RESERVED_F1
F1
TP_CORE_V1P05_S4_AF30
AF30
CORE_V1P0_S3_AC32 AC32
CORE_V1P0_S3_Y32 Y32
CORE_V1P05_S3_AA33 AA33
CORE_V1P05_S3_AF33 AF33
CORE_V1P05_S3_AG33 AG33
CORE_V1P05_S3_AG35 AG35
CORE_V1P05_S3_U33 U33
CORE_V1P05_S3_U35 U35
CORE_V1P05_S3_V33 V33
UNCORE_V1P8_G3_U24 U24
PCU_V1P8_G3_V25 V25
USB_V1P8_G3_N20 N20
PMU_V1P8_G3_U25 U25
UNCORE_V1P8_G3_AA18 AA18
UNCORE_V1P8_S3_AM30 AM30
UNCORE_V1P8_S3_AN32 AN32
UNCORE_V1P8_S3_U38 U38
HDA_V1P5_S3_AM32 AM32
PCU_V3P3_G3_N22 N22
USB_V3P3_G3_N18 N18
USB_V3P3_G3_P18 P18
VGA_V3P3_S3_AN24 AN24
SD3_V1P8V3P3_S3_AN27 AN27
LPC_V1P8V3P3_S3_AM27 AM27
USB_HSIC_V1P2_G3_V18 V18
VSS_AD16 AD16
VSS_AD18 AD18
UNCORE_V1P0_G3_U22
U22
UNCORE_V1P0_G3_V22
V22
UNCORE_V1P0_G3_C5
C5
UNCORE_V1P0_G3_B6
B6
USB3_V1P0_G3_Y19
Y19
USB3_V1P0_G3_C3
C3
PCIE_SATA_V1P0_S3_AN18
AN18
SATA_V1P0_S3_AN19
AN19
UNCORE_V1P0_S0iX_AF21
AF21
UNCORE_V1P0_S0iX_AG21
AG21
USB_V1P0_S3_M14
M14
USB_V1P0_S3_U18
U18
C1040 1U_0402_6.3V6K
C1040 1U_0402_6.3V6K
12
C1072 1U_0402_6.3V6K
C1072 1U_0402_6.3V6K
12
C1067 1U_0402_6.3V6K
C1067 1U_0402_6.3V6K
1
2
C1052 1U_0402_6.3V6K
C1052 1U_0402_6.3V6K
1
2
C1037 1U_0402_6.3V6K
C1037 1U_0402_6.3V6K
12
C1042 1U_0402_6.3V6K
C1042 1U_0402_6.3V6K
12
R1021
0_0402_5%
RS@
R1021
0_0402_5%
RS@
1
2
C1039 0.01U_0402_16V7K
C1039 0.01U_0402_16V7K
12
C1038 0.47U_0402_6.3V6K
C1038 0.47U_0402_6.3V6K
12
C1034 1U_0402_6.3V6K
C1034 1U_0402_6.3V6K
12
C1046 1U_0402_6.3V6K
C1046 1U_0402_6.3V6K
12
C1074 1U_0402_6.3V6K
@
C1074 1U_0402_6.3V6K
@
12
C1049 1U_0402_6.3V6K
C1049 1U_0402_6.3V6K
12
C1060 1U_0402_6.3V6K
C1060 1U_0402_6.3V6K
1
2
C1064 1U_0402_6.3V6K
C1064 1U_0402_6.3V6K
12
C1053 1U_0402_6.3V6K
C1053 1U_0402_6.3V6K
12
C1043 1U_0402_6.3V6K
C1043 1U_0402_6.3V6K
1
2
R1023 0_0603_5%
R1023 0_0603_5%
1
2
C1045 1U_0402_6.3V6K
C1045 1U_0402_6.3V6K
12
C1048 1U_0402_6.3V6K
C1048 1U_0402_6.3V6K
12
C1065 1U_0402_6.3V6K
C1065 1U_0402_6.3V6K
1
2
C1070 0.01U_0402_16V7K
C1070 0.01U_0402_16V7K
12
C1044 1U_0402_6.3V6K
C1044 1U_0402_6.3V6K
12
T195
T195
C1071 1U_0402_6.3V6K
C1071 1U_0402_6.3V6K
12
C1061 1U_0402_6.3V6K
C1061 1U_0402_6.3V6K
12
C1068 1U_0402_6.3V6K
C1068 1U_0402_6.3V6K
1
2
R1022 0_0603_5%
R1022 0_0603_5%
12
C1041 1U_0402_6.3V6K
C1041 1U_0402_6.3V6K
12
C1051 1U_0402_6.3V6K
C1051 1U_0402_6.3V6K
1
2
C1062 1U_0402_6.3V6K
C1062 1U_0402_6.3V6K
12
C1056 22U_0805_6.3V6M
C1056 22U_0805_6.3V6M
12
C1073 1U_0402_6.3V6K
C1073 1U_0402_6.3V6K
12
C1055 1U_0402_6.3V6K
C1055 1U_0402_6.3V6K
1
2
C1066 1U_0402_6.3V6K
C1066 1U_0402_6.3V6K
12
C1059 22U_0805_6.3V6M
C1059 22U_0805_6.3V6M
12
C1063 .1U_0402_16V7K
C1063 .1U_0402_16V7K
1
2
C1054 1U_0402_6.3V6K
C1054 1U_0402_6.3V6K
12
C1069 .1U_0402_16V7K
C1069 .1U_0402_16V7K
12
C1036 1U_0402_6.3V6K
C1036 1U_0402_6.3V6K
1
2
C1047 1U_0402_6.3V6K
C1047 1U_0402_6.3V6K
1
2
C1057 22U_0805_6.3V6M
C1057 22U_0805_6.3V6M
12

5
5
4
4
3
3
2
2
1
1
DD
C
C
B
B
AA
Title
Size Document Number Rev
Date: Sheet
of
Security Classification
Compal Secret Data
THIS SHEET OF ENGINEERING DRAWING IS THE PROPRIETARY PROPERTY OF COMPAL ELECTRONICS, INC. AND CONTAINS CONFIDENTIAL
AND TRADE SECRET INFORMATION. THIS SHEET MAY NOT BE TRANSFERED FROM THE CUSTODY OF THE COMPETENT DIVISION OF R&D
DEPARTMENT EXCEPT AS AUTHORIZED BY COMPAL ELECTRONICS, INC. NEITHER THIS SHEET NOR THE INFORMATION IT CONTAINS
MAY BE USED BY OR DISCLOSED TO ANY THIRD PARTY WITHOUT PRIOR WRITTEN CONSENT OF COMPAL ELECTRONICS, INC.
Issued Date
Deciphered Date
LA-A994P
0.1
VLV-M SOC GND
B
13 43Friday, February 21, 2014
2013/04/12 2014/04/12
Compal Electronics, Inc.
Title
Size Document Number Rev
Date: Sheet of
Security Classification
Compal Secret Data
THIS SHEET OF ENGINEERING DRAWING IS THE PROPRIETARY PROPERTY OF COMPAL ELECTRONICS, INC. AND CONTAINS CONFIDENTIAL
AND TRADE SECRET INFORMATION. THIS SHEET MAY NOT BE TRANSFERED FROM THE CUSTODY OF THE COMPETENT DIVISION OF R&D
DEPARTMENT EXCEPT AS AUTHORIZED BY COMPAL ELECTRONICS, INC. NEITHER THIS SHEET NOR THE INFORMATION IT CONTAINS
MAY BE USED BY OR DISCLOSED TO ANY THIRD PARTY WITHOUT PRIOR WRITTEN CONSENT OF COMPAL ELECTRONICS, INC.
Issued Date
Deciphered Date
LA-A994P
0.1
VLV-M SOC GND
B
13 43Friday, February 21, 2014
2013/04/12 2014/04/12
Compal Electronics, Inc.
Title
Size Document Number Rev
Date: Sheet of
Security Classification
Compal Secret Data
THIS SHEET OF ENGINEERING DRAWING IS THE PROPRIETARY PROPERTY OF COMPAL ELECTRONICS, INC. AND CONTAINS CONFIDENTIAL
AND TRADE SECRET INFORMATION. THIS SHEET MAY NOT BE TRANSFERED FROM THE CUSTODY OF THE COMPETENT DIVISION OF R&D
DEPARTMENT EXCEPT AS AUTHORIZED BY COMPAL ELECTRONICS, INC. NEITHER THIS SHEET NOR THE INFORMATION IT CONTAINS
MAY BE USED BY OR DISCLOSED TO ANY THIRD PARTY WITHOUT PRIOR WRITTEN CONSENT OF COMPAL ELECTRONICS, INC.
Issued Date
Deciphered Date
LA-A994P
0.1
VLV-M SOC GND
B
13 43Friday, February 21, 2014
2013/04/12 2014/04/12
Compal Electronics, Inc.
12 OF 13
USOC1L
FH8065301546401_FCBGA131170
12 OF 13
USOC1L
FH8065301546401_FCBGA131170
VSS_BF30
BF30
VSS_BF36
BF36
VSS_BF4
BF4
VSS_BG31
BG31
VSS_BG34
BG34
VSS_BG42
BG42 VSS_BG39
BG39
VSS_BG49
BG49 VSS_BG45
BG45
VSS_BJ11
BJ11
VSS_BJ19
BJ19
VSS_BJ15
BJ15
VSS_BJ47
BJ47
VSS_C14
C14
VSS_C31
C31
VSS_C34
C34
VSS_C42
C42 VSS_C39
C39
VSS_C45
C45
VSS_C49
C49
VSS_D12
D12
VSS_D16
D16
VSS_D24
D24
VSS_D30
D30
VSS_D36
D36
VSS_D38
D38
VSS_E35
E35 VSS_E19
E19
VSS_F35 F35
VSS_F7 F7
VSS_F5 F5
VSS_G10 G10
VSS_G22 G22
VSS_G20 G20
VSS_G26 G26
VSS_G28 G28
VSS_G32 G32
VSS_G42 G42
VSS_G34 G34
VSS_H27 H27
VSS_H19 H19
VSS_H35 H35
VSS_J1 J1
VSS_J16 J16
VSS_J19 J19
VSS_J27 J27
VSS_J22 J22
VSS_J32 J32
VSS_J35 J35
VSS_J40 J40
VSS_J53 J53
VSS_K14 K14
VSS_K22 K22
VSS_K32 K32
VSS_K36 K36
VSS_K50 K50
VSS_K4 K4
VSS_BJ7
BJ7
VSS_BJ43
BJ43 VSS_BJ39
BJ39 VSS_BJ35
BJ35
VSS_BJ31
BJ31 VSS_BJ27
BJ27
VSS_BJ23
BJ23
VSS_F30 F30
VSS_F27 F27
VSS_F24 F24
VSS_F2 F2
VSS_F19 F19
VSS_E8 E8
10 OF 13
USOC1J
FH8065301546401_FCBGA131170
10 OF 13
USOC1J
FH8065301546401_FCBGA131170
VSS_AH41
AH41
VSS_AH4
AH4 VSS_AG38
AG38
VSS_AM40
AM40
VSS_M28
M28
VSS_AM36
AM36 VSS_AM35
AM35 VSS_AM33
AM33
VSS_AM29
AM29 VSS_AM25
AM25
VSS_AM24
AM24 VSS_AM19
AM19 VSS_AM12
AM12
VSS_AK41
AK41
VSS_AK44
AK44
VSS_AK33
AK33
VSS_AK16
AK16 VSS_AK14
AK14 VSS_AK10
AK10
VSS_AJ38
AJ38
VSS_AJ53
AJ53
VSS_AJ33
AJ33
VSS_AJ35
AJ35
VSS_AJ32
AJ32 VSS_AJ30
AJ30 VSS_AJ3
AJ3
VSS_AJ27
AJ27
VSS_AJ29
AJ29
VSS_AJ25
AJ25
VSS_AJ16
AJ16
VSS_AJ21
AJ21
VSS_AH9
AH9
VSS_AJ1
AJ1
VSS_AH7
AH7 VSS_AH45
AH45
VSS_AT16 AT16
VSS_AT19 AT19
VSS_AT12 AT12
VSS_AP40 AP40
VSS_AN9 AN9
VSS_AN8 AN8
VSS_AN6 AN6
VSS_AN53 AN53
VSS_AN51 AN51
VSS_AN5 AN5
VSS_AN48 AN48
VSS_AN49 AN49
VSS_AN46 AN46
VSS_AN45 AN45
VSS_AN43 AN43
VSS_AN42 AN42
VSS_AN38 AN38
VSS_AN40 AN40
VSS_AN35 AN35
VSS_AN36 AN36
VSS_AN33 AN33
VSS_AN3 AN3
VSS_AN22 AN22
VSS_AN12 AN12
VSS_AN14 AN14
VSS_AN11 AN11
VSS_AM7 AM7
VSS_AN1 AN1
VSS_AM44 AM44
VSS_AM51 AM51
VSS_AH6 AH6
VSS_AH51 AH51
VSS_AH50 AH50
VSS_AH48 AH48
VSS_AH47 AH47
9 OF 13
USOC1I
FH8065301546401_FCBGA131170
9 OF 13
USOC1I
FH8065301546401_FCBGA131170
VSS_A11
A11
VSS_A15
A15
VSS_A19
A19
VSS_A23
A23
VSS_A27
A27
VSS_A31
A31
VSS_A35
A35
VSS_A43
A43 VSS_A39
A39
VSS_A47
A47
VSS_AA16
AA16 VSS_AA1
AA1
VSS_AA3
AA3
VSS_AA21
AA21 VSS_AA19
AA19
VSS_AA32
AA32
VSS_AA35
AA35
VSS_AA53
AA53 VSS_AA38
AA38
VSS_AB10
AB10
VSS_AB4
AB4
VSS_AB41
AB41
VSS_AB45
AB45
VSS_AB47
AB47
VSS_AB48
AB48
VSS_AB51
AB51
VSS_AB50
AB50
VSS_AB6
AB6
VSS_AC16
AC16
VSS_AC18
AC18
VSS_AC19
AC19
VSS_AC21
AC21
VSS_AC25
AC25
VSS_AC33
AC33
VSS_AC35
AC35
VSS_AC38 AC38
VSS_AC36 AC36
VSS_AD19 AD19
VSS_AD21 AD21
VSS_AD32 AD32
VSS_AD33 AD33
VSS_AD7 AD7
VSS_AD47 AD47
VSS_AE1 AE1
VSS_AE12 AE12
VSS_AE11 AE11
VSS_AE4 AE4
VSS_AE3 AE3
VSS_AE14 AE14
VSS_AE40 AE40
VSS_AE42 AE42
VSS_AE43 AE43
VSS_AE45 AE45
VSS_AE46 AE46
VSS_AE48 AE48
VSS_AE50 AE50
VSS_AE51 AE51
VSS_AE53 AE53
VSS_AE6 AE6
VSS_AE9 AE9
VSS_AE8 AE8
VSS_AF10 AF10
VSS_AF12 AF12
VSS_AF25 AF25
VSS_AF32 AF32
VSS_AF47 AF47
VSS_AG16 AG16
VSS_AG25 AG25
VSS_AG36 AG36
VSS_A3
A3 VSS_A49
A49 VSS_A5
A5
VSS_A51
A51 VSS_A52
A52 VSS_A6
A6
VSS_B2
B2 VSS_B52 B52
VSS_B53 B53
VSS_BE1 BE1
VSS_BE53 BE53
VSS_BG1 BG1
VSS_BG53
BG53
VSS_BH1
BH1 VSS_BH2
BH2 VSS_BH52
BH52
VSS_BH53
BH53
VSS_BJ2 BJ2
VSS_BJ3 BJ3
VSS_BJ5 BJ5
VSS_BJ49 BJ49
VSS_BJ51 BJ51
VSS_BJ52 BJ52
VSS_C1 C1
VSS_C53 C53
VSS_E1 E1
VSS_E53
E53
VSSA_AN16
AN16
USB_VSSA_U16
U16
VSS_AD25 AD25
13 OF 13
USOC1M
FH8065301546401_FCBGA131170
13 OF 13
USOC1M
FH8065301546401_FCBGA131170
VSS_L13
L13
VSS_L19
L19
VSS_L27
L27
VSS_M26
M26
VSS_M34
M34 VSS_M27
M27
VSS_M35
M35
VSS_M47
M47
VSS_M38
M38
VSS_M51
M51
VSS_N1
N1
VSS_N16
N16
VSS_N51
N51 VSS_N38
N38
VSS_P16
P16
VSS_P13
P13
VSS_P19
P19
VSS_P20
P20
VSS_P24
P24
VSS_P32
P32
VSS_P38
P38
VSS_P35
P35
VSS_P4
P4
VSS_P47
P47
VSS_P52
P52
VSS_P9
P9
VSS_T40
T40
VSS_U1
U1
VSS_U11
U11
VSS_U12
U12
VSS_U21
U21
VSS_U14
U14
VSS_U3 U3
VSS_U30 U30
VSS_U42 U42
VSS_U45 U45
VSS_U43 U43
VSS_U46 U46
VSS_U51 U51
VSS_U5 U5
VSS_U53 U53
VSS_U6 U6
VSS_U8 U8
VSS_V12 V12
VSS_U9 U9
VSS_V19 V19
VSS_V16 V16
VSS_V21 V21
VSS_V35 V35
VSS_V40 V40
VSS_V44 V44
VSS_V7 V7
VSS_V51 V51
VSS_Y10 Y10
VSS_Y14 Y14
VSS_Y16 Y16
VSS_Y21 Y21
VSS_Y25 Y25
VSS_Y33 Y33
VSS_Y41 Y41
VSS_Y44 Y44
VSS_Y9 Y9
VSS_Y7 Y7
VSS_L35
L35
VSS_M19
M19
VSS_U48 U48
VSS_U49 U49
VSS_K9
K9
VSS_U40 U40
VSS_U32 U32
11 OF 13
USOC1K
FH8065301546401_FCBGA131170
11 OF 13
USOC1K
FH8065301546401_FCBGA131170
VSS_AT24
AT24
VSS_AT27
AT27
VSS_AT30
AT30
VSS_AT35
AT35
VSS_AT38
AT38
VSS_AT47
AT47 VSS_AT4
AT4
VSS_AU1
AU1
VSS_AT52
AT52
VSS_AU24
AU24
VSS_AU30
AU30
VSS_AU3
AU3
VSS_AU38
AU38
VSS_AU51
AU51
VSS_AV12
AV12
VSS_AV14
AV14 VSS_AV13
AV13
VSS_AV19
AV19 VSS_AV18
AV18
VSS_AV24
AV24
VSS_AV27
AV27
VSS_AV30
AV30
VSS_AV35
AV35
VSS_AV47
AV47 VSS_AV38
AV38
VSS_AV51
AV51
VSS_AV7
AV7
VSS_AW27
AW27
VSS_AW35
AW35
VSS_AY10
AY10
VSS_AY32
AY32 VSS_AY22
AY22 VSS_BF24 BF24
VSS_BF38 BF38
VSS_BF16 BF16
VSS_BF12 BF12
VSS_BE8 BE8
VSS_BE35 BE35
VSS_BE2 BE2
VSS_BE19 BE19
VSS_BD35 BD35
VSS_BD30 BD30
VSS_BD24 BD24
VSS_BD27 BD27
VSS_BD19 BD19
VSS_BC42 BC42
VSS_BC34 BC34
VSS_BC32 BC32
VSS_BC26 BC26
VSS_BC28 BC28
VSS_BC20 BC20
VSS_BC22 BC22
VSS_BB35 BB35
VSS_BB27 BB27
VSS_BB19 BB19
VSS_BA40 BA40
VSS_BA53 BA53
VSS_BA35 BA35
VSS_BA27 BA27
VSS_BA32 BA32
VSS_BA19 BA19
VSS_BA22 BA22
VSS_BA14 BA14
VSS_AY9 AY9
VSS_AY50 AY50
VSS_AY4 AY4
VSS_AY36 AY36
VSS_AW13
AW13
VSS_AW19
AW19
VSS_AW3
AW3

5
5
4
4
3
3
2
2
1
1
DD
C
C
B
B
AA
TDO Close To XDP Conn >250 mil
XDP-SFF-26Pin
0927:for ESD request
XDP_H_TDO
XDP_H_PREQ_BUF#
XDP_RSTBTN#
XDP_H_PREQ_BUF#
EC_RSMRST#
PMC_CORE_PWROK
PMC_PLTRST#
XDP_RSTBTN#
XDP_H_TDO
XDP_H_TRST#
XDP_H_TRST#
PMC_PLTRST#
PMC_CORE_PWROK
XDP_H_PREQ_BUF#9
EC_RSMRST#26,9
PMC_CORE_PWROK26,9
PMC_PLTRST#9
XDP_RSTBTN#9
XDP_H_TDO9
XDP_H_TRST#9
+1.8VALW
+1.8VALW
+1.8VALW
+1.8VS
Title
Size Document Number Rev
Date: Sheet of
Security Classification
Compal Secret Data
THIS SHEET OF ENGINEERING DRAWING IS THE PROPRIETARY PROPERTY OF COMPAL ELECTRONICS, INC. AND CONTAINS CONFIDENTIAL
AND TRADE SECRET INFORMATION. THIS SHEET MAY NOT BE TRANSFERED FROM THE CUSTODY OF THE COMPETENT DIVISION OF R&D
DEPARTMENT EXCEPT AS AUTHORIZED BY COMPAL ELECTRONICS, INC. NEITHER THIS SHEET NOR THE INFORMATION IT CONTAINS
MAY BE USED BY OR DISCLOSED TO ANY THIRD PARTY WITHOUT PRIOR WRITTEN CONSENT OF COMPAL ELECTRONICS, INC.
Issued Date
Deciphered Date
LA-A994P
0.1
VLV-M SOC Debug
B
14 43Friday, February 21, 2014
2013/04/12 2014/04/12
Compal Electronics, Inc.
Title
Size Document Number Rev
Date: Sheet of
Security Classification
Compal Secret Data
THIS SHEET OF ENGINEERING DRAWING IS THE PROPRIETARY PROPERTY OF COMPAL ELECTRONICS, INC. AND CONTAINS CONFIDENTIAL
AND TRADE SECRET INFORMATION. THIS SHEET MAY NOT BE TRANSFERED FROM THE CUSTODY OF THE COMPETENT DIVISION OF R&D
DEPARTMENT EXCEPT AS AUTHORIZED BY COMPAL ELECTRONICS, INC. NEITHER THIS SHEET NOR THE INFORMATION IT CONTAINS
MAY BE USED BY OR DISCLOSED TO ANY THIRD PARTY WITHOUT PRIOR WRITTEN CONSENT OF COMPAL ELECTRONICS, INC.
Issued Date
Deciphered Date
LA-A994P
0.1
VLV-M SOC Debug
B
14 43Friday, February 21, 2014
2013/04/12 2014/04/12
Compal Electronics, Inc.
Title
Size Document Number Rev
Date: Sheet
of
Security Classification
Compal Secret Data
THIS SHEET OF ENGINEERING DRAWING IS THE PROPRIETARY PROPERTY OF COMPAL ELECTRONICS, INC. AND CONTAINS CONFIDENTIAL
AND TRADE SECRET INFORMATION. THIS SHEET MAY NOT BE TRANSFERED FROM THE CUSTODY OF THE COMPETENT DIVISION OF R&D
DEPARTMENT EXCEPT AS AUTHORIZED BY COMPAL ELECTRONICS, INC. NEITHER THIS SHEET NOR THE INFORMATION IT CONTAINS
MAY BE USED BY OR DISCLOSED TO ANY THIRD PARTY WITHOUT PRIOR WRITTEN CONSENT OF COMPAL ELECTRONICS, INC.
Issued Date
Deciphered Date
LA-A994P
0.1
VLV-M SOC Debug
B
14 43Friday, February 21, 2014
2013/04/12 2014/04/12
Compal Electronics, Inc.
R1026 51_0402_5%
XDP@
R1026 51_0402_5%
XDP@
12
C1170
.1U_0402_16V7K
ESD@
C1170
.1U_0402_16V7K
ESD@
12
R1025
1K_0402_5%
@
R1025
1K_0402_5%
@
12
C1167
.1U_0402_16V7K
ESD@
C1167
.1U_0402_16V7K
ESD@
12
C1176
0.047U_0402_25V7K
@ESD@
C1176
0.047U_0402_25V7K
@ESD@
12
R1031
1K_0402_5%
@
R1031
1K_0402_5%
@
1
2
R1024
200_0402_5%
XDP@
R1024
200_0402_5%
XDP@
1
2
C1075
.1U_0402_16V7K
XDP@
C1075
.1U_0402_16V7K
XDP@
12

A
A
B
B
C
C
D
D
E
E
1
1
2
2
33
4
4
All VREF traces should
have 10 mil trace width
Layout Note:
Place near JDIMM1.203,204
<Address: SA1:SA0=00 (A0H)>
DIMM_1 STD H:4mm
Channel A
Signal voltage level = 0.675 V
PLACE TWO 4.7K RESISTORS CLOSE TO
DIMMS ON DIMM_VREF_CA / DIMM_VREF_DQ
Decoupling caps are needed; one 0.1 µF placed close to VREF pins of each DDR3 SODIMM.
Layout Note:
Place near JDIMM1
Layout Note:
Place near JDIMM1.203,204
Layout Note:
Place near JDIMM1
R1027, R1028 close to +DDR_A_VREF_DQ
L
R1029, R1030 close to +DDR_A_VREF_CA
VTT DG spec
1uFX4
10uFX2
VDD DG spec
0.1uFX4
10uFX2
330uFX2
DDR_A_MA2
DDR_A_MA0
DDR_A_MA4
DDR_A_MA6
DDR_A_MA7
DDR_A_MA11
DDR_A_MA14
DDR_A_MA15
DDR_A_MA1
DDR_A_MA3
DDR_A_MA5
DDR_A_MA8
DDR_A_MA9
DDR_A_MA10
DDR_A_MA12
DDR_A_MA13
DDR_A_D21
DDR_A_D20
DDR_A_D17
DDR_A_D16
DDR_A_D33
DDR_A_D34
DDR_A_D38
DDR_A_D62
DDR_A_D58
DDR_A_D60
DDR_A_D61
DDR_A_DQS4
DDR_A_DQS#4
DDR_A_D36
DDR_A_D13
DDR_A_D14
DDR_A_D8
DDR_A_D10
DDR_A_D29
DDR_A_D30
DDR_A_D31
DDR_A_D43
DDR_A_D47
DDR_A_D49
DDR_A_D48
DDR_A_DQS3
DDR_A_DQS5
DDR_A_DQS#3
DDR_A_DQS#5
DDR_A_D41
DDR_A_D28
DDR_A_D44
DDR_A_D50
DDR_A_D51
DDR_A_D19
DDR_A_D22
DDR_A_D37
DDR_A_D32
DDR_A_D39
DDR_A_D63
DDR_A_D59
DDR_A_D56
DDR_A_DQS2
DDR_A_DQS7
DDR_A_DQS#2
DDR_A_DQS#7
DDR_A_D57
DDR_A_D35
DDR_A_D23
DDR_A_D18
DDR_A_D9
DDR_A_D12
DDR_A_D15
DDR_A_D11
DDR_A_D40
DDR_A_D52
DDR_A_D53
DDR_A_DQS1
DDR_A_DQS6
DDR_A_DQS#1
DDR_A_DQS#6
DDR_A_D46
DDR_A_D55
DDR_A_D24
DDR_A_D45
DDR_A_D54
DDR_A_D27
DDR_A_D26
DDR_A_D25
DDR_A_D42
DDR_A_DM0
DDR_A_DM1
DDR_A_DM3
DDR_A_DM2
DDR_A_DM4
DDR_A_DM6
DDR_A_DM5
DDR_A_DM7
DDR_A_D0
DDR_A_D2 DDR_A_D6
DDR_A_DQS0
DDR_A_DQS#0
DDR_A_D1
DDR_A_D5
DDR_A_D4
DDR_A_D7
DDR_A_D3
DDR_A_RST#
DDR_A_CS0# 6
DDR_A_CLK2 6
DDR_A_CLK2# 6
DDR_A_CKE2 6
DDR_A_RST# 6
DDR_A_BS1 6
DDR_A_RAS# 6
DDR_A_BS26
DDR_A_CAS#6
DDR_A_WE#6
DDR_A_BS06
DDR_A_CS2#6
DDR_A_CKE06
DDR_A_CLK0#6
DDR_A_CLK06
DDR_A_ODT0 6
DDR_A_ODT2 6
DDR_A_DQS#[0..7] 6
DDR_A_DQS[0..7] 6
DDR_A_D[0..63] 6
DDR_A_MA[0..15] 6
DDR_A_DM[0..7] 6
EC_SMB_CK2 10,16,26
EC_SMB_DA2 10,16,26
+1.35V
+DDR_A_VREF_DQ
+DDR_A_VREF_DQ
+1.35V +DDR_A_VREF_CA
+DDR_A_VREF_CA
+3VS
+0.675VS
+0.675VS
+0.675VS
+1.35V +1.35V
+1.35V
+1.35V
+1.35V
+0.675VS
Title
Size Document Number Rev
Date: Sheet of
Security Classification
Compal Secret Data
THIS SHEET OF ENGINEERING DRAWING IS THE PROPRIETARY PROPERTY OF COMPAL ELECTRONICS, INC. AND CONTAINS CONFIDENTIAL
AND TRADE SECRET INFORMATION. THIS SHEET MAY NOT BE TRANSFERED FROM THE CUSTODY OF THE COMPETENT DIVISION OF R&D
DEPARTMENT EXCEPT AS AUTHORIZED BY COMPAL ELECTRONICS, INC. NEITHER THIS SHEET NOR THE INFORMATION IT CONTAINS
MAY BE USED BY OR DISCLOSED TO ANY THIRD PARTY WITHOUT PRIOR WRITTEN CONSENT OF COMPAL ELECTRONICS, INC.
Issued Date
Deciphered Date
LA-A994P
0.1
DDR3L DIMMA
C
15 43Friday, February 21, 2014
2013/04/12 2014/04/12
Compal Electronics, Inc.
Title
Size Document Number Rev
Date: Sheet
of
Security Classification
Compal Secret Data
THIS SHEET OF ENGINEERING DRAWING IS THE PROPRIETARY PROPERTY OF COMPAL ELECTRONICS, INC. AND CONTAINS CONFIDENTIAL
AND TRADE SECRET INFORMATION. THIS SHEET MAY NOT BE TRANSFERED FROM THE CUSTODY OF THE COMPETENT DIVISION OF R&D
DEPARTMENT EXCEPT AS AUTHORIZED BY COMPAL ELECTRONICS, INC. NEITHER THIS SHEET NOR THE INFORMATION IT CONTAINS
MAY BE USED BY OR DISCLOSED TO ANY THIRD PARTY WITHOUT PRIOR WRITTEN CONSENT OF COMPAL ELECTRONICS, INC.
Issued Date
Deciphered Date
LA-A994P
0.1
DDR3L DIMMA
C
15 43Friday, February 21, 2014
2013/04/12 2014/04/12
Compal Electronics, Inc.
Title
Size Document Number Rev
Date: Sheet of
Security Classification
Compal Secret Data
THIS SHEET OF ENGINEERING DRAWING IS THE PROPRIETARY PROPERTY OF COMPAL ELECTRONICS, INC. AND CONTAINS CONFIDENTIAL
AND TRADE SECRET INFORMATION. THIS SHEET MAY NOT BE TRANSFERED FROM THE CUSTODY OF THE COMPETENT DIVISION OF R&D
DEPARTMENT EXCEPT AS AUTHORIZED BY COMPAL ELECTRONICS, INC. NEITHER THIS SHEET NOR THE INFORMATION IT CONTAINS
MAY BE USED BY OR DISCLOSED TO ANY THIRD PARTY WITHOUT PRIOR WRITTEN CONSENT OF COMPAL ELECTRONICS, INC.
Issued Date
Deciphered Date
LA-A994P
0.1
DDR3L DIMMA
C
15 43Friday, February 21, 2014
2013/04/12 2014/04/12
Compal Electronics, Inc.
C112 10U_0603_6.3V6M
C112 10U_0603_6.3V6M
12
C1078
.1U_0402_16V7K
C1078
.1U_0402_16V7K
1
2
CD30
1U_0402_6.3V6K
@
CD30
1U_0402_6.3V6K
@
1
2
CD3
10U_0603_6.3V6M
@
CD3
10U_0603_6.3V6M
@
1
2
JDIMM1
FOX_AS0A626-U4R6-7H
CONN@
JDIMM1
FOX_AS0A626-U4R6-7H
CONN@
VREF-DQ
1
VSS2
3
DQ0
5
DQ1
7
VSS4
9
DM0
11
VSS5
13
DQ2
15
DQ3
17
VSS7
19
DQ8
21
DQ9
23
VSS9
25
VSS11
31
DQ10
33
DQ11
35
VSS13
37
DQ16
39
DQ17
41
VSS15
43
DQS2#
45
DQS2
47
VSS18
49
DQ18
51
DQ19
53
VSS20
55
DQ24
57
DQ25
59
VSS22
61
DM3
63
VSS23
65
DQ26
67
DQ27
69
VSS25
71
CKE0
73
VDD1
75
NC1
77
BA2
79
VDD3
81
A12/BC#
83
A9
85
A8
89
A5
91
VDD7
93
A3
95
A1
97
VDD9
99
CK0
101
CK0#
103
VDD11
105
A10/AP
107
BA0
109
VDD13
111
WE#
113
CAS#
115
VDD15
117
A13
119
S1#
121
VDD17
123
TEST
125
VSS27
127
DQ32
129
DQ33
131
VSS29
133
DQS4#
135
DQS4
137
VSS32
139
DQ34
141
DQ35
143
VSS34
145
DQ40
147
DQ41
149
VSS36
151
DM5
153
VSS37
155
DQ42
157
DQ43
159
VSS39
161
DQ48
163
DQ49
165
VSS41
167
DQS6#
169
DQS6
171
VSS44
173
DQ50
175
DQ51
177
VSS46
179
DQ56
181
DQ57
183
VSS48
185
DM7
187
VSS49
189
DQ58
191
DQ59
193
VSS51
195
SA0
197
VDD-SPD
199
SA1
201
VTT1
203
VSS1 2
DQ4 4
DQ5 6
VSS3 8
DQS0# 10
DQS0 12
VSS6 14
DQ6 16
DQ7 18
VSS8 20
DQ12 22
DQ13 24
VSS10 26
DM1 28
RESET# 30
VSS12 32
DQ14 34
DQ15 36
VSS14 38
DQ20 40
DQ21 42
VSS16 44
DM2 46
DQ22 50
DQ23 52
VSS19 54
DQ28 56
DQ29 58
VSS21 60
DQS3# 62
DQS3 64
VSS24 66
DQ30 68
DQ31 70
VSS26 72
CKE1 74
VDD2 76
A15 78
A14 80
VDD4 82
A11 84
A7 86
VDD6 88
A6 90
A4 92
VDD8 94
A2 96
A0 98
VDD10 100
CK1 102
CK1# 104
VDD12 106
BA1 108
RAS# 110
VDD14 112
S0# 114
ODT0 116
VDD16 118
ODT1 120
NC2 122
VDD18 124
VREF-CA 126
VSS28 128
DQ36 130
DQ37 132
VSS30 134
DM4 136
VSS31 138
DQ38 140
DQ39 142
VSS33 144
DQ44 146
DQ45 148
VSS35 150
DQS5# 152
DQS5 154
VSS38 156
DQ46 158
DQ47 160
VSS40 162
DQ52 164
DQ53 166
VSS42 168
DM6 170
VSS43 172
DQ54 174
DQ55 176
VSS45 178
DQ60 180
DQ61 182
VSS47 184
DQS7# 186
DQS7 188
VSS50 190
DQ62 192
DQ63 194
VSS52 196
EVENT# 198
SDA 200
SCL 202
VTT2 204
VDD5
87
DQS1
29 DQS1#
27
VSS17 48
NC3
207 NC4 208
GND1
205 GND2 206
R1028
4.7K_0402_1%
R1028
4.7K_0402_1%
12
R1030
4.7K_0402_1%
R1030
4.7K_0402_1%
1
2
CD8
10U_0603_6.3V6M
@
CD8
10U_0603_6.3V6M
@
1
2
R1029
4.7K_0402_1%
R1029
4.7K_0402_1%
12
CD15
.1U_0402_16V7K
@
CD15
.1U_0402_16V7K
@
1
2
CD27
10U_0603_6.3V6M
@
CD27
10U_0603_6.3V6M
@
1
2
R211
0_0402_5%
RS@
R211
0_0402_5%
RS@
1
2
R213
0_0402_5%
RS@
R213
0_0402_5%
RS@
12
CD4
10U_0603_6.3V6M
@
CD4
10U_0603_6.3V6M
@
1
2
C111 10U_0603_6.3V6M
C111 10U_0603_6.3V6M
12
CD17
.1U_0402_16V7K
@
CD17
.1U_0402_16V7K
@
1
2
CD19
.1U_0402_16V7K
@
CD19
.1U_0402_16V7K
@
1
2
C110 .1U_0402_16V7K
C110 .1U_0402_16V7K
12
C127 1U_0402_6.3V6K
C127 1U_0402_6.3V6K
12
C109 .1U_0402_16V7K
C109 .1U_0402_16V7K
1
2
CD21
.1U_0402_16V7K
@
CD21
.1U_0402_16V7K
@
1
2
CD5
10U_0603_6.3V6M
@
CD5
10U_0603_6.3V6M
@
1
2
C164 .1U_0402_16V7K
C164 .1U_0402_16V7K
12
C116 .1U_0402_16V7K
C116 .1U_0402_16V7K
1
2
CD31
1U_0402_6.3V6K
@
CD31
1U_0402_6.3V6K
@
1
2
CD9
10U_0603_6.3V6M
@
CD9
10U_0603_6.3V6M
@
1
2
C115 .1U_0402_16V7K
C115 .1U_0402_16V7K
12
C129 1U_0402_6.3V6K
C129 1U_0402_6.3V6K
12
CD28
10U_0603_6.3V6M
@
CD28
10U_0603_6.3V6M
@
1
2
C113 10U_0603_6.3V6M
C113 10U_0603_6.3V6M
12
R1027
4.7K_0402_1%
R1027
4.7K_0402_1%
1
2
CD10
10U_0603_6.3V6M
@
CD10
10U_0603_6.3V6M
@
1
2
C107 .1U_0402_16V7K
C107 .1U_0402_16V7K
12
C108 .1U_0402_16V7K
C108 .1U_0402_16V7K
1
2
C119 .1U_0402_16V7K
C119 .1U_0402_16V7K
12
CD16
.1U_0402_16V7K
@
CD16
.1U_0402_16V7K
@
1
2
CD32
1U_0402_6.3V6K
@
CD32
1U_0402_6.3V6K
@
1
2
CD6
10U_0603_6.3V6M
@
CD6
10U_0603_6.3V6M
@
1
2
C1077
.1U_0402_16V7K
@ESD@
C1077
.1U_0402_16V7K
@ESD@
12
C114 10U_0603_6.3V6M
C114 10U_0603_6.3V6M
12
C1076
.1U_0402_16V7K
C1076
.1U_0402_16V7K
1
2
CD29
1U_0402_6.3V6K
@
CD29
1U_0402_6.3V6K
@
1
2
CD20
.1U_0402_16V7K
@
CD20
.1U_0402_16V7K
@
1
2
CD18
.1U_0402_16V7K
@
CD18
.1U_0402_16V7K
@
1
2
C120 10U_0603_6.3V6M
C120 10U_0603_6.3V6M
12
C128
.1U_0402_16V7K
C128
.1U_0402_16V7K
1
2
CD7
10U_0603_6.3V6M
@
CD7
10U_0603_6.3V6M
@
1
2
CD22
.1U_0402_16V7K
@
CD22
.1U_0402_16V7K
@
1
2

5
5
4
4
3
3
2
2
1
1
D
D
C
C
BB
A
A
PIN15
2132S
2132R +LCD_VDD *
* Version R internal Power Switch, can
output 1A, Rds(on)=0.2 ohm
TL_ENVDD
2132R
3.3V
1.5~3.3V
* Version R has internal level shifter, remove
level shifter circuit on AMD platform
1. Support LDO mode and SWR mode
2. Internal ROM
3. Support LCD_VDD(internal Power switch)
4. Integrates Level shifter
Different between 2132S and 2132R
Accept voltage input (high level)PIN16
2132S
2132S 2132R
1. Support SWR mode
40mil
40mil
40mil
40mil
40mil
100mil
80mil 40mil
Close to Pin15
Close to Panel conn.
PIN30 PIN31
LDO
Use 0 ohm
mount LT7Do not support
2132R
2132S
SWR
SWR / LDO Mode select
If use 2132R, please select LDO mode as default. ※
※※
※
mount LT7
80mil
80mil
〈
〈
〈
〈※
※※
※〉
〉〉
〉
※
※※
※
EP mode : PIN 30 4.7k pull high, Pin 31 4.7k pull low.
EEPROM : PIN 30 4.7k pull high, Pin 31 4.7k pull high.
<EC CTRL>
<RTS2132> <LVDS Panel>
PD 100K on LVDS page
80ml trace width
0918 Q3B D,S swap.
<CPU to Translator>
<eDP panel> ==>
<LVDS panel> ==>
1
<Translator to Conn>
3
4
CC103~106 close JLVDS <1000mil
LCD_EDID_DATA
LCD_EDID_CLK
LCD_EDID_DATA
MIIC_SDA
MIIC_SCL
INVT_PWM
EDP_CPU_R_AUX#
EDP_CPU_R_AUX
EDP_CPU_R_LANE_N0
EDP_CPU_R_LANE_P0
+SWR_VDD
+DP_V33
+SWR_V12
+SWR_LX
+DP_ENVDD
MIIC_SDA MIIC_SCL
+SWR_VDD
TS_BKOFF#
+DP_V33
+SWR_V12
EDP_CPU_AUX
EDP_CPU_LANE_N0
EDP_CPU_LANE_P0
EDP_CPU_AUX#
DP_INT_PWM
+DP_ENVDD
LCD_EDID_CLK
EDP_HPD_TS
EDP_HPD_TS
EC_BKOFF#
LCD_EDID_DATA
LVDS_R_TXN2
LVDS_R_TXP2
LCD_EDID_CLK
INVT_PWM DP_INT_PWM
EDP_HPD_TS
LCD_DATA
LCD_CLK
EDP_AUX#
EDP_AUX
EDP_CPU_R_LANE_N0
EDP_CPU_R_LANE_P0
EDP_CPU_R_AUX#
EDP_CPU_R_AUX
EDP_CPU_LANE_N0
EDP_CPU_LANE_P0
EDP_CPU_AUX#
EDP_CPU_AUX
EDP_CPU_LANE_N0
EDP_CPU_LANE_P0
EDP_CPU_AUX
EDP_CPU_AUX#
EDP_LANE_N0
EDP_LANE_P0
EDP_AUX#
EDP_AUX
TS_BKOFF#
LCD_DATA
LVDS_TXN2
LVDS_TXP2
LCD_CLK
LVDS_R_TXN2
LVDS_R_TXP2
EDP_LANE_P0 LVDS_TXP2
LVDS_TXN2
EDP_LANE_N0
DP_INT_PWM 17
+DP_ENVDD 17
EDP_TXP07
EDP_AUXN7
EDP_AUXP7
INVT_PWM 7
EDP_TXN07
BKOFF#26
EC_TS_BKOFF# 17
EC_SMB_DA210,15,26
EC_SMB_CK210,15,26
EDP_HPD#7
EDP_HPD 17
LVDS_TXN2 17
LVDS_TXP2 17
LCD_CLK 17
LCD_DATA 17
LVDS_TXN1 17
LVDS_TXP0 17
LVDS_TXN0 17
LVDS_TXP1 17
LVDS_CLKN 17
LVDS_CLKP 17
+3VS_RT +3VS_RT
+3VS_RT
+3VS
+3VS_RT
+LCDVDD
+3VS_RT
+3VS
+1.8VS
Title
Size Document Number Rev
Date: Sheet of
Security Classification
Compal Secret Data
THIS SHEET OF ENGINEERING DRAWING IS THE PROPRIETARY PROPERTY OF COMPAL ELECTRONICS, INC. AND CONTAINS CONFIDENTIAL
AND TRADE SECRET INFORMATION. THIS SHEET MAY NOT BE TRANSFERED FROM THE CUSTODY OF THE COMPETENT DIVISION OF R&D
DEPARTMENT EXCEPT AS AUTHORIZED BY COMPAL ELECTRONICS, INC. NEITHER THIS SHEET NOR THE INFORMATION IT CONTAINS
MAY BE USED BY OR DISCLOSED TO ANY THIRD PARTY WITHOUT PRIOR WRITTEN CONSENT OF COMPAL ELECTRONICS, INC.
Issued Date
Deciphered Date
2015/3/1
LA-A992P
2013/3/1
Compal Electronics, Inc.
4316
0.1
LVDS Translator-RTD2132R
Friday, February 21, 2014
Title
Size Document Number Rev
Date: Sheet
of
Security Classification
Compal Secret Data
THIS SHEET OF ENGINEERING DRAWING IS THE PROPRIETARY PROPERTY OF COMPAL ELECTRONICS, INC. AND CONTAINS CONFIDENTIAL
AND TRADE SECRET INFORMATION. THIS SHEET MAY NOT BE TRANSFERED FROM THE CUSTODY OF THE COMPETENT DIVISION OF R&D
DEPARTMENT EXCEPT AS AUTHORIZED BY COMPAL ELECTRONICS, INC. NEITHER THIS SHEET NOR THE INFORMATION IT CONTAINS
MAY BE USED BY OR DISCLOSED TO ANY THIRD PARTY WITHOUT PRIOR WRITTEN CONSENT OF COMPAL ELECTRONICS, INC.
Issued Date
Deciphered Date
2015/3/1
LA-A992P
2013/3/1
Compal Electronics, Inc.
4316
0.1
LVDS Translator-RTD2132R
Friday, February 21, 2014
Title
Size Document Number Rev
Date: Sheet of
Security Classification
Compal Secret Data
THIS SHEET OF ENGINEERING DRAWING IS THE PROPRIETARY PROPERTY OF COMPAL ELECTRONICS, INC. AND CONTAINS CONFIDENTIAL
AND TRADE SECRET INFORMATION. THIS SHEET MAY NOT BE TRANSFERED FROM THE CUSTODY OF THE COMPETENT DIVISION OF R&D
DEPARTMENT EXCEPT AS AUTHORIZED BY COMPAL ELECTRONICS, INC. NEITHER THIS SHEET NOR THE INFORMATION IT CONTAINS
MAY BE USED BY OR DISCLOSED TO ANY THIRD PARTY WITHOUT PRIOR WRITTEN CONSENT OF COMPAL ELECTRONICS, INC.
Issued Date
Deciphered Date
2015/3/1
LA-A992P
2013/3/1
Compal Electronics, Inc.
4316
0.1
LVDS Translator-RTD2132R
Friday, February 21, 2014
RT8
12K_0402_1%
LVDS@
RT8
12K_0402_1%
LVDS@
12
CC102 .1U_0402_16V7K
LVDS@
CC102 .1U_0402_16V7K
LVDS@
12
CC106 .1U_0402_16V7KeDP@
CC106 .1U_0402_16V7KeDP@
1
2
RP39
0_0804_8P4R_5%
LVDS@ SD309000080
RP39
0_0804_8P4R_5%
LVDS@ SD309000080
18
2
7
36
45
RT13
220P_0402_50V7K
LVDS@
RT13
220P_0402_50V7K
LVDS@
1
2
LT6
FBMA-L11-201209-221LMA30T_0805
LVDS@
LT6
FBMA-L11-201209-221LMA30T_0805
LVDS@
1
2
RT6 4.7K_0402_5%LVDS@
RT6 4.7K_0402_5%LVDS@
12
CT16
10U_0603_6.3V6M
LVDS@
CT16
10U_0603_6.3V6M
LVDS@
1
2
CT12
10U_0603_6.3V6M
LVDS@
CT12
10U_0603_6.3V6M
LVDS@
1
2
CC97 .1U_0402_16V7K
LVDS@
CC97 .1U_0402_16V7K
LVDS@
1
2
CT15
0.1U_0402_16V4Z
LVDS@
CT15
0.1U_0402_16V4Z
LVDS@
1
2
RT5
4.7K_0402_5%@
RT5
4.7K_0402_5%@
1
2
RT7 4.7K_0402_5%LVDS@
RT7 4.7K_0402_5%LVDS@
1
2
CT14
0.1U_0402_16V4Z
LVDS@
CT14
0.1U_0402_16V4Z
LVDS@
1
2
RT4
4.7K_0402_5%LVDS@
RT4
4.7K_0402_5%LVDS@
1
2
RT15
100K_0402_5%
RT15
100K_0402_5%
1
2
CT24
0.1U_0402_16V7K
@
CT24
0.1U_0402_16V7K
@
1
2
RT14 0_0402_5%@
RT14 0_0402_5%@
12
RT11
100K_0402_5%
RT11
100K_0402_5%
1
2
LT5
FBMA-L11-201209-221LMA30T_0805
LVDS@
LT5
FBMA-L11-201209-221LMA30T_0805
LVDS@
1
2
RT25 0_0402_5%eDP@
RT25 0_0402_5%eDP@
12
LT7
0_1206_5%
@
LT7
0_1206_5%
@
12
CT18
0.1U_0402_16V4Z
LVDS@
CT18
0.1U_0402_16V4Z
LVDS@
1
2
UT1
RTD2132N-CGT QFN 32P
2132R@
SA00007A300
UT1
RTD2132N-CGT QFN 32P
2132R@
SA00007A300
UT3
TC7SH08FUF_SSOP5
LVDS@
UT3
TC7SH08FUF_SSOP5
LVDS@
B
1
A
2
Y4
P5
G
3
RT24 0_0402_5%eDP@
RT24 0_0402_5%eDP@
1
2
CT13
0.1U_0402_16V4Z
LVDS@
CT13
0.1U_0402_16V4Z
LVDS@
1
2
CT8
0.1U_0402_16V4Z
LVDS@
CT8
0.1U_0402_16V4Z
LVDS@
1
2
RTD2132S
LVDS
Power DP-IN
LVDS
EDID
ROM
GPIO
Other
RTD2132S-VE-CG_QFN32_5X5
UT1 2132S@
RTD2132S
LVDS
Power DP-IN
LVDS
EDID
ROM
GPIO
Other
RTD2132S-VE-CG_QFN32_5X5
UT1 2132S@
TXEC- 20
TXE0- 26
DP_V33
3
DP_V12
7
CIICSCL1
9
TXE1- 24
DP_REXT
8
GPIO(PWM OUT) 14
AUX_N
1
TXE2- 22
GPIO(BL_EN) 17
MIICDA1 28
TXE2+ 21
PVCC
18
AUX_P
2
MIICSDA0 30
TXEC+ 19
SWR_LX
12
TXE1+ 23
TXE0+ 25
MIICSCL0 31
MIICSCL1 29
SWR_VCCK
11
GPIO(Panel_VCC) 15
VCCK
27
LANE0P
5
CIICSDA1
10
GPIO(PWM IN) 16
LANE0N
6
GND 33
SWR_VDD
13
HPD
32
DP_GND
4
JPHW7
JUMP_43X79
@JPHW7
JUMP_43X79
@
1
122
Q85B
2N7002KDWH_SOT363-6
Q85B
2N7002KDWH_SOT363-6
3
4
5
CT23
4.7U_0603_6.3V6K
2132R@
CT23
4.7U_0603_6.3V6K
2132R@
1
2
CT17
0.1U_0402_16V4Z
LVDS@
CT17
0.1U_0402_16V4Z
LVDS@
1
2
RT26 0_0402_5%eDP@
RT26 0_0402_5%eDP@
12
RT12
10K_0402_5%
RT12
10K_0402_5%
12
CC103 .1U_0402_16V7KeDP@
CC103 .1U_0402_16V7KeDP@
1
2
CC101
0_0402_5%eDP@
SD028000080
CC101
0_0402_5%eDP@
SD028000080
CC101 .1U_0402_16V7K
LVDS@
CC101 .1U_0402_16V7K
LVDS@
12
CC98 .1U_0402_16V7K
LVDS@
CC98 .1U_0402_16V7K
LVDS@
12
RT192
0_0402_5%
LVDS@ RT192
0_0402_5%
LVDS@
12
CT11
0.1U_0402_16V4Z
LVDS@
CT11
0.1U_0402_16V4Z
LVDS@
1
2
CT7
10U_0603_6.3V6M
LVDS@
CT7
10U_0603_6.3V6M
LVDS@
1
2
RT9 0_0805_5%
2132R@
RT9 0_0805_5%
2132R@
12
RT2
4.7K_0402_5%
@
RT2
4.7K_0402_5%
@
12
RT3
4.7K_0402_5%
LVDS@
RT3
4.7K_0402_5%
LVDS@
1
2
CT10
0.1U_0402_16V4Z
LVDS@
CT10
0.1U_0402_16V4Z
LVDS@
1
2
CC104 .1U_0402_16V7KeDP@
CC104 .1U_0402_16V7KeDP@
12
CC102
0_0402_5%eDP@
SD028000080
CC102
0_0402_5%eDP@
SD028000080
CT9
22U_0603_6.3V6M
LVDS@
CT9
22U_0603_6.3V6M
LVDS@
1
2
RP36
0_0804_8P4R_5%
eDP@ SD309000080
RP36
0_0804_8P4R_5%
eDP@ SD309000080
18
27
3
6
45
CC98
0_0402_5%eDP@
SD028000080
CC98
0_0402_5%eDP@
SD028000080
RP38
0_0804_8P4R_5%
LVDS@ SD309000080
RP38
0_0804_8P4R_5%
LVDS@ SD309000080
18
27
3
6
45
CC105 .1U_0402_16V7KeDP@
CC105 .1U_0402_16V7KeDP@
12
RT10
100K_0402_5%
2132R@
RT10
100K_0402_5%
2132R@
1
2
CC97
0_0402_5%eDP@
SD028000080
CC97
0_0402_5%eDP@
SD028000080

5
5
4
4
3
3
2
2
1
1
DD
C
C
BB
AA
LCD/LED PANEL Conn.
W=60milsW=60mils
SM010014520 3000ma
220ohm@100mhz
DCR 0.04
LA-8711P
Camera
LVDS Power
<DB>LA1/LA2 closed to Aduio codec
Touch Screen
Touch Screen Power
INVTPWM
DISPOFF#
DISPOFF#
INVTPWM
D_MIC_L_CLK
D_MIC_L_DATA
LCD_CLK
LCD_DATA
USB20_P3_R
USB20_P3_R
USB20_N3_R
EC_TS_BKOFF#
DISPOFF#
INVTPWM
D_MIC_L_CLK
D_MIC_L_DATA
USB20_P3_R
USB20_N3_R
USB20_N3_R
D_MIC_L_CLK
D_MIC_CLK
D_MIC_DATA D_MIC_L_DATA
USB20_HUB_P1_R
USB20_HUB_P1_R
USB20_HUB_N1_R
USB20_HUB_N1_R
USB20_HUB_P1_R
USB20_HUB_N1_R
TS_GPIO
TS_GPIO_CPU
TS_GPIO
TS_GPIO_EC
EC_TS_BKOFF#16
EC_INVT_PWM26
+DP_ENVDD16
DP_INT_PWM16
LVDS_TXN016
LVDS_TXP016
LVDS_CLKN16
LVDS_CLKP16
LVDS_TXP216
LVDS_TXN216
LVDS_TXN116
LVDS_TXP116
USB20_P310
USB20_N310
D_MIC_DATA20
D_MIC_CLK20
ENVDD7
USB20_HUB_N125
USB20_HUB_P125
TOUCH_ON# 26
TS_GPIO_CPU8
TS_GPIO_EC26
EDP_HPD16
LCD_CLK16
LCD_DATA16
INVPWR_B+ B+
+LCDVDD
+3VS
+LCDVDD
+3VS
INVPWR_B+
+3VALW
+VCC_TOUCH
+3VS
+VCC_TOUCH
Title
Size Document Number Rev
Date: Sheet
of
Security Classification
Compal Secret Data
THIS SHEET OF ENGINEERING DRAWING IS THE PROPRIETARY PROPERTY OF COMPAL ELECTRONICS, INC. AND CONTAINS CONFIDENTIAL
AND TRADE SECRET INFORMATION. THIS SHEET MAY NOT BE TRANSFERED FROM THE CUSTODY OF THE COMPETENT DIVISION OF R&D
DEPARTMENT EXCEPT AS AUTHORIZED BY COMPAL ELECTRONICS, INC. NEITHER THIS SHEET NOR THE INFORMATION IT CONTAINS
MAY BE USED BY OR DISCLOSED TO ANY THIRD PARTY WITHOUT PRIOR WRITTEN CONSENT OF COMPAL ELECTRONICS, INC.
Issued Date
Deciphered Date
0.1
17 43Friday, February 21, 2014
2013/02/26 2015/07/08
Compal Electronics, Inc.
LVDS Connector
Title
Size Document Number Rev
Date: Sheet of
Security Classification
Compal Secret Data
THIS SHEET OF ENGINEERING DRAWING IS THE PROPRIETARY PROPERTY OF COMPAL ELECTRONICS, INC. AND CONTAINS CONFIDENTIAL
AND TRADE SECRET INFORMATION. THIS SHEET MAY NOT BE TRANSFERED FROM THE CUSTODY OF THE COMPETENT DIVISION OF R&D
DEPARTMENT EXCEPT AS AUTHORIZED BY COMPAL ELECTRONICS, INC. NEITHER THIS SHEET NOR THE INFORMATION IT CONTAINS
MAY BE USED BY OR DISCLOSED TO ANY THIRD PARTY WITHOUT PRIOR WRITTEN CONSENT OF COMPAL ELECTRONICS, INC.
Issued Date
Deciphered Date
0.1
17 43Friday, February 21, 2014
2013/02/26 2015/07/08
Compal Electronics, Inc.
LVDS Connector
Title
Size Document Number Rev
Date: Sheet of
Security Classification
Compal Secret Data
THIS SHEET OF ENGINEERING DRAWING IS THE PROPRIETARY PROPERTY OF COMPAL ELECTRONICS, INC. AND CONTAINS CONFIDENTIAL
AND TRADE SECRET INFORMATION. THIS SHEET MAY NOT BE TRANSFERED FROM THE CUSTODY OF THE COMPETENT DIVISION OF R&D
DEPARTMENT EXCEPT AS AUTHORIZED BY COMPAL ELECTRONICS, INC. NEITHER THIS SHEET NOR THE INFORMATION IT CONTAINS
MAY BE USED BY OR DISCLOSED TO ANY THIRD PARTY WITHOUT PRIOR WRITTEN CONSENT OF COMPAL ELECTRONICS, INC.
Issued Date
Deciphered Date
0.1
17 43Friday, February 21, 2014
2013/02/26 2015/07/08
Compal Electronics, Inc.
LVDS Connector
R172 0_0402_5%eDP@
R172 0_0402_5%eDP@
12
L2
0_0805_5%@EMI@
L2
0_0805_5%@EMI@
1
2
CTS2
0.047U_0402_16V7K
eDP@ CTS2
0.047U_0402_16V7K
eDP@
12
R170 0_0402_5%@
R170 0_0402_5%@
12
C118
68P_0402_50V8J
C118
68P_0402_50V8J
1
2
CG3
0.1U_0402_16V7K
eDP@
CG3
0.1U_0402_16V7K
eDP@
1
2
R259
0_0402_5%
@
R259
0_0402_5%
@
12
CG2
4.7U_0603_6.3V6K
eDP@
CG2
4.7U_0603_6.3V6K
eDP@
1
2
R171 0_0402_5%@
R171 0_0402_5%@
12
RG3 0_0402_5%@
RG3 0_0402_5%@
12
RTS1
1K_0402_5%
eDP@
RTS1
1K_0402_5%
eDP@
1
2
L12
WCM-2012-900T_4P
EMI@
SM070003Y00
L12
WCM-2012-900T_4P
EMI@
SM070003Y00
1
1
4
433
22
JLVDS1
CONN@
STARC_107K40-000001-G2
JLVDS1
CONN@
STARC_107K40-000001-G2
1
1
2
2
3
3
4
4
5
5
6
6
7
7
8
8
9
9
10
10
11
11
12
12
13
13
14
14
15
15
16
16
17
17
18
18
19
19
20
20
21
21
22
22
23
23
24
24
25
25
26
26
27
27
28
28
29
29
30
30
31
31
32
32
33
33
34
34
35
35
36
36
37
37
38
38
39
39
40
40
G1 41
G2 42
G3 43
G4 44
G5 45
G6 46
R166 33_0402_5%
R166 33_0402_5%
12
R173 0_0402_5%@
R173 0_0402_5%@
12
R163
10K_0402_5%
@
R163
10K_0402_5%
@
1
2
D6
PESD5V0U2BT_SOT23-3
@ESD@ SCA00000U10
D6
PESD5V0U2BT_SOT23-3
@ESD@ SCA00000U10
2
3
1
RTS2
100K_0402_5%
eDP@
RTS2
100K_0402_5%
eDP@
1
2
LA2 FBMA-L10-160808-301LMT_2P
EMI@
LA2 FBMA-L10-160808-301LMT_2P
EMI@
12
G
D
S
QTS1
2N7002_SOT23
eDP@
G
D
S
QTS1
2N7002_SOT23
eDP@
2
1
3
R261
0_0402_5%
@R261
0_0402_5%
@
1
2
R260
0_0402_5%
@R260
0_0402_5%
@
12
C117
680P_0402_50V7K
@EMI@
C117
680P_0402_50V7K
@EMI@
1
2
C122 220P_0402_50V7K
C122 220P_0402_50V7K
1
2
D3
PESD5V0U2BT_SOT23-3
@ESD@ SCA00000U10
D3
PESD5V0U2BT_SOT23-3
@ESD@ SCA00000U10
2
3
1
LA1 FBMA-L10-160808-301LMT_2PEMI@
LA1 FBMA-L10-160808-301LMT_2PEMI@
12
UG1
APL3512_SOT23-5
eDP@
UG1
APL3512_SOT23-5
eDP@
OUT 1
EN 3
IN
5
GND 2
SS
4
D
G
S
QTS2
AO3413L_SOT23-3
eDP@
D
G
S
QTS2
AO3413L_SOT23-3
eDP@
1
2
3
R167
10K_0402_5%
R167
10K_0402_5%
1
2
R258 0_0402_5%@
R258 0_0402_5%@
1
2
R174 0_0402_5%@
R174 0_0402_5%@
12
CG1
1500P_0402_50V7K
eDP@
CG1
1500P_0402_50V7K
eDP@
1
2
CTS1
0.1U_0402_16V4Z
eDP@
CTS1
0.1U_0402_16V4Z
eDP@
1
2
L13
WCM-2012-900T_4P
eDP@
SM070003Y00
L13
WCM-2012-900T_4P
eDP@
SM070003Y00
1
1
4
433
22
L10_0805_5%
@EMI@
L10_0805_5%
@EMI@
1
2
D5
PESD5V0U2BT_SOT23-3
@ESD@ SCA00000U10
D5
PESD5V0U2BT_SOT23-3
@ESD@ SCA00000U10
2
3
1
C121 220P_0402_50V7K
C121 220P_0402_50V7K
1
2
RG1 0_0201_5%@
RG1 0_0201_5%@
12

5
5
4
4
3
3
2
2
1
1
D
D
C
C
BB
AA
W=40mils
5V Level
HDMI Conn.
10/21 BOM change SM070003K00
HDMI_DDCDATA
HDMI_DDCCLK HDMI_SCLK
HDMI_SDATA
HP_DETECT
HDMI_CLK-
HDMI_CLK+
HDMI_TX2+
HDMI_TX2-
HDMI_TX0-
HDMI_TX0+
HDMI_TX1+
HDMI_TX1-
HDMI_C_CLK+
HDMI_C_TX1-
HDMI_R_CK+
HDMI_C_CLK+
HDMI_R_D0-
HDMI_C_TX0-
HDMI_C_TX0+ HDMI_R_D0+
HDMI_C_CLK- HDMI_R_CK-
HDMI_R_D1+
HDMI_C_TX1+
HDMI_R_D2+
HDMI_C_TX2+
HDMI_C_TX2- HDMI_R_D2-
HDMI_C_TX1- HDMI_R_D1-
HDMI_R_CK-
HDMI_R_CK+
HDMI_R_D0+
HDMI_R_D0-
HDMI_R_D1+
HDMI_R_D1-
HDMI_R_D2-
HDMI_R_D2+
HDMI_SDATA
HDMI_SCLK
HP_DETECT
HDMI_C_CLK-
HDMI_C_TX2-
HDMI_C_TX1+
HDMI_SDATA
HDMI_SCLK
HDMI_SCLK
HP_DETECT
HDMI_SDATA
HDMI_SCLK
HP_DETECT
HDMI_SDATA
HDMI_C_TX0-
HDMI_C_TX0+
HDMI_C_TX2+
HDMI_DDCDATA
HDMI_DDCCLK
HDMI_DDCCLK7
HDMI_DDCDATA7
HDMI_HPD#7
HDMI_CLK+7
HDMI_CLK-7
HDMI_TX2+7
HDMI_TX2-7
HDMI_TX0+7
HDMI_TX0-7
HDMI_TX1+7
HDMI_TX1-7
+HDMI_5V_OUT
+5VS
+1.8VS
+1.8VS
+1.8VS
+3VS
+HDMI_5V_OUT
+HDMI_5V_OUT
+1.8VS
Title
Size Document Number Rev
Date: Sheet of
Security Classification
Compal Secret Data
THIS SHEET OF ENGINEERING DRAWING IS THE PROPRIETARY PROPERTY OF COMPAL ELECTRONICS, INC. AND CONTAINS CONFIDENTIAL
AND TRADE SECRET INFORMATION. THIS SHEET MAY NOT BE TRANSFERED FROM THE CUSTODY OF THE COMPETENT DIVISION OF R&D
DEPARTMENT EXCEPT AS AUTHORIZED BY COMPAL ELECTRONICS, INC. NEITHER THIS SHEET NOR THE INFORMATION IT CONTAINS
MAY BE USED BY OR DISCLOSED TO ANY THIRD PARTY WITHOUT PRIOR WRITTEN CONSENT OF COMPAL ELECTRONICS, INC.
Issued Date
Deciphered Date
LA-A992P
0.1
18 43Friday, February 21, 2014
2011/06/29 2011/06/29
Compal Electronics, Inc.
HDMI Conn/Level shift
Title
Size Document Number Rev
Date: Sheet of
Security Classification
Compal Secret Data
THIS SHEET OF ENGINEERING DRAWING IS THE PROPRIETARY PROPERTY OF COMPAL ELECTRONICS, INC. AND CONTAINS CONFIDENTIAL
AND TRADE SECRET INFORMATION. THIS SHEET MAY NOT BE TRANSFERED FROM THE CUSTODY OF THE COMPETENT DIVISION OF R&D
DEPARTMENT EXCEPT AS AUTHORIZED BY COMPAL ELECTRONICS, INC. NEITHER THIS SHEET NOR THE INFORMATION IT CONTAINS
MAY BE USED BY OR DISCLOSED TO ANY THIRD PARTY WITHOUT PRIOR WRITTEN CONSENT OF COMPAL ELECTRONICS, INC.
Issued Date
Deciphered Date
LA-A992P
0.1
18 43Friday, February 21, 2014
2011/06/29 2011/06/29
Compal Electronics, Inc.
HDMI Conn/Level shift
Title
Size Document Number Rev
Date: Sheet of
Security Classification
Compal Secret Data
THIS SHEET OF ENGINEERING DRAWING IS THE PROPRIETARY PROPERTY OF COMPAL ELECTRONICS, INC. AND CONTAINS CONFIDENTIAL
AND TRADE SECRET INFORMATION. THIS SHEET MAY NOT BE TRANSFERED FROM THE CUSTODY OF THE COMPETENT DIVISION OF R&D
DEPARTMENT EXCEPT AS AUTHORIZED BY COMPAL ELECTRONICS, INC. NEITHER THIS SHEET NOR THE INFORMATION IT CONTAINS
MAY BE USED BY OR DISCLOSED TO ANY THIRD PARTY WITHOUT PRIOR WRITTEN CONSENT OF COMPAL ELECTRONICS, INC.
Issued Date
Deciphered Date
LA-A992P
0.1
18 43Friday, February 21, 2014
2011/06/29 2011/06/29
Compal Electronics, Inc.
HDMI Conn/Level shift
CG340.1U_0402_16V7K CG340.1U_0402_16V7K
12
R1074 619_0402_1%
R1074 619_0402_1%
12
CG280.1U_0402_16V7K CG280.1U_0402_16V7K
12
RG59 0_0402_5%@
RG59 0_0402_5%@
12
G
S
D
QG1B
DMN66D0LDW-7_SOT363-6
G
S
D
QG1B
DMN66D0LDW-7_SOT363-6
6
1
2
RG65 0_0402_5%
@
RG65 0_0402_5%
@
12
ZZZ2
HDMI Logo
RO0000003HM
45@
ZZZ2
HDMI Logo
RO0000003HM
45@
RG63 0_0402_5%
@
RG63 0_0402_5%
@
12
R1075 619_0402_1%
R1075 619_0402_1%
12
CG46
0.1U_0402_16V7K
CG46
0.1U_0402_16V7K
1
2
RG61 0_0402_5%@
RG61 0_0402_5%@
12
CM17
220P_0402_50V7K
@
CM17
220P_0402_50V7K
@
1
2
R1076 619_0402_1%
R1076 619_0402_1%
12
CG310.1U_0402_16V7K CG310.1U_0402_16V7K
1
2
CM26
10P_0402_50V8J
@
CM26
10P_0402_50V8J
@
1
2
CG300.1U_0402_16V7K CG300.1U_0402_16V7K
1
2
R1077 619_0402_1%
R1077 619_0402_1%
12
CG290.1U_0402_16V7K
CG290.1U_0402_16V7K
12
R1078 619_0402_1%
R1078 619_0402_1%
12
8
7
65
4
3
2
1
9
10
DG1
IP4292CZ10-TB
SC300002800
@ESD@
8
7
65
4
3
2
1
9
10
DG1
IP4292CZ10-TB
SC300002800
@ESD@
4
5
1
6
2
7
3
9
8
LM16
WCM-2012-900T_0805
SM070003K00
EMI@
LM16
WCM-2012-900T_0805
SM070003K00
EMI@
1
122
33
4
4
RG66 0_0402_5%@
RG66 0_0402_5%@
12
G
D
S
Q57
MESS138W-G_SOT323-3
G
D
S
Q57
MESS138W-G_SOT323-3
1
2
3
RG47
1M_0402_5%
RG47
1M_0402_5%
1
2
JHDMI1
CONN@
CONCR_099AKAC19NBLCNF
JHDMI1
CONN@
CONCR_099AKAC19NBLCNF
D2+
1D2_shield
2
D2-
3D1+
4
D1_shield
5D1-
6D0+
7D0_shield
8D0-
9
CK+
10 CK_shield
11
CK-
12 CEC
13 Reserved
14 SCL
15
SDA
16 DDC/CEC_GND
17
+5V
18 HP_DET
19
GND 20
GND 21
GND 22
GND 23
AP2330W-7_SC59-3
FG1
AP2330W-7_SC59-3
FG1
GND 2
OUT 3
IN
1
CG270.1U_0402_16V7K
CG270.1U_0402_16V7K
12
G
D
S
Q58
MESS138W-G_SOT323-3
G
D
S
Q58
MESS138W-G_SOT323-3
1
2
3
RG105
2.2K_0804_8P4R_5%
RG105
2.2K_0804_8P4R_5%
1
8
2
7
36
4
5
CG320.1U_0402_16V7K
CG320.1U_0402_16V7K
12
CM27
10P_0402_50V8J
@
CM27
10P_0402_50V8J
@
1
2
LM13
WCM-2012-900T_0805
SM070003K00
EMI@ LM13
WCM-2012-900T_0805
SM070003K00
EMI@
1
1
22
33
4
4
LM14
WCM-2012-900T_0805SM070003K00
EMI@ LM14
WCM-2012-900T_0805SM070003K00
EMI@
1
1
22
33
4
4
LM15
WCM-2012-900T_0805
SM070003K00
EMI@ LM15
WCM-2012-900T_0805
SM070003K00
EMI@
1
122
33
4
4
R1071 619_0402_1%
R1071 619_0402_1%
12
RG64 0_0402_5%@
RG64 0_0402_5%@
12
R1072 619_0402_1%
R1072 619_0402_1%
12
RG60 0_0402_5%
@
RG60 0_0402_5%
@
12
RG70 0_0402_5%
@
RG70 0_0402_5%
@
12
RG56
20K_0402_5%
RG56
20K_0402_5%
1
2
R1073 619_0402_1%
R1073 619_0402_1%
12
S
G
D
QG1A
DMN66D0LDW-7_SOT363-6
S
G
D
QG1A
DMN66D0LDW-7_SOT363-6
5
34
CG330.1U_0402_16V7K CG330.1U_0402_16V7K
12

A
A
B
B
C
C
D
D
E
E
11
2
2
3
3
44
W=40mils
CRT_B
CRT_R
CRT_G
DAC_C_RED
DAC_C_BLU
DAC_C_GRN
DAC_C_GRN
DAC_C_BLU
DAC_C_RED
CRT_VSYNC_2
+HDMI_5V_OUT
CRT_HSYNC_2
CRT_DATA
CRT_CLK
CRT_HSYNC_2
CRT_DATA
CRT_VSYNC_2
CRT_CLK
CRT_VSYNC_1
CRT_HSYNC_1 CRT_HSYNC_2
CRT_VSYNC_2
DAC_C_RED
DAC_C_GRN DAC_C_BLU
CRT_VSYNC
CRT_HSYNC
CRT_CLK
CRT_DATA
CRT_DDC_CLK
CRT_DDC_DATA
CRT_R7
CRT_B7
CRT_G7
CRT_VSYNC7
CRT_HSYNC7
CRT_DDC_DATA7
CRT_DDC_CLK7
+HDMI_5V_OUT +HDMI_5V_OUT
+HDMI_5V_OUT
+HDMI_5V_OUT
+HDMI_5V_OUT
+HDMI_5V_OUT
+3VS
+3VS
Title
Size Document Number Rev
Date: Sheet
of
Security Classification
Compal Secret Data
THIS SHEET OF ENGINEERING DRAWING IS THE PROPRIETARY PROPERTY OF COMPAL ELECTRONICS, INC. AND CONTAINS CONFIDENTIAL
AND TRADE SECRET INFORMATION. THIS SHEET MAY NOT BE TRANSFERED FROM THE CUSTODY OF THE COMPETENT DIVISION OF R&D
DEPARTMENT EXCEPT AS AUTHORIZED BY COMPAL ELECTRONICS, INC. NEITHER THIS SHEET NOR THE INFORMATION IT CONTAINS
MAY BE USED BY OR DISCLOSED TO ANY THIRD PARTY WITHOUT PRIOR WRITTEN CONSENT OF COMPAL ELECTRONICS, INC.
Issued Date
Deciphered Date
LA-A994P
0.1
CRT Connector
B
19 43Friday, February 21, 2014
2013/02/26 2015/07/08
Compal Electronics, Inc.
Title
Size Document Number Rev
Date: Sheet
of
Security Classification
Compal Secret Data
THIS SHEET OF ENGINEERING DRAWING IS THE PROPRIETARY PROPERTY OF COMPAL ELECTRONICS, INC. AND CONTAINS CONFIDENTIAL
AND TRADE SECRET INFORMATION. THIS SHEET MAY NOT BE TRANSFERED FROM THE CUSTODY OF THE COMPETENT DIVISION OF R&D
DEPARTMENT EXCEPT AS AUTHORIZED BY COMPAL ELECTRONICS, INC. NEITHER THIS SHEET NOR THE INFORMATION IT CONTAINS
MAY BE USED BY OR DISCLOSED TO ANY THIRD PARTY WITHOUT PRIOR WRITTEN CONSENT OF COMPAL ELECTRONICS, INC.
Issued Date
Deciphered Date
LA-A994P
0.1
CRT Connector
B
19 43Friday, February 21, 2014
2013/02/26 2015/07/08
Compal Electronics, Inc.
Title
Size Document Number Rev
Date: Sheet of
Security Classification
Compal Secret Data
THIS SHEET OF ENGINEERING DRAWING IS THE PROPRIETARY PROPERTY OF COMPAL ELECTRONICS, INC. AND CONTAINS CONFIDENTIAL
AND TRADE SECRET INFORMATION. THIS SHEET MAY NOT BE TRANSFERED FROM THE CUSTODY OF THE COMPETENT DIVISION OF R&D
DEPARTMENT EXCEPT AS AUTHORIZED BY COMPAL ELECTRONICS, INC. NEITHER THIS SHEET NOR THE INFORMATION IT CONTAINS
MAY BE USED BY OR DISCLOSED TO ANY THIRD PARTY WITHOUT PRIOR WRITTEN CONSENT OF COMPAL ELECTRONICS, INC.
Issued Date
Deciphered Date
LA-A994P
0.1
CRT Connector
B
19 43Friday, February 21, 2014
2013/02/26 2015/07/08
Compal Electronics, Inc.
CT5
6.8P_0402_50V8C
EMICRT@
CT5
6.8P_0402_50V8C
EMICRT@
1
2
R4124
2.2K_0402_5%
CRT@
R4124
2.2K_0402_5%
CRT@
1
2
LT2
FBMA-L10-160808-600LMT_2P
EMICRT@
SM01000HI00
LT2
FBMA-L10-160808-600LMT_2P
EMICRT@
SM01000HI00
1
2
G
G
JCRT1
C-H_13-12201560CP
CONN@
DC060006E00
G
G
JCRT1
C-H_13-12201560CP
CONN@
DC060006E00
6
11
1
7
12
2
8
13
3
9
14
4
10
15
5
16
17
U4103
M74VHC1GT125DF2G_SC70-5
CRT@
U4103
M74VHC1GT125DF2G_SC70-5
CRT@
OE
1
IN A
2
GND
3OUT Y 4
Vcc 5
R4123
33_0603_5%
CRT@
R4123
33_0603_5%
CRT@
1
2
CT2
6.8P_0402_50V8C
EMICRT@
CT2
6.8P_0402_50V8C
EMICRT@
1
2
D43
AZC099-04S_SOT23
@ESD@
D43
AZC099-04S_SOT23
@ESD@
I/O1
1
REF1
2
I/O2
3I/O3 4
REF2 5
I/O4 6
R4125
2.2K_0402_5%
CRT@
R4125
2.2K_0402_5%
CRT@
1
2
R234
4.7K_0402_5%
CRT@
R234
4.7K_0402_5%
CRT@
12
T213
T213
CT4
6.8P_0402_50V8C
EMICRT@
CT4
6.8P_0402_50V8C
EMICRT@
1
2
R4128
33_0603_5%
CRT@
R4128
33_0603_5%
CRT@
12
D44
AZC099-04S_SOT23
@ESD@
D44
AZC099-04S_SOT23
@ESD@
I/O1
1
REF1
2
I/O2
3I/O3 4
REF2 5
I/O4 6
CT3
6.8P_0402_50V8C
EMICRT@
CT3
6.8P_0402_50V8C
EMICRT@
1
2
CT6
6.8P_0402_50V8C
EMICRT@
CT6
6.8P_0402_50V8C
EMICRT@
1
2
R233
4.7K_0402_5%
CRT@
R233
4.7K_0402_5%
CRT@
1
2
CT1
6.8P_0402_50V8C
EMICRT@
CT1
6.8P_0402_50V8C
EMICRT@
1
2
LT1
FBMA-L10-160808-600LMT_2P
EMICRT@
SM01000HI00
LT1
FBMA-L10-160808-600LMT_2P
EMICRT@
SM01000HI00
12
C4132
0.1U_0402_16V4Z
@
C4132
0.1U_0402_16V4Z
@
1
2
LT3
FBMA-L10-160808-600LMT_2P
EMICRT@
SM01000HI00
LT3
FBMA-L10-160808-600LMT_2P
EMICRT@
SM01000HI00
12
U4104
M74VHC1GT125DF2G_SC70-5
CRT@
U4104
M74VHC1GT125DF2G_SC70-5
CRT@
OE
1
IN A
2
GND
3OUT Y 4
Vcc 5
RPC13
150_0804_8P4R_1%
CRT@
RPC13
150_0804_8P4R_1%
CRT@
18
27
36
4
5
QC1B
2N7002KDWH_SOT363-6
CRT@
QC1B
2N7002KDWH_SOT363-6
CRT@
3
4
5
T215
T215
QC1A
2N7002KDWH_SOT363-6
CRT@
QC1A
2N7002KDWH_SOT363-6
CRT@
6
1
2

5
5
4
4
3
3
2
2
1
1
D
D
C
C
BB
A
A
Internal Speaker
Headphone
600ohms @100MHz 2A
P/N: SM01000EE00
Place near Pin26
600ohms @100MHz 1A
P/N: SM01000BU00
Place near Pin1 Place near Pin9
Power down (PD#) power stage for save power
0V: Power down power stage
3.3V: Power up power stage
wide 40 MIL
Reserve for ESD request.
EC Beep
SB Beep
PC Beep
Jack detect
Combo Mic = High
Normal HP = Low
COMBO AUDIO JACK
Close to Codec pin12
Place near Pin40
Internal SPK
<DB>Relace RA13/RA14/RA15/RA16 close to UA1
HPR, HPL, 15mil Keep 30mil
Pin6 and Pin5
Normal OPEN
Delete ESD Diode
Delete ESD Diode
PV Change RA4/RA5 from 75 to 100 ohm
SPK_L+
SPK_L-
SPK_R-
SPK_R+
HPOUT_R
HPOUT_L HP_OUTL
HP_OUTR
CBN
CBP
SENSEA
PLUG_IN#
ALDO_CAP
PC_BEEP
HDA_RST_AUDIO#
SDATA_IN
SPK_L-_CONN
SPK_L+_CONN
PC_BEEP_R
PC_BEEP
MIC_JD
INT_MIC
HP_OUTR_R
INT_MICR_C
INT_MICL_C
INT_MIC
HP_OUTL_R
INT_MIC_R
SPK_R-_CONN
SPK_R+_CONN
ACPVEE
JDREF
AVREF
CPVDD
CPVDD
MIC_JD
HDA_RST_AUDIO# PD#
HP_OUTL_R
HP_OUTR_R
INT_MIC_R
HP_OUTL
PLUG_IN#
HP_OUTR
INT_MIC
MUTE_LED_CTR
MUTE_LED_CTR
AVREF
SPK_R+
SPK_R-
SPK_L+
SPK_L-
SPK_R-_CONN
SPK_R+_CONN
SPK_L-_CONN
SPK_L+_CONN
EC_BEEP#26
SOC_SPKR10
HDA_SDOUT_AUDIO 8
HDA_BITCLK_AUDIO 8
HDA_SDIN0 8
HDA_RST_AUDIO#8
HDA_SYNC_AUDIO8
D_MIC_CLK17
D_MIC_DATA17
EC_MUTE#26
MUTE_LED 27
+5VS
+5VS
+3VS
+5VS_AVDD
+DVDD
+DVDD_IO
+1.5VS
+DVDD_IO
+DVDD
+3VS
+5VS_AVDD
+5VS_PVDD
+5VS_PVDD
GNDA
GNDA
GNDA
GNDA
+MIC2_VREFO
+MIC2_VREFO
GNDA
+1.5VS
+1.5VS_AVDD
+1.5VS_AVDD
GNDA
+3VS
+1.5VS +DVDD
GNDA GNDA GNDA
GNDA
GNDA
GNDA
GNDA
Title
Size Document Number Rev
Date: Sheet of
Security Classification
Compal Secret Data
THIS SHEET OF ENGINEERING DRAWING IS THE PROPRIETARY PROPERTY OF COMPAL ELECTRONICS, INC. AND CONTAINS CONFIDENTIAL
AND TRADE SECRET INFORMATION. THIS SHEET MAY NOT BE TRANSFERED FROM THE CUSTODY OF THE COMPETENT DIVISION OF R&D
DEPARTMENT EXCEPT AS AUTHORIZED BY COMPAL ELECTRONICS, INC. NEITHER THIS SHEET NOR THE INFORMATION IT CONTAINS
MAY BE USED BY OR DISCLOSED TO ANY THIRD PARTY WITHOUT PRIOR WRITTEN CONSENT OF COMPAL ELECTRONICS, INC.
Issued Date
Deciphered Date
LA-A992P
0.1
AUDIO ALC259-VC2-CG
C
20 43Friday, February 21, 2014
2013/01/04 2015/01/04
Compal Electronics, Inc.
Title
Size Document Number Rev
Date: Sheet
of
Security Classification
Compal Secret Data
THIS SHEET OF ENGINEERING DRAWING IS THE PROPRIETARY PROPERTY OF COMPAL ELECTRONICS, INC. AND CONTAINS CONFIDENTIAL
AND TRADE SECRET INFORMATION. THIS SHEET MAY NOT BE TRANSFERED FROM THE CUSTODY OF THE COMPETENT DIVISION OF R&D
DEPARTMENT EXCEPT AS AUTHORIZED BY COMPAL ELECTRONICS, INC. NEITHER THIS SHEET NOR THE INFORMATION IT CONTAINS
MAY BE USED BY OR DISCLOSED TO ANY THIRD PARTY WITHOUT PRIOR WRITTEN CONSENT OF COMPAL ELECTRONICS, INC.
Issued Date
Deciphered Date
LA-A992P
0.1
AUDIO ALC259-VC2-CG
C
20 43Friday, February 21, 2014
2013/01/04 2015/01/04
Compal Electronics, Inc.
Title
Size Document Number Rev
Date: Sheet of
Security Classification
Compal Secret Data
THIS SHEET OF ENGINEERING DRAWING IS THE PROPRIETARY PROPERTY OF COMPAL ELECTRONICS, INC. AND CONTAINS CONFIDENTIAL
AND TRADE SECRET INFORMATION. THIS SHEET MAY NOT BE TRANSFERED FROM THE CUSTODY OF THE COMPETENT DIVISION OF R&D
DEPARTMENT EXCEPT AS AUTHORIZED BY COMPAL ELECTRONICS, INC. NEITHER THIS SHEET NOR THE INFORMATION IT CONTAINS
MAY BE USED BY OR DISCLOSED TO ANY THIRD PARTY WITHOUT PRIOR WRITTEN CONSENT OF COMPAL ELECTRONICS, INC.
Issued Date
Deciphered Date
LA-A992P
0.1
AUDIO ALC259-VC2-CG
C
20 43Friday, February 21, 2014
2013/01/04 2015/01/04
Compal Electronics, Inc.
Q4B
2N7002KDW_SOT363-6
Q4B
2N7002KDW_SOT363-6
3
5
4
CA18 10U_0603_6.3V6M
CA18 10U_0603_6.3V6M
1
2
RA11
10K_0402_5%
RA11
10K_0402_5%
1
2
LA6
FBMA-L11-201209601LMA20T_2P
LA6
FBMA-L11-201209601LMA20T_2P
12
CA20
.1U_0402_16V7K
CA20
.1U_0402_16V7K
1
2
DA1
L03ESDL5V0CC3-2_SOT23-3
SCA00002900
@ESD@ DA1
L03ESDL5V0CC3-2_SOT23-3
SCA00002900
@ESD@
1
2
3
RA21 BLM15AG601SN1D_2P
EMI@
SM01000II00
RA21 BLM15AG601SN1D_2P
EMI@
SM01000II00
1
2
RA17
2.2K_0402_5%
RA17
2.2K_0402_5%
1
2
CA17
4.7U_0603_6.3V6K
CA17
4.7U_0603_6.3V6K
1
2
CA31
.1U_0402_16V7K
CA31
.1U_0402_16V7K
12
CA10
4.7U_0603_6.3V6K
CA10
4.7U_0603_6.3V6K
1
2
RA14 FBMA-L11160808601LMA10T_2PEMI@ RA14 FBMA-L11160808601LMA10T_2PEMI@
12
RA10 39.2K_0402_1%
RA10 39.2K_0402_1%
12
CA15 2.2U_0402_6.3V6M
CA15 2.2U_0402_6.3V6M
1
2
CA19 10U_0603_6.3V6M
CA19 10U_0603_6.3V6M
12
RA15 FBMA-L11160808601LMA10T_2PEMI@
RA15 FBMA-L11160808601LMA10T_2PEMI@
12
RA23 BLM15AG601SN1D_2P
EMI@
SM01000II00
RA23 BLM15AG601SN1D_2P
EMI@
SM01000II00
12
RA20
10K_0402_5%
RA20
10K_0402_5%
1
2
CA16 .1U_0402_16V7K
CA16 .1U_0402_16V7K
1
2
E
B
C
QA1
MMBT3904WH_SOT323-3
SB000008E10
E
B
C
QA1
MMBT3904WH_SOT323-3
SB000008E10
2
3
1
RA9 20K_0402_1%
RA9 20K_0402_1%
1
2
CA6
10U_0603_6.3V6M
CA6
10U_0603_6.3V6M
1
2
RA27 0_0402_5%@
RA27 0_0402_5%@
1
2
RA6
4.7K_0402_5%
@
RA6
4.7K_0402_5%
@
1
2
CA38
.1U_0402_16V7K
@EMI@
CA38
.1U_0402_16V7K
@EMI@
12
RA13 FBMA-L11160808601LMA10T_2PEMI@
SM010008A00
RA13 FBMA-L11160808601LMA10T_2PEMI@
SM010008A00
12
CA1 4.7U_0402_6.3V6M
CA1 4.7U_0402_6.3V6M
1
2
CA22
10U_0603_6.3V6M
CA22
10U_0603_6.3V6M
1
2
CA9
.1U_0402_16V7K
CA9
.1U_0402_16V7K
1
2
CA39
.1U_0402_16V7K
@EMI@
CA39
.1U_0402_16V7K
@EMI@
1
2
RA5 100_0402_1%
RA5 100_0402_1%
12
CA30
.1U_0402_16V7K
EMI@
CA30
.1U_0402_16V7K
EMI@
12
CA24 2.2U_0402_6.3V6M
CA24 2.2U_0402_6.3V6M
12
CA23
10U_0603_6.3V6M
CA23
10U_0603_6.3V6M
1
2
RA26
1K_0402_5%
RA26
1K_0402_5%
1
2
DA2
L03ESDL5V0CC3-2_SOT23-3
SCA00002900
@ESD@ DA2
L03ESDL5V0CC3-2_SOT23-3
SCA00002900
@ESD@
1
2
3
RA25
2.2K_0402_5%
RA25
2.2K_0402_5%
1
2
UA1
ALC3227-CG_MQFN48P_6X6
UA1
ALC3227-CG_MQFN48P_6X6
LINE2_L
24 LINE2_R
23
MIC2_R
18
MIC2_L
17
LINE1_R 21
LINE1_L 22
SENSE_B
14
MONO_OUT
16
JDREF 15
MIC1_L
19 MIC1_R
20
SENSE_A
13
PCBEEP
12
CBN
35 CPVDD
36
CBP
37
RESET#
11
SYNC
10
BCLK 6
SDATA_OUT 5
SDATA_IN 8
GPIO0/DMIC_DATA
2
GPIO1/DMIC_CLK
3
MIC2_VREFO
29
MIC1_VREFO_R
30
LDO1_CAP 27
VREF 28
DVDD 1
DVDD_IO 9
AVDD1 26
AVDD2 40
HPOUT_L 32
PVDD1 41
PDB
47
SPDIFO/GPIO2 48
LDO3-CAP
7
DVSS 4
MIC1_VREFO_L
31
HPOUT_R 33
CPVEE
34
PVDD2 46
SPK_OUT_R- 44
SPK_OUT_R+ 45
SPK_OUT_L+ 42
AVSS1 25
LDO2_CAP 39
SPK_OUT_L- 43
AVSS2 38
Thermal Pad 49
RA16 FBMA-L11160808601LMA10T_2PEMI@
SM010008A00
RA16 FBMA-L11160808601LMA10T_2PEMI@
SM010008A00
1
2
DA6
YSLC05CH_SOT23-3
SCA00000U10
@ESD@
DA6
YSLC05CH_SOT23-3
SCA00000U10
@ESD@
1
2
3
RA19
47K_0402_5%
RA19
47K_0402_5%
1
2
LA5
SUPPRE_ KC FBMA-10-100505-101T 0402
PCB Footprint = R_0402
LA5
SUPPRE_ KC FBMA-10-100505-101T 0402
PCB Footprint = R_0402
12
CA12
.1U_0402_16V7K
CA12
.1U_0402_16V7K
1
2
CA33
.1U_0402_16V7K
CA33
.1U_0402_16V7K
12
RA18
22K_0402_5%
RA18
22K_0402_5%
1
2
CA5
.1U_0402_16V7K
CA5
.1U_0402_16V7K
1
2
DA3
CH751H-40PT_SOD323-2
DA3
CH751H-40PT_SOD323-2
2
1
CA29
.1U_0402_16V7K
EMI@
CA29
.1U_0402_16V7K
EMI@
1
2
CA32
10U_0603_6.3V6M
CA32
10U_0603_6.3V6M
1
2
RA2
0_0603_5%
@
RA2
0_0603_5%
@
12
C125
220P_0402_50V7K
@EMI@ C125
220P_0402_50V7K
@EMI@
1
2
CA21
.1U_0402_16V7K
CA21
.1U_0402_16V7K
1
2
RA4 100_0402_1%
RA4 100_0402_1%
12
LA4
FBMA-L11160808601LMA10T_2P
LA4
FBMA-L11160808601LMA10T_2P
12
C123
220P_0402_50V7K
@EMI@ C123
220P_0402_50V7K
@EMI@
1
2
CA34
.1U_0402_16V7K
CA34
.1U_0402_16V7K
12
C126
220P_0402_50V7K
@EMI@
C126
220P_0402_50V7K
@EMI@
1
2
CA13
4.7U_0603_6.3V6K
CA13
4.7U_0603_6.3V6K
1
2
CA7
.1U_0402_16V7K
CA7
.1U_0402_16V7K
1
2
CA14 2.2U_0402_6.3V6M
CA14 2.2U_0402_6.3V6M
12
DA8
YSLC05CH_SOT23-3
SCA00002900
@
DA8
YSLC05CH_SOT23-3
SCA00002900
@
1
2
3
RA7 22_0402_5%
RA7 22_0402_5%
12
JHP1
SINGA_2SJ-E960-001F
CONN@
JHP1
SINGA_2SJ-E960-001F
CONN@
1
6
3
2
4
5
DA4
YSLC05CH_SOT23-3
SCA00002900
ESD@
DA4
YSLC05CH_SOT23-3
SCA00002900
ESD@
1
2
3
CA35
100P_0402_50V8J
@EMI@
CA35
100P_0402_50V8J
@EMI@
1
2
LA3
SUPPRE_ KC FBMA-10-100505-101T 0402
PCB Footprint = R_0402
LA3
SUPPRE_ KC FBMA-10-100505-101T 0402
PCB Footprint = R_0402
12
RA24
22K_0402_5%
RA24
22K_0402_5%
1
2
RA22 BLM15AG601SN1D_2P
EMI@
SM01000II00
RA22 BLM15AG601SN1D_2P
EMI@
SM01000II00
1
2
CA11 10U_0603_6.3V6M
CA11 10U_0603_6.3V6M
1
2
CA36
10P_0402_50V8J
@EMI@
CA36
10P_0402_50V8J
@EMI@
1
2
JSPK1
E-T_3703-Q04N-11R
CONN@
JSPK1
E-T_3703-Q04N-11R
CONN@
1
1
2
2
3
3
4
4GND 5
GND 6
RA3 1K_0402_5%
RA3 1K_0402_5%
12
RA12
10K_0402_5%
RA12
10K_0402_5%
1
2
CA37
10P_0402_50V8J
@EMI@
CA37
10P_0402_50V8J
@EMI@
1
2
CA8
10U_0603_6.3V6M
CA8
10U_0603_6.3V6M
1
2
C124
220P_0402_50V7K
@EMI@ C124
220P_0402_50V7K
@EMI@
1
2
CA40
.1U_0402_16V7K
@EMI@
CA40
.1U_0402_16V7K
@EMI@
12
CA4 4.7U_0402_6.3V6M
CA4 4.7U_0402_6.3V6M
1
2

5
5
4
4
3
3
2
2
1
1
DD
C
C
B
B
AA
BT_ON_EC
E51RXD_P80CLK
BT_ON_EC
E51RXD_P80CLK
WL_OFF#
E51TXD_P80DATA
WLAN_CLKREQ#8
CLK_PCIE_WLAN#9
CLK_PCIE_WLAN9
PCIE_PRX_DTX_N18
PCIE_PRX_DTX_P18
PCIE_PTX_C_DRX_N18
PCIE_PTX_C_DRX_P18
BT_ON_EC26
E51TXD_P80DATA26
E51RXD_P80CLK26
WLAN_WAKE#26
USB20_HUB_N3 25
USB20_HUB_P3 25
MINI1_LED# 26
PLT_RST_BUF# 23,26,27,9
WL_OFF# 26
+3VS_WLAN
+3VS_WLAN
+3VS_WLAN_R
+1.5VS
+1.5VS_WLAN
+3VS_WLAN
+3VS_WLAN
+1.5VS_WLAN
+3VS_WLAN
+3VS_WLAN
Title
Size Document Number Rev
Date: Sheet
of
Security Classification
Compal Secret Data
THIS SHEET OF ENGINEERING DRAWING IS THE PROPRIETARY PROPERTY OF COMPAL ELECTRONICS, INC. AND CONTAINS CONFIDENTIAL
AND TRADE SECRET INFORMATION. THIS SHEET MAY NOT BE TRANSFERED FROM THE CUSTODY OF THE COMPETENT DIVISION OF R&D
DEPARTMENT EXCEPT AS AUTHORIZED BY COMPAL ELECTRONICS, INC. NEITHER THIS SHEET NOR THE INFORMATION IT CONTAINS
MAY BE USED BY OR DISCLOSED TO ANY THIRD PARTY WITHOUT PRIOR WRITTEN CONSENT OF COMPAL ELECTRONICS, INC.
Issued Date
Deciphered Date
LA-A992P
0.1
21 43Friday, February 21, 2014
2013/02/26 2015/07/08
Compal Electronics, Inc.
WLAN
Title
Size Document Number Rev
Date: Sheet of
Security Classification
Compal Secret Data
THIS SHEET OF ENGINEERING DRAWING IS THE PROPRIETARY PROPERTY OF COMPAL ELECTRONICS, INC. AND CONTAINS CONFIDENTIAL
AND TRADE SECRET INFORMATION. THIS SHEET MAY NOT BE TRANSFERED FROM THE CUSTODY OF THE COMPETENT DIVISION OF R&D
DEPARTMENT EXCEPT AS AUTHORIZED BY COMPAL ELECTRONICS, INC. NEITHER THIS SHEET NOR THE INFORMATION IT CONTAINS
MAY BE USED BY OR DISCLOSED TO ANY THIRD PARTY WITHOUT PRIOR WRITTEN CONSENT OF COMPAL ELECTRONICS, INC.
Issued Date
Deciphered Date
LA-A992P
0.1
21 43Friday, February 21, 2014
2013/02/26 2015/07/08
Compal Electronics, Inc.
WLAN
Title
Size Document Number Rev
Date: Sheet
of
Security Classification
Compal Secret Data
THIS SHEET OF ENGINEERING DRAWING IS THE PROPRIETARY PROPERTY OF COMPAL ELECTRONICS, INC. AND CONTAINS CONFIDENTIAL
AND TRADE SECRET INFORMATION. THIS SHEET MAY NOT BE TRANSFERED FROM THE CUSTODY OF THE COMPETENT DIVISION OF R&D
DEPARTMENT EXCEPT AS AUTHORIZED BY COMPAL ELECTRONICS, INC. NEITHER THIS SHEET NOR THE INFORMATION IT CONTAINS
MAY BE USED BY OR DISCLOSED TO ANY THIRD PARTY WITHOUT PRIOR WRITTEN CONSENT OF COMPAL ELECTRONICS, INC.
Issued Date
Deciphered Date
LA-A992P
0.1
21 43Friday, February 21, 2014
2013/02/26 2015/07/08
Compal Electronics, Inc.
WLAN
CN2
4.7U_0603_6.3V6K
@
CN2
4.7U_0603_6.3V6K
@
1
2
RN1
0_0603_5%
@
RN1
0_0603_5%
@
12
JMINI1
BELLW_80053-1021
CONN@
JMINI1
BELLW_80053-1021
CONN@
1
1
3
3
5
5
7
7
9
9
11
11
13
13
15
15
17
17
19
19
21
21
23
23
25
25
27
27
29
29
31
31
33
33
35
35
37
37
39
39
41
41
43
43
45
45
47
47
49
49
51
51
GND1
53
22
44
66
88
10 10
12 12
14 14
16 16
18 18
20 20
22 22
24 24
26 26
28 28
30 30
32 32
34 34
36 36
38 38
40 40
42 42
44 44
46 46
48 48
50 50
52 52
GND2 54
RN13
0_0201_5%
@
RN13
0_0201_5%
@
12
R271
0_0603_5%
@
R271
0_0603_5%
@
1
2
CN1
4.7U_0603_6.3V6K
@CN1
4.7U_0603_6.3V6K
@
1
2
R216
100K_0402_1%
R216
100K_0402_1%
12
CN3
0.1U_0402_16V7K
CN3
0.1U_0402_16V7K
1
2
RN3
10K_0402_5%
RN3
10K_0402_5%
1
2
RC160
1K_0402_1%
RC160
1K_0402_1%
12
RN7
4.7K_0402_5%
RN7
4.7K_0402_5%
1
2

5
5
4
4
3
3
2
2
1
1
DD
C
C
B
B
AA
2.5" SATA HDD connector
Place CS17 close to JODD
Pleace near ODD Connector
Change to dual load switch for ODD and WLAN
10/22 RS11 Change to un pop
JHDD_P10
SATA_PRX_C_DTX_P0
SATA_PRX_C_DTX_N0
SATA_PTX_C_DRX_P0
SATA_PTX_C_DRX_N0
ODD_DA#_M
SATA_PRX_C_DTX_P1
SATA_PRX_C_DTX_N1
SATA_PTX_C_DRX_P1
SATA_PTX_C_DRX_N1
ODD_PWR
WL_PWREN_EC
ODD_DA#_M
ODD_DA#
SATA_PTX_DRX_N08
SATA_PTX_DRX_P08
SATA_PRX_DTX_N08
SATA_PRX_DTX_P08
ODD_PLUG#8
SATA_PTX_DRX_N18
SATA_PTX_DRX_P18
SATA_PRX_DTX_N18
SATA_PRX_DTX_P18
ODD_PWR8
WL_PWREN_EC26
ODD_DA#8
+5VS_HDD1
+5VS_HDD1
+5VS
+3VS
+5VS_HDD1
+5VS_ODD
+5VS
+5VALW
+5VS_ODD
+3VS_WLAN_R
+3VALW
+3VS
+3VS
Title
Size Document Number Rev
Date: Sheet
of
Security Classification
Compal Secret Data
THIS SHEET OF ENGINEERING DRAWING IS THE PROPRIETARY PROPERTY OF COMPAL ELECTRONICS, INC. AND CONTAINS CONFIDENTIAL
AND TRADE SECRET INFORMATION. THIS SHEET MAY NOT BE TRANSFERED FROM THE CUSTODY OF THE COMPETENT DIVISION OF R&D
DEPARTMENT EXCEPT AS AUTHORIZED BY COMPAL ELECTRONICS, INC. NEITHER THIS SHEET NOR THE INFORMATION IT CONTAINS
MAY BE USED BY OR DISCLOSED TO ANY THIRD PARTY WITHOUT PRIOR WRITTEN CONSENT OF COMPAL ELECTRONICS, INC.
Issued Date
Deciphered Date
0.1
ODD/SATA Conn
B
22 43Friday, February 21, 2014
2013/02/26 2015/07/08
Compal Electronics, Inc.
LA-A992P
Title
Size Document Number Rev
Date: Sheet
of
Security Classification
Compal Secret Data
THIS SHEET OF ENGINEERING DRAWING IS THE PROPRIETARY PROPERTY OF COMPAL ELECTRONICS, INC. AND CONTAINS CONFIDENTIAL
AND TRADE SECRET INFORMATION. THIS SHEET MAY NOT BE TRANSFERED FROM THE CUSTODY OF THE COMPETENT DIVISION OF R&D
DEPARTMENT EXCEPT AS AUTHORIZED BY COMPAL ELECTRONICS, INC. NEITHER THIS SHEET NOR THE INFORMATION IT CONTAINS
MAY BE USED BY OR DISCLOSED TO ANY THIRD PARTY WITHOUT PRIOR WRITTEN CONSENT OF COMPAL ELECTRONICS, INC.
Issued Date
Deciphered Date
0.1
ODD/SATA Conn
B
22 43Friday, February 21, 2014
2013/02/26 2015/07/08
Compal Electronics, Inc.
LA-A992P
Title
Size Document Number Rev
Date: Sheet of
Security Classification
Compal Secret Data
THIS SHEET OF ENGINEERING DRAWING IS THE PROPRIETARY PROPERTY OF COMPAL ELECTRONICS, INC. AND CONTAINS CONFIDENTIAL
AND TRADE SECRET INFORMATION. THIS SHEET MAY NOT BE TRANSFERED FROM THE CUSTODY OF THE COMPETENT DIVISION OF R&D
DEPARTMENT EXCEPT AS AUTHORIZED BY COMPAL ELECTRONICS, INC. NEITHER THIS SHEET NOR THE INFORMATION IT CONTAINS
MAY BE USED BY OR DISCLOSED TO ANY THIRD PARTY WITHOUT PRIOR WRITTEN CONSENT OF COMPAL ELECTRONICS, INC.
Issued Date
Deciphered Date
0.1
ODD/SATA Conn
B
22 43Friday, February 21, 2014
2013/02/26 2015/07/08
Compal Electronics, Inc.
LA-A992P
CS17
0.1U_0402_25V6K
ESD@
CS17
0.1U_0402_25V6K
ESD@
1
2
CS16
1000P_0402_50V7K
CS16
1000P_0402_50V7K
1
2
CS15 0.01U_0402_16V7K
CS15 0.01U_0402_16V7K
1
2
JHDD1
SANTA_193202-1
CONN@
JHDD1
SANTA_193202-1
CONN@
GND
1
A+
2
A-
3
GND
4
B-
5
B+
6
GND
7
VCC3.3
8
VCC3.3
9
VCC3.3
10
GND
11
GND
12
GND
13
VCC5
14
VCC5
15
VCC5
16
GND
17
RESERVED
18
GND
19
VCC12
20
VCC12
21
VCC12
22
GND 23
GND 24
C555 100P_0402_50V8J
C555 100P_0402_50V8J
12
CS18 0.01U_0402_16V7K
CS18 0.01U_0402_16V7K
1
2
U70
NL17SZ07DFT2G_SC70-5
SA00004BV00
U70
NL17SZ07DFT2G_SC70-5
SA00004BV00
NC 1
A2
G
3
Y
4
P5
C150
0.1U_0402_16V7K
C150
0.1U_0402_16V7K
1
2
C155 0.01U_0402_16V7K
C155 0.01U_0402_16V7K
1
2
TPS22966DPUR_SON14_2X3-D
Q22
TPS22966DPUR_SON14_2X3-D
Q22
GND 11
VIN2
6
VBIAS
4
ON2
5
VOUT2 9
VIN2
7
CT1 12
VOUT1 14
VOUT2 8
VOUT1 13
VIN1
2
ON1
3
VIN1
1
CT2 10
GPAD 15
R954
22K_0402_5%
R954
22K_0402_5%
12
CS13
0.1U_0402_25V6K
CS13
0.1U_0402_25V6K
1
2
C149
10U_0603_6.3V6M
C149
10U_0603_6.3V6M
1
2
JODD1
OCTEK_SLS-13HCAB
CONN@
JODD1
OCTEK_SLS-13HCAB
CONN@
GND1 14
GND2 15
GND
1
RX+
2
RX-
3
GND
4
TX-
5
TX+
6
GND
7
DP
8
+5V
9
+5V
10
MD
11
GND
12
GND
13
C156 0.01U_0402_16V7K
C156 0.01U_0402_16V7K
1
2
C571
10U_0603_6.3V6M
C571
10U_0603_6.3V6M
1
2
CS14 0.01U_0402_16V7K
CS14 0.01U_0402_16V7K
1
2
C153 0.01U_0402_16V7K
C153 0.01U_0402_16V7K
1
2
C154 0.01U_0402_16V7K
C154 0.01U_0402_16V7K
12
CS11 0.01U_0402_16V7K
CS11 0.01U_0402_16V7K
1
2
RS11 0_0402_5%@
RS11 0_0402_5%@
12
C558 100P_0402_50V8J
C558 100P_0402_50V8J
1
2
CC73
22U_0805_6.3V6M
@
CC73
22U_0805_6.3V6M
@
1
2
C576
10U_0603_6.3V6M
C576
10U_0603_6.3V6M
1
2
10U_0805_10V6K
CS12
10U_0805_10V6K
CS12
1
2
R201
0_0603_5%
@
R201
0_0603_5%
@
12

5
5
4
4
3
3
2
2
1
1
D
D
C
C
BB
A
A
208MHz
RR9 close to chip
RR4-RR9 close to chip
CR12-CR13 close to chip or socket
Close to Chip
RTS5239
Close to Chip
Card Reader Connector
Close to Conn
Close to Chip
+LAN_VDD_3V3 Rising time
need>0.5mS and <100mS
+LAN_REGOUT=60mil
L
+VDDREG=40mil
+LAN_VDD_3V3=40mil
CL8 & CL18 close LL2
CL14 & CL15 close UL1 Pin22
Place CL11~CL13 close UL1 Pin 3, 8 , 22
LDO mode Switcing mode
CL21
LL2
CL8
@
@
SMT
SMT
SMT
SMT
@
@
RTL8151G (LDO mode)
LL2, CL8, CL23 for 8161
CL10& CL16 close to UL1: Pin 23CL9 & CL5 close to UL1: Pin 11,32
CL26 & CL27 close UL1 Pin30
8151/8166 Co-Lay
SP050005L00 Footprint
(SP050003P00) 10/100
(SP050006800) Giga
CL19 close to UL1: Pin 32
CL20 close to UL1: Pin 11
LL1
JHW1 need to short
CR_CLKREQ#
+3VS_CR
SD_D2
SD_D1
SD_D0
SD_CLK
SD_CMD
SD_D3
SD_CD#
SD_WP
+3VS_CR
PLT_RST_BUF#
RREF
SD_CLK_R
+AVDD12
+DVDD12
+AVDD12
+CR_VDD_3V3
SD_D3_R
SD_CMD_R
SD_CLK_R
SD_D0_R
SD_D1_R
SD_D2_R
+DVDD12
+3VS_CR
SD_CD#
SD_WP
CLK_PCIE_CR
CLK_PCIE_CR#
PCIE_PRX_C_DTX_P2
PCIE_PRX_C_DTX_N2
PCIE_PTX_C_DRX_P2
PCIE_PTX_C_DRX_N2
LAN_PWR_EN_R
LANWAKEB
LAN_MDIN3
LAN_MDIP3
XTLI
+LAN_REGOUT
EC_LAN_ISOLATEB#
RSET
PLT_RST_BUF#
LED1/GPO
XTLO
LAN_MDIN2
LAN_MDIN0
LAN_MDIP0
LAN_MDIP2
LAN_MDIN1
LAN_MDIP1
+VDDREG
+LAN_REGOUT
XTLO
XTLI
+VDDREG
PCIE_PRX_C_DTX_N3
PCIE_PRX_C_DTX_P3
CLK_PCIE_LAN
CLK_PCIE_LAN#
PCIE_PRX_DTX_P3
PCIE_PRX_DTX_N3
LAN_CLKREQ#_R
LAN_CLKREQ#
PCIE_PTX_C_DRX_P3
PCIE_PTX_C_DRX_N3
LED0
LED2
RJ45_RX1-
LAN_MDIP2
LAN_MDIP0
LAN_MDIN0
LAN_MDIN2
LAN_MDIN3
RJ45_TX0-
LAN_MDIP3 RJ45_TX3+
RJ45_TX0+
RJ45_TX2+
RJ45_RX1+
RJ45_TX2-
RJ45_TX3-
RJ45_TX0-
RJ45_TX2+
RJ45_RX1-
RJ45_RX1+
RJ45_TX0+
RJ45_TX3-
RJ45_TX3+
RJ45_TX2-
LAN_MDIN1
LAN_MDIP1
+V_DAC
SD_D0_R
EC_LAN_ISOLATEB#
SD_CMD_R
SD_D3_R
SD_D2_R
SD_D1_R
CR_CLKREQ#8
CLK_PCIE_CR9
CLK_PCIE_CR#9
PCIE_PTX_C_DRX_N28
PCIE_PTX_C_DRX_P28
PCIE_PRX_DTX_P28
PCIE_PRX_DTX_N28
LAN_PWR_EN26
PLT_RST_BUF#21,26,27,9 EC_PME# 26
PCIE_PRX_DTX_P38
PCIE_PRX_DTX_N38
CLK_PCIE_LAN#9
CLK_PCIE_LAN9
LAN_CLKREQ#8
PCIE_PTX_C_DRX_N38
PCIE_PTX_C_DRX_P38
+CR_VDD_3V3
+AVDD12 +3VS_CR
+DVDD12
+3VS +3VS_CR
+CR_VDD_3V3
+LAN_VDD_3V3
+3VALW
+LAN_VDD_1V0
+LAN_VDD_3V3 +LAN_VDD_3V3
+LAN_VDD_1V0
+LAN_VDD_3V3
LANGND
LANGND
+3VS
+LAN_VDD_3V3
Title
Size Document Number Rev
Date: Sheet of
Security Classification
Compal Secret Data
THIS SHEET OF ENGINEERING DRAWING IS THE PROPRIETARY PROPERTY OF COMPAL ELECTRONICS, INC. AND CONTAINS CONFIDENTIAL
AND TRADE SECRET INFORMATION. THIS SHEET MAY NOT BE TRANSFERED FROM THE CUSTODY OF THE COMPETENT DIVISION OF R&D
DEPARTMENT EXCEPT AS AUTHORIZED BY COMPAL ELECTRONICS, INC. NEITHER THIS SHEET NOR THE INFORMATION IT CONTAINS
MAY BE USED BY OR DISCLOSED TO ANY THIRD PARTY WITHOUT PRIOR WRITTEN CONSENT OF COMPAL ELECTRONICS, INC.
Issued Date
Deciphered Date
0.1
23 43Friday, February 21, 2014
2013/02/26 2015/07/08
Compal Electronics, Inc.
LAN 8111G
LA-A992P
Title
Size Document Number Rev
Date: Sheet of
Security Classification
Compal Secret Data
THIS SHEET OF ENGINEERING DRAWING IS THE PROPRIETARY PROPERTY OF COMPAL ELECTRONICS, INC. AND CONTAINS CONFIDENTIAL
AND TRADE SECRET INFORMATION. THIS SHEET MAY NOT BE TRANSFERED FROM THE CUSTODY OF THE COMPETENT DIVISION OF R&D
DEPARTMENT EXCEPT AS AUTHORIZED BY COMPAL ELECTRONICS, INC. NEITHER THIS SHEET NOR THE INFORMATION IT CONTAINS
MAY BE USED BY OR DISCLOSED TO ANY THIRD PARTY WITHOUT PRIOR WRITTEN CONSENT OF COMPAL ELECTRONICS, INC.
Issued Date
Deciphered Date
0.1
23 43Friday, February 21, 2014
2013/02/26 2015/07/08
Compal Electronics, Inc.
LAN 8111G
LA-A992P
Title
Size Document Number Rev
Date: Sheet of
Security Classification
Compal Secret Data
THIS SHEET OF ENGINEERING DRAWING IS THE PROPRIETARY PROPERTY OF COMPAL ELECTRONICS, INC. AND CONTAINS CONFIDENTIAL
AND TRADE SECRET INFORMATION. THIS SHEET MAY NOT BE TRANSFERED FROM THE CUSTODY OF THE COMPETENT DIVISION OF R&D
DEPARTMENT EXCEPT AS AUTHORIZED BY COMPAL ELECTRONICS, INC. NEITHER THIS SHEET NOR THE INFORMATION IT CONTAINS
MAY BE USED BY OR DISCLOSED TO ANY THIRD PARTY WITHOUT PRIOR WRITTEN CONSENT OF COMPAL ELECTRONICS, INC.
Issued Date
Deciphered Date
0.1
23 43Friday, February 21, 2014
2013/02/26 2015/07/08
Compal Electronics, Inc.
LAN 8111G
LA-A992P
CL23
0.1U_0402_16V7K
@
CL23
0.1U_0402_16V7K
@
1
2
CR7
4.7U_0603_6.3V6M
CR7
4.7U_0603_6.3V6M
1
2
JHW1
JUMP_43X79
@JHW1
JUMP_43X79
@
1
122
RR5 33_0402_5%EMI@
RR5 33_0402_5%EMI@
12
RR96.2K_0402_1% RR96.2K_0402_1%
1
2
RR2 0_0402_5%@
RR2 0_0402_5%@
12
RL51K_0402_5% RL51K_0402_5%
1
2
TH1
TH1
CL8
4.7U_0603_6.3V6K
@
CL8
4.7U_0603_6.3V6K
@
1
2
CR11 0.1U_0402_10V7K
CR11 0.1U_0402_10V7K
12
CL4
0.1U_0402_16V7K
@EMI@
CL4
0.1U_0402_16V7K
@EMI@
1
2
RL8
15K_0402_5%
RL8
15K_0402_5%
12
CR6
0.1U_0402_16V7K
@
CR6
0.1U_0402_16V7K
@
1
2
RR4 0_0402_5%@
RR4 0_0402_5%@
1
2
CL9
0.1U_0402_16V7K
CL9
0.1U_0402_16V7K
1
2
CL16
0.1U_0402_16V7K
@
CL16
0.1U_0402_16V7K
@
1
2
CR13 0.1U_0402_10V7K
CR13 0.1U_0402_10V7K
12
CL14
0.1U_0402_16V7K
8161@
CL14
0.1U_0402_16V7K
8161@
1
2
LL1 0_0603_5%
LL1 0_0603_5%
12
CR1
4.7U_0603_6.3V6M
CR1
4.7U_0603_6.3V6M
1
2
RL11
2.49K_0402_1%
RL11
2.49K_0402_1%
12
JREAD1
TAITW_PSDAT0-09GLBS1ZZ4H1
CONN@
JREAD1
TAITW_PSDAT0-09GLBS1ZZ4H1
CONN@
DAT3
1
CMD
2
VSS1
3
VDD
4
CLK
5
VSS2
6
DAT0
7
DAT1
8
DAT2
9
G1 12
G2 13
CD
10
WP
11
RR3 0_0402_5%@
RR3 0_0402_5%@
1
2
CL5
0.1U_0402_16V7K
@
CL5
0.1U_0402_16V7K
@
1
2
CR4
0.1U_0402_16V7K
CR4
0.1U_0402_16V7K
1
2
UG5
APL3512_SOT23-5
@
UG5
APL3512_SOT23-5
@
OUT 1
EN 3
IN
5
GND 2
SS
4
CL29
0.1U_0402_16V7K
@
CL29
0.1U_0402_16V7K
@
1
2
CL17 0.1U_0402_16V7K
CL17 0.1U_0402_16V7K
12
CL15
1U_0402_6.3V6K
@8161@
CL15
1U_0402_6.3V6K
@8161@
1
2
RR7 0_0402_5%@
RR7 0_0402_5%@
1
2
CL11
0.1U_0402_16V7K
@
CL11
0.1U_0402_16V7K
@
1
2
UL1
8166
8166@
SA000063500
UL1
8166
8166@
SA000063500
CR9
4.7U_0402_6.3V6M
CR9
4.7U_0402_6.3V6M
1
2
CL20
4.7U_0603_6.3V6K
@8161@
CL20
4.7U_0603_6.3V6K
@8161@
1
2
CL3
120P_0402_50V8
EMI@
CL3
120P_0402_50V8
EMI@
1
2
CL21
0.1U_0402_16V7K
CL21
0.1U_0402_16V7K
1
2
RL35 0_0201_5%@
RL35 0_0201_5%@
12
RR6 0_0402_5%@
RR6 0_0402_5%@
1
2
CL2
10P_1808_3KV
SE167100J80
CL2
10P_1808_3KV
SE167100J80
1
2
LL2
2.2UH +-5% NLC252018T-2R2J-N
@LL2
2.2UH +-5% NLC252018T-2R2J-N
@
12
CR12
6.8P_0402_50V8C
@
CR12
6.8P_0402_50V8C
@
12
CL13
0.1U_0402_16V7K
CL13
0.1U_0402_16V7K
1
2
CR2
0.1U_0402_16V7K
CR2
0.1U_0402_16V7K
1
2
CL18 0.1U_0402_16V7K
CL18 0.1U_0402_16V7K
12
CR10
0.1U_0402_16V7K
CR10
0.1U_0402_16V7K
1
2
RL10
0_0603_5%
@
RL10
0_0603_5%
@
12
CL12
0.1U_0402_16V7K
CL12
0.1U_0402_16V7K
1
2
RL6
0_0201_5%@
RL6
0_0201_5%@
1
2
CL27
1U_0402_6.3V6K
@8166@
CL27
1U_0402_6.3V6K
@8166@
1
2
DL1
YSLC05CH_SOT23-3
ESD@
SCA00000U10
DL1
YSLC05CH_SOT23-3
ESD@
SCA00000U10
1
2
3
CR3
4.7U_0603_6.3V6M
CR3
4.7U_0603_6.3V6M
1
2
RR1
0_0603_5%
short@
RR1
0_0603_5%
short@
12
RL15
10K_0402_5%
RL15
10K_0402_5%
1
2
CR14 1U_0402_6.3V4Z
CR14 1U_0402_6.3V4Z
12
CL24
10P_0402_25V8J
CL24
10P_0402_25V8J
1
2
TSL1
LANKO_LG-2446S-1
SP050006B10
8161@
TSL1
LANKO_LG-2446S-1
SP050006B10
8161@
TCT1
1
TD1+
2
TD1-
3
TCT2
4
TD2+
5
TD2-
6
TCT3
7
TD3+
8
TD3-
9
TCT4
10
TD4+
11
TD4-
12
MX4- 13
MX4+ 14
MCT4 15
MX3- 16
MX3+ 17
MCT3 18
MX2- 19
MX2+ 20
MCT2 21
MX1- 22
MX1+ 23
MCT1 24
CL28
1500P_0402_50V7K
@
CL28
1500P_0402_50V7K
@
1
2
TH3
TH3
CL25
10P_0402_25V8J
CL25
10P_0402_25V8J
1
2
CL1
0.01U_0402_16V7K
@
CL1
0.01U_0402_16V7K
@
1
2
RL29 10K_0402_5%@
RL29 10K_0402_5%@
1
2
YL1
25MHZ_20PF_FSX3M-25.M20FDO
SJ10000E500
YL1
25MHZ_20PF_FSX3M-25.M20FDO
SJ10000E500
OSC 1
OSC 3
GND
2
GND
4
CL10
4.7U_0603_6.3V6K
@
CL10
4.7U_0603_6.3V6K
@
1
2
TSL1
S X'FORM_ NS892404 ETHERNET 10/100
8166@
SP050003P00
TSL1
S X'FORM_ NS892404 ETHERNET 10/100
8166@
SP050003P00
CR5
4.7U_0402_6.3V6M
CR5
4.7U_0402_6.3V6M
1
2
TH2
TH2
UL1
RTL8111G
SA00005YT00
8161@UL1
RTL8111G
SA00005YT00
8161@
HSIP
13
HSIN
14
REFCLK_P
15
REFCLK_N
16
HSOP
17
HSON
18
CLKREQB
12
AVDD10 3
MDIP0
1
MDIN0
2
MDIP1
4
MDIN1
5
AVDD10 8
MDIP2
6
MDIN2
7
MDIP3
9
MDIN3
10
REGOUT 24
VDDREG(VDD33) 23
LED2(LED1) 25
DVDD10 22
ISOLATEB 20
PERSTB
19 LANWAKEB 21
AVDD33 32
RSET
31
AVDD10 30
CKXTAL2 29
CKXTAL1 28
LED0 27
LED1/GPO 26
GND 33
AVDD33 11
RL71M_0402_5% RL71M_0402_5%
1
2
CL19
4.7U_0603_6.3V6K
@
CL19
4.7U_0603_6.3V6K
@
1
2
CR8
0.1U_0402_16V7K
CR8
0.1U_0402_16V7K
1
2
CL26
0.1U_0402_16V7K
8166@
CL26
0.1U_0402_16V7K
8166@
1
2
UR1
RTS5239-GR_QFN24_4X4
UR1
RTS5239-GR_QFN24_4X4
SP2 13
SP4 16
SP3 14
SP6 18
SP5 17
SP7 20
HSIP
1
REFCLKP
3HSIN
2
DV12_S 11
SP1 12
DV33_18 15
3V3_IN 9
AV12 7
GND 25
CARD_3V3 10
REFCLKN
4
HSOP
5
HSON
6
RREF
8
CLKREQ#
24
PERST#
23
MS_INS#
22
SD_CD#
21
GPIO
19
JLAN1
SANTA_130456-291 CONN@
JLAN1
SANTA_130456-291 CONN@
PR1-
2
PR1+
1
PR2+
3
PR3+
4
PR3-
5
PR2-
6
PR4+
7
PR4-
8
GND 9
GND 10
RP5
75_0804_8P4R_1%
SD300002E80
RP5
75_0804_8P4R_1%
SD300002E80
18
27
3
6
45
RR810K_0402_5%
RR810K_0402_5%
1
2

A
A
B
B
C
C
D
D
E
E
11
2
2
3
3
44
USB2.0/USB3.0 port 1
W=100mils
W=100mils
USB3.0 need support 2.5A
change USB PWR SW SA00003TV00
low active
<EC>
USB2.0 port x 2
W=100mils W=100mils
131109 Follow 15" Haswell LA-A992PR02
USB3TXDP0_C_R
USB3TXDN0_C_R
USB3RXDN0_C
USB3RXDP0_C
USB20_P0_C
USB20_N0_C
USB3TXDP0_C_R
USB3RXDN0_C
USB3TXDN0_C_R
USB3RXDP0_C
USB3RXDN0_C
USB_OC0#
USB20_N0_C
USB20_P0_C
USB_ON#
USB20_N0_C
USB20_P0_C
USB3RXDN0_C
USB3RXDP0_C
USB3TXDN0_C_R
USB3TXDP0_C_R
USB20_P2_C
USB20_N2_C
USB20_P1_C
USB20_N1_C
USB_OC1#
USB_ON#
USB3_TX0_N USB3_TX0_C_N
USB3_TX0_P USB3_TX0_C_P USB3TXDP0_C_R
USB3TXDN0_C_R
USB3RXDP0_C
USB20_P2_C
USB20_N2_C
USB20_P1_C
USB20_N1_C
USB_ON#26
USB_OC0# 10
USB20_N010
USB20_P010
USB20_HUB_N225
USB20_HUB_P225
USB20_P110
USB20_N110
USB_OC1# 10
USB3_TX0_N10
USB3_TX0_P10
USB3_RX0_N10
USB3_RX0_P10
+5VALW
+USB_VCCA
+USB_VCCA
+USB_VCCB
+5VALW
+USB_VCCB
Title
Size Document Number Rev
Date: Sheet of
Security Classification
Compal Secret Data
THIS SHEET OF ENGINEERING DRAWING IS THE PROPRIETARY PROPERTY OF COMPAL ELECTRONICS, INC. AND CONTAINS CONFIDENTIAL
AND TRADE SECRET INFORMATION. THIS SHEET MAY NOT BE TRANSFERED FROM THE CUSTODY OF THE COMPETENT DIVISION OF R&D
DEPARTMENT EXCEPT AS AUTHORIZED BY COMPAL ELECTRONICS, INC. NEITHER THIS SHEET NOR THE INFORMATION IT CONTAINS
MAY BE USED BY OR DISCLOSED TO ANY THIRD PARTY WITHOUT PRIOR WRITTEN CONSENT OF COMPAL ELECTRONICS, INC.
Issued Date
Deciphered Date
0.1
USB 3.0/2.0 conn
B
24 43Friday, February 21, 2014
2013/02/26 2015/07/08
Compal Electronics, Inc.
LA-A992P
Title
Size Document Number Rev
Date: Sheet of
Security Classification
Compal Secret Data
THIS SHEET OF ENGINEERING DRAWING IS THE PROPRIETARY PROPERTY OF COMPAL ELECTRONICS, INC. AND CONTAINS CONFIDENTIAL
AND TRADE SECRET INFORMATION. THIS SHEET MAY NOT BE TRANSFERED FROM THE CUSTODY OF THE COMPETENT DIVISION OF R&D
DEPARTMENT EXCEPT AS AUTHORIZED BY COMPAL ELECTRONICS, INC. NEITHER THIS SHEET NOR THE INFORMATION IT CONTAINS
MAY BE USED BY OR DISCLOSED TO ANY THIRD PARTY WITHOUT PRIOR WRITTEN CONSENT OF COMPAL ELECTRONICS, INC.
Issued Date
Deciphered Date
0.1
USB 3.0/2.0 conn
B
24 43Friday, February 21, 2014
2013/02/26 2015/07/08
Compal Electronics, Inc.
LA-A992P
Title
Size Document Number Rev
Date: Sheet of
Security Classification
Compal Secret Data
THIS SHEET OF ENGINEERING DRAWING IS THE PROPRIETARY PROPERTY OF COMPAL ELECTRONICS, INC. AND CONTAINS CONFIDENTIAL
AND TRADE SECRET INFORMATION. THIS SHEET MAY NOT BE TRANSFERED FROM THE CUSTODY OF THE COMPETENT DIVISION OF R&D
DEPARTMENT EXCEPT AS AUTHORIZED BY COMPAL ELECTRONICS, INC. NEITHER THIS SHEET NOR THE INFORMATION IT CONTAINS
MAY BE USED BY OR DISCLOSED TO ANY THIRD PARTY WITHOUT PRIOR WRITTEN CONSENT OF COMPAL ELECTRONICS, INC.
Issued Date
Deciphered Date
0.1
USB 3.0/2.0 conn
B
24 43Friday, February 21, 2014
2013/02/26 2015/07/08
Compal Electronics, Inc.
LA-A992P
DM1
YSLC05CH_SOT23-3
SCA00000U10
@ESD@
DM1
YSLC05CH_SOT23-3
SCA00000U10
@ESD@
1
2
3
RS1 0_0402_5%
@
RS1 0_0402_5%
@
12
CS2
0.1U_0402_16V7K
CS2
0.1U_0402_16V7K
1
2
LM3
WCM-2012-900T_4P
EMI@
SM070003Y00
LM3
WCM-2012-900T_4P
EMI@
SM070003Y00
1
1
4
4
33
22
RS10
0_0402_5%
@
RS10
0_0402_5%
@12
LM1
WCM-2012-900T_4P
SM070003K00
EMI@
LM1
WCM-2012-900T_4P
SM070003K00
EMI@
1
1
4
433
22
8
7
65
4
3
2
1
9
10
DM2
IP4292CZ10-TB
SC300002800ESD@
8
7
65
4
3
2
1
9
10
DM2
IP4292CZ10-TB
SC300002800ESD@
4
5
1
6
2
7
3
9
8
RS2 0_0402_5%@
RS2 0_0402_5%@
12
RS9
0_0402_5%
@
RS9
0_0402_5%
@
12
US2
G547I2P81U_MSOP8
US2
G547I2P81U_MSOP8
FLG
5
VIN
3VOUT 6
GND
1
EN
4
VOUT 7
VIN
2VOUT 8
US1
G547I2P81U_MSOP8
US1
G547I2P81U_MSOP8
FLG 5
VIN
3VOUT 6
GND
1
EN
4
VOUT 7
VIN
2VOUT 8
JUSB1
ACON_TARA4-9K1311
CONN@
JUSB1
ACON_TARA4-9K1311
CONN@
SSTX-
8
SSTX+
9
GND 10
GND 11
VBUS
1
D+
3
D-
2
GND
4
SSRX-
5
SSRX+
6
GND
7
GND 13
GND 12
RS7 0_0402_5%
@
RS7 0_0402_5%
@
12
LM2
WCM-2012-900T_4P
SM070003K00
EMI@
LM2
WCM-2012-900T_4P
SM070003K00
EMI@
1
1
4
4
33
22
RS4
0_0402_5%
@
RS4
0_0402_5%
@
12
RS14 0_0402_5%
@
RS14 0_0402_5%
@
1
2
RS15 0_0402_5%
@
RS15 0_0402_5%
@
12
CS3
0.1U_0402_16V7K
CS3
0.1U_0402_16V7K
1
2
CS1
0.1U_0402_16V7K
CS1
0.1U_0402_16V7K
1
2
CS4
1000P_0402_50V7K
@
CS4
1000P_0402_50V7K
@1
2
CS5
0.1U_0402_16V7K
CS5
0.1U_0402_16V7K
1
2
LM5
WCM-2012-900T_4P
EMI@
SM070003Y00
LM5
WCM-2012-900T_4P
EMI@
SM070003Y00
1
1
4
4
33
22
LM4
WCM-2012-900T_4P
EMI@
SM070003Y00
LM4
WCM-2012-900T_4P
EMI@
SM070003Y00
1
1
4
4
33
22
CS10
0.1U_0402_16V7K
CS10
0.1U_0402_16V7K
1
2
RS5
0_0402_5%
@
RS5
0_0402_5%
@
12
RS3 0_0402_5%
@
RS3 0_0402_5%
@
1
2
JUSB2
E-T_6916K-Q12N-00L
CONN@
JUSB2
E-T_6916K-Q12N-00L
CONN@
1
12
23
3
4
45
56
6
G1 13
G2 14
7
7
8
89
910
10
11
11 12
12
RS6 0_0402_5%@
RS6 0_0402_5%@
12
RS16 0_0402_5%
@
RS16 0_0402_5%
@
12
RS13 0_0402_5%
@
RS13 0_0402_5%
@
1
2
RS8 0_0402_5%@
RS8 0_0402_5%@
12
CS6
47U_0805_6.3V6M
CS6
47U_0805_6.3V6M
1
2

5
5
4
4
3
3
2
2
1
1
DD
CC
BB
AA
XTAL_HUB_12M_OUT
XTAL_HUB_12M_IN
XTAL_HUB_12M_IN
XTAL_HUB_12M_OUT
+VBUSM
HUB_OVCJ
+VBUSM
USB20_P2 10
USB20_N2 10
USB20_HUB_P1 17
USB20_HUB_N1 17
USB20_HUB_P2 24
USB20_HUB_N2 24
USB20_HUB_P3 21
USB20_HUB_N3 21
+3VS_USBHUB
+3VS_USBHUB
+3VS_USBHUB
+5VS_USBHUB
+5VALW
+3VS_USBHUB
+5VALW
+USB_VCCB
Title
Size Document Number Rev
Date: Sheet of
Security Classification
Compal Secret Data
THIS SHEET OF ENGINEERING DRAWING IS THE PROPRIETARY PROPERTY OF COMPAL ELECTRONICS, INC. AND CONTAINS CONFIDENTIAL
AND TRADE SECRET INFORMATION. THIS SHEET MAY NOT BE TRANSFERED FROM THE CUSTODY OF THE COMPETENT DIVISION OF R&D
DEPARTMENT EXCEPT AS AUTHORIZED BY COMPAL ELECTRONICS, INC. NEITHER THIS SHEET NOR THE INFORMATION IT CONTAINS
MAY BE USED BY OR DISCLOSED TO ANY THIRD PARTY WITHOUT PRIOR WRITTEN CONSENT OF COMPAL ELECTRONICS, INC.
Issued Date
Deciphered Date
LA-A994P
0.1
USB2.0 Hub
Custom
25 43Friday, February 21, 2014
2013/02/26 2015/07/08
Compal Electronics, Inc.
Title
Size Document Number Rev
Date: Sheet of
Security Classification
Compal Secret Data
THIS SHEET OF ENGINEERING DRAWING IS THE PROPRIETARY PROPERTY OF COMPAL ELECTRONICS, INC. AND CONTAINS CONFIDENTIAL
AND TRADE SECRET INFORMATION. THIS SHEET MAY NOT BE TRANSFERED FROM THE CUSTODY OF THE COMPETENT DIVISION OF R&D
DEPARTMENT EXCEPT AS AUTHORIZED BY COMPAL ELECTRONICS, INC. NEITHER THIS SHEET NOR THE INFORMATION IT CONTAINS
MAY BE USED BY OR DISCLOSED TO ANY THIRD PARTY WITHOUT PRIOR WRITTEN CONSENT OF COMPAL ELECTRONICS, INC.
Issued Date
Deciphered Date
LA-A994P
0.1
USB2.0 Hub
Custom
25 43Friday, February 21, 2014
2013/02/26 2015/07/08
Compal Electronics, Inc.
Title
Size Document Number Rev
Date: Sheet of
Security Classification
Compal Secret Data
THIS SHEET OF ENGINEERING DRAWING IS THE PROPRIETARY PROPERTY OF COMPAL ELECTRONICS, INC. AND CONTAINS CONFIDENTIAL
AND TRADE SECRET INFORMATION. THIS SHEET MAY NOT BE TRANSFERED FROM THE CUSTODY OF THE COMPETENT DIVISION OF R&D
DEPARTMENT EXCEPT AS AUTHORIZED BY COMPAL ELECTRONICS, INC. NEITHER THIS SHEET NOR THE INFORMATION IT CONTAINS
MAY BE USED BY OR DISCLOSED TO ANY THIRD PARTY WITHOUT PRIOR WRITTEN CONSENT OF COMPAL ELECTRONICS, INC.
Issued Date
Deciphered Date
LA-A994P
0.1
USB2.0 Hub
Custom
25 43Friday, February 21, 2014
2013/02/26 2015/07/08
Compal Electronics, Inc.
RU1100K_0402_5% RU1100K_0402_5%
12
YU1
12MHZ 16PF +-20PPM FSX3M 12.000M16FAQ
YU1
12MHZ 16PF +-20PPM FSX3M 12.000M16FAQ
1
2
3
4
CU3
18P_0402_50V8J
@CU3
18P_0402_50V8J
@
1
2
CU6
.1U_0402_16V7K
CU6
.1U_0402_16V7K
1
2
RU7 0_0603_5%@
RU7 0_0603_5%@
1
2
RU6
100K_0402_5%
RU6
100K_0402_5%
1
2
RU3
2.7K_0402_1%
RU3
2.7K_0402_1%
1
2
CU7
0.01U_0402_16V7K
CU7
0.01U_0402_16V7K
1
2
CU2
18P_0402_50V8J
@
CU2
18P_0402_50V8J
@
1
2
CU4
.1U_0402_16V7K
CU4
.1U_0402_16V7K
1
2
RU2100K_0402_5% RU2100K_0402_5%
12
UU1
FE1.1S-BQFN24B_WQFN24_4X4
UU1
FE1.1S-BQFN24B_WQFN24_4X4
XOUT
3
XIN
4
DM4
5
VD33F 20
VBUSM 17
DMU 14
XRSTJ 16
VDD5 19
TESTJ
2
REXT 13
BUSJ 18
DP3 8
DM3 7
DRV
21 DP4
6
OVCJ
1
DPU 15
DM2 9
DP2 10
DM1 11
DP1 12
LED1
22
LED2
23
PWRJ
24
VSS 25
RU8
10K_0402_5%
RU8
10K_0402_5%
1
2
RU9 10K_0402_5%
RU9 10K_0402_5%
12
CU5
.1U_0402_16V7K
CU5
.1U_0402_16V7K
1
2
RU5 10K_0402_5%@
RU5 10K_0402_5%@
12
CU1
10U_0805_10V6M
CU1
10U_0805_10V6M
1
2

5
5
4
4
3
3
2
2
1
1
D
D
C
C
BB
A
A
20mil
Delay SUSP# 10ms
Analog Board ID definition
Ra
20mil trace
Latest design guide suggest change to
74LVC1G06.
need PU or not?
remove or not?
09/13a
09/13a remove SUSP# PD R213.
15"
R214
R210
SIDB MV
PV
100k ohm 100k ohm100k ohm100k ohm
20K ohm12K ohm 56K ohm
33K ohm
Board ID
Project ID
15" TS
R214
R210
SIDB MV
PV
100k ohm 100k ohm100k ohm100k ohm
100K ohmNA 240K ohm
160K ohm
Board ID
Project ID
15" 6U
R214
R210
SIDB MV
PV
100k ohm100k ohm
NA 560K ohm
330K ohm
Board ID
Project ID NA
NA
NA
LPC_AD0
LPC_AD1
EC_SERIRQ
LPC_AD3
LPC_AD2
LPC_FRAME#
LPC_CLK_EC
TP_DATA
TP_CLK
EC_SMB_DA2
EC_SMB_CK1
EC_SMB_DA1
EC_SMB_CK2
EC_BEEP#
BKOFF#
EC_SMI#
EC_SCI#
EC_LID_OUT#
EC_SLP_S3#
SYSON
EC_KBRST#
ECAGND
EC_RSMRST#
EC_RST#
FAN_SPEED1
E51RXD_P80CLK
E51TXD_P80DATA
+EC_VCCA
ON/OFF#
EC_MUTE#
+V18R
SUSP#
EC_ON
EC_INVT_PWM
LID_SW#
VCIN0_PH
EC_ACIN
GPIO18
+EC_VCC_VL
PBTN_OUT#
AD_BID0
TP_DATA
TP_CLK
ECAGND
+EC_VCC_VL
ECAGND
USB_ON#
KSI1
KSI6
KSI5
KSI7
KSO1
KSO0
KSO2
KSO4
KSO3
KSO5
KSO6
KSO7
KSO8
KSO12
KSO10
KSO13
KSO11
KSO9
KSO15
KSO14
KSI2
KSI0
KSI3
KSI4
EC_ACIN
VR_ON
SYSON
DP_ENBKL
LID_SW#
EC_SMI#
EC_SCI#
LAN_PWR_EN
CAP_LOCK#
BAT_CHG_LED
E51TXD_P80DATA
VCIN1_PH
MAINPWON
PWR_LED#
B/I#
EC_SMB_DA2
EC_SMB_CK2
EC_SMB_DA1
EC_SMB_CK1
AD_BID0
ADP_I
H_PROCHOT#_EC
DP_ENBKL
KSO16
KSO17
H_PROCHOT#_EC
+1.8V_POK
AC_LED#
USB_ON#
SPOK
MINI1_LED#
WL_PWREN_EC
EC_PME#
ADP_ID
TS_GPIO_EC
TOUCH_ON#
WLAN_WAKE#
VGATE
TXE_DBG
WL_OFF#
AC_AND_CHAG
VR_ON
BT_ON_EC
EN_DFAN1
NMI_DBG#
NMI_DBG#
EC_SLP_S4#
CPU_THERMAL
FAN_SEL
FAN_SEL
LPC_FRAME#10,27
LPC_AD210,27
LPC_AD010,27
LPC_AD310,27
LPC_AD110,27
EC_SERIRQ27,9
LPC_CLK_EC10
EC_SMB_CK130,35,36
EC_BEEP# 20
EC_SMI#9
BKOFF# 16
EC_SCI#9
EC_SLP_S3#9
EC_LID_OUT# 9
SYSON 29,38
EC_KBRST#9
EC_RSMRST# 9
FAN_SPEED128
EC_MUTE# 20
SUSP# 11,29,38,39,43
EC_INVT_PWM17
PBTN_OUT# 9
EC_ON 37
ON/OFF# 28
VCIN0_PH 34
PLT_RST_BUF#21,23,27,9
EC_SMB_DA130,35,36
LID_SW# 28
E51TXD_P80DATA21
E51RXD_P80CLK21
ECAGND 34
KSI[0..7]27
KSO[0..17]27 TP_CLK 27
TP_DATA 27
EC_SMB_CK210,15,16
EC_SMB_DA210,15,16
ACIN 34..36,9
WLAN_ON_LED# 27
WLAN_OFF_LED# 27
LAN_PWR_EN 23
CAP_LOCK# 27
BAT_CHG_LED 34
VCIN1_PH 34
MAINPWON 37
PWR_LED# 28
B/I# 34,35
ADP_I 34,36
ENBKL 7
VR_HOT#40 H_PROCHOT# 34,35,8
H_PROCHOT#_EC 34
PMC_CORE_PWROK14,9
+1.8V_POK 42
AC_LED#34
USB_ON# 24
SPOK 37,42
MINI1_LED#21
WL_PWREN_EC 22
EC_PME# 23
ADP_ID 34
TS_GPIO_EC 17
TOUCH_ON# 17
WLAN_WAKE#21
VGATE 40
TXE_DBG 8
WL_OFF# 21
AC_AND_CHAG 35
VR_ON 40
BT_ON_EC 21
EN_DFAN1 28
NMI_DBG#_CPU 10
EC_SLP_S4# 38,9
CPU_THERMAL 10
+3VALW_EC
+3VALW_EC
+3VL
+3VALW_EC
+3VALW
+5VALW
+3VALW
+3VL
+3VS
+3VALW_EC
+3VS
+3VALW_EC
+3VALW_EC
+3VALW_EC
Title
Size Document Number Rev
Date: Sheet
of
Security Classification
Compal Secret Data
THIS SHEET OF ENGINEERING DRAWING IS THE PROPRIETARY PROPERTY OF COMPAL ELECTRONICS, INC. AND CONTAINS CONFIDENTIAL
AND TRADE SECRET INFORMATION. THIS SHEET MAY NOT BE TRANSFERED FROM THE CUSTODY OF THE COMPETENT DIVISION OF R&D
DEPARTMENT EXCEPT AS AUTHORIZED BY COMPAL ELECTRONICS, INC. NEITHER THIS SHEET NOR THE INFORMATION IT CONTAINS
MAY BE USED BY OR DISCLOSED TO ANY THIRD PARTY WITHOUT PRIOR WRITTEN CONSENT OF COMPAL ELECTRONICS, INC.
Issued Date
Deciphered Date
LA-A994P
0.1
EC ENE KB9012 A3
C
26
43Monday, February 24, 2014
2011/07/08 2015/07/08
Compal Electronics, Inc.
Title
Size Document Number Rev
Date: Sheet of
Security Classification
Compal Secret Data
THIS SHEET OF ENGINEERING DRAWING IS THE PROPRIETARY PROPERTY OF COMPAL ELECTRONICS, INC. AND CONTAINS CONFIDENTIAL
AND TRADE SECRET INFORMATION. THIS SHEET MAY NOT BE TRANSFERED FROM THE CUSTODY OF THE COMPETENT DIVISION OF R&D
DEPARTMENT EXCEPT AS AUTHORIZED BY COMPAL ELECTRONICS, INC. NEITHER THIS SHEET NOR THE INFORMATION IT CONTAINS
MAY BE USED BY OR DISCLOSED TO ANY THIRD PARTY WITHOUT PRIOR WRITTEN CONSENT OF COMPAL ELECTRONICS, INC.
Issued Date
Deciphered Date
LA-A994P
0.1
EC ENE KB9012 A3
C
26
43Monday, February 24, 2014
2011/07/08 2015/07/08
Compal Electronics, Inc.
Title
Size Document Number Rev
Date: Sheet
of
Security Classification
Compal Secret Data
THIS SHEET OF ENGINEERING DRAWING IS THE PROPRIETARY PROPERTY OF COMPAL ELECTRONICS, INC. AND CONTAINS CONFIDENTIAL
AND TRADE SECRET INFORMATION. THIS SHEET MAY NOT BE TRANSFERED FROM THE CUSTODY OF THE COMPETENT DIVISION OF R&D
DEPARTMENT EXCEPT AS AUTHORIZED BY COMPAL ELECTRONICS, INC. NEITHER THIS SHEET NOR THE INFORMATION IT CONTAINS
MAY BE USED BY OR DISCLOSED TO ANY THIRD PARTY WITHOUT PRIOR WRITTEN CONSENT OF COMPAL ELECTRONICS, INC.
Issued Date
Deciphered Date
LA-A994P
0.1
EC ENE KB9012 A3
C
26
43Monday, February 24, 2014
2011/07/08 2015/07/08
Compal Electronics, Inc.
C177
0.1U_0402_25V6
@
C177
0.1U_0402_25V6
@
1
2
DK2
CH751H-40PT_SOD323-2
DK2
CH751H-40PT_SOD323-2
2
1
L10
BLM18AG601SN1D_2P
L10
BLM18AG601SN1D_2P
1
2
R214
56K_0402_1%
N6U@
SD034560280
R214
56K_0402_1%
N6U@
SD034560280
12
C180
1000P_0402_50V7K
@
C180
1000P_0402_50V7K
@
1
2
LPC & MISC
Int. K/B
Matrix
SM Bus
GPIO
GPIO
AD Input
PWM Output
DA Output
PS2 Interface
SPI Device Interface
SPI Flash ROM
GPO
GPI
U44
KB9012QF-A3_LQFP128_14X14
Part Number = SA00004OB30
LPC & MISC
Int. K/B
Matrix
SM Bus
GPIO
GPIO
AD Input
PWM Output
DA Output
PS2 Interface
SPI Device Interface
SPI Flash ROM
GPO
GPI
U44
KB9012QF-A3_LQFP128_14X14
Part Number = SA00004OB30
GATEA20/GPIO00
1
KBRST#/GPIO01
2
SERIRQ
3
LPC_FRAME#
4
LPC_AD3
5
PM_SLP_S3#/GPIO04
6
LPC_AD2
7
LPC_AD1
8
EC_VDD/VCC 9
LPC_AD0
10
GND/GND
11
CLK_PCI_EC
12
PCIRST#/GPIO05
13
PM_SLP_S5#/GPIO07
14
EC_SMI#/GPIO08
15
GPIO0A
16
GPIO0B
17
GPIO0C
18
GPIO0D
19
EC_SCII#/GPIO0E
20
GPIO0F 21
EC_VDD/VCC 22
BEEP#/GPIO10 23
GND/GND
24
EC_INVT_PWM/GPIO11
25
GPIO12 26
ACOFF/GPIO13 27
FAN_SPEED1/GPIO14
28
EC_PME#/GPIO15
29
EC_TX/GPIO16
30
EC_RX/GPIO17
31
PCH_PWROK/GPIO18
32
EC_VDD/VCC 33
SUSP_LED#/GPIO19
34
GND/GND
35
NUM_LED#/GPIO1A
36
EC_RST#
37
GPIO1D
38
KSO0/GPIO20
39
KSO1/GPIO21
40
KSO2/GPIO22
41
KSO3/GPIO23
42
KSO4/GPIO24
43
KSO5/GPIO25
44
KSO6/GPIO26
45
KSO7/GPIO27
46
KSO8/GPIO28
47
KSO9/GPIO29
48
KSO10/GPIO2A
49
KSO11/GPIO2B
50
KSO12/GPIO2C
51
KSO13/GPIO2D
52
KSO14/GPIO2E
53
KSO15/GPIO2F
54
KSI0/GPIO30
55
KSI1/GPIO31
56
KSI2/GPIO32
57
KSI3/GPIO33
58
KSI4/GPIO34
59
KSI5/GPIO35
60
KSI6/GPIO36
61
KSI7/GPIO37
62
BATT_TEMP/AD0/GPIO38 63
AD1/GPIO39 64
ADP_I/AD2/GPIO3A 65
AD3/GPIO3B 66
EC_VDD/AVCC 67
DAC_BRIG/GPIO3C 68
AGND/AGND
69
EN_DFAN1/GPIO3D 70
IREF/GPIO3E 71
CHGVADJ/GPIO3F 72
ENBKL/AD6/GPIO40 73
PECI_KB930/AD7/GPIO41 74
AD4/GPIO42 75
IMON/AD5/GPIO43 76
EC_SMB_CK1/GPIO44
77
EC_SMB_DA1/GPIO45
78
EC_SMB_CK2/GPIO46
79
EC_SMB_DA2/GPIO47
80
KSO16/GPIO48
81
KSO17/GPIO49
82
EC_MUTE#/GPIO4A 83
USB_EN#/GPIO4B 84
CAP_INT#/GPIO4C 85
EAPD/GPIO4D 86
TP_CLK/GPIO4E 87
TP_DATA/GPIO4F 88
FSTCHG/GPIO50 89
BATT_CHG_LED#/GPIO52 90
CAPS_LED#/GPIO53 91
PWR_LED#/GPIO54 92
BATT_LOW _LED#/GPIO55 93
GND/GND
94
SYSON/GPIO56 95
EC_VDD/VCC 96
CPU1.5V_S3_GATE/GPXIOA00 97
WOL_EN/GPXIOA01 98
ME_EN/GPXIOA02 99
EC_RSMRST#/GPXIOA03 100
EC_LID_OUT#/GPXIOA04 101
PROCHOT_IN/GPXIOA05 102
H_PROCHOT#_EC/GPXIOA06 103
VCOUT0_PH/GPXIOA07 104
BKOFF#/GPXIOA08 105
PBTN_OUT#/GPXIOA09 106
PCH_APWROK/GPXIOA10 107
SA_PGOOD/GPXIOA11 108
VCIN0_PH/GPXIOD00 109
AC_IN/GPXIOD01 110
EC_VDD0 111
EC_ON/GPXIOD02 112
GND0
113
ON/OFF/GPXIOD03 114
LID_SW#/GPXIOD04 115
SUSP#/GPXIOD05 116
GPXIOD06 117
PECI_KB9012/GPXIOD07 118
SPIDI/GPIO5B 119
SPIDO/GPIO5C 120
VR_ON/GPIO57 121
XCLKI/GPIO5D
122
XCLKO/GPIO5E
123
V18R 124
EC_VDD/VCC 125
SPICLK/GPIO58 126
PM_SLP_S4#/GPIO59 127
SPICS#/GPIO5A 128
RK18
10K_0402_5%
RK18
10K_0402_5%
1
2
R214
560k_0402_1%
6U@
SD034560380
R214
560k_0402_1%
6U@
SD034560380
C184 0.01U_0402_50V7K
C184 0.01U_0402_50V7K
1
2
RP2
100K_0804_8P4R_5%
RP2
100K_0804_8P4R_5%
18
27
3
6
45
R2454.7K_0402_5%
R2454.7K_0402_5%
1
2
RK19
10K_0402_5% FAN@
RK19
10K_0402_5% FAN@
1
2
L11
BLM18AG601SN1D_2P
L11
BLM18AG601SN1D_2P
1
2
C175
0.1U_0402_25V6
C175
0.1U_0402_25V6
1
2
R229 0_0402_5%@
R229 0_0402_5%@
1
2
R222
0_0402_5% @
R222
0_0402_5% @
12
R36210K_0402_1%
@
R36210K_0402_1%
@
1
2
Q85A
2N7002KDWH_SOT363-6
Q85A
2N7002KDWH_SOT363-6
6
1
2
L9
0_0805_5%
@
L9
0_0805_5%
@
12
C178
0.1U_0402_25V6
@
C178
0.1U_0402_25V6
@
1
2
R210
100K_0402_1%
R210
100K_0402_1%
12
C181
0.1U_0402_25V6
C181
0.1U_0402_25V6
1
2
R22810K_0402_1% R22810K_0402_1%
1
2
C176
0.1U_0402_25V6
C176
0.1U_0402_25V6
1
2
C186 0.1U_0402_25V6
C186 0.1U_0402_25V6
1
2
T200
T200
C190
4.7U_0603_6.3V6K
C190
4.7U_0603_6.3V6K
1
2
C188 100P_0402_50V8J
C188 100P_0402_50V8J
1
2
RP3
2.2K_0804_8P4R_5%
RP3
2.2K_0804_8P4R_5%
1
8
27
3
6
4
5
R217 100K_0402_1%
R217 100K_0402_1%
1
2
R482
0_0402_5%
RS@
R482
0_0402_5%
RS@
1
2
R2444.7K_0402_5%
R2444.7K_0402_5%
1
2
RK20
10K_0402_5% NOFAN@
RK20
10K_0402_5% NOFAN@
1
2
T199
T199
C179
1000P_0402_50V7K
@
C179
1000P_0402_50V7K
@
1
2
RP4
10K_0804_8P4R_5%
RP4
10K_0804_8P4R_5%
18
2
7
36
45
R226 47K_0402_5%
R226 47K_0402_5%
1
2

Keyboard conn
Touch pad conn
Amber
White
TPM1.2
*
10/24 ESD@ Change @ESD@
KSI6
KSI4
KSO0
KSO9
KSI1
KSI2
KSI5
KSO5
KSI7
KSI3
KSO13
KSO12
KSO11
KSO10
KSO9
KSO8
KSO7
KSO6
KSO5
KSO4
KSO3
KSO2
KSI5
KSI4
KSO1
KSO0
KSI3
KSI2
KSI1
KSI0
KSO15
KSO14
CAP_LOCK#
MUTE_LED
WL_AMBER WL_WHIT
KSI7
KSI6
KSI0
TP_DATA
TP_CLK
WL_WHIT
WL_AMBER
MUTE_LED
CAP_LOCK#
KSO16
KSO17
KSO17
KSO12
KSO4
KSI0
KSO8
KSO6
KSO3
KSO2
KSO7
KSO1
KSO13
KSO11
KSO10
KSO15
KSO14
KSO16
PLT_RST_BUF#
BADD
LPC_AD0
LPC_AD2
LPC_AD1
PLT_RST_BUF#
SERIRQ
LPC_FRAME#
LPC_AD3
KSI[0..7]26
KSO[0..17]26
WLAN_ON_LED# 26
WLAN_OFF_LED#26
TP_DATA26
TP_CLK26
CAP_LOCK#26
MUTE_LED20
LPC_AD010,26
PLT_RST_BUF#21,23,26,9
LPC_AD110,26
LPC_AD210,26
LPC_AD310,26
LPC_CLK_TPM10
LPC_FRAME#10,26
EC_SERIRQ26,9
+5VALW
+5VALW +3VALW
+5VS
+5VS
+3VS +3VS
+3VS
Title
Size Document Number Rev
Date: Sheet of
Security Classification
Compal Secret Data
THIS SHEET OF ENGINEERING DRAWING IS THE PROPRIETARY PROPERTY OF COMPAL ELECTRONICS, INC. AND CONTAINS CONFIDENTIAL
AND TRADE SECRET INFORMATION. THIS SHEET MAY NOT BE TRANSFERED FROM THE CUSTODY OF THE COMPETENT DIVISION OF R&D
DEPARTMENT EXCEPT AS AUTHORIZED BY COMPAL ELECTRONICS, INC. NEITHER THIS SHEET NOR THE INFORMATION IT CONTAINS
MAY BE USED BY OR DISCLOSED TO ANY THIRD PARTY WITHOUT PRIOR WRITTEN CONSENT OF COMPAL ELECTRONICS, INC.
Issued Date
Deciphered Date
0.1
KB/TP
B
27 43Friday, February 21, 2014
2013/02/26 2015/07/08
Compal Electronics, Inc.
LA-A992P
Title
Size Document Number Rev
Date: Sheet of
Security Classification
Compal Secret Data
THIS SHEET OF ENGINEERING DRAWING IS THE PROPRIETARY PROPERTY OF COMPAL ELECTRONICS, INC. AND CONTAINS CONFIDENTIAL
AND TRADE SECRET INFORMATION. THIS SHEET MAY NOT BE TRANSFERED FROM THE CUSTODY OF THE COMPETENT DIVISION OF R&D
DEPARTMENT EXCEPT AS AUTHORIZED BY COMPAL ELECTRONICS, INC. NEITHER THIS SHEET NOR THE INFORMATION IT CONTAINS
MAY BE USED BY OR DISCLOSED TO ANY THIRD PARTY WITHOUT PRIOR WRITTEN CONSENT OF COMPAL ELECTRONICS, INC.
Issued Date
Deciphered Date
0.1
KB/TP
B
27 43Friday, February 21, 2014
2013/02/26 2015/07/08
Compal Electronics, Inc.
LA-A992P
Title
Size Document Number Rev
Date: Sheet
of
Security Classification
Compal Secret Data
THIS SHEET OF ENGINEERING DRAWING IS THE PROPRIETARY PROPERTY OF COMPAL ELECTRONICS, INC. AND CONTAINS CONFIDENTIAL
AND TRADE SECRET INFORMATION. THIS SHEET MAY NOT BE TRANSFERED FROM THE CUSTODY OF THE COMPETENT DIVISION OF R&D
DEPARTMENT EXCEPT AS AUTHORIZED BY COMPAL ELECTRONICS, INC. NEITHER THIS SHEET NOR THE INFORMATION IT CONTAINS
MAY BE USED BY OR DISCLOSED TO ANY THIRD PARTY WITHOUT PRIOR WRITTEN CONSENT OF COMPAL ELECTRONICS, INC.
Issued Date
Deciphered Date
0.1
KB/TP
B
27 43Friday, February 21, 2014
2013/02/26 2015/07/08
Compal Electronics, Inc.
LA-A992P
C1082
0.1U_0402_16V4Z
@
C1082
0.1U_0402_16V4Z
@
1
2
C1079
0.1U_0402_16V4Z
@
C1079
0.1U_0402_16V4Z
@
1
2
R1409
0_0402_5%
@
R1409
0_0402_5%
@
1
2
C1080
0.1U_0402_16V4Z
@
C1080
0.1U_0402_16V4Z
@
1
2
Q20A
2N7002KDW_SOT363-6
Q20A
2N7002KDW_SOT363-6
6
1
2
T46 PAD@ T46 PAD@
R207 3.3K_0402_5%
R207 3.3K_0402_5%
12
JTP1
HB_A090420-SAHR21
CONN@
JTP1
HB_A090420-SAHR21
CONN@
1
1
2
2
3
3
4
4
GND 5
GND 6
C193 100P_0402_50V8J
ESD@
C193 100P_0402_50V8J
ESD@
1
2
T45 PAD@
T45 PAD@
R158
3.3K_0402_5%
R158
3.3K_0402_5%
1
2
C1081
0.1U_0402_16V4Z
@
C1081
0.1U_0402_16V4Z
@
1
2
C134
470P_0402_50V8J
@
C134
470P_0402_50V8J
@
1
2
R1380
4.7K_0402_5%
@
R1380
4.7K_0402_5%
@
12
CC122
100P_0402_50V8J
ESD@
CC122
100P_0402_50V8J
ESD@
1
2
R157
3.3K_0402_5%
R157
3.3K_0402_5%
1
2
R1412 0_0402_5%
@
R1412 0_0402_5%
@
1
2
CC123
100P_0402_50V8J
ESD@
CC123
100P_0402_50V8J
ESD@
1
2
R203 3.3K_0402_5%
R203 3.3K_0402_5%
12
JKB1
ACES_50690-0320N-P01
CONN@ JKB1
ACES_50690-0320N-P01
CONN@
1
1
2
2
3
3
4
4
5
5
6
6
7
7
8
8
9
9
10
10
11
11
12
12
13
13
14
14
15
15
16
16
17
17
18
18
19
19
20
20
21
21
22
22
23
23
24
24
25
25
26
26
27
27
28
28
29
29
30
30
31
31
32
32
G1 33
G2 34
TPM
SLB 9656 TT 1.2
U69
SLB 9656 TT 1.2
@
TPM
SLB 9656 TT 1.2
U69
SLB 9656 TT 1.2
@
GND
4
GND
11
GND
18
GND
25
VDD 24
VDD 19
LAD0
26
LAD1
23
LAD2
20
LAD3
17
LCLK
21
LFRAME#
22
LRESET#
16
SERIRQ
27
CLKRUN#
15
PP
7NC 1
NC 3
NC 12
VDD 10
VSB 5
TESTB1/BADD 9
TEST1 8
GPIO 6
XTALO 14
XTALI 13
LPCPD# 28
GPIO2 2
DM5
YSLC05CH_SOT23-3
SCA00000U10
@ESD@
DM5
YSLC05CH_SOT23-3
SCA00000U10
@ESD@
1
2
3
Q20B
2N7002KDW_SOT363-6
Q20B
2N7002KDW_SOT363-6
3
5
4

A
A
B
B
C
C
D
D
E
E
11
2
2
3
3
44
FAN conn
Powert Button Connector
40mil
White
White
40mil
remove at SI phase
remove at SI phase
remove at SI phase
131109 Change to LID_SW#
LID_SW#
ON/OFF#
ON/OFF#
SOC_SATALED#
PWR_LED#
LID_SW#
ON/OFF#26
FAN_SPEED126
PWR_LED#26
SOC_SATALED#8
EN_DFAN126
LID_SW#26
+3VL
+3VL
+FAN_POWER
+3VS
+3VS
+3VALW
+5VS
+FAN_POWER
Title
Size Document Number Rev
Date: Sheet
of
Security Classification
Compal Secret Data
THIS SHEET OF ENGINEERING DRAWING IS THE PROPRIETARY PROPERTY OF COMPAL ELECTRONICS, INC. AND CONTAINS CONFIDENTIAL
AND TRADE SECRET INFORMATION. THIS SHEET MAY NOT BE TRANSFERED FROM THE CUSTODY OF THE COMPETENT DIVISION OF R&D
DEPARTMENT EXCEPT AS AUTHORIZED BY COMPAL ELECTRONICS, INC. NEITHER THIS SHEET NOR THE INFORMATION IT CONTAINS
MAY BE USED BY OR DISCLOSED TO ANY THIRD PARTY WITHOUT PRIOR WRITTEN CONSENT OF COMPAL ELECTRONICS, INC.
Issued Date
Deciphered Date
LA-A992P
0.1
PWRBTN/FAN
B
28 43Friday, March 14, 2014
Compal Electronics, Inc.
2015/07/082013/02/26
Title
Size Document Number Rev
Date: Sheet
of
Security Classification
Compal Secret Data
THIS SHEET OF ENGINEERING DRAWING IS THE PROPRIETARY PROPERTY OF COMPAL ELECTRONICS, INC. AND CONTAINS CONFIDENTIAL
AND TRADE SECRET INFORMATION. THIS SHEET MAY NOT BE TRANSFERED FROM THE CUSTODY OF THE COMPETENT DIVISION OF R&D
DEPARTMENT EXCEPT AS AUTHORIZED BY COMPAL ELECTRONICS, INC. NEITHER THIS SHEET NOR THE INFORMATION IT CONTAINS
MAY BE USED BY OR DISCLOSED TO ANY THIRD PARTY WITHOUT PRIOR WRITTEN CONSENT OF COMPAL ELECTRONICS, INC.
Issued Date
Deciphered Date
LA-A992P
0.1
PWRBTN/FAN
B
28 43Friday, March 14, 2014
Compal Electronics, Inc.
2015/07/082013/02/26
Title
Size Document Number Rev
Date: Sheet of
Security Classification
Compal Secret Data
THIS SHEET OF ENGINEERING DRAWING IS THE PROPRIETARY PROPERTY OF COMPAL ELECTRONICS, INC. AND CONTAINS CONFIDENTIAL
AND TRADE SECRET INFORMATION. THIS SHEET MAY NOT BE TRANSFERED FROM THE CUSTODY OF THE COMPETENT DIVISION OF R&D
DEPARTMENT EXCEPT AS AUTHORIZED BY COMPAL ELECTRONICS, INC. NEITHER THIS SHEET NOR THE INFORMATION IT CONTAINS
MAY BE USED BY OR DISCLOSED TO ANY THIRD PARTY WITHOUT PRIOR WRITTEN CONSENT OF COMPAL ELECTRONICS, INC.
Issued Date
Deciphered Date
LA-A992P
0.1
PWRBTN/FAN
B
28 43Friday, March 14, 2014
Compal Electronics, Inc.
2015/07/082013/02/26
LED9
LTW-110DC5-C_WHITE
LED9
LTW-110DC5-C_WHITE
2
1
3
R2743220_0402_5% R2743220_0402_5%
1
2
JPWR1
HB_A090420-SAHR21
CONN@
JPWR1
HB_A090420-SAHR21
CONN@
1
1
2
2
3
3
4
4
GND 5
GND 6
R2744220_0402_5% R2744220_0402_5%
1
2
UE3
APE8873M SOP 8P
@UE3
APE8873M SOP 8P
@
VEN
1
VIN
2
GND 5
GND 6
GND 8
VO
3
VSET
4
GND 7
CE25
2.2U_0603_6.3V6K
@
CE25
2.2U_0603_6.3V6K
@
12
CE24
0.01U_0402_16V7K
@
CE24
0.01U_0402_16V7K
@
1
2
CE22
2.2U_0603_6.3V6K
@
CE22
2.2U_0603_6.3V6K
@
1
2
C166 0.1U_0402_16V7K
@
C166 0.1U_0402_16V7K
@1
2
LED10
LTW-110DC5-C_WHITE
LED10
LTW-110DC5-C_WHITE
2
1
3
RE50
10K_0402_5%
RE50
10K_0402_5%
1
2
CS20 0.1U_0402_16V7K
@ESD@
CS20 0.1U_0402_16V7K
@ESD@ 1
2
CC124
100P_0402_50V8J
ESD@
CC124
100P_0402_50V8J
ESD@
1
2
JFAN1
ACES_85204-0300N
CONN@ JFAN1
ACES_85204-0300N
CONN@
1
1
2
2
3
3
GND
4
GND
5
CS19 0.1U_0402_16V7K
@ESD@
CS19 0.1U_0402_16V7K
@ESD@
1
2
R215
100K_0402_5%
R215
100K_0402_5%
1
2

A
A
B
B
C
C
D
D
E
E
11
2
2
3
3
44
20mil
10mil
+1.0VALW TO +1.0VS
+3VALW TO +3VS
+5VALW TO +5VS
+1.35V TO +1.35VS
+1.8VALW TO +1.8VS
Bay trail M new power up sequence
SUSP
SUSP
+1.0VS_R
1.0VS_GATE
SYSON# SUSP
SYSON
SUSP#
SUSP
SYSON#
SUSP#
SYSON
SUSP#
SUSP#
SUSP#
SUSP#_3VS_5VS
SYSON26,38 SUSP# 11,26,38,39,43
+5VALW
+1.0VS
+1.0VALW
+5VALW
+5VALW
+3VALW
+5VALW
+3VS_IN
+3VS
+5VS
+5VALW
+1.35V
+1.8VALW
+1.35VS_IN
+1.8VS_IN
+1.35VS
+1.8VS
+5VS_IN
Title
Size Document Number Rev
Date: Sheet of
Security Classification
Compal Secret Data
THIS SHEET OF ENGINEERING DRAWING IS THE PROPRIETARY PROPERTY OF COMPAL ELECTRONICS, INC. AND CONTAINS CONFIDENTIAL
AND TRADE SECRET INFORMATION. THIS SHEET MAY NOT BE TRANSFERED FROM THE CUSTODY OF THE COMPETENT DIVISION OF R&D
DEPARTMENT EXCEPT AS AUTHORIZED BY COMPAL ELECTRONICS, INC. NEITHER THIS SHEET NOR THE INFORMATION IT CONTAINS
MAY BE USED BY OR DISCLOSED TO ANY THIRD PARTY WITHOUT PRIOR WRITTEN CONSENT OF COMPAL ELECTRONICS, INC.
Issued Date
Deciphered Date
0.1
DC Interface
B
29 43Friday, February 21, 2014
2013/02/26 2015/07/08
Compal Electronics, Inc.
Title
Size Document Number Rev
Date: Sheet
of
Security Classification
Compal Secret Data
THIS SHEET OF ENGINEERING DRAWING IS THE PROPRIETARY PROPERTY OF COMPAL ELECTRONICS, INC. AND CONTAINS CONFIDENTIAL
AND TRADE SECRET INFORMATION. THIS SHEET MAY NOT BE TRANSFERED FROM THE CUSTODY OF THE COMPETENT DIVISION OF R&D
DEPARTMENT EXCEPT AS AUTHORIZED BY COMPAL ELECTRONICS, INC. NEITHER THIS SHEET NOR THE INFORMATION IT CONTAINS
MAY BE USED BY OR DISCLOSED TO ANY THIRD PARTY WITHOUT PRIOR WRITTEN CONSENT OF COMPAL ELECTRONICS, INC.
Issued Date
Deciphered Date
0.1
DC Interface
B
29 43Friday, February 21, 2014
2013/02/26 2015/07/08
Compal Electronics, Inc.
Title
Size Document Number Rev
Date: Sheet
of
Security Classification
Compal Secret Data
THIS SHEET OF ENGINEERING DRAWING IS THE PROPRIETARY PROPERTY OF COMPAL ELECTRONICS, INC. AND CONTAINS CONFIDENTIAL
AND TRADE SECRET INFORMATION. THIS SHEET MAY NOT BE TRANSFERED FROM THE CUSTODY OF THE COMPETENT DIVISION OF R&D
DEPARTMENT EXCEPT AS AUTHORIZED BY COMPAL ELECTRONICS, INC. NEITHER THIS SHEET NOR THE INFORMATION IT CONTAINS
MAY BE USED BY OR DISCLOSED TO ANY THIRD PARTY WITHOUT PRIOR WRITTEN CONSENT OF COMPAL ELECTRONICS, INC.
Issued Date
Deciphered Date
0.1
DC Interface
B
29 43Friday, February 21, 2014
2013/02/26 2015/07/08
Compal Electronics, Inc.
CF21
10U_0603_6.3V6M
CF21
10U_0603_6.3V6M
1
2
RF3
4.7K_0402_5%
RF3
4.7K_0402_5%
12
JPHW4
JUMP_43X79
@JPHW4
JUMP_43X79
@
1
1
22
QF1A
DMN66D0LDW-7_SOT363-6
QF1A
DMN66D0LDW-7_SOT363-6
6
1
2
CF13
1U_0603_10V4Z
CF13
1U_0603_10V4Z
1
2
CF14
10U_0603_6.3V6M
CF14
10U_0603_6.3V6M
1
2
CF9
1U_0603_10V4Z
@
CF9
1U_0603_10V4Z
@
1
2
JPHW5
JUMP_43X79
@JPHW5
JUMP_43X79
@
1
122
JPHW6
JUMP_43X118
@JPHW6
JUMP_43X118
@
1
1
22
CF3
10U_0603_6.3V6M
CF3
10U_0603_6.3V6M
1
2
CF23
1U_0603_10V4Z
@
CF23
1U_0603_10V4Z
@
1
2
U18
TPS22966DPUR_SON14_2X3
U18
TPS22966DPUR_SON14_2X3
GND 11
VIN2
6
VBIAS
4
ON2
5
VOUT2 9
VIN2
7
CT1 12
VOUT1 14
VOUT2 8
VOUT1 13
VIN1
2
ON1
3
VIN1
1
CT2 10
GPAD 15 JPHW8
JUMP_43X118
@JPHW8
JUMP_43X118
@
1
122
CF7 3300P_0402_50V7K
CF7 3300P_0402_50V7K
12
CF15
1U_0603_10V4Z
CF15
1U_0603_10V4Z
1
2
CF10
10U_0603_6.3V6M
@
CF10
10U_0603_6.3V6M
@
1
2
CF5
1U_0402_6.3V6K
CF5
1U_0402_6.3V6K
1
2
QF2B
DMN66D0LDW-7_SOT363-6
QF2B
DMN66D0LDW-7_SOT363-6
3
4
5
CF1
4.7U_0603_6.3V6K
CF1
4.7U_0603_6.3V6K
1
2
CF22
1U_0603_10V4Z
@
CF22
1U_0603_10V4Z
@
1
2
CF4
4.7U_0603_6.3V6K
CF4
4.7U_0603_6.3V6K
1
2
CF8
0.1U_0603_25V7K
CF8
0.1U_0603_25V7K
1
2
RF4
0_0402_5%
@
RF4
0_0402_5%
@
12
RF2
470_0603_5%
RF2
470_0603_5%
12
CF20
10U_0603_6.3V6M
@
CF20
10U_0603_6.3V6M
@
1
2
CF18
1U_0603_10V4Z
@
CF18
1U_0603_10V4Z
@
1
2
CF6 2200P_0402_50V8J
CF6 2200P_0402_50V8J
12
QF2A
DMN66D0LDW-7_SOT363-6
QF2A
DMN66D0LDW-7_SOT363-6
6
1
2
UF1
AO4304L_SO8
UF1
AO4304L_SO8
6
2
4
1
3
5
7
8
CF17 3300P_0402_50V7K
CF17 3300P_0402_50V7K
12
U17
TPS22966DPUR_SON14_2X3
U17
TPS22966DPUR_SON14_2X3
GND 11
VIN2
6
VBIAS
4
ON2
5
VOUT2 9
VIN2
7
CT1 12
VOUT1 14
VOUT2 8
VOUT1 13
VIN1
2
ON1
3
VIN1
1
CT2 10
GPAD 15
CF11
10U_0603_6.3V6M
@
CF11
10U_0603_6.3V6M
@
1
2
CF16 3300P_0402_50V7K
CF16 3300P_0402_50V7K
12
QF1B
DMN66D0LDW-7_SOT363-6
QF1B
DMN66D0LDW-7_SOT363-6
3
4
5
CF19
10U_0603_6.3V6M
@
CF19
10U_0603_6.3V6M
@
1
2
RPF1
100K_0804_8P4R_5%
RPF1
100K_0804_8P4R_5%
1
8
2
7
3
6
4
5
CF12
4.7U_0603_6.3V6K
CF12
4.7U_0603_6.3V6K
1
2
CF2
1U_0603_10V4Z
CF2
1U_0603_10V4Z
1
2

5
5
4
4
3
3
2
2
1
1
DD
C
C
B
B
AA
L
Must be placed in the center of the system.
ACCELEROMETER
10/21 +3VALW Change +3VL
GS_SMB_DA1
GS_SMB_CK1
ACCEL_INT#_R
GS_SMB_CK1
GS_SMB_DA1
EC_SMB_DA1
EC_SMB_CK1
ACCEL_INT# 9
EC_SMB_CK126,35,36
EC_SMB_DA126,35,36
+3V_GSEN
+3V_GSEN
+3V_GSEN
+3V_GSEN +3V_GSEN
+3VL +3V_GSEN
Title
Size Document Number Rev
Date: Sheet of
Security Classification
Compal Secret Data
THIS SHEET OF ENGINEERING DRAWING IS THE PROPRIETARY PROPERTY OF COMPAL ELECTRONICS, INC. AND CONTAINS CONFIDENTIAL
AND TRADE SECRET INFORMATION. THIS SHEET MAY NOT BE TRANSFERED FROM THE CUSTODY OF THE COMPETENT DIVISION OF R&D
DEPARTMENT EXCEPT AS AUTHORIZED BY COMPAL ELECTRONICS, INC. NEITHER THIS SHEET NOR THE INFORMATION IT CONTAINS
MAY BE USED BY OR DISCLOSED TO ANY THIRD PARTY WITHOUT PRIOR WRITTEN CONSENT OF COMPAL ELECTRONICS, INC.
Issued Date
Deciphered Date
LA-A992P
0.1
LED/Screw hole
30 43Friday, February 21, 2014
2013/02/26 2015/07/08
Compal Electronics, Inc.
Title
Size Document Number Rev
Date: Sheet
of
Security Classification
Compal Secret Data
THIS SHEET OF ENGINEERING DRAWING IS THE PROPRIETARY PROPERTY OF COMPAL ELECTRONICS, INC. AND CONTAINS CONFIDENTIAL
AND TRADE SECRET INFORMATION. THIS SHEET MAY NOT BE TRANSFERED FROM THE CUSTODY OF THE COMPETENT DIVISION OF R&D
DEPARTMENT EXCEPT AS AUTHORIZED BY COMPAL ELECTRONICS, INC. NEITHER THIS SHEET NOR THE INFORMATION IT CONTAINS
MAY BE USED BY OR DISCLOSED TO ANY THIRD PARTY WITHOUT PRIOR WRITTEN CONSENT OF COMPAL ELECTRONICS, INC.
Issued Date
Deciphered Date
LA-A992P
0.1
LED/Screw hole
30 43Friday, February 21, 2014
2013/02/26 2015/07/08
Compal Electronics, Inc.
Title
Size Document Number Rev
Date: Sheet
of
Security Classification
Compal Secret Data
THIS SHEET OF ENGINEERING DRAWING IS THE PROPRIETARY PROPERTY OF COMPAL ELECTRONICS, INC. AND CONTAINS CONFIDENTIAL
AND TRADE SECRET INFORMATION. THIS SHEET MAY NOT BE TRANSFERED FROM THE CUSTODY OF THE COMPETENT DIVISION OF R&D
DEPARTMENT EXCEPT AS AUTHORIZED BY COMPAL ELECTRONICS, INC. NEITHER THIS SHEET NOR THE INFORMATION IT CONTAINS
MAY BE USED BY OR DISCLOSED TO ANY THIRD PARTY WITHOUT PRIOR WRITTEN CONSENT OF COMPAL ELECTRONICS, INC.
Issued Date
Deciphered Date
LA-A992P
0.1
LED/Screw hole
30 43Friday, February 21, 2014
2013/02/26 2015/07/08
Compal Electronics, Inc.
H19
HOLEA
H_2P0X2P5
@
H19
HOLEA
H_2P0X2P5
@
1
FD2
@
FIDUCIAL_C40M80
FD2
@
FIDUCIAL_C40M80
1
D61
CH751H-40PT_SOD323-2
@D61
CH751H-40PT_SOD323-2
@
2
1
QG2A
2N7002DWH_SOT363-6
@
QG2A
2N7002DWH_SOT363-6
@
61
2
FD3
@
FIDUCIAL_C40M80
FD3
@
FIDUCIAL_C40M80
1
H5
HOLEA
H_2P8
@
H5
HOLEA
H_2P8
@
1
C578
4.7U_0603_6.3V6K
@C578
4.7U_0603_6.3V6K
@
1
2
H11
HOLEA
H_5P0
@
H11
HOLEA
H_5P0
@
1
R529
0_0402_5%
@
R529
0_0402_5%
@
1
2
H8
HOLEA
H_2P8
@
H8
HOLEA
H_2P8
@
1
H10
HOLEA
H_5P0
@
H10
HOLEA
H_5P0
@
1
RH411 0_0402_5%@
RH411 0_0402_5%@
12
H17
HOLEA
H_2P8
@
H17
HOLEA
H_2P8
@
1
FD1
@
FIDUCIAL_C40M80
FD1
@
FIDUCIAL_C40M80
1
H2
HOLEA
H_2P8
@
H2
HOLEA
H_2P8
@
1
H14
HOLEA
H_2P8
@
H14
HOLEA
H_2P8
@
1
H22
HOLEA
H_2P8
@
H22
HOLEA
H_2P8
@
1
H4
HOLEA
H_2P8
@
H4
HOLEA
H_2P8
@
1
R528 10K_0402_5%
@
R528 10K_0402_5%
@1
2
H6
HOLEA
H_2P8
@
H6
HOLEA
H_2P8
@
1
R232
4.7K_0402_5%
@R232
4.7K_0402_5%
@
12
H12
HOLEA
H_2P8
@
H12
HOLEA
H_2P8
@
1
R221 0_0402_5%@
R221 0_0402_5%@
1
2
H9
HOLEA
H_5P0
@
H9
HOLEA
H_5P0
@
1
R220 0_0402_5%@
R220 0_0402_5%@
12
FD4
@
FIDUCIAL_C40M80
FD4
@
FIDUCIAL_C40M80
1
H13
HOLEA
H_5P0
@
H13
HOLEA
H_5P0
@
1
QG2B
2N7002DWH_SOT363-6
@
QG2B
2N7002DWH_SOT363-6
@
34
5
UGS1
HP3DC2
@UGS1
HP3DC2
@
Vdd_IO
1
NC
2
NC
3
SCL/SPC
4
GND 5
SDA/SDI/SDO
6
SDO/SA0
7
CS
8
INT2 9
RES 10
GND 12
INT1 11
RES 13
VDD 14
RES 15
RES 16
H1
HOLEA
H_2P8
@
H1
HOLEA
H_2P8
@
1
R231
4.7K_0402_5%
@
R231
4.7K_0402_5%
@
12
H18
HOLEA
H_2P0
@
H18
HOLEA
H_2P0
@
1

A
A
B
B
C
C
D
D
11
22
33
44
PCU_SMB_CLK
PCU_SMB_DATA
TI level shift
R=4.7K
+1.8VS
R=2.2K
+3VS
BH10
BG12
79
80
EC_SMB_CK2
EC_SMB_DA2
SMBus2
SMBus1
SMBus1
77
78
EC_SMB_CK1
EC_SMB_DA1
+3VS
+3VALW_EC
+1.8VS
R=2.2K
+3VALW_EC
2N7002
R=2.2K
+3VALW
GS_SMB_CK1
GS_SMB_DA1
<USB2.0/3.0 port>
USB2.0
0
USB3.0
Left port (USB2.0)
Right port-1 (USB2.0/3.0)
Right port-2 (USB2.0
WLAN
Touch screen
Camera
X
X
X
X
X
XNC
USB2.0x4 Hub
USB2.0x4 Hub
USB2.0x4 Hub
USB2.0x4 Hub
Note
01
2
3
4
5
6
Function
<PCI-E port>
PCI-E
0 LAN
WLAN
Card reader
Note
1
2
Function
3
<SATA port>
PCI-E
0 HDD
Note
1
Function
<SMBus Routing>
NC
NC
Title
Size Document Number Rev
Date: Sheet of
Security Classification
Compal Secret Data
THIS SHEET OF ENGINEERING DRAWING IS THE PROPRIETARY PROPERTY OF COMPAL ELECTRONICS, INC. AND CONTAINS CONFIDENTIAL
AND TRADE SECRET INFORMATION. THIS SHEET MAY NOT BE TRANSFERED FROM THE CUSTODY OF THE COMPETENT DIVISION OF R&D
DEPARTMENT EXCEPT AS AUTHORIZED BY COMPAL ELECTRONICS, INC. NEITHER THIS SHEET NOR THE INFORMATION IT CONTAINS
MAY BE USED BY OR DISCLOSED TO ANY THIRD PARTY WITHOUT PRIOR WRITTEN CONSENT OF COMPAL ELECTRONICS, INC.
Issued Date
Deciphered Date
0.1
Reserve
B
31 43
2013/3/1 2015/3/1
Compal Electronics, Inc.
Title
Size Document Number Rev
Date: Sheet
of
Security Classification
Compal Secret Data
THIS SHEET OF ENGINEERING DRAWING IS THE PROPRIETARY PROPERTY OF COMPAL ELECTRONICS, INC. AND CONTAINS CONFIDENTIAL
AND TRADE SECRET INFORMATION. THIS SHEET MAY NOT BE TRANSFERED FROM THE CUSTODY OF THE COMPETENT DIVISION OF R&D
DEPARTMENT EXCEPT AS AUTHORIZED BY COMPAL ELECTRONICS, INC. NEITHER THIS SHEET NOR THE INFORMATION IT CONTAINS
MAY BE USED BY OR DISCLOSED TO ANY THIRD PARTY WITHOUT PRIOR WRITTEN CONSENT OF COMPAL ELECTRONICS, INC.
Issued Date
Deciphered Date
0.1
Reserve
B
31 43
2013/3/1 2015/3/1
Compal Electronics, Inc.
Title
Size Document Number Rev
Date: Sheet of
Security Classification
Compal Secret Data
THIS SHEET OF ENGINEERING DRAWING IS THE PROPRIETARY PROPERTY OF COMPAL ELECTRONICS, INC. AND CONTAINS CONFIDENTIAL
AND TRADE SECRET INFORMATION. THIS SHEET MAY NOT BE TRANSFERED FROM THE CUSTODY OF THE COMPETENT DIVISION OF R&D
DEPARTMENT EXCEPT AS AUTHORIZED BY COMPAL ELECTRONICS, INC. NEITHER THIS SHEET NOR THE INFORMATION IT CONTAINS
MAY BE USED BY OR DISCLOSED TO ANY THIRD PARTY WITHOUT PRIOR WRITTEN CONSENT OF COMPAL ELECTRONICS, INC.
Issued Date
Deciphered Date
0.1
Reserve
B
31 43
2013/3/1 2015/3/1
Compal Electronics, Inc.

5
5
4
4
3
3
2
2
1
1
DD
C
C
B
B
AA
1 29 131107
Page 1
Page 1Page 1
Page 1
Solu tion D escrip tion
Solution D escriptionSolu tion D escrip tion
Solu tion D escrip tion R ev.
R ev.R ev.
R ev .P a ge #
P a ge #P ag e#
P a ge # T itle
TitleTitle
Title
V ersion Change L ist ( P. I. R . L ist )
Version Change L ist ( P. I. R . L ist )V ersion Change L ist ( P. I. R . L ist )
V ersion Change L ist ( P. I. R . L ist )
Item
ItemItem
Item Issue D escription
Issue D escriptionIssue D escription
Issue D escriptionD ate
D ateD ate
D ate R equ est
R equ estR eq uest
R equ est
O w n er
O w n erO w n er
O w n er
1.Change PN of RPF1 from SD302100380 to SD309100380
2
6
28 131109 1.Change Control pin of LID from NEW_LID_SW(R218) to LID_SW#(R219)
3 24 131109 1.Follow 14" Haswell LA-A993PR02's JUSB2 Conn.
164 1.Update UT3 footprint follow Haswell platform131111
5 22 131111 1.Delete R954 ,Q84 for ODD_DA# 2.unpop RS11
18 131111 1.Change PN of LM13,LM14,LM15 & LM16 from SM070001V00 to SM070003K00
30 131111 1.Change Power Rail of G sensor from +3VALW to +3VL & unpop QG27
8 30 131111 1.pop DM5
9 26 131111 1.change Board ID to SI phase
10 16 131111 1.add PD 100K RT15K for power sequence
Title
Size Document Number Rev
Date: Sheet of
Security Classification
Compal Secret Data
THIS SHEET OF ENGINEERING DRAWING IS THE PROPRIETARY PROPERTY OF COMPAL ELECTRONICS, INC. AND CONTAINS CONFIDENTIAL
AND TRADE SECRET INFORMATION. THIS SHEET MAY NOT BE TRANSFERED FROM THE CUSTODY OF THE COMPETENT DIVISION OF R&D
DEPARTMENT EXCEPT AS AUTHORIZED BY COMPAL ELECTRONICS, INC. NEITHER THIS SHEET NOR THE INFORMATION IT CONTAINS
MAY BE USED BY OR DISCLOSED TO ANY THIRD PARTY WITHOUT PRIOR WRITTEN CONSENT OF COMPAL ELECTRONICS, INC.
Issued Date
Deciphered Date
LA-A994P
0.1
HW PIR
Custom
32 43Friday, February 21, 2014
2013/04/12 2014/04/12
Compal Electronics, Inc.
Title
Size Document Number Rev
Date: Sheet of
Security Classification
Compal Secret Data
THIS SHEET OF ENGINEERING DRAWING IS THE PROPRIETARY PROPERTY OF COMPAL ELECTRONICS, INC. AND CONTAINS CONFIDENTIAL
AND TRADE SECRET INFORMATION. THIS SHEET MAY NOT BE TRANSFERED FROM THE CUSTODY OF THE COMPETENT DIVISION OF R&D
DEPARTMENT EXCEPT AS AUTHORIZED BY COMPAL ELECTRONICS, INC. NEITHER THIS SHEET NOR THE INFORMATION IT CONTAINS
MAY BE USED BY OR DISCLOSED TO ANY THIRD PARTY WITHOUT PRIOR WRITTEN CONSENT OF COMPAL ELECTRONICS, INC.
Issued Date
Deciphered Date
LA-A994P
0.1
HW PIR
Custom
32 43Friday, February 21, 2014
2013/04/12 2014/04/12
Compal Electronics, Inc.
Title
Size Document Number Rev
Date: Sheet of
Security Classification
Compal Secret Data
THIS SHEET OF ENGINEERING DRAWING IS THE PROPRIETARY PROPERTY OF COMPAL ELECTRONICS, INC. AND CONTAINS CONFIDENTIAL
AND TRADE SECRET INFORMATION. THIS SHEET MAY NOT BE TRANSFERED FROM THE CUSTODY OF THE COMPETENT DIVISION OF R&D
DEPARTMENT EXCEPT AS AUTHORIZED BY COMPAL ELECTRONICS, INC. NEITHER THIS SHEET NOR THE INFORMATION IT CONTAINS
MAY BE USED BY OR DISCLOSED TO ANY THIRD PARTY WITHOUT PRIOR WRITTEN CONSENT OF COMPAL ELECTRONICS, INC.
Issued Date
Deciphered Date
LA-A994P
0.1
HW PIR
Custom
32 43Friday, February 21, 2014
2013/04/12 2014/04/12
Compal Electronics, Inc.

5
5
4
4
3
3
2
2
1
1
D
D
C
C
BB
AA
BQ24738
+3VALWP
Jumper
+3VALW
+5VALW+5VALWP
EN
+1.35V_V
+0.675VS+0.675VSP
EN
+1.35V_VP
RT8207M
ISL95833
EN
+SOC_VCC
CMSRC
ACFET RBFET
ACDRV
DC IN
Battery
RT8243A
RBFET
B+
BATT
BATDRV
Jumper
Jumper
Jumper
Charger
SUSP#
SYSON
EC_ON
VR_ON
EN
SUSP#
+1.05VS+1.05VSP
SY8003D
Jumper
+SOC_VNN
P34
P35
P36 P37
P38
P39
P40, P41
P42
EN
SPOK
APL5930
+1.8VALW+1.8VALWP
Jumper
EN
SPOK
SY8206D
P42
+1.0VALW+1.0VALWP
Jumper
P43
EN
SUSP#
SY8003D
+1.5VS+1.5VSP
Jumper
Title
Size Document Number Rev
Date: Sheet
of
Security Classification
Compal Secret Data
THIS SHEET OF ENGINEERING DRAWING IS THE PROPRIETARY PROPERTY OF COMPAL ELECTRONICS, INC. AND CONTAINS CONFIDENTIAL
AND TRADE SECRET INFORMATION. THIS SHEET MAY NOT BE TRANSFERED FROM THE CUSTODY OF THE COMPETENT DIVISION OF R&D
DEPARTMENT EXCEPT AS AUTHORIZED BY COMPAL ELECTRONICS, INC. NEITHER THIS SHEET NOR THE INFORMATION IT CONTAINS
MAY BE USED BY OR DISCLOSED TO ANY THIRD PARTY WITHOUT PRIOR WRITTEN CONSENT OF COMPAL ELECTRONICS, INC.
Issued Date
Deciphered Date
2016/08/31
LAA994P/LAA995P
2013/08/20
Compal Electronics, Inc.
4333
0.1
Power Block Diagram
Monday, February 24, 2014
Title
Size Document Number Rev
Date: Sheet of
Security Classification
Compal Secret Data
THIS SHEET OF ENGINEERING DRAWING IS THE PROPRIETARY PROPERTY OF COMPAL ELECTRONICS, INC. AND CONTAINS CONFIDENTIAL
AND TRADE SECRET INFORMATION. THIS SHEET MAY NOT BE TRANSFERED FROM THE CUSTODY OF THE COMPETENT DIVISION OF R&D
DEPARTMENT EXCEPT AS AUTHORIZED BY COMPAL ELECTRONICS, INC. NEITHER THIS SHEET NOR THE INFORMATION IT CONTAINS
MAY BE USED BY OR DISCLOSED TO ANY THIRD PARTY WITHOUT PRIOR WRITTEN CONSENT OF COMPAL ELECTRONICS, INC.
Issued Date
Deciphered Date
2016/08/31
LAA994P/LAA995P
2013/08/20
Compal Electronics, Inc.
4333
0.1
Power Block Diagram
Monday, February 24, 2014
Title
Size Document Number Rev
Date: Sheet of
Security Classification
Compal Secret Data
THIS SHEET OF ENGINEERING DRAWING IS THE PROPRIETARY PROPERTY OF COMPAL ELECTRONICS, INC. AND CONTAINS CONFIDENTIAL
AND TRADE SECRET INFORMATION. THIS SHEET MAY NOT BE TRANSFERED FROM THE CUSTODY OF THE COMPETENT DIVISION OF R&D
DEPARTMENT EXCEPT AS AUTHORIZED BY COMPAL ELECTRONICS, INC. NEITHER THIS SHEET NOR THE INFORMATION IT CONTAINS
MAY BE USED BY OR DISCLOSED TO ANY THIRD PARTY WITHOUT PRIOR WRITTEN CONSENT OF COMPAL ELECTRONICS, INC.
Issued Date
Deciphered Date
2016/08/31
LAA994P/LAA995P
2013/08/20
Compal Electronics, Inc.
4333
0.1
Power Block Diagram
Monday, February 24, 2014

5
5
4
4
3
3
2
2
1
1
D
D
C
C
BB
AA
ACIN_LED
Charge_LED
ADP_SIGNAL
ADP_SIGNAL
ACIN_LED
Charge_LED
ADP_ID 26
ACIN 26,35,36,9
H_PROCHOT#_EC 26
VCIN1_PH 26
B/I# 26,35
VCIN0_PH 26
ADP_I 26,36
H_PROCHOT#26,35,8
ECAGND 26
AC_LED#26
BAT_CHG_LED26
+3VALW
+5VS
ADPIN
VIN
+3VALW_EC
+5VS
+3VALW
Title
Size Document Number Rev
Date: Sheet
of
Security Classification
Compal Secret Data
THIS SHEET OF ENGINEERING DRAWING IS THE PROPRIETARY PROPERTY OF COMPAL ELECTRONICS, INC. AND CONTAINS CONFIDENTIAL
AND TRADE SECRET INFORMATION. THIS SHEET MAY NOT BE TRANSFERED FROM THE CUSTODY OF THE COMPETENT DIVISION OF R&D
DEPARTMENT EXCEPT AS AUTHORIZED BY COMPAL ELECTRONICS, INC. NEITHER THIS SHEET NOR THE INFORMATION IT CONTAINS
MAY BE USED BY OR DISCLOSED TO ANY THIRD PARTY WITHOUT PRIOR WRITTEN CONSENT OF COMPAL ELECTRONICS, INC.
Issued Date
Deciphered Date
2016/08/31
LAA994P/LAA995P
2013/08/20
Compal Electronics, Inc.
4334
0.1
DC Conn
Monday, February 24, 2014
Title
Size Document Number Rev
Date: Sheet of
Security Classification
Compal Secret Data
THIS SHEET OF ENGINEERING DRAWING IS THE PROPRIETARY PROPERTY OF COMPAL ELECTRONICS, INC. AND CONTAINS CONFIDENTIAL
AND TRADE SECRET INFORMATION. THIS SHEET MAY NOT BE TRANSFERED FROM THE CUSTODY OF THE COMPETENT DIVISION OF R&D
DEPARTMENT EXCEPT AS AUTHORIZED BY COMPAL ELECTRONICS, INC. NEITHER THIS SHEET NOR THE INFORMATION IT CONTAINS
MAY BE USED BY OR DISCLOSED TO ANY THIRD PARTY WITHOUT PRIOR WRITTEN CONSENT OF COMPAL ELECTRONICS, INC.
Issued Date
Deciphered Date
2016/08/31
LAA994P/LAA995P
2013/08/20
Compal Electronics, Inc.
4334
0.1
DC Conn
Monday, February 24, 2014
Title
Size Document Number Rev
Date: Sheet
of
Security Classification
Compal Secret Data
THIS SHEET OF ENGINEERING DRAWING IS THE PROPRIETARY PROPERTY OF COMPAL ELECTRONICS, INC. AND CONTAINS CONFIDENTIAL
AND TRADE SECRET INFORMATION. THIS SHEET MAY NOT BE TRANSFERED FROM THE CUSTODY OF THE COMPETENT DIVISION OF R&D
DEPARTMENT EXCEPT AS AUTHORIZED BY COMPAL ELECTRONICS, INC. NEITHER THIS SHEET NOR THE INFORMATION IT CONTAINS
MAY BE USED BY OR DISCLOSED TO ANY THIRD PARTY WITHOUT PRIOR WRITTEN CONSENT OF COMPAL ELECTRONICS, INC.
Issued Date
Deciphered Date
2016/08/31
LAA994P/LAA995P
2013/08/20
Compal Electronics, Inc.
4334
0.1
DC Conn
Monday, February 24, 2014
PR17
47K_0402_1%
PR17
47K_0402_1%
1
2
PR21
100K_0402_1%
PR21
100K_0402_1%
1
2
PR2
0_0402_5%
@PR2
0_0402_5%
@
12
PR8
100K_0402_5%
PR8
100K_0402_5%
1
2
PC3
100P_0402_50V8J
EMI@ PC3
100P_0402_50V8J
EMI@
1
2
PR12
100K_0402_1%
PR12
100K_0402_1%
1
2
PC15
0.1U_0402_16V7K
@PC15
0.1U_0402_16V7K
@
1
2
PU1A
LM393DR_SO8
PU1A
LM393DR_SO8
+3
-2
O
1
P
8G4
PC9
100P_0402_50V8J
PC9
100P_0402_50V8J
1
2
PR13
1.5M_0402_5%
PR13
1.5M_0402_5%
1
2
PD1
L30ESD24VC3-2_SOT23-3
ESD@
PD1
L30ESD24VC3-2_SOT23-3
ESD@
1
2
3
PR11
10K_0402_1%
PR11
10K_0402_1%
1
2
PC1
100P_0402_50V8J
EMI@ PC1
100P_0402_50V8J
EMI@
1
2
PC2
1000P_0402_50V7K
EMI@ PC2
1000P_0402_50V7K
EMI@
1
2
PC13
100P_0402_50V8J
PC13
100P_0402_50V8J
1
2
PU1B
LM393DR_SO8
PU1B
LM393DR_SO8
+5
-6
O
7
P8
G
4
PC6
1000P_0402_50V7K
PC6
1000P_0402_50V7K
1
2
PL2
HCB2012KF-121T50_0805
EMI@
PL2
HCB2012KF-121T50_0805
EMI@
12
PH1
100K_0402_1%_NCP15WF104F03RC
PH1
100K_0402_1%_NCP15WF104F03RC
1
2
PC4
1000P_0402_50V7K
EMI@ PC4
1000P_0402_50V7K
EMI@
1
2
PC16
0.1U_0402_16V7K
@PC16
0.1U_0402_16V7K
@
1
2
PQ2B
L2N7002DW1T1G_SC88-6
PQ2B
L2N7002DW1T1G_SC88-6
5
43
PJP1
ACES_59012-0080N-002
PJP1
ACES_59012-0080N-002
11
33
4
4
2
2
55
6
6
77
8
8
PR10
47K_0402_1%
PR10
47K_0402_1%
1
2
PR7
10K_0402_5%
PR7
10K_0402_5%
1
2
PC8
0.022U_0402_16V7K
PC8
0.022U_0402_16V7K
12
PL1
HCB2012KF-121T50_0805
EMI@
PL1
HCB2012KF-121T50_0805
EMI@
12
PD3
GLZ3.6B_LL34-2
PD3
GLZ3.6B_LL34-2
1
2
PD5
CD4148WN-1_1206-2
PD5
CD4148WN-1_1206-2
1
2
PC12
0.022U_0402_16V7K
PC12
0.022U_0402_16V7K
12
PR5
2K_0402_5%
PR5
2K_0402_5%
12
PD2
L30ESD24VC3-2_SOT23-3
ESD@
PD2
L30ESD24VC3-2_SOT23-3
ESD@
1
2
3
PR3
100K_0402_5%
PR3
100K_0402_5%
1
2
PR1
10K_0402_5%
PR1
10K_0402_5%
12
PR26
5.9K_0402_1%
PR26
5.9K_0402_1%
1
2
PD4
CD4148WN-1_1206-2
PD4
CD4148WN-1_1206-2
1
2
PR28
10K_0402_1%
@
PR28
10K_0402_1%
@
1
2
PR20
1.5M_0402_5%
PR20
1.5M_0402_5%
1
2
PR18
10K_0402_1%
PR18
10K_0402_1%
1
2
PC5
100P_0402_50V8J
@
PC5
100P_0402_50V8J
@
1
2
PR27
10K_0402_1%
PR27
10K_0402_1%
1
2
PQ2A
L2N7002DW1T1G_SC88-6
PQ2A
L2N7002DW1T1G_SC88-6
2
16
PR25
10K_0402_1%
PR25
10K_0402_1%
1
2

5
5
4
4
3
3
2
2
1
1
D
D
C
C
BB
AA
Need to define "AC_AND_CHAG" signal with EC
EC_SMB_CK1-1
EC_SMB_DA1-1
EC_SMB_CK1 26,30,36
EC_SMB_DA1 26,30,36
ACIN 26,34..36,9
AC_AND_CHAG 26
B/I# 26,34
H_PROCHOT# 26,34,8
ACIN26,34..36,9
BATT++ BATT+ BATT
+3VL
+3VL
+3VL
+3VL
Title
Size Document Number Rev
Date: Sheet of
Security Classification
Compal Secret Data
THIS SHEET OF ENGINEERING DRAWING IS THE PROPRIETARY PROPERTY OF COMPAL ELECTRONICS, INC. AND CONTAINS CONFIDENTIAL
AND TRADE SECRET INFORMATION. THIS SHEET MAY NOT BE TRANSFERED FROM THE CUSTODY OF THE COMPETENT DIVISION OF R&D
DEPARTMENT EXCEPT AS AUTHORIZED BY COMPAL ELECTRONICS, INC. NEITHER THIS SHEET NOR THE INFORMATION IT CONTAINS
MAY BE USED BY OR DISCLOSED TO ANY THIRD PARTY WITHOUT PRIOR WRITTEN CONSENT OF COMPAL ELECTRONICS, INC.
Issued Date
Deciphered Date
2016/08/31
LAA994P/LAA995P
2013/08/20
Compal Electronics, Inc.
4335
0.1
BATT Conn
Monday, February 24, 2014
Title
Size Document Number Rev
Date: Sheet of
Security Classification
Compal Secret Data
THIS SHEET OF ENGINEERING DRAWING IS THE PROPRIETARY PROPERTY OF COMPAL ELECTRONICS, INC. AND CONTAINS CONFIDENTIAL
AND TRADE SECRET INFORMATION. THIS SHEET MAY NOT BE TRANSFERED FROM THE CUSTODY OF THE COMPETENT DIVISION OF R&D
DEPARTMENT EXCEPT AS AUTHORIZED BY COMPAL ELECTRONICS, INC. NEITHER THIS SHEET NOR THE INFORMATION IT CONTAINS
MAY BE USED BY OR DISCLOSED TO ANY THIRD PARTY WITHOUT PRIOR WRITTEN CONSENT OF COMPAL ELECTRONICS, INC.
Issued Date
Deciphered Date
2016/08/31
LAA994P/LAA995P
2013/08/20
Compal Electronics, Inc.
4335
0.1
BATT Conn
Monday, February 24, 2014
Title
Size Document Number Rev
Date: Sheet
of
Security Classification
Compal Secret Data
THIS SHEET OF ENGINEERING DRAWING IS THE PROPRIETARY PROPERTY OF COMPAL ELECTRONICS, INC. AND CONTAINS CONFIDENTIAL
AND TRADE SECRET INFORMATION. THIS SHEET MAY NOT BE TRANSFERED FROM THE CUSTODY OF THE COMPETENT DIVISION OF R&D
DEPARTMENT EXCEPT AS AUTHORIZED BY COMPAL ELECTRONICS, INC. NEITHER THIS SHEET NOR THE INFORMATION IT CONTAINS
MAY BE USED BY OR DISCLOSED TO ANY THIRD PARTY WITHOUT PRIOR WRITTEN CONSENT OF COMPAL ELECTRONICS, INC.
Issued Date
Deciphered Date
2016/08/31
LAA994P/LAA995P
2013/08/20
Compal Electronics, Inc.
4335
0.1
BATT Conn
Monday, February 24, 2014
PC17
0.022U_0402_16V7K
PC17
0.022U_0402_16V7K
12
PR14
470K_0402_5%@
PR14
470K_0402_5%@
12
PR29
100K_0402_5%
PR29
100K_0402_5%
1
2
PR19
100_0402_5%
PR19
100_0402_5%
12
PD6
L30ESD24VC3-2_SOT23-3
ESD@
PD6
L30ESD24VC3-2_SOT23-3
ESD@
1
2
3
PR31
47K_0402_1%
PR31
47K_0402_1%
1
2
PR32
10K_0402_1%
PR32
10K_0402_1%
1
2
PD7
L30ESD24VC3-2_SOT23-3
ESD@
PD7
L30ESD24VC3-2_SOT23-3
ESD@
1
2
3
PR22
100_0402_5%
PR22
100_0402_5%
12
PJPB1
OCTEK_BTJ-08FUAB
@PJPB1
OCTEK_BTJ-08FUAB
@
11
33
44
55
66
88
22
77
GND 9
GND 10
PC14
100P_0402_50V8J
@
PC14
100P_0402_50V8J
@
1
2
PJPB2
JUMP_43X118
@PJPB2
JUMP_43X118
@
1
122
PQ4A
L2N7002DW1T1G_SC88-6
@
PQ4A
L2N7002DW1T1G_SC88-6
@
2
16
PQ4B
L2N7002DW1T1G_SC88-6
@PQ4B
L2N7002DW1T1G_SC88-6
@
5
43
PR16
4.7K_0402_5%
@PR16
4.7K_0402_5%
@
1
2
PD8
CD4148WN-1_1206-2
PD8
CD4148WN-1_1206-2
1
2
PR4
0_0402_5%
@
PR4
0_0402_5%
@
12
PL3
HCB2012KF-121T50_0805
EMI@ PL3
HCB2012KF-121T50_0805
EMI@
12
PQ3A
L2N7002DW1T1G_SC88-6
@
PQ3A
L2N7002DW1T1G_SC88-6
@
2
16
PC11
0.01U_0402_25V7K
EMI@ PC11
0.01U_0402_25V7K
EMI@
1
2
PR15
470K_0402_5%
@PR15
470K_0402_5%
@
1
2
PR24
220K_0402_5%
@
PR24
220K_0402_5%
@
1
2
PR30
100_0402_5%
PR30
100_0402_5%
12
G
D
S
PQ5
LBSS84LT1G_SOT23-3
G
D
S
PQ5
LBSS84LT1G_SOT23-3
2
13
PL4
HCB2012KF-121T50_0805
EMI@
PL4
HCB2012KF-121T50_0805
EMI@
1
2
PQ3B
L2N7002DW1T1G_SC88-6
@
PQ3B
L2N7002DW1T1G_SC88-6
@
5
43
PQ1
SI4483ADY-T1-GE3_SO8
39.4
@
PQ1
SI4483ADY-T1-GE3_SO8
39.4
@
3
6
5
7
8
2
4
1
PR23
220K_0402_5%
@
PR23
220K_0402_5%
@
1
2
PC10
1000P_0402_50V7K
EMI@
PC10
1000P_0402_50V7K
EMI@
1
2

A
A
B
B
C
C
D
D
11
22
33
44
Vin Dectector
Min. Typ Max.
H-->L 17.23V
L-->H 17.63V
3.61A
ILIM and external DPM
Please locate the RC
Near EC chip
2011-02-22
ACN_CHG
ACDRV_CHG
BATDRV_CHG
BATDRV_CHG
ACP_CHG
LX_CHG
CMSRC_CHG
CSON1
CHG
DL_CHG
DH_CHG
CSOP1
ACDRV1_CHG
SNB_CHG
REGN_CHG
ILIM_CHG
VCC_CHG
CSOP1
CSON1
SRN_CHG
SRP_CHG
LX_CHG
BST_CHG
DH_CHG
IOUT_CHG
BATDRV1_CHG
ACDET_CHG
ADP_I 26,34
EC_SMB_DA1 26,30,35
EC_SMB_CK1 26,30,35
ACIN26,34,35,9
P2
VIN B+
P1
VIN
BATT
VIN
+3VL
+3VL
Title
Size Document Number Rev
Date: Sheet of
Security Classification
Compal Secret Data
THIS SHEET OF ENGINEERING DRAWING IS THE PROPRIETARY PROPERTY OF COMPAL ELECTRONICS, INC. AND CONTAINS CONFIDENTIAL
AND TRADE SECRET INFORMATION. THIS SHEET MAY NOT BE TRANSFERED FROM THE CUSTODY OF THE COMPETENT DIVISION OF R&D
DEPARTMENT EXCEPT AS AUTHORIZED BY COMPAL ELECTRONICS, INC. NEITHER THIS SHEET NOR THE INFORMATION IT CONTAINS
MAY BE USED BY OR DISCLOSED TO ANY THIRD PARTY WITHOUT PRIOR WRITTEN CONSENT OF COMPAL ELECTRONICS, INC.
Issued Date
Deciphered Date
0.1
CHARGER
Custom
36 43
2013/08/20 2016/08/31
Compal Electronics, Inc.
Title
Size Document Number Rev
Date: Sheet
of
Security Classification
Compal Secret Data
THIS SHEET OF ENGINEERING DRAWING IS THE PROPRIETARY PROPERTY OF COMPAL ELECTRONICS, INC. AND CONTAINS CONFIDENTIAL
AND TRADE SECRET INFORMATION. THIS SHEET MAY NOT BE TRANSFERED FROM THE CUSTODY OF THE COMPETENT DIVISION OF R&D
DEPARTMENT EXCEPT AS AUTHORIZED BY COMPAL ELECTRONICS, INC. NEITHER THIS SHEET NOR THE INFORMATION IT CONTAINS
MAY BE USED BY OR DISCLOSED TO ANY THIRD PARTY WITHOUT PRIOR WRITTEN CONSENT OF COMPAL ELECTRONICS, INC.
Issued Date
Deciphered Date
0.1
CHARGER
Custom
36 43
2013/08/20 2016/08/31
Compal Electronics, Inc.
Title
Size Document Number Rev
Date: Sheet of
Security Classification
Compal Secret Data
THIS SHEET OF ENGINEERING DRAWING IS THE PROPRIETARY PROPERTY OF COMPAL ELECTRONICS, INC. AND CONTAINS CONFIDENTIAL
AND TRADE SECRET INFORMATION. THIS SHEET MAY NOT BE TRANSFERED FROM THE CUSTODY OF THE COMPETENT DIVISION OF R&D
DEPARTMENT EXCEPT AS AUTHORIZED BY COMPAL ELECTRONICS, INC. NEITHER THIS SHEET NOR THE INFORMATION IT CONTAINS
MAY BE USED BY OR DISCLOSED TO ANY THIRD PARTY WITHOUT PRIOR WRITTEN CONSENT OF COMPAL ELECTRONICS, INC.
Issued Date
Deciphered Date
0.1
CHARGER
Custom
36 43
2013/08/20 2016/08/31
Compal Electronics, Inc.
PR106
2.2_0603_5%
PR106
2.2_0603_5%
1
2
PR103
0.01_1206_1%
PR103
0.01_1206_1%
1
3
4
2
G
D
S
PQ102
2N7002KW_SOT323-3
G
D
S
PQ102
2N7002KW_SOT323-3
2
1
3
PC111
1U_0603_25V6K
PC111
1U_0603_25V6K
12
PU101
BQ24738RGRR_QFN20_3P5X3P5
PU101
BQ24738RGRR_QFN20_3P5X3P5
ACN
1
ACP
2
CMSRC
3
ACDRV
4
ACPRES
5
ACDET
6
IOUT
7
SDA
8
SCL
9
ILIM
10
BATDRV 11
SRN 12
SRP 13
GND 14
LODRV 15
REGN 16
BTST 17
HIDRV 18
PHASE 19
VCC 20
PAD
21
PQ101
AON6414AL 1N DFN
PQ101
AON6414AL 1N DFN
4
5
1
2
3
PC101
2200P_0402_50V7K
PC101
2200P_0402_50V7K
1
2
PR111
4.7_1206_5%
@EMI@
PR111
4.7_1206_5%
@EMI@
1
2
PR112
0_0603_1%
PR112
0_0603_1%
12
PQ104
AON7506
PQ104
AON7506
4
5
1
2
3
PC117
680P_0603_50V8J
@EMI@ PC117
680P_0603_50V8J
@EMI@
1
2
PL102
4.7UH_ETQP3W4R7WFN_5.5A_20%
PL102
4.7UH_ETQP3W4R7WFN_5.5A_20%
12
PC102
0.1U_0402_25V6
PC102
0.1U_0402_25V6
1
2
PR119
0_0402_5%
@PR119
0_0402_5%
@
12
PR118
66.5K_0402_1%
PR118
66.5K_0402_1%
1
2
PC120
0.1U_0402_25V6
PC120
0.1U_0402_25V6
1
2
PC109
0.1U_0402_25V6
PC109
0.1U_0402_25V6
1
2
PR114
10K_0402_1%
PR114
10K_0402_1%
12
PR101
1M_0402_5%
PR101
1M_0402_5%
1
2
PQ106
S TR AON7406L 1N DFN
PQ106
S TR AON7406L 1N DFN
4
5
1
2
3
PQ103
SI7716ADN-T1-GE3 1N POWERPAK1212-8
PQ103
SI7716ADN-T1-GE3 1N POWERPAK1212-8
35
2
4
1
PR105
10_1206_1%
PR105
10_1206_1%
1
2
PC118
0.1U_0603_16V7K
PC118
0.1U_0603_16V7K
1
2
PC116
0.1U_0402_25V6
PC116
0.1U_0402_25V6
1
2
PR102
3M_0402_5%
PR102
3M_0402_5%
12
PC115
10U_0805_25V6K
PC115
10U_0805_25V6K
1
2
PR107
0_0603_1%
PR107
0_0603_1%
12
PD102
RB751V-40_SOD323-2
PD102
RB751V-40_SOD323-2
1
2
PD101
BAS40CW_SOT323-3
PD101
BAS40CW_SOT323-3
1
2
3
PC119
0.01U_0402_25V7K
PC119
0.01U_0402_25V7K
1
2
PC107
0.01U_0402_50V7K
PC107
0.01U_0402_50V7K
1
2
PC121
100P_0402_50V8J
PC121
100P_0402_50V8J
1
2
PC113
0.1U_0402_25V6
PC113
0.1U_0402_25V6
1
2
PL101
1.2UH_NRS4018T1R2NDGJ_2.6A_30%
EMI@ PL101
1.2UH_NRS4018T1R2NDGJ_2.6A_30%
EMI@
12
PC106
0.1U_0402_25V6
PC106
0.1U_0402_25V6
1
2
PC112
1U_0603_25V6K
PC112
1U_0603_25V6K
12
PR113
0_0603_1%
PR113
0_0603_1%
12
PR115
357K_0402_1%
PR115
357K_0402_1%
12
PR117
422K_0402_1%
PR117
422K_0402_1%
1
2
PR108
4.12K_0603_1%
PR108
4.12K_0603_1%
1
2
PD103
RB551V-30_SOD323-2
PD103
RB551V-30_SOD323-2
21
PR104
4.12K_0603_1%
PR104
4.12K_0603_1%
1
2
PC105
10U_0805_25V6K
PC105
10U_0805_25V6K
1
2
PC123
2200P_0402_50V7K
@EMI@ PC123
2200P_0402_50V7K
@EMI@
1
2
PQ105
AON7408L_DFN8-5
PQ105
AON7408L_DFN8-5
4
5
1
2
3
PC108
0.1U_0402_25V6
PC108
0.1U_0402_25V6
1
2
PR109
4.12K_0603_1%
PR109
4.12K_0603_1%
1
2
PC104
10U_0805_25V6K
PC104
10U_0805_25V6K
1
2
PC114
10U_0805_25V6K
PC114
10U_0805_25V6K
1
2
PC122
0.1U_0402_10V7K
@PC122
0.1U_0402_10V7K
@
1
2
PR110
0.01_1206_1%
PR110
0.01_1206_1%
1
3
4
2
PC110
0.047U_0402_25V7K
PC110
0.047U_0402_25V7K
12
PR116
100K_0402_1%
PR116
100K_0402_1%
1
2

A
A
B
B
C
C
D
D
11
22
33
44
(100mA,40mils ,Via NO.= 2)
(100mA,40mils ,Via NO.= 2)
H=5.9mm
H=5.9mm
FB_3V
FB_5V
LX_3V
LG_3V
LX_5V
BST_5V
BST1_3V
LG_5V
SNUB_3V
SNUB_5V
ENTRIP_5V
ENTRIP_3V
TON_35V
+5VLP
BST_3V
UG_5V
+3VLP
BST1_5V
UG_3V
EC_ON26
MAINPWON26
SPOK26,42
+3VALWP +5VALWP
3/5V_B+
B+ 3/5V_B+
3/5V_B+
+3VL
+VL
+3VALW
+3VLP
+3VALW
+3VALWP
+5VALW
+5VALWP
Title
Size Document Number Rev
Date: Sheet of
Security Classification
Compal Secret Data
THIS SHEET OF ENGINEERING DRAWING IS THE PROPRIETARY PROPERTY OF COMPAL ELECTRONICS, INC. AND CONTAINS CONFIDENTIAL
AND TRADE SECRET INFORMATION. THIS SHEET MAY NOT BE TRANSFERED FROM THE CUSTODY OF THE COMPETENT DIVISION OF R&D
DEPARTMENT EXCEPT AS AUTHORIZED BY COMPAL ELECTRONICS, INC. NEITHER THIS SHEET NOR THE INFORMATION IT CONTAINS
MAY BE USED BY OR DISCLOSED TO ANY THIRD PARTY WITHOUT PRIOR WRITTEN CONSENT OF COMPAL ELECTRONICS, INC.
Issued Date
Deciphered Date
0.1
3VALW/5VALW
Custom
37 43
2013/08/20 2016/08/31
Compal Electronics, Inc.
Title
Size Document Number Rev
Date: Sheet of
Security Classification
Compal Secret Data
THIS SHEET OF ENGINEERING DRAWING IS THE PROPRIETARY PROPERTY OF COMPAL ELECTRONICS, INC. AND CONTAINS CONFIDENTIAL
AND TRADE SECRET INFORMATION. THIS SHEET MAY NOT BE TRANSFERED FROM THE CUSTODY OF THE COMPETENT DIVISION OF R&D
DEPARTMENT EXCEPT AS AUTHORIZED BY COMPAL ELECTRONICS, INC. NEITHER THIS SHEET NOR THE INFORMATION IT CONTAINS
MAY BE USED BY OR DISCLOSED TO ANY THIRD PARTY WITHOUT PRIOR WRITTEN CONSENT OF COMPAL ELECTRONICS, INC.
Issued Date
Deciphered Date
0.1
3VALW/5VALW
Custom
37 43
2013/08/20 2016/08/31
Compal Electronics, Inc.
Title
Size Document Number Rev
Date: Sheet
of
Security Classification
Compal Secret Data
THIS SHEET OF ENGINEERING DRAWING IS THE PROPRIETARY PROPERTY OF COMPAL ELECTRONICS, INC. AND CONTAINS CONFIDENTIAL
AND TRADE SECRET INFORMATION. THIS SHEET MAY NOT BE TRANSFERED FROM THE CUSTODY OF THE COMPETENT DIVISION OF R&D
DEPARTMENT EXCEPT AS AUTHORIZED BY COMPAL ELECTRONICS, INC. NEITHER THIS SHEET NOR THE INFORMATION IT CONTAINS
MAY BE USED BY OR DISCLOSED TO ANY THIRD PARTY WITHOUT PRIOR WRITTEN CONSENT OF COMPAL ELECTRONICS, INC.
Issued Date
Deciphered Date
0.1
3VALW/5VALW
Custom
37 43
2013/08/20 2016/08/31
Compal Electronics, Inc.
PR310
2.2_0402_1%
PR310
2.2_0402_1%
1
2
PC315
4.7U_0603_6.3V6K
@PC315
4.7U_0603_6.3V6K
@
1
2
PR307
19.1K_0402_1%
PR307
19.1K_0402_1%
12
PJ301
JUMP_43X39
@PJ301
JUMP_43X39
@
1
122
PC314
1U_0603_10V6K
PC314
1U_0603_10V6K
1
2
PC306
0.1U_0402_10V7K
PC306
0.1U_0402_10V7K
12
PL302
2.2UH_ETQP3W2R2WFN_8.5A_20%
PL302
2.2UH_ETQP3W2R2WFN_8.5A_20%
1
2
PC307
4.7U_0805_25V6-K
PC307
4.7U_0805_25V6-K
1
2
+
PC317
220U 6.3V M B C6 SVPC ESR15
+
PC317
220U 6.3V M B C6 SVPC ESR15
1
2
PC305
.1U_0402_10V7K
PC305
.1U_0402_10V7K
12
PR314
100K_0402_1%
PR314
100K_0402_1%
1
2
RT8243AZQW_WQFN20_3X3
PU301
RT8243AZQW_WQFN20_3X3
PU301
FB1 1
ENTRIP1 2
TON 3
ENTRIP2 4
FB2 5
PGOOD
6
BOOT2
7
UGATE2
8
PHASE2
9
LGATE2
10
VIN
11
ENLDO
12
ENM
13
LDO5
14
LDO3
15
LGATE1 16
PHASE1 17
UGATE1 18
BOOT1 19
BYP1 20
PAD 21
PR305
30K_0402_1%
PR305
30K_0402_1%
12
PC302@
100P_0402_50V8J
PC302@
100P_0402_50V8J
12
PQ303
S TR AON7406L 1N DFN
PQ303
S TR AON7406L 1N DFN
4
5
1
2
3
PJ303
JUMP_43X118
@PJ303
JUMP_43X118
@
1
122
PQ301
AON7408L_DFN8-5
PQ301
AON7408L_DFN8-5
4
5
1
2
3
PR318
10K_0402_1%
PR318
10K_0402_1%
1
2
PR302
165K_0402_1%
PR302
165K_0402_1%
12
+
PC316
220U 6.3V M B C6 SVPC ESR15
+
PC316
220U 6.3V M B C6 SVPC ESR15
1
2
PR317
100K_0402_5%
@PR317
100K_0402_5%
@
1
2
PL303
4.7UH_ETQP3W4R7WFN_5.5A_20%
PL303
4.7UH_ETQP3W4R7WFN_5.5A_20%
12
PC308
4.7U_0805_25V6-K
PC308
4.7U_0805_25V6-K
1
2
PR313
499K_0402_1%
PR313
499K_0402_1%
12
PR311
4.7_1206_5%
@EMI@ PR311
4.7_1206_5%
@EMI@
1
2
PC313
0.1U_0603_25V7K
PC313
0.1U_0603_25V7K
1
2
PR316
0_0402_5%
@
PR316
0_0402_5%
@
1
2
PJ304
JUMP_43X39
@PJ304
JUMP_43X39
@
1
1
22
PR301
14K_0402_1%
PR301
14K_0402_1%
12
PC312
680P_0603_50V8J
@EMI@ PC312
680P_0603_50V8J
@EMI@
1
2
PL301
HCB2012KF-121T50_0805
EMI@ PL301
HCB2012KF-121T50_0805
EMI@
1
2
PC318
2200P_0402_50V7K
@EMI@ PC318
2200P_0402_50V7K
@EMI@
1
2
PR304
143K_0402_1%
PR304
143K_0402_1%
12
PC304
4.7U_0805_25V6-K
PC304
4.7U_0805_25V6-K
1
2
PR315
2.2K_0402_1%
PR315
2.2K_0402_1%
1
2
PC309
4.7U_0603_10V6K
PC309
4.7U_0603_10V6K
1
2
PR309
2.2_0402_1%
PR309
2.2_0402_1%
12
PQ302
AON7408L_DFN8-5
PQ302
AON7408L_DFN8-5
3
5
2
4
1
PC303
4.7U_0805_25V6-K
PC303
4.7U_0805_25V6-K
1
2
PJ302
JUMP_43X118
@PJ302
JUMP_43X118
@
1
122
PQ304
SI7716ADN-T1-GE3 1N POWERPAK1212-8
PQ304
SI7716ADN-T1-GE3 1N POWERPAK1212-8
4
5
1
2
3
PC311
680P_0603_50V8J
@EMI@ PC311
680P_0603_50V8J
@EMI@
1
2
PR312
4.7_1206_5%
@EMI@ PR312
4.7_1206_5%
@EMI@
1
2
PR303
56K_0402_1%
PR303
56K_0402_1%
12
PC310
4.7U_0603_10V6K
PC310
4.7U_0603_10V6K
1
2
PR306
20K_0402_1%
PR306
20K_0402_1%
12

5
5
4
4
3
3
2
2
1
1
D
D
C
C
BB
AA
LA-A521P
2.2u to 1.5u(11/12)
SNB_DDR
B+_DDR
DH_DDR
CS_DDR
VDD_DDR
BST_DDR
TON_DDR
DL_DDR
FB_DDR
B+_DDR
VTTREF_DDRT
BST_DDR-1
LX_DDR
S5_DDR
S3_DDR
SYSON26,29
EC_SLP_S4#26,9
SUSP#11,26,29,39,43
DDR_PWROK6
B+
+1.35VP
+5VALW
+1.35VP
+0.675VSP
+1.35VP
+1.35VP
+5VALW
+0.675VSP +0.675VS
+1.35V
+1.35VP
+1.35VP
Title
Size Document Number Rev
Date: Sheet of
Security Classification
Compal Secret Data
THIS SHEET OF ENGINEERING DRAWING IS THE PROPRIETARY PROPERTY OF COMPAL ELECTRONICS, INC. AND CONTAINS CONFIDENTIAL
AND TRADE SECRET INFORMATION. THIS SHEET MAY NOT BE TRANSFERED FROM THE CUSTODY OF THE COMPETENT DIVISION OF R&D
DEPARTMENT EXCEPT AS AUTHORIZED BY COMPAL ELECTRONICS, INC. NEITHER THIS SHEET NOR THE INFORMATION IT CONTAINS
MAY BE USED BY OR DISCLOSED TO ANY THIRD PARTY WITHOUT PRIOR WRITTEN CONSENT OF COMPAL ELECTRONICS, INC.
Issued Date
Deciphered Date
Compal Electronics, Inc.
0.1Custom
38 43
Monday, February 24, 2014
2013/08/20 2016/08/31
1.35V/0.675VS
Title
Size Document Number Rev
Date: Sheet
of
Security Classification
Compal Secret Data
THIS SHEET OF ENGINEERING DRAWING IS THE PROPRIETARY PROPERTY OF COMPAL ELECTRONICS, INC. AND CONTAINS CONFIDENTIAL
AND TRADE SECRET INFORMATION. THIS SHEET MAY NOT BE TRANSFERED FROM THE CUSTODY OF THE COMPETENT DIVISION OF R&D
DEPARTMENT EXCEPT AS AUTHORIZED BY COMPAL ELECTRONICS, INC. NEITHER THIS SHEET NOR THE INFORMATION IT CONTAINS
MAY BE USED BY OR DISCLOSED TO ANY THIRD PARTY WITHOUT PRIOR WRITTEN CONSENT OF COMPAL ELECTRONICS, INC.
Issued Date
Deciphered Date
Compal Electronics, Inc.
0.1Custom
38 43
Monday, February 24, 2014
2013/08/20 2016/08/31
1.35V/0.675VS
Title
Size Document Number Rev
Date: Sheet of
Security Classification
Compal Secret Data
THIS SHEET OF ENGINEERING DRAWING IS THE PROPRIETARY PROPERTY OF COMPAL ELECTRONICS, INC. AND CONTAINS CONFIDENTIAL
AND TRADE SECRET INFORMATION. THIS SHEET MAY NOT BE TRANSFERED FROM THE CUSTODY OF THE COMPETENT DIVISION OF R&D
DEPARTMENT EXCEPT AS AUTHORIZED BY COMPAL ELECTRONICS, INC. NEITHER THIS SHEET NOR THE INFORMATION IT CONTAINS
MAY BE USED BY OR DISCLOSED TO ANY THIRD PARTY WITHOUT PRIOR WRITTEN CONSENT OF COMPAL ELECTRONICS, INC.
Issued Date
Deciphered Date
Compal Electronics, Inc.
0.1Custom
38 43
Monday, February 24, 2014
2013/08/20 2016/08/31
1.35V/0.675VS
PRM10
10K_0402_5%
PRM10
10K_0402_5%
1
2
PCM20
22U_0603_6.3V6M
PCM20
22U_0603_6.3V6M
1
2
PCM10
0.033U_0402_16V7K
PCM10
0.033U_0402_16V7K
1
2
PCM7
680P_0603_50V7K
@EMI@
PCM7
680P_0603_50V7K
@EMI@
1
2
PRM6
432K +-1% 0402
PRM6
432K +-1% 0402
12
PCM1
10U_0805_25V6K
PCM1
10U_0805_25V6K
1
2
PCM9
1U_0603_10V6K
PCM9
1U_0603_10V6K
1
2
PQM2
S TR AON7406L 1N DFN
PQM2
S TR AON7406L 1N DFN
4
5
1
2
3
PDM2
CK0402101V05_0402-2
@ESD@ PDM2
CK0402101V05_0402-2
@ESD@
1
2
PCM17
22U_0603_6.3V6M
PCM17
22U_0603_6.3V6M
1
2
PCM18
22U_0603_6.3V6M
PCM18
22U_0603_6.3V6M
1
2
PRM1
2.2_0402_1%
PRM1
2.2_0402_1%
12
PCM2
0.22U_0402_10V6K
PCM2
0.22U_0402_10V6K
12
PRM4
5.1_0603_5%
PRM4
5.1_0603_5%
12
PDM3
CK0402101V05_0402-2
@ESD@ PDM3
CK0402101V05_0402-2
@ESD@
1
2
PRM9
30K_0402_5%
PRM9
30K_0402_5%
12
PJPM1
JUMP_43X39
@
PJPM1
JUMP_43X39
@
1
122
PRM11
0_0402_5%
@PRM11
0_0402_5%
@
1
2
PCM12
0.1U_0402_10V7K
@PCM12
0.1U_0402_10V7K
@
1
2
PJPM2
JUMP_43X118
@
PJPM2
JUMP_43X118
@
1
122
PRM3
13.3K_0402_1%
PRM3
13.3K_0402_1%
1
2
PRM8
10K_0402_1%
PRM8
10K_0402_1%
1
2
PCM21
22U_0603_6.3V6M
PCM21
22U_0603_6.3V6M
1
2
PCM3
4.7U_0805_25V6-K
PCM3
4.7U_0805_25V6-K
1
2
PCM5
10U_0805_6.3V6K
PCM5
10U_0805_6.3V6K
1
2
PCM13
2200P_0402_50V7K
@EMI@ PCM13
2200P_0402_50V7K
@EMI@
1
2
PLM2
1.5UH +-20% PCMC063T-1R5MN 9A
PLM2
1.5UH +-20% PCMC063T-1R5MN 9A
12
PLM1
HCB2012KF-121T50_0805
EMI@ PLM1
HCB2012KF-121T50_0805
EMI@
12
PCM19
22U_0603_6.3V6M
PCM19
22U_0603_6.3V6M
1
2
PUM1
RT8207PGQW W QFN 20P PWM
PUM1
RT8207PGQW W QFN 20P PWM
VTTSNS 2
FB
6
S5
8
PGOOD
10
VDDP
12
PHASE 16
BOOT 18
VTTREF 4
PGND
14
VTTGND 1
GND 3
VDDQ 5
S3
7
TON
9
VDD
11
CS
13
LGATE
15
UGATE 17
VTT 20
VLDOIN 19
PAD 21
PRM7
0_0402_5%
@PRM7
0_0402_5%
@
12
PCM16
22U_0603_6.3V6M
PCM16
22U_0603_6.3V6M
1
2
PRM2
4.7_1206_5%
@EMI@
PRM2
4.7_1206_5%
@EMI@
1
2
PQM1
AON7408L_DFN8-5
PQM1
AON7408L_DFN8-5
35
2
4
1
PCM4
10U_0805_6.3V6K
PCM4
10U_0805_6.3V6K
1
2
PCM11
0.1U_0402_10V7K
PCM11
0.1U_0402_10V7K
1
2
PCM8
1U_0603_10V6K
PCM8
1U_0603_10V6K
1
2
PRM5
8.06K_0402_1%
PRM5
8.06K_0402_1%
12

5
5
4
4
3
3
2
2
1
1
DD
C
C
B
B
AA
EN_1.05V
FB_1.05V
B+_1.05V
LX_1.05V
SNB_1.05V
SUSP#11,26,29,38,43
+1.05VS
+1.05VSP
+3VALW
Title
Size Document Number Rev
Date: Sheet
of
Security Classification
Compal Secret Data
THIS SHEET OF ENGINEERING DRAWING IS THE PROPRIETARY PROPERTY OF COMPAL ELECTRONICS, INC. AND CONTAINS CONFIDENTIAL
AND TRADE SECRET INFORMATION. THIS SHEET MAY NOT BE TRANSFERED FROM THE CUSTODY OF THE COMPETENT DIVISION OF R&D
DEPARTMENT EXCEPT AS AUTHORIZED BY COMPAL ELECTRONICS, INC. NEITHER THIS SHEET NOR THE INFORMATION IT CONTAINS
MAY BE USED BY OR DISCLOSED TO ANY THIRD PARTY WITHOUT PRIOR WRITTEN CONSENT OF COMPAL ELECTRONICS, INC.
Issued Date
Deciphered Date
2016/08/31
LAB151P
2013/08/20
Compal Electronics, Inc.
4339
0.1
1.05VS
Monday, February 24, 2014
Title
Size Document Number Rev
Date: Sheet
of
Security Classification
Compal Secret Data
THIS SHEET OF ENGINEERING DRAWING IS THE PROPRIETARY PROPERTY OF COMPAL ELECTRONICS, INC. AND CONTAINS CONFIDENTIAL
AND TRADE SECRET INFORMATION. THIS SHEET MAY NOT BE TRANSFERED FROM THE CUSTODY OF THE COMPETENT DIVISION OF R&D
DEPARTMENT EXCEPT AS AUTHORIZED BY COMPAL ELECTRONICS, INC. NEITHER THIS SHEET NOR THE INFORMATION IT CONTAINS
MAY BE USED BY OR DISCLOSED TO ANY THIRD PARTY WITHOUT PRIOR WRITTEN CONSENT OF COMPAL ELECTRONICS, INC.
Issued Date
Deciphered Date
2016/08/31
LAB151P
2013/08/20
Compal Electronics, Inc.
4339
0.1
1.05VS
Monday, February 24, 2014
Title
Size Document Number Rev
Date: Sheet of
Security Classification
Compal Secret Data
THIS SHEET OF ENGINEERING DRAWING IS THE PROPRIETARY PROPERTY OF COMPAL ELECTRONICS, INC. AND CONTAINS CONFIDENTIAL
AND TRADE SECRET INFORMATION. THIS SHEET MAY NOT BE TRANSFERED FROM THE CUSTODY OF THE COMPETENT DIVISION OF R&D
DEPARTMENT EXCEPT AS AUTHORIZED BY COMPAL ELECTRONICS, INC. NEITHER THIS SHEET NOR THE INFORMATION IT CONTAINS
MAY BE USED BY OR DISCLOSED TO ANY THIRD PARTY WITHOUT PRIOR WRITTEN CONSENT OF COMPAL ELECTRONICS, INC.
Issued Date
Deciphered Date
2016/08/31
LAB151P
2013/08/20
Compal Electronics, Inc.
4339
0.1
1.05VS
Monday, February 24, 2014
PCH7
680P_0402_50V7K
@EMI@
PCH7
680P_0402_50V7K
@EMI@
1
2
PCH4
22U_0603_6.3V6M
PCH4
22U_0603_6.3V6M
1
2
PCH5
22U_0603_6.3V6M
PCH5
22U_0603_6.3V6M
1
2
PLH1
HCB1608KF-121T30_0603
EMI@
PLH1
HCB1608KF-121T30_0603
EMI@
12
PCH3
22P_0402_50V8J
PCH3
22P_0402_50V8J
1
2
PRH5
1M_0402_5%
PRH5
1M_0402_5%
1
2
PJPH1
JUMP_43X118
PJPH1
JUMP_43X118
1
122
PUH1
SY8003DFC_DFN8_2X2
PUH1
SY8003DFC_DFN8_2X2
NC 5
IN
3
PGND
4
PG
2
FB
1
LX 6
EN 7
SGND 8
PGND 9
PCH2
22U_0603_6.3V6M
PCH2
22U_0603_6.3V6M
1
2
PRH3
20K_0402_1%
PRH3
20K_0402_1%
1
2
PCH6
0.1U_0402_16V7K
@
PCH6
0.1U_0402_16V7K
@
1
2
PRH2
4.7_1206_5%
@EMI@
PRH2
4.7_1206_5%
@EMI@
1
2
PRH4
0_0402_5%
@
PRH4
0_0402_5%
@
12
PCH1
22U_0603_6.3V6M
PCH1
22U_0603_6.3V6M
1
2
PLH2
1UH_NRS4018T1R0NDGJ_3.2A_30%
PLH2
1UH_NRS4018T1R0NDGJ_3.2A_30%
1
2
PRH1
15K_0402_1%
PRH1
15K_0402_1%
1
2

A
A
B
B
C
C
D
D
E
E
11
2
2
3
3
44
Close CPU choke
OCP setting=~20A
H=5.9mm
Close GFX choke
MDU1511 Vds=30V
Rds(on)=2.7~3.3m ohm@Vgs=4.5V
0.22uH DCR= 0.97+-5% m ohm, Idc~Isat= 25~34A
0.22uH DCR= 0.97+-5% m ohm, Idc~Isat= 25~34A
Close GFX L/S MOS
Close CPU L/S MOS
MDV1525 Vds=30V
Rds(on)=11.5~14m ohm@Vgs=4.5V
MDV1525 Vds=30V
Rds(on)=11.5~14m ohm@Vgs=4.5V
MDU1511 Vds=30V
Rds(on)=2.7~3.3m ohm@Vgs=4.5V
PR18 and PR30
27.4K ohm for 100 degree
61.9K ohm for 110 degree
Design Note
This circuit is for ULC 1+1 7.5W.
CPU: Icc=12A
Loadline: -5.9 m V/A
GFX(GT2): Icc=14A
Loadline: -5.9 m V/A
OCP setting=~18A
Layout Note
Reduce Acoustic Noise
1. The AL bulk capacitor of B+ should be very
close to CPU_CORE MOSFET.
2. Input ceramic caps must place on symmetry
same location on top side and bottom side.
Layout Note
SVID routing
1. Alert# signal must be routed between
the Clock and Date lines to reduce the cross
talk between them. Signal order arrangement:
mobile order is Clock-Alert-Date.
2. SVID spacing requirement is 18mils(0.475mm).
3. Maximum total microstrip routing length of
each SVID signal must not exceed 6000mils(152.4mm).
4. The SVID bus must be ground reference, It cannot be
referenced to input (Vbat or 12V) power plans as they can
couple noise into the SVID bus as power states change.
5. Avoid routing under noisy circuit, e.g. switch node ,
Gate driver, B+, Vin, high speed signal.
6. When SVID signal changes Layer, GND return path
may be changed also. We need add GND via for GND
reference.
For VR_HOT#, already
pull high at power side.
VDD source use +5VS and PGOOD source use +3VS
Please confirm power on and down sequence,
make sure VGATE after CPU_CORE on.
Cn = L/((Rntcnet*Rsum)/(Rntcnet+Rsum))*DCR)
If Cn is correctly selected, when the load current has a
square change, the output voltage also has a square response.
VSUM-
VSUM+
SVID_ALERT#
PHASEA_GFX
UGA_GFX
BOOTA_GFX
BOOT_CPU
PHASE1_CPU
NTCG_1
SVID_DATA
LG1_CPU
VSSSENSE
UG1_CPU
NTC
VSUMG-
VSUM+
NTCG
LGA_GFX
VSUM-
VSUMG+
SVID_CLK
NTC_1
UGA_GFX
UG1_CPU
LG1_CPU
PHASE1_CPU
BOOT_CPU
LGA_GFX
PHASEA_GFX
BOOTA_GFX
VSUMG+
VSUMG-
UG1_CPU-1
UGA_GFX-1
SVID_CLK-1
SVID_DATA-2
+SOC_VCC
B+
+CPU_B+
+5VALW
+3VALW
+1.0VS +3VALW
+5VALW
+SOC_VNN
+CPU_B+
VCC_GFXSENSE11
SVID_ALERT#9
SVID_DATA9
SVID_CLK9
VGATE 26
VSSSENSE11
VCCSENSE11
VR_HOT#26
VR_ON26
Title
Size Document Number Rev
Date: Sheet of
Security Classification
Compal Secret Data
THIS SHEET OF ENGINEERING DRAWING IS THE PROPRIETARY PROPERTY OF COMPAL ELECTRONICS, INC. AND CONTAINS CONFIDENTIAL
AND TRADE SECRET INFORMATION. THIS SHEET MAY NOT BE TRANSFERED FROM THE CUSTODY OF THE COMPETENT DIVISION OF R&D
DEPARTMENT EXCEPT AS AUTHORIZED BY COMPAL ELECTRONICS, INC. NEITHER THIS SHEET NOR THE INFORMATION IT CONTAINS
MAY BE USED BY OR DISCLOSED TO ANY THIRD PARTY WITHOUT PRIOR WRITTEN CONSENT OF COMPAL ELECTRONICS, INC.
Issued Date Deciphered Date
0.1
SOC_VCC/SOC_VNN
40 43Monday, February 24, 2014
2013/08/20 2016/08/31
Compal Electronics, Inc.
LAB151P
Title
Size Document Number Rev
Date: Sheet of
Security Classification
Compal Secret Data
THIS SHEET OF ENGINEERING DRAWING IS THE PROPRIETARY PROPERTY OF COMPAL ELECTRONICS, INC. AND CONTAINS CONFIDENTIAL
AND TRADE SECRET INFORMATION. THIS SHEET MAY NOT BE TRANSFERED FROM THE CUSTODY OF THE COMPETENT DIVISION OF R&D
DEPARTMENT EXCEPT AS AUTHORIZED BY COMPAL ELECTRONICS, INC. NEITHER THIS SHEET NOR THE INFORMATION IT CONTAINS
MAY BE USED BY OR DISCLOSED TO ANY THIRD PARTY WITHOUT PRIOR WRITTEN CONSENT OF COMPAL ELECTRONICS, INC.
Issued Date Deciphered Date
0.1
SOC_VCC/SOC_VNN
40 43Monday, February 24, 2014
2013/08/20 2016/08/31
Compal Electronics, Inc.
LAB151P
Title
Size Document Number Rev
Date: Sheet
of
Security Classification
Compal Secret Data
THIS SHEET OF ENGINEERING DRAWING IS THE PROPRIETARY PROPERTY OF COMPAL ELECTRONICS, INC. AND CONTAINS CONFIDENTIAL
AND TRADE SECRET INFORMATION. THIS SHEET MAY NOT BE TRANSFERED FROM THE CUSTODY OF THE COMPETENT DIVISION OF R&D
DEPARTMENT EXCEPT AS AUTHORIZED BY COMPAL ELECTRONICS, INC. NEITHER THIS SHEET NOR THE INFORMATION IT CONTAINS
MAY BE USED BY OR DISCLOSED TO ANY THIRD PARTY WITHOUT PRIOR WRITTEN CONSENT OF COMPAL ELECTRONICS, INC.
Issued Date Deciphered Date
0.1
SOC_VCC/SOC_VNN
40 43Monday, February 24, 2014
2013/08/20 2016/08/31
Compal Electronics, Inc.
LAB151P
PRG15 1.91K_0402_1%
PRG15 1.91K_0402_1%
1
2
PRG17
3.83K_0402_1%
PRG17
3.83K_0402_1%
12
PCZ21
0.01UF_0402_25V7K
PCZ21
0.01UF_0402_25V7K
12
PHG2
470K +-5% ERTJ0EV474J 0402
PHG2
470K +-5% ERTJ0EV474J 0402
12
PHG1
10K_0402_1%_ERTJ0EG103FA
PHG1
10K_0402_1%_ERTJ0EG103FA
1
2
PRZ12
3.83K_0402_1%
PRZ12
3.83K_0402_1%
1
2
PRZ15
3.65K_0603_1%
PRZ15
3.65K_0603_1%
1
2
PCZ1
1U_0603_10V6K
PCZ1
1U_0603_10V6K
1
2
PRZ23 11K_0402_1%
PRZ23 11K_0402_1%
1
2
PHZ1
470K +-5% ERTJ0EV474J 0402
PHZ1
470K +-5% ERTJ0EV474J 0402
1
2
PQG2
S TR AON6504 1N DFN
PQG2
S TR AON6504 1N DFN
4
5
1
2
3
PRZ1
0_0402_5%
@PRZ1
0_0402_5%
@
12
PRG4
210_0402_1%
PRG4
210_0402_1%
12
PCZ13
470P_0402_50V7K
PCZ13
470P_0402_50V7K
1
2
PRZ19
2.61K_0402_1%
PRZ19
2.61K_0402_1%
1
2
PCG5
10U_0805_25V6K
PCG5
10U_0805_25V6K
1
2
PCG6
120P 50V J NPO 0402
PCG6
120P 50V J NPO 0402
1
2
PRZ5 0_0402_5%@PRZ5 0_0402_5%@
1
2
PQZ2
S TR AON6504 1N DFN
PQZ2
S TR AON6504 1N DFN
4
5
1
2
3
PCG12
0.1U_0603_25V7K
PCG12
0.1U_0603_25V7K
12
PRZ2
0_0603_5%
@PRZ2
0_0603_5%
@
1
2
PCZ18
6800P_0402_25V7K
14"@ PCZ18
6800P_0402_25V7K
14"@
1
2
PRG8
11K_0402_1%
PRG8
11K_0402_1%
1
2
PRZ25
137K_0402_1%
PRZ25
137K_0402_1%
1
2
PRZ3
1_0603_5%
PRZ3
1_0603_5%
1
2
+
PCZ4
100U_25V_M
@
+
PCZ4
100U_25V_M
@
1
2
PHZ2
10K_0402_1%_ERTJ0EG103FA
PHZ2
10K_0402_1%_ERTJ0EG103FA
1
2
PRZ8
69.8_0402_1%
PRZ8
69.8_0402_1%
1
2
PCG14
680P_0402_50V7K
@EMI@ PCG14
680P_0402_50V7K
@EMI@
1
2
PCG7
470P_0402_50V7K
PCG7
470P_0402_50V7K
12
PRZ18
66.5K +-1% 0402
PRZ18
66.5K +-1% 0402
12
PRG2
2K_0402_1%
14"@ PRG2
2K_0402_1%
14"@
12
PRZ27 15_0402_1%
PRZ27 15_0402_1%
12
PCG2
0.01UF_0402_25V7K
PCG2
0.01UF_0402_25V7K
1
2
PRZ9
27.4K_0402_1%
PRZ9
27.4K_0402_1%
1
2
PCZ10
0.1U_0603_25V7K
PCZ10
0.1U_0603_25V7K
1
2
PRG14
1_0402_5%
PRG14
1_0402_5%
1
2
PCG9
.1U_0402_16V7K
PCG9
.1U_0402_16V7K
1
2
+
PCZ5
100U_25V_M
+
PCZ5
100U_25V_M
1
2
PCG3
6800P_0402_25V7K
14"@
PCG3
6800P_0402_25V7K
14"@
1
2
PRG5
137K_0402_1%
PRG5
137K_0402_1%
1
2
PRZ20
499_0402_1%
PRZ20
499_0402_1%
12
PCZ15
0.022U 25V K X7R 0402
PCZ15
0.022U 25V K X7R 0402
1
2
PCZ6
10U_0805_25V6K
PCZ6
10U_0805_25V6K
1
2
PRG10
2.61K_0402_1%
PRG10
2.61K_0402_1%
1
2
PRG9
21K_0402_1%
PRG9
21K_0402_1%
1
2
PRG7
2K_0402_1%
PRG7
2K_0402_1%
1
2
PRG11
2.2_0603_5%
PRG11
2.2_0603_5%
12
PRG16
27.4K_0402_1%
PRG16
27.4K_0402_1%
12
PRZ17
2K_0402_1%
PRZ17
2K_0402_1%
12
PCZ17
1000P_0402_50V7K
PCZ17
1000P_0402_50V7K
1
2
PCG10
0.1U_0402_25V6
PCG10
0.1U_0402_25V6
1
2
PRZ6
499_0402_1%
PRZ6
499_0402_1%
1
2
PRZ101.91K_0402_1%
PRZ101.91K_0402_1%
1
2
PRG13
3.65K_0603_1%
PRG13
3.65K_0603_1%
1
2
PCZ19
.1U_0402_16V7K
PCZ19
.1U_0402_16V7K
1
2
PCZ2
1U_0603_10V6K
PCZ2
1U_0603_10V6K
1
2
PRZ21
2K_0402_1%
14"@ PRZ21
2K_0402_1%
14"@
1
2
PRZ11
0_0603_1%
PRZ11
0_0603_1%
12
PCZ16
0.1U_0402_25V6
PCZ16
0.1U_0402_25V6
1
2
PRZ7
69.8_0402_1%
PRZ7
69.8_0402_1%
1
2
PLG1
.22UH 20% PCME064T-R22MS0R985 28A
PLG1
.22UH 20% PCME064T-R22MS0R985 28A
1
3
4
2
PCG1
1000P_0402_50V7K
@PCG1
1000P_0402_50V7K
@
1
2
PCZ7
10U_0805_25V6K
PCZ7
10U_0805_25V6K
1
2
PCZ12
680P_0402_50V7K
PCZ12
680P_0402_50V7K
12
PCG11
0.022U 25V K X7R 0402
PCG11
0.022U 25V K X7R 0402
1
2
PCZ8
2200P_0402_50V7K
EMI@ PCZ8
2200P_0402_50V7K
EMI@
1
2
ISL95833BHRTZ-T QFN 32P CPU CORE
PUZ1
ISL95833BHRTZ-T QFN 32P CPU CORE
PUZ1
NTCG
1
VR_ON
2
SCLK
3
ALERT#
4
SDA
5
VR_HOT#
6
NTC
7
ISEN2
8
ISEN1
9
ISUMP
10
ISUMN
11
RTN
12
FB
13
COMP
14
PGOOD
15
BOOT1
16
UGATE1 17
PHASE1 18
LGATE1 19
PWM2 20
VDD 21
VCCP 22
LGATEG 23
PHASEG 24
UGATEG 25
BOOTG 26
PGOODG 27
COMPG 28
FBG 29
RTNG 30
ISUMNG 31
ISUMPG 32
PAD 33
PRG3
499_0402_1%
PRG3
499_0402_1%
1
2
PRZ16
1_0402_5%
PRZ16
1_0402_5%
1
2
PCG15
2200P_0402_50V7K
EMI@
PCG15
2200P_0402_50V7K
EMI@
1
2
PCZ3
47P_0402_50V8J
@
PCZ3
47P_0402_50V8J
@
1
2
PCG4
10U_0805_25V6K
PCG4
10U_0805_25V6K
1
2
PRZ24
1.78K_0402_1%
PRZ24
1.78K_0402_1%
12
PLZ2
.22UH 20% PCME064T-R22MS0R985 28A
PLZ2
.22UH 20% PCME064T-R22MS0R985 28A
1
3
4
2
PQG1
MDV1525URH_PDFN33-8-5
PQG1
MDV1525URH_PDFN33-8-5
4
5
1
2
3
PQZ1
MDV1525URH_PDFN33-8-5
PQZ1
MDV1525URH_PDFN33-8-5
4
5
1
2
3
PCZ11
680P_0402_50V7K
@EMI@PCZ11
680P_0402_50V7K
@EMI@
1
2
PRG1
0_0603_5%
@
PRG1
0_0603_5%
@
12
PRZ13
2.2_0603_5%
PRZ13
2.2_0603_5%
12
PRZ4 1.91K_0402_1%@PRZ4 1.91K_0402_1%@
1
2
PCG13
1000P 50V K X7R 0402
PCG13
1000P 50V K X7R 0402
1
2
PRZ26 20_0402_1%
PRZ26 20_0402_1%
12
PCZ9
0.1U_0402_16V7K
@PCZ9
0.1U_0402_16V7K
@
1
2
PRZ14
4.7_1206_5%
@EMI@
PRZ14
4.7_1206_5%
@EMI@
1
2
PRG6
1.91K_0402_1%
PRG6
1.91K_0402_1%
12
PRG12
4.7_1206_5%
@EMI@
PRG12
4.7_1206_5%
@EMI@
1
2
PLZ1
FBMA-L11-322513-151LMA50T_1210
EMI@ PLZ1
FBMA-L11-322513-151LMA50T_1210
EMI@
1
2
PCZ20
330P_0402_50V7K
@PCZ20
330P_0402_50V7K
@
12
PCG8
1000P_0402_50V7K
PCG8
1000P_0402_50V7K
12
PCZ14
120P 50V J NPO 0402
PCZ14
120P 50V J NPO 0402
1
2
PRZ22
191_0402_1%
PRZ22
191_0402_1%
1
2

5
5
4
4
3
3
2
2
1
1
DD
C
C
BB
AA
H=5.9mm H=5.9mm
+SOC_VCC +SOC_VNN
Title
Size Document Number Rev
Date: Sheet of
Security Classification
Compal Secret Data
THIS SHEET OF ENGINEERING DRAWING IS THE PROPRIETARY PROPERTY OF COMPAL ELECTRONICS, INC. AND CONTAINS CONFIDENTIAL
AND TRADE SECRET INFORMATION. THIS SHEET MAY NOT BE TRANSFERED FROM THE CUSTODY OF THE COMPETENT DIVISION OF R&D
DEPARTMENT EXCEPT AS AUTHORIZED BY COMPAL ELECTRONICS, INC. NEITHER THIS SHEET NOR THE INFORMATION IT CONTAINS
MAY BE USED BY OR DISCLOSED TO ANY THIRD PARTY WITHOUT PRIOR WRITTEN CONSENT OF COMPAL ELECTRONICS, INC.
Issued Date
Deciphered Date
0.1
PROCESSOR DECOUPLING
Custom
41 43
2013/08/20 2016/08/31
Compal Electronics, Inc.
Title
Size Document Number Rev
Date: Sheet
of
Security Classification
Compal Secret Data
THIS SHEET OF ENGINEERING DRAWING IS THE PROPRIETARY PROPERTY OF COMPAL ELECTRONICS, INC. AND CONTAINS CONFIDENTIAL
AND TRADE SECRET INFORMATION. THIS SHEET MAY NOT BE TRANSFERED FROM THE CUSTODY OF THE COMPETENT DIVISION OF R&D
DEPARTMENT EXCEPT AS AUTHORIZED BY COMPAL ELECTRONICS, INC. NEITHER THIS SHEET NOR THE INFORMATION IT CONTAINS
MAY BE USED BY OR DISCLOSED TO ANY THIRD PARTY WITHOUT PRIOR WRITTEN CONSENT OF COMPAL ELECTRONICS, INC.
Issued Date
Deciphered Date
0.1
PROCESSOR DECOUPLING
Custom
41 43
2013/08/20 2016/08/31
Compal Electronics, Inc.
Title
Size Document Number Rev
Date: Sheet of
Security Classification
Compal Secret Data
THIS SHEET OF ENGINEERING DRAWING IS THE PROPRIETARY PROPERTY OF COMPAL ELECTRONICS, INC. AND CONTAINS CONFIDENTIAL
AND TRADE SECRET INFORMATION. THIS SHEET MAY NOT BE TRANSFERED FROM THE CUSTODY OF THE COMPETENT DIVISION OF R&D
DEPARTMENT EXCEPT AS AUTHORIZED BY COMPAL ELECTRONICS, INC. NEITHER THIS SHEET NOR THE INFORMATION IT CONTAINS
MAY BE USED BY OR DISCLOSED TO ANY THIRD PARTY WITHOUT PRIOR WRITTEN CONSENT OF COMPAL ELECTRONICS, INC.
Issued Date
Deciphered Date
0.1
PROCESSOR DECOUPLING
Custom
41 43
2013/08/20 2016/08/31
Compal Electronics, Inc.
PCG1722U_0805_6.3V6M
PCG1722U_0805_6.3V6M
1
2
PCG30
1U_0402_6.3V6K PCG30
1U_0402_6.3V6K
12
PCZ3810U_0603_6.3V6M PCZ3810U_0603_6.3V6M
12
PCZ3110U_0603_6.3V6M PCZ3110U_0603_6.3V6M
12
PCZ342.2U_0402_6.3V6M
PCZ342.2U_0402_6.3V6M
12
+
PCG21390U_2.5V_M
+
PCG21390U_2.5V_M
1
2
PCG2710U_0603_6.3V6M PCG2710U_0603_6.3V6M
1
2
+
PCG23390U_2.5V_M
+
PCG23390U_2.5V_M
1
2
+
PCZ27390U_2.5V_M
+
PCZ27390U_2.5V_M
1
2
+
PCZ29390U_2.5V_M
+
PCZ29390U_2.5V_M
1
2
PCZ352.2U_0402_6.3V6M PCZ352.2U_0402_6.3V6M
12
PCZ2522U_0805_6.3V6M PCZ2522U_0805_6.3V6M
12
PCZ4010U_0603_6.3V6M
PCZ4010U_0603_6.3V6M
12
PCG1922U_0805_6.3V6M PCG1922U_0805_6.3V6M
12
PCG291U_0402_6.3V6K PCG291U_0402_6.3V6K
12
PCG2810U_0603_6.3V6M
PCG2810U_0603_6.3V6M
12
PCG3110U_0603_6.3V6M PCG3110U_0603_6.3V6M
12
PCZ3922U 6.3V M X5R 0603 PCZ3922U 6.3V M X5R 0603
12
PCZ3622U_0805_6.3V6M PCZ3622U_0805_6.3V6M
12
+
PCG25390U_2.5V_M
+
PCG25390U_2.5V_M
1
2
PCG1622U_0805_6.3V6M
PCG1622U_0805_6.3V6M
12
PCG1822U_0805_6.3V6M PCG1822U_0805_6.3V6M
1
2
PCZ2622U_0805_6.3V6M PCZ2622U_0805_6.3V6M
12
PCZ4122U 6.3V M X5R 0603 PCZ4122U 6.3V M X5R 0603
12
PCG3210U_0603_6.3V6M PCG3210U_0603_6.3V6M
12
PCZ3722U_0805_6.3V6M PCZ3722U_0805_6.3V6M
12
PCG2610U_0603_6.3V6M PCG2610U_0603_6.3V6M
1
2
PCZ2322U_0805_6.3V6M
PCZ2322U_0805_6.3V6M
12
PCZ3022U_0805_6.3V6M PCZ3022U_0805_6.3V6M
12
PCZ2422U_0805_6.3V6M PCZ2422U_0805_6.3V6M
12

5
5
4
4
3
3
2
2
1
1
DD
C
C
B
B
AA
Ultra Low Dropout 0.23V(typical) at 3A Output Current
Vout=0.8V* (1+Rup/Rdown)
Rup
Rdown
FB = 0.6V
Rup
Rdown
VIN_1.8V
EN_1.8VV
SPOK
FB_1.8V
SNB_1.0V
B+_1.0V
LX_1.0V
LDO_3V
BST_1.0V
+1.8V_POK 26
SPOK26,37,42
SPOK 26,37,42
+3VALW
+1.8VALWP
+5VALW
+3VS
+1.8VALW
+3VALW
Title
Size Document Number Rev
Date: Sheet of
Security Classification
Compal Secret Data
THIS SHEET OF ENGINEERING DRAWING IS THE PROPRIETARY PROPERTY OF COMPAL ELECTRONICS, INC. AND CONTAINS CONFIDENTIAL
AND TRADE SECRET INFORMATION. THIS SHEET MAY NOT BE TRANSFERED FROM THE CUSTODY OF THE COMPETENT DIVISION OF R&D
DEPARTMENT EXCEPT AS AUTHORIZED BY COMPAL ELECTRONICS, INC. NEITHER THIS SHEET NOR THE INFORMATION IT CONTAINS
MAY BE USED BY OR DISCLOSED TO ANY THIRD PARTY WITHOUT PRIOR WRITTEN CONSENT OF COMPAL ELECTRONICS, INC.
Issued Date
Deciphered Date
0.1
1.8VALW/1.5VS
B
42 43
2013/08/20 2016/08/31
Compal Electronics, Inc.
Title
Size Document Number Rev
Date: Sheet of
Security Classification
Compal Secret Data
THIS SHEET OF ENGINEERING DRAWING IS THE PROPRIETARY PROPERTY OF COMPAL ELECTRONICS, INC. AND CONTAINS CONFIDENTIAL
AND TRADE SECRET INFORMATION. THIS SHEET MAY NOT BE TRANSFERED FROM THE CUSTODY OF THE COMPETENT DIVISION OF R&D
DEPARTMENT EXCEPT AS AUTHORIZED BY COMPAL ELECTRONICS, INC. NEITHER THIS SHEET NOR THE INFORMATION IT CONTAINS
MAY BE USED BY OR DISCLOSED TO ANY THIRD PARTY WITHOUT PRIOR WRITTEN CONSENT OF COMPAL ELECTRONICS, INC.
Issued Date
Deciphered Date
0.1
1.8VALW/1.5VS
B
42 43
2013/08/20 2016/08/31
Compal Electronics, Inc.
Title
Size Document Number Rev
Date: Sheet of
Security Classification
Compal Secret Data
THIS SHEET OF ENGINEERING DRAWING IS THE PROPRIETARY PROPERTY OF COMPAL ELECTRONICS, INC. AND CONTAINS CONFIDENTIAL
AND TRADE SECRET INFORMATION. THIS SHEET MAY NOT BE TRANSFERED FROM THE CUSTODY OF THE COMPETENT DIVISION OF R&D
DEPARTMENT EXCEPT AS AUTHORIZED BY COMPAL ELECTRONICS, INC. NEITHER THIS SHEET NOR THE INFORMATION IT CONTAINS
MAY BE USED BY OR DISCLOSED TO ANY THIRD PARTY WITHOUT PRIOR WRITTEN CONSENT OF COMPAL ELECTRONICS, INC.
Issued Date
Deciphered Date
0.1
1.8VALW/1.5VS
B
42 43
2013/08/20 2016/08/31
Compal Electronics, Inc.
PC1004
2200P_0402_50V7K
@EMI@
PC1004
2200P_0402_50V7K
@EMI@
1
2
PR1007
20K_0402_1%
PR1007
20K_0402_1%
1
2
PJ1001
JUMP_43X118 @
PJ1001
JUMP_43X118 @
1
122
PL1001
HCB2012KF-121T50_0805
EMI@ PL1001
HCB2012KF-121T50_0805
EMI@
12
PU1001
SY8206DQNC_QFN10_3X3
PU1001
SY8206DQNC_QFN10_3X3
IN
8
BYP 7
PG
2
ILMT
3
LX 10
FB 4
LDO 5
GND
9
EN 1
BS 6
PC1014
4.7U_0603_6.3V6K
PC1014
4.7U_0603_6.3V6K
1
2
PC1007
10U_0805_25V6K
PC1007
10U_0805_25V6K
1
2
PL1002
1UH +-20% PCMB063T-1R0MS 12A
PL1002
1UH +-20% PCMB063T-1R0MS 12A
12
PJ1801
JUMP_43X79
PJ1801
JUMP_43X79
11
2
2
PR1001
0_0402_5%
@PR1001
0_0402_5%
@
1
2
PC1003
0.1U_0603_25V7K
PC1003
0.1U_0603_25V7K
12
PR1805
20K_0402_1%
PR1805
20K_0402_1%
1
2
PU1801
APL5930KAI-TRG_SO8
PU1801
APL5930KAI-TRG_SO8
VIN
9
EN
8
VCNTL
6
VIN
5
POK
7
GND
1
FB 2
VOUT 4
VOUT 3
PC1801
4.7U_0603_6.3V6K
PC1801
4.7U_0603_6.3V6K
1
2
PC1008
330P_0402_50V7K
PC1008
330P_0402_50V7K
1
2
PJ1802
JUMP_43X79
PJ1802
JUMP_43X79
1
1
22
PR1002
1M_0402_1%
PR1002
1M_0402_1%
1
2
PR1802
25.5K_0402_1%
PR1802
25.5K_0402_1%
1
2
PC1013
4.7U_0603_6.3V6K
PC1013
4.7U_0603_6.3V6K
1
2
PR1804
100K_0402_5%
PR1804
100K_0402_5%
12
PC1010
47U_0805_6.3V6M
PC1010
47U_0805_6.3V6M
1
2
PC1005
0.1U_0402_25V6
@EMI@
PC1005
0.1U_0402_25V6
@EMI@
1
2
PC1803
0.01U_0402_25V7K
PC1803
0.01U_0402_25V7K
1
2
PC1011
22U_0603_6.3V6M
PC1011
22U_0603_6.3V6M
1
2
PC1804
0.1U_0402_16V7K
@
PC1804
0.1U_0402_16V7K
@
1
2
PR1005
13.7K_0402_1%
PR1005
13.7K_0402_1%
1
2
PR1801
0_0402_5%
@PR1801
0_0402_5%
@
1
2
PR1003
4.7_1206_5%
@EMI@ PR1003
4.7_1206_5%
@EMI@
12
PC1802
1U_0402_6.3V6K
PC1802
1U_0402_6.3V6K
1
2
PR1006
0_0402_5%
PR1006
0_0402_5%
1
2
PC1009
47U_0805_6.3V6M
PC1009
47U_0805_6.3V6M
1
2
PC1001
0.22U_0402_10V6K
@
PC1001
0.22U_0402_10V6K
@
1
2
PC1002
680P_0603_50V7K
@EMI@ PC1002
680P_0603_50V7K
@EMI@
12
PC1012
22U_0603_6.3V6M
PC1012
22U_0603_6.3V6M
1
2
PC1006
10U_0805_25V6K
PC1006
10U_0805_25V6K
1
2
PC1805
22U_0603_6.3V6M
PC1805
22U_0603_6.3V6M
1
2
PR1004
0_0603_5%
PR1004
0_0603_5%
1
2
PR1803
20K +-1% 0402
@PR1803
20K +-1% 0402
@
1
2

5
5
4
4
3
3
2
2
1
1
DD
C
C
B
B
AA
EN_1.5V
B+_1.5V
FB_1.5V
LX_1.5V
SNB_1.5V
SUSP#11,26,29,38,39
+1.5VSP +1.5VS
+3VALW
Title
Size Document Number Rev
Date: Sheet
of
Security Classification
Compal Secret Data
THIS SHEET OF ENGINEERING DRAWING IS THE PROPRIETARY PROPERTY OF COMPAL ELECTRONICS, INC. AND CONTAINS CONFIDENTIAL
AND TRADE SECRET INFORMATION. THIS SHEET MAY NOT BE TRANSFERED FROM THE CUSTODY OF THE COMPETENT DIVISION OF R&D
DEPARTMENT EXCEPT AS AUTHORIZED BY COMPAL ELECTRONICS, INC. NEITHER THIS SHEET NOR THE INFORMATION IT CONTAINS
MAY BE USED BY OR DISCLOSED TO ANY THIRD PARTY WITHOUT PRIOR WRITTEN CONSENT OF COMPAL ELECTRONICS, INC.
Issued Date
Deciphered Date
Compal Electronics, Inc.
0.1B
43 43
Monday, February 24, 2014
2013/08/20 2016/08/31
1.0VALW
LAB151P
Title
Size Document Number Rev
Date: Sheet
of
Security Classification
Compal Secret Data
THIS SHEET OF ENGINEERING DRAWING IS THE PROPRIETARY PROPERTY OF COMPAL ELECTRONICS, INC. AND CONTAINS CONFIDENTIAL
AND TRADE SECRET INFORMATION. THIS SHEET MAY NOT BE TRANSFERED FROM THE CUSTODY OF THE COMPETENT DIVISION OF R&D
DEPARTMENT EXCEPT AS AUTHORIZED BY COMPAL ELECTRONICS, INC. NEITHER THIS SHEET NOR THE INFORMATION IT CONTAINS
MAY BE USED BY OR DISCLOSED TO ANY THIRD PARTY WITHOUT PRIOR WRITTEN CONSENT OF COMPAL ELECTRONICS, INC.
Issued Date
Deciphered Date
Compal Electronics, Inc.
0.1B
43 43
Monday, February 24, 2014
2013/08/20 2016/08/31
1.0VALW
LAB151P
Title
Size Document Number Rev
Date: Sheet of
Security Classification
Compal Secret Data
THIS SHEET OF ENGINEERING DRAWING IS THE PROPRIETARY PROPERTY OF COMPAL ELECTRONICS, INC. AND CONTAINS CONFIDENTIAL
AND TRADE SECRET INFORMATION. THIS SHEET MAY NOT BE TRANSFERED FROM THE CUSTODY OF THE COMPETENT DIVISION OF R&D
DEPARTMENT EXCEPT AS AUTHORIZED BY COMPAL ELECTRONICS, INC. NEITHER THIS SHEET NOR THE INFORMATION IT CONTAINS
MAY BE USED BY OR DISCLOSED TO ANY THIRD PARTY WITHOUT PRIOR WRITTEN CONSENT OF COMPAL ELECTRONICS, INC.
Issued Date
Deciphered Date
Compal Electronics, Inc.
0.1B
43 43
Monday, February 24, 2014
2013/08/20 2016/08/31
1.0VALW
LAB151P
PC1507
680P_0402_50V7K
@EMI@
PC1507
680P_0402_50V7K
@EMI@
1
2
PC1506
0.1U_0402_16V7K
@
PC1506
0.1U_0402_16V7K
@
1
2
PC1505
22U_0603_6.3V6M
PC1505
22U_0603_6.3V6M
1
2
PU1501
SY8003DFC_DFN8_2X2
PU1501
SY8003DFC_DFN8_2X2
NC 5
IN
3
PGND
4
PG
2
FB
1
LX 6
EN 7
SGND 8
PGND 9
PJ1501
JUMP_43X118
PJ1501
JUMP_43X118
1
122
PR1505
1M_0402_5%
PR1505
1M_0402_5%
1
2
PR1502
4.7_1206_5%
@EMI@
PR1502
4.7_1206_5%
@EMI@
1
2
PC1503
22P_0402_50V8J
PC1503
22P_0402_50V8J
1
2
PR1503
20K_0402_1%
PR1503
20K_0402_1%
1
2
PR1504
0_0402_5%
@
PR1504
0_0402_5%
@
12
PR1501
30.1K_0402_1%
PR1501
30.1K_0402_1%
1
2
PC1501
22U_0603_6.3V6M
PC1501
22U_0603_6.3V6M
1
2
PC1502
22U_0603_6.3V6M
PC1502
22U_0603_6.3V6M
1
2
PC1504
22U_0603_6.3V6M
PC1504
22U_0603_6.3V6M
1
2
PL1501
HCB1608KF-121T30_0603
EMI@
PL1501
HCB1608KF-121T30_0603
EMI@
1
2
PL1502
1UH_NRS4018T1R0NDGJ_3.2A_30%
PL1502
1UH_NRS4018T1R0NDGJ_3.2A_30%
12
