SM_14 BE5V (AC7 A)AUS CP14SE1K Sm
User Manual: CP14SE1K
Open the PDF directly: View PDF
.
Page Count: 37

SERVICE MANUAL Colour Television
Specifications
Power Source . . . . . . . .AC127
-
240V, 50/60Hz.
Colour System . . . . . . . .PAL, SECAM, NTSC4.43, NTSC, PAL 60Hz
Television System . . . . .B/G, D/KK’, I, M/M
Channel Coverage . . . . .VHF: E2-E12, R1-R12, K1-K9, J1-J12, A2-A13
0-11, 5A (AUS), 1-11 (NZ)
UHF: 21-69, A14-A69, J13-J62, 28-69 (AUS)
CATV: S1-S41, X, Y, Z, Z+1, Z+2,
Video IF . . . . . . . . . . . . . . 38.0 MHz
Aerial Input Impedance .75Ω
Ext. Terminals
Video inputs: Phono jack 2 (1.0Vp
-
p, impedance 75Ω)
Audio inputs: Phono jack (L) 2 (436mVrms, impedance more than 40KΩ)
Video monitor output: Phono jack 1 (1.0Vp
-
p, 75Ω)
Audio monitor outputs: Phono jack(L) 1(436mVrms, Impedance less than
600Ω)
Speaker . . . . . . . . . . . . . . 5 cm 9 cm 2 pcs.
Sound Output (RMS) . . . 2.5W + 2.5W
Dimensions . . . . . . . . . . . 433 (W) 336 (H) 359 (D)mm
Weight . . . . . . . . . . . . . . . approx. 8.7 Kg
Specifications subject to change without notice
Original Version
Chassis Series: AC7-A
BE5V/BE5W
FILE NO.
Model No. CP14SE1K
Service Ref. No. CP14SE1K-00
(Australia)
CP14SE1K-50
(New Zealand)
(Australia / New Zealand)
Give complete “SERVICE REF. NO.” for parts
order or servicing. It is shown on the rating plate
at the cabinet back of the unit.
This T.V. receiver will not work properly in
foreign countries where the television
transmission system and power source dif-
fer from the design specifications. Refer to
the specification table.
Product Code: 113016716
REFERENCE NO. SM3010329
VIDEO AUDIO
TV/AV MENU CH
- +
POWER
123
456
789
0
TV/AV
TIMER
x
-/--
SWAP
CH SCAN
MENU
BASS
SOUND
S. SYS
SURROUND
PICTURE
CH
CH
A B
.
PP
JXPSG
-
NOTE
-
Service Ref. No. CP14SE1K-00 is electrically
the same as Service Ref. No. CP14SE1K-50.
The difference between Service Ref. No.
CP14SE1K-00 and CP14SE1K-50 is as follow:
Destination CP14SE1K-00....Australia
CP14SE1K-50....New Zealand
SM_14-BE5V (AC7-A)AUS 5/6/08 1:04 PM Page 1

Contents
-2-
Safety Notice . . . . . . . . . . . . . . . . . . . . . . . . . . . . . . . . . . . . . . . . . . . . . . . 2
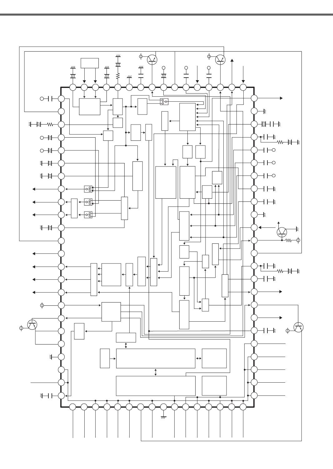
Chassis Block Diagram . . . . . . . . . . . . . . . . . . . . . . . . . . . . . . . . . . . . . 3-4
IC Block Diagrams . . . . . . . . . . . . . . . . . . . . . . . . . . . . . . . . . . . . . . . . . 5-6
Service Adjustment with Replacing Memory IC(IC801) . . . . . . . . . . . . 7-14
Service Mode Adjustments . . . . . . . . . . . . . . . . . . . . . . . . . . . . . . . . . 15-16
Service Adjustments . . . . . . . . . . . . . . . . . . . . . . . . . . . . . . . . . . . . . . . . .17
Special Function . . . . . . . . . . . . . . . . . . . . . . . . . . . . . . . . . . . . . . . . . . . .18
Purity and Convergence Adjustment . . . . . . . . . . . . . . . . . . . . . . . . . . . . 19
Mechanical Disassembly . . . . . . . . . . . . . . . . . . . . . . . . . . . . . . . . . . . . . 20
Protection Circuit . . . . . . . . . . . . . . . . . . . . . . . . . . . . . . . . . . . . . . . . . . . 20
Cabinet Parts List . . . . . . . . . . . . . . . . . . . . . . . . . . . . . . . . . . . . . . . . . . 21
Chassis Electrical Parts List . . . . . . . . . . . . . . . . . . . . . . . . . . . . . . . . 22-31
Component Locations . . . . . . . . . . . . . . . . . . . . . . . . . . . . . . . . . . . . . 32-33
Voltages and Waveforms Charts . . . . . . . . . . . . . . . . . . . . . . . . . . . . . . . 34
Safety Notice
SAFETY PRECAUTIONS
1: An isolation transformer should be connected in the
power line between the receiver and the AC line
when a service is performed on the primary of the
converter transformer of the set.
2: Comply with all caution and safety-related notes pro-
vided on the cabinet back, inside the cabinet, on the
chassis or the picture tube.
3: When replacing a chassis in the cabinet, always be
certain that all the protective devices are installed
properly, such as, control knobs, adjustment covers
or shields, barriers, isolation resistor-capacitor net-
works etc.. Before returning any television to the
customer, the service technician must be sure that
it is completely safe to operate without danger of
electrical shock.
X-RADIATION PRECAUTION
The primary source of X-RADIATION in television receiver is the picture tube. The picture tube is specially con-
structed to limit X-RADIATION emissions. For continued X-RADIATION protection, the replacement tube must be
the same type as the original including suffix letter. Excessive high voltage may produce potentially hazardous X
- RADIATION. To avoid such hazards, the high voltage must be maintained within specified limit. Refer to this
service manual, high voltage adjustment for specific high voltage limit. If high voltage exceeds specified limits,
take necessary corrective action. Carefully follow the instructions for + B1 volt power supply adjustment, and high
voltage check to maintain the high voltage within the specified limits.
PRODUCT SAFETY NOTICE
Product safety should be considered when a component replacement is made in any area of a receiver.
Components indicated by mark in the parts list and the schematic diagram designate components in which
safety can be of special significance. It is particularly recommended that only parts designated on the parts list
in this manual be used for component replacement designated by mark . No deviations from resistance
wattage or voltage ratings may be made for replacement items designated by mark .
SM_14-BE5V (AC7-A)AUS 5/6/08 1:04 PM Page 2

IC001
AUDIO AMP.
A101
TUNER
IC802
MEMORY
IC201
CPU/CHROMA/IF/VIDEO/
DEFLECTION/PWR.
RC
RECEIVER
A1901
LED
D1910
FRONT
KEYS
SW1901 ~ SW1906
AUDIO-IN1
AUDIO-IN2
AUDIO-OUT
V-IN1
V-IN2
V-OUT
SP901
SP902 IC501
VERTICAL
Q431
T431
H-DRIVE
TRANS Q432
10
R-OUT
G-OUT
B-OUT
V-OUT
H-OUT
ON-TIMER
AUDIO OUT
L-OUT
R-OUT
IF OUT
X161
SAW
FILTER
IF-IN
IF-IN
T471
FBT
SDA/SCL
T611
CONVERTER
TRANS
5VRC
8V
5V-2
5V-1
3.3VRC
14V
14V
24V
11V
130V
IC201
PRIMARY
CIRCUIT
D610
HV
FOCUS
SCREEN
Q901
CRT
L902
DY
AC
(Power ON=High)
1
5/6
3
10/12
13/14 5
DEFLECTION
AUDIO AMP.
FBT, TUNER
11
16
12
13
ABL FEED BACK
32
28
24
80 274 72
POWER FAILURE
STB
Q886
54
55
56
9
13
29
Q703/Q701/Q705
38 39
POWER MNG
IC201
IC201, TUNER
IC201
IC201
AUDIO CONTROL
5VRC
50
45
44
(mono)
(mono)
8.7V
-3-
Chassis Block Diagrams
SM_14-BE5V (AC7-A)AUS 5/6/08 1:04 PM Page 3

Chassis Block Diagrams
-4-
2KEY SWITCH IN KEY
SWITCH
IIC SCL
75
76
IIC SDA
STB PHOTO COUPLE
IC201
QXXAAJQD803--
54
55
56
72
7675
74
80
OSD RED OUT(Active=High)
OSD GREEN OUT(Active=High)
OSD BLUE OUT(Active=High) CRT UNIT
POWER PROTECT IN
(POWER ERROR=LOW)
POWER CIRCUIT
etc.
IIC SCL
IIC SDA
IC802
MEMORY
LED
ON-OFF (POWER ON=High)
RC SIGNAL IN
(ACTIVE=HIGH)
RC PRE-AMP.
69
SOUND MUTE
(MUTE=H)
IC001
AUDIO AMP.
5V_1
5V_2
8V
A101
F/S TUNER
56
5
4
IC1200
AUDIO CONTROL
17
18
74 Q886
33
27
8.7V
8.7V
8.7V
POWER REGULATOR
Q201
Q202
Q203
System Control
QXXAVC940---M
QXXAVD010---M
SM_14-BE5V (AC7-A)AUS 5/6/08 1:04 PM Page 4

-5-
IC201 < CPU/IF/Video/Chroma/Def.> QXXAVC940---M/QXXAVD010---M
IC Block Diagrams
12345678910
11 12 13 14 15 16 17 18 19 20 21 22 23 24
25
26
27
28
29
30
31
32
33
34
35
36
37
38
39
40
41424344
45
4647
48
4950
51
5253
54
5556
57
58
59
60
61
62
63
64
65
66
67
68
69
70
71
72
73
74
75
76
77
78
79
80
PLL
DEMO
VCO
ADJ
VIF
VIFAMP
IF AGC
RF AGC
VIF AGC FIL
VIF IN1
VIF IN2
RF AGC FIL
+
VIF APC
+
+
VIF GND
SECAM BELL FIL
5.7 VREG OUT
CVBS1 IN/YIN YC
CHROMA VCC
+
CVBS2 IN/CIN YC
ABCL IN/EHT IN
CVBS4 IN/C-SYNC IN
8.7 VREG OUT
EW OUT
FAST SW
VIDEO SW
C-TRAP
AFT
SOUND
TRAP
LOCK
DET
QIF
DET
SAW
TEST0
TEST1
P20
P21
P11/MFT0A/MFT1B
P02/CSIO_RXDMFT3AMFT0B
1.5V DVDD
P04/CSIO_SCLK
P03/CSIO_TXDMFT5AMFT68
DVSS
P01/SCL0
P00/SDA0
P05/UART_RXD/AD3
P06/UART_TXD
P07/INT0/AD2/UART_RTS
P10/INT1/AD1/UART_CTS
IIC
Decoder
ROM
RAM
I/O CPU
Core
vco
OSD
RESET
Power
Manage
HV BLK
DRIVE
CUT OFF
BRIGHT
CONTRAST
OSD MIXING
RGB MATRIX
COLOR
FAST SW
VERTICAL
COUNT DOWN
HORIZONTAL
COUNT DOWN
SYNC
SEP
AFC1 H VCO
AFC2
V RAMP
CbCr Y
RGB to YUV
CONVERT
GBR
VCXO
DDS
VIDEO PRO
Y DELAY
SHARPNESS
BLACK STRETCH
Y MUTE
CHROMA PRO
C-BPF/APC
PAL/NTSC/SECAM
KILLER/ID
ACC
6dB
AMP
BASEBAND
TINT
MIX/SBPF
LIM/FM DET
AF AMP
ATT
VIDEO LINE OUT
CHROMA GND
X'TAL
C-APC FIL
Cr IN/R IN
Cb IN/B IN
CVBS3 IN/YIN YCbCr/G IN
SECAM PLL FIL
VRAMP AGC FIL
DEF GND
FBP IN
H OUT
DEF VCC
AFC1 FIL
VRAMP CAPA
VRAMP OUT
2.2 VREGOUT
IM OUT/FSCOUT
P14/AFT(AD0)
P15/SDA1/MFT2A/MFT3B
P13/CSIO_SRDY/AD4
P16/SCL1/MFT1A/MFT2B
P12/MFT4A/MFT5B/AD5
P17/AD7(AKB) RESET
P23/MFT7A/MFT4B
P22/MFT6A/MFT7B
AVSS
3.3V DVDD
3.3V AVDD
4.0 VREGOUT
VREG VCC
B OUT
G OUT
R OUT
SVM OUT
HI VCC (8V)
DIRECT OUT
AUDIO ATT(L) OUT
AUDIO ATT(R) OUT
QIF OUT/INT.CARRIER OUT
SIF MIX F/B
AUDIO BYPASS
EXT AUDIO(R) IN
EXT AUDIO(L) IN
VIF VCO F/B
VIF VCC
QIF IN/SIF IN
++
+
+
++
SM_14-BE5V (AC7-A)AUS 5/6/08 1:04 PM Page 5

-6-
IC Block Diagrams
IC001 < Audio AMP.> LA42105-E
3
7
4
2
69
14
13
11
Output amplifier
Input amplifier
Standby VCC
+OUT1
-OUT1
PWR
GND
IN
MUTE
PRE
GND
Ri=
30kΩ
Vcc / ground shorting protection circuit
Load shorting protection circuit
Thermal protection circuit
Ripple
Filter
IC501 < Vertical Output > LA78040/LA78040N
Thermal
Protection
-
+
AMP
Pump
Up
1
INVERTING
INPUT
2
Vcc
3
PUMP UP
OUT
4
GND
5
Ver. OUTPUT
6
OUTPUT
STAGE Vcc
7
NON INV.
INPUT
SM_14-BE5V (AC7-A)AUS 5/6/08 1:04 PM Page 6

-7-
Service Adjustments with Replacing Memory IC(IC802)
Note: The CPU (IC201) and memory IC (IC802) store the service adjustments data and controls data for each
circuit.When the Memory IC(IC802) is replaced, some of the service adjustments should be readjusted to
obtain the best performance. The necessary service adjustments are carried out by using the RC handset.
Please set up the TV set with following steps [1] to [2].
[1] Initializing Procedure
1. Put a new memory IC.
2. Turn on the TV set.
3. Press and hold the TV/AV Selector on the TV set for more than 2 seconds. The following picture appears on the
screen.
4. Press the MENU on the TV set while the above On-Screen Display is still on the screen. The following picture
appears on the screen.
5. Switch off the TV set by pressing the Power Switch button on the TV set while the above On-Screen Display is
still on the screen.
This completes the initialization of memory IC.
Following shows the initialized contents of memory data by this procedure.
- Plug & play : No executed
- Inhibit data : Cancelled
- Ch skip data : Cancelled
- Sound volume data : 10/63 steps.
- Volume Lock : OFF
- Colour system : AUTO
CLR
CLR
Press and hold for more than 2 seconds
MENU
TV/AV
CH
- +
[2] Required Service Adjustments
Readjust the following service adjustments.
Adjustments Service Mode No. & Item
RF AGC Item 126, RF DELAY ADJ
Horizontal centre Item 21, H-PHA (PAL)
Vertical Position Item 16, V-SHIFT
Vertical linearity Item 14, V-LIN
Vertical-S correction Item 12, V-SCO
Gray scale Item 187 ~ 191
Further adjustment please refer to page 15 and 16.
MENU
TV/AV
CH
- +
(displayed in yellow color)
(displayed in red color)
SM_14-BE5V (AC7-A)AUS 5/6/08 1:04 PM Page 7

-8-
Service Adjustments with Replacing Memory IC(IC802)
MENU
[Entering to Service Mode]
1. Press and hold the MENU button on the TV set and press the numeric 1 button on the Remote Control. Following
setting items appears on the screen.
Display for [V-SCO] V-S Correction adjustment
Item No. Item Data value
Display for [RF DELAY ADJ] RF AGC adjustment
Version
Item No. Item Data value
Data value for Red
Display for [DRV] White balance adjustment
Data value for Blue
To return to normal TV mode, press the MENU button on the TV set or the remote control handset.
2. Select item by pressing the SOUND MUTE (Item No. UP) or TIMER (Item No. DOWN) button on the remote control
handset.
3. Adjust data value by pressing the VOLUME + or VOLUME
-
button on the remote control handset.
Example
1
button POS 1
0102030405......200 200...96959493.....01
MENU
TV/AV
CH
- +
TIMER
x
SERVICE MODE
INDEX ADDRESS DATA
2.11
126 RF DELAY ADJ 2A
12 V S CORRECT 50 2A
Version
DRIVER(R) 3F DRIVER(B) 45
Item
Item
Version
VOLUME +
VOLUME -
SERVICE MODE
INDEX ADDRESS DATA
2.11
SERVICE MODE
INDEX ADDRESS DATA
2.11
SM_14-BE5V (AC7-A)AUS 5/6/08 1:04 PM Page 8

-9-
Service Adjustments with Replacing Memory IC(IC802)
(/JE0371B)
Following table shows the initial values which have been stored in the CPU ROM, and items for the service adjustments.
Service mode adjustments table in CPU ROM
No. Item Range Data Description
01 VIF VCO ADJ 0 ~ 3F 1E VIF VCO free-running frequency fine adjustment
02 STRAP ADJ 0 ~ 3F 10 SOUND trap free-running frequency fine adjustment
03 H VCO ADJ 0 ~ F 8 HORIZONTAL VCO free running frequency fine adjustment
04 SECAM BLK LEVEL (R) 0 ~ 3F 1A
SECAM-(R-Y) signal black level adjustment
05 SECAM BLK LEVEL (B) 0 ~ 3F 21
SECAM-(B-Y) signal black level adjustment
06 V SIZE 50 0 ~ 3F 22 V Ramp amplitude adjustment (Vertical Size) for PAL
07 V-SIZE 50 ZOOM 0 ~ 3F 33 V-Size for Zoom Mode PAL
08 V-SIZE 50 WIDE
0 ~ 3F
16 V-Size for Wide Mode PAL
09 V-SIZE 60
-1F ~ 20
0 V Ramp amplitude adjustment (Vertical Size) for NTSC
10 V SIZE 60 ZOOM -1F ~ 20 0 V-Size for Zoom Mode NTSC
11 V SIZE 60 WIDE -1F ~ 20 0 V-Size for Wide Mode NTSC
12 V S CORRECT 50 0 ~ 3F 2A V-S Correction control for PAL
13 V S CORRECT 60 -1F ~ 20 0 V-S Correction control for NTSC
14 V LINEARITY 50 0 ~ 3F 25 V Linearity control for PAL
15 V LINEARITY 60 -1F ~ 20 02 V Linearity control for NTSC
16 V SHIFT 50 0 ~ F 05 V Ramp start timing point adjustment 2 line/step (V position) for PAL
17 V SHIFT 60 -7 ~ 8 -03 V Ramp start timing point adjustment 2 line/step (V position) for NTSC
18 AFC2 H PHASE 50 0 ~ 1F 11 Horizontal Phase (H-Position) adjustment for PAL
19 AFC2 H PHASE 50 ZOOM 0 ~ 1F 0 Horizontal Phase (H-Position) ZOOM adjustment for PAL
20 AFC2 H PHASE 50 WIDE 0 ~ 1F 0 Horizontal Phase (H-Position) WIDE adjustment for PAL
21 AFC2 H PHASE 60 0 ~ 1F 2 Horizontal Phase (H-Position) adjustment for NTSC
22 AFC2 H PHASE 60 ZOOM 0 ~ 1F 0 Horizontal Phase (H-Position) ZOOM adjustment for NTSC
23 AFC2 H PHASE 60 WIDE 0 ~ 1F 0 Horizontal Phase (H-Position) WIDE adjustment for NTSC
24 EHT V 0 ~ 7 0 EHT Vertical Function 0: OFF 1: Gain UP
25 EHT HSIZE 0 ~ 7 0 EHT Horizontal Size Function 0: OFF 1: Gain UP
26 EHT PARABOLA 0 ~ 7 0 EHT Parabola Function 0: OFF 1: Gain UP
27 EW STOP 0 ~ 1 0 East West Function disable 0:On 1: Off
28 E/W UP/LOW ON 0 ~ 1 0 East /West Corner
29 E/W PARABOLA 50 0 ~ 3F 0 East West Parabola 50 Adustment
30 E/W CORNER UPPER 50 0 ~ 3F 0 East West Upper Corner 50 Adustment
31 E/W CORNER LOWER 50 0 ~ 3F 0 East West Lower Corner 50 Adustment
32 E/W TRAPEZIUM 50 0 ~ 3F 0 East West Trapezium 50 Adustment
33 E/W H SIZE 50 0 ~ 3F 0 East West H-Size 50 Adustment
34 E/W PARABOLA 60 0 ~ 3F 0 East West Parabola 60 Adustment
35 E/W CORNER UPPER 60 0 ~ 3F 0 East West Upper Corner 60 Adustment
36 E/W CORNER LOWER 60 0 ~ 3F 0 East West Lower Corner 60 Adustment
37 E/W TRAPEZIUM 60 0 ~ 3F 0 East West Trapezium 60 Adustment
38 E/W H SIZE 60 0 ~ 3F 0 East West H-Size 60 Adustment
39 CONTRAST CONTROL 0 ~ 2F 13 Contrst Control (Offset Data)
40 BRIGHTNESS CONTROL 0 ~ 3F 2A Brightness Control (Offset Data)
41 TINT CONTROL TV -3F ~ 40 1D Tint Control (Offset Data) for TV
42 TINT CONTROL AV -3F ~ 40 47 Tint Control (Offset Data) for AV
43 SERVICE SW 0 ~ 1 0 Vertical Output ON/OFF Switch (Contrast Control)
44 VRAMP OFF
0 ~ 1
0 Vertical Output ON/OFF Switch ON/OFF
45 V AGC SPEED UP
0 ~ 1
0 V Ramp AGC Speed
46 Y/C TEST ON
0 ~ 1
0
SM_14-BE5V (AC7-A)AUS 5/6/08 1:04 PM Page 9

-10-
Service Adjustments with Replacing Memory IC(IC802)
No. Item Range Data Description
47 BASEBAND TINT 50 0 ~ 7F 0 Base band tint control for component color signal by 7bits DAC
48 BASEBAND TINT 60 0 ~ 7F 12 Base band tint control for component color signal by 7bits DAC
49 HVCO FREERUN UP
0 ~ 1
0 Horizontal free-running frequency up
50 HALF H KILLER
0 ~ 1
0 Composite-Sync Half H Kill
51 H FREE
0 ~ 1
0 Horizontal forced free-running mode switch
52 H START
0 ~ 1
0 Horizontal output switch
53 AFC1 PULL UP
0 ~ 1
1 Horizontal AFC1 gain switch
54 HVCO PULL UP 0 ~ 1 0 Horizontal VCO Filter PULL UP
55 HVCO PULL DOWN 0 ~ 1 0 Horizontal VCO Filter PULL DOWN
56 AFC1 GAIN UP 0 ~ 3 0 Horizontal AFC1 gain switch
57 ACFQ IF CONT 0 ~ 1 1 AFC1 gain controlled by IF AGC
58 DOUBLE COINCI 0 ~ 1 0 Horizontal AFC1 Gain Controlled by FAST Horizontal Coincidence
59 AFC2 RAMP UP 0 ~ 1 0 AFC2 RAMP UP
60 FBP BTHL 0 ~ 1 0 FBP slice level switch
61 AFC2 GAIN UP 0 ~ 3 3 Horizontal AFC2 gain switch
62 HBLK RIGHT 0 ~ 3 1 Control edge of horizontal blanking pulse that is right side of picture
63 HBLK LEFT 0 ~ 3 0 Control edge of horizontal blanking pulse that is left side of picture
64 HBLK SEL
0 ~ 1
1 Horizontal blanking select
65 HD SEL
0 ~ 1
1 Horizontal time pulse for OSD
66 HV BLK OFF
0 ~ 1
0 H and V blanking off switch for RGB-OUT
67 BGP SHIFT 0 ~ 3 0 Burst Gate Pulse for Position Adjustment
68 SECAM BGP SHIFT 0 ~ 3 3 Burst Gate Pulse for Position Adjustment
69 BGP SEL 0 ~ 1 0 Burst Gate Pulse Mode Select
70 PSEUDO H COIN 0 ~ 1 0 Horizontal coincidence detection by fsc counter
71 AUTO SLICE LEVEL 0 ~ 7 0
Sync separator slice level down
72 VSYNC UP ON 0 ~ 1 0 Sync Separator Gain Up at vertical sync
73 AUTO SLICE SPEED UP 0 ~ 1 0 Auto Slice Speed Switch (Normal / Up)
74 AUTO SLICE SPEED DN 0 ~ 1 0 Auto Slice Speed Switch (Normal / Down)
75 AUTO SLICE DOWN
0 ~ 1
0 Sync detect level switch during video period.
76 HV FREE
0 ~ 1
0 Horizontal and Vertical forced free-running mode switch
77 V SYNC DET TIME 0 ~ 7 0 Vertical sync detect minimum time switch
78 V SYNC DET MODE 0 ~ 1 1 Vertical sync detect mode select
79 MACRO OFF 0 ~ 1 0 Switch to improvr macrovision signal ON/OFF
80 VBLK STOP 0 ~ 1 0 Vertical blanking stop
81 EQ LATCH OFF 0 ~ 1 0 AFC1 stop timing shift
82 HBLK STOP 0 ~ 1 0 Horizontal blanking stop
83 VRAMP TEST 0 ~ 1 0 Vertical Ramp Out Test
84 V 1 WINDOW 0 ~ 1 0 Vertical sync detect mode select
85 V FREE2 0 ~ 1 0 Vertical free-running mode when horizontal coincidence is low
86 V FREE 0 ~ 1 0 Vertical forces free-running mode switch
87 FORCE V MODE 0 ~ 3 0 Vertical frequency mode switch
88 V STD DET OFF 0 ~ 1 0 Vertical frequency standard / non-standard detection
89 V STD DET2 0 ~ 1 0 Vertical frequency standard / non-standard detection
90 V FREE FREQ 0 ~ 1 0 Vertical free-running frequency
91 OSD VD DELAY 0 ~ 1 0 VD TIMING delay for OSD TIMING
92 W VBLK ON
0 ~ 1
1 Vertical blanking wide mode 16:9
Following table shows the initial values which have been stored in the CPU ROM, and items for the service adjustments.
Service mode adjustments table in CPU ROM
SM_14-BE5V (AC7-A)AUS 5/6/08 1:04 PM Page 10

-11-
Service Adjustments with Replacing Memory IC(IC802)
No. Item Range Data Description
93 VLOGIC STOP
0 ~ 1
0 Vertical count up logic stop
94 VBLK TEST
0 ~ 1
0 V blanking control
95 WIDE VBLK TOP
0 ~ F
0 Vertical blanking top adjustment 16:9
96 WIDE VBLK BOTTOM
0 ~ F
3 Vertical blanking bottom adjustment 16:9
97 OSD CONT CLIP LEVEL
0 ~ 3
1 Contrast control clip level of OSD mode
98 OSD CONT CLIP OFF
0 ~ 1
0 Contrast control clip switch of OSD mode
99 DRIVER (R)
0 ~ 7F
3F R OUT amplitude adjustment by 7 bits DAC
100 BLUE BACK 0 ~ 1 0 Blue back mode ON/OFF switch
101 DRIVER (B) 0 ~ 7F 3F B OUT amplitude adjustment by 7 bits DAC
102 WHITE BACK 0 ~ 1 0 White raster mode ON/OFF switch
103 TEST PATTERN 0 ~ 1F 0 SCREEN TEST MODE
104 PEAK ACL 0 ~ 1 0 PEAK ACL MODE ON / OFF
105 ABCL 0 ~ 1 0 ABCL ON / OFF Switch
106 ABCL GAIN 0 ~ 1 0 ABCL Gain Low / High Switch
107 DCT LEVEL 0 ~ 7 0 DC Transfer Level Control
108 DCT ON 0 ~ 1 0 DC Transfer select ON / OFF
109 COLOR CONTROL PAL 0 ~ 10 0 Color Saturation control (Offset Data of Color) for PAL
110 COLOR CONTROL NTSC 0 ~ 10 0 Color Saturation control (Offset Data of Color) for NTSC
111 COLOR CONTROL SECAM 0 ~ 10 0 Color Saturation control (Offset Data of Color) for SECAM
112 TAKE OFF
0 ~ 1
1 Chroma BPF / Take Off switch
113 C KILLER LEVEL 0 ~ 1 0 Color killer sensitivity threshold switch
114 COLOR SYSTEM 0 ~ F 0 Color system selector
115 443NT50 INHIBIT 0 ~ 1 1 Auto color system 443NTSC(50Hz)
116 FSC FREE 0 ~ 1 0 VCXO free-running mode switch ON/OFF
117 FORCE MONO 0 ~ 1 0 Monochrome mode switch
118 FORCE COLOR 0 ~ 1 0 Killer function ON/OFF switch only for manual color mode
129 COND KILLER EN 0 ~ 1 0 Condition Killer Sensitivity Enable
120 1/2FSC TRAP OFF 0 ~ 1 0 Half fsc Trap filer off
121 C BPF OFF
0 ~ 1
0 Chroma DDS OFF
122 CTI
0 ~ 1
1 Color Edge Timing Improvement
123 DDS OFF 0 ~ 1 0 Chroma Bandpass Filter OFF
124 ACC AMP ON 0 ~ 1 0 Chroma ACC AMP FUNCTION
125 C ANGLE 95 0 ~ 1 1 Chroma Demodulation Angle switch
126 RF DELAY ADJ 0 ~ 7F 2A RF AGC delay point adjustment
127 VIF SYNC ADJ 0 ~ 1 01 Enable VIF video out lamp
128 AFT DEFETAT 0 ~ 1 0 AFT OUT ON/OFF switch
129 VIF REEQ 0 ~ F 0 VIF frequency selector
130 VIF VIDEO OUT GAIN 0 ~ 7 3 VIF Video Detector output amplitude adjustment
131 VIF DEFEAT 0 ~ 1 0 VIF AGC gain
132 AFT REV 0 ~ 1 0 AFT polarity reverse
133 VIF POS 0 ~ 1 0 positive modulation mode
134 STRAP OFF 0 ~ 1 0 SOUND trap test mode switch
135 OM DET 0 ~ 1 0 Vertical frequency standard / non-standard detection
136 VIF AGC CLIP 0 ~ 1 0 VIF AGC sensitivity become low
137 AMF ON 0 ~ 1 0 VIF AGC CURRENT CHANGE ON/OFF switch
138 AMF VTH
0 ~ 7
0 VIF AGC CURRENT CHANGE FUNCTION INPUT LEVEL Adj.
Following table shows the initial values which have been stored in the CPU ROM, and items for the service adjustments.
Service mode adjustments table in CPU ROM
SM_14-BE5V (AC7-A)AUS 5/6/08 1:04 PM Page 11

-12-
Service Adjustments with Replacing Memory IC(IC802)
No. Item Range Data Description
139 VIF AGC VTH HYS OFF 0 ~ 1 0 VIF AGC CURRENT CHANGE FUNCTION HYSTERESIS OFF SWITCH
140 VIF AGC SPEED UP
0 ~ 7
0 VIF AGC SPEED Adj.
141 AUDIO ATT L MONO
0 ~ 7F
7F L Ch Audio output level attenuation
142 SIF OUT MUTE
0 ~ 1
1 AF direct put out ON/OFF (Mute) switch
143 AUDIO ATT (R)
0 ~ 7F
7F R Ch Audio output level attenuation
144 SIF OVER MODE
0 ~ 1
0 SIF OVER modulation detector ON/OFF switch
145 AUDIO SW SEL
0 ~ 1F
0 Audio Switch Selector
146 SECAML PC65 0 ~ 1 0 SECAML’ Phase Comparator Mode Select
147 CONV VCO PULL UP 0 ~ 1 0 SIF CONVERTER VCO PULL UP
148 CONV VCO BETA UP 0 ~ 1 0 SIF CONVERTER VCO Bup
149 SIF MODE 0 ~ 7 1 SIF Frequency selector
150 AVL SEL 0 ~ 1 0 AVL MODE DELECTOR ON/OFF
151 SIF INT 0 ~ 1 1
152 SIF BPF WIDE 0 ~ 3 3 SIF BPF band width selector ( For over mode )
153 SIF PAL 0 ~ 3 0 Switch to improve Sound S/N at PAL signal ON/OFF
154 SIF PAL INV 0 ~ 1 0 Switch to improve Sound S/N at PAL signal ON/OFF
155 SIF BPF TEST 0 ~ 1 0 Color Saturation control (Offset Data of Color) for PAL
156 HI TRAP OFF 0 ~ 1 0 Color Saturation control (Offset Data of Color) for NTSC
157 VIDEO SW LPF 0 ~ 1 0 Color Saturation control (Offset Data of Color) for SECAM
158 VIDEO MUTE
0 ~ 1
0 Luminance signal mute ON/OFF
159 SHARPNESS PRE 0 ~ 1F 13 SHARPNESS PRESHOOT LEVEL Adjustment
160 SHARPNESS OVER 0 ~ 1F 10 SHARPNESS OVERSHOOT LEVEL Adjustment
161 BLK STRETCH OFF 0 ~ 1 0 Black Stretch function ON/OFF switch
162 BLK STRETCH CHARGE 0 ~ 3 1 Charge time constant adjustment for black stretch
163 BLK STRETCH 0 ~ 3 1 Discharge time constant adjustment for black stretch
164 BLK STRTCH GAIN 0 ~ 1 0 Black stretch gain adjustment
165 GAMMA CONTROL 0 ~ 3 3 Luminance gamma threshold control ON/OFF
166 C TRAP ADJ PAL 0 ~ 3 1 Chroma trap for for adjustment PAL
167 C TRAP ADJ NTSC
0 ~ 3
1 Chroma trap for for adjustment NTSC
168 C TRAP OFF
0 ~ 1
0 Chroma trap ON/OFF switch
169 DOUBLE TRAP 0 ~ 1 1 Chroma trap filter for SECAM ON/OFF
170 Y NR TH 0 ~ 3 0 Video Noise Reduction Threshold level change
171 Y NR DEPTH 0 ~ 3 0 Video Noise Reduction Threshold Depth change
172 Y NR ON 0 ~ 1 1 Video Noise Reduction ON
173 Y DL TIME ADJ 0 ~ 7 2 Luminance signal delay time adjustment for PAL
174 Y DL TIME ADJ SECAM 0 ~ 7 3 Luminance signal delay time adjustment for SECAM
175 SECAM KILLER 0 ~ 3 1 SECAM color killer sensitivity threshold adjustment
176 SECAM PLL RST OFF 0 ~ 1 0 SECAM PLL RESET disable
177 SECAM OFF 0 ~ 1 0 SECAM demodulator switch
178 CR DL FINE 0 ~ 1 0 Cr signal delay time adjustment
179 CBCR GAIN UP 0 ~ 1 0 CbCr signal pedestal Gain Switch
180 CBCRPED ADJ ON 0 ~ 1 1 CbCrPED ADJ ON
181 CRPEDESTAL ADJ 0 ~ F 3 Cr signal Pedestal level adjustment
182 CBPEDESTAL ADJ 0 ~ F 4 Cb signal Pedestal level adjustment
183 CB DL FINE
0 ~ 3
0 Cb signal delay time adjustment
184 DL TEST
0 ~ 1
0 1HD TEST MODE
Following table shows the initial values which have been stored in the CPU ROM, and items for the service adjustments.
Service mode adjustments table in CPU ROM
SM_14-BE5V (AC7-A)AUS 5/6/08 1:04 PM Page 12

-13-
Service Adjustments with Replacing Memory IC(IC802)
No. Item Range Data Description
185 R MATRIX PAL
0 ~ 3
1 R Matrix 50
186 R MATRIX NT DEFFER
0 ~ 3
1 R matrix gain control for YCbCr (NTSC Offset)
187 WHITE BALANCE 0 ~ 3 ........ WHITE BALANCE (R-Drive & B-Drive)
188 CUT OFF ( R )
0 ~ FF
0 R OUT Pedestal level adjustment ( R Bias for White balance )
189 CUT OFF ( G )
0 ~ FF
0 G OUT Pedestal level adjustment ( G Bias for White balance )
190 CUT OFF ( B )
0 ~ FF
0 B OUT Pedestal level adjustment ( B Bias for White balance )
191 CUT OFF ......... One Line
192 FAST SW 0 ~ 1 0
193 E/W P 50 ZOOM 0 ~ 3F 0 EW_PARA_50_ZOOM
194 E/W C UP 50 ZOOM 0 ~ 3F 0 EW_COR_U_50_ZOMM
195 E/W C LOW 50 ZOOM 0 ~ 3F 0 EW_COR_L_50_ZOMM
196 E/W T 50 ZOOM 0 ~ 3F 0 EW_TRAPE_50_ZOOM
197 E/W H SIZE 50 ZOOM 0 ~ 3F 0 EW_HSIZE_50_ZOOM
198 E/W P 60 ZOOM 0 ~ 3F 0 EW_PARA_60_ZOOM
199 E/W C UP 60 ZOOM 0 ~ 3F 0 EW_COR_U_60_ZOOM
200 E/W C LOW 60 ZOOM 0 ~ 3F 0 EW_COR_L_60_ZOOM
201 E/W T 60 ZOOM 0 ~ 3F 0 EW_TRAPE_60_ZOOM
202 E/W H SIZE 60 ZOOM 0 ~ 3F 0 EW_HSIZE_60_ZOOM
203 E/W P 50 WIDE 0 ~ 3F 0 EW_PARA_50_WIDE
204 E/W C UP 50 WIDE 0 ~ 3F 0 EW_COR_U_50_WIDE
205 E/W C LOW 50 WIDE 0 ~ 3F 0 EW_COR_L_50_WIDE
206 E/W T 50 WIDE 0 ~ 3F 0 EW_TRAPE_50_WIDE
207 E/W H SIZE 50 WIDE 0 ~ 3F 0 EW_HSIZE_50_WIDE
208 E/W P 60 WIDE 0 ~ 3F 0 EW_PARA_60_WIDE
209 E/W C UP 60 WIDE 0 ~ 3F 0 EW_COR_U_60_WIDE
210 E/W C LOW 60 WIDE 0 ~ 3F 0 EW_COR_L_60_WIDE
211 E/W T 60 WIDE 0 ~ 3F 0 EW_TRAPE_60_WIDE
212 E/W H SIZE 60 WIDE 0 ~ 3F 0 EW_HSIZE_60_WIDE
213 OPT MONO STE 0 ~ 1 1 Option Stereo / Mono (0=Stereo w/ surround; 1=Mono w/o surround)
214 OPT VOL TABLE 0 ~ 1 1 Option Volume Table
215 OPT MPP 0 ~ 1 1 Option MPP (0=with MPP; 1=without MPP)
216 OPT BOOSTER 0 ~ 1 1 Option Booster (0=with Booster; 1=without Booster)
217 OPT AV SEL 0 ~ 3 1 Option Audio Video Select
218 OPT COL SYSTEM 0 ~ 2 1 Option Color System
219 OPT SIF SYSTEM 0 ~ 3 1 Option SIF System (0=Auto/BG/I/DK/m, 1=BG/I/DK, 2=S-1/S-2, 3=M Fixed)
220 OPT LG ALPS TCL 0 ~ 2 0 Option Maker Tunner LG , ALPS , TCL
221 OPT PLUG & PLAY 0 ~ 1 0 Option Plug and Play
222 OPT ASIA ME HSE 0 ~ 2 0 Option ASIA Middle East HSE
223 POWER ON TIME
0 ~ FF
0 Power ON Timer
224 OSD H - POSITION 0 ~ FF 3F OSD Horizontal Position
225 OSD V - ( 60 Hz ) 0 ~ FF 16 OSD Vertical NTSc
226 VOLUME OFFSET 0 ~ 7 0 Volume Offset
227 BASS OFFSET 0 ~ 7 0 BASS OFFSET
228 TREBLE OFFSET 0 ~ 7 0 TREBLE OFFSET
229 OPT AFT 0 ~ 1 1 0 : For VCO AFT Voltage 2.5 V (WS 1.2) ==> 1 : for (WS 2.0)
230 OPT CHMUTE 0 ~ 1 1 VIDEO MUTE WHEN changing posion 0: NO MUTE 1: MUTE
Following table shows the initial values which have been stored in the CPU ROM, and items for the service adjustments.
Service mode adjustments table in CPU ROM
SM_14-BE5V (AC7-A)AUS 5/6/08 1:04 PM Page 13

-14-
Service Adjustments with Replacing Memory IC(IC802)
Following table shows the initial values which have been stored in the CPU ROM, and items for the service adjustments.
Service mode adjustments table in CPU ROM
No. Item Range Data Description
231 AV TV TIME 0 ~ FF 17
232 BG STRAP OFFSET 0 ~ 12 -1
233 DK STRAP OFFSET 0 ~ 12 -5
234 I STRAP OFFSET 0 ~ 12 2
235 M STRAP OFFSET 0 ~ 12 1
236 BGSUB STRAP OFFSET 0 ~ 12 -4
237 OPT PAL DK I 0 ~ 1 0
238 OPT BASS WOOFER 0 ~ 1 0 0: Bass Expander, 1: Woofer
239 SECAM CNT 0 ~ FF 5
240 KEY WORD 0 ~ FF AC
SM_14-BE5V (AC7-A)AUS 5/6/08 1:04 PM Page 14

-15-
Service Mode Adjustments
T471H7
T471H10
MAIN BOARD
SCREEN VR
(Under side)
(1) Receive a monochrome circular pattern.
(2) Set the brightness and colour to normal, contrast to maximum.
(3) Enter to the service mode.
(4) Select No. 188 CUT OFF (R), No, 189 CUT OFF (G), and No. 190 CUT OFF (B) and set each data to 0 by pressing
the VOLUME + or - key.
(5) Select No. 187 WHITE BALANCE (R-Drive and B-Drive) and set data to 3F by pressing the VOLUME + or - key.
(6) Turn Screen Control on the FBT (T471) to minimum (fully counter-clock-wise).
(7) Select No. 191 (1-line appear).
(8) Advance Screen Control clockwise to obtain just visible one colour line. If line does not appear, place this control to
maximum (fully clockwise).
(9) Raise each CUT OFF Level with 1, 2, 3, 4, 5 and 6 keys to obtain just visible white line.
(10) Select No. 187 WHITE BALANCE (Drive Adjustments).
(11) Adjust Red and Blue Drive Levels alternately with 1, 3, 4 or 6 key to produce normal black and white
picture in highlight areas.
(12) Check for proper grayscale at all brightness levels. To turn off the TV Service Menu display, press the MENU key.
Note: If the Grayscale adjustment is made after picture tube replacement, check the High Voltage
Items 187 - 191 GREY SCALE
123
456
789
0
TV/AV
TIMER
x
-/--
SWAP
CH SCAN
MENU
BASS
SOUND
S. SYS
SURROUND
PICTURE
CH
CH
A B
.
PP
JXPSG
R-CUT OFF +
Press the MENU button to exit
from service mode.
R-Drive +
G-CUT OFF +
R-CUT OFF -
R-Drive -
G-CUT OFF -
B-CUT OFF +
B-Drive +
B-CUT OFF -
B-Drive -
SM_14-BE5V (AC7-A)AUS 5/6/08 1:04 PM Page 15

-16-
Service Mode Adjustments
Following adjustments should be carried out when the memory IC is replaced. How to enter the service mode and
adjust values, please refer to “ Entering to Service mode” on page 8.
NOTE: Do not attempt this adjustment with weak signal.
(1) Tune the receiver to most clearest (or strongest) VHF
station in your area. Set the brightness and contrast
controls to maximum. Set the colour control to
minimum.
(2) Select [RF DELAY ADJ] in the service mode.
(3) Change value until the snow noise just disappears.
(4) Exit from service mode.
Item 126 [RF DELAY ADJ] AGC ADJ
(1) Receive a monochrome circular pattern.
(2) Set the brightness and contrast to normal.
(3) Select [AFC2 H-PHASE 50] in the service mode.
(4) Change value to be optimum horizontal centre position.
(5) Exit from service mode.
Item 18 [AFC2 H-PHASE 50] HORIZONTAL ADJ
(1) Receive a monochrome circular pattern..
(2) Set the brightness and contrast to maximum.
(3) Select [V-SIZE 50] in the service mode.
(4) Change value to be optimum vertical size.
(5) Exit from service mode.
Item 6 [V-SIZE 50] VERTICAL SIZE
Horizontal centre
Vertical size
cUpper
Center
Bottom
d
e
a
b
Upper
Center
Bottom
(1) Receive a crosshatch pattern.
(2) Select a picture mode of NATURAL by pressing the
PICTURE MODE button.
(3) Select [V S CORRECT 50] in the service mode.
(4) Adjust Vertical S-letter Correction so that the difference
of “c”, “d” and “e” becomes less than 2 mm by pressing
the VOLUME + or - button.
(5) Confirm Vertical Linearity and adjust Vertical Center
then Vertical Size.
(6) Exit from service mode.
Item 12 [V S CORRECT 50] V-S CORRECTION
(1) Receive a crosshatch pattern.
(2) Select a picture mode of NATURAL by pressing the
PICTURE MODE button.
(3) Select [V-LINEARITY 50] in the service mode.
(4) Adjust Vertical Linearity so that the difference of “a” and
“b” becomes less than 3mm by pressing VOLUME + or
- button.
(5) Exit from service mode.
Item 14 [V-LINEARITY 50] VERTICAL LINEARITY
(1) Receive a monochrome circular pattern.
(2) Set the brightness and contrast to normal.
(3) Select [V-SHIFT 50] in the service mode.
(4) Change value to be optimum verticall centre position.
(5) Exit from service mode.
Item 16 [V-SHIFT 50] VERTICAL CENTRE
Vertical centre
SM_14-BE5V (AC7-A)AUS 5/6/08 1:04 PM Page 16

-17-
Service Adjustments
Following adjustments are not required to readjust when replacing the memory IC.
Note: +B (+130V) Voltage Check and Grayscale Adjustment
must be completed before attempting High Voltage Check.
(1) Connect high voltage voltmeter negative lead to
ground, and connect + lead to anode of picture tube.
(2) Tune receiver to an active channel and confirm TV is
operating properly.
(3) Maximize the beam current by adjusting the contrast
and brightness controls to maximum. Confirm high
voltage is within 21.0 KV and 23.0 KV at maximum
beam current.
(4) Eliminate the beam current by adjusting the contrast
and brightness controls to minimum. Confirm high
voltage does not exceed 24 KV at zero beam current.
If reading is not within range, check horizontal circuit.
No high-voltage adjustment is provided on this chassis.
HIGH VOLTAGE CHECK
01
??? ***
C611
C615
C661
D611
C691
3
4
2
1
D610
C629
R603
R604
R607
R610
IC601A
R631
R632
J294
C610
C613
D609
D613
R611
D637
R639
R606
R685
C612
VR631
C617
C632
L632
L602
R609
D612
J625
D614
D636
D686
C637
R692
IC601
C614A
C614
C616
8
1
7
T611A
1
9
8
T611
TP-B
C489
R605
C607H1
T471H5
T611H10
T611AH9
T611H7
T611AH7
T611H1
T611AH4
T611H4
T611AH1
T471H4
T47
(1) Connect DC meter to TP-B and the ground.
(2) Tune the receiver to an active channel and synchro-
nized picture. Select NATURAL picture mode by press-
ing the PICTURE MODE button on the remote control.
(3) Adjust B-voltage to be 130 ± 0.5V DC by using VR631.
B-VOLTAGE SUPPLY CHECKING
(1) Receive the monochrome circular pattern.
(2) Set the brightness to normal and contrast to maximum.
(3) Adjust the focus control on the F.B.T. for the best focus
on the screen centre.
FOCUS ADJUSTMENT
MAIN BOARD
B-Voltage Supply Adjustment
MAIN BOARD TP-B
C661
C471
C691
KDY-3
KDY-4
KDY-5
KDY-6
C356
D631
R424
KDY-1
JP482
R423
R355
J294
635
J404
J606
T471
D637
R639
D445
R445
R685
VR631
C631
R103
J625
R435
D686
T
611A
TP-B
C489
T471H5
T611H10
T611AH9
R435H1
T471H7
T611H7
T471H1
R435H2
T611H1
T611H4
T471H4
T471H2
C435AH2
T471H10
Focus VR
(Upper side)
VR631
SM_14-BE5V (AC7-A)AUS 5/6/08 1:04 PM Page 17

-18-
Special Function
1To enter into the special function setting mode, press and
hold the MENU button of the TV set, then press the
Recall button on the Remote Control.
Once TUNING LOCK is switched on, further channel tuning
(Pre-set) is not possible. The Channel Swapping function also
is not possible.
2Select an item of the special functions by pressing the
PROGRAMME UP or DOWN button on the remote control
or the TV set.
3Set the selected special function “ ON “ by pressing the
VOLUME + or
-
button. To cancel, set to “ OFF”.
(2) Tuning Lock setting
The following special functions can be set up on this TV
set.
With this function, a maximum sound volume limit can be set at
any level.
(3) Music Mode setting
When Music Mode is ON, Programme position from “247” to
“255” and “0” are set Music Mode. Only sound is provided and
any picture is not on the screen under Music Mode.
Set AV-START to ON and every time the TV set is switched on,
AV1 position will be the initial programme position.
(4) AV Start setting
TUNING LOCKED
How to set the special function:
Note: When making the VOLUME LOCK setting, set the
desired maximum sound volume by pressing the VOLUME + or
-
button before entering Special Function setting mode.
AV1
MUSIC Turns black
screen
4Press the MENU button of the remote control to return to
the normal TV mode.
(1) Volume Lock setting
SOUND
AV START
T
UNIN
G
L
OCK
VOLUME LOCK
MUSIC MODE
OFF
OFF
OFF
OFF
SELECT ADJUST
M
EXIT
AV START
T
UNIN
G
L
OCK
VOLUME LOCK
MUSIC MODE
OFF
ON
OFF
OFF
SELECT ADJUST
M
EXIT
TUNING LOCK
AV START
VOLUME LOCK
MUSIC MODE
OFF
OFF
OFF
OFF
SELECT ADJUST
M
EXIT
MENU
TV/AV
CH
- +
MENU
MENU
MENU
SM_14-BE5V (AC7-A)AUS 5/6/08 1:04 PM Page 18

-19-
Purity and Convergence Adjustment
RED
BLUE
Adjust tabs together to
superimpose red and
blue horizontal line.
Figure- 2 BLUE AND RED LINE MOVEMENT Figure- 3 BLUE/RED AND GREEN MOVEMENT
Adjust tabs together to
superimpose red/blue
and green horizontal
line.
Adjust tabs angle to superimpose
blue and red vertical line.
Adjust tabs angle to superimpose
red/blue and green vertical line.
GREEN
BLUE / RED
CAUTION: The Convergence and Purity adjustments have been made at the factory. Readjustment
should be made only after picture tube or deflection yoke replacement, following the steps below:
PURITY ADJUSTMENT
1. Demagnetize the picture tube and receiver using an external
degaussing coil. When replacing picture tube or deflection
yoke, mount deflection yoke and purity-convergence magnets
assembly properly, see figures 1 and 4.
2. Turn Red and Blue guns off and provide only Green raster.
Rotate Screen control to fully counterclockwise. Rotate Red
and Blue Bias controls fully counterclockwise. Slowly rotate
Green Bias control clockwise to produce Green raster.
3. Loosen the screw holding the Deflection Yoke and remove the
3 Rubber Wedges, and slide the Deflection Yoke fully forward.
4. Rotate and spread the Tabs of the two Purity Magnets to cen-
tre the vertical green belt in the picture screen. The Purity
Magnets are also adjusted to obtain vertical centring of the
raster.
5. Slowly slide the Deflection Yoke backward until a uniform
green screen is obtained.
6. Check the purity of the red and blue screens for uniformity,
turn off other colours to check this (use bias controls).
Readjust the yoke position if necessary until all screens are
pure.
7. Adjust each Bias control and screen control to obtain white
raster. Refer to Gray Scale Adjustment. If part of the picture
screen is coloured, adjust the Deflection Yoke position forward
or backward slightly.
8. Tighten the mounting screw of the Deflection Yoke. Adjust
Convergence next.
CENTRE CONVERGENCE ADJUSTMENT
1. Use a dot crosshatch pattern signal.
2. Turn Red and Blue guns on and turn off Green gun. Adjust the
angle between the Tabs of the Four Pole Magnet 1 and 2, and
superimpose the Red and Blue vertical lines in the centre area
of the picture screen. Refer to figure 2.
3. Keeping the mutual angle of the Tabs of the Four Pole Magnet
turn them together to superimpose the Blue and Red horizon-
tal lines in the centre area of the picture screen. Refer to fig-
ure 2.
4. Turn Green gun on and adjust Six Pole Magnet 3 and 4 that
the Green line superimposed on the Red/Blue lines.
This is the same procedure used in steps 2 and 3.
Refer to figure 3.
OUTER AREA CONVERGENCE ADJUSTMENT
Slightly loosen the screw holding the Deflection Yoke. Adjust the
Deflection Yoke to converge the detail in the outer area (left side
and right side) of the picture screen by orbital movement of the
front of the Yoke, then secure the Deflection Yoke in appropriate
position by putting the wedges as illustrated. Tighten screw hold-
ing the Deflection Yoke.
RUBBER
WEDGE
DEFLECTION YOKE
DEFLECTION YOKE
MOUNTING SCREW
Figure 4. Deflection Yoke Movement
SIX-POLE
MAGNET TABS FOUR-POLE
MAGNET TABS
ANGLE
OF TABS
PURITY
MAGNET
TABS
4
3
2
1
FOCUS GAP
(G3-G4)
Figure 1. Purity and Convergence Magnets
MAGNET TABS
ANGLE OF MAGNET TABS
Figure 5. Adjusting Magnet
Note: The form of deflection yoke changes with models.
SM_14-BE5V (AC7-A)AUS 5/6/08 1:04 PM Page 19

-20-
Mechanical Disassembly
CABINET BACK REMOVAL
1. Refer to Figure 1, remove 7 screws.
2. Pull off cabinet back and remove.
Figure 1. Cabinet Back Removal
When an abnormality occurs during TV reception, it causes pin 72 of the Processor to go continually Low (less
than 2.0V) for about 2 second. The Processor detects that this has occurred and outputs the signal from pin 74 to
switch off the power supply lines.
Releasing the protective circuit and restoring power supply
To release the protective circuit and restore power supply, turn the power to the TV set OFF and then ON again via
either the main power switch or the ON-OFF button on the remote control. This will work only if the power supply
trouble was temporary. If there is permanent trouble such as a damaged circuit, power cannot be restored and the
circuit will have to be repaired.
This TV set has a built-in power supply protection circuit.
It is provided to protect the TV set in case of a power supply circuit malfunctions. When something abnormality occurs
during TV reception, the TV set goes to the stand-by mode.
Protection Circuit
ANT. 75Ω
AUDIO
VIDEOS-VIDEO VIDEO
R
L
AUDIO
R
L
C
C
MONITOR
OUT
INPUT
AV1/DVD
SUPER
WOOFER
OUT
R
B
Y
SM_14-BE5V (AC7-A)AUS 5/6/08 1:04 PM Page 20

-21-
VIDEO L - AUDIO - R
TV/AV MENU CH
- +
POWER
123
456
789
0
TV/AV
TIMER
x
-/--
SWAP
CH SCAN
MENU
BASS
SOUND
S. SYS
SURROUND
PICTURE
CH
CH
A B
.
PP
JXPSC
Note: Parts order must contain Service Ref. No., Part No., and descriptions.
1 610 341 1835 BUTTON UNITED-BD6L
610 229 8406 SPRING-E3HA
(for power button)
2 610 331 7274 DEC IND-BB2A
3 610 341 1828 BUTTON UNITED-BD6L
4 610 341 1866 CABINET FRONT-BE5R
5 645 073 9798 BADGE,SANYO*35.0X7.5L35.0
6 610 335 4026 CABINET BACK-BB3G
7 652 002 0634 REMOCON,JXPSG
610 341 7608 INSTRUCTION MANUAL-C8WE-D
Key No. Part No. Description Key No. Part No. Description
ANT. 75Ω
AUDIO
VIDEOS-VIDEO VIDEO
R
L
AUDIO
R
L
C
C
MONITOR
OUT
INPUT
AV1/DVD
SUPER
WOOFER
OUT
R
B
Y
6
Cabinet Parts List BE5V/BE5W
1
2
3
5
4
7
SM_14-BE5V (AC7-A)AUS 5/6/08 1:04 PM Page 21

-22-
BE5V/BE5W
OUT OF CIRCUIT BOARD
PICTURE TUBE
Q901 4140137602 CRT ASSY A34JRY24X02
A100 4140103904 CRT A34JRY24X (DT)
A200 6450813504 YOKE,DEFLECTION
Q901-2A 6101170154 DY SPACER-D4AK
6102337891 DY SPACER E2HA
6102904154 DY SPACER-F8LZ
Q901-2B 6101170154 DY SPACER-D4AK
6102337891 DY SPACER E2HA
6102904154 DY SPACER-F8LZ
COIL
L901 6450841705 ASSY,COIL,DEGAUSSING
MISCELLANEOUS
SP901 6520013339 SPEAKER,8
6520018730 SPEAKER,8
SP902 6520013339 SPEAKER,8
6520018730 SPEAKER,8
W901 6450930201 CORD,POWER-2.0MK-A5003
W902 6102979565 ASSY,WIRE GND CONECTOR F8
6103314082 ASSY,WIRE GND CONECTOR C8
6103416687 ASSY,PWB,MAIN BE5V
1AA0B10S253KA
TRANSISTOR
Q1002 4052203115 TR ISA1235AC1E
4052203016 TR ISA1235AC1F
4051648016 TR KTA1504S-GR-RTK
4051345925 TR 2SA1037AK-T146-R
4051472215 TR 2SA1037AK-S-T146
4051739615 TR 2SA1235A1E
4051739714 TR 2SA1235A1F
Q1003 4051648412 TR KTC3875S-GR-RTK
4050144519 TR 2SC2412K T146 R
4050144618 TR 2SC2412K T146 S
4050158724 TR 2SC2812-L6-TB
4050158922 TR 2SC2812-L7-TB
4051631612 TR 2SC2812N-L6-TB0
4051739813 TR 2SC3928A1R
4051739912 TR 2SC3928A1S
Q111 4052187712 TR KTC3879S-Y
4050159721 TR 2SC2814-F4-TB
Q122 4051648412 TR KTC3875S-GR-RTK
4050144519 TR 2SC2412K T146 R
4050144618 TR 2SC2412K T146 S
4050158724 TR 2SC2812-L6-TB
4050158922 TR 2SC2812-L7-TB
4051631612 TR 2SC2812N-L6-TB0
4051739813 TR 2SC3928A1R
4051739912 TR 2SC3928A1S
Q1901 4051648412 TR KTC3875S-GR-RTK
!
!
!
!
!
Chassis Electrical Parts List
Ref. No. Part No. Description Ref. No. Part No. Description
Product safety should be considered when a component replacement is made in any area of a receiver.
Components indicated by a mark in this parts list and the circuit diagram show components whose value have
special significance to product safety. It is particularly recommended that only parts specified on the following parts
list be used for components replacement pointed out by the mark.
!
Note: Parts order must contain Chassis No., Part No., and descriptions. The main PCB unit will be supplied without tuner and
flyback transformer. They should be ordered separately.
Read description in the Capacitor and Resistor as follows:
CAPACITOR
CERAMIC 100P K 50V
Rated Voltage
Tolerance Symbols:
Less than 10pF
A : Not specified B : ±0.1pF C : ±0.25pF
D : ±0.5pF F : ±1PF G : ±2pF
R : ±0.25-0pF S : ±0-0.25pF E : +0-1pF
More than 10pF
A : Not specified B : ±0.1% C : ±0.25%
D : ±0.5% F : ±1% G : ±2%
H : ±3% J : ±5% K : ±10%
L : ±15% M : ±20% N : ±30%
P : +100-0% Q : +30-10% T : +50-10%
U : +75-10% V : +20-10% W : +100-10%
X : +40-20% Y : +150-10% Z : +80-20%
Rated value: P=pico farad, U=micro farad
Material:
CERAMIC........... Ceramic
MT-PAPER......... Metallized Paper
POLYESTER...... Polyester
MT-POLYEST.....Metallized Polyester
POLYPRO.......... Polypropylene
MT-POLYPRO.... Metallized Polypropylene
COMPO FILM..... Composite film
MT-COMPO........ Metallized Composite
STYRENE........... Styrene
TA-SOLID........... Tantalum Solid
AL-SOLID........... Aluminium Solid
ELECT................ Electrolytic
NP-ELECT.......... Non-polarised Electrolytic
OS-SOLID.......... Aluminium Solid with Organic Semiconductive Electrolytic
DL-ELECT.......... Double Layered Electrolytic
RESISTOR
CARBON 4.7K J A 1/4W
Rated Wattage
Performance Symbols:
A: General B: Non flammable Z: Low noise
Other: Temperature coefficient
Tolerance Symbols:
A: ±0.05% B: ±0.1% C: ±0.25% D: ±0.5%
F: ±1% G: ±2% J: ±5% K: ±10%
M: ±20% P: +5-15%
Rated value, ohms:
K: 1,000, M: 1,000,000
Material:
CARBON........... Carbon
MT-FILM............ Metal Film
OXIDE-MT......... Oxide Metal Film
SOLID................ Composition
MT-GLAZE......... Metal Glaze
WIRE WOUND... Wire Wound
CERAMIC RES.. Ceramic
FUSIBLE RES.... Fusible
NOTES:
P List-BE5V(AUS) 4/26/08 1:57 PM Page 22

4050144519 TR 2SC2412K T146 R
4050144618 TR 2SC2412K T146 S
4050158724 TR 2SC2812-L6-TB
4050158922 TR 2SC2812-L7-TB
4051631612 TR 2SC2812N-L6-TB0
4051739813 TR 2SC3928A1R
4051739912 TR 2SC3928A1S
Q201 4050235009 TR 2SD400-E-MP
Q202 4050235009 TR 2SD400-E-MP
Q203 4050235009 TR 2SD400-E-MP
Q206 4050235009 TR 2SD400-E-MP
Q431 4050180517 TR 2SC3332-R
4050180606 TR 2SC3332-S
Q432 4060171809 TR TT2138LS-YB11
Q471 4050036002 TR 2SA1319-S
Q472 4051648412 TR KTC3875S-GR-RTK
4050144519 TR 2SC2412K T146 R
4050144618 TR 2SC2412K T146 S
4050158724 TR 2SC2812-L6-TB
4050158922 TR 2SC2812-L7-TB
4051631612 TR 2SC2812N-L6-TB0
4051739813 TR 2SC3928A1R
4051739912 TR 2SC3928A1S
Q511 4051648412 TR KTC3875S-GR-RTK
4050144519 TR 2SC2412K T146 R
4050144618 TR 2SC2412K T146 S
4050158724 TR 2SC2812-L6-TB
4050158922 TR 2SC2812-L7-TB
4051631612 TR 2SC2812N-L6-TB0
4051739813 TR 2SC3928A1R
4051739912 TR 2SC3928A1S
Q631 4051648412 TR KTC3875S-GR-RTK
4050144519 TR 2SC2412K T146 R
4050144618 TR 2SC2412K T146 S
4050158724 TR 2SC2812-L6-TB
4050158922 TR 2SC2812-L7-TB
4051631612 TR 2SC2812N-L6-TB0
4051739813 TR 2SC3928A1R
4051739912 TR 2SC3928A1S
Q632 4051648412 TR KTC3875S-GR-RTK
4050144519 TR 2SC2412K T146 R
4050144618 TR 2SC2412K T146 S
4050158724 TR 2SC2812-L6-TB
4050158922 TR 2SC2812-L7-TB
4051631612 TR 2SC2812N-L6-TB0
4051739813 TR 2SC3928A1R
4051739912 TR 2SC3928A1S
Q683 4052197711 TR KTB985-B-AT/P
4050890000 TR 2SA1707-S
4050890109 TR 2SA1707-T
4050096907 TR 2SB985-S
Q684 4051648412 TR KTC3875S-GR-RTK
4050144519 TR 2SC2412K T146 R
4050144618 TR 2SC2412K T146 S
4050158724 TR 2SC2812-L6-TB
4050158922 TR 2SC2812-L7-TB
4051631612 TR 2SC2812N-L6-TB0
4051739813 TR 2SC3928A1R
4051739912 TR 2SC3928A1S
Q801 4050235009 TR 2SD400-E-MP
Q802 4052203115 TR ISA1235AC1E
4052203016 TR ISA1235AC1F
4051648016 TR KTA1504S-GR-RTK
4051345925 TR 2SA1037AK-T146-R
4051472215 TR 2SA1037AK-S-T146
4051739615 TR 2SA1235A1E
4051739714 TR 2SA1235A1F
Q886 4051648412 TR KTC3875S-GR-RTK
4050144519 TR 2SC2412K T146 R
4050144618 TR 2SC2412K T146 S
4050158724 TR 2SC2812-L6-TB
4050158922 TR 2SC2812-L7-TB
4051631612 TR 2SC2812N-L6-TB0
4051739813 TR 2SC3928A1R
4051739912 TR 2SC3928A1S
INTEGRATED CIRCUIT
IC001 4096827602 IC LA42105-E
IC201 4106465206 IC R2J12203M4-+++FP
4106620803 IC R2J12204M4-A02FP
IC501 4096646104 IC LA78040B-E
IC601 4106062108 IC STR-W6753(LF2003
IC802 4096760701 IC LE24C161-E-C
4104958007 IC AT24C16A-10PU-2.7
4106374607 IC LE24C162-E
4094594506 IC 24LC16B/P
CAPACITOR
C001 4041063901 ELECT 1000U M 25V
4031904702 ELECT 1000U M 25V
C002 4041084104 ELECT 100U M 16V
4041098408 ELECT 100U M 25V
4032112918 ELECT 100U M 16V
4031905214 ELECT 100U M 25V
C003 4041046409 CERAMIC 3900U K 50V
4040914204 CERAMIC 3900P K 50V
4031577213 CERAMIC 3900P K 50V
C004 4041140206 CERAMIC 1U Z 16V
4032070317 CERAMIC 1U Z 16V
4032789615 CERAMIC 1U Z 16V
C011 4041102600 ELECT 10U M 16V
4041109906 ELECT 10U M 50V
4032113519 ELECT 10U M 50V
C1001 4040970101 ELECT 1U M 50V
4040843801 ELECT 1U M 50V
C1005 4040970200 ELECT 10U M 50V
4040843900 ELECT 10U M 50V
C1006 4040988403 ELECT 470U M 10V
4040842606 ELECT 470U M 10V
C1009 4040970101 ELECT 1U M 50V
4040843801 ELECT 1U M 50V
C101 4040987802 ELECT 470U M 6.3V
4040842408 ELECT 470U M 6.3V
C104 4040973607 ELECT 47U M 50V
4040844303 ELECT 47U M 50V
C106 4040973201 ELECT 22U M 50V
4040873006 ELECT 22U M 50V
C111 4041032907 CERAMIC 0.01U K 50V
4040901204 CERAMIC 0.01U K 50V
4032152211 CERAMIC 0.01U K 50V
C112 4041032907 CERAMIC 0.01U K 50V
4040901204 CERAMIC 0.01U K 50V
4032152211 CERAMIC 0.01U K 50V
C114 4041032907 CERAMIC 0.01U K 50V
4040901204 CERAMIC 0.01U K 50V
4032152211 CERAMIC 0.01U K 50V
C115 4040972808 ELECT 0.47U M 50V
4040843702 ELECT 0.47U M 50V
C1207 4040973409 ELECT 4.7U M 50V
4040844204 ELECT 4.7U M 50V
C1217 4040970101 ELECT 1U M 50V
4040843801 ELECT 1U M 50V
C124 4040970101 ELECT 1U M 50V
4040843801 ELECT 1U M 50V
-23-
BE5V/BE5W
Ref. No. Part No. Description Ref. No. Part No. Description
P List-BE5V(AUS) 4/26/08 1:57 PM Page 23

-24-
BE5V/BE5W
C125 4040972808 ELECT 0.47U M 50V
4040843702 ELECT 0.47U M 50V
C126 4032002625 ELECT 0.47U M 50V
C127 4041040209 CERAMIC 100P J 50V
4040946403 CERAMIC 100P J 50V
4031573611 CERAMIC 100P J 50V
C1902 4040973201 ELECT 22U M 50V
4040873006 ELECT 22U M 50V
C201 4041159109 MT-POLYEST 0.22U J 63V
4040935407 MT-POLYEST 0.22U J 63V
4032377901 MT-COMPO 0.22U J 50V
C202 4041044900 CERAMIC 0.1U K 50V
4040912606 CERAMIC 0.1U K 50V
4033670417 CERAMIC 0.1U K 50V
C203 4040947004 CERAMIC 15P J 50V
4031554214 CERAMIC 15P J 50V
C204 4040970200 ELECT 10U M 50V
4040843900 ELECT 10U M 50V
C205 4040970101 ELECT 1U M 50V
4040843801 ELECT 1U M 50V
C206 4041044900 CERAMIC 0.1U K 50V
4040912606 CERAMIC 0.1U K 50V
4033670417 CERAMIC 0.1U K 50V
C207 4041045303 CERAMIC 0.015U K 50V
4040912903 CERAMIC 0.015U K 50V
4032152419 CERAMIC 0.015U K 50V
C208 4040984009 MT-POLYEST 0.1U J 63V
4040852902 MT-POLYEST 0.1U J 63V
4032378007 MT-COMPO 0.1U J 50V
C209 4041159109 MT-POLYEST 0.22U J 63V
4040935407 MT-POLYEST 0.22U J 63V
4032377901 MT-COMPO 0.22U J 50V
C211 4041044900 CERAMIC 0.1U K 50V
4040912606 CERAMIC 0.1U K 50V
4033670417 CERAMIC 0.1U K 50V
C212 4041081301 ELECT 47U M 16V
4041084500 ELECT 47U M 25V
4041098002 ELECT 47U M 35V
4031904811 ELECT 47U M 25V
4032118217 ELECT 47U M 35V
C213 4040972808 ELECT 0.47U M 50V
4040843702 ELECT 0.47U M 50V
C214 4041045303 CERAMIC 0.015U K 50V
4040912903 CERAMIC 0.015U K 50V
4032152419 CERAMIC 0.015U K 50V
C215 4040984009 MT-POLYEST 0.1U J 63V
4040852902 MT-POLYEST 0.1U J 63V
4032378007 MT-COMPO 0.1U J 50V
C216 4041032907 CERAMIC 0.01U K 50V
4040901204 CERAMIC 0.01U K 50V
4032152211 CERAMIC 0.01U K 50V
C218 4041032907 CERAMIC 0.01U K 50V
4040901204 CERAMIC 0.01U K 50V
4032152211 CERAMIC 0.01U K 50V
C219 4040970408 ELECT 47U M 35V
4040854609 ELECT 47U M 35V
C220 4040970408 ELECT 47U M 35V
4040854609 ELECT 47U M 35V
C221 4041032907 CERAMIC 0.01U K 50V
4040901204 CERAMIC 0.01U K 50V
4032152211 CERAMIC 0.01U K 50V
C222 4040970200 ELECT 10U M 50V
4040843900 ELECT 10U M 50V
C223 4041109906 ELECT 10U M 50V
4032113519 ELECT 10U M 50V
C224 4040970200 ELECT 10U M 50V
4040843900 ELECT 10U M 50V
C225 4040970200 ELECT 10U M 50V
4040843900 ELECT 10U M 50V
C231 4041044900 CERAMIC 0.1U K 50V
4040912606 CERAMIC 0.1U K 50V
4033670417 CERAMIC 0.1U K 50V
C232 4040970101 ELECT 1U M 50V
4040843801 ELECT 1U M 50V
C233 4041044900 CERAMIC 0.1U K 50V
4040912606 CERAMIC 0.1U K 50V
4033670417 CERAMIC 0.1U K 50V
C234 4041045709 CERAMIC 2200U K 50V
4040913306 CERAMIC 2200P K 50V
4031134119 CERAMIC 2200P K 50V
C235 4041044900 CERAMIC 0.1U K 50V
4040912606 CERAMIC 0.1U K 50V
4033670417 CERAMIC 0.1U K 50V
C237 4033588316 CERAMIC 1U K 10V
4033456615 CERAMIC 1U M 10V
C238 4033588316 CERAMIC 1U K 10V
4033456615 CERAMIC 1U M 10V
C242 4011506011 MT-GLAZE 0.000 ZA 1/10W
4011057919 MT-GLAZE 0.000 ZA 1/16W
C243 4011506011 MT-GLAZE 0.000 ZA 1/10W
4011057919 MT-GLAZE 0.000 ZA 1/16W
C246 4041032907 CERAMIC 0.01U K 50V
4040901204 CERAMIC 0.01U K 50V
4032152211 CERAMIC 0.01U K 50V
C432 4041135103 CERAMIC 3900P K 500V
4032753329 CERAMIC 3900P K 500V
C433 4041135103 CERAMIC 3900P K 500V
4032753329 CERAMIC 3900P K 500V
C434 4041085705 ELECT 330U M 35V
4041075201 ELECT 330U M 35V
C435 4040812104 MT-POLYPRO 4700P H 1.5K
4041019403 MT-POLYPRO 4700P H 1.5V
4033531015 MT-POLYPRO 4700P H 1.5K
C436 4032473306 CERAMIC 330P K 2K
4033242436 CERAMIC 330P K 3K
4033242406 CERAMIC 330P K 3K
C441 4033467027 MT-POLYPRO 0.24U J 250V
4033726718 MT-POLYPRO 0.24U J 250V
C471 4040565307 NP-ELECT 2.2U M 100V
4041089000 NP-ELECT 2.2U M 100V
4040849902 NP-ELECT 2.2U M 100V
C489 4041137107 MT-POLYEST 0.47U J 250V
4030666106 MT-POLYEST 0.47U J 250V
4034335008 MT-POLYEST 0.47U J 250V
4041194407 MT-POLYPRO 0.47U J 250V
C511 4041109906 ELECT 10U M 50V
4032113519 ELECT 10U M 50V
C514 4041109906 ELECT 10U M 50V
4032113519 ELECT 10U M 50V
C515 4041063901 ELECT 1000U M 25V
4031904702 ELECT 1000U M 25V
C517 4041157303 ELECT 220U M 35V
4032114427 ELECT 220U M 35V
C521 4041064205 ELECT 1000U M 35V
4032112532 ELECT 1000U M 35V
C524 4041153800 POLYESTER 0.1U J 100
4030641212 POLYESTER 0.1U K 100V
4032769726 POLYESTER 0.1U K 100V
4032564826 MT-COMPO 0.1U J 100V
C525 4041040209 CERAMIC 100P J 50V
4040946403 CERAMIC 100P J 50V
4031573611 CERAMIC 100P J 50V
C601 4040881704 MT-POLYEST 0.22U K 250V
4040888802 MT-POLYEST 0.22U M 275V
!
Ref. No. Part No. Description Ref. No. Part No. Description
P List-BE5V(AUS) 4/26/08 1:57 PM Page 24

4040941804 MT-POLYEST 0.22U K 275V
4040966708 MT-POLYPRO 0.22U M 275V
C602 4040881704 MT-POLYEST 0.22U K 250V
4040888802 MT-POLYEST 0.22U M 275V
4040941804 MT-POLYEST 0.22U K 275V
4040966708 MT-POLYPRO 0.22U M 275V
C603 4041157501 CERAMIC 1000P K 1K
4041078400 CERAMIC 1000P K 1K
4041157105 CERAMIC 1000P K 1K
4040846307 CERAMIC 1000P K 1K
4030766707 CERAMIC 1000P K 1K
4032221313 CERAMIC 1000P K 1K
4032719622 CERAMIC 1000P K 1K
C604 4041157501 CERAMIC 1000P K 1K
4041078400 CERAMIC 1000P K 1K
4041157105 CERAMIC 1000P K 1K
4040846307 CERAMIC 1000P K 1K
4030766707 CERAMIC 1000P K 1K
4032221313 CERAMIC 1000P K 1K
4032719622 CERAMIC 1000P K 1K
C605 4041036905 CERAMIC 0.1U K 25V
4040950806 CERAMIC 0.1U K 25V
4033423310 CERAMIC 0.1U K 25V
4031640214 CERAMIC 0.1U Z 25V
4033670417 CERAMIC 0.1U K 50V
4033053517 CERAMIC 0.1U Z 50V
C607 4040381600 ELECT 100U M 400V
4040969006 ELECT 100U M 400V
4041077403 ELECT 150U M 400V
C610 4040896708 POLYESTER 0.015U K 63V
4031793207 POLYESTER 0.015U J 50V
4031793108 POLYESTER 0.015U K 50V
C611 4041097609 ELECT 1U M 50V
4032112116 ELECT 1U M 50V
C612 4030572130 POLYESTER 0.1U J 50V
4031818306 POLYESTER 0.1U J 50V
4030573107 POLYESTER 0.1U K 50V
4031818207 POLYESTER 0.1U K 50V
C613 4041155002 POLYESTER 4700P J 100V
4030617504 POLYESTER 4700P J 50V
4031791203 POLYESTER 4700P J 50V
4030618303 POLYESTER 4700P K 50V
4031791104 POLYESTER 4700P K 50V
C615 4041162406 ELECT 33U M 35V
4032116015 ELECT 33U M 35V
C616 4041119707 CERAMIC 470P K 2K
4041112500 CERAMIC 470P K 2K
4040862109 CERAMIC 470P K 2K
4032454404 CERAMIC 470P K 2K
4032758146 CERAMIC 470P K 2K
C627 4040733904 CERAMIC 1000P K 250V
4040732105 CERAMIC 1000P M 250V
4040713302 CERAMIC 1000P M 400V
4041113903 CERAMIC 1000P M 400V
4041039104 CERAMIC 1000P M 400V
C628 4040733904 CERAMIC 1000P K 250V
4040732105 CERAMIC 1000P M 250V
4040713302 CERAMIC 1000P M 400V
4041113903 CERAMIC 1000P M 400V
4041039104 CERAMIC 1000P M 400V
C629 4040733904 CERAMIC 1000P K 250V
4040732105 CERAMIC 1000P M 250V
4040713302 CERAMIC 1000P M 400V
4041113903 CERAMIC 1000P M 400V
4041039104 CERAMIC 1000P M 400V
C631 4041078400 CERAMIC 1000P K 1K
4040846307 CERAMIC 1000P K 1K
4032719622 CERAMIC 1000P K 1K
C637 4041135509 CERAMIC 220P K 50V
4031040133 CERAMIC 220P K 50V
C641 4040800606 ELECT 100U M 160V
4040739005 ELECT 220U M 160V
4041082803 ELECT 100U M 160V
4040973706 ELECT 220U M 160V
C643 4041064205 ELECT 1000U M 35V
4032112532 ELECT 1000U M 35V
C644 4041063901 ELECT 1000U M 25V
4031904702 ELECT 1000U M 25V
C645 4041063703 ELECT 2200U M 25V
4032115127 ELECT 2200U M 25V
C662 4041098408 ELECT 100U M 25V
4031905214 ELECT 100U M 25V
C801 4041032907 CERAMIC 0.01U K 50V
4040901204 CERAMIC 0.01U K 50V
4032152211 CERAMIC 0.01U K 50V
C802 4041032907 CERAMIC 0.01U K 50V
4040901204 CERAMIC 0.01U K 50V
4032152211 CERAMIC 0.01U K 50V
C803 4041032402 CERAMIC 1000P K 50V
4040901105 CERAMIC 1000P K 50V
4031133815 CERAMIC 1000P K 50V
C804 4041032907 CERAMIC 0.01U K 50V
4040901204 CERAMIC 0.01U K 50V
4032152211 CERAMIC 0.01U K 50V
C805 4040970408 ELECT 47U M 35V
4040854609 ELECT 47U M 35V
C806 4040970408 ELECT 47U M 35V
4040854609 ELECT 47U M 35V
C807 4041032907 CERAMIC 0.01U K 50V
4040901204 CERAMIC 0.01U K 50V
4032152211 CERAMIC 0.01U K 50V
C808 4041032907 CERAMIC 0.01U K 50V
4040901204 CERAMIC 0.01U K 50V
4032152211 CERAMIC 0.01U K 50V
C809 4040970408 ELECT 47U M 35V
4040854609 ELECT 47U M 35V
C810 4040947608 CERAMIC 22P J 50V
4031459915 CERAMIC 22P J 50V
C811 4041032907 CERAMIC 0.01U K 50V
4040901204 CERAMIC 0.01U K 50V
4032152211 CERAMIC 0.01U K 50V
C812 4041064809 ELECT 470U M 10V
4032118514 ELECT 470U M 10V
C813 4040947608 CERAMIC 22P J 50V
4031459915 CERAMIC 22P J 50V
C814 4041032907 CERAMIC 0.01U K 50V
4040901204 CERAMIC 0.01U K 50V
4032152211 CERAMIC 0.01U K 50V
C815 4040970408 ELECT 47U M 35V
4040854609 ELECT 47U M 35V
C816 4041032907 CERAMIC 0.01U K 50V
4040901204 CERAMIC 0.01U K 50V
4032152211 CERAMIC 0.01U K 50V
C817 4040970408 ELECT 47U M 35V
4040854609 ELECT 47U M 35V
C818 4040970408 ELECT 47U M 35V
4040854609 ELECT 47U M 35V
C819 4041032907 CERAMIC 0.01U K 50V
4040901204 CERAMIC 0.01U K 50V
4032152211 CERAMIC 0.01U K 50V
C820 4040947608 CERAMIC 22P J 50V
4031459915 CERAMIC 22P J 50V
C821 4040947608 CERAMIC 22P J 50V
4031459915 CERAMIC 22P J 50V
!
!
!
!
-25-
BE5V/BE5W
Ref. No. Part No. Description Ref. No. Part No. Description
P List-BE5V(AUS) 4/26/08 1:57 PM Page 25

-26-
BE5V/BE5W
RESISTOR
R002 4012560418 MT-GLAZE 12K JA 1/10W
4011051115 MT-GLAZE 12K JA 1/16W
R003 4011623114 MT-GLAZE 3.3K JA 1/10W
4011054116 MT-GLAZE 3.3K JA 1/16W
R005 4010258208 CARBON 22K JA 1/6W
4021025301 CARBON 22K JA 1/6W
4020941701 CARBON 22K JA 1/6W
R007 4011506219 MT-GLAZE 1K JA 1/10W
4011050514 MT-GLAZE 1K JA 1/16W
R008 4011506011 MT-GLAZE 0.000 ZA 1/10W
4011057919 MT-GLAZE 0.000 ZA 1/16W
R009 4012567615 MT-GLAZE 3.9K JA 1/10W
4011054611 MT-GLAZE 3.9K JA 1/16W
R1001 4012562719 MT-GLAZE 75 JA 1/10W
4011134412 MT-GLAZE 75 JA 1/16W
R1002 4011506219 MT-GLAZE 1K JA 1/10W
4011050514 MT-GLAZE 1K JA 1/16W
R1003 4012567219 MT-GLAZE 18K JA 1/10W
4011052112 MT-GLAZE 18K JA 1/16W
R1008 4012566915 MT-GLAZE 680 JA 1/10W
4011056516 MT-GLAZE 680 JA 1/16W
R1009 4011505816 MT-GLAZE 100K JA 1/10W
4011050712 MT-GLAZE 100K JA 1/16W
R101 4011506011 MT-GLAZE 0.000 ZA 1/10W
4011057919 MT-GLAZE 0.000 ZA 1/16W
R1010 4012562719 MT-GLAZE 75 JA 1/10W
4011134412 MT-GLAZE 75 JA 1/16W
R1011 4011505816 MT-GLAZE 100K JA 1/10W
4011050712 MT-GLAZE 100K JA 1/16W
R1014 4011506219 MT-GLAZE 1K JA 1/10W
4011050514 MT-GLAZE 1K JA 1/16W
R1015 4012567219 MT-GLAZE 18K JA 1/10W
4011052112 MT-GLAZE 18K JA 1/16W
R1016 4012562719 MT-GLAZE 75 JA 1/10W
4011134412 MT-GLAZE 75 JA 1/16W
R102 4011623718 MT-GLAZE 4.7K JA 1/10W
4011055311 MT-GLAZE 4.7K JA 1/16W
R1025 4011622919 MT-GLAZE 220 JA 1/10W
4011052716 MT-GLAZE 220 JA 1/16W
R1028 4011506219 MT-GLAZE 1K JA 1/10W
4011050514 MT-GLAZE 1K JA 1/16W
R1029 4011506219 MT-GLAZE 1K JA 1/10W
4011050514 MT-GLAZE 1K JA 1/16W
R103 4010618002 OXIDE-MT 39K JA 1W
R1030 4012558712 MT-GLAZE 22 JA 1/10W
4011052617 MT-GLAZE 22 JA 1/16W
R1031 4010272105 CARBON 56 JA 1/6W
4021037205 CARBON 56 JA 1/6W
4020943804 CARBON 56 JA 1/6W
R1034 4012566311 MT-GLAZE 47K JA 1/10W
4011055410 MT-GLAZE 47K JA 1/16W
R1035 4012566311 MT-GLAZE 47K JA 1/10W
4011055410 MT-GLAZE 47K JA 1/16W
R106 4012556510 MT-GLAZE 100 JA 1/10W
4011050415 MT-GLAZE 100 JA 1/16W
R107 4012556510 MT-GLAZE 100 JA 1/10W
4011050415 MT-GLAZE 100 JA 1/16W
R109 4011623015 MT-GLAZE 22K JA 1/10W
4011052914 MT-GLAZE 22K JA 1/16W
R111 4011622414 MT-GLAZE 1.2K JA 1/10W
4011051016 MT-GLAZE 1.2K JA 1/16W
R112 4011624111 MT-GLAZE 5.6K JA 1/10W
4011056011 MT-GLAZE 5.6K JA 1/16W
R114 4011523216 MT-GLAZE 330 JA 1/10W
4011054017 MT-GLAZE 330 JA 1/16W
R115 4010272105 CARBON 56 JA 1/6W
4021037205 CARBON 56 JA 1/6W
4020943804 CARBON 56 JA 1/6W
R116 4012564119 MT-GLAZE 56 JA 1/10W
4011055816 MT-GLAZE 56 JA 1/16W
R121 4010264308 CARBON 3.3K JA 1/6W
4021086104 CARBON 3.3K JA 1/6W
4020942708 CARBON 3.3K JA 1/6W
R122 4011506219 MT-GLAZE 1K JA 1/10W
4011050514 MT-GLAZE 1K JA 1/16W
R123 4010247004 CARBON 1K JA 1/6W
4021027503 CARBON 1K JA 1/6W
4020939500 CARBON 1K JA 1/6W
R124 4012565314 MT-GLAZE 56K JA 1/10W
4011058114 MT-GLAZE 56K JA 1/16W
R125 4010257805 CARBON 2.2K JA 1/6W
4021026308 CARBON 2.2K JA 1/6W
4020941602 CARBON 2.2K JA 1/6W
R126 4012558712 MT-GLAZE 22 JA 1/10W
4011052617 MT-GLAZE 22 JA 1/16W
R1902 4012560418 MT-GLAZE 12K JA 1/10W
4011051115 MT-GLAZE 12K JA 1/16W
R1903 4011624111 MT-GLAZE 5.6K JA 1/10W
4011056011 MT-GLAZE 5.6K JA 1/16W
R1904 4012567615 MT-GLAZE 3.9K JA 1/10W
4011054611 MT-GLAZE 3.9K JA 1/16W
R1905 4011506110 MT-GLAZE 2.2K JA 1/10W
4011052815 MT-GLAZE 2.2K JA 1/16W
R1906 4011622810 MT-GLAZE 1.8K JA 1/10W
4011052013 MT-GLAZE 1.8K JA 1/16W
R1907 4012556510 MT-GLAZE 100 JA 1/10W
4011050415 MT-GLAZE 100 JA 1/16W
R1911 4011523216 MT-GLAZE 330 JA 1/10W
4011054017 MT-GLAZE 330 JA 1/16W
R1912 4011622919 MT-GLAZE 220 JA 1/10W
4011052716 MT-GLAZE 220 JA 1/16W
R1913 4011523216 MT-GLAZE 330 JA 1/10W
4011054017 MT-GLAZE 330 JA 1/16W
R1916 4011623015 MT-GLAZE 22K JA 1/10W
4011052914 MT-GLAZE 22K JA 1/16W
R201 4010682617 OXIDE-MT 47 JA 2W
R202 4010696218 OXIDE-MT 82 JA 2W
R205 4010247707 CARBON 100K JA 1/6W
4021030206 CARBON 100K JA 1/6W
4020939708 CARBON 100K JA 1/6W
R206 4011506011 MT-GLAZE 0.000 ZA 1/10W
4011057919 MT-GLAZE 0.000 ZA 1/16W
R207 4011506011 MT-GLAZE 0.000 ZA 1/10W
4011057919 MT-GLAZE 0.000 ZA 1/16W
R208 4012566311 MT-GLAZE 47K JA 1/10W
4011055410 MT-GLAZE 47K JA 1/16W
R210 4010682409 OXIDE-MT 47 JA 2W
R211 4012561712 MT-GLAZE 33K JA 1/10W
4011054215 MT-GLAZE 33K JA 1/16W
R212 4011623114 MT-GLAZE 3.3K JA 1/10W
4011054116 MT-GLAZE 3.3K JA 1/16W
R106 4012556510 MT-GLAZE 100 JA 1/10W
4011050415 MT-GLAZE 100 JA 1/16W
R107 4012556510 MT-GLAZE 100 JA 1/10W
4011050415 MT-GLAZE 100 JA 1/16W
R109 4011623015 MT-GLAZE 22K JA 1/10W
4011052914 MT-GLAZE 22K JA 1/16W
R111 4011622414 MT-GLAZE 1.2K JA 1/10W
4011051016 MT-GLAZE 1.2K JA 1/16W
R112 4011624111 MT-GLAZE 5.6K JA 1/10W
4011056011 MT-GLAZE 5.6K JA 1/16W
R114 4011523216 MT-GLAZE 330 JA 1/10W
4011054017 MT-GLAZE 330 JA 1/16W
Ref. No. Part No. Description Ref. No. Part No. Description
P List-BE5V(AUS) 4/26/08 1:57 PM Page 26

R115 4010272105 CARBON 56 JA 1/6W
4021037205 CARBON 56 JA 1/6W
4020943804 CARBON 56 JA 1/6W
R116 4012564119 MT-GLAZE 56 JA 1/10W
4011055816 MT-GLAZE 56 JA 1/16W
R121 4010264308 CARBON 3.3K JA 1/6W
4021086104 CARBON 3.3K JA 1/6W
4020942708 CARBON 3.3K JA 1/6W
R122 4011506219 MT-GLAZE 1K JA 1/10W
4011050514 MT-GLAZE 1K JA 1/16W
R123 4010247004 CARBON 1K JA 1/6W
4021027503 CARBON 1K JA 1/6W
4020939500 CARBON 1K JA 1/6W
R124 4012565314 MT-GLAZE 56K JA 1/10W
4011058114 MT-GLAZE 56K JA 1/16W
R125 4010257805 CARBON 2.2K JA 1/6W
4021026308 CARBON 2.2K JA 1/6W
4020941602 CARBON 2.2K JA 1/6W
R126 4012558712 MT-GLAZE 22 JA 1/10W
4011052617 MT-GLAZE 22 JA 1/16W
R1902 4012560418 MT-GLAZE 12K JA 1/10W
4011051115 MT-GLAZE 12K JA 1/16W
R1903 4011624111 MT-GLAZE 5.6K JA 1/10W
4011056011 MT-GLAZE 5.6K JA 1/16W
R1904 4012567615 MT-GLAZE 3.9K JA 1/10W
4011054611 MT-GLAZE 3.9K JA 1/16W
R1905 4011506110 MT-GLAZE 2.2K JA 1/10W
4011052815 MT-GLAZE 2.2K JA 1/16W
R1906 4011622810 MT-GLAZE 1.8K JA 1/10W
4011052013 MT-GLAZE 1.8K JA 1/16W
R1907 4012556510 MT-GLAZE 100 JA 1/10W
4011050415 MT-GLAZE 100 JA 1/16W
R1911 4011523216 MT-GLAZE 330 JA 1/10W
4011054017 MT-GLAZE 330 JA 1/16W
R1912 4011622919 MT-GLAZE 220 JA 1/10W
4011052716 MT-GLAZE 220 JA 1/16W
R1913 4011523216 MT-GLAZE 330 JA 1/10W
4011054017 MT-GLAZE 330 JA 1/16W
R1916 4011623015 MT-GLAZE 22K JA 1/10W
4011052914 MT-GLAZE 22K JA 1/16W
R201 4010682617 OXIDE-MT 47 JA 2W
R202 4010696218 OXIDE-MT 82 JA 2W
R205 4010247707 CARBON 100K JA 1/6W
4021030206 CARBON 100K JA 1/6W
4020939708 CARBON 100K JA 1/6W
R206 4011506011 MT-GLAZE 0.000 ZA 1/10W
4011057919 MT-GLAZE 0.000 ZA 1/16W
R207 4011506011 MT-GLAZE 0.000 ZA 1/10W
4011057919 MT-GLAZE 0.000 ZA 1/16W
R208 4012566311 MT-GLAZE 47K JA 1/10W
4011055410 MT-GLAZE 47K JA 1/16W
R210 4010682409 OXIDE-MT 47 JA 2W
R211 4012561712 MT-GLAZE 33K JA 1/10W
4011054215 MT-GLAZE 33K JA 1/16W
R212 4011623114 MT-GLAZE 3.3K JA 1/10W
4011054116 MT-GLAZE 3.3K JA 1/16W
R445 4010692606 OXIDE-MT 680 JA 2W
R471 4012566618 MT-GLAZE 68K JA 1/10W
4011058213 MT-GLAZE 68K JA 1/16W
R472 4012560111 MT-GLAZE 8.2K JA 1/10W
4011057414 MT-GLAZE 8.2K JA 1/16W
R473 4010258634 CARBON 220K GA 1/6W
4010258703 CARBON 220K JA 1/6W
4021170209 CARBON 220K JA 1/6W
4021170100 CARBON 220K JA 1/6W
R474 4011505915 MT-GLAZE 10K JA 1/10W
4011050613 MT-GLAZE 10K JA 1/16W
R481 4010662906 OXIDE-MT 2.2 JA 2W
R501 4010648603 OXIDE-MT 1K JA 2W
R502 4012565314 MT-GLAZE 56K JA 1/10W
4011058114 MT-GLAZE 56K JA 1/16W
R514 4010264219 CARBON 3.3K GA 1/6W
4010264308 CARBON 3.3K JA 1/6W
4021086104 CARBON 3.3K JA 1/6W
4020942708 CARBON 3.3K JA 1/6W
R515 4010278503 CARBON 8.2K GA 1/6W
4010278602 CARBON 8.2K JA 1/6W
4021037403 CARBON 8.2K JA 1/6W
4020945303 CARBON 8.2K JA 1/6W
R516 4010247400 CARBON 10K JA 1/6W
4021031500 CARBON 10K JA 1/6W
4020939609 CARBON 10K JA 1/6W
R518 4010645206 OXIDE-MT 1.5 JA 2W
R522 4010257409 CARBON 220 JA 1/6W
4021025608 CARBON 220 JA 1/6W
4020941503 CARBON 220 JA 1/6W
R523 4010200752 CARBON 470 JA 1/4W
4010200801 CARBON 470 JA 1/4W
4021205901 CARBON 470 JA 1/4W
4021205307 CARBON 470 JA 1/4W
4020842107 CARBON 470 JA 1/4W
R525 4010660308 OXIDE-MT 180 JA 2W
R601 4010088607 CARBON 220K JA 1/2W
4021025103 CARBON 220K JA 1/2W
4020924100 CARBON 220K JA 1/2W
R602 4021118201 WIRE WOUND 1.8 KA 5W
4020998309 WIRE WOUND 1.8 KA 5W
R603 4010645206 OXIDE-MT 1.5 JA 2W
R604 4010645206 OXIDE-MT 1.5 JA 2W
R605 4010246938 CARBON 1K GA 1/6W
4010247004 CARBON 1K JA 1/6W
4021027503 CARBON 1K JA 1/6W
4020939500 CARBON 1K JA 1/6W
R607 4010246403 CARBON 10 JA 1/6W
4021033108 CARBON 10 JA 1/6W
4021021006 CARBON 10 JA 1/6W
R609 4010246700 CARBON 100 JA 1/6W
4021032101 CARBON 100 JA 1/6W
4020939401 CARBON 100 JA 1/6W
R610 4010247004 CARBON 1K JA 1/6W
4021027503 CARBON 1K JA 1/6W
4020939500 CARBON 1K JA 1/6W
R611 4010249305 CARBON 1.2K JA 1/6W
4021121003 CARBON 1.2K JA 1/6W
4020940001 CARBON 1.2K JA 1/6W
R613 4010088607 CARBON 220K JA 1/2W
4021025103 CARBON 220K JA 1/2W
4020924100 CARBON 220K JA 1/2W
R614 4010088607 CARBON 220K JA 1/2W
4021025103 CARBON 220K JA 1/2W
4020924100 CARBON 220K JA 1/2W
R631 4020008305 SOLID 5.6M KA 1/2W
4021103801 SOLID 5.6M KA 1/2W
4020975706 CARBON 5.6M KA 1/2W
R632 4020008305 SOLID 5.6M KA 1/2W
4021103801 SOLID 5.6M KA 1/2W
4020975706 CARBON 5.6M KA 1/2W
R635 4010075805 CARBON 120K JA 1/2W
4021086807 CARBON 120K JA 1/2W
4020923103 CARBON 120K JA 1/2W
R636 4011624111 MT-GLAZE 5.6K JA 1/10W
4011056011 MT-GLAZE 5.6K JA 1/16W
R639 4010269808 CARBON 4.7K GA 1/6W
4010269907 CARBON 4.7K JA 1/6W
!
!
-27-
BE5V/BE5W
Ref. No. Part No. Description Ref. No. Part No. Description
P List-BE5V(AUS) 4/26/08 1:57 PM Page 27

-28-
BE5V/BE5W
4021205703 CARBON 4.7K JA 1/6W
4020943606 CARBON 4.7K JA 1/6W
4020849304 CARBON 4.7K JA 1/6W
R642 4011505816 MT-GLAZE 100K JA 1/10W
4011050712 MT-GLAZE 100K JA 1/16W
R643 4010690305 OXIDE-MT 6.8 JA 2W
R644 4011007716 OXIDE-MT 0.22 JA 2W
R645 4010251902 CARBON 15K JA 1/6W
4021040007 CARBON 15K JA 1/6W
4020940605 CARBON 15K JA 1/6W
R668 4010643707 OXIDE-MT 1 JA 2W
R685 4010146050 CARBON 150K JA 1/4W
4010146109 CARBON 150K JA 1/4W
4021117402 CARBON 150K JA 1/4
4021109605 CARBON 150K JA 1/4W
R686 4010126953 CARBON 10K JA 1/4W
4010127009 CARBON 10K JA 1/4W
4021027701 CARBON 10K JA 1/4W
4020935700 CARBON 10K JA 1/4W
R687 4010191852 CARBON 3.9K JA 1/4W
4010191901 CARBON 3.9K JA 1/4W
4021085800 CARBON 3.9K JA 1/6W
4020943101 CARBON 3.9K JA 1/6W
R688 4011623015 MT-GLAZE 22K JA 1/10W
4011052914 MT-GLAZE 22K JA 1/16W
R690 4010269808 CARBON 4.7K GA 1/6W
4010269907 CARBON 4.7K JA 1/6W
4021205703 CARBON 4.7K JA 1/6W
4020943606 CARBON 4.7K JA 1/6W
4020849304 CARBON 4.7K JA 1/6W
R801 4011505915 MT-GLAZE 10K JA 1/10W
4011050613 MT-GLAZE 10K JA 1/16W
R802 4011506110 MT-GLAZE 2.2K JA 1/10W
4011052815 MT-GLAZE 2.2K JA 1/16W
R805 4010247004 CARBON 1K JA 1/6W
4021027503 CARBON 1K JA 1/6W
4020939500 CARBON 1K JA 1/6W
R806 4011505915 MT-GLAZE 10K JA 1/10W
4011050613 MT-GLAZE 10K JA 1/16W
R809 4010269600 CARBON 470 JA 1/6W
4021027909 CARBON 470 JA 1/6W
4020943507 CARBON 470 JA 1/6W
R813 4010246700 CARBON 100 JA 1/6W
4021032101 CARBON 100 JA 1/6W
4020939401 CARBON 100 JA 1/6W
R814 4010246700 CARBON 100 JA 1/6W
4021032101 CARBON 100 JA 1/6W
4020939401 CARBON 100 JA 1/6W
R815 4012567318 MT-GLAZE 6.8K JA 1/10W
4011056615 MT-GLAZE 6.8K JA 1/16W
R816 4012567318 MT-GLAZE 6.8K JA 1/10W
4011056615 MT-GLAZE 6.8K JA 1/16W
R817 4010246700 CARBON 100 JA 1/6W
4021032101 CARBON 100 JA 1/6W
4020939401 CARBON 100 JA 1/6W
R818 4010246700 CARBON 100 JA 1/6W
4021032101 CARBON 100 JA 1/6W
4020939401 CARBON 100 JA 1/6W
R820 4010257102 CARBON 22 JA 1/6W
4020941404 CARBON 22 JA 1/6W
R821 4010257102 CARBON 22 JA 1/6W
4020941404 CARBON 22 JA 1/6W
R822 4012558712 MT-GLAZE 22 JA 1/10W
4011052617 MT-GLAZE 22 JA 1/16W
R823 4012556510 MT-GLAZE 100 JA 1/10W
4011050415 MT-GLAZE 100 JA 1/16W
R824 4012556510 MT-GLAZE 100 JA 1/10W
4011050415 MT-GLAZE 100 JA 1/16W
R825 4011623015 MT-GLAZE 22K JA 1/10W
4011052914 MT-GLAZE 22K JA 1/16W
R827 4011506219 MT-GLAZE 1K JA 1/10W
4011050514 MT-GLAZE 1K JA 1/16W
R828 4011506219 MT-GLAZE 1K JA 1/10W
4011050514 MT-GLAZE 1K JA 1/16W
R829 4010103102 CARBON 470 JA 1/2W
4021205505 CARBON 470 JA 1/2W
4021205604 CARBON 470 JA 1/2W
R831 4010588008 OXIDE-MT 120 JA 1W
R832 4010103102 CARBON 470 JA 1/2W
4021205505 CARBON 470 JA 1/2W
4021205604 CARBON 470 JA 1/2W
R833 4010247707 CARBON 100K JA 1/6W
4021030206 CARBON 100K JA 1/6W
4020939708 CARBON 100K JA 1/6W
R834 4011505915 MT-GLAZE 10K JA 1/10W
4011050613 MT-GLAZE 10K JA 1/16W
R835 4011505915 MT-GLAZE 10K JA 1/10W
4011050613 MT-GLAZE 10K JA 1/16W
R838 4012556510 MT-GLAZE 100 JA 1/10W
4011050415 MT-GLAZE 100 JA 1/16W
R839 4012556510 MT-GLAZE 100 JA 1/10W
4011050415 MT-GLAZE 100 JA 1/16W
R840 4012558712 MT-GLAZE 22 JA 1/10W
4011052617 MT-GLAZE 22 JA 1/16W
R842 4012556510 MT-GLAZE 100 JA 1/10W
4011050415 MT-GLAZE 100 JA 1/16W
R843 4011505915 MT-GLAZE 10K JA 1/10W
4011050613 MT-GLAZE 10K JA 1/16W
R846 4012559511 MT-GLAZE 220K JA 1/10W
4011053010 MT-GLAZE 220K JA 1/16W
R886 4011623015 MT-GLAZE 22K JA 1/10W
4011052914 MT-GLAZE 22K JA 1/16W
R889 4012566618 MT-GLAZE 68K JA 1/10W
4011058213 MT-GLAZE 68K JA 1/16W
VARIABLE RESISTOR
VR631 6450065514 VR,SEMI,2.2K N
6450035579 VR,SEMI,2.2K N
6450952586 VR,SEMI,2.2K N
COIL
L1901 6450062490 INDUCTOR,1U K
L431 6520010468 CORE,PIPE
L432 6520010468 CORE,PIPE
L601A 6450938979 LINE FILTER
L602 6100785953 PIPE CORE
L602 6520010130 CORE,PIPE
L633 6100785953 PIPE CORE
6520010130 CORE,PIPE
L634 6100785953 PIPE CORE
6520010130 CORE,PIPE
L635 6100785953 PIPE CORE
6520010130 CORE,PIPE
L636 6100785953 PIPE CORE
6520010130 CORE,PIPE
L801 6450082894 INDUCTOR,5.6U K
L803 6450257797 INDUCTOR,120 OHM
6520016996 INDUCTOR , 120 OHM
L804 6450257797 INDUCTOR,120 OHM
6520016996 INDUCTOR , 120 OHM
TRANSFORMER
T431 6450833847 TRANS,DRIVE
6520011144 TRANS,DRIVE
!
Ref. No. Part No. Description Ref. No. Part No. Description
P List-BE5V(AUS) 4/26/08 1:57 PM Page 28

T471 6520018297 TRANS,FLYBACK
6520023079 TRANS,FLYBACK
T611A 6450938214 TRANS,POWER,PULSE
VARIABLE RESISTOR
VR631 6450065514 VR,SEMI,2.2K N
6450035579 VR,SEMI,2.2K N
6450952586 VR,SEMI,2.2K N
DIODE
DK201-TM 4070638606 ZENER DIODE MTZJ5.1A
4080476403 ZENER DIODE MTZJ5.1A
D001 4080082406 DIODE 1N4148
4080585600 DIODE 1SS133ST
4070124406 DIODE 1SS133
4070134306 DIODE 1S2076A
D005 4080082406 DIODE 1N4148
4080585600 DIODE 1SS133ST
4070124406 DIODE 1SS133
4070134306 DIODE 1S2076A
D1001 4072505817 ZENER DIODE KDZ10V
4072065618 ZENER DIODE UDZS-TE-1710B
D1009 4072505817 ZENER DIODE KDZ10V
4072065618 ZENER DIODE UDZS-TE-1710B
D102 4070995600 ZENER DIODE MTZJ6.8A
4070574003 ZENER DIODE RD6.8EB1
4080478506 ZENER DIODE MTZJ6.8A
D103 4071000224 ZENER DIODE MTZJ36A
4070562307 ZENER DIODE RD36EB1
4080476205 ZENER DIODE MTZJ36A
D105 4070638220 ZENER DIODE MTZJ10A
4070996122 ZENER DIODE MTZJ10B
4080472009 ZENER DIODE MTZJ10A
4080472207 ZENER DIODE MTZJ10B-52
D106 4070638220 ZENER DIODE MTZJ10A
4070996122 ZENER DIODE MTZJ10B
4080472009 ZENER DIODE MTZJ10A
4080472207 ZENER DIODE MTZJ10B-52
D122 4080627003 DIODE 1SS356WS
4071661118 DIODE 1SS356-TW11
D1902 4072128818 DIODE KDS160-RTK
4080627201 DIODE 1SS35
4071630411 DIODE 1SS352-(TPH3)
4071490817 DIODE 1SS355-TE-17
D1903 4072128818 DIODE KDS160-RTK
4080627201 DIODE 1SS35
4071630411 DIODE 1SS352-(TPH3)
4071490817 DIODE 1SS355-TE-17
D1904 4072128818 DIODE KDS160-RTK
4080627201 DIODE 1SS35
4071630411 DIODE 1SS352-(TPH3)
4071490817 DIODE 1SS355-TE-17
D1905 4072128818 DIODE KDS160-RTK
4080627201 DIODE 1SS35
4071630411 DIODE 1SS352-(TPH3)
4071490817 DIODE 1SS355-TE-17
D1910 4071166504 LED SLP-181B-51
4080512408 LED 204HD
4080626907 LED BT-202YX-31
D1910A 6103039954 HOLDER LED-C4LA
6103357706 HOLDER LED-BD6A
D201 4070638606 ZENER DIODE MTZJ5.1A
4080476403 ZENER DIODE MTZJ5.1A
D202 4080082406 DIODE 1N4148
4080585600 DIODE 1SS133ST
D202 4070124406 DIODE 1SS133
4070134306 DIODE 1S2076A
D203 4072217116 ZENER DIODE UDZS-TE-1712B
D204 4072217116 ZENER DIODE UDZS-TE-1712B
D205 4072217116 ZENER DIODE UDZS-TE-1712B
D421 4070997228 ZENER DIODE MTZJ16A
4070547027 ZENER DIODE RD16EB1
4070547215 ZENER DIODE RD16EB3
4080475307 ZENER DIODE MTZJ16A-52
D445 6101975711 CUTTING WIRE
D487 4070077405 DIODE EU1
4080457709 DIODE EU1
4080584207 DIODE EU1
D508 4072128818 DIODE KDS160-RTK
4080627201 DIODE 1SS35
4071630411 DIODE 1SS352-(TPH3)
4071490817 DIODE 1SS355-TE-17
D509 4072128818 DIODE KDS160-RTK
4080627201 DIODE 1SS35
4071630411 DIODE 1SS352-(TPH3)
4071490817 DIODE 1SS355-TE-17
D512 4070058602 DIODE ERA15-02-V1
4080456801 DIODE ERA15-02
4080658205 DIODE ERA15-02
D603 4070066300 DIODE ERC05-10BV1
4070096901 DIODE RM11C
4080457501 DIODE ERC05-10B
4080657901 DIODE RM11C
D604 4070066300 DIODE ERC05-10BV1
4070096901 DIODE RM11C
4080457501 DIODE ERC05-10B
4080657901 DIODE RM11C
D605 4070066300 DIODE ERC05-10BV1
4070096901 DIODE RM11C
4080457501 DIODE ERC05-10B
4080657901 DIODE RM11C
D606 4070066300 DIODE ERC05-10BV1
4070096901 DIODE RM11C
4080457501 DIODE ERC05-10B
4080657901 DIODE RM11C
D609 4080082406 DIODE 1N4148
4080585600 DIODE 1SS133ST
4070124406 DIODE 1SS133
4070134306 DIODE 1S2076A
D610 4072348701 PHOTO COUPLE PC123X5YFZ
4072303908 PHOTO COUPLE PC123Y52
D612 4070077405 DIODE EU1
4080457709 DIODE EU1
4080584207 DIODE EU1
D613 4070077405 DIODE EU1
4080457709 DIODE EU1
4080584207 DIODE EU1
D614 4070995422 ZENER DIODE MTZJ6.2B
4080627409 ZENER DIODE MTZJ6.2B
D631 4070098806 DIODE RU3AM
4080584405 DIODE RU3AM
4080584405 DIODE RU3AM
D632A 4071296706 DIODE RU4YX LF-L1
4080458706 DIODE RU4YX LF-L1
D633 4070077603 DIODE EU2
4080458102 DIODE EU2Z
4080658007 DIODE EU2
D634 4070098905 DIODE RU3M
4080458409 DIODE RU3M
4080658106 DIODE RU3M
D636 4070638923 ZENER DIODE MTZJ5.6C
4080477608 ZENER DIODE MTZJ5.6C
D637 4080082406 DIODE 1N4148
!
!
!
-29-
BE5V/BE5W
Ref. No. Part No. Description Ref. No. Part No. Description
P List-BE5V(AUS) 4/26/08 1:57 PM Page 29

-30-
BE5V/BE5W
4080585600 DIODE 1SS133ST
4070124406 DIODE 1SS133
4070134306 DIODE 1S2076A
D638 4080082406 DIODE 1N4148
4080585600 DIODE 1SS133ST
4070124406 DIODE 1SS133
4070134306 DIODE 1S2076A
D686 4070995521 ZENER DIODE MTZJ6.2C
4070572801 ZENER DIODE RD6.2EB3
4080478308 ZENER DIODE MTZJ6.2C-52
D801 4070639425 ZENER DIODE MTZJ8.2A
4080479404 ZENER DIODE MTZJ8.2A
D802 4080627003 DIODE 1SS356WS
4071661118 DIODE 1SS356-TW11
D803 4072217116 ZENER DIODE UDZS-TE-1712B
D805 4070638606 ZENER DIODE MTZJ5.1A
4080476403 ZENER DIODE MTZJ5.1A
D808 4072217116 ZENER DIODE UDZS-TE-1712B
D809 4072217116 ZENER DIODE UDZS-TE-1712B
D816 4072128818 DIODE KDS160-RTK
4080627201 DIODE 1SS35
4071630411 DIODE 1SS352-(TPH3)
4071490817 DIODE 1SS355-TE-17
MISCELLANEOUS
F601 4240059507 FUSE 250V 4A
4230288603 FUSE 250V 4A
F601A 6450005077 HOLDER,FUSE
6450705434 HOLDER,FUSE
6520019591 HOLDER FUSE
F601B 6450005077 HOLDER,FUSE
6450705434 HOLDER,FUSE
6520019591 HOLDER FUSE
A101 6450904059 TUNER, U/V
A1901 6450476228 UNIT,REMOCON RECEIVER
6450820465 UNIT,REMOCON RECEIVER
K1001A 6520012226 JACK,RCA-2
6520022775 JACK,RCA-2
K1002A 6520012226 JACK,RCA-2
6520022775 JACK,RCA-2
K1005A 6450401275 JACK,RCA-2
6520012202 JACK,RCA-2
6520018891 JACK,RCA-2
PS601 4080464400 THERMISTOR PTDAA1BF9R0Q20
4080652302 THERMISTOR MZ72BL-9RQ
SW1901 6450034701 SWITCH,PUSH 1P-1TX1
6450194887 SWITCH,PUSH 1P-1TX1
6520018761 SWITCH,PUSH 1P-1TX1
SW1902 6450034701 SWITCH,PUSH 1P-1TX1
6450194887 SWITCH,PUSH 1P-1TX1
6520018761 SWITCH,PUSH 1P-1TX1
SW1903 6450034701 SWITCH,PUSH 1P-1TX1
6450194887 SWITCH,PUSH 1P-1TX1
6520018761 SWITCH,PUSH 1P-1TX1
SW1904 6450034701 SWITCH,PUSH 1P-1TX1
6450194887 SWITCH,PUSH 1P-1TX1
6520018761 SWITCH,PUSH 1P-1TX1
SW1905 6450034701 SWITCH,PUSH 1P-1TX1
6450194887 SWITCH,PUSH 1P-1TX1
6520018761 SWITCH,PUSH 1P-1TX1
SW1906 6450034701 SWITCH,PUSH 1P-1TX1
6450194887 SWITCH,PUSH 1P-1TX1
6520018761 SWITCH,PUSH 1P-1TX1
SW601 6450590061 SWITCH, POWER 1P-1TX1
VA601 4071712008 VARISTOR ERZV14D471
4072620609 VARISTOR MYG3-14K385
4072471300 VARISTOR SVC471D-07ABW7
X161 4210121906 SAW F TSF6376BL
4210115202 SAW F TSF6376Y
4220068208 SAW F B39380-K7279-M100
4220053907 SAW F SF6376U
X201 6450248801 OSC,CRYSTAL 4.433619MHZ
6450251122 OSC,CRYSTAL 4.433619MHZ
6450820052 OSC,CRYSTAL 4.433619MHZ
6450975707 OSC,CRYSTAL 4.433619MHZ
6520016842 OSC,CRYSTAL 4.433619MHZ
6103415062 ASSY,PWB,CRT BD8A
1AA0B10S2670B
TRANSISTOR
Q701 4052188016 TR KTC3206-Y-AT/P
4050405600 TR 2SC2228-D
4050296901 TR 2SC2228-E
Q703 4052188016 TR KTC3206-Y-AT/P
4050405600 TR 2SC2228-D
4050296901 TR 2SC2228-E
Q705 4052188016 TR KTC3206-Y-AT/P
4050405600 TR 2SC2228-D
4050296901 TR 2SC2228-E
CAPACITOR
C703 4041045600 CERAMIC 220P K 50V
4040913207 CERAMIC 220P K 50V
4031576216 CERAMIC 220P K 50V
C705 4041045600 CERAMIC 220P K 50V
4040913207 CERAMIC 220P K 50V
4031576216 CERAMIC 220P K 50V
C707 4041045600 CERAMIC 220P K 50V
4040913207 CERAMIC 220P K 50V
4031576216 CERAMIC 220P K 50V
C708 4041078400 CERAMIC 1000P K 1K
4040846307 CERAMIC 1000P K 1K
4030766707 CERAMIC 1000P K 1K
4033128225 CERAMIC 1000P K 1K
C710 4040981701 ELECT 4.7U M 250V
4041094509 ELECT 4.7U M 250V
4041094509 ELECT 4.7U M 250V
RESISTOR
R701 4010278107 CARBON 82 JA 1/6W
4021089105 CARBON 82 JA 1/6W
4020945105 CARBON 82 JA 1/6W
R702 4011624012 MT-GLAZE 560 JA 1/10W
4011055915 MT-GLAZE 560 JA 1/16W
R704 4012559016 MT-GLAZE 82 JA 1/10W
4011057216 MT-GLAZE 82 JA 1/16W
R705 4011624012 MT-GLAZE 560 JA 1/10W
4011055915 MT-GLAZE 560 JA 1/16W
R707 4010278107 CARBON 82 JA 1/6W
4021089105 CARBON 82 JA 1/6W
4020945105 CARBON 82 JA 1/6W
R708 4011624012 MT-GLAZE 560 JA 1/10W
4011055915 MT-GLAZE 560 JA 1/16W
R711 4010589817 OXIDE-MT 12K JA 1W
4010589807 OXIDE-MT 12K JA 1W
R712 4010589817 OXIDE-MT 12K JA 1W
4010589807 OXIDE-MT 12K JA 1W
R713 4010589817 OXIDE-MT 12K JA 1W
4010589807 OXIDE-MT 12K JA 1W
R715 4010091508 CARBON 2.7K JA 1/2W
4021033207 CARBON 2.7K JA 1/2W
4020924308 CARBON 2.7K JA 1/2W
!
!
!
!
Ref. No. Part No. Description Ref. No. Part No. Description
P List-BE5V(AUS) 4/26/08 1:57 PM Page 30

R716 4010091508 CARBON 2.7K JA 1/2W
4021033207 CARBON 2.7K JA 1/2W
4020924308 CARBON 2.7K JA 1/2W
R717 4010091508 CARBON 2.7K JA 1/2W
4021033207 CARBON 2.7K JA 1/2W
4020924308 CARBON 2.7K JA 1/2W
R732 4010246403 CARBON 10 JA 1/6W
4021033108 CARBON 10 JA 1/6W
4021021006 CARBON 10 JA 1/6W
COIL
L702 6450079689 INDUCTOR,150U K
MISCELLANEOUS
K701A 6520017788 SOCKET,CRT 8P
!
-31-
BE5V/BE5W
Ref. No. Part No. Description Ref. No. Part No. Description
P List-BE5V(AUS) 4/26/08 1:57 PM Page 31

-32-
T4AL250V
F601
??? ***
1AA4B10S0440A.C8WS.MAIN
AC7A CHASSIS
1
1
K1001
C1902
JP441
C001
E
Q683
C204
C011
C205
SW1901
SW1902 SW1903 SW1904 SW1905 SW1906
X201
C212
C213
C219
C603
C604
C220
C222
C223
C224
C225
C611
C805
C806
C615
C618
C232
A101
C812
C815
C434
JP683
KE-1
KE-2
C641
C644
KG-1
KG-2 KG-3
C661
C662
C663
D603
D604
C471
D605
D606
D611
C486
C491
1
4
58
IC802
C691
D632
D634
C1001
C1004 C1005
C1006
C1009
JP501
C1012
C1207
T431
C1212
C1216
C1217
C1218
D1910A
KDY-3
KDY-4
KDY-5
KDY-6
C104
C106
1
K001
C115
C124
C125
TP-A
C126
C511
C514
C515
C517
F601A
TP-M
F601B
E
Q201
E
Q202
E
Q203
E
Q204
E
Q206
E
Q801
IC501
JP004
E
Q431
JP005
L431
L432
VA601
L633
L634
3
4
2
1
D610
C629
C628
C627
C809
JP802
JP803
JP206
C817
C645
C818
C018
C227
C228
C236
C356
R603
R604
R518
R644
K1002
K1001A
K1002A
D631
JP502
J202
JP211
C518
J1003
R424
R426
R431
R645
R115
R121
R123
R514
R515
R522
R1031
R607
X161
R125
C1201
R516
R610
J208
R643
R821
R809
R214
J1902
J1004
J1906
J222
R205
J231
JP207
JP204
JP208
J234
R817
KDY-1
JP482
R813
R814
R805
J826
J264
L111
K1005A
IC601A
R422
R423
R686
R687
R355
L1901
L801
J401
R601
R433
R631
R632
R829
R488
J602
J403
J214
J824
JP203
J1002
J1005
J1006
J210
J601
J1008
J1009
J1011
J1012
J1013
J507
J506
J1905
C101
C002
C013
KX
J294
C201
A1901
D507
C209
C610
C613
C215
C431
R832
C421
R523
C823
C824
R427
C208
C436
C438
C432
C433
J296
R820
J298
R892
J810
R833
J805
J808
J819
J811
J299
J003
J219
J027
J229
J1901
J1903
J836
J838
JP205
J101
J102
J103
JP602
J502
J505
D001
D005
D202
D609
J012
J290
J830
J822
J024
J023
J026
J014
J828
J827
J025
J228
J833
J834
J018
J013
J820
J011
J293
J205
R818
JP643
D485
D632A
J004
C524
J825
J017
J503
R635
J404
J606
T471
R614
R613
D613
R611
D637
R639
D486
J608
J610
J609
K1003
K1005
J1001
J289
D445
D1201
D512
J006
R606
R668
R525
R445
R434
R210
R210A
SW601
R685
D1910
1
15
IC001
C612
X161A
VR631
JW21
JW22
JW23
JW51
R644A
J201
J207
JP421
J306
J307
C626
IC501A
C617
C631
C632
C633
C634
L632
J823
J291
J402
L636 L635
D633
J831
R501
R831A
R831
R441
R223
R223A
R201
R103
R202
R202A
L602
D638
R609
D612
C643
R691
J1904
C521
JP644
J625
L601A
C607
L601
R602A
R602
VA602
PS601
C435A
C435
L441
Q432A
Q432
C441
C441A
R435
D201
D801
D805
D614
D421
D636
D686
D102
D103
D105 D106
R105
IC001B
IC001A
J292
J010
J005
R005
J015
J040
J807
J614
J613
J611
X161B
C637
R473
R692
E
Q471
JP481
IC601
C601
C614A
C614
C616
14
8
1
7
T611A
1
16
9
8
T611
C602
K201
JW24
JP503
KP
1
3
KQ
J409
JP601
R481
TP-B
C489
R605
R690
C441B
C601A
TP-EE1
TP-EE
TP-E1
TP-E
C602A
J007
A30C5
Q432HC
T611H13
SW601H1
R602AH1
Q432AH2
C441AH2
C607H1
T471H5
L601H3
L601AH1
C441BH2
T611H10
C607H2
T611AH9
R602H2
R435H1
T471H7
T611H7
C441H2
SW601H2
PS601H1
T611AH7
R602H1
PS601H2
L441H2
T471H1
R435H2
C435H2
L601AH4
T611H1
C435H1
R602AH2
T611AH4
Q432AH1
T611H16
C441AH1
L601AH2
Q432HE
T611H4
L441H1
T611AH1
L601AH3
Q432HB
PS601H3
T471H4
L601H2
T471H2
C441H1
VA602H2
L601H1
T611AH13
C435AH2
T471H10
L601H4
DIP
Component Locations
Main Board (Parts Side)
SM_BB3Y PWB & WAVEFORM 11/6/07 1:29 PM Page 32

-33-
Component Locations
1AA4B10S0440B
??? ***
1
5
JP741
K701
K701A
K7U
K7Y
Q701
Q703
Q705
R701
R707
R715
R716
R717
R732
E
Q701A
R743
C708
E
Q703A
E
Q705A
C751
J701
C710
JP705
J702
JP703
JP702
R711
R712
R713
L702
JW7Y
K7P
K7Q
1
3
A30C5
CRT Board (Parts Side)
SM_BB3Y PWB & WAVEFORM 11/6/07 1:29 PM Page 33

-34-
Voltages and Waveforms Charts
Note: Voltages and waveforms were measured with colour bar signal and controls adjusted for normal picture.
Main Board
Q1001
E 4.9V
C0V
B 4.2V
Q111
E 0.5V
C 4.4V
B 1.2V
Q1003
E 2.4V
C 7.6V
B 3.1V
Q431
E 0V
C 16V
B 0V
Q1002
E 4.9V
C 0V
B 3.5V
Q432
E 0V
C 342V
B 1.4V
Q511
E 0V
C 2.8V
E 0V
Q683
E 26.3V
C 26.2V
B 25.6V
Q684
E0V
C0V
B 0.6V
Q632
E0V
C 7.9V
B0V
Q631
E 6.2V
C 11.9V
B 6.8V
Q886
E0V
C0V
B 0.6V
Q202
E5V
C 7.5V
B 5.7V
1
000Vp-p Hor
iz.
4.4Vp-p
4.4Vp-p
4.4Vp-p 4.6Vp-p
0.1Vp-p 48Vp-p 20.2Vp-p 1016Vp-p
41.6Vp-p
IC201-pin44
<Sandcastle>
IC201-pin14
<H drive>
IC201-pin54
<R out> IC201-pin55
<G out> IC201-pin56
<B out>
IC201-pin30
<CVBS int.> IC501-pin9
<V out>
Q432-C
<H out>
Q432-B
<H out> IC601-pin1
<Power out>
436Vp-p
Q431-C
<H drive>
4Vp-p 1.12Vp-p
IC201-pin10
<V drive>
IC501 (VERT. OUT)
Pin-1 2.4V 226.2V 31.4V 4GND 514V 625.5V 72.4V
IC802 (MEMORY)
Pin-1 GND 2GND 3GND 4GND 55V 65V 70V 85V
IC001 (AUDIO AMP.)
Pin-1 0V 211.9V 30.7V 40V 50.7V 63.9V 70V 80V 911.5V
10 5.6V 11 0V 12 5.7V 13 0V 14 5.5V 15 0V
IC601 (POWER)
Pin-1347V~ 20V 319.3V 40V 51.3V 60.8V
Q471
E 130V
C 28V
B 130V
Q206
E 1.7V
C 11.9V
B 2.3V
Q203
E 7.9V
C 11.1V
B 8.5V
Q472
E0V
C 2.8V
B0V
Q801
E 3.4V
C 12.5V
B 4.1V
Q802
E 3.4V
C0V
B 3.2V
CRT Board
Q703
E 2.7V
C 95V
B 3.2V
Q701
E 2.8V
C 94V
B 3.2V
Q721
E 0.8V
C0V
B 0V
Q705
E 2.4V
C 95V
B 2.7V
Q701-B
<B drive> Q705-C
<G-out>
Q701-C
<B-out> Q703-C
<R-out> Q703-B
<R drive>
Q705-B
<G drive>
108Vp-p 5.2Vp-p 98Vp-p 5.6Vp-p 4.6Vp-p
114Vp-p
SM_BB3Y PWB & WAVEFORM 11/6/07 1:29 PM Page 34

-35-
SM_BB3Y PWB & WAVEFORM 11/6/07 1:29 PM Page 35

SANYO Electric Co., Ltd.
Apr. /’08 /30 CPS Printed In Indonesia
SM_14-BE5V (AC7-A)AUS 4/26/08 1:56 PM Page 22

W10B16000
W901
A10B04200
SP901
:A10B09400
A10B04200
SP902
:A10B09400
L81B03400
L901
LIST OF REPLACEABLE TRANSISTORS
AC
AB
7T200182
7T200181
2SA564A2SA10152SA933S
Q,R
R
O,Y,GR
Y,GR
Q,R
R
14TH CODE
AK
7T200221
2SA1037AK
R,S
14TH CODE
(2SA1037K CHIP TYPE)
(2SA933S TYPE)
AE
AD
7QT00202
7T200183
2SC945A 2SC1815
2SC1740S
RA,QA,PA
QA,PA
O,Y,GR
Y,GR
14TH CODE
AH
7T200220
2SC2812
2SC2412K
L6,L7
R,S
14TH CODE
(2SC1740S TYPE)
(2SC2412K CHIP TYPE)
Q,R,S
Q,R,S
2SA1235A
1E,1F,
C1E,C1F
KTA1504S
GR
LIST OF REPLACEABLE DIODE
7DD00019
7DD00192
7ED00025
7DD00021
R
AA
M
P
1S1555,1S2473,1S2076,DS442,1N4148
1S1555,1S2473,1S2076,DS442,1N4148
1SS176,1SS133,GMA01
1SS176,GMA01,1SS133
1S1553,1S2076A,1S2471,1N4148
14TH CODE
DIODE NAME
ON:H
FB
POWER SUPPLY
S/GND
VIN
D
AV1-DVD
CRCB
Y-DVD
SPEAKER OUT
AUDIO AMPLIFIER CIRCUIT
PC-BUS
TUNER
DEFLECTION
ASSY,PWB,MAIN BE5V (1AA0B10S253KA)
FRONT AV IN (AV2)
GND
HEATER
130V
R
AV1-V
L
REAR AV IN/OUT(AV1/DVD/S-VIDEO/AV-OUT)
HV
FOCUS
SCREEN
AV OUT
FRONT PANEL
V
FROM CPU
VR
L
JP004
JP005
LOC
MONO 1 SPKR
X
X
PWB,MAIN C8WS (1AA4B10S0440A)
MONO 2 SPKR
SPEAKER OPTION
(STEREO 5Wx2)
OPL/SS
OCP/BD
AV2-IN
R
(M0N0)
L
V
POS-VOL- POS+VOL+MENU
SW1901~SW1906
TV/AV
F601
4A250VTS
FFXLBB001VC-N
VCC
D
AUDIO
SIGNAL
VOUT
+B
AU ATT(L)OUT/AU ATT (MONO) OUT
AU ATT(R)OUT/AU ATT (MONO)SW OUT
MONO
AV STEREO
LOC
AV STEREO OPTION
JP1202
X
JP1201
X
R235
X
R234
MONO
X
AV STEREO
LOC
AV STEREO OPTION
AV GND
HORIZONTAL GND
FRONT AV GND
ソノKEY GND
REMOTE CONTROL GND
KEY GND
65PIN
66PIN
79PIN
NORMAL
PC MODEL
FLASH
L
OPEN
L
L
H
OPEN
H
L
L
PC MODEL:SHORT
FOR CPU FLASH
AUDIO CONTROL
1-CHIP IC RENESAS
C603 & C604
K1002A(MONO)
(MONO)
LOC.
JW61-JW52
JW1002-JW21
JW23-C227
1AA0B10S253BA
BB3G
1AA0B10S253CA
BB3C
1AA0B10S253AA
BB3K
1AA0B10S253EA
BB3D
1AA0B10S253DA
BB3T
A101
F1BEB0360 F1BEB0360 F1BEB0360 F1BEB0360 F1BEB0380
C602
X
250GM0.22XBBJ
275GM0.22VB
275GK0.22VBB
275GM0.22VDC
275MM0.22LBYL
250GM0.22XBBJ
275GM0.22VB
275GK0.22VBB
275GM0.22VDC
275MM0.22LBYL
250GM0.22XBBJ
275GM0.22VB
275GK0.22VBB
275GM0.22VDC
275MM0.22LBYL
X
C618
XXXX
400GJ0.1LBYC
400GK0.1P
400MJ0.1LBYA
C632
1000KK470LBZB
1000KK470LBYH
1000KK470NH
1000KK470LBZB
1000KK470LBYH
1000KK470NH
X
1000KK470LBZB
1000KK470LBYH
1000KK470NH
1000KK470LBZB
1000KK470LBYH
1000KK470NH
C633
1000KK470LBZB
1000KK470LBYH
1000KK470NH
1000KK470LBZB
1000KK470LBYH
1000KK470NH
X
1000KK470LBZB
1000KK470LBYH
1000KK470NH
1000KK470LBZB
1000KK470LBYH
1000KK470NH
C634
1000KK470LBZB
1000KK470LBYH
1000KK470NH
1000KK470LBZB
1000KK470LBYH
1000KK470NH
X
1000KK470LBZB
1000KK470LBYH
1000KK470NH
1000KK470LBZB
1000KK470LBYH
1000KK470NH
D122
1SS356
DDXLBB052G
X
1SS356
DDXLBB052G
1SS356
DDXLBB052G
1SS356
DDXLBB052G
D507 1Z75
XXXX
JP161
X
RGFR000ZTCANL
RGGR000ZTCANL
XXX
L601
F35B0470N
XXX
F35B0470N
L601A
X
F35B1560N F35B1560N F35B1560N
X
Q122
AH
X
AH AH AH
R123
1K
1/6DJ1KLBVA
1/6DJ1KLBXA
X
1K
1/6DJ1KLBVA
1/6DJ1KLBXA
1K
1/6DJ1KLBVA
1/6DJ1KLBXA
1K
1/6DJ1KLBVA
1/6DJ1KLBXA
R124
1/10GJ56KC
1/16GJ56KC
X
1/10GJ56KC
1/16GJ56KC
1/10GJ56KC
1/16GJ56KC
1/10GJ56KC
1/16GJ56KC
R125 2.2K
1/6DJ2.2KLBVA
1/6DJ2.2KLBXA
X
2.2K
1/6DJ2.2KLBVA
1/6DJ2.2KLBXA
2.2K
1/6DJ2.2KLBVA
1/6DJ2.2KLBXA
2.2K
1/6DJ2.2KLBVA
1/6DJ2.2KLBXA
R602
X
5WK1.8LBZAL
5WK1.8LBZCL
5WK1.8LBZAL
5WK1.8LBZCL
5WK1.8LBZAL
5WK1.8LBZCL
5WK1.8LBZAL
5WK1.8LBZCL
R602H2
X
2400010
1LG2EYA0001--
2400010
1LG2EYA0001--
2400010
1LG2EYA0001--
2400010
1LG2EYA0001--
R821
22
1/6DJ22LBXA
X
22
1/6DJ22LBXA
22
1/6DJ22LBXA
22
1/6DJ22LBXA
VA602
DHXAVB020C
XXXX
VA602H2 2400030
1LG2EYA0002--
XXXX
P.F.
8V
RF_AGC
MONITOR_R
15V
STATUS
130V
AV1_R
ROUT-
3.3VRC
5V_1
Y
R_OUT
AV2_L
B_OUT
ABL
ROUT+
G_OUT
ON/OFF
V_OUT
CB
P.F.
IN_R
LOUT+
MONITOR_V
S_MUTE
9V
ROUT+
24V
LOUT-
ON/OFF
RC
9V
24V
AV2_R
ROUT-
KEY_IN
130V
AV1_V
8V
LOUT-
130V
CR
8V
AV1_L
H_OUT
24V
IF
LOUT+
IN_L
AV2_V
MONITOR_L
SCL
FBP_IN
8V
IF
5V_1
SYSTEM_M_H
15V
5V_15V_2
AV1_V
ABL
AV2_V
8V
15V
MONITOR_V
CR
CB
Y
5V_2
FBP_IN
H_OUT
V_OUT
15V
KEY_IN
RC
ON/OFF
SYSTEM_M_H
S_MUTE
15V
B_OUT
G_OUT
R_OUT
P.F.
8V
AUDIO_L
AUDIO_R
5V_1
P.F.
SCL
AUDIO_L
AUDIO_R
AV1_L
AV1_R
AV2_L
AV2_R
8V
MONITOR_R
MONITOR_L
IN_L
IN_R
SCL
SDA
3.3VRC
RF_AGC
AV1_L
AV2_L
STB
STB
5VRC
5VRC
SHIELD_COVER
1AA2HLM0412--
D1910A
ACK
ACK
IIC_SCL
IIC_SCL
SDA
SDA
IIC_SDA
IIC_SDA
STATUS
ON/OFF
ON/OFF
H_DRV
H_DRV
3.3VRC
5V_1
130V
130V
R1901
X
X
R1219
X
C105
1/10GZ0C
C243
MTZJ5.1A
D201
:DZXLBZA5.1A
X
R117
1/10GJ22C
R840
S10B0450J
SW1905
:S10B2790J
:B4S10B0200J
S10B0450J
SW1906
:S10B2790J
:B4S10B0200J
X
C435A
1/10GJ22C
R126
X
R689
DDXLBB019
D633
X
C602A
KK0.1GQ
C211
:KK0.1LBYAG
:KK0.1VEAG
CL28
1/10GJ100KC
R1011
:1/16GJ100KC
2SB985S
Q471
X
R1027
35EM47LBVD
C805
:35EM47LBWA
MTZJ6.2B
D614
X
R250
1/10GJ2.2KC
R802
:1/16GJ2.2KC
UDZS12BG
D809
1/2DJ220K
R614
EM0.47LBVD
C115
:EM0.47LBWA
AH
Q886
X
D1006
X
R241
KK0.01GQ
C807
FJ0.1BE
C612
:FJ0.1D
:FK0.1BE
:FK0.1D
J
JP211
X
D1010
X
R247
KK0.015GQ
C214
3.3K
R514
:1/6DG3.3K
:1/6DJ3.3KLBXA
:1/6DJ3.3KLBVA
1/2DJ120K
R635
:1/2DJ120KLBXA
:1/2DJ120KLBVA
DHXAAEV0066
PS601
X
C1228
CL19
J30B0250N
KG-2
:B4J30B0040N
KK0.1LBYAG
C202
:KK0.1GQ
:KK0.1VEAG
ED0434
D001
:1S2076A
:1SS133
:DDXLBB047
275GM0.22VB
C601
:250GM0.22XBJ
:275GK0.22VBB
:275MM0.22LBYL
X
JW21
1
1/10GJ12KC
R1902
:1/16GJ12KC
X
R016
100FJ4700LBYAJ
C613
:FJ4700BE:FJ4700D
:FK4700BE:FK4700D
KK0.01GQ
C246
X
C356
X
R644A
DZXLBZA5.6C
D636
:MTZJ5.6C
EM0.47LBVD
C126
:EM0.47LBWA
35EM
1000
LBVE
C521
CL12
220
R522
:1/6DJ220LBVA
:1/6DJ220LBXA
2SJ82D
R202
CL26
V10B2960N
X201
:V10B2930N
:V10B8020J
:BAV10B0180N
:V10B9060J
1/10GJ1KC
R007
:1/16GJ1KC
X
JW23
1
X
R812
X
R638
KK0.01GQ
C114
L51B7100N
T611A
B4L51B1290N
2
5
6
7
4
1
1/10GJ
100C
R106
1/10GJ5.6KC
R636
1/10GZ0C
JP1202
1/16GZ0C
2SA1707S
Q683
:2SA1707T
:2SB985S
EM1LBVD
C1217
CJ100CGQ
C127
KK0.015GQ
C207
CL20
S10B0450J
SW1902
:S10B2790J
:B4S10B0200J
X
R831A
2SJ
1.5C
R604
D604
1/10GJ1KC
R827
:1/16GJ1KC
X
C239
X
C1204
U20B40500
A1901
:U20B98500
5
1
4
2
3
X
JP1031
EM1LBVD
C1001
1/10GJ100C
R823
X
R1220
1/10GJ1KC
R122
:1/16GJ1KC
1/10GJ6.8KC
R815
:1/16GJ6.8KC
X
KQ
1
3
MTZJ8.2A
D801
:DZXLBZA8.2A
B4Z21B0160B
L432
MTZJ5.1A
D805
:DZXLBZA5.1A
J
JP208
UDZS12BG
D808
X
D811
KK0.1GQ
C235
Q432AH2
220K
R473
:1/6DG220K
:1/6DJ220KLBXA
:1/6DJ220KLBVA
1500MH4500XK
C435
:1500MH4500AN
:1500MH4500VBA
250KM1000XN
C629
:250KM1000XN
:400KM1000LBYG
:400KK1000X
:250KK1000XH
:CKXLB2G102ZJN
X
C1004
HJ0.1G
C215
X
R487
X
R1012
UDZS12BG
D203
L26B1940G
L804
EM10LBVEJ
C223
C604
KK0.1GQ
C231
35EM47LBVD
C220
:35EM47LBWA
L2B95R6KN
L801
2SJ0.22D
R644
EM1LBVD
C232
:EM1LBWA
1/10GJ22KC
R1916
:1/16GJ22KC
1/10GJ180C
R228
CL10
Q432AH1
J
JP802
TXXGA0127521M
Q432
1/10GZ0C
R238
:1/16GZ0C
1/10GJ56KC
R502
:1/16GJ56KC
X
R1212
MTZJ36A
D103
:RD36EB1
:DZXLBZA36A
1/10GJ100KC
R1009
:1/16GJ100KC
EM10LBVD
C222
:EM10LBWA
X
R425
25EM47LBVE
C212
X
Q204
B4L40B07900
T471
:B4L40B09600
1
2
3
4
5
78
9
10
X
JP482
EM22LBVD
C106
:EM22LBWA
1/10GJ68KC
R889
:1/16GJ68KC
1.2K
R611
2SJ47C
R210
1/10GJ75C
R1016
:1/16GJ75C
X
R804
X
JP161
J
JP441
X
C661
X
R1217
CL33
1SJ120GB
R831
1SJ100GB
R223
X
C1205
X
C421
AH
Q631
CJ15CGQ
C203
:CJ15LBZBG
X
R841
1/10GJ10KC
R806
1/10GJ4.7KC
R102
100FJ0.1LBYAJ
C524
:100FK0.1(BE:D)
:100HJ0.1HJ
X
R1018
J
JP203
IC001A
1AA2HEA0238A-
12
X
R488
2SJ2.2C
R481
10
R607
1/6DJ10LBVA
2SJ47D
R201
8.2K
R515
:1/6DG8.2K
:1/6DJ8.2KLBVA
:1/6DJ8.2KLBXA
D606
CJ22CGQ
C821
X
R1221
DJ3.9K
R687
:DJ3.9KA
:1/6DJ3.9KLBXA
:1/6DJ3.9KLBVA
1/10GJ22KC
R886
:1/16GJ22KC
1AA2HEA0297A-
IC501A
12
X
D1201
CL2
X
JP1029
X
KP
X
R202A
X
R1032
B4J12B03202
K1001A
:B4J12B12100
22
R820
X
C618
X
R489
C602
X
X
C1012
X
D810
X
R1021
2SJ6.8C
R643
CE1E101MMJANN
C002
:CEXLB1E101VEJ
X
TP-M
1/10GJ22C
R1030
:1/16GJ22C
1/10GJ
2.2KC
R231
:1/16GJ
2.2KC
X
C438
1/10GJ330C
R1913
:1/16GJ330C
J
JP004
UDZS12BG
D803
1/10GJ10KC
R843
:1/16GJ10KC
X
D004
QXXAVC896M
IC201
1
AKB
2
KEY
3
SCL1
4
AC OFF
5
SDA1
6
AFT
7
IM OUT/FSC OUT
8
2.2VREG OUT
9
VRAMP OUT
10
VRAMP CAP
11
AFC1 FILTER
12
DEF VCC(5V)
13
H OUT
14
FBP IN
15
DEF GND
16
VRAMP AGC FILTER
17
SECAM PLL FILTER
18
YIN
19
CB IN
20
CR IN
21
C-APC FILTER
22
XTAL
23
CHROMA GND
24
VIDEO
LINE OUT
25
F SW
26
EW OUT
27
8.7VREG OUT
28
CVBS4 IN
29
ABCL 0N/EHT IN
30
CVBS2 IN/C-IN(YC)
31
CHR0MA VCC(5V)
32
CVBS1 IN/Y-IN(YC)
33
5.7VREG OUT
34
SECAM BELL FILTER
35
VIF GND
36
VIF APC FILTER
37
RF AGC FILTER
38
VIF IN2
39
VIF IN1
40
VIF AGC
FILTER
41
QIF IN
42
VIF VCC
43
VIF VCO F/B
44
EXT AU(L)IN
45
EXT AU(R)IN
46
AU BYPASS
47
SIF MIX F/B
48
QIF OUT
49
AU ATT(R)OUT
50
AU ATT(L)OUT
51
DIRECT OUT
52
HI VCC(8V)
53
SVM OUT
54
R OUT
55
G OUT
56
B OUT
57
VREG VCC(8.7)
58
4.0VREG OUT
59
3.3V AVDD
60
3.3V DVDD
61
AVSS
62
NICAM RESET
63
NICAM STATUS
64
RESET
65
TEST0
66
TEST1
67
XIN
68
XOUT
69
S-MUTE
70
4.5MHZ-H
71
1.5V VDD
72
P.F.
73
DVSS
74
LED/REG-CONT
75
SCL
76
SDA
77
BUS-OPEN(RXD)
78
TXD
79
SLOW-SW(UART/JTAG)
80
R/C
X
K1003
X
C663
35EM
33MJL
C615
X
R004
100
R818
X
R256
1/10GJ8.2KC
R220
B4Z21B0150B
L636
X
C1210
LA78040B-E
IC501
7
NON INV.
INPUT
1
INVERTING
INPUT
2
VCC
3
PUMP UP OUT
4
GND
5
VER.OUTPUT
6
OUT STAGE
VCC
ED0434
D609
:1S2076A
:1SS133
:DDXLBB047
63GJ0.22LBZAJ
C201
1SS356
D122
1/16GJ
220KC
R846
X
R1222
1K
R605
X
JP683
1/10GJ3.3KC
R212
:1/16GJ3.3KC
X
C013
2SJ1C
R668
X
JP643
X
R1004
X
R441
10EM470LBVE
C812
10EM470MJ
35EM47LBVD
C809
KK0.01GQ
C801
X
C1218
X
C823
X
C226
CL18
X
R252
CL25
EU1
D613
:DDXLBB017
:DDXLBB041
AH
Q511
J30B0250N
KE-1
:B4J30B0040N
X
C691
LE24C161EC
IC802
:QXXAVC360
:24LC16B/P
:QXXAVC899
1
1
GND
2
GND
3
GND
4
GND
5
SDA
6
SCL
7
GND
8
VCC
2SC28
14F4P
Q111
:KTC3879SYP
1/10GZ0C
C242
:1/16GZ0C
X
R1005
1/10GJ
82KC
R222
F1BEB0360
A101
123456
789
1011
12
13
14
15
J
JP421
X
R015
X
D206
1/2DJ220KLBVA
R601
1/10GZ0C
R234
1/10GJ3.9KC
R009
:1/16GJ3.9KC
X
K1001
MTZJ10A
D105
X
R892
J20B00100
F601A
X
R1202
1/10GJ100C
R842
EM10LBVE
C511
EM10MJL
AH
Q122
1/10GJ10KC
R215
:1/16GJ10KC
1/2DJ1K
R433
:1/2DJ1KLBVA
:1/2DJ1KLBXA
MTZJ10A
D106
5WK4.7I
R435
F35B0470N
L601
1
23
4
X
R1006
16KZ1FA
C004
:16KZ1GMF
:16KZ1LBYDG
1000KK470LBZB
C633
ZZ0122XXA
L634
X
D1202
1/10GJ100C
R838
EM1
MJL
C611
X
C1201
1/10GJ10KC
R834
J10EA043N
K001
:B4J10XC040N
1
1
2
3
4
4
KK0.01GQ
C216
DDXLBB017
D487
J30B0250N
KG-3
:B4J30B0040N
X
L601A
12
34
X
R1026
1/10GJ1KC
R828
:1/16GJ1KC
1SS356
D802
:DDXLBB052G
1/10GJ6.8KC
R816
:1/16GJ6.8KC
1AA2HEF0112--
Q432A
12
X
R602
X
IC1200
1
REFIN
2
INL1
3
INL2
4
INL3
5
RECL1
6
RECL2
7
TREL
8
BASSL1
9
BASSL2
10
PSEUDO
11
LOUT
12
GND
13 NC
14 NC 15
Cext
16
Rext
17
SDA
18
SCL
19
ROUT
20
BASSR2
21
BASSR1
22
TRER
23
RECR2
24
RECR1
25
INR3
26
INR2
27
INR1
28
VCC
DJ10KLBVA
R355
:DJ10KLBXA
:DJ10K
:DJ10KA
X
C1011
X
C824
1/10GJ56C
R116
:1/16GJ56C
EM47LBVD
C104
:EM47LBWA
1/2DJ470
R829
X
R1007
X
C006
X
JW51
1
X
TP-EE
1/10GJ18KC
R1015
:1/16GJ18KC
X
C113
X
D1205
S10B0450J
SW1904
:S10B2790J
:B4S10B0200J
250GJ
0.47
C489
X
JP1028
D603
35EM47LBVD
C219
R3D6222NJ
VR631
:R3D7222NJ
:R3FA222NJ
1
2
3
1/10GJ100C
R1907
:1/16GJ100C
X
R017
X
C236
AH
Q472
2SJ180C
R525
EM22LBVD
C1902
:EM22LBWA
1K
R123
1/10GZ0C
R207
KK220CBJ
C637
:CKXLB1H221YEJ
ED0434
D005
:1S2076A
:1SS133
:DDXLBB047
DJ10K
R686
:DJ10KA
:DJ10KLBVA
:DJ10KLBXA
1/10GZ0C
R248
1/10GJ220C
R1912
:1/16GJ220C
J
JP207
X
C518
X
C617
X
Q1001
1/10GJ
2.2KC
R233
:1/16GJ
2.2KC
4.7K
R690
X
Q002
CL22
ZZ0122XXA
L633
1/10GJ
47KC
R808
:1/16GJ
47KC
1/10GJ
10KC
R835
X
C230
X
C1221
X
L441
UDZS12BG
D204
1K
R424
S10B0450J
SW1903
:S10B2790J
:B4S10B0200J
ZZ0122
XXA
L602
AK
Q1002
X
R1213
X
C449
S10B0450J
SW1901
:S10B2790J
:B4S10B0200J
X
JP601
X
K1002
MTZJ16A
D421
:RD16EB1
:RD16EB3
:DZXLBZA16A
X
R1033
2SD400E-MP
Q201
1/10GZ0C
R246
X
C227
25EM2200LBVE
C645
KDZ10VG
D1009
:UDZS10BG
X
JP502
J30B0250N
KG-1
:B4J30B0040N
KK0.1GQ
C233
X
C240
X
D1012
X
T611
12
8
10
9
11
13
14
15
16
X
D1005
1S2076A
D638
:1SS133
:ED0434
:DDXLBB047
2.2K
R125
J
JP503
X
Q808
22
R821
25EM1000LBVE
C644
:25EM1000MJ
J20B00100
F601B
:J20B0171J
:B4J20B0010J
X
R223A
CL15
1/2CK5.6MXG
R631
:1/2DK5.6MLBWA
:1/2CK5.6MLBZA
63FK0.015
LBZBJ
C610
X
C1211
1/10GJ1KC
R1014
:1/16GJ1KC
CL24
B4J12B03202
K1002A
:B4J12B12100
X
TP-B
1/10GJ12KC
R002
1/16GJ12KC
X
C241
X
D1204
1/10GJ2.2KC
R1905
:1/16GJ2.2KC
KK0.01GQ
C111
500KK
3900CBJ
C432
1/10GJ
2.2KC
R232
:1/16GJ
2.2KC
DDXLBB024
D632A
RU4YXLF-L1
J
R105
CL32
X
C1226
EM0.47LBVD
C125
X
C1209
4.7K
R639
:1/6DG4.7K:4.7KLBZA
:1/6DJ4.7KLBVA
:1/6DJ4.7KLBXA
25EM100MJ
C662
1/10GJ
330C
R114
KK0.01GQ
C218
:KK0.01LBYAG
:KK0.01VEAG
1/10GJ22KC
R236
X
R237
X
D611
CL4
X
D1011
X
TP-E
X
JP644
1Z75
D507
1/10GJ180C
R229
KK0.01GQ
C811
:KK0.01LBYAG
:KK0.01VEAG
1/10GJ1KC
R1002
:1/16GJ1KC
CL21
QXXAVC746
IC601
17 3
4
56
35EM47LBVD
C817
MTZJ6.8A
D102
RD6.8EB1:
DZXLBZA6.8A
35EM330
LBVD
C434
:35EM330
LBWA
J
JP005
X
R249
2SD400E-MP
Q206
X
D485
X
C018
X
C228
2SJ1.5C
R518
IC601A
1AA2HEA0235A-
12
X
D682
X
R251
2SJ220C
R434
X
R485
X
C431
J
JP204
CE1V221MMJANC
C517
:CEXLB1V221VEJ
X
C441B
CJ22CGQ
C813
:CJ22LBZBG
JP602
J
25EM1000LBVEJ
C001
25EM1000MJ
X
C1223
CL27
L2B91R0KN
L1901
X
D486
X
L632
KK0.1GQ
C605
:25KK0.1GQ
:25KZ0.1GQF
:KZ0.1GQF
:25KK0.1LBYAG
:25KK0.1VEAG
X
R118
1/10GJ5.6KC
R112
:1/16GJ5.6KC
CL16
X
C1213
X
R675
X
C1224
J
D445
X
R001
1SS355
D1904
1/10
GJ
22KC
R109
1/10GJ3.3KC
R003
:1/16GJ3.3KC
J
JP205
EU1
D612
:DDXLBB017
:DDXLBB041
X
R1201
X
X161A
1234
1S2076A
D202
100
R814
CL3
470
R809
X
D1004
CL14
1SS355
D1903
1/2DJ220K
R613
1/10GJ1.2KC
R111
:1/16GJ1.2KC
X
C601A
X
C614
J
R214
X
C1010
56
R115
:1/6DJ56LBVA
:1/6DJ56LBXA
250KK1000XH
C628
:250KM1000XN
:400KM1000LBYG
:400KK1000X
:CKXLB2G102ZJN
X
C108
X
R210A
J30B0250N
KE-2
:B4J30B
0040N
DLXLBB024
D1910
:DLXLBB010
:SLP-181B51
R
W
Y
X
K1005
1
2
3
5
6
4
ZZ0122XXA
L635
1K
R805
3.3K
R121
:1/6DJ3.3KLBXA
:1/6DJ3.3KLBVA
1/10GJ220C
R1025
:1/16GJ220C
X
C109
KK0.01GQ
C802
:KK0.01LBYAG
:KK0.01VEAG
X
C626
1SJ39KGB
R103
X
C1202
EM1LBVD
C124
2000KK
470NH
C616
22K
R005
1K
R610
X
R006
J
JP206
1/10GJ100KC
R642
:1/16GJ100KC
1/10GJ10KC
R216
CL17
1/10GJ
120KC
R217
KK0.01GQ
C112
35EM47LBVD
C818
X
C229
KK3900GQ
C003
:KK3900LBYAG
:KK3900VEAG
1/10GZ0C
R206
KK2200GQ
C234
35EM47
LBVD
C806
X
C1208
HJ0.1G
C208
1/10GZ0C
R008
:1/16GZ0C
X
C635
CL13
ERC05-10B
:RM11C
:DDXLBB016
:DDXLBB039
D605
KK0.01GQ
C804
KK0.01GQ
C814
:KK0.01LBYAG
:KK0.01VEAG
EM10LBVD
C224
:EM10LBWA
X
C614A
1/10GJ
4.7KC
R219
J10EA053N
KX
:B4J10XC050N
1
2
3
4
5
35EM1000LBVE
C643
400
EM100
LBUB
C607
63GJ0.22LBZAJ
C209
EM4.7LBVD
C1207
:EM4.7LBWA
EM1LBVD
C205
:EM1LBWA
CL9
1SS355
D508
100
R813
500KK
3900
CBJ
C433
KK0.1GQ
C206
:KK0.1LBYAG
:KK0.1VEAG
EM10LBVD
C225
DJ470
R523
:DJ470LBVA
:DJ470LBXA
:DJ470LBZA
DHXAVB020C
VA602
1/10GJ5.6KC
R1903
:1/16GJ5.6KC
1/10GJ22KC
R688
:1/16GJ22KC
KK0.01GQ
C816
:KK0.01LBYAG
:KK0.01VEAG
X
D804
KDZ10VG
D1001
:UDZS10BG
10EM470LBVD
C1006
:10EM470LBWA
10KK1GQ
C237
10KM1LZB
CL11
1/10GZ0C
R239
X
X161B
12345
X
C1225
DJ100K
R423
:DJ100KLBXA
:DJ100KLBVA
2000KK
330NH
C436
X
R1013
RU3AM
D631
:DDXLBB044
1/10GJ1KC
R1029
:1/16GJ1KC
X
D1203
1/10GJ56KC
R124
1SS355
D816
:DDXLBB053G
:KDS160G
:1S352G
KK0.01GQ
C808
:KK0.01LBYAG
:KK0.01VEAG
X
K201
1
2SC3332S
Q431
:2SC3332R
1000KK470LBZB
C634
X
R014
35EM47LBVD
C815
:35EM47LBWA
X
Q433
SF6376Y
X161
:SF6376BL
:WFXLBB003
12345
CL1
X
C486
1/10GJ75C
R1010
:1/16GJ75C
1/10GJ10KC
R801
:1/16GJ10KC
AH
Q684
B4J12B02801
K1005A
:B4J12B10700
:J12B2691N
AH
Q1901
X
TP-E1
AH
Q632
1/10GJ68KC
R471
:1/16GJ68KC
DJ150K
R685
:DJ150KLBXA
:DJ150KLBVA
1SS355
D1905
EM0.47LBVD
C213
250KK1000XH
C627
:250KM1000XN
:400KM1000LBYG
:400KK1000X
:CKXLB2G102ZJN
B4L18
B0070N
T431
:L18B0680N
1
1/10GJ100C
R218
X
R1020
X
C636
DDXLBB021
D634
:RU3M
:DDXLBB043
CJ22CGQ
C820
1000KK1000LBYH
C631
X
L111
X
JW22
1
10KK1GQ
C238
10KM1LZB
1/2CK5.6MXG
R632
:1/2DK5.6MLBWA
:1/2CK5.6MLBZA
X
TP-EE1
1/10GZ0C
R101
:1/16GZ0C
ERA15-02
D512
:DDXLBB012
:DDXLBB040
EM1LBVD
C1009
:EM1LBWA
X
TP-A
X
C1206
250MJ0.24AP
C441
:250MJ0.24AU
KK0.01GQ
C221
:KK0.01LBYAG
:KK0.01VEAG
L26B1940G
L803
12
2SD400E-MP
Q202
X
R637
1/10GJ3.9KC
R1904
:1/16GJ3.9KC
25EM1000LBVE
C515
:25EM1000MJ
ED0434
D637
:1S2076A:1SS133
:DDXLBB047
DG56K
R422
:DJ56KLBXA
:DJ56KLBVA
1/10GJ10KC
R474
:1/16GJ10KC
X
R427
1000KK1000LBZB
C603
:1000KK1000HB
:1000KK1000LBYH
J
JP803
1/10GZ0C
JP1201
1/16GZ0C
56
R1031
:1/6DJ56LBVA
:1/6DJ56LBXA
1/10GJ18KC
R1003
:1/16GJ18KC
1/10GJ1KC
R421
:1/16GJ1KC
CE1H100MMJALC
C011
LA42105-E
IC001
1
2
Ripple Fiter
3
L_IN
4
PRE GND
5
R_IN
6
STBY
7
MUTE
8
9
Vcc
10
R_OUT+
11
PWR GND
12
R_OUT-
13
L_OUT-
14
L_OUT+
15
X
R108
15K
R645
:1/6DJ15KLBVA
:1/6DJ15KLBXA
J
JP501
10K
R426
10K
R516
160EM220XJ
C641
1000KK470LBZB
C632
:1000KK470LBYH
:1000KK470NH
2SD400E-MP
Q203
X
R692
X
R819
1/10GJ33KC
R211
:1/16GJ33KC
EM10LBVE
C514
:EM10MJL
1/10GJ3.9KC
R221
2SJ1.5C
R603
X
JP111
X
C491
1/10GJ180C
R227
X
R606
1/10GJ47KC
R208
1/10GJ22C
R822
X
R431
1/10GJ680C
R1008
:1/16GJ680C
X
R127
X
C1212
1/10GJ
100C
R107
1/10GJ330C
R1911
:1/16GJ330C
B4Z21B0160B
L431
2SJ680C
R445
X
R253
1SS355
D1902
1/10GZ0C
R235
X
C005
CJ22CGQ
C810
:CJ22LBZBG
EM10LBVD
C1005
:EM10LBWA
X
R1218
UDZS12BG
D205
AK
Q802
X
R602A
1SS355
D509
X
R893
X
R254
X
R240
100K
R205
100
R609
:1/6DJ100LBVA
:1/6DJ100LBXA
X
R432
J
R691
X
C1222
100PM2.2X
C471
:100PM2.2LBYAJ
:100PM2.2LBZAJ
AH
Q1003
X
JW24
1
X
C1216
ERZV14D471
VA601
:SVC471D07A
:MYG314K385
2
X
R674
1/10GJ47KC
R1034
2SJ1KC
R501
35EM47LBVD
C204
:35EM47LBWA
KK0.01GQ
C819
:KK0.01LBYAG
:KK0.01VEAG
100
R817
1/10GJ8.2KC
R472
:1/16GJ8.2KC
1/10GJ100C
R824
RD6.2EB3
D686
:MTZJ6.2C
:DZXLBZA6.2C
1/10GJ75C
R1001
:1/16GJ75C
1/10GJ22KC
R825
:1/16GJ22KC
1/10GJ1.8KC
R1906
:1/16GJ1.8KC
1/10GJ1KC
R1028
:1/16GJ1KC
X
D632
1/10GJ47KC
R1035
X
R1216
CL23
KK1000
LBYAG
C803
X
R486
6.3EM470LBVD
C101
2SD400E-MP
Q801
1/10GJ10KC
R224
1/2DJ470
R832
:1/2DJ470LBVA
:1/2DJ470LBXA
:1/2DJ470LBZA
X
C448
1/10GJ100C
R839
CJ100CGQ
C525
:CJ100VBG
:CJ100LBZBG
PC123Y52
D610
:PC123X5YFZ
1
23
4
S10B6230N
SW601
2
1
X
R490
X
R491
X
JP481
1/16DJ100KLBVA
R833
1/10GZ0C
JP833-TM
DZXLBZA5.1A
DK201-TM
1/6DG1K
J291
:1/6DJ1KLBVA
:1/6DJ1KLBXA
:1K
X
JW61
X
JW25
X
JW26
X
JW1001
8MKK010AA
JW1002
8MKK010UU
X
JW41
X
JW52
X
J803
G
130 V
R-OUT
8V
G-OUT
PWB CRT C8WS(1AA4B10S0440B)
ASSY,PWB,CRT BD8A (1AA0B10S2670B)
B-OUT
SOCKET
FBT
R
GND
HEATER
B
X
D754
X
D752
X
D753
2SC2228D
Q705
:2SC2228E
:KTC3206YC
82
R701
:1/6DJ82LBXA
:1/6DJ82LBVA
Q701
:2SC2228E
:KTC3206YC
2SC2228D
X
R751
J30B0250N
K7U
B4J30B0040N
X
C701
X
D751
82
R707
1/6DJ82LBXA:
1/6DJ82LBVA
X
R753
J
JP705
J30B0250N
K7Y
B4J30B0040N
X
R752
X
Q751
X
C751
X
Q705A
X
Q703A
X
Q701A
1/10GJ82C
R704
:1/16GJ82C
X
JP741
1/2DJ2.7KLBVA
R716
:1/2DJ2.7KLBXA
:1/2DJ2.7K
1/2DJ2.7KLBVA
R717
:1/2DJ2.7KLBXA
:1/2DJ2.7K
1/2DJ2.7KLBVA
R715
:1/2DJ2.7KLBXA
:1/2DJ2.7K
12K
R743
10
R732
:1/6DJ10LBVA
GAP
GAP
GAP
GAP
GAP
GAP
GAP
HV WIRE
X
K701
2
5
7
10
9
12
4
8
6
11
GND.
GAP
GAP
GAP
GAP
GAP
HV WIRE
B4J11B0360N
K701A
10
5
7
3
9
4
8
6
1SS355
D742
1SS355
D741
X
K7Q
1
1
2
3
3
X
JP701
X
JP704
250EM4.7LBUC
C710
:250EM4.7LBVD
1/10GJ470C
R724
:1/16GJ470C
AK
Q721
2
2SC2228D
Q703
:2SC2228E
:KTC3206YC
J
JP702
J
JP703
1/10GJ180C
R723
:1/16GJ180C
2SJ12KC
R711
2SJ12KC
R713
2SJ12KC
R712
CL1
CL2
CL3
CL4
CL5
X
R754
X
R755
1/10GJ470C
R705
1/16GJ470C
1/10GJ470C
R702
:1/16GJ470C
1/10GJ470C
R708
1/16GJ470C
X
JW7Y
1
KK220GQ
C705
KK220GQ
C703
KK220GQ
C707
L2C1151KN
L702
X
K7P
5
2000KK1000LBZB
C708
:2000KZ1000CBMC
:2000KZ1000HE
:2000KK1000LBYH
MODEL
013
MAIN UNIT
CRT UNIT
BB3G
BB3C
013BB3G
1AA0B10S253BA
013BB3C
DIFFERENCES PARTS LIST :
BB3K
BB3T
013C8TS
013BB3T
LOC.
013BB3G 013C8TF
W901
W10B1600
N / A
1AA0B10S253CA
1AA0B10S253AA
1AA0B10S253DA
1AA0B10S253EA
BB3D
013C8TS
013BB3C 013C8TS 013BB3T
N / A
W10B1600
W10B19700
N / A
W10B15500
W10B03901
W10B15500
W10B03901
1AA0B10S2530B
1AA0B10S2530B
1AA0B10S2530B
1AA0B10S2530B
1AA0B10S2530B
1AA0B10S2530B
C8TF
013C8TF
1AA0B10S253BA
1AA0B10S2530B
BB3KA
013C8TS
1AA0B10S253AA
1AA0B10S2530B
BB3F
013BB3G
1AA0B10S253BA
Q901
BXXAVA034SDH-
BE5A
BE5B
BE5D
013BB3G
013BB3C
013C8TS
1AA0B10S253BA
1AA0B10S253CA
1AA0B10S253EA
1AA0B10S2530B
1AA0B10S2530B
1AA0B10S2530B
COLOUR TELEVISION
CHASSIS
SERIES
SERVICE
REF. NO.
AA
AACC
CC77
77--
--AA
AA
PRODUCT SAFETY NOTICE:
Product safety should be considered when a
component replacement is made in any area
of a receiver.
Components indicated by a mark in this
circuit diagram show components whose
values have special significance to product
safety. It is particularly recommended that only
parts specified on the part service manual be
used for components replacement pointed out
by the mark.
CIRCUIT DIAGRAM NOTICE:
1. All resistance value are in ohms, K=1,000, M=1,000,000.
2. All resistance rated wattages are 1/6W unless otherwise noted.
3. Excepting electrolytic capacitors, all capacitance values of less than 1
are expressed in µ F and more than 1 are pF.
4. All capacitance rated voltages are 50V unless otherwise noted.
5. All inductance values are in µ H.
6. Voltage readings take with a "VTVM" are from point indicated chassis
ground. Voltage readings taken by using PAL colour bar signal are
with all controls at normal position. Some voltage may vary with signal
strength.
7. Waveform were taken with PAL colour bar and controls adjusted for
normal picture. Waveforms were taken by using a wide band oscillo-
scope and a low capacity probe.
8. This circuit diagram covers a basic or representative chassis only.
There
may be some components or partial circuit differences between the
actual chassis and the circuit diagram.
9. Parts specified with "X" are not installed in this model.
10. Parts specified with "J" are just jumper wires.
THE SERVICE PRECAUTION:
The area enclosed by this line( ) is directly connected with AC mains voltage.
When servicing the area, connect an isolating transformer between TV receiver and AC
line to eliminate hazard of electric shock.
11. Expression of capacitance and resistance in circuit diagrme.
BE5V/BE5W
TRANSISTOR, DIODE AND INTEGRATED CIRCUIT TERMINAL GUIDE
C: COLLECTOR
B: BASE
E: EMITTER
A: ANODE
K: KATHODE
B
B
C
C
E
E
CE
BCE
B
B
C
E
AK
K
A
A
K
FUSIBLE
RESISTOR
PARTICULAR
PARTS SYMBOL
1
1
1
N/2
N/2 + 1
N
NON POLE
ELECTRIC
CAPACITOR
POSISTER
C
E
B
CHIP
COMPONENTS
K
A
TRANSISTOR
DIODE
123
RESISTOR
12 X 103=12K
Capacitance (Example)
1000 CM 2000 D
Characteristic
Capacitance value (220pF)
Allowable error (±20%)
Kind (Ceramic)
Rated voltage (1,000V)
J= ± 5%
K= ±10%
M= ±20%
Resistance (Example)
1/2 NJ 1.2
Resistance value (1.2Ω)
Allowable error (±5%)
Kind (M.carbon)
Rated wattage (1/2W)
D: Carbon
N: Metalized carbon
S: Oxied metalized
W: Wire wounding
C: Solid
T, A, U, D:
Electrolytic
C, K, B: Ceramic
F: Mylar film
M, N: Polypropylene
Z: Metalized paper
CP14SE1K-00
CP14SE1K-50
Schematic Dia 14-BE5V(Aus) 4/26/08 2:08 PM Page 1