035 16328 002 C 0902 DGPH077ABTA Dgaainstructions
User Manual: DGPH077ABTA
Open the PDF directly: View PDF
.
Page Count: 28

CAUTION: READ ALL SAFETY GUIDES BEFORE
YOU START TO INSTALL YOUR UNIT.
SAVE THIS MANUAL
For Installation In:
1. Manufactured (Mobile) Homes
2. Recreational Vehicles & Park Models
3. Modular Homes & Buildings
SEALED COMBUSTION
DOWNFLOW GAS FURNACE
MODELS: DGAA, DGAH, DGPA, AND DGPH
035-16328-002 Rev. C (0902)
IMPORTANT - Only individuals having proven experience with this
type of equipment should attempt to perform set-up.
Proper furnace set-up and adjustment is the responsibility of the
retailer/homeowner and is not covered under warranty.
FURNACE START-UP CHECK LIST
• Has roof jack crown been correctly installed?
• Has furnace gas valve and burner orifice been correctly con-
verted for Propane. gas where applicable?
• Has furnace gas valve been de-rated for altitudes above 2000
feet where applicable?
• Is gas line outlet pressure properly set for fuel type? (natural gas
is 3.5" W.C.; Propane is 10" W.C.)
• Is cross-over duct installed per home builder and UPG installa-
tion instructions?
• Has furnace been operated through a complete heating cycle?
• Has the pilot flame been adjusted properly? (DGPH and DGPA
Models)
INSTALLATION
INSTRUCTION
TABLE OF CONTENTS
FURNACE SPECIFICATIONS . . . . . . . . . . . . . . . . .2
GENERAL INFORMATION . . . . . . . . . . . . . . . . . . . .3
INSTALLATION STANDARDS . . . . . . . . . . . . . . . . .3
CODE COMPLIANCE . . . . . . . . . . . . . . . . . . . . . .3
HIGH ALTITUDE INSTALLATION . . . . . . . . . . . .3
MINIMUM FURNACE CLEARANCES . . . . . . . . .3
RETURN AIR REQUIREMENTS . . . . . . . . . . . . . . . .4
CLOSET INSTALLATIONS . . . . . . . . . . . . . . . . . .4
AIR DISTRIBUTION SYSTEMS . . . . . . . . . . . . . .4
ROOF JACK . . . . . . . . . . . . . . . . . . . . . . . . . . . . . . .6
EXISTING FURNACE REPLACEMENT . . . . . . . .6
NEW HOME INSTALLATION . . . . . . . . . . . . . . . .6
INSTALLATION IN SNOW REGIONS . . . . . . . . .6
LOCATING AND CUTTING ROOF JACK
OPENING . . . . . . . . . . . . . . . . . . . . . . . . . . . . . . .6
INSTALLING ROOF JACK IN ROOF . . . . . . . . . .6
DUCT CONNECTORS . . . . . . . . . . . . . . . . . . . . . . .9
INSTALLATION OF SCREW ATTACHMENT
DUCT CONNECTOR . . . . . . . . . . . . . . . . . . . . .10
INSTALLATION OF TAB ATTACHMENT
DUCT CONNECTORS . . . . . . . . . . . . . . . . . . . .10
INSTALLATION OF THE FURNACE . . . . . . . . . . .11
CEILING RINGS . . . . . . . . . . . . . . . . . . . . . . . . .12
ELECTRICAL WIRING . . . . . . . . . . . . . . . . . . . . . .12
CONNECT POWER SUPPLY WIRES . . . . . . . .12
CONNECT THERMOSTAT WIRES . . . . . . . . . .12
WALL THERMOSTAT . . . . . . . . . . . . . . . . . . . . .13
WIRING DIAGRAMS . . . . . . . . . . . . . . . . . . . . . . .14
GAS PIPING . . . . . . . . . . . . . . . . . . . . . . . . . . . . . .19
INSTALLATION AND CHECKING OF GAS LINE 19
HIGH ALTITUDE DERATION CHART . . . . . . . .21
REPAIR PARTS LIST . . . . . . . . . . . . . . . . . . . . . . .22

035-16328-002 Rev. C (0902)
2Unitary Products Group
FURNACE SPECIFICATIONS
DGAA — AUTOMATIC IGNITION — WITH BUILT-IN COIL CABINET — 4 TON - A/C READY
MODEL NO. Factory Equipped for use with Input/BTUH Output/BTUH
DGAA056BDTA NATURAL GAS 56,000 45,000
DGAA070BDTA NATURAL GAS 70,000 56,000
DGAA077BDTA NATURAL GAS 77,000 62,000
DGAA090BDTA NATURAL GAS 90,000 72,000
DGPA — STANDING PILOT — WITH BUILT-IN COIL CABINET — 3 TON - A/C READY
DGPA056ABTA NATURAL GAS 56,000 45,000
DGPA070ABTA NATURAL GAS 70,000 56,000
DGPA077ABTA NATURAL GAS 77,000 62,000
DGPA090ABTA NATURAL GAS 90,000 72,000
DGPH — STANDING PILOT — WITH BUILT-IN COIL CABINET — 3 TON - NO A/C CONTROLS
DGPH056ABTA NATURAL GAS 56,000 45,000
DGPH070ABTA NATURAL GAS 70,000 56,000
DGPH077ABTA NATURAL GAS 77,000 62,000
DGPH090ABTA NATURAL GAS 90,000 72,000
DGAH — AUTOMATIC IGNITION — HEATING ONLY — NO COIL CABINET
DGAH056BBSA NATURAL GAS 56,000 45,000
DGAH077BBSA NATURAL GAS 77,000 62,000
ELECTRICAL SPECIFICATIONS
Electrical Power Supply 115 Volts - 60 Hz - 1 Phase
Breaker or Fuse 15 Amp
Thermostat Circuit 24 Volt - 60 Hz - 40 VA
Nominal Anticipator Setting .50
Gas Valve Inlet 1/2" NFPT
FIGURE 1 :
Furnace Dimensions
19-1/2”
76”
12”
9-3/4”
DGAH Series DGPH, DGPA & DGAA Series
24-3/4”
23”
19-1/2”
59-1/2”
12”
9-3/4”
24-3/4”
23”

035-16328-002 Rev. C (0902)
Unitary Products Group 3
GENERAL INFORMATION
NOTE: The words “Shall" or “Must" indicate a requirement
which is essential to satisfactory and safe product perfor-
mance.
The words “Should" or “May" indicate a recommendation
or advice which is not essential and not required but
which may be useful or helpful.
IMPORTANT - These instructions are primarily intended to
assist qualified individuals experienced in the proper installa-
tion of heating and/ or air conditioning appliances. Some local
codes require licensed installation service personnel for this
type of equipment. Read all instructions carefully before start-
ing the installation.
INSTALLATION STANDARDS
CODE COMPLIANCE
The installer must comply with all local codes and regulations
which govern the installation of this appliance. Local codes
and regulations shall take precedent over these regulations
where applicable. In lieu of local codes, the appliance shall
be installed in accordance with one or more of the following
standards.
Manufactured homes in the U.S.A.:
1. Federal Manufactured Home Construction & Safety
Standard (H.U.D. Title 24, Part 3280).
2. National Fuel Gas Code (ANSI-Z223.1, NFPA-54).
3. National Electrical Code (NFPA 70).
Manufactured homes in Canada:
1. Natural Gas and Propane Installation Code (CAN/CSA
B149.1).
2. Canadian Electrical Code, Part 1 (CSA C22.1)
Recreational Vehicles in U.S.A.:
1. Standard on Recreational Vehicles (NFPA 1192, formerly
NFPA 501C).
2. National Electrical Code (NFPA 70).
Recreational Vehicles in Canada:
1. Unit installation shall comply with current CSA standard
CAN/CGA-Z240.4.2 - Installation Requirements for Pro-
pane Appliances and Equipment in Recreational Vehi-
cles.
2. Unit electrical wiring and grounding shall comply with
current CSA standard C22.2 No.148/CAN/CSA-Z240.6.2
- Electrical Requirements for recreational vehicles.
HIGH ALTITUDE INSTALLATION
For elevation above 2,000 feet, derate furnace input 4% for
each 1,000 feet of elevation above sea level. Derating is
accomplished by reducing the orifice size. See Derating
Chart for orifice size.
In Canada, for elevations from 2000 to 4500 feet derate by
reducing gas manifold pressure to 3.0” W.C. for natural gas
and 9.0” W.C. for LP gas.
MINIMUM FURNACE CLEARANCES
Access for servicing is an important factor in the location of
any furnace. A minimum of 24 inches should be provided in
front of the furnace for access to the heating elements and
controls. This access may be provided by a closet door or by
locating the furnace 24 inches from a facing wall or partition.
These furnaces are design certified for the following minimum
clearances from combustible material in alcove or closet
installation
Improper installation may damage equipment,
can create a shock hazard, and will void the war-
ranty.
The furnace shall be installed so the electrical
components are protected from water.
The furnace is not to be used for temporary heat-
ing of buildings or structures under construction.
Do not test the fuel system at more than 14
inches water column after furnace has been con-
nected to the fuel line. Such testing may void the
warranty. Any test run above 14 inches water col-
umn may damage the furnace control valve
which could cause an explosion, fire, or asphyxi-
ation.
• Never attempt to alter or modify this furnace or any
of its components.
• Never attempt to repair damaged or inoperable
components. Such action could cause unsafe opera-
tion, explosion, fire and/or asphyxiation.
• If a malfunction has occurred, or if you feel that the
furnace is not operating as it should, contact a quali-
fied service agency or gas utility for assistance.
Table 1: MINIMUM CLEARANCES
CLOSET ALCOVE
BACK 0” 0”
SIDES 0” 0”
FRONT 6” 24”
TOP 2” 2”
ROOF JACK 0” 0”
DUCT 0” 0”

035-16328-002 Rev. C (0902)
4Unitary Products Group
RETURN AIR REQUIREMENTS
CLOSET INSTALLATIONS
Additional Requirements
Additional requirements for floor and ceiling return system for
closet installed sealed combustion heating appliance are
given in the next paragraph.
Floor or Ceiling Return Air System
Listed in the next paragraph are the conditions to be met by
Manufactured Home Manufacturers to have U.L. acceptance
of in-floor or ceiling return air systems of closet installed
direct vent forced air heating appliances for Manufactured
Homes to be sold in the United States.
1. The return-air opening into the closet, regardless of loca-
tion, is to be sized not less than specified on the appli-
ance's rating plate.
2. If the return-air opening is located in the floor of the
closet (versus the vertical front or side wall), the opening
is to be provided with means to prevent its inadvertent
closure by a flat object placed over the opening.
3. The cross-sectional area of the return duct system (when
located in the floor or ceiling of the manufactured home)
leading into the closet is to be not less than that of the
opening specified on the appliance's rating plate.
4. The total free area of openings in the floor or ceiling reg-
isters serving the return-air duct system is to be not less
than 150% of the size of the opening specified on the
appliance's rating plate. At least one such register is to
be located where likelihood of its being covered by car-
peting, boxes, and other objects is minimized.
5. Materials located in the return duct system have a flame
spread classification of 200 or less.
6. Non-combustible pans having one-inch upturned flanges
are located beneath openings in the floor return duct
system.
7. Wiring materials located in the return duct system con-
form to Article 300-22 (B&C) of the National Electrical
Code (NFPA-70).
8. Gas piping is not run in or through the return duct sys-
tem.
9. The negative pressure in the closet as determined by
test with the air-circulating fan operating at high heating
speed and the closet door closed is to be not more nega-
tive than minus 0.05-inch water column.
10. For floor return systems, the manufactured home manu-
facturer or installer shall affix a prominent marking on or
near the appliance where it is easily read when the
closet door is open. The marking shall read:
AIR DISTRIBUTION SYSTEMS
For proper air distribution, the supply duct system shall be
designed so that the static pressure does not exceed the
listed static pressure rating on the furnace rating plate.
Three typical distribution systems are illustrated in Figure 2.
Location, size and number of registers should be selected on
the basis of best air distribution and floor plan of the home.
The Air Temperature Rise is to be adjusted to obtain a tem-
perature rise within the range(s) specified on the furnace rat-
ing plate.
HAZARD OF ASPHYXIATION, DO NOT COVER
OR RESTRICT FLOOR OPENING.
FIGURE 2 :
Air Distribution Systems
A
Single trunk duct
Dual trunk duct
Transition duct
1
B*
Dual trunk duct with crossover connector
Crossover
C
Transition Duct with Branches
Branches
3
1. Crossover Duct must be centered directly under furnace.
2. Use 12” Diameter Round or insulated Flex-duct only.
3. Terminate Flex-duct (opposite furnace) in the center of the trunk duct.
4. Flex-duct material must be pulled tight — No Loops or unnecessary dips — Air Flow may be impeded.
42

035-16328-002 Rev. C (0902)
Unitary Products Group 5
FIGURE 3 :
Closet To Door Clearance - 6” or Greater
FIGURE 4 :
Furnace To Closet Door Clearance - 1” To 6”
FIGURE 5 :
Furnace To Closet Door Clearance - Less Than 1”
5”or greater * Closet
to Door Clearance
Furnace to Closet Door Clearance —
5 Inches or more
1. 6 inches minimum clearance must be provided on side
where return is located, and
2. 6 inches minimum clearance must be maintained from the
Return Air Grille Part No.
7900-287P/A * White
Return Air Closet Door Part No.
7900-7771/C * White
The closet door have a minimum of
of free area in the upper half of the door.
MUST 250 Square Inches
250 SQ. IN.
MINIMUM
FREE AREA
50 SQ. IN.
MINIMUM
FREE AREA
250 SQ. IN.
MINIMUM
FREE AREA
B
CLOSET
DOOR
FURNACE
front of furnace.
A
If opening for return air is located in the floor or sidewalls and
below the top of the furnace casing:
Furnace to Closet Door Clearance —
Greater than 1 Inch and Up to 5 Inches
1.
2. A fully louvered closet door have a minimum of 250
of free area in the upper half of the door.
MUST
Square Inches
The closet door have a minimum of
of free area in the upper half of the door and a minimum of
of free area in the lower area of the door.
The lower closet door grille may be omitted if an undercut of
2-1/2 inches is provided in the door.
MUST 250 Square Inches
50 Square Inches
As an option to the lower grill,
an undercut of 2-1/2" will provide
50 Square. Inches of free area.
250 SQ. IN.
MINIMUM
FREE AREA
50 SQ. IN.
MINIMUM
FREE AREA
250 SQ. IN.
MINIMUM
FREE AREA
B
Furnace to Closet Door Clearance —
Less than 1 Inch
The closet door MUST have three return air grilles. The
total free area of the two upper grilles must be minimum
of . The total free area of the lower
grille MUST be a minimum of .
250 Square Inches
50 Square Inches
The grilles MUST BE ALIGNED directly opposite the
return air grille of the furnace door.
250 SQ. IN.
MINIMUM
FREE AREA
50 SQ. IN.
MINIMUM
FREE AREA

035-16328-002 Rev. C (0902)
6Unitary Products Group
ROOF JACK
EXISTING FURNACE REPLACEMENT
If this furnace replaces an existing furnace, do the following:
1. If a 2nd roof, roof cap or addition has been made to the
existing roof of the home, remove the old roof jack com-
pletely! To avoid the possibility of an improperly installed
pipe or gaps in the old roof jack, INSTALL A NEW ROOF
JACK. Your ceiling and roof height will determine the cor-
rect roof jack to use. Refer to the vent selection table, of
the furnace installation instructions.
2. After unpacking the roof jack, check the rain caps. Insure
they are not damaged, tilted or crooked. Do not twist,
crush or sit on the roof caps during installation. Damaged
roof caps will cause improper furnace operation. The fur-
nace will not heat properly and could result in explosion.
3. Before inserting the roof jack into the furnace top,
inspect the furnace flue and combustion air opening for
debris or insulation which might have fallen in during pre-
installation steps. Do not proceed unless all debris has
been cleaned out or removed.
4. After installing roof jack on furnace top collar, check to
make sure there is no gap in back or side between the
pipe collar and the furnace casing top.
5. Use only the pipes provided with the roof jack assembly.
Do not add to or adapt other sheet metal pipes. Do not
cut, insert or add other pipes to this assembly.
6. In no case should there be a gap between sections of
the flue pipe or the combustion air pipe. If necessary to
prevent excessive air leakage, the installer should seal
joints in the combustion air tube with aluminum type or
other suitable sealant.
NEW HOME INSTALLATION
If this furnace is installed on a new home do the following:
1. Inspect the furnace top collars for signs of insulation or
ceiling debris which might have fallen in during cutting of
the ceiling and roof holes. Remove all debris before con-
tinuing.
2. After unpacking the roof jack, check the rain caps. Insure
they are not damaged, tilted or crooked. Do not twist,
crush or sit on the roof caps during installation. Damaged
roof caps will cause improper furnace operation. The fur-
nace will not heat properly and could result in explosion.
3. Before inserting the vent pipe into the furnace top,
inspect the furnace flue and combustion air opening for
debris or insulation which have fallen in during pre-instal-
lation steps. Do not proceed unless all debris have been
cleaned out or removed.
4. After installing roof jack on furnace top collar, check to
make sure there is no gap in back or side between the
pipe collar and the furnace casing top. If necessary to
prevent excessive air leakage, the installer should seal
joints in the combustion air tube with aluminum type or
other suitable sealant.
INSTALLATION IN SNOW REGIONS
When the combustion air pipe inlet is covered or blocked with
snow, the furnace will not operate properly due to the
depleted combustion air supply.
Therefore, if the furnace will be located in regions where
snow accumulation on the roof exceeds 7" or in H.U.D. Snow
Load Zones, a roof jack extension (Part No. 7680B6541) is
recommended.
LOCATING AND CUTTING ROOF JACK OPENING
To facilitate the proper installation of the roof jack, it is very
important that the roof jack opening in the ceiling and roof be
on the same vertical center line as the furnace flue collar. See
Figure 9.
Mark this location on ceiling and scribe a circle with a 5"
radius (10" diameter) around this mark. Cut opening for roof
jack through ceiling and roof. (If furnace was installed during
construction, cover furnace and flue opening to prevent
debris from entering flue when hole is cut for roof jack.)
INSTALLING ROOF JACK IN ROOF
(See Figure 6 & 7 for Dimensional requirements.)
Insert roof jack into opening in the roof.
The roof jack should be secured to the furnace before roof
flange (flashing) is secured to the roof. This will insure a bet-
ter alignment of the flue pipe and furnace flue collar. Caulk
around and under roof flange to provide a water tight seal,
before securing roof jack flashing to roof.
Failure to follow all venting instructions can result
in fire, asphyxiation, or explosion.
Only use the appropriate roof jack. See Figures 6
& 7 for correct application.
Do not exceed the maximum height as deter-
mined from Figures 6 & 7. Installer should allow
an additional 1-1/2" travel before the flue pipe
assembly is fully extended against the built-in
stop. This provides an additional safeguard
against the flue assembly being pulled from the
roof jack during transportation or other stress
conditions.

035-16328-002 Rev. C (0902)
Unitary Products Group 7
FIGURE 6 :
Standard Roof Jack
WARM AIR DUCTDUCT CONNECTOR
ROOF
76"
59-1/2"
WARM AIR DUCT DUCT CONNECTOR
FLUE
GASES
COMBUSTION
AIR
CAULK
UNDER
FLASHING
19 1/2"
CAULK
UNDER
FLASHING
FLUE
GASES
COMBUSTION
AIR
19 1/2"
CAREFULLY CAULK ALL AROUND SWIVEL JOINT WITH
SEALANT SUPPLIED BY FURNACE MANUFACTURER.
IMPORTANT
SEAL ROOF JACK FLASHING TO THE ROOF JACK
AND ROOF.
THIS IS THE INSTALLER'S RESPONSIBILITY.
The End of Upper Portion of Roof Jack need
Not extend below the ceiling.
AB
1
2
The 4084-7141 is dimensionally the same as 4000-7141/C and is available only in Canada.
The 4084-7151 is dimensionally the same as 4000-7151/C and is available only in Canada.
DGAH FURNACES DGPH, DGPA, & DGAA FURNACES
INSTALLATION DIMENSIONS INSTALLATION DIMENSIONS
“A”
ADJUSTABLE HEIGHT
“B”
ADJUSTABLE HEIGHT
70” to 79”
75” to 86”
83” to 104”
90” to 116”
127” to 157”
86” to 95”
91” to 102”
99” to 120”
106” to 132”
143” to 173””
4000-6101/A
4000-6121/A
4000-6141/A
4000-6151/A
4000-6171/A
4000-7101/C
4000-7121/C
4000-7141/C
4000-7151/C
4000-7171/C
SWIVEL FLASHING
ADJUSTS FROM
0/12 TO 5/12 PITCH
SLANT
FLASHING
3/12 PITCH
FLOOR
DGPH, DGPA,
DGAA, MODELS
DGAH MODELS

035-16328-002 Rev. C (0902)
8Unitary Products Group
FIGURE 7 :
Roof Jack With Removable Crowns
DGAH FURNACES DGPH, DGPA, & DGAA FURNACES
INSTALLATION DIMENSIONS INSTALLATION DIMENSIONS
“A”
ADJUSTABLE HEIGHT
“B”
ADJUSTABLE HEIGHT
85” to 101”
99” to 129”
101” to 117”
115” to 145”
4000-9161/A
4000-9181/A
4000-8161/C
4000-8181/C
SWIVEL FLASHING
ADJUSTS FROM
0/12 TO 5/12 PITCH
SLANT
FLASHING
3/12 PITCH
76"
59-1/2"
IMPORTANT
SEAL ROOF JACK FLASHING TO THE ROOF JACK
AND ROOF.
THIS IS THE INSTALLER'S RESPONSIBILITY.
AB
CAREFULLY CAULK ALL AROUND SWIVEL JOINT WITH
SEALANT SUPPLIED BY FURNACE MANUFACTURER.
The End of Upper Portion of Roof Jack need
Not extend below the ceiling.
CAULK
UNDER
FLASHING
CAULK
UNDER
FLASHING
ROOF
WARM AIR DUCTDUCT CONNECTOR
WARM AIR DUCT DUCT CONNECTOR
FLOOR
DGPH, DGPA,
DGAA, MODELS
DGAH MODELS

035-16328-002 Rev. C (0902)
Unitary Products Group 9
DUCT CONNECTORS
FIGURE 8 :
Duct Connector Dimensions
12
13
11
18
14 SEE
CHART
3
4
18 3
4
23
8
23
823
8
23
8
3
8
43
8
23
8
23
8
DUCT CONNECTOR
PART NUMBER
DUCT CONNECTOR
DEPTH
7990-6011
7990-6021
7990-6041
7990-6061
7990-6071
7990-6081
7990-6101
7990-6121
1”
2”
4-1/2”
6-1-2”
7-1/2”
8-1/2”
10-1/4”
12-1/4”
DUCT CONNECTOR DIMENSIONS
13
11
18
14
3
4
23
8
23
823
8
23
8
SEE
CHART
12 18 3
4
3
8
43
8
23
8
23
8
DUCT CONNECTOR
PART NUMBER
DUCT CONNECTOR
DEPTH
7990-6211
7990-6221
7990-6241
7990-6261
7990-6271
7990-6281
7990-6301
7990-6321
1”
2”
4-1/2”
6-1-2”
7-1/2”
8-1/2”
10-1/4”
12-1/4”
DUCT CONNECTOR DIMENSIONS
FIGURE 9 :
Recommended Floor Cut-out
2-3/4
MIN.
23-1/4
20-1/2
9-7/8
2-1/8
1-3/8 6-3/8
9-3/4
20
3-1/4
1-1/8
15
15
1
REAR WALL
OF ENCLOSURE CEILING CUT-OUT
FOR ROOF JACK
FLOOR CUT-OUT
FOR DUCT
CONNECTOR
FURNACE
OUTLINE
OPTIONAL GAS
OR ELECTRIC
ENTRANCE
FLOOR
FUTURE REFRIGERANT
LINE ENTRANCE
FRONT PANEL
OF FURNACE
FIGURE 10 :
Duct Connector Depth
DUCT CONNECTOR
DEPTH
FLOOR
FLOOR
JOIST
SUPPLY DUCT

035-16328-002 Rev. C (0902)
10 Unitary Products Group
INSTALLATION OF SCREW ATTACHMENT DUCT
CONNECTOR
1. Make floor cut out as shown in Figure 9.
2. Determine the depth of the floor cavity from the surface
of the floor to the top of the supply air duct and select the
appropriate duct connector from the chart.
3. Place locating bracket (supplied with the duct connector)
to the back edge of the floor opening. See Figure 11.
4. Apply a water based duct sealant to the 1/2" supply duct
attachment flange of the duct connector.
5. Determine which of the four positions the duct connector
best centers over the supply duct and insert it through
the floor cutout.
6. When properly aligned with the supply duct, secure the
duct connector to the floor with nails, flat head screws or
staples.
7. Use screws as required to secure the duct connector to
the supply duct.
8. Cut out the opening to the supply duct. If sealant was not
used, the installer should tape the mating flanges to pro-
vide a good air seal.
NOTE:
Duct sealant and tape must be classified as
meeting HUD Standard 3280.715, U.L. Standard 181A
.
If tape is used to provide a better air seal, it should be a type
approved by the applicable national or local codes.
INSTALLATION OF TAB ATTACHMENT DUCT
CONNECTORS
1. Make floor cut out as shown in Figure 9.
2. Determine the depth of the floor cavity from the surface
of the floor to the top of the supply air duct and select the
appropriate duct connector from the chart.
3. Place locating bracket (supplied with the duct connector)
to the rear of the floor area for the furnace. See Figure
12.
4. Determine which of the four positions the duct connector
best centers over the supply duct and insert it through
the floor cutout.
5. Mark cut-out location on the supply duct and remove the
duct connector.
6. Cut out the opening to the supply duct.
7. Bend tabs down through and back up under the supply
duct.
8. Secure the duct connector to the floor with nails, flat
head screws or staples.
The duct connector is designed for use on ducts down to 12"
in width. When using the connector on smaller width ducts,
there will not be sufficient clearance to bend the tabs on two
sides of the duct connector.
In such cases the tabs may be attached to the sides of the
duct by using sheet metal screws or other suitable fasteners.
Holes for sheet metal screws are provided in three (3) tabs on
each side of the duct connector. If more than 3 tabs need to
be used to provide a more secure and air tight connection,
the remaining tabs can also be fastened to the duct with
screws after drilling the required screw holes.
FIGURE 11 :
Duct Connector Screw Attachment
LOCATOR BRACKET
NAILS, FLAT HEAD SCREWS
OR STAPLES
SCREWS
FLOOR
SUPPLY DUCT
FIGURE 12 :
Duct Connector Tab Attachment
LOCATOR BRACKET
NAILS, FLAT HEAD SCREWS
OR STAPLES
BEND TABS UNDER
DUCT OPENING TO
SECURE TO THE
SUPPLY DUCT.
FLOOR
SUPPLY DUCT

035-16328-002 Rev. C (0902)
Unitary Products Group 11
INSTALLATION OF THE FURNACE
1. Remove the front panels and set the furnace onto the
duct connector. Slide it back until the rear of the unit
engages the locator bracket.
2. Secure the front of the furnace with two screws at the
mounting holes provided.
3. Secure the top of the furnace to a structural member
using screw through the strap at the back of the furnace.
Strap may be moved to any of the holes located along
the top back of the furnace. Installer may provide an
equivalent method, such as screws through the casing
side.
NOTE: Combustion air tube and flue pipe are part of the
same assembly. Only the combustion air tube need be fas-
tened to the furnace.
1. Check to be certain that the flue pipe and combustion air
tube are present.
2. Pull the telescoping flue tube and combustion air tube
assembly down from the roof jack. Slide the flue tube/
combustion air tube assembly down firmly over the fur-
nace flue outlet and combustion air collar. Insure that the
back, side and front of combustion air tube collar is fully
engaged and is in contact with gasket. Fasten the com-
bustion air tube to the furnace combustion air collar
using a 1/2 inch sheet metal screw. (Screw hole provided
in combustion air tube and furnace combustion air collar.
See Figure 14.
FIGURE 13 :
Installation of Furnace
SECURE FURNACE
TO FLOOR WITH
TWO NAILS OR
SCREWS.
FURNACE SEATED
AGAINST THE
LOCATOR BRACKET
The inner flue pipe must be present.
It is mandatory that the combustion air pipe and
flue pipe assembly be fully engaged. The com-
bustion air pipe MUST be securely fastened to
the furnace with a sheet metal screw in the hole
provided.
Use a 1/2" blunt or sharp end sheet metal screw
to fasten roof jack combustion air pipe to furnace
combustion air collar. Screw hole is provided in
the pipe and collar. Excessively long screws may
extend to flue pipe and puncture it. Screws are
not to exceed 1 1/2" in length.
FIGURE 14 :
Connecting Roof JAck to Furnace
COMBUSTION
AIR TUBE
SECURE STRAP
TO WALL
FLUE
PIPE
FURNACE
FLUE OUTLET
GASKET
FRONT OF
FURNACE
COMBUSTION
AIR TUBE COLLAR
It is mandatory that the combustion air and flue tube assembly
be fully engaged at back sides and front, and combustion air
tube securely fastened to the furnace with a sheet metal screw
in the screw hole provided.
#8 OR #10 SCREW RECOMMENDED

035-16328-002 Rev. C (0902)
12 Unitary Products Group
CEILING RINGS
The ceiling ring is to meet fire stop requirements. Accessory
Ceiling Ring (P/N 7660-2841) may be used, (See Figure 15)
or the manufactured home manufacturer or the installer may
use other approved methods to stop fire.
If required, three (3) sections of Accessory Ring may be used
as shown in Figure 15 to provide closer clearance around
roof jack.
ELECTRICAL WIRING
CONNECT POWER SUPPLY WIRES
1. Remove the field wiring cover.
2. Insert 115 volt wires through the large plastic bushing on
the left side of the furnace (See Figure 16). If conduit is
used it should be secured to the control box.
3. Connect the “hot" wire to the BLACK pigtail lead, and the
“neutral" wire to the WHITE pigtail lead. Secure all con-
nections with suitable wire nuts and wrap with electrical
tape.
4. Connect the “ground" wire to the grounding screw.
5. Reinstall the control panel cover and secure mounting
screw.
CONNECT THERMOSTAT WIRES
1. Insert 24 volt wires through the small plastic bushing just
above the control panel.
2. Connect the thermostat wires to the furnace low voltage
pigtails. See Figure17 (heating only) and Figure 18
(heating and cooling).
3. Connect low-voltage circuit to the wall thermostat pig-
tails.
NOTE: Five-conductor thermostat cable is recommended for
all installations to allow easy installation of an air conditioning
system at a later time.
Eighteen gauge thermostat wire is highly recommended.
Smaller gauge thermostat wire may be used only if the guide-
line below is followed.
Do not use thermostat wire smaller than 22 gauge. If thermo-
stat wire smaller than 18 gauge is used, pay particular atten-
tion that the connections between the different wire sizes are
tight.
Operational problems may be caused by loose connections
or by the use of thermostat wire that is too small to carry the
required load. Any such problems are the responsibility of the
installer.
A separate 115 V.A.C. supply circuit must be used for the fur-
nace. The circuit should be protected by a 15 amp fuse or cir-
cuit breaker.
FIGURE 15 :
Ceiling Rings
TO INSTALLER: Incoming power must be polar-
ized. Observe color coding.
SHOCK HAZARD - DISCONNECT ELECTRI-
CAL POWER SUPPLY TO THE UNIT BEFORE
SERVICING TO AVOID THE POSSIBILITY OF
SHOCK INJURY OR DAMAGE TO THE EQUIP-
MENT.
AB
THERMOSTAT WIRE
LENGTH (FURNACE TO
THERMOSTAT)
THERMOSTAT
WIRE GAUGE
0 - 45 feet 22
0 - 70 feet 20
FIGURE 16 :
Field Wiring
NOTE:
Cover should
not be removed
except when
servicing the
controls.
THIS SCREW DOES
NOT NEED TO BE
REMOVED IN ORDER
TO REMOVE THE
FIELD WIRING COVER.
(JUST LOOSEN).

035-16328-002 Rev. C (0902)
Unitary Products Group 13
WALL THERMOSTAT
Avoid locations where the thermostat could be subject to
drafts from outside, or exposed to direct light from lamps,
sun, fireplaces, etc., or affected by air from a duct register
blowing directly on the thermostat.
The wall thermostat should be located 52 to 66 inches above
the floor. The preferred location is on an inside wall situated
in an area with good air circulation, and where the tempera-
ture will be reasonably representative of other living areas the
thermostat is controlling.
NOTE: In order to provide proper ventilation control when
using DGPH model furnaces with Coleman Blend
Air ventilation systems, it is required that a 4-wire
wall thermostat and Blower Relay Kit 7900-7761 be
installed.
FIGURE 17 :
Wiring for Heat Only Thermostat
WHITE
GREEN
BLACK
RED
YELLOW
WHITE
RED
FURNACE
CONTROL
BOX
FIGURE 18 :
Wiring for Heat-Cool Thermostat
WALL THERMOSTAT
CONDENSING
UNIT
BLEND AIR
CONTROL BOX
WHITE
GREEN
RED
YELLOW
WHITE
GREEN
RED
YELLOW
BLACK
BLACK
RED
GREEN
WHITE
NOT FACTORY INSTALLED
FURNACE
CONTROL
BOX
®

035-16328-002 Rev. C (0902)
14 Unitary Products Group
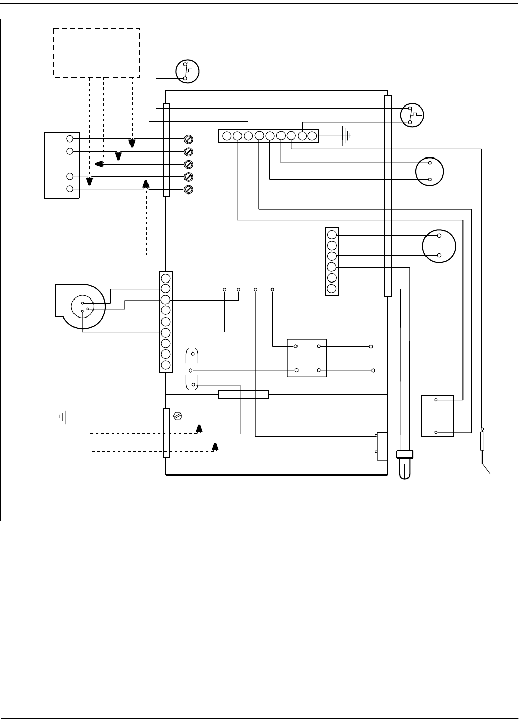
WIRING DIAGRAMS
NOTE: In order to provide proper ventilation control when using DGPH model furnaces with Coleman Blend Air ventilation sys-
tems, it is required that a 4-wire wall thermostat and Blower Relay Kit 7900-7761 be installed.
FIGURE 19 :
Wiring Diagram for DGPH056, DGPH070, DGPH077
BLOWER
MOTOR
MANUAL RESET
LIMIT SWITCH
BLK
GND.
SCREW
NEU.
LI
WHT
BLK
ORG
WHT
BLK
ORG
FAN
SWITCH
TRANSFORMER
2
3
1
GAS
CONTROL
BLU
GRN
SYSTEM
SWITCH
BLK
ORG
BRN
WALL
THERMOSTAT
WHT
RED RED
3 AMP FUSE
LINE
LOAD
24V SEC.
120V PRI.
GRY
TO EARTH GND.
AUTO
RESET
LIMIT
SWITCH
WR
2
3
1
4
5
6
7
8
9
115 VAC
GND
SCREW
.

035-16328-002 Rev. C (0902)
Unitary Products Group 15
NOTE: In order to provide proper ventilation control when using DGPH model furnaces with Coleman Blend Air ventilation sys-
tems, it is required that a 4-wire wall thermostat and Blower Relay Kit 7900-7761 be installed.
FIGURE 20 :
Wiring Diagram for DGPH090
BLOWER
MOTOR
MANUAL RESET
LIMIT SWITCH
BLK
WHT
ORG
FAN
SWITCH
TRANSFORMER
2
3
1
BLU
SYSTEM
SWITCH
WHT
ORG
BRN
WHT
RED
RED
3 AMP FUSE
LINE
LOAD
24V SEC.
120V PRI.
GRY
AUTO RESET
LIMIT SWITCH
WR
2
3
1
4
5
6
7
8
9
115 VAC
BLK
GRN
BLK
WHT
WALL
THERMOSTAT
NEU.
LI
WHT
BLK
GND.
SCREW
TO EARTH GND. GAS
CONTROL
PRESSURE
SWITCH
COMBUSTION
BLOWER MOTOR
BLK
WHT
ORG
WHT
RED
BLU
COMBUSTION
BLOWER
RELAY 24
56
13
GRY
GND.
SCREW

035-16328-002 Rev. C (0902)
16 Unitary Products Group
FIGURE 21 :
Wiring Diagram for DGPA056, DGPA070, DGPA077
BLOWER
MOTOR
MANUAL
RESET
LIMIT
SWITCH
BLK ORG
FAN
SWITCH
TRANSFORMER
2
3
1
BLU
GRN
SYSTEM
SWITCH
BLK
BRN
WHT
RED
RED
3 AMP FUSE
LINE
LOAD
24V SEC.
120V PRI.
GRY
AUTO
RESET
LIMIT
SWITCH
WR
2
3
1
4
5
6
7
8
9
115 VAC
BLK
GRY
BLK
WALL
THERMOSTAT
NEU.
LI
WHT
BLK
GND.
SCREW
TO EARTH GND. GAS
CONTROL
BLK
WHT
WHT
GY
GRN
YEL
BLEND-AIR
CONTROL BOX
(IF EQUIPPED)
WHT
RED
GRN
BLK
A/C
CONDENSING
UNIT
CONTACTOR
WHT
RED
GRN
BLK
ORGORG
31
24
56
A/C
BLOWER
RELAY
GND.
SCREW

035-16328-002 Rev. C (0902)
Unitary Products Group 17
FIGURE 22 :
Wiring Diagram for DGPA090
BLOWER
MOTOR
MANUAL
RESET
LIMIT
SWITCH
BLK
ORG
FAN
SWITCH
TRANSFORMER
2
3
1
BLU
GRN
PRESSURE
SWITCH
WHT
BLK
RED
RED
3 AMP FUSE
LINE
LOAD
24V SEC.
120V PRI.
GRY
AUTO RESET
LIMIT SWITCH
WR
2
3
1
4
5
6
7
8
9
115 VAC
BLK
GRY
BLK
WALL
THERMOSTAT
NEU.
LI
WHT
BLK
GND.
SCREW
TO EARTH GND. GAS
CONTROL
BLK
WHT
WHT
Y
YEL
BLEND AIR
CONTROL BOX
(IF EQUIPPED)
RED
BLK
A/C
CONDENSING
UNIT
CONTACTOR
WHT
RED
GRN
BLK
ORGORG
31
24
56
COMBUSTION
BLOWER
RELAY
BLK
A/C
BLOWER
RELAY
WHT
COMBUSTION
BLOWER MOTOR
SYSTEM
SWITCH
GRN
WHT
GRN
WHT
G
24
56
13
GRY
BRN
BLU
GND.
SCREW

035-16328-002 Rev. C (0902)
18 Unitary Products Group
FIGURE 23 :
Wiring Diagram for DGAA and DGAH Models
SENSOR ROD
COMBUSTION
BLOWER
MOTOR
NEUTRALS
BLEND AIR
CONTROL BOX
(if equipped) UPPER
LIMIT SWITCH
W
G
R
Y
BLU
GRY
WHT
GRN
BLK
RED
YEL
ORG
GRN
BLU
BLU
BRN
BRN
BLK
BLK
WHT
WHT
COMBUSTION AIR
SWITCH
LOWER
LIMIT
SWITCH
YEL
WHT
BLK
RED
BLOWER
MOTOR
TO EARTH GROUND
NEUTRAL
L1
115
VAC BLK
SYSTEM
SWITCH
GROUND
SCREW
WHT
WHT
TRANSFORMER
RED
BLU
COM
24
VAC
RED
BLK
WALL
THERMOSTAT
TO A/C
CONDENSING
UNIT (if equipped)
GAS
VALVE
HOT SURFACE
IGNITOR
WHT
HEAT
COOL
L1
XFMR BLK
BLK
LOAD
LINE
123456789
6
5
4
3
2
1
1
2
3
4
5
6
7
8
9
INCOMING POWER MUST BE POLARIZED.
OBSERVE COLOR CODING.
GRN
WHT
RED
BLK
GND.
SCREW

035-16328-002 Rev. C (0902)
Unitary Products Group 19
GAS PIPING
INSTALLATION AND CHECKING OF GAS LINE
Gas Supply piping must be sized in accordance with the rec-
ommendations contained in National Fuel Gas Code (ANSI-
Z223.1, NFPA-54) unless local codes or regulations state oth-
erwise.
Materials used and pipe sizing for U.S. manufactured homes
must comply with requirements contained in Manufactured
Homes A119.1, Recreational Vehicles A119.2 and H.U.D.
Title 24, Section 3280.705 and any local or state codes.
NOTE: The gas line inlet on the gas valve is 1/2-14 N.P.T.
The gas line may be installed through the furnace floor or fur-
nace side to the gas valve.
A dirt leg may be required by some local codes to trap mois-
ture and contaminations.
For natural gas operation, the furnace is designed for 7" W.C.
inlet gas pressure. Pressure to main burner is then reduced
to 3 1/2" W.C.
For Propane gas operation, the furnace is designed for 11"
W.C. inlet gas pressure. Pressure to main burner is then
reduced to 10" W.C.
IMPORTANT - When converting gas valve from or to Pro-
pane gas, it will be necessary to change main burner orifice
to prevent an underfired or overfired condition. See label
inside lower furnace door for complete instructions.
Pilot Adjustment
On models equipped with standing pilot ignition, the pilot
should be adjusted so that the flame is approximately 1” in
height (500 BTU / hr.). This will allow proper burner ignition
without excessive fuel usage. The pilot adjustment screw is
located on the top of the gas valve.
Observing Burner Operation
1. Observe burner to make sure it ignites. Observe color of
flame. On natural gas the flame will burn blue with appre-
ciably yellow tips. On Propane gas a yellow flame may
be expected. If flame is not the proper color call a quali-
fied service technician for service.
2. Let furnace heat until blower cycles on.
3. Turn thermostat down.
4. Observe burner to make sure it shuts off.
5. Let the furnace cool and blower cycle off.
If any abnormalities are observed when checking for correct
operation, such as burner failing to ignite or to turn off, sooty
flame, etc., call your nearest authorized service technician as
shown in the Service Center List included in the home owner
envelope with the furnace.
If Furnace Fails to Operate Properly
1. Check setting of thermostat - and position of HEAT/
COOL switch if air conditioning is installed. If a set-back
type thermostat is employed be sure that the thermostat
is in the correct operating mode.
2. Check to see that electrical power is ON.
3. Check to see that the knob or switch on the gas control
valve is in the full ON position.
4. Make sure filters are clean, return grilles are not
obstructed, and supply registers are open.
5. Be sure that furnace flue piping is open and unob-
structed.
If the cause for the failure to operate is not obvious, do not
attempt to service the furnace yourself. Call a qualified ser-
vice agency or your gas supplier.
To install gas line and to connect it to the gas
valve, care must be taken to hold gas valve firmly
to prevent misalignment of the burner orifice, or
to damage gas valve which could result in
improper heating, explosion, fire or asphyxiation.
DO NOT USE EXCESSIVE PIPE SEALANT ON
PIPE JOINTS. Pipe sealant, metal chips or other
foreign material that could be deposited in the
inlet of the gas valve, when gas pipe is installed
or carried through the gas piping into the gas
valve inlet after installation, may cause the gas
valve to malfunction and could result in possible
improper heating, explosion, fire or asphyxiation.
Also, pipe sealant must be resistant to Propane
gas.
Where regulations require, a main shut-off valve
shall be installed externally of furnace casing.
After piping has been installed, turn gas on and
check all connections with a leak detector or
soap solution.
Never use open flame to test for gas leaks as
fire or explosion could occur.
Do not test the fuel system at more than 14" W.C.
after furnace has been connected to fuel line.
Such testing could void the warranty. Any test run
above 14" W.C. may damage furnace control
valve which could cause an explosion, fire or
asphyxiation.
If the gas input to the furnace is too great
because of excessive gas pressure, wrong size
orifice, high altitude, etc., the burner flame will be
sooty and may produce carbon monoxide, which
could result in unsafe operation, explosion, and/
or fire or asphyxiation.
Should overheating occur, or the gas supply fail
to shut off, shut off the manual gas valve to the
furnace and allow burner to run until furnace
cools down and blower shuts off before shutting
off the electrical supply.

035-16328-002 Rev. C (0902)
20 Unitary Products Group
FINAL PROCEDURE
INSTALL FURNACE DOORS
Install the lower door first by sliding the bottom of the door
down until the tabs on the casing base engage the slots in the
bottom door end cap. Then push the top of the lower door in
until the door clips snap into place. Install the upper door in a
similar manner, first engaging the slots in the top of the upper
door on the tabs on the casing top. Then snap the bottom of
the upper door into place against the casing.
FINISH AND TRIM
Alcove and Closet Installations may now be finished and
trimmed as necessary.
FURNACE AND AIR CONDITIONER
INSTALLATIONS
If an air conditioner is installed which does not use the blower
for air distribution and operates completely independent of
the furnace, the thermostat system must have an interlock to
prevent the furnace and air conditioner from operating at the
same time. This interlock system usually contains a heat-cool
switch which must be turned to either HEAT or COOL to acti-
vate either heating or cooling operation, or a positive OFF
switch on the cooling thermostat.
When used in connection with a cooling unit the furnace shall
be installed parallel with or on the upstream side of the cool-
ing unit to avoid condensation in the heat exchanger.
For installations with a parallel flow arrangement, the furnace
must be equipped with a damper to prevent cold air from
being discharged up around the heat exchanger. Cold air
causes condensation inside the exchanger and can cause it
to rust out which can allow products of combustion to be cir-
culated into the living area by the furnace blower resulting in
possible asphyxiation. An air flow activated automatic
damper, P/N 7900-6771, is available from furnace manufac-
turer. See Figure 24.
NOTE: See label on coil panel for conversion and lighting
instructions. Obtain a temperature rise within the ranges
specified on the name plate.
FIGURE 24 :
Anti-Backflow Damper
FURNACE
BASE
DUCT
CONNECTOR
AUTOMATIC
DAMPER
SUPPLY DUCT
OPENING
FOR BEST AIR DELIVERY INSTALL DAMPER
WITH BLADES PARALLEL TO SUPPLY DUCT.
NOTE:

035-16328-002 Rev. C (0902)
Unitary Products Group 21
HIGH ALTITUDE DERATION CHART
Table shows 4% Input Reduction per 1,000 feet Elevation.
Reference Source: NFPA No. 54, ANSI Z 223.1, National
Fuel Gas Code.
For Canadian high altitude (2000 - 4500 feet), reduce gas
manifold pressure to 3.0” W.C. for natural gas, 9.0”
W.C. for Propane gas.
NATURAL GAS
Elevation
56,000 — Input 70,000 — Input 77,000 — Input 90,000 — Input
Orifice
Dia.
Drill
Size Part # Orifice
Dia.
Drill
Size Part # Orifice
Dia
Drill
Size Part # Orifice
Dia.
Drill
Size Part #
Sea Level 0.136 29 9951--1361 0.154 23 9951--1541 0.161 20 9951--1611 0.180 15 9951--1801
2,000 0.136 29 9951--1361 0.149 25 9951--1491 0.157 22 9951--1571 0.177 16 9951--1771
3,000 0.128 30 9951--1281 0.149 25 9951--1491 0.157 22 9951--1571 0.173 17 9951--1731
4,000 0.128 30 9951--1281 0.147 26 9951--1471 0.154 23 9951--1541 0.173 17 9951--1731
5,000 0.128 30 9951--1281 0.144 27 9951--1441 0.152 24 9951--1521 0.169 18 9951--1691
6,000 0.128 30 9951--1281 0.144 27 9951--1441 0.149 25 9951--1491 0.166 19 9951--1661
7,000 0.120 31 9951--1201 0.140 28 9951--1401 0.147 26 9951--1471 0.161 20 9951--1611
8,000 0.120 31 9951--1201 0.136 29 9951--1361 0.144 27 9951--1441 0.161 20 9951--1611
9,000 0.120 31 9951--1201 0.136 29 9951--1361 0.140 28 9951--1401 0.157 22 9951--1571
10,000 0.116 32 9951--1161 0.128 30 9951--1281 0.136 29 9951--1361 0.152 24 9951--1521
PROPANE GAS
Elevation
56,000 — Input 70,000 — Input 77,000 — Input 90,000 — Input
Orifice
Dia.
Drill
Size Part # Orifice
Dia.
Drill
Size Part # Orifice
Dia.
Drill
Size Part # Orifice
Dia.
Drill
Size Part #
Sea Level 0.082 45 9951--0821 0.093 42 9951--0931 0.098 40 9951--0981 0.106 36 9951--1061
2,000 0.081 46 9951--0811 0.093 42 9951--0931 0.096 41 9951--0961 0.104 37 9951--1041
3,000 0.078 47 9951--0781 0.089 43 9951--0891 0.093 42 9951--0931 0.101 38 9951--1011
4,000 0.078 47 9951--0781 0.089 43 9951--0891 0.093 42 9951--0931 0.101 38 9951--1011
5,000 0.078 47 9951--0781 0.089 43 9951--0891 0.093 42 9951--0931 0.099 39 9951--0991
6,000 0.076 48 9951--0761 0.086 44 9951--0861 0.089 43 9951--0891 0.098 40 9951--0981
7,000 0.076 48 9951--0761 0.086 44 9951--0861 0.089 43 9951--0891 0.096 41 9951--0961
8,000 0.073 49 9951--0731 0.082 45 9951--0821 0.086 44 9951--0861 0.096 41 9951--0961
9,000 0.073 49 9951--0731 0.081 46 9951--0811 0.086 44 9951--0861 0.093 42 9951--0931
10,000 0.070 50 9951--0731 0.078 47 9951--0781 0.082 45 9951--0821 0.089 43 9951--0891

035-16328-002 Rev. C (0902)
22 Unitary Products Group
REPAIR PARTS LIST
13 2
8
9
8
23
19
22
21
18
17
16
1
7
5
12
11
11
25
24
13
4
BURNER ORIFICE
(SEE CHART)
BURNER ORIFICE
(SEE CHART)
26
3
2
DGAA, DGAH
DGAA, DGAH
DGPA, DGPH
DGPA, DGPH
14
10
15
28 29
27
6
DGPA056ABTA
DGPA070ABTA
DGPA077ABTA
DGPA090ABTA
DGPH056ABTA
DGPH070ABTA
DGPH077ABTA
DGPH090ABTA
DGPA056ABTA
DGPA070ABTA
DGPA077ABTA
DGPA090ABTA
DGPH056ABTA
DGPH070ABTA
DGPH077ABTA
DGPH090ABTA
DGAA056BDTA
DGAA070BDTA
DGAA077BDTA
DGAA090BDTA
DGAH056BBSA
DGAH077BBSA
DGAA056BDTA
DGAA070BDTA
DGAA077BDTA
DGAA090BDTA
DGAH056BBSA
DGAH077BBSA
CONTROL BOX DETAIL
CONTROL BOX DETAIL
14
DGAA, DGAH
DGPA, DGPH
6
20
HEAT/COOL
HEAT ONLY

035-16328-002 Rev. C (0902)
Unitary Products Group 23
DGAA
ITEM DESCRIPTION DGAA056BDTA DGAA070BDTA DGAA077BDTA DGAA090BDTA
1 Switch, Pressure 024-27666-000 024-27666-000 024-27666-000 024-27666-000
2 Tubing Silicone (2’ Req’d) 028-11957-000 028-11957-000 028-11957-000 028-11957-000
3Limit Switch, Manual (Upper) 025-35358-000 025-35358-000 025-35358-000 025-35358-000
4 Assembly, Booster (w/Motor) 373-19801-820 373-19801-820 373-19801-820 373-19801-820
5 Control Board, Integrated 031-01932-000 031-01932-000 031-01932-000 031-01932-000
6 Valve, Gas 7990-328P 7990-328P 7990-328P 7990-328P
7 Bracket, Valve 073-19801-064 073-19801-064 073-19801-064 073-19801-064
8 Thermostat (Heat /Cool) Accessory (See Page 6)
9 Exchanger, Heat (w/Gaskets) 373-19804-651 373-19805-651 373-19806-651 373-19806-650
10 Sensor, Flame 025-35354-000 025-35354-000 025-35354-000 025-35354-000
11 Switch, System 7681-3301 7681-3301 7681-3301 7681-3301
12 Transformer (115-24V, 40 VA) 2940A3541 2940A3541 2940A3541 2940A3541
13 Switch, Limit 025-35380-000 025-35380-000 025-35381-000 025-35381-000
14 Burner Assembly, Auto Ignition
(Includes items 10 & 15)
373-19801-403 373-19801-403 373-19801-403 373-19801-403
15 Ignitor, Hot Surface 1474-052P 1474-052P 1474-052P 1474-052P
16 Filter (2 Req’d) (16x20x1) 1214-2511 1214-2511 1214-2511 1214-2511
17 Panel, Door (Upper) Accessory (See Page 6)
18 Panel, Door (Lower, Tall) 373-19801-740 373-19801-740 373-19801-740 373-19801-740
19 Motor (See note 2) 1468-220P 1468-220P 1468-220P 1468-220P
20 Assembly, Motor Mount (See Note 3) 373-19806-100 373-19806-100 373-19806-100 373-19806-100
21 Plug, Connector 025-21192-000 025-21192-000 025-21192-000 025-21192-000
22 Capacitor, Run (See Note 3) 024-20063-000 024-20063-000 024-20063-000 024-20063-000
23 Wheel, Blower 1472-2761 1472-2761 1472-2761 1472-2761
24 Relay, Fan --- --- --- ---
25 Relay, Booster --- --- --- ---
26 Switch, Fan --- --- --- ---
27 Thermocouple --- --- --- ---
28 Burner, Pilot --- --- --- ---
29 Tube, Pilot --- --- --- ---
30* Diagram, Wiring 035-15289-001 035-15289-001 035-15289-001 035-15289-001
NOTE: *Not Shown
New replacement parts shown in bold face type at the first printing of parts list dated 9/02.
Major components and suggested stocking items are shown with shaded item number.
“<“ Across from row indicates a change in that row.
--- Not applicable to specified model.
2. For Serial Numbers lower then 001207164- Replacement DGAA motors also require Motor Mount
Assembly 373-19806-100 if replaced motor has integral, flex-arm motor mount.
3. DGAA with 5-Ton Blowers are provided as an accessory item and are not standard equipment from
the factory. See Page 6

035-16328-002 Rev. C (0902)
24 Unitary Products Group
DGAH
ITEM DESCRIPTION DGAH056BBSA DGAH077BBSA
1 Switch, Pressure 024-27666-000 024-27666-000
2 Tubing Silicone (2’ Req’d) 028-11957-000 028-11957-000
3Limit Switch, Manual (Upper) 025-35358-000 025-35358-000
4 Assembly, Booster (w/Motor) 373-19801-820 373-19801-820
5 Control Board, Integrated 031-01932-000 031-01932-000
6 Valve, Gas 7990-328P 7990-328P
7 Bracket, Valve 073-19801-064 073-19801-064
8 Thermostat (Heat /Cool) Accessory (See Page 6)
9 Exchanger, Heat (w/Gaskets) 373-19804-651 373-19806-651
10 Sensor, Flame 025-35354-000 025-35354-000
11 Switch, System 7681-3301 7681-3301
12 Transformer (115-24V, 40 VA) 2940A3541 2940A3541
13 Switch, Limit 025-35380-000 025-35381-000
14 Burner Assembly, Auto Ignition
(Includes itemss 10 & 15)
373-19801-403 373-19801-403
15 Ignitor, Hot Surface 1474-052P 1474-052P
16 Filter (2 Req’d) (16x20x1) 1214-2511 1214-2511
17 Panel, Door (Upper) Accessory (See Page 6)
18 Panel, Door (Lower, Short) 373-19801-790 373-19801-790
19 Motor (See Note 3) 024-31948-000 024-31948-000
20 Assembly, Motor Mount --- ---
21 Plug, Connector 025-21192-000 025-21192-000
22 Capacitor, Run --- ---
23 Wheel, Blower 1472-2761 1472-2761
24 Relay, Fan --- ---
25 Relay, Booster --- ---
26 Switch, Fan --- ---
27 Thermocouple --- ---
28 Burner, Pilot --- ---
29 Tube, Pilot --- ---
30* Diagram, Wiring 035-15289-001 035-15289-001
NOTE: *Not Shown
New replacement parts shown in bold face type at the first printing of parts list dated 9/02.
Major components and suggested stocking items are shown with shaded item number.
“<“ Across from row indicates a change in that row.
--- Not applicable to specified model.
3. DGAH with 5-Ton Blowers are provided as an accessory item and are not standard equipment from
the factory. See page 6.

035-16328-002 Rev. C (0902)
Unitary Products Group 25
DGPA
ITEM DESCRIPTION DGPA056ABTA DGPA070ABTA DGPA077ABTA DGPA090ABTA
1 Switch, Pressure --- --- --- 024-27666-000
2 Tubing Silicone (2’ Req’d) --- --- --- 028-11957-000
3Limit Switch, Manual (Upper) 025-35358-000 025-35358-000 025-35358-000 025-35358-000
4 Assembly, Booster (w/Motor) --- --- --- 373-19801-820
5 Control Board, Integrated --- --- --- ---
6 Valve, Gas 7956-336P 7956-336P 7956-336P 7956-336P
7 Bracket, Valve 073-19801-064 073-19801-064 073-19801-064 073-19801-064
8 Thermostat (Heat /Cool) Accessory (See Page 6)
9 Exchanger, Heat (w/Gaskets) 373-19804-651 373-19805-651 373-19806-651 373-19806-650
10 Sensor, Flame --- --- --- ---
11 Switch, System 7681-3301 7681-3301 7681-3301 7681-3301
12 Transformer (115-24V, 40 VA) 2940A3541 2940A3541 2940A3541 2940A3541
13 Switch, Limit 025-35380-000 025-35380-000 025-35381-000 025-35381-000
14 Standing Pilot, Burner Assembly
(Includes items 10 & 15)
373-19801-401 373-19801-401 373-19801-401 373-19801-402
15 Ignitor, Hot Surface --- --- --- ---
16 Filter (2 Req’d) (16x20x1) 1214-2511 1214-2511 1214-2511 1214-2511
17 Panel, Door (Upper) Accessory (See Page 6)
18 Panel, Door (Lower, Tall) 373-19801-740 373-19801-740 373-19801-740 373-19801-740
19 Motor (See Note 3) 024-31948-000 024-31948-000 024-31948-000 024-31949-000
20 Assembly, Motor Mount --- --- --- ---
21 Plug, Connector 025-21192-000 025-21192-000 025-21192-000 025-21192-000
22 Capacitor, Run --- --- --- 024-20045-000
23 Wheel, Blower 1472-2761 1472-2761 1472-2761 1472-2761
24 Relay, Fan 3110-3301 3110-3301 3110-3301 3110-3301
25 Relay, Booster --- --- --- 3110-3301
26 Switch, Fan 7975-3281 7975-3281 7975-3281 7975-3281
27 Thermocouple 7945-3481 7945-3481 7945-3481 7945-3481
28 Burner, Pilot 9880-0141 9880-0141 9880-0141 9880-0141
29 Tube, Pilot 029-22188-000 029-22188-000 029-22188-000 029-22188-000
30* Diagram, Wiring 035-15287-001 035-15287-001 035-15287-001 035-15288-001
NOTE: *Not Shown
New replacement parts shown in bold face type at the first printing of parts list dated 9/02.
Major components and suggested stocking items are shown with shaded item number.
“<“ Across from row indicates a change in that row.
--- Not applicable to specified model.
3. DGPA with 4 or 5-Ton Blowers are provided as an accessory item and are not standard equipment
from the factory. See Page 6

035-16328-002 Rev. C (0902)
26 Unitary Products Group
DGPH
ITEM DESCRIPTION DGPH056ABTA DGPH070ABTA DGPH077ABTA DGPH090ABTA
1 Switch, Pressure --- --- --- 024-27666-000
2 Tubing Silicone (2’ Req’d) --- --- --- 028-11957-000
3Limit Switch, Manual (Upper) 025-35358-000 025-35358-000 025-35358-000 025-35358-000
4 Assembly, Booster (w/Motor) --- --- --- 373-19801-820
5 Control Board, Integrated --- --- --- ---
6 Valve, Gas 7956-336P 7956-336P 7956-336P 7956-336P
7 Bracket, Valve 073-19801-064 073-19801-064 073-19801-064 073-19801-064
8 Thermostat (Heat Only) Accessory (See Page 6)
9 Exchanger, Heat (w/Gaskets) 373-19804-651 373-19805-651 373-19806-651 373-19806-650
10 Sensor, Flame --- --- --- ---
11 Switch, System 7970-3331 7970-3331 7970-3331 7970-3331
12 Transformer (115-24V, 40 VA) 2940A3541 2940A3541 2940A3541 2940A3541
13 Switch, Limit 025-35380-000 025-35380-000 025-35381-000 025-35381-000
14 Standing Pilot, Burner Assembly
(Includes items 10 & 15)
373-19801-401 373-19801-401 373-19801-401 373-19801-402
15 Ignitor, Hot Surface --- --- --- ---
16 Filter (2 Req’d) (16x20x1) 1214-2511 1214-2511 1214-2511 1214-2511
17 Panel, Door (Upper) Accessory (See Page 6)
18 Panel, Door (Lower, Tall) 373-19801-740 373-19801-740 373-19801-740 373-19801-740
19 Motor (See Note 3) 024-31948-000 024-31948-000 024-31948-000 024-31949-000
20 Assembly, Motor Mount --- --- --- ---
21 Plug, Connector 025-21192-000 025-21192-000 025-21192-000 025-21192-000
22 Capacitor, Run --- --- --- 024-20045-000
23 Wheel, Blower 1472-2761 1472-2761 1472-2761 1472-2761
24 Relay, Fan --- --- --- ---
25 Relay, Booster --- --- --- 3110-3301
26 Switch, Fan 7975-3281 7975-3281 7975-3281 7975-3281
27 Thermocouple 7945-3481 7945-3481 7945-3481 7945-3481
28 Burner, Pilot 9880-0141 9880-0141 9880-0141 9880-0141
29 Tube, Pilot 029-22188-000 029-22188-000 029-22188-000 029-22188-000
30 Diagram, Wiring 035-15285-001 035-15285-001 035-15285-001 035-15286-001
NOTE: *Not Shown
New replacement parts shown in bold face type at the first printing of parts list dated 9/02.
Major components and suggested stocking items are shown with shaded item number.
“<“ Across from row indicates a change in that row.
--- Not applicable to specified model.
3. DGPH with 4 or 5-Ton Blowers are provided as an accessory item and are not standard equipment
from the factory. See page 6.

035-16328-002 Rev. C (0902)
Unitary Products Group 27
BURNER ORIFICE CHART (Normal Altitude Only
4
)
MODEL 056 070 077 090
NATURAL GAS 9951-1361 9951-1541 9951-1611 9951-1801
LP GAS 9951-0821 9951-0931 9951-0981 9951-1061
NOTES
4. Contact Customer Service for installations at altitudes over 2000 feet above sea level.
“<“ Across from row indicates a change in that row.
ACCESSORY PARTS LIST
DESCRIPTION DGAA DGAH DGPA DGPH
Thermostat (Heat/Cool) 025-38251-000 025-38251-000 025-38251-000 --- <
Thermostat (Heat Only) --- --- --- 025-38252-000 <
Door Panel (Upper) 373-19802-010 373-19802-010 373-19802-010 373-19802-010
4-Ton Blower Ass’y
7900-7741/A
Motor --- --- 1468-220 1468-220
Run Capacitor (7.5 MFD) --- --- 024-32020-000 024-32020-000
Motor Mount --- --- 373-19806-100 373-19806-100
Blower Wheel --- --- 1472-2761 1472-2761
5-Ton Blower Ass’y
7900-7751
Motor 024-31975-000 024-31975-000 024-31975-000 024-31975-000
Run Capacitor (20 MFD) 024-20051-000 024-20051-000 024-20051-000 024-20051-000
Motor Mount 373-19802-930 373-19802-930 373-19802-930 373-19802-930
Blower Wheel 1472-2761 1472-2761 1472-2761 1472-2761

Subject to change without notice. Printed in U.S.A. 035-16328-002 Rev. C (0902)
Copyright © by York International Corp. 2002. All rights reserved. Supersedes: 0035-16328-002 Rev. B (1001)
Unitary P.O. Wichita
Products Box KS
Group 19014 67204-9014
NOTES