PRO MIXER DX1000 Behringer Specification Sheet P0051 S En
Behringer DX1000 Specification Sheet DX1000_P0051_S_EN Behringer - DX1000 - Specification Sheet
Behringer DX1000 Specification Sheet dx1000_p0051_s_en Behringer - DX1000 - Specification Sheet
User Manual: Behringer DX1000 Specification Sheet Behringer - DX1000 - Specification Sheet
Open the PDF directly: View PDF
.
Page Count: 5

PRO MIXER DX1000
www.behringer.com
Version 1.2 July 2000
Technical Specifications
ENGLISH

2
PRO MIXER
DX1000
Professional DJ mixer with a total of 10 stereo sources on 5 dual-input channels
sTwo professional high-class microphone channels with peak indicator and effects send facility
sHigh precision phono pre-amps for bass power and crystal clean sound
sUltra-musical 3-band EQ on all channels with independent defeat switch
sKill switch attenuates the bass for more creativity
sUltra-low noise design comparable to studio grade consoles
sReplaceable and ultra-high quality cross fader
sFully adjustable talkover function automatically attenuates the main output
sPFL switches on all channels with two different PFL modes
sA Balance control allows you to blend between Main and PFL on the phones section
sExtremely flexible and clear X-Y routing with status control LEDs on each channel
sLarge X-Y Punch and Cut buttons at the crossfader – your big plus for creative mixing!
sCross fader characteristic can be adjusted to your needs
sMain Mute (-20 dB) and Main Boost buttons (+4 dB) give you total power
sBalanced Main outputs on gold-plated XLR, 1/4" TRS and RCA connectors
sAdditional, adjustable Zone output allows you to control the level of a secondary area
sSubwoofer output with adjustable x-over frequency and level control for separate bass amplification
sRemote-start buttons to start your turntables and CD players etc. at your fingertip
sSeparate tape outputs with and without microphone signal
sBNC socket for 12V gooseneck lamp including dimmer control
sHigh-quality 100 mm channel faders found in professional recording consoles
sSuper-rugged construction ensures long life, even under the most demanding conditions
sManufactured under ISO9000 certified management system

3
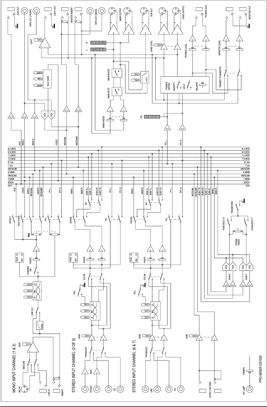
BLOCK DIAGRAM

4
SPECIFICATIONS
MONO INPUT CHANNELS
Mic input electronically balanced, discrete input configuration
Gain +10 dB to +60 dB
Frequency response 10 Hz to 100 kHz, +/- 3 dB
THD 0.06 % typ. @ -30 dBu, 1 kHz
Line input
Gain -10 dB to +40 dB
Frequency response 10 Hz to 100 kHz, +/- 3 dB
THD 0.03 % typ. @ 0 dBu, 1 kHz, Gain 1
S/N ratio > 80 dB
EQ Low 50 Hz, +/- 12 dB
Mid 750 Hz, +/- 9 dB
High 10 kHz, +/- 12 dB
Low cut 75 Hz, 18 dB/oct.
STEREO INPUT CHANNELS
Phono/line/CD input unbalanced input
Gain Line/CD - 15 dB to +15 dB
Phono +25 dB to +55 dB
Frequency response
Line/CD 10 Hz to 100 kHz, +/- 3 dB
Phono 20 Hz to 20 kHz, RIAA
THD Line/CD 0.025 % typ. @ 0 dBu, 1 kHz
Phono 0.035 % typ. @ -30 dBu, 1 kHz
S/N ratio
Line/CD > 80 dB
Phono > 70 dB
EQ Low 50 Hz, +/- 12 dB
Mid 750 Hz, +/- 9 dB
High 10 kHz, +/- 12 dB
CONNECTORS
Master out
Jack 0 dB
XLR +6 dB
Monitor out
Jack 0 dB (max. 10 dB gain)
Zone out
Jack 0 dB (max. 10 dB gain)
Insert send 0 dB
Insert return 0 dB
Effect send 0 dB
POWER SUPPLY
Mains Voltages USA/Canada 120 V ~, 60 Hz, PSU MXUL 1
U.K./Australia 240 V ~, 50 Hz, PSU MXEU 1
Europe 230 V ~, 50 Hz, PSU MXEU 1
General export model 100 - 120 V ~, 200 - 240 V ~, 50 - 60 Hz
Power supply units
Model MXEU 1 In: 230 V ~ / 50 Hz (250 mA)
Out: 2 * 19.5 V ~ (1200 mA)
Model MXUL 1 In: 115 V ~ / 60 Hz (500 mA)
Out: 2 * 19.5 V ~ (1200 mA)
PHYSICAL
Dimensions (W * H * D) app. 19" (482.6) * 14" (355.6 mm) * 2.4" / 6" (60.96 mm / 152.4 mm)
Net weight (without PSU) app. 6.5 kg
BEHRINGER is constantly striving to maintain the highest professional standards. As a result of these efforts, modifications may be made from time
to time to existing products without prior notice. Specifications and appearance may differ from those listed or illustrated.

5
The information contained in this sheet is subject to change without notice. No part of this sheet may be reproduced or transmit-
ted in any form or by any means, electronic or mechanical, including photocopying and recording of any kind, for any purpose,
without the express written permission of BEHRINGER Spezielle Studiotechnik GmbH.
BEHRINGER is a registered trademark. ALL RIGHTS RESERVED.
© 2000 BEHRINGER Spezielle Studiotechnik GmbH.
BEHRINGER Spezielle Studiotechnik GmbH, Hanns-Martin-Schleyer-Str. 36-38, 47877 Willich-Münchheide II, Germany
Tel. +49 (0) 21 54 / 92 06-0, Fax +49 (0) 21 54 / 92 06-30