!! E3dd56f3 47a3 4730 Ba02 F51bfe763da3
Preview ! e3dd56f3-47a3-4730-ba02-f51bfe763da3 Cub Cadet Lawn Mower Manuals - Lawn Mower Manuals – The Best Lawn Mower Manuals Collection
User Manual: !! Cub Cadet Lawn Mower Manuals - Lawn Mower Manuals – The Best Lawn Mower Manuals Collection
Open the PDF directly: View PDF .
Page Count: 40

CUB CADET LLC, P.O. BOX 361131 CLEVELAND, OHIO 44136-0019
Printed In USA
Illustrated Parts Manual
Form No. 769-08373
(September 6, 2012)
Push and Self-Propelled Mowers

Thank you for purchasing a Cub Cadet Lawn Mower. It was
carefully engineered to provide excellent performance when
properly operated and maintained.
All information in this manual is relative to the most recent
product information available at the time of printing. Please be
aware that this Illustrated Part’s Manual may cover a range of
product specifications for various models.
Components listed and/or illustrated in this manual may not be
applicable to all models. We reserve the right to change product
specifications, designs and equipment without notice and
without incurring obligation.
Throughout this manual, all references to right (RH) and left (LH)
are observed from the operating position.
Thank You
0637 Black
4021 Yellow (Cub Cadet)
0499 Beige (Cub Cadet)
0685 Blue (Cub Cadet)
0691 Black Jack (Cub Cadet Commercial)
To The Owner
2
Model SC 100 ........................................................... 4
Model SC 500 ........................................................... 6
Model SC 500 E ........................................................ 8
Model SC 500 HW ...................................................12
Model SC 500 Z .......................................................14
Labels ......................................................................17
Engine Model 2P70MU...........................................18
Engine Model 5X65RU ........................................... 28
Table of Contents
Record Product Information
To ease in ordering replacement parts, please locate the model
plate on the equipment and record the information in the
provided area to the right. You can locate the model plate by
standing at the operator’s position and looking down at the rear
of the deck.
Model NuMber
Serial NuMber
Painted Parts
When ordering painted service parts, a four digit color suffix must be added to the part number (e.g. 783-XXXXX-0637).
Please refer to the table below for current color codes:

3
This page left intentionally blank.

4
Model SC 100 (11A-A92)
35
22
5
29
18
12
13
11
11
14
36
32
34
33 24
23
39
30
37
38
44
42
10
26
25
17
6
28
27
11
8
25
1
4
3
2
28 6
43
11
9
15
46 45
15
20
21
19
A
A
16
7
40
41
31

5
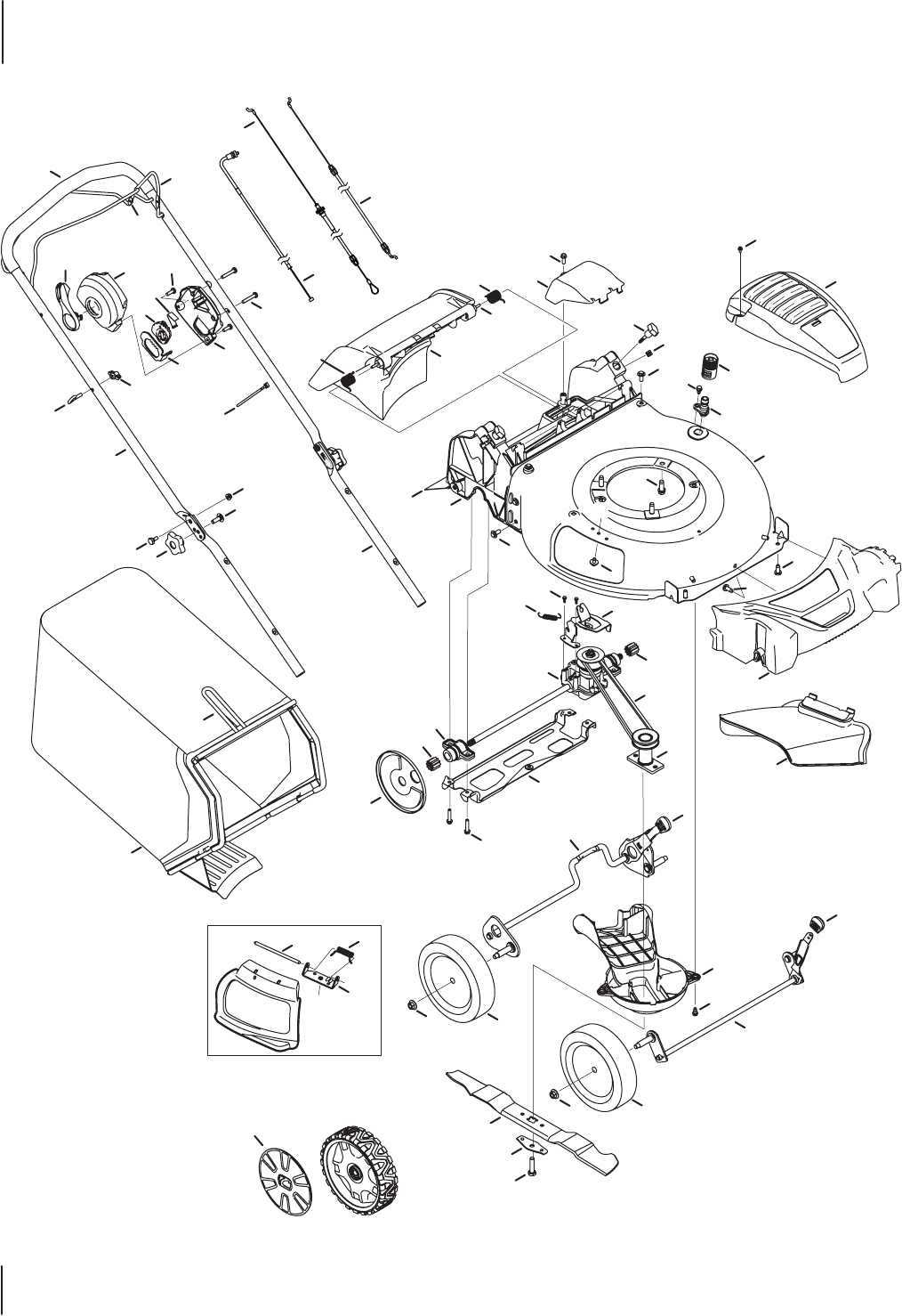
Model SC 100 (11A-A92)
Ref
No. Part Number Description
1942- 0741A Mulching Blade
2710-1044 Screw, 3/8-24 x 1.50
3736-0524B Blade Bell Support
4748-04096 Blade Adapter
5946-04703 Control Cable
6634-04659 Wheel, 8 x2
7731-08570 Hubcap
8731-09258 Front Cover
9787-01874B 21” Deck
10 710-04683A Screw, tt, 3/8-16 x 1.00
11 710-04995A Screw, 5/16-14 x .750
12 921-04041 Water Nozzle Adapter
13 731-07487 Water Nozzle
14 738-04278 Scr., Shldr., 1/4-20 x .50
15 631-04369A Rear Discharge Door Assembly
16 987-02516 Mulch Plug (Incl. 19-21)
17 710-05073 Screw
18 731-07131 Side Discharge Chute
19 787-01779 Chute Deector Bracket
20 732-1014C Torsion Spring
21 747- 0710A Hinge Pin
22 747- 06041 Blade Control
23 647-04271 Grass Catcher Frame
Ref
No. Part Number Description
24 764-04082A Grass Bag
25 720-05014 Adjustment Knob
26 911- 0 4142 Rear Axle Assembly
27 911- 05022 Front Axle Assembly
28 712- 04217 Flange Lock Nut, 3/8-16
29 749- 04608A Lower Handle
30 749- 04682A Upper Handle
31 720-05001 Foam Grip
32 710-04998 Carriage Screw ,5/16-18
33 710 -1205 Rope Guide
34 712-04064 Nut, Flange Lock, 1/4-20
35 720-0279 Knob
36 720- 04123A Wing Nut
37 720-05009 Star Knob
38 725-0157 Cable Tie
39 738-04419A Shdr. Screw, .375 x .126 x 1/4-20
40 710 -04744 Screw, HL, #12-16 x 1.00
41 731-09094 Engine Shroud
42 712-04222 Nut, Sq., 1/4-20
43 731-07203 Trail Shield
44 732-04673 Torsion Spring - RH
45 732-04674 Torsion Spring - LH
46 747- 05183 Pivot Rod

6
Model SC 500 (12AQC22)
35
36
37
10
56
70
69
19
20
17
5
67
22
39
28
39
33
34
3
8
23 21
4
44
47
52
26
46
32
39
21
71
72
24
59
66 61
45
51
54
57
55
55 58
40
50
6
60
63
65
64
62
68
40
42
53
39
27
41
38
30
A
A
7
25
49
18
14
14
48
43
12
29
9
11
13
31
1
2
15
16

7
Model SC 500 (12AQC22)
Ref
No. Part Number Description
1731-08570 Hubcap
2720-05001 Foam Grip
3710-04998 Carriage Screw ,5/16-18
4710 -1205 Rope Guide
5712-04064 Nut, Flange Lock, 1/4-20
6720-0279 Knob
7720- 04123A Wing Nut
8720-05009 Star Knob
9725- 0157 Cable Tie
10 738-04419A Shdr. Screw, .375 x .126 x 1/4-20
11 749- 04608A Lower Handle
12 749- 05060 Upper Handle
13 731-09258 Front Cover
14 720-05014 Adjustment Knob
15 710 -04744 Screw, HL, #12-16 x 1.00
16 731-09094 Engine Shroud
17 942- 0741A Mulching Blade
18 687-02220 Blade Adapter
19 710-1044 Screw, 3/8-24 x 1.50
20 736-0524B Blade Bell Support
21 631-04553A Rear Discharge Door Assembly
22 712-04222 Nut, Sq., 1/4-20
23 731-07203 Trail Shield
24 946-04810 Speed Select Cable
25 732-04673 Torsion Spring - RH
26 732-04674 Torsion Spring - LH
27 747- 05183 Pivot Rod
28 787-02002A 21” Deck
29 987-02516 Mulch Plug (Incl. 32-34)
30 710-05073 Screw
31 731-07131 Side Discharge Chute
32 787-01779 Chute Deector Bracket
33 732-1014C Torsion Spring
34 747- 0710A Hinge Pin
35 921-04041 Water Nozzle Adapter
36 731-07487 Water Nozzle
Ref
No. Part Number Description
37 738-04278 Scr., Shldr., 1/4-20 x .50
38 710-04683A Screw, tt, 3/8-16 x 1.00
39 710-05425 Screw, 5/16-14 x .750
40 917-04852 Spur Gear, 10T
41 731-07799 Transmission Cover
42 631- 04501A Bearing Assembly
43 631- 04512C Engine Bae
44 710 -04374 Screw, Hex Washer, .159 x .43
45 710 -04774 Screw, 1/4-15 x 1.25
46 710-0895 Screw, 1/4-15 x .750
47 732-04826A Exten. Spring, 2.675
48 738-04278 Scr., Shldr., 1/4-20 x .50
49 954-04282 V-Belt
50 787-01868A Transmission Bracket
51 787-01915 Rear Support Bracket
52 918-06000 Transmission
53 611- 0 502 0 Rear Axle Assembly
54 911- 05022 Front Axle Assembly
55 712- 04217 Flange Lock Nut, 3/8-16
56 731-07795 Wheel Dust Cover
57 634-04659 Front Wheel, 8 x2
58 634-05044 Rear Wheel, 8 x 2
59 631-04654 Control Housing Assembly
60 710-05397 Screw, 1/4-15 x 1.50
61 710-05405 Screw, 1/4-15 x .750
62 731-08493 Speed Cable Actuater
63 731-08596 Lower Control Housing
64 732-04937 Shift Lever Spring
65 787-02016 Cable Adjustment Plate
66 731-08695 Speed Select Lever
67 747- 06041 Blade Control
68 747- 06042 Drive Control
69 747- 05362A Grass Catcher Frame
70 964-05005 Grass Bag
71 746- 04850 Speed Adjustment Cable
72 746-05046 Control Cable

8
Model SC 500 E (12ARD2J)
35
36
37
77
78
80
83
89
88
87
B
B
10
56
70
69
19
20
17
5
67
22
39
28
39
33
34
3
8
23 21
4
44
47
52
26
46
32
39
21
71
72
73
59
66 61
45
51
54
57
55
55 58
40
50
6
60
63
65
64
62
68
40
42
53
39
27
41
38
30
A
A
7
25
49
18
14
14
48
43
12
29
9
11
13
31
1
2
15
16
9
24
74
75
76
81
90
84
85
79
82
22
86
91

9
Model SC 500 E (12ARD2J)
Ref
No. Part Number Description
1731-08570 Hubcap, 8”
2720-05001 Foam Grip
3710-04998 Carriage Screw ,5/16-18
4710 -1205 Rope Guide
5712-04064 Nut, Flange Lock, 1/4-20
6720-0279 Knob
7720- 04123A Wing Nut
8720-05009 Star Knob
9725- 0157 Cable Tie
10 738-04419A Shdr. Screw, .375 x .126 x 1/4-20
11 749- 04608A Lower Handle
12 749- 05060 Upper Handle
13 731-09258 Front Cover
14 720-05014 Adjustment Knob
15 710 -04744 Screw, HL, #12-16 x 1.00
16 931-04232B Engine Shroud
17 942- 0741A Mulching Blade
18 687-02555 Blade Adapter
19 710-1044 Screw, 3/8-24 x 1.50
20 736-0524B Blade Bell Support
21 631-04553A Rear Discharge Door Assembly
22 712-04222 Nut, Sq., 1/4-20
23 731-07203 Trail Shield
24 731-08571 Hub cap, 11”
25 732-04673 Torsion Spring - RH
26 732-04674 Torsion Spring - LH
27 747- 05183 Pivot Rod
28 787-02003A 21” Deck
29 687-02531 Mulch Plug (Incl. 32-34)
30 710-05073 Screw
31 731-07131 Side Discharge Chute
32 787-01779 Chute Deector Bracket
33 732-1014C Torsion Spring
34 747- 0710A Hinge Pin
35 921-04041 Water Nozzle Adapter
36 731-07487 Water Nozzle
37 738-04278 Scr., Shldr., 1/4-20 x .50
38 710-04683A Screw, tt, 3/8-16 x 1.00
39 710-05425 Screw, 5/16-14 x .750
40 917-04849 Spur Gear, 9T
Ref
No. Part Number Description
41 731-07799 Transmission Cover
42 631- 04501A Bearing Assembly
43 631- 04512C Engine Bae
44 710 -04374 Screw, Hex Washer, .159 x .43
45 710 -04774 Screw, 1/4-15 x 1.25
46 710-0895 Screw, 1/4-15 x .750
47 732-04826A Exten. Spring, 2.675
48 738-04278 Scr., Shldr., 1/4-20 x .50
49 954-04282 V-Belt
50 787-01868A Transmission Bracket
51 787-01915 Rear Support Bracket
52 918-06000 Transmission
53 911- 05029 Rear Axle Assembly
54 911- 05022 Front Axle Assembly
55 712- 04217 Flange Lock Nut, 3/8-16
56 731-07731B Wheel Dust Cover
57 634-04659 Front Wheel, 8 x2
58 934-04699 Rear Wheel, 11 x 2
59 631-04654 Control Housing Assembly
60 710-05397 Screw, 1/4-15 x 1.50
61 710-05405 Screw, 1/4-15 x .750
62 731-08493 Speed Cable Actuater
63 731-08596 Lower Control Housing
64 732-04937 Shift Lever Spring
65 787-02016 Cable Adjustment Plate
66 731-08695 Speed Select Lever
67 747- 06041 Blade Control
68 747- 06042 Drive Control
69 747- 05362A Grass Catcher Frame
70 964-05005 Grass Bag
71 746- 04850 Speed Adjustment Cable
72 746- 05045 Control Cable
73 946-04810 Speed Select Cable
74 725-04329 Battery Charger
75 710-0136 Hex Cap Screw, 1/4-20 x 1.75
76 710-0276 Screw, 5/16-18 x 1.00
77 710-04995A Screw, 5/16-14 x .750
78 912-0429 Nut, 5/16-18, Hexlock
79 725-05387 Key
80 725-04903 Battery
Continued on next page

10
Model SC 500 E (12ARD2J)
Ref
No. Part Number Description
81 725-05015 Electric Start Harness
82 725 - 05112 Key Switch
83 726-0201 Nut, Spd.
84 731-07135 Battery Housing
85 731-07154 Battery Housing, Top
86 731-08618 Switch Housing, RH
87 735-04213A Seal
88 736-0242 Washer, Bell, .340 x .872 x .060
89 738-04431A Shoulder Screw, 5/16-14 x .972
90 750-05377 Spacer, .340 x .460 x .246
91 731- 08619 Switch Housing, LH

11
This page left intentionally blank.

12
Model SC 500 HW (12AQD22)
35
36
37
10
56
70
69
19
20
17
5
67
22
39
28
39
33
34
3
8
23 21
4
44
47
52
26
46
32
39
21
71
72
73
59
66 61
45
51
54
57
55
55 58
40
50
6
60
63
65
64
62
68
40
42
53
39
27
41
38
30
A
A
7
25
49
18
14
14
48
43
12
29
9
11
13
31
1
2
9
24
15
16

13
Model SC 500 HW (12AQD22)
Ref
No. Part Number Description
1731-08570 Hubcap, 8”
2720-05001 Foam Grip
3710-04998 Carriage Screw ,5/16-18
4710 -1205 Rope Guide
5712-04064 Nut, Flange Lock, 1/4-20
6720-0279 Knob
7720- 04123A Wing Nut
8720-05009 Star Knob
9725- 0157 Cable Tie
10 738-04419A Shdr. Screw, .375 x .126 x 1/4-20
11 749- 04608A Lower Handle
12 749- 05060 Upper Handle
13 731-09258 Front Cover
14 720-05014 Adjustment Knob
15 710 -04744 Screw, HL, #12-16 x 1.00
16 731-09094 Engine Shroud
17 942- 0741A Mulching Blade
18 687-02220 Blade Adapter
19 710-1044 Screw, 3/8-24 x 1.50
20 736-0524B Blade Bell Support
21 631-04553A Rear Discharge Door Assembly
22 712-04222 Nut, Sq., 1/4-20
23 731-07203 Trail Shield
24 731-08571 Hub cap, 11”
25 732-04673 Torsion Spring - RH
26 732-04674 Torsion Spring - LH
27 747- 05183 Pivot Rod
28 787-02002A 21” Deck
29 987-02516 Mulch Plug (Incl. 32-34)
30 710-05073 Screw
31 731-07131 Side Discharge Chute
32 787-01779 Chute Deector Bracket
33 732-1014C Torsion Spring
34 747- 0710A Hinge Pin
35 921-04041 Water Nozzle Adapter
36 731-07487 Water Nozzle
37 738-04278 Scr., Shldr., 1/4-20 x .50
Ref
No. Part Number Description
38 710-04683A Screw, tt, 3/8-16 x 1.00
39 710-05425 Screw, 5/16-14 x .750
40 917-04849 Spur Gear, 9T
41 731-07799 Transmission Cover
42 631- 04501A Bearing Assembly
43 631- 04512C Engine Bae
44 710 -04374 Screw, Hex Washer, .159 x .43
45 710 -04774 Screw, 1/4-15 x 1.25
46 710-0895 Screw, 1/4-15 x .750
47 732-04826A Exten. Spring, 2.675
48 738-04278 Scr., Shldr., 1/4-20 x .50
49 954-04282 V-Belt
50 787-01868A Transmission Bracket
51 787-01915 Rear Support Bracket
52 918-06000 Transmission
53 911- 05029 Rear Axle Assembly
54 911- 05022 Front Axle Assembly
55 712- 04217 Flange Lock Nut, 3/8-16
56 731-07731B Wheel Dust Cover
57 634-04659 Front Wheel, 8 x2
58 934-04699 Rear Wheel, 11 x 2
59 631-04654 Control Housing Assembly
60 710-05397 Screw, 1/4-15 x 1.50
61 710-05405 Screw, 1/4-15 x .750
62 731-08493 Speed Cable Actuater
63 731-08596 Lower Control Housing
64 732-04937 Shift Lever Spring
65 787-02016 Cable Adjustment Plate
66 731-08695 Speed Select Lever
67 747- 06041 Blade Control
68 747- 06042 Drive Control
69 747- 05362A Grass Catcher Frame
70 964-05005 Grass Bag
71 746- 04850 Speed Adjustment Cable
72 746-05046 Control Cable
73 946-04810 Speed Select Cable

14
Model SC 500 Z (12AQC62)
7” wheel 8” wheel
10
5
43
78
75
73
13
76
91
80
3
8
79
1
65
71
67
62
60
77
4
26
29
55
34
82
28
51
90
75
77
52
53
54
35
42 37
27
46
89
61
33
22 45
64
72
59
66
58
57
68
63
68
70
70
69
32
45
6
36
39
41
40
38
44
22
24
76
83
50
23
74
88
A
A
7
81
11
18
21
20
31
56
19
30
25
12
87
2
14 15
84
85
86
48 49
47
9
16
17

15
Ref
No. Part Number Description
1720-04182A Adjustment Knob
2720-05001 Foam Grip
3710-04998 Carriage Screw ,5/16-18
4710 -1205 Rope Guide
5712-04064 Nut, Flange Lock, 1/4-20
6720-0279 Knob
7720- 04123A Wing Nut
8720-05009 Star Knob
9725- 0157 Cable Tie
10 738-04419A Shdr. Screw, .375 x .126 x 1/4-20
11 749- 04608A Lower Handle
12 749- 05060 Upper Handle
13 731-09356 Front Cover
14 731-09360 Hubcap, 7”
15 731-08570 Hubcap, 8”
16 710 -04744 Screw, HL, #12-16 x 1.00
17 731-09094 Engine Shroud
18 942- 0741A Mulching Blade
19 687-02220 Blade Adapter
20 710-1044 Screw, 3/8-24 x 1.50
21 736-0524B Blade Bell Support
22 917-04852 Spur Gear, 10T
23 731-07799 Transmission Cover
24 631- 04501A Bearing Assembly
25 631- 04512C Engine Bae
26 710 -04374 Screw, Hex Washer, .159 x .43
27 710 -04774 Screw, 1/4-15 x 1.25
28 710-0895 Screw, 1/4-15 x .750
29 732-04826A Exten. Spring, 2.675
30 738-04278 Scr., Shldr., 1/4-20 x .50
31 954-04282 V-Belt
32 787-01868A Transmission Bracket
33 787-01915 Rear Support Bracket
34 918-06000 Transmission
35 631-04654 Control Housing Assembly
36 710-05397 Screw, 1/4-15 x 1.50
37 710-05405 Screw, 1/4-15 x .750
38 731-08493 Speed Cable Actuater
39 731-08596 Lower Control Housing
40 732-04937 Shift Lever Spring
Ref
No. Part Number Description
41 787-02016 Cable Adjustment Plate
42 731-08695 Speed Select Lever
43 747- 06041 Blade Control
44 747- 06042 Drive Control
45 731-07795 Wheel Dust Cover
46 634-04714 Rear Wheel, 8 x 2
47 634-04733 Front Wheel, 7 x 2
48 750-06036 Caster Hub, Long
49 750-06065 Caster Hub, Short
50 747- 05362A Grass Catcher Frame
51 964-05005 Grass Bag
52 746- 04850 Speed Adjustment Cable
53 746-05046 Control Cable
54 946-04810 Speed Select Cable
55 611- 0 5033 Rear Axle Assembly
56 682-9024 Caster Bracket Assembly, RH
57 682-9026 Caster Bracket Assembly, LH
58 687-05033 Caster Bracket Assembly
59 710-05425 Screw, 5/16-14 x .750
60 911-1146 Caster Axle, .374 Dia. x 2.59
61 712- 04217 Flange Lock Nut, 3/8-16
62 914-0104 Cotter Pin, .072 Dia. x 1.13 Lg.
63 726-0214 Push Cap, 5/8
64 731-09149 Dust Cover, 7”
65 932-0306A Compr. Sprng., .531 OD x 1.75 Lg
66 735-0246A Plug
67 936-0264 Flat Washer, .330 x .630 x .064
68 736-0366 Flat Washer, .640 x 1.12 x .125
69 738-04502 Shdr. Screw, .50 x 1/4-20
70 741-0685 Flange Bearing, .631 ID
71 747- 0924 Lock Pin: Front Wheel
72 792-9725 Knob, 1/4-20
73 687-05069 21” Deck
74 710-04683A Screw, tt, 3/8-16 x 1.00
75 710-05425 Screw, 5/16-14 x .750
76 710 -1611B Screw, TT, 5/16-18 x .750
77 631-04553A Rear Discharge Door Assembly
78 712-04222 Nut, Sq., 1/4-20
79 731-07203 Trail Shield
80 747- 0710A Hinge Pin
Model SC 500 Z (12AQC62)
Continued on next page

16
Model SC 500 Z (12AQC62)
Ref
No. Part Number Description
81 732-04673 Torsion Spring - RH
82 732-04674 Torsion Spring - LH
83 747- 05183 Pivot Rod
84 921-04041 Water Nozzle Adapter
85 731-07487 Water Nozzle
86 738-04278 Scr., Shldr., 1/4-20 x .50
87 987-02516 Mulch Plug (Incl. 32-34)
88 710-05073 Screw
89 731-07131 Side Discharge Chute
90 787-01779 Chute Deector Bracket
91 732-1014C Torsion Spring

17
Labels
3
4
2
777I23312
777S32652 777D18543
Read and follow Operating Instructions before running
engine.
Gasoline is flammable. Allow engine to cool at least
2 minutes before refueling.
Engines emit carbon monoxide. DO NOT run in enclosed
area.
777I23349 777I20793
777D18546
DRIVE CONTROL BLADE CONTROL
777I25102
L
H
1
3
5
2
4
6
777I20745777I20292
L
H
1
3
5
2
4
6
ELECTRIC START
D18407
3 YEAR
LIMITED WARRANTY
WITH SURESTART GUARANTEE®
SC 100
WA L K B E H I N D
777D18407
777D18410
777D18408 777D18409
D18408
3 YEAR
LIMITED WARRANTY
WITH SURESTART GUARANTEE®
SC 500
R E A R D R I V E
777D18411
SC 500 e
REAR DRIVE • ELECTRIC START
3 YEAR
LIMITED WARRANTY
173cc
PERFORMANCE
TUNED ENGINE
D18411
D18409
3 YEAR
LIMITED WARRANTY
WITH SURESTART GUARANTEE®
SC 500 hw
RE A R D R I V E • HI GH W H EE L S
D18410
3 YEAR
LIMITED WARRANTY
WITH SURESTART GUARANTEE®
SC 500 z
REAR DRIVE • CAST ER W HEELS
159cc
PERFORMANCE
TUNED ENGINE

18
2P70MU Air Cleaner
Ref. Part Number Description
3712-04212 Nut M6X10mm
105 710-04980 Bolt M6X35
132 951-10297 Air Filter Cover Thumb Screw
133 951-10412B Air Cleaner Housing Ass'Y Comp
135 951-10298 Air Cleaner Kit
133
132
135
33
105

19
2P70MU Carburetor
Ref. Part Number Description
138 951-1152 5 Carburetor Gasket Plate
139 951-10639A Primer Assembly
141 951-11824 Primer Bulb
142 951-10881 Carburetor Assembly
143 723-04093 Primer Hose Clamp
144 951-12473 Primer Hose
145 n/a Screw M3X6 Throttle Plate
146 n/a Throttle Plate Lock Washer
147 n/a Throttle Plate
148 n/a Throttle Shaft Fiber O-Ring
149 n/a Throttle Shaft
150 n/a Idle Jet Assembly
151 n/a Idle Speed Adjusting Screw
152 n/a Idle Mixture Screw
153 n/a Carburetor Body
154 n/a Emulsion Tube
155 n/a Main Jet
Ref. Part Number Description
156 951-11597 Fuel Bowl O-Ring
157 n/a Needle Valve
158 n/a Needle Valve Spring
159 n/a Float
160 n/a Float Pin
161 n/a Fuel Bowl
162 951-1134 8 Fuel Bowl Gasket
163 710-04945 Fuel Bowl Mounting Bolt
164 710-04938 Fuel Drain Plug
165 951-11349 Fuel Drain Plug Gasket
166 951-12110 Carburetor Gasket
167 951-11255 Carburetor Insulator
168 951-11254 Carburetor Insulator Gasket
169 710-04981 Carb Stud M6X113
213 951-12425A Carburetor Kit - Major
(Incl.148,150,151,154-160,162,165)
169
169
168
167
166
145
146
147
149
148
150 143
144
143
151
152
153
154
155
156
157
158
160
159
161
165
164
162
163
138
142
141
139
213 - Carburetor Kit - Major

20
2P70MU Crankcase
Ref. Part Number Description
45 710-04916 Bolt M6X14
46 951-12684 Breather Cover Plate
47 951-11729 Breather Gasket
48 951-11762 Breather Screen
49 951-11545 Upper Crankshaft Seal
50 951-12685 Breather Valve
51 951-12686 Breather Valve Base
52 951-11619 Ignition Coil Bracket
53 951-10854 Ignition Coil Assembly
54 710-04979 Bolt M6X18
56 951-11618 Ignition Wire Clip
70 951-1126 0 Breather Hose Assembly
71 726-04101 Breather Hose Clamp
73 951-116 08 Governor Arm Shaft
74 714-04074 Governor Shaft Arm Cotter Pin
75 951-11574 Governor Seal
76 951-11259 Throttle Linkage
77 951-11258 Throttle Linkage Spring
79 951-11238 Governor Arm
80 712-04212 Governor Arm Nut M6
81 710-04908 Governor Arm Bolt
82 951-11273 Governor Spring
45
46
47
48
50
51
49 54 53
56
52
70 71 71
73 74
75
96
97
98
79
80
81
76
77
82
84
83
83
45
45
85
201
206
208
207
206
209
212
215 - Gasket Kit - Complete
216 - Gasket Kit - External
217 - Complete Engine

21
2P70MU Crankcase
Ref. Part Number Description
45 710-04916 Bolt M6X14
46 951-12684 Breather Cover Plate
47 951-11729 Breather Gasket
48 951-11762 Breather Screen
49 951-11545 Upper Crankshaft Seal
50 951-12685 Breather Valve
51 951-12686 Breather Valve Base
52 951-11619 Ignition Coil Bracket
53 951-10854 Ignition Coil Assembly
54 710-04979 Bolt M6X18
56 951-11618 Ignition Wire Clip
70 951-1126 0 Breather Hose Assembly
71 726-04101 Breather Hose Clamp
73 951-116 08 Governor Arm Shaft
74 714-04074 Governor Shaft Arm Cotter Pin
75 951-11574 Governor Seal
76 951-11259 Throttle Linkage
77 951-11258 Throttle Linkage Spring
79 951-11238 Governor Arm
80 712-04212 Governor Arm Nut M6
81 710-04908 Governor Arm Bolt
82 951-11273 Governor Spring
Ref. Part Number Description
83 710 -04915 Bolt M6X12
84 951-12472 Primer Bracket
85 951-10858B Brake Assembly
96 951-10857C Short Block Assembly
(Incl.45-51,61,73-75,96-99,103,
113-118,128-130,138,167,168,184
187,196,199,200,201,206 -209)
97 951-11763 Crankcase Cover Gasket
98 951-11369 Main Bearing
201 951-12111 Piston Ring Set
206 951-11632 Piston Pin Snap Ring
207 951-11633 Piston Pin
208 951-11634 Piston
209 951-11768 Connecting Rod Assembly
212 710-05162 Connecting Rod Bolt
215 951-10416A Gasket Kit - Complete
(Incl.47,49,75,97,103,114,130,166,
168,184,187,196)
216 951-10417A Gasket Kit - External
(Incl.49,103,114,166,168,184,187)
217 952Z2P70MU Complete Engine

22
2P70MU Crankshaft & Crankcase Cover
Ref. Part Number Description
45 710-04916 Bolt M6X14
61 710-04922 Bolt M8X50
99 951-11624 Crankshaft Assembly
100 951-10307 Flywheel Key
102 9 51-1176 4 B Dipstick Assembly
103 951-11547 Oil Fill Tube O-Ring
104 951-11765A Oil Filler Tube Assemlby
105 710-04980 Bolt M6X35
113 710-04906 Oil Drain Plug
Ref. Part Number Description
114 736-04440 Oil Drain Plug Washer
115 715-04089 Crankcase Cover Dowel Pin 9×14
116 736-04491 Crankshaft Thrust Washer
117 951-11625 Governor Gear Mounting Plate
118 951-11626 Governor Gear/Shaft Assembly
128 715-04092 Crankcase Cover Dowel Pin 7×14
129 951-1179 4 Crankcase Cover
130 951-11627 Lower Crankshaft Seal
214 951-10370 Oil Drain Plug And Washer Assy
102
103
105
104
103
99
100
116
61 61
128
129
118
117
45
61
61
214
114
113
130
61
61
115
113
114

23
2P70MU Flywheel & Shroud
Ref. Part Number Description
1710 -04744 Bolt, Hilo #12-16 X 1.00"
2 Outer Shroud (Model Specic)
3712-04212 Nut M6X10mm
4951-12683 Recoil Starter Assembly
8951-11721 Recoil Spring And Pulley Ass'Y
15 710-04976 Stud Left/Black/Wh Zinc
Ref. Part Number Description
16 710-04977 Stud Front/Unmarked/Wh Zinc
17 710-04978 Stud Right/White/Wh Zinc
18 951-10855 Inner Shroud
19 750-05320 Engine Shroud Spacer
20 712-04287 Flywheel Nut M14
21 951-12470 Flywheel
33
8
3
4
11
2
20
21
19
15
18
19
17
19
16

24
2P70MU Cylinder Head
Ref. Part Number Description
3712-04212 Nut M6X10mm
45 710-04916 Bolt M6X14
170 951-10413B Cylinder Head Assembly
(Incl.167,168,170,173-478,
180-184,187,196)
171 710-04982 Bolt M8X54
172 951-10292 Spark Plug/F6Rtc
174 951-11818 Intake Valve Seal
175 951-10345 Valve Kit
176 951-12116 Valve Spring
177 951-12000 Valve Spring Retainer
178 951-11629 Push Rod Guide
179 951-116 06 Rocker Arm Assembly
180 710-04902 Rocker Arm Stud
181 951-12001 Rocker Arm
182 751-1112 3 Fulcrum Nut
183 751-11124 Jam Nut
184 951-11551 Valve Cover Gasket
185 951-1154 8 Valve Cover
186 710-05094 Muer Stud M6X95
186 951-10342 Muer Stud Assemlby
3
3
193
Optional
194
195
189
190
192
191
190
191
188
187
196
197
198
199
199
198
197
200
171
186
186 172
175
175
174
176
176
177
184
185
45
45
45
45
179
183
182
181
180
183
182
181
180
178
171
171
171
170
215 - Gasket Kit - Complete
216 - Gasket Kit - External
217 - Complete Engine

25
2P70MU Cylinder Head
Ref. Part Number Description
3712-04212 Nut M6X10mm
45 710-04916 Bolt M6X14
170 951-10413B Cylinder Head Assembly
(Incl.167,168,170,173-478,
180-184,187,196)
171 710-04982 Bolt M8X54
172 951-10292 Spark Plug/F6Rtc
174 951-11818 Intake Valve Seal
175 951-10345 Valve Kit
176 951-12116 Valve Spring
177 951-12000 Valve Spring Retainer
178 951-11629 Push Rod Guide
179 951-116 06 Rocker Arm Assembly
180 710-04902 Rocker Arm Stud
181 951-12001 Rocker Arm
182 751-1112 3 Fulcrum Nut
183 751-11124 Jam Nut
184 951-11551 Valve Cover Gasket
185 951-1154 8 Valve Cover
186 710-05094 Muer Stud M6X95
186 951-10342 Muer Stud Assemlby
Ref. Part Number Description
187 951-12474 Muer Gasket
188 951-12740 Muer Assembly
189 951-12741 Secondary Air Valve
190 710-05434 Bolt M6×12
191 951-12743 Secondary Air Valve Gasket
192 951-12742 Secondary Air Tube
193 951-12744 Muer Shield
194 951-10351 Spark Arrestor
195 710-04983 Spark Arrestor Screw
196 951-11630 Cylinder Head Gasket
197 715-04108 Cylinder Head Dowel Pin 10×16
198 751-10344 Push Rod Kit
199 951-116 07 Tappet
200 951-11767 Camshaft Assembly
215 951-10416A Gasket Kit - Complete
(Incl.47,49,75,97,103,114,130,
166,168,184,187,196)
216 951-10417A Gasket Kit - External
(Incl.49,103,114,166,168,184,187)
217 952Z2P70MU Complete Engine

26
2P70MU Fuel Tank & Mounting
Ref. Part Number Description
45 710-04916 Bolt M6X14
55 951-12471 Fuel Tank Bottom Bracket
57 736-04456 Fuel Tank Washer
58 951-10335 Rubber Bushing
59 951-11617 Fuel Tank / Label Bracket
60 750-05322 Fuel Tank Bushing
61 710-04922 Bolt M8X50
62 951-12738 Fuel Cap Assembly
65 951-12739 Fuel Tank Assembly
66 951-10358A Fuel Filter
67 951-1170 0 Fuel Hose Clamp
68 723-04071 Plastic Support Clamp
69 951-10364 Fuel Line Kit
62
65
61
57
60
58
45
69 66
67
67
68
68
45
59
58
57
45
45
55

27
2P70MU Starter
Ref. Part Number Description
22 951-12457 Electric Starter Assembly (53:9)
30 710-04969 Bolt M6X30
44 715- 04088 Starter Housing Dowel 8X8
105 710-04980 Bolt M6X35
106 951-10823 Starter Relay Assembly
111 951-10824 Power Connector Harness
30 22
44 44
105
106 111

28
5X65RU Air Cleaner
Ref. Part Number Description
117 710-04969 Bolt M6X30 Af Base/Coil/E-Starter
118 951-14439 Air Cleaner Housing Assembly
120 951-10298 Air Cleaner Kit
121 712-05015 Nut M6X10Mm Starter/Carb/Mu
117
120
118
121

29
5X65RU Carburetor
Ref. Part Number Description
126 951-14419 Air Filter Base Gasket
127 951-14420 Choke Temp Control Bracket
128 951-14422 Choke Temp Control Bracket Gasket
129 951-14421 Choke Temp Control Linkage
130 951-14423 Carburetor Assembly
131 951-14424 Carburetor Gasket
132 951-11738 Carburetor Insulator
133 951-11528 Carburetor Insulator Gasket
134 951-14425 Carb Stud M6×87
179 951-14446 Carburetor Kit
(Incl.e,j,k,l,o,p,q,r,s,t,u,w,z)
an/a Choke Shaft
bn/a Choke Plate
cn/a Choke Return Spring
dn/a Choke Shaft Washer
en/a Choke Shaft Fiber O-Ring
fn/a Throttle Plate
gn/a Throttle Plate Lock Washer
hn/a Screw M3X6 Throttle Plate
Ref. Part Number Description
in/a Throttle Shaft
jn/a Idle Jet Assembly
kn/a Throttle Shaft Fiber O-Ring
ln/a Idle Speed Adjusting Screw
mn/a Idle Mixture Screw
nn/a Carburetor Body
on/a Emulsion Tube
pn/a Main Jet
qn/a Fuel Bowl O-Ring
rn/a Needle Valve
sn/a Needle Valve Spring
tn/a Float
un/a Float Pin
vn/a Fuel Bowl
wn/a Fuel Bowl Gasket
xn/a Fuel Bowl Mounting Bolt
yn/a Fuel Drain Plug
aa n/a Fuel Drain Plug Gasket
s
tu
v
w
xy
z
p
q
r
a
b
c
d
k
g
hi
j
e
f
l
m
n
o
133
132
131
130
130
129
128
127
126
179 - Carburetor Kit
134
134

30
5X65RU Crankcase
Ref. Part Number Description
28 951-14402 Brake Assembly
36 712-04219 Brake Arm Nut
38 712-04209 Ground Switch Nuts M4
43 750-05384 Brake Spacer
44 710-04980 Bolt M6X35 Af Base/Brake/Dipstick
45 710-04918 Bolt M6×20 Ignition Coil
46 951-11622 Flexible Clamp, Ignition Coil
47 951-14403 Ignition Coil Assembly
48 710-04916 Bolt M6X14 Multi-Purpose
49 951-14404 Breather Cover Plate
50 951-14405 Breather Gasket
51 951-1159 6 Upper Crankshaft Seal
52 951-11730 Breather Screen
53 732-04718 Breather Valve Spring
54 951-11614 Breather Valve
64 710 -04915 Bolt M6X12 Multi-Purpose
71 951-14408 Choke Linkage
72 951-14409 Throttle Linkage Spring
73 951-14410 Throttle Linkage
74 951-14 411 Governor Spring
75 951-14 412 Governor Arm Assembly
79 951-14413 Component Bracket
80 951-14414 Air Vane Bracket
81 951-11529 Air Vane
28
36
38
44
43
43
44
46
47
45
48
49
50
52
53
54
51
84
83 82
88
90
89
72
71
81
75
74
73
48 48
79
80
64 64
85 86
86
169
166
161
167
168
166
172
176 - Gasket Kit - Complete
177 - Gasket Kit -External
178 - Complete Engine

31
5X65RU Crankcase
Ref. Part Number Description
28 951-14402 Brake Assembly
36 712-04219 Brake Arm Nut
38 712-04209 Ground Switch Nuts M4
43 750-05384 Brake Spacer
44 710-04980 Bolt M6X35 Af Base/Brake/Dipstick
45 710-04918 Bolt M6×20 Ignition Coil
46 951-11622 Flexible Clamp, Ignition Coil
47 951-14403 Ignition Coil Assembly
48 710-04916 Bolt M6X14 Multi-Purpose
49 951-14404 Breather Cover Plate
50 951-14405 Breather Gasket
51 951-1159 6 Upper Crankshaft Seal
52 951-11730 Breather Screen
53 732-04718 Breather Valve Spring
54 951-11614 Breather Valve
64 710 -04915 Bolt M6X12 Multi-Purpose
71 951-14408 Choke Linkage
72 951-14409 Throttle Linkage Spring
73 951-14410 Throttle Linkage
74 951-14 411 Governor Spring
75 951-14 412 Governor Arm Assembly
79 951-14413 Component Bracket
80 951-14414 Air Vane Bracket
81 951-11529 Air Vane
Ref. Part Number Description
82 714-04074 Governor Arm Shaft Cotter Pin
83 951-11574 Governor Seal
84 951-14416 Governor Arm Shaft
85 951-11520 Breather Hose Assembly
86 726-04101 Breather Hose Clamp
88 951-14415 Crankcase Cover Gasket
89 951-14447 Short Block
(Incl.48-54,82-84,88-92,95,97-100,
110-116,126,132,133,149,152,156,
157,159-161,166-169,172)
90 951-11369 Main Bearing
161 951-14433 Piston Ring Set
166 951-116 03 Piston Pin Snap Ring
167 951-14434 Piston
168 951-14435 Piston Pin
169 951-14436 Connecting Rod Assembly
172 710-05115 Connecting Rod Bolt
176 951-14443 Gasket Kit - Complete
(Incl.50,51,83,88,95,113,116,126,
128,131-133,149,152,156)
177 951-14444 Gasket Kit -External
(Incl.50,95,113,126,128,
131-133,149,152)
178 952Z5X65RU Complete Engine

32
5X65RU Crankshaft & Crankcase Cover
Ref. Part Number Description
44 710-04980 Bolt M6X35 Af Base/Brake/Dipstick
48 710-04916 Bolt M6X14 Multi-Purpose
91 951-14417 Crankshaft Assembly
92 951-10307 Flywheel Key
94 951-14440 Oil Dipstick Assembly
95 951-1154 6 Dipstick / Oil Fill Tube O-Ring
96 951-14441 Oil Fill Tube Assembly
97 951-11733 Oil Return Seal
98 736-04491 Crankshaft Thrust Washer
99 951-116 09 Governor Gear Mounting Plate
Ref. Part Number Description
100 951-11549 Governor Gear/Shaft Assembly
110 715- 04092 Crankcase Cover Dowel Pin 7×14
111 715- 04089 Crankcase Cover Dowel Pin 9×14
112 710-04931 Bolt M6X28 X65/P65 Crankcase
113 736-04440 Oil Drain Plug Washer
114 710-04906 Oil Drain Plug
115 951-14418 Crankcase Cover
116 951-115 45 Lower Crankshaft Seal
175 951-10370 Oil Drain Plug & Washer Assembly
91
92
94
95
44
96
95
175 114
113
111
112
112
112
116
112
112
115
112
110
100
112
9897
48
48
99

33
5X65RU Flywheel & Shroud
Ref. Part Number Description
1951-14396 Starter Recoil Assembly
2712-04290 Starter Acorn Nut
3731-07925 Starter Handle
6951-11721 Recoil Pulley & Spring Assembly
15 951-14397 Starter/Shroud Rear Stud M6×78.5
16 951-14398 Starter/Shroud Front Stud M6×74
18 951-14399 Engine Shroud Assembly
Ref. Part Number Description
19 750-05320 Engine Shroud Spacer
20 951-14442 Carbon Canister Assembly
21 951-14126 Carbon Canister
24 951-14400 Carbon Canister Filter
25 951-14127 Carbon Canister Filter Cap
26 712-04287 Flywheel Nut M14
27 951-14401 Flywheel
1
3
2
2
6
2
16
15 15
18
19
19
19
20
21
24
25
26
27

34
5X65RU Cylinder Head
Ref. Part Number Description
48 710-04916 Bolt M6X14 Multi-Purpose
135 951-14448 Cylinder Head Asm
(Incl.132,133,135,138-143,
145-149,152,156)
951-14445 Cylinder Head Service Kit
(Incl.136,139,149,156)
136 710-04982 Bolt M8X54 Cylinder Head
137 951-14437 Spark Plug, F5Rtc
138 951-10313 Valve Kit
139 951-11818 Intake Valve Seal
140 951-10313 Valve Kit
141 951-12004 Valve Spring
142 951-11977 Valve Spring Retainer
143 951-11687 Push Rod Guide
144 951-1160 6 Rocker Arm Assembly
145 710-04902 Rocker Arm Stud
146 951-12001 Rocker Arm
147 751-11123 Fulcrum Nut
148 751-11124 Jam Nut
149 951-11551 Valve Cover Gasket
150 951-14426 Valve Cover
OPTIONAL
176 - Gasket Kit - Complete
177 - Gasket Kit -External
178 - Complete Engine
121
121
155
173
174
154
153
64
152
151
151
136
137
138
138
139
141
141
142
136
143 136
135
144 148 147 146
145
145
146
147
148
149
48
48
48
48
150
136
157
158
159
158
159
160
157
156

35
5X65RU Cylinder Head
Ref. Part Number Description
48 710-04916 Bolt M6X14 Multi-Purpose
135 951-14448 Cylinder Head Asm
(Incl.132,133,135,138-143,
145-149,152,156)
951-14445 Cylinder Head Service Kit
(Incl.136,139,149,156)
136 710-04982 Bolt M8X54 Cylinder Head
137 951-14437 Spark Plug, F5Rtc
138 951-10313 Valve Kit
139 951-11818 Intake Valve Seal
140 951-10313 Valve Kit
141 951-12004 Valve Spring
142 951-11977 Valve Spring Retainer
143 951-11687 Push Rod Guide
144 951-1160 6 Rocker Arm Assembly
145 710-04902 Rocker Arm Stud
146 951-12001 Rocker Arm
147 751-11123 Fulcrum Nut
148 751-11124 Jam Nut
149 951-11551 Valve Cover Gasket
150 951-14426 Valve Cover
Ref. Part Number Description
151 710-05094 Muer Stud M6X95
151 951-10342 Muer Stud Assembly
152 951-14427 Muer Gasket
153 951-14428 Choke Temp Control Thermostat
154 951-14429 Muer Assembly
155 951-14430 Muer Shield
156 951-14431 Cylinder Head Gasket
157 715-04108 Cylinder Head Dowel Pin 10×16
158 951-10314 Push Rod Kit
159 951-14432 Tappet
160 951-11741 Camshaft Assembly
173 951-10351 Spark Arrestor
174 710-04983 Spark Arrestor Screw
176 951-14443 Gasket Kit - Complete
(Incl.50,51,83,88,95,113,116,126,
128,131-133,149,152,156)
177 951-14444 Gasket Kit -External
(Incl.50,95,113,126,128,
131-133,149,152)
178 952Z5X65RU Complete Engine

36
5X65RU Fuel Tank
Ref. Part Number Description
48 710-04916 Bolt M6X14 Multi-Purpose
55 731-08133 Fuel Tank Lower Grommet
56 951-14406 Fuel Tank Upper Grommet
57 731-08104 Fuel Tank Nut
58 951-14407 Fuel Cap Assembly
63 931-04629 Fuel Tank
64 710 -04915 Bolt M6X12 Multi-Purpose
65 951-116 80 Flexible Clamp, Vent Hose
67 951-10358A Fuel Filter
68 951-1170 0 Fuel Hose Clamp
69 951-14438 Fuel Line Kit
70 723-04071 Plastic Support Clamp
63
64
55
56
57
58
68
69
67
68
70
48
65

Notes
37

38 Notes

39Notes

CUB CADET LLC, P.O. BOX 361131 CLEVELAND, OHIO 44136-0019
G
E
N
U
I
N
E
F
A
C
T
O
R
Y
P
A
R
T
S
To order replacement parts, call a Customer Support Representative at (800) 965-4CUB.
Locate your nearest Cub Cadet dealer at (877) 282-8684
or visit www.cubcadet.com to find the nearest Cub Cadet dealer in your area.