Efm8bb3 Reference Manual
User Manual:
Open the PDF directly: View PDF
.
Page Count: 395 [warning: Documents this large are best viewed by clicking the View PDF Link!]
- Table of Contents
- 1. System Overview
- 2. Memory Organization
- 3. Special Function Registers
- 4. Flash Memory
- 5. Device Identification
- 6. Interrupts
- 6.1 Introduction
- 6.2 Interrupt Sources and Vectors
- 6.3 Interrupt Control Registers
- 6.3.1 IE: Interrupt Enable
- 6.3.2 IP: Interrupt Priority
- 6.3.3 IPH: Interrupt Priority High
- 6.3.4 EIE1: Extended Interrupt Enable 1
- 6.3.5 EIP1: Extended Interrupt Priority 1 Low
- 6.3.6 EIP1H: Extended Interrupt Priority 1 High
- 6.3.7 EIE2: Extended Interrupt Enable 2
- 6.3.8 EIP2: Extended Interrupt Priority 2
- 6.3.9 EIP2H: Extended Interrupt Priority 2 High
- 7. Power Management and Internal Regulator
- 8. Clocking and Oscillators
- 9. Reset Sources and Power Supply Monitor
- 10. CIP-51 Microcontroller Core
- 11. Port I/O, Crossbar, External Interrupts, and Port Match
- 11.1 Introduction
- 11.2 Features
- 11.3 Functional Description
- 11.4 Port I/O Control Registers
- 11.4.1 XBR0: Port I/O Crossbar 0
- 11.4.2 XBR1: Port I/O Crossbar 1
- 11.4.3 XBR2: Port I/O Crossbar 2
- 11.4.4 PRTDRV: Port Drive Strength
- 11.4.5 P0MASK: Port 0 Mask
- 11.4.6 P0MAT: Port 0 Match
- 11.4.7 P0: Port 0 Pin Latch
- 11.4.8 P0MDIN: Port 0 Input Mode
- 11.4.9 P0MDOUT: Port 0 Output Mode
- 11.4.10 P0SKIP: Port 0 Skip
- 11.4.11 P1MASK: Port 1 Mask
- 11.4.12 P1MAT: Port 1 Match
- 11.4.13 P1: Port 1 Pin Latch
- 11.4.14 P1MDIN: Port 1 Input Mode
- 11.4.15 P1MDOUT: Port 1 Output Mode
- 11.4.16 P1SKIP: Port 1 Skip
- 11.4.17 P2MASK: Port 2 Mask
- 11.4.18 P2MAT: Port 2 Match
- 11.4.19 P2: Port 2 Pin Latch
- 11.4.20 P2MDIN: Port 2 Input Mode
- 11.4.21 P2MDOUT: Port 2 Output Mode
- 11.4.22 P2SKIP: Port 2 Skip
- 11.4.23 P3: Port 3 Pin Latch
- 11.4.24 P3MDIN: Port 3 Input Mode
- 11.4.25 P3MDOUT: Port 3 Output Mode
- 11.5 INT0 and INT1 Control Registers
- 12. Analog to Digital Converter (ADC0)
- 12.1 Introduction
- 12.2 Features
- 12.3 Functional Description
- 12.4 ADC Control Registers
- 12.4.1 ADC0CN0: ADC0 Control 0
- 12.4.2 ADC0CN1: ADC0 Control 1
- 12.4.3 ADC0CN2: ADC0 Control 2
- 12.4.4 ADC0CF0: ADC0 Configuration
- 12.4.5 ADC0CF1: ADC0 Configuration
- 12.4.6 ADC0CF2: ADC0 Power Control
- 12.4.7 ADC0L: ADC0 Data Word Low Byte
- 12.4.8 ADC0H: ADC0 Data Word High Byte
- 12.4.9 ADC0GTH: ADC0 Greater-Than High Byte
- 12.4.10 ADC0GTL: ADC0 Greater-Than Low Byte
- 12.4.11 ADC0LTH: ADC0 Less-Than High Byte
- 12.4.12 ADC0LTL: ADC0 Less-Than Low Byte
- 12.4.13 ADC0MX: ADC0 Multiplexer Selection
- 12.4.14 ADC0ASCF: ADC0 Autoscan Configuration
- 12.4.15 ADC0ASAH: ADC0 Autoscan Start Address High Byte
- 12.4.16 ADC0ASAL: ADC0 Autoscan Start Address Low Byte
- 12.4.17 ADC0ASCT: ADC0 Autoscan Output Count
- 13. Comparators (CMP0 and CMP1)
- 14. Configurable Logic Units (CLU0, CLU1, CLU2, CLU3)
- 14.1 Introduction
- 14.2 Features
- 14.3 Functional Description
- 14.4 Configurable Logic Control Registers
- 14.4.1 CLEN0: Configurable Logic Enable 0
- 14.4.2 CLIE0: Configurable Logic Interrupt Enable 0
- 14.4.3 CLIF0: Configurable Logic Interrupt Flag 0
- 14.4.4 CLOUT0: Configurable Logic Output 0
- 14.4.5 CLU0MX: Configurable Logic Unit 0 Multiplexer
- 14.4.6 CLU0FN: Configurable Logic Unit 0 Function Select
- 14.4.7 CLU0CF: Configurable Logic Unit 0 Configuration
- 14.4.8 CLU1MX: Configurable Logic Unit 1 Multiplexer
- 14.4.9 CLU1FN: Configurable Logic Unit 1 Function Select
- 14.4.10 CLU1CF: Configurable Logic Unit 1 Configuration
- 14.4.11 CLU2MX: Configurable Logic Unit 2 Multiplexer
- 14.4.12 CLU2FN: Configurable Logic Unit 2 Function Select
- 14.4.13 CLU2CF: Configurable Logic Unit 2 Configuration
- 14.4.14 CLU3MX: Configurable Logic Unit 3 Multiplexer
- 14.4.15 CLU3FN: Configurable Logic Unit 3 Function Select
- 14.4.16 CLU3CF: Configurable Logic Unit 3 Configuration
- 15. Cyclic Redundancy Check (CRC0)
- 16. Digital to Analog Converters (DAC0, DAC1, DAC2, DAC3)
- 16.1 Introduction
- 16.2 Features
- 16.3 Functional Description
- 16.4 DAC Control Registers
- 16.4.1 DACGCF0: DAC Global Configuration 0
- 16.4.2 DACGCF1: DAC Global Configuration 1
- 16.4.3 DACGCF2: DAC Global Configuration 2
- 16.4.4 DAC0CF0: DAC0 Configuration 0
- 16.4.5 DAC0CF1: DAC0 Configuration 1
- 16.4.6 DAC0L: DAC0 Data Word Low Byte
- 16.4.7 DAC0H: DAC0 Data Word High Byte
- 16.4.8 DAC1CF0: DAC1 Configuration 0
- 16.4.9 DAC1CF1: DAC1 Configuration 1
- 16.4.10 DAC1L: DAC1 Data Word Low Byte
- 16.4.11 DAC1H: DAC1 Data Word High Byte
- 16.4.12 DAC2CF0: DAC2 Configuration 0
- 16.4.13 DAC2CF1: DAC2 Configuration 1
- 16.4.14 DAC2L: DAC2 Data Word Low Byte
- 16.4.15 DAC2H: DAC2 Data Word High Byte
- 16.4.16 DAC3CF0: DAC3 Configuration 0
- 16.4.17 DAC3CF1: DAC3 Configuration 1
- 16.4.18 DAC3L: DAC3 Data Word Low Byte
- 16.4.19 DAC3H: DAC3 Data Word High Byte
- 17. I2C Slave (I2CSLAVE0)
- 17.1 Introduction
- 17.2 Features
- 17.3 Functional Description
- 17.4 I2C0 Slave Control Registers
- 17.4.1 I2C0DIN: I2C0 Received Data
- 17.4.2 I2C0DOUT: I2C0 Transmit Data
- 17.4.3 I2C0SLAD: I2C0 Slave Address
- 17.4.4 I2C0STAT: I2C0 Status
- 17.4.5 I2C0CN0: I2C0 Control
- 17.4.6 I2C0FCN0: I2C0 FIFO Control 0
- 17.4.7 I2C0FCN1: I2C0 FIFO Control 1
- 17.4.8 I2C0FCT: I2C0 FIFO Count
- 17.4.9 I2C0ADM: I2C0 Slave Address Mask
- 18. Programmable Counter Array (PCA0)
- 18.1 Introduction
- 18.2 Features
- 18.3 Functional Description
- 18.4 PCA0 Control Registers
- 18.4.1 PCA0CN0: PCA Control
- 18.4.2 PCA0MD: PCA Mode
- 18.4.3 PCA0PWM: PCA PWM Configuration
- 18.4.4 PCA0CLR: PCA Comparator Clear Control
- 18.4.5 PCA0L: PCA Counter/Timer Low Byte
- 18.4.6 PCA0H: PCA Counter/Timer High Byte
- 18.4.7 PCA0POL: PCA Output Polarity
- 18.4.8 PCA0CENT: PCA Center Alignment Enable
- 18.4.9 PCA0CPM0: PCA Channel 0 Capture/Compare Mode
- 18.4.10 PCA0CPL0: PCA Channel 0 Capture Module Low Byte
- 18.4.11 PCA0CPH0: PCA Channel 0 Capture Module High Byte
- 18.4.12 PCA0CPM1: PCA Channel 1 Capture/Compare Mode
- 18.4.13 PCA0CPL1: PCA Channel 1 Capture Module Low Byte
- 18.4.14 PCA0CPH1: PCA Channel 1 Capture Module High Byte
- 18.4.15 PCA0CPM2: PCA Channel 2 Capture/Compare Mode
- 18.4.16 PCA0CPL2: PCA Channel 2 Capture Module Low Byte
- 18.4.17 PCA0CPH2: PCA Channel 2 Capture Module High Byte
- 18.4.18 PCA0CPM3: PCA Channel 3 Capture/Compare Mode
- 18.4.19 PCA0CPL3: PCA Channel 3 Capture Module Low Byte
- 18.4.20 PCA0CPH3: PCA Channel 3 Capture Module High Byte
- 18.4.21 PCA0CPM4: PCA Channel 4 Capture/Compare Mode
- 18.4.22 PCA0CPL4: PCA Channel 4 Capture Module Low Byte
- 18.4.23 PCA0CPH4: PCA Channel 4 Capture Module High Byte
- 18.4.24 PCA0CPM5: PCA Channel 5 Capture/Compare Mode
- 18.4.25 PCA0CPL5: PCA Channel 5 Capture Module Low Byte
- 18.4.26 PCA0CPH5: PCA Channel 5 Capture Module High Byte
- 19. Serial Peripheral Interface (SPI0)
- 20. System Management Bus / I2C (SMB0)
- 20.1 Introduction
- 20.2 Features
- 20.3 Functional Description
- 20.4 SMB0 Control Registers
- 20.4.1 SMB0CF: SMBus 0 Configuration
- 20.4.2 SMB0TC: SMBus 0 Timing and Pin Control
- 20.4.3 SMB0CN0: SMBus 0 Control
- 20.4.4 SMB0ADR: SMBus 0 Slave Address
- 20.4.5 SMB0ADM: SMBus 0 Slave Address Mask
- 20.4.6 SMB0DAT: SMBus 0 Data
- 20.4.7 SMB0FCN0: SMBus 0 FIFO Control 0
- 20.4.8 SMB0FCN1: SMBus 0 FIFO Control 1
- 20.4.9 SMB0RXLN: SMBus 0 Receive Length Counter
- 20.4.10 SMB0FCT: SMBus 0 FIFO Count
- 21. Timers (Timer0, Timer1, Timer2, Timer3, Timer4 and Timer5)
- 21.1 Introduction
- 21.2 Features
- 21.3 Functional Description
- 21.4 Timer 0, 1, 2, 3, 4, and 5 Control Registers
- 21.4.1 CKCON0: Clock Control 0
- 21.4.2 CKCON1: Clock Control 1
- 21.4.3 TCON: Timer 0/1 Control
- 21.4.4 TMOD: Timer 0/1 Mode
- 21.4.5 TL0: Timer 0 Low Byte
- 21.4.6 TL1: Timer 1 Low Byte
- 21.4.7 TH0: Timer 0 High Byte
- 21.4.8 TH1: Timer 1 High Byte
- 21.4.9 TMR2RLL: Timer 2 Reload Low Byte
- 21.4.10 TMR2RLH: Timer 2 Reload High Byte
- 21.4.11 TMR2L: Timer 2 Low Byte
- 21.4.12 TMR2H: Timer 2 High Byte
- 21.4.13 TMR2CN0: Timer 2 Control 0
- 21.4.14 TMR2CN1: Timer 2 Control 1
- 21.4.15 TMR3RLL: Timer 3 Reload Low Byte
- 21.4.16 TMR3RLH: Timer 3 Reload High Byte
- 21.4.17 TMR3L: Timer 3 Low Byte
- 21.4.18 TMR3H: Timer 3 High Byte
- 21.4.19 TMR3CN0: Timer 3 Control 0
- 21.4.20 TMR3CN1: Timer 3 Control 1
- 21.4.21 TMR4RLL: Timer 4 Reload Low Byte
- 21.4.22 TMR4RLH: Timer 4 Reload High Byte
- 21.4.23 TMR4L: Timer 4 Low Byte
- 21.4.24 TMR4H: Timer 4 High Byte
- 21.4.25 TMR4CN0: Timer 4 Control 0
- 21.4.26 TMR4CN1: Timer 4 Control 1
- 21.4.27 TMR5RLL: Timer 5 Reload Low Byte
- 21.4.28 TMR5RLH: Timer 5 Reload High Byte
- 21.4.29 TMR5L: Timer 5 Low Byte
- 21.4.30 TMR5H: Timer 5 High Byte
- 21.4.31 TMR5CN0: Timer 5 Control 0
- 21.4.32 TMR5CN1: Timer 5 Control 1
- 22. Universal Asynchronous Receiver/Transmitter 0 (UART0)
- 23. Universal Asynchronous Receiver/Transmitter 1 (UART1)
- 23.1 Introduction
- 23.2 Features
- 23.3 Functional Description
- 23.4 UART1 Control Registers
- 23.4.1 SCON1: UART1 Serial Port Control
- 23.4.2 SMOD1: UART1 Mode
- 23.4.3 SBUF1: UART1 Serial Port Data Buffer
- 23.4.4 SBCON1: UART1 Baud Rate Generator Control
- 23.4.5 SBRLH1: UART1 Baud Rate Generator High Byte
- 23.4.6 SBRLL1: UART1 Baud Rate Generator Low Byte
- 23.4.7 UART1FCN0: UART1 FIFO Control 0
- 23.4.8 UART1FCN1: UART1 FIFO Control 1
- 23.4.9 UART1FCT: UART1 FIFO Count
- 23.4.10 UART1LIN: UART1 LIN Configuration
- 23.4.11 UART1PCF: UART1 Pin Configuration
- 24. Precision Reference (VREF0)
- 25. Watchdog Timer (WDT0)
- 26. C2 Debug and Programming Interface
- 27. Revision History

EFM8 Busy Bee Family
EFM8BB3 Reference Manual
The EFM8BB3, part of the Busy Bee family of MCUs, is a per-
formance line of 8-bit microcontrollers with a comprehensive ana-
log and digital feature set in small packages.
These devices offer state-of-the-art performance by integrating 12-bit ADC, internal
temperature sensor, and up to four 12-bit DACs into small packages, making them ide-
al for general purpose applications. With an efficient, pipelined 8051 core with maxi-
mum operating frequency at 50 MHz, various communication interfaces, and four chan-
nels of configurable logic, the EFM8BB3 family is optimal for many embedded applica-
tions.
EFM8BB3 applications include the following:
KEY FEATURES
• Pipelined 8-bit 8051 MCU Core with
50 MHz operating frequency
• Up to 29 multifunction I/O pins
• One 12-bit/10-bit ADC
• Four 12-bit DACs with synchronization
and PWM capabilities
• Two low-current analog comparators with
built-in reference DACs
• Internal temperature sensor
• Internal 49 MHz and 24.5 MHz oscillators
accurate to ±2%
• Four channels of Configurable Logic
• 6-channel PWM / PCA
• Six 16-bit general-purpose timers
• Consumer electronics
• Precision instrumentation
• Power management and control
• Industrial control and automation
• Smart sensors
• Automotive control
I/O Ports
Core / Memory Clock Management
CIP-51 8051 Core
(50 MHz)
High Frequency
49 MHz RC
Oscillator
Energy Management
Brown-Out Detector
8-bit SFR bus
Serial Interfaces Timers and Triggers Analog Interfaces
SPI
Security
Pin Reset ADC 2 x
Comparators
Internal
Voltage
Reference
16-bit CRC
Flash Program
Memory
(up to 64 KB)
RAM Memory
(up to 4352 bytes)
Debug Interface
with C2
Lowest power mode with peripheral operational:
IdleNormal ShutdownSuspend Snooze
Timer 3/4
Up to 4 x
Voltage DAC
High Frequency
24.5 MHz RC
Oscillator
Pin Wakeup
External
Interrupts
General
Purpose I/O
I2C / SMBus
2 x UART
High-Speed
I2C Slave
External
Oscillator
Low Frequency
RC Oscillator
4 x Configurable Logic Units
Watchdog
Timer
PCA/PWM
Timers
0/1/2/5
Internal LDO
Regulator Power-On Reset
silabs.com | Building a more connected world. Rev. 0.4

Table of Contents
1. System Overview .............................13
1.1 Introduction...............................13
1.2 Power ................................14
1.3 I/O..................................14
1.4 Clocking ................................15
1.5 Counters/Timers and PWM .........................15
1.6 Communications and Other Digital Peripherals ...................16
1.7 Analog ................................19
1.8 Reset Sources .............................20
1.9 Debugging ...............................20
1.10 Bootloader ..............................21
2. Memory Organization ...........................23
2.1 Memory Organization ...........................23
2.2 Program Memory .............................23
2.3 Data Memory ..............................23
2.4 Memory Map ..............................25
2.5 XRAM Control Registers ..........................32
2.5.1 EMI0CN: External Memory Interface Control .................32
3. Special Function Registers .........................33
3.1 Special Function Register Access .......................33
3.2 Special Function Register Memory Map .....................35
3.3 SFR Access Control Registers ........................45
3.3.1 SFRPAGE: SFR Page .........................45
3.3.2 SFRPGCN: SFR Page Control ......................46
3.3.3 SFRSTACK: SFR Page Stack ......................46
4. Flash Memory ..............................47
4.1 Introduction...............................47
4.2 Features................................52
4.3 Functional Description ...........................53
4.3.1 Security Options ...........................53
4.3.2 Programming the Flash Memory .....................54
4.3.3 Flash Write and Erase Precautions.....................55
4.4 Flash Control Registers ..........................56
4.4.1 PSCTL: Program Store Control ......................56
4.4.2 FLKEY: Flash Lock and Key .......................57
5. Device Identification ...........................58
5.1 Device Identification ............................58
silabs.com | Building a more connected world. Rev. 0.4 | 2

5.2 Unique Identifier .............................58
5.3 Device Identification Registers ........................58
5.3.1 DEVICEID: Device Identification......................58
5.3.2 DERIVID: Derivative Identification .....................59
5.3.3 REVID: Revision Identifcation ......................61
6. Interrupts ................................ 62
6.1 Introduction...............................62
6.2 Interrupt Sources and Vectors ........................62
6.2.1 Interrupt Priorities ..........................62
6.2.2 Interrupt Latency ...........................63
6.2.3 Interrupt Summary ..........................64
6.3 Interrupt Control Registers .........................66
6.3.1 IE: Interrupt Enable ..........................66
6.3.2 IP: Interrupt Priority ..........................68
6.3.3 IPH: Interrupt Priority High .......................69
6.3.4 EIE1: Extended Interrupt Enable 1 .....................70
6.3.5 EIP1: Extended Interrupt Priority 1 Low ...................72
6.3.6 EIP1H: Extended Interrupt Priority 1 High ..................73
6.3.7 EIE2: Extended Interrupt Enable 2 .....................74
6.3.8 EIP2: Extended Interrupt Priority 2 .....................75
6.3.9 EIP2H: Extended Interrupt Priority 2 High ..................75
7. Power Management and Internal Regulator ...................76
7.1 Introduction...............................76
7.2 Features................................77
7.3 Idle Mode ...............................78
7.4 Suspend Mode .............................78
7.5 Stop Mode ...............................78
7.6 Snooze Mode ..............................79
7.7 Shutdown Mode .............................79
7.8 Determining Wake Events (Suspend and Snooze Mode) ...............79
7.9 Power Management Control Registers .....................80
7.9.1 PCON0: Power Control.........................80
7.9.2 PCON1: Power Control 1 ........................81
7.9.3 PSTAT0: PMU Status 0 ........................82
7.9.4 REG0CN: Voltage Regulator 0 Control ...................83
8. Clocking and Oscillators ..........................84
8.1 Introduction...............................84
8.2 Features................................84
8.3 Functional Description ...........................84
8.3.1 Clock Selection ...........................84
8.3.2 HFOSC0 24.5 MHz Internal Oscillator ....................85
8.3.3 HFOSC1 49 MHz Internal Oscillator ....................85
silabs.com | Building a more connected world. Rev. 0.4 | 3

8.3.4 LFOSC0 80 kHz Internal Oscillator .....................85
8.3.5 External Crystal ...........................86
8.3.6 External RC Mode ..........................88
8.3.7 External CMOS ...........................89
8.4 Clocking and Oscillator Control Registers ....................90
8.4.1 CLKSEL: Clock Select .........................90
8.4.2 HFO0CAL: High Frequency Oscillator 0 Calibration ...............91
8.4.3 HFO1CAL: High Frequency Oscillator 1 Calibration ...............91
8.4.4 HFOCN: High Frequency Oscillator Control ..................92
8.4.5 LFO0CN: Low Frequency Oscillator Control..................93
8.4.6 XOSC0CN: External Oscillator Control ...................94
9. Reset Sources and Power Supply Monitor ...................95
9.1 Introduction...............................95
9.2 Features................................95
9.3 Functional Description ...........................96
9.3.1 Device Reset ............................96
9.3.2 Power-On Reset ...........................97
9.3.3 Supply Monitor Reset .........................98
9.3.4 External Reset ...........................98
9.3.5 Missing Clock Detector Reset ......................98
9.3.6 Comparator (CMP0) Reset .......................99
9.3.7 Watchdog Timer Reset .........................99
9.3.8 Flash Error Reset ..........................99
9.3.9 Software Reset ...........................99
9.4 Reset Sources and Supply Monitor Control Registers ...............100
9.4.1 RSTSRC: Reset Source .......................100
9.4.2 VDM0CN: Supply Monitor Control ....................101
10. CIP-51 Microcontroller Core ........................102
10.1 Introduction .............................102
10.2 Features ..............................103
10.3 Functional Description .........................103
10.3.1 Programming and Debugging Support ..................103
10.3.2 Prefetch Engine ..........................103
10.3.3 Instruction Set ..........................104
10.4 CPU Core Registers ..........................108
10.4.1 DPL: Data Pointer Low .......................108
10.4.2 DPH: Data Pointer High .......................108
10.4.3 SP: Stack Pointer .........................108
10.4.4 ACC: Accumulator .........................109
10.4.5 B: B Register...........................109
10.4.6 PSW: Program Status Word .....................110
10.4.7 PFE0CN: Prefetch Engine Control ...................111
11. Port I/O, Crossbar, External Interrupts, and Port Match ..............112
11.1 Introduction .............................112
silabs.com | Building a more connected world. Rev. 0.4 | 4

11.2 Features ..............................112
11.3 Functional Description .........................113
11.3.1 Port I/O Modes of Operation .....................113
11.3.2 Analog and Digital Functions .....................115
11.3.3 Priority Crossbar Decoder ......................117
11.3.4 INT0 and INT1 ..........................120
11.3.5 Port Match ...........................120
11.3.6 Direct Port I/O Access (Read/Write) ...................120
11.4 Port I/O Control Registers ........................121
11.4.1 XBR0: Port I/O Crossbar 0 ......................121
11.4.2 XBR1: Port I/O Crossbar 1 ......................123
11.4.3 XBR2: Port I/O Crossbar 2 ......................124
11.4.4 PRTDRV: Port Drive Strength .....................125
11.4.5 P0MASK: Port 0 Mask .......................126
11.4.6 P0MAT: Port 0 Match ........................127
11.4.7 P0: Port 0 Pin Latch ........................128
11.4.8 P0MDIN: Port 0 Input Mode ......................129
11.4.9 P0MDOUT: Port 0 Output Mode ....................130
11.4.10 P0SKIP: Port 0 Skip ........................131
11.4.11 P1MASK: Port 1 Mask .......................132
11.4.12 P1MAT: Port 1 Match .......................133
11.4.13 P1: Port 1 Pin Latch ........................134
11.4.14 P1MDIN: Port 1 Input Mode .....................135
11.4.15 P1MDOUT: Port 1 Output Mode ....................136
11.4.16 P1SKIP: Port 1 Skip ........................137
11.4.17 P2MASK: Port 2 Mask .......................138
11.4.18 P2MAT: Port 2 Match .......................139
11.4.19 P2: Port 2 Pin Latch ........................140
11.4.20 P2MDIN: Port 2 Input Mode .....................141
11.4.21 P2MDOUT: Port 2 Output Mode ....................142
11.4.22 P2SKIP: Port 2 Skip ........................143
11.4.23 P3: Port 3 Pin Latch ........................144
11.4.24 P3MDIN: Port 3 Input Mode .....................145
11.4.25 P3MDOUT: Port 3 Output Mode ....................146
11.5 INT0 and INT1 Control Registers ......................147
11.5.1 IT01CF: INT0/INT1 Configuration ....................147
12. Analog to Digital Converter (ADC0) .....................149
12.1 Introduction .............................149
12.2 Features ..............................150
12.3 Functional Description .........................150
12.3.1 Input Selection ..........................150
12.3.2 Gain Setting ...........................151
12.3.3 Voltage Reference Options ......................151
12.3.4 Clocking ............................152
12.3.5 Timing .............................153
12.3.6 Initiating Conversions ........................155
silabs.com | Building a more connected world. Rev. 0.4 | 5

12.3.7 Autoscan Mode ..........................155
12.3.8 Output Formatting and Accumulation ..................159
12.3.9 Window Comparator ........................161
12.3.10 Temperature Sensor ........................163
12.4 ADC Control Registers .........................164
12.4.1 ADC0CN0: ADC0 Control 0 ......................164
12.4.2 ADC0CN1: ADC0 Control 1 ......................165
12.4.3 ADC0CN2: ADC0 Control 2 ......................166
12.4.4 ADC0CF0: ADC0 Configuration ....................167
12.4.5 ADC0CF1: ADC0 Configuration ....................167
12.4.6 ADC0CF2: ADC0 Power Control ....................168
12.4.7 ADC0L: ADC0 Data Word Low Byte ...................168
12.4.8 ADC0H: ADC0 Data Word High Byte ..................169
12.4.9 ADC0GTH: ADC0 Greater-Than High Byte ................169
12.4.10 ADC0GTL: ADC0 Greater-Than Low Byte ................169
12.4.11 ADC0LTH: ADC0 Less-Than High Byte .................170
12.4.12 ADC0LTL: ADC0 Less-Than Low Byte .................170
12.4.13 ADC0MX: ADC0 Multiplexer Selection ..................170
12.4.14 ADC0ASCF: ADC0 Autoscan Configuration ................171
12.4.15 ADC0ASAH: ADC0 Autoscan Start Address High Byte ............172
12.4.16 ADC0ASAL: ADC0 Autoscan Start Address Low Byte ............172
12.4.17 ADC0ASCT: ADC0 Autoscan Output Count ................173
13. Comparators (CMP0 and CMP1) .......................174
13.1 Introduction .............................174
13.2 Features ..............................174
13.3 Functional Description .........................174
13.3.1 Response Time and Supply Current ...................174
13.3.2 Hysteresis ...........................175
13.3.3 Input Selection ..........................175
13.3.4 Output Routing ..........................180
13.4 CMP0 Control Registers .........................182
13.4.1 CMP0CN0: Comparator 0 Control 0 ...................182
13.4.2 CMP0MD: Comparator 0 Mode ....................184
13.4.3 CMP0MX: Comparator 0 Multiplexer Selection ...............185
13.4.4 CMP0CN1: Comparator 0 Control 1 ...................186
13.5 CMP1 Control Registers .........................187
13.5.1 CMP1CN0: Comparator 1 Control 0 ...................187
13.5.2 CMP1MD: Comparator 1 Mode ....................189
13.5.3 CMP1MX: Comparator 1 Multiplexer Selection ...............190
13.5.4 CMP1CN1: Comparator 1 Control 1 ...................191
14. Configurable Logic Units (CLU0, CLU1, CLU2, CLU3) ...............192
14.1 Introduction .............................192
14.2 Features ..............................193
14.3 Functional Description .........................194
14.3.1 Configuration Sequence .......................194
silabs.com | Building a more connected world. Rev. 0.4 | 6

14.3.2 Input Multiplexer Selection ......................194
14.3.3 Output Configuration ........................196
14.3.4 LUT Configuration .........................196
14.4 Configurable Logic Control Registers ....................197
14.4.1 CLEN0: Configurable Logic Enable 0 ..................197
14.4.2 CLIE0: Configurable Logic Interrupt Enable 0 ................198
14.4.3 CLIF0: Configurable Logic Interrupt Flag 0 .................199
14.4.4 CLOUT0: Configurable Logic Output 0 ..................200
14.4.5 CLU0MX: Configurable Logic Unit 0 Multiplexer ...............200
14.4.6 CLU0FN: Configurable Logic Unit 0 Function Select .............201
14.4.7 CLU0CF: Configurable Logic Unit 0 Configuration ..............202
14.4.8 CLU1MX: Configurable Logic Unit 1 Multiplexer ...............203
14.4.9 CLU1FN: Configurable Logic Unit 1 Function Select .............203
14.4.10 CLU1CF: Configurable Logic Unit 1 Configuration ..............204
14.4.11 CLU2MX: Configurable Logic Unit 2 Multiplexer ..............205
14.4.12 CLU2FN: Configurable Logic Unit 2 Function Select .............205
14.4.13 CLU2CF: Configurable Logic Unit 2 Configuration ..............206
14.4.14 CLU3MX: Configurable Logic Unit 3 Multiplexer ..............207
14.4.15 CLU3FN: Configurable Logic Unit 3 Function Select .............207
14.4.16 CLU3CF: Configurable Logic Unit 3 Configuration ..............208
15. Cyclic Redundancy Check (CRC0) ......................209
15.1 Introduction .............................209
15.2 Features ..............................209
15.3 Functional Description .........................210
15.3.1 16-bit CRC Algorithm ........................210
15.3.2 Using the CRC on a Data Stream ....................211
15.3.3 Using the CRC to Check Code Memory ..................211
15.3.4 Bit Reversal ...........................211
15.4 CRC0 Control Registers .........................212
15.4.1 CRC0CN0: CRC0 Control 0......................212
15.4.2 CRC0IN: CRC0 Data Input ......................212
15.4.3 CRC0DAT: CRC0 Data Output.....................213
15.4.4 CRC0ST: CRC0 Automatic Flash Sector Start ...............213
15.4.5 CRC0CNT: CRC0 Automatic Flash Sector Count ..............213
15.4.6 CRC0FLIP: CRC0 Bit Flip ......................214
15.4.7 CRC0CN1: CRC0 Control 1......................214
16. Digital to Analog Converters (DAC0, DAC1, DAC2, DAC3) .............215
16.1 Introduction .............................215
16.2 Features ..............................216
16.3 Functional Description .........................216
16.3.1 Enabling the DACs .........................216
16.3.2 Reference and Output Configuration ...................216
16.3.3 Input Data and Update Triggers ....................218
16.3.4 Paired Operating Modes .......................218
16.4 DAC Control Registers .........................219
silabs.com | Building a more connected world. Rev. 0.4 | 7

16.4.1 DACGCF0: DAC Global Configuration 0 .................219
16.4.2 DACGCF1: DAC Global Configuration 1 .................221
16.4.3 DACGCF2: DAC Global Configuration 2 .................222
16.4.4 DAC0CF0: DAC0 Configuration 0 ....................223
16.4.5 DAC0CF1: DAC0 Configuration 1 ....................224
16.4.6 DAC0L: DAC0 Data Word Low Byte ...................224
16.4.7 DAC0H: DAC0 Data Word High Byte ..................225
16.4.8 DAC1CF0: DAC1 Configuration 0 ....................226
16.4.9 DAC1CF1: DAC1 Configuration 1 ....................227
16.4.10 DAC1L: DAC1 Data Word Low Byte ..................227
16.4.11 DAC1H: DAC1 Data Word High Byte ..................228
16.4.12 DAC2CF0: DAC2 Configuration 0 ...................229
16.4.13 DAC2CF1: DAC2 Configuration 1 ...................230
16.4.14 DAC2L: DAC2 Data Word Low Byte ..................230
16.4.15 DAC2H: DAC2 Data Word High Byte ..................231
16.4.16 DAC3CF0: DAC3 Configuration 0 ...................232
16.4.17 DAC3CF1: DAC3 Configuration 1 ...................233
16.4.18 DAC3L: DAC3 Data Word Low Byte ..................233
16.4.19 DAC3H: DAC3 Data Word High Byte ..................234
17. I2C Slave (I2CSLAVE0) ..........................235
17.1 Introduction .............................235
17.2 Features ..............................235
17.3 Functional Description .........................236
17.3.1 Overview ............................236
17.3.2 I2C Protocol ...........................236
17.3.3 Automatic Address Recognition ....................239
17.3.4 Operational Modes .........................240
17.3.5 Status Decoding .........................245
17.4 I2C0 Slave Control Registers .......................246
17.4.1 I2C0DIN: I2C0 Received Data .....................246
17.4.2 I2C0DOUT: I2C0 Transmit Data ....................246
17.4.3 I2C0SLAD: I2C0 Slave Address ....................246
17.4.4 I2C0STAT: I2C0 Status .......................247
17.4.5 I2C0CN0: I2C0 Control .......................248
17.4.6 I2C0FCN0: I2C0 FIFO Control 0 ....................250
17.4.7 I2C0FCN1: I2C0 FIFO Control 1 ....................251
17.4.8 I2C0FCT: I2C0 FIFO Count ......................252
17.4.9 I2C0ADM: I2C0 Slave Address Mask ..................252
18. Programmable Counter Array (PCA0) .....................253
18.1 Introduction .............................253
18.2 Features ..............................254
18.3 Functional Description .........................254
18.3.1 Counter / Timer ..........................254
18.3.2 Interrupt Sources .........................255
18.3.3 Capture/Compare Modules ......................255
silabs.com | Building a more connected world. Rev. 0.4 | 8

18.3.4 Edge-Triggered Capture Mode .....................256
18.3.5 Software Timer (Compare) Mode ....................257
18.3.6 High-Speed Output Mode ......................258
18.3.7 Frequency Output Mode .......................259
18.3.8 PWM Waveform Generation .....................259
18.4 PCA0 Control Registers .........................267
18.4.1 PCA0CN0: PCA Control .......................267
18.4.2 PCA0MD: PCA Mode ........................268
18.4.3 PCA0PWM: PCA PWM Configuration ..................269
18.4.4 PCA0CLR: PCA Comparator Clear Control ................270
18.4.5 PCA0L: PCA Counter/Timer Low Byte ..................271
18.4.6 PCA0H: PCA Counter/Timer High Byte ..................271
18.4.7 PCA0POL: PCA Output Polarity ....................272
18.4.8 PCA0CENT: PCA Center Alignment Enable ................274
18.4.9 PCA0CPM0: PCA Channel 0 Capture/Compare Mode .............276
18.4.10 PCA0CPL0: PCA Channel 0 Capture Module Low Byte ............277
18.4.11 PCA0CPH0: PCA Channel 0 Capture Module High Byte ...........277
18.4.12 PCA0CPM1: PCA Channel 1 Capture/Compare Mode ............278
18.4.13 PCA0CPL1: PCA Channel 1 Capture Module Low Byte ............279
18.4.14 PCA0CPH1: PCA Channel 1 Capture Module High Byte ...........279
18.4.15 PCA0CPM2: PCA Channel 2 Capture/Compare Mode ............280
18.4.16 PCA0CPL2: PCA Channel 2 Capture Module Low Byte ............281
18.4.17 PCA0CPH2: PCA Channel 2 Capture Module High Byte ...........281
18.4.18 PCA0CPM3: PCA Channel 3 Capture/Compare Mode ............282
18.4.19 PCA0CPL3: PCA Channel 3 Capture Module Low Byte ............283
18.4.20 PCA0CPH3: PCA Channel 3 Capture Module High Byte ...........283
18.4.21 PCA0CPM4: PCA Channel 4 Capture/Compare Mode ............284
18.4.22 PCA0CPL4: PCA Channel 4 Capture Module Low Byte ............285
18.4.23 PCA0CPH4: PCA Channel 4 Capture Module High Byte ...........285
18.4.24 PCA0CPM5: PCA Channel 5 Capture/Compare Mode ............286
18.4.25 PCA0CPL5: PCA Channel 5 Capture Module Low Byte ............287
18.4.26 PCA0CPH5: PCA Channel 5 Capture Module High Byte ...........287
19. Serial Peripheral Interface (SPI0) ......................288
19.1 Introduction .............................288
19.2 Features ..............................288
19.3 Functional Description .........................289
19.3.1 Signals .............................289
19.3.2 Master Mode Operation .......................290
19.3.3 Slave Mode Operation .......................291
19.3.4 Clock Phase and Polarity ......................292
19.3.5 Basic Data Transfer ........................293
19.3.6 Using the SPI FIFOs ........................293
19.3.7 SPI Timing Diagrams ........................296
19.4 SPI0 Control Registers .........................299
19.4.1 SPI0CFG: SPI0 Configuration .....................299
19.4.2 SPI0CN0: SPI0 Control .......................301
silabs.com | Building a more connected world. Rev. 0.4 | 9

19.4.3 SPI0CKR: SPI0 Clock Rate ......................302
19.4.4 SPI0DAT: SPI0 Data ........................302
19.4.5 SPI0FCN0: SPI0 FIFO Control 0 ....................303
19.4.6 SPI0FCN1: SPI0 FIFO Control 1 ....................304
19.4.7 SPI0FCT: SPI0 FIFO Count......................305
19.4.8 SPI0PCF: SPI0 Pin Configuration ....................306
20. System Management Bus / I2C (SMB0) ....................307
20.1 Introduction .............................307
20.2 Features ..............................307
20.3 Functional Description .........................307
20.3.1 Supporting Documents .......................307
20.3.2 SMBus Protocol ..........................308
20.3.3 Configuring the SMBus Module ....................310
20.3.4 Operational Modes .........................315
20.4 SMB0 Control Registers .........................323
20.4.1 SMB0CF: SMBus 0 Configuration ....................323
20.4.2 SMB0TC: SMBus 0 Timing and Pin Control ................324
20.4.3 SMB0CN0: SMBus 0 Control .....................325
20.4.4 SMB0ADR: SMBus 0 Slave Address ...................326
20.4.5 SMB0ADM: SMBus 0 Slave Address Mask ................327
20.4.6 SMB0DAT: SMBus 0 Data ......................327
20.4.7 SMB0FCN0: SMBus 0 FIFO Control 0 ..................328
20.4.8 SMB0FCN1: SMBus 0 FIFO Control 1 ..................329
20.4.9 SMB0RXLN: SMBus 0 Receive Length Counter ...............330
20.4.10 SMB0FCT: SMBus 0 FIFO Count ...................330
21. Timers (Timer0, Timer1, Timer2, Timer3, Timer4 and Timer5) ............331
21.1 Introduction .............................331
21.2 Features ..............................331
21.3 Functional Description .........................332
21.3.1 System Connections ........................332
21.3.2 Timer 0 and Timer 1 ........................333
21.3.3 Timer 2, Timer 3, Timer 4, and Timer 5 ..................337
21.4 Timer 0, 1, 2, 3, 4, and 5 Control Registers ..................342
21.4.1 CKCON0: Clock Control 0 ......................342
21.4.2 CKCON1: Clock Control 1 ......................344
21.4.3 TCON: Timer 0/1 Control ......................345
21.4.4 TMOD: Timer 0/1 Mode .......................346
21.4.5 TL0: Timer 0 Low Byte .......................347
21.4.6 TL1: Timer 1 Low Byte .......................347
21.4.7 TH0: Timer 0 High Byte .......................348
21.4.8 TH1: Timer 1 High Byte .......................348
21.4.9 TMR2RLL: Timer 2 Reload Low Byte ..................348
21.4.10 TMR2RLH: Timer 2 Reload High Byte ..................349
21.4.11 TMR2L: Timer 2 Low Byte ......................349
21.4.12 TMR2H: Timer 2 High Byte .....................349
silabs.com | Building a more connected world. Rev. 0.4 | 10

21.4.13 TMR2CN0: Timer 2 Control 0 .....................350
21.4.14 TMR2CN1: Timer 2 Control 1 .....................351
21.4.15 TMR3RLL: Timer 3 Reload Low Byte ..................352
21.4.16 TMR3RLH: Timer 3 Reload High Byte ..................352
21.4.17 TMR3L: Timer 3 Low Byte ......................352
21.4.18 TMR3H: Timer 3 High Byte .....................353
21.4.19 TMR3CN0: Timer 3 Control 0 .....................354
21.4.20 TMR3CN1: Timer 3 Control 1 .....................355
21.4.21 TMR4RLL: Timer 4 Reload Low Byte ..................356
21.4.22 TMR4RLH: Timer 4 Reload High Byte ..................356
21.4.23 TMR4L: Timer 4 Low Byte ......................356
21.4.24 TMR4H: Timer 4 High Byte .....................357
21.4.25 TMR4CN0: Timer 4 Control 0 .....................358
21.4.26 TMR4CN1: Timer 4 Control 1 .....................359
21.4.27 TMR5RLL: Timer 5 Reload Low Byte ..................360
21.4.28 TMR5RLH: Timer 5 Reload High Byte ..................360
21.4.29 TMR5L: Timer 5 Low Byte ......................360
21.4.30 TMR5H: Timer 5 High Byte .....................361
21.4.31 TMR5CN0: Timer 5 Control 0 .....................362
21.4.32 TMR5CN1: Timer 5 Control 1 .....................363
22. Universal Asynchronous Receiver/Transmitter 0 (UART0) .............364
22.1 Introduction .............................364
22.2 Features ..............................364
22.3 Functional Description .........................365
22.3.1 Baud Rate Generation .......................365
22.3.2 Data Format ...........................365
22.3.3 Data Transfer ..........................366
22.3.4 Multiprocessor Communications ....................366
22.3.5 Routing RX Through Configurable Logic .................366
22.4 UART0 Control Registers ........................367
22.4.1 SCON0: UART0 Serial Port Control ...................367
22.4.2 SBUF0: UART0 Serial Port Data Buffer ..................368
22.4.3 UART0PCF: UART0 Pin Configuration ..................368
23. Universal Asynchronous Receiver/Transmitter 1 (UART1) .............369
23.1 Introduction .............................369
23.2 Features ..............................369
23.3 Functional Description .........................370
23.3.1 Baud Rate Generation .......................370
23.3.2 Data Format ...........................370
23.3.3 Flow Control ...........................371
23.3.4 Basic Data Transfer ........................371
23.3.5 Data Transfer With FIFO .......................371
23.3.6 Multiprocessor Communications ....................374
23.3.7 LIN Break and Sync Detect ......................374
23.3.8 Autobaud Detection ........................374
silabs.com | Building a more connected world. Rev. 0.4 | 11

23.3.9 Routing RX Through Configurable Logic .................375
23.4 UART1 Control Registers ........................376
23.4.1 SCON1: UART1 Serial Port Control ...................376
23.4.2 SMOD1: UART1 Mode .......................378
23.4.3 SBUF1: UART1 Serial Port Data Buffer ..................379
23.4.4 SBCON1: UART1 Baud Rate Generator Control ...............380
23.4.5 SBRLH1: UART1 Baud Rate Generator High Byte ..............380
23.4.6 SBRLL1: UART1 Baud Rate Generator Low Byte ..............381
23.4.7 UART1FCN0: UART1 FIFO Control 0 ..................382
23.4.8 UART1FCN1: UART1 FIFO Control 1 ..................383
23.4.9 UART1FCT: UART1 FIFO Count ....................384
23.4.10 UART1LIN: UART1 LIN Configuration ..................385
23.4.11 UART1PCF: UART1 Pin Configuration .................386
24. Precision Reference (VREF0) ........................387
24.1 Introduction .............................387
24.2 Features ..............................387
24.3 Using the Precision Reference .......................387
24.4 VREF Control Registers .........................388
24.4.1 REF0CN: Voltage Reference Control ..................388
25. Watchdog Timer (WDT0)..........................389
25.1 Introduction .............................389
25.2 Features ..............................389
25.3 Using the Watchdog Timer ........................389
25.4 WDT0 Control Registers .........................390
25.4.1 WDTCN: Watchdog Timer Control ...................390
26. C2 Debug and Programming Interface ....................391
26.1 Introduction .............................391
26.2 Features ..............................391
26.3 Pin Sharing .............................391
26.4 C2 Interface Registers .........................392
26.4.1 C2ADD: C2 Address ........................392
26.4.2 C2DEVID: C2 Device ID .......................392
26.4.3 C2REVID: C2 Revision ID ......................392
26.4.4 C2FPCTL: C2 Flash Programming Control.................393
26.4.5 C2FPDAT: C2 Flash Programming Data .................393
27. Revision History.............................394
27.1 Revision 0.4 .............................394
silabs.com | Building a more connected world. Rev. 0.4 | 12

1. System Overview
1.1 Introduction
System Clock
Configuration
CIP-51 8051 Controller
Core
64 KB ISP Flash
Program Memory
256 Byte SRAM
SFR
Bus
4096 Byte XRAM
SYSCLK
Independent
Watchdog
Timer
Power
Net
Voltage
Regulator
VDD
GND
EXTCLK
Power-On
Reset
Supply
Monitor
C2CK/RSTb Reset
Debug /
Programming
Hardware
C2D
Analog Peripherals
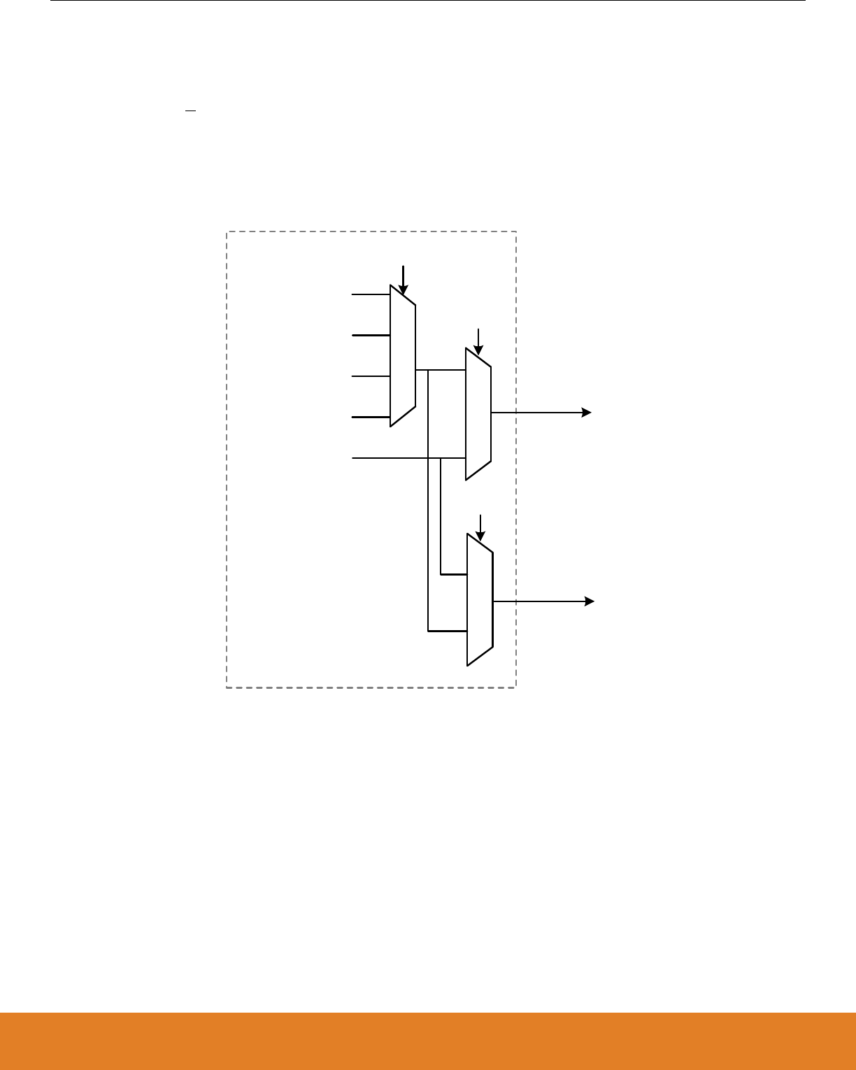
Digital Peripherals
AMUX
Priority
Crossbar
Decoder
Crossbar
Control
Port I/O Configuration
CRC
2 Comparators
12/10-
bit ADC Temp
Sensor
VREFVDD
VDD
Internal
Reference
+
-
+
-
UART1
Timers 0,
1, 2, 3, 4, 5
6-ch PCA
I2C /
SMBus
SPI
Port 0
Drivers
Port 1
Drivers
P0.n
Port 2
Drivers P2.n
P1.n
Port 3
Drivers P3.n
UART0
I2C Slave
VIO
XTAL1
XTAL2
Config.
Logic
Units (4)
24.5 MHz 2%
Oscillator
CMOS Clock
Input
49 MHz 2%
Oscillator
Low Freq.
Oscillator
External Crystal /
RC Oscillator
Up to 4 12-
bit DACs
Figure 1.1. Detailed EFM8BB3 Block Diagram
This section describes the EFM8BB3 family at a high level. For more information on each module including register definitions, see the
EFM8BB3 Reference Manual.
EFM8BB3 Reference Manual
System Overview
silabs.com | Building a more connected world. Rev. 0.4 | 13

1.2 Power
All internal circuitry draws power from the VDD supply pin. External I/O pins are powered from the VIO supply voltage (or VDD on devi-
ces without a separate VIO connection), while most of the internal circuitry is supplied by an on-chip LDO regulator. Control over the
device power can be achieved by enabling/disabling individual peripherals as needed. Each analog peripheral can be disabled when
not in use and placed in low power mode. Digital peripherals, such as timers and serial buses, have their clocks gated off and draw little
power when they are not in use.
Table 1.1. Power Modes
Power Mode Details Mode Entry Wake-Up Sources
Normal Core and all peripherals clocked and fully operational
Idle • Core halted
• All peripherals clocked and fully operational
• Code resumes execution on wake event
Set IDLE bit in PCON0 Any interrupt
Suspend • Core and peripheral clocks halted
• HFOSC0 and HFOSC1 oscillators stopped
• Regulator in normal bias mode for fast wake
• Timer 3 and 4 may clock from LFOSC0
• Code resumes execution on wake event
1. Switch SYSCLK to
HFOSC0
2. Set SUSPEND bit in
PCON1
• Timer 4 Event
• SPI0 Activity
• I2C0 Slave Activity
• Port Match Event
• Comparator 0 Falling
Edge
• CLUn Interrupt-Enabled
Event
Stop • All internal power nets shut down
• Pins retain state
• Exit on any reset source
1. Clear STOPCF bit in
REG0CN
2. Set STOP bit in
PCON0
Any reset source
Snooze • Core and peripheral clocks halted
• HFOSC0 and HFOSC1 oscillators stopped
• Regulator in low bias current mode for energy sav-
ings
• Timer 3 and 4 may clock from LFOSC0
• Code resumes execution on wake event
1. Switch SYSCLK to
HFOSC0
2. Set SNOOZE bit in
PCON1
• Timer 4 Event
• SPI0 Activity
• I2C0 Slave Activity
• Port Match Event
• Comparator 0 Falling
Edge
• CLUn Interrupt-Enabled
Event
Shutdown • All internal power nets shut down
• Pins retain state
• Exit on pin or power-on reset
1. Set STOPCF bit in
REG0CN
2. Set STOP bit in
PCON0
• RSTb pin reset
• Power-on reset
1.3 I/O
Digital and analog resources are externally available on the device’s multi-purpose I/O pins. Port pins P0.0-P2.3 can be defined as gen-
eral-purpose I/O (GPIO), assigned to one of the internal digital resources through the crossbar or dedicated channels, or assigned to an
analog function. Port pins P2.4 to P3.7 can be used as GPIO. Additionally, the C2 Interface Data signal (C2D) is shared with P3.0 or
P3.7, depending on the package option.
The port control block offers the following features:
• Up to 29 multi-functions I/O pins, supporting digital and analog functions.
• Flexible priority crossbar decoder for digital peripheral assignment.
• Two drive strength settings for each port.
• State retention feature allows pins to retain configuration through most reset sources.
• Two direct-pin interrupt sources with dedicated interrupt vectors (INT0 and INT1).
• Up to 24 direct-pin interrupt sources with shared interrupt vector (Port Match).
EFM8BB3 Reference Manual
System Overview
silabs.com | Building a more connected world. Rev. 0.4 | 14

1.4 Clocking
The CPU core and peripheral subsystem may be clocked by both internal and external oscillator resources. By default, the system
clock comes up running from the 24.5 MHz oscillator divided by 8.
The clock control system offers the following features:
• Provides clock to core and peripherals.
• 24.5 MHz internal oscillator (HFOSC0), accurate to ±2% over supply and temperature corners.
• 49 MHz internal oscillator (HFOSC1), accurate to ±2% over supply and temperature corners.
• 80 kHz low-frequency oscillator (LFOSC0).
• External RC, CMOS, and high-frequency crystal clock options (EXTCLK).
• Clock divider with eight settings for flexible clock scaling:
• Divide the selected clock source by 1, 2, 4, 8, 16, 32, 64, or 128.
• HFOSC0 and HFOSC1 include 1.5x pre-scalers for further flexibility.
1.5 Counters/Timers and PWM
Programmable Counter Array (PCA0)
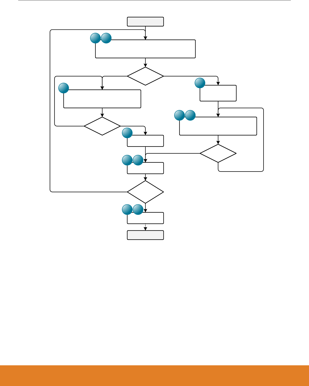
The programmable counter array (PCA) provides multiple channels of enhanced timer and PWM functionality while requiring less CPU
intervention than standard counter/timers. The PCA consists of a dedicated 16-bit counter/timer and one 16-bit capture/compare mod-
ule for each channel. The counter/timer is driven by a programmable timebase that has flexible external and internal clocking options.
Each capture/compare module may be configured to operate independently in one of five modes: Edge-Triggered Capture, Software
Timer, High-Speed Output, Frequency Output, or Pulse-Width Modulated (PWM) Output. Each capture/compare module has its own
associated I/O line (CEXn) which is routed through the crossbar to port I/O when enabled.
• 16-bit time base
• Programmable clock divisor and clock source selection
• Up to six independently-configurable channels
• 8, 9, 10, 11 and 16-bit PWM modes (center or edge-aligned operation)
• Output polarity control
• Frequency output mode
• Capture on rising, falling or any edge
• Compare function for arbitrary waveform generation
• Software timer (internal compare) mode
• Can accept hardware “kill” signal from comparator 0 or comparator 1
EFM8BB3 Reference Manual
System Overview
silabs.com | Building a more connected world. Rev. 0.4 | 15

Timers (Timer 0, Timer 1, Timer 2, Timer 3, Timer 4, and Timer 5)
Several counter/timers are included in the device: two are 16-bit counter/timers compatible with those found in the standard 8051, and
the rest are 16-bit auto-reload timers for timing peripherals or for general purpose use. These timers can be used to measure time inter-
vals, count external events and generate periodic interrupt requests. Timer 0 and Timer 1 are nearly identical and have four primary
modes of operation. The other timers offer both 16-bit and split 8-bit timer functionality with auto-reload and capture capabilities.
Timer 0 and Timer 1 include the following features:
• Standard 8051 timers, supporting backwards-compatibility with firmware and hardware.
• Clock sources include SYSCLK, SYSCLK divided by 12, 4, or 48, the External Clock divided by 8, or an external pin.
• 8-bit auto-reload counter/timer mode
• 13-bit counter/timer mode
• 16-bit counter/timer mode
• Dual 8-bit counter/timer mode (Timer 0)
Timer 2, Timer 3, Timer 4, and Timer 5 are 16-bit timers including the following features:
• Clock sources for all timers include SYSCLK, SYSCLK divided by 12, or the External Clock divided by 8
• LFOSC0 divided by 8 may be used to clock Timer 3 and Timer 4 in active or suspend/snooze power modes
• Timer 4 is a low-power wake source, and can be chained together with Timer 3
• 16-bit auto-reload timer mode
• Dual 8-bit auto-reload timer mode
• External pin capture
• LFOSC0 capture
• Comparator 0 capture
• Configurable Logic output capture
Watchdog Timer (WDT0)
The device includes a programmable watchdog timer (WDT) running off the low-frequency oscillator. A WDT overflow forces the MCU
into the reset state. To prevent the reset, the WDT must be restarted by application software before overflow. If the system experiences
a software or hardware malfunction preventing the software from restarting the WDT, the WDT overflows and causes a reset. Following
a reset, the WDT is automatically enabled and running with the default maximum time interval. If needed, the WDT can be disabled by
system software or locked on to prevent accidental disabling. Once locked, the WDT cannot be disabled until the next system reset.
The state of the RST pin is unaffected by this reset.
The Watchdog Timer has the following features:
• Programmable timeout interval
• Runs from the low-frequency oscillator
• Lock-out feature to prevent any modification until a system reset
1.6 Communications and Other Digital Peripherals
Universal Asynchronous Receiver/Transmitter (UART0)
UART0 is an asynchronous, full duplex serial port offering modes 1 and 3 of the standard 8051 UART. Enhanced baud rate support
allows a wide range of clock sources to generate standard baud rates. Received data buffering allows UART0 to start reception of a
second incoming data byte before software has finished reading the previous data byte.
The UART module provides the following features:
• Asynchronous transmissions and receptions.
• Baud rates up to SYSCLK/2 (transmit) or SYSCLK/8 (receive).
• 8- or 9-bit data.
• Automatic start and stop generation.
• Single-byte FIFO on transmit and receive.
EFM8BB3 Reference Manual
System Overview
silabs.com | Building a more connected world. Rev. 0.4 | 16

Universal Asynchronous Receiver/Transmitter (UART1)
UART1 is an asynchronous, full duplex serial port offering a variety of data formatting options. A dedicated baud rate generator with a
16-bit timer and selectable prescaler is included, which can generate a wide range of baud rates. A received data FIFO allows UART1
to receive multiple bytes before data is lost and an overflow occurs.
UART1 provides the following features:
• Asynchronous transmissions and receptions
• Dedicated baud rate generator supports baud rates up to SYSCLK/2 (transmit) or SYSCLK/8 (receive)
• 5, 6, 7, 8, or 9 bit data
• Automatic start and stop generation
• Automatic parity generation and checking
• Single-byte buffer on transmit and receive
• Auto-baud detection
• LIN break and sync field detection
• CTS / RTS hardware flow control
Serial Peripheral Interface (SPI0)
The serial peripheral interface (SPI) module provides access to a flexible, full-duplex synchronous serial bus. The SPI can operate as a
master or slave device in both 3-wire or 4-wire modes, and supports multiple masters and slaves on a single SPI bus. The slave-select
(NSS) signal can be configured as an input to select the SPI in slave mode, or to disable master mode operation in a multi-master
environment, avoiding contention on the SPI bus when more than one master attempts simultaneous data transfers. NSS can also be
configured as a firmware-controlled chip-select output in master mode, or disabled to reduce the number of pins required. Additional
general purpose port I/O pins can be used to select multiple slave devices in master mode.
• Supports 3- or 4-wire master or slave modes
• Supports external clock frequencies up to 12 Mbps in master or slave mode
• Support for all clock phase and polarity modes
• 8-bit programmable clock rate (master)
• Programmable receive timeout (slave)
• Two byte FIFO on transmit and receive
• Can operate in suspend or snooze modes and wake the CPU on reception of a byte
• Support for multiple masters on the same data lines
System Management Bus / I2C (SMB0)
The SMBus I/O interface is a two-wire, bi-directional serial bus. The SMBus is compliant with the System Management Bus Specifica-
tion, version 1.1, and compatible with the I2C serial bus.
The SMBus module includes the following features:
• Standard (up to 100 kbps) and Fast (400 kbps) transfer speeds
• Support for master, slave, and multi-master modes
• Hardware synchronization and arbitration for multi-master mode
• Clock low extending (clock stretching) to interface with faster masters
• Hardware support for 7-bit slave and general call address recognition
• Firmware support for 10-bit slave address decoding
• Ability to inhibit all slave states
• Programmable data setup/hold times
• Transmit and receive FIFOs (one byte) to help increase throughput in faster applications
EFM8BB3 Reference Manual
System Overview
silabs.com | Building a more connected world. Rev. 0.4 | 17

I2C Slave (I2CSLAVE0)
The I2C Slave interface is a 2-wire, bidirectional serial bus that is compatible with the I2C Bus Specification 3.0. It is capable of transfer-
ring in high-speed mode (HS-mode) at speeds of up to 3.4 Mbps. Firmware can write to the I2C interface, and the I2C interface can
autonomously control the serial transfer of data. The interface also supports clock stretching for cases where the core may be tempora-
rily prohibited from transmitting a byte or processing a received byte during an I2C transaction. This module operates only as an I2C
slave device.
The I2C module includes the following features:
• Standard (up to 100 kbps), Fast (400 kbps), Fast Plus (1 Mbps), and High-speed (3.4 Mbps) transfer speeds
• Support for slave mode only
• Clock low extending (clock stretching) to interface with faster masters
• Hardware support for 7-bit slave address recognition
• Transmit and receive FIFOs (two byte) to help increase throughput in faster applications
• Hardware support for multiple slave addresses with the option to save the matching address in the receive FIFO
16-bit CRC (CRC0)
The cyclic redundancy check (CRC) module performs a CRC using a 16-bit polynomial. CRC0 accepts a stream of 8-bit data and posts
the 16-bit result to an internal register. In addition to using the CRC block for data manipulation, hardware can automatically CRC the
flash contents of the device.
The CRC module is designed to provide hardware calculations for flash memory verification and communications protocols. The CRC
module supports the standard CCITT-16 16-bit polynomial (0x1021), and includes the following features:
• Support for CCITT-16 polynomial
• Byte-level bit reversal
• Automatic CRC of flash contents on one or more 256-byte blocks
• Initial seed selection of 0x0000 or 0xFFFF
Configurable Logic Units (CLU0, CLU1, CLU2, and CLU3)
The Configurable Logic block consists of multiple Configurable Logic Units (CLUs). CLUs are flexible logic functions which may be used
for a variety of digital functions, such as replacing system glue logic, aiding in the generation of special waveforms, or synchronizing
system event triggers.
• Four configurable logic units (CLUs), with direct-pin and internal logic connections
• Each unit supports 256 different combinatorial logic functions (AND, OR, XOR, muxing, etc.) and includes a clocked flip-flop for syn-
chronous operations
• Units may be operated synchronously or asynchronously
• May be cascaded together to perform more complicated logic functions
• Can operate in conjunction with serial peripherals such as UART and SPI or timing peripherals such as timers and PCA channels
• Can be used to synchronize and trigger multiple on-chip resources (ADC, DAC, Timers, etc.)
• Asynchronous output may be used to wake from low-power states
EFM8BB3 Reference Manual
System Overview
silabs.com | Building a more connected world. Rev. 0.4 | 18

1.7 Analog
12/10-Bit Analog-to-Digital Converter (ADC0)
The ADC is a successive-approximation-register (SAR) ADC with 12- and 10-bit modes, integrated track-and hold and a programmable
window detector. The ADC is fully configurable under software control via several registers. The ADC may be configured to measure
different signals using the analog multiplexer. The voltage reference for the ADC is selectable between internal and external reference
sources.
• Up to 20 external inputs
• Single-ended 12-bit and 10-bit modes
• Supports an output update rate of up to 350 ksps in 12-bit mode
• Channel sequencer logic with direct-to-XDATA output transfers
• Operation in a low power mode at lower conversion speeds
• Asynchronous hardware conversion trigger, selectable between software, external I/O and internal timer and configurable logic sour-
ces
• Output data window comparator allows automatic range checking
• Support for output data accumulation
• Conversion complete and window compare interrupts supported
• Flexible output data formatting
• Includes a fully-internal fast-settling 1.65 V reference and an on-chip precision 2.4 / 1.2 V reference, with support for using the sup-
ply as the reference, an external reference and signal ground
• Integrated temperature sensor
12-Bit Digital-to-Analog Converters (DAC0, DAC1, DAC2, DAC3)
The DAC modules are 12-bit Digital-to-Analog Converters with the capability to synchronize multiple outputs together. The DACs are
fully configurable under software control. The voltage reference for the DACs is selectable between internal and external reference
sources.
• Voltage output with 12-bit performance
• Supports an update rate of 200 ksps
• Hardware conversion trigger, selectable between software, external I/O and internal timer and configurable logic sources
• Outputs may be configured to persist through reset and maintain output state to avoid system disruption
• Multiple DAC outputs can be synchronized together
• DAC pairs (DAC0 and 1 or DAC2 and 3) support complementary output waveform generation
• Outputs may be switched between two levels according to state of configurable logic / PWM input trigger
• Flexible input data formatting
• Supports references from internal supply, on-chip precision reference, or external VREF pin
EFM8BB3 Reference Manual
System Overview
silabs.com | Building a more connected world. Rev. 0.4 | 19

Low Current Comparators (CMP0, CMP1)
An analog comparator is used to compare the voltage of two analog inputs, with a digital output indicating which input voltage is higher.
External input connections to device I/O pins and internal connections are available through separate multiplexers on the positive and
negative inputs. Hysteresis, response time, and current consumption may be programmed to suit the specific needs of the application.
The comparator includes the following features:
• Up to 10 (CMP0) or 9 (CMP1) external positive inputs
• Up to 10 (CMP0) or 9 (CMP1) external negative inputs
• Additional input options:
• Internal connection to LDO output
• Direct connection to GND
• Direct connection to VDD
• Dedicated 6-bit reference DAC
• Synchronous and asynchronous outputs can be routed to pins via crossbar
• Programmable hysteresis between 0 and ±20 mV
• Programmable response time
• Interrupts generated on rising, falling, or both edges
• PWM output kill feature
1.8 Reset Sources
Reset circuitry allows the controller to be easily placed in a predefined default condition. On entry to this reset state, the following occur:
• The core halts program execution.
• Module registers are initialized to their defined reset values unless the bits reset only with a power-on reset.
• External port pins are forced to a known state.
• Interrupts and timers are disabled.
All registers are reset to the predefined values noted in the register descriptions unless the bits only reset with a power-on reset. The
contents of RAM are unaffected during a reset; any previously stored data is preserved as long as power is not lost. By default, the Port
I/O latches are reset to 1 in open-drain mode, with weak pullups enabled during and after the reset. Optionally, firmware may configure
the port I/O, DAC outputs, and precision reference to maintain state through system resets other than power-on resets. For Supply
Monitor and power-on resets, the RSTb pin is driven low until the device exits the reset state. On exit from the reset state, the program
counter (PC) is reset, and the system clock defaults to an internal oscillator. The Watchdog Timer is enabled, and program execution
begins at location 0x0000.
Reset sources on the device include the following:
• Power-on reset
• External reset pin
• Comparator reset
• Software-triggered reset
• Supply monitor reset (monitors VDD supply)
• Watchdog timer reset
• Missing clock detector reset
• Flash error reset
1.9 Debugging
The EFM8BB3 devices include an on-chip Silicon Labs 2-Wire (C2) debug interface to allow flash programming and in-system debug-
ging with the production part installed in the end application. The C2 interface uses a clock signal (C2CK) and a bi-directional C2 data
signal (C2D) to transfer information between the device and a host system. See the C2 Interface Specification for details on the C2
protocol.
EFM8BB3 Reference Manual
System Overview
silabs.com | Building a more connected world. Rev. 0.4 | 20

1.10 Bootloader
All devices come pre-programmed with a UART0 bootloader. This bootloader resides in the code security page, which is the last page
of code flash; it can be erased if it is not needed.
The byte before the Lock Byte is the Bootloader Signature Byte. Setting this byte to a value of 0xA5 indicates the presence of the boot-
loader in the system. Any other value in this location indicates that the bootloader is not present in flash.
When a bootloader is present, the device will jump to the bootloader vector after any reset, allowing the bootloader to run. The boot-
loader then determines if the device should stay in bootload mode or jump to the reset vector located at 0x0000. When the bootloader
is not present, the device will jump to the reset vector of 0x0000 after any reset.
More information about the bootloader protocol and usage can be found in AN945: EFM8 Factory Bootloader User Guide. Application
notes can be found on the Silicon Labs website (www.silabs.com/8bit-appnotes) or within Simplicity Studio by using the [Application
Notes] tile.
Bootloader
Code Security Page
(1 x 512 Byte pages)
Lock Byte
Bootloader Signature Byte
62 KB Code
(124 x 512 Byte pages)
Read-Only
64 Bytes
Reserved
Bootloader Vector
Reset Vector
0x0000
0xFFFF
0xFFC0
0xFFBF
0xFBFF
0xFC00
0xFBFE
0xF9FF
0xFA00
0xFBFD
Figure 1.2. Flash Memory Map with Bootloader — 62.5 KB Devices
Table 1.2. Summary of Pins for Bootloader Communication
Bootloader Pins for Bootload Communication
UART TX – P0.4
RX – P0.5
EFM8BB3 Reference Manual
System Overview
silabs.com | Building a more connected world. Rev. 0.4 | 21

Table 1.3. Summary of Pins for Bootload Mode Entry
Device Package Pin for Bootload Mode Entry
all QFN32 packages P3.7 / C2D
QFP32 P3.7 / C2D
all QFN24 packages P3.0 / C2D
QSOP24 P3.0 / C2D
EFM8BB3 Reference Manual
System Overview
silabs.com | Building a more connected world. Rev. 0.4 | 22

2. Memory Organization
2.1 Memory Organization
The memory organization of the CIP-51 System Controller is similar to that of a standard 8051. There are two separate memory
spaces: program memory and data memory. Program and data memory share the same address space but are accessed via different
instruction types. Program memory consists of a non-volatile storage area that may be used for either program code or non-volatile
data storage. The data memory, consisting of "internal" and "external" data space, is implemented as RAM, and may be used only for
data storage. Program execution is not supported from the data memory space.
2.2 Program Memory
The CIP-51 core has a 64 KB program memory space. The product family implements some of this program memory space as in-sys-
tem, re-programmable flash memory. Flash security is implemented by a user-programmable location in the flash block and provides
read, write, and erase protection. All addresses not specified in the device memory map are reserved and may not be used for code or
data storage.
MOVX Instruction and Program Memory
The MOVX instruction in an 8051 device is typically used to access external data memory. On the devices, the MOVX instruction is
normally used to read and write on-chip XRAM, but can be re-configured to write and erase on-chip flash memory space. MOVC in-
structions are always used to read flash memory, while MOVX write instructions are used to erase and write flash. This flash access
feature provides a mechanism for the product to update program code and use the program memory space for non-volatile data stor-
age.
2.3 Data Memory
The RAM space on the chip includes both an "internal" RAM area which is accessed with MOV instructions, and an on-chip "external"
RAM area which is accessed using MOVX instructions. Total RAM varies, based on the specific device. The device memory map has
more details about the specific amount of RAM available in each area for the different device variants.
Internal RAM
There are 256 bytes of internal RAM mapped into the data memory space from 0x00 through 0xFF. The lower 128 bytes of data memo-
ry are used for general purpose registers and scratch pad memory. Either direct or indirect addressing may be used to access the lower
128 bytes of data memory. Locations 0x00 through 0x1F are addressable as four banks of general purpose registers, each bank con-
sisting of eight byte-wide registers. The next 16 bytes, locations 0x20 through 0x2F, may either be addressed as bytes or as 128 bit
locations accessible with the direct addressing mode.
The upper 128 bytes of data memory are accessible only by indirect addressing. This region occupies the same address space as the
Special Function Registers (SFR) but is physically separate from the SFR space. The addressing mode used by an instruction when
accessing locations above 0x7F determines whether the CPU accesses the upper 128 bytes of data memory space or the SFRs. In-
structions that use direct addressing will access the SFR space. Instructions using indirect addressing above 0x7F access the upper
128 bytes of data memory.
General Purpose Registers
The lower 32 bytes of data memory, locations 0x00 through 0x1F, may be addressed as four banks of general-purpose registers. Each
bank consists of eight byte-wide registers designated R0 through R7. Only one of these banks may be enabled at a time. Two bits in
the program status word (PSW) register, RS0 and RS1, select the active register bank. This allows fast context switching when entering
subroutines and interrupt service routines. Indirect addressing modes use registers R0 and R1 as index registers.
EFM8BB3 Reference Manual
Memory Organization
silabs.com | Building a more connected world. Rev. 0.4 | 23

Bit Addressable Locations
In addition to direct access to data memory organized as bytes, the sixteen data memory locations at 0x20 through 0x2F are also ac-
cessible as 128 individually addressable bits. Each bit has a bit address from 0x00 to 0x7F. Bit 0 of the byte at 0x20 has bit address
0x00 while bit 7 of the byte at 0x20 has bit address 0x07. Bit 7 of the byte at 0x2F has bit address 0x7F. A bit access is distinguished
from a full byte access by the type of instruction used (bit source or destination operands as opposed to a byte source or destination).
The MCS-51™ assembly language allows an alternate notation for bit addressing of the form XX.B where XX is the byte address and B
is the bit position within the byte. For example, the instruction:
Mov C, 22.3h
moves the Boolean value at 0x13 (bit 3 of the byte at location 0x22) into the Carry flag.
Stack
A programmer's stack can be located anywhere in the 256-byte data memory. The stack area is designated using the Stack Pointer
(SP) SFR. The SP will point to the last location used. The next value pushed on the stack is placed at SP+1 and then SP is incremen-
ted. A reset initializes the stack pointer to location 0x07. Therefore, the first value pushed on the stack is placed at location 0x08, which
is also the first register (R0) of register bank 1. Thus, if more than one register bank is to be used, the SP should be initialized to a
location in the data memory not being used for data storage. The stack depth can extend up to 256 bytes.
External RAM
On devices with more than 256 bytes of on-chip RAM, the additional RAM is mapped into the external data memory space (XRAM).
Addresses in XRAM area accessed using the external move (MOVX) instructions.
Note: The 16-bit MOVX write instruction is also used for writing and erasing the flash memory. More details may be found in the flash
memory section.
EFM8BB3 Reference Manual
Memory Organization
silabs.com | Building a more connected world. Rev. 0.4 | 24

2.4 Memory Map
62 KB Code
(124 x 512 Byte pages)
Code Security Page
(1 x 512 Byte pages)
Read-Only
64 Bytes
Reserved
0x0000
0xF9FF
0xFA00
0xFBFF
0xFFC0
0xFFFF
0xFC00
0xFFBF
Bootloader Signature Byte
Bootloader
Code Security Page
512 Bytes
Lock Byte
Bootloader Signature Byte
0xFBFF
0xFBFE
0xFBFD
0xFA00
Read-Only
64 Bytes
Memory Lock
128-bit UUID
0xFFC0
0xFFFE
0xFFFF
0xFFCF
0xFFD0
Figure 2.1. Flash Memory Map — 62.5 KB Devices
EFM8BB3 Reference Manual
Memory Organization
silabs.com | Building a more connected world. Rev. 0.4 | 25

0xFBFF
0xFBFE
0xFBFD
0xFA00
Bootloader Signature Byte
Bootloader
Code Security Page
512 Bytes
Lock Byte
Bootloader Signature Byte
Read-Only
64 Bytes
Reserved
0xFFC0
0xFFFF
0xFFBF
Read-Only
64 Bytes
Memory Lock
128-bit UUID
0xFFC0
0xFFFE
0xFFFF
0xFFCF
0xFFD0
32 KB Code
(64 x 512 Byte pages)
0x0000
0x7FFF
0x8000
Code Security Page
(1 x 512 Byte pages)
0xF9FF
0xFA00
0xFBFF
0xFC00
Reserved
Figure 2.2. Flash Memory Map — 32 KB Devices
EFM8BB3 Reference Manual
Memory Organization
silabs.com | Building a more connected world. Rev. 0.4 | 26

0xFBFF
0xFBFE
0xFBFD
0xFA00
Bootloader Signature Byte
Bootloader
Code Security Page
512 Bytes
Lock Byte
Bootloader Signature Byte
Read-Only
64 Bytes
Reserved
0xFFC0
0xFFFF
0xFFBF
Read-Only
64 Bytes
Memory Lock
128-bit UUID
0xFFC0
0xFFFE
0xFFFF
0xFFCF
0xFFD0
16 KB Code
(32 x 512 Byte pages)
0x0000
0x3FFF
0x4000
Code Security Page
(1 x 512 Byte pages)
0xF9FF
0xFA00
0xFBFF
0xFC00
Reserved
Figure 2.3. Flash Memory Map — 16 KB Devices
EFM8BB3 Reference Manual
Memory Organization
silabs.com | Building a more connected world. Rev. 0.4 | 27

Bootloader
Code Security Page
(1 x 512 Byte pages)
Lock Byte
Bootloader Signature Byte
62 KB Code
(124 x 512 Byte pages)
Read-Only
64 Bytes
Reserved
Bootloader Vector
Reset Vector
0x0000
0xFFFF
0xFFC0
0xFFBF
0xFBFF
0xFC00
0xFBFE
0xF9FF
0xFA00
0xFBFD
Figure 2.4. Bootloader Flash Memory Map — 62.5 KB Devices
EFM8BB3 Reference Manual
Memory Organization
silabs.com | Building a more connected world. Rev. 0.4 | 28

Bootloader
Code Security Page
(1 x 512 Byte pages)
Lock Byte
Bootloader Signature Byte
Reserved
Bootloader Vector
0xFBFF
0xFC00
0xFBFE
0xF9FF
0xFA00
0xFBFD
32 KB Code
(64 x 512 Byte pages)
Read-Only
64 Bytes
Reserved
Reset Vector
0x0000
0xFFFF
0xFFC0
0xFFBF
0x7FFF
0x8000
Figure 2.5. Bootloader Flash Memory Map — 32 KB Devices
EFM8BB3 Reference Manual
Memory Organization
silabs.com | Building a more connected world. Rev. 0.4 | 29

0xF9FF
0xFA00
Lock Byte
Bootloader Signature Byte
16 KB Code
(32 x 512 Byte pages)
Read-Only
64 Bytes
Reserved
Reset Vector
0x0000
0xFFFF
0xFFC0
0xFFBF
0x3FFF
0x4000
Bootloader
Code Security Page
(1 x 512 Byte pages)
Lock Byte
Bootloader Signature Byte
Reserved
Bootloader Vector
0xFBFF
0xFC00
0xFBFE
0xFBFD
Figure 2.6. Bootloader Flash Memory Map — 16 KB Devices
EFM8BB3 Reference Manual
Memory Organization
silabs.com | Building a more connected world. Rev. 0.4 | 30

Lower 128 Bytes RAM
(Direct or Indirect Access)
0x00
0x1F General-Purpose Register Banks
Bit-Addressable
0x20
0x2F
0x30
0x7F
Upper 128 Bytes
RAM
(Indirect Access)
Special Function
Registers
(Direct Access)
0x80
0xFF
On-Chip RAM
Accessed with MOV Instructions as Indicated
Figure 2.7. Direct / Indirect RAM Memory
On-Chip XRAM
Accessed with MOVX Instructions
XRAM
4096 Bytes
(SYSCLK Domain)
0x0000
0x0FFF
0x1000
Shadow XRAM
Duplicates 0x0000-0x0FFF
On 4 KB boundaries
0xFFFF
Figure 2.8. XRAM Memory
EFM8BB3 Reference Manual
Memory Organization
silabs.com | Building a more connected world. Rev. 0.4 | 31

2.5 XRAM Control Registers
2.5.1 EMI0CN: External Memory Interface Control
Bit 7 6 5 4 3 2 1 0
Name Reserved PGSEL
Access R RW
Reset 0x0 0x0
SFR Page = ALL; SFR Address: 0xE7
Bit Name Reset Access Description
7:4 Reserved Must write reset value.
3:0 PGSEL 0x0 RW XRAM Page Select.
The XRAM Page Select field provides the high byte of the 16-bit data memory address when using 8-bit MOVX commands,
effectively selecting a 256-byte page of RAM. Since the upper (unused) bits of the register are always zero, the PGSEL
field determines which page of XRAM is accessed.
For example, if PGSEL = 0x01, addresses 0x0100 to 0x01FF will be accessed by 8-bit MOVX instructions.
EFM8BB3 Reference Manual
Memory Organization
silabs.com | Building a more connected world. Rev. 0.4 | 32

3. Special Function Registers
3.1 Special Function Register Access
The direct-access data memory locations from 0x80 to 0xFF constitute the special function registers (SFRs). The SFRs provide control
and data exchange with the CIP-51's resources and peripherals. The CIP-51 duplicates the SFRs found in a typical 8051 implementa-
tion as well as implementing additional SFRs used to configure and access the sub-systems unique to the MCU. This allows the addi-
tion of new functionality while retaining compatibility with the MCS-51 ™ instruction set.
The SFR registers are accessed anytime the direct addressing mode is used to access memory locations from 0x80 to 0xFF. SFRs
with addresses ending in 0x0 or 0x8 (e.g., P0, TCON, SCON0, IE, etc.) are bit-addressable as well as byte-addressable. All other SFRs
are byte-addressable only. Unoccupied addresses in the SFR space are reserved for future use. Accessing these areas will have an
indeterminate effect and should be avoided.
SFR Paging
The CIP-51 features SFR paging, allowing the device to map many SFRs into the 0x80 to 0xFF memory address space. The SFR
memory space has 256 pages. In this way, each memory location from 0x80 to 0xFF can access up to 256 SFRs. The EFM8BB3
devices utilize multiple SFR pages. All of the common 8051 SFRs are available on all pages. Certain SFRs are only available on a
subset of pages. SFR pages are selected using the SFRPAGE register. The procedure for reading and writing an SFR is as follows:
1. Select the appropriate SFR page using the SFRPAGE register.
2. Use direct accessing mode to read or write the special function register (MOV instruction).
The SFRPAGE register only needs to be changed in the case that the SFR to be accessed does not exist on the currently-selected
page. See the SFR memory map for details on the locations of each SFR.
EFM8BB3 Reference Manual
Special Function Registers
silabs.com | Building a more connected world. Rev. 0.4 | 33

Interrupts and the SFR Page Stack
When an interrupt occurs, the current SFRPAGE is pushed onto an SFR page stack to preserve the current context of SFRPAGE.
Upon execution of the RETI instruction, the SFRPAGE register is automatically restored to the SFR page that was in use prior to the
interrupt. The stack is five elements deep to accomodate interrupts of different priority levels pre-empting lower priority interrupts. Firm-
ware can read any element of the SFR page stack by setting the SFRPGIDX field in the SFRPGCN register and reading the
SFRSTACK register.
Table 3.1. SFR Page Stack Access
SFRPGIDX Value SFRSTACK Contains
0 Value of the first/top byte of the stack
1 Value of the second byte of the stack
2 Value of the third byte of the stack
3 Value of the fourth byte of the stack
4 Value of the fifth/bottom byte of the stack
Notes:
1. The top of the stack is the current SFRPAGE setting, and can also be directly accessed via the SFRPAGE register.
000
001
010
011
100
SFRPAGE
SFRSTACK
Interrupt
Logic
SFRPGEN
SFR Page
Stack
SFRPGIDX
Figure 3.1. SFR Page Stack Block Diagram
When an interrupt occurs, hardware performs the following operations:
1. The value (if any) in the SFRPGIDX = 011b location is pushed to the SFRPAGE = 100b location.
2. The value (if any) in the SFRPGIDX = 010b location is pushed to the SFRPAGE = 011b location.
3. The value (if any) in the SFRPGIDX = 001b location is pushed to the SFRPAGE = 010b location.
4. The current SFRPAGE value is pushed to the SFRPGIDX = 001b location in the stack.
5. SFRPAGE is set to the page associated with the flag that generated the interrupt.
On a return from interrupt, hardware performs the following operations:
1. The SFR page stack is popped to the SFRPAGE register. This restores the SFR page context prior to the interrupt, without soft-
ware intervention.
2. The value in the SFRPGIDX = 010b location of the stack is placed in the SFRPGIDX = 001b location.
3. The value in the SFRPGIDX = 011b location of the stack is placed in the SFRPGIDX = 010b location.
4. The value in the SFRPGIDX = 100b location of the stack is placed in the SFRPGIDX = 011b location.
Automatic hardware switching of the SFR page upon interrupt entries and exits may be enabled or disabled using the SFRPGEN loca-
ted in SFRPGCN. Automatic SFR page switching is enabled after any reset.
EFM8BB3 Reference Manual
Special Function Registers
silabs.com | Building a more connected world. Rev. 0.4 | 34

3.2 Special Function Register Memory Map
Table 3.2. Special Function Registers by Address
Address SFR Page
0x00 0x10 0x20 0x30
0x80* P0
0x81 SP
0x82 DPL
0x83 DPH
0x84 PCA0CPL4 CLU0MX DAC0L
0x85 PCA0CPH4 CLU1MX DAC0H
0x86 XOSC0CN CRC0CN1 -
0x87 PCON0
0x88* TCON DACGCF0
0x89 TMOD DAC1L
0x8A TL0 DAC1H
0x8B TL1 DAC2L
0x8C TH0 DAC2H
0x8D TH1 DAC3L
0x8E CKCON0 DAC3H
0x8F PSCTL
0x90* P1
0x91 TMR3CN0 CLU2MX DAC0CF0
0x92 TMR3RLL SBUF1 DAC0CF1
0x93 TMR3RLH SMOD1 DAC1CF0
0x94 TMR3L SBCON1 DAC1CF1
0x95 TMR3H SBRLL1 DAC2CF0
0x96 PCA0POL SBRLH1 DAC2CF1
0x97 WDTCN
0x98* SCON0 TMR4CN0 SCON0 DACGCF1
0x99 SBUF0 -SBUF0 CMP0CN1
0x9A - SPI0FCN0 DAC3CF0
0x9B CMP0CN0 -SPI0FCN1 CMP0CN0
0x9C PCA0CLR P3MDOUT DAC3CF1
0x9D CMP0MD -UART1FCN0 CMP0MD
0x9E PCA0CENT UART1LIN -
0x9F CMP0MX -CMP0MX
0xA0* P2
EFM8BB3 Reference Manual
Special Function Registers
silabs.com | Building a more connected world. Rev. 0.4 | 35

Address SFR Page
0x00 0x10 0x20 0x30
0xA1 SPI0CFG -SPI0CFG ADC0ASCF
0xA2 SPI0CKR TMR4RLL SPI0CKR DACGCF2
0xA3 SPI0DAT TMR4RLH SPI0DAT -
0xA4 P0MDOUT TMR4L P0MDOUT -
0xA5 P1MDOUT TMR4H P1MDOUT -
0xA6 P2MDOUT CKCON1 P2MDOUT -
0xA7 SFRPAGE
0xA8* IE
0xA9 CLKSEL
0xAA CMP1MX PSTAT0 -CMP1MX
0xAB CMP1MD -I2C0FCN1 CMP1MD
0xAC SMB0TC -SMB0TC CMP1CN1
0xAD DERIVID -I2C0FCN0 -
0xAE PCA0CPM3 CLU3MX -
0xAF PCA0CPM4 CLU0FN -
0xB0* P3
0xB1 LFO0CN CLU0CF -
0xB2 ADC0CN1 -CLU1FN ADC0CN1
0xB3 ADC0CN2 -CLU1CF ADC0CN2
0xB4 -
0xB5 DEVICEID -CLU2FN ADC0ASAL
0xB6 REVID -CLU2CF ADC0ASAH
0xB7 FLKEY
0xB8* IP
0xB9 ADC0CF1 -I2C0STAT ADC0CF1
0xBA - I2C0CN0 -
0xBB ADC0MX EIP1 I2C0DOUT ADC0MX
0xBC ADC0CF0 SFRPGCN I2C0DIN ADC0CF0
0xBD ADC0L -I2C0SLAD ADC0L
0xBE ADC0H -CLU3FN ADC0H
0xBF CMP1CN0 -CLU3CF CMP1CN0
0xC0* SMB0CN0 TMR5CN0 SMB0CN0 -
0xC1 SMB0CF PFE0CN SMB0CF -
0xC2 SMB0DAT -SMB0DAT -
0xC3 ADC0GTL -SMB0FCN0 ADC0GTL
0xC4 ADC0GTH -SMB0FCN1 ADC0GTH
EFM8BB3 Reference Manual
Special Function Registers
silabs.com | Building a more connected world. Rev. 0.4 | 36

Address SFR Page
0x00 0x10 0x20 0x30
0xC5 ADC0LTL -SMB0RXLN ADC0LTL
0xC6 ADC0LTH -CLEN0 ADC0LTH
0xC7 HFO0CAL CLIE0 ADC0ASCT
0xC8* TMR2CN0 SCON1 -
0xC9 REG0CN -REG0CN -
0xCA TMR2RLL CRC0IN -
0xCB TMR2RLH CRC0DAT -
0xCC PCA0CPM5 P2SKIP -
0xCD PCON1
0xCE TMR2L CRC0CN0 -
0xCF TMR2H CRC0FLIP -
0xD0* PSW
0xD1 REF0CN -CLOUT0 REF0CN
0xD2 - TMR5RLL CRC0ST -
0xD3 - TMR5RLH CRC0CNT -
0xD4 P0SKIP TMR5L P0SKIP -
0xD5 P1SKIP TMR5H P1SKIP -
0xD6 SMB0ADM HFO1CAL SMB0ADM -
0xD7 SMB0ADR SFRSTACK SMB0ADR -
0xD8* PCA0CN0 UART1FCN1 -
0xD9 PCA0MD UART0PCF -
0xDA PCA0CPM0 UART1PCF -
0xDB PCA0CPM1 -
0xDC PCA0CPM2 -
0xDD PCA0CPL5 -
0xDE PCA0CPH5 -
0xDF ADC0CF2 -SPI0PCF ADC0CF2
0xE0* ACC
0xE1 XBR0 -XBR0 -
0xE2 XBR1 -XBR1 -
0xE3 XBR2 -XBR2 -
0xE4 IT01CF -
0xE5 -
0xE6 EIE1 -
0xE7 EMI0CN
0xE8* ADC0CN0 -CLIF0 ADC0CN0
EFM8BB3 Reference Manual
Special Function Registers
silabs.com | Building a more connected world. Rev. 0.4 | 37

Address SFR Page
0x00 0x10 0x20 0x30
0xE9 PCA0CPL1 -
0xEA PCA0CPH1 -
0xEB PCA0CPL2 -
0xEC PCA0CPH2 -
0xED P1MAT EIP2 P1MAT -
0xEE P1MASK EIP1H P1MASK -
0xEF RSTSRC HFOCN SMB0FCT -
0xF0* B
0xF1 P0MDIN TMR5CN1 P0MDIN -
0xF2 P1MDIN IPH P1MDIN -
0xF3 EIE2 P2MDIN -
0xF4 PCA0CPL3 P3MDIN -
0xF5 PCA0CPH3 I2C0FCT -
0xF6 PRTDRV EIP2H PRTDRV -
0xF7 PCA0PWM SPI0FCT -
0xF8* SPI0CN0 -SPI0CN0 -
0xF9 PCA0L -
0xFA PCA0H UART1FCT -
0xFB PCA0CPL0 P2MAT -
0xFC PCA0CPH0 P2MASK -
0xFD P0MAT TMR2CN1 P0MAT -
0xFE P0MASK TMR3CN1 P0MASK -
0xFF VDM0CN TMR4CN1 I2C0ADM -
Table 3.3. Special Function Registers by Name
Register Address SFR Pages Description
ACC 0xE0 ALL Accumulator
ADC0ASAH 0xB6 0x30 ADC0 Autoscan Start Address High Byte
ADC0ASAL 0xB5 0x30 ADC0 Autoscan Start Address Low Byte
ADC0ASCF 0xA1 0x30 ADC0 Autoscan Configuration
ADC0ASCT 0xC7 0x30 ADC0 Autoscan Output Count
ADC0CF0 0xBC 0x00, 0x30 ADC0 Configuration
ADC0CF1 0xB9 0x00, 0x30 ADC0 Configuration
ADC0CF2 0xDF 0x00, 0x30 ADC0 Power Control
ADC0CN0 0xE8 0x00, 0x30 ADC0 Control 0
EFM8BB3 Reference Manual
Special Function Registers
silabs.com | Building a more connected world. Rev. 0.4 | 38

Register Address SFR Pages Description
ADC0CN1 0xB2 0x00, 0x30 ADC0 Control 1
ADC0CN2 0xB3 0x00, 0x30 ADC0 Control 2
ADC0GTH 0xC4 0x00, 0x30 ADC0 Greater-Than High Byte
ADC0GTL 0xC3 0x00, 0x30 ADC0 Greater-Than Low Byte
ADC0H 0xBE 0x00, 0x30 ADC0 Data Word High Byte
ADC0L 0xBD 0x00, 0x30 ADC0 Data Word Low Byte
ADC0LTH 0xC6 0x00, 0x30 ADC0 Less-Than High Byte
ADC0LTL 0xC5 0x00, 0x30 ADC0 Less-Than Low Byte
ADC0MX 0xBB 0x00, 0x30 ADC0 Multiplexer Selection
B0xF0 ALL B Register
CKCON0 0x8E 0x00, 0x10, 0x20 Clock Control 0
CKCON1 0xA6 0x10 Clock Control 1
CLEN0 0xC6 0x20 Configurable Logic Enable 0
CLIE0 0xC7 0x20 Configurable Logic Interrupt Enable 0
CLIF0 0xE8 0x20 Configurable Logic Interrupt Flag 0
CLKSEL 0xA9 ALL Clock Select
CLOUT0 0xD1 0x20 Configurable Logic Output 0
CLU0CF 0xB1 0x20 Configurable Logic Unit 0 Configuration
CLU0FN 0xAF 0x20 Configurable Logic Unit 0 Function Select
CLU0MX 0x84 0x20 Configurable Logic Unit 0 Multiplexer
CLU1CF 0xB3 0x20 Configurable Logic Unit 1 Configuration
CLU1FN 0xB2 0x20 Configurable Logic Unit 1 Function Select
CLU1MX 0x85 0x20 Configurable Logic Unit 1 Multiplexer
CLU2CF 0xB6 0x20 Configurable Logic Unit 2 Configuration
CLU2FN 0xB5 0x20 Configurable Logic Unit 2 Function Select
CLU2MX 0x91 0x20 Configurable Logic Unit 2 Multiplexer
CLU3CF 0xBF 0x20 Configurable Logic Unit 3 Configuration
CLU3FN 0xBE 0x20 Configurable Logic Unit 3 Function Select
CLU3MX 0xAE 0x20 Configurable Logic Unit 3 Multiplexer
CMP0CN0 0x9B 0x00, 0x30 Comparator 0 Control 0
CMP0CN1 0x99 0x30 Comparator 0 Control 1
CMP0MD 0x9D 0x00, 0x30 Comparator 0 Mode
CMP0MX 0x9F 0x00, 0x30 Comparator 0 Multiplexer Selection
CMP1CN0 0xBF 0x00, 0x30 Comparator 1 Control 0
CMP1CN1 0xAC 0x30 Comparator 1 Control 1
CMP1MD 0xAB 0x00, 0x30 Comparator 1 Mode
CMP1MX 0xAA 0x00, 0x30 Comparator 1 Multiplexer Selection
EFM8BB3 Reference Manual
Special Function Registers
silabs.com | Building a more connected world. Rev. 0.4 | 39

Register Address SFR Pages Description
CRC0CN0 0xCE 0x20 CRC0 Control 0
CRC0CN1 0x86 0x20 CRC0 Control 1
CRC0CNT 0xD3 0x20 CRC0 Automatic Flash Sector Count
CRC0DAT 0xCB 0x20 CRC0 Data Output
CRC0FLIP 0xCF 0x20 CRC0 Bit Flip
CRC0IN 0xCA 0x20 CRC0 Data Input
CRC0ST 0xD2 0x20 CRC0 Automatic Flash Sector Start
DAC0CF0 0x91 0x30 DAC0 Configuration 0
DAC0CF1 0x92 0x30 DAC0 Configuration 1
DAC0H 0x85 0x30 DAC0 Data Word High Byte
DAC0L 0x84 0x30 DAC0 Data Word Low Byte
DAC1CF0 0x93 0x30 DAC1 Configuration 0
DAC1CF1 0x94 0x30 DAC1 Configuration 1
DAC1H 0x8A 0x30 DAC1 Data Word High Byte
DAC1L 0x89 0x30 DAC1 Data Word Low Byte
DAC2CF0 0x95 0x30 DAC2 Configuration 0
DAC2CF1 0x96 0x30 DAC2 Configuration 1
DAC2H 0x8C 0x30 DAC2 Data Word High Byte
DAC2L 0x8B 0x30 DAC2 Data Word Low Byte
DAC3CF0 0x9A 0x30 DAC3 Configuration 0
DAC3CF1 0x9C 0x30 DAC3 Configuration 1
DAC3H 0x8E 0x30 DAC3 Data Word High Byte
DAC3L 0x8D 0x30 DAC3 Data Word Low Byte
DACGCF0 0x88 0x30 DAC Global Configuration 0
DACGCF1 0x98 0x30 DAC Global Configuration 1
DACGCF2 0xA2 0x30 DAC Global Configuration 2
DERIVID 0xAD 0x00 Derivative Identification
DEVICEID 0xB5 0x00 Device Identification
DPH 0x83 ALL Data Pointer High
DPL 0x82 ALL Data Pointer Low
EIE1 0xE6 0x00, 0x10 Extended Interrupt Enable 1
EIE2 0xF3 0x00, 0x10 Extended Interrupt Enable 2
EIP1 0xBB 0x10 Extended Interrupt Priority 1 Low
EIP1H 0xEE 0x10 Extended Interrupt Priority 1 High
EIP2 0xED 0x10 Extended Interrupt Priority 2
EIP2H 0xF6 0x10 Extended Interrupt Priority 2 High
EMI0CN 0xE7 ALL External Memory Interface Control
EFM8BB3 Reference Manual
Special Function Registers
silabs.com | Building a more connected world. Rev. 0.4 | 40

Register Address SFR Pages Description
FLKEY 0xB7 ALL Flash Lock and Key
HFO0CAL 0xC7 0x00, 0x10 High Frequency Oscillator 0 Calibration
HFO1CAL 0xD6 0x10 High Frequency Oscillator 1 Calibration
HFOCN 0xEF 0x10 High Frequency Oscillator Control
I2C0ADM 0xFF 0x20 I2C0 Slave Address Mask
I2C0CN0 0xBA 0x20 I2C0 Control
I2C0DIN 0xBC 0x20 I2C0 Received Data
I2C0DOUT 0xBB 0x20 I2C0 Transmit Data
I2C0FCN0 0xAD 0x20 I2C0 FIFO Control 0
I2C0FCN1 0xAB 0x20 I2C0 FIFO Control 1
I2C0FCT 0xF5 0x20 I2C0 FIFO Count
I2C0SLAD 0xBD 0x20 I2C0 Slave Address
I2C0STAT 0xB9 0x20 I2C0 Status
IE 0xA8 ALL Interrupt Enable
IP 0xB8 ALL Interrupt Priority
IPH 0xF2 0x10 Interrupt Priority High
IT01CF 0xE4 0x00, 0x10 INT0/INT1 Configuration
LFO0CN 0xB1 0x00, 0x10 Low Frequency Oscillator Control
P0 0x80 ALL Port 0 Pin Latch
P0MASK 0xFE 0x00, 0x20 Port 0 Mask
P0MAT 0xFD 0x00, 0x20 Port 0 Match
P0MDIN 0xF1 0x00, 0x20 Port 0 Input Mode
P0MDOUT 0xA4 0x00, 0x20 Port 0 Output Mode
P0SKIP 0xD4 0x00, 0x20 Port 0 Skip
P1 0x90 ALL Port 1 Pin Latch
P1MASK 0xEE 0x00, 0x20 Port 1 Mask
P1MAT 0xED 0x00, 0x20 Port 1 Match
P1MDIN 0xF2 0x00, 0x20 Port 1 Input Mode
P1MDOUT 0xA5 0x00, 0x20 Port 1 Output Mode
P1SKIP 0xD5 0x00, 0x20 Port 1 Skip
P2 0xA0 ALL Port 2 Pin Latch
P2MASK 0xFC 0x20 Port 2 Mask
P2MAT 0xFB 0x20 Port 2 Match
P2MDIN 0xF3 0x20 Port 2 Input Mode
P2MDOUT 0xA6 0x00, 0x20 Port 2 Output Mode
P2SKIP 0xCC 0x20 Port 2 Skip
P3 0xB0 ALL Port 3 Pin Latch
EFM8BB3 Reference Manual
Special Function Registers
silabs.com | Building a more connected world. Rev. 0.4 | 41

Register Address SFR Pages Description
P3MDIN 0xF4 0x20 Port 3 Input Mode
P3MDOUT 0x9C 0x20 Port 3 Output Mode
PCA0CENT 0x9E 0x00, 0x10 PCA Center Alignment Enable
PCA0CLR 0x9C 0x00, 0x10 PCA Comparator Clear Control
PCA0CN0 0xD8 0x00, 0x10 PCA Control
PCA0CPH0 0xFC 0x00, 0x10 PCA Channel 0 Capture Module High Byte
PCA0CPH1 0xEA 0x00, 0x10 PCA Channel 1 Capture Module High Byte
PCA0CPH2 0xEC 0x00, 0x10 PCA Channel 2 Capture Module High Byte
PCA0CPH3 0xF5 0x00, 0x10 PCA Channel 3 Capture Module High Byte
PCA0CPH4 0x85 0x00, 0x10 PCA Channel 4 Capture Module High Byte
PCA0CPH5 0xDE 0x00, 0x10 PCA Channel 5 Capture Module High Byte
PCA0CPL0 0xFB 0x00, 0x10 PCA Channel 0 Capture Module Low Byte
PCA0CPL1 0xE9 0x00, 0x10 PCA Channel 1 Capture Module Low Byte
PCA0CPL2 0xEB 0x00, 0x10 PCA Channel 2 Capture Module Low Byte
PCA0CPL3 0xF4 0x00, 0x10 PCA Channel 3 Capture Module Low Byte
PCA0CPL4 0x84 0x00, 0x10 PCA Channel 4 Capture Module Low Byte
PCA0CPL5 0xDD 0x00, 0x10 PCA Channel 5 Capture Module Low Byte
PCA0CPM0 0xDA 0x00, 0x10 PCA Channel 0 Capture/Compare Mode
PCA0CPM1 0xDB 0x00, 0x10 PCA Channel 1 Capture/Compare Mode
PCA0CPM2 0xDC 0x00, 0x10 PCA Channel 2 Capture/Compare Mode
PCA0CPM3 0xAE 0x00, 0x10 PCA Channel 3 Capture/Compare Mode
PCA0CPM4 0xAF 0x00, 0x10 PCA Channel 4 Capture/Compare Mode
PCA0CPM5 0xCC 0x00, 0x10 PCA Channel 5 Capture/Compare Mode
PCA0H 0xFA 0x00, 0x10 PCA Counter/Timer High Byte
PCA0L 0xF9 0x00, 0x10 PCA Counter/Timer Low Byte
PCA0MD 0xD9 0x00, 0x10 PCA Mode
PCA0POL 0x96 0x00, 0x10 PCA Output Polarity
PCA0PWM 0xF7 0x00, 0x10 PCA PWM Configuration
PCON0 0x87 ALL Power Control
PCON1 0xCD ALL Power Control 1
PFE0CN 0xC1 0x10 Prefetch Engine Control
PRTDRV 0xF6 0x00, 0x20 Port Drive Strength
PSCTL 0x8F ALL Program Store Control
PSTAT0 0xAA 0x10 PMU Status 0
PSW 0xD0 ALL Program Status Word
REF0CN 0xD1 0x00, 0x30 Voltage Reference Control
REG0CN 0xC9 0x00, 0x20 Voltage Regulator 0 Control
EFM8BB3 Reference Manual
Special Function Registers
silabs.com | Building a more connected world. Rev. 0.4 | 42

Register Address SFR Pages Description
REVID 0xB6 0x00 Revision Identifcation
RSTSRC 0xEF 0x00 Reset Source
SBCON1 0x94 0x20 UART1 Baud Rate Generator Control
SBRLH1 0x96 0x20 UART1 Baud Rate Generator High Byte
SBRLL1 0x95 0x20 UART1 Baud Rate Generator Low Byte
SBUF0 0x99 0x00, 0x20 UART0 Serial Port Data Buffer
SBUF1 0x92 0x20 UART1 Serial Port Data Buffer
SCON0 0x98 0x00, 0x20 UART0 Serial Port Control
SCON1 0xC8 0x20 UART1 Serial Port Control
SFRPAGE 0xA7 ALL SFR Page
SFRPGCN 0xBC 0x10 SFR Page Control
SFRSTACK 0xD7 0x10 SFR Page Stack
SMB0ADM 0xD6 0x00, 0x20 SMBus 0 Slave Address Mask
SMB0ADR 0xD7 0x00, 0x20 SMBus 0 Slave Address
SMB0CF 0xC1 0x00, 0x20 SMBus 0 Configuration
SMB0CN0 0xC0 0x00, 0x20 SMBus 0 Control
SMB0DAT 0xC2 0x00, 0x20 SMBus 0 Data
SMB0FCN0 0xC3 0x20 SMBus 0 FIFO Control 0
SMB0FCN1 0xC4 0x20 SMBus 0 FIFO Control 1
SMB0FCT 0xEF 0x20 SMBus 0 FIFO Count
SMB0RXLN 0xC5 0x20 SMBus 0 Receive Length Counter
SMB0TC 0xAC 0x00, 0x20 SMBus 0 Timing and Pin Control
SMOD1 0x93 0x20 UART1 Mode
SP 0x81 ALL Stack Pointer
SPI0CFG 0xA1 0x00, 0x20 SPI0 Configuration
SPI0CKR 0xA2 0x00, 0x20 SPI0 Clock Rate
SPI0CN0 0xF8 0x00, 0x20 SPI0 Control
SPI0DAT 0xA3 0x00, 0x20 SPI0 Data
SPI0FCN0 0x9A 0x20 SPI0 FIFO Control 0
SPI0FCN1 0x9B 0x20 SPI0 FIFO Control 1
SPI0FCT 0xF7 0x20 SPI0 FIFO Count
SPI0PCF 0xDF 0x20 SPI0 Pin Configuration
TCON 0x88 0x00, 0x10, 0x20 Timer 0/1 Control
TH0 0x8C 0x00, 0x10, 0x20 Timer 0 High Byte
TH1 0x8D 0x00, 0x10, 0x20 Timer 1 High Byte
TL0 0x8A 0x00, 0x10, 0x20 Timer 0 Low Byte
TL1 0x8B 0x00, 0x10, 0x20 Timer 1 Low Byte
EFM8BB3 Reference Manual
Special Function Registers
silabs.com | Building a more connected world. Rev. 0.4 | 43

Register Address SFR Pages Description
TMOD 0x89 0x00, 0x10, 0x20 Timer 0/1 Mode
TMR2CN0 0xC8 0x00, 0x10 Timer 2 Control 0
TMR2CN1 0xFD 0x10 Timer 2 Control 1
TMR2H 0xCF 0x00, 0x10 Timer 2 High Byte
TMR2L 0xCE 0x00, 0x10 Timer 2 Low Byte
TMR2RLH 0xCB 0x00, 0x10 Timer 2 Reload High Byte
TMR2RLL 0xCA 0x00, 0x10 Timer 2 Reload Low Byte
TMR3CN0 0x91 0x00, 0x10 Timer 3 Control 0
TMR3CN1 0xFE 0x10 Timer 3 Control 1
TMR3H 0x95 0x00, 0x10 Timer 3 High Byte
TMR3L 0x94 0x00, 0x10 Timer 3 Low Byte
TMR3RLH 0x93 0x00, 0x10 Timer 3 Reload High Byte
TMR3RLL 0x92 0x00, 0x10 Timer 3 Reload Low Byte
TMR4CN0 0x98 0x10 Timer 4 Control 0
TMR4CN1 0xFF 0x10 Timer 4 Control 1
TMR4H 0xA5 0x10 Timer 4 High Byte
TMR4L 0xA4 0x10 Timer 4 Low Byte
TMR4RLH 0xA3 0x10 Timer 4 Reload High Byte
TMR4RLL 0xA2 0x10 Timer 4 Reload Low Byte
TMR5CN0 0xC0 0x10 Timer 5 Control 0
TMR5CN1 0xF1 0x10 Timer 5 Control 1
TMR5H 0xD5 0x10 Timer 5 High Byte
TMR5L 0xD4 0x10 Timer 5 Low Byte
TMR5RLH 0xD3 0x10 Timer 5 Reload High Byte
TMR5RLL 0xD2 0x10 Timer 5 Reload Low Byte
UART0PCF 0xD9 0x20 UART0 Pin Configuration
UART1FCN0 0x9D 0x20 UART1 FIFO Control 0
UART1FCN1 0xD8 0x20 UART1 FIFO Control 1
UART1FCT 0xFA 0x20 UART1 FIFO Count
UART1LIN 0x9E 0x20 UART1 LIN Configuration
UART1PCF 0xDA 0x20 UART1 Pin Configuration
VDM0CN 0xFF 0x00 Supply Monitor Control
WDTCN 0x97 ALL Watchdog Timer Control
XBR0 0xE1 0x00, 0x20 Port I/O Crossbar 0
XBR1 0xE2 0x00, 0x20 Port I/O Crossbar 1
XBR2 0xE3 0x00, 0x20 Port I/O Crossbar 2
XOSC0CN 0x86 0x00, 0x10 External Oscillator Control
EFM8BB3 Reference Manual
Special Function Registers
silabs.com | Building a more connected world. Rev. 0.4 | 44

3.3 SFR Access Control Registers
3.3.1 SFRPAGE: SFR Page
Bit 7 6 5 4 3 2 1 0
Name SFRPAGE
Access RW
Reset 0x00
SFR Page = ALL; SFR Address: 0xA7
Bit Name Reset Access Description
7:0 SFRPAGE 0x00 RW SFR Page.
Specifies the SFR Page used when reading, writing, or modifying special function registers.
EFM8BB3 Reference Manual
Special Function Registers
silabs.com | Building a more connected world. Rev. 0.4 | 45

3.3.2 SFRPGCN: SFR Page Control
Bit 7 6 5 4 3 2 1 0
Name Reserved SFRPGIDX Reserved SFRPGEN
Access RW RW RW RW
Reset 0 0x0 0x0 1
SFR Page = 0x10; SFR Address: 0xBC
Bit Name Reset Access Description
7 Reserved Must write reset value.
6:4 SFRPGIDX 0x0 RW SFR Page Stack Index.
This field can be used to access the SFRPAGE values stored in the SFR page stack. It selects the level of the stack firm-
ware can access when reading the SFRSTACK register.
Value Name Description
0x0 FIRST_BYTE SFRSTACK contains the value of SFRPAGE, the first/top byte of the
SFR page stack.
0x1 SECOND_BYTE SFRSTACK contains the value of the second byte of the SFR page
stack.
0x2 THIRD_BYTE SFRSTACK contains the value of the third byte of the SFR page stack.
0x3 FOURTH_BYTE SFRSTACK contains the value of the fourth byte of the SFR page
stack.
0x4 FIFTH_BYTE SFRSTACK contains the value of the fifth byte of the SFR page stack.
3:1 Reserved Must write reset value.
0 SFRPGEN 1 RW SFR Automatic Page Control Enable.
This bit is used to enable automatic page switching on ISR entry/exit. When set to 1, the current SFRPAGE value will be
pushed onto the SFR page stack and SFRPAGE will be set to the page corresponding to the flag which generated the in-
terrupt; upon ISR exit, hardware will pop the value from the SFR page stack and restore SFRPAGE.
Value Name Description
0 DISABLED Disable automatic SFR paging.
1 ENABLED Enable automatic SFR paging.
3.3.3 SFRSTACK: SFR Page Stack
Bit 7 6 5 4 3 2 1 0
Name SFRSTACK
Access R
Reset 0x00
SFR Page = 0x10; SFR Address: 0xD7
Bit Name Reset Access Description
7:0 SFRSTACK 0x00 R SFR Page Stack.
This register is used to read the contents of the SFR page stack. The SFRPGIDX field in the SFRPGCN register controls
the level of the stack this register will access.
EFM8BB3 Reference Manual
Special Function Registers
silabs.com | Building a more connected world. Rev. 0.4 | 46

4. Flash Memory
4.1 Introduction
On-chip, re-programmable flash memory is included for program code and non-volatile data storage. The flash memory is organized in
512-byte pages. It can be erased and written through the C2 interface or from firmware by overloading the MOVX instruction. Any indi-
vidual byte in flash memory must only be written once between page erase operations.
62 KB Code
(124 x 512 Byte pages)
Code Security Page
(1 x 512 Byte pages)
Read-Only
64 Bytes
Reserved
0x0000
0xF9FF
0xFA00
0xFBFF
0xFFC0
0xFFFF
0xFC00
0xFFBF
Bootloader Signature Byte
Bootloader
Code Security Page
512 Bytes
Lock Byte
Bootloader Signature Byte
0xFBFF
0xFBFE
0xFBFD
0xFA00
Read-Only
64 Bytes
Memory Lock
128-bit UUID
0xFFC0
0xFFFE
0xFFFF
0xFFCF
0xFFD0
Figure 4.1. Flash Memory Map — 62.5 KB Devices
EFM8BB3 Reference Manual
Flash Memory
silabs.com | Building a more connected world. Rev. 0.4 | 47

0xFBFF
0xFBFE
0xFBFD
0xFA00
Bootloader Signature Byte
Bootloader
Code Security Page
512 Bytes
Lock Byte
Bootloader Signature Byte
Read-Only
64 Bytes
Reserved
0xFFC0
0xFFFF
0xFFBF
Read-Only
64 Bytes
Memory Lock
128-bit UUID
0xFFC0
0xFFFE
0xFFFF
0xFFCF
0xFFD0
32 KB Code
(64 x 512 Byte pages)
0x0000
0x7FFF
0x8000
Code Security Page
(1 x 512 Byte pages)
0xF9FF
0xFA00
0xFBFF
0xFC00
Reserved
Figure 4.2. Flash Memory Map — 32 KB Devices
EFM8BB3 Reference Manual
Flash Memory
silabs.com | Building a more connected world. Rev. 0.4 | 48

0xFBFF
0xFBFE
0xFBFD
0xFA00
Bootloader Signature Byte
Bootloader
Code Security Page
512 Bytes
Lock Byte
Bootloader Signature Byte
Read-Only
64 Bytes
Reserved
0xFFC0
0xFFFF
0xFFBF
Read-Only
64 Bytes
Memory Lock
128-bit UUID
0xFFC0
0xFFFE
0xFFFF
0xFFCF
0xFFD0
16 KB Code
(32 x 512 Byte pages)
0x0000
0x3FFF
0x4000
Code Security Page
(1 x 512 Byte pages)
0xF9FF
0xFA00
0xFBFF
0xFC00
Reserved
Figure 4.3. Flash Memory Map — 16 KB Devices
EFM8BB3 Reference Manual
Flash Memory
silabs.com | Building a more connected world. Rev. 0.4 | 49

Bootloader
Code Security Page
(1 x 512 Byte pages)
Lock Byte
Bootloader Signature Byte
62 KB Code
(124 x 512 Byte pages)
Read-Only
64 Bytes
Reserved
Bootloader Vector
Reset Vector
0x0000
0xFFFF
0xFFC0
0xFFBF
0xFBFF
0xFC00
0xFBFE
0xF9FF
0xFA00
0xFBFD
Figure 4.4. Bootloader Flash Memory Map — 62.5 KB Devices
EFM8BB3 Reference Manual
Flash Memory
silabs.com | Building a more connected world. Rev. 0.4 | 50

Bootloader
Code Security Page
(1 x 512 Byte pages)
Lock Byte
Bootloader Signature Byte
Reserved
Bootloader Vector
0xFBFF
0xFC00
0xFBFE
0xF9FF
0xFA00
0xFBFD
32 KB Code
(64 x 512 Byte pages)
Read-Only
64 Bytes
Reserved
Reset Vector
0x0000
0xFFFF
0xFFC0
0xFFBF
0x7FFF
0x8000
Figure 4.5. Bootloader Flash Memory Map — 32 KB Devices
EFM8BB3 Reference Manual
Flash Memory
silabs.com | Building a more connected world. Rev. 0.4 | 51

0xF9FF
0xFA00
Lock Byte
Bootloader Signature Byte
16 KB Code
(32 x 512 Byte pages)
Read-Only
64 Bytes
Reserved
Reset Vector
0x0000
0xFFFF
0xFFC0
0xFFBF
0x3FFF
0x4000
Bootloader
Code Security Page
(1 x 512 Byte pages)
Lock Byte
Bootloader Signature Byte
Reserved
Bootloader Vector
0xFBFF
0xFC00
0xFBFE
0xFBFD
Figure 4.6. Bootloader Flash Memory Map — 16 KB Devices
4.2 Features
The flash memory has the following features:
• Up to 62.5 KB organized in 512-byte sectors.
• In-system programmable from user firmware.
• Security lock to prevent unwanted read/write/erase access.
EFM8BB3 Reference Manual
Flash Memory
silabs.com | Building a more connected world. Rev. 0.4 | 52

4.3 Functional Description
4.3.1 Security Options
The CIP-51 provides security options to protect the flash memory from inadvertent modification by software as well as to prevent the
viewing of proprietary program code and constants. The Program Store Write Enable (bit PSWE in register PSCTL) and the Program
Store Erase Enable (bit PSEE in register PSCTL) bits protect the flash memory from accidental modification by software. PSWE must
be explicitly set to 1 before software can modify the flash memory; both PSWE and PSEE must be set to 1 before software can erase
flash memory. Additional security features prevent proprietary program code and data constants from being read or altered across the
C2 interface.
A Security Lock Byte located in flash user space offers protection of the flash program memory from access (reads, writes, or erases)
by unprotected code or the C2 interface. See the specific device memory map for the location of the security byte. The flash security
mechanism allows the user to lock "n" flash pages, starting at page 0, where "n" is the 1s complement number represented by the
Security Lock Byte. Some devices may also include a read-only area in the flash memory space for constants such as UID and calibra-
tion values.
Note: The page containing the flash Security Lock Byte is unlocked when no other flash pages are locked (all bits of the Lock Byte are
1) and locked when any other flash pages are locked (any bit of the Lock Byte is 0).
Table 4.1. Security Byte Decoding
Security Lock Byte 111111101b
1s Complement 00000010b
Flash Pages Locked 3 (First two flash pages + Lock Byte Page)
The level of flash security depends on the flash access method. The three flash access methods that can be restricted are reads,
writes, and erases from the C2 debug interface, user firmware executing on unlocked pages, and user firmware executing on locked
pages.
Table 4.2. Flash Security Summary—Firmware Permissions
Permissions according to the area firmware is executing
from:
Target Area for Read / Write / Erase Unlocked Page Locked Page
Any Unlocked Page [R] [W] [E] [R] [W] [E]
Locked Page (except security page) reset [R] [W] [E]
Locked Security Page reset [R] [W]
Read-Only Area [R] [R]
Reserved Area reset reset
[R] = Read permitted
[W] = Write permitted
[E] = Erase permitted
reset = Flash error reset triggered
n/a = Not applicable
EFM8BB3 Reference Manual
Flash Memory
silabs.com | Building a more connected world. Rev. 0.4 | 53

Table 4.3. Flash Security Summary—C2 Permissions
Target Area for Read / Write / Erase Permissions from C2 interface
Any Unlocked Page [R] [W] [E]
Any Locked Page Device Erase Only
Read-Only Area [R]
Reserved Area None
[R] = Read permitted
[W] = Write permitted
[E] = Erase permitted
Device Erase Only = No read, write, or individual page erase is allowed. Must erase entire flash space.
None = Read, write and erase are not permitted
4.3.2 Programming the Flash Memory
Writes to flash memory clear bits from logic 1 to logic 0 and can be performed on single byte locations. Flash erasures set bits back to
logic 1 and occur only on full pages. The write and erase operations are automatically timed by hardware for proper execution; data
polling to determine the end of the write/erase operation is not required. Code execution is stalled during a flash write/erase operation.
The simplest means of programming the flash memory is through the C2 interface using programming tools provided by Silicon Labs or
a third party vendor. Firmware may also be loaded into the device to implement code-loader functions or allow non-volatile data stor-
age. To ensure the integrity of flash contents, it is strongly recommended that the on-chip supply monitor be enabled in any system that
includes code that writes and/or erases flash memory from software.
4.3.2.1 Flash Lock and Key Functions
Flash writes and erases by user software are protected with a lock and key function. The FLKEY register must be written with the cor-
rect key codes, in sequence, before flash operations may be performed. The key codes are 0xA5 and 0xF1. The timing does not mat-
ter, but the codes must be written in order. If the key codes are written out of order or the wrong codes are written, flash writes and
erases will be disabled until the next system reset. Flash writes and erases will also be disabled if a flash write or erase is attempted
before the key codes have been written properly. The flash lock resets after each write or erase; the key codes must be written again
before another flash write or erase operation can be performed.
4.3.2.2 Flash Page Erase Procedure
The flash memory is erased one page at a time by firmware using the MOVX write instruction with the address targeted to any byte
within the page. Before erasing a page of flash memory, flash write and erase operations must be enabled by setting the PSWE and
PSEE bits in the PSCTL register to logic 1 (this directs the MOVX writes to target flash memory and enables page erasure) and writing
the flash key codes in sequence to the FLKEY register. The PSWE and PSEE bits remain set until cleared by firmware.
Erase operation applies to an entire page (setting all bytes in the page to 0xFF). To erase an entire page, perform the following steps:
1. Disable interrupts (recommended).
2. Write the first key code to FLKEY: 0xA5.
3. Write the second key code to FLKEY: 0xF1.
4. Set the PSEE bit (register PSCTL).
5. Set the PSWE bit (register PSCTL).
6. Using the MOVX instruction, write a data byte to any location within the page to be erased.
7. Clear the PSWE and PSEE bits.
EFM8BB3 Reference Manual
Flash Memory
silabs.com | Building a more connected world. Rev. 0.4 | 54

4.3.2.3 Flash Byte Write Procedure
The flash memory is written by firmware using the MOVX write instruction with the address and data byte to be programmed provided
as normal operands in DPTR and A. Before writing to flash memory using MOVX, flash write operations must be enabled by setting the
PSWE bit in the PSCTL register to logic 1 (this directs the MOVX writes to target flash memory) and writing the flash key codes in
sequence to the FLKEY register. The PSWE bit remains set until cleared by firmware. A write to flash memory can clear bits to logic 0
but cannot set them. A byte location to be programmed should be erased (already set to 0xFF) before a new value is written.
To write a byte of flash, perform the following steps:
1. Disable interrupts (recommended).
2. Write the first key code to FLKEY: 0xA5.
3. Write the second key code to FLKEY: 0xF1.
4. Set the PSWE bit (register PSCTL).
5. Clear the PSEE bit (register PSCTL).
6. Using the MOVX instruction, write a single data byte to the desired location within the desired page.
7. Clear the PSWE bit.
4.3.3 Flash Write and Erase Precautions
Any system which contains routines which write or erase flash memory from software involves some risk that the write or erase routines
will execute unintentionally if the CPU is operating outside its specified operating range of supply voltage, system clock frequency or
temperature. This accidental execution of flash modifying code can result in alteration of flash memory contents causing a system fail-
ure that is only recoverable by re-flashing the code in the device.
To help prevent the accidental modification of flash by firmware, hardware restricts flash writes and erasures when the supply monitor is
not active and selected as a reset source. As the monitor is enabled and selected as a reset source by default, it is recommended that
systems writing or erasing flash simply maintain the default state.
The following sections provide general guidelines for any system which contains routines which write or erase flash from code. Addi-
tional flash recommendations and example code can be found in AN201: Writing to Flash From Firmware, available from the Silicon
Laboratories website.
Voltage Supply Maintenance and the Supply Monitor
• If the system power supply is subject to voltage or current "spikes," add sufficient transient protection devices to the power supply to
ensure that the supply voltages listed in the Absolute Maximum Ratings table are not exceeded.
• Make certain that the minimum supply rise time specification is met. If the system cannot meet this rise time specification, then add
an external supply brownout circuit to the RSTb pin of the device that holds the device in reset until the voltage supply reaches the
lower limit, and re-asserts RSTb if the supply drops below the low supply limit.
• Do not disable the supply monitor. If the supply monitor must be disabled in the system, firmware should be added to the startup
routine to enable the on-chip supply monitor and enable the supply monitor as a reset source as early in code as possible. This
should be the first set of instructions executed after the reset vector. For C-based systems, this may involve modifying the startup
code added by the C compiler. See your compiler documentation for more details. Make certain that there are no delays in software
between enabling the supply monitor and enabling the supply monitor as a reset source.
Note: The supply monitor must be enabled and enabled as a reset source when writing or erasing flash memory. A flash error reset
will occur if either condition is not met.
• As an added precaution if the supply monitor is ever disabled, explicitly enable the supply monitor and enable the supply monitor as
a reset source inside the functions that write and erase flash memory. The supply monitor enable instructions should be placed just
after the instruction to set PSWE to a 1, but before the flash write or erase operation instruction.
• Make certain that all writes to the RSTSRC (Reset Sources) register use direct assignment operators and explicitly do not use the
bit-wise operators (such as AND or OR). For example, "RSTSRC = 0x02" is correct. "RSTSRC |= 0x02" is incorrect.
• Make certain that all writes to the RSTSRC register explicitly set the PORSF bit to a 1. Areas to check are initialization code which
enables other reset sources, such as the Missing Clock Detector or Comparator, for example, and instructions which force a Soft-
ware Reset. A global search on "RSTSRC" can quickly verify this.
EFM8BB3 Reference Manual
Flash Memory
silabs.com | Building a more connected world. Rev. 0.4 | 55

PSWE Maintenance
• Reduce the number of places in code where the PSWE bit (in register PSCTL) is set to a 1. There should be exactly one routine in
code that sets PSWE to a 1 to write flash bytes and one routine in code that sets PSWE and PSEE both to a 1 to erase flash pages.
• Minimize the number of variable accesses while PSWE is set to a 1. Handle pointer address updates and loop variable maintenance
outside the "PSWE = 1;... PSWE = 0;" area.
• Disable interrupts prior to setting PSWE to a 1 and leave them disabled until after PSWE has been reset to 0. Any interrupts posted
during the flash write or erase operation will be serviced in priority order after the flash operation has been completed and interrupts
have been re-enabled by software.
• Make certain that the flash write and erase pointer variables are not located in XRAM. See your compiler documentation for instruc-
tions regarding how to explicitly locate variables in different memory areas.
• Add address bounds checking to the routines that write or erase flash memory to ensure that a routine called with an illegal address
does not result in modification of the flash.
System Clock
• If operating from an external crystal-based source, be advised that crystal performance is susceptible to electrical interference and is
sensitive to layout and to changes in temperature. If the system is operating in an electrically noisy environment, use the internal
oscillator or use an external CMOS clock.
• If operating from the external oscillator, switch to the internal oscillator during flash write or erase operations. The external oscillator
can continue to run, and the CPU can switch back to the external oscillator after the flash operation has completed.
4.4 Flash Control Registers
4.4.1 PSCTL: Program Store Control
Bit 7 6 5 4 3 2 1 0
Name Reserved PSEE PSWE
Access R RW RW
Reset 0x00 0 0
SFR Page = ALL; SFR Address: 0x8F
Bit Name Reset Access Description
7:2 Reserved Must write reset value.
1 PSEE 0 RW Program Store Erase Enable.
Setting this bit (in combination with PSWE) allows an entire page of flash program memory to be erased. If this bit is logic 1
and flash writes are enabled (PSWE is logic 1), a write to flash memory using the MOVX instruction will erase the entire
page that contains the location addressed by the MOVX instruction. The value of the data byte written does not matter.
Value Name Description
0 ERASE_DISABLED Flash program memory erasure disabled.
1 ERASE_ENABLED Flash program memory erasure enabled.
0 PSWE 0 RW Program Store Write Enable.
Setting this bit allows writing a byte of data to the flash program memory using the MOVX write instruction. The flash loca-
tion should be erased before writing data.
Value Name Description
0 WRITE_DISABLED Writes to flash program memory disabled.
1 WRITE_ENABLED Writes to flash program memory enabled; the MOVX write instruction
targets flash memory.
EFM8BB3 Reference Manual
Flash Memory
silabs.com | Building a more connected world. Rev. 0.4 | 56

4.4.2 FLKEY: Flash Lock and Key
Bit 7 6 5 4 3 2 1 0
Name FLKEY
Access RW
Reset 0x00
SFR Page = ALL; SFR Address: 0xB7
Bit Name Reset Access Description
7:0 FLKEY 0x00 RW Flash Lock and Key.
Write:
This register provides a lock and key function for flash erasures and writes. Flash writes and erases are enabled by writing
0xA5 followed by 0xF1 to the FLKEY register. Flash writes and erases are automatically disabled after the next write or
erase is complete. If any writes to FLKEY are performed incorrectly, or if a flash write or erase operation is attempted while
these operations are disabled, the flash will be permanently locked from writes or erasures until the next device reset. If an
application never writes to flash, it can intentionally lock the flash by writing a non-0xA5 value to FLKEY from firmware.
Read:
When read, bits 1-0 indicate the current flash lock state.
00: Flash is write/erase locked.
01: The first key code has been written (0xA5).
10: Flash is unlocked (writes/erases allowed).
11: Flash writes/erases are disabled until the next reset.
EFM8BB3 Reference Manual
Flash Memory
silabs.com | Building a more connected world. Rev. 0.4 | 57

5. Device Identification
5.1 Device Identification
The SFR map includes registers that may be used to identify the device family (DEVICEID), derivative (DERIVID), and revision (RE-
VID). These SFRs can be read by firmware at runtime to determine the capabilities of the MCU that is executing code. This allows the
same firmware image to run on MCUs with different memory sizes and peripherals, and dynamically change functionality to suit the
capabilities of that MCU.
5.2 Unique Identifier
A128-bit universally unique identifier (UUID) is pre-programmed into all devices. The value assigned to a device is random and not
sequential, but it is guaranteed unique. The UUID resides in the read-only area of flash memory which cannot be erased or written in
the end application. The UUID can be read by firmware or through the debug interface at flash locations 0xFFC0-0xFFCF.
Table 5.1. UID Location in Memory
Device Flash Addresses
EFM8BB31F64G,
EFM8BB31F32G,
EFM8BB31F16G
(MSB)
0xFFCF, 0xFFCE, 0xFFCD, 0xFFCC,
0xFFCB, 0xFFCA, 0xFFC9, 0xFFC8,
0xFFC7, 0xFFC6, 0xFFC5, 0xFFC4,
0xFFC3, 0xFFC2, 0xFFC1, 0xFFC0
(LSB)
5.3 Device Identification Registers
5.3.1 DEVICEID: Device Identification
Bit 7 6 5 4 3 2 1 0
Name DEVICEID
Access R
Reset 0x34
SFR Page = 0x0; SFR Address: 0xB5
Bit Name Reset Access Description
7:0 DEVICEID 0x34 R Device ID.
This read-only register returns the 8-bit device ID.
EFM8BB3 Reference Manual
Device Identification
silabs.com | Building a more connected world. Rev. 0.4 | 58

5.3.2 DERIVID: Derivative Identification
Bit 7 6 5 4 3 2 1 0
Name DERIVID
Access R
Reset Varies
SFR Page = 0x0; SFR Address: 0xAD
Bit Name Reset Access Description
7:0 DERIVID Varies R Derivative ID.
This read-only register returns the 8-bit derivative ID, which can be used by firmware to identify which device in the product
family the code is executing on. The '{R}' tag in the part numbers indicates the device revision letter in the ordering code.
The revision letter may be determined by decoding the REVID register.
Value Name Description
0x01 EFM8BB31F64G_QFN3
2
EFM8BB31F64G-{R}-QFN32
0x02 EFM8BB31F64G_QFP3
2
EFM8BB31F64G-{R}-QFP32
0x03 EFM8BB31F64G_QSO
P24
EFM8BB31F64G-{R}-QSOP24
0x04 EFM8BB31F64G_QFN2
4
EFM8BB31F64G-{R}-QFN24
0x05 EFM8BB31F32G_QFN3
2
EFM8BB31F32G-{R}-QFN32
0x06 EFM8BB31F32G_QFP3
2
EFM8BB31F32G-{R}-QFP32
0x07 EFM8BB31F32G_QSO
P24
EFM8BB31F32G-{R}-QSOP24
0x08 EFM8BB31F32G_QFN2
4
EFM8BB31F32G-{R}-QFN24
0x09 EFM8BB31F16G_QFN3
2
EFM8BB31F16G-{R}-QFN32
0x0A EFM8BB31F16G_QFP3
2
EFM8BB31F16G-{R}-QFP32
0x0B EFM8BB31F16G_QSO
P24
EFM8BB31F16G-{R}-QSOP24
0x0C EFM8BB31F16G_QFN2
4
EFM8BB31F16G-{R}-QFN24
0x11 EFM8BB31F64I_QFN3
2
EFM8BB31F64I-{R}-QFN32
0x12 EFM8BB31F64I_QFP32 EFM8BB31F64I-{R}-QFP32
0x13 EFM8BB31F64I_QSOP
24
EFM8BB31F64I-{R}-QSOP24
0x14 EFM8BB31F64I_QFN2
4
EFM8BB31F64I-{R}-QFN24
0x15 EFM8BB31F32I_QFN3
2
EFM8BB31F32I-{R}-QFN32
EFM8BB3 Reference Manual
Device Identification
silabs.com | Building a more connected world. Rev. 0.4 | 59

Bit Name Reset Access Description
0x16 EFM8BB31F32I_QFP32 EFM8BB31F32I-{R}-QFP32
0x17 EFM8BB31F32I_QSOP
24
EFM8BB31F32I-{R}-QSOP24
0x18 EFM8BB31F32I_QFN2
4
EFM8BB31F32I-{R}-QFN24
0x19 EFM8BB31F16I_QFN3
2
EFM8BB31F16I-{R}-QFN32
0x1A EFM8BB31F16I_QFP32 EFM8BB31F16I-{R}-QFP32
0x1B EFM8BB31F16I_QSOP
24
EFM8BB31F16I-{R}-QSOP24
0x1C EFM8BB31F16I_QFN2
4
EFM8BB31F16I-{R}-QFN24
0x21 EFM8BB31F64A_QFN3
2
EFM8BB31F64A-{R}-QFN32
0x22 EFM8BB31F64A_QFP3
2
EFM8BB31F64A-{R}-QFP32
0x23 EFM8BB31F64A_QSO
P24
EFM8BB31F64A-{R}-QSOP24
0x24 EFM8BB31F64A_QFN2
4
EFM8BB31F64A-{R}-QFN24
0x25 EFM8BB31F32A_QFN3
2
EFM8BB31F32A-{R}-QFN32
0x26 EFM8BB31F32A_QFP3
2
EFM8BB31F32A-{R}-QFP32
0x27 EFM8BB31F32A_QSO
P24
EFM8BB31F32A-{R}-QSOP24
0x28 EFM8BB31F32A_QFN2
4
EFM8BB31F32A-{R}-QFN24
0x29 EFM8BB31F16A_QFN3
2
EFM8BB31F16A-{R}-QFN32
0x2A EFM8BB31F16A_QFP3
2
EFM8BB31F16A-{R}-QFP32
0x2B EFM8BB31F16A_QSO
P24
EFM8BB31F16A-{R}-QSOP24
0x2C EFM8BB31F16A_QFN2
4
EFM8BB31F16A-{R}-QFN24
EFM8BB3 Reference Manual
Device Identification
silabs.com | Building a more connected world. Rev. 0.4 | 60

5.3.3 REVID: Revision Identifcation
Bit 7 6 5 4 3 2 1 0
Name REVID
Access R
Reset Varies
SFR Page = 0x0; SFR Address: 0xB6
Bit Name Reset Access Description
7:0 REVID Varies R Revision ID.
This read-only register returns the revision ID.
Value Name Description
0x00 REV_A Revision A.
EFM8BB3 Reference Manual
Device Identification
silabs.com | Building a more connected world. Rev. 0.4 | 61

6. Interrupts
6.1 Introduction
The MCU core includes an extended interrupt system supporting multiple interrupt sources and priority levels. The allocation of interrupt
sources between on-chip peripherals and external input pins varies according to the specific version of the device.
Interrupt sources may have one or more associated interrupt-pending flag(s) located in an SFR local to the associated peripheral.
When a peripheral or external source meets a valid interrupt condition, the associated interrupt-pending flag is set to logic 1.
If interrupts are enabled for the source, an interrupt request is generated when the interrupt-pending flag is set. As soon as execution of
the current instruction is complete, the CPU generates an LCALL to a predetermined address to begin execution of an interrupt service
routine (ISR). Each ISR must end with an RETI instruction, which returns program execution to the next instruction that would have
been executed if the interrupt request had not occurred. If interrupts are not enabled, the interrupt-pending flag is ignored by the hard-
ware and program execution continues as normal. The interrupt-pending flag is set to logic 1 regardless of whether the interrupt is ena-
bled.
Each interrupt source can be individually enabled or disabled through the use of an associated interrupt enable bit in the IE and EIEn
registers. However, interrupts must first be globally enabled by setting the EA bit to logic 1 before the individual interrupt enables are
recognized. Setting the EA bit to logic 0 disables all interrupt sources regardless of the individual interrupt-enable settings.
Some interrupt-pending flags are automatically cleared by the hardware when the CPU vectors to the ISR or by other hardware condi-
tions. However, most are not cleared by the hardware and must be cleared by software before returning from the ISR. If an interrupt-
pending flag remains set after the CPU completes the return-from-interrupt (RETI) instruction, a new interrupt request will be generated
immediately and the CPU will re-enter the ISR after the completion of the next instruction.
6.2 Interrupt Sources and Vectors
The CIP51 core supports interrupt sources for each peripheral on the device. Software can simulate an interrupt for many peripherals
by setting any interrupt-pending flag to logic 1. If interrupts are enabled for the flag, an interrupt request will be generated and the CPU
will vector to the ISR address associated with the interrupt-pending flag. Refer to the data sheet section associated with a particular on-
chip peripheral for information regarding valid interrupt conditions for the peripheral and the behavior of its interrupt-pending flag(s).
6.2.1 Interrupt Priorities
Each interrupt source can be individually programmed to one of four priority levels. This differs from the traditional two priority levels on
the 8051 core. However, the implementation of the extra levels is backwards- compatible with legacy 8051 code.
An interrupt service routine can be preempted by any interrupt of higher priority. Interrupts at the highest priority level cannot be pre-
empted. Each interrupt has two associated priority bits which are used to configure the priority level. For backwards compatibility, the
bits are spread across two different registers. The LSBs of the priority setting are located in the IP and EIPn registers, while the MSBs
are located in the IPH and EIPnH registers. Priority levels according to the MSB and LSB are decoded in Table 6.1 Configurable Inter-
rupt Priority Decoding on page 62. The lowest priority setting is the default for all interrupts. If two or more interrupts are recognized
simultaneously, the interrupt with the highest priority is serviced first. If both interrupts have the same priority level, a fixed order is used
to arbitrate, based on the interrupt source's location in the interrupt vector table. Interrupts with a lower number in the vector table have
priority. If legacy 8051 operation is desired, the bits of the “high” priority registers (IPH and EIPnH) should all be configured to 0.
Table 6.1. Configurable Interrupt Priority Decoding
Priority MSB
(from IPH or EIPnH)
Priority LSB
(from IP or EIPn)
Priority Level
0 0 Priority 0 (lowest priority, default)
0 1 Priority 1
1 0 Priority 2
1 1 Priority 3 (highest priority)
EFM8BB3 Reference Manual
Interrupts
silabs.com | Building a more connected world. Rev. 0.4 | 62

6.2.2 Interrupt Latency
Interrupt response time depends on the state of the CPU when the interrupt occurs. Pending interrupts are sampled and priority deco-
ded on every system clock cycle. Therefore, the fastest possible response time is 5 system clock cycles: 1 clock cycle to detect the
interrupt and 4 clock cycles to complete the LCALL to the ISR. If an interrupt is pending when a RETI is executed, a single instruction is
executed before an LCALL is made to service the pending interrupt. Therefore, the maximum response time for an interrupt (when no
other interrupt is currently being serviced or the new interrupt is of greater priority) occurs when the CPU is performing an RETI instruc-
tion followed by a DIV as the next instruction. In this case, the response time is 18 system clock cycles: 1 clock cycle to detect the
interrupt, 5 clock cycles to execute the RETI, 8 clock cycles to complete the DIV instruction and 4 clock cycles to execute the LCALL to
the ISR. If the CPU is executing an ISR for an interrupt with equal or higher priority, the new interrupt will not be serviced until the
current ISR completes, including the RETI and following instruction. If more than one interrupt is pending when the CPU exits an ISR,
the CPU will service the next highest priority interrupt that is pending.
EFM8BB3 Reference Manual
Interrupts
silabs.com | Building a more connected world. Rev. 0.4 | 63

6.2.3 Interrupt Summary
Table 6.2. Interrupt Priority Table
Interrupt Source Vector Priority Primary Enable Auxiliary Enable(s) Pending Flag(s)
Reset 0x0000 Top - - -
External Interrupt 0 0x0003 0 IE_EX0 -TCON_IE0
Timer 0 Overflow 0x000B 1 IE_ET0 -TCON_TF0
External Interrupt 1 0x0013 2 IE_EX1 -TCON_IE1
Timer 1 Overflow 0x001B 3 IE_ET1 -TCON_TF1
UART0 0x0023 4 IE_ES0 -SCON0_RI
SCON0_TI
Timer 2 Overflow / Cap-
ture
0x002B 5 IE_ET2 TMR2CN0_TF2CEN
TMR2CN0_TF2LEN
TMR2CN0_TF2H
TMR2CN0_TF2L
SPI0 0x0033 6 IE_ESPI0 SPI0FCN0_RFRQE
SPI0FCN0_TFRQE
SPI0FCN1_SPIFEN
SPI0CN0_MODF
SPI0CN0_RXOVRN
SPI0CN0_SPIF
SPI0CN0_WCOL
SPI0FCN1_RFRQ
SPI0FCN1_TFRQ
SMBus 0 0x003B 7 EIE1_ESMB0 -SMB0CN0_SI
Port Match 0x0043 8 EIE1_EMAT - -
ADC0 Window Compare 0x004B 9 EIE1_EWADC0 -ADC0CN0_ADWINT
ADC0 End of Conversion 0x0053 10 EIE1_EADC0 -ADC0CN0_ADINT
PCA0 0x005B 11 EIE1_EPCA0 PCA0CPM0_ECCF
PCA0CPM1_ECCF
PCA0CPM2_ECCF
PCA0PWM_ECOV
PCA0CN0_CCF0
PCA0CN0_CCF1
PCA0CN0_CCF2
PCA0CN0_CF
PCA0PWM_COVF
Comparator 0 0x0063 12 EIE1_ECP0 CMP0MD_CPRIE
CMP0MD_CPFIE
CMP0CN0_CPFIF
CMP0CN0_CPRIF
Comparator 1 0x006B 13 EIE1_ECP1 CMP1MD_CPFIE
CMP1MD_CPRIE
CMP1CN0_CPFIF
CMP1CN0_CPRIF
Timer 3 Overflow / Cap-
ture
0x0073 14 EIE1_ET3 TMR3CN0_TF3CEN
TMR3CN0_TF3LEN
TMR3CN0_TF3H
TMR3CN0_TF3L
EFM8BB3 Reference Manual
Interrupts
silabs.com | Building a more connected world. Rev. 0.4 | 64

Interrupt Source Vector Priority Primary Enable Auxiliary Enable(s) Pending Flag(s)
UART1 0x007B 15 EIE2_ES1 UART1FCN0_RFRQE
UART1FCN0_TFRQE
UART1FCN1_RIE
UART1FCN1_RXTO
UART1FCN1_TIE
SCON1_RI
SCON1_TI
UART1FCN1_RFRQ
UART1FCN1_TFRQ
I2C0 Slave 0x0083 16 EIE2_EI2C0 I2C0FCN0_RFRQE
I2C0FCN0_TFRQE
I2C0STAT_I2C0INT
I2C0FCN1_RFRQ
I2C0FCN1_TFRQ
Timer 4 Overflow / Cap-
ture
0x008B 17 EIE2_ET4 TMR4CN0_TF4CEN
TMR4CN0_TF4LEN
TMR4CN0_TF4H
TMR4CN0_TF4L
Timer 5 Overflow / Cap-
ture
0x0093 18 EIE2_ET5 TMR5CN0_TF5CEN
TMR5CN0_TF5LEN
TMR5CN0_TF5H
TMR5CN0_TF5L
Configurable Logic 0x009B 19 EIE2_CL0 CLIE0_C0FIE
CLIE0_C0RIE
CLIE0_C1FIE
CLIE0_C1RIE
CLIE0_C2FIE
CLIE0_C2RIE
CLIE0_C3FIE
CLIE0_C3RIE
CLIF0_C0FIF
CLIF0_C0RIF
CLIF0_C1FIF
CLIF0_C1RIF
CLIF0_C2FIF
CLIF0_C2RIF
CLIF0_C3FIF
CLIF0_C3RIF
EFM8BB3 Reference Manual
Interrupts
silabs.com | Building a more connected world. Rev. 0.4 | 65

6.3 Interrupt Control Registers
6.3.1 IE: Interrupt Enable
Bit 7 6 5 4 3 2 1 0
Name EA ESPI0 ET2 ES0 ET1 EX1 ET0 EX0
Access RW RW RW RW RW RW RW RW
Reset 0 0 0 0 0 0 0 0
SFR Page = ALL; SFR Address: 0xA8 (bit-addressable)
Bit Name Reset Access Description
7 EA 0 RW All Interrupts Enable.
Globally enables/disables all interrupts and overrides individual interrupt mask settings.
Value Name Description
0 DISABLED Disable all interrupt sources.
1 ENABLED Enable each interrupt according to its individual mask setting.
6 ESPI0 0 RW SPI0 Interrupt Enable.
This bit sets the masking of the SPI0 interrupts.
Value Name Description
0 DISABLED Disable all SPI0 interrupts.
1 ENABLED Enable interrupt requests generated by SPI0.
5 ET2 0 RW Timer 2 Interrupt Enable.
This bit sets the masking of the Timer 2 interrupt.
Value Name Description
0 DISABLED Disable Timer 2 interrupt.
1 ENABLED Enable interrupt requests generated by the TF2L or TF2H flags.
4 ES0 0 RW UART0 Interrupt Enable.
This bit sets the masking of the UART0 interrupt.
Value Name Description
0 DISABLED Disable UART0 interrupt.
1 ENABLED Enable UART0 interrupt.
3 ET1 0 RW Timer 1 Interrupt Enable.
This bit sets the masking of the Timer 1 interrupt.
Value Name Description
0 DISABLED Disable all Timer 1 interrupt.
1 ENABLED Enable interrupt requests generated by the TF1 flag.
EFM8BB3 Reference Manual
Interrupts
silabs.com | Building a more connected world. Rev. 0.4 | 66

Bit Name Reset Access Description
2 EX1 0 RW External Interrupt 1 Enable.
This bit sets the masking of External Interrupt 1.
Value Name Description
0 DISABLED Disable external interrupt 1.
1 ENABLED Enable interrupt requests generated by the INT1 input.
1 ET0 0 RW Timer 0 Interrupt Enable.
This bit sets the masking of the Timer 0 interrupt.
Value Name Description
0 DISABLED Disable all Timer 0 interrupt.
1 ENABLED Enable interrupt requests generated by the TF0 flag.
0 EX0 0 RW External Interrupt 0 Enable.
This bit sets the masking of External Interrupt 0.
Value Name Description
0 DISABLED Disable external interrupt 0.
1 ENABLED Enable interrupt requests generated by the INT0 input.
EFM8BB3 Reference Manual
Interrupts
silabs.com | Building a more connected world. Rev. 0.4 | 67

6.3.2 IP: Interrupt Priority
Bit 7 6 5 4 3 2 1 0
Name Reserved PSPI0 PT2 PS0 PT1 PX1 PT0 PX0
Access R RW RW RW RW RW RW RW
Reset 1 0 0 0 0 0 0 0
SFR Page = ALL; SFR Address: 0xB8 (bit-addressable)
Bit Name Reset Access Description
7 Reserved Must write reset value.
6 PSPI0 0 RW Serial Peripheral Interface (SPI0) Interrupt Priority Control LSB.
This bit sets the LSB of the priority field for the SPI0 interrupt.
5 PT2 0 RW Timer 2 Interrupt Priority Control LSB.
This bit sets the LSB of the priority field for the Timer 2 interrupt.
4 PS0 0 RW UART0 Interrupt Priority Control LSB.
This bit sets the LSB of the priority field for the UART0 interrupt.
3 PT1 0 RW Timer 1 Interrupt Priority Control LSB.
This bit sets the LSB of the priority field for the Timer 1 interrupt.
2 PX1 0 RW External Interrupt 1 Priority Control LSB.
This bit sets the LSB of the priority field for the External Interrupt 1 interrupt.
1 PT0 0 RW Timer 0 Interrupt Priority Control LSB.
This bit sets the LSB of the priority field for the Timer 0 interrupt.
0 PX0 0 RW External Interrupt 0 Priority Control LSB.
This bit sets the LSB of the priority field for the External Interrupt 0 interrupt.
EFM8BB3 Reference Manual
Interrupts
silabs.com | Building a more connected world. Rev. 0.4 | 68

6.3.3 IPH: Interrupt Priority High
Bit 7 6 5 4 3 2 1 0
Name Reserved PHSPI0 PHT2 PHS0 PHT1 PHX1 PHT0 PHX0
Access R RW RW RW RW RW RW RW
Reset 1 0 0 0 0 0 0 0
SFR Page = 0x10; SFR Address: 0xF2
Bit Name Reset Access Description
7 Reserved Must write reset value.
6 PHSPI0 0 RW Serial Peripheral Interface (SPI0) Interrupt Priority Control MSB.
This bit sets the MSB of the priority field for the SPI0 interrupt.
5 PHT2 0 RW Timer 2 Interrupt Priority Control MSB.
This bit sets the MSB of the priority field for the Timer 2 interrupt.
4 PHS0 0 RW UART0 Interrupt Priority Control MSB.
This bit sets the MSB of the priority field for the UART0 interrupt.
3 PHT1 0 RW Timer 1 Interrupt Priority Control MSB.
This bit sets the MSB of the priority field for the Timer 1 interrupt.
2 PHX1 0 RW External Interrupt 1 Priority Control MSB.
This bit sets the MSB of the priority field for the External Interrupt 1 interrupt.
1 PHT0 0 RW Timer 0 Interrupt Priority Control MSB.
This bit sets the MSB of the priority field for the Timer 0 interrupt.
0 PHX0 0 RW External Interrupt 0 Priority Control MSB.
This bit sets the MSB of the priority field for the External Interrupt 0 interrupt.
EFM8BB3 Reference Manual
Interrupts
silabs.com | Building a more connected world. Rev. 0.4 | 69

6.3.4 EIE1: Extended Interrupt Enable 1
Bit 7 6 5 4 3 2 1 0
Name ET3 ECP1 ECP0 EPCA0 EADC0 EWADC0 EMAT ESMB0
Access RW RW RW RW RW RW RW RW
Reset 0 0 0 0 0 0 0 0
SFR Page = 0x0, 0x10; SFR Address: 0xE6
Bit Name Reset Access Description
7 ET3 0 RW Timer 3 Interrupt Enable.
This bit sets the masking of the Timer 3 interrupt.
Value Name Description
0 DISABLED Disable Timer 3 interrupts.
1 ENABLED Enable interrupt requests generated by the TF3L or TF3H flags.
6 ECP1 0 RW Comparator1 (CP1) Interrupt Enable.
This bit sets the masking of the CP1 interrupt.
Value Name Description
0 DISABLED Disable CP1 interrupts.
1 ENABLED Enable interrupt requests generated by the comparator 1 CPRIF or
CPFIF flags.
5 ECP0 0 RW Comparator0 (CP0) Interrupt Enable.
This bit sets the masking of the CP0 interrupt.
Value Name Description
0 DISABLED Disable CP0 interrupts.
1 ENABLED Enable interrupt requests generated by the comparator 0 CPRIF or
CPFIF flags.
4 EPCA0 0 RW Programmable Counter Array (PCA0) Interrupt Enable.
This bit sets the masking of the PCA0 interrupts.
Value Name Description
0 DISABLED Disable all PCA0 interrupts.
1 ENABLED Enable interrupt requests generated by PCA0.
3 EADC0 0 RW ADC0 Conversion Complete Interrupt Enable.
This bit sets the masking of the ADC0 Conversion Complete interrupt.
Value Name Description
0 DISABLED Disable ADC0 Conversion Complete interrupt.
1 ENABLED Enable interrupt requests generated by the ADINT flag.
EFM8BB3 Reference Manual
Interrupts
silabs.com | Building a more connected world. Rev. 0.4 | 70

Bit Name Reset Access Description
2 EWADC0 0 RW ADC0 Window Comparison Interrupt Enable.
This bit sets the masking of ADC0 Window Comparison interrupt.
Value Name Description
0 DISABLED Disable ADC0 Window Comparison interrupt.
1 ENABLED Enable interrupt requests generated by ADC0 Window Compare flag
(ADWINT).
1 EMAT 0 RW Port Match Interrupts Enable.
This bit sets the masking of the Port Match Event interrupt.
Value Name Description
0 DISABLED Disable all Port Match interrupts.
1 ENABLED Enable interrupt requests generated by a Port Match.
0 ESMB0 0 RW SMBus (SMB0) Interrupt Enable.
This bit sets the masking of the SMB0 interrupt.
Value Name Description
0 DISABLED Disable all SMB0 interrupts.
1 ENABLED Enable interrupt requests generated by SMB0.
EFM8BB3 Reference Manual
Interrupts
silabs.com | Building a more connected world. Rev. 0.4 | 71

6.3.5 EIP1: Extended Interrupt Priority 1 Low
Bit 7 6 5 4 3 2 1 0
Name PT3 PCP1 PCP0 PPCA0 PADC0 PWADC0 PMAT PSMB0
Access RW RW RW RW RW RW RW RW
Reset 0 0 0 0 0 0 0 0
SFR Page = 0x10; SFR Address: 0xBB
Bit Name Reset Access Description
7 PT3 0 RW Timer 3 Interrupt Priority Control LSB.
This bit sets the LSB of the priority field for the Timer 3 interrupt.
6 PCP1 0 RW Comparator1 (CP1) Interrupt Priority Control LSB.
This bit sets the LSB of the priority field for the CP1 interrupt.
5 PCP0 0 RW Comparator0 (CP0) Interrupt Priority Control LSB.
This bit sets the LSB of the priority field for the CP0 interrupt.
4 PPCA0 0 RW Programmable Counter Array (PCA0) Interrupt Priority Control LSB.
This bit sets the LSB of the priority field for the PCA0 interrupt.
3 PADC0 0 RW ADC0 Conversion Complete Interrupt Priority Control LSB.
This bit sets the LSB of the priority field for the ADC0 Conversion Complete interrupt.
2 PWADC0 0 RW ADC0 Window Comparator Interrupt Priority Control LSB.
This bit sets the LSB of the priority field for the ADC0 Window interrupt.
1 PMAT 0 RW Port Match Interrupt Priority Control LSB.
This bit sets the LSB of the priority field for the Port Match Event interrupt.
0 PSMB0 0 RW SMBus (SMB0) Interrupt Priority Control LSB.
This bit sets the LSB of the priority field for the SMB0 interrupt.
EFM8BB3 Reference Manual
Interrupts
silabs.com | Building a more connected world. Rev. 0.4 | 72

6.3.6 EIP1H: Extended Interrupt Priority 1 High
Bit 7 6 5 4 3 2 1 0
Name PHT3 PHCP1 PHCP0 PHPCA0 PHADC0 PHWADC0 PHMAT PHSMB0
Access RW RW RW RW RW RW RW RW
Reset 0 0 0 0 0 0 0 0
SFR Page = 0x10; SFR Address: 0xEE
Bit Name Reset Access Description
7 PHT3 0 RW Timer 3 Interrupt Priority Control MSB.
This bit sets the MSB of the priority field for the Timer 3 interrupt.
6 PHCP1 0 RW Comparator1 (CP1) Interrupt Priority Control MSB.
This bit sets the MSB of the priority field for the CP1 interrupt.
5 PHCP0 0 RW Comparator0 (CP0) Interrupt Priority Control MSB.
This bit sets the MSB of the priority field for the CP0 interrupt.
4 PHPCA0 0 RW Programmable Counter Array (PCA0) Interrupt Priority Control MSB.
This bit sets the MSB of the priority field for the PCA0 interrupt.
3 PHADC0 0 RW ADC0 Conversion Complete Interrupt Priority Control MSB.
This bit sets the MSB of the priority field for the ADC0 Conversion Complete interrupt.
2 PHWADC0 0 RW ADC0 Window Comparator Interrupt Priority Control MSB.
This bit sets the MSB of the priority field for the ADC0 Window interrupt.
1 PHMAT 0 RW Port Match Interrupt Priority Control MSB.
This bit sets the MSB of the priority field for the Port Match Event interrupt.
0 PHSMB0 0 RW SMBus (SMB0) Interrupt Priority Control MSB.
This bit sets the MSB of the priority field for the SMB0 interrupt.
EFM8BB3 Reference Manual
Interrupts
silabs.com | Building a more connected world. Rev. 0.4 | 73

6.3.7 EIE2: Extended Interrupt Enable 2
Bit 7 6 5 4 3 2 1 0
Name Reserved CL0 ET5 ET4 EI2C0 ES1
Access RW RW RW RW RW RW
Reset 0x0 0 0 0 0 0
SFR Page = 0x0, 0x10; SFR Address: 0xF3
Bit Name Reset Access Description
7:5 Reserved Must write reset value.
4 CL0 0 RW Configurable Logic (CL0) Interrupt Enable.
This bit sets the masking of the CL0 interrupts.
Value Name Description
0 DISABLED Disable CL0 interrupts.
1 ENABLED Enable interrupt requests generated by CL0.
3 ET5 0 RW Timer 5 Interrupt Enable.
This bit sets the masking of the Timer 5 interrupt.
Value Name Description
0 DISABLED Disable Timer 5 interrupts.
1 ENABLED Enable interrupt requests generated by the TF5L or TF5H flags.
2 ET4 0 RW Timer 4 Interrupt Enable.
This bit sets the masking of the Timer 4 interrupt.
Value Name Description
0 DISABLED Disable Timer 4 interrupts.
1 ENABLED Enable interrupt requests generated by the TF4L or TF4H flags.
1 EI2C0 0 RW I2C0 Slave Interrupt Enable.
This bit sets the masking of the I2C0 slave interrupt.
Value Name Description
0 DISABLED Disable all I2C0 slave interrupts.
1 ENABLED Enable interrupt requests generated by the I2C0 slave.
0 ES1 0 RW UART1 Interrupt Enable.
This bit sets the masking of the UART1 interrupts.
Value Name Description
0 DISABLED Disable UART1 interrupts.
1 ENABLED Enable UART1 interrupts.
EFM8BB3 Reference Manual
Interrupts
silabs.com | Building a more connected world. Rev. 0.4 | 74

6.3.8 EIP2: Extended Interrupt Priority 2
Bit 7 6 5 4 3 2 1 0
Name Reserved PCL0 PT5 PT4 PI2C0 PS1
Access RW RW RW RW RW RW
Reset 0x0 0 0 0 0 0
SFR Page = 0x10; SFR Address: 0xED
Bit Name Reset Access Description
7:5 Reserved Must write reset value.
4 PCL0 0 RW Configurable Logic (CL0) Interrupt Priority Control LSB.
This bit sets the LSB of the priority field for the CL0 interrupt.
3 PT5 0 RW Timer 5 Interrupt Priority Control LSB.
This bit sets the LSB of the priority field for the Timer 5 interrupt.
2 PT4 0 RW Timer 4 Interrupt Priority Control LSB.
This bit sets the LSB of the priority field for the Timer 4 interrupt.
1 PI2C0 0 RW I2C0 Slave Interrupt Priority Control LSB.
This bit sets the LSB of the priority field for the I2C0 Slave interrupt.
0 PS1 0 RW UART1 Interrupt Priority Control LSB.
This bit sets the LSB of the priority field for the UART1 interrupt.
6.3.9 EIP2H: Extended Interrupt Priority 2 High
Bit 7 6 5 4 3 2 1 0
Name Reserved PHCL0 PHT5 PHT4 PHI2C0 PHS1
Access RW RW RW RW RW RW
Reset 0x0 0 0 0 0 0
SFR Page = 0x10; SFR Address: 0xF6
Bit Name Reset Access Description
7:5 Reserved Must write reset value.
4 PHCL0 0 RW Configurable Logic (CL0) Interrupt Priority Control MSB.
This bit sets the MSB of the priority field for the CL0 interrupt.
3 PHT5 0 RW Timer 5 Interrupt Priority Control MSB.
This bit sets the MSB of the priority field for the Timer 5 interrupt.
2 PHT4 0 RW Timer 4 Interrupt Priority Control MSB.
This bit sets the MSB of the priority field for the Timer 4 interrupt.
1 PHI2C0 0 RW I2C0 Slave Interrupt Priority Control MSB.
This bit sets the MSB of the priority field for the I2C0 Slave interrupt.
0 PHS1 0 RW UART1 Interrupt Priority Control MSB.
This bit sets the MSB of the priority field for the UART1 interrupt.
EFM8BB3 Reference Manual
Interrupts
silabs.com | Building a more connected world. Rev. 0.4 | 75

7. Power Management and Internal Regulator
7.1 Introduction
All internal circuitry draws power from the VDD supply pin. External I/O pins are powered from the VIO supply voltage (or VDD on devi-
ces without a separate VIO connection), while most of the internal circuitry is supplied by an on-chip LDO regulator. Control over the
device power can be achieved by enabling/disabling individual peripherals as needed. Each analog peripheral can be disabled when
not in use and placed in low power mode. Digital peripherals, such as timers and serial buses, have their clocks gated off and draw little
power when they are not in use.
Power Distribution
Core LDO
Analog
Muxes
VDD
GND
Digital I/O
Interface
Port I/O Pins
CPU Core
RAM
Flash
Oscillators
1.8V
Peripheral
Logic
VIO
Figure 7.1. Power System Block Diagram
Table 7.1. Power Modes
Power Mode Details Mode Entry Wake-Up Sources
Normal Core and all peripherals clocked and fully operational
Idle • Core halted
• All peripherals clocked and fully operational
• Code resumes execution on wake event
Set IDLE bit in PCON0 Any interrupt
Suspend • Core and peripheral clocks halted
• HFOSC0 and HFOSC1 oscillators stopped
• Regulator in normal bias mode for fast wake
• Timer 3 and 4 may clock from LFOSC0
• Code resumes execution on wake event
1. Switch SYSCLK to
HFOSC0
2. Set SUSPEND bit in
PCON1
• Timer 4 Event
• SPI0 Activity
• I2C0 Slave Activity
• Port Match Event
• Comparator 0 Falling
Edge
• CLUn Interrupt-Enabled
Event
EFM8BB3 Reference Manual
Power Management and Internal Regulator
silabs.com | Building a more connected world. Rev. 0.4 | 76

Power Mode Details Mode Entry Wake-Up Sources
Stop • All internal power nets shut down
• Pins retain state
• Exit on any reset source
1. Clear STOPCF bit in
REG0CN
2. Set STOP bit in
PCON0
Any reset source
Snooze • Core and peripheral clocks halted
• HFOSC0 and HFOSC1 oscillators stopped
• Regulator in low bias current mode for energy sav-
ings
• Timer 3 and 4 may clock from LFOSC0
• Code resumes execution on wake event
1. Switch SYSCLK to
HFOSC0
2. Set SNOOZE bit in
PCON1
• Timer 4 Event
• SPI0 Activity
• I2C0 Slave Activity
• Port Match Event
• Comparator 0 Falling
Edge
• CLUn Interrupt-Enabled
Event
Shutdown • All internal power nets shut down
• Pins retain state
• Exit on pin or power-on reset
1. Set STOPCF bit in
REG0CN
2. Set STOP bit in
PCON0
• RSTb pin reset
• Power-on reset
7.2 Features
The power management features of these devices include the following:
• Supports five power modes:
1. Normal mode: Core and all peripherals fully operational.
2. Idle mode: Core halted, peripherals fully operational, core waiting for interrupt to continue.
3. Suspend mode: High-frequency internal clocks halted, select peripherals active, waiting for wake signal to continue.
4. Snooze mode: High-frequency internal clocks halted, select peripherals active, regulators in low-power mode, waiting for wake
signal to continue.
5. Shutdown mode: All clocks stopped and internal LDO shut off, device waiting for POR or pin reset.
Note: Legacy 8051 Stop mode is also supported, but Suspend and Snooze offer more functionality with better power consumption.
• Internal Core LDO:
• Supplies power to majority of blocks.
• Low power consumption in Snooze mode, can be shut down completely in Shutdown mode.
EFM8BB3 Reference Manual
Power Management and Internal Regulator
silabs.com | Building a more connected world. Rev. 0.4 | 77

7.3 Idle Mode
In idle mode, CPU core execution is halted while any enabled peripherals and clocks remain active. Power consumption in idle mode is
dependent upon the system clock frequency and any active peripherals.
Setting the IDLE bit in the PCON0 register causes the hardware to halt the CPU and enter idle mode as soon as the instruction that
sets the bit completes execution. All internal registers and memory maintain their original data. All analog and digital peripherals can
remain active during idle mode.
Idle mode is terminated when an enabled interrupt is asserted or a reset occurs. The assertion of an enabled interrupt will cause the
IDLE bit to be cleared and the CPU to resume operation. The pending interrupt will be serviced and the next instruction to be executed
after the return from interrupt (RETI) will be the instruction immediately following the one that set the IDLE bit. If idle mode is terminated
by an internal or external reset, the CIP-51 performs a normal reset sequence and begins program execution at address 0x0000.
Note: If the instruction following the write of the IDLE bit is a single-byte instruction and an interrupt occurs during the execution phase
of the instruction that sets the IDLE bit, the CPU may not wake from idle mode when a future interrupt occurs. Therefore, instructions
that set the IDLE bit should be followed by an instruction that has two or more opcode bytes. For example:
// in ‘C’:
PCON0 |= 0x01; // set IDLE bit
PCON0 = PCON0; // ... followed by a 3-cycle dummy instruction
; in assembly:
ORL PCON0, #01h ; set IDLE bit
MOV PCON0, PCON0 ; ... followed by a 3-cycle dummy instruction
If enabled, the Watchdog Timer (WDT) will eventually cause an internal watchdog reset and thereby terminate the Idle mode. This fea-
ture protects the system from an unintended permanent shutdown in the event of an inadvertent write to the PCON0 register. If this
behavior is not desired, the WDT may be disabled by software prior to entering the idle mode if the WDT was initially configured to
allow this operation. This provides the opportunity for additional power savings, allowing the system to remain in the idle mode indefi-
nitely, waiting for an external stimulus to wake up the system.
7.4 Suspend Mode
Suspend mode is entered by setting the SUSPEND bit while operating from the internal 24.5 MHz oscillator (HFOSC0). Upon entry into
suspend mode, the hardware halts the high-frequency internal oscillator and goes into a low power state as soon as the instruction that
sets the bit completes execution. All internal registers and memory maintain their original data.
Suspend mode is terminated by any enabled wake or reset source. When suspend mode is terminated, the device will continue execu-
tion on the instruction following the one that set the SUSPEND bit. If the wake event was configured to generate an interrupt, the inter-
rupt will be serviced upon waking the device. If suspend mode is terminated by an internal or external reset, the CIP-51 performs a
normal reset sequence and begins program execution at address 0x0000.
7.5 Stop Mode
In stop mode, the CPU is halted and peripheral clocks are stopped. Analog peripherals remain in their selected states.
Setting the STOP bit in the PCON0 register causes the controller core to enter stop mode as soon as the instruction that sets the bit
completes execution. Before entering stop mode, the system clock must be sourced by HFOSC0. In stop mode, the CPU and internal
clocks are stopped. Analog peripherals may remain enabled, but will not be provided a clock. Each analog peripheral may be shut down
individually by firmware prior to entering stop mode. Stop mode can only be terminated by an internal or external reset. On reset, the
device performs the normal reset sequence and begins program execution at address 0x0000.
If enabled as a reset source, the missing clock detector will cause an internal reset and thereby terminate the stop mode. If this reset is
undesirable in the system, and the CPU is to be placed in stop mode for longer than the missing clock detector timeout, the missing
clock detector should be disabled in firmware prior to setting the STOP bit.
EFM8BB3 Reference Manual
Power Management and Internal Regulator
silabs.com | Building a more connected world. Rev. 0.4 | 78

7.6 Snooze Mode
Snooze mode is entered by setting the SNOOZE bit while operating from the internal 24.5 MHz oscillator (HFOSC0). Upon entry into
snooze mode, the hardware halts both of the high-frequency internal oscillators and goes into a low power state as soon as the instruc-
tion that sets the bit completes execution. The internal LDO is then placed into a low-current standby mode. All internal registers and
memory maintain their original data.
Snooze mode is terminated by any enabled wake or reset source. When snooze mode is terminated, the LDO is returned to normal
operating conditions and the device will continue execution on the instruction following the one that set the SNOOZE bit. If the wake
event was configured to generate an interrupt, the interrupt will be serviced upon waking the device. If snooze mode is terminated by an
internal or external reset, the CIP-51 performs a normal reset sequence and begins program execution at address 0x0000.
7.7 Shutdown Mode
In shutdown mode, the CPU is halted and the internal LDO is powered down. External I/O will retain their configured states.
To enter Shutdown mode, firmware should set the STOPCF bit in the regulator control register to 1, and then set the STOP bit in
PCON0. In Shutdown, the RSTb pin and a full power cycle of the device are the only methods of generating a reset and waking the
device.
Note: In Shutdown mode, all internal device circuitry is powered down, and no RAM nor registers are retained. The debug circuitry will
not be able to connect to a device while it is in Shutdown. Coming out of Shutdown mode, whether by POR or pin reset, will appear as
a power-on reset of the device.
7.8 Determining Wake Events (Suspend and Snooze Mode)
Upon exit from Suspend or Snooze mode, the wake-up flags in the PSTAT0 register can be read to determine the event(s) which
caused the device to wake up. Wake-up flags in PSTAT0 should be cleared by firmware.
EFM8BB3 Reference Manual
Power Management and Internal Regulator
silabs.com | Building a more connected world. Rev. 0.4 | 79

7.9 Power Management Control Registers
7.9.1 PCON0: Power Control
Bit 7 6 5 4 3 2 1 0
Name GF5 GF4 GF3 GF2 GF1 GF0 STOP IDLE
Access RW RW RW RW RW RW RW RW
Reset 0 0 0 0 0 0 0 0
SFR Page = ALL; SFR Address: 0x87
Bit Name Reset Access Description
7 GF5 0 RW General Purpose Flag 5.
This flag is a general purpose flag for use under firmware control.
6 GF4 0 RW General Purpose Flag 4.
This flag is a general purpose flag for use under firmware control.
5 GF3 0 RW General Purpose Flag 3.
This flag is a general purpose flag for use under firmware control.
4 GF2 0 RW General Purpose Flag 2.
This flag is a general purpose flag for use under firmware control.
3 GF1 0 RW General Purpose Flag 1.
This flag is a general purpose flag for use under firmware control.
2 GF0 0 RW General Purpose Flag 0.
This flag is a general purpose flag for use under firmware control.
1 STOP 0 RW Stop Mode Select.
Setting this bit will place the CIP-51 in Stop mode. This bit will always be read as 0.
0 IDLE 0 RW Idle Mode Select.
Setting this bit will place the CIP-51 in Idle mode. This bit will always be read as 0.
EFM8BB3 Reference Manual
Power Management and Internal Regulator
silabs.com | Building a more connected world. Rev. 0.4 | 80

7.9.2 PCON1: Power Control 1
Bit 7 6 5 4 3 2 1 0
Name SNOOZE SUSPEND Reserved PINRSTMD
Access RW RW R RW
Reset 0 0 0x01 0
SFR Page = ALL; SFR Address: 0xCD
Bit Name Reset Access Description
7 SNOOZE 0 RW Snooze Mode Select.
Setting this bit will place the device in snooze mode. High speed oscillators will be halted the SYSCLK signal will be gated
off, and the internal regulator will be placed in a low power state.
6 SUSPEND 0 RW Suspend Mode Select.
Setting this bit will place the device in suspend mode. High speed oscillators will be halted and the SYSCLK signal will be
gated off.
5:1 Reserved Must write reset value.
0 PINRSTMD 0 RW Pin Reset Mode.
This bit controls the behavior of the GPIO pin configuration (push-pull, PxMDIN, port latch, XBARE) when any reset event
occurs. This bit is a sticky bit and will be retained across all reset events except POR. After a POR event, this bit is reset to
0.
Value Name Description
0 RESET GPIO logic is reset when any reset event is asserted.
1 RETAIN Pins will retain state across any reset except for power-on-reset
events. Note that although pin configurations are maintained, the val-
ues of the pin control registers are reset. Registers PnMDIN,
PnMDOUT, Pn, and the XBARE bit may not reflect the actual pin con-
figuration at this time. New values written to these registers will take ef-
fect upon the write event.
EFM8BB3 Reference Manual
Power Management and Internal Regulator
silabs.com | Building a more connected world. Rev. 0.4 | 81

7.9.3 PSTAT0: PMU Status 0
Bit 7 6 5 4 3 2 1 0
Name Reserved CL0WK SPI0WK I2C0WK TMR4WK PMATWK CPT0WK
Access R RW RW RW RW RW RW
Reset 0x0 0 0 0 0 0 0
SFR Page = 0x10; SFR Address: 0xAA
Bit Name Reset Access Description
7:6 Reserved Must write reset value.
5 CL0WK 0 RW Configurable Logic Wake Flag.
This bit is set to 1 if an interrupt-enabled configurable logic event occurred during suspend or snooze mode. This bit should
be cleared by firmware.
4 SPI0WK 0 RW SPI0 Slave Wake Flag.
This bit is set to 1 if the SPI slave received a byte during suspend or snooze mode. This bit should be cleared by firmware.
3 I2C0WK 0 RW I2C0 Slave Wake Flag.
This bit is set to 1 if an I2C slave address match event occurred during suspend or snooze mode. This bit should be
cleared by firmware.
2 TMR4WK 0 RW Timer 4 Wake Flag.
This bit is set to 1 if a Timer 4 event occurred during suspend or snooze mode. This bit should be cleared by firmware.
1 PMATWK 0 RW Port Match Wake Flag.
This bit is set to 1 if a Port Match event occurred during suspend or snooze mode. This bit should be cleared by firmware.
0 CPT0WK 0 RW Comparator 0 Wake Flag.
This bit is set to 1 if a comparator 0 output rising edge occurred during suspend or snooze mode. This bit should be cleared
by firmware.
EFM8BB3 Reference Manual
Power Management and Internal Regulator
silabs.com | Building a more connected world. Rev. 0.4 | 82

7.9.4 REG0CN: Voltage Regulator 0 Control
Bit 7 6 5 4 3 2 1 0
Name Reserved STOPCF Reserved
Access R RW R
Reset 0x0 0 0x0
SFR Page = 0x0, 0x20; SFR Address: 0xC9
Bit Name Reset Access Description
7:4 Reserved Must write reset value.
3 STOPCF 0 RW Stop and Shutdown Mode Configuration.
This bit configures the regulator's behavior when the device enters stop mode.
Value Name Description
0 ACTIVE Regulator is still active in stop mode. Any enabled reset source will re-
set the device.
1 SHUTDOWN Regulator is shut down in stop mode (device enters Shutdown mode).
Only the RSTb pin or power cycle can reset the device.
2:0 Reserved Must write reset value.
EFM8BB3 Reference Manual
Power Management and Internal Regulator
silabs.com | Building a more connected world. Rev. 0.4 | 83

8. Clocking and Oscillators
8.1 Introduction
The CPU core and peripheral subsystem may be clocked by both internal and external oscillator resources. By default, the system
clock comes up running from the 24.5 MHz oscillator divided by 8.
Clock Control
Programmable
Divider:
1, 2, 4...128
SYSCLK
24.5 MHz
Oscillator
(HFOSC0) To core and peripherals
49 MHz Oscillator
(HFOSC1)
/1.5
/1.5
Divider:
1, 2, 4, 8
To WDT
80 kHz Oscillator
(LFOSC0)
External Oscillator
Input (EXTCLK or
XTAL1 & XTAL2)
Figure 8.1. Clock Control Block Diagram
8.2 Features
The clock control system offers the following features:
• Provides clock to core and peripherals.
• 24.5 MHz internal oscillator (HFOSC0), accurate to ±2% over supply and temperature corners.
• 49 MHz internal oscillator (HFOSC1), accurate to ±2% over supply and temperature corners.
• 80 kHz low-frequency oscillator (LFOSC0).
• External RC, CMOS, and high-frequency crystal clock options (EXTCLK).
• Clock divider with eight settings for flexible clock scaling:
• Divide the selected clock source by 1, 2, 4, 8, 16, 32, 64, or 128.
• HFOSC0 and HFOSC1 include 1.5x pre-scalers for further flexibility.
8.3 Functional Description
8.3.1 Clock Selection
The CLKSEL register is used to select the clock source for the system (SYSCLK). The CLKSL field selects which oscillator source is
used as the system clock, while CLKDIV controls the programmable divider. When an internal oscillator source is selected as the
SYSCLK, the external oscillator may still clock certain peripherals. In these cases, the external oscillator source is synchronized to the
SYSCLK source. The system clock may be switched on-the-fly between any of the oscillator sources so long as the selected clock
source is enabled and has settled, and CLKDIV may be changed at any time.
Note: Some device families do place restrictions on the difference in operating frequency when switching clock sources. Please see the
CLKSEL register description for details.
EFM8BB3 Reference Manual
Clocking and Oscillators
silabs.com | Building a more connected world. Rev. 0.4 | 84

8.3.2 HFOSC0 24.5 MHz Internal Oscillator
HFOSC0 is a programmable internal high-frequency oscillator that is factory-calibrated to 24.5 MHz. The oscillator is automatically ena-
bled when it is requested. The oscillator period can be adjusted via the HFO0CAL register to obtain other frequencies.
Note: Changing the HFO0CAL register value from its default value may degrade the frequency stability of the oscillator across temper-
ature and supply voltage.
8.3.3 HFOSC1 49 MHz Internal Oscillator
HFOSC1 is a programmable internal high-frequency oscillator that is factory-calibrated to 49 MHz. The oscillator is automatically ena-
bled when it is requested. The oscillator period can be adjusted via the HFO1CAL register to obtain other frequencies.
Note: Changing the HFO1CAL register value from its default value may degrade the frequency stability of the oscillator across temper-
ature and supply voltage.
Note: HFOSC0 consumes less current when enabled than HFOSC1.
8.3.4 LFOSC0 80 kHz Internal Oscillator
LFOSC0 is a progammable low-frequency oscillator, factory calibrated to a nominal frequency of 80 kHz. A dedicated divider at the
oscillator output is capable of dividing the output clock by 1, 2, 4, or 8, using the OSCLD bits in the LFO0CN register. The OSCLF bits
can be used to coarsely adjust the oscillator’s output frequency.
The LFOSC0 circuit requires very little start-up time and may be selected as the system clock immediately following the register write
which enables the oscillator.
Calibrating LFOSC0
On-chip calibration of the LFOSC0 can be performed using a timer to capture the oscillator period, when running from a known time
base. When a timer is configured for L-F Oscillator capture mode, a falling edge of the low-frequency oscillator’s output will cause a
capture event on the corresponding timer. As a capture event occurs, the current timer value is copied into the timer reload registers.
By recording the difference between two successive timer capture values, the low-frequency oscillator’s period can be calculated. The
OSCLF bits can then be adjusted to produce the desired oscillator frequency.
EFM8BB3 Reference Manual
Clocking and Oscillators
silabs.com | Building a more connected world. Rev. 0.4 | 85

8.3.5 External Crystal
If a crystal or ceramic resonator is used as the external oscillator, the crystal/resonator and a 10 MΩ resistor must be wired across the
XTAL1 and XTAL2 pins. Appropriate loading capacitors should be added to XTAL1 and XTAL2, and both pins should be configured for
analog I/O with the digital output drivers disabled.
The capacitors shown in the external crystal configuration provide the load capacitance required by the crystal for correct oscillation.
These capacitors are “in series” as seen by the crystal and “in parallel” with the stray capacitance of the XTAL1 and XTAL2 pins.
Note: The recommended load capacitance depends upon the crystal and the manufacturer. Refer to the crystal data sheet when com-
pleting these calculations.
The equation for determining the load capacitance for two capacitors is as follows:
CL=
CA×CB
CA+CB
+CS
Figure 8.2. External Oscillator Load Capacitance
Where:
• CA and CB are the capacitors connected to the crystal leads.
• CS is the total stray capacitance of the PCB.
• The stray capacitance for a typical layout where the crystal is as close as possible to the pins is 2-5 pF per pin.
If CA and CB are the same (C), then the equation becomes the following:
CL=C
2+CS
Figure 8.3. External Oscillator Load Capacitance with Equal Capacitors
For example, a tuning-fork crystal of 25 MHz has a recommended load capacitance of 12.5 pF. With a stray capacitance of 3 pF per pin
(6 pF total), the 13 pF capacitors yield an equivalent capacitance of 12.5 pF across the crystal.
15 pF
15 pF
25 MHz 10 M
XTAL1
XTAL2
Figure 8.4. 25 MHz External Crystal Example
Crystal oscillator circuits are quite sensitive to PCB layout. The crystal should be placed as close as possible to the XTAL pins on the
device. The traces should be as short as possible and shielded with ground plane from any other traces which could introduce noise or
interference. When using an external crystal, the external oscillator drive circuit must be configured by firmware for Crystal Oscillator
Mode or Crystal Oscillator Mode with divide by 2 stage. The divide by 2 stage ensures that the clock derived from the external oscillator
has a duty cycle of 50%. The External Oscillator Frequency Control value (XFCN) must also be specified based on the crystal frequen-
cy. For example, a 25 MHz crystal requires an XFCN setting of 111b.
EFM8BB3 Reference Manual
Clocking and Oscillators
silabs.com | Building a more connected world. Rev. 0.4 | 86

Table 8.1. Recommended XFCN Settings for Crystal Mode
XFCN Field Setting Crystal Frequency Approximate Bias Current
000 f ≤ 20 kHz 0.5 µA
001 20 kHz < f ≤ 58 kHz 1.5 µA
010 58 kHz < f ≤ 155 kHz 4.8 µA
011 155 kHz < f ≤ 415 kHz 14 µA
100 415 kHz < f ≤ 1.1 MHz 40 µA
101 1.1 MHz < f ≤ 3.1 MHz 120 µA
110 3.1 MHz < f ≤ 8.2 MHz 550 µA
111 8.2 MHz < f ≤ 25 MHz 2.6 mA
When the crystal oscillator is first enabled, the external oscillator valid detector allows software to determine when the external system
clock has stabilized. Switching to the external oscillator before the crystal oscillator has stabilized can result in unpredictable behavior.
The recommended procedure for starting the crystal is as follows:
1. Configure XTAL1 and XTAL2 for analog I/O and disable the digital output drivers.
2. Disable the XTAL1 and XTAL2 digital output drivers by writing 1's to the appropriate bits in the port latch register.
3. Configure and enable the external oscillator.
4. Wait at least 1 ms
5. Poll for XCLKVLD set to 1.
6. Switch the system clock to the external oscillator.
EFM8BB3 Reference Manual
Clocking and Oscillators
silabs.com | Building a more connected world. Rev. 0.4 | 87

8.3.6 External RC Mode
External RC Example
An RC network connected to the XTAL2 pin can be used as a basic oscillator. XTAL1 is not affected in RC mode.
XTAL1
XTAL2
VDD
Figure 8.5. External RC Oscillator Configuration
The capacitor should be no greater than 100 pF; however, for very small capacitors, the total capacitance may be dominated by parasit-
ic capacitance in the PCB layout. To determine the required XFCN field value, first select the RC network value to produce the desired
frequency of oscillation, according to , where f = the frequency of oscillation in MHz, C = the capacitor value in pF, and R = the pull-up
resistor value in kΩ.
f=1.23 × 103
R×C
Figure 8.6. RC Mode Oscillator Frequency
For example, if the frequency desired is 100 kHz, let R = 246 kΩ and C = 50 pF:
f=1.23 × 103
R×C=1.23 × 103
246 × 50 = 100 kHz
Figure 8.7. RC Mode Oscillator Example
Referencing , the recommended XFCN setting for 100 kHz is 010.
When the RC oscillator is first enabled, the external oscillator valid detector allows firmware to determine when oscillation has stabi-
lized. The recommended procedure for starting the RC oscillator is as follows:
1. Configure XTAL2 for analog I/O and disable the digital output drivers.
2. Configure and enable the external oscillator.
3. Poll for XCLKVLD = 1.
4. Switch the system clock to the external oscillator.
EFM8BB3 Reference Manual
Clocking and Oscillators
silabs.com | Building a more connected world. Rev. 0.4 | 88

Recommended XFCN Settings for RC Mode
Table 8.2. Recommended XFCN Settings for RC Mode
XFCN Field Setting Approximate Frequency Range
000 f ≤ 25 kHz
001 25 kHz < f ≤ 50 kHz
010 50 kHz < f ≤ 100 kHz
011 100 kHz < f ≤ 200 kHz
100 200 kHz < f ≤ 400 kHz
101 400 kHz < f ≤ 800 kHz
110 800 kHz < f ≤ 1.6 MHz
111 1.6 MHz < f ≤ 3.2 MHz
8.3.7 External CMOS
An external CMOS clock source is also supported as a core clock source. The XTAL2/EXTCLK pin on the device serves as the external
clock input when running in this mode. When not selected as the SYSCLK source, the EXTCLK input is always re-synchronized to
SYSCLK. XTAL1 is not used in external CMOS clock mode.
Note: When selecting the EXTCLK pin as a clock input source, the pin should be skipped in the crossbar and configured as a digital
input. Firmware should ensure that the external clock source is present or enable the missing clock detector before switching the
CLKSL field.
The external oscillator valid detector will always return zero when the external oscillator is configured to External CMOS Clock mode.
EFM8BB3 Reference Manual
Clocking and Oscillators
silabs.com | Building a more connected world. Rev. 0.4 | 89

8.4 Clocking and Oscillator Control Registers
8.4.1 CLKSEL: Clock Select
Bit 7 6 5 4 3 2 1 0
Name DIVRDY CLKDIV Reserved CLKSL
Access R RW R RW
Reset 1 0x3 0 0x0
SFR Page = ALL; SFR Address: 0xA9
Bit Name Reset Access Description
7 DIVRDY 1 R Clock Divider Ready.
Indicates when the clock has propagated through the divider with the current CLKDIV setting.
Value Name Description
0 NOT_READY Clock has not propagated through divider yet.
1 READY Clock has propagated through divider.
6:4 CLKDIV 0x3 RW Clock Source Divider.
This field controls the divider applied to the clock source selected by CLKSL. The output of this divider is the system clock
(SYSCLK).
Value Name Description
0x0 SYSCLK_DIV_1 SYSCLK is equal to selected clock source divided by 1.
0x1 SYSCLK_DIV_2 SYSCLK is equal to selected clock source divided by 2.
0x2 SYSCLK_DIV_4 SYSCLK is equal to selected clock source divided by 4.
0x3 SYSCLK_DIV_8 SYSCLK is equal to selected clock source divided by 8.
0x4 SYSCLK_DIV_16 SYSCLK is equal to selected clock source divided by 16.
0x5 SYSCLK_DIV_32 SYSCLK is equal to selected clock source divided by 32.
0x6 SYSCLK_DIV_64 SYSCLK is equal to selected clock source divided by 64.
0x7 SYSCLK_DIV_128 SYSCLK is equal to selected clock source divided by 128.
3 Reserved Must write reset value.
2:0 CLKSL 0x0 RW Clock Source Select.
Selects the system clock source.
Value Name Description
0x0 HFOSC0 Clock derived from the Internal High Frequency Oscillator 0.
0x1 EXTOSC Clock derived from the External Oscillator circuit.
0x2 LFOSC Clock derived from the Internal Low-Frequency Oscillator.
0x3 HFOSC1 Clock derived from the Internal High Frequency Oscillator 1.
0x4 HFOSC0_DIV_1P5 Clock derived from the Internal High Frequency Oscillator 0, pre-scaled
by 1.5.
EFM8BB3 Reference Manual
Clocking and Oscillators
silabs.com | Building a more connected world. Rev. 0.4 | 90

Bit Name Reset Access Description
0x7 HFOSC1_DIV_1P5 Clock derived from the Internal High Frequency Oscillator 1, pre-scaled
by 1.5.
This device family has restrictions when switching to clock sources that are greater than 25 MHz. SYSCLK must be running at a fre-
quency of 24 MHz or greater before switching the CLKSL field to HFOSC1. When transitioning from slower clock frequencies, firm-
ware should make two writes to CLKSEL.
8.4.2 HFO0CAL: High Frequency Oscillator 0 Calibration
Bit 7 6 5 4 3 2 1 0
Name HFO0CAL
Access RW
Reset Varies
SFR Page = 0x0, 0x10; SFR Address: 0xC7
Bit Name Reset Access Description
7:0 HFO0CAL Varies RW Oscillator Calibration.
These bits determine the period for high frequency oscillator 0. When set to 0x00, the oscillator operates at its fastest set-
ting. When set to 0xFF, the oscillator operates at its slowest setting. The reset value is factory calibrated, and the oscillator
will revert to the calibrated frequency upon reset.
8.4.3 HFO1CAL: High Frequency Oscillator 1 Calibration
Bit 7 6 5 4 3 2 1 0
Name Reserved HFO1CAL
Access R RW
Reset 0 Varies
SFR Page = 0x10; SFR Address: 0xD6
Bit Name Reset Access Description
7 Reserved Must write reset value.
6:0 HFO1CAL Varies RW Oscillator Calibration.
These bits determine the period for high frequency oscillator 1. When set to 0x00, the oscillator operates at its fastest set-
ting. When set to 0x7F, the oscillator operates at its slowest setting. The reset value is factory calibrated, and the oscillator
will revert to the calibrated frequency upon reset.
EFM8BB3 Reference Manual
Clocking and Oscillators
silabs.com | Building a more connected world. Rev. 0.4 | 91

8.4.4 HFOCN: High Frequency Oscillator Control
Bit 7 6 5 4 3 2 1 0
Name HFO1EN Reserved HFO0EN Reserved
Access RW R RW R
Reset 0 0x0 0 0x0
SFR Page = 0x10; SFR Address: 0xEF
Bit Name Reset Access Description
7 HFO1EN 0 RW HFOSC1 Oscillator Enable.
Value Name Description
0 DISABLED Disable High Frequency Oscillator 1 (HFOSC1 will still turn on if re-
quested by any block in the device or selected as the SYSCLK source).
1 ENABLED Force High Frequency Oscillator 1 to run.
6:4 Reserved Must write reset value.
3 HFO0EN 0 RW HFOSC0 Oscillator Enable.
Value Name Description
0 DISABLED Disable High Frequency Oscillator 0 (HFOSC0 will still turn on if re-
quested by any block in the device or selected as the SYSCLK source).
1 ENABLED Force High Frequency Oscillator 0 to run.
2:0 Reserved Must write reset value.
EFM8BB3 Reference Manual
Clocking and Oscillators
silabs.com | Building a more connected world. Rev. 0.4 | 92

8.4.5 LFO0CN: Low Frequency Oscillator Control
Bit 7 6 5 4 3 2 1 0
Name OSCLEN OSCLRDY OSCLF OSCLD
Access RW R RW RW
Reset 0 1 Varies 0x3
SFR Page = 0x0, 0x10; SFR Address: 0xB1
Bit Name Reset Access Description
7 OSCLEN 0 RW Internal L-F Oscillator Enable.
This bit enables the internal low-frequency oscillator. Note that the low-frequency oscillator is automatically enabled when
the watchdog timer is active.
Value Name Description
0 DISABLED Internal L-F Oscillator Disabled.
1 ENABLED Internal L-F Oscillator Enabled.
6 OSCLRDY 1 R Internal L-F Oscillator Ready.
Value Name Description
0 NOT_SET Internal L-F Oscillator frequency not stabilized.
1 SET Internal L-F Oscillator frequency stabilized.
5:2 OSCLF Varies RW Internal L-F Oscillator Frequency Control.
Fine-tune control bits for the Internal L-F oscillator frequency. When set to 0000b, the L-F oscillator operates at its fastest
setting. When set to 1111b, the L-F oscillator operates at its slowest setting. The OSCLF bits should only be changed by
firmware when the L-F oscillator is disabled (OSCLEN = 0).
1:0 OSCLD 0x3 RW Internal L-F Oscillator Divider Select.
Value Name Description
0x0 DIVIDE_BY_8 Divide by 8 selected.
0x1 DIVIDE_BY_4 Divide by 4 selected.
0x2 DIVIDE_BY_2 Divide by 2 selected.
0x3 DIVIDE_BY_1 Divide by 1 selected.
OSCLRDY is only set back to 0 in the event of a device reset or a change to the OSCLD bits.
EFM8BB3 Reference Manual
Clocking and Oscillators
silabs.com | Building a more connected world. Rev. 0.4 | 93

8.4.6 XOSC0CN: External Oscillator Control
Bit 7 6 5 4 3 2 1 0
Name XCLKVLD XOSCMD Reserved XFCN
Access R RW RW RW
Reset 0 0x0 0 0x0
SFR Page = 0x0, 0x10; SFR Address: 0x86
Bit Name Reset Access Description
7 XCLKVLD 0 R External Oscillator Valid Flag.
Provides External Oscillator status and is valid at all times for all modes of operation except External CMOS Clock Mode
and External CMOS Clock Mode with divide by 2. In these modes, XCLKVLD always returns 0.
Value Name Description
0 NOT_SET External Oscillator is unused or not yet stable.
1 SET External Oscillator is running and stable.
6:4 XOSCMD 0x0 RW External Oscillator Mode.
Value Name Description
0x0 DISABLED External Oscillator circuit disabled.
0x2 CMOS External CMOS Clock Mode.
0x3 CMOS_DIV_2 External CMOS Clock Mode with divide by 2 stage.
0x4 RC RC Oscillator Mode.
0x6 CRYSTAL Crystal Oscillator Mode.
0x7 CRYSTAL_DIV_2 Crystal Oscillator Mode with divide by 2 stage.
3 Reserved Must write reset value.
2:0 XFCN 0x0 RW External Oscillator Frequency Control.
Controls the external oscillator bias current. The value selected for this field depends on the frequency range of the external
oscillator.
EFM8BB3 Reference Manual
Clocking and Oscillators
silabs.com | Building a more connected world. Rev. 0.4 | 94

9. Reset Sources and Power Supply Monitor
9.1 Introduction
Reset circuitry allows the controller to be easily placed in a predefined default condition. On entry to this reset state, the following occur:
• The core halts program execution.
• Module registers are initialized to their defined reset values unless the bits reset only with a power-on reset.
• External port pins are forced to a known state.
• Interrupts and timers are disabled.
All registers are reset to the predefined values noted in the register descriptions unless the bits only reset with a power-on reset. The
contents of RAM are unaffected during a reset; any previously stored data is preserved as long as power is not lost. By default, the Port
I/O latches are reset to 1 in open-drain mode, with weak pullups enabled during and after the reset. Optionally, firmware may configure
the port I/O, DAC outputs, and precision reference to maintain state through system resets other than power-on resets. For Supply
Monitor and power-on resets, the RSTb pin is driven low until the device exits the reset state. On exit from the reset state, the program
counter (PC) is reset, and the system clock defaults to an internal oscillator. The Watchdog Timer is enabled, and program execution
begins at location 0x0000.
Reset Sources
RSTb
Supply Monitor or
Power-up
Missing Clock Detector
Watchdog Timer
Software Reset
Comparator 0
system reset
Flash Error
Figure 9.1. Reset Sources Block Diagram
9.2 Features
Reset sources on the device include the following:
• Power-on reset
• External reset pin
• Comparator reset
• Software-triggered reset
• Supply monitor reset (monitors VDD supply)
• Watchdog timer reset
• Missing clock detector reset
• Flash error reset
EFM8BB3 Reference Manual
Reset Sources and Power Supply Monitor
silabs.com | Building a more connected world. Rev. 0.4 | 95

9.3 Functional Description
9.3.1 Device Reset
Upon entering a reset state from any source, the following events occur:
• The processor core halts program execution.
• Special Function Registers (SFRs) are initialized to their defined reset values.
• External port pins are placed in a known state.
• Interrupts and timers are disabled.
SFRs are reset to the predefined reset values noted in the detailed register descriptions. The contents of internal data memory are
unaffected during a reset; any previously stored data is preserved. However, since the stack pointer SFR is reset, the stack is effective-
ly lost, even though the data on the stack is not altered.
The port I/O latches are reset to 0xFF (all logic ones) in open-drain mode. Weak pullups are enabled during and after the reset. For
Supply Monitor and power-on resets, the RSTb pin is driven low until the device exits the reset state.
Note: During a power-on event, there may be a short delay before the POR circuitry fires and the RSTb pin is driven low. During that
time, the RSTb pin will be weakly pulled to the supply pin.
On exit from the reset state, the program counter (PC) is reset, the watchdog timer is enabled, and the system clock defaults to an
internal oscillator. Program execution begins at location 0x0000.
Optionally, firmware may configure the port I/O, DAC outputs, and precision reference to maintain state through system resets other
than power-on resets. Setting the RSTMD bits in the DACnCF0 registers will cause the DAC output voltage and precision reference to
persist through all resets except for power-on resets. Setting the PINRSTMD bit in the PCON1 register will cause the port I/O state to
persist through all resets except for power-on resets.
EFM8BB3 Reference Manual
Reset Sources and Power Supply Monitor
silabs.com | Building a more connected world. Rev. 0.4 | 96

9.3.2 Power-On Reset
During power-up, the POR circuit fires. When POR fires, the device is held in a reset state and the RSTb pin is driven low until the
supply voltage settles above VRST. Two delays are present during the supply ramp time. First, a delay occurs before the POR circuitry
fires and pulls the RSTb pin low. A second delay occurs before the device is released from reset; the delay decreases as the supply
ramp time (TRMP) increases (supply ramp time is defined as how fast the supply pin ramps from 0 V to VRST). Additionally, the power
supply must reach VRST before the POR circuit releases the device from reset.
On exit from a power-on reset, the PORSF flag is set by hardware to logic 1. When PORSF is set, all of the other reset flags in the
RSTSRC register are indeterminate. (PORSF is cleared by all other resets.) Since all resets cause program execution to begin at the
same location (0x0000), software can read the PORSF flag to determine if a power-up was the cause of reset. The content of internal
data memory should be assumed to be undefined after a power-on reset. The supply monitor is enabled following a power-on reset.
Power-On Reset
RSTb
t
volts
Logic HIGH
Logic LOW
TPOR
Supply Voltage
Figure 9.2. Power-On Reset Timing
EFM8BB3 Reference Manual
Reset Sources and Power Supply Monitor
silabs.com | Building a more connected world. Rev. 0.4 | 97

9.3.3 Supply Monitor Reset
The supply monitor senses the voltage on the device's supply pin and can generate a reset if the supply drops below the corresponding
threshold. This monitor is enabled and enabled as a reset source after initial power-on to protect the device until the supply is an ade-
quate and stable voltage. When enabled and selected as a reset source, any power down transition or power irregularity that causes
the supply to drop below the reset threshold will drive the RSTb pin low and hold the core in a reset state. When the supply returns to a
level above the reset threshold, the monitor will release the core from the reset state. The reset status can then be read using the de-
vice reset sources module. After a power-fail reset, the PORF flag reads 1 and all of the other reset flags in the RSTSRC register are
indeterminate. The power-on reset delay (tPOR) is not incurred after a supply monitor reset. The contents of RAM should be presumed
invalid after a supply monitor reset. The enable state of the supply monitor and its selection as a reset source is not altered by device
resets. For example, if the supply monitor is de-selected as a reset source and disabled by software using the VDMEN bit in the
VDM0CN register, and then firmware performs a software reset, the supply monitor will remain disabled and de-selected after the reset.
To protect the integrity of flash contents, the supply monitor must be enabled and selected as a reset source if software contains rou-
tines that erase or write flash memory. If the supply monitor is not enabled, any erase or write performed on flash memory will be ignor-
ed.
t
volts
Supply Voltage
Reset Threshold
(VRST)
Supply Monitor
Reset
RSTb
Figure 9.3. Reset Sources
9.3.4 External Reset
The external RSTb pin provides a means for external circuitry to force the device into a reset state. Asserting an active-low signal on
the RSTb pin generates a reset; an external pullup and/or decoupling of the RSTb pin may be necessary to avoid erroneous noise-
induced resets. The PINRSF flag is set on exit from an external reset.
9.3.5 Missing Clock Detector Reset
The Missing Clock Detector (MCD) is a one-shot circuit that is triggered by the system clock. If the system clock remains high or low for
more than the MCD time window, the one-shot will time out and generate a reset. After a MCD reset, the MCDRSF flag will read 1,
signifying the MCD as the reset source; otherwise, this bit reads 0. Writing a 1 to the MCDRSF bit enables the Missing Clock Detector;
writing a 0 disables it. The state of the RSTb pin is unaffected by this reset.
EFM8BB3 Reference Manual
Reset Sources and Power Supply Monitor
silabs.com | Building a more connected world. Rev. 0.4 | 98

9.3.6 Comparator (CMP0) Reset
Comparator0 can be configured as a reset source by writing a 1 to the C0RSEF flag. Comparator0 should be enabled and allowed to
settle prior to writing to C0RSEF to prevent any turn-on chatter on the output from generating an unwanted reset. The Comparator0
reset is active-low: if the non-inverting input voltage (on CP0+) is less than the inverting input voltage (on CP0–), the device is put into
the reset state. After a Comparator0 reset, the C0RSEF flag will read 1 signifying Comparator0 as the reset source; otherwise, this bit
reads 0. The state of the RSTb pin is unaffected by this reset.
9.3.7 Watchdog Timer Reset
The programmable Watchdog Timer (WDT) can be used to prevent software from running out of control during a system malfunction.
The WDT function can be enabled or disabled by software as described in the watchdog timer section. If a system malfunction prevents
user software from updating the WDT, a reset is generated and the WDTRSF bit is set to 1. The state of the RSTb pin is unaffected by
this reset.
9.3.8 Flash Error Reset
If a flash read/write/erase or program read targets an illegal address, a system reset is generated. This may occur due to any of the
following:
• A flash write or erase is attempted above user code space.
• A flash read is attempted above user code space.
• A program read is attempted above user code space (i.e., a branch instruction to the reserved area).
• A flash read, write or erase attempt is restricted due to a flash security setting.
The FERROR bit is set following a flash error reset. The state of the RSTb pin is unaffected by this reset.
9.3.9 Software Reset
Software may force a reset by writing a 1 to the SWRSF bit. The SWRSF bit will read 1 following a software forced reset. The state of
the RSTb pin is unaffected by this reset.
EFM8BB3 Reference Manual
Reset Sources and Power Supply Monitor
silabs.com | Building a more connected world. Rev. 0.4 | 99

9.4 Reset Sources and Supply Monitor Control Registers
9.4.1 RSTSRC: Reset Source
Bit 7 6 5 4 3 2 1 0
Name Reserved FERROR C0RSEF SWRSF WDTRSF MCDRSF PORSF PINRSF
Access RW R RW RW R RW RW R
Reset Varies Varies Varies Varies Varies Varies Varies Varies
SFR Page = 0x0; SFR Address: 0xEF
Bit Name Reset Access Description
7 Reserved Must write reset value.
6 FERROR Varies R Flash Error Reset Flag.
This read-only bit is set to '1' if a flash read/write/erase error caused the last reset.
5 C0RSEF Varies RW Comparator0 Reset Enable and Flag.
Read: This bit reads 1 if Comparator 0 caused the last reset.
Write: Writing a 1 to this bit enables Comparator 0 (active-low) as a reset source.
4 SWRSF Varies RW Software Reset Force and Flag.
Read: This bit reads 1 if last reset was caused by a write to SWRSF.
Write: Writing a 1 to this bit forces a system reset.
3 WDTRSF Varies R Watchdog Timer Reset Flag.
This read-only bit is set to '1' if a watchdog timer overflow caused the last reset.
2 MCDRSF Varies RW Missing Clock Detector Enable and Flag.
Read: This bit reads 1 if a missing clock detector timeout caused the last reset.
Write: Writing a 1 to this bit enables the missing clock detector. The MCD triggers a reset if a missing clock condition is
detected.
1 PORSF Varies RW Power-On / Supply Monitor Reset Flag, and Supply Monitor Reset
Enable.
Read: This bit reads 1 anytime a power-on or supply monitor reset has occurred.
Write: Writing a 1 to this bit enables the supply monitor as a reset source.
0 PINRSF Varies R HW Pin Reset Flag.
This read-only bit is set to '1' if the RSTb pin caused the last reset.
Reads and writes of the RSTSRC register access different logic in the device. Reading the register always returns status information
to indicate the source of the most recent reset. Writing to the register activates certain options as reset sources. It is recommended to
not use any kind of read-modify-write operation on this register.
When the PORSF bit reads back '1' all other RSTSRC flags are indeterminate.
Writing '1' to the PORSF bit when the supply monitor is not enabled and stabilized may cause a system reset.
EFM8BB3 Reference Manual
Reset Sources and Power Supply Monitor
silabs.com | Building a more connected world. Rev. 0.4 | 100

9.4.2 VDM0CN: Supply Monitor Control
Bit 7 6 5 4 3 2 1 0
Name VDMEN VDDSTAT Reserved
Access RW R R
Reset Varies Varies Varies
SFR Page = 0x0; SFR Address: 0xFF
Bit Name Reset Access Description
7 VDMEN Varies RW Supply Monitor Enable.
This bit turns the supply monitor circuit on/off. The supply monitor cannot generate system resets until it is also selected as
a reset source in register RSTSRC. Selecting the supply monitor as a reset source before it has stabilized may generate a
system reset. In systems where this reset would be undesirable, a delay should be introduced between enabling the supply
monitor and selecting it as a reset source.
Value Name Description
0 DISABLED Supply Monitor Disabled.
1 ENABLED Supply Monitor Enabled.
6 VDDSTAT Varies R Supply Status.
This bit indicates the current power supply status (supply monitor output).
Value Name Description
0 BELOW VDD is at or below the supply monitor threshold.
1 ABOVE VDD is above the supply monitor threshold.
5:0 Reserved Must write reset value.
EFM8BB3 Reference Manual
Reset Sources and Power Supply Monitor
silabs.com | Building a more connected world. Rev. 0.4 | 101

10. CIP-51 Microcontroller Core
10.1 Introduction
The CIP-51 microcontroller core is a high-speed, pipelined, 8-bit core utilizing the standard MCS-51™ instruction set. Any standard
803x/805x assemblers and compilers can be used to develop software. The MCU family has a superset of all the peripherals included
with a standard 8051. The CIP-51 includes on-chip debug hardware and interfaces directly with the analog and digital subsystems pro-
viding a complete data acquisition or control system solution.
DATA BUS
TMP1 TMP2
PRGM. ADDRESS REG.
PC INCREMENTER
ALU
PSW
DATA BUS
DATA BUS
MEMORY
INTERFACE
MEM_ADDRESS
D8
PIPELINE
BUFFER
DATA POINTER
INTERRUPT
INTERFACE
SYSTEM_IRQs
EMULATION_IRQ
MEM_CONTROL
CONTROL
LOGIC
A16
PROGRAM COUNTER (PC)
STOP
CLOCK
RESET
IDLE
POWER CONTROL
REGISTER
DATA BUS
SFR
BUS
INTERFACE
SFR_ADDRESS
SFR_CONTROL
SFR_WRITE_DATA
SFR_READ_DATA
D8
D8
B REGISTER
D8
D8
ACCUMULATOR
D8
D8
D8
D8
D8
D8
D8
D8
MEM_WRITE_DATA
MEM_READ_DATA
D8
SRAM
ADDRESS
REGISTER
SRAM
(256 X 8)
D8
STACK POINTER
D8
Figure 10.1. CIP-51 Block Diagram
EFM8BB3 Reference Manual
CIP-51 Microcontroller Core
silabs.com | Building a more connected world. Rev. 0.4 | 102

Performance
The CIP-51 employs a pipelined architecture that greatly increases its instruction throughput over the standard 8051 architecture. The
CIP-51 core executes 76 of its 109 instructions in one or two clock cycles, with no instructions taking more than eight clock cycles. The
table below shows the distribution of instructions vs. the number of clock cycles required for execution.
Table 10.1. Instruction Execution Timing
Clocks to
Execute
1 2 2 or 3* 3 3 or 4* 4 4 or 5* 5 8
Number of
Instructions
26 50 5 14 7 3 1 2 1
Notes:
1. Conditional branch instructions (indicated by "2 or 3*", "3 or 4*" and "4 or 5*") require extra clock cycles if the branch is taken. See
the instruction table for more information.
10.2 Features
The CIP-51 Microcontroller core implements the standard 8051 organization and peripherals as well as additional custom peripherals
and functions to extend its capability. The CIP-51 includes the following features:
• Fast, efficient, pipelined architecture.
• Fully compatible with MCS-51 instruction set.
• 0 to 50 MHz operating clock frequency.
• 50 MIPS peak throughput with 50 MHz clock.
• Extended interrupt handler.
• Power management modes.
• On-chip debug logic.
• Program and data memory security.
10.3 Functional Description
10.3.1 Programming and Debugging Support
In-system programming of the flash program memory and communication with on-chip debug support logic is accomplished via the Sili-
con Labs 2-Wire development interface (C2).
The on-chip debug support logic facilitates full speed in-circuit debugging, allowing the setting of hardware breakpoints, starting, stop-
ping and single stepping through program execution (including interrupt service routines), examination of the program's call stack, and
reading/writing the contents of registers and memory. This method of on-chip debugging is completely non-intrusive, requiring no RAM,
stack, timers, or other on-chip resources.
The CIP-51 is supported by development tools from Silicon Labs and third party vendors. Silicon Labs provides an integrated develop-
ment environment (IDE) including editor, debugger and programmer. The IDE's debugger and programmer interface to the CIP-51 via
the C2 interface to provide fast and efficient in-system device programming and debugging. Third party macro assemblers and C com-
pilers are also available.
10.3.2 Prefetch Engine
The CIP-51 core incorporates a multi-byte prefetch engine to enable faster core clock speeds. Because the access time of the flash
memory is 40 ns, and the minimum instruction time is 13.6 ns, the prefetch engine is necessary for full-speed code execution. Multiple
instruction bytes are read from flash memory by the prefetch engine and given to the CIP-51 processor core to execute. When running
linear code (code without any jumps or branches), the prefetch engine allows instructions to be executed at full speed. When a code
branch occurs, the processor may be stalled for up to five clock cycles (FLRT = 2) or three clock cycles (FLRT = 1) while the next set of
code bytes is retrieved from flash memory.
When operating at speeds greater than 25 MHz, the prefetch engine must be used. To enable the prefetch engine, the FLRT bit field
should be configured to the desired speed setting. For example, if running between 25 and 50 MHz, FLRT should be set to 1, and when
operating between 50 and 73.5 MHz, FLRT should be set to 2. When changing clocks, the FLRT field should be set to the higher num-
ber during the clock change, to ensure that flash is never read too quickly.
EFM8BB3 Reference Manual
CIP-51 Microcontroller Core
silabs.com | Building a more connected world. Rev. 0.4 | 103

10.3.3 Instruction Set
The instruction set of the CIP-51 System Controller is fully compatible with the standard MCS-51™ instruction set. Standard 8051 de-
velopment tools can be used to develop software for the CIP-51. All CIP-51 instructions are the binary and functional equivalent of their
MCS-51™ counterparts, including opcodes, addressing modes and effect on PSW flags. However, instruction timing is much faster
than that of the standard 8051.
All instruction timing on the CIP-51 controller is based directly on the core clock timing. This is in contrast to many other 8-bit architec-
tures, where a distinction is made between machine cycles and clock cycles, with machine cycles taking multiple core clock cycles.
Due to the pipelined architecture of the CIP-51, most instructions execute in the same number of clock cycles as there are program
bytes in the instruction. Conditional branch instructions take one less clock cycle to complete when the branch is not taken as opposed
to when the branch is taken. The following table summarizes the instruction set, including the mnemonic, number of bytes, and number
of clock cycles for each instruction.
Table 10.2. CIP-51 Instruction Set Summary
Mnemonic Description Bytes Clock Cycles
FLRT = 0 FLRT = 1 FLRT = 2
Arithmetic Operations
ADD A, Rn Add register to A 1 1 1 1
ADD A, direct Add direct byte to A 2 2 2 2
ADD A, @Ri Add indirect RAM to A 1 2 2 2
ADD A, #data Add immediate to A 2 2 2 2
ADDC A, Rn Add register to A with carry 1 1 1 1
ADDC A, direct Add direct byte to A with carry 2 2 2 2
ADDC A, @Ri Add indirect RAM to A with carry 1 2 2 2
ADDC A, #data Add immediate to A with carry 2 2 2 2
SUBB A, Rn Subtract register from A with borrow 1 1 1 1
SUBB A, direct Subtract direct byte from A with borrow 2 2 2 2
SUBB A, @Ri Subtract indirect RAM from A with borrow 1 2 2 2
SUBB A, #data Subtract immediate from A with borrow 2 2 2 2
INC A Increment A 1 1 1 1
INC Rn Increment register 1 1 1 1
INC direct Increment direct byte 2 2 2 2
INC @Ri Increment indirect RAM 1 2 2 2
DEC A Decrement A 1 1 1 1
DEC Rn Decrement register 1 1 1 1
DEC direct Decrement direct byte 2 2 2 2
DEC @Ri Decrement indirect RAM 1 2 2 2
INC DPTR Increment Data Pointer 1 1 1 1
MUL AB Multiply A and B 1 4 4 4
DIV AB Divide A by B 1 8 8 8
DA A Decimal adjust A 1 1 1 1
Logical Operations
EFM8BB3 Reference Manual
CIP-51 Microcontroller Core
silabs.com | Building a more connected world. Rev. 0.4 | 104

Mnemonic Description Bytes Clock Cycles
FLRT = 0 FLRT = 1 FLRT = 2
ANL A, Rn AND Register to A 1 1 1 1
ANL A, direct AND direct byte to A 2 2 2 2
ANL A, @Ri AND indirect RAM to A 1 2 2 2
ANL A, #data AND immediate to A 2 2 2 2
ANL direct, A AND A to direct byte 2 2 2 2
ANL direct, #data AND immediate to direct byte 3 3 3 3
ORL A, Rn OR Register to A 1 1 1 1
ORL A, direct OR direct byte to A 2 2 2 2
ORL A, @Ri OR indirect RAM to A 1 2 2 2
ORL A, #data OR immediate to A 2 2 2 2
ORL direct, A OR A to direct byte 2 2 2 2
ORL direct, #data OR immediate to direct byte 3 3 3 3
XRL A, Rn Exclusive-OR Register to A 1 1 1 1
XRL A, direct Exclusive-OR direct byte to A 2 2 2 2
XRL A, @Ri Exclusive-OR indirect RAM to A 1 2 2 2
XRL A, #data Exclusive-OR immediate to A 2 2 2 2
XRL direct, A Exclusive-OR A to direct byte 2 2 2 2
XRL direct, #data Exclusive-OR immediate to direct byte 3 3 3 3
CLR A Clear A 1 1 1 1
CPL A Complement A 1 1 1 1
RL A Rotate A left 1 1 1 1
RLC A Rotate A left through Carry 1 1 1 1
RR A Rotate A right 1 1 1 1
RRC A Rotate A right through Carry 1 1 1 1
SWAP A Swap nibbles of A 1 1 1 1
Data Transfer
MOV A, Rn Move Register to A 1 1 1 1
MOV A, direct Move direct byte to A 2 2 2 2
MOV A, @Ri Move indirect RAM to A 1 2 2 2
MOV A, #data Move immediate to A 2 2 2 2
MOV Rn, A Move A to Register 1 1 1 1
MOV Rn, direct Move direct byte to Register 2 2 2 2
MOV Rn, #data Move immediate to Register 2 2 2 2
MOV direct, A Move A to direct byte 2 2 2 2
MOV direct, Rn Move Register to direct byte 2 2 2 2
MOV direct, direct Move direct byte to direct byte 3 3 3 3
EFM8BB3 Reference Manual
CIP-51 Microcontroller Core
silabs.com | Building a more connected world. Rev. 0.4 | 105

Mnemonic Description Bytes Clock Cycles
FLRT = 0 FLRT = 1 FLRT = 2
MOV direct, @Ri Move indirect RAM to direct byte 2 2 2 2
MOV direct, #data Move immediate to direct byte 3 3 3 3
MOV @Ri, A Move A to indirect RAM 1 2 2 2
MOV @Ri, direct Move direct byte to indirect RAM 2 2 2 2
MOV @Ri, #data Move immediate to indirect RAM 2 2 2 2
MOV DPTR, #data16 Load DPTR with 16-bit constant 3 3 3 3
MOVC A, @A+DPTR Move code byte relative DPTR to A 1 3 7 9
MOVC A, @A+PC Move code byte relative PC to A 1 3 7 9
MOVX A, @Ri Move external data (8-bit address) to A 1 3 3 3
MOVX @Ri, A Move A to external data (8-bit address) 1 3 3 3
MOVX A, @DPTR Move external data (16-bit address) to A 1 3 3 3
MOVX @DPTR, A Move A to external data (16-bit address) 1 3 3 3
PUSH direct Push direct byte onto stack 2 2 2 2
POP direct Pop direct byte from stack 2 2 2 2
XCH A, Rn Exchange Register with A 1 1 1 1
XCH A, direct Exchange direct byte with A 2 2 2 2
XCH A, @Ri Exchange indirect RAM with A 1 2 2 2
XCHD A, @Ri Exchange low nibble of indirect RAM with A 1 2 2 2
Boolean Manipulation
CLR C Clear Carry 1 1 1 1
CLR bit Clear direct bit 2 2 2 2
SETB C Set Carry 1 1 1 1
SETB bit Set direct bit 2 2 2 2
CPL C Complement Carry 1 1 1 1
CPL bit Complement direct bit 2 2 2 2
ANL C, bit AND direct bit to Carry 2 2 2 2
ANL C, /bit AND complement of direct bit to Carry 2 2 2 2
ORL C, bit OR direct bit to carry 2 2 2 2
ORL C, /bit OR complement of direct bit to Carry 2 2 2 2
MOV C, bit Move direct bit to Carry 2 2 2 2
MOV bit, C Move Carry to direct bit 2 2 2 2
JC rel Jump if Carry is set 2 2 or 3 2 or 6 2 or 8
JNC rel Jump if Carry is not set 2 2 or 3 2 or 6 2 or 8
JB bit, rel Jump if direct bit is set 3 3 or 4 3 or 7 3 or 9
JNB bit, rel Jump if direct bit is not set 3 3 or 4 3 or 7 3 or 9
JBC bit, rel Jump if direct bit is set and clear bit 3 3 or 4 3 or 7 3 or 9
EFM8BB3 Reference Manual
CIP-51 Microcontroller Core
silabs.com | Building a more connected world. Rev. 0.4 | 106

Mnemonic Description Bytes Clock Cycles
FLRT = 0 FLRT = 1 FLRT = 2
Program Branching
ACALL addr11 Absolute subroutine call 2 3 6 8
LCALL addr16 Long subroutine call 3 4 7 9
RET Return from subroutine 1 5 8 10
RETI Return from interrupt 1 5 8 10
AJMP addr11 Absolute jump 2 3 6 8
LJMP addr16 Long jump 3 4 7 9
SJMP rel Short jump (relative address) 2 3 6 8
JMP @A+DPTR Jump indirect relative to DPTR 1 3 6 8
JZ rel Jump if A equals zero 2 2 or 3 2 or 6 2 or 8
JNZ rel Jump if A does not equal zero 2 2 or 3 2 or 6 2 or 8
CJNE A, direct, rel Compare direct byte to A and jump if not
equal
3 4 or 5 4 or 8 4 or 10
CJNE A, #data, rel Compare immediate to A and jump if not
equal
3 3 or 4 3 or 7 3 or 9
CJNE Rn, #data, rel Compare immediate to Register and jump if
not equal
3 3 or 4 3 or 7 3 or 9
CJNE @Ri, #data, rel Compare immediate to indirect and jump if
not equal
3 4 or 5 4 or 8 4 or 10
DJNZ Rn, rel Decrement Register and jump if not zero 2 2 or 3 2 or 6 2 or 8
DJNZ direct, rel Decrement direct byte and jump if not zero 3 3 or 4 3 or 7 3 or 9
NOP No operation 1 1 1 1
Notes:
•Rn: Register R0–R7 of the currently selected register bank.
•@Ri: Data RAM location addressed indirectly through R0 or R1.
•rel: 8-bit, signed (twos complement) offset relative to the first byte of the following instruction. Used by SJMP and all conditional
jumps.
•direct: 8-bit internal data location’s address. This could be a direct-access Data RAM location (0x00–0x7F) or an SFR (0x80–
0xFF).
•#data: 8-bit constant.
•#data16: 16-bit constant.
•bit: Direct-accessed bit in Data RAM or SFR.
•addr11: 11-bit destination address used by ACALL and AJMP. The destination must be within the same 2 KB page of program
memory as the first byte of the following instruction.
•addr16: 16-bit destination address used by LCALL and LJMP. The destination may be anywhere within the 8 KB program memory
space.
• There is one unused opcode (0xA5) that performs the same function as NOP. All mnemonics copyrighted © Intel Corporation
1980.
EFM8BB3 Reference Manual
CIP-51 Microcontroller Core
silabs.com | Building a more connected world. Rev. 0.4 | 107

10.4 CPU Core Registers
10.4.1 DPL: Data Pointer Low
Bit 7 6 5 4 3 2 1 0
Name DPL
Access RW
Reset 0x00
SFR Page = ALL; SFR Address: 0x82
Bit Name Reset Access Description
7:0 DPL 0x00 RW Data Pointer Low.
The DPL register is the low byte of the 16-bit DPTR. DPTR is used to access indirectly addressed flash memory or XRAM.
10.4.2 DPH: Data Pointer High
Bit 7 6 5 4 3 2 1 0
Name DPH
Access RW
Reset 0x00
SFR Page = ALL; SFR Address: 0x83
Bit Name Reset Access Description
7:0 DPH 0x00 RW Data Pointer High.
The DPH register is the high byte of the 16-bit DPTR. DPTR is used to access indirectly addressed flash memory or XRAM.
10.4.3 SP: Stack Pointer
Bit 7 6 5 4 3 2 1 0
Name SP
Access RW
Reset 0x07
SFR Page = ALL; SFR Address: 0x81
Bit Name Reset Access Description
7:0 SP 0x07 RW Stack Pointer.
The Stack Pointer holds the location of the top of the stack. The stack pointer is incremented before every PUSH operation.
The SP register defaults to 0x07 after reset.
EFM8BB3 Reference Manual
CIP-51 Microcontroller Core
silabs.com | Building a more connected world. Rev. 0.4 | 108

10.4.4 ACC: Accumulator
Bit 7 6 5 4 3 2 1 0
Name ACC
Access RW
Reset 0x00
SFR Page = ALL; SFR Address: 0xE0 (bit-addressable)
Bit Name Reset Access Description
7:0 ACC 0x00 RW Accumulator.
This register is the accumulator for arithmetic operations.
10.4.5 B: B Register
Bit 7 6 5 4 3 2 1 0
Name B
Access RW
Reset 0x00
SFR Page = ALL; SFR Address: 0xF0 (bit-addressable)
Bit Name Reset Access Description
7:0 B 0x00 RW B Register.
This register serves as a second accumulator for certain arithmetic operations.
EFM8BB3 Reference Manual
CIP-51 Microcontroller Core
silabs.com | Building a more connected world. Rev. 0.4 | 109

10.4.6 PSW: Program Status Word
Bit 7 6 5 4 3 2 1 0
Name CY AC F0 RS OV F1 PARITY
Access RW RW RW RW RW RW R
Reset 0 0 0 0x0 0 0 0
SFR Page = ALL; SFR Address: 0xD0 (bit-addressable)
Bit Name Reset Access Description
7 CY 0 RW Carry Flag.
This bit is set when the last arithmetic operation resulted in a carry (addition) or a borrow (subtraction). It is cleared to logic
0 by all other arithmetic operations.
6 AC 0 RW Auxiliary Carry Flag.
This bit is set when the last arithmetic operation resulted in a carry into (addition) or a borrow from (subtraction) the high
order nibble. It is cleared to logic 0 by all other arithmetic operations.
5 F0 0 RW User Flag 0.
This is a bit-addressable, general purpose flag for use under firmware control.
4:3 RS 0x0 RW Register Bank Select.
These bits select which register bank is used during register accesses.
Value Name Description
0x0 BANK0 Bank 0, Addresses 0x00-0x07
0x1 BANK1 Bank 1, Addresses 0x08-0x0F
0x2 BANK2 Bank 2, Addresses 0x10-0x17
0x3 BANK3 Bank 3, Addresses 0x18-0x1F
2 OV 0 RW Overflow Flag.
This bit is set to 1 under the following circumstances:
1. An ADD, ADDC, or SUBB instruction causes a sign-change overflow.
2. A MUL instruction results in an overflow (result is greater than 255).
3. A DIV instruction causes a divide-by-zero condition.
The OV bit is cleared to 0 by the ADD, ADDC, SUBB, MUL, and DIV instructions in all other cases.
1 F1 0 RW User Flag 1.
This is a bit-addressable, general purpose flag for use under firmware control.
0 PARITY 0 R Parity Flag.
This bit is set to logic 1 if the sum of the eight bits in the accumulator is odd and cleared if the sum is even.
EFM8BB3 Reference Manual
CIP-51 Microcontroller Core
silabs.com | Building a more connected world. Rev. 0.4 | 110

10.4.7 PFE0CN: Prefetch Engine Control
Bit 7 6 5 4 3 2 1 0
Name Reserved FLRT Reserved
Access R RW R
Reset 0x0 0x0 0x0
SFR Page = 0x10; SFR Address: 0xC1
Bit Name Reset Access Description
7:6 Reserved Must write reset value.
5:4 FLRT 0x0 RW Flash Read Timing.
This field should be programmed to the smallest allowed value, according to the system clock speed. When transitioning to
a faster clock speed, program FLRT before changing the clock. When changing to a slower clock speed, change the clock
before changing FLRT.
Value Name Description
0x0 SYSCLK_BE-
LOW_25_MHZ
SYSCLK < 25 MHz.
0x1 SYSCLK_BE-
LOW_50_MHZ
SYSCLK < 50 MHz.
3:0 Reserved Must write reset value.
EFM8BB3 Reference Manual
CIP-51 Microcontroller Core
silabs.com | Building a more connected world. Rev. 0.4 | 111

11. Port I/O, Crossbar, External Interrupts, and Port Match
11.1 Introduction
Digital and analog resources are externally available on the device’s multi-purpose I/O pins. Port pins P0.0-P2.3 can be defined as gen-
eral-purpose I/O (GPIO), assigned to one of the internal digital resources through the crossbar or dedicated channels, or assigned to an
analog function. Port pins P2.4 to P3.7 can be used as GPIO. Additionally, the C2 Interface Data signal (C2D) is shared with P3.0 or
P3.7, depending on the package option.
Priority Crossbar
Decoder
UART0
SPI0
SMB0
CMP0 Out
SYSCLK
PCA (CEXn)
Timer 0
CMP1 Out
Timer 1
Timer 2/3/4/5
2
4
2
2
2
1
6
PCA (ECI)
1
1
1
1
CMP0/1 In
DAC0/1/2/3 Out
INT0 / INT1
Port Match
UART1
4
I2C0 Slave
ADC0 In
P2.1
P2.0
P1.6
P1.5
P1.4
P1.3
P1.2
P1.1
P1.7
P1.0
P0.0 / VREF
P0.1 / AGND
P0.2 / XTAL1
P0.3 / XTAL2 / EXTCLK
P0.4
P0.6 / CNVSTR
P0.7
P0.5
Port
Control
and
Config
P3.1
P3.0
P2.3
P2.2
P2.4
P2.6
P2.5
P3.3
P3.2
P3.7
P3.4
Configurable Logic
Figure 11.1. Port I/O Block Diagram
11.2 Features
The port control block offers the following features:
• Up to 29 multi-functions I/O pins, supporting digital and analog functions.
• Flexible priority crossbar decoder for digital peripheral assignment.
• Two drive strength settings for each port.
• State retention feature allows pins to retain configuration through most reset sources.
• Two direct-pin interrupt sources with dedicated interrupt vectors (INT0 and INT1).
• Up to 24 direct-pin interrupt sources with shared interrupt vector (Port Match).
EFM8BB3 Reference Manual
Port I/O, Crossbar, External Interrupts, and Port Match
silabs.com | Building a more connected world. Rev. 0.4 | 112

11.3 Functional Description
11.3.1 Port I/O Modes of Operation
Port pins are configured by firmware as digital or analog I/O using the special function registers. Port I/O initialization consists of the
following general steps:
1. Select the input mode (analog or digital) for all port pins, using the Port Input Mode register (PnMDIN).
2. Select the output mode (open-drain or push-pull) for all port pins, using the Port Output Mode register (PnMDOUT).
3. Select any pins to be skipped by the I/O crossbar using the Port Skip registers (PnSKIP).
4. Assign port pins to desired peripherals.
5. Enable the crossbar (XBARE = 1).
A diagram of the port I/O cell is shown in the following figure.
GND
VDD VDD
(WEAK)
PORT
PAD
To/From Analog
Peripheral
PxMDIN.x
(1 for digital)
(0 for analog)
Px.x – Output
Logic Value
(Port Latch or
Crossbar)
XBARE
(Crossbar
Enable)
Px.x – Input Logic Value
(Reads 0 when pin is configured as an analog I/O)
PxMDOUT.x
(1 for push-pull)
(0 for open-drain)
WEAKPUD
(Weak Pull-Up Disable)
Figure 11.2. Port I/O Cell Block Diagram
Configuring Port Pins For Analog Modes
Any pins to be used for analog functions should be configured for analog mode. When a pin is configured for analog I/O, its weak pull-
up, digital driver, and digital receiver are disabled. This saves power by eliminating crowbar current, and reduces noise on the analog
input. Pins configured as digital inputs may still be used by analog peripherals; however this practice is not recommended. Port pins
configured for analog functions will always read back a value of 0 in the corresponding Pn Port Latch register. To configure a pin as
analog, the following steps should be taken:
1. Clear the bit associated with the pin in the PnMDIN register to 0. This selects analog mode for the pin.
2. Set the bit associated with the pin in the Pn register to 1.
3. Skip the bit associated with the pin in the PnSKIP register to ensure the crossbar does not attempt to assign a function to the pin.
EFM8BB3 Reference Manual
Port I/O, Crossbar, External Interrupts, and Port Match
silabs.com | Building a more connected world. Rev. 0.4 | 113

Configuring Port Pins For Digital Modes
Any pins to be used by digital peripherals or as GPIO should be configured as digital I/O (PnMDIN.n = 1). For digital I/O pins, one of
two output modes (push-pull or open-drain) must be selected using the PnMDOUT registers.
Push-pull outputs (PnMDOUT.n = 1) drive the port pad to the supply rails based on the output logic value of the port pin. Open-drain
outputs have the high side driver disabled; therefore, they only drive the port pad to the lowside rail when the output logic value is 0 and
become high impedance inputs (both high low drivers turned off) when the output logic value is 1.
When a digital I/O cell is placed in the high impedance state, a weak pull-up transistor pulls the port pad to the high side rail to ensure
the digital input is at a defined logic state. Weak pull-ups are disabled when the I/O cell is driven low to minimize power consumption,
and they may be globally disabled by setting WEAKPUD to 1. The user should ensure that digital I/O are always internally or externally
pulled or driven to a valid logic state to minimize power consumption. Port pins configured for digital I/O always read back the logic
state of the port pad, regardless of the output logic value of the port pin.
To configure a pin as a digital input:
1. Set the bit associated with the pin in the PnMDIN register to 1. This selects digital mode for the pin.
2. lear the bit associated with the pin in the PnMDOUT register to 0. This configures the pin as open-drain.
3. Set the bit associated with the pin in the Pn register to 1. This tells the output driver to “drive” logic high. Because the pin is config-
ured as open-drain, the high-side driver is disabled, and the pin may be used as an input.
Open-drain outputs are configured exactly as digital inputs. The pin may be driven low by an assigned peripheral, or by writing 0 to the
associated bit in the Pn register if the signal is a GPIO.
To configure a pin as a digital, push-pull output:
1. Set the bit associated with the pin in the PnMDIN register to 1. This selects digital mode for the pin.
2. Set the bit associated with the pin in the PnMDOUT register to 1. This configures the pin as push-pull.
If a digital pin is to be used as a general-purpose I/O, or with a digital function that is not part of the crossbar, the bit associated with the
pin in the PnSKIP register can be set to 1 to ensure the crossbar does not attempt to assign a function to the pin. The crossbar must be
enabled to use port pins as standard port I/O in output mode. Port output drivers of all I/O pins are disabled whenever the crossbar is
disabled.
11.3.1.1 Port Drive Strength
Port drive strength can be controlled on a port-by-port basis using the PRTDRV register. Each port has a bit in PRTDRV to select the
high or low drive strength setting for all pins on that port. By default, all ports are configured for high drive strength.
EFM8BB3 Reference Manual
Port I/O, Crossbar, External Interrupts, and Port Match
silabs.com | Building a more connected world. Rev. 0.4 | 114

11.3.2 Analog and Digital Functions
11.3.2.1 Port I/O Analog Assignments
The following table displays the potential mapping of port I/O to each analog function.
Table 11.1. Port I/O Assignment for Analog Functions
Analog Function Potentially Assignable Port
Pins (32-pin packages)
Potentially Assignable Port
Pins (24-pin packages)
SFR(s) Used For Assignment
ADC Input P0.[1-2, 4-7], P1.[0-7], P2.[1-6] P0.[1-2, 4-7] P1.[0-2,4-7] ADC0MX, PnSKIP, PnMDIN
High-Performance ADC Input P1.[3-6] P1.[0-2] ADC0MX, PnSKIP, PnMDIN
Comparator 0 Input P0.[1-2, 4-7], P1.[0-2,7] P0.[1-2, 4-7] CMP0MX, PnSKIP, PnMDIN
Comparator 1 Input P0.7, P1.0, P2[0-6] P0.[6-7], P1.[3-7] CMP1MX, PnSKIP, PnMDIN
Voltage Reference (VREF) P0.0 P0.0 REF0CN, PnSKIP, PnMDIN
Reference Ground (AGND) P0.1 P0.1 REF0CN, PnSKIP, PnMDIN
External Oscillator Input
(XTAL1)
P0.2 P0.2 HFO0CN, PnSKIP, PnMDIN
External Oscillator Output
(XTAL2)
P0.3 P0.3 HFO0CN, PnSKIP, PnMDIN
DAC0 Output P3.0 P2.0 DAC0CF0, PnSKIP, PnMDIN
DAC1 Output P3.1 P2.1 DAC1CF0, PnSKIP, PnMDIN
DAC2 Output P3.2 P2.2 DAC2CF0, PnSKIP, PnMDIN
DAC3 Output P3.3 P2.3 DAC3CF0, PnSKIP, PnMDIN
EFM8BB3 Reference Manual
Port I/O, Crossbar, External Interrupts, and Port Match
silabs.com | Building a more connected world. Rev. 0.4 | 115

11.3.2.2 Port I/O Digital Assignments
The following table displays the potential mapping of port I/O to each digital function.
Table 11.2. Port I/O Assignment for Digital Functions
Digital Function Potentially Assignable Port Pins SFR(s) Used For Assignment
UART0, UART1, SPI0, SMB0, CP0, CP0A,
CP1, CP1A, SYSCLK, PCA0 (CEX0-5 and
ECI), T0, T1, T2/3/4/5
Any port pin available for assignment by
the crossbar. This includes P0.0 – P2.3
pins which have their PnSKIP bit set to 0.
The crossbar will always assign UART0
pins to P0.4 and P0.5.
XBR0, XBR1, XBR2
I2C0 Slave P2.0 - 2.1 (QFN32, QFP32)
P1.3 – P1.4 (QFN24, QSOP24)
I2C0CN0
External Interrupt 0, External Interrupt 1 P0.0 – P0.7 IT01CF
Conversion Start (CNVSTR) P0.6 ADC0CN2
External Clock Input (EXTCLK) P0.3 CLKSEL
Port Match P0.0 – P2.6 P0MASK, P0MAT, P1MASK, P1MAT,
P2MASK, P2MAT
Configurable Logic Inputs A and B
(Assignable pins vary across CLUs)
P0.0 – P2.3 CLUnMX
Configurable Logic Unit 0 Output
(CLU0OUT)
P0.2 CLU0CF
Configurable Logic Unit 1 Output
(CLU1OUT)
P1.0 (QFN32, QFP32)
P0.7 (QFN24, QSOP24)
CLU1CF
Configurable Logic Unit 2 Output
(CLU2OUT)
P2.2 (QFN32, QFP32)
P1.5 (QFN24, QSOP24)
CLU2CF
Configurable Logic Unit 3 Output
(CLU3OUT)
P2.5 (QFN32, QFP32)
P1.6 (QFN24, QSOP24)
CLU3CF
Any pin used for GPIO P0.0 – P3.7 P0SKIP, P1SKIP, P2SKIP
EFM8BB3 Reference Manual
Port I/O, Crossbar, External Interrupts, and Port Match
silabs.com | Building a more connected world. Rev. 0.4 | 116

11.3.3 Priority Crossbar Decoder
The priority crossbar decoder assigns a priority to each I/O function, starting at the top with UART0. The XBRn registers are used to
control which crossbar resources are assigned to physical I/O port pins.
When a digital resource is selected, the least-significant unassigned port pin is assigned to that resource (excluding UART0, which is
always assigned to dedicated pins). If a port pin is assigned, the crossbar skips that pin when assigning the next selected resource.
Additionally, the the PnSKIP registers allow software to skip port pins that are to be used for analog functions, dedicated digital func-
tions, or GPIO. If a port pin is to be used by a function which is not assigned through the crossbar, its corresponding PnSKIP bit should
be set to 1 in most cases. The crossbar skips these pins as if they were already assigned, and moves to the next unassigned pin.
It is possible for crossbar-assigned peripherals and dedicated functions to coexist on the same pin. For example, the port match func-
tion could be configured to watch for a falling edge on a UART RX line and generate an interrupt or wake up the device from a low-
power state. However, if two functions share the same pin, the crossbar will have control over the output characteristics of that pin and
the dedicated function will only have input access. Likewise, it is possible for firmware to read the logic state of any digital I/O pin as-
signed to a crossbar peripheral, but the output state cannot be directly modified.
Figure 11.3 Crossbar Priority Decoder Example Assignments on page 117 shows an example of the resulting pin assignments of the
device with UART0 and SPI0 enabled and P0.3 skipped (P0SKIP = 0x08). UART0 is the highest priority and it will be assigned first.
The UART0 pins can only appear at fixed locations (in this example, P0.4 and P0.5), so it occupies those pins. The next-highest ena-
bled peripheral is SPI0. P0.0, P0.1 and P0.2 are free, so SPI0 takes these three pins. The fourth pin, NSS, is routed to P0.6 because
P0.3 is skipped and P0.4 and P0.5 are already occupied by the UART. Any other pins on the device are available for use as general-
purpose digital I/O or analog functions.
UART0-TX
UART0-RX
01234567
P0Port
Pin Number
000 0000
P0SKIP
Pin Skip Settings
SPI0-SCK
SPI0-MISO
SPI0-MOSI
SPI0-NSS
UART0 is assigned to fixed pins and has priority over SPI0.
SPI0 is assigned to available, un-skipped pins.
Port pins assigned to the associated peripheral.
P0.3 is skipped by setting P0SKIP.3 to 1.
1
Figure 11.3. Crossbar Priority Decoder Example Assignments
EFM8BB3 Reference Manual
Port I/O, Crossbar, External Interrupts, and Port Match
silabs.com | Building a more connected world. Rev. 0.4 | 117

11.3.3.1 Crossbar Functional Map
The figure below shows all of the potential peripheral-to-pin assignments available to the crossbar. Note that this does not mean any
peripheral can always be assigned to the highlighted pins. The actual pin assignments are determined by the priority of the enabled
peripherals.
EFM8BB3 Reference Manual
Port I/O, Crossbar, External Interrupts, and Port Match
silabs.com | Building a more connected world. Rev. 0.4 | 118

2301234567
P0Port
Pin Number 0 1 2 3 4 5 6 7
P1
4 50 1
P2
6012347
P3
XTAL1 / CLU0OUT
Pins Not Available on Crossbar
UART0-TX
UART0-RX
SYSCLK
PCA0-CEX0
PCA0-CEX1
PCA0-CEX2
PCA0-ECI
Timer0-T0
Timer1-T1
00000000
P0SKIP
Pin Skip Settings
SPI0-SCK
SPI0-MISO
SPI0-MOSI
SPI0-NSS*
00000000
P1SKIP
SMB0-SDA
SMB0-SCL
QSOP-24 Package
VREF
XTAL2 / EXTCLK
CNVSTR
AGND
QFN-24 Package
Timer2-T2
CMP0-CP0
CMP0-CP0A
CMP1-CP1
CMP1-CP1A
0000
P2SKIP
UART1-TX
UART1-RX
UART1-RTS
UART1-CTS
QFP-32 Package
N/A
C2D
I2C-SDA
I2C-SCL
QFN-32 Package
N/A
N/A
N/A
N/A
CLU1OUT
CLU1OUT
CLU2OUT
CLU3OUT
N/A
N/A
N/A
I2C-SDA
I2C-SCL
CLU2OUT
CLU3OUT
C2D
N/A
The crossbar peripherals are assigned in priority order from top to bottom.
These boxes represent Port pins which can potentially be assigned to a peripheral.
Special Function Signals are not assigned by the crossbar. When these signals are enabled, the Crossbar should be manually
configured to skip the corresponding port pins.
Pins can be “skipped” by setting the corresponding bit in PnSKIP to 1.
* NSS is only pinned out when the SPI is in 4-wire mode.
PCA0-CEX3
PCA0-CEX4
PCA0-CEX5
DAC0
DAC1
DAC2
DAC3
DAC2
DAC3
DAC0
DAC1
Figure 11.4. Full Crossbar Map
EFM8BB3 Reference Manual
Port I/O, Crossbar, External Interrupts, and Port Match
silabs.com | Building a more connected world. Rev. 0.4 | 119

11.3.4 INT0 and INT1
Two direct-pin digital interrupt sources (INT0 and INT1) are included, which can be routed to port 0 pins. Additional I/O interrupts are
available through the port match function. As is the case on a standard 8051 architecture, certain controls for these two interrupt sour-
ces are available in the Timer0/1 registers. Extensions to these controls which provide additional functionality are available in the
IT01CF register. INT0 and INT1 are configurable as active high or low, edge- or level-sensitive. The IN0PL and IN1PL bits in the
IT01CF register select active high or active low; the IT0 and IT1 bits in TCON select level- or edge-sensitive. The table below lists the
possible configurations.
Table 11.3. INT0/INT1 configuration
IT0 or IT1 IN0PL or IN1PL INT0 or INT1 Interrupt
1 0 Interrupt on falling edge
1 1 Interrupt on rising edge
0 0 Interrupt on low level
0 1 Interrupt on high level
INT0 and INT1 are assigned to port pins as defined in the IT01CF register. INT0 and INT1 port pin assignments are independent of any
crossbar assignments, and may be assigned to pins used by crossbar peripherals. INT0 and INT1 will monitor their assigned port pins
without disturbing the peripheral that was assigned the port pin via the crossbar. To assign a port pin only to INT0 and/or INT1, config-
ure the crossbar to skip the selected pin(s).
IE0 and IE1 in the TCON register serve as the interrupt-pending flags for the INT0 and INT1 external interrupts, respectively. If an INT0
or INT1 external interrupt is configured as edge-sensitive, the corresponding interrupt pending flag is automatically cleared by the hard-
ware when the CPU vectors to the ISR. When configured as level sensitive, the interrupt-pending flag remains logic 1 while the input is
active as defined by the corresponding polarity bit (IN0PL or IN1PL); the flag remains logic 0 while the input is inactive. The external
interrupt source must hold the input active until the interrupt request is recognized. It must then deactivate the interrupt request before
execution of the ISR completes or another interrupt request will be generated.
11.3.5 Port Match
Port match functionality allows system events to be triggered by a logic value change on one or more port I/O pins. A software control-
led value stored in the PnMATCH registers specifies the expected or normal logic values of the associated port pins (for example,
P0MATCH.0 would correspond to P0.0). A port mismatch event occurs if the logic levels of the port’s input pins no longer match the
software controlled value. This allows software to be notified if a certain change or pattern occurs on the input pins regardless of the
XBRn settings.
The PnMASK registers can be used to individually select which pins should be compared against the PnMATCH registers. A port mis-
match event is generated if (Pn & PnMASK) does not equal (PnMATCH & PnMASK) for all ports with a PnMAT and PnMASK register.
A port mismatch event may be used to generate an interrupt or wake the device from low power modes. See the interrupts and power
options chapters for more details on interrupt and wake-up sources.
11.3.6 Direct Port I/O Access (Read/Write)
All port I/O are accessed through corresponding special function registers. When writing to a port, the value written to the SFR is latch-
ed to maintain the output data value at each pin. When reading, the logic levels of the port's input pins are returned regardless of the
XBRn settings (i.e., even when the pin is assigned to another signal by the crossbar, the port register can always read its corresponding
port I/O pin). The exception to this is the execution of the read-modify-write instructions that target a Port Latch register as the destina-
tion. The read-modify-write instructions when operating on a port SFR are the following: ANL, ORL, XRL, JBC, CPL, INC, DEC, DJNZ
and MOV, CLR or SETB, when the destination is an individual bit in a port SFR. For these instructions, the value of the latch register
(not the pin) is read, modified, and written back to the SFR.
EFM8BB3 Reference Manual
Port I/O, Crossbar, External Interrupts, and Port Match
silabs.com | Building a more connected world. Rev. 0.4 | 120

11.4 Port I/O Control Registers
11.4.1 XBR0: Port I/O Crossbar 0
Bit 7 6 5 4 3 2 1 0
Name SYSCKE CP1AE CP1E CP0AE CP0E SMB0E SPI0E URT0E
Access RW RW RW RW RW RW RW RW
Reset 0 0 0 0 0 0 0 0
SFR Page = 0x0, 0x20; SFR Address: 0xE1
Bit Name Reset Access Description
7 SYSCKE 0 RW SYSCLK Output Enable.
Value Name Description
0 DISABLED SYSCLK unavailable at Port pin.
1 ENABLED SYSCLK output routed to Port pin.
6 CP1AE 0 RW Comparator1 Asynchronous Output Enable.
Value Name Description
0 DISABLED Asynchronous CP1 unavailable at Port pin.
1 ENABLED Asynchronous CP1 routed to Port pin.
5 CP1E 0 RW Comparator1 Output Enable.
Value Name Description
0 DISABLED CP1 unavailable at Port pin.
1 ENABLED CP1 routed to Port pin.
4 CP0AE 0 RW Comparator0 Asynchronous Output Enable.
Value Name Description
0 DISABLED Asynchronous CP0 unavailable at Port pin.
1 ENABLED Asynchronous CP0 routed to Port pin.
3 CP0E 0 RW Comparator0 Output Enable.
Value Name Description
0 DISABLED CP0 unavailable at Port pin.
1 ENABLED CP0 routed to Port pin.
2 SMB0E 0 RW SMB0 I/O Enable.
Value Name Description
0 DISABLED SMBus 0 I/O unavailable at Port pins.
1 ENABLED SMBus 0 I/O routed to Port pins.
1 SPI0E 0 RW SPI I/O Enable.
EFM8BB3 Reference Manual
Port I/O, Crossbar, External Interrupts, and Port Match
silabs.com | Building a more connected world. Rev. 0.4 | 121

Bit Name Reset Access Description
Value Name Description
0 DISABLED SPI I/O unavailable at Port pins.
1 ENABLED SPI I/O routed to Port pins. The SPI can be assigned either 3 or 4
GPIO pins.
0 URT0E 0 RW UART0 I/O Enable.
Value Name Description
0 DISABLED UART0 I/O unavailable at Port pin.
1 ENABLED UART0 TX0, RX0 routed to Port pins P0.4 and P0.5.
EFM8BB3 Reference Manual
Port I/O, Crossbar, External Interrupts, and Port Match
silabs.com | Building a more connected world. Rev. 0.4 | 122

11.4.2 XBR1: Port I/O Crossbar 1
Bit 7 6 5 4 3 2 1 0
Name Reserved T2E T1E T0E ECIE PCA0ME
Access R RW RW RW RW RW
Reset 0 0 0 0 0 0x0
SFR Page = 0x0, 0x20; SFR Address: 0xE2
Bit Name Reset Access Description
7 Reserved Must write reset value.
6 T2E 0 RW T2 Enable.
Value Name Description
0 DISABLED T2 unavailable at Port pin.
1 ENABLED T2 routed to Port pin.
5 T1E 0 RW T1 Enable.
Value Name Description
0 DISABLED T1 unavailable at Port pin.
1 ENABLED T1 routed to Port pin.
4 T0E 0 RW T0 Enable.
Value Name Description
0 DISABLED T0 unavailable at Port pin.
1 ENABLED T0 routed to Port pin.
3 ECIE 0 RW PCA0 External Counter Input Enable.
Value Name Description
0 DISABLED ECI unavailable at Port pin.
1 ENABLED ECI routed to Port pin.
2:0 PCA0ME 0x0 RW PCA Module I/O Enable.
Value Name Description
0x0 DISABLED All PCA I/O unavailable at Port pins.
0x1 CEX0 CEX0 routed to Port pin.
0x2 CEX0_TO_CEX1 CEX0, CEX1 routed to Port pins.
0x3 CEX0_TO_CEX2 CEX0, CEX1, CEX2 routed to Port pins.
0x4 CEX0_TO_CEX3 CEX0, CEX1, CEX2, CEX3 routed to Port pins.
0x5 CEX0_TO_CEX4 CEX0, CEX1, CEX2, CEX3, CEX4 routed to Port pins.
0x6 CEX0_TO_CEX5 CEX0, CEX1, CEX2, CEX3, CEX4, CEX5 routed to Port pins.
EFM8BB3 Reference Manual
Port I/O, Crossbar, External Interrupts, and Port Match
silabs.com | Building a more connected world. Rev. 0.4 | 123

11.4.3 XBR2: Port I/O Crossbar 2
Bit 7 6 5 4 3 2 1 0
Name WEAKPUD XBARE Reserved URT1CTSE URT1RTSE URT1E
Access RW RW R RW RW RW
Reset 0 0 0x0 0 0 0
SFR Page = 0x0, 0x20; SFR Address: 0xE3
Bit Name Reset Access Description
7 WEAKPUD 0 RW Port I/O Weak Pullup Disable.
Value Name Description
0 PULL_UPS_ENABLED Weak Pullups enabled (except for Ports whose I/O are configured for
analog mode).
1 PULL_UPS_DISABLED Weak Pullups disabled.
6 XBARE 0 RW Crossbar Enable.
Value Name Description
0 DISABLED Crossbar disabled.
1 ENABLED Crossbar enabled.
5:3 Reserved Must write reset value.
2 URT1CTSE 0 RW UART1 CTS Input Enable.
Value Name Description
0 DISABLED UART1 CTS1 unavailable at Port pin.
1 ENABLED UART1 CTS1 routed to Port pin.
1 URT1RTSE 0 RW UART1 RTS Output Enable.
Value Name Description
0 DISABLED UART1 RTS1 unavailable at Port pin.
1 ENABLED UART1 RTS1 routed to Port pin.
0 URT1E 0 RW UART1 I/O Enable.
Value Name Description
0 DISABLED UART1 I/O unavailable at Port pin.
1 ENABLED UART1 TX1 RX1 routed to Port pins.
EFM8BB3 Reference Manual
Port I/O, Crossbar, External Interrupts, and Port Match
silabs.com | Building a more connected world. Rev. 0.4 | 124

11.4.4 PRTDRV: Port Drive Strength
Bit 7 6 5 4 3 2 1 0
Name Reserved P3DRV P2DRV P1DRV P0DRV
Access R RW RW RW RW
Reset 0x0 1 1 1 1
SFR Page = 0x0, 0x20; SFR Address: 0xF6
Bit Name Reset Access Description
7:4 Reserved Must write reset value.
3 P3DRV 1 RW Port 3 Drive Strength.
Value Name Description
0 LOW_DRIVE All pins on P3 use low drive strength.
1 HIGH_DRIVE All pins on P3 use high drive strength.
2 P2DRV 1 RW Port 2 Drive Strength.
Value Name Description
0 LOW_DRIVE All pins on P2 use low drive strength.
1 HIGH_DRIVE All pins on P2 use high drive strength.
1 P1DRV 1 RW Port 1 Drive Strength.
Value Name Description
0 LOW_DRIVE All pins on P1 use low drive strength.
1 HIGH_DRIVE All pins on P1 use high drive strength.
0 P0DRV 1 RW Port 0 Drive Strength.
Value Name Description
0 LOW_DRIVE All pins on P0 use low drive strength.
1 HIGH_DRIVE All pins on P0 use high drive strength.
EFM8BB3 Reference Manual
Port I/O, Crossbar, External Interrupts, and Port Match
silabs.com | Building a more connected world. Rev. 0.4 | 125

11.4.5 P0MASK: Port 0 Mask
Bit 7 6 5 4 3 2 1 0
Name B7 B6 B5 B4 B3 B2 B1 B0
Access RW RW RW RW RW RW RW RW
Reset 0 0 0 0 0 0 0 0
SFR Page = 0x0, 0x20; SFR Address: 0xFE
Bit Name Reset Access Description
7 B7 0 RW Port 0 Bit 7 Mask Value.
Value Name Description
0 IGNORED P0.7 pin logic value is ignored and will not cause a port mismatch
event.
1 COMPARED P0.7 pin logic value is compared to P0MAT.7.
6 B6 0 RW Port 0 Bit 6 Mask Value.
See bit 7 description
5 B5 0 RW Port 0 Bit 5 Mask Value.
See bit 7 description
4 B4 0 RW Port 0 Bit 4 Mask Value.
See bit 7 description
3 B3 0 RW Port 0 Bit 3 Mask Value.
See bit 7 description
2 B2 0 RW Port 0 Bit 2 Mask Value.
See bit 7 description
1 B1 0 RW Port 0 Bit 1 Mask Value.
See bit 7 description
0 B0 0 RW Port 0 Bit 0 Mask Value.
See bit 7 description
EFM8BB3 Reference Manual
Port I/O, Crossbar, External Interrupts, and Port Match
silabs.com | Building a more connected world. Rev. 0.4 | 126

11.4.6 P0MAT: Port 0 Match
Bit 7 6 5 4 3 2 1 0
Name B7 B6 B5 B4 B3 B2 B1 B0
Access RW RW RW RW RW RW RW RW
Reset 1 1 1 1 1 1 1 1
SFR Page = 0x0, 0x20; SFR Address: 0xFD
Bit Name Reset Access Description
7 B7 1 RW Port 0 Bit 7 Match Value.
Value Name Description
0 LOW P0.7 pin logic value is compared with logic LOW.
1 HIGH P0.7 pin logic value is compared with logic HIGH.
6 B6 1 RW Port 0 Bit 6 Match Value.
See bit 7 description
5 B5 1 RW Port 0 Bit 5 Match Value.
See bit 7 description
4 B4 1 RW Port 0 Bit 4 Match Value.
See bit 7 description
3 B3 1 RW Port 0 Bit 3 Match Value.
See bit 7 description
2 B2 1 RW Port 0 Bit 2 Match Value.
See bit 7 description
1 B1 1 RW Port 0 Bit 1 Match Value.
See bit 7 description
0 B0 1 RW Port 0 Bit 0 Match Value.
See bit 7 description
EFM8BB3 Reference Manual
Port I/O, Crossbar, External Interrupts, and Port Match
silabs.com | Building a more connected world. Rev. 0.4 | 127

11.4.7 P0: Port 0 Pin Latch
Bit 7 6 5 4 3 2 1 0
Name B7 B6 B5 B4 B3 B2 B1 B0
Access RW RW RW RW RW RW RW RW
Reset 1 1 1 1 1 1 1 1
SFR Page = ALL; SFR Address: 0x80 (bit-addressable)
Bit Name Reset Access Description
7 B7 1 RW Port 0 Bit 7 Latch.
Value Name Description
0 LOW P0.7 is low. Set P0.7 to drive low.
1 HIGH P0.7 is high. Set P0.7 to drive or float high.
6 B6 1 RW Port 0 Bit 6 Latch.
See bit 7 description
5 B5 1 RW Port 0 Bit 5 Latch.
See bit 7 description
4 B4 1 RW Port 0 Bit 4 Latch.
See bit 7 description
3 B3 1 RW Port 0 Bit 3 Latch.
See bit 7 description
2 B2 1 RW Port 0 Bit 2 Latch.
See bit 7 description
1 B1 1 RW Port 0 Bit 1 Latch.
See bit 7 description
0 B0 1 RW Port 0 Bit 0 Latch.
See bit 7 description
Writing this register sets the port latch logic value for the associated I/O pins configured as digital I/O.
Reading this register returns the logic value at the pin, regardless if it is configured as output or input.
EFM8BB3 Reference Manual
Port I/O, Crossbar, External Interrupts, and Port Match
silabs.com | Building a more connected world. Rev. 0.4 | 128

11.4.8 P0MDIN: Port 0 Input Mode
Bit 7 6 5 4 3 2 1 0
Name B7 B6 B5 B4 B3 B2 B1 B0
Access RW RW RW RW RW RW RW RW
Reset 1 1 1 1 1 1 1 1
SFR Page = 0x0, 0x20; SFR Address: 0xF1
Bit Name Reset Access Description
7 B7 1 RW Port 0 Bit 7 Input Mode.
Value Name Description
0 ANALOG P0.7 pin is configured for analog mode.
1 DIGITAL P0.7 pin is configured for digital mode.
6 B6 1 RW Port 0 Bit 6 Input Mode.
See bit 7 description
5 B5 1 RW Port 0 Bit 5 Input Mode.
See bit 7 description
4 B4 1 RW Port 0 Bit 4 Input Mode.
See bit 7 description
3 B3 1 RW Port 0 Bit 3 Input Mode.
See bit 7 description
2 B2 1 RW Port 0 Bit 2 Input Mode.
See bit 7 description
1 B1 1 RW Port 0 Bit 1 Input Mode.
See bit 7 description
0 B0 1 RW Port 0 Bit 0 Input Mode.
See bit 7 description
Port pins configured for analog mode have their weak pullup, digital driver, and digital receiver disabled.
EFM8BB3 Reference Manual
Port I/O, Crossbar, External Interrupts, and Port Match
silabs.com | Building a more connected world. Rev. 0.4 | 129

11.4.9 P0MDOUT: Port 0 Output Mode
Bit 7 6 5 4 3 2 1 0
Name B7 B6 B5 B4 B3 B2 B1 B0
Access RW RW RW RW RW RW RW RW
Reset 0 0 0 0 0 0 0 0
SFR Page = 0x0, 0x20; SFR Address: 0xA4
Bit Name Reset Access Description
7 B7 0 RW Port 0 Bit 7 Output Mode.
Value Name Description
0 OPEN_DRAIN P0.7 output is open-drain.
1 PUSH_PULL P0.7 output is push-pull.
6 B6 0 RW Port 0 Bit 6 Output Mode.
See bit 7 description
5 B5 0 RW Port 0 Bit 5 Output Mode.
See bit 7 description
4 B4 0 RW Port 0 Bit 4 Output Mode.
See bit 7 description
3 B3 0 RW Port 0 Bit 3 Output Mode.
See bit 7 description
2 B2 0 RW Port 0 Bit 2 Output Mode.
See bit 7 description
1 B1 0 RW Port 0 Bit 1 Output Mode.
See bit 7 description
0 B0 0 RW Port 0 Bit 0 Output Mode.
See bit 7 description
EFM8BB3 Reference Manual
Port I/O, Crossbar, External Interrupts, and Port Match
silabs.com | Building a more connected world. Rev. 0.4 | 130

11.4.10 P0SKIP: Port 0 Skip
Bit 7 6 5 4 3 2 1 0
Name B7 B6 B5 B4 B3 B2 B1 B0
Access RW RW RW RW RW RW RW RW
Reset 0 0 0 0 0 0 0 0
SFR Page = 0x0, 0x20; SFR Address: 0xD4
Bit Name Reset Access Description
7 B7 0 RW Port 0 Bit 7 Skip.
Value Name Description
0 NOT_SKIPPED P0.7 pin is not skipped by the crossbar.
1 SKIPPED P0.7 pin is skipped by the crossbar.
6 B6 0 RW Port 0 Bit 6 Skip.
See bit 7 description
5 B5 0 RW Port 0 Bit 5 Skip.
See bit 7 description
4 B4 0 RW Port 0 Bit 4 Skip.
See bit 7 description
3 B3 0 RW Port 0 Bit 3 Skip.
See bit 7 description
2 B2 0 RW Port 0 Bit 2 Skip.
See bit 7 description
1 B1 0 RW Port 0 Bit 1 Skip.
See bit 7 description
0 B0 0 RW Port 0 Bit 0 Skip.
See bit 7 description
EFM8BB3 Reference Manual
Port I/O, Crossbar, External Interrupts, and Port Match
silabs.com | Building a more connected world. Rev. 0.4 | 131

11.4.11 P1MASK: Port 1 Mask
Bit 7 6 5 4 3 2 1 0
Name B7 B6 B5 B4 B3 B2 B1 B0
Access RW RW RW RW RW RW RW RW
Reset 0 0 0 0 0 0 0 0
SFR Page = 0x0, 0x20; SFR Address: 0xEE
Bit Name Reset Access Description
7 B7 0 RW Port 1 Bit 7 Mask Value.
Value Name Description
0 IGNORED P1.7 pin logic value is ignored and will not cause a port mismatch
event.
1 COMPARED P1.7 pin logic value is compared to P1MAT.7.
6 B6 0 RW Port 1 Bit 6 Mask Value.
See bit 7 description
5 B5 0 RW Port 1 Bit 5 Mask Value.
See bit 7 description
4 B4 0 RW Port 1 Bit 4 Mask Value.
See bit 7 description
3 B3 0 RW Port 1 Bit 3 Mask Value.
See bit 7 description
2 B2 0 RW Port 1 Bit 2 Mask Value.
See bit 7 description
1 B1 0 RW Port 1 Bit 1 Mask Value.
See bit 7 description
0 B0 0 RW Port 1 Bit 0 Mask Value.
See bit 7 description
EFM8BB3 Reference Manual
Port I/O, Crossbar, External Interrupts, and Port Match
silabs.com | Building a more connected world. Rev. 0.4 | 132

11.4.12 P1MAT: Port 1 Match
Bit 7 6 5 4 3 2 1 0
Name B7 B6 B5 B4 B3 B2 B1 B0
Access RW RW RW RW RW RW RW RW
Reset 1 1 1 1 1 1 1 1
SFR Page = 0x0, 0x20; SFR Address: 0xED
Bit Name Reset Access Description
7 B7 1 RW Port 1 Bit 7 Match Value.
Value Name Description
0 LOW P1.7 pin logic value is compared with logic LOW.
1 HIGH P1.7 pin logic value is compared with logic HIGH.
6 B6 1 RW Port 1 Bit 6 Match Value.
See bit 7 description
5 B5 1 RW Port 1 Bit 5 Match Value.
See bit 7 description
4 B4 1 RW Port 1 Bit 4 Match Value.
See bit 7 description
3 B3 1 RW Port 1 Bit 3 Match Value.
See bit 7 description
2 B2 1 RW Port 1 Bit 2 Match Value.
See bit 7 description
1 B1 1 RW Port 1 Bit 1 Match Value.
See bit 7 description
0 B0 1 RW Port 1 Bit 0 Match Value.
See bit 7 description
EFM8BB3 Reference Manual
Port I/O, Crossbar, External Interrupts, and Port Match
silabs.com | Building a more connected world. Rev. 0.4 | 133

11.4.13 P1: Port 1 Pin Latch
Bit 7 6 5 4 3 2 1 0
Name B7 B6 B5 B4 B3 B2 B1 B0
Access RW RW RW RW RW RW RW RW
Reset 1 1 1 1 1 1 1 1
SFR Page = ALL; SFR Address: 0x90 (bit-addressable)
Bit Name Reset Access Description
7 B7 1 RW Port 1 Bit 7 Latch.
Value Name Description
0 LOW P1.7 is low. Set P1.7 to drive low.
1 HIGH P1.7 is high. Set P1.7 to drive or float high.
6 B6 1 RW Port 1 Bit 6 Latch.
See bit 7 description
5 B5 1 RW Port 1 Bit 5 Latch.
See bit 7 description
4 B4 1 RW Port 1 Bit 4 Latch.
See bit 7 description
3 B3 1 RW Port 1 Bit 3 Latch.
See bit 7 description
2 B2 1 RW Port 1 Bit 2 Latch.
See bit 7 description
1 B1 1 RW Port 1 Bit 1 Latch.
See bit 7 description
0 B0 1 RW Port 1 Bit 0 Latch.
See bit 7 description
Writing this register sets the port latch logic value for the associated I/O pins configured as digital I/O.
Reading this register returns the logic value at the pin, regardless if it is configured as output or input.
EFM8BB3 Reference Manual
Port I/O, Crossbar, External Interrupts, and Port Match
silabs.com | Building a more connected world. Rev. 0.4 | 134

11.4.14 P1MDIN: Port 1 Input Mode
Bit 7 6 5 4 3 2 1 0
Name B7 B6 B5 B4 B3 B2 B1 B0
Access RW RW RW RW RW RW RW RW
Reset 1 1 1 1 1 1 1 1
SFR Page = 0x0, 0x20; SFR Address: 0xF2
Bit Name Reset Access Description
7 B7 1 RW Port 1 Bit 7 Input Mode.
Value Name Description
0 ANALOG P1.7 pin is configured for analog mode.
1 DIGITAL P1.7 pin is configured for digital mode.
6 B6 1 RW Port 1 Bit 6 Input Mode.
See bit 7 description
5 B5 1 RW Port 1 Bit 5 Input Mode.
See bit 7 description
4 B4 1 RW Port 1 Bit 4 Input Mode.
See bit 7 description
3 B3 1 RW Port 1 Bit 3 Input Mode.
See bit 7 description
2 B2 1 RW Port 1 Bit 2 Input Mode.
See bit 7 description
1 B1 1 RW Port 1 Bit 1 Input Mode.
See bit 7 description
0 B0 1 RW Port 1 Bit 0 Input Mode.
See bit 7 description
Port pins configured for analog mode have their weak pullup, digital driver, and digital receiver disabled.
EFM8BB3 Reference Manual
Port I/O, Crossbar, External Interrupts, and Port Match
silabs.com | Building a more connected world. Rev. 0.4 | 135

11.4.15 P1MDOUT: Port 1 Output Mode
Bit 7 6 5 4 3 2 1 0
Name B7 B6 B5 B4 B3 B2 B1 B0
Access RW RW RW RW RW RW RW RW
Reset 0 0 0 0 0 0 0 0
SFR Page = 0x0, 0x20; SFR Address: 0xA5
Bit Name Reset Access Description
7 B7 0 RW Port 1 Bit 7 Output Mode.
Value Name Description
0 OPEN_DRAIN P1.7 output is open-drain.
1 PUSH_PULL P1.7 output is push-pull.
6 B6 0 RW Port 1 Bit 6 Output Mode.
See bit 7 description
5 B5 0 RW Port 1 Bit 5 Output Mode.
See bit 7 description
4 B4 0 RW Port 1 Bit 4 Output Mode.
See bit 7 description
3 B3 0 RW Port 1 Bit 3 Output Mode.
See bit 7 description
2 B2 0 RW Port 1 Bit 2 Output Mode.
See bit 7 description
1 B1 0 RW Port 1 Bit 1 Output Mode.
See bit 7 description
0 B0 0 RW Port 1 Bit 0 Output Mode.
See bit 7 description
EFM8BB3 Reference Manual
Port I/O, Crossbar, External Interrupts, and Port Match
silabs.com | Building a more connected world. Rev. 0.4 | 136

11.4.16 P1SKIP: Port 1 Skip
Bit 7 6 5 4 3 2 1 0
Name B7 B6 B5 B4 B3 B2 B1 B0
Access RW RW RW RW RW RW RW RW
Reset 0 0 0 0 0 0 0 0
SFR Page = 0x0, 0x20; SFR Address: 0xD5
Bit Name Reset Access Description
7 B7 0 RW Port 1 Bit 7 Skip.
Value Name Description
0 NOT_SKIPPED P1.7 pin is not skipped by the crossbar.
1 SKIPPED P1.7 pin is skipped by the crossbar.
6 B6 0 RW Port 1 Bit 6 Skip.
See bit 7 description
5 B5 0 RW Port 1 Bit 5 Skip.
See bit 7 description
4 B4 0 RW Port 1 Bit 4 Skip.
See bit 7 description
3 B3 0 RW Port 1 Bit 3 Skip.
See bit 7 description
2 B2 0 RW Port 1 Bit 2 Skip.
See bit 7 description
1 B1 0 RW Port 1 Bit 1 Skip.
See bit 7 description
0 B0 0 RW Port 1 Bit 0 Skip.
See bit 7 description
EFM8BB3 Reference Manual
Port I/O, Crossbar, External Interrupts, and Port Match
silabs.com | Building a more connected world. Rev. 0.4 | 137

11.4.17 P2MASK: Port 2 Mask
Bit 7 6 5 4 3 2 1 0
Name Reserved B6 B5 B4 B3 B2 B1 B0
Access R RW RW RW RW RW RW RW
Reset 0 0 0 0 0 0 0 0
SFR Page = 0x20; SFR Address: 0xFC
Bit Name Reset Access Description
7 Reserved Must write reset value.
6 B6 0 RW Port 2 Bit 6 Mask Value.
Value Name Description
0 IGNORED P2.6 pin logic value is ignored and will not cause a port mismatch
event.
1 COMPARED P2.6 pin logic value is compared to P2MAT.6.
5 B5 0 RW Port 2 Bit 5 Mask Value.
See bit 6 description
4 B4 0 RW Port 2 Bit 4 Mask Value.
See bit 6 description
3 B3 0 RW Port 2 Bit 3 Mask Value.
See bit 6 description
2 B2 0 RW Port 2 Bit 2 Mask Value.
See bit 6 description
1 B1 0 RW Port 2 Bit 1 Mask Value.
See bit 6 description
0 B0 0 RW Port 2 Bit 0 Mask Value.
See bit 6 description
EFM8BB3 Reference Manual
Port I/O, Crossbar, External Interrupts, and Port Match
silabs.com | Building a more connected world. Rev. 0.4 | 138

11.4.18 P2MAT: Port 2 Match
Bit 7 6 5 4 3 2 1 0
Name Reserved B6 B5 B4 B3 B2 B1 B0
Access R RW RW RW RW RW RW RW
Reset 1 1 1 1 1 1 1 1
SFR Page = 0x20; SFR Address: 0xFB
Bit Name Reset Access Description
7 Reserved Must write reset value.
6 B6 1 RW Port 2 Bit 6 Match Value.
Value Name Description
0 LOW P2.6 pin logic value is compared with logic LOW.
1 HIGH P2.6 pin logic value is compared with logic HIGH.
5 B5 1 RW Port 2 Bit 5 Match Value.
See bit 6 description
4 B4 1 RW Port 2 Bit 4 Match Value.
See bit 6 description
3 B3 1 RW Port 2 Bit 3 Match Value.
See bit 6 description
2 B2 1 RW Port 2 Bit 2 Match Value.
See bit 6 description
1 B1 1 RW Port 2 Bit 1 Match Value.
See bit 6 description
0 B0 1 RW Port 2 Bit 0 Match Value.
See bit 6 description
EFM8BB3 Reference Manual
Port I/O, Crossbar, External Interrupts, and Port Match
silabs.com | Building a more connected world. Rev. 0.4 | 139

11.4.19 P2: Port 2 Pin Latch
Bit 7 6 5 4 3 2 1 0
Name Reserved B6 B5 B4 B3 B2 B1 B0
Access R RW RW RW RW RW RW RW
Reset 0 1 1 1 1 1 1 1
SFR Page = ALL; SFR Address: 0xA0 (bit-addressable)
Bit Name Reset Access Description
7 Reserved Must write reset value.
6 B6 1 RW Port 2 Bit 6 Latch.
Value Name Description
0 LOW P2.6 is low. Set P2.6 to drive low.
1 HIGH P2.6 is high. Set P2.6 to drive or float high.
5 B5 1 RW Port 2 Bit 5 Latch.
See bit 6 description
4 B4 1 RW Port 2 Bit 4 Latch.
See bit 6 description
3 B3 1 RW Port 2 Bit 3 Latch.
See bit 6 description
2 B2 1 RW Port 2 Bit 2 Latch.
See bit 6 description
1 B1 1 RW Port 2 Bit 1 Latch.
See bit 6 description
0 B0 1 RW Port 2 Bit 0 Latch.
See bit 6 description
Writing this register sets the port latch logic value for the associated I/O pins configured as digital I/O.
Reading this register returns the logic value at the pin, regardless if it is configured as output or input.
EFM8BB3 Reference Manual
Port I/O, Crossbar, External Interrupts, and Port Match
silabs.com | Building a more connected world. Rev. 0.4 | 140

11.4.20 P2MDIN: Port 2 Input Mode
Bit 7 6 5 4 3 2 1 0
Name Reserved B6 B5 B4 B3 B2 B1 B0
Access R RW RW RW RW RW RW RW
Reset 1 1 1 1 1 1 1 1
SFR Page = 0x20; SFR Address: 0xF3
Bit Name Reset Access Description
7 Reserved Must write reset value.
6 B6 1 RW Port 2 Bit 6 Input Mode.
Value Name Description
0 ANALOG P2.6 pin is configured for analog mode.
1 DIGITAL P2.6 pin is configured for digital mode.
5 B5 1 RW Port 2 Bit 5 Input Mode.
See bit 6 description
4 B4 1 RW Port 2 Bit 4 Input Mode.
See bit 6 description
3 B3 1 RW Port 2 Bit 3 Input Mode.
See bit 6 description
2 B2 1 RW Port 2 Bit 2 Input Mode.
See bit 6 description
1 B1 1 RW Port 2 Bit 1 Input Mode.
See bit 6 description
0 B0 1 RW Port 2 Bit 0 Input Mode.
See bit 6 description
Port pins configured for analog mode have their weak pullup, digital driver, and digital receiver disabled.
EFM8BB3 Reference Manual
Port I/O, Crossbar, External Interrupts, and Port Match
silabs.com | Building a more connected world. Rev. 0.4 | 141

11.4.21 P2MDOUT: Port 2 Output Mode
Bit 7 6 5 4 3 2 1 0
Name Reserved B6 B5 B4 B3 B2 B1 B0
Access R RW RW RW RW RW RW RW
Reset 0 0 0 0 0 0 0 0
SFR Page = 0x0, 0x20; SFR Address: 0xA6
Bit Name Reset Access Description
7 Reserved Must write reset value.
6 B6 0 RW Port 2 Bit 6 Output Mode.
Value Name Description
0 OPEN_DRAIN P2.6 output is open-drain.
1 PUSH_PULL P2.6 output is push-pull.
5 B5 0 RW Port 2 Bit 5 Output Mode.
See bit 6 description
4 B4 0 RW Port 2 Bit 4 Output Mode.
See bit 6 description
3 B3 0 RW Port 2 Bit 3 Output Mode.
See bit 6 description
2 B2 0 RW Port 2 Bit 2 Output Mode.
See bit 6 description
1 B1 0 RW Port 2 Bit 1 Output Mode.
See bit 6 description
0 B0 0 RW Port 2 Bit 0 Output Mode.
See bit 6 description
EFM8BB3 Reference Manual
Port I/O, Crossbar, External Interrupts, and Port Match
silabs.com | Building a more connected world. Rev. 0.4 | 142

11.4.22 P2SKIP: Port 2 Skip
Bit 7 6 5 4 3 2 1 0
Name Reserved B3 B2 B1 B0
Access R RW RW RW RW
Reset 0x0 0 0 0 0
SFR Page = 0x20; SFR Address: 0xCC
Bit Name Reset Access Description
7:4 Reserved Must write reset value.
3 B3 0 RW Port 2 Bit 3 Skip.
Value Name Description
0 NOT_SKIPPED P2.3 pin is not skipped by the crossbar.
1 SKIPPED P2.3 pin is skipped by the crossbar.
2 B2 0 RW Port 2 Bit 2 Skip.
See bit 3 description
1 B1 0 RW Port 2 Bit 1 Skip.
See bit 3 description
0 B0 0 RW Port 2 Bit 0 Skip.
See bit 3 description
EFM8BB3 Reference Manual
Port I/O, Crossbar, External Interrupts, and Port Match
silabs.com | Building a more connected world. Rev. 0.4 | 143

11.4.23 P3: Port 3 Pin Latch
Bit 7 6 5 4 3 2 1 0
Name B7 Reserved B4 B3 B2 B1 B0
Access RW R RW RW RW RW RW
Reset 1 0x0 1 1 1 1 1
SFR Page = ALL; SFR Address: 0xB0 (bit-addressable)
Bit Name Reset Access Description
7 B7 1 RW Port 3 Bit 7 Latch.
Value Name Description
0 LOW P3.7 is low. Set P3.7 to drive low.
1 HIGH P3.7 is high. Set P3.7 to drive or float high.
6:5 Reserved Must write reset value.
4 B4 1 RW Port 3 Bit 4 Latch.
See bit 7 description
3 B3 1 RW Port 3 Bit 3 Latch.
See bit 7 description
2 B2 1 RW Port 3 Bit 2 Latch.
See bit 7 description
1 B1 1 RW Port 3 Bit 1 Latch.
See bit 7 description
0 B0 1 RW Port 3 Bit 0 Latch.
See bit 7 description
Writing this register sets the port latch logic value for the associated I/O pins configured as digital I/O.
Reading this register returns the logic value at the pin, regardless if it is configured as output or input.
EFM8BB3 Reference Manual
Port I/O, Crossbar, External Interrupts, and Port Match
silabs.com | Building a more connected world. Rev. 0.4 | 144

11.4.24 P3MDIN: Port 3 Input Mode
Bit 7 6 5 4 3 2 1 0
Name B7 Reserved B4 B3 B2 B1 B0
Access RW R RW RW RW RW RW
Reset 1 0x3 1 1 1 1 1
SFR Page = 0x20; SFR Address: 0xF4
Bit Name Reset Access Description
7 B7 1 RW Port 3 Bit 7 Input Mode.
Value Name Description
0 ANALOG P3.7 pin is configured for analog mode.
1 DIGITAL P3.7 pin is configured for digital mode.
6:5 Reserved Must write reset value.
4 B4 1 RW Port 3 Bit 4 Input Mode.
See bit 7 description
3 B3 1 RW Port 3 Bit 3 Input Mode.
See bit 7 description
2 B2 1 RW Port 3 Bit 2 Input Mode.
See bit 7 description
1 B1 1 RW Port 3 Bit 1 Input Mode.
See bit 7 description
0 B0 1 RW Port 3 Bit 0 Input Mode.
See bit 7 description
Port pins configured for analog mode have their weak pullup, digital driver, and digital receiver disabled.
EFM8BB3 Reference Manual
Port I/O, Crossbar, External Interrupts, and Port Match
silabs.com | Building a more connected world. Rev. 0.4 | 145

11.4.25 P3MDOUT: Port 3 Output Mode
Bit 7 6 5 4 3 2 1 0
Name B7 Reserved B4 B3 B2 B1 B0
Access RW R RW RW RW RW RW
Reset 0 0x0 0 0 0 0 0
SFR Page = 0x20; SFR Address: 0x9C
Bit Name Reset Access Description
7 B7 0 RW Port 3 Bit 7 Output Mode.
Value Name Description
0 OPEN_DRAIN P3.7 output is open-drain.
1 PUSH_PULL P3.7 output is push-pull.
6:5 Reserved Must write reset value.
4 B4 0 RW Port 3 Bit 4 Output Mode.
See bit 7 description
3 B3 0 RW Port 3 Bit 3 Output Mode.
See bit 7 description
2 B2 0 RW Port 3 Bit 2 Output Mode.
See bit 7 description
1 B1 0 RW Port 3 Bit 1 Output Mode.
See bit 7 description
0 B0 0 RW Port 3 Bit 0 Output Mode.
See bit 7 description
EFM8BB3 Reference Manual
Port I/O, Crossbar, External Interrupts, and Port Match
silabs.com | Building a more connected world. Rev. 0.4 | 146

11.5 INT0 and INT1 Control Registers
11.5.1 IT01CF: INT0/INT1 Configuration
Bit 7 6 5 4 3 2 1 0
Name IN1PL IN1SL IN0PL IN0SL
Access RW RW RW RW
Reset 0 0x0 0 0x1
SFR Page = 0x0, 0x10; SFR Address: 0xE4
Bit Name Reset Access Description
7 IN1PL 0 RW INT1 Polarity.
Value Name Description
0 ACTIVE_LOW INT1 input is active low.
1 ACTIVE_HIGH INT1 input is active high.
6:4 IN1SL 0x0 RW INT1 Port Pin Selection.
These bits select which port pin is assigned to INT1. This pin assignment is independent of the Crossbar; INT1 will monitor
the assigned port pin without disturbing the peripheral that has been assigned the port pin via the Crossbar. The Crossbar
will not assign the port pin to a peripheral if it is configured to skip the selected pin.
Value Name Description
0x0 P0_0 Select P0.0.
0x1 P0_1 Select P0.1.
0x2 P0_2 Select P0.2.
0x3 P0_3 Select P0.3.
0x4 P0_4 Select P0.4.
0x5 P0_5 Select P0.5.
0x6 P0_6 Select P0.6.
0x7 P0_7 Select P0.7.
3 IN0PL 0 RW INT0 Polarity.
Value Name Description
0 ACTIVE_LOW INT0 input is active low.
1 ACTIVE_HIGH INT0 input is active high.
2:0 IN0SL 0x1 RW INT0 Port Pin Selection.
These bits select which port pin is assigned to INT0. This pin assignment is independent of the Crossbar; INT0 will monitor
the assigned port pin without disturbing the peripheral that has been assigned the port pin via the Crossbar. The Crossbar
will not assign the port pin to a peripheral if it is configured to skip the selected pin.
Value Name Description
0x0 P0_0 Select P0.0.
0x1 P0_1 Select P0.1.
0x2 P0_2 Select P0.2.
EFM8BB3 Reference Manual
Port I/O, Crossbar, External Interrupts, and Port Match
silabs.com | Building a more connected world. Rev. 0.4 | 147

Bit Name Reset Access Description
0x3 P0_3 Select P0.3.
0x4 P0_4 Select P0.4.
0x5 P0_5 Select P0.5.
0x6 P0_6 Select P0.6.
0x7 P0_7 Select P0.7.
EFM8BB3 Reference Manual
Port I/O, Crossbar, External Interrupts, and Port Match
silabs.com | Building a more connected world. Rev. 0.4 | 148

12. Analog to Digital Converter (ADC0)
12.1 Introduction
The ADC is a successive-approximation-register (SAR) ADC with 12- and 10-bit modes, integrated track-and hold and a programmable
window detector. The ADC is fully configurable under software control via several registers. The ADC may be configured to measure
different signals using the analog multiplexer. The voltage reference for the ADC is selectable between internal and external reference
sources.
ADC0
External Pins Window Compare
SYSCLK Clock
Divider
Less
Than
Greater
Than
Device Ground
AGND
0.25x – 1x
gain
Control /
Configuration
ADC0
VDD
VREF
Internal LDO
1.65 V Internal
Reference
Conversion
Trigger Selection
ADWINT
(Window Interrupt)
SARCLK
Temp
Sensor
VDD
GND
Internal LDO
Input Multiplexer
Selection
ADBUSY (On Demand)
Timer 0 / 2 / 3 / 4 / 5 Overflow
CNVSTR Rising Edge (External Pin)
ADINT
(Interrupt Flag)
Reference
Selection
CEX5 Rising Edge (PCA)
1.2 / 2.4V Precision
Reference
HFOSC0
ADCCLK
CLU0 / 1 / 2 / 3 Output (Logic Function)
SAR Analog to
Digital Converter
to XDATA Memory Space
Accumulate and Shift
Conversion
Sequencing and
Direct-to-Memory
Output
Figure 12.1. ADC Block Diagram
EFM8BB3 Reference Manual
Analog to Digital Converter (ADC0)
silabs.com | Building a more connected world. Rev. 0.4 | 149

12.2 Features
• Up to 20 external inputs
• Single-ended 12-bit and 10-bit modes
• Supports an output update rate of up to 350 ksps in 12-bit mode
• Channel sequencer logic with direct-to-XDATA output transfers
• Operation in a low power mode at lower conversion speeds
• Asynchronous hardware conversion trigger, selectable between software, external I/O and internal timer and configurable logic sour-
ces
• Output data window comparator allows automatic range checking
• Support for output data accumulation
• Conversion complete and window compare interrupts supported
• Flexible output data formatting
• Includes a fully-internal fast-settling 1.65 V reference and an on-chip precision 2.4 / 1.2 V reference, with support for using the sup-
ply as the reference, an external reference and signal ground
• Integrated temperature sensor
12.3 Functional Description
12.3.1 Input Selection
The ADC has an analog multiplexer which allows selection of external pins, the on-chip temperature sensor, the internal regulated sup-
ply, the VDD supply, or GND. ADC input channels are selected using the ADC0MX register.
Note: Any port pins selected as ADC inputs should be configured as analog inputs in their associated port configuration register, and
configured to be skipped by the crossbar.
12.3.1.1 Multiplexer Channel Selection
Table 12.1. ADC0 Input Multiplexer Channels
ADC0MX setting Signal Name Enumeration Name QFN32 / QFP32
Pin Name
QSOP24
Pin Name
QFN24
Pin Name
00000 ADC0.0 ADC0P0 P0.1 P0.1 P0.1
00001 ADC0.1 ADC0P1 P0.2 P0.2 P0.2
00010 ADC0.2 ADC0P2 P0.4 P0.4 P0.4
00011 ADC0.3 ADC0P3 P0.5 P0.5 P0.5
00100 ADC0.4 ADC0P4 P0.6 P0.6 P0.6
00101 ADC0.5 ADC0P5 P0.7 P0.7 P0.7
00110 ADC0.6 ADC0P6 P1.0 P1.0 P1.0
00111 ADC0.7 ADC0P7 P1.1 P1.1 P1.1
01000 ADC0.8 ADC0P8 P1.2 P1.2 P1.2
01001 ADC0.9 ADC0P9 P1.3 P1.4 P1.4
01010 ADC0.10 ADC0P10 P1.4 P1.5 P1.5
01011 ADC0.11 ADC0P11 P1.5 P1.6 P1.6
01100 ADC0.12 ADC0P12 P1.6 P1.7 Reserved
01101 ADC0.13 ADC0P13 P1.7 Reserved Reserved
01110 ADC0.14 ADC0P14 P2.1 Reserved Reserved
EFM8BB3 Reference Manual
Analog to Digital Converter (ADC0)
silabs.com | Building a more connected world. Rev. 0.4 | 150

ADC0MX setting Signal Name Enumeration Name QFN32 / QFP32
Pin Name
QSOP24
Pin Name
QFN24
Pin Name
01111 ADC0.15 ADC0P15 P2.2 Reserved Reserved
10000 ADC0.16 ADC0P16 P2.3 Reserved Reserved
10001 ADC0.17 ADC0P17 P2.4 Reserved Reserved
10010 ADC0.18 ADC0P18 P2.5 Reserved Reserved
10011 ADC0.19 ADC0P19 P2.6 Reserved Reserved
10100 ADC0.20 TEMP Internal Temperature Sensor
10101 ADC0.21 LDO_OUT Internal 1.8 V LDO Output
10110 ADC0.22 VDD VDD Supply Pin
10111 ADC0.23 GND GND Supply Pin
11000 - 11110 ADC0.24 - ADC0.30 Reserved Reserved Reserved
11111 ADC0.31 NONE No connection
12.3.2 Gain Setting
The ADC has gain settings of 1x, 0.75x, 0.5x and 0.25x. In 1x mode, the full scale reading of the ADC is determined directly by VREF.
In the other modes, the full-scale reading of the ADC occurs when the input voltage is equal to VREF divided by the selected gain. For
example, in 0.5x mode, the full scale input voltage is VREF / 0.5 = VREF x 2. The lower gain settings can be useful to obtain a higher
input voltage range when using a small VREF voltage, or to measure input voltages that are between VREF and the supply voltage.
Gain settings for the ADC are controlled by the ADGN field in register ADC0CN0. Note that even with the lower gain settings, voltages
above the supply rail cannot be measured directly by the ADC.
12.3.3 Voltage Reference Options
The voltage reference multiplexer is configurable to use a number of different internal and external reference sources. The ground ref-
erence mux allows the ground reference for ADC0 to be selected between the ground pin (GND) or a port pin dedicated to analog
ground (AGND). The voltage and ground reference options are configured using the REF0CN register. The REFSL field selects be-
tween the different reference options, while GNDSL configures the ground connection.
12.3.3.1 Internal Voltage Reference
The high-speed internal reference is self-contained and stabilized. It is not routed to an external pin and requires no external decou-
pling. When selected, the internal reference will be automatically enabled/disabled on an as-needed basis by the ADC. The reference is
nominally 1.65 V. The electrical specification tables in the datasheet have more information about the accuracy of this reference source.
12.3.3.2 Supply or LDO Voltage Reference
For applications with a non-varying power supply voltage, using the power supply as the voltage reference can provide the ADC with
added dynamic range at the cost of reduced power supply noise rejection. Additionally, the internal LDO supply to the core may be
used as a reference. Neither of these reference sources are routed to the VREF pin, and do not require additional external decoupling.
12.3.3.3 External Voltage Reference
An external reference may be applied to the VREF pin. Bypass capacitors should be added as recommended by the manufacturer of
the external voltage reference. If the manufacturer does not provide recommendations, a 4.7 µF in parallel with a 0.1 µF capacitor is
recommended.
Note: The VREF pin is a multi-function GPIO pin. When using an external voltage reference, VREF should be configured as an analog
input and skipped by the crossbar.
EFM8BB3 Reference Manual
Analog to Digital Converter (ADC0)
silabs.com | Building a more connected world. Rev. 0.4 | 151

12.3.3.4 Precision Voltage Reference
The precision voltage reference source is an on-chip block which requires external bypass (see the VREF chapter for details). The pre-
cision reference is routed to the VREF pin. To use the precision reference with the ADC, it should be enabled and settled, and the
ADC's REFSL field should be set to the VREF pin setting.
12.3.3.5 Ground Reference
To prevent ground noise generated by switching digital logic from affecting sensitive analog measurements, a separate analog ground
reference option is available. When enabled, the ground reference for the ADC during both the tracking/sampling and the conversion
periods is taken from the AGND pin. Any external sensors sampled by the ADC should be referenced to the AGND pin. If an external
voltage reference is used, the AGND pin should be connected to the ground of the external reference and its associated decoupling
capacitor. The separate analog ground reference option is enabled by setting GNDSL to 1. Note that when sampling the internal tem-
perature sensor, the internal chip ground is always used for the sampling operation, regardless of the setting of the GNDSL bit. Similar-
ly, whenever the internal high-speed reference is selected, the internal chip ground is always used during the conversion period, re-
gardless of the setting of the GNDSL bit.
Note: The AGND pin is a multi-function GPIO pin. When using AGND as the ground reference to the ADC, AGND should be configured
as an analog input and skipped by the crossbar.
12.3.4 Clocking
The ADC clock (ADCCLK) can be selected from one of two sources using the ADCLKSEL field in ADC0CF0. The default selection is
the system clock (SYSCLK). For applications requiring faster conversions but using a slower system clock, the HFOSC0 oscillator may
be selected as the ADC clock source. ADCCLK is used to clock registers and other logic in the ADC.
The conversion process is driven by the SAR clock (SARCLK). SARCLK is a divided version of the ADCCLK. The ADSC field in
ADC0CF0 determines the divide ratio for SARCLK. In most applications, SARCLK should be adjusted to operate as fast as possible,
without exceeding the maximum SAR clock frequency of 18 MHz.
EFM8BB3 Reference Manual
Analog to Digital Converter (ADC0)
silabs.com | Building a more connected world. Rev. 0.4 | 152

12.3.5 Timing
Each ADC conversion may consist of multiple phases: power-up, tracking, and conversion. The power-up phase allows time for the
ADC and internal reference circuitry to power on before sampling the input and performing a conversion. The power-up phase is option-
al, and used only when the ADC is configured to power off after the conversion is complete (IPOEN = 1). When IPOEN = 1, the ADC
will power up, accumulate the requested number of conversions, and then power back off. The power-up phase is only present before
the first conversion.
The tracking phase is the time period when the ADC multiplexer is connected to the selected input and sampled. Tracking can be de-
fined to occur whenever a conversion is not in progress, or the ADC may be configured to track the input for a specific time prior to
each conversion. When accumulating multiple conversions, it is important that the ADTK field be programmed for sufficient tracking
between each conversion.
At the end of the tracking phase, the sample/hold circuit disconnects the input from the selected channel, and the sampled voltage is
then converted to a digital value during the conversion phase.
PUPhase TK CNVoff
off = ADC shut down.
PU = Power-Up Phase. Timing Defined by ADPWR field.
TK = Tracking Phase. Timing Defined by ADTK field.
CNV = Conversion Phase. Timing depends on resolution and SARCLK.
Conversion
Trigger
TK CNV off
Accumulation
Complete,
ADINT = 1
TK CNV
Conversions taken back-to-back until
accumulation is finished.
Figure 12.2. ADC Timing With IPOEN = 1
Phase tracking
tracking = Converter tracking selected input any time conversion is not in progress.
TK = Tracking Phase. Timing Defined by ADTK field.
CNV = Conversion Phase. Timing depends on resolution and SARCLK.
Conversion
Trigger
trackingTK CNV TK CNV
Accumulation
Complete,
ADINT = 1
TK CNV
Conversions taken back-to-back until
accumulation is finished.
Figure 12.3. ADC Timing With IPOEN = 0
12.3.5.1 Input Tracking
Each ADC conversion must be preceded by a minimum tracking time to allow the voltage on the sampling capacitor to settle, and for
the converted result to be accurate.
EFM8BB3 Reference Manual
Analog to Digital Converter (ADC0)
silabs.com | Building a more connected world. Rev. 0.4 | 153

Settling Time Requirements
The absolute minimum tracking time is given in the electrical specifications tables, and will vary based on whether the ADC is in low
power mode. It may be necessary to track for longer than the minimum tracking time specification, depending on the application. For
example, if the ADC input is presented with a large series impedance, it will take longer for the sampling cap to settle on the final value
during the tracking phase. The exact amount of tracking time required is a function of all series impedance (including the internal mux
impedance and any external impedance sources), the sampling capacitance, and the desired accuracy.
RMUX
CSAMPLE
RCInput= RMUX * CSAMPLE
MUX Select
Input
Channel
Note: The value of CSAMPLE depends on the PGA gain. See the electrical specifications for details.
Figure 12.4. ADC Equivalent Input Circuit
The required ADC0 settling time for a given settling accuracy (SA) may be approximated as follows:
t= ln
(
2n
SA
)
xRTOTAL xCSAMPLE
Where: SA is the settling accuracy, given as a fraction of an LSB (for example, 0.25 to settle within 1/4 LSB)
t is the required settling time in seconds
RTOTAL is the sum of the ADC mux resistance and any external source resistance.
CSAMPLE is the size of the ADC sampling capacitor.
n is the ADC resolution in bits.
When measuring any internal source, RTOTAL reduces to RMUX. See the electrical specification tables in the datasheet for ADC mini-
mum settling time requirements as well as the mux impedance and sampling capacitor values.
Configuring the Tracking Time
The ADTK field configures the amount of time which will be allocated for input tracking by the ADC conversion logic.
When IPOEN is set to 1, firmware must always configure the ADTK field to allow adequate tracking and settling of the selected input.
The tracking time will be applied after the power-up phase is complete, and before the conversion begins.
When IPOEN is cleared to 0, the ADC-timed tracking phase will still be applied before every conversion. If ADRPT is configured to
accumulate multiple conversions, firmware must configure the ADTK bits to ensure that adequate tracking is given to every conversion.
However, the ADC will continue to track the input whenever it is not actively performing a conversion. ADTK may be set to zero, provi-
ded that ADRPT is configured for single conversions, and adequate tracking time is allowed for in-between every conversion.
12.3.5.2 Power-Up Timing
The ADC requires up to 1.2 µs to power up and settle all internal circuitry. When IPOEN is set to 1, the ADC will power down between
conversions to save energy. Firmware must configure the ADPWR field to allow adequate time for the ADC and internal reference cir-
cuitry to power up before each conversion.
When IPOEN is cleared to 0, the ADPWR time is not applied. This is primarily useful when operating the ADC in faster data acquisition
systems. When firmware enables the ADC from a powered-down state, it must take the required power time into account before initiat-
ing a conversion. Once the ADC is powered on in this mode, it will remain powered up and the power-up time is not needed between
subsequent conversions.
EFM8BB3 Reference Manual
Analog to Digital Converter (ADC0)
silabs.com | Building a more connected world. Rev. 0.4 | 154

12.3.5.3 Conversion Resolution and Timing
The conversion resolution is adjusted using the ADBITS field in ADC0CN1, and selectable between 12- and 10-bit modes. The total
amount of time required for a conversion is equal to:
Total Conversion Time = RPT × (ADTK + NUMBITS + 1) × T(SARCLK) + (T(ADCCLK) × 4)
where RPT is the number of conversions represented by the ADRPT field and ADCCLK is the clock selected for the ADC. Up to one
SYSCLK of synchronization time is also required when triggering from the external CNVSTR pin source.
12.3.6 Initiating Conversions
Conversions may be initiated in many ways, depending on the programmed state of the ADCM bitfield. The following options are availa-
ble as conversion trigger sources:
1. Software-triggered—Writing a 1 to the ADBUSY bit initiates conversions.
2. Hardware-triggered—An automatic internal event such as a timer overflow initiates conversions.
3. External pin-triggered—A rising edge on the CNVSTR input signal initiates conversions.
Note: The CNVSTR pin is a multi-function GPIO pin. When the CNVSTR input is used as the ADC conversion source, the associ-
ated port pin should be skipped in the crossbar settings.
Basic converter operation is straightforward. The selected conversion trigger will begin the conversion cycle. Writing a 1 to ADBUSY
provides software control of ADC0 whereby conversions are performed "on-demand". All other trigger sources occur autonomous to
code execution. Each conversion cycle may consist of one or more conversions, as determined by the ADRPT setting. Individual con-
versions from the ADC will be accumulated until the requested number of conversions has been accumulated. When the converter is
finished accumulating conversions, the ADINT flag will be posted and firmware may read the output results from the ADC data registers
(ADC0H:ADC0L). Note that the first conversion in an accumulation sequence is triggered from the selected trigger source, while all sub-
sequent conversions in an accumulation sequence will be self-triggered upon completing the previous conversion.
During any conversion, the ADBUSY bit is set to logic 1 and reset to logic 0 when the conversion is complete. However, the ADBUSY
bit should not be used to poll for ADC conversion completion. It will read back 0 whenever the converter is not in the conversion phase,
and results may not yet be available in the ADC data registers. The ADC interrupt flag (ADINT) should be polled instead, when writing
polled-mode firmware.
12.3.7 Autoscan Mode
In addition to basic conversions, the ADC includes a flexible autoscan mode, which offloads much of the firmware tasks required to
collect information from the ADC. Autoscan allows multiple output words from the ADC to be collected on up to four contiguous ADC
channels without firmware intervention. ADC outputs are written to a firmware-designated area of XDATA space in the order they are
received. The firmware specifies the number of desired output words (up to 64) before a scan begins. When active, the scanner will
collect the requested number of output words from the ADC. At the end of a scan sequence, the autoscan hardware stores the current
state of select register fields, generates an interrupt, and optionally continues with a new scan.
Trigger Configuration
In autoscan mode, the ADC may be triggered by any of the trigger source options selected by ADCM. The STEN bit in ADC0ASCF
controls whether multiple triggers or a single trigger is required to complete the scan operation. When STEN is cleared to 0 (MULTI-
PLE_TRIGGERS), each (accumulated) conversion in the scan requires a new conversion trigger event. For example, if Timer 3 is the
selected ADC trigger source and the autoscan hardware is configured to accumulate 20 sets of 4 conversions, Timer 3 would need to
overflow 20 times to generate a trigger event for each conversion. When STEN is set to 1 (SINGLE_TRIGGER), an entire scan will be
performed using a single trigger. In the preceding example, the first conversion would be triggered from a Timer 3 overflow event, and
then the rest of the conversions would be automatically triggered by the scan hardware as each conversion completes.
Note: The converter must not be in the process of a normal conversion when entering autoscan mode. For this reason, firmware should
ensure that the desired trigger source will not trigger the ADC before ASEN is set to 1. The simplest way to do this is to leave ADCM
configured for software triggers until after ASEN is set to 1, and then select the desired trigger source.
EFM8BB3 Reference Manual
Analog to Digital Converter (ADC0)
silabs.com | Building a more connected world. Rev. 0.4 | 155

Channel Configuration
The scanner hardware is capable of collecting data from up to four contiguous ADC channels in sequence. The ADC0MX register de-
fines the first channel to be converted, and the NASCH field in ADC0ASCF defines the number of channels (1, 2, 3, or 4) to be conver-
ted. Channels are converted in circular fashion, one at a time. For example, if ADC0MX is configured to 0x02, NASCH is configured to
convert three channels, and nine conversions are requested, the autoscan hardware will collect a conversion from ADC0MX = 0x02,
then ADC0MX = 0x03, then ADC0MX = 0x04, then repeat at ADC0MX = 0x02, and so on until nine conversions are collected (three
conversions on each of the three channels).
The ADRPT setting is valid in autoscan mode, and each accumulated sample counts as one conversion output from the autoscan hard-
ware. If ADRPT is configured to accumulate 4 conversions and the scanner is configured to collect 9 samples, a total of 9 x 4, or 36
conversions will be performed. When scanning through multiple channels, the ADC will accumulate the requested number of conver-
sions on each channel before proceeding to the next channel.
Output Data Configuration
Data from the autoscanner is written directly into XDATA space, starting at an address defined by the 16-bit ADC0ASA register (the
combination of the two 8-bit registers ADC0ASAH and ADC0ASAL). ADC0ASA[11:1] correspond directly to bits 11:1 of the XRAM start-
ing address. This means that the starting address must occur on an even-numbered address location. The ENDIAN bit in ADC0ASAL
defines the endian-ness of the output data.
Each output word from the ADC will require two bytes of XDATA space. For a single scan consisting of 10 conversions, 20 XDATA
bytes are required to hold the output.
Note: The toolchain used for firmware development will not be automatically aware of the location for the scanner output. When using
the autoscan function, it is very important for the firmware developer to reserve the area intended for scanner output, to avoid conten-
tion with other variables.
Autoscan Operation
When ADC configuration is complete, firmware may place the ADC in scan mode by setting the ASEN bit in ADC0ASCF to 1. Note that
the scan does not immediately begin when the ASEN bit is set. ASEN places the ADC into autoscan mode, waiting for the first trigger to
occur. When ASEN is set, hardware will copy the contents of the ADC0ASAH, ADC0ASAL, AD0ASCNT and ADC0MX registers, as well
as the NASCH field in ADC0ASCF into local registers for the scanner to use. This allows firmware to immediately set up the parameters
for the following scan.
If only one scan is desired, firmware can immediately clear ASEN back to 0. Just as setting ASEN does not immediately begin a scan,
clearing ASEN does not immediately take the converter out of autoscan mode. Autoscan mode will only be halted if ASEN is 0 at the
completion of a scan operation. To terminate a scan in progress, firmware must disable the ADC completely with the ADEN bit.
When the ADC first enters autoscan mode, it waits for the selected conversion trigger to occur. In the case of software-triggered opera-
tion, firmware can begin the scan by setting the ADBUSY bit to 1. For timer-triggered conversions, firmware should enable the selected
timer.
The scan will proceed according to the configuration options until all of the operations specified by AD0ASCNT have been completed.
At the end of a scan operation, the scanner will set the AD0INT bit to 1, and check the status of ASEN. If ASEN is 0, autoscan mode is
terminated, and the converter will return to normal mode. If ASEN is 1 however, a new scan is immediately begun, scan settings are
loaded into the scanner's local registers, and the ADC waits for the next trigger to occur.
EFM8BB3 Reference Manual
Analog to Digital Converter (ADC0)
silabs.com | Building a more connected world. Rev. 0.4 | 156

Autoscan Example: Circular Buffer
This example shows the steps necessary to use autoscan mode to implement a 128-word ping-pong buffer for a single ADC channel in
XDATA. The buffer will consist of two 64-word (128-byte) areas in XDATA, beginning at 0x0000 and 0x0080, and the firmware is re-
sponsible for changing the scanner hardware at the appropriate intervals to keep a continual flow of data into memory. This example
assumes that the ADC will be triggered in multiple-trigger mode from a hardware source, such as a timer.
Buffer Lower
Half
(64 Words)
Buffer Upper
Half
(64 Words)
0x0000
0x007F
0x0080
0x00FF
XDATA Address
ADC Interrupt,
Scan Continues
ADC Interrupt,
Scan Continues
Figure 12.5. Circular Buffer Example
Initialization sequence:
1. Configure the ADC for no accumulation: Write ADRPT to 0.
2. Configure the input mux settings: Write ADC0MX to the desired channel, and write NASCH to 0.
3. Configure the starting address for the first half of the buffer: Write ADC0ASA[H:L] to 0x0000.
4. Configure to collect 64 samples: Write ADC0ASCNT to 63.
5. Initiate autoscan mode: Write ASEN to 1.
6. Configure the starting address for the second half of the buffer: Write ADC0ASA[H:L] to 0x0080.
7. Begin ADC conversions: Either start the conversion trigger source, or if the trigger source is already running, switch the ADC to use
it).
Interrupt Service Routine:
1. Clear AD0INT.
2. Configure the starting address for the opposite buffer: Write ADC0ASA[H:L] to 0x0000 if it is 0x0080, or vice-versa.
3. Process the data in the most recent buffer, or optionally signal to the main thread that data is ready to be processed.
EFM8BB3 Reference Manual
Analog to Digital Converter (ADC0)
silabs.com | Building a more connected world. Rev. 0.4 | 157

Autoscan Example: Single Scan of Two Channels
This example shows the steps necessary to use autoscan mode to implement a single scan of two adjacent mux channels into a 64-
word buffer (32 conversions per channel). In this example, a single software trigger is used to initiate the entire scan sequence.
CH1 data 1
0x0000
0x007F
XDATA Address ADC Interrupt,
Scan Stops
CH2 data 1
CH1 data 2
CH2 data 2
CH1 data 31
CH2 data 31
CH1 data 32
CH2 data 32
Figure 12.6. Circular Buffer Example
Initialization sequence:
1. Configure the ADC for no accumulation: Write ADRPT to 0.
2. Configure the ADC trigger source: Write ADCM to 0 for software triggers, and write STEN to 1 to enable a single-trigger autoscan.
3. Configure the input mux settings: Write ADC0MX to the starting (lowest-numbered) channel, and write NASCH to 1 (for two chan-
nels).
4. Configure the starting address for the memory output: Write ADC0ASA[H:L] to 0x0000.
5. Configure to collect 64 samples: Write ADC0ASCNT to 63.
6. Initiate autoscan mode: Write ASEN to 1.
7. Write ASEN to 0. This will instruct the scanner to stop upon scan completion.
8. Begin ADC conversions: Write ADBUSY to 1.
Interrupt Service Routine:
1. Clear AD0INT.
2. Process the data, or optionally signal to the main thread that data is ready to be processed.
EFM8BB3 Reference Manual
Analog to Digital Converter (ADC0)
silabs.com | Building a more connected world. Rev. 0.4 | 158

12.3.8 Output Formatting and Accumulation
The registers ADC0H and ADC0L contain the high and low bytes of the output conversion code from the ADC at the completion of each
conversion. Data may be accumulated over multiple conversions and the final output may be shifted right by a selectable amount, effec-
tively providing an "accumulate and average" function. In the following examples, 1 LSBn refers to the voltage of one LSB of the con-
verter at the specified resolution, calculated as VREF x 1 / 2n. An LSB12 would be calculated as VREF x 1/4096.
When the repeat count ADRPT is configured for a single conversion and the ADSJST field is configured for no shifting, output conver-
sion codes are represented in the selected resolution of the converter. Example codes are shown below for the different data formats
with ADRPT = 0, ADSJST = 0, and a gain setting of 1x (ADGN = 0). Unused bits in the ADC0H and ADC0L registers are set to 0.
Table 12.2. Output Coding, ADRPT = 0, ADSJST = 0
Input Voltage 10-bit
ADC0H:L
12-bit
ADC0H:L
VREF - 1 LSBn 0x03FF 0x0FFF
VREF / 2 0x0200 0x0800
VREF / 4 0x0100 0x0400
0 0x0000 0x0000
When the repeat count is greater than 1, the output conversion code represents the accumulated result of the conversions performed
and is updated after the last conversion in the series is finished. Sets of 4, 8, 16, or 32 consecutive samples can be accumulated and
represented in unsigned integer format. The repeat count can be selected using the ADRPT bit field. Unused bits in the ADC0H and
ADC0L registers are set to 0. The example below shows the right-justified result for various input voltages and repeat counts for 12-bit
conversions. Notice that accumulating 2n samples is equivalent to left-shifting by n bit positions when all samples returned from the
ADC have the same value.
Table 12.3. Effects of ADRPT on Output Code (12-bit conversions, ADSJST = 0)
Input Voltage Repeat Count = 4 Repeat Count = 8 Repeat Count = 16
VREF - 1 LSB12 0x3FFC 0x7FF8 0xFFF0
VREF / 2 0x2000 0x4000 0x8000
(VREF / 2) - 1 LSB12 0x1FFC 0x3FF8 0x7FF0
0 0x0000 0x0000 0x0000
Additionally, the ADSJST bit field can be used to format the contents of the 16-bit accumulator. The accumulated result can be shifted
right by 1, 2, or 3 bit positions, effectively dividing the output by 2, 4, or 8. The example below shows the effects of using ADSJST on a
12-bit sample.
Table 12.4. Using ADSJST for Output Formatting (12-bit conversions, ADRPT = 8)
Input Voltage ADSJST = 0
(no shift)
ADSJST = 1
(shift right 1 bit)
ADSJST = 3
(shift right 3 bits)
VREF - 1 LSB12 0x7FF8 0x3FFC 0x0FFF
VREF / 2 0x4000 0x2000 0x0800
(VREF / 2) - 1 LSB12 0x3FF8 0x1FFC 0x07FF
0 0x0000 0x0000 0x0000
EFM8BB3 Reference Manual
Analog to Digital Converter (ADC0)
silabs.com | Building a more connected world. Rev. 0.4 | 159

Integration (Preserving the Accumulator)
Some applications do not require accumulation for a defined period, but instead need to integrate samples until a specific threshold is
reached or a certain event occurs. For these applications, the accumulator clear function can be disabled by setting PACEN to 1. The
ADC will always add the latest result to the value present in the accumulator, and the accumulator will never be reset to 0 by hardware.
Firmware my over-write the accumulator output as needed by writing to ADC0H and ADC0L. ADRPT should be set to 0 by firmware
(single conversions) any time PACEN is set to 1.
EFM8BB3 Reference Manual
Analog to Digital Converter (ADC0)
silabs.com | Building a more connected world. Rev. 0.4 | 160

12.3.9 Window Comparator
The ADC's programmable window detector compares the ADC output registers to user-programmed limits, and notifies the system
when a desired condition is detected. This is especially effective in an interrupt driven system, saving code space and CPU bandwidth
while delivering faster system response times. The window detector interrupt flag (ADWINT) can also be used in polled mode. The ADC
Greater-Than (ADC0GTH, ADC0GTL) and Less-Than (ADC0LTH, ADC0LTL) registers hold the comparison values. The window detec-
tor flag can be programmed to indicate when measured data is inside or outside of the user-programmed limits, depending on the con-
tents of the ADC0GT and ADC0LT registers. The following tables show how the ADC0GT and ADC0LT registers may be configured to
set the ADWINT flag when the ADC output code is above, below, between, or outside of specific values.
Table 12.5. ADC Window Comparator Example (10-bit codes, Above 0x0080)
Comparison Register Settings Output Code (ADC0H:L) ADWINT Effects
0x03FF ADWINT = 1
...
0x0081
ADC0GTH:L = 0x0080 0x0080 ADWINT Not Affected
0x007F
...
0x0001
ADC0LTH:L = 0x0000 0x0000
Table 12.6. ADC Window Comparator Example (10-bit codes, Below 0x0040)
Comparison Register Settings Output Code (ADC0H:L) ADWINT Effects
ADC0GTH:L = 0x03FF 0x03FF ADWINT Not Affected
0x03FE
...
0x0041
ADC0LTH:L = 0x0040 0x0040
0x003F ADWINT = 1
...
0x0000
Table 12.7. ADC Window Comparator Example (10-bit codes, Between 0x0040 and 0x0080)
Comparison Register Settings Output Code (ADC0H:L) ADWINT Effects
0x03FF ADWINT Not Affected
...
0x0081
ADC0LTH:L = 0x0080 0x0080
0x007F ADWINT = 1
...
0x0041
EFM8BB3 Reference Manual
Analog to Digital Converter (ADC0)
silabs.com | Building a more connected world. Rev. 0.4 | 161

Comparison Register Settings Output Code (ADC0H:L) ADWINT Effects
ADC0GTH:L = 0x0040 0x0040 ADWINT Not Affected
0x003F
...
0x0000
Table 12.8. ADC Window Comparator Example (10-bit codes, Outside the 0x0040 to 0x0080 range)
Comparison Register Settings Output Code (ADC0H:L) ADWINT Effects
0x03FF ADWINT = 1
...
0x0081
ADC0GTH:L = 0x0080 0x0080 ADWINT Not Affected
0x007F
...
0x0041
ADC0LTH:L = 0x0040 0x0040
0x003F ADWINT = 1
...
0x0000
EFM8BB3 Reference Manual
Analog to Digital Converter (ADC0)
silabs.com | Building a more connected world. Rev. 0.4 | 162

12.3.10 Temperature Sensor
An on-chip analog temperature sensor is available to the ADC multiplexer input. To use the ADC to measure the temperature sensor,
the ADC mux channel should select the temperature sensor. The temperature sensor transfer function is shown in Figure 12.7 Temper-
ature Sensor Transfer Function on page 163. The output voltage (VTEMP) is the positive ADC input when the ADC multiplexer is set
correctly. The TEMPE bit in register ADC0CN0 enables/disables the temperature sensor. While disabled, the temperature sensor de-
faults to a high impedance state and any ADC measurements performed on the sensor will result in meaningless data. Refer to the
electrical specification tables for the slope and offset parameters of the temperature sensor.
Temperature
= ( Slope x ) + Offset
Offset
Slope
= ( - Offset ) / Slope
Voltage
(V at 0 deg Celsius)
(V / deg C)
Temp C
VTEMP
VTEMP
Temp C
Figure 12.7. Temperature Sensor Transfer Function
12.3.10.1 Temperature Sensor Calibration
For greater precision on absolute temperature measurements, offset and/or gain calibration may be performed in-system. Typically a 1-
point (offset) calibration includes the following steps:
1. Control/measure the ambient temperature (this temperature must be known).
2. Power the device, and delay for a few seconds to allow for self-heating.
3. Perform an ADC conversion with the temperature sensor selected as the ADC input.
4. Calculate the offset characteristics, and store this value in non-volatile memory for use with subsequent temperature sensor meas-
urements.
EFM8BB3 Reference Manual
Analog to Digital Converter (ADC0)
silabs.com | Building a more connected world. Rev. 0.4 | 163

12.4 ADC Control Registers
12.4.1 ADC0CN0: ADC0 Control 0
Bit 7 6 5 4 3 2 1 0
Name ADEN IPOEN ADINT ADBUSY ADWINT ADGN TEMPE
Access RW RW RW RW RW RW RW
Reset 0 0 0 0 0 0x0 0
SFR Page = 0x0, 0x30; SFR Address: 0xE8 (bit-addressable)
Bit Name Reset Access Description
7 ADEN 0 RW ADC Enable.
Value Name Description
0 DISABLED Disable ADC0 (low-power shutdown).
1 ENABLED Enable ADC0 (active and ready for data conversions).
6 IPOEN 0 RW Idle Powered-off Enable.
Value Name Description
0 ALWAYS_ON Keep ADC powered on when ADEN is 1.
1 POWER_DOWN Power down when ADC is idle (not converting).
5 ADINT 0 RW Conversion Complete Interrupt Flag.
Set by hardware upon completion of a data conversion (ADBMEN=0), or a burst of conversions (ADBMEN=1). Can trigger
an interrupt. Must be cleared by firmware.
4 ADBUSY 0 RW ADC Busy.
Writing 1 to this bit initiates an ADC conversion when ADCM = 000. This bit should not be polled to indicate when a conver-
sion is complete. Instead, the ADINT bit should be used when polling for conversion completion.
3 ADWINT 0 RW Window Compare Interrupt Flag.
Set by hardware when the contents of ADC0H:ADC0L fall within the window specified by ADC0GTH:ADC0GTL and
ADC0LTH:ADC0LTL. Can trigger an interrupt. Must be cleared by firmware.
2:1 ADGN 0x0 RW Gain Control.
Value Name Description
0x0 GAIN_1 The on-chip PGA gain is 1.
0x1 GAIN_0P75 The on-chip PGA gain is 0.75.
0x2 GAIN_0P5 The on-chip PGA gain is 0.5.
0x3 GAIN_0P25 The on-chip PGA gain is 0.25.
0 TEMPE 0 RW Temperature Sensor Enable.
Enables/Disables the internal temperature sensor.
Value Name Description
0 TEMP_DISABLED Disable the Temperature Sensor.
1 TEMP_ENABLED Enable the Temperature Sensor.
EFM8BB3 Reference Manual
Analog to Digital Converter (ADC0)
silabs.com | Building a more connected world. Rev. 0.4 | 164

12.4.2 ADC0CN1: ADC0 Control 1
Bit 7 6 5 4 3 2 1 0
Name ADBITS ADSJST ADRPT
Access RW RW RW
Reset 0x1 0x0 0x0
SFR Page = 0x0, 0x30; SFR Address: 0xB2
Bit Name Reset Access Description
7:6 ADBITS 0x1 RW Resolution Control.
Value Name Description
0x0 10_BIT ADC0 operates in 10-bit mode.
0x1 12_BIT ADC0 operates in 12-bit mode.
5:3 ADSJST 0x0 RW Accumulator Shift and Justify.
Specifies the format of data read from ADC0H:ADC0L. All remaining bit combinations are reserved.
Value Name Description
0x0 RIGHT_NO_SHIFT Right justified. No shifting applied.
0x1 RIGHT_SHIFT_1 Right justified. Shifted right by 1 bit.
0x2 RIGHT_SHIFT_2 Right justified. Shifted right by 2 bits.
0x3 RIGHT_SHIFT_3 Right justified. Shifted right by 3 bits.
2:0 ADRPT 0x0 RW Repeat Count.
Selects the number of conversions to perform and accumulate per ADC conversion trigger.
Value Name Description
0x0 ACC_1 Perform and Accumulate 1 conversion.
0x1 ACC_4 Perform and Accumulate 4 conversions.
0x2 ACC_8 Perform and Accumulate 8 conversions.
0x3 ACC_16 Perform and Accumulate 16 conversions.
0x4 ACC_32 Perform and Accumulate 32 conversions.
EFM8BB3 Reference Manual
Analog to Digital Converter (ADC0)
silabs.com | Building a more connected world. Rev. 0.4 | 165

12.4.3 ADC0CN2: ADC0 Control 2
Bit 7 6 5 4 3 2 1 0
Name PACEN Reserved ADCM
Access RW R RW
Reset 0 0x0 0x0
SFR Page = 0x0, 0x30; SFR Address: 0xB3
Bit Name Reset Access Description
7 PACEN 0 RW Preserve Accumulator Enable.
This bit controls whether the ADC accumulator is preserved for further accumulation from subsequent ADC conversions.
Value Name Description
0 PAC_DISABLED The ADC accumulator is over-written with the results of any conversion
(or set of conversions as specified by ADRPT).
1 PAC_ENABLED The ADC accumulator always adds new results to the existing output.
The accumulator is never cleared in this mode.
6:4 Reserved Must write reset value.
3:0 ADCM 0x0 RW Start of Conversion Mode Select.
Specifies the ADC0 start of conversion source. All remaining bit combinations are reserved.
Value Name Description
0x0 ADBUSY ADC0 conversion initiated on write of 1 to ADBUSY.
0x1 TIMER0 ADC0 conversion initiated on overflow of Timer 0.
0x2 TIMER2 ADC0 conversion initiated on overflow of Timer 2.
0x3 TIMER3 ADC0 conversion initiated on overflow of Timer 3.
0x4 CNVSTR ADC0 conversion initiated on rising edge of CNVSTR.
0x5 CEX5 ADC0 conversion initiated on rising edge of CEX5.
0x6 TIMER4 ADC0 conversion initiated on overflow of Timer 4.
0x7 TIMER5 ADC0 conversion initiated on overflow of Timer 5.
0x8 CLU0 ADC0 conversion initiated on CLU0 Output.
0x9 CLU1 ADC0 conversion initiated on CLU1 Output.
0xA CLU2 ADC0 conversion initiated on CLU2 Output.
0xB CLU3 ADC0 conversion initiated on CLU3 Output.
EFM8BB3 Reference Manual
Analog to Digital Converter (ADC0)
silabs.com | Building a more connected world. Rev. 0.4 | 166

12.4.4 ADC0CF0: ADC0 Configuration
Bit 7 6 5 4 3 2 1 0
Name ADSC ADCLKSEL Reserved
Access RW RW R
Reset 0x1F 0 0x0
SFR Page = 0x0, 0x30; SFR Address: 0xBC
Bit Name Reset Access Description
7:3 ADSC 0x1F RW SAR Clock Divider.
This field sets the ADC clock divider value. It should normally be configured to be as close to the maximum SAR clock
speed as the datasheet will allow. The SAR clock frequency is given by the following equation:
Fsarclk = (Fadcclk) / (ADSC + 1)
2 ADCLKSEL 0 RW ADC Clock Select.
Value Name Description
0 SYSCLK ADCCLK = SYSCLK.
1 HFOSC0 ADCCLK = HFOSC0.
1:0 Reserved Must write reset value.
12.4.5 ADC0CF1: ADC0 Configuration
Bit 7 6 5 4 3 2 1 0
Name ADLPM Reserved ADTK
Access RW R RW
Reset 0 0 0x1E
SFR Page = 0x0, 0x30; SFR Address: 0xB9
Bit Name Reset Access Description
7 ADLPM 0 RW Low Power Mode Enable.
This bit can be used to reduce power to the ADC's internal common mode buffer. It can be set to 1 to reduce power when
tracking times in the application are longer (slower sample rates) and the SAR clock frequency is slower.
Value Name Description
0 LP_DISABLED Disable low power mode.
1 LP_ENABLED Enable low power mode.
6 Reserved Must write reset value.
5:0 ADTK 0x1E RW Conversion Tracking Time.
This field sets the time delay before an conversion. This field should be set to the minimum settling time required for the
sampling capacitor voltage to settle.
Tadtk = ADTK / (Fsarclk)
EFM8BB3 Reference Manual
Analog to Digital Converter (ADC0)
silabs.com | Building a more connected world. Rev. 0.4 | 167

12.4.6 ADC0CF2: ADC0 Power Control
Bit 7 6 5 4 3 2 1 0
Name GNDSL REFSL ADPWR
Access RW RW RW
Reset 0 0x3 0x1F
SFR Page = 0x0, 0x30; SFR Address: 0xDF
Bit Name Reset Access Description
7 GNDSL 0 RW Analog Ground Reference.
Selects the ADC0 ground reference.
Value Name Description
0 GND_PIN The ADC0 ground reference is the GND pin.
1 AGND_PIN The ADC0 ground reference is the AGND pin.
6:5 REFSL 0x3 RW Voltage Reference Select.
Selects the ADC0 voltage reference.
Value Name Description
0x0 VREF_PIN The ADC0 voltage reference is the VREF pin (external or from the on-
chip reference).
0x1 VDD_PIN The ADC0 voltage reference is the VDD pin.
0x2 INTERNAL_LDO The ADC0 voltage reference is the internal 1.8 V digital supply voltage.
0x3 INTERNAL_VREF The ADC0 voltage reference is the internal voltage reference.
4:0 ADPWR 0x1F RW Power Up Delay Time.
This field sets the time delay allowed for the ADC to power up when IPOEN is set to 1. Power-up time is not applied if
IPOEN is 0.
Tpwrtime = ((4 * (ADPWR + 1)) + 2) / (Fadcclk)
12.4.7 ADC0L: ADC0 Data Word Low Byte
Bit 7 6 5 4 3 2 1 0
Name ADC0L
Access RW
Reset 0x00
SFR Page = 0x0, 0x30; SFR Address: 0xBD
Bit Name Reset Access Description
7:0 ADC0L 0x00 RW Data Word Low Byte.
When read, this register returns the least significant byte of the 16-bit ADC0 accumulator, formatted according to the set-
tings in ADSJST. The register may also be written, to set the lower byte of the 16-bit ADC0 accumulator.
If Accumulator shifting is enabled, the most significant bits of the value read will be zeros.
EFM8BB3 Reference Manual
Analog to Digital Converter (ADC0)
silabs.com | Building a more connected world. Rev. 0.4 | 168

12.4.8 ADC0H: ADC0 Data Word High Byte
Bit 7 6 5 4 3 2 1 0
Name ADC0H
Access RW
Reset 0x00
SFR Page = 0x0, 0x30; SFR Address: 0xBE
Bit Name Reset Access Description
7:0 ADC0H 0x00 RW Data Word High Byte.
When read, this register returns the most significant byte of the 16-bit ADC0 accumulator, formatted according to the set-
tings in ADSJST. The register may also be written, to set the upper byte of the 16-bit ADC0 accumulator.
If Accumulator shifting is enabled, the most significant bits of the value read will be zeros.
12.4.9 ADC0GTH: ADC0 Greater-Than High Byte
Bit 7 6 5 4 3 2 1 0
Name ADC0GTH
Access RW
Reset 0xFF
SFR Page = 0x0, 0x30; SFR Address: 0xC4
Bit Name Reset Access Description
7:0 ADC0GTH 0xFF RW Greater-Than High Byte.
Most significant byte of the 16-bit greater-than window compare register.
12.4.10 ADC0GTL: ADC0 Greater-Than Low Byte
Bit 7 6 5 4 3 2 1 0
Name ADC0GTL
Access RW
Reset 0xFF
SFR Page = 0x0, 0x30; SFR Address: 0xC3
Bit Name Reset Access Description
7:0 ADC0GTL 0xFF RW Greater-Than Low Byte.
Least significant byte of the 16-bit greater-than window compare register.
In 8-bit mode, this register should be set to 0x00.
EFM8BB3 Reference Manual
Analog to Digital Converter (ADC0)
silabs.com | Building a more connected world. Rev. 0.4 | 169

12.4.11 ADC0LTH: ADC0 Less-Than High Byte
Bit 7 6 5 4 3 2 1 0
Name ADC0LTH
Access RW
Reset 0x00
SFR Page = 0x0, 0x30; SFR Address: 0xC6
Bit Name Reset Access Description
7:0 ADC0LTH 0x00 RW Less-Than High Byte.
Most significant byte of the 16-bit less-than window compare register.
12.4.12 ADC0LTL: ADC0 Less-Than Low Byte
Bit 7 6 5 4 3 2 1 0
Name ADC0LTL
Access RW
Reset 0x00
SFR Page = 0x0, 0x30; SFR Address: 0xC5
Bit Name Reset Access Description
7:0 ADC0LTL 0x00 RW Less-Than Low Byte.
Least significant byte of the 16-bit less-than window compare register.
In 8-bit mode, this register should be set to 0x00.
12.4.13 ADC0MX: ADC0 Multiplexer Selection
Bit 7 6 5 4 3 2 1 0
Name Reserved ADC0MX
Access R RW
Reset 0x0 0x1F
SFR Page = 0x0, 0x30; SFR Address: 0xBB
Bit Name Reset Access Description
7:5 Reserved Must write reset value.
4:0 ADC0MX 0x1F RW AMUX0 Positive Input Selection.
Selects the positive input channel for ADC0. For reserved bit combinations, no input is selected.
EFM8BB3 Reference Manual
Analog to Digital Converter (ADC0)
silabs.com | Building a more connected world. Rev. 0.4 | 170

12.4.14 ADC0ASCF: ADC0 Autoscan Configuration
Bit 7 6 5 4 3 2 1 0
Name ASEN STEN ASACT Reserved NASCH
Access RW RW R R RW
Reset 0 0 0 0x0 0x0
SFR Page = 0x30; SFR Address: 0xA1
Bit Name Reset Access Description
7 ASEN 0 RW Autoscan Enable.
Value Name Description
0 HALT_SCAN Clearing to 0 will halt scan operations once any pending scan is com-
plete.
1 START_SCAN Setting to 1 will initialize a scan operation. If set to 1 at the end of a
scan, a new scan will begin.
6 STEN 0 RW Autoscan Single Trigger Enable.
Value Name Description
0 MULTIPLE_TRIGGERS Each conversion in a scan requires a new conversion trigger from the
selected conversion trigger source.
1 SINGLE_TRIGGER The selected conversion trigger source will begin each scan cycle. All
conversions within a scan cycle are performed automatically when the
previous conversion is complete.
5 ASACT 0 R Autoscan Active.
This bit indicates that the ADC is in scan mode. When in scan mode, the AD0INT flag will only be set on the completion of
a scan cycle.
4:2 Reserved Must write reset value.
1:0 NASCH 0x0 RW Number of Autoscan Channels.
Specifies the number of contiguous mux channels to cycle through in autoscan mode. This field may be changed during a
scan cycle to set up a new value for the next scan cycle.
Value Name Description
0x0 ONE Autoscan will only use the ADC0MX setting directly.
0x1 TWO Autoscan will alternate between ADC0MX and ADC0MX+1.
0x2 THREE Autoscan will cycle through ADC0MX, ADC0MX+1 and ADC0MX+2.
0x3 FOUR Autoscan will cycle through ADC0MX, ADC0MX+1, ADC0MX+2, and
ADC0MX+3.
EFM8BB3 Reference Manual
Analog to Digital Converter (ADC0)
silabs.com | Building a more connected world. Rev. 0.4 | 171

12.4.15 ADC0ASAH: ADC0 Autoscan Start Address High Byte
Bit 7 6 5 4 3 2 1 0
Name Reserved STADDRH
Access R RW
Reset 0x0 0x0
SFR Page = 0x30; SFR Address: 0xB6
Bit Name Reset Access Description
7:4 Reserved Must write reset value.
3:0 STADDRH 0x0 RW Start Address High.
This field contains the upper 4 bits of the XRAM starting address to use during a scan operation. This field may be changed
during a scan cycle to set up a new value for the next scan cycle.
12.4.16 ADC0ASAL: ADC0 Autoscan Start Address Low Byte
Bit 7 6 5 4 3 2 1 0
Name STADDRL ENDIAN
Access RW RW
Reset 0x00 0
SFR Page = 0x30; SFR Address: 0xB5
Bit Name Reset Access Description
7:1 STADDRL 0x00 RW Start Address Low.
This field contains bits 7-1 of the XRAM starting address to use during a scan operation. This field may be changed during
a scan cycle to set up a new value for the next scan cycle.
0 ENDIAN 0 RW Endianness Control.
This bit controls the byte order of the ADC results written to XRAM.
Value Name Description
0 BIG_ENDIAN ADC results in XRAM are stored in big-endian order. This will result in
the most significant byte stored in the even-numbered address.
1 LITTLE_ENDIAN ADC results in XRAM are stored in little-endian order. This will result in
the most significant byte stored in the odd-numbered address.
EFM8BB3 Reference Manual
Analog to Digital Converter (ADC0)
silabs.com | Building a more connected world. Rev. 0.4 | 172

12.4.17 ADC0ASCT: ADC0 Autoscan Output Count
Bit 7 6 5 4 3 2 1 0
Name Reserved ASCNT
Access R RW
Reset 0x0 0x00
SFR Page = 0x30; SFR Address: 0xC7
Bit Name Reset Access Description
7:6 Reserved Must write reset value.
5:0 ASCNT 0x00 RW Autoscan Output Count.
This field specifies how many ADC outputs to collect per scan cycle. The number of outputs collected on each scan cycle
will be equal to ASCNT+1. Note that each conversion requires two bytes of XRAM, and the number of bytes written to
XRAM during a scan will be equal to (ASCNT+1)*2. This field may be changed during a scan cycle to set up a new value
for the next scan cycle.
EFM8BB3 Reference Manual
Analog to Digital Converter (ADC0)
silabs.com | Building a more connected world. Rev. 0.4 | 173

13. Comparators (CMP0 and CMP1)
13.1 Introduction
An analog comparator is used to compare the voltage of two analog inputs, with a digital output indicating which input voltage is higher.
External input connections to device I/O pins and internal connections are available through separate multiplexers on the positive and
negative inputs. Hysteresis, response time, and current consumption may be programmed to suit the specific needs of the application.
CMPn
CMPn+
CMPn-
Programmable
Hysteresis
Programmable
Response Time
D
Q
Q
CPn
(synchronous)
CPnA
(asynchronous)
SYSCLK
GND
Negative Input
Selection
Port Pins
Positive Input
Selection
Internal LDO
Reference
DAC
Port Pins
VDD
VDD
Inversion
Figure 13.1. Comparator Block Diagram
13.2 Features
The comparator includes the following features:
• Up to 10 (CMP0) or 9 (CMP1) external positive inputs
• Up to 10 (CMP0) or 9 (CMP1) external negative inputs
• Additional input options:
• Internal connection to LDO output
• Direct connection to GND
• Direct connection to VDD
• Dedicated 6-bit reference DAC
• Synchronous and asynchronous outputs can be routed to pins via crossbar
• Programmable hysteresis between 0 and ±20 mV
• Programmable response time
• Interrupts generated on rising, falling, or both edges
• PWM output kill feature
13.3 Functional Description
13.3.1 Response Time and Supply Current
Response time is the amount of time delay between a change at the comparator inputs and the comparator's reaction at the output.
The comparator response time may be configured in software via the CPMD field in the CMPnMD register. Selecting a longer response
time reduces the comparator supply current, while shorter response times require more supply current.
EFM8BB3 Reference Manual
Comparators (CMP0 and CMP1)
silabs.com | Building a more connected world. Rev. 0.4 | 174

13.3.2 Hysteresis
The comparator hysteresis is software-programmable via its Comparator Control register CMPnCN. The user can program both the
amount of hysteresis voltage (referred to the input voltage) and the positive and negative-going symmetry of this hysteresis around the
threshold voltage.
The comparator hysteresis is programmable using the CPHYN and CPHYP fields in the Comparator Control Register CMPnCN. The
amount of negative hysteresis voltage is determined by the settings of the CPHYN bits. Settings of 20, 10, or 5 mV (nominal) of nega-
tive hysteresis can be programmed, or negative hysteresis can be disabled. In a similar way, the amount of positive hysteresis is deter-
mined by the setting the CPHYP bits.
CPn-
Positive programmable
hysteresis (CPHYP)
CPn+
Negative programmable
hysteresis (CPHYN)
CP0 (out)
Figure 13.2. Comparator Hysteresis Plot
13.3.3 Input Selection
Comparator inputs may be routed to port I/O pins or internal signals. When connected externally, the comparator inputs can be driven
from –0.25 V to (VDD) +0.25 V without damage or upset. The CMPnMX register selects the inputs for the associated comparator. The
CMXP field selects the comparator’s positive input (CPnP.x) and the CMXN field selects the comparator’s negative input (CPnN.x).
Note: Any port pins selected as comparator inputs should be configured as analog inputs in their associated port configuration register,
and configured to be skipped by the crossbar.
EFM8BB3 Reference Manual
Comparators (CMP0 and CMP1)
silabs.com | Building a more connected world. Rev. 0.4 | 175

13.3.3.1 Multiplexer Channel Selection
Table 13.1. CMP0 Positive Input Multiplexer Channels
CMXP Setting in
Register
CMP0MX
Signal Name Enumeration Name QFN32 / QFP32
Pin Name
QSOP24
Pin Name
QFN24
Pin Name
0000 CMP0P.0 CMP0P0 P0.1 P0.1 P0.1
0001 CMP0P.1 CMP0P1 P0.2 P0.2 P0.2
0010 CMP0P.2 CMP0P2 P0.4 P0.4 P0.4
0011 CMP0P.3 CMP0P3 P0.5 P0.5 P0.5
0100 CMP0P.4 CMP0P4 P0.6 P0.6 P0.6
0101 CMP0P.5 CMP0P5 P0.7 P0.7 P0.7
0110 CMP0P.6 CMP0P6 P1.0 Reserved Reserved
0111 CMP0P.7 CMP0P7 P1.1 Reserved Reserved
1000 CMP0P.8 CMP0P8 P1.2 Reserved Reserved
1001 CMP0P.9 CMP0P9 P1.7 Reserved Reserved
1010 CMP0P.10 LDO_OUT Internal 1.8 V LDO output
1011 CMP0P.11 VDD VDD Supply Pin
1100-1111 CMP0P.12 - CMP0P.15 No connection / Reserved
Table 13.2. CMP0 Negative Input Multiplexer Channels
CMXN Setting in
Register
CMP0MX
Signal Name Enumeration Name QFN32 / QFP32
Pin Name
QSOP24
Pin Name
QFN24
Pin Name
0000 CMP0N.0 CMP0N0 P0.1 P0.1 P0.1
0001 CMP0N.1 CMP0N1 P0.2 P0.2 P0.2
0010 CMP0N.2 CMP0N2 P0.4 P0.4 P0.4
0011 CMP0N.3 CMP0N3 P0.5 P0.5 P0.5
0100 CMP0N.4 CMP0N4 P0.6 P0.6 P0.6
0101 CMP0N.5 CMP0N5 P0.7 P0.7 P0.7
0110 CMP0N.6 CMP0N6 P1.0 Reserved Reserved
0111 CMP0N.7 CMP0N7 P1.1 Reserved Reserved
1000 CMP0N.8 CMP0N8 P1.2 Reserved Reserved
1001 CMP0N.9 CMP0N9 P1.7 Reserved Reserved
1010 CMP0N.10 GND GND Supply Pin
1111 CMP0N.11 VDD VDD Supply Pin
1100-1111 CMP0N.12 - CMP0N.15 No connection / Reserved
EFM8BB3 Reference Manual
Comparators (CMP0 and CMP1)
silabs.com | Building a more connected world. Rev. 0.4 | 176

Table 13.3. CMP1 Positive Input Multiplexer Channels
CMXP Setting in
Register
CMP1MX
Signal Name Enumeration Name QFN32 / QFP32
Pin Name
QSOP24
Pin Name
QFN24
Pin Name
0000 CMP1P.0 CMP1P0 P0.7 P0.6 P0.6
0001 CMP1P.1 CMP1P1 P1.0 P0.7 P0.7
0010 CMP1P.2 CMP1P2 P2.0 P1.3 P1.3
0011 CMP1P.3 CMP1P3 P2.1 P1.4 P1.4
0100 CMP1P.4 CMP1P4 P2.2 P1.5 P1.5
0101 CMP1P.5 CMP1P5 P2.3 P1.6 P1.6
0110 CMP1P.6 CMP1P6 P2.4 P1.7 Reserved
0111 CMP1P.7 CMP1P7 P2.5 Reserved Reserved
1000 CMP1P.8 CMP1P8 P2.6 Reserved Reserved
1001 CMP1P.9 No connection / Reserved
1010 CMP1P.10 LDO_OUT Internal 1.8 V LDO output
1011 CMP1P.11 VDD VDD Supply Pin
1100-1111 CMP1P.12 - CMP1P.15 No connection / Reserved
Table 13.4. CMP1 Negative Input Multiplexer Channels
CMXN Setting in
Register
CMP1MX
Signal Name Enumeration Name QFN32 / QFP32
Pin Name
QSOP24
Pin Name
QFN24
Pin Name
0000 CMP1N.0 CMP1N0 P0.7 P0.6 P0.6
0001 CMP1N.1 CMP1N1 P1.0 P0.7 P0.7
0010 CMP1N.2 CMP1N2 P2.0 P1.3 P1.3
0011 CMP1N.3 CMP1N3 P2.1 P1.4 P1.4
0100 CMP1N.4 CMP1N4 P2.2 P1.5 P1.5
0101 CMP1N.5 CMP1N5 P2.3 P1.6 P1.6
0110 CMP1N.6 CMP1N6 P2.4 P1.7 Reserved
0111 CMP1N.7 CMP1N7 P2.5 Reserved Reserved
1000 CMP1N.8 CMP1N8 P2.6 Reserved Reserved
1001 CMP1N.9 No connection / Reserved
1010 CMP1N.10 GND GND Supply Pin
1011 CMP1N.11 VDD VDD Supply Pin
1100-1111 CMP1N.12 - CMP1N.15 No connection / Reserved
EFM8BB3 Reference Manual
Comparators (CMP0 and CMP1)
silabs.com | Building a more connected world. Rev. 0.4 | 177

13.3.3.2 Reference DAC
The comparator module includes a dedicated reference DAC, which can be inserted between the selected mux channel and the com-
parator on either the positive or negative inputs. The INSL field in the CMPnMD register determines the connections between the selec-
ted mux inputs, the reference DAC, and the comparator inputs. There are four possible configurations.
When INSL is configured for direct input connection, the comparator mux channels are directly connected to the comparator inputs. The
reference DAC is not used in this configuration.
CMPnP.0
CMPnP.1
CMPnP.2
CMPnP.3
CMPnP.x
CMPnN.0
CMPnN.1
CMPnN.2
CMPnN.3
CMPnN.x
CMPn+
CMPn-
CMXP
CMXN
Figure 13.3. Direct Input Connection
When INSL is configured to ground the negative input, the positive comparator mux selection is directly connected to the positive com-
parator input, and the negative comparator input is connected to GND. The reference DAC is not used in this configuration.
EFM8BB3 Reference Manual
Comparators (CMP0 and CMP1)
silabs.com | Building a more connected world. Rev. 0.4 | 178

GND
CMPnP.0
CMPnP.1
CMPnP.2
CMPnP.3
CMPnP.x
CMXP
CMPn+
CMPn-
Figure 13.4. Negative Input Ground Connection
When INSL is configured to use the reference DAC on the negative channel, the positive comparator mux selection is directly connec-
ted to the positive comparator input. The negative mux selection becomes the full scale voltage reference for the DAC, and the DAC
output is connected to the negative comparator input.
CMPnP.0
CMPnP.1
CMPnP.2
CMPnP.3
CMPnP.x
CMPnN.0
CMPnN.1
CMPnN.2
CMPnN.3
CMPnN.x
CMPn+
CMPn-
DACLVL
CMXP
CMXN DAC
Full Scale Reference
Figure 13.5. Negative Input DAC Connection
When INSL is configured to use the reference DAC on the positive channel, the negative comparator mux selection is directly connec-
ted to the negative comparator input. The positive mux selection becomes the full scale voltage reference for the DAC, and the DAC
output is connected to the positive comparator input.
EFM8BB3 Reference Manual
Comparators (CMP0 and CMP1)
silabs.com | Building a more connected world. Rev. 0.4 | 179

CMPnP.0
CMPnP.1
CMPnP.2
CMPnP.3
CMPnP.x
CMPnN.0
CMPnN.1
CMPnN.2
CMPnN.3
CMPnN.x
CMPn+
CMPn-
DACDACLVL
CMXP
CMXN
Full Scale
Reference
Figure 13.6. Positive Input DAC Connection
13.3.4 Output Routing
The comparator’s synchronous and asynchronous outputs can optionally be routed to port I/O pins through the port I/O crossbar. The
output of either comparator may be configured to generate a system interrupt on rising, falling, or both edges. CMP0 may also be used
as a reset source or as a trigger to kill a PCA output channel.
The output state of the comparator can be obtained at any time by reading the CPOUT bit. The comparator is enabled by setting the
CPEN bit to logic 1, and is disabled by clearing this bit to logic 0. When disabled, the comparator output (if assigned to a port I/O pin via
the crossbar) defaults to the logic low state, and the power supply to the comparator is turned off.
Comparator interrupts can be generated on both rising-edge and falling-edge output transitions. The CPFIF flag is set to logic 1 upon a
comparator falling-edge occurrence, and the CPRIF flag is set to logic 1 upon the comparator rising-edge occurrence. Once set, these
bits remain set until cleared by software. The comparator rising-edge interrupt mask is enabled by setting CPRIE to a logic 1. The com-
parator falling-edge interrupt mask is enabled by setting CPFIE to a logic 1.
False rising edges and falling edges may be detected when the comparator is first powered on or if changes are made to the hysteresis
or response time control bits. Therefore, it is recommended that the rising-edge and falling-edge flags be explicitly cleared to logic 0 a
short time after the comparator is enabled or its mode bits have been changed, before enabling comparator interrupts.
13.3.4.1 Output Inversion
The output state of the comparator may be inverted using the CPINV bit in register CMPnMD. When CPINV is 0, the output reflects the
non-inverted state: CPOUT will be 1 when CP+ > CP- and 0 when CP+ < CP-. When CPINV is set to 1, the output reflects the inverted
state: CPOUT will be 0 when CP+ > CP- and 1 when CP+ < CP-. Output inversion is applied directly at the comparator module output
and affects the signal anywhere else it is used in the system.
EFM8BB3 Reference Manual
Comparators (CMP0 and CMP1)
silabs.com | Building a more connected world. Rev. 0.4 | 180

13.3.4.2 Output Inhibit
The comparator module includes a feature to inhibit output changes whenever the PCA's CEX2 channel is logic low. This can be used
to prevent undersirable glitches during known noise events, such as power FET switching. The CPINH bit in register CMPnCN1
enables this option. When CPINH is set to 1, the comparator output will hold its current state any time the CEX2 channel is logic low.
EFM8BB3 Reference Manual
Comparators (CMP0 and CMP1)
silabs.com | Building a more connected world. Rev. 0.4 | 181

13.4 CMP0 Control Registers
13.4.1 CMP0CN0: Comparator 0 Control 0
Bit 7 6 5 4 3 2 1 0
Name CPEN CPOUT CPRIF CPFIF CPHYP CPHYN
Access RW R RW RW RW RW
Reset 0 0 0 0 0x0 0x0
SFR Page = 0x0, 0x30; SFR Address: 0x9B
Bit Name Reset Access Description
7 CPEN 0 RW Comparator Enable.
Value Name Description
0 DISABLED Comparator disabled.
1 ENABLED Comparator enabled.
6 CPOUT 0 R Comparator Output State Flag.
Value Name Description
0 POS_LESS_THAN_NE
G
Voltage on CP0P < CP0N.
1 POS_GREAT-
ER_THAN_NEG
Voltage on CP0P > CP0N.
5 CPRIF 0 RW Comparator Rising-Edge Flag.
Must be cleared by firmware.
Value Name Description
0 NOT_SET No comparator rising edge has occurred since this flag was last
cleared.
1 RISING_EDGE Comparator rising edge has occurred.
4 CPFIF 0 RW Comparator Falling-Edge Flag.
Must be cleared by firmware.
Value Name Description
0 NOT_SET No comparator falling edge has occurred since this flag was last
cleared.
1 FALLING_EDGE Comparator falling edge has occurred.
3:2 CPHYP 0x0 RW Comparator Positive Hysteresis Control.
Value Name Description
0x0 DISABLED Positive Hysteresis disabled.
0x1 ENABLED_MODE1 Positive Hysteresis = Hysteresis 1.
0x2 ENABLED_MODE2 Positive Hysteresis = Hysteresis 2.
0x3 ENABLED_MODE3 Positive Hysteresis = Hysteresis 3 (Maximum).
EFM8BB3 Reference Manual
Comparators (CMP0 and CMP1)
silabs.com | Building a more connected world. Rev. 0.4 | 182

Bit Name Reset Access Description
1:0 CPHYN 0x0 RW Comparator Negative Hysteresis Control.
Value Name Description
0x0 DISABLED Negative Hysteresis disabled.
0x1 ENABLED_MODE1 Negative Hysteresis = Hysteresis 1.
0x2 ENABLED_MODE2 Negative Hysteresis = Hysteresis 2.
0x3 ENABLED_MODE3 Negative Hysteresis = Hysteresis 3 (Maximum).
EFM8BB3 Reference Manual
Comparators (CMP0 and CMP1)
silabs.com | Building a more connected world. Rev. 0.4 | 183

13.4.2 CMP0MD: Comparator 0 Mode
Bit 7 6 5 4 3 2 1 0
Name CPLOUT CPINV CPRIE CPFIE INSL CPMD
Access RW RW RW RW RW RW
Reset 0 0 0 0 0x0 0x2
SFR Page = 0x0, 0x30; SFR Address: 0x9D
Bit Name Reset Access Description
7 CPLOUT 0 RW Comparator Latched Output Flag.
This bit represents the comparator output value at the most recent PCA counter overflow.
Value Name Description
0 LOW Comparator output was logic low at last PCA overflow.
1 HIGH Comparator output was logic high at last PCA overflow.
6 CPINV 0 RW Output Inversion.
This bit inverts the polarity of the comparator output when set.
Value Name Description
0 NORMAL Output is not inverted.
1 INVERT Output is inverted.
5 CPRIE 0 RW Comparator Rising-Edge Interrupt Enable.
Value Name Description
0 RISE_INT_DISABLED Comparator rising-edge interrupt disabled.
1 RISE_INT_ENABLED Comparator rising-edge interrupt enabled.
4 CPFIE 0 RW Comparator Falling-Edge Interrupt Enable.
Value Name Description
0 FALL_INT_DISABLED Comparator falling-edge interrupt disabled.
1 FALL_INT_ENABLED Comparator falling-edge interrupt enabled.
3:2 INSL 0x0 RW Comparator Input Selection.
These bits control how the comparator input pins (CMP+ and CMP-) are connected internally.
Value Name Description
0x0 CMXP_CMXN Connect the comparator inputs directly to the signals selected in the
CMP0MX register. CMP+ is selected by CMXP and CMP- is selected
by CMXN. The internal DAC is not active.
0x1 CMXP_GND Connect the CMP+ input to the signal selected by CMXP, and CMP- is
connected to GND. The internal DAC is not active.
0x2 DAC_CMXN Connect the CMP+ input to the internal DAC output, and CMP- is se-
lected by CMXN. The internal DAC uses the signal specified by CMXP
as its full-scale reference.
EFM8BB3 Reference Manual
Comparators (CMP0 and CMP1)
silabs.com | Building a more connected world. Rev. 0.4 | 184

Bit Name Reset Access Description
0x3 CMXP_DAC Connect the CMP- input to the internal DAC output, and CMP+ is se-
lected by CMXP. The internal DAC uses the signal specified by CMXN
as its full-scale reference.
1:0 CPMD 0x2 RW Comparator Mode Select.
These bits affect the response time and power consumption of the comparator.
Value Name Description
0x0 MODE0 Mode 0 (Fastest Response Time, Highest Power Consumption)
0x1 MODE1 Mode 1
0x2 MODE2 Mode 2
0x3 MODE3 Mode 3 (Slowest Response Time, Lowest Power Consumption)
13.4.3 CMP0MX: Comparator 0 Multiplexer Selection
Bit 7 6 5 4 3 2 1 0
Name CMXN CMXP
Access RW RW
Reset 0xF 0xF
SFR Page = 0x0, 0x30; SFR Address: 0x9F
Bit Name Reset Access Description
7:4 CMXN 0xF RW Comparator Negative Input MUX Selection.
This field selects the negative input for the comparator.
3:0 CMXP 0xF RW Comparator Positive Input MUX Selection.
This field selects the positive input for the comparator.
EFM8BB3 Reference Manual
Comparators (CMP0 and CMP1)
silabs.com | Building a more connected world. Rev. 0.4 | 185

13.4.4 CMP0CN1: Comparator 0 Control 1
Bit 7 6 5 4 3 2 1 0
Name CPINH Reserved DACLVL
Access RW R RW
Reset 0 0 0x00
SFR Page = 0x30; SFR Address: 0x99
Bit Name Reset Access Description
7 CPINH 0 RW Output Inhibit.
This bit is used to inhibit the comparator output during CEX2 low times.
Value Name Description
0 DISABLED The comparator output will always reflect the input conditions.
1 ENABLED The comparator output will hold state any time the PCA CEX2 channel
is low.
6 Reserved Must write reset value.
5:0 DACLVL 0x00 RW Internal Comparator DAC Reference Level.
These bits control the output of the comparator reference DAC. The voltage is given by:
DAC Output = CMPREF * (DACLVL / 64)
CMPREF is the selected input reference for the DAC according to INSL, CMXP and CMXN.
EFM8BB3 Reference Manual
Comparators (CMP0 and CMP1)
silabs.com | Building a more connected world. Rev. 0.4 | 186

13.5 CMP1 Control Registers
13.5.1 CMP1CN0: Comparator 1 Control 0
Bit 7 6 5 4 3 2 1 0
Name CPEN CPOUT CPRIF CPFIF CPHYP CPHYN
Access RW R RW RW RW RW
Reset 0 0 0 0 0x0 0x0
SFR Page = 0x0, 0x30; SFR Address: 0xBF
Bit Name Reset Access Description
7 CPEN 0 RW Comparator Enable.
Value Name Description
0 DISABLED Comparator disabled.
1 ENABLED Comparator enabled.
6 CPOUT 0 R Comparator Output State Flag.
Value Name Description
0 POS_LESS_THAN_NE
G
Voltage on CP1P < CP1N.
1 POS_GREAT-
ER_THAN_NEG
Voltage on CP1P > CP1N.
5 CPRIF 0 RW Comparator Rising-Edge Flag.
Must be cleared by firmware.
Value Name Description
0 NOT_SET No comparator rising edge has occurred since this flag was last
cleared.
1 RISING_EDGE Comparator rising edge has occurred.
4 CPFIF 0 RW Comparator Falling-Edge Flag.
Must be cleared by firmware.
Value Name Description
0 NOT_SET No comparator falling edge has occurred since this flag was last
cleared.
1 FALLING_EDGE Comparator falling edge has occurred.
3:2 CPHYP 0x0 RW Comparator Positive Hysteresis Control.
Value Name Description
0x0 DISABLED Positive Hysteresis disabled.
0x1 ENABLED_MODE1 Positive Hysteresis = Hysteresis 1.
0x2 ENABLED_MODE2 Positive Hysteresis = Hysteresis 2.
0x3 ENABLED_MODE3 Positive Hysteresis = Hysteresis 3 (Maximum).
EFM8BB3 Reference Manual
Comparators (CMP0 and CMP1)
silabs.com | Building a more connected world. Rev. 0.4 | 187

Bit Name Reset Access Description
1:0 CPHYN 0x0 RW Comparator Negative Hysteresis Control.
Value Name Description
0x0 DISABLED Negative Hysteresis disabled.
0x1 ENABLED_MODE1 Negative Hysteresis = Hysteresis 1.
0x2 ENABLED_MODE2 Negative Hysteresis = Hysteresis 2.
0x3 ENABLED_MODE3 Negative Hysteresis = Hysteresis 3 (Maximum).
EFM8BB3 Reference Manual
Comparators (CMP0 and CMP1)
silabs.com | Building a more connected world. Rev. 0.4 | 188

13.5.2 CMP1MD: Comparator 1 Mode
Bit 7 6 5 4 3 2 1 0
Name CPLOUT CPINV CPRIE CPFIE INSL CPMD
Access RW RW RW RW RW RW
Reset 0 0 0 0 0x0 0x2
SFR Page = 0x0, 0x30; SFR Address: 0xAB
Bit Name Reset Access Description
7 CPLOUT 0 RW Comparator Latched Output Flag.
This bit represents the comparator output value at the most recent PCA counter overflow.
Value Name Description
0 LOW Comparator output was logic low at last PCA overflow.
1 HIGH Comparator output was logic high at last PCA overflow.
6 CPINV 0 RW Output Inversion.
This bit inverts the polarity of the comparator output when set.
Value Name Description
0 NORMAL Output is not inverted.
1 INVERT Output is inverted.
5 CPRIE 0 RW Comparator Rising-Edge Interrupt Enable.
Value Name Description
0 RISE_INT_DISABLED Comparator rising-edge interrupt disabled.
1 RISE_INT_ENABLED Comparator rising-edge interrupt enabled.
4 CPFIE 0 RW Comparator Falling-Edge Interrupt Enable.
Value Name Description
0 FALL_INT_DISABLED Comparator falling-edge interrupt disabled.
1 FALL_INT_ENABLED Comparator falling-edge interrupt enabled.
3:2 INSL 0x0 RW Comparator Input Selection.
These bits control how the comparator input pins (CMP+ and CMP-) are connected internally.
Value Name Description
0x0 CMXP_CMXN Connect the comparator inputs directly to the signals selected in the
CMP1MX register. CMP+ is selected by CMXP and CMP- is selected
by CMXN. The internal DAC is not active.
0x1 CMXP_GND Connect the CMP+ input to the signal selected by CMXP, and CMP- is
connected to GND. The internal DAC is not active.
0x2 DAC_CMXN Connect the CMP+ input to the internal DAC output, and CMP- is se-
lected by CMXN. The internal DAC uses the signal specified by CMXP
as its full-scale reference.
EFM8BB3 Reference Manual
Comparators (CMP0 and CMP1)
silabs.com | Building a more connected world. Rev. 0.4 | 189

Bit Name Reset Access Description
0x3 CMXP_DAC Connect the CMP- input to the internal DAC output, and CMP+ is se-
lected by CMXP. The internal DAC uses the signal specified by CMXN
as its full-scale reference.
1:0 CPMD 0x2 RW Comparator Mode Select.
These bits affect the response time and power consumption of the comparator.
Value Name Description
0x0 MODE0 Mode 0 (Fastest Response Time, Highest Power Consumption)
0x1 MODE1 Mode 1
0x2 MODE2 Mode 2
0x3 MODE3 Mode 3 (Slowest Response Time, Lowest Power Consumption)
13.5.3 CMP1MX: Comparator 1 Multiplexer Selection
Bit 7 6 5 4 3 2 1 0
Name CMXN CMXP
Access RW RW
Reset 0xF 0xF
SFR Page = 0x0, 0x30; SFR Address: 0xAA
Bit Name Reset Access Description
7:4 CMXN 0xF RW Comparator Negative Input MUX Selection.
This field selects the negative input for the comparator.
3:0 CMXP 0xF RW Comparator Positive Input MUX Selection.
This field selects the positive input for the comparator.
EFM8BB3 Reference Manual
Comparators (CMP0 and CMP1)
silabs.com | Building a more connected world. Rev. 0.4 | 190

13.5.4 CMP1CN1: Comparator 1 Control 1
Bit 7 6 5 4 3 2 1 0
Name CPINH Reserved DACLVL
Access RW R RW
Reset 0 0 0x00
SFR Page = 0x30; SFR Address: 0xAC
Bit Name Reset Access Description
7 CPINH 0 RW Output Inhibit.
This bit is used to inhibit the comparator output during CEX2 low times.
Value Name Description
0 DISABLED The comparator output will always reflect the input conditions.
1 ENABLED The comparator output will hold state any time the PCA CEX2 channel
is low.
6 Reserved Must write reset value.
5:0 DACLVL 0x00 RW Internal Comparator DAC Reference Level.
These bits control the output of the comparator reference DAC. The voltage is given by:
DAC Output = CMPREF * (DACLVL / 64)
CMPREF is the selected input reference for the DAC according to INSL, CMXP and CMXN.
EFM8BB3 Reference Manual
Comparators (CMP0 and CMP1)
silabs.com | Building a more connected world. Rev. 0.4 | 191

14. Configurable Logic Units (CLU0, CLU1, CLU2, CLU3)
14.1 Introduction
The configurable logic (CL) module provides multiple blocks of user-programmed digital logic that operates without CPU intervention. It
consists of four dedicated independent configurable logic units (CLUs) which support user programmable asynchronous and synchro-
nous boolean logic operations. A number of internal and external signals may be used as inputs to each CLU, and the outputs may be
routed out to port I/O pins or directly to select peripheral inputs.
CLU0
Configurable Logic (CL)
Output
Drive
Logic
CLU3OUT
Interrupt
Logic
CLU2OUT
CLU1OUT
CLU0OUT
CLU1
CLU2
CLU3
CL Interrupt
Control Logic
SYSCLK
External Pins
Timer 2 Overflow, CEX0, CEX1, CEX2
Timer 3 Overflow, CEX0, CEX3, CEX4
Timer 4 Overflow, CEX1, CEX3, CEX5
Timer 5 Overflow, CEX2, CEX4, CEX5
Figure 14.1. Configurable Logic Top-Level Block Diagram
EFM8BB3 Reference Manual
Configurable Logic Units (CLU0, CLU1, CLU2, CLU3)
silabs.com | Building a more connected world. Rev. 0.4 | 192

CLUn
Carry from CLU[n-1]
(CLU3 carries to CLU0)
SYSCLK
Timer Overflow (ALTCLK)
Clock
Selection
Carry to CLU[n+1]
Output
Selection
CLUnOUT
Look
Up
Table
(LUT)
Clock
Polarity
Synchronizer
FNSEL
OEN
CnEN
CnOUT
Synchronous
Output
(to peripherals)
Asynchronous Output
(to other CLUs)
External Pins
CLU Asynch Outputs
Input Mux A
Timer Overflow Pulses
PCA Channels
External Pins
CLU Asynch Outputs
Input Mux B
ADC0 ADBUSY Flag
PCA Channels
SYSCLK
RST
D
Q
Q
CLR
CnEN
CnEN
CnEN
CE
CnEN
CnOUTa
Figure 14.2. Individual CLU Block Diagram
14.2 Features
The key features of the Configurable Logic block are as follows:
• Four configurable logic units (CLUs), with direct-pin and internal logic connections
• Each unit supports 256 different combinatorial logic functions (AND, OR, XOR, muxing, etc.) and includes a clocked flip-flop for syn-
chronous operations
• Units may be operated synchronously or asynchronously
• May be cascaded together to perform more complicated logic functions
• Can operate in conjunction with serial peripherals such as UART and SPI or timing peripherals such as timers and PCA channels
• Can be used to synchronize and trigger multiple on-chip resources (ADC, DAC, Timers, etc.)
• Asynchronous output may be used to wake from low-power states
EFM8BB3 Reference Manual
Configurable Logic Units (CLU0, CLU1, CLU2, CLU3)
silabs.com | Building a more connected world. Rev. 0.4 | 193

14.3 Functional Description
14.3.1 Configuration Sequence
Firmware should configure the function select, mux inputs and output functionality before enabling individual CLUs. CLU initialization
consists of the following general steps:
1. Select the A and B inputs to the LUT in CLUnMX
2. Select the LUT function using CLUnFN
3. Configure the CLU via CLUnCF.
4. If the D flip-flop output is selected (OUTSEL=1) for the CLU, it is advised to also set RST=1 to reset the flop output to 0.
5. Setup any interrupt required in CLIE0. Falling and rising edge interrupts for each module are enabled using the CnFIE and CnRIE
bits, respectively.
6. Enable the CLU by setting the CnEN bit in CLEN0. Firmware may enable multiple CLUs at the same time by setting more than one
bit in CLEN0.
7. If direct pin output is required, firmware may enable the output by setting the OEN bit in CLUnCF
14.3.2 Input Multiplexer Selection
Each CLU has two primary logic inputs (A and B) and a carry input (C). The A and B inputs are selected by the MXA and MXB fields in
the CLUnMX register, and may be one of many different internal and external signals. When another CLU output is selected as an
input, the asynchronous output from that CLU is used, enabling more complex boolean logic functions to be implemented.
Note: When using timer overflow events as an input, the timer overflow event is a pulse which will be logic high for one SYSCLK cycle,
and logic low for the rest of the timer period.
The carry input, C, is the LUT output of the previous CLU. For example, the carry input on CLU1 is CLU0's LUT output. The carry input
for CLU0 is CLU3's LUT output.
Pin inputs to CLU inputs are not SYSCLK-synchronized. Other internal peripherals (such as Timers) to CLU inputs are SYSCLK-
synchronized since these peripherals are SYSCLK-synchronized. A pulse needs to be at least 1 SYSCLK wide for a timer in capture
mode to be guaranteed to capture the edge. However, it is still possible for a narrower pulse to be captured. So, firmware incorporating
a CLU cannot depend on the timer not capturing a pulse that is less than 1 SYSCLK period wide.
EFM8BB3 Reference Manual
Configurable Logic Units (CLU0, CLU1, CLU2, CLU3)
silabs.com | Building a more connected world. Rev. 0.4 | 194

14.3.2.1 CLU Multiplexer Input Selection
Table 14.1. CLUnA Input Selection
CLUnMX.MXA CLU0A CLU1A CLU2A CLU3A
0000 C0OUTa C0OUTa C0OUTa C0OUTa
0001 C1OUTa C1OUTa C1OUTa C1OUTa
0010 C2OUTa C2OUTa C2OUTa C2OUTa
0011 C3OUTa C3OUTa C3OUTa C3OUTa
0100 Timer2 Overflow Timer3 Overflow Timer4 Overflow Timer5 Overflow
0101 CEX0 CEX0 CEX1 CEX2
0110 CEX1 CEX3 CEX3 CEX4
0111 CEX2 CEX4 CEX5 CEX5
1000 P0.0 P0.4 P0.0 P0.2
1001 P0.2 P0.5 P0.1 P0.3
1010 P0.4 P1.0 P1.0 P0.6
1011 P0.6 P1.2 P1.1 P0.7
1100 P1.0 P1.4 P1.6 P1.2
1101 P1.2 P1.5 P1.7 P1.3
1110 P1.4 P2.0 P2.0 P2.2
1111 P1.6 P2.2 P2.1 P2.3
Table 14.2. CLUnB Input Selection
CLUnMX.MXB CLU0B CLU1B CLU2B CLU3B
0000 C0OUTa C0OUTa C0OUTa C0OUTa
0001 C1OUTa C1OUTa C1OUTa C1OUTa
0010 C2OUTa C2OUTa C2OUTa C2OUTa
0011 C3OUTa C3OUTa C3OUTa C3OUTa
0100 ADBUSY ADBUSY ADBUSY ADBUSY
0101 CEX3 CEX1 CEX0 CEX0
0110 CEX4 CEX2 CEX2 CEX1
0111 CEX5 CEX5 CEX4 CEX3
1000 P0.1 P0.6 P0.2 P0.0
1001 P0.3 P0.7 P0.3 P0.1
1010 P0.5 P1.1 P1.2 P0.4
1011 P0.7 P1.3 P1.3 P0.5
1100 P1.1 P1.6 P1.4 P1.0
1101 P1.3 P1.7 P1.5 P1.1
1110 P1.5 P2.1 P2.2 P2.0
EFM8BB3 Reference Manual
Configurable Logic Units (CLU0, CLU1, CLU2, CLU3)
silabs.com | Building a more connected world. Rev. 0.4 | 195

CLUnMX.MXB CLU0B CLU1B CLU2B CLU3B
1111 P1.7 P2.3 P2.3 P2.1
14.3.3 Output Configuration
Each CLU presents an asynchronous and a synchronous (synchronized to SYSCLK) output to the system. The synchronous output
may be read by firmware at any time by reading the CLOUT0 register. CLU outputs may be derived directly from the LUT, or from a
latched D-type flip-flop output, as controlled by the OUTSEL bit in CLUnCF. When a CLU is disabled (CnEN in CLEN0 is 0), both of its
outputs will be held at logic 0.
The D flip-flop clock may be configured from one of four sources, selected by the CLKSEL field in CLUnCF. The flip-flop clock may
optionally be inverted, using the CLKINV bit. Each CLU has the following options for clocking its flip-flop:
• CARRY_IN: The carry (C) input from the previous CLU. The first CLU uses the carry from the last CLU.
• MXA_INPUT: The A input to the CLU, as defined by the MXA register field.
• SYSCLK: The system clock.
• ALTCLK: Timer 1 overflows for CLU0, Timer 2 overflows for CLU1, Timer 3 overflows for CLU2, and Timer 4 overflows for CLU3.
When using the D flip-flop output, the flip-flop may be reset to logic 0 at any time by writing 1 to the RST bit in CLUnCF. The output will
not be held in this reset state (RST returns to 0 after the reset occurs).
The CLU outputs may also be present on selected pins.
CLU output signals to internal peripherals (except another CLU input) are SYSCLK-synchronized. CLU output signals to any CLU input
are not SYSCLK-synchronized.
14.3.4 LUT Configuration
The boolean logic function in each CLU is determined by the LUT, and may be changed by programming the FNSEL field in register
CLUnFN. The LUT is implemented as an 8-input multiplexer. The bits of FNSEL map to the 8 multiplexer inputs, and the output of the
LUT is selected by the combination of the A, B, and C inputs.
Table 14.3. LUT Truth Table
A Input B Input C Input LUT Output
0 0 0 FNSEL.0
0 0 1 FNSEL.1
0 1 0 FNSEL.2
0 1 1 FNSEL.3
1 0 0 FNSEL.4
1 0 1 FNSEL.5
1 1 0 FNSEL.6
1 1 1 FNSEL.7
It is possible to realize any 3-input boolean logic function using the LUT. To determine the value to be programmed into FNSEL for a
given logic function, the truth table in Table 14.3 LUT Truth Table on page 196 may be used. For example, to implement the boolean
function (A AND B), the LUT output should be 1 for any combination where A and B are 1, and 0 for all other combinations. The last two
rows in the table (corresponding to FNSEL.7 and FNSEL.6) meet this criteria, so FNSEL should be programmed to 11000000b, or
0xC0.
As a second example, if the function (A XOR B) is required, the rows corresponding to FNSEL.2, FNSEL.3, FNSEL.4 and FNSEL.5
would be logic 1, and logic 0 for FNSEL.0, FNSEL.1, FNSEL.6 and FNSEL.7. Therefore, FNSEL should be programmed to 00111100b,
or 0x3C to realize this function.
EFM8BB3 Reference Manual
Configurable Logic Units (CLU0, CLU1, CLU2, CLU3)
silabs.com | Building a more connected world. Rev. 0.4 | 196

14.4 Configurable Logic Control Registers
14.4.1 CLEN0: Configurable Logic Enable 0
Bit 7 6 5 4 3 2 1 0
Name Reserved C3EN C2EN C1EN C0EN
Access R RW RW RW RW
Reset 0x0 0 0 0 0
SFR Page = 0x20; SFR Address: 0xC6
Bit Name Reset Access Description
7:4 Reserved Must write reset value.
3 C3EN 0 RW CLU3 Enable.
Value Name Description
0 DISABLE CLU3 is disabled. The output of the block will be logic low.
1 ENABLE CLU3 is enabled.
2 C2EN 0 RW CLU2 Enable.
Value Name Description
0 DISABLE CLU2 is disabled. The output of the block will be logic low.
1 ENABLE CLU2 is enabled.
1 C1EN 0 RW CLU1 Enable.
Value Name Description
0 DISABLE CLU1 is disabled. The output of the block will be logic low.
1 ENABLE CLU1 is enabled.
0 C0EN 0 RW CLU0 Enable.
Value Name Description
0 DISABLE CLU0 is disabled. The output of the block will be logic low.
1 ENABLE CLU0 is enabled.
EFM8BB3 Reference Manual
Configurable Logic Units (CLU0, CLU1, CLU2, CLU3)
silabs.com | Building a more connected world. Rev. 0.4 | 197

14.4.2 CLIE0: Configurable Logic Interrupt Enable 0
Bit 7 6 5 4 3 2 1 0
Name C3RIE C3FIE C2RIE C2FIE C1RIE C1FIE C0RIE C0FIE
Access RW RW RW RW RW RW RW RW
Reset 0 0 0 0 0 0 0 0
SFR Page = 0x20; SFR Address: 0xC7
Bit Name Reset Access Description
7 C3RIE 0 RW CLU3 Rising Edge Interrupt Enable.
Enables interrupts generated by CLU3 rising edges (synchronized with SYSCLK).
Value Name Description
0 DISABLE Interrupts will not be generated for CLU3 rising-edge events.
1 ENABLE Interrupts will be generated for CLU3 rising-edge events.
6 C3FIE 0 RW CLU3 Falling Edge Interrupt Enable.
Enables interrupts generated by CLU3 falling edges (synchronized with SYSCLK).
Value Name Description
0 DISABLE Interrupts will not be generated for CLU3 falling-edge events.
1 ENABLE Interrupts will be generated for CLU3 falling-edge events.
5 C2RIE 0 RW CLU2 Rising Edge Interrupt Enable.
See bit 7 description
4 C2FIE 0 RW CLU2 Falling Edge Interrupt Enable.
See bit 6 description
3 C1RIE 0 RW CLU1 Rising Edge Interrupt Enable.
See bit 7 description
2 C1FIE 0 RW CLU1 Falling Edge Interrupt Enable.
See bit 6 description
1 C0RIE 0 RW CLU0 Rising Edge Interrupt Enable.
See bit 7 description
0 C0FIE 0 RW CLU0 Falling Edge Interrupt Enable.
See bit 6 description
EFM8BB3 Reference Manual
Configurable Logic Units (CLU0, CLU1, CLU2, CLU3)
silabs.com | Building a more connected world. Rev. 0.4 | 198

14.4.3 CLIF0: Configurable Logic Interrupt Flag 0
Bit 7 6 5 4 3 2 1 0
Name C3RIF C3FIF C2RIF C2FIF C1RIF C1FIF C0RIF C0FIF
Access RW RW RW RW RW RW RW RW
Reset 0 0 0 0 0 0 0 0
SFR Page = 0x20; SFR Address: 0xE8 (bit-addressable)
Bit Name Reset Access Description
7 C3RIF 0 RW CLU3 Rising Edge Flag.
Value Name Description
0 NOT_SET A CLU3 rising edge has not been detected since this flag was last
cleared.
1 SET A CLU3 rising edge (synchronized with SYSCLK) has occurred. This
bit must be cleared by firmware.
6 C3FIF 0 RW CLU3 Falling Edge Flag.
Value Name Description
0 NOT_SET A CLU3 falling edge has not been detected since this flag was last
cleared.
1 SET A CLU3 falling edge (synchronized with SYSCLK) has occurred. This
bit must be cleared by firmware.
5 C2RIF 0 RW CLU2 Rising Edge Flag.
See bit 7 description
4 C2FIF 0 RW CLU2 Falling Edge Flag.
See bit 6 description
3 C1RIF 0 RW CLU1 Rising Edge Flag.
See bit 7 description
2 C1FIF 0 RW CLU1 Falling Edge Flag.
See bit 6 description
1 C0RIF 0 RW CLU0 Rising Edge Flag.
See bit 7 description
0 C0FIF 0 RW CLU0 Falling Edge Flag.
See bit 6 description
EFM8BB3 Reference Manual
Configurable Logic Units (CLU0, CLU1, CLU2, CLU3)
silabs.com | Building a more connected world. Rev. 0.4 | 199

14.4.4 CLOUT0: Configurable Logic Output 0
Bit 7 6 5 4 3 2 1 0
Name Reserved C3OUT C2OUT C1OUT C0OUT
Access R R R R R
Reset 0x0 0 0 0 0
SFR Page = 0x20; SFR Address: 0xD1
Bit Name Reset Access Description
7:4 Reserved Must write reset value.
3 C3OUT 0 R CLU3 Output State.
This bit represents the logic level of the CLU3 output, synchronized with SYSCLK.
2 C2OUT 0 R CLU2 Output State.
This bit represents the logic level of the CLU2 output, synchronized with SYSCLK.
1 C1OUT 0 R CLU1 Output State.
This bit represents the logic level of the CLU1 output, synchronized with SYSCLK.
0 C0OUT 0 R CLU0 Output State.
This bit represents the logic level of the CLU0 output, synchronized with SYSCLK.
14.4.5 CLU0MX: Configurable Logic Unit 0 Multiplexer
Bit 7 6 5 4 3 2 1 0
Name MXA MXB
Access RW RW
Reset 0x0 0x0
SFR Page = 0x20; SFR Address: 0x84
Bit Name Reset Access Description
7:4 MXA 0x0 RW CLU0 A Input Multiplexer Selection.
Selects the A input to CLU0.
3:0 MXB 0x0 RW CLU0 B Input Multiplexer Selection.
Selects the B input to CLU0.
EFM8BB3 Reference Manual
Configurable Logic Units (CLU0, CLU1, CLU2, CLU3)
silabs.com | Building a more connected world. Rev. 0.4 | 200

14.4.6 CLU0FN: Configurable Logic Unit 0 Function Select
Bit 7 6 5 4 3 2 1 0
Name FNSEL
Access RW
Reset 0x00
SFR Page = 0x20; SFR Address: 0xAF
Bit Name Reset Access Description
7:0 FNSEL 0x00 RW CLU Look-Up-Table function select.
Function select for the CLU0 LUT. The LUT is an 8-input multiplexer where the inputs are the bits of FNSEL. The multiplex-
er selection signals are (MS bit first): MXA, MXB, Carry-in
Examples:
FNSEL = 0xC0 implements: MXA & MXB.
FNSEL = 0xE4 implements: (Carry & MXA) | ((not Carry) & MXB)
The second example is a multiplexer where Carry is used to select MXA or MXB.
EFM8BB3 Reference Manual
Configurable Logic Units (CLU0, CLU1, CLU2, CLU3)
silabs.com | Building a more connected world. Rev. 0.4 | 201

14.4.7 CLU0CF: Configurable Logic Unit 0 Configuration
Bit 7 6 5 4 3 2 1 0
Name OUTSEL OEN Reserved RST CLKINV CLKSEL
Access RW RW R RW RW RW
Reset 0 0 0x0 0 0 0x0
SFR Page = 0x20; SFR Address: 0xB1
Bit Name Reset Access Description
7 OUTSEL 0 RW CLU Output Select.
Value Name Description
0 D_FF Select D flip-flop output of CLU
1 LUT Select LUT output.
6 OEN 0 RW CLU Port Output Enable.
This bit enables the asynchronous output of CLU0 to CLU0OUT.
Value Name Description
0 DISABLE Disables asynchronous output to the selected GPIO pin
1 ENABLE Enables asynchronous output to the selected GPIO pin
5:4 Reserved Must write reset value.
3 RST 0 RW CLU D flip-flop Reset.
Writing this bit to 1 resets the D flip flop for CLU0. The bit will immediately return to 0.
Value Name Description
1 RESET Reset the flip flop.
2 CLKINV 0 RW CLU D flip-flop Clock Invert.
Value Name Description
0 NORMAL Clock signal is not inverted.
1 INVERT Clock signal will be inverted.
1:0 CLKSEL 0x0 RW CLU D flip-flop Clock Selection.
Value Name Description
0x0 CARRY_IN The carry-in signal.
0x1 MXA_INPUT The MXA input.
0x2 SYSCLK SYSCLK.
0x3 ALTCLK The alternate clock signal CLU0ALTCLK.
EFM8BB3 Reference Manual
Configurable Logic Units (CLU0, CLU1, CLU2, CLU3)
silabs.com | Building a more connected world. Rev. 0.4 | 202

14.4.8 CLU1MX: Configurable Logic Unit 1 Multiplexer
Bit 7 6 5 4 3 2 1 0
Name MXA MXB
Access RW RW
Reset 0x0 0x0
SFR Page = 0x20; SFR Address: 0x85
Bit Name Reset Access Description
7:4 MXA 0x0 RW CLU1 A Input Multiplexer Selection.
Selects the A input to CLU1.
3:0 MXB 0x0 RW CLU1 B Input Multiplexer Selection.
Selects the B input to CLU1.
14.4.9 CLU1FN: Configurable Logic Unit 1 Function Select
Bit 7 6 5 4 3 2 1 0
Name FNSEL
Access RW
Reset 0x00
SFR Page = 0x20; SFR Address: 0xB2
Bit Name Reset Access Description
7:0 FNSEL 0x00 RW CLU Look-Up-Table function select.
Function select for the CLU1 LUT. The LUT is an 8-input multiplexer where the inputs are the bits of FNSEL. The multiplex-
er selection signals are (MS bit first): MXA, MXB, Carry-in
Examples:
FNSEL = 0xC0 implements: MXA & MXB.
FNSEL = 0xE4 implements: (Carry & MXA) | ((not Carry) & MXB)
The second example is a multiplexer where Carry is used to select MXA or MXB.
EFM8BB3 Reference Manual
Configurable Logic Units (CLU0, CLU1, CLU2, CLU3)
silabs.com | Building a more connected world. Rev. 0.4 | 203

14.4.10 CLU1CF: Configurable Logic Unit 1 Configuration
Bit 7 6 5 4 3 2 1 0
Name OUTSEL OEN Reserved RST CLKINV CLKSEL
Access RW RW R RW RW RW
Reset 0 0 0x0 0 0 0x0
SFR Page = 0x20; SFR Address: 0xB3
Bit Name Reset Access Description
7 OUTSEL 0 RW CLU Output Select.
Value Name Description
0 D_FF Select D flip-flop output of CLU
1 LUT Select LUT output.
6 OEN 0 RW CLU Port Output Enable.
This bit enables the asynchronous output of CLU1 to CLU1OUT.
Value Name Description
0 DISABLE Disables asynchronous output to the selected GPIO pin
1 ENABLE Enables asynchronous output to the selected GPIO pin
5:4 Reserved Must write reset value.
3 RST 0 RW CLU D flip-flop Reset.
Writing this bit to 1 resets the D flip flop for CLU1. The bit will immediately return to 0.
Value Name Description
1 RESET Reset the flip flop.
2 CLKINV 0 RW CLU D flip-flop Clock Invert.
Value Name Description
0 NORMAL Clock signal is not inverted.
1 INVERT Clock signal will be inverted.
1:0 CLKSEL 0x0 RW CLU D flip-flop Clock Selection.
Value Name Description
0x0 CARRY_IN The carry-in signal.
0x1 MXA_INPUT The MXA input.
0x2 SYSCLK SYSCLK.
0x3 ALTCLK The alternate clock signal CLU1ALTCLK.
EFM8BB3 Reference Manual
Configurable Logic Units (CLU0, CLU1, CLU2, CLU3)
silabs.com | Building a more connected world. Rev. 0.4 | 204

14.4.11 CLU2MX: Configurable Logic Unit 2 Multiplexer
Bit 7 6 5 4 3 2 1 0
Name MXA MXB
Access RW RW
Reset 0x0 0x0
SFR Page = 0x20; SFR Address: 0x91
Bit Name Reset Access Description
7:4 MXA 0x0 RW CLU2 A Input Multiplexer Selection.
Selects the A input to CLU2.
3:0 MXB 0x0 RW CLU2 B Input Multiplexer Selection.
Selects the B input to CLU2.
14.4.12 CLU2FN: Configurable Logic Unit 2 Function Select
Bit 7 6 5 4 3 2 1 0
Name FNSEL
Access RW
Reset 0x00
SFR Page = 0x20; SFR Address: 0xB5
Bit Name Reset Access Description
7:0 FNSEL 0x00 RW CLU Look-Up-Table function select.
Function select for the CLU2 LUT. The LUT is an 8-input multiplexer where the inputs are the bits of FNSEL. The multiplex-
er selection signals are (MS bit first): MXA, MXB, Carry-in
Examples:
FNSEL = 0xC0 implements: MXA & MXB.
FNSEL = 0xE4 implements: (Carry & MXA) | ((not Carry) & MXB)
The second example is a multiplexer where Carry is used to select MXA or MXB.
EFM8BB3 Reference Manual
Configurable Logic Units (CLU0, CLU1, CLU2, CLU3)
silabs.com | Building a more connected world. Rev. 0.4 | 205

14.4.13 CLU2CF: Configurable Logic Unit 2 Configuration
Bit 7 6 5 4 3 2 1 0
Name OUTSEL OEN Reserved RST CLKINV CLKSEL
Access RW RW R RW RW RW
Reset 0 0 0x0 0 0 0x0
SFR Page = 0x20; SFR Address: 0xB6
Bit Name Reset Access Description
7 OUTSEL 0 RW CLU Output Select.
Value Name Description
0 D_FF Select D flip-flop output of CLU
1 LUT Select LUT output.
6 OEN 0 RW CLU Port Output Enable.
This bit enables the asynchronous output of CLU2 to CLU2OUT.
Value Name Description
0 DISABLE Disables asynchronous output to the selected GPIO pin
1 ENABLE Enables asynchronous output to the selected GPIO pin
5:4 Reserved Must write reset value.
3 RST 0 RW CLU D flip-flop Reset.
Writing this bit to 1 resets the D flip flop for CLU2. The bit will immediately return to 0.
Value Name Description
1 RESET Reset the flip flop.
2 CLKINV 0 RW CLU D flip-flop Clock Invert.
Value Name Description
0 NORMAL Clock signal is not inverted.
1 INVERT Clock signal will be inverted.
1:0 CLKSEL 0x0 RW CLU D flip-flop Clock Selection.
Value Name Description
0x0 CARRY_IN The carry-in signal.
0x1 MXA_INPUT The MXA input.
0x2 SYSCLK SYSCLK.
0x3 ALTCLK The alternate clock signal CLU2ALTCLK.
EFM8BB3 Reference Manual
Configurable Logic Units (CLU0, CLU1, CLU2, CLU3)
silabs.com | Building a more connected world. Rev. 0.4 | 206

14.4.14 CLU3MX: Configurable Logic Unit 3 Multiplexer
Bit 7 6 5 4 3 2 1 0
Name MXA MXB
Access RW RW
Reset 0x0 0x0
SFR Page = 0x20; SFR Address: 0xAE
Bit Name Reset Access Description
7:4 MXA 0x0 RW CLU3 A Input Multiplexer Selection.
Selects the A input to CLU3.
3:0 MXB 0x0 RW CLU3 B Input Multiplexer Selection.
Selects the B input to CLU3.
14.4.15 CLU3FN: Configurable Logic Unit 3 Function Select
Bit 7 6 5 4 3 2 1 0
Name FNSEL
Access RW
Reset 0x00
SFR Page = 0x20; SFR Address: 0xBE
Bit Name Reset Access Description
7:0 FNSEL 0x00 RW CLU Look-Up-Table function select.
Function select for the CLU3 LUT. The LUT is an 8-input multiplexer where the inputs are the bits of FNSEL. The multiplex-
er selection signals are (MS bit first): MXA, MXB, Carry-in
Examples:
FNSEL = 0xC0 implements: MXA & MXB.
FNSEL = 0xE4 implements: (Carry & MXA) | ((not Carry) & MXB)
The second example is a multiplexer where Carry is used to select MXA or MXB.
EFM8BB3 Reference Manual
Configurable Logic Units (CLU0, CLU1, CLU2, CLU3)
silabs.com | Building a more connected world. Rev. 0.4 | 207

14.4.16 CLU3CF: Configurable Logic Unit 3 Configuration
Bit 7 6 5 4 3 2 1 0
Name OUTSEL OEN Reserved RST CLKINV CLKSEL
Access RW RW R RW RW RW
Reset 0 0 0x0 0 0 0x0
SFR Page = 0x20; SFR Address: 0xBF
Bit Name Reset Access Description
7 OUTSEL 0 RW CLU Output Select.
Value Name Description
0 D_FF Select D flip-flop output of CLU
1 LUT Select LUT output.
6 OEN 0 RW CLU Port Output Enable.
This bit enables the asynchronous output of CLU3 to CLU3OUT.
Value Name Description
0 DISABLE Disables asynchronous output to the selected GPIO pin
1 ENABLE Enables asynchronous output to the selected GPIO pin
5:4 Reserved Must write reset value.
3 RST 0 RW CLU D flip-flop Reset.
Writing this bit to 1 resets the D flip flop for CLU3. The bit will immediately return to 0.
Value Name Description
1 RESET Reset the flip flop.
2 CLKINV 0 RW CLU D flip-flop Clock Invert.
Value Name Description
0 NORMAL Clock signal is not inverted.
1 INVERT Clock signal will be inverted.
1:0 CLKSEL 0x0 RW CLU D flip-flop Clock Selection.
Value Name Description
0x0 CARRY_IN The carry-in signal.
0x1 MXA_INPUT The MXA input.
0x2 SYSCLK SYSCLK.
0x3 ALTCLK The alternate clock signal CLU3ALTCLK.
EFM8BB3 Reference Manual
Configurable Logic Units (CLU0, CLU1, CLU2, CLU3)
silabs.com | Building a more connected world. Rev. 0.4 | 208

15. Cyclic Redundancy Check (CRC0)
15.1 Introduction
The cyclic redundancy check (CRC) module performs a CRC using a 16-bit polynomial. CRC0 accepts a stream of 8-bit data and posts
the 16-bit result to an internal register. In addition to using the CRC block for data manipulation, hardware can automatically CRC the
flash contents of the device.
CRC
CRC0DAT
CRC0IN
byte-level bit
reversal
Hardware CRC
Calculation Unit
Seed
(0x0000 or
0xFFFF)
Automatic
flash read
control
8 8
8
8
8
Flash
Memory
CRC0FLIP 8
Figure 15.1. CRC Functional Block Diagram
15.2 Features
The CRC module is designed to provide hardware calculations for flash memory verification and communications protocols. The CRC
module supports the standard CCITT-16 16-bit polynomial (0x1021), and includes the following features:
• Support for CCITT-16 polynomial
• Byte-level bit reversal
• Automatic CRC of flash contents on one or more 256-byte blocks
• Initial seed selection of 0x0000 or 0xFFFF
EFM8BB3 Reference Manual
Cyclic Redundancy Check (CRC0)
silabs.com | Building a more connected world. Rev. 0.4 | 209

15.3 Functional Description
15.3.1 16-bit CRC Algorithm
The CRC unit generates a 16-bit CRC result equivalent to the following algorithm:
1. XOR the input with the most-significant bits of the current CRC result. If this is the first iteration of the CRC unit, the current CRC
result will be the set initial value (0x0000 or 0xFFFF).
2. If the MSB of the CRC result is set, shift the CRC result and XOR the result with the polynomial.
3. If the MSB of the CRC result is not set, shift the CRC result.
4. Repeat steps 2 and 3 for all 8 bits.
The algorithm is also described in the following example.
unsigned short UpdateCRC (unsigned short CRC_acc, unsigned char CRC_input)
{
unsigned char i; // loop counter
#define POLY 0x1021
// Create the CRC "dividend" for polynomial arithmetic (binary arithmetic
// with no carries)
CRC_acc = CRC_acc ^ (CRC_input << 8);
// "Divide" the poly into the dividend using CRC XOR subtraction
// CRC_acc holds the "remainder" of each divide
//
// Only complete this division for 8 bits since input is 1 byte
for (i = 0; i < 8; i++)
{
// Check if the MSB is set (if MSB is 1, then the POLY can "divide"
// into the "dividend")
if ((CRC_acc & 0x8000) == 0x8000)
{
// if so, shift the CRC value, and XOR "subtract" the poly
CRC_acc = CRC_acc << 1;
CRC_acc ^= POLY;
}
else
{
// if not, just shift the CRC value
CRC_acc = CRC_acc << 1;
}
}
// Return the final remainder (CRC value)
return CRC_acc;
}
The following table lists several input values and the associated outputs using the 16-bit CRC algorithm:
Table 15.1. Example 16-bit CRC Outputs
Input Output
0x63 0xBD35
0x8C 0xB1F4
0x7D 0x4ECA
0xAA, 0xBB, 0xCC 0x6CF6
0x00, 0x00, 0xAA, 0xBB, 0xCC 0xB166
EFM8BB3 Reference Manual
Cyclic Redundancy Check (CRC0)
silabs.com | Building a more connected world. Rev. 0.4 | 210

15.3.2 Using the CRC on a Data Stream
The CRC module may be used to perform CRC calculations on any data set available to the firmware. To perform a CRC on an arbitra-
ry data sream:
1. Select the initial result value using CRCVAL.
2. Set the result to its initial value (write 1 to CRCINIT).
3. Write the data to CRC0IN one byte at a time. The CRC result registers are automatically updated after each byte is written.
4. Write the CRCPNT bit to 0 to target the low byte of the result.
5. Read CRC0DAT multiple times to access each byte of the CRC result. CRCPNT will automatically point to the next value after
each read.
15.3.3 Using the CRC to Check Code Memory
The CRC module may be configured to automatically perform a CRC on one or more blocks of code memory. To perform a CRC on
code contents:
1. Select the initial result value using CRCVAL.
2. Set the result to its initial value (write 1 to CRCINIT).
3. Write the high byte of the starting address to the CRCST bit field.
4. Set the AUTOEN bit to 1.
5. Write the number of byte blocks to perform in the CRC calculation to CRCCNT.
6. Write any value to CRC0CN0 (or OR its contents with 0x00) to initiate the CRC calculation. The CPU will not execute code any
additional code until the CRC operation completes.
Note: Upon initiation of an automatic CRC calculation, the three cycles following a write to CRC0CN0 that initiate a CRC operation
must only contain instructions which execute in the same number of cycles as the number of bytes in the instruction. An example of
such an instruction is a 3-byte MOV that targets the CRC0FLIP register. When programming in C, the dummy value written to
CRC0FLIP should be a non-zero value to prevent the compiler from generating a 2-byte MOV instruction.
7. Clear the AUTOEN.
8. Write the CRCPNT bit to 0 to target the low byte of the result.
9. Read CRC0DAT multiple times to access each byte of the CRC result. CRCPNT will automatically point to the next value after
each read.
15.3.4 Bit Reversal
CRC0 includes hardware to reverse the bit order of each bit in a byte. Writing a byte to CRC0FLIP initiates the bit reversal operation,
and the result may be read back from CRC0FLIP on the next instruction. For example, if 0xC0 is written to CRC0FLIP, the data read
back is 0x03. Bit reversal can be used to change the order of information passing through the CRC engine and is also used in algo-
rithms such as FFT.
EFM8BB3 Reference Manual
Cyclic Redundancy Check (CRC0)
silabs.com | Building a more connected world. Rev. 0.4 | 211

15.4 CRC0 Control Registers
15.4.1 CRC0CN0: CRC0 Control 0
Bit 7 6 5 4 3 2 1 0
Name Reserved CRCINIT CRCVAL Reserved CRCPNT
Access R RW RW R RW
Reset 0x1 0 0 0 0
SFR Page = 0x20; SFR Address: 0xCE
Bit Name Reset Access Description
7:4 Reserved Must write reset value.
3 CRCINIT 0 RW CRC Initialization Enable.
Writing a 1 to this bit initializes the entire CRC result based on CRCVAL.
2 CRCVAL 0 RW CRC Initialization Value.
This bit selects the set value of the CRC result.
Value Name Description
0 SET_ZEROES CRC result is set to 0x0000 on write of 1 to CRCINIT.
1 SET_ONES CRC result is set to 0xFFFF on write of 1 to CRCINIT.
1 Reserved Must write reset value.
0 CRCPNT 0 RW CRC Result Pointer.
Specifies the byte of the CRC result to be read/written on the next access to CRC0DAT. This bit will automatically toggle
upon each read or write.
Value Name Description
0 ACCESS_LOWER CRC0DAT accesses bits 7-0 of the 16-bit CRC result.
1 ACCESS_UPPER CRC0DAT accesses bits 15-8 of the 16-bit CRC result.
Upon initiation of an automatic CRC calculation, the three cycles following a write to CRC0CN0 that initiate a CRC operation must
only contain instructions which execute in the same number of cycles as the number of bytes in the instruction. An example of such an
instruction is a 3-byte MOV that targets the CRC0FLIP register. When programming in C, the dummy value written to CRC0FLIP
should be a non-zero value to prevent the compiler from generating a 2-byte MOV instruction.
15.4.2 CRC0IN: CRC0 Data Input
Bit 7 6 5 4 3 2 1 0
Name CRC0IN
Access RW
Reset 0x00
SFR Page = 0x20; SFR Address: 0xCA
Bit Name Reset Access Description
7:0 CRC0IN 0x00 RW CRC Data Input.
Each write to CRC0IN results in the written data being computed into the existing CRC result according to the CRC algo-
rithm.
EFM8BB3 Reference Manual
Cyclic Redundancy Check (CRC0)
silabs.com | Building a more connected world. Rev. 0.4 | 212

15.4.3 CRC0DAT: CRC0 Data Output
Bit 7 6 5 4 3 2 1 0
Name CRC0DAT
Access RW
Reset 0x00
SFR Page = 0x20; SFR Address: 0xCB
Bit Name Reset Access Description
7:0 CRC0DAT 0x00 RW CRC Data Output.
Each read or write performed on CRC0DAT targets the CRC result bits pointed to by the CRC0 Result Pointer (CRCPNT
bits in CRC0CN0).
CRC0DAT may not be valid for one cycle after setting the CRCINIT bit in the CRC0CN0 register to 1. Any time CRCINIT is written to 1
by firmware, at least one instruction should be performed before reading CRC0DAT.
15.4.4 CRC0ST: CRC0 Automatic Flash Sector Start
Bit 7 6 5 4 3 2 1 0
Name CRCST
Access RW
Reset 0x00
SFR Page = 0x20; SFR Address: 0xD2
Bit Name Reset Access Description
7:0 CRCST 0x00 RW Automatic CRC Calculation Starting Block.
These bits specify the flash block to start the automatic CRC calculation. The starting address of the first flash block inclu-
ded in the automatic CRC calculation is CRCST x block_size, where block_size is 256 bytes.
15.4.5 CRC0CNT: CRC0 Automatic Flash Sector Count
Bit 7 6 5 4 3 2 1 0
Name CRCCNT
Access RW
Reset 0x00
SFR Page = 0x20; SFR Address: 0xD3
Bit Name Reset Access Description
7:0 CRCCNT 0x00 RW Automatic CRC Calculation Block Count.
These bits specify the number of flash blocks to include in an automatic CRC calculation. The last address of the last flash
block included in the automatic CRC calculation is (CRCST+CRCCNT) x Block Size - 1. The block size is 256 bytes.
EFM8BB3 Reference Manual
Cyclic Redundancy Check (CRC0)
silabs.com | Building a more connected world. Rev. 0.4 | 213

15.4.6 CRC0FLIP: CRC0 Bit Flip
Bit 7 6 5 4 3 2 1 0
Name CRC0FLIP
Access RW
Reset 0x00
SFR Page = 0x20; SFR Address: 0xCF
Bit Name Reset Access Description
7:0 CRC0FLIP 0x00 RW CRC0 Bit Flip.
Any byte written to CRC0FLIP is read back in a bit-reversed order, i.e., the written LSB becomes the MSB. For example:
If 0xC0 is written to CRC0FLIP, the data read back will be 0x03.
If 0x05 is written to CRC0FLIP, the data read back will be 0xA0.
15.4.7 CRC0CN1: CRC0 Control 1
Bit 7 6 5 4 3 2 1 0
Name AUTOEN CRCDN Reserved
Access RW R R
Reset 0 1 0x00
SFR Page = 0x20; SFR Address: 0x86
Bit Name Reset Access Description
7 AUTOEN 0 RW Automatic CRC Calculation Enable.
When AUTOEN is set to 1, any write to CRC0CN0 will initiate an automatic CRC starting at flash sector CRCST and con-
tinuing for CRCCNT sectors.
6 CRCDN 1 R Automatic CRC Calculation Complete.
Set to 0 when a CRC calculation is in progress. Code execution is stopped during a CRC calculation; therefore, reads from
firmware will always return 1.
5:0 Reserved Must write reset value.
EFM8BB3 Reference Manual
Cyclic Redundancy Check (CRC0)
silabs.com | Building a more connected world. Rev. 0.4 | 214

16. Digital to Analog Converters (DAC0, DAC1, DAC2, DAC3)
16.1 Introduction
Up to four 12-bit voltage-output DACs are included. The DACs are fully static, requiring no clocking to maintain their output voltage. The
DAC outputs may be updated by a variety of hardware and firmware trigger sources. The DAC output buffers are capable of producing
near rail-to-rail output voltages when driving high load resistances, and they can accommodate load resistances as low as 1 kΩ across
a narrower output voltage range. Each DAC may be configured to maintain its output state during a system reset.
The DACs are arranged in two identical pairs, with DAC0 and DAC1 comprising one pair and DAC2 and DAC3 comprising the other.
The two DACs within a pair share the same reference buffer but are otherwise independent, with individual data inputs, trigger sources,
and driver gains. The DAC pairs include special modes which link the two DACs together, enabling features such as complementary
output waveform generation and resolution-enhancing interpolation to be performed in hardware.
DAC0 and DAC1
VDD
VREF
DAC0 Update
Trigger
Selection
DAC1 Update
Trigger
Selection
DAC0 OUT
DAC1 OUT
Programmable
Attenuation
SYSCLK
Timer 3 / 4 / 5 Overflow
Reference
Selection
12-bit
Digital to Analog
Converter (DAC0)
Reference
Buffer
D0H:D0L Data
Registers
D1H:D1L Data
Registers
Programmable
Gain
SYSCLK
Timer 3 / 4 / 5 Overflow
12-bit
Digital to Analog
Converter (DAC1)
Programmable
Gain
Output
Buffer
DAC1
Data
Source CLU0 / 1 / 2 / 3 Output
CLU0 / 1 / 2 / 3 Output
Output
Buffer
1.2 / 2.4V
Precision
Reference
Figure 16.1. DAC Pair Block Diagram
EFM8BB3 Reference Manual
Digital to Analog Converters (DAC0, DAC1, DAC2, DAC3)
silabs.com | Building a more connected world. Rev. 0.4 | 215

16.2 Features
• Voltage output with 12-bit performance
• Supports an update rate of 200 ksps
• Hardware conversion trigger, selectable between software, external I/O and internal timer and configurable logic sources
• Outputs may be configured to persist through reset and maintain output state to avoid system disruption
• Multiple DAC outputs can be synchronized together
• DAC pairs (DAC0 and 1 or DAC2 and 3) support complementary output waveform generation
• Outputs may be switched between two levels according to state of configurable logic / PWM input trigger
• Flexible input data formatting
• Supports references from internal supply, on-chip precision reference, or external VREF pin
16.3 Functional Description
16.3.1 Enabling the DACs
Each of the DACs has an enable bit (bit EN in register DACnCF0) which turns on the DAC and allows its output buffer to drive its re-
spective pin. The enable bit only affects the analog circuitry and pin interface associated with the DAC; the registers may be accessed
by firmware even if the associated DAC is disabled. In the paired operating modes, the second DAC of the pair can make use of both
DACs data registers while the first DAC is left disabled.
By default, any system reset will disable the DACs and reset all associated registers. By setting the Reset Mode bit (RSTMD) in register
DACnCF0, the output of the DAC will persist through any system reset except for a power-on reset.
16.3.2 Reference and Output Configuration
The full-scale output voltage of each DAC is determined by the reference voltage, the gain of the reference buffer, and the gain of the
output driver. The overall gain of the DAC is the full-scale output voltage divided by the reference voltage. In most cases this overall
gain will be unity, but other gain values are possible with appropriate choice of reference voltage and register settings.
16.3.2.1 Reference Selection
Each DAC pair is supplied by a voltage reference buffer having selectable input sources. The DAC01REFSL bit selects the reference
input source for DAC0 and DAC1, and the DAC23REFSL bit in DACGCF0 selects the reference input source for DAC2 and DAC3. The
input source may be the VDD supply or the VREF pin. The VREF pin may be driven from an external reference or from the internal
Precision Reference (VREF0), which can provide references of 1.2V or 2.4V. Details on the available options for driving the VREF pin
may be found in the Precision Reference chapter.
EFM8BB3 Reference Manual
Digital to Analog Converters (DAC0, DAC1, DAC2, DAC3)
silabs.com | Building a more connected world. Rev. 0.4 | 216

16.3.2.2 Reference and Output Buffer Gains
For best operation, the DACs require reference buffer output voltages between 0.6V and 1.2V. The reference buffers each have three
programmable attenuation values that allow a wide range of reference voltages to map to this range of output voltages. The attenuation
value for the DAC0 and DAC1 reference buffer is selected by the D01REFGN field in DACGCF2, while the value for the DAC2 and
DAC3 reference buffer is selected by the D23REFGN field in DACGCF2.
The DAC output buffers each have three programmable gain values that are the reciprocals of the three reference buffer attenuation
values, meaning that an overall gain of unity may be programmed with any of the reference buffer attenuation settings. The output buf-
fer gain for DACn is selected using the DRVGAIN field in the DACnCF1 register. Non-unity gain values may also be realized by pro-
gramming the buffer and reference gains to values which are not reciprocals of one another. Note that the minimum and maximum DAC
output voltages are limited by the supply rails.
Table 16.1 DAC Reference and Gain Settings on page 217 provides a summary of the reference voltage ranges, reference buffer at-
tenuation settings, output buffer gain settings, and the resulting overall gain.
Table 16.1. DAC Reference and Gain Settings
Reference Range DxxREFGN setting Reference Buffer
Attenuation
DRVGAIN setting Output Buffer Gain Overall Gain
1.15V to 1.8V 0x0 Low
(Gain = 1/2)
0x0 Low
(Gain = 2)
1
0x1 Medium
(Gain = 2.4)
1.2
0x2 High
(Gain = 3)
1.5
1.6V to 2.55V 0x1 Medium
(Gain = 1/2.4)
0x0 Low
(Gain = 2)
0.8
0x1 Medium
(Gain = 2.4)
1
0x2 High
(Gain = 3)
1.2
2.2V to 3.6V 0x2 High
(Gain = 1/3)
0x0 Low
(Gain = 2)
0.667
0x1 Medium
(Gain = 2.4)
0.833
0x2 High
(Gain = 3)
1
EFM8BB3 Reference Manual
Digital to Analog Converters (DAC0, DAC1, DAC2, DAC3)
silabs.com | Building a more connected world. Rev. 0.4 | 217

16.3.3 Input Data and Update Triggers
Each DAC includes a low byte data register (DACnL) and a high byte data register (DACnH). By default, the 12 data bits are right-
justified, meaning that the four MSBs are located in the lower four bits of DACnH and the eight LSBs are located in DACnL. By setting
the LJST bit in the DACnCF0 register, the input data is left-justified, meaning that the eight MSBs are in DACnH and the four LSBs are
in the upper four bits of DACnL. When updating the DACn input, DACnL must always be written first. Writing to DACnL will inhibit trig-
ger events in order to prevent a DAC update when only part of the data is present. A write to DACnH will uninhibit trigger events and
allow an update.
Each DAC may be updated by a variety of trigger sources specified in the UPDATE field in register DACnCF0. The trigger source op-
tions are the same for all of the DACs, but the trigger source for each DAC is specified independently. A trigger source of SYSCLK
means that the DACn output will update on the SYSCLK cycle following a write to DACnH. Other trigger source options are the high
byte overflows of TIMER3, TIMER4, and TIMER5, and a rising edge on the output of any of the four Configurable Logic Units.
The DACGCF1 register provides additional control over the updating of the DAC outputs. This register includes four DACn Update Dis-
able (DnUDIS) bits that can independently disable all update triggers for each of the four DACs. These bits allow firmware to update
two or more DAC outputs on the same clock edge without configuring timers or Configurable Logic Units to perform the triggering. Firm-
ware can set DnUDIS bits to disable DAC updates, write values to multiple DAC input data registers, and then update all of the DAC
outputs on the same clock edge by clearing the appropriate DnUDIS bits.
16.3.4 Paired Operating Modes
The DACGCF0 register includes bits that allow alternate sources for the input data applied to DAC1. The DAC1 Data Source field
(D1SRC) allows four different data sources for DAC1: the data in DAC1H:DAC1L (the default), the one’s complement of the value in
DAC1H:DAC1L, the data in DAC0H:DAC0L, and the one’s complement of the value in DAC0H:DAC0L. This allows firmware to program
DAC0H:DAC0L and see the value reflected on the DAC0 and DAC1 outputs, with DAC1 producing either the same voltage as DAC0 or
its complement. The DAC3 Data Source field (D3SRC) operates in a similar fashion with DAC2 and DAC3.
The DAC1 Alternating Mode Enable bit (D1AMEN) provides additional options for generating DAC1 input data. When D1AMEN is
cleared, DAC1 always updates from the data source selected by the D1SRC field. When D1AMEN is set, the data source is determined
by the logic state of the DAC1 trigger source. When the DAC1 trigger is logic low, then DAC1 uses the data in DAC1H:DAC1L. When
the DAC1 trigger is logic high, DAC1 uses the data source specified by D1SRC. When using the Alternating Mode feature, the trigger
source must be one of the Configurable Logic Units, and the minimum high and low times for this trigger must be at least two system
clock cycles. The DAC3 Alternating Mode Enable bit (D3AMEN) operates in a similar fashion with DAC3.
Because of the highly flexible nature of trigger signals provided by the Configurable Logic module, the Alternating Mode feature may be
used to create a wide variety of different waveforms. For example, the DAC0 and DAC1 data registers may be written with adjacent
digital values, and an 8-bit PWM signal from PCA0 may be routed through a Configurable Logic unit to serve as the trigger source for
DAC1. With this configuration, the DAC1 output voltage will assume an average value representing an interpolation between the two
adjacent digital values, thus extending the resolution of the DAC to a theoretical 20 bits. In another example, the DAC0 and DAC1 data
registers may be written with digital values representing high and low logic levels, and the serial output of a digital peripheral (e.g. a
UART or SMBus/I2C) may be routed through the Configurable Logic module to the DAC1 trigger so that DAC1 reproduces the serial
output with arbitrary, programmable high and low levels. Note that in many cases utilizing the Alternating Mode the first DAC in the pair
(DAC0 or DAC2) should be left disabled, since the desired output is produced by the second DAC in the pair.
EFM8BB3 Reference Manual
Digital to Analog Converters (DAC0, DAC1, DAC2, DAC3)
silabs.com | Building a more connected world. Rev. 0.4 | 218

16.4 DAC Control Registers
16.4.1 DACGCF0: DAC Global Configuration 0
Bit 7 6 5 4 3 2 1 0
Name D23REFSL D3AMEN D3SRC D01REFSL D1AMEN D1SRC
Access RW RW RW RW RW RW
Reset 1 0 0x0 1 0 0x0
SFR Page = 0x30; SFR Address: 0x88 (bit-addressable)
Bit Name Reset Access Description
7 D23REFSL 1 RW DAC2 and DAC3 Reference Voltage Select.
Determines the voltage reference for DAC2 and DAC3.
Value Name Description
0 VREF Select the VREF pin.
1 VDD Select the VDD supply.
6 D3AMEN 0 RW DAC3 Alternating Mode Enable.
Value Name Description
0 NORMAL DAC3 always updates from the data source selected in D3SRC. This
mode may be used with any trigger source.
1 ALTERNATE DAC3 updates occur on the rising or falling edge of the trigger signal.
On a falling edge, DAC3 receives the DAC3H/L registers.
On a rising edge, DAC3 receives the data source selected in D3SRC.
This mode may only be used with Configurable Logic trigger sour-
ces, and the selected trigger source must be high or low for two
or more SYSCLK cycles.
5:4 D3SRC 0x0 RW DAC3 Data Source.
Selects the DAC3 data source input.
Value Name Description
0x0 DAC3 Input = DAC3H:DAC3L.
0x1 DAC3_INVERT Input = Inverse of DAC3H:DAC3L (one's complement).
0x2 DAC2 Input = DAC2H:DAC2L.
0x3 DAC2_INVERT Input = Inverse of DAC2H:DAC2L (one's complement).
3 D01REFSL 1 RW DAC0 and DAC1 Reference Voltage Select.
Determines the voltage reference for DAC0 and DAC1.
Value Name Description
0 VREF Select the VREF pin.
1 VDD Select the VDD supply.
EFM8BB3 Reference Manual
Digital to Analog Converters (DAC0, DAC1, DAC2, DAC3)
silabs.com | Building a more connected world. Rev. 0.4 | 219

Bit Name Reset Access Description
2 D1AMEN 0 RW DAC1 Alternating Mode Enable.
Value Name Description
0 NORMAL DAC1 always updates from the data source selected in D1SRC. This
mode may be used with any trigger source.
1 ALTERNATE DAC1 updates occur on the rising or falling edge of the trigger signal.
On a falling edge, DAC1 receives the DAC1H/L registers.
On a rising edge, DAC1 receives the data source selected in D1SRC.
This mode may only be used with Configurable Logic trigger sour-
ces, and the selected trigger source must be high or low for two
or more SYSCLK cycles.
1:0 D1SRC 0x0 RW DAC1 Data Source.
Selects the DAC1 data source input.
Value Name Description
0x0 DAC1 Input = DAC1H:DAC1L.
0x1 DAC1_INVERT Input = Inverse of DAC1H:DAC1L (one's complement).
0x2 DAC0 Input = DAC0H:DAC0L.
0x3 DAC0_INVERT Input = Inverse of DAC0H:DAC0L (one's complement).
EFM8BB3 Reference Manual
Digital to Analog Converters (DAC0, DAC1, DAC2, DAC3)
silabs.com | Building a more connected world. Rev. 0.4 | 220

16.4.2 DACGCF1: DAC Global Configuration 1
Bit 7 6 5 4 3 2 1 0
Name Reserved D3UDIS D2UDIS D1UDIS D0UDIS
Access R RW RW RW RW
Reset 0x0 0 0 0 0
SFR Page = 0x30; SFR Address: 0x98 (bit-addressable)
Bit Name Reset Access Description
7:4 Reserved Must write reset value.
3 D3UDIS 0 RW DAC3 Update Disable.
Value Name Description
0 ENABLE Allow triggers to update DAC3 output.
1 DISABLE Triggers will not update DAC3 output.
2 D2UDIS 0 RW DAC2 Update Disable.
Value Name Description
0 ENABLE Allow triggers to update DAC2 output.
1 DISABLE Triggers will not update DAC2 output.
1 D1UDIS 0 RW DAC1 Update Disable.
Value Name Description
0 ENABLE Allow triggers to update DAC1 output.
1 DISABLE Triggers will not update DAC1 output.
0 D0UDIS 0 RW DAC0 Update Disable.
Value Name Description
0 ENABLE Allow triggers to update DAC0 output.
1 DISABLE Triggers will not update DAC0 output.
EFM8BB3 Reference Manual
Digital to Analog Converters (DAC0, DAC1, DAC2, DAC3)
silabs.com | Building a more connected world. Rev. 0.4 | 221

16.4.3 DACGCF2: DAC Global Configuration 2
Bit 7 6 5 4 3 2 1 0
Name Reserved D23REFGN Reserved D01REFGN
Access R RW R RW
Reset 0x0 0x1 0x0 0x1
SFR Page = 0x30; SFR Address: 0xA2
Bit Name Reset Access Description
7:6 Reserved Must write reset value.
5:4 D23REFGN 0x1 RW DAC2/3 Reference Buffer Gain.
Selects the gain applied to the reference buffer.
Value Name Description
0x0 ATTEN_2P0 Selected reference will be attenuated by a factor of 2.
0x1 ATTEN_2P4 Selected reference will be attenuated by a factor of 2.4 (Gain = 1/2.4).
0x2 ATTEN_3P0 Selected reference will be attenuated by a factor of 3 (Gain = 1/3).
3:2 Reserved Must write reset value.
1:0 D01REFGN 0x1 RW DAC0/1 Reference Buffer Gain.
Selects the gain applied to the reference buffer.
Value Name Description
0x0 ATTEN_2P0 Selected reference will be attenuated by a factor of 2.
0x1 ATTEN_2P4 Selected reference will be attenuated by a factor of 2.4 (Gain = 1/2.4).
0x2 ATTEN_3P0 Selected reference will be attenuated by a factor of 3 (Gain = 1/3).
EFM8BB3 Reference Manual
Digital to Analog Converters (DAC0, DAC1, DAC2, DAC3)
silabs.com | Building a more connected world. Rev. 0.4 | 222

16.4.4 DAC0CF0: DAC0 Configuration 0
Bit 7 6 5 4 3 2 1 0
Name EN RSTMD LJST Reserved UPDATE
Access RW RW RW R RW
Reset 0 0 0 0x0 0x0
SFR Page = 0x30; SFR Address: 0x91
Bit Name Reset Access Description
7 EN 0 RW DAC0 Enable.
Enables the DAC0 Output.
Value Name Description
0 DISABLE DAC0 is disabled and not driven at the output pin.
1 ENABLE DAC0 is enabled and will drive the output pin.
6 RSTMD 0 RW DAC0 Reset Mode.
Enables "persist through reset" output capability for DAC0.
Value Name Description
0 NORMAL All resets will reset DAC0 and its associated registers.
1 PERSIST DAC0 output will persist through all resets except for power-on-resets.
5 LJST 0 RW DAC0 Left Justify Enable.
Value Name Description
0 RIGHT_JUSTIFY DAC0 input is treated as right-justified.
1 LEFT_JUSTIFY DAC0 input is treated as left-justified.
4:3 Reserved Must write reset value.
2:0 UPDATE 0x0 RW DAC0 Update Trigger Source.
Selects the trigger source for DAC0 output updates (when updates are not inhibited).
Value Name Description
0x0 SYSCLK DAC0 output updates occur on every clock cycle.
0x1 TIMER3 DAC0 output updates occur on Timer 3 high byte overflow.
0x2 TIMER4 DAC0 output updates occur on Timer 4 high byte overflow.
0x3 TIMER5 DAC0 output updates occur on Timer 5 high byte overflow.
0x4 CLU0 DAC0 output updates occur on Configurable Logic output 0 rising
edge.
0x5 CLU1 DAC0 output updates occur on Configurable Logic output 1 rising
edge.
0x6 CLU2 DAC0 output updates occur on Configurable Logic output 2 rising
edge.
0x7 CLU3 DAC0 output updates occur on Configurable Logic output 3 rising
edge.
EFM8BB3 Reference Manual
Digital to Analog Converters (DAC0, DAC1, DAC2, DAC3)
silabs.com | Building a more connected world. Rev. 0.4 | 223

16.4.5 DAC0CF1: DAC0 Configuration 1
Bit 7 6 5 4 3 2 1 0
Name Reserved DRVGAIN
Access R RW
Reset 0x00 0x1
SFR Page = 0x30; SFR Address: 0x92
Bit Name Reset Access Description
7:2 Reserved Must write reset value.
1:0 DRVGAIN 0x1 RW DAC0 Output Buffer Gain.
Selects the gain to be applied to the DAC output buffer. This field is used in conjunction with the reference gain selection in
DACGCF2 to determine the full-scale output voltage of the DAC. The full-scale output of the DAC will be equal to the selec-
ted reference voltage, multiplied by the reference gain and the output buffer gain. Typically, both parameters will be set to
the same value to produce a full-scale output of 1.0 x VREF.
Value Name Description
0x0 GAIN_2P0 DAC output gain is 2.
0x1 GAIN_2P4 DAC output gain is 2.4.
0x2 GAIN_3P0 DAC output gain is 3.
16.4.6 DAC0L: DAC0 Data Word Low Byte
Bit 7 6 5 4 3 2 1 0
Name DAC0L
Access RW
Reset 0x00
SFR Page = 0x30; SFR Address: 0x84
Bit Name Reset Access Description
7:0 DAC0L 0x00 RW Data Word Low Byte.
Low byte of data input.
Trigger events are inhibited upon writing to DAC0L and uninhibited when writing to DAC0H to prevent unintentional up-
dates. When updating the DAC input, DAC0L should always be written before DAC0H.
EFM8BB3 Reference Manual
Digital to Analog Converters (DAC0, DAC1, DAC2, DAC3)
silabs.com | Building a more connected world. Rev. 0.4 | 224

16.4.7 DAC0H: DAC0 Data Word High Byte
Bit 7 6 5 4 3 2 1 0
Name DAC0H
Access RW
Reset 0x00
SFR Page = 0x30; SFR Address: 0x85
Bit Name Reset Access Description
7:0 DAC0H 0x00 RW Data Word High Byte.
High byte of data input.
Trigger events are inhibited upon writing to DAC0L and uninhibited when writing to DAC0H to prevent unintentional up-
dates. When updating the DAC input, DAC0L should always be written before DAC0H.
EFM8BB3 Reference Manual
Digital to Analog Converters (DAC0, DAC1, DAC2, DAC3)
silabs.com | Building a more connected world. Rev. 0.4 | 225

16.4.8 DAC1CF0: DAC1 Configuration 0
Bit 7 6 5 4 3 2 1 0
Name EN RSTMD LJST Reserved UPDATE
Access RW RW RW R RW
Reset 0 0 0 0x0 0x0
SFR Page = 0x30; SFR Address: 0x93
Bit Name Reset Access Description
7 EN 0 RW DAC1 Enable.
Enables the DAC1 Output.
Value Name Description
0 DISABLE DAC1 is disabled and not driven at the output pin.
1 ENABLE DAC1 is enabled and will drive the output pin.
6 RSTMD 0 RW DAC1 Reset Mode.
Enables "persist through reset" output capability for DAC1.
Value Name Description
0 NORMAL All resets will reset DAC1 and its associated registers.
1 PERSIST DAC1 output will persist through all resets except for power-on-resets.
5 LJST 0 RW DAC1 Left Justify Enable.
Value Name Description
0 RIGHT_JUSTIFY DAC1 input is treated as right-justified.
1 LEFT_JUSTIFY DAC1 input is treated as left-justified.
4:3 Reserved Must write reset value.
2:0 UPDATE 0x0 RW DAC1 Update Trigger Source.
Selects the trigger source for DAC1 output updates (when updates are not inhibited).
Value Name Description
0x0 SYSCLK DAC1 output updates occur on every clock cycle.
0x1 TIMER3 DAC1 output updates occur on Timer 3 high byte overflow.
0x2 TIMER4 DAC1 output updates occur on Timer 4 high byte overflow.
0x3 TIMER5 DAC1 output updates occur on Timer 5 high byte overflow.
0x4 CLU0 DAC1 output updates occur on Configurable Logic output 0 rising
edge.
0x5 CLU1 DAC1 output updates occur on Configurable Logic output 1 rising
edge.
0x6 CLU2 DAC1 output updates occur on Configurable Logic output 2 rising
edge.
0x7 CLU3 DAC1 output updates occur on Configurable Logic output 3 rising
edge.
EFM8BB3 Reference Manual
Digital to Analog Converters (DAC0, DAC1, DAC2, DAC3)
silabs.com | Building a more connected world. Rev. 0.4 | 226

16.4.9 DAC1CF1: DAC1 Configuration 1
Bit 7 6 5 4 3 2 1 0
Name Reserved DRVGAIN
Access R RW
Reset 0x00 0x1
SFR Page = 0x30; SFR Address: 0x94
Bit Name Reset Access Description
7:2 Reserved Must write reset value.
1:0 DRVGAIN 0x1 RW DAC1 Output Buffer Gain.
Selects the gain to be applied to the DAC output buffer. This field is used in conjunction with the reference gain selection in
DACGCF2 to determine the full-scale output voltage of the DAC. The full-scale output of the DAC will be equal to the selec-
ted reference voltage, multiplied by the reference gain and the output buffer gain. Typically, both parameters will be set to
the same value to produce a full-scale output of 1.0 x VREF.
Value Name Description
0x0 GAIN_2P0 DAC output gain is 2.
0x1 GAIN_2P4 DAC output gain is 2.4.
0x2 GAIN_3P0 DAC output gain is 3.
16.4.10 DAC1L: DAC1 Data Word Low Byte
Bit 7 6 5 4 3 2 1 0
Name DAC1L
Access RW
Reset 0x00
SFR Page = 0x30; SFR Address: 0x89
Bit Name Reset Access Description
7:0 DAC1L 0x00 RW Data Word Low Byte.
Low byte of data input.
Trigger events are inhibited upon writing to DAC1L and uninhibited when writing to DAC1H to prevent unintentional up-
dates. When updating the DAC input, DAC1L should always be written before DAC1H.
EFM8BB3 Reference Manual
Digital to Analog Converters (DAC0, DAC1, DAC2, DAC3)
silabs.com | Building a more connected world. Rev. 0.4 | 227

16.4.11 DAC1H: DAC1 Data Word High Byte
Bit 7 6 5 4 3 2 1 0
Name DAC1H
Access RW
Reset 0x00
SFR Page = 0x30; SFR Address: 0x8A
Bit Name Reset Access Description
7:0 DAC1H 0x00 RW Data Word High Byte.
High byte of data input.
Trigger events are inhibited upon writing to DAC1L and uninhibited when writing to DAC1H to prevent unintentional up-
dates. When updating the DAC input, DAC1L should always be written before DAC1H.
EFM8BB3 Reference Manual
Digital to Analog Converters (DAC0, DAC1, DAC2, DAC3)
silabs.com | Building a more connected world. Rev. 0.4 | 228

16.4.12 DAC2CF0: DAC2 Configuration 0
Bit 7 6 5 4 3 2 1 0
Name EN RSTMD LJST Reserved UPDATE
Access RW RW RW R RW
Reset 0 0 0 0x0 0x0
SFR Page = 0x30; SFR Address: 0x95
Bit Name Reset Access Description
7 EN 0 RW DAC2 Enable.
Enables the DAC2 Output.
Value Name Description
0 DISABLE DAC2 is disabled and not driven at the output pin.
1 ENABLE DAC2 is enabled and will drive the output pin.
6 RSTMD 0 RW DAC2 Reset Mode.
Enables "persist through reset" output capability for DAC2.
Value Name Description
0 NORMAL All resets will reset DAC2 and its associated registers.
1 PERSIST DAC2 output will persist through all resets except for power-on-resets.
5 LJST 0 RW DAC2 Left Justify Enable.
Value Name Description
0 RIGHT_JUSTIFY DAC2 input is treated as right-justified.
1 LEFT_JUSTIFY DAC2 input is treated as left-justified.
4:3 Reserved Must write reset value.
2:0 UPDATE 0x0 RW DAC2 Update Trigger Source.
Selects the trigger source for DAC2 output updates (when updates are not inhibited).
Value Name Description
0x0 SYSCLK DAC2 output updates occur on every clock cycle.
0x1 TIMER3 DAC2 output updates occur on Timer 3 high byte overflow.
0x2 TIMER4 DAC2 output updates occur on Timer 4 high byte overflow.
0x3 TIMER5 DAC2 output updates occur on Timer 5 high byte overflow.
0x4 CLU0 DAC2 output updates occur on Configurable Logic output 0 rising
edge.
0x5 CLU1 DAC2 output updates occur on Configurable Logic output 1 rising
edge.
0x6 CLU2 DAC2 output updates occur on Configurable Logic output 2 rising
edge.
0x7 CLU3 DAC2 output updates occur on Configurable Logic output 3 rising
edge.
EFM8BB3 Reference Manual
Digital to Analog Converters (DAC0, DAC1, DAC2, DAC3)
silabs.com | Building a more connected world. Rev. 0.4 | 229

16.4.13 DAC2CF1: DAC2 Configuration 1
Bit 7 6 5 4 3 2 1 0
Name Reserved DRVGAIN
Access R RW
Reset 0x00 0x1
SFR Page = 0x30; SFR Address: 0x96
Bit Name Reset Access Description
7:2 Reserved Must write reset value.
1:0 DRVGAIN 0x1 RW DAC2 Output Buffer Gain.
Selects the gain to be applied to the DAC output buffer. This field is used in conjunction with the reference gain selection in
DACGCF2 to determine the full-scale output voltage of the DAC. The full-scale output of the DAC will be equal to the selec-
ted reference voltage, multiplied by the reference gain and the output buffer gain. Typically, both parameters will be set to
the same value to produce a full-scale output of 1.0 x VREF.
Value Name Description
0x0 GAIN_2P0 DAC output gain is 2.
0x1 GAIN_2P4 DAC output gain is 2.4.
0x2 GAIN_3P0 DAC output gain is 3.
16.4.14 DAC2L: DAC2 Data Word Low Byte
Bit 7 6 5 4 3 2 1 0
Name DAC2L
Access RW
Reset 0x00
SFR Page = 0x30; SFR Address: 0x8B
Bit Name Reset Access Description
7:0 DAC2L 0x00 RW Data Word Low Byte.
Low byte of data input.
Trigger events are inhibited upon writing to DAC2L and uninhibited when writing to DAC2H to prevent unintentional up-
dates. When updating the DAC input, DAC2L should always be written before DAC2H.
EFM8BB3 Reference Manual
Digital to Analog Converters (DAC0, DAC1, DAC2, DAC3)
silabs.com | Building a more connected world. Rev. 0.4 | 230

16.4.15 DAC2H: DAC2 Data Word High Byte
Bit 7 6 5 4 3 2 1 0
Name DAC2H
Access RW
Reset 0x00
SFR Page = 0x30; SFR Address: 0x8C
Bit Name Reset Access Description
7:0 DAC2H 0x00 RW Data Word High Byte.
High byte of data input.
Trigger events are inhibited upon writing to DAC2L and uninhibited when writing to DAC2H to prevent unintentional up-
dates. When updating the DAC input, DAC2L should always be written before DAC2H.
EFM8BB3 Reference Manual
Digital to Analog Converters (DAC0, DAC1, DAC2, DAC3)
silabs.com | Building a more connected world. Rev. 0.4 | 231

16.4.16 DAC3CF0: DAC3 Configuration 0
Bit 7 6 5 4 3 2 1 0
Name EN RSTMD LJST Reserved UPDATE
Access RW RW RW R RW
Reset 0 0 0 0x0 0x0
SFR Page = 0x30; SFR Address: 0x9A
Bit Name Reset Access Description
7 EN 0 RW DAC3 Enable.
Enables the DAC3 Output.
Value Name Description
0 DISABLE DAC3 is disabled and not driven at the output pin.
1 ENABLE DAC3 is enabled and will drive the output pin.
6 RSTMD 0 RW DAC3 Reset Mode.
Enables "persist through reset" output capability for DAC3.
Value Name Description
0 NORMAL All resets will reset DAC3 and its associated registers.
1 PERSIST DAC3 output will persist through all resets except for power-on-resets.
5 LJST 0 RW DAC3 Left Justify Enable.
Value Name Description
0 RIGHT_JUSTIFY DAC3 input is treated as right-justified.
1 LEFT_JUSTIFY DAC3 input is treated as left-justified.
4:3 Reserved Must write reset value.
2:0 UPDATE 0x0 RW DAC3 Update Trigger Source.
Selects the trigger source for DAC3 output updates (when updates are not inhibited).
Value Name Description
0x0 SYSCLK DAC3 output updates occur on every clock cycle.
0x1 TIMER3 DAC3 output updates occur on Timer 3 high byte overflow.
0x2 TIMER4 DAC3 output updates occur on Timer 4 high byte overflow.
0x3 TIMER5 DAC3 output updates occur on Timer 5 high byte overflow.
0x4 CLU0 DAC3 output updates occur on Configurable Logic output 0 rising
edge.
0x5 CLU1 DAC3 output updates occur on Configurable Logic output 1 rising
edge.
0x6 CLU2 DAC3 output updates occur on Configurable Logic output 2 rising
edge.
0x7 CLU3 DAC3 output updates occur on Configurable Logic output 3 rising
edge.
EFM8BB3 Reference Manual
Digital to Analog Converters (DAC0, DAC1, DAC2, DAC3)
silabs.com | Building a more connected world. Rev. 0.4 | 232

16.4.17 DAC3CF1: DAC3 Configuration 1
Bit 7 6 5 4 3 2 1 0
Name Reserved DRVGAIN
Access R RW
Reset 0x00 0x1
SFR Page = 0x30; SFR Address: 0x9C
Bit Name Reset Access Description
7:2 Reserved Must write reset value.
1:0 DRVGAIN 0x1 RW DAC3 Output Buffer Gain.
Selects the gain to be applied to the DAC output buffer. This field is used in conjunction with the reference gain selection in
DACGCF2 to determine the full-scale output voltage of the DAC. The full-scale output of the DAC will be equal to the selec-
ted reference voltage, multiplied by the reference gain and the output buffer gain. Typically, both parameters will be set to
the same value to produce a full-scale output of 1.0 x VREF.
Value Name Description
0x0 GAIN_2P0 DAC output gain is 2.
0x1 GAIN_2P4 DAC output gain is 2.4.
0x2 GAIN_3P0 DAC output gain is 3.
16.4.18 DAC3L: DAC3 Data Word Low Byte
Bit 7 6 5 4 3 2 1 0
Name DAC3L
Access RW
Reset 0x00
SFR Page = 0x30; SFR Address: 0x8D
Bit Name Reset Access Description
7:0 DAC3L 0x00 RW Data Word Low Byte.
Low byte of data input.
Trigger events are inhibited upon writing to DAC3L and uninhibited when writing to DAC3H to prevent unintentional up-
dates. When updating the DAC input, DAC3L should always be written before DAC3H.
EFM8BB3 Reference Manual
Digital to Analog Converters (DAC0, DAC1, DAC2, DAC3)
silabs.com | Building a more connected world. Rev. 0.4 | 233

16.4.19 DAC3H: DAC3 Data Word High Byte
Bit 7 6 5 4 3 2 1 0
Name DAC3H
Access RW
Reset 0x00
SFR Page = 0x30; SFR Address: 0x8E
Bit Name Reset Access Description
7:0 DAC3H 0x00 RW Data Word High Byte.
High byte of data input.
Trigger events are inhibited upon writing to DAC3L and uninhibited when writing to DAC3H to prevent unintentional up-
dates. When updating the DAC input, DAC3L should always be written before DAC3H.
EFM8BB3 Reference Manual
Digital to Analog Converters (DAC0, DAC1, DAC2, DAC3)
silabs.com | Building a more connected world. Rev. 0.4 | 234

17. I2C Slave (I2CSLAVE0)
17.1 Introduction
The I2C Slave interface is a 2-wire, bidirectional serial bus that is compatible with the I2C Bus Specification 3.0. It is capable of transfer-
ring in high-speed mode (HS-mode) at speeds of up to 3.4 Mbps. Firmware can write to the I2C interface, and the I2C interface can
autonomously control the serial transfer of data. The interface also supports clock stretching for cases where the core may be tempora-
rily prohibited from transmitting a byte or processing a received byte during an I2C transaction. It can also operate in low power modes
without an active system clock and wake the core when a matching slave address is received.
This module operates only as an I2C slave device. The I2C Slave peripheral provides control of the SCL (serial clock) synchronization,
SDA (serial data), SCL clock stretching, I2C arbitration logic, and low power mode operation.
I2CSLAVE0 Module
Slave Address
Recognition
I2C0DIN
Shift Register
SDA
SCL
SCL Low
I2C0DOUT
Timer 4
State Control
Logic
Data /
Address
I2C0INT
Figure 17.1. I2CSLAVE0 Block Diagram
17.2 Features
The I2C module includes the following features:
• Standard (up to 100 kbps), Fast (400 kbps), Fast Plus (1 Mbps), and High-speed (3.4 Mbps) transfer speeds
• Support for slave mode only
• Clock low extending (clock stretching) to interface with faster masters
• Hardware support for 7-bit slave address recognition
• Transmit and receive FIFOs (two byte) to help increase throughput in faster applications
EFM8BB3 Reference Manual
I2C Slave (I2CSLAVE0)
silabs.com | Building a more connected world. Rev. 0.4 | 235

17.3 Functional Description
17.3.1 Overview
The I2C Slave module operates only in slave mode. The hardware provides timing and shifting control for serial transfers; the higher
level protocol is determined by user software. The I2C hardware interface provides the following application-independent features:
• Byte-wise serial data transfers
• SDA data synchronization
• Timeout recognition, as defined by the I2C0CNTL configuration register
• START/STOP detection
• Interrupt generation
• Status information
• High-speed I2C mode detection
• Automatic wakeup from lower power modes when a matching slave address is received
• Hardware recognition of the slave address and automatic acknowledgment of address/data
An I2CSLAVE0 interrupt is generated when the RD, WR or STOP bit is set in the I2C0STAT register. It is also generated when the
ACTIVE bit goes low to indicate the end of an I2C bus transfer. Refer to the I2C0STAT register definition for complete details on the
conditions for the setting and clearing of these bits.
17.3.2 I2C Protocol
The I2C specification allows any recessive voltage between 3.0 and 5.0 V; different devices on the bus may operate at different voltage
levels. However, the maximum voltage on any port pin must conform to the electrical characteristics specifications. The bi-directional
SCL (serial clock) and SDA (serial data) lines must be connected to a positive power supply voltage through a pullup resistor or similar
circuit. Every device connected to the bus must have an open-drain or open-collector output for both the SCL and SDA lines, so that
both are pulled high (recessive state) when the bus is free.
EFM8BB3 Reference Manual
I2C Slave (I2CSLAVE0)
silabs.com | Building a more connected world. Rev. 0.4 | 236

I2C Master
Device
I2C Slave
Device
I2C Master
and Slave
Device
I2C Slave
Device
SCL
SDA
5 V 3.3 V 3.6 V 5 V 3.3 V
Figure 17.2. Typical I2C System Connection
Two types of data transfers are possible: data transfers from a master transmitter to an addressed slave receiver (WRITE) and data
transfers from an addressed slave transmitter to a master receiver (READ). The master device initiates both types of data transfers and
provides the serial clock pulses on SCL. The I2C interface may operate as a master or a slave, and multiple master devices on the
same bus are supported. If two or more masters attempt to initiate a data transfer simultaneously, an arbitration scheme is employed
with a single master always winning the arbitration. It is not necessary to specify one device as the Master in a system; any device who
transmits a START and a slave address becomes the master for the duration of that transfer.
A typical I2C transaction consists of a START condition followed by an address byte (Bits 7–1: 7-bit slave address; Bit 0: R/W direction
bit), one or more bytes of data, and a STOP condition. Bytes that are received (by a master or slave) are acknowledged (ACK) with a
low SDA during a high SCL (see Figure 17.3 I2C Transaction on page 237). If the receiving device does not ACK, the transmitting
device will read a NACK (not acknowledge), which is a high SDA during a high SCL.
The direction bit (R/W) occupies the least-significant bit position of the address byte. The direction bit is set to logic 1 to indicate a
"READ" operation and cleared to logic 0 to indicate a "WRITE" operation.
All transactions are initiated by a master, with one or more addressed slave devices as the target. The master generates the START
condition and then transmits the slave address and direction bit. If the transaction is a WRITE operation from the master to the slave,
the master transmits the data a byte at a time waiting for an ACK from the slave at the end of each byte. For READ operations, the
slave transmits the data waiting for an ACK from the master at the end of each byte. At the end of the data transfer, the master gener-
ates a STOP condition to terminate the transaction and free the bus. Figure 17.3 I2C Transaction on page 237 illustrates a typical I2C
transaction.
STOPData Phase
8-bit Data NACK
Time
SCL
SDA
START Address Phase
7-bit Address R/W ACK
Figure 17.3. I2C Transaction
Transmitter vs. Receiver
On the I2C communications interface, a device is the “transmitter” when it is sending an address or data byte to another device on the
bus. A device is a “receiver” when an address or data byte is being sent to it from another device on the bus. The transmitter controls
the SDA line during the address or data byte. After each byte of address or data information is sent by the transmitter, the receiver
sends an ACK or NACK bit during the ACK phase of the transfer, during which time the receiver controls the SDA line.
EFM8BB3 Reference Manual
I2C Slave (I2CSLAVE0)
silabs.com | Building a more connected world. Rev. 0.4 | 237

Arbitration
A master may start a transfer only if the bus is free. The bus is free after a STOP condition or after the SCL and SDA lines remain high
for a specified time (see ). In the event that two or more devices attempt to begin a transfer at the same time, an arbitration scheme is
employed to force one master to give up the bus. The master devices continue transmitting until one attempts a HIGH while the other
transmits a LOW. Since the bus is open-drain, the bus will be pulled LOW. The master attempting the HIGH will detect a LOW SDA and
lose the arbitration. The winning master continues its transmission without interruption; the losing master becomes a slave and receives
the rest of the transfer if addressed. This arbitration scheme is non-destructive: one device always wins, and no data is lost.
Clock Low Extension
I2C provides a clock synchronization mechanism which allows devices with different speed capabilities to coexist on the bus. A clock-
low extension is used during a transfer in order to allow slower slave devices to communicate with faster masters. The slave may tem-
porarily hold the SCL line LOW to extend the clock low period, effectively decreasing the serial clock frequency.
In the I2C Slave peripheral, clock stretching is only performed on the SCL falling edge associated with the ACK or NACK bit. Clock
stretching is always performed on every byte transaction that is addressed to the peripheral. Clock stretching is completed by the
I2CSLAVE0 peripheral when it releases the SCL line from the low state. The I2CSLAVE0 peripheral releases the SCL line when firm-
ware writes a 0 to the I2C0INT bit in the I2C0STAT register.
SCL Low Timeout
If the SCL line is held low by a slave device on the bus, no further communication is possible. Furthermore, the master cannot force the
SCL line high to correct the error condition. To solve this problem, the I2C protocol specifies that devices participating in a transfer must
detect any clock cycle held low longer than 25 ms as a “timeout” condition. Devices that have detected the timeout condition must reset
the communication no later than 10 ms after detecting the timeout condition.
For the I2C Slave interface, an on-chip timer is used to implement SCL low timeouts. The SCL low timeout feature is enabled by setting
the TIMEOUT bit in I2C0CN0. The associated timer is forced to reload when SCL is high, and allowed to count when SCL is low. With
the associated timer enabled and configured to overflow after 25 ms (and TIMEOUT set), the timer interrupt service routine can be used
to reset (disable and re-enable) the I2C module in the event of an SCL low timeout.
EFM8BB3 Reference Manual
I2C Slave (I2CSLAVE0)
silabs.com | Building a more connected world. Rev. 0.4 | 238

High-Speed Mode
The I2C specification supports High-speed mode (HS-mode) transfers, which allow devices to transfer data at rates of up to 3.4 Mbps
and remain fully downward compatible with slower speed devices. This allows HS-mode devices to operate in a mixed-speed bus sys-
tem. Refer to the I2C Specification for details on the electrical and timing requirements for HS-mode operation. The I2CSLAVE0 periph-
eral is compatible with the I2C HS-mode operation without any firmware intervention other than requiring that firmware enable the
I2CSLAVE0 peripheral.
By default, the I2C bus operates at speeds of up to Fast-mode (F/S mode) only, where the maximum transfer rate is 400 kbps. The I2C
bus switches to from F/S mode to HS-mode only after the following sequence of bits appear on the I2C bus:
1. START bit (S)
2. 8-bit master code (0000 1XXX)
3. NACK bit (N)
The HS-mode master codes are reserved 8-bit codes which are not used for slave addressing or other purposes. An HS-mode compati-
ble I2C master device will switch the I2C bus to HS-mode by transmitting the above sequence of bits on the I2C bus at a transfer rate of
not more than 400 kbps. After that, the master can switch to HS-mode to transfer data at a rate of up to 3.4 Mbps. The I2C bus
switches back to F/S mode when the I2C master transmits a STOP bit.
Master codeS N Sr SLA R/W A DATA+ACKs A/N P
F/S-mode HS-mode
Master codeS N Sr SLA R/W A DATA+ACKs A/N Sr SLA R/W A P
F/S-mode HS-mode
Standard Read/Write Transaction
Repeated Start Read Transaction
Figure 17.4. Fast-Mode to High-Speed Mode Transition
17.3.3 Automatic Address Recognition
The I2CSLAVE0 peripheral can be configured to recognize a specific slave address and respond with an ACK without any software
intervention. This feature is enabled by firmware:
1. Clear BUSY bit in I2C0CN0 to enable automatic ACK response.
2. Write the slave address to I2C0ADM.
3. Set the PINMD bit in I2C0CN0 to 1 to enable the SCL and SDA pins.
4. Set the I2C0EN bit in I2C0CN0 to 1 to enable the I2CSLAVE0 peripheral.
The Slave Address Mask (SLVM in the I2C0ADM register) can be used to define an address mask to enable automatic hardware re-
sponse to multiple slave addresses. Additionally, if the ADDRCHK bit is set in the I2C0CN0 register, the matching address will be
placed in the receive FIFO, allowing firmware to check which address was used to initiate the transaction. In this case, firmware should
read the address from the receive FIFO using the I2C0DIN register before proceeding with the data transfer.
EFM8BB3 Reference Manual
I2C Slave (I2CSLAVE0)
silabs.com | Building a more connected world. Rev. 0.4 | 239

17.3.4 Operational Modes
The I2C Slave peripheral supports two types of data transfers: I2C Read data transfers where data is transferred from the I2C Slave
peripheral to an I2C master, and I2C Write data transfers where data is transferred from an I2C master to the I2C Slave peripheral. The
I2C master initiates both types of data transfers and provides the serial clock pulses that the I2C slave peripheral detects on the SCL
pin. This section describes in detail the setting and clearing of various status bits in the I2C0STAT register during different modes of
operations. In all modes, the I2CSLAVE0 peripheral performs clock stretching automatically on every SCL falling edge associated with
the ACK or NACK bit.
EFM8BB3 Reference Manual
I2C Slave (I2CSLAVE0)
silabs.com | Building a more connected world. Rev. 0.4 | 240

I2C Write Sequence
The I2C Write sequence with the I2C Slave peripheral consists of a series of interrupts and required actions in each interrupt. The write
sequence consists of the following steps:
1. An incoming START and Address + W byte causes the peripheral to exit idle mode or wakes the device from a low power state.
The peripheral will automatically ACK a matching address if BUSY is cleared to 0.
2. An interrupt occurs after the automatic ACK of the address. The I2C peripheral holds the SCL line low for clock streching until firm-
ware clears I2C0INT. Firmware should take the actions indicated by Figure 17.6 I2C Write Flow Diagram with the I2C Slave Pe-
ripheral on page 242.
3. Firmware reads one or more bytes of data from the master on each subsequent data interrupt, acknowledging (ACK) or non-ac-
knowledging (NACK) the data.
4. The master sends a STOP when the entire data transfer completes.
Figure 17.5 Example I2C Write Sequence with the I2C Slave Peripheral on page 241 demonstrates an example sequence, including a
repeated start, and Figure 17.6 I2C Write Flow Diagram with the I2C Slave Peripheral on page 242 describes the I2C Write sequence
and firmware actions in each interrupt.
SLA A
Idle/Low Power Active
S ADB0 ADB1 ADB2 Sr SLA A NDB3 P
Int
1
2 3
Int
Int
Int
Int
Int
4
Int
W W
Int
S = START
P = STOP
A = ACK
N = NACK
R = Read
W = Write
Sr = repeated START
Shaded blocks are generated
by I2C Slave peripheral
a b c d e f g h
Figure 17.5. Example I2C Write Sequence with the I2C Slave Peripheral
EFM8BB3 Reference Manual
I2C Slave (I2CSLAVE0)
silabs.com | Building a more connected world. Rev. 0.4 | 241

Stop received.
1. Clear STOP.
2. Clear I2C0INT.
Idle/Low Power
Address + W received, ACK sent.
Clear START.
Interrupt
ACK next byte? NoYes
Repeated
Start?
Yes
No
Clear I2C0INT.
Interrupt
Clear BUSY. Set BUSY.
Data received, ACK/NACK sent.
1. Read data from I2C0DIN.
2. Clear I2C0INT.
Interrupt
Idle/Low Power
Clear I2C0INT.
Interrupt
h
a
e
c d
f
g
b
Figure 17.6. I2C Write Flow Diagram with the I2C Slave Peripheral
Note: Firmware can leave the BUSY bit as 0 in step F in the Figure 17.5 Example I2C Write Sequence with the I2C Slave Peripheral on
page 241 sequence. In this case, the master will receive an ACK instead at step G could still generate a STOP bit immediately after the
ACK.
EFM8BB3 Reference Manual
I2C Slave (I2CSLAVE0)
silabs.com | Building a more connected world. Rev. 0.4 | 242

I2C Read Sequence
The I2C Read sequence with the I2C Slave peripheral consists of a series of interrupts and required actions in each interrupt. The read
sequence consists of the following steps:
1. An incoming START and Address + R byte causes the peripheral to exit idle mode or wakes the device from a low power state.
The peripheral will automatically ACK a matching address if BUSY is cleared to 0.
2. An interrupt occurs after the automatic ACK of the address. The I2C peripheral holds the SCL line low for clock streching until firm-
ware clears I2C0INT. Firmware should read the data from the master and take the actions indicated by Figure 17.8 I2C Read Flow
Diagram with the I2C Slave Peripheral on page 244.
3. Firmware writes one or more bytes of data to the master on each subsequent data interrupt.
4. The master sends a NACKwhen the current data transfer completes and either a repeated START or STOP.
5. The master sends a STOP when the entire data transfer completes.
Figure 17.7 Example I2C Read Sequence with the I2C Slave Peripheral on page 243 demonstrates an example sequence, including a
repeated start, and Figure 17.8 I2C Read Flow Diagram with the I2C Slave Peripheral on page 244 describes the I2C Read sequence
and firmware actions in each interrupt.
SLA A
Idle/Low Power Active
S ADB0 ADB1 NDB2 Sr SLA A NDB3 P
Int
1
2 3
Int
4
Int
Int
Int
Int
Int
5
R R
S = START
P = STOP
A = ACK
N = NACK
R = Read
W = Write
Sr = repeated START
Shaded blocks are generated by
the I2C Slave peripheral
a b c d e f g
Figure 17.7. Example I2C Read Sequence with the I2C Slave Peripheral
EFM8BB3 Reference Manual
I2C Slave (I2CSLAVE0)
silabs.com | Building a more connected world. Rev. 0.4 | 243

Idle/Low Power
Address + R received, ACK sent.
1. Clear START.
2. Write first data to I2C0DOUT.
3. Clear I2C0INT.
Interrupt
a
Interrupt
ACK? NoYes
Repeated
Start?
Yes
Idle/Low Power
No
Clear STOP.
e
Clear I2C0INT.
Data sent, Ack received.
Write next data to I2C0DOUT.
Data sent, Nack received.
Clear NACK.
b c d f
gInterrupt
Figure 17.8. I2C Read Flow Diagram with the I2C Slave Peripheral
Note: The I2C master must always generate a NACK before it can generate a repeated START bit or a STOP bit. This NACK causes
I2C Slave peripheral to release the SDA line for the I2C master to generate the START or STOP bit.
EFM8BB3 Reference Manual
I2C Slave (I2CSLAVE0)
silabs.com | Building a more connected world. Rev. 0.4 | 244

17.3.5 Status Decoding
The current I2C status can be easily decoded using the I2C0STAT register. Table 17.1 I2C Status Decoding on page 245 describes
the typical actions firmware should take in each state. In the tables, STATUS VECTOR refers to the lower five bits of I2C0STAT: NACK,
START, STOP, WR, and RD. The shown response options are only the typical responses; application-specific procedures are allowed
as long as they conform to the I2C specification.
Note: Interrupts from multiple sources (STOP, START, RD, WR, etc.) can accumulate, so the actual status vector may have additional
conditions set and not match the value in the table below. In these cases, the order of operations should be:
1. Service the STOP bit.
2. Service the START bit.
3. Service the START + RD or START + WR bits.
4. Service the RD or WR bits.
Table 17.1. I2C Status Decoding
Mode Current
Status
Vector
Current I2C State Expected Actions Next Status
Vector Expec-
ted
Write (Master to
Slave)
01010 START + Address + W received,
ACK sent
Clear START and I2C0INT. 00010
00010 Data byte received, ACK sent Read data from I2C0DIN and clear
I2C0INT. Set BUSY to NACK the next byte
or keep BUSY clear to ACK the next byte.
00010 or
10010 or
00100
10010 Data byte received, NACK sent Read data from I2C0DIN and clear
I2C0INT. Clear BUSY to ACK the next byte
or keep BUSY set to NACK the next byte.
00010 or
10010 or
00100
00000 Repeated Start Clear I2C0INT. 01010
00100 STOP received Clear STOP and I2C0INT.
Read (Slave to Mas-
ter)
01001 START + Address + R received,
ACK sent
Clear START, write data to I2C0DOUT,
and clear I2C0INT.
00001
00001 Data byte sent, master ACK re-
ceived
Write data to I2C0DOUT and clear
I2C0INT.
00100
10001 Data byte sent, master NACK re-
ceived
Clear NACK and I2C0INT. 00100
00100 STOP received Clear STOP and I2C0INT
EFM8BB3 Reference Manual
I2C Slave (I2CSLAVE0)
silabs.com | Building a more connected world. Rev. 0.4 | 245

17.4 I2C0 Slave Control Registers
17.4.1 I2C0DIN: I2C0 Received Data
Bit 7 6 5 4 3 2 1 0
Name I2C0DIN
Access R
Reset Varies
SFR Page = 0x20; SFR Address: 0xBC
Bit Name Reset Access Description
7:0 I2C0DIN Varies R I2C0 Received Data.
Reading this register reads any data received from the RX FIFO. I2C0DIN may be read until RXE is set to 1, indicating
there is no more data in the RX FIFO. If this register is read when RXE is set to 1, the last byte in the RX FIFO is returned.
17.4.2 I2C0DOUT: I2C0 Transmit Data
Bit 7 6 5 4 3 2 1 0
Name I2C0DOUT
Access RW
Reset Varies
SFR Page = 0x20; SFR Address: 0xBB
Bit Name Reset Access Description
7:0 I2C0DOUT Varies RW I2C0 Transmit Data.
Writing this register writes a byte into the TX FIFO. I2C0DOUT may be written when TXNF is set to 1, which indicates that
there is more room available in the TX FIFO. If this register is written when TXNF is cleared to 0, the most recent byte
written to the TX FIFO will be overwritten.
17.4.3 I2C0SLAD: I2C0 Slave Address
Bit 7 6 5 4 3 2 1 0
Name Reserved I2C0SLAD
Access RW RW
Reset 0 0x00
SFR Page = 0x20; SFR Address: 0xBD
Bit Name Reset Access Description
7 Reserved Must write reset value.
6:0 I2C0SLAD 0x00 RW I2C Hardware Slave Address.
This field, combined with the SLVM mask in I2C0ADM, defines the I2C0 Slave Address for automatic hardware acknowl-
edgement.
EFM8BB3 Reference Manual
I2C Slave (I2CSLAVE0)
silabs.com | Building a more connected world. Rev. 0.4 | 246

17.4.4 I2C0STAT: I2C0 Status
Bit 7 6 5 4 3 2 1 0
Name HSMODE ACTIVE I2C0INT NACK START STOP WR RD
Access R R RW RW RW RW RW RW
Reset 0 0 0 0 0 0 0 0
SFR Page = 0x20; SFR Address: 0xB9
Bit Name Reset Access Description
7 HSMODE 0 R High Speed Mode.
This bit is set to 1 by hardware when a High Speed master code is received and automatically clears when a STOP event
occurs.
6 ACTIVE 0 R Bus Active.
This bit is set to 1 by hardware when an incoming slave address matches and automatically clears when the transfer com-
pletes with either a STOP or a NACK event.
5 I2C0INT 0 RW I2C Interrupt.
This bit is set when a read (RD), write (WR), or a STOP event (STOP) occurs. This bit will also set when the ACTIVE bit
goes low to indicate the end of a transfer. This bit will generate an interrupt, and hardware will automatically clear this bit
after the RD and WR bits clear.
4 NACK 0 RW NACK.
This bit is set by hardware when one of the following conditions are met:
- A NACK is transmitted by either a Master or a Slave when the ACTIVE bit is high.
- An I2C slave transmits a NACK to a matching slave address.
Hardware will automatically clear this bit.
3 START 0 RW Start.
This bit is set by hardware when a START is received and a matching slave address is received. Software must clear this
bit.
2 STOP 0 RW Stop.
This bit is set by hardware when a STOP is received and the last slave address received was a match. Software must clear
this bit.
1 WR 0 RW I2C Write.
This bit is set by hardware on the 9th SCL falling edge when one of the following conditions are met:
- The I2C0 Slave responds with an ACK, and the RX FIFO is full.
- The I2C0 Slave responds with a NACK, and the RX FIFO is full.
- The current byte transaction has a matching I2C0 Slave address, the 8th bit was a WRITE bit (0), and FACS is set to 1.
This bit will set the I2C0INT bit and generate an interrupt, if enabled. Software must clear this bit.
0 RD 0 RW I2C Read.
This bit is set by hardware on the 9th SCL falling edge when one of the following conditions are met:
- The I2C Master responds with an ACK (data or address), and there is no more data in the TX FIFO.
- I2C Master responds with a NACK.
- The current byte transaction has a matching I2C slave address, the 8th bit was a READ bit (1), and FACS is set to 1.
This bit will set the I2C0INT bit and generate an interrupt, if enabled. Software must clear this bit.
EFM8BB3 Reference Manual
I2C Slave (I2CSLAVE0)
silabs.com | Building a more connected world. Rev. 0.4 | 247

17.4.5 I2C0CN0: I2C0 Control
Bit 7 6 5 4 3 2 1 0
Name Reserved ADDRCHK PINDRV PINMD TIMEOUT PRELOAD I2C0EN BUSY
Access R RW RW RW RW RW RW RW
Reset 0 0 0 0 0 1 0 1
SFR Page = 0x20; SFR Address: 0xBA
Bit Name Reset Access Description
7 Reserved Must write reset value.
6 ADDRCHK 0 RW Address Check Enable.
Setting this bit to 1 writes the matching slave address into the receive FIFO, enabling firmware to determine which address
caused the match interrupt.
Value Name Description
0 DISABLED The matching slave address is not copied into the receive FIFO.
1 ENABLED The matching slave address is copied into the receive FIFO.
5 PINDRV 0 RW Pin Drive Strength.
When this bit is set, the SCL and SDA pins will use high drive strength to drive low. When cleared, the pins will use low
drive strength. This overrides the drive strength setting for the I/O port.
Value Name Description
0 LOW_DRIVE SDA and SCL will use low drive strength.
1 HIGH_DRIVE SDA and SCL will use high drive strength.
4 PINMD 0 RW Pin Mode Enable.
Value Name Description
0 GPIO_MODE Set the I2C0 Slave pins in GPIO mode.
1 I2C_MODE Set the I2C0 Slave pins in I2C mode.
3 TIMEOUT 0 RW SCL Low Timeout Enable.
When this bit is set and RLFSEL in TMR4CN1 is set correctly, Timer 4 will start counting only when SCL is low. When SCL
is high, Timer 4 will auto-reload with the value from the reload registers. If Timer 4 is configured to Split Mode, only the High
Byte of the timer is held in reload while SCL is high. The Timer 4 interrupt service routine should reset I2C communication.
Value Name Description
0 DISABLED Disable I2C SCL low timeout detection using Timer 4.
1 ENABLED Enable I2C SCL low timeout detection using Timer 4 if Timer 4
RLFSEL is set appropriately.
2 PRELOAD 1 RW Preload Disable.
Value Name Description
0 ENABLED Data bytes must be written into the TX FIFO via the I2C0DOUT register
before the 8th SCL clock of the matching slave address byte transfer
arrives for an I2C read operation.
EFM8BB3 Reference Manual
I2C Slave (I2CSLAVE0)
silabs.com | Building a more connected world. Rev. 0.4 | 248

Bit Name Reset Access Description
1 DISABLED Data bytes need not be preloaded for I2C read operations. The data
byte can be written to I2C0DOUT during interrupt servicing.
1 I2C0EN 0 RW I2C Enable.
This bit enables the I2C0 Slave module. PINMD must be enabled first before this bit is enabled.
Value Name Description
0 DISABLED Disable the I2C0 Slave module.
1 ENABLED Enable the I2C0 Slave module.
0 BUSY 1 RW Busy.
Value Name Description
0 NOT_SET Device will acknowledge an I2C master.
1 SET Device will not respond to an I2C master. All I2C data sent to the de-
vice will be NACKed.
EFM8BB3 Reference Manual
I2C Slave (I2CSLAVE0)
silabs.com | Building a more connected world. Rev. 0.4 | 249

17.4.6 I2C0FCN0: I2C0 FIFO Control 0
Bit 7 6 5 4 3 2 1 0
Name TFRQE TFLSH TXTH RFRQE RFLSH RXTH
Access RW RW RW RW RW RW
Reset 0 0 0x0 0 0 0x0
SFR Page = 0x20; SFR Address: 0xAD
Bit Name Reset Access Description
7 TFRQE 0 RW Write Request Interrupt Enable.
When set to 1, an I2C0 interrupt will be generated any time TFRQ is logic 1.
Value Name Description
0 DISABLED I2C0 interrupts will not be generated when TFRQ is set.
1 ENABLED I2C0 interrupts will be generated if TFRQ is set.
6 TFLSH 0 RW TX FIFO Flush.
This bit flushes the TX FIFO. When firmware sets this bit to 1, the internal FIFO counters will be reset, and any remaining
data will not be sent. Hardware will clear the TFLSH bit back to 0 when the operation is complete (1 SYSCLK cycle).
5:4 TXTH 0x0 RW TX FIFO Threshold.
This field configures when hardware will set the transmit FIFO request bit (TFRQ). TFRQ is set whenever the number of
bytes in the TX FIFO is equal to or less than the value in TXTH.
Value Name Description
0x0 ZERO TFRQ will be set when the TX FIFO is empty.
0x1 ONE TFRQ will be set when the TX FIFO contains one or fewer bytes.
3 RFRQE 0 RW Read Request Interrupt Enable.
When set to 1, an I2C0 interrupt will be generated any time RFRQ is logic 1.
Value Name Description
0 DISABLED I2C0 interrupts will not be generated when RFRQ is set.
1 ENABLED I2C0 interrupts will be generated if RFRQ is set.
2 RFLSH 0 RW RX FIFO Flush.
This bit flushes the RX FIFO. When firmware sets this bit to 1, the internal FIFO counters will be reset, and any remaining
data will be lost. Hardware will clear the RFLSH bit back to 0 when the operation is complete (1 SYSCLK cycle).
1:0 RXTH 0x0 RW RX FIFO Threshold.
This field configures when hardware will set the receive FIFO request bit (RFRQ). RFRQ is set whenever the number of
bytes in the RX FIFO exceeds the value in RXTH.
Value Name Description
0x0 ZERO RFRQ will be set anytime new data arrives in the RX FIFO (when the
RX FIFO is not empty).
0x1 ONE RFRQ will be set if the RX FIFO contains more than one byte.
EFM8BB3 Reference Manual
I2C Slave (I2CSLAVE0)
silabs.com | Building a more connected world. Rev. 0.4 | 250

17.4.7 I2C0FCN1: I2C0 FIFO Control 1
Bit 7 6 5 4 3 2 1 0
Name TFRQ TXNF Reserved RFRQ RXE Reserved
Access R R R R R R
Reset 1 1 0x0 0 1 0x0
SFR Page = 0x20; SFR Address: 0xAB
Bit Name Reset Access Description
7 TFRQ 1 R Transmit FIFO Request.
Set to 1 by hardware when the number of bytes in the TX FIFO is less than or equal to the TX FIFO threshold (TXTH).
Value Name Description
0 NOT_SET The number of bytes in the TX FIFO is greater than TXTH.
1 SET The number of bytes in the TX FIFO is less than or equal to TXTH.
6 TXNF 1 R TX FIFO Not Full.
This bit indicates when the TX FIFO is full and can no longer be written to. If a write is performed when TXNF is cleared to
0 it will replace the most recent byte in the FIFO.
Value Name Description
0 FULL The TX FIFO is full.
1 NOT_FULL The TX FIFO has room for more data.
5:4 Reserved Must write reset value.
3 RFRQ 0 R Receive FIFO Request.
Set to 1 by hardware when the number of bytes in the RX FIFO is larger than specified by the RX FIFO threshold (RXTH).
Value Name Description
0 NOT_SET The number of bytes in the RX FIFO is less than or equal to RXTH.
1 SET The number of bytes in the RX FIFO is greater than RXTH.
2 RXE 1 R RX FIFO Empty.
This bit indicates when the RX FIFO is empty. If a read is performed when RXE is set, the last byte will be returned.
Value Name Description
0 NOT_EMPTY The RX FIFO contains data.
1 EMPTY The RX FIFO is empty.
1:0 Reserved Must write reset value.
EFM8BB3 Reference Manual
I2C Slave (I2CSLAVE0)
silabs.com | Building a more connected world. Rev. 0.4 | 251

17.4.8 I2C0FCT: I2C0 FIFO Count
Bit 7 6 5 4 3 2 1 0
Name Reserved TXCNT Reserved RXCNT
Access R R R R
Reset 0 0x0 0 0x0
SFR Page = 0x20; SFR Address: 0xF5
Bit Name Reset Access Description
7 Reserved Must write reset value.
6:4 TXCNT 0x0 R TX FIFO Count.
This field indicates the number of bytes in the transmit FIFO.
3 Reserved Must write reset value.
2:0 RXCNT 0x0 R RX FIFO Count.
This field indicates the number of bytes in the receive FIFO.
17.4.9 I2C0ADM: I2C0 Slave Address Mask
Bit 7 6 5 4 3 2 1 0
Name FACS SLVM
Access RW RW
Reset 1 0x7F
SFR Page = 0x20; SFR Address: 0xFF
Bit Name Reset Access Description
7 FACS 1 RW Force Address Clock Stretching.
This bit controls whether clock stretching is enforced (via setting of I2C0INT bit) after the a matching slave address has
been acknowledged. When this bit is set, clock stretching always occurs after an ACK of the address byte until firmware
clears the I2C0INT bit. When this bit is cleared, the I2C0INT bit won't be set by the address ACK alone, but it may be set
due to other conditions as detailed in the descriptions of the RD and WR bits.
Value Name Description
0 DONT_FORCE_STRET
CH
The I2C0INT bit is not set by acking the slave address alone. Addition-
al conditions are required to set I2C0INT.
1 FORCE_STRETCH The I2C0INT bit is always set when matching slave address is ac-
knowledged. This will force clock stretching until firmware clears the
I2C0INT bit.
6:0 SLVM 0x7F RW I2C Hardware Slave Address.
This field defines which bits of register I2C0SLAD are compared with an incoming address byte, and which bits are ignored.
Any bit set to 1 in SLVM enables comparison with the corresponding bit in I2C0SLAD. Bits set to 0 are ignored (can be
either 0 or 1 in the incoming address).
EFM8BB3 Reference Manual
I2C Slave (I2CSLAVE0)
silabs.com | Building a more connected world. Rev. 0.4 | 252

18. Programmable Counter Array (PCA0)
18.1 Introduction
The programmable counter array (PCA) provides multiple channels of enhanced timer and PWM functionality while requiring less CPU
intervention than standard counter/timers. The PCA consists of a dedicated 16-bit counter/timer and one 16-bit capture/compare mod-
ule for each channel. The counter/timer is driven by a programmable timebase that has flexible external and internal clocking options.
Each capture/compare module may be configured to operate independently in one of five modes: Edge-Triggered Capture, Software
Timer, High-Speed Output, Frequency Output, or Pulse-Width Modulated (PWM) Output. Each capture/compare module has its own
associated I/O line (CEXn) which is routed through the crossbar to port I/O when enabled.
PCA0
ECI
CEX0
EXTCLK / 8
L-F Oscillator / 8
Timer 0 Overflow
SYSCLK
SYSCLK / 4
SYSCLK / 12
Control / Configuration
Output
Drive
Logic
PCA Counter
CEX1
CEX2
Comparator 0 Output
Interrupt
Logic
Sync
Sync
Sync
SYSCLK
CEX3
CEX4
CEX5
Comparator 1 Output
Channel 5
Mode Control
Capture / Compare
Channel 4
Mode Control
Capture / Compare
Channel 3
Mode Control
Capture / Compare
Channel 2
Mode Control
Capture / Compare
Channel 1
Mode Control
Capture / Compare
Channel 0
Mode Control
Capture / Compare
Figure 18.1. PCA Block Diagram
EFM8BB3 Reference Manual
Programmable Counter Array (PCA0)
silabs.com | Building a more connected world. Rev. 0.4 | 253

18.2 Features
• 16-bit time base
• Programmable clock divisor and clock source selection
• Up to six independently-configurable channels
• 8, 9, 10, 11 and 16-bit PWM modes (center or edge-aligned operation)
• Output polarity control
• Frequency output mode
• Capture on rising, falling or any edge
• Compare function for arbitrary waveform generation
• Software timer (internal compare) mode
• Can accept hardware “kill” signal from comparator 0 or comparator 1
18.3 Functional Description
18.3.1 Counter / Timer
The 16-bit PCA counter/timer consists of two 8-bit SFRs: PCA0L and PCA0H. PCA0H is the high byte of the 16-bit counter/timer and
PCA0L is the low byte. Reading PCA0L automatically latches the value of PCA0H into a “snapshot” register; the following PCA0H read
accesses this “snapshot” register.
Note: Reading the PCA0L Register first guarantees an accurate reading of the entire 16-bit PCA0 counter.
Reading PCA0H or PCA0L does not disturb the counter operation. The CPS2–CPS0 bits in the PCA0MD register select the timebase
for the counter/timer.
When the counter/timer overflows from 0xFFFF to 0x0000, the Counter Overflow Flag (CF) in PCA0MD is set to logic 1 and an interrupt
request is generated if CF interrupts are enabled. Setting the ECF bit in PCA0MD to logic 1 enables the CF flag to generate an interrupt
request. The CF bit is not automatically cleared by hardware when the CPU vectors to the interrupt service routine and must be cleared
by software. Clearing the CIDL bit in the PCA0MD register allows the PCA to continue normal operation while the CPU is in Idle mode.
Table 18.1. PCA Timebase Input Options
CPS2:0 Timebase
000 System clock divided by 12
001 System clock divided by 4
010 Timer 0 overflow
011 High-to-low transitions on ECI (max rate = system clock divided by 4) 1
100 System clock
101 External oscillator source divided by 8 1
110 Low frequency oscillator divided by 8 1
111 Reserved
Note:
1. Synchronized with the system clock.
EFM8BB3 Reference Manual
Programmable Counter Array (PCA0)
silabs.com | Building a more connected world. Rev. 0.4 | 254

18.3.2 Interrupt Sources
The PCA0 module shares one interrupt vector among all of its modules. There are are several event flags that can be used to generate
a PCA0 interrupt. They are as follows: the main PCA counter overflow flag (CF), which is set upon a 16-bit overflow of the PCA0 coun-
ter; an intermediate overflow flag (COVF), which can be set on an overflow from the 8th–11th bit of the PCA0 counter; and the individu-
al flags for each PCA channel (CCFn), which are set according to the operation mode of that module. These event flags are always set
when the trigger condition occurs. Each of these flags can be individually selected to generate a PCA0 interrupt using the correspond-
ing interrupt enable flag (ECF for CF, ECOV for COVF, and ECCFn for each CCFn). PCA0 interrupts must be globally enabled before
any individual interrupt sources are recognized by the processor. PCA0 interrupts are globally enabled by setting the EA bit and the
EPCA0 bit to logic 1.
18.3.3 Capture/Compare Modules
Each module can be configured to operate independently in one of six operation modes: edge-triggered capture, software timer, high-
speed output, frequency output, 8 to 11-bit pulse width modulator, or 16-bit pulse width modulator. Table 18.2 PCA0CPM and
PCA0PWM Bit Settings for PCA Capture/Compare Modules on page 255 summarizes the bit settings in the PCA0CPMn and
PCA0PWM registers used to select the PCA capture/compare module’s operating mode. All modules set to use 8-, 9-, 10-, or 11-bit
PWM mode must use the same cycle length (8–11 bits). Setting the ECCFn bit in a PCA0CPMn register enables the module's CCFn
interrupt.
Table 18.2. PCA0CPM and PCA0PWM Bit Settings for PCA Capture/Compare Modules
Operational Mode PCA0CPMn PCA0PWM
Bit Name
PWM16
ECOM
CAPP
CAPN
MAT
TOG
PWM
ECCF
ARSEL
ECOV
COVF
Reserved
CLSEL
Capture triggered by positive edge on
CEXn
X X 1 0 0 0 0 A 0 X B X X
Capture triggered by negative edge on
CEXn
X X 0 1 0 0 0 A 0 X B X X
Capture triggered by any transition on
CEXn
X X 1 1 0 0 0 A 0 X B X X
Software Timer X C 0 0 1 0 0 A 0 X B X X
High Speed Output X C 0 0 1 1 0 A 0 X B X X
Frequency Output X C 0 0 0 1 1 A 0 X B X X
8-Bit Pulse Width Modulator70 C 0 0 E 0 1 A 0 X B X 0
9-Bit Pulse Width Modulator70 C 0 0 E 0 1 A D X B X 1
10-Bit Pulse Width Modulator70 C 0 0 E 0 1 A D X B X 2
11-Bit Pulse Width Modulator70 C 0 0 E 0 1 A D X B X 3
16-Bit Pulse Width Modulator 1 C 0 0 E 0 1 A 0 X B X X
Notes:
1. X = Don’t Care (no functional difference for individual module if 1 or 0).
2. A = Enable interrupts for this module (PCA interrupt triggered on CCFn set to 1).
3. B = Enable 8th–11th bit overflow interrupt (Depends on setting of CLSEL).
4. C = When set to 0, the digital comparator is off. For high speed and frequency output modes, the associated pin will not toggle. In
any of the PWM modes, this generates a 0% duty cycle (output = 0).
5. D = Selects whether the Capture/Compare register (0) or the Auto-Reload register (1) for the associated channel is accessed via
addresses PCA0CPHn and PCA0CPLn.
6. E = When set, a match event will cause the CCFn flag for the associated channel to be set.
7. All modules set to 8, 9, 10 or 11-bit PWM mode use the same cycle length setting.
EFM8BB3 Reference Manual
Programmable Counter Array (PCA0)
silabs.com | Building a more connected world. Rev. 0.4 | 255

18.3.3.1 Output Polarity
The output polarity of each PCA channel is individually selectable using the PCA0POL register. By default, all output channels are con-
figured to drive the PCA output signals (CEXn) with their internal polarity. When the CEXnPOL bit for a specific channel is set to 1, that
channel’s output signal will be inverted at the pin. All other properties of the channel are unaffected, and the inversion does not apply to
PCA input signals. Changes in the PCA0POL register take effect immediately at the associated output pin.
18.3.4 Edge-Triggered Capture Mode
In this mode, a valid transition on the CEXn pin causes the PCA to capture the value of the PCA counter/timer and load it into the
corresponding module's 16-bit capture/compare register (PCA0CPLn and PCA0CPHn). The CAPPn and CAPNn bits in the PCA0CPMn
register are used to select the type of transition that triggers the capture: low-to-high transition (positive edge), high-to-low transition
(negative edge), or either transition (positive or negative edge). When a capture occurs, the Capture/Compare Flag (CCFn) in
PCA0CN0 is set to logic 1. An interrupt request is generated if the CCFn interrupt for that module is enabled. The CCFn bit is not auto-
matically cleared by hardware when the CPU vectors to the interrupt service routine, and must be cleared by software. If both CAPPn
and CAPNn bits are set to logic 1, then the state of the port pin associated with CEXn can be read directly to determine whether a
rising-edge or falling-edge caused the capture.
CEXn
PCA0L
PCA0CPLn
PCA0H
PCA0CPHn
CAPPn
CAPNn
CCFn (Interrupt Flag)
PCA Clock
Capture
Figure 18.2. PCA Capture Mode Diagram
Note: The CEXn input signal must remain high or low for at least 2 system clock cycles to be recognized by the hardware.
EFM8BB3 Reference Manual
Programmable Counter Array (PCA0)
silabs.com | Building a more connected world. Rev. 0.4 | 256

18.3.5 Software Timer (Compare) Mode
In Software Timer mode, the PCA counter/timer value is compared to the module's 16-bit capture/compare register (PCA0CPHn and
PCA0CPLn). When a match occurs, the Capture/Compare Flag (CCFn) in PCA0CN0 is set to logic 1. An interrupt request is generated
if the CCFn interrupt for that module is enabled. The CCFn bit is not automatically cleared by hardware when the CPU vectors to the
interrupt service routine, and it must be cleared by software. Setting the ECOMn and MATn bits in the PCA0CPMn register enables
Software Timer mode.
Note: When writing a 16-bit value to the PCA0 Capture/Compare registers, the low byte should always be written first. Writing to
PCA0CPLn clears the ECOMn bit to 0; writing to PCA0CPHn sets ECOMn to 1.
PCA0L
PCA0CPLn
PCA0H
PCA0CPHn
ECOMn
(Compare Enable)
PCA Clock
16-bit Comparator match CCFn
(Interrupt Flag)
MATn (Match Enable)
Figure 18.3. PCA Software Timer Mode Diagram
EFM8BB3 Reference Manual
Programmable Counter Array (PCA0)
silabs.com | Building a more connected world. Rev. 0.4 | 257

18.3.6 High-Speed Output Mode
In High-Speed Output mode, a module’s associated CEXn pin is toggled each time a match occurs between the PCA Counter and the
module's 16-bit capture/compare register (PCA0CPHn and PCA0CPLn). When a match occurs, the capture/compare flag (CCFn) in
PCA0CN0 is set to logic 1. An interrupt request is generated if the CCFn interrupt for that module is enabled. The CCFn bit is not auto-
matically cleared by hardware when the CPU vectors to the interrupt service routine. It must be cleared by software. Setting the TOGn,
MATn, and ECOMn bits in the PCA0CPMn register enables the High-Speed Output mode. If ECOMn is cleared, the associated pin
retains its state and not toggle on the next match event.
Note: When writing a 16-bit value to the PCA0 Capture/Compare registers, the low byte should always be written first. Writing to
PCA0CPLn clears the ECOMn bit to 0; writing to PCA0CPHn sets ECOMn to 1.
PCA0L
PCA0CPLn
PCA0H
PCA0CPHn
ECOMn
(Compare Enable)
PCA Clock
16-bit Comparator match CCFn
(Interrupt Flag)
MATn (Match Enable)
Toggle
TOGn (Toggle Enable)
CEXn
Figure 18.4. PCA High-Speed Output Mode Diagram
EFM8BB3 Reference Manual
Programmable Counter Array (PCA0)
silabs.com | Building a more connected world. Rev. 0.4 | 258

18.3.7 Frequency Output Mode
Frequency Output Mode produces a programmable-frequency square wave on the module’s associated CEXn pin. The capture/
compare module high byte holds the number of PCA clocks to count before the output is toggled. The frequency of the square wave is
then defined as follows:
FCEXn =
FPCA
2 × PCA0CPHn
Note: A value of 0x00 in the PCA0CPHn register is equal to 256 for this equation.
Where FPCA is the frequency of the clock selected by the CPS2–0 bits in the PCA mode register PCA0MD. The lower byte of the cap-
ture/compare module is compared to the PCA counter low byte; on a match, n is toggled and the offset held in the high byte is added to
the matched value in PCA0CPLn. Frequency Output Mode is enabled by setting the ECOMn, TOGn, and PWMn bits in the PCA0CPMn
register.
Note: The MATn bit should normally be set to 0 in this mode. If the MATn bit is set to 1, the CCFn flag for the channel will be set when
the 16-bit PCA0 counter and the 16-bit capture/compare register for the channel are equal.
PCA0L
ECOMn
(Compare Enable)
PCA Clock
8-bit
Comparator
match
Toggle
TOGn (Toggle Enable)
CEXn
8-bit Adder
Adder
Enable
PCA0CPLn PCA0CPHn
Figure 18.5. PCA Frequency Output Mode
18.3.8 PWM Waveform Generation
The PCA can generate edge- or center-aligned PWM waveforms with resolutions of 8, 9, 10, 11, or 16 bits. PWM resolution depends on
the module setup, as specified within the individual module PCA0CPMn registers as well as the PCA0PWM register. Modules can be
configured for 8-11 bit mode or for 16-bit mode individually using the PCA0CPMn registers. All modules configured for 8-11 bit mode
have the same resolution, specified by the PCA0PWM register. When operating in one of the PWM modes, each module may be indi-
vidually configured for center or edge-aligned PWM waveforms. Each channel has a single bit in the PCA0CENT register to select be-
tween the two options.
EFM8BB3 Reference Manual
Programmable Counter Array (PCA0)
silabs.com | Building a more connected world. Rev. 0.4 | 259

Edge Aligned PWM
When configured for edge-aligned mode, a module generates an edge transition at two points for every 2N PCA clock cycles, where N
is the selected PWM resolution in bits. In edge-aligned mode, these two edges are referred to as the “match” and “overflow” edges. The
polarity at the output pin is selectable and can be inverted by setting the appropriate channel bit to 1 in the PCA0POL register. Prior to
inversion, a match edge sets the channel to logic high, and an overflow edge clears the channel to logic low.
The match edge occurs when the the lowest N bits of the module’s PCA0CPn register match the corresponding bits of the main PCA0
counter register. For example, with 10-bit PWM, the match edge occurs any time bits 9-0 of the PCA0CPn register match bits 9-0 of the
PCA0 counter value.
The overflow edge occurs when an overflow of the PCA0 counter happens at the desired resolution. For example, with 10-bit PWM, the
overflow edge occurs when bits 0-9 of the PCA0 counter transition from all 1s to all 0s. All modules configured for edge-aligned mode at
the same resolution align on the overflow edge of the waveforms.
An example of the PWM timing in edge-aligned mode for two channels is shown here. In this example, the CEX0POL and CEX1POL
bits are cleared to 0.
0xFFFF 0x0000 0x0001 0x0002 0x0003 0x0004 0x0005
Counter (PCA0)
0x0002
Capture / Compare
(PCA0CP0)
Output (CEX0)
PCA Clock
match edge
overflow edge
0x0005
Capture / Compare
(PCA0CP1)
Output (CEX1)
match edge
Figure 18.6. Edge-Aligned PWM Timing
For a given PCA resolution, the unused high bits in the PCA0 counter and the PCA0CPn compare registers are ignored, and only the
used bits of the PCA0CPn register determine the duty cycle. Figure 18.7 N-bit Edge-Aligned PWM Duty Cycle With CEXnPOL = 0 (N =
PWM resolution) on page 260 describes the duty cycle when CEXnPOL in the PCA0POL regsiter is cleared to 0. Figure 18.8 N-bit
Edge-Aligned PWM Duty Cycle With CEXnPOL = 1 (N = PWM resolution) on page 261 describes the duty cycle when CEXnPOL in the
PCA0POL regsiter is set to 1. A 0% duty cycle for the channel (with CEXnPOL = 0) is achieved by clearing the module’s ECOM bit to 0.
This will disable the comparison, and prevent the match edge from occuring.
Note: Although the PCA0CPn compare register determines the duty cycle, it is not always appropriate for firmware to update this regis-
ter directly. See the sections on 8 to 11-bit and 16-bit PWM mode for additional details on adjusting duty cycle in the various modes.
Duty Cycle = 2N- PCA0CPn
2N
Figure 18.7. N-bit Edge-Aligned PWM Duty Cycle With CEXnPOL = 0 (N = PWM resolution)
EFM8BB3 Reference Manual
Programmable Counter Array (PCA0)
silabs.com | Building a more connected world. Rev. 0.4 | 260

Duty Cycle = PCA0CPn
2N
Figure 18.8. N-bit Edge-Aligned PWM Duty Cycle With CEXnPOL = 1 (N = PWM resolution)
EFM8BB3 Reference Manual
Programmable Counter Array (PCA0)
silabs.com | Building a more connected world. Rev. 0.4 | 261

Center Aligned PWM
When configured for center-aligned mode, a module generates an edge transition at two points for every 2(N+1) PCA clock cycles,
where N is the selected PWM resolution in bits. In center-aligned mode, these two edges are referred to as the “up” and “down” edges.
The polarity at the output pin is selectable and can be inverted by setting the appropriate channel bit to 1 in the PCA0POL register.
The generated waveforms are centered about the points where the lower N bits of the PCA0 counter are zero. The (N+1)th bit in the
PCA0 counter acts as a selection between up and down edges. In 16-bit mode, a special 17th bit is implemented internally for this
purpose. At the center point, the (non-inverted) channel output is low when the (N+1)th bit is 0 and high when the (N+1)th bit is 1, except
for cases of 0% and 100% duty cycle. Prior to inversion, an up edge sets the channel to logic high, and a down edge clears the channel
to logic low.
Down edges occur when the (N+1)th bit in the PCA0 counter is one and a logical inversion of the value in the module’s PCA0CPn regis-
ter matches the main PCA0 counter register for the lowest N bits. For example, with 10-bit PWM, the down edge occurs when the one’s
complement of bits 9-0 of the PCA0CPn register match bits 9-0 of the PCA0 counter and bit 10 of the PCA0 counter is 1.
Up edges occur when the (N+1)th bit in the PCA0 counter is zero and the lowest N bits of the module’s PCA0CPn register match the
value of (PCA0 - 1). For example, with 10-bit PWM, the up edge occurs when bits 9-0 of the PCA0CPn register are one less than bits
9-0 of the PCA0 counter and bit 10 of the PCA0 counter is 0.
An example of the PWM timing in center-aligned mode for two channels is shown here. In this example, the CEX0POL and CEX1POL
bits are cleared to 0.
0xFB 0xFC 0xFD 0xFE 0xFF 0x00 0x01 0x02 0x03 0x04
Counter (PCA0L)
0x01
Capture / Compare
(PCA0CPL0)
Output (CEX0)
PCA Clock
down edge
0x04
Capture / Compare
(PCA0CPL1)
Output (CEX1)
up edge
down edge up edge
center
center
center
Figure 18.9. Center-Aligned PWM Timing
Figure 18.10 N-bit Center-Aligned PWM Duty Cycle With CEXnPOL = 0 (N = PWM resolution) on page 263 describes the duty cycle
when CEXnPOL in the PCA0POL regsiter is cleared to 0. Figure 18.11 N-bit Center-Aligned PWM Duty Cycle With CEXnPOL = 1 (N =
PWM resolution) on page 263 describes the duty cycle when CEXnPOL in the PCA0POL regsiter is set to 1. The equations are true
only when the lowest N bits of the PCA0CPn register are not all 0s or all 1s. With CEXnPOL equal to zero, 100% duty cycle is produced
when the lowest N bits of PCA0CPn are all 0, and 0% duty cycle is produced when the lowest N bits of PCA0CPn are all 1. For a given
PCA resolution, the unused high bits in the PCA0 counter and the PCA0CPn compare registers are ignored, and only the used bits of
the PCA0CPn register determine the duty cycle.
Note: Although the PCA0CPn compare register determines the duty cycle, it is not always appropriate for firmware to update this regis-
ter directly. See the sections on 8 to 11-bit and 16-bit PWM mode for additional details on adjusting duty cycle in the various modes.
EFM8BB3 Reference Manual
Programmable Counter Array (PCA0)
silabs.com | Building a more connected world. Rev. 0.4 | 262

Duty Cycle =
2N- PCA0CPn - 1
2
2N
Figure 18.10. N-bit Center-Aligned PWM Duty Cycle With CEXnPOL = 0 (N = PWM resolution)
Duty Cycle =
PCA0CPn + 1
2
2N
Figure 18.11. N-bit Center-Aligned PWM Duty Cycle With CEXnPOL = 1 (N = PWM resolution)
18.3.8.1 8 to 11-Bit PWM Modes
Each module can be used independently to generate a pulse width modulated (PWM) output on its associated CEXn pin. The frequen-
cy of the output is dependent on the timebase for the PCA counter/timer and the setting of the PWM cycle length (8 through 11-bits).
For backwards-compatibility with the 8-bit PWM mode available on other devices, the 8-bit PWM mode operates slightly different than 9
through 11-bit PWM modes.
Important: All channels configured for 8 to 11-bit PWM mode use the same cycle length. It is not possible to configure one channel for
8-bit PWM mode and another for 11-bit mode (for example). However, other PCA channels can be configured to Pin Capture, High-
Speed Output, Software Timer, Frequency Output, or 16-bit PWM mode independently. Each channel configured for a PWM mode can
be individually selected to operate in edge-aligned or center-aligned mode.
8-bit Pulse Width Modulator Mode
In 8-bit PWM mode, the duty cycle is determined by the value of the low byte of the PCA0CPn register (PCA0CPLn). To adjust the duty
cycle, PCA0CPLn should not normally be written directly. Instead, the recommendation is to adjust the duty cycle using the high byte of
the PCA0CPn register (register PCA0CPHn). This allows seamless updating of the PWM waveform as PCA0CPLn is reloaded auto-
matically with the value stored in PCA0CPHn during the overflow edge (in edge-aligned mode) or the up edge (in center-aligned mode).
Setting the ECOMn and PWMn bits in the PCA0CPMn register and setting the CLSEL bits in register PCA0PWM to 00b enables 8-Bit
pulse width modulator mode. If the MATn bit is set to 1, the CCFn flag for the module is set each time a match edge or up edge occurs.
The COVF flag in PCA0PWM can be used to detect the overflow (falling edge), which occurs every 256 PCA clock cycles.
9- to 11-bit Pulse Width Modulator Mode
In 9 to 11-bit PWM mode, the duty cycle is determined by the value of the least significant N bits of the PCA0CPn register, where N is
the selected PWM resolution.
To adjust the duty cycle, PCA0CPn should not normally be written directly. Instead, the recommendation is to adjust the duty cycle by
writing to an “Auto-Reload” register, which is dual-mapped into the PCA0CPHn and PCA0CPLn register locations. The data written to
define the duty cycle should be right-justified in the registers. The auto-reload registers are accessed (read or written) when the bit AR-
SEL in PCA0PWM is set to 1. The capture/compare registers are accessed when ARSEL is set to 0. This allows seamless updating of
the PWM waveform, as the PCA0CPn register is reloaded automatically with the value stored in the auto-reload registers during the
overflow edge (in edge-aligned mode) or the up edge (in center-aligned mode).
Setting the ECOMn and PWMn bits in the PCA0CPMn register and setting the CLSEL bits in register PCA0PWM to 00b enables 8-Bit
pulse width modulator mode. If the MATn bit is set to 1, the CCFn flag for the module is set each time a match edge or up edge occurs.
The COVF flag in PCA0PWM can be used to detect the overflow or down edge.
The 9 to 11-bit PWM mode is selected by setting the ECOMn and PWMn bits in the PCA0CPMn register and setting the CLSEL bits in
register PCA0PWM to the desired cycle length (other than 8-bits). If the MATn bit is set to 1, the CCFn flag for the module is set each
time a match edge or up edge occurs. The COVF flag in PCA0PWM can be used to detect the overflow or down edge.
Important: When writing a 16-bit value to the PCA0CPn registers, the low byte should always be written first. Writing to PCA0CPLn
clears the ECOMn bit to 0; writing to PCA0CPHn sets ECOMn to 1.
EFM8BB3 Reference Manual
Programmable Counter Array (PCA0)
silabs.com | Building a more connected world. Rev. 0.4 | 263

18.3.8.2 16-Bit PWM Mode
A PCA module may also be operated in 16-Bit PWM mode. 16-bit PWM mode is independent of the other PWM modes. The entire
PCA0CP register is used to determine the duty cycle in 16-bit PWM mode.
To output a varying duty cycle, new value writes should be synchronized with the PCA CCFn match flag to ensure seamless updates.
16-Bit PWM mode is enabled by setting the ECOMn, PWMn, and PWM16n bits in the PCA0CPMn register. For a varying duty cycle,
the match interrupt flag should be enabled (ECCFn = 1 AND MATn = 1) to help synchronize the capture/compare register writes. If the
MATn bit is set to 1, the CCFn flag for the module is set each time a match edge or up edge occurs. The CF flag in PCA0CN0 can be
used to detect the overflow or down edge.
Important: When writing a 16-bit value to the PCA0 Capture/Compare registers, the low byte should always be written first. Writing to
PCA0CPLn clears the ECOMn bit to 0; writing to PCA0CPHn sets ECOMn to 1.
EFM8BB3 Reference Manual
Programmable Counter Array (PCA0)
silabs.com | Building a more connected world. Rev. 0.4 | 264

18.3.8.3 Comparator Clear Function
In 8/9/10/11/16-bit PWM modes, the comparator clear function utilizes the Comparator0 output synchronized to the system clock to
clear CEXn to logic low for the current PWM cycle. This comparator clear function can be enabled for each PWM channel by setting the
CPCEn bits to 1 in the PCA0CLR SFR. When the comparator clear function is disabled, CEXn is unaffected.
The asynchronous Comparator 0 output is logic high when the voltage of CP0+ is greater than CP0– and logic low when the voltage of
CP0+ is less than CP0–. The polarity of the Comparator 0 output is used to clear CEXn as follows: when CPCPOL = 0, CEXn is cleared
on the falling edge of the Comparator0 output.
CEXn (CPCEn = 0)
CEXn (CPCEn = 1)
Comparator0 Output
(CPCPOL = 0)
Figure 18.12. CEXn with CPCEn = 1, CPCPOL = 0
When CPCPOL = 1, CEXn is cleared on the rising edge of the Comparator0 output.
CEXn (CPCEn = 0)
CEXn (CPCEn = 1)
Comparator0 Output
(CPCPOL = 1)
Figure 18.13. CEXn with CPCEn = 1, CPCPOL = 1
In the PWM cycle following the current cycle, should the Comparator 0 output remain logic low when CPCPOL = 0 or logic high when
CPCPOL = 1, CEXn will continue to be cleared.
CEXn (CPCEn = 0)
CEXn (CPCEn = 1)
Comparator0 Output
(CPCPOL = 0)
Figure 18.14. CEXn with CPCEn = 1, CPCPOL = 0
EFM8BB3 Reference Manual
Programmable Counter Array (PCA0)
silabs.com | Building a more connected world. Rev. 0.4 | 265

CEXn (CPCEn = 0)
CEXn (CPCEn = 1)
Comparator0 Output
(CPCPOL = 1)
Figure 18.15. CEXn with CPCEn = 1, CPCPOL = 1
EFM8BB3 Reference Manual
Programmable Counter Array (PCA0)
silabs.com | Building a more connected world. Rev. 0.4 | 266

18.4 PCA0 Control Registers
18.4.1 PCA0CN0: PCA Control
Bit 7 6 5 4 3 2 1 0
Name CF CR CCF5 CCF4 CCF3 CCF2 CCF1 CCF0
Access RW RW RW RW RW RW RW RW
Reset 0 0 0 0 0 0 0 0
SFR Page = 0x0, 0x10; SFR Address: 0xD8 (bit-addressable)
Bit Name Reset Access Description
7 CF 0 RW PCA Counter/Timer Overflow Flag.
Set by hardware when the PCA Counter/Timer overflows from 0xFFFF to 0x0000. When the Counter/Timer Overflow (CF)
interrupt is enabled, setting this bit causes the CPU to vector to the PCA interrupt service routine. This bit is not automati-
cally cleared by hardware and must be cleared by firmware.
6 CR 0 RW PCA Counter/Timer Run Control.
This bit enables/disables the PCA Counter/Timer.
Value Name Description
0 STOP Stop the PCA Counter/Timer.
1 RUN Start the PCA Counter/Timer running.
5 CCF5 0 RW PCA Module 5 Capture/Compare Flag.
This bit is set by hardware when a match or capture occurs. When the CCF5 interrupt is enabled, setting this bit causes the
CPU to vector to the PCA interrupt service routine. This bit is not automatically cleared by hardware and must be cleared
by firmware.
4 CCF4 0 RW PCA Module 4 Capture/Compare Flag.
This bit is set by hardware when a match or capture occurs. When the CCF4 interrupt is enabled, setting this bit causes the
CPU to vector to the PCA interrupt service routine. This bit is not automatically cleared by hardware and must be cleared
by firmware.
3 CCF3 0 RW PCA Module 3 Capture/Compare Flag.
This bit is set by hardware when a match or capture occurs. When the CCF3 interrupt is enabled, setting this bit causes the
CPU to vector to the PCA interrupt service routine. This bit is not automatically cleared by hardware and must be cleared
by firmware.
2 CCF2 0 RW PCA Module 2 Capture/Compare Flag.
This bit is set by hardware when a match or capture occurs. When the CCF2 interrupt is enabled, setting this bit causes the
CPU to vector to the PCA interrupt service routine. This bit is not automatically cleared by hardware and must be cleared
by firmware.
1 CCF1 0 RW PCA Module 1 Capture/Compare Flag.
This bit is set by hardware when a match or capture occurs. When the CCF1 interrupt is enabled, setting this bit causes the
CPU to vector to the PCA interrupt service routine. This bit is not automatically cleared by hardware and must be cleared
by firmware.
0 CCF0 0 RW PCA Module 0 Capture/Compare Flag.
This bit is set by hardware when a match or capture occurs. When the CCF0 interrupt is enabled, setting this bit causes the
CPU to vector to the PCA interrupt service routine. This bit is not automatically cleared by hardware and must be cleared
by firmware.
EFM8BB3 Reference Manual
Programmable Counter Array (PCA0)
silabs.com | Building a more connected world. Rev. 0.4 | 267

18.4.2 PCA0MD: PCA Mode
Bit 7 6 5 4 3 2 1 0
Name CIDL Reserved CPS ECF
Access RW R RW RW
Reset 0 0x0 0x0 0
SFR Page = 0x0, 0x10; SFR Address: 0xD9
Bit Name Reset Access Description
7 CIDL 0 RW PCA Counter/Timer Idle Control.
Specifies PCA behavior when CPU is in Idle Mode.
Value Name Description
0 NORMAL PCA continues to function normally while the system controller is in Idle
Mode.
1 SUSPEND PCA operation is suspended while the system controller is in Idle
Mode.
6:4 Reserved Must write reset value.
3:1 CPS 0x0 RW PCA Counter/Timer Pulse Select.
These bits select the timebase source for the PCA counter.
Value Name Description
0x0 SYSCLK_DIV_12 System clock divided by 12.
0x1 SYSCLK_DIV_4 System clock divided by 4.
0x2 T0_OVERFLOW Timer 0 overflow.
0x3 ECI High-to-low transitions on ECI (max rate = system clock divided by 4).
0x4 SYSCLK System clock.
0x5 EXTOSC_DIV_8 External clock divided by 8 (synchronized with the system clock).
0x6 LFOSC_DIV_8 Low frequency oscillator divided by 8.
0 ECF 0 RW PCA Counter/Timer Overflow Interrupt Enable.
This bit sets the masking of the PCA Counter/Timer Overflow (CF) interrupt.
Value Name Description
0 OVF_INT_DISABLED Disable the CF interrupt.
1 OVF_INT_ENABLED Enable a PCA Counter/Timer Overflow interrupt request when CF is
set.
EFM8BB3 Reference Manual
Programmable Counter Array (PCA0)
silabs.com | Building a more connected world. Rev. 0.4 | 268

18.4.3 PCA0PWM: PCA PWM Configuration
Bit 7 6 5 4 3 2 1 0
Name ARSEL ECOV COVF Reserved CLSEL
Access RW RW RW R RW
Reset 0 0 0 0x0 0x0
SFR Page = 0x0, 0x10; SFR Address: 0xF7
Bit Name Reset Access Description
7 ARSEL 0 RW Auto-Reload Register Select.
This bit selects whether to read and write the normal PCA capture/compare registers (PCA0CPn), or the Auto-Reload reg-
isters at the same SFR addresses. This function is used to define the reload value for 9 to 11-bit PWM modes. In all other
modes, the Auto-Reload registers have no function.
Value Name Description
0 CAPTURE_COMPARE Read/Write Capture/Compare Registers at PCA0CPHn and
PCA0CPLn.
1 AUTORELOAD Read/Write Auto-Reload Registers at PCA0CPHn and PCA0CPLn.
6 ECOV 0 RW Cycle Overflow Interrupt Enable.
This bit sets the masking of the Cycle Overflow Flag (COVF) interrupt.
Value Name Description
0 COVF_MASK_DISA-
BLED
COVF will not generate PCA interrupts.
1 COVF_MASK_ENA-
BLED
A PCA interrupt will be generated when COVF is set.
5 COVF 0 RW Cycle Overflow Flag.
This bit indicates an overflow of the 8th to 11th bit of the main PCA counter (PCA0). The specific bit used for this flag de-
pends on the setting of the Cycle Length Select bits. The bit can be set by hardware or firmware, but must be cleared by
firmware.
Value Name Description
0 NO_OVERFLOW No overflow has occurred since the last time this bit was cleared.
1 OVERFLOW An overflow has occurred since the last time this bit was cleared.
4:3 Reserved Must write reset value.
2:0 CLSEL 0x0 RW Cycle Length Select.
When 16-bit PWM mode is not selected, these bits select the length of the PWM cycle. This affects all channels configured
for PWM which are not using 16-bit PWM mode. These bits are ignored for individual channels configured to 16-bit PWM
mode.
Value Name Description
0x0 8_BITS 8 bits.
0x1 9_BITS 9 bits.
0x2 10_BITS 10 bits.
0x3 11_BITS 11 bits.
EFM8BB3 Reference Manual
Programmable Counter Array (PCA0)
silabs.com | Building a more connected world. Rev. 0.4 | 269

18.4.4 PCA0CLR: PCA Comparator Clear Control
Bit 7 6 5 4 3 2 1 0
Name CPCPOL CPCSEL CPCE5 CPCE4 CPCE3 CPCE2 CPCE1 CPCE0
Access RW RW RW RW RW RW RW RW
Reset 0 0 0 0 0 0 0 0
SFR Page = 0x0, 0x10; SFR Address: 0x9C
Bit Name Reset Access Description
7 CPCPOL 0 RW Comparator Clear Polarity.
Selects the polarity of the comparator result that will clear the PCA channel(s).
Value Name Description
0 LOW PCA channel(s) will be cleared when comparator result goes logic low.
1 HIGH PCA channel(s) will be cleared when comparator result goes logic high.
6 CPCSEL 0 RW Comparator Clear Select.
Selects the comparator to use for the comparator clear function.
Value Name Description
0 CMP_0 Comparator 0 will be used for the comparator clear function.
1 CMP_1 Comparator 1 will be used for the comparator clear function.
5 CPCE5 0 RW Comparator Clear Enable for CEX5.
Enables the comparator clear function on PCA channel 5.
4 CPCE4 0 RW Comparator Clear Enable for CEX4.
Enables the comparator clear function on PCA channel 4.
3 CPCE3 0 RW Comparator Clear Enable for CEX3.
Enables the comparator clear function on PCA channel 3.
2 CPCE2 0 RW Comparator Clear Enable for CEX2.
Enables the comparator clear function on PCA channel 2.
1 CPCE1 0 RW Comparator Clear Enable for CEX1.
Enables the comparator clear function on PCA channel 1.
0 CPCE0 0 RW Comparator Clear Enable for CEX0.
Enables the comparator clear function on PCA channel 0.
EFM8BB3 Reference Manual
Programmable Counter Array (PCA0)
silabs.com | Building a more connected world. Rev. 0.4 | 270

18.4.5 PCA0L: PCA Counter/Timer Low Byte
Bit 7 6 5 4 3 2 1 0
Name PCA0L
Access RW
Reset 0x00
SFR Page = 0x0, 0x10; SFR Address: 0xF9
Bit Name Reset Access Description
7:0 PCA0L 0x00 RW PCA Counter/Timer Low Byte.
The PCA0L register holds the low byte (LSB) of the 16-bit PCA Counter/Timer.
18.4.6 PCA0H: PCA Counter/Timer High Byte
Bit 7 6 5 4 3 2 1 0
Name PCA0H
Access RW
Reset 0x00
SFR Page = 0x0, 0x10; SFR Address: 0xFA
Bit Name Reset Access Description
7:0 PCA0H 0x00 RW PCA Counter/Timer High Byte.
The PCA0H register holds the high byte (MSB) of the 16-bit PCA Counter/Timer. Reads of this register will read the con-
tents of a "snapshot" register, whose contents are updated only when the contents of PCA0L are read.
EFM8BB3 Reference Manual
Programmable Counter Array (PCA0)
silabs.com | Building a more connected world. Rev. 0.4 | 271

18.4.7 PCA0POL: PCA Output Polarity
Bit 7 6 5 4 3 2 1 0
Name Reserved CEX5POL CEX4POL CEX3POL CEX2POL CEX1POL CEX0POL
Access R RW RW RW RW RW RW
Reset 0x0 0 0 0 0 0 0
SFR Page = 0x0, 0x10; SFR Address: 0x96
Bit Name Reset Access Description
7:6 Reserved Must write reset value.
5 CEX5POL 0 RW CEX5 Output Polarity.
Selects the polarity of the CEX5 output channel. When this bit is modified, the change takes effect at the pin immediately.
Value Name Description
0 DEFAULT Use default polarity.
1 INVERT Invert polarity.
4 CEX4POL 0 RW CEX4 Output Polarity.
Selects the polarity of the CEX4 output channel. When this bit is modified, the change takes effect at the pin immediately.
Value Name Description
0 DEFAULT Use default polarity.
1 INVERT Invert polarity.
3 CEX3POL 0 RW CEX3 Output Polarity.
Selects the polarity of the CEX3 output channel. When this bit is modified, the change takes effect at the pin immediately.
Value Name Description
0 DEFAULT Use default polarity.
1 INVERT Invert polarity.
2 CEX2POL 0 RW CEX2 Output Polarity.
Selects the polarity of the CEX2 output channel. When this bit is modified, the change takes effect at the pin immediately.
Value Name Description
0 DEFAULT Use default polarity.
1 INVERT Invert polarity.
1 CEX1POL 0 RW CEX1 Output Polarity.
Selects the polarity of the CEX1 output channel. When this bit is modified, the change takes effect at the pin immediately.
Value Name Description
0 DEFAULT Use default polarity.
1 INVERT Invert polarity.
EFM8BB3 Reference Manual
Programmable Counter Array (PCA0)
silabs.com | Building a more connected world. Rev. 0.4 | 272

Bit Name Reset Access Description
0 CEX0POL 0 RW CEX0 Output Polarity.
Selects the polarity of the CEX0 output channel. When this bit is modified, the change takes effect at the pin immediately.
Value Name Description
0 DEFAULT Use default polarity.
1 INVERT Invert polarity.
EFM8BB3 Reference Manual
Programmable Counter Array (PCA0)
silabs.com | Building a more connected world. Rev. 0.4 | 273

18.4.8 PCA0CENT: PCA Center Alignment Enable
Bit 7 6 5 4 3 2 1 0
Name Reserved CEX5CEN CEX4CEN CEX3CEN CEX2CEN CEX1CEN CEX0CEN
Access R RW RW RW RW RW RW
Reset 0x0 0 0 0 0 0 0
SFR Page = 0x0, 0x10; SFR Address: 0x9E
Bit Name Reset Access Description
7:6 Reserved Must write reset value.
5 CEX5CEN 0 RW CEX5 Center Alignment Enable.
Selects the alignment properties of the CEX5 output channel when operated in any of the PWM modes. This bit does not
affect the operation of non-PWM modes.
Value Name Description
0 EDGE Edge-aligned.
1 CENTER Center-aligned.
4 CEX4CEN 0 RW CEX4 Center Alignment Enable.
Selects the alignment properties of the CEX4 output channel when operated in any of the PWM modes. This bit does not
affect the operation of non-PWM modes.
Value Name Description
0 EDGE Edge-aligned.
1 CENTER Center-aligned.
3 CEX3CEN 0 RW CEX3 Center Alignment Enable.
Selects the alignment properties of the CEX3 output channel when operated in any of the PWM modes. This bit does not
affect the operation of non-PWM modes.
Value Name Description
0 EDGE Edge-aligned.
1 CENTER Center-aligned.
2 CEX2CEN 0 RW CEX2 Center Alignment Enable.
Selects the alignment properties of the CEX2 output channel when operated in any of the PWM modes. This bit does not
affect the operation of non-PWM modes.
Value Name Description
0 EDGE Edge-aligned.
1 CENTER Center-aligned.
1 CEX1CEN 0 RW CEX1 Center Alignment Enable.
Selects the alignment properties of the CEX1 output channel when operated in any of the PWM modes. This bit does not
affect the operation of non-PWM modes.
Value Name Description
0 EDGE Edge-aligned.
EFM8BB3 Reference Manual
Programmable Counter Array (PCA0)
silabs.com | Building a more connected world. Rev. 0.4 | 274

Bit Name Reset Access Description
1 CENTER Center-aligned.
0 CEX0CEN 0 RW CEX0 Center Alignment Enable.
Selects the alignment properties of the CEX0 output channel when operated in any of the PWM modes. This bit does not
affect the operation of non-PWM modes.
Value Name Description
0 EDGE Edge-aligned.
1 CENTER Center-aligned.
EFM8BB3 Reference Manual
Programmable Counter Array (PCA0)
silabs.com | Building a more connected world. Rev. 0.4 | 275

18.4.9 PCA0CPM0: PCA Channel 0 Capture/Compare Mode
Bit 7 6 5 4 3 2 1 0
Name PWM16 ECOM CAPP CAPN MAT TOG PWM ECCF
Access RW RW RW RW RW RW RW RW
Reset 0 0 0 0 0 0 0 0
SFR Page = 0x0, 0x10; SFR Address: 0xDA
Bit Name Reset Access Description
7 PWM16 0 RW Channel 0 16-bit Pulse Width Modulation Enable.
This bit enables 16-bit mode when Pulse Width Modulation mode is enabled.
Value Name Description
0 8_BIT 8 to 11-bit PWM selected.
1 16_BIT 16-bit PWM selected.
6 ECOM 0 RW Channel 0 Comparator Function Enable.
This bit enables the comparator function.
5 CAPP 0 RW Channel 0 Capture Positive Function Enable.
This bit enables the positive edge capture capability.
4 CAPN 0 RW Channel 0 Capture Negative Function Enable.
This bit enables the negative edge capture capability.
3 MAT 0 RW Channel 0 Match Function Enable.
This bit enables the match function. When enabled, matches of the PCA counter with a module's capture/compare register
cause the CCF0 bit in the PCA0MD register to be set to logic 1.
2 TOG 0 RW Channel 0 Toggle Function Enable.
This bit enables the toggle function. When enabled, matches of the PCA counter with the capture/compare register cause
the logic level on the CEX0 pin to toggle. If the PWM bit is also set to logic 1, the module operates in Frequency Output
Mode.
1 PWM 0 RW Channel 0 Pulse Width Modulation Mode Enable.
This bit enables the PWM function. When enabled, a pulse width modulated signal is output on the CEX0 pin. 8 to 11-bit
PWM is used if PWM16 is cleared to 0; 16-bit mode is used if PWM16 is set to 1. If the TOG bit is also set, the module
operates in Frequency Output Mode.
0 ECCF 0 RW Channel 0 Capture/Compare Flag Interrupt Enable.
This bit sets the masking of the Capture/Compare Flag (CCF0) interrupt.
Value Name Description
0 DISABLED Disable CCF0 interrupts.
1 ENABLED Enable a Capture/Compare Flag interrupt request when CCF0 is set.
EFM8BB3 Reference Manual
Programmable Counter Array (PCA0)
silabs.com | Building a more connected world. Rev. 0.4 | 276

18.4.10 PCA0CPL0: PCA Channel 0 Capture Module Low Byte
Bit 7 6 5 4 3 2 1 0
Name PCA0CPL0
Access RW
Reset 0x00
SFR Page = 0x0, 0x10; SFR Address: 0xFB
Bit Name Reset Access Description
7:0 PCA0CPL0 0x00 RW PCA Channel 0 Capture Module Low Byte.
The PCA0CPL0 register holds the low byte (LSB) of the 16-bit capture module. This register address also allows access to
the low byte of the corresponding PCA channel's auto-reload value for 9 to 11-bit PWM mode. The ARSEL bit in register
PCA0PWM controls which register is accessed.
A write to this register will clear the module's ECOM bit to a 0.
18.4.11 PCA0CPH0: PCA Channel 0 Capture Module High Byte
Bit 7 6 5 4 3 2 1 0
Name PCA0CPH0
Access RW
Reset 0x00
SFR Page = 0x0, 0x10; SFR Address: 0xFC
Bit Name Reset Access Description
7:0 PCA0CPH0 0x00 RW PCA Channel 0 Capture Module High Byte.
The PCA0CPH0 register holds the high byte (MSB) of the 16-bit capture module. This register address also allows access
to the high byte of the corresponding PCA channel's auto-reload value for 9 to 11-bit PWM mode. The ARSEL bit in register
PCA0PWM controls which register is accessed.
A write to this register will set the module's ECOM bit to a 1.
EFM8BB3 Reference Manual
Programmable Counter Array (PCA0)
silabs.com | Building a more connected world. Rev. 0.4 | 277

18.4.12 PCA0CPM1: PCA Channel 1 Capture/Compare Mode
Bit 7 6 5 4 3 2 1 0
Name PWM16 ECOM CAPP CAPN MAT TOG PWM ECCF
Access RW RW RW RW RW RW RW RW
Reset 0 0 0 0 0 0 0 0
SFR Page = 0x0, 0x10; SFR Address: 0xDB
Bit Name Reset Access Description
7 PWM16 0 RW Channel 1 16-bit Pulse Width Modulation Enable.
This bit enables 16-bit mode when Pulse Width Modulation mode is enabled.
Value Name Description
0 8_BIT 8 to 11-bit PWM selected.
1 16_BIT 16-bit PWM selected.
6 ECOM 0 RW Channel 1 Comparator Function Enable.
This bit enables the comparator function.
5 CAPP 0 RW Channel 1 Capture Positive Function Enable.
This bit enables the positive edge capture capability.
4 CAPN 0 RW Channel 1 Capture Negative Function Enable.
This bit enables the negative edge capture capability.
3 MAT 0 RW Channel 1 Match Function Enable.
This bit enables the match function. When enabled, matches of the PCA counter with a module's capture/compare register
cause the CCF1 bit in the PCA0MD register to be set to logic 1.
2 TOG 0 RW Channel 1 Toggle Function Enable.
This bit enables the toggle function. When enabled, matches of the PCA counter with the capture/compare register cause
the logic level on the CEX1 pin to toggle. If the PWM bit is also set to logic 1, the module operates in Frequency Output
Mode.
1 PWM 0 RW Channel 1 Pulse Width Modulation Mode Enable.
This bit enables the PWM function. When enabled, a pulse width modulated signal is output on the CEX1 pin. 8 to 11-bit
PWM is used if PWM16 is cleared to 0; 16-bit mode is used if PWM16 is set to 1. If the TOG bit is also set, the module
operates in Frequency Output Mode.
0 ECCF 0 RW Channel 1 Capture/Compare Flag Interrupt Enable.
This bit sets the masking of the Capture/Compare Flag (CCF1) interrupt.
Value Name Description
0 DISABLED Disable CCF1 interrupts.
1 ENABLED Enable a Capture/Compare Flag interrupt request when CCF1 is set.
EFM8BB3 Reference Manual
Programmable Counter Array (PCA0)
silabs.com | Building a more connected world. Rev. 0.4 | 278

18.4.13 PCA0CPL1: PCA Channel 1 Capture Module Low Byte
Bit 7 6 5 4 3 2 1 0
Name PCA0CPL1
Access RW
Reset 0x00
SFR Page = 0x0, 0x10; SFR Address: 0xE9
Bit Name Reset Access Description
7:0 PCA0CPL1 0x00 RW PCA Channel 1 Capture Module Low Byte.
The PCA0CPL1 register holds the low byte (LSB) of the 16-bit capture module. This register address also allows access to
the low byte of the corresponding PCA channel's auto-reload value for 9 to 11-bit PWM mode. The ARSEL bit in register
PCA0PWM controls which register is accessed.
A write to this register will clear the module's ECOM bit to a 0.
18.4.14 PCA0CPH1: PCA Channel 1 Capture Module High Byte
Bit 7 6 5 4 3 2 1 0
Name PCA0CPH1
Access RW
Reset 0x00
SFR Page = 0x0, 0x10; SFR Address: 0xEA
Bit Name Reset Access Description
7:0 PCA0CPH1 0x00 RW PCA Channel 1 Capture Module High Byte.
The PCA0CPH1 register holds the high byte (MSB) of the 16-bit capture module. This register address also allows access
to the high byte of the corresponding PCA channel's auto-reload value for 9 to 11-bit PWM mode. The ARSEL bit in register
PCA0PWM controls which register is accessed.
A write to this register will set the module's ECOM bit to a 1.
EFM8BB3 Reference Manual
Programmable Counter Array (PCA0)
silabs.com | Building a more connected world. Rev. 0.4 | 279

18.4.15 PCA0CPM2: PCA Channel 2 Capture/Compare Mode
Bit 7 6 5 4 3 2 1 0
Name PWM16 ECOM CAPP CAPN MAT TOG PWM ECCF
Access RW RW RW RW RW RW RW RW
Reset 0 0 0 0 0 0 0 0
SFR Page = 0x0, 0x10; SFR Address: 0xDC
Bit Name Reset Access Description
7 PWM16 0 RW Channel 2 16-bit Pulse Width Modulation Enable.
This bit enables 16-bit mode when Pulse Width Modulation mode is enabled.
Value Name Description
0 8_BIT 8 to 11-bit PWM selected.
1 16_BIT 16-bit PWM selected.
6 ECOM 0 RW Channel 2 Comparator Function Enable.
This bit enables the comparator function.
5 CAPP 0 RW Channel 2 Capture Positive Function Enable.
This bit enables the positive edge capture capability.
4 CAPN 0 RW Channel 2 Capture Negative Function Enable.
This bit enables the negative edge capture capability.
3 MAT 0 RW Channel 2 Match Function Enable.
This bit enables the match function. When enabled, matches of the PCA counter with a module's capture/compare register
cause the CCF2 bit in the PCA0MD register to be set to logic 1.
2 TOG 0 RW Channel 2 Toggle Function Enable.
This bit enables the toggle function. When enabled, matches of the PCA counter with the capture/compare register cause
the logic level on the CEX2 pin to toggle. If the PWM bit is also set to logic 1, the module operates in Frequency Output
Mode.
1 PWM 0 RW Channel 2 Pulse Width Modulation Mode Enable.
This bit enables the PWM function. When enabled, a pulse width modulated signal is output on the CEX2 pin. 8 to 11-bit
PWM is used if PWM16 is cleared to 0; 16-bit mode is used if PWM16 is set to 1. If the TOG bit is also set, the module
operates in Frequency Output Mode.
0 ECCF 0 RW Channel 2 Capture/Compare Flag Interrupt Enable.
This bit sets the masking of the Capture/Compare Flag (CCF2) interrupt.
Value Name Description
0 DISABLED Disable CCF2 interrupts.
1 ENABLED Enable a Capture/Compare Flag interrupt request when CCF2 is set.
EFM8BB3 Reference Manual
Programmable Counter Array (PCA0)
silabs.com | Building a more connected world. Rev. 0.4 | 280

18.4.16 PCA0CPL2: PCA Channel 2 Capture Module Low Byte
Bit 7 6 5 4 3 2 1 0
Name PCA0CPL2
Access RW
Reset 0x00
SFR Page = 0x0, 0x10; SFR Address: 0xEB
Bit Name Reset Access Description
7:0 PCA0CPL2 0x00 RW PCA Channel 2 Capture Module Low Byte.
The PCA0CPL2 register holds the low byte (LSB) of the 16-bit capture module. This register address also allows access to
the low byte of the corresponding PCA channel's auto-reload value for 9 to 11-bit PWM mode. The ARSEL bit in register
PCA0PWM controls which register is accessed.
A write to this register will clear the module's ECOM bit to a 0.
18.4.17 PCA0CPH2: PCA Channel 2 Capture Module High Byte
Bit 7 6 5 4 3 2 1 0
Name PCA0CPH2
Access RW
Reset 0x00
SFR Page = 0x0, 0x10; SFR Address: 0xEC
Bit Name Reset Access Description
7:0 PCA0CPH2 0x00 RW PCA Channel 2 Capture Module High Byte.
The PCA0CPH2 register holds the high byte (MSB) of the 16-bit capture module. This register address also allows access
to the high byte of the corresponding PCA channel's auto-reload value for 9 to 11-bit PWM mode. The ARSEL bit in register
PCA0PWM controls which register is accessed.
A write to this register will set the module's ECOM bit to a 1.
EFM8BB3 Reference Manual
Programmable Counter Array (PCA0)
silabs.com | Building a more connected world. Rev. 0.4 | 281

18.4.18 PCA0CPM3: PCA Channel 3 Capture/Compare Mode
Bit 7 6 5 4 3 2 1 0
Name PWM16 ECOM CAPP CAPN MAT TOG PWM ECCF
Access RW RW RW RW RW RW RW RW
Reset 0 0 0 0 0 0 0 0
SFR Page = 0x0, 0x10; SFR Address: 0xAE
Bit Name Reset Access Description
7 PWM16 0 RW Channel 3 16-bit Pulse Width Modulation Enable.
This bit enables 16-bit mode when Pulse Width Modulation mode is enabled.
Value Name Description
0 8_BIT 8 to 11-bit PWM selected.
1 16_BIT 16-bit PWM selected.
6 ECOM 0 RW Channel 3 Comparator Function Enable.
This bit enables the comparator function.
5 CAPP 0 RW Channel 3 Capture Positive Function Enable.
This bit enables the positive edge capture capability.
4 CAPN 0 RW Channel 3 Capture Negative Function Enable.
This bit enables the negative edge capture capability.
3 MAT 0 RW Channel 3 Match Function Enable.
This bit enables the match function. When enabled, matches of the PCA counter with a module's capture/compare register
cause the CCF3 bit in the PCA0MD register to be set to logic 1.
2 TOG 0 RW Channel 3 Toggle Function Enable.
This bit enables the toggle function. When enabled, matches of the PCA counter with the capture/compare register cause
the logic level on the CEX3 pin to toggle. If the PWM bit is also set to logic 1, the module operates in Frequency Output
Mode.
1 PWM 0 RW Channel 3 Pulse Width Modulation Mode Enable.
This bit enables the PWM function. When enabled, a pulse width modulated signal is output on the CEX3 pin. 8 to 11-bit
PWM is used if PWM16 is cleared to 0; 16-bit mode is used if PWM16 is set to 1. If the TOG bit is also set, the module
operates in Frequency Output Mode.
0 ECCF 0 RW Channel 3 Capture/Compare Flag Interrupt Enable.
This bit sets the masking of the Capture/Compare Flag (CCF3) interrupt.
Value Name Description
0 DISABLED Disable CCF3 interrupts.
1 ENABLED Enable a Capture/Compare Flag interrupt request when CCF3 is set.
EFM8BB3 Reference Manual
Programmable Counter Array (PCA0)
silabs.com | Building a more connected world. Rev. 0.4 | 282

18.4.19 PCA0CPL3: PCA Channel 3 Capture Module Low Byte
Bit 7 6 5 4 3 2 1 0
Name PCA0CPL3
Access RW
Reset 0x00
SFR Page = 0x0, 0x10; SFR Address: 0xF4
Bit Name Reset Access Description
7:0 PCA0CPL3 0x00 RW PCA Channel 3 Capture Module Low Byte.
The PCA0CPL3 register holds the low byte (LSB) of the 16-bit capture module. This register address also allows access to
the low byte of the corresponding PCA channel's auto-reload value for 9 to 11-bit PWM mode. The ARSEL bit in register
PCA0PWM controls which register is accessed.
A write to this register will clear the module's ECOM bit to a 0.
18.4.20 PCA0CPH3: PCA Channel 3 Capture Module High Byte
Bit 7 6 5 4 3 2 1 0
Name PCA0CPH3
Access RW
Reset 0x00
SFR Page = 0x0, 0x10; SFR Address: 0xF5
Bit Name Reset Access Description
7:0 PCA0CPH3 0x00 RW PCA Channel 3 Capture Module High Byte.
The PCA0CPH3 register holds the high byte (MSB) of the 16-bit capture module. This register address also allows access
to the high byte of the corresponding PCA channel's auto-reload value for 9 to 11-bit PWM mode. The ARSEL bit in register
PCA0PWM controls which register is accessed.
A write to this register will set the module's ECOM bit to a 1.
EFM8BB3 Reference Manual
Programmable Counter Array (PCA0)
silabs.com | Building a more connected world. Rev. 0.4 | 283

18.4.21 PCA0CPM4: PCA Channel 4 Capture/Compare Mode
Bit 7 6 5 4 3 2 1 0
Name PWM16 ECOM CAPP CAPN MAT TOG PWM ECCF
Access RW RW RW RW RW RW RW RW
Reset 0 0 0 0 0 0 0 0
SFR Page = 0x0, 0x10; SFR Address: 0xAF
Bit Name Reset Access Description
7 PWM16 0 RW Channel 4 16-bit Pulse Width Modulation Enable.
This bit enables 16-bit mode when Pulse Width Modulation mode is enabled.
Value Name Description
0 8_BIT 8 to 11-bit PWM selected.
1 16_BIT 16-bit PWM selected.
6 ECOM 0 RW Channel 4 Comparator Function Enable.
This bit enables the comparator function.
5 CAPP 0 RW Channel 4 Capture Positive Function Enable.
This bit enables the positive edge capture capability.
4 CAPN 0 RW Channel 4 Capture Negative Function Enable.
This bit enables the negative edge capture capability.
3 MAT 0 RW Channel 4 Match Function Enable.
This bit enables the match function. When enabled, matches of the PCA counter with a module's capture/compare register
cause the CCF4 bit in the PCA0MD register to be set to logic 1.
2 TOG 0 RW Channel 4 Toggle Function Enable.
This bit enables the toggle function. When enabled, matches of the PCA counter with the capture/compare register cause
the logic level on the CEX4 pin to toggle. If the PWM bit is also set to logic 1, the module operates in Frequency Output
Mode.
1 PWM 0 RW Channel 4 Pulse Width Modulation Mode Enable.
This bit enables the PWM function. When enabled, a pulse width modulated signal is output on the CEX4 pin. 8 to 11-bit
PWM is used if PWM16 is cleared to 0; 16-bit mode is used if PWM16 is set to 1. If the TOG bit is also set, the module
operates in Frequency Output Mode.
0 ECCF 0 RW Channel 4 Capture/Compare Flag Interrupt Enable.
This bit sets the masking of the Capture/Compare Flag (CCF4) interrupt.
Value Name Description
0 DISABLED Disable CCF4 interrupts.
1 ENABLED Enable a Capture/Compare Flag interrupt request when CCF4 is set.
EFM8BB3 Reference Manual
Programmable Counter Array (PCA0)
silabs.com | Building a more connected world. Rev. 0.4 | 284

18.4.22 PCA0CPL4: PCA Channel 4 Capture Module Low Byte
Bit 7 6 5 4 3 2 1 0
Name PCA0CPL4
Access RW
Reset 0x00
SFR Page = 0x0, 0x10; SFR Address: 0x84
Bit Name Reset Access Description
7:0 PCA0CPL4 0x00 RW PCA Channel 4 Capture Module Low Byte.
The PCA0CPL4 register holds the low byte (LSB) of the 16-bit capture module. This register address also allows access to
the low byte of the corresponding PCA channel's auto-reload value for 9 to 11-bit PWM mode. The ARSEL bit in register
PCA0PWM controls which register is accessed.
A write to this register will clear the module's ECOM bit to a 0.
18.4.23 PCA0CPH4: PCA Channel 4 Capture Module High Byte
Bit 7 6 5 4 3 2 1 0
Name PCA0CPH4
Access RW
Reset 0x00
SFR Page = 0x0, 0x10; SFR Address: 0x85
Bit Name Reset Access Description
7:0 PCA0CPH4 0x00 RW PCA Channel 4 Capture Module High Byte.
The PCA0CPH4 register holds the high byte (MSB) of the 16-bit capture module. This register address also allows access
to the high byte of the corresponding PCA channel's auto-reload value for 9 to 11-bit PWM mode. The ARSEL bit in register
PCA0PWM controls which register is accessed.
A write to this register will set the module's ECOM bit to a 1.
EFM8BB3 Reference Manual
Programmable Counter Array (PCA0)
silabs.com | Building a more connected world. Rev. 0.4 | 285

18.4.24 PCA0CPM5: PCA Channel 5 Capture/Compare Mode
Bit 7 6 5 4 3 2 1 0
Name PWM16 ECOM CAPP CAPN MAT TOG PWM ECCF
Access RW RW RW RW RW RW RW RW
Reset 0 0 0 0 0 0 0 0
SFR Page = 0x0, 0x10; SFR Address: 0xCC
Bit Name Reset Access Description
7 PWM16 0 RW Channel 5 16-bit Pulse Width Modulation Enable.
This bit enables 16-bit mode when Pulse Width Modulation mode is enabled.
Value Name Description
0 8_BIT 8 to 11-bit PWM selected.
1 16_BIT 16-bit PWM selected.
6 ECOM 0 RW Channel 5 Comparator Function Enable.
This bit enables the comparator function.
5 CAPP 0 RW Channel 5 Capture Positive Function Enable.
This bit enables the positive edge capture capability.
4 CAPN 0 RW Channel 5 Capture Negative Function Enable.
This bit enables the negative edge capture capability.
3 MAT 0 RW Channel 5 Match Function Enable.
This bit enables the match function. When enabled, matches of the PCA counter with a module's capture/compare register
cause the CCF5 bit in the PCA0MD register to be set to logic 1.
2 TOG 0 RW Channel 5 Toggle Function Enable.
This bit enables the toggle function. When enabled, matches of the PCA counter with the capture/compare register cause
the logic level on the CEX5 pin to toggle. If the PWM bit is also set to logic 1, the module operates in Frequency Output
Mode.
1 PWM 0 RW Channel 5 Pulse Width Modulation Mode Enable.
This bit enables the PWM function. When enabled, a pulse width modulated signal is output on the CEX5 pin. 8 to 11-bit
PWM is used if PWM16 is cleared to 0; 16-bit mode is used if PWM16 is set to 1. If the TOG bit is also set, the module
operates in Frequency Output Mode.
0 ECCF 0 RW Channel 5 Capture/Compare Flag Interrupt Enable.
This bit sets the masking of the Capture/Compare Flag (CCF5) interrupt.
Value Name Description
0 DISABLED Disable CCF5 interrupts.
1 ENABLED Enable a Capture/Compare Flag interrupt request when CCF5 is set.
EFM8BB3 Reference Manual
Programmable Counter Array (PCA0)
silabs.com | Building a more connected world. Rev. 0.4 | 286

18.4.25 PCA0CPL5: PCA Channel 5 Capture Module Low Byte
Bit 7 6 5 4 3 2 1 0
Name PCA0CPL5
Access RW
Reset 0x00
SFR Page = 0x0, 0x10; SFR Address: 0xDD
Bit Name Reset Access Description
7:0 PCA0CPL5 0x00 RW PCA Channel 5 Capture Module Low Byte.
The PCA0CPL5 register holds the low byte (LSB) of the 16-bit capture module. This register address also allows access to
the low byte of the corresponding PCA channel's auto-reload value for 9 to 11-bit PWM mode. The ARSEL bit in register
PCA0PWM controls which register is accessed.
A write to this register will clear the module's ECOM bit to a 0.
18.4.26 PCA0CPH5: PCA Channel 5 Capture Module High Byte
Bit 7 6 5 4 3 2 1 0
Name PCA0CPH5
Access RW
Reset 0x00
SFR Page = 0x0, 0x10; SFR Address: 0xDE
Bit Name Reset Access Description
7:0 PCA0CPH5 0x00 RW PCA Channel 5 Capture Module High Byte.
The PCA0CPH5 register holds the high byte (MSB) of the 16-bit capture module. This register address also allows access
to the high byte of the corresponding PCA channel's auto-reload value for 9 to 11-bit PWM mode. The ARSEL bit in register
PCA0PWM controls which register is accessed.
A write to this register will set the module's ECOM bit to a 1.
EFM8BB3 Reference Manual
Programmable Counter Array (PCA0)
silabs.com | Building a more connected world. Rev. 0.4 | 287

19. Serial Peripheral Interface (SPI0)
19.1 Introduction
The serial peripheral interface (SPI) module provides access to a flexible, full-duplex synchronous serial bus. The SPI can operate as a
master or slave device in both 3-wire or 4-wire modes, and supports multiple masters and slaves on a single SPI bus. The slave-select
(NSS) signal can be configured as an input to select the SPI in slave mode, or to disable master mode operation in a multi-master
environment, avoiding contention on the SPI bus when more than one master attempts simultaneous data transfers. NSS can also be
configured as a firmware-controlled chip-select output in master mode, or disabled to reduce the number of pins required. Additional
general purpose port I/O pins can be used to select multiple slave devices in master mode.
SPI0
Shift Register
MISO
MOSI
Clock Rate Generator
SYSCLK Bus Control
Master or Slave
SCK Polarity
SCK Phase
NSS Control
SCK
NSS
SPI0DAT
TX Buffer
(4 bytes)
RX Buffer
(4 bytes)
FIFO Control Interrupt Selection
Figure 19.1. SPI Block Diagram
19.2 Features
• Supports 3- or 4-wire master or slave modes
• Supports external clock frequencies up to 12 Mbps in master or slave mode
• Support for all clock phase and polarity modes
• 8-bit programmable clock rate (master)
• Programmable receive timeout (slave)
• Two byte FIFO on transmit and receive
• Can operate in suspend or snooze modes and wake the CPU on reception of a byte
• Support for multiple masters on the same data lines
EFM8BB3 Reference Manual
Serial Peripheral Interface (SPI0)
silabs.com | Building a more connected world. Rev. 0.4 | 288

19.3 Functional Description
19.3.1 Signals
The SPI interface consists of up to four signals: MOSI, MISO, SCK, and NSS.
Master Out, Slave In (MOSI): The MOSI signal is the data output pin when configured as a master device and the data input pin when
configured as a slave. It is used to serially transfer data from the master to the slave. Data is transferred on the MOSI pin most-signifi-
cant bit first. When configured as a master, MOSI is driven from the internal shift register in both 3- and 4-wire mode.
Master In, Slave Out (MISO): The MISO signal is the data input pin when configured as a master device and the data output pin when
configured as a slave. It is used to serially transfer data from the slave to the master. Data is transferred on the MISO pin most-signifi-
cant bit first. The MISO pin is placed in a high-impedance state when the SPI module is disabled or when the SPI operates in 4-wire
mode as a slave that is not selected. When acting as a slave in 3-wire mode, MISO is always driven from the internal shift register.
Serial Clock (SCK): The SCK signal is an output from the master device and an input to slave devices. It is used to synchronize the
transfer of data between the master and slave on the MOSI and MISO lines. The SPI module generates this signal when operating as a
master and receives it as a slave. The SCK signal is ignored by a SPI slave when the slave is not selected in 4-wire slave mode.
Slave Select (NSS): The function of the slave-select (NSS) signal is dependent on the setting of the NSSMD bitfield. There are three
possible modes that can be selected with these bits:
• NSSMD[1:0] = 00: 3-Wire Master or 3-Wire Slave Mode: The SPI operates in 3-wire mode, and NSS is disabled. When operating as
a slave device, the SPI is always selected in 3-wire mode. Since no select signal is present, the SPI must be the only slave on the
bus in 3-wire mode. This is intended for point-to-point communication between a master and a single slave.
• NSSMD[1:0] = 01: 4-Wire Slave or Multi-Master Mode: The SPI operates in 4-wire mode, and NSS is configured as an input. When
operating as a slave, NSS selects the SPI device. When operating as a master, a 1-to- 0 transition of the NSS signal disables the
master function of the SPI module so that multiple master devices can be used on the same SPI bus.
• NSSMD[1:0] = 1x: 4-Wire Master Mode: The SPI operates in 4-wire mode, and NSS is enabled as an output. The setting of
NSSMD0 determines what logic level the NSS pin will output. This configuration should only be used when operating the SPI as a
master device.
The setting of NSSMD bits affects the pinout of the device. When in 3-wire master or 3-wire slave mode, the NSS pin will not be map-
ped by the crossbar. In all other modes, the NSS signal will be mapped to a pin on the device.
Slave DeviceMaster Device
MISO
MOSI
SCK
MISO
MOSI
SCK
NSSNSS
Figure 19.2. 4-Wire Connection Diagram
Slave DeviceMaster Device
MISO
MOSI
SCK
MISO
MOSI
SCK
Figure 19.3. 3-Wire Connection Diagram
EFM8BB3 Reference Manual
Serial Peripheral Interface (SPI0)
silabs.com | Building a more connected world. Rev. 0.4 | 289

Master Device 1
MISO
MOSI
SCK
NSS
Slave Device
MISO
MOSI
SCK
NSS
Master Device 2
MISO
MOSI
SCK
NSS
port pin
port pin
Figure 19.4. Multi-Master Connection Diagram
19.3.1.1 Routing Input Signals Through Configurable Logic
All of the SPI signals are routed through the crossbar by default. It is also possible to route the inputs to the SPI from certain CLU
outputs, as controlled by the SPI0PCF register. SCK may route from CLU1, MISO (master mode) may route from CLU2, and MOSI
(slave mode) may route from CLU3. Each input selection is controlled individually, allowing the user to apply input logic to one or more
of the inputs.
19.3.2 Master Mode Operation
An SPI master device initiates all data transfers on a SPI bus. It drives the SCK line and controls the speed at which data is transferred.
To place the SPI in master mode, the MSTEN bit should be set to 1. Writing a byte of data to the SPInDAT register writes to the trans-
mit buffer. If the SPI shift register is empty, a byte is moved from the transmit buffer into the shift register, and a bi-directional data
transfer begins. The SPI module provides the serial clock on SCK, while simultaneously shifting data out of the shift register MSB-first
on MOSI and into the shift register MSB-first on MISO. Upon completing a transfer, the data received is moved from the shift register
into the receive buffer. If the transmit buffer is not empty, the next byte in the transmit buffer will be moved into the shift register and the
next data transfer will begin. If no new data is available in the transmit buffer, the SPI will halt and wait for new data to initiate the next
transfer. Bytes that have been received and stored in the receive buffer may be read from the buffer via the SPInDAT register.
EFM8BB3 Reference Manual
Serial Peripheral Interface (SPI0)
silabs.com | Building a more connected world. Rev. 0.4 | 290

19.3.3 Slave Mode Operation
When the SPI block is enabled and not configured as a master, it will operate as a SPI slave. As a slave, bytes are shifted in through
the MOSI pin and out through the MISO pin by an external master device controlling the SCK signal. A bit counter in the SPI logic
counts SCK edges. When 8 bits have been shifted through the shift register, a byte is copied into the receive buffer. Data is read from
the receive buffer by reading SPInDAT. A slave device cannot initiate transfers. Data to be transferred to the master device is pre-loa-
ded into the transmit buffer by writing to SPInDAT and will transfer to the shift register on byte boundaries in the order in which they
were written to the buffer.
When configured as a slave, SPI0 can be configured for 4-wire or 3-wire operation. In the default, 4-wire slave mode, the NSS signal is
routed to a port pin and configured as a digital input. The SPI interface is enabled when NSS is logic 0, and disabled when NSS is logic
1. The internal shift register bit counter is reset on a falling edge of NSS. When operated in 3-wire slave mode, NSS is not mapped to
an external port pin through the crossbar. Since there is no way of uniquely addressing the device in 3-wire slave mode, the SPI must
be the only slave device present on the bus. It is important to note that in 3-wire slave mode there is no external means of resetting the
bit counter that determines when a full byte has been received. The bit counter can only be reset by disabling and re-enabling the SPI
module with the SPIEN bit.
EFM8BB3 Reference Manual
Serial Peripheral Interface (SPI0)
silabs.com | Building a more connected world. Rev. 0.4 | 291

19.3.4 Clock Phase and Polarity
Four combinations of serial clock phase and polarity can be selected using the clock control bits in the SPInCFG register. The CKPHA
bit selects one of two clock phases (edge used to latch the data). The CKPOL bit selects between an active-high or active-low clock.
Both master and slave devices must be configured to use the same clock phase and polarity. The SPI module should be disabled (by
clearing the SPIEN bit) when changing the clock phase or polarity. Note that CKPHA should be set to 0 on both the master and slave
SPI when communicating between two Silicon Labs devices.
SCK
(CKPOL=0, CKPHA=0)
SCK
(CKPOL=0, CKPHA=1)
SCK
(CKPOL=1, CKPHA=0)
SCK
(CKPOL=1, CKPHA=1)
MSB Bit 6 Bit 5 Bit 4 Bit 3 Bit 2 Bit 1 Bit 0MISO/MOSI
Figure 19.5. Master Mode Data/Clock Timing
MSB Bit 6 Bit 5 Bit 4 Bit 3 Bit 2 Bit 1 Bit 0MISO
NSS (4-Wire Mode)
MSB Bit 6 Bit 5 Bit 4 Bit 3 Bit 2 Bit 1 Bit 0MOSI
SCK
(CKPOL=0, CKPHA=0)
SCK
(CKPOL=1, CKPHA=0)
Figure 19.6. Slave Mode Data/Clock Timing (CKPHA = 0)
EFM8BB3 Reference Manual
Serial Peripheral Interface (SPI0)
silabs.com | Building a more connected world. Rev. 0.4 | 292

SCK
(CKPOL=0, CKPHA=1)
SCK
(CKPOL=1, CKPHA=1)
MSB Bit 6 Bit 5 Bit 4 Bit 3 Bit 2 Bit 1 Bit 0MISO
NSS (4-Wire Mode)
MSB Bit 6 Bit 5 Bit 4 Bit 3 Bit 2 Bit 1 Bit 0MOSI
Figure 19.7. Slave Mode Data/Clock Timing (CKPHA = 1)
19.3.5 Basic Data Transfer
The SPI bus is inherently full-duplex. It sends and receives a single byte on every transfer. The SPI peripheral may be operated on a
byte-by-byte basis using the SPInDAT register and the SPIF flag. The method firmware uses to send and receive data through the SPI
interface is the same in either mode, but the hardware will react differently.
Master Transfers
As an SPI master, all transfers are initiated with a write to SPInDAT, and the SPIF flag will be set by hardware to indicate the end of
each transfer. The general method for a single-byte master transfer follows:
1. Write the data to be sent to SPInDAT. The transfer will begin on the bus at this time.
2. Wait for the SPIF flag to generate an interrupt, or poll SPIF until it is set to 1.
3. Read the received data from SPInDAT.
4. Clear the SPIF flag to 0.
5. Repeat the sequence for any additional transfers.
Slave Transfers
As a SPI slave, the transfers are initiated by an external master device driving the bus. Slave firmware may anticipate any output data
needs by pre-loading the SPInDAT register before the master begins the transfer.
1. Write any data to be sent to SPInDAT. The transfer will not begin until the external master device initiates it.
2. Wait for the SPIF flag to generate an interrupt, or poll SPIF until it is set to 1.
3. Read the received data from SPInDAT.
4. Clear the SPIF flag to 0.
5. Repeat the sequence for any additional transfers.
19.3.6 Using the SPI FIFOs
The SPI peripheral implements independent four-byte FIFOs for both the transmit and receive paths. The FIFOs are active in both mas-
ter and slave modes, and a number of configuration features are available to accomodate a variety of SPI implementations.
EFM8BB3 Reference Manual
Serial Peripheral Interface (SPI0)
silabs.com | Building a more connected world. Rev. 0.4 | 293

FIFO Data Interface
Writing and reading the FIFOs is straightforward, and similar to the procedure outlined in 19.3.5 Basic Data Transfer. All FIFO writes
and reads are performed through the SPInDAT register. To write data into the transmit buffer, firmware should first check the status of
the TXNF bit. If TXNF reads 1, there is room in the buffer and firmware may write to the SPInDAT register. Writing the transmit buffer
when TXNF is 0 will cause a write collision error, and the data written will not be accepted into the buffer.
To read data from the receive FIFO, firmware should check the state of the RXE bit. When RXE is 0, it means there is data available in
the receive FIFO, and it may be read using the SPInDAT register. When RXE is 1 the receive FIFO is empty. Reading an empty receive
FIFO returns the most recently-received byte.
The data in either FIFO may be flushed (i.e. FIFO pointers reset) by setting the corresponding flush bit to 1. TFLSH will reset the trans-
mit FIFO, and RFLSH will reset the receive FIFO.
Half-Duplex Operation
SPI transfers are inherently full-duplex. However, the operation of either FIFO may be disabled to facilitate half-duplex operation.
The TXHOLD bit is used to stall transmission of bytes from the transmit FIFO. TXHOLD is checked by hardware at the beginning of a
byte transfer. If TXHOLD is 1 at the beginning of a byte transfer, data will not be pulled from the transmit FIFO. Instead, the SPI inter-
face will hold the output pin at the logic level defined by the TXPOL bit.
The RXFIFOE bit may be used to disable the receive FIFO. If RXFIFOE is 0 at the end of a byte transfer, the received byte will be
discarded and the receive FIFO will not be updated.
TXHOLD and RXFIFOE can be changed by firmware at any time during a transfer. Any data currently being shifted out on the SPI
interface has already been pulled from the transmit FIFO, and changing TXFLSH will not abort that data transfer.
FIFO Thresholds and Interrupts
The number of bytes present in the FIFOs is stored in the SPInFCT register. The TXCNT field indicates the number of bytes in the
transmit FIFO while the RXCNT field indicates the number of bytes in the receive FIFO.
Each FIFO has a threshold field which firmware may use to define when transmit and receive requests will occur. The transmit thresh-
old (TXTH) is continually compared with the TXCNT field. If TXCNT is less than or equal to TXTH, hardware will set the TFRQ flag to 1.
The receive threshold (RXTH) is continually compared with RXCNT. If RXCNT is greater than RXTH, hardware will set the RFRQ flag
to 1.
The thresholds can be used in interrupt-based systems to specify when the associated interrupt occurs. Both the RFRQ and TFRQ
flags may be individually enabled to generate an SPI interrupt using the RFRQE and TFRQE bits, respecitvely. In most applications,
when RFRQ or TFRQ are used to generate interrupts the SPIF flag should be disabled as an interrupt source by clearing the SPIFEN
control bit to 0.
Applications may choose to use any combination of interrupt sources as needed. In general, the following settings are recommended
for different applications:
•Master mode, transmit only: Use only the TFRQ flag as an interrupt source. Inside the ISR, check TXNF before writing more data
to the FIFO. When all data to be sent has been processed through the ISR, the ISR may clear TFRQE to 0 to prevent further inter-
rupts. Main threads may then set TFRQE back to 1 when additional data is to be sent.
•Master mode, full-duplex or receive only: Use only the RFRQ flag as an interrupt source. Transfers may be started by a write to
SPInDAT. Inside the ISR, check RXE and read bytes from the FIFO as they are available. For every byte read, a new byte may be
written to the transmit FIFO until there are no more bytes to send. If operating half-duplex in receive-only mode, the SPInDAT regis-
ter must still be written to initiate new transfers.
•Slave mode, transmit only: Use the TFRQ flag as an interrupt source. Inside the ISR, check TXNF before writing more data to the
FIFO. The receive FIFO may also be disabled if desired.
•Slave mode, receive only: Use the RFRQ flag as an interrupt source. If the RXTH field is set to anything other than 0, it is recom-
mended to configure and enable RX timeouts. Inside the ISR, check RXE and read bytes from the FIFO as they are available. The
transmit FIFO may be disabled if desired. Note that if the transmit FIFO is not disabled and firmware does not write to SPInDAT,
bytes received in the shift register could be sent back out on the SPI MISO pin.
•Slave mode, full-duplex: Pre-load the transmit FIFO with the initial bytes to be sent. Use the RFRQ flag as an interrupt source. If
the RXTH field is set to anything other than 0, it is recommended to configure and enable RX timeouts. Inside the ISR, check RXE
and read bytes from the FIFO as they are available. For every byte read, a new byte may be written to the transmit FIFO.
EFM8BB3 Reference Manual
Serial Peripheral Interface (SPI0)
silabs.com | Building a more connected world. Rev. 0.4 | 294

Slave Receiver Timeout
When acting as a SPI slave using RFRQ interrupts and with the RXTH field set to a value greater than 0, it is possible for the external
master to write too few bytes to the device to immediately generate an interrupt. To avoid leaving lingering bytes in the receive FIFO,
the slave receiver timeout feature may be used. Receive timeouts are enabled by setting the RXTOE bit to 1.
The length of a receive timeout may be specified in the SPInCKR register, and is equivalent to SPInCKR x 32 system clock cycles
(SYSCLKs). The internal timeout counter will run when at least one byte has been received in the receive FIFO, but the RFRQ flag is
not set (the RXTH threshold has not been crossed). The counter is reloaded from the SPInCKR register under any of the following
conditions:
• The receive buffer is read. by firmware.
• The RFRQ flag is set.
• A valid SCK occurs on the SPI interface.
If the internal counter runs out, a SPI interrupt will be generated, allowing firmware to read any bytes remaining in the receive FIFO.
EFM8BB3 Reference Manual
Serial Peripheral Interface (SPI0)
silabs.com | Building a more connected world. Rev. 0.4 | 295

19.3.7 SPI Timing Diagrams
SCK*
T
MCKH T
MCKL
MOSI
T
MIS
MISO
* SCK is shown for CKPOL = 0. SCK is the opposite polarity for CKPOL = 1.
T
MIH
Figure 19.8. SPI Master Timing (CKPHA = 0)
SCK*
T
MCKH T
MCKL
MISO
T
MIH
MOSI
* SCK is shown for CKPOL = 0. SCK is the opposite polarity for CKPOL = 1.
T
MIS
Figure 19.9. SPI Master Timing (CKPHA = 1)
EFM8BB3 Reference Manual
Serial Peripheral Interface (SPI0)
silabs.com | Building a more connected world. Rev. 0.4 | 296

SCK*
T
SE
NSS
T
CKH
T
CKL
MOSI
T
SIS T
SIH
MISO
T
SD
T
SOH
* SCK is shown for CKPOL = 0. SCK is the opposite polarity for CKPOL = 1.
T
SEZ T
SDZ
Figure 19.10. SPI Slave Timing (CKPHA = 0)
SCK*
T
SE
NSS
T
CKH
T
CKL
MOSI
T
SIS T
SIH
MISO
T
SD
T
SOH
* SCK is shown for CKPOL = 0. SCK is the opposite polarity for CKPOL = 1.
T
SEZ
T
SDZ
Figure 19.11. SPI Slave Timing (CKPHA = 1)
EFM8BB3 Reference Manual
Serial Peripheral Interface (SPI0)
silabs.com | Building a more connected world. Rev. 0.4 | 297

Table 19.1. SPI Timing Parameters
Parameter Description Min Max Units
Master Mode Timing
TMCKH SCK High Time 1 x TSYSCLK — ns
TMCKL SCK Low Time 1 x TSYSCLK — ns
TMIS MISO Valid to SCK Sample Edge 20 — ns
TMIH SCK Sample Edge to MISO Change 5 — ns
Slave Mode Timing
TSE NSS Falling to First SCK Edge 5 — ns
TSD Last SCK Edge to NSS Rising 5 — ns
TSEZ NSS Falling to MISO Valid — 20 ns
TSDZ NSS Rising to MISO High-Z — 20 ns
TCKH SCK High Time 40 — ns
TCKL SCK Low Time 40 — ns
TSIS MOSI Valid to SCK Sample Edge 20 — ns
TSIH SCK Sample Edge to MOSI Change 5 — ns
TSOH SCK Shift Edge to MISO Change — 20 ns
Note:
1. TSYSCLK is equal to one period of the device system clock (SYSCLK).
EFM8BB3 Reference Manual
Serial Peripheral Interface (SPI0)
silabs.com | Building a more connected world. Rev. 0.4 | 298

19.4 SPI0 Control Registers
19.4.1 SPI0CFG: SPI0 Configuration
Bit 7 6 5 4 3 2 1 0
Name SPIBSY MSTEN CKPHA CKPOL SLVSEL NSSIN SRMT RXE
Access R RW RW RW R R R R
Reset 0 0 0 0 0 1 1 1
SFR Page = 0x0, 0x20; SFR Address: 0xA1
Bit Name Reset Access Description
7 SPIBSY 0 R SPI Busy.
This bit is set to logic 1 when a SPI transfer is in progress (master or slave mode).
6 MSTEN 0 RW Master Mode Enable.
Value Name Description
0 MASTER_DISABLED Disable master mode. Operate in slave mode.
1 MASTER_ENABLED Enable master mode. Operate as a master.
5 CKPHA 0 RW SPI0 Clock Phase.
Value Name Description
0 DATA_CEN-
TERED_FIRST
Data centered on first edge of SCK period.
1 DATA_CEN-
TERED_SECOND
Data centered on second edge of SCK period.
4 CKPOL 0 RW SPI0 Clock Polarity.
Value Name Description
0 IDLE_LOW SCK line low in idle state.
1 IDLE_HIGH SCK line high in idle state.
3 SLVSEL 0 R Slave Selected Flag.
This bit is set to logic 1 whenever the NSS pin is low indicating SPI0 is the selected slave. It is cleared to logic 0 when NSS
is high (slave not selected). This bit does not indicate the instantaneous value at the NSS pin, but rather a de-glitched ver-
sion of the pin input.
2 NSSIN 1 R NSS Instantaneous Pin Input.
This bit mimics the instantaneous value that is present on the NSS port pin at the time that the register is read. This input is
not de-glitched.
1 SRMT 1 R Shift Register Empty.
This bit will be set to logic 1 when all data has been transferred in/out of the shift register, and there is no new information
available to read from the transmit buffer or write to the receive buffer. It returns to logic 0 when a data byte is transferred to
the shift register from the transmit buffer or by a transition on SCK.
0 RXE 1 R RX FIFO Empty.
This bit indicates when the RX FIFO is empty. If a read is performed when RXE is set, the last byte will be returned.
EFM8BB3 Reference Manual
Serial Peripheral Interface (SPI0)
silabs.com | Building a more connected world. Rev. 0.4 | 299

Bit Name Reset Access Description
Value Name Description
0 NOT_EMPTY The RX FIFO contains data.
1 EMPTY The RX FIFO is empty.
EFM8BB3 Reference Manual
Serial Peripheral Interface (SPI0)
silabs.com | Building a more connected world. Rev. 0.4 | 300

19.4.2 SPI0CN0: SPI0 Control
Bit 7 6 5 4 3 2 1 0
Name SPIF WCOL MODF RXOVRN NSSMD TXNF SPIEN
Access RW RW RW RW RW R RW
Reset 0 0 0 0 0x1 1 0
SFR Page = 0x0, 0x20; SFR Address: 0xF8 (bit-addressable)
Bit Name Reset Access Description
7 SPIF 0 RW SPI0 Interrupt Flag.
This bit is set to logic 1 by hardware at the end of a data transfer. If SPIF interrupts are enabled with the SPIFEN bit, an
interrupt will be generated. This bit is not automatically cleared by hardware, and must be cleared by firmware.
6 WCOL 0 RW Write Collision Flag.
This bit is set to logic 1 if a write to SPI0DAT is attempted when TXNF is 0. When this occurs, the write to SPI0DAT will be
ignored, and the transmit buffer will not be written. If SPI interrupts are enabled, an interrupt will be generated. This bit is
not automatically cleared by hardware, and must be cleared by firmware.
5 MODF 0 RW Mode Fault Flag.
This bit is set to logic 1 by hardware when a master mode collision is detected (NSS is low, MSTEN = 1, and NSSMD =
01). If SPI interrupts are enabled, an interrupt will be generated. This bit is not automatically cleared by hardware, and must
be cleared by firmware.
4 RXOVRN 0 RW Receive Overrun Flag.
This bit is set to logic 1 by hardware when the receive buffer still holds unread data from a previous transfer and the last bit
of the current transfer is shifted into the SPI0 shift register. If SPI interrupts are enabled, an interrupt will be generated. This
bit is not automatically cleared by hardware, and must be cleared by firmware.
3:2 NSSMD 0x1 RW Slave Select Mode.
Selects between the following NSS operation modes:
Value Name Description
0x0 3_WIRE 3-Wire Slave or 3-Wire Master Mode. NSS signal is not routed to a port
pin.
0x1 4_WIRE_SLAVE 4-Wire Slave or Multi-Master Mode. NSS is an input to the device.
0x2 4_WIRE_MAS-
TER_NSS_LOW
4-Wire Single-Master Mode. NSS is an output and logic low.
0x3 4_WIRE_MAS-
TER_NSS_HIGH
4-Wire Single-Master Mode. NSS is an output and logic high.
1 TXNF 1 R TX FIFO Not Full.
This bit indicates when the TX FIFO is full and can no longer be written to. If a write is performed when TXF is cleared to 0,
a WCOL error will be generated.
Value Name Description
0 FULL The TX FIFO is full.
1 NOT_FULL The TX FIFO has room for more data.
0 SPIEN 0 RW SPI0 Enable.
Value Name Description
0 DISABLED Disable the SPI module.
EFM8BB3 Reference Manual
Serial Peripheral Interface (SPI0)
silabs.com | Building a more connected world. Rev. 0.4 | 301

Bit Name Reset Access Description
1 ENABLED Enable the SPI module.
19.4.3 SPI0CKR: SPI0 Clock Rate
Bit 7 6 5 4 3 2 1 0
Name SPI0CKR
Access RW
Reset 0x00
SFR Page = 0x0, 0x20; SFR Address: 0xA2
Bit Name Reset Access Description
7:0 SPI0CKR 0x00 RW SPI0 Clock Rate.
These bits determine the frequency of the SCK output when the SPI0 module is configured for master mode operation. The
SCK clock frequency is a divided version of the system clock, and is given in the following equation, where SYSCLK is the
system clock frequency and SPI0CKR is the 8-bit value held in the SPI0CKR register.
fsck = SYSCLK / (2 * (SPI0CKR + 1))
for 0 <= SPI0CKR <= 255
19.4.4 SPI0DAT: SPI0 Data
Bit 7 6 5 4 3 2 1 0
Name SPI0DAT
Access RW
Reset Varies
SFR Page = 0x0, 0x20; SFR Address: 0xA3
Bit Name Reset Access Description
7:0 SPI0DAT Varies RW SPI0 Transmit and Receive Data.
The SPI0DAT register is used to transmit and receive SPI0 data. Writing data to SPI0DAT places the data into the transmit
buffer and initiates a transfer when in master mode. A read of SPI0DAT returns the contents of the receive buffer.
EFM8BB3 Reference Manual
Serial Peripheral Interface (SPI0)
silabs.com | Building a more connected world. Rev. 0.4 | 302

19.4.5 SPI0FCN0: SPI0 FIFO Control 0
Bit 7 6 5 4 3 2 1 0
Name TFRQE TFLSH TXTH RFRQE RFLSH RXTH
Access RW RW RW RW RW RW
Reset 0 0 0x0 0 0 0x0
SFR Page = 0x20; SFR Address: 0x9A
Bit Name Reset Access Description
7 TFRQE 0 RW Write Request Interrupt Enable.
When set to 1, a SPI0 interrupt will be generated any time TFRQ is logic 1.
Value Name Description
0 DISABLED SPI0 interrupts will not be generated when TFRQ is set.
1 ENABLED SPI0 interrupts will be generated if TFRQ is set.
6 TFLSH 0 RW TX FIFO Flush.
This bit flushes the TX FIFO. When firmware sets this bit to 1, the internal FIFO counters will be reset, and any remaining
data will not be sent. Hardware will clear the TFLSH bit back to 0 when the operation is complete (1 SYSCLK cycle).
5:4 TXTH 0x0 RW TX FIFO Threshold.
This field configures when hardware will set the transmit FIFO request bit (TFRQ). TFRQ is set whenever the number of
bytes in the TX FIFO is equal to or less than the value in TXTH.
Value Name Description
0x0 ZERO TFRQ will be set when the TX FIFO is empty.
0x1 ONE TFRQ will be set when the TX FIFO contains one or fewer bytes.
3 RFRQE 0 RW Read Request Interrupt Enable.
When set to 1, a SPI0 interrupt will be generated any time RFRQ is logic 1.
Value Name Description
0 DISABLED SPI0 interrupts will not be generated when RFRQ is set.
1 ENABLED SPI0 interrupts will be generated if RFRQ is set.
2 RFLSH 0 RW RX FIFO Flush.
This bit flushes the RX FIFO. When firmware sets this bit to 1, the internal FIFO counters will be reset, and any remaining
data will be lost. Hardware will clear the RFLSH bit back to 0 when the operation is complete (1 SYSCLK cycle).
1:0 RXTH 0x0 RW RX FIFO Threshold.
This field configures when hardware will set the receive FIFO request bit (RFRQ). RFRQ is set whenever the number of
bytes in the RX FIFO exceeds the value in RXTH.
Value Name Description
0x0 ZERO RFRQ will be set anytime new data arrives in the RX FIFO (when the
RX FIFO is not empty).
0x1 ONE RFRQ will be set if the RX FIFO contains more than one byte.
EFM8BB3 Reference Manual
Serial Peripheral Interface (SPI0)
silabs.com | Building a more connected world. Rev. 0.4 | 303

19.4.6 SPI0FCN1: SPI0 FIFO Control 1
Bit 7 6 5 4 3 2 1 0
Name TFRQ THPOL TXHOLD SPIFEN RFRQ Reserved RXTOE RXFIFOE
Access R RW RW RW R R RW RW
Reset 1 1 0 1 0 0 0 1
SFR Page = 0x20; SFR Address: 0x9B
Bit Name Reset Access Description
7 TFRQ 1 R Transmit FIFO Request.
Set to 1 by hardware when the number of bytes in the TX FIFO is less than or equal to the TX FIFO threshold (TXTH).
Value Name Description
0 NOT_SET The number of bytes in the TX FIFO is greater than TXTH.
1 SET The number of bytes in the TX FIFO is less than or equal to TXTH.
6 THPOL 1 RW Transmit Hold Polarity.
Selects the polarity of the data out signal when TXHOLD is active.
Value Name Description
0 HOLD_0 Data output will be held at logic low when TXHOLD is set.
1 HOLD_1 Data output will be held at logic high when TXHOLD is set.
5 TXHOLD 0 RW Transmit Hold.
This bit allows firmware to stall transmission of bytes from the TX FIFO until cleared. When set, the SPI will complete any
byte transmission in progress, but any new transfers will be 0xFF, and not pull data from the TX FIFO. Bytes will continue
to be pulled from the TX FIFO when the TXHOLD bit is cleared.
Value Name Description
0 CONTINUE The UART will continue to transmit any available data in the TX FIFO.
1 HOLD The UART will not transmit any new data from the TX FIFO.
4 SPIFEN 1 RW SPIF Interrupt Enable.
When set to 1, a SPI0 interrupt will be generated any time SPIF is set to 1.
Value Name Description
0 DISABLED SPI0 interrupts will not be generated when SPIF is set.
1 ENABLED SPI0 interrupts will be generated if SPIF is set.
3 RFRQ 0 R Receive FIFO Request.
Set to 1 by hardware when the number of bytes in the RX FIFO is larger than specified by the RX FIFO threshold (RXTH).
Value Name Description
0 NOT_SET The number of bytes in the RX FIFO is less than or equal to RXTH.
1 SET The number of bytes in the RX FIFO is greater than RXTH.
2 Reserved Must write reset value.
EFM8BB3 Reference Manual
Serial Peripheral Interface (SPI0)
silabs.com | Building a more connected world. Rev. 0.4 | 304

Bit Name Reset Access Description
1 RXTOE 0 RW Receive Timeout Enable.
This bit enables the RX FIFO timeout function. If the RX FIFO is not empty, the number of bytes in the FIFO is not enough
to generate a Receive FIFO request, and the timeout is reached, a SPI0 interrupt will be generated.
Value Name Description
0 DISABLED Lingering bytes in the RX FIFO will not generate an interrupt.
1 ENABLED Lingering bytes in the RX FIFO will generate an interrupt after timeout.
0 RXFIFOE 1 RW Receive FIFO Enable.
This bit enables the SPI receive FIFO. When enabled, any received bytes will be placed into the RX FIFO.
Value Name Description
0 DISABLED Received bytes will be discarded.
1 ENABLED Received bytes will be placed in the RX FIFO.
19.4.7 SPI0FCT: SPI0 FIFO Count
Bit 7 6 5 4 3 2 1 0
Name Reserved TXCNT Reserved RXCNT
Access R R R R
Reset 0 0x0 0 0x0
SFR Page = 0x20; SFR Address: 0xF7
Bit Name Reset Access Description
7 Reserved Must write reset value.
6:4 TXCNT 0x0 R TX FIFO Count.
This field indicates the number of bytes in the transmit FIFO.
3 Reserved Must write reset value.
2:0 RXCNT 0x0 R RX FIFO Count.
This field indicates the number of bytes in the receive FIFO.
EFM8BB3 Reference Manual
Serial Peripheral Interface (SPI0)
silabs.com | Building a more connected world. Rev. 0.4 | 305

19.4.8 SPI0PCF: SPI0 Pin Configuration
Bit 7 6 5 4 3 2 1 0
Name Reserved SCKSEL MISEL SISEL
Access R RW RW RW
Reset 0x00 0 0 0
SFR Page = 0x20; SFR Address: 0xDF
Bit Name Reset Access Description
7:3 Reserved Must write reset value.
2 SCKSEL 0 RW Slave Clock Input Select.
This bit selects the source of the SCK clock input signal in slave mode.
Value Name Description
0 CROSSBAR SCK (slave mode clock input) is connected to the pin assigned by the
crossbar.
1 CLU1 SCK (slave mode clock input) is connected to the CLU1 output.
1 MISEL 0 RW Master Data Input Select.
This bit selects the source of the MISO data input signal in master mode.
Value Name Description
0 CROSSBAR MISO (master mode data input) is connected to the pin assigned by the
crossbar.
1 CLU2 MISO (master mode data input) is connected to the CLU2 output.
0 SISEL 0 RW Slave Data Input Select.
This bit selects the source of the MOSI data input signal in slave mode.
Value Name Description
0 CROSSBAR MOSI (slave mode data input) is connected to the pin assigned by the
crossbar.
1 CLU3 MOSI (slave mode data input) is connected to the CLU3 output.
EFM8BB3 Reference Manual
Serial Peripheral Interface (SPI0)
silabs.com | Building a more connected world. Rev. 0.4 | 306

20. System Management Bus / I2C (SMB0)
20.1 Introduction
The SMBus I/O interface is a two-wire, bi-directional serial bus. The SMBus is compliant with the System Management Bus Specifica-
tion, version 1.1, and compatible with the I2C serial bus.
SMB0
Slave Address
Recognition
SMB0DAT
Master SCL Clock
Generation
Shift Register SDA
SCL
State Control
Logic
SI
Timers 0,
1 or 2
SCL Low
Timer 3
Data /
Address
Figure 20.1. SMBus 0 Block Diagram
20.2 Features
The SMBus module includes the following features:
• Standard (up to 100 kbps) and Fast (400 kbps) transfer speeds
• Support for master, slave, and multi-master modes
• Hardware synchronization and arbitration for multi-master mode
• Clock low extending (clock stretching) to interface with faster masters
• Hardware support for 7-bit slave and general call address recognition
• Firmware support for 10-bit slave address decoding
• Ability to inhibit all slave states
• Programmable data setup/hold times
• Transmit and receive FIFOs (one byte) to help increase throughput in faster applications
20.3 Functional Description
20.3.1 Supporting Documents
It is assumed the reader is familiar with or has access to the following supporting documents:
•The I2C-Bus and How to Use It (including specifications), Philips Semiconductor.
•The I2C-Bus Specification—Version 2.0, Philips Semiconductor.
• System Management Bus Specification—Version 1.1, SBS Implementers Forum.
EFM8BB3 Reference Manual
System Management Bus / I2C (SMB0)
silabs.com | Building a more connected world. Rev. 0.4 | 307

20.3.2 SMBus Protocol
The SMBus specification allows any recessive voltage between 3.0 and 5.0 V; different devices on the bus may operate at different
voltage levels. However, the maximum voltage on any port pin must conform to the electrical characteristics specifications. The bi-direc-
tional SCL (serial clock) and SDA (serial data) lines must be connected to a positive power supply voltage through a pullup resistor or
similar circuit. Every device connected to the bus must have an open-drain or open-collector output for both the SCL and SDA lines, so
that both are pulled high (recessive state) when the bus is free. The maximum number of devices on the bus is limited only by the
requirement that the rise and fall times on the bus not exceed 300 ns and 1000 ns, respectively.
VDD = 5 V
Master
Device
SlaveDevice
1
SlaveDevice
2
VDD = 3 V VDD = 5 V VDD = 3 V
SDA
SCL
Figure 20.2. Typical SMBus System Connection
Two types of data transfers are possible: data transfers from a master transmitter to an addressed slave receiver (WRITE), and data
transfers from an addressed slave transmitter to a master receiver (READ). The master device initiates both types of data transfers and
provides the serial clock pulses on SCL. The SMBus interface may operate as a master or a slave, and multiple master devices on the
same bus are supported. If two or more masters attempt to initiate a data transfer simultaneously, an arbitration scheme is employed
with a single master always winning the arbitration. It is not necessary to specify one device as the Master in a system; any device who
transmits a START and a slave address becomes the master for the duration of that transfer.
A typical SMBus transaction consists of a START condition followed by an address byte (Bits7–1: 7-bit slave address; Bit0: R/W direc-
tion bit), one or more bytes of data, and a STOP condition. Bytes that are received (by a master or slave) are acknowledged (ACK) with
a low SDA during a high SCL (see Figure 20.3 SMBus Transaction on page 309). If the receiving device does not ACK, the transmit-
ting device will read a NACK (not acknowledge), which is a high SDA during a high SCL.
The direction bit (R/W) occupies the least-significant bit position of the address byte. The direction bit is set to logic 1 to indicate a
"READ" operation and cleared to logic 0 to indicate a "WRITE" operation.
All transactions are initiated by a master, with one or more addressed slave devices as the target. The master generates the START
condition and then transmits the slave address and direction bit. If the transaction is a WRITE operation from the master to the slave,
the master transmits the data a byte at a time waiting for an ACK from the slave at the end of each byte. For READ operations, the
slave transmits the data waiting for an ACK from the master at the end of each byte. At the end of the data transfer, the master gener-
ates a STOP condition to terminate the transaction and free the bus. Figure 20.3 SMBus Transaction on page 309 illustrates a typical
SMBus transaction.
EFM8BB3 Reference Manual
System Management Bus / I2C (SMB0)
silabs.com | Building a more connected world. Rev. 0.4 | 308

SLA6
SDA
SLA5-0 R/W D7 D6-0
SCL
Slave Address + R/W Data ByteSTART ACK NACK STOP
Figure 20.3. SMBus Transaction
Transmitter vs. Receiver
On the SMBus communications interface, a device is the “transmitter” when it is sending an address or data byte to another device on
the bus. A device is a “receiver” when an address or data byte is being sent to it from another device on the bus. The transmitter con-
trols the SDA line during the address or data byte. After each byte of address or data information is sent by the transmitter, the receiver
sends an ACK or NACK bit during the ACK phase of the transfer, during which time the receiver controls the SDA line.
Arbitration
A master may start a transfer only if the bus is free. The bus is free after a STOP condition or after the SCL and SDA lines remain high
for a specified time (see ● SCL High (SMBus Free) Timeout on page 309). In the event that two or more devices attempt to begin a
transfer at the same time, an arbitration scheme is employed to force one master to give up the bus. The master devices continue
transmitting until one attempts a HIGH while the other transmits a LOW. Since the bus is open-drain, the bus will be pulled LOW. The
master attempting the HIGH will detect a LOW SDA and lose the arbitration. The winning master continues its transmission without
interruption; the losing master becomes a slave and receives the rest of the transfer if addressed. This arbitration scheme is non-de-
structive: one device always wins, and no data is lost.
Clock Low Extension
SMBus provides a clock synchronization mechanism, similar to I2C, which allows devices with different speed capabilities to coexist on
the bus. A clock-low extension is used during a transfer in order to allow slower slave devices to communicate with faster masters. The
slave may temporarily hold the SCL line LOW to extend the clock low period, effectively decreasing the serial clock frequency.
SCL Low Timeout
If the SCL line is held low by a slave device on the bus, no further communication is possible. Furthermore, the master cannot force the
SCL line high to correct the error condition. To solve this problem, the SMBus protocol specifies that devices participating in a transfer
must detect any clock cycle held low longer than 25 ms as a “timeout” condition. Devices that have detected the timeout condition must
reset the communication no later than 10 ms after detecting the timeout condition.
For the SMBus 0 interface, Timer 3 is used to implement SCL low timeouts. The SCL low timeout feature is enabled by setting the
SMB0TOE bit in SMB0CF. The associated timer is forced to reload when SCL is high, and allowed to count when SCL is low. With the
associated timer enabled and configured to overflow after 25 ms (and SMB0TOE set), the timer interrupt service routine can be used to
reset (disable and re-enable) the SMBus in the event of an SCL low timeout.
SCL High (SMBus Free) Timeout
The SMBus specification stipulates that if the SCL and SDA lines remain high for more that 50 μs, the bus is designated as free. When
the SMB0FTE bit in SMB0CF is set, the bus will be considered free if SCL and SDA remain high for more than 10 SMBus clock source
periods (as defined by the timer configured for the SMBus clock source). If the SMBus is waiting to generate a Master START, the
START will be generated following this timeout. A clock source is required for free timeout detection, even in a slave-only implementa-
tion.
EFM8BB3 Reference Manual
System Management Bus / I2C (SMB0)
silabs.com | Building a more connected world. Rev. 0.4 | 309

20.3.3 Configuring the SMBus Module
The SMBus can operate in both Master and Slave modes. The interface provides timing and shifting control for serial transfers; higher
level protocol is determined by user software. The SMBus interface provides the following application-independent features:
• Byte-wise serial data transfers
• Clock signal generation on SCL (Master Mode only) and SDA data synchronization
• Timeout/bus error recognition, as defined by the SMB0CF configuration register
• START/STOP timing, detection, and generation
• Bus arbitration
• Interrupt generation
• Status information
• Optional hardware recognition of slave address and automatic acknowledgement of address/data
SMBus interrupts are generated for each data byte or slave address that is transferred. When hardware acknowledgement is disabled,
the point at which the interrupt is generated depends on whether the hardware is acting as a data transmitter or receiver. When a trans-
mitter (i.e., sending address/data, receiving an ACK), this interrupt is generated after the ACK cycle so that software may read the re-
ceived ACK value; when receiving data (i.e., receiving address/data, sending an ACK), this interrupt is generated before the ACK cycle
so that software may define the outgoing ACK value. If hardware acknowledgement is enabled, these interrupts are always generated
after the ACK cycle. Interrupts are also generated to indicate the beginning of a transfer when a master (START generated), or the end
of a transfer when a slave (STOP detected). Software should read the SMB0CN0 register to find the cause of the SMBus interrupt.
EFM8BB3 Reference Manual
System Management Bus / I2C (SMB0)
silabs.com | Building a more connected world. Rev. 0.4 | 310

SMBus Configuration Register
The SMBus Configuration register (SMB0CF) is used to enable the SMBus master and/or slave modes, select the SMBus clock source,
and select the SMBus timing and timeout options. When the ENSMB bit is set, the SMBus is enabled for all master and slave events.
Slave events may be disabled by setting the INH bit. With slave events inhibited, the SMBus interface will still monitor the SCL and SDA
pins; however, the interface will NACK all received addresses and will not generate any slave interrupts. When the INH bit is set, all
slave events will be inhibited following the next START (interrupts will continue for the duration of the current transfer).
The SMBCS bit field selects the SMBus clock source, which is used only when operating as a master or when the Free Timeout detec-
tion is enabled. When operating as a master, overflows from the selected source determine both the bit rate and the absolute minimum
SCL low and high times. The selected clock source may be shared by other peripherals so long as the timer is left running at all times.
The selected clock source should typically be configured to overflow at three times the desired bit rate. When the interface is operating
as a master (and SCL is not driven or extended by any other devices on the bus), the device will hold the SCL line low for one overflow
period, and release it for two overflow periods. THIGH is typically twice as large as TLOW. The actual SCL output may vary due to other
devices on the bus (SCL may be extended low by slower slave devices, driven low by contending master devices, or have long ramp
times). The SMBus hardware will ensure that once SCL does return high, it reads a logic high state for a minimum of one overflow
period.
SCL
Timer Source
Overflows
SCL High TimeoutTLow THigh
Figure 20.4. Typical SMBus SCL Generation
Setting the EXTHOLD bit extends the minimum setup and hold times for the SDA line. The minimum SDA setup time defines the abso-
lute minimum time that SDA is stable before SCL transitions from low-to-high. The minimum SDA hold time defines the absolute mini-
mum time that the current SDA value remains stable after SCL transitions from high-to-low. EXTHOLD should be set so that the mini-
mum setup and hold times meet the SMBus Specification requirements of 250 ns and 300 ns, respectively. Setup and hold time exten-
sions are typically necessary for SMBus compliance when SYSCLK is above 10 MHz.
Table 20.1. Minimum SDA Setup and Hold Times
EXTHOLD Minimum SDA Setup Time Minimum SDA Hold Time
0 Tlow – 4 system clocks or 1 system clock + s/w delay 3 system clocks
1 11 system clocks 12 system clocks
Note: Setup Time for ACK bit transmissions and the MSB of all data transfers. When using software acknowledgment, the s/w delay
occurs between the time SMB0DAT or ACK is written and when SI is cleared. Note that if SI is cleared in the same write that defines
the outgoing ACK value, s/w delay is zero.
With the SMBTOE bit set, Timer 3 should be configured to overflow after 25 ms in order to detect SCL low timeouts. The SMBus inter-
face will force the associated timer to reload while SCL is high, and allow the timer to count when SCL is low. The timer interrupt serv-
ice routine should be used to reset SMBus communication by disabling and re-enabling the SMBus. SMBus Free Timeout detection can
be enabled by setting the SMBFTE bit. When this bit is set, the bus will be considered free if SDA and SCL remain high for more than
10 SMBus clock source periods.
SMBus Pin Swap
The SMBus peripheral is assigned to pins using the priority crossbar decoder. By default, the SMBus signals are assigned to port pins
starting with SDA on the lower-numbered pin, and SCL on the next available pin. The SWAP bit in the SMBus Timing Control register
can be set to 1 to reverse the order in which the SMBus signals are assigned.
EFM8BB3 Reference Manual
System Management Bus / I2C (SMB0)
silabs.com | Building a more connected world. Rev. 0.4 | 311

SMBus Timing Control
The SDD field in the SMBus Timing Control register is used to delay the recognition of the falling edge of the SDA signal. This feature
should be applied in cases where a data bit transition occurs close to the SCL falling edge that may cause a false START detection
when there is a significant mismatch between the impedance or capacitance on the SDA and SCL lines. This feature should also be
applied to improve the recognition of the repeated START bit when the SCL bus capacitance is very high. These kinds of events are not
expected in a standard SMBus- or I2C-compliant system.
Note: In most systems this parameter should not be adjusted, and it is recommended that it be left at its default value.
The SDD field can be used to delay the recognition of the SDA falling edge by the SMBus hardware by 2, 4, or 8 SYSCLKs.
SMBus Control Register
SMB0CN0 is used to control the interface and to provide status information. The higher four bits of SMB0CN0 (MASTER, TXMODE,
STA, and STO) form a status vector that can be used to jump to service routines. MASTER indicates whether a device is the master or
slave during the current transfer. TXMODE indicates whether the device is transmitting or receiving data for the current byte.
STA and STO indicate that a START and/or STOP has been detected or generated since the last SMBus interrupt. STA and STO are
also used to generate START and STOP conditions when operating as a master. Writing a 1 to STA will cause the SMBus interface to
enter Master Mode and generate a START when the bus becomes free (STA is not cleared by hardware after the START is generated).
Writing a 1 to STO while in Master Mode will cause the interface to generate a STOP and end the current transfer after the next ACK
cycle. If STO and STA are both set (while in Master Mode), a STOP followed by a START will be generated.
The ARBLOST bit indicates that the interface has lost an arbitration. This may occur anytime the interface is transmitting (master or
slave). A lost arbitration while operating as a slave indicates a bus error condition. ARBLOST is cleared by hardware each time SI is
cleared.
The SI bit (SMBus Interrupt Flag) is set at the beginning and end of each transfer, after each byte frame, or when an arbitration is lost.
Note: The SMBus interface is stalled while SI is set; if SCL is held low at this time, the bus is stalled until software clears SI.
EFM8BB3 Reference Manual
System Management Bus / I2C (SMB0)
silabs.com | Building a more connected world. Rev. 0.4 | 312

Hardware ACK Generation
When the EHACK bit in register SMB0ADM is set to 1, automatic slave address recognition and ACK generation is enabled. As a re-
ceiver, the value currently specified by the ACK bit will be automatically sent on the bus during the ACK cycle of an incoming data byte.
As a transmitter, reading the ACK bit indicates the value received on the last ACK cycle. The ACKRQ bit is not used when hardware
ACK generation is enabled. If a received slave address is NACKed by hardware, further slave events will be ignored until the next
START is detected, and no interrupt will be generated.
Table 20.2. Sources for Hardware Changes to SMB0CN0
Bit Set by Hardware When: Cleared by Hardware When:
MASTER A START is generated. A STOP is generated.
Arbitration is lost.
TXMODE START is generated.
SMB0DAT is written before the start of an
SMBus frame.
A START is detected.
Arbitration is lost.
SMB0DAT is not written before the start of an SMBus
frame.
STA A START followed by an address byte is re-
ceived.
Must be cleared by software.
STO A STOP is detected while addressed as a
slave.
Arbitration is lost due to a detected STOP.
A pending STOP is generated.
ACKRQ A byte has been received and an ACK re-
sponse value is needed (only when hard-
ware ACK is not enabled).
After each ACK cycle.
ARBLOST A repeated START is detected as a MAS-
TER when STA is low (unwanted repeated
START).
SCL is sensed low while attempting to gen-
erate a STOP or repeated START condition.
SDA is sensed low while transmitting a 1
(excluding ACK bits).
Each time SIn is cleared.
ACK The incoming ACK value is low (AC-
KNOWLEDGE).
The incoming ACK value is high (NOT ACKNOWL-
EDGE).
SI A START has been generated.
Lost arbitration.
A byte has been transmitted and an ACK/
NACK received.
A byte has been received.
A START or repeated START followed by a
slave address + R/W has been received.
A STOP has been received.
Must be cleared by software.
EFM8BB3 Reference Manual
System Management Bus / I2C (SMB0)
silabs.com | Building a more connected world. Rev. 0.4 | 313

Hardware Slave Address Recognition
The SMBus hardware has the capability to automatically recognize incoming slave addresses and send an ACK without software inter-
vention. Automatic slave address recognition is enabled by setting the EHACK bit in register SMB0ADM to 1. This will enable both auto-
matic slave address recognition and automatic hardware ACK generation for received bytes (as a master or slave).
The registers used to define which address(es) are recognized by the hardware are the SMBus Slave Address register and the SMBus
Slave Address Mask register. A single address or range of addresses (including the General Call Address 0x00) can be specified using
these two registers. The most-significant seven bits of the two registers are used to define which addresses will be ACKed. A 1 in a bit
of the slave address mask SLVM enables a comparison between the received slave address and the hardware’s slave address SLV for
that bit. A 0 in a bit of the slave address mask means that bit will be treated as a “don’t care” for comparison purposes. In this case,
either a 1 or a 0 value are acceptable on the incoming slave address. Additionally, if the GC bit in register SMB0ADR is set to 1, hard-
ware will recognize the General Call Address (0x00).
Table 20.3. Hardware Address Recognition Examples (EHACK=1)
Hardware Slave Address
SLV
Slave Address Mask
SLVM
GC bit Slave Addresses Recognized by Hardware
0x34 0x7F 0 0x34
0x34 0x7F 1 0x34, 0x00 (General Call)
0x34 0x7E 0 0x34, 0x35
0x34 0x7E 1 0x34, 0x35, 0x00 (General Call)
0x70 0x73 0 0x70, 0x74, 0x78, 0x7C
Note: These addresses must be shifted to the left by one bit when writing to the SMB0ADR register.
Software ACK Generation
In general, it is recommended for applications to use hardware ACK and address recognition. In some cases it may be desirable to
drive ACK generation and address recognition from firmware. When the EHACK bit in register SMB0ADM is cleared to 0, the firmware
on the device must detect incoming slave addresses and ACK or NACK the slave address and incoming data bytes. As a receiver,
writing the ACK bit defines the outgoing ACK value; as a transmitter, reading the ACK bit indicates the value received during the last
ACK cycle. ACKRQ is set each time a byte is received, indicating that an outgoing ACK value is needed. When ACKRQ is set, software
should write the desired outgoing value to the ACK bit before clearing SI. A NACK will be generated if software does not write the ACK
bit before clearing SI. SDA will reflect the defined ACK value immediately following a write to the ACK bit; however SCL will remain low
until SI is cleared. If a received slave address is not acknowledged, further slave events will be ignored until the next START is detec-
ted.
SMBus Data Register
The SMBus Data register SMB0DAT holds a byte of serial data to be transmitted or one that has just been received. Software may
safely read or write to the data register when the SI flag is set. Software should not attempt to access the SMB0DAT register when the
SMBus is enabled and the SI flag is cleared to logic 0.
Note: Certain device families have a transmit and receive buffer interface which is accessed by reading and writing the SMB0DAT reg-
ister. To promote software portability between devices with and without this buffer interface it is recommended that SMB0DAT not be
used as a temporary storage location. On buffer-enabled devices, writing the register multiple times will push multiple bytes into the
transmit FIFO.
EFM8BB3 Reference Manual
System Management Bus / I2C (SMB0)
silabs.com | Building a more connected world. Rev. 0.4 | 314

20.3.4 Operational Modes
The SMBus interface may be configured to operate as master and/or slave. At any particular time, it will be operating in one of the
following four modes: Master Transmitter, Master Receiver, Slave Transmitter, or Slave Receiver. The SMBus interface enters Master
Mode any time a START is generated, and remains in Master Mode until it loses an arbitration or generates a STOP. An SMBus inter-
rupt is generated at the end of all SMBus byte frames. The position of the ACK interrupt when operating as a receiver depends on
whether hardware ACK generation is enabled. As a receiver, the interrupt for an ACK occurs before the ACK with hardware ACK gener-
ation disabled, and after the ACK when hardware ACK generation is enabled. As a transmitter, interrupts occur after the ACK,
regardless of whether hardware ACK generation is enabled or not.
EFM8BB3 Reference Manual
System Management Bus / I2C (SMB0)
silabs.com | Building a more connected world. Rev. 0.4 | 315

Master Write Sequence
During a write sequence, an SMBus master writes data to a slave device. The master in this transfer will be a transmitter during the
address byte, and a transmitter during all data bytes. The SMBus interface generates the START condition and transmits the first byte
containing the address of the target slave and the data direction bit. In this case the data direction bit (R/W) will be logic 0 (WRITE). The
master then transmits one or more bytes of serial data. After each byte is transmitted, an acknowledge bit is generated by the slave.
The transfer is ended when the STO bit is set and a STOP is generated. The interface will switch to Master Receiver Mode if SMB0DAT
is not written following a Master Transmitter interrupt. Figure 20.5 Typical Master Write Sequence on page 316 shows a typical master
write sequence as it appears on the bus, and Figure 20.6 Master Write Sequence State Diagram (EHACK = 1) on page 317 shows the
corresponding firmware state machine. Two transmit data bytes are shown, though any number of bytes may be transmitted. Notice
that all of the “data byte transferred” interrupts occur after the ACK cycle in this mode, regardless of whether hardware ACK generation
is enabled.
a
A AAS W PData Byte Data ByteSLA
S = START
P = STOP
A = ACK
W = WRITE
SLA = Slave Address
Received by SMBus
Interface
Transmitted by
SMBus Interface
Interrupts with Hardware ACK Disabled (EHACK = 0)
Interrupts with Hardware ACK Enabled (EHACK = 1)
a b c d
b c d
Figure 20.5. Typical Master Write Sequence
EFM8BB3 Reference Manual
System Management Bus / I2C (SMB0)
silabs.com | Building a more connected world. Rev. 0.4 | 316

STA sent.
1. Clear the STA and STO flags.
2. Write SMB0DAT with the slave address
and R/W bit set to 1.
3. Clear the interrupt flag (SI).
a
Set the STA bit.
Interrupt
Idle
ACK?
Interrupt
Yes
No
More Data
to Send?
Yes
No
ACK received
1. Write next data to SMB0DAT.
2. Clear the interrupt flag (SI).
Interrupt
Send
Repeated
Start?
Yes
1. Set the STO
flag.
2. Clear the
interrupt flag (SI).
No
1. Set the STA
flag.
2. Clear the
interrupt flag (SI).
Idle
Interrupt
b c
d
Figure 20.6. Master Write Sequence State Diagram (EHACK = 1)
EFM8BB3 Reference Manual
System Management Bus / I2C (SMB0)
silabs.com | Building a more connected world. Rev. 0.4 | 317

Master Read Sequence
During a read sequence, an SMBus master reads data from a slave device. The master in this transfer will be a transmitter during the
address byte, and a receiver during all data bytes. The SMBus interface generates the START condition and transmits the first byte
containing the address of the target slave and the data direction bit. In this case the data direction bit (R/W) will be logic 1 (READ).
Serial data is then received from the slave on SDA while the SMBus outputs the serial clock. The slave transmits one or more bytes of
serial data.
If hardware ACK generation is disabled, the ACKRQ is set to 1 and an interrupt is generated after each received byte. Software must
write the ACK bit at that time to ACK or NACK the received byte.
With hardware ACK generation enabled, the SMBus hardware will automatically generate the ACK/NACK, and then post the interrupt. It
is important to note that the appropriate ACK or NACK value should be set up by the software prior to receiving the byte when hardware
ACK generation is enabled.
Writing a 1 to the ACK bit generates an ACK; writing a 0 generates a NACK. Software should write a 0 to the ACK bit for the last data
transfer, to transmit a NACK. The interface exits Master Receiver Mode after the STO bit is set and a STOP is generated. The interface
will switch to Master Transmitter Mode if SMB0DAT is written while an active Master Receiver. Figure 20.7 Typical Master Read Se-
quence on page 318 shows a typical master read sequence as it appears on the bus, and Figure 20.8 Master Read Sequence State
Diagram (EHACK = 1) on page 319 shows the corresponding firmware state machine. Two received data bytes are shown, though any
number of bytes may be received. Notice that the "data byte transferred" interrupts occur at different places in the sequence, depending
on whether hardware ACK generation is enabled. The interrupt occurs before the ACK with hardware ACK generation disabled, and
after the ACK when hardware ACK generation is enabled.
a
a
Data ByteData Byte A NAS R PSLA
S = START
P = STOP
A = ACK
N = NACK
R = READ
SLA = Slave Address
Received by SMBus
Interface
Transmitted by
SMBus Interface
Interrupts with Hardware ACK Disabled (EHACK = 0)
Interrupts with Hardware ACK Enabled (EHACK = 1)
b c d
b c d
Figure 20.7. Typical Master Read Sequence
EFM8BB3 Reference Manual
System Management Bus / I2C (SMB0)
silabs.com | Building a more connected world. Rev. 0.4 | 318

STA sent.
1. Clear the STA and STO flags.
2. Write SMB0DAT with the slave address
and R/W bit set to 1.
3. Clear the interrupt flag (SI).
a
Interrupt
ACK?
Interrupt
Yes
No
Last Byte?
1. Read Data From SMB0DAT.
2. Clear the interrupt flag (SI).
Send
Repeated
Start?
Yes
1. Set the STO
flag.
2. Clear the
interrupt flag (SI).
No
1. Set the STA
flag.
2. Clear the
interrupt flag (SI).
Idle
Interrupt
1. Clear ACK.
2. Clear SI.
Next Byte
Final?
1. Set ACK.
2. Clear SI.
YesNo
Interrupt
No
Yes
Set the STA bit.
Idle
b c d
Figure 20.8. Master Read Sequence State Diagram (EHACK = 1)
EFM8BB3 Reference Manual
System Management Bus / I2C (SMB0)
silabs.com | Building a more connected world. Rev. 0.4 | 319

Slave Write Sequence
During a write sequence, an SMBus master writes data to a slave device. The slave in this transfer will be a receiver during the address
byte, and a receiver during all data bytes. When slave events are enabled (INH = 0), the interface enters Slave Receiver Mode when a
START followed by a slave address and direction bit (WRITE in this case) is received. If hardware ACK generation is disabled, upon
entering Slave Receiver Mode, an interrupt is generated and the ACKRQ bit is set. The software must respond to the received slave
address with an ACK, or ignore the received slave address with a NACK. If hardware ACK generation is enabled, the hardware will
apply the ACK for a slave address which matches the criteria set up by SMB0ADR and SMB0ADM. The interrupt will occur after the
ACK cycle.
If the received slave address is ignored (by software or hardware), slave interrupts will be inhibited until the next START is detected. If
the received slave address is acknowledged, zero or more data bytes are received.
If hardware ACK generation is disabled, the ACKRQ is set to 1 and an interrupt is generated after each received byte. Software must
write the ACK bit at that time to ACK or NACK the received byte.
With hardware ACK generation enabled, the SMBus hardware will automatically generate the ACK/NACK, and then post the interrupt. It
is important to note that the appropriate ACK or NACK value should be set up by the software prior to receiving the byte when hardware
ACK generation is enabled.
The interface exits Slave Receiver Mode after receiving a STOP. The interface will switch to Slave Transmitter Mode if SMB0DAT is
written while an active Slave Receiver. Figure 20.9 Typical Slave Write Sequence on page 320 shows a typical slave write sequence
as it appears on the bus. The corresponding firmware state diagram (combined with the slave read sequence) is shown in Figure
20.10 Slave State Diagram (EHACK = 1) on page 321. Two received data bytes are shown, though any number of bytes may be re-
ceived. Notice that the "data byte transferred" interrupts occur at different places in the sequence, depending on whether hardware
ACK generation is enabled. The interrupt occurs before the ACK with hardware ACK generation disabled, and after the ACK when
hardware ACK generation is enabled.
e
PWSLAS Data ByteData Byte A AA
S = START
P = STOP
A = ACK
W = WRITE
SLA = Slave Address
Received by SMBus
Interface
Transmitted by
SMBus Interface
Interrupts with Hardware ACK Disabled (EHACK = 0)
Interrupts with Hardware ACK Enabled (EHACK = 1)
f g he
f g h
Figure 20.9. Typical Slave Write Sequence
EFM8BB3 Reference Manual
System Management Bus / I2C (SMB0)
silabs.com | Building a more connected world. Rev. 0.4 | 320

Interrupt
Idle
1. Clear STA.
2. Read Address + R/W from SMB0DAT.
Read /
Write?
Read Write
1. Write next data to SMB0DAT.
2. Clear SI.
Interrupt
ACK?
Yes No
Clear SI.
Interrupt
Clear STO.
Repeated
Start?
Yes
Idle
No
1. Set ACK.
2. Clear SI.
Clear SI.
1. Read Data From SMB0DAT.
2. Clear SI.
Interrupt
STOP?
No
Interrupt
Yes
a e
b
d
f g
c
h
e
d h
Figure 20.10. Slave State Diagram (EHACK = 1)
EFM8BB3 Reference Manual
System Management Bus / I2C (SMB0)
silabs.com | Building a more connected world. Rev. 0.4 | 321

Slave Read Sequence
During a read sequence, an SMBus master reads data from a slave device. The slave in this transfer will be a receiver during the ad-
dress byte, and a transmitter during all data bytes. When slave events are enabled (INH = 0), the interface enters Slave Receiver Mode
(to receive the slave address) when a START followed by a slave address and direction bit (READ in this case) is received. If hardware
ACK generation is disabled, upon entering Slave Receiver Mode, an interrupt is generated and the ACKRQ bit is set. The software
must respond to the received slave address with an ACK, or ignore the received slave address with a NACK. If hardware ACK genera-
tion is enabled, the hardware will apply the ACK for a slave address which matches the criteria set up by SMB0ADR and SMB0ADM.
The interrupt will occur after the ACK cycle.
If the received slave address is ignored (by software or hardware), slave interrupts will be inhibited until the next START is detected. If
the received slave address is acknowledged, zero or more data bytes are transmitted. If the received slave address is acknowledged,
data should be written to SMB0DAT to be transmitted. The interface enters slave transmitter mode, and transmits one or more bytes of
data. After each byte is transmitted, the master sends an acknowledge bit; if the acknowledge bit is an ACK, SMB0DAT should be writ-
ten with the next data byte. If the acknowledge bit is a NACK, SMB0DAT should not be written to before SI is cleared (an error condition
may be generated if SMB0DAT is written following a received NACK while in slave transmitter mode). The interface exits slave trans-
mitter mode after receiving a STOP. The interface will switch to slave receiver mode if SMB0DAT is not written following a Slave
Transmitter interrupt. Figure 20.11 Typical Slave Read Sequence on page 322 shows a typical slave read sequence as it appears on
the bus. The corresponding firmware state diagram (combined with the slave read sequence) is shown in Figure 20.10 Slave State
Diagram (EHACK = 1) on page 321. Two transmitted data bytes are shown, though any number of bytes may be transmitted. Notice
that all of the “data byte transferred” interrupts occur after the ACK cycle in this mode, regardless of whether hardware ACK generation
is enabled.
a
PRSLAS Data ByteData Byte A NA
S = START
P = STOP
N = NACK
R = READ
SLA = Slave Address
Received by SMBus
Interface
Transmitted by
SMBus Interface
Interrupts with Hardware ACK Disabled (EHACK = 0)
Interrupts with Hardware ACK Enabled (EHACK = 1)
a b c d
b c d
Figure 20.11. Typical Slave Read Sequence
EFM8BB3 Reference Manual
System Management Bus / I2C (SMB0)
silabs.com | Building a more connected world. Rev. 0.4 | 322

20.4 SMB0 Control Registers
20.4.1 SMB0CF: SMBus 0 Configuration
Bit 7 6 5 4 3 2 1 0
Name ENSMB INH BUSY EXTHOLD SMBTOE SMBFTE SMBCS
Access RW RW R RW RW RW RW
Reset 0 0 0 0 0 0 0x0
SFR Page = 0x0, 0x20; SFR Address: 0xC1
Bit Name Reset Access Description
7 ENSMB 0 RW SMBus Enable.
This bit enables the SMBus interface when set to 1. When enabled, the interface constantly monitors the SDA and SCL
pins.
6 INH 0 RW SMBus Slave Inhibit.
When this bit is set to logic 1, the SMBus does not generate an interrupt when slave events occur. This effectively removes
the SMBus slave from the bus. Master Mode interrupts are not affected.
5 BUSY 0 R SMBus Busy Indicator.
This bit is set to logic 1 by hardware when a transfer is in progress. It is cleared to logic 0 when a STOP or free-timeout is
sensed.
4 EXTHOLD 0 RW SMBus Setup and Hold Time Extension Enable.
This bit enables SDA setup and hold time extensions for SMBus operation. When set, the DLYEXT bit controls the length of
the SDA setup and hold times.
Value Name Description
0 DISABLED Disable SDA extended setup and hold times.
1 ENABLED Enable SDA extended setup and hold times.
3 SMBTOE 0 RW SMBus SCL Timeout Detection Enable.
This bit enables SCL low timeout detection. If set to logic 1 and RLFSEL in TMR3CN1 is set correctly, the SMBus forces
Timer 3 to reload while SCL is high and allows Timer 3 to count when SCL goes low. If Timer 3 is configured to Split Mode,
only the High Byte of the timer is held in reload while SCL is high. Timer 3 should be programmed to generate interrupts at
25 ms, and the Timer 3 interrupt service routine should reset SMBus communication.
2 SMBFTE 0 RW SMBus Free Timeout Detection Enable.
When this bit is set to logic 1, the bus will be considered free if SCL and SDA remain high for more than 10 SMBus clock
source periods.
1:0 SMBCS 0x0 RW SMBus Clock Source Selection.
This field selects the SMBus clock source, which is used to generate the SMBus bit rate. See the SMBus clock timing sec-
tion for additional details.
Value Name Description
0x0 TIMER0 Timer 0 Overflow.
0x1 TIMER1 Timer 1 Overflow.
0x2 TIMER2_HIGH Timer 2 High Byte Overflow.
0x3 TIMER2_LOW Timer 2 Low Byte Overflow.
EFM8BB3 Reference Manual
System Management Bus / I2C (SMB0)
silabs.com | Building a more connected world. Rev. 0.4 | 323

20.4.2 SMB0TC: SMBus 0 Timing and Pin Control
Bit 7 6 5 4 3 2 1 0
Name SWAP Reserved DLYEXT Reserved SDD
Access RW R RW R RW
Reset 0 0x0 0 0x0 0x0
SFR Page = 0x0, 0x20; SFR Address: 0xAC
Bit Name Reset Access Description
7 SWAP 0 RW SMBus Swap Pins.
This bit swaps the order of the SMBus pins on the crossbar.
Value Name Description
0 SDA_LOW_PIN SDA is mapped to the lower-numbered port pin, and SCL is mapped to
the higher-numbered port pin.
1 SDA_HIGH_PIN SCL is mapped to the lower-numbered port pin, and SDA is mapped to
the higher-numbered port pin.
6:5 Reserved Must write reset value.
4 DLYEXT 0 RW Setup and Hold Delay Extension.
This bit selects how long the setup and hold times will be extended when EXTHOLD is set to 1.
Value Name Description
0 STANDARD SDA setup time is 11 SYSCLKs and SDA hold time is 12 SYSCLKs.
1 EXTENDED SDA setup time is 31 SYSCLKs and SDA hold time is 31 SYSCLKs.
3:2 Reserved Must write reset value.
1:0 SDD 0x0 RW SMBus Start Detection Window.
This field is used to delay the recognition of the falling edge of the SDA signal. This feature should be applied in cases
where a data bit transition occurs close to the SCL falling edge that may cause a false START detection when there is a
significant mismatch between the impedance or capacitance on the SDA and SCL lines. This field should be left in the de-
fault setting in most cases.
Value Name Description
0x0 NONE No additional SDA falling edge recognition delay (0-1 SYSCLK).
0x1 ADD_2_SYSCLKS Increase SDA falling edge recognition time window to 2-3 SYSCLKs af-
ter the SCL falling edge.
0x2 ADD_4_SYSCLKS Increase SDA falling edge recognition window to 4-5 SYSCLKs after
the SCL falling edge.
0x3 ADD_8_SYSCLKS Increase SDA falling edge recognition window to 8-9 SYSCLKs after
the SCL falling edge.
EFM8BB3 Reference Manual
System Management Bus / I2C (SMB0)
silabs.com | Building a more connected world. Rev. 0.4 | 324

20.4.3 SMB0CN0: SMBus 0 Control
Bit 7 6 5 4 3 2 1 0
Name MASTER TXMODE STA STO ACKRQ ARBLOST ACK SI
Access R R RW RW R R RW RW
Reset 0 0 0 0 0 0 0 0
SFR Page = 0x0, 0x20; SFR Address: 0xC0 (bit-addressable)
Bit Name Reset Access Description
7 MASTER 0 R SMBus Master/Slave Indicator.
This read-only bit indicates when the SMBus is operating as a master.
Value Name Description
0 SLAVE SMBus operating in slave mode.
1 MASTER SMBus operating in master mode.
6 TXMODE 0 R SMBus Transmit Mode Indicator.
This read-only bit indicates when the SMBus is operating as a transmitter.
Value Name Description
0 RECEIVER SMBus in Receiver Mode.
1 TRANSMITTER SMBus in Transmitter Mode.
5 STA 0 RW SMBus Start Flag.
When reading STA, a '1' indicates that a start or repeated start condition was detected on the bus.
Writing a '1' to the STA bit initiates a start or repeated start on the bus.
4 STO 0 RW SMBus Stop Flag.
When reading STO, a '1' indicates that a stop condition was detected on the bus (in slave mode) or is pending (in master
mode).
When acting as a master, writing a '1' to the STO bit initiates a stop condition on the bus. This bit is cleared by hardware.
3 ACKRQ 0 R SMBus Acknowledge Request.
Value Name Description
0 NOT_SET No ACK requested.
1 REQUESTED ACK requested.
2 ARBLOST 0 R SMBus Arbitration Lost Indicator.
Value Name Description
0 NOT_SET No arbitration error.
1 ERROR Arbitration error occurred.
EFM8BB3 Reference Manual
System Management Bus / I2C (SMB0)
silabs.com | Building a more connected world. Rev. 0.4 | 325

Bit Name Reset Access Description
1 ACK 0 RW SMBus Acknowledge.
When read as a master, the ACK bit indicates whether an ACK (1) or NACK (0) is received during the most recent byte
transfer.
As a slave, this bit should be written to send an ACK (1) or NACK (0) to a master request. Note that the logic level of the
ACK bit on the SMBus interface is inverted from the logic of the register ACK bit.
0 SI 0 RW SMBus Interrupt Flag.
This bit is set by hardware to indicate that the current SMBus state machine operation (such as writing a data or address
byte) is complete, and the hardware needs additional control from the firmware to proceed. While SI is set, SCL is held low
and SMBus is stalled. SI must be cleared by firmware. Clearing SI initiates the next SMBus state machine operation.
20.4.4 SMB0ADR: SMBus 0 Slave Address
Bit 7 6 5 4 3 2 1 0
Name SLV GC
Access RW RW
Reset 0x00 0
SFR Page = 0x0, 0x20; SFR Address: 0xD7
Bit Name Reset Access Description
7:1 SLV 0x00 RW SMBus Hardware Slave Address.
Defines the SMBus Slave Address(es) for automatic hardware acknowledgement. Only address bits which have a 1 in the
corresponding bit position in SLVM are checked against the incoming address. This allows multiple addresses to be recog-
nized.
0 GC 0 RW General Call Address Enable.
When hardware address recognition is enabled (EHACK = 1), this bit will determine whether the General Call Address
(0x00) is also recognized by hardware.
Value Name Description
0 IGNORED General Call Address is ignored.
1 RECOGNIZED General Call Address is recognized.
EFM8BB3 Reference Manual
System Management Bus / I2C (SMB0)
silabs.com | Building a more connected world. Rev. 0.4 | 326

20.4.5 SMB0ADM: SMBus 0 Slave Address Mask
Bit 7 6 5 4 3 2 1 0
Name SLVM EHACK
Access RW RW
Reset 0x7F 0
SFR Page = 0x0, 0x20; SFR Address: 0xD6
Bit Name Reset Access Description
7:1 SLVM 0x7F RW SMBus Slave Address Mask.
Defines which bits of register SMB0ADR are compared with an incoming address byte, and which bits are ignored. Any bit
set to 1 in SLVM enables comparisons with the corresponding bit in SLV. Bits set to 0 are ignored (can be either 0 or 1 in
the incoming address).
0 EHACK 0 RW Hardware Acknowledge Enable.
Enables hardware acknowledgement of slave address and received data bytes.
Value Name Description
0 ADR_ACK_MANUAL Firmware must manually acknowledge all incoming address and data
bytes.
1 ADR_ACK_AUTOMAT-
IC
Automatic slave address recognition and hardware acknowledge is en-
abled.
20.4.6 SMB0DAT: SMBus 0 Data
Bit 7 6 5 4 3 2 1 0
Name SMB0DAT
Access RW
Reset Varies
SFR Page = 0x0, 0x20; SFR Address: 0xC2
Bit Name Reset Access Description
7:0 SMB0DAT Varies RW SMBus 0 Data.
The SMB0DAT register is used to access the TX and RX FIFOs. When written, data will go into the TX FIFO. Reading
SMB0DAT reads data from the RX FIFO. If SMB0DAT is written when TXNF is 0, the data will over-write the last data byte
present in the TX FIFO. If SMB0DAT is read when RXE is set, the last byte in the RX FIFO will be returned.
EFM8BB3 Reference Manual
System Management Bus / I2C (SMB0)
silabs.com | Building a more connected world. Rev. 0.4 | 327

20.4.7 SMB0FCN0: SMBus 0 FIFO Control 0
Bit 7 6 5 4 3 2 1 0
Name TFRQE TFLSH TXTH RFRQE RFLSH RXTH
Access RW RW RW RW RW RW
Reset 0 0 0x0 0 0 0x0
SFR Page = 0x20; SFR Address: 0xC3
Bit Name Reset Access Description
7 TFRQE 0 RW Write Request Interrupt Enable.
When set to 1, an SMBus 0 interrupt will be generated any time TFRQ is logic 1.
Value Name Description
0 DISABLED SMBus 0 interrupts will not be generated when TFRQ is set.
1 ENABLED SMBus 0 interrupts will be generated if TFRQ is set.
6 TFLSH 0 RW TX FIFO Flush.
This bit flushes the TX FIFO. When firmware sets this bit to 1, the internal FIFO counters will be reset, and any remaining
data will not be sent. Hardware will clear the TFLSH bit back to 0 when the operation is complete (1 SYSCLK cycle).
5:4 TXTH 0x0 RW TX FIFO Threshold.
This field configures when hardware will set the transmit FIFO request bit (TFRQ). TFRQ is set whenever the number of
bytes in the TX FIFO is equal to or less than the value in TXTH.
Value Name Description
0x0 ZERO TFRQ will be set when the TX FIFO is empty.
3 RFRQE 0 RW Read Request Interrupt Enable.
When set to 1, an SMBus 0 interrupt will be generated any time RFRQ is logic 1.
Value Name Description
0 DISABLED SMBus 0 interrupts will not be generated when RFRQ is set.
1 ENABLED SMBus 0 interrupts will be generated if RFRQ is set.
2 RFLSH 0 RW RX FIFO Flush.
This bit flushes the RX FIFO. When firmware sets this bit to 1, the internal FIFO counters will be reset, and any remaining
data will be lost. Hardware will clear the RFLSH bit back to 0 when the operation is complete (1 SYSCLK cycle).
1:0 RXTH 0x0 RW RX FIFO Threshold.
This field configures when hardware will set the receive FIFO request bit (RFRQ). RFRQ is set whenever the number of
bytes in the RX FIFO exceeds the value in RXTH.
Value Name Description
0x0 ZERO RFRQ will be set anytime new data arrives in the RX FIFO (when the
RX FIFO is not empty).
EFM8BB3 Reference Manual
System Management Bus / I2C (SMB0)
silabs.com | Building a more connected world. Rev. 0.4 | 328

20.4.8 SMB0FCN1: SMBus 0 FIFO Control 1
Bit 7 6 5 4 3 2 1 0
Name TFRQ TXNF Reserved RFRQ RXE Reserved
Access R R R R R R
Reset 1 1 0x0 0 1 0x0
SFR Page = 0x20; SFR Address: 0xC4
Bit Name Reset Access Description
7 TFRQ 1 R Transmit FIFO Request.
Set to 1 by hardware when the number of bytes in the TX FIFO is less than or equal to the TX FIFO threshold (TXTH).
Value Name Description
0 NOT_SET The number of bytes in the TX FIFO is greater than TXTH.
1 SET The number of bytes in the TX FIFO is less than or equal to TXTH.
6 TXNF 1 R TX FIFO Not Full.
This bit indicates when the TX FIFO is full and can no longer be written to. If a write is performed when TXNF is cleared to
0 it will replace the most recent byte in the FIFO.
Value Name Description
0 FULL The TX FIFO is full.
1 NOT_FULL The TX FIFO has room for more data.
5:4 Reserved Must write reset value.
3 RFRQ 0 R Receive FIFO Request.
Set to 1 by hardware when the number of bytes in the RX FIFO is larger than specified by the RX FIFO threshold (RXTH).
Value Name Description
0 NOT_SET The number of bytes in the RX FIFO is less than or equal to RXTH.
1 SET The number of bytes in the RX FIFO is greater than RXTH.
2 RXE 1 R RX FIFO Empty.
This bit indicates when the RX FIFO is empty. If a read is performed when RXE is set, the last byte will be returned.
Value Name Description
0 NOT_EMPTY The RX FIFO contains data.
1 EMPTY The RX FIFO is empty.
1:0 Reserved Must write reset value.
EFM8BB3 Reference Manual
System Management Bus / I2C (SMB0)
silabs.com | Building a more connected world. Rev. 0.4 | 329

20.4.9 SMB0RXLN: SMBus 0 Receive Length Counter
Bit 7 6 5 4 3 2 1 0
Name RXLN
Access RW
Reset 0x00
SFR Page = 0x20; SFR Address: 0xC5
Bit Name Reset Access Description
7:0 RXLN 0x00 RW SMBus Receive Length Counter.
Master Receiver: This field allows firmware to set the number of bytes to receive as a master receiver (with EHACK set to
1), before stalling the bus. As long as the RX FIFO is serviced and RXLN is greater than zero, hardware will continue to
read new bytes from the slave device and send ACKs. Each received byte decrements RXLN until RXLN reaches 0. If
RXLN is 0 and a new byte is received, hardware will set the SI bit and stall the bus. The last byte recieved will be ACKed if
the ACK bit is set to 1, or NAKed if the ACK bit is cleared to 0.
Slave Receiver: When RXLN is cleared to 0, the bus will stall and generate an interrupt after every received byte, regard-
less of the FIFO status. Any other value programmed here will allow the FIFO to operate. RXLN is not decremented as new
bytes arrive in slave receiver mode.
This register should not be modified by firmware in the middle of a transfer, except when SI = 1 and the bus is stalled.
20.4.10 SMB0FCT: SMBus 0 FIFO Count
Bit 7 6 5 4 3 2 1 0
Name Reserved TXCNT Reserved RXCNT
Access R R R R
Reset 0x0 0 0x0 0
SFR Page = 0x20; SFR Address: 0xEF
Bit Name Reset Access Description
7:5 Reserved Must write reset value.
4 TXCNT 0 R TX FIFO Count.
This field indicates the number of bytes in the transmit FIFO.
3:1 Reserved Must write reset value.
0 RXCNT 0 R RX FIFO Count.
This field indicates the number of bytes in the receive FIFO.
EFM8BB3 Reference Manual
System Management Bus / I2C (SMB0)
silabs.com | Building a more connected world. Rev. 0.4 | 330

21. Timers (Timer0, Timer1, Timer2, Timer3, Timer4, and Timer5)
21.1 Introduction
Six counter/timers are included in the device: two are 16-bit counter/timers compatible with those found in the standard 8051, and four
are 16-bit auto-reload timers for timing peripherals or for general purpose use. These timers can be used to measure time intervals,
count external events and generate periodic interrupt requests. Timer 0 and Timer 1 are nearly identical and have four primary modes
of operation. Timer 2, Timer 3, Timer 4 and Timer 5 are also similar, and offer both 16-bit and split 8-bit timer functionality with auto-
reload capabilities. Timer 2, 3, 4, and 5 offer capture functions that may be selected from several on-chip sources or an external pin,
and may also be forced to reload on CLU output signals.
Timers 0 and 1 may be clocked by one of five sources, determined by the Timer Mode Select bits (T1M–T0M) and the Clock Scale bits
(SCA1–SCA0). The Clock Scale bits define a pre-scaled clock from which Timer 0 and/or Timer 1 may be clocked.
Timer 0/1 may then be configured to use this pre-scaled clock signal or the system clock. Timers 2, 3, 4, and 5 may be clocked by the
system clock, the system clock divided by 12, or the external clock divided by 8. Additionally, Timer 3 and Timer 4 may be clocked from
the LFOSC0 divided by 8, and operate in Suspend or Snooze modes. Timer 4 is a wake source for the device, and may be chained
together with Timer 3 to produce long sleep intervals.
Timer 0 and Timer 1 may also be operated as counters. When functioning as a counter, a counter/timer register is incremented on each
high-to-low transition at the selected input pin (T0 or T1). Events with a frequency of up to one-fourth the system clock frequency can
be counted. The input signal need not be periodic, but it must be held at a given level for at least two full system clock cycles to ensure
the level is properly sampled.
Table 21.1. Timer Modes
Timer 0 and Timer 1 Modes Timer 2 and 5 Modes Timer 3 and 4 Modes
13-bit counter/timer 16-bit timer with auto-reload 16-bit timer with auto-reload
16-bit counter/timer Two 8-bit timers with auto-reload Two 8-bit timers with auto-reload
8-bit counter/timer with auto-reload Input capture Input capture
Two 8-bit counter/timers (Timer 0 only) Suspend / Snooze wake timer
21.2 Features
Timer 0 and Timer 1 include the following features:
• Standard 8051 timers, supporting backwards-compatibility with firmware and hardware.
• Clock sources include SYSCLK, SYSCLK divided by 12, 4, or 48, the External Clock divided by 8, or an external pin.
• 8-bit auto-reload counter/timer mode
• 13-bit counter/timer mode
• 16-bit counter/timer mode
• Dual 8-bit counter/timer mode (Timer 0)
Timer 2, Timer 3, Timer 4, and Timer 5 are 16-bit timers including the following features:
• Clock sources for all timers include SYSCLK, SYSCLK divided by 12, or the External Clock divided by 8
• LFOSC0 divided by 8 may be used to clock Timer 3 and Timer 4 in active or suspend/snooze power modes
• Timer 4 is a low-power wake source, and can be chained together with Timer 3
• 16-bit auto-reload timer mode
• Dual 8-bit auto-reload timer mode
• External pin capture
• LFOSC0 capture
• Comparator 0 capture
• Configurable Logic output capture
EFM8BB3 Reference Manual
Timers (Timer0, Timer1, Timer2, Timer3, Timer4, and Timer5)
silabs.com | Building a more connected world. Rev. 0.4 | 331

21.3 Functional Description
21.3.1 System Connections
All five timers are capable of clocking other peripherals and triggering events in the system. The individual peripherals select which
timer to use for their respective functions. Note that the Timer 2, 3, and 4 high overflows apply to the full timer when operating in 16-bit
mode or the high-byte timer when operating in 8-bit split mode.
Table 21.2. Timer Peripheral Clocking / Event Triggering
Function
T0 Overflow
T1 Overflow
T2 High Overflow
T2 Low Overflow
T2 Input Capture
T3 High Overflow
T3 Low Overflow
T3 Input Capture
T4 High Overflow
T4 Low Overflow
T4 Input Capture
T5 High Overflow
T5 Low Overflow
T5 Input Capture
UART0 Baud
Rate
Yes
SMBus 0 Clock
Rate (Master)
Yes Yes Yes Yes
SMBus 0 SCL
Low Timeout
Yes
I2C0 Slave
SCL Low
Timeout
Yes
PCA0 Clock Yes
ADC0 Conver-
sion Start
Yes Yes1Yes1Yes1Yes1Yes1Yes1Yes1Yes1
T2 Input Cap-
ture Pin
Yes Yes Yes Yes
LFOSC0 Cap-
ture
Yes Yes Yes Yes
Comparator 0
Output Capture
Yes Yes Yes Yes
DAC Output
Trigger
DAC0/1/2/3
DAC0/1/2/3
DAC0/1/2/3
CLU Input /
CLU Clock
CLU0ALTCLK
CLU0A
CLU1ALTCLK
CLU1A
CLU2ALTCLK
CLU2A
CLU3ALTCLK
CLU3A
CLU Output
Capture
CLU0/1/2/3
CLU0/1/2/3
CLU0/1/2/3
CLU0/1/2/3
CLU Output
Reload
CLU0/2
CLU1/3
CLU0/2
CLU1/3
EFM8BB3 Reference Manual
Timers (Timer0, Timer1, Timer2, Timer3, Timer4, and Timer5)
silabs.com | Building a more connected world. Rev. 0.4 | 332

Function
T0 Overflow
T1 Overflow
T2 High Overflow
T2 Low Overflow
T2 Input Capture
T3 High Overflow
T3 Low Overflow
T3 Input Capture
T4 High Overflow
T4 Low Overflow
T4 Input Capture
T5 High Overflow
T5 Low Overflow
T5 Input Capture
Notes:
1. The high-side overflow is used when the timer is in 16-bit mode. The low-side overflow is used in 8-bit mode.
21.3.2 Timer 0 and Timer 1
Timer 0 and Timer 1 are each implemented as a 16-bit register accessed as two separate bytes: a low byte (TL0 or TL1) and a high
byte (TH0 or TH1). The Counter/Timer Control register (TCON) is used to enable Timer 0 and Timer 1 as well as indicate status. Timer
0 interrupts can be enabled by setting the ET0 bit in the IE register. Timer 1 interrupts can be enabled by setting the ET1 bit in the IE
register. Both counter/timers operate in one of four primary modes selected by setting the Mode Select bits T1M1–T0M0 in the Counter/
Timer Mode register (TMOD). Each timer can be configured independently for the supported operating modes.
EFM8BB3 Reference Manual
Timers (Timer0, Timer1, Timer2, Timer3, Timer4, and Timer5)
silabs.com | Building a more connected world. Rev. 0.4 | 333

21.3.2.1 Operational Modes
Mode 0: 13-bit Counter/Timer
Timer 0 and Timer 1 operate as 13-bit counter/timers in Mode 0. The following describes the configuration and operation of Timer 0.
However, both timers operate identically, and Timer 1 is configured in the same manner as described for Timer 0.
The TH0 register holds the eight MSBs of the 13-bit counter/timer. TL0 holds the five LSBs in bit positions TL0.4–TL0.0. The three
upper bits of TL0 (TL0.7–TL0.5) are indeterminate and should be masked out or ignored when reading. As the 13-bit timer register
increments and overflows from 0x1FFF (all ones) to 0x0000, the timer overflow flag TF0 in TCON is set and an interrupt occurs if Timer
0 interrupts are enabled. The overflow rate for Timer 0 in 13-bit mode is:
FTIMER0 =
FInput Clock
213 – TH0:TL0
=
FInput Clock
8192 – TH0:TL0
The CT0 bit in the TMOD register selects the counter/timer's clock source. When CT0 is set to logic 1, high-to-low transitions at the
selected Timer 0 input pin (T0) increment the timer register. Events with a frequency of up to one-fourth the system clock frequency can
be counted. The input signal need not be periodic, but it must be held at a given level for at least two full system clock cycles to ensure
the level is properly sampled. Clearing CT selects the clock defined by the T0M bit in register CKCON0. When T0M is set, Timer 0 is
clocked by the system clock. When T0M is cleared, Timer 0 is clocked by the source selected by the Clock Scale bits in CKCON0.
Setting the TR0 bit enables the timer when either GATE0 in the TMOD register is logic 0 or based on the input signal INT0. The IN0PL
bit setting in IT01CF changes which state of INT0 input starts the timer counting. Setting GATE0 to 1 allows the timer to be controlled
by the external input signal INT0, facilitating pulse width measurements.
Table 21.3. Timer 0 Run Control Options
TR0 GATE0 INT0 IN0PL Counter/Timer
0 X X X Disabled
1 0 X X Enabled
1 1 0 0 Disabled
1 1 0 1 Enabled
1 1 1 0 Enabled
1 1 1 1 Disabled
Note:
1. X = Don't Care
Setting TR0 does not force the timer to reset. The timer registers should be loaded with the desired initial value before the timer is
enabled.
TL1 and TH1 form the 13-bit register for Timer 1 in the same manner as described above for TL0 and TH0. Timer 1 is configured and
controlled using the relevant TCON and TMOD bits just as with Timer 0. The input signal INT1 is used with Timer 1, and IN1PL in
register IT01CF determines the INT1 state that starts Timer 1 counting.
EFM8BB3 Reference Manual
Timers (Timer0, Timer1, Timer2, Timer3, Timer4, and Timer5)
silabs.com | Building a more connected world. Rev. 0.4 | 334

TCLK
TR0
0
1
0
1
SYSCLK
Pre-scaled Clock
GATE0
IN0PL XOR
T0M
T0
INT0
CT0
TL0
(5 bits)
TH0
(8 bits) TF0
(Interrupt Flag)
Figure 21.1. T0 Mode 0 Block Diagram
Mode 1: 16-bit Counter/Timer
Mode 1 operation is the same as Mode 0, except that the counter/timer registers use all 16 bits. The counter/timers are enabled and
configured in Mode 1 in the same manner as for Mode 0. The overflow rate for Timer 0 in 16-bit mode is:
FTIMER0 =
FInput Clock
216 – TH0:TL0
=
FInput Clock
65536 – TH0:TL0
EFM8BB3 Reference Manual
Timers (Timer0, Timer1, Timer2, Timer3, Timer4, and Timer5)
silabs.com | Building a more connected world. Rev. 0.4 | 335

Mode 2: 8-bit Counter/Timer with Auto-Reload
Mode 2 configures Timer 0 and Timer 1 to operate as 8-bit counter/timers with automatic reload of the start value. TL0 holds the count
and TH0 holds the reload value. When the counter in TL0 overflows from all ones to 0x00, the timer overflow flag TF0 in the TCON
register is set and the counter in TL0 is reloaded from TH0. If Timer 0 interrupts are enabled, an interrupt will occur when the TF0 flag is
set. The reload value in TH0 is not changed. TL0 must be initialized to the desired value before enabling the timer for the first count to
be correct. When in Mode 2, Timer 1 operates identically to Timer 0.
The overflow rate for Timer 0 in 8-bit auto-reload mode is:
FTIMER0 =
FInput Clock
28– TH0
=
FInput Clock
256 – TH0
Both counter/timers are enabled and configured in Mode 2 in the same manner as Mode 0. Setting the TR0 bit enables the timer when
either GATE0 in the TMOD register is logic 0 or when the input signal INT0 is active as defined by bit IN0PL in register IT01CF.
Reload
TL0
(8 bits)
TH0
(8 bits)
TF0
(Interrupt Flag)
TCLK
TR0
0
1
0
1
SYSCLK
Pre-scaled Clock
GATE0
IN0PL XOR
T0M
T0
INT0
CT0
Figure 21.2. T0 Mode 2 Block Diagram
EFM8BB3 Reference Manual
Timers (Timer0, Timer1, Timer2, Timer3, Timer4, and Timer5)
silabs.com | Building a more connected world. Rev. 0.4 | 336

Mode 3: Two 8-bit Counter/Timers (Timer 0 Only)
In Mode 3, Timer 0 is configured as two separate 8-bit counter/timers held in TL0 and TH0. The counter/timer in TL0 is controlled using
the Timer 0 control/status bits in TCON and TMOD: TR0, CT0, GATE0, and TF0. TL0 can use either the system clock or an external
input signal as its timebase. The TH0 register is restricted to a timer function sourced by the system clock or prescaled clock. TH0 is
enabled using the Timer 1 run control bit TR1. TH0 sets the Timer 1 overflow flag TF1 on overflow and thus controls the Timer 1 inter-
rupt.
The overflow rate for Timer 0 Low in 8-bit mode is:
FTIMER0 =
FInput Clock
28– TL0
=
FInput Clock
256 – TL0
The overflow rate for Timer 0 High in 8-bit mode is:
FTIMER0 =
FInput Clock
28– TH0
=
FInput Clock
256 – TH0
Timer 1 is inactive in Mode 3. When Timer 0 is operating in Mode 3, Timer 1 can be operated in Modes 0, 1 or 2, but cannot be clocked
by external signals nor set the TF1 flag and generate an interrupt. However, the Timer 1 overflow can be used to generate baud rates
for the SMBus and/or UART, and/or initiate ADC conversions. While Timer 0 is operating in Mode 3, Timer 1 run control is handled
through its mode settings. To run Timer 1 while Timer 0 is in Mode 3, set the Timer 1 Mode as 0, 1, or 2. To disable Timer 1, configure
it for Mode 3.
TCLK
TR0
0
1
0
1
SYSCLK
Pre-scaled Clock
GATE0
IN0PL XOR
T0M
T0
INT0
CT0
TR1
TL0
(8 bits) TF0
(Interrupt Flag)
TH0
(8 bits) TF1
(Interrupt Flag)
Figure 21.3. T0 Mode 3 Block Diagram
21.3.3 Timer 2, Timer 3, Timer 4, and Timer 5
Timer 2, Timer 3, Timer 4, and Timer 5 are functionally equivalent, with the only differences being the top-level connections to other
parts of the system.
The timers are 16 bits wide, formed by two 8-bit SFRs: TMRnL (low byte) and TMRnH (high byte). Each timer may operate in 16-bit
auto-reload mode, dual 8-bit auto-reload (split) mode, or capture mode.
EFM8BB3 Reference Manual
Timers (Timer0, Timer1, Timer2, Timer3, Timer4, and Timer5)
silabs.com | Building a more connected world. Rev. 0.4 | 337

Clock Selection
Clocking for each timer is configured using the TnXCLK bit field and the TnML and TnMH bits. Timer 2 may be clocked by the system
clock, the system clock divided by 12, or the external clock source divided by 8 (synchronized with SYSCLK). The maximum frequency
for the external clock is:
FSYSCLK >FEXTCLK ×6
7
Timers 3 and 4 may additionally be clocked from the LFOSC0 output divided by 8, and are capable of operating in both the Suspend
and Snooze power modes. Timer 4 includes Timer 3 overflows as a clock source, allowing the two to be chained together for longer
sleep intervals. When operating in one of the 16-bit modes, the low-side timer clock is used to clock the entire 16-bit timer.
To Timer Low
Clock Input
Timer Clock Selection
SYSCLK
TnXCLK
TnML
TnMH
To Timer High
Clock Input
(for split mode)
SYSCLK / 12
External Clock / 8
LFOSC0 / 8
(T3 and T4)
T3 Overflows (T4)
Figure 21.4. Timer 2, 3, 4, and 5 Clock Source Selection
EFM8BB3 Reference Manual
Timers (Timer0, Timer1, Timer2, Timer3, Timer4, and Timer5)
silabs.com | Building a more connected world. Rev. 0.4 | 338

Capture Source Selection
Capture mode allows an external input, the low-frequency oscillator clock, or comparator 0 events to be measured against the selected
clock source.
Each timer may individually select one of four capture sources in capture mode: an external input (T2, routed through the crossbar), the
low-frequency oscillator clock, comparator 0 events, or CLUn outputs. The capture input signal for the timer is selected using the
TnCSEL field in the TMRnCN1 register.
Capture Source Selection
CLU0, 1, 2, or 3 Output
Comparator 0 Output
TnCSEL
T2 Pin (via Crossbar)
LFOSC0
To Timer n
Capture Input
Figure 21.5. Timer 2, 3, 4, and 5 Capture Source Selection
21.3.3.1 16-bit Timer with Auto-Reload
When TnSPLIT is zero, the timer operates as a 16-bit timer with auto-reload. In this mode, the selected clock source increments the
timer on every clock. As the 16-bit timer register increments and overflows from 0xFFFF to 0x0000, the 16-bit value in the timer reload
registers (TMRnRLH and TMRnRLL) is loaded into the main timer count register, and the High Byte Overflow Flag (TFnH) is set. If the
timer interrupts are enabled, an interrupt is generated on each timer overflow. Additionally, if the timer interrupts are enabled and the
TFnLEN bit is set, an interrupt is generated each time the lower 8 bits (TMRnL) overflow from 0xFF to 0x00.
TMRnL TMRnH
Reload
Interrupt
TFnL
Overflow
TFnH
Overflow
TMRnRLL TMRnRLH
TFnLEN
TRn
Timer Low Clock
Figure 21.6. 16-Bit Mode Block Diagram
It is also possible to connect the timer up with a CLU output to force a timer reload. The RLFSEL field in the TMRnCN1 register selects
this option. When RLFSEL is set to a CLU output option, the timer will reload as normal on overflows, but will also be reloaded whenev-
er the CLU synchronous output is logic high.
EFM8BB3 Reference Manual
Timers (Timer0, Timer1, Timer2, Timer3, Timer4, and Timer5)
silabs.com | Building a more connected world. Rev. 0.4 | 339

21.3.3.2 8-bit Timers with Auto-Reload (Split Mode)
When TnSPLIT is set, the timer operates as two 8-bit timers (TMRnH and TMRnL). Both 8-bit timers operate in auto-reload mode.
TMRnRLL holds the reload value for TMRnL; TMRnRLH holds the reload value for TMRnH. The TRn bit in TMRnCN handles the run
control for TMRnH. TMRnL is always running when configured for 8-bit auto-reload mode. As shown in the clock source selection tree,
the two halves of the timer may be clocked from SYSCLK or by the source selected by the TnXCLK bits.
The overflow rate of the low timer in split 8-bit auto-reload mode is:
FTIMERn Low =
FInput Clock
28– TMRnRLL
=
FInput Clock
256 – TMRnRLL
The overflow rate of the high timer in split 8-bit auto-reload mode is:
FTIMERn High =
FInput Clock
28– TMRnRLH
=
FInput Clock
256 – TMRnRLH
The TFnH bit is set when TMRnH overflows from 0xFF to 0x00; the TFnL bit is set when TMRnL overflows from 0xFF to 0x00. When
timer interrupts are enabled, an interrupt is generated each time TMRnH overflows. If timer interrupts are enabled and TFnLEN is set,
an interrupt is generated each time either TMRnL or TMRnH overflows. When TFnLEN is enabled, software must check the TFnH and
TFnL flags to determine the source of the timer interrupt. The TFnH and TFnL interrupt flags are not cleared by hardware and must be
manually cleared by software.
TMRnH
TMRnRLH Reload
Reload
TCLK
TMRnRLL
Interrupt
TFnL
Overflow
TFnLEN
TMRnL
TFnH
Overflow
TRn
Timer High Clock
Timer Low Clock
Figure 21.7. 8-Bit Split Mode Block Diagram
EFM8BB3 Reference Manual
Timers (Timer0, Timer1, Timer2, Timer3, Timer4, and Timer5)
silabs.com | Building a more connected world. Rev. 0.4 | 340

21.3.3.3 Capture Mode
Capture mode allows a system event to be measured against the selected clock source. When used in capture mode, the timer clocks
normally from the selected clock source through the entire range of 16-bit values from 0x0000 to 0xFFFF.
Setting TFnCEN to 1 enables capture mode. In this mode, TnSPLIT should be set to 0, as the full 16-bit timer is used. Upon a falling
edge of the input capture signal, the contents of the timer register (TMRnH:TMRnL) are loaded into the reload registers
(TMRnRLH:TMRnRLL) and the TFnH flag is set. By recording the difference between two successive timer capture values, the period
of the captured signal can be determined with respect to the selected timer clock.
TMRnL TMRnH
TRn
TMRnRLL TMRnRLH
Capture
TFnCEN
TFnH
(Interrupt)
Capture Source
Timer Low Clock
Figure 21.8. Capture Mode Block Diagram
21.3.3.4 Timer 3 and Timer 4 Chaining and Wake Source
Timer 3 and Timer 4 may be chained together to provide a longer counter option. This is accomplished by configuring Timer 4's
T4XCLK field to clock from Timer 3 overflows. The primary use of this mode is to wake the device from long-term Suspend or Snooze
operations, but it may also be used effectively as a 32-bit capture source.
It is important to note the relationship between the two timers when they are chained together in this manner. The timer 3 overflow rate
becomes the Timer 4 clock, and essentially acts as a prescaler to the 16-bit Timer 4 function. For example, if Timer 3 is configured to
overflow every 3 SYSCLKs, and Timer 4 is configured to overflow every 5 clocks (coming from Timer 3 overflows), the Timer 4 overflow
will occur every 15 SYSCLKs.
Timer 4 is capable of waking the device from the low-power Suspend and Snooze modes. To operate in either mode, the timer must be
running from either the LFOSC / 8 option, or Timer 3 overflows (with Timer 3 configured to run from LFOSC / 8). If running in one of
these modes, the overflow event from Timer 4 will trigger a wake for the device.
EFM8BB3 Reference Manual
Timers (Timer0, Timer1, Timer2, Timer3, Timer4, and Timer5)
silabs.com | Building a more connected world. Rev. 0.4 | 341

21.4 Timer 0, 1, 2, 3, and 4 Control Registers
21.4.1 CKCON0: Clock Control 0
Bit 7 6 5 4 3 2 1 0
Name T3MH T3ML T2MH T2ML T1M T0M SCA
Access RW RW RW RW RW RW RW
Reset 0 0 0 0 0 0 0x0
SFR Page = 0x0, 0x10, 0x20; SFR Address: 0x8E
Bit Name Reset Access Description
7 T3MH 0 RW Timer 3 High Byte Clock Select.
Selects the clock supplied to the Timer 3 high byte (split 8-bit timer mode only).
Value Name Description
0 EXTERNAL_CLOCK Timer 3 high byte uses the clock defined by T3XCLK in TMR3CN0.
1 SYSCLK Timer 3 high byte uses the system clock.
6 T3ML 0 RW Timer 3 Low Byte Clock Select.
Selects the clock supplied to Timer 3. Selects the clock supplied to the lower 8-bit timer in split 8-bit timer mode.
Value Name Description
0 EXTERNAL_CLOCK Timer 3 low byte uses the clock defined by T3XCLK in TMR3CN0.
1 SYSCLK Timer 3 low byte uses the system clock.
5 T2MH 0 RW Timer 2 High Byte Clock Select.
Selects the clock supplied to the Timer 2 high byte (split 8-bit timer mode only).
Value Name Description
0 EXTERNAL_CLOCK Timer 2 high byte uses the clock defined by T2XCLK in TMR2CN0.
1 SYSCLK Timer 2 high byte uses the system clock.
4 T2ML 0 RW Timer 2 Low Byte Clock Select.
Selects the clock supplied to Timer 2. If Timer 2 is configured in split 8-bit timer mode, this bit selects the clock supplied to
the lower 8-bit timer.
Value Name Description
0 EXTERNAL_CLOCK Timer 2 low byte uses the clock defined by T2XCLK in TMR2CN0.
1 SYSCLK Timer 2 low byte uses the system clock.
3 T1M 0 RW Timer 1 Clock Select.
Selects the clock source supplied to Timer 1. Ignored when C/T1 is set to 1.
Value Name Description
0 PRESCALE Timer 1 uses the clock defined by the prescale field, SCA.
1 SYSCLK Timer 1 uses the system clock.
EFM8BB3 Reference Manual
Timers (Timer0, Timer1, Timer2, Timer3, Timer4, and Timer5)
silabs.com | Building a more connected world. Rev. 0.4 | 342

Bit Name Reset Access Description
2 T0M 0 RW Timer 0 Clock Select.
Selects the clock source supplied to Timer 0. Ignored when C/T0 is set to 1.
Value Name Description
0 PRESCALE Counter/Timer 0 uses the clock defined by the prescale field, SCA.
1 SYSCLK Counter/Timer 0 uses the system clock.
1:0 SCA 0x0 RW Timer 0/1 Prescale.
These bits control the Timer 0/1 Clock Prescaler:
Value Name Description
0x0 SYSCLK_DIV_12 System clock divided by 12.
0x1 SYSCLK_DIV_4 System clock divided by 4.
0x2 SYSCLK_DIV_48 System clock divided by 48.
0x3 EXTOSC_DIV_8 External oscillator divided by 8 (synchronized with the system clock).
EFM8BB3 Reference Manual
Timers (Timer0, Timer1, Timer2, Timer3, Timer4, and Timer5)
silabs.com | Building a more connected world. Rev. 0.4 | 343

21.4.2 CKCON1: Clock Control 1
Bit 7 6 5 4 3 2 1 0
Name Reserved T5MH T5ML T4MH T4ML
Access R RW RW RW RW
Reset 0x0 0 0 0 0
SFR Page = 0x10; SFR Address: 0xA6
Bit Name Reset Access Description
7:4 Reserved Must write reset value.
3 T5MH 0 RW Timer 5 High Byte Clock Select.
Selects the clock supplied to the Timer 5 high byte (split 8-bit timer mode only).
Value Name Description
0 EXTERNAL_CLOCK Timer 5 high byte uses the clock defined by T5XCLK in TMR5CN0.
1 SYSCLK Timer 5 high byte uses the system clock.
2 T5ML 0 RW Timer 5 Low Byte Clock Select.
Selects the clock supplied to Timer 5. If Timer 5 is configured in split 8-bit timer mode, this bit selects the clock supplied to
the lower 8-bit timer.
Value Name Description
0 EXTERNAL_CLOCK Timer 5 low byte uses the clock defined by T5XCLK in TMR5CN0.
1 SYSCLK Timer 5 low byte uses the system clock.
1 T4MH 0 RW Timer 4 High Byte Clock Select.
Selects the clock supplied to the Timer 4 high byte (split 8-bit timer mode only).
Value Name Description
0 EXTERNAL_CLOCK Timer 4 high byte uses the clock defined by T4XCLK in TMR4CN0.
1 SYSCLK Timer 4 high byte uses the system clock.
0 T4ML 0 RW Timer 4 Low Byte Clock Select.
Selects the clock supplied to Timer 4. If Timer 4 is configured in split 8-bit timer mode, this bit selects the clock supplied to
the lower 8-bit timer.
Value Name Description
0 EXTERNAL_CLOCK Timer 4 low byte uses the clock defined by T4XCLK in TMR4CN0.
1 SYSCLK Timer 4 low byte uses the system clock.
EFM8BB3 Reference Manual
Timers (Timer0, Timer1, Timer2, Timer3, Timer4, and Timer5)
silabs.com | Building a more connected world. Rev. 0.4 | 344

21.4.3 TCON: Timer 0/1 Control
Bit 7 6 5 4 3 2 1 0
Name TF1 TR1 TF0 TR0 IE1 IT1 IE0 IT0
Access RW RW RW RW RW RW RW RW
Reset 0 0 0 0 0 0 0 0
SFR Page = 0x0, 0x10, 0x20; SFR Address: 0x88 (bit-addressable)
Bit Name Reset Access Description
7 TF1 0 RW Timer 1 Overflow Flag.
Set to 1 by hardware when Timer 1 overflows. This flag can be cleared by firmware but is automatically cleared when the
CPU vectors to the Timer 1 interrupt service routine.
6 TR1 0 RW Timer 1 Run Control.
Timer 1 is enabled by setting this bit to 1.
5 TF0 0 RW Timer 0 Overflow Flag.
Set to 1 by hardware when Timer 0 overflows. This flag can be cleared by firmware but is automatically cleared when the
CPU vectors to the Timer 0 interrupt service routine.
4 TR0 0 RW Timer 0 Run Control.
Timer 0 is enabled by setting this bit to 1.
3 IE1 0 RW External Interrupt 1.
This flag is set by hardware when an edge/level of type defined by IT1 is detected. It can be cleared by firmware but is
automatically cleared when the CPU vectors to the External Interrupt 1 service routine in edge-triggered mode.
2 IT1 0 RW Interrupt 1 Type Select.
This bit selects whether the configured INT1 interrupt will be edge or level sensitive. INT1 is configured active low or high
by the IN1PL bit in register IT01CF.
Value Name Description
0 LEVEL INT1 is level triggered.
1 EDGE INT1 is edge triggered.
1 IE0 0 RW External Interrupt 0.
This flag is set by hardware when an edge/level of type defined by IT0 is detected. It can be cleared by firmware but is
automatically cleared when the CPU vectors to the External Interrupt 0 service routine in edge-triggered mode.
0 IT0 0 RW Interrupt 0 Type Select.
This bit selects whether the configured INT0 interrupt will be edge or level sensitive. INT0 is configured active low or high
by the IN0PL bit in register IT01CF.
Value Name Description
0 LEVEL INT0 is level triggered.
1 EDGE INT0 is edge triggered.
EFM8BB3 Reference Manual
Timers (Timer0, Timer1, Timer2, Timer3, Timer4, and Timer5)
silabs.com | Building a more connected world. Rev. 0.4 | 345

21.4.4 TMOD: Timer 0/1 Mode
Bit 7 6 5 4 3 2 1 0
Name GATE1 CT1 T1M GATE0 CT0 T0M
Access RW RW RW RW RW RW
Reset 0 0 0x0 0 0 0x0
SFR Page = 0x0, 0x10, 0x20; SFR Address: 0x89
Bit Name Reset Access Description
7 GATE1 0 RW Timer 1 Gate Control.
Value Name Description
0 DISABLED Timer 1 enabled when TR1 = 1 irrespective of INT1 logic level.
1 ENABLED Timer 1 enabled only when TR1 = 1 and INT1 is active as defined by
bit IN1PL in register IT01CF.
6 CT1 0 RW Counter/Timer 1 Select.
Value Name Description
0 TIMER Timer Mode. Timer 1 increments on the clock defined by T1M in the
CKCON0 register.
1 COUNTER Counter Mode. Timer 1 increments on high-to-low transitions of an ex-
ternal pin (T1).
5:4 T1M 0x0 RW Timer 1 Mode Select.
These bits select the Timer 1 operation mode.
Value Name Description
0x0 MODE0 Mode 0, 13-bit Counter/Timer
0x1 MODE1 Mode 1, 16-bit Counter/Timer
0x2 MODE2 Mode 2, 8-bit Counter/Timer with Auto-Reload
0x3 MODE3 Mode 3, Timer 1 Inactive
3 GATE0 0 RW Timer 0 Gate Control.
Value Name Description
0 DISABLED Timer 0 enabled when TR0 = 1 irrespective of INT0 logic level.
1 ENABLED Timer 0 enabled only when TR0 = 1 and INT0 is active as defined by
bit IN0PL in register IT01CF.
2 CT0 0 RW Counter/Timer 0 Select.
Value Name Description
0 TIMER Timer Mode. Timer 0 increments on the clock defined by T0M in the
CKCON0 register.
1 COUNTER Counter Mode. Timer 0 increments on high-to-low transitions of an ex-
ternal pin (T0).
EFM8BB3 Reference Manual
Timers (Timer0, Timer1, Timer2, Timer3, Timer4, and Timer5)
silabs.com | Building a more connected world. Rev. 0.4 | 346

Bit Name Reset Access Description
1:0 T0M 0x0 RW Timer 0 Mode Select.
These bits select the Timer 0 operation mode.
Value Name Description
0x0 MODE0 Mode 0, 13-bit Counter/Timer
0x1 MODE1 Mode 1, 16-bit Counter/Timer
0x2 MODE2 Mode 2, 8-bit Counter/Timer with Auto-Reload
0x3 MODE3 Mode 3, Two 8-bit Counter/Timers
21.4.5 TL0: Timer 0 Low Byte
Bit 7 6 5 4 3 2 1 0
Name TL0
Access RW
Reset 0x00
SFR Page = 0x0, 0x10, 0x20; SFR Address: 0x8A
Bit Name Reset Access Description
7:0 TL0 0x00 RW Timer 0 Low Byte.
The TL0 register is the low byte of the 16-bit Timer 0.
21.4.6 TL1: Timer 1 Low Byte
Bit 7 6 5 4 3 2 1 0
Name TL1
Access RW
Reset 0x00
SFR Page = 0x0, 0x10, 0x20; SFR Address: 0x8B
Bit Name Reset Access Description
7:0 TL1 0x00 RW Timer 1 Low Byte.
The TL1 register is the low byte of the 16-bit Timer 1.
EFM8BB3 Reference Manual
Timers (Timer0, Timer1, Timer2, Timer3, Timer4, and Timer5)
silabs.com | Building a more connected world. Rev. 0.4 | 347

21.4.7 TH0: Timer 0 High Byte
Bit 7 6 5 4 3 2 1 0
Name TH0
Access RW
Reset 0x00
SFR Page = 0x0, 0x10, 0x20; SFR Address: 0x8C
Bit Name Reset Access Description
7:0 TH0 0x00 RW Timer 0 High Byte.
The TH0 register is the high byte of the 16-bit Timer 0.
21.4.8 TH1: Timer 1 High Byte
Bit 7 6 5 4 3 2 1 0
Name TH1
Access RW
Reset 0x00
SFR Page = 0x0, 0x10, 0x20; SFR Address: 0x8D
Bit Name Reset Access Description
7:0 TH1 0x00 RW Timer 1 High Byte.
The TH1 register is the high byte of the 16-bit Timer 1.
21.4.9 TMR2RLL: Timer 2 Reload Low Byte
Bit 7 6 5 4 3 2 1 0
Name TMR2RLL
Access RW
Reset 0x00
SFR Page = 0x0, 0x10; SFR Address: 0xCA
Bit Name Reset Access Description
7:0 TMR2RLL 0x00 RW Timer 2 Reload Low Byte.
When operating in one of the auto-reload modes, TMR2RLL holds the reload value for the low byte of Timer 2 (TMR2L).
When operating in capture mode, TMR2RLL is the captured value of TMR2L.
EFM8BB3 Reference Manual
Timers (Timer0, Timer1, Timer2, Timer3, Timer4, and Timer5)
silabs.com | Building a more connected world. Rev. 0.4 | 348

21.4.10 TMR2RLH: Timer 2 Reload High Byte
Bit 7 6 5 4 3 2 1 0
Name TMR2RLH
Access RW
Reset 0x00
SFR Page = 0x0, 0x10; SFR Address: 0xCB
Bit Name Reset Access Description
7:0 TMR2RLH 0x00 RW Timer 2 Reload High Byte.
When operating in one of the auto-reload modes, TMR2RLH holds the reload value for the high byte of Timer 2 (TMR2H).
When operating in capture mode, TMR2RLH is the captured value of TMR2H.
21.4.11 TMR2L: Timer 2 Low Byte
Bit 7 6 5 4 3 2 1 0
Name TMR2L
Access RW
Reset 0x00
SFR Page = 0x0, 0x10; SFR Address: 0xCE
Bit Name Reset Access Description
7:0 TMR2L 0x00 RW Timer 2 Low Byte.
In 16-bit mode, the TMR2L register contains the low byte of the 16-bit Timer 2. In 8-bit mode, TMR2L contains the 8-bit low
byte timer value.
21.4.12 TMR2H: Timer 2 High Byte
Bit 7 6 5 4 3 2 1 0
Name TMR2H
Access RW
Reset 0x00
SFR Page = 0x0, 0x10; SFR Address: 0xCF
Bit Name Reset Access Description
7:0 TMR2H 0x00 RW Timer 2 High Byte.
In 16-bit mode, the TMR2H register contains the high byte of the 16-bit Timer 2. In 8-bit mode, TMR2H contains the 8-bit
high byte timer value.
EFM8BB3 Reference Manual
Timers (Timer0, Timer1, Timer2, Timer3, Timer4, and Timer5)
silabs.com | Building a more connected world. Rev. 0.4 | 349

21.4.13 TMR2CN0: Timer 2 Control 0
Bit 7 6 5 4 3 2 1 0
Name TF2H TF2L TF2LEN TF2CEN T2SPLIT TR2 T2XCLK
Access RW RW RW RW RW RW RW
Reset 0 0 0 0 0 0 0x0
SFR Page = 0x0, 0x10; SFR Address: 0xC8 (bit-addressable)
Bit Name Reset Access Description
7 TF2H 0 RW Timer 2 High Byte Overflow Flag.
Set by hardware when the Timer 2 high byte overflows from 0xFF to 0x00. In 16-bit mode, this will occur when Timer 2
overflows from 0xFFFF to 0x0000. When the Timer 2 interrupt is enabled, setting this bit causes the CPU to vector to the
Timer 2 interrupt service routine. This bit must be cleared by firmware.
6 TF2L 0 RW Timer 2 Low Byte Overflow Flag.
Set by hardware when the Timer 2 low byte overflows from 0xFF to 0x00. TF2L will be set when the low byte overflows
regardless of the Timer 2 mode. This bit must be cleared by firmware.
5 TF2LEN 0 RW Timer 2 Low Byte Interrupt Enable.
When set to 1, this bit enables Timer 2 Low Byte interrupts. If Timer 2 interrupts are also enabled, an interrupt will be gen-
erated when the low byte of Timer 2 overflows.
4 TF2CEN 0 RW Timer 2 Capture Enable.
When set to 1, this bit enables Timer 2 Capture Mode. If TF2CEN is set and Timer 2 interrupts are enabled, an interrupt will
be generated according to the capture source selected by the T2CSEL bits, and the current 16-bit timer value in
TMR2H:TMR2L will be copied to TMR2RLH:TMR2RLL.
3 T2SPLIT 0 RW Timer 2 Split Mode Enable.
When this bit is set, Timer 2 operates as two 8-bit timers with auto-reload.
Value Name Description
0 16_BIT_RELOAD Timer 2 operates in 16-bit auto-reload mode.
1 8_BIT_RELOAD Timer 2 operates as two 8-bit auto-reload timers.
2 TR2 0 RW Timer 2 Run Control.
Timer 2 is enabled by setting this bit to 1. In 8-bit mode, this bit enables/disables TMR2H only; TMR2L is always enabled in
split mode.
1:0 T2XCLK 0x0 RW Timer 2 External Clock Select.
This bit selects the external clock source for Timer 2. If Timer 2 is in 8-bit mode, this bit selects the external oscillator clock
source for both timer bytes. However, the Timer 2 Clock Select bits (T2MH and T2ML) may still be used to select between
the external clock and the system clock for either timer.
Value Name Description
0x0 SYSCLK_DIV_12 Timer 2 clock is the system clock divided by 12.
0x1 EXTOSC_DIV_8 Timer 2 clock is the external oscillator divided by 8 (synchronized with
SYSCLK when not in suspend or snooze mode).
EFM8BB3 Reference Manual
Timers (Timer0, Timer1, Timer2, Timer3, Timer4, and Timer5)
silabs.com | Building a more connected world. Rev. 0.4 | 350

21.4.14 TMR2CN1: Timer 2 Control 1
Bit 7 6 5 4 3 2 1 0
Name RLFSEL Reserved T2CSEL
Access RW R RW
Reset 0x0 0x0 0x1
SFR Page = 0x10; SFR Address: 0xFD
Bit Name Reset Access Description
7:5 RLFSEL 0x0 RW Force Reload Select.
Selects the signal that can force the Timer to reload the timer from the Timer Reload SFRs regardless of whether an over-
flow has occured. A logic high on the selected signal will force the Timer to reload.
Value Name Description
0x0 NONE Timer will only reload on overflow events.
0x1 CLU0_OUT Timer will reload on overflow events and CLU0 synchronous output
high.
0x2 CLU2_OUT Timer will reload on overflow events and CLU2 synchronous output
high.
4:3 Reserved Must write reset value.
2:0 T2CSEL 0x1 RW Timer 2 Capture Select.
When used in capture mode, the T2CSEL field selects the input capture signal.
Value Name Description
0x0 PIN Capture high-to-low transitions on the T2 input pin.
0x1 LFOSC Capture high-to-low transitions of the LFO oscillator.
0x2 COMPARATOR0 Capture high-to-low transitions of the Comparator 0 output.
0x4 CLU0_OUT Capture high-to-low transitions on the configurable logic unit 0 synchro-
nous output.
0x5 CLU1_OUT Capture high-to-low transitions on the configurable logic unit 1 synchro-
nous output.
0x6 CLU2_OUT Capture high-to-low transitions on the configurable logic unit 2 synchro-
nous output.
0x7 CLU3_OUT Capture high-to-low transitions on the configurable logic unit 3 synchro-
nous output.
EFM8BB3 Reference Manual
Timers (Timer0, Timer1, Timer2, Timer3, Timer4, and Timer5)
silabs.com | Building a more connected world. Rev. 0.4 | 351

21.4.15 TMR3RLL: Timer 3 Reload Low Byte
Bit 7 6 5 4 3 2 1 0
Name TMR3RLL
Access RW
Reset 0x00
SFR Page = 0x0, 0x10; SFR Address: 0x92
Bit Name Reset Access Description
7:0 TMR3RLL 0x00 RW Timer 3 Reload Low Byte.
When operating in one of the auto-reload modes, TMR3RLL holds the reload value for the low byte of Timer 3 (TMR3L).
When operating in capture mode, TMR3RLL is the captured value of TMR3L.
21.4.16 TMR3RLH: Timer 3 Reload High Byte
Bit 7 6 5 4 3 2 1 0
Name TMR3RLH
Access RW
Reset 0x00
SFR Page = 0x0, 0x10; SFR Address: 0x93
Bit Name Reset Access Description
7:0 TMR3RLH 0x00 RW Timer 3 Reload High Byte.
When operating in one of the auto-reload modes, TMR3RLH holds the reload value for the high byte of Timer 3 (TMR3H).
When operating in capture mode, TMR3RLH is the captured value of TMR3H.
21.4.17 TMR3L: Timer 3 Low Byte
Bit 7 6 5 4 3 2 1 0
Name TMR3L
Access RW
Reset 0x00
SFR Page = 0x0, 0x10; SFR Address: 0x94
Bit Name Reset Access Description
7:0 TMR3L 0x00 RW Timer 3 Low Byte.
In 16-bit mode, the TMR3L register contains the low byte of the 16-bit Timer 3. In 8-bit mode, TMR3L contains the 8-bit low
byte timer value.
EFM8BB3 Reference Manual
Timers (Timer0, Timer1, Timer2, Timer3, Timer4, and Timer5)
silabs.com | Building a more connected world. Rev. 0.4 | 352

21.4.18 TMR3H: Timer 3 High Byte
Bit 7 6 5 4 3 2 1 0
Name TMR3H
Access RW
Reset 0x00
SFR Page = 0x0, 0x10; SFR Address: 0x95
Bit Name Reset Access Description
7:0 TMR3H 0x00 RW Timer 3 High Byte.
In 16-bit mode, the TMR3H register contains the high byte of the 16-bit Timer 3. In 8-bit mode, TMR3H contains the 8-bit
high byte timer value.
EFM8BB3 Reference Manual
Timers (Timer0, Timer1, Timer2, Timer3, Timer4, and Timer5)
silabs.com | Building a more connected world. Rev. 0.4 | 353

21.4.19 TMR3CN0: Timer 3 Control 0
Bit 7 6 5 4 3 2 1 0
Name TF3H TF3L TF3LEN TF3CEN T3SPLIT TR3 T3XCLK
Access RW RW RW RW RW RW RW
Reset 0 0 0 0 0 0 0x0
SFR Page = 0x0, 0x10; SFR Address: 0x91
Bit Name Reset Access Description
7 TF3H 0 RW Timer 3 High Byte Overflow Flag.
Set by hardware when the Timer 3 high byte overflows from 0xFF to 0x00. In 16-bit mode, this will occur when Timer 3
overflows from 0xFFFF to 0x0000. When the Timer 3 interrupt is enabled, setting this bit causes the CPU to vector to the
Timer 3 interrupt service routine. This bit must be cleared by firmware.
6 TF3L 0 RW Timer 3 Low Byte Overflow Flag.
Set by hardware when the Timer 3 low byte overflows from 0xFF to 0x00. TF3L will be set when the low byte overflows
regardless of the Timer 3 mode. This bit must be cleared by firmware.
5 TF3LEN 0 RW Timer 3 Low Byte Interrupt Enable.
When set to 1, this bit enables Timer 3 Low Byte interrupts. If Timer 3 interrupts are also enabled, an interrupt will be gen-
erated when the low byte of Timer 3 overflows.
4 TF3CEN 0 RW Timer 3 Capture Enable.
When set to 1, this bit enables Timer 3 Capture Mode. If TF3CEN is set and Timer 3 interrupts are enabled, an interrupt will
be generated according to the capture source selected by the T3CSEL bits, and the current 16-bit timer value in
TMR3H:TMR3L will be copied to TMR3RLH:TMR3RLL.
3 T3SPLIT 0 RW Timer 3 Split Mode Enable.
When this bit is set, Timer 3 operates as two 8-bit timers with auto-reload.
Value Name Description
0 16_BIT_RELOAD Timer 3 operates in 16-bit auto-reload mode.
1 8_BIT_RELOAD Timer 3 operates as two 8-bit auto-reload timers.
2 TR3 0 RW Timer 3 Run Control.
Timer 3 is enabled by setting this bit to 1. In 8-bit mode, this bit enables/disables TMR3H only; TMR3L is always enabled in
split mode.
1:0 T3XCLK 0x0 RW Timer 3 External Clock Select.
This bit selects the external clock source for Timer 3. If Timer 3 is in 8-bit mode, this bit selects the external oscillator clock
source for both timer bytes. However, the Timer 3 Clock Select bits (T3MH and T3ML) may still be used to select between
the external clock and the system clock for either timer.
Value Name Description
0x0 SYSCLK_DIV_12 Timer 3 clock is the system clock divided by 12.
0x1 EXTOSC_DIV_8 Timer 3 clock is the external oscillator divided by 8 (synchronized with
SYSCLK when not in suspend or snooze mode).
0x3 LFOSC_DIV_8 Timer 3 clock is the low-frequency oscillator divided by 8 (synchronized
with SYSCLK when not in suspend or snooze mode).
EFM8BB3 Reference Manual
Timers (Timer0, Timer1, Timer2, Timer3, Timer4, and Timer5)
silabs.com | Building a more connected world. Rev. 0.4 | 354

21.4.20 TMR3CN1: Timer 3 Control 1
Bit 7 6 5 4 3 2 1 0
Name RLFSEL STSYNC Reserved T3CSEL
Access RW RW R RW
Reset 0x0 0 0 0x0
SFR Page = 0x10; SFR Address: 0xFE
Bit Name Reset Access Description
7:5 RLFSEL 0x0 RW Force Reload Select.
Selects the signal that can force the Timer to reload the timer from the Timer Reload SFRs regardless of whether an over-
flow has occured. A logic high on the selected signal will force the Timer to reload.
Value Name Description
0x0 SMB0_SCL If the SMBTOE bit in the SMB0CF register is 0, then the timer will only
reload on overflow events. If SMBTOE is 1, the timer will reload on
overflow events and when the SMB0 SCL signal is high.
0x1 CLU1_OUT Timer will reload on overflow events and CLU1 synchronous output
high.
0x2 CLU3_OUT Timer will reload on overflow events and CLU3 synchronous output
high.
0x3 NONE Timer will only reload on overflow events.
4 STSYNC 0 RW Suspend Timer Synchronization Status.
This bit is used to indicate when it is safe to read and write the registers associated with the suspend wake-up timer. If a
suspend wake-up source other than the timer has brought the oscillator out of suspend mode, it may take up to three timer
clocks before the timer can be read or written. When STSYNC reads '1', reads and writes of the timer register should not be
performed. When STSYNC reads '0', it is safe to read and write the timer registers.
3 Reserved Must write reset value.
2:0 T3CSEL 0x0 RW Timer 3 Capture Select.
When used in capture mode, the T3CSEL field selects the input capture signal.
Value Name Description
0x0 PIN Capture high-to-low transitions on the T2 input pin.
0x1 LFOSC Capture high-to-low transitions of the LFO oscillator.
0x2 COMPARATOR0 Capture high-to-low transitions of the Comparator 0 output.
0x4 CLU0_OUT Capture high-to-low transitions on the configurable logic unit 0 synchro-
nous output.
0x5 CLU1_OUT Capture high-to-low transitions on the configurable logic unit 1 synchro-
nous output.
0x6 CLU2_OUT Capture high-to-low transitions on the configurable logic unit 2 synchro-
nous output.
0x7 CLU3_OUT Capture high-to-low transitions on the configurable logic unit 3 synchro-
nous output.
EFM8BB3 Reference Manual
Timers (Timer0, Timer1, Timer2, Timer3, Timer4, and Timer5)
silabs.com | Building a more connected world. Rev. 0.4 | 355

21.4.21 TMR4RLL: Timer 4 Reload Low Byte
Bit 7 6 5 4 3 2 1 0
Name TMR4RLL
Access RW
Reset 0x00
SFR Page = 0x10; SFR Address: 0xA2
Bit Name Reset Access Description
7:0 TMR4RLL 0x00 RW Timer 4 Reload Low Byte.
When operating in one of the auto-reload modes, TMR4RLL holds the reload value for the low byte of Timer 4 (TMR4L).
When operating in capture mode, TMR4RLL is the captured value of TMR4L.
21.4.22 TMR4RLH: Timer 4 Reload High Byte
Bit 7 6 5 4 3 2 1 0
Name TMR4RLH
Access RW
Reset 0x00
SFR Page = 0x10; SFR Address: 0xA3
Bit Name Reset Access Description
7:0 TMR4RLH 0x00 RW Timer 4 Reload High Byte.
When operating in one of the auto-reload modes, TMR4RLH holds the reload value for the high byte of Timer 4 (TMR4H).
When operating in capture mode, TMR4RLH is the captured value of TMR4H.
21.4.23 TMR4L: Timer 4 Low Byte
Bit 7 6 5 4 3 2 1 0
Name TMR4L
Access RW
Reset 0x00
SFR Page = 0x10; SFR Address: 0xA4
Bit Name Reset Access Description
7:0 TMR4L 0x00 RW Timer 4 Low Byte.
In 16-bit mode, the TMR4L register contains the low byte of the 16-bit Timer 4. In 8-bit mode, TMR4L contains the 8-bit low
byte timer value.
EFM8BB3 Reference Manual
Timers (Timer0, Timer1, Timer2, Timer3, Timer4, and Timer5)
silabs.com | Building a more connected world. Rev. 0.4 | 356

21.4.24 TMR4H: Timer 4 High Byte
Bit 7 6 5 4 3 2 1 0
Name TMR4H
Access RW
Reset 0x00
SFR Page = 0x10; SFR Address: 0xA5
Bit Name Reset Access Description
7:0 TMR4H 0x00 RW Timer 4 High Byte.
In 16-bit mode, the TMR4H register contains the high byte of the 16-bit Timer 4. In 8-bit mode, TMR4H contains the 8-bit
high byte timer value.
EFM8BB3 Reference Manual
Timers (Timer0, Timer1, Timer2, Timer3, Timer4, and Timer5)
silabs.com | Building a more connected world. Rev. 0.4 | 357

21.4.25 TMR4CN0: Timer 4 Control 0
Bit 7 6 5 4 3 2 1 0
Name TF4H TF4L TF4LEN TF4CEN T4SPLIT TR4 T4XCLK
Access RW RW RW RW RW RW RW
Reset 0 0 0 0 0 0 0x0
SFR Page = 0x10; SFR Address: 0x98 (bit-addressable)
Bit Name Reset Access Description
7 TF4H 0 RW Timer 4 High Byte Overflow Flag.
Set by hardware when the Timer 4 high byte overflows from 0xFF to 0x00. In 16-bit mode, this will occur when Timer 4
overflows from 0xFFFF to 0x0000. When the Timer 4 interrupt is enabled, setting this bit causes the CPU to vector to the
Timer 4 interrupt service routine. This bit must be cleared by firmware.
6 TF4L 0 RW Timer 4 Low Byte Overflow Flag.
Set by hardware when the Timer 4 low byte overflows from 0xFF to 0x00. TF4L will be set when the low byte overflows
regardless of the Timer 4 mode. This bit must be cleared by firmware.
5 TF4LEN 0 RW Timer 4 Low Byte Interrupt Enable.
When set to 1, this bit enables Timer 4 Low Byte interrupts. If Timer 4 interrupts are also enabled, an interrupt will be gen-
erated when the low byte of Timer 4 overflows.
4 TF4CEN 0 RW Timer 4 Capture Enable.
When set to 1, this bit enables Timer 4 Capture Mode. If TF4CEN is set and Timer 4 interrupts are enabled, an interrupt will
be generated according to the capture source selected by the T4CSEL bits, and the current 16-bit timer value in
TMR4H:TMR4L will be copied to TMR4RLH:TMR4RLL.
3 T4SPLIT 0 RW Timer 4 Split Mode Enable.
When this bit is set, Timer 4 operates as two 8-bit timers with auto-reload.
Value Name Description
0 16_BIT_RELOAD Timer 4 operates in 16-bit auto-reload mode.
1 8_BIT_RELOAD Timer 4 operates as two 8-bit auto-reload timers.
2 TR4 0 RW Timer 4 Run Control.
Timer 4 is enabled by setting this bit to 1. In 8-bit mode, this bit enables/disables TMR4H only; TMR4L is always enabled in
split mode.
1:0 T4XCLK 0x0 RW Timer 4 External Clock Select.
This bit selects the external clock source for Timer 4. If Timer 4 is in 8-bit mode, this bit selects the external oscillator clock
source for both timer bytes. However, the Timer 4 Clock Select bits (T4MH and T4ML) may still be used to select between
the external clock and the system clock for either timer.
Value Name Description
0x0 SYSCLK_DIV_12 Timer 4 clock is the system clock divided by 12.
0x1 EXTOSC_DIV_8 Timer 4 clock is the external oscillator divided by 8 (synchronized with
SYSCLK when not in suspend or snooze mode).
0x2 TIMER3 Timer 4 is clocked by Timer 3 overflows.
0x3 LFOSC_DIV_8 Timer 4 clock is the low-frequency oscillator divided by 8 (synchronized
with SYSCLK when not in suspend or snooze mode).
EFM8BB3 Reference Manual
Timers (Timer0, Timer1, Timer2, Timer3, Timer4, and Timer5)
silabs.com | Building a more connected world. Rev. 0.4 | 358

21.4.26 TMR4CN1: Timer 4 Control 1
Bit 7 6 5 4 3 2 1 0
Name RLFSEL STSYNC Reserved T4CSEL
Access RW RW R RW
Reset 0x0 0 0 0x0
SFR Page = 0x10; SFR Address: 0xFF
Bit Name Reset Access Description
7:5 RLFSEL 0x0 RW Force Reload Select.
Selects the signal that can force the Timer to reload the timer from the Timer Reload SFRs regardless of whether an over-
flow has occured. A logic high on the selected signal will force the Timer to reload.
Value Name Description
0x0 I2CSLAVE0_SCL If the TIMEOUT bit in I2C0CN0 is 0, then the timer will only reload on
overflow events. If TIMEOUT is 1, the timer will reload on overflow
events and when the I2C0 SCL signal is high.
0x1 CLU0_OUT Timer will reload on overflow events and CLU0 synchronous output
high.
0x2 CLU2_OUT Timer will reload on overflow events and CLU2 synchronous output
high.
0x3 NONE Timer will only reload on overflow events.
4 STSYNC 0 RW Suspend Timer Synchronization Status.
This bit is used to indicate when it is safe to read and write the registers associated with the suspend wake-up timer. If a
suspend wake-up source other than the timer has brought the oscillator out of suspend mode, it may take up to three timer
clocks before the timer can be read or written. When STSYNC reads '1', reads and writes of the timer register should not be
performed. When STSYNC reads '0', it is safe to read and write the timer registers.
3 Reserved Must write reset value.
2:0 T4CSEL 0x0 RW Timer 4 Capture Select.
When used in capture mode, the T4CSEL field selects the input capture signal.
Value Name Description
0x0 PIN Capture high-to-low transitions on the T2 input pin.
0x1 LFOSC Capture high-to-low transitions of the LFO oscillator.
0x2 COMPARATOR0 Capture high-to-low transitions of the Comparator 0 output.
0x4 CLU0_OUT Capture high-to-low transitions on the configurable logic unit 0 synchro-
nous output.
0x5 CLU1_OUT Capture high-to-low transitions on the configurable logic unit 1 synchro-
nous output.
0x6 CLU2_OUT Capture high-to-low transitions on the configurable logic unit 2 synchro-
nous output.
0x7 CLU3_OUT Capture high-to-low transitions on the configurable logic unit 3 synchro-
nous output.
EFM8BB3 Reference Manual
Timers (Timer0, Timer1, Timer2, Timer3, Timer4, and Timer5)
silabs.com | Building a more connected world. Rev. 0.4 | 359

21.4.27 TMR5RLL: Timer 5 Reload Low Byte
Bit 7 6 5 4 3 2 1 0
Name TMR5RLL
Access RW
Reset 0x00
SFR Page = 0x10; SFR Address: 0xD2
Bit Name Reset Access Description
7:0 TMR5RLL 0x00 RW Timer 5 Reload Low Byte.
When operating in one of the auto-reload modes, TMR5RLL holds the reload value for the low byte of Timer 5 (TMR5L).
When operating in capture mode, TMR5RLL is the captured value of TMR5L.
21.4.28 TMR5RLH: Timer 5 Reload High Byte
Bit 7 6 5 4 3 2 1 0
Name TMR5RLH
Access RW
Reset 0x00
SFR Page = 0x10; SFR Address: 0xD3
Bit Name Reset Access Description
7:0 TMR5RLH 0x00 RW Timer 5 Reload High Byte.
When operating in one of the auto-reload modes, TMR5RLH holds the reload value for the high byte of Timer 5 (TMR5H).
When operating in capture mode, TMR5RLH is the captured value of TMR5H.
21.4.29 TMR5L: Timer 5 Low Byte
Bit 7 6 5 4 3 2 1 0
Name TMR5L
Access RW
Reset 0x00
SFR Page = 0x10; SFR Address: 0xD4
Bit Name Reset Access Description
7:0 TMR5L 0x00 RW Timer 5 Low Byte.
In 16-bit mode, the TMR5L register contains the low byte of the 16-bit Timer 5. In 8-bit mode, TMR5L contains the 8-bit low
byte timer value.
EFM8BB3 Reference Manual
Timers (Timer0, Timer1, Timer2, Timer3, Timer4, and Timer5)
silabs.com | Building a more connected world. Rev. 0.4 | 360

21.4.30 TMR5H: Timer 5 High Byte
Bit 7 6 5 4 3 2 1 0
Name TMR5H
Access RW
Reset 0x00
SFR Page = 0x10; SFR Address: 0xD5
Bit Name Reset Access Description
7:0 TMR5H 0x00 RW Timer 5 High Byte.
In 16-bit mode, the TMR5H register contains the high byte of the 16-bit Timer 5. In 8-bit mode, TMR5H contains the 8-bit
high byte timer value.
EFM8BB3 Reference Manual
Timers (Timer0, Timer1, Timer2, Timer3, Timer4, and Timer5)
silabs.com | Building a more connected world. Rev. 0.4 | 361

21.4.31 TMR5CN0: Timer 5 Control 0
Bit 7 6 5 4 3 2 1 0
Name TF5H TF5L TF5LEN TF5CEN T5SPLIT TR5 T5XCLK
Access RW RW RW RW RW RW RW
Reset 0 0 0 0 0 0 0x0
SFR Page = 0x10; SFR Address: 0xC0 (bit-addressable)
Bit Name Reset Access Description
7 TF5H 0 RW Timer 5 High Byte Overflow Flag.
Set by hardware when the Timer 5 high byte overflows from 0xFF to 0x00. In 16-bit mode, this will occur when Timer 5
overflows from 0xFFFF to 0x0000. When the Timer 5 interrupt is enabled, setting this bit causes the CPU to vector to the
Timer 5 interrupt service routine. This bit must be cleared by firmware.
6 TF5L 0 RW Timer 5 Low Byte Overflow Flag.
Set by hardware when the Timer 5 low byte overflows from 0xFF to 0x00. TF5L will be set when the low byte overflows
regardless of the Timer 5 mode. This bit must be cleared by firmware.
5 TF5LEN 0 RW Timer 5 Low Byte Interrupt Enable.
When set to 1, this bit enables Timer 5 Low Byte interrupts. If Timer 5 interrupts are also enabled, an interrupt will be gen-
erated when the low byte of Timer 5 overflows.
4 TF5CEN 0 RW Timer 5 Capture Enable.
When set to 1, this bit enables Timer 5 Capture Mode. If TF5CEN is set and Timer 5 interrupts are enabled, an interrupt will
be generated according to the capture source selected by the T5CSEL bits, and the current 16-bit timer value in
TMR5H:TMR5L will be copied to TMR5RLH:TMR5RLL.
3 T5SPLIT 0 RW Timer 5 Split Mode Enable.
When this bit is set, Timer 5 operates as two 8-bit timers with auto-reload.
Value Name Description
0 16_BIT_RELOAD Timer 5 operates in 16-bit auto-reload mode.
1 8_BIT_RELOAD Timer 5 operates as two 8-bit auto-reload timers.
2 TR5 0 RW Timer 5 Run Control.
Timer 5 is enabled by setting this bit to 1. In 8-bit mode, this bit enables/disables TMR5H only; TMR5L is always enabled in
split mode.
1:0 T5XCLK 0x0 RW Timer 5 External Clock Select.
This bit selects the external clock source for Timer 5. If Timer 5 is in 8-bit mode, this bit selects the external oscillator clock
source for both timer bytes. However, the Timer 5 Clock Select bits (T5MH and T5ML) may still be used to select between
the external clock and the system clock for either timer.
Value Name Description
0x0 SYSCLK_DIV_12 Timer 5 clock is the system clock divided by 12.
0x1 EXTOSC_DIV_8 Timer 5 clock is the external oscillator divided by 8 (synchronized with
SYSCLK when not in suspend or snooze mode).
EFM8BB3 Reference Manual
Timers (Timer0, Timer1, Timer2, Timer3, Timer4, and Timer5)
silabs.com | Building a more connected world. Rev. 0.4 | 362

21.4.32 TMR5CN1: Timer 5 Control 1
Bit 7 6 5 4 3 2 1 0
Name RLFSEL Reserved T5CSEL
Access RW R RW
Reset 0x0 0x0 0x1
SFR Page = 0x10; SFR Address: 0xF1
Bit Name Reset Access Description
7:5 RLFSEL 0x0 RW Force Reload Select.
Selects the signal that can force the Timer to reload the timer from the Timer Reload SFRs regardless of whether an over-
flow has occured. A logic high on the selected signal will force the Timer to reload.
Value Name Description
0x0 NONE Timer will only reload on overflow events.
0x1 CLU1_OUT Timer will reload on overflow events and CLU1 synchronous output
high.
0x2 CLU3_OUT Timer will reload on overflow events and CLU3 synchronous output
high.
4:3 Reserved Must write reset value.
2:0 T5CSEL 0x1 RW Timer 5 Capture Select.
When used in capture mode, the T5CSEL field selects the input capture signal.
Value Name Description
0x0 PIN Capture high-to-low transitions on the T2 input pin.
0x1 LFOSC Capture high-to-low transitions of the LFO oscillator.
0x2 COMPARATOR0 Capture high-to-low transitions of the Comparator 0 output.
0x4 CLU0_OUT Capture high-to-low transitions on the configurable logic unit 0 synchro-
nous output.
0x5 CLU1_OUT Capture high-to-low transitions on the configurable logic unit 1 synchro-
nous output.
0x6 CLU2_OUT Capture high-to-low transitions on the configurable logic unit 2 synchro-
nous output.
0x7 CLU3_OUT Capture high-to-low transitions on the configurable logic unit 3 synchro-
nous output.
EFM8BB3 Reference Manual
Timers (Timer0, Timer1, Timer2, Timer3, Timer4, and Timer5)
silabs.com | Building a more connected world. Rev. 0.4 | 363

22. Universal Asynchronous Receiver/Transmitter 0 (UART0)
22.1 Introduction
UART0 is an asynchronous, full duplex serial port offering modes 1 and 3 of the standard 8051 UART. Enhanced baud rate support
allows a wide range of clock sources to generate standard baud rates. Received data buffering allows UART0 to start reception of a
second incoming data byte before software has finished reading the previous data byte.
UART0 has two associated SFRs: Serial Control Register 0 (SCON0) and Serial Data Buffer 0 (SBUF0). The single SBUF0 location
provides access to both transmit and receive registers.
Note: Writes to SBUF0 always access the transmit register. Reads of SBUF0 always access the buffered receive register; it is not pos-
sible to read data from the transmit register.
With UART0 interrupts enabled, an interrupt is generated each time a transmit is completed (TI is set in SCON0), or a data byte has
been received (RI is set in SCON0). The UART0 interrupt flags are not cleared by hardware when the CPU vectors to the interrupt
service routine. They must be cleared manually by software, allowing software to determine the cause of the UART0 interrupt (transmit
complete or receive complete).
UART0
SBUF (8 LSBs)
Input Shift
Register RX
Baud Rate
Generator
(Timer 1)
START
Detection
Output Shift
Register TX
TB8
(9th bit)
RB8
(9th bit)
Control /
Configuration
TI, RI
Interrupts
TX Clk
RX Clk
Figure 22.1. UART0 Block Diagram
22.2 Features
The UART uses two signals (TX and RX) and a predetermined fixed baud rate to provide asynchronous communications with other
devices.
The UART module provides the following features:
• Asynchronous transmissions and receptions.
• Baud rates up to SYSCLK/2 (transmit) or SYSCLK/8 (receive).
• 8- or 9-bit data.
• Automatic start and stop generation.
• Single-byte FIFO on transmit and receive.
EFM8BB3 Reference Manual
Universal Asynchronous Receiver/Transmitter 0 (UART0)
silabs.com | Building a more connected world. Rev. 0.4 | 364

22.3 Functional Description
22.3.1 Baud Rate Generation
The UART0 baud rate is generated by Timer 1 in 8-bit auto-reload mode. The TX clock is generated by TL1; the RX clock is generated
by a copy of TL1, which is not user-accessible. Both TX and RX timer overflows are divided by two to generate the TX and RX baud
rates. The RX timer runs when Timer 1 is enabled and uses the same reload value (TH1). However, an RX timer reload is forced when
a START condition is detected on the RX pin. This allows a receive to begin any time a START is detected, independent of the TX timer
state.
START
Detection
TX Clock
2
RX Clock
2
TL1
TH1
RX Timer
Baud Rate Generator
(In Timer 1)
Figure 22.2. UART0 Baud Rate Logic Block Diagram
Timer 1 should be configured for 8-bit auto-reload mode (mode 2). The Timer 1 reload value and prescaler should be set so that over-
flows occur at twice the desired UART0 baud rate. The UART0 baud rate is half of the Timer 1 overflow rate. Configuring the Timer 1
overflow rate is discussed in the timer sections.
22.3.2 Data Format
UART0 has two options for data formatting. All data transfers begin with a start bit (logic low), followed by the data (sent LSB-first), and
end with a stop bit (logic high). The data length of the UART0 module is normally 8 bits. An extra 9th bit may be added to the MSB of
data field for use in multi-processor communications or for implementing parity checks on the data. The S0MODE bit in the SCON reg-
ister selects between 8 or 9-bit data transfers.
D1
D0 D2 D3 D4 D5 D6 D7
START
BIT
MARK STOP
BIT
BIT TIMES
BIT SAMPLING
SPACE
Figure 22.3. 8-Bit Data Transfer
D1D0 D2 D3 D4 D5 D6 D7
START
BIT
MARK STOP
BIT
BIT TIMES
BIT SAMPLING
SPACE
D8
Figure 22.4. 9-Bit Data Transfer
EFM8BB3 Reference Manual
Universal Asynchronous Receiver/Transmitter 0 (UART0)
silabs.com | Building a more connected world. Rev. 0.4 | 365

22.3.3 Data Transfer
UART0 provides standard asynchronous, full duplex communication. All data sent or received goes through the SBUF0 register and (in
9-bit mode) the RB8 bit in the SCON0 register.
Transmitting Data
Data transmission is initiated when software writes a data byte to the SBUF0 register. If 9-bit mode is used, software should set up the
desired 9th bit in TB8 prior to writing SBUF0. Data is transmitted LSB first from the TX pin. The TI flag in SCON0 is set at the end of the
transmission (at the beginning of the stop-bit time). If TI interrupts are enabled, TI will trigger an interrupt.
Receiving Data
To enable data reception, firmware should write the REN bit to 1. Data reception begins when a start condition is recognized on the RX
pin. Data will be received at the selected baud rate through the end of the data phase. Data will be transferred into the receive buffer
under the following conditions:
• There is room in the receive buffer for the data.
• MCE is set to 1 and the stop bit is also 1 (8-bit mode).
• MCE is set to 1 and the 9th bit is also 1 (9-bit mode).
• MCE is 0 (stop or 9th bit will be ignored).
In the event that there is not room in the receive buffer for the data, the most recently received data will be lost. The RI flag will be set
any time that valid data has been pushed into the receive buffer. If RI interrupts are enabled, RI will trigger an interrupt. Firmware may
read the 8 LSBs of received data by reading the SBUF0 register. The RB8 bit in SCON0 will represent the 9th received bit (in 9-bit
mode) or the stop bit (in 8-bit mode), and should be read prior to reading SBUF0.
22.3.4 Multiprocessor Communications
9-Bit UART mode supports multiprocessor communication between a master processor and one or more slave processors by special
use of the ninth data bit. When a master processor wants to transmit to one or more slaves, it first sends an address byte to select the
target(s). An address byte differs from a data byte in that its ninth bit is logic 1; in a data byte, the ninth bit is always set to logic 0.
Setting the MCE bit of a slave processor configures its UART such that when a stop bit is received, the UART will generate an interrupt
only if the ninth bit is logic 1 (RB8 = 1) signifying an address byte has been received. In the UART interrupt handler, software will com-
pare the received address with the slave's own assigned 8-bit address. If the addresses match, the slave will clear its MCE bit to enable
interrupts on the reception of the following data byte(s). Slaves that weren't addressed leave their MCE bits set and do not generate
interrupts on the reception of the following data bytes, thereby ignoring the data. Once the entire message is received, the addressed
slave resets its MCE bit to ignore all transmissions until it receives the next address byte.
Multiple addresses can be assigned to a single slave and/or a single address can be assigned to multiple slaves, thereby enabling
"broadcast" transmissions to more than one slave simultaneously. The master processor can be configured to receive all transmissions
or a protocol can be implemented such that the master/slave role is temporarily reversed to enable half-duplex transmission between
the original master and slave(s).
Master
Device
Slave
Device
TXRX RX TX
Slave
Device
RX TX
Slave
Device
RX TX
V+
Figure 22.5. Multi-Processor Mode Interconnect Diagram
22.3.5 Routing RX Through Configurable Logic
The RX0 input of the UART is routed through the crossbar by default. It is also possible to route the RX input to the output of CLU0,
CLU1 or CLU2. This function is selected by the RXSEL field in register UART0PCF.
EFM8BB3 Reference Manual
Universal Asynchronous Receiver/Transmitter 0 (UART0)
silabs.com | Building a more connected world. Rev. 0.4 | 366

22.4 UART0 Control Registers
22.4.1 SCON0: UART0 Serial Port Control
Bit 7 6 5 4 3 2 1 0
Name SMODE Reserved MCE REN TB8 RB8 TI RI
Access RW R RW RW RW R RW R
Reset 0 1 0 0 0 Varies 0 0
SFR Page = 0x0, 0x20; SFR Address: 0x98 (bit-addressable)
Bit Name Reset Access Description
7 SMODE 0 RW Serial Port 0 Operation Mode.
Selects the UART0 Operation Mode.
Value Name Description
0 8_BIT 8-bit UART with Variable Baud Rate (Mode 0).
1 9_BIT 9-bit UART with Variable Baud Rate (Mode 1).
6 Reserved Must write reset value.
5 MCE 0 RW Multiprocessor Communication Enable.
This bit enables checking of the stop bit or the 9th bit in multi-drop communication buses. The function of this bit is depend-
ent on the UART0 operation mode selected by the SMODE bit. In Mode 0 (8-bits), the peripheral will check that the stop bit
is logic 1. In Mode 1 (9-bits) the peripheral will check for a logic 1 on the 9th bit.
Value Name Description
0 MULTI_DISABLED Ignore level of 9th bit / Stop bit.
1 MULTI_ENABLED RI is set and an interrupt is generated only when the stop bit is logic 1
(Mode 0) or when the 9th bit is logic 1 (Mode 1).
4 REN 0 RW Receive Enable.
This bit enables/disables the UART receiver. When disabled, bytes can still be read from the receive FIFO, but the receiver
will not place new data into the FIFO.
Value Name Description
0 RECEIVE_DISABLED UART0 reception disabled.
1 RECEIVE_ENABLED UART0 reception enabled.
3 TB8 0 RW Ninth Transmission Bit.
The logic level of this bit will be sent as the ninth transmission bit in 9-bit UART Mode (Mode 1). Unused in 8-bit mode
(Mode 0).
2 RB8 Varies R Ninth Receive Bit.
RB8 is assigned the value of the STOP bit in Mode 0; it is assigned the value of the 9th data bit in Mode 1.
1 TI 0 RW Transmit Interrupt Flag.
Set to a 1 by hardware after data has been transmitted at the beginning of the STOP bit. When the UART0 TI interrupt is
enabled, setting this bit causes the CPU to vector to the UART0 interrupt service routine. This bit must be cleared by firm-
ware.
EFM8BB3 Reference Manual
Universal Asynchronous Receiver/Transmitter 0 (UART0)
silabs.com | Building a more connected world. Rev. 0.4 | 367

Bit Name Reset Access Description
0 RI 0 R Receive Interrupt Flag.
Set to 1 by hardware when a byte of data has been received by UART0 (set at the STOP bit sampling time). RI remains set
while the receive FIFO contains any data. Hardware will clear this bit when the receive FIFO is empty. If a read of SBUF0 is
performed when RI is cleared, the most recently received byte will be returned.
22.4.2 SBUF0: UART0 Serial Port Data Buffer
Bit 7 6 5 4 3 2 1 0
Name SBUF0
Access RW
Reset Varies
SFR Page = 0x0, 0x20; SFR Address: 0x99
Bit Name Reset Access Description
7:0 SBUF0 Varies RW Serial Data Buffer.
This SFR accesses the transmit and receive FIFOs. When data is written to SBUF0 and TXNF is 1, the data is placed into
the transmit FIFO and is held for serial transmission. Any data in the TX FIFO will initiate a transmission. Writing to SBUF0
while TXNF is 0 will over-write the most recent byte in the TX FIFO.
A read of SBUF0 returns the oldest byte in the RX FIFO. Reading SBUF0 when RI is 0 will continue to return the last avail-
able data byte in the RX FIFO.
22.4.3 UART0PCF: UART0 Pin Configuration
Bit 7 6 5 4 3 2 1 0
Name Reserved RXSEL
Access R R
Reset 0x00 0x0
SFR Page = 0x20; SFR Address: 0xD9
Bit Name Reset Access Description
7:2 Reserved Must write reset value.
1:0 RXSEL 0x0 R RX Input Select.
This field selects the source of the UART0 RX signal.
Value Name Description
0x0 CROSSBAR RX is connected to the pin assigned by the crossbar.
0x1 CLU0 RX is connected to the CLU0 output signal.
0x2 CLU1 RX is connected to the CLU1 output signal.
0x3 CLU2 RX is connected to the CLU2 output signal.
EFM8BB3 Reference Manual
Universal Asynchronous Receiver/Transmitter 0 (UART0)
silabs.com | Building a more connected world. Rev. 0.4 | 368

23. Universal Asynchronous Receiver/Transmitter 1 (UART1)
23.1 Introduction
UART1 is an asynchronous, full duplex serial port offering a variety of data formatting options. A dedicated baud rate generator with a
16-bit timer and selectable prescaler is included, which can generate a wide range of baud rates. A received data FIFO allows UART1
to receive multiple bytes before data is lost and an overflow occurs.
UART1
SBUF (8 LSBs)
Receive Buffer RX
Dedicated Baud
Rate Generator
Transmit Buffer TX
TBX
(extra bit)
RBX
(extra bit)
Control /
Configuration
Interrupt
Generation
TX Clk
RX Clk
CTS
LIN Break Detection,
Autobaud
RTS
Figure 23.1. UART 1 Block Diagram
23.2 Features
UART1 provides the following features:
• Asynchronous transmissions and receptions
• Dedicated baud rate generator supports baud rates up to SYSCLK/2 (transmit) or SYSCLK/8 (receive)
• 5, 6, 7, 8, or 9 bit data
• Automatic start and stop generation
• Automatic parity generation and checking
• Single-byte buffer on transmit and receive
• Auto-baud detection
• LIN break and sync field detection
• CTS / RTS hardware flow control
EFM8BB3 Reference Manual
Universal Asynchronous Receiver/Transmitter 1 (UART1)
silabs.com | Building a more connected world. Rev. 0.4 | 369

23.3 Functional Description
23.3.1 Baud Rate Generation
The UART1 baud rate is generated by a dedicated 16-bit timer which runs from the controller’s core clock (SYSCLK), and has prescaler
options of 1, 4, 12, or 48. The timer and prescaler options combined allow for a wide selection of baud rates over many SYSCLK fre-
quencies.
The baud rate generator is configured using three registers: SBCON1, SBRLH1, and SBRLL1. The SBCON1 register enables or disa-
bles the baud rate generator, and selects the prescaler value for the timer. The baud rate generator must be enabled for UART1 to
function. Registers SBRLH1 and SBRLL1 constitute a 16-bit reload value (SBRL1) for the dedicated 16-bit timer. The internal timer
counts up from the reload value on every clock tick. On timer overflows (0xFFFF to 0x0000), the timer is reloaded. For reliable UART
receive operation, it is typically recommended that the UART baud rate does not exceed SYSCLK/16.
Baud Rate = SYSCLK
(65536 −(SBRL1)) × 2 × Prescaler
23.3.2 Data Format
UART1 has a number of available options for data formatting. Data transfers begin with a start bit (logic low), followed by the data bits
(sent LSB-first), a parity or extra bit (if selected), and end with one or two stop bits (logic high). The data length is variable between 5
and 8 bits. A parity bit can be appended to the data, and automatically generated and detected by hardware for even, odd, mark, or
space parity. The stop bit length is selectable between short (1 bit time) and long (1.5 or 2 bit times), and a multi-processor communica-
tion mode is available for implementing networked UART buses.
All of the data formatting options can be configured using the SMOD1 register. Note that the extra bit feature is not available when
parity is enabled, and the second stop bit is only an option for data lengths of 6, 7, or 8 bits.
D1
D0DN-2 DN-1
START
BIT
MARK STOP
BIT 1
BIT TIMES
SPACE
N bits; N = 5, 6, 7, or 8
STOP
BIT 2
Optional
Figure 23.2. UART1 Timing Without Parity or Extra Bit
D1
D0DN-2 DN-1 PARITY
START
BIT
MARK STOP
BIT 1
BIT TIMES
SPACE
N bits; N = 5, 6, 7, or 8
STOP
BIT 2
Optional
Figure 23.3. UART1 Timing With Parity
D1
D0DN-2 DN-1 EXTRA
START
BIT
MARK STOP
BIT 1
BIT TIMES
SPACE
N bits; N = 5, 6, 7, or 8
STOP
BIT 2
Optional
Figure 23.4. UART1 Timing With Extra Bit
EFM8BB3 Reference Manual
Universal Asynchronous Receiver/Transmitter 1 (UART1)
silabs.com | Building a more connected world. Rev. 0.4 | 370

23.3.3 Flow Control
The UART provides hardware flow control via the CTS and RTS pins. CTS and RTS may be individually enabled using the crossbar,
may be operated independently of one another, and are active only when enabled through the crossbar.
The CTS pin is an input to the device. When CTS is held high, the UART will finish any byte transfer that is currently in progress, and
then will halt before sending any more data. CTS must be returned low before data transfer will continue.
The RTS pin is an output from the device. When the receive buffer is full, RTS will toggle high. When data has been read from the
buffer and there is additional room available, RTS will be cleared low.
23.3.4 Basic Data Transfer
UART1 provides standard asynchronous, full duplex communication. All data sent or received goes through the SBUF1 register, and
(when an extra bit is enabled) the RBX bit in the SCON1 register.
Transmitting Data
Data transmission is initiated when software writes a data byte to the SBUF1 register. If XBE is set (extra bit enable), software should
set up the desired extra bit in TBX prior to writing SBUF1. Data is transmitted LSB first from the TX pin. The TI flag in SCON1 is set at
the end of the transmission (at the beginning of the stop-bit time). If TI interrupts are enabled, TI will trigger an interrupt.
Receiving Data
To enable data reception, firmware should write the REN bit to 1. Data reception begins when a start condition is recognized on the RX
pin. Data will be received at the selected baud rate through the end of the data phase. Data will be transferred into the receive buffer
under the following conditions:
• There is room in the receive buffer for the data.
• MCE is set to 1 and the stop bit is also 1 (XBE = 0).
• MCE is set to 1 and the extra bit is also 1 (XBE = 1).
• MCE is 0 (stop or extra bit will be ignored).
In the event that there is not room in the receive buffer for the data, the most recently received data will be lost. The RI flag will be set
any time that valid data has been pushed into the receive buffer. If RI interrupts are enabled, RI will trigger an interrupt. Firmware may
read the 8 LSBs of received data by reading the SBUF1 register. The RBX bit in SCON1 will represent the extra received bit or the stop
bit, depending on whether XBE is enabled. If the extra bit is enabled, it should be read prior to reading SBUF1.
23.3.5 Data Transfer With FIFO
UART1 includes receive and transmit buffers to reduce the amount of overhead required for system interrupts. In applications requiring
higher baud rates, the FIFOs may also be used to allow for additional latency when servicing interrupts. The transmit FIFO may be pre-
loaded with additional bytes to maximize the outgoing throughput, while the receive FIFO allows the UART to continue receiving addi-
tional bytes of data between firmware reads. Configurable thresholds may be set by firmware to dictate when interrupts will be gener-
ated, and a receive timeout feature keeps received data from being orphaned in the receive buffer.
Both the receive and transmit FIFOs are configured using the UART1FCN0 and UART1FCN1 registers, and the number of bytes in the
FIFOs may be determined at any time by reading UART1FCT.
EFM8BB3 Reference Manual
Universal Asynchronous Receiver/Transmitter 1 (UART1)
silabs.com | Building a more connected world. Rev. 0.4 | 371

Using the Transmit FIFO
Prior to using the transmit FIFO, the appropriate configuration settings for the application should be established:
• The TXTH field should be adjusted to the desired level. TXTH determines when the hardware will generate write requests and set
the TXRQ flag. TXTH acts as a low watermark for the FIFO data, and the TXRQ flag will be set any time the number of bytes in the
FIFO is less than or equal to the value of TXTH. For example, if the TXTH field is configured to 1, TXRQ will be set any time there
are zero or one bytes left to send in the transmit FIFO.
• Disable TI interrupts by clearing the TIE bit to 0. TI will still be set at the completion of every byte sent from the UART, but the TI flag
is typically not used in conjunction with the FIFO.
• Enable TFRQ interrupts by setting the TFRQE bit to 1.
As with basic data transfer, data transmission is initiated when software writes a data byte to the SBUF1 register. However, software
may continue to write bytes to the buffer until the transmit FIFO is full. Software may determine when the FIFO is full either by reading
the TXCNT directly from UART1FCT, or by monitoring the TXNF flag. TXNF is normally set to 1 when the transmit FIFO is not full,
indicating that more data may be written. Any data written to SBUF1 when the transmit FIFO is full will over-write the most recent data
written to the buffer, and a data byte will be lost.
In the course of normal operations, the transmit FIFO may be maintained with an interrupt-based system, filling the FIFO as space al-
lows and servicing any write request interrupts that occur. If no more data is to be sent for some period of time, the TFRQ interrupt
should be disabled by firmware until additional data will be sent.
In some situations, it may be necessary to halt transmission when there is still data in the FIFO. To do this, firmware should set the
TXHOLD bit to 1. If a data byte is currently in progress, the UART will finish sending that byte and then halt before the nxet data byte.
Trasnmission will not continue until TXHOLD is cleared to 0.
If it is necessary to flush the contents of the transmit FIFO entirely, firmware may do so by writing the TFLSH bit to 1. A flush will reset
the internal FIFO counters and the UART will cease sending data.
Note: Hardware will clear the TFLSH bit back to 0 when the flush operation is complete. This takes only one SYSCLK cycle, so firm-
ware will always read a 0 on this bit.
EFM8BB3 Reference Manual
Universal Asynchronous Receiver/Transmitter 1 (UART1)
silabs.com | Building a more connected world. Rev. 0.4 | 372

Using the Receive FIFO
The receive FIFO also has configuration settings which should be established prior to enabling UART reception:
• The RXTH field should be adjusted to the desired level. RXTH determines when the hardware will generate read requests and set
the RXRQ flag. RXTH acts as a high watermark for the FIFO data, and the RXRQ flag will be set any time the number of bytes in the
FIFO is greater than the value of RXTH. For example, if the RXTH field is configured to 0, RXRQ will be set any time there is at least
one byte in the receive FIFO.
• (Optional) Disable RI interrupt by clearing the RIE bit to 0. The RI bit is still used in conjunction with receive FIFO operation - any
time RI is set to 1, it indicates that the receive FIFO has more data. In most applications, it is more efficient to use the RXTH field to
allow multiple bytes to be received between interrupts.
• (Optional) Enable RFRQ interrupts by setting the RFRQE bit to 1, and configure the RXTO field to enable receive timeouts. Receive
timeouts may be adjusted using the RXTO field, to occur after 2, 4, or 16 idle periods without any activity on the RX pin. An "idle
period" is defined as the full length of one transfer at the current baud rate, including start, stop, data, and any additional bits.
Once the receive buffer parameters and interrupts are configured, firmware should write the REN bit to 1 to enable data reception. Data
reception begins when a start condition is recognized on the RX pin. Data will be received at the selected baud rate through the end of
the data phase. Data will be transferred into the receive buffer under the following conditions:
• There is room in the receive buffer for the data.
• MCE is set to 1 and the stop bit is also 1 (XBE = 0).
• MCE is set to 1 and the extra bit is also 1 (XBE = 1).
• MCE is 0 (stop or extra bit will be ignored).
In the event that there is not room in the receive buffer for the data, the most recently received data will be lost.
The RI flag will be set any time an unread data byte is in the buffer (RXCNT is not equal to 0). Firmware may read the 8 LSBs of
received data by reading the SBUF1 register. The RBX bit in SCON1 will represent the extra received bit or the stop bit, depending on
whether XBE is enabled. If the extra bit is enabled, it should be read prior to reading SBUF1. Firmware may continue to read the re-
ceive buffer until it is empty (RI will be cleared to 0). If firmware reads the buffer while it is empty, the most recent data byte will be
returned again.
If it is necessary to flush the contents of the receive FIFO entirely, firmware may do so by writing the RFLSH bit to 1. A flush will reset
the internal FIFO counters and any data in the buffer will be lost.
Note: Hardware will clear the RFLSH bit back to 0 when the flush operation is complete. This takes only one SYSCLK cycle, so firm-
ware will always read a 0 on this bit.
EFM8BB3 Reference Manual
Universal Asynchronous Receiver/Transmitter 1 (UART1)
silabs.com | Building a more connected world. Rev. 0.4 | 373

23.3.6 Multiprocessor Communications
UART1 supports multiprocessor communication between a master processor and one or more slave processors by special use of the
extra data bit. When a master processor wants to transmit to one or more slaves, it first sends an address byte to select the target(s).
An address byte differs from a data byte in that its extra bit is logic 1; in a data byte, the extra bit is always set to logic 0.
Setting the MCE bit and the XBE bit in the SMOD1 register configures the UART for multi-processor communications. When a stop bit
is received, the UART will generate an interrupt only if the extra bit is logic 1 (RBX = 1) signifying an address byte has been received. In
the UART interrupt handler, software will compare the received address with the slave's own assigned address. If the addresses match,
the slave will clear its MCE bit to enable interrupts on the reception of the following data byte(s). Slaves that weren't addressed leave
their MCE bits set and do not generate interrupts on the reception of the following data bytes, thereby ignoring the data. Once the entire
message is received, the addressed slave resets its MCE bit to ignore all transmissions until it receives the next address byte.
Multiple addresses can be assigned to a single slave and/or a single address can be assigned to multiple slaves, thereby enabling
"broadcast" transmissions to more than one slave simultaneously. The master processor can be configured to receive all transmissions
or a protocol can be implemented such that the master/slave role is temporarily reversed to enable half-duplex transmission between
the original master and slave(s).
Master
Device
Slave
Device
TXRX RX TX
Slave
Device
RX TX
Slave
Device
RX TX
V+
Figure 23.5. Multi-Processor Mode Interconnect Diagram
23.3.7 LIN Break and Sync Detect
UART1 contains dedicated hardware to assist firmware in LIN slave applications. It includes automatic detection of LIN break and sync
fields, and can optionally perform automatic baud rate adjustment based on the LIN 0x55 sync word.
The LIN features are enabled by setting the LINMDE bit in UART1LIN to enable LIN mode. When enabled, both break and sync detec-
tion will be enabled for all incoming data. The circuitry can detect a break-sync sequence in the middle of an incoming data stream and
react accordingly.
The UART will indicate that a break has been detected by setting the BREAKDN flag to 1. Likewise, hardware will set the SYNCD bit if
a valid sync is detected, and the SYNCTO bit will indicate if a sync timeout has occured. The break done and sync flags may be individ-
ually enabled to generate UART1 interrupts by setting the BREAKDNIE, SYNCDIE, and SYNCTOIE bits to 1.
23.3.8 Autobaud Detection
Automatic baud rate detection and adjustment is supported by the UART. Autobaud may be enabled by setting the AUTOBDE bit in the
UART1LIN register to 1. Although the autobaud feature is primarily targeted at LIN applications, it may be used stand-alone as well.
For use in LIN applications, the LINMDE bit should be set to 1. This requires that the UART see a valid LIN break, followed by a delimit-
er, and then a valid LIN sync word (0x55) before adjusting the baud rate. When used in LIN mode, the autobaud detection circuit may
be left on during normal communications.
If LIN mode is not enabled (LINMDE = 0), the autobaud detection circuit will expect to see an 0x55 word on the received data path. The
autobaud detection circuit operates by measuring the amount of time it takes to receive a sync word (0x55), and then adjusting the
SBRL register value according to the measured time, given the current prescale settings.
Important: Because there is no break involved, when autobaud is used in non-LIN applications, it is important that the autobaud circuit
only be enabled when the receiver is expecting an 0x55 sync byte. The SYNCD flag will be set upon detection of the sync byte, and
firmware should disable auto-baud once the sync detection flag has been set.
The autobaud feature counts the number of prescaled clocks starting from the first rising edge of the sync field and ending on the last
rising edge of the sync field. For 1% accuracy, the prescaler, system clock, and baud rate must be selected such that there are at least
100 clocks per bit. Because the baud rate generator overflows twice per bit, the resulting counts in the SBRLH1:SBRLL1 registers must
be at least 50 (i.e. the maximum value of SBRLH1:SBRLL1 must be 65536 – 50, or 65486 and 0xFFCE.
EFM8BB3 Reference Manual
Universal Asynchronous Receiver/Transmitter 1 (UART1)
silabs.com | Building a more connected world. Rev. 0.4 | 374

23.3.9 Routing RX Through Configurable Logic
The RX1 input of the UART is routed through the crossbar by default. It is also possible to route the RX input to the output of CLU0,
CLU1 or CLU2. This function is selected by the RXSEL field in register UART1PCF.
EFM8BB3 Reference Manual
Universal Asynchronous Receiver/Transmitter 1 (UART1)
silabs.com | Building a more connected world. Rev. 0.4 | 375

23.4 UART1 Control Registers
23.4.1 SCON1: UART1 Serial Port Control
Bit 7 6 5 4 3 2 1 0
Name OVR PERR Reserved REN TBX RBX TI RI
Access RW RW R RW RW R RW R
Reset 0 0 0 0 0 Varies 0 0
SFR Page = 0x20; SFR Address: 0xC8 (bit-addressable)
Bit Name Reset Access Description
7 OVR 0 RW Receive FIFO Overrun Flag.
This bit indicates a receive FIFO overrun condition, where an incoming character is discarded due to a full FIFO. This bit
must be cleared by firmware.
Value Name Description
0 NOT_SET Receive FIFO overrun has not occurred.
1 SET Receive FIFO overrun has occurred.
6 PERR 0 RW Parity Error Flag.
When parity is enabled, this bit indicates that a parity error has occurred. It is set to 1 when the parity of the oldest byte in
the FIFO (available when reading SBUF1) does not match the selected parity type. This bit must be cleared by firmware.
Value Name Description
0 NOT_SET Parity error has not occurred.
1 SET Parity error has occurred.
5 Reserved Must write reset value.
4 REN 0 RW Receive Enable.
This bit enables/disables the UART receiver. When disabled, bytes can still be read from the receive FIFO, but the receiver
will not place new data into the FIFO.
Value Name Description
0 RECEIVE_DISABLED UART1 reception disabled.
1 RECEIVE_ENABLED UART1 reception enabled.
3 TBX 0 RW Extra Transmission Bit.
The logic level of this bit will be assigned to the extra transmission bit when XBE = 1 in the SMOD1 register. This bit is not
used when parity is enabled.
2 RBX Varies R Extra Receive Bit.
RBX is assigned the value of the extra bit when XBE = 1 in the SMOD1 register. This bit is not valid when parity is enabled
or when XBE is cleared to 0.
1 TI 0 RW Transmit Interrupt Flag.
Set to a 1 by hardware after data has been transmitted at the beginning of the STOP bit. When the UART1 TI interrupt is
enabled, setting this bit causes the CPU to vector to the UART1 interrupt service routine. This bit must be cleared by firm-
ware.
EFM8BB3 Reference Manual
Universal Asynchronous Receiver/Transmitter 1 (UART1)
silabs.com | Building a more connected world. Rev. 0.4 | 376

Bit Name Reset Access Description
0 RI 0 R Receive Interrupt Flag.
Set to 1 by hardware when a byte of data has been received by UART1 (set at the STOP bit sampling time). RI remains set
while the receive FIFO contains any data. Hardware will clear this bit when the receive FIFO is empty. If a read of SBUF1 is
performed when RI is cleared, the most recently received byte will be returned.
EFM8BB3 Reference Manual
Universal Asynchronous Receiver/Transmitter 1 (UART1)
silabs.com | Building a more connected world. Rev. 0.4 | 377

23.4.2 SMOD1: UART1 Mode
Bit 7 6 5 4 3 2 1 0
Name MCE SPT PE SDL XBE SBL
Access RW RW RW RW RW RW
Reset 0 0x0 0 0x3 0 0
SFR Page = 0x20; SFR Address: 0x93
Bit Name Reset Access Description
7 MCE 0 RW Multiprocessor Communication Enable.
This function is not available when hardware parity is enabled.
Value Name Description
0 MULTI_DISABLED RI will be activated if the stop bits are 1.
1 MULTI_ENABLED RI will be activated if the stop bits and extra bit are 1. The extra bit
must be enabled using XBE.
6:5 SPT 0x0 RW Parity Type.
Value Name Description
0x0 ODD_PARITY Odd.
0x1 EVEN_PARITY Even.
0x2 MARK_PARITY Mark.
0x3 SPACE_PARITY Space.
4 PE 0 RW Parity Enable.
This bit activates hardware parity generation and checking. The parity type is selected by the SPT field when parity is ena-
bled.
Value Name Description
0 PARITY_DISABLED Disable hardware parity.
1 PARITY_ENABLED Enable hardware parity.
3:2 SDL 0x3 RW Data Length.
Value Name Description
0x0 5_BITS 5 bits.
0x1 6_BITS 6 bits.
0x2 7_BITS 7 bits.
0x3 8_BITS 8 bits.
1 XBE 0 RW Extra Bit Enable.
When enabled, the value of TBX in the SCON1 register will be appended to the data field.
Value Name Description
0 DISABLED Disable the extra bit.
EFM8BB3 Reference Manual
Universal Asynchronous Receiver/Transmitter 1 (UART1)
silabs.com | Building a more connected world. Rev. 0.4 | 378

Bit Name Reset Access Description
1 ENABLED Enable the extra bit.
0 SBL 0 RW Stop Bit Length.
Value Name Description
0 SHORT Short: Stop bit is active for one bit time.
1 LONG Long: Stop bit is active for two bit times (data length = 6, 7, or 8 bits) or
1.5 bit times (data length = 5 bits).
23.4.3 SBUF1: UART1 Serial Port Data Buffer
Bit 7 6 5 4 3 2 1 0
Name SBUF1
Access RW
Reset Varies
SFR Page = 0x20; SFR Address: 0x92
Bit Name Reset Access Description
7:0 SBUF1 Varies RW Serial Port Data Buffer.
This SFR accesses the transmit and receive FIFOs. When data is written to SBUF1 and TXNF is 1, the data is placed into
the transmit FIFO and is held for serial transmission. Any data in the TX FIFO will initiate a transmission. Writing to SBUF1
while TXNF is 0 will over-write the most recent byte in the TX FIFO.
A read of SBUF1 returns the oldest byte in the RX FIFO. Reading SBUF1 when RI is 0 will continue to return the last avail-
able data byte in the RX FIFO.
EFM8BB3 Reference Manual
Universal Asynchronous Receiver/Transmitter 1 (UART1)
silabs.com | Building a more connected world. Rev. 0.4 | 379

23.4.4 SBCON1: UART1 Baud Rate Generator Control
Bit 7 6 5 4 3 2 1 0
Name Reserved BREN Reserved BPS
Access RW RW RW RW
Reset 0 0 0x0 0x0
SFR Page = 0x20; SFR Address: 0x94
Bit Name Reset Access Description
7 Reserved Must write reset value.
6 BREN 0 RW Baud Rate Generator Enable.
Value Name Description
0 DISABLED Disable the baud rate generator. UART1 will not function.
1 ENABLED Enable the baud rate generator.
5:3 Reserved Must write reset value.
2:0 BPS 0x0 RW Baud Rate Prescaler Select.
Value Name Description
0x0 DIV_BY_12 Prescaler = 12.
0x1 DIV_BY_4 Prescaler = 4.
0x2 DIV_BY_48 Prescaler = 48.
0x3 DIV_BY_1 Prescaler = 1.
0x4 DIV_BY_8 Prescaler = 8.
0x5 DIV_BY_16 Prescaler = 16.
0x6 DIV_BY_24 Prescaler = 24.
0x7 DIV_BY_32 Prescaler = 32.
23.4.5 SBRLH1: UART1 Baud Rate Generator High Byte
Bit 7 6 5 4 3 2 1 0
Name BRH
Access RW
Reset 0x00
SFR Page = 0x20; SFR Address: 0x96
Bit Name Reset Access Description
7:0 BRH 0x00 RW UART1 Baud Rate Reload High.
This field is the high byte of the 16-bit UART1 baud rate generator. The high byte of the baud rate generator should be
written first, then the low byte. The baud rate is determined by the following equation:
Baud Rate = (SYSCLK / (65536 - BRH1:BRL1)) * ((1 / 2) * (1 / Prescaler))
EFM8BB3 Reference Manual
Universal Asynchronous Receiver/Transmitter 1 (UART1)
silabs.com | Building a more connected world. Rev. 0.4 | 380

23.4.6 SBRLL1: UART1 Baud Rate Generator Low Byte
Bit 7 6 5 4 3 2 1 0
Name BRL
Access RW
Reset 0x00
SFR Page = 0x20; SFR Address: 0x95
Bit Name Reset Access Description
7:0 BRL 0x00 RW UART1 Baud Rate Reload Low.
This field is the low byte of the 16-bit UART1 baud rate generator. The high byte of the baud rate generator should be writ-
ten first, then the low byte. The baud rate is determined by the following equation:
Baud Rate = (SYSCLK / (65536 - BRH1:BRL1)) * ((1 / 2) * (1 / Prescaler))
EFM8BB3 Reference Manual
Universal Asynchronous Receiver/Transmitter 1 (UART1)
silabs.com | Building a more connected world. Rev. 0.4 | 381

23.4.7 UART1FCN0: UART1 FIFO Control 0
Bit 7 6 5 4 3 2 1 0
Name TFRQE TFLSH TXTH RFRQE RFLSH RXTH
Access RW RW RW RW RW RW
Reset 0 0 0x0 0 0 0x0
SFR Page = 0x20; SFR Address: 0x9D
Bit Name Reset Access Description
7 TFRQE 0 RW Write Request Interrupt Enable.
When set to 1, a UART1 interrupt will be generated any time TFRQ is logic 1.
Value Name Description
0 DISABLED UART1 interrupts will not be generated when TFRQ is set.
1 ENABLED UART1 interrupts will be generated if TFRQ is set.
6 TFLSH 0 RW TX FIFO Flush.
This bit flushes the TX FIFO. When firmware sets this bit to 1, the internal FIFO counters will be reset, and any remaining
data will not be sent. Hardware will clear the TFLSH bit back to 0 when the operation is complete (1 SYSCLK cycle).
5:4 TXTH 0x0 RW TX FIFO Threshold.
This field configures when hardware will set the transmit FIFO request bit (TFRQ). TFRQ is set whenever the number of
bytes in the TX FIFO is equal to or less than the value in TXTH.
Value Name Description
0x0 ZERO TFRQ will be set when the TX FIFO is empty.
3 RFRQE 0 RW Read Request Interrupt Enable.
When set to 1, a UART1 interrupt will be generated any time RFRQ is logic 1.
Value Name Description
0 DISABLED UART1 interrupts will not be generated when RFRQ is set.
1 ENABLED UART1 interrupts will be generated if RFRQ is set.
2 RFLSH 0 RW RX FIFO Flush.
This bit flushes the RX FIFO. When firmware sets this bit to 1, the internal FIFO counters will be reset, and any remaining
data will be lost. Hardware will clear the RFLSH bit back to 0 when the operation is complete (1 SYSCLK cycle).
1:0 RXTH 0x0 RW RX FIFO Threshold.
This field configures when hardware will set the receive FIFO request bit (RFRQ). RFRQ is set whenever the number of
bytes in the RX FIFO exceeds the value in RXTH.
Value Name Description
0x0 ZERO RFRQ will be set anytime new data arrives in the RX FIFO (when the
RX FIFO is not empty).
EFM8BB3 Reference Manual
Universal Asynchronous Receiver/Transmitter 1 (UART1)
silabs.com | Building a more connected world. Rev. 0.4 | 382

23.4.8 UART1FCN1: UART1 FIFO Control 1
Bit 7 6 5 4 3 2 1 0
Name TFRQ TXNF TXHOLD TIE RFRQ RXTO RIE
Access R R RW RW R RW RW
Reset 1 1 0 1 0 0x0 1
SFR Page = 0x20; SFR Address: 0xD8 (bit-addressable)
Bit Name Reset Access Description
7 TFRQ 1 R Transmit FIFO Request.
Set to 1 by hardware when the number of bytes in the TX FIFO is less than or equal to the TX FIFO threshold (TXTH).
Value Name Description
0 NOT_SET The number of bytes in the TX FIFO is greater than TXTH.
1 SET The number of bytes in the TX FIFO is less than or equal to TXTH.
6 TXNF 1 R TX FIFO Not Full.
This bit indicates when the TX FIFO is full and can no longer be written to. If a write is performed when TXNF is cleared to
0 it will replace the most recent byte in the FIFO.
Value Name Description
0 FULL The TX FIFO is full.
1 NOT_FULL The TX FIFO has room for more data.
5 TXHOLD 0 RW Transmit Hold.
This bit allows firmware to stall transmission until cleared. When set, the UART will complete any byte transmission in pro-
gress, but no further data will be sent. Transmission will continue when the TXHOLD bit is cleared. If CTS is used for hard-
ware flow control, either TXHOLD or CTS assertion will cause transmission to stall.
Value Name Description
0 CONTINUE The UART will continue to transmit any available data in the TX FIFO.
1 HOLD The UART will not transmit any new data from the TX FIFO.
4 TIE 1 RW Transmit Interrupt Enable.
This bit enables the TI flag to generate UART1 interrupts after each byte is sent, regardless of the THTH settings.
Value Name Description
0 DISABLED The TI flag will not generate UART1 interrupts.
1 ENABLED The TI flag will generate UART1 interrupts when it is set.
3 RFRQ 0 R Receive FIFO Request.
Set to 1 by hardware when the number of bytes in the RX FIFO is larger than specified by the RX FIFO threshold (RXTH).
Value Name Description
0 NOT_SET The number of bytes in the RX FIFO is less than or equal to RXTH.
1 SET The number of bytes in the RX FIFO is greater than RXTH.
EFM8BB3 Reference Manual
Universal Asynchronous Receiver/Transmitter 1 (UART1)
silabs.com | Building a more connected world. Rev. 0.4 | 383

Bit Name Reset Access Description
2:1 RXTO 0x0 RW Receive Timeout.
This field defines the length of the timeout on the RX FIFO. If the RX FIFO is not empty but the number of bytes in the FIFO
is not enough to generate a Receive FIFO request, an RFRQ interrupt will be generated after the specified number of idle
frames. An "idle frame is defined as the length of a single transfer on the bus. For example, with a typical 8-N-1 configura-
tion there are 8 data bits, 1 start bit, and 1 stop bit per transfer. An "idle frame" with this configuration is 10 bit times at the
selected baud rate.
Value Name Description
0x0 DISABLED The receive timeout feature is disabled.
0x1 TIMEOUT_2 A receive timeout will occur after 2 idle periods on the UART RX line.
0x2 TIMEOUT_4 A receive timeout will occur after 4 idle periods on the UART RX line.
0x3 TIMEOUT_16 A receive timeout will occur after 16 idle periods on the UART RX line.
0 RIE 1 RW Receive Interrupt Enable.
This bit enables the RI flag to generate UART1 interrupts when there is information available in the receive FIFO, regard-
less of the RXTH settings.
Value Name Description
0 DISABLED The RI flag will not generate UART1 interrupts.
1 ENABLED The RI flag will generate UART1 interrupts when it is set.
23.4.9 UART1FCT: UART1 FIFO Count
Bit 7 6 5 4 3 2 1 0
Name Reserved TXCNT Reserved RXCNT
Access R R R R
Reset 0 0x0 0 0x0
SFR Page = 0x20; SFR Address: 0xFA
Bit Name Reset Access Description
7 Reserved Must write reset value.
6:4 TXCNT 0x0 R TX FIFO Count.
This field indicates the number of bytes in the transmit FIFO.
3 Reserved Must write reset value.
2:0 RXCNT 0x0 R RX FIFO Count.
This field indicates the number of bytes in the receive FIFO.
EFM8BB3 Reference Manual
Universal Asynchronous Receiver/Transmitter 1 (UART1)
silabs.com | Building a more connected world. Rev. 0.4 | 384

23.4.10 UART1LIN: UART1 LIN Configuration
Bit 7 6 5 4 3 2 1 0
Name AUTOBDE BREAKDN SYNCTO SYNCD LINMDE BREAKDNIE SYNCTOIE SYNCDIE
Access RW RW RW RW RW RW RW RW
Reset 0 0 0 0 0 0 0 0
SFR Page = 0x20; SFR Address: 0x9E
Bit Name Reset Access Description
7 AUTOBDE 0 RW Auto Baud Detection Enable.
This bit enables auto-baud detection. Auto-baud measures the time it takes to receive the sync field (an 0x55 byte), and
updates the baud rate reload registers accordingly.
Value Name Description
0 DISABLED Autobaud is not enabled.
1 ENABLED Autobaud is enabled.
6 BREAKDN 0 RW LIN Break Done Flag.
This bit is set by hardware after detection of a valid LIN break. This flag must be cleared by software.
Value Name Description
0 NOT_SET A LIN break has not been detected.
1 BREAK A LIN break was detected since the flag was last cleared.
5 SYNCTO 0 RW LIN Sync Timeout Flag.
This bit is set by hardware if a sync measurement in process overflows the baud rate generator. This is usually an indica-
tion that the prescaler must be increased. When a sync timeout occurs, the baud rate generator is not updated. Firmware
must clear this bit to 0.
Value Name Description
0 NOT_SET A sync timeout has not occured.
1 TIMEOUT A sync timeout occured.
4 SYNCD 0 RW LIN Sync Detect Flag.
This bit is set by hardware after detection of a valid sync word. If LINMDE is set, the sync word must be part of a valid
break-sync sequence. This flag must be cleared by software.
Value Name Description
0 NOT_SET A sync has not been detected or is not yet complete.
1 SYNC_DONE A valid sync word was detected.
3 LINMDE 0 RW LIN Mode Enable.
Enables a full LIN check on incoming data.
Value Name Description
0 DISABLED If AUTOBDE is set to 1, sync detection and autobaud will begin on the
first falling edge of RX.
EFM8BB3 Reference Manual
Universal Asynchronous Receiver/Transmitter 1 (UART1)
silabs.com | Building a more connected world. Rev. 0.4 | 385

Bit Name Reset Access Description
1 ENABLED A valid LIN break field and delimiter must be detected prior to the hard-
ware state machine recognizing a sync word and performing autobaud.
2 BREAKDNIE 0 RW LIN Break Done Interrupt Enable.
Enables the break done interrupt source.
Value Name Description
0 DISABLED The BREAKDN flag will not generate UART1 interrupts.
1 ENABLED The BREAKDN flag will generate UART1 interrupts when it is set.
1 SYNCTOIE 0 RW LIN Sync Detect Timeout Interrupt Enable.
Enables the synctimeout interrupt source.
Value Name Description
0 DISABLED The SYNCTO flag will not generate UART1 interrupts.
1 ENABLED The SYNCTO flag will generate UART1 interrupts when it is set.
0 SYNCDIE 0 RW LIN Sync Detect Interrupt Enable.
Enables the sync detection interrupt source.
Value Name Description
0 DISABLED The SYNCD flag will not generate UART1 interrupts.
1 ENABLED The SYNCD flag will generate UART1 interrupts when it is set.
23.4.11 UART1PCF: UART1 Pin Configuration
Bit 7 6 5 4 3 2 1 0
Name Reserved RXSEL
Access R R
Reset 0x00 0x0
SFR Page = 0x20; SFR Address: 0xDA
Bit Name Reset Access Description
7:2 Reserved Must write reset value.
1:0 RXSEL 0x0 R RX Input Select.
This field selects the source of the UART1 RX signal.
Value Name Description
0x0 CROSSBAR RX is connected to the pin assigned by the crossbar.
0x1 CLU0 RX is connected to the CLU0 output signal.
0x2 CLU1 RX is connected to the CLU1 output signal.
0x3 CLU2 RX is connected to the CLU2 output signal.
EFM8BB3 Reference Manual
Universal Asynchronous Receiver/Transmitter 1 (UART1)
silabs.com | Building a more connected world. Rev. 0.4 | 386

24. Precision Reference (VREF0)
24.1 Introduction
A precision voltage reference is included on-chip. The precision reference may be used to provide the voltage reference for the ADC,
DACs, or used by other circuitry connected to the VREF pin.
24.2 Features
The precision voltage reference includes the following features:
• Stable and production-trimmed.
• Routes to VREF pin to source off-chip analog circuits.
• Two selectable leverls: 1.2 V and 2.4 V.
24.3 Using the Precision Reference
The precision reference source has one control field, VREFSL located in the REF0CN register. VREFSL selects the output voltage for
the reference. When set to NONE, the precision refeence is off, and will not be connected to the VREF pin. The VREF_1P2 and
VREF_2P4 settings both enable the reference and connect it to the VREF pin. VREF should be configured for analog mode when the
reference is used, and an external bypass capacitor of at least 0.1 μF to ground is required.
VREF
GND
1.2 or 2.4V
Precision
Voltage
Reference
>= 0.1 uF
To external
circuitry
Figure 24.1. Precision Voltage Reference Connections
EFM8BB3 Reference Manual
Precision Reference (VREF0)
silabs.com | Building a more connected world. Rev. 0.4 | 387

24.4 VREF Control Registers
24.4.1 REF0CN: Voltage Reference Control
Bit 7 6 5 4 3 2 1 0
Name VREFSL Reserved
Access RW R
Reset 0x0 0x00
SFR Page = 0x0, 0x30; SFR Address: 0xD1
Bit Name Reset Access Description
7:6 VREFSL 0x0 RW Voltage Reference Output Select.
Selects an on-chip reference to drive to the VREF pin.
Value Name Description
0x0 NONE The VREF pin is not driven by an on-chip reference. It may be driven
with an external reference.
0x1 VREF_1P2 1.2 V reference output to VREF pin.
0x2 VREF_2P4 2.4 V reference output to VREF pin.
5:0 Reserved Must write reset value.
EFM8BB3 Reference Manual
Precision Reference (VREF0)
silabs.com | Building a more connected world. Rev. 0.4 | 388

25. Watchdog Timer (WDT0)
25.1 Introduction
The device includes a programmable watchdog timer (WDT) running off the low-frequency oscillator. A WDT overflow forces the MCU
into the reset state. To prevent the reset, the WDT must be restarted by application software before overflow. If the system experiences
a software or hardware malfunction preventing the software from restarting the WDT, the WDT overflows and causes a reset.
Following a reset, the WDT is automatically enabled and running with the default maximum time interval. If needed, the WDT can be
disabled by system software or locked on to prevent accidental disabling. Once locked, the WDT cannot be disabled until the next sys-
tem reset. The state of the RSTb pin is unaffected by this reset.
The WDT consists of an internal timer running from the low-frequency oscillator. The timer measures the period between specific writes
to its control register. If this period exceeds the programmed limit, a WDT reset is generated. The WDT can be enabled and disabled as
needed in software, or can be permanently enabled if desired. When the WDT is active, the low-frequency oscillator is forced on. All
watchdog features are controlled via the Watchdog Timer Control Register (WDTCN).
Watchdog Timer
LFOSC0
Watchdog Timer
Lock and Key
Watchdog
Reset
Timeout Interval
Figure 25.1. Watchdog Timer Block Diagram
25.2 Features
The watchdog timer includes a 16-bit timer with a programmable reset period. The registers are protected from inadvertent access by
an independent lock and key interface.
The Watchdog Timer has the following features:
• Programmable timeout interval
• Runs from the low-frequency oscillator
• Lock-out feature to prevent any modification until a system reset
25.3 Using the Watchdog Timer
Enabling/Resetting the WDT
The watchdog timer is both enabled and reset by writing 0xA5 to the WDTCN register. The user's application software should include
periodic writes of 0xA5 to WDTCN as needed to prevent a watchdog timer overflow. The WDT is enabled and reset as a result of any
system reset.
EFM8BB3 Reference Manual
Watchdog Timer (WDT0)
silabs.com | Building a more connected world. Rev. 0.4 | 389

Disabling the WDT
Writing 0xDE followed by 0xAD to the WDTCN register disables the WDT. The following code segment illustrates disabling the WDT:
CLR EA ; disable all interrupts
MOV WDTCN,#0DEh ; disable software watchdog timer
MOV WDTCN,#0ADh
SETB EA ; re-enable interrupts
The writes of 0xDE and 0xAD must occur within 4 clock cycles of each other, or the disable operation is ignored. Interrupts should be
disabled during this procedure to avoid delay between the two writes.
Disabling the WDT Lockout
Writing 0xFF to WDTCN locks out the disable feature. Once locked out, the disable operation is ignored until the next system reset.
Writing 0xFF does not enable or reset the watchdog timer. Applications always intending to use the watchdog should write 0xFF to
WDTCN in the initialization code.
Setting the WDT Interval
WDTCN.[2:0] controls the watchdog timeout interval. The interval is given by the following equation, where TLFOSC is the low-frequency
oscillator clock period:
TLFOSC × 4
(
WDTCN 2:0 +3
)
This provides a nominal interval range of 0.8 ms to 13.1 s when LFOSC0 is configured to run at 80 kHz. WDTCN.7 must be logic 0
when setting this interval. Reading WDTCN returns the programmed interval. WDTCN.[2:0] reads 111b after a system reset.
25.4 WDT0 Control Registers
25.4.1 WDTCN: Watchdog Timer Control
Bit 7 6 5 4 3 2 1 0
Name WDTCN
Access RW
Reset 0x17
SFR Page = ALL; SFR Address: 0x97
Bit Name Reset Access Description
7:0 WDTCN 0x17 RW WDT Control.
The WDT control field has different behavior for reads and writes.
Read:
When reading the WDTCN register, the lower three bits (WDTCN[2:0]) indicate the current timeout interval. Bit WDTCN.4
indicates whether the WDT is active (logic 1) or inactive (logic 0).
Write:
Writing the WDTCN register can set the timeout interval, enable the WDT, disable the WDT, reset the WDT, or lock the
WDT to prevent disabling.
Writing to WDTCN with the MSB (WDTCN.7) cleared to 0 will set the timeout interval to the value in bits WDTCN[2:0].
Writing 0xA5 both enables and reloads the WDT.
Writing 0xDE followed within 4 system clocks by 0xAD disables the WDT.
Writing 0xFF locks out the disable feature until the next device reset.
EFM8BB3 Reference Manual
Watchdog Timer (WDT0)
silabs.com | Building a more connected world. Rev. 0.4 | 390

26. C2 Debug and Programming Interface
26.1 Introduction
The device includes an on-chip Silicon Labs 2-Wire (C2) debug interface that allows flash programming and in-system debugging with
the production part installed in the end application. The C2 interface uses a clock signal (C2CK) and a bi-directional C2 data signal
(C2D) to transfer information between the device and a host system. Details on the C2 protocol can be found in the C2 Interface Speci-
fication.
26.2 Features
The C2 interface provides the following features:
• In-system device programming and debugging.
• Non-intrusive - no firmware or hardware peripheral resources required.
• Allows inspection and modification of all memory spaces and registers.
• Provides hardware breakpoints and single-step capabilites.
• Can be locked via flash security mechanism to prevent unwanted access.
26.3 Pin Sharing
The C2 protocol allows the C2 pins to be shared with user functions so that in-system debugging and flash programming may be per-
formed. C2CK is shared with the RSTb pin, while the C2D signal is shared with a port I/O pin. This is possible because C2 communica-
tion is typically performed when the device is in the halt state, where all on-chip peripherals and user software are stalled. In this halted
state, the C2 interface can safely "borrow" the C2CK and C2D pins. In most applications, external resistors are required to isolate C2
interface traffic from the user application.
RSTb (a)
Input (b)
Output (c)
MCU
C2CK
C2D
C2 Interface Master
Figure 26.1. Typical C2 Pin Sharing
The configuration above assumes the following:
• The user input (b) cannot change state while the target device is halted.
• The RSTb pin on the target device is used as an input only.
Additional resistors may be necessary depending on the specific application.
EFM8BB3 Reference Manual
C2 Debug and Programming Interface
silabs.com | Building a more connected world. Rev. 0.4 | 391

26.4 C2 Interface Registers
26.4.1 C2ADD: C2 Address
Bit 7 6 5 4 3 2 1 0
Name C2ADD
Access RW
Reset 0x00
This register is part of the C2 protocol.
Bit Name Reset Access Description
7:0 C2ADD 0x00 RW C2 Address.
The C2ADD register is accessed via the C2 interface. The value written to C2ADD selects the target data register for C2
Data Read and Data Write commands.
0x00: C2DEVID
0x01: C2REVID
0x02: C2FPCTL
0xB4: C2FPDAT
26.4.2 C2DEVID: C2 Device ID
Bit 7 6 5 4 3 2 1 0
Name C2DEVID
Access R
Reset 0x34
C2 Address: 0x00
Bit Name Reset Access Description
7:0 C2DEVID 0x34 R Device ID.
This read-only register returns the 8-bit device ID.
26.4.3 C2REVID: C2 Revision ID
Bit 7 6 5 4 3 2 1 0
Name C2REVID
Access R
Reset Varies
C2 Address: 0x01
Bit Name Reset Access Description
7:0 C2REVID Varies R Revision ID.
This read-only register returns the 8-bit revision ID. For example: 0x00 = Revision A.
EFM8BB3 Reference Manual
C2 Debug and Programming Interface
silabs.com | Building a more connected world. Rev. 0.4 | 392

26.4.4 C2FPCTL: C2 Flash Programming Control
Bit 7 6 5 4 3 2 1 0
Name C2FPCTL
Access RW
Reset 0x00
C2 Address: 0x02
Bit Name Reset Access Description
7:0 C2FPCTL 0x00 RW Flash Programming Control Register.
This register is used to enable flash programming via the C2 interface. To enable C2 flash programming, the following co-
des must be written in order: 0x02, 0x01. Note that once C2 flash programming is enabled, a system reset must be issued
to resume normal operation.
26.4.5 C2FPDAT: C2 Flash Programming Data
Bit 7 6 5 4 3 2 1 0
Name C2FPDAT
Access RW
Reset 0x00
C2 Address: 0xB4
Bit Name Reset Access Description
7:0 C2FPDAT 0x00 RW C2 Flash Programming Data Register.
This register is used to pass flash commands, addresses, and data during C2 flash accesses. Valid commands are listed
below.
0x03: Device Erase
0x06: Flash Block Read
0x07: Flash Block Write
0x08: Flash Page Erase
EFM8BB3 Reference Manual
C2 Debug and Programming Interface
silabs.com | Building a more connected world. Rev. 0.4 | 393

27. Revision History
27.1 Revision 0.4
September 9th, 2017
Updated the coloring and formatting.
Added Revision History.
Removed preliminary language and updated the applications listed on the front page.
Added a paragraph to 1.1 Introduction to describe the document organization with the Data Sheet and Reference Manual.
Added pinout information to 1.10 Bootloader.
Added all mentions of buffers to FIFOs and added sizing information.
Updated the DERIVID register to include all I-grade and A-grade part numbers and corrected the DERIVID value for EFM8BB31F32I-
{R}-QFN24 part numbers.
Updated 8.3.4 LFOSC0 80 kHz Internal Oscillator to correct the timer capture source to the falling edge of the LFOSC.
Corrected the register names in 17.3.3 Automatic Address Recognition.
Adjusted the language of the SMBus Timing Control section in 20.3.3 Configuring the SMBus Module.
Fixed the baud rate equation in 23.3.1 Baud Rate Generation.
EFM8BB3 Reference Manual
Revision History
silabs.com | Building a more connected world. Rev. 0.4 | 394

http://www.silabs.com
Silicon Laboratories Inc.
400 West Cesar Chavez
Austin, TX 78701
USA
Simplicity Studio
One-click access to MCU and
wireless tools, documentation,
software, source code libraries &
more. Available for Windows,
Mac and Linux!
IoT Portfolio
www.silabs.com/IoT
SW/HW
www.silabs.com/simplicity
Quality
www.silabs.com/quality
Support and Community
community.silabs.com
Disclaimer
Silicon Labs intends to provide customers with the latest, accurate, and in-depth documentation of all peripherals and modules available for system and software implementers using or
intending to use the Silicon Labs products. Characterization data, available modules and peripherals, memory sizes and memory addresses refer to each specific device, and "Typical"
parameters provided can and do vary in different applications. Application examples described herein are for illustrative purposes only. Silicon Labs reserves the right to make changes
without further notice and limitation to product information, specifications, and descriptions herein, and does not give warranties as to the accuracy or completeness of the included
information. Silicon Labs shall have no liability for the consequences of use of the information supplied herein. This document does not imply or express copyright licenses granted
hereunder to design or fabricate any integrated circuits. The products are not designed or authorized to be used within any Life Support System without the specific written consent of
Silicon Labs. A "Life Support System" is any product or system intended to support or sustain life and/or health, which, if it fails, can be reasonably expected to result in significant personal
injury or death. Silicon Labs products are not designed or authorized for military applications. Silicon Labs products shall under no circumstances be used in weapons of mass
destruction including (but not limited to) nuclear, biological or chemical weapons, or missiles capable of delivering such weapons.
Trademark Information
Silicon Laboratories Inc.® , Silicon Laboratories®, Silicon Labs®, SiLabs® and the Silicon Labs logo®, Bluegiga®, Bluegiga Logo®, Clockbuilder®, CMEMS®, DSPLL®, EFM®, EFM32®,
EFR, Ember®, Energy Micro, Energy Micro logo and combinations thereof, "the world’s most energy friendly microcontrollers", Ember®, EZLink®, EZRadio®, EZRadioPRO®,
Gecko®, ISOmodem®, Micrium, Precision32®, ProSLIC®, Simplicity Studio®, SiPHY®, Telegesis, the Telegesis Logo®, USBXpress®, Zentri and others are trademarks or registered
trademarks of Silicon Labs. ARM, CORTEX, Cortex-M3 and THUMB are trademarks or registered trademarks of ARM Holdings. Keil is a registered trademark of ARM Limited. All
other products or brand names mentioned herein are trademarks of their respective holders.