F4masmbm F4 MAS MB M
User Manual: F4-MAS-MB-M Online ation - AutomationDirect
Open the PDF directly: View PDF .
Page Count: 57

Automationdirect.com
D i r e c t L o g i c 4 0 5
M O D B U S M A S T E R
F 4 – M A S - M B
Order Number: F4-MASMB-M

Automationdirect.com is a Trademark of Automationdirect.com
Modbus is a Trademark of Gould Inc.
Copyright 1994, FACTS Engineering Inc., 8049 Photonics Dr., New Port Richey,
Florida, 34655.. World rights reserved. No part of this publication may be stored in a
retrieval system, transmitted, or reproduced in any way, including but not limited to
photocopy photograph, magnetic or other recording media, without the prior agreement
and written permission of FACTS Engineering, Inc.
TRADEMARKS
COPYRIGHT
Last Issued Date: February 2002
Current Issued Date: June 2002

Thank you for purchasing automation equipment from FACTS Engineering. We want
your new FACTS Engineering automation equipment to operate safely. Anyone who
installs or uses this equipment should read this publication (and any other relevant
publications) before installing or operating the equipment.
To minimize the risk of potential safety problems, you should follow all applicable local
and national codes that regulate the installation and operation of your equipment.
These codes vary from area to area and usually change with time. It is your
responsibility to determine which codes should be followed, and to verify that the
equipment, installation, and operation is in compliance with the latest revision of these
codes.
At a minimum, you should follow all applicable sections of the National Fire Code,
National Electrical Code, and the codes of the National Electrical Manufacturers
Association (NEMA). There may be local regulatory or government offices that can
help determine which codes and standards are necessary for safe installation and
operation.
Equipment damage or serious injury to personnel can result from the failure to follow all
applicable codes and standards. We do not guarantee the products described in this
publication are suitable for your particular application, nor do we assume any
responsibility for your product design, installation, or operation.
If you have any questions concerning the installation or operation of this equipment, or
if you need additional information, please call us at 1-800-783-3225.
This document is based on information available at the time of its publication. While
efforts have been made to be accurate, the information contained herein does not
purport to cover all details or variations in hardware and software, nor to provide for
every possible contingency in connection with installation, operation, and maintenance.
Features may be described herein which are not present in all hardware and software
systems. FACTS Engineering assumes no obligation of notice to holders of this
document with respect to changes subsequently made. FACTS Engineering retains the
right to make changes to hardware and software at any time, without notice. FACTS
Engineering makes no representation or warranty, expressed, implied, or statutory with
respect to, and assumes no responsibility for the accuracy, completeness, sufficiency,
or usefulness of the information contained herein. No warranties of merchantability of
fitness for purpose shall apply.
WARNING
TABLE OF CONTENTS
CHAPTER 1 : INTRODUCTION................................................................................. 1.1
RANDOM READ/WRITE.............................................................................................................1.1
TABLE READ..............................................................................................................................1.1
TABLE WRITE ............................................................................................................................1.1
NETWORK SETUP .....................................................................................................................1.2
CHAPTER 2 : MODULE CONFIGURATION.............................................................. 2.1
SLOT DEPENDENT CONFIGURATION ....................................................................................2.1
CONFIGURATION POINTER (F4-MAS-MB reads from V memory)...........................2.2
MODE WORD (F4-MAS-MB reads from V memory)...................................................2.2
FIRMWARE VERSION / ERROR CODE (F4-MAS-MB writes to V memory) .............2.4
CONFIGURATION TABLE .........................................................................................................2.5
Communication Rate Code..........................................................................................2.5
Communication Rate Code Table ...............................................................................2.5
Radio Keying On-Delay Time.......................................................................................2.6
Radio Keying Off-Delay Time ......................................................................................2.6
Radio Keying Timing....................................................................................................2.6
Wait for First Character Time-Out...............................................................................2.6
Wait for Last Character Time-Out ...............................................................................2.7
Serial Parity and Framing ............................................................................................2.7
F4-MAS-MB JUMPER DESCRIPTIONS AND LOCATIONS......................................................2.8
PORT 2...........................................................................................................................2.8
PORT 1...........................................................................................................................2.8
CLR ALL.........................................................................................................................2.8
F4-MAS-MB PORT PINOUTS ....................................................................................................2.9
F4-MAS-MBR JUMPER DESCRIPTIONS AND LOCATIONS.................................................2.10
CLR ALL.......................................................................................................................2.10
Transmit Level Adjustment Pot.................................................................................2.10
Receive Sensitivity Adjustment Pot..........................................................................2.10
Communication Path Selection.................................................................................2.11
Mode Selection ...........................................................................................................2.11
F4-MAS-MBR PORT PINOUTS................................................................................................2.12
Transmit Relay............................................................................................................2.12
F4-MAS-MBR WIRING DIAGRAM ..............................................................................2.13
CHAPTER 3 : RANDOM READS............................................................................... 3.1
CHAPTER 4 : RANDOM WRITES ............................................................................. 4.1
CHAPTER 5 : TABLE READ/WRITE CONFIGURATION.......................................... 5.1
Read Table and Write Table Status Word (V7010 and V7012)...............................................5.1
Number of Read Table Entries (V7011) ...................................................................................5.2
Number of Write Table Entries (V7013) ...................................................................................5.2
Pointer to Write Data (V7014) ...................................................................................................5.2
Pointer to Write Table Entries (V7015) ....................................................................................5.2
Read Table Entries Configuration............................................................................................5.3
Read Table Data.........................................................................................................................5.3
Write Table Configuration.........................................................................................................5.4
Write Table Data.........................................................................................................................5.4
CHAPTER 6 : CONFIGURATION EXAMPLE............................................................ 6.1
DESCRIPTION OF EXAMPLE....................................................................................................6.1
F4-MAS-MB Example Configuration........................................................................................6.2
F4-SLV-MB Example Configuration.........................................................................................6.4
F4-MAS-MB Example Ladder....................................................................................................6.4
F4-SLV-MB Example Ladder.....................................................................................................6.9
CHAPTER 7 : TROUBLESHOOTING........................................................................ 7.1
Description of Normal Operation (F4-MAS-MB, Modbus on Port 2, Diagnostic Mode
Enabled).........................................................................................................................7.1
Description of Normal Operation (F4-MAS-MB, Modbus on Port 1, RS232 with RTS/CTS)7.1
Common F4-MAS-MB Problems and Solutions......................................................................7.2
APPENDIX A : RADIO MODEM/LEASED LINE MODEM SPECIFICATIONS ..........A.1
TRANSMITTER SPECIFICATIONS........................................................................................... A.1
RECEIVER SPECIFICATIONS .................................................................................................. A.1
FREQUENCY PARAMETERS ................................................................................................... A.2
APPENDIX B : RS232 AND 422/485 WIRING DIAGRAMS ......................................B.1
RS-232 STANDARD...................................................................................................................B.1
RS-232 DTE and DCE Pin Names and Signal Flow .................................................. B.1
IBM COMPUTER CABLES........................................................................................................ B.2
RS-232 WITH HARDWARE HANDSHAKE ...............................................................................B.4
RS-422/485 COMMUNICATION................................................................................................B.5
RS-422/485 POINT-TO-POINT CABLING.................................................................................B.6
RS-485 TWO WIRE MULTI-DROP............................................................................................B.7
Connecting Cables and Line Termination.............................................................................. B.9
INTRODUCTION 1.1
CHAPTER 1 : INTRODUCTION
The FACTS Engineering Modbus Master Module is used to host a Modbus network with an
Automationdirect 405 PLC. The F4-MAS-MB is an intelligent Communication CoProcessor which may
be installed in any slot of a DL405 CPU base.
The network connection can be hardwired, a leased phone line, or various radio configurations. The
F4-MAS-MB communicates with any slave device on the Modbus network using high level Modbus
commands. Modbus function code 3 is used for reads and function code 16 is used for writes. The
F4-MAS-MB can operate in either a random read/write mode, a table read/write mode, or both.
RANDOM READ/WRITE
The random read/write mode uses the DL405 RX/WX (Read from Network/Write to Network) instructions
to trigger Modbus reads and writes. If simple configuration and start-up are important, then the RX/WX
random reads and writes provide that option.
Random reads and writes would typically be used when reads and writes are event driven. The random
read and write modes require minimal configuration of the F4-MAS-MB module.
TABLE READ
The table read/write mode uses a polling list built by the user in DL405 V memory to trigger reads and
writes. Each entry in a read or write table specifies a secondary address (slave device), data address
(V memory location), and the number of bytes to read/write.
The table read feature could be used to constantly read a block of data from several slave devices. This
way the operating status of several machines could be monitored from one central location. The read
parameters are configured once. Once the table read is enabled, the read data is constantly written to
V memory pointed to by the module.
TABLE WRITE
The table write feature could be used to constantly update multiple slave devices with data that represents
analog inputs, PID output, or some other value that needs to stay current in the slave devices.
A status word is used to control the read and write table operations. If fast response and high throughput
are most important, then the table reads and writes provide for that need.

1.2 INTRODUCTION
NETWORK SETUP
The F4-MAS-MB provides two ports which are each jumper selectable for either RS-422 or RS-232
operation. Either port may be selected as the Modbus port. Two hardwired networks using F4-MAS-MB
modules may be installed in the same DL405 CPU base for redundant network configurations.
The non-Modbus port may be enabled for use as a built-in data communication analyzer for
troubleshooting network communications. In addition to reporting network messages, the troubleshooting
port displays module operating status and reports network communication faults such as CRC-16 and no
response errors.
The following examples show some sample hardware setups to illustrate where the F4-MAS-MB fits into a
system.
Example 1 - F4-MAS-MB as Modbus Master with DL340 CPU’s (Need FA-ISONET converter for each
340)and F4-SLV-MB’s as Modbus slaves.
F4-MAS-MB
Modbus Master
F4-SLV-MB
F4-SLV-MB
DL340
DL340
RS-422 Multidrop
Example 2 - F4-MAS-MB as Modbus Master with DL340's (Need FA-ISONET converter for each 340) and
F4-SLV-MB’s as Modbus Slaves. Computer connected to the DL430 or DL440 Slave port (using
DirectNET protocol) monitoring all slave data.
Host Computer
Running Host Software
w / DirectNet Driver
F4-MAS-MB
Modbus Master
F4-SLV-MB
F4-SLV-MB
DL340
DL340
RS-422 Multidrop

INTRODUCTION 1.3
Example 3 - F4-MAS-MBR as Modbus Master with F4-SLV-MBRs as Modbus slaves on a radio network.
DL340
Radio Modem
Radio
F4-MAS-MBR
Modbus Master
F4-SLV-MBR
Radio Modem
Radio
1.4 INTRODUCTION

MODULE CONFIGURATION 2.1
CHAPTER 2 : MODULE CONFIGURATION
The Modbus Master Module configuration consists of three components:
- Minimal Configuration (required for RX / WX operation)
- Read Table Configuration
- Write Table Configuration
Minimal configuration is required to operate the 405 Modbus Master Module in random read and random
write mode. The minimum slot dependent configuration data is described in this chapter.
The Module communication parameters are stored in eight contiguous V memory locations. These
locations included baud rate, radio keying on delay, radio keying off delay, user specified time out, pointers
for table read and table write modes. Since the location of this information is specified by the user it can
be located anywhere in user V memory.
In order to use the Table Read and Table Write Modes the user must build the tables that define the reads
and writes. The Read Table and Write Table Status words are used to control table operation and monitor
the current status. Table entries contain a secondary address, data address, number of items to read or
write, location of data to write or read.
The Table Configuration data can be set up and controlled using relay ladder logic, stage programming,
an operator interface, or a DirectSOFT Data View.
SLOT DEPENDENT CONFIGURATION
The Slot Dependent Data consists of three V memory locations dedicated to each slot of an eight slot
base. The first location is a pointer to the location of the module configuration data. The second location
is a mode word where each bit enables/disables specific functions of the F4-MAS-MB module. The third
location contains the F4-MAS-MB version number and an error code if the Table Read or Table Write
mode is selected and there is a major error in their configuration(s).
Slot Number Configuration Pointer Mode Word Error Code
0 V7350 V7351 V7352
1 V7353 V7354 V7355
2 V7356 V7357 V7360
3 V7361 V7362 V7363
4 V7364 V7365 V7366
5 V7367 V7370 V7371
6 V7372 V7373 V7374
7 V7375 V7376 V7377

2.2 MODULE CONFIGURATION
CONFIGURATION POINTER (F4-MAS-MB reads from V memory)
Pointer to first V memory address of the Configuration Table. This location is read after power up or a
program to run transition. The Configuration Table data consists of the baud rate, radio keying delays,
pointers to locations of table information.
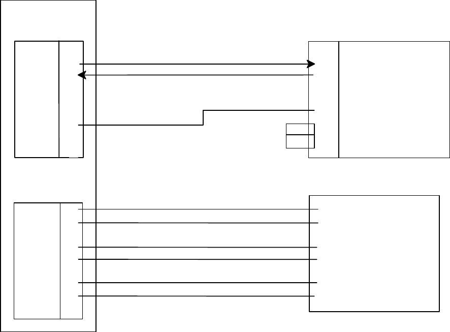
This ladder shows how a table starting address of V5000 is specified for a F4-MAS-MB installed in slot 4.
Word configuration will start at V5000
Table starting address for Slot 4
MODE WORD (F4-MAS-MB reads from V memory)
This location is read after power up or reset. Add the binary weights of the options desired and load the
resulting number into the V memory location for the slot that the F4-MAS-MB is installed in.
Bit Function ON OFF Binary Weight
0 Modbus Port Port 1 Port 2 1 (1Hex)
1 Diagnostic Mode Enable Disable 2 (2Hex)
2 Reserved Reserved Reserved 4 (4Hex)
3 RS-485 Echo Suppression Enable Disable 8 (8Hex)
4 Automatic Address Recognition Enable Disable 16 (10Hex)
5 Carrier Adjust Enable Disable 32 (20Hex)
6 Table Read Enable Disable 64 (40Hex)
7 Table Write Enable Disable 128 (80Hex)
8 Select Read Function Code FC4 FC3 256 (100Hex)
9 – 15 Reserved
Modbus Port
Turn this bit 'ON' to select Port 1 for Modbus, 'OFF' to select Port 2 for Modbus. If diagnostic mode will be
used set the Modbus port to port 2.
Diagnostic Mode
If enabled and the Modbus Port is Port 2 then all Modbus communications will be echoed out Port 1. In
this mode all messages transmitted and replies received are echoed out of port 1 at 9600 baud (no parity,
8-bit word, 1 stop bit). Data bytes are displayed in hexadecimal. Received and transmitted messages are
preceded by "RXD =" and "TXD =" respectively. At power up the current module configuration will be
printed out of port 1. This mode is only recommended during startup or troubleshooting.
If enabled and the Modbus Port is Port 2 then all Modbus communications will be echoed out Port 1.
MODULE CONFIGURATION 2.3
RS485 Echo Suppression
Two wire RS-485 connections cause all transmissions to be echoed. This echo must be suppressed so
the F4-MAS-MB does not interpret the echo as the slave response. Turn ON this bit to automatically
suppress the RS485 echo. If you are using four wire RS422 then Turn OFF this bit.
Automatic Address Recognition
Valid for Port 1 only. If enabled it forces an 11-Bit data frame with an 8-bit word and 1 stop bit. The 9th
parity bit is used to distinguish between address and data bytes. The hardware on the F4-MAS-MB or the
F4-SLV-MB checks this bit, if it is a 1 and the address byte matches, the subsequent data bytes are
loaded and processed. Use this feature when all remotes are FACTS modules and the host supports
AAR. The FACTS Modbus Master module F4-MAS-MB supports the AAR feature.
Carrier Adjust
If enabled and Port 2 is the Modbus Port and Debug Mode is Enabled then the radio keying relay is closed
and the radio carrier is output until this bit is reset. If Modbus is on Port 2 and Diagnostic mode is enabled
the message "Adjusting Radio Modem Carrier" is printed out of port 1 until the Carrier Adjust bit is turned
off. If this is not a F4-MAS-MBR module then RTS will be turned ON on port 2. This feature is for
adjustment purposes only.
Table Read
If enabled the information required for the Table Read function is loaded and the Table Read is executed
based on the Table Read Status Word.
Table Write
If enabled the information required for the Table Write function is loaded and the Table Write is executed
based on the Table Write Status Word.
Select Read Function Code
Turn this bit on to configure the F4-MAS-MB to use function code 4 for reads. Function code 4 is used to
read Modbus input register addresses (30001 range). Leave this bit off to use function code 3 for reads.
Function code 3 is used to read Modbus holding register addresses (40001 range).
2.4 MODULE CONFIGURATION
FIRMWARE VERSION / ERROR CODE (F4-MAS-MB writes to V memory)
This location will contain the Version number in the High Byte and the Error Code in the Low Byte. This
location is written after power up or reset and after table configuration data has been validated.
Low Byte Error Codes:
00 - no errors detected in read table, write table, last RX or WX
Table Errors:
01 - read table configuration error
02 - write table configuration error
04 - read table run-time error
08 - write table run-time error
RX/WX Errors:
10 - Invalid Number of Bytes (64 Max for RX/128 Max for WX)
20 - Time Out Error
40 - CRC Error
8n - Modbus Error (n=Modbus Error code)
Example: A F4-MAS-MB module in slot 0 has powered up with a Read Table Configuration Error so
V7352=1001 (BCD/HEX in DirectSOFT Data View). Version 1.0 F4-MAS-MB with a Read
Table Configuration Error. The Read Table Error can be determined from the Read Table
Status Word.

MODULE CONFIGURATION 2.5
CONFIGURATION TABLE
V - Memory Location Description
V7000 Communications Rate Code
V7001 Radio Keying ON Delay
V7002 Radio Keying OFF Delay
V7003 Wait for First Character Timeout
V7004 Wait for Last Character Timeout
V7005 Serial Parity and Framing
V70056- V7007 Reserved
V7010 - V7017 Optional Table driven read / write configuration data
Communication Rate Code
The Location specified as the Table Beginning Address (V7000) contains the communication rate code for
the Modbus communication port. The Communication Rate Code table shows each communication rate
code. If an invalid code is found the baud rate will default to 1200. The maximum baud rate for Port 2 is
9600. The maximum baud rate that can be set on a radio modem module is 1200 baud.
Communication Rate Code Table
Communication Rate Code Communication Rate (bps)
1 300
2 600
3 1200
4 2400
5 4800
6 9600
7 19200
8 38400
9 57600
A 115200

2.6 MODULE CONFIGURATION
Radio Keying On-Delay Time
The Radio Keying On-Delay Time should be placed at the Table Beginning Address + 1 (V7001). The
value is in BCD in units of milliseconds between 0 and 9999. This value is used for Port 1 and Port 2. It
should be set to one if a direct wire connection is used.
Radio Keying Off-Delay Time
The Radio Keying Off-Delay Time should be placed at the Table Beginning Address + 2 (V7002). The
value is in BCD in units of milliseconds between 0 and 9999. This value is used for Port 1 and Port 2. It
should be set to one if a direct wire connection is used.
Radio Keying Timing
If the Modbus port is a RS232 port, the Radio Keying Delays affect the RTS line of that port. If the
Modbus port is a Radio Modem, the Radio Keying Delays affect the RTS line and the Keying Relay of that
port.
RXD
TXD
Keying
Relay
or RTS
Wait for First Character Time-Out
The Wait for First Character Time-Out should be placed at the Table Beginning Address + 3 (V7003).
The value is in BCD in units of milliseconds between 1 and 9999. This value is used for Port 1 and Port 2.
If a value of zero is in this location the Wait for Last Character Time-Out will default to 100 milliseconds.
This value determines how long the Modbus Master will wait for a response.

MODULE CONFIGURATION 2.7
Wait for Last Character Time-Out
The Wait for Last Character Time-Out should be placed at the Table Beginning Address + 4 (V7004). The
value is in BCD in units of milliseconds between 1 and 9999. This value is used for Port 1 and Port 2. If a
value of zero is in this location the Wait for Last Character Time-Out will default to 3.5 character times
based on the current baud rate. This is useful for adjusting out radio noise when the carrier is dropped.
Serial Parity and Framing
Value Setting
0 No Parity, 8 Data Bits, 1 Stop Bit
1 No Parity, 8 Data Bits, 2 Stop Bits
2 Odd Parity, 8 Data Bits, 1 Stop Bit
3 Even Parity, 8 Data Bits, 1 Stop Bit

2.8 MODULE CONFIGURATION
F4-MAS-MB JUMPER DESCRIPTIONS AND LOCATIONS
PORT 2
The communication interface type for port 2 is
selected by placing a jumper on one of the
port 2 options, either RS422 or RS232. The
RS232 selection is the default factory setting.
PORT 1
The communication interface type for port 1 is
selected by placing a jumper on one of the
port 1 options, either RS422 or RS232. The
RS232 selection is the default factory setting.
CLR ALL
This jumper should always remain on one post (this is the factory setting).
CAUTION: Installing the CLR ALL jumper on both posts will prevent the module from operating
correctly.

MODULE CONFIGURATION 2.9
F4-MAS-MB PORT PINOUTS
PORT 1
Pin Symbol Description
1 RXD1+ Data Input High, RS-422
2 TXD1 Data Output, RS-232
3 RXD1 Data Input, RS-232
4 RTS1 DTE has data to xmit, RS-232
5 CTS1 DTE may xmit data, RS-232
6 RXD1- Data Input Low, RS-422
7 GND Signal Ground
8 TXD1- Data Output Low, RS-422
9 TXD1+ Data Output High, RS-422
PORT 2
Pin Symbol Description
1 RXD2+ Data Input High, RS-422
2 TXD2 Data Output, RS-232
3 RXD2 Data Input, RS-232
4 RTS2 DTE has data to xmit, RS-232
5 CTS2 DTE may xmit data, RS-232
6 RXD2- Data Input Low, RS-422
7 GND Signal Ground
8 TXD2- Data Output Low, RS-422
9 TXD2+ Data Output High, RS-422

2.10 MODULE CONFIGURATION
F4-MAS-MBR JUMPER DESCRIPTIONS AND LOCATIONS
CLR ALL
This jumper should always remain on one post (this is factory setting).
CAUTION: Installing the CLR ALL jumper on both posts will prevent the module from operating
correctly.
Transmit Level Adjustment Pot
Access to the transmit level adjustment pot is made via the small hole above the Port 2 DE-9 connector
marked TXL. Turn the 25 turn pot clockwise to reduce the transmit level. Place a jumper on the Fixed
Output posts to select the fixed -9 dBm transmit level. Place a jumper on the Four Wire Adjustable
Output posts to enable transmit level adjustment.
Receive Sensitivity Adjustment Pot
Access to the receive sensitivity pot is made via the small hole above the Port 1 DE-9 connector marked
SENS. Turn the 25 turn pot counter-clockwise to attenuate (decrease) the receive sensitivity. To
disable the pot place a jumper on the "600" pins. To enable 2-wire or 4-wire sensitivity adjustment,
position a jumper on the pins labeled "2ADJ" or "4ADJ" respectively.

MODULE CONFIGURATION 2.11
Communication Path Selection
Install a single jumper in one of the four sets of pins labeled ALB, 600, 2ADJ, OR 4ADJ in the diagram
below. This selects the signal path as shown in the table below.
Communication Path ALB 600 2ADJ 4ADJ
Data TXD to RXD (analog loop back) n ¨ ¨ ¨
4-Wire w / no RXD sensitivity adjustment ¨ n ¨ ¨
2-Wire w / RXD sensitivity adjustment ¨ ¨ n ¨
4- Wire w / RXD sensitivity adjustment ¨ ¨ ¨ n
Mode Selection
Modem operating mode selection is made by positioning jumpers on the last 5 pairs of pins labeled "4"
to "0" as shown in the following tables. A "¨ " in the following tables indicates that the jumper should be
removed whereas a “n" indicates that it should be installed.
300 BAUD
Modem Operating Mode Description 4 3 2 1 0
Bell 103 orig., 300bps, full-duplex, 2-wire n
n
n
n
n
Bell 103 orig., 300bps, full-duplex, 4-wire
(Receive = Transmit frequency, 1070 / 1270 Hz)
¨
n
n
n
n
Bell 103 answer, 300 bps, full-duplex, 2-wire n
n
n
n
¨
Bell 103 answer, 300 bps, full-duples, 4-wire
(Receive = Transmit frequency, 2025 / 2225 Hz)
¨
n
n
n
¨
600 BAUD
Modem Operating Mode Description 4 3 2 1 0
CCITT V.23 mode 1, 600 bps, half-duplex, 2-wire n
¨
n
n
n
CCITT V.23 mode 1, 600 bps, full-duplex, 4-wire ¨
¨
n
n
n
CCITT V.23 mode 1, 600 bps, half-duplex, 2-wire w/ soft turn off n
¨
¨
n
n
1200 BAUD
Modem Operating Mode Description 4 3 2 1 0
Bell 202, 1200 bps, half-duplex, 2-wire n
n
n
¨
n
Bell 202, 1200 bps, full-duplex, 4-wire ¨
n
n
¨
n
Bell 202 w / equalization, 1200 bps, half-duplex, 2-wire n
n
n
¨
¨
Bell 202 w / equalization, 1200 bps, full-duplex, 4-wire ¨
n
n
¨
¨
CCITT V.23 mode 2, 1200 bps, half-duplex, 2-wire n
n
¨
¨
n
CCITT V.23 mode 2, 1200 bps, full-duplex, 4-wire ¨
n
¨
¨
n
CCITT V.23 mode 2, 1200 bps, half-duplex, 2-wire w/soft turn off n
¨
¨
¨
n
CCITT V.23 mode 2 w / equalization, 1200 bps, half-duplex n
n
¨
¨
¨
CCITT V.23 mode 2 w / equalization, 1200 bps, full-duplex ¨
n
¨
¨
¨
CCITT V.23 mode 2 w / equalization, 1200 bps, half-duplex, 2-wire w/soft turn off n
¨
¨
¨
¨

2.12 MODULE CONFIGURATION
F4-MAS-MBR PORT PINOUTS
PORT 1
Pin Symbol Description
1 n/c No Connection, reserved
2 TXD1 Data Output, RS-232
3 RXD1 Data Input, RS-232
4 RTS1 DTE has data to xmit, RS-232
5 CTS1 DTE may xmit data, RS-232
6 n/c No Connection, reserved
7 GND Signal Ground
8 n/c No Connection, reserved
9 n/c No Connection, reserved
PORT 2
Pin Description
1 Modem Transmit -
2 Modem Transmit +
3 reserved
4 Modem Receive -
5 Modem Receive +
6 no connection
7 Relay Output N.O.
8 Relay Output Com
9 no connection
Transmit Relay
An on-board Solid State relay provides a normally open contact closure which can be used to key a
radio transmitter. Maximum load current is 100 mA from 0 to 300 V ac or dc. Maximum ON state
resistance is 24 Ù. The relay closes when the RTS line is asserted. See page X for a description of the
timing of the radio keying relay.

MODULE CONFIGURATION 2.13
F4-MAS-MBR WIRING DIAGRAM
Port 2 Pin
n/c
TXD1
RXD1
RTS1
CTS1
n/c
GND
n/c
n/c
-Send
+Send
-Rcvd
+Rcvd
N.O.
Com
1
2
3
4
5
6
7
8
9
1
2
3
4
5
6
7
8
9
Port 1 Pin
F4-MAS-MBR
22
3
2
4
5
7
6
8
20
RI
RXD (input)
TXD (output)
RTS (output)
CTS (input)
GND (logic com)
DSR (input)
DCD (input)
DTR (output)
PC Serial port, 25 pin
-Data IN (microphone)
+Data IN
-Data OUT (speaker)
+Data OUT
+Key Transmitter
-Key (Push to talk)
Typical Data Radio
¬ For half duplex (2-wire) operation, connect Port 2 pins 1 to 4 and pins 2 to 5.

RANDOM READS 3.1
CHAPTER 3 : RANDOM READS
Once the module configuration data has been read the F4-MAS-MB(R) is ready to execute random
Modbus reads triggered from the PLC.
Module in slot 0
Read from Slave 1
Read 1 Word, 2 Bytes
Place data start @ V1400
Interrupt F4-MAS-MB and read from Modbus Data
Address 0 (40001 if bit 8 of Mode Word is OFF)
The Error relay associated w/ slot is energized if the
Modbus slave returns an error response. The
Modbus exception response code will be placed in
V7352 for random reads and writes.
LD Kssaa - ss is the slot number where the F4-MAS-MB is located
aa is the Hex address of the Modbus slave to read
LD Knnnn - number of data items (words) to read in Hex
LDA Vffff - Starting location to place data that is read from network
RX Vnnnn - Modbus data address to read from
The V-memory value to specify is calculated by one of the following formulas:
If bit 8 of Mode Word is OFF
Modbus Address – 40001 then Convert Result to Octal
40101-40001 = 100d / 144o / V144
If bit 8 of Mode Word is ON
Modbus Address – 30001 then Convert Result to Octal
31001-30001 = 1000d / 1750o / V1750
RANDOM READS
3.2

RANDOM WRITES 4.1
CHAPTER 4 : RANDOM WRITES
Once the module configuration data has been read the F4-MAS-MB module is ready to execute random
Modbus writes triggered from the PLC.
Module in slot 0
Write to Slave 1
Write 1 Word, 2 Bytes
Write data starting from V1400
Interrupt F4-MAS-MB and write to Modbus Data
Address 0 (40001)
The Error relay associated w/ slot is energized if
the Modbus slave returns an error response.
The Modbus exception response code will be
placed in V7352 for random reads and writes.
LD Kssaa - ss is the slot number where the F4-MAS-MB is located.
aa is the Hex address of the Modbus slave
LD Knnnn - number of data items (bytes) to write in hex
LDA Vffff - location of data to write to network
WX Vnnnn- Modbus data address to write
The V-memory value to specify is calculated by the following formula:
Modbus Address – 40001 then Convert Result to Octal
40101-40001 = 100d / 144o / V144
RANDOM WRITES
4.2

TABLE READ/WRITE CONFIGURATION 5.1
CHAPTER 5 : TABLE READ/WRITE CONFIGURATION
The Table Configuration data will be read constantly if table read or table write (bit 6 or 7 of the mode
word) mode is enabled. The V-memory location referred to in this chapter assume that the Configuration
Pointer in the Slot Dependent V-Memory has a value 7000 BCD.
V - Memory Description
V7010 Read Table Status Word
V7011 Number of Read Table Entries
V7012 Write Table Status Word
V7013 Number of Write Table Entries
V7014 Pointer to Write Table Data
V7015 Pointer to Write Table Entires
V7016 Reserved
V7017 Reserved
Read Table and Write Table Status Word (V7010 and V7012)
Meaning High Byte Low Byte
Stop Executing Table 0 0
Execute Table 0 1
Time-Out Error 02 nn = Table Entry in Error
First table entry is 01
CRC16 Error 04 nn = Table Entry in Error
First table entry is 01
Modbus Error m8
m = Modbus Exception Code
1 - Illegal Function
2 - Illegal Data Address
3 - Illegal Data Value
4 - Failure in Associated Device
5 - Acknowledge
6 - Busy, Rejected Message
7 - Negative Acknowledgement
8 - Memory Parity Error
nn = Table Entry in Error
First table entry is 01
Table Configuration Error cF
c = Configuration Error Code
1 - Invalid slave address in table entry
2 - Invalid number of bytes in table entry
3 - Table start address below user V-memory
4 - End of table after user V-memory
5 - Invalid Number of Entries
nn = Table Entry in Error
First table entry is 01
TABLE READ/WRITE CONFIGURATION 5.2
Number of Read Table Entries (V7011)
BCD value for the number of Read Table Entries. Each entry takes four V memory locations starting at
the first V memory location after the Table configuration Data (V7020 in this example). Value must be in
the range of 1 to 64.
Number of Write Table Entries (V7013)
BCD value for the number of Write Table Entries. Each entry takes four V memory locations starting at
the V memory location pointed to by the Pointer to Write Table Entries (V7015 in Table Configuration).
Value must be in the range of 1 to 64.
Pointer to Write Data (V7014)
BCD value that points to the starting V memory location that data will be written from. Each Table Write
Entry specifies the number of words to write, this number is used to calculate which V-memory locations
will be used for each Table entry. Value must be in the range V1400 to V7377.
Pointer to Write Table Entries (V7015)
BCD value that points to the starting V memory location that Table Write Entries will be loaded from.
Each Table Write Entry uses four V memory locations. Value must be in the range V1400 to V7377.
TABLE READ/WRITE CONFIGURATION 5.3
Read Table Entries Configuration
The Read Table Entries start at the next V memory location after the Table Configuration Data (V7020 in
this case).
(A): (F4-MAS-MB reads from V memory)
Address of slave for this entry - 1 to 247 in HEX
(B): (F4-MAS-MB reads from V memory)
Modbus Data Start Address in HEX
(C): (F4-MAS-MB reads from V memory)
Number of words to read - 1 to 125 in HEX
(D): (Allocate space)(F4-MAS-MB calculates and writes to V-mem)
Pointer to starting location that data was written to.
Repeat for each Read Table Entry.
Read Table Data
The data read for each Read Table entry is placed starting at the first V memory location after the last
Read Table Entry. This location is pointed to by the fourth V memory location in each entry (D). This
value is caculated by the module to simplify RLL access of network data.
Entry 1 (A) V7020
(B) V7021
(C) V7022
(D) V7023
Entry 2 (A) V7024
(B) V7025
(C) V7026
(D) V7027
Entry 3 (A) V7030
(B) V7031
(C) V7032
(D) V7033
. .
.
.
Up to 64 Entries
TABLE READ/WRITE CONFIGURATION 5.4
Write Table Configuration
The Write Table entries start at the V memory location indicated by the Pointer to Write Table Entries
value in the Table Configuration. (V7070 in this case)
(A): (F4-MAS-MB reads from V memory)
Address of slave for this entry - 1 to 247 in HEX
(B): (F4-MAS-MB reads from V memory)
Modbus Data Start Address in HEX
(C): (F4-MAS-MB reads from V memory)
Number of words to write - 1 to 125 in HEX
(D): (Allocate space)(F4-MAS-MB calculates and writes to V mem)
Pointer to starting location that data was written from for this entry.
Repeat for each Write Table Entry.
Write Table Data
The Write Table Data starts at the location indicated by the Write Table Data value in the Table
Configuration. The starting location for each entry is pointed to by the fourth V memory location of each
entry.
Entry 1 (A) V7070
(B) V7071
(C) V7072
(D) V7073
. .
.
.
Up to 64 Entries
CONFIGURATION EXAMPLE 6.1
CHAPTER 6 : CONFIGURATION EXAMPLE
DESCRIPTION OF EXAMPLE
· The F4-MAS-MB is installed in Slot 0 of a 4-Slot 405 CPU Base.
· There are three F4-SLV-MBs on a RS422 multidrop line connected to the F4-MAS-MB.
· The three remotes are setup as secondary address 1,2 and 3 respectively.
· The baud rate required is 115.2K
· Port 1 of the F4-MAS-MB will be the Modbus Master port.
· Port 1 of the F4-SLV-MBs will be the Modbus Slave Ports.
· The F4-MAS-MB will read V1400 through V1407 from each remote and place these values in one
block of V memory. This block of V-memory containing the values from all three slaves will be
written to V3000 through V3027 in each slave.
· The F4-MAS-MB will write a value of FFFF to V3030 of each slave for use with a watchdog timer.
If the slave does not get this value within a certain period of time it will be considered a time-out,
if the slave does get this value it will clear it and wait for the next one.

CONFIGURATION EXAMPLE
6.2
F4-MAS-MB Example Configuration
The following tables show how the F4-MAS-MB configuration V memory locations should be set for this
example. The locations that show dddd are dynamic locations and will change based on F4-MAS-MB
operation.
Slot Dependent Configuration
V7350 - Start V-memory 7000
V7351 - Mode Word 00C9 (1+8+64+128=201decmial = C9 Hex)
V7352 - Version / Error Code 11dd
Module Configuration
V7000 - baud rate code 000A
V7001 - radio keying ON delay 0000
V7002 - radio keying OFF delay 0000
V7003 - wait for first 0000
V7004 - wait for last 0000
Table Configuration
V7010 - read table status word dddd
V7011 - number read table entries 0003
V7012 - write table status word dddd
V7013 - number write table entries 1
V7014 - pointer to write data 7034
V7015 - pointer to write entries 7070
Table Entries
V7020 - slave address 0001
V7021 - data address 0300
V7022 - number of words 0008
V7023 - pointer to read data 0E1C - (V7034)
V7024 - slave address 0002
V7025 - data address 0300
V7026 - number of words 0008
V7027 - pointer to read data 0E24 - (7044)
V7030 - slave address 0003
V7031 - data address 0300
V7032 - number of words 0008
V7033 - pointer to read words 0E2C - (7054)

CONFIGURATION EXAMPLE 6.3
Read Data
V7034 - V7043 Data read from entry 1
V7044 - V7053 Data read from entry 2
V7054 - V7063 Data read from entry 3
Write Entries
V7070 -slave address 0000 - (broadcast address)
V7071 - data address 0600 - (V3000)
V7072 - number of words 0025
V7073 - pointer to write data 0E1C - (V7034)
Write Data
The Write Table Data in this example is the data that was read with the Read Table. This was done by
making the pointer to the write data (V7014) the same location as the start of read data.
The watchdog value of FFFF will be placed into V7064 by PLC ladder logic.

CONFIGURATION EXAMPLE
6.4
F4-SLV-MB Example Configuration
The following table shows how the F4-SLV-MB configuration V memory locations should be set for this
example. See the F4-SLV-MB User's Manual. Each F4-SLV-MB is installed in slot 0.
V7350 - Configuration Pointer K7300
V7351 - Mode Word 0005 (1+4 = 5Decimal = 5Hex)
V7300 - Baud Rate code 000A
V7301 - Slave Address 0001 - (slave 1)
0002 - (slave 2)
0003 - (slave 3)
V7302 - Radio keying ON delay 0000
V7303 - Radio keying OFF delay 0000
V7304 - Wait for last character 0000
F4-MAS-MB Example Ladder
The following ladder logic uses the SP0 contact to configure the table driven network read/write
operation of the Modbus master module. Note that these values are written into non-volatile V-Memory.
If these values are loaded using DirectSoft or a host software package then the SP0 rungs would not be
required. The module reads the configuration values at power up or a program to run transition of the
CPU.
On First
Scan Only
Load pointer to configuration for a F4-
MAS-MB installed in slot 0
Load Mode Word for slot 0
Modbus port 1 = 1
Multidrop ON = 8
Table read ON = 64
Table write ON = 128
Total = 201

CONFIGURATION EXAMPLE 6.5
F4-MAS-MB Ladder (Continued)
On First
Scan Only
Baud rate code
Wait for first character timeout value
On First
Scan Only
Number of Read Table Entries
Number of Write table entries
Pointer to Write table data
Pointer to Write table entries

CONFIGURATION EXAMPLE
6.6
F4-MAS-MB Ladder (Continued)
On First
Scan Only Read table entry number 1
Secondary address
Data address (1400Octal - 300Hex)
Number of words to read
On First
Scan Only Read table entry number 2
Secondary address
Data address (1400Octal - 300Hex)
Number of words to read

CONFIGURATION EXAMPLE 6.7
F4-MAS-MB Ladder (Continued)
On First
Scan Only Read table entry number 3
Secondary address
Data address (1400Octal - 300Hex)
Number of words to read
On First
Scan Only Write table entry number 1
Secondary address(0 is broadcast
address)
Data address(3000Octal - 600Hex)
Number of words to write

CONFIGURATION EXAMPLE
6.8
F4-MAS-MB Ladder (Continued)
On First
Scan Only
Value used for watchdog timer in
secondaries
If no errors in last read table
execution then execute it
If no errors in last write table
execution then execute it
On First
Scan Only
If read error and not executing read
table then store last error in V6000
and execute read table
If write error and not executing write
table then store last error in V6001
and execute write table

CONFIGURATION EXAMPLE 6.9
F4-SLV-MB Example Ladder
On First
Scan Only
Load configuration pointer
Load mode word for F4-SLV-MB
modbus port 1 = 1
multidrop ON = 4
(1+4=5)
Baud rate code(A for 115200)
Secondary address(Change for
secondary 2 and 3)

CONFIGURATION EXAMPLE
6.10
On First
Scan Only
When V3030 is equal to zero turn ON
C0 and set V3030 = 0
If C0 is OFF for > 3 secs. Then there
is a comm. time-out
Count the number of communication
time-outs
TROUBLESHOOTING
7.1
CHAPTER 7 : TROUBLESHOOTING
Description of Normal Operation (F4-MAS-MB, Modbus on Port 2, Diagnostic
Mode Enabled)
1. At power up the F4-MAS-MB power LED comes on and stays on.
2. The F4-MAS-MB signs on as a D4-DCM in the I/O Configuration.
3. The Slot Dependent V-memory and the Configuration Table V-memory is read to determine the
configuration.
4. The TX1 LED flashes green while the module configuration is printed out of port 1.
5. The TX2 LED flashes green each time the F4-MAS-MB transmits a Modbus request. The TX1
LED flashes green while the Modbus request is echoed out of Port 1 in a readable format.
6. The RX2 LED flashes green while the F4-MAS-MB receives the response from the addressed
slave. The TX1 LED flashes green while the Modbus response is echoed out of Port 1 in a
readable format.
7. Steps 5 and 6 repeat.
Description of Normal Operation (F4-MAS-MB, Modbus on Port 1, RS232 with
RTS/CTS)
1. At power up the F4-MAS-MB power LED comes on and stays on.
2. The F4-MAS-MB signs on as a D4-DCM in the I/O Configuration.
3. The Slot Dependent V-memory and the Configuration Table V-memory is read to determine the
configuration.
4. The TX1 LED flashes green and the TX2 LED flashes red (indicates port1 RTS asserted) each
time the F4-MAS-MB transmits a Modbus request.
5. The RX1 LED flashes green and the RX2 LED flshes red (indicates port 1 CTS asserted) while
the F4-MAS-MB receives the response from the addressed slave.
6. Steps 4 and 5 repeat.
TROUBLESHOOTING
7.2
Common F4-MAS-MB Problems and Solutions
Problem: I changed values in the Slot Dependent V-memory or Configuration Table V-memory but
the changes do not have any effect.
Cause: Slot Dependent V-memory and Configuration Table V-memory is only read at power up.
Solution: Power Cycle the PLC for the changes to take effect.
Problem: The Power LED is ON and the TX LED flashes but the RX LED never flashes and the
Modbus master reports a time-out error.
Cause 1: The baud rate does not match the Modbus slave(s).
Solution 1: Change the baud rate (Table Beginning Address + 0) so it matches.
Cause 2: The slave address(es) does not match the address in the Modbus master request.
Solution 2: Verify the address the master is sending requests to and make sure the Modbusslave
addresses match.
Cause 3: The Port configuration jumper is set wrong.
Solution 3: Set the jumper to RS232 or RS422 to match the master.
Problem: The Power LED is ON and the TX LED flashes and the RX LED flashes but the Modbus
master reports a CRC-16 or time-out errors.
Cause: In a Radio Modem application delays may be required to prevent communication errrors.
Solution: The Radio Keying Delays (Table Beginning Address + 1 and +2) need to be increased.

RADIO MODEM/LEASED LINE MODEM SPECIFICATIONS A.1
APPENDIX A : RADIO MODEM/LEASED LINE MODEM
SPECIFICATIONS
TRANSMITTER SPECIFICATIONS
Description Min Typ Max Units
Fixed Carrier Output Level -10 -9 dBm
Adjustable Carrier Output Level -40 0 dBm
Frequency Accuracy (Except 202) -0.4 0.4 Hz
Frequency Accuracy (202 Mark) -1.0 1.0 Hz
Request to Send (RTS) to Clear to Send
(CTS) ON Delay (std.)
25
8
ms @ 300 bps
ms @ 1200 bps
Request to Send (RTS) to Clear to Send
(CTS) OFF Delay (std.)
.5 msec
RECEIVER SPECIFICATIONS
Description Min Typ Max Units
Received Signal Range -45 0 dBm
Carrier Detect ON Level -42 dBm
Carrier Detect Hysteresis 5.5 dB
Frequency Deviation Tolerance -16 16 Hz
Carrier Detect ON Delay 10
3
16
5
ms @ 300 bps
ms @ 1200 bps
Carrier Detect OFF Delay 7
2
20
8.5
ms @ 300 bps
ms @ 1200 bps

RADIO MODEM/LEASED LINE MODEM SPECIFICATIONS
A.2
FREQUENCY PARAMETERS Transmit Frequency Receive Frequency
Modem Mode Baud
Rate Space Hz Mark Hz Space Hz Mark Hz
Bell 103 Origin 300 1070 1270 2025 2225
Bell 103 Answer 300 2025 2225 1070 1270
CCITT V.23 Mode 1 600 1700 1300 1700 1300
CCITT V.23 Mode 2 1200 2100 1300 2100 1300
CCITT V.23 Mode 2
Equalized
1200 2100 1300 2100 1300
Bell 202 1200 2200 1200 2200 1200
Bell 202 Equalized 1200 2200 1200 2200 1200

RS232 AND 422/485 WIRING DIAGRAMS
B.1
APPENDIX B : RS232 AND 422/485 WIRING DIAGRAMS
RS-232 STANDARD
RS-232-C (RS-232) is an interface standard from the Electronic Industries Association (EIA). The
standard names and defines 20 communication signals, assigned to separate pins in a 25-pin connector.
The five unassigned pins may carry nonstandard signals required by any individual system.
Each signal is transmitted as a positive or negative electric current between 3 and 15 volts (usually 12
volts). The signal assigned to each pin flows in one direction only. Signals output, for example, from a
computer must input to a terminal, and vice versa.
RS-232 signals travel over a serial interface cable that may have up to 25 wires. Since most signals are
not required for simple communication, cables have as few as 2 or 3 wires. As shown in the following
cabling diagrams, jumpers often are installed at one or both of the connectors to ensure that flow control
signals are satisfied.
The signals flow between two types of interface ports, data communication equipment (DCE) and data
terminal equipment (DTE). The pin names are the same for both DCE and DTE equipment, however, the
direction of signal flow is reversed.
RS-232 DTE and DCE Pin Names and Signal Flow
Signal Direction
Pin
Abrev. Name DCE DTE
Description
1
FG
Frame Ground
None
None
2
TXD
Transmit Data
Input
Output
DTE Output Data Path
3
RXD
Receive Data
Output
Input
DCE Output Data Path
4
RTS
Request to Send
Input
Output
DTE has data to XMIT
5
CTS
Clear to Send
Output
Input
DTE may XMIT data
6
DSR
Data Set Ready
Output
Input
DCE has data to XMIT
7
SG
Signal Ground
Input
Output
8
DCD
Data Carrier Detect
Output
Input
Modem has carrier
20
DTR
Data Terminal Ready
Input
Output
DCE may XMIT data
22
RI
Ring Indicator
Output
Input

RS232 AND 422/485 WIRING DIAGRAMS
B.2
IBM COMPUTER CABLES

RS232 AND 422/485 WIRING DIAGRAMS
B.3
IDENTIFYING A COMMUNICATION PORT AS DCE OR DTE
With an unknown RS-232 port powered, measure the dc voltage between pin-2 and ground (pin-7) and
pin-3 and ground. If the most negative pin is pin-2 then the port is DTE. If the most negative pin is pin-3
then the port is DCE. Improper connection of pins 2 and 3 will not damage the interface.

RS232 AND 422/485 WIRING DIAGRAMS
B.4
RS-232 WITH HARDWARE HANDSHAKE
RS232 AND 422/485 WIRING DIAGRAMS
B.5
RS-422/485 STANDARD
The RS-485 transceivers on CoProcessor's so equipped are compatible with both RS-422 and RS-485
signals.
RS-422 uses high current differential outputs and is specified to 4000 feet at 10 Megabaud. Lower speed
communications, such as 19.2K baud, may use substantially longer cables.
RS-485 is an upgraded version of EIA RS-422-A and offers higher current tri-state drivers which are
internally protected from bus contentions caused by multiple drivers on the same line. RS-485 drivers will
also withstand higher voltages on their outputs when disabled (high impedance state). RS-485 is
specified for multiple transmitter and multiple receiver systems as well as single and multi-drop RS-422
applications. The RS-422 specification permits only one driver and 10 receivers on a line. The RS-485
standard allows up to 32 drivers and receivers on the same transmission line.
RS-422/485 COMMUNICATION
Most CoProcessors have one RS-422/485 communication interface some have two. To select a port for
RS232 or RS422/485 data reception mode, please refer to "JUMPER DESCRIPTIONS AND
LOCATIONS" in the chapter for the CoProcessor module that you are using. Transmissions from a
selectable port are always available at RS-232 and RS-422/485 signal levels simultaneously.

RS232 AND 422/485 WIRING DIAGRAMS
B.6
RS-422/485 POINT-TO-POINT CABLING

RS232 AND 422/485 WIRING DIAGRAMS
B.7
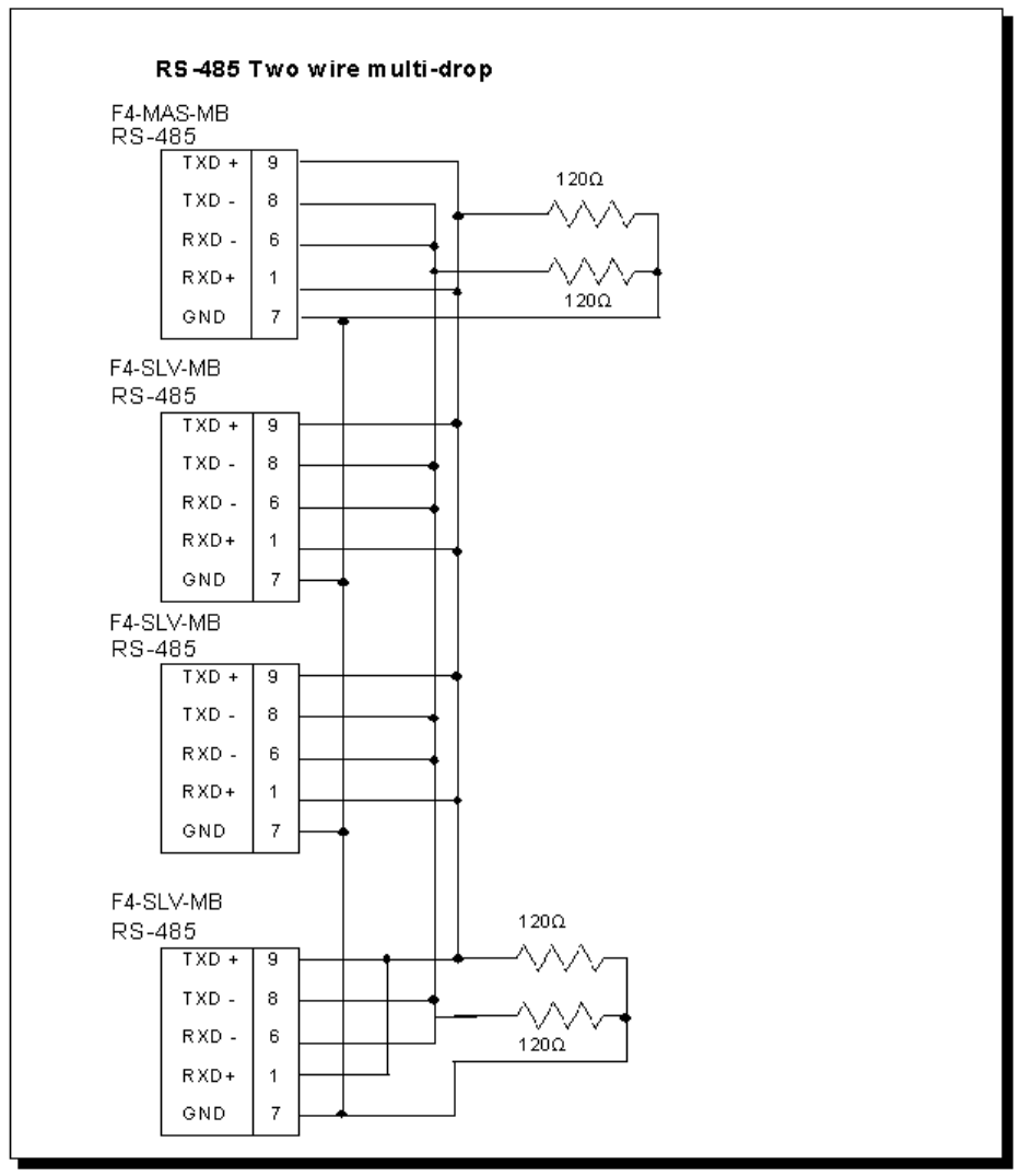
RS-485 TWO WIRE MULTI-DROP

RS232 AND 422/485 WIRING DIAGRAMS
B.8
RS-422 FOUR WIRE MULTI-DROP
RS232 AND 422/485 WIRING DIAGRAMS
B.9
Cable Shielding
Shielding improves noise immunity (magnetic field protection). It is important to ground the shield at the
receiver end only. Grounding the receiver end only provides the least high frequency signal attenuation
and the best rejection of unwanted signals. Grounding both ends of the shield will cause magnetic field
induced noised currents to flow through ground. Noise may then appear on the data lines due to
transformer like coupling with the shield. If the cable shield is used as the system ground conductor then
placing a 100Ω resistor in series with the shield and the ground connection will reduce noise producing
ground currents.
Connecting Cables and Line Termination
A dual twisted pair plus ground connection is recommended for 4-wire RS-422 networks. Proper
termination of the balanced transmission line is required to prevent data errors. A typical AWG 22 solid
wire with .060 inch plastic cover, twisted 4.5 times per foot has a characteristic impedance of about 120Ω.
Thus the selection of the two 62Ω line-to-ground terminating resistors. Line-to-ground termination is
preferred to the often shown line-to-line 120Ω termination. In noisy or long line applications the much
better line-to-ground common-mode rejection capability is particularly important. In multidrop networks,
the line must be terminated at the extreme ends only as shown in the two previous diagrams. Addition of
intermediate terminations will adversely load the line. If both the transmit and receive ends of the same
twisted pair are terminated, double the value of the termination resistors.