To Begin A Parts Catalog, Click Load Contents In The Top Menu Bar FAQG7017K Faqg7017
User Manual: FAQG7017K
Open the PDF directly: View PDF
.
Page Count: 12

Product No. FAQG7017KB0
FAQG7017KW0
Market North America North America
Color black white
Volts 120 120
Wiring Diagram 137115300 137115300
Owner's Guide 137135000 137135000
Installation Instructions
137134900 137134900
P16L0043.eps P16V0138.eps P16D0061.eps P16C0246.eps P16M0035.eps P16b0021.eps
137115300G.eps
Electrolux Major Appliances
North & Latin America
P.O. BOX 212378
AUGUSTA, GA 30917
Publication No.
5995540076
09/05/13
(EN/SERVICE/WTC)
154
GAS DRYER
Model No.
FAQG7017K
Copyright © 2009 Electrolux Home Products, Inc.
All rights reserved.

Publication No: 5995540076 FAQG7017K
05/09 2
CABINET/DRUM
16
17
18 18
18
40
40
40
41
40A
40A
40A
41
40A
40A
40A 41
18
18
23
25
21
44
44
P16V0138
28R
28L
8
2
4
2
2
2
28
2
2
2
35
20
20
27L
27R
27B
42
30
29
31

FAQG7017K Publication No: 5995540076
# Functional Parts 3 05/09
* Non-Illustrated Parts
CABINET/DRUM
Model Index: A FAQG7017K (FAQG7017KB0)
B FAQG7017K (FAQG7017KW0)
POS. NO PART NO. DESCRIPTION
2 131168200 A B Screw, pan head, 8-18B x 0.31
4 134792200 A B Bracket, mounting, terminal block
8 134694400 A B Cover, terminal block
16 134694020 A B Duct, heat, rear
17 134792900 A B Protector, edge, right top front
18 131477000 A B Screw, 10-16AB x 0.375
20 134705900 A B Seal, felt, drum
20* 5308027429 A B Adhesive, high temp
21 134711900 A B Drum, dryer, assembly 36"
23 # 134786110 A B Sensor-moisture, assembly
23* 134930800 A B Harness, moisture sensor
25 134912100 A B Bracket, mounting, main control bx
27B 134690200 A B Base, dryer
27L 134690360 A - Panel, left side, black
27L 134690310 - B Panel, left side, white
27R 134690460 A - Panel, right side, black
27R 134690410 - B Panel, right side, white
28 134713200 A B Panel, backsheet, rear
28L 137029900 A B Bracket, reinforcement, left, backsheet
28R 137066800 A B Bracket, reinforcement, right, backsheet
29 131205100 A B Screw, #8 pan head, 10-10B x 0.500, cr/sq drive
30 137116800 A B Vane, straight, white
31 # 134501000 A B Power Cord, electric svce
31* 134790900 A B Strain Releif, 120, pwr cord
35 134706200 A B Bracket, top panel mtg., rear
40 134715900 A B Roller, wheel, complete asmy
40* 134716200 A B Retainer, roller wheel, assembly
40A 134716700 A B Washer, flat
41 134716800 A B Nut, 3/8-16
42 134712815 A B Bulkhead, panel, rear
44 137029700 A B Leveling Leg, screw

Publication No: 5995540076 FAQG7017K
05/09 4
FRONT PANEL/LINT FILTER
62
64
53
56
48
44
52
52
47
46
45
43
43
68
68
50
49
60
50
50
50
50
39
58
17
18
18
40
60
40A
40A
41
40
40A
40A
41
6
1
28
28
20
28
2
25
9
26
28 9
9
2
2
33
22
2
2
27
P16D0061
9
66
8
42
70

FAQG7017K Publication No: 5995540076
# Functional Parts 5 05/09
* Non-Illustrated Parts
FRONT PANEL/LINT FILTER
Model Index: A FAQG7017K (FAQG7017KB0)
B FAQG7017K (FAQG7017KW0)
POS. NO PART NO. DESCRIPTION
1 137068200 A B Seal, air duct
2 131168200 A B Screw, pan head, 8-18B x 0.31
6 134710705 A B Duct, air, gray
8 134701310 A B Cover, lint housing
9 131633220 A - Plug, gray
9 131633200 - B Plug, white
17 134792900 A B Protector, edge, right top front
18 131477000 A B Screw, 10-16AB x 0.375
20 137116600 A B Gasket, front panel
20* 5308027429 A B • Adhesive, high temp
22 134696660 A - Panel, front, black
22 134696610 - B Panel, front, white
25 131658820 A - Door Catch, gray, upper
25 131658800 - B Door Catch, upper
26 # 134813661 A - Switch, door, rectangle, gray
26 # 131843101 - B Switch, door, rectangle, white, with drum light
26* 134910300 A B Harness, wire, door switch
27 134701410 A B Filter, lint, complete
28 137034500 A B Clip, mounting, cabinet front
33 137067110 A B Ramp, gray, door
39 134680900 A B Hinge, door
40 134715900 A B Roller, wheel, complete asmy
40* 134716200 A B Retainer, roller wheel, assembly
40A 134716700 A B Washer, flat
41 134716800 A B Nut, 3/8-16
42 134696110 A B Bulkhead, panel, front
43 134559300 A B Bracket, door glass
44 134720902 A B Gasket, door seal, gray
45 134611800 A B Glass, inner door
46 134580300 A B Gasket, door glass, inner
47 134683941 A B Panel, inner door, gray
48 134558410 A B Panel, outer door, platinum
48* 134554500 A B Pad, outer door
49 5303211430 A B Door Strike
50 131303300 A B Screw, pan head, 10-16AB x 0.500, locking
52 134529600 A B Screw, indt pan head, 8-18AB x 0.375
53 134558600 A B Ring, door transition
56 134550600 A B Glass, outer door lens
58 # 131843500 A B Lamp Assy, drum light, w/mtg bracket
58*# 131862800 A B • Lamp
60 134430300 A B Screw, indt pan head, 10-14 x 0.625, quadrex
62 134680710 A B Plug, hinge cutout, platinum
64 137166825 A B Nameplate, Affinity
66 134680820 A - T-Plug, hinge hole
66 134680800 - B T-Plug, hinge hole
68 134742002 A B Plug, hinge hole, grey
70 134417502 A B Plug, rectangular

Publication No: 5995540076 FAQG7017K
05/09 6
CONTROLS/TOP PANEL
27B
19
19
22
1
39
3
29
6
16
15
13
12
9
9
9
11
8
8
4
5
55
57
56
53
23
P16C0246
27A

FAQG7017K Publication No: 5995540076
# Functional Parts 7 05/09
* Non-Illustrated Parts
CONTROLS/TOP PANEL
Model Index: A FAQG7017K (FAQG7017KB0)
B FAQG7017K (FAQG7017KW0)
POS. NO PART NO. DESCRIPTION
1 # 137070860 A B Control Board, printed circuit, with housing
3 134551210 A B Knob, program
4 134553100 A B Light Pipe, program
5 # 134556500 A B Interface Board, pc, auxiliary
6 134347700 A B Pin, program knob
8 134555510 A B Push Button, round, #1
9 134553410 A B Push Button, oval, #1
11 134595610 A B Push Button, oval, start
12 134884900 A B Spring, push button
13 134557501 A B Light Pipe, start group
15 134552800 A B Light Pipe, 5 x 4
16 134600000 A B Light Pipe, row of 5
19 134402900 A B Screw, Phillips, 6-19 x 0.650
22 # 134602100 A B Wiring Harness, interface board
23 # 134710300 A B Harness, wire
23* 134910200 A B Harness, control
27A 134710900 A B Bracket, control panel, left hand, mounting
27B 134711000 A B Bracket, control panel, right hand, mounting
29 137169060 A - Panel, control console, black
29 137169010 - B Panel, control console
39 131205100 A B Screw, #8 pan head, 10-10B x 0.500, cr/sq drive
53 134365060 A - Panel, work top, black
53 134365000 - B Panel, work top, white
55 134553200 A B Lens, digital display
56 134557300 A B Light Pipe, digital display
57 # 134503300 A B Display, digital

Publication No: 5995540076 FAQG7017K
05/09 8
MOTOR
47
52
10
34 15
4
28
27 11
20
23
7
46
25
P16M0035
22
52
2
8A
8
2

FAQG7017K Publication No: 5995540076
# Functional Parts 9 05/09
* Non-Illustrated Parts
MOTOR
Model Index: A FAQG7017K (FAQG7017KB0)
B FAQG7017K (FAQG7017KW0)
POS. NO PART NO. DESCRIPTION
2 131168200 A B Screw, pan head, 8-18B x 0.31
4 131435200 A B Lock, blower housing
7 134693900 A B Tube, exhaust, rear
8 # 134711400 A B LIMITER, thermal, exhaust, flush mount
8A 134935200 A B Screw, #8-32 X .25, W/#6 QUADREXPAN
10 # 131775600 A B Blower Assy, housing, w/cover & wheel
11 131749800 A B Spacer, idler
15 # 134587700 A B Thermistor, control
20 131017900 A B Screw, hex head, 1/4-20T x 1.25, spacer mtg., thread cutting
22 131601000 A B Spring, idler arm
23 134793500 A B Idler Arm Assy, w/pulley
25 # 134719300 A B Belt, "H", poly V, 5 rib
27 134242400 A B Clamp, motor mtg.
28 # 137115900 A B Motor, dryer drive, with pulley
34 131243700 A B Screw, pan head, 8-18AB x 0.375
46 134693500 A B Bracket, motor mounting
47 131633300 A B Seal, exhaust tube
52 131202300 A B Screw, 10-16AB x 0.625

Publication No: 5995540076 FAQG7017K
05/09 10
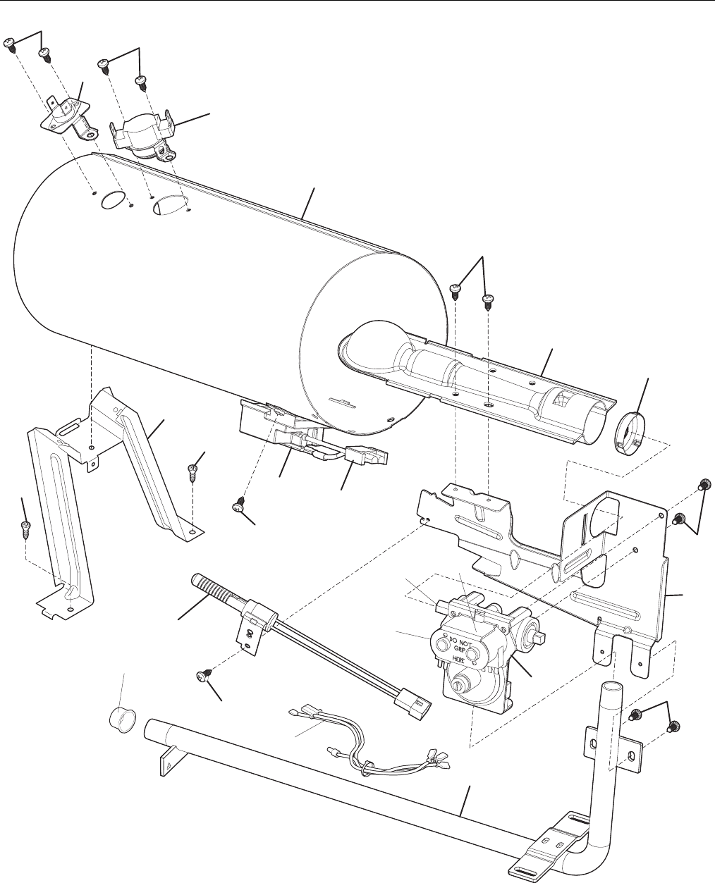
BURNER
33
8
8A
8A
80
34
77
76
34
79
2
4
2
2
61
34
70
64
P16B0021
34
74
65
55
79A
71
72
73

FAQG7017K Publication No: 5995540076
# Functional Parts 11 05/09
* Non-Illustrated Parts
BURNER
Model Index: A FAQG7017K (FAQG7017KB0)
B FAQG7017K (FAQG7017KW0)
POS. NO PART NO. DESCRIPTION
2 131168200 A B Screw, pan head, 8-18B x 0.31
4 134785000 A B Bracket, heater/burner, mounting
8 # 134711500 A B LIMITER, thermal
8A 134935200 A B Screw, #8-32 X .25, W/#6 QUADREXPAN
33 # 137116700 A B Thermostat, high limit
34 131243700 A B Screw, pan head, 8-18AB x 0.375
55 137029500 A B Harness, burner
61 134715800 A B Bracket, gas valve
64 137019100 A B Pipe, gas
65 08015112 A B Cap, pipe
70 # 5303207409 A B Valve, gas
71 # 5303307291 A B Coil, secondary
72 # 5303307292 A B Coil, booster
73 # 5303207410 A B Orifice, natural gas, size 44
74 # 134192000 A B Igniter Assy
76 134714400 A B Collar, alignment, gas valve
77 # 134197700 A B Burner, gas
79 # 5303281135 A B Sensor, radiant
79A 134259100 A B Harness, flame sensor
80 # 134692500 A B Tube, burner

Publication No: 5995540076 FAQG7017K
05/09 12
WIRING DIAGRAM