FDC6330L Datasheet. Www.s Manuals.com. Fairchild
User Manual: Marking of electronic components, SMD Codes 33, 33**A, 33**B, 33-***, 330, 33063, 33063AP1, 33063AVP, 33063V, 33151, 333, 33340, 33342, 339I, 33=***, 33A, 33T, 33Y. Datasheets 1.5SMC33AT3, BZV49-C33, DTA143XE, DTA143XKA, DTA143XM, DTA143XUA, FDC6330L, LMV339IDT, LMV339IPT, MC33063AD, MC33063AP1, MC33063AVD, MC33063AVP, MC33063MNTXG, MC33151DG, MC33340D, MC33342D, NCV33063AVDR2, RT9269GE, RT9269PE, SC33063ADR2G, ST8433AS , ST8433BS , STF203-33, TK71533AS, ZD33-AE3, ZD33-CL2.
Open the PDF directly: View PDF
.
Page Count: 5

FDC6330L
FDC6330L Rev. C
FDC6330L
Integrated Load Switch
General Description
This device is particularly suited for compact power
management in portable electronic equipment where 3V
to 20V input and 2.3A output current capability are needed.
This load switch integrates a small N-Channel power
MOSFET (Q1) which drives a large P-Channel power
MOSFET (Q2) in one tiny SuperSOTTM-6 package.
February 1999
Features
• VDROP = 0.2V @ VIN = 12V, IL=2.5 A. R(ON)= 0.08 Ω
VDROP = 0.2V @ VIN= 5V,IL= 1.6 A. R(ON)= 0.125 Ω.
• Control MOSFET (Q1) includes Zener protection for
ESD ruggedness (>6kV Human Body Model).
• High performance PowerTrenchTM technology for
extremely low on-resistance.
• SuperSOTTM-6 package design using copper lead frame
for superior thermal and electrical capabilities.
1999 Fairchild Semiconductor Corporation
Absolute Maximum Ratings TA=25oC unless otherwise noted
Symbol Parameter Ratings Units
VIN Input Voltage Range (Note 1) 3 - 20 V
VON/OFF On/Off Voltage Range 1.5 - 8 V
IDLoad Current - Continuous
(
Note 2
)
2.3 A
- Pulsed 10
PDMaximum Power Dissipation (Note 1) 0.7 W
TJ, Tstg Operatin
g
and Stora
g
e Temperature Ran
g
e -55 to +150 °C
ESD Electrostatic Dischar
g
e Ratin
g
MIL-STD-883D
Human-Bod
y
-Model
(
100pf/1500 Ohm
)
6kV
Thermal Characteristics
RθJA Thermal Resistance, Junction-to-Ambient (Note 2) 180 °C/W
RθJC Thermal Resistance, Junction-to-Case (Note 2) 60 °C/W
Package Marking and Ordering Information
Device Marking Device Reel Size Tape width Quantity
.330 ( . Denotes pin 1) FDC6330L 7’’ 8mm 3000 units
Applications
• Power management
• Load actuation
See Application Circuit
1
5
6
3
2
Vin,R1 Vout,C1
R2
ON/OFF
R1,C1
Q2
Q1
4
Vout,C1
IN OUT
ON/OFF
EQUIVALENT CIRCUIT
VDR O P
+-
SuperSOT -6
TM

FDC6330L
FDC6330L Rev. C
Electrical Characteristics TA=25oC unless otherwise noted
S
y
mbol Parameter Test Conditions Min Typ Max Units
OFF Characteristics
IFL Leaka
g
e Current VIN = 20 V, VON/OFF = 250 µA1
µA
ON Characteristics (Note 3)
VIN = 12 V, VON/OFF = 3.3 V, IL = 2.5 A 0.2 V VDROP Conduction Voltage
VIN = 5 V, VON/OFF = 3.3 V, IL = 1.6 A 0.2 V
R(ON) Q2 - Static On-Resistance VGS = -12 V, ID = -2.3 A
VGS = -5 V, ID = -1.9 A 0.054
0.081 0.08
0.125 Ω
VDROP = 0.2 V, VIN = 12 V, VON/OFF = 3.3 V 2.5 ILLoad Current
VDROP = 0.2 V, VIN = 5 V, VON/OFF = 3.3 V 1.6
A
Notes:
1. Range of Vin can be up to 30V, but R1 and R2 must be scaled such that VGS of Q2 does not exceed 20V.
2. RθJA is the sum of the junction-to-case and case-to-ambient thermal resistance where the case thermal reference is defined as the solder mounting
surface of the drain pins. RθJC is guaranteed by design while RθJA is determined by the user’s board design.
3. Pulse Test: Pulse Width < 300µs, Duty Cycle < 2.0%.
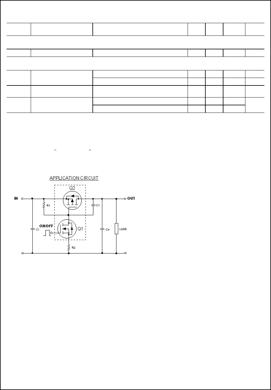
FDC6330L Load Switch Application
External Component Recommendation:
For applications where Co ≤ 1µF.
For slew rate control, select R2 in the range of 1k - 4.7kΩ .
For additional in-rush current control,C1 ≤ 1000pF can be added.
Select R1 so that the R1/R2 ratio ranges from 10 - 100. R1 is required to turn Q2 off.

FDC6330L
FDC6330L Rev. C
Figure 1. Conduction Voltage Drop
Variation with Load Current. Figure 2. Conduction Voltage Drop
Variation with Load Current.
Figure 3. On-Resistance Variation
with Input Voltage.
Typical Characteristics (continued)
Figure 4.Transient Thermal Response Curve.
Thermal characterization performed using the conditions described in Note 2.
Transient themal response will change depending on the circuit board design.
012345
0
0.1
0.2
0.3
0.4
0.5
I , (A)
V ( V)
DRO P
L
V = 5V
V = 1. 5 - 8 V
PW =300u s, D≤
2%
ON/OF F
IN
T = 125°C
J
T = 25°C
J
012345
0
0.1
0.2
0.3
0.4
I , (A)
V ( V)
DRO P
L
V = 12V
V = 1. 5 - 8 V
PW =300u s, D≤
2%
ON/OF F
IN
T = 125°C
J
T = 25°C
J
24681012
0
0.05
0.1
0.15
0.2
0.25
V , ( V)
R ,(Ohm)
IN
I = 1A
V = 1.5 - 8 V
PW =3 00us, D≤
2%
ON/OFF
L
(O N)
T = 125°C
J
T = 25°C
J
0.0001 0.001 0.01 0.1 1 10 100 300
0.01
0.02
0.05
0.1
0.2
0.5
1
t , TIME (sec)
TRANSIENT THERMAL RESISTANCE
1
Single Pulse
D = 0.5
0.1
0.05
0.02
0.01
0.2
r(t), NORMALIZED EFFECTIVE
Duty Cycle, D = t / t
12
T - T = P * R (t)
θJA
A
J
P(pk)
t
1 t
2
R (t) = r(t) * R
R =180°C/W
θ
JA
θ
JA
θ
JA

TRADEMARKS
ACEx™
CoolFET™
CROSSVOLT™
E2CMOSTM
FACT™
FACT Quiet Series™
FAST®
FASTr™
GTO™
HiSeC™
The following are registered and unregistered trademarks Fairchild Semiconductor owns or is authorized to use and is
not intended to be an exhaustive list of all such trademarks.
LIFE SUPPORT POLICY
FAIRCHILD’S PRODUCTS ARE NOT AUTHORIZED FOR USE AS CRITICAL COMPONENTS IN LIFE SUPPORT
DEVICES OR SYSTEMS WITHOUT THE EXPRESS WRITTEN APPROVAL OF FAIRCHILD SEMICONDUCTOR CORPORATION.
As used herein:
ISOPLANAR™
MICROWIRE™
POP™
PowerTrench™
QS™
Quiet Series™
SuperSOT™-3
SuperSOT™-6
SuperSOT™-8
TinyLogic™
1. Life support devices or systems are devices or
systems which, (a) are intended for surgical implant into
the body, or (b) support or sustain life, or (c) whose
failure to perform when properly used in accordance
with instructions for use provided in the labeling, can be
reasonably expected to result in significant injury to the
user.
2. A critical component is any component of a life
support device or system whose failure to perform can
be reasonably expected to cause the failure of the life
support device or system, or to affect its safety or
effectiveness.
PRODUCT STATUS DEFINITIONS
Definition of Terms
Datasheet Identification Product Status Definition
Advance Information
Preliminary
No Identification Needed
Obsolete
This datasheet contains the design specifications for
product development. Specifications may change in
any manner without notice.
This datasheet contains preliminary data, and
supplementary data will be published at a later date.
Fairchild Semiconductor reserves the right to make
changes at any time without notice in order to improve
design.
This datasheet contains final specifications. Fairchild
Semiconductor reserves the right to make changes at
any time without notice in order to improve design.
This datasheet contains specifications on a product
that has been discontinued by Fairchild semiconductor.
The datasheet is printed for reference information only.
Formative or
In Design
First Production
Full Production
Not In Production
DISCLAIMER
FAIRCHILD SEMICONDUCTOR RESERVES THE RIGHT TO MAKE CHANGES WITHOUT FURTHER
NOTICE TO ANY PRODUCTS HEREIN TO IMPROVE RELIABILITY, FUNCTION OR DESIGN. FAIRCHILD
DOES NOT ASSUME ANY LIABILITY ARISING OUT OF THE APPLICATION OR USE OF ANY PRODUCT
OR CIRCUIT DESCRIBED HEREIN; NEITHER DOES IT CONVEY ANY LICENSE UNDER ITS PATENT
RIGHTS, NOR THE RIGHTS OF OTHERS.
