SD800_manual &file=SD800 Manual
User Manual: SD800_manual
Open the PDF directly: View PDF
.
Page Count: 20

Drum Sander
Save These Instructions
X8801
OPERATING INSTRUCTIONS
COMMERCIAL DRUM SANDER
CONGRATULATIONS
YOU HAVE JUST ACQUIRED A HIGH QUALITY DRUM
SANDER. PLEASE READ THIS MANUAL CAREFULLY
BEFORE OPERATING YOUR NEW SANDER. KEEP
MANUAL ON HAND FOR FURTHER REFERENCES.

SAVE THESE INSTRUCTIONS FOR FUTURE REFERENCE
*When using an electrical cleaner, basic precautions should be followed.
*Read all instructions before using sander.
Safety Instructions . . . . . . . . . . . . . . . . . . . . . . . . . . . . . . . . . . . . . . . . . . . . . . . . . . . . . . . .1-2
Important parts of the machine . . . . . . . . . . . . . . . . . . . . . . . . . . . . . . . . . . . . . . . . . . . . .3-4
How to assemble the machine
Dust suction tube and bag . . . . . . . . . . . . . . . . . . . . . . . . . . . . . . . . . . . . . . . . . . . . . . . .5
Setting up the machine
Leveling the machine . . . . . . . . . . . . . . . . . . . . . . . . . . . . . . . . . . . . . . . . . . . . . . . . . . . .6
Sandpaper installation . . . . . . . . . . . . . . . . . . . . . . . . . . . . . . . . . . . . . . . . . . . . . . . . . . .7
Sanding drum pressure . . . . . . . . . . . . . . . . . . . . . . . . . . . . . . . . . . . . . . . . . . . . . . . . . .7
Starting the motor . . . . . . . . . . . . . . . . . . . . . . . . . . . . . . . . . . . . . . . . . . . . . . . . . . . . . . .8
Instructions for electrical connection to 115V . . . . . . . . . . . . . . . . . . . . . . . . . . . . . . . . . .8
How to operate the machine . . . . . . . . . . . . . . . . . . . . . . . . . . . . . . . . . . . . . . . . . . . . . . . .10
Maintenance
Changing and adjusting the Poly - V Belt. . . . . . . . . . . . . . . . . . . . . . . . . . . . . . . . . . . .11
Sanding drum maintenance . . . . . . . . . . . . . . . . . . . . . . . . . . . . . . . . . . . . . . . . . . . . . .11
Maintenance of the wheels . . . . . . . . . . . . . . . . . . . . . . . . . . . . . . . . . . . . . . . . . . . . . . .11
Prevention maintenance .. . . . . . . . . . . . . . . . . . . . . . . . . . . . . . . . . . . . . . . . . . . . . . . .11
Troubleshooting . . . . . . . . . . . . . . . . . . . . . . . . . . . . . . . . . . . . . . . . . . . . . . . . . . . . . . . .12-13
Assembly drawing and spare parts list.. . . . . . . . . . . . . . . . . . . . . . . . . . . . . . . . . . . . . .14-17
This manual aims to help you use and take
good care of this machine over the years for
which we offer you our warranty as manufactur-
ers as well as our technical assistance service.
Always keep this manual to hand. Many of the
instructions and recommendations will be famil-
iar and well-known to you.
Should this not be the case, apply these
instructions and recommendations correctly and
you will obtain excellent results, safety and satis-
faction.
It is important to remember that reading this
manual carefully can help you to prolong the life
of your machine as it will ensure its correct use.
Inspect your machine on receipt, make sure that
it has not been damaged during the transport.
Check the contents of the box to ensure that not
accessories are missing.
As always, we thank you for placing your confi-
dence in a Powr-Flite product.
Single-phase AC motor . . .115V - 60Hz.
Motor power . . . . . . . . . . . . . . . . .1,5 HP.
Sanding drum . . . . . . . . . . . . . . . . . . . .8"
Drum r.p.m. . . . . . . . . . . . . .2 200 r.p.m.
Suction fan speed . . . . . . . .6 800 r.p.m.
Machine weight . . . . . . . . . . . . . .133 Ibs
Gross weight . . . . . . . . . . . . . . . .155 lbs

–1–
SAFETY INSTRUCTIONS
•You must have been trained to operate this
machine before using it.
•Machines can cause flammable materials and
vapors to burn. Do not use the machine with or
near solvents, thinners, fuels, or other flamma-
ble materials.
•To prevent the risk of fire or explosion:
a) Keep the machine away from sources of
ignition, as they could create an explosion dur-
ing use.
b) Keep the work area well ventilated. Poorly
ventilated work areas can create an explosive
atmosphere when they contain solvents, alco-
hol, thinners, certain finishes or any kind of
combustible material.
c) Never leave a full dust bag in the machine.
Remove the dust bag when you have finished
your work.
d) Empty the dust bag when it is 1/3 full.
e) Always empty the sanding dust into a metal
container.This container must be outside the
building.
f) Do not put the contents of the dust bag into a
fire or furnace.
g) Use a hammer and punch to set all the nails
flush against the floor so that the sanding drum
will not touch them and create sparks which
might cause a fire in the dust bag.
•Do not use the machine if it is not completely
assembled.
•To prevent electric shocks and personal injury,
always disconnect the power supply before
changing the sandpaper, emptying the dust
bag, leaving the machine unattended or
attempting any maintenance or service.
•To prevent electric shocks, avoid contact with
grounded surfaces, i.e. pipes, radiators, refrig-
erators, etc.
•Do not expose the machine to rain. Keep the
electrical parts dry.
•The machine should be stored in a dry place
and out of the reach of children.
•Check the cable and plugs and replace them if
damaged. Do not use the machine if the cable
is damaged. Keep the cable away from heat,
oil, water and sharp edges.
•Always connect the machine to a grounded
power supply.Never disconnect the ground
cable from the machine.
•Always use a cable with 3-wire size of 14
gauge and connect the machine to a grounded
plug. Ensure that the plug really does have a
ground connection.
•Make sure that the power switch is in the "0"
position before connecting the cable to the
electrical power supply.
To reduce the risk of fire, electric shock and personal injury when using electrical tools, the follow-
ing basic safety precautions should always be taken.
Read these instructions carefully before operating or attempting to carry out any service or main-
tenance procedure on this product.

–2–
SAFETY INSTRUCTIONS
To reduce the risk of fire, electric shock and personal injury when using electrical toots, the follow-
ing basic safety precautions should always be taken.
Read these instructions carefully before operating or attempting to carry out any service or main-
tenance procedure on this product.
•Keep the cable away from the underside of the
machine to avoid contact with the sandpaper
as this could cause electrocution. Always keep
the cable on top of the machine.
•Moving parts can cause injury and/or damage.
Keep hands, feet and loose clothing away from
all the moving parts of the machine.
•Make sure that all guards, doors and covers
are secure and in place before starting to sand.
•Check that all warning labels are legible and
duly stuck on to the machine. Should any of
them become damaged or illegible, replace
them immediately. Ask the authorized distribu-
tor for new labels.
•Make sure that the person who is going to use
the machine has read this manual beforehand.
•Do not use this machine as a step or furniture.
•Do not use this machine for moving other
objects or people.
•This machine is heavy. Separate the suction
tube if you are going to transport it single-
handed. Trying to lift this machine single-hand-
ed could cause serious back injuries. Always
get help to lift the complete machine.
•Always use a face or dust mask if the sanding
operation is dusty.
•Stay alert. Watch what you are doing. Use
common sense. Do not operate the machine
when you are tired. Keep proper footing and
balance at all times. Wear ear protection when
using the machine for long periods. Hold the
machine tightly with two hands while working.
•Always disconnect the machine when not in
use, before servicing and when changing
accessories.
•Never carry the machine by its cable or wrench
it out of the socket.
•Always keep children away from the machine.
Visitors should be kept away from the work
area.
•Using accessories or attachments other than
those recommended in this instruction manual
could cause personal injury.
•Check the machine for damaged parts before
use. Check for breakage, insufficient mounting,
misalignment or poor binding of moving parts
and anything else that may affect operation.
•Do not use the machine if the on-off switch
does not work correctly. Defective switches
must be replaced by an authorized servicing
center.

–3–
IMPORTANT PARTS OF THE MACHINE
Cable Holder
This sander has a cable holder that could be
moved to the right or left side of the machine.
(fig. 1)
Sanding Drums
The machine is designed to work with three dif-
ferent types of drums:
Expandable Drum (fig. 2)
Bar Clamp Drum (fig. 3)
Conventional Drum (fig. 4)
Fig. 1
Fig. 2
Fig. 3
Fig.4

–4–
IMPORTANT PARTS OF THE MACHINE
Electric Motor
The machine has a maintenance-free single-
phase heavy duty AC motor.
Power supply: 115 V/60 Hz only.
Overload protection by circuit breaker. (fig. 5)
Suction Dust Tube
The suction dust tube is placed at the back of
the machine next to the handle and lever for
controlling the sanding drum. (fig. 6)
Dust Bag
The dust bag must be fastened in place before
using the machine as in fig. 7.
Poly V Belt Slack Adjuster
The machine has one poly V belt for turning the
drum and the suction fan.
The drive belt is adjusted with belt slack adjuster.
(fig. 8)
Fig. 5
Fig. 6
Fig. 7
Fig. 8

–5–
HOW TO ASSEMBLE THE MACHINE
Dust Suction Tube and Bag
To fit and adjust the dust suction tube and bag,
proceed as follows:
1. Fit the dust suction tube in place. (fig. 9)
2. Adjust the screw holding the tube. (fig. 10)
3. Attach the drum control lever. (fig. 11-12)
4. Clip the dust bag tightly to the dust
suction tube.
Fig. 9
Fig. 10
Fig. 11
Fig. 12

–6–
SETTING UP THE MACHINE
Leveling the Machine
To level your sander horizontally proceed
as follows:
Tilt the machine as in fig. 13-14.
The machine has an adjustable system in order to
level the machine when required. (fig. 15)
Loosen the leveling screw to sand heavier on
drive belt side of the sanding drum.
Tighten the leveling screw to sand heavier on the
side opposite the drive belt. (fig. 16)
Fig. 13
Fig. 14
Fig. 15
Fig. 16

–7–
SETTING UP THE MACHINE
Sandpaper Installation
To install and adjust the sandpaper, proceed as
follows:
-EXPANDABLE DRUM:
-This type of drum uses sandpaper which you
slide onto the drum. When the drum spins, the
rubber expands and holds the sanding belt.
(fig.18a,b)
-BAR CLAMP DRUM:
-Easy access to the drum allows quick change of
the sandpaper. A metal bar with screws holds the
sandpaper on the drum. (fig. 18c,d)
-CONVENTIONAL DRUM:
-Cut the sandpaper to the same size as the pat-
tern provided with the machine.
-Raise the lid covering the drum (fig. 18).
-Insert one side of the sandpaper into the slot on
the drum, turn the drum around until it is covered
with sandpaper and insert the other extreme into
the same slot (fig. 19a,b)
-Use both keys to adjust the sandpaper against
the drum by turning one key forward and the other
backward, as in (fig. 19c)
-Make sure that the sandpaper has been correctly
inserted.
Sanding Drum Pressure
The machine has only one sanding drum pressure
controlled by spring. (fig. 20).
Fig. 17
Fig. 18
Fig. 19
Fig. 20
A
AB
DC
B
C

–8–
SETTING UP THE MACHINE
Starting the Motor
To operate the machine follow this procedure:
Connection to 115V (single-phase)
1. Connect the handle pigtail to the motor cord.
(fig. 21)
2. Connect the handle pigtail to the power cord.
(fig. 22)
3. Make sure that the circuit breaker placed at one
side of the electrical box of the motor is in the
“ON” position. (fig. 23)
4. the machine has a double-bladed safety switch
under voltage release. The “front” position is used
to start the motor and the “rear” position to stop
the motor. (fig. 24)
Fig. 21
Fig. 22
Fig.23
Fig. 24

–9–
SETTING UP THE MACHINE
This machine must only be connected to an AC frequency at the
electrical voltage shown on the motor plate (115V/60 Hz).
•To prevent electric shock keep the machine in a dry place.
•Do not expose the machine to rain.
•The machine cable and connection plugs must be in perfect condition.
•Unplug the machine after use.
•The machine must be connected to a grounded electrical circuit in order to
protect the operator from electric shocks.
•Make sure that you are connecting the machine to 115V.
•When connecting to 115V, make sure that the electrical circuit in the
house or building is grounded.
•Do not cut, remove or break the ground pin.
•Do not use a machine with a damaged plug or cable.
•Do not use the machine if the on-off switch doesn't work correctly.
•Avoid reductions in voltage, use 3-wire size of 14 gauge cables measuring
no longer than 30 meters.

–10 –
HOW TO OPERATE THE MACHINE
After starting the motor, the operator must stand
behind the machine and hold it in place with both
hands. (fig. 25)
Move the machine forward slowly and push down
the drum control lever. (fig. 26)
Move the machine slowly and constantly.
Before reaching the end of the end of the area to
be sanded, lift the drum gently.(fig. 27)
Pull the machine back over the mark it left when it
started moving, lowering the drum gently when
you start the backward movement.
Keep the sander in motion while the drum is work-
ing or marks will appear which are very difficult to
remove with further sanding.
Always work from left to right.
In order to obtain satisfactory sanding, the sander
should be passed over the surface several times
with different sizes of sanding grain.
We recommend that the sander be passed over
the surface at least three times if the floor is new.
If the floor in question has already been varnished
we recommend that the sander be passed four
times, according to the following chart:
Fig. 25
Fig. 26
Fig. 27
Passes New floors Old floors
first grit 30-35 grit 24
second grit 60 grit 36-40
third grit 100 grit 60
fourth grit 100

– 11 –
MAINTENANCE
Changing and Adjusting the Belt
It is important to check the tension of the Poly - V
belt and change it if necessary. Loosen the screw
to adjust or change the belt and then tighten it.
The belt must not be too tight or too loose.
Remember that an over-tight belt makes it difficult
to start the motor and that the drum will turn freely
if they are too loose (fig. 28).
Sanding Drum Maintenance
Check that the drum surface is in good condition
and that there is no sawdust inside it, as this could
throw it off balance (fig. 29).
Clean the sanding drum from time to time, using
air to clean out the drum chamber.
Maintenance of the Wheels
Check the wheels periodically (fig. 30).
•Make sure that the surfaces do not have glue or
debris stuck to them.
•Change them when worn.
•Clean the bearings with air.
Prevention Maintenance
In order to avoid inconvenient setbacks, we sug-
gest that you carry the following along with your
normal tools:
•aPoly - V belt.
•adust bag.
•aset of capacitors.
In this way you will be sure that your machine will
always function.
Fig. 28
Fig. 29
Fig. 30

–12 –
TROUBLESHOOTING
•Below we offer a series of suggestions which
will enable you to resolve some of the most
frequent problems which arise when sanding
wooden floors.
Poly V Belt
•Sometimes the belt will make a noise as if it is
slipping. This means that it is not fitted tightly
enough or that it is worn and needs changing.
Ball Bearings
•The ball bearings are protected against dust
and are self-lubricating. However,they have a
limited life span depending on the amount of
time the machine is in use.
•By way of indication, their useable life is
approximately:
Fan shaft 2500 hrs of use.
Motor shaft 5000 hrs of use.
Drum shaft 5000 hrs of use.
•No matter what the case, if you hear a strange
noise, check whether it is coming from the
drum, motor or fan. Run the motor together
with the drum alone and then the motor with
the suction tube alone, which will make it easy
to pinpoint the noise. Once found, the faulty
bearing has to be changed.
The Fan
•Should you notice that the fan is not turning,
the machine is not vacuuming, and that the fan
belt is making a slipping noise, STOP THE
MOTOR.
Chances are that the machine will have sucked
in a nail, a piece of wood or any other foreign
body which will have blocked the blades of the
fan. To solve this problem, try to turn the
blades manually and remove the foreign body
that is blocking it.
Sanding Drum
•First, clean the floor to make sure that there
are no nails lying around.
•Brush the floor before sanding to avoid
remains of materials which could damage the
rubber drum.
Sandpaper
•Take care not to insert sandpaper which is too
long, as this will cause it to fold and leave
marks on the floor.It could also cause the
sandpaper to break while working.
The Motor
•If the motor functions haltingly once it has been
switched on and set in motion, this means that:
a)The electric voltage is too low.
b)The cable is too long or the cross-section is
inappropriate.
c)The work capacitor is defective.
d)The motor is defective.
•If the motor does not start, this means that:
a)The electric voltage is too low.
b)The starting capacitor is defective.
c)There is no electricity in the plug.

–13 –
TROUBLESHOOTING
d)The cable pins are not properly connected.
e)The motor is defective.
•Should the demand limiter jump when the
motor is started, it means that the house has
less than 15 amps. If this happens, DO NOT
INSIST ON TRYING TO MAKE IT START, as
you will only succeed in burning the capacitor.
Level of the Machine
• If you observe that the machine is sanding
more on one side than the other, it means that
it is not exactly levelled. See the section
Leveling the machine in this manual.
Dwell Marks on Floor
•These usually appear on the floor like a thread
after the last sanding (fine grain). This is
because a tiny stone has left a mark on the
sandpaper which, in turn, is leaving a thread-
like mark on the floor.The solution is to
change the sandpaper and clean the floor well
before passing the fine-grain sandpaper.
•Sawdust, glue or any kind of material which
sticks to the wheels can leave marks on the
floor.
•Always make sure that the wheels are com-
pletely clean before sanding.
•Excessively long pieces of sandpaper can cre-
ate a fold on the drum and cause marks. Avoid
this anomaly by cutting the piece of sandpaper
to exactly the same shape as the sample pro-
vided with the machine.
•Any material leftovers which get stuck between
the drum and the sandpaper can also leave
marks on the floor. Always check the surface of
the drum to ensure that it is clean and in good
condition.
•When using the machine, try to maintain a uni-
form and constant sanding speed. Otherwise,
marks might appear on the floor.
•Lowering the drum too quickly will cause
marks, which will be even more obvious if you
pass over them again in the same direction.
The best way to correct "dead stops" is by
sanding the mark on the floor at 45°.
The Capacitors
•Always carry a spare set of capacitor with you.
•If the building has a voltage lower than 115V,
you might have problems starting the motor. In
winter,with low temperatures, the belts and
interior of the bearings stiffen, meaning that the
motor might take longer to start.
DO NOT INSIST ON TRYING TO START THE
MOTOR. This will only cause the capacitor to
burn out.

–14 –
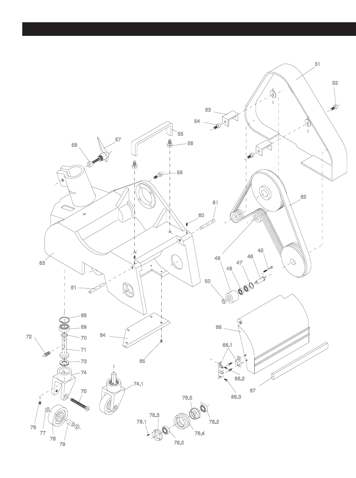
ASSEMBLY DRAWING AND SPARE PARTS LIST

–15 –
ASSEMBLY DRAWING AND SPARE PARTS LIST

–16 –
ASSEMBLY DRAWING AND SPARE PARTS LIST

–17 –
ASSEMBLY DRAWING AND SPARE PARTS LIST
ref# part # desc
6.1 SD100 CABLE HOLDER
8SD101 BALL KNOB ø 30
9 SD102 LEVER
21 SD103 DUST BAG
32 SD104 FAN PULLEY ø 30
33 SD105 FAN SHAFT
37 SD106 BALL BEARING 6005 VVCM
38 SD107 BEARING HOUSING
42 SD108 VENTILATOR WHEEL
53 SD109 SPACER
57 SD110 HANDLE
62 SD111 POLYVBELT6J 965
63.1 SD112 SCREW DIN 931 M 8 x 35
63.2 SD113 CLAMP RING INA BR19
63.3 SD114 BALL BEARING 626 2RS
ref# part # desc
63.4 SD115 CONSTRAINER
63.5 SD116 SPACER
64 SD117 COVER (DRUM ø 150mm)
66.1 SD118 SCREW DIN 963 M 4 x 8
66.2 SD119 COVER PROTECTOR
78.4 SD120 TIRE FOR WHEEL Ø80
81 SD121 SPRING
90 SD122 COMPRESSION SPRING
92 SD123 WHEEL SHAFT
134 SD124 SANDING DRUM RUBBER
141 SD125 EXPANDABLE DRUM COMPLETE
145 SD126 CAPACITOR USA 100 MF
160 SD127 CIRCUIT BREAKER
121 SD128 DRUM RUBBER HANDY-8

A Tacony Company
Ft. Worth, TX 76140
1-800-880-2193
The Powr-Flite Limited Warranty
The manufacturer warrants to the original purchaser that products manufactured are free from defects, provided such goods are
installed, operated and maintained in accordance with written manuals or other instructions for a period of 1 year from date of pur-
chase on workmanship, motor,and parts, switch, and yoke. In case you, as our customer,meet any trouble with your machine, con-
tact a Powr-Flite representative, who will be happy to be of service to you and will take care of any warranty issues.