CM402LP Owner's Manual Man182 052 &file=man182
User Manual: man182-052
Open the PDF directly: View PDF .
Page Count: 165 [warning: Documents this large are best viewed by clicking the View PDF Link!]
- Cover Page
- Table of Contents
- General Information
- Cleaning and Chemicals
- Operating Instructions
- Propane
- Carbon Monoxide Detector
- Freeze Guard
- Water and Chemical System
- High Pressure Pump - Maintenance
- Machine Assemblies and Parts Lists
- Vacuum System
- Engine Troubleshooting
- Electrical Diagrams
- Machine Mainenance
- How to Order Parts
- Accessories

HYDRAMASTER
Corporation
11015 47th Avenue W, Mukilteo, WA 98275
CleanMaster 402
Machine Serial Number________________________
Copyright© 2005
HYDRAMASTER© Corporation
Mukilteo, Washington
D-182-052
No part of this manual may be reproduced or used in any form or by any means (i.e. graphic, electronic, photocopying
or electronic retrieval systems) without the express written permission of the HYDRAMASTER© Corporation. All rights
reserved.
Revised March 20, 2005

CleanMaster 402
HydraMaster/CleanMaster

CleanMaster 402
HydraMaster/CleanMaster
Table of Contents
GENERAL INFORMATION .....................................................................Section 1
Telephone Numbers ........................................................................... 1-2
Precautions ...................................................................................... 1-3
System Operation .............................................................................. 1-6
Machine Specifications ....................................................................... 1-7
Spare Parts Recommendation .............................................................. 1-9
Spare Parts List ................................................................................. 1-9
Responsibilities ................................................................................ 1-11
Local Water Precautions ................................................................... 1-13
High Altitude Operation Preparation .................................................... 1-16
Hard Water Map .............................................................................. 1-17
CLEANING AND CHEMICALS ...............................................................Section 2
pH Chart .......................................................................................... 2-3
OPERATING INSTRUCTIONS .................................................................Section 3
Start Up ........................................................................................... 3-1
Set Up ............................................................................................. 3-2
Carpet or Hard Surface Cleaning........................................................... 3-3
Upholstery Cleaning ........................................................................... 3-3
Flood Extraction ................................................................................ 3-4
Shut Down .......................................................................................3-5
PROPANE .....................................................................................Section 4
Fuel System Flow .............................................................................. 4-2
Refueling Propane Tanks ..................................................................... 4-2
Storage of CM402 ............................................................................. 4-3
Storage of Propane Cylinders ............................................................... 4-3
05/23/2003

CleanMaster 402
HydraMaster/CleanMaster
Propane Cautions ............................................................................... 4-5
Helpful Hints on Propane Containers ...................................................... 4-9
Propane Flow Diagram ...................................................................... 4-11
CARBON MONIXIDE DETECTOR ............................................................Section 5
Carbon Monoxide Detector .................................................................. 5-1
How The Detector Determines When To Alarm ....................................... 5-1
Testing The Electronics ....................................................................... 5-2
Testing The Sensor Response .............................................................. 5-2
How To Know If Your Detector Is Malfunctioning .................................... 5-3
If The Detector Malfunctions ................................................................ 5-3
What To Do If You’re Not Sure ............................................................. 5-3
How To Care For Your Detector ........................................................... 5-4
Understand The Effects Of Carbon Monoxide Exposure ............................. 5-5
What To Do When The Alarm Sounds .................................................... 5-6
Emergency Phone Numbers ................................................................. 5-7
Fire Extinguisher Recommendations ...................................................... 5-7
Emergency Procedures ....................................................................... 5-7
ECD Unit Operation ............................................................................ 5-8
Propane Emission System .................................................................... 5-8
“The Machine With A Conscience” ....................................................... 5-8
FREEZE GUARD ..................................................................................Section 6
Vacuum Freeze Guard Procedure .......................................................... 6-1
Freeze Protection Of The Pump-In System .............................................. 6-3
WATER AND CHEMICAL SYSTEM .........................................................Section 7
Water And Chemical Flow Operation ..................................................... 7-1
Before Cleaning Begins ....................................................................... 7-1
01/29/01
05/23/2003

CleanMaster 402
HydraMaster/CleanMaster
Chemical System Maintenance ............................................................ 7-2
Chemical Pump Drawing and Parts List .................................................. 7-3
Flow Diagrams .................................................................................. 7-5
Chemical Tank Troubleshooting .......................................................... 7-11
HIGH PRESSURE PUMP ........................................................................Section 8
Pump Maintenance............................................................................. 8-1
Service ............................................................................................ 8-3
HydraPump II Drawing and Parts List ..................................................... 8-6
High Pressure System Troubleshooting .................................................. 8-8
Heating System Troubleshooting ........................................................ 8-10
ASSEMBLIES AND PARTS ....................................................................Section 9
Final Assembly - Front View ................................................................ 9-1
Final Assembly - Rear View ................................................................. 9-2
Machine Assembly - Front View - Left Side ............................................ 9-4
Machine Assembly - Rear View - Left Side ............................................. 9-5
Machine Assembly - Rear View - Right Side ............................................ 9-6
Machine Assembly - Bottom View ........................................................ 9-7
Frame Assembly - Front View .............................................................. 9-9
Frame Assembly - Rear View - Left Side .............................................. 9-10
Frame Assembly - Rear View - Right Side ............................................. 9-11
By-Pass Valve Assembly ................................................................... 9-15
HI-PSI Manifold Assembly .................................................................. 9-17
Propane Regulator Assembly .............................................................. 9-19
Engine Assembly ............................................................................. 9-21
Blower Assembly ............................................................................. 9-23
Pump Assembly ............................................................................... 9-26
01/29/01
05/23/2003

CleanMaster 402
HydraMaster/CleanMaster
Chemical Pump Assembly ................................................................. 9-28
Exhaust Assembly ........................................................................... 9-29
Blower Heat Exchanger Assembly ...................................................... 9-31
Dash Assembly - Front View .............................................................. 9-32
Dash Assembly - Rear View ............................................................... 9-33
Water Box Assembly ........................................................................ 9-35
Electrical Control Panel Assembly ....................................................... 9-37
Tank Assembly - Rear View ............................................................... 9-39
Tank Assembly - Front View .............................................................. 9-40
Recovery Tank Cover Assembly ......................................................... 9-43
GFI Box Assembly ............................................................................ 9-45
Fresh Water Pump Assembly ............................................................. 9-47
Dump Solenoid Assembly .................................................................. 9-49
APO Pump Assembly ........................................................................ 9-50
Fresh Water Float Assembly .............................................................. 9-52
Vacuum Releif Valve Assembly .......................................................... 9-53
Cleaning Wand ................................................................................ 9-55
VACUUM SYSTEM ........................................................................... Section 10
Vacuum System Troubleshooting ........................................................ 10-3
Miscellaneous Troubleshooting ........................................................... 10-4
Tuthill Dominator Blower Manual
ENGINE TROUBLESHOOTING ............................................................. Section 11
Kawasaki Engine Manual
ELECTRICAL SYSTEM ........................................................................ Section 12
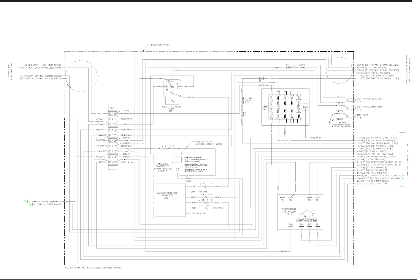
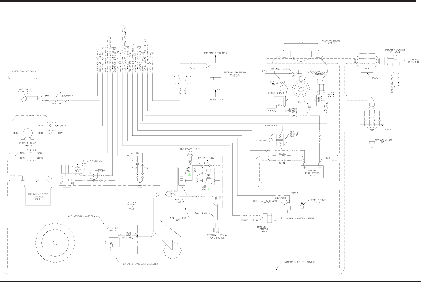
Electrical Schematic ......................................................................... 12-1
Electrical Diagrams .......................................................................... 12-3
05/23/2003

CleanMaster 402
HydraMaster/CleanMaster
MACHINE MAINTENANCE ............................................................... Section 13
Operational Maintenance ................................................................. 13-1
De-scaling...................................................................................... 13-3
Overall Machine Maintenance ........................................................... 13-4
Maintenance Log
PARTS AND WARRANTY ................................................................. Section 14
How To Order Parts ........................................................................ 14-1
Warranty Information ...................................................................... 14-3
ACCESSORIES ................................................................................ Section 15
05/23/2003

HydraMaster/CleanMaster
General Information
CleanMaster 402
Section 1-1
This manual contains installation and operation instructions as well as information
required for proper maintenance, adjustment and repair of this unit. Since the first
and most important part of repair work is the correct diagnosis of the problem, com-
ponent manual troubleshooting charts have been included for your convenience.
Unlike a garden tractor, lawn mower or cement mixer, all having one or two functions
to perform, the truckmounted carpet cleaning plant has many functions to perform
simultaneously.
• The engine has to run at a consistent RPM.
• The vacuum has to pull air and dirty water back from cleaning site.
• The water pump provides stable pressure at proper water flow for cleaning.
• The chemical has to be injected into the water stream at the right
concentration.
• The heating system must maintain proper heat.
• The vacuum tank must store dirty water until drained.
As you can see, it is not just a turnkey operation with one thing to worry about, Does
it start?
3/20/02

Page 1-2 CleanMaster 402
HydraMaster/CleanMaster
The manufacturer uses this symbol throughout the manual to warn of possible
injury or death.
This symbol is used to warn of possible equipment damage.
Hours Telephone Numbers
Monday - Friday (425) 775-7276 Parts
8:00 am to 5:00 pm (425) 775-7275 Service
PACIFIC STANDARD TIME (800) 426-4225 Parts / Service FAX
3/20/02
CAUTION
!
WARNING
!

CleanMaster 402 Page 1-3
HydraMaster/CleanMaster
Precautions
Although this unit has been factory adjusted, it may require additional adjustments
to achieve optimum performance, for instance altitude may require carburetor
adjustment and ambient temperatures may require heat control adjustment. When
required, consult an authorized representative.
ENGINE COOLING: Units employing internal combustion engines must not be
enclosed within a van or trailer with doors and windows closed. Excessive
temperatures within the engine will result in premature engine failure and a
compromise of applicable warranty.
LEVEL OPERATION: During operation, van or trailer must be parked on level
ground not to exceed + or - 10 degrees. Failure to insure proper leveling may
prevent proper internal lubrication of engine, vacuum and/or high pressure com-
ponents.
MOVING PARTS: Never touch any part of the machine that is in motion. Severe
bodily injury may result.
The machine cannot be run in the IDLE position for cleaning upholstery, carpet or
floor extraction. This will void the warranty.
ACID RINSE AGENTS: The increased demand for “clear water” rinsing results in
the need for special care when using these acid based chemicals in your equip-
ment. The negative side of these products is the corrosive effects the acid can
have on metals, including swivels, pumps, heat exchangers, etc.
WARNING
!
3/20/02
CAUTION
!
CAUTION
!
WARNING
!
CAUTION
!

Page 1-4 CleanMaster 402
HydraMaster/CleanMaster
HydraMaster’s ClearWater Rinse has been formulated to protect vital compo-
nents. HydraMaster will not warranty parts that have been damaged from using
unprotected acid products that have obviously caused failures.
HARD WATER PROTECTION: Failure to take appropriate measures to prevent
scale build up can result in system failure and loss of warranty on affected parts.
Test the water in your immediate and surrounding areas with hard water test
strips. Assume all water obtained from wells is hard. If you are operating in a
“Hard Water Area” (3.5 grains or more per gallon), use a water softening sys-
tem.
FREEZE PROTECTION: There is often little warning before a cold spell. There-
fore, not protecting this equipment from freezing will result in costly downtime.
Placing an electric heater in the truck or parking the truck indoors will help to
insure against freezing, but should not be the primary method of freeze protec-
tion.
EXHAUST SYSTEM: Do not allow flammable material (i.e. oil, fuel, plastic or
wood products) to come in contact with the exhaust system.
HOT SURFACES: During the operation of this equipment, many surfaces on the
machine will become very hot. When near the van for any reason care must be
taken not to touch any hot surface, such as heater, engine, exhaust, etc.
HEARING PROTECTION: The Occupational Safety and Health Administration
(OSHA) recommends the use of hearing protection when a technician is ex-
posed to an average of 85 decibels (this is an average of exposure over an 8
hour period). This equipment can produce 85 decibels to a distance of 10 feet.
Please check with your local state agencies to see if OSHA standards apply to
your application.
3/20/02
CAUTION
!
CAUTION
!
CAUTION
!
CAUTION
!
WARNING
!

CleanMaster 402 Page 1-5
HydraMaster/CleanMaster
NO SMOKING: It is unsafe to smoke in or around the machine.
CARBON MONOXIDE: This unit generates toxic fumes. DO NOT operate in
confined spaces. This equipment is intended for warehouse settings. Area
must be a minimum of 10,000 square feet to operate.
TOXIC FUMES: Do not occupy the vehicle when the cleaning equipment is
operating. Toxic fumes may accumulate inside a stationary vehicle.
ENGINE EXHAUST: The engine exhaust from this product contains chemicals
known to the State of California to cause cancer, birth defects or other reproduc-
tive harm.
PORTABLE PROPANE TANK: Do not use a portable tank inside of the trailer. It
is dangerous and illegal in most states.
TRANSPORTATION OF FUEL CONTAINERS: Transportation in a vehicle of any
vented fuel container that presently has or has ever contained a flammable liquid
is strictly forbidden by HydraMaster Corporation and by federal and state regula-
tion.
The owner of a propane carpet cleaning machine shall ensure that the technician
has participated in a training corse on the safe handling of propane and the proper
operation of the equipment.
The use of some chemicals through your mobile carpet cleaning plant can seri-
ously damage the internal plumbing, high-pressure pump, chemical pump and heat
exchangers. These harmful chemicals include concentrated acid (see the pH
chart at the end of this section), solvents (including d-Limonene), and some paint,
oil and grease removers with a high concentration of solvents.
CAUTION
!
CAUTION
!
3/18/05
WARNING
!
WARNING
!
WARNING
!
WARNING
!
WARNING
!

Page 1-6 CleanMaster 402
HydraMaster/CleanMaster
System Operation
The CM402 heat exchanger system is a highly engineered cleaning plant designed
by HydraMaster Corporation. The system utilizes a dynamic heating system
com- prised of two separate exhaust heat exchangers for capturing “free heat.”
The water flow is as follows:
Water is fed into the machine under tap pressure (pump-in pump) and it flows
to the water box. The solution is then picked up by the high pressure pump
and pressurized to the desired level. The water then splits flow, as demanded
by the technician.
The majority of the water flows to the bypass valve assembly, then back to the
water box. The water demanded by the technician flows from the water pump
through the blower exhaust heat exchanger then through the engine exhaust
heat exchanger and out to the cleaning tool.
When the cleaning solution reaches a preset high temperature, it is released
from the system and directed to the recovery tank. Then cool water enters
the system to regulate the temperature.
As there is no guess work in the manufacture of these highly advanced cleaning
plants, there must be none in preparing it to get the job done in the field. It is the
purpose of this manual to help you properly understand, maintain and service your
cleaning plant. Follow the directions carefully and you will be rewarded with years of
profitable, trouble-free operation.
It is imperative that no section be overlooked when preparing for operation of this
equipment.
3/20/02

CleanMaster 402 Page 1-7
HydraMaster/CleanMaster
Machine Specifications
Frame: 24"W x 33"L x 30"H
Steel with Baked-on Epoxy Finish
Tank: 32”W x 48”L x 28”H
Steel with Baked-on Epoxy Finish
Weight: 850 lbs.aprox.
Engine: Kawasaki 19 HP OHV
Pressurized Oil System
Spin-on Filter, Oil Cooler and Oil PSI Protection Switch
Ignition: Electronic, Keystart
Battery: Group U1
Absorbed Glass Mat
Interstate Model # MVP-U1
CCA - 450 / AH - 33
Vacuum Blower: Dominator 4005, Tuthill/M-D Tri-Lobe,
Pump: HydraPump II, 3.5 GPM Hot Seals, 2500 PSI
Chemical System: Last-Step Chemical
Operating Pressure: Up to 1,000 PSI
Heating System: 1 Stainless Steel Engine Exhaust Exchanger
1 Coil and Fin Blower Exhaust Heat Exchanger
Instruments: Water Pressure Gauge, Liquid Filled, 0-1500 PSI
Hour Meter, Machine Runtime
Keyed Ignition, Start/Stop
Chemical Flowmeter, Clear Acrylic, 0-10 GPH
Vacuum Gauge
Temperature Gauge
5/30/01 3/20/02

Page 1-8 CleanMaster 402
HydraMaster/CleanMaster
Recovery Tank: 45 Gallon Aluminum, Epoxy Finish
Fresh Water Tank: 50 Gallon Aluminum, Epoxy Finish
Cleaning Wand: Stainless Steel ‘S’-bend
Replaceable Grip
Rebuildable Solution Valve
High Pressure Hose: 4" High Temperature Lined/Vinyl Covered
Hose Rated to 2250 PSI
Vacuum Hose: 2" Reinforced, 12" Reinforced.
Standard Equipment: Machine Power Console
Full Instrumentation
Tuthill/M-D Tri-Lobe Vacuum Blower
CM402 Water Heating Package
Holding Tank
Carpet Cleaning Wand
Chemical Jug
100 ft, 2" Vacuum Hose
10 ft, 1-2" Wand Whip Line
100 ft, Super Flex Solution Line
Battery Box
Van Decal Package
Van Installation Kit
Operation Manual
5/30/01
3/20/02

CleanMaster 402 Page 1-9
HydraMaster/CleanMaster
Spare Parts Recommendation
Downtime in the unit can be very expensive, because your truckmounted unit is
capable of generating several hundred dollars per day. In order to minimize such
downtime, it is strongly recommended by the manufacturer that you purchase and
keep in your truck the parts listed below.
Parts Orders
To expedite your parts needs, please call your sales representative. In most instances,
he either stocks or has access to parts through a regional service center. If further
assistance is needed, contact the factory and coordinate your needs. If this becomes
necessary, always indicate the method of shipment you desire, i.e. UPS, Blue Label,
Air Freight, Air Express, etc.
HydraMaster Parts Dept. Phone .................. (425) 775-7276
HydraMaster Parts Dept. Toll Free Fax ......... 1-800-426-4225
Spare Parts List (078-340)
PART NO DESCRIPTION QTY
010-054 Belt, A38 Pump 1
046-010 Diaphragm, Chemical Pump 1
049-008 Filter, S/S Vacuum Pump, 22”1
049-026 Filter, Kawasaki Oil 2
049-016 Filter, ¼” Replacement Y 1
049-023 Screen, Garden Hose 1
049-027 Filter, Kawasaki Air 1
049-118 Filter, 4” s/s 1
049-030 Filter Bag, 92+ Truck Mount 2
052-050 Quick Connect, 440 Male 3
052-051 Quick Connect, 440 Female 2
052-052 Quick Connect, 660 Male 1
052-053 Quick Connect, 660 Female 1
3/20/02

Page 1-10 CleanMaster 402
HydraMaster/CleanMaster
Spare Parts List (078-340)
PART NO DESCRIPTION QTY
056-001 Fuse, 10 amp 2
056-008 Fuse, 15 amp 2
056-010 Fuse, 25 amp 1
074-007 Gauge, Hi PSI (0-1500) 1
074-032 Meter, Chemical Flow 1
078-101 Kit, Seal & Spring Hi PSI 1
078-140 Kit, Comet Seal 1
106-021 Plug, Kawasaki Spark 2
106-045 Plug, HD4 Coupling - 1" OD x x” LG, EPDM 8
157-080 Switch, s/s Float 1
157-040 Rocker
157-022 Switch, Relay 2
169-017 Valve, 3-way Chemical 1
169-022 Valve, 1½” Full Port 1
169-155 Check Valve, Last-Step Chemical 2
169-160 Valve, 2-way Chemical Metering 1
180-004 Orifice, Primary 1
180-006 Orifice, Secondary 1
NOTE:
Engine Oil: 30 weight motor oil with a minimum standard of SE, SF, SG.
Blower OIl: 40 weight non detergent
Pump Oil: 40 weight non-detergent
6/22/01
3/20/02

CleanMaster 402 Page 1-11
HydraMaster/CleanMaster
Responsibilities
The Purchaser’s responsibilities are:
To purchase heavy duty 42 - 60 amp hour battery and have the battery ‘slow’ charge
if new.
If the battery is not fully charged, damage can occur to the engine charging regulator.
Reading of owner’s manual: It is the purchaser’s responsibility to read the unit
operation manual and to familiarize himself with the information contained therein.
Special attention should be paid to all Cautions and Warnings.
The Sales Representative’s responsibilities are:
ACCEPTANCE OF SHIPMENT:
1. If the unit shows any outward signs of damage, do not sign the delivery
receipt until you have closely inspected the unit and noted any damage on
the delivery receipt.
2. The salesman from whom you purchased your unit is responsible for super
vising the correct installation of the unit in your vehicle and thoroughly
training you in its operation, maintenance and precautions.
CORRECT INSTALLATION INCLUDES:
• Trailer of proper load carrying capacity.
• Placing the unit and recovery tank in your trailerand securing them
with bolts or tie down cleats. (If unit is not properly secured damage may
occur)
• Connecting the battery.
• Checking the pump, vacuum blower and engine oil levels prior to
staring the unit.
• Starting the unit to check the engine and see that all systems
function normally.
• Checking all hoses, wands, etc. for correct operation.
3/20/02
CAUTION
!

Page 1-12 CleanMaster 402
HydraMaster/CleanMaster
TRAINING:
• A thorough review of the operation manual with purchaser.
Instruction and familiarization in:
• How to correctly start up and shut down the unit.
• How to correctly clean with the unit.
• Where and how often to check and change component oil levels.
• How the unit’s systems work.
• How to troubleshoot the unit.
• How to do basic repairs.
• Safety precautions and their importance.
• Freezing damage and how to avoid it.
• Hard water damage and how to avoid it.
• A thorough review of the unit warranty and warranty procedures.
• A thorough review of hard water precautions and warnings.
• How to determine hard water areas.
• Use of water softening systems.
3/20/02

CleanMaster 402 Page 1-13
HydraMaster/CleanMaster
Local Water Precautions
The quality of water varies greatly. Many areas have an excess of minerals in the
water which results in what is commonly called “hard water.” These minerals
tend to adhere to the insides of heater coils and other parts of the machines causing
damage and a loss of cleaning effectiveness. This influences the reliability and effi-
ciency of equipment in direct proportion to the level of hardness.
HARD WATER ADVISORY
HydraMaster recognizes that any hard water deposits which might occur within the
water system of our truckmounts is a serious problem. The precision technology of
truckmount heat exchanger systems is intolerant of any foreign material. Hard water
deposits will ultimately decrease the performance of the system and are expected to
seriously lower the reliability of the machine.
To validate a machine’s warranty, HydraMaster requires that all machines operating
in designated ”Hard Water Areas” (3.5 grains or more per gallon) be fitted with a
water softening system or a properly installed magnetic-type de-scaler must be used
and maintained. Periodic de-scaling or acid-rinsing alone is not adequate in these
areas.
HydraMaster does not recommend any particular type or brand, however the relative
effectiveness of some types of magnetic de-scalers or softeners may require addi-
tional periodic use of de-scaling agents.
HydraMaster also recommends, in the strongest possible terms, that machines in all
areas be fitted with a water softening system for improved operation and reliability.
HydraMaster has included five hard water test strips with your machine. These can
be used to test the water in your immediate and surrounding areas as they can vary
greatly. Assume all water obtained from wells is hard.
Failure to take appropriate measures to prevent scale build up can result in system
failure and loss of warranty on affected parts.
3/20/02

Page 1-14 CleanMaster 402
HydraMaster/CleanMaster
HARD WATER AREA MAP
The following map defines areas in the United States which compromise fluid related
components such as hoses, fittings, heaters, pumps, valves and water cooled en-
gines. For other countries, hard water area maps can be obtained from geological
societies.
WATER SOFTENER
Cleaning efficiency and equipment life is increased, chemical use decreased, and the
appearance of cleaned carpets enhanced when water softeners are incorporated in
hard water areas. The manufacturer strongly urges the use of water softener units in
areas exceeding 32 grains per gallon. Failure to use a water softener in these areas
will invalidate the machine’s warranty. Using a hard water area map as a reference,
determine the quality of water in your area and take action immediately, if necessary.
Reports from several of our machine users commending the results of the use of
water softeners in conjunction with their machines prompts us to recommend the
procedure to everyone in a “hard water” area.
The relatively low cost of a water softener service is more than made up for by an
increased life of machine parts, reduced chemical costs and continued cleaning effi-
ciency. The water softener will also increase the effectiveness of the cleaning chemi-
cals, therefore less chemical will be needed.
Contact a water softener distributor in your area for information on the rental of a
simple water treatment unit to carry in your truck. Be sure to change the water
softener in accordance with the capability of the softener. For example: If the soft-
ener will treat 900 gallons of water and the machine uses an average of 30 gallons
per hour, for an average of 5 hours a day, this equals 150 gallons per day. In 6 days
the machine would use 900 gallons of water. Therefore, the softener would need to
be changed every 6 working days for maximum softening.
WASTE WATER DISPOSAL ADVISORY
There are laws in most communities prohibiting the dumping of recovered “gray”
water from carpet cleaning in any place but a sanitary treatment system. This clean-
ing rinse water, recovered into your unit’s vacuum tank, contains materials such as
detergents. These must be processed before being safe for streams, rivers and res-
ervoirs.
3/20/02
WARNING
!

CleanMaster 402 Page 1-15
HydraMaster/CleanMaster
IN ACCORDANCE WITH THE EPA, STATE AND LOCAL LAWS, DO NOT
DISPOSE OF WASTE WATER INTO GUTTERS, STORM DRAINS,
STREAMS, RESERVOIRS, ETC.
In most cases, an acceptable method of waste water disposal is to discharge into a
municipal sewage treatment system after first filtering out solid material such as
carpet fiber. Access to the sanitary system can be obtained through a toilet, laundry
drain, RV dump, etc. Permission should first be obtained from any concerned party or
agency.
One disposal method which usually complies with the law is to accumulate the waste
water and haul it to an appropriate dump site. Another solution to the disposal
problem is to equip yourself with an Automatic Pump-Out System. These systems
are designed to remove waste water from the extractor’s recovery system and
actively pump the water through hoses to a suitable disposal drain. Properly
designed, they will continuously monitor the level of waste water and pump it out
simultaneously to the cleaning operation. The hidden benefit of this process is that
the technician does not have to stop his cleaning to empty the recovery tank.
HydraMaster makes an A.P.O. System available which can be ordered with new
equipment or installed later.
The penalties for noncompliance can be serious. Always check local laws and regu-
lations to be sure you are in compliance.
3/20/02
WARNING
!

Page 1-16 CleanMaster 402
HydraMaster/CleanMaster
3/20/02
High Altitude Operation
Preparation
To have your machine run at it’s peak performance; yourdistributor may have to
make adjustments depending on the elevation. Elevation plays a key role in how
the machine will operate.
The factory setting of the machine is set for elevations from 0—3,000 feet. Any
time the machine is operated above 3,000 feet there are two areas on the machine
the may need adjustment.
The first area is the fuel mixture screw. The higher the elevation, the less air is
provided to the fuel mixture. This will make the engine run ‘rich’, and, in turn will
result in the loss of power, excessive heat in the exhaust, and carbon buildup in
the exhaust and heat exchanger system. The fuel mixture varies per engine and
elevation. Consult HydraMaster to obtain proper setting.
The second area that may need adjustment is the heat control system. The heat
control system is also optimized to 0-3,000 feet. At higher altitudes the boiling
point of water is lowered. In turn, this can cause the water box to boil and the
high pressure pump to cavitate. The heat control system settings will have to be
adjusted to compensate for the elevation. These settings will vary according to
elevation. Contact HydraMaster to obtain the recommended settings.

er Map

Page 1-18 CleanMaster 402
HydraMaster/CleanMaster
3/20/02
This page intentionally left blank

CleanMaster 402 Page 2-1
HydraMaster/CleanMaster 3/18/05
Cleaning and Chemicals
CleanMaster 402
Section 2-1
Your mobile carpet cleaning plant has been engineered using the latest and most
sophisticated technology available to produce the finest carpet cleaning results
possible. Despite this, however, it remains only a tool of the carpet cleaning trade,
and it can produce only as good a job as the person operating it.
The use of some chemicals through your mobile carpet cleaning plant can seriously
damage the internal plumbing, high-pressure pump, chemical pump and heat ex-
changers. These harmful chemicals include concentrated acid (see the pH chart at
the end of this section), solvents (including d-Limonene), and some paint, oil and
grease removers with a high concentration of solvents.
PRECAUTIONS
There are no short cuts to good carpet cleaning. It requires time, cleaning knowl-
edge and the use of good chemicals. Therefore, the manufacturer recommends the
use of spotting agents and traffic lane cleaners, as required, prior to the actual
cleaning of carpeting.
The use of some chemicals through your mobile carpet cleaning plant can seriously
damage the internal plumbing, high pressure pump and heater. These harmful
chemicals include concentrated acid (see the pH chart at the end of this section),
solvents, and some paint, oil, and grease removers with a high concentration of
solvents.
The manufacturer recommends only the use of chemicals containing rust and corro-
sion inhibitors and water softening agents to prevent chemical buildup which may
lead to component failure and warranty invalidation.
CAUTION
!

Page 2-2 CleanMaster 402
HydraMaster/CleanMaster
3/18/05
The increased demand for “clear water” rinsing results in the need for special
care when using these acid based chemicals in your equipment. The negative
side of these products is the corrosive effects the acid can have on metals,
including swivels, pumps, heat exchangers, etc.
HydraMaster’s ClearWater Rinse has been formulated to protect vital components.
HydraMaster will not warranty parts that have been damaged from using unpro-
tected acid products that have obviously caused failures.
CLEANING STROKE PROCEDURE
Purpose:
To eliminate excess moisture remaining in the carpet fiber and the saw tooth
appearance which results from diagonal movement of the cleaning tool on all types
of carpet.
Procedure:
Always move the cleaning tool in smooth, forward and backward strokes. Apply
slight pressure to the forward stroke while the solution is injected into the carpet.
When extracting (drying), apply firm pressure on the forward stroke to ensure a posi-
tive “lock” for the vacuum and minimize the “hopping” effect resulting on carpet that
is not smooth. During the forward and reverse strokes, movement to the right or left
should only be accomplished at the extreme rear of the stroke. Overlapping is also
important to ensure even application of solution and prevent saturation when cleaning
wand is stopped twice at the same point at the rear of the cleaning stroke. This is
illustrated at the end of this section.
Failure to adopt this procedure can result in increased chance of “clean streaks,” fiber
shrinkage, brown-out and longer drying periods.
OVER-WETTING
Over-wetting is annoying to all concerned, and sometimes leaves a bad impression of
the cleaning process used.
THESE ARE SEVERAL AREAS THAT WILL CAUSE OVER-WETTING
1. Too few vacuum strokes or improper saw-tooth vacuum strokes as shown
in the following illustration.
2. Obstructed, cut or kinked hoses.
3. Vacuum tank drain valve left partially open.
4. Clogged vacuum blower filter or vacuum tank lid not sealing properly.
5. Cleaning a heavily foam-saturated carpet without defoamer. (We
recommend crystal type.)

CleanMaster 402 Page 2-3
HydraMaster/CleanMaster 3/18/05

Page 2-4 CleanMaster 402
HydraMaster/CleanMaster
3/18/05
This page intentionally left blank

CleanMaster 402 Page 3-1
HydraMaster/CleanMaster 3/20/02
Operating Instructions
CleanMaster 402
Section 3-1
START UP
1. Perform daily and periodic maintenance as specified in this Owner’s Manual.
2. Connect all required hoses, including a garden hose for water supply.
3. Connect the cleaning tool to the length of hose required to perform
the cleaning.
Water box must be full prior to ignition.
The machine cannot be run in the “IDLE” position for cleaning upholstery, carpet or
floor extraction. This will void the warranty.
NOTE: In order to achieve consistent adjustable temperatures, an operating pressure
of 200 PSI must be maintained.
NOTE: Under exceptionally long periods of ‘No Flow’ conditions, the “Over Temp”
light may come on momentarily. This indicates that the high temp solenoid is acti-
vated to control water temperature.
WARNING
!
CAUTION
!

Page 3-2 CleanMaster 402
HydraMaster/CleanMaster
3/20/02
SET UP
Indoor Application:
1. Remove the unit from the storage area.
2. Obtain a full propane cylinder from the outside storage area. Before entering
the building, check the propane cylinder for an over-full condition. If the cylin-
der is over-full see the section entitled “Propane Handling.”
An overfilled vapor tank, if put into operation, may allow liquid propane to enter
the propane system and cause damage or explosion.
3. Place the machine in a well ventilated area and install the propane cylinder into
the machine.
4. Make the propane connections. Open the propane tank valve and check for
leaks. Close the propane tank valve for transport.
If you smell gas:
a) Extinguish any open flames, pilot lights, and all smok-
ing materials
b) Do not touch electrical switches.
c) Shut off the gas supply at the tank valve.
d) Open doors and other ventilating openings.
e) Leave the area until odor clears.
f) Have the gas system checked and leakage source
corrected before using again.
5. Move the machine to the area to be cleaned, place the machine in the largest
available open area.
6. Make the hose connections to the machine, vacuum, solution, incoming water,
and automatic pump out.
WARNING
!
WARNING
!

CleanMaster 402 Page 3-3
HydraMaster/CleanMaster 3/20/02
Carpet or Hard Surface Cleaning
1. Turn the propane tank valve counterclockwise 3 full turns
2. Start the engine with throttle switch in “IDLE” position.
Allow machine to run in idle for 2 - 3 minutes to warm up.
2. Connect hoses.
3. If used, turn PUMP IN switch to “ON” (switch light will be illuminated).
4. Connect wand or tool.
5. Set THROTTLE to “HIGH”.
6. Set temperature to desired level.
7. If used, turn PUMP OUT switch to “ON” (switch light will be illuminated)
8. Set cleaning pressure to desired level.
Suggested Settings
Carpet Cleaning: 300 – 400 psi;
Hard Surface: 1000 psi or as indicated on the tool.
9. Turn the chemical selector valve to the “PRIME” position to purge any
air from the system.
a. If the chemical does not begin to flow through the flowmeter within 60
seconds, remove the chemical PRIME line (the one without the filter)
from the chemical container and insert it into the vacuum hose connec-
tion at the front of the machine.
b. When the chemical begins to flow through the flowmeter, with the flow
indicator reading maximum flow and the PRIME line pulsing, turn the
chemical selector valve to “ON”, and place the chemical PRIME line
back into the chemical container.
c. Then, while spraying solution from the cleaning tool, adjust the chemi-
cal flow by turning the chemical adjustment knob as necessary.
10. Commence cleaning.
Upholstery Cleaning
1. Start the engine with throttle switch in “IDLE” position.
Allow machine to run in idle for 2 - 3 minutes to warm up.
2. Connect hoses.
3. If used, turn PUMP IN switch to “ON” (switch light will be illuminated).

Page 3-4 CleanMaster 402
HydraMaster/CleanMaster
3/20/02
Upholstery Cleaning Continued:
4. Connect wand or tool.
5. Set THROTTLE to “HIGH”.
6. Set temperature to desired level.
7. If used, turn PUMP OUT switch to “ON” (switch light will be illuminated)
8. Set cleaning pressure to desired level.
9. Turn the chemical selector valve to the “PRIME” position to purge any
air from the system.
a. If the chemical does not begin to flow through the flowmeter within 60
seconds, remove the chemical PRIME line (the one without the filter)
from the chemical container and insert it into the vacuum hose connec-
tion at the front of the machine.
b. When the chemical begins to flow through the flowmeter, with the flow
indicator reading maximum flow and the PRIME line pulsing, turn the
chemical selector valve to “ON”, and place the chemical PRIME line
back into the chemical container.
c. Then, while spraying solution from the cleaning tool, adjust the chemi-
cal flow by turning the chemical adjustment knob as necessary.
10. Commence cleaning.
Flood Extraction
1. Start the engine with the THROTTLE switch in “IDLE” position.
Allow the machine to run in idle for 2 - 3 minutes to warm up.
2. Connect hoses.
3. Connect wand or tool.
4. Set the THROTTLE to “HIGH”.
5. If used, turn PUMP OUT switch to “ON” (switch light will be illuminated).
6. Commence water extraction.
Flood Damage Work for the Standard CM 402
When using equipment for flood damage, you must have a fresh
water source hooked up at all times to allow a cold water source into
the machine. This will prevent overheating during long periods of
vacuum recovery.

CleanMaster 402 Page 3-5
HydraMaster/CleanMaster 3/20/02
Shut Down
1. Flush clear water through the chemical system for 10 seconds. Turn off
the chemical flowmeter.
2. Cool the machine by lowering the adjustable thermostat to the “LOW
spraying the cleaning wand into the vacuum hose for three to five minutes.
The chemical will be flushed from the unit, hoses and cleaning tool.
NOTE: If the machine is not properly cooled, the water box can overflow.
3. Remove the vacuum hose.
4. At this time, the blower should be lubricated with an oil-based lubricant.
See Lubrication in the Blower Operation and Maintenance Manual
included in Section 8 of this document.
NOTE: If freeze guarding is necessary, perform the freeze guard procedure at this
time. (see Section 4 for Freeze Guarding)
5. Lower the engine RPMs to idle.
6. Turn the key off.
7. Drain the water box.
8. Drain the vacuum tank. The vacuum filter should be cleaned prior to
mobilization of the van.
NOTE: In accordance with the EPA, state and local laws, do not dispose of
waste water into gutters, storm drains, streams, reservoirs, etc.
9. Perform daily maintenance as prescribed in this manual.

Page 3-6 CleanMaster 402
HydraMaster/CleanMaster
3/20/02
This page intentionally left blank

CleanMaster 402 Page 4-1
HydraMaster/CleanMaster 3/20/02
Propane
CleanMaster 402
Section 4-1
HydraMaster, being a leader in the floor care industry, has taken every precaution
possible in the design of this equipment to ensure the safety of the technician.
Safety is our primary concern. Therefore, the fuel of choice for this equipment is
Liquefied Petroleum Gas (LPG, or more commonly referred to as propane). Propane
is one of the cleanest burning commercial fuels available. The compounds pro-
duced by the combustion of propane are carbon dioxide, carbon monoxide, and
oxides of nitrogen. Even though these can be toxic compounds in high concentra-
tions, in this equipment everything possible has been done to ensure that these
compounds do not reach harmful levels.
Propane has many advantages over other liquid fuels. For instance:
This fuel is readily available. Propane can be purchased in virtually
any town in America.
Propane cylinders are commercially available and offer a safe and
convenient way to transport this fuel.
Propane has been used successfully for many years by the floor
care industry for indoor applications.
There are well established safety standards for the indoor use of
propane fuel.
Propane is a very clean burning fuel, so it does not leave carbon
deposits on interior engine components. This results in better
engine life.
Propane boils at -40 degrees F so it can not spill. It is enhanced
with a strong odor that is perceptible well below the flammable
level so leaks can easily be detected.

Page 4-2 CleanMaster 402
HydraMaster/CleanMaster
3/20/02
FUEL SYSTEM FLOW
The fuel system flow is as follows:
1. When the tank valve is opened, pressurized propane vapor travels through a
quick connect to a shut-off valve.
3. When the engine is started, this valve opens and allows propane vapor to
reach the pressure regulator.
4. The pressure regulator reduces the propane pressure and regulates the flow of
vapor to the engine.
5. The vapor then travels through the main metering valve on the hose.
6. The vapor then reaches the venturi and is injected into the engine.
REFUELING PROPANE TANKS
Use only the propane tank specified or supplied with the equipment. Do
not substitute any other tank.
Never fill the propane tank for this equipment more than 80% of
capacity. This is a vapor tank, filling it beyond 80% may cause liquid
propane to enter the equipment and cause damage.
HydraMaster has designed this equipment to use a vertically-mounted 43 pound
DOT tank. This is a vapor tank and must be kept with the properly indicated side
up.
The NFPA discusses the proper refueling of propane cylinders in chapter 4 of
standard #58. Briefly stated it warns against the overfilling of vapor tanks, that
filling should be accomplished by “qualified personnel” only and that it is the
responsibility of that qualified person to inform you in writing of any tanks that do
not comply with sections 2-2 and 2-3 of NFPA 58.
The NFPA defines “qualified personnel” by this statement, “in the interest of safety
all persons employed in handling LP-Gases shall be trained in proper handling and
operating procedures, which the employer shall document. Effective Jan 1, 1993,
all employees shall carry written certification of their job qualifications issued by
the training agent or a written document issued by the authority having jurisdiction
identifying the functions each person is authorized to perform.” (NFPA 58 1-6)
CAUTION
!
CAUTION
!

CleanMaster 402 Page 4-3
HydraMaster/CleanMaster 3/20/02
In the event that a propane tank becomes overfilled, venting of the tank is permitted only
under the following conditions, “outdoors, container venting shall be done under
conditions that will result in rapid dispersion of the product being released. Consideration
shall be given to such factors as distance to buildings, terrain, wind direction and
velocity, and use of a vent stack so that a flammable mixture will not reach a point of
ignition.” (NFPA 58, 4-3.2.1) Propane can be released by opening the small relief valve
located next to the main tank valve. Allow the tank to vent until fuel vapor is no longer
visible.
Escaping propane vapor can freeze skin tissue causing frost bite.
STORAGE OF CM402
Do not store the CM 402 unit indoors with the propane cylinder installed. Remove the cylinder
and store outdoors as indicated below.
The CM 402 may be stored safely in any enclosed area provided it does not block access to any
building fire safety equipment, or block any area intended for the safe egress of people.
Do not store the unit in an area that may experience freezing temperatures unless the “freeze
guard” procedure has been done prior to placing the unit in storage.
STORAGE OF PROPANE CYLINDERS
Propane cylinders shall not be stored inside buildings frequented by the public.
Storage outdoors shall be in compliance with NFPA 58 5-4. In brief this states that portable
containers shall be a minimum of 5 feet from doorways, windows, property lines, busy
thoroughfares and sidewalks. The containers must be protected by industrial fencing or in a
ventilated metal locker or rack that prevents tampering with valves and pilferage of the
cylinders. The location must also be protected from vehicular impact.
Storage locations are also required to have a fire extinguisher installed, with a minimum
capacity of 18 lb. dry chemical with a B:C rating.
WARNING
!
WARNING
!
CAUTION
!

Page 4-4 CleanMaster 402
HydraMaster/CleanMaster
3/20/02
TRANSPORTATION OF PROPANE CYLINDERS
Vehicular Transport:
Containers must be determined to be leak-free before loading into a vehicle.
Cylinders must be DOT approved.
The vehicle in which propane cylinders are transported must comply with the following:
“The cargo space of the vehicle shall be isolated from the driver’s compartment,
the engine, and its exhaust system. Open-bodied vehicles shall be considered to
be in compliance with this provision. Closed-bodied vehicles having separate
cargo, driver’s, and engine compartments shall also be considered to be in
compliance with this provision.
“Exception: Closed-bodied vehicles such as passenger cars, vans, and station
wagons shall not be used for transporting more than 215 lb (98 kg) water capacity
[nominal 90 lb (41 kg) LP-Gas capacity] but not more than 108 lb (49 kg) water
capacity [nominal 45 lb (20 kg) LP-Gas capacity] per container (see 6-2.2.6 and
6-2.2.7), unless the driver’s and engine compartments are separated from the
cargo space by a vapor tight partition which contains no means of access to the
cargo space.” (NFPA 58 6-2.2.5)
Transport Inside Buildings:
“Transportation (movements) of containers within a building shall comply with
the following:
(b) Valve outlets on containers having water capacities greater than 2 ½
lb...shall be tightly plugged.
(c) Only emergency stairways not generally used by the public shall be used,
and reasonable precautions shall be taken to prevent the containers from
falling down the stairs.

CleanMaster 402 Page 4-5
HydraMaster/CleanMaster 3/20/02
(d) Freight or passenger elevators shall be permitted to be used when
occupied only by those engaged in moving the container.”
(NFPA 58 3-4.2.7)
“Buildings Undergoing Minor Renovation When Frequented by the Public. Containers shall
be permitted to be used and transported for repair or minor renovation in buildings frequented
by the public as follows:
(a) During the hours of the day the public normally is in the building the
following shall apply:
(1) The maximum water capacity of individual containers shall be 50 lb...,
and the number of containers in the building shall not exceed the number
of workers assigned to using the LP-Gas.
(2) Containers having a water capacity greater than 2.7 lb [and filled with no
more than 16.8 oz LP-Gas (empty)] shall not be left unattended.
(b) During the hours of the day when the building is not open to the public,
containers shall be permitted to be used and transported in the building
for repair or minor renovation...provided, however, that containers with a
greater water capacity than 2.7 lb [and filled with no more than 16.8 oz
LP-Gas (empty)] shall not be left unattended.” (NFPA 58 3-4.4)
PROPANE CAUTIONS
Prior to machine start up, check the fuel tank, hoses and fuel lines for leaks.
Always operate the machine in a well ventilated area.
When the equipment is not in use remove the propane tank and store outside in an appropriate
outdoor area. Do not store propane tanks indoors.
WARNING
!
WARNING
!
WARNING
!

Page 4-6 CleanMaster 402
HydraMaster/CleanMaster
3/20/02
Remove the propane tank from the equipment before refueling.
Do not fill propane container(s) to more than 80% capacity.
Propane cylinders must be stored in accordance with the National Fire Protection Association
standard 58 chapter 5.
Transportation of portable propane cylinders must be in accordance with National Fire Protec-
tion Association standard 58 chapters 3 and 6.
Carpet cleaning equipment should only be used by fully trained machine technicians.
Freezing this equipment can be costly. Take all necessary precautions to protect this equipment
from freezing temperatures.
During the operation of this equipment, many surfaces on the machine will become very hot.
When near the equipment for any reason care must be taken not to touch any hot surface, such
as heating systems, engine, exhaust, etc.
It is unsafe to smoke in the vicinity of this equipment.
Never touch any part of the machine that is in motion. Severe bodily injury may result.
The engine exhaust from this product contains chemicals know to the State of California to
cause cancer, birth defects or other reproductive harm.
CAUTION
!
CAUTION
!
CAUTION
!
WARNING
!
CAUTION
!
WARNING
!
WARNING
!
WARNING
!
WARNING
!
WARNING
!

CleanMaster 402 Page 4-7
HydraMaster/CleanMaster 3/20/02
Escaping propane vapor can freeze skin tissue causing frost bite.
Propane vapor is heavier than air and will collect in the lowest confined space in the event of a
leak.
Propane smell... If you smell gas:
a) Extinguish any open flames, pilot lights, and all smoking materials.
b) Do not touch electrical switches.
c) Shut off the gas supply at the tank valve.
d) Open doors and other ventilating openings.
e) Leave the area until odor clears.
f) Have the gas system checked and leakage source corrected before using again.
All propane fuel system connections shall be checked periodically for leaks with soapy water or
equivalent.
Never use a match or flame to check for leaks.
Propane container valves shall be closed when equipment is not in use and while transporting.
Propane containers may only be filled by qualified persons.
WARNING
!
WARNING
!
WARNING
!
WARNING
!
WARNING
!
WARNING
!
WARNING
!

Page 4-8 CleanMaster 402
HydraMaster/CleanMaster
3/20/02
Always follow the engine manufacturers recommendations for proper engine maintenance and
operation.
CAUTION
The owner of a propane carpet cleaning machine shall ensure that the technician has
participated in a training course on the safe handling of propane and the proper operation of the
equipment.
This unit weighs over 350 pounds. Care must be used when transporting this equipment. Do
not try to lift the equipment!
CAUTION
!
WARNING
!

HELPFUL HINTS
on LP-GAS and
LP-GAS CONTAINERS
Millions enjoy using the world’s most ver-
satile fuel, but we should always remem-
ber to follow all the important safety
warnings and product instructions.
This pamphlet is designed by Manchester
Tank to answer some
questions you may have. If you need
additional information or clarification, please feel free to call us.
Customer safety is and will always remain our number one
priority at Manchester Tank.
LP-GAS
(liquid petroleum gas, or propane)
is a true gas compressed into liquid form for easy transportation and
storage. It is also known as propane or bottled gas. LP-Gas is safe and
economical, and because of its portability, provides modern living
convenience no matter where you travel.
LP Gas is flammable, is always contained under pressure, and the
liquid can freeze skin.Therefore, in the interest of safety, it is impor-
tant to understand the basic facts about LP-gas and LP-gas containers.
Federal DOT (Department of Transportation) regulations require
periodic inspections and requalifications of cylinders.
DO NOT USE damaged or rusted tanks.
ADVANTAGES OF
TWO-STAGE REGULATION
Reduced Freeze-Up Problems–According to national code, a two-
stage regulator must be used on RV’s. A two-stage regulator greatly
reduces the possibility of freeze-ups.
Improved Regulation–The second stage regulator receives a
relatively uniform pressure from the first stage regulator.This helps
the second stage regulator to maintain appliance pressure at a nearly
constant 11" W.C.
BASIC FACTS ABOUT LP-GAS*
Pounds per gallon . . . . . . . . . . . . . . . . . . . . . . . . . . . . . . . . .4.24
Specific gravity of gas . . . . . . . . . . . . . . . . . . . . . . . . . . . . . .1.50
Specific gravity of liquid . . . . . . . . . . . . . . . . . . . . . . . . . . . .504
Cu. ft. gas per gallon liquid . . . . . . . . . . . . . . . . . . . . . . . . . .36.38
Cu. ft. gas per pound . . . . . . . . . . . . . . . . . . . . . . . . . . . . . . .8.66
BTU per gallon . . . . . . . . . . . . . . . . . . . . . . . . . . . . . . . . .91,502
BTU per pound . . . . . . . . . . . . . . . . . . . . . . . . . . . . . . . . .21,548
Dew point in degrees F . . . . . . . . . . . . . . . . . . . . . . . . . . . . . -44
Vapor pressure at 0º F . . . . . . . . . . . . . . . . . . . . . . . . . . . . . . . .31
Vapor pressure at 70º F . . . . . . . . . . . . . . . . . . . . . . . . . . . . . .127
Vapor pressure at 100º F . . . . . . . . . . . . . . . . . . . . . . . . . . . . .196
Vapor pressure at 110º F . . . . . . . . . . . . . . . . . . . . . . . . . . . . .230
In cold climates, in order to keep vaporization of LP-gas at the
highest level, keep the fuel levels above 50%.
AVERAGE LP-GAS CAPACITIES IN CYLINDERS
#GALLON BTU
CAPACITY CAPACITY CAPACITY
51.18 107,903
10 2.36 215,807
11 2.59 237,387
20 4.72 431,613
30 7.08 647,420
40 9.43 863,226
The above capacities allow for the 20% vapor space on each cylinder.
CONVERSIONS
Gallons to Liters (1 gallon = 3.785 liters)
Fº to Cº (Fº = 9/5 Cº + 32º)
11" Water Column = 6-1/4 ozs. per sq. in pressure
27.7" Water Column = 1 pound per sq. in. pressure
*Data from NFPA (National Fire Prevention Association) Pamphlet
#58-1998
NOTE:This pamphlet is not meant to be a complete guide to the use
of propane cylinders and appliances.
Call or write Manchester Tank for additional copies of
this brochure– available at no charge. Or, download
from our website at www.mantank.com
Part #S 33108; Rev. 1/98
SOME BASIC PRACTICES TO ENSURE
SAFETY AND TROUBLE-FREE USE
Practice safety at all times. If you have questions about the
operation of your appliance or LP-gas systems, contact your
local LP-gas dealer.
1. Never allow your LP-gas container to be filled above the
maximum safe level as indicated by a scale or the fixed liquid
level gauge (outage). Do not use the visible gauge for filling.
2. Do not use a wrench or pliers to close the service valve or fixed
liquid level gauge.These valves are designed to be closed
leak-tight by hand or screwdriver as appropriate. If wrenches
are necessary to stop a leak, the valve needs repair or
replacement.
3. When tightening the POL Nut (left hand thread) on the service
valve, draw it up snug with a proper wrench.This
is a machined male brass fitting which seats securely against a
female seat in the POL valve–no pipe dope is necessary.
Acme/Type 1 valves have right handed threads which are
secure when hand tight, and on the Quick Disconnect/Type 2
Valves, the male connection is inserted into the female
connection on the cylinder valve. (No wrenches required for
both the Acme and the Quick Disconnect.)
4. When using container, slowly open service valve all the way.
Listen to the regulator. A continuous hiss may indicate a leak
or an open valve on an appliance.
5. Check all tank and the line connections periodically to be sure
they are tight. When testing for leaks, use approved leak
detector solution–not matches.
6. Make certain your container is properly fastened in place.
7. Turn container with open part of container guard towards
trailer (travel trailer installation).This protects valves and
regulator against flying rocks and mud. Transport container in
the proper position in which it is used, with the valves closed
and POL Plugs inserted for POL Valves, or Dust Caps for Acme
Valves. Secure the tank against falling or rolling.
8. Check for leaks after connecting. Apply approved leak detector
solution to connection,turn off all burners and pilots,and open
service valve. Leaks will be detected by the growth of the
bubbles. If bubbles grow, tighten or repair the connection as
needed. Repeat leak test until problem is corrected.
9. LP-gas is non-corrosive, you need not worry about the
inside of your container. However, the outside should be kept
free from rust by a periodic coat of paint in a light reflective
color. It is very important to inspect and maintain the bottom
and footring on the container.
10. Do not store LP-gas containers indoors or in enclosed
areas. Do not expose LP-gas container to heat.Always store
with service valve closed and plugged as required.
11. Do not attempt to repair any containers, container valves,
regulators or appliances by yourself. Use only trained, certified
LP-gas service personnel to perform repairs.
www.mantank.com
1-800-877-8265
1749 Mallory Lane,
Brentwood, TN 37027
3739 Helpful Hints Broch3/00 1/22/02 2:14 PM Page 1

CAUTION
USE LP-GAS CONTAINERS
IN PROPER POSITION
Most LP-gas appliances for cooking,heating, lighting,water heating
and refrigeration are designed to operate on LP-gas vapor only.
Therefore, all LP-gas containers designed for vapor service must be
transported, installed and used in the proper position. Do not trans-
port, install or use a vertical cylinder in a horizontal or upside down
position. Proper care must be taken to position a horizontal
container in the correct position for vapor withdrawal.Liquid LP-gas
could enter the system designed for vapor only, possibly creating a
hazardous condition.
Always use a POL plug installed on a POL valve or a dust cap on an
ACME/Type 1 valve when transporting or storing disconnected
containers (full or empty).
Manchester LP-gas containers are permanently marked with “top”
stamped on the tab welded to the tank or “arrows must point up”
stamped in the guard or bracket to identify the proper position.
All LP-gas containers must be securely attached in the proper
position for intended use.
FILLING YOUR LP-GAS CONTAINER
Only qualified persons should fill your LP-Gas containers.
CAUTION: OVERFILLING IS HAZARDOUS! Do not allow your LP-
gas container to be overfilled.Stop filling when liquid appears at the
fixed liquid level gauge.Bleed off excess propane in a safe area.Most
LP-gas containers are equipped with a fixed liquid level gauge
which contacts the liquid level at 80% of container capacity, allow-
ing 20% for expansion. LP-gas containers not equipped with a fixed
liquid level gauge can only be filled by weight.
LP-gas containers must not be filled over 80% of total capacity.
Propane expands approximately 1.5% for each 10º F temperature
rise. Pumps do not stop filling “automatically.” Pumps “by-pass”
when containers are dangerously filled to total capacity. If overfilled,
excessive pressure could develop within the container causing the
relief valve to open, relieving excess pressure. LP-gas released
through the relief valve is flammable.
The fixed liquid level gauge is used only to determine safe fill
levels and does not indicate lower levels. LP-gas containers are
available with visible gauges that monitor the amount of gas in the
container at all times, reading from full to empty. Do not use visible
gauges for filling.
PURGING OF AIR
FROM LP-GAS CONTAINERS
Air in LP-gas containers is a contaminant. Purging is done prior to
initial filling to remove the air. If the container is not properly
purged,air in the container dilutes the LP-gas vapor. Failure to purge
may cause excessive tank pressure, slow filling and poor appliance
operation of Automatic Stop Fill valve. Appliances then require
constant adjustment and pilot lights won’t stay lit. This condition
would exist until all air is depleted, leaving pure LP-gas vapor.
Have your LP-gas container purged.It only takes a few minutes and
your LP-gas dealer is equipped to perform this service.
See NPGA bulletin 133(a).
COMMON TERMS OF LP-GAS TANKS
1. POL, ACME and QUICK DISCONNECT VALVES–Types of vapor
withdrawal service valves.
2. Fixed Liquid Level Gauge. Clear vapor less than 80%; white mist
80% or above.
3. Vapor Withdrawal Tube–Used on tanks where service valve is not
located on top of tank.
4. Base ring, stand legs, or mounting brackets.
5. Relief Valve–discharges LP-gas if the pressure in the container is too
high. If LP-gas is discharging, call the Fire Dept.and get away from the
container.
6. OPD–or Overfill Prevention Device is a valve designed to assist LP-gas
fillers to fill the cylinders to safe levels of propane.
7. Automatic Stop Fill Valve–with 1-3/4" ACME
8. Visible Sight Gauge–Available with remote sender.
DOT AND ASME TANKS
Generally speaking, LP-gas tanks are built to the specifications of
either the ASME or DOT pressure safety codes.
Basically, the difference between the two codes is that valves,
fittings and brackets may be located on the ends only on DOT
cylinders, while on the ASME tanks they may be located on ends as
well as sides.These tanks are required to be rated in gallons (ASME)
or pounds (DOT) water capacity. Manchester production and test-
ing methods are the most modern available to assure top quality. All
valves and fittings on Manchester cylinders are listed by UL.
LP GAS REGULATORS (See Fig. 4)
LP-gas regulators reduce the pressure of LP-gas vapor from tank
pressure to 6-1/4 oz. or 11" W.C. for use at the appliances. The
regulator is the heart of the LP-gas system. Care should be taken to
protect it from the elements which could cause it to malfunction.
Your LP-gas system should be kept free of moisture which could
cause regulator freeze-up. A good regulator enclosure will protect
your regulator. (See Fig. 5) CAUTION–ALWAYS BE SURE THAT
THE REGULATOR VENT IS POINTING DOWN WITHIN
45 DEGREES.
Fig. 1
Fig. 2
Fig. 3 The OPD Valve helps prevent overfilling of LP-gas in the container.
Fig. 4 Typical regulator on RV
Fig. 5 Regulator Cover
See “Common Terms of LP-
Gas Tanks” for part descrip-
tion on Fig. 1 and Fig. 2.
6
7
3739 Helpful Hints Broch3/00 1/22/02 2:14 PM Page 2

CleanMaster 402
HydraMaster Corporation
3/20/02
Figure 4-1 Propane Flow Diagram
5300-Rev0
Page 4-11/12

Page 4-12 CleanMaster 402
HydraMaster/CleanMaster
3/20/02
This page intentionally left blank

CleanMaster 402 Page 5-1
HydraMaster/CleanMaster 3/20/02
Carbon Monoxide Detector
CleanMaster 402
Section 5-1
CARBON MONOXIDE DETECTOR
Carbon monoxide (CO) is invisible, odorless, tasteless and non-irritating—completely undetect-
able to your five senses. That’s why it’s so important to your safety that you have a carbon
monoxide detector. But, how do you know what to do if your detector alarms?
You have to learn what to do, because your five senses won’t tell you. Familiarize yourself
with the facts about carbon monoxide, how your new detector works, and what to do if it
alarms.
HOW THE DETECTOR DETERMINES WHEN TO ALARM
Your detector uses advanced technology to monitor the environment and warn you of unaccept-
able levels of carbon monoxide. An internal microcomputer works together with the carbon
monoxide sensor inside the detector to determine the levels of carbon monoxide in the air and
to calculate the rate that CO would be absorbed into the human body.
The microcomputer is calibrated to trigger the detector’s alarm before most people would
experience any symptoms of carbon monoxide poisoning. Because carbon monoxide is a
cumulative poison, long-term exposures to low levels can cause symptoms, as well as short-
term exposures to high levels. Your detector has a time weighted alarm, so the higher the level
of carbon monoxide present, the sooner the alarm will be triggered.
This detector meets the alarm response time requirements of UL Standard 2034 which are
as follows:
At 70 ppm, the detector must alarm within 90 minutes.
At 200 ppm, the detector must alarm within 30 minutes.
At 400 ppm, the detector must alarm within 15 minutes.

Page 5-2 CleanMaster 402
HydraMaster/CleanMaster
3/20/02
HOW TO TEST YOUR DETECTOR
There are two aspects of the detector’s operation that can be tested; the electronics and the
sensor response. Instructions on testing each are outlined on the following pages.
TESTING THE ELECTRONICS
You should test the detector once a week, following the directions listed below. If at any time
you test the detector and it does not perform as described below, have it replaced immediately.
Observe the detector weekly to make sure the green dot is illuminated, indicating normal
operation. If the dot is not illuminated, check the power supply. If the monitor has power it
may be malfunctioning.
To test the detector, press the Test/Reset button and hold it down for 10 to 15 seconds. If the
detector is operating properly, you should notice the following:
After holding the test button for 10 to 15 seconds, a loud, constant alarm will
sound. (Note: the 85 decibel alarm is quite loud at close range and could cause
hearing loss after prolonged exposure. When you test the detector, we advise
you to place your finger over the sounder opening in the upper center of the
detector.)
NOTE: Pressing the Test/Reset button tests the functions of the detector’s
internal components, circuitry and micro-computer.
You do not need to press the test button to take a co reading.
TESTING THE SENSOR RESPONSE
While it is not required, on occasion you may wish to observe and become familiar with your
detector’s response in the actual presence of carbon monoxide. The best and safest way to do
this is with either a cigarette or an incense stick. To perform this test you will need: your
detector (that has been powered up for at least two hours), matches or a butane lighter, an
ashtray, and either a cigarette or an incense stick.

CleanMaster 402 Page 5-3
HydraMaster/CleanMaster 3/20/02
WARNING: This test should be done by adults only. Children should be warned never to light
matches or butane lighters. Please use caution when performing the test described below.
Avoid burns from flame or hot materials. Avoid inhaling excessive smoke from the cigarette or
incense stick. Extinguish all flames and properly discard all hot materials.
Step 1. With a match or a lighter, light a single cigarette or incense stick. Extinguish the match
or lighter. Make sure an ashtray is available to discard ashes, matches and the burned cigarette
or incense stick.
Step 2. Hold the smoldering cigarette or incense stick 12 - 15 inches directly below the bottom
air vents of the CO detector, making sure the stream of smoke rises into the vents.
Step 3. Continue holding the cigarette or incense stick directly below the detector for 3 - 5
minutes. This time is needed as the detector samples the air every 2½ minutes. Note: Do not
hold the cigarette or incense stick closer than 12 inches to the detector as smoke will cause a
yellow stain to develop on the detector’s outer case.
Step 4. If the reading is greater than 600 ppm, the detector will alarm in about five minutes.
Step 5. If your detector alarms, you can silence it by pressing Test/Reset button.
Step 6. Extinguish the cigarette or incense stick by pressing the smoldering tip into the ashtray.
HOW TO KNOW IF YOUR DETECTOR IS MALFUNCTIONING
Your detector performs an internal self-diagnosis every two and a half minutes to make sure
that it is functioning properly. The detector is designed to alert you in the unusual event of a
malfunction.
IF THE DETECTOR MALFUNCTIONS
In the rare event that your detector malfunctions, it will alert you with an alarm and shut the
machine off.
WHAT TO DO IF YOU’RE NOT SURE
Please familiarize yourself with the malfunction alert, and do not confuse these signals with an
alarm.

Page 5-4 CleanMaster 402
HydraMaster/CleanMaster
3/20/02
If your detector sounder is beeping, and you are not sure if it is a CO alarm or malfunction alert,
reset the alarm, open windows for ventilation, turn off fuel-burning appliances (like kerosene or
oil heaters, furnaces, gas ranges, wood-burning stoves, water heaters, or other fossil-fuel burn-
ing appliances). For furnaces, you can simply turn down the thermostat to its lowest setting.
Open windows and doors for ventilation.
Before you call a qualified technician (such as a licensed heating contractor, utility service
technician, chimney sweep or fuel provider) to check your residence for CO, remember that you
will probably be charged for a service call.
Never ignore a CO detector alarm. A true alarm is an indication of potentially dangerous levels
of carbon monoxide. CO detectors are designed to alert you to the presence of carbon monox-
ide before an emergency, before most people would experience symptoms of carbon monoxide
poisoning, giving you time to resolve the problem calmly.
HOW TO CARE FOR YOUR DETECTOR
To keep your detector in good working order, you must follow these simple steps:
DO:
• Test the detector once a week by pressing the Test/Reset button.
` • Vacuum the detector cover once a month to remove accumulated dust. Use the
soft brush attachment of your vacuum cleaner, and unplug the detector from the
electrical outlet before vacuuming.
• Instruct children never to touch, unplug or otherwise interfere with the
detector.Warn children of the dangers of CO poisoning.
DON’T:
• Never use detergents or solvents to clean the detector. Chemicals can permanently
damage or temporarily contaminate the sensor.
• Avoid spraying air fresheners, hair spray, paint or other aerosols near the detector.
• Do not paint the detector. Paint will seal the vents and interfere with proper sensor
operation.

CleanMaster 402 Page 5-5
HydraMaster/CleanMaster 3/20/02
Note: If you will be staining or stripping wood floors or furniture, painting, wall-papering, or
using aerosols or adhesives for a do-it-yourself project or hobby, before you begin, remove the
detector to a remote location to prevent possible damage to or contamination of the sensor.
You may wish to store the detector in a plastic bag during the project.
The following is a list of substances that at high levels can affect the sensor:
Methane, propane, iso-butane, ethylene, ethanol, alcohol, iso-propanol, benzene, toluene,
ethyl acetate, hydrogen, hydrogen sulfide, sulfur dioxides.
Also most aerosol sprays, alcohol based products, paints, thinners, solvents, adhesives, hair
sprays, after shaves, perfumes, auto exhaust (cold start) and some cleaning agents.
UNDERSTAND THE EFFECTS OF CARBON MONOXIDE EXPOSURE
Low Levels:
Generally 35 ppm and below.
Mid Levels:
Generally 35 ppm to 100 ppm.
High Levels:
Generally 100 ppm and above if no one is experiencing symptoms.
Dangerous Levels:
Generally 100 ppm and above if someone is experiencing symptoms.
Concentration of CO in Air Approximate Inhalation Time and Symptoms Developed
(ppm=parts per million)
50 ppm The maximum allowable concentration for continuous exposure
for healthy adults in any 8-hour period, according to OSHA.
200 ppm Slight headache, fatigue, dizziness, nausea after 2-3 hours.
400 ppm Frontal headaches within 1-2 hours, life threatening after 3 hours.
800 ppm Dizziness, nausea and convulsions within 45 minutes.
Unconsciousness within 2 hours. Death within 2-3 hours.
1,600 ppm Headache, dizziness and nausea within 20 minutes. Death within
1 hour.
3,200 ppm Headache, dizziness and nausea within 5-10 minutes. Death within
25-30 minutes.
6,400 ppm Headache, dizziness and nausea within 1-2 minutes. Death within
5-10 minutes.
12,800 ppm Death within 1-3 minutes.

Page 5-6 CleanMaster 402
HydraMaster/CleanMaster
3/20/02
WHAT TO DO WHEN THE ALARM SOUNDS
Determine if anyone in the building is experiencing symptoms of CO poisoning. The following
symptoms are related to CARBON MONOXIDE POISONING and should be discussed with
ALL members in the building:
Common Mild Exposure Symptoms:
Slight headache, nausea, vomiting, fatigue (“flu-like” symptoms).
Common Medium Exposure Symptoms:
Throbbing headache, drowsiness, confusion, fast heart rate.
Common Extreme Exposure Symptoms:
Convulsions, unconsciousness, heart and lung failure.
It can cause brain damage and death.
If you experience even mild symptoms of CO poisoning, consult your doctor immediately!
WARNING: Actuation of this device indicates the presence of carbon monoxide (CO) which
can be fatal.
ALARM
Unit detects 70 ppm or above and someone is experiencing symptoms of CO poisoning.
Emergency Procedure:
Follow if you suspect Co and anyone is experiencing symptoms of CO poisoning:
Gather your crew and other members of the work site together and immediately evacuate the
building. This is a potentially life-threatening EMERGENCY situation. Get everyone outside
into fresh air. Call 911 or your local fire department from a telephone outside of the building.
Do not re-enter the building under any condition until help has arrived and the problem causing
the CO has been corrected.
HydraMaster is committed to providing quality carpet cleaning machines and the CM 402 is no
exception. Every effort has been made to ensure the technician’s safety while operating the
propane-powered CM 402. However, unforeseen circumstances or part failures can at times
result in problems. Being prepared for these situations can reduce the risk of serious injury.

CleanMaster 402 Page 5-7
HydraMaster/CleanMaster 3/20/02
This information is provided, not in expectation of a crisis, but so that you know what to do in
the event of an emergency.
1. Notify appropriate assistance agency (Medical, Police, Fire department,
etc.). Alert the agency that propane is involved or suspected to be involved.
This will allow them to take appropriate precautions when responding.
Cooperate fully with emergency personnel.
2. Notify your local distributor.
3. Your local distributor will notify HydraMaster Corporation.
EMERGENCY PHONE NUMBERS
In the United States, emergency help can be obtained by dialing 911. However, we suggest that
you write in your local emergency numbers below for reference.
Local Fire Department -
Poison Control -
Propane Supplier -
FIRE EXTINGUISHER RECOMMENDATIONS
HydraMaster recommends that a fire extinguisher be carried with the equipment at all times.
The NFPA recommends that storage areas containing LP-Gas have a fire extinguisher
(minimum capacity of 18 lb. dry chemical and a B:C rate) installed in close proximity.
EMERGENCY PROCEDURES
Follow the steps below for propane leaks and propane fires.
1. Evacuation.
2. Call for assistance.
If you can stop the leak without endangering yourself or others, you can:
1. Identify the source of the propane leak.
2. Shut off the propane, either at the leak point or before the leak point in the system.
3. Move away any ignitable items from the leak area.
4. Put out any fire with a fire extinguisher.
Burns: A liquid propane burn is similar to frostbite. Treat with first aid or seek professional
medical attention.

Page 5-8 CleanMaster 402
HydraMaster/CleanMaster
3/20/02
ECD UNIT OPERATION
Your CM 402 carpet cleaning machine is equipped with an emission control device. This unit
continually monitors the combustion efficiency of the engine and controls the fuel-to-air ratio to
keep the engine running as efficiently as possible.
The ECD unit has an indicator light that allows you to see when it is operating.
PROPANE EMISSION SYSTEM
The CM 402 carpet cleaning system is designed specifically for warehouse operation with a
minimum of 10,000 square feet. The CM 402 utilizes a four-layer safety system to ensure the
lowest possible emissions. First, a propane engine is used which even by itself would meet all
emissions standards. Second, a catalytic converter has been incorporated to reduce the emission
level even further. The third level of safety protection is an ECD unit (Emission Control De-
vice). A fourth layer of safety is accomplished by utilizing a carbon monoxide sensor. This
sensor continuously measures the air around the unit for carbon monoxide and will turn the unit
off if OSHA limits are exceeded. This four-layer safety system is vital to indoor operation.
“THE MACHINE WITH A CONSCIENCE”
The CM 402 knows when it is not operating correctly. It is designed to meet the most stringent
of standards. When the machine is manufactured and tuned properly the emission levels are
very low. However as the machine operates the air cleaner becomes dirty and the spark plugs
begin to deteriorate. This is normal but the result is incomplete combustion of the fuel. Incom-
plete combustion results in higher emission of toxic substances. Since the technician’s safety is
vital, toxic emissions must be maintained at their lowest possible levels. In order to accomplish
this a unique emission control system combined with a catalytic converter has been utilized.
This unit continuously monitors the air-to-fuel ratio of the engine to maintain efficient combus-
tion. If the emission level can not be maintained by the system the machine will be shut off and
a warning light illuminated, signaling the technician as to the cause of the shut down.

HydraMaster/CleanMaster
Freeze Guard
CleanMaster 402
Section 6-1
VACUUM FREEZE GUARD PROCEDURE:
To freeze guard your machine:
1. Start the machine.
2. Spray all of the water out of the system until the engine stops.
3. Add a half gallon of 50/50 antifreeze and water mix to the chemical
mix tank and draw the antifreeze into
the flow meter.
When using the recirculation kit (part no. 078-
058), fill a third of the mix tank with a 50/50 an-
tifreeze mix. Verify that the upper float is not
lying horizontal,but floats below.
Attach the recirculation fitting provided in the kit
to the garden hose quick connect (see Fig. 6-1)
and this combination to the front of the machine.
Attach one section of female/female solution hose to the outgoing solution fitting on
the front of the machine and the other end to the garden hose and recirculation
fitting combination that is attached to the front of the machine(or as many sections
as you want, if you wish to freeze guard your hoses).
4. Start the machine. Allow it to run for 2 to 3 minutes.
With the recirculation kit, skip ahead to step 6.
5. Remove the quick connect fitting from the end of the garden hose.
Attach the garden hose quick connect to the machine. Using a vacuum
hose attached to the recovery tank, vacuum the water out of the
garden hose quick connect.
6
05/23/2003

Page 6-2 CleanMaster 402
HydraMaster/CleanMaster
6. Spray the antifreeze and water mix out of the machine and into a container
to reclaim the solution. Run the machine until it stops.
NOTE: The reclaimed antifreeze solution may be used 3 times before being
discarded.
NOTE: To freeze guard hoses and wand, perform the above step with all the
hoses and wand attached.
The machine is now freeze guarded. Remember to flush antifreeze from the system
prior to carpet cleaning.
Recovering Antifreeze For Re-use:
Before cleaning with the machine again, flush the remaining anti-
freeze solution from the system into a sealable container so that it
may be used again. To do this, spray water through the hoses and
wand until all signs of antifreeze are gone.
One manufacturer of antifreeze cautions: “WHEN DISPOSING OF USED
ANTIFREEZE COOLANT: Follow local laws and regulations. If required,
dispose at facilities licensed to accept household hazardous waste. If
permitted, dispose in sanitary sewer systems. Do not discard into storm
sewers, septic systems, or onto the ground.”
This warning appears on the label of one brand of antifreeze: “HARMFUL
OR FATAL IF SWALLOWED. Do not drink antifreeze coolant or solution.
If swallowed, induce vomiting immediately. Call a physician. Contains
Ethylene Glycol which caused birth defects in animal studies. Do not
store in open or unlabeled containers.
“KEEP OUT OF REACH OF CHILDREN AND ANIMALS.”
CAUTION
!
WARNING
!
03/20/2002

CleanMaster 402 Page 6-3
HydraMaster/CleanMaster
FREEZE PROTECTION OF THE PUMP-IN SYSTEM
1. Drain the fresh water tank.
2. Remove the garden hose adapter from the pump-in pump hose and
position the hose so it is pointing outside the van.
3. Turn on the pump-in pump and run for 1-2 minutes till all the water is
purged from the hose.
NOTE: The next time the unit is used it may take a few minutes before the
mix tank begins to fill.
03/20/2002

Page 6-4 CleanMaster 402
HydraMaster/CleanMaster
03/20/2002
This page intentionally left blank.

HydraMaster/CleanMaster
Water and
Chemical System
CleanMaster 402
Section 7-1
This high pressure chemical system has been designed to be simple and trouble
free.
WATER AND CHEMICAL FLOW OPERATION
The chemical pump draws the chemical from the inlet filter which is in the chemical
container. It flows through the flow meter indicating the GPH’s of chemical being
used. The chemical then flows through the chemical pump to the chemical selector
valve. The chemical valve can be used to prime the pump (evacuate air from the
system), inject chemical into the system or turn the chemical flow off. In the “ON”
position, chemical flows through the metering valve, and is injected into the heated
water path just prior to its leaving the machine.
The low water float switch in the water box, is a safety switch that is designed to
protect your system from sudden or unexpected loss of water supply. If, for example,
the water source at the house were turned off, the water level of the water box would
drop, activating the low water float switch, which automatically disengages the sys-
tem and prevents the water pump from running dry.
The desired chemical injection ratio may be obtained by an adjustment of the
chemical flowmeter during the spraying of water through the cleaning tool.
BEFORE CLEANING BEGINS:
1. Turn the Chemical Selector Valve to the “PRIME” position to purge any
air from the system. If the chemical does not begin to flow through the
flowmeter within 60 seconds, remove the Chemical PRIME Line (the one
without the filter) from the chemical container and insert it into the vacuum
hose connection at the front of the machine.
03/20/2002

Page 7-2 CleanMaster 402
HydraMaster/CleanMaster
BEFORE CLEANING BEGINS (cont.):
2. When the chemical begins to flow through the flowmeter, with the
flow indicator indicating maximum flow and the PRIME line pulsing, turn
the Chemical Selector Valve to “ON”.
3. Place the Chemical PRIME Line back into the chemical container.
4. While spraying solution from the cleaning tool, adjust the chemical flow by
turning the Chemical Adjustment Knob as necessary.
CHEMICAL SYSTEM MAINTENANCE
The chemical lines may need to be flushed with vinegar periodically to prevent abnor-
mal chemical build-up. This flushing may be done by removing the clear plastic hose
from the chemical jug and inserting it into a one quart container of vinegar. This
should be done with the chemical flowmeter setting 10 GPH. Simply spray water
from the wand until the quart of vinegar is exhausted. Then repeat the process with
one quart of clear water to void all lines of vinegar.
03/20/2002

CleanMaster 402 Page 7-3
HydraMaster/CleanMaster
Figure 7-1 Chemical Pump Assembly
C4416 Rev B
Chemical Pump Assembly Parts List
Item Part Number Description Qty
1 000-106-110 Plug, Check Valve - Chemical Pump 2
2 000-064-015 Cover, Chemical Pump 1
3 000-111-030 Body, Chemical Pump 1
4 000-105-071 Mid Plate, Chemical Pump 1
5 000-046-010 Diaphragm, Chemical Pump 1
6 000-097-055 O-Ring, Chemical Pump Midplate An Size -227 Viton 1
7 000-097-056 O-Ring, Check Valve Plug - Chemical Pump 2
8 000-169-155 Valve, Check - Last Step Chemical Injection 2
9 000-143-152 Screw, 5/16"-24UNF x 1.50" Lg. Socket Head 6
10 000-097-054 O-Ring, Chem. Pump Valve Viton-Parker 2-114 2
05/23/2003
9
9
8
10
7
1
8
2
3
5
4
10
1
6
7
INLET
OUTLET

Page 7-4 CleanMaster 402
HydraMaster/CleanMaster
This page intentionally left blank
03/20/2002

CleanMaster 402
HydraMaster/CleanMaster
3/20/02
Figure 7-1 Flow Diagram
D-5297 Rev -
Page 7-5/6

CleanMaster 402
HydraMaster/CleanMaster
3/20/02
Figure 7-2 Flow Diagram
D-5297 Rev -
Page 7-7/8

CleanMaster 402
HydraMaster/CleanMaster
3/20/02
Figure 7-3 Flow Diagram
D-5297 Rev -
Page 7-9/10

CleanMaster 402 Page 7-11
HydraMaster/CleanMaster
Chemical Tank
Troubleshooting
CleanMaster 402 Water System
1.0. System will not prime
1.1. Check valves in chemical pump are faulty. Remove valves and inspect.
Clean or replace as necessary.
1.2. Chemical pump diaphragm is faulty. Remove and inspect. Replace as
necessary.
1.3. Check valve in high pressure pump (the one that the chemical pump
attaches to) is faulty. Remove valve and inspect. Clean or replace as
necessary.
1.4. Filter on feed line in chemical jug is clogged. Inspect and clean.
1.5. Feed line from chemical jug is loose, pinched or cut. Inspect and repair.
1.6. Three-way prime valve is faulty. Inspect valve for leaks between ports.
Replace as necessary. Note: if the chemical system has been run dry, it
is frequently necessary to insert the prime hose from the chemical jug
into the vacuum inlet for a “boost” to purge all of the air from the
system. Machines produced after April, 2001 will have the prime hose
connected directly to the vacuum system.
2.0. Chemical flow is unstable or low
2.1. Air in lines. Check that all fittings and connections in the chemical
system are tight and in good condition. Repair or replace as necessary.
2.2. Filter screen in chemical jug is partially clogged. Inspect and clean.
2.3. Three-way chemical valve is faulty. Inspect valve for leaks between
ports. Replace as necessary.
03/20/2002

Page 7-12 CleanMaster 402
HydraMaster/CleanMaster
2.0. Chemical flow is unstable or low - Continued:
2.4. Chemical metering valve is faulty or partially obstructed. Inspect valve
and clean or replace as necessary.
2.5. High-pressure check valve is faulty. Remove and inspect. Clean or
replace as necessary.
3.0. Solution jug fills with water
3.1. Three-way chemical valve is defective. inspect valve for leaks between
ports. Replace as necessary
3.2. Inlet check valve in chemical pump is faulty. Remove and inspect valve.
Clean or replace as necessary.
4.0. Chemical in water box
4.1. Chemical pump diaphragm is faulty. Remove and inspect. Replace as
necessary.
4.2. High-pressure check valve is faulty. Remove and inspect. Clean or
replace as necessary.
03/20/2002

CleanMaster 402 Page 8-1
HydraMaster/CleanMaster
High Pressure Pump
-Maintenance
CleanMaster 402
Section 8-1
DAILY
Check the oil level and the condition of the oil. The oil level should be up to the center
of the sight glass on the back of the pump.
Use a 30 weight, non-detergent oil.
If the oil becomes discolored and contaminated, one of the oil seals may be
damaged. Refer to the Service Section.
Do not operate the pump if the crankcase has been contaminated with water.
Do not leave contaminated oil in the pump housing or leave the housing empty.
Remove contaminated oil as soon as it is discovered and replace it with clean oil.
PERIODICALLY
Change the oil after the first 100 hours of operation, and every 400 operating hours
thereafter. When changing, remove the drain plug on the oil drain center located on
the frame so all oil and accumulated sediment will drain out.
Do not turn the drive shaft while the oil reservoir is empty.
Protect the pump from freezing.
CAUTION
!
CAUTION
!
CAUTION
!
CAUTION
!
03/20/2002

Page 8-2 CleanMaster 402
HydraMaster/CleanMaster
Service
The next few pages explain how to disassemble and inspect all easily-serviceable
parts of the pump.
Do not disassemble the hydraulic end unless you are a skilled mechanic. For
assistance, contact HydraMaster (425-775-7275) or the distributor in your
area.
Servicing the Valves (See Figure 6-1)
1. Remove the hex valve plugs;
top—discharge
bottom—inlet
2. Unthread the valve plug and examine the O-ring under the plug for cuts
or distortion. Replace it if it is worn. Lubricate new O-rings before installing.
3. Grasp the valve retainer by the tab at the top with needle-nose pliers, then
remove the O-ring at the bottom of the valve chamber.
4. Inspect all valve parts for pitting, gouges, or wear. If wear is excessive,
replace valve assembly.
5. Reinstall valve assemblies:
a) Using a clean towel, clean the valve chamber.
b) Install the O-ring into the high pressure manifold.
c) Install the valve assemblies into the high pressure manifold
(the metal side of the valve faces the manifold).
d) Replace the O-ring on the hex valve plug.
e) Torque the plug to 30 foot pounds.
CAUTION
!
03/20/2002

CleanMaster 402 Page 8-3
HydraMaster/CleanMaster
Figure 8-1 Servicing the Valves
Removing the High Pressure Manifold
1. Using an M6 allen wrench, remove all eight of the socket head bolts.
2. Rotate the crankshaft by hand to start separation of the manifold head from
the crankshaft.
3. Insert two flat-head screwdrivers on opposite sides to further separate the
manifold from the crankshaft.
05/23/2003

Page 8-4 CleanMaster 402
HydraMaster/CleanMaster
To avoid damage to either plunger or seal, keep the manifold properly aligned
with the ceramic plungers when removing it.
4. Remove the seal retainer from the manifold and inspect for wear.
5. Examine the ceramic plunger for cracks or scoring (refer to Servicing the
Plungers for replacement).
Servicing the Low Pressure Seals and High Pressure Seals
(See Figure 6-1)
1. Remove the low pressure seal from the seal retainer using a 90 degree pick
tool.
2. Remove the high pressure seal from the manifold
3. Inspect the low pressure seal and high pressure seal for wear and replace
if necessary.
4. Reinstall the low pressure seal into the seal retainers with the garter
spring down.
5. Reinstall the high pressure seal:
a) Lubricate the seal chamber in the manifold.
b) Carefully square the high pressure seal into position by hand, with the
grooved side down (metal back facing out).
c) Examine the seal retainer’s O-ring and replace if worn. Lubricate the new
O-ring before installing.
d) Press the seal retainers into the manifold until completely seated.
Servicing the Plungers
1. Using a hex tool, loosen the plunger retainer about three to four turns. Push
the back to separate it from the retainer and finish unthreading the plunger
retainer by hand.
2. Unthread the plunger retainer with sealing washer.
3. Remove the ceramic plunger, keyhole washer and barrier slinger from the
plunger rod.
CAUTION
!
03/20/2002

CleanMaster 402 Page 8-5
HydraMaster/CleanMaster
Reinstall the Ceramic Plungers:
1. Examine the sealing washer on the plunger retainer and replace it if it is
cut or worn. Lubricate the new sealing washer for ease of installation
and to avoid damage.
2. Apply Loctite 242™ to the threads of the plunger retainer and press it into the
ceramic plunger. Thread ‘hand’-tight, then torque the bolt to 4.4 foot pounds.
3. Install the seal retainer with holes to the top and bottom, and forward.
Reinstall High Pressure Manifold
1. Slip the seal retainer over the ceramic plungers with the holes to the top and
bottom and forward.
2. Turn the shaft by hand to line up the plungers so that the end plungers are
parallel.
3. Lightly lubricate the plungers and carefully slide the manifold head onto the
plungers while supporting it from the underside to avoid damaging the
plungers.
4. Reinstall the socket head bolts and torque to 4.4 foot pounds.
Servicing the Crankcase
1. While manifold, plungers, and seal retainers are removed, examine the crank-
case seals for wear.
2. Rotate the crankshaft oil seal externally for drying, cracking or leaking.
3. Consult your HydraMaster distributor if crankcase servicing is necessary.
03/20/2002

Page 8-6 CleanMaster 402
HydraMaster/CleanMaster
Figure 8-2 Pump Assembly
C-5348 Rev A
05/23/2003
13
14
5
42
3
17 16
16
12
10
11
9
15
6
8
7
6
1

CleanMaster 402 Page 8-7
HydraMaster/CleanMaster 05/23/2003
Item Part Number Description Qty
Chemical Pump Assembly Parts List
1 000-111-042 Pump, Hydra II Hi PSI 3.5 GPM 1
2 000-109-028 Pulley, AK49H 1
3 000-020-013 Coupler, H x 24mm Spitfire 3.2 & 4.0 1
4 000-106-003 Plug, 3/8" NPT Hex 1
5 000-106-004 Plug, 1/2" NPT Hex 1
6 000-052-086 Elbow, 3/8" NPT Street 2
7 000-052-087 Elbow, 1/2" NPT Street 1
8 000-052-547 Nipple, 1/2 NPT x 3/4 SAE 1
9 000-001-096 Adapter, Chemical Pump To Comet Pump 1
10 000-111-035 Assembly, Chemical Pump 1
11 000-052-085 Elbow, 1/4" NPT Street 1
12 000-052-099 Insert, #26 (1/8" NPT x 3/8" Barb) 1
13 000-052-128 Nipple, 3/8" NPT x 3/8" Male Propane 1
14 000-052-530 Nipple, 1/8" MNPT x 1/4" SAE 1
15 000-068-219 Hose, Spitfire Pump Drain 1
16 000-143-221 Screw, M6-1 x 14mm Lg. Hex Head 2
17 000-015-295 Bracket, Upper Belt Guard 1

Page 8-8 CleanMaster 402
HydraMaster/CleanMaster
High Pressure System
Troubleshooting
1.0. Will not come up to normal cleaning pressure
1.1. Pressure adjusting valve is defective or dirty. Disassemble valve. Repair
or replace as necessary.
1.2. Worn seals or valves in pump. Test pump output directly from pump at
normal operating RPM. If volume is below manufacturers specifications,
replace seals and inspect for defective valves.
1.3. Pump RPM is too low. Check engine RPM and adjust as necessary.
Check for loose pump belt. Adjust tension as necessary.
1.4. High temperature dump solenoid is activated. Refer to Heating System,
section IV.
1.5. Primary system control orifice is missing or loose. Remove filter and
inspect. Tighten or replace as necessary.
1.6. Primary system control orifice has been exchanged with secondary (hot
water dump) orifice. Inspect and reverse as necessary.
1.7. Primary orifice is worn. Measure orifice size and replace as necessary.
2.0. No pressure reading on PSI gauge
2.1. No water in water box. Refer to section 5.0.
2.2. Pump belt is broken. Replace belt.
03/20/2002

CleanMaster 402 Page 8-9
HydraMaster/CleanMaster
3.0. PSI gauge reads normal; low pressure from wand
3.1. There is a restriction in the cleaning tool. Inspect tool jet and clean or
replace as necessary. Inspect any filters in the cleaning tool and clean or
replace as necessary.
3.2. There is a defective quick connect in the system. Inspect each quick
connect and replace as necessary.
3.3. There is a restriction in one of the solution hoses. Remove quick
connects and inspect hoses. Clean or replace as necessary.
3.4. There are hard water deposits restricting the system between the after-
burner heat exchanger and the high-pressure solution connection at the
front of the machine. Descale the machine. If this doesn’t solve the
problem, disassemble this portion of the system and locate restriction.
4.0. Pressure pulsation
4.1. There is an air leak between the water box outlet and the pump inlet.
Physically check all hoses and fittings for cuts, breaks, cracks or
tightness. Repair as necessary.
4.2. One of the intake or outlet valves in the high pressure pump is defective
or is being held open by debris. Remove each valve and inspect for
correct operation.
4.3. Water in the water-box is too hot and is approaching boiling point.
Check temperature of water in the water-box. If it is too high, refer to
Heating System, section IV, 1.0.
5.0. Water box empty or fills slowly
5.1. There is a restriction in the water supply system. Inspect the supply
system from the source through the incoming quick connects for kinks,
clogs or restricted filters. Clean or repair as necessary.
5.2. The float valve in the water box is defective. If there is adequate water
flow to the incoming valve in the water box, disassemble and inspect the
valve. Repair or replace as necessary.
03/20/2002

Page 8-10 CleanMaster 402
HydraMaster/CleanMaster
6.0. Water box overflows
6.1. There is either debris caught in the valve or the valve seal is bad.
Disassemble valve and repair or replace as necessary.
6.2. The float has absorbed water and has lost buoyancy. Detach float and
check to see if it will float to the surface. Replace as necessary.
6.3. The float has come out of adjustment. Readjust float as necessary.
Heating System
Troubleshooting
1.0. Machine overheats and shuts down
1.1. One or both orifices or filter screens are restricted. Remove and inspect.
Clean as necessary. Note: Make sure orifices are not interchanged.
1.2. High-pressure dump solenoid is restricted. Inspect solenoid and the hose
that delivers water to it. Clean or replace as necessary.
1.3. High-pressure dump solenoid is not functioning. Check fuse that provides
power to the temperature controller.
1.3.1. If a fuse is blown, inspect electrical system for worn or damaged wires.
Repair or replace as necessary.
1.3.2. If switch and relay are good, refer to qualified service technician to test
temperature controller and RTD sensor.
1.4. Engine RPM is too high. Check RPM with accurate tachometer and adjust
as necessary.
03/20/2002

CleanMaster 402 Page 8-11
HydraMaster/CleanMaster
2.0. Unable to achieve normal cleaning solution temperature
2.1. Cleaning solution flow is too great. Measure flow at cleaning tool. If
flow is too high;
2.1.1. Cleaning tool jet is too large or worn out. Inspect jet. Replace as
necessary.
2.1.2. Cleaning solution pressure is too high. Adjust pressure to normal.
Inspect pressure gauge for accurate reading.
2.2. Engine RPM is too low. Check RPM with accurate tachometer and adjust
as necessary.
2.3. Heat exchangers have hard water scale build up internally. Descale
system.
03/20/2002

Page 8-12 CleanMaster 402
HydraMaster/CleanMaster
This page intentionally left blank
03/20/2002

CleanMaster 402
HydraMaster/CleanMaster
Page 9-1
05/23/2003
Machine Assemblies
and Parts Lists
Figure 9-1 Final Assembly - Front View
D-5549 Rev -
4
3
4
2
1

CleanMaster 402
HydraMaster/CleanMaster
Page 9-2
Figure 9-2 Final Assembly - Rear View
D-5549 Rev -
05/23/2003

CleanMaster 402
HydraMaster/CleanMaster
Page 9-3
Final Assembly Parts List
1 Fig. 9-3 - 9-6 Assembly, Machine - CM402LP 1
2Fig. 9-23 - 9-24 Assembly, Recovery Tank - CM402LP 1
3 000-143-018 Screw, 3/8"-16UNC x 1.00" Lg. Grade 8 4
4 000-174-005 Washer, 3/8" Flat 8
5 000-094-015 Nut, 3/8"-16UNC Hex 2-Way Locking 4
05/23/2003
Item Part Number Description Qty

CleanMaster 402
HydraMaster/CleanMaster
Page 9-4
Figure 9-3 Machine Assembly - Front View - Left Side
D-5347 Rev A
03/01/2005
45
7
22
29
28
18
27
14
19 13
30

CleanMaster 402
HydraMaster/CleanMaster
Page 9-5
03/01/2005
Figure 9-4 Machine Assembly - Rear View - Left Side
D-5347 Rev A
17
16
16
28
21
20
17
19
9
18
30
22
13
27
12

CleanMaster 402
HydraMaster/CleanMaster
Page 9-6
Figure 9-5 Machine Assembly - Rear View - Right Side
D-5347 Rev A
03/01/2005
23
23
25
6
11
1
9
29
12
27
15 6
27
27
8
24
26
14
15

CleanMaster 402
HydraMaster/CleanMaster
Page 9-7
03/01/2005
Figure 9-6 Machine Assembly - Bottom View
D-5347 Rev A
2
3
11
10

CleanMaster 402
HydraMaster/CleanMaster
Page 9-8
Machine Assembly Parts List
03/01/2005
Item Part Number Description Qty
1Fig. 9-13 Assembly, Engine - CM402LP 1
2 000-093-080 Silencer, Weldment - Boxxer 421 1
3Fig. 9-18 Assembly, Blower Heat Exchanger - Boxxer 421 1
4Fig. 9-22 Assembly, Electrical Control Panel - CM402LP 1
5Fig. 9-19 - 9-20 Assembly, Dash - CM402LP 1
6Fig. 9-17 Assembly, Exhaust - CM402LP 1
7Fig. 9-7 - 9-9 Assembly, Frame - CM402LP 1
8Fig. 9-14 Assembly, Blower - CM402LP 1
9 000-068-517 Hose, 3/16" x 23" Lg. Teflon W F JIC Ends 1
10 000-068-641 Hose, 3/8" x 10" Lg. Teflon w/ JIC Ends 1
11 000-068-642 Hose, 3/8" x 19.5" Lg. Teflon w/ JIC Ends 1
12 000-068-643 Hose, 3/8" x 30.5" Lg. Teflon w/ JIC Ends 1
13 000-068-646 Hose, 3/16" x 29.25" Lg. Teflon w/ JIC Ends 1
14 000-068-647 Hose, 3/16" x 47.25" Lg. Teflon w/ JIC Ends 1
15 000-068-661 Hose, 3/8" x 45" Lg. Teflon w/ JIC Ends 1
16 000-068-588 Hose, 3/8" Throb 1
17 000-068-666 Hose, 3/8" x 36" Lg. Propane 1
18 000-068-018 Hose, 1/2" I.D. Bulk 1
19 000-068-085 Hose, 3/8" I.D. Hi-Temp Black - Bulk 1
20 000-052-490 Nipple, 3/8" Flare x 1/4" NPT 1
21 000-052-047 Quick Connect, Propane - Female 1
22 000-068-645 Hose, 3/16" x 19.75" Lg. Teflon w/ JIC Ends 1
23 000-068-018 Hose, 1/2" I.D. - Bulk 1
24 000-174-004 Washer, 5/16" Flat 2
25 000-174-018 Washer, 5/16" Lock 2
26 000-143-143 Screw, 5/16"-18UNC x 1.00" Lg. Hex Head 2
27 000-033-004 Clamp, Size #6 5
28 000-068-030 Hose, 5/32" I.D. Vacuum 1
29 000-068-030 Hose, 5/32" I.D. Vacuum 1
30 000-033-005 Clamp, Size #5 Hose 2

CleanMaster 402
HydraMaster/CleanMaster
Page 9-9
09/17/2004
Figure 9-7 Frame Assembly - Front View
D-5337 Rev C
7
2
29
28
1
16
26
21
9
HIDDEN
HIDDEN
31
3
5
48
33
17
60
59
8
53
53
53
64
63
6

CleanMaster 402
HydraMaster/CleanMaster
Page 9-10
09/17/2004
Figure 9-8 Frame Assembly - Rear View - Left Side
D-5337 Rev C
26 39 21 42 37 36 31
43
21
21
8
21
8
21 26
21
8
13
10
20
21
2
8
21
19
21
8
38
8
27
16
31
51
15
46
65
16
17
62
60
61 59
HIDDEN
49
11
12
47
35
14
63
50
52
34
17
44

CleanMaster 402
HydraMaster/CleanMaster
Page 9-11
09/17/2004
Figure 9-9 Frame Assembly - Rear View - Right Side
D-5337 Rev C
40
41
3
26
39
21
18
23
22
22
23
21
8
17
4
27
27
27
32
45
24
30
54
58
22
56
22
55
24
56
57
22
2
25
22
16
17
17

CleanMaster 402
HydraMaster/CleanMaster
Page 9-12
09/17/2004
Frame Assembly Parts List
Item Part Number Description Qty
1 000-055-161 Frame, Weldment - CM402LP 1
2Fig. 9-10 Assembly, By-Pass Valve - Boxxer 421 1
3Fig. 9-11 Assembly, Hi-PSI Manifold - CM402LP 1
4 000-015-745 Bracket, Coil Heat Exchanger Saddle - Boxxer 421 1
5 000-001-098 Adapter, Exhaust Turndown - Weldment 1
6 000-169-064 Valve, 3/8" NPT Full Port Ball 1
7 000-052-050 Quick Connect, 440 Male w/ Viton Standard 2
8 000-143-126 Screw, #10-24UNC x 0.50" Lg. Hex Head 9
9 000-143-542 Screw, 1/4"-28UNF x 0.50" Lg. 2
10 000-174-007 Washer, 1/2" Flat 4
11 000-052-090 Tee, 1/4" NPT Branch M-F-F 1
12 000-052-532 Elbow, 1/4" SAE x 1/4" JIC x 90° 1
13 000-052-073 Nipple, 3/8" NPT x 1/4" NPT Hex 1
14 000-169-177 Valve, 3/8" FPT Check 65 PSI 1
15 000-052-528 Nipple, 3/8" M JIC x 3/8" NPT 1
16 000-033-057 Clamp, 1" Cushion Loop 5
17 000-033-053 Clamp, 1-1/2" Cushion Loop 6
18 000-060-010 Grommet, 1-5/16" I.D. 1
19 000-157-012 Switch, Starter Solenoid 14 HP B&S 1
20 000-033-067 Clamp, 2" Cushion Loop 1
21 000-174-001 Washer, #10 Flat 21
22 000-174-049 Washer, 5/16" Flat 8
23 000-174-018 Washer, 5/16" Lock 4
24 000-094-012 Nut, 5/16-18"UNC Hex 4
25 000-143-012 Screw, 5/16"-18UNC x 0.75" Lg. Hex Head 2
26 000-143-132 Screw, #10-24UNC x 0.75" Lg. Hex Head 10
27 000-094-034 Nut, #10-24UNC Nylock 7
28 000-174-003 Washer, 1/4" Flat 4
29 000-094-009 Nut, 1/4"-20UNC Hex Nylock 4
30 000-154-125 Spacer, Frame Tube Removable - Boxxer 421 1

CleanMaster 402
HydraMaster/CleanMaster
Page 9-13
09/17/2004
Frame Assembly Parts List
Item Part Number Description Qty
31 000-174-008 Washer, 5/8" Flat 3
32 000-013-058 Box, Battery - Welded CM402LP 1
33 000-052-104 Insert, #66 (3/8" NPT x 3/8" Barb) 1
34 000-052-142 Elbow, 3/8" FPT x FPT 1
35 000-052-105 Insert, #68 (3/8" NPT x 1/2" Barb) 1
36 000-052-052 Quick Connect, 660 Male w/ Viton Standard 1
37 000-052-053 Quick Connect, 3/8 Female 1
38 000-015-809 Bracket, Engine Controller Mounting - CM402LP 2
39 000-174-014 Washer, #10 Lock 8
40 00-143-094- Screw, 3/8"-16UNC x 0.75" Lg. Socket Head 1
41 000-143-081 Screw, 3/8"-16UNC x 1.00" Lg. Socket Head 1
42 000-074-150 Controler, Propane Engine Emission Control 1
43 000-143-167 Screw, #10-24UNC x 1.25" Lg. Button Head 4
44 000-094-014 Nut, 3/8"-16UNC Hex Zink Plated 1
45 000-108-132 Protector, Battery Box - CM402LP 1
46 000-090-061 Manifold, Double Solution Hose - CM402LP 1
47 000-106-007 Plug, 1/4" NPT Allen Head 1
48 000-052-072 Nipple, 1/8" NPT Close 2
49 000-052-074 Nipple, 3/8" NPT Hex 1
50 000-163-056 Magnaclean, Hard Water Protector - Complete 1
51 000-052-075 Nipple, 3/8" NPT x 1/2" NPT 1
52 000-052-107 Insert, #88 (1/2" NPT x 1/2" Barb) 1
53 000-106-040 Plug, Frame End 4
54 000-007-001 Battery, MVP-1 AGM Class U1R 1
55 000-033-123 Clamp, After Burner Mount - Boxxer 421 1
56 000-141-033 Rod, Heat Exchanger Strap - Retainer 2
57 000-094-081 Nut, 5/16"-18UNC Hex 2-Way Locking 1
58 000-143-316 Screw, 5/16"-18UNC x 2.00" Lg. Hex Head 1
59 000-068-085 Hose, 3/8" I.D. 1
60 000-068-509 Hose, 3/16" x 37.5" Lg. Teflon w/ JIC Ends 1

CleanMaster 402
HydraMaster/CleanMaster
Page 9-14
09/17/2004
Frame Assembly Parts List
Item Part Number Description Qty
61 000-033-005 Clamp, Size #5 Hose 1
62 000-068-018 Hose, 1/2" I.D. 1
63 000-033-004 Clamp, Size #6 2
64 000-052-083 Elbow, 3/8" NPT Street x 45° 1
65 Fig. 9-12 Assembly, Propane Regulator - CM402LP 1
66 000-033-116 Clamp, 1-1/2" Cushion Loop w/ 7/16" Mounting Hole 1

CleanMaster 402
HydraMaster/CleanMaster
Page 9-15
05/23/2003
Figure 9-10 By-Pass Valve Assembly
C-5342 Rev A
15
10
11
4
3
9
5
2
8
7
6
13
14
1
2
18
12
22
20
19
17
16
8
21

CleanMaster 402
HydraMaster/CleanMaster
Page 9-16
05/23/2003
By-Pass Valve Assembly Parts List
1 000-169-083 Valve, Hi PSI By-Pass - Modified 1
2 000-106-008 Plug, 3/8" NPT Allen Head 2
3 000-052-086 Elbow, 3/8" NPT Street 1
4 000-052-128 Nipple, 3/8" NPT x 3/8" Male Propane 1
5 000-052-528 Nipple, 3/8" M JIC x 3/8" NPT 1
6 000-015-515 Bracket, By-Pass Valve Mounting 1
7 000-052-142 Elbow, 3/8" FPT x FPT 1
8 000-052-105 Insert, #68 (3/8" NPT x 1/2" Barb) 2
9 000-052-074 Nipple, 3/8" NPT Hex 1
10 000-052-113 Cross, 3/8" FPT 1
11 000-052-083 Elbow, 3/8" NPT Street x 45° 1
12 000-052-527 Nipple, 1/4" SAE x 1/4" NPT 1
13 000-052-023 Tee, 3/8" NPT Male Street 1
14 000-169-011 Valve, Hi Temp Control 180° 1
15 000-052-099 Insert, #26 (1/8" NPT x 3/8" Barb) 1
16 000-052-061 Bushing, 3/8" NPT x 1/4" FPT 1
17 000-052-082 Elbow, 1/4" NPT Street x 45° 1
18 000-135-052 Regulator, Hi PSI Snubber 1
19 000-052-022 Tee, 3/8" Insert 1
20 000-033-005 Clamp, Size #5 Hose 5
21 000-068-085 Hose, 3/8" I.D. 1
22 000-068-085 Hose, 3/8" I.D. 1
Item Part Number Description Qty

CleanMaster 402
HydraMaster/CleanMaster
Page 9-17
09/17/2004
Figure 9-11 HI-PSI Manifold Assembly
C-5343 Rev A
15
12
11
1
7
5
5
7
6
11
17
12
4
9
13
13
9
4
3
818 2
19
16
20
14
10

CleanMaster 402
HydraMaster/CleanMaster
Page 9-18
09/17/2004
HI-PSI Manifold Assembly Parts List
Item Part Number Description Qty
1 000-090-010 Manifold, Hi-PSI 1
2 000-180-006 Orifice, Set Screw 0.061" 1
3 000-180-004 Orifice, Set Screw 0.033" 1
4 000-052-423 Bushing, Modified Set Screw Orifice 2
5 000-049-016 Filter, 1/4" NPT Replacement “Y” 2
6 000-106-111 Plug, 1/2" NPT Allen 1
7 000-155-020 Spring, 0.540 O.D. x 0.041 Wire x 1.00 Lg. 2
8 000-106-008 Plug, 3/8" NPT Allen Head 1
9 000-052-082 Elbow, 1/4" NPT Street x 45° 2
10 000-052-064 Bushing, 1/2" NPT x 3/8" FPT 1
11 000-052-023 Tee, 3/8" NPT Male Street 2
12 000-052-528 Nipple, 3/8" M JIC x 3/8" NPT 2
13 000-052-509 Nipple, 1/4" NPT x 1/4" M JIC 2
14 000-149-039 Sender, Temperature 1
15 000-149-027 Sensor, 285° Nason - 3/8" NPT 1
16 000-149-540 Sensor, RTD Compresion Fitting Style 1
17 000-052-061 Bushing, 3/8" NPT x 1/4" FPT 1
18 000-106-007 Plug, 1/4" NPT Allen Head 1
19 000-052-587 Compression, 3/16" x 1/4" NPT Thermocouple Fitting 1
20 000-052-086 Elbow, 3/8" NPT Street 1
21 000-052-083 Elbow, 3/8" NPT Street x 45° 1

CleanMaster 402
HydraMaster/CleanMaster
Page 9-19
05/23/2003
Figure 9-12 Propane Regulator Assembly
C-5551 Rev -
10
9
4
2
11
13
12
6
5
7
8
16
1
3
14
15
17

CleanMaster 402
HydraMaster/CleanMaster
Page 9-20
05/23/2003
Propane Regulator Assembly Parts List
Item Part Number Description Qty
1 000-135-065 Regulator, Propane Kawasaki 19Hp 1
2 000-052-083 Elbow, 3/8" NPT Street x 45° 1
3 000-052-061 Bushing, 3/8" NPT x 1/4" FPT 1
4 - - - Valve, Main Power (Part Of Propane Kit) 1
5 000-050-097 Insert, #24 (1/8" NPT x 1/4" Barb) 1
6 000-052-084 Elbow, 1/8" NPT Street 1
7 000-068-019 Hose, 1/4" I.D. Vacuum 1
8 000-068-019 Hose, 1/4" I.D. Vacuum 1
9 000-068-030 Hose, 5/32" I.D. Vacuum 1
10 000-169-163 Actuator, Propane System - CM402LP 1
11 000-052-085 Elbow, 1/4" NPT Street 1
12 000-169-190 Valve, 12V Solenoid Propane - CM402LP 1
13 000-052-490 Nipple, 3/8" Flare x 1/4" NPT 1
14 000-052-082 Elbow, 1/4" NPT Street x 45° 1
15 000-015-806 Bracket, Propane Regulator - CM402LP 1
16 000-143-141 Screw, 1/4"-20UNC x 1/2" Lg. Whiz Lock 2
17 - - - Filter, In-Line 1

CleanMaster 402
HydraMaster/CleanMaster
Page 9-21
05/23/2003
Figure 9-13 Engine Assembly
D-5345 Rev -
1
4
10
11
21
5
19
20
23
8
6
18
214 17 15 16
7
3
22
12
13
1
9

CleanMaster 402
HydraMaster/CleanMaster
Page 9-22
05/23/2003
Engine Assembly Parts List
Item Part Number Description Qty
1 000-047-025 Engine, Kawasaki 19 Hp 1
2 000-077-006 Key, 0.25" x 1.5" Lg. 1
3 000-049-048 Filter, Oil - Kawasaki 1
4 000-049-027 Filter, Air - Kawasaki 1
5 000-135-111 Regulator, Voltage - 19 Hp Kawasaki 1
6 000-001-110 Adapter, Oil Drain Extension Tube - Kawasaki 1
7 000-157-130 Switch, Oil Pressure 1
8 000-097-065 O-Ring, Oil Drain Extention Tube - Kawasaki 1
9 000-004-008 Stator, 20 Amp - 19 Hp Kawasaki 1
10 000-050-097 Insert, #24 (1/8" NPT x 1/4" Barb) 1
11 000-001-105 Adapter, Carb 1
12 000-033-057 Clamp, 1" Cushion Loop 2
13 000-068-063 Hose, 1/2" I.D. 1
14 000-039-050 Coupler, Balenced w/ 1-1/8" Bushing & Outer Hub 1
15 000-174-080 Washer, 5.00" O.D. x 4.13" I.D. x 0.060" Thk. 1
16 000-139-022 Ring, 5" Retaining 1
17 000-106-045 Plug, Coupler (EPDM, 70 Durometer) 8
18 000-047-025 Gasket, Engine Exhaust - Kawasaki 19 Hp 2
19 000-174-057 Washer, 3/8" Lock 4
20 000-174-004 Washer, 5/16" Flat 4
21 000-143-022 Screw, 3/8"-16UNC x 1.75" Lg. Hex Head Grd 8 4
22 000-033-026 Clamp, Size 10 Hose 1
23 000-143-185 Screw, 8mm x 20mm Grade 8.8 Hex Head 1

CleanMaster 402
HydraMaster/CleanMaster
Page 9-23
07/09/2003
Figure 9-14 Blower Assembly
D-5349 Rev B
INSTALL INSIDE WATER BOX
33
27 33 30
6
28
7
18
15
31
22
11
36
21
32
3
20
19
1
28
29
25
8
25
22
12
11
14
14
23
9
10
11
22
12
13
13
40
44 42
43
35
39
41
2
4
29
37
45
30
34
47
22
46
26
17
5
38
24
16
48

CleanMaster 402
HydraMaster/CleanMaster
Page 9-24
07/09/2003
Blower Assembly Parts List
Item Part Number Description Qty
1 Fig. 9-15 Assembly, Pump - CM402LP 1
2 Fig. 9-21 Assembly, Water Box - Poly - Boxxer 421 1
3 000-013-051 Box, Blower Collector 1
4 000-015-746 Bracket, Pump Idler - Boxxer 421 1
5 000-105-207 Plate, Pump Idler Nut - Boxxer 421 1
6 000-015-296 Bracket, Belt Guard Lower 1
7 000-108-120 Protector, Belt Guard - Boxxer 421 1
8 000-052-660 Bulkhead, 3/8" FPT x 3/8" FPT 1
9 000-052-086 Elbow, 3/8" NPT Street 1
10 000-052-662 Nipple, 3/8" NPT x 1/4" M SAE 1
11 000-174-032 Washer, 3/8" Flat 7
12 00-143-017- Screw, 3/8"-16UNC x 3/4" Lg. Hex Head 6
13 000-052-293 Insert, #23 (1/8" NPT x 3/16" Barb) 2
14 000-094-096 Nut,3/4-16 Brass Water Box 4
15 000-109-093 Pulley, 3" x 0.635/0.640 Bore, “A” Sect. Ball Bearing 1
16 000-143-041 Screw, 1/2"-13UNC x 2.25" Lg. Hex Head 1
17 000-111-145 Blower, 4005 Dominator 1
18 000-174-023 Washer, 1/2" Lock 1
19 000-174-049 Washer, 5/16" Flat 4
20 000-094-038 Nut, 5/16"-18UNC Nylock 4
21 000-174-029 Washer, 3/8" Rubber Back 4
22 000-174-057 Washer, 3/8" Lock 11
23 000-052-023 Tee, 3/8" NPT Male Street 1
24 000-052-661 Insert, 3/4" Barb x Straight 1
25 000-097-041 O-Ring, Bulkhead Fitting w/ 5/8" Hose Barb 2
26 000-001-111 Adapter, 2-1/2" NPT Blower To O-Ring Silencer - n/s 1
27 000-097-029 O-Ring, Blower To Silencer (2 3/4" Id x 2 1/2" Od x 1/8" 1
28 000-174-003 Washer, 1/4" Flat 2
29 000-143-141 Screw, 1/4"-20UNC x 1/2" Lg. Whiz Lock 2
30 000-077-001 Key, #3 & #4 Vacuum Pump Drive 2

CleanMaster 402
HydraMaster/CleanMaster
Page 9-25
07/09/2003
Blower Assembly Parts List
Item Part Number Description Qty
31 000-094-014 Nut, 3/8"-16UNC Hex Zink Plated 1
32 000-143-198 Screw, 3/8"-16UNC x 4" Lg. Hex Head Full Thread 4
33 000-052-083 Elbow, 3/8" NPT Street x 45° 2
34 000-068-219 Hose, Spitfire Pump Drain 1
35 000-068-219 Hose, Spitfire Pump Drain 1
36 000-154-127 Spacer,Pump Idler Mounting - CM402LP 1
37 000-109-003 Pulley, AS28 Modified 1
38 000-106-009 Plug, 1/8" NPT Allen Head 1
39 000-068-649 Hose, 3/4" x 23" Lg. Steam Out 1
40 000-010-065 Belt, 3.2 Pump Drive Belt 1
41 000-052-105 Insert, #68 (3/8" NPT x 1/2" Barb) 1
42 000-174-012 Washer, 1/2" SAE H/D Flat 4
43 000-174-068 Washer, Blower Feet 4
44 000-143-028 Screw, 7/16"-14UNC x 1.75" Lg. Hex Head Grd 5 Zinc 4
45 000-039-040 Coupler, Balenced 7/8" Bushing & Inner Sleeve 1
46 000-174-004 Washer, 5/16" Flat 4
47 000-143-018 Screw, 3/8"-16UNC x 1.00" Lg. Grade 8 4
48 000-015-804 Foot, Modified CM402LP Blower Mounting 2

CleanMaster 402
HydraMaster/CleanMaster
Page 9-26
05/23/2003
Figure 9-15 Pump Assembly
C-5348 Rev A
13
14
5
42
3
17 16
16
12
10
11
9
15
6
8
7
6
1

CleanMaster 402
HydraMaster/CleanMaster
Page 9-27
05/23/2003
Pump Assembly Parts List
Item Part Number Description Qty
1 000-111-042 Pump, Hydra II Hi PSI 3.5 GPM 1
2 000-109-028 Pulley, AK49H 1
3 000-020-013 Coupler, H x 24mm Spitfire 3.2 & 4.0 1
4 000-106-003 Plug, 3/8" NPT Hex 1
5 000-106-004 Plug, 1/2" NPT Hex 1
6 000-052-086 Elbow, 3/8" NPT Street 2
7 000-052-087 Elbow, 1/2" NPT Street 1
8 000-052-547 Nipple, 1/2 NPT x 3/4 SAE 1
9 000-001-096 Adapter, Chemical Pump To Comet Pump 1
10 000-111-035 Assembly, Chemical Pump (Fig. 9-16) 1
11 000-052-085 Elbow, 1/4" NPT Street 1
12 000-052-099 Insert, #26 (1/8" NPT x 3/8" Barb) 1
13 000-052-128 Nipple, 3/8" NPT x 3/8" Male Propane 1
14 000-052-530 Nipple, 1/8" MNPT x 1/4" SAE 1
15 000-068-219 Hose, Spitfire Pump Drain 1
16 000-143-221 Screw, M6-1 x 14mm Lg. Hex Head 2
17 000-015-295 Bracket, Upper Belt Guard 1

CleanMaster 402
HydraMaster/CleanMaster
Page 9-28
05/23/2003
Figure 9-16 Chemical Pump Assembly
C-4416 Rev B
Chemical Pump Assembly Parts List
Item Part Number Description Qty
1 000-106-110 Plug, Check Valve - Chemical Pump 2
2 000-064-015 Cover, Chemical Pump 1
3 000-111-030 Body, Chemical Pump 1
4 000-105-071 Mid Plate, Chemical Pump 1
5 000-046-010 Diaphragm, Chemical Pump 1
6 000-097-055 O-Ring, Chemical Pump Midplate An Size -227 Viton 1
7 000-097-056 O-Ring, Check Valve Plug - Chemical Pump 2
8 000-169-155 Valve, Check - Last Step Chemical Injection 2
9 000-143-152 Screw, 5/16"-24UNF x 1.50" Lg. Socket Head 6
10 000-097-054 O-Ring, Chem. Pump Valve Viton-Parker 2-114 2
9
9
8
10
7
1
8
2
3
5
4
10
1
6
7
INLET
OUTLET

CleanMaster 402
HydraMaster/CleanMaster
Page 9-29
05/23/2003
Figure 9-17 Exhaust Assembly
D-5346 Rev A
13
10
13
2
10
13
9
12
11
7
8
11
916
511 11
11
11
8
7
4
12
7
8
3
6
14 15
1

CleanMaster 402
HydraMaster/CleanMaster
Page 9-30
05/23/2003
Exhuast Assembly Parts List
Item Part Number Description Qty
1 000-038-060 Core, CM402LP After Burner Heat Exchanger - Weldme 1
2 000-057-146 Gasket, Four Hole Exhaust Diverter 1
3 000-041-398 Cover, Exhaust - CM402LP 1
4 000-001-106 Adapter, Exhaust Kawasaki Catalytic To Coil - CM402L 1
5 000-090-055 Manifold, Exhaust - CM402LP 1
6 000-093-085 Catalytic Converter w/ O2 Sensor Nut - Kawasaki - CM 1
7 000-125-128 Tube, 1-3/8" Od x 1/8" Wall x 7/8" Long 3
8 000-057-177 Gasket, Exhaust Donut 1.50" 3
9 000-052-600 Elbow, 1/2" Tube x 3/8" FPT 2
10 000-052-507 Nipple, 3/8" NPT x 9/16"-18 37° JIC 2
11 000-174-049 Washer, 5/16" Flat 20
12 000-143-501 Screw, 5/16"-18UNC x 1-1/2" Lg. 6
13 000-094-081 Nut, 5/16"-18UNC Hex 2-Way Locking 10
14 000-143-012 Screw, 5/16"-18UNC x 0.75" Lg. Hex Head 4
15 000-157-145 Sensor, Oxygen Kawasaki 19Hp 1
16 000-106-008 Plug, 3/8" NPT Allen Head 1

CleanMaster 402
HydraMaster/CleanMaster
Page 9-31
05/23/2003
Figure 9-18 Blower Heat Exchanger Assembly
C-4944 Rev A
Blower Heat Exchanger Assembly Parts List
Item Part Number Description Qty
1 000-038-053 Core, Blower Heat Exchanger - Boxxer 421 1
2 000-100-116 Plate, End - Weldment - Blower Heat Exchanger 1
3 000-100-117 Panel, End - Weldment - Blower Heat Exchanger 1
4 000-068-398 Hose, 3" x 3" Lg. Blue Silicon 1
5 000-068-398 Hose, 3" x 6" Lg. Blue Silicon 1
6 000-052-528 Nipple, 3/8" M JIC x 3/8" NPT 2
7 000-033-012 Clamp, Size #44 Hose 4
8 000-140-021 Rivet, 1/4" Blind x 0.50" Lg. 32
8
8
7
7
7
5
6
6
2
1
3
7
4

CleanMaster 402
HydraMaster/CleanMaster
Page 9-32
05/23/2003
Figure 9-19 Dash Assembly - Front View
D-5339 Rev B
6
7
3
10
8
13
17
5
12
1
14
9
25
23
30
24
4

CleanMaster 402
HydraMaster/CleanMaster
Page 9-33
05/23/2003
Figure 9-20 Dash Assembly - Rear View
D-5339 Rev B
11
23
2
23 23 22 16
15
21
16
10
8
18
20
17
26
1
13
20
23
23
20
16
24
24 24
29
28
29
28
3
21
27
27
15
19
9

CleanMaster 402
HydraMaster/CleanMaster
Page 9-34
Dash Assembly Parts List
Item Part Number Description Qty
05/23/2003
1 000-100-127 Panel, Dash - CM402LP 1
2 000-100-123 Panel, Perforated Grill - Boxxer 421 1
3 000-157-008 Switch, Ignition 1
4 000-074-018 Meter, Rectangular w/o Bezel 1
5 000-061-056 Knob, Temperature Adjustment 1
6 000-052-272 Cup, Gravity Feed Oil Blower Lubrication Port 1
7 000-025-020 Cable, Throttle Kohler 1
8 000-074-024 Gauge, Temperature 1
9 000-074-017 Guage, 0-30" Hg Vac. 2 1/2" HydraMaster Face 1
10 000-074-026 Gauge, 2" Dia. 0-1500 PSI 1
11 000-052-088 Elbow, 1/4" FPT x FPT 1
12 000-157-040 Switch, 20 Amp Rocker 2
13 000-169-160 Valve, Chemical Metering 1
14 000-074-030 Meter, Chemical Flow Raw 1
15 000-052-084 Elbow, 1/8" NPT Street 2
16 000-052-099 Insert, #26 (1/8" NPT x 3/8" Barb) 3
17 000-169-0171Valve, 3-Way Ball O-Ring Style 1
18 000-149-560 Thermostat, Potentiometer Use w/ Rtd 1
19 000-052-096 Insert, #F23 (1/8" FPT x 3/16" Barb) 1
20 000-052-069 Nipple, 1/8" NPT Hex 3
21 000-052-531 Elbow, 1/8" NPT x 1/4" SAE 2
22 000-094-027 Nut, #10-24UNC Hex 4
23 000-174-001 Washer, #10 Flat 12
24 000-094-034 Nut, #10-24UNC Nylock 10
25 000-094-098 Nut, 7/16"-24UNF - 2 Way Metering Valve 1
26 000-052-527 Nipple, 1/4" SAE x 1/4" NPT 1
27 000-052-089 Elbow, 1/8" NPT Female 2
28 000-143-328 Screw, #10-32UNF x 1/2" Lg. Phillips Head 2
29 000-174-014 Washer, #10 Lock 2
30 000-143-132 Screw, #10-24UNC x 0.75" Lg. Hex Head 6

CleanMaster 402
HydraMaster/CleanMaster
Page 9-35
05/23/2003
Figure 9-21 Water Box Assembly
C-5045 Rev A
13
15
10
14
2
1
6
3
11
5
8
9
8
12
7
4

CleanMaster 402
HydraMaster/CleanMaster
Page 9-36
Water Box Assembly Parts List
Item Part Number Description Qty
05/23/2003
1 000-159-105 Tank, Poly Water Box 1
2 000-041-237 Cover, Water Box 4" 1
3 000-052-155 Tee, 3/16" Plastic Vacuum Insert 1
4 000-157-031 Switch, Side Mount w/ Bulkhead Fitting 1
5 000-169-167 Valve, Mechanical Incoming Water - Water Box 1
6 000-143-314 Screw, #8 x 1/2" Lg. Pan Head 6
7 000-052-105 Insert, #68 (3/8" NPT x 1/2" Barb) 1
8 000-174-063 Washer, 1.5" O.D. x 1.073" I.D. x 0.075" Thk. 2
9 000-057-052 Gasket, 1" Garden Hose 1
10 000-005-007 Float, Water Box 1
11 000-143-336 Screw, #10-32UNF x 0.25" Lg. Pan Head Phillips 1
12 000-052-086 Elbow, 3/8" NPT Street 1
13 000-052-099 Insert, #26 (1/8" NPT x 3/8" Barb) 1
14 000-068-326 Hose, 3/8" Clear w/ Braid Solution 1
15 000-033-005 Clamp, Size #5 Hose 1

CleanMaster 402
HydraMaster/CleanMaster
Page 9-37
03/01/2005
Figure 9-22 Electrical Control Panel Assembly
C-5344 Rev B
1
14 15 514 15 14 8
14
19
10
18
7
15
14
13 14
16
14
16
14
14
7
12
14
15
4
19
15
14
23
22
21
14
6
6
6
6
615
9
6
6
6
6
6
20
24
25
3
11
28
26
29
30
31
32
2
20
17 17
27

CleanMaster 402
HydraMaster/CleanMaster
Page 9-38
Electrical Control Panel Assembly Parts List
Item Part Number Description Qty
03/01/2005
1 000-100-113 Panel, Electrical Control - Boxxer 421 1
2 000-041-396 Cover, Electrical Panel - CM402LP 1
3 000-074-125 Controller, Temp. Single Analog RTD Input 1
4 000-012-010 Block, Terminal 10 Post 1
5 000-157-022 Switch, Relay 1
6 000-094-034 Nut, #10-24UNC Nylock 11
7 000-060-002 Grommet, Large Wiring 2
8 000-056-020 Fuse Panel 1
9 000-056-006 Fuse Holder, Inline Weather Proof 1
10 000-084-010 Light, Green Led Indicator Mini 1
11 000-084-011 Light, Red Led Indicator Mini 1
12 000-033-066 Clamp, 3/4" Spring 1
13 000-033-023 Clamp, 3/4" Nylon Hose 1
14 000-174-001 Washer, #10 Flat 13
15 000-143-126 Screw, #10-24UNC x 0.50" Lg. Hex Head 6
16 000-156-030 Stud, #10-32UNF x 2" Lg. Boxxer Elec. Panel Cover 2
17 000-094-108 Nut, #10-32UNF Wing 2
18 000-084-012 Light, Yellow Led Indicator Mini 1
19 000-060-009 Grommet, 1/2" I.D. w/ 3/32" Groove 2
20 000-033-057 Clamp, 1" Cushion Loop 2
21 000-015-817 Bracket, Alarm Module Mounting - CM402LP 1
22 000-149-565 Sensor, CO Propane Monitor 1
23 000-074-151 Module, Hi Emissions Warning Light - CM402LP 1
24 000-094-044 Nut, #4-40UNC Hex 2
25 000-143-195 Screw, #4-40UNC x 0.50" Lg. Round Head Phillips 2
26 000-174-014 Washer, #10 Lock 4
27 000-143-545 Screw, #8-32UNC x 1.00" Lg. Phillips Head 4
28 000-154-111 Spacer, Electrical Panel - Boxxer 421 1
29 000-174-019 Washer, 1/4" Lock 2
30 000-174-003 Washer, 1/4" Flat 2
31 000-143-080 Screw, 1/4"-20UNC x 1.00" Lg. Socket Head 2
32 000-131-027 Trimlok, 3/8" Wrinkled 1

CleanMaster 402
HydraMaster/CleanMaster
Page 9-39
05/23/2003
Figure 9-23 Tank Assembly - Rear View
D-5215 Rev C
INSIDE
CHEM.
JUG
25
63
18 10
25
62
38
61
65
25
58
57
59
58
64
63
57
59
49
49
648
51
40
50
55
46
45
56
51
25
48
26
6
8
26
44
41
33
39
4
35
34
23
24
17
16
15
37
14
9
24
1
19
42

CleanMaster 402
HydraMaster/CleanMaster
Page 9-40
05/23/2003
Figure 9-24 Tank Assembly - Front View
D-5215 Rev C
Tank Assembly Parts List
Item Part Number Description Qty
1 000-159-082 Tank, Weldment - Recovery Tank - CM402LP 1
2 000-049-008 Filter, 2-1/2" Recovery Tank - CDS 4.6/Boxxer 421 1
3 000-041-365 Cover, 4" Round Poly Water Box 1
4 000-159-108 Tank, 40 Lbs. Propane 1
5 000-159-022 Jug, 2-1/2 Gallon Chemical 1
13
15
16
17
30
25
27
5
28
25
25
32
21 20
7
7
28
60
43
32
25
12
31
2
25
32
3
52
54
22
53
36
47
11
11
29

CleanMaster 402
HydraMaster/CleanMaster
Page 9-41
Tank Assembly Parts List
Item Part Number Description Qty
05/23/2003
6 000-177-032 Wheel, 12" x 3" x 1" Bore N/S Steel Hub - CM402LP 2
7 000-177-030 Caster, 8" Wheel Lock - CM402LP 2
8 000-033-127 Strap, Propane Tank Modified - CM402LP 1
9 000-141-041 Axil, Tank - CM402LP 1
10 Fig. 9-31 Vacuum Relief Valve Assembly 1
11 000-015-815 Bracket, Handle Mounting - CM402LP 2
12 000-154-121 Spacer, 1" O.D. x 0.50" I.D. x 2.13" Lg. Handle - CM40 1
13 000-061-133 Handle, Weldment - CM402LP 1
14 000-052-330 Nipple, 3/4" NPT Hex 1
15 000-052-281 Nipple, 3/4" NPT x 3/4" Male Garden Hose 2
16 000-057-055 Gasket, Garden Hose 2
17 000-027-014 Cap, Garden Hose 2
18 000-057-178 Gasket, Vacuum Relief Plate 1
19 000-143-001 Screw, 1/4"-20UNC x 0.75" Lg. Hex Head 4
20 000-052-182 Nipple, 1-1/2" NPT Close Galvanized 1
21 000-169-022 Valve, 1-1/2" Full Port Ball 1
22 000-052-226 Insert,1-1/2" NPT x 1-1/2" Barb 1
23 000-143-026 Screw, 7/16"-14UNC x 1.00" Lg. Hex Head 2
24 000-020-012 Collar, Spitfire Engine Shaft - Double Screw Type 2
25 000-174-032 Washer, 3/8" Flat 28
26 000-143-017 Screw, 3/8"-16UNC x 0.75" Lg. Hex Head Grd. 8 2
27 000-143-155 Screw, 1/2"-13UNC x 3.50" Lg. Hex Head 1
28 000-143-019 Screw, 3/8"-16UNC x 1.25" Lg. Hex Head Grd 5 Zinc 8
29 000-174-023 Washer, 1/2" Lock 1
30 000-094-019 Nut, 1/2"-13UNC Hex 1
31 000-143-096 Screw, 3/8"-16UNC x 1.00" Lg. Hex Head 4
32 000-094-100 Nut, 3/8"-16UNC Hex Nylock 12
33 000-094-018 Nut, 7/16"-14UNC Hex 2
34 000-174-022 Washer, 7/16" Lock 2
35 000-174-006 Washer, 7/16" Flat 2

CleanMaster 402
HydraMaster/CleanMaster
Page 9-42
Tank Assembly Parts List
Item Part Number Description Qty
36 000-143-314 Screw, #8 x 1/2" Lg. Pan Head 6
37 000-169-180 Valve, 3/4" FPT Full Port All 1
38 000-033-057 Clamp, 1" Cushion Loop 1
39 000-174-036 Washer, #10 Flat Rubber Backed 1
40 000-094-034 Nut, #10-24UNC Nylock 1
41 000-143-132 Screw, #10-24UNC x 0.75" Lg. Hex Head 1
42 000-174-001 Washer, #10 Flat 1
43 000-108-050 Protector, Electric Cord Lock Bulk Head Fitting 1
44 000-157-140 Switch, Multi Level Recovery Tank 1
45 000-174-003 Washer, 1/4" Flat 4
46 000-174-019 Washer, 1/4" Lock 4
47 000-052-156 Tee, 1/4" Plastic Vacuum Insert 1
48 000-174-101 Washer, 3/8" I.D. x 2.88" O.D. - CM402LP 2
49 000-174-102 Washer, 1.03" I.D. x 2.88" O.D. - CM402LP 2
50 000-108-115 Protector, 5/8" Bumper 2
51 000-174-013 Washer, 3/8" Fender 2
52 Fig. 9-30 Assembly, Fresh Water Float Valve - CM402LP 1
53 Fig. 9-25 Assembly, Recovery Tank Cover- CM402LP 1
54 Fig. 9-29 Assembly, APO Pump - CM402LP 1
55 Fig. 9-28 Assembly, Dump Solenoid - CM402LP 1
56 Fig. 9-27 Assembly, Fresh Water Pump - CM402LP 1
57 000-086-008 Latch, Bungie 2
58 000-094-063 Nut, #6-32UNC Nylock 4
59 000-143-539 Screw, #6-32UNC x 0.50" Lg. Button Head Allen 4
60 Fig. 9-26 Assembly, GFI Box - CM402LP 1
61 000-068-326 Hose, 3/8" I.D. Clear Braid 1
62 000-052-102 Insert, #46 (1/4" NPT x 3/8" Barb) 1
63 000-033-005 Clamp, Size #5 Hose 2
64 000-049-118 Filter, Chemical Inlet High Pressure 1
65 000-106-029 Plug, 1" Hole 1
05/23/2003

CleanMaster 402
HydraMaster/CleanMaster
Page 9-43
Figure 9-25 Recovery Tank Cover Assembly
C-5540 Rev A
05/23/2003
11
12 10
12
10
11
9
7
6
5
4
3
1
8
2

CleanMaster 402
HydraMaster/CleanMaster
Page 9-44
Recovery Tank Cover Assembly Parts List
Item Part Number Description Qty
05/23/2003
1 000-041-395 Cover, Tank - Weldment - CM402LP 1
2 000-052-222 Elbow, 2" Barb x 2" FPT 2
3 000-057-015 Gasket, 1-1/2" Bulkhead Fitting 2
4 000-052-219 Adapter, 2" NPT x 2" F Slip 2
5 000-052-708 Adapter, 3" F Slip x 2" F Slip - Modified 2
6 000-049-030 Filter Bag, 92+Truck Mount 2
7 000-125-052 Tube, 2" Pvc x 1.50" Lg. Filter Bag Adapter Sleeve 2
8 000-143-168 Screw, #10-24UNC x 0.75" Lg. 1
9 000-078-039 Vacuum Inlet Stopper Assembly - Recovery Tank 1
10 000-086-008 Latch, Bungie - Strike 2
11 000-143-165 Screw, #6-32UNC x 3/8" Lg. Pan Head 4
12 000-094-063 Nut, #6-32UNC Nylock 4

CleanMaster 402
HydraMaster/CleanMaster
Page 9-45
Figure 9-26 GFI Box Assembly
C-5550 Rev -
05/23/2003
8
1
2
5
6
4
1
3
7
9
11
10

CleanMaster 402
HydraMaster/CleanMaster
Page 9-46
GFI Box Assembly Parts List
Item Part Number Description Qty
05/23/2003
1 000-013-056 Box, Electrical w/ Cover - Modified - CM402LP APO 1
2 000-084-100 Lamp, 110V Vacuum Red Pilot 1
3 000-108-012 Protector, Power Cord Relief Grip 1
4 000-143-050 Screw, #8-32UNC x 0.50" Lg. Round Head Phillips 4
5 000-157-146 Switch, APO On/Off CM402LP 1
6 000-134-011 Receptacle, GFI CM402LP Apo 1
7 000-178-046 Cord, 14/3 x 31" Lg. Gray - Modified 1
8 000-094-034 Nut, #10-24UNC Nylock 4
9 000-143-132 Screw, #10-24UNC x 0.75" Lg. Hex Head 4
10 000-174-036 Washer, #10 Flat Rubber Backed 4
11 000-174-001 Washer, #10 Flat 4

CleanMaster 402
HydraMaster/CleanMaster
Page 9-47
Figure 9-27 Fresh Water Pump Assembly
C-5544 Rev A
05/23/2003
4
5
7
8
1
8
2
3
10
6
6
9
6
6

CleanMaster 402
HydraMaster/CleanMaster
Page 9-48
Fresh Water Pump Assembly Parts List
Item Part Number Description Qty
05/23/2003
1 000-111-010 Pump, 35 PSI Elect. Pump In w/ Male Inlet/Outlet Thrds 1
2 000-174-001 Washer, #10 Flat 4
3 000-143-534 Screw, #10-24UNC x 1.00" Lg. Pan Head Phillips 4
4 000-052-086 Elbow, 3/8" NPT Street 1
5 000-052-105 Insert, #68 (3/8" NPT x 1/2" Barb) 1
6 000-033-004 Clamp, Size #6 4
7 000-068-327 Hose, 1/2" Clear Braid 1
8 000-052-312 Insert,1/2" x 90 Degree Plastic Swivel 2
9 000-068-018 Hose, 1/2" I.D. Black 1
10 000-174-003 Washer, 1/4" Flat 4

CleanMaster 402
HydraMaster/CleanMaster
Page 9-49
Figure 9-28 Dump Solenoid Assembly
C-5543 Rev -
05/23/2003
Dump Solenoid Assembly Parts List
Item Part Number Description Qty
1 000-052-064 Bushing, 1/2" NPT x 3/8" FPT 1
2 000-052-023 Tee, 3/8" NPT Male Street 1
3 000-052-086 Elbow, 3/8" NPT Street 1
4 000-052-104 Insert, #66 (3/8" NPT x 3/8" Barb) 1
5 000-052-074 Nipple, 3/8" NPT Hex 1
6 000-169-082 Valve, 12 Volt Solenoid 1200 PSI 1
7 000-052-662 Nipple, 3/8" NPT x 1/4" M SAE 1
7
6
5
2
3
4
1

CleanMaster 402
HydraMaster/CleanMaster
Page 9-50
Figure 9-29 APO Pump Assembly
C-5542 Rev A
05/23/2003
7
4
11
2
12
5
2
3
10
9
9
8
1
14
14
6
13

CleanMaster 402
HydraMaster/CleanMaster
Page 9-51
APO Pump Assembly Parts List
Item Part Number Description Qty
05/23/2003
1 000-052-281 Nipple, 3/4" NPT x 3/4" Male Garden Hose 1
2 000-111-160 Pump, Little Giant 115V APO 1
3 000-052-654 Insert, #1612 (1" NPT x 3/4" Barb) 1
4 000-033-020 Clamp, Size #16 2
5 000-068-004 Hose, 3/4" I.D. Steam 1
6 000-052-338 Insert, #1212 (3/4" NPT x 3/4" Barb) 1
7 000-052-244 Swivel, 3/4" Female Garden x 3/4" Female Garden 1
8 000-169-009 Valve, 3/4" FPT Swing Check 1
9 000-052-330 Nipple, 3/4" NPT Hex 2
10 000-052-345 Elbow, 3/4" FPT x 3/4" FPT 1
11 000-015-818 Bracket, Apo Holding - CM402LP 1
12 000-174-001 Washer, #10 Flat 2
13 000-143-126 Screw, #10-24UNC x 0.50" Lg. Hex Head 2
14 000-057-055 Gasket, Garden Hose 2

CleanMaster 402
HydraMaster/CleanMaster
Page 9-52
Figure 9-30 Fresh Water Float Assembly
C-5541 Rev -
05/23/2003
Fresh Water Float Assembly Parts List
Item Part Number Description Qty
1 000-169-167 Valve, Mechanical Incoming Water - Water Box 1
2 000-005-007 Float, Water Box 1
3 000-174-063 Washer, 1.5" O.D. x 1.073" I.D. x 0.075" Thk. 2
4 000-057-052 Gasket, 1" Garden Hose 1
5 000-052-074 Nipple, 3/8" NPT Hex 1
6 000-052-052 Quick Connect, 660 Male w/ Viton Standard 1
7 000-143-336 Screw, #10-32UNF x 0.25" Lg. Pan Head Phillips 1
2
1
7
4
5
6
3
3
RECOVERY TANK WALL

CleanMaster 402
HydraMaster/CleanMaster
Page 9-53
03/01/2005
Figure 9-31 Vacuum Relief Valve Assembly
C-4237 Rev B
7
7
5
3
1
4
8
2
6
USE BLUE LOCKTITE #242

CleanMaster 402
HydraMaster/CleanMaster
Page 9-54
03/01/2005
Vacuum Relief Valve Assembly Parts List
Item Part Number Description Qty
1 000-015-182 Bracket, Vacuum Relief Valve 1
2 000-027-032 Cap, Vacuum Releif Valve 1
3 000-125-111 Pipe, Vacuum Relief Spring Guide 1
4 000-105-067 Plate, Vacuum Relief Valve Mounting 1
5 000-155-026 Spring, Vacuum Relief 1
6 000-143-198 Screw, 3/8"-16UNC x 4" Lg. Hex Head Full Thread 1
7 000-094-077 Nut, 3/8"-16UNC x 1.00" O.D. Knurled 2
8 000-094-101 Nut, 3/8"-16UNC Hex Jam 1

CleanMaster 402
HydraMaster/CleanMaster
Page 9-55
Figure 9-31 Cleaning Wand Assembly
05/23/2003
PART # DESCRIPTION QTY.
B-24.1 10-32 X 3/4 PHXZINC 1
B-26.57 10-32 X 1 3/8 PHX ZINC 1
B-28.03 NUT, 10-32 NYLOK ZINK 2
B-40.15 5/16-18 X 3/4 HEX CP 2
B-40.33 NUT 5/16-18 NYLOCK, ZINC 2
C-07.9 GRIP, FLRTOOL 1 1/2 X 6 1
D-15.2 45 ST ELBOW 1/4 NPT 1
D-41 NIPPLE, 1/4 NPT CLOSE BR 1
F-09 Q/C 1/4" PLUG BR SHUT OFF 1
G-23 VALVE,K NGSTN STD "S" BEND 1
PART # DESCRIPTION QTY.
G-23.5 VALVE,KNSTN HP "S" BEND 1
H-02.5 BODY, TEE JET 1/4 BRASS 2
H-03 CAP NUT, TEE JET BRASS 2
H-18 .5 JET,11003 TEE BRASS 2
H-18 .7 JET,110015 E TEE BRASS 2
M-16.5 HOE HANDLE,ECONO FLRTL 1
M-16.5 A"U"CLAMP,SUPP HOE HNDL EC 1
M-20 WAND,"S"BND FLTL COM W/HD 1
SC-82 TRIGGER,COMP KNGSTN VALV E 1
SE-06.7/39.2 HOSE,1/4"SOL BLU X39.25DB 1

CleanMaster 402 Page 10-1
HydraMaster/CleanMaster 3/20/02
Vacuum System
CleanMaster 402
Section 10-1
The vacuum pump in this machine is commonly referred to as a ‘positive dis-
placement lobe’ type blower. The performance and life of this unit is greatly
dependent on the care and proper maintenance it receives.
Because of the close tolerances between the lobes and housing of the vacuum blower,
solid objects entering the inlet will damage the internal lobes, gears, bearings or drive
system.
To prevent this, a stainless steel filter screen has been placed at the vacuum inlet
inside the vacuum recovery tank. This stainless steel screen is ‘finger’ tight and
should be removed for cleaning weekly.
Caution should be used when machine is being run for test purposes and the
vacuum inlet on top of the machine is open.
To protect the vacuum blower from overloading and damaging itself, there is a vacuum
relief system installed on the vacuum tank. When the vacuum tank inlet is completely
sealed off, a maximum of 14 HG will be attained.
At the end of each day, an oil based lubricant should be sprayed into the blower
lubrication port before shutting down the machine. Lubricate the vacuum blower daily
to prevent rust deposits and moisture that will decrease the life of the vacuum blower.
Foam passing through the blower could lead to serious problems.
It is important to keep the vacuum tank foam free.
Read the vacuum blower manual carefully for proper oil change and grease applica-
tion. The maintenance log may differ slightly from the manual, but the truck-mounted
carpet cleaning machine application is very demanding of the vacuum blower and
therefore it should be maintained more regularly.
CAUTION
!
CAUTION
!

Page 10-2 CleanMaster 402
HydraMaster/CleanMaster
3/20/02
The vacuum tank is protected from overflowing by a vacuum tank float kill
switch. The switch is not activated by foam, only by liquid.
VACUUM TANK FILTER BAGS
HydraMaster filter bags are designed to trap lint, sand and dirt that would normally
collect at the bottom of your vacuum tank. The use of these bags, if emptied at the
end of each job, will eliminate the build-up of much of the debris in the tank. The
drawstring top of these bags is designed to be slipped around the incoming dirty
water inlet in the vacuum tank.
CAUTION
!

CleanMaster 402 Page 10-3
HydraMaster/CleanMaster 3/20/02
Vacuum System
Troubleshooting
1.0. Weak vacuum at wand. Gauge reads normal (10" to 12"
with hoses & wand attached)
1.1. Clogged vacuum hoses or wand tube. Disconnect hoses and check
carefully for an obstruction.
1.2. Excessive length of hoses connected to machine. Make sure
machine is rated for the conditions under which it is being operated.
2.0. Vacuum gauge will not come up to 12" hg
2.1. There is an air leak somewhere in the vacuum system. Check
vacuum relief valve for proper adjustment. Carefully check all
vacuum hoses for a cut or break. Check recovery tank lid gasket.
Make sure recovery tank drain valve is fully closed.
2.2. The vacuum gauge is defective. Test gauge and replace as
necessary.
2.3. Vacuum blower is turning too slowly. Check engine RPM. Adjust
as necessary.
3.0. Vacuum gauge reads too high with no hoses attached
3.1. Stainless steel filter in recovery tank is clogged. Remove and clean
or replace as necessary.
3.2. Hose from vacuum blower to recovery tank is collapsed internally.
Inspect and replace as necessary.

Page 10-4 CleanMaster 402
HydraMaster/CleanMaster
3/20/02
4.0. Noisy vacuum blower
4.1. Vacuum blower is low on oil. Inspect oil level and replenish as
necessary. Note: Running vacuum blower low on oil can cause
severe mechanical damage. If this situation occurs, it should be
inspected by a qualified service technician.
4.2. Vacuum blower has internal damage. Refer to qualified service
technician.
5.0. Vacuum Blower is locked and will not turn
5.1. The machine has been unused for a period on time and the blower
was not properly lubricated when it was shut down, causing rust to
build up on internal surfaces. Spray penetrating oil into blower inlet
and let sit for at least one hour. Then very carefully use pipe
wrench on outer diameter of pulley on blower shaft and attempt to
free up blower. Do not use wrench directly on blower shaft. If
unable to free up blower in this manner, refer to qualified service
technician.
5.2. There is internal damage to the blower impellers or gears. Refer to
qualified service technician.
Miscellaneous
Troubleshooting
1.0. Water from exhaust
1.1. The recovery tank has been filled with foam or overfilled with
water. Remove recovery tank lid and inspect. If full, drain tank
then inspect high-level shutoff switch for proper operation. Clean
or replace switch as necessary.
1.1.1. If foam is observed in recovery tank, use defoamer on carpet
being cleaned.

CleanMaster 402 Page 10-5
HydraMaster/CleanMaster 3/20/02
1.2. Condensation. This will be more pronounced in cool weather and
humid climates. Observe how long this condition persists after
starting machine. If it is only until the machine warms up, it is
normal.
1.3. A heat exchanger is leaking. Test heat exchanger for leaks. Repair
or replace as necessary.

Page 10-6 CleanMaster 402
HydraMaster/CleanMaster
3/20/02
This page intentionally left blank

HydraMaster/CleanMaster 3/20/02
CleanMaster 402 Page 11-1
Engine Troubleshooting
CleanMaster 402
Section 11-1
1.0. Will not turn over
1.1. There is a loose or corroded battery terminal. Clean and tighten
the battery terminal connections.
1.2. The battery is dead. Recharge or replace the battery. Test the
charging system. Repair as necessary. WARNING: Do not
attempt to jump-start this machine from a running vehicle. The
amperage output from an automobile will damage the charging
system of the truckmount.
1.3. The 25 amp main power fuse in the electrical panel has blown.
Inspect the wiring thoroughly to locate shorted or damaged wires.
1.4. The vacuum blower has seized. Attempt to turn the engine by
hand. If it will not turn, refer to Vacuum section.
1.5. The ignition switch is defective. Test to see if there is 12 volts to
the switch. If there is, but there is not 12 volts coming from the
switch, replace the switch.
1.6. There is a problem with the starter solenoid. If there is 12 volts
at the battery connection and at the key switch connection with
the key in the start position but there is not 12 volts on the
starter connection of the solenoid, replace the solenoid.
1.7. The starter motor is defective. Check to see if the engine can be
turned over by hand. If it can and if there is 12 volts from the
starter solenoid to the starter, replace the starter.
1.8. There is a mechanical problem with the engine. If the engine can
not be turned over by hand and the vacuum blower is not locked
up, refer the engine to a qualified service technician to determine
the cause of the problem.

Page 11-2 CleanMaster 402
HydraMaster/CleanMaster
3/20/02
2.0. Turns over but will not start. There is no spark
2.1. The spark plugs are faulty. Remove and inspect. Replace as
necessary.
2.2. The engine ignition system is malfunctioning. Refer to a qualified
engine service technician for inspection.
3.0. Turns over but will not start. There is spark
3.1. Fuel is not reaching the carburetor inlet. Check to make sure the
propane tank valve is fully opened and the tank is full. Also make
sure all propane quick-connectors are tight.
3.1.1. The propane shutdown solenoid is faulty. Check for 12 volts
and a ground at the solenoid. If 12 volts and a ground are
present and propane is not flowing through the solenoid while
the engine is being cranked over, replace the solenoid.
3.1.2. If 12 volts is not present at the propane shutoff solenoid while
the engine is being cranked over, inspect the wiring from the
solenoid back to the ignition switch, including the diode. Repair
or replace as necessary.
3.2. The spark plugs are dirty or worn. Inspect and replace as
necessary.
3.3. There is a mechanical problem with the engine. Have engine
inspected by a qualified engine service technician.
4.0. Starts then dies immediately
4.1. One of the engine kill switches is activated. Inspect the machine
to determine if one of the following conditions exists:
4.1.1. Is the recovery tank full? Is the water box empty? Is the
engine oil low? Has the machine overheated? If one of the
above conditions is observed, correct the condition and re-start
the machine.

CleanMaster 402 Page 11-3
HydraMaster/CleanMaster 3/20-/02
4.1.2. Note: If the machine has shut down due to the high
temperature switch being activated, thoroughly inspect the
machine to determine the cause of the overheating. See
section IV, Heating System.
4.1.3. Note: If the machine has shut down due to the engine low oil
pressure switch being activated and the engine oil level appears
to be normal, make sure the oil filter is an original equipment
Kawasaki part. Some after-market oil filters, although they
may fit on the engine, do not have the correct by-pass pressure
internally and can cause the oil pressure to be too low.
4.2. One of the engine kill switches is faulty. Disconnect one of the
wires from each kill switch and attempt to start the machine. If
the machine starts after a wire is removed, test the switch. Re
place as necessary.
4.3. The Carbon Monoxide detector has activated the engine shutdown
function. Temporarily disconnect the orange wire from the CO
detector to the engine shutdown relay. If the engine starts and
runs with this wire disconnected, this indicates that the CO
detector has determined that the Carbon Monoxide level in the
general area of the machine location is dangerously high. Do not
run the machine again until the area has been thoroughly
ventilated and the problem has been corrected. Refer to a
qualified service technician for diagnosis and repair.
5.0. Will not come up to operating speed
5.1. Throttle linkage is out of adjustment. Inspect for broken or loose
linkage. Repair or replace as necessary and adjust to proper RPM.
Note: It is important to use an accurate tachometer to adjust
engine RPM. Too high or too low will cause severe damage to
machine components.
5.2. The propane flow to the carburetor or regulator is impeded.
Check to see that the propane tank valve is fully open and that
the screw-on quick connects for the propane lines are tight.
5.3. There is excessive load on the engine due to the blower-to-
recovery tank hose becoming delaminated. Remove and inspect
the inside of the hose. Replace as necessary.

Page 11-4 CleanMaster 402
HydraMaster/CleanMaster
3/20/02
5.4. There is excessive back-pressure on the engine or blower exhaust.
Check for clogged blower heat exchanger.
6.0. Runs rough at medium or high speed
6.1. One or both spark plugs are defective. Remove and inspect spark
plugs. Replace as necessary.
6.2. A spark plug wire is loose at the spark plug or has been damaged.
Inspect wire. Replace wire and coil as necessary.
6.3. The propane regulator is out of adjustment. Refer to qualified
service technician for diagnosis and adjustment.
6.4. Low compression on one or both cylinders. Check compression.
If low, check valve adjustment. If incorrect, adjust to proper
specs.
6.4.1. If adjustment is okay, there is a possibility of burned valves,
burned head gasket or worn cylinders. Refer to qualified engine
service technician.
6.5. Poor spark on one or both cylinders. The engine ignition system is
faulty. Refer to qualified engine service technician.
7.0. Engine overheats
7.1. Low engine oil level. Check oil level and replenish as necessary.
7.2. Engine RPM too high. Check RPM with an accurate tachometer.
Adjust as necessary.
7.3. Restricted engine or blower exhaust. Disassemble exhaust
components to locate restriction. Repair as necessary.
7.4. Poor ventilation in vehicle. All cargo area doors must be open for
proper ventilation. Roof vents are strongly recommended for
machines that are operated in hot climates. Any item that might
restrict air flow to the machine such as other equipment or a solid
divider between the cargo and passenger areas should be moved
or modified to permit proper air flow.

CleanMaster 402
HydraMaster/CleanMaster
3/20/02
Figure 12-1 Electrical Schematic
D-5298 Rev A
Page 12-1/2

CleanMaster 402
HydraMaster/CleanMaster
3/20/02
Figure 12-2 Electrical Diagram
D-5299 Rev A
Page 12-3/4

CleanMaster 402
HydraMaster/CleanMaster
3/20/02
Figure 12-3 Electrical Diagram
D-5299 Rev A
Page 12-5/6

CleanMaster 402
HydraMaster/CleanMaster
3/20/02
Figure 12-4 Electrical Diagram
D-5299 Rev A
Page 12-7/8

Page 12-2 CleanMaster 402
HydraMaster/CleanMaster
3/20/02
This page intentionally left blank

CleanMaster 402 Page 13-1
HydraMaster/CleanMaster
Machine Maintenance
CleanMaster 402
Section 13-1
T o avoid costly repairs and down-time, it is imperative to develop and practice
good maintenance procedures from the beginning. These procedures fall into
daily, weekly, monthly and quarterly increments, and are outlined below. All recom-
mended maintenance must be performed by competent service personnel.
Important: Record the date and machine hours on the maintenance log.
We have provided a maintenance log for your convenience at the end of this section.
Records of maintenance must be kept and copies may be required to be furnished to
HydraMaster before the warranty is honored. It is recommended that you affix a copy
of the log on the vehicle door near your unit for convenience and to serve as a
maintenance reminder.
OPERATIONAL MAINTENANCE
DAILY:
• Check engine oil level.
• Check high pressure pump oil. Add as necessary.
• Inspect garden hose screen. Clean as needed.
• Visually inspect machine for loose wires, oil leaks, water leaks, etc.
• Lubricate blower with an oil based lubricant through blower inlet.
WEEKLY:
• Inspect vacuum tank s/s filter and filter bag for tears, holes, etc.
Clean, repair or replace as needed.
• One time change of oil and oil filter after first 20 hours of use.
• Check oil level in blower.
• Check drive system screws. Tighten as needed.
• Check pump drive belt for wear.
03/20/2002

Page 13-2 CleanMaster 402
HydraMaster/CleanMaster
WEEKLY (cont.):
• Check pump pulleys.
• Check high pressure water lines for wear or chafing.
• Check all nuts and bolts. Tighten as needed.
• Inspect vacuum relief valve. Clean and lubricate as necessary.
• Clean vacuum tank thoroughly with high pressure washer.
• Check wiring for chafing.
• Flush water and chemical system with 50/50 white vinegar solution.
• Change engine oil (every 50 hrs.).
MONTHLY:
• Change oil filter (every other oil change).
• Check engine air cleaner filter. Clean as necessary.
• Remove pressure bypass valve piston plate. Grease plate. Reinstall.
• Check water level in battery. Clean connections as needed.
QUARTERLY:
• Check fuel lines.
• Clean and gap spark plugs.
• Check drive coupler for cracks or wear. Replace as necessary.
• Change oil in blower.
• Change pump oil.
• Grease blower bearing fittings.
500 HOURS:
• Replace plugs in the drive coupling, between the engine and the blower..
03/20/2002

CleanMaster 402 Page 13-3
HydraMaster/CleanMaster
AS REQUIRED: DE-SCALING
Scale deposits on the interior of the heating system can cause a noticeable loss in
heating performance. Deposits of this kind result from hard water deposits, exces-
sive chemical use, improper chemicals, etc. The frequency with which de-scaling
procedures are required will vary. If your area has particularly hard water or you see
evidence of deposits in the water system, you may have to de-scale monthly.
To de-scale your system, add an appropriate de-scaler chemical to your mix tank.
Circulate it through the heating system. Let it stand. Flush and repeat as necessary.
Clean all screens and strainers, and check them frequently following de-scaling.
NOTE: If you are using T.M. DeScaler through the flow meter, make sure to run clean
water through the flow meter after this procedure.
To de-scale using the recirculation kit (part no. 078-058), start with an empty mix
tank. Fill a third of the mix tank with T.M. DeScaler. Follow the recommendations on
the T.M. DeScaler label for proportions. Verify
that the upper float is not lying horizontal, but
floats below.
Attach the recirculation fitting provided in the
kit to the garden hose quick connect (see illus-
tration) and this combination to the front of the
machine.
Attach one section of female/female solution
hose to the outgoing solution fitting on the front
of the machine and the other end to the garden hose and recirculation fitting combi-
nation that is attached to the front of the machine (or as many sections as you want,
if you wish to de-scale your hoses).
Start the machine and allow it to run for three to five minutes. Do not leave the T.M.
DeScaler solution in the system. Flush the system with clean water and turn the
machine OFF.
13
05/23/2003

Page 13-4 CleanMaster 402
HydraMaster/CleanMaster
OVERALL MACHINE MAINTENANCE
Maintaining the original appearance of your unit is important for two reasons:
1. It represents a big dollar investment for your cleaning business and its appear-
ance should reflect that fact. A dirty machine is not professional.
2. Maintenance, troubleshooting, and repair is much easier to accomplish on a
clean, well maintained unit. Regular cleaning of the machine offers you an
opportunity to visually inspect all facets of the machine and spot potential
problems before they occur.
The following maintenance is recommended by the manufacturer at the frequency
indicated.
AFTER EACH JOB
• Check recovery tank, s/s filter and filter bag as required.
DAILY
• Wipe machine down thoroughly with a damp cloth.
• Flush recovery tank out thoroughly.
• Empty filter bag and inspect for rips, tears, etc. Replace as needed.
• Remove, thoroughly clean and reinstall stainless steel filter screen in
recovery tank.
• Inspect and clean vacuum slot on cleaning wand.
• Check wand head for sharp edges that could tear carpet. File down
as needed.
• Clean wand to maintain original appearance.
• Wipe down vacuum and high pressure hoses as needed.
• Visually inspect hoses for cuts, etc.
03/20/2002

CleanMaster 402 Page 13-5
HydraMaster/CleanMaster
WEEKLY
• Wipe down entire unit as needed.
• Apply good coat of auto wax to all painted surfaces inside and out, and
to control panel.
• Thoroughly clean recovery tank using high pressure hot water
(unit with optional high pressure cleaning gun may be used for this).
• Remove stainless steel filter in recovery tank and thoroughly clean, removing
all lint build-up. Inspect for damage and reinstall.
• Remove filter bag. Thoroughly clean and reinstall. If the bag is torn,
replace it.
• Empty chemical from chemical container. Wash out thoroughly to remove
any chemical build-up.
• Inspect chemical feed line strainer and use 50% white vinegar/water solution
to remove any chemical build-up.
• Thoroughly clean wand and inspect for clogged jet, debris in vacuum slot and
leaking fittings at valve.
• Apply light coat of auto wax to wand.
• Thoroughly clean vacuum and high pressure hoses including hose cuffs.
• Inspect for wear or damage to hoses and quick connect fittings.
• Inspect garden hose connect/adapter screen for debris. Remove and
clean thoroughly.
• Inspect all lines for wear or abrasions that may cause possible leaks.
03/20/2002

Page 13-6 CleanMaster 402
HydraMaster/CleanMaster
This page intentionally left blank.
03/20/2002

CleanMaster 402 Page 13-7
HydraMaster/CleanMaster
CM402LP MAINTENANCE LOG
MAX
HRS DAILY SERVICE OIL RECOMMENDATIONS
8
8
8
8
8
8
ENGINE OIL - check
PUMP OIL - check
GARDEN HOSE SCREEN - clean
MACHINE - general inspection
VACUUM TANK FILTER BAG - clean
BLOWER INLET - spray with lubricant
BLOWER
PUMP
ENGINE
40 weight non-detergent
40 weight non-detergent
30 weight motor oil
NOTE: Overhead valve engines can use multi-viscosity oil, but will
experience increased oil consumption
WEEKLY SERVICE DATE & HOURS
20
25
25
25
25
25
25
25
25
25
25
25
50
OIL - change with filter
BLOWER - check oil level
DRIVE SYSTEM - tighten screws
BELTS & PULLEYS - check for wear
HIGH PRESSURE LINES - check for chafing
NUTS & BOLTS - check tightness
“Y” FILTER - check and clean
ORIFICE - inspect
VAC. RELIEF VALVE - inspect, clean, lube
VACUUM TANK - clean
WIRING - check for chafing
CHEMICAL SYSTEM - flush with vinegar
ENGINE OIL - change
Break-in. One time only.
MONTHLY SERVICE
100
100
100
100
OIL FILTER - change
ENGINE AIR CLEANER - clean
BYPASS VALVE - grease piston and o-rings
BATTERY WATER LEVELS - check
QUARTERLY SERVICE
(3 MONTHS)
300
300
300
400
400
400
FUEL LINES - check
SPARK PLUGS - clean and gap
DRIVE COUPLER - check for wear
BLOWER - change
BLOWER - grease bearing
PUMP OIL - change
1000 OXYGEN SENSOR - replace
03/20/2002

CleanMaster 402 Page 14-1
HydraMaster/CleanMaster 3/20/02
How to Order Parts
CleanMaster 402
Section 14-1
T o obtain a proper diagnosis of your malfunction, and to order warranty replace
ment parts or repairs, it is important that you proceed in the following manner:
WARRANTY PARTS ORDERS
1. Call the local distributor where you purchased your equipment and ask for
the Service Department.
2. Have the following information ready:
A. Equipment Model
B. Date of Purchase
C. Hours on the Unit
D. Unit Serial Number
E. Description of Malfunction
3. Once it has been determined which parts are needed to correct the problem
with your machine, make arrangements with your distributor to either perform
the repairs or ship the parts to you.
PARTS ORDERS
Call your local distributor. In most instances, they either stock or have access to
parts through a regional service center.
EMERGENCIES
If, for any reason, your distributor is unable to supply you with the necessary parts,
they may call us and arrange for expedited shipping.
HydraMaster sells parts only through authorized distributors and service centers.

Page 14-2 CleanMaster 402
HydraMaster/CleanMaster3/20/02
ONE FINAL NOTE
Any questions you have regarding the warranty program should be directed to the:
HydraMaster Customer Service Department
(425) 775-7275,
8 a.m. to 5 p.m.
Monday through Friday (PST).
We shall always endeavor to be fair in our evaluation of your warranty claim, and
shall provide you with a complete analysis of our findings.
HydraMaster warranty covers only defective materials and/or workmanship for the
periods listed. Labor and/or diagnostic reimbursement is specifically excluded.

CleanMaster 402 Page 14-3
HydraMaster/CleanMaster 3/20/02
Warranty Information
CleanMaster 402
Section 14-3
T o avoid misunderstandings which might occur between machine owners and
manufacturer, we are listing causes of component failure that specifically voids
warranty coverage. Such causes as listed below shall constitute abuse or neglect.
BLOWER:
• Failure to lubricate impellers daily with an oil based lubricant.
• Failure to lubricate bearings as recommended in blower manual.
• Failure to maintain proper oil levels in the blower.
• Failure to use the correct oil grade and viscosity as recommended in
blower manual.
• Failure to properly maintain blower safeguard systems such as waste tank
filter screen, vacuum safety relief valve and waste tank automatic shut-off
system.
• Allowing foam to pass through blower.
HIGH PRESSURE WATER PUMP:
• Failure to maintain proper oil level as recommended in pump manual.
• Failure to change oil in pump at recommended intervals.
• Failure to protect pump against freezing.
• Failure to maintain pump protection shut-off system.
• Failure to use water softener in hard water areas.
• Use of improper chemicals.
VACUUM TANK:
• Failure to properly maintain filtering devices in tank.
• Failure to clean tank as recommended by manufacturer.
• Failure to maintain vacuum safety release in tank.
• Use of improper chemicals.

Page 14-4 CleanMaster 402
HydraMaster/CleanMaster3/20/02
CHEMICAL SYSTEM:
• Use of improper chemical.
• Failure to use water softener in hard water area.
• Operating machine without proper chemical filter screen.
• Failure to protect against freezing.
CONTROL PANEL:
• Failure to protect flowmeter and water pressure gauge against freezing.
VACUUM AND SOLUTION HOSES:
• Failure to protect hoses against freezing.
• Failure to protect hoses against burns from engine and blower exhaust.
• Damage to hoses from being run over by vehicles.
• Kinking or cracking from failure to store or unroll hoses correctly.
• Normal wear and tear from everyday use.
CLEANING WAND:
• Failure to protect against freezing.
• Obvious physical abuse of wand.
WATER HEATING SYSTEM:
• Over-pressurization of the system (recommended maximum working
pressure-1,000 PSI).
• Failure to protect against freezing.
HARD WATER DEPOSITS:
• Failure to use or maintain a water softening system or a properly installed
magnetic-type de-scaler, whichever might be necessary, with machines
operating in designated “Hard Water Areas” (3.5 grains or more per gallon).

CleanMaster 402 Page 14-5
HydraMaster/CleanMaster 3/20/02
WARRANTY
HydraMaster will warrant all fuel system parts for a period of 2 years. The engine
is covered by Kawasaki for a period of 2 years with this exception, “warranty
does not apply to engine adjustment or repair required due to failure of the com-
bustion chamber valves, valve seats, valve guides or burned starter motor wind-
ings which occur when operating an engine with LPG or NG”. All other parts are
covered by the standard HydraMaster “Golden Guarantee.” Warranty repairs may
be performed as usual with the exception of fuel system adjustments. The fuel
system adjustments are set at the factory and any tampering with them will void
the warranty.
WARRANTY PROCEDURE
Warranty coverage is available to you through your local Distributor.
If you have moved to a new area or have purchased a used machine and need
information regarding your local distributor, call HydraMaster at (425) 775-7272 or
email us at custsvc@hydramaster.com. When calling your distributor, be sure to
have the machine’s information; model and serial number, ready for the service rep-
resentative.
IMPORTANT: HydraMaster’s warranty policy provides replacement parts without
charge for thirty (30) days to distributors maintaining current account status. An
invoice will be sent to the distributor for the amount of the parts sent. The customer’s
faulty parts must be returned for evaluation prior to the expiration of the thirty (30)
day period. Upon warranty approval, a credit will be issued the distributor for the
replacement parts invoice. Warranty disapproval or failure to return the faulty parts
within the thirty (30) day period allowed will result in the customer being charged for
the replacement parts sent.
FOR YOUR REFERENCE:
Model No. __________________________________________________________
Serial No. ___________________________________________________________
Date of Purchase: ___________________________________________________
Purchased From (Distributor):_________________________________________

Page 14-6 CleanMaster 402
HydraMaster/CleanMaster3/20/02
This page intentionally left blank

CleanMaster 402 Page 15-1
HydraMaster/CleanMaster 3/20/01
Accessories
CleanMaster 402
Section 15-1
Genuine HydraMaster
Accessories & Detergents
This section of your Owners Manual is devoted to Accessories and Detergents
which we have found to be helpful and useful. These products can enhance your
cleaning and reduce your labor costs!
HydraMaster Machine accessories are the most innovative collection available in the
cleaning industry. Our patented RX-20 Rotary Extractors have changed the shape of
steam cleaning. Our hoses and tanks are of the finest quality construction.
SafeClean Detergents have been specially prepared, not only to give you exceptional
cleaning, but also to optimize your truckmount’s operation and reliability. Most deter-
gents don’t work well under the high heat, high pressure conditions of truckmount
use. SafeClean will maintain your machines’s water pump and water heating systems
at peak efficiency and help ensure fewer breakdowns.
For more information, or to order
Genuine HydraMaster Accessories and Detergents
Call your nearest authorized HydraMaster Distributor.

Page 15-2 CleanMaster 402
HydraMaster/CleanMaster
3/20/02