Foxconn V030 Docking Board Schematics. Www.s Manuals.com. Mbx 237 Rsa Schematics

User Manual: Foxconn V030 MBX-237 Docking Board - Schematics. Free.

Open the PDF directly: View PDF PDF.
Page Count: 12

5
5
4
4
3
3
2
2
1
1
D D
C C
B B
A A
UIM_DATA_R
UIM_CLK_R
UIM_RST_N
UIM_PWR
PORT_DET_P
MDI1+
MDI1-
W_PR_DDC4DATA
W_PR_DDC4CLK
W_VGAHSYNC
W_VGAVSYNC
MDI2+
MDI2-
MDI3-
MDI3+
MDI0+
MDI0-
W_PR_CRT_DDCCLK
W_PR_CRT_DDCDATA
W_PR_GREEN
W_PR_BLUE
W_SC310_OUT
W_PORT_DET#
PORT_DET_N
W_TMDS_DET_3
W_USB_PN0
W_USB_PP0
W_SUS_ON
W_PR_RED
W_TMDS_TX3N
W_TMDS_TX3P
W_TMDS_TX4P
W_TMDS_TX4N
W_TMDS_TX5N
W_TMDS_TX5P
W_TMDS_CLK2N
W_TMDS_CLK2P
SIM_SW_ON#
PCIE_WAKE#
W_SC310_OUT
W_SUS_ON
CLK_REQ_LAN#
PLT_RST#
W_USB_PN0
W_USB_PP0
W_PORT_DET#
SIM_SW_ON#
W_PR_CRT_DDCCLK
W_PR_CRT_DDCDATA
W_PR_RED
W_PR_GREEN
W_PR_BLUE
W_PR_DDC4CLK
W_PR_DDC4DATA
W_TMDS_CLK2N
W_TMDS_CLK2P
W_VGAVSYNC
W_TMDS_TX5N
W_TMDS_TX5P
W_TMDS_TX4P
W_TMDS_TX4N
W_TMDS_TX3P
W_TMDS_TX3N
LAN_RXN4
LAN_RXP4
CLK_PCIE_LAN#
CLK_PCIE_LAN
LAN_TXN4
LAN_TXP4
WWAN_GND#
W_TMDS_DET_3
W_VGAHSYNC
UIM_DATA2
UIM_CLK2
UIM_PWR2
UIM_RST_N2
PORT_DET_P5
MDI1+ 3,4
MDI1- 3,4
MDI2+ 3,4
MDI2- 3,4
MDI3+ 3,4
MDI3- 3,4
MDI0+ 3,4
MDI0- 3,4
PORT_DET_N5
WWAN_+3VALW_L2
CLK_REQ_LAN# 3
ACIN_EC_C 5,6
VCCRTC_R_S_C 5
BATT_ID_C 5
CHG_OFF#_C 5
AC_OFF_3#_C 5
BATT_B_EN_C 5
BATT_A_EN_C 5
IDCBATOUT_C 5
SYS_PRS#_C 5
BATT_PRS#_A_C 5
BATT_PRS#_B_C 5
ALW_ON_C 6
SEL_SMB_0_C 5
PLT_RST# 3
WWAN_USB_PN11 2
WWAN_USB_PP11 2
DAT_SMB_C 5
CLK_SMB_C 5
EC_VDCBATOUT_C 5
PCIE_WAKE# 3
WWAN_GND#2
LAN_RXN43
LAN_RXP43
CLK_PCIE_LAN#3
CLK_PCIE_LAN3
LAN_TXN43
LAN_TXP43
WWAN_RF_OFF# 2
PRT_IN
DCBATOUT_C
DCBATOUT_C
WWAN_+3_3V
WWAN_+3VALW
+5VALW_LDO_C
BQ24725_VCC_R_C
+ECVCC_C
BT+_C
W_+3VSUS
W_+3VRUN
+3VALW_C
Title
Size Document Number Rev
Date: Sheet of
HON HAI Precision Ind. Co., Ltd.
CCPBG - R&D Division
FOXCONN
V030 SA
DB Connector(Docking)
A3
1 10Tuesday, January 04, 2011
Title
Size Document Number Rev
Date: Sheet of
HON HAI Precision Ind. Co., Ltd.
CCPBG - R&D Division
FOXCONN
V030 SA
DB Connector(Docking)
A3
1 10Tuesday, January 04, 2011
Title
Size Document Number Rev
Date: Sheet of
HON HAI Precision Ind. Co., Ltd.
CCPBG - R&D Division
FOXCONN
V030 SA
DB Connector(Docking)
A3
1 10Tuesday, January 04, 2011
TO SIM DB
Reserved for EMI
Reserved for EMI
TO MB TO MB
Reserved for EMI
Reserved for EMI
2010.1013(DVT)
For ME request
W_CN9 change from
1N-0010009-FXG0 to
1N-001000A-FXG0
2010.1014(DVT)
For EMI request add
W_C58,W _C59
2010.1014(DVT)
For EMI request
change W _C48 from
0.1uF to 2200pF
2010.10.26
For PUR suggestion W _C54
W_C55,W _C56,W_C57,
W_C58,W _C59 change from
1C-2N20150-J300 to
1C-2N20150-K000
2010.10.26
For SI overload test fail
addW_F1, W_F2
2010.10.29
W_CN5 pin42 for power request
change from AC_OFF_EC# to
+3VALW
2010.11.30
For EMI request W_C53 change
from NC to mount,add W_C60
2010.12.01
Move W_F2 to MB
2010.12.27
Due to SI overload test result
W_F1 change from 1M-F32V2A0-F000
to 1M-F32V0A5-F002
2011.01.04
For SI overload test fail
add W_F2(1M-F32V1A5-F003)
SMDFIX1SMDFIX2
W_CN5
B TO B CONN_2x40P
ENTERY_1001K-F80E-03L
SMDFIX1SMDFIX2
W_CN5
B TO B CONN_2x40P
ENTERY_1001K-F80E-03L
2
4
6
8
10
12
14
16
18
20
22
24
26
28
30
32
34
36
38
40
42
44
46
48
50
52
54
56
58
60
62
64
66
68
70
72
74
76
78
80
1
3
5
7
9
11
13
15
17
19
21
23
25
27
29
31
33
35
37
39
41
43
45
47
49
51
53
55
57
59
61
63
65
67
69
71
73
75
77
79
81 82
W_R32 0_J 0402W_R32 0_J 0402
1 2
W_R33 0_J 0402W_R33 0_J 0402
1 2
W_R35
NC_0_J
0402
W_R35
NC_0_J
0402
12
SMDFIX1
SMDFIX2
W_CN9
FPC CONN_10P
P-TWO_196061-10041-3
SMDFIX1
SMDFIX2
W_CN9
FPC CONN_10P
P-TWO_196061-10041-3
8
7
6
5
4
3
2
1
9
10
12 11
W_C38
NC_0.1U_10V_K
0402_X5R
W_C38
NC_0.1U_10V_K
0402_X5R
12
W_C48
2200P_50V_K
0402_X7R
W_C48
2200P_50V_K
0402_X7R
1 2
W_F1
32V-0.5A_0603
0467.500NRHF
W_F1
32V-0.5A_0603
0467.500NRHF
1 2
NPTH
PTH3
PTH4
PTH1
PTH3
W_CN4
FPC_54P
HIROSE_EX80-54S
NPTH
PTH3
PTH4
PTH1
PTH3
W_CN4
FPC_54P
HIROSE_EX80-54S
55
56
57
58
59
1
2
3
4
5
6
7
8
9
10
11
12
13
14
15
16
17
18
19
20
21
22
23
24
25
26
27
28
29
30
31
32
33
34
35
36
37
38
39
40
41
42
43
44
45
46
47
48
49
50
51
52
53
54
SMDFIX1
SMDFIX2
W_CN7
W TO B CONN_10P
ACES_50269-01001-001
SMDFIX1
SMDFIX2
W_CN7
W TO B CONN_10P
ACES_50269-01001-001
9
8
7
6
5
4
3
2
1
10
1112
W_C58
15P_50V_K
0402_NPO W_C58
15P_50V_K
0402_NPO
12
W_C57
15P_50V_K
0402_NPO W_C57
15P_50V_K
0402_NPO
12
W_C51
NC_0.1U_10V_K
0402_X5R
W_C51
NC_0.1U_10V_K
0402_X5R
12
W_C55
15P_50V_K
0402_NPO W_C55
15P_50V_K
0402_NPO
12
W_C60
2200P_50V_K
0402_X7R
W_C60
2200P_50V_K
0402_X7R
1 2
W_C56
15P_50V_K
0402_NPO W_C56
15P_50V_K
0402_NPO
12
SMDFIX1
SMDFIX2
W_CN10
W TO B CONN_6P
ACES_50269-00601-001
SMDFIX1
SMDFIX2
W_CN10
W TO B CONN_6P
ACES_50269-00601-001
8 7
6
5
4
3
2
1
W_C53
0.1U_50V_K
0603_X7R
W_C53
0.1U_50V_K
0603_X7R
12
W_F2
32V-1.5A_0603
049401.5NRHF
W_F2
32V-1.5A_0603
049401.5NRHF
1 2
W_C52
0.1U_50V_K
0603_X7R
W_C52
0.1U_50V_K
0603_X7R
12
W_C49
NC_0.1U_10V_K
0402_X5R
W_C49
NC_0.1U_10V_K
0402_X5R
12
W_C54
15P_50V_K
0402_NPO W_C54
15P_50V_K
0402_NPO
12
W_C59
15P_50V_K
0402_NPO W_C59
15P_50V_K
0402_NPO
12
5
5
4
4
3
3
2
2
1
1
D D
C C
B B
A A
UIM_PWR
UIM_DATA
UIM_CLK
UIM_RST_N
WWAN_GND#
WWAN_RF_OFF#_R
WWAN_USB_PN11_R
WWAN_USB_PP11_R WWAN_USB_PN11 1
WWAN_USB_PP11 1
WWAN_RF_OFF# 1
WWAN_GND#1 UIM_DATA 1
UIM_CLK 1
UIM_PWR 1
UIM_RST_N 1
WWAN_+3VALW_L1
WWAN_+3_3V
WWAN_+3_3V
WWAN_+3_3V
WWAN_+3_3V
WWAN_+3_3V
WWAN_+3_3V
WWAN_+3_3V
WWAN_+3VALW
WWAN_+3_3V
WWAN_+3_3V
Title
Size Document Number Rev
Date: Sheet of
HON HAI Precision Ind. Co., Ltd.
CCPBG - R&D Division
FOXCONN
V030 SA
Mini-card 3G
A3
2 10Wednesday, December 01, 2010
Title
Size Document Number Rev
Date: Sheet of
HON HAI Precision Ind. Co., Ltd.
CCPBG - R&D Division
FOXCONN
V030 SA
Mini-card 3G
A3
2 10Wednesday, December 01, 2010
Title
Size Document Number Rev
Date: Sheet of
HON HAI Precision Ind. Co., Ltd.
CCPBG - R&D Division
FOXCONN
V030 SA
Mini-card 3G
A3
2 10Wednesday, December 01, 2010
Add follow MOR request IRX-5580_Wireless-Schematics-Guideline_r050_100701_dist.pptx
EMI for RF
Place close to W _CN2,if the capcitor value is small
W_C4
47P_50V_K_N
0402_NPO
W_C4
47P_50V_K_N
0402_NPO
12
W_R28
NC_10K_J
0402
W_R28
NC_10K_J
0402
12
W_R29 0_J 0603W_R29 0_J 0603
1 2
W_C1
47P_50V_K_N
0402_NPO
W_C1
47P_50V_K_N
0402_NPO
12
W_PC53
NC_68P_50V_J
0402_NPO
W_PC53
NC_68P_50V_J
0402_NPO
12
W_C6
10U_6.3V_M
0603_X5R
W_C6
10U_6.3V_M
0603_X5R
12
W_C3
10U_6.3V_M
0603_X5R
W_C3
10U_6.3V_M
0603_X5R
12
W_R27
NC_10K_J
0402
W_R27
NC_10K_J
0402
12
W_C9
47P_50V_K_N
0402_NPO
W_C9
47P_50V_K_N
0402_NPO
12
W_C7
47P_50V_K_N
0402_NPO
W_C7
47P_50V_K_N
0402_NPO
12
W_CN2
MINI PCI-E CONN_2x26P
FOX_AS0B226-S40T-7H
W_CN2
MINI PCI-E CONN_2x26P
FOX_AS0B226-S40T-7H
WAKE#
1+3.3VAUX1 2
BT_DATA
3GND1 4
BT_CHCLK
5+1_5V1 6
CLKREQ#
7UIM_PWR 8
GND2
9UIM_DATA 10
REFCLK-
11 UIM_CLK 12
REFCLK+
13 UIM_RST# 14
GND3
15 UIM_VPP 16
UIM_C8
17 GND4 18
UIM_C4
19 W_DISABLE# 20
GND5
21 PERST# 22
PERn0
23 +3.3VAUX2 24
PERp0
25 GND6 26
GND7
27 +1_5V2 28
GND8
29 SMB_CLK 30
PETn0
31 SMB_DATA 32
PETp0
33 GND9 34
GND10
35 USB_D- 36
GND11
37 USB_D+ 38
+3.3VAUX3
39 GND12 40
+3.3VAUX4
41 LED_WWAN# 42
GND13
43 LED_WLAN# 44
RESERVED16
45 LED_WPAN# 46
RESERVED17
47 +1_5V3 48
RESERVED18
49 GND14 50
RESERVED19
51 +3.3VAUX5 52
SMDFIX1 53
SMDFIX2
54
W_C10
0.1U_6.3V_K
0402_X5R
W_C10
0.1U_6.3V_K
0402_X5R
12
+
W_CAP2
100U_6.3V_3528
6TPE100MAZB
+
W_CAP2
100U_6.3V_3528
6TPE100MAZB
12
W_PC51
NC_68P_50V_J
0402_NPO
W_PC51
NC_68P_50V_J
0402_NPO
12
W_R30 0_J 0603W_R30 0_J 0603
1 2
W_C5
0.1U_6.3V_K
0402_X5R
W_C5
0.1U_6.3V_K
0402_X5R
12
W_R31
0_J
0603W_R31
0_J
0603
1 2
W_PC52
NC_68P_50V_J
0402_NPO
W_PC52
NC_68P_50V_J
0402_NPO
12
W_C8
10U_6.3V_M
0603_X5R
W_C8
10U_6.3V_M
0603_X5R
12
W_L3
NC_90R-100MHZ_0R35
1206W_L3
NC_90R-100MHZ_0R35
1206
1
4 3
2
W_PC54
NC_68P_50V_J
0402_NPO
W_PC54
NC_68P_50V_J
0402_NPO
12
+
W_CAP1
100U_6.3V_3528
6TPE100MAZB
+
W_CAP1
100U_6.3V_3528
6TPE100MAZB
12
W_C2
0.1U_6.3V_K
0402_X5R
W_C2
0.1U_6.3V_K
0402_X5R
12
W_C11
10U_6.3V_M
0603_X5R
W_C11
10U_6.3V_M
0603_X5R
12
5
5
4
4
3
3
2
2
1
1
D D
C C
B B
A A
ISOLATEB
LAN_EEDI
LAN_EEDO
LAN_EECS
ENSWREG
PCIE_WAKE#
PLT_RST#
XTAL2_RTL8105
XTAL1_RTL8105
XTALO_R
XTAL1_RTL8105
XTAL2_RTL8105
RSET
LAN_GP0
LAN_GP0
ENSWREG
LAN_EECS
LAN_EEDI
MDI0+
MDI0-
MDI1+
MDI1-
MDI2+
MDI2-
MDI3+
MDI3-
LAN_SMBDATA
LAN_SMBCLK
LAN_SMBCLK
LAN_RXN4LAN_RXN4_C
LAN_RXP4_C
CLK_PCIE_LAN#
CLK_PCIE_LAN
CLK_REQ_LAN#
LAN_TXN4
LAN_TXP4
LAN_SMBDATA
LAN_RXP4
PCIE_WAKE# 1
MDI0+1,4
MDI0-1,4
MDI1+1,4
MDI1-1,4
MDI2+1,4
MDI2-1,4
MDI3+1,4
MDI3-1,4
LAN_RXN4 1
LAN_RXP4 1
CLK_PCIE_LAN# 1
CLK_PCIE_LAN 1
LAN_TXN4 1
LAN_TXP4 1
CLK_REQ_LAN# 1
PLT_RST# 1
W_+3VRUN
+VDD33_LAN
+VDD12_LAN
+1_05VREGOUT
+AVDD33_REG
W_+3VSUS +VDD33_LAN
+1_05VREGOUT +EVDD12
+VDD12_LAN
+AVDD33_REG
+VDD33_LAN
+VDD33_LAN
+VDD12_LAN
+VDD33_LAN
+VDD33_LAN
+VDD33_LAN
+VDD12_LAN
+VDD33_LAN
+VDD12_LAN +EVDD12
Title
Size Document Number Rev
Date: Sheet of
HON HAI Precision Ind. Co., Ltd.
CCPBG - R&D Division
FOXCONN
V030 SA
LAN_D
A2
3 10Wednesday, December 01, 2010
Title
Size Document Number Rev
Date: Sheet of
HON HAI Precision Ind. Co., Ltd.
CCPBG - R&D Division
FOXCONN
V030 SA
LAN_D
A2
3 10Wednesday, December 01, 2010
Title
Size Document Number Rev
Date: Sheet of
HON HAI Precision Ind. Co., Ltd.
CCPBG - R&D Division
FOXCONN
V030 SA
LAN_D
A2
3 10Wednesday, December 01, 2010
Close to pin 34,35 of U40
Close to pin 21 of U40
Close to pin 36 of U40
600mA
Output from LAN chip
The +3VSUS Power trace connected to +AVDD33_REG must be wider than 40mils
For GLAN
Using eFUSE without ASF
RSET trace need ground
trace around.
The Output power trace out of +1_05VREGOUT must be wider than 60 mils
500mA
For RTL8111E mounted R16&R17
add one 0.1uF capcitor
Need confirm
2010.10.16
For craystal clock issue
W_C44,W_C45 change
from 27pF to 22pF
2010.11.21
For SI crystal test fail
W_C44,W_C45 change
from 22pF(1C-2N20220-J000)
to 12pF(1C-2N20120-K000)
W_R20
0_J
0402
W_R20
0_J
0402
1 2
W_C32
0.1U_10V_K
0402_X5R
W_C32
0.1U_10V_K
0402_X5R
12
W_C29
0.1U_10V_K
0402_X5R
W_C29
0.1U_10V_K
0402_X5R
12
W_Y1
25MHZ_12P_30PPM
HOSONIC_E5FA25.0000F12D33
W_Y1
25MHZ_12P_30PPM
HOSONIC_E5FA25.0000F12D33
1 2
W_C35
0.1U_10V_K
0402_X5R
W_C35
0.1U_10V_K
0402_X5R
12
W_R9 0_J 0402W_R9 0_J 0402
1 2
W_C18
0.1U_10V_K
0402_X5R
W_C18
0.1U_10V_K
0402_X5R
12
W_C24
0.1U_10V_K
0402_X5R
W_C24
0.1U_10V_K
0402_X5R
12
W_L1
2.2UH_0805
LQM21PN2R2MC0D
W_L1
2.2UH_0805
LQM21PN2R2MC0D
TP575 tpc20TP575 tpc20
1
W_C21
0.1U_10V_K
0402_X5R
W_C21
0.1U_10V_K
0402_X5R
12
W_R8
0_J0603
W_R8
0_J0603
1 2
W_C17
0.1U_10V_K
0402_X5R
W_C17
0.1U_10V_K
0402_X5R
12
W_R24
2.49K_F0402
W_R24
2.49K_F0402
1 2
W_C46 0.1U_6.3V_K0402_X5RW_C46 0.1U_6.3V_K0402_X5R
1 2
W_R19
NC_10M_J
0402
W_R19
NC_10M_J
0402
12
W_R22 15K_J 0402W_R22 15K_J 0402
1 2
W_C31
0.1U_10V_K
0402_X5R
W_C31
0.1U_10V_K
0402_X5R
12
W_C36
0.1U_10V_K
0402_X5R
W_C36
0.1U_10V_K
0402_X5R
12
W_R16 100K_J 0402W_R16 100K_J 0402
1 2
W_C33
0.1U_10V_K
0402_X5R
W_C33
0.1U_10V_K
0402_X5R
12
W_R17 10K_J 0402W_R17 10K_J 0402
1 2
W_C26
4.7U_6.3V_K
0603_X5R
W_C26
4.7U_6.3V_K
0603_X5R
12
W_C16
NC_33P_50V_J
0402_NPO
W_C16
NC_33P_50V_J
0402_NPO
12
W_C37
0.1U_10V_K
0402_X5R
W_C37
0.1U_10V_K
0402_X5R
12
W_C45
12P_50V_K
0402_NPO
W_C45
12P_50V_K
0402_NPO
12
W_C34
33P_50V_J
0402_NPO
W_C34
33P_50V_J
0402_NPO
12
W_C47 0.1U_6.3V_K0402_X5RW_C47 0.1U_6.3V_K0402_X5R
1 2
W_R15 100K_J 0402W_R15 100K_J 0402
1 2
W_C23
NC_0.1U_10V_K
0402_X5R
W_C23
NC_0.1U_10V_K
0402_X5R
12
W_U4
RTL8111E-VB-GR
null
W_U4
RTL8111E-VB-GR
null
DVDD10_1
13
GND_1
24
HSIP
17
HSIN
18
REFCLK_P
19
REFCLK_N
20
EVDD10
21
HSOP
22
HSON
23
SMBCLK
14
SMBDATA
15
CLKREQB
16
AVDD10_1
3
MDIP0
1
MDIN0
2
AVDD10_2
6
MDIP1
4
MDIN1
5
AVDD10_3
9
MDIP2
7
MDIN2
8
AVDD33_1
12
MDIP3
10
MDIN3
11
REGOUT 36
VDDREG_2 35
VDDREG_1 34
ENSRWREG 33
EEDI 32
LED3/EEDO 31
EECS 30
DVDD10_2 29
DVDD33_1 27
ISOLATEB 26
PERSTB 25
LANWAKEB 28
AVDD33_4 48
AVDD33_3 47
RSET 46
AVDD10_4 45
CKXTAL2 44
CKXTAL1 43
AVDD33_2 42
DVDD10_3 41
LED0 40
DVDD33_2 39
GPO/SMBALERT 38
LED1/EESK 37
GND_2
49
W_C14
0.1U_6.3V_K
0402_X5R
W_C14
0.1U_6.3V_K
0402_X5R
12
W_R21 1K_J 0402W_R21 1K_J 0402
1 2
W_C15
4.7U_6.3V_K
0603_X5R
W_C15
4.7U_6.3V_K
0603_X5R
12
W_C19
0.1U_10V_K
0402_X5R
W_C19
0.1U_10V_K
0402_X5R
12
W_C27
0.1U_10V_K
0402_X5R
W_C27
0.1U_10V_K
0402_X5R
12
W_C44
12P_50V_K
0402_NPO
W_C44
12P_50V_K
0402_NPO
12
W_C30
0.1U_10V_K
0402_X5R
W_C30
0.1U_10V_K
0402_X5R
12
W_R10 10K_J 0402W_R10 10K_J 0402
1 2
W_R7 0_J
0603
W_R7 0_J
0603
1 2
W_C28
1U_6.3V_M
0402_X5R
W_C28
1U_6.3V_M
0402_X5R
12
W_C50
NC_0.1U_6.3V_K
0402_X5R
W_C50
NC_0.1U_6.3V_K
0402_X5R
12
W_L4
60R-100MHZ_0603
BK1608HS600-T
W_L4
60R-100MHZ_0603
BK1608HS600-T
W_R18 10K_J 0402W_R18 10K_J 0402
1 2
W_C20
0.1U_10V_K
0402_X5R
W_C20
0.1U_10V_K
0402_X5R
12
W_C25
4.7U_6.3V_K
0603_X5R
W_C25
4.7U_6.3V_K
0603_X5R
1 2
W_C22
0.1U_10V_K
0402_X5R
W_C22
0.1U_10V_K
0402_X5R
12
5
5
4
4
3
3
2
2
1
1
D D
C C
B B
A A
MDI1+
MDI0+
MDI0-
MDI1-
MDI2+
MDI2-
RJ45_8 MDI3+
MDI3-RJ45_7
RJ45_6
RJ45_5
RJ45_4
RJ45_3
RJ45_2
RJ45_1
RJ45_8
RJ45_7
RJ45_6
RJ45_5
RJ45_4
RJ45_3
RJ45_2
RJ45_1
MDI3+ 1,3
MDI3- 1,3
MDI2+ 1,3
MDI2- 1,3
MDI1+ 1,3
MDI1- 1,3
MDI0+ 1,3
MDI0- 1,3
Title
Size Document Number Rev
Date: Sheet of
HON HAI Precision Ind. Co., Ltd.
CCPBG - R&D Division
FOXCONN
V030 SA
Transformer
A3
4 10Wednesday, January 05, 2011
Title
Size Document Number Rev
Date: Sheet of
HON HAI Precision Ind. Co., Ltd.
CCPBG - R&D Division
FOXCONN
V030 SA
Transformer
A3
4 10Wednesday, January 05, 2011
Title
Size Document Number Rev
Date: Sheet of
HON HAI Precision Ind. Co., Ltd.
CCPBG - R&D Division
FOXCONN
V030 SA
Transformer
A3
4 10Wednesday, January 05, 2011
Need confirm
RJ45
2010.12.1
For EMI TEST Fail change W_L2
from 1T-1NS6924-1200 to 1T-1LG2426-P100
2010.12.24
Adapter ISN EMI test fail change W_C84 from
1500pF to 100pF
SMDFIX2
SMDFIX1
W_CN8
W TO B CONN_8P
ACES_50224-0080L-001
SMDFIX2
SMDFIX1
W_CN8
W TO B CONN_8P
ACES_50224-0080L-001
7
8
1
2
3
4
5
6
910
W_L2
1-1_350UH
LG-2426P-1
W_L2
1-1_350UH
LG-2426P-1
TD1+ 1
TD1- 2
TDCT1 3
TDCT2 4
TD2+ 5
TD2- 6
TD3+ 7
TD3- 8
TDCT3 9
TDCT4 10
TD4+ 11
TD4- 12
TX1+
24
TX1-
23
TXCT1
22
TXCT2
21
TX2+
20
TX2-
19
TX3+
18
TX3-
17
TXCT3
16
TXCT4
15
TX4+
14
TX4-
13
W_R11
75_J
0402
W_R11
75_J
0402
12
W_C41
0.1U_16V_M
0402_X5R
W_C41
0.1U_16V_M
0402_X5R
12
W_R14
75_J
0402
W_R14
75_J
0402
12
W_R12
75_J
0402
W_R12
75_J
0402
12
W_R13
75_J
0402
W_R13
75_J
0402
12
W_C42
0.1U_16V_M
0402_X5R
W_C42
0.1U_16V_M
0402_X5R
12
W_C84
100P_2000V_J
1808_NPO
W_C84
100P_2000V_J
1808_NPO
W_C39
0.01U_16V_K
0402_X7R
W_C39
0.01U_16V_K
0402_X7R
12
W_C43
0.1U_16V_M
0402_X5R
W_C43
0.1U_16V_M
0402_X5R
12
W_C40
0.1U_16V_M
0402_X5R
W_C40
0.1U_16V_M
0402_X5R
12
5
5
4
4
3
3
2
2
1
1
D D
C C
B B
A A
DC_IN_1
DC_IN_3
P+
SYS_PRS#_B_C
B_BAT+_L
A_VBAT B_VBAT
ACDRV
DC_IN_MOS
BQ24725_VCC
ACDET
B_VBAT
A_VBAT
ILIM
DAT_SMB_R
CLK_SMB_R
IDCBATOUT
HIDRV
PHASE
LODRV
BTST
BT+_C_R
BATDRV
A_BAT+_L
SYS_PRS#_R_A
BATT_PRS#_A_R
CLK_SMB_A
DAT_SMB_A
A_BAT+_L
BATT_ID_A_R
SYS_PRS#_R_B
BATT_PRS#_B_R
CLK_SMB_B
DAT_SMB_B
B_BAT+_L
BATT_ID_B_R
A6015
A6019
BT+_C_L_1 BT+_C_R_1
74HCT253_S1
BATT_A_EN_C
DAT_SMB_A
DAT_SMB_B
BATT_PRS#_A_R
BATT_PRS#_B_R
CLK_SMB_B
SYS_PRS#_R_A
SYS_PRS#_R_B
CLK_SMB_A
DAT_SMB_A
CLK_SMB_A
BATT_ID_A
BATT_ID_B
DAT_SMB_B
CLK_SMB_B
DAT_SMB_R
CLK_SMB_R
BATT_ID_C
SEL_SMB_0_C
74HCT253_S1
BATT_PRS#_B_C
BT+_C_RBT+_C
ACIN_EC
DC_IN_1 DC_IN_RDC_IN
SYS_PRS#_A_C
VCCRTC_R_S_C
DAT_SMB_C
SYS_PRS#_B_C
SYS_PRS#_A_C
CLK_SMB_C
DAT_SMB_A
DAT_SMB_B
CLK_SMB_A
CLK_SMB_B
SYS_PRS#_R_A
BATT_PRS#_A_R
DAT_SMB_A
A_BAT+_L
CLK_SMB_A
GND POWER
BATT_ID_A
SYS_PRS#_R_B
BATT_PRS#_B_R
DAT_SMB_B
B_BAT+_L
CLK_SMB_B
GND POWER
BATT_ID_B
GND POWER
GND POWER
P+
P+
GND POWER
GND POWER
P+
P+
DCBATOUT_C
DCBATOUT_C
GND POWER
GND POWER
BT+_C
BATT_A_EN_C
BATT_ID_A BATT_ID_A_R
BATT_ID_B BATT_ID_B_R
AC_OFF_3#_C1
ACIN_EC_C1,6
IDCBATOUT_C1
PORT_DET_N1
BATT_A_EN_C1
BATT_B_EN_C 1
EC_VDCBATOUT_C 1
PORT_DET_P 1
DAT_SMB_C 1
CLK_SMB_C 1
BATT_ID_C1
SEL_SMB_0_C 1
BATT_PRS#_B_C1
CHG_OFF#_C1
BATT_PRS#_A_C1
VCCRTC_R_S_C1
SYS_PRS#_C1
DC_IN
+ECVCC_C
DC_IN_MOS
+ECVCC_C
DCBATOUT_C
DCBATOUT_C
BT+_C
DC_IN_G1
DC_IN_R
DC_IN
PRT_IN
B_VBAT
A_VBAT
BT+_C
+ECVCC_C +ECVCC_C
+5VALW_LDO_C
DCBATOUT_C
BQ24725_VCC_R_C
+ECVCC_C
DC_IN_R
DC_IN
+3VALW_C
+3VALW_C
+3VALW_C
+ECVCC_C
VREGNACDRV
+ECVCC_C
DC_IN_MOSDC_IN_G1
BT+_C
Title
Size Document Number Rev
Date: Sheet of
HON HAI Precision Ind. Co., Ltd.
CCPBG - R&D Division
FOXCONN
V030 SA
DCIN&Charger
Custom
5 10Wednesday, January 05, 2011
Title
Size Document Number Rev
Date: Sheet of
HON HAI Precision Ind. Co., Ltd.
CCPBG - R&D Division
FOXCONN
V030 SA
DCIN&Charger
Custom
5 10Wednesday, January 05, 2011
Title
Size Document Number Rev
Date: Sheet of
HON HAI Precision Ind. Co., Ltd.
CCPBG - R&D Division
FOXCONN
V030 SA
DCIN&Charger
Custom
5 10Wednesday, January 05, 2011
5A
7A
DOCKING
10A
EMI for RF
Place close to W_PL23
EMI for RF
Place close to W_PQ85
2.6A
Add for EMI
2010.10.06(DVT)
For RF request delete W_PC47
W_PC48,W_PC49
2010.1007(DVT)
For MOR request add
W_PR66~W_PR69
delete W_PR64
W_PR65
2010.1008(DVT)
For MOR request
W_PCN4 change
from 1N-0011001-MKT0
to 1N-0005002-MKT0
A_BATT BFT Test Point (TOP)
B_BATT BFT Test Point (TOP)
BFT Test Point (Bottom)
2010.1008(DVT)
For MOR request
W_PCN4 change
from 1N-0011001-MKT0
to 1N-0005002-MKT0
then power and GND
W_PAD2,W_PAD3
BFT Test Point (TOP)
W_PR65 for power
request change
from NC to mount
2010.10.20
W_PD7 for power
request change
from NC to mount
2010.11.02
For power reqest W_PR64
change from 10K to 470K
2010.11.02
For power reqest add
W_PR70
2010.11.18
Add for adapter
protect
2010.11.30
For power request delete W_PQ17
,W_PR9 change from 300K
to 47K,W_PR28 from 62K to 47K
2010.11.30
For power request add
W_PR23,W_PR27
2010.12.27
For PVT charger LED Blinking issue
W_PR9 pull hight to +3VALW
W_R23 change to 300K(1R-0000304-F200)
G
S
D
W_PQ89
TPCC8105,LQ
G
S
D
W_PQ89
TPCC8105,LQ
4
2
3
1
5
W_PD1
CH651L-40GP
W_PD1
CH651L-40GP
1 2
W_GP3 power_close_gap_0402_nsW_GP3 power_close_gap_0402_ns
21
W_PC45
NC_68P_50V_J
0402_NPO W_PC45
NC_68P_50V_J
0402_NPO
12
W_PD39
PESD5V2S2UT
W_PD39
PESD5V2S2UT
3
2
1
G
D
S
W_PQ15
2N7002W
G
D
S
W_PQ15
2N7002W
32
1
GS
D
W_PQ96
SI3424BDV-T1-GE3
GS
D
W_PQ96
SI3424BDV-T1-GE3
3
2
5
6
1
4
W_PR9
47K_F
0402
W_PR9
47K_F
0402
12
W_GP6
power_close_gap_0402_ns
W_GP6
power_close_gap_0402_ns
21
W_PC3
0.01U_50V_M
0603_X7R
W_PC3
0.01U_50V_M
0603_X7R
12
W_PC31 0.1U_50V_K
0603_X7R
W_PC31 0.1U_50V_K
0603_X7R
12
W_PC9
NC_0.01U_10V_K
0402_X7R
W_PC9
NC_0.01U_10V_K
0402_X7R
12
W_PR11
0_J 0603
W_PR11
0_J 0603
1 2
W_PC27 47P_50V_J
0402_NPO
W_PC27 47P_50V_J
0402_NPO
12
TP1216
tpc40t_75 TP1216
tpc40t_75
1
W_PR681 2_J 1210W_PR681 2_J 1210
12
TP421 tpc60t_100
TP421 tpc60t_100
1
W_PC19
0.022U_50V_K
0603_X7R
W_PC19
0.022U_50V_K
0603_X7R
12
W_PR46
100K_J 0402
W_PR46
100K_J 0402
12
W_PR658
0.01_1W_F
1608
W_PR658
0.01_1W_F
1608
1 2
W_PD12
CH520S-30PT
W_PD12
CH520S-30PT
1 2
TP414 tpc60b_100TP414 tpc60b_100
1
W_R23
NC_300K_F
0402
W_R23
NC_300K_F
0402
12
W_PL27
60R-100MHZ_1806
BCMS451616A600 8A
W_PL27
60R-100MHZ_1806
BCMS451616A600 8A
TP1213
tpc40t_75 TP1213
tpc40t_75
1
W_PC23
0.1U_50V_K 0603_X7R
W_PC23
0.1U_50V_K 0603_X7R
12
W_PC40
NC_0.1U_50V_K
0603_X7R W_PC40
NC_0.1U_50V_K
0603_X7R
12
W_PU2
BQ24725RGRR
W_PU2
BQ24725RGRR
ACN
1
ACP
2
CMSRC 3
ACDRV
4
ACOK
5
ACDET
6
IOUT
7
SDA
8
SCL
9
ILIM
10
BATDRV 11
SRN 12
SRP 13
GND 14
LODRV 15
REGN 16
BTST 17
HIDRV 18
PHASE 19
VCC 20
TH_pad 21
W_PR32
NC_100K_J
0402
W_PR32
NC_100K_J
0402
1 2
TP1220tpc40t_75 TP1220tpc40t_75
1
W_PR20
300K_J
0402
W_PR20
300K_J
0402
12
W_PC585
10U_25V_K
0805_X5R
W_PC585
10U_25V_K
0805_X5R
12
S1
D1
G1
W_PQ2B
2N7002EDW
S1
D1
G1
W_PQ2B
2N7002EDW
34
5
TP416tpc40t_75 TP416tpc40t_75
1
W_PC13
0.1U_25V_M
0603_X5R
W_PC13
0.1U_25V_M
0603_X5R
12
W_PR8
NC_510K_J
0402
W_PR8
NC_510K_J
0402
1 2
W_PR42
100K_J
0402
W_PR42
100K_J
0402
1 2
W_PD10
NC_SSM54PT
W_PD10
NC_SSM54PT
1 2
W_PR23
0_J 0402
W_PR23
0_J 0402
12
G
S
D
W_PQ85
TPCC8105,LQ
G
S
D
W_PQ85
TPCC8105,LQ
4
2
3
1
5
W_PC48
470P_50V_K
0402_X7R
W_PC48
470P_50V_K
0402_X7R
12
W_PR18
300K_J0402
W_PR18
300K_J0402
12
W_PD37
TVS2315PT
W_PD37
TVS2315PT
1
2
3
W_PC584
10U_25V_K 0805_X5R
W_PC584
10U_25V_K 0805_X5R
12
W_PC36 47P_50V_J
0402_NPO
W_PC36 47P_50V_J
0402_NPO
12
W_PC46
NC_2200P_50V_K
0402_X7R W_PC46
NC_2200P_50V_K
0402_X7R
12
TP406
tpc40b_75
TP406
tpc40b_75
1
W_PC603
0.1U_25V_M0603_X5R
W_PC603
0.1U_25V_M0603_X5R
12
TP423 tpc60t_100
TP423 tpc60t_100
1
GS
D
W_PQ98
SI3424BDV-T1-GE3
GS
D
W_PQ98
SI3424BDV-T1-GE3
3
2
5
6
1
4
W_PR47
100K_J0402
W_PR47
100K_J0402
12
TP1218
tpc40t_75 TP1218
tpc40t_75
1
W_PR38
120K_F
0402
W_PR38
120K_F
0402
12
W_PR71
1M_J
0402
W_PR71
1M_J
0402
1 2
D
G
S
W_PQ82
IRFH3707TRPBF
D
G
S
W_PQ82
IRFH3707TRPBF
1
2
3
TP1225tpc40t_75 TP1225tpc40t_75
1
W_PR4
4.02K_F
0603
W_PR4
4.02K_F
0603
12
GS
D
W_PQ9
Si7121DN-T1-GE3
null
GS
D
W_PQ9
Si7121DN-T1-GE3
null
4
2
3
1
5
W_PC41
0.1U_6.3V_K
0402_X5R
W_PC41
0.1U_6.3V_K
0402_X5R
1 2
W_PAD3
pad_smdo256x177
W_PAD3
pad_smdo256x177
1
D
G
S
W_PQ20B
SSM6N15AFU,LF
D
G
S
W_PQ20B
SSM6N15AFU,LF
4 3
5
W_PR29
NC_100K_J
0402
W_PR29
NC_100K_J
0402
1 2
W_GP5
power_close_gap_0402_ns
W_GP5
power_close_gap_0402_ns
21
TP426 tpc40t_75
TP426 tpc40t_75
1
W_PR24
4.02K_F 0402
W_PR24
4.02K_F 0402
12
W_PL26
60R-100MHZ_1806
BCMS451616A600 8A
W_PL26
60R-100MHZ_1806
BCMS451616A600 8A
W_PC16
4.7U_50V_k1206_X7R
W_PC16
4.7U_50V_k1206_X7R
12
W_PC37 0.1U_50V_K
0603_X7R
W_PC37 0.1U_50V_K
0603_X7R
12
W_PR66
7.5K_J
0402
W_PR66
7.5K_J
0402
12
SMDFIX1
SMDFIX2
W_PCN4
W TO B CONN_5P
ACES_50208-0050N-001
SMDFIX1
SMDFIX2
W_PCN4
W TO B CONN_5P
ACES_50208-0050N-001
1
2
3
4
5
6 7
TP418
tpc40t_75
TP418
tpc40t_75
1
W_PR67
7.5K_J
0402
W_PR67
7.5K_J
0402
12
W_PC43
NC_68P_50V_J
0402_NPO W_PC43
NC_68P_50V_J
0402_NPO
12
W_PC22
2200P_50V_M
0603_X7R
W_PC22
2200P_50V_M
0603_X7R
1 2
TP415 tpc60b_100TP415 tpc60b_100
1
W_PC47
470P_50V_K
0402_X7R
W_PC47
470P_50V_K
0402_X7R
12
W_PR16
200K_J
0402
W_PR16
200K_J
0402
12
W_PC2
0.1U_50V_K
0603_X7R
W_PC2
0.1U_50V_K
0603_X7R
12
W_PC56
NC_0.1U_50V_K
0603_X7R W_PC56
NC_0.1U_50V_K
0603_X7R
12
W_PR27
0_J 0402
W_PR27
0_J 0402
12
W_GP2 power_close_gap_0402_nsW_GP2 power_close_gap_0402_ns
21
W_PR34
330_J 0402
W_PR34
330_J 0402
1 2
B
C
E
W_PQ11B
PUMB2.115
null
B
C
E
W_PQ11B
PUMB2.115
null
6 1
2
W_PC35 47P_50V_J
0402_NPO
W_PC35 47P_50V_J
0402_NPO
12
TP1221tpc40t_75 TP1221tpc40t_75
1
W_PC602
10U_25V_K 0805_X5R
W_PC602
10U_25V_K 0805_X5R
12
W_PL23
4.7U-100KHZ_5.5A_0.04R
PCMC063T-4R7MN
W_PL23
4.7U-100KHZ_5.5A_0.04R
PCMC063T-4R7MN
1 2
W_PC17
0.1U_25V_M
0603_X5R
W_PC17
0.1U_25V_M
0603_X5R
1 2
W_PD7
CH651L-40GP
W_PD7
CH651L-40GP
1 2
W_PR17
300K_J0402
W_PR17
300K_J0402
12
W_PR33
10K_J
0402
W_PR33
10K_J
0402
12
W_PC29 47P_50V_J
0402_NPO
W_PC29 47P_50V_J
0402_NPO
12
W_PR72
3M_J
0402
W_PR72
3M_J
0402
1 2
TP1219tpc40t_75 TP1219tpc40t_75
1
W_PU1
74HCT253D.118
W_PU1
74HCT253D.118
1OE# 1
S1 2
1I3 3
1I2 4
1I1 5
1I0 6
1Y 7
GND 8
2Y
9
2I0
10
2I1
11
2I2
12
2I3
13
S0
14
2OE#
15
VCC
16
W_PC30 47P_50V_J
0402_NPO
W_PC30 47P_50V_J
0402_NPO
12
TP425 tpc40t_75
TP425 tpc40t_75
1
W_PR69
7.5K_J
0402
W_PR69
7.5K_J
0402
12
W_PR7
10K_J0402
W_PR7
10K_J0402
12
W_GP1 power_close_gap_0402_nsW_GP1 power_close_gap_0402_ns
21
W_PC20
0.1U_25V_M0603_X5R
W_PC20
0.1U_25V_M0603_X5R
12
TP419
tpc40t_75
TP419
tpc40t_75
1
W_PR680 2_J 1210W_PR680 2_J 1210
12
W_PR35330_J 0402W_PR35330_J 0402
1 2
W_PC12
NC_0.1U_50V_K 0603_X7R
W_PC12
NC_0.1U_50V_K 0603_X7R
12
W_PC601
10U_25V_K 0805_X5R
W_PC601
10U_25V_K 0805_X5R
12
W_PC24
0.1U_50V_K
0603_X7R
W_PC24
0.1U_50V_K
0603_X7R
12
W_PC8
680P_50V_K
0603_X7R
W_PC8
680P_50V_K
0603_X7R
12
W_PC42
NC_2200P_50V_K
0402_X7R W_PC42
NC_2200P_50V_K
0402_X7R
12
W_PR26
100K_J
0402
W_PR26
100K_J
0402
12
W_PL5
NC_60R-100MHZ_1806
BCMS451616A600 8A
W_PL5
NC_60R-100MHZ_1806
BCMS451616A600 8A
W_PU4
SN74CBTLV3257DBQR
W_PU4
SN74CBTLV3257DBQR
S1
1B1 2
1B2 3
1A 4
2B1 5
2B2 6
2A 7
GND 8
VCC
16
OE#
15
4B1
14
4B2
13
4A
12
3B1
11
3B2
10
3A
9
TP1214
tpc40t_75 TP1214
tpc40t_75
1
W_PL25
60R-100MHZ_1806
BCMS451616A600 8A
W_PL25
60R-100MHZ_1806
BCMS451616A600 8A
GS
D
W_PQ87
TPCC8105,LQ
GS
D
W_PQ87
TPCC8105,LQ
4
2
3
1
5
W_PR31
100K_J 0402
W_PR31
100K_J 0402
12
W_PL24
60R-100MHZ_1806
BCMS451616A600 8A
W_PL24
60R-100MHZ_1806
BCMS451616A600 8A
W_PR1
432K_F 0402
W_PR1
432K_F 0402
12
TP1222tpc40t_75 TP1222tpc40t_75
1
W_PD35
PESD5V2S2UT
null
W_PD35
PESD5V2S2UT
null
3
2
1
W_PD40
CH520S-30PT
W_PD40
CH520S-30PT
1 2
W_PR40
10K_F0402
W_PR40
10K_F0402
12
W_PF2
32V-7A_1206
0437007WR
W_PF2
32V-7A_1206
0437007WR
1 2
W_PR39
20K_F
0402
W_PR39
20K_F
0402
12
TP428 tpc40t_75
TP428 tpc40t_75
1
W_PCN3
POWER BOARD SIDE_4P
FOX_GS73041-10272-7H
W_PCN3
POWER BOARD SIDE_4P
FOX_GS73041-10272-7H
1
2
3
4
5 6
TP412 tpc60b_100TP412 tpc60b_100
1
G
D
S
W_PQ7
BSS138
G
D
S
W_PQ7
BSS138
3 2
1
W_PC32 47P_50V_J
0402_NPO
W_PC32 47P_50V_J
0402_NPO
12
W_GP4
power_close_gap_0402_ns
W_GP4
power_close_gap_0402_ns
21
W_PC18
100P_50V_J 0402_NPO
W_PC18
100P_50V_J 0402_NPO
12
W_PC34 47P_50V_J
0402_NPO
W_PC34 47P_50V_J
0402_NPO
12
W_PD4
CH500H-40PT
W_PD4
CH500H-40PT
12
W_PR14
300K_J0402
W_PR14
300K_J0402
12
W_PD8
CH520S-30PT
W_PD8
CH520S-30PT
12
S1
D1
G1
W_PQ1B
2N7002EDW
S1
D1
G1
W_PQ1B
2N7002EDW
34
5
W_PR28
47K_F
0402
W_PR28
47K_F
0402
12
GS
D
W_PQ84
NTTFS4821NTAG
GS
D
W_PQ84
NTTFS4821NTAG
4
2 5
3
1
TP1217
tpc40t_75 TP1217
tpc40t_75
1
W_PC28 47P_50V_J
0402_NPO
W_PC28 47P_50V_J
0402_NPO
12
W_PC58
NC_0.1U_50V_K
0603_X7R W_PC58
NC_0.1U_50V_K
0603_X7R
12
W_PC26 47P_50V_J
0402_NPO
W_PC26 47P_50V_J
0402_NPO
12
W_PR5
10_J 1206
W_PR5
10_J 1206
1 2
TP429
tpc40t_75
TP429
tpc40t_75
1
B
C
E
W_PQ11A
PUMB2.115
null
B
C
E
W_PQ11A
PUMB2.115
null
4
5
3
W_PC14
1000P_50V_M 0603_X7R
W_PC14
1000P_50V_M 0603_X7R
12
W_PC33 47P_50V_J
0402_NPO
W_PC33 47P_50V_J
0402_NPO
12
W_PR19
300K_J
0402
W_PR19
300K_J
0402
12
TP1215
tpc40t_75 TP1215
tpc40t_75
1
W_PR13
300K_J0402
W_PR13
300K_J0402
12
W_PL4
60R-100MHZ_1806
BCMS451616A600 8A
W_PL4
60R-100MHZ_1806
BCMS451616A600 8A
D
S
G
W_PQ20A
SSM6N15AFU,LF
D
S
G
W_PQ20A
SSM6N15AFU,LF
2
16
W_PR37
330_J
0402
W_PR37
330_J
0402
1 2
W_PC11
NC_0.01U_50V_M 0603_X7R
W_PC11
NC_0.01U_50V_M 0603_X7R
12
W_PD9
NC_SSM54PT
W_PD9
NC_SSM54PT
12
W_PAD2
pad_smdo256x177
W_PAD2
pad_smdo256x177
1
E
C
B
W_PQ8
PDTC144ET.215
E
C
B
W_PQ8
PDTC144ET.215
1
2 3
TP422 tpc60t_100
TP422 tpc60t_100
1
TP424 tpc60t_100
TP424 tpc60t_100
1
W_PD34
TVS2315PT
W_PD34
TVS2315PT
1
2
3
W_PR68
7.5K_J
0402
W_PR68
7.5K_J
0402
12
TP417
tpc40t_75
TP417
tpc40t_75
1
W_PC1
1U_25V_M_B
0603_X5R
W_PC1
1U_25V_M_B
0603_X5R
12
W_PD36
PESD5V2S2UT
W_PD36
PESD5V2S2UT
3
2
1
W_PR22
71.5K_F0402
W_PR22
71.5K_F0402
1 2
W_PR64
470K_J0402
W_PR64
470K_J0402
1 2
W_PR10
10K_F0402
W_PR10
10K_F0402
12
W_PC50
NC_0.1U_50V_K
0603_X7R W_PC50
NC_0.1U_50V_K
0603_X7R
12
W_PC59
NC_0.1U_50V_K
0603_X7R W_PC59
NC_0.1U_50V_K
0603_X7R
12
G
D
S
W_PQ14
TP0610K-T1-E3
G
D
S
W_PQ14
TP0610K-T1-E3
23
1
W_PD3 CH651L-40GP
W_PD3 CH651L-40GP
1 2
W_PR12
4.7_J
0603
W_PR12
4.7_J
0603
12
TP1212tpc40t_75 TP1212tpc40t_75
1
W_PC25
0.1U_50V_K
0603_X7R
W_PC25
0.1U_50V_K
0603_X7R
12
W_PC38
0.1U_10V_K
0402_X5R
W_PC38
0.1U_10V_K
0402_X5R
12
G
D
S
W_PQ13
2N7002W
G
D
S
W_PQ13
2N7002W
32
1
W_PR21
100K_J
0402
W_PR21
100K_J
0402
1 2
W_PC15
4.7U_50V_k
1206_X7R
W_PC15
4.7U_50V_k
1206_X7R
12
W_PC5
1U_10V_K 0603_X5R
W_PC5
1U_10V_K 0603_X5R
1 2
W_PR70
470K_J0402
W_PR70
470K_J0402
1 2
W_PC6
0.1U_50V_K
0603_X7R
W_PC6
0.1U_50V_K
0603_X7R
12
TP420tpc40t_75 TP420tpc40t_75
1
W_PR659
0.02_0.5W_F
1206
W_PR659
0.02_0.5W_F
1206
1 2
W_PC10
0.1U_50V_K
0603_X7R
W_PC10
0.1U_50V_K
0603_X7R
12
W_PD38
PESD5V2S2UT
null
W_PD38
PESD5V2S2UT
null
3
2
1
W_PD2
NC_CH651L-40GP
null
W_PD2
NC_CH651L-40GP
null
1 2
D
G
S
W_PQ81
IRFH3707TRPBF
D
G
S
W_PQ81
IRFH3707TRPBF
1
2
3
G2
S2
D2
W_PQ1A
2N7002EDW
G2
S2
D2
W_PQ1A
2N7002EDW
1
2
6
W_PC44
NC_0.1U_50V_K
0603_X7R W_PC44
NC_0.1U_50V_K
0603_X7R
12
W_PR36
330_J 0402
W_PR36
330_J 0402
1 2
G2
S2
D2
W_PQ2A
2N7002EDW
G2
S2
D2
W_PQ2A
2N7002EDW
1
2
6
W_PC57
NC_0.1U_50V_K
0603_X7R W_PC57
NC_0.1U_50V_K
0603_X7R
12
TP1224tpc40t_75 TP1224tpc40t_75
1
TP427 tpc40t_75
TP427 tpc40t_75
1
W_PR15
200K_J
0402
W_PR15
200K_J
0402
12
G
S
D
W_PQ5
2N7002ESPT
G
S
D
W_PQ5
2N7002ESPT
1
32
TP413 tpc60b_100TP413 tpc60b_100
1
GS
D
W_PQ86
TPCC8105,LQ
GS
D
W_PQ86
TPCC8105,LQ
4
2
3
1
5
W_PC4
1U_50V_K
0805_X5R
W_PC4
1U_50V_K
0805_X5R
12
W_PR65
300K_J
0402
W_PR65
300K_J
0402
12
W_SW1
SPVM110100_SW-SMD4P
null
W_SW1
SPVM110100_SW-SMD4P
null
1 2
3 4
W_PC7
0.047U_50V_K
0603_X7R
W_PC7
0.047U_50V_K
0603_X7R
12
TP1223tpc40t_75 TP1223tpc40t_75
1
G
S
D
W_PQ6
2N7002ESPT
G
S
D
W_PQ6
2N7002ESPT
1
32
W_PC21
0.01U_50V_M
0603_X7R
W_PC21
0.01U_50V_M
0603_X7R
1 2
PTH2
PTH1
W_PCN5
BATTERY CONN_7P
FOX_BP92071-S34E3-7H
PTH2
PTH1
W_PCN5
BATTERY CONN_7P
FOX_BP92071-S34E3-7H
1
2
3
4
5
6
7
8 9
5
5
4
4
3
3
2
2
1
1
D D
C C
B B
A A
ALW_ON_C
A6008
A6010
A6021
MAIN_DC_SW_OFF#
ALW_ON_C 1
DC_IN_R
BQ24725_VCC_R_C
DC_IN_MOS
DC_IN_G1
MAIN_DC_SW_OFF#
BQ24725_VCC_R_C
ACDRV
DC_IN
ACDRV
Title
Size Document Number Rev
Date: Sheet of
HON HAI Precision Ind. Co., Ltd.
CCPBG - R&D Division
FOXCONN
V030 SA
OVP protection
Custom
6 10Wednesday, December 01, 2010
Title
Size Document Number Rev
Date: Sheet of
HON HAI Precision Ind. Co., Ltd.
CCPBG - R&D Division
FOXCONN
V030 SA
OVP protection
Custom
6 10Wednesday, December 01, 2010
Title
Size Document Number Rev
Date: Sheet of
HON HAI Precision Ind. Co., Ltd.
CCPBG - R&D Division
FOXCONN
V030 SA
OVP protection
Custom
6 10Wednesday, December 01, 2010
10/08/21 Modify SCP circuit.
2010.11.25(PVT)
For cost reason Delete zero standby circuit W_PR45,W _PR50,W _PR53,W_PR43,W_PR44,W_PR52
W_PR62,W_PR41,W_PR63,W _PR61,W_PC39,W_PU5,W_PU3,W_PQ19,W_PQ18
W_PR2
200K_J
0402
W_PR2
200K_J
0402
12
W_PD6
MMVZ5231BPT
W_PD6
MMVZ5231BPT
2 1
W_PC55
0.01U_50V_K
0402_X5R
W_PC55
0.01U_50V_K
0402_X5R
12
G
D
S
W_PQ21
2N7002W
G
D
S
W_PQ21
2N7002W
32
1
G
D
S
W_PQ3
SI2304DDS-T1-GE3
null
G
D
S
W_PQ3
SI2304DDS-T1-GE3
null
3 2
1
W_PD5
SD103AWS
W_PD5
SD103AWS
2 1
W_PR25
1M_J 0402
W_PR25
1M_J 0402
1 2
S1
D1
G1
W_PQ4B
2N7002EDW
S1
D1
G1
W_PQ4B
2N7002EDW
34
5
W_PR58
200K_J
0402
W_PR58
200K_J
0402
12
G2
S2
D2
W_PQ4A
2N7002EDW
G2
S2
D2
W_PQ4A
2N7002EDW
1
2
6
W_PR6
PRG18BB330MB1RB
W_PR6
PRG18BB330MB1RB
1 2
G
D
S
W_PQ16
TP0610K-T1-E3
G
D
S
W_PQ16
TP0610K-T1-E3
2 3
1
W_PR30
30K_J
0402
W_PR30
30K_J
0402
12
W_PR55
2M_J 0402
W_PR55
2M_J 0402
1 2
W_PR3
47K_J
0402
W_PR3
47K_J
0402
12
W_PR141
4.02K_F
0402
W_PR141
4.02K_F
0402
12
W_PR56
200K_J
0402
W_PR56
200K_J
0402
12
W_PR57
200K_J
0402
W_PR57
200K_J
0402
12
5
5
4
4
3
3
2
2
1
1
D D
C C
B B
A A
Title
Size Document Number Rev
Date: Sheet of
HON HAI Precision Ind. Co., Ltd.
CCPBG - R&D Division
FOXCONN
V030 SA
History_Docking
A2
7 10Wednesday, December 01, 2010
Title
Size Document Number Rev
Date: Sheet of
HON HAI Precision Ind. Co., Ltd.
CCPBG - R&D Division
FOXCONN
V030 SA
History_Docking
A2
7 10Wednesday, December 01, 2010
Title
Size Document Number Rev
Date: Sheet of
HON HAI Precision Ind. Co., Ltd.
CCPBG - R&D Division
FOXCONN
V030 SA
History_Docking
A2
7 10Wednesday, December 01, 2010
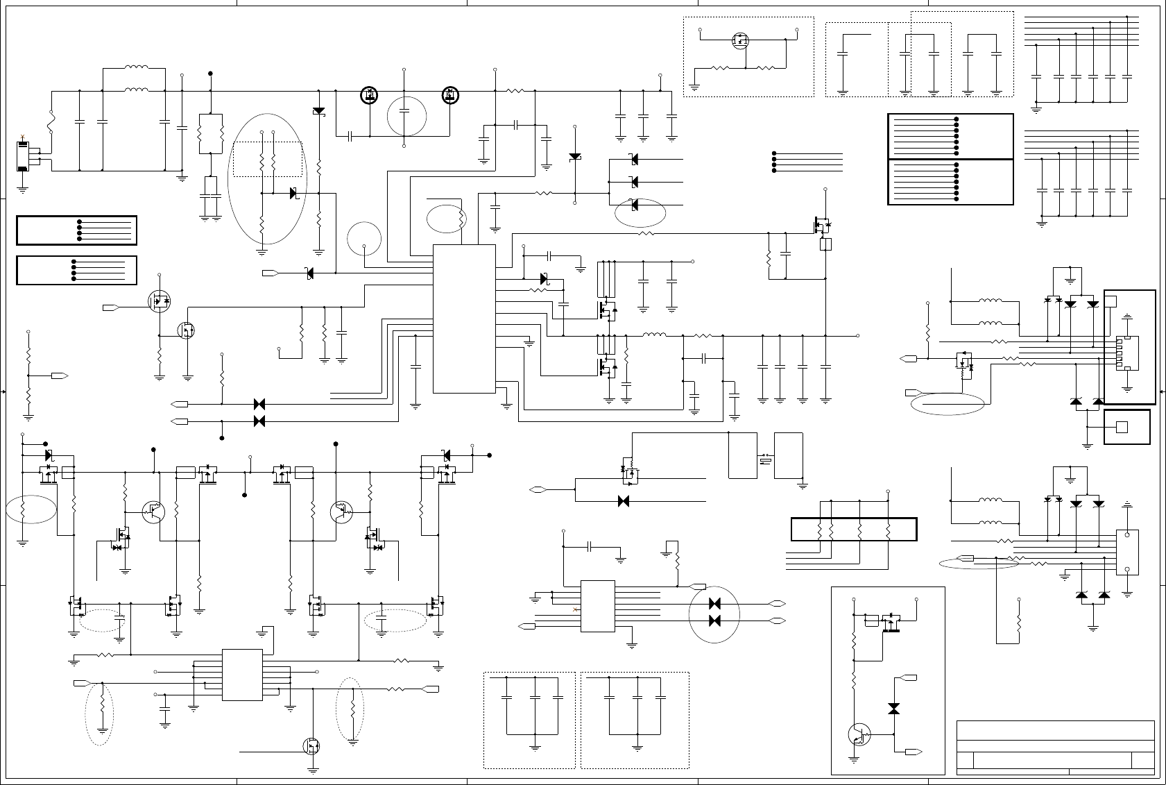
P.03 {DCIN&Charger} Change the charger IC from OZ864LN to BQ24725RGRR.
(2010/04/04)
P.04 {OVP protection} Delete OVP circuit because of bq24725 also had this function.
P.04 {OVP protection} Add W_PQ7A,W_PQ7B,W_PR138,W_PR140 for level shift
following the design variation.
(2010/04/25)
P.01 {Mini-Card 3G} Delete W_CN3. W_CN1 pin 7/8 add net USB_SIM+/USB_SIM-
P.02 {BTB CONN DB} Change a USB3.0 port to a PCIE port
P.04 {OVP protection} Unify all ground to Ch_GND for layout conveniency.
P.03 {DCIN&Charger} Change the size of W_PR23 from 0402 to 0603.
(2010/04/26)
P.03 {DCIN&Charger} Add W_PU1 for dual battery select.
P.03 {DCIN&Charger} unify all ground to Ch_GND for layout conveniency.
P.01 {Mini-Card 3G} Unify all ground to Ch_GND for layout conveniency.
P.02 {BTB CONN DB} Unify all ground to Ch_GND for layout conveniency.
(2010/05/03)
P.05 {BTB CONN DB} Add LED DB CONN and LED control circuit
(2010/05/04)
P.05 {BTB CONN DB} Move LED DB CONN and LED control circuit to MB side
P.01 {Mini-Card 3G} Change W_CN2 to 1N-1052000-0000
(2010/05/10)
P.02 {BTB CONN DB} For MOR request change DOCKONG connector from 74 pins
to 54 pins,the connector HHP/N change from 1N-0070000-M0G0 to 2N-0054000-MKG0
P.03 Power add W_PR8
P.03 follow Connector list W_CN1 change from 1N-0006004-FKG0 to 1N-0006007-FKG0
P.04 Add W_PU3,W_PQ10,W_PQ12,W_PC39 and change W_PR141 to W_PD3 for
Zero Standby requirement.
P.02 USB3.0 HOST change to USB HUB delete W_PR_PLT_RST#
P.02 Docking connector to RJ45 connector delete W_PR_CLK_REQ_LAN#
(2010/05/11)
P.02 W_CN7 add pin5 for WWAN_+3VALW power
P.04 W_PC39 DC rated voltage change from 6.3V to 10V
(2010/05/12)
P.01,P.02 W_CN2 Pin20 signal change from WWAN_EN to WWAN_RF_OFF#
P.01 follow layout request W_CN1 change from 1N-0006007-FKG0 to 1N-0006004-FKG0
P.02 Docking CN follow EMI request update pin define
(2010/05/14)
P.02 Docking DB use WWAN_PWREN&WWAN_RF_OFF# W_CN5 add WWAN_RF_OFF# signal
P.02 For EMI W_CN5 pin define updated
P.03 Change W_PD2 from UMN11N to two pcs CH520S-30PT for large current require.
P.03 Change W_PF2 from 0429007.WRML to 0437007.WR for PUR request.
P.03 Change W_PQ81,WPQ82 from Si7326DN-T1-GE3 to IRFH3707TRPbF for large current require.
P.03 Change W_PR5 from 10_F_1206 to 10_J_1206 for cost down.
P.03 Change W_PC18 from C1005X7R101KGT to CC0402JRNPO9BN101 for PUR suggest.
P.03 Change W_PR11 from 0_J_0402 to 0_J_0603.
P.04 Power change W_PQ3&W_PC39
(2010/05/15)
P.03 Change W_PQ5,W_PQ6 from 2N7002W to 2N7002ESPT for PUR suggest.
P.03 Add SMBUS selete circuit for MOR request
(2010/05/18)
P.03 Change signal SELECT_BAT_A/B_C to BATT1/2_EN_C
P.03 W_PR38&W_PR39 change from NC to stuff
(2010/05/19)
P.03 Change PC1,PR1 to W_PC1,W_PR1
P.01 For ME request change W_CN7 from 1N-0007001-FKG0 to 1N-0014004-FKG0
P.03 Change net EC_IOUT_C to EC_IADAPT_C.
P.03 Incorporate the SMBus BQ24725_SDA_SMB_C,BQ24725_SCL_SMB_C to DAT_SMB_C,CLK_SMB_C
P.03 Change W_PQ1,W_PQ2 from 2N7002DW to 2N7002EDW for PUR suggest.
P.03 Re-net W_PQ8,W_PQ9,W_PR26,W_PR33,W_PR27.
P.03 Stuff W_PR38,W_PR39.
(2010/05/20)
P.03 Change W_PC4 from 0402B105K500CT to UMK212BJ105KG-T for PUR suggest.
P.03 Add W_PR9,W_PC40,W_PU5 for battery discharge current sense.
P.03 Change W_PQ4,W_PQ7 from 2N7002DW to 2N7002EDW for PUR suggest.
P.03 Change W_PD5 and W_PD30 from 1SS400PT to CH520S-30PT to optimize performance.
(2010/05/22)
P.03 For power request W_PC19 change from 0.1uF to 0.047uF
P.03 For power request W_PR23 change from 4.02Kohm to 8.06Kohm
(2010/05/24)
P.02 W_CN7 DCBATOUT Pin change from 6pins to 7 pins
P.02 For layout suggestion change W_CN4 from 2N-0054000-MKG0 to 1N-0060002-FXG0
(2010/05/26)
P.03 For MOR request change WWAN power add W_Q1,W_Q2,W_Q3
P.03 For MOR request add LAN and transformer on Docking DB
(2010/05/27)
P.04 For MOR request delete PLT_RST# pull high resistor W_R23
P.04 For MOR request change W_U2 power from WWAN_+3VRUN to WWAN_+3VSUS
P.07 For Power request change W_PD5,W_PD30 change from 16-CH520S3-0P00 to 16-SD103AW-S000
(2010/05/28)
P.04 For Layout request change transformer and RJ45 CN pin define
(2010/05/31)
P.02 LAN from Docking DB to Docking station signal change from RJ45 to MDI
(2010/06/01)
P.04/05 have changed GND to POWER GND
P.02 W_CN9 have changed from 8pin to 10pin
P.03 Follow MOR request for SIM CARD add W_Q6,W_C50,W_R23,W_R25,W_R26,W_R27
P.02 W_CN5 have changed from 70pin(1N-0070000-F0G0) to 80pin(1N-0080001-FWG0)
P.03 Follow MOR request add W_BOSS1,W_BOSS2 for WWAN
(2010/06/02)
P.02 For MOR request W_CN5 add GND pin between WWAN_USB and DAT_SMB
P.02/04 For MOR request change WWAN_+3VSUS to W_+3VSUS
P.06 Add W_PR9,W_PR28,W_PD8 for vendor suggest.
P.06 Change W_PR1 from 649K to 162K for vendor suggest.
P.06 Change W_PR22 from 105K to 26.1K for vendor suggest.
P.06 Change W_PQ84 from NTTFS4823NTWG to NTTFS4821NTAG.
P.06 Delect battery discharge circuit, and change discharge from DCBATOUT to DC_IN_R.
P.06 Change W_PR23 from 8.06K_F to 8.2K_j for cost down.
P.06 Change W_PR10,W_PR25 value for charge current change.
P.06 Change W_PR4 from 4.02K to 8.2K for vendor suggest.
P.06 Change net name EC_VADAPT_C,EC_IADAPT_C to EC_VDCBATOUT_C,EC_IDCBATOUT_C.
P.06 Add W_PR31,W_PR32,W_PQ13 for battery power switch.
P.07 Add W_PU5 to add ALW_ON control Zero Standby.
(2010/06/03)
P.03 For RF request W_C1,4,7,9 change from 1000pF to 47pF
P.02 Change W_CN4 pin define for layout
(2010/06/04)
P.06 Change W_PCN4 For ME request change to 1N-0011001-MKT0 W_PCN5 change to 2N-000700Y-MKG0
(2010/06/05)
P.02 Add W_CN3 for USB3.0 follow MOR requestion
(2010/06/07)
P.02 W_CN4 change to MOR request pin define
P.02 Add W_CN3 for MOR request sperated USB2.0 and USB3.0 signal
(2010/06/08)
P.06 change W_PN4,W_PN5 pin define for ME,Layout request
P.18 L_CN3 add L_LED_BRIGHTNESS signal
P.02 W_CN5 change from 1N-0080001-FWG0 to 1N-0080000-FKG0
P.02 W_CN9 change from 10pin to 12pin
(2010/06/09)
P.07 Add W_PR41 for power requst
P.03 For WWAN power move to MB delete W_Q1,WQ2,W_Q3,W_R2,W_R3,W_R4,W_C12
P.02 Follow ME CN list W_CN4 change to 1N-0054000-FKC0
(2010/06/10)
P.06 For power request change W_PR29,W_PR30 from 10K to 100K
P.06 For power request add W_PR42
(2010/06/11)
P.02 Change W_CN4 pin define for USB3.0 layout
P.03 change W_BOSS1,W_BOSS2 follow ME connector list
(2010/06/12)
P.06 For RF request add W_PC40,W_PC42,W_PC43,W_PC44,W_PC45,W_PC46,
W_PC47,W_PC48,W_PC49 for EMI
(2010/06/14)
P.06 For power request change W_PR28 from 68K to 62K
P.06 For power request change EC_IDCBATOUT_C to IDCBATOUT_C
P.07 For power request add W_PR43,W_PR44,W_PR45
P.07 For power request W_PQ3 change to 17-S12303C-DS00
5
5
4
4
3
3
2
2
1
1
D D
C C
B B
A A
Title
Size Document Number Rev
Date: Sheet of
HON HAI Precision Ind. Co., Ltd.
CCPBG - R&D Division
FOXCONN
V030 SA
History_Docking
A2
8 10Wednesday, December 01, 2010
Title
Size Document Number Rev
Date: Sheet of
HON HAI Precision Ind. Co., Ltd.
CCPBG - R&D Division
FOXCONN
V030 SA
History_Docking
A2
8 10Wednesday, December 01, 2010
Title
Size Document Number Rev
Date: Sheet of
HON HAI Precision Ind. Co., Ltd.
CCPBG - R&D Division
FOXCONN
V030 SA
History_Docking
A2
8 10Wednesday, December 01, 2010
P.06 For MOR request rectify WWAN signal direction
P.06 change W_CN7 pin define consistent with MB
P.03 Follow MOR request add W_R28
(2010/06/15)
P.03 Follow MOR request add W_GP1
P.03 Follow MOR request add W_R29,W_R30 then c-lay with W_L3
P.02 Follow MOR request change W_CN5 pin78 to +3VRUN power
P.04 W_U4 pin26 pull high to +3VRUN power for save LAN CHIP power consumption
(2010/06/16)
P.02 M_CN3 have change follow ME connector list(from 1N-0004008-M1T0 to 1N-000400C-M1T0)
P.31 W_BOSS1,W_BOSS2 have change follow ME connector list(from 1M-1F40M20-1500 to 1M-1F75H45-1700)
P.03 Change W_GP1 to 0ohm W_R31
(2010/06/17)
P.06 Follow power request add 0ohm resistor W_PR48,W_PR49
P.06 Follow power request add 100Kohm resistor W_PR46,W_PR47
P.06 Follow power request W_PR659 change to 0.02ohm
(2010/06/18)
P.06 Follow power request delete W_PR25,W_PR32,W_PR31 change to 100K
P.06 Follow power request add W_PD9,W_PD10
(2010/06/21)
P.03 For RF request add W_PC51,W_PC52,W_PC53,W_PC54
P.31 Follow ME connector list W_BOSS1,W_BOSS2 change to 1M-1F40M20-1500
(2010/06/22)
P.02 Follow EMI suggestion add W_C38,W_C48,W_C52
P.02 Follow EMI suggestion add W_C49,W_C51,W_R22,W_R33
P.06 Follow EMI suggestion add W_PC50,W_PC55~W_PC59
P.02 Follow ME connector list change W_CN9 to 1N-0012007-FKT0
(2010/06/23)
P.06 For PCB space limited delete W_PC55
P.31 Delete W_BOSS2 follow ME DXF
P.03 Follow ME connector list W_CN2 change to 1N-0052005-F1G0
P.05 Add W_R34 for transformer power reserved
(2010/06/24)
P.05 Follow FAE suggestion change W_C25 to 4.7uF
P.02 Change W_CN4 power pin define follow MOR suggestion
P.05 Follow ME connector list change W_CN8 to 1N-0008002-MKT0
P.02 Follow MOR suggestion reserve USB3.0 CN then change connector
from 1N-000400C-M1T0 to 1N-0006009-FXT0
P.07 Follow power request change W_PR225 to 143k,change W_PR226 to 84.5K
P.07 Follow power request Add W_PR229 100K pull low resistor and Add W_PR228 100K resistor
P.04 Follow MOR request change W_R15,W_R16 to 100K
(2010/06/25)
P.02 Follow ME connector list W_CN7 change to 10pin(w_cn7)+6pin(w_cn10)
(2010/06/28)
P.02 W_CN9 change from 12pin to 10pin
P.06 W_PCN5 change to 2N-0004012-MKG0
P.06 Follow power request add power switch circuit
P.02 Delete W_CN3 and testpoint
(2010/06/29)
P.06 W_CN1 follow ME suggestion change from 19-MPU1018-1001 to 19-SPVM110-1000
P.07 Follow power request W_PU3,W_PU5 change to 14-SN74AHC-T113
P.02 W_CN9 follow ME suggestion change to 1N-0010001-F0T0
(2010/07/01)
P.02 For RF request change W_CN9 pin define
P.07 For power request change W_PQ35, W_PR230
(2010/07/02)
P.05 Testpoint change from 40mils to 20mils
P.05 Delete TOP side test point TP150~TP157
P.02 For MOR request delete SIM_HODER# signal
P.03 For MOR request delete W_Q6(17-2N7002E-SP00)
(2010/07/03)
P.06 For Power request W_PQ20 change to 17-SSM3K15-FL00
P.06 For layout request TP1216,TP1217 change from 40mils to 20mils
(2010/07/05)
P.02 For power request change W_CN7,W_CN10 pin define
P.06 For power request change add W_PD12
(2010/07/06)
P.05 For realtek suggestion transformar no need pull high delete W_R34
P.06 For power suggestion W_PR22 change to 71.5K
P.06 For power suggestion W_PD1 change to 16-SSM24GP-0000
P.07 For power suggestion add W_PR51,W_PR52,W_PR53
(2010/07/07)
P.06 For layout space W_PD1 change to 16-CH520S3-0P00
P.06 For power request add W_PR54,W_PR55
P.02 For ME request W_CN4 change to 1N-0054000-FKC0 then change pin define
(2010/07/08)
P.02 For layout request change W_CN4 pin define
(2010/07/10)
P.02 For power request change power UVP circuit
(2010/07/12)
P.07 For power suggestion move power SCP circuit to MB
(2010/07/13)
P.06 For ME request W_PCN5 change from 2N-0004012-MKG0 to 2N-0007013-MKG0
P.04 For EMI request add W_C50
(2010/07/14)
P.03 For MOR request add W_R34 pull high SIM_SW_ON# signal
P.04 For MOR request add W_R35
P.02 For ME request W_CN5 change from 1N-0080000-FKG0 to 1N-0080000-F1G0
P.32 Follow ME connector list W_BOSS1 change to 1M-1F40M20-1502
P.02 For layout request W_CN5 change from 1N-0080000-F1G0 to 1N-0080000-FKG0
(2010/07/15)
P.02 For ME request W_CN5 change from 1N-0080000-FKG0 to 1N-0080001-FKG0
P.02 For EMI request add W_C53
(2010/07/15)
P.07 For power request W_PR141 change to 100K,W_PC55 change to 0.47u
(2010/07/17)
P.03 Delete W_R34 for SIM_SW_ON# have been pull high on EC side
(2010/07/19)
P.02 change W_CN5 pin define
P.02 For MOR request change W_CN7 pin define
(2010/07/22)
P.32 For ME request add W_H6
P.32 Delete W_H1
2010/08/03
EVT2
P.32 [BOSS] Change follow ME connector list W_BOSS1 change from 1M-1F40M20-1502 to 1M-1F40H25-1500
2010/08/11
P.05 [Transformer] For layout request change MS/SD CN test point from 20mil to 40 mil
2010/08/13
P.08 [DB CN] Follow ME connector list M_CN7 change from 1N-0050004-FXT0 to 1N-0050006-FXT0
P.06 [DCIN&Charger] Change W_PC585,W_PC584,W_PC601,W_PC602 from 1C-2B60106-K000
to 1C-2B70106-K400 for layout space limit requirement.
P.07[OVP] Change W_PR140 from 1R-0000103-F200 to 1R-0001622-F200.
2010/08/16
P.06 [DCIN&Charger] Change W_PR40 for power request
2010/08/18
2010/08/20
P.32 [Boss Hole] For MOR request add W_BOSS2
For power request change
P.06 [DCIN&Charger] Delect W_PR23.
P.06 [DCIN&Charger] Change W_PR4 from 8.2K to 4.02K.
P.06 [DCIN&Charger] Change W_PC19 from 0.047uF to 0.022uF.
P.06 [DCIN&Charger] Add ACDRV power symbol.
P.06 [DCIN&Charger] Move W_PQ20B and W_PR11 from MB to DB.
P.06 [DCIN&Charger] Add W_PR51,W_PR54.
P.06 [DCIN&Charger] Separate battery A and battery B SYS_PRS# signal.
P.06 [DCIN&Charger] Change W_PD1,W_PD2,W_PD7 from SD103AWS to SMD24JGP.
2010/08/23
P.02 [DB CN] For ME request W_CN9 change from 1N-0010001-F0T0 to 1N-0010007-FXG0
P.02 [DB CN] W_CN5 change pin define
2010/08/25
P.32 [BOSS Hole] For the layout placing delete W_BOSS2
P.02 [DB CN] W_CN5 for ME request change from 1N-0080001-FKG0 to 1N-0080002-FKG0
P.02 [DB CN] For ME request W_CN9 change from 1N-0010007-FXG0 to 1N-0010001-F0T0
P.02 [DB CN] W_CN5 change pin define
2010/08/26
P.06 [DCIN&Charger] W_PQ20 change from 17-2N7002E-DW00 to 17-SSM6N15-AF00
P.02 [DB CN] W_CN5 for EMI request add W_R54,W_R55,W_R56,W_R57
2010/09/07
DVT
P.07 [OVP] W_PQ3 for PUR suggestion change from 17-S12306B-DS00 to 17-S12304D-DS00
P.06 [DCIN&Charger] For power request W_PD1,W_PD2,W_PD7 change to 16-CH651L4-0G00
2010/09/16
P.06 [DCIN&Charger] For power request add W_PR64,W_PR65
P.02 [DB CN] For ME request W_CN9 change from 1N-0010001-F0T0 to 1N-0010009-FXG0
2010/10/07
P.06 [DCIN&Charger] For RF request delete W_PC47,W_PC48,W_PC49
P.06 [DCIN&Charger] MOR request add W_PR66~W_PR69
2010/10/13
P.05 [DCIN&Charger] For ME request W_CN9 change from 1N-0010009-FXG0 to 1N-001000A-FXG0
2010/10/14
P.01 [DB CN] For EMI request add W_C58,W_C59
2010/10/18
P.06 [DCIN&Charger] For power request add W_PR64,W_PR65
2010/10/19
P.02 [Mini card 3G] W_CAP1,W_CAP2 100uF change to 220uF
5
5
4
4
3
3
2
2
1
1
D D
C C
B B
A A
Title
Size Document Number Rev
Date: Sheet of
HON HAI Precision Ind. Co., Ltd.
CCPBG - R&D Division
FOXCONN
V030 SA
History_Docking
A3
9 10Tuesday, January 04, 2011
Title
Size Document Number Rev
Date: Sheet of
HON HAI Precision Ind. Co., Ltd.
CCPBG - R&D Division
FOXCONN
V030 SA
History_Docking
A3
9 10Tuesday, January 04, 2011
Title
Size Document Number Rev
Date: Sheet of
HON HAI Precision Ind. Co., Ltd.
CCPBG - R&D Division
FOXCONN
V030 SA
History_Docking
A3
9 10Tuesday, January 04, 2011
2010/10/19
P.01 [DB CN] For PUR suggestion W_C54,W_C55,W_C56,W_C57,W_C58,W_C59 change from 1C-2N20150-J300 to 1C-2N20150-K000
PVT
2010/11/02
P.06 [DCIN&Charger] For power reqest W_PR64 change from 10K to 470K
P.06 [DCIN&Charger] For power reqest add W_PR70
2010/11/18
P.06 [DCIN&Charger] For power reqest Add W_PQ7,W_PR71,W_PR72 for adapter protect
2010/11/18
P.03 [LAN] For SI crystal test fail W_C44,W_C45 change from 22pF(1C-2N20220-J000) to 12pF(1C-2N20120-K000)
P.06 [DCIN&Charger] For power reqest add W_PR48,W_PR49,W_PR23,W_PR51,W_PR54,W_PR27 change to GAP
2010/11/25
P.07 [OVP] For cost reason Delete zero standby circuit W_PR45,W_PR50,W_PR53,W_PR43,W_PR44,W_PR52
W_PR62,W_PR41,W_PR63,W_PR61,W_PC39,W_PU5,W_PU3,W_PQ19,W_PQ18
2010/11/29
P.06 [DCIN&Charger] For power request add W_PQ17 W_R23
P.01 [DB CN] W_CN5 pin42 for power request change from AC_OFF_EC# to +3VALW
2010/11/30
P.01 [DB CN] For EMI request W_C53 change from NC to mount,add W_C60
P.06 [DCIN&Charger] For power request delete W_PQ17,W_PR9 change from 300K to 47K,W_PR28 from 62K to 47K
P.06 [DCIN&Charger] For power request add W_PC47,W_PC48
P.06 [DCIN&Charger] For power request add W_PR23,W_PR27
2010/12/1
P.04 [Transformer] For EMI TEST Fail change W_L2 from 1T-1NS6924-1200 to 1T-1LG2426-P100
MP
2010/12/27
P.06 [DCIN&Charger] For PVT charger LED Blinking issue Delete W_PR9 Add W_R23 1R-0000304-F200
Change W_PR28 from 1R-0000473-F200 to 1R-0000623-F200
P.06 [DCIN&Charger] For PVT charger LED Blinking issue power request W_PR9 pull hight to +3VALW W_R23 change to 300K(1R-0000304-F200)
2010/12/27(2)
P.01 [DB CN] Due to SI overload test result W_F1 change from 1M-F32V2A0-F000 to 1M-F32V0A5-F002
2011/01/04
P.01 [DB CN] For SI overload test fail add W_F2(1M-F32V1A5-F003)
5
5
4
4
3
3
2
2
1
1
D D
C C
B B
A A
Title
Size Document Number Rev
Date: Sheet of
HON HAI Precision Ind. Co., Ltd.
CCPBG - R&D Division
FOXCONN
V030 SA
BOSS NUT
A4
10 10Wednesday, December 01, 2010
Title
Size Document Number Rev
Date: Sheet of
HON HAI Precision Ind. Co., Ltd.
CCPBG - R&D Division
FOXCONN
V030 SA
BOSS NUT
A4
10 10Wednesday, December 01, 2010
Title
Size Document Number Rev
Date: Sheet of
HON HAI Precision Ind. Co., Ltd.
CCPBG - R&D Division
FOXCONN
V030 SA
BOSS NUT
A4
10 10Wednesday, December 01, 2010
Nut (WWAN)
W_H4
hole_odo79x98n
W_H4
hole_odo79x98n
1
1
W_BOSS1
BOSS_4x2.5
null
W_BOSS1
BOSS_4x2.5
null
1
W_H5
hole_c79d79n_b
W_H5
hole_c79d79n_b
1
1
W_H2
hole_tc256bc256d98
W_H2
hole_tc256bc256d98
1
1
W_PAD1
pad_smdc138
W_PAD1
pad_smdc138
1
W_H6
hole_tbsh217x246d98
W_H6
hole_tbsh217x246d98
1
1
W_H7
hole_tc140bc197d130
W_H7
hole_tc140bc197d130
1
1
5
5
4
4
3
3
2
2
1
1
D D
C C
B B
A A
Title
Size Document Number Rev
Date: Sheet of
HON HAI Precision Ind. Co., Ltd.
CCPBG - R&D Division
FOXCONN
V030 SA
2nd source
A3
11 11Friday, December 24, 2010
Title
Size Document Number Rev
Date: Sheet of
HON HAI Precision Ind. Co., Ltd.
CCPBG - R&D Division
FOXCONN
V030 SA
2nd source
A3
11 11Friday, December 24, 2010
Title
Size Document Number Rev
Date: Sheet of
HON HAI Precision Ind. Co., Ltd.
CCPBG - R&D Division
FOXCONN
V030 SA
2nd source
A3
11 11Friday, December 24, 2010
+
W_CAP1_1
100U_6.3V_M
3528
+
W_CAP1_1
100U_6.3V_M
3528
12
W_Y1_1
25MHZ_12P_30PPM
TXC_7A25000101
W_Y1_1
25MHZ_12P_30PPM
TXC_7A25000101
1 2
W_PF2_1
32V-7A_1206
F1206FA7000V032TM-FOX
W_PF2_1
32V-7A_1206
F1206FA7000V032TM-FOX
1 2
+
W_CAP2_2
100U_6.3V_M
3528
+
W_CAP2_2
100U_6.3V_M
3528
12
G
S
D
W_PQ98_2
FDC655BN
null
G
S
D
W_PQ98_2
FDC655BN
null
3
6
5
2
4
1
W_C84_1
1500P_2KV_K
1808_X7R
W_C84_1
1500P_2KV_K
1808_X7R
W_PR6_1
TPM1P330M100R
null
W_PR6_1
TPM1P330M100R
null
1 2
W_PR658_1
0.01_1W_F
1608
W_PR658_1
0.01_1W_F
1608
1 2
W_SW1_1
BTE-P-Q-T-R_SW-SMD4P
null
W_SW1_1
BTE-P-Q-T-R_SW-SMD4P
null
1 2
3 4
G
S
D
W_PQ96_2
FDC655BN
null
G
S
D
W_PQ96_2
FDC655BN
null
3
6
5
2
4
1
SMDFIX2
SMDFIX1
W_PCN3_1
P C BOARD_4P
TOP BASE_CCGS7304S4-10000
SMDFIX2
SMDFIX1
W_PCN3_1
P C BOARD_4P
TOP BASE_CCGS7304S4-10000
1
2
3
4
5 6
GS
D
W_PQ98_1
SI3424BDV-T1-E3
null
GS
D
W_PQ98_1
SI3424BDV-T1-E3
null
3
2
5
6
1
4
GS
D
W_PQ96_1
SI3424BDV-T1-E3
null
GS
D
W_PQ96_1
SI3424BDV-T1-E3
null
3
2
5
6
1
4
www.s-manuals.com

Navigation menu