00_G100 150_OEM.Book G100 Manual
User Manual:
Open the PDF directly: View PDF
.
Page Count: 98
- OEM Manual Diamond™ G-100/150 Laser
- Chapter One: Description and Specifications
- Chapter Two: Laser Safety
- Chapter Three: Utility Requirements and System Installation
- Chapter Four: Control Interfaces
- Chapter Five: Operation
- Chapter Six: Maintenance and Troubleshooting
- Appendix A: DC Power Supply Option
- Appendix B: Diamond G-100i
- Appendix C: Parts List
- Appendix D: Warranty
- Glossary
- Index

OEM Manual
Diamond™ G-100/150 Laser
5100 Patrick Henry Drive
Santa Clara, CA 95054

Diamond™ G-100/150 Laser OEM Manual
ii
This document is copyrighted with all rights reserved. Under the copyright
laws, this document may not be copied in whole or in part or reproduced in
any other media without the express written permission of Coherent, Inc.
Permitted copies must carry the same proprietary and copyright notices as
were affixed to the original. This exception does not allow copies to be
made for others, whether or not sold, but all the material purchased may
be sold, given or loaned to another person. Under the law, copying
includes translation into another language.
Coherent, the Coherent Logo and Diamond are registered trademarks of
Coherent, Inc.
Every effort has been made to ensure that the data given in this document
is accurate. The information, figures, tables, specifications and schematics
contained herein are subject to change without notice. Coherent makes no
warranty or representation, either expressed or implied with respect to this
document. In no event will Coherent be liable for any direct, indirect,
special, incidental or consequential damages resulting from any defects in
its documentation.
Technical Support
In the US:
Should you experience any difficulties with your laser or need any
technical information, please visit our web site www.coherentinc.com.
Additional support can be obtained by contacting our Technical Support
Hotline at 800-367-7890 (408-764-4557 outside the U.S.) or E-mail
(clg.tech.services@coherentinc.com). Telephone coverage is available
Monday through Friday (except U.S. holidays and company shutdowns).
If you call outside our office hours, your call will be taken by our answering
system and will be returned when the office reopens.
If there are technical difficulties with your laser that cannot be resolved by
support mechanisms outlined above, please E-mail or telephone Coherent
Technical Support with a description of the problem and the corrective
steps attempted. When communicating with our Technical Support
Department, via the web or telephone, the model and Laser Head serial
number of your laser system will be required by the Support Engineer
responding to your request.
Outside the U.S.:
If you are located outside the U.S. visit our web site for technical
assistance or contact, by phone, our local Service Representative.
Representative phone numbers and addresses can be found on the
Coherent web site, www.coherentinc.com.
Coherent provides telephone and web technical assistance as a service to
its customers and assumes no liability thereby for any injury or damage
that may occur contemporaneous with such services. These support
services do not affect, under any circumstances, the terms of any warranty
agreement between Coherent and the buyer. Operation of any Coherent
laser with any of its interlocks defeated is always at the operator's own risk.
Table of Contents
iii
TABLE OF CONTENTS
Preface ........................................................................................................................... vii
U.S. Export Control Laws Compliance ......................................................................... vii
Symbols Used in This Manual and on the Laser System .............................................. vii
Chapter One: Description and Specifications.......................................... 1-1
Introduction................................................................................................................... 1-1
Purpose of This Manual................................................................................................ 1-1
Laser Head .................................................................................................................... 1-4
Tube ..................................................................................................................... 1-4
Preionizer ............................................................................................................. 1-6
RF Amplifier........................................................................................................ 1-6
Beam Shaping Unit.............................................................................................. 1-6
Chapter Two: Laser Safety ................................................................................. 2-1
Optical Safety ............................................................................................................... 2-1
Electrical Safety............................................................................................................ 2-3
Laser Head ........................................................................................................... 2-3
Laser Safety Requirements ........................................................................................... 2-3
Safety Interlocks .................................................................................................. 2-4
Radiated Emission Compliance .................................................................................... 2-4
Interference Potential of the System.................................................................... 2-4
Maintenance of the System.................................................................................. 2-4
Simple Measures to Correct Interference ............................................................ 2-4
Compliance to Standards Relevant to CE Mark ........................................................... 2-5
Chapter Three: Utility Requirements and
System Installation........................................................................................... 3-1
Utility Requirements..................................................................................................... 3-1
Electrical Service ................................................................................................. 3-1
Optional DC Power Supply with Single Phase AC Input........................... 3-1
Main Power Disconnect.............................................................................. 3-1
Cooling Water...................................................................................................... 3-1
Selecting The Correct Cooling Water Temperature ............................................ 3-2
Installation ....................................................................................................................3-5
Preparing the Facility for Installation .................................................................. 3-5
Receiving Inspection............................................................................................ 3-5
Unpacking............................................................................................................ 3-5
Mounting Laser System Components.................................................................. 3-7
Attaching Beam Shaping Units.......................................................................... 3-10
Optics Purge Gas ............................................................................................... 3-10
Water Line Connections .................................................................................... 3-13
DC Power Connections...................................................................................... 3-13
Diamond™ G-100/150 Laser OEM Manual
iv
Chapter Four: Control Interfaces................................................................... 4-1
Introduction................................................................................................................... 4-1
RF Amplifier Control Connector Interface................................................................... 4-1
Input Signal Requirements................................................................................... 4-1
Drive Circuit for RF Amplifier............................................................................ 4-2
Output Signal Recommendation.......................................................................... 4-4
Output Signal Description ................................................................................... 4-7
Monitoring Circuit Example................................................................................ 4-7
Test Function Operation ...................................................................................... 4-9
Output Signal Waveforms ................................................................................. 4-10
Chapter Five: Operation....................................................................................... 5-1
Introduction................................................................................................................... 5-1
Startup Procedure.......................................................................................................... 5-1
Adjusting the Diamond Output..................................................................................... 5-2
Shutdown Procedure ................................................................................................... 5-11
Chapter Six: Maintenance and Troubleshooting .................................. 6-1
Introduction................................................................................................................... 6-1
Preventive Maintenance................................................................................................ 6-1
Water System Inspection ..................................................................................... 6-1
Optics Inspection and Cleaning ........................................................................... 6-1
Purge Gas Filter Kit (option) ............................................................................... 6-2
Electrical Inspection ............................................................................................ 6-2
Troubleshooting ............................................................................................................ 6-3
Replacement Procedures............................................................................................. 6-12
Appendix A: DC Power Supply Option...................................................... A-1
Introduction.................................................................................................................. A-1
Input Power Connections............................................................................................. A-1
Output Power Connections .......................................................................................... A-2
DC Power Supply Control Connections ...................................................................... A-4
Appendix B: Diamond G-100i ...........................................................................B-1
Appendix C: Parts List...........................................................................................C-1
Appendix D: Warranty ......................................................................................... D-1
Diamond Laser Warranty............................................................................................. D-1
Conditions of Warranty ............................................................................................... D-1
Responsibilities of the Buyer....................................................................................... D-1
Limitations of Warranty............................................................................................... D-2
Glossary ............................................................................................................... Glossary-1
Index ........................................................................................................................... Index-1
Table of Contents
v
LIST OF ILLUSTRATIONS
1-1. Diamond G-100/150 OEM Laser System with Beam Shaping Optics...................... 1-1
1-2. Simplified System Block Diagram ............................................................................ 1-4
1-3. Laser Head Diagram .................................................................................................. 1-5
1-4. Laser Tube ................................................................................................................. 1-5
3-1. Laser Head Dimensions and Mounting Hardware Locations (w/Beam Shaper)....... 3-8
3-2. Alternative Laser Head Mounting Hardware Details ................................................ 3-9
3-3. Laser Head Dimensions and Mounting Hardware Locations (w/Beam Expander). 3-11
3-4. Laser Head Indicators and Connectors .................................................................... 3-14
4-1. Input Circuit of RF Amplifier.................................................................................... 4-4
4-2. Typical Drive Circuit for RF Amplifier..................................................................... 4-5
4-3. Output Circuit of RF Amplifier ................................................................................. 4-6
4-4. Typical Monitoring Circuit........................................................................................ 4-8
4-5. Interface for Test Function ........................................................................................ 4-9
4-6. RF Amplifier Output Signals – Normal Operating Conditions ............................... 4-11
4-7. RF Amplifier Output Signals for Active State of DIGITAL REFLECTED
Signal (Failed Condition)................................................................................... 4-12
4-8. RF Amplifier Output Signals for Active State of DIGITAL FORWARD
Signal (Failed Condition)................................................................................... 4-13
4-9. RF Amplifier Output Signals for Active State of VSWR LIMIT
Signal (Failed Operating Condition).................................................................. 4-14
4-10. RF Amplifier Output Signals for Active State of DUTY CYCLE LIMIT
Signal (Failed Operating Condition).................................................................. 4-15
5-1. Typical Pulse/Modulation.......................................................................................... 5-3
5-2. Laser Tube Forward and Reflected Voltage Waveforms .......................................... 5-4
5-3. Example of Changing Laser Power ........................................................................... 5-6
5-4. Typical Diamond G-100 Laser Output Power........................................................... 5-7
5-5. Typical Diamond G-150 Laser Output Power........................................................... 5-8
5-6. Instantaneous Laser Output Power G100 Showing Rise and Fall Times .................. 5-9
5-7. Effective Processing Power vs. Pulse Width ........................................................... 5-10
A-1. DC Power Supply Option Dimensions and Mounting Locations............................. A-2
A-2. DC Power Supply Option Indicators and Connectors .............................................. A-3
A-3. DC Power Supply Control Connections ................................................................... A-5
B-1. Typical Laser Output Power as a Function of Pulse Period
for Different Duty Cycles ....................................................................................B-3
B-2. Typical Laser Output Power as a Function of Pulse Repetition Frequency
for Different Duty Cycles ....................................................................................B-3
Diamond™ G-100/150 Laser OEM Manual
vi
LIST OF TABLES
1-1. Diamond G-100/150 Specifications and Utility Requirements ................................. 1-2
3-1. Recommended Minimum Inlet Cooling Water Temperature
for Celsius Temperature Scale................................................................................... 3-3
3-2. Recommended Minimum Inlet Cooling Water Temperature
for Fahrenheit Temperature Scale.............................................................................. 3-4
3-3. Equipment Required for Installation.......................................................................... 3-6
3-4. Laser Head Indicators and Connectors .................................................................... 3-15
4-1. Summary of RF Amplifier Control and Indicator Signals......................................... 4-2
4-2. RF Amplifier DB25 Connector Pinouts..................................................................... 4-3
4-3. Examples of Line Drivers Meeting RS-422A............................................................ 4-5
4-4. Examples of Line Receivers Meeting RS-422A........................................................ 4-8
5-1. Laser Turn-on Functions............................................................................................ 5-2
5-2. Control Unit Settings for Laser Shutdown .............................................................. 5-11
6-1. System Faults and Warning Indications .................................................................... 6-3
A-1. Specifications for DC Power Supply Option............................................................ A-1
A-2. DC Power Supply Option Indicators and Connectors .............................................. A-4
A-3. DC Power Supply DB25 Connector Pinouts ............................................................ A-5
B-1. Diamond G-100i Specifications.................................................................................B-2
C-1. Parts List ....................................................................................................................C-1
LIST OF CHARTS
1. Laser Does Not Start (No Output Beam)...................................................................... 6-4
2. Low Output Power........................................................................................................ 6-6
3. Unstable Output Power................................................................................................. 6-8
4. Degraded Mode Quality.............................................................................................. 6-10

Preface
vii
Preface This manual provides operating and maintenance instructions for the
Diamond G-100/150 OEM system. It is recommended that the user
read Chapter Two, Laser Safety, before operating the laser.
Caution — use of controls or adjustments or performance of
procedures other than those specified in this manual may result
in hazardous radiation exposure.
U.S. Export
Control Laws
Compliance
It is the policy of Coherent to comply strictly with the U.S. export
control laws.
Export and re-export of lasers manufactured by Coherent are subject
to the U.S. Export Administration Regulations administered by the
Department of Commerce, Bureau of Export Administration.
The applicable restrictions vary depending on the specific product
involved, intended application, and the product destination. In some
cases, an individual validated export license is required from the
U.S. Department of Commerce prior to resale or re-export of certain
products. If you are uncertain about the obligations imposed by U.S.
law, obtain clarification from Coherent.
Symbols Used in
This Manual and
on the Laser
System
This symbol is intended to alert the operator to the presence of
dangerous voltages associated with the laser that may be of suffi-
cient magnitude to constitute a risk of electric shock.
This symbol is intended to alert the operator to the presence of
important operating and maintenance instructions.

Diamond™ G-100/150 Laser OEM Manual
viii
This symbol is intended to alert the operator to the danger of
exposure to hazardous visible and invisible laser radiation.
3~3 PHASE ALTERNATING CURRENT.
~ALTERNATING CURRENT.
DIRECT CURRENT.
PROTECTIVE CONDUCTOR TERMINAL.
OFF OR STOP.
ON OR START.

Description and Specifications
1 - 1
CHAPTER ONE: DESCRIPTION AND SPECIFICATIONS
Introduction The Diamond G-100/150 laser is an RF excited, sealed-off industrial
CO2 pulsed laser. The system (Figure 1-1) consists of a 100 or
150 Watt laser resonator and solid-state RF amplifier integrated
within an all-metal enclosure. Operation requires cooling water,
48 VDC input power, driver signals, and proper optical delivery to
the work piece.
The G-100/150 can operate in many pulse formats, and with a user-
supplied control system, allows user control of the output power.
The Diamond G-100 has an output power range of 10 to 100 Watts.
The Diamond G-150 has an output power range of 10 to 150 Watts.
Specifications are listed in Table 1-1. A simplified system block
diagram is shown in Figure 1-2.
Purpose of
This Manual
This manual is designed to assist the original equipment manufac-
turer during the integration of the Diamond G-100/150 OEM laser.
It contains information on the performance and operation of the laser
as well as installation and control methods.
Figure 1-1. Diamond G-100/150 OEM Laser System with Beam Shaping Optics

Diamond™ G-100/150 Laser OEM Manual
1 - 2
Table 1-1. Diamond G-100/150 Specifications and Utility Requirements
PARAMETER SPECIFICATION
GUARANTEED PERFORMANCE G-100 G-150
Average output power 100 Watts(1) 150 Watts(1)
M2 – Transverse mode quality <1.5 (K >0.67) <1.5 (K >0.67)
System warranty time 1year 1year
Tube shelf life >1 year >1 year
TYPICAL PERFORMANCE
Peak effective power 250 Watts 375 Watts
Average power range 10 to 100 Watts 10 to 150 Watts
Pulse energy range 5 to 200 mJ 5 to 300 mJ
Pulse period (minimum) 10 µs (equivalent to a
frequency of 100 kHz)
10 µs (equivalent to a
frequency of 100 kHz)
Pulse width minimum 3µs 3µs
Output power stability(2) < ±10% < ±10%
Beam waist diameter (1/e2) with beam shaper
• with beam expander option
• without beam shaping
TBD
TBD
1.6 ± 0.3 Xmm : 2.3 ± 0.4 Ymm
2.2 ± 0.6 mm
5.4±1mm
1.4 ± 0.3 Xmm :2.2 ± 0.4 Ymm(3)
Beam divergence (full angle) with beam shaper
• with beam expander option
• without beam shaping
TBD
TBD
<11 mrad
<9.0 mrad
<5 mrad
<12.5 mrad
Beam waist asymmetry at laser output with beam shaper
• with beam expander option
• without beam shaping
TBD
TBD
<1.5:1
<1.2:1
<1.2:1
<2.0:1
Beam pointing stability <200 µrad <200 µrad
Beam polarization (parallel to narrow dimension of laser
head)
Linear >100:1 Linear >100:1
Modulation pulse width range 3 to 1000 µs 3 to 1000 µs
Optical pulse rise and fall time <90 µs <60 µs
Wavelength 10.3 to 10.8 µm 10.3 to 10.8 µm
The above specifications subject to change without notice.
(1) Guaranteed at 600 µs pulse width at 60%duty cycle with the inlet cooling water at 25°C. Allow a 1%/°C power derating for
inlet cooling water to a temperature of 35°C.
(2) At a constant coolant temperature. Stability defined as ±(Pmax–Pmin)/2 Pmax.
(3) Y = Laser Wide Dimension, X = Laser Narrow Dimension.

Description and Specifications
1 - 3
LASER HEAD ELECTRICAL REQUIREMENTS G-100 G-150
DC input voltage(4) 48 VDC ±1%
Maximum DC current 50 Amps
Peak current 100 Amps
WEIGHT
Laser head assembly 35 pounds (16 kg) 37.5 lbs. (17 kg)
ENVIRONMENTAL
Ambient temperature (operational) 5°C to 40°C (41°F to 104°F)
Operating altitude <6,500 feet (<2,000 meters)
Relative humidity <95% non-condensing at inlet coolant temperature
Tube gas consumption None
Optional laser head purge 6 STD cubic feet/hour (2.8 liters per minute)
Nitrogen 99.95% purity or 99.995% oil free air filtered
with particle air filter to < 1 micron and dew point 10°C
(18°F) lower than inlet cooling water temperature.
WATER(5)
Cooling water flow rate (minimum) 1.5 gpm (5.7 lpm)
Cooling water temperature 10°C to 35°C (50°F to 95°F)
Inlet pressure(6) 30 to 75 psi (205 to 520 kPa)
Cooling water hardness (equivalent to CaCO3)<250 mg/liter
Pressure differential(7) 30 psi (170 kPa) minimum
Heat load(8) 2.5 kW
Hardness (equivalent to CaCO3)<250 mg/liter
pH 5 to 9
Particulate size <200 microns in diameter
The above specifications subject to change without notice.
(4 DC input voltage to the laser head which consists of the RF amplifier and laser tube.
(5) These requirements are for facility tap water. If facility tap water is used, an in-line water filter is also recommended. If a closed
loop system is used, it must meet the water requirements listed in this table. Also refer to the paragraph titled Cooling Water,
located in this chapter for additional information including discharge of cooling water.
(6) Inlet pressure is based on 30 foot water lines. If different lengths are used, the difference must be taken into account when deter-
mining the inlet pressure.
(7) Between the inlet and return water lines. Pressure differential is based on 30 foot water lines. If different lengths are used, the
difference must be taken into account when determining the pressure differential.
(8) If a closed-loop cooling system is used, it must have sufficient capacity to handle heat loads of 2.5 kW in addition to meeting
the other water requirements listed in this table.
Table 1-1. Diamond G-100/150 Specifications and Utility Requirements (Continued)
PARAMETER SPECIFICATION

Diamond™ G-100/150 Laser OEM Manual
1 - 4
Laser Head The laser head consists of an aluminum housing with two indepen-
dent sections. The upper section contains the RF circuitry, and the
lower section contains a sealed laser cavity. All necessary compo-
nents reside within this housing to provide reliable, mainte-
nance-free operation with full control and diagnostics.
Tube The laser housing is sealed with all metal seal. The aluminum
housing has high thermal conductivity, resulting in a thermally
stable laser cavity.
Within the tube are 2 water cooled electrodes which provide excita-
tion for the gas, cooling for the gas, and waveguide surfaces for the
optical cavity. Coils are positioned along the length of these elec-
trodes to ensure a uniform discharge.
Attached to the housing end pieces are 2 mirrors which are 100%
reflective and designed for the necessary optical cavity. The inherent
design of this laser cavity produces a high quality beam, with stable
output power and the highest power per unit volume.
Figure 1-2. Simplified System Block Diagram
OPTIONAL/
CUSTOMER SUPPLIED
DC
POWER
SUPPLY
LASER TUBE
FACILITY POWER
COOLING
WATER
SUPPLY
WATER FLOW
SWITCH
IN
OUT
CUSTOMER
SUPPLIED
CONTROL
ELECTRONICS
CUSTOMER
SUPPLIED
48 VDC
48 V RETURN

Description and Specifications
1 - 5
Figure 1-3. Laser Head Diagram
Figure 1-4. Laser Tube
RF AMPLIFIER / RF PREIONIZER
LASER TUBE
LASER
OUTPUT
BEAM
SHAPING
UNIT
OUTPUT
CAVITY OPTICS CONFIGURATION
RESONATOR STRUCTURE
RF INPUT
WAVEGUIDE
OUTPUT WINDOW
100% REFLECTING
SPHERICAL END MIRROR
COILS
ELECTRODES
COILS
100% REFLECTING
SPHERICAL END MIRROR
Diamond™ G-100/150 Laser OEM Manual
1 - 6
Preionizer The preionizer initiates a discharge in the tube gas for rapid starting
if the laser is turned off. The preionizer is on continuously to ensure
instant-on operation. The preionizer power source is an RF power
supply integral with the main RF supply.
RF Amplifier The integrated RF amplifier provides pulsed RF power to the laser
tube to ionize the gas mixture in the tube. A modulation signal
applied to the laser head controls the output pulse width and period.
The RF amplifier produces up to 3000 Watts of RF output power.
The RF amplifier has the following features:
•Provides protection from duty cycles above 60%.
•Limits the pulse width to less than 1 msec.
•Monitors forward and reflected RF power to and from the laser
tube.
•Provides a connection for an external safety interlock circuit
which will shut down the laser when activated.
•Contains a factory set VSWR limit that limits duty cycle to less
than 10% for faults typically related to the tube.
•Provides over temperature and system test functions.
Beam Shaping Unit Two different versions of the beam shaping unit. (See Appendix C
for Coherent part numbers) The first version is a cylinder lens unit
designed to make a near round beam with equal divergence in the
vertical to horizontal planes. The second version is a beam expander
unit which produces a near round beam with reduced divergence.
The beam shaper is a standard feature of the G-150 laser. The beam
expander is an option for the G-150 lasers

Laser Safety
2 - 1
CHAPTER TWO: LASER SAFETY
Optical Safety The Diamond laser has undergone extensive testing to ensure that,
with proper usage, it is a safe and reliable device.
Laser light, because of its special properties, poses safety hazards
not associated with light from other sources. The safe use of lasers
requires that all laser users and everyone near a laser be aware of the
dangers involved in laser operation.
Direct eye contact with the output beam from the laser will cause
serious damage and may cause blindness.
All personnel in the same room as the laser or anyone who may be
exposed to the laser beam should be informed that a laser is in oper-
ation. All personnel must wear laser safety glasses which protect
against the wavelengths in use.
Exercise caution to protect against specular reflections since
reflections at the Diamond wavelength are invisible.
Eye safety is a great concern when using a high-power laser such as
the Diamond. There are often many secondary beams present at
various angles near the laser. These beams are specular reflections
of the main beam from polished surfaces. While weaker than the
main beam, such beams may still be sufficiently intense to cause eye
damage.
Laser beams are also powerful enough to burn skin, clothing or
paint. They can ignite volatile substances such as alcohol, gasoline,
ether, and other solvents and can damage the light-sensitive
elements in video cameras, photomultipliers, and photodiodes.
Coherent provides the following recommendations to promote the
safe use of the Diamond. Operators are advised to adhere to these
recommendations and employ sound laser safety practices at all
times.
•Use protective eyewear when operating the laser and guard
against inadvertent exposure to skin or clothing. Select
eyewear which is suitable for use with the wavelengths and
radiation intensity that the laser emits. Refer to the Guide for
Diamond™ G-100/150 Laser OEM Manual
2 - 2
Selection of Laser Eye Protection, Laser Institute of America
(5th Edition), 2000.
•Do not remove the protective covering over the beam path.
During normal operation, internal reflections are confined
within the laser head and pose no safety hazard.
•Never look directly into the laser output port when the power
is on.
•Set up the laser and all optical components used with the laser
away from eye level. Provide enclosures for the laser beam.
•Use the laser in a room with access controlled by door inter-
locks. Post warning signs. When operating the laser, limit
access to the area to individuals who are trained in laser safety.
•Avoid operating the laser in a darkened environment.
•Do not use the laser in the presence of flammables, explosives,
or volatile solvents such as alcohol, gasoline, or ether.
For additional information on laser safety, refer to the following
publications:
•American National Standard for the Safe Use of Lasers,
Z136.1-2000, American National Standards Institute, 2000.
•Compliance Guide for Laser Products. HITS Publications,
(FDA 86-8260) Reprinted July 1989 U.S. Department of
Health and Human Services, Public Health Service, Food &
Drug Administration, Center for Devices and Radiological
Health, Rockville, MD 20287
(available at www.fda.gov/cdrh.)
•Laser Safety Guide, Laser Institute of America. (10th Edition).
Orlando, FL 2000.
•Guide for Selection of Laser Eye Protection, Laser Institute of
America (5th Edition), 2000.
•D. Sliney and M. Wolbarsht. Safety with Lasers and Other
Optical Sources,. Plenum Publishing Company, New York,
N.Y., 1980.
Many of these documents on Laser Safety are available through
Laser Institute of America, 13501 Ingenuity Drive, Suite 128,
Orlando, CA 32826. Phone 800-345-2737 and on their web site
www.laserinstitute.org. Regulatory information if available at their
CDRH web site www.fda.gov/cdrh.
Laser Safety
2 - 3
Electrical Safety The G-Series laser head requires only +48 VDC. This voltage is
supplied from commercially available power supplies from various
manufacturers. The typical input voltage to these power supplies is
208 or 240 VAC, single phase with ground. These voltages can be
lethal. Every portion of the electrical system should be treated as if
it is at a dangerous voltage level. All the metal parts of the tube
should be considered extremely dangerous.
The optional DC power supply and laser head covers should never
be removed. There are no user serviceable components inside.
Laser Head High voltages are present in the laser head when the power is on.
Please read the appropriate manual chapters carefully before
attempting any maintenance of components housed in the laser head.
Laser Safety
Requirements
This laser does not conform to the United States Government
requirements for laser safety. In the United States, it is the responsi-
bility of the buyer that the product sold to the end user complies with
all laser safety requirements prior to resell. These laser safety
requirements are contained in 21 CFR, Sub Chapter J and are admin-
istered by the Center for Devices and Radiological Health.
The text of this federal law is available from the U.S. Government
Printing Office Bookstore located in most major cities in the U.S. as
well as Washington, D.C. A report detailing how the laser product
complies with the Federal law is required before the product is
shipped. The form of this report is covered in a pamphlet entitled:
Guide for Preparing Product Reports for Lasers and Products
Containing Lasers, Sept. 1995:
U.S. Department of Health and Human Services
Public Health Service
Food and Drug Administration
Center for Devices and Radiological Health
Division of Small Manufactures Assistance
Rockville, Md 20857
Voice phone: 1-800-638-2041
Web site: http://www.fda.gov/cdrh
Both the text of the applicable federal law and the guide are avail-
able at the CDRH web site.
For jurisdictions outside of the United States, it is the responsibility
of the buyer of this laser device to ensure that it meets the local laser
safety requirements.

Diamond™ G-100/150 Laser OEM Manual
2 - 4
Safety Interlocks The DC power supply and laser head covers are not interlocked.
These covers should never be removed. There are no user service-
able components inside.
Use of controls or adjustments, or performance of procedures
other than those specified herein, may result in hazardous radi-
ation exposure.
Radiated
Emission
Compliance
The Diamond laser has been tested and verified that it is in compli-
ance with the radiated emission limits of FCC Rules contained in 47
CFR Part 18 Subpart C for industrial, scientific, and medical equip-
ment.
The following information to the user is provided to assist the OEM
in complying with radiation safety standards. (47 CFR 18.213).
Interference
Potential of
the System
In our testing in a variety of laboratory and industrial settings, we
have not found any significant electrical interference that can be
traced to the Diamond laser. The Diamond laser is excited by an RF
power supply operating at 81.36 MHz. The RF power is modulated
at the same pulse width and pulse period selected in operating the
laser.
Maintenance of
the System
In order to have the Diamond laser operate properly, the RF connec-
tors between the power module and the laser head must be always
kept tight. No special tooling is required since a finger tight connec-
tions is satisfactory. We recommend checking these connections on
a monthly interval to ensure that they are tight.
Simple Measures
to Correct
Interference
If the Diamond laser is determined to be the source of interference
with other equipment the following steps can be taken to minimize
this interference:
1. Check all the connections at the control cable connections to
the laser head, power module, and remote control unit.
2. Use shielded cables including control cables to the unit expe-
riencing the interference problem. The shield should be
grounded.
Laser Safety
2 - 5
Compliance
to Standards
Relevant to
CE Mark
The Diamond G-100/150 OEM units are components and thus the
system integrator is responsible for meeting the applicable standards
for CE mark. As part of the testing program, the Diamond
G-100/150 OEM laser with the DC power supply has been shown to
be compliant with the relevant requirements of the electromagnetic
compatibility directive and low voltage directive pertaining to elec-
trical safety. The tests shows compliance with radiated emissions
and conducted line emissions (EN 55011 (1991) Class A, Group 2),
electrostatic discharge (EN 61000-4-2 (1995) Level 3 air, Level 2
contact), radiated immunity (EN 61000-4-3 (1997) Level 3/ENV
50204 (1995)/ENV 50140 (1993), Level 3, Criteria A), electrical
fast transients (EN 61000-4-4 (1995) Level 3), and conducted RF
immunity (EN 61000-4-6 (1996)/ENV 50141 (1993) Level 3).
Compliance to the applicable standards for a particular laser system
incorporating the Diamond G-100/150 OEM unit must be demon-
strated by the manufacturer of the laser tool. By testing the Diamond
G-100/150 OEM system, it is shown that this step is possible. The
primary issue for the system integrator is to show compliance with
specific covers, routing of the electrical cables, laser safety stan-
dards, as well as other applicable standards.
Diamond™ G-100/150 Laser OEM Manual
2 - 6
Utility Requirements and System Installation
3 - 1
CHAPTER THREE: UTILITY REQUIREMENTS AND
SYSTEM INSTALLATION
Utility
Requirements
The Diamond laser head requires 48 VDC, the DC power supply
option requires AC power, and facility water is required for cooling
the laser head. Electrical power, environment, and cooling water
must meet the specifications provided in Table 1-1.
Electrical Service
Optional DC Power
Supply with Single
Phase AC Input
The optional 48 VDC power supply requires a user supplied
3-conductor line cord and a connector that plugs into 200 to
240 VAC, 50 to 60 Hz, single phase facility power with ground. See
Table A-1 for recommended wiring size and electrical fusing.
Any DC power supply selected for use with the Diamond must be
able to supply both the RMS and peak current specified in Table 1-1.
Main Power
Disconnect
A main power disconnect must be located on the equipment housing
the laser or near the equipment. The disconnecting device should be
labeled as such and be located within easy reach of the operator.
Consult applicable local electrical codes to select this hardware.
Cooling Water The Diamond laser requires a flow of cooling water. Because the
properties of the cooling water are important for laser performance,
ensure that the conditions remain within the tolerance limits listed in
Table 1-1 at all times. Check local and state regulations which may
control use of city water for cooling. Some regulatory codes will not
allow the discharge of cooling water into the sewer system.
Tap water temperature and pressure can vary with the time of day
and season of the year. A closed-loop cooling system can be used to
obtain consistent laser performance.
Diamond™ G-100/150 Laser OEM Manual
3 - 2
Selecting The
Correct Cooling
Water
Temperature
The cooling water of the Diamond system can condense moisture
from the air when the temperature of the cooling water is lower than
the dew point of the air. The system must not operate under these
conditions since it will lead to catastrophic failure in both the laser
head and the RF power supply. When failures occur in either the
optics or the RF power supply it must be returned to the factory for
repair. Under most conditions, it is recommended to select the inlet
cooling water temperature at room temperature or at least 25°C
(77°F). This following information provides recommendations for
operating conditions outside of the normal temperature and
humidity range.
The conditions that lead to a situation where there can be condensa-
tion are warm and humid weather combined with water that is cooler
than the surroundings. High risk conditions which will lead to
condensation are:
•Operating the laser in a room that is not air conditioned in high
humidity conditions
•Using cooling water that is not temperature controlled
•Leaving the cooling water on when the laser is not operating
for extended time periods
The information required to determine if the cooling water temper-
ature will lead to condensation is:
•Room temperature
•Relative humidity
Since the weather conditions change, these factors need to be peri-
odically check especially in the spring and summer seasons. In envi-
ronments that are air conditioned, we recommend setting the cooling
water temperature to 25°C (77°F). As explained below for condi-
tions that are not air conditioned, we recommend that the cooling
water temperature be increased to the air temperature to avoid
condensation in humid climates.
The recommended inlet cooling water temperature is provided in
Table 3-1 and Table 3-2 for the complete operating temperature
range of the Diamond laser system. Note that the first table is for
temperature on the Celsius scale and the second is for temperatures
on the Fahrenheit scale. To use this chart, find the row with the
closest room temperature. Next read across until you find the
column with the nearest relative humidity for the room with the
laser. The number in the box is the recommended temperature for the
inlet cooling water. If a closed loop cooling system is being used
then select this temperature as the temperature set point. As an

Utility Requirements and System Installation
3 - 3
example, if the current room temperature is 28°C and the relative
humidity is 68%, then the recommended inlet cooling water temper-
ature is 35°C and the nearest relative humidity is 70%.
Selecting the cooling water temperature must also take into account
changes in the cooling water temperature. For a closed loop cooling
water system, there can be variations in the water temperature due to
changes in the thermal load and the response time of temperature
controller. The number given by the table will be the minimum water
temperature that should be observed for the current room tempera-
ture and humidity conditions.
In many climates, the cooling water temperature should be changed
due to seasonal variations in the ambient conditions. For example in
times of high relative humidity and high room temperatures, the
cooling water temperature will have to be increased to avoid prob-
lems with condensation. Under extreme conditions of temperature
and humidity, the laser should not be operated as noted in Table 3-1
and Table 3-2. This can be solved by air conditioning the room with
the laser to reduce both the room temperature and the humidity.
Table 3-1. Recommended Minimum Inlet Cooling Water Temperature
for Celsius Temperature Scale
ROOM
TEMPERATURE
(°C)
MAXIMUM RELATIVE HUMIDITY
30% 40% 50% 60% 70% 80% 90% 95%
520 20 20 20 20 20 20 20
10 20 20 20 20 20 20 20 20
15 20 20 20 20 20 20 20 20
20 20 20 20 20 25 25 25 25
25 25 25 25 25 30 30 30 30
30 30 30 30 30 35 35 35 35
35 35 35 35 35 35 35 35 35
40 35 35 35 35 35 N/A N/A N/A
1. The minimum inlet cooling water temperature should account for variations in cooling water temperature with
the thermal load, temperature stability of the cooling water system, and seasonal variations in cooling water
temperature.
2. N/A indicates operation under these conditions is not acceptable since condensation will occur on the laser
system. Either the ambient temperature must be reduced or the relative humidity must be reduced before oper-
ating the laser.

Diamond™ G-100/150 Laser OEM Manual
3 - 4
When using tap water as cooling source, seasonal variations in the
water temperature often can lead to conditions that will produce
condensation. In this case, mixing some hot water with the inlet
cooling water will be required to eliminate condensation or alterna-
tively reducing the room temperature and humidity with an air
conditioning system.
Table 3-2. Recommended Minimum Inlet Cooling Water Temperature
for Fahrenheit Temperature Scale
ROOM
TEMPERATURE
(°F)
MAXIMUM RELATIVE HUMIDITY
30% 40% 50% 60% 70% 80% 90% 95%
41 68 68 68 68 68 68 68 68
50 68 68 68 68 68 68 68 68
60 68 68 68 68 68 68 68 68
70 70 70 70 70 77 77 77 77
80 77 77 77 77 86 86 86 86
90 86 86 86 86 95 95 95 95
95 95 95 95 95 95 95 95 95
104 95 95 95 95 95 N/A N/A N/A
1. The minimum inlet cooling water temperature should account for variations in cooling water temperature with
the thermal load, temperature stability of the cooling water system, and seasonal variations in cooling water
temperature.
2. N/A indicates operation under these conditions is not acceptable since condensation will occur on the laser
system. Either the ambient temperature must be reduced or the relative humidity must be reduced before oper-
ating the laser.
Utility Requirements and System Installation
3 - 5
Installation Installation consists of:
•Preparing the facility for installation
•Performing a receiving inspection
•Unpacking and inspecting system components
•Mounting the laser system components
•Connecting water lines
•Connecting the electrical cables
•Turning on the laser system
Preparing the
Facility for
Installation
Ensure facility electrical and water are adequate for laser operation
as described below.
The facility outlet for the DC power supply option must have a fuse
or circuit breaker at the appropriate rating. See Table A-1 for elec-
trical requirements, including wire size and fusing.
Refer to the paragraph titled “Cooling Water” in this chapter, and to
Table 1-1 for water requirements.
Receiving
Inspection
Before unpacking the Diamond, inspect all shipping containers and
note any damage. Any indication of damage should be noted on the
bill of lading. The shipping carrier is responsible for damage in
transit. Immediately report damage to the shipping carrier and to
Coherent.
Unpacking To avoid equipment damage, exercise care when removing wrap-
ping materials.
To minimize the risk of functional or cosmetic damage, unpack the
laser system at the installation site. While unpacking the Diamond
laser, verify that all items on the packing list have been received.
Save all containers and packing material including the water line end
caps. They will be required if it becomes necessary to re-ship the
equipment.

Diamond™ G-100/150 Laser OEM Manual
3 - 6
Table 3-3. Equipment Required for Installation
EQUIPMENT QUANTITY USE
+48 VDC power supply
(if optional power supply is not
a part of the system)
1Provides +48 V power to the RF amplifier and to
the laser head.
Mounting — laser head 2See Figure 3-3 for details.
Water hose fittings (barb to pipe thread) 2Adapts the 1/4 inch NPT pipe thread on the laser
head to accept a 3/8 inch I.D. cooling water hose.
Cooling water hoses 2Provides cooling water to the laser head.
3/8 inch I.D. nylon PVC cooling water hoses are
recommended up to a total length of 50 feet.
Mounting bolts — DC power supply option 4Secures DC power supply at base.
See Figure A-1 for mounting locations.
Auxiliary cooling water inlet/outlet 20.125 inch NPT pipe thread.
Allen wrench set (english) 1Attaching beam shaping hardware
Utility Requirements and System Installation
3 - 7
Mounting Laser
System
Components
The laser head and optional DC power supply have provisions for
permanent mounting. Refer to the figures listed below for overall
dimensions, location of the mounting holes and mounting dovetails,
and depth of mounting bolts.
• Laser head, Figure 3-3 and Figure 3-2
• DC power supply option, Figure A-1
The wire must be of the correct gauge to handle the current and insu-
lation that meets the expected maximum temperature. See Table A-1
for recommendations. The wire should be twisted in order to mini-
mize the inductance. A protective earth (P.E.) connection should be
made to the laser head. Use the same 8-32 screw used to connect the
48 V return.
The laser head can be mounted in any orientation. If mounted verti-
cally with the output window up, ensure no dust or other particulates
fall on the collimating optic during installation. Leave the red beam
seal on the output beam tube during installation.
A well filtered air environment will ensure long life of the DC
supply and avoid contamination with dirty or oily particulates. The
DC supply must be located in such a manner that there is no restric-
tion of the air flow caused by the surrounding equipment. Fans are
located inside the DC power supply to provide sufficient air flow for
cooling. Recommended clearances of a minimum of 4 inches on
both the front and back of the DC supply.

Diamond™ G-100/150 Laser OEM Manual
3 - 8
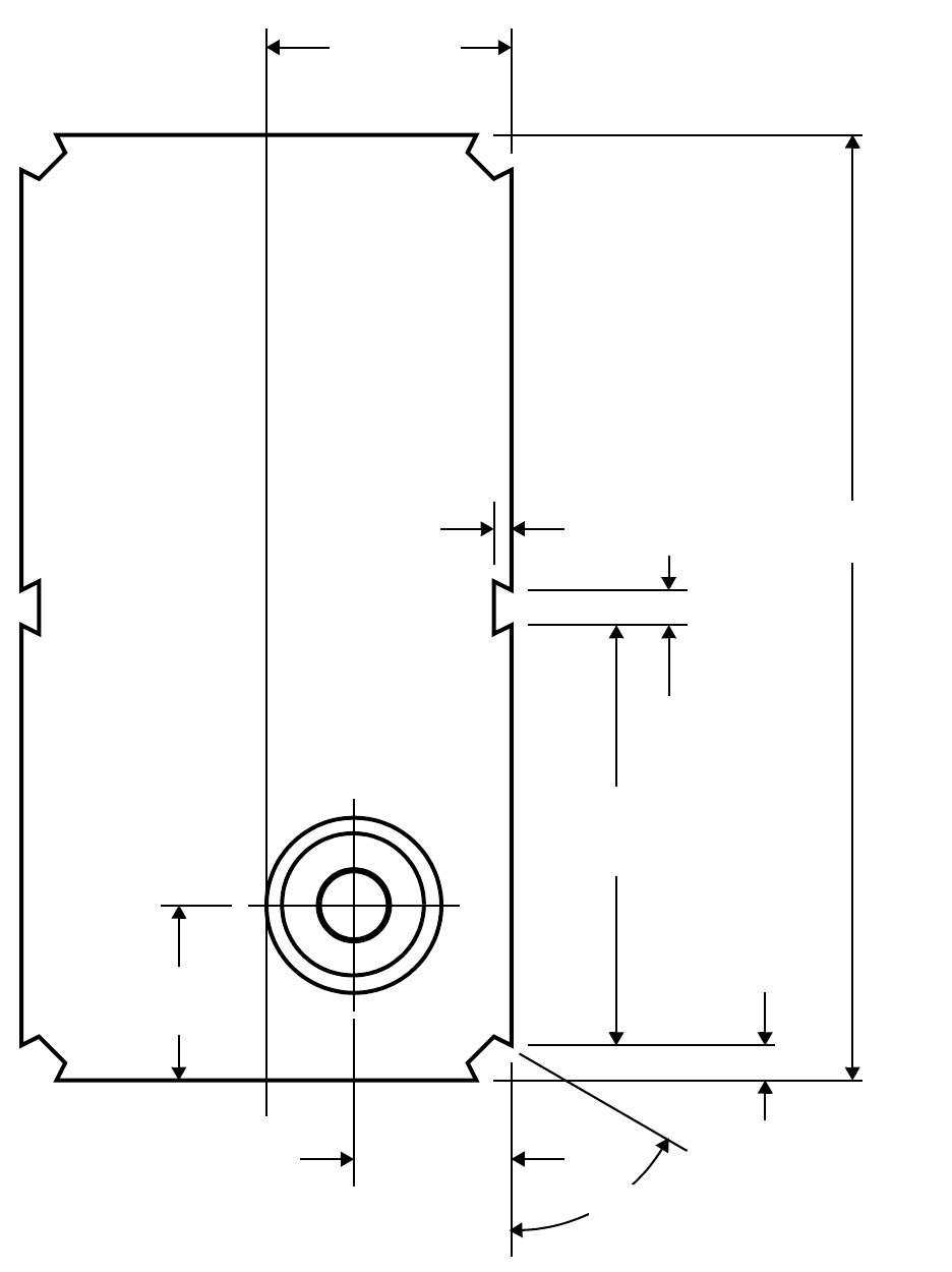
Figure 3-1. Laser Head Dimensions and Mounting Hardware Locations (w/Beam Shaper)

Utility Requirements and System Installation
3 - 9
Figure 3-2. Alternative Laser Head Mounting Hardware Details
3.96 mm
(.16 in)
60°
44.45 mm
(1.75 in)
171.45 mm
(6.75 in)
6.35 mm
(.25 in)
6.35 mm
(.25 in)
44.45 mm
(1.75 in)
30.48 mm
(1.20 in)
HOUSING CENTERLINE
76.20 mm
(3.00 in)
(6 PLACES)
Diamond™ G-100/150 Laser OEM Manual
3 - 10
Attaching Beam
Shaping Units
The G-150 lasers have either a beam shaping accessory to produce a
round laser output or a beam expander accessory to produce a round
laser output with reduced beam divergence. Both accessories
comprise of (i) a mount/beam support assembly (ii) a rear foot
assembly and (iii) the beam shaper or beam expander lens assem-
blies. See Figure 3-1 and Figure 3-4.
After unpacking the mount/beam support assembly should be
mounted to the dovetail rail on the laser body at the output end of the
laser as shown in Figure 3-1 (requires 9/64 inch Allen wrench). The
rear foot assembly can be mounted the same way at a distance
between 20 and 25 inches from the indexing block at the front of the
laser.
Both the beam shaper and expander have cylinder optical elements
and so need to be fitted with the correct orientation to ensure effec-
tive beam conditioning. The laser is delivered with a pre-aligned
indexing block attached to which the beam shaper or expander
assemblies must be fitted correctly. Once the mount/beam support
assembly is fitted remove the seal plugs from the laser and lens
assembly and slide the shaper or expander assembly through the
mount clamp into the index block. Ensure that the reference pin
engages in the index slot (see Figure 3-4) and tighten the index block
clamp (7/64 inch Allen wrench). Finally tighten the mount/beam
support assembly onto the shaper/expander assembly (1/8 inch
Allen wrench) before tightening the three screws on the front of the
beam support assembly (9/64 inch Allen wrench).
The beam shaper/expander assemblies are designed for integrator
supplied 0.88 inch OD beam tubing. Also a gas purge port
(0.18 inch OD hose barb) is supplied on the index block for clean
dry gas purge. The integrators beam tubing should be designed to
seal and allow this gas flow around optical components and exhaust
from the system.
Optics Purge Gas The Diamond laser is used in a wide range of material processing
which often has by-products of dust, smoke, fumes, oil and various
gases. These by-products can cause contamination output window
as well as the beam delivery optics. This will severely degrade the
system performance and can lead to damage of the optical compo-
nents. Passing a purge gas through the beam shaping optics then into
the customers beam delivery optics can prevent optics damage. Also
under some conditions of high humidity, the laser beam can be
distorted by optical absorption of the laser beam by water vapor.
This effect can also be totally eliminated by a proper gas purge.

Utility Requirements and System Installation
3 - 11
Figure 3-3. Laser Head Dimensions and Mounting Hardware Locations (w/Beam Expander)
Diamond™ G-100/150 Laser OEM Manual
3 - 12
The gas purge in the G-150 lasers enters in front of the output
window and flows through the beam shaping optics out the exit aper-
ture of the beam shaping optics. The beam tube provides a conve-
nient connection to the beam delivery optics while maintaining a gas
seal at this junction.
The quality of the purge gas is extremely important factor for trouble
free operation of the Diamond laser system. The preferred purge gas
is nitrogen with a purity of 99.95%. In many facilities, nitrogen of
the purity level is provided from a nitrogen boil of a liquid nitrogen
source.
If nitrogen is not available then the alternate source is oil-free and
dry compressed air. Compressed air is also available in many facili-
ties but typically is contaminated with water and oil vapors. The
purity requirements for the compressed air are:
1. Filtered to remove particles larger than 1 micron.
2. Dried so that dew point is 10°C (18°F) lower than the inlet
cooling water temperature to the Diamond laser system.
3. Oil free to better than 99.995%.
An optional filter kit with Teflon tubing can be installed to obtain
this quality of air. The proper installation of the filter kit is shown in
Figure 3-1 and is attached to the laser at the inlet fitting labeled
PURGE. Note if the dew point cannot be achieved then a drier must
be installed. Place the drier between the final filter stage and the
laser head. A suitable drier is Balston 7601. The coalescing filter kit
with Teflon tubing is available from Coherent or your local Coherent
representative. See Parts List in the appendices for the part number
of the filter kit and replacement filter cartridges.
It is the responsibility of the customer to provide nitrogen or
compressed air that meets the specifications stated above. The
warranty of the laser is voided and the customer is responsible for all
cost of repair or damage to the laser.
See the Preventative Maintenance section in Chapter Six for the
routine maintenance required for the purge gas filters.
Utility Requirements and System Installation
3 - 13
Water Line
Connections
Refer to Figure 3-4 for the location of laser head water hose connec-
tors.
The cooling water source can be facility water or a closed-loop
cooling system. If facility water is used, ensure that the water meets
the requirements listed in Table 1-1. Refer to the paragraph titled
“Cooling Water” in this chapter for additional information.
The recommended hose for cooling water consists of 3/8 inch
(9.5 mm) ID nylon reinforced PVC water hose. Water cooling lines
longer than 30 feet may require larger diameter lines to provide
sufficient water flow. Use 1/4 inch NPT thread to connect main
cooling lines to the laser head. The 1/8 inch NPT are for cooling
lines to accessories such as water cooled shutters.
After connecting the water hoses, verify that there are no water leaks
as follows:
•Open the valve in the water drain line.
•Slowly open the valve in the water supply line.
•With the water supply pressure and water line differential pres-
sure in accordance with Table 1-1, check all connections for
leaks.
DC Power
Connections
The primary DC power connection that must be made is between the
DC power supply and the laser head. A much lower power connec-
tion may go to the water flow switch.
Input power to the laser head is made at the terminals labeled
+48 VDC and 48 VDC RETURN which are for the +48 VDC input
and the return respectively. The lug labeled +48 VDC should be
connected to the positive terminal of the DC power supply. The lug
with the 48 V RETURN label connects to the negative terminal on
the DC power supply. The maximum cable length recommended for
the DC power supplies is 18 inches (45 cm). Twisting together the
two wires between the DC supply and the laser head will minimize
the inductance in these leads.

Diamond™ G-100/150 Laser OEM Manual
3 - 14
1. Mounting dovetails (both sides)
2. Purge gas port
3. Laser beam exit aperture
4. Index slot
5. DB25 control cable connector
6. Cooling water outlet/inlet
7. Auxiliary cooling water inlet/outlets
8. 48 VDC IN
9. 48 VDC return (–)
Figure 3-4. Laser Head Indicators and Connectors
2
3
1
4
6
7
59
8

Utility Requirements and System Installation
3 - 15
Table 3-4. Laser Head Indicators and Connectors
ITEM CONTROL FUNCTION
1Mounting dovetails Can be used for mounting laser to system and also for mounting laser beam
delivery hardware. See Figure 3-1 and Figure 3-3 for regular mounting details.
2Purge gas port 6 STD cubic feet/hour (2.8 liters per minute) Nitrogen 99.95% purity or 99.995%
oil free air filtered with particle air filter to < 1 micron and dew point 10°C (18°F)
lower than inlet cooling water temperature.
3Laser beam exit
aperture
The output beam exits the laser head from this aperture.
4Index slot Ensure pin on beam shaping unit engages fully with this slot to ensure correct
alignment.
5DB25 control cable
connector
Connector for a DB25 interconnection cable.
This connector supplies control and input modulation signals to the RF amplifier
within the laser head, and supplies status information from the RF amplifier.
Refer to Chapter Four for a complete description of signals at this connector.
6Cooling water
outlet/inlet
Connection for water hose between the laser head and the cooling water supply.
Cooling water travels through the RF amplifier and resonator in the laser head and
out to the drain.
Cooling water must meet specifications listed in Table 1-1. Refer to “Selecting
The Correct Cooling Water Temperature” in this chapter for additional guidelines.
7Auxiliary cooling
water inlets/outlets
Provide cooling water access to such accessories as an acoustic optic modulator.
Ensure that total water flow to laser is at least 1.5 gpm (5.7 lpm).
848 VDC IN Connects +48 VDC from the DC power supply to the laser head. Refer to
Figure A-2 for DC supply connections.
948 VDC return (–) Connects to the DC supply negative terminal. For return current. Recommend
connection to supply ground also.
Diamond™ G-100/150 Laser OEM Manual
3 - 16
Control Interfaces
4 - 1
CHAPTER FOUR: CONTROL INTERFACES
Introduction This chapter describes the interface required to operate the Diamond
G-100/150 OEM system. Critical signals which control laser power
are the pulse width and pulse period to the RF amplifier in the laser
head. Typical laser output power for various operating pulse widths
and periods is shown in Chapter Five, Operation. If the optional DC
power supply is used, it must also be properly enabled so that
48 VDC is available for the RF amplifier and supporting circuitry.
RF Amplifier
Control
Connector
Interface
The RF amplifier control and indicator signals are summarized in
Table 4-1 and are accessed through a DB25 connector on the rear of
the laser head. To operate the laser, two input signals are required, as
indicated in Table 4-1. In order to monitor the condition of the
system, six output signals are provided and recommended for use in
the control system. There are two test signals that are also available
and which can be used to test the integrity of the input circuitry. The
test function provides a pulse width of 100 µs at a pulse period of
1000 µs which also could be used to test the performance of the
laser. Detailed descriptions and pinouts of the control connector
interface are provided in Table 4-2.
Input Signal
Requirements
The two inputs required to operate the laser are the ENABLE and
MODULATION signals. Figure 4-1 shows the schematic of the
input circuit of the RF amplifier interface circuit.
The ENABLE signal is typically used in safety circuits and also
provides an very easy channel to enable and disable the laser. It
could be connected with such faults as the water flow interlock or a
safety interlock to disable laser operation when some other opera-
tion is taking place. Connecting this input to the RETURN will
enable the RF amplifier thus allowing laser operation when the DC
power supply is also enabled.
The second function required to operate the laser is the MODULA-
TION signal. This signal will determine the laser “on” interval typi-
cally called the pulse width. The time interval between the start of
an “on” period is called the pulse period. The pulse width must be in
the range of 5 µs to 999 µs. MODULATION pulse widths longer
than 1000 µs will automatically be limited to 1000 µs by the protec-
tion circuit in the RF amplifier. The duty cycle must be limited to

Diamond™ G-100/150 Laser OEM Manual
4 - 2
less than 60%. The duty cycle is the ratio of the pulse width divided
by the pulse period and then multiplied by 100. If either the duty
cycle or the pulse width exceeds these limits a warning will occur on
the DUTY CYCLE output. A more complete description of this
signal and typical waveforms follow later in this chapter.
Drive Circuit for
RF Amplifier
An example of a drive circuit to interface to the inputs described in
the previous paragraph is shown in Figure 4-2. Suitable input
devices are shown in Table 4-3.
The Diamond input interface shown in Figure 4-1 is designed to be
driven by a differential line driver meeting the requirements of EIA
Standard RS-422A. Common mode voltage on the driver signals
should be kept as low as possible and cannot exceed ±15 V relative
to the laser system ground. Examples of suitable line drivers are
indicated in Table 4-3.
Table 4-1. Summary of RF Amplifier Control and Indicator Signals
IDENTIFICATION BRIEF DESCRIPTION CONNECTION
INPUT SIGNALS
MODULATION Controls laser average output power through input of pulse width
and pulse period.
Required
ENABLE Enables laser operations. Can be used in safety circuit. Required
TEST ENABLE Activates the test modulation output. Test function
OUTPUT SIGNALS
DUTY CYCLE Warning indicating that the system has exceeded the maximum
duty cycle.
Recommended
VSWR Warning indicating error conditions related to tube or RF cable
problem.
Recommended
DIGITAL FORWARD Warning indicating low RF power from the RF amplifier. Recommended
DIGITAL REFLECTED Warning indicating high reflected power from tube or RF cable. Recommended
ANALOG FORWARD Signal proportional to the forward RF voltage. Recommended
ANALOG REFLECTED Signal proportional to the reflected RF voltage. Recommended
TEST MODULATION Provides modulation signal for testing laser and input circuitry at
10% duty cycle.
Test function
OVER TEMPERATURE Signal that indicates excessive inlet water temperature Recommended

Control Interfaces
4 - 3
Table 4-2. RF Amplifier DB25 Connector Pinouts
PIN
NUMBERS FUNCTION DESCRIPTION
1ANALOG FORWARD
voltage output signal
Analog output signal representing forward voltage from the RF
amplifier to the laser head. +5 V full scale.
2ANALOG REFLECTED
voltage output signal
Analog output signal representing reflected voltage from the tube.
+5 V full scale.
3ENABLE
input signal
Connecting this pin to return enables the RF amplifier. This pin
can also be used for external safety interlock.
6 — Not currently used on this product.
5(+) and 18(–) TEST MODULATION
—output signal
Differential output signal that produces a 100 µs pulse width at a
pulse period of 1000 µs. Used as input for MODULATION
signals in the test mode. See TEST ENABLE.
7 (+) and 20 (–) MODULATION
—input signal
Differential input signal that controls the laser output. Laser
output power will be present for the duration of this pulse only.
Pulse widths should be in the range of 10 to 998 µs at <60% duty
cycle.
8 (+) and 21 (–) DIGITAL REFLECTED
power—output signal
Differential signal that does not change state when the RF ampli-
fier is modulated on. If this signal does change state, this indicates
a failed laser tube, RF cable, or RF connector.
9 (+) and 22 (–) DIGITAL FORWARD
power—output signal
Differential signal that changes state when the RF amplifier is
modulated on. Under a failed condition of the RF amplifier, this
signal will not change states.
10 (+) and 23 (–) DUTY CYCLE LIMIT
—output signal
Differential signal that does not change state unless the modula-
tion pulse is on for more than a 60% duty cycle or a modulation
pulse width longer than 1 ms.
11 (+) and 24 (–) VSWR LIMIT
—output signal
Differential signal that does not change under normal operating
conditions. It will turn on if there is a tube fault that causes an
excessive mismatch between the laser tube and the RF amplifier.
12 TEST ENABLE
—input signal
Enables the TEST MODULATION output signal when connected
to the RETURN.
13 —Not currently used on Diamond.
14, 15, 16 RETURN Reference for pin 1, 2, and 3
19, 25 —Not currently used on this product.
4 (+) and 17 (–) OVER TEMPERATURE
—output signal
Differential signal changes state when cooling water exceeds
50°C limit. When this limit is exceeded, modulation of the laser is
stopped until water temperature is reduced. The water temperature
must be lowered to less than 40ºC to enable the modulation again.

Diamond™ G-100/150 Laser OEM Manual
4 - 4
Output Signal
Recommendation
There are six output signals from the RF amplifier that indicate the
status of the RF amplifier and laser tube. These six outputs provide
useful information to the user on the function of the laser system.
Figure 4-3 shows a schematic of the output circuits located in the RF
amplifier interface circuit. Although monitoring of these six outputs
is not required, it is strongly recommended for the overall ease of use
of the complete system.
Their purpose is to warn the user of potential faults and can assist in
the diagnosis of several types of operating problems. A common
situation when these warnings are useful is when incorrect pulse
widths and pulse periods have been selected. One example would be
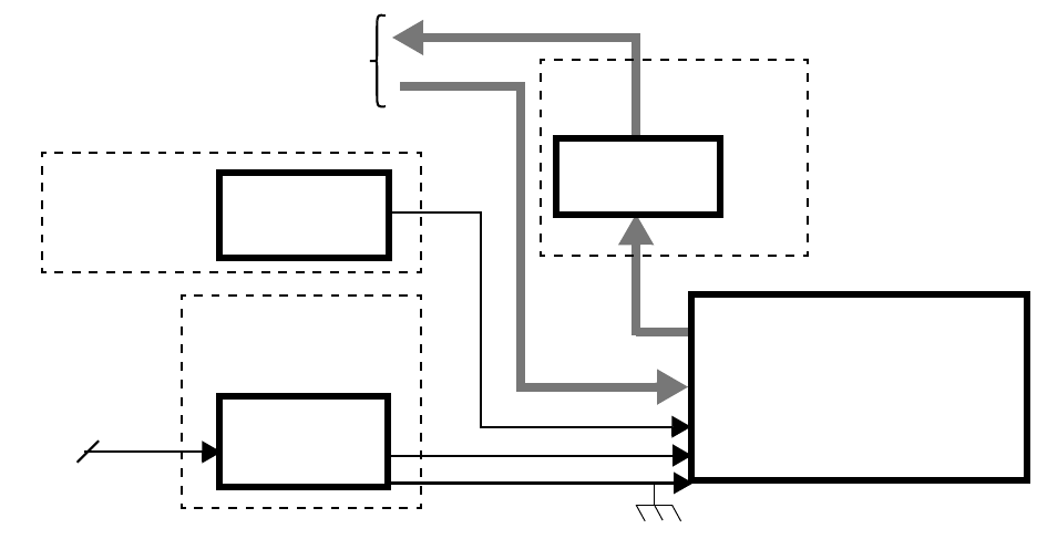
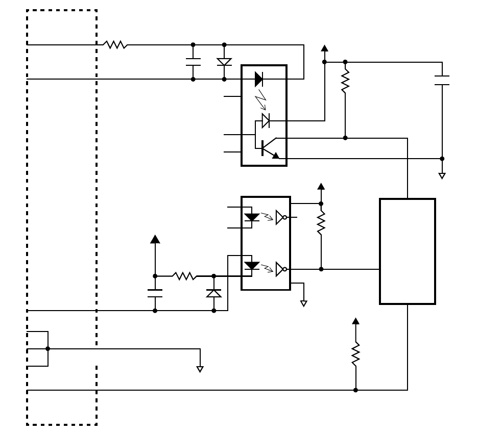
Figure 4-1. Input Circuit of RF Amplifier
332 ohm
470 pF
+5 V
+5 V GND
1 Kohm
1 Kohm
GND +5 V
432 ohm
100 pF 1N4148
HCPL 2601
1N4148
HCPL 2630
INTERFACE
BOARD
LOGIC
GND
MOD (–), PIN 20
MOD (+), PIN 7
ENABLE, PIN 3
ENABLE
PINS 14, 15, OR 16
TEST ENABLE
PIN
INTERFACE
CONNECTOR
+5 V
14
15
16
23
8
6
5
1
7
4
0.1 pF
4.7 Kohm
8
6
5
4
3
CUSTOMER INTERFACE

Control Interfaces
4 - 5
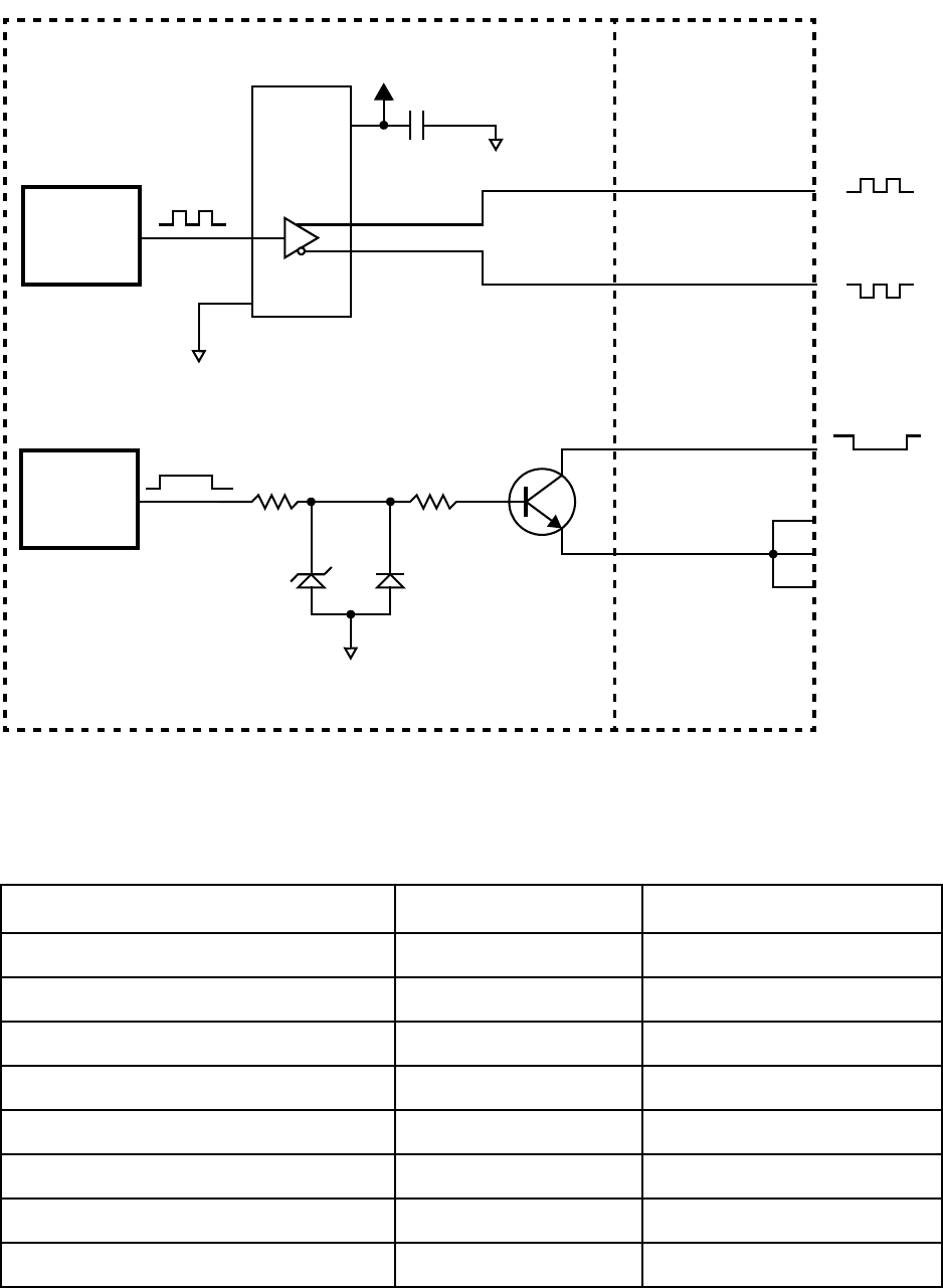
Figure 4-2. Typical Drive Circuit for RF Amplifier
Table 4-3. Examples of Line Drivers Meeting RS-422A
DEVICE PART NUMBER DESCRIPTION MANUFACTURER
SN75172 Quad Driver Texas Instruments
AM26LS31C Quad Driver AMD
MC3487 Quad Driver Motorola
SN75174 Quad Driver Texas Instruments
SN55ALS192 Quad Driver Texas Instruments
SN55ALS194 Quad Driver Texas Instruments
SN55158 Dual Driver Texas Instruments
SN75ALS191 Dual Driver Texas Instruments
PULSE
GENERATOR
TO MOD (+), PIN 7
SAFETY
OR ENABLE
CIRCUIT
GND
TO MOD (–), PIN 20
TO ENABLE, PIN 3
TO RETURN
DIFFERENTIAL
LINE DRIVER
SN75172 OR
EQUIVALENT
GND
+5 V
PINS 14, 15, OR 16
CABLE TO
RF AMP
INTERFACE
CONNECTOR
SAMPLE
SIGNAL
WAVEFORMS
2N2222
IN4002IN4733
1 Kohm 1 Kohm
CUSTOMER CIRCUIT
14
15
16
GND
0.1 µF

Diamond™ G-100/150 Laser OEM Manual
4 - 6
Figure 4-3. Output Circuit of RF Amplifier
INTERFACE
BOARD
LOGIC
DUTY CYCLE (+), PIN 10
DUTY CYCLE (–), PIN 23
GND
–
+
–
+
RF AMP INTERFACE CIRCUIT
GND
RETURN
PIN 14, 15, OR 16
GND
+5 V
GND
+5 V
GND
GND
+5 V
GND
+5 V
VSWR (+), PIN 11
VSWR (–), PIN 24
DIGITAL FWD (+), PIN 9
DIGITAL FWD (–), PIN 22
DIGITAL REFL (+), PIN 8
DIGITAL REFL (–), PIN 21
TEST MOD (+), PIN 5
TEST MOD (–), PIN 18
ANALOG FWD, PIN 1
ANALOG REFL, PIN 2
0.1 µF
0.1 µF
1
7
9
15
4
EN
EN GND
13
14
11
10
5
6
16
2
3
1
7
9
15
4
EN
EN GND
12
30 Kohm 20 Kohm
30 Kohm 20 Kohm
1 Kohm
1 Kohm
5
EL 2450
EL 2450
SN75172
SN75172
RF AMP INTERFACE
12 5
13
14
11
10
5
6
16
2
3
14
15
16
CONNECTOR
OVER TEMP (+), PIN 4
OVER TEMP (–), PIN 17
Control Interfaces
4 - 7
selecting a duty cycle of 70% and the user observing unstable laser
performance. The warning indicator DUTY CYCLE LIMIT will
show the error and make it possible to rapidly correct this problem.
Output Signal
Description
The DUTY CYCLE LIMIT and the VSWR LIMIT warnings indi-
cate when the control circuitry in the RF amplifier is activated and
limiting the operation of the RF amplifier. When these functions are
activated, the output power of the laser can be unstable or much
lower than expected. If there is a DUTY CYCLE LIMIT warning,
then check the MODULATION pulse width and pulse period to
ensure that they are not exceeding maximum duty cycle limit or
1000 µs pulse width.
The VSWR LIMIT indicates that the ratio of the reflected RF
voltage to the forward RF voltage has exceeded a preset limit. This
typically indicates a problem with the tube. In some transient
starting situations, the VSWR LIMIT warning will be activated. We
recommend checking the status of this indicator about 100 ms after
starting the MODULATION signal. If the warning signal persists
during stable operation, the most likely source is a problem with the
laser tube. The unit should be replaced if the laser power is low.
The DIGITAL FORWARD warning indicates that the forward RF
voltage is below a preset limit. As with the VSWR limit, it is recom-
mended to start monitoring this warning 100 ms after starting the
laser MODULATION signal. If the warning persists during contin-
uous operation of the laser, then the source of the problem is the laser
head. The unit should be replaced if the laser power is low.
The DIGITAL REFLECTED warning indicates that the reflected RF
voltage is above a preset limit. As with the DIGITAL FORWARD
and DUTY CYCLE LIMIT warnings, it is recommended to monitor
this indicator about 100 ms after starting the MODULATION signal.
If the warning persists during continuous operation of the laser, then
the source of the problem is the laser head. The unit should be
replaced if the laser power is low.
Monitoring Circuit
Example
An example of a monitoring circuit that can be connected to the
output of the RF amplifier interface circuit is indicated in Figure 4-4.
Suitable input devices are shown in Table 4-4.
The Diamond output circuits shown in Figure 4-3 is designed to use
line receivers meeting the requirements of EIA Standard RS-422A.
Common mode voltages on the drive signals should be kept as low
as possible and cannot exceed ±15 Volts relative to the laser system
ground. Examples of line receivers are shown in Table 4-4. It is
recommended that the OVER TEMP outputs also be monitored.

Diamond™ G-100/150 Laser OEM Manual
4 - 8
Figure 4-4. Typical Monitoring Circuit
Table 4-4. Examples of Line Receivers Meeting RS-422A
DEVICE PART NUMBER DESCRIPTION MANUFACTURER
SN75173 Quad Receiver Texas Instruments
AM26LS32A Quad Receiver AMD
MC3486 Quad Receiver Motorola
SN75175 Quad Receiver Texas Instruments
SN55ALS193 Quad Receiver Texas Instruments
SN55ALS195 Quad Receiver Texas Instruments
SN55157 Dual Receiver Texas Instruments
DUTY CYCLE (+), PIN 10
DUTY CYCLE (–), PIN 23
VSWR (+), PIN 11
VSWR (–), PIN 24
DIGITAL FWD (+), PIN 9
DIGITAL FWD (–), PIN 22
DIGITAL REFL (+), PIN 8
DIGITAL REFL (–), PIN 21
GND
+5 V
GND
+5 V
0.1 µF
2
6
9
14
4
EN
EN
12 8
SN75173
+5 V
GND
50 V
SYSTEM
INTERFACE
ELECTRONICS
LINE
RECEIVER
2.7 Kohm
2.7 Kohm
2.7 Kohm
2.7 Kohm
2.7 Kohm
2.7 Kohm
2.7 Kohm
2.7 Kohm
1
7
10
15
11
13
5
3
RF AMP INTERFACE
CUSTOMER CIRCUIT

Control Interfaces
4 - 9
Test Function
Operation
The test function provides a method to check the operation of the
input circuit of the RF amplifier interface. Enabling the test function
provides a pulse width of 100 µs at a pulse period of 1000 µs. Using
this test function will operate the RF amplifier and make it possible
for laser operation. Ensure that when this function is used that all
personnel are in a safe location and that the laser beam is suitably
blocked.
When using the test circuit ensure that all personnel are not in
the beam path and that the laser beam is suitably blocked.
A schematic of the test circuit and connections that will enable its
operation are shown in Figure 4-5. Both the ENABLE and the TEST
ENABLE functions must be connected to the RETURN for the laser
to operate. For purposes of safety one of these switches should be a
momentary switch.
The test function provides a reliable method to check the function of
the RF amplifier interface circuit, the output of the RF amplifier, and
the output of the laser. If there is a problem with the interface
Figure 4-5. Interface for Test Function
MOD (+), PIN 7
MOD (–), PIN 20
ENABLE, PIN 3
RETURN, PIN 14
RETURN, PIN 15
TEST MOD (+), PIN 5
TEST MOD (–), PIN 18
TEST ENABLE, PIN 12
ANALOG FWD, PIN 1
ANALOG REFL, PIN 2
RETURN, PIN 16
TO OSCILLOSCOPE
TEST HARDWARE — CUSTOMER SUPPLIED
RF AMP INTERFACE CIRCUIT
RF AMP INTERFACE
CONNECTOR
Diamond™ G-100/150 Laser OEM Manual
4 - 10
circuitry, then the RF amplifier and the laser will not operate when
the test circuit is connected as shown in Figure 4-5. The output of the
RF amplifier can be monitored by observing the ANALOG
FORWARD signal. It should be as shown in Figure 4-6 with peak
voltage of 4.0 V when observed on a oscilloscope.
Output Signal
Waveforms
The output waveforms of the DUTY CYCLE LIMIT, VSWR
LIMIT, DIGITAL FORWARD, and DIGITAL REFLECTED are
shown in Figure 4-6 through Figure 4-10 along with the ANALOG
FORWARD output and the MODULATION input signals. The
ANALOG FORWARD signal is shown to clearly indicate when RF
power is being delivered to the laser tube under a variety of condi-
tions. The first set of waveforms is for normal operation without any
warnings activated and the following three set are warnings in the
active condition. All of these signals are at the noted pinout indi-
cated beside the figure and referenced to ground. An active VSWR
LIMIT is shown in Figure 4-9 and notes that the ANALOG
FORWARD signal shows that the tube is operating at 10% duty
cycle when MODULATION signal is at a 30% duty cycle. A similar
situation is shown in Figure 4-10 for a DUTY CYCLE LIMIT in the
active state. The MODULATION signal is at a 67% duty cycle while
the tube is actually operating at an average of 60% duty cycle.
Similar limiting of the pulse width will also occur when the pulse
width is longer than 1000 µs.
It is recommended to sense the status of the output signals from the
RF amplifier on the trailing edge of the MODULATION signal. All
of the output signals are present for 1 to 5 µs after the MODULA-
TION(+) signal makes the transition from the TTL high to the TTL
low state. There are transient starting conditions that will activate
these warnings. If possible design the monitoring system of the these
warning signals to neglect the first 100 ms of operation after the
laser has been off for a period of time longer than a few seconds.
This will minimize the number of false warnings.

Control Interfaces
4 - 11
Figure 4-6. RF Amplifier Output Signals – Normal Operating Conditions
0
1
2
3
4
5
6
Voltage
0 500 1000 1500
Time (µs)
0
1
2
3
4
5
6
Voltage
0 500 1000 1500
Time (µs)
ANALOG FORWARD
Pin 1 vs Pin 14
Laser ON= TTL High
0
1
2
3
4
5
6
Voltage
0 500 1000 1500
Time (µs)
DIGITAL REFLECTED RF(+)
Pin8 vs Pin 14
DUTY CYCLE LIMIT(+)
Pin 10 vs Pin 14
and
VSWR LIMIT(+)
Pin 11 vs Pin 14
MODULATION(+) signal
Pin 7 vs Pin 14
Laser ON= TTL High
All traces this page for
Pulse width = 100 µs
Pulse period = 300 µs
0
1
2
3
4
5
6
Voltage
0 500 1000 1500
Time (µs)
DIGITAL FORWARD(+)
Pin 9 vs Pin 14

Diamond™ G-100/150 Laser OEM Manual
4 - 12
Figure 4-7. RF Amplifier Output Signals for Active State of DIGITAL REFLECTED
Signal (Failed Condition)
0
1
2
3
4
5
6
Voltage
0 500 1000 1500
Time (µs)
0
1
2
3
4
5
6
Voltage
0 500 1000 1500
Time (µs)
MODULATION(+) signal
Pin 7 vs Pin 14
Laser ON= TTL High
0
1
2
3
4
5
6
Voltage
0 500 1000 1500
Time (µs)
ANALOG FORWARD
Pin 1 vs Pin 14
Laser ON= TTL High
DIGITAL REFLECTED RF(+)
Pin8 vs Pin 14
All traces this page fo
r
Pulse width = 100 µs
Pulse period = 300 µs

Control Interfaces
4 - 13
Figure 4-8. RF Amplifier Output Signals for Active State of DIGITAL FORWARD
Signal (Failed Condition)
0
1
2
3
4
5
6
Voltage
0 500 1000 1500
Time (µs)
MODULATION(+) signal
Pin 7 vs Pin 14
Laser ON= TTL High
0
1
2
3
4
5
6
Voltage
0 500 1000 1500
Time (µs)
ANALOG FORWARD
Pin 1 vs Pin 14
Laser ON= TTL High
DIGITAL FORWARD RF(+)
Pin 9 vs Pin 14
All traces this page for
Pulse width = 100 µs
Pulse period = 300 µs
0
1
2
3
4
5
6
Voltage
0 500 1000 1500
Time (µs)

Diamond™ G-100/150 Laser OEM Manual
4 - 14
Figure 4-9. RF Amplifier Output Signals for Active State of VSWR LIMIT
Signal (Failed Operating Condition)
0
1
2
3
4
5
6
Voltage
0 500 1000 1500 2000
Time (µs)
0
1
2
3
4
5
6
Voltage
0 500 1000 1500 2000
Time (µs)
MODULATION(+) signal
Pin 7 vs Pin 14
Laser ON= TTL High
ANALOG FORWARD
Pin 1 vs Pin 14
Laser ON= TTL High
0
1
2
3
4
5
6
Voltage
0 500 1000 1500 2000
Time (µs)
VSWR LIMIT(+)
Pin 11 vs Pin 14
All traces this page fo
r
Pulse width = 100 µs
Pulse period = 300 µs

Control Interfaces
4 - 15
Figure 4-10. RF Amplifier Output Signals for Active State of DUTY CYCLE LIMIT
Signal (Failed Operating Condition)
0
1
2
3
4
5
6
Voltage
0 500 1000 1500 2000
Time (µs)
MODULATION(+) signal
Pin 7 vs Pin 14
Laser ON= TTL High
ANALOG FORWARD
Pin 1 vs Pin 14
Laser ON= TTL High
0
1
2
3
4
5
6
Voltage
0 500 1000 1500 2000
Time (µs)
0
1
2
3
4
5
6
Voltage
0 500 1000 1500 2000
Time (µs)
DUTY CYCLE LIMIT(+)
Pin 10 vs Pin 14
All traces this page fo
r
Pulse width = 200µs
Pulse period = 300 µs
Diamond™ G-100/150 Laser OEM Manual
4 - 16

Operation
5 - 1
CHAPTER FIVE: OPERATION
Introduction This chapter provides startup and shutdown procedures, and a
description of the Diamond controls, indicators, and interface
connectors.
Startup
Procedure
This procedure assumes that the laser has been installed in accor-
dance with the procedures in Chapter Three, Utility Requirements
and System Installation.
Ensure all personnel in the area are wearing laser safety glasses
appropriate for the wavelengths and power levels produced.
Refer to Chapter Six, Maintenance and Troubleshooting, to resolve
any faults or problems encountered during startup.
Before proceeding, ensure all safety practices are in effect
including those in Chapter Two of this manual, and that the
laser is directed in a safe manner so that the output beam will
not strike an unintended target.
1. Place a suitable power meter head or a beam stop in front of
the laser to block the output beam.
2. Turn on the laser system cooling water. To avoid over-pressur-
ization of the cooling system, open the drain valve before
opening the supply valve. Check the system interlock to ensure
the water flow switch is closed.
Failure to perform the next step could result in the beam exiting
the laser when power is applied.
3. Ensure the laser functions in Table 5-1 are observed.
4. Turn on the facility circuit breaker and facility On/Off switch
if installed.

Diamond™ G-100/150 Laser OEM Manual
5 - 2
5. Turn on the DC power supply. Table A-3 lists pinouts for the
DC power supply. The following should occur:
•The preionizer in the laser head starts.
•The +48 V indicator on the DC power supplies turn on.
6. Enable the RF amplifier by connecting the ENABLE function
to RETURN. From initial cold system wait for a period of 20
seconds after applying DC before applying modulation
command.
7. Turn on the modulation signal. Adjust the output as required.
Refer to the paragraph below entitled, Adjusting the Diamond
Output, for additional information.
Adjusting the
Diamond
Output
The Diamond can operate using various pulse formats which allows
full user control of the output depending on the application. Param-
eters that can be controlled by the operator that affect the output
include:
•Pulse period: 10 µs minimum
(or pulse frequency: 100 kHz maximum)
•Pulse width: 3 to 1000 µs
Varying one or both of these parameters impacts the following
output characteristics:
•Average output power
•Peak pulse power (pulse energy)
•Duty cycle (range: 0 to 60%)
Table 5-1. Laser Turn-on Functions
FUNCTION COMMENT
DC power supply Off
Modulation enable Off. Table 4-2 lists pinouts for the RF amplifier. The RF amplifier is disabled when pin 3 is
not connected to return.
Pulse width 200 µs.
A 200 µs pulse width in combination with a 6000 µs pulse period is recommended for initial
turn-on. This combination should result in 15 to 30 Watts output power.
Pulse period 6000 µs.
A 6000 µs pulse period in combination with a 200 µs pulse width is recommended for initial
turn-on. This combination should result in 15 to 30 Watts output power.

Operation
5 - 3
The total number of possible input parameter variations and the
resulting output is quite large. The following discussion provide
graphs and examples of many of the possibilities:
A graphical definition of the pulse width is shown in Figure 5-1.
During the time interval of the pulse width, the RF power is directed
to the laser head. In the Diamond laser system, the RF frequency is
81 MHz. The pulse width is the time that the RF is turned on and the
pulse period is the time between the leading edges of these repetitive
pulses. Another way to describe the pulse period is the pulse
frequency which is just the inverse of the pulse period. A pulse
period of 1,000 µs corresponds to an operating frequency of
1000 Hz.
In order to have an efficient laser, all the power that is developed by
the RF amplifier must be delivered to the laser tube. In practice, over
95% of the power that is developed by the RF amplifier is delivered
to the laser tube and the remaining power is reflected back toward
the RF power supply. The waveforms of the forward RF voltage
directed to the tube and then reflected are shown in Figure 5-2.
These parameters are important in the function of the Diamond laser
system and they have several related warning functions discussed in
Chapter Four.
In order to adjust the laser power, two different alternatives are
possible and these are shown in Figure 5-3. The center illustration
shows the starting condition with a 100 µs pulse width, a pulse
period of 1000 µs and a typical output of about 40 W. One method
to increase the laser power is to increase the pulse width and leave
the pulse period the same. This is illustrated in the top trace in
Figure 5-3. Under these conditions the pulse width has been
Figure 5-1. Typical Pulse/Modulation
PULSE WIDTH
PULSE PERIOD
81 MHz
DUTY CYCLE = PULSE WIDTH
PULSE PERIOD
X 100%

Diamond™ G-100/150 Laser OEM Manual
5 - 4
A. FORWARD RF
B. REFLECTED RF
Figure 5-2. Laser Tube Forward and Reflected Voltage Waveforms
6000500040003000200010000
0
1
2
3
4
TIME (µs)
RF VOLTAGE
6000500040003000200010000
0
1
2
3
4
TIME (µs)
PULSE WIDTH = 300 µs
PULSE PERIOD = 1000 µs
RF VOLTAGE
Operation
5 - 5
increased to 200 µs and the output power has increased to about
80 W. The other method to increase the laser power, is to decrease
the pulse period while leaving the pulse width the same. The lower
trace of Figure 5-3 shows the reduced pulse period of 500 µs and the
same pulse width of 100 µs. The output power would increase to
about 80 W.
Figure 5-4 and Figure 5-5 show the output power at different pulse
widths for the G-100 and G-150 respectively. Each curve in these
plots represents different pulse periods or operating frequency.
Changing the pulse width has the effect of moving along one of the
lines labeled with a pulse period. Changing the pulse period has the
effect of moving vertically on this chart.
There are a large number of pulse widths and pulse periods that can
deliver the same average output power. The correct pulse parameters
depend on the specific application. Often the effective speed of the
beam on the sample will determine the desired pulse period. As the
speed increases, then the pulse period will need to be decreased.
Often there are other factors such as edge finish which will be
important in selecting both the pulse parameters and the average
operating power for a specific process. As the pulse width is varied,
there are also effects on the peak power available from the laser. The
range of the peak power is illustrated in Figure 5-7. Generally, the
peak power increases as the duty cycle decreases.
The form of the instantaneous output power is shown on
Figure 5-6a. Each laser pulse has a 90 µs rise time to full power and
on the trailing edge a similar 90 µs decay time from full power to no
laser output. For laser pulses of several hundred microseconds dura-
tion, there is little impact on the laser performance due to this rise
and fall time. But for pulses of about 100 µs and less, the actual laser
output is more triangular in shape than square as shown in
Figure 5-6b. The advantage of this characteristic is at the short pulse
periods, the peak processing power decreases due the rise and fall
time. This leads to more process control for many applications. As
the pulse period is reduced for these triangular shaped peaks, the
bases of the triangles merge into each other. This has the effect of
being a quasi CW performance for these short pulse widths. This
effect has been observed for pulse period of 100 µs and a pulse width
of about 50 µs.
The high effective processing power of the Diamond laser results
from its square-wave pulse performance. The primary variables of
the effective processing power are the pulse width and the duty
cycle. Figure 5-7 shows the range of the peak power during a pulse
for various pulse widths. The pulse power is the average power
during a single pulse. Increasing the duty cycle has the effect of
moving vertically down on this graph.

Diamond™ G-100/150 Laser OEM Manual
5 - 6
Figure 5-3. Example of Changing Laser Power
3000200010000
0
1
2
3
4
TIME (µs)
RF POWER (kW)
3000200010000
0
1
2
3
4
TIME (µs)
RF POWER (kW)
3000200010000
0
1
2
3
4
TIME (µs)
RF POWER (kW)
50 WATTS CAN BE ACHIEVED BY
INCREASING THE PULSE WIDTH WHILE
LEAVING THE PULSE PERIOD AT 1000 µs.
50 WATTS CAN BE ACHIEVED BY
DECREASING THE PULSE PERIOD WHILE
LEAVING THE PULSE WIDTH AT 100 µs.
STARTING POWER: 40 WATTS
PULSE WIDTH: 100 µs
PULSE PERIOD: 1000 µs
POWER: 80 WATTS
PULSE WIDTH: 100 µs
PULSE PERIOD: 500 µs
POWER: 80 WATTS
PULSE WIDTH: 200 µs
PULSE PERIOD: 1000 µs

Operation
5 - 7
Figure 5-4. Typical Diamond G-100 Laser Output Power
0 10 20 30 40 50 60 70 80 90 100
Operating Frequency (kHz)
0
20
40
60
80
100
120
140
Output Power (W)
0 200 400 600 800 1000 1200 1400 1600 1800 2000
Pulse Period (µs)
0
20
40
60
80
100
120
140
Output Power (W)

Diamond™ G-100/150 Laser OEM Manual
5 - 8
Figure 5-5. Typical Diamond G-150 Laser Output Power
0 10 20 30 40 50 60 70 80 90 100
Operating Frequency (kHz)
20
40
60
80
100
120
140
160
180
200
Output Power (W)
0 200 400 600 800 1000 1200 1400 1600 1800 2000
Pulse Period (µs)
20
40
60
80
100
120
140
160
180
200
Output Power (W)

Operation
5 - 9
A. PULSE WIDTH: 200 µS, PULSE PERIOD: 500 µS
B. PULSE WIDTH: 50 µS, PULSE PERIOD: 500 µS
Figure 5-6. Instantaneous Laser Output Power G100 Showing Rise and Fall Times
200010000
0
40
80
120
160
TIME (µs)
INSTANTANEOUS OUTPUT POWER
90 µs RISE TIME AND FALL TIME
200010000
0
30
60
90
120
TIME (µs)
INSTANTANEOUS OUTPUT POWER

Diamond™ G-100/150 Laser OEM Manual
5 - 10
A. G-150 PEAK POWER AT 10% AND 60% DUTY CYCLE
B. G-100 PEAK POWER AT 10% AND 60% DUTY CYCLE
Values shown are typical values obtained from a typical Diamond laser with less than 500 hours
of operation. They are not intended to reflect performance for each individual laser.
Figure 5-7. Effective Processing Power vs. Pulse Width
0
50
100
150
200
250
300
350
)
0 100 200 300 400 500 600
Pulse Width (µs)
10% Duty Cycle
60% Duty Cycle
Peak Power (W)
0
25
50
75
100
125
150
175
Peak Power (W)
0 100 200 300 400 500 600
Pulse Width (µs)
10% Duty Cycle
60% Duty Cycle

Operation
5 - 11
Shutdown
Procedure
Failure to perform the next step could result in the beam exiting
the laser when power is applied during turn-on.
1. Set the laser system functions as indicated in Table 5-2. This
step is all that is required for temporary shutdown when oper-
ating in a normal environment. If the humidity is high or for
full system shutdown, complete the following steps.
2. Turn off the facility circuit breaker and facility on/off switch if
installed.
3. Wait approximately 30 seconds for the system to cool down,
then turn off the laser system cooling water.
Table 5-2. Control Unit Settings for Laser Shutdown
CONTROL UNIT SWITCH INDICATION
Output beam Position a beam or suitable power meter to block the output beam.
Modulation Off.
DC power supply Off (the +48 VDC indicator turns off.)
Diamond™ G-100/150 Laser OEM Manual
5 - 12

Maintenance and Troubleshooting
6 - 1
CHAPTER SIX: MAINTENANCE AND
TROUBLESHOOTING
Introduction This chapter contains preventive maintenance procedures, trouble-
shooting, and corrective actions. The electrical interface that these
are based on include the mandatory functions and the recommended
warning functions. Without these functions available in some form,
troubleshooting the laser system is extremely difficult.
This chapter includes troubleshooting procedures for the DC power
supply option provided by Coherent.
To perform the procedures in this chapter, there is potential
access to laser output power. Follow the below listed safety
guidelines:
Safety Guidelines
•Perform the shutdown procedure before performing functions
that will lead to laser output.
•Ensure the laser beam is directed at a power absorber or into a
power meter.
Preventive
Maintenance
Monthly inspection of water and electrical connections will assist in
keeping the laser system in good operating condition.
Water System
Inspection
Inspect water hoses, fittings, and connections for signs of wear, cuts,
nicks, corrosion, or leaks. Water connections are located on the laser
head. In addition, inspect laser system connections to facility water
supply and drain lines. Repair water leaks and replace worn hoses
immediately.
Optics Inspection
and Cleaning
Since the optical train is sealed, periodic inspection and cleaning of
optical components is not required. Periodic maintenance of the
beam delivery optics will be required.

Diamond™ G-100/150 Laser OEM Manual
6 - 2
Purge Gas Filter
Kit (option)
Regular maintenance of the purge gas filter kit is required to ensure
maintaining the required quality of the purge gas entering both the
laser head and the beam delivery optics.
On a weekly basis:
•Inspect filters and gas lines for any sign of leaks or damaged
purge tubing. Repair leaks and replace any damaged purge
tubing.
•The coalescing filters will collect both liquid oil and water and
will automatically discharge this liquid when it reaches a
specific level. Push the float at the bottom of the filter bowl to
make sure that it moves freely.
Every six months:
•Replace filter cartridges in side filter assemblies. Replace
more frequently if required. Remember the DX filter is first
and the BX is the second filter as shown in Figure 3-1. To
change the filter, first turn off the laser and turn off the purge
gas. Remove the bowl of the DX filter and clean out bowl.
Replace the DX filter and replace the bowl. Perform the same
steps now for the BX filter.
Electrical
Inspection
Do not remove the DC power supply cover or covers on the laser
at any time. These units contain no user serviceable components.
Perform the shutdown procedures prior to performing the elec-
trical inspection. Disconnect the DC power supply line cord
from facility power.
•Inspect electrical connections to ensure good contact.
•Also check that wiring and insulation are in good condition,
free of cuts, nicks, and excessive wear. Look for discoloration
on the wire insulation, a sign that excessive heat is building up
in the wire. In addition, inspect the wiring to your connector
and the facility AC hook-up for signs of overheating.
•Inspect electrical connections inside the laser head.
•Ensure the DC connections at both the DC power supply and
at the RF amplifier are securely connected.

Maintenance and Troubleshooting
6 - 3
Troubleshooting Charts 1 through 4 provide troubleshooting flow charts with supple-
mental information referenced to the numbered paragraphs that are
also part of the chart.
When troubleshooting the Diamond laser system, ensure that the
laser output beam will be safely contained.
One practical method to determine power is by using a Coherent
FieldMaster with a head capable of 150 Watts. There are a variety of
manufacturers who can provide power meters. A 100 µs pulse width
and 1000 µs pulse period will provide approximately 30 Watts of
power.
Table 6-1. System Faults and Warning Indications
FAULT INDICATION EXPLANATION/REMEDY
The DIGITAL FORWARD signal (pins 9
and 22) at the RF amplifier DB25
connector is active.
If this condition persists during continuous operation, RF power from
the RF amplifier to the laser tube is lower than a factory set level indi-
cating a potential problem with the RF amplifier. This signal should
be checked 100 ms after starting the modulation signal.
If the problem persists and laser power is low, replace the laser.
The DIGITAL REFLECTED signal
(pins 8 and 21) at the RF amplifier DB25
connector is active.
If this condition persists during continuous operation, reflected RF
power from the laser tube to the RF amplifier is greater than a factory
set level indicating a potential problem with the tube. This signal
should be checked 100 ms after starting the modulation signal.
If the problem persists and laser power is low, replace the laser.
The VSWR LIMIT (pins 11 and 24) at the
RF amplifier DB25 connector is active.
The VSWR LIMIT indicates that the ratio of the reflected RF voltage
to the forward RF voltage has exceeded a preset limit. This typically
indicates a problem with the tube. In some transient starting situa-
tions, the VSWR LIMIT warning will be activated. Check the status
of this signal about 100 ms after starting the modulation signal.
If the problem persists and laser power is low, replace the laser.
The DUTY CYCLE LIMIT (pins 10
and 23) at the RF amplifier DB25
connector is active.
The duty cycle is limited to 60% and the pulse width must be
<1000 µs. Exceeding 60% duty cycle or a pulse width in excess of
1000 µs will cause this function to become active. Increase the modu-
lation pulse period or reduce pulse width to correct this problem.
The OVER TEMPERATURE (pins 4
and 17) at the RF amplifier DB25
connector is active.
The cooling water temperature has exceeded the maximum tempera-
ture of 60°C (140°F). At this point the laser modulation is inhibited
and there is no laser output. Check the water flow rate and decrease
the inlet water cooling temperature. The inlet water temperature
should not exceed a maximum of 35°C (95°F).

Diamond™ G-100/150 Laser OEM Manual
6 - 4
Chart 1. Laser Does Not Start (No Output Beam)
Start
Is 48 VDC at the
input terminals on
laser head?
YES
Is RF amplifier
ENABLED?
(2)
YES
Check input voltage
to DC supply and
enabling of DC
supply.
Enable the RF
amplifier.
NO
NO
Any warning
signals active?
(4)
YES
NO
Is MODULATION
applied to the RF
amplifier?
(3)
YES
Apply modulation
signal.
NO
Refer to Table 6-1.
Return laser head.
Is water flow switch
indicating proper flow
rate?
(1)
YES
Is water flow rate
OK?
(1)
NO
YES
NO
Replace water flow
switch.
Correct water flow
rate to meet
conditions listed in
Table 1-1.

Maintenance and Troubleshooting
6 - 5
Chart 1. Laser Does Not Start (No Output Beam) (Continued)
The numbered paragraphs below are keyed to, and supplement the flowchart for this
chart.
Failure to use the water flow switch to inhibit laser operation when water flow is
below minimum requirement can result in catastrophic damage to the laser and
could result in voiding the warranty.
[1] There are two common methods of determining water flow rate. The simplest and most accurate method
is to install an in-line flow meter in the return line. The alternate method which is described below uses a
calibrated water bucket at the point water enters the drain or returns to closed loop cooling.
If water flow rate is below or only slightly above (+10%) specification, increase the water flow. If water
flow fluctuates, investigate water uses which are connected to your water source. For example, a device
on the same water line may cause a sudden drop in supply water flow.
If the laser system is connected to a closed-loop cooling system, the water flow rate test may not give a
valid result. If the drain back-pressure of the closed-loop system is too high, the water flow rate through
the laser system will not be as high as your measurement indicates. In this case, increase the input pressure
of water going to the laser system or increase diameter of cooling water hoses.
An alternate method for determining if a closed-loop cooling system is causing the problem is to connect
the laser system to a facility water supply to determine if this corrects the problem
[2] Use the ANALOG FORWARD signal as a monitor of the RF amplifier performance. The output is approx-
imately +3 V when the RF amplifier is turned on and should have the same duration as the modulation
pulse width. To enable the RF amplifier, the ENABLE function at pin 3 should be connected to the
RETURN at pin 14.
[3] Use the ANALOG FORWARD signal as a monitor of the RF amplifiers performance. The output is
approximately +3 V when the RF amplifier is turned on and should have the same duration as the modu-
lation pulse width. Ensure that the MODULATION signal to the amplifier is present and that the signal at
ANALOG FORWARD has the same pulse width and pulse period as the MODULATION signal.
[4] Warning signals monitored at the RF amplifier DB25 connector are listed below:
•Digital forward
•Digital reflected
•VSWR limit
•Duty cycle
•Over temperature

Diamond™ G-100/150 Laser OEM Manual
6 - 6
Chart 2. Low Output Power
Start
Verify the output
power. Does output
compare with
performance charts?
(1)
YES
NO
NO
Is DUTY
CYCLE LIMIT
signal active?
(2)
Is VSWR LIMIT
signal active?
(3)
Is DIGITAL
REFLECTED
signal active?
(4)
Is DIGITAL
FORWARD
signal active?
(5)
Adjust modulation
pulse width or pulse
period so that the duty
cycle is less than 60%
or pulse width is less
than 1000 µs.
YES
Replace laser
using the
procedures in
this chapter.
YES YES
Check DC power
supply for +48 V.
Is output OK?
(6)
Replace laser
using the
procedures in
this chapter.
Replace laser
using the
procedures in
this chapter.
YES
NO NO NO
Replace DC power
supply using the
procedures located in
this chapter.
YES
Verify output beam
mode.
Mode OK?
(7)
End
YES
End
NO
Is beam shaping unit
damaged. NO
Replace laser using the
procedures located in
this chapter.
YES
Replace beam shaping
unit using the
procedures located in
this chapter and
reinstall as described
in Chapter Three.

Maintenance and Troubleshooting
6 - 7
Chart 2. Low Output Power (Continued)
The numbered paragraphs below are keyed to, and supplement the flowchart for this
chart.
[1] The following must be considered when evaluating system output:
•An accurate power meter capable of handling the output power must be used. The power meter should
be verified using a known good source or be calibrated on a periodic basis.
•Note that output power may degrade with tube age. For example, a tube with 4000 operating hours
may not have the same output power as the same tube with 300 hours.
[2] The DUTY CYCLE LIMIT indicates that the selected duty cycle exceeds 60% or the selected pulse width
is greater than 1000 µs. Correct the problem by reducing the pulse width or increasing the pulse period.
[3] The VSWR LIMIT indicates that the ratio of the reflected RF voltage to the forward RF voltage has
exceeded a preset limit. In some transient starting situations, the VSWR LIMIT warning will be activated.
Check the status of this signal about 100 ms after starting the modulation signal. If the warning signal
persists during stable operation and laser power is low, replace the laser using the procedures in this
chapter.
[4] When the DIGITAL REFLECTED signal at the RF amplifier DB25 connector is active during continuous
operation, reflected RF power from the laser tube to the RF amplifier is greater than a factory set level
indicating a potential problem with the tube. This signal should be checked 100 ms after starting the modu-
lation signal.
[5] When the DIGITAL FORWARD signal at the RF amplifier DB25 connector is active during continuous
operation, RF power from the RF amplifier to the laser head is lower than a factory set level indicating a
potential problem with the RF amplifier. This signal should be checked 100 ms after starting the modula-
tion signal.
[6] Measure the output of the DC power supply across the lugs on the RF amplifier. Refer to Figure 4-8 for
the location of the lugs. If the LED on one of the DC power supplies is not lit, that power supply is not
producing full power. Replace the DC power supply to achieve full power operation.
[7] Check mode quality as follows:
•Turn off modulation to the laser.
•A low output power setting (200 µs pulse width, 6000 µs pulse period) of 15 to 20 Watts is recom-
mended.
•Position a mode card approximately 3 meters in front of the output beam. A thermal image plate can
also be used to inspect mode.
•Apply a single modulation pulse to the laser. The output beam will mark the mode card. Inspect the
card for asymmetric mode.
If there are rings or partial rings surrounding the central beam, the laser beam is misaligned to the
optical system and might require re-alignment. Re-alignment is a factory procedure which requires
the system to be returned to Coherent.

Diamond™ G-100/150 Laser OEM Manual
6 - 8
Chart 3. Unstable Output Power
Start
NO
Is DUTY
CYCLE LIMIT
signal active?
(1)
Is any other
warning
function
active?
(2)
Adjust modulation
pulse width or pulse
period so that the duty
cycle is less than 60%
or pulse width is less
than 1000 µs.
DUTY CYCLE LIMIT
signal active?
YES
Are input
parameters
within the
range shown in
Figure 5-6?
Check DC power
supply output voltage
with laser on.
Is output voltage stable
to ± 0.5 V.
(3)
Replace laser
using the
procedures in
this chapter.
Adjust
parameters.
YES
NO NO
Replace DC power
supply using the
procedures located in
this chapter.
YES
Is the inlet cooling
water temperature
between 10°C and
35°C and stable within
±2°C?
(4)
YES
End
NO
Correct the condition
causing the cooling
water temperature
fluctuations.
A
NO
Is modulation
source free of
noise, spikes,
and other
instabilities?
Replace
modulation
source.
NO
YES
YES
Replace laser
using the
procedures in
this chapter.
Output power
stable?
NO NO
A
YES
YES
Replace laser
using the
procedures in
this chapter.

Maintenance and Troubleshooting
6 - 9
Chart 3. Unstable Output Power (Continued)
The numbered paragraphs below are keyed to, and supplement the flowchart for this
chart.
[1] The DUTY CYCLE LIMIT signal can be monitored at pins 10 (+) and 23 (–) at the RF amplifier DB25
connector. When this signal is active, the modulation selected is >60% or the pulse width exceeds 1000 µs.
Reduce the duty cycle to <60% to or reduce the pulse width to <1000 µs to eliminate this problem. Reduce
the duty cycle by lowering the pulse width or pulse period settings, or by lowering a combination of both
settings.
[2] The VSWR LIMIT indicates that the ratio of the reflected RF voltage to the forward RF voltage has
exceeded a preset limit. This typically indicates a problem with the tube. In some transient starting situa-
tions, the VSWR LIMIT warning will be activated. Check the status of this signal about 100 ms after
starting the modulation signal. If the warning signal persists during continuous operation, and the laser
power is low or unstable, return the laser to Coherent using the procedures in this chapter.
When the DIGITAL FORWARD signal at the RF amplifier DB25 connector is active during continuous
operation, RF power from the RF amplifier to the laser head is lower than a factory set level indicating a
potential problem with the RF amplifier. This signal should be checked 100 ms after starting the modula-
tion signal. If the warning signal persists during continuous operation, and the laser power is low or
unstable, return the laser to Coherent using the procedures in this chapter.
When the DIGITAL REFLECTED signal at the RF amplifier DB25 connector is active during continuous
operation, reflected RF power from the laser tube to the RF amplifier is greater than a factory set level
indicating a potential problem with the tube. This signal should be checked 100 ms after starting the modu-
lation signal. If the warning signal persists during continuous operation, and the laser power is low or
unstable, return the laser to Coherent using the procedures in this chapter.
[3] Measure the output of the DC power supply across the terminals labeled +48 VDC and 48 VDC RETURN
on the laser head. Refer to Figure 4-4 for the location of the lugs. Operate laser over a range of duty cycles
from 10% to 59%.
[4] There are two common methods of determining water temperature. A simple, economical, and most accu-
rate method is a multi meter temperature accessory attached to a water hose fitting. The alternate method
which is described below consists of touching the inlet water hose.
Check inlet water temperature by touching the cooling water inlet hose attached to the laser head. If the
hose is warm to the touch, inlet water may be too hot for the system to turn on, or the system may shut
down after a short operating period. Request that facilities personnel correct this problem. Refer to the
specifications for correct inlet water temperature.

Diamond™ G-100/150 Laser OEM Manual
6 - 10
Chart 4. Degraded Mode Quality
Start
Verify mode
quality.
Mode good?
(1)
Any warning
functions
active?
YES
Are input
parameters
within the
range shown in
Figure 5-6?
Replace laser
using the
procedures in
this chapter.
NO NO
End
YES
Correct input
parameters.
NO
Is beam
shaping unit
installed
correctly. See
Chapter Three.
Install as per
instruction in
Chapter Three
(2)
NO
YES
YES
Replace laser
using the
procedures in
this chapter.

Maintenance and Troubleshooting
6 - 11
Chart 4. Degraded Mode Quality (Continued)
The numbered paragraphs below are keyed to, and supplement the flowchart for this
chart.
[1] Check mode quality as follows:
•Turn off modulation to the laser.
•A low output power setting (200 µs pulse width, 6000 µs pulse period) of 15 to 20 Watts is recom-
mended.
•Position a mode card approximately 3 meters or more in front of the output beam. A thermal image
plate can also be used to inspect mode.
•Apply a single modulation pulse to the laser. The output beam will mark the mode card.
If there are rings or partial rings surrounding the central beam, the laser beam is misaligned to the
optical system and might require re-alignment.
[2] The location of the beam shaper and beam expander units are factory set to ensure the laser output is
pointing in a specific direction. No adjustment is required. Likewise the beam expander option is factory
set to give a minimized beam divergence. However should the separation of the two lens expander optics
have been adjusted the expander second lens can be moved by rotating the final lens barrel either in or out.
After loosening the lock nut. tighten the lock nut once a satisfactory location has been found.
Note: Ensure that the laser is switched OFF while any adjustment to the lens position
is made.
Diamond™ G-100/150 Laser OEM Manual
6 - 12
Replacement
Procedures
[ ] Call your local representative or Coherent service for an
RMA number to purchase or obtain a replacement laser or
beam shaper/beam expander.
[ ] If damage is limited to the beam shaper or expander units
only, remove and package the unit in the original shipping
box and return independent of laser. Complete the failure
description form.
[ ] Alternatively, if laser is damaged, complete the failure
description form.
[ ] Shut down laser in accordance with Chapter Five.
[ ] Ensure all water and electrical inputs are shut down.
[ ] Disconnect the control line (25 pin cable)
[ ] Disconnect the 48 VDC input line.
[ ] Disconnect the water lines and if available, blow out the
water input lines with compressed air. This ensures that the
internal water lines will not freeze during shipping.
[ ] Return the laser and package in the original shipping box. It
is important for Coherent to receive the laser without any
additional damage caused by shipping or mishandling.

DC Power Supply Option
A - 1
APPENDIX A: DC POWER SUPPLY OPTION
Introduction The DC power supply detailed in this appendix has been specially
designed to provide the peak current required by the G-100 and
G-150 lasers. The peak current required by the lasers are often a life
limiting factor for typical DC power supplies designed to provide
the average current requirements of the laser. This appendix
provides the details for mounting, connecting input power, and
controlling the DC power supply.
Input Power
Connections
The input power connections to the DC power supply require three
wires of the size given in Table A-1. Remove the cover over the
input power terminals and connect the wires as indicated by the
labels.
Table A-1. Specifications for DC Power Supply Option
PARAMETER SPECIFICATION
GUARANTEED PERFORMANCE G-100 G-150
ELECTRICAL REQUIREMENTS FOR OPTIONAL DC POWER SUPPLY
Input voltage 200-240 VAC Single Phase
Input current (maximum) 15 Amps
Recommended fuse or circuit breaker 20 Amps
Line frequency 50 to 60 Hz, Power-factor corrected
Wire gauge (minimum) 12 AWG
Wire cross sectional area (minimum) 3.3 mm2
Maximum air inlet temperature (filtered air recommended) 40°C (104°F)
WEIGHT
Optional DC Power Supply 17.2 pounds (7.8 kg)

Diamond™ G-100/150 Laser OEM Manual
A - 2
Output Power
Connections
The terminal bar on the DC power supply labeled “V1 +” should be
connected to the laser head at the terminal labeled “+48 VDC”. The
terminal bar labeled “V1 –” should be connected at the laser to the
terminal labeled “48 V RTN”. The wires should be the correct diam-
eter to carry the average laser current specified in Table 1-1. The
maximum recommended length of the wires is 18 inches. Twisting
the wires together minimizes inductance in the wires and provides
for optimum operation of the laser.
With customer supplied DC system it is recommended that the 48
VDC return terminal be connected to the ground terminal of the
input power terminals
Figure A-1. DC Power Supply Option Dimensions and Mounting Locations

DC Power Supply Option
A - 3
1. Control cable connector
2. 48 VDC return
3. +48 VDC output
4. Cooling air exhaust
5. Input power terminals
6. Ground
Note: It is recommended that the 48 VDC return to ground terminal of the input power terminal.
Figure A-2. DC Power Supply Option Indicators and Connectors
123
54
6
N
L

Diamond™ G-100/150 Laser OEM Manual
A - 4
DC Power
Supply Control
Connections
There is a DB25 pin connector on all the DC power supplies. The
function of the various terminals of the 25 pin connector is shown in
Table A-3. Note that only the functions shown in the schematic
Figure A-3 need to be used to turn on the +48 V from these supplies.
Connecting the REMOTE ENABLE (pin 8) and +5 V LOGIC
(pin 5) in the 25 pin cable assembly will cause the DC power
supplies to turn on. These leads can be tied into the main interlock
circuit of the end users system. One suggestion is to connect this
output in series with the water flow switch contacts as part of an
interlock system. It can provide up 50 mA of current at 5 VDC and
is on as soon as the AC power is applied. Note that if an over-current
or over-voltage situation occurs, the DC supplied must have the AC
input power turned off and then back on to reset the DC supply and
also reset the +5 V logic voltage.
Table A-2. DC Power Supply Option Indicators and Connectors
ITEM CONTROL FUNCTION
1Control cable connector Provides for control and monitoring of the DC power supply using a DB25
connector. Refer to Table 4-3 for a list of signals.
248 VDC return 48 V return. Connect to lug labeled FROM DC SUPPLY (–) on the RF
amplifier.
3+48 VDC output Provides a +48 VDC output. Output current from the DC power supply is
62 Amps. Connect to RF amplifier at lug labelled FROM DC SUPPLY +.
4Cooling air exhaust Provides cooling air for the DC power supply. No other cooling is
required. Cooling fans must not be obstructed in installation.
Inlet is at rear of DC supply
5Input power terminals Connect input power lines here. Replace cover after making connections.
6Ground Connect the ground wire of the input power here.

DC Power Supply Option
A - 5
Table A-3. DC Power Supply DB25 Connector Pinouts
PIN NUMBER FUNCTION DESCRIPTION
5+ 5 V logic 5 V, 50 milliampere source for external use.
Referenced to logic common, pin 20. This voltage turns on when AC
power is applied to the DC power supply.
8Remote enable DC power supply enable signal. Connecting +5 V from pin 5 enables
the DC power supply. No connection disables the power supply.
9Enable return Return external enable signal used when
10 Current monitor Analog output proportional to output current. 5.0 Volts full scale.
Linear over 10 to 100% load.
11 margin reference Provides for a 5% increase in output voltage.
12 Margin Used in conjunction with pin 11 for +5% or –5% margin.
15 –V sense Provides for local or remote voltage sensing.
16 + V sense Provides for local or remote voltage sensing.
20 Logic common Logic power common for pin 5.
Figure A-3. DC Power Supply Control Connections
DC
SUPPLY
5
8
SWITCH IN SYSTEM
INTERLOCK OR
SAFETY CIRCUIT
Diamond™ G-100/150 Laser OEM Manual
A - 6
Diamond G-100i
B - 1
APPENDIX B: DIAMOND G-100i
This appendix details the specifications of the Diamond G-100i laser
with output at 9.4 mm. Beyond this primary difference, there are
very little differences to the Diamond G-100. Coherent has devel-
oped this laser to meet the needs of the material processing applica-
tions that have better material interaction than the standard Diamond
G-100 laser. The following tables shows the output specification
while all the utility requirements are the same as the Diamond G-100
as presented in Table 1-1.
Note that the pulse rise and fall time is faster for the G-100i than for
the Diamond G-100. In some applications especially involving high
line or surface speeds this could be an important improvement in
performance.

Diamond™ G-100/150 Laser OEM Manual
B - 2
Table B-1. Diamond G-100i Specifications
PARAMETER SPECIFICATION
GUARANTEED PERFORMANCE
Average output power (1) 100 watts
M2—transverse mode quality <1.5
Power range(1) 10 to 100 watts
Pulse frequency range 0 -100 kHz
System life time (2) 1 year
TYPICAL PERFORMANCE
Peak effective power 100 to 275 watts
Optical pulse rise time < 90 µs
Optical pulse fall time < 80 µs
Pulse energy range 10 to 200 mJ
Pulse period (minimum) 10 µs
Modulation pulse width range 2 to 1000 µs
Output power stability (3) < ± 8%
Beam waist diameter (1/e2)1.8 ± 0.6 mm
Beam divergence (full angle) 11 ± 0.9 mrad
Beam pointing stability(4) < 200 µrad
Beam ellipticity 2:1
Beam polarization (parallel to baseplate) Linear > 100 : 1
Wavelength 9.4 ± 0.3 µm
Tube shelf life > 1 year
The above specifications subject to change without notice
(1) Guaranteed at 500 µs pulse width at 60% duty cycle with the inlet cooling water temperature at 25°C. Allow a
1%/°C power derating for inlet cooling water temperature to a temperature of 35°C.
(2) See Appendix D for the full system warranty.
(3) Measured as ±(Pmax – Pmin)/2Pmax from a cold start at 25°C for the output power range for pulse width > 2 µs.
(4) Full angle within a ± 5°C inlet cooling water temperature range.

Diamond G-100i
B - 3
Figure B-1. Typical Laser Output Power as a Function of Pulse Period
for Different Duty Cycles
Figure B-2. Typical Laser Output Power as a Function of Pulse Repetition Frequency
for Different Duty Cycles
10
20
30
40
50
60
70
80
90
100
110
120
130
0 200 400 600 800 1000 1200 1400 1600 1800 2000
Pulse Period [us]
60%
Duty Cycle
50%
40%
30%
20%
10%
10
20
30
40
50
60
70
80
90
100
110
120
130
0 1020 3040 5060 7080 90100
Repetitio n Frequency kHz
60%
Duty Cycle
50%
40%
30%
20%
10%
Diamond™ G-100/150 Laser OEM Manual
B - 4

Parts List
C - 1
APPENDIX C: PARTS LIST
The following parts can be ordered by contacting Coherent
Customer Service at 1-800-367-7890 (within USA) or
1-408-764-4557 (outside USA) or your local Coherent representa-
tive.
Table C-1. Parts List
DESCRIPTION PART NUMBER
G-100 Laser 0170-996-00
G-150 Laser 1013456
Beam shaping assembly G-150 1049515
Beam expander assembly G-150 1049516
Alternative Foot support
– Does not support beam shaping or expander assembly (one of each is necessary)
0171-249-00
0171-250-00
DC power supply (option) 1042309
G-100i Laser 0176-571-00
Laser purge filter kit (option) 0174-849-00
Replacement DX filter element 2603-0152
Replacement BX filter element 2603-0153
Additional Teflon tubing (specify length required) 2521-0210
Diamond™ G-100/150 Laser OEM Manual
C - 2
Warranty
D - 1
APPENDIX D: WARRANTY
Diamond Laser
Warranty
Coherent, Inc. warrants to the original purchaser that the Diamond
laser system conforms to the specifications published by Coherent
and is free from defects in materials and workmanship.
For specific warranty terms and conditions for your Diamond laser
system, refer to your sales contract.
Diamond Laser systems are warranted for parts and labor for a
period of fifteen (15) months. Warranty begins from the date of ship-
ment.
Diamond Laser systems do not include installation in the purchase
price.
Conditions of
Warranty
For warranty service requiring the return of any product to Coherent,
the product must be returned to a service facility designated by
Coherent. The Buyer is responsible for all shipping charges, taxes
and duties.
Parts replaced under warranty shall become the property of Coherent
and must be returned to Coherent, Inc., Santa Clara, or to a facility
designated by Coherent. All laser systems must be carefully packed
in a suitable shipping container(s). Coherent does not assume
responsibility for components broken in shipment due to improper
packaging or handling. The Buyer will be obligated to issue a
purchase order for the value of the replaced parts and Coherent will
issue credit when the parts are received.
Responsibilities
of the Buyer
Damage to the Diamond laser caused by failure of Buyer's utilities
or the Buyer's failure to maintain an appropriate operating environ-
ment, is solely the responsibility of the Buyer and is specifically
excluded from any warranty.
The Buyer is responsible for prompt notification to Coherent of any
claims made under warranty. In no event will Coherent be respon-
sible for warranty claims later than seven (7) days after the expira-
tion of the warranty.
Diamond™ G-100/150 Laser OEM Manual
D - 2
Limitations of
Warranty
The foregoing warranty shall not apply to defects resulting from:
1. Components or accessories with separate warranties manufac-
tured by companies other than Coherent.
2. Improper or inadequate maintenance by Buyer.
3. Buyer-supplied interfacing.
4. Operation outside the environmental specifications of the
product.
5. Improper site preparation and maintenance.
6. Unauthorized modification or misuse.
Coherent assumes no responsibility for customer-supplied material.
The obligations of Coherent are limited to repairing or replacing,
without charge, equipment that proves to be defective during the
warranty period. Replacement systems may contain reconditioned
parts. Repaired or replaced parts are warranted for the duration of
the original warranty period only. This warranty does not cover
damage due to misuse, negligence or accidents, or damage due to
installations, repairs or adjustments not specifically authorized in
writing by Coherent.
Glossary
Glossary - 1
GLOSSARY
% Percent
1/e2Beam diameter parameter = 0.13534
°C Degrees centigrade or Celsius
°F Degrees Fahrenheit
µm Micrometers = 10-6 meters
µrad Microradians = 10-6 radians
µsec Microseconds = 10-6 seconds
ΩOhms
AC Alternating current
Amp Amperes
BNC Type of connector
CaCO3Calcium carbonate
CDRH Center for Devices and Radiological Health (U.S. Government)
CFR Code of Federal Regulation
cm Centimeters = 10-2 meters
CO2Carbon dioxide
DC Direct current
DVM Digital voltmeter
FPT Female pipe thread
gpm U.S. Gallons per minute
hex Hexagon
Hz Hertz or cycles per second (frequency)
kg Kilograms = 103 grams
kHz Kilohertz = 103 hertz
kPa Kilopascals = 103 pascals
kV Kilovolts = 103 volts
kW Kilowatts = 103 watts
LED Light emitting diode
lpm Liter per minute
mA Milliamperes = 10-3 Amperes
mg Milligrams = 10-3 grams
MHz Megahertz = 106 Hz
mJ Millijoules = 10-3 Joules
mm Millimeters = 10-3 meters
mrad Milliradians = 10-3 radians (angle)
ms Milliseconds = 10-3 seconds
mW Milliwatts = 10-3 Watts (power)
N2Nitrogen
Diamond™ G-100/150 Laser OEM Manual
Glossary - 2
nm Nanometers = 10-9 meters (wavelength)
NPT American national standard taper pipe thread (American National
Standards Institute, B2-1-1968)
ØPhase
PE Protective Earth
psi Pounds per square inch
RF Radio frequency
RMS Root mean square (effective value of a sinusoidal wave)
STD Standard
TTL Transistor-to-transistor logic
UV Ultraviolet
VVolts
VAC Volts alternating current
VDC Volts direct current
VSWR Voltage, standing wave ratio
W Watts
Index
Index - 1
INDEX
A
Ambient temperature 1-3
C
Compliance to standards relevant to CE mark 2-5
Connections
DC power 3-13
Electrical cables 3-5
Water lines 3-5, 3-13
Control interfaces 4-1
Cooling water 3-1
Flow rate 1-3
Temperature 1-3
D
DB25 connector pinouts 4-3
DC power connections 3-13
DC power supply option A-1
Control connections A-4
Dimensions and mounting locations A-2
Electrical requirements A-1
Indicators and connectors A-3
Specifications A-1
Description 1-1
Drive circuit for RF amplifier 4-2
E
Effective processing power
vs. pulse width 5-10
Electrical
Inspection 6-2
Requirements 3-1
DC power supply option A-1
Safety 2-3
Laser head 2-3
Emission, radiated compliance 2-4
Environmental 1-3
Ambient temperature 1-3
Operating altitude 1-3
Relative humidity 1-3
Tube gas consumption 1-3
Equipment required for installation 3-6
Example of changing laser power 5-6
F
Fault indication 6-3
G
Guaranteed performance 1-2
Average output power 1-2
M2 - transverse mode quality 1-2
System warranty time 1-2
Tube shelf life 1-2
H
Humidity 3-3, 3-4
I
Input circuit 4-4
Input power connections A-1
Input signals 4-2
Requirements 4-1
Installation 3-5
Equipment required 3-6
Mounting hardware locations 3-8, 3-11
Preparing the facility for 3-5
Receiving inspection 3-5
Unpacking 3-5
Interface for test function 4-9
Interference
Potential of the system 2-4
Simple measures to correct 2-4
Interlock safety 2-4
L
Laser head 1-4
Diagram 1-5
Dimensions 3-8, 3-11
Electrical requirements 1-3
DC input voltage 1-3
Maximum DC current 1-3
Peak current 1-3
Indicators and connectors 3-14, 3-15
Mounting hardware details 3-9
Preionizer 1-6
Tube 1-4
Resonator structure 1-5
Laser output power
G-100 5-7
G-150 5-8
Laser safety (see Safety) 2-1
Laser system 1-1
Mounting components 3-7
Laser tube forward 5-4
Line drivers 4-5
M
Main power disconnect 3-1
Maintenance 6-1
Preventive 6-1
System 2-4
Diamond™ G-100/150 Laser OEM Manual
Index - 2
Monitoring circuit example 4-7
Mounting laser system components 3-7
O
Operation 5-1
Optical safety 2-1
Optics inspection and cleaning 6-1
Option
DC power supply A-1
with single phase AC input 3-1
Output
Adjusting 5-2
Circuit of RF amplifier 4-6
Power connections A-2
Signal description 4-7
Signal recommendation 4-4
Signal waveforms 4-10
Signals 4-2
P
Processing power
Effective, vs. pulse width 5-10
Pulse width
vs. effective processing power 5-10
Purpose of this manual 1-1
R
Radiated emission compliance 2-4
Recommended minimum inlet cooling water
temperature 3-3, 3-4
Reflected voltage waveforms 5-4
Replacement procedures 6-12
Requirements
Cooling water 1-3
Electrical
DC power supply A-1
DC power supply option 3-1
Laser head 1-3, 3-1
Input signals 4-1
Safety 2-3
Utility 1-2, 3-1
RF amplifier
Control connector interface 4-1
Features 1-6
Normal operating conditions 4-11
Room temperature 3-3, 3-4
S
Safety
Electrical 2-3
Laser head 2-3
Guidelines 6-1
Interlocks 2-4
Optical 2-1
Requirements 2-3
Selecting the correct cooling water temperature 3-2
Shutdown procedure 5-11
Simplified system block diagram 1-4
Specifications 1-1, 1-2
DC power supply option A-1
Dimensions and mounting Locations A-2
Indicators and connectors A-3
Startup
Laser turn-on functions 5-2
Procedure 5-1
System
Faults 6-3
Installation (see Installation) 3-1
Interference potential of 2-4
Maintenance 2-4
T
Temperature
Ambient 1-3
Cooling water 1-3
Test function operation 4-9
Troubleshooting 6-1, 6-3
Degraded mode quality 6-10
Laser does not start (no output beam) 6-4
Low output power 6-6
Unstable output power 6-8
Typical drive circuit 4-5
Typical laser output power
G-100 5-7
G-150 5-8
Typical monitoring circuit 4-8
Typical performance 1-2
Average power range 1-2
Beam divergence 1-2
Beam ellipticity 1-2
Beam pointing stability 1-2
Beam polarization 1-2
Beam waist diameter 1-2
Modulation pulse width range 1-2
Optical pulse rise and fall time 1-2
Output power stability 1-2
Peak effective power 1-2
Pulse energy range 1-2
Pulse period (minimum) 1-2
Wavelength 1-2
Typical pulse/modulation 5-3
U
U.S. export control laws compliance -vii
Unpacking the laser system 3-5
Utility requirements 1-2, 3-1
W
Warning indications 6-3
Warranty D-1
Conditions of D-1
Limitations of D-2
Responsibilities of the buyer D-1
Index
Index - 3
Water 1-3
Cooling 3-1
Cooling water flow rate 1-3
Cooling water hardness 1-3
Cooling water temperature 1-3
Hardness 1-3
Heat load 1-3
Inlet pressure 1-3
Line connections 3-13
Particulate size 1-3
pH 1-3
Pressure differential 1-3
System inspection 6-1
Wavelength 1-2
Weight 1-3
Laser head and RF Amplifier 1-3
Optional DC power supply with line filter A-1
Diamond™ G-100/150 Laser OEM Manual
Index - 4
Diamond™ G-100/150 Laser OEM Manual
© Coherent, Inc., 04/2003, Printed in the U.S.A.
Coherent Part Number 1040186, RevAA